Caterpillar Taurus 70 Users Manual Compressor Set & Mechanical Drive
2015-02-05
: Caterpillar Caterpillar-Taurus-70-Users-Manual-536177 caterpillar-taurus-70-users-manual-536177 caterpillar pdf
Open the PDF directly: View PDF
.
Page Count: 83
- 1 Introduction
- 2 Taurus 70 Gas Turbine Mechanical Drive
- 3 Taurus 70 Gas Turbine
- 4 Solar Compressor Set Packages
- 5 Mechanical Drive Packages
- 6 Gearbox
- 7 Start System
- 8 Fuel System
- 9 Lubrication System
- 10 Turbotronic 4 Control System
- 11 Control and Monitoring
- 12 Enclosure
- 13 Air Inlet System
- 13.1 General Description
- 13.1.1 Prefilter and Barrier Inlet Air Filter
- 13.1.2 Self-Cleaning Barrier Type Air Filter
- 13.1.3 Marine / Offshore-High Velocity Type Air Filter
- 13.1.4 Offshore / Coastal Medium Velocity Type Air Filter
- 13.1.5 Insect Screens (Optional
- 13.1.6 Air Inlet Gas Detection
- 13.1.7 Air Inlet Silencer
- 13.1.8 Air Inlet Ducting and Support
- 13.1 General Description
- 14 Exhaust System
- 15 Accessory Equipment
- 16 Marinization
- 17 Quality Assurance and Testing
- 18 Preservation, Installation, and Documentation
- 19 Certification
- 20 Support Services

TAURUS 70
Turbomachinery Package Specification
Oil & Gas Applications
Compressor Set and
Mechanical Drive

TURBOMACHINERY PACKAGE
SPECIFICATION
TaurusTM 70 Compressor Set and
Mechanical Drive
Solar Turbines Incorporated
P.O. Box 85376
San Diego, CA 92186-5376
Caterpillar is a trademark of Caterpillar Inc. Solar, Taurus, SoLoNOx, and Turbotronic are trademarks of Solar Turbines
Incorporated. All other trademarks, service marks, or registered trademarks appearing in this specification are the
intellectual property of their respective companies. Specifications are subject to change without notice.
Direct customers of Solar Turbines Incorporated that receive this Turbomachinery Package Specification directly from
Solar Turbines Incorporated may make limited copies of parts of this specification for use in the creation of their own
specification documents. However, such customers shall not distribute any part of this Turbomachinery Package
Specification outside their own organizations for any other purpose. Any other use without the permission of Solar
Turbines Incorporated is strictly prohibited.
© 2009 Solar Turbines Incorporated. All rights reserved. TPS70CSMD/309

Turbomachinery Package Specification Taurus 70 Compressor Set and Mechanical Drive
Table of Contents
1 INTRODUCTION.....................................................................................................................5
1.1 General Description........................................................................................................5
1.2 Overview.........................................................................................................................5
1.3 Terminology....................................................................................................................5
2 TAURUS 70 GAS TURBINE MECHANICAL DRIVE .............................................................6
2.1 General Description........................................................................................................6
2.2 Package Description ......................................................................................................6
3 TAURUS 70 GAS TURBINE.................................................................................................10
3.1 General Description......................................................................................................10
4 SOLAR COMPRESSOR SET PACKAGES .........................................................................13
4.1 Compressor Set Packages...........................................................................................13
4.2 Solar Gas Compressors...............................................................................................13
5 MECHANICAL DRIVE PACKAGES.....................................................................................18
5.1 Mechanical Drives........................................................................................................18
6 GEARBOX ............................................................................................................................20
6.1 General Description......................................................................................................20
7 START SYSTEM...................................................................................................................22
7.1 General Description......................................................................................................22
7.2 Direct-Drive AC Start System.......................................................................................22
7.3 Pneumatic Start System (Optional)..............................................................................25
8 FUEL SYSTEM .....................................................................................................................26
8.1 General Description......................................................................................................26
9 LUBRICATION SYSTEM......................................................................................................29
9.1 General Description......................................................................................................29
10 TURBOTRONIC 4 CONTROL SYSTEM ..............................................................................34
10.1 General Description......................................................................................................34
10.2 System Architecture .....................................................................................................34
10.3 Component Descriptions..............................................................................................36
10.4 System Monitoring and Control Functions ...................................................................37
10.5 TT4000 Display and Monitoring System ......................................................................39
11 CONTROL AND MONITORING ...........................................................................................44
11.1 General Description......................................................................................................44
12 ENCLOSURE........................................................................................................................47
12.1 General Description......................................................................................................47
12.2 Standard Features........................................................................................................48
12.3 Optional Features.........................................................................................................50
13 AIR INLET SYSTEM .............................................................................................................54
13.1 General Description......................................................................................................54
14 EXHAUST SYSTEM..............................................................................................................60
14.1 General Description......................................................................................................60
14.2 Turbine Exhaust Heat Recovery System .....................................................................60
15 ACCESSORY EQUIPMENT .................................................................................................62
15.1 Battery Charger System...............................................................................................62
15.2 Turbine Cleaning System.............................................................................................62
16 MARINIZATION ....................................................................................................................65
16.1 General Description......................................................................................................65
© 2009 Solar Turbines Incorporated. All rights reserved. TPS70CSMD/309
2

Turbomachinery Package Specification Taurus 70 Compressor Set and Mechanical Drive
17 QUALITY ASSURANCE AND TESTING .............................................................................67
17.1 Quality Assurance ........................................................................................................67
17.2 Testing..........................................................................................................................67
18 PRESERVATION, INSTALLATION, AND DOCUMENTATION...........................................70
18.1 General Description......................................................................................................70
18.2 Preservation .................................................................................................................70
18.3 Site Requirements........................................................................................................71
18.4 Mechanical Installation.................................................................................................71
18.5 Documentation .............................................................................................................71
19 CERTIFICATION...................................................................................................................73
19.1 General Description......................................................................................................73
19.2 National Electrical Code...............................................................................................73
19.3 Canadian Electrical Code.............................................................................................73
19.4 Conformité Européenne Mark ......................................................................................74
19.5 International Electrotechnical Commission Safety Assessment ..................................75
19.6 Offshore Marine Applications .......................................................................................75
19.7 Summary ......................................................................................................................76
20 SUPPORT SERVICES..........................................................................................................77
20.1 Construction Services ..................................................................................................77
20.2 Customer Services .......................................................................................................77
20.3 Contract Power and Leasing Services .........................................................................78
20.4 Solar’s Worldwide Locations ........................................................................................78
CONVERSION CHART..................................................................................................................79
LIST OF ABBREVIATIONS...........................................................................................................80
© 2009 Solar Turbines Incorporated. All rights reserved. TPS70CSMD/309
3

Turbomachinery Package Specification Taurus 70 Compressor Set and Mechanical Drive
Table of Figures
Figure 1. Typical Taurus 70 Gas Turbine Mechanical Drive......................................................6
Figure 2. Typical Taurus 70 Mechanical Drive Service Connections ........................................7
Figure 3. Typical Taurus 70 Two-Shaft Gas Turbine...............................................................10
Figure 4. Typical Combustion Process ....................................................................................11
Figure 5. Compressor Set with Taurus 70 Solar Compressor.................................................13
Figure 6. Cutaway Diagram of a Solar Gas Compressor ........................................................14
Figure 7. Cross Section of a Solar Gas Compressor...............................................................14
Figure 8. Typical Gearbox........................................................................................................20
Figure 9. Typical Direct-Drive AC Starter Motor and Variable Frequency Drive .....................23
Figure 10. Typical Direct-Drive AC Start System.......................................................................23
Figure 11. Typical Pneumatic Start System...............................................................................25
Figure 12. Typical Fuel System Schematic................................................................................26
Figure 13. Typical Lube Oil System ...........................................................................................30
Figure 14. Typical Onskid Control System.................................................................................35
Figure 15. Typical Offskid Control System.................................................................................35
Figure 16. Turbotronic System Architecture ..............................................................................36
Figure 17. Typical TT4000 Operation Summary Screen ...........................................................40
Figure 18. Typical TT4000 Strip Chart Screen ..........................................................................40
Figure 19. Typical TT4000S Engine Summary Screen..............................................................41
Figure 20. Typical Taurus 70 Enclosure ....................................................................................47
Figure 21. Typical Fire and Gas System....................................................................................49
Figure 22. Typical CO2 Suppression Fire Cylinder Cabinets .....................................................51
Figure 23. Typical Water Mist Suppression Fire Cylinder Cabinet ............................................52
Figure 24. Typical Taurus 70 Inlet and Exhaust Systems with Support Structures...................54
Figure 25. Typical T70 High Velocity Air Inlet System...............................................................56
Figure 26. Typical T70 Medium Velocity Air Inlet System .........................................................57
Figure 27. Typical Battery Charger ............................................................................................62
Figure 28. Turbine Cleaning System .........................................................................................63
Figure 29. Turbine Cleaning Cart...............................................................................................63
© 2009 Solar Turbines Incorporated. All rights reserved. TPS70CSMD/309
4

Turbomachinery Package Specification Taurus 70 Compressor Set and Mechanical Drive
1 Introduction
1.1 General Description
Solar Turbines Incorporated is a worldwide leader in the design, manufacture, and
installation of industrial gas turbines. Solar's 40 years of experience integrating high
technology with fluid compression, liquid pumping, power generation, and cogeneration
applications has resulted in more than 12,500 gas turbine installations in 93 countries
around the world. Solar gas turbine packages have logged more than 1.3 billion operating
hours around the world in a wide range of applications. Solar gas turbine packages are
complete packaged systems that require a minimum of site preparation prior to
installation.
Taurus 70 compressor sets and mechanical drives represent years of intensive
engineering and manufacturing design. Solar gas turbines are manufactured to rigid
industrial standards and are thoroughly tested in modern facilities. Solar's operations are
certified by Det Norske Veritas (DNV) to conform to International Standardization
Organization (ISO) 9001:2000 Standard for Quality Management Systems.
1.2 Overview
This document describes product features and provides turbomachinery package
specifications for Taurus 70 compressor sets and mechanical drives. Presented within
this booklet are basic package configurations, ancillary descriptions, installation
requirements, and a list of customer support services available at the time of publication.
Please note that changes in equipment, service descriptions, and specifications may
occur without prior notice.
1.3 Terminology
In describing different package configurations, Solar uses the term “Mechanical Drive” to
cover the gas turbine packaged on a skid with all the required accessory equipment
required for operation. The term “Compressor Set” is used when the mechanical drive
package is combined with a Solar gas compressor packaged on its own skid.
Compressor Sets are fully integrated packages, although the driver and driven packages
may be shipped separately for logistical reasons. When the mechanical drive is provided
for use with a third party’s driven equipment, typically either a gas compressor or a pump,
Solar will work with the driven equipment supplier to ensure that the two packages are
properly interfaced. Control and monitoring of the driven equipment is usually in Solar’s
scope of supply and will be integrated into the Turbotronic control system.
© 2009 Solar Turbines Incorporated. All rights reserved. TPS70CSMD/309
5

Turbomachinery Package Specification Taurus 70 Compressor Set and Mechanical Drive
2 Taurus 70 Gas Turbine Mechanical Drive
2.1 General Description
The Taurus 70 gas turbine mechanical drive package is completely integrated and fully
operational, equipped with the accessories and auxiliary systems required for operation.
In addition to the standard package features, a wide array of optional equipment is
available to meet customers’ installation and operation requirements. The driver package
can be combined with one or more Solar centrifugal gas compressors to form a complete
compressor set (see section 4) or it can be used to drive other manufacturers’ gas
compressors or pumps (see section 5). Designed specifically for industrial service,
Taurus 70 packages are compact, lightweight units requiring minimal floor space for
installation. Proven packaging designs greatly reduce installation costs, time, materials,
and labor. Figure 1 shows a side view of a typical Taurus 70 Mechanical Drive package.
TURBINE
EXHAUST TURBINE
AIR INLET STARTER
MOTOR TURBINE CONTROL
JUNCTION BOX
Figure 1. Typical Taurus 70 Gas Turbine Mechanical Drive
2.2 Package Description
The Taurus 70 gas turbine package is installed on a steel base frame referred to as the
skid. The skid is a structural steel assembly with beam sections and cross members
welded together to form a rigid foundation. Drip pans are included to collect any potential
liquid leakage. Package connection points for fuel, lube oil, air, and water are located on
the outer edge of the skid. Electrical connections are made in on-skid junction boxes.
Machined mounting surfaces on the base frame facilitate component alignment. Major
Components and Systems
Major components and systems of the Taurus 70 mechanical drive package typically
include:
• Gas turbine
• Start system
• Fuel system
• Lubricating oil system
• Turbotronic 4 Control System
• Onskid electrical wiring
• Skid with drip pans
• Piping and manifolds
© 2009 Solar Turbines Incorporated. All rights reserved. TPS70CSMD/309
6

Turbomachinery Package Specification Taurus 70 Compressor Set and Mechanical Drive
• Ancillary air inlet system
• Ancillary exhaust system
• Package enclosure (if specified) with:
− Ventilation system
− Fire detection and suppression system
− Combustible gas detection
2.2.1 Package Electrical System
The onskid package electrical system can be furnished to meet the following certification
requirements:
• National Electrical Code (NEC)
• Canadian Electrical Code (CEC)
• Conformité Européenne (CE) Mark (includes compliance to the ATEX directive)
• European Committee for Electrotechnical Standardization (CENELEC)
When supplied, the off-skid control console, variable frequency drives, and battery
charger are not approved for hazardous duty areas and must be installed in a
nonhazardous area.
Three-Phase Motor Voltage
All three-phase motors and three-phase electrical components have the same voltage
rating. Motor starters and contactors are not provided.
2.2.2 Service Connections
The Taurus 70 Mechanical Drive is supplied with self-contained systems for starting, fuel,
lube oil and control. All service connections (Figure 2) are conveniently located on the
outer edge of the skid.
Figure 2. Typical Taurus 70 Mechanical Drive Service Connections
© 2009 Solar Turbines Incorporated. All rights reserved. TPS70CSMD/309
7

Turbomachinery Package Specification Taurus 70 Compressor Set and Mechanical Drive
Table 1. Package Specifications
Dimensions
Approximate Package Measurements
Height, Unenclosed 3.27 m (10 ft 9 in.)
Height, Enclosed 3.66 m (12 ft 0 in.)
Width (to skid edges) 2.64 m (8 ft 8 in.)
Width (including lifting bollards) 2.90 m (9 ft 6 in.)
Length, Engine Skid 7.70 m (25 ft 3 in.)
Approximate Package Weights
Gearbox (If Applicable) 1630 kg (3,600 lb)
AC Start Motor Assembly 380 kg (840 lb)
Pneumatic Start Assembly 259 kg (570 lb)
Gas Turbine Assembly (SoLoNOx) 5630 kg (11,260 lb)
Total Driver (unenclosed package, without oil) 24 494 kg (54,000 lb)
Total Driver (enclosed package, with oil) 33 693 kg (74,280 lb)
Piping and Tubing Thickness
Piping > 76.2 mm (3 in.) Nominal Pipe Size (NPS) Schedule 40 (Unless Otherwise Specified)
Piping < 50.8 mm (2 in.) NPS Schedule 80 (Unless Otherwise Specified)
Tubing 3.175 mm (0.125 in.) Nominal Tubing Size
(NTS)
0.889 mm (0.035 in.) Minimum Wall Thickness
Tubing 6.35 mm (0.25 in.) NTS 1.245 mm (0.049 in.) Minimum Wall Thickness
Tubing 12.7 mm (0.500 in.) NTS 1.651 mm (0.065 in.) Minimum Wall Thickness
Tubing 19.05 mm (0.75 in.) NTS 1.651 mm (0.065 in.) Minimum Wall Thickness
Tubing 25.40 mm (1.00 in.) NTS 2.108 mm (0.083 in.) Minimum Wall Thickness
Tubing 31.75 mm (1.25 in.) NTS 2.768 mm (0.109 in.) Minimum Wall Thickness
Construction Materials
Piping, Manifolds, and Tubing < 10.2 cm (4 in.)
Note (a)
316L Stainless Steel (Unless Otherwise Specified)
Piping, Manifolds, and Tubing > 10.2 cm (4 in.)
Note (a)
Carbon Steel (Unless Otherwise Specified)
Piping Interface Connections 316L Stainless Steel (Unless Otherwise Specified)
Flange Assembly Hardware 316L Stainless Steel
Pipe Support Brackets Carbon Steel (Standard)
316L Stainless Steel (Optional)
Pipe Flexible Couplings Carbon Steel (Standard)
316L Stainless Steel (Optional)
Tubing Dual Ferrule Compression Fittings 316L Stainless Steel
Sliding Lube Oil Drain Couplings and Plates Carbon Steel (Standard)
316L Stainless Steel (Optional)
Lube Oil Vent Flame Arrestor Carbon Steel (Standard)
316L Stainless Steel (Optional)
Electrical System Certifications
NEC Class 1, Group D, Division 1 or 2
CENELEC Zone 1 or 2, Group II
CE, ATEX Zone 2, Group II
Three-Phase Package Motors
Optional Motor Voltage Ratings 380, 400, or 415 VAC, 50 Hz
460 VAC 60 Hz
Single-Phase Battery Charger
Optional Battery Charger Voltage Ratings 220, 230, 240, 380, 400, 415, 440, 460, or 480
VAC, 50 Hz or 60 Hz
© 2009 Solar Turbines Incorporated. All rights reserved. TPS70CSMD/309
8

Turbomachinery Package Specification Taurus 70 Compressor Set and Mechanical Drive
Single-Phase Lighting and Space Heater Voltage
Optional Package Lighting and Space Heater
Voltage Ratings
120, 220, 230, or 240 VAC, 50 Hz or 60 Hz
Ingress Protection (IP) Ratings
On-skid Junction Boxes IP56 to IP66
Control Console IP50
Battery Charger, NEC IP22
Battery Charger, CE IP31
Solar’s Applicable Engineering Specifications
ES 9-56 Fusion Welding
ES 9-58 Standard Paint Program – Turbo Machinery
ES 1593 Guidelines for NEC Compliance of Solar’s Product Lines: Class I, Group D, Division 1
and Division 2
ES 1762 Standards and Practices for Electrical Systems for Gas Turbine Packages Installed In
Hazardous Areas (CENELEC/IEC Standards – European ATEX Directive 94/9/EC)
ES 2201 Auxiliary Air
ES 2231 Standards and Practices for The Design and Installation of Cable Channels and TC
Rated Cables Installed In Class 1, Division 2 Hazardous Areas
Solar’s Applicable Product Information Letters
PIL 127 Product Certification
PIL 140 Dry Gas Face Seals for Solar Compressors
Notes:
(a) All package piping is fabricated from 316L stainless steel with the exception of lube oil vent
lines and any piping welded directly to a carbon steel lube oil tank or tank cover.
© 2009 Solar Turbines Incorporated. All rights reserved. TPS70CSMD/309
9

Turbomachinery Package Specification Taurus 70 Compressor Set and Mechanical Drive
3 Taurus 70 Gas Turbine
3.1 General Description
The two-shaft Taurus 70 gas turbine (Figure 3) is a completely integrated and self-
contained prime mover. The gas turbine combines high performance operation with
rugged industrial construction. This design philosophy allows for high efficiency, low
maintenance, and a long service life. The Taurus 70 gas turbine is designed for a high
degree of compliance with American Petroleum Institute (API) requirements.
Figure 3. Typical Taurus 70 Two-Shaft Gas Turbine
3.1.1 Principles of Operation
During the typical combustion process (Figure 4), air is drawn into the gas turbine air inlet
and is compressed by the multi-stage, axial-flow engine compressor. The compressed air
is directed into the annular combustion chamber at a steady flow. Fuel is injected and
mixed with the compressed air and ignited during the start cycle. Continuous combustion
will be maintained as long as there is an adequate flow of pressurized air and fuel. Hot-
pressurized gas from the combustor expands through and drives the turbine, dropping in
pressure and temperature as it exits the turbine. This combustion cycle converts the
energy in the fuel into kinetic rotating power at the turbine output shaft.
For combustion, the gas turbine requires approximately one-fourth of the total air it
compresses. The excess air is mixed with the combustion products to reduce the gas
temperature at the turbine first stage-inlet. The cooling air also keeps metal temperatures
in the combustor and turbine assembly relatively low to ensure a long service life.
© 2009 Solar Turbines Incorporated. All rights reserved. TPS70CSMD/309
10

Turbomachinery Package Specification Taurus 70 Compressor Set and Mechanical Drive
Figure 4. Typical Combustion Process
3.1.2 SoLoNOx Combustion System (Optional)
In addition to the conventional combustion system, Solar’s proprietary SoLoNOx dry
emissions system reduces pollution by limiting the formation of nitrous oxides (NOx),
carbon monoxide (CO), and unburned hydrocarbons (UHC). This system uses lean
premix combustion to lower the maximum flame temperature and reduce pollution
formation. Solar’s engineering staff works with customer’s to meet local permitting
emission requirements.
Table 2. Taurus 70 CSMD Gas Turbine Specifications
Compressor
Type Axial Flow
Number of Stages 14
Compression Ratio 16.5:1
Inlet Air Flow (Nominal) 26.2 kg/sec (57.7 lb/sec)
Combustion Chamber
Type Annular
Ignition Torch
Number of Fuel Injectors 12
Gas Producer Turbine
Type Reaction
Number of Stages 2
Maximum Speed 15,200 rpm
Power Turbine
Type Reaction
Number of Stages 2
Maximum Speed 12,000 rpm
Bearings
Radial 5 Tilt Pad with Proximity Probes
Thrust 2 Tilt Pad with Resistance Temperature Device Probes
Construction Materials
Compressor Case
Forward Section Nodular Iron
Aft Section WC6 Alloy Steel
Combustor Case 410 Stainless Steel
Exhaust Diffuser Nodular Iron
Accessory Gear Housing Ductile Iron
© 2009 Solar Turbines Incorporated. All rights reserved. TPS70CSMD/309
11

Turbomachinery Package Specification Taurus 70 Compressor Set and Mechanical Drive
Protective Coatings
Compressor Rotor and Stator Blades Inorganic Aluminum
Nozzles, First and Second Stage Precious Metal Diffusion Aluminide
Blades, First and Second Stage Precious Metal Diffusion Aluminide
Performance
Output Power 7690 kW (10,300 hp), See Note (a)
Heat Rate 10,340 kJ/ kW-hr (7310 Btu/ kW-hr)
Exhaust Flow 95 630 kg/hr (210,830 lb/hr)
Exhaust Temperature 495°C (920°F)
Vibration Monitoring
Turbine Bearing #1 Displacement Probes, X and Y axis
Turbine Bearing #2 Displacement Probes, X and Y axis
Turbine Bearing #3 Displacement Probes, X and Y axis
Turbine Bearing #4 Displacement Probes, X and Y axis
Turbine Bearing #5 Displacement Probes, X and Y axis
Gas ProducerRotor Shaft Displacement Probe
Power Turbine Rotor Shaft Displacement Probe
Gas ProducerRotor Shaft Keyphasor
Power Turbine Rotor Shaft Keyphasor
Accessory Gearbox Velocity Pickup
Notes:
(a) Performance on gas fuel is calculated under the following conditions:
Nominal Rating - ISO at 15°C (59°F), Sea Level
No Inlet/Exhaust Losses
Relative Humidity at 60%
LHV = 31.5 to 43.3 MJ/nm3 (800 to 1,100 Btu/scf)
© 2009 Solar Turbines Incorporated. All rights reserved. TPS70CSMD/309
12

Turbomachinery Package Specification Taurus 70 Compressor Set and Mechanical Drive
4 Solar Compressor Set Packages
4.1 Compressor Set Packages
Solar offers complete and fully integrated compressor set packages with the Taurus 70
gas turbines driving one or more Solar centrifugal gas compressors (Figure 5). The
packages are fully operational and include all the necessary accessories, auxiliary and
control systems. The compressor sets combine the gas turbine driver with matching
integrated centrifugal compressor modules, available in single-body, two-body, or three-
body tandem configurations for direct-drive or gear-driven applications. Compressor sets
with a single Solar compressor can produce pressure ratios of over 3:1 while multiple,
tandem-mounted compressors can produce pressure ratios approaching 30:1.
Solar compressor sets are complete with all unique system requirements built into the
basic package. This inherent single-source responsibility eliminates any risk of drive train
incompatibility or performance questions that may arise when the driver and the driven
compressor are built by different manufacturers.
TURBINE
EXHAUST TURBINE
AIR INLET STARTER
MOTOR TURBINE CONTROL
JUNCTION BOX
COMPRESSOR SHAFT
Figure 5. Compressor Set with Taurus 70 Solar Compressor
4.2 Solar Gas Compressors
Solar offers a broad range of centrifugal gas compressors for both gas production and
gas pipeline applications. Table 4 lists the Solar compressor products that are suitable for
operation with the Taurus 70 gas turbine. Solar’s approach to compressor design is to
maximize simplicity and flexibility. Solar gas compressors are designed to achieve a
minimum of three years of continuous full-load duty between inspections, and major
components are designed for 20 years of continuous operation. Many features commonly
used in Solar compressor designs conform to American Petroleum Institute (API) 617.
Standard features include:
• Vertically split barrel-type construction
• Tilt-pad journal bearings
• Self-aligning tilt-pad thrust bearings
• Rigid modular rotor construction
• Rotor trim balancing
• Overcompensating balance piston
• Radial vibration measurement
• Thrust bearing temperature sensors
© 2009 Solar Turbines Incorporated. All rights reserved. TPS70CSMD/309
13

Turbomachinery Package Specification Taurus 70 Compressor Set and Mechanical Drive
For more details about Solar centrifugal compressors, please consult Solar’s engineering
for project specific gas compressors. Figures 6 and 7 show the internal construction of
typical Solar compressors.
Figure 6. Cutaway Diagram of a Solar Gas Compressor
Figure 7. Cross Section of a Solar Gas Compressor
© 2009 Solar Turbines Incorporated. All rights reserved. TPS70CSMD/309
14

Turbomachinery Package Specification Taurus 70 Compressor Set and Mechanical Drive
Table 3. Typical Solar Gas Compressors
Maximum Pressure
Rating Maximum Flow Maximum Total Head
Compressor
Family Number
of Stages kPa psig m3/min ft3/min kJ/kg ft-lbf/lbm
For Gas Production Applications
C16 1-10 20 700 3000 50 1800 215 72,000
C33 1-12 15 510 2250 270 9500 325 108,000
C40 1-6 17 240 2500 255 9000 255 85,000
C50 1-5 10 350 1500 565 20,000 285 95,000
C51 1-8 20 700 3000 425 15,000 300 100,000
For Gas Pipeline Applications
C40 1-2 11 040 1600 270 9500 95 32,000
C45 1-3 12 410 1800 370 13,000 160 54,000
4.2.1 Impellers
Compressor impellers are designed to conservative stress levels. All impellers are
suitable for sour gas applications. Each impeller, after machining, is proof tested to 115%
of its maximum mechanical speed.
4.2.2 Rotor Assembly
The rotor assembly consists of stub shafts, impellers, and, if required, rotor spacers (to
maintain a constant bearing span) and a centerbolt. These components are individually
balanced and are rabbet-fit to each other for concentric alignment. Torque is transmitted
through dowel pins. The entire assembly is clamped together with the centerbolt. The
rotor assembly is easy to disassemble. The benefits from this type of construction are
two-fold. Impellers that can be used in a “restaged” rotor are easily salvaged and
downtime is minimized. Reusing old impellers, instead of purchasing new ones to match
new operating conditions, enhances the economic feasibility of restaging to maintain
optimum compressor performance and the lowest possible operating costs.
4.2.3 Casings
The pressure-containing outer casing of a compressor is an assembly of three
components: the suction and discharge end caps, which contain the bearing and seal
assemblies, and the centerbody, which holds the rotor and stator assemblies. This is
considered a vertically split “barrel” design. The end caps contain all the service ports for
oil and gas.
4.2.4 Compressor Module
The compressor module includes the centrifugal compressor(s) mounted on a structural
steel matching base that, when bolted to the driver skid, forms a continuous base plate
on which all the required subsystems are installed.
4.2.5 Lube Oil System
The gas turbine, gearbox (if required), and compressor modules have a common lube oil
system.
4.2.6 Compressor Dry Seal System
The dry seal system consists of the seal gas and separation gas systems. The seal
system maintains a barrier between the process gas and the compressor bearings. The
separation gas system maintains a barrier between the compressor bearing lube oil and
the dry gas seals.
© 2009 Solar Turbines Incorporated. All rights reserved. TPS70CSMD/309
15

Turbomachinery Package Specification Taurus 70 Compressor Set and Mechanical Drive
Seal Gas System
The seal gas system consists of a primary and secondary gas face seal to prevent the
escape of process gas for each shaft end. The primary dry seal takes the full pressure
drop. It is used to provide the main sealing function. The secondary or backup seal acts
as an emergency barrier between the process gas and the atmosphere and operates at a
zero pressure differential.
The system can use clean and dry process gas or an independent clean and dry gas
source as seal gas. A customer-furnished separation gas source of air or nitrogen is
required to isolate lube oil from the seal gas. The separation gas must be available at all
times during lube oil pump operation. Typical seal gas supply flow is 1.34 to 3.35 nm3/min
(50 to 125 scfm) at 689 kPag (100 psig) above maximum suction pressure, depending on
the compressor model and suction pressure. The seal gas flow rates are metered by
maintaining a constant pressure drop across a flow-limiting orifice in each seal gas
supply line to each compressor seal capsule. Differential pressure switches provide low
flow alarm and shutdown functions.
The seal gas supply flow is higher than the primary seal leakage. The majority of the seal
gas flow travels past the compressor shaft labyrinth seals and into the compressor case.
This ensures the dry seal cavity is flushed with clean dry gas and that the dry seal
operates in a clean environment. The seal gas may be supplied from the compressor
discharge, preferably downstream of the gas cooler, provided the process gas is clean
and dry.
The on-skid duplex seal gas coalescing filters are designed for typical clean transmission
pipeline conditions. If larger particle or liquid loads are expected, a larger off-skid filtration
system with a high pressure external seal gas supply is recommended. When the seal
gas is supplied from the compressor discharge but the compressor is not operating with a
pressure ratio (start-up, shutdown, or pressurized hold), there is no flow of seal gas
through the filters. During these times, the gas leakage across the dry seals is raw
process gas from the compressor case.
This is normally not a problem on clean transmission pipeline applications; however, it
may be an issue on new pipelines during initial operation, or on pipelines handling wet
and/or dirty gas. Under these conditions, an external high-pressure seal gas supply is
recommended. Leakage past the primary dry seals is measured by monitoring the
pressure drop across an orifice run. High leakage flow alarms and shutdowns are
provided by pressure switches. Primary and secondary seal vent lines must be vented by
the customer to a safe location.
Separation Gas System
A circumferential buffer air or nitrogen circumferential-segmented split-ring type seal
provides a barrier between the compressor bearing lube oil and the dry gas seals. It is
the most outboard component of the complete seal assembly. Air flows between the seal
rings and the compressor stub shaft. Separation gas flowing past the outboard seal
mixes with lubricating oil and drains to the lube oil reservoir. Air flowing past the inboard
seal is vented through the secondary seal gas/buffer air vent.
The separation gas source may be clean dry shop air, instrument air, or nitrogen. The
system includes a hand valve for maintenance, a coalescing filter, a differential pressure
regulator, and pressure switches and gauges to monitor the separation gas differential
pressure. The system forms a positive separation between the lube oil and the dry seal.
Flame arrestors are supplied for the primary and secondary vents. Leakage seal gas and
separation gas must be piped away by the customer to selected safe areas.
© 2009 Solar Turbines Incorporated. All rights reserved. TPS70CSMD/309
16

Turbomachinery Package Specification Taurus 70 Compressor Set and Mechanical Drive
4.2.7 Hydrostatic Testing
Hydrostatic pressure testing of all compressor casings and end caps is done per API 617
for 30 minutes at 1.5 times the maximum casing design pressure, regardless of
application. Test water is treated with a wetting agent to allow better penetration of
possible casing defects. After the hydro and final magnetic particle test, the casing is
steam cleaned and bead blasted for surface preparation. Afterwards, it is painted per
Solar’s specification ES 9-58.
4.2.8 Shaft Coupling
Solar’s standard shaft interconnect is a Kop-Flex dry coupling.
4.2.9 Preliminary Alignment
The drive train is aligned preliminarily at the factory to simplify final field alignment.
Table 4. Driven Equipment and Associated Equipment Specifications
Typical Driven Skid Weight
One to Three Compressor Bodies 13 600 to 45 400 kg (30,000 to 100,000 lb)
Typical Driven Skid Lengths
One to Three Compressor Bodies 4.0 to 10.7 m (13 to 35 ft)
Compressor Inspection Interval
Major Inspection Interval Three Years of Continuous Full-Load Duty
Compressor Construction Materials
Impeller 15-5PH, Type 100
Casing ASTM A216 GR WCC
Diaphragm/Guide Vane Alloy Steel
Rotor Spacer Alloy Steel
Stub Shafts AISI 4140
Labyrinth Steel-Backed Babbitt
Compressor Bearings
Journal Bearing Tilting Pad
Thrust Bearing Self Aligning, Tilting Pad
Compressor Vibration Monitoring
Driver End Bearing Displacement Probes, X and Y Axis
Driven End Bearing Displacement Probes, X and Y Axis
Thrust Bearing Displacement Probe, Axial
Compressor Rotor Shaft Keyphasor
Seal Gas
Fluid Clean Process Gas or Nitrogen
Particle Size Less Than 2 micron
Minimum Supply Pressure 689 kPag (100 psig) above highest compressor
suction pressure but below pressure rating of seal
system
Maximum Supply Pressure 13 790 kPag (2000 psig)
Flow 1.3 to 3.3 nm3/min (50 to 125 SCFM)
Temperature 0 to 93°C (32 to 200°F)
Separation Gas
Air Quality Refer to Solar Engineering Specification ES 2201
Supply Pressure 517 to 1344 kPag (75 to 195 psig)
Flow 0.134 nm3/min (5 SCFM)
Solar’s Applicable Engineering Specifications
ES 9-58 Standard Paint Program - Turbomachinery
© 2009 Solar Turbines Incorporated. All rights reserved. TPS70CSMD/309
17

Turbomachinery Package Specification Taurus 70 Compressor Set and Mechanical Drive
5 Mechanical Drive Packages
5.1 Mechanical Drives
The Taurus 70 gas turbine mechanical-drive package is designed for a variety of driven
equipment, including centrifugal pumps and centrifugal, rotary, and reciprocating
compressors. The Taurus 70 gas turbine is well suited to drive pumps and compressors,
where its variable-speed capability can be used to advantage in adjusting to changing
specific gravity and flow.
Solar's mechanical-drive units are widely used for crude oil or liquid product pumping and
water flooding applications. As an option, Solar can provide a gear to match the speed of
the driven equipment to that of the gas turbine. The gear can be located either on the
driven equipment skid or on a separate skid between the driver and driven equipment
skids.
5.1.1 Unitized Packaging
While the gas turbine driver package can be supplied separately for integration by others
into a complete system, Solar also offers unitized packages. When a unitized package is
supplied, Solar’s scope of supply may include the following options:
Driven Equipment
Supplied by original equipment manufacturers in compliance with customer requirements
and Solar’s procurement specifications.
Mating Baseplate
The separate structural steel driver skid and driven equipment skid (optional) have
mating flanges so they can be rigidly bolted together at the installation site. The skids
may also be bolted and dowelled together at the factory and then separated for shipment.
Shaft Coupling
Several supplier-furnished shaft coupling styles are available. Coupling hubs may be
mounted on both shafts at the factory. A coupling guard is included.
Preliminary Alignment
A preliminary alignment of the gas turbine driver and the driven equipment shafts can be
performed at the factory to simplify final field alignment.
Unitized Lubrication and Cooling
On packages using compressors or pumps with sleeve or tilt-pad bearings, the bearings
may be force fed with cooled oil from the gas turbine lubrication system. Pumps with anti-
friction bearings are usually furnished with self-contained ring oiling and the oil is cooled
by the product being pumped.
Unitized Controls
Driven equipment protective devices may be integrated into the package control system
to provide alarms and shutdowns for a variety of abnormal operating conditions, including
low suction and high discharge pressure, seal leakage, high bearing or case temperature,
excessive vibration, or any other measurable quantity. Additionally, driven equipment
valving (suction, discharge, bypass, vent) may be integrated into the start-up and
shutdown sequence controls, so those valves are automatically actuated and monitored.
Additional digital and analog values can also be monitored by the control system.
© 2009 Solar Turbines Incorporated. All rights reserved. TPS70CSMD/309
18

Turbomachinery Package Specification Taurus 70 Compressor Set and Mechanical Drive
Single-Source Responsibility
Solar is able to provide overall coordination to ensure that the unitized package will
perform to its full potential with a minimum of installation time and cost. Performance
characteristics of the driver and driven equipment are analyzed to provide an optimum
match at design and off-design conditions. Installation drawings and technical manuals
are prepared for customer use, detailing mechanical/electrical interface and alignment
instructions. Consistency in surface preparation and painting, preservation, shipment,
and warranty is ensured by Solar’s Quality Assurance.
Unitizing at Installation Site
Solar’s Customer Services personnel can interface and unitize the equipment at the
installation site as required.
5.1.2 Non-Unitized Packaging
When the gas turbine package is furnished without driven equipment, Solar cannot
ensure proper interface between the gas turbine and the driven equipment. Solar can
offer optional equipment and services to facilitate the task of interfacing the gas turbine
package with the driven equipment, including the following:
Shaft Coupling
The driver coupling hub may be furnished machined and ready for fitting to the shaft by
others. The driven equipment coupling hub is pilot bored for machining by others, unless
a driven equipment shaft end detail drawing is furnished at the time of order definition. A
coupling guard can also be included.
Torsional Vibration Analysis
Solar is able to define operating speeds at which excessive vibration stress in the drive
train might occur. Solar should be furnished, at the time of order definition, with mass
elastic data for the shaft coupling and the rotating equipment elements, including polar
moments of inertia and torsional stiffness. In lieu of mass elastic data, a drawing of
rotating elements together with definition of materials may be used.
Lateral Vibration Analysis
Using the same data furnished for the torsional vibration analysis, Solar can define
operating speeds at which stress in each piece of rotating equipment, including the
turbine gearbox if required, and driven equipment, might occur due to excessive
vibration. The data should be provided to Solar at the time of order definition. Once the
analysis is completed, a written report is provided.
© 2009 Solar Turbines Incorporated. All rights reserved. TPS70CSMD/309
19

Turbomachinery Package Specification Taurus 70 Compressor Set and Mechanical Drive
6 Gearbox
6.1 General Description
If required, a gearbox (Figure 8) can be provided selected specifically for compressor set
and mechanical drive applications. The gearbox uses few moving parts, providing high
reliability and ease of assembly and disassembly. The gearbox is designed for
continuous-duty operation and matches the output speed of the turbine or tandem
compressor to the required operating speed of the driven compressor. Gear lubrication is
provided by the package lube oil system. The gears can be serviced without removing
the main case.
Depending on the application, the gearbox may be primary speed increasing or speed
decreasing (between the gas turbine and the first or only driven compressor) or it may be
inter-body speed increasing (between tandem compressors).
The gear unit is designed in accordance with American National Standards
Institute/American Gear Manufacturers' Association (ANSI/AGMA) standards as
described in Solar's specification ES 2238. The gear unit design includes a fabricated
steel or cast iron housing, double helical precision hobbed and finished ground gear
elements, and split steel-backed babbitt lined journal bearings on all shafts.
Figure 8. Typical Gearbox
6.1.1 Primary Speed-Increasing Gearbox
The primary speed-increasing gearbox will have a specific gear ratio and speed range.
The gearbox increases the output speed of the turbine to the required operating speed of
the driven compressor, optimizing the power turbine speed for each application. The
gearbox output shaft direction of rotation is counterclockwise, when viewed from the aft
(exhaust) end of the package looking forward.
© 2009 Solar Turbines Incorporated. All rights reserved. TPS70CSMD/309
20

Turbomachinery Package Specification Taurus 70 Compressor Set and Mechanical Drive
The gearbox is mounted on the driven skid and, together with the input shaft coupling, is
lubricated and cooled by forced-fed lubricating oil from the turbine. Gearbox journal and
thrust bearing temperatures are monitored by two simplex resistance temperature
devices (RTDs) at each radial bearing and two per thrust face on the thrust bearing. The
monitoring system is connected to one each of the radial bearing RTDs and one each
RTD from each side of the thrust bearing, with the remaining circuits available as spares.
6.1.2 Inter-body Speed-Increasing Gearbox
The inter-body speed-increasing gearbox will have a specific gear ratio and speed range
for the tandem compressor set application. The gearbox increases the output speed of
the driving compressor to the required operating speed of the driven compressor. The
gearbox output shaft direction of rotation is counterclockwise, when viewed from the aft
(exhaust) end of the package looking forward towards the air inlet end of the package.
The gearbox is mounted on the driven compressor skid and together with the input shaft
coupling, is lubricated and cooled by forced-fed lubricating oil from the turbine. Gearbox
journal and thrust bearing temperatures are monitored by two simplex RTDs at each
radial bearing and two per thrust face on the thrust bearing. The monitoring system is
connected to one each of the radial bearing RTDs and one each RTD from each side of
the thrust bearing, with the remaining circuits available as spares.
6.1.3 Primary Speed-Reducing Gearbox
The primary speed reducing gear will have a specific gear ratio and speed range. The
speed-reducing gearbox reduces the output speed of the turbine to the required
operating speed of the driven equipment, optimizing the power turbine speed for each
application. The gearbox output shaft direction of rotation is counterclockwise, when
viewed from the aft (exhaust) end of the package looking forward.
The gearbox is mounted on the driven equipment skid and, together with the input shaft
coupling, is lubricated and cooled by forced-fed lubricating oil from the turbine. Gearbox
journal and thrust bearing temperatures are monitored by two simplex RTDs at each
radial bearing and two per thrust face on the thrust bearing. The monitoring system is
connected to one each of the radial bearing RTDs and one each RTD from each side of
the thrust bearing, with the remaining circuits available as spares.
Table 5. Gearbox Specifications
Approximate Weight
Gearbox 1630 kg (3600 lb)
Inspection and Overhaul Intervals
Major Inspection Interval 30,000 hours
Overhaul Interval 100,000 hours
Compliance
American Petroleum Institute (API) 613 Compliant With Exceptions, Refer to Solar’s
Standard List of Exceptions
Ratings
American National Standards Institute/American
Gear Manufacturers' Association (ANSI/AGMA)
2001-C95, 6025-D98, 6011-H98 and 6001-D97
Vibration Monitoring (Optional)
Gearbox Acceleration Probe
Displacement Probes, X and Y axis (Optional)
Displacement Probe, Axial (Optional)
Applicable Engineering Specifications
Solar’s Engineering Specification ES 2021 Solar Turbine Package Head Loads and Oil Flows
Solar’s Engineering Specification ES 2238 Parallel Shaft Gear Units
© 2009 Solar Turbines Incorporated. All rights reserved. TPS70CSMD/309
21

Turbomachinery Package Specification Taurus 70 Compressor Set and Mechanical Drive
7 Start System
7.1 General Description
The start system provides torque to initiate engine rotation and to assist the engine to
reach a self-sustaining speed. The start system consists of either a direct-drive AC starter
motor driven by a solid-state variable frequency drive (VFD) or an optional pneumatic
start system.
7.2 Direct-Drive AC Start System
The direct-drive AC (DAC) start system consists of a squirrel cage, three-phase, ac-
induction motor with a solid-state variable frequency drive (VFD). The starter motor is
mounted directly on the gas turbine accessory drive gearbox. The VFD regulates voltage
and frequency to the starter motor for engine rotation as commanded by the Turbotronic
4 control system.
7.2.1 Functional Description
To begin gas turbine rotation, the VFD initially provides low-frequency AC power to the
starter motor. The VFD gradually increases the speed of the starter motor until the gas
turbine reaches purging speed. When purging is completed, the control system activates
the fuel system. The speed of the starter motor is gradually increased until the gas
turbine reaches starter dropout speed. The VFD then deenergizes the starter motor and
the motor clutch assembly is disengaged.
7.2.2 Starter Motor
The starter motor (Figure 9) provides high breakaway starting torque and acceleration
from standstill to starter dropout speed. The motor is standard frame size and is
constructed to be explosion proof and flameproof. The motor includes an integral over-
temperature protection thermostat connected to the Turbotronic 4 control system for
hazardous area motor certification and protection. Separate cable/conduit entry points
are provided for power connections, thermal protection wiring, and the space heater
wiring. Starting power is transferred to the gas turbine via the reduction-drive gearbox
and over-running clutch and shaft assembly.
7.2.3 Variable Frequency Drive
The VFD (Figure 9) is a motor speed controller that provides pulse-width modulated
power with variable frequency and voltage to the starter motor. Controlled by the
Turbotronic 4 control system, the VFD regulates voltage and frequency to the starter
motor to control engine speed from standstill to starter dropout speed. The system is
capable of performing up to six start attempts per hour, as well as extended purge cycles
for heat recovery unit applications and engine wash cycles. The VFD cabinet is designed
for installation in a non-hazardous location. Electrical disconnects and overcurrent
protection devices are not provided.
© 2009 Solar Turbines Incorporated. All rights reserved. TPS70CSMD/309
22

Turbomachinery Package Specification Taurus 70 Compressor Set and Mechanical Drive
Figure 9. Typical Direct-Drive AC Starter Motor and Variable Frequency Drive
MGAS
TURBINE
VARIABLE
FREQUENCY
DRIVE
RADIO
INTERFERENCE
FILTER
AC POWER
CONNECTION
CLUTCH
ASSEMBLY
AC
MOTOR
LINE REACTOR
Figure 10. Typical Direct-Drive AC Start System
7.2.4 Power Wiring
The start system (Figure 10) requires customer-furnished, three-phase AC input.
Additional three-phase AC power wiring is required to connect the VFD to the starter
motor. A start contactor is not required for VFD operation. A customer-furnished fused
disconnect at the VFD input is recommended. Optional motor space heater wiring is
available.
Table 6. Direct Drive AC Start System Specifications
Variable Frequency Drive
Optional Voltage Input Ranges 380 to 460 VAC, (48 to 62 Hz)
Minimum Input Current
- 380 to 460 VAC Input 105 amps
Voltage Output Range 0 to 460 VAC, (0 to 240 Hz)
Maximum Line Distribution Capacity 1000 kVa
Maximum Fault Current Capacity 30 000 amps, See Note (a)
Power Factor 0.96
Efficiency 98%
© 2009 Solar Turbines Incorporated. All rights reserved. TPS70CSMD/309
23

Turbomachinery Package Specification Taurus 70 Compressor Set and Mechanical Drive
Variable Frequency Drive (cont.)
Minimum/Maximum Operating Temperature 0 to 50°C (32 to 122°F)
Heat Rejection
- 380 to 460 VAC Input 3200 watts
Input Fuse Rating 450 amp
Approximate Measurements
- Height 76 cm (29.9 in.)
- Width 31 cm (12.2 in.)
- Depth 27.5 cm (11 in.)
Approximate Weight 42 kg (93 lb)
Starter Motor
Motor Type Squirrel-cage Induction
Motor Voltage Rating 380 AC, (0 to 133 Hz)
Power 56 kW (75 hp)
Operating Speed 0 to 4000 rpm
Maximum Breakaway Amperage 205 amps
Maximum Breakaway Torque 472 N-m (348 ft-lb)
Minimum/Maximum Operating Temperature -25 to 60°C (-13 to 140°F)
Space Heater Voltage 115 VAC, 60 Hz
240 VAC, 50Hz
Approximate Measurements
- Length 75 cm (29.4 in.)
- Diameter 45.7 cm (18 in.)
Approximate Weight
- AC Starter Motor Assembly 294 kg (650 lb)
Power Wiring
VFD to Starter Motors Power Cable Length 38 m (123 ft), See Note (b)
Solar’s Applicable Engineering Specifications
ES 1593 Guidelines for NEC Compliance of Solar Product Lines: Class I, Group D, Division 1 and
Division 2
ES 1762 Standards and Practices for Electrical Systems For Gas Turbine Packages Installed in
Hazardous Areas (CENELEC Standards)
Solar’s Applicable Product Information Letters
PIL 149 Direct-drive AC Start Systems
Notes:
(a) Feeder circuits exceeding this limit require the use of an isolation transformer, line reactor, or
other means of adding similar impedance to limit fault current.
(b) Longer cable runs may require an on-skid marshalling box and/or output line reactor.
© 2009 Solar Turbines Incorporated. All rights reserved. TPS70CSMD/309
24

Turbomachinery Package Specification Taurus 70 Compressor Set and Mechanical Drive
7.3 Pneumatic Start System (Optional)
The pneumatic start system, (Figure 11) can use either process gas or compressed air as
a power source. The standard system consists of a strainer, shutoff valve, pneumatic
starter motor, and associated stainless steel piping and manifolds. The pneumatic starter
motor is mounted directly on the gas turbine accessory drive gearbox and transmits
starting power to the gas turbine via an overrunning clutch and shaft. When the gas
turbine reaches starter dropout speed, the start system is de-energized and the clutch
overruns.
Figure 11. Typical Pneumatic Start System
Table 7. Pneumatic Start System Specifications
Pneumatic Start Motor
Fluid Air or Natural Gas See Note (a)
Pressure 1379 to 2758 kPag (200 to 400 psig)
Flow 127 nm3/min (4500 SCFM)
4 Minute Exhaust Purge Consumption 325 nm3 (11,500 SCF)
Solar’s Applicable Engineering Specifications
ES 2201 Auxiliary Service Air
Notes:
(a) The particle size in the air stream should not exceed 10μ. Since it is impractical to remove
100% of all particles larger than 10μ, this is defined as ß10 > 100, or 99% efficient. Oil or
hydrocarbon content should not exceed 1 ppm. The dew point at line pressure shall be at
least 6°C (10°F) below the minimum temperature to which any part of the air system is
exposed or between -29°C and 93°C (-20°F and 200°F). Air should be free of all corrosive
contaminants, hazardous gases, flammables, and toxics.
© 2009 Solar Turbines Incorporated. All rights reserved. TPS70CSMD/309
25

Turbomachinery Package Specification Taurus 70 Compressor Set and Mechanical Drive
8 Fuel System
8.1 General Description
The fuel system (Figure 12), in conjunction with the control system, includes all
necessary components to control ignition and fuel flow during all modes of operation.
There are two available configurations:
• Gas fuel – conventional combustion
• Gas fuel – SoLoNOx combustion
MAIN
FUEL
CONTROL
VALVE
TPRT
PRIMARY
SHUT OFF
VALVE
TORCH
REGULATOR
TORCH SHUT
OFF VALVE
VENT
VALVE
V
S
VS VS
TP
TP
MAIN FUEL
MANIFOLD
GAS FUEL
INJECTOR
TORCH
V
S
TORCH
REGULATOR
SECONDARY
SHUT OFF
VALVE
PILOT
FUEL
CONTROL
VALVE
PILOT FUEL
MANIFOLD
GAS VENT
AIR
FUEL
LEGEND
TP = PRESSURE TRANSMITTER
TPD = DIFFERENTIAL PRESSURE TRANSMITTER
RT = RTD (TEMPERATURE)
VS = VALVE SOLENOID
ONLY FOR SOLONOX
TP TP
TP TP
Figure 12. Typical Fuel System Schematic
8.1.1 Conventional Combustion System
Solar’s conventional combustion system uses fuel injectors equally spaced around the
combustor to inject fuel into the combustion chamber. The fuel injected into the
combustion chamber is controlled during starting and steady-state operation to maintain
stable combustion.
8.1.2 SoLoNOx Combustion System
The SoLoNOx combustion system uses special fuel injectors with main and pilot fuel
ports. The fuel injected through these ports is controlled during starting and steady-state
operation to maintain stable combustion and minimize the formation of nitrous oxides
(NOx), carbon monoxide (CO), and unburned hydrocarbon (UHC) emissions. To further
regulate emission levels, combustion airflow is regulated using a bleed valve mounted on
the combustor case. The SoLoNOx combustion system also includes an additional inlet
gas filter/coalescer for mounting off-skid.
8.1.3 Fuel System
For conventional combustion, the fuel system includes:
• Skid edge gas fuel strainer
• Supply pressure transmitter
© 2009 Solar Turbines Incorporated. All rights reserved. TPS70CSMD/309
26

Turbomachinery Package Specification Taurus 70 Compressor Set and Mechanical Drive
• Pilot air operated primary gas fuel shutoff valve
• Pilot air operated secondary gas fuel shutoff valve
• Pilot air operated gas vent valve
• Electrically operated fuel control valve
• Torch with shutoff valve and pressure regulators
• Main fuel manifold
• Fuel injectors
For SoLoNOx combustion, the fuel system also includes:
• Fuel pilot control valve
• Fuel pilot manifold
• Inlet gas filter/coalescer loose shipped for field installation
Component Operation
The gas fuel pressure supplied to the turbine skid must meet minimum and maximum
pressure and flow requirements. If the gas fuel pressure is too high or too low, the control
system will prevent turbine operation. Pneumatically actuated primary and secondary gas
fuel shutoff valves are controlled using pilot air pressure. For each valve, pilot air
pressure is admitted to and exhausted from a pneumatic actuator through a solenoid
valve. Fail-safe operation ensures both valves will close in case pilot air pressure is lost.
The gas fuel control valve and, when applicable, the SoLoNOx fuel pilot control valve, are
powered by integrated DC motor-driven actuators. Integrated actuator electronics provide
precise closed-loop valve control based on position command inputs versus position
feedback outputs. Both valves are fast acting and provide fuel metering for light-off,
acceleration, full load, and load transient conditions. Fail-safe operation ensures both
valves will close in case the command signal or control power is lost. During the start
sequence prior to ignition, the control system will verify gas pressure and perform a gas
valve check to verify proper operation of all gas fuel valves.
Table 8. Fuel System Specifications
Gas Fuel System
Acceptable Gas Fuels See Note (a) Natural Gas
Propane
Fuel Quality Refer to Solar’s Engineering Specification ES 9-98
Optional Fuel System Types Conventional Combustion or SoLoNOx
Combustion
Compliance National Association of Corrosion Engineers
(NACE) Compliant
Minimum/Maximum Gas Fuel Supply Pressure 1860 to 2760 kPag (270 to 400 psig), See Note (b)
Minimum Flow Rate 1950 kg/hr (4297 lbm/hr), See Note (b)
Minimum/Maximum Fuel Supply Temperature -40° to 93°C (-40° to 200°F), See Note (c)
Primary Gas Fuel Shutoff Valve Pneumatically Actuated Spring-Closed Ball Valve
Secondary Gas Fuel Shutoff Valve Pneumatically Actuated Vane Type Valve
Gas Fuel Control Valve and SoLoNOx Fuel Pilot
Control Valve (If Applicable)
Actuator Valve
Actuator Voltage 120 VDC
Valve Discrete Signals 24 VDC
Valve Analog Signals 4 to 20 mA
© 2009 Solar Turbines Incorporated. All rights reserved. TPS70CSMD/309
27

Turbomachinery Package Specification Taurus 70 Compressor Set and Mechanical Drive
Gas Fuel System (cont.)
Maximum Operating Pressure 3447 kPag (500 psig)
Maximum Operating Temperature 93°C (200°F)
Response Time Less Than 100 msec From 10-to-90% Stroke
Valve Body Aluminum (Standard)
Stainless Steel (Optional)
Gas Fuel Filter (Conventional Units Only) 10 Micron
Off-skid Coalescing Filter Module (SoLoNOx Only)
Maximum Operating Pressure 1380 kPag (200 psig)
Maximum Flow 96 m3/min (3400 ft3/min)
Minimum/Maximum Operating
Temperatures -29o to 100°C (-20o to 212°F)
Filtration Efficiency β0.3 > 200 per ISO 4572
Customer-Furnished Pilot Air System
Fluid Clean-Dry Air
Air Quality See Note (d)
Minimum/Maximum Regulated Pressure Range 689 to 1379 kPag (100 to 200 psig)
Pilot Air Filter 10 micron
Construction Materials
Piping, Manifolds, and Tubing 316L Stainless Steel
Solar’s Applicable Engineering Specifications
ES 9-98 Fuel, Air, and Water (or Steam) for Solar Gas Turbine Engines
ES 1593 Guidelines for NEC Compliance of Solar Product Lines: Class I, Group D, Division 1 and
Division 2
ES 1762 Standards and Practices for Electrical Systems for Gas Turbine Packages Installed In
Hazardous Areas (CENELEC/IEC Standards – European ATEX Directive 94/9/EC)
ES 2201 Auxiliary Service Air
Solar’s Applicable Product Information Letters
PIL 148 LPG and NGL Fuels
PIL 162 Recommendations and Requirements for the Sourcing, Handling, Storage and Treatment
of Fuels for Solar Gas Turbines
PIL 176 Siloxanes in Gas Fuel
Notes:
(a) The gas fuel system is designed to operate with fuels that comply with Solar’s Engineering
Specification ES 9-98. Most commercially available natural gas fuels comply with ES 9-98.
The gas fuel system can be modified to operate with fuels that do not comply with ES 9-98.
Solar gas turbines can operate on low Btu fuels. Please contact Solar Turbines for
assistance in evaluating fuel characteristics and gas turbine requirements.
(b) Fuel pressure and flow requirements can be affected by several factors such as: fuel
temperature, fuel lower heating value, air inlet temperature, fuel composition, fuel specific
gravity, engine injector type, inlet duct loss, relative humidity, site elevation, and piping length
and diameter. Based on site conditions, minimum fuel pressure and flow requirements may
be less than stated values. Please contact Solar Turbines for site-specific fuel pressure and
flow requirements.
(c) Fuel must have a differential temperature (ΔT) of at least 27°C (50°F) above fuel dew point
temperature.
(d) The particle size in the air stream should not exceed 10μ. Since it is impractical to remove
100% of all particles larger than 10μ, this is defined as ß10 > 100, or 99% efficient. Oil or
hydrocarbon content should not exceed 1 ppm. The dew point at line pressure shall be at
least 6°C (10°F) below the minimum temperature to which any part of the air system is
exposed or between -29°C and 93°C (-20°F and 200°F). Air should be free of all corrosive
contaminants, hazardous gases, flammables, and toxics.
© 2009 Solar Turbines Incorporated. All rights reserved. TPS70CSMD/309
28

Turbomachinery Package Specification Taurus 70 Compressor Set and Mechanical Drive
9 Lubrication System
9.1 General Description
The lubrication system, (Figure 13) circulates oil under pressure to the gas turbine and
driven equipment. Lube oil is supplied from the lube oil tank located in the driver frame.
Oil temperature is maintained at optimal levels by a thermostatic control valve, oil tank
heater, and optional oil cooler.
The lubrication system incorporates the following components:
• Oil tank
• Lube oil (customer furnished)
• Gas turbine driven main lube oil pump
• AC Motor-driven pre/post lube oil pump
• DC Motor-driven backup lube oil pump
• Duplex lube oil filter system with replaceable elements
• Oil level, pressure, and temperature indications
• Pressure and temperature regulators
• Strainers
• Oil tank vent separator
• Oil tank vent flame trap
Optional features include:
• Off-skid oil cooler
• Oil tank heater
• Stainless steel oil tank and tank covers
• Stainless steel filter system
9.1.1 Lube Oil
Lube oil is customer furnished. Petroleum base or synthetic oil with a viscosity grade of
C32 or C46 may be used. Synthesized hydrocarbon oils are recommended due to lower
pour point, higher viscosity index, better heat transfer, and lower oxidation rate. Lube oil
must conform to Solar’s Engineering Specification ES 9-224.
9.1.2 Gas Turbine-Driven Main Lube Oil Pump
The main lube oil pump is mounted on an integral accessory drive gearbox. This
positive-displacement pump provides lube oil pressure for normal operation.
9.1.3 AC Motor-Driven Pre/Post Lube Oil Pump
The pre/post lube oil pump provides lube oil pressure during package starting and for
post-lube cooling of the gas turbine and driven equipment bearings. The pre/post lube oil
pump provides lube oil pressure during a gas turbine roll down in the event the main lube
oil pump has failed.
9.1.4 DC Motor-Driven Backup Lube Oil Pump
The backup lube oil pump provides lube oil pressure for post lube cooling of the gas
turbine and driven equipment bearings in the event the pre/post lube oil pump fails. The
backup lube oil pump provides lube oil pressure during a gas turbine roll down in the
event the main lube oil pump and pre/post lube oil pump have both failed. The backup
lube oil pump also provides lube oil pressure during an emergency condition such as a
© 2009 Solar Turbines Incorporated. All rights reserved. TPS70CSMD/309
29

Turbomachinery Package Specification Taurus 70 Compressor Set and Mechanical Drive
fire, control system failure, emergency stop, or if a turbine over speed is detected by the
backup system.
9.1.5 Duplex Lube Oil Filter System
The duplex lube oil filter system is supplied with a filter transfer valve and filter differential
pressure indication with alarm. The transfer valve allows a filter transfer to be performed
while the gas turbine is running. The lube oil filter system is contained completely within
the skid. The interconnect piping between the skid edge and the off-skid oil cooler, if
applicable, is not provided.
9.1.6 Lube Oil Vent Coalescer
An off-skid lube oil vent coalescer is provided to remove oil vapor from the lube oil tank
vent airflow. The coalescer drains trapped oil vapor back to the lube oil tank and allows
the remaining vent airflow to exhaust to the atmosphere. A tank overpressure alarm and
shutdown are also included. The lube oil vent coalescer is loose shipped for off-skid
installation by others.
DUPLEX
LUBE OIL
FILTER
SYSTEM
TPD
LUBE OIL
COOLER
COOLER
TEMPERATURE
CONTROL VALVE
ENGINE
DRIVEN
MAIN LUBE
OIL PUMP
PRE/POST
LUBE OIL
PUMP
BACKUP
LUBE OIL
PUMP
COMPRESSOR COUPLING GEARBOX
FG FG
FG FG
RT
RT
THRUST
BEARING
TP
RT
FLAME
ARRESTER
VENT
DEMISTER
PT
TL
OIL TANK
RT RT
RT
LUBE OIL
TANK
HEATER
LEGEND
TPD TRANSMITTER, DIFFERENTIAL PRESSURE
FG FLOW GAUGE (SIGHT GLASS)
TL TRANSMITTER, LEVEL
RT RESISTANCE TEMPERATURE DEVICE (RTD)
TP TRANSMITTER, PRESSURE
FILTER
RT
COUPLING GAS PRODUCER
(IF APPLICABLE)
FG
RT
FG
RTRT
POWER TURBINE
FG
Figure 13. Typical Lube Oil System
© 2009 Solar Turbines Incorporated. All rights reserved. TPS70CSMD/309
30

Turbomachinery Package Specification Taurus 70 Compressor Set and Mechanical Drive
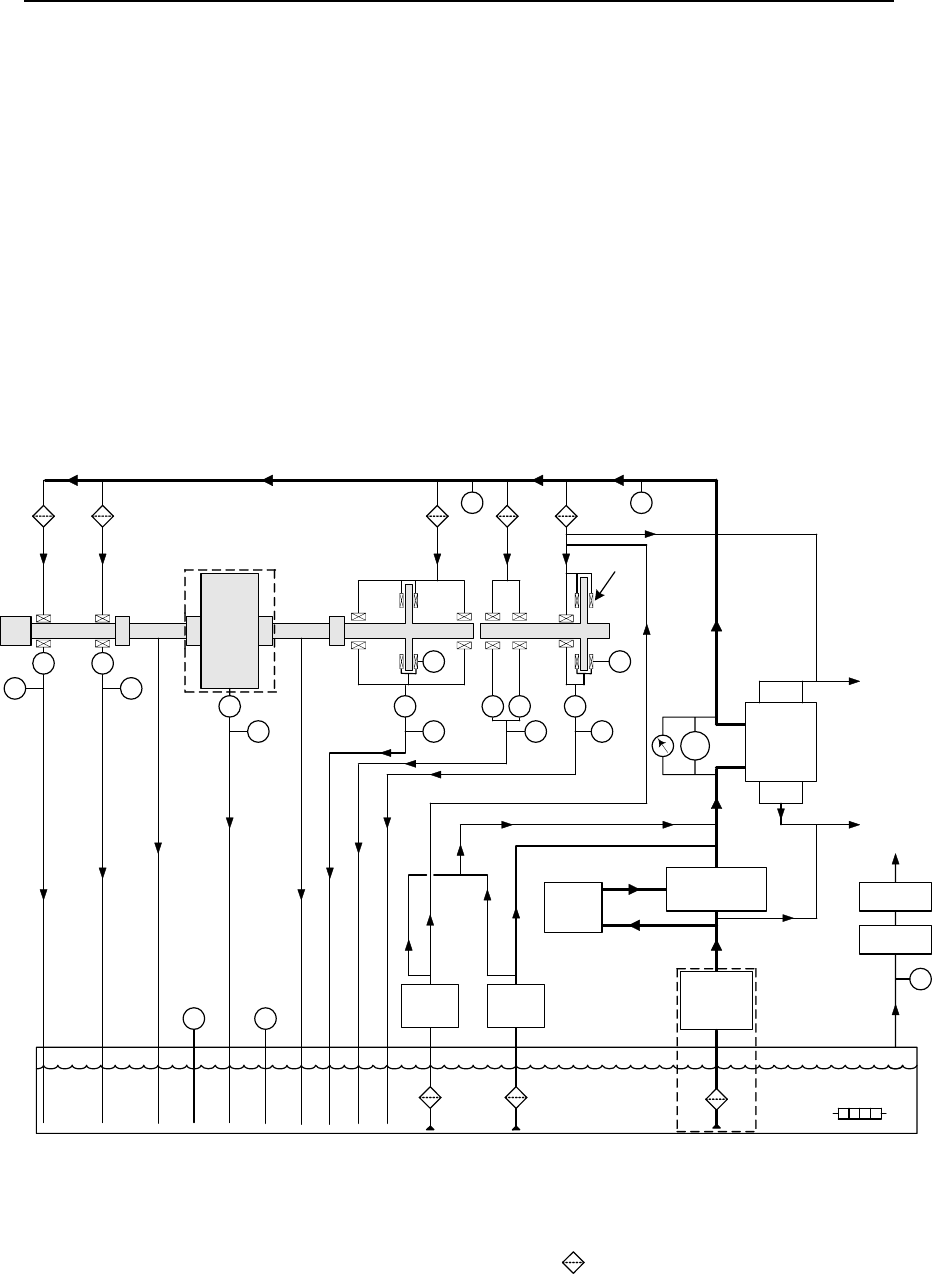
9.1.7 Lube Oil Vent Flame Arrestor
The lube oil vent flame arrestor prevents an ignition source from entering the lube oil
tank. The flame arrestor is loose shipped for off-skid installation by others.
9.1.8 Lube Oil System Options
Lube Oil Cooler
An air-to-oil type cooler is available to provide oil cooling for the gas turbine and the
driven equipment. The cooler is sized for specified heat loads and ambient temperatures
and is designed for a 22.2°C (40°F) approach temperature. The cooler is loose shipped
for offskid installation by others.
Lube Oil Immersion Tank Heater
The lube oil tank immersion heater ensures the lube oil tank temperature is adequate for
starting in cold conditions. The tank heater also facilitates a short lube oil temperature
warm up period after a cold start. Electrical supply contactors are not included.
Table 9. Lubrication System Specifications
Main Lube Oil Pump
Pump Type Engine-Driven Rotary Screw
Flow 1440 lpm (380 gpm)
Discharge Pressure 607 kPag (88 psig), See Note (a)
Pre/Post Lube Oil Pump
Pump Type AC Motor-Driven Centrifugal
Optional Motor Voltage Ratings 380 VAC, 400 VAC, and 415 VAC (50 Hz)
460 VAC (60 Hz)
Motor, Power 7.5 kW (10 hp)
Backup Lube Oil Pump
Pump Type DC Motor-Driven Centrifugal
Motor Voltage Rating 120 VDC
Motor, Power 1.1 kW (1.5 hp)
Lube Oil Cooler
Lube Cooler Oil Volume (Per Cooler) Project Specific
Design Heat Load (Per Cooler) Project Specific
Design Oil Flow Rate (Per Cooler) Project Specific
Air Flow Rate Project Specific, See Note (b)
Maximum Ambient Temperature 43°C (110°F)
Maximum Design Lube Oil Cooler Outlet
Temperature
66°C (150°F)
Maximum Lube Oil Cooler Design Pressure Drop 173 kPag (25 psig), See Note (c)
Minimum Lube Oil Cooler Design Pressure 1 035 kPag (150 psig)
Optional Motor Voltage Ratings 380 VAC, 400 VAC, and 415 VAC (50 Hz)
460 VAC (60 Hz)
Optional Motor, Power 7.5 kW (10 hp), 15 kW (20 hp), or 2 x 15 kW (20
hp)
Lube Oil Tank Immersion Heater, See Note (d) and (e)
Optional Voltage Ratings 380 VAC, 400 VAC, and 415 VAC (50 Hz)
460 VAC (60 Hz)
Power 3-Phase VAC, 25 kW
Minimum/Maximum Regulated Supply Pressure 100 to 225 psig (689 to 1551 kPag)
Maximum Flow Demand Rate 4.67 nm3/min. (165 scfm)
© 2009 Solar Turbines Incorporated. All rights reserved. TPS70CSMD/309
31

Turbomachinery Package Specification Taurus 70 Compressor Set and Mechanical Drive
Main Lube Oil Duplex Filters
Type Self-Supporting Pedestal
Duplex Filters 10 Micron
Certification ASME, Section VIII, Division 1
Backup Lube Oil Pump Filter
Type Bowl Filter
Minimum/Maximum Operating Temperatures -54 to 135°C (-65 to 275°F)
Simplex Filter β X > 75 Micron
Lube Oil Vent Coalescer
Type Air/Oil Mist Eliminator
Maximum Working Temperature 93°C (200°F)
Orientation Vertical
Performance 100% removal of all droplets greater than 3
microns and 99.5% removal of all droplets less
than 3 microns.
Certification ASME, Division 1
Approximate Dimensions (Height x Diameter) 230 cm x 84 cm (90.4 in. x 33 in.)
Approximate Weight 576 kg (1270 lb)
Lube Oil Vent Flame Arrestor
Orientation Vertical, See Note (f)
Approximate Dimensions (Height x Diameter) 56 cm x 26 cm (22 in. x 10.3 in.)
Approximate Weight 26 kg (58 lb)
Strainers
Tank Fill 20 mesh
Gearbox Breather Vent (If Applicable) 40 mesh
Gas Producer Start-Up Strainer 70 Micron, See Note (g)
Gearbox Start-Up Strainer (If Applicable) 70 Micron, See Note (g)
Compressor Driven End Start-Up Strainer 70 Micron, See Note (g)
Compressor Exciter End Start-Up Strainer 70 Micron, See Note (g)
Lube Oil
Viscosity Grade ISO VG 32 (C32) Use When Ambient Temperature is <43°C (110°F)
Viscosity Grade ISO VG 46 (C46) Use When Ambient Temperature is >43°C (110°F)
Pour Point Must Be At Least 6°C (11°F) Below The Lowest
Ambient Temperature)
Lube Oil Tank Capacity 4713 L (1245 gal), See Note (h)
Weight 3946 kg (8700 lb)
Construction Materials
Piping, Manifolds, and Tubing 316L Stainless Steel
Lube Oil Tank and Tank Covers Carbon Steel (Standard)
316L Stainless Steel (Optional)
Construction Materials (Cont’d)
Main Lube Oil Duplex Filter Housing and Transfer
Valve
Carbon Steel (Standard)
316L Stainless Steel (Optional)
Backup Lube Oil Pump Filter Housing Carbon Steel (Standard)
316L Stainless Steel (Optional)
Lube Oil Vent Coalescer Carbon Steel (Standard)
316L Stainless Steel (Optional)
Lube Oil Vent Flame Arrestor Carbon Steel (Standard)
316L Stainless Steel (Optional)
© 2009 Solar Turbines Incorporated. All rights reserved. TPS70CSMD/309
32

Turbomachinery Package Specification Taurus 70 Compressor Set and Mechanical Drive
Solar’s Applicable Engineering Specifications
ES 9-224 Fuel, Air, and Water (or Steam) for Solar Gas Turbine Engines
ES 1593 Guidelines for NEC Compliance of Solar Product Lines: Class I, Group D, Division 1
and Division 2
ES 1762 Standards and Practices for Electrical Systems for Gas Turbine Packages Installed In
Hazardous Areas (CENELEC/IEC Standards – European ATEX Directive 94/9/EC)
Solar’s Applicable Product Information Letters
PIL 058 Package Sound Levels
PIL 161 Lube Oil System Cleanliness
Notes:
(a) A pressure control valve regulates main lube oil supply pressure to 345 - 414 kPag (50 - 60 psig)
when unit is at normal operating temperature.
(b) Prevailing winds must be considered to prevent the lube oil cooler from exhausting into the
engine air inlet system or to take air in from the engine exhaust system. No airflow backpressure
is allowed at the lube oil cooler face.
(c) The maximum total design pressure drop of the off skid oil cooler loop including supply and return
lines shall not exceed 40 psid (276 kpad) at the design flow rate and an oil viscosity of 60 ssu
(10.5 centistokes). No check valves are allowed in the oil cooler loop. This is recommended for all
applications (but mandatory for units in cold climates), oil cooler supply, return and optional vent
lines must slope from the oil cooler to the turbine package to facilitate draining when the unit is
not operating.
(d) The heater is mandatory if unit ambient temperature is less than 10°C (50°F).
(e) The lube oil tank immersion heater ensures the lube oil tank temperature remains above 10°C
(50°F) for starting in cold temperatures.
(f) The flame arrestor must be installed vertically at the end of the lube tank vent piping.
(g) Start-up strainers must be inspected after 100 hours of operation.
(h) An additional 246 L (65 gal) is required for package filters and piping. Additional oil will also be
required to fill any offskid oil piping and vessels (if applicable).
© 2009 Solar Turbines Incorporated. All rights reserved. TPS70CSMD/309
33

Turbomachinery Package Specification Taurus 70 Compressor Set and Mechanical Drive
10 Turbotronic 4 Control System
10.1 General Description
The Turbotronic 4 control system controls and monitors the turbomachinery package
including the gas turbine and driven equipment. The system scope can be expanded to
include monitoring and/or control of balance of plant equipment that is directly package
related. The system architecture is based on a Rockwell Automation/Allen-Bradley
hardware and software platform and includes fully integrated driven equipment, vibration
and, when required, fire and gas monitoring and control subsystems. The primary control
system components may be mounted either “onskid” on the package skid (Figure 14) or
“offskid” in a freestanding console (Figure 15).
The onskid design is approved for use in areas classified as Class I, Group D, Division 2,
by the National Electrical Code (NEC) and in areas classified as Zone 2, Group IIA, under
the Committee for Electrotechnical Standardization (CENELEC) standards. An auxiliary
display and monitoring system is available, mounted in either an optional console or a
desktop computer. Control connections between the package and the auxiliary display
are through a pair of redundant network cables. A limited set of hardwired cables may
also be required depending on the configuration.
For NEC Division 1 and CENELEC Zone 1 applications, the offskid design must be used.
This design requires a full set of hardwired interconnect cables between the package, the
control console, the motor control center (MCC) and any other controlled items.
An independent backup shutdown system provides additional protection. This shuts the
package down in a safe and orderly manner in the event of malfunction of the primary
control system.
10.2 System Architecture
Key system components include:
• ControlLogix controller (Allen-Bradley)
• RSLogix 5000 programming software (Rockwell Automation)
• 1794 Flex I/O input/output modules (Allen-Bradley)
• 1701 FieldMonitor vibration monitoring system (Bently Nevada)
• ControlNet network (ControlNet International)
• TT4000 offskid display and monitoring system (Solar Turbines)
• Offskid operator control panel* (Solar Turbines)
• TT4000S onskid local operator interface (Solar Turbines)
• Onskid operator control panel (Solar Turbines)
• Fire and gas monitoring and control system (Det-tronics)
• Independent backup shutdown system (Solar Turbines)
* Included with standard offskid configuration, optional with onskid configuration
Figure 16 provides an overview of the principle control system elements. The ControlNet
network provides primary communications between components. Hardwire backup is
provided for critical circuits. The TT4000S and on-skid operator panel are located on the
package skid. The TT4000 and off-skid operator panel are located in a non-hazardous
area such as a control room. The variable speed frequency drive (VFD) for the start
motors is typically located in a motor control center. All other components are rated NEC
Class 1, Division 2 or CENELEC Zone 2 for hazardous area duty and are located on the
package skid for the on-skid controls configuration or in a console for the off-skid
configuration.
© 2009 Solar Turbines Incorporated. All rights reserved. TPS70CSMD/309
34

Turbomachinery Package Specification Taurus 70 Compressor Set and Mechanical Drive
OPTIONAL
AUXILIARY CONSOLE
CONTROLNET
ETHERNET
PACKAGE SKID
TURBINE CONTROL PANEL
TT4000
OPTIONAL
REMOTE DESKTOP
COMPUTER
TT4000S
OPERATOR PANEL
CONTROL PROCESSOR
I/O MODULES
BACKUP SHUTDOWN SYSTEM
FIRE & GAS SYSTEM
VIBRATION MONITOR
OPTIONAL AUXILIARY
DESKTOP COMPUTER
TT4000
TT4000
Figure 14. Typical Onskid Control System
CONTROL CONSOLE
CONTROLNET
ETHERNET
PACKAGE SKID
TURBINE CONTROL PANEL
TT4000
CONTROL PROCESSOR
I/O MODULES
BACKUP SHUTDOWN SYSTEM
FIRE & GAS SYSTEM
VIBRATION MONITOR
OPTIONAL REMOTE
DESKTOP COMPUTER
TT4000S
OPERATOR PANEL
INTERCONNECT
CABLES
TT4000
Figure 15. Typical Offskid Control System
© 2009 Solar Turbines Incorporated. All rights reserved. TPS70CSMD/309
35

Turbomachinery Package Specification Taurus 70 Compressor Set and Mechanical Drive
CONTROLLOGIX
CONTROLLER
VIBRATION
MONITOR
I/O
MODULES
BACKUP
SHUTDOWN
SYSTEM
FIRE & GAS
SYSTEM
TURBINE
CONTROL
PANEL
TT4000
TT4000S
OPERATOR
PANEL
CONTROLNET
CONNECTIONS TO PACKAGE AND FIELD INSTRUMENTATION
VARIABLE
FREQUENCY
DRIVES
SERIAL LINK TO
SUPERVISORY
CONTROL
MOTOR CONTROL
CENTER
SAFE AREA OPERATOR
INTERFACE
ONSKID OPERATOR
INTERFACE
PRIMARY CONTROL SYSTEM COMPONENTS
Figure 16. Turbotronic System Architecture
10.3 Component Descriptions
10.3.1 Controller
The ControlLogix controller, running RSLogix 5000 software, provides primary control.
Project-specific programs are created in a Windows-based system and uploaded to the
controller. The RSLogix 5000 software supports ladder and function block programming
and complies with the International Electrical Code (IEC) 61131-3 standard for
programmable controllers.
10.3.2 ControlNet 1.5
Operating at 5 Mbps, the network is repeatable and deterministic. Cabling is redundant
with two separate channels carrying the same information. The maximum total length of
the network is 1000 meters without the use of repeaters. However, this length decreases
based on the number of nodes on the network. A practical design limit is 800 meters.
10.3.3 Input/Output Modules
Flex I/O modules provide an interface between the package instrumentation and the
processor. Specific modules handle discrete inputs, analog inputs, temperature inputs,
speed inputs, discrete outputs and analog outputs.
© 2009 Solar Turbines Incorporated. All rights reserved. TPS70CSMD/309
36

Turbomachinery Package Specification Taurus 70 Compressor Set and Mechanical Drive
10.3.4 Vibration Monitoring System
The system uses 1701 FieldMonitors and associated sensing devices from Bently
Nevada. The capacity of each monitor is eight vibration channels plus a keyphasor input.
The system is configurable from the control processor. It detects preprogrammed alarm
and shutdown levels. See the specification tables for a list of monitored channels.
10.3.5 Backup Shutdown System
The backup shutdown system shuts the package down in a safe and orderly manner
without damage to the equipment in the event of a failure in the primary system. The
control processor is monitored by both an internal watchdog circuit and by an external
watchdog device. If either circuit detects a processor failure, the backup system takes
control. It depressurizes the compressor (if applicable), closes the fuel valves, and
initiates a post lube cycle to protect the turbine bearings. Once a backup shutdown is
initiated, operation can only be restored manually from the control panel after all faults
have been cleared. The emergency stop push-button switches are wired to both the
primary and backup systems.
10.3.6 Fire and Gas System
Enclosed packages require fire and gas control protection. The Eagle Quantum Premier
system from Det-Tronics detects combustible gas and/or fire inside the enclosure based
on inputs from gas, thermal, and optical flame detectors. If fire is detected, the system
releases an extinguishing agent into the enclosure. If a fire or an unacceptable gas level
is detected, the system instructs the Turbotronic control processor to initiate a package
shutdown. The system is also wired directly to the backup shutdown system. See
Enclosure Section 12 for a more complete description.
10.3.7 Control System Power Supplies
The control system operates on 24 VDC power. The standard battery charge system
provides 120 VDC power to the control system. The control system includes a 120 to 24
volt DC-to-DC converter to supply 24 VDC power to the control system. For a more
detailed description of the battery charger system, refer to Section 15, Accessory
Equipment.
10.3.8 Interconnect Cables – Offskid Control Systems
With the offskid controls configuration, interconnect cabling must be provided between
the package skid and the control console. This cabling is not in Solar’s standard scope of
supply. Solar’s standard wiring recommendations are based on a cable length of 76 m
(250 ft). For interconnects over 76 m, the wire gages must be adjusted to maintain the
equivalent loop resistance of the Turbotronic 4 standard design, and must not exceed a
5% voltage drop. This may require a larger wire gage. For interconnects over 76 m, low
capacitance wire (0.03 μF/m; 0.01 μF/ft) must be used for the speed signal and vibration
cables.
10.4 System Monitoring and Control Functions
The control system provides sequencing control during gas turbine startup, steady state
operation, and shutdown. Protective functions are provided during all stages of operation.
10.4.1 Starting and Loading
The Start command initiates the sequence. Prior to rotation, the lube oil pump undergoes
a test cycle, the enclosure fans (if applicable) are started, and the fuel valves undergo a
test cycle with fuel pressure verification.
© 2009 Solar Turbines Incorporated. All rights reserved. TPS70CSMD/309
37

Turbomachinery Package Specification Taurus 70 Compressor Set and Mechanical Drive
The starter then rotates the gas turbine and the compressor develops airflow to purge
any accumulated gas in the gas turbine, air inlet, and exhaust duct. The purge cycle is
tailored to the exhaust duct volume.
When the engine has reached the required speed and temperature, a small amount of
fuel is introduced into the combustor from the gas torch and ignited by the ignitor plug.
The fuel control valve gradually opens and admits fuel into the combustor through the
injectors. The inlet guide vanes open and the bleed valve gradually closes. Fuel flow,
engine temperature, and turbine speed all increase. Once starter dropout speed is
exceeded, the starter freewheels and is de-energized. The engine continues to
accelerate under its own power.
10.4.2 Steady-State Control
During steady-state operation, the control system keeps the equipment within specified
operating conditions. The maximum power limit is determined by engine temperature and
speed.
Temperature control is based on the third-stage nozzle temperature (T5). Twelve
thermocouples are used and the values averaged. If one thermocouple has a value that
deviates from the average by more than a preset amount, an alarm is generated by the
control system. If two thermocouples deviate, the package is shut down.
Special sensors continuously monitor the gas turbine speed and the control system
makes adjustments to meet operating requirements and to keep the speed within
specified limits. A separate backup overspeed detection system provides additional
protection by automatically shutting the engine down if a preset overspeed limit is
reached.
10.4.3 Stopping
The gas turbine may be shutdown either manually or automatically.
The Normal Stop command initiates a cooldown stop. The gas compressor is
depressurized (if applicable) and the gas producer runs at idle speed for a preset time to
allow the gas turbine and driven equipment to cool, then the fuel valves close. The
Emergency Stop command results in the immediate depressurization of the gas
compressor and closure of the fuel valves without a cooldown period.
In the event of a hazardous condition or equipment malfunction, the control system will
shut the package down automatically. These shutdowns are divided into four categories:
• Cooldown stop non-lockout (CN)
• Cooldown stop lockout (CL)
• Fast stop non-lockout (FN)
• Fast stop lockout (FL)
Cooldown and fast stops correspond to the manual normal and emergency stops
respectively. Lockout stops inhibit operation of the control system and prevent restarting
until the malfunction is reset. Lockout stops result from serious malfunctions that require
corrective action before the system can be restarted. Non-lockout stops result from an
operational disruption or abnormal condition and can be reset when conditions return to
normal.
In all cases, after the package has come to a complete stop and the rundown timer has
timed out, the control system initiates and supervises a post-lube cycle to protect the gas
turbine and driven equipment bearings from thermal damage. If the shutdown is the result
of a fire being detected, start of the post lube cycle is delayed for 10 minutes unless an
operator intervenes.
© 2009 Solar Turbines Incorporated. All rights reserved. TPS70CSMD/309
38

Turbomachinery Package Specification Taurus 70 Compressor Set and Mechanical Drive
10.4.4 Vibration and Temperature Monitoring
In addition to the T5 thermocouples, the system provides continuous monitoring of
temperature and vibration levels at key package locations. Refer to the Specification
Table for details.
10.5 TT4000 Display and Monitoring System
The TT4000 display and monitoring system provides extensive data collection and
display capabilities. On a typical project, two standard versions of the product are used.
TT4000 is the fully featured version with extensive data collection and display capability.
It is installed in a high performance industrial grade personal computer (PC), in either a
desktop or a console panel mounted version. It runs on the Windows® 2000 operating
system. The hardware is not rated for hazardous areas and must be installed in a non-
hazardous area, typically a control room.
TT4000S is a reduced version of the product specifically designed for the onskid
interface. It is installed in a special industrial grade PC that is approved for use in both
NEC Division 2 and CENELEC/ATEX Zone 2 areas. It runs on the embedded Windows®
NT operating system. Due to the environment, it uses no moving media such as disk
drives, so data storage is limited. It displays data but without the graphics features of the
full TT4000 version.
10.5.1 TT4000 Display Screens
A menu bar at the left of each screen allows navigation to any other screen. A status bar
at the top of every screen displays up to four alarm conditions. Standard display screens
include:
• Operation Summary (complete package data, see Figure 17 for typical screen)
• Temperature Summary (all monitored temperature values)
• Vibration Summary (all monitored vibration values)
• Lube Oil Summary
• Turbine Vibration
• Compressor Vibration (if applicable)
• Seal System (if applicable)
• Program Constants
• Strip Chart Display (real time data, see Figure 18 for typical screen)
• Yard Valves
• Maintenance
• Alarm Summary
• Discrete Event Log
• Historical Data Display (strip chart format)
Optional Display Screens:
• Gas Turbine Performance
• Compressor Performance
• Process Control
• Surge Control
Customized screens can be provided to display other product specific information.
© 2009 Solar Turbines Incorporated. All rights reserved. TPS70CSMD/309
39

Turbomachinery Package Specification Taurus 70 Compressor Set and Mechanical Drive
Figure 17. Typical TT4000 Operation Summary Screen
Figure 18. Typical TT4000 Strip Chart Screen
© 2009 Solar Turbines Incorporated. All rights reserved. TPS70CSMD/309
40

Turbomachinery Package Specification Taurus 70 Compressor Set and Mechanical Drive
Figure 19. Typical TT4000S Engine Summary Screen
10.5.2 TT4000S Display Screens
The TT4000S displays a comparable set of screens to the full TT4000 except that the
data is in numerical form and graphics are limited (Figure 19).
10.5.3 TT4000 Data Collection and Display
The Discrete Event Log records changes in status for all defined discrete inputs,
including operator commands, alarms and shutdown annunciations, and key sequencing
and status signals. Up to 5000 events are stored and can be viewed and sorted by
heading.
Analog Data are collected and saved to disk. The standard data files are:
Hourly Log - data are read at hourly intervals for 2 years. Each year’s data are stored in
a separate file. Data are recorded whether or not the equipment is operating.
Minute Log - data are read and stored at one-minute intervals for the previous 62 days,
one file for each day.
10 Second Log - data are read at 10-second intervals for the previous 31 days, one file
for each day.
Trigger Log - data are read at one-second intervals for 6 minutes before a “trigger” event
that is defined in the software. The standard trigger is a shutdown. Six minutes before the
trigger of data are written to a file. Up to 50 trigger logs files can be stored.
10.5.4 TT4000 Display Language
In addition to English, dual language screens are available with English and Spanish
(Latin America), Portuguese (Brazil), French, German or Chinese (simplified). Other
languages can be provided as custom features.
10.5.5 TT4000 Operating Modes
There are two operating modes for the TT4000 software: Design Time and Run Time.
Design Time is used to create or modify a project’s working files. Run Time uses those
files in the normal equipment operation.
10.5.6 Supervisory Control Interfaces
The Turbotronic 4 control system can transmit data to, and receive control instructions
from, a supervisory control system. All analog data and the status of all discrete values
are available for transmittal. Interface modules mount in the controller rack and connect
through the rack’s backplane. Available connections are:
© 2009 Solar Turbines Incorporated. All rights reserved. TPS70CSMD/309
41

Turbomachinery Package Specification Taurus 70 Compressor Set and Mechanical Drive
• ControlLogix 1.5
• Ethernet
• Data Highway Plus
• Modbus
10.5.7 System Programmability
The Turbotronic 4 system is fully programmable in the field. Programming requires a
licensed copy of Rockwell Automation’s RSLogix 5000 software installed on a suitable
computer with the corresponding interface card installed. Solar offers two standard
options:
Software, instruction manual, interface card, and connecting cable.
Fully configured portable computer with the software, instruction manual, interface card, and
connecting cable
10.5.8 Engineering Units
The following engineering unit options are available for the screen displays:
Metric 1 Metric 2 Metric 3 English
Pressure kPa bar kg/cm3psig
Temperature °C °C °C °F
Table 10. Turbotronic 4 Control System Specifications
Temperature Monitoring
Resistance Temperature Device (RTD) 100 ohm Platinum
Turbine T5 12 Thermocouples
Turbine Air Inlet Resistance Temperature Device (RTD)
Turbine Lube Oil Header RTD
Turbine Lube Oil Tank RTD
Turbine Gas Producer Thrust Bearing RTD (1 connected and 1 spare)
Turbine Power Turbine Thrust Bearing RTD (1 connected and 1 spare)
Turbine #1 Bearing Drain RTD (1 connected and 1 spare)
Turbine #2 and #3 Bearing Drain RTD (1 connected and 1 spare)
Turbine #4 and #5 Bearing Drain RTD (1 connected and 1 spare)
Compressor Driver End Bearing (If Applicable) RTD (1 connected and 1 spare)
Compressor Driven End Bearing (If Applicable) RTD (1 connected and 1 spare)
Vibration Monitoring
Turbine Bearing #1 Displacement Probes, X and Y axis
Turbine Bearing #2 Displacement Probes, X and Y axis
Turbine Bearing #3 Displacement Probes, X and Y axis
Turbine Bearing #4 Displacement Probes, X and Y axis
Turbine Bearing #5 Displacement Probes, X and Y axis
Turbine Rotor Shaft Displacement Probe, Axial Position
Turbine Gas Producer Rotor Shaft Keyphasor
Turbine Power Turbine Rotor Shaft Keyphasor
Compressor Bearing Driven End Displacement Probes, X and Y axis
Compressor Bearing Driver End Displacement Probes, X and Y axis
Gearbox (If Applicable) Acceleration Probe
Displacement Probes, X and Y axis (Optional)
© 2009 Solar Turbines Incorporated. All rights reserved. TPS70CSMD/309
42

Turbomachinery Package Specification Taurus 70 Compressor Set and Mechanical Drive
Off-skid Control Console Dimensions
One-Bay Control Console
Height 2286 mm (90 in.)
Width 914 mm (36 in.)
Depth 800 mm (32 in.)
Approximate Weight 570 kg (1250 lb)
Two-Bay Control Console
Height 2286 mm (90 in.)
Width 1448 mm (57 in.)
Depth 800 mm (32 in.)
Approximate Weight 680 kg (1500 lb)
Supervisory Interface Modules
ControlNet 1.5
Cables RG-6U Coaxial
Maximum Cable Length 1000 m (3300 ft)
Transmission Protocol Common Industrial Protocol (CIP)
Transmission Speed 5 Mbps
Ethernet
Cables 10BaseT
Network Length 100 m (330 ft) To Nearest Hub
Transmission Protocol CIP Protocol with TCP/IP
Transmission Speed 10 Mbps
Data Highway Plus
Cables DH+ Twisted Pair
Maximum Cable Length 3000 m (10,000 ft)
Transmission Protocol CIP or DF1 Protocol
Transmission Speed 57.6 bps
Modbus
Cables RS232C, RS422, or RS485
Cable Length RS232C: 15 m (50 ft)
RS422 and RS485: 1200 m (4000 ft)
Transmission Protocol Subset of Modbus RTU Protocol
Package End Devices
Transmitters 4-20 mA
Switches 0-24VDC
Thermocouples Type K
RTDs 100 ohm Platinum
Proximitors 3300XL
Solar’s Applicable Engineering Specifications
ES 9-56 Fusion Welding
ES 1593 Guidelines for NEC Compliance of Solar Product Lines: Class I, Group D, Division 1
and Division 2
ES 1762 Standards and Practices for Electrical Systems for Gas Turbine Packages Installed In
Hazardous Areas (CENELEC/IEC Standards – European ATEX Directive 94/9/EC)
ES 2231 Standards and Practices for The Design and Installation of Cable Channels and TC
Rated Cables Installed In Class 1, Division 2 Hazardous Areas
© 2009 Solar Turbines Incorporated. All rights reserved. TPS70CSMD/309
43

Turbomachinery Package Specification Taurus 70 Compressor Set and Mechanical Drive
11 Control and Monitoring
11.1 General Description
The following sections outline the control and monitoring options available for
compressors and mechanical drives.
11.1.1 Process Control
The process control options provide unit control based on the gas compressor suction
pressure, discharge pressure, and flow (or combinations of these parameters). Local and
remote setpoint adjustments are included. If prime, Solar will provide the necessary
transmitters. If the driven equipment supplier is prime, the following input signals are
required depending on the type of control:
• 4-to-20 mA pressure signal
• 4-to-20 mA flow element differential pressure
• Temperature at flow element (100-ohm platinum RTD preferred)
11.1.2 Suction Pressure, Discharge Pressure, and Flow Shutdowns
The basic package may be supplied with driven equipment suction pressure, discharge
pressure, and flow transmitters and associated control system logic to provide for
indication, warning alarm, and unit shutdown when the suction pressure, discharge
pressure, or flow exceeds a preset value.
• Suction pressure transmitter – shipped separately for installation by purchaser
• Discharge pressure transmitter – shipped separately for installation by
purchaser
• Suction flow transmitter – shipped separately for installation by purchaser
11.1.3 Gas Compressor Surge Detection System
The surge detection system detects gas compressor discharge pressure pulsations and
initiates a gas turbine shutdown if pulsations exceed a preset value within a
predetermined time period. For applications without an anti-surge control system supplied
by Solar, a gas compressor surge detection system is recommended.
11.1.4 Anti-Surge Control
Surge at a given gas compressor speed is caused by excessive head across the gas
compressor (isentropic head) for a given suction flow rate. Therefore, surge in the gas
compressor may be controlled by decreasing the head across the gas compressor and/or
by increasing the flow rate of the gas to the suction side of the gas compressor. The anti-
surge control system prevents surge by modulating a surge control (bypass) valve to
lower head and increase suction flow. A typical system consists of pressure and
temperature transmitters on the gas compressor suction and discharge lines, a flow
differential pressure transmitter across the suction flowmeter, an algorithm in the control
system, and a surge control valve with corresponding accessories to keep the gas
compressor from going into surge.
The following components and information are required from the purchaser in order to
facilitate the surge control system design and onsite operation:
• Expected gas compressor operating conditions range for suction pressure (P1),
suction temperature (T1), discharge pressure (P2), flow and gas specific gravity
• Flow meter specification sheet
© 2009 Solar Turbines Incorporated. All rights reserved. TPS70CSMD/309
44

Turbomachinery Package Specification Taurus 70 Compressor Set and Mechanical Drive
• Purchaser piping and instrumentation diagram including suction and recycle
pipe size and schedule
• Anti-surge control (recycle) valve and specification sheet, unless included in
Solar's scope
• Suction and discharge gas temperature signal (100-ohm platinum resistance
temperature devices (RTDs) preferred)
Typical system scope includes the following:
• Engineering to determine the optimum control algorithms
• Control software programmed and tested for the selected gas compressor
staging
• Engineering to specify the anti-surge control valve and accessories, including
valve performance evaluation over the gas compressor performance map at
varying valve positions
• Engineering to specify the flow meter type and size
• Automatic override of manual control mode
• Evaluation of user piping and instrumentation diagram
• Documentation, including all surge control calculations and program constants
• Gas compressor flow versus differential pressure control with suction pressure
and temperature compensation
• Speed set point decoupling
• Surge detection with step valve opening
• On-screen, real-time graphic displays
• On-screen, real-time control parameter setting
• All surge control parameters are available for remote monitoring via serial link
11.1.5 Anti-Surge Recycle Valve
When included in Solar’s scope of supply, the anti-surge recycle valve is supplied as a
complete and functionally tested assembly, shipped separately for field installation. The
assembly includes the valve and the following accessories and features:
• Spring-return, diaphragm-type, pneumatic actuator
• Position transmitter with valve fully open and fully close relay outputs and 4-to-
20 mA proportional to percentage closed
• Pressure regulator
• 3-way 24-VDC solenoid valve
• Electropneumatic valve positioner
• ½-in. NPT actuator pressure port
• Carbon steel body per ASTM A352
• Interconnecting 316L stainless steel tubing and compression-type fittings
• Temperature Limits:
− Process gas: - 6.7° to 218°C (20° to 425°F)
− Ambient: -28.9° to 60°C (-20° to 140°F)
The assembly requires clean, dry regulated air or natural gas, 552 to 862 kPag (80 to 125
psig), -28.9° to 60°C (-20° to 140°F), dew point -40°C (-40°F)
© 2009 Solar Turbines Incorporated. All rights reserved. TPS70CSMD/309
45

Turbomachinery Package Specification Taurus 70 Compressor Set and Mechanical Drive
Successful operation of the anti-surge control system is dependent on correct valve
selection. The following anti-surge recycle valve is selected based on the application data
available at the time of this proposal. It may be necessary to select a different valve, or
possibly a combination of valves, once complete compressor system design information
is received. Any such change will have a commercial impact.
11.1.6 Compressor Vibration and Temperature Monitoring
X and Y proximity probes are mounted in the compressor driven and non-driven end
bearings. These probes are monitored continuously by the control system. Alarm and
shutdown levels are set to protect the compressor from excessive vibration levels. Axial
probes are also provided for position monitoring (except C505J).
Resistance temperature devices (RTDs) are mounted in the compressor bearing drains
(except for the C505J model) and thrust bearing. Alarm and shutdown levels are set to
protect the compressor bearings from excessive temperature levels.
© 2009 Solar Turbines Incorporated. All rights reserved. TPS70CSMD/309
46

Turbomachinery Package Specification Taurus 70 Compressor Set and Mechanical Drive
12 Enclosure
12.1 General Description
The enclosure housing (Figure 20) is a completely self-contained, weatherproof,
insulated, and sound-attenuated system. The enclosure is mounted on the package skid
and supported by a heavy-duty frame. The enclosure sides include removable panels
and/or doors to allow access to major components for inspection and maintenance and to
permit removal of components by forklift or overhead crane. The engine area is furnished
with full height doors to facilitate engine removal from either side of the package. All
enclosure doors include a three-point heavy-duty door locking mechanism, handles,
hinges, latching mechanism, internal lock override release, restraining device, and
attaching hardware.
The enclosure panels are treated with fiberglass material for sound attenuation and
thermal insulation. Weather stripping is installed between all panels for sealing and sound
attenuation. The enclosure is normally factory assembled on the package skid prior to
shipment, but can be shipped as a kit for site assembly and installation. The following
standard features are included with the basic enclosure:
• Inlet and exhaust ventilation silencers
• Single fan ventilation system
• Pressurization system
• AC lighting
• Equipment handling system
• Stainless steel door hardware
• IP 34 ingress protection rating
Figure 20. Typical Taurus 70 Enclosure
© 2009 Solar Turbines Incorporated. All rights reserved. TPS70CSMD/309
47

Turbomachinery Package Specification Taurus 70 Compressor Set and Mechanical Drive
12.2 Standard Features
12.2.1 Inlet and Exhaust Ventilation Silencers
The enclosure ventilation openings are equipped with silencers with damper louvers.
12.2.2 Single-Fan Ventilation
A single high efficiency motor-driven fan provides enclosure ventilation. The ventilation
fan provides airflow to ensure the enclosure internal air temperature remains within
acceptable limits. Fan size can vary depending on the ventilation system filtration
configuration. Fan motor wiring is terminated at the motor junction box. Enclosure
ventilation openings are provided to facilitate airflow circulation. An optional dual-fan
ventilation system is available (see below).
12.2.3 Enclosure High Temperature Alarm
A heat sensor, completely separate from the fire system thermal detectors, is mounted in
the enclosure. The sensor is set to activate an alarm if enclosure temperature is
abnormally high.
12.2.4 Pressurization System
For completely enclosed packages, the driver section of the enclosure has a negative
pressure to prevent the escape of the internal atmosphere through the enclosure seams.
The driven section of the enclosure has a positive pressure to prevent the entry of
potentially hazardous external atmospheres. A differential pressure switch is provided to
indicate an alarm when low enclosure pressure is detected.
12.2.5 Lighting
Fluorescent lighting is provided to illuminate the enclosure interior. Lighting on/off
switches are provided on the enclosure exterior.
12.2.6 Equipment Handling Kit
An internal gas turbine and component handling kit is provided that consists of the
following:
• Two internal movable trolley rails located over the turbine for turbine
maintenance and removal are included.
• One external (10-ft long) trolley beam extension with support frame for
equipment handling
• One external (9-ft long) trolley beam extension with support frame for
equipment handling
• Four 2-ton movable chain-fall hoists, trolleys and lift attachments for turbine
handling
The trolley beam extensions allow turbine removal through the side of the enclosure.
One end of the beam extension attaches to the inside trolley rails; the other end is a floor-
standing A-frame. The gas turbine is then removed through the enclosure side and
placed on a truck bed or cart.
12.2.7 Sound Attenuation
The sound-attenuated enclosure is intended for use with suitable gas turbine air inlet and
exhaust silencing systems in environments where low noise levels are required.
Enclosure ventilation openings are equipped with silencers to achieve maximum sound
attenuation. The actual achievable noise reduction is a function of the noise source,
installation considerations, other equipment in close proximity, and the acoustical
characteristics of existing buildings and barriers.
© 2009 Solar Turbines Incorporated. All rights reserved. TPS70CSMD/309
48

Turbomachinery Package Specification Taurus 70 Compressor Set and Mechanical Drive
The intent of the enclosure design is to comply with U.S. Occupational Safety and Health
Administration (OSHA) standards for eight-hour employee exposure. Transmission loss
of the panels in decibels is available upon request. Further information is available in
Solar’s publication SPNP, “Noise Prediction Guidelines for Industrial Gas Turbines.”
12.2.8 Exterior Connections
Connections for oil vent line, fire and gas suppression systems, and gas turbine air inlet
and exhaust are terminated outside the enclosure.
12.2.9 Fire and Gas Detection System
Enclosed packages must include a fire and gas control system. The fire and gas system
supplied by Solar (Figure 21) provides gas monitoring, fire detection, and extinguishing
agent release using an advanced distributed architecture to monitor gas, heat, and
optical flame detectors. The system communicates with the Turbotronic 4 control system
to initiate a shutdown if a fire or a high gas level is detected. On the package exterior,
indicator lights, strobe lights, and an alarm horn provide system status. A keyswitch is
provided to inhibit the system and a push button switch is provided to manually release
the fire-extinguishing agent.
The primary fire detection system uses multi-spectrum infrared (MIR) flame detectors.
The system includes an automatic optical integrity feature to provide a continuous check
of the optical surfaces, detector sensitivity, electronic circuitry of the detector-controller
system, and automatic fault identification with digital display of system status in numerical
code. The secondary detection system consists of rate-compensated thermal detectors.
The two detection systems act independently in detecting and reporting a fire.
OPERATOR PANEL
EQP
DCIO
MIR MIR
MIRMIR
IR IR
TD TD
TDTD
Turbotronic 4
Control
Processor
Turbotronic 4
Back-up
Shutdown
System
Turbomachinery Package
To / From Customer
Supervisory System
STROBES / HORN
FIRE
SUPPRESSION
SYSTEM
AUTO
INHIBIT
DISCHARGED
AUTO / INHIBIT
MANUAL RELEASE
LON
DCIO
MIR = Multi-spectrum IR Flame Detector
TD = Thermal Detector
IR = IR Gas Detector
LON = Local Operating Network
ControlNet
Figure 21. Typical Fire and Gas System
© 2009 Solar Turbines Incorporated. All rights reserved. TPS70CSMD/309
49

Turbomachinery Package Specification Taurus 70 Compressor Set and Mechanical Drive
The fire system control panel provides system supervision (for open circuit, ground fault,
or loss of integrity), initiates alarm and release of fire suppression agent, and visual
display of system status. The suppression system agent release is activated
automatically with release solenoids located on the fire suppression skid. The optional
CO2 or water mist suppression system can also be activated manually by switches
mounted on the gas turbine enclosure or at the suppression skid. If a fire is detected, the
fire detectors transmit an electrical signal to the fire system control panel to activate the
fire alarm and suppression system.
The enclosure is also equipped with two gas detectors: one at the gas turbine enclosure
ventilation air inlet and the other at the ventilation exhaust to provide continuous
monitoring of combustible gases. The detectors consist of IR hydrocarbon sensors that
provide input to the logical operating network (LON) module. The gas turbine start signal
is interlocked with the combustible gas monitoring system to ensure the atmosphere is
safe prior to initiating a turbine engine start. An alarm is initiated if the gas monitor fails.
12.3 Optional Features
12.3.1 Enclosure Configuration
An enclosure can be selected to house both the gas turbine and driven equipment or only
the gas turbine.
12.3.2 Dual Fan Ventilation
The enclosure can be ventilated with a dual AC motor-driven fan system. The fan motor
wiring is terminated at the motor junction box. Openings are provided to ensure adequate
airflow is circulated through the enclosure. For Conformité Européenne (CE) Mark
certification, the second or backup ventilation fan is mandatory and must be powered by
an AC source independent from the package power system. This independent power
source is not provided by Solar.
12.3.3 Dust Protection System
The enclosure ventilation inlets can be equipped with a single-stage, disposable, barrier-
type filter unit equipped with a differential pressure alarm switch. The ventilation exhaust
openings are equipped with back-draft dampers to prevent the entry of dust when the unit
is not running.
12.3.4 Dust and Moisture Protection System
The enclosure ventilation inlet can be equipped with a two-stage filter unit consisting of a
first-stage vane separator and a second-stage filter. The moisture eliminator section is
hinged for filter access. The unit is equipped with a differential pressure alarm switch and
gauge. The ventilation exhaust opening is equipped with back-draft dampers to prevent
the entry of dust and water when the unit is not running.
12.3.5 Standby Lighting
Standby lights provide emergency, automatic, and backup lighting inside the enclosure in
the event of an AC power loss. Power is supplied from the package battery system. To
avoid battery system drainage, the circuitry includes a shutoff timer.
12.3.6 Door Open Alarm
The enclosure doors can be equipped with a door position switch that will initiate an
alarm when any enclosure door is not closed securely.
© 2009 Solar Turbines Incorporated. All rights reserved. TPS70CSMD/309
50

Turbomachinery Package Specification Taurus 70 Compressor Set and Mechanical Drive
12.3.7 CO2 Fire Suppression System
The enclosure can be equipped with a CO2 fire suppression system consisting of a
primary total flooding distribution system and a secondary metered distribution system to
extend the design concentration of 37% CO2 for 20 minutes.
On fire detection by the optional fire and gas detection system, the detectors transmit an
electrical signal via the fire control panel to activate the fire suppression system release
solenoids located in the CO2 fire suppression cylinder cabinets, Figure 22. On receipt of
this signal, the solenoid actuated control heads activate the CO2 cylinders, releasing CO2
into the enclosure. CO2 pressure actuates the pressure trip operated dampers that close
all vent openings. CO2 release control heads are also provided with manual release
levers.
12.3.8 Water Mist Fire Suppression System
The enclosure can be equipped with a water mist (fine water spray) fire suppression
system consisting of a high-pressure distribution system to provide approximately 10
minutes continuous water discharge. The typical water mist fire suppression cylinder
cabinet, Figure 23, consists of two high-pressure nitrogen cylinders used as a propellant
and five water bottles.
On detection of a fire by the optional fire and gas detection system, the fire control panel
activates the fire suppression system release solenoids located on the water mist
suppression skid. On receipt of this signal, the solenoid actuated control heads activate
the discharge valves on the water cylinders, releasing a water mist into the enclosure. A
pressure switch in the water mist discharge piping transmits an electrical signal to the fire
control panel to activate a release solenoid to close pressure-operated dampers on all
vent openings. The water mist nitrogen actuator valve is also provided with a manual
release lever.
12.3.9 Fire Cylinder Cabinets
When installed outdoors, weatherproof fire cylinder cabinets are available to house the
extinguishing agent. The cabinets are equipped with service doors. The manual pull
levers are routed by cable to the exterior wall of the cabinet.
Figure 22. Typical CO2 Suppression Fire Cylinder Cabinets
© 2009 Solar Turbines Incorporated. All rights reserved. TPS70CSMD/309
51

Turbomachinery Package Specification Taurus 70 Compressor Set and Mechanical Drive
Figure 23. Typical Water Mist Suppression Fire Cylinder Cabinet
Table 11. Enclosure Specifications
Enclosure
Optional Ventilation Fan Motor Voltage Ratings 380 VAC, 400 VAC, and 415 VAC (50 Hz)
460 VAC (60 Hz)
Primary Enclosure Lighting Voltage 220 VAC (50 Hz) or 110 VAC (60 Hz)
Standby Enclosure Lighting Voltage 120 VDC
Sound Pressure Level See Note (a)
Enclosure Roof Load 244 kg/m2 (50 lb/ft2)
Enclosure Wind Load 193 kph (120 mph)
Approximate Measurements
Height 2.9 m (9 ft. 6 in.), Does Not Include Ventilation
Ducting
Width 2.7 m (8 ft 10 in.
Driver Length 8 m (25 ft)
Driven Length (Single Body Compressor) 4.6 m (15 ft)
Approximate Weights
Gas Turbine Enclosure 5180 kg (11,420 lb)
Compressor Enclosure (Single Body) 5670 kg (12,500 lb)
Fire Suppression System Compliance
CO2 Fire Suppression System U.S. National Fire Protection Association (NFPA) 12
United States Coast Guard (USCG) CFR 46
Water Mist Fire Suppression System U.S. NFPA Code 750; USCG CFR 46
Water Mist Fire Suppression System
Minimum Operating Temperature 4°C (40°F), Optional Heater Available
© 2009 Solar Turbines Incorporated. All rights reserved. TPS70CSMD/309
52

Turbomachinery Package Specification Taurus 70 Compressor Set and Mechanical Drive
CO2 Fire Cylinder Cabinets
Fire Cylinder Cabinet, Main
Height 213 cm (84 in.)
Width 165 cm (65 in.)
Depth 48 cm (19 in.)
Approximate Cabinet Weight 454 kg (1000 lb), Without Cylinders
Approximate Cylinder Weight 544 kg (1200 lb)
Fire Cylinder Cabinet, Extended Release
Height 213 cm (78 in.)
Width 165 cm (65 in.)
Depth 48 cm (19 in.)
Approximate Cabinet Weight 454 kg (1000 lb), Without Cylinders
Approximate Cylinder Weight 544 kg (1200 lb)
Water Mist Fire Cylinder Cabinet
Fire Cylinder Cabinet
Height 241 cm (95 in.)
Width 165 cm (65 in.)
Depth 99 cm (39 in.)
Approximate Cabinet Weight 454 kg (1000 lb), Without Cylinders
Approximate Cylinder Weight 544 kg (1200 lb)
Construction Materials
Enclosure Housing Carbon Steel
Enclosure Door Hardware 316L Stainless Steel
Fire Cylinder Cabinets Carbon Steel
316L Stainless Steel (Optional)
Dust and Moisture Protection System Carbon Steel
316L Stainless Steel (Optional)
Solar’s Applicable Engineering Specifications
ES 1593 Guidelines for NEC Compliance of Solar Product Lines: Class I, Group D, Division 1
and Division 2
ES 1762 Standards and Practices for Electrical Systems for Gas Turbine Packages Installed In
Hazardous Areas (CENELEC/IEC Standards – European ATEX Directive 94/9/EC)
Solar’s Applicable Product Information Letters
PIL 054 OSHA Noise Requirements
PIL 058 Package Sound Levels
PIL 150 Fire and Gas Detection and Control System
Notes:
(a) The estimated A-weighted sound pressure level is 85 dBA at a distance of 1 m (3 ft) from the
enclosure wall and a height of 1.5 m (5 ft). This value is based on an average of multiple
readings taken around the perimeter of the package. This level applies only to the enclosed
equipment and is exclusive of sound generated by piping, unenclosed driven equipment (if
applicable), other equipment, reflected sound, or contributing site conditions. Sound levels at
a specific site will depend on existing walls, barriers, equipment in close proximity, multiple
units, and other installation considerations.
© 2009 Solar Turbines Incorporated. All rights reserved. TPS70CSMD/309
53

Turbomachinery Package Specification Taurus 70 Compressor Set and Mechanical Drive
13 Air Inlet System
13.1 General Description
The gas turbine combustion process requires a steady and consistent flow of clean air.
Proper gas turbine inlet air filtration is critical to gas turbine life. Careful consideration
should be given to selecting the appropriate air filtration system. Solar offers several air
filtration systems that conform to a broad range of operating requirements. For
unenclosed packages, the turbine air inlet can be mounted on the right-hand or left-hand
side of the package in a vertical or 45-degree angle to vertical position. For enclosed
packages, the air inlet must be in the vertical position. Figure 24 shows typical Taurus 70
inlet systems and support structures.
Figure 24. Typical Taurus 70 Inlet and Exhaust Systems with Support Structures
13.1.1 Prefilter and Barrier Inlet Air Filter
The prefilter and barrier inlet air filter system is suitable for moderate environments. This
system features vertical moisture eliminators, prefilter elements, and high efficiency
barrier filters. Access doors are provided in the filter housing for servicing. The system
© 2009 Solar Turbines Incorporated. All rights reserved. TPS70CSMD/309
54

Turbomachinery Package Specification Taurus 70 Compressor Set and Mechanical Drive
has a back outlet and requires ducting and a support frame. A weather hood is available
as an option.
13.1.2 Self-Cleaning Barrier Type Air Filter
The self-cleaning barrier type air filter system is suitable for extreme environments where
dust loading or cold-weather operation is a concern. This system is available in an
updraft configuration. This system requires a suitable supply of cleaning air. Cleaning air
can be provided by the customer or supplied using turbine compressor discharge
pressure (Pcd) bleed air. If bleed air is used, an air heat exchanger is provided for
mounting in the air inlet ducting between the air inlet filter and the turbine air inlet.
Standard features include:
• Support leg kit (Filter house only)
• Dual differential pressure alarm and shutdown switch
• Filter elements
• Air treatment module
• Differential pressure gauge
• Electrical connections prewired to a common junction box
• Access to change filter elements from below must be provided
13.1.3 Marine / Offshore-High Velocity Type Air Filter
The marine and offshore high velocity air filter system is suitable for use in many offshore
applications. This system provides removal of salt, water, and particulates. This system
consists of:
• First stage marine vane separator/moisture eliminator
• Second stage pre-filter
• Third stage bag filters
• Fourth stage marine vane separator/moisture eliminator
Access doors are provided in the first stage marine vane separator/moisture eliminator
for filter removal. Standard features include:
• Drainage system
• Transition outlet flange
• Lifting lugs
• Instrumentation panel
• Differential pressure gauge
• Quad certified differential pressure transmitter
• 2 Different final filter element types available (HVL,HVX)
HVX filter elements allow for a higher level of filtration. This is recommended for
environments with moderate dust loading expectations. The pressure drop on HVX filter
elements will be higher than HVL elements.
© 2009 Solar Turbines Incorporated. All rights reserved. TPS70CSMD/309
55

Turbomachinery Package Specification Taurus 70 Compressor Set and Mechanical Drive
Figure 25. Typical T70 High Velocity Air Inlet System
13.1.4 Offshore / Coastal Medium Velocity Type Air Filter
The offshore and coastal medium velocity type air filter system (Figure XY) is suitable for
use in offshore and coastal applications. This system provides high efficiency removal of
salt, water, and particulates. This filter is recommended in extreme conditions (reference
ES 9-98) or when higher efficiencies and / or availability is desired. This system consists
of:
• First stage marine vane separator/moisture eliminator
• Second stage pre-filter
• Third stage high efficiency HEPA filters
• Optional Fourth stage High Efficiency Filters
Access doors are provided to change out the 2nd, 3rd and optional 4th stage filters.
Standard features include:
• Transition outlet flange
• Lifting lugs
• Differential pressure gauge
• Quad Certified Differential Pressure Transmitter
• LH / RH Access Door
© 2009 Solar Turbines Incorporated. All rights reserved. TPS70CSMD/309
56

Turbomachinery Package Specification Taurus 70 Compressor Set and Mechanical Drive
Figure 26. Typical T70 Medium Velocity Air Inlet System
13.1.5 Insect Screens (Optional
Optional insect screens can be installed on the air inlet filters (except for self-cleaning
filters). This option is used when large numbers of insects are present. The screen is
designed to reduce the velocity of the air stream sufficiently to allow most insects to fly
away. Use of the screen helps to avoid clogging and premature filter replacement. During
cold weather operation, the screens should be removed and stored due to a potential for
ice or snow to clog the screens.
13.1.6 Air Inlet Gas Detection
Gas detection in the air inlet system can be provided with either one or three gas
detectors. For enclosed packages, the signals from the detectors are integrated into the
enclosure’s fire and gas system via that system’s local network. For unenclosed
packages, the detectors provide a 4-20mA signal directly to the control system.
13.1.7 Air Inlet Silencer
Optional air inlet silencers can be incorporated into the air inlet ducting to reduce noise
levels. Typical installations include one air inlet silencer..
13.1.8 Air Inlet Ducting and Support
An optional support structure and ducting can be provided for off-skid support of the air
inlet filter and silencer assembly. Attaching hardware and a tube of sealant are provided
for one flange per duct.
© 2009 Solar Turbines Incorporated. All rights reserved. TPS70CSMD/309
57

Turbomachinery Package Specification Taurus 70 Compressor Set and Mechanical Drive
Table 12. Air Inlet System Specifications
Air Inlet System
Pressure Drop Less Than 102 mm (4 in.) H2O with a Clean Air Filter
Ducting Loads Loads Exceeding 91 kg (200 lb) Should Not Be
Applied In Any Direction on any component
Prefilter and Barrier Inlet Air Filter
Air Flow 1274 m3/min (45 000 cfm)
Approximate Measurements
Height 229 cm (90.0 in.)
Width 281 cm (110.62 in.)
Length 167 cm (65.8 in.)
Weight 1077 kg (2375 lb)
Pressure Drop
Clean 44 mm (1.75 in.) water
Fouled 127 mm (5 in.) water
Self-Cleaning Barrier Type Air Filter
Fluid Clean-Dry Air
Air Quality See Note (a)
Minimum/Maximum Regulated Pressure Range 552 to 758 kPag (80 to 100 psig)
Intermittent Flow Rate (Est.) 0.25 nm3/min (9 scfm)
Pressure Drop
Clean 35 mm (1.5 in.) water
Fouled 76 mm (3.0 in.) water
Air Flow 21.2 m3/min (45 000 cfm)
Approximate Measurements (Without Leg Kit)
Height 274 cm (108 in.)
Width 310 cm (122 in.)
Length 465 cm (183 in.)
Weight 4227 kg (9300 lb) with filter elements
Marine / Offshore High Velocity Type Air Filter
Pressure Drop (Clean), HVL 48 mm (1.9 in.) water
Pressure Drop (Clean), HVX 53 mm (2.1 in.) water
Air Flow 21.2 m3/sec (45,000 cfm)
Approximate Measurements
Height 206 cm (81.1 in.)
Width 261 cm (102.8 in.)
Length 153 cm (60.4 in.)
Weight 1021 kg (2250 lb) with filter elements
Offshore / Coastal Medium Velocity Type Air Filter
Pressure Drop (Clean) - 3 stage 34 mm (1.34 in.) water
Pressure Drop (Clean) - 4 stage 54 mm (2.14 in.) water
Air Flow 21.2 m3/sec (45,000 cfm)
Approximate Measurements
Height 280 cm (110.3 in.)
Width 341 cm (134.3 in.)
Length 312 cm (122.7 in.)
Weight 2435 kg (5369 lb) with filter elements (4 stage)
© 2009 Solar Turbines Incorporated. All rights reserved. TPS70CSMD/309
58

Turbomachinery Package Specification Taurus 70 Compressor Set and Mechanical Drive
Construction Materials
Insect Screen (Optional) 316L Stainless Steel
Self Cleaning Barriers Carbon Steel (Standard)
316L Stainless Steel (Optional)
Marine High Velocity Air Cleaner 316L Stainless Steel
Offshore / Coastal Medium Velocity Type Air
Filter
316L Stainless Steel (Standard)
Carbon Steel (Optional for mild coastal environments)
Air Inlet Silencer Carbon Steel (Standard)
316L Stainless Steel (Optional)
Air Inlet Ducting Carbon Steel (Standard)
316L Stainless Steel (Optional)
Air Inlet Support Structure Carbon Steel (Standard)
Solar’s Applicable Product Information Letters
PIL 054 OSHA Noise Requirements
PIL 178 Salt Ingress Protection for Gas Turbines
Notes:
(a) The particle size in the compressed air stream should not exceed 10μm. Since it is
impractical to remove 100% of all particles larger than 10μm, this is defined as ß10 > 100, or
99% efficient. Oil or hydrocarbon content should not exceed 1 ppm. The dew point at line
pressure shall be at least 6°C (10°F) below the minimum temperature to which any part of
the air system is exposed or between 1.6°C and 60°C (35°F and 140°F). Air should be free
of all corrosive contaminants, hazardous gases, flammables, and toxics.
© 2009 Solar Turbines Incorporated. All rights reserved. TPS70CSMD/309
59

Turbomachinery Package Specification Taurus 70 Compressor Set and Mechanical Drive
14 Exhaust System
14.1 General Description
The exhaust system typically consists of all components installed downstream of the
engine exhaust bellows expansion joint, including silencers, expansion joints and ducting,
that are necessary to ensure a smooth flow of exhaust gas from the engine. The exhaust
duct system must be terminated in a manner that precludes recirculation of exhaust
products through the engine air inlet or oil cooler. Exhaust considerations include the
relative height of the exhaust duct above the air inlet, building roof design, direction of
prevailing winds, and the proximity of adjacent structures. The importance of having an
exhaust system properly designed cannot be overemphasized. When exhaust silencing is
required, provisions must be made to adequately mount and support the equipment and
limit the exhaust silencer pressure loss, with no loads transmitted to the turbine exhaust.
Exhaust systems should be designed to meet the following requirements:
• Where two or more units exhaust into a common header, such as used for heat
recovery equipment, provisions must be made to prevent hot gas from flowing
into the non-operating unit (common exhaust ducting is not recommended).
• Final termination of ducting must not allow exhaust gas to be drawn into the
gas turbine inlet.
• Capability to purge the complete exhaust system prior to gas turbine lightoff.
For short simple exhaust systems, purging should be designed to accomplish
three air volume changes. For large complex exhaust systems, purging should
be designed to accomplish five air volume changes either through gas turbine
cranking or supplementary exhaust blowers.
14.1.1 Exhaust Silencer
This exhaust silencer is designed for use with radial exhaust gas turbines. A support
structure and ducting can be provided to support the exhaust silencer assembly. Brackets
are available for mounting the silencer in a vertical or horizontal position. Figure 24
shows a typical Taurus 70 mechanical drive with a radial exhaust silencer.
14.2 Turbine Exhaust Heat Recovery System
High thermal efficiencies can be obtained by using the gas turbine exhaust heat energy.
There are several methods for using the exhaust heat and attaining greater than 80% fuel
utilization. The methods used and the efficiencies achieved are primarily dependent on
the type of application. The most common uses are:
1. Producing steam with a heat recovery steam generator (HRSG) or heating a
process fluid with a heat recovery fluid heater.
2. Using the gas turbine exhaust as a source of preheated combustion air in a
boiler or furnace (the gas turbine exhaust contains 15-18% oxygen).
3. Using the gas turbine exhaust directly for a drying or heating process in which
high temperature air is necessary. A mixture of gas turbine exhaust and fresh air
can be used in a reduced air temperature process. An air-to-air heat exchanger
is required when the process involves any products in the human food chain.
Solar can design and provide a complete exhaust heat recovery system to meet specific
application requirements. The system must be designed to minimize the backpressure
imposed on the gas turbine exhaust and provide a smooth flow transition into the exhaust
heat recovery device.
© 2009 Solar Turbines Incorporated. All rights reserved. TPS70CSMD/309
60

Turbomachinery Package Specification Taurus 70 Compressor Set and Mechanical Drive
Table 13. Exhaust System Specifications
Exhaust System
Temperature Class T2
Total System Pressure Loss Should Not Exceed 152 mm (6 In.) of Water
Exhaust Temperature 538°C (1000°F)
Nominal System Back Pressure 203 mm (8 in.) of water, See Note (a)
Construction Materials
Exhaust Silencers Carbon Steel
316L Stainless Steel (Optional)
Exhaust Ducting Carbon Steel
316L Stainless Steel (Optional)
Exhaust Bellows Expansion Joint Carbon Steel
316L Stainless Steel (Optional)
Solar’s Applicable Engineering Specifications
ES 1632 Exhaust Silencers for Solar Turbine Engines
Notes:
(a) Higher backpressures can be accommodated. The exhaust backpressure should be less
than 254 mm (10 in.) water column during gas turbine starting.
© 2009 Solar Turbines Incorporated. All rights reserved. TPS70CSMD/309
61

Turbomachinery Package Specification Taurus 70 Compressor Set and Mechanical Drive
15 Accessory Equipment
15.1 Battery Charger System
The battery charger system consists of a battery charger (Figure 27) and batteries to
provide 120 VDC emergency power to the control console, fuel valve, bleed valve and
variable guide vane actuators, and the DC backup lube oil pump. The control console
120 to 24 volt DC-to-DC converter provides 24 VDC power for the control system. The
battery charger system is designed for indoor installation in a nonhazardous area. Battery
options include:
• Valve Regulated Lead Acid
• Nickel Cadmium
15.1.1 Valve Regulated Lead Acid
The batteries are mounted on a freestanding two-tier, two-row rack. The batteries are
shipped fully charged and ready for use.
15.1.2 Nickel Cadmium
The batteries are mounted on a freestanding, four-step rack. The batteries are shipped
wet, fully charged, and ready for use.
Figure 27. Typical Battery Charger
15.2 Turbine Cleaning System
The optional turbine compressor cleaning system (Figure 28) facilitates periodic cleaning
of the turbine compressor. The cleaning system is designed for use in salt-laden or dusty
environments or where compressor contamination from hydrocarbon vapors is possible.
The turbine compressor cleaning system is composed of the following systems:
• On-crank cleaning system
• On-line cleaning system
Both cleaning systems are independent of each other and include a separate distribution
manifold with pressure atomizing spray nozzles in the engine air inlet collector, on-skid
piping, strainer, and solenoid shutoff valves to deliver water or approved cleaning fluid to
the manifold. Both systems require an external source of clean-filtered air to pressurize
the cleaning solutions.
© 2009 Solar Turbines Incorporated. All rights reserved. TPS70CSMD/309
62

Turbomachinery Package Specification Taurus 70 Compressor Set and Mechanical Drive
Figure 28. Turbine Cleaning System
15.2.1 On-Crank Cleaning System
The on-crank cleaning system only operates at gas turbine cranking speed with the fuel
system and ignition system deactivated. The gas turbine cranking and cleaning solution
activation can be initiated from the control console or turbine control junction box.
15.2.2 On-Line Cleaning System
The on-line cleaning system only operates when the gas turbine speed is between 90
and 100% gas producer speed and with or without load. Cleaning solution activation can
be initiated from the control console or turbine control junction box. This system is
intended to supplement the on-crank system by increasing the time intervals between
periodic on-crank cleaning.
15.2.3 Turbine Cleaning Cart (Optional)
A portable off-skid cleaning tank (Figure 29) can be provided to supply cleaning fluid to
the skid edge cleaning system connection. The cleaning tank can be used to mix, hold,
and pressurize the turbine cleaning solution. The tank comes with wheels that are
removable for stationary installation.
Figure 29. Turbine Cleaning Cart
© 2009 Solar Turbines Incorporated. All rights reserved. TPS70CSMD/309
63

Turbomachinery Package Specification Taurus 70 Compressor Set and Mechanical Drive
15.2.4 Package Lifting Kit (Optional)
A package lifting kit can be shipped separately that contains slings, spreader bars, and
assorted hardware to facilitate separate lifting of the driver and driven equipment
modules with or without an export crate.
Table 14. Accessory Equipment Specifications
Battery Charger System
Charger Type Wall Mounted, Bottom Entry, IP30
Supply Voltage 240, 380, and 480 VAC, 50 or 60 Hz.
Output Single Phase, 120 VDC, 20 amps
Operating Temperature -10o to 50°C (14o to 122°F)
Approximate Measurements
Height 90.2 cm (35.5 in.)
Width 40.4 cm (15.9 in.)
Depth 39.7 cm (15.63 in.)
Weight 56.7 kg (125 lb)
Ampere Hours
Valve Regulated, Sealed Gas-Recombination
Lead Acid
100 Hours
Nickel Cadmium 131 Hours
Turbine Cleaning System
Water/Solvent Supply Pressure 85 to 100 psig (586 to 689 kPag)
Water/Solvent Supply Min. Temperature Ambient (Except In Extreme Cold)
On-Line Water/Solvent Flow Rate 2.3 – 4.5 L/min (0.6 – 1.2 gpm)
On-Line Propulsion Air Flow Rate 0.026 nm3/min (0.98 SCFM)
Package On-Line Triple Stage Strainer 300/200/100 Micron
On-Crank Water/Solvent Flow Rate 9.1 – 12.9 L/min (2.4 – 3.4 gpm)
On-Crank Propulsion Air Flow Rate 0.080 nm3/min (3.0 SCFM)
Package On-Crank Triple Stage Strainer 300/200/100 Micron
External Air Supply Clean Filtered Air
Air Supply Pressure 586 to 690 kPag (85 to 100 psig)
Turbine Cleaning Cart
Capacity 98 L (26 gal)
Tank Discharge Strainer 100 Micron
External Air Supply Clean Filtered Air
Air Supply Pressure 586 to 690 kPag (85 to 100 psig)
Approximate Measurements
Height 102 cm (40.2 in.)
Width 55 cm (21.7 in.)
Length 121.6 cm (47.87 in.)
Approximate Weight 86 kg (190 lb)
Tank Material 316L Stainless Steel
Certification American Society of Mechanical Engineers
(ASME) or Pressure Equipment Directive (PED)
Electrical Certifications
CSA LR 77954
Solar’s Applicable Engineering Specifications
ES 9-62 Ingestive Cleaning Solar Gas Turbine Engines
ES 9-98 Fuel, Air, and Water (or Steam) for Solar Gas Turbine Engines
ES 2416 DC Supply Systems
© 2009 Solar Turbines Incorporated. All rights reserved. TPS70CSMD/309
64

Turbomachinery Package Specification Taurus 70 Compressor Set and Mechanical Drive
16 Marinization
16.1 General Description
The Taurus 70 compressor set or mechanical drive package may be operated in offshore
oil and gas applications. Depending upon operating conditions and movement of the
underlying support structure, optional package modifications may be required. Solar
turbomachinery packages operate successfully on the following types of offshore
installations:
• Fixed Platform (FP)
• Tension Leg Platform (TLP)
• Compliant Tower (CT)
• Spar Platform (SP)
• Semi-submersible Platform (SSP)
• Floating Production Systems (FPS)
• Floating Production, Storage and Offloading (FPSO)
• Mini-Tension Leg Platform (Mini-TLP)
Applications are evaluated based on the expected motion severity and the degree of
package mounting surface flexing. Solar offers the following package modifications to
achieve successful long-term operation. Refer to Solar’s Engineering Specification
ES2379 for additional information.
16.1.1 Gimbals
Gimbals provide protection against G-forces generated by vessel pitch and roll
movements and against deflection, twisting, and thermal growth of the mounting deck.
Gimbals may be used for three-point package mounting.
16.1.2 Anti-Vibration Mounts
Anti-vibration mounts (AVMs) are used to isolate the mounting surface from package-
generated vibrations. AVMs do not provide the same level of motion protection as
gimbals. AVMs may be used for three-point package mounting.
16.1.3 Internal Package Modifications
Moderate or severe package motion can potentially interfere with lube oil system
operation. To prevent interference, modifications may be made to the lube oil system to
ensure proper lube oil circulation.
16.1.4 Inclinometers
For moderate and severe duty applications, an inclinometer is furnished to provide alarm
annunciation and equipment shutdown inputs when maximum allowable angular
displacements are exceeded. Alarm levels are typically set 2 degrees below shutdown
levels.
16.1.5 Certification
Certification is typically required to demonstrate offshore turbomachinery compliance with
applicable rules for a fixed or mobile offshore installation. Solar can provide the
necessary certification or assist the customer in obtaining certification. Involvement of
one of the following certifying authorities is usually required:
• Det Norske Veritas (DNV)
• Bureau Veritas (BV)
© 2009 Solar Turbines Incorporated. All rights reserved. TPS70CSMD/309
65

Turbomachinery Package Specification Taurus 70 Compressor Set and Mechanical Drive
• Lloyd’s Register (LR)
• American Bureau of Shipping (ABS)
16.1.6 Deck Deflection Limits
The package supporting deck structure must have sufficient stiffness to maintain
alignment of the turbine and driven equipment under dynamic vessel motion. Solar’s
engineering specification ES 2379, “Offshore Product Motion Requirements for Oil & Gas
Package Designs,” lists the maximum allowable deflections measured between the
furthest mounting points. With analysis, these limits may be extended through the use of
gimbals or AVMs.
16.1.7 Angular Displacement and Acceleration
ES 2379 lists the maximum allowable angular displacement and acceleration limits for
marine applications. The Basic Duty category is met by the standard package without any
additional modification. Moderate Duty and Severe Duty categories require modification.
16.1.8 Main and Auxiliary Service
The information provided in this section does not apply to equipment used in “Main and
Auxiliary Service”. If equipment is intended for this type of service, please contact Solar
Turbines Incorporated for guidance to ensure the correct application and certification
requirements are meet.
© 2009 Solar Turbines Incorporated. All rights reserved. TPS70CSMD/309
66

Turbomachinery Package Specification Taurus 70 Compressor Set and Mechanical Drive
17 Quality Assurance and Testing
17.1 Quality Assurance
Solar is an Industry Standards Organization (ISO) 9000 company with ISO 9001:2000
and 9002 certification. Several Solar gas turbine models and manufacturing processes
have been "type" certified. In recognition of Solar’s commitment to quality, Solar has
received Manufacturing Resource Planning (MRP) II Class A certification and the
Malcolm Baldrige National Quality Award. Solar has developed a comprehensive set of
processes to address areas such as engineering requirements, manufacturing and
assembly standards, and test procedures and acceptance criteria.
Upon request, Solar will evaluate customer-required standards to assess Solar’s ability to
comply. Project inspection, testing, and quality assurance (QA) documentation, along
with customer or third-party involvement in the QA process, is defined in the inspection
and test plan (ITP). The ITP is the controlling quality assurance document for a project.
Since advance procurement is involved in Solar's production process, special inspection
and documentation milestones may be missed if these requirements are not defined at
the project outset.
All testing operations are conducted under the direct control of Solar's QA department,
which ensures compliance with specified test procedures. In addition to in-plant testing of
the finished package, quality control engineers survey the manufacture of all purchased
parts and subassemblies and are responsible for functional testing of incoming
components. The same rigid standards applied to parts manufactured both in and outside
of Solar.
17.2 Testing
Factory testing is in accordance with Solar's test specifications and as outlined below.
The customer or customer's designated representative can observe factory production
tests listed in the production and testing schedules. However, production tests will not be
delayed due to the unavailability of the customer or customer's representative. The
production test facilities provide a comprehensive test program using simulators to
perform static testing of package systems to verify control, system operation, and
component calibration. Calibrated engine test cells feature a computerized real-time data
acquisition system that collects digital and analog data from the engine during
acceptance testing to facilitate a comprehensive test report.
17.2.1 Test Phases
Solar's production test facilities provide a three-phase test program. The first phase uses
simulation equipment to perform static testing of the control console and package
systems to verify electrical and fluid system continuity and calibration. The second phase
consists of interconnecting the package and control console (if applicable) to undergo
additional simulated systems testing of the total package. In the final phase, the package
is controlled and monitored by its own control console and the computerized test facility.
17.2.2 Acceptance Testing
The basic package assembly, which includes the gas turbine, package-mounted
accessories, and control console, are tested to ensure proper integration and function in
accordance with Solar's test specifications. Results are recorded and maintained by
Solar. Acceptance testing generally includes the following:
• Starting and combustion cycles
• Lubricating oil system temperature and pressure measurements
• Vibration measurements
© 2009 Solar Turbines Incorporated. All rights reserved. TPS70CSMD/309
67

Turbomachinery Package Specification Taurus 70 Compressor Set and Mechanical Drive
• Power and heat rate measurements at partial and full load under ambient
conditions
• Turbine and driven equipment temperature measurement
• Variable guide vane adjustment
• Malfunction and safety devices testing
Items excluded from standard package testing are inlet and exhaust systems, ancillary
equipment such as filters, silencers, ducting, battery systems, oil coolers, ancillary skid,
and any customer-furnished hardware.
17.2.3 Compressor Testing (If Applicable)
Prior to assembly of the internal components, all compressor casings are subjected to
hydrostatic testing per API 617. The gas compressor is then tested following a procedure
similar to the gas turbine run-in test. For an aerodynamic test, the gas compressor is
driven by a facility turbine or electric motor at the air equivalent of the design speed, and
the head-versus capacity characteristics of the machine are determined. Surge points are
determined at various speed points to validate the surge flow estimate for the entire
operating range of speed. Extensive instrumentation validates mechanical and
aerodynamic performance. The gas compressor dry gas system is tested statically by
pressurizing with nitrogen.
17.2.4 Acceptance Test Data
Acceptance test data are reviewed and approved by Test Engineering and the project
manager prior to submittal to the customer. With this review and approval cycle, the test
data are furnished approximately four weeks after completion of acceptance testing. The
test data includes test result comparisons to Solar's acceptance test specifications using
calculations, graphs, strip charts, and descriptions. Data are provided for each turbine
compressor set and mechanical drive. The acceptance test data generally includes the
following:
• Turbine fuel consumption rates – a comparison of measured fuel consumption
versus specified fuel consumption that shows a correlation between fuel
consumption, power output, and turbine gas temperature at full load.
• Operating values – a chart that includes the following operating parameters at
each step load from no load to full load (full load data only available from
engine test on facility skid.):
− Lubricating oil pressure, temperature and flow
− Package temperatures
− Engine compressor discharge pressure
− Package vibration levels
17.2.5 Additional Testing
As an option, additional testing can include an unloaded string test, factory emissions
testing, and field performance testing.
17.2.6 Source Inspection
As an option, Solar can conduct a final product inspection at the supplier facility for the
following contract-specific items:
• Inlet system filter
• Inlet system silencer
• Exhaust system silencer
• Lube oil cooler
© 2009 Solar Turbines Incorporated. All rights reserved. TPS70CSMD/309
68

Turbomachinery Package Specification Taurus 70 Compressor Set and Mechanical Drive
17.2.7 Customer Participation
As an option, the customer may observe specified tests on a noninterference basis
and/or hold point basis.
17.2.8 Weld Radiography
As an option, radiographic welding inspections can be performed on a higher percentage
of the gas fuel and/or lube oil system piping and manifolds.
© 2009 Solar Turbines Incorporated. All rights reserved. TPS70CSMD/309
69

Turbomachinery Package Specification Taurus 70 Compressor Set and Mechanical Drive
18 Preservation, Installation, and Documentation
18.1 General Description
This chapter describes preservation, general installation requirements, and project
documentation.
18.2 Preservation
Long term or short term preservation can be provided for the engine and package. The
type of preservation required is dependent on the following:
• Type of transportation (sea, air, or truck)
• Climatic conditions during transport and storage
• Storage period
• Storage facilities
• Static and dynamic loads imposed during shipment
Refer to Solar’s Product Information Letter 097 “Package Preservation and Preparation
for Shipment“ for additional guidelines.
18.2.1 Long-Term Preservation
Long-term preservation is required if:
• Equipment will be stored in an unimproved storage area for greater than 6
months before installation
• Transportation is by ship
• Transportation includes transshipment (package will go from truck to barge to
truck, etc., e.g., rigorous loads will be encountered during shipment)
• Package will be exposed to severe weather conditions during transport
18.2.2 Short-Term Preservation
Short-term preservation may be acceptable if:
• Equipment will be stored in an improved storage area for less than 6 months
before installation
• Transportation is not by ship
• Transportation does not include transshipment (package will not go from truck
to barge to truck, etc., e.g., rigorous loads will not be encountered during
shipment)
• Package will not be exposed to severe weather conditions during transport
18.2.3 Long-Term Preservation
The package is prepared for shipment for long-term preservation and includes export
boxing and foil bagging of major components. Also included is an extension of the
warranty from "12 months after initial use by original purchaser or 18 months from date of
original shipment by purchaser, whichever occurs first," to "12 months after initial use by
original purchaser or 24 months from date of original shipment by Seller, whichever
occurs first."
18.2.4 Short-Term Preservation
The package is prepared for shipment with short-term preservation.
© 2009 Solar Turbines Incorporated. All rights reserved. TPS70CSMD/309
70

Turbomachinery Package Specification Taurus 70 Compressor Set and Mechanical Drive
18.3 Site Requirements
Solar's gas turbine compressor sets and mechanical drive packages require minimal site
preparation. The package is supplied with self-contained systems for starting, fuel, lube
oil, and control, minimum piping and wiring connections are required for installation. All
service connections are conveniently located on the outer edge of the skid.
18.4 Mechanical Installation
18.4.1 TPIM-1010
Solar’s document TPIM-1010 “Package Installation Guideline – Compressor Sets and
Mechanical Drives” outlines the responsibilities of the Customer and Solar regarding
installation of the package. It provides guidelines for the installation of the standard
package design and the interface with the turbine driven equipment.
18.4.2 Mounting
Correct mounting of the gas turbine package is vital to successful package installation
and requires adequate preparation by the user. The site pad thickness is governed by
soil condition and the weight of the gas turbine package, air inlet system, and exhaust
system. Mounting pad locations and loads will differ with each package, depending upon
selected options, and will be clearly shown on the installation drawings. The equipment
layout should provide adequate floor space for major components with sufficient room
around the package for routine maintenance access.
18.4.3 Alignment Tooling
As an option, alignment tooling can be provided to align the turbine or gearbox output
shaft hub to the driven equipment input shaft hub. The alignment tooling includes a dial
indicator kit, alignment tool, axial distance gauge, and custom storage container.
18.4.4 Lube Oil Cooler(s)
The lube oil cooler(s) must be located off-skid. The interconnect piping is not part of
Solar’s standard scope.
18.4.5 Gas Turbine Air Inlet System
The gas turbine air inlet should be located so that entry of gas turbine exhaust, oil tank
vent vapor, or other contaminants is minimized. The air inlet duct must be free of
accumulated water prior to starting the gas turbine.
18.4.6 Gas Turbine Exhaust System
The importance of having an exhaust system properly installed cannot be
overemphasized. A poorly installed exhaust system can cause a loss of power and
impose severe mechanical strains on the gas turbine. The exhaust duct system must be
terminated in a manner that precludes recirculation of exhaust products through the gas
turbine air inlet or oil cooler. Exhaust installation considerations include the relative height
of the exhaust duct above the air inlet, building roof design, direction of prevailing winds,
and the proximity of adjacent structures. When exhaust silencing is required, provisions
must be made to adequately mount and support the equipment and limit the exhaust
silencer pressure loss.
18.5 Documentation
Solar provides extensive documentation for its Turbomachinery projects. This includes
electrical and mechanical drawings, quality control data books, and operation and
maintenance manuals. Details of this documentation and its delivery timetable are
© 2009 Solar Turbines Incorporated. All rights reserved. TPS70CSMD/309
71

Turbomachinery Package Specification Taurus 70 Compressor Set and Mechanical Drive
contained in Solar’s Product Information Letter 184 “Order Fulfillment & Documentation
for Oil & Gas Projects.”
18.5.1 Torsional Analysis Report (Optional)
A torsional analysis can be performed on the entire drive train to determine if there are
any significant torsional resonance conditions within ±10% of the operating speed range.
If a resonance condition (interference) is found, then a fatigue analysis is performed to
confirm the resonance will not cause fatigue failure in the shafting.
18.5.2 Lateral Analysis Report (Optional)
A lateral forced response analysis of the driven equipment can be performed to confirm
that any lateral critical speeds aren’t close enough to the operating speed range to cause
lateral vibration problems.
Table 15. Preservation, Installation, and Documentation Specifications
Mechanical Installation Requirements
Mounting
Space Between Units In Multiple-Unit
Installations
A Minimum of 2.4 m (8 ft)
Lube Oil Cooler(s)
Top of The Lube Oil Cooler(s) Not Be More Than 9.1 m (30 ft) Above The Bottom
of The Package Frame, See Note a
Total oil volume of “Outgoing and Return” Lines 1282 L (340 gal)
Total Combined Pressure Drop of The Supply
and Return Lines and Lube Oil Cooler(s) Should Not Exceed 345 kPag (50 psig)
Start, Fuel, Lube, Air/Drain System Schematics
Compliance American National Standards Institute (ANSI)
Y32.10
Solar’s Applicable Engineering Specifications
ES 9-4 Interpretation of Drawing Requirements
ES 9-76 Traceability Requirements Critical Parts, Engine and Related Systems
ES 9-414 Leveling and Installing of Package Bases
ES 2231 Standards and Practices for The Design and Installation of Cable Channels and
TC Rated Cables Installed In Class 1, Division 2 Hazardous Areas
Solar’s Applicable Product Information Letters
PIL 097 Package Preservation and Preparation for Shipment
PIL 181 Package Tie-down Options
PIL 184 Order Fulfillment & Documentation for Oil & Gas Projects
Solar’s Applicable Guidelines
TPIM-1010 Package Installation Guidelines – Compressor Sets and Mechanical Drives
Notes:
(a) This is to prevent oil tank flooding in the event of a drain back.
© 2009 Solar Turbines Incorporated. All rights reserved. TPS70CSMD/309
72

Turbomachinery Package Specification Taurus 70 Compressor Set and Mechanical Drive
19 Certification
19.1 General Description
Solar’s leadership in the gas turbine industry is supported by its ability to comply with
regulations, codes, and standards required by industry and/or regional authorities around
the world. Solar continually evaluates compliance requirements to ensure conformance to
the following standards:
• National Electrical Code (NEC)
• Canadian Electrical Code (CEC)
• Conformité Européenne (CE) Mark
• International Electrotechnical Commission (IEC) Safety Assessment
• Australian/New Zealand Standard (AS/NZS) 3000 Wiring Rules
• Offshore Marine Applications
19.2 National Electrical Code
For installations that require National Electrical Code (NEC) certification, Solar complies
with the NEC codes and standards adopted by local authorities and government entities.
Sources for these codes and standards include:
• Occupational Safety and Health Administration (OSHA)
• National Fire Protection Association (NFPA)
• Underwriters Laboratories Incorporated (UL)
• American Society of Mechanical Engineers (ASME)
• National Association of Corrosion Engineers (NACE)
The following OSHA approved Nationally Recognized Testing Laboratories (NRTLs)
provide approval for codes and standards:
• Underwriters Laboratories Incorporated (UL)
• Factory Mutual (FM)
• Canadian Standards Association (CSA), when certifying to U.S. standards
• Entela Incorporated (ENTELA)
(CSA and UL also develop and promulgate standards).
The NEC establishes classification of hazardous sites in terms of Classes, Divisions,
Zones, and material Groups. Class I covers locations where flammable gases may be
present in quantities sufficient to ignite. Division 1 covers situations where flammable
gases may be present as part of a process, while Division 2 covers locations where
flammable gas is less likely to be present. The packages are designed for use in Class I,
Division 2 hazardous locations.
19.3 Canadian Electrical Code
For installations that require Canadian Electrical Code (CEC) certification, Solar complies
with the CEC codes and standards adopted by local authorities and government entities.
Sources for these codes and standards include:
• Canadian Standards Association (CSA), electrical requirements only
• Entela Inc. (ENTELA), when certifying to Canadian standards
• Underwriters Laboratories Inc. (UL), when certifying to Canadian standards
© 2009 Solar Turbines Incorporated. All rights reserved. TPS70CSMD/309
73

Turbomachinery Package Specification Taurus 70 Compressor Set and Mechanical Drive
19.4 Conformité Européenne Mark
For installations that require Conformité Européenne (CE) Mark certification, Solar
complies with the CE Mark codes and standards adopted by local authorities and
government entities. Sources for these codes and standards include the following
European Union (EU) directives:
• Explosive Atmospheres (ATEX) Directive 94/9//EC
• Pressure Equipment Directive 97/23/EC
• Machinery Safety Directive 98/37/EC
• Electromagnetic Compatibility Directive 89/336/EEC
• Low Voltage Directive 73/23/EEC
19.4.1 Methods of Establishing Conformity
To ensure compliance with applicable directives, Det Norske Veritas (DNV), an approved
Notified Body, supports Solar’s efforts to comply with directives by providing consultation
and, where applicable, certification. Solar also has a program to obtain “type certification”
for standard turbomachinery packages for ATEX and PED directives.
With the exception of ATEX and PED directives, Solar self-certifies for CE Mark
requirements. This self-certification process includes the following:
• The package is designed and manufactured to European Committee for
Electrotechnical Standardization (CENELEC) and European Committee for
Standardization (CEN) standards.
• A hazard analysis is performed to define any and all conceivable hazards.
• Tests are performed to verify proper operation and functionality of components
and systems.
• Operation and Maintenance Instruction (OMI) manuals, package labels, and
control system display screens are produced in the operator’s native language.
• Prior to application of the Conformité Européenne (CE) Mark, the Test
Facilities, Production, Quality, and a Compliance Engineer perform an audit of
the completed package.
• A Declaration of Conformity is then issued for each CE Marked package.
19.4.2 Solar Compliance
International Electrotechnical Commission (IEC) / Electrotechnical Standardization
(CENELEC) (60079-10) categorizes hazardous areas in terms of Zones shown in Table
16.
Table 16. Zone Classifications
Zone Definition
0 Explosive atmosphere continuously present
1 Explosive atmosphere often present
2 Explosive atmosphere may be present under fault conditions
While electrical systems can be provided to meet Zone 1 or Zone 2, under ATEX,
turbomachinery packages can only be certified for Zone 2 due to the hot surface
temperature of the gas turbine.
© 2009 Solar Turbines Incorporated. All rights reserved. TPS70CSMD/309
74

Turbomachinery Package Specification Taurus 70 Compressor Set and Mechanical Drive
19.5 International Electrotechnical Commission Safety Assessment
International Electrotechnical Commission (IEC) 61508 is an international standard that
describes a standardized approach to Asses the functional safety of electric, electronic,
and programmable electronic safety-related systems. This standard is based on a life-
cycle evaluation of system reliability and safety level determination. Safety integrity levels
are categorized as SIL1, SIL2, SIL3, and SIL4. Levels are established by assessing the
potential for personnel injury, equipment damage, and environmental damage. The
installation site design and operating requirements will determine the applicable SIL level.
Solar can provide reliability data on its equipment to assist customers in their overall
safety assessments.
19.6 Offshore Marine Applications
For installations that require offshore marine certification, Solar conforms to the rules and
standards established by certification authorities and/or customer specifications.
Certification can be performed by one of the following authorities:
• Det Norske Veritas (DNV)
• American Bureau of Shipping (ABS)
• Lloyd’s Register (LR) of Shipping
• Bureau Veritas (BV)
Solar can provide certification or provide supporting information to permit certification by
another party.
19.6.1 Det Norske Veritas Certification
Det Norske Veritas (DNV) certification includes design verification and a manufacturing
survey. DNV witnesses the fabrication and testing of engines and packages. Operations
witnessed by DNV are defined in the inspection and test plan (ITP) that is prepared by
Solar’s Quality department and approved by DNV at the beginning of a project.
To eliminate redundant inspections, Solar has established a manufacturing survey
arrangement (MSA) with DNV for a specific group of products. This MSA is based on a
DNV audit of Solar's Quality System. The MSA authorizes Solar to carry out a specific
level of inspections and tests without the presence of a DNV representative.
19.6.2 American Bureau of Shipping
The American Bureau of Shipping (ABS) performs design appraisals and inspections.
Typically, ABS certification is performed according to ABS “Guide for Building and
Classing Facilities on Offshore Installations,” 1991. ABS certification of Solar's gas
turbines is based on compliance with the American Petroleum Institute (API) Standard
616, with standard exceptions.
19.6.3 Lloyd’s Register of Shipping
Typically, Lloyd’s Register (LR) of Shipping performs design appraisals and
manufacturing surveys. LR recognizes engine type approvals provided by DNV. LR’s test
and inspection witness points are defined in the project Inspection and Test Plan (ITP).
19.6.4 Bureau Veritas
Bureau Veritas (BV) performs design appraisals and manufacturing surveys. Typically,
BV certification is performed according to BV publication “Floating Production, Storage
and Offloading Units Ch 10 NR456 April 1998.” Certification of Solar's gas turbines is
based on compliance with the American Petroleum Institute (API) Standard 616, with
specified exceptions.
© 2009 Solar Turbines Incorporated. All rights reserved. TPS70CSMD/309
75

Turbomachinery Package Specification Taurus 70 Compressor Set and Mechanical Drive
19.7 Summary
Solar has a continuing program to support customers in ensuring that Solar’s products
conform to applicable codes and regulations. Solar also has the resources to provide
customer guidance and assistance in this process.
Table 17. Certification Specifications
Solar’s Applicable Engineering Specifications
ES 1593 Guidelines for NEC Compliance of Solar Product Lines: Class I, Group D, Division 1 and
Division 2
ES 1762 Standards and Practices for Electrical Systems for Gas Turbine Packages Installed in
Hazardous Areas (CENELEC Standards)
ES 2231 Standards and Practices for The Design and Installation of Cable Channels and TC Rated
Cables Installed In Class 1, Division 2 Hazardous Areas
Solar’s Applicable Product Information Letters
PIL 127 Product Certification
© 2009 Solar Turbines Incorporated. All rights reserved. TPS70CSMD/309
76

Turbomachinery Package Specification Taurus 70 Compressor Set and Mechanical Drive
20 Support Services
20.1 Construction Services
Solar’s Construction Services organization offers a comprehensive range of equipment
and services to successfully meet power system expectations and needs. Our experience
takes us to many parts of the world, onshore and offshore, managing various types of
power configurations. Our services are based on years of experience and expertise in
power system engineering and complete project management that include:
• Feasibility studies
• Proposal preparation
• Design and engineering
• Material procurement
• Fabrication
• Onsite construction
• Quality control
• Scheduling
• Budget control
• Shipping
• Installation, testing, and commissioning
Material procurement, for example, can include prime movers, driven equipment,
associated mechanical process equipment, and electric power generation equipment.
Construction Services is uniquely qualified worldwide to provide complete fluid
compression, liquid pumping, and power generation systems, with single-source
responsibility, engineering expertise, optimal economic designs, and real attention to
quality and safety to ensure complete power system satisfaction
20.2 Customer Services
Solar’s Customer Services organization is dedicated to the support of Solar’s equipment
worldwide. Customer Services support includes technical training, field service personnel,
service parts, overhaul and repair services, and customized operation and maintenance
programs. Customer Services also offers gas turbine uprates and updates, retrofit
conversions to low emission SoLoNOx turbine configurations, and complete package
refurbishments, all of which provide cost-effective life-cycle solutions.
Solar’s Customer Services organization is known for its excellent service and support that
no other gas turbine service company can compare in:
• Product knowledge and experience with more than 12,500 units in 93 nations
• In-depth technical support via Solar’s global Customer Information Network
• Factory-qualified repair and overhaul procedures
• Genuine Solar Certified Parts
• Worldwide field service personnel and service facilities
• Around-the-clock response
• Exchange engine program to minimize your downtime
Solar stands behind each of our customers with uncompromising commitment to the
success of their turbomachinery installations throughout the equipment's life cycle.
© 2009 Solar Turbines Incorporated. All rights reserved. TPS70CSMD/309
77

Turbomachinery Package Specification Taurus 70 Compressor Set and Mechanical Drive
20.3 Contract Power and Leasing Services
Solar offers numerous financing options. All or part of a project can be financed, offered
under a lease agreement, or installed on a service tariff with a performance contract.
Financing or leasing terms can extend from short-term rentals to long-term leases of 10
years or more. Financing can be structured as full-payout financing instruments that lead
to ownership or as off-balance sheet operating leases that can allow for the return of the
equipment at the end of the lease.
Under a performance contract, Solar may supply, install, operate, maintain, and own the
equipment, as well as auxiliary components required to provide the service, such as
electric power, steam, or compressed gas. The tariff charged by Solar is based on the
amount of service delivered. Solar has extensive worldwide background in financing and
in providing power contracts to assist you in determining the best financial option to
optimize your economic return from the turbomachinery project.
20.4 Solar’s Worldwide Locations
Solar maintains sales and service facilities throughout the world. For a list of the current
locations, please visit Solar on the Internet at www.solarturbines.com.
© 2009 Solar Turbines Incorporated. All rights reserved. TPS70CSMD/309
78

Turbomachinery Package Specification Taurus 70 Compressor Set and Mechanical Drive
Conversion Chart
Conversion Factors
To Convert From
English To S.I. Metric Multiply By To Convert To
Old Metric Multiply By
Btu kJ 1.0551 kcal 0.252
Btu/h W 0.2931 kcal/h 0.252
Btu/scf kJ/nm339.3694 kcal/nm39.382
cfm m3/min 0.028317 m3/min 0.028317
cfm m3/s 0.00047195 m3/s 0.00047195
cu ft m30.028317 m30.028317
°F °C (°F-32) 5/9 °C (°F-32) 5/9
°F (Interval) °C (Interval) 5/9 °C (Interval) 5/9
ft m 0.3048 m 0.3048
ft-lbf/lbmmJ/kg 0.0029891 kJ/kg 0.002989
ft/s m/s 0.3048 m/s 0.3048
gal. (U.S.) L 3.7854 L 3.7854
hp kW 0.7457 kW 0.7457
in. mm 25.400 cm 2.540
in. Hg kPa 3.3769 cm Hg 2.540
in. H2O kPa 0.2488 cm H2O 2.540
kcal kJ 4.1868
lb kg 0.4536 kg 0.4536
lb/cu ft kg/m316.0185 kg/m316.0185
lbf-in. Nm 0.1129848
MMSCFD Nm3/min 18.62 Nm3/h 1117
mph km/h 1.6093 km/h 1.6093
psi kPa 6.8948 kg/cm20.070
psia kPa (a) 6.8948 bars Abs 0.068948
psig KPa (g) 6.8948 Ata 0.070
scfm Nm3/min 0.0268 Nm3/h 1.61
sq in. mm2645.16 cm26.4516
sq ft m20.0929 m20.0929
yd m 0.914 m 0.914
To Convert From
Old Metric To S.I. Metric Multiply By
Atm kPa 101.325
Bar kPa 100.0
cm mm 10
cm Hg kPa 1.3332
cm H2O kPa 0.09807
kcal/h W 1.16279
kg/cm2kPa 98.0665
Nm3/h Nm3/min 0.0167
© 2009 Solar Turbines Incorporated. All rights reserved. TPS70CSMD/309
79

Turbomachinery Package Specification Taurus 70 Compressor Set and Mechanical Drive
List of Abbreviations
Abbreviations
ABS1American Bureau of Shipping
ABS2Absolute
AGMA American Gear Manufacturers Association
API American Petroleum Institute
AS/NZS Australian/New Zealand Standard
ASME American Society of Mechanical Engineers
Ata Atmosphere Absolute
ATEX Atmosphere Explosive
AVM Anti-Vibration Mount
AVR Automatic Voltage Regulation
Btu British Thermal Unit
Btu/h British Thermal Units/Hour
BV Bureau Veritas
CACA Closed Air Circuit Air Cooled
CACW Closed Air Circuit Water-To-Air Cooled
CE Conformité Européene
CEC Canadian Electrical Code
CEN European Committee for Standardization
CENELEC Comité Européen de Normalisation Électrotechnique
cfm Cubic Feet/Minute
CGCM Combination Generator Control Module
cm Centimeter
cm2Square Centimeter
cm3Cubic Centimeter
CO Carbon Monoxide
CO2Carbon Dioxide
CSA Canadian Standards Association
CT Compliant Tower
Cu ft Cubic Feet
°C Degrees Celsius
dBA Decibels (Acoustic)
DNV Det Norske Veritas
ENTELA Entela Incorporated
ES Engineering Specification
EU European Union
FM Factory Mutual
FP Fixed Platform
fps1Feet Per Second
FPS2Floating Production Systems
FPSO Floating Production, Storage and Offloading
ft-lb Foot-Pound
ft-lbf/lbmFoot-Pound Force/Pound Mass
ft/s Feet/Second
°F Degrees Fahrenheit
gal. Gallon
© 2009 Solar Turbines Incorporated. All rights reserved. TPS70CSMD/309
80

Turbomachinery Package Specification Taurus 70 Compressor Set and Mechanical Drive
Abbreviations (Cont’d)
hp Horsepower
HRSG Heat Recovery Steam Generator
IEC International Electrotechnical Commission
IEEE Institute of Electrical and Electronic Engineers
in. Inch
in. Hg Inches of Mercury
in. H2O Inches of Water
IP Ingress Protections
IR Infrared
IS Intrinsically Safe
ISO International Standards Organization
Isoch Isochronous
ITP Inspection and Test Plan
kcal Kilocalorie
kg Kilogram
kJ Kilojoule
kPa Kilopascal
ksi 1000 pounds/square inch
kw Kilowatt
L Liter
LR Lloyd’s Register
m Meter
mm Millimeter
MMSCFD Millions of Standard* Cubic Feet/Day
MPa Mega Pascal
Mph Miles per Hour
MRP Manufacturing Resource Planning
MSA Manufacturing Survey Arrangement
m2Square Meter
m3Cubic Meter
m3/min Cubic Meters/Minute
N Newton
N/m2Pascal
NACE National Association of Corrosion Engineers
NEC National Electrical Code
NEMA National Electrical Manufacturers Association
NFPA U.S. National Fire Protection Agency
Ngp Speed, Gas Producer
Nm3/h Normal** Cubic Meters/Hour
Npt Speed, Power Turbine
NOx Nitrogen Oxides
NRTL Nationally Recognized Testing Laboratory
ODP Open Drip Proof
OMI Operation and Maintenance Instruction
OSHA U.S. Occupational Safety and Health Administration
QA Quality Assurance
QC Quality Control
Pcd Pressure, Compressor Discharge
PED Pressure Equipment Directive
© 2009 Solar Turbines Incorporated. All rights reserved. TPS70CSMD/309
81

Turbomachinery Package Specification Taurus 70 Compressor Set and Mechanical Drive
Abbreviations (Cont’d)
PF Power Factor
PIL Product Information Letter
PMG Permanent Magnet Generator
psi Pounds/Square Inch
psia Pounds/Square Inch Absolute
psig Pounds/Square Inch Gauge
rpm Revolutions Per Minute
RTD Resistance Temperature Device
scf Standard* Cubic Foot
scfd Standard* Cubic Feet/Day
scfm Standard* Cubic Feet/Minute
sm3/h Standard*** Cubic Meters/Hour
SoLoNOx Solar Proprietary Low Emissions System
SP Spar Platform
sq Square
TEAAC Totally Enclosed Air-To-Air Cooled
TEWAC Totally Enclosed Water-To-Air Cooled
TLP Tension Leg Platform
UHC Unburned Hydrocarbon
UL Underwriters Laboratories Incorporated
UPS Uninterruptible Power Supply
USCG United States Coast Guard
UV Ultraviolet
VAC Voltage, Alternating Current
VAR Volt Amp Reactive
VDC Voltage, Direct Current
VFD Variable Frequency Drive
VPI Vacuum Pressure Impregnated
* “Standard” = 60°F, 14.7 psia
** “Normal” = 0°C, 1.01325 x 105 Pascals
*** “Standard” = 15°C, 760 mm Hg
© 2009 Solar Turbines Incorporated. All rights reserved. TPS70CSMD/309
82