ChargePoint CT21002000-01 CT2100/2000 ChargePoint Networked Charging Station User Manual CT2100 Installation Guide
ChargePoint, Inc. CT2100/2000 ChargePoint Networked Charging Station CT2100 Installation Guide
Contents
- 1. Users Manual CT2000
- 2. Users Manual CT2100
Users Manual CT2100

CT2100 Family
ChargePoint® Networked Charging Stations
CT2101 Bollard Mount CT2102 Pole Mount CT2103 Wall Mount
Installation
Guide
Part Number: 75-001020 Revision: 1.1
Coulomb Technologies Inc.
1692 Dell Ave.
Campbell, CA 95008-6901 USA
US toll free: +1-877-370-3802
www.coulombtech.com
www.mychargepoint.net
by Coulomb Technologies
®

IMPORTANT SAFETY INSTRUCTIONS
SAVE THESE INSTRUCTIONS
This manual contains important instructions that must be followed during installation of a ChargePoint® Networked Charging Station.
Grounding instructions
The ChargePoint® Charging Station must be connected to a grounded, metal, permanent wiring system; or an equipment-grounding conductor is
to be run with circuit conductors and connected to the equipment grounding terminal or lead on the Electric Vehicle Supply Equipment (EVSE).
Connections to the EVSE shall comply with all local codes and ordinances.
Safety and compliance
This document provides instructions to install the ChargePoint® Charging Station and should not be used for any other product. Before installing
the ChargePoint® Charging Station, you should review this manual carefully and consult with a licensed contractor, licensed electrician and
trained installation expert to ensure compliance with local building practices, climate conditions, safety standards, and state and local codes.
The ChargePoint® Charging Station should be installed only by a licensed contractor and a licensed electrician and in accordance with all local
and national codes and standards. The ChargePoint® Charging Station should be inspected by a qualified installer prior to the initial use. Under
no circumstances will compliance with the information in this manual relieve the user of his/her responsibility to comply with all applicable codes
or safety standards. This document describes the most commonly-used installation and mounting scenarios. If situations arise in which it is not
possible to perform an installation following the procedures provided in this document, contact Coulomb Technologies. Coulomb Technologies is
not responsible for any damages that may occur resulting from custom installations that are not described in this document.
No accuracy guarantee
Reasonable effort was made to ensure that the specifications and other information in this manual are accurate and complete at the time of its
publication. However, the specifications and other information in this manual are subject to change at any time without prior notice.
Warranty information and disclaimer
Your use of, or modification to, the ChargePoint® Charging Station in a manner in which the ChargePoint® Charging Station is not intended to be
used or modified will void the limited warranty. Other than any such limited warranty, the Coulomb products are provided “AS IS,” and Coulomb
and its distributors expressly disclaim all implied warranties, including any warranty of design, merchantability, fitness for a particular purposes
and non-infringement, to the maximum extent permitted by law.
Limitation of liability
IN NO EVENT SHALL COULOMB TECHNOLOGIES, INC. OR ITS AUTHORIZED DISTRIBUTORS BE LIABLE FOR ANY INDIRECT,
INCIDENTAL, SPECIAL, PUNITIVE, OR CONSEQUENTIAL DAMAGES, INCLUDING WITHOUT LIMITATION, LOST PROFITS, LOST
DATA, LOSS OF USE, COST OF COVER, OR LOSS OR DAMAGE TO THE CHARGEPOINT® CHARGING STATION, ARISING OUT OF
OR RELATING TO THE USE OR INABILITY TO USE THIS MANUAL, EVEN IF COULOMB TECHNOLOGIES, INC. OR ITS
AUTHORIZED DISTRIBUTORS HAVE BEEN ADVISED OF THE POSSIBILITY OF SUCH DAMAGES.
Copyright and Trademarks
©2010 Coulomb Technologies, Inc. All rights reserved. This material is protected by the copyright laws of the United States and other countries. It
may not be modified, reproduced or distributed without the prior, express written consent of Coulomb Technologies, Inc. CHARGEPOINT is a U.S.
registered trademark and service mark of Coulomb Technologies, Inc. All other products or services mentioned are the trademarks, service
marks, registered trademarks or registered service marks of their respective owners. Coulomb Technologies has filed several patent applications.
FCC Compliance Statement
This equipment has been tested and found to comply with the limits for a Class A digital device pursuant to Part 15 of the FCC Rules. These limits
are designed to provide reasonable protection against harmful interference when the equipment is operated in a commercial environment. This
equipment generates, uses, and can radiate radio frequency energy and, if not installed and used in accordance with the manufacturer’s
instruction manual, may cause harmful interference with radio communications. Operation of this equipment in a residential area is likely to
cause harmful interference, in which case, you will be required to correct the interference at your own expense.
Important: Changes or modifications to this product not authorized by Coulomb Technologies, Inc., could affect the EMC compliance and revoke
your authority to operate this product.
Exposure to Radio Frequency Energy: The radiated power output of the Zigbee radio and cellular modem (optional) in this device is below the FCC
radio frequency exposure limits for uncontrolled equipment. This device should be operated with a minimum distance of at least 20 cm between
the Zigbee and Cellular antennas and a person’s body and must not be co-located or operated with any other antenna or transmitter by the
manufacturer, subject to the conditions of the FCC Grant.

i
Contents
1Introduction
Before installing stations........................................................................................................................................... 1-1
Specifications............................................................................................................................................................. 1-2
Wiring information .................................................................................................................................................... 1-3
2 Installing a Bollard Mount
Before you start.......................................................................................................................................................... 2-1
Overview of steps....................................................................................................................................................... 2-1
Step 1 - Check box for correct contents ................................................................................................................... 2-2
Step 2 - Remove front panel ..................................................................................................................................... 2-3
Step 3 - Remove mounting pole and base plate from body ................................................................................... 2-4
Step 4 - Install J-Bolts and conduit ........................................................................................................................... 2-5
Step 5 - Mount base plate/pole assembly............................................................................................................... 2-6
Step 6 - Install body ................................................................................................................................................... 2-7
Step 7 - Connect wires to wiring terminals............................................................................................................... 2-8
Step 8 - Replace front panel ..................................................................................................................................... 2-9
3 Installing a Pole Mount
Before you start.......................................................................................................................................................... 3-1
Overview of steps....................................................................................................................................................... 3-1
Step 1 - Check box for correct contents ................................................................................................................... 3-2
Step 2 - Drill hole in pole ........................................................................................................................................... 3-3
Step 3 - Mount bracket to pole ................................................................................................................................. 3-4
Step 4 - Prepare body assembly for mounting......................................................................................................... 3-5
Step 5 - Mount body to bracket ................................................................................................................................ 3-6
Step 6 - Connect wires to wiring terminals............................................................................................................... 3-7
4 Installing a Wall Mount
Before you start.......................................................................................................................................................... 4-1
Overview of steps....................................................................................................................................................... 4-1
Step 1 - Check box for correct contents ................................................................................................................... 4-2
Step 2 - Attach bracket to wall.................................................................................................................................. 4-3
Step 3 - Remove terminal block from main body .................................................................................................... 4-5
Step 4 - Drill holes in body assembly........................................................................................................................ 4-6
Step 5 - Attach body assembly to wall bracket........................................................................................................ 4-7
Step 6 - Attach coupler and connect conduit........................................................................................................... 4-8
Step 7 - Re-attach terminal block to main body ...................................................................................................... 4-9
Step 8 - Connect wires to wiring terminals.............................................................................................................4-10
5 Installing the holster and cable assembly
Before you start.......................................................................................................................................................... 5-1
Overview of steps....................................................................................................................................................... 5-1
Step 1 - Check box for correct contents ................................................................................................................... 5-2
Step 2 - Attach holster to body assembly................................................................................................................. 5-3
Step 2 - Install the cable assembly........................................................................................................................... 5-4
6 Installing the head assembly
Before you start.......................................................................................................................................................... 6-1
Overview of steps....................................................................................................................................................... 6-1
Step 1 - Check box for correct contents ................................................................................................................... 6-2
Step 2 - Slide head assembly into body ................................................................................................................... 6-3
Step 3 - Secure head assembly ................................................................................................................................ 6-4

1-1
Introduction
1
This document provides step-by-step instructions on how to install any ChargePoint® Charging Station in
the CT2100 family. Each model ships in three boxes:
Before installing stations
The instructions provided in this guide assume that the appropriate wiring, circuit protection, and
metering is in place at the installation location. Before you install, you must also ensure that the type of
modem in each station you are installing is compatible with the type of modem coverage available at the
installation site (CDMA or GPRS).
To assist in the process of preparing the installation site, thoroughly review the following documents:
• wiring diagrams (provided on page 1-3 of this document)
• CT2100 Charging Stations Data Sheet (available at www.coulombtech.com by clicking the “Products”
link, then the “Library” link)
• Mounting Template for Bollard Mount and Wall Mount stations (provided in this document and in the
box containing the station’s body)
IMPORTANT: If you are printing the PDF version of the Mounting Template, be sure to print at full
scale using 11” x 17” paper.
Note: If you are installing a Bollard Mount charging station, prepare the site according to the
instructions provided in “Step 4 - Install J-Bolts and conduit” on page 2-5 of this document.
It is also recommended that before you begin installing charging stations, you thoroughly review the
contents of this document to familiarize yourself with the required installation steps.
“Body”
Install this first
CT2101 Bollard Mount - see Chapter 2
CT2102 Pole Mount - see Chapter 3
CT2103 Wall Mount - see Chapter 4
“Cable Assembly”
Install this second
See Chapter 5
“Head”
Install this last
See Chapter 6

ChargePoint® Charging Stations
1-2
Specifications
Charging connection - Level 1: NEMA 5-20R receptacle
Charging connection - Level 2: SAEJ1772TM EV connector on 18’ (5m) cable
AC maximum charging power output - Level 1: 1.9kW 120V @ 16A
AC maximum charging power output - Level 2: 7.2kW 240V @ 30A
AC power input: 208/240V 30A (Line 1 and Line 2) and 120V 16A (Line, Neutral, and Earth) - 5 wire
Recommended service panel breaker: 40A double pole breaker (non-GFCI type) and 20A single pole
breaker (non-GFCI type) on dedicated circuits
Integrated hardware GFCI: 20mA, CCID with self-test and auto retry (15 minute delay, 3 tries),
Level 1: 5 mA, Level 2: 20 mA
EMI compliance: FCC Part 15 Class A
Operating temperature: -22°F to 131°F (-30°C to +55°C)
Operating humidity: Up to 95% non-condensing
Terminal block temperature rating: 212°F (100°C)
Approximate shipping weight: Bollard Mount - 65 lbs (29 kg), Pole Mount - 49 lbs (22 kg), Wall
Mount - 51 lbs (23 kg).
Outdoor rated: NEMA 3R per NEMA250-1997
Safety compliance: UL Listed per UL 2231-1, 2231-2, 2594, 1998 and 991; NEC Article 625 compliant
Surge protection: 6kV @ 3000A. In geographic areas subject to frequent thunder storms, supplemental
surge protection at the service panel is recommended.

Introduction
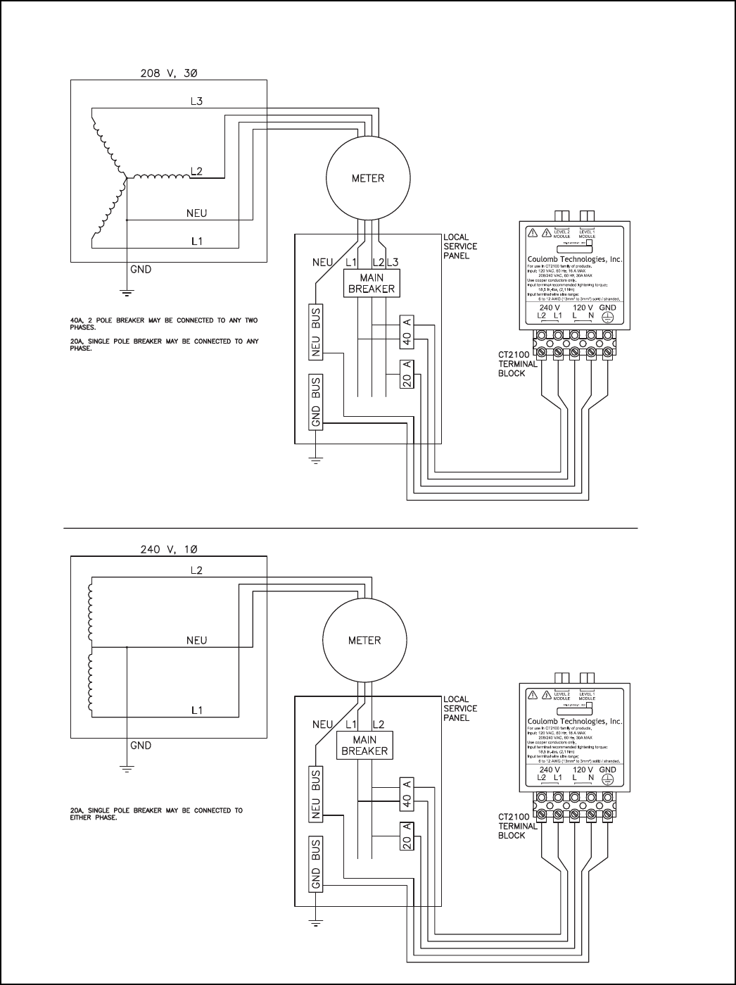
1-3
Wiring information

2-1
Installing a Bollard Mount
2
Before you start
You will need:
• CT2101 ChargePoint® Charging Station body
assembly
• 3 J-Bolts with matching nuts and washers: up to ½”
(12.7 mm) thread diameter, length must comply with
local codes
•1
½” (38 mm) conduit
• #2 Phillips screwdriver
• #2 Slotted screwdriver
Overview of steps
Installing the CT2101 ChargePoint® Charging Station’s
body assembly involves a few simple steps:
1. Check box for correct contents (see page 2-2)
2. Remove front panel (see page 2-3)
3. Remove mounting pole and base plate from body
(see page 2-4)
4. Install J-Bolts and conduit (see page 2-5)
5. Mount base plate/pole assembly (see page 2-6)
6. Install body (see page 2-7)
7. Connect wires to wiring terminals (see page 2-8)
8. Replace front panel (see page 2-9)
These steps are detailed in the remainder of this chapter.
When you have completed these steps, you will be ready
to install the holster and cable assembly as described in
Chapter 5.
Installer-supplied components:

ChargePoint® Charging Stations
2-2
Step 1 - Check box for correct contents
Bollard Mount Assembly
The CT2101 ChargePoint® Charging
Station’s body assembly ships in a box
containing:
• Main body assembly (including body,
front panel, mounting pole, and base
plate)
• Base plate template
• Installation Guide
• 3/32” allen wrench
FRONT
ANCHOR BOLT PATTERN
CONDUIT WITHIN THIS AREA ONLY
BOLLARD OUTSIDE ENVELOPE
0.50
[12.7]
02.00
[50.8]
8.0
[203.20]
05.87
[149.2]
Front panel
Body
Mounting
pole
Base plate
The body, front panel,
mounting pole, and base
plate are pre-assembled
CT2100 Family
ChargePoint® Networked Charging Stations
CT2101 Bol lard Moun t CT2102 Po le Mount CT2103 Wal l Mount
Installation
Guide
Part Number: 75-001020 Revision: 1.1
Coulomb Technologies Inc.
1692 Dell Ave.
Campbell, CA 95008-6901 USA
US toll free: +1-877-370-3802
www.coulombtech.com
www.mychargepoint.net
by Coulomb Technologies
®

Installing a Bollard Mount
2-3
Step 2 - Remove front panel
To remove the front panel:
• Use the supplied allen wrench to
loosen the 2 screws that fasten the
panel to the body.
• Remove the ground wire connector
from its tab.
Slide the front panel upward to remove.

ChargePoint® Charging Stations
2-4
Step 3 - Remove mounting pole and base plate from body
To remove the body:
• Use the supplied allen wrench to
loosen the 4 set screws (2 on each
bracket).
• Lift the body upward.
Loosen the four
set screws to
remove the pole.

Installing a Bollard Mount
2-5
Step 4 - Install J-Bolts and conduit
Install J-Bolts and conduit into concrete
as illustrated. Use the supplied base
plate template to ensure correct
alignment.
IMPORTANT:
• The concrete block must measure
at least 18” (46 cm) on all sides.
Check local codes to ensure
compliance.
• The J-Bolts must extend at least
2½” (6.4 cm) above the concrete.
• The conduit must extend 12” to 24”
(30 to 61 cm) above the concrete,
or according to local codes.
Conduit must extend
12-24” (30-61 cm) above
the concrete (check local
codes)
J-Bolts must
extend at least
2 ½” (6.4 cm)
above the
concrete

ChargePoint® Charging Stations
2-6
Step 5 - Mount base plate/pole assembly
Pull all five wires up through the
conduit and the mounting pole.
Place the base plate/mounting pole
assembly over the wiring conduit and
attach the base plate to the J-Bolts
using the installer-supplied nuts and
washers as shown.
Adjust the nuts as necessary to ensure
the mounting pole is level. When level,
tighten the nuts.
IMPORTANT: Ensure the base
plate/pole assembly is level by
adjusting the nuts underneath the base
plate.
Adjust these nuts as
necessary to ensure
the mounting pole is
level
Position a
level on the
mounting
pole

Installing a Bollard Mount
2-7
Step 6 - Install body
Slide the body over the mounting
pole and base plate.
Ensure the body is level.
Secure the body to the mounting
pole by tightening the four set
screws using the supplied allen
wrench.
IMPORTANT: Ensure the
body is firmly aligned to the bottom
surface and that no movement
(rocking) can take place, even
when significant pressure is
applied.
When level, tighten
all 4 set screws

ChargePoint® Charging Stations
2-8
Step 7 - Connect wires to wiring terminals
Pull the 240V L2 (blue) and L1 (red)
and the 120V Line (black), Neutral
(white), and Ground (green) wires into
body assembly and connect to wiring
terminals.
Strip wires ¼” (6 mm), insert in
terminal block, and tighten screws to
18 ½ inch-lbs (2.1 Nm).
IMPORTANT:
• Requires dedicated 20A breaker for
120V and 40A breaker for
208/240V.
• Use copper conductors only.
• Do NOT provide GFCI protection at
panel. The CT2101 has built-in
GFCI protection.
• In areas with frequent thunder
storms, add surge protection at the
service panel for all circuits.
Use these
5 screws

Installing a Bollard Mount
2-9
Step 8 - Replace front panel
Slide the front panel into place. Use the
supplied allen wrench to tighten the
two set screws.
Re-attach the ground wire by pushing it
onto its tab.
You have now finished installing the
body assembly for the CT2101
ChargePoint® Charging Station’s body
assembly. You are ready to install the
holster and cable assembly. See
Chapter 5.
Tighten both set screws
to secure the front panel
Re-attach the ground wire to its tab

3-1
Installing a Pole Mount
3
Before you start
You will need:
• CT2102 ChargePoint® Charging Station body assembly
•¾” (20 mm) 0.030” (.76 mm) stainless steel banding
• Banding tool(s)
• #2 Phillips screwdriver
• #2 Slotted screwdriver
Overview of steps
Installing the CT2102 ChargePoint® Charging Station’s body assembly involves a few simple steps:
1. Check box for correct contents (see page 3-2)
2. Drill hole in pole (see page 3-3)
3. Mount bracket to pole (see page 3-4)
4. Prepare body assembly for mounting (see page 3-5)
5. Mount body to bracket (see page 3-6)
6. Connect wires to wiring terminals (see page 3-7)
These steps are detailed in the remainder of this chapter. When you have completed these steps, you will
be ready to install the holster and cable assembly as described in Chapter 5.

ChargePoint® Charging Stations
3-2
Step 1 - Check box for correct contents
Pole Mount Assembly
The CT2102 ChargePoint® Charging
Station’s body assembly ships in a box
containing:
•Main body
•Pole bracket
• Screws (4) and washers (4)
•Pole conduit with gasket
• Pole conduit nuts (2)
• Installation Guide
• 3/32” allen wrench
CT2100 Family
ChargePoint® Networked Charging Stations
CT2101 Bollar d Mou nt CT2102 Pole M ount CT2103 Wall Mount
Installation
Guide
Part Number: 75-001020 Revision: 1.1
Coulomb Technologies Inc.
1692 Dell Ave.
Campbell, CA 95008-6901 USA
US toll free: +1-877-370-3802
www.coulombtech.com
www.mychargepoint.net
by Coulomb Technologies
®

Installing a Pole Mount
3-3
Step 2 - Drill hole in pole
Drill a 1 ½“ (38 mm) hole in the pole to
accommodate the 1 ¼” (32 mm) OD
coupling.
The maximum height above the surface
must be 30” (76 cm) to comply with the
Americans with Disabilities Act (ADA).
30” (76 cm)
maximum
height

ChargePoint® Charging Stations
3-4
Step 3 - Mount bracket to pole
Align the bracket to the pole, ensuring
the coupler opening in the bracket is
centered over the hole in the pole.
Strap the bracket to the pole using
three ¾” (20 mm) by 0.030” (.76 mm)
stainless steel bands capable of
supporting at least 300 pounds.
Note: These instructions apply only
when mounting to a round metal pole.
To mount to other types of poles, the
bracket must be mounted directly to
the pole using three 3/8” (10 mm)
fasteners appropriate for the pole’s
material.
CAUTION: Never use hose
clamps in place of bands.
IMPORTANT: You must use a
high tension banding tool to install
bands.
TIP: For added strength and security,
secure the bracket with both bolts and
straps. Using the mounting bracket as
a template, drill and tap 3/8”- 16 tpi
(10 mm x 1.5) holes into the pole.
Center the opening in the
bracket over the hole in the
pole
NOTE: Bracket may be
temporarily held in place
during strapping using tape,
cable tie, or other means.
For added
strength, use
these three
holes for
bolting

Installing a Pole Mount
3-5
Step 4 - Prepare body assembly for mounting
Attach the pole conduit coupler to the
body assembly as shown.

ChargePoint® Charging Stations
3-6
Step 5 - Mount body to bracket
Insert the coupler into the hole and
hold the body assembly to the pole
bracket using the four supplied screws
and washers.
Use
these
holes

Installing a Pole Mount
3-7
Step 6 - Connect wires to wiring terminals
Pull the 240V L2 (blue) and L1 (red)
and the 120V Line (black), Neutral
(white), and Ground (green) wires into
body assembly and connect to wiring
terminals.
Strip wires ¼” (6 mm), insert in
terminal block, and tighten screws to
18.5 inch-lbs (2.1 Nm).
IMPORTANT:
• Requires a dedicated 20A breaker
for 120V and 40A breaker for
208/240V.
• Use copper conductors only.
• Do NOT provide GFCI protection at
panel. The CT2102 has built-in
GFCI protection.
• In areas with frequent thunder
storms, add surge protection at the
service panel for all circuits.
You have now finished installing the
body assembly for the CT2102
ChargePoint® Charging Station. You
are ready to install the holster and
cable assembly. See Chapter 5.
Use these
5 screws

4-1
Installing a Wall Mount
4
Before you start
You will need:
• CT2103 ChargePoint® Charging Station body assembly
• ¾” (20 mm) coupling
•conduit
•¼” x 1 ½” (6 mm x 39 mm) lag screws (6), McMaster P/N 95526A125
• lag screw anchors (6), McMaster P/N 97039A029
• Torx Driver T15 - Tamper-Resistant
• #2 Phillips screwdriver
• #2 Slotted screwdriver
• drill and drill bits: one to drill ¼” (6 mm) hole into aluminum and another to drill into masonry
Overview of steps
Installing the CT2103 ChargePoint® Charging Station’s body assembly involves a few simple steps:
1. Check box for correct contents (see page 4-2)
2. Attach bracket to wall (see page 4-3)
3. Remove terminal block from main body (see page 4-5)
4. Drill holes in body assembly (see page 4-6)
5. Attach body assembly to wall bracket (see page 4-7)
6. Attach coupler and connect conduit (see page 4-8)
7. Re-attach terminal block to main body (see page 4-9)
8. Connect wires to wiring terminals (see page 4-10)
These steps are detailed in the remainder of this chapter. When you have completed these steps, you will
be ready to install the holster and cable assembly as described in Chapter 5.

ChargePoint® Charging Stations
4-2
Step 1 - Check box for correct contents
Wall Mount assembly
The CT2103 ChargePoint® Charging
Station’s body assembly ships in a box
containing:
•Main body
• Wall mount bracket
• Screws and washers (6)
• Template for drilling wall holes
• Installation Guide
• 3/32” allen wrench
CT2100 Family
ChargePoint® Networked Charging Stations
CT2101 Bo llard Moun t C T2102 Pole M ount CT2103 Wa ll Mount
Installation
Guide
Part Number: 75-001020 Revision: 1.1
Coulomb Technologies Inc.
1692 Dell Ave.
Campbell, CA 95008-6901 USA
US toll free: +1-877-370-3802
www.coulombtech.com
www.mychargepoint.net
by Coulomb Technologies
®

Installing a Wall Mount
4-3
Step 2 - Attach bracket to wall
Drill 6 holes in the wall, as illustrated.
Use the supplied template to ensure
correct alignment.
Note:
• If mounting to a hollow wall, mount
the holes on the left to a stud using
¼” (6 mm) x 3 ½” (90 mm) lag
bolts, and use wall anchors for the
holes on the right.
• If mounting to a masonry wall, use
six ¼” (6 mm) expanding masonry
fasteners.
• If mounting to a wood wall, use six
¼” (6 mm) x 1 ¼” (32 mm) lag
bolts.
IMPORTANT: The bottom of the
bracket must be mounted at a
maximum height of 31” (79 cm) above
the surface to comply with the
Americans with Disabilities Act (ADA).
Template
(example only
- actual
template is
included in
both the
shipping box
and in this
manual)
stud

ChargePoint® Charging Stations
4-4
Step 2 cont’d
Using the fasteners appropriate for the
type of wall material (see previous
page), fasten the wall bracket to the
wall.
fasten
these 3
to stud

Installing a Wall Mount
4-5
Step 3 - Remove terminal block from main body
Loosen the two fastening screws
enough to slide the terminal block
upward and remove.
Loosen these 2
screws

ChargePoint® Charging Stations
4-6
Step 4 - Drill holes in body assembly
Use a ¼” (6 mm) drill to drill out the 2
mounting holes in the back of the body
assembly. These holes are partially
pre-drilled.
Drill out mounting
holes

Installing a Wall Mount
4-7
Step 5 - Attach body assembly to wall bracket
Attach the body assembly to the wall
bracket using the 6 supplied screws
and washers.

ChargePoint® Charging Stations
4-8
Step 6 - Attach coupler and connect conduit
Attach ¾”(20 mm) installer-supplied
coupler to the body assembly, as
shown, and connect the conduit.

Installing a Wall Mount
4-9
Step 7 - Re-attach terminal block to main body
Slide the terminal block onto the two
fastening screws then tighten the
screws.

ChargePoint® Charging Stations
4-10
Step 8 - Connect wires to wiring terminals
Pull the 240V L2 (blue) and L1 (red)
and the 120V Line (black), Neutral
(white), and Ground (green) wires into
body assembly and connect to wiring
terminals.
Strip wires ¼” (6 mm), insert in
terminal block, and tighten screws to
18 ½ inch-lbs (2.1 Nm).
IMPORTANT:
• Requires a dedicated 20A breaker
for 120V and 40A breaker for
208/240V.
• Use copper conductors only.
• Do NOT provide GFCI protection at
panel. The CT2103 has built-in
GFCI protection.
• In areas with frequent thunder
storms, add surge protection at the
service panel for all circuits.
You have now finished installing the
body assembly for the CT2103
ChargePoint® Charging Station. You
are ready to install the holster and
cable assembly. See Chapter 5.
Use these
5 screws

5-1
Installing the holster and cable assembly
5
Before you start
You will need:
• holster (with 3 bolts and washer)
• cable assembly
• 5/32” allen wrench (provided)
In addition, the installation of the body assembly must be completed following the procedure described in
a previous chapter.
Overview of steps
Installing the ChargePoint® Charging Station’s holster and cable assembly involves a few simple steps:
1. Check box for correct contents (see page 5-2)
2. Attach holster to body assembly (see page 5-3)
3. Install the cable assembly (see page 5-4)
These steps are detailed in the remainder of this chapter. When you have completed these steps, you will
be ready to install the head assembly, as described in Chapter 6.

ChargePoint® Charging Stations
5-2
Step 1 - Check box for correct contents
Holster and cable assembly
The ChargePoint® Charging Station’s
holster and cable assembly ships in a box
containing:
•holster
• bolts and washers (3)
• cable assembly
• 5/32” allen wrench

Installing the holster and cable assembly
5-3
Step 2 - Attach holster to body assembly
Attach the holster to the body assembly
using the four supplied bolts and
washers. Use the supplied allen wrench
to tighten.
TIP: Retain the supplied 5/32” allen
wrench in case you need to replace the
holster in the future.

ChargePoint® Charging Stations
5-4
Step 3 - Install the cable assembly
Slide the cable assembly into the body
all the way until it is flush with the top
of the front panel.
Note: The CT2101 is used for
illustration purposes. The procedure is
identical for the CT2102 and CT2103.

Installing the holster and cable assembly
5-5
Step 3 - Install the cable assembly cont’d
Plug the cable assembly’s pigtail
connector into the body assembly’s
terminal block.
Plug the vehicle connector into the
holster.
You have now finished installing the
ChargePoint® Charging Station’s
holster and cable assembly and are
ready to install the head assembly. See
Chapter 6.

6-1
Installing the head assembly
6
Before you start
You will need:
• head assembly
• Torx Driver T15 - Tamper-Resistant
In addition, the installation of the body assembly, the holster, and the cable assembly, must be completed
following the procedures described in the previous chapters.
Overview of steps
Installing the ChargePoint® Charging Station’s head assembly involves a few simple steps:
1. Check box for correct contents (see page 6-2)
2. Slide head assembly into body (see page 6-3)
3. Secure head assembly (see page 6-3)

ChargePoint® Charging Stations
6-2
Step 1 - Check box for correct contents
Head assembly
The ChargePoint® Charging Station’s
head assembly ships in a box
containing:
• head assembly
• Security screws (4)
• Rubber plugs (4)
• Spare label (keep this label for
future reference—it contains
important MAC address and serial
number information that is needed
for system provisioning)

Installing the head assembly
6-3
Step 2 - Slide head assembly into body
Slide the head assembly into body far
enough to connect the wiring, then:
• Connect the pigtail connector to the
terminal block, ensuring it is fully
seated.
If the circuit is live, the head
assembly will power-up.
• Connect the circular connector to
the pilot module and turn its outer
ring clockwise until snug.
Note: The circular connector is
keyed and must be properly
aligned. When properly aligned,
press firmly to ensure it is fully
seated. If the connector is not
fully seated, the outer ring will not
tighten.
• Firmly slide head module all the
way into body.
• Open door and check alignment of
security screw holes.
• If necessary, press down on head
assembly to seat gaskets.
TIP: The door remains unlocked for
30-60 seconds after you plug in the
pigtail connector. By holding it open,
you can proceed with the next step
without having to open it with a smart
card.
IMPORTANT: Before securing
the head assembly (described next),
ensure that it powers up. When the
circuit is live and the head assembly is
plugged in, a sequence of power-up
messages will be displayed. If this is
not the case, check that the head
assembly’s connectors are properly
seated onto the terminal block.
When the head
assembly is connected
(and the circuit is live),
you should see a
sequence of power-up
message on the
charging station’s
display.

ChargePoint® Charging Stations
6-4
Step 3 - Secure head assembly
If necessary, open the door using a
smart card.
Using a Torx driver, secure the head
assembly with the 4 supplied
tamper-resistant security screws.
IMPORTANT: Do NOT
overtighten. Snug fit only.
Insert the 4 supplied rubber plugs and
push firmly into place using the Allen
wrench until they are flush with the
surrounding surface.
IMPORTANT: It is critical that all 4
plugs are flush with the surface. If they
protrude even slightly, the door will not
close properly.
You have now finished installing the ChargePoint® Charging Station.

Coulomb Technologies Inc.
1692 Dell Ave.
Campbell, CA 95008-6901 USA
US toll free: +1-877-370-3802
www.coulombtech.com
www.mychargepoint.net