Clevo Laptop 2700C Users Manual 2200C_Preface
2700C to the manual a0ccae1f-4741-4886-acb9-58cd1c797ab2
2015-02-05
: Clevo Clevo-Laptop-2700C-Users-Manual-534078 clevo-laptop-2700c-users-manual-534078 clevo pdf
Open the PDF directly: View PDF
.
Page Count: 101 [warning: Documents this large are best viewed by clicking the View PDF Link!]
- Cover
- Preface
- Contents
- Chapter 1: Introduction
- Chapter 2: Chipset and Mainboard information
- Chapter 3: Disassembly
- Size chart for screws and hex nuts:
- Disassembly steps
- Removal Procedures
- Remove the battery
- Remove the keyboard
- Remove the HDD assembly
- Remove the CD-ROM\DVD-ROM assembly
- Remove the heat sink
- Remove the CPU
- Reinstall the CPU
- Separate the notebook base in two
- Remove the FDD assembly
- Remove the CD-ROM tray
- Remove the Fan
- Remove the mainboard and tray from the bottom case
- Remove the mainboard from the mainboard tray
- The LCD Panel
- Appendix A: Mechanical Drawings and Parts Lists
- 2200C
- Bottom Half assembly and parts list
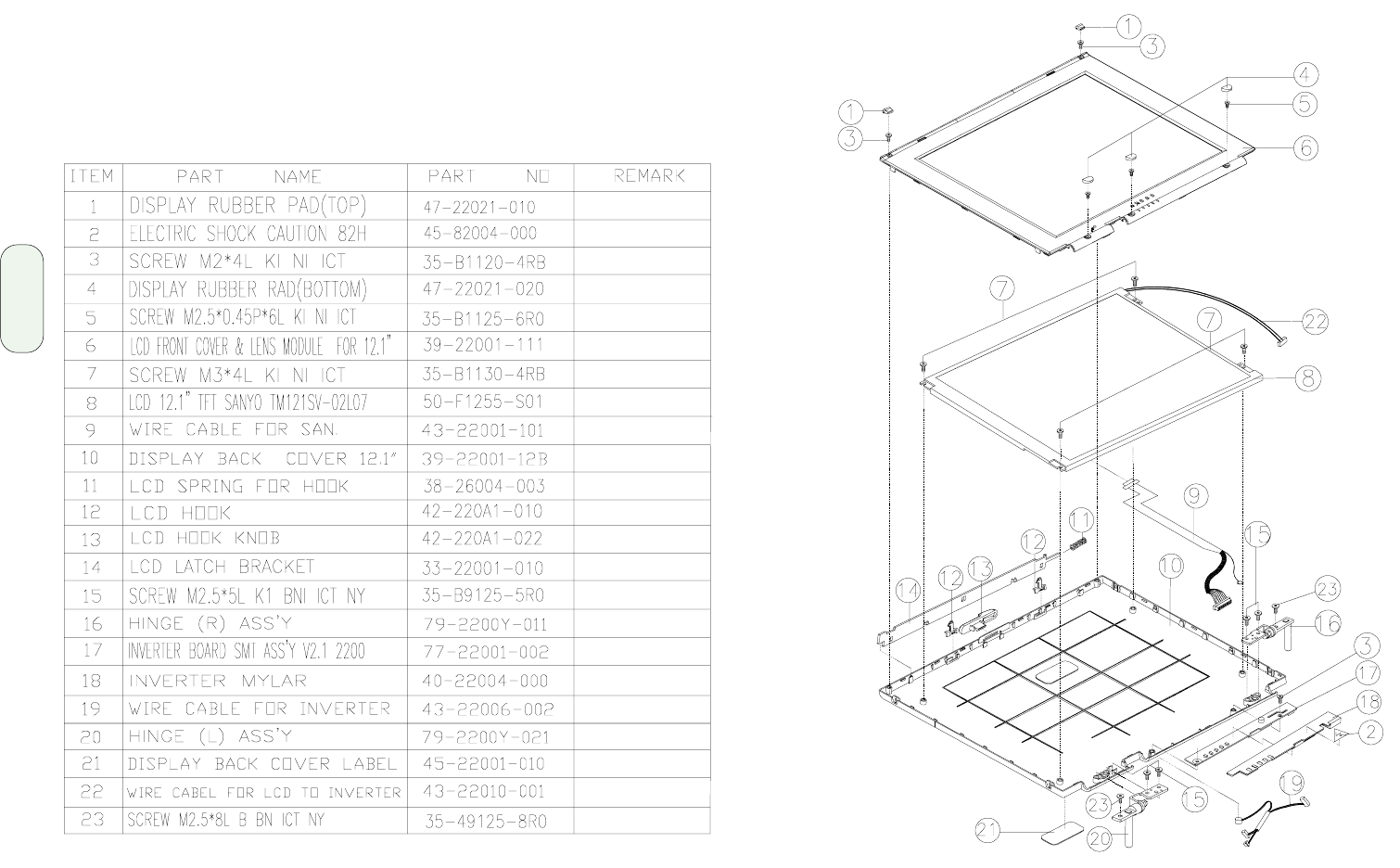
- LCD panel (12.1") assembly and parts list
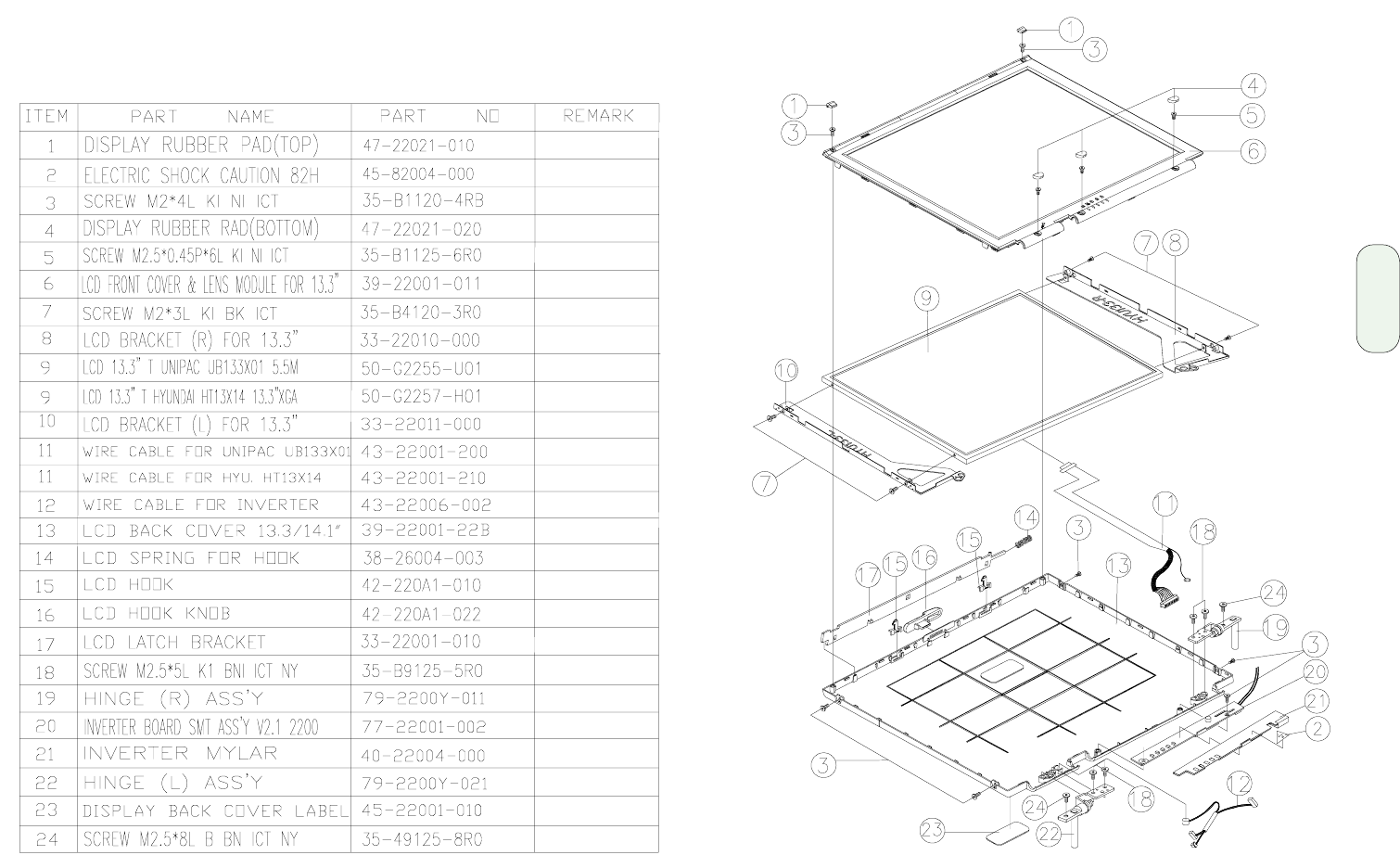
- LCD panel (13.1" , 15.3") assembly and parts list
- LCD panel (14.1") assembly and parts list
- Keyboard and Touchpad assembly
- Keyboard and Touchpad assembly parts list
- FDD assembly and parts list
- HDD assembly and parts list
- CD-ROM assembly and parts list
- DVD-ROM assembly and parts list
- 2700C
- Bottom half assembly and parts list
- LCD panel (13.3") assembly and parts list
- LCD panel (14.1") assembly and parts list
- Keyboard and Touchpad assembly
- Keyboard and Touchpad parts list
- FDD Assembly and parts list
- HDD assembly and parts list
- CD-ROM Assembly and parts list
- DVD-ROM assembly and parts list
- 2200C
- Appendix B: Schematic Diagrams
- Appendix C: Switch Settings

Notice
The company reserves the right to revise this publication or to change its contents without notice.
Information contained herein is for reference only and does not constitute a commitment on the part
of the manufacturer or any subsequent vendor. They assume no responsibility or liability for any
errors or inaccuracies that may appear in this publication nor are they in anyway responsible for
any loss or damage resulting from the use (or misuse) of this publication.
This publication and any accompanying software may not, in whole or in part, be reproduced, trans-
lated, transmitted or reduced to any machine readable form without prior consent from the vendor,
manufacturer or creators of this publication, except for copies kept by the user for backup purposes.
Brand and product names mentioned in this publication may or may not be copyrights and/or regis-
tered trademarks of their respective companies. They are mentioned for identification purposes only
and are not intended as an endorsement of that product or its manufacturer.
©March, 2001
Preliminary Version
Contents
Chapter 1: Introduction ........................... 1 - 1
System specifications (general) ...................1 - 2
Chapter 2: Chipset and
Mainboard information ............................ 2 - 1
CPU...............................................................2 - 1
Chipsets ........................................................2 - 3
SiS630S ............................................................ 2 - 3
PC Card Chipset - PCI1410 ............................. 2 - 11
Ports............................................................2 - 13
Mainboard....................................................2 - 14
Mainboard components list ............................... 2 - 14
Mainboard photo .............................................. 2 - 15
Chapter 3: Disassembly .......................... 3 - 1
Size chart for screws and hex nuts: .................... 3 - 1
Disassembly steps .......................................3 - 2
Steps to remove the CD-ROM/DVD-ROM : .......... 3 - 2
Steps to remove the CPU: ................................... 3 - 2
Steps to remove the FDD: ................................... 3 - 2
Steps to remove the HDD:................................... 3 - 3
Steps to remove the inverter board: ..................... 3 - 3
Steps to remove the LCD panel: .......................... 3 - 3
Steps to remove the mainboard: .......................... 3 - 4
Removal Procedures ....................................3 - 5
Remove the battery............................................. 3 - 5
Remove the keyboard ......................................... 3 - 6
Remove the HDD assembly ................................ 3 - 7
Remove the CD-ROM\DVD-ROM assembly ......... 3 - 8
Remove the heat sink ......................................... 3 - 9
Applying a heat sink pad .................................... 3 - 9
Remove the CPU .............................................. 3 - 10
Reinstall the CPU ............................................. 3 - 10
Separate the notebook base in two ................... 3 - 11
Remove the FDD assembly ............................... 3 - 14
Remove the CD-ROM tray ................................ 3 - 14
Remove the Fan ............................................... 3 - 14
Remove the mainboard and
tray from the bottom case ................................. 3 - 15
Remove the mainboard
from the mainboard tray ................................... 3 - 16
The LCD Panel ...........................................3 - 17
Remove the LCD panel frame ........................... 3 - 17
Remove LCD panel from the LCD panel case.... 3 - 18
Remove the LCD panel from the bracket ........... 3 - 20
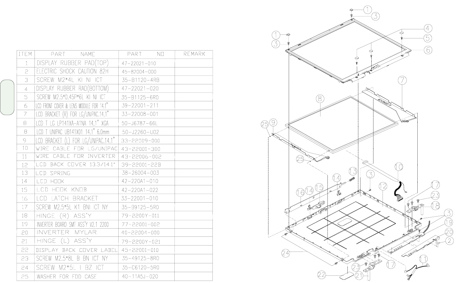
Appendix A: Mechanical Drawings and
Parts Lists ................................................ A - 1
2200C ...........................................................A - 1
Bottom Half assembly and parts list ..................... A - 1
LCD panel (12.1”) assembly and parts list ........... A - 2
LCD panel (13.1” , 15.3”) assembly and
parts list ............................................................. A - 3
LCD panel (14.1”) assembly and parts list ........... A - 4
Keyboard and Touchpad assembly ..................... A - 5
Keyboard and Touchpad assembly parts list ........ A - 6
FDD assembly and parts list ............................... A - 7
HDD assembly and parts list ............................... A - 8
CD-ROM assembly and parts list......................... A - 9
DVD-ROM assembly and parts list .................... A - 10
2700C .........................................................A - 11
Bottom half assembly and parts list ................... A - 11
LCD panel (13.3”) assembly and parts list ........ A - 12
LCD panel (14.1”) assembly and parts list ......... A - 13
Keyboard and Touchpad assembly ................... A - 14
Keyboard and Touchpad parts list ..................... A - 15
FDD Assembly and parts list ............................. A - 16
HDD assembly and parts list ............................. A - 17
CD-ROM Assembly and parts list ...................... A - 18
DVD-ROM assembly and parts list .................... A - 19
Appendix B: Schematic Diagrams .........B - 1
Appendix C: Switch Settings ..................C - 1
Clock Settings (SW6) ........................................ C - 1
Panel ID Settings (SW7) ................................... C - 2
Introduction
1 - 1
Chapter 1: Introduction
This manual covers information you will need to service or upgrade your Notebook Computer.
Information about operating the computer (e.g. getting started, etc...) is in the User’s Manual. Driver
Information is also found in the User’s Manual. The User’s Manual is shipped with the computer.
Operating Systems (Windows ME, Windows 2000, etc.) have their own manuals as do application
software. If you have any questions regarding those, please consult their user’s manual.
This manual is intended for service personnel who have completed sufficient training to
undertake maintenance and inspection of personal computers. It is organized to allow you to look up
basic information for servicing and/or upgrading components of the notebook computer. The follow-
ing information is covered.
– Specifications
– Chipset and Mainboard information
– Disassembly
– Mechanical drawings and Parts Lists
– Schematic Diagrams
– Switch Settings
1 - 2
Service Manual
System specifications (general)
The main unit of the Model 2200C/2700C Notebook PC has the following components:
– Intel FC-PGA370 Pentium III with AGP technology-based mainboard, using the SiS630S
chipset solution supporting SDRAM with 0MB on-board DRAM, expandable to 32MB, 64MB,
96MB, 128MB, 192MB, 256MB, or 512MB using one or two expansion SODIMMs
– user-installed modules: CD-ROM or DVD or CD-RW ROM
– main storage (HDD) bay: principal HDD 2.5” 12.7/9.5mm, supports PIO mode 4/ATA-33/66/
100 (Ultra DMA) and Master mode IDE.
– User interfaces
- one internal keyboard, 84 keys (depending on the language)
- one built-in touchpad
- one 1024x768 XGA Color TFT LCD with CCFT backlight, size 13.3” or 14.1”, supports
IDCT
– Power Solutions
- power bay: battery pack
- AC adapter
Introduction
1 - 3
CPU ( FC-PGA370 )
Intel Celeron-450 (1.6V)
Intel Celeron-500 (1.6V)
Intel Celeron-550 (1.6V)
Intel Pentium III-600 (1.65V)
Intel Pentium III-650 (1.65V)
Intel Pentium III-700 (1.65V)
Intel Pentium III-750 (1.65V)
Intel Pentium III-800 (1.65V)
Intel Pentium III-850 (1.65V)
Intel Pentium III-866 (1.65V)
Intel Pentium III-933 (1.65V)
Memory
L2 Cache (on die)
Celeron(.18) series 128KB
Pentium III series 256KB
On board RAM 0MB
Upgradable to 512MB
TouchPad
built-i n x 1
interface PS/2
Keyboard
Keys 84
Fn key support YES
Integrated numeric keypad YES
Inverted “T” layout cursor keys YES
HDD
Easy change module 6GB or up
Drive size 2.5”
Height maximum 12.7mm
Average access time <13ms>
Interface PCI local bus master IDE with ultra
DMA33/ 66/100
FDD
Easy change module 3.5" 1.44MB
CD-ROM (MKE CR175)24X
Easy change module
CD type 12.8cm
Height 12.7mm
Data transfer rate 3600KB/s (max)
Random access time <100m>
Compliance Multimedia PC-2 Spec.
1 - 4
Service Manual
Transport drawer type load/eject
Interface PCI local bus master IDE
BIOS
InSyde 256KB
Display
LCD/CRT (simultaneous) YES
VGA/EGA/CGA/Hercules compatible YES
AGP 3D graphics accelerator YES
Adjustable brightness YES (standard)
LCD\TFT
Backlight CCFT
Size 13.3” or 14.1”
Resolution 1024x768
Color (CRT) 16,77M
Monitor 1280x1024
Support IDCT
Audio
Built-in 2 speakers and 1 microphone YES
3D, Sound Blaster compatible YES
Speaker-out Jack YES
Microphone-in Jack YES
Power Supply
AC adapter
AC-in 100-240V/47-63Hz
Capacity 65W
Battery pack NiMH/Li-Ion
Power Saving Management
Doze mode YES
PS/2 Sleep mode YES
Suspend/Resume mode YES
Suspend to HDD mode YES
Hot key control suspend YES
Closing LCD display off YES
APM ver 1.2 support YES
ACPI Ver 1.0b support YES
Ports
Serial port x 1
IrDA/SIR/ASK/FIR x 1
Parallel port x 1
15 pin external video port x 1
Introduction
1 - 5
External 101/102 keyboard port/ PS/2 mouse x 1
PC Card Standard Type I or Type II x 1
Modem (RJ-11) port for MDC x 1 (optional)
USB connector x 2
speaker-out jack x 1
microphone-in jack x 1
LAN (RJ45) port x 1
Physical
Dimension 308 mm(W)
254 mm(D)
37.5 mm(H)
Weight 3.2KG (with Lithium-lon battery)
Chipset and Mainboard information
2 - 1
Chapter 2: Chipset and Mainboard information
CPU
The 2200C/2700C Notebook PC uses the Intel Mobile Pentium III/Celeron (.18) processor in an FC-
PGA370 package.
The Intel Mobile Pentium III/Celeron (.18) processor features an integrated L2 cache (256KB for
Pentium III and 128KB for Celeron (.18)) and a 64-bit high performance system bus.
The Mobile Pentium III/Celeron (.18) processor’s 64-bit wide Low Power Gunning Transceiver Logic
system bus is compatible with the SIS630S AGP Set and provides a glue-less, point-to-point interface
for an I/O bridge/memory controller.
The Intel Pentium III and Celerons (.18) processors are fully compatible with all software written for
the Pentium processor with MMX technology, Pentium processor, Intel486 microprocessor, and
Intel386 microprocessor. In addition, they provide improved multimedia & communication perfor-
mance. Their features:
– Performance improved over existing mobile processors
- Supports the Intel Architecture with Dynamic Execution
- Supports the Intel Architecture MMX technology
– Integrated primary (L1) instructions and data caches
- 4-way set associative, 32-byte line size, 1 line per sector
- 16-Kbyte instruction cache and 16-Kbyte writeback data cache
- Cacheable range programmable by processor programmable registers
– Integrated second level (L2) cache
- 4-way set associative, 32-byte line size, 1 line per sector
- Operated at full core speed
2 - 2
Service Manual
- 128/256-Kbyte, ECC protected cache data array
– Low Power GTL+ system bus interface
- 64-bit data bus, 100-MHz operation
- Uniprocessor, two loads only (processor and I/O bridge/memory controller)
- Short trace length and low capacitance allows for single ended termination
– Voltage reduction technology
– Pentium III processor clock control
- Quick Start for low power, low exit latency clock ‘throttling’
- Deep Sleep mode for extremely low power dissipation
– Thermal diode for measuring processor temperature
Chipset and Mainboard information
2 - 3
Chipsets
SiS630S
The single chipset, SiS630S, provides a high performance/low cost Desktop solution for the Intel Slot
1 and socket 370 series CPU based systems by integrating a high performance North Bridge, ad-
vanced hardware 2D/3D GUI engine, Super-South bridge or an external AGP4X Slot. In addition,
SiS630S provides a system-on-chip solution that complies with the Easy PC Initiative which sup-
ports Instantly Available/OnNow PC technology, USB, Legacy Removal and Slotless Design and
FlexATX form factor.
By integrating the UltraAGPTM technology and advanced 64-bit graphic display interface, SiS630S
delivers AGP 4x performance and memory bandwidth of up to 1 GB/s. In addition, SiS also supports
an extra AGP Slot that supports 4X and Fast Write transactions. Furthermore, SiS630S provides
powerful hardware decoding DVD accelerator to improve the DVD playback performance. In addition
to providing the standard interface for CRT monitors, SiS630S also provides the Digital Flat Panel
Port (DFP) for a standard interface between a personal computer and a digital flat panel monitor.
SiS630S adopts Share System Memory Architecture which can flexibly utilize the frame buffer size
up to 64MB.
The “Super-South Bridge” in SiS630S integrates all peripheral controllers/accelerators /interfaces.
SiS630S provides a total communication solution including 10/100Mb Fast Ethernet for Office re-
quirement and 1Mb HomePNA for Home Networking. SiS630S offers AC’97 compliant interface that
comprises digital audio engine with 3D-hardware accelerator, on-chip sample rate converter, and
professional wavetable along with separate modem DMA controller. SiS630S also provides interface
to Low Pin Count (LPC) operating at 33 MHz clock which is the same as PCI clock on the host, and
dual USB host controllers with six USB ports that deliver better connectivity and 2 x 12Mb band-
2 - 4
Service Manual
width.
The built-in fast PCI IDE controller supports the ATA PIO/DMA, and the Ultra DMA33/66/100
function that supports the data transfer rate up to 100 MB/s. It provides the separate data path for
two IDE channels that can eminently improve the performance under the multi-tasking environ-
ment.
The following illustrates the system block diagram
Features
Host Interface Controller
– Supports Intel Slot 1/Socket370 Pentium II/!!! CPUs
– Synchronous Host/DRAM Clock Scheme
– Asynchronous Host/DRAM Clock Scheme
Integrated DRAM Controller
– 3-DIMM/6-Bank of 3.3V SDRAM
– Supports Memory Bus up to 133 MHz
– System Memory Size up to 3 GB
– Up to 512MB per Row
– Supports 16Mb, 64Mb, 128Mb, 256Mb, 512Mb SDRAM Technology
– Suspend-to-RAM (STR)
– Relocatable System Management Memory Region
– Programmable Buffer Strength for CS#, DQM[7:0], WE#, RAS#, CAS#, CKE, MA[14:0] and
MD[63:0]
– Shadow RAM Size from 640KB to 1MB in 16KB increments
– Two Programmable PCI Hole Areas
Chipset and Mainboard information
2 - 5
Integrated A.G.P. Compliant Target/66Mhz Host-to-PCI Bridge
– AGP v2.0 Compliant
– Supports Graphic Window Size from 4MBytes to 256MBytes
– Supports Pipelined Process in CPU-to-Integrated 3D A.G.P. VGA Access
– Supports 8 Way, 16 Entries Page Table Cache for GART to Enhance Integrated A.G.P. VGA
Controller Read/Write Performance
– Supports PCI-to-PCI Bridge Function for Memory Write from 33Mhz PCI Bus to Integrated
A.G.P. VGA
– Supports Additional AGP slot with 4X and Fast Write Transaction
Meet PC99 Requirements
PCI 2.2 Specification Compliant
High Performance PCI Arbiter
– Supports up to 4 PCI Masters
– Rotating Priority Arbitration Scheme
– Advanced Arbitration Scheme Minimizing Arbitration Overhead.
– Guaranteed Minimum Access Time for CPU And PCI Masters
Integrated Host-To-PCI Bridge
– Zero Wait State Burst Cycles
– CPU-to-PCI Pipeline Access
– 256B to 4KB PCI Burst Length for PCI Masters
– PCI Master Initiated Graphical Texture Write Cycles Re-mapping
– Reassembles PCI Burst Data Size into Optimized Block Size
Fast PCI IDE Master/Slave Controller
– Supports PCI Bus Mastering
2 - 6
Service Manual
– Native Mode and Compatibility Mode
– PIO Mode 0, 1, 2 , 3, 4
– Multiword DMA Mode 0, 1, 2
– Ultra DMA 33/66/100
– Two Independent IDE Channels Each with 16 DW FIFO
Virtual PCI-to-PCI Bridge
Integrated Ultra AGP VGA for Hardware 2D/3D Video/Graphics Accelerators
– Supports Tightly Coupled 64 Bits Host Interface to VGA to Speed Up GUI Performance and
Video Playback Frame Rate
– AGP v. 2.0 Compliant
– Zero-Wait-State 128x4 Post-Write Buffer with Write Combine Capability
– Zero-Wait-State 128x4 2-Way Read Ahead Cache Capability
– Re-locatable Memory-Mapped and I/O Address Decoding
– Flexible Design Shared Frame Buffer Architecture for Display Memory
– Shared System Memory Area up to 64MB
– Built-in 8K Bytes Texture Cache
– Supports High Quality Dithering
– Supports Bump Mapping
– Supports 8/16/24/32 BPP RGB/ARGB Texture Format
– Supports Video YUV Texture in All Supported Texture Formats
– 128-Bit 2D Engine with a Full Instruction Set
– Maximum 64 MB Frame Buffer with Linear Addressing
– Supports Hardware DVD Accelerator
– Supports Single Frame Buffer Architecture
– Supports Two Independent Video Windows with Overlay Function and Scaling Factors
Chipset and Mainboard information
2 - 7
– Supports YUV-To-RGB Color Space Conversion
– Supports Graphic and Video Overlay Function
– Supports CD/DVD to TV Playback Mode
– Simultaneous Graphic and TV Video Playback Overlay
– Supports RGB555, RGB565, YUV422 and YUV420 Video Playback Format
– Supports Filtered Horizontal Up and Down Scaling Playback
– Supports DVD Sub-Picture Playback Overlay
– Supports DVD Playback Auto-Flipping
– Built-in Two Video Playback Line Buffers
– Built-in Programmable 24-bit True-Color RAMDAC up to 270 MHz Pixel Clock RAMDAC
Snoop Function
– Built-in Dual-Clock Generator
– Supports Multiple Adapters and Multiple Monitors
– Built-in PCI Multimedia Interface
– Supports Digital Flat Panel Port for Digital Monitor (LCD Panel)
– Built-in VESA Plug and Display for CH7003, PanelLinkTM and LVDS Digital Interface
– Built-in Secondary CRT Controller for Independent Secondary CRT, LCD or TV digital
output
– Supports VESA Standard Super High Resolution Graphic Modes
- 640x480 16/256/32K/64K/16M colors 120 Hz NI
- 800x600 16/256/32K/64K/16M colors 120 Hz NI
- 1024x768 256/32K/64K/16M colors 120 Hz NI
- 1280x1024 256/32K/64K/16M colors 85 Hz NI
- 1600x1200 256/32K/64K/16M colors 85 Hz NI
- 1920x1440 8bbp/16bbp 60NI
2 - 8
Service Manual
– Low Resolution Modes
– Supports Virtual Screen up to 4096x4096
– Fully Directx 7.0 Compliant
– Efficient and Flexible Power Management with ACPI Compliance
Low Pin Count Interface
– Forwards PCI I/O and Memory Cycles into LPC Bus
– Translates 8-/16-bit DMA Cycles into PCI Bus Cycles
Advanced PCI H/W Audio & Modem
Advanced Power Management
– Meets ACPI 1.0 Requirements
– Meets APM 1.2 Requirements
– ACPI Sleep States Include S1, S3, S4, S5
– CPU Power States Include C0, C1, C2 C3
– Power Button with Override
– RTC Day-of-Month, Month-of-Year Alarm
– 24-bit Power Management Timer
– LED Blinking in S0,S1 and S3 States
– System Power-Up Events Include: Power Button, Hot-Key, Keyboard Password/ Hot-Key,
RTC Alarm, Modem Ring-In, SMBALT#, LAN, PME#, AC’97 Wake-Up and USB
– Wake-Up
– Software Watchdog Timer
– Power Supply’98 Support
– PCI Bus Power Management Interface Spec. 1.0
Integrated DMA Controller
Chipset and Mainboard information
2 - 9
– Two 8237A Compatible DMA Controllers
– 8/16- bit DMA Data Transfer
– Distributed DMA Support
Integrated Interrupt Controller
– Two 8237A Compatible DMA Controllers
– Two 8259A Compatible Interrupt Controllers
– Level- or Edge-Triggered Programmable
– Serial IRQ
– Interrupt Sources Re-routable to Any IRQ Channel
Three 8254 Compatible Programmable 16-bit Counters
– System Timer Interrupt
– Generate Refresh Request
– Speaker Tone Output
Integrated Keyboard Controller
– Hardwired Logic Provides Instant Response
– Supports PS/2 Mouse Interface
– Password Security and Password Power-Up
– System Sleep and Power-Up by Hot-Key
– KBC and PS2 Mouse Can Be Individually Disabled
Integrated Real Time Clock (RTC) with 256B CMOS SRAM
– Supports ACPI Day-of-Month and Month-of-Year Alarm
– 256 Bytes of CMOS SRAM
– Provides RTC H/W Year 2000 Solution
Universal Serial Bus Host Controller
2 - 10
Service Manual
– OpenHCI Host Controller with Root Hub
– Two USB Host Controllers
– Six USB Ports
– Supports Legacy Devices
– Over Current Detection
I2C Bus/SMBUS Series Interface
Integrated Fast Ethernet Controller and MAC Interface
– Plug and Play Compatible
– High-Performance 32-Bit PCI Bus Master Architecture with Integrated Direct Memory
– Supports Big Endian and Little Endian Byte Alignments
– Implements Optional PCI 3.3v Auxiliary Power Source 3.3Vaux Pin And Optional PCI
– Supports Software, Enhanced Software, and Automatic Polling Schemes to Internal
– PHY Status Monitor and Interrupt
– Supports 10base-T, 100base-Tx
NAND Tree for Ball Connectivity Testing
672-Balls BGA Package
1.8V Core with Mixed 3.3V and 5V I/O CMOS Technology
Chipset and Mainboard information
2 - 11
PC Card Chipset - PCI1410
– The PCI1410 supports the following features:
– Ability to wake from D3 hot and D3 cold
– Fully compatible with the Intel 430TX (Mobile Triton II) chipset
– A 144-Pin Low-Profile QFP (PGE), 144-ball MicroStar Ball Grid Array (GGU) package, or
209-ball MicroStar Ball Grid Array (GHK) package
– 3.3-V core logic with universal PCI interfaces compatible with 3.3-V and 5-V PCI signaling
environments
– Mix-and-match 5-V/3.3-V 16-bit PC Cards and 3.3-V CardBus Cards
– Single PC Card or CardBus slot with hot insertion and removal
– Burst transfers to maximize data throughput on the PCI bus and the CardBus bus
– Parallel PCI interrupts, parallel ISA IRQ and parallel PCI interrupts, serial ISA IRQ with
parallel PCI interrupts, and serial ISA IRQ and PCI interrupts
– Serial EEPROM interface for loading subsystem ID and subsystem vendor ID
– Pipelined architecture allows greater than 130M bps sustained throughput from CardBus-to-
PCI and from PCI-to-CardBus
– Interface to parallel single-slot PC Card power interface switches like the TI TPS2211
– Up to five general-purpose I/Os
– Programmable output select for CLKRUN
– Five PCI memory windows and two I/O windows available to the 16-bit PC Card socket
– Two I/O windows and two memory windows available to the CardBus socket
– Exchangeable Card Architecture (ExCA) compatible registers are mapped in memory and I/
O space
– Intel 82365SL-DF and 82365SL register compatible
– Distributed DMA (DDMA) and PC/PCI DMA
2 - 14
Service Manual
1. Microphone connector
2. MDC to RJ-11 connector
3. Panel connector
4. Invertor power connector
5. Heat sink fan connector
6. Second Fan connector
7. VR
8. ICS1893 Lan PHY
9. 1394 PHY
10. Core logic SiS630s
11. Thermal IC TC 1066
12. Audio Codec
13. IR
14. TI4410 (PCMCIA + 1394 Controller)
15. K/B Controller M33867
16. HDD connector
17. K/B connector
18. CMOS battery
19. Choke (for power)
20. MDC connector
21. CPU and Memory frequency switch
22. CPU V_Core switch
23. FDD connector
24. Gold figen (for debug card)
25. Indicative LED and touchpad connector
26. Internal Speaker connector
27. CD-ROM connector
Mainboard
Mainboard components list

Disassembly
3 - 1
Chapter 3: Disassembly
To make the disassembly process easier each section may have a box in the page margin. Informa-
tion contained in the @ boxes inform you what tools will be needed for a given procedure and the
amount of screws involved. A i box lists the components that are important for that particular
procedure. A contains information that may be helpful to you. Examples are shown on the left.
All screw and nuts used in the assembly of the Notebook Computer are assigned a letter. If
you encounter any problems reassembling the machine, refer to this table to make sure you are
using the proper screw or nut.
Size chart for screws and hex nuts:
@
This box lists the tools
needed and the amount
of screws used.
i
This box lists the
names of the relevant
parts.
Information in thie box
will give possible useful
information.
Note
retteL eziS retteL eziS
A.mm5x7.1 J.mm6x5.2
B.mm2x2 K.mm8x5.2
C.mm3x2 L.mm41x5.2
D.mm4x2 M.mm32x5.2
E.mm5x2 N.mm5.3x6.2
F.mm01x2 O.mm4x3
G.mm3x5.2 PwercsknistaeH
H.mm4x5.2 QtunxehffodnatS
I.mm5x5.2 R).mm11(dutsxeH

Service Manual
3 - 2
Disassembly steps
From the list below choose the component that you want to disassemble, then follow the steps
listed and go to the appropriate page for detailed instruction.
Steps to remove the CD-ROM/DVD-ROM :
Remove the battery p 3-5
Remove the keyboard p 3-6
Remove the CD-ROM/DVD-ROM assembly p 3-8
Steps to remove the CPU:
Remove the battery p 3-5
Remove the keyboard p 3-6
Remove the heat sink p 3-9
Remove the CPU p 3-10
Steps to remove the FDD:
Remove the battery p 3-5
Remove the keyboard p 3-6
Remove the HDD assembly p 3-7
Seperate thenotebook base in two p 3-11
Remove the FDD assembly from the mainboard p 3-14
Remember to wear an
anti-static wrist strap
and remove all power
sources when working
on the computer
Note
Disassembly
3 - 3
Steps to remove the HDD:
Remove the keyboard p 3-6
Remove the HDD assembly p 3-7
Steps to remove the inverter board:
Remove the battery p 3-5
Remove the LCD panel frame p 3-17
Remove the LCD panel from the LCD panel case p 3-18 (up to step 4)
Steps to remove the LCD panel:
Remove the LCD panel frame p 3-17
Remove the LCD panel and bracket from the LCD panel case p 3-18
Remove the LCD panel from the bracket p 3-20
Remove the LCD panel
Service Manual
3 - 4
Steps to remove the mainboard:
Remove the battery p 3-5
Remove the keyboard p 3-6
Remove the HDD assembly p 3-7
Remove the CD-ROM/DVD-ROM assembly p 3-8
Remove the Heatsink p 3-9
Remove the CPU p 3-10
Seperate thenotebook base in two p 3-11
Remove the FDD assembly p 3-14
Remove the CD-ROM/DVD-ROM tray p 3-14
Remove the fan. p 3-14
Remove the mainboard from the bottom case p 3-15
Remove the mainboard from the mainboard tray p 3-16

Disassembly
3 - 5
Removal Procedures
Remove the battery
1. Remove the 2 screws on the battery cover (figure 3-1).
2. Disconnect the battery connector from the computer.
3. Slide the battery out of the computer (figure 3-2).
1 Philips screwdriver
1 screw
@
i
1) Battery Cover
2) Battery Connector
plug
3) Battery Connector
4) Battery
3
4
figure 3-2
1
2
M
M
figure 3-1

Disassembly
3 - 7
D
D
D
figure 3-5
1
2
3
4
figure 3-6
Remove the HDD assembly
1. Remove 3 screws (D) holding the HDD assembly in place (figure 3-5).
2. Lift the HDD assembly out of the case using the HDD tab (figure 3-6). 1 Philips screwdriver
3 screws
@
i
1) HDD assembly
2) HDD tab
3) HDD connector
4) HDD socket
For information on
removing the HDD from
the HDD assembly go to
Appendix A.
Note

Service Manual
3 - 8
Remove the CD-ROM\DVD-ROM assembly
1. Remove screw (I) in figure (3-7).
2. Use a small screwdriver to gently push the CD-ROM assembly out of the case figure (3-7).
figure 3-7
I
1 Philips screwdriver
1 screw
@
For information on
removing the CD-ROM/
DVD-ROM from the
CD-ROM/DVD-ROM
assembly go to Appendix
A.
Note

Disassembly
3 - 9
Remove the heat sink
1. Unscrew the 4 screws (P) securing the heat sink to the mainboard (figure 3-8).
2. Lift up the heat sink part way until you see the heat sink cable. Disconnect the cable from the
mainboard (figure 3-9).
3. Place the heat sink aside.
Applying a heat sink pad
1. When the heat sink has been removed you will need to apply a new heat sink pad before rein-
stalling it. To do so simply peel off the old pad and adhere a new one to the same area.
P
P
P
P
figure 3-8
1 Philips screwdriver
1 screw
@
1
i
1) Heat sink
2) Cable connector
3) Cable
4) Heat sink pad
figure 3-9
23
1
4

Service Manual
3 - 10
Remove the CPU
1. Place the CPU tool over the CPU (figure
3-10).
2. Place a screw driver in the open slot of
the CPU socket and move it to the left
(figure 3-11).
3. The CPU is now unlocked from the
socket so remove the CPU tool and lift
the CPU out of the Socket.
Reinstall the CPU
1. Place the CPU firmly in the socket.
2. Place the CPU tool over the CPU (figure 3-10)
3. Place a screwdriver in the close slot of the CPU socket figure (3-12) and move it to the right..
4. The CPU is now
locked into the socket
so remove the CPU
tool and reinstall the
heat sink.
1 Regular screwdriver
1 CPU tool
@
i
1) CPU
2) CPU Tool
3) Open Slot
4) Close Slot
figure 3-10
1
2
figure 3-11
3
figure 3-12
4

Disassembly
3 - 11
Separate the notebook base in two
With the CPU and heatsink, keyboard, HDD and CD-ROM/DVD-ROM drive removed:
1. Remove screw (I), the LCD panel ground wire
and Inverter power ground wire. When rein-
stalling make sure to place the LCD panel
ground wire on top of the case and the Inverter
power ground on the inside of the case just above
the hex nut (figure 3-14). figure 3-13
figure 3-14
23
4
5
1
I
@
1 Philips screwdriver
1 Hex socket wrench
Top: 1 Screw
1 Hex nut
Right Side: 1 Screw
Bottom: 6 Screws
Bottom Rear: 3 Screws
i
1) microphone
connector
2) LCD panel
connector
3) Inverter power
connecter
4) LCD panel ground
5) Inverter power
ground

Disassembly
3 - 13
D DD
figure 3-17
K
H
H
K
H
I
figure 3-18
4. On the back of the computer just above the ports, remove screws (D) (figure 3-17).
5. Remove all screws (H, K) as shown in
(figure 3-18).
6. Run a small screwdriver around the
rim where the two halves meet and
slowly pry the pieces apart.
7. You should be left with figure 3-19 on
page 3-13.

Service Manual
3 - 14
Remove the Fan
1. Unplug fan cable from
mainboard.
2. Lift out the fan.
Remove the FDD assembly
1. Remove screw (I).
2. Remove the Hex nut (Q).
3. Lift the FDD assembly off of the
mainboard.
Remove the CD-ROM tray
1. Remove screws (I).
2. Remove screw (F)
3. Slide the tray slightly to the right and lift it off
of the mainboard.
1 Philips screwdriver
1 Hex socket wrench
FDD:
1 Stand-off Hex nut
1 Screw
CD-ROM tray
3 Screws
@
For information on
removing the FDD from
the FDD assembly go to
Appendix A.
Note
i
1) Fan
2) Fan cable
3) Fan cable connector
4) FDD assembly
5) CD-ROM tray
figure 3-19
1
3
I
Q
4
I5
I
2
F

Service Manual
3 - 16
Remove the mainboard from the mainboard tray
1. Remove the hex nuts (R) on the parallel port (figure 3-21).
2. Remove the hex nuts (R) on the monitor out port (figure 3-21).
3. Lift the mainboard out of the tray.
1R 2 RR R
figure 3-21
figure 3-23
figure 3-22
@
1 Hex socket wrench
1 Hex nut
i
1) parallel port
2) monitor port

Disassembly
3 - 17
The LCD Panel
Remove the LCD panel frame
1. Remove the rubber stoppers in positions D and J (figure
3-24).
2. Remove the screws (D, J) (figure 3-24).
3. Run your finger around the middle of the frame and
separate the frame from the back (figure 3-25).
figure 3-25
2
3
J
D D
JJ
figure 3-24
1
@
1 Philips screwdriver
5 Screws
i
1) Top half of notebook
computer
2) LCD panel in back
3) LCD panel frame

Service Manual
3 - 18
Remove the LCD panel and bracket from the LCD panel case
1. Remove the bracket (D) screws on the side of the LCD panel (figure 3-26).
2. Remove the 4 screws at the bottom of the LCD screen
3. Remove screws (D) holding securing the inverter board (figure 3-26).
figure 3-26
D
D D
D
DII
1
DI
I2
@
1 Philips screwdriver
6 Screws
i
1) Ground wire
(for reassembly,
please note where
the ground wire is
attached )
2) Inverter Board

Disassembly
3 - 19
4. Lift the LCD inverter and disconnect the
inverter wire cable and the LCD to in-
verter wire cable (figure 3-27).
5. Lift the LCD screen and bracket out of the
case and place it atop the keyboard (figure
3-28).
6. Disconnect the LCD wire cable. 3
4
figure 3-28
55
1
figure 3-27
2 i
1) Inverter wire cable
2) LCD to inverter
wire cable
3) LCD wire cable
4) LCD wire cable
connector
5) LCD bracket

B - 1
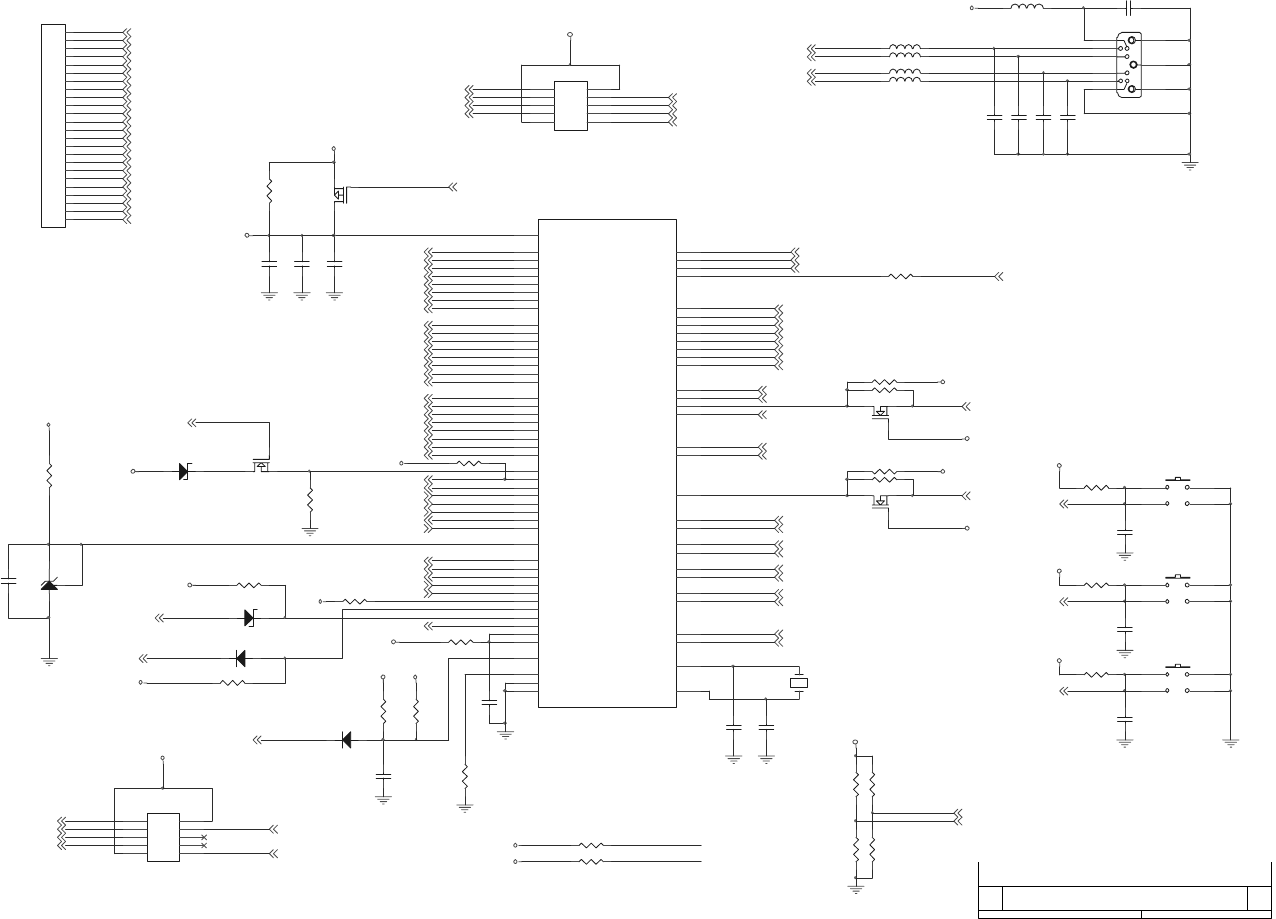
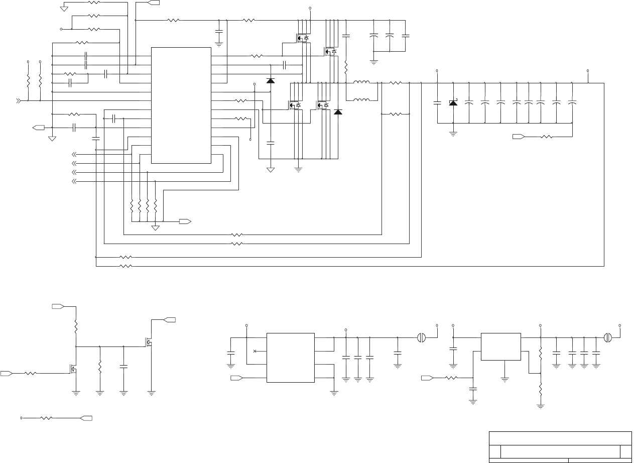
Schematic Diagrams
71-22C00-D02
A
CPU & AGTL TERMINATION
Custom
131
Monday, March 05, 2001
Title
Size Document Number Rev
Date: Sheet of
ÂÅ ¤ Ñ ¹q ¸£ CLEVO CO.
VCCT
VCCT
VCCT
VCCT
VCCT
VCCT
VCCT VCCT
VCCT
VCCT
VCCT
VCCT
VCCT
VCCT
VCCT
V_IO
FLUSH# (2)
PICD1 (2)
PICD0 (2)
CPURST# (4)
INIT # (2,10)
PCLKPIC (3)
TDO(2)
PRDY#
CP U_ FE RR #(2)
BSEL0 (2,3)
HCLKCPU (3)
BSEL1 (2,3)
CPURST#(4)
ADS#(4)
IERR#(2)
HD#[0..63](4)HD#[0..63] (4)HA#[3..31](4)
HA#[3..31] (4)
ADS#(4)
DBSY# (4)
DRDY# (4)
HI T #(4) HITM#(4)
HT R DY #(4)
BNR#(4)
RS#0(4) RS#1(4) RS#2(4)
DEFER#(4)
BPRI#(4)
BREQ0#(4)
HLOCK#(4)
A20M#(2,10)
IGNNE#(2,10)
PWRGOOD(2) SMI#(2,10)
TCK(2)
TDI(2) TMS(2) TRST#(2) PREQ#(2)
INTR(2,10) NMI(2,10)
STPCLK#(2,10) SLP#(2,10)
PRDY#
HREQ#[0..4](4)
HREQ#4(4) HREQ#0(4)
BREQ0#(4)
RS#2(4) DBSY#(4)
DRDY#(4) HI T #(4) HT RDY #(4) HITM#(4)
RS#1(4) DEFER#(4) HLOCK#(4) HREQ#3(4)
RS#0(4)
HREQ#2(4) BPRI#(4) HREQ#1(4) BNR#(4)
TDO(2)
TRST#(2) PRDY#
TDI(2)
CPURST#(4) PREQ#(2)
TCK(2) TMS(2)
IT P _RST #(26)
HD#0
HD#1
HD#2
HD#3
HD#4
HD#5
HD#6
HD#7
HD#8
HD#9
HD#10
HD#11
HD#12
HD#13
HD#14
HD#15
HD#16
HD#17
HD#18
HD#19
HD#20
HD#21
HD#22
HD#23
HD#24
HD#25
HD#26
HD#27
HD#28
HD#29
HD#30
HD#31
HD#32
HD#33
HD#34
HD#35
HD#36
HD#37
HD#38
HD#39
HD#40
HD#41
HD#42
HD#43
HD#44
HD#45
HD#46
HD#47
HD#48
HD#49
HD#50
HD#51
HD#52
HD#53
HD#54
HD#55
HD#56
HD#57
HD#58
HD#59
HD#60
HD#61
HD#62
HD#63
DBSY#
DRDY#
PCLKPIC
PICD1
PICD0
INIT#
FLUSH#
CPURST#
HD#[0..63]
INT R
NMI
STPCLK#
SLP#
TCK
TDO
TDI
TMS
TRST#
PREQ#
PRDY#
A20M#
CP U_ FE RR #
IGNNE #
PWRGOOD
SMI#
HT RDY #
RS#0
RS#1
RS#2
BREQ0#
BPRI#
BNR#
HLOCK#
HIT #
HITM#
DEFER#
ADS#
IERR#
BSEL0
HCLKCPU
BSEL1
HD#[0..63] HD#1
HD#5
HD#8
HD#17
HD#0
HD#6
HD#15
HD#4
HD#2
HD#14
HD#11
HD#13
HD#10
HD#12
HD#18
HD#9
HD#35
HD#32
HD#29
HD#31
HD#26
HA#29 HD#25
HD#19
HD#33
HD#24
HD#21
HD#23
HD#16
HD#20
HA#7 HD#3
HD#7
HD#30
P R DY # H D#2 8
HD#22
HD#34
HD#43
HD#38
HD#36
HD#37
HD#39
HD#45
HD#44
HD#42
HD#27
HD#51
HD#49
HD#41
HD#47
HD#40
HD#52
HD#48
HD#59
HD#63
HD#57
HD#55
HD#46
HD#50
HD#58
HD#53
HD#54
HD#56
HD#61
HD#62
HD#60
CPURST#
ADS#
CLKREF
Z74 4
Z74 3
HA#[3..31]
HA#9
HA#26
HA#13
HA#5
HA#9
HA#30
HA#22
HA#12
HA#6
HA#[3..31]
HA#24
HA#17
HA#28
HA#10
HA#27
HA#16
HA#4
HA#21
HA#6
HA#15
HA#4
HA#19
HA#7
HA#22
HA#12
HA#27
HA#8
HA#16
HA#11
HA#29
HA#26
HA#3
HA#31
HA#25
HA#14
HA#25
HA#14
HA#17
HA#19
HA#18
HA#28 HA#10
HA#8
HA#30
HA#5
HA#20
HA#18
HA#21
HA#24
HA#3
HA#31
HA#13
HA#23
HA#20
HA#23
HA#15
BREQ0#
RS#2
DBSY#
DRDY#
HIT #
HT RDY #
HITM#
RS#1
DEFER#
HLOCK#
HREQ#1
HREQ#[0..4]
HREQ#4
HREQ#2
HREQ#4
HREQ#0
HREQ#3
HREQ#0
HREQ#3
RS#0
HREQ#2
BPRI#
HREQ#1
BNR#
HA#11
PREQ#
PRDY#
CPURST#
TRST#
TDO
TDI
TMS
TCK
IT P_RST #
C33 7
.1U
C36 7
.1U
C32 5
.1U
C28 7
.1U
C30 7
.1U
C4 0
.1U
C4 1
.1U
C4 2
.1U
C23 4
.1U
C36 5
.1U
C36 8
.1U
C35 7
.1U
C12 6
.1U
C36 9
.1U
C35 6
.1U
RP7
TSMC8R-56
1
2
3
4
5
10
9
8
7
6
1
2
3
4
5
10
9
8
7
6
R30 8 56
RP6
TSMC8R-56
1
2
3
4
5
10
9
8
7
6
1
2
3
4
5
10
9
8
7
6
RP4
TSMC8R-56
1
2
3
4
5
10
9
8
7
6
1
2
3
4
5
10
9
8
7
6
RP5
TSMC8R-56
1
2
3
4
5
10
9
8
7
6
1
2
3
4
5
10
9
8
7
6
RP1
TSMC8R-56
1
2
3
4
5
10
9
8
7
6
1
2
3
4
5
10
9
8
7
6
RP2
TSMC8R-56
1
2
3
4
5
10
9
8
7
6
1
2
3
4
5
10
9
8
7
6
RP3
TSMC8R-56
1
2
3
4
5
10
9
8
7
6
1
2
3
4
5
10
9
8
7
6
RP11
TSMC8R-56
1
2
3
4
5
10
9
8
7
6
1
2
3
4
5
10
9
8
7
6
RP17
TSMC8R-56
1
2
3
4
5
10
9
8
7
6
1
2
3
4
5
10
9
8
7
6
RP9
TSMC8R-56
1
2
3
4
5
10
9
8
7
6
1
2
3
4
5
10
9
8
7
6
RP8
TSMC8R-56
1
2
3
4
5
10
9
8
7
6
1
2
3
4
5
10
9
8
7
6
R31 4 56
R300 150(1%)(0805)
R299 150(1%)(0805)
C32 2
.1U
R168 47
R167 47
CPU SUPPORT
Socket370
P3(.18)
Socket370
Celeron(.18)
VCC_Core VTT V_CMOS A(MAX) FSB
1.5V
1.5V
1.5V
1.5V
1.5V
2.5V2.0V
850:16.2A
1G:19.4A
500:14.2A
100MHz
133MHz
66MHz
Socket370
P3(.18) 500-550E:1.6V
600-850:1.65V
533-933:1.65V
1G:1.7V
RP16
TSMC8R-56
1
2
3
4
5
10
9
8
7
6
1
2
3
4
5
10
9
8
7
6
U9A
CELEONP 3
AK8
AH12
AH8
AN9
AL15
AH10
AL9
AH6
AK10
AN5
AL7
AK14
AL5
AN7
AE1
Z6
AG3
AC3
AJ1
AE3
AB6
AB4
AF6
Y3
AA1
AK6
Z4
AA3
AD4
AK18
AH16
AH18
AL19
AL17
AN31
AE35
AN29
AN17
AH14
AK20
AL25
AL23
AN19
G3 3
E37
C35
E35
AN25
AH26
AH22
AK28
AE33
AC35
AG37
AK26
AJ35
AL33
AN37
AN35
AK32
AN33
J37
A35
M3 6
L37
AG35
AH30
W1
T4
N1
M6
U1
S3
T6
J1
S1
P6
Q3
M4
Q1
L1
N3
U3
H4
R4
P4
H6
L3
G1
F8
G3
K6
E3
E1
F12
A5
A3
J3
C5
F6
C1
C7
B2
C9
A9
D8
D10
C15
D14
D12
A7
A11
C11
A21
A15
A17
C13
C25
A13
D16
A23
C21
C19
C27
A19
C23
C17
A25
A27
E25
F16
AL27
AN27
J33
L35
J35
AG33
AE37
X4
W37
AJ33
X6
AC1
W3
AF4
AJ31
Y33
AH4
A#3
A#4
A#5
A#6
A#7
A#8
A#9
A#10
A#11
A#12
A#13
A#14
A#15
A#16
A#17
A#18
A#19
A#20
A#21
A#22
A#23
A#24
A#25
A#26
A#27
A#28
A#29
A#30
A#31
REQ#0
REQ#1
REQ#2
REQ#3
REQ#4
ADS#
IERR#
BR0#
BPRI#
BNR#
LOCK#
HIT #
HITM#
DEFER#
BP#2
BP#3
BPM#0
BPM#1
TRDY#
RS#0
RS#1
RS#2
A20M#
FE RR #
IGNNE #
PWGOOD
SMI#
TCK
TDO
TDI
TMS
TRST#
PREQ#
PRDY#
LINT0#/INTR
LINT 1#/NMI
STPCLK#
SLP#
D# 0
D# 1
D# 2
D# 3
D# 4
D# 5
D# 6
D# 7
D# 8
D# 9
D#1 0
D#1 1
D#1 2
D#1 3
D#1 4
D#1 5
D#1 6
D#1 7
D#1 8
D#1 9
D#2 0
D#2 1
D#2 2
D#2 3
D#2 4
D#2 5
D#2 6
D#2 7
D#2 8
D#2 9
D#3 0
D#3 1
D#3 2
D#3 3
D#3 4
D#3 5
D#3 6
D#3 7
D#3 8
D#3 9
D#4 0
D#4 1
D#4 2
D#4 3
D#4 4
D#4 5
D#4 6
D#4 7
D#4 8
D#4 9
D#5 0
D#5 1
D#5 2
D#5 3
D#5 4
D#5 5
D#5 6
D#5 7
D#5 8
D#5 9
D#6 0
D#6 1
D#6 2
D#6 3
DBSY#
DRDY#
PICCLK
PICD1
PICD0
INIT #
FLUSH#
RE S ET #
BCLK
BSEL0
A#32
A#33
A#34
A#35
BSEL1
CLKREF
RE S ET #
RP14
TSMC8R-56
1
2
3
4
5
10
9
8
7
6
1
2
3
4
5
10
9
8
7
6
RP15
TSMC8R-56
1
2
3
4
5
10
9
8
7
6
1
2
3
4
5
10
9
8
7
6
C48 0
.1U
C48 1
.1U
C48 2
.1 U(R)
TP187
TP188
TP189
TP190
TP191
TP192
TP193
TP194
TP195
71-22C00-D01
Appendix B:Schematic Diagrams

B - 2
Service Manual
71-22C00-D02
A
CPU
Cu stom
231
Monday, March 05, 2001
Title
Siz e Docum ent Num ber Rev
Dat e: Sheet of
ÂÅ ¤Ñ ¹q ¸£ CLEVO CO.
VCCT
V_IO VCC_CORE
V_CPU
V_CPU
VCC_CORE
V_IO
VCC_CORE VCC_CORE
VCCT
VCC_CORE
V_CPU
V_CPU VCC3
V_IO
VCC_CORE
VCCT
VCC3
VCC3
VCC3
VCCT
V_CPU
VCC
VID0(2 7 ) VID1(2 7 ) VID2(2 7 ) VID3(2 7 )
THERMDP
GTLREF(4)
THERMDN
ST PCLK#(1,10)
INIT#(1,10) INT R(1,10) NMI(1,10)IG NNE #(1,10) A20M#(1,10)
SMI#(1,10)
IERR#(1 )
PICD0(1 ) PICD1(1 ) FLUSH#(1 ) PREQ#(1 ) TCK(1 ) TMS(1 ) TDI(1 ) TDO(1 ) TRST#(1 )
SLP#(1,10)
BSEL1(1,3) BSEL0(1,3) FERR# (10)
CPU_ FERR # (1)
PWRGOOD (1)PWROK(10,26)
SDA_AT F (25)
SCL_AT F (25)
OS # (2 6 )
THERMDP
THERMDN
ATF_INT#(10)
VID0
Z806
NMI
I G NNE#
A20M#
STPCLK#
SMI#
INIT#
INT R
PICD0
TRST#
PICD1
FLUSH#
PREQ#
TCK
TMS
TDI
TDO
IERR#
SLP#
BSEL0
BSEL1
CPU_ FERR #
Z330
PWRGOOD
FERR#
PWRO K
SLEWCTRL
Z810
RTTCTRL
Z807
VID2
PLL2
THERMDP
VID3
Z811
Z808
PLL1
VID1
THERMDN
Z209
Z210
Z211
OS #
Z717 Z240
Z241
R293 R
R292 110
R283 R
R282 110
R309
51(1%)
CPU VRM SELECT TABLE FOR PPGA P3
1.30V
1.35V
1.40V
1.45V
1.50V
1.55V
1.60V
1.65V
1.70V
1.75V
1.80V
1.85V
1.90V
1.95V
2.00V
VCC_Core
VID[4:0]
01111
01110
01101
01100
01011
01010
01001
01000
00111
00110
00101
00100
00011
00010
00001
00000
2.05V
R80 1
C324
.1 U
C87
4.7U
C304
.1 U
C285
.1 U
C306
.1 U
C305
4.7U
C61
10U
C128
.1U
C281
.1U
C280
.1U
C98
.1 U
C100
4.7U
C114
10U
C334
.1 U
C282
.1 U
C366
.1 U
C355
4.7U
C113
10U
C127
.1 U
C99
4.7U
C303
.1U
C77
10U
C51
.1 U
C375
.1 U
C378
.1 U
C374
.1 U
C377
.1 U
C376
.1U
C284
.1 U
C286
.1 U
C302
.1 U
C336
.1 U
C353
.1U
R69 1.5K
R311 1.5K
R133 1.5K
R313 270
R312 680
R134 1K
R70 1.5K
R280 150
R288 150
R111 1.5K
R316 150
R322 1K
R321 1K
R281 1.5K
R315 1.5K
R169 150
R110 1.5K
R320 1K
R148 R
R147 R R298 1.5K
R297 1K R291
4.7K
Q11
2N3904
B
E C
D18
F01J2E
AC
R307 1.5K
L19
4.7UH(0805)
U9 B
CELEONP3
AL35
AM36
AL37
AJ37
AA37
AA5
AB2
AB34
AD32
AE5
AF2
AF34
AH24
AH32
AH36
AJ13
AJ17
AJ21
AJ25
AJ29
AJ5
AJ9
AK2
AK34
AM12
AM16
AM20
AM24
AM28
AM32
AM4
AM8
B10
B14
B18
B22
B26
B30
B34
B6
C3
D20
D24
D28
D32
D36
D6
E13
E17
E5
E9
F14
F2
F22
F26
F30
F34
F4
H32
H36
J5
K2
K32
K34
M32
N5
P2
P34
R32
R36
S5
T2
T34
V32
V36
W5
X34
Y35
Z32
AD36
Z36
AB36
E33
F18
K4
R6
V6
AD6
AK12
AK22
A37
AB32
AC33
AC5
AD2
AD34
AF32
AF36
AG5
AH2
AH34
AJ11
AJ15
AJ19
AJ23
AJ27
AJ3
AJ7
AK36
AK4
AL1
AL3
AM10
AM14
AM18
AM2
AM22
AM26
AM30
AM34
AM6
AN3
B12
B16
B20
B24
B28
B32
B4
B8
D18
D2
D22
D26
D30
D34
D4
E11
E15
E19
E7
F20
F24
F28
F32
F36
G5
H2
H34
K36
L5
M2
M34
P32
P36
Q5
R34
T32
T36
U5
V2
V34
X32
X36
Y37
Y5
Z2
Z34
AG1
C37
AH28
AL31
AL29
W33
U33
AK30
L33
F10
G37
N33
N35
N37
Q33
Q35
Q37
X2
Y1
E21
E27
S35
W35
AN1AK24
V4
B36
AL11
AN13
AN23
AC37
R2
AH20
AK16
AL13
AL21
AN11
AN15
G35
AA33
AA35
AN21
E23
S33
S37
U35
U37
C33
C31
A33
A31
E31
C29
E29
A29
VID0
VID1
VID2
VID3
VCC-CORE
VCC-CORE
VCC-CORE
VCC-CORE
VCC-CORE
VCC-CORE
VCC-CORE
VCC-CORE
VCC-CORE
VCC-CORE
VCC-CORE
VCC-CORE
VCC-CORE
VCC-CORE
VCC-CORE
VCC-CORE
VCC-CORE
VCC-CORE
VCC-CORE
VCC-CORE
VCC-CORE
VCC-CORE
VCC-CORE
VCC-CORE
VCC-CORE
VCC-CORE
VCC-CORE
VCC-CORE
VCC-CORE
VCC-CORE
VCC-CORE
VCC-CORE
VCC-CORE
VCC-CORE
VCC-CORE
VCC-CORE
VCC-CORE
VCC-CORE
VCC-CORE
VCC-CORE
VCC-CORE
VCC-CORE
VCC-CORE
VCC-CORE
VCC-CORE
VCC-CORE
VCC-CORE
VCC-CORE
VCC-CORE
VCC-CORE
VCC-CORE
VCC-CORE
VCC-CORE
VCC-CORE
VCC-CORE
VCC-CORE
VCC-CORE
VCC-CORE
VCC-CORE
VCC-CORE
VCC-CORE
VCC-CORE
VCC-CORE
VCC-CORE
VCC-CORE
VCC-CORE
VCC-CORE
VCC-CORE
VCC-CORE
VCC-CORE
VCC-CORE
VCC-CORE
VCC-CORE
VCC-CORE
VCC-CORE
VCC_1.5V
VCC_2.5V
VCC_CMOS
VREF0
VREF1
VREF2
VREF3
VREF4
VREF5
VREF6
VREF7
GND
GND
GND
GND
GND
GND
GND
GND
GND
GND
GND
GND
GND
GND
GND
GND
GND
GND
GND
GND
GND
GND
GND
GND
GND
NC
GND
GND
GND
GND
GND
GND
GND
GND
GND
GND
GND
GND
GND
GND
GND
GND
GND
GND
GND
GND
GND
GND
GND
GND
GND
GND
GND
GND
GND
GND
GND
GND
GND
GND
GND
GND
GND
GND
GND
GND
GND
GND
GND
GND
GND
GND
GND
GND
GND
GND
GND
GND
EDGCTRL/VRSEL
CPUP RES #
THERMTRIP#
THERMDP
THERMDN
PLL1
PLL2
NC
NC
NC
NC
NC
NC
NC
NC
NC
NC
BR1
NC
VCORE_DE
SLEWCTRL
RTT CTRL
NC
VCC3AERR#
BERR#
BINIT #
AP#0
AP#1
PR#
RSP #
NC
VTT
VTT
VTT
VTT
VTT
VTT
VTT
VTT
VTT
VTT
VTT
VTT
VTT
VTT
VTT
DEP#0
DEP#1
DEP#2
DEP#3
DEP#4
DEP#5
DEP#6
DEP#7
R319 0
C354
.1 U
C97
.1 U
C129
.1 U
C279
.1U
C283
.1 U
C88
4.7U
R295
4.7K
R294
1K
R301
1K
R302 10 K
R303
4.7K(R)
R79 0(R)(0805)
C335
22P
R304 0(0805)
C323 .1U
R89 R
U8
TC1066
15
12
14
6
10
1
5
9
13
16
2
3
4
11
7
8
STBY#
SMBDAT A
SMBCLK
ADD1
ADD0
CRIT1/VCC
CRIT0
OS #
NC
NC
GND(VCC)
DXP
DXN
ALERT#
GND
GND
R305
4.7K
C89
22U(1206)
C494
10U
C370
4.7U
+
C150
220U/6.3V
12
C483
10U
C484
10U
C486
10U
C489
.1 U
C492
.1U
C488
.1U
C491
.1 U
C520
4.7U(0805)
95
1
0
0
Hardware Protect = 95 «×
115
85
1
0
CRIT 0
100 X
0
0
CRIT1

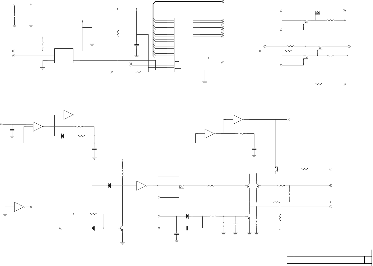
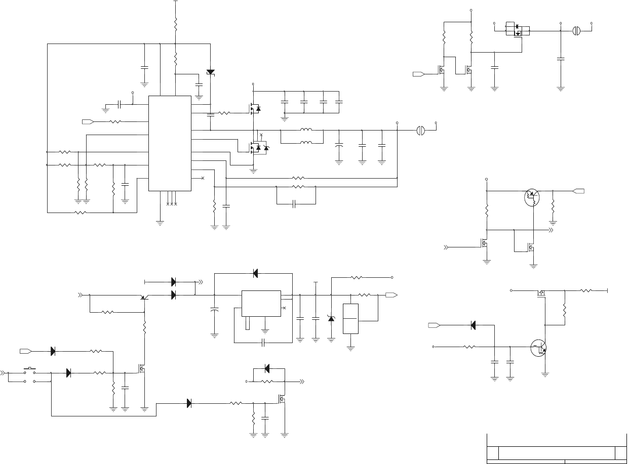
B - 3
Schematic Diagrams
71-22C00-D02
2.0
CLOCK GENERATOR
Custom
331
0200-03.SCH
Monday, March 05, 2001
Title
Size Docum ent Num ber Rev
Dat e: Sheet of
ÂÅ ¤Ñ ¹q ¸£ CLEVO CO.
VCC3
VCC3
VCC3
VCC3
VCC3
V_I O
VCC3
VCC3
MD 4 4(5 ,6) MD 4 3(5 ,6) MD 4 2(5 ,6) MD 4 1(5 ,6)
CPUSTP# (10)
PCISTP #
MEMCLK4 (5)
MEMCLK3 (5)
MEMCLK2 (5)
MEMCLK1 (5)
DCLKREF (4)
PCLK80 P (25)
AGPCLK 0 (7)
HCLK630S (4)
HCLKCPU (1)
USBCLK (10)
VOSCI (7)
LPC14M (20)
PCLKSIO (21)
PCLKLPC (20)
PCLKTI (16)
SDA_ATFF(25) SCL_ATFF(25)
BSEL0(1 ,2) BSEL1(1 ,2)
PCLK630S (11)
PCLKPIC (1)
Z761
Z650
MD44
MD43
MD42
MD41
Z5 95
Z5 97 FS 3
Z5 94
Z5 96 FS 2
PCI CLK3
FS3
SDRA M7
SDRA M5
SDRA M4
PCI CLK4
REF 1
PCI CLK6
PCI CLK2
SDRA M6
CPUCLK1
FS0
FS2
CPUCLK0
SDRA M3
PCI CLK5
PCISTP #
CPUSTP#
FS1
MEMCLK 1
MEMCLK 2
SDRAM3
FS3
PCICLK5
Z3 08
CPUCLK0
SDRAM4
PCICLK4
SDRAM_STOP
PCLKPIC
MEMCLK 3SDRAM5
PCICLK2
FS2
DCLKREF
Z310
FS1
CLK2. 5V
CPUCLK1
AGPCLK0
PCICLK3
PCISTP#
Z315
SDA_ATFF
Z3 97
FS0
SDRAM7
CPUST P#
SDRAM6
Z309
PCICLK6
Z311
Z312
HCLKCPU
HCL K630S
PCLK80P
VDDREF
PCLKSIO
VOSCI
Z33
MEMCLK 4
SCL_ATFF
REF1
Z29
PCLKLPC
Z313
PCLK630S
LPC14M
USB CL K
PCLKTI
FS 1
FS 0
BSEL0
BSEL1
SDRAM_STOP
Z761
Z6 50Z8 55
R2 13
10K(R)
R2 23
10K(R)
R2 05
10K(R)
R2 22
10K(R)
RN64 8P4R_2.7K
8 1
7 2
6 3
5 4 RN60
8P4R_10K
8 1
7 2
6 3
5 4
C447 10P (R)
C390 10P (R)
C425 10P
C420 10P
C445 10P
C440 10P(R)
C398 10P(R)
C422 10P (R)
C393 10P
C421 10P
C426 10P
C428 10P(R)
C439 10P (R)
C388 10P
C385 10P
C437 10P
R3 90
10K
R3 89
10K
C442 10P
C3 97
0. 01U
C3 94
.1U
C4 27
0. 01U
R3 48
33
TP172
C4 29
0. 01U
C3 86
0. 01U
C4 43
4. 7U
R3 91
10K
R3 46
33
C4 38
.1U
C4 44
.1U
L56
BEAD
R3 68
33
R3 41
10
R3 40
22
Y6
14. 318MHz_DIP
1 2
L57
BEAD
TP165
C383
22P
C3 82
22P
R3 32 1 M
R3 67
33
R3 88
0
TP168
C3 96
.1U
TP173
R3 51
22
R3 81
33
C399
.1U
R3 69
22
C395
0. 01U
R3 93
22
R3 52
22
C3 87
4. 7U
R3 39
22
TP171
R3 50
33
R3 94
22
U26
ICS9248-135
1
48
2
3
4
5
42
7
8
9
11
12
13
10
36
22
16
26
25
30
23
24
15
20
21
33
41
40
39
38
37
19
35
34
32
31
29
28
27
44
43
45
46
47
14
17
6
18
VDDREF
REF1
FS3/REF0
GND R E F
X1
X2
VDD
FS1 /P CICLK F
FS2 /P CICLK 1
PCICLK2
PCICLK3
PCICLK4
PCICLK5
GNDPCI
VDD
GN D
GN D
FS0/48MHZ
24_48/CPU2.5_3.3V#
VDD
SDAT A
SCLK
VDD
CPU_STOP#
PCI_STOP#
GN D
SDRAM_F1
SDRAM_F0
GN D
SDRAM7
SDRAM6
VDD
SDRAM5
SDRAM4
SDRAM3
SDRAM2
SDRAM1
SDRAM0
VDD
GNDL
CPUCLK2
CPUCLK1
CPUCLKF
V DDL CP U
PCICLK6
SDRAM_STOP#
VDDPCI
PD#
R3 92
22
R3 42
10
R3 47
33
C3 84
.1U
C4 41
.1U
C389
.1U
C446
.1U
R399 10K
R398 10K
R382 10K
R4 79
22(R)
R4 80
10K(R)
SW6
SW DIP-6
1
2
8
7
3
4
5
6
9
10
11
12
R5 23 1 K
R5 24
100K
1
0
0
1
1
1
1
0
1
CLOCK SELECT
1
FS1
0
0
0
1
1
1
0
1
0
FS2
0
1
0
01
0
0
0
0
01
0
1
1
1
1
1
1
FS0
0
10
1
0
0
1
01
0
0
1
FS3
0
1
0
1
0
0
1
0
1
1
1
10
0
1
0
1
1
1
CPU PCISDRA M
66
100
150
133
66.8
100
100
133
66.8
70
95
97
96.2
95
112
97
66.8
97
95
126.7
133
150
133.6
133
100
100
100
100
105
129.3
96.2
112
33.3
33.3
33.3
37.5
33.4
33.3
37.5
33.3
33.4
32.3
35
31.7
31.7
37.3
32.2
32.1 1/2
2/13
1/8
2/11
1/2
2/15
2/7
2/9
2/3
2/5
CPU RATIO SELECT
Reserved
1/7
1/4
1/5
1/3
1/6
(NMI)
0
0
1
1
0
MD44
1
0
11
1
11
0
1
1
0
1
1
1
0
0
0
1
1
0
0
01
0
1
0
1
0
1
1
0
MD43
( I NT R)
0
0
0
1
0
(A20M#)
0
0
1
01
1
0
0
1
1
MD42
0
1
1
1
1
1
1
1
0
0
0
1
0
1
0
10
( I GNNE #)
MD41
CLO SE T O CLO CK GENERAT OR
CLO SE T O CLO CK GENERAT O R
CLOSE T O CLO CK GENE RAT O R

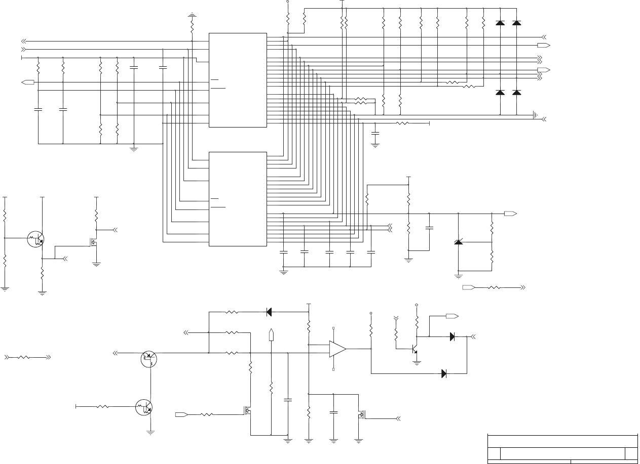
B - 4
Service Manual
71-22C00-D02
A
630( NORTHBRIDGE)
Cust om
431
0200- 04. SCH
Monday, March 05, 2001
Title
Size Document Number Rev
Dat e: Sheet of
ÂÅ ¤Ñ ¹q ¸£ CLEVO CO.
VCC3
VCCT
VCCT
HD#[0..63](1)
SRAS# (5)
RAMW# (5)
SCAS# (5)
HA#[3..31](1)
I CSA#[ 0.. 3] ( 6)
IMA[0..14] (6)
IDQM[0. .7] (6)
GTLREF (2)
HREQ#1(1)
HCLK63 0S(3 ) CPU RS T#(1)
BNR#(1)
BREQ0#(1)
HREQ#2(1)
MDD[0..63] (6)
DBSY#(1)
HLOCK#(1) HT RD Y #(1)
RS#0(1)
630SCKE (6)
ADS#(1)
HREQ#3(1)
DEFER#(1) DRDY#(1)
HIT M#(1)
RS#1(1)
DC LKR EF (3 )
HREQ#4(1)
HREQ#0(1)
BPRI#(1)
HIT#(1)
RS#2(1)
RAMW#
SRAS#
SCAS#
ADS#
MDD 5 5
MDD 4 8
MDD 4 5
MDD 4 1
MDD 2 3
MDD 1 9
HCLK630S
ADS#
Z578
Z551
IMA9
IDQM0
630SCKE
MDD 6 3
MDD 5 9
MDD 5 8
MDD 3 2
MDD 2 1
MD D8
MD D4
HD#63
HD#27
HD#10
HD#9
HD#2
IMA6
MDD 4 0
MDD 3 0
MD D9
BNR#
HI T #
HREQ#3
HREQ#2
HD#31
IMA12
IDQM1
DCLKREF
MDD 3 6
MDD 3 4
MDD 2 5
MDD 1 0
MD D0
HLOCK#
HREQ#4
Z34
HD#61
HD#60
HD#45
HD#43
HD#42
HD#36
Z550
IMA10
IMA4
MDD 5 4
MDD 4 7
MDD 1 4
MD D3
HD#54
HD#48
HD#17
IDQM3
HD#58
HD#57
HD#37
HD#30
HD#14
Z577
IMA1
Z31
MDD 5 7
MDD 3 1
MDD 2 9
HD#21
HD#4
IMA7
HD #[ 0.. 63]
MDD 1 6
HD#7
HD#6
HD#3
HD#0
ICSA#3
ICSA#1
Z547
IMA11
MDD 4 4
MDD 4 2
MDD 1 3
MD D1
HD#53
HD#52
HD#41
HD#32
HD#28
HD#23
IMA2
IDQM4
MDD 5 0
MDD 2 7
MDD 2 2
MDD 1 1
RS#2
HREQ#1
HD#5
IMA14
IMA3
MDD 5 3
MDD 2 4
MD D6
HD#38
HD#24
HD#22
HD#19
HD#15
HD#13
Z549
IDQM7
MDD 6 0
MDD 3 8
MDD 3 3
MDD 2 8
MDD 1 2
BPRI#
HREQ#0
HD#49
HD#46
HD#40
IMA0
IDQM2
Z30
MDD 3 7
MDD 1 5
HD#47
HD#35
HD#20
HD#18
HD#12
HD#1
IMA13
IMA8
GTLREF
MDD 6 1
MDD 5 1
MDD 4 6
MDD 3 5
HIT M#
BREQ0#
RS#1
RS#0
HD#62
HD#56
HD#55
HD#51
HD#39
HD#26
HD#25
MDD[ 0. . 63]
MDD 3 9
MDD 2 6
MD D5
MD D2
CP URST #
DEFER#
DRDY #
HT RDY #
HD#59
HD#34
Z552
Z548
IMA5
IDQM6
MDD 6 2
MDD 1 8
MDD 1 7
MD D7
HD#44
HD#29
HD#16
HD#11
HD#8
IDQM5
Z32
MDD 5 6
MDD 5 2
MDD 4 9
MDD 4 3
MDD 2 0
DBSY #
HD#50
HD#33
ICSA#2
ICSA#0
HA #19
HA #15
HA #10
HA #28
HA#7
HA#4
HA#3
HA #27
HA #16
HA #14
HA#5
HA #24
HA #22
HA #29
HA #31
HA #26
HA #11
HA #17
HA#8
HA #30
HA #18
HA #13
HA #25
HA#6
HA #20
HA#9
HA #12
HA #21
HA #23
C75
1000P
C76
1000P
C360
0.01U
R77 0
+C359
10U
R275
75 (1%)
C338
1U
R78 56(R)
C86
.1U
TP83
TP72
R178 10
TP102
TP100
TP82
R176 10
TP99
TP98
TP101
R284
150 (1%)
R177 10
DRAM INTERFACE
DRAM INTERFACE
HOST DATA BUS
HOST INTERFACE
SiS630S
U6A
T25
W28
W27
Y29
Y27
Y26
AA28
AA26
AB28
AB26
AC29
AC27
AC25
AD28
AD27
Y25
AG22
AJ22
AF21
AH21
AF20
AH20
AJ20
AG19
AJ19
AF18
AH18
AF17
AG17
AJ17
AF16
AH16
T24
W29
U25
W26
Y28
V25
AA29
AA27
AB29
AB27
V24
AC28
AC26
AD29
W25
AD26
AF22
AH22
AE23
AG21
AJ21
AG20
AE22
AF19
AH19
AE18
AG18
AJ18
AD20
AH17
AE21
AG16
M24
H26
G29
J26
H29
H27
K27
H28
J29
J27
K26
J28
K28
L26
L27
L28
K29
M25
M26
M27
L29
N25
N28
M28
M29
N29
N26
P24
N27
V29
G27
U26
P28
R29
U27
R26
T27
U28
R24
T29
P25
G28
V26
R25
U29
R27
T26
T28
R28
P27
V27
AE 19
V28
AE 20
E21
A19
C19
B20
B21
B19
A21
A20
D19
E20
D20
B22
C22
C20
A22
D21
A23
C21
B23
C23
A25
E22
D22
D24
D23
C25
B25
C24
E25
F22
D25
E23
B26
E24
C26
A26
A27
D26
B27
C27
B28
F24
C28
D28
H24
C29
E26
D27
J25
E28
D29
E27
H25
K24
F25
F27
E29
F26
L25
K25
F29
F28
G26
G25
AE24
AG24
AF24
AJ25
AH25
AG25
AF28
AF29
AA25
AE25
AE26
AE27
AB25
AF27
AF26
AG29
AG28
AG27
AH28
AB24
AH27
AD24
AJ27
AG26
AH26
AJ26
AF25
Y24
AE28
AF23
AG23
AD25
AE29
AJ24
AD22
AH23
AH24
AJ23
AJ16
E9
B24
P26
P29
A24
MD 6 3
MD 6 2
MD 6 1
MD 6 0
MD 5 9
MD 5 8
MD 5 7
MD 5 6
MD 5 5
MD 5 4
MD 5 3
MD 5 2
MD 5 1
MD 5 0
MD 4 9
MD 4 8
MD 4 7
MD 4 6
MD 4 5
MD 4 4
MD 4 3
MD 4 2
MD 4 1
MD 4 0
MD 3 9
MD 3 8
MD 3 7
MD 3 6
MD 3 5
MD 3 4
MD 3 3
MD 3 2
MD 3 1
MD 3 0
MD 2 9
MD 2 8
MD 2 7
MD 2 6
MD 2 5
MD 2 4
MD 2 3
MD 2 2
MD 2 1
MD 2 0
MD 1 9
MD 1 8
MD 1 7
MD 1 6
MD 1 5
MD 1 4
MD 1 3
MD 1 2
MD 1 1
MD 1 0
MD9
MD8
MD7
MD6
MD5
MD4
MD3
MD2
MD1
MD0
HA#[31]
HA#[30]
HA#[29]
HA#[28]
HA#[27]
HA#[26]
HA#[25]
HA#[24]
HA#[23]
HA#[22]
HA#[21]
HA#[20]
HA#[19]
HA#[18]
HA#[17]
HA#[16]
HA#[15]
HA#[14]
HA#[13]
HA#[12]
HA#[11]
HA#[10]
HA#[9]
HA#[8]
HA#[7]
HA#[6]
HA#[5]
HA#[4]
HA#[3]
CPUC LK
CPURS T #
ADS#
BNR#
BPRI#
DBSY#
DEFER#
DRDY#
HIT#
HITM#
HLOCK#
HT RDY#
BREQ0#
RS#[2]
RS#[1]
RS#[0]
HREQ#[4]
HREQ#[3]
HREQ#[2]
HREQ#[1]
HREQ#[0]
CPUAVDD
SDAVDD
CPUAVSS
SDAVSS
HD#63
HD#62
HD#61
HD#60
HD#59
HD#58
HD#57
HD#56
HD#55
HD#54
HD#53
HD#52
HD#51
HD#50
HD#49
HD#48
HD#47
HD#46
HD#45
HD#44
HD#43
HD#42
HD#41
HD#40
HD#39
HD#38
HD#37
HD#36
HD#35
HD#34
HD#33
HD#32
HD#31
HD#30
HD#29
HD#28
HD#27
HD#26
HD#25
HD#24
HD#23
HD#22
HD#21
HD#20
HD#19
HD#18
HD#17
HD#16
HD#15
HD#14
HD#13
HD#12
HD#11
HD#10
HD#9
HD#8
HD#7
HD#6
HD#5
HD#4
HD#3
HD#2
HD#1
HD#0
CSA #[5]
CSA #[4]
CSA #[3]
CSA #[2]
CSA #[1]
CSA #[0]
CSB #[5]
CSB #[4]
CSB #[3]
CSB #[2]
CSB #[1]
CSB #[0]
MA [14]
MA [13]
MA [12]
MA [11]
MA [10]
MA [ 9 ]
MA [ 8 ]
MA [ 7 ]
MA [ 6 ]
MA [ 5 ]
MA [ 4 ]
MA [ 3 ]
MA [ 2 ]
MA [ 1 ]
MA [ 0 ]
DQM[7]
DQM[6]
DQM[5]
DQM[4]
DQM[3]
DQM[2]
DQM[1]
DQM[0]
WE#
SRAS#
SCAS#
SDCLK
CK E
VSSQA
VSSQB
GT LV RE FA
GT LV RE FB

B - 5
Schematic Diagrams
71-22C00-D02
A
SODIMM
Custom
531
0200- 05.SCH
Monday, Mar ch 05, 2001
Title
Size Document Number Rev
Dat e: S heet of
ÂÅ ¤Ñ ¹q ¸£ CLEVO CO.
VCC3
MEM_V CC
MEM_V CC
MEM_V CCMEM_V CCMEM_V CC
MEM_V CC
MEM_V CC MEM_V CCMEM_V CC
SDA_RA(25) SCL_RA (25) SDA _RB(25)
MD[0.. 63](3 ,6 ,9)
DQM2(6)
MA 9(6) MA1 0(6)
CS A# 0(6) CS A# 1(6) CSA# 2(6) CS A# 3(6)
MA 1(6) MA 2(6)
MA 9(6) MA1 0(6)
MA 6(6) MA 8(6) MA 8(6)
MA 4 ( 6 )
MA 5 ( 6 ) MA 4 ( 6 )
MA 5 ( 6 )
MA 7 ( 6 )
MA1 1 (6) MA 7 ( 6 )
MA1 1 (6)
MA1 2 (6)
MA1 3 (6)
MA1 4 (6)
MA1 2 (6)
MA1 3 (6)
MA1 4 (6)
DQM0(6) DQM1(6) DQM0(6) DQM1(6)
DQM2(6) DQM3(6)
DQM4 (6)
DQM5 (6)
DQM4 (6)
DQM5 (6)
DQM6 (6)
DQM7 (6) DQM6 (6)
DQM7 (6)
SRAS#(4) SCAS# (4) SCAS# (4)
CKE1 (6)
CKE0 (6) CKE2 (6)
CKE3 (6)
MA 0(6) MA 1(6) MA 2(6)
RAMW#(4)
DQM3(6)
MA 3 ( 6 ) MA 0(6)
RA MW#(4)
MA 6(6)
MA 3 ( 6 )
SCL_RB (25)
SRAS#(4)
ME MC L K 4 ( 3 )
ME MC L K 3(3)
ME MC L K 2 ( 3 )
ME MC L K 1(3)
DQM0 DQM4 DQM 0 DQM4
DQM1 DQM5 DQM 1 DQM5
MA4 MA1 MA4
MA5 MA2 MA5
CKE0 CKE2
SRAS# SCAS# SRAS# SCAS#
RAMW# CKE1 RAMW# CKE3
CSA#0 MA14 CSA#2 MA14
CSA#1
Z20 5
CSA#3
Z20 6
Z652
Z20 8
Z654
MA6 MA7 MA7
MA8 MA11 MA8 MA11
MA9 MA12 MA9 MA12
MA10 MA13 MA10 MA13
DQM2 DQM6 DQM 2 DQM6
DQM7 DQM3 DQM7
SDA_RA SCL_RA SDA_RB
MD53
MD24
MD48
MD47
MD0
MD61
MD32
MD60
MD14
MD29
MD46
MD[0. .63] MD[0. .63] MD[0. .63]
MD51
MD3
MD44
MD35
MD8
MD18
MD22 MD21
MD6
MD40
MD13
MD49
MD41
MD43
MD1
MD5
MD48 MD16
MD63
MD54
MD56
MD15
MD28
MD45
MD60
MD14
MD59
MD53
MD17
MD12MD44
MD8
MD38
MD34
MD30
MD6 MD7
MD62
MD40
MD2
MD49
MD33
MD43
MD36
MD31
MD4
MD1
MD22
MD11
MD16
MD63
MD28
MD27MD59
MD52
MD55
MD13
MD39
MD17
MD12
MD19
MD34
MD5
MD30
MD7
MD57
MD2
MD37
MD36
MD42
MD31
MD29
MD11
MD21
MD62
MD32
MD27 MD58
MD20
Z20 7
MD51
MD33
MD38
MD9
MD57 MD25
MD37
MD23
MD10MD42
MD4
MD24
MD47
MD20
MD39
MD23
MD19
MD58
MD54
MD50
MD26
MD56
MD0
MD25
MD41
MD10
MD52
MD15
MD61
MD46
MD3
MD45
MD35
MD18
MD9
MD50
MD26
MD55
MA 0
MA 1
MA 2
DQM3
MA3 MA0
MA6
MA3
SCL_RB
GND
GND
GND
GND
GND
GND
GND
GNDGND
GNDGND
GND
GND
Z651
GND
GND
GND
GND
GND
GND
GND
GND
GND
GND
GND
GND
GND
GND
GND
GND
GND
GND
GND
GND
GND
GND
Z653
CN25
SOCKE T-DIMM144
1
3
5
7
9
11
13
15
17
19
21
23
25
27
29
31
33
35
37
39
41
43
45
47
49
51
53
55
57
59
61
63
65
67
69
71
73
75
77
79
81
83
85
87
89
91
93
95
97
99
101
103
105
107
109
111
113
115
117
119
121
123
125
127
129
131
133
135
137
139
141
143
2
4
6
8
10
12
14
16
18
20
22
24
26
28
30
32
34
36
38
40
42
44
46
48
50
52
54
56
58
60
62
64
66
68
70
72
74
76
78
80
82
84
86
88
90
92
94
96
98
100
102
104
106
108
110
112
114
116
118
120
122
124
126
128
130
132
134
136
138
140
142
144
VSS
DQ0
DQ1
DQ2
DQ3
VCC
DQ4
DQ5
DQ6
DQ7
VSS
CE0#/DQM0
CE1#/DQM1
VCC
A0
A1
A2
VSS
DQ8
DQ9
DQ1 0
DQ1 1
VCC
DQ1 2
DQ1 3
DQ1 4
DQ1 5
VSS
RESVD/DQ64
RESVD/DQ65
CLK0
VCC
RAS#
WE#
CS0#
CS1#
QE #
VSS
RESVD/DQ66
RESVD/DQ67
VCC
DQ1 6
DQ1 7
DQ1 8
DQ1 9
VSS
DQ2 0
DQ2 1
DQ2 2
DQ2 3
VCC
A6
A8
VSS
A9
A10
VCC
CE2#/DQM2
CE3#/DQM3
VSS
DQ2 4
DQ2 5
DQ2 6
DQ2 7
VCC
DQ2 8
DQ2 9
DQ3 0
DQ3 1
VSS
SDA
VCC
VSS
DQ32
DQ33
DQ34
DQ35
VCC
DQ36
DQ37
DQ38
DQ39
VSS
CE 4#/D QM4
CE 5#/D QM5
VCC
A3
A4
A5
VSS
DQ40
DQ41
DQ42
DQ43
VCC
DQ44
DQ45
DQ46
DQ47
VSS
RESVD/DQ68
RESVD/DQ69
CKE0
VCC
CAS#
CKE1
A12
A13
CLK1
VSS
RESVD/DQ70
RESVD/DQ71
VCC
DQ48
DQ49
DQ50
DQ51
VSS
DQ52
DQ53
DQ54
DQ55
VCC
A7
BA0/A11
VSS
BA1/A12
A13
VCC
CE 6#/D QM6
CE 7#/D QM7
VSS
DQ56
DQ57
DQ58
DQ59
VCC
DQ60
DQ61
DQ62
DQ63
VSS
SCL
VCC
C19 5
.1U
C20 5
.1U
R19 3
1K(R) R19 4
1K(R)
L24 BEAD(1206)
+C20 3
10U
CN24
SOCKET -DIMM144-R
1
3
5
7
9
11
13
15
17
19
21
23
25
27
29
31
33
35
37
39
41
43
45
47
49
51
53
55
57
59
61
63
65
67
69
71
73
75
77
79
81
83
85
87
89
91
93
95
97
99
101
103
105
107
109
111
113
115
117
119
121
123
125
127
129
131
133
135
137
139
141
143
2
4
6
8
10
12
14
16
18
20
22
24
26
28
30
32
34
36
38
40
42
44
46
48
50
52
54
56
58
60
62
64
66
68
70
72
74
76
78
80
82
84
86
88
90
92
94
96
98
100
102
104
106
108
110
112
114
116
118
120
122
124
126
128
130
132
134
136
138
140
142
144
VSS
DQ0
DQ1
DQ2
DQ3
VCC
DQ4
DQ5
DQ6
DQ7
VSS
CE0#/DQM0
CE1#/DQM1
VCC
A0
A1
A2
VSS
DQ8
DQ9
DQ10
DQ11
VCC
DQ12
DQ13
DQ14
DQ15
VSS
RE S VD/DQ6 4
RE S VD/DQ6 5
CLK0
VCC
RAS#
WE#
CS0#
CS1#
QE #
VSS
RE S VD/DQ6 6
RE S VD/DQ6 7
VCC
DQ16
DQ17
DQ18
DQ19
VSS
DQ20
DQ21
DQ22
DQ23
VCC
A6
A8
VSS
A9
A10
VCC
CE2#/DQM2
CE3#/DQM3
VSS
DQ24
DQ25
DQ26
DQ27
VCC
DQ28
DQ29
DQ30
DQ31
VSS
SDA
VCC
VSS
DQ32
DQ33
DQ34
DQ35
VCC
DQ36
DQ37
DQ38
DQ39
VSS
CE 4#/D QM4
CE 5#/D QM5
VCC
A3
A4
A5
VSS
DQ40
DQ41
DQ42
DQ43
VCC
DQ44
DQ45
DQ46
DQ47
VSS
RE S VD/D Q6 8
RE S VD/D Q6 9
CKE0
VCC
CAS#
CKE1
A12
A13
CLK1
VSS
RE S VD/D Q7 0
RE S VD/D Q7 1
VCC
DQ48
DQ49
DQ50
DQ51
VSS
DQ52
DQ53
DQ54
DQ55
VCC
A7
BA0/A11
VSS
BA1/A12
A13
VCC
CE 6#/D QM6
CE 7#/D QM7
VSS
DQ56
DQ57
DQ58
DQ59
VCC
DQ60
DQ61
DQ62
DQ63
VSS
SCL
VCC
C20 9
C
C40 7
0.01U
C40 1
0.01U
C40 8
.1U
C40 4
.1U
C40 5
0.01U
C40 3
0.01U
C40 6
.1U
C41 4
0.01U
C19 6
0.01U
C41 5
.1U
C411
.1U
C41 2
0.01U
C41 0
0.01U
C41 3
.1U
C19 8
10U
C40 9
10U
C40 0
10U
C41 6
10U
C40 2
.1U
C19 7
.1U
C19 3
.1U
C194
.1U
R19 5 1K
FB4
BEAD
FB3
BEAD
R19 2 1K
FB 2
BEAD
FB1
BEAD
C20 4
CC21 7
C
C216
CC21 8
C
C516
.1U
C51 5
.1U
BANK0 BANK1
BANK1BANK0

B - 6
Service Manual
71-22C00-D02
A
RESISTOR
Custom
631
0200- 06.SCH
Monday, March 05, 2001
Title
Size Document Number Rev
Date: Sheet of
ÂÅ ¤Ñ ¹q ¸£ CLEVO CO.
VCC3
VCC3
VDD3
VDD3
MD[0..63](3 ,5, 9 )
IMA [0 .. 14 ](4)
MA[0. . 14] (5)
ICSA#[0..3](4)
CS A #[ 0.. 3] (5 )
IDQM[0..7](4)
DQM[0..7] (5)
MD D [ 0 . . 6 3 ](4)
MD [0 .. 63 ] (3 ,5, 9)
630SCKE(4)
CKE0 (5)
CKE1 (5)
CKE2 (5)
CKE3 (5)
IMA0
IMA1
IMA2
IMA1 1
IMA1 2
IMA1 3
IMA1 4
IMA [0 .. 14 ]
IDQM[0..7]
DQM [0. .7]
IDQM0
IDQM1
IDQM2
IDQM3
IDQM4
IDQM5
IDQM6
IDQM7
DQM0
DQM1
DQM2
DQM3
DQM4
DQM5
DQM6
DQM7
CSA #[0. .3]
ICSA#[0..3]
ICSA#3
ICSA#2
ICSA#1
ICSA#0
CSA#3
CSA#1
CSA#0
CSA#2
MD1 0
MD1 8
MD3 5
MD3 4
MD1 3
MD D6 0
MD D3 1
MD D1 9
MD1 5
MD D6 2
MD4 2
MD D3 0
MD D1 6
MD[0 ..63]
MD4 3
MD1 2
MD 6
MD D1 4
MDD9
MD 5
MD D6 1
MD54
MD3 7
MD D4 1
MD D1 5
MDD8
MDD7
MD 9
MD D4 4
MD D4 3
MD D1 8
MDD6
MDD5
MD3 9
MD3 6
MD D4 6
MD D4 5
MD D3 4
MD3 8
MD D1 2
MDD4
MDD3
MD D [ 0 . . 6 3 ]
MD4 1
MD4 0
MD 1
MD D4 7
MD D1 1
MDD2
MDD1
MD1 7
MD1 6
MD 2
MD D1 0
MDD0
MD6 3
MD4 5
MD4 4
MD1 1
MD D3 5
MD D2 6
MD2 8
MD D6 3
MD D3 6
MD D2 4
MD6 2
MD6 1
MD6 0
MD D3 8
MD D3 7
MD D2 5
MD53
MD55
MD3 2
MD2 9
MD D4 2
MD D2 8
MD3 3
MD2 5
MD2 4
MD 7
MD 3
MD D3 9
MD2 0
MD3 0
MD1 4
MD 8
MD 4
MD 0
MD D1 7
MD D1 3
MD4 6
MD D4 0
MD D3 2
MD D3 3
MD D2 9
MD2 7
MD1 9
MD3 1
MD4 7
MD D2 0
MD D2 7
MD2 6
MD2 2
MD2 1
MD2 3
MD D2 1
MD D2 2
MD D2 3
MA 8
MA 0
MA 7
MA 1
MA 2
MA 6
MA[0..14]
MA1 4
MA1 1
MA1 2
MA1 3
MD5 6
MD5 7
MD5 8
MD5 9
MD D5 6
MD D5 7
MD D5 8
MD D5 9
MD4 8
MD4 9
MD5 0
MD5 1 MD D4 8
MD D4 9
MD D5 0
MD D5 1
MD5 2
MD5 3
MD5 4
MD5 5 MD D5 2
MD D5 3
MD D5 4
MD D5 5
MA 5
MA 4
MA 3
MA 9
MA1 0IMA1 0
IMA9
IMA8
IMA7
IMA6
IMA5
IMA4
IMA3
MD[0. .63]
CKE2
CKE3
CKE1
CKE0
630SCKE
Z61 4
Z61 5
Z40 5
Z40 7
Z40 4
Z40 6
Z65 7
MD38
MD39
MD31
Z76 4
Z76 5
R22 4
4.7K(R)
R22 6
4.7K(R)
R22 5
4.7K(R)
RN41
8P4R_10
8 1
7 2
6 3
5 4
RN37
8P4R_10
81 72 63 54
RN38
8P4R_10
81 72 63 54
RN39
8P4R_10
81 72 63 54
RN40
8P4R_10
81 72 63 54
RN12
8P4R_10
81 72 63 54
RN11
8P4R_10
81 72 63 54
RN25
8P4R_10
81 72 63 54
RN26
8P4R_10
81 72 63 54
RN27
8P4R_10
81 72 63 54
RN28
8P4R_10
81 72 63 54
RN18
8P4R_10
81 72 63 54
RN33
8P4R_10
81 72 63 54
RN57
8P4R_10
81 72 63 54
RN56
8P4R_10
81 72 63 54
RN10
8P4R_10
81 72 63 54
RN13
8P4R_10
81 72 63 54
RN17
8P4R_10 8 1
7 2
6 3
5 4
RN32
8P4R_10 8 1
7 2
6 3
5 4
RN31
8P4R_10 8 1
7 2
6 3
5 4
RN30
8P4R_10
8 1
7 2
6 3
5 4
RN42
8P4R_10 8 1
7 2
6 3
5 4
RN29
8P4R_10 8 1
7 2
6 3
5 4
U2 7
74LVC244
1
19
2
4
6
8
18
16
14
12
20
10
11
13
15
17
9
7
5
3
OE1#
OE2#
1A1
1A2
1A3
1A4
1Y1
1Y2
1Y3
1Y4
VCC
GND
2A1
2A2
2A3
2A4
2Y1
2Y2
2Y3
2Y4
R40 1
8.2K
RN59
8P4R_270
81 72 63 54
RN58
8P4R_22
81 72 63 54
R22 1
0(R)
R21 9
0
C448
.1U
R38 3
4.7K(R)
R38 4
4.7K(R)
R40 0
4. 7K
T
T
T
T
MD[55..53]: CLOCK SK EW CONT ROL OF A GP
DEFAULT 001
MD38: VGA INTERRUPT FUNCTION
MD39: VGA ECLK AND MCLK MODE
MD3 1: QUICK STA RT FUNCTION
1: ENABLE
1: ENABLE
0: DISABLE
0: DISABLE
1: SY NCHRONOUS MODE
0: AS YNC HRONOUS MODE
DRAM BUS DAMPING RESISTOR NEA R SIS630S

B - 7
Schematic Diagrams
71-22C00-D02
A
630(VGA) & LVDS
Custom
731
0200- 07. SCH
Monday, March 05, 2001
Title
S ize Docum ent Num ber Rev
Date: Sheet of
ÂÅ ¤Ñ ¹q ¸£ CLEVO CO.
VCC3
VCC3
VCC3
VCC3 VCC3 VCC3 VCC3
VCC3
VBHSYNC(8) VBVSYNC(8) VBBLANK#
VGCLK(8)
R0 + (9)
R0- (9)
R1 + (9)
R1- (9)
R2 + (9)
R2- (9)
RCLKIN+ (9)
RCLKIN- (9)
VOSCI(3)
G[ 2 .. 7]
R[ 2 ..7]B[2..7]
VGCLK (8)
VBHSYNC (8)
VBVSYNC (8)
VBCLK
VSYNC(9)
DDC1DATA(8,9) DDC1CLK(8,9)
HSYNC(9)
GRE EN(9) RED(9)
BLUE(9)
VBBLANK#
ENABKKL (13)
ENVDD# (9)
AGP CLK0 (3)
VBCLK
B[2..7]
G[ 2 .. 7 ]
R[ 2 ..7]
P3
P2
P1
P0
P4
P5
P7
P8
P9
P10
P11
P13
P14
P15
P16
P17
R0 +
R1 +
R2-
R1-
RC LK I N+
R2 +
R0-
Z393
VBHSYNC
VBBLANK#
RCLKIN-
Z394
VBVSYNC
Z395
HSYNC
VSYNC
DDC1DATA
DDC1CLK
Z392
VCOMP
VGCLK
VBCLK
Z375
Z372
Z370
Z369
VBHSYNC
R7
Z569
Z382
Z379
DA CAV DD C
Z385
DA CAV DDC DCLKAVDD
Z373
Z376
VGCLK
VOSCI
Z383
R6
B4
B6
VVREF
VVREF
R4
B7
Z367
AGPCLK0
Z377
ENA BKKL
ECLKAVDD
DA CAV DD B
VCOMP
VRSET
Z573
VBVSYNC
VBB LANK#
Z384
B3
Z571
Z567
Z371
Z378
Z381
R3
R5
B2
Z366
Z388
Z389
ENVDD#
ECLKAVDD
BLUE
R2
VRSET
Z368
RED
Z553
Z356
Z386
B5
VBCLK
Z374
Z380
Z387
GREEN
DCLKAVDD
Z575
Z357
Z558
Z559
Z566
Z568
Z570
Z572
Z574
Z576
Z355
Z557
Z561
Z563
Z562
Z565
Z564
R[ 2. . 7]
B[2..7]
B5
R4
B6
R6
B3
P0
P1
P2
P3
P4
P5
P8
P9
P10
P11
P12
P13
P14
P15
P6
P7
P17
P16
R2
R3
R5
R7
B2
B4
G5
G7
G3
G2
G3
G[2..7]
G6
G4
G5
G2
G7
G4
G6
DA CAV DDB
P9
P4
P7
P11
P10
P8
P5
P6
P12
P13
P14
P15
P16
P17
B7
P1
P0
P2
P3
Z742
U2 1
TI SN75LVDS84A
43
29
27 46
5
11
17
24
22
23
25
26
37
4
6
7
9
10
12
44
45
47
48
1
3
13
15
16
18
19
20
28
30
2
8
14
21
31
36
42
40
41
38
39
34
35
32
33
N/C
PLLVCC
PWRDWN# GND
GND
GND
GND
GND
TXIN18
TXIN19
TXIN20
TXCLKIN
LVDSVCC
TXIN6
TXIN7
TXIN8
TXIN9
TXIN10
TXIN11
TXIN0
TXIN1
TXIN2
TXIN3
TXIN4
TXIN5
TXIN12
TXIN13
TXIN14
TXIN15
TXIN16
TXIN17
PLLGND
PLLGND
VCC
VCC
VCC
VCC
LVDSGND
LVDSGND
LVDSGND
TXOUT0+
TXOUT0-
TXOUT1+
TXOUT1-
TXOUT2+
TXOUT2-
TXCLKO+
TXCLKO-
L11
0(0805)
L10
0(0805)
R260
4. 7K
R5 6
0
TP89TP113TP110 TP94TP108 TP95
TP84
TP64TP59TP92TP76
TP86
TP88
TP115
TP74
TP1
TP60
TP106
TP61
TP75
TP93
TP73
R88
60
R306
8. 2K
R248
33
R247
33
R35
33
R36
33
TP90
TP112
TP30
TP65
TP62
L15 0(0805)
C238
0.01U
C237
1U
C3 7
10U
L38
0
C239
1U
C243
0.01U
C242
1U
C34
10U
L41
0
L40
0
C241
1U
C291
0.01U
C3 5
10U
L39
0
C240
1U
C272
0.01U
C3 6
10U
C273
.1U
R276
140(1%)
TP57
TP56
C5 0
1000P
C5 8
1000P
C5 9
1000P
C298
1000P
C6 0
4.7U
C264
.1U
C263
1000P
C247
4.7U
C262
.1U
C261
1000P
C32
4.7U
TP103
TP2TP105
TP77
TP114TP107 TP91
TP58
TP63
TP104TP111
TP87
R50
0(R)
BRG
U6B
SiS630S
AB2
Y6
AA4
AA3
Y4
Y5
Y2
Y3
V2
V3
V4
V5
W3
W4
Y1
U3
T1
T4
T5
U1
W5
V1
U4
U5
U2
B14
A14
A15
D1 5
A16
C1 5
B16
C1 6
A11
E19
C1 4
B15
F1 5
E15
F1 6
E16
F1 8
F2 0
E14
D1 4
R1
R2
R3
AC1
AG2
R6
T6
AB3
AB4
AB6
AA5
AB5
P2
P1
U6
R4
R5
V6
T2
T3
AD2
AD3
W1
W2
AJ 3
AA1
AB1
AE10
AD10
AE9
AD8
AA2
AD6
AG1
AF3
AF2
AF1
AE4
AE3
AE2
AE1
AD5
AD4
AD1
AC4
AC3
AC2
AC5
B7/AFRAME#
B6/AIRDY#
AAD16/B5
B4/ACBE2#
AAD18/B3
AAD17/B2
AAD20/B1
AAD19/B0
AAD27/R7
AAD26/R6
AAD25/R5
AAD24/R4
AAD23/R3
AAD22/R2
AAD21/R1
R0 /A CB E 3 #
SBA3/G7
SBA4/G6
SBA5/G5
SBA6/G4
AAD31/G3
AAD28/G2
AAD30/G1
AAD29/G0
SBA7
ROUT
GOUT
BOUT
HSYNC
VSYNC
DDC1DATA
DDC1CLK
SSYNC
VOSCI
RSET
VREF
COMP
ECLKAVDD
ECLKAVSS
DCLKAVDD
DCLKAVSS
DACAVDDC
DACAVSSC
DACAVDDB
DACAVSSB
SBA2/DDC2CLK
SBA1/DDC2DAT
SBA0/VBBLANK#
ACBE1#
ACBE0#
VBCAD/AREQ#
VGCLK/AGNT#
ATRDY#
ADEVSEL#
ASERR#
APAR
ASTOP#
VBHCLK/RBF#
VBCTL0/WBF#
VBCTL1/PIPE#
VBCLK/ST2
VBVSYNC/ST1
VBHSYNC/ST0
SB_STB
SB _S T B #
AD_S T B0
AD_STB0#
AD_S T B1
AD_STB1#
AGPCLK
AGPVREF
AGPRCOMP
AGPAVDD1
AGPAVSS1
AGPAVDD2
AGPAVSS2
AGPVSSREF
AAD0
AAD1
AAD2
AAD3
AAD4
AAD5
AAD6
AAD7
AAD8
AAD9
AAD10
AAD11
AAD12
AAD13
AAD14
AAD15
R310
0
R108
0
CP8
8P4C_C
1 8
2 7
3 6
4 5
C299
C
C321
C
CP10
8P4C_C
1 8
2 7
3 6
4 5
CP9
8P 4C_C
1 8
2 7
3 6
4 5
CP7
8P4C_C
1 8
2 7
3 6
4 5
RN6 8P4 R_0 81 72 63 54
RN54
8P4 R_0
81 72 63 54
RN55 8P4R_0 81 72 63 54
RN8 8P4R_0 81 72 63 54
C110
.1U
L20
0(0805)
PLACE T HESE CI RCUIT S CLOSE T O SiS 630

B - 8
Service Manual
71-22C00-D02
A
Chrontel CH7005 TV-OUT
Custom
831
0200-08.SCH
Monday, March 05, 2001
Title
Si ze Docum ent Number Rev
Dat e: Sheet of
ÂÅ ¤Ñ ¹q ¸£ CLEVO CO.
VCC3
VCC3
VCC
VCC3
VCC3
P[1..5]
P[7..11]
P[13..17]
VGCLK(7)
DDC1DATA(7, 9 ) DDC1CLK(7, 9)
VBVSYNC(7)
VBHSYNC(7)
Z766
P5
P4 Z767
P3
P2 Z768
P7
P17
P16
P14
Z787
Z798
Z788
Z789
Z790
Z793 Z794
VBHSYNC
VBVSYNC
P1
P10
P13
DDC1CLK
DDC1DATA
VGCLK
Z796
Z804
Z805
Z795
Z801
Z791
Z792
P11
P9
P8
P15
Z799
Y7
14.31818MHz+-20P PM
C511
10P C512
10P
R515
10K
L62
BEAD(0805)
L61
BEAD(0805) L63
BEAD(0805)
R510
360 1%
R512 0
R511 0
R509 0
R518 0
R519 0
R513
75 1%
C504
47P
C513
270P
C506
150P
C505
47P
L66
1.2uH(0805)
1 2
R508
75 1%
L64
1.2uH(0805)
1 2 L65 1.2uH(0805)
1 2
C514
150P
C507
270P
L67
1.2uH(0805)
1 2
C495
4.7U
C496
4.7U C497
10U
C498
.1U
C499
.1U
C500
.1U
C501
.1U
C502
.1U
C503
.1U
R517
4.7K
R516
4.7K
TP185
TP184
TP186
TP183
U32
CH7005/6
15
14
13
12
11
10
9
7
6
4
3
2
1
44
43
42
39
40
41
35
29
26
27
32 33
25
31
5
16
30
38
17
22
21
20
24
37
34
8
18
28
36
19
23
D15
D14
D13
D12
D11
D10
D9
D8
D7
D6
D5
D4
D3
D2
D1
D0
XCLK
H
V
DS/B CO
RESE T B
SD
SC
XI XO/FIN
VDD
AVDD
DV DD
DV DD
DV DD
DV DD
CSY NC
Y
C
CV BS
RS ET
POUT
AGND
DGND
DGND
DGND
DGND
GND
GND
TP196
CN27
SVIDEO_CON
4
2
1
3
6
7
8
5
CRMA
GND
GND
LU MA
SLD
SLD
SLD
SLD
D35
DA204U
C
AAC
D36
DA204U
C
AAC
Up to 47MHz
The two external load
capacitors value is
eaqual to 2 x crystal
internal cap - 12.5pF
Analog and digital
ground should
connect to a common
ground plane
Place close to
7005/6
Connect to pin 19 ground
with short/wide trace.
Place close to
ALL COMPONENTS MUST CLOSE TO SVIDEO_CON
Place close to
7005/6
7005/6
Place close to SIS630S
Place close to
7005

B - 9
Schematic Diagrams
71-22C00-D02
A
LCD & CRT CON
Custom
931
0200- 08.SCH
Monday, March 05, 2001
Title
Siz e Document Num ber Rev
Dat e: Sheet of
ÂÅ ¤Ñ ¹q ¸£ CLEVO CO.
VCC
VCC
VCC
VCC
VCC
LCDVCC
VCC3
VCC3
LCDVC C
12V
VCC
R0+(7)
R0-(7)
R1+(7)
R1-(7)
RCLKIN+(7)
R2+(7)
R2-(7)
RCLK IN-(7)
VSYNC(7)
HSYNC(7)
BLUE(7)
RED(7)
GRE E N(7)
DDC1DAT A(7,8)
DDC1CLK(7,8)
MD39(5,6)
MD33(5,6) MD32(5,6)
MD36(5,6)
ENVDD#(7)
R0-
RCLKIN+
R0+
RCLKIN-
R1-
R2-
R2+
R1+
RIN1+
RCLK-
RIN2+
RI N1-
RI N0-
RI N2-
RIN0+
RCLK+
VSY NC
HSY NC
DDC1DAT A
Z464
DDC1CLK
Z467
GREEN
BLUE
Z465
Z466
RED
Z470
Z471
Z472
Z469
Z474 Z475
Z477 Z473
RI N0-
RIN2+
RIN1+
RI N1-
RIN0+
RI N2-
RCLK+
RCLK-
MD36
MD33
MD39
MD32 Z444
Z445
Z446
ENVDD#
Z390
R0+
R0- RIN0-
RIN0+
RIN1+
RIN1-R1-
R1+
R2+
R2-
RCLKIN+
RCLK IN-
RIN2+
RIN2-
RCLK+
RCLK-
Z447
R271 18
R265 18
R269 18
R272 18
R267 18
R270 18
R268 18
R266 18
R26 47
R253 47
R235
2.2K
L26
BEAD
L2
BEAD(0805)
R4
2.2K
C14
220P
C26
33P
C16
.1U
C33
33P
C11
220P
R237
75
R254
75
D16
DA204U
C
AAC
D1
DA204U
C
AAC
C9
33P
D2
DA204U
C
AAC
R236
75
C10
33P
C15
220P
C25
33P
C12
33P
C13
220P
CN5
CRT CONN. 15P
8
15
7
14
6
13
5
12
4
11
3
10
2
9
1
16
17
Q1
2N7002
G
S D
Q9
2N7002
G
S D
C254
10P
C249
10P
C269
10P
C251
10P
C250
10P
C253
10P
C252
10P
C255
10P
L29
BEAD
L27
BEAD
L43
BEAD
L28
BEAD
L30
BEAD
L31
BEAD
CN15
LCD CONN. 20P
12
34
56
78
910
11 12
13 14
15 16
17 18
19 20
RN63
8P4R_2.7K
81 72 63 54 SW7
SW DIP-4
1
2
3
4
8
7
6
5
C256
.1U
C230
4.7U
Q8
SI3456DV
3
2
1
4
5
6
G
D
D
S
D
D
C231
.1U
R256
47K
R255
2.2K
Q10
2N7002
G S
D
..
L50 L
1 2
4 3
..
L52 L
1 2
4 3
..
L53 L
1 2
4 3
..
L51 L
1 2
4 3
Close to LCD connector.
SW7-1
ON=H=1
OFF=L=0
SW7-2 SW7-3 SW7-4
VMD39 VMD36 VMD33 VMD32
12.1"
13.3"
14.1"
1
2
3
4
5
6
7
8
9
10
11
12
13
14
15
SANY O
ADI
IBM
LG
Unipac
Acer
Hy undai
NEC
HITACHI
Samsung
LT141x5-122
TX36D01VC0CAA
TX36D11VC0CAA
NL10276BC28-11E
LP141X5
HT14X12
LT141X5-124
LT133X5-122
HT13X14
L133X2-1
UP133X01
LP133X7-A2
ITSV53C1
AA121SJ0 3
LT121SU-121
TM121SV-02L04
1
0
X
Panel ID
Samsung
Samsung
Hy undai
LG
Samsung
1
1
1
1
1
1
1
1
1
11
1
1
1
1
1
1
1
1
1
1
1
1
1
1
00
0
0
0
0
00
0
0
0
00
00
00
0
0
0
0
00
00
XXX
LAYOUT NOT E:
Make sure VIDEOGND is as clean as possible
Also, t he RED,GREEN,and BLUE signal tr aces
should be shi elded w ith VIDEOGND traces.
PIN18~29=GND

B - 10
Service Manual
71-22C00-D02
A
630S(SOUTHBRIDGE)
Custom
10 31
0200-09.SCH
Monday, March 05, 2001
Title
Si ze Docum ent Number Rev
Dat e: Sheet of
ÂÅ ¤Ñ ¹q ¸£ CLEVO CO.
VCC3
VDD3
RTC VDD
VDD3
VCC1.8
VCC3
VDD3
VCC3
VCC3
VDD3
VCC3
VDD3
VCC3
AUXOK(26)
FERR# (2)
IGNNE# (1,2)
STPCLK# (1,2)
INTR (1,2)
INIT# (1,2)
SMI# (1,2)
NMI (1,2)
SERIRQ (16,20,21)
LFRAME# (20)
LDRQ# (20)
LAD[0..3] (20)
TXD3(14) ACIN#(24,26)
PWRSW#(29) EXTSMI#
SCI(23) WAKE#(23)
RXER(14) TXCLK(14)
USBP0- (15)
USBP0+ (15)
USBCLK (3)
RXD0 (14)
RXD1 (14)
RXD3 (14)
SMBDATA (25)
SMBCLK (25)
SYNC(15,18)
SDAT I1(15,18) SDAT I0(15,18)
AC_RESET#(15,18) BIT_CLK(15,18)
SDATO(15,18)
SPKR(24)
A20M# (1,2)
PWR_ON#(23,24,29) SUSPEND#(16)
ATF_INT#(2)
SYSPWGD
BATOK(26)
EXTSMI(23)
TXD0(14) TXD1(14) TXD2(14)
COL(14) CRS(14) SPDIF(19) MD C(14) RXCLK(14)
T XEN (14)
MDIO (14)
RXDV (14)
SYSPWGDPWROK(2 , 26)
SLP# (1,2)
CPUSTP# (3)
SUSPEND (24,25)
SUSPEND#(16)
RXD2 (14)
CPUSTP# (3)
STPCLK# (1,2)
EXTSMI#
USBP3- (15)
USBP3+ (15)
LAD3
LAD2
LAD0
LAD1
SLP#
USBP1+
USBP2-
USBP2+
USBP1-
SERIRQ
LDRQ#
LF RA ME #
ACIN#
USBP5+
USBP4-
USBP4+
USBP5-
SCI
WAKE#
SUSPEND#
SUSPEND#
WAKE#
EXTSMI
PWR_ON#
PWROK
CPUSTP#
SUSPEND
SUSPEND#
USBP4-
USBP3-
USBP1+
Z758
LAD2
Z483
EXT SMI#
USBP4+
SMBDAT A
INIT#
Z560
Z400
USBP1-
USBP0+
LF RA ME #
SYNC
TXCLK
TXD2
SPKR
BIT_CLK
SDATO
SDAT I0
ATF_INT#
PWR_ON#
Z555
IGNNE#
INTR
SMI#
USBP5-
LDRQ#
CRS
COL
RXER
TXD0
USBCLK
USBP0-
GV_GATE
RXD3
RXD2
RXD1
USBP2-
STPCLK#
FERR#
Z402
AUXOK
TXD3
LO/HI#
Z484
PWRSW#
USBP2+
USBP5+
SYSPWGD
AC_RESET#
SDAT I1
Z592
Z401
Z486
SMBCLK
TXEN
A20M#
LAD1
Z398
TXD1
LAD3
LAD0
RXCLK
MDC
SPDIF
VR_HI/LO#
RXD0
USBP3+
MDI O
RXDV
NMI
MII CLK
Z716
Z718
Z719
Z720
Z721
TXD0
COL
TXD1
RXER
SPDIF
TXCLK
TXEN
TXD2
RXCLK
MDC
CRS
STPCLK#
CPUSTP#
EXT SMI#
SERIRQ
ATF_INT #
SYSPWGD
BAT OK
RN62
8P4R_4.7K
1
2
3
4
7
6
5
8
RN61
8P4R_1K
1
2
3
4
7
6
5
8
TP85
R32 0
R33 0
C260
10P
C43
10P
R46 10M
Y1
32.768KHz_DIP
1 2
C259
.1U
R251 10K
R252 10K
TP109
C274
C
R455 10K
D17
F01J2E
AC
R286 1.5K
R257 0
R48 0
R250 0
Q29
2N7002
G S
D
R426 10K
R34 0
C294
.1U
C275
.1U
C276
.1U
C277
10U
RN4
8P4R_15K
1
2
3
4
7
6
5
8
RN53
8P4R_15K
1
2
3
4
7
6
5
8
R296
4.7K
ACPI
KBC
GPIO
AC '97
RTC
LPC
HOST
SMBUS
MII
USB
U6C
SiS630S
AG4
AF4
AJ4
AE5
AF5
AH4
AG5
C18
D16
D18
B17
A17
B18
A18
C17
D17
A8
AG3
AH3
F10
D6
H5
J5
G5
H6
E5
F5
E6
F6
F8
E7
E8
D7
A12
B2
B3
C9
B9
E13
A9
D5
AE7
AH2
N2
E18
E11
C7
B12
E10
B6
A6
D13
B7
A7
D8
C8
B8
C12
D12
E17
F12
C10
F14
C6
E12
D9
D10
B10
A10
A13
B13
D11
C13
A5
C4
C5
A4
B4
B5
A3
F13
F17
N24
U24
LAD0
LAD1
LAD2
LAD3
LDRQ#
LFRAME#
SIRQ
NMI
SMI#
INTR
A20M#
INIT#
IGNNE#
FERR#
STPCLK#
CPUST OP#/CPUSLP
TXEN/GP15/SMBAL#
SMBDAT
SMCLK
RXDV/OC0#
MDIO/OC1#
UV0-
UV0+
UV1-
UV1+
UV2-
UV2+
UV3-
UV3+
UV4-
UV4+
UV5-
UV5+
USBCLK48M
USB VDD0
USB VDD1
RXD[0]
RXD[1]
RXD[2]
RXD[3]
LANCLK25M
RESE RVE 2
RESE RVE 1
ENT EST
SPK
PSON#
ACPILED
EXTSMI#
PWRBTN#
RING
PME#
THERM#
KBDAT/VR-HI_LO#
KBCLK/LO_HI#
PMDAT /GV_GATE
PMCLK/GP13
KLOCK#/GP14/TXD
GP0/PREQ#3/TXD[
GP1/PGNT#3/TXD[
GP2/LDRQ1#/TXD[
GP3/RXER
GPIO4/VR-HI_LO#
GPIO5/LO_HI#
GPIO6/GV_GATE
GP7/SPDIF
GP8/ MDC
GP9/RXCLK
AC_SDIN[1]
AC_SDIN[0]
AC_SDOUT
AC_SYNC
AC_RESET#
AC_BIT_CLK
AUXOK
PWROK
BATOK
RTCVDD
OSC32KHI
OS C32K HO
RTCVSS
VSSA
VSSB
VSSC
VSSD
C297
10P
R287 10
C278
.1U
Y2
25M OSC
3
21
4
OSC
GNDNC
VCC
R327 300(R)
R333 300(R)
R230 4.7K
R278 4.7K
R259 4.7K
R13 4.7K
R12 4.7K
R229 4.7K
R277 4.7K
R27 4.7K
R28 4.7K
R258 4.7K
R231 4.7K
Q13
2N3906(R)
B
CE
Q14
2N3906(R)
B
CE
D21
LED(R)
D22
LED(R)
R343
10K
Q17
2N7002
G S
D
R336 10K
R249 10K
R279 10K
R14 10K
R481 0
R47 10K
C518
100P
C519
.1U
LPC P ULL- HIGH
PLACE NEAR T O W83626F
NEAR T O SiS 630

B - 11
Schematic Diagrams
71-22C00-D02
A
630S(PCI/IDE)
Custom
11 31
0200-10.SCH
Monday, March 05, 2001
Title
Size Docum ent Num ber Rev
Dat e: Sheet of
ÂÅ ¤Ñ ¹q ¸£ CLEVO CO.
VCC3
VCC1.8
VCC3
VCC1.8
VCC3
VCC3 VCC3
REQ0#(16)
IN TA #(16) IN TB #(16)
GNT 0#(16)
PCIRST#(13,16,20,25)
SERR#(16)
PCLK630S(3)
FRAME#(16,25) IR DY #(16,25)
C/B E#[0..3](16,25)
PAR(16)DEVSEL#(16)
ST OP #(16) TRDY#(16,25)
AD[0..31] (16,25)
PIORDY(13)
PDREQ(13) PIRQ(13)
PDIOR#(13) PDIOW#(13) PDCS0#(13) PDCS1#(13)
PDD[0..15](13)
SDIOW# (13)
SDCS1# (13)
SDCS0# (13)
SDDACK# (13)
SIRQ (13)
SDREQ (13)
SIORDY (13)
PD DA CK #(13) SDIOR# (13)
INTC#
INTD#
GNT 2#
GNT 1#
REQ1#
REQ2#
PERR#(16)
SDD[0..15] (13)
PDA0(13)
P66CBLID(13) PDA2(13) PDA1(13)
SDA1 (13)
SDA2 (13)
S66CBLID (13)
SDA0 (13)
IR DY #
GNT 2#
IN TB #
PCLK630 S
REQ1#
INTD#
INTC#
REQ0#
GNT 1#
GNT 0#
PAR
IN TA #
FRAME#
TRDY#
PLOCK#
REQ2#
DEVSEL#
SERR#
ST OP #
C/ BE#1
C/ BE#2
C/ BE#0
C/ BE#3
GNT0#
FRAME#
PCIRST# Z505
PAR
ICHRDYA
IDB1
IDB0
IDA12
IDA1
IDA15
IDA13
IDA11
IDA0
IDA14
IDA9
IDA2
IDA8
IDA10
IDA3
IDA6
IDA7
IDA4
IIRQB
ICHRDYB
IIOWB #
IDECSB1#
IIORB#
IDECSB0#
IDREQB
IDACKB#
IDSAB2
IDSAB0
IDSAB1
CBLIDB
IDSAA0
CBLIDA
SI ORDY
SIRQ
SDRE Q
SDDACK#
SDIOR#
SDIOW#
SDCS1#
SDCS0#
PDD0
PDD1
PDD2
PDD3
PDD4
PDD5
PDD7
PDD6
PDD8
PDD9
PDD11
PDD10
PDD14
PDD13
PDD15
PDD12
PI ORDY
PIRQ
PDRE Q
PDDACK#
PDIOR#
PDIOW#
PDCS0#
PDCS1#
Z506
IDB3
IDB2
IIRQA
IDREQA
IDACKA#
IIORA#
IIOWA #
IDECSA0#
IDECSA1#
AD8
AD16
AD20
AD2
AD25
AD14
AD13
AD1
AD6
AD27
AD0
AD19
AD31
AD7
AD12
AD10
AD9
AD23
AD26
AD18
AD30
AD4
AD11
AD24
AD29
AD15
AD5
AD21
AD22
AD28
AD17
AD3
C/ BE#3
C/ BE#2
C/ BE#0
C/ BE#1
INT C#
INT D#
PERR#
PLO CK#
PIORDY
PDREQ
IIRQA
SI ORDY
SDRE Q
IIRQB
SERR#
ST OP#
TRDY#
DEVSEL#
REQ1#
REQ0#
REQ2#
INT B#
INT A# IRDY#
GNT2#
GNT1#
IDB1
IDB0
IDB3
IDB2
IDB15
IDB14
IDB13
IDB12
IDB13
IDB12
IDB14
IDB15
IDB10
IDB8
IDB9
IDB11
SDD13
SDD12
SDD5
SDD6
SDD9
SDD0
IDB8
SDD8
SDD2
SDD10
IDB9
SDD7
IDB11
SDD15
SDD4
SDD3
IDB10
SDD1
SDD11
SDD14
IDB6
IDB7
IDB4
IDB5 IDB5
IDB7
IDB6
IDB4
PDA1
P66CBLI D
PDA2
PDA0
IDSAA2
IDSAA1
IDSAA0
CBLIDA
IDSAA1
IDSAA2
IDA5
SDA2
SDA1
S66CBLI D
SDA0
IDSAB2
IDSAB0
IDSAB1
CBLIDB
RN2 8P4R_10K
1
2
3
4
7
6
5
8
RN52 8P4R_10K
1
2
3
4
7
6
5
8
RN3 8P4R_10K
1
2
3
4
7
6
5
8
C332
0. 01U
C362
0. 01 U
C344
0. 01U
C348
0. 01U
C315
0. 01U
C317
.1U
C314
.1U
C333
.1U
C327
10U
C328
10U
C329
10U
R2 89 3 30
R31 33
R201 10K
C358
10U
C352
10U
C293
10U
C361
10U
RN14
8P4R_10
1
2
3
4
7
6
5
8
RN21
8P4R_10
1
2
3
4
7
6
5
8
C112
1000P
R1 09 0
C1 11
.1U
RN68 8P4R_10K
1
2
3
4
7
6
5
8
RN7 8P4R_10K
1
2
3
4
7
6
5
8
R290 10K
R68 10K
R154 10
R131 82
R146 82
R162 33
R156 10
R153 22
R166 33
R164 33
R465 10
R175 82
R470 82
R461 33
R466 10
R467 22
R464 33
R460 33
R155 5.6 K
R132 10K
R157 4.7 K
R458 5.6K
R174 10K
R459 4.7K
RN36
8P4R_10
1
2
3
4
7
6
5
8
RN35
8P4R_10
1
2
3
4
7
6
5
8
RN23
8P4R_10 1
2
3
4
7
6
5
8
RN34
8P4R_10 1
2
3
4
7
6
5
8
RN15
8P4R_10
1
2
3
4
7
6
5
8
RN16
8P4R_10
1
2
3
4
7
6
5
8
RN22 8P4R_33
1
2
3
4
7
6
5
8RN24
8P4R_33
1
2
3
4
7
6
5
8
PCI
U6 D
SiS630S
C1
C2
C3
D2
D3
D4
F3
H4
J1
L1
N1
P4
P5
P3
H3
H2
H1
J2
B11
M6
J3
L4
AJ15
C11
D1
E4
J4
E3
K6
E2
E1
F4
F2
K5
F1
G4
G3
G2
G1
L5
K4
K3
M5
K2
K1
L3
N6
L2
M4
N5
M3
M2
M1
N4
P6
N3
PREQ#[2]
PREQ#[1]
PREQ#[0]
PGNT#[2]
PGNT#[1]
PGNT#[0]
C/BE#[3]
C/BE#[2]
C/BE#[1]
C/BE#[0]
IN TA #
IN TB #
INTC#
INTD#
FRA ME #
IR DY #
TRDY#
STOP #
SERR#
PAR
DEVSEL#
PLOCK#
PCICLK
PCIRST#
AD31
AD30
AD29
AD28
AD27
AD26
AD25
AD24
AD23
AD22
AD21
AD20
AD19
AD18
AD17
AD16
AD15
AD14
AD13
AD12
AD11
AD10
AD9
AD8
AD7
AD6
AD5
AD4
AD3
AD2
AD1
AD0
IDE
U6 E
SiS630S
AH15
AE8
AE12
AG7
AJ6
AD12
AF6
AE11
AH5
AJ5
AE6
AG6
AH6
AF7
AH7
AJ7
AD13
AE13
AF9
AG8
AJ8
AH8
AF8
AJ9
AF10
AG9
AE14
AD14
AH9
AE17
AG12
AF12
AH11
AE16
AJ10
AD15
AE15
AG10
AH10
AF11
AG11
AJ11
AD16
AH12
AJ12
AH13
AF15
AD17
AJ13
AG13
AF13
AH14
AJ14
AD18
AF14
AG14
AG15
IDEA VDD
IDA0
IDA1
IDA2
IDA3
IDA4
IDA5
IDA6
IDA7
IDA8
IDA9
IDA10
IDA11
IDA12
IDA13
IDA14
IDA15
IC HRDY A
IIRQA
IDREQ[A]
IDACK#[A]
IIOR#[A]
IIOW#[A]
IDECSA#[0]
IDECSA#[1]
IDSAA[0]
IDSAA[1]
IDSAA[2]
CBLIDA
IDB0
IDB1
IDB2
IDB3
IDB4
IDB5
IDB6
IDB7
IDB8
IDB9
IDB10
IDB11
IDB12
IDB13
IDB14
IDB15
IC HRDY B
IIRQB
ID RE Q[ B]
IDACK#[B]
IIOR#[B]
IIOW#[B]
IDECSB#[0]
IDECSB#[1]
IDSAB[0]
IDSAB[1]
IDSAB[2]
CBLIDB
C345
0. 01U
NEAR TO 630S

B - 12
Service Manual
71-22C00-D02
A
630S(POWER)
Custom
12 31
0200-11.SCH
Monday, March 05, 2001
Title
Size Document Number Rev
Dat e: Sheet of
ÂÅ ¤Ñ ¹q ¸£ CLEVO CO.
VCC3
VCC3
VCC1.8
VDD3
V CC3 VCCTVCC1.8
VCC1.8
V CC3
VDD1.8
GTLVTT
VDD3
GTLVTT
VDD1.8
C289
.1U
C309 1U
C310
1U
C288 .1U
C292
.1U
C341 .1U
C342
.1U
C326 .1U
C290
.1U
C343 .1U
C340 .1U
C339
.1U
C331 .1U
C363
.1U
C351 .1U
C318
.1U
C364
.1U
C350 .1U
C349
.1U
C316 .1U
C330
.1U
C313 .1U
C312 .1U
C347
.1U
C320
0. 01U
C295
1U
C296
10U
C245
0. 01U
C244
1U
C246
10U
R285
R(1206)
R274
0(1206)
C346 .1U
C311 .1U
POWER
U6F
SiS630S_3
AA11
AA12
AA13
AA18
AA19
AA20
AA22
AB12
AB19
AB21
AB22
H10
H17
J11
J12
J9
K8
K9
M9
U21
U22
V21
V22
W21
W22
Y21
AB10
AB11
AB13
AB18
AB20
H11
H12
H18
J18
L8
M8
N22
T22
Y22
AA10
AA14
AA17
AA21
AB14
AB17
H13
H16
J10
J13
J16
J17
J19
J20
K21
L21
L9
M2 1
N21
N9
T21
U9
H9
J8
AA8
AA9
AB8
AB9
N8
P8
P9
U8
V8
V9
W8
W9
Y8
Y9
H19
H20
H21
H22
J21
J22
K22
L22
M2 2
L13
L14
L15
L16
L17
M1 2
M1 3
M1 4
M1 5
M1 6
M1 7
M1 8
N11
N12
N13
N14
N15
N16
N17
N18
N19
P14
P15
P18
P19
R14
R15
T14
T15
U14
U15
V14
V15
W13
W14
W15
P16
P17
R16
R17
R18
R19
T16
T17
T18
T19
U16
U17
U18
U19
V16
V17
V18
W16
W17
P11
P12
P13
R11
R12
R13
T11
T12
T13
U11
U12
U13
V12
V13
OV DD
OV DD
OV DD
OV DD
OV DD
OV DD
OV DD
OV DD
OV DD
OV DD
OV DD
OV DD
OV DD
OV DD
OV DD
OV DD
OV DD
OV DD
OV DD
OV DD
OV DD
OV DD
OV DD
OV DD
OV DD
OV DD
PVDD
PVDD
PVDD
PVDD
PVDD
PVDD
PVDD
PVDD
PVDD
PVDD
PVDD
PVDD
PVDD
PVDD
IV DD
IV DD
IV DD
IV DD
IV DD
IV DD
IV DD
IV DD
IV DD
IV DD
IV DD
IV DD
IV DD
IV DD
IV DD
IV DD
IV DD
IV DD
IV DD
IV DD
IV DD
IV DD
AUX3.3V
AUX1.8V
VDDQ
VDDQ
VDDQ
VDDQ
VDDQ
VDDQ
VDDQ
VDDQ
VDDQ
VDDQ
VDDQ
VDDQ
VDDQ
VDDQ
GT L V T T
GT L V T T
GT L V T T
GT L V T T
GT L V T T
GT L V T T
GT L V T T
GT L V T T
GT L V T T
VSS
VSS
VSS
VSS
VSS
VSS
VSS
VSS
VSS
VSS
VSS
VSS
VSS
VSS
VSS
VSS
VSS
VSS
VSS
VSS
VSS
VSS
VSS
VSS
VSS
VSS
VSS
VSS
VSS
VSS
VSS
VSS
VSS
VSS
VSS
VSS
VSSD
VSSD
VSSD
VSSD
VSSD
VSSD
VSSD
VSSD
VSSD
VSSD
VSSD
VSSD
VSSD
VSSD
VSSD
VSSD
VSSD
VSSD
VSSD
VSSQ
VSSQ
VSSQ
VSSQ
VSSQ
VSSQ
VSSQ
VSSQ
VSSQ
VSSQ
VSSQ
VSSQ
VSSQ
VSSQ
C319 .1U
C521 330U
Default : 1-2

B - 13
Schematic Diagrams
71-22C00-D02
A
IDE
Cus tom
13 31
0200-12. SCH
Monday, March 05, 2001
Title
Size Docum ent Num ber Rev
Dat e: Sheet of
ÂÅ ¤Ñ ¹q ¸£ CLEVO CO.
CD_VCCCD_VCC
HDD_VCC
VCC
VCC
HDD_VCC
HDD_VCC VCC
VCC
CD_VCC
VDD VCC
VCC
VCC
VCC VCC
VCC
P66CBLID (11)
PDA0(11) PDA 1(11) PDA 2 (11)
PDCS1# (11)
PDREQ(11) PDIOW#(11) PDIOR#(11)
PDDACK#(11) PIORDY(11)
PDCS0#(11)
PCIRST #(11,16,20,25)
PCIRST #(11,16,20,25)
PIRQ(1 1 )
SIRQ(11)
SDIOW#(11) SIORDY(11)
SDA0(11) SDA1(11) SDA2 (11)
SDCS1# (11)
S66CBLID (11)
SDDACK# (11)
SDIOR# (11)
SDREQ (11)
SDCS0#(11)
CD_L(18) CD_ R (18)
IMDATA(23) IMCLK(23)
FDDLED #(2 1 )
SCROLED#(23) CAPLED#(2 3 ) NUMLED#(2 3 )
BRIGADJ(2 3 ) PANEL
PWRLED#(24) CHRLED#(24)
ENABKKL(7)
SDD[0..15] (11)
PDD[0..15] (11)
BATLED#(24)
PDD[ 8.. 15]
SDD[ 8.. 15]
SDD[0..7]
PDD[ 0.. 15]
SDD[ 0.. 15]
CD_L
PDIRQ
SCSEL
SDA2
Z305
Z304
CDDASP#
SDCS1#
S66CBLID
SDREQ
Z306
SDDACK#
SDIOR#
P66CBLID
PDCS1#
PDD7
PDD3
PDCS0#
PDD14
PDDACK#
PDD10
PDD15
HDDDASP#
PDIOW#
PIORDY
PDD1
PDA0
PDD5
Z307
PDA2
PDD12
PDD9
PDIOR#
PDD13PDD2
PDREQ
PCSEL
PDD0
PDA1
PDD4 PDD11
PDD6 PDD8
CD_ R
SDD0
SDD3 SDD14
SDD11
SDD7
SDD2
SDD5
SDD15
SDD4
SDD9
SDD1
SDD12
SDD10
SDD8
SDD13
SDD6
CDDASP#
IDELED#
CDRST #
HDDRST#
SDCS0#
SDIOW#
SIORDY
SDA0
SDA1
SDIRQ
IMDAT A
BATLED#
PWRLED#
IMCLK
CHRLED#
PANEL
Z316
NUMLED#
SCROLED#
CAPLED#
FDDLED #
IDELED#
BRIGADJ
COVER_S W#
PANEL
Z539
ENABKKL
HDDDASP#
P DD[ 0. . 7]
COVE R_SW#
Z318
Z317
Z319
R472
10K
R163 33
R450
470
R152
470
R165
10K
R462
10K
R363 10 K
R471
10K
C173
.1U
R130 0
R129 0 CN16
HDD c onn. 50P
12
34
56
78
910
11 12
13 14
15 16
17 18
19 20
21 22
23 24
25 26
27 28
29 30
31 32
33 34
35 36
37 38
39 40
41 42
43 44
45 46
47 48
49 50
+
C192
100U/10V
C191
10U
C174
.1U
L22
BEAD(1206)
C470
.1U
+
C222
10U
C472
10U
C471
.1U
L60
BEAD(1206)
R463 33
CN20
CD- ROM conn. 50P
12
34
56
78
910
11 12
13 14
15 16
17 18
19 20
21 22
23 24
25 26
27 28
29 30
31 32
33 34
35 36
37 38
39 40
41
43
45
47
49
42
44
46
48
50
C476
33P
C477
33P
CN21
T/P X CHR LED 8P
1
2
3
4
5
6
7
8
C248
.1U
L45
BEAD
L46
BEAD
L44
BEAD(0805)
CN12
INVERTER 10P
1
2
3
4
5
6
7
8
9
10
TP7
TP21
TP 180
TP20
U23 B
74HCT 08
4
56
147
SW1
COVER CLOSE SW. 4P
13
24
Q18
2N7002
G
S D
U23 A
74HCT 08
1
23
147
R362 10 K
R365
2.2K
R364
47K
R25
10K
C31
.1U
C266
.1U
C265
.1U
L48
BEAD(1206)
The components should be close to the connector.
PINGND1..2=GND
The components should be close to the connector.

B - 14
Service Manual
71-22C00-D02
A
LAN PHY
Custom
14 31
0200-13.SCH
Monday, M arc h 05, 2001
Title
Si ze Docum ent Num ber Rev
Dat e: Sheet of
ÂÅ ¤Ñ ¹q ¸£ CLEVO CO.
VDD3
PVCC3
PVCC3
PV CC3
VDD3
V DD3
VDD3
V DD3
VDD3
VDD3
VDD3
V DD3
VDD3
TXD0(10) TXD1(10) TXD2(10) TXD3(10)
TXEN(10)
TXCLK(10)
RX ER(10)
RXCLK(10)
RX DV(10)
RXD0(10) RXD1(10) RXD2(10) RXD3(10)
MDI O(10) MDC(10)
CRS(10) COL(10)
LRX+
LTX-
LTX+
RING (15)
TIP (15)
LRX-
CRS Z12
COL Z13
TXEN NOD/REP
TXCLK TP_CP
Z18
Z19
TXER
Z20
Z21
RX ER Z22 LRX+
LRX-
RX CLK
RX DV
RXD0 Z23
RXD1 Z24
RXD2 Z25
RXD3 Z26
RESET -
MDC Z27
MD I O Z2 8
HW/SW
MII /S I
NOD/REP
P2LI
P3TD
P4RD
HW/SW
P1CL
P2LI
P3TD MII / S I
P4RD
P0AC
TD+
TD-
RD-
Z262
Z80
Z79
Z78
RD+
Z263
LRX+
Z264
PVCC3
Z656
Z517
TP_CP
REF _OUT
REF _IN
Z518
Z579
TXD3 Z14
Z15TXD2
Z17TXD0 Z16TXD1
RING
TIP
LT X+
LT X-
LTX-
LTX+
10TCSR
10TCSR
100TCSR
100TCSR
Z663
Z664
LRX-
P0AC
P1CL
R65 22
R66 22
R74 22
R86 22
R85 22
R101 22
R100 22
R99 22
R97 22
R95 1K
R96 1K
C104
.1U
R62 1K
R83 1.54K (1%)
C94 C
R118 2K(1%)
C122 C
R54 1K
R63 1K
R55 1K
R98
1.5K
R94 10K
R84
1K
U7
ICS1893
1
64
2
3
4
5
6
7
8
9
10
11
12
13
14
15
16
17
18
19
20
21
22
23
24
25
26
27
28
29
30
31
32
33
34
35
36
37
38
39
40
41
42
43
44
45
46
47
48
49
50
51
52
53
54
55
56
57
58
59
60
61
62
63
NOD/REP
P4RD
10/100SEL
TP_CP
VSS_T
TP_TX+
TP_TX-
VDD_T
VDD_R
10TCSR
100TCSR
VSS_R
VSS_R
TP_RX+
TP_RX-
VDD_R
VDD_R
VSS_R
RESE TN
MII /S I
NC
LSTA
VSS_R
HW/SW
DPXSEL
VDD_D
ANSEL
LOCK
VSS_D
VSS_IO
MDI O
MDC
RXD3
RXD2
RXD1
RXD0
RXDV
VDD_IO
RXCLK
RXER
VSS_IO
RXTRI
TXER
TXCLK
TXEN
TXD0
TXD1
TXD2
TXD3
COL
CRS
VDD_IO
REF_OUT
REF_IN
VDD_IO
P0AC
VSS_IO
VSS_D
VSS_R
P1CL
P2LI
VSS_T
P3TD
VDD_T
R9
75
R8
75 R41
75 R40
75
U20
H0009
1
2
3
4
7
6
8
5
16
14
15
13
10
11
9
12
RX+
RX-
RXC
NC
TX+
TXC
TX-
NC
RD+
RDC
RD-
NC
TD+
TDC
TD-
NC
C53 C
C83
.1U
C82
.1U
C102
.1U
C103
.1U
C71
.1U
C105
.1U
C106
.1U
C68
.1U
C67
.1U
L17
BEAD(1206)
1 2
CN2
LAN RJ-45 8P
1
2
3
4
5
6
7
8
9
10
C21
1000P(1210)2KV
C69 5P
C70 5P
Y3
25M
L7
BEAD(1206)
TP22
TP23
TP43
TP44
RN5
8P4R_22
8 1
7 2
6 3
5 4
RN9
8P4R_22
81 72 63 54
R18 0(R)
R19 0(R)
R52
61.9(1%) C55
C
C52
C
R60
61.9(1%)
R61
61.9(1%)
R82 12.1K
R53
61.9(1%)
C54
.1U
C66
.1U
R67 1K
R64 1K
1.HW/SW=1
2.MII/SI=0
3.NOD/REP=0
LOW=10 BASE-T ,
HIGH=100BASE-T
LOW=HALF-DUPLEX,
HIGH=FULL-DUPLEX
LOW=DISABLE,
HIGH=ENABLE
(ADD2)
(ADD3)
(ADD4)
SET PHY
ADDRESS=00001
SET TRANSMITTING DRIVING CURRENT
NEAR TO 1893
(ADD0)
(ADD1)
10/100SEL: 10/100MHZ INDECATED
DPXSEL: HALF OR FULL INDECATED
ANSEL: AUTO-N EGOTI TATI ON IN DECATE D
SW M OD E
MII MODE
NODE OPERAT ION

B - 15
Schematic Diagrams
71-22C00-D02
A
USB & MDC CON
Custom
15 31
0200-14.SCH
Friday, November 10, 2000
Title
Size Docum ent Number Rev
Dat e: Sheet of
ÂÅ ¤Ñ ¹q ¸£ CLEVO CO.
VCC US B VC C0 US B VC C1
VCC
USBVCC0USBVCC1
USBVCC1
USBVCC0
VCC
VCC
VCC3 VDD3
USBP0-(1 0 )
USBP0+(1 0)
USBP3-(1 0 )
USBP3+(1 0)
OC1#
OC0#
SDATO(10,18)
AC_RESET#(10,18)
SYNC (10,18)
SDATI1 (10,18)
SDATI0 (10,18)
BIT_CLK (10,18)
MODE MSP K (18 )
RING (14)
TIP (14)
USBP3-
Z1
USBP0-
USBP3+
USBP0+
Z324
Z325
Z3
Z85
Z86
Z2
Z521 Z522
Z523
OC1#
OC0#
AC_RESET#
SDATO
MDC_RESET #
SYNC
Z524 SDATI1
Z525
Z526
MODE MSP K
Z527
Z528
Z529
SDATI0
Z530
BIT_CLK
Z533
Z534
Z535
Z536
Z537 HRT XRX P
Z323
Z326
HRT XRX N RING
TIP
L25
0
L1
0
C224
47P(R)
C227
47P(R)
L6
0
C24
47P(R)
C8
47P(R)
L32
0
CN4
USB CO N 8P
1
2
3
4
5
6
7
8
VCC
1DATA-
1DATA+
GN D
VCC
2DATA-
2DATA+
GN D
C7
47P
C225
47P
C228
47P
C23
47P
R3 22
R232 22
R238 22
R11 22
F2
POLYFUSE
SMDC110
L13
BEAD(1206)
C49
0.01U C48
10U
F1
POL YFUS E
SMDC110
L12
BEAD(1206)
C46
0.01U C47
10U
L47
BEAD(1206)
L49
BEAD(1206)
R263 470K
R264 560K
C268 0.01U
R262 470K
R261 560K
C267 0.01U
R370
0
R353
0(R)
R354
10K(R)
R355
0
TP14
TP13
TP166
TP167
TP11
TP10
TP15
TP16
CN18
MDC CON 30P
1
3
5
7
9
11
13
15
17
19
21
23
25
27
29 30
28
26
24
22
20
18
16
14
12
10
8
6
4
2
MONO_OUT
GND
AUXR
AUXL
CDGND
CD_R
CD_L
GND
3.3V
GND
3.3V
SDATA_O
RESET#
GND
MCLK BCLK
GND
SDATA_INA
SDATA_INB
SYNC
GND
VCC
P_DN
R_D
R_D
VCC
GND
R_D
MONO_PHONE
AUDIO_PD
TP12
CN14
MDC 2P
1
2
R233
15K
R10
15K
R2
15K
R239
15K
R20
0
R7
0
TP17

B - 16
Service Manual
71-22C00-D02
A
PCMCIA & PHY
Custom
16 31
0200- 15.SCH
Monday, March 05, 2001
Title
Size Docum ent Number Rev
Date: Sheet of
ÂÅ ¤Ñ ¹q ¸£ CLEVO CO.
VCC3_AUX
B_VPP
B_VCC
B_VCC
B_VCC VCC3_A UX
TPGND
B+
PHY3V
TPGND
TPGND
PHY3V
TPGND
PHY3V
TPGND
TPGND
TPGND
VCC3
PHY3V
TPGND
TPGND
TPGND
PHY3V
VCC3_AUX
VCC3_AUX
VCC
PAR(11)
STOP#(11)
RE Q0 #(11)
FR A ME #(11,25)
GN T 0 #(11)
SERR#(11)
AD21(11)
IRDY#(11,25)
DEVSEL#(11)
PERR#(11)
TRDY#(11,25)
INTA#(11)
PCLK TI(3)
TI_PME#(17,23)SUSPEND#(10)
C/BE#[0..3](11,25)
AD[0..31](11,25)
B_BVD1# (17)
B_WP# (17)
B_RESET (17)
B_CA14 (17)
B_CA15 (17)
B_CA22 (17)
B_INPACK (17)
B_CA21 (17)
B_CA20 (17)
B_CA19 (17)
B_BVD2# (17)
B_WAIT # (17)
B_RDYBY # (17)
B_CD2# (17)
B_VS2 (17)
B_VS1 (17)
B_CD1# (17)
PCIRST#(11,13,20,25)
SPKROUT(24)
S E RIRQ(10,20,21) PHYSCLK(17)
PC_RING#(22)
VPPD1(17)
VCCD1#(17)
VPPD0(17)
LED_SKT(17) INTB#(11)
ZV S EL0 #(17) PHYSDATA(17)
ZV S EL1 #(17)
TPA1+ (17)
TPB1+ (17)
TPB1- (17)
TPA1- (17)
B_CD0
B_CD1
B_CD2
B_CD3
B_CD4
B_CD5
B_CD6
B_CD7
B_CD8
B_CD9
B_CD10
B_CD11
B_CD12
B_CD13
B_CD14
B_CD15
B_CA0
B_CA1
B_CA2
B_CA3
B_CA4
B_CA5
B_CA6
B_CA7
B_CA8
B_CA9
B_CA10
B_CA11
B_CA12
B_CA13
B_CA16
B_CA17
B_CA18
B_CA23
B_CA24
B_CA25
B_IORD#
B_IOWR#
B_OE #
B_WE#
B_REG#
B_CE1#
B_CE2#
TPBIAS1 (17)
VCCD0#(17)
1394CLK(18)
Z76 1
B_CD10
B_CA2
B_OE #
B_CD7
B_CD4
B_CD9
B_VS1
B_CD14
B_CD2
B_VS2
B_CD6
B_CD0
B_RDYBY #
B_CD2#
B_RESET
B_CA22
B_CA9
B_BVD1#B_BVD1#
B_INPACK
B_CE2#
B_CE1#
B_CA6
B_CA8
B_WAIT #
B_CA0
B_CA10
B_WP#
B_CA12
B_CA14
B_BVD2#
B_REG#
B_CA15
B_CA13
B_CA18
B_IORD#
B_CD1#
B_CA3
B_CD8
B_CA21
B_CA20
B_CA5
B_WE#
B_CA24
B_IOWR#
B_CD11
B_CA11
B_CD15
B_CA1
B_CA19
B_CD1
B_CA23
B_CD13
B_CD12
B_CD5
B_CD3
Z72 6
Z72 7
Z72 8
Z72 9
PHYCPS
PHYISO#
PHYCNA
Z23 5
Z81 2
Z81 3
Z81 4
TPB1-
TPA1-
TPA1+
TPB1+
TPBIAS1
Z81 5
Z81 6
Z81 7
Z81 8
Z81 9
Z72 4 Z725AD21
B_CA25
B_CA7
B_CA4
B_CA17
Z1 1
PHY_LKON
AD7
AD8
B_IORD#
PERR#
B_CA15
B_CD14
VPP D1
AD[0..31]
PHY_D3
STOP#
B_CA11
B_CA7
B_CA0
PHY_CLK
PHYSCLK
AD4
C/BE#0
B_BVD2#
B_OE#
DE VSEL #
TRDY#
AD16
B_CA18
C/BE#3
B_BVD1#
PHY_LPS
PHY_REQ
PHY_D0
B_CD2#
B_CA19
B_CA16
B_VS1
B_CA6
VCCD0# PHY_D6
PHYSDATA
AD6
B_CE2#
C/BE#1
AD17
B_CA10
B_CD15
B_VS2
Z75 9
AD0
AD14
AD19
B_CA23
AD21
B_CA4
B_CD11
C/BE#[0..3]
PHY_D5
ZV S EL0 #
TI_PME#
AD12
B_CD8
B_CD7
B_CA20
AD24
AD25
B_CD13
GRST #
AD9
B_REG#
B_CD5
B_CD2
B_CA14
B_CA9
B_CA3
PHY_D4
AD2
B_CD3
AD30
B_CA1
B_CD12
B_CD10
ZV S EL1 #
AD15
B_WE#
AD20
AD28
B_CD6
AD29
RE Q0 #
B_CA5
PHY_CTL0
PHY_CTL1
PHY_D2
AD1
AD11
PAR
FRA ME #
B_CD0
B_CA2
IRDY#
B_CD4
B_IOWR#
B_CA17
AD27
AD31
B_CD1#
VPP D0
SUSPEND#
PCIRST#
B_CA16
PHY_D7
PHY_D1
SERR#
B_CE1#
AD18
PCLKTI
PC_RING#
B_RESET
B_WP#
B_RDYBY#
B_CA22
AD22
AD23
SPKROUT
Z20 3
INTB#
S E RIRQ
B_ WAIT #
AD13
B_INPACK
B_CA13
B_CA8
VCCD1#
AD10
C/BE#2
B_CA12
GN T 0 #
AD3
AD5
B_CD9
B_CD1
B_CA25
B_CA24
B_CA21
AD26
INTA#
LED_SKT
1394CLK
Z76 1
Z82 0
Z82 1
R17 1 10 0
R19 0 0
R20 8 10K
R18 9 0(R)
R143 47
R14 2
R
R12 5
R
C371
.1U
C372
.1U
R20 7
10K
C14 4
.1U
C17 0
.1U
C18 5
.1U
C18 6
.1U
C20 7
.1U
C14 2
.1U
C20 6
.1U
C20 0
10U
C15 7
10U
C15 9
.1U
C14 3
.1U
CN23
PCMCI A CO N 68P
2
3
4
5
6
7
8
9
10
11
12
13
14
15
16
19
20
21
22
23
24
25
26
27
28
29
30
31
32
33
36
37
38
39
40
41
42
43
44
45
46
47
48
49
50
53
54
55
56
57
58
59
60
61
62
63
64
65
66
67 34
68
17
51
1
35
18
52
A2
A3
A4
A5
A6
A7
A8
A9
A10
A11
A12
A13
A14
A15
A16
A19
A20
A21
A22
A23
A24
A25
A26
A27
A28
A29
A30
A31
A32
A33
A36
A37
A38
A39
A40
A41
A42
A43
A44
A45
A46
A47
A48
A49
A50
A53
A54
A55
A56
A57
A58
A59
A60
A61
A62
A63
A64
A65
A66
A67 GND
GND
VCC
VCC
GND
GND
VPP1
VPP1
C10 8
.1U(K%)
C9 5
10P C7 2
10P
R140 390K
R137 4.7K
R8 7 22 0
C10 7 . 1U
R120 6.34K(1%)
R11 9 1M
C10 9 . 1U
R13 8 1K
R14 1 1K
R12 4 22 0
R12 1 22 0
R13 6 R
R12 2 R
R123 4.7K
R13 9 R
R10 5 1K
R10 4 1K
T
T
T
C5 6
.01U
C7 3
.01U
C301
.01U
C8 4
.1U
C74
.1U
C5 7
.1U
C30 0
.1U
L18 BL M21P221SGPT M0 0-0 3
C9 6
4.7U
R107 10K
C15 8
.1U
R10 6 1K
T
T
T
T
T
T
T
T
R103 10
T
T
T
T
T
T
T
T
T
T
T
T
T
T
T
T
T
T
T
T
T
T
U4
TSB41LV01
17
18
63
64
32
33
57
58
39
48
49
50
25
26
61
62
30
31
42
51
52
56
40
41
6
7
8
9
10
11
12
13
4
5
59
60
54
55
20
21
22
28
29
2
19
3
27
24
23
15
1
14
53
38
47
37
36
35
34
46
45
44
43
DGND
DGND
DGND
DGND
AGND
AGND
PGND
PGND
AGND
AGND
AGND
AGND
DVDD
DVDD
DVDD
DVDD
AVDD
AVDD
AVDD
AVDD
AVDD
PVDD
R0
R1
DATA0
DATA1
DATA2
DATA3
DATA4
DATA5
DATA6
DATA7
CTL0
CTL1
XI
XO
FILT ER 0
FILT ER 1
PC0
PC1
PC2
SE
SM
PHYCLK/4 9.152M
C/LK ON
CNA
TESTM
CPS
ISO#
LPS
LREQ
PWRDN
RESET#
TPBIAS1
TPBIAS2
TPA1+
TPA1-
TPB1+
TPB1-
TPA2+
TPA2-
TPB2+
TPB2-
T
T
T
T
T
T
T
T
PCI4410
POWER
PC CARD
Interface
PCI
Interface
Miscellaneous
ZV_PORT
Interface
GROUND
PHY
U1 5
PCI4410BGA
F17
M1
U1 0
V6
J18
E13
M1 4
V12
U1 2
M1 8
M1 9
C8
V11
K19
L19
R1 0
K14
W13
A12
L17
W7
H1 9
P3
C1 1
L2
K17
B11
A11
J17
C1 2
B13
C1 3
C1 4
H2
G1 7
A14
J15
F19
F11
H1
E10
J1
J2
J3
E1
K15
J6
K1
K2
G1 9
F13
G1 5
K3
F14
K5
C1 5
D1 9
K6
G1 4
L1
F18
E19
E18
J19
L3
L6
G1 8
L5
E12
E17
A16
E14
B15
B14
C9
A10
E9
B8
F9
L18
L14
M2
F15
M3
M6 F10
J5
K18
N1
A8
N2
N3
N6
P1
P2
N5
R1
P6
H1 7
J14
R2
P5
R3
T1
W4
H1 4
U5
R6
P7
V5
F12
M5
B10
U6
B12
H1 8
C1 0
R7
W6
A9
P8
U7
V7
R8
U8
V8
W8
W9
V9
U9
W5
P9
W10
V10
P10
W11
U1 1
P11
R1 1
W12
R9
P14
R1 9
L15
V13
U1 3
R1 2
H1 5
A15
E11
G1
A13
B9
A7
B6
C6
F6
B5
E6
C5
A4
D1
F7
B7
E8
A6
F8
C7
R1 3
U1 4
W15
V15
R1 4
U1 5
W16
T19
R1 7
N1 4
P15
P17
R1 8
N1 5
P18
N1 7
P19
N1 8
M1 7
N1 9
M1 5
W14
V14
E7
A5
E3
F5
G6
E2
F3
F2
G5
F1
H6
G3
G2
H5
H3
P12
P13
VCC
VCCP
SPKROUT
VCCP
VCC
VS2#/CVS2
VCC
VPPD0
VPPD1
VCCD0#
VCCD1#
D1 0/CA D3 1
GRST #
D12/CAD4
CD1#/CCD1#
VCCI
D14/CRSVD
VCC
VCCCB
D11/CAD2
VCC
VCCCB
VCC
A0/CAD26
VCC
D13/CAD6
A1/CAD25
A2/CAD24
D15/CAD8
A3/CAD23
A4/CAD22
A5/CAD21
A7/CAD18
REQ#
A9/CAD14
A6/CAD20
A10/CAD9
A8/CC/BE1#
VS1#/CVS1
GNT #
BV D1 (S T SC HG#/RI#)/CS T SCHG
AD31
AD30
AD29
GND
D6/CAD5
AD28
AD27
AD26
A1 1 /CA D1 2
A12/CC/BE2#
A13/CPAR
AD25
A14/CPERR#
AD24
A15/CIRDY#
A16/CCLK
C/BE3#
A1 7 /CA D1 6
IDSEL
A18/CRSVD
A19/CBLOCK #
A20/CST OP #
D7/CAD7
AD23
AD22
IOW R #/ CA D1 5
AD21
INPACK# /CREQ#
A21/CDEVSEL#
A2 2/CT RDY#
A23/CFRAME#
A2 4 /CA D1 7
A2 5 /CA D1 9
D0/CAD27
READY(IREQ#)/CINT#
D1/CAD29
D2/CRSVD
D8/CAD28
D3/CAD0
D4/CAD1
AD20
WE#/CGNT#
PRST#
PCLK WP(IOIS16# )/CCLKRUN#
GND
D5/CAD3
AD19
D9/CAD30
AD18
AD17
AD16
C/BE2#
FR A ME #
IRDY#
TRDY#
DEVSEL#
OE #/ CA D1 1
CE1#/CC/BE0#
STOP#
PERR#
SERR#
PAR
C/BE1#
I OR D#/CA D1 3
AD15
AD14
AD13
AD12
RESET /C RST #
GND
WAIT#/CSERR#
AD11
RE G# /C C/B E3 #
CE2#/CAD10
BVD2(SPKR#)/CAUDIO
AD10
AD9
CD2#/CCD2#
AD8
C/BE0#
AD7
AD6
AD5
AD4
AD3
AD2
AD1
AD0
GND
RI_O UT #/ P ME #
MF0 /I NT A #
MF1/ZVSEL0#/SDA
MF2/PC_RING#
MF3 /S E RIRQ
MF4/ZV SEL1#/SCL
MF5 / L E D _ S K T
MF6 /C L K R UN #
SUSPEND#
GND
GND
GND
GND
INTA#
INTB#
LED_SKT
GND
GND
GND
VCC
VCC
VCC
VCC
PHY_DATA0
PHY_DATA1
PHY_DATA2
PHY_DATA3
PHY_DATA4
PHY_DATA5
PHY_DATA6
PHY_DATA7
PHY_CTL1
PHY_CLK
PHY_LREQ
PHY_ LINKON
PHY_LPS
PHY_CTL0
ZV _Y 0
ZV _Y 1
ZV _Y 2
ZV _Y 3
ZV _Y 4
ZV _Y 5
ZV _Y 6
ZV _Y 7
ZV_UV0
ZV_UV1
ZV_UV2
ZV_UV3
ZV_UV4
ZV_UV5
ZV_UV6
ZV_UV7
ZV _S CLK
ZV _MCLK
ZV _P CLK
ZV_LRCLK
ZV _S DA TA
ZV _H RE F
ZV _V SY NC
VCCL
GND
P_R
P_R
P_R
P_R
P_R
P_R
P_R
P_R
P_R
P_R
P_R
P_R
P_R
RSVD
RSVD
Y4
24.576MHz
1 2
R10 2 R
JP 2 S HORT
R47 4
43k
R47 3
43k
R48 6
0(R)
R48 4 0(R) R48 5 0
R49 1 0
R49 2 0

B - 17
Schematic Diagrams
71-22C00-D02
A
PCMCIA POWER
Cus tom
17 31
0200-16. SCH
Monday, March 05, 2001
Title
Size Document Number Rev
Dat e: Sheet of
ÂÅ ¤Ñ ¹q ¸£ CLEVO CO.
VCC
12V
B_VCC
B_VP P
VCC3
VCC3_AUX
VCC3 VCC3_ AUX
B_VCC
VCC3_AUX
VCC3_ AUX
B+
TPGND
VCC3_AUX VCC
VCCD1# (16)
VPPD0 (16)
VPPD1 (16)
VCCD0# (16)
TI_PME#(16 ,2 3)
B_RESET (16)
B_CA14 (16)
B_INP ACK (16)
B_CA21 (16)
B_CA20 (16)
B_CA19 (16)
B_BVD2# (16)
B_WA IT # (16)
B_RDYBY# (16)
B_CD2# (16)
B_VS2 (16)
B_VS1 (16)
B_CD1# (16)
ZVSE L1# (16)
LED_SKT (16)
ZVSE L0# (16)
TPB1-(16) TPB1+(16) TPA1-(16)
PHYSDATA(16) PHYSCLK(16)
TPBIAS1(16) TPA1+(16)
B_CA15 (16)
B_CA22 (16)
B_BVD1# (16)
B_WP # (16)
Z217
VCCD0#
VCCD1#
VPPD0
VPPD1
TI_PME#
B_RESET
B_INPACK
B_CA14
B_CA19
B_CA20
B_CA21
B_BVD2#
B_RDYBY#
B_WAIT #
B_VS2
B_VS1
B_CD2#
B_CD1#
LED_SKT
ZVSE L1#
ZVSE L0#
Z730
Z735
TPGND
TPB1-
TPA1-
TPB1+
TP BIAS 1
PHYSDATA
PHYSCLK
Z756
TPA1+ Z734
Z733
Z732
Z731
B_CA15
B_CA22
B_BVD1#
B_WP#
C190
.1U
C213
.1 U
C214
.1 U
U16
TPS2211
4
3
11
5
12
9
13
10
16 7
1
2
15
14
6
8
3.3V
3.3V
BVCC
5V
BVCC
12V
BVCC
BVPP
SHDN# GN D
VCCD0#
VCCD1#
VPPD0
VPPD1
5V
OC#
C188
.1U
C215
4.7U
C187
4.7U
C212
4.7U
R191
10K
U12
T PS2032(R)
1
4
2
3
6
7
8
5
GND
EN
IN
IN
OU T
OU T
OU T
OC #
R151 0(1206)
R173 10K(R) C146
.1 U
C172
.1 U
R172 43K
RP 10
10P8R_43K
1
2
3
4
6
7
8
9
5
10
RN19
8P4R_43K
81 72 63 54
C171
.1U(R) C145
.1U(R)
RN20
8P4R_43K
81 72 63 54
R209
47K
R206
47K
R210
47K
R43
56.2_1%
R45
56.2_1%
C271
220P
R44
56.2_1%
D3
F1J 4(2A)
A C C30 0.1u
C270
1U(0805)(K %)
R273
4.7K
R42
56.2_1%
CN8
1394_CON
1
2
3
4
5
6
8
7
9
VPP
VGND
TPB#
TPB
TPA#
TPA
GND
GND
GND
R199
2.7K
C211
1U
C189
.1U
C210
.1 U
U18
S-24C02
1
2
3
45
6
7
8AD0
AD1
AD2
GNDSDA
SCL
WE#
VCC
R200
2.7K
H1
HoleC158D158 H2
HoleC158D158 H18
HoleC55D55
FD5
C-MA RK1
1
FD3
C-MA RK 1
1
FD16
C-MA RK1
1
FD19
C-MA RK 1
1
FD20
C-MA RK 1
1
FD22
C-MA RK 1
1
FD21
C-MA RK1
1
FD18
C-MA RK 1
1
FD2
C-MA RK 1
1
FD17
C-MA RK 1
1
FD11
C-MA RK 1
1
FD8
C-MA RK 1
1
FD12
C-MA RK1
1
FD13
C-MA RK 1
1
FD4
C-MA RK 1
1
FD9
C-MA RK1
1
FD7
C-MA RK 1
1
FD6
C-MA RK 1
1
FD14
C-MA RK1
1
FD15
C-MA RK 1
1
FD1
C-MA RK 1
1
FD24
C-MA RK1
1
FD10
C-MA RK1
1
FD23
C-MA RK 1
1
H26
HoleC158D158 H25
HoleC158D158
H11
Hol eC120D87A H14
HoleC120D87A
H19
HoleC55D55
H7
Holeoblong
H3
O90X130D40X87 H6
Holeoblong
1
H20
HoleC217D110
2
3
4
5 6
7
8
9
1
H10
Hole C237D107B
2
3
4
5 6
7
8
9
1
H9
HoleC237D107A
2
3
4
5 6
7
8
9
1
H12
HoleC237D107A
2
3
4
5 6
7
8
9
1
H13
HoleC237D107 B
2
3
4
5 6
7
8
9
1
H4
HoleC237D110
2
3
4
5 6
7
8
9
1
H5
HoleC237D110
2
3
4
5 6
7
8
9
1
H8
HoleC237D110
2
3
4
5 6
7
8
9
1
H16
HoleC237D110
2
3
4
5 6
7
8
9
1
H17
HoleC237D110
2
3
4
5 6
7
8
9
1
H22
HoleC237D110
2
3
4
5 6
7
8
9
1
H23
HoleC237D110
2
3
4
5 6
7
8
9
1
H21
HoleC237D110
2
3
4
5 6
7
8
9
SS1
Hol e197D91
1
H15
HoleC217D110
2
3
4
5 6
7
8
9
1
H24
HoleC237D110
2
3
4
5 6
7
8
9
R24 30
R23 30
R22 30
R21 30
..
L8 L
1 2
4 3
..
L9 L
1 2
4 3
R482 0 R483 0(R)
CN16 PIN 10 ~ 17 : TPGND

B - 18
Service Manual
71-22C00-D02
A
AUDIO CODEC
Custom
18 31Monday, Mar ch 05, 2001
0200 -1 7. SCH
Title
Size Document Number Rev
Dat e: Sheet of
ÂÅ ¤Ñ ¹q ¸£ CLEVO CO.
DACVCC3
DACV CC
DA C GND
DACGND
DA C GND
DA C GND
DACGND DACGND
DA C GND
DA CGND DA CGND
DACGND
DA CGND
VCC
DA C V CC
DA CGND
DACGND
VCC3 DACVCC3
DA C GND
DA CGND
DACGND
LBP (24)
MODE MS PK ( 15 )
CD_L (13)
CD_R (13)
SDATI0(10, 15 )
AC_RESET#(1 0, 15) SYNC(10, 15)
SDATO(10, 15 )
BIT_CLK(1 0, 15)
MIC1 (19)
SOUND_R (19)
SDAT I1 (10, 15)
SDAT I0 (10, 15)
SOUND_L (19)
AUDCLK(20)
1394CLK(16)
PCIRST#
Z89
SYNC
AC_RESET#
Z105 Z107
Z110
Z92
Z757
Z106
Z320
SDATI0 Z3 28BIT_CLK
SDA T O
Z111
Z114
Z112
Z115
Z90
Z108
Z109 Z117
Z116 Z118
SOUND_R
MIC1
SOUND_L
Z418
Z419
CI D0
CI D1
Z420
Z421
Z422
Z423
Z424
Z3 21 Z10
SDA T I 1
SDA T I 0
CD_L
CD_R
Z87
Z88
Z507
Z508
Z509
Z510
Z511
Z512
Z513
AUDCLK
Z327
1394CLK
Z91
Z113
Z832
C1 68
.1U
R112 R(0805)
R183
1K
C1 61 . 1U R1 82 2 0K
C138
.1U
C1 30
.1U
R135 0(08 05)
R1 13
1( 0805 )
C1 16
.1U
C167
.1U
C1 84
10U
C1 15
4.7U
C169
10U
C162 . 1U
C1 55
.1U(R)
C156
10U(R)
C178 0.01U
C164 0.01U
C182 0.01U
C183 0.01U
C1 66
1U
C1 79
1U
R1 88
4.7K
R1 85
4.7K
C1 65
1U
C199
0.01U
C180
0.01U
C1 76
0. 01U
R1 84 2 0K
R1 86
1K
R1 87
1K
TP4
TP118
TP127
TP119
TP120
TP3
C117 0 .01U(R)C119
0.047U(R)
R1 16
20K(R)
R1 15
20K(R)
R1 14
20K(R)
C1 32
10U(R)
C1 39
.1U
C1 41
10U
C131
.1U
C1 40
1000P
C1 54
1000P
R59
100K
C45
10U(R)
R73
10K
R51
294K, 1%
U5
MAX603
1
4
2
3
8
5
6
7
IN
OF F#
GND
GND
OUT
SET
GND
GND
C64
10U
C65
.1U
R30 100K
R161 100K
R1 50
47
R1 60
47
C44 .1U
L16
BEAD( 12 06 )
L14
R(0805)
C1 36
10U
C137
.1U
C1 51
.1U
L21
BEAD(0805)
TP5
R1 49
22
C479
0. 01U
R4 77 2 0K
R4 78 2 0K
C181 0.01U
U11
AKM4543
12
18
19
20
26
42
25
38
7
4
9
1
28
27
11
10
8
6
5
2
3
33
34
39
40
41
43
44
45
46
47
48
37
29
30
31
32
22
23
24
13
14
15
16
17
21
35
36
PC_BEEP
CD_L
CD_GND
CD_R
AVSS1
AVSS2
AVDD1
AVDD2
VSS2
VSS1
DV DD2
DV DD1
VREFOUT
VREF
RESET#
SYNC
SDATA_IN
BI T_ CLK
SDAT A_ OUT
XTL_IN
XTL_OUT
NC
NC
NC
NC
NC
NC
NC
NC
NC
NC
NC
MON O_ OUT
AFILT1
AFILT2
CAP1
CAP2
MIC2
LINE_IN_L
LI NE_IN_R
PHONE
AUX_L
AUX_R
VI DEO_L
VI DEO_R
MIC1
LINE_OUT _L
LI NE _OUT _R
C163 0.01U
C177 0.01U
R5 20
0
C5 17
0. 01U
R521
R
MAST ER
GND
GND
GNDNC
NC
SLAVE
status
NC
NC
CI D0 CI D1
SLAVE
SLAVE
GND
PLACE NEAR T O AC'97 CODEC
AC' 97 PULL-DOWN

B - 19
Schematic Diagrams
71-22C00-D02
A
AUDIO AMP
Custom
19 31Monday, Mar ch 05, 2001
0200-18.SCH
Title
Si ze Docu m ent Number Rev
Dat e: Sheet of
ÂÅ ¤Ñ ¹q ¸£ CLEVO CO.
DACVCC
DACGND
DACGND DACGND DACGND
DACGND DACGND
DACGND
VCC
DACV CC
DACGND
DACGND DACGND
DACGND
DACGNDDACGND
DACVCC
DACGND
DACGND
SOUND_R(18)
SOUND_L(18)
MI C1(18)
SPDIFON(23)
SPDIF(10)
AMP_DOWN (23)
Z95 Z84 Z96
Z97 Z83 Z98
L_ O UT - R_OUT -
Z99 Z100
PHONE_IN
Z82
Z81
VSO UND_L
MUTEOUT
AMP_DOWN
MUTEOUT
Z104
SPDI F OUT
MIC1
VSOUND_R
Z121
L_OUT + R_OUT +
INT _MIC
VSO UND_L
INT _MIC
VSOUND_R
Z94
Z93
L_OUT -
R_OUT -
R_OUT +
L_OUT +
Z556
SPDIF
SPDI F O N
Z103
Z665
Z666
Z5
Z101
PHONE_IN
L_OUT +
R_OUT +
Z4
Z122 Z102
R81
10 K
R90
10 K
C92
.1U
C80
10P
C101
10P
R57
10K
R58
10K
R92
10 K
R91
15 K
R71
15K
R72
10K
C118
1U C81
1U
C91 0.22U
C90 0.22U
C78 0.22U
C79 0.22U
C93
4.7U
R117
10K ( R)
R240
1K
C257
.1U
C258
0. 01U( R)
C2
680P
CN1
MI C I N
2
5
3
4
1
CN22
SPEAKERS CONN. 4P
1
2
3
4
1
2
3
4
CN13
INT MIC CONN. 3P
1
2
3
L55 BEAD
L54 BEAD
R241 0(R)
U1
PI5A319
1
2
3
45
6
7
8COM
NC
GND
VCCNIC
IN
NIC
NO
C29
.1U
C1
.22U(0603)
R242 7.5K
C226
10U
L37
BEAD( 0805)
U10
T PA0202
1
12
13
24
2
17
23
7
18
619
9
11
14
16
8
10
3
15
22
5
4
20
21
GND/ H S
GND/ H S
GND/ H S
GND/ H S
NC
NC
NC
VDD
VDD
L_BYPA SS R_BYPASS
MU T E O UT
MUT E I N
SE/BTL#
HP/LINE#
SHUTDOWN
L_OUT -
L_ OUT +
R_OUT -
R_OUT +
L_H P I N
L_LINE IN
R_HP IN
R_LINE IN
C120 1U
C121 1U
VR1
VR-AUDIO
1
3
5
2
6
C63
680P C62
680P
C478
0. 01U
R522
7.5K
R1
7.5K(R)
L3
BEAD
L36 BEAD
R17
100K
R16 100K
+
C28 47U/ 16V_D
+
C27 47U/ 16V_D
C20
680P
C232
680P
CN9
EXT _SPEAKER
2
5
3
4
1
R6
1K
C233
680P
R243
1K
C19
680P
DACGND:25,26,27,28,29,30,31,32,33
PIN NC3.4=DACGND
NEAR TO AKM4543
NEAR AKM4543 PIN

B - 20
Service Manual
71-22C00-D02
A
LPC-ISA BRIDGE
Cu st om
20 31
0200-19. SCH
Monday, March 05, 2001
Title
Size Document Number Rev
Date: Sheet of
ÂÅ ¤Ñ ¹q ¸£ CLEVO CO.
VCC
VCC
VCC
VCC
VCC
VCC
VCC
VCC3
VCC3
VCC3 VCC
VCC
VCC3
VCC
VCC3
RE FRES H#
IOWR# (21,23)
IOCHK #
PCLKLPC(3)
IRQ[3..15](23)
PCIRST#(11,13,16,25)
RSTDRV (21)
869 _OSC (21)
LA[17..23]
DAK#[0..7] (21)
LFRAME#(10)
AEN (21)
M16 #
LAD[0..3](10)
IO16#
TC (21)
ME MW # ( 2 4 )
SMEMR#
MEMR# (24)
SMEMW#
SD[0..15](2 1,2 3, 24)
DRE Q[ 0. .7] (21)
MASTER#
IOCHRDY (21)
SA[0..19](2 1,2 3, 24)
OWS#
SBHE#
LPC14M (3)
IORD# (21,23)
LDRQ#(10) SERIRQ(1 0,1 6, 21 )
AUDCLK (18)
IRQ1 (23)
KBDCS# (23)
MCC S # ( 23)
BIOSCS#(24)
SELECTB (25)
CPU_FAN (25)
FLASH# (24)
SELECTA (25)
Z65 0
SMEMW#
SMEMR#
IOWR#
IORD#
ME MW#
MEMR#
IOCHK#
SBHE#
IOCHRDY
OWS#
REF RES H#
M16#
IO 16#
LA18
LA19
LA20
LA17
SD14
SD12
SD13
SD15
SA4
SA0
SA14
SA12
SA15
SA13
SD5
SD7
SD4
SD6IRQ6 IRQ10
IRQ11
IRQ7
IRQ5 IRQ9
IRQ4
IRQ3
LA[ 17. .23]
LPC14M
LA19
DREQ1
SD7
IO 16#
IRQ10
IRQ9
DREQ2
TC
IRQ6
DREQ5
SD15
LA18
IRQ15
SD4
Z8
DA K#6
MASTER#
SMEMW#
RST DRV
I RQ[ 3. .15]
SD5
LFRAME#
LAD1
ME MW#
DAK#[0..7]
DREQ0
SD6
DA K#0
LA17
DREQ3
DREQ6
LA23
SERIRQ
LAD[ 0. .3]
IRQ11
IRQ12
SD10
Z7
LAD2
IRQ4
OWS#
IORD#
LDRQ #
IRQ7
DA K#5
REF RES H#
LA22
I OCHRDY
IRQ3 DREQ7
SD3
Z6
SBHE#
DREQ[0..7]
IRQ5
IRQ14
SD14
869_OS C
DA K#7
IOCHK#
SD[0..15]
SD8
DA K#2
SMEMR#
LA21
IOWR#
SD11
SD0
PCLKLPC
LAD0
LA20
AEN
SD13
PCI RST #
DA K#3
MEMR#
M16#
SD9
SD12
SD1
SD2
LAD3
Z9
AUDCLK
IRQ1
KBDCS#
MCC S #
SELECTA
Z65 0
BIOSCS# Z51 4
SELECT B
CPU_FA N
DA K#1
FLASH#
IRQ14
IRQ12
MASTER#
IRQ15
DREQ0
DREQ1
DREQ2
DREQ3 DREQ6
LA22
LA23
LA21
DREQ5
DREQ7
SD10
SD9
SD11
SD8
SA8
SA10
SA11
SA9
SD2
SD1
SD3
SD0
SA17
SA18
SA16
SA19
SA1
SA2
SA3
SA11
SA5
SA10
SA3
SA19
SA4
SA2
SA18
SA8
SA9
SA6
SA14
SA15
SA[0..19]
SA16
SA7
SA0
SA1
SA13
SA17
SA12
SA7
SA5
SA6
RP25
10P8R_10K
1
2
3
4
5
10
9
8
7
6
1
2
3
4
5
10
9
8
7
6
RP23
10P8R_4.7K
1
2
3
4
5
10
9
8
7
6
1
2
3
4
5
10
9
8
7
6
RP22
10P8R_R
1
2
3
4
5
10
9
8
7
6
1
2
3
4
5
10
9
8
7
6
RP26
10P8R_4.7K
1
2
3
4
5
10
9
8
7
6
1
2
3
4
5
10
9
8
7
6
RP21
10P8R_10K
1
2
3
4
5
10
9
8
7
6
1
2
3
4
5
10
9
8
7
6
RP24
10P8R_R
1
2
3
4
5
10
9
8
7
6
1
2
3
4
5
10
9
8
7
6
RP27
10P8R_10K
1
2
3
4
5
10
9
8
7
6
1
2
3
4
5
10
9
8
7
6
C449
.1U
C456
.1U C432
.1U
R358 4.7K R375 22
C430
.1U
L58
BEAD
1 2
C455
.1U C454
.1U
C431
.1U C450
.1U C452
.1U
C424
10U
R374 22
R372 10K R373
4.7K
U2 8
W83626F
31
32
33
34
35
41
42
43
44
46
47
48
49
51
52
53
54
56
57
58
67
68
69
71
72
73
74
75
114
115
116
117
118
119
121
122
59
86
84
61
92
77
11
12
76
81
111
109
108
107
106
104
103
82
83
91
101
102
112
113
123
98
97
96
94
93
78
10
9
8
6
7
3
90
79
88
1
127
124
4
89
99
87
2
128
126
100
19
18
17
16
13
21
14
23
22
24
20
5
45
55
70
85
105
120
15
50
60
80
95
110
125
29
28
27
26
40
62
63
64
65
66
39
36
37
38
25
30
SA[0]
SA[1]
SA[2]
SA[3]
SA[4]
SA[5]
SA[6]
SA[7]
SA[8]
SA[9]
SA[10]
SA[11]
SA[12]
SA[13]
SA[14]
SA[15]
SA[16]
SA[17]
SA[18]
SA[19]
SD[0]
SD[1]
SD[2]
SD[3]
SD[4]
SD[5]
SD[6]
SD[7]
SD[8]
SD[9]
SD[10]
SD[11]
SD[12]
SD[13]
SD[14]
SD[15]
AEN
IOR#
IOW#
IOCHRDY
SYSCLK
RSTDRV
IOCS 16 #
MEMCS 16 #
IOCHK #
OWS
LA[17]
LA[18]
LA[19]
LA[20]
LA[21]
LA[22]
LA[23]
SMEMW#
SMEMR#
RE FRES H #
BALE
SBHE#
MEMR#
ME MW #
RTCEN/MASTER#
IRQ3
IRQ4
IRQ5
IRQ6
IRQ7
IRQ9
IRQ10
IRQ11
IRQ12
IRQ14
IRQ15
DRQ0
DRQ1
DRQ2
DRQ3
DRQ5
DRQ6
DRQ7
DA CK0 #
DA CK1 #
DA CK2 #
DA CK3 #
DA CK5 #
HE FRA S/DA CK6 #
DA CK7 #
TC
LAD[0]
LAD[1]
LAD[2]
LAD[3]
LFRAME#
PCICLK
PCIRST#
SERIRQ
LDRQ#
PWRDN#
VCC3
VCC5
VCC5
VCC5
VCC5
VCC5
VCC5
VCC5
GND
GND
GND
GND
GND
GND
GND
24.576M/25M
14MOUT 2
14MOUT 1
14.3 18M
MCCS#/GPIO[2]
PLED/GPIO[3]
IRQIN/GPIO[4]
IRQ8/GPIO[5]
RT CCS #/ GP IO[6]
IOHCS#/GPIO[7]
KBCS#/GPIO[1]
80PCS#/KBEN
ROMCS #
IRQ1/GPIO[0]
AVCC3
AGND
R371 10K
R411 4.7K
R410 1K
R415 1K
R413 1K
R416 8.2K
R417 8.2K
R403 8.2K
R402 8.2K
R418 4.7K(R)
R412 1K
R414 1K
R376 1K
R359 1K
R395 1K
R377 10K
R361 10K
R360 10K
RP20
10P8R_R
1
2
3
4
5
10
9
8
7
6
1
2
3
4
5
10
9
8
7
6
R357
4.7K
LPC-ISA

B - 21
Schematic Diagrams
71-22C00-D02
A
S I/O
Cus tom
21 31
0200-20.SCH
Monday, March 05, 2001
Title
Siz e Doc um ent Num ber Rev
Dat e: Sheet of
ÂÅ ¤Ñ ¹q ¸£ CLEVO CO.
FIRVCC
VCC3
VCC3
VCC3
FIRGND
FIRGND
VCC3
FIRVCC
VCC3 VCC3
VCC
FDDVCC
VCC
VCC3
VCC3
VCC
FDDVCC
VCC3
IOWR#(2 0 ,23) IORD#(20,23)
DAK#1(20) DAK#2(20)
DREQ1(20 ) DREQ2(20 )
IOCH RDY(20) TC(20)RSTDRV(20) AEN(20)
PACK# (22)
PBUSY (22)
PPE (22)
PSLCT (22)
DAK#3(20)
IN DEX #
MTR0#
DRV0#
DIR#
STEP#
WGATE#
TRK0#
RDATA #
HDSE L#
DSKCHG#
DCD1#
DSR1#
CTS1#
RI1#
WP#
SIN1
PD0 (22)
PD1 (22)
PD2 (22)
PD3 (22)
PD4 (22)
PD5 (22)
PD6 (22)
PD7 (22)
IRR3
IRRX2
IRTX2
PPERR# (22)
869_OSC(20)
3MODE#
RI2#
DCD2#
SIN2
DSR2#
CTS2#
RI2#
DCD2#
DAK#0(20)
DREQ0(20 )
SD[0..7](20,23,24)
SA[0..15](20,23,24)
SERIRQ(10,16,20)
PCLKSIO(3 )
IRTX2
IRR3
IRRX2
WDATA#
3MODE#
WP#
DRV0# FDDLED# (13)
DREQ3(20 )
SIN2
CTS2#
DSR2#
IN DEX #
DSKCHG#
RD AT A #
TRK0#
PSTB# (22)
PATFD# (22)
P INIT # (22)
PSLIN# (22)
CTS1#
DSR1#
SIN1
DCD1#
RI1#
IRRX2
IRR3 Z196
IRTX2 Z197
DCD2# RI2#
PPD0 PD0
SD0 PPD1 PD1
SD1 PPD2 PD2
SD2 PPD3 PD3
SD3 PPD4 PD4
SD4 PPD5 PD5
SD5 PPD6 PD6
SD6 PPD7 PD7
SD7
SA0 STROBE#
SA1 SLCTIN#
SA2 PP IN IT #
SA3 AUT OFD#
SA4
SA5 PPERR#
SA6 PACK#
SA7 PBUSY
SA8 PPE
SA9 PSLCT
SA10
SA11 CTS1#
SA12 DSR1#
SA13 DCD1#
SA14 RI1#
SA15 SIN1
SOUT1
IORD#
IOWR# DTR1#
AEN
RSTDRV CTS2#
TC DSR2#
IOCHRDY DCD2#
Z198 RI2#
SIN2
DAK#0 Z199
DAK#1 RTS2#
DAK#2 Z200
DAK#3
DREQ0 RD ATA #
DREQ1 WDATA#
DREQ2 DSKCHG#
DREQ3 WGATE#
DIR#
Z201 STEP#
SERIRQ HD SE L#
869_OS C TRK0#
PCLKSIO WP#
IN DEX #
Z202 MTR0#
DRV0#
IRR3
IRRX2 3MODE#
IRTX2
SD[0..7]
SA[0..15]
Z213
3MODE#
WP#
DI R#
HDSEL#
WGAT E#
TRK0#
DRV0#
3MODE#
ST EP#
MTR0#
I NDEX#
Z411
DSKCHG#
WDA T A#
WP#
RDAT A#
Z412
FDDLED#
DRV0#
Z195
SIN2
CTS2#
DSR2#
RDA T A#
TRK0#
DSKCHG#
I NDEX#
PSLIN#
PATFD#
PINIT#
PSTB#STROBE#
SLCTIN#
PPINIT #
AUTOFD#
CTS1#
DSR1#
SIN1
RTS1#
DCD1#
RI1#
R444
820
C463
.1U
C459
C
RP 28
10P8R_10K
1
2
3
4
5
10
9
8
7
6
1
2
3
4
5
10
9
8
7
6
C468
4.7U
U30
37N869
46
47
48
49
51
52
53
54
26
27
28
29
30
31
32
39
40
41
42
43
44
55
20
33
69
68
67
66
64
63
62
61
75
71
72
74
60
59
58
57
73
80
78
83
82
76
79
81
77
90
88
85
84
86
89
91
87
23
24
21
13
70
4
65
14
7
15
8
5
6
9
11
12
10
100
99
45
98
93
95
56
35
36
1
3
34
94
22
19
50
97
17
25
96
92
18
38
37
16
2
D0
D1
D2
D3
D4
D5
D6
D7
A0
A1
A2
A3
A4
A5
A6
A7
A8
A9
IOR#
IOW#
AEN
RE SE T
DACK_A #
TC
PD0
PD1
PD2
PD3
PD4
PD5
PD6
PD7
STROBE#
SLCTIN#
INIT #
AUTOFD#
ACK#
BUSY
PE
SLCT
ERROR#
CTS1#
DSR1#
DCD1#
RI1
RXD1
RTS1#
DTR1#
TXD1
CTS2#
DSR2#
DCD2#
RI2
RXD2/IRRX
RTS2#
DTR2#
TXD2/IRTX
IRRX2
IRTX2
IRMODE /I RR 3
VCC
VCC
GND
GND
RDATA #
WDATA#
DSKCHG#
WGATE#
DIR#
STEP#
HD SE L#
TRK0#
WRTPRT#
IN DEX #
MTR0#
DRVDEN0
GND
IOCH RDY
GND
A10
PWRGD/GAMECS#
A11
A12
A13
A14
DACK_B #
DACK_C #
DACK_D #
DRQ_A
DRQ_B
DRQ_C
DRQ_D
A15
IRQIN
ADRX #/CLKRUN#
CLK 14
CLK 33
SIRQ
DRVDEN1
DS 0#
R445
1K
C458
.1U
C464
0.01U
R181
47K
R170
4.7K
R198
4.7K
L23
BEAD(0805)
C153 .47U(0805)
C152 10U
R179 2.2K
R180 2.2K
R420 10K
R427
1K
R428
1K
RN66
8P4R_1K
1
2
3
4 5
6
7
8
R429
10K
R453
10K
TP179
TP18
TP19
CN19
FDD CON 26P
1
2
3
4
5
6
7
8
9
10
11
12
13
14
15
16
17
18
19
20
21
22
23
24
25
26
R443
0
R452
0(R)
R430
10K Q25
2N7002
G
S D
R451 10 K
C220
.1U
+
C219
100U/10V
C453
10U
L59
BEAD(1206)
C221
.1U
JP1
SHORT
RN44
8P4R_18
81 72 63 54
RN43
8P4R_18
81 72 63 54
U14
HSDL-3600
1
2
7
6
8
9
3
10
4
5
11
VCC
AGNDD
GN D
NC
RXD
TXD
FIR _SE L
LEAD
MD O
MD 1
GND
RN67
8P4R_33
1
2
3
45
6
7
8
RN51
8P4R_33 81 72 63 54
RN50
8P4R_33 81 72 63 54
R488 10 K
R489 10 K
R490
820
TP182
TP181
NEAR TO THE CONNECTOR

B - 22
Service Manual
71-22C00-D02
A
I/O CON
Custom
22 31
0200-21.SCH
Monday, March 05, 2001
Title
Size Document Number Rev
Date: Sheet of
ÂÅ ¤Ñ ¹q ¸£ CLEVO CO.
KBV3
VCC
VCC
VCC3
VCC3
PSTB#(21)
PINIT#(21 ) PSLIN#(21 )
PATFD#(21 ) PPERR#(21)
RING# (23)
PSLIN# (21)
PPERR# (21)
PD2(2 1)
PD0(2 1) PD1(2 1)
PD3(2 1)
PST B# (21)
PAT FD# (21)
PINIT# (21)
PPE(21) PACK#(21) PBUSY(21 )
PSLCT(21)
PD4 (21)
PD5 (21)
PD6 (21)
PD7 (21)
PD0(2 1) PD1(21) PD2(21) PD3(21) PD4(2 1) PD5(2 1) PD6(21) PD7(21)
PACK#(21 )
PSLCT(21)
PBUSY(21) PPE(21)
PC_RING#(16 )
Z188
PSLIN#
PPERR#
RING#
PSLIN#
PD0
PD1
PD2
PD3
PST B#
PAT FD#
PINIT#
PACK#
PBUSY
PPE
PSLCT PD6
PD4
PD7
PD5
PPERR#
Z184
PATFD#
PINIT#
Z182
Z186
Z185
Z191
Z192
Z187
Z190
Z189
Z183
Z193
PD2
PD5
PD3
PD6
PD0
PD1
PD4
PD7
Z181
PBUSY
PST B#
PPE
PSLCT
PACK# Z219
Z220
Z194
Z221
PC_RING#
R216
100K
RP13
10P8R_2K
1
2
3
4
5
10
9
8
7
6
1
2
3
4
5
10
9
8
7
6
R436 2K
R234 0
RP12
10P8R_2K
1
2
3
4
5
10
9
8
7
6
1
2
3
4
5
10
9
8
7
6
CN6
PRT _PORT
13
25
12
24
11
23
10
22
9
21
8
20
7
19
6
18
5
17
4
16
3
15
2
14
1
28
29
CP3
8P4C_180P
1 8
2 7
3 6
4 5
CP2
8P4C_180P
1 8
2 7
3 6
4 5
CP4
8P4C_180P
18 27 36 45
C18
180P
CP1
8P4C_180P
18 27 36 45
RN46 8P 4R_0
81 72 63 54
RN49 8P 4R_0
81 72 63 54
RN48 8P 4R_0
81 72 63 54
RN47 8P 4R_0
81 72 63 54
Q4
2N7002
G
S D
R214
10K
R4870(R)

B - 23
Schematic Diagrams
71-22C00-D02
A
KB CONTROLLER
Custom
23 31
0200-22.SCH
Monday, March 05, 2001
Title
Size Docum ent Num ber Rev
Dat e: Sheet of
ÂÅ ¤Ñ ¹q ¸£ CLEVO CO.
KBV3
VCC
KBV3
VCC
KBV3
KBV3
KBV3
KBV3
VCC
KBV3
KBV3
VCC
VCC
KBV3
KBV3
KBV3
KBV3
VCC3
VDD3
KBV3
KBV3
KBV3
VCC3
KBV3
EKDA
EKCLK
EMDA
EMCLK
IMDATA (13)
IMCL K(13)
EKCLK
EKDAROW8
ROW7
ROW5
ROW11
ROW3
ROW9
ROW14
ROW12
ROW10
COL4
COL2
COL3
COL1
COL5
COL7
COL6
COL8 COL4
COL3
COL2
COL1
IOWR# (20,21)
IORD# (20,21)
SA2 (20,21,24)
SMBDA (25)
SMBCL (25)
ROW1
ROW2
ROW3
ROW4
ROW5
ROW6
ROW7
ROW8
ROW9
ROW10
ROW11
ROW12
ROW13
ROW14
KBDCS# (20)
IRQ1 (20)
IRQ12 (20)
EKCLK
EKDA
EMDA
EMCLK
IMDAT A (13)
IMCLK (13)
COL8
COL7
COL6
COL5
COL4
COL3
COL2
COL1
MCCS# (20)
EXTSMI (10)
ROW13
SCI(10)
FAN _PW M(25)
PWR_ON(29,31)
SD0 (20,21,24)
SD1 (20,21,24)
SD2 (20,21,24)
SD3 (20,21,24)
SD4 (20,21,24)
SD5 (20,21,24)
SD6 (20,21,24)
EMCL K
EMDA
ROW15
ROW16
PWR_ON(29,31)
ROW16
ROW15 SCROLED# (13)
NUMLED# (13)
TI_PME#(16,17)
ALERT#(30)
SD7 (20,21,24)
CAP LED# (13)
USERSW#
EMAILSW#
WEBSW#
BEEP _EN#(24)
BRIGADJ(13)
AMP_DOW N(19)
RING#(22)
USERSW#
EMAILSW#
MB I D 0
MB I D 1
WEBSW#
DISB L(24)
PWR_ON# (10,24,29)
MB I D 1
MB I D 0
ROW4
ROW6
ROW1
ROW2
BATFULL#(24,30)
SPDIFON (19)
WAKE# (10)
COL6
COL7
COL5
COL8
Z149
COL8
COL7
COL6
EMCLK
COL5
EMDA
COL4
COL3
EKDA
COL2 EK CLK Z153
COL1
ROW6
ROW7
ROW5
ROW9
ROW10
ROW11
ROW8
Z1 55
ROW12
ROW3
ROW16
ROW13
ROW14
ROW15
ROW16 SCROLED#
ROW15 NUMLED#
ROW14 CAPLED#
ROW13
ROW12
ROW11
ROW10
ROW9 SD7
SD6
ROW8 SD5
COL4
ROW7 SD4
COL3
ROW6 SD3
COL2
ROW5 SD2
COL1
ROW4 SD1
ROW3 SD0
ROW2
ROW1 IOWR#
COL8 IORD#
COL7 Z1 56 K BD CS #
COL6 SA 2
ALE RT # COL5
COL4
COL3
COL2 IRQ1
COL1 IRQ12
TI_PME#
Z1 57
RING#
SMBDA
SMBCL
EMCL K
EMDA
FAN_PWM
EKCLK
SCI EKDA
MB ID 0
MB ID 1 IMCLK
IMDATA
PWR_ON
EXTSMI
Z1 62 Z163
Z164
PWR_ON
EMDA
EKDA IMDATA
IMCL K
EMCLK EK CLK
Z6 58
Z161
Z150
Z151
Z152
Z1 58
Z1 59
Z1 60
EMAILSW#
USERSW#
WEBSW#
BEEP_EN#
BRIGADJ
USERSW#
AMP_DOWN
EMAI LSW#
WEBSW#
DI SBL
BEEP_EN#
AMP_DOW N
PWR_ON#
MBI D1
MBI D0
ROW4
ROW1
ROW2
Z5 15
Z6 27
BATFULL#
SPDIFON
Z668
WAKE#
MC CS #
COL6
COL7
COL5
COL8
Q16 2N7002
G
SD
R3 31 4.7 K
Q15 2N7002
G
SD
C2 01
22P
C2 02
22P
R3 29
10K
C1 35
10U
C22 .1U
RP 19
10P8R_10 K
1
2
3
4
5
10
9
8
7
6
1
2
3
4
5
10
9
8
7
6
C3 73
.1U
D24
F01J 2E(R)
A C
RP 18
10P8R_10K
1
2
3
4
5
10
9
8
7
6
1
2
3
4
5
10
9
8
7
6
C1 34
.1 U
R328 100K
R3 18
1K(0805)
C3 81
10U
D23
1SS355(R)
AC
C1 33
0.01U
D20
AS2431
A C
R
L34 BEAD(0803)
L5 BEAD(0803)
L4 BEAD(0803)
L35 BEAD(0803)
L33
BEAD(0805)
C6
47P
C5
47P
C4
47P
C3
47P
R144 10K
C3 79
.1U
R220
0
SW4
WEB0 FUNCTION SW4P
1 3
2 4
SW3
WE B2 F UNCT I ON SW4P
1 3
2 4
R126 10K
R128 10K
SW2
WE B1 F UNCT I ON SW4P
1 3
2 4
R127 10K
C123
.1U
U13
M38867M8(LQFP)
71
39
40
41
42
43
44
45
46
47
48
49
50
51
52
53
54
55
56
57
58
59
60
61
62
31
32
33
34
63
64
65
66
67
68
69
70
14
15
16
17
23
22
18
74
75
76
77
78
79
80
1
72
10
11
19
21
20
35
36
37
38
12
13
25
24
30
73
3
2
5
8
4
7
6
9
27
26
28
29
VCC
P17
P16
P15
P14
P13
P12
P11
P10
PO7
PO6
PO5
PO4
PO3
PO2
PO1
PO0
P37
P36
P35
P34
P33
P32
P31
P30
P27
P26
P25
P24
DQ7
DQ6
DQ5
DQ4
DQ3
DQ2
DQ1
DQ0
P53/WR#
P52/RD#
P51/CS#
P50/A0
P42 /IRQ1
P43/IRQ12
P47/CS (ACPI)
P67
P66
P65
P64
P63
P62
P61
P60
VREF
P57
P56
P46
P44
P45
P23
P22
P21
P20
P55
P54
RESET#
CN VS S
VSS
AVSS
P76/SDA
P77/SCL
P74/EMCLK
P71/EMDA
P75/EKCL K
P72/EKDA
P73/IMCL K
P70/IMDA
P40
P41
XIN
XOUT
R212 10 K
R324 10 K
Q2
ND S3 5 2P(R)
GS
D
R3 45
RR3 44
R
R2 18
10K
R2 17
10K
R145
0(0805)
C124
.1U
C125
.1U
CN3
MS_K /B
4
6
2
17
5
3
9
8
CN17
HE AD 24
1
2
3
4
5
6
7
8
9
10
11
12
13
14
15
16
17
18
19
20
21
22
23
24
R204 100K
R29 10K
D12 1SS355
AC
R335 100K(R)
R2 11 0
R3 34
10K(R)
Q12
2N7002
G
SD
R3 23
10K
D19
F01J2E
A C
R330 4.7K
R475 0(R)
R476 0(R)
Y5
8MHZ
1 2
VOLT AGE: 2.5 V
Y6:3-4 PIN->GND
A1

B - 24
Service Manual
71-22C00-D02
A
BIOS & PCBEEP
B
24 31
0200-23.SCH
Monday, March 05, 2001
Title
Size Docum ent Num ber Rev
Dat e: Sheet of
ÂÅ ¤Ñ ¹q ¸£ CLEVO CO.
VCC
VCCVCC
VCC
VCC
VCC
DACV CC
VCC
VCC3
VCC3
VDD3
VDD
VDD
VDD
DI SB L ( 23)
SPKR(10)
LBP (18)
SD0 (20,21,23)
SD1 (20,21,23)
SD2 (20,21,23)
SD3 (20,21,23)
SD4 (20,21,23)
SD5 (20,21,23)
SD6 (20,21,23)
SD7 (20,21,23)
SPKROUT(16)
FA ULT # (25 )
SA18(20)
DISB L(23)
ME MR #(20)BIOSCS#(20)
MEMW#(20)
FLA SH #(20)
PWRLED# (13)PWR_ON#(10,23,29)
SUSPEND(10,25)
CHRLED# (13)
BATCHA(30)
B AT LED# (13)
SA[0..16] (20,21,23)
ACIN#(10,26)
SA17 (20)
BEEP_EN#(23)
COM (25)
BATFULL#(23,30)
SD0
SD1
SD2
SD3
SD4
SD5
SD6
SD7
Z6 26 BIOSCS# SA17
ME MR #
Z1 37
Z1 38 DI SB L
Z1 40
BAT_BEEP#
Z1 42 Z1 43 Z1 44 FA ULT #
DI SB L
LBP
SPKR Z146
Z1 36
MEMW#
FLA SH #
Z1 47
PWR_ON# PWRLED#
Z5 86LOOP
SUSPEND
CHRLED#
Z5 87
LOO P
BATCHA
BAT_B EEP# BAT LED#
SA[ 0. . 16]
SA0
SA1
SA2
SA3
SA4
SA5
SA6
SA7
SA8
SA9
SA10
SA11
SA12
SA13
SA14
SA15
SA16
BAT FULL#
Z588
ACIN#
Z1 41
Z2 42
LOOP
Z1 45
LOOP Z139
Z1 48BEEP_EN#
COM
SA18
SPKROUT
R75
1K
R423
100K
R4 46
1K
R454
2.2K
Q37
2N3904
B
E
C
Q26
2N3906(R)
B
C
E
C85
.1U
C418
.1 U C4 17
.1 U
C4 61
.01U(K%)
D33
1SS355
A C
U31 B
74HC14(TSSOP)
3 4
U31 E
74HC14(TSSOP)
11 10
U31 C
74HC14(TSSOP)
5 6
Q27
2N3906
BC
E
Q31
2N3904
BE
C
U22
29F020
12
11
10
9
8
7
6
5
27
26
23
25
4
28
29
3
2
22
24
1
31
13
14
15
17
18
19
20
21
32
16
30
A0
A1
A2
A3
A4
A5
A6
A7
A8
A9
A10
A11
A12
A13
A14
A15
A16
CE
OE
VPP
PGM
O0
O1
O2
O3
O4
O5
O6
O7
VCC
GND
A17
R76 0(R)
R439
4.7K
Q36
2N7002
G
S D
U24
TC7S32F
1
2
3
5
4
IN
IN
GND
VCC
OUT
R3 56
10K
C466
.1 U
C4 65
0.047 U
U31F
74HC14(TSSOP)
13 12
Q32
2N7002
G
S D
Q28
2N7002
G
S D R4 40
10K
Q33
2N7002
G
S D
Q35
2N7002
G
S D R4 57
10K
R4 47
0
R433 0(R)
R4 32 0
R449 10K
R4 31
2.2K(R)
R421
10K(R)
R4 37 1 0K(R)
R4 38
1K(R)
R93
10K
C467
.1 U
R4 24 3 M
D30
1SS355
C A R425
220K
U31 A
74HC14(TS SOP)
1 2
14
U31 D
74HC14(TSSOP)
9 8
C460
1U(0805)
D29
1SS355
C A
R4 48
100K
Q24
2N3904
BE
C
R422 100K
D28
1SS355
C A
C423
.1 U
C5 22
.1U

B - 25
Schematic Diagrams
71-22C00-D02
A
FAN CONTROLLER
B
25 31
0200- 24. SCH
Monday, March 05, 2001
Title
Size Docum ent Num ber Rev
Date: Sheet of
ÂÅ ¤Ñ ¹q ¸£ CLEVO CO.
VCC3VCC3 VCC3
VCC
VCC
VCC
VCC
KBV3
KBV3
KBV3
VCCVCC
VCC
VCC3
SELECTA(20) SELECTB(20)
SMBCLK(10)
SMBDATA(10)
SDA_RA (5)
SDA_RB (5)
SDA_ATF (2)
SCL_RA (5)
SCL_RB (5)
SCL_ATF (2)
SCL_ATF(2)
SDA_ATF(2)
SCL_ATFF (3)
SDA_ATFF (3)
FA N _P W M(23)
CP U _FAN(20)
FAULT # (24)
SUSPEND(10,24)
BAT_DA(30,31)
SMBDA(23)
SMBCL(23)
BA T _C LK(30,31)
AD[0..31](11,16)
C/BE#[0..3](1 1,16)
PCLK 80P (3)
PCIRST# (11,13,16,20)
FRAME# (11,16)
IRDY # (1 1,16)
TRDY# (11,16)
COM (24)
BAT_DA
SMBDA SELECTA SDA_ATF
SELECTB
SMBCL SMBDATA SCL_RA
BA T _C LK SCL_RB
SMBCLK SCL_ATF
SCL_ATF SCL_ATFF
SDA_ATF SDA_ATFF
Z12 5
Z12 6
Z12 7
FA U LT #
FAN_VO
CP U _FAN Z12 8
SUSPEND
Z12 9
SDA_RA
SDA_RB
FAN_PWM
Z13 2 Z41 3
Z13 3
Z65 5
PCLK80P
AD0
AD2
AD4
AD6
AD8
AD10
AD12
AD14
AD1
AD3
AD5
AD7
AD9
AD11
AD13
AD15
TRDY#
IRDY #
FRAME#
PCIRST#
C/BE#1
C/BE#2
C/BE#0
C/BE#3
COM
Z66 2
Z66 1
Z13 0
Z13 1
CP U _F AN
FAN_VO
RN65
8P4R_4.7K
1
2
3
45
6
7
8
Q2 2
2N7002
G
SD
Q2 1
2N7002
G
SD
U2 9
QS3253
16
1
14
2
7
9
15
8
6
5
4
3
10
11
12
13
VCC
EA#
S0
S1
YA
YB
EB#
GND
10A
11A
12A
13A
10B
11B
12B
13B
R404
10K
R408
10K R405
1K
R407
1K
U2 5
T C642/(TC646)
(SO8)
1
3
2
6
7
5
4 8
VIN
VMIN
CF
FAULT
VO
SENSE
GND VDD
Q1 9
2N3906
BC
E
R349
820
R379
100K
R397
1K
Q2 0
2N7002
G S
D
C433
1U
R378
6.8K
D2 7
1SS355
A C
C419
.1U(K%)(0805)
R380
34.8K_1%
R387
15K _1%
C436
0.01U
C434
0.01U
D2 6
1SS355
AC
U1 7
LTC1694(R)
1
2
3 4
5
VCC
GND
NC SMCLK
SMDA
D14
DA221(R)
32
1
D2 5
DA221(R)
32
1
R338 10K(R)
R337 10K(R)R203 0
R202 0
C208
.1U
C435
.22U(0805)(K%)
L42
BEAD(1206)
CN10
FA N_ C ON
1
2
1
2
R5
0(0805)
P1
DEBUG-P80
A1
A2
A3
A4
A5
A6
A7
A8
A9
A10
A11
A12
A13
A14
A15
A16
B1
B2
B3
B4
B5
B6
B7
B8
B9
B10
B11
B12
B13
B14
B15
B16
L
L
L
L
L
L
L
L
L
L
L
L
L
L
L
L
U
U
U
U
U
U
U
U
U
U
U
U
U
U
U
U
Q7
2SC467 2
BE
C
CN11
FA N_ CON
1
2
1
2
R385 0(R)
R366 0
D15
F01J2E
A C
C235
4. 7U
R406
10K R409
10K
R396
10K
Q6
2SC467 2
BE
C
R386 0
R245 1K(R)
R244 1K
40MIL
40MIL
Debug Port
TC642 ---> R535 = 0
TC646 ---> R534 = 0
40MIL
40MIL

B - 26
Service Manual
71-22C00-D02
A
FAN CONTROLLER
B
25 31
0200- 24. SCH
Monday, March 05, 2001
Title
Size Document Number Rev
Date: Sheet of
ÂÅ ¤Ñ ¹q ¸£ CLEVO CO.
VCC3VCC3 VCC3
VCC
VCC
VCC
VCC
KBV3
KBV3
KBV3
VCCVCC
VCC
VCC3
SELECTA(20) SELECTB(20)
SMBCLK(10)
SMBDATA(10)
SDA_RA (5)
SDA_RB (5)
SDA_ATF (2)
SCL_RA (5)
SCL_RB (5)
SCL_ATF (2)
SCL_ATF(2)
SDA_ATF(2)
SCL_ ATFF (3)
SDA_ATFF (3)
FAN_PWM(23)
CP U _FAN(20)
FAULT # (24)
SUSPEND(10,24)
BAT_DA(30,31)
SMBDA(23)
SMBCL(23)
BA T _CLK(30,31)
AD[0..31](1 1,16)
C/BE#[0..3](11,16)
PCLK80P (3)
PCIRST# (11,13,16,20)
FRAME# (11,16)
IRDY# (11,16)
TRDY# (11,16)
COM (24)
BAT_DA
SMBDA SELECTA SDA_ATF
SELECTB
SMBCL SMBDATA SCL_RA
BA T _CLK SCL_RB
SMBCLK SCL_ATF
SCL_ATF SCL_ATFF
SDA_ATF SDA_ATFF
Z12 5
Z12 6
Z12 7
FAULT #
FAN_VO
CP U _FAN Z12 8
SUSPEND
Z12 9
SDA_RA
SDA_RB
FAN_PWM
Z13 2 Z41 3
Z13 3
Z65 5
PCLK80P
AD0
AD2
AD4
AD6
AD8
AD10
AD12
AD14
AD1
AD3
AD5
AD7
AD9
AD11
AD13
AD15
TRDY#
IRDY#
FRAME#
PCIRST#
C/BE#1
C/BE#2
C/BE#0
C/BE#3
COM
Z66 2
Z66 1
Z13 0
Z13 1
CP U _FAN
FAN_VO
RN65
8P4R_4.7K
1
2
3
45
6
7
8
Q2 2
2N7002
G
SD
Q2 1
2N7002
G
SD
U2 9
QS3253
16
1
14
2
7
9
15
8
6
5
4
3
10
11
12
13
VCC
EA#
S0
S1
YA
YB
EB#
GND
10A
11A
12A
13A
10B
11B
12B
13B
R404
10K
R408
10K R405
1K
R407
1K
U2 5
TC642/(TC646)
(SO8)
1
3
2
6
7
5
4 8
VIN
VMIN
CF
FA U LT
VO
SENSE
GND VDD
Q1 9
2N3906
BC
E
R349
820
R379
100K
R397
1K
Q2 0
2N7002
G S
D
C433
1U
R378
6.8K
D2 7
1SS355
A C
C419
.1U(K%)(0805)
R380
34.8K_ 1%
R387
15K _1%
C436
0.01U
C434
0.01U
D2 6
1S S 35 5
AC
U1 7
LT C169 4(R)
1
2
3 4
5
VCC
GND
NC SMCLK
SMDA
D14
DA221(R)
32
1
D25
DA221(R)
32
1
R338 10K(R)
R337 10K(R)R203 0
R202 0
C208
.1U
C435
.22U(0805)(K%)
L42
BEAD(1206)
CN10
FA N_ CON
1
2
1
2
R5
0(0805)
P1
DEBUG-P80
A1
A2
A3
A4
A5
A6
A7
A8
A9
A10
A11
A12
A13
A14
A15
A16
B1
B2
B3
B4
B5
B6
B7
B8
B9
B10
B11
B12
B13
B14
B15
B16
L
L
L
L
L
L
L
L
L
L
L
L
L
L
L
L
U
U
U
U
U
U
U
U
U
U
U
U
U
U
U
U
Q7
2SC467 2
BE
C
CN11
FAN_ CON
1
2
1
2
R385 0(R)
R366 0
D15
F01J2E
A C
C235
4.7U
R406
10K R409
10K
R396
10K
Q6
2SC467 2
BE
C
R386 0
R245 1K(R)
R244 1K
40MIL
40MIL
Debug Port
TC642 ---> R535 = 0
TC646 ---> R534 = 0
40MIL
40MIL

B - 27
Schematic Diagrams
71-22C00-D02
A
VCC_CORE,V_IO,VCCT
Custom
27 31
0200- 26. SCH
02:10:04
Title
Size Docum ent Num ber Rev
Date: Sheet of
ÂÅ ¤Ñ ¹q ¸£ CLEVO CO.
B+
INTVCC
INTVCC
VCC+
VCC_CORE
VCC3+ V_IO+
V CC_CO RE+
VDD3+ V_I O+
VCCT+VDD3+
VCC3+
V_IO VCCT
VID0(2)
VID1(2)
VID2(2)
VID3(2)
VR_P WRGD(26)
Z67 1
Z291 6
Z290 7
Z290 3
Z290 1
Z2913
Z290 2
Z290 6
Z291 5
Z290 5
Z29 0 4
Z2911
Z290 9
Z67 2
Z69 0
Z67 5Z69 3
Z69 2
Z69 1
Z67 3
Z48 7
VR_ON
Z76 0
PC62
10U
PD3
RB05L-A
A C
PD12
RB751V
A C
+
PC13
220U
12
+
PC14
220U
12
+
PC12
220U
12
PQ17
SI 4884
4
62 73 8
5
1
PQ2
I R7805
4
62 73 8
5
1
PQ18
I R7805
4
62 73 8
5
1
PU1
LTC1736
1
2
3
4
5
6
7
8
9
10
11
12 13
14
15
16
17
18
19
20
21
22
23
24
COSC
RUN/SS
ITH
FCB
SGND
PGOOD
SENSE-
SENSE+
VFB
VOSENSE
B0
B1 B2
B3
B4
V I DV CC
EXTVCC
PGND
BG
INTVCC
VIN
SW
BOOST
TG
PC60 0.1U
+
PC19
10U/ 25V
12
PR5 10PR41
R
+
PC11
220U
12
PC70
0.1U
PR11 10
PR8
10
PC67
220P
PC18
1000P
PC17
47P
PC64
0.1U
PC65
470P
PR7
33K
PR43 0
PR45
R
PC15 220P
PC66 100P
PR42
RPR36
R
PR12
RPR39
R
PR13
330K
PR51
330K
PC68
1U
PC63
0. 1U
PZD1
ZD2. 7V
A C
PR40 0
PQ3
SI 4884
4
62 73 8
5
1
PR47
R
PR48
R
PR44
10K
PR46
R
PR54
3m (2512)
PR9 10
PL7
2. 4U
PR58
R
PC72
1000P
PQ14
2N7002
G
S D
PQ1
2N7002
G
S D
PR6 0
PR38 0
PR14 0
PR10 R
PC124
10U
PU12
3025LS
8
7
6
54
3
2
1VOUT
VOUT
GND
GNDVC
IN
N.C
IN
PC12 2
10U
PC121
10U PR52
10K/F
PR53
45.3K/F
PC75
10U PC16
10U
PC73
10U PC74
10U
PL6
1. 4U
PR15 100K
PU2
MIC 293 02B U(T O2 63)
2
1 5
4
3
VI
ON/OFF ADJ
VO
GND
+
PC21
470U
12
+
PC20
470U
12
+
PC8
220U
12
+
PC9
220U
12
PR49
0
PR50
162K/ F
PC128
10U
PC129
0. 1U
PR186 47K
PC71
0. 1U
+
PC22
10U/ 25V
12
PR189
3m (2512)
PC133
0.1U
PC13 2
0.1U
PJ 7
1m m
1 2
PJ 5
3mm
1 2
B+(16,17,28,29,31)
VR_ON
P_GND
P_GND
RUN/SS
RUN/SS
PWR_ON+( 28,29) PWR_ON+(28,29)
VR_ON
P_GND
PGND
P_GND
P_GND
PGND
18A
0.3A 2A

B - 28
Service Manual
71-22C00-D02
A
VDD3,VCC3,VCC,12V
Custom
28 31
02 00-27 . SCH
Friday, November 10, 2000
Title
Size Docum ent Num ber Rev
Dat e: S heet of
ÂÅ ¤Ñ ¹q ¸£ CLEVO CO.
VCC+
VDD3+
VL
B+
VDD3
VCC
12V12V+
12V+
VDD3+
VCC3VCC3+
Z2036
Z2009
Z2010
Z2011
Z2013 Z2031
VL
V+
3VON
V+
Z2004
Z2012
Z2026
VL
Z2005Z2006
Z2022
Z2023
Z2024
Z2027
Z699
5VON
Z2025
Z677
Z676
3VON
5VON
Z2007
Z2008
Z695
Z2021
PL10
CDRH-1205-100
PR18
15m (251 2)
PR19 1K
PR23
R
PR22
0
PR182
0
PD10
RB751V
AC
PR185
0
PD31
1SS355
A C
PC114
0.1U
PC111
0.1U
PR180
R
PD9
RB751V
A C
PR21
R
PR20 0
PR168
10
PD8
10QS06
A C
PD7
10QS06
A C
PC39
0.1U
PR17
15m (2512)
PR181
0
PR158 0
PR159 0
PC126
1U
PC113
10U PD6
11FS2
A C
PC36
4 . 7U/ 25V
PC35
4.7U/ 25V
+
PC38
220U
+
PC34
220U
+
PC41
1 0U/ 25V
PC118
0.1U
+
PC30
150U
+
PC31
150U
PC40
0.1U
PR184
R
PQ6
Si4416 4
62 5
73
1
8
PC112
4.7U/25V
+
PC42
10U/25V
+
PC44
1 0U/ 25V
+
PC43
10U/25V
PQ9
Si4416
4
62 5
73
1
8
PQ8
Si4812
4
62 5
73
1
8
PC125
4.7U/25V
PR167
100K
PR173
100K
PQ44
Si4800
4
6 2
5
7 3
1
8PR183 10K
PC110
0.1U
PR157 10K
PC127
0.1U
PJ1
6mm
1 2 PJ2
6mm
1 2
PJ6
5mm
1 2
+
PC28
47U
+
PC33
47U
PQ46
2N7002
G
S D
PQ47
2N7002
G
S D
PU11
MA X 1 63 2
25
27
26
24
1
2
9
22
3
6
15
10
11
8
21
18
16
17
19
14
13
12
5
4
28
7
23
20
BST3
DH3
LX3
DL3
CSH3
CSL3
REF
V+
FB3
SYNC
SEQ
SKIP
RES ET
GND
VL
BST5
DH5
LX5
DL5
CSH5
CSL5
FB5
VDD
12VOUT
3V ON
5V ON
SHDN
PGND
PQ7
Si4812
4
62 5
73
1
8
PR172 0
PC117
0.1U
PC108
10U
PL9
CDRH125-100
4 2
31
+
PC29
220U
+
PC37
150U
+
PC32
220U
PR179 0
PC134
0.1U
PC135
0.1U
PC136
0.1U
PC116
10U
PC137
0.1U
2. 5V
12VR
12VR
VIN1(2 9)
PWR_ON+(27,29)
PWR_ON+(27,29)
VDD_ON(29)
6A
4A
4A
6A
2A 2A
0.1A
0.1A
1:2.2

B - 29
Schematic Diagrams
71-22C00-D02
A
VDD1.8,VCC1.8
Cu s to m
29 31
0200-28.S CH
03:17:15
Title
Size Document Number Rev
Dat e: S heet of
ÂÅ ¤Ñ ¹q ¸£ CLEVO CO.
VDD1.8+
B+
VDD1.8
VDD1.8+
12V+
VA VC
VCC1.8+ VCC1.8
VDD
VDD3+
VDD3+
VC
12V+
VCC+
B+
VC
B+( 16, 17,27, 28, 31)
VIN1 (28)
B+( 16, 17, 27, 28, 31)
PWRS W# (10)
PWR_ON (23,31)
PWR_ON#(10 ,2 3, 24)
Z3312
Z3311
Z7 55
Z6 98
Z6 88
Z3304
Z3301
Z3310
Z3305
Z3307
Z3308
Z6 98
Z6 79 Z6 80
Z4 55
Z7 00
Z6 87
Z6 84Z6 85Z6 89
Z6 86
Z4 56
Z6 83
Z3306
PWR_ON#
PWR_ ON
Z7 08
Z7 05
Z7 06
Z7 07
Z3313
Z7 45
Z7 62
Z3303
PR27
10
PC52
0.1U
PR26
R
PU3
MA X 17 14
1
2
3
4
5
6
7
8
9
10
11
12
13
14
15
16
17
18
19
20
DH
NC
/SHDN
FB
OUT
ILIM
REF
AGND
NC
PGOOD
NC
PGND
DL
VDD
VCC
TON
V+
/SKIP
BST
LX
PR30
10K
PC54
10U
PR33 0
PR25 0
PC7
1U
PR32 2K/F
PR31
2.49K/F
+
PC2
47U
PR35
33K
PR2
75K
PR34 R
PC53
0.1U
PD11
RB751V
AC
PC57 33P
PR3
R
PR1
0
PC58
0.1U
PR28
100K
PC51
0.1U
PR29
100K
PQ11
Si48 00
4
6 2
5
7 3
1
8
PD25
1N41 48
CA
PC119
0.1U
PD27
1N41 48
CA
PC107
4.7U/25V
PU9
MIC295 1(SO8)
8
3 5
1
4
2
6
7
VI
ON / O FF A D J
VO
GND
VO
6
7
PR171
10K
PD28
1SS355
C A
PR174
100K PR175
10K
PD33
1SS355
CA PR177
100K
PR176
100K PC123
0.1U
SW5
POWER SW. 4P
1 3
2 4
PD30
1SS355
CA PR166
R
PR170
330K
PR169
100K PC109
1U
PR149
10K
PU10
TCM809
3
2
1VCC
RE S E T
GND
PQ48
2N7002
G
S D
PQ43
2N70 02
G
S D
PQ13
2N7002
G
S D
PQ12
2N7002
G
S D
PQ45 2SB 1198
PJ3
SHO RT
1 2
PC55
10U
PJ4
3m m
1 2
PC120
10U
PC10
10U
PR24
100K
PR178 0
PQ26
2N7002
G
S D
PR94
10K
PR87
10K
PQ25
DTA114EUA
B
E C
PQ41
SI2305
G
SD PR148 0
PR146
100K
PC105
0.1U
PC106
0.1U
PR147 100K
PD24
1SS355
C A
PQ28
2N7002
G
S D
PZD3
ZD5.6V
A C
PC47
10U
PL2
BC3316F -120M
PL1
SD104-100
PQ10A
SI4818
8
2
1
PQ10B
SI4818
5
4
36
7
PC45
0.1U
PC49
10U
PC46
10U
PC50
10U
PQ37
DTC114EUA
B
E C
PC115 0.1U
PC48
10U
PD26
1SS355
C A
PD32
1SS355 CA
PR187
5.1
VDD_ON(28)
PWR_ON+(27, 28)
VDD_ON (28)
PWR_O N+ ( 27, 28)
PWR_ON+( 27, 28)
PWR_ON(23,31)
2A
2A
PSM

B - 30
Service Manual
71-22C00-D02
A
CHARGER-1
Cus tom
30 31
0200-29.SCH
02:10:04
Title
Size Docum ent Num ber Rev
Dat e: Sheet of
ÂÅ ¤Ñ ¹q ¸£ CLEVO CO.
VC
VC
VCC+
VC
VC
VCC3+
VC
VA
VC VC
VC
V CC3+
AC_IN
CHG_I (31)
PWM_CT L (31)
T EMP (31)
V_BAT (31)
ALE RT #(23 )
SHDN_CT L#
CHG_CT L (31)
B AT _CLK (25 ,31)
BAT _DA (25,31)
SHUT DOWN (26)
AC_IN
AC_IN# (31)
AC_IN
CHG_CTL(31) B AT CHA (24) BAT(31)
BAT+(31)
SHDN_CTL#
BAT FULL# (23 ,24)
Z69
Z73
Z65
Z68
Z66
Z71
Z72
Z67
Z70
Z75
Z74
Z468
Z463
Z462
Z694
Z57
Z709
Z710
Z63
Z460
Z763
Z833
PR121
10K
PC94
1U
PR88
R
PR126
0
PR122
R
PC81
1UF/16V(A)
PC82
1U
PC98
1U
PR78
0
PC80
0.1U
PR118
R
PR77
R
PR112
10K
PR74
4. 7K
PR76
R
PC87
10U
PR117
0
PR124
R
PR114
51K
PR115
R
PR123
R
PR80
14K/ B
PR109
0
PR73
R
PR113
10K
PR69
510K(R)
PR100
100K/F(R)
PR110
R
PC99
1U
PR111
0PR75
47K
PR68
4. 7K
PR101
1K/F
PD19
1SS355
CA
PD16
1SS355
CA
PD18
1SS355
CA
PD17
1SS355
CA
PC89
1U
PU5
WIN 719( SOI C- 28)
6
5
4
3
22
23
24
25
26
27
2
1
14
13
12
11
18
19
20
1716
10
9
28
7
15
8
21 PC4
PC5
PC6
PC7
PA0/PWM0
PA1/PWM1
PA2/PWM2
PA3/PWM3
PA4/SCL0
PA5/SDA0
PA6/SCL1
PA7/SDA1
PB7/AN0
PB6/AN1
PB5/AN2
PB4/AN3
TM
CS A
VM
CAP(ADC)VSS
PB3/CS1(OSC2)
PB2/CS0(OSC1)
RE SE T
IRQ / Vpp
Vdd
PB1 /T CAP
ESV
PU6
WI N719(SSOP-28)
6
5
4
3
22
23
24
25
26
27
2
1
14
13
12
11
18
19
20
1716
10
9
28
7
15
8
21 PC4
PC5
PC6
PC7
PA0/PWM0
PA1/PWM1
PA2/PWM2
PA3/PWM3
PA4/SCL0
PA5/SDA0
PA6/SCL1
PA7/SDA1
PB7/AN0
PB6/AN1
PB5/AN2
PB4/AN3
TM
CS A
VM
CAP(ADC)VSS
PB3/CS1(OSC2)
PB2/CS0(OSC1)
RE SE T
IRQ / Vpp
Vdd
PB1 /T CAP
ESV
PC100
1U
+
-
PU8A
LM339
7
61
312
PR142
10K/F
PD23
1SS355
CA
PR132
10K
PQ34
2N7002
G S
D
PR143
22K/F
PR144
13.7K/F(0805)
PQ33
2N3904
PR133
47K
PC103
0.1U
PR141
100K/F
PR140
100K/F
PR79
100K
PR134
100K
PR135
R
PR127
10K
PQ31
2N7002
G S
D
PR128
10K
PQ36
2N7002
GS
D
PC104
1U
PR150
10K
PQ38
DT A114 EUA
B
E C
PR151
10K
PR70
10K
PC95
1U
PQ32
DT C114 EU A
B
E C
PQ42
DT C114 EU A
B
E C
PR131
47K
PD22
1SS355
CA
PD29
1SS355
C A
PR165
2M
PR188
1M
PC130
0.1U
PR119
0
PD34
AS2431
A C
R
PR190
20K_1%
PR191
51K_1%
3_5V
BUS_CTL
FULL_LED# (31)
IRQ#(31)
SHDN_P O IN T
TP_SHDN
LI_HI(31)
FULL_LED#(31)
Hi => Shutdowm system

B - 31
Schematic Diagrams
71-22C00-D02
A
CHARGER-2
Cu stom
31 31
0200-30. SCH
Monday, March 05, 2001
Title
Size Document Number Rev
Date: Sheet of
ÂÅ ¤Ñ ¹q ¸£ CLEVO CO.
AD
B+
B+
VC
VC
VC
VC
VA
AD
VA
VA
VA
VC
PWM_CTL(30)
CHG_I(30)
BAT (30)
PW R_ON (23,29)
TEMP(30)
TEMP (30)
BAT_CLK(2 5 , 30) BAT_DA(2 5 , 30)
BAT(30)
AC_IN#(30)
V_BAT (30)
BAT +(30)
BA T +(30)
CHG_CTL(30)
BAT (30)
PW R_ON
Z3 7
Z3 8
Z39
Z4 1
Z4 4
Z4 9
Z5 1
Z5 5
Z5 4
Z56
Z4 0
Z5 3
Z32 2
Z21 4Z21 6
Z41 7
Z42 7
Z43 0
Z43 5
Z76
Z4 3
Z58 3
Z58 4
Z65 9
Z4 2
Z616Z617Z618
Z5 0
Z71 2
Z71 3
Z71 4
Z74 0
Z41 5
Z73 9
Z73 8
Z72 3
Z73 7
Z73 6
Z60 6
Z711 Z741
Z60 4
Z60 7
Z41 6
Z42 5
Z41 6
Z83 1
Z41 6
Z83 0
PR96
2K/ F
PR93
100K
PC86
1000P PR85 5.1K PR65
6. 8K
PR97
499K/ F
PR105
100K/ F
PR10 7
100K/ F
PC97
C
PR84
15K/ F
PR89
5.1K
PC88
10U
PR90
3.3K
PR83
11K/ F
PC84
0.1U
PR10 2
20K
PQ27
2N3904
PR86
10K
PR72
40.2K/F
PR103
R
PR10 4
10K/F
PD1
60 QC04(T O-2 52)
A1
A2
C
PD2
60QC04 (T O-252)
A1
A2
C
+
-
PU7B
LM324
5
67
PC93 0.1U
PC92
C
P R98 499K/ F
+
-
PU7C
LM324
10
9
8
PR57
40m (1206)
PR92
2K/ F
PD20
1SS355(R)
CA
PR10 8
100K/F
PD21
1SS355
C A
PC96
1U
PR99
100K/ F
PC90
1U
PC10 1
1U
PC61
0.1U
PC59
0.1U
PR91
R
PR116
10K/ F
PR4
100m (251 2)
PR130
2M
PR82
2K/F(R)
PF2
7A
PR95
5.1K
PC91
1U
PR64
0
PR66
R
PR62
0
PR63
R
PR13 7
47K
PR13 8
68K
PR13 9
10K
PC78
22U/25V
+
-
PU7A
LM324
3
21
411
+
-
PU7D
LM324
12
13 14
CON2
BAT CON
1
2
3
4
5
6
7
PC1
0.1U
PC4
0.1U
PC6
0.1U
PC27
100U/ 25V
PC76
0.1U
PC77
22U/25V
PL3
0(1206)
1 2
PC5
0.1U
PL5
0(1206)
1 2
PF1
5A
PC3
1000P
+
-
PU8B
LM339
5
4
2
312
PQ29
2N7002
G
S D
PR67
10K/F
PR161
25. 5K/ F
PD5
RB05L-A
CA
PC10 2
0.1U
PR160
1M
PR15 3
RPR15 2
R
PQ39
2N7002 G
S D
PR162
20K/ F
PR163
12K /F PR164
R
PR15 6
RPR15 5
27K /F
PQ40
2N7002 G
S D
PQ35
2N7002 G
S D
PR145
100K
PR13 6
100K
PQ20
DTA114EUA
B
EC
PR12 9
11.3K/ F
PR10 6
10K/ F
PC26
0.1U
PC79
1U
PQ22
DTC114EUA
B
E C
PC85 0.1U
PD14
RB 05 L
CA
PR56
40m (1206)
PR61
2K(0805)
PD13
1N4148
C A
PR60
2K(0805)
PU4
TL594(SO-16)
8
11
12
13
5
6
4
3
1
9
10
16
15
14
2
7
Q1 -C
Q2 -C
VCC
MODE
CT
RT
DEAD
COMP
1IN+
Q1 -E
Q2 -E
2IN+
2IN-
VREF
1IN-
GND
PC24
100U/ 25V
PZD2
ZD9.1V(LL34)
A C
PQ21
1782
PR59
100K
PD15
1N414 8
C A
PQ5
Si4431
4
62 5
73
1
8
PC23
0.001U
PL8
CDRH-1205-470
PR55
100K(R)
PQ4
DTA114EUA(R)
B
E C PR16
2K(1206)(R)
PD4
1N4148(R)
CA
PQ19
2N7002(R)
G
S D
PQ16
2N7002(R)
G
S D
PQ15
2N7002(R)
G
S D
PC25
22U/25V
PC131
0.1U
PR154
4.53K/F(08 05)
PC13 8
0.1U
PC13 9
0.1U
PC14 0
0.1U
PC14 1
0.1U
CON1
POWER JACK
1
2
3
PQ49
DTC114EUA
B
E C
PR192
10K(0603)
PQ50
2N700 2
G
S D
PR81
100K(R)
PQ24
2N7002(R)
G
S D
PC83
1U(R)
IRQ# (30)
P_CV
BAT YPE
SET_I
TOTAL
LI _HI (30)
LI _HI (30)
P_CV
LI _HI(30)
FULL_LE D#(30)
BAT YPE

B - 32
Service Manual
2200 , 2200S , 2200C , 2700S
CCFL Smart Inverter
CLEVO CO.
11Thursday , December 14, 2000
2.2
Title
Size Document Number Rev
Date: Sheet of
Vref _2.5 Vref _2.5
+5VSB
+5VSB
+5VSB
LV
HV
+5VS
BRIGH-ADJ
LIGHT-ON
+5VSB
U3
Si4532
2
1
4
3 5
6
7
8
R27 100K
R29
750/F
R13
100K/F
C2 68p/3kv
C18
470p
C1
47u
F1 2A
R10
100K
C8 10u
R17
196K/F
R12 66.5K/FR11
12K/F
C16
1u
C15
0.1u C7
2.2u
R9 150K/F
C12 470p
U2
OZ965
1
2
4
5
6
7
8 9
10
11
12
13
14
15
16
33
REF
HCLMP
SCP
ADJ
FB
CMP
GND SST
PDR
NDR
ENA
OPS
CT
RT
VDD
LCLMPLCLMP
CR1
BAV99L
3 1
2
C11
0.1u
R23
15K
T1
17:2600
CIUH8D45
2 7
5 6
J2
1
21
2
C9
0.1u
C14
0.1u
R1
100K/F
R2
1M
R32
22K/F
R31 510K
C19
1u R30
1K
R8
22
R33
560
R28
560
R26
560
R25
560
R24
560
D2
LED
D1
LED
D4
LED
D5
LED
D3
LED
J1
HEADER 10
1
2
3
4
5
6
7
8
9
10
R22 R
SCRD LED#
CAP LED#
NVM LED#
IDE LED#
FDD LED#
SCRD LED#
CAP LED#
FDD LED#
IDE LED#
NVM LED#
(0~2.5V)

Switch Settings
C - 1
Appendix C: Switch Settings
Clock Settings (SW6)
)BSF(UPC MARDS 1-6WS 2-6WS 3-6WS 4-6WS 6-6WS
66331-CPFFOFFOFFOFFONO
66001-CPFFOFFOFFOFFOFFO
001001-CPNOFFOFFOFFOFFO
001331-CPNOFFONOFFOFFO
331331-CPNONONOFFOFFO

C - 2
Service Manual
Panel ID Settings (SW7)
EZIS DNARB .oNledoM 1-7WS 2-7WS 3-7WS 4-7WS
"3.31
GLCC2C-7X331PLNONOFFOFFO
TDA1-2X331LNONOFFOFFO
CAPINU10X331PUNONOFFOFFO
IADNUYH41X31THNONONOFFO
"1.41
GL5X141PLNONOFFOFFO
TDA1X141LNONOFFOFFO
TPC10BX141AALCNONOFFOFFO
TPC10CX141AALCNONOFFOFFO
CAPINU10X141PUNONOFFOFFO
IADNUYH31X41THNONONOFFO
























