Conexant Systems 36342U Spread Spectrum Transmitter User Manual AN9949
Conexant Systems Inc. Spread Spectrum Transmitter AN9949
Contents
- 1. Manual
- 2. Addendum to manual
Manual

1
TM
INCHECKING
AN9949
ISL36342U-EVAL PRISM II 11Mbps USB Wireless
LAN Evaluation Kit User’s Guide
Introduction
This kit allows evaluation of the
Intersil PRISM® II Direct Sequence
chip set design in a Wireless Local
Area Network (WLAN) USB Card implementation.
Software drivers are included allowing data to be transmitted
between cards at 1, 2, 5.5 and 11Mbps transfer rates, with a
diagnostic program to display the real data throughput from
system to system.
Included in the kit are PRISM II chip set data sheets with
application notes describing the implementation of a
wireless networking card using the chip set.
Contents of Your Evaluation Kit
Your PC Card Wireless LAN Evaluation Kit contains the
following items:
Should you discover that your PC Card Wireless LAN
Evaluation Kit is incomplete, please contact Intersil
Corporation.
Overview of IEEE 802.11
The IEEE 802.11 specification is a standard for wireless
connectivity for fixed, portable, and moving stations within a
local area.
The IEEE 802.11 standard describes the services required
by a compliant device to operate within an “ad hoc” or
“infrastructure” network, as well as dealing with the issues
related to mobility within those networks. Spread spectrum
techniques are used to tolerate mobility and multipath
effects. They are also a requirement for compliance with
FCC, ETSI and those of other regulatory authorities when
operating within the Industrial, Scientific, and Medical (ISM)
frequency band.
An ad hoc communications network is created quickly and
informally for a temporary time period. An infrastructure
network usually requires more planning so that wireless
stations can communicate over longer distances through
access points, and may also communicate with existing
wired LANs using portals.
The IEEE 802.11 standard describes Media Access Control
(MAC) procedures. The principal method of communication
is the Carrier Sense Multiple Access with Collision
Avoidance (CSMA-CA) protocol. Using this protocol, each
station senses the communications medium (RF channel),
and does not transmit until the channel is clear. This avoids
collisions and minimizes the retransmission of subsequent
packets.
The standard also supports the operation of a station within
a wireless LAN that may coexist with several overlapping
wireless LANs. To accomplish this, a scheme of
channelization and spread spectrum techniques is used.
Direct Sequence (DSSS) and Frequency Hopping (FHSS)
spread spectrum techniques are supported by the standard
and both operate in the 2.4GHz to 2.4835GHz frequency
band (the unlicensed ISM band). An infrared technique is
also supported for indoor applications. The standard
supports a 1Mbps and 2Mbps data rate for both DSSS and
FHSS and has recently introduced a high data rate standard
supporting 5.5Mbps and 11Mbps DSSS using
Complementary Code Keying (CCK) modulation.
The standard has also specified the requirements and services
that enable private and secure communications to occur.
Wireless LAN Configurations
For ease of use in evaluating these cards, an ad hoc
network for peer to peer communications can be created.
An ad hoc network is usually created for a specific purpose
(such as file transfer or accessing a database). Ad hoc
networks simplify the process of creating and dissolving
networks for nontechnical users of the network facilities.
Two cards form an IEEE 802.11 Independent Basic Service
Set (IBSS), the simplest ad hoc network. The cards
communicate with each other directly and must remain
within radio range. When both cards are on, they
immediately “see” each other and the ad hoc network is
formed without user intervention.
TousethecardsinaninfrastructureBSS(alsocalledan
Extended Service Set) where the two cards may not be in direct
radio contact, access points are needed. The association
between a card (station) and an infrastructure BSS - where
communication occurs only between a station and an access
point and not between stations directly is dynamic.
QUANTITY DESCRIPTION
2 PRISMIIWirelessLANPCCards
1 ISL36342U Wireless LAN Evaluation Kit User’s
Guide, AN9949
1 PRISM II Chip Set Data Sheets
1 PRISM II Application Notes
1 Microsoft® Windows® 98, 98SE, MS, Win2000
Drivers
1 PRISM® Test Utilities (PTU) Software
1 Features/Benefits Card
1 Product Registration Form
1 Notification Card
Application Note June 2001
Author: Richard L. Abrahams
1-888-INTERSIL or 321-724-7143 |Intersil and Design is a trademark of Intersil Americas Inc.
Copyright © Intersil Americas Inc. 2001, All Rights Reserved
PRISM® is a registered trademark of Intersil Americas Inc. PRISM and design is a trademark of Intersil Americas Inc.
Microsoft® Windows® and Windows NT® are registered trademarks of Microsoft Corporation. LINUX® is a registered trademark of Linus Torvalds.

2
The IEEE 802.11 protocols are implemented in the firmware
so that file transfers or database access can begin
immediately.
Direct Sequence Spread Spectrum Approach
The use of spread spectrum techniques for wireless
computer communications is widely accepted because of
its robustness against multipath effects and interference
from intentional or unintentional radiators. The use of
spread spectrum techniques in the ISM frequency band
also allows products to be deployed without the need for an
FCC license.
The two main methods by which spread spectrum
communications can be achieved are Direct Sequence
Spread Spectrum (DSSS) and Frequency Hopping Spread
Spectrum (FHSS). This wireless LAN PC card uses the
DSSS technique. DSSS transmission has the best
performance in terms of multipath immunity and jamming
rejection. In an office environment, jamming sources are
likely to be unintentional such as emissions from
microwave ovens. Even though unintentional, they pose a
threat to the communications network. Direct sequence
techniques are superior to frequency hopping systems in
this case because FHSS gains its immunity to jamming by
avoiding the location of a single tone jammer (such as
other FHSS users). When collisions occur, data is lost. With
a DSSS system, the despreading function in the receiver
gives immunity to jamming by spreading the interfering
energy by the Pseudo Random Number (PN) code over the
whole bandwidth. This selective despreading attenuates
the jamming power while despreading the desired signal.
In the office environment, multipath effects may degrade
network communications. Direct sequence techniques offer
better protection than slower frequency hopping systems in
the presence of multipath interference. With frequency
hopped systems, if the hopper jumps to a frequency where a
null resides, then data is lost until the next hop. Multipath
signals can be thought of as a special case of unintentional
jamming. In the DSSS approach, nulls resulting from
multipath fading only eliminate a fraction of the signal power
since the bandwidth in the DSSS case is very large. A
significant amount of energy still remains in the signal and
effective despreading still occurs. The probability of burst
errors is reduced significantly.
An often overlooked factor when comparing IEEE 802.11
compliant DSSS and FSSS implementations, is the
achievable data rate. A frequency hopping occupied
bandwidth of 1MHz as specified by the FCC acts as a
limitation when using data rates beyond 2Mbps. A similar
bandwidth limitation has not been imposed when using the
direct sequence implementation. In the new 802.11 high data
rate (11Mbps) standard utilizing Complementary Code
Keying (CCK) modulation, the 5-1/2 times increase in data
rate has been achieved in the same 17MHz bandwidth! This
is accomplished by encoding 6 bits of data in one out of a
possible 64 orthogonal PN spreading sequences. More
information on the new high data rate standard may be
found in Applications Note AN9850 “Complementary Code
Keying Made Simple” which may be found on the Intersil
Web Site.
Installation of ISL36342U Windows
Drivers
PRISM Test Utility (PTU) Software
Installation
NOTE: Perform after Windows Driver Installation.
Step 1. Boot your PC under Microsoft Windows.
Step 2. Once your system has booted and is idle, insert
PRISM II Driver for Windows, Disk #1 into the “A”
Floppy Drive. On the Desktop, left click on
<Start>-><RUN> then type A:SETUP <Enter>
Follow the on-screen instructions. Accept all defaults.
Step 3. When the preliminary installation is complete,
connect the wireless LAN PC card to the computer
via the USB cable.
Step 4. Windows should automatically recognize that the
card has been inserted. It then displays a dialog box
titled “New Hardware Found”.
Step 5. Insert PRISM II Driver for Windows, Disk #1 into
the floppy drive. Tell Windows that the driver is
located on drive “A”. Accept all defaults.
Step 6. Follow the on-screen instructions to complete
installation of the driver. When complete, the NDC
driver icon should appear in the system area on the
desktop (computer monitor with antenna). Clicking on
this icon enables setting of channel, mode, etc.
Step 7. If operating in the Pseudo IBSS mode, you must
assign a unique IP address to the computer in
order for the card to be operable. Left click on
<Start>-><Settings>-><Control Panel>.
Double click on Network. Select TCP/IP ... PRISM
IEEE 802.11 PC Card .... and click on Properties.
Select the IP Address tab. Click on Obtain an IP
Address. Enter a valid IP address. Enter a valid
Subnet Mask (suggest 255 255 255 0). Click
on OK.
Step 1. Insert the PTU disk #1 into the floppy drive.
Step 2. On the Desktop, left click on <Start>-><RUN>
then type A:setup <Enter>. Follow the on-screen
instructions. Accept all defaults. When the
installation is complete, an icon should
automatically appear on the Desktop.
Application Note 9949

3
PC Card Evaluation
This chapter describes several software programs supplied
with the kit. It also details some diagnostic test points that
may be accessed on the card.
Using the PRISM Test Utility (PTU) Software
The PTU permits continuous operation of the transmitter. It is
therefore convenient for performing RF measurements such
as Transmitter Power. It also provides a handy method of
changing channels within the ISM band, Use of the PRISM
Transmitter Test Utility is basically self explanatory. An icon
was automatically created on the desktop when the PTU
installation was performed. It may be run by double-clicking
on this icon.
Using the LANEVAL Software
LANEVAL provides a convenient method of analyzing
Packet Error Rate (PER) and Receiver Sensitivity. An icon
for starting LANEVAL was automatically placed on the
desktop when the PTU installation was performed. In order
for LANEVAL to form a successful link, the same packet
parameters (e.g., Packet Length, Packet Pad Words, etc.)
most be programmed at each end of the link.
LANEVAL runs in conjunction with the NDC Driver. The
Driver permits selection of Data Rate and Channel. It is
normally run in the Pseudo IBSS mode as this provides a
simple wireless Ad Hoc link between two computers. The
NDC Driver may be easily accessed by double-clicking on its
icon (looks like a computer with an antenna on top) located
in the System Tray area on the desktop.
List of Test Instruments
The following instruments may be used for conducting tests
on the wireless LAN PC card.
INSTRUMENT MANUFACTURER MODEL
Spectrum Analyzer Hewlett-Packard 8595E
Power Meter Giga-tronics 8541B
Signal Generator Hewlett-Packard 8648C
Frequency Counter Hewlett-Packard 53181A (012 Option)
Digital Scope
General-Purpose Multimeter
Computer with a USB Connection Slot (2 Required)
Differential Probe Tektronix P6247
RF Probe, 500ΩHewlett-Packard 54006A + 11742A
Application Note 9949

4
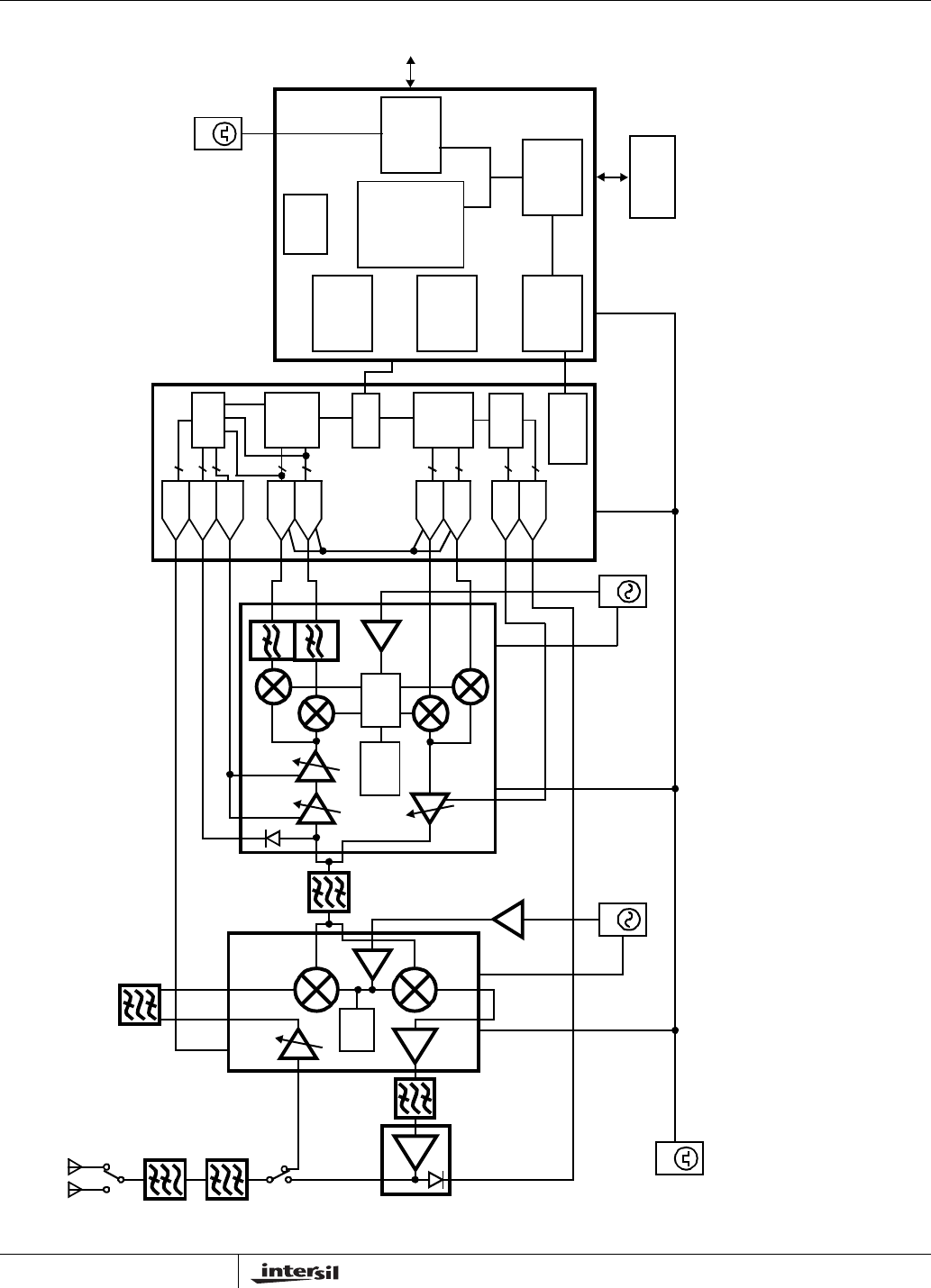
FIGURE 1. WIRELESS LAN PC CARD BLOCK DIAGRAM
6
7
6
6
6
6
6
1
1
HFA3863 BBP
AGC
CTL
RAKE
TX
ALC
AND
DEMOD
RF
DAC
RF
ADC
IF
DAC
I ADC
Q ADC
TX
DAC
TX
ADC
I DAC
Q DAC
MOD
I/O
AND
FILTER
IF LO
I/Q LO
PLL
HFA3783 (FILE #4633)
IF I/Q MOD/DEMOD
RF LO
PLL
HFA3683A
RF/IF CONVERTER
HFA3983
PA
REF_OUT
CONTROL
TEST I/O
HFA3842 MAC
(FILE #4839)
USB
INTERFACE
MEMORY
ACCESS
ARBITER
USB
INTERFACE
LOGIC
RADIO
DATA
INTERFACE
RADIO
CONTROL
PORTS
GP
SERIAL
PORTS
WEP
ENGINE
CPU
16-BIT
PIPELINED
CONTROL
PROCESSOR
EXTERNAL
MEMORY
(FILE #4635)
(FILE #4634)
(FILE #4868.1)
VCO
VCO
OSC
BUFFER
VCTRL
VCTRL
44MHz
OSC
48MHz
Application Note 9949

5
Test Point Diagrams
FIGURE 2. WIRELESS LAN PC CARD TEST POINTS (TOP VIEW)
U2
U4
U6
ISL36342U-EVAL
S/N
REV B
X1
INTERSIL CORP0RATION
ISL36342U-EVAL REV B
PRISMII RADIO USBUS
DATE:23/OCT/00
D2
P1
J3
J1
D4
R3
C1
U2
U1
U4
C150
TP12
L29
R74
R82
R24
C27
L21
U6
R2
C7
C6
C144
R14
TP13
L1
U18
R15 C24
R83
C33
R4
R1
C3
C5
R96
R7
C10
C143
C13
T5
T3
T2
T1
R20
R28
C25
C26
C15
R34
R30
C30
C32
C2
R16
R12
R22
R8
C17
C21
T8
T7
T6
T4
R32
R33
C36
C19
U3
R42
C20
R18
R13
L3
C34
U5
C139
C29
C35
C4
TP11
Q1
C14
C8
TP15
TP14
R94
C31
C18
C9
C140
R29
R27
R23
R19
C12
C11
R90
C152
C147
R72
R95
C148
R93
R92
R91
C146
C145
TP5
TP8
L26
TP10
C138
TP4
C122
L28
C64
C119
TP2
R85
L25
TP9
TP7
TP6
C131
L24
L27
TP3
TP1
C149
ASSEMBLY TOP
USB Attached
USB D-
USB D+
48 MHz
TEST POINT K- RX I+ SIGNAL
TEST POINT L - RX Q+ SIGNAL
TEST POINT L1 - RX Q- SIGNAL
TEST POINT K1 - RX I- SIGNAL
vReg +3.3V
Application Note 9949

6
FIGURE 3. WIRELESS LAN PC CARD TEST POINTS (BOTTOM VIEW)
Test Point Diagrams (Continued)
C37
J1
L15
L4
C77
R46
FL3
U10
C28
C96
C97
C141
C151
C65
C48
L11
C66 R43
C82
C105
R53
L8
FL4
C73
U8 L13
C79
C98
L16
L19
L20
C106
C101
L18
U12
C127
R71
U12
L2
C90
R50
R48
C54
C113
R60
R54
R68
C128
C126
C22
C68
C59
C95
C83
C87 R51
C16
C111
C115
C114
C94
R35
FL5
R31
C58
C60
C61
R38
R37
R36
R73
U11
C117
C67
C78
C118
C123
C116 R65
C23
R25
C109
C129
C125
R69
L7
C44
C39
C62
C49
C47
R39
C63
R81
R80
L12
C92
C86
R44
L14
U11
U14
R75
C132
R77
R76
C130
FL1
L5
FL1
C74
C75
C103
C99
R84
U16
C50
C135
C69
L6
C46
C45
L9
C72
C53
C76
C84
C89
C91
C80
C124
C100
R55
R52
C107
R56
C136
U15
C137
C38
U7
C40
C42
U9
L10
C55
C51
C52
C56
R40
U9
C112
R63
C108
C104
C110
C120
U13
R70
R66 C134
C133
C43
C41
C71
C57
C70
R45
C93
C81 L17
R49
R47
C88
C85
R64
R61
R57
R58
R59
R62
C121
R67
C102
L22
C142
P1
U17
J3
INSTALL FOR RF CONNECTOR
TEST POINT D - TX IF SIGNAL (AFTER SAW FL)
REMOVE FOR RF CONNECTOR
C141 (150 PF)
L4 (1.5 NH)
INSTALL FOR RF CONNECTOR
C137 (150 PF)
ALSO INSTALL C141 (SEE BELOW)
ALSO INSTALL C137 (SEE ABOVE)
RF IN/OUT
TEST POINT E
(INSTALL J1 FOR
)
RF CONNECTOR)
J- RX IF+ SIGNAL
TEST POINT
TEST POINT C
TX IF SIGNAL (BEFORE SAW FL)
TEST POINT F - RF L.O.
TEST POINT G
RF L.O. LOCK VOLTAGE
TEST POINT A
TX I+
TEST POINT A1
TX I-
TEST POINT B
TX Q+
TEST POINT B1
TX Q-
TEST POINT I IF L.O. LOCK VOLTAGE
TEST POINT H IF L.O.
Application Note 9949

7
Receiver Noise/Gain Analysis
The ISL36342U is implemented on FR-4 material. It uses 50Ω
coplanar micro-strip traces which have a loss of 0.35dB/in at
2.442GHz. These losses are small, but should be considered
when calculating the overall noise figure. The ISL36342U uses
two diversity antennas. The first component is the antenna
diversity select switch. This has an insertion loss of 1dB. The
input trace to the switch along with the matching network
associated with the switch brings the insertion loss to 2dB. The
next component is a low pass filter. This filter provides transmit
harmonic suppression. Its insertion loss is 1dB including the
trace loss and matching loss from T/R switch. The next
component is a bandpass filter. This filter limits the front end
pass band to the ISM band, and provides out-of-band rejection
for all undesired signals (e.g., cell phones). The filter
characteristic is shown is Figure X. The insertion loss from this
filter is 2.5dB including the effect of trace length. The bandpass
filter is followed by a Transmit/Receive (T/R) switch. This switch
connects the LNA or the Power Amplifier (PA) to the antennas.
The insertion loss from this switch is 2.5dB including the effects
of trace lengths and matching components. The LNA is the next
component in the receive path. The LNA is inside the
HFA3683A RF/IF converter and synthesizer, which also
contains a image reject mixer, as well as the frequency
synthesizer for the first Local Oscillator (LO). The first LO is low
side injected to mix the desired channel to the Intermediate
Frequency (IF) of 374MHz. The first LO tunes in 5MHz steps
and is 374MHz below the ISM band channels. The first LO tune
from 2038MHz to 2110MHz. The cascaded noise figure and
gain of the LNA and the image reject mixer in the high gain
mode is 3.7dB and 25dB respectively. The IF filter is a Surface
Acoustic Wave (SAW) filter. The passband of the SAW filter is
±10MHz which provides adjacent channel rejection. It has
linear phase, sharp attenuation characteristics and provides
50dB of ultimate suppression. The final component is the
HFA3783 I/Q modulator/demodulator and synthesizer. The
HFA3783 contains AGG amplifiers and a quadrature baseband
converter. The HFA3783’s maximum gain is 61dB while the
worst case noise figure is 8dB. The HFA3783 provides complex
I and Q filtered inputs to the base-band processor. A spread
sheet showing the noise gain analysis is shown in Figure X. In
the low gain, mode the LNA gain is switched via the AGC to
-9dB of loss. The noise gain cascade for the low gain mode is
shown in Figure X.
HFA 3683A
HFA 3783
Bandpass Filter
USN 30172450
2dB IL
T/R Switch
UPG-152TA
1dB IL
OCP 27
OIP3 50
Diversity
Switch
UPG-152TA
1dB IL
OCP 27
OIP3 50
Lowpass Filter
LTF3216L
1dB IL
LNA/Image
Rejection Mixer
Gain 25 dB
NF 3.7dB
OCP -7.5
OIP3 12
374MHz
Saw Filter
8.5dB IL
HFA 3783
Gain 61
NF 7dB
OCP -14.3
OIP3 1.5
FIGURE 4.
FIGURE 5. INPUT FILTER
FIGURE 6. SAW FILTER
Application Note 9949

8
Explanation of Test Points
All measurements were taken using the “Continuous
Transmit” or “Continuous Receive” features of the PTU
diagnostic software. Unless otherwise noted, spectrum
measurements included in this section were obtained using
a Hewlett-Packard 54006A 500Ωprobe and 11742A coaxial
blocking capacitor and do not indicate the actual amplitude
of the signal owing to losses associated with the probe.
Unless noted, 11Mbps CCK modulation was employed.
Many of the signals are differential (i.e., balanced with
respect to ground). These are denoted by + (plus) and
- (minus) symbols following the signal name (e.g., RX I+ and
RX I-).
Test Points A- A1, and B-B1
Transmit I and Q:
NOTE: BPSK mode is used for the plots in this figure. Therefore, I
and Q are identical.
TABLE 1. HIGH GAIN PARAMETERS
PART
REFERENCE NF GAIN OCP OIP3 CUM NF CUM GAIN ICP OIP3 IIP3
UPG152TA2 -227502.00-22950.0052.00
LTF3216L 1 -1 99 99 3.00 -3 29 49.00 52.00
LFSN30172450 2 -2 99 99 5.00 -5 29 47.00 52.00
UPG152TA2 -227507.00-72943.8150.81
HFA3683A 3.7 25 -7.5 12 10.70 18 -25.5 12.00 -6.00
SAW374M 8.5 -8.5 99 99 10.74 9.5 -25.5 3.50 -6.00
HFA3783 7 61 -14.3 1.5 10.90 70.5 -84.8 1.50 -69.00
TABLE 2. LOW GAIN PARAMETERS
PART
REFERENCE NF GAIN OCP OIP3 CUM NF CUM GAIN ICP OIP3 IIP3
UPG152TA 2 -2 27 50 2.00 -2 29 50.00 52.00
LTF3216L 1 -1 99 99 3.00 -3 29 49.00 52.00
LFSN30172450 2 -2 99 99 5.00 -5 29 47.00 52.00
UPG152TA 2 -2 27 50 7.00 -7 29 43.81 50.81
HFA3683A 3.7 -9 -7.5 12 10.70 -16 8.5 11.98 27.98
SAW374M 8.5 -8.5 99 99 24.04 -24.5 8.5 3.48 27.98
HFA3783 7 -72 -14.3 1.5 31.41 -96.5 8.5 -68.52 27.98
FIGURE 7. TRANSMIT I AND Q SIGNALS AT THE OUTPUT
OF THE HFA3861 (TEST POINTS A-A1 AND B-B1)
Application Note 9949

9
The I and Q are both differential signals and, as such,
consist of I+, I-, Q+, and Q- respectively. As these are
balanced signals, data is measured using a Tektronix P6247
Differential Probe. For example in the measurement of the I
signal, the probe is bridged between Test Points A (I+) and
A1 (I-).
Transmit In-phase and Quadrature (I+ and Q+) signals are
the spread baseband single-bit I and Q digital data that are
outputted at the programmed chip rate (N).
Test Points C and D
IF Transmit Signal:
The intermediate frequency (IF) transmit signal is a spread
spectrum signal centered at 374MHz with a 17MHz
bandwidth.
The SAW filter is used to shape the sidelobes.
Test point C is at the input of the SAW Filter whereas D is at
the output.
Test Point E
RF Transmit Signal:
The optional SMA connector can be used to hook up a
Spectrum Analyzer for RF evaluation. Note that L4 (1.5nH)
must be removed and C141 (15pF) and C37 (150pF) must
be installed to activate the connector See (Figure 3).
This is the up-converted spread spectrum output of the card.
The center frequency of this signal is 2412-2484MHz
depending on the channel of operation. The output power of
the signal is approximately +12.5dBm. The peaks of the
sidelobes of the output spectrum (i.e., the regrowth) are
normally adjusted by the ALC/AGC to be 30dB below the
peak of the spectrum per requirements of IEEE 802.11.
The following table delineates the IEEE 802.11 channels and
their corresponding center frequencies. Although information
contained in Table 1 is deemed to be accurate, local regulatory
authorities should be consulted before using such equipment.
FIGURE 8. IF TRANSMIT SIGNAL BEFORE SAW FILTER
(TEST POINT C)
FIGURE 9. IF TRANSMIT SIGNAL AFTER THE SAW FILTER
(TEST POINT D)
TABLE 3. IEEE 802.11 CHANNELS
CHANNEL
NUMBER CHANNEL
FREQUENCY GEOGRAPHIC
USAGE
1 2412MHz US, CA, ETSI, MKK
2 2417MHz US, CA, ETSI, MKK
3 2422MHz US, CA, ETSI, MKK
4 2427MHz US, CA, ETSI, MKK
5 2432MHz US, CA, ETSI, MKK
6 2437MHz US, CA, ETSI, MKK
7 2442MHz US, CA, ETSI, MKK
8 2447MHz US, CA, ETSI, MKK
9 2452MHz US, CA, ETSI, MKK
10 2457MHz US, CA, ETSI, FR, SP, MKK
11 2462MHz US, CA, ETSI, FR, SP, MKK
12 2467MHz ETSI, FR, MKK
13 2472MHz ETSI, FR, MKK
14 2484MHz Japan†
KEY: US = United States, CA = Canada, ETSI = ETSI countries
(except France and Spain), FR = France, SP = Spain.
†In Japan, Channel 14 requires Japanese Transmit Filter.
FIGURE 10. TRANSMITTED 2.4GHz SIGNAL SPECTRUM
(TEST POINT E)
Application Note 9949

10
Test Points F and G
RF local oscillator (LO):
The behavior of the RF VCO can be monitored at Test Point F.
The VCO output should be locked at the channel frequency
minus the IF (374MHz.) This means that the VCO will have
to lock between 2038MHz and 2110MHz. The output power
at test point F is approximately -6dBm. Ideally, the tuning
voltage of the VCO, when locked, falls between 0.5V and
2.2V. The tuning voltage of the RF VCO can be observed at
Tes t Point G.
Test Points H and I
IF local oscillator (LO):
The IF VCO is a discrete design and operates at 748MHz
(i.e., twice the IF frequency). The output frequency of this
VCO does not need to be varied; thus, minimal tuning range
is required.
The output frequency of this VCO can be observed at Test
Point H.
Ideally, the tuning voltage of the IF VCO, when locked, falls
between 0.5V and 2.2V. The tuning voltage of the IF VCO
can be observed at Test Point I.
Test Point J
IF Receive Signal:
The intermediate frequency (IF) receive signal is the down-
converted receive signal prior to the SAW bandpass filter.
The center frequency of this signal is 374MHz with a
bandwidth of 17MHz. The power of this signal is directly
dependent on the input signal power.
Note that the spurious signal visible below the DS
spectrum’s frequency is a harmonic of the 44MHz clock.
Much of this level is due to stray pickup in the 500ΩRF
probe because of the relatively low signal level present. As
such, it will have no influence on receiver performance.
Test Point K-K1 and L-L1
Receive I and Q:
NOTE: BPSK mode is used for the plots in this figure; as such, I and
Qareinverseofeachother.
FIGURE 11. RF LOCAL OSCILLATOR OUTPUT AT CHANNEL 8
(TEST POINT F)
FIGURE 12. IF LOCAL OSCILLATOR OUTPUT (TEST POINT H)
FIGURE 13. IF RECEIVE SIGNAL PRIOR TO SAW FILTER
(TEST POINT J)
FIGURE 14. RECEIVE I AND Q SIGNALS (TEST POINTS K AND L)
Application Note 9949

11
The receive In-phase and Quadrature (I and Q) signals are
the demodulated lowpass-filtered data that are coupled to
the HFA3861. The output levels of these two signals are
approximately 500mVP-P. As these are balanced signals,
data is taken using a Tektronix P6247 Differential Probe.
• Test point K for RXI+ signal is at the 0Ωjumper, R19.
• Test point K1 for RXI- signal is at the 0Ωjumper, R23
• Test point L for RXQ+ signal is at the 0Ωjumper, R27
• Test point L1 for RXQ- signal is at the 0Ωjumper, R29.
Operational Characteristics
See the iSL36342U-EVAL data sheet, Intersil File Number
FN8018, for more detailed specifications.
References
For Intersil documents available on the internet, see web site
www.intersil.com
[1] iSL36342U-EVAL Data Sheet, Intersil Corporation.
[2] AN9850 Application Note, Intersil Corporation,
“Complementary Code Keying Made Simple”.
Notices
Electronic Emission Notices
This device complies with Part 15 of the FCC rules.
Operation is subject to the following two conditions:
1. This device may not cause harmful interference.
2. This device must accept any interference received,
including interference that may cause undesired
operation.
FCC Radio Frequency Interference Statement
The wireless LAN PC card is subject to the rules of the
Federal Communications Commission (FCC). This card is
considered an intentional radiator as per the FCC guidelines.
NOTE: This equipment has been tested and found to comply with
the limits for a Class B digital device, pursuant to Part 15 of the FCC
rules. These limits are designed to provide reasonable protection
against harmful interference in a residential installation. This
equipment generates, uses and can radiate radio frequency energy
and, if not installed and used in accordance with the instruction
manual, may cause harmful interference to radio communications.
However, there is no guarantee that interference will not occur in a
particular installation. If this equipment does cause harmful
Absolute Maximum Ratings
SupplyVoltage..........................-0.3Vto7.0V(Max)
StorageTemperature(Note1).................. -20
oCto65
oC
Operating Conditions
TemperatureRange........................ 0
oC≤ TA≤55oC
SupplyVoltageRange.......................... 4.20Vto7V
Caution: These are the absolute maximum ratings for the PC Card product.
Exceeding these limits could cause permanent damage to the card.
NOTE:
1. All temperature references refer to ambient conditions.
TABLE 4. GENERAL SPECIFICATIONS
SPECIFICATION VALUE
Targeted Standard IEEE 802.11
Data Rate 1Mbps DBPSK
2Mbps DQPSK
5.5Mbps CCK
11Mbps CCK
Range (11Mbps Data Rate) 120ft (37M) Indoor (Typ)
400ft (122M) Outdoor (Typ)
Center Frequency Range 2412MHz - 2484MHz
Step Size 1MHz
IF Frequency 374MHz
1.875"
FIGURE 15. EDGE VIEW, USB CARD
IF Bandwidth 17MHz
RX/TX Switching Speed 2µs(Typ)
Average Current without
Power Save
2% Transmit, 98% Receive
187mA (Typ)
Average Current with Power
Save
2% TX, 8% RX, 90% Standby
43mA (Typ)
Current in Continuous TX
mode
300mA (Typ)
Current in Continuous RX
Mode
185mA (Typ)
Standby Current 25mA (Typ)
Mechanical PC Card, with Antenna Extension
Output Power +11.5dBm (Typ)
Transmit Spectral Mask -30dBc at First Side Lobes
Antenna Interface SMA, 50Ω (for Testing Only)
Dual Diversity Printed Antenna
TABLE 4. GENERAL SPECIFICATIONS
SPECIFICATION VALUE
Application Note 9949

12
All Intersil products are manufactured, assembled and tested utilizing ISO9000 quality systems.
Intersil Corporation’s quality certifications can be viewed at website www.intersil.com/design/quality
Intersil products are sold by description only. Intersil Corporation reserves the right to make changes in circuit design and/or specifications at any time without notice.
Accordingly, the reader is cautioned to verify that data sheets are current before placing orders. Information furnished by Intersil is believed to be accurate and reliable. How-
ever, no responsibility is assumed by Intersil or its subsidiaries for its use; nor for any infringements of patents or other rights of third parties which may result from its use. No
license is granted by implication or otherwise under any patent or patent rights of Intersil or its subsidiaries.
For information regarding Intersil Corporation and its products, see web site www.intersil.com
interference to radio ortelevision reception, which can be determined
by turning the equipment off and on, the user is encouraged to try to
correct the interference by one or more of the following measures:
• Reorient or relocate the receiving antenna
• Increase the separation between the equipment and the
receiver
• Connect the equipment into an outlet on a circuit different
from that to which the receiver is connected
• Consult the dealer or an experienced ratio/TV technician for
help
WARNING! Any changes or modifications of equipment not
expressly approved by Intersil could void the user’s authority to
operate the equipment.
Packaging
Application Note 9949