Craftsman 113197250 User Manual RADIAL ARM SAW Manuals And Guides L0805382
CRAFTSMAN Saw Radial Manual L0805382 CRAFTSMAN Saw Radial Owner's Manual, CRAFTSMAN Saw Radial installation guides
User Manual: Craftsman 113197250 113197250 CRAFTSMAN RADIAL ARM SAW - Manuals and Guides View the owners manual for your CRAFTSMAN RADIAL ARM SAW #113197250. Home:Tool Parts:Craftsman Parts:Craftsman RADIAL ARM SAW Manual
Open the PDF directly: View PDF
.
Page Count: 104 [warning: Documents this large are best viewed by clicking the View PDF Link!]

fA
Save This Manual
For Future Reference
_ARS
Operators
Manual
MODEL NO.
113.197210
1O" ELECTRONIC
RADIAL SAW WITH
23" CABINET AND
1 DOOR
or
113.197250
10" ELECTRONIC
RADIAL SAW WITH
LEG SET
Serial
Number
Model and serial numbers
may be found at the rear of
the base.
You should record both
model and serial number in
a safe place for future use.
FOR YOUR
SAFETY:
READ ALL
INSTRUCTIONS
CAREFULLY
\\\\
113.197210
CRRFTSMRN
10-INCH ELECTRONIC
RADIAL SAW
• Assembly
• Operating
•Repair parts
Sold by SEARS, ROEBUCK AND CO., Chicago, IL. 60684 U.S.A.
Part No. SP5250 Printed in U.S.A.

FULLONEYEARWARRANTYONCRAFTSMANRADIALSAW
It wilhin one year Irom the dale o! purchase, this Craltsman Radial Saw fails due to a delect in material or
workmanship, Sears will repair it, free of charge.
WARRANTY SERVICE IS AVAILABLE BY SIMPLY CONTACTING THE NEAREST SEARS SERVICE
CENTER/DEPARTMENT THROUGHOUT THE UNITED STATES.
This warranly applies only while this product is used in the United States.
This warranty gives you specific legal rights and you may also have other rights which vary from state to state.
SEARS, ROEBUCK AND CO., DEPT. 698/731A Sears Tower, Chicago, IL 60684
Table of Contents
Section Title Page Numbers
Safety Information ............................................. 3-6
Putting Your Saw Together ...................................... 7-19
Location and Function of Controls ................................ 20-23
Alignment of Blade .......................................... 24-39
Digital Display .............................................. 40-45
Electrical Connections ......................................... 46-47
Crosscutting ............................................... 48-54
Ripping .................................................. 55-53
Cutting Accessories .......................................... 54-67
Recommended Accessories ....................................... 68
Lower Blade Guard Safety Information ............................... 59
Glossary .................................................... 70
Helpful Hints ............................................... 71-73
Maintaining Your Saw ........................................ 74-79
Trouble Shooting ............................................ 80-85
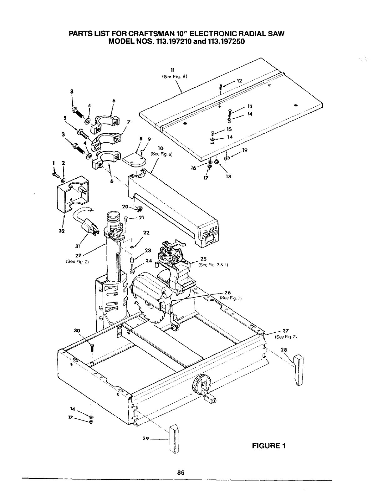
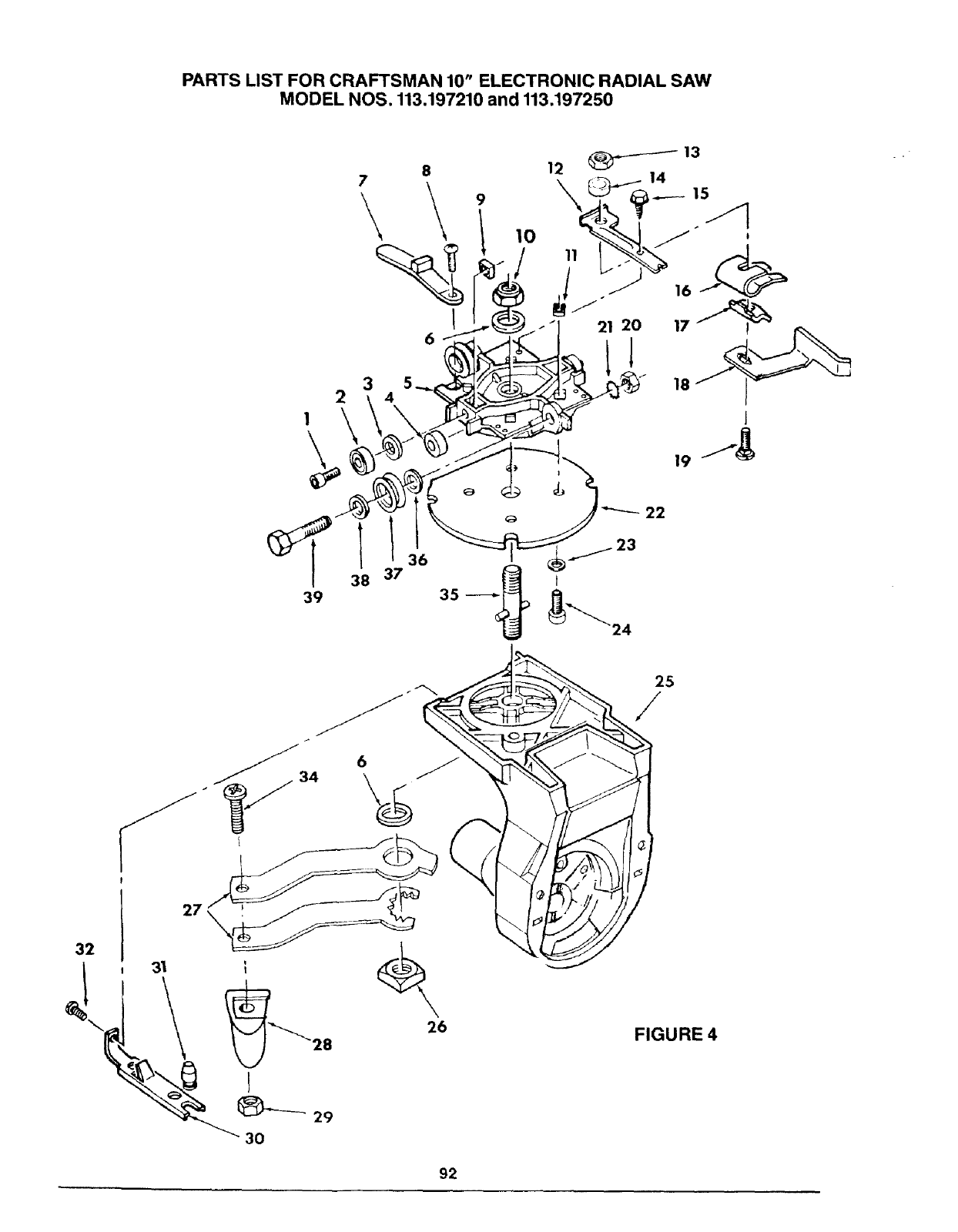
Parts Lists ................................................ 86-101

Safety Information
The operator's manual contains safety infor-
mation, instructions and signs for your protec-
tion against serious injuries, including:
Loss of fingers, hand, arm or leg from contact
with the saw blade.
Eye injuries, including being blinded from
being hit by a thrown workpiece, workpiece
chips or pieces of the saw blade.
Impact injuries, including broken bones and
internal organ damage, from being hit by a
thrown workpiece, workpiece chips or pieces
of the saw blade.
Shock, electrocution, or burn injuries from
contact with wires, motor or other saw parts.
Safety Symbol and Signal Words
The safety information in this manual is high-
lighted by the following safety alert symbol.
Fig. 1Safety Alert Symbol
The following signal words are used to indi-
cate the level of risk.
DANGER: Means that if the safety infor-
mation is not followed, someone will be
seriously injured or killed.
_1_ WARNING: Means that if the safety in-
formation is not followed someone could be
seriously injured or killed.
_lb CAUTION: Means that if the safety in-
formation is not followed someone may be in-
jured.
All of the safety information and cutting
steps are critical to the safe operation of the
radial arm saw.
Major Hazards
1. Workpiece Kickback
Kickback is an uncontrolled grabbing and
throwing of the workpiece during ripping. If
kickback occurs, the workpiece can hit
you hard enough to cause broken bones, in-
ternal organ injury or death. To reduce or
prevent kickback, read and follow the safety
information in the Ripping section of the
manual.
Kickback.
Internal injury can
result.
Use anti-kickback
pawls/spreader.
Fig 2 Kickback Safety Sign
2. Kickback Followed by Blade Contact
Kickback followed by blade contact can hap-
pen when the saw blade is pinched or bound
by the workpieee during ripping. Kickback
can happen if you reach around the blade to
the end with the anti-kickback pawls, (oat-
feed end), and try to hold-down or pull the
workpiece through to complete the cut. Your
fingers, hand, or arm can be cut off by the
blade if the workpiece kicks back.
Kickback, Blade
Contact.
Fingers, hand, arm
can be cut off.
Follow instructions
for Ripping
Fig. 3 Blade Contact Safety Sign

3. Wrong Way Feed
Wrong way feed is feeding the workpiece
into the end of the saw with the anti-kickback
pawls. The work_iece can be grabbed by the
blade and pull your hands into the blade
before you can let go or pull back. Fingers,
hand or arm can be cut off.
Fig. 4 Wrong Way Feed Safety Sign
If a workpiece is fed into the end of the saw
with the anti-kickback pawls, it can take off
like a missile. Anyone hit by the workpiece
can be killed. Feed the workpiece into the in-
feed end of the saw blade, the end that does
not have the anti-kickback pawls.
;'"- ..... I Wrong Way Feed.
_ O____ IWorkpiece impact
Feed into infeed
end of saw.
Fig. 5 Wrong Way Feed Safety Sign
4. Thrown Workpiece Chips and Blade
Pieces
The saw can throw the workpiece, workpiece
chips or pieces of the blade violently. You
can be blinded. Wear safety goggles labeled
"ANSI Z87.1" on the package.
A
can be blinded.
Wear safety
goggles.
Fig. 6 Safety Goggles Safety Sign
DANGER: Follow the 8 steps listed
below to reduce or eliminate the risk of
being injured when using the radial arm
saw. Failure to do so can result in a life
threatening injury or death.
_sscutting and ripping.
2. Set blade guard in horizontal position
when crosscutting.
3. Lower blade guard nose only when rip-
ping.
4. Keep hands as far away from the blade
as possible when cutting.
5. Return the saw to its rearmost position
after each crosscut.
6. Wait until the blade has stopped turn-
ing before reaching for the work?iece or
a_}thmg else on the table.
7. Read and follow the safety information
and safety instructions in the operator's
manual and in the safety labels on the
radial arm saw.
8. Know location and function of all con-
trois before using saw. See the Location
and Function of Controls section.

Personal Safety
1. Wear safety goggles labeled "ANSI Z87.1"
on the package. Do not wear regular glasses,
they are not safety glasses.
2. Wear snug fitting clothes, short sleeve
shirts and nonslip footwear. Cover up or tie
long hair. Do not wear loose, baggy clothes,
gleves, neckties, rings, watches or any other
jewelry.
3. Wear a dust mask, with your safety gog-
gles, if cutting operation is dusty.
4. Wear hearing protectors, ear plugs or
muffs, if you use the saw daily.
5. Keep good footing and balance. Don't over-
reach.
Work Area Safety
1. Keep children, pets and visitors out of the
work area.
2. Make the work area child proof. Remove
the yellow key from the red switch and place
it out of reach and sight. Lock work area.
3. Keep floors dry and free from sawdust, wax
or other slippery materials.
4. Keep work area clean, uncluttered and
well lighted.
5. Use the saw in a dry area. Do not use in
wet or damp area. Do not use outside.
6. Clear the table of all cbjects (adjusting
wrenches, tools, scraps of wood etc.) except
the workpiece to be cut, fixtures or clamps
before turning the saw on.
7. Do not do layout, assembly or setup work
on the table while the blade is turning.
8. Store items away from the saw. Do not
climb on the saw to reach items. Do not
stand on the table; the saw can tip over.
Saw Safety
1. Keep guards and anti-kickback pawls in
place and in working order.
2. Check for broken or damaged parts before
using saw. A damaged guard or other saw
part should be checked for alignment, bind-
ing, breakage and correct mounting to make
sure they are working properly. Repair or
replace damaged guards or other saw parts.
3. Unplug saw before doing maintenance,
making adjustments, and changing blades and
accessories.
4. Use clamps or vice to hold workpiece
when practical. It's safer than using your
hands and frees them to operate the saw.
5. Do not force the saw, saw blade or acces-
sories to do jobs they are not designed to do.
6. Make sure the yellow key is removed and
the red switch is in the off position before
plugging in the power cord.
7. Cut only wood, woodlike or plastic
materials. Do not cut metal materials.
8. Secure the saw to floor, wall, bench or
table if it slides, tips or walks during use.
9. Feed the workpiece against the direction
of rotation of the blade when ripping.
10. Turn the saw off before leaving work
area. Do not leave the saw until the blade
has stopped.
11. Lock the rip and miter locks before
moving the saw from one location to another.
12. Turn the saw off and remove yellow key if
the blade jams. Do not try to free a jammed
workpiece with the saw on.
13. Turn the saw off if it vibrates excessively
or makes an unfamiliar noise. Correct any
problems before restarting saw.

14. Rip workpieces that are longer than the
diameter of the blade being used. Do not rip
a workpiece that is shorter than the diameter
of the blade being used.
15. Cut only one workpiece at a time. Do
not cut stacked workpieces or lay them edge
to edge for cutting.
Workpiece Support Safety
1. Use additional supports for workpieces
which extend beyond the saw table. Large
workpieces can shift, twist, rise from table or
fall after they are cut.
2. Helpers can be hit by a thrown workpiece,
workpiece chips or pieces of the blade. Use
table extensions or other supports. Do not
use helpers.
3. ttelpers can cause the workpiece to kick-
back. Do not use other people to support or
assist in feeding or pulling the workpiece.
Use table extensions.
4. When table extensions over 24 inches wide
are added to either side of the saw, make
sure you either bolt the saw to the floor or
support the outer end of the extension from
the floor with sturdy legs or an outrigger.
5. Use Only Recommended Accessories
Follow the instructions that come with the
accessories.
Consult the owner's manual for recommended
accessories.
The use of improper accessories may cause
risk of injury to persons.
Blade Safety
1. Use blades marked for 3450 rpm or higher.
2. Do not use blades larger than 10 inches in
diameter.
3. Keep blade sharp and clean.
4. Do not cycle motor switch on and off rapid-
ly; the blade can loosen.
5. Do not overtighten the blade; the blade
collar can be warped.
Safety Labels on the Radial Arm Saw
The following labels are on your radial arm
saw. Locate, read and follow the safety in-
structions and information contained in these
labels.
1. Wrong way feed label located on the out-
feed end of the blade guard.
[DANGER
TO AVOID
INJURY DO NOT
FEED MATERIAL
INTO CUTTING
TOOL FROM
THIS END
Fig. 7Wrong Way Feed Label
2. Safety instruction label located on the
front of the saw near the handwheel.
[DANGER ]
FOR YOUR OWN SAFETY:
1. Read and understand owner's manual
before operating machine.
2. Wear safety goggles complying with
ANSI Z87.1.
3. Keep hands out of path of saw blade.
4, Never reach around the saw blade.
5. Never perform any operation
"FREEHAND:'
6. Return carriage to the full rear position
after each cross-cut type operation,
7. Shut off power and allow saw blade to
stop before adjusting or servicing
Fig, 8 Safety Instruction Label
3. Ripping safety label located on the motor.
[DANGER [WHEN RIPPING
1. R4t_ I_,d un_wl_l_l OWTNW'$ mlmuM S. Ule "PUSH STICK" fo_ rmrrow work
_g remcl_k, te. 7_ Nev_ orm tony ope_t}o,n
2. _1 _gl_ €omplying wh11 6. Nev_ flinch mrour_ th_ saw blade."FREt H_A_rl. "
3, Klmp hired= otlt of l_lth of sew b_. 8, Shut off power m_l allow IklW I_qKIll tO
4. Know hOW Io #_k:l _KICKBACKS? MOp before Kljusti_ Or _.rvi¢ing.
TO AVOID RUNAWAY WORKP!IECE
ALWAYS _WORXPIECE k_,to
cutting tool FT!OM TH_ B40 ONLY
DANGER AT OUTFEED
Workpi4bco c4_ smc_d4_W k_k _BCk
__ @pul h,t_do int oarKI und_ r.utU_l tool
MOtOr: 120Volts 11.0Ampl 3450 R.P.M. 60Hz. tPhase ModelC48HM'275
Fig. 9Ripping Safety Label

Putting Your Saw Together
Your radial arm saw is easy to put together,
however it will take time. Ask a friend to
help, and follow these assembly instructions.
It is important for your safety, and for the
quality of your cuts, that the saw be put
together with care.
This manual was written for two different
models of the radial arm saw: model
113.197210 with cabinet and door, and model
113.197250 with leg set.
The following assembly sections should be
followed for both models:
Unpacking /Set up
Information
Attaching Handwheel
Mounting Motor
Mounting
Attaching
Mounting
Mounting
Saw'
Trim Ledge and Trim Caps
Table Locks
the Front Table
All other sections are labelled with the correct
model number. Follow ONLY instructions
that are meant for your model saw. Both
models work in the same way once they are
put together.
_1_ WARNING: Plugging the saw in
during assembly can result in electrical
shock or your fingers, hand, or arm be-
ing cut off from blade contact. Do not
plug in the saw at any time during as-
sembly. The saw should only be
plugged in when it is to be used.
Unpacking/Set up
Both Models
I As you unpack, try to keep the contents of
each of the smaller bags together and separate
from the others. This will help you identify and
locate the parts you need during assembly,
The following parts are included with model
113.197210:
A Basic Saw Assembly ............ l
B Rear Table .................... 1
C Table Spacer .................. 1
D Rip Fence ..................... 1
E Front Table .................... 1
F Operators Manual ............... 1
GLoose Parts Bag ................ 5
H Table Mounting, Channel ........ 2
I Trim Cap, R.H ................. 1
J Trim Cap, L.H ................. 1
K 23" Cabinet with Door .......... 1
G
I
Fig. 10 -Parts for Mode1113.197210

The following parts are included with model
113.197250:
ABasic Saw Assembly ............ 1
B Rear Table .................... 1
C Table Spacer .................. 1
D Rip Fence ...................... 1
E Front Table ................... 1
F Operators Manual .............. 1
G Loose Parts Bag ............... 5
H Table Mounting Channel ........ 2
I Trim Cap, R.H ................. 1
J Trim Cap, L.H ................. 1
K Leg .......................... 4
L Lower Stiffener ................ 4
M "U"-Channel .................. 1
B
MEDIUM SCREWDRIVER
7/16" WRENCH #2 PHILLIPS SCREWDRIVER
1/2" WRENCH
314" WRENCH
{_ HAMMER
314" SOCKET
9/16" SOCKET ::'::':_-" "-- -'--:_ ,
FRAMING SQUARE
PLIERS PENCIL
SOCKET WRENCH SOCKET EXTENSION 3/16" HEX "L" WRENCH
Fig. 12 - Tools Required
F
L
G
%.. _;| 1
Fig. 11 -Parts for Model 113.197250
2. Identify the large parts of your saw before
beginning each section. Your task will be
easier if you are familiar with these parts.
3. Identify the tools required for assembly.
Make sure that you have all of the tools you
wild need. (Figure 12)
4. Open the loose parts bags, and sort the
contents into piles on the floor or table. This
will make it easier for you to find the part(s)
you need during assembly.
The following loose parts are included with
model 113.197210:
AA Leveling Foot ................. 4
AB Hex Jam Nut 3/8-16 ............ 8
AC Truss Hd. Bolt 1/4-20 x 1/2 ..... 42
AD External Lockwasher 1/4 ....... 42
AE Hex Nut I/4-20 ............... 42
AA ,_ AD

AF Hex Hd. Screw 5/16-18 x 3/4 .... 4
AG Washer 11/32x 7/8x 1/16 ....... 4
AH Lockwasher 5/16 ............... 4
AI Hex Nut 5/16-18 ............... 4
AJ Pan Hd. Screw 1/4-20 x 1 ....... 4
AK Washer 17/64 x 5/8 x 1/32 ....... 5
AL Lockwasher 1/4 ................ 4
AM Hex Nut 1/4-20 ................ 4
AN Table Clamp .................... 2
AO Tee Nut ........................ 1
AP Cup Point Set Screw 1/4-20 x 7/8 .. 1
AQ Pan Hd. Screw Ty T
1/4-20 x 1-3/4 ................. 1
AR "U" Clip 1/4-20 ................. 1
AS Pan Hd. Screw #6-10 x 1/2 ........ 2
AT Pan Hd. Screw Ty "T" 6-32 x 3/8 . 2
AU Pan Hd. Screw #10-10 x 1/2 ....... 4
AV Magnetic Catch ................. 1
AW Door Hinge ..................... 2
AX Yoke Plug ...................... 1
AY Switch Key ..................... 1
AZ Battery ......................... 1
BA Pan Hd. Screw 10-32 x 1/2 ........ 1
BB Battery Cover ................... 1
BC External Lockwasher #10 ......... 1
BD Handwheel ..................... 1
BE Arbor Wrenches ................. 2
BF Casters ............................ 2
BG Hex Bushing ....................... 1
AF
A3
( AK
(3_ AT
Au
Az
BB
©BC
8F

The following loose parts are included with
model 113.197250: BX CD
BG Leveling Feet .................... 4
BH Hex Nuts 3/8-16 ................. 8
BJ Truss Head Bolts 1/4-20 x 1/2 .... 32
BK Lockwashers 1/4 ................ 32
BL Hex Nuts 1/4-20 ................ 32
BM Hex Hd. Screw 5/16-18 x 3/4 ...... 4
BN Washer 11/32 x 7/8 x 1/16 ........ 4
BO Lockwasher 5/16 ................ 4
BP Hex Nut 5/16-18 ................. 4
BQ Pan Hd. Screw 1/4-20 x 1 ......... 4
BR Washer 17/64 x 5/8 x 1/32 ........ 5
BS Lockwasher 1/4 ................. 4
BT Hex Nut 1/4-20 .................. 4
BU Table Clamp .................... 2
BV Tee Nut ........................ 1
BW Cup Point Set Screw 1/4-20 x 7/8 .. 1
BX Pan Hd. Screw Ty T
1/4-20 x 1-3/4 ................. 1
BY "U" Clip 1/4-20 ................ 1
BZ Yoke Plug ...................... 1
CA Switch Key ..................... 1
CB Battery ......................... 1
CC Pan Hd. Screw 10-32 x 1/2 ........ 1
CD External Lockwasher #10 ......... 1
CE BatteD' Cover ................... 1
CF Handwheel ..................... 1
CG Arbor Wrench .................. 2
CH Bracket, Leg ....................... 4
CI Hex Bushing ....................... 1
BG
10
BY CE
CG
CB
cc CH
Information
BOTH MODELS Cl
1. If you are missing any part while putting
your saw together, do not continue assembly.
Contact your Sears Service Center or Retail
Store and get the missing part before continu-
ing assembly or trying to use the saw.
Complete parts lists are located at the end of
this manual. Use these lists to identify the
number of any missing part.
2. Sometimes small parts get lost in packag-
ing materials. Do not throw away any pack-
aging until your saw is put together. If you
are missing a part, check the packaging be-
fore contacting Sears.
3. Most parts of your radial arm saw will be
fastened together using truss head bolts, lock-
washers, and hex nuts of the sizes shown.
(Figure 13) When different sizes are needed,
the instructions will include a sketch to help
you locate the correct size.
Fig. t3 -Truss Head Bolt, Lockwasher, Hex Nut

4. As you assemble your radial arm saw,
some of the holes in the parts will line up and
others will not. This happens because some
parts are used in other equipment or for other
purposes. Follow the instructions carefully.
The figures will show which holes should line
up in each step.
Attaching Handwheei
BOTH MODELS
1. Locate the handwheel, hex bushing, screw,
and lockwasher.
1. Loosen the guard clamp screw and
remove the guard from the motor.
2. Use the arbor wrenches to remove the
blade from the saw. The arbor shaft has left-
handed threads, so you will have to turn the
nut clockwise to loosen.
3. Lock the rip lock.
4. Turn the handwheel in a clockwise direction
to raise the radial arm about 2 inches and
remove the styrofoam packing blocks.
5. Clean the small pieces of styrofoam off
the saw.
2. Place the hex bushing inside the handwheel.
3. The hex bushing has a small flat area on it
which matches a flat area on the elevation
shaft.
4. Align the two above flat areas and attach
the handwheel using a screw and lockwasher.
Handwheel
Rg. 13A
Sm©©
Fig. 13B -Screw, External Lockwasher and Hex
Bushing
Mounting the Motor
BOTH MODELS
_Ib'WARNING: Plugging the saw in
during assembly can result in electrical
shock or your fingers, hand, or arm
being cut off from blade contact. Do
not plug in the saw at any time during
assembly. The saw should only be
plugged in when it is to be used.
6. Place the motor on the center channel of
the saw and remove the three table boards
and fence.
7. Remove the lock nut and flat washer from
the motorpivot support. (Figure 13C)
Motor Pivot )_)_-__i, JP""-_L "- /f! I
Fig. 13C
8. Slide the bevel encoder to the top center
position so it will fit into the notch on the
motor support bracket. (Figure 13C)
9. Slide the motor onto the motor pivot sup-
port. Make sure the motor is firmly in place.
10. Put the flat washer and locknut back in
place and tighten using a 3/4 inch socket
wrench. Move the bevel lock back and forth
as you tighten the locknut. Do not over-
tighten.
11

11. Push the bevel lock to the left as far as it
will go. (Figure 13D)
12. If there is a 1/16 inch gap or less between
the bevel lock and the left side of the yoke
(and they are not touching), go to step 14, or
Bevel Lock
A Right Side Panel ............... 1
B Left Side Panel ................ 1
C Lower Shelf ................... 1
D Skirt ......................... 2
E Shelf Stiffener ................. 1
F Corner Bracket ................ 2
G Spacer ....................... 2
H Door ......................... 1
I Caster ........................ 2
D
FTg.13D
If the bevel lock touches the left side of the
yoke, unlock the bevel lock and tighten the
locknut on the motor pivot support. Then go
to step 10 and repeat, or
If there is more than 1/16 inch gap between
the bevel lock and the left side of the yoke,
unlock the bevel lock and loosen the locknut
on the motor pivot support. Then go to step
10 and repeat.
13. Repeat steps 10-11 until the bevel lock will
not touch the left side of the yoke, and the gap
is not more than 1/16 inch.
14. I._k the bevel lock.
15. Snap the yoke plug into place. The yoke
plug is in the loose parts bag.
Beginning the Cabinet
MODEL 113.197210
The following parts are used in the cabinet
assembly for model 113.197210:
F G
Fig. 14-Cabinet Assembly -113.197210
1. Turn the shelf upside down on the floor.
The wide edge should point down, and the
three narrow edges should point up.
(Figure 15)
0000
00 0 o
Shelf
Corner
Brackets ._
o
o
Fig. 15
2. Put a corner bracket in the front corners of
the shelf. (Figure 15)
12

3. Put two truss head bolls through the shelf
and each corner bracket to hold the brackets
in place•
4. Put a lockwasher and hex nut on each bolt
and tighten with a 7/16 inch wrench or
socket.
5. Put the shelf stiffener on the shelf and line
up the holes. (Figure 16)
Shelf Stiffener
Fig. 17
9. Turn the right side panel so that the J-
shaped slot is at the bottom and facing you.
10. Put a spacer inside the right side panel as
shown. The side of the spacer with two round
holes should be opposite the J-shaped slot in
the side panel, and the side with one larger
hole should be on the bottom. (Figure 18)
Fig. 16
Truss Head Bolt
--_ Lockwasher
Hex Nut
6. Put the casters (wheels) on the shelf and
shelf stiffener. Since the shelf is upside down,
the wheels will point up. Line up four holes
on each side. (Figure 16)
7. Put truss head bolts through the holes on
each side. Put a lockwasher and hex nut on
each bolt and tighten using a 7/16 inch
wrench or socket.
Spacer
_und_H_ i)
One Larger Hole
Fig. 18
Right Side Panel
-Shaped Slot
11. Put two truss head bolts through right
side panel and spacer, one on each side.
12. Put a lockwasher and hex nut on each
bolt and tighten using a 7/16 inch wrench or
socket.
8. Find the right and left side panels. Look
carefully to find the "R" and "L" stamped
in the metal near the center of the wide edge.
These stamps are the easiest way to tell the
right side panel from the left. (Figure ! 7 )
13. Put aplastic cover over the J-shaped slot
in the side panel. (Figure 18)
14. Repeat steps 9-13 with the left side
panel.
13

15. Attach two hinges to the right side panel
above the spacer, using four truss head bolts,
lockwashers, and hex nuts. Tighten with a
7/16 inch wrench. (Figure 19)
Fig. !9
Spacer
.,..----Right Side
Panel
16. Lay the shelf on the rear edge with the
bottom side toward you. The angled end of
the lower support should point up.
17. Place the right side panel on the right
side of the shelf. The _pacer should be on the
inside of the cabinet. (Figure 20)
Corner Brackets
18. Put truss head bolts through the three
holes along the bottom edge of the right side
panel. Put a lockwasher and hex nut on each
bolt and tighten using a 7/16 inch wrench or
socket. (Figure 20)
Note: It is sometimes difficult to get bolts
through these three holes. You may need to
use a Phillips screwdriver to help shift the
parts into place.
19. Repeat steps 17-18 with the left side
panel and the left side of the shelJ:
20. Turn the cabinet right side up. Attach the
skirts to the top of the side panels, with one
on the front of the cabinet and the other on
the back. (Figure 21)
Rear Skirt
ht Side Panel
\\
\\
Left Side
Panel
Fig. 21
Shelf
Front
Skirt
Shelf
Shelf Stiffener -_ Right Side
Panel
Rear Flange "_
Fig. 20
21. Use eight truss head bolts, lockwashers,
and hex nuts to hold the skirts in place. Hand-
tighten. (Figure 21)
22. Put a truss head bolt through the hole at
the back, right corner of the shelf. This hole
goes through the shelf and the right side
panel. (Figure22)

Rear
Right Side Panel
Shelf
Front
Fig. 22
23. Put a lockwasher and hex nut on the bolt
and tighten using a 7/16 inch wrench or
socket.
24. Repeat steps 22-23 on the left side of the
shelf.
25. Put a truss head bolt through the back of
the right spacer and front edge of the shelf.
(Figure 23)
O
o )
Side Panel
Fig. 23
Shelf
Spacer 1
I
26. Put a lockwasher and hex nut on the bolt
and tighten using a 7/16 inch wrench or
socket.
27. Repeat steps 25-26 with the left spacer.
28. Move the cabinet to the location where
you will use your saw.
29. Put a hex nut on each of the leveling feet.
(Figure 24)
Fig. 24 - Hex Nut for Leveling Foot
30. Put the leveling feet through the holes in
the bottom of the side panels, at the four
corners of the shelf.
31. Put another hex nut on each of the
leveling feet and hand-tighten until they are
against the side panels.
_lb WARNING: Saw blade can roll for-
ward toward you if the leveling feet are
not correctly adjusted. Workpiece or
saw can move unexpectedly if cabinet
rocks. Fingers, hand, or arm can be cut
off from blade contact. Adjust leveling
feet before using your saw.
32. If the leveling feet raise the front of the
saw slightly higher than the rear, and if the
cabinet does not rock, go to step 38, or
If the leveling feet do not raise the front of
the saw slightly higher than the rear, go to
step 33, or
If the cabinet rocks, go to step 33.
33. Loosen the bottom hex nut on the desired
leveling foot using a 9/16 inch wrench.
34. Loosen the top nut by hand.
15

35. Adjust the lower nut with the 9/16 inch
wrench until the levelingJoot is at the desired
height.
36. Tighten the top nut by hand.
37. Repeat steps 33-36 for the other three
leveling feet if necessary.
38. Tighten all four bottom nuts using a 9/16
inch wrench.
Attaching Door
Fig. 27 -Pan Head Screw
3. Attach the door to the hinges on the side
panel using four plastite screws. Tighten with
a Phillips screwdriver. (Figure 28)
Magnetic Catch
/
Magnetic Stop Plate
Fig, 25 -Parts for Door Assembly
1. Put a magnetic catch on the inside edge of
the door. (Figure26)
2. Fasten using two pan head screws. Tighten
with a Phillips screwdriver. (Figure 26 & 27 )
Door
/
1
d
Magnetic Catch
Fig. 28 -Plastite Screw
4. Attach a magnetic stop plate to the two
small holes on the side of the front support
using four pan head screws. Tighten with a
Phillips screwdriver. (Figures 29 & 30)
Front Support o
o
-4-- Magnetic Stop Plate
Pan Head Screw
Fig. 29
Fig. 30 -Pan Head Screw
Fig. 26
16 /

Mounting the Saw to Cabinet
1. Hold the saw by the front edge and the
back of the column support, and lift it onto
the cabinet. It may be necessary to have
someone help you lift the saw. Make sure that
four holes in the bottom of the saw line up
with four holes in the top of the cabinet.
2. Fasten the saw to the cabinet with four
truss head bolts. Put a lockwasher and hex nut
on each bolt and tighten using a 7/16 inch
wrench or socket.
0_igure 31)
Fig. 32 -Support Bracket, LevelingFoot
Leg
_ Support Bracket
Fig. 33
Truss Head Bolt
saw II
Cabine__jj
kockwasher-_
Hex Nut
,-1o,
[Cabinet [
?(Top View)_
,%
2. Put ahex nut on each of the levering feet.
Put the levering feet through the holes in the
bottom of the J7oor leveler support bracket.
3. Put another hex nut on each of the leverng
feet and hand-tighten until they are against the
leg.
Fig. 31
3. Check all the nuts holding the cabinet
together and tighten them using a 7/16 inch
wrench or socket.
Attaching the Leg Set
MODEL 113.197250
1. Mount floor leveler support brackets inside
legs. Line up the three tabs on brackets with
slot on leg and tap into place. Make sure lip
on bracket points up. (Figure 33)
Install the remaining three brackets the same
way.
Leg
Support Bracket
Fig. 34
Nuts
_Leveling Foot
17

Building the LEG SET
The following parts are used in the leg set
assembly:
A Legs .......................... 4
B Lower Stiffeners ................ 4
A
B
B
A
/A
Fig. 35 -Leg Set
1.' Lay a piece of cardboard on the floor to
keep from scratching the saw.
2. Position the basic saw assembly on the
floor as shown below. The arm assembly
should be pointing up in a vertical position
and the column support cover should be
resting flat on the floor. It may be necessary to
have someone help you lift the saw.
Sw_tch Front
_Front Legs Are
Ill A.aohed.ero
_1 hr---f'_l LI// \ Rear Legs Are
L4[_-%-L_Attached Here
Column Support
Cover
Fig. 36
3. Use truss head bolts, lockwashers, and nuts
(see Fig. 12) to mount the two rear legs to the
basicsaw assembly. Make sure that the four
holes in each corner of the saw line up with
four holes in the top of each leg. Finger
tighten nuts at this time.
4. Mount the two front legs to the basic saw
assembly using truss head bolts, lockwashers,
and nuts. However only put bolts through the
sides of the saw assembly not the front.
Fig. 37 -Bolt, External Lockwasher,
Hex Nut, U-Channel
Nut and
Lockwasher
1\
Channel
Leg
!
L--...
Truss Head Screw
Fig. 38
5. Position the front channelpiece inside the
legset. (Figure 38) Fasten the channelpiece,
leg, and saw together with two truss head
bolts on each side. Put a lockwasher and hex
nut on each bolt. The threaded section of the
bolt should point towards the arm assembly.
18

Truss Head _*_
Bolt
Fig. 39
6. Attach the four (4) lower stiffeners to the
legs. Two (2) truss head bolts, washers, and
nuts are required to hold each end of a lower
stiffener in place. Hand tighten hex nuts.
7. Go back with a 7/16 wrench or socket and
tighten all hex nuts.
8. Carefully lift the saw into its normal
position. It will be necessary to have someone
help you in order to avoid damaging the saw.
Adjusting Leveling Feet
_Ib WARNING: Saw blade can roll
forward toward you if the leveling feet are
not correctly adjusted. Workpiece or saw
can move unexpectedly if cabinet rocks.
Fingers, hand, or arm can be cut off from
blade contact. Adjust leveling feet before
using your saw.
1. If the leveling feet raise the front of the saw
slightly higher than the rear, and if the leg set
does not rock, go to step 13, or
If the leveling feet do not raise the front of the
saw slightly higher than the rear, go to step 8,
or
If the leg set rocks, go to step 8.
2. Loosen the bottom hex nut on the desired
leveling foot using a 9/16 inch wrench.
3. Loosen the top nut by hand.
4. Adjust the lower nut with the 9/16 inch
wrench until the leveling foot is at the desired
height.
5. Tighten the top nut by hand.
6. Repeat steps 8-11 for the other three
leveling feet if necessary.
7. Tighten all four bottom nuts using a 9/16
inch wrench.
Attaching Trim Caps
BOTH MODELS
1. Find the left and right trim caps.
2. There are two plastic stubs on the back of
each trim cap.
3. These stubs will snap into matching holes
at the front corners of the saw.
4. Snap the left and right trim caps into place.
19

Location and Function of Controls
i
) i
iii! i
113.197210
Fig. 45 -Radial Saw Controls
On/Off Switch
The on/off switch turns the power to the saw
on and off.
To turn the saw on, put the yellow key into
the red xwitch and then pull the switch to the
right. To turn the saw off. push the red switch
to the left. Remove the yellow key from the
red switch whenever the saw is turned off,
and keep it out of the reach and sight of
children. (Figure 46)
Fig. 46 -On/Off Switch
113.197250
_1_ WARNING: The saw can start ac-
cidentally or be used by children and
others when the yellow key is left in the
red switch. Always remove the yellow
key when the saw is off, and keep it out
of the reach and sight of children.
WARNING: The saw will start im-
mediately when the power comes back
on after a blackout if the red switch is
left on. Always turn the switch off and
remove the yellow key when the power
goes off for any reason.
Miter Lock
The miter lock is used to hold the radial arm
at various angles to the fence.
To unlock the miter lock, pull the lock to the
right. (Figure 47)
2O

Bevel Lock
The bevel lock is used to hold the blade at
various angles to the table. To unlock the bevel
lock, move the lock to the right. Always hold
the motor when you unlock the bevel lock.
(Figure 49)
CAUTION: The motor is heavy and
can swing down quickly. You can be cut
or injured by the arbor shaft or blade.
Hold the motor when you unlock the
bevel lock.
Fig. 47- Miter Lock -Unlocked
To lock the miter lock, push the lock to the
left. (Figure 48)
Fig. 49 -Bevel Lock -Unlocked
To lock the bevel lock, move the lock to the
left. (Figure 50)
Fig. 48 -Miter Lock -Locked
There are three pre-set miter angles at 45 °,
0°, and -45 °. You will feel the radial arm
snap into position at these miter angles. To
unlock the arm when it is in one of these posi-
tions, pull the miter lock all the way to the
right and move the ann as you hold the lock
in this position.
Fig. 50 -Bevel Lock- Locked
21

There are five pre-set bevel angles at -90 °,
-45 °, 0°, 45 °, and 90 °. To unlock the bevel
lock when the blade is at one of these angles,
move the bevel lock all the way to the right
and turn the motor while holding the lock in
this position.
Swivel Lock
The swivel lock is used to hold the blade in the
crosscut, in-rip, or out-rip positions, and to
position the blade for molding or edging. To
unlock the swivel lock, stand facing the saw
handle and pull the swivel lock toward you.
(Figure 51)
Fig. 51-Swive! Lock -Unlocked
To lock the swivel lock, stand facing the saw
handle and push the swivel lock away from
you. (Figure 52)
Fig. 52 -Swivel Lock -Locked
The crosscut, in-rip, and out-rip positions of
tile blade are pre-set positions. To unlock tile
swivel lock when the motor is in one of these
positions, stand facing the saw handle, pull
the swivel lock all the way toward you, and
turn the motor as you hold the lock in this
position.
Rip Lock
The rip lock is used to hold the motor and
blade at a fixed position along the radial arm.
It is used during ripping to hold the blade a
desired distance from the fence while the
workpiece is fed through. It is used before
and after each crosscut to keep the blade
from moving forward on its own.
To unlock the rip lock, pull the handle toward
the front of the arm. (Figure 53)
Fig. 53 -Rip Lock -Un!ocked
To lock the rip lock, push the handle toward
the rear of the arm. (Figure 54)
Fig. 54- Rip Lock- Locked
5{_i
22

Handwheel
The handwheel controls the height of the
radial arm.
To raise the radial arm, turn the handwheel
clockwise. To lower the radial arm, turn the
handwheel counterclockwise. (Figure 55)
Fig. 55 -Handwheet
One complete turn of the handwheel moves
the arm !/16 inch.
The handle can be folded in by squeezing the
red plastic "ears" with your thumb and index
finger while pushing the handle in.
All Controls
Always lock the miter, swivel and bevel locks
before making a cut on your radial arm saw.
When ripping, the rip lock must also be lock-
ed. When crosscutting, the rip lock should be
locked before and after each cut, when the
saw is in the rearmost position.
23

Alignment of the Blade
ALIGNMENT OF THE BLADE IS THE
MOST IMPORTANT STEP IN
ASSEMBLING YOUR RADIAL ARM
SAW.
The blade of your radial arm saw must be
aligned properly for two reasons: to make
cuts accurate, and to prevent binding of the
blade and workpiece which can cause jams or
thrown workpieces.
These adjustments must be done in order,
before using your saw for the first time. If
they are not done in order the saw will not
cut accurately. If you miss an adjustment, you
must go back to the adjustment you missed
and repeat all steps from that point on.
These adjustments are like finetuning a
piece of equipment. Often a series of steps
must be repeated more than once in order to
get the adjustment just right.
A
mLWARNING: Plugging the saw in
during alignment can result in electrical
shock or your fingers, hand, or arm
being cut off from blade contact. Do not
plug in the saw at any time during align-
ment. The saw should only be plugged
in when it is to be used.
Make sure that the blade and blade guard are
removed from the arbor shaft before begin-
ning to align your saw. Do not install the
blade or blade guard until you are instructed
to do so.
Adjusting Elevation
The goal of this adjustment is to make up-
ward and downward movement of the radial
arm smooth and firm. If the column that sup-
ports the arm is too tight it will be difficult to
move the arm up and down and to get ac-
curate depth of cut. If the column is loose the
blade may "walk" on the workpiece and stall
the motor, or cause a heel in bevel and com-
pound cuts.
1. Use a 3/16 hex "L" wrench to loosen the
four screws in the front of the column
support. (Figure 56)
2. Raise and lower the radial arm by turning
the handwheel a few turns in each direction.
It should take about the same amount of ef-
fort to lower the arm as to raise it.
3. If movement seems smooth and the
column does not rock back and forth, go to
the next section, or
If movement seems difficult, loosen the four
bolts in the back of the column slightly
(Figure 57) and go back to step 2, or
If column rocks back and forth, tighten the
four bolts in the back of the column slightly
(Figure 57) and go back to step 2.
Fig. 57
24

,0" "
Leveling Table Supports
1. Raise the radial arm until the bottom of
the motor is about 2-1/2 inches above the
saw.
2. Locate four hex head bolts and put a flat
washer on each.
3. Attach atable support to each side of the
saw using the four hex head bolts and flat
washers. (Figure 58 & 59) Put the bolts
through the center of the enlarged holes in the
table supports so that the supports may slide
up or down as needed.
LOCKWASHER
TABLE NUT
SUPPORT TABLE
)RT
SCREWS
HERE
\\
HEXHEADSCREW
5/16-18X3/4
Fig. 58
MOUNT RAILS USING
THESE HOLES
FRONT
Fig. 59 -Hex Head Bolt, Washer, Lockwasher
and Hex Nut
4. Put a lockwasher and hex nut on each bolt
and hand-tighten.
5. Unlock the bevel lock to release the motor.
Hold onto the motor as you do this.
CAUTION: The motor is heavy and
can swing down quickly. You can be cut
or injured if the arbor shaft hits you. Hold
the motor when you unlock the bevel lock.
6. Turn the motor until the arbor shaft is
pointing straight down toward the saw.
(Figure 60)
Arbor Wrench
Rear Bolt
Fig. 60
7. Lock the bevel lock to hold the motor in
this position.
8. Unlock the miter lock and move the arm to
the left as far as it will go (about 50 ° miter).
9. Unlock the rip lock and move the motor
until the arbor shaft is over the left table
support. (Figure 60)
!0. Mark the point on the table support un-
der the center of the arbor shaft.
11. Place the arbor wrench over this point
and lower the arm until the arbor shaft is just
touching the wrench. The wrench should slide
back and forth with slight contact. (Figure 60)
12. Tighten the rear bolt under this point
using a 1/2 inch wrench.
13. Move the arm and motor until the arbor
shaft is over the front bolt on the left table
support. Do not change the elevation of the
arm as you move from point to point.
(Figure 61)
55

Front Bolt
Table Support
Rear Bolt
Fig. 61
14. Mark the point on the table support under
the center of the arbor shaft. (Figure 62)
15. Place the arbor wrench over this point.
(Figure 62)
16. Slide the front end of the table support
up or down until the handle end of the arbor
wrench just fits between this point and the
arbor shaft, The wrench should slide back
and forth with slight contact.
17. Tighten the bolt under this point using a
1/2 inch wrench.
18. Repeat steps 13-17 with the arbor shaft
over the front and rear bolts on the right table
support. Slide the rear end of the table sup-
port up or down when the arbor shaft is over
the rear bolt (see step 16).
19. Move the arbor shaft over all four points
again.
20. Place the arbor wrench over each point
and make sure that the arbor shaft just tou-
ches the wrench. The wrench should slide
back and forth with slight contact.
2 !. If the arbor shaft just touches the arbor
wrench at each point, go to the next section,
or
If the arbor wrench will not fit between the
arbor shaft and the table support at any point,
repeat steps 8-21 until the table supports are
level, or
If there is a gap between the arbor wrench
and the arbor shaft at any point, repeat steps
8-21 until the table supports are level.
__or Wrench
Rear Bolt Table Support
Fig. 62
26

Mounting the Front Table
!. Make sure that the front table is upside
down.
2. Place a tee nut over the leveling hole and
hammer it into place. (Figure 63 & 64)
Tee Nut
", J/_ /
Fig.63
Fig. 64 -Nut Tee
Lock
Bolt
Washer
_" Set Screw
_ Leveling Hole
'_Pan Head Screw
_5-="--Washe r
Hex Nut Mounting Holes
Fig. 67
5. Start the cuppoint set screw through the
leveling hole. Do not tighten. (Figures 67 &
68)
3. Slide a U-clip onto the center channel of
the saw as shown. (Figure 65 & 66)
U-Clip
Fig. 65
Fig. 66- U Clip
Fig. 68 -Cup Point Set Screw
6. Put a washer in each of the mounting
holes. (Figures 67 & 69)
Q
Fig. 69 -Washer for Mounting Holes
7. Start a pan head machh_e screw through
the center mounting hole. Do not tighten.
(Figures 67 & 70)
4. Place the front table on the saw so that the
mounting holes in the table line up with holes
in the table supports and center channel of
saw. (Figure 67)
Fig. 70 -Pan Head Machine Screw
27

8. Install the pan head bolts through the other
four mounting holes. Put a lockwasher and
hex nut on each bolt and tighten using a
Phillips screwdriver. (Figures 67 & 71)
Fig, 71- Pan Head Bo#
9. Lay the edge of the rear table across the
center of the front table, and check to see if
there is a gap between the two. (Figure 72)
13. If there is a gap larger than 1/32 inch, go
back to step I 1 and repeat, or
If there is a gap less than 1/32 inch, or no gap
at all, go to the next section.
Squaring Crosscut Travel
The blade must travel perpendicular to the
fence along the radial arm in order for cross-
cuts to be accurate. If the radial ann is not
perpendicular to the fence, there will be a
slight miter angle in all crosscuts.
WARNING: Plugging in the saw dur-
ing alignment can result in your fingers,
hands, or arm being cut off from blade
contact. Do not plug in the saw at any
time during alignment. The saw should
only be plugged in when it is to be used.
Fig. 72
10. If there is a gap larger than 1/32 inch, go
to step l 1, or
If there is a gap less than 1/32 inch, or no gap
at all, tighten the leveling screw and the cen-
ter mounting screw. Do not overtighten. Then
go to step 12.
11. If the gap is at the center of the table,
tighten the leveling screw until the gap is
gone. Then tighten the center mounting screw
and go to step 12, or
If the gap is at the sides of the table, tighten
the center mounting screw until the gap is
gone. Then tighten the leveling screw and go
to step 12.
12. Lay the edge of the rear table across the
center of the front table and check again for
gaps.
1. Place the radial arm in the 0° miter
position and lock the miter lock.
2. Raise the radial arm about 2 inches above
the front table.
3. Unlock the bevel lock, and turn the motor
so that the arbor is perpendicular to the table.
(Figure 73)
,-_-_i _
!, ,'_ (--]l _L_ +
Fig. 73
28

4. L:nlock the rip lock and move the motor
until the motor arbor is over the front table.
5. Lock the rip lock, miter lock and bevel
locA .
6. Lower the radial arm until the motor arbor
is slightly above front table.
7. Lay a framing square on the front table
with the long edge along the back of the table
and the short edge alongside the motor arbor.
(Figure 74)
8. glove the framing square toward the motor
arbor until the arbor and square touch each
other. (Figure 74)
9. Unlock the rip lock and move the motor
arbor back and forth along the radial arm as
shown by the arrows. Do not move the
framing square.
10. If the motor arbor just touches the square
at all points, no change is needed. Go to step
15, or
If the motor arbor moves away from the
square or tries to "walk" on top of it, go to
step 11. (Figure 74)
/
if the motor arbor moved away from the
square, tighten the top right screw to move the
arm to the left. Then tighten the top left screw
to meet the column. Go to step 14, or
If the motor arbor tried to "walk" on the
square, tighten the top left screw to move the
arm to the right. Then tighten the top right
screw to meet the column. Go to step 13.
.3
I
Four Socket
Head Screws
13. Move the motor back and forth along the
radial arm. Repeat step 12 until the motor
arbor just touches the square at all points.
Then go to step 14.
14. Tighten the bottom screws in the front of
the column support, switching from right to
left several times so that you do not force the
radial arm out of line. Do not overtighten or
it will be difficult to raise and lower the radial
arm.
15. Raise and lower the radial arm. If this is
difficult, loosen the four screws in the front of
the column support slightly and try again.
Loosen all of these screws the same amount so
that you do not force the radial arm out of
line.
11. Use 3/16 hex "L" wrench to loosen the
four screws in the front of the column support
slightly, if you have not already done so in the
Adjusting Elevation section. (Figure 75)
12. Use the top two screws to move the radial
arm into line:
16. Repeat step 15 until movement of the
radial arm is smooth but firm. Then go to step
17.
17. Lay a framing square on the front table
with the long edge along the back of the table
and the short edge alongside the blade, as
before.
9q

18. Move the framing square towards the
motor arbor until the arbor and square touch
each other.
19. Move the motor arbor back and forth
along the radial arm. Do not move the square.
20. If the motor arbor just touches the edge of
the square at all points, go to step 21, or
If the motor arbor moves away from the edge
of the square or tries to "walk" on top of it,
go back to step 12 and repeat.
21. Lock the rip lock, put the spacer, fence
and rear table back in place, lock the table
clamp, and go to the next section.
Positioning Rear Table Boards
and Fence
D
1. Drop square nut in slot at top of clamp
bracket.
2. Turn thumbscrew clockwise until the point
comes approximately ½" out other end.
3. Attach cup washer.
4. Tilt clamp bracket forward and snap in
place in rectangular shaped hole at back of
table support.
1. Position the ripfence next to the front table
as shown.
2. Next drop in the table spacer and then the
rear table.
Rear Table Rip Front
Table Spacer Fence Table
,/
,1 ,In /
L. 1 !
r
Fig. 76
Mounting Table Clamps
The following parts are used in mounting the
table clamps"
A Thumbscrews ................... 2
B Square Nuts .................... 2
C Cup Washer .................... 2
DClamp Bracket .................. 2
30
5. Repeat steps 1through 4 with the other
table clamp.
Squaring Blade to Table
for Crosscutting
These steps are necessary so that your blade
will be perpendicular to the table and cuts
will be accurate. If this is not done correctly,
your cuts will have a slight bevel angle.
1. Place the radial arm in the 0 ° miter
position and lock the miter lock.
2. Place the blade on the arborshaft with a
blade collar on each side. Make sure that the
directional arrow is on the outside of the
blade, and the teeth are pointing down at the
front side of the blade. (Figure 79)

3. Place the arbor nut on the arbor shaft and
use the arbor wrenches to tighten. The arbor
shaJt has left-handed threads, so you will have
to turn the nut counterclockwise to tighten.
Do not overtighten.
Rg. Z9
CAUTION: Overtightening the arbor
nuts may cause the blade collars to warp
and the blade to wobble while cutting.
Use the arbor wrenches to tighten the
arbor nuts but do not overtighten.
4. Lock the table clamps and rip lock.
5. Place the long edge of the framing square
on the table and the short edge against the
blade. Make sure that the square is against the
blade surface and not the set of a tooth.
(Figure 80).
Framir
Squ_
6. "[urn the blade with your hand several times
and check to see if the square is flush with the
blade.
7. If the square is flush with the blade after
each rotation, no change is needed. (Figure
81) Go to the next section, or
If there is a gap between the square and the
blade after any rotation (Figure 81), go to step
8. Note: Saw blades are manufactured to
different specifications. Therefore a small gap
is permissible on some brands.
Square I 1_---)
LI[)
Table
Wrong _r_ Wrong
SquaroJII,___J S oare
Table Table
Fig. 81
8. Unlock the bevel lock, but do not pull the
index pin.
9. Loosen the four screws behind theyoke
using a 3/16 inch hex-L wrench. (Figure 82)
_ocket
Fig. 80 Fig. 82
31

10. Hold the square in place and move the
motor slowly until the square is flush with the
blade.
11. Hold the motor tightly and lock the bevel
lock. Do not let the motor move out of place.
12. Check the square to make sure that it is
still flush with the blade.
13. Tighten the four screws behind the yoke.
14. Raise the radial arm until the blade is l-
1/2 inches above the table.
15. Unlock the bevel lock and move the
motor to the 45 °bevel position. (Figure 83)
_1_ CAUTION: The motor is heavy and
can swing down quickly. You can be cut
or injured if the blade hits you. Hold the
motor when you unlock the bevel lock.
Fig.83
16. Move the motor back to the 0°bevel
position and lock the bevel lock.
17. Lower the radial arm until the blade is just
above the table.
18. Place the long edge of the framing square
on the table and the short edge against the
blade as before. Make sure the square is
against the surface of the blade and not the set
of a tooth.
19. Turn the blade with your hand several
times and check to see if the square is flush
with the blade.
20. If the square is flush with the blade after
each rotation, go to the next section, or
If there is a gap between the square and the
blade after any rotation, go back to step 8 and
repeat.
Squaring Blade to Fence
These steps are done so that your blade will
be perpendicular to the fence. This will help
reduce the risk of kickback when ripping, and
splintering of the workpiece and burning of
the kerf when ripping and crosscutting.
Fig. 84 -Squaring Blade to Fence
1. Put the radial arm in the 0 ° miter position
with the blade just in front of the fence.
(Figure 84)
2. Lock the rip lock.
3. Place the framing square with the long
edge against both the fence and the table, and
the short edge against the blade just above the
arbor shaft. Make sure that the edge of the
square is on the blade and not on the set of a
tooth. (Figure 84)
32

4. Turn the blade with your hand several
times and check to see if the square is flush
with the blade.
5. If the square is flush with the blade after
each rotation, no change is needed. (Figure
85) Go to the next section, or
If there is a gap between the square and the
blade after any rotation, go to step 6.
(Figure 85)
IL
Fence
I
Square I_Right
Fence
Square
Wrong
Fence
otot L Square ]
Wrong
Fig. 85
6. Unlock the swivel lock.
7. Loosen the four screws under the yoke
using a 3/16 inch hex-L wrench and pliers if
necessary. (Figure 86)
at _
IIWARNING: The hex-L wrench may
break when used with pliers to loosen
screws. Thrown pieces could hit you in
the face and/or eyes. Wear safety gog-
gles when using a hex-L wrench with
pliers.
Fig. 86
8. Hold the square in place and turn the
motor until the square is flush with the blade.
9. Hold the saw handle tightly and lock the
swivel lock.
10. Check the square to make sure it is still
flush with the blade.
11. Tighten the four screws under the yoke
using a 3/16 inch hex-L wrench.
12. Place the framing square with the long
edge against both the fence and the table, and
the short edge against the blade just above
the arbor shaft, as before. Make sure that the
edge of the square is on the blade and not on
the set of a tooth.
13. Turn the blade with your hand several
times and check to see if the square is flush
with the blade.
14. If the square is flush with the blade after
each rotation, go to the next section, or
If there is a gap between the square and the
blade, go back to step 6 and repeat.
33

Squaring Blade to Table for
Ripping
1. Unlock the swivel lock and turn the motor
to the out-rip position with the motor between
the blade and fence. (Figure 87)
Fig. 87- Out-tip Position
2. Lock swivel lock and rip lock.
3. Place the long edge of the framing square
on the table and the short edge against the
blade alongside the arbor shaft. Make sure the
square is against the surface of the blade and
not on the set of a tooth. (Figure 88)
4. Turn the blade with your hand several
times and check to see if the square is flush
with the blade.
5. If the square is flush with the blade after
each rotation (Figure 89) go to step 11, or
If there is a gap between the square and the
blade after any rotation (Figure 89), go to
step 6.
1
[---
Table Fence
Wrong Wrong
Tael e
Fig. 89
6. Loosen the hex nut on the rear carriage
bearing. Use a 9/16 inch wrench to hold the
bolt and a 1/2 inch wrench to loosen the nut.
(Figure 90)
Fig. 90
Fig. 88
34

7. Hold the square in place and use the 9/16
inch wrench to turn the bolt until the square
is flush with the blade.
8. Hold the bolt firmly, and retighten the hex
nut using a 1/2 inch wrench.
9. Turn the blade several times and check to
see if the square is still flush with the blade.
10. If the square is flush with the blade after
each rotation, go to step 11, or
If there is a gap between the square and the
blade, go back to step 6 and repeat.
11. Unlock the rip lock and move the motor
as far back as it will go.
12. Pinch the front carriage bearing with your
fingers as tightly as possible while you pull the
motor forward with the other hand. Try to
keep the carriage bearing from turning.
(Figure 91)
Fig. 91
13. Move the motor as far forward as it will
go.
14. Pinch the rear carnage bearing with your
fingers as tightly as possible while you pull
the motor toward the rear with the other
hand. Try to keep the carriage bearing from
turning.
15. If you can keep either of the carriage bear-
ings from turning while the motor moves
along the radial arm, go to step 16, or
If you cannot keep the carriage bearings from
turning while the motor moves, go to step 22.
16. Wipe the V-shaped groove in each car-
riage bearing, and the track they ride on, with
a cloth to remove sawdust and other debris.
Oil if necessary.
17. Loosen the hex nut on the carriage bear-
ing that was loose. Use a 9/16 inch wrench to
hold the bolt and a 1/2 inch wrench to loosen
the nut.
18. Turn the bolt using a 9/16 inch wrench
until the looseness is gone.
19. Hold the bolt firmly with the 9/16 inch
wrench and tighten the hex nut using a1/2
inch wrench. Do not overtighten.
20. Adjust the other carriage bearing by the
same amount so that the blade will still be
square with the table.
21. Repeat steps 11-15 to make sure that the
carriage bearings are not still loose.
22. Place the long edge of the framing square
on the table and the short edge against the
blade just above the arbor shaft, as before.
Make sure the square is against the surface of
the blade and not on the set of a tooth.
23. Turn the blade with your hand several
times and check to see if the square is flush
with the blade.
24. if the square is flush with the blade, go to
the next section, or
If there is a gap between the square and the
blade, go back to step 6 and repeat.
35

Making Blade Parallel to
Table
These steps are done to help prevent the
workpiece from being thrown or damaged
when the saw is used for edging.
F_g.94
6. Lower the radial arm until the blade just
rests on the edge of the framing square.
Make sure that the square is on the blade
and not on the set of a tooth.
Fig. 93
1. Put the radial arm in the 0° miter position.
2. Raise the radial arm until the blade is 1-1/2
inches above the front table.
3. Unlock the bevel lock, and turn the motor
so that the blade is parallel to the table.
0_igure 93)
_, CAUTION: The motor is heavy and
can swing down quickly. You can be cut
or injured if the blade hits you. Hold the
motor when you unlock the bevel lock.
4. Lock the bevel lock, rip lock and swivel lock.
5. Place the corner of the framing square
against the fence so that the long edge is on
the table under the blade and the short edge is
sticking up in the air. Make sure that the long
edge is perpendicular to the fence. (Figure 94)
7. Turn the blade with your hand several
times and check to see if the square is flush
with the blade.
8. If the square is flush with the blade after
each rotation (Figure 95) go to step 18, or
If there is a gap between the square and the
blade after any rotation (Figure 95) go to
step 9.
Right
Square _ (/_27_..--_-_ Motor
Fence 7 ! L_l Lf_-_
Table
Wrong
Square Square
Fence { l_ _j'L/_l_e nce
Table
Wrong
Table
Fig. 95
36

9. Unlock the bevel lock.
10. Loosen the two screws on the back of the
motor support using a 3/16 inch hex-L wrench
and pliers if necessary. (Figure 96)
gk WARNING: The hex-L wrench may
break when used with pliers to loosen
screws. Thrown pieces could hit you in
the face and/or eyes. Wear safety gog-
gles when using a hex-L wrench with
pliers.
14. Tighten the two screws on the back of the
motor support.
15. Place the corner of the framing square
against the fence so that the long edge is on
the table under the blade and the short edge
is sticking up in the air, as before. Make sure
that the long edge is perpendicular to the
fence.
16. Turn the blade with your hand several
times and check to see if the square is flush
with the blade.
Saw
Handle
17. If the square is flush with the blade after
each rotation, go to step 18, or
If there is a gap between the square and the
blade, go back to step 9 and repeat.
Motor Support
Capscrews
Fig. 96
1!. Hold the square in place, and lift or lower
the bottom side of the motor support until the
square is flush with the blade.
12. Hold the motor firmly and lock the bevel
lock.
13. Check the square to make sure that it is
still flush with the blade.
Installing Guard /Setting
Spreader
The blade guard and the spreader are very
important safety features of your saw. The
guard covers a large part of the blade and
reduces the risk of amputation. The spreader
rides in the kerf of the cut wood during rip-
ping, and helps keep the two sides from
pinching the blade and causing a kickback.
£L A
A_WARNIN(3: Fingers, hand, or arm
can be cut off from blade contact if the
blade guard is not used properly. Al-
ways put the blade guard on your saw
and adjust it correctly.
37

/'L
AWARNING: Kickback can occur if
the spreader is not in line with the
blade. You can be injured or killed. Al-
ways adjust the spreader and make sure
that it is directly in line with the blade.
1. Loosen the guard clamp screw until it no
longer touches the metatptate. (Figure 97)
3. Make sure that the lower edge of the guard
is parallel to the table. (Figure 99 above)
4. Tighten the guard clamp screw.
5. Unlock the swivel lock and turn the motor
to the in-rip position, with the blade between
the motor and the fence. (Figure 99)
Guard Clamp Screw
Fig. 97
\Metal Plate
2. Place the guard over the blade. You will
feel the guard fall into place when the ridge on
the inside of the guard slides into the slot on
the motor. (Figure 98)
Guard--q--_ "_' (_)
Fig. 98
Fig. 99 -In-rip Position
6. Lock the swivel lock.
7. Lower the radial arm until the blade is just
above the table.
8. Unlock the rip lock and move the motor
back until the blade touches the fence.
9. Lock the rip lock.
10. Loosen the wing screw that holds the
spreader in place.
11. Lower the spreader and antikickback
pawls until the spreader is against the fence,
and the pawls on one side of the spreader are
on top of the fence. (Figure 100)
38

I
Guard
Antikickback Pawls [
Fence {_
Fig. 100
)reader
Table
/
12. If the spreader and blade both rest against
the fence, no adjustment is needed. (Figure
101-A) Go to step 17, or
If the spreader is in front of the fence but not
touching it (Figure 101-B), go to step 13, or
If the spreader hits the top of the fence
(Figure 101-C), go to step 13.
A - Right
1
Pawl-_
Fence
Tab,el
- Spreader
Saw Blade
13. Loosen both nuts on the spreader using a
1/2 inch wrench.
14. Slide the spreader with your hand until it
is against the fence directly behind the blade.
15. Tighten both nuts using a 1/2 inch
wrench. Do not move the spreader as you
tighten these nuts.
16. Check the blade and spreader again to
make sure that they are both against the
fence. If not, go back to step 13 and repeat.
17. Once the blade and spreader are in line,
raise the spreader up to the guard and tighten
the wing screw to hold it in place.
18. Unlock the rip lock.
19. Pull the motor forward so that the blade is
away from the fence and lock the rip lock.
20. Unlock the swivel lock.
21. Turn the motor to the crosscut positon
with the blade and arm perpendicular to the
fence.
22. Lock the swivel lock.
B - Wronc
Paw,
Fence ---f-_ .Spreader
TaabTe_ "_
Saw Blade
Fig. 101-A,B,C
C - Wrong
Pawl--_ _
Fence --.-F
Table
_'Spreader
Saw Blade
39

Digital Display
SEA /CRRFTSMRN
ELECTRONIC MEASUREMENT
TO LOCK R[MOV[ YELLOW K_Y
Fig. 102- Digital Display
Your radial arm saw has a digital display
which tells you the position of the blade and
arm at the touch of a button. This display
helps you position the blade so that your cuts
will be accurate.
The following buttons control the digital dis-
play:
ON/OFF : This button turns the display on
and off. The display runs on battery power,
and shuts itself off when no changes in blade
or arm position have been made for three
minutes. The system continues to track the
location of the blade and arm when the dis-
play is turned off, and the current position
may be displayed at any time.
REF SET: This button is used to set the "0"
reference points for the digital display.
BEVEL : This button displays the bevel
angle. The "0" display is usually set with the
blade perpendicular to the table. A positive
display shows the angle the blade has been
turned counterclockwise. A negative display
shows the angle the blade has been turned
clockwise.
ELEV: This button displays the height of the
blade. The "0" display is usually set with the
blade just touching the table. A positive dis-
play shows the distance the blade has been
raised above "0". A negative display shows the
distance the blade has been lowered below
II011 *
MITER: This button displays the miter angle.
The "0" display is usually set with the arm per-
pendicular to the fence. A positive display
shows the angle the arm has been moved to
the right. A negative display shows the angle
the arm has been moved to the left.
RIP: This button displays the distance from
the fence to the blade in the in-rip and out-
rip positions. The "0" display for in-rip is
usually set with the blade just touching the
fence. The "10.00" display for out-rip is usual-
ly set with the blade ten inches from the
fence.
The "0" reference points you set will be
stored in the memory at all times, whether
the display is turned on or off. If an error oc-
curs you will see:
on the display. If this happens, you will need
to reset the "0" reference point for the func-
tion displaying the error.
If the battery is very weak or dead the display
will become faded and hard to read. If this
happens, you will need to replace the battery
and reset the "0" reference points for all func-
tions.
4O

Installing the Battery
1. Slide the battery into the opening behind
the digital display with the angled corner on
top. (Figure 103)
5. If there is still no display, contact your
nearest Sears store, or
If the display says:
Battery
ELE
go to step 6.
6. Snap the battery cover into place.
7. Push the ON/OFF button to turn off the dis-
play.
Replacing the Battery
1. Use a screwdriver to pry the battery' cover
off.
Fig. 103-Installingthe Battery
2. Push the battery all the way into this space
and slightly downward. It will snap into place,
and be held there by a tab.
3. If the display says:
ELE
a second or two after the battery is put in
place, go to step 6, or
If the display does not show anything, go to
step 4.
4. Remove the battery. Put it back in and
check the display again, or
Remove the batter),. Wipe off the battery con-
tacts. Put the battery back in and check the
display again, or
Remove the battery. Replace it with a new
one. Check the display again.
2. Push in and slightly upward on the batter),
then pull out. The battery is held in place by a
tab that is released when you push in.
3. Replace the battery with a6V, alkaline bat-
tery by following the Installing the Battery
section.
Aligning Encoders
Miter Encoder
1. Push the ON/OFF button to turn the dis-
play on.
2. Put the saw in the crosscut position with
the radial arm perpendicular to the fence.
3. Lock the miter lock.
4. Push the MITER button.
5. Push the REF SETbutton. The display will
say:
1MIT
41

6. Unlock the miter lock.
7. Move the arm to the right until it snaps
into the 45°position.
8. Lock the miter lock.
9. The display should say:
l'" s.ol
10. Unlock the miter lock.
11. Move the arm to the left until it snaps
into the -45°position.
12. Lock the miter lock.
L
Fig. 104-Screws forMiter Encoder
13. The display should say:
J.U
14. If the display is correct at all three points,
go to the next section, or
If the display is not correct at one or more of
these points, go to step 15.
15. Unscrew the two mounting screws on the
back of the arm and take off the rear arm
cover.
16. Unlock the miter lock.
17. Move the arm to the right until it snaps
into the 45 ° miter position.
18. Lock the miter lock.
19. Loosen the mounting screws on the miter
encoder until the encoder will slide to the right
and left. (Figure 104)
20. Slide the encoder slightly until the digital
display says:
i,
MIT
You may need to tap on the encoder to move
it, but do not force it or hit it hard.
21. Tighten the mounting screws on the en-
coder,
22. Repeat steps 2-13 to make sure you did
not move the encoder when tightening the
mounting screws.
23. If the display is still not correct repeat
steps 16 - 22 until the miter encoder is in the
right position, or
If the display is correct, put the rear arm
cover back on the radial arm. Go to the next
section.
42

Bevel Encoder
1. Push the ON/OFF button to turn the dis-
play on.
2. Put the saw in the crosscut position with
the radial arm perpendicular to the fence and
the blade perpendicular to the table.
3. Lock the bevel lock.
4. Push the BEVEL button.
5. Push the REF SETbutton. The display will
say:
,
6. Unlock the bevel lock.
7. Turn the motor to the 45 ° bevel position.
CAUTION: The motor is heavy and
can swing down quickly. You can be cut
or injured if the blade hits you. Hold the
motor when you unlock the bevel lock.
14. If the display is correct at all three points,
go to the next section, or
If the display is not correct at one or more of
these points, go to step 15.
15. Unlock the bevel lock.
16. Move the motor to the 45 ° bevel position.
17. Lock the bevel lock.
18. Loosen the two aligning screws on the
bevel encoder until the encoder will slide from
right to left. (Figure 105)
Aligning Screws
Motor Support Bevel
Encoder
Yoke
Casting
8. Lock the bevel lock.
9. The display should say:
I,
10. Unlock the bevel lock.
11. Move the motor to the 90 ° bevel position.
12. Lock the bevel lock.
13. The display should say:
I °
.v quO
Fig. 105-Screws for Bevel Encoder
19. Slide the encoder slightly until the display
says:
i4cn ]
You may need to tap on the encoder to move
it, but do not force it or hit it hard.
20. Tighten the two aligning screws on the en-
coder.
21. Repeat steps 2 - 13 to make sure you did
not move the encoder when tightening the
two screws.

22. If the display is still not correct, repeat
steps 15 - 21 until the bevel encoder is in the
right position, or
8. Push the ELEVbutton.
9. Push the REF SETbutton.
If the display is correct, go to the next section.
Setting Zero References
Bevel, Miter and Elevation
The "0" reference points for miter, bevel, and
elevation are usually set with the:
.Saw in the crosscut position with the
radial arm perpendicular to the fence
(0° miter).
10. The display will say:
In-rip Reference
The "0" reference point for in-rip is usually
set with the blade just touching the front of
the fence.
1. Unlock the swivel lock.
•Blade perpendicular to the fence and
front table (0 ° bevel).
•Blade in front of the fence just touching
the front table (0 inches elevation).
2. Turn the motor to the in-rip position with
the blade between the motor and the fence.
3. Lock the swivel lock.
4. Unlock the table locks and put the fence
between the front table and the spacer.
You may set the "0" reference points in this
position, or any other position you choose.
1. Put the blade in the position you have
chosen to be the zero reference point.
2. Push the MITER button.
3. Push the REF SETbutton.
4. The display will say:
MIT • U
5. Push the BEVEL button.
6. Push the REF SET button.
7. The display will say:
BEV •U
44
5. Lock the table locks.
6. Unlock the rip lock.
7. Move the motor back until the blade is just
touching the front of the fence.
8. Lock the rip lock.
9. Push the RIP button.
10. If the display shows the RIP function, go
to step 11, or
If the display shows the O-RIP function, push
the RIP button again. Then go to step 11.
11. Push the REF SETbutton.
12. If the display says:
1 "hi
.,P .U U

go to the next section, or
If the display says:
tJ-I i-I I-! ]
.,P !U.L! LI
push the REF SETbutton again. Then go to
the next section.
Out-rip Reference
The "0" reference point for out-rip is usually
set with the blade ten inches from the fence.
1. Unlock the swivel lock.
8. Lock the rip lock.
9. Push the RIP button.
10. If the display shows the O-RIP function,
go to step 11, or
If the display shows the RIP function, push
the RIP button again. Then go to step 11.
11. Push the REF SETbutton.
12. If the display says:
J-I t'!
o.,P .;_!I_!
2. Turn the motor to the out-rip position with
the motor between the blade and the fence.
3. Lock the swivel lock.
4. Unlock the table locks and move the fence
behind the spacer and rear table. (Figure 119)
5. Lock the table locks.
13. Push the REF SET button again.
The display will say:
O-RiP
6. Unlock the rip lock.
7. Move the motor until the blade is 10 inches
in front of the fence. Use a framing square,
ruler or tape measure to measure this distance.
(Figure 106)
Fence
Blade
Fig. 106-Out-Rip Reference
45

Electrical Connections
Motor Specifications
The AC motor used in this saw is a capacitor-
start, non-reversible type having the following
specifications:
Rated H.P .......................... 1.5
Maximum Developed H.P ............. 2.5
Voltage ........................... 120
Amperes .......................... 11
Hertz (cycles) ....................... 60
Phase ........................... Single
RPM ............................. 3450
Rotation of Arbor Shaft ......... Clockwise
Power Supply
,_ WARNING: Your saw is wired at
the factory for 120V operation. Connect
to a 120V, 15-AMP, branch circuit and
use a 15-AMP, time delay fuse or circuit
breaker. Failure to connect in this way
can result in injury from shock or fire.
A _
_l& WARNING: To avoid shock or fire, if
power cord is worn, cut, or damaged in
any way have it replaced immediately.
Your unit is wired for 120V, it has a plug that
looks like the one shown below. O:igure 107)
@
3-Prong Plug
Grounding Prong
_- Properly
Grounded
Outlet
Fig. 107- Plug forLess Than 150V
Your saw must be properly grounded. Not all
outlets are properly grounded. If you are not
sure that your outlet is properly grounded,
have it checked by a qualified electrician.
WARNING: If not properly
grounded this power tool can cause
electrical shock, particularly when used
in damp locations.
_I&WARNING: If an electrical shock oc-
curs, your reaction to the shock may
bring your hands into contact with the
blade.
This power tool is equipped with a 3-
conductor cord and grounding type plug listed
by Underwriters' Laboratories. The ground
conductor has a green jacket and is attached
to the tool housing at one end and to the
ground prong in the attachment plug at the
other end.
This plug requires a mating 3-conductor
grounded type outlet as shown above. If you
have an outlet that is of the two prong type, it
is recommended that you have a qualified
electrician replace the it with a properly
grounded three prong outlet.
46

_lb WARNING: To maintain proper
tool grounding, whenever the outlet you
are planning to use for this power tool
is of the two prong type do not remove
or alter the grounding prong in any man-
ner.
An adapter is available for connecting plug to
2-prong receptacles. The green grounding lead
extending from the adapter must be connected
to a permanent ground such as to a properly
grounded outlet box. (Figure 108)
Grounding Lug
/_ Make Sure This Is
3-Pronq Pluq _,'_ _-'-" I,__J Connected To A
_"_1_-_)1t Known Ground
__ _""" 2-Prong
/Receptacle
Adapter
Extension Cords
The use of any extension cord will cause
some loss of power. Use the following table
to determine the minimum wire size
(A.W.G.) extension cord. Use only 3- wire ex-
tension cords which have 3-prong grounding
type plugs and 3-pole receptacles which ac-
cept the tool's plug.
Length of
Conductor
Wire sizes Required
(American Wire Gage No.)
120V Lines
0 - 25 feet No°14
26 - 50 feet No.12
51 - 100 feet No. 8
For circuits that are farther away from electri-
cal circuit box, the wire size must be in-
creased proportionately in order to deliver
ample voltage to the saw motor.
Fig. 108 -Adapterfor 2-Prong Receptacles
_1_ WARNING: The adapter illustrated
is for use only if you already have a
properly grounded 2-prong receptacle.
k
47

Crosscutting
Crosscutting is used to cut a workpiece to
length. The workpiece is held against the
fence. The saw blade is pulled through the
workpiece. Cuts are usually made across the
grain of the workpiece.
Types of Crosscuts
The basic types of crosscuts are shown below.
Notice the hand and body position in each.
Fig. 109 -Straight Crosscut
Fig. 111-Bevel Crosscut
Fig. 112-Compound Crosscut
Fig. ! 10 -Miter Crosscut
Miter
Straight
Fig. 113 -Basic Crosscuts
Bevel
Compound
48

Safety Information for
Crosscutting
Read and follow the safety information below
before making any type of crosscut.
WARNING
1. Set guard and anti-kickback pawls to
proper height to serve as a partial barrier.
2. The saw blade can throw the
workpiece over the fence if the blade is
pushed backwards into workpiece.You
or others can be hit and injured by the
thrown workpiece. Start a crosscut with
the blade in its rearmost position.
3. If the blade is pulled through the
workpiece beyond the middle of the
blade, it can:
• pick up and throw the cut-off sec-
tion of the workpiece which could
hit and injure you or others in the
area, or;
• lift or move the held-down section
of the workpiece and pull your
hand into the blade as the blade
is returned. Pull the saw blade
through the workpiece to the dis-
tance shown below.
4. Fingers or hand can slip into the saw
blade as you make a crosscut. Fingers,
hand or arm can be cut off. Keep the
hand holding the workpiece at least 8 in-
ches to the side of the workpiece, out of
the path of the saw blade. Keep hand
holding the workpiece in view at all
times.
5. The blade can come completely off
table edge beyond the 30 °left miter
position. Fingers, hands, arms or legs
can be cut off. Use the right miter posi-
tion whenever possible to make miter
crosscuts.
6. The blade continues to turn for about
12 seconds after the saw is turned
off. Wait for the blade to stop before
reaching for the workpiece.
7. If length stops are used on the cut-off
end of workpJece, the cut-off end can
be thrown by the blade. The workpiece
could hit and injure you or others in the
area. Do not use a length stop on the
cut-off end of the workpiece. Use a
length stop only on the end of the
workpiece which is held down.
8. Holding on to or touching the cut off
end of the workpiece while the saw
blade is still turning can cause the
workpiece to pinch the blade. The
workpiece can be thrown and hit and in-
jure you or others in the area. Do not
touch, hold on to, push, or grab the cut-
off piece of the workpiece while the
power is on or the saw blade is turning.
9. The saw can throw the workpiece,
workpiece chips or pieces of the blade
violently. You can be blinded. Wear
safety goggles.
Fig. 114 -Blade Distance to Complete Crosscut 49

10. The workpiece cannot be controlled
or held stable enough to do free hand
cutting. The workpiece can be thrown or
slip and pull fingers and hand into the
saw blade. Fingers or hand can be cut
off. Set the radial arm to the desired
cutting angle. Keep workpiece flat on
table and solidly against the fence.
Blade Guard, Anti-Kickback
Pawls and Spreader
The blade guard, anti-kickback pawls and
spreader are designed to reduce or eliminate
the risk of injury from contact with the upper
half of the blade and the leading edge of the
blade when:
11. Saw parts loosen and wear with
use. You or others can be injured. Keep
all parts tight and in working order.
• the guard is in, the horizontal position
and;
12. The fence must be of at least equal
height to the workpiece or else the
workpiece can be lifted or thrown and hit
and injure you or others in the area. See
Cutting Accessories section for instruc-
tions to make a fence.
the pawls and spreader are set to
clear the top of the fence and
workpiece by about 1/8 inch.
The Blade Guard:
13. The blade will try to pull itself
through the workpiece. Be prepared to
hold the saw handle back to keep the
saw blade from coming toward you.
14. Lock rip lock after every crosscut, or
else the blade will suddenly come
toward you when you lower it to make a
crosscut.
• provides protection from contact with
the upper half of the blade;
• helps keep the workpiece from jam-
ming in the guard and;
• helps catch or deflect workpiece chips
or pieces of the blade.
15. Whenever the blade is turning, keep
one hand on the saw handle to keep the
saw blade from coming toward you.
16. Cutting more than one workpiece at
a time can cause you to lose control of
the workpieces, which can be thrown
and hit and injure you or others in the
area. Cut only one workpiece at a time.
Do not stack or lay workpieces edge to
edge.
The Anti-kickback Bar, Pawls and Spreader:
•serve as a partial barrier to provide
protection from contact with the lead-
ing edge of the blade.
_k WARNING: To reduce the risk of
contact with the upper half of the blade
and keep the workpiece from jamming in
the guard, set the blade guard in the
horizontal position, Fig. 118.
5O

Crosscutting Checklist
Use the following checklist at the beginning
of each new cutting period to reduce the risk
of an accident.
Crosscut Checklist
Yellow :key removed from red switch.
Arm slopes to the rear and table level side
to Side.
Arbor nut snug.
Blade sharp.
Fence secure, solid (knot free) and in good
condition.
Fence in correct table position.
Workpiece does not extend above the top
of the fence.
All saw parts are tight and working.
be_d the fece.
Blade guard horizontal.
Anti-kickback pawls and spreader set to
clear top of fence and or workpiece by
about I/8 inch.
Swivel, rip, miter, bevel and table locks
locked.
Read and follow instructions for the type
of crosscut you want to do.
Cutting Table and Fence
Kerfs
You will need to cut a new table kerf (shal-
low cut) and fence kerf (slot left in the fence
from sawing through it with the blade), each
time a new cutting angle is used. The table
kerf lets the blade cut all the way through a
workpiece.
Fig. 115 -Table and Fence Kerfs
Note: To extend the life of your table top,
you can make an additional table top. See
Helpful Hints section.
Making Table and Fence Kerfs for Crosscut-
ting
To make a crosscut kerf in your table and
fence:
1. Put your fence between the front table and
spacer board. Lock the table locks.
2. Push the saw to the rearmost position, be-
hind the fence.
3. Lock rip lock.
51

t'k
A WARNING: The saw blade will sud-
denly come toward you when lowered
into the table if the rip lock is unlocked.
Fingers and hand can be cut off. Lock
the rip lock before and after each
crosscut.
ii;iiii!i¸£i!!iiii_i,7
Fig. 116 -Locked Position for Rip Lock
4. Lower the radial arm until the blade al-
most touches the table top.
5. Plug the saw into a grounded outlet. Check
Electrical Connections section of manual if
you are not sure the outlet is grounded.
6. Wear safety goggles labeled ANSI Z87.1
on the package.
_1_ WARNING: The saw can throw the
workpiece, workpiece chips or pieces of
the blade violently. You can be
blinded. Wear safety goggles.
goggles.
Fig. 117 -Safety Goggles Safety Sign
7. Insert yellow key into the red switch.
8. Grasp saw handle and hold your forearm
in line with the saw handle as shown below.
!
Pawl
Fig. 118- Crosscut Blade Guard and Body Position
,(k
mLWARNING: Saw blade can sudden-
ly come toward you when turned on.
Fingers, hand or arm can be cut off.
Keep one hand on the saw handle at all
times.
9. Turn the saw on.
10. Lower the saw arm slowly until the blade
touches the table.
11. Turn the handwheel another 1/2 turn
more. This will let you make a 1/32 to 1/16
inch kerr in the table.
12. Unlock rip lock.
13. Pull the saw blade forward through the
fence and along the table as far as it will go.
14. Return the saw blade to its rearmost posi-
tion behind the fence.
15. Turn the saw off, but do not let go of the
saw handle.
52
16. Wait for blade to stop turning.
17. Lock rip lock.
18. Remove yellow key from red switch.

_?:.-+
,?
Making Crosscuts
The following section contains safety informa-
tion and instructions for making crosscuts.
Anyone who uses your saw should read and
follow these steps.
_k WARNING: The blade guard must be
horizontal to provide protection from
contact with the upper half of the blade
and avoid the workpiece being jammed in
the blade. Set the blade guard in the
horizontal position. Fig. 118.
_1_ DANGER: The anti-kickback pawls
serve as a barrier for the leading edge
or the blade. Set the anti-kickback
pawls to clear the top of the fence and
workpiece by about 1/8 inch.
_l& WARNING: The fence must be at
least equal height or higher than the
workpiece you are going to cut or else
the workpiece can be thrown and injure
you or others in the area. Install a fence
of at least equal height to the workpiece.
1. Put your fence in position A as shown and
lock the table locks.
B C A
' '[/
l
Fig. 119-Fence Position for Crosscut
2. Push the saw to the rearmost position, be-
hind the fence.
3. Lower the blade into but not touching the
table kerf.
4. Adjust the height of the anti-kickback
pawls to clear top of fence and workpieee by
about 1/8 inch. The pawls and spreader help
provide protection from the leading edge of
blade.
5. Plug saw into grounded outlet.
6. Put on safety goggles.
7. Place the workpiece against the fence.
8. Unlock rip lock.
9. Grasp the saw handle while holding your
forearm in a straight line with the saw handle.
_ A
_II_WARNIN(3: The saw blade tries to
pull itself through the workpiece. Be
prepared to hold saw handle back to
keep the saw blade from coming toward
you. Keep one hand on the saw handle
at all times.
,& _
&&WARNING: If the saw blade is pulled
through the workpiece beyond the mid-
dle of the saw blade, it can:
• pick up and throw the cut-off sec-
tion of the workpiece which could
hit and injure you or others in the
area, or;
•lift or move the held-down section
of the workpiece and draw your
hand into the blade as the blade
is returned.
53

Pull the saw blade through the
workpiece to the distance shown below.
Fig. 120-Distance Needed to Complete Crosscut
12. Support and hold the workpiece down
and against the fence firmly with your left
hand.
13. Pull blade through fence and workpiece
just enough to complete the cut. (Fig. 120)
14. Return saw to its rearmost position and
continue to hold the saw handle.
15. Turn saw off.
16. Wait for the blade to stop turning.
1% Remove yellow key form red switch.
10. Insert yellow key into red switch.
11. Turn saw on.
,Ok
A WARNING: Saw blade can be
pulled into or over fingers or
hand. Fingers or hand can be cut off.
Keep hand holding the workpiece at
least 8 inches to the left of, and out of
the path of "the saw blade. Keep hand in
view at all times.
Repetitive Crosscuts
To make repetitive crosscuts:
1. Use two pieces of 1 inch by 2 by 2 inch
lumber.
2. Use a C clamp to clamp one piece on each
side of the lower right edge of the radial arm.
3. Clamp pieces of lumber at the distance
necessary to complete the crosscut.
Fig. 121-Hand Placement for Crosscuts
Fig. 122
54

Ripping
Ripping is used to change the width of the
workpiece by sawing along its length. The
workpiece is fed into the saw blade. The
fence is used as a guide. Rip cuts are usually
made with the grain of the workpiece.
Saw Positions for Ripping
There are two saw blade positions for making
rip cuts: in-rip and out-rip.
In in-rip position, motor is toward the front
of the table, and blade is toward the fence.
Fig. 123-In-Rip Saw Position
In out-rip position, motor is toward fence and
the blade is toward the front of the table.
Fig. !24 -Out-Rip Saw Position (Infeed End)
_1_ WARNING: Stand only at infeed end
of saw. Feed workpiece only into infeed
end of saw as shown above.
When to Use In-Rip or Out-Rip
The in-rip saw position provides better
visibility of both the workpiece and your
hands than does the out-rip saw position.
The only time you should use the out-rip saw
position is when the workpiece is 14 inches
or wider. Use the in-rip position for all
workpicces less than 14 inches wide.
Workpiece Positioning for Ripping
Always set up the saw blade so the widest
part of the workpiece is between the blade
and the fence. For example, if you want to
take 1 inch off an 11 inch wide workpiece, set
the saw blade 10 inches from the fence. Do
not rip 1 inch off an 11 inch workpiece by set-
ting the saw blade 1 inch from the fence.
AiikWARNIN_: If the blade is set between 2
inches and 6 inches from the fence, hands
will be brought too close to the blade.
Fingers and hand can be cut off. Use a push
stick.
For example, if the workpiece is 7 inches
wide and you want to cut 1 inch off the
workpiece, place the saw blade 6 inches from
the fence and use a push stick. Use a push
stick when the distance between the saw
blade and fence is between 2 inches and 6 in-
ches. See Cutting Accessories section on how
to make and use a push stick.
_l_ WARNING: If the blade is set between
1/2 inch and 2inches from the fence, hands
will be brought too close to the blade.
Fingers/hand can be cut off. Use an auxiliary
fence/push block.
For example, if the workpiece is 3 inches
wide and you want to cut 1 inch off the
workpiece, place the saw blade 2 inches from
the fence and use a push block and auxiliary
fence. See Cutting Accessories section.
55

Safety Information for
Ripping
Read and follow the safety information below
before making any type of rip cut.
DANGER
1. Kickback can happen when the saw
blade is pinched or bound by the
workpiece. This creates force in the op-
posite direction to which the workpiece
is being fed. The teeth of the blade grab
and throw the workpiece violently back
out of the saw.
Kickback can happen when:
Anti-kickback pawls/spreader are not
used or not correctly adjusted.
Spreader is not in line with the blade.
Blade is not parallel to the rip fence.
Edge of workpiece is not in contact with
the rip fence or not straight.
Workpiece is twisted or warped and rocks
on the table top.
Edge of workpiece is not completely
against the rip fence, leaving gaps
between the fence and workpieee edge.
Workpieee is released before being
pushed completely past the saw blade,
Feeding pressure is put on the section
of the workpiece farthest from the fence.
2. One of the most common and the
most dangerous mistakes people make
is to reach for the workpiece at the out-
feed side of the saw. DON'T ! The
workpiece could kickback as you reach
for, touch or try to pull the workpiece
through the blade. You can lose your
fingers, hand, or arm. The blade guard
does NOT provide complete protection
at outfeed end of the saw. Do not reach
for the workpiece at outfeed end of the
saw. Fingers, hand or arm can be cut
off. Follow instructions for ripping.
Kickback, Blade
Contact.
Fingers, hand, arm
can be cut off.
Follow instructions
for Ripping
Fig. 125-Kickback, Blade Contact Safety Sign
3. The workpiece can also kickback
violently toward you during a rip cut.
You can be hit hard enough to cause
broken bones and/or internal injury.
Keep blade guard, anti-kickback pawls
and spreader in place and adjusted.
Apply feed pressure to the section of
the workpiece next to the fence. Do not
apply feed pressure on the section of
the workpiece away from the fence.
Stand out of the path of the workpiece.
Wrong Way Feed.
Workpiece impact
can kill others.
Feed into infeed
end of saw.
Fig. !26 -Kickback, Thrown Workpiece Safety Sign
56

4. Non-thru cuts increase the chance of
kickback because the anti-kickback
pawls cannot always grab the irregular
workpiece surface. Use afeatherboard.
See Cutting Accessories section on how
to make and use a featherboard.
2. The workpiece can be grabbed by the
saw blade and take off like amissile.
Anyone standing in the path of the
workpiece can be killed.
5. The workpiece can snag or hang up
on a fence with a kerr in it. The
workpiece can be thrown or pinch the
blade, causing kickback. Use solid fen-
ces when making rip cuts.
6. Wood cut with the grain can spring
the kerr closed, bind the blade, and
cause a kickback. Adjust spreader to
ride in the kerf and prevent the kerf
from closing on saw blade.
7. Composition materials, like particle
boards and plastics, may be cut on the
saw. Because these materials often
have a harder and more slippery surface
than wood, the anti-kickback pawls may
not stop akickback. Place finished side
of workpiece down, roughest side of
workpiece up. Make anti-kickback pawls
and spreader adjustments. Stand out of
the path of workpiece.
Wrong Way Feed,
Blade Contact.
Fingers, hand or arm
can be cut off.
Feed from infeed
end of saw.
Wrong Way Feed.
Workpiece impact
can kill others.
Feed into infeed
end of saw.
Fig. 127- Wrong Way Feed Safety Signs
Always feed the workpiece against the
direction of rotation of the blade, at the
infeed end of the blade.
_, DANGER: Wrong Way Feed
Wrong way feed is feeding the workpiece
into the end of the blade with pawls, the
outfeed end. (Fig. 128) There are two
things that can happen if you feed the
workpiece into the outfeed end of the saw
blade:
1. The workpiece can be grabbed by the
blade and pull your hands into the blade
before you can let go or pull back.
Fingers, hands or arms can be cut off. Fig. 128 -Infeed and Ouffeed Ends of Saw Blade
End
}lade
IGER
57

Blade Guard, Anti-kickback
Pawls and Spreader
The blade guard, anti-kickback pawls and
workpiece spreader are designed to reduce or
eliminate the risk of injury from blade con-
tact, workpiece kickback and wrong way feed.
The Blade Guard:
• serves as a partial barrier to help
keep hands from contacting the blade
at the infeed end of the saw blade.
Rip Cutting Checklist
Use the following rip cutting checklist at the
beginning of each new cutting period to
reduce the risk of an accident.
• helps keep the workpiece from lifting
or fluttering during ripping.
• helps catch or deflect workpiece chips
or pieces of the blade.
The Anti-Kickback Pawls :
• help reduce kickback by grabbing into
and holding the workpiece.
• act as a barrier to provide some
protection from blade contact.
The Spreader:
• helps keep lhe kerf of the workpiece
open, which helps prevent the blade
from being pinched and causing
workpiece kickback.
• when correctly set, helps reduce or
eliminate the chance of wrong way
feed because it blocks the workpiece
from contacting the saw blade.
_WARNING: The anti-kickback pawls
and spreader adjustments must be made
each time a different thickness workpiece
is cut to reduce or eliminate kickback.
58

Making aRip Cut Table Kerf
You will need to make atable kerr before a
rip cut can be made. Every time you move
the blade a new distance from the fence, you
will need to make a new kerr.
1. Put saw in desired rip position and lock the
saw arm in the 0° position.
2. Lock rip, swivel, miter, bevel and table
locks.
3. Adjust saw arm with handwheel until the
saw blade almost touches the table top.
4. Plug the saw into a grounded outlet.
5. Put on safety goggles.
6. Insert the yellow key in the red switch.
7. Turn saw on.
8. Lower saw blade until blade touches the
table.
9. Turn the handwheel about 1 full turn
more. This will make a 1/16 to 1/8 inch kerf
in tile table.
_IbWARNING: For workpieces 1/4 inch
thick or less, make the rip kerr at least
1/8 inch deep to keep the saw blade
from rising up on top of workpieces and
violently throwing them.
10. Turn saw off and remove yellow key.
11. Unplug saw at the end of cutting session.
Adjustments for Ripping
_1_ DANGER: You will need to make
blade guard, anti-kickback pawls and
spreader adjustments before making a rip
cut.
Blade Guard Adjustments
1. Unplug saw and remove yellow key.
2. Put saw in In-Rip position and lock the
saw arm in the 0° position.
Fig. 129 -In-Rip Saw Position
3. Lock rip, miter, bevel, swivel and table
locks.
4. Go to tile in-feed end of the saw blade.
Fig. 120.
5. Put the workpiece on the table, in line with
blade and under the nose of blade guard, so
it touches the blade.
6. Loosen the guard clamp screw and rotate
the guard until the guard nose just clears the
workpiece. Fig. 122.
7. Tighten the guard clamp screw.
:kback/
kback
....
Fig. 130- Blade Guard Position for Ripping
59

Anti-kickback Pawls and Spreader Adjust-
ments
1. Go to the outfeed end of the saw blade.
2. Put edge of workpiece beside the blade
and under the pawls.
3. Loosen wing screw and lower the anti-kick-
back pawls and spreader until the spreader
hangs next to the edge of the workpiece and
the pawls, on one side of the spreader, rest
on the workpiece.
Making Rip Cuts
When to Use In-Rip or Out-Rip
The in-rip saw position provides better
visibility of both the workpiece and your
hands than does the out-rip saw position. The
only time you should use the out-rip saw posi-
tion is when the workpiece is 14 inches or
wider. Use the in-rip position for all
workpieces less than 14 inches wide.
Workpiece Positioning for Ripping
Always set up the saw blade so the widest
part of the workpiece is between the blade
and the fence. For example, if you want to
take 1 inch off an 11 inch wide work_iece, set
the saw blade 10 inches from the fence. Do
not rip 1 inch off an 11 inch workpiece by set-
ting the saw blade 1 inch from the fence.
£L _
dI&WARNINL_: If the blade is set be-
tween 2 inches and 6 inches from the
fence, hands will be brought too close
to the blade. Fingers and hand can be
cut off. Use a push stick.
Fig. 131-Anti-kickback Paw/Position
4. Tighten wing screw.
5. Go to the infeed end of the saw blade.
6. Push the workpiece a few inches in the
direction of the cut and then pull the
workpiece back toward you. The pawls
should have grabbed the wood and stopped
the kickback motion by grabbing into the
workpiece. If they did not, repeat adjust-
ments until the pawls grab the workpiece. If
the pawls fail to grab the workpiece, sharpen
or replace them. If that fails to work, use a
featherboard. Repeat steps for making anti-
kickback pawls and spreader adjustments
above.
For example, if the workpiece is 7 inches
wide and you want to cut 1 inch off the
workpiece, place the saw blade 6 inches from
the fence and use a push stick. Use a push
stick when the distance between the saw
blade and fence is between 2 inches and 6 in-
ches. See Cutting Accessories section on how
to make and use a push stick.
_I=WARNING: If the blade is set be-
tween 1/2 inch and 2 inches from the
fence, hands will be brought too close
to the blade. Fingers/hand can be cut
off. Use an auxiliary fence/push block.
For example, if the workpiece is 3 inches
wide and you want to cut 1 inch off the
workpiece, place the saw blade 2 inches from
the fence and use a push block and auxiliary
fence. See Cutting Accessories section.
6O

_k
JlWARNING: When making through
rip cuts do not set the blade closer than
1/2 inch from the fence or auxiliary
fence, your hands will be brought too
close to the blade. Your fingers and
hand can be cut off. Do not use aradial
arm saw to rip cut less than 1/2 inch
wide workpieces.
9. Stand out of the line of the workpiece to
be clear of workpiece in case of kickback.
1. Set the blade to desired distance from the
fence and lock the saw arm in the 0° position.
2. Lock rip, swivel, miter, bevel and table
locks.
3. Make blade guard, anti-kickback pawls and
spreader adjustments.
4. Remove workpiece from table.
5. Turn saw on.
6. Place workpiece under the guard nose,
keeping workpiece edge against the fence.
7. Place one hand flat on the workpiece and
next to fence.
8. Place the other hand behind the first so
that your fingers are:
• on the back edge of workpiece;
• out of the blade path and,
• as close to the fence as possible.
_WARNING: Even when all steps to
reduce kickback are taken, the
workpiece can still kickback. You or
others in the area can be hit hard
enough to cause broken bones or inter-
nal organ injury. Stand out of the line of
the saw blade and workpiece.
Fig. 132-Hand and Body Position for Making an
In-Rip Cut
10. Position your body at the infeed end of
the saw blade. Start and complete the cut
from that same side.
11. Push the workpiece, putting pressure on
the part of the workpiece between the blade
and the fence. If you push the part of the
workpiece on the other side of the blade, the
blade could be pinched and the workpiece
will kickback.
12. Keep pushing the section of the
workpiece between the blade and the fence
until the piece has been pushed completely
past the anti-kickback pawls.
DANGER: The blade guard does
NOT provide complete protection at out-
feed end of the saw blade. The
workpiece could kickback as you reach
for, touch or pull the workpiece through
the blade, pulling your hand into the
blade. Fingers, hand, or arm can be cut
off. Do not pull, hold-down or touch the
workpiece at the outfeed end of the saw.
61

Kickback, Blade
Contact.
Fingers, hand, arm
can be cut off.
Follow instructions
for Ripping
Fig. 133-Kickback, Blade Contact Safety Sign
13. Turn the saw off
_lb WARNING: Blade continues to turn
for about 12 seconds after power is
turned off. Do not reach for cut
workpiece until blade stops. Fingers or
hand can be cut off by the turning
blade. Wait for blade to stop turning.
14. Remove yellow key from red switch.
Bevel Ripping
To make a bevel rip cut:
1. Set the saw in the desired position.
2. Index the arm to 0° and lock in position.
3. Bevel the blade to the desired angle.
4. Follow steps for making a rip cut.
Note: For dadoing, molding and edging, fol-
low instructions for crosscutting.
Dadoing
1. Instructions for using dado blades are
provided with the dado blade.
2. The saw arbor is designed for a dado set
up to 13/16 inches wide. Use of a wider dado
on the arbor could cause the dado and arbor
nut to spin off. Take several passes of the
dado if cut required is greater than 13/16 of
an inch wide.
3. To avoid excessive load on the motor
never cut a 13/16 inch wide dado deeper than
1/8 inch in one pass.
4. When installing the dado on the arbor, al-
ways install the inside loose collar first to en-
sure good arbor nut engagement. Make sure
the arbor nut is snug. Install the arbor nut
directly against the outside of the dado.
Molding
1. Instructions for using the molding head are
provided with the molding head.
2. Use of molding head or drum sander with
the saw arbor vertical requires an opening
(next to rear face of fence) for saw arbor
clearance. See Cutting Accessories section to
make a molding fence.
Edging
1. Edging requires the use of a dado or mold-
ing head in the horizontal position (parallel
to table).
2. Use proper accessory guard when edging.
See Recommended Accessories section.
AILWARNINL_: Using the saw without the
proper accessory guard for edging is ex-
tremely dangerous. Hands, fingers or
arm can be cut off. Buy, use and follow
instructions for edging guard.
3. Use an auxiliary fence when edging with
the radial arm in the 0° miter position. See
Cutting Accessories section to make auxiliary
fence for edging in the 0° miter position.
_'_r
62

41L WARNING: If the auxiliary fence is
not used when the saw arm is in the 0°
crosscut position, the molding head can-
not be located behind the fence for safe
and proper operation.
3. Remove saw blade, dado, or other acces-
sory from the saw arbor shaft before using
the accessory shaft. Do not use the saw with
accessories installed on both ends of the saw
arbor shaft at the same time.
4. Edging can also be done in the 30 °left
miter without the use of an auxiliary fence.
Follow the instructions below.
4. Make sure the unused shaft is covered by a
guard, the arm, or the screw cap to avoid
being pulled into moving parts by hair,
threads, clothing.
• Miter the arm to the left approximate-
ly 30°.
• Swivel the motor until bottom of
motor is parallel to and facing the rip
fence and operating instructions label
is visible.
5. Drill chucks can bend and pieces of the
drill bit can break. You can be blinded or in-
jured if hit by thrown pieces. Do not use twist
drills longer than 7 inches.
6. Use a spade type drill of I inch diameter
or smaller. Use for drilling only wood or plas-
tic because the speed is not high enough for
other types of materials.
• Follow all steps outlined on motor
label as shown below.
DANGER
Fig. 134-Edging Label
Accessory Safety
1. For your safety use only recommended ac-
cessories. Use of any other accessories may
increase the risk of injury. See Recom-
mended Accessory section of manual.
2. Use of grinding wheels, abrasive or cut off
wheels, or wire wheels is dangerous because
they can break explosively and throw pieces.
You can be blinded or recieve a life threaten-
ing puncture wound. Do not use grinding
wheels, abrasive!cut off wheels or wire wheels.
7. Do not use other reduced shank drills.
8. Remove adjusting wrenches. Form habit of
checking to see that adjusting wrenches are
removed from tool before,turning it on.
9. When using the accessory shaft in the verti-
cal position, swivel the motor 90 ° so that the
arbor shaft is under the radial arm as shown.
,WARNING: Clothing, hair, jewelry can
be caught and pulled into an exposed
arbor shaft. Fingers, hand or arm can be
broken or cut off. Place the arbor shaft.
under the radial arm when using the ac-
cessory shaft.
Fig. 135 -Arbor Shaft Posi_on When Using
Accessory Shaft
63

Cutting Accessories
Fences
Fences are required for all saw operations.
Crosscutting requires fences with kerfs (slots)
to match the path of the saw, because the saw
blade is pulled through the kerf in the fence
to cut the workpiece.
Ripping requires a solid fence with no kerfs
or slms, because the fence serves as a guide
for the workpiece being pushed into the saw
blade. If the workpiece is pushed along a
fence with kerfs, the workpiece can get
caught on a kerf, pinch the blade and cause
the workpiece to kickback.
Make a new fence:
• when the fence used for crosscutting
has weakened from having too many
kerfs cut in it;
• when you want to make arip cut but
the fence on the saw has kerfs;
• when you want to crosscut a
workpiece higher than your current
fence.
To make a new fence:
1. Use 3/4 inch knot free lumber. Do not use
particle board or other composite material be-
cause they are not strong enough.
2. Cut lumber to alength equal to the length
of the table, and to a width more than half the
height of the workpiece being cut, but never
less than 3/4 inch.
Push Stick
Push sticks are used during ripping when the
blade is placed between 2 and 6 inches from
the fence.
Make a push stick when:
• the blade is to be placed 2 to 6 in-
ches from the fence;
• existing push stick has been damaged.
To make a push stick:
1. Use 3/4 inch solid (knot free) piece of lum-
ber.
2. Cut a piece 15 inches long by 1 5/8 inches
wide.
3. Cut a 45 degree notch in one end as shown.
Slightly Less Than
Thickness of Workpiece
up to 3/8"---_
--r-- 2--h_
1-5/8_ _""
J
_,5t' Notch-L- _-//__
15 _ 1/2
Note: All Dimensions in Inches
Fig. 136-Push Stick Dimensions
Fig. 137- Way to Use Push Stick
64

Auxiliary Fence and Push
Block
An auxiliary fence must be used if the blade
is positioned between 1/2 inch and 2 inches
from the fence during ripping. An auxiliary
fence must always be used with a push block.
Their purpose is to keep your hands away
from the saw blade. They are also needed
when you use the molding head.
Make an auxiliary fence when:
• the blade is to be placed 2 inches or
less from the fence;
•an existing auxiliary fence is not the
same width all along its length;
• the existing auxiliary fence has been
damaged by blade contact.
To make auxiliary fence:
1. Use one piece of 3/8 inch plywood and two
pieces of 3/4 inch plywood.
2. Cut the 3/8 inch plywood to 40 inches long
by51/2 inches wide.
3. Cut one piece of 3/4 inch plywood to 40
inches long by 35/8 inches wide.
4. Cut other piece of 3/4 inch plywood to 40
inches long by21/4 inches wide.
5. Glue the two 3/4 inch plywood pieces to-
gether so that they line up square (flush) on
an edge.
6. Glue the 3/8 inch plywood piece at right
angle to and flush against the 2 1/4 inch wide
3/4 inch plywood.
7. Reinforce with nails.
2-1/4
314" Plywood
This Face and This
Edge Must Be Parallel
318" Plywood 1
Note: All Dimensions in Inches _5-1/:
Fig. !38 -Auxiliary Fence Dimensions
Push Block
Push blocks are always used with an auxiliary
fence.
Make a push block when:
• the blade is to be placed 1/2 inch to 2
inches from the fence;
• you make the first auxiliary fence;
• existing push block has been damaged.
To make a push block:
1. Use one piece of 3/4 inch plywood and one
piece of 3/8 inch plywood.
2. Cut the 3/4 inch plywood to 12 inches long
by 5 inches wide.
3. Cut a triangular piece off each of two
corners of the 12 inch side by marking with a
pencil in and down from the corners 1 1/4 in-
ches and cutting along the diagonal formed
by the points.
4. Cut the 3/8 inch plywood to 12 inches long
by 5 1/8 inches wide.
65

5. Cut out a notch from the 12 inch side of the
3/8 plywood that is 9 1/2 inches long by 3/8
inch wide. The dimensions of the remaining
3/8 plywood are shown in Fig. 139.
6. Glue the 3/4 inch plywood on top of the
3/8 inch plywood so that their 12 inch sides
are square, as shown;
These Edges Must
Be Parallel
5
2-1/__z_-L 3/8" Plywood
s-!/8
2-1/2
3/8 3/8
Note: All Dimensions in Inches
3/4" Plywood
1-1/4 x
1-1/4
Fig. 139-Push Block Dimensions
7. Cut a piece of plywood 3/8 inch wide by
2 1/2 inches long and glue it to the underside
of the 3/8 inch plywood in line with the edge
that sticks out. Do not use nails because if
you accidently cut into the push block with
the saw blade, the nails will dull the blade.
8. Lay the push block on top of the auxiliary
fence to make sure that their widths match ex-
actly, and are each 4 3/4 inches.
_{%i_/i_i_;_¸ ?/: i_=
Fig. 140 -Way to Use Auxiliary Fence/Push Block
66
Auxiliary Fence for Edging
Make an auxiliary fence for edging:
• before doing edging with the arm at
0° miter position.
• when existing ones have been
damaged.
To make a fence for edging:
1. Use 3/4 inch solid (knot-free) lumber.
2. Chat to the dimensions shown.
Auxiliary Fence Spacer Table
Rear Table
e
Front Table
ll--- 1--716--fl_ 14
• " 45°_---_-_45 " ' 12_ 3/4
Note: All Dimensions in Inches /-_ _ 1
Fig. 141-Auxiliary Fence for Edging
For use of the molding head or drum sander
with saw arbor vertical, the rear table re-
quires an opening (next to rear face of fence)
for arbor clearance. Cut opening directly
below arbor in vertical position. Opening
dimensions are shown below.
Rear Table-_[ ---_j_..[_-3 I {3-1/2__
Note: All Dimensions in Inches
Fig. 142-Rear Table Opening Dimensions
When operating the drum sander the motor
must be blown or vacuumed frequently to pre-
vent sawdust buildup which will interfere with
normal motor ventilation.

Featherboard
Featherboards are used during rip cutting to
help keep the workpiece against the fence.
The featherboard is clamped to the front
table, so that the angled edge of the feather-
board is against the workpiece on the infeed
end of the blade. The other edge of the
workpiece is against the fence.
Make new featherboards when existing ones
have been damaged.
1. Use solid (knot free) lumber 24 inches by
5 1/2 inches by 3/4 inch.
2. On the 24 inch sides mark a point 5 1/2 in-
ches down on the left and 9 1/2 inches down
on the right from the edge of the board.
Draw a line between the points.
3.Crosscut workpiece at a 30 ° angle then rip
to make the kerfs.
4. Do not clamp the featherboard against the
cut off part of the workpiece.
Fig, 144-Way to Use a Featherboard
Attaching Auxiliary Board to
Crooked Workpiece
If the workpiece you want to rip cut does not
have a straight edge, attach an auxiliary board
to the workpiece.
1. Place irregular side of workpiece against
fence.
.. 5_
4-1/2
Note: All Dimensions in Inches
Fig, 143 -Featherboard Dimensions
5-1/2
2. Place straight edged auxiliary board on top
of workpiece and against fence.
3. Tack the auxiliary board to the workpiece.
The amxiliary board must not extend beyond
the leading end of the workpiece and should
cover the workpiece width only enough to
pass between the blade and fence.
3. Use a fence that is equal to or higher than
the combined height of the workpiece and
auxiliary board.
67

Sears Recommends The Following Accessories
Item
Saw blades
(10" diameter with 5/8" hole)
Leg Set Caster
Sanding Drum
Drill Chuck and Key
Dust Collector
Molding Head Guard 8"
Taper Jig
Auxiliary Table Cover
Miter Square
Extension Table
Satin Cut Dado
7"
8"
8" Carbide
Standard Cut Dado
8"
Adjustable Dado
7"-24 Tooth Carbide
7"-32 Tooth Carbide
7"-16 Tooth Carbide
8"-48 Tooth Carbide
Molding Heads
7"-Bits Not Included
7"-27 Piece Set
7"-15 Piece Set
Sanding Wheel-10'
Cabinet Accessories
Shelf
Door
3 Drawer Set
Books
Power Tool Know How
Handbook
Guards
Lower Retractable Guard
(For 90 ° Crosscut Only)
Cat. No.
See Catalog
9-22221 or 9-22222
9-25246
See Catalog
See Catalog
See Catalog
See Catalog
See Catalog
See Catalog
See Catalog
See Catalog
See Catalog
See Catalog
See Catalog
See Catalog
See Catalog
See Catalog
See Catalog
See Catalog
See Catalog
See Catalog
See Catalog
9-22251
9-22252
9-22253
9-29117
9-29009
Sears may recommend other accessories not
listed in the manual. See your nearest Sears
store or Catalog department for other ac-
cessories.
Do not use any accessory unless you have
received and read complete instructions for
its use.
68

Lower Blade Guard Safety Information
IMPORTANT _WARNING
The following safety information and in-
structions apply to all blades and accessories.
The lower blade guard is required by the Oc-
cupational Safety and Health Administration
(OSHA) if the radial saw is used commer-
cially. The lower blade guard is intended for
use only in repetitive 90 ° crosscutting.
Repetitive 90 ° Crosscutting is the repeated
and continuous cutting of many pieces of
lumber to the same length with the saw
placed in the 90 ° crosscut position.
In repetitive 90 ° crosscutting, the guard may
reduce the chance of accidentally touching
the blade from the side. This protection is
possible ONLY when:
• the blade is in its rearmost position and
• the guard is resting on the table so the
leading and trailing teeth of the blade are
not exposed from the sides.
The lower blade guard ONLY provides pro-
tection against minor cuts and bruises that
occur from contact with the flat sides of the
spinning blade.
_lb WARNING: The lower blade guard
will not provide any protection if the blade
is pulled over your hand, or your hand en-
ters the blade path from the front or rear of
the blade. Fingers or hand can be cut or
cut off.
Remove the lower blade guard for ALL
other types of cuts except repetitive 90 °
crosscutting. Using the lower guard other
than for repetitive 90 ° crosscutting will in-
crease the risk of certain hazards:
•During rip and bevel cuts the workpiece
or narrow cut-off pieces can be pinched
between the guard and the blade. Work-
piece or cut-off pieces can kickback.
• In the bevel position the blade teeth are
fully exposed. Fingers or hand can be
cut off.
• Cut off pieces can jam between the guard
and blade. Turn saw off and wait for
blade to stop before freeing a jammed
guard or blade.
•Workpiece or cut-off pieces can be vio-
lently thrown by the blade. Wear safety
goggles.
,_ CAUTION
The lower blade guard can get caught or jam
in fence or table kerfs.
Read and follow the warning on the lower
outer guard:
?-
WARNING:
TO AVOID INJURY
SHUT OFF POWER
BEFORE CLEARING A
JAMMED LOWER GUARD
Read saw manual for additional saw use
and safety information.
/::7
69

Glossary
Anti-kickback Pawls: Pivoted objects with
teeth which help prevent workpiece kickback.
Arbor: The bar or shaft that holds the saw
blade.
Beveh The slanting of the motor and blade to
an angle between 0° and 90°.
Crosscut: Cutting aworkpiece to length.
Dado: Non-through cut which produces a
square sided notch or trough in the workpiece.
Featherboard: Device used to keep
workpiece in contact with the fence during rip-
ping.
Freehand: Performing a cut without the use
of fence, guide or hold-down designed to
prevent the workpiece from moving during
the cutting operation.
Heel: Misalignment of the blade relative to
blade travel path.
Infeed: The end of the saw blade where the
workpiece is fed during ripping; identified by
the absence of pawls.
In-Rip: Positioning the the motor toward the
front of the table, the blade toward the fence.
Kerr: Slot caused by removal of material by
the blade in a through cut, or a shallow slot
produced by the blade in a non-through cut.
Kickback: Uncontrolled throwing of the
workpiece during ripping.
Miter: Positioning the saw arm to the right or
left of 0°.
Molding Cut: Non-through cut which
produces a contoured surface on the
workpiece.
Outfeed: The end of the saw blade where the
rip cut workpiece leaves the saw blade; iden-
tified by presence of pawls.
Out-rip: Positioning the motor toward the
fence, the blade toward the front of the table
during ripping.
Parallel: When two surfaces are the same dis-
tance apart at all points.
Perpendicular: When two surfaces are 90°
(square) to each other.
Push Block/Auxiliary Fence: Two accessories
used together for ripping a workpiece be-
tween 1/2 inch and 2 inches wide.
Push Stick: Cutting accessory used during rip-
ping a workpiece between 2 inches and 6 in-
ches wide.
Revolutions Per Minute (RPM): Number of
turns completed by an object in one minute.
Ripping: Used to change the width of a
workpiece by cutting along its length.
Spreader: Used during ripping to keep the
kerf from closing and pinching the blade. It
helps prevent kickback.
Workpiece: Object being cut by the saw.
7O

Helpful Hints
In order to get accurate cutting results from
your radial arm saw, do the following:
1. Follow all steps in the Alignment of
the Blade section.
2. Place the long edge of your framing
square against the edge of the
workpiece that will be held against the
fence during cutting. Make sure that
this edge of the workpieee is straight.
3. Make sure that your workpiece lays
flat on the front table of your saw.
4. Clean all sawdust and woodchips
from the table.
5. Hold the workpiece firmly against the
fence and table during all cuts. You
should use extra force during miter and
bevel cuts since the workpiece tends to
move when these cuts are made.
6. Use the right sawblade for each job,
and make sure that all blades and cut-
ting tools are sharp.
When making a four-sided frame:
1. Make sure that the top and bottom
pieces are exactly the same length.
3. Place the same edge of the workpiece
against the fence for all cuts. Make the
first cut at one end of the workpiece,
then flip the workpiece over and make
the second cut from the other end. Con-
tinue this way until all four cuts are
made. (Figure 145)
This Edge of Board Fence
Against Fence For All Cuts ]
Turn workpiece over end for end...
keep same edge against fence when
making successive cuts.
"/,,,
2nd and 4th Cut
Pencil Line for
Gauging Required Length
_t Scrap
Fig. 145 -Making a 4-Sided Frame
4. Make a pencil line on the table for
gauging the length of each cut.
2. Make sure that both side pieces are
exactly the same length.
71

To extend the life of the front table of your
saw, tack a piece of 1/4 inch plywood over it.
Make sure that the tacks are not in the path
of the saw blade.
Use of a front table cover does the following:
3. Lock the miter, bevel, or swivel lock.
These steps will reduce stress on saw parts,
and improve the accuracy of your cuts.
.Allows all cuts to be made in the cover
rather than the front table.
•Slows the dulling of the blade.
There are three pre-set miter angles at 45°,
0°, and -45°, five pre-set bevel angles at -90°,
-45°, 0°, 45 °, and 90 °, and three pre-set
swivel angles at the crosscut, in-rip and out-
rip positions. When you are moving the arm,
blade, or motor into one of these positions,
do the following:
1. Move the arm, blade, or motor past
the position you want, and then gradual-
ly bring it back.
2. Once the arm, blade, or motor snaps
into the desired position, push it to the
right as far as possible within this posi-
tion. Movement of the arm, blade, or
motor will be slight.
The following table is provided to convert the
decimal numbers on the digital display to
fractions. All decimals are rounded to the
nearest .01 inch. (Figure 146)
_3
.06
.09
.12
._9
.22
.25
28
.31
.3,1
38
.44
,47
.50
Decimal
146
185
Equivalent
72

Motor
To avoid motor damage this motor should be
blown out or vacuumed frequently to prevent
sawdust buildup which will interfere with
normal motor ventilation.
Frequently blowing of fuses or tripping of
circuit breakers may result if:
•Motor is overloaded: Overloading can oc-
cur if you feed too rapidly or if saw is mis-
aligned so that the blade heels.
If the motor fails to start, turn the power
switch to the "OFF" position immediately.
Remove the yellow key. UNPLUG THE
TOOL. Check the saw blade to insure that it
turns freely and that its teeth are not wedged
into the table top. After the blade has been
freed, try to start the motor again. If, at this
point, the motor still fails to start, refer to the
"Motor Trouble-Shooting Chart."
•Motor circuit is fused differently from rec-
ommendations: Always follow instructions
for the proper fuse/breaker. Do not use a
fuse/breaker of greater capacity without
consulting a qualified electrician.
Low voltage: Although the motor is de-
signed for operation on the voltage and fre-
quency specified on the nameplate, normal
loads will be handled safely on voltages not
more than 10% above or below the name-
plate voltage. Heavy loads, however, re-
quire that voltage at motor terminals equal
the voltage specified on nameplate.
•Improper extension cord size.
If the motor should suddenly stall while cut-
ting wood, the power switch should be turned
off, remove the yellow key and unplug the
power cord. Free the blade from the wood.
The motor may now be restarted and the cut
finished.
73

Maintaining Your Saw
General
_WARNING: For your own safety,
turn power switch off and remove plug
from power source outlet before main-
taining or lubricating your saw.
When you receive your new Craftsman radial
saw, it requires no lubrication. The radial
saw has been partially aligned and all bear-
ings are lubricated and sealed for life. In
time, however, in order to keep your saw in
perfect working order and accurate, it will be
necessary to lubricate and realign. In fact
your radial saw needs more of a cleaning
than a lubrication.
Replacing Antikickback Pawls
Make sure the teeth of the antikickbackpawls
are always sharp. If they become dull they
must be replaced. With a 1/2 inch wrench or
socket remove the 5/16 hex nut and old
pawls. Reassemble new antikickback pawls
and spreader to the bar. Check spreader for
proper alignment and correct if necessary.
(See Alignment of the Blade, Installing
Guard /Setting Spreader section.)
Cleaning
Periodically remove any heavy build-up of
sawdust that may accumulate on the saw.
The absorbing tendency of sawdust will draw
lubricants away from the areas where they
are needed. Clean the carriage bearings" and
track surfaces. If packed sawdust and grease
accumulate repeatedly on carriage bearings
and track inspect the wipers for wear and
replace if necessary. (See Adjustments to
Compensate for Wear, Swivel Lock, later in
this section.)
To avoid motor damage the motor should be
blown out or vacuumed frequently to prevent
sawdust build-up which will interfere with
normal motor ventilation.
Lubrication
Your saw is precision built and should be
kept properly lubricated. Before describing
the various points which may periodically re-
quire lubrication, it is more important to first
mention the points which should not be lubri-
cated.
Do not lubricate the following:
.carriage ball bearings
•motor bearings
• area between the miter locking rings
and the column tube
The carriage ball bearings and motor bearings
are sealed ball bearings which require no
added lubrication.
Do lubricate the following, periodically, using
SAE No 10W-30 automotive engine oil:
•Apply a few drops of oil along the
swivel index pin and the bevel index pin
only if the pins have a tendency to
stick. Swivel to in-rip or out-rip for
each access to the swivel indexpin.
Bevel to 45 ° and bevel indexpin can be
easily accessed behind the yoke as
illustrated. (Figure 147)
74

•Lubricate the cam surfaces of the rip
lock assembly.
•A light film of oil should be wiped on
the face of the column tube to lubricate
the fit between the column tube and
column support. Turn the elevation
handwheel to raise the arm to upper
limit. Wipe a light film of oil on the face
of the column tube.
Apply film of oil here
Fig. 147-Swivel and Bevel Index Pins
,,I.ubricate the bearing points where the
arm attaches to the column tube. With
a #2 Phillips screwdriver remove two
screws and the rear arm cover for ac-
cess to these points. Be careful not to
get lubricant on the locking rings as this
will adversely affect the miter locking
function. (Figure 148)
Fig. 149-Oiling column tube.
LOCKING RING ,The thread on the elevation shaft as-
sembly can be lubricated through the
oil hole in the center of the radial arm
cap. Lubricate ramp on the swivel index
spring.
.Apply a few drops of oil to the foot as-
semblies, where the levers are inserted
through the rods.
Fig. 148-Bearing Points Where Arm Attaches to
Column Tube
Do not use too much oil. Excessive oil at any
location will attract airborne dust particles
and sawdust.
Refer to parts lists for locations of parts as
needed.
7_

Adjustments for Wear
Bevel Lock
The purpose of the bevel lock is to lock the
motor at any bevel angle. An adjustment is
required if the motor can be easily moved by
hand when the bevel lock is locked or if bevel
lock offers minimal resistance when moving it
to the locked position. To make this adjust-
ment:
Swivel Lock
This handle provides a friction lock between
the upper face of the yoke and the bottom
face of the carriage. It should eliminate any
play or rotation between these two parts when
locked. An adjustment is required if the yoke
can be easily rotated by hand when handle is
locked or yoke lock handle offers minimal
resistance when moving handle to the locked
position. To make this adjustment:
1. Remove motor support cover.
2. Position the motor at approximately 30°
bevel angle and lock bevel lock. (Figure 150)
Fig. 150-Bevel Lock -Locked
3. With a 3/4 socket tighten the 1/2-13 hex
nut located at the back of the motor support
casting until the motor can -no longer be easily
moved by hand. Do not overtighten.
4. Unlock bevel lock and move motor to any
of the five index positions. If the motor does
not index securely the adjustment is too tight.
Loosen 1/2-13 hex nut until bevel indexpin
seats properly.
5. Adjustment is complete when both locking
and indexing functions are working properly.
Replace motor support cover.
Fig. 151
L
1. Remove screw and nut from knob on swivel
lock. Remove knob from swivel lock lever using
a regular screw driver.
2. Separate the wrench from the lever by rotating
the wrench a few degrees counterclockwise from
the lever to disengage tab.
3. Using the wrench portion, tighten the square
nut one quarter rotation at a time. This is done b)
locating the wrench across the comers of the
square nut then moving the wrench until it lines
up with the lever portion.
76 p

Arm and Column
With the miter lock unlocked and in the unin-
dexed position the arm should fit snugly to
the column tube and not allow any vertical
movement. If you can move the end of the
arm up and down an adjustment is needed.
1. With a #2 Phillips screwdriver remove two
screws and the rear ann cover.
Ftg. 152
2. With a 9/16 inch wrench or socket, tighten
evenly the top two 3/8-!6 hex head screws. The
bottom two screws should also be tightened
evenly but not as tight as the top screws.
(Figure 153)
- -2
4. Holding the wrench and lever in position,
rotate yoke to a non-preset position and rotate
swivel lock to the locked position. If the yoke can
still be moved, the squre nut has not been tight-
ened enough. Repeat step 3.
5. When the adjustment is such that the yoke can
no longer be moved when the swivel lock is in the
locked position, re-insert the tab on the wrench
into the slot in the lever.
6. Unlock swivel arm and rotate yoke to a non-
preset position. Return yoke to a rip position. If
the indexpin does not securely seat at the preset
position, the adjustment is too tight. Loosen the
square nut one quarter turn until swivel index pin
seats securely.
7. Adjustment is complete when both locking and
preset position functions are working properly.
8. When the adjustment is such the the yoke can
no longer be moved when the swivel lock is in the
locked position, re-insert the tab on the wrench
into the slot in the lever.
9. Re-install knob to swivel handle and install
screw and nut in knob.
Fig. 153 -Location of Hex Head Screws
3. This adjustment is correct when the arm
moves firmly without vertical movement.
4. Re-install the rear arm cover.
Carriage Bearings
The carriage should roll freely but with some
resistance for the entire length of travel. To
check for bearing looseness, perform the fol-
lowing steps.
1. Place yoke in either the in-rip or out-rip,,
position.
77

2. Push the carriage back against the rear stop.
3. Hold the front carriage bearing with your
fingers as tight as possible and pull carriage
forward at the same time. If you can prevent
the bearing from turning an adjustment is
required. (Figure 154)
Fig. 154. Front Carriage Bearings
4. Repeat step 3 with the rear carriage bear-
ings.
To adjust the carriage bearings perform the
following steps:
1. Clean and lubricate the bearing races and
the bead on which they ride prior to adjust-
ment.
2. To adjust the beating, use a 9/16 inch
wrench to hold the bolt head while using a
1/2 inch wrench to loosen the hex nut.
(Figure 155)
Fig. 155-Location of Hex Nut
3. Rotate the eccentric bolts a partial turn
(left or right) as required to take up loose-
ness. Both bolts should be adjusted an equal
amount to maintain blade squareness to the
table in the rip positions.
4. Hold the head of the eccentric bolts in their
new position and retighten the nuts. Do not
overtighten. Overtightening the bearings will
cause difficult operation and severly reduce
the life of the track and bearings.
5. Repeat the test procedure as described
above and readjust if necessary.
Miter Lock
The miter lock operates adjustable locking
bands which lock the arm to the column tube
in both indexed and unindexed positions. If
the arm can be easily moved by hand when
locked in an unindexed position the following
adjustment must be made.
1. Move the arm to an unindexed position
and leave the miter lock in the unlocked
position. (Figure 156)
78

I (
I_"' _Miter Lock Handle
Fig. 156-Miter Lock -Unlocked
2. With a 3/16 inch hex "L" wrench find the
I/4-20 hex socket cap screw through the hole
in the rear of the arm cover. To tighten turn
the wrench clockwise approximately 1/4 turn.
(Figure 157)
°
Fig. 157-Location of Hex Socket Cap Screw
3. I.x_ck the miter lock and try again to move
the arm. Readjust if necessary.
4. If it becomes extremely difficult to push
the miter lock into the locked position too
much adjustment has been made. Turn the
wrench counterclockwise one half the
amount of the last adjustment and try again
to lock the arm.
Rip Lock
The rip lock locks the carriage in any position
along the length of the arm. If the carriage
can be easily moved by pushing and pulling
on the yoke handle when the rip lock is in the
locked position an adjustment is required.
1. Hold the rip lock in the unlocked position
and with a 7/16 inch wrench tighten the 1/4-
20 hex lock nut 1/4 turn. (Figure 151)
Arm Track
Rip Lock /- ",,
Lever Cam Carriage
Bolt
Fig. 158 -Location of Hex Lock Nut
2. Lock the rip lock and try again to move the
carriage. Make additional adjustments if
necessary.
3. Place the rip lock in the unlocked position
and move the carriage back and forth from
stop to stop. If the carriage is difficult to
move at any point or you can feel the rip lock
dragging on the track the adjustment is too
tight. Loosen the hex nut one half the
amount of the last adjustment and try again.

Troubleshooting
_k WARNING: To avoid injury turn power switch off and remove plug from power
source outlet before troubleshooting.
Electronics
Problem Probable Cause What to Do
No display when On/Off
button is pressed.
Battery not installed correctly. Adjust battery position in com-
partment.
Battery contacts dirty. Clean battery contacts.
Battery dead. Replace battery with 6V, size J,
alkaline battery.
Indicator display failure. Contact Sears. Have electronics
checked by qualified technician.
Display shows Normal display when battery is No action required.
first installed in unit.
ELE •Reference points not set for
desired display.
Follow procedure for setting zero
reference points in the Setting
Electronic Display section.
Poor battery contact to in- Clean battery contacts. Adjust
dicator display leads causing in- battery position in compartment.
termittent power to display.
Indicator display failure. Contact Sears. Have electronics
checked by qualified technician.
Display dim. Low battery voltage. Replace battery with 6V, size J,
alkaline battery.
Saw very cold. Allow saw to warm to above
32°F.
Display dark. Saw very warm. Allow saw to cool to below 120°F.
Display blanks after a few
minutes.
Normal. Press On/Off button. Display
should return.
Display blanks when
moving carriage, then
re-appears when motion
stops.
Normal. Sometimes indicator
will not display while blade
position is changing rapidly.
No action reqnired.
8O

Electronics - 2
Problem Probable Cause What to Do
Display shows EEE.E or
EE.EE.
Arm or carriage moved too Follow procedure for setting
rapidly for indicator to monitor, zero reference points in the Set-
ting Electronic Display section.
Display will reset to zero
but immediately shows
EEE.E or EE.EE when
arm or carriage is moved.
Encoder or indicator display
defective. Have electronics checked by
qualified technician. Repair ser-
vice available at nearest Sears
Store.
Display does not change
when arm or carriage is
moved.
Wrong indicator function
selected. Select proper function.
Encoder or indicator display
defective. Have electronics checked by
qualified technician. Repair ser-
vice available at nearest Sears
Store.
Display does not read 0°, Indicator not set to zero
or 45° at bevel or miter in- reference at index points.
dexes.
Follow procedure for setting
zero reference points in the Set-
ting Electronic Display section.
Angle encoder not adjusted. Follow procedure for adjusting
encoders in the Setting
Electronic Display section.
Motor
Problem Probable Cause What to Do
Motor will not run. Low voltage. Check power line for proper
voltage.
Motor will not run and
fuses blow. Short circuit in line, cord, or
plug.
Inspect line, cord, and plug for
damaged insulation and shorted
wires.
Short circuit in motor or loose
connections. Inspect all terminals in motor
for loose or shorted terminals
or worn insulation wires.
Incorrect fuses in power line. Install correct fuses.
81

Motor - 2
Problem Probable Cause What to Do
Motor fails to develop full
power.
(Power output of motor
decreases rapidly with
decrease in voltage at
motor terminals. For ex-
ample: a reduction of
10% in voltage causes a
reduction of 19% in maxi-
mum power output of
which the motor is
capable, while a reduction
of 20% in voltage causes a
reduction of 36% in maxi-
mum power output.)
Power line overloaded with
lights, appliances, and other
motors.
Reduce the line load.
Undersize wires or circuit too
long.
Increase wire sizes, or reduce
length of wiring.
General overloading of power
company's facilities.
(In many sections of the
country, demand for electrical
power exceeds the capacity of
existing generating and distribu-
tion systems).
Request a voltage check from
power company.
Motor overheats. Excessive feed rate when
crosscutting or ripping.
Slow down rate of feed.
Improper cooling.
(Air circulation restricted
through motor due to sawdust,
etc.)
Clean out sawdust to provide
normal air circulation through
motor.
Saw blade has heel. Refer to Making Blade Parallel
to Table section.
Motor starts slowly or
fails to come up to full
speed.
Starting switch will not trip due
to low voltage.
Correct low voltage condition.
Motor stalls resulting in
blown fuses or tripped cir-
cuit breakers.
Voltage too low to permit Correct the low line voltage con-
motor to reach operating speed, dition.
Fuses or circuit breakers do not Replace fuses or circuit
have sufficient capacity, breakers with proper capacity
unit_.
Frequent opening of fuses
or circuit breakers.
Motor overloaded.
Fuses or circuit breakers do not
have sufficient capacity.
Reduce motor load.
Replace fuses or circuit
breakers.
82

Saw Operations
Problem Probable Cause What to Do
Crosscuts not accurate at
0°and 45 °miter.
Looseness between column tube Go to Alignment of the Blade,
and column support. Adjusting E_evation.
Crosscut travel not square
with fence.
Go to Alignment of the Blade,
Squaring Crosscut Travel.
Column is loose in support. Go to Alignment of the Blade,
Adjusting Elevation.
Arm not indexing properly. Go to Maintaining Your Saw,
Adjustments for Wear, Miter
I_ck.
Carriage assembly loose on arm. Go to Alignment of the Blade,
Squaring Blade to Table for
Ripping.
Looseness between yoke and car- Go to Maintaining Your Saw,
riage assembly. Adjustments for Wear, Swivel
Lock.
Sawdust between workpiece and Keep front table clean.
fence.
Saw cuts at slight bevel
(not 90 ° to table).
Fence not straight.
Work table not properly leveled.
Blade not square to table.
Replace fence.
Go to Alignment of the Blade,
Leveling Front Table.
Go to Alignment of the Blade,
Squaring Blade to Table for
Crosscutting.
Carriage Bearings Loose Go to Alignment of the Blade,
Squaring Blade to Table for
Ripping.
Bevel lock loose. Go to Maintaining Your Saw,
Adjustments for Wear, Bevel
Lock.
83

Saw Operations - 2
Problem
Workpiece kerr rough
with tooth marks from
blade (also called heel).
Wood binds, smokes, and
motor slows down or stops
when ripping.
Board pulls away from
fence when ripping.
Workpiece strikes
spreader when ripping,
Saw does not travel
smoothly on arm.
Clamping force not suffi-
cient at miter angles other
than 45 °.
Probable Cause
Saw blade not square
to fence.
Saw blade not parallel
to table.
Using improper blade for finish
cut desired.
Dull blade or warped board.
Feed rate too fast.
Saw blade heels.
Fence not straight.
Carriage assembly loose on arm.
Saw blade has heel.
Spreader not in line with blade.
Dirty track.
Bad bearing.
Worn track.
Miter lock needs adjustment.
What to Do
Go to Alignment of the Blade,
Squaring Blade to Fence.
Go to Alignment of the Blade,
Making Blade Parallel to Table.
Use proper smooth cutting
blade.
Sharpen or replace the saw
blade. Do not use severely
warped material.
Slow feed rate.
Go to Alignment of the Blade,
Making Blade Parallel to Table.
Replace fence.
Go to Alignment of the Blade,
Squaring Blade to Table for Rip-
ping.
Go to Alignment of the Blade,
Making Blade Parallel to Table.
Go to Alignment of the Blade,
Installing Guard /Setting
Spreader.
Clean track and lubricate with
light grease.
Replace bearing.
Replace track.
Go to Maintaining Your Saw,
Adjustments for Wear, Miter
Lock.
84

Saw Operations - 3
Problem Probable Cause What to Do
Clamping force not suffi-
cient at bevel angles other
than 45 °.
Bevel lock needs adjusting. Go to Maintaining Your Saw,
Adjustments for Wear, Bevel
Lock.
Depth of cut varies from
one end of the workpiece
to the other.
Table top not parallel with arm. Go to Alignment of the Blade,
Leveling Front Table.
Blade tends to advance
through lumber too fast.
Dull blade.
Not advancing saw properly.
Replace or sharpen blade.
Draw saw blade across lumber
with a slow and steady pull.
Table cannot be leveled.
(Right side is higher than
left side with no adjustment
left, or vice versa.)
Column support shifted where it
mounts to saw base.
Loosen the six bolts that hold
the column support to the saw
base and shift arm.
85

PARTS LIST FOR CRAFTSMAN 10" ELECTRONIC RADIAL SAW
MODEL NOS. 113.197210 and 113.197250
5
\
38 9
11
(See Fig. 8)
I0
(See Fig.6)
i, r \
17 18
/
31
27
(See Fig. 2)
22
23
24 25
(See Fig 3 & 4)
(See F g. 7)
30\27
(See Fig. 2)
28
FIGURE 1
86

PARTS LIST FOR CRAFTSMAN 10" ELECTRONIC RADIAL SAW
MODEL NOS. 113.197210 and 113.197250
Always order by Part Number--Not by Key Number
FIGURE 1
Part
No.
816333-1
STD551010
60339
60353
808380-6
815649
815710
815820
816333
60074
806828-3
STD551012
STD512510
STD551225
Description
*Screw, Pan Rec.
Type "'IT" 10-32 x 1/2
*Washer, Flat
13/64 x 7/16 x 1/16
Bolt Hex Hd.
3/8-16 x 2-1/8
Washer, .380 x 47/64 x 1/8
Screw, Pan Rec. Hd.
Plastite No. 8 x 1
Bearing, Arm
Strap
Cap, Arm
*Screw, Pan Rec. Hd.
Type "TT" 10-32 x 718
Arm Assembly (see Fig. 6)
Table Board Set (see Fig. 8)
Screw, Hex Socket Set
1/4-20 x 7/8
Screw, Pan Hd. Rec.
Type "T" 1/4-20 x 1-3/4
*Washer, 17/64 x 5/8 x 1/32
*Screw, Pan Hd. 114-20x 1
*Lockwasher 1/4
Key Part
No. No. Description
17 STD541025
18 37384
19 815989
20 STD541037
21 815774
22 60208
23 815980
24 815856-1
25
26
27
28
29
30
31
32
m
818192
818193
805589-5
818172
815773
SP5250
507967
"Nut, Hex 1/4-20
Nut, Tee
Clip, "U" 114-20
"Nut, Hex 318-16
Rivet, 1/4 x 1/2
Nut, Push 1f4
Bushing
Screw, Hex Washer Hd.
5/16-18 x 1-1/4
Yoke and Motor Assembly
(see Fig., 3 & 4)
Guard Assembly
(see Fig. 7)
Base and Column Assembly
(see Fig. 2)
Cap, Trim R.H.
Cap, Trim LH.
Screw, Truss Hd.
1/4-20 x 1/2
Cord with Plug
Cover, Rear Arm
Owners Manual (Not Ills.)
Bag of Loose Parts (Not Ills.)
*Standard Hardware Item may be Purchased Locally.
87

PARTS LIST FOR CRAFTSMAN 10" ELECTRONIC RADIAL SAW
MODEL NOS. 113.197210 and 113.197250
>
29
13
FIGURE 2
88

PARTS LIST FOR CRAFTSMAN 10" ELECTRONIC RADIAL SAW
MODEL NOS. 113.197210 and 113.197250
Always order by Part Number--Not by Key Number
FIGURE 2--BASE AND COLUMN ASSEMBLY
Key] Part
No. I No.
t
;!60339
3!
4 I
5E
61
81
91
101
111
121
131
141
151
161
171
181
191
2O I
21 I
22 I
23 I
24 I
815649
817398-2
815774
818198
60208
815763
816647
818226
815770
STD581043
63500
818165
63614
817398-1
STD541037
818212
STD523107
818177
STD582050
815772
STD541031
STD551131
Description
Bolt, Hex Hd.
3/8-16 x 2-1/8
Bearing, Arm
*Screw, Socket Hd. Cap
1/4-20 x 1-1/4
Rivet, 1/4 x 1t2
Lock Assembly
Nut, Push 114
Latch, Arm
Screw, Soc. Hd. Type "T"
1/4-20 x 3/4
Tube
Gib, Column Tube
*Ring, Retaining 7/16
Washer, Thrust
.502 x .927 x .031
Gear, Pinion
Bearing, Lift Shaft
Screw, Locking Cap
1/4-20 x 5/8
*Nut, Hex 3!8-16
Support, Column Tube
*Screw, Hex., Hd.
5/16-18 x 3/4
Shaft, Elevating Crank
* Ring, Retaining 1/2
Bushing, Elevation
*Nut, Hex 5/16-18
*Lockwasher, External 5/16
Ke f
NO.
26
27
41
42
43
44
45
46
47
48
49
Part
No. Description
9416187
818237
STD551210
STD511105
818199
60013
STD523107
818215
818166
818161
120399
818162
STD541450
817106
818164
STD610803
815749-1
817022
818167
STD601103
815826
818224
815864
815865
3540
Screw, Hex Hd. Type "T"
5/16-18 x 3/4
Handwheel
* Lockwasher, External #10
*Screw, Pan Hd. 10-32 x 1/2
Channel, Table Mtg.
Washer, 11132x 7/8 x 1!16
*Screw, Hex Hd., 5/16-18 x 3/4
Base Assembly
Bracket, Clamp
Shoe, Table Clamp
*Nut, Square 5/16-18
Screw, Clamp
*Nut, Lock 1/2-13
Washer, Keyed
Gear, Bevel
Screw, Pan Rec. Hd.
Type "AB" #8 x 3/8
Encoder, Elevation
Cord, Elevation
Shaft, Elevating
* Screw, Pan Rec. Hd. Type "T"
10-32 x 3/8
Actuator, Elevation
Nut, Elevation
Cover, Column Support
Screw, Hex Washer Hd.
Type "T" 1/4-20 x 1/2
Wrench
*Standard Hardware Item may be Purchased Locally.
89

PARTS LIST FOR CRAFTSMAN 10" ELECTRONIC RADIAL SAW
MODEL NOS. 113.197210 and 113.197250
1
2
14
MOTOR CORD
25
27
45
15
21
15
FIGURE 3
22
23
\J
9O

PARTS LIST FOR CRAFTSMAN 10" ELECTRONIC RADIAL SAW
MODEL NOS. 113.197210 and 113.197250
Always order by Part Number--Not by Key Number
FIGURE 3--YOKE AND MOTOR ASSEMBLY
O.
Part
No. Description
818922
818202
815678
815679-1
805561-10
815791
818154
815813
815836
818204
815799
806828
815992
Yoke Assembly (see Figure 4)
Screw, Flat Hd.,
Plastite No. 8 x 1
Handle, Yoke
Washer, Shaft
Pin, Index
Washer, .505 x 7t8 x 1/16
Spring, Bevel
Lever, Bevel Lock
Nut, Square 1/2-13
Wedge, Bevel Spring
Cover, Yoke
Plug, Yoke
Screw, Pan Hd.
Type "T" 1t4-20 x 1/2
Screw, Soc. Hd. Type "TT"
1/4-20 x 5/8
Key Part
No. No. Description
15
16
17
18
19
20
21
221
23
25
26
27
28
STD551012
818888
STD510802
815802
818197
815751
STD601103
STD551010
508153
805839-1
62498
9-32668
30495
*Washer, 17164x9t16 x 1/16
*Motor (Complete)
(See Fig. 5)
*Screw, Pan Hd.
Type "T" 8-32 x 5/16
Guide, Bevel Reader
Plate, Index
Encoder, Bevel
*Screw, Hex Washer Hd.
Type "T" 10-32 x 1/2
*Washer, 3/16 x 3/8 x 1/32
Shaft Support
Nut Lock 1/2-13
Collar, Blade
tBlade, Saw
Nut, Shaft
*Standard Hardware Item may be Purchased Locally.
tStock Item may be Secured Through the Hardware Department of Most Sears Retail or Catalog Order Houses.
*Any attempt to repair this motor may result in unit misalignment and create a HAZARD unless repair is done by a
qualified service technician. Do not loosen the three screws holding the motor support to the motor. This assem-
bly is factory aligned. Repair service is available at your nearest Sears Store.
91

PARTS LIST FOR CRAFTSMAN 10" ELECTRONIC RADIAL SAW
MODEL NOS. 113,197210 and 113.197250
2
1
13
8 12 _-_
° 1
3 5 18
4I
22
39
38 37
36
25
/
FIGURE 4
92

PARTS LIST FOR CRAFTSMAN 10" ELECTRONIC RADIAL SAW
MODEL NOS. 113.197210 and 113.197250
Always order by Part Number--Not by Key Number
FIGURE 4--YOKE ASSEMBLY
Key Part
No. No. Description
1810214-3
2
3
4
5
6
7
8
9
10
11
12
13
14
15
16
17
18
19
20
STD315485
STD551031
817181
815689
STD551062
815827
STD600803
815817
STD541462
62636
815693
STD541425
62520
273229
816497
815671
818155
STD532510
STD541231
Screw, Low Hd.
Cap 5/16-18 x718
*Bearing, Ball .3150 I.D.
*Washer, 21164 x 5/8 x 1/32
Wiper, Track
Carriage
*Washer, .360 x 1-1/8 x 3/32
Actuator, Rip
*Screw, Pan Rec. Hd.
Type "T" 8-32 x 3/8
Nut, Square Lock
*Nut, Lock 5/8-11
Nut, Square 1/4-20
Bracket, Rip Lock
*Nut, Lock 1/4-20
Spacer
Screw, Hex Hd.
Type "T" 1/4-20 x 112
Spring, Rip Lock
Cam, Rip Lock
Lever, Rip Lock
*Bolt, Carriage 1/4-20 x 1
*Nut, Hex Jam 5/16-18
Key Part
No. No. Description
21
22
23
24
25
26
27
28
29
30
31
32
34
35
36
37
38
39
STD551131
815691
STD551012
817398-1
818207
109529
508155
816988
STD541025
815680
815679
806828
STD512515
815694
STD551031
63777
60438
815807
* Lockwasher, External 5/16
Ring, Yoke Index
*Washer, 17/64 x 7/16 x 1132
Screw, Cap Locking,
1/4-20 x 5/8
Yoke
Nut, Square 5/8-11
Wrench, Adjustment
Knob, Swivel
* Nut, Hex 1!4-20
Spring, Swivel
Pin Index
Screw, Pan Hd.
Type "T" 1/4-20 x 112
*Screw, Pan Hd.
1/4-20 x 1-1/2
Stud, Yoke Clamp
*Washer, 21164x 3/4 x 1/16
Bearing, Carriage
Washer, No. 2 Carriage
Bearing
Screw, Eccentric
*Standard Hardware Item may be Purchased Locally.
93

PARTS LIST FOR CRAFTSMAN 10" ELECTRONIC RADIAL SAW
MODEL NOS. 113.197210 and 113.197250
\\
FIGURE 5
94

PARTS LIST FOR CRAFTSMAN 10" ELECTRONIC RADIAL SAW
MODEL NOS. 113.197210 and 113.197250
Always order by Part Number--Not by Key Number
FIGURE 5--MOTOR ASSEMBLY
IKey t
No.
Part
No. Description
507744
STD376116
64950
64951
64948
30582
Housing, Motor
*Capacitor
Screw, Type "T"
Screw, Flat Head
Screw, Ground
Cap, Shaft
*Standard Hardware Item may be Purchased Locally.
95

PARTS LIST FOR CRAFTSMAN 10" ELECTRONIC RADIAL SAW
MODEL NOS. 113.197210 and 113.197250
34
30
23
19
FIGURE 6
96

PARTS LIST FOR CRAFTSMAN 10" ELECTRONIC RADIAL SAW
MODEL NOS. 113.197210 and 113.197250
Always order by Part Number--Not by Key Number
FIGURE 6--ARM ASSEMBLY
Key Part
No. No. Description
1
2
3
4
5
6
7
8
9
10
11
12
13
14
15
16
17!
19
20
818239
169123-2
815809
815774
818182
60208
STD601103
Arm, Radial
Relief, Strain
Cable
Rivet, 1/4 x1/2
Actuator Assembly
Push Nut, 1/4
*Screw, Pan Rec.
Type "T" 10-32 x 3/8
815703
815856
815779
815741
Knob, Miter Lock
Screw, Hex Washer Hd.
5!16-18 x 3/4
Bushing
Controls, R.S.
STD363539
815735
815704
STD551208
STD600803
63467
816113
9-22256
815976
STD375006
.Battery
Lid, Battery Access
Housing, Switch
"Lockwasher, Internal #8
"Screw, Pan Rec. Hd.
Type "T" #8-32 x 3/8
Cap, Flag Terminal
Switch, Locking
tKey, Switch
Bezel, Switch
Connector, Wire
.oI
22
23
24
25
26
27
28
29
30
31
32
33
36
37
38
39
Part
No. Description
818521
816492
815789
STD601103
816490
815784
816333-3
STD551210
816178
815867
815708
STD551010
815752
808380-10
815868
818088-1
346030
818536
Bumper, Rubber
Clip, Wire
Relief, Strain
*Screw, Pan Rec. Hd.
Type "T" #!0-32 x 318
Encoder, Rip
(Includes Key #23)
Label, Trim L.H.
Screw, Pan Hd.
Type "TT" 10-32 x 5/8
* Lockwasher, Ext. #10
Sleeve, Rubber
Spring, Compression
Spring, Miter Lock
*Washer,
13164x 5/8 x 1/32
Encoder, Miter
Screw, Pan Rec. Hd.
Plastite #10-14x 3/8
Relief, Strain
Track, Arm
Screw, Pan Rec. Hd.
8-10 x 1/2
Label, Trim R.H.
* Standard Hardware Item may be Purchased Locally.
•Can also use these battery numbers:
Eveready #539
Rayovac #867
Duracel #7K67
tStock Item may be secured through the Hardware Department of Most Sears Retail or Catalog Order Houses.
97

PARTS LIST FOR CRAFTSMAN 10" ELECTRONIC RADIAL SAW
MODEL NOS. 113.197210 and 113,197250
4
/
14
10 9 9
\ 11
12 9 9
13
5\
FIGURE 7 - GUARD ASSEMBLY
Always order by Part Number - Not by Key Number
Key Par1
No. No. Description
1
2
3
4
5
6
7
8
9
816264-1
120399
63258
63541
815816
STD551010
STD601103
STD541231
815815
Guard
"Nut, Square 5/16-18
Elbow, Dust
Bar, Anti-Kickback
Guide, Anti-Kickback
*Washer, 13/64 x 5/8 x 1/32
*Screw, Pan Hd.
Type "T'" 10-32 x 3/8
*Nut, Hex Jam 5116-18
Pawl
Key Part
No. No. Description
10 STD581050
11 63270
12 816341
13 60435
14 1816070
15 166785-3
16 63538
17 STD510805
18 STD551208
19 STD541008
*Ring, Retaining
Spreader
Bearing (Includes Key #10)
Grip
Screw, Guard Clamp
Screw, Wing 5/16-18 x 2-3/4
Clamp, Guard
"Screw, Pan Hd. 8-32 x I/2
"Lockwasher, External No. 8
*Nut, Hex 8-32
*Standard Hardware Item may be Purchased Locally.
98

PARTS LIST FOR CRAFTSMAN 10" ELECTRONIC RADIAL SAW
MODEL NOS. 113.197210 and 113.197250
Always order by Part Number -Not by Key Number
FIGURE 8 -TABLE ASSEMBLY
Keyl Part
No. No.
, i
1, 818169
2818168
363432
4818191
Description
Table, Rear
Table Spacer
Fence, Rip
Table, Front
* Standard Hardware Item may be Purchased Locally.
99

16
PARTS LIST FOR CRAFTSMAN 10" ELECTRONIC RADIAL SAW
MODEL NOS. 113.197210 and 113.197250
4
5J
9
13 18 /
lO
17
Always order by Part Number--Not by Key Number
FIGURE 9--PARTS LIST 23" CABINET (MODEL 113.197210 ONLY)
Key Part
No. No.
1 805589-5
2 815900
3 817151
4 815933
5 STD600603
6 815887
7 _816274
8 815882
9 816274-1
Description
Screw, Truss Hd
1/4-20 x 1/2
Skirt 23"
Panel, Side R.H.
Catch, Magnetic
*Screw, Pan Hd.
Type "T" 6-32 x 3/8
Shelf, Lower 23"
Screw, Pan Hd.
Plastite 6-10 x 1/2
Door, Cabinet
Screw, Pan Hd.
Plastite 10-10x 1/2
Key
NO.
10
11
12
13
14
15
16
17
18
19
J
Part
No. Description
815934
815993
816063
STD541025
STD551225
817108
817150
803835-1
STD541237
816004
507530
508166
Hinge, Door
Bracket, Corner
Stiffener, Shelf
*Nut, Hex 1/4-20
* Lockwasher, Ext. 1/4
Spacer
Panel, Side L.H.
Foot, Leveling
*Nut, Hex Jam 3/8-16
Caster, Stationary
Bag of Loose Parts (Not Ills.)
Bag of Loose Parts (Not Ills.)
*Standard Hardware Item may be Purchased Locally,
100

PARTS LIST FOR CRAFTSMAN 10" ELECTRONIC RADIAL SAW
MODEL NOS. 113.197210 and 113.197250
7
8 9 3
\
4
!\
Always order by Part Number--Not by Key Number
FIGURE 10--LEG SET (MODEL 113.197250)
Part
No. Description
818213
818163
815909
818170
STD541237
803835-!
805589-5
STD551225
STD541025
507968
Leg
Channel, Leg
Stiffener, Lower
Bracket, Leg
*Nut, Hex Jam 3/8-16
Foot, Leveling
Screw, Truss Hd. 1/4-20 x 1/2
*Lockwasher, Int. 1/4
*Nut. 1/4-20
Bag of Loose Parts (Not Ills.)
*Standard Hardware Item may be Purchased Locally.
101

NOTES
102

NOTES
103

f
SE_ARS
Operators
Manual
SERVICE
MODEL NO.
113.197210
10" ELECTRONIC
RADIAL SAW WITH
23" CABINET AND
1 DOOR
or
113.197250
10" ELECTRONIC
RADIAL SAW WITH
LEG SET
HOW TO ORDER
REPAIR PARTS
10-INCH ELECTRONIC
RADIAL SAW
Now that you have purchased your 10-inch electronic radial saw, should
a need ever exist for repair parts or service, simply contact any Sears
Service Center and most Sears, Roebuck and Co. stores. Be sure to
provide all pertinent facts when you call or visit.
The model number of your 10-inch electronic radial saw will be found on
a plate attached to your saw, at the left-hand side of the base.
WHEN ORDERING REPAIR PARTS, ALWAYS GIVE THE FOLLOW-
ING INFORMATION:
PART NUMBER
MODEL NUMBER
113.197210
113.197250
PART DESCRIPTION
NAME OF ITEM
ELECTRONIC
10-INCH RADIAL SAW
All parts listed may be ordered fromany Sears Service Center and most
Sears stores. If the parts you need are not stocked locally, your order will
be electronically transmitted to a Sears Repair Parts Distribution Center
for handling.
J
Sold by SEARS, ROEBUCK AND CO., Chicago, IL. 60684 U.S.A.
Part No. SP5250 Form No. SP5250-4 Printed in U.S.A. 11/90