Craftsman 113298032 User Manual 10 INCH TABLE SAW Manuals And Guides L0801111
CRAFTSMAN Saw Table Manual L0801111 CRAFTSMAN Saw Table Owner's Manual, CRAFTSMAN Saw Table installation guides
User Manual: Craftsman 113298032 113298032 CRAFTSMAN CRAFTSMAN 10-INCH TABLE SAW - Manuals and Guides View the owners manual for your CRAFTSMAN CRAFTSMAN 10-INCH TABLE SAW #113298032. Home:Tool Parts:Craftsman Parts:Craftsman CRAFTSMAN 10-INCH TABLE SAW Manual
Open the PDF directly: View PDF
.
Page Count: 48

Save This Manual
For Future Reference
ISears
owners
manual *
MODEL NO.
113.298142
SAW ON LY
113,298032
SAW WITH LEGS
TWO TABLE EXTENSIONS
AND MOTOR
113.298240
SAW WITH LEGS
TWO TABLE EXTEN SIONS
MOTOR AND HOLD DOWN
Serial
Number __
Model and seria
number may be found
at the left-hand side
of the base.
You should record both
model and serial number
in a safe place for
future use.
CAUTION:
Read GENERAL
and ADDITIONAL
SAFETY
INSTRUCTIONS
carefully
Sold by SEARS,
Part No. 62781
10-INCH TABLE SAW
•assembly
.operating
•repair parts
ROEBUCK AND CO., Chicago, IL. 60684 U.S.A.
Printed _n U.S.A.

FULL ONE YEAR WARRANTY ON CRAFTSMAN TABLE SAW
If withirl-one year from the date of purchase, this Craftsman Table Saw fails due to a defect in material or
workmanship, Sears will repair it, free of charge. This warranty applies only while this product is in use in the United
States.
WARRANTY SERVICE IS AVAILABLE BY SIMPLY CONTACTING THE NEAREST SEARS SERVICE
CENTER/DEPARTMENTTHROUGHOUT THE UNITED STATES•
This warranty gives you specific legal rights, and you may also have other rights which vary from state to state.
SEARS, ROEBUCK AND CO., Dept. 698/781A. Sears Tower, Chicago, IL 60684
GENERAL SAFETY INSTRUCTIONS
FOR POWER TOOLS
1. KNOW YOUR POWER TOOL
Read and understand the owner's manual and labels
affixed to the tool Learn its application and
limitations as well as the specific potential hazards
peculiar to this tool.
2. GROUND ALL TOOLS
This tool is equipped with an approveo 3*conductor
cord and a3-prong grounding type plug to fit the
proper grounding tvpe receptacle. The green conductor
in the cord is the grounding wire. Never connect the
green wire to a live terminal.
3. KEEP GUARDS IN PLACE
in working order, and in proper adjustment and
alignment.
4. REMOVE ADJUSTING KEYS
AND WRENCHES
Form habit of checking to see that keys and adjusting
wrenches are removed from tool before turning it on.
5. KEEP WORK AREA CLEAN
Cluttered areas and benches invite accidents, Floor
must not be slippery due to wax or sawdust.
6. AVOID DANGEROUS ENVIRONMENT
Don't use power tools in damp or wet locations or
expose them to rain. Keep work area well lighted.
Provide adequate surrounding work space.
7. KEEP CHILDREN AWAY
All visitors should be kept a safe distance from work
area,
8. MAKE WORKSHOP KID-PROOF
-- with padlocks, master switches, or by removing
starter keys.
9. DON'T FORCE TOOL
It will do the job better and safer at the rate for which
it web dc_igncd.
10. USE RIGHT TOOL
Don't force tool or attachment to do a job it was not
designed for.
11. WEAR PROPER APPAREL
Do not wear loose clothing, gloves, neckties or jewelry
(rings, wrist watches) to get caught in moving parts.
Nonslip footwear is recommended. Wear protective
hair covering to contain long hair. Roll long sleeves
above the elbow.
12. USE SAFETY GOGGLES (Head Protection)
Wear Safety goggles (must comply with ANSI Z87.1)
at all times. Everyday eyeglasses only have impact
resistant lenses, they are NOT safety glasses. Also, use
face or dust mask if cutting operation is dusty, and ear
protectors (plugs or muffs) during extended periods of
opera_ion
13. SECURE WORK
Use clamps or a vise to hold work when practical. It's
safer than using your hand, frees both hands to operate
tool.
14. DON'T OVERREACH
Keep proper footing and balance at all times.
15. MAINTAIN TOOLS WITH CARE
Keep tools sharp and clean for best and safest
performance, Follow instructions for lubricating and
changing accessories.
DISCONNECT TOOLS
before servicing; when changing accessories such as
blades, bits, cutters, etc.
17. AVOID ACCIDENTAL STARTING
Make sure switch is in "OFF" position before plugging
in.
18. USE RECOMMENDED ACCESSORIES
Consult the owner's manual for recommended
accessories. Follow the instructions that accompany
the accessories. The use of improper accessories may
cause hazards.
19. NEVER STAND ON TOOL
Serious injury could occur if the tool is tipped or if the
cutting tool is accidentally contacted.
Do not store materials above or near the tool such that
it is necessary to stand on the tool to reach them.
20. CHECK DAMAGED PARTS
Before further use of the tool, a guard or other part that
is damaged should be carefully checked to ensure that it
will operate properly and perform its intended function.
Check for alignment of moving parts, binding of moving
parts, breakage of parts, mounting, and any other
conditions that may 'affect its operation. A guard or
other part that is damaged should be properly repaired
or replaced.
21. DIRECTION OF FEED
Feed work into a blade or cutter against the direction
of rotation of the blade or cutter only.
22. NEVER LEAVE TOOL RUNNING
UNATTENDED
Turn power off. Don't leave tool until it comes to a
complete stop.
• 16.

ADDITIONAL SAFETY INSTRUCTIONS FOR TABLE SAWS
WARNING: FOR YOUR OWN SAFETY, DO NOT
OPERATE YOUR SAW UNTIL IT IS COMPLETELY
ASSEMBLED AND INSTALLED ACCORDING TO THE
INSTRUCTIONS... AND UNTIL YOU HAVE READ
AND UNDERSTAND THE FOLLOWING.
1. GENERAL SAFETY INSTRUCTIONS FOR POWER
TOOLS... SEE PAGE 2
2. GETTING TO KNOW YOUR SAW ... SEE PAGE 20
3. BASIC SAW OPERATION ...SEE PAGE 23
4. ADJUSTMENTS . ..SEE PAGE 29
5. MAINTENANCE... SEE PAGE 34
6. STABILITY OF SAW
If there is any tendency for the saw to tip over or move
during certain cutting operations such as cutting
extremely large heavy panels or long heavy boards, the
saw should be bolted down.
If you attach any kind of table extensions over 24"
wide to either end of the saw, make sure you either bolt
the saw to the bench or floor as appropriate, or support
the outer end of the extension from the bench or floor,
as appropriate.
7. LOCATION
The saw should be positioned so neither the operator
nor a casual observer is forced to stand in line with the
saw blade.
8. KICKBACKS
A "KICKBACK" occurs during a rip-type operation
when a part or all of the workpiece is thrown back
violently toward the operator.
Keep your face and body to one side of the sawblade,
out of line with a possible "Kickback."
Kickbacks -and possible injury from them --- can
usually be avoided by:
A. Maintaining the rip fence parallel to the sawblade.
B. Keeping the sawblade sharp. Replace or sharpen
antikickback pawls when points become dull.
C. Keeping sawblade guard, spreader, and antikickback
pawls in place and operating properly. The spreader
must be in alignment with the sawblade and the
pawls must stop a kickback once it has started.
Check their action before ripping.
D. NOT ripping work that is twisted or warped or does
not have a straight edge to guide along the rip fence.
E. NOT releasing work until you have pushed it all the
way past [he sawblade.
F. Using a push stick for ripping widths of 2 to 6 in.,
and an auxiliary fence and push block for ripping
widths narrower than 2 in. (See "Basic Saw
Operation Using The Rip Fence" section.)
G. NOT confining the cut off piece when ripping or
cross-cutting.
H. When ripping apply the feed force to the section of
the workp!ece between the saw blade and the rip
fence.
9. PROTECTION: EYES, HANDS, FACE, EARS, BODY
A. If any part of your saw is malfunctioning, has been
damaged or broken.., such as the motor switch, or
other operating control, a safety device or the
power cord ... cease operating immediately until
the particular part is properly repaired or replaced.
B. Wear safety goggles that comply with ANSI Z87.1,
and a face shield if operation is dusty. Wear ear
plugs or muffs during extended periods of
operation.
C. Small loose pieces of wood or other objects that
contact the rear of the revolving blade can be
thrown back at the operator at excessive speed. This
can usually be avoided by keeping the guard and
spreader in place for all thru-sawing operations
D.
E.
F,
(sawing entirely thru the work) AND by removing
all loose pieces from the table with a long stick of
wood IMMEDIATELY after they are cut off
Use extra caution when the guard assembly is
removed for resawing, dadoing, rabbeting, or
molding - replace the guard as soon as that
operation is completed.
For rip or rip-type cuts, the following end of a
workpiece to which a push stick or push board is
applied must be square (perpendicular to the fence)
in order that feed pressure applied to the workpiece
by the push stick or block does not cause the
workpiece to come away from the fence, and
possibly cause a kickback.
During rip and rip type cuts, the workpiece must be
held down on the table and against the fence with a
push stick, push block, or featherboards. A
J_a[berboard is made of solid lumber per sketch.
5/16" APART
G. NEVER turn the saw "ON" before clearing the
table of all tools, wood scraps, etc., except the
workpiece and related feed or support devices for
the operation planned.
H. NEVER place your face or body in line with the
cutting tool.
I, NEVER place your fingers or hands in the path of
the sawblade or other cutting tool.
J. NEVER reach in back of the _,t]tting tool with
either hand to hold down or support the workpiece,
remove wood scraps, or for any other reason. Avoid
awkward operations and hand positions where a
sudden slip could cause fingers or hand to move
into a sawblade or other cutting tool.
K. DO NOT perform layout, assembly, or setup work
on the table while the cutting tool is rotating.
L DO NOT perform any operation "FREEHAND" --
always use either the rip fence or the miter gauge to
position and guide the work.
M. NEVER use the rip fence when crosscutting or the
miter gauge when ripping. DO NOT use the rip
fence as a length stop.
Never hold onto or touch the "free end" of the
workpiece or a "free piece" that is cut off, while
power is "ON" and/or the sawblade is rotating.
N. Shut "OFF" the saw and disconnect the power cord
when removing the table insert, changing the
cutting tool, removing or replacing the blade guard,
or making adjustments.
O. Provide adequate support to the rear and sides of
the saw table for wider or long workpieces.
P. Plastic and composition (like hardboard) materials
may be cut on your saw. However, since these are
usually quite hard and slippery, the antikickback
pawls may not stop a kickback.
Therefore, be especially attentive to following
proper set-up and cutting procedures for ripping.
Do not stand, or permit anyone else to stand, in line
with a potential kickback.
O. If you stall or jam the sawblade in the workpiece,
turn saw "OFF", remove the workpiece from the
sawblade, and check to see if the sawbtade is
parallel to the miter gauge grooves and if the
spreader is in proper alignment with the sawblade.
If ripping at the time, check to see if the rip fence is
parallel with the sawblade. Readjust as indicated.

R. DONOTremovesmallpiecesof cutoff material
that maybecometrappedinsidethebladeguard
whilethesawisrunning.Thiscouldendangeryour
handsor causea kickback.Turnsaw"OFF"and
waituntilbladestops.
S. Useextracarewhenrippingwoodthathasatwisted
grainor istwistedorbowed- it mayrockonthe
tableand/orpinchthesawblade.
10.KNOWYOURCUTTINGTOOLS
A Dull,gummy,orimproperlysharpenedorset cutting
tools can cause material to stick, jam, sta!l the saw,
or kickback at the operator.
Minimize potential injury by proper cutting tool
and machine maintenance.
NEVER ATTEMPT TO FREE A STALLED
SAWBLADE WITHOUT FIRST TURNING THE
SAW OFF.
B. Never use grinding wheels, abrasive cut-off wheels,
friction wheels (metal slitting blades) wire wheels or
buffing wheels.
11. USE ONLY ACCESSORIES DESIGNED FOR THIS
SAW.
12. Crosscutting operation_ are more conveniently worked
and with greater safety if an auxiliary wood facing is
attached to the miter gauge using the holes provided.
However, the facing must not interfere with the proper
functioning of the sawblade guard.
13. Make sure the top of the arbor or cutting tool rotates
toward you when standing in normal operating
position. Also make sure the cutting tool, arbor collars
and arbor nut are installed properly. Keep the cutting
tool as low as possible for the operation being
0erformed: Keeo all guards in place whenever possible,
14. Do not use any blade or other cutting tool marked for
an operating speed less than 3450 RPM. Never use a
cutting tool larger in diameter than the diameter for
which the saw was designed. For greatest safety and
efficiency when ripping, use the maximum diameter
blade for which the saw is designed, since under these
conditions the spreader is nearest the blade.
15. Adjust table inserts flush with the table top. NEVER
operate the saw unless the proper insert is installed.
16. NEVER feed material into the cutting too from the
rear of the saw. An accident and serious njury could
result
17. NEVER use another person as a substitute for a table
extension or as additional support for a workpiece that
is longer or wider than the basic saw table, or to assist in
feeding or supporting or pulling the workpiece
DO NOT pull the workpiece through the sawblade -
position your body at the nose (in-feed) side of the guard:
start and complete the cut from the same side. This will
require added table support for long or wide workpioces
that extend beyond the length or width of the saw table.
18.THINK SAFETY.
Safety is a combination of operator common sense and
alertness at all times when the saw is being used.
19. NOTE AND FOLLOW SAFETY INSTRUCTIONS
THAT APPEAR ON THE FRONT OF YOUR SAW.
l i DANGER
FOR YeUR OWN SAFETY
READ AND UNDERSTAND OWN£R'S M_.NUAL
BEFORE OPERATING MACHINE:
1WEAR SAFETY GOGGLES PER ANSI Z871 AT ALL
TIMES
1 USE SAW BLADE GUARD FOR "TI-IRU SAWING'"
KEEP HANDS OUT OF PATH OF $AWBLADE
USE A*'PL_H.SlrlCK '' WHEN REOU)RED
KNOW HOW TO AVOID "KICK RACRS"
De NOT PERFORM OPERATleNS "FREEHAND"
NEVER REACH AROUND eR eVER SAW BLADE
20.WARNING: DO NOT ALLOW FAMILIARITY
(GAINED FROM FREQUENT USE OF YOUR SAW)
TO BECOME COMMONPLACE. - ALWAYS
REMEMBER THAT A CARELESS FRACTION OF A
SECOND IS SUFFICIENT TO INFLICT SEVERE
INJURY,
21.WARNING: THE 2-1/2"" SAW PULLEY AND THE
2-1/2" MOTOR PULLEY FURNISHED, WILL RUN
THE BLADE AT APPROXIMATELY 3450 RPM
WHEN USED WITH A 3450 RPM MOTOR. NEVER
SUBSTITUTE THESE PULLEYS TO INCREASE THIS
SPEED BECAUSE IT COULD BE DANGEROUS.
NOTE: Do not overtighten arbor nut. Use the arbor wrench
to just "snug" it.
WEAR YOUR
The operation of any power tool can result in foreign
objects being thrown into the eyes, which can result in
severe eye damage. Always wear safety goggles complying
with ANSI Z87.1 I;hown on Package) before commencing
power tool operation. Safety Goggles are available at Sears
retail or catalog stores.
MOTOR SPECIFICATIONS AND ELECTRICAL REQUIREMENTS
This saw is designed to use a 3450 RPIV motor only. Do not
use any motor that runs faster than 3450 RPM. It is wireo
for operation on 110-120 volts, 60 Hz., alternating current.
IT MUST NOT BE CONVERTED TO OPERATE ON 230
VOLTS. EVEN THOUGH SOME OF THE
RECOMMENDED MOTORS ARE DUAL VOLTAGE.
Changing to 230 volt wil not conserve energy and requires
changing the power cord plug.
The Outlet in the switch box will accept only a 15 amp.
motor plug.
RECOMMENDED CRAFTSMAN MOTORS FOR USE ON
THIS SAW.
H.P. R.P.M. Volts Catalog No.
1 3450 110-120 1217
13450 110-120 1220
CAUTION: Do not use blower or washing machine motors
or any motor with an automatic reset overload protector as
their use may be hazardous.
CONNECTING TO POWER SOURCE OUTLET
This saw must be grounded while nuse to protect the
operator from electrical shock
If power cord is worn or cut, or damaged in any way, have
it replaced immediately,
If your saw is for use on less than 150 volts it has a alug
that looks like below.
3-PRONG PLUG
GROUNDING PRONG
_PROPERLY GROUNDED
3NRONG OUTLET

Plug power cord into 110-120V properly grounded type
outlet protected by a 15-amp. time delay or Circuit-Saver
fuse or circuit breaker.
IF YOU ARE NOT SURE THAT YOUR OUTLET IS
PROPERLY GROUNDED, HAVE IT CHECKED BY A
QUALIFIED ELECTRICIAN.
WARNING: DO NOT PERMIT FINGERS TO TOUCH
THE TERMINALS OF PLUG WHEN INSTALLING OR
REMOVING THE PLUG TO OR FROM THE OUTLET.
WARNING; IF NOT PROPERLY GROUNDED THIS
POWER TOOL CAN INCUR THE POTENTIAL HAZARD
OF ELECTRICAL SHOCK, PARTICULARLY WHEN
USED IN DAMP LOCATIONS, IN PROXIMITY TO
PLUMBING, OR OUT OF DOORS. IF AN ELECTRICAL
SHOCK OCCURS THERE IS THE POTENTIAL OF A
SECONDARY HAZARD SUCH AS YOUR HANDS
CONTACTING THE SAWBLADE.
This saw is equipped with a 3-conductor cord and
grounding type plug which has a grounding prong, approved
by Underwriters' Laboratories and the Canadian Standards
Association. The ground conductor has a green lug and is
attached to the too! housing at one end and to the ground
prong in the attachment plug at the other end.
This plug requires a mating 3-conductor grounded type
outlet as shown.
If the outlet you are planning to use for this saw is of the
two prong type DO NOT REMOVE OR ALTER THE
GROUNDING PRONG IN ANY MANNER. Use an adapter
as shown and always connect the grounding lug to a known
ground.
It is recommended that you have a qualified electrician
replace the TWO prong outlet with a properly grounded
TH REE prong outlet.
An adapter as shown below is available for connecting plugs
to 2-prong receptacles. The green grounding lug extending
from the adapter must be connected to apermanent ground
such as to a properly grounded outlet box.
GROUNDING LUG
ADAPTER
MAKE SURE THIS IS
3-PRONG CONNECTED TO A
PLUG KNOWN GROUND
2-PRONG
RECEPTACLE
NOTE: The adapter illustrated is for use only if you already
have a properly grounded 2-prong receptacle.
The use of any extension cord will cause some loss of
power. To keep this to a minimum and to prevent
over-heating and motor burn-out, use the table below to
determine the minimum wire size (A.W.G.) extension cord.
Use only 3 wire extension cords which have 3 prong
grounding type plugs and 3-pole receptacles which will
accept the plug on the saw.
1 H.P. MOTOR 110-120V
Extension Cord Length Wire Size A.W.G.
Up to 50 Ft ................. 14
50 to 100 Ft ................ 12
100-200 Ft ................. 10
200-400 Ft ................. 8
CHECK MOTOR ROTATION
WARNING: FOR YOUR OWN SAFETY, MAKE SURE
PLUG IS NOT CONNECTED TO POWER SOURCE
OUTLET WHEN CHANGING MOTOR ROTATION.
The motor must rotate CLOCKWISE when viewed from the
shaft end to which you witl mount the pulley. (See page
16.) If it does not, change the direction according to the
instructions furnished with the motor.
CONTENTS
WARRANTY ...................................... 2
GENERAL SAFETY INSTRUCTIONS
FOR POWER "TOOLS ............................ 2
ADDITIONAL SAFETY INSTRUCTIONS
FOR TABLE SAWS .............................. 3
MOTOR SPECIFICATIONS AND ELECTRICAL
REQUIREMENTS ............................... 4
UNPACKING AND CHECKING CONTENTS ........ 6
Tools Needed ................................... 6
List of Loose Parts .............................. 6
ASSEMBLY ....................................... 8
Installing Handwheels ........................... 8
Checking Table Insert ........................... 8
Checking Blade Squareness to Table ............. 8
Assembling Steel Legs ........................... 9
Mounting Saw ................................... 9
Attaching Table Extensions ..................... 10
Installing Rip Fence Guide Bars ................. 10
Aligning Rip Fence ............................. 12
Adjusting Rip Scale Indicator ................... 14
Installing Blade Guard .......................... 14
Mounting the Motor ............................ 16
Installing Belt Guard ........................... 18
Assembling Hold-Down ......................... 19
Plugging in Motor .............................. 19
GETTING TO KNOW YOUR SAW ................. 20
On-Off Switch .................................. 20
Elevation Handwheel ........................... 21
Tilt Handwheel ................................. 21
Tilt Lock Handle ............................... 21
Rip Fence ...................................... 21
Miter Gauge ................................... 21
Blade Guard ................................... 21
Table Insert .................................... 21
Removing and Installing Sawblade .............. 22
Exacti-Cut ..................................... 22
BASIC SAW OPERATION USING THE MITER GAUGE 23
Work Helpers .................................. 23
Crosscutting ................................... 24
Repetitive Cutting .............................. 24
Miter Cutting .... ............................... 25
Bevel Crosscutting ............................. 25
Compound Miter Cutting ....................... 25
Using the Hold-Down .......................... 26
BASIC SAW OPERATION USING THE RIP FENCE 27
Ripping ........................................ 27
Bevel Ripping .................................. 27
Ploughing and Molding ......................... 29
Resawing ...................................... 29
Cutting Panels ................................. 29
Rabbeting ...................................... 29
Dadoing ....................................... 30
Using Featherboards ...................... ..... 30
ADJUSTMENTS .................................. 31
Miter Gauge ................................... 31
Heeling Adjustment or Parallelism of
Sawblade to Miter Gauge Groove .............. 31
Blade Tilt, or Squareness of
Blade to Table ................................ 32
Tilt Mechanism ................................. 34
MAINTENANCE .................................. 35
LUBRICATION ................................... 35
RECOMMENDED ACCESSORIES ................. 35
TROUBLE SHOOTING ........................... 36
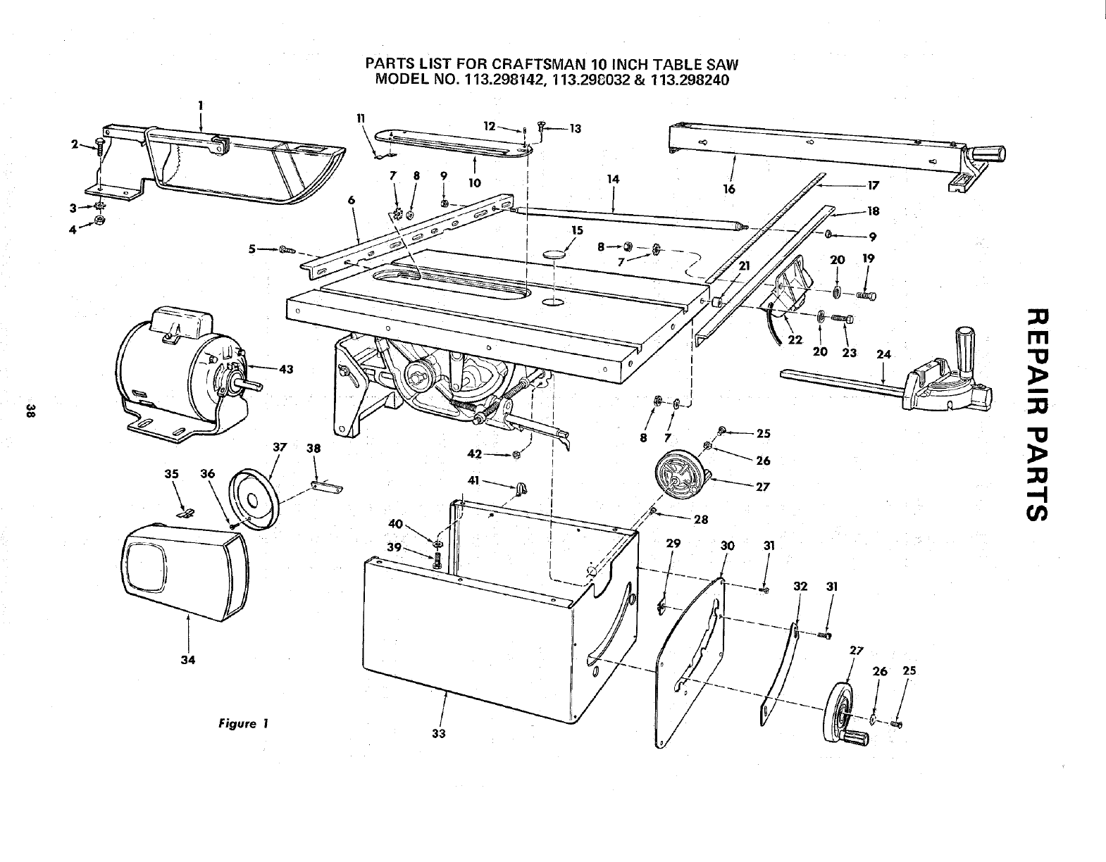
REPAIR PARTS .................................. 38

UNPACKING AND CHECKING CONTENTS
NEEDED
Medium Screwdriver
Small Screwdriver
Phillips Type
___rewdriver
Wrenches
_,'+'Tr!;iiii_il I:III_,L.'III:II',III!Iii.11'i::]ii_ii' I3/8 In. 7/16 in.
1/2 in. 9/16 In.
Combination Square 3/4 In.
Model 113.298142 Table Saw is shipped complete in one
carton but DOES NOT INCLUDE Table Extension, Steel
Legs, or motor.
Model 113.298032 Table Saw is shipped complete in one
carton but INCLUDES Two Table Extensions, Steel Legs,
and Motor.
Model 113.298240 Table Saw is shipped complete in one
carton but INCLUDES Two Table Extensions, Steel Legs,
Motor, and Hold Down.
Separate all parts from packing materials and check each
one with the illustration and the list of Loose Parts to make
certain all items are accounted for. before discarding any
packing material.
fany parts are missing, do not attempt to assemble the
table saw. plug n the power cord or turn the switch on
until the missing parts are obtained and are installed
correctly.
Remove the protective oil that is applied to the table top
and edges of the table. Use any ordinary household type
grease and spo_ remover.
CAUTION: Never use gasoline, naptha or similar highly
volatile solvents.
Apply acoat of automobile wax to the table.
Wipe all parts thoroughly with aclean, dry cloth.
WARNING: FOR YOUR OWN SAFETY, NEVER
CONNECT PLUG TO POWER SOURCE OUTLET UNTIL
ALL ASSEMBLY STEPS ARE COMPLETE, AND YOU
HAVE READ AND UNDERSTAND THE SAFETY AND
OPERATIONAL INSTRUCTIONS.
A B ....C
L K J
COMBINATION SQUARE MUST BE TRUE.
STRAIGHT EDGE OF BOARD
3,/4" THICK. THIS EDGE MUST
DRAW LIGHT LINE ON BE PERFECTLY STRAIGHT.
BOARD ALONG THIE EDGE, <_'\x
/
SHOULD BE NO GAP OR OVERLAP
HERE WHEN SQUARE IS FLIPPED
OVER IN DOTTED POSITION.
LIST OF LOOSE PARTS
Item Part Name Qty.
A Blade Guard and Spreader .................. 1
B Rip Fence .............................. 1
C Owners Manual .......................... 1
D Miter Gauge ............................ . 1
E Arbor Nut Wrench* ....................... 1
F Switch w/Key ........................... 1
6Rip Fence Guide Bar with Rip Scale (Front] .... 1
H Handwheel ............................. 2
J V-Belt 1/2 in. x 41 in.* .................... 1
K Pulley, 2-1/2 in. die., with 5/8 in. bore* ....... 1
L Belt and Pulley Guard ..................... 1
MBelt Guard Clip .......................... 3
NSelf-Threading Screw, 10 32 x 1/2 in. long ..... 2
0 Belt GLard Support ....................... 1
P Belt Guard Support Brackel ................ 1
QMotor Base ............................. 1
R Spreader Rod* .......................... 1
S Blade Guard Support with Screw* ........... 1
T Spreader Support * ....................... 1
U Rip Fence Guide Bar (Rear) ............ .... 1
V Ri!c Fence Guide Bar Rod .................. 1
"Pkg. of Miscellaneous Smell Parts No. 62751
Consisting of the Following:
W Setscrew Wrench 3/32 in ................ 1
W Setscrew Wrench 1/8 in ................. 1
W Setscrew Wrench. 5/32 in ................ 1
X Self-Threading Nut .................... 2
Y Hex Head Screw, 5/16-18 x 1-3/4 in. long ... 2
Y Hex Head Screw. 5/16-18 x 5/8 in. t0ng .... 3
Y Hex Head Screw, 5/16-18 x 1 in. long ...... 4
Y Hex Head Screw, 1/4-20 x 5/8 in. 10ng ..... 2
Y Hex Head Screw, 5/16-18 x 3/4 in. long ...... 2
*These parts are packaged in Loose Parts Bag No. 62750
LENGTH
Y
s=zE X
/AA AB AC

ItemPart Name Qty.
ZHex Nut, 5/16-18
(approx.die. of hole 5/16 in.) ........... 9
Z Hex Nut, 1/4-20
(approx.die. of hole1/4 in.) ............ 2
AA Lockwasher,5/16 in. ExternalType
(approx.die.of hole 5/18 in.) ........... 11
AA Lockwasher,1/4 in. ExternalType
(approx.die.of hole 1/4 in.) ............ 2
AA LockwasherNo. 10 ExternalType
(approx.dia.of hole3/16 in.) ........... 1
AB CarriageBolt, 5/16-18 x 3/4 in. long ....... 4
AC Rip FenceGuideBarSpacer .............. 2
AD Wire Tie ............................... 2
AE Thumbscrew,5/18-18 x 1 in. long .......... 1
AF ScrewPanHd. 10-32 x 3/4 .............. 1
AG Flat Washer(die. of hole 21/64) ........... 2
The following parts are includedwith Model 113,298032
and 113.298240.
A Leg ................................... 4
B SideStiffener ........................... 2
CEndStiffener ............................ 2
DTable Extension ................... 2
EMotor ................................. 1
Pkg.of MiscellaneousSmall Parts No. 62752
for Legs
F Hex Head_crew 5/16-18 x 1-I/4 in. long .... 4
G Loekwasher,1/4 in. ExternalType
(approx.dia.of hole 1/4 in.) .............. 24
G Lockwasher,5/16 in. ExternalType
(approx. die. of hole 5/t6 in.) ............ 4
HHex Nut, I/4-20
(approx. dia. of hole 1/4 in.) ............. 24
H Hex Nut, 5/16-18
(approx.die. of hole5/16 in.) ............. 4
H Hex Nut, 1/2-13
(approx.die. of hole 1/2 in.) ............. 8
J Flat Washer(die. of hole, 11/32 in.) ......... 8
A
J K L
©
G H
M N
Item
K
L
Part Name Qty.
Truss Head Screw, 1/4-20 x 5/8 in. long
(top of screw is rounded) ................ 24
Leveling Foot ......................... 4
Pkg. of Miscellaneous Small Parts No. 62745 for
Table Extensions.
2 ea. for Model 113.298032 8., 113.298240
Consisting of the following:
F Hex Hd. Screw, 5/16-18 x 1-1/4 in. long ..... 4
G Lockwasher, External Type
(approx. die. of hole 1/4 in.) '8
G Loekwasher, External Type
(approx. die. of hole 5/1G in.) ............. 4
H Hex Nut, 1/4-20
(approx. die. of hole 1/4 in.) .............. 8
HHex Nut, 5/16 18
(approx. dia. of hole 5/16 in.) ............. 4
J Flat Washer (die. of hole 17/64 in.) ......... 2
J Flat Washer (die. of hole 11/32 in.) ......... 4
K Truss Head Screw, 1/4-20 x 1 in. long
(top of screw is rounded) ................ 8
MCorner Stiffener Bracket .................. 2
N Corner Support Bracket .................. 2
The Hold Down is included with Model 113.298240 only. Qty.
AClamp Assembly .......................... I
B Wing Screw ............................. 2
C Washer ................................. 2
DSupport Rod ............................ 1
_"_D

ASSEMBLY
Before mounting the saw on legs, a stand or a bench, the
Table Insert and Blade Squareness must be checked at this
time.
INSTALLING HANDWHEE LS
1. Line up FLAT SPOTS on shaft and handwheel, push
handwheel onto shaft. Install screw and Iockwasher to
lock handwheel on shaft.
LOC:KWASHER
/
10-32 X 3/4 IN.
ELEVATION PAN HEAD SCP_W
/
HANDWHEEL TILT rtANDWHEEL
CHECKING TABLE INSERT
2. Insert should be flush with table top. Check as shown.
Loosen flat head screw tha_ holds insert and adjust the
four set screws as necessary. Tighten flat head screw•
Do not tighten screw to the point where it deflects the
insert.
3/32 IN
SETSCREWWRENCH
3. To remove insert•
A) Loosen Screw
B) Lift insert from front end. and pull toward front of
saw,
To replace insert.
Place insert into insert opening in table and push
toward rear of saw to engage spring clip and until
keyslot in insert will drop over screw. Tighten screw.
Do not tighten screw to the point where it will deflect
the insert.
CHECKING BLADE SQUARENESS TO TABLE
IMPORTANT: I_LADE must be _QUARE (90 O) to TABLE,
in order to proceed with assembly.
To check for blade squareness, refer to "BLADE TILT, OR
SQUARENESS OF BLADE TO TABLE" adjustment on
page 32.
CHECKING BLADE FOR HEEL
IMPORTANT: Saw blade MUST be parallel to miter gauge
groove.
To check for parallelism, refer to "HEELING
ADJUSTMENT OR PARALLELISM OF SAVBLADE TO
MITER GAUGE GROOVE" adjustment on page 31 and 32.

ASSEMBLING STEEL LEGS
NOTE: Steel Legs are furnished wLth Model 113.298032
and 113.298240. From among the loose parts, find the
following Hardware:
24 Truss Head Screws, 1/4 -20 x 5/8 in. long (top of
screw is rounded)
24 Lockwashers, 1/4 in. External Type (approx. dia. of
hale 1/4 in.)
24 Hex Nuts, 1/4 - 20 (approx. dia. of hole I/4 in.)
8 Hex Nuts, 1/2 - 13 (approx. dia. of hole 1/2 in.)
4 Leveling feet.
Assemble the legs as shown ...
1. Insert the Truss Head Screws through the holes in the
legs, then through the holes in the stiffeners. MAKE
SURE THE SCREWS GO THROUGH THE HOLES IN
THE SIDE STIFFENERS MARKED "X "°.
2. Install the Iockwashers ... screw on the nuts but do
not tighten until completely assembled.
3. Install leveling feet.
END
STIFFENER"
SIDE STIFFENER
IN. HEX NUTS
MOUNTING SAW
1. From
2.
3.
among the loose parts, find the following
hardware:
4 Hex Head Screws, 5/16 - 18 x 1-1/4 in. long.
4 Hex Nuts, 5/16 - 18 (approx. dia. of hole 5/16 in.)
4 Lockwashers, 5/16 in. External Type (approx. dia. of
hole, 5/16 in.)
8 Flat Washers, (dia. of hole 11/32 in.)
Place saw on legs so that holes in bottom of saw line up
with holes in top of legs.
Instatl screws, washers, Iockwashers and nuts as shown.
SAW BASE [
HEXH A0SCREW
FLAT 1
END i_E_ "
STIFFENER-"-_1 1
FLAT WASHER----__
LOCKWASHER"I'"_'
HEX N UT'_"_'_U_
If you mount the saw on any other bench, make sure that
there is an opening in the top of the benc h the same size as
the opening in the bottom of the saw so that the sawdust
can drop through. Recommended working height is 33 to
37 inches from the top of the saw table to the floor.
7/]6 DIA HOLES

ATTACHING AND ASSEMBLING TABLE i:XTENS ONS
If you received Table Extensions with_ou,r Saw attach
them at this time.
1. From among the loose parts find the following
hardware.
4Corner Support Brackets
4 Corner Stiffener Brackets
16 Truss Hd. Screws 1/4-20 x 1
16 Ext. Lockwashers 1/4
16 Hex Nut I/4-20
8 Hex Hd. Screws 5/16-18x 1-1/4
8 Ext. Lockwasher 5/16
8 Hex Nut5/16-18
4 Flat Washers (Dia. of hole 17/64)
8 Flat Washers (Dia. of hole 11/32)
Assemble brackets with hardware as listed.
Insert 5/16-18 x 1-1/4 in. long screws through holes in
EXTENSION then through table. Install flat washer,
Iockwashers, and screw on the nuts .. . DO NOT
TIGHTEN.
Align front edge of extension with front edge of saw table.
Pull Extension UPWARDS above table surface ...
SLIGHTLY TIGHTEN SCREWS using 1/2 in. wrench.
Using small block of hardwood and hammer, tap extension
DOWNWARDS at front, center & rear, until it is EVEN
with table surface ... TIGHTEN SCREWS.
BLOCK OF WOOC
\
Lay REAR FENCE GUIDE BAR on table to act as a
straightedge. If outer edge of extension is higher or lower
than table surface;
A. Slightly loosen nuts holding bracket to extension
using 7/16 in. wrench.
B. Move end of extension u _ or down until outer edge
is even with table surface ... check with GUIDE
BAR ... tighten nuts.
C. Recheck INNER edge of extension to make sure it
has not moved ... readjust, if necessary.
\ \
INSTALLING RIP FENCE GUIDE BARS AND SWITCH
BOX
From among the loose parts find the following
hardware:
2 Hex. Head Screws, 5/16-18 x 1-3/4 in. long
2 Hex. Head Screws, 5/16-18 x 1 in. long
2Hex. Head Screws 5/1&18 x 3/4 in. Ion_
6 External Lockwashers, 5/16 in.
(approx. dia. of hole 5/16 in.)
6 Hex. Nuts, 5/16-18 (approx. dia. of hole 5/16 in.)
2 Flat washers (dia. of hole 21/64 in.)
2 Spacers, 3/4 in. dia. x 1/2 in. long
2 Self-threading nuts
1 Fence Guide Bar Rod
Lay guide bars on saw table.
NOTE: The various holes in the bar allow them to be
positioned on this saw and also makes them adaptable
to other models.
3. Insert a 1-3/4 inch tong screw through the THIRD hole
from LEFT IN THE FRONT BAR ... Insert another
/
/
1-3/4 inch long screw through the SEVENTH hole in
bar. Insert two 3/4 inch long screws through two flat
washers, through holes in switch, and then through
holes EIGHT and TEN in bar. Instal two Iockwashers
and nuts then tighten.
4. Place spacers on screws.
10

Insertboltsthroughholesin middle and on right side of
front of saw table ... install Iockwashers and nuts.
DON'T SCREW NUTS ON ALL THE WAY, just get
them started on the screws.
6.
7.
Remove the 3 screws from rear of table extension.
Insert 1 in. long screws in SECOND and FOURTH holes
of rear bar and attach to table the same way.
Insert ends of FENCE GUIDE BAR ROD through
round holes at outer end of bars.
NOTE: The ends of the ROD are not threaded ... the
SELF THREADING NUTS will cut threads on the rod
as they are screwed on.
9. Hold rod with one hand and with a 1/2 in. wrench or
pliers start screwing on ONE of the nuts only A TURN
OR TWO... screw on other nut the same way.
10. Using TWO 1/2 in. wrenches or pliers tighten both of
the nuts.
11, Slide the bars so that screws are in the MIDDLE of the
slotted holes.
12. Position rip fence over miter gauge groove, holding up
the rear end while engaging front end with bar ...
lower fence onto table.
11

13, Raise blade all the way up,
14. Carefully move fence against blade.
15. Move front bar until "'0"" mark on rip scale is
approximately inline with indicator.
16. Move FRONT bar upwards until fence is approximately
1/32 in. above table ... tighten screw at left end of
bar.
NOTE: Fold a piece of newspaper making 8 thicknesses
and place between rip fence and table to act as a spacer.
This will hold the fence off of the table approx. 1/32
in.
17. Adjust rear bar so that the fence is approximately 1/32
in. above table make sure it is square with fence guide
bar rod ... tighten screw at end of bar.
18. Replace screws in rear of table extension . .. be sure
top surface of extension is PARALLEL to top surface
of rear guide bar.
8 THICKNESSES
OF PAPER
19. Move fence to RIGHT edge of table ... make sure it is
approx. 1/32 in. above table at front and rear and
tighten screws,
8THICKNESSES
OF PAPER
ALIGNING RIP FENCE
The fence should slide easily along the bars and always
remain in alignment (parallel to sawblade and miter gauge
grooves),
The alignment is maintained by a spring underneath the
fence which bears against the front guide bar.
To move the fence, loosen the lock handle and grasp the
fence with one hand at the front.
12

For very close adjustments, grasp the guide bar with both
hands and move the fence with your thumbs,
Place fence on saw but DO NOT LOCK IT.
Move the REAR END of the fence slightly to the right or
left ... when you release it, the fence should "spring"
back to its original position.
If it does not, the spring pressure must be INCREASED.
1. Loosen the screws.
2. Move Spring slightly toward front of fence.
If the fence does not slide easily along the bars, the pressure
of the spring can be REDUCED.
1. Loosen the screws.
2. Move spring slightly toward rear of fence ... tighten
3crew3.
SPRING
5CR_WS
13

3, The rip fence must be PARALLEL with the sawblade
(see page 31) ana miter Gauge grooves.. Move fence
until it is along side of groove. Do NOT LOCK IT. !t
should be parallel to groove. If it is not;
A. Loosen the two "'Hex. Head Screws."
B. Hold fence head tightly aga=nst bar .. move end
of fence so that it is parallel with groove.
C. Alternately tighten the screws.
SCREWS
FENCE HEAD
ADJUSTING RIP SCALE INDICATOR
1. Turn ELEVATION HANDWHEEL
2.
3.
clockwise until
blade is up as high as it will go.
IMPORTANT: BLADE must be SQUARE {90 °) to
TABLE, in order to ALIGN rip fence.
Using a rule, position fence on right side of sawblade 2
in. from tt_e sides of the teeth.., tighten lock handle.
Loosen screw holding the indicator.., adjust so that it
points to "2" on the rip scale.., tighten screw.
NOTE: If you cannot adjust indicator so that it points
to "2", loosen the screws holding the front guide bar
and move the guide bar.
\LOCK HANDLE
INSTALLING BLADE GUARD
1. From among the loose parts, find
2 Hex Head Screws, 1/4 - 20x 5/8 in. long ......
2 Hex Head Screws, 5/16- 18x 5/8in. long
2 Hex Head ScrewS, 5/16- 18 x 1 in. long
2 Hex Nuts, I/4 - 20
(approx. dia. of hole 1/4 in.)
2Lockwashers, 1/4 in. External Type
(approx. dia. of hole 1/4 in.)
2Lockwashers, 5/16 in. External Type
(approx. dia. of hole 5/16 in,)
1 Thumbscrew .........
Guard Support
Spreader Support
Spreader Rod
2, Lower the blade ..........
3. Screw the two MOTOR BASE CLAMP SCREWS part
way into cradle.
4. Attach GUARD SUPPORT... DO NOT TIGHTEN
screws.
GUARD SUPPORT
5/]6_18 X
HEX
SCREW
5/16-18 X 1' IN.
HEX HD. SCREW
14

5o Insert SPREADER ROD int0SPREADER SUPPORT
until pin fits into notch. Insert Thumbscrew and tighten
it.
THUMB SCREW
SPREADER X
ROD
\
FLAT
SURFACE
_, (INTO _,
SUPPORT)
U
SPREADER
SUPPORT
6. Slide SPREADER ROD into GUARD SUPPORT until
left end of ROD extends approximately 1/4 inch
beyond edge of SUPPORT .., Snug up Hex Head
Screw in SUPPORT.
7. Attach SPREADER to SPREADER SUPPORT so that
screws are all the way back in the SLOTS of SUPPORT
•. • tighten screws.
8. Raise ANTIKICKBACK PAWLS (hold in place with a
setscrew wrench - see below).., align spreader
SQUARE to _able (be sure insert is properly adjusted).
NOTE: The framing (or combination) square must be
"true" see start of "assembly and alignment" section
on page 6 for checking method.
•.. Tighten both 5/16-18 x 1 in. HEX HEAD SCREWS.
1/4-20 HEX
HD. SCREW
1/4 IN. LOCKWASHER
1/4-20 HEX NUT
END OF ROD
1/4 INCH TO LEFT
OF EDGE OF
SUPPORT
GUARD
SUPPORT XIlN.
SCREWS ALL THE HEX HD. SCREWS
WAY BACK IN SLOTS II
IN SUPPORT
9. Raise blade all the way up ... make sure it is square
with table.
10. Raise Blade Guard ... lift up both ANTIKICKBACK
PAWLS ... insert one of the SETSCREW WRENCHES
in the notches to hold the pawls out of the way.
11. Lay blade of square or other straightedge alongside of
blade.
12. Loosen Hex Head Screw in GUARD SUPPORT and
move spreader so that it touches blade of square
• . .tighten screw.
13. NOTE: The spreader is now square with the table and
apDroximate!v in line with the sawblade. The spreader
requires further adjustment to align it PARALLEL to
the blade and in the MIDDLE of the cul: (KERF) made
by the sawblade.
15

14,IMPORTANT:The SPREADERmustalwaysbe
PARALLELtothesawbladeandintheMIDDLEofthe
cut(KERF)madebythesawblade.
NOTE:Thespreaderisthinnerthanthewidthof the
KERFbyapproximatelysixthicknessesof paper.
SPACEEQUALTOAPPROX.
3THICKNESSESOF PAPER KERF WOOD
SPREADER
SPACE EQUAL TO APPROX. LOOKING DOWN ON SAW
3 THICKNESSES OF PAPER
BLADE
/
15. Make two folds in a small piece (6 x 6 in.) of ordinary
NEWSPAPER making three thicknesses,
The folded paper will be used as a "'spacing gauge".
16. Place RIP FENCE on table ...
CAREFULLY move it against blade so that it is parallel
to the blade, and just TOUCHES tips of saw teeth ..
tighten RIP FENCE LOCK KNOB HANDLE.
17. Insert foldea paper between SPREADER and
FENCE..,hold spreader flat against fence ..tighten
screws using 7/16 in wrench Now tighten Hex Hd.
Screws in Support.
18. To remove BLADE GUARD AND SPREADER, loosen
THUMBSCREW... DO NOT LOOSEN OTHER
SC REWS.
7/16 N. WRENCH
\
FOLDED PAPER
MOUNTING THE MOTOR
NOTE: Motor i_ included with Model 113.296032 and
113.298240.
CHECK MOTOR ROTATION
1. The motor must rotate CLOCKWISE when viewed from
the 5/8 in. shaft.
2. MAKE 'SURE "KEY" IS REMOVED FROM SHAFT.
3, Place the motor on your workbench or 3n the floor.
4. Plug the cord into a prcperly grounded outlet ISee
"Motor Specifications and Electrical Requirements"
Section) Notice the rotation of the shaft, If it is not
turning CLOCKWISE, REMOVE the plug from the
outlet, and change the rotation of the motor according
to the instructions furnished with the motor,
KEY
/
5/8 IN. qON
DIA. SHAFT
WARNING: FOR YOUR OWN SAFETY, MAKE SURE
PLUG IS NOT CONNECTED TO POWER SOURCE
OUTLET WHEN CHANGING MOTOR ROTATION.
16

5. Fromamongthe looseparts,find the following
hardware:
4 CarriageBolts,5/16-18x 3/4in.long
4Hex.Nuts,5/16-18
(approx,dia.ofhole5/16in.)
4 Lockwashers,5/16in,ExternalType
(approx.dia.ofhole5/16in.)
6. PlacemotoronMOTORBASE... insertboltsthrough
holesin base... thenthroughthemotor.Install
Iockwashers,andnuts.
7. Positionmotorsothatedgeof MOTORFOOTand
MOTORBASEareeven.,,slidemotorallthewayto
theRIGHT,..tightenthefournuts.
8. Loosenset screwin motorpulleyusing5/32 in.
setscrewwrench.SlidepulleyonshaftwithHUBaway
frommotor.DONOTTIGHTENSETSCREW.
9. Install 3/16" in. square key (furnished with motor) in
grooves in pulley and motor shaft. DO NOT TIGHTEN
S ETSC R EW.
LOCKWASHER
._/16IN.
NUT !}
5/16-]8
SHAFT ',i ./
GUARD
THESE 1WO
EDGES EVEN
KEY
CARRIAGE BOLT
5/16-1_ X 3/4 iN.
BASE
MOTOR MOUNTING
BASE
ULLEY
10. Lift motor and insert the TWO PINS on motor base
into HOLES in cradle ... push motor in as far as it will
go.
11. Lower the blade.. ,install be:t on saw pulley and motor
pulley.
12. Sight along edges of both pulleys arid move motor
pulley so that belt is parallel to the edges of both
pulleys.. ,tighten the setscrew in the motor pulley.
13. IMPORTANT: Measure the distance from end of motor
shaft to pulley...mark this dimension down; you will
need it later when reinstalling the pulley.
14. Make sure blade is g0 ° to table.. ,raise it all the way
up.
15. Lift motor until edge of washer is even with end of slot
... tighten pivot screw. In this position, pull motor
toward you (pins will slide out of cradle) until belt is
TIGHT ... tighten the two MOTOR BASE CLAMP
SCREWS.
16. Loosen Pivot Screw slightly,
17. Lower the saw blade all the way down.
18. IMPORTANT: Motor should pivot freely downward as
blade is lowered. If it does not, LOOSEN the PIVOT
SCREW some more.
19. Pivot screw must be adjusted only tight enough to allow
motor to pivot FREELY as blade is raised or lowered.
This will maintain constant tension on belt.
EDGE OF WASHE_
EVEN WITH END
OF SLOT
PIVOT SCREW
MOTOR PULLEY
BASE
CLAMP SCREWS
20. Loosen the two MOTOR CLAMP SCREWS on each
end of motor. Rotate the motor so that the
CAPACITOR COVER is on top.., tighten the screws.
The ventilation holes are now facing downward which
will help prevent sawdust from entering motor.
17
CAPACITOR
COVER
VENTILATION
HOLES MOTOR
CLAMP SCREW
(BOTH ENDS)

INSTALLING BELT GUARD
1. Remove the belt and motor pulley.
2. Screws furnished with guard are "self threading"
screw them into holes iN BELT GUARD SUPPO'R'T
BRACKET. then remove them
3. Position BELT GUARD SUPPORT BRACKET and
BELT GUARD SUPPORT as shown and install the
screws ... make sure motor shaft is in CENTER of
hole in SUPPORT.
/
BELT GUARD
SUPPORT BRACKET
BELT GUARD
f
TWO HOLES CLOSEST
TOGETHER
%SCREW
\
BELT GUARD SUPPORT
\
PIVOT
SCREW
!
CENTERED
Insta three CLIPS /furnished with guard) 90 ° apart
starting with one cliD at the end of the guard as shown
•.. LONG END of clip facing AWAY from you.
BELT GUARD
OPENING
\
LONG END
5. Reinstall motor pulley the same way it was when you
aligned the belt.
6. Place belt on SAW" PULLEY .. insert end of belt
through opening in END of guard.
7. Silo belt over motor pulley•
18

8° Press guard onto support so that bottom of guard is
approximately 3/4 in. away from beFt°
NOTE: To remove guard, lift up on LONG TABS of
clips ... pull guard outward. The clips should remain
on the BELT GUARD SUPPORT.
8/4 IN.
i
ASSEMBLING HOLD-DOWN
(Included with Model 113.298240)
Locate the clamp assembly, support rod, two wing screws
and two washers in loose parts bag.
Screw the support rod (I) tightly into the hole in the miter
gauge head.
Position the clamp assembly (2) on the handle and rod...
install washers (3) and wing screws (4).
NOTE: The small knob (5) on the clamp screw must not
turn. Check nut underneath it ... it must be tight against
the knob. Use a 1/2 inch wrench to tighten it.
CLAMP LOCK
LATCH
1
PLUGGING IN MOTOR
1. From among the loose parts, find two wire ties
2. Route motor cord along right side of cabinet and snap
ties in 1/4" hole in side of cabinet. Secure two cords in
wire ties.
3. Plug motor cord into outlet on side of switch box.
19

GETTING TO KNOW YOUR SAW
9SAWBLADE
8TABLE INSERT
MITER GAUGE |0 EXACT-I-CUT
LOCK HANDLE _
6MITER GAUGE
7BLADE GUARD
ANTIKICKBACK
PAWLS
RIP FENCE
RIP FENCE
LOCK HANDLE
4TILT LOCK HANDLE
(UNDERNEATH TABLE)
2ELEVATION HANDWHEEL
]ON-OFF SWITCH
1ON-OFF SWITCH
CAUTION: Before turning switch on, make sure the blade
guard is correctly installed and operating properly.
The On-Off Switch has a locking feature. THIS FEATURE
IS INTENDED TO PREVENT UNAUTHORIZED AND
POSSIBLE HAZARDOUS USE BY CHILDREN AND
OTHERS.
A. TO turn saw ON ,.. stand to either side of the
blade never in line with it ... insert finger under
switch lever and pul! END of lever out.
After turning switch ON, always allow the blade to
come uo to full speed before cutting.
Do not cycle the motor switch on and off rapidly,
as this may cause the sawblade to loosen. !n the
event this should ever occur, allow the sawblade to
come to a complete stop and retighten the arbor
nut normally, not excessively. Never leave the saw
while the power is "'ON".
B. TO turn saw OFF ... PUSH lever in. Never leave
the saw until the cutting tool has come _o a
complete stop.
C. TO lock switch in OFF position ... hold switch IN
with one han_ .. REMOVE key wtl.h other hand.
WARNING: FOR YOUR OWN SAFETY, LOWER
BLADE OR OTHER CUTTING TOOL BELOW
TABLE SURFACE. (IF BLADE IS TILTED,
RETURN IT TO VERTICAL (90 °) POSITIONL
ALWAYS LOCK THE SWITCH "OFF". WHEN
SAW IS NOT IN USE ... REMOVE KEY AND
KEEP IT IN A SAFE PLACE ... ALSO ... IN
THE EVENT OF A POWER FAILURE (ALL OF
YOUR LIGHTS GO OUT) TURN SWITCH OFF
... LOCK IT AND REMOVE THE KEY. THIS
WILL PREVENT THE SAW FROM STARTING UP
AGAIN WHEN THE POWER COMES BACK ON.
3TILT HANDWHEEL
@
KEY
(YELLOWPLASTIC)
KEY
i!!,
2O

2
4
6
ELEVATION HANDWHEEL ...elevates or lowers the
blade, Turn clockwise to elevate ... counterclockwise
to lower.
TILT HANDWHEEL ... tilts the blade for bevel
cutting. "_'urn clockwise to tilt toward left ...
counterclockwise to tilt toward right.
When the blade is tilted to the LEFT as far as it will go,
it should be at 45 ° to the table and the bevel indicator
should point 45 ° .
NOTE: There are LIMIT STOPS inside the saw which
prevent the blade from tilting beyond 45 ° to the LEFT
and 90 ° to the RIGHT. (See "Adjustments" section
"Blade Tilt, or Squareness of Blade to Table").
TILT LOCK HANDLE ... locks the blade in the
desired tilt position. To loosen, turn counterclockwise.
Push handie in and turn it to another position if
necessary in order to tighten or loosen.
IMPORTANT: Be sure handle is hanging in the
"DOWN" position before tilting blade. If it is pointing
to the 1 o'clock position it may jam on underside of
the table and bend the locking bolt,
RIP FENCE ... is locked in place by tightening the
lock knob. To move the fence, loosen the knob and
grasp the fence with one hand at the front.
Holes are provided in the rip fence for attaching a wood
facing when using the dado head, or molding head.
Select a piece of smooth straight wood approx. 3/4"
thick, at least as long as the rip fence, and at least
7-1/2" wide (high) to permit clamping of featherboards.
Attach it to the fence with three Round Head #10
Wood Screws 2 in. long. To remove the facing, loosen
the screws, slide the facing forward and pull the screws
through the round holes.
If you are making a rip type cut in material thinner
than 3/16 in. while the fence is positioned over the
depressed area of table extension, the facing should be
attached to the fence so that the bottom edge touches
the top surface of the extension. In this case, the facing
must be shorter than the fence. This will prevent thin
material from sliding under the rip fence.
WOOD FACING
#I0 WOOD SCREWS
MITER GAUGE ... head is locked in position for
crosscutting or mitering by tightening the lock knob.
ALWAYS LOOK IT SECURELY WHEN IN USE.
There are "_wo slots for the stop pin at the 45 degree
right _lnd left positions for conveniently setting the
Miter Gauge to cut miters.
NOTE: The slots for the stop pin and the graduations
are manufactured to very close tolerances which
provide accuracy for average woodworking, in some
cases where extreme accuracy is required, when making
angle cuts, for example, make a trial cut and then
recheck it.
If necessary, the miter gauge head can then be swiveled
slightly to compensate and then locked.
Slots are provided in the miter gauge for attaching an
AUXILIARY FACING to make it easier to cut long
pieces. Be positive facing does not interfere with the
proper operation of the sawblade guard.
Select a suitable piece of smooth straight wood.., drill
two holes through it and attach it with screws.
NOTE: When bevel crosscutting, attach facing so that it
extends to the right of the miter gauge and use the
miter gauge in the groove to the right of the blade.
STO I _ _ AUXILIARY FAC!NG
7BLADEGUARD must always be in place and working
properly for all thru-sawing cuts. That is, all cuts
whereby the blade cuts completely through the
workpiece.
To remove the guard for special operations, loosen the
thumbscrew and slide the guard off of the rod. DO
NOT DISTURB THE SETTING OF THE ROD.
When replacing the guard, make sure the PIN in the rod
engages with the NOTCH in the spreader support. Make
sure thumbscrew is tightened securely.
8TABLE INSERT is removable for removing or installing
blades or other cutting tools.
SCREW
WARNING: FOR YOUR OWN SAFETY, TURN
SWITCH "OFF" AND REMOVE PLUG FROM
POWER SOURCE OUTLET BEFORE REMOVING
INSERT.
A. Lower the blade below the table surface.
B. Raise blade guard.
C. Loosen Screw.
D. Lift insert from front end, and pull toward
front of saw.
NEVER OPERATE THE SAW WITHOUT THE
PROPER INSERT IN PLACE. USE THE SAW BLADE
INSERT WHEN SAWING . . . USE THE
COMBINATION DADO MOLDING INSERT WHEN
DADOING OR MOLDING.
21

9REMOVING AND INSTALLING SAWBLADE.
WARNING: FOR YOUR OWN SAFETY, TURN
SWITCH "OFF" AND REMOVE PLUG FROM
POWER SOURCE OUTLET BEFORE REMOVING OR
INSTALLING SAWBLADE.
ARaise Blade Guard...remove insert.
B. To REMOVE blade, olace a block of wood
against front of blade .. PULL arbor wrench
toward you to LOOSEN arbor nut.
BLADE GUARD NOT SHOWN FOR PICTURE CLARITY
BLADE GUARD NOT SHOWN FOR PICTURE CLARITY
C. To TIGHTEN arbor nut, place a block of wood
against rear of blade ... PUSH wrench away
from you.
When installing the blade ... make sure the teeth are
pointing toward the front of the saw ... and that the
blade and collars are clean and free from any burrs.
The HOLLOW side of the collar must be against the
blade.
Always tighten the arbor nut securely.
NOTE: When usinc; the Dado or Molding Head, it is not
necessary to install the loose collar.
To replace insert. LOOSE
Place nsert into nsert ooening n ............ COLLAR
toward rear of saw _o engage spr ng clip and until ARBOR _,-'_ \
keyslot in insert will arop over screw. Tighten screw. _ d_ "_\
Do not tighten screw to the point where it wil deflect _'_ /_ \ A_.BOR
FRONT OF SAW _
ARBOR NUT
NUT
lO EXACT-I-CUT
The "yellow" plastic disc imbedded in the table in front
of the sawblade, is provided for marking the location of
the "'sawcut" on the workpiece.
A. Check disc ... if it is above table surface, place a
piece of hardwood on top of it and tap it down.
B With blade 90 °(square to table) cut off a piece of
wood.
C. Pull miter gauge back until wood is over disc. Using
very sharp pencil, mark a line on disc.
D. With miter gauge in right hand groove, follow same
procedure and mark another line on disc.
E. These lines indicate the "'path" of the cut (kerr)
made by the sawblade.
F. When cutting the workpiece, line up mark on
workpiece with line on disc.
BLADE GUARD NOT SHOWN FOR PICTURE CLARITY
22

BASIC SAW OPERATION
WORK HELPERS
Before cutting any wood on your saw, study all of the
"Basic Saw Operations".
Notice that in order to make some of the cuts, it is
necessary to use certain devices "Work Helpers" like the
Push Stick, the Push Block and the Auxiliary Fence/Work
Support, which you can make yourself.
After you have made a few practice cuts, make up these
"helpers" before starting any projects. Make the "Push
Stick" first.
PUSH STICK AND PUSH BLOCK
Make the Push Stick using a piece of 1 x 2, or rip one from
a wide board, say 11-1/2 in. wide, and set the rip fence
9-7/8 in. from the sawblade.
Make the Push Block using a piece of 3/8 in. and 3/4 in.
plywood.
The small piece of wood 3/8 in. x 3/8 in. x 2-1/2 in. should
be GLUED to the plywood . .. DO NOT USE NAILS. This
is to prevent dulling the sawblade in the event you
mistakingly cut into the push block.
Position the handle in the center of the plywood and fasten
together with glue and woodscrews.
15 45° NOTCH
WORKPIECE END
I/4 1//4
PUSH STICK
NOTE: All dimensions in inches
AUXI LIARY FENCE/WOR K SUPPORT
Make one using a piece of 3/8 in. and 3/4 in, plywood.
Fasten together with glue and woodscrews.
NOTE: Since the Push Block is used with the Auxiliary
Fence, the 4-3/4 in. dimensions must be held identical on
both the pieces.
THESE EDGES MUST
BE PARALLEL 3/4 PLYWOOD
]
318 2-1/2
-F
2q/2
3/8 3/8
PUSH BLOCK _"_
NOTE: All dimensions in inches 3/8 PLYWOOD
3,/4 PLYWOOD
THIS FACE AND THiS _" 30
EDGE .MUST BE PARALLEL
AUXILIARY FENCE/ 3/8 PLYWOOD
WORK SUPPORT _l 5-_/2
NOTE: All dimensions in inches q
USING THE
CROSSCUTTING, MITER CUTTING, BEVEL CUTTING,
COMPOUND MITER CUTTING, DADOING and when
RABBETTING AND MOLDING across the end of a narrow
workpiece, THE MITER GAUGE IS USED.
WARNING: FOR YOUR OWN SAFETY, ALWAYS
OBSERVE THE FOLLOWING SAFETY PRECAUTIONS
IN ADDITION TO THE SAFETY INSTRUCTIONS ON
PAGES 2, 3, and 4.
1. Never make these cuts freehand (without using the
miter gauge or other auxiliary devices) because the
blade could bind in the cut and cause a KICKBACK or
cause your fingers or hand to slip into the blade.
2. Always lock the miter gauge securely when in use.
3. Remove rip fence from table.
4. Make sure blade guard is installed for all "thru,sawin9 _,
operations (when sawblade cuts entirely thru the
thickness of the workpiece.) Replace guard
IMMEDIATELY after completion of dadoing, molding
or rabbeting cuts.
5, Have blade extend approximately 1/8 in. above top of
workpiece. Additional blade exposure would increase
the hazard potential,
MITER GAUGE
6. Do not stand directly in front of the blade in case of a
THROWBACK (Small cut-off piece caught by the back
of the blade and thrown toward the operator). Stand to
either side of the blade.
7. Keep your hands clear of the blade and out of the path
of the blade.
8. If blade stalls or stops while cutting, TURN SWITCH
OFF before attempting to free the blade.
9. Do not reach over or behind the blade to pull the
workpiece through the cut ... to support long or
heavy workpieces ... to remove cut-off pieces of
material or FOR ANY OTHER REASON.
10. Do not pick up small pieces of cut-off material from the
table. REMOVE them by pushing them OFF the table
with along stick. Otherwise they could be thrown back
at you by the rear of the blade.
11. Do not remove small pieces of cut-off material that may
become TRAPPED inside the blade guard while the saw
is RUNNING. THIS COULD ENDANGER YOUR
HANDS or cause a KICKBACK.
Turn the saw OFF. After the blade has stopped turning,
lift the guard and remove the piece.
23

CROSSCUTTING
CROSSCUTTING is known as cutting wood across
the grain, at 90 °, or square with both the edge and the flat
side of the wood. This is done with miter gauge set at "'0".
The graduations on the miter gauge provide accuracy for
average woodworking. In some cases where extreme
accuracy is required, when making angle cuts, for example,
make a trial cut and then recheck it with an accurate
square, or protractor.
If necessary, the miter gauge head can be swiveled slightly
to compensate for any inacurracy.
NOTE: The space between the miter gauge bar and the
groove in the table is held to a minimum during
manufacturing.
For maximum accuracy when using the miter gauge, always
"favor" one side of the groove in the table. In other words,
don't move the miter gauge from side to side while cutting,
but keep one side of the bar riding against one side of the
groove.
NOTE: Glue a piece of sandpaper to the face of the miter
gauge head. This wil help prevent the workpiece from
"creeping" while it is being cu_.
The Hold-Down Clamp (Optional Accessory) included with
113.298240 should be used on the miter gauge for greater
accuracy.
The miter gauge may be used in either of the grooves in the
table. Make sure it is locked.
When using the miter gauge in the LEFT hand groove, hold
the workpiece firmly against the miter gauge head with
your left hand, and grip the lock handle with your right.
When using the RIGHT Hand groove, hold the workpiece
with your right hand and the Iockhandle with your left
hand.
When cutting tong workpieces, invert AUXILIARY
FENCE/WORK SUPPORT and position it on top of the
guide bars to support the workpiece as near to the end as
possible. If this does not adequately support the workpiece,
you can make a simple support by clamping a piece of
plywood to a sawhorse.
Use the Hold-Down Clamp (Optional Accessory) included
with 113.298240 on the miter gauge for greater accuracy.
AUXILIARY FENCE/
WORK SUPPORT
\\
REPETITIVE CUTTING
REPETITIVE CUTTING is known as cutting a quantity of
pieces the same length without having to mark each piece.
1. Use the Stop Rods (optional accessory) only for cutting
duplicate pieces 6 in. long and longer.
2. DO NOT FEED workpiece with RIGHT Hand, merely
guide it, making sure that it does not bind or pinch the
sawblade.
When making repetitive cuts from along workplece, make
sure t is adequately supported.
Use the Hold-Down Clamp (Optional Accessory) included
with 113.298240 on the miter gauge for greater accuracy.
AUXILIARY FENCE/
WORK SUPPORT
24

1. NEVER USE" THE RIP FENCE AS A LENGTH S',v,
BECAUSE THE CUTOFF PIECE COULD BIND
BETWEEN THE FENCE AND THE BLADE CAUSING
A KICKBACK.
2• When making repetitive cuts shorter than 6 in., clamp a
block of wood 2 in. long to the table to act as a length
stop. Do not clamp directly to the bottom edge of the
table because the "swivel" of the clamp will not grip
properly. Place a _mall block of wood between the
bottom edge of the table and the "C" clamp.
CAUTION: When clamping the block, make sure that
the end of the block is well in front of the sawblade. Be
sure it is clamped securely.
3. Slide the workpiece along the miter gauge until it
touches the block ... hold it securely or clamp it with
the Hold-Down Clamp (Optional Accessory) included
with 113,298240.
4. Make the cut ... pull the workpiece back.., push the
cut off piece off the table with a long push stick... DO
NOT ATTEIVlPT TO PICK IT UP AS THIS COULD
ENDANGER'. YOUR HANDS.
MITER CUTTING
MITER CUTTING is known as cutting wood at an angle
other than 90 ° with the edge of the wood. Follow the same
procedure as you would for crosscutting.
Adjust the miter gauge to the desired angle, and lock it•
The miter gauge may be used in either of the grooves in the
table.
When using the miter gauge in the LEFT Hand groove, hold
the workpiece firmly against the miter gauge head with
your left hand, and grip the lock knob with your right.
When using the RIGHT hand groove, hold the workpiece
with your right hand and the knob with your left hand.
Use the Hold-Down Clamp (Optional Accessory) included
with Model 113.298240 on the miter gauge for greater
accuracy.
CUT OFF
PIECE
BEVEL CROSSCUTTING
BEVEL CROSSCUTTING is the same as crosscutting
except that the wood is also cut at an angle .••other than
90 ° with the flat side of the wood.
Adjust the blade to the desired angle.
Use the Miter Gauge in the groove to the RIGHT of the
blade. It cannot he used in the groove to the LEFT because
the blade guard will interfere. Hold the workpiece with
your right hand and the Iockhandle with your left hand.
Use the AUXILIARY FENCE/WORK SUPPORT for
additional support of the workpiece.
Lay it across the guide bars to support the workpiece as
near to the end as possible•
Use the Hold-Down Clamp (Optional Accessory) included
with Model 113.298240 on the miter gauge for greater
accuracy.
COMPOUND MITI::R CUTTING
COMPOUND MITER CUTTING is a combination of miter
cutting and bevel crosscutting. The cut is made at an angle
other than 90 ° to both the edge and the flat side of the
wood.
Adjust the mi_er gauge and the blade to the desired angle
•.. Make sure miter gauge is locked.
25

USING THE HOLD-DOWN
When cutting wide pieces of material, move the clamp
assembly forward as far as it will go... grip the lock handle
and tighten by turning clockwise until lock handle is
secured. Tighten both wing screws.
When cutting narrow pieces of material, adjust the clamp
assembly with the clamp over the center of the workpiece.
Grip the lock handle and tighten by turning clockwise until
lock handle is secured. Tighten both wing screws,
The clamp screw contains a "rapid approach" feature.
Disengage clamp lock latch, press IN the r_pid approach
button which is located on the left side of the clamp
assembly and PUSH DOWN or PULL UP on the clamp
screw. Release button and tighten the clamp screw. Engage
clamp lock latch.
FOR YOUR PROTECTION, NEVER USE MITER GAUGE
WITH CLAMP LOCK LATCH DISENGAGED.
SUPPORT LONG WORKPIECES ... you can make a
s_mple support bv clamping a p_ece o]' plywood to a
sawhorse,
ADD FACING to front face of miter gauge head for
support as needed. It must not extend past the right end -
including the 45 ° corner of miter gauge head when miter
gauge is used in the left table groove, nor east the left end
when mi_er gauge is usea in the right table groove,
Otherwise, the FACING will interfere with the saw blade
guard and prevent proper and safe operation.
CAUTION: For bevel crosscutting or compound miter
cutting, use the miter gauge in the groove to the RIGHT of
the blade .. NEVER TO THE LEFT. This will permit the
guard and the miter gauge to function properly.
\
Always release clamping knob -- unclamp workpiece and
disengage clamp lock latch before pressing in rapid
approach button.
End of work_)iece must extend at least two inches to either
side of shoe of clamo screw.
Wiae (12"' or wider_ and long (2 feet or longer) pieces of
plywood, chip board or wall paneling should be cut using
the rip fence rather than the miter gauge.
NOTE: It may be necessary to add a facing to the Fence to
prevent very thin materials like wall paneling or formica
from slipping under the fence. Support wide workpieces to
the rear of the table -- you e_n make _ _=rn_le cup5ort by
clamping a piece of plywood to a sawhorse.
BE POSITIVE edge of workpiece next to face of miter
gauge head is straight and tight against miter gauge head so
that workpiece does not rock or rotate,
When repositioning Head to another miter angle, it is
necessary to loosen both Wing Screws slightly before
lessening the Lock Handle.
CAUTION: After setting angle, secure Lock Handle and
both Wing Screws, in that order, before clamping the
workpiece and engaging the clamp lock latch.
ALWAYS use both hands when operating with miter gauge.
Place one hand on the lock handle -- use this hand to feed
\\\\
\\
workpiece thru the sawblade. For narrow work, place other
hand so thumb is hooked behind miter gauge head and
fingers hooked over leading edge for work. For wider work
where other hand cannot span board as aoove, ptace hand
on top of work and hook fingers over leading edge of work
to hold it tight against the face of the miter gauge during
the cutting operation.
Never use mter gauge with clamp lock latch disengaged.
26

USING THE RIP FENCE
RIPPING, BEVEL RIPPING, PLOUGHING, MOLDING,
RESAWING ANO RABBETING are performed using the
RIP FENCE together with the AUXILIARY
FENCE/WORK SUPPORT, PUSH STICK OR PUSH
BLOCK.
WARNING: FOR YOUR OWN SAFETY, ALWAYS
OBSERVE THE FOLLOWING SAFETY PRECAUTIONS
IN ADDITION "ro THE SAFETY INSTRUCTIONS ON
PAGES 2, 3, and 4.
2.
3.
4.
Never make these cuts FREEHAND (without using the
rip fence or auxiliary devices when required) because
the blade could bind in the cut and cause a
KICKBACK.
Always lock the rip fence securely when in use.
Remove miter gauge from table.
Make sure blade guard is installed for all thru-sawing
type cuts. Replace the guard IMMEDIATELY following
completion of resawing, rabbeting, dadoing, or molding
operations.
Frequently clheck the action of the ANTIKICKBACK
PAWLS by passing the workpiece alongside of the
spreader while saw is OFF.
Pull the workpiece TOWARD you. If the PAWLS do
not DIG into the workpiece and HOLD it... the pawls
must be SHARPENED. See "Maintenance" section.
5. Have blade extend approximately 1/8 in. above top of
workpiece. Additional blade exposure would increase
the hazard potential.
6. Do not stand directly in front of the blade in case of a
KICKBACK. Stand to either side of the blade.
7. Keep your hands clear of the blade and out of the path
of the blade.
8. If the blade stalls or stops while cutting. TURN
SWITCH OFF before attempting to free the blade.
9. Do not reach over or behind the blade to pull the
workpiece through the cut ... to support long or
heavy workpieces .... to remove small cut-off pieces of
material or FOR ANY OTHER REASON.
10. Do not pick up small pieces of cut-off material from the
table. REMOVE them by pushing them OFF the table
with a long stick. Otherwise they could be thrown back
at you by the rear of the blade.
11. Do not remove small pieces of cut-off material that may
become TRAPPED inside the blade guard while the saw
is RUNNING. THIS COULD ENDANGER YOUR
HANDS or cause a KICKBACK.
Turn the saw OFF. After the blade has stopped turning,
lift the guard and remove the piece.
RIPPING
RIPPING is known as cutting a piece of wood with the
grain, or lengthwise. This is done using the rip fence.
Position the fence to the desired WIDTH OF RIP and lock
in place.
Before starting to rip, be sure
A. Rip Fence is parallel to sawblade.
B. Spreader is properly aliqned with sawblade.
C. Antikickback pawls are functioning properly.
When ripping LONG BOARDS or LARGE PANELS, always
use a work support.
A simple one can be made by clamping a piece of plywood
to a sawhorse.
BEVEL RIPPING
When bevel ripping material 6 in. or narrower, use fence on
the right side o_ the blade ONLY. This ,will provide more
space between the fence and the sawblade for use of a push
stick. If the fence is mounted to the left, the sawblade
guard may interfere with proper use of a push stick.
ALWAYS SUPPORT LONG WORKPIECES
When "WIDTH OF RIP" is 6 in. and WIDER use your
RIGHT Hand to feed the workpiece until it is clear of the
table.
Use LEFT hand ONLY to guide the workpiece ... do not
FEED the workpiece with the left hand.
27

When "WIDTH OF RIP" is 2 in. to 6 in. wide USE THE
PUSH STICK to feed the work.
When WIDTH OF RIP is NARROWER than 2 in,, the push
stick CANNOT be used 10ecause the guard will interfere...
USE the AUXILIARY FENCE/WORK SUPPORT ane
PUSH BLOCK.
Attach Auxiliary Fence/Work Support to rip fence with
two "'C'" clam _s.
\
Feed the workpiece by hand along the AUXILIARY
FENCE until the end s approx. 1 n. oast the front edge of
the table. Continue [o feed using the PUSH BLOCK.
Hold the worKpiece in oosition and install the PUSH
BLOCK by sliding it on top of the AUXILIARY
FENCE/WORK SUPPORT (This May Raise Guard)
BAFFLE
/
Narrow strips thicker than the Auxiliary Fence?Work
Support may enter the gJard and strike the baffle.
CAREFULLY raise guard only enough to clear the
workoiece. Use PUSH BLOCK to complete cut.
28

PLOUGHING AND MOLDING
PLOUGHING is grooving with the grain the long way of the
workpiece, using the fence. USE proper holddowns and
feed devices.
MOLDING is shaping the workpiece with the grain the long
way of the workpiece, using the fence. Use proper
holddowns and feed devices,
RESAWING
RESAWlNG is known as ripping a piece of wood through
its thickness. Do not attempt to resaw BOWED or
WARPED material. NOTE: To RESAW a piece of wood
wider than 3-3/8 in .... it will be necessary to remove the
blade guard ... and use the AUXILIARY FENCE/WORK
SUPPORT. (See "Work Helpers").
Clamp it to the table so that the workpiece will SLIDE
EASILY but not TILT or MOVE SIDEWAYS without
BINDING between the two fences.
Do not clamp directly to the bottom edge of the table
because the "swivel" of the clamp will not grip properly.
Place a small block of wood between the bottom edge of
the table and the "C" clamp.
WARNING: FOR YOUR OWN SAFETY ...
1. DO NOT "BACK UP" (REVERSE FEEDING) WHILE
RESAWlNG BECAUSE THIS COULD CAUSE A
KICKBACK.
SMALL BLOCK
OF WOOD
2. MAKE FIRST PASS TO A DEPTH SLIGHTLY LESS
THAN ONE-HALF THE WIDTH OF THE BOARD;
KEEP SAME FACE OF BOARD AGAINST FENCE
FOR SECOND PASS AS THE FIRST PASS.
3. INSTALL BLADE GUARD IMMEDIATELY UPON
COMPLETION OF THE RESAWlNG OPERATION.
CUTTING PANELS
When cutting panels (whenever fence is positioned odtside
of table surface); ALWAYS use the AUXILIARY
FENCE/WORK SUPPORT.
1. Unlock fence and raise rear end.
2. Position AUXILIARY FENCE/WORK SUPPORT as
shown and attach it with two "C" clamps.
AUXILIARY FENCE/
WORK SUPPORT
RABBETING
Rabbeting is known as cutting out a section of the corner
of a piece of material, across an end or along an edge.
To make a RABBET requires cuts which do not go all the
way through the materiaL. Therefore the blade guard must
be removed.
1: Remove blade guard.
2. For rabbetilag along an edge (long way of workpiece) as
shown, add facing to rip fence (see 5. RIP FENCE, p.
21) approximately as high as the workpiece is wide.
Adjust rip fence and blade to required dimensions; then
make first cut with board flat on table as any rip (type)
cut; make second cut with workpiece on edge. Follow
all precautions, safety instructions, and operational
instructions as for ripping, or rip type operations,
including feather boards and push stick, etc.
3. For rabbeting across an end, for workpiece 101/2" and
narrower make the rabbet cut with the board flat on
the table using the miter gage fitted with a facing (per
"6. MITER GAUGE" on p.21). DO NOT use the rip
fence.
4. INSTALL BLADE GUARD IMMEDIATELY UPON
COMPLETION OF RABBETING OPERATION.
Rabbet cuts can also be made using the dado head or
molding head.
29

DADOING
Instructions for operating the Dado Head are contained iP
booklet furnished with the Dado Head
The Recommended Dado Head is listed under
Recommended Accessories in this manual.
Th_ arbor on the saw, is omy long enough so that the
widest cut that can be mace is 13/16" wide.
It is not necessary to install the outside loose collar before
screwing on the arbor nut. Make sure the arbor nut is tight.
ALWAYS USE DADO INSERT LISTED UNDER
RECOMMENDED ACCESSORIES.
When using .the dado head it will be necessary to remove
[he Blade Guard and Spreader. USE CAUTION. USE
FEATHERBOARDS AND PUSH STICKS AS REQUIRED.
ALWAYS REPLACE THE BLADE, GUARD AND
SPREADER WHEN YOU ARE FINISHED DADOING.
MOLDING CUTTING
Instructions for operating the Molding Head are contained
in a booklet furnished with the Molding Head.
The recommended molding head is listed under
Recommended Accessories in this manual.
Always use Molding Insert Listed Under Recommended
Accessories.
SAW TABLE DADO NSERT
/
@
When using the molding head it will be necessary to remove
the Blade Guard aria Spreader. USE CAUTION. USE
FEATHERBOARDS AND PUSH STICKS, etc. AS
REQUIRED.
ALWAYS REPLACE THE BLADE GUARD AND
SPREADER WHEF, YOU ARE FINISHED MOLDING.
USING FEATHERBOARDS
Add 8 inch high flat facing board to the fence, the full
length of the fence,
Use featherboards for all non "thru-sawing" operations
(when sawblade guard must be removed). Featherboards are
used to keep the work in contact with the fence and table
as shown, and to stop kickbacks.
Mount featherboards to fence and table as shown, so that
leading edges of featherboards will support workpiece until
cut is complete, and the workpiece has been pushed
completely past the cutter (sawblade, dado head, molding
head, etc.) with a pushstick, as n ripping.
C CLAMPS FEATHERBOARD
Before starting the operation {switch 'OFF' and cutter
below table surface):
(a) Install featherboards so they exert oressure on the
workpiece; be oositive they are secure, and
(b) Make sure by trial that the featherboards will stop a
kickback if one should occur.
Featherboards are not employed during non thru-sawing
operations when using the miter gage.
Replace the sawblade guard as soon as the non thru-sawing
operation is complete.
"c" CLAMPS
WORK SUPPORT "C CLAMPS
3O

ADJUSTMENTS
WARNING: FOR YOUR OWN SAFETY, TURN SWITCH
"OFF" AND REMOVE PLUG FROM POWER SOURCE
OUTLET BEFORE MAKING ANY ADJUSTMENTS.
MITER GAUGE
NOTE: The slots for the stop pin and the graduations are
manufactured 1:o very close tolerances which provide
accuracy for average woodworking. In some cases where
extreme accuracy is required, when making angle cuts, for
example, make a trial cut and then recheck it.
If necessary, the miter gauge head can be swiveled slightly
to compensate for any inaccuracy.
1. Loosen the "knob" and pull "stop pin" OUT.
2. Swivel the head ... position it at "'0"" ... push the
stop pin IN . .. lock the handle.
3. The HEAD should be square with the Bar and the
pointer should point to "'0". Readjust the pointer if
necessary.
4. If the head is not square with the bar, adjustments are
required.
A. Loosen the "knob" (1) and the "two screws" (2)
B. Position the HEAD square with the BAR using a
combination square.
C. PUSH the STOP PIN into the slot in the head at
"0" ... push the pin into the slot and twist it. Lock
the knob.
D. Recheck with the square. If the head is still not
square, loosen the screws (2) and readjust the
INDICATOR BLOCK.
E. With the head square with the bar and the pin
pushed into the slot adjust the pointer (3) to point
to "0".
F. The miter gauge head must rest on top of the bar
without being able to move up and down ... yet it
must swivel freely.
G. The swiveling movement of the head can be
LOCK KNOB
"0"
BAR II /STOP
SQUARE INDI CATOR
1BLOCK
I
i
1/8 IN. SETSCREW
WRENCH
adjusted by tightening or loosening the setscrew (4)
•.. using the 1/8 in. setscrew wrench.
NOTE: The setscrew is located inside of the head.
To reach it, swivel the head to 60 degrees and turn
the miter gauge upside down.
HEELING ADJUSTMENT or PARALLELISM
OF SAWBLADE TO MITER GAUGE GROOVE
While cutting, the material must move in a straight line
PARALLEL to the SAWBLADE ... therefore both the
miter gauge GROOVE and the RIP FENCE must be
PARALLEL to the SAWBLADE.
If the sawbladc IS NOT parallel to the miter gauge groove,
the blade will bind at one end of the cut. (This is known as
"HEELING").
To check for parallelism:
WARNING -- FOR YOUR OWN SAFETY, TURN SWITCH
"OFF" AND REMOVE PLUG FROM POWER SOURCE
OUTLET.
I. Raise blade all the way up... raise blade guard.
2. Mark an "×'" on one of the teeth which is SET (bent) to
the LEFT.
3. Place the head of a combination square in the
GROOVE ... adjust blade of square _o that it just
touches the tip of of the MARKED tooth,
4. Move square to REAR, rotate blade to see if MARKED
tooth again touches blade of square.
5. If tooth touches square at FRONT and REAR ,..
sawblade is PARALLEL to MITER GAUGE GROOVE.
MARK "X" ON TOOTH
31

If tooth does not touch the same amount ... the
mechanism underneath must be adjusted to make the
blade PARALLEL to GROOVE.
A. Rear trunnion must be moved TOWARD the
combination square if there is a space between
marked tooth and end of square in step 4.
B. Rear trunnion must be moved AWAY from the
square if marked tooth pushes square out of
position in the groove.
FRONT TRUNNION REAR TRUNNION
7. Loosen all three screws that hold the rear trunnion and
all three screws that hold the front trunnion.
NOTE: All six screws can be reached through back of saw.
Use a 9/16-in. wrench. To reach left-hand front trunnion
screw, tilt blade to 45 °. After loosening screws reposition
blade at g0 °.
REAR-TRUNNION
SCREWS
LEFT-HAND
RIGHT-HAND CENTER (BEHIND HERE}
(BEHIND HERE)
/i ",,
FRONT-'rRUNNIO N SCREWS
EDGEoFTRUNNIOn
CLAW HAMMER
8. Using a wood block and mallet as shown, move rear
trunnion to right or left as reauired to realign the blade.
f necessary, shift front trunnion in similar manner but
do NOT move front trunnion unless necessary. Recheck
the alignment with the square, then securely retighten
all six trunnion screws.
PLACE BLOCK HERE
BLOCK
-- OR HERE
;tEAR OF SAW EDGE OF
CRADLE
BLADE TILT, OR SQUARENESS
OF BLADE TO TABLE
90 ° (SQUARE) and 45 ° (BEVEL) STOP COLLARS.
When the bevel pointer is pointing directly to the "'O" mark
on the bevel scale, the sawblade should make aSQUARE
cut 90 ° to the table.
To check for SQUARENESS:
WARNING: FOR YOUR OWN SAFETY, TURN SWITCH
"OFF" AND REMOVE PLUG FROM POWER SOURCE
OUTLET.
1. Raise blade all the way UP... raise blade guard.
2. Place the souare against blade. Make sure square is not
touching the TIP of one of the saw TEETH.
32

3. Operate the tilt lock handle (COUNTERCLOCKWISE)
to loosen the tilt clamp screw.
4. NOTE: Handle is spring loaded for engagement with
screw head -. must be pushed inward for disengagement
whenever necessary to obtain a new grip on screw head.
I "1
5. Rotate tilt handwheel CLOCKWISE a few turns to tilt
blade. Now rotate handwheel COUNTERCLOCKWISE
until it stops. Blade should now be square with table
and pointer should point to "0".
TILT HANDWHEEL
I TILT,/POINI"-ER_"
If blade is SQUARE to table;
A. Check peinter
IF POINTER DOES NOT point to the "O" mark on the
bevel scale;
A. Remove Elevation Handwheel.
B. Loosen screw and adjust pointer ... using medium
screwdriver.
C. Install Elevation Handwheel.
POINTER
I./ i '
_OINTER AT
"0" POSITION
\SCALE ADJUSTING
SCREW
If blade is NOT SQUARE to table.., the 90 ° LIMIT STOP
must be ADJUS-]-ED.
1. Using amedium size screwdriver, loosen BOTH
setscrews in 90 ° STOP COLLAR.
NOTE: If you can't reach the setscrews, turn the TILT
HANDWHEEL slightly.
2. ROTATE the STOP COLLAR moving it all the way to
the end of T!LT SCREW. (to the right}.
3. TILT blade RIGHT or LEFT ... checking with your
square until blade is square to table.
4. ROTATE STOP COLLAR moving it to the right until it
stops... TIGHTEN the setscrews.
5. Check POINTER. If it DOES NOT point to the "'0""
mark on the bevel scale...
A. Remove Elevation Handwheel.
B. Loosen screw and adjust pointer ... using medium
screwdriver.
C. Install Elevation Handwheel.
45 °STOP COLLAR
4
TILT
HANDWHEEL
STOP COLLAR
33

45 ° POSITI ON
TILT blade to LEFT as far as it will go. It will stop when
the PIVOT NUT is against the 45 ° STOP COLLAR.
A. Place an ACCURATE square against blade. Make
sure square is not touching the TIP of one of the
saw TEETH.
If blade is 45 ° to table:
A. Check pointer.
If POINTER DOES NOT !_oint to the 45 ° mark on the
scale;
A. Remove Elevation Handwheel.
B. Loosen two screws on scale and adjust scale until
POINTER points to 45 ° mark.
C. Install Elevation Handwheel.
If blade is NOT 45 ° to table ..
and SCALE must be ADJUSTED.
1.
2.
the 45 ° STOP COLLAR
Remove Elevation Handwheel.
Using a small size screwdriver, reach thru curved
slot in front trim panel and loosen BOTH setscrews
in 45 ° STOP COLLAR.
NOTE: If you can't reach the setscrews, turn the
TILT HANDWHEEL slightly.
3. ROTATE the STOP COLLAR moving it IN or OUT
and TILT blade RIGHT or LEFT... checking with
your square until blade is 45 °to table.
4. TIGHTEN the setscrews.
NOTE: If you can't reach the setscrews, turn TILT
HANDWHEEL slightly.
5. Loosen two screws on scale and adjust scale until
POINTER points to 45 ° mark.
6. Install Elevation Handwheel.
TI LT MECHANISM
The handwheel should turn freely without binding. The
turning action can be adjusted by tightening or loosening
the screws in the bearing retainer.
NOTE: Tilt Nandwh_l mu_t b_ r_n_oved to adjust. When
adjusting the screws in the bearing retainer, hold the nut
nside using a 3/8 in. wrench
/
TILT HANDWHEEL
ADJUST THESE
.TWO SCREWS
/
IL/j
l'/
34

MAINTENANCE
WARNING: FOR YOUR OWN SAFETY, TURN SWITCH
"OFF" AND RIEMOVE PLUG FROM POWER SOURCE
OUTLET BEFORE MAINTAINING OR LUBRICATING
YOUR SAW.
Do not allow sawdust to accumulate inside the saw.
Frequently blow. out any dust that may accumulate inside
the saw cabinet and the motor.
Frequently clean your cutting tools with Craftsman Gum
and Pitch Remover,
A coat of automobile4ype wax applied to the table will
help to keep the surface clean and allow workpieces to slide
more freely.
If the power cord is worn or cut, or damaged in any way,
have it replaced immediately.
Make sure the teeth of the ANTIKICKBACK pawls are
always sharp. To sharpen:
1. Remove blade guard,
2. Rotate pawl toward rear of s_'e_del_rthat teeth are
above top of spreader.
3. Hold spreader with left hand and place pawl over corner
of workbench.
4. Using a small round file (Smooth Cut) sharpen the
teeth.
LUBRICATION
The following parts should be oiled occasionally with SAE
No. 20 or No. 3Q engine oil.
1. Tilt screw threads and Divot nut. (First Clean with
Craftsman Gum & Pitch Remover.)
2 Elevation screw threads and pivot nut. (First Clean with
Craftsman G Jm & Pitch Remover.)
3. Cradle bearing points.
4. Bearing points n guard assembly, miter gauge and rip
fence.
MITER 3UAGE
'_ BEARING POINTS
I|
RECOMMENDED ACCESSORIES
ITEM CAT. NO.
Steel Legs ............................... 9-22235
Steel Stand ............................. .9-22214
Caster Sets ..................... 9-22222 or 9-22221
Solid Table Extension ...................... 9-29957
7 In. Molding Head Set ...................... 9-3217
7 In. Molding Head Set ...................... 9-3218
7 In. Molding Head ......................... 9-3214
Molding/Dado Insert for 7 In.
Dia. Molding or Dado Head . ................ 9-29997
Work Light ............................... 9-2480
Sawdust Colle('tion System .................. 9-29966
35
I IIIIII
ITEM CAT. NO.
Work Light ............................... 9-2481
7 In. Dia. Adjustable Dado Head 9-3261,- 9-3262-9-3263
7 In. Dia. Dada Head ....................... 9-3257
Sanding Wheel ........................... 9-22723
Miter-Gauge Stop Rods ..................... 9-20924
Miter-Gauge Hold-Down Clamp .............. 9-29928
Taper Jig ................................. 9-3233
Universal Jig .............................. 9-3235
Power Tool Know How Handbook
Table Saw .............................. 9-2918
1g-Inch Diameter Sawblades
with 5/8" Bore ....................... See Catalog

TROUBLE SHOOTING
WARNING: FOR YOUR OWN SAFETY, TURN SWITCH "OFF" AND ALWAYS REMOVE PLUG FROM POWER SOURCE
OUTLET BEFORE TROUBLESHOOTING.
TROUBLE SHOOTING -- GENERAL
TROUBLE
Excessivevibration.
Cannot make square
Cut when crosscutting.
Cut binds, burns or
stalls motor when
ripping.
Cut not true at 90 °
or 45° positions.
Tilt and elevating
handwbeel turn hard.
PROBABLE CAUSE
1. Blade out of balance.
2. Damaged V-Belt Pulleys
or poor belt.
I. Miter gauge not adjusted
properly.
1. Dull blade with improper
tooth set.
2. Blade is Heeling.
3. Warped board.
4. Rip fence,not parallel
to blade.
5. Spreader out of
alignment
1. Stop collars not properly
adjusted.
1. Sawdust on threads of tilt
screw or elevating screw.
2. Bearing retainers
to tight.
REMEDY
1. Discard Blade and use a different blade.
2. Replace as Indicated.
1. See "Adjustments" section "Miter Gauge."
1,
2.
3.
4.
Sharpen or replace blade.
See "Adjustments" section, "Heeling Adjustment.
Make sure concave or hollow side is facing
"down," feed slowly.
See "Assembly" section, "Aligning Rip Fence"
5. See "Assembly" section, "Installing
Blade Guard."
1. See "Adjustments" section, "Blade Tilt, or
"Squareness of Blade to Table."
1. See "'Maintenance and Lubrication" section.
2. See "Maintenance" section
"Tilt and Elevation Mechanism.'"
TROUBLE
Excessive noise.
Motor fails to develop
full power. NOTE:
LOW VOLTAGE: (Power
output of motor decreases
rapidly with decrease in
voltage at motor terminals.
For example, a reduction
of 10% in voltage causes
a reduction of 19% in
maximum power output
of which the motor is
capable, and a reduction
of 20% in voltage causes
a reduction of 36% in
maximum power output.)
TROUBLE SHOOTING -- MOTOR
NOTE: Motors used on wood-working tools are particularly
susceptible to the accumulation of sawdust and wood chips
and should be blown out or "vacuumed" frequently to
prevent interference with normal motor ventil ation.
PROBABLE CAUSE
1. Motor.
1. Circuit overloaded with
lights, appliances and
other motors.
2, Undersizewiresor cimuit
too long.
3. General overloading of
power company
facilities.
REMEDY
1. Have motor checked by qualified service
technician. Repair service is available at
your nearest Sears store.
1. Do not use other appliances or motors on
same circuit when usingthe saw.
2. Increase wire sizes, or reduce length of wiring.
See "Motor Specification and Electrical
Requirements" section.
3. Request a voltage check from the power company.
36

TROUBLE SHOOTING -- MOTOR (Continued)
TROUBLE
Motor starts sh)wly
or fails to com_.=up
to full speed.
Motor overhea,ts.
Starting switch_ in
motor will not
operate.
Motor stalls
(resulting in blown
fuses or trippecl
circuit breakers).
Frequent opening of
fusesor circuit:
breakers.
PROBABLE CAUSE
1. Low voltage will not
trip relay.
2. Windings burned out
or open.
3. Starting relay not
operating.
1. Motor overloaded.
2. Improper cooling. (Air
circulation restricted
through motor due to
sawdust, accumulating
inside of saw).
1. Burned switch contacts
(due to extended
hold-in periods caused
by low line voltage, etc.)
2. Shorted capacitor
(when equipped)
3. Loose or broken
connections.
1. Starting switch not
operating.
2. Voltage too low to permit
motor to reach operating
speed.
3. Fusesor circuit breakers
do not have sufficient
capacity.
1. Motor overloaded.
2. Fusesor circuit breakers
do not have sufficient
capacity.
3. Starting switch not
operating (motor does
not reach speed).
REMEDY
1. Request voltage check from the power company.
2. Have motor repaired or replaced.
3. Have relay replaced.
1. Feed work slower into blade.
2. Clean out sawdust to provide normal air
circulation through motor.
See "Maintenance and Lubrication" section.
1. Have switch replaced and request a voltage check
from the power company.
2. Have capacitor tested and replace if defective.
3. Have wiring checked and repaired,
1. Have switch replaced.
2. Request voltage check from the power company.
3. Install proper size fuses or circuit breakers.
1. Feed work slower into blade.
2. Install proper size fuses or circuit breakers.
3. Have switch replaced.
57

PARTS LIST FOR CRAFTSMAN 10 INCH TABLE SAW
MODEL NO. 113.298142, 113.29_032 & 113.298240
1
t
78 9 10 14 16
f,'43
2O 23 24
;:O
rn
37 38 42_/
39 I29 30 1
"- 32 31
27
34 26 25
Figure I --i
33 )

PARTS LIST FOR CRAFTSMAN 10 INCH TABLE SAW
MODEL NO. 113.298142, 113.298032 & 113.298240
Always order by Part Number - not by Key Number.
_O
Key
No.
1
2
3
4
5
6
7
8
9
10
11
12
13
14
15
16
17
18
19
20
21
22
23
24
FIGURE 1 PARTS LIST
Part
No.
62579
STD522506
STD 551225
STD 541025
STD 523110
62541
STD 551231
STD 541031
60388
62703
62718
STD 501102
133645
62748
62493
62773
62710
62709
STD 523107
STD 551031
62539
60381
STD 523117
62704
Description
Guard Assembly (See Fig. 5)
*Screw, Hex Hd. 1/4-20 x 5/8
* Lockwasher, External 1/4
*Nut, Hex 1/4-20
*Screw, Hex 5/16-18 x 1
Bar, Fence Rear
_Lockwasher, External 5/16
*Nut, Hex 5/16-18
Nut, Self-threading
Insert Assembly, (Includes Key No. 11 & 12)
Clip, Retaining
*Screw, Locking Set 10-32 x 3/16
Screw, Flat Hd. 10-32 x 1
Rod, Separation (Includes Key No. 9)
Insert, Exact-l-Cut
Fence Assembly, Rip (See Fig. 3)
Tape, Fence
Bar Assembly, Fence Guide
(Includes Key No. 17)
*Screw, Hex Hd. 5/16-18 x 3/4
*Washer, 21/64 x 5/8 x 1/16
Spacer, Fence Guide Bar
Switch Assembly, Box (See Fig. 6)
*Screw, Hex, 5/16-18 x 1-3/4
Gauge Assembly, Miter (See Fig. 4)
(Model No. 113.298142 & 113.298032)
_ey
No.
24
25
26
27
28
29
30
31
32
33
34
35
36
37
38
39
40
41
42
43
43
Part
No.
62776
STD 511107
STD 551210
62689
STD 511103
60354
62701
STD 610805
62702
62700
60252
60255
STD 601105
60253
60254
454896
STD 551237
71165
STD 541411
62618
62680
62750
62751
62781
Description
Gauge Assembly, Miter (See Fig. 4)
(Model 113.298240)
*Screw, Pan Hd. 10-32 x 3/4
*Lockwasher, External No. 10
Handwheel Assembly
*Screw, Pan Hd. 10-32 x 3/8
Nut, Speed No. 8
Panel, Front
*Screw, Pan Hd. Ty "'AB" No. 8 x 1/2
Scale, Adjustable Bevel
Base
Guard, Belt
Clip, "S"
*Screw, Pan Hal. Ty "'T'" 10-32 x 1/2
Support, Belt Guard
Bracket, Support
*Screw, Hex Hd. 3/8-16 x 1/2
* Lockwasher, External 3/8
Tie, Wire
Nut, Lock 10-32
+Motor (Model 113.298032)
+Motor (Model 113.298240)
Bag of Loose Parts (Not Illustrated)
(Includes Bag 62751 )
Bag of Loose Parts (Not Illustrated)
Owners Manual (Not Illustrated)
* Standard Hardware Item May Be Purchased Locally.
NOTE: Shipping and handling charges for standard hardware items
(identified by *) such as nuts, screws, washers, etc., make
buying these items by mail uneconomical. To avoid shipping
and handling charges, you may obtain most of these locally.
+ Stock Item - May be secured through the hardware department of
most Sears Retail Stores or Catalog Order Houses.

PARTS LIST FOR CRAFTSMAN 10 INCH TABLE SAW
MODEL NO. 113.298142, 113.298032 &113.298240
44
1 2 3
61-'-_LL=_
43
15 16
39
I
I
18 19 20
25
\
22
38 37 36 35 34 34 31
33 32
21
1
Figure 2

Key
No.
1
2
3
4
5
6
7
8
9
10
11
12
13
14
15
16
17
18
19
20
21
22
23
24
25
26
27
28
29
30
31
32
33
PARTS LIST FOR CRAFTSMAN 10 INCH TABLE SAW
MODEL NO. 113.298142, 113.298032 & 113.298240
FIGURE 2 PARTS LIST
Part
No.
62587
60204
STD 571812
STD 523106
STD 523110
STD 551231
62292
STD 541O31
STD 532507
60206
60205
STD 551037
63011
62295
30426
62696
60175
62498
6362
3540
62437
62698
37900
STD 523710
STD 551237
37899
63054
37828
18
37829
STD 581062
37838
60178
Description
Support, Spreader
Screw, Thumb 5/!6-18 x 1
*Pin, Roll 3/16 x 1-1/4
*Screw, Hex Hd. 5/16-18 x 5/8
*Screw, Hex Hd. 5/16-18 x 1
* Lockwasher, External 5/16
Support, Guard
*Nut, Hex 5/16-18
*Bolt, Carriage 5/16-18 x 3/4
*Screw, Hex Ind. Wash. Hd.
1/4-20 x I-1/2
Spring
*Washer, 380 x 47/64 x 3/32
Washer, Knob Clamp
Spacer
Table, Trunnion
Table, 10 In. Saw
+Blade; Saw 10 In.
Collar, Blade
Nut, Arbor
Wrench, Arbor
Retainer, Bearing
Screw, Tilt
Collar, Stop
Screw, Hex Hd. 3/8-16 x 1
Lockwasher, External 3/8
Nut, Tilt
Ring, Retaining 3/4
Spring, Clamp Screw
Handle, Clamp Screw
Screw, Clamp
Ring, Retaining 5/8
Washer .629 x 7/8 x 1/64
Washer, Spring
* Standard Hardware Item - May Be Purchased Locally.
Key
No.
34
35
36
37
38
39
42
43
44
45
46
47
49
5O
51
52
53
54
55
56
57
58
59
60
61
62
63
64
65
Part
No.
STD 302111
62697
62699
STD 601103
STD 551210
62489
62312
6527
STD 328022
STD 304410
30419
STD 600803
35O8
37158
3509
30420
STD 580025
6532
37825
37824
37823
STD 581037
37836
37887
37837
30628
6423
STD 551025
62585
Description
*O-Ring
Screw, Lift
Pointer
*Screw, Pan Hd. Ty "T" 10-32 x 3/8
* Lockwasher, External No. 10
Cradle (Includes Key No's. 42 and 43)
"Link
Ring, Retaining 3/4
* Pulley, 5/8 Bore (I ncludes Set Screw)
*Belt, V 1/2 x 41
Housing, Arbor Assembly (Includes Key No's.
44, 47, 49, 50, 51,52, 53, 54)
*Screw, Pan Hd. Ty "T'" 8-32 x 3/8
Retainer, Arbor Bearing
Ring, Retaining 5/8
Bearing, Saw Arbor
Housing, Arbor
* Key, Woodruff
Arbor (Includes Key No's. 31, 50, 53)
Support, Motor Base
Base, Motor
Pin, Hinge
Ring, Retaining 3/8
Wrench, Hex L 3/32
Wrench, Hex L 1/8
Wrench, Hex L 5/32
Screw, Pivot Arm
Washer, Spring
*Washer, 17/64 x 47/64 x 1/16
Rod, Spreader
+ Stock Item -May be secured through the Hardware Department
of most Sears Retail Stores or Catalog Order Houses.

PARTS LIST FOR CRAFTSMAN 10 INCH TABLE SAW
MODEL NO. 113.298142, 113.298032 & 113.298240
4 5 6
10 11
13
FIGURE 3 -- 62773 FENCE ASSEMBLY
[Cey Part
_1o. No,
-- 62773
1 62693
262692
3 STD 551031
4 62775
5 9404336
6 62774
7 423350
8 62582
9 STD 600805
10 62528
11 62529
12 62531
13 62583
!4 62533
15 STD 551210
16 STD 611005
17 62532
Description
Fence Assembly, Rip
Plug, Button
Knob (Includes Key No. 1)
*Washer, 21/64 I.D.
Indicator, Fence
*Screw, Pan Hd. Type "T" 4-40 x 1/4
Head, Fence Includes Key #4
Screw, Seres 3/8-16 x 1/2
Channel, Fence
*Screw, Pan Hd. Type "'T'" 8-32 x 1/2
Spring, Fence Lock
Lock, Rear Fence
Roller, Rear Fence
Rod, Fence Lock
Spring, Head Alignment (Includes Key No. 17)
*Lockwasher, External No. 10
*Screw, Type "A", Hex Ind. SI. Wash. Hd.
No. 10 x 1/2
Pad, Alignment
* Standard Hardware Item - May Be Purchased Locally.
42

PARTS LIST FOR CRAFTSMAN 10 INCH TABLE SAW
MODEL NO. 113.298142, 113.298032 & 113.298240
17 18 19
15
14------Z_ l
FIGURE 4 -
62704 & 62776 MITER GAUGE ASSEMBLY
Key Part
No. No, Description
- 62704
1 62693
262692
4
5
6
7
10
11
12
13
14
15
16
17
18
19
20
21
22
23
24
25
26
37897
STD 551031 j
37893
STD 510803
135
37895
37896
9417295
62230
STD 541231
62225
62383
60288
37857
62780
+Gauge Assembly, Miter
Plug, Button
Knob, Miter Gauge
(Includes Key No. 1)
Handle, Miter Gauge
(Model 113.298240 Only)
*Washer, Plain,
21/64 x I x 1/16
Gauge, Miter
*Screw, Pan Hd. 8-32 x 5/16
Indicator
Block, Miter Gauge Indicator
Pin, Miter Gauge Stop
*Screw, Pan Hd.,
wiLockwasher, 8-32 x 5/8
Rod Assembly, Miter Gauge,
Consisting of Items 11, 12, 13
*Nut, Hex., 5/16-18
Stud, Clamp
Stud, Pivot
Screw, Locking Set 1/4-20 x 3/8
Rod, Support
Screw, Clamp Assembly
STD 601103 *Screw, Pan Hd, Ty "T'"
10-32 x 3/8
60425
62779
62778
62777
62482
37858
9414920
37841
STD 600803
Bushing
Latch, Clamp Lock
Lock, Clamp
Support, Clamp
Knob
Screw, Wing 1/4-20 x1
Washer, 17/64 x 5/8 x 1/16
Clip
*Screw, Pan Hd. TV "'T'"
8-32 x 5/16
11 I
I2
/
/
/
/
/
12
1
10 9
FIGURE 5 -62579 GUARD ASSEMBLY
Ke I Part
Nc No. Description
1
2
3
4
5
6
7
8
9
10
11
12
62579
60297
62391
62395
62389
62390
STD 551025
62520
62396
62580
62410
STD 571810
62519
Guard Assembly, Saw
Nut, Push
Pin 1/4 x 1-1/2"
Support, Guard
Guard, Saw
Pin, 1/4 x 1-3/4"
*Washer, 17/64 x 5/8 x 1/16"
Spacer, Pawl
Pawl
Spreader, Assembly Blade
Pin, 1/4 x 1"
*Pin, Roll, 3/16 x 15/16"
Spring, Pawl
* Standard Hardware Item - May Be Purchased Locally
+ Stock Item - May be secured through the Hardware Department
of most Sears Retail Stores or Catalog Order Houses.
43

PARTS LIST FOR CRAFTSMAN 10 INCH TABLE SAW
MODEL NO. 113.298142, 113.298032 & 113,298240
!56
FIGURE 6 - ON/OFF POWER OUTLET 60381
Key Part
No. No. Description
1
2
3
4
5
6
60381
60375
60380
60256
60374
60377
448007
• On/Off Power Outlet Complete
Cord, Molded
Housing, Switch
Key, Switch
Switch, Locking
Cover, Switch
Screw, pn Hd. No. 6 x 3/4
• Does Not Include Key No. 3
Order Separately If Required.
44

PARTS LIST FOR CRAFTSMAN 10 INCH TABLE SAW
MODE L NO. 113.298142, 113.298032 & 113.298240
4S
10
• 6 5 4
6
FIGURE 7 -- LEGS SUPPLIED WITH
113.298032' AND 113.298240 ON LY
Key
No.
1
2
3
4
5
6
7
8
Part
No.
60314
62552
62554
STD 551225
STD 541025
62553
STD 541250
803835
Description
Screw, Serrated Truss Hd. 1/4-20 x 5/8
Leg
Stiffener, Side
Lockwasher, Ext. 1/4
'_Nut, Hex 1/4-20
Stiffener, End
_Nut, Hex 112-13
Foot, Leveling
HARDWARE FOR ATTACHING LEGS TO SAW.
* 4
9 STD 523112 Screw, Hex Hd. 5/16-18 x 1-1/
10 8TD551031 Washer, ll/321.D.
11 STD 551131 **Lockwasher, Ext. 5/16
12 STD 541031 t Nut, He× 5/16-18
62752 I Bag of Loose Parts For Legs (not illust.)
FIGURE 8 -- TABLE EXTENSION SUPPLIED
WITH MODEL 113.298032 AND 113.298240
Key
No.
1
2
3
4
5
6
7
8
9
10
11
Part
No. Description
62589
60323
62590
62549
STD 541025
STD 551225
62550
STD 523112
STD 551131
STD 541031
62745
STD 551031
STD 551025
TExtension Assembly, Complete
Screw, Serrated Truss Hd.,
1/4-20 x 1"
Extension
Bracket, Corner Support
*Nut, Hex I/4-20
*Lockwasher, Ext. 1/4
Bracket, Corner Stiffener
*Screw, Hex Hd. 5/16-18 x 1-1/4
*Lockwasher, Ext. 5/16
*Nut, Hex 5/6-18
Bag of Loose Parts (not illustrated)
*Flat Washer, 11/32 I.D.
*Flat Washer, 17/64 I.D.
* Standard Hardware Items -- May be Purchased Locally.
• Bag contains all Loose Parts for Extensions.
t Stock Item - May be secured through the Hardware
Department of most Sears retail stores or
catalog order house.
45

NOTES
46

NOTES
47

Sears I
owners
manual
SERVICE
MODEL NO.
113.298142
SAW ONLY
113.298032
SAW WITH LEGS
TWO TABLE EXTENSIONS
AND MOTOR
113,298240
SAW WITH LEGS
TWO TABLE EXTENSIONS
MOTOR AND HOLD DOWN
HOW TO ORDER
REPAIR PARTS
10 INCH TABLE SAW
Now that you have purchased your 10-inch table saw should a
need ever exist for repair parts or service, simply contact any
Sears Service Center and most Sears, Roebuck and Co. stores.
Be sure to provide all pertinent facts when you call or visit.
The model number of your lO-inch table saw will be found on a
plate attached to your saw, at the left-hand side of the base,
WHEN ORDERING REPAIR PARTS, ALWAYS GIVE THE
FOLLOWING INFORMATION:
PART NUMBER PART DESCRIPTION
MODEL NUMBER
113.298142, 113.298032
or 113.298240
NAME OF ITEM
10-INCH TABLE SAW
All parts listed may be ordered fron: any Sears Service Center
and most Sears stores. If the parts you need are not stocked
locally, your order wil be electronically transmitted to a Sears
Repair Parts Distribution Center for handling.
Sold by SEARS, ROEBUCK AND CO., Chicago, IL. 60684 U.S.A.
Part No. 62781 Form No. SP4540-8 Printed in U.S.A, 3/_4