Craftsman 152211740 User Manual SHARPENER Manuals And Guides L0521113
CRAFTSMAN Sharpener Manual L0521113 CRAFTSMAN Sharpener Owner's Manual, CRAFTSMAN Sharpener installation guides
User Manual: Craftsman 152211740 152211740 CRAFTSMAN SHARPENER - Manuals and Guides View the owners manual for your CRAFTSMAN SHARPENER #152211740. Home:Tool Parts:Craftsman Parts:Craftsman SHARPENER Manual
Open the PDF directly: View PDF
.
Page Count: 32

I CRI:IFTSMI:IN°I
Save This Manual For Future Reference
Owner's Manuam
Manuam de operaciones
S
MODEL NO. 152.211740
CAUTION: FOR YOUR OWN SAFETY; Read and follow aH of the Safety
and Operating hstructions before operating this Utility Sharpener.
! Customer He_p_ine 1
Sears, Roebuck and Co., Hoffman Estates, IL 60179 USA
Part No. 0R92163

SECTmON PAGE
Warranty................................................................................................................2
Safetymnstructions...............................................................................................3
Groundingmnstructions.......................................................................................6
SpecificSafetymnstructionsfor UtilitySharpeners..........................................7
KnowYourUtilitySharpener..............................................................................8
OperatingtheUtimitySharpener........................................................................10
Mahtenance.......................................................................................................12
TroubleshoothgGuide......................................................................................12
Parts List ............................................................................................................. 13
Espa_ol ............................................................................................................... 17
Service ................................................................................................................ 32
FULL ONE YEAR WARRANTY
Hfthis product fails due to a defect in material or workmanship within one year
from the date of purchase, RETURN HTTO THE NEAREST SEARS STORE OR
CRAFTSMAN OUTLET, and it wilI be replaced, free of charge,
This warranty gives you specific lega! rights, and you may also have other rights,
which vary, from state to state,
Sears, Roebuck and Co,, Dept, 817 WA, Hoffman Estates, HL60179

GENERAL SAFETY iNSTRUCTiONS
Operating a Utility Sharpener can be dangerous if safety and common sense
are ignored, The operator must be familiar with the operation of the took Read
this manual to understand this Utility Sharpener, DO NOT operate this Utility
Sharpener if you do not fully understand the limitations of this tool, DO NOT
modify this Utility Sharpener in any way,
BEFORE USUNG THE UTiLiTY SHARPENER
To avoid serious iniury and damage to the tool, read and follow all of the Safety and
Operating instructions before operating the Utility Sharpener.
1. READ the entire Owner's Manual. LEARN how to use the tool for its intended
applications.
2. GROUND ALL TOOLS. if the tool is supplied with a 3-prong plug, it must be
plugged into a 3-contact electrical receptacle. The 3rd prong is used to ground the
tool and provide protection against accidental electric shock. DO NOT remove the
3rd prong. See Grounding instructions on page 5.
3. AVOID A DANGEROUS WORKING ENVIRONMENT. DO NOT use ebctrical tools
in a damp environment or expose them to rain.
4. DO NOT use ebctricaI toois in the presence of flammable liquids or gases.
5. ALWAYS keep the work area dean, well iit, and organized. DO NOT work in an
environment with floor surfaces that are slippery from debris, grease, and wax.
6. KEEP WSITORS AND CHILDREN AWAY. DO NOT permit people to be in the
immediate work area, especially when the electrical tool is operating.
7. DO NOT FORCE THE TOOL to perform an operation for which it was not designed.
it will do a safer and higher quality iob by only performing operations for which the
tool was intended.
8.
g.
WEAR PROPER CLOTHING. DO NOT wear loose clothing, gloves, neckties, or
iewelry. These items can get caught in the machine during operations and pul! the
operator into the moving parts. You must wear a protective cover on your hair, if
your hair is long, to prevent it from contacting any moving parts.
ALWAYS WEAR EYE PROTECTION. Any power tool can throw
debris into the eyes during operations, which could cause severe
and permanent eye damage. Everyday eyeglasses are NOT
safety glasses. ALWAYS wear Safety Goggles (that comply with
ANSi standard Z87.1) when operating power tools. Safety Goggles
are available at Sears Retail Stores.
10. ALWAYS WEAR HEARING PROTECTION. Plain cotton is not an acceptable
protective device= Hearing equipment should comply with ANSI $3.19 Standards=

11.ALWAYSUNPLUGTHETOOLFROMTHEELECTRICALRECEPTACLEwhen
makingadjustments,changingpartsorperforminganymaintenance.
12.KEEPPROTECTIVEGUARDSINPLACEANDiNWORKINGORDER.
13.AVOIDACCIDENTALSTARTING.Makesurethatthepowerswitchisinthe"OFF"
positionbeforeplugginginthepowercordtotheelectricalreceptacle.
14.REMOVEALLMAINTENANCETOOLSfromtheimmediateareapriortoturning
"ON" the Utility Sharpener.
15. USE ONLY RECOMMENDED ACCESSORIES. Use of incorrect or improper ac-
cessories could cause serious injury to the operator and cause damage to the tool.
If in doubt, check the instruction manual that comes with that particular accessory.
16. NEVER LEAVE A RUNNING TOOL UNATTENDED. Turn the power switch to the
"OFF" position. DO NOT leave the tool until it has come to a compiete stop.
17. DO NOT STAND ON A TOOL. Serious injury could result if the tool tips over or you
accidentally contact the tool.
18. DO NOT store anything above or near the tool where anyone might try to stand on
the tool to reach it.
19. MAiNTAiN YOUR BALANCE, DO NOT extend yourself over the tool. Wear oii
resistant rubber-soled shoes. Keep floor clear of debris, grease, and wax.
20. MAINTAIN TOOLS WiTH CARE. Always keep tools clean and in good working
order. Keep alI blades and tool bits sharp.
21. EACH AND EVERY TIME, CHECK FOR DAMAGED PARTS PRIOR TO USING
THE TOOL. CarefutIy check all guards to see that they operate properly, are not
damaged, and perform their intended functions. Check for alignment, binding
or breaking of moving parts. A guard or other part that is damaged should be
immediately repaired or replaced.
22. CHILDPROOF THE WORKSHOP AREA by removing switch keys, unplugging tools
from the electrical receptacles, and using padlocks.
23. DO NOT OPERATE TOOL _FUNDER THE INFLUENCE OF DRUGS OR ALCOHOL,
24. SECURE ALL WORK. When it is possible, use clamps or jigs to secure the work-
piece. This is safer than attempting to hold the workpiece with your hands.
25. USE A PROPER EXTENSION CORD _NGOOD CONDiTiON When using an
extension cord, be sure to use one heavy enough to carry the current your product
wil! draw. The table on the next page shows the correct size to use depending on
cord length and nameplate amperage rating. If in doubt, use the next heavier gauge.
The smaller the gauge number, the larger diameter of the extension cord. If in doubt
of the proper size of an extension cord, use a shorter and thicker cord. An under-
sized cord will cause a drop in line voltage resulting in a loss of power and over-
heating. USE ONLY A 3-WIRE EXTENSION CORD THAT HAS A 3-PRONG
GROUNDING PLUG AND A 3-POLE RECEPTACLE THAT ACCEPTS THE
TOOL'S PLUG.

2& ALWAYS WEAR A DUST MASK TO PREVENT _NHAUNG DANGEROUS DUST
OR AIRBORNE PARTICLES, including wood dust, crystalline silica dust and
asbestos dust. Direct particles away from face and body. Always operate tool in well
ventilated area to provide for dust removal. Use dust collection system wherever
possible. Exposure to the dust may cause serious and permanent respiratory or
other injury, including silicosis (a serious lung disease), cancer, and death. Avoid
breathing the dust, and avoid prolonged contact with the dust. Allowing dust to get
into your mouth or eyes, or lay on your skin may promote absorption of harmfut
material. Always use properly fitting NIOSH/OSHA approved respiratory protection
appropriate for the dust exposure, and wash exposed areas with soap and water.
SAVE THESE iNSTRUCTiONS.
GUIDE LINES FOR EXTENSUON CORDS
tf you are using an extension cord outdoors, be sure it is marked with the suffix
"W-A" CW" in Canada) to indicate that it is acceptable for outdoor use.
Be sure your extension cord is properly sized, and in good electrical condition.
Always replace a damaged extension cord or or have it repaired by a qualified person
before using iL
Protect your extension cords from sharp objects, excessive heat, and damp or wet
areas.
120 VOLT OPERATION ONLY
25' LONG 50' LONG 100' LONG 150' LONG
0 to 6 Amps 18 AWG 16 AWG 16 AWG 14 AWG
6 to 10 Amps 18 AWG 16 AWG 14 AWG 12 AWG
10 to 12 Amps 16 AWG 16 AWG 14 AWG 12 AWG

tNTHEEVENTOFAMALFUNCTIONORBREAKDOWN,groundingprovidesthepath
ofleastresistanceforelectriccurrentandreducestheriskofelectricshock.Thistoolis
equippedwithanelectriccordthathasanequipmentgroundingconductoranda
groundingplug.TheplugMUSTbepluggedintoamatchingelectricalreceptaciethatis
properlyinstalledandgroundedinaccordancewithALLlocalcodesandordinances.
DONOTMODIFYTHEPLUGPROVIDED.Ifitwillnotfittheelectricalreceptacle,have
theproperelectricalreceptacleinstalledbyaqualifiedelectrician.
iMPROPERELECTRICALCONNECTIONoftheequipmentgroundingconductorcan
resultinriskofelectricshock.Theconductorwiththegreeninsulation(withorwithout
yellowstripes)istheequipmentgroundingconductor.DONOTconnecttheequipment
groundingconductortoaliveterminalif repairorreplacementoftheelectriccordorplug
isnecessary.
CHECKwithaqualifiedelectricianorservicepersonnelifyoudonotcompletelyunder-
standthegroundinginstructions,orifyouarenotsurethetoolisproperlygrounded.
USEONLYA3-WIREEXTENSIONCORDTHATHASA3-PRONG GROUNDING
PLUG AND A3-POLE RECEPTACLE THAT ACCEPTS THE TOOL'S PLUG.
REPLACE A DAMAGED OR WORN CORD IMMEDIATELY.
Fig. A 3-prong_
electrical
receptacle
groundingconductor
_e electricalcord
Fig. B grounding
adapter lug
grounding __
conductor
3-prong
electrical
3-wire electrical cord receptacle
This tool is intended for use on a circuit that has an electrica! receptacle as shown in
FIGURE A. FIGURE A shows a 3-wire electrical plug and electrical receptacle that has
a grounding conductor. If a properly grounded electrical receptacle is not available,
an adapter as shown in FIGURE B can be used to temporarily connect this plug to a
2-contact ungrounded receptacle. The adapter has a rigid lug extending from it that
MUST be connected to a permanent earth ground, such as a properly grounded
receptacle box. THIS ADAPTER IS PROHIBITED IN CANADA.
CAUTION: In all cases, make certain the electrical receptacle in question is properly
grounded. If you are not sure, have a certified electrician check the electrical
receptacle.

SPECmFIC SAFETY iNSTRUCTiONS
FOR UTiLiTY SHARPENERS
1=
2=
3=
4.
The operation of the Utility Sharpener can result in debris being
thrown into your eyes, which can result in severe eye damage.
ALWAYS wear Safety Goggles (that comply with ANSi standard
Z87.1) when operating the Utility Sharpener. Safety Goggles are
available at Sears Retail Stores. Keep your thumbs and fingers
away from the grinding wheels.
THE UTILITY SHARPENER MAY PRODUCE SPARKS AND DEBRIS DURING
GRINDING OPERATIONS. Be sure that there are not any flammable materials in
the vicinity.
NEVER FORCE THE WORKPIEOE AGAINST A GRINDING WHEEL, especially
if the wheel is cold. Apply the workpiece slowly, allowing the grinding wheel
an opportunity to warm up. This wilI minimize the chance of wheel breakage.
DO NOT grind using the sides of the grinding wheels. DO NOT apply coolant
directly to the grinding wheel.
THE DIAMETER OF THE GRINDING WHEEL WILL DECREASE WiTH USE.
Adjust the tool rests to maintain a distance of 1/8" or Jess from the wheel.
KEEP ALL TOOL RESTS IN PLACE. DO NOT USE THE UTILITY SHARPENER
W_TH THE TOOL RESTS REMOVED. KEEP THE TOOL RESTS RRMLY
TIGHTENED=
SAVE THESE iNSTRUCTiONS.

ADJUSTABLE
REAR TOOL
ADJUSTABLE FRONT
TOOL REST
REVERSE-OFF-FORWARD
CONTROL SWmTCH
The Sears CRAFTSMAN Utility Sharpener is designed with numerous features to quickly
and safely sharpen various items around the house and shop. A fine grit grinding wheel
is used to produce a sharp and precise cutting edge. Two multi-position tool rests pro-
vide a firm work surface at a variety of angles. A water trough is used to keep the
grinding wheel and the workpiece cool during sharpening operations. The Utility
Sharpener additionally has been outfitted with an electrical power switch that permits
the grinding wheel to rotate in the Forward and Reverse directions.
The Utility Sharpener will put a sharp edge on knives, scissors, and fiat chisels with
a minimal amount of effort and skill needed by the user. Sharp tools cut more quickly,
safely and efficiently. A dull edge will require the user to apply more pressure to the
workpiece, possibly causing iniury to the user. Keeping the cutting tools sharp will pro-
vide many years of useful service. Periodic sharpening will prevent the tools from losing
the bevel that was put on by the manufacturer originally. The factory bevel is what you
should use when sharpening any tool.

Sharpeningisaneasyoperationtoperformaslongasthefollowingitemsarefollowed:
1. CLEANtheitemtobesharpenedpriortobeginninganysharpeningoperations.
2. ALWAYSusethefactorybevel(cuttingedgeangle)asaguidetosharpeningthe
tool.
3. SHARPENthetoolspriortostartinganyjobinvolvingthetools.Theuserwillthen
belesslikelytorushthesharpeningprocedure,andthenwilldoasaferandbetter
job.
4. SHARPENthetoolsinnumerouslightpressurepassesinsteadofheavilypressing
thetoolagainstthegrindingwheel.Lightpasseswillbesaferandproduceamuch
sharperedgeonthetool.Heavypasseswillcreatearaggedandroughedgeonthe
tool.
5. DONOTsharpentoolsthatarecrackedorbent.Adamagedtoolshouldbe
discarded.
6. The Utility Sharpener IS NOT to be used as a Bench Grinder to remove large
amounts of material. The grinding wheel rotates much slower than a Bench Grinder.
The grinding wheel uses a much finer grit grinding wheel than a Bench Grinder's
grinding wheel.

TheUtilitySharpenerisdesignedforsharpeningknives,scissors,flatchisels,andmore.
ALWAYSWEAREYEPROTECTION!Hotsparksmaybeproducedduringsharpening
operations.
1. TheelectricalpowerswitchmustbeintheOFFposition.
2. Thepowercordmustbeunpluggedfromtheelectricalreceptacle.
3. PlacetheUtilitySharpeneronflat,firm,andwater-resistantsurface.
4. Loosenthetwolockknobsthatholdthefronttoolrestuntilthetoolrestcanbe
movedawayfromthestone.Thelockknobsmayberepositionedbypullingthe
knoboutslightly.Thispermitstheknobtoberotatedforadditionallooseningor
tightening.
7_ Fig. C Partially fill a measuring cup with tap water.
Proceed to s!owiy pour approximately 3-6
ounces of water over the stone as shown
in Fig. C.
Do not have the Utility Sharpener operating
while pouring in the water. The rotating grinding
wheel will cause water to be splashed possibly
onto the electrical switch.
6. Plug in the power cord and turn ON the Utility Sharpener. Let the tool run for one
minute. This will let the grinding wheel absorb some of the water and provide a cool
grinding surface.
7. After one minute, turn OFF the Utility Sharpener and unplug the power cord from
the electrical receptacle. Proceed to fill the water trough unti! water is almost about
to spill out of the drainage opening in the rear of the Utility Sharpener.
8. The Water Trough will need to be refilled occasionally during extended sharpening
operations.
9. Return the front tool rest back into position.
10. Adjust both the front and rear tool rests until they are approximately 1/8" from the
grinding wheel. Firmly tighten all four of the lock knobs.
11. Carefully inspect the item to be sharpened. Look for any cracks or bends, if the item
is damaged, then discard it. DO NOT attempt to sharpen a damaged tool.
10

12. if the item to be sharpened is in good condition, then proceed to lay the item fiat
on either of the tool rests as shown in Fig. D. Loosen the lock knobs and adjust
the tool rest until the original bevel angle of the item to be sharpened is matched.
Maintain a 1/8" distance from the grinding wheel after the tool rest has been
adjusted to the proper angle. Firmly tighten the lock knobs.
NOTE: To sharpen scissors, hold as shown in Fig. E. You must sharpen the bevel
side of each scissors blade. DO NOT attempt to sharpen the flat side of the blade.
This will ruin the scissors.
Fig. D Fig. E
13. Practice a few times while the Utility Sharpener is OFF, slowIy pulling the tool
across the grinding wheel while keeping the tool fiat on the tool rest. ALWAYS pull
the item to be sharpened across the wheel from the angle to the tip of the blade.
DO NOT ever push the item across the grinding wheel
14. Plug the power cord into the electrical receptacle and turn ON the Utility Sharpener.
Ordinarily, cutting edges are sharpened with the grinding wheel turning toward the
blade. However, if you find it more comfortable, you may sharpen with the wheel
turning away from the blade.
15. Proceed to Iay the item to be sharpened fiat onto the tool rest and hold onto it firmIy
with both hands. Slowly and Iightly putl the item across the rotating grinding wheel.
inspect the item after a few passes to check the progress. The cutting edge should
have a shiny appearance the entire length of the cutting surface, if the surface has
dark and shiny spots, the angle of the tool rest is not properly adjusted or the user is
not keeping the item fiat on the tool rest. Make adjustments as necessary.
16. Alternate sharpening on both sides of the tool.
17. Upon completing the sharpening operations, a smaII burr might form on the cutting
edge. Remove the burr by turning the Utility Sharpener OFF and unplugging it from
the electrical receptacle. Lightly pull the blade across the stationary grinding wheel
until the small burr is removed.
18. Dump out the water that was poured into the water trough earlier by tilting the Utility
Sharpener backward.
19. Wipe the Utility Sharpener off with a clean dry rag and inspect for any damage to
the grinding wheel.
11

Turn the power switch "OFF" and unplug the power cord from its power source prior to
any maintenance.
With the Utility Sharpener unplugged, rotate the abrasive wheel slowly and inspect for
any damage.
CAUTION: REPLACE the abrasive wheel if there is any damage at aIL FAILURE to
replace a damaged wheel can cause serious injury to the operator.
CAUTION: DO NOT USE FLAMMABLE MATERIALS to clean the Utility Sharpener.
A clean dry rag or brush is all that is needed to remove dust and debris buildup.
Repairs to the Utility Sharpener should be performed by trained personnel only.
Contact your nearest Sears Service Center for authorized service. Unauthorized repairs
or replacement with nomfactory parts couId cause serious injury to the operator and
damage to the Utility Sharpener.
TO PREVENT iNJURY TO YOURSELF or damage to the Utility Sharpener, turn the
switch to the "OFF" position and unplug the power cord from the electrical receptacle
before making any adjustments.
PROBLEM LIKELY CAUSE SOLUTION
Motor does Machine not plugged in Plug power cord into electrical receptacle
not run Power switch in 'OFF position Push switch to Forward or Reverse
Power cord is faulty Return to Sears Service Center
Fuse or circuit breaker are open Overloaded electrical circuit
Damaged motor Return to Sears Service Center
Motor does not Incorrect line voltage Have a qualified electrician check line for
have full power proper voltage
Damaged motor Return to Sears Service Center
Motor runs hot Motor is overloaded Reduce pressure on workpiece
Poor air circulation around motor Remove any blockage around openings in
the base
Motor stalls or Motor is overloaded Reduce pressure on workpiece
runs s_ow Incorrect line voltage Have a qualified electrician check line for
proper voltage
Capacitor has failed Return to Sears Service Center
Fuse bJows or Motor overloaded Reduce pressure on workpiece
circuit breaker Overloaded electrical circuit Reduce the amount of items on circuit
trips Wrong fuse or circuit breaker Replace with correct fuse or circuit breaker
Undersized or excessive length Use correct size
of extension cord see manual
Grinding wheel is blocked Unplug machine and remove obstruction
12

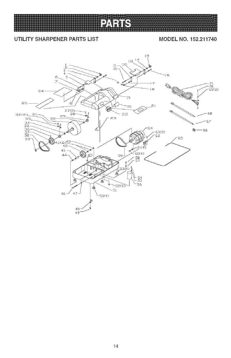
UTJUTY SHARPENER PARTS UST MODEL NO. 152.211740
When servicing, use only CRAFTSMAN replacement parts, use of any other parts may
create a HAZARD or cause product damage.
Any attempt to repair or replace electrical parts on this Utility Sharpener may create a
HAZARD unless repair is done by a qualified service technician. Repair service is avail-
able at your nearest Sears Service Center.
Always order by PART NUMBER, not by key number.
Key Part
No. No. Description Qty.
1 OR90103 LOCK KNOB 1
2 OR90!27 SPECIAL WASHER 1
3 OR90101 UNK 1
4 OR90!02 REAR TOOL REST 1
5 OR90101 UNK 1
6 OR90129 CARRIAGE HEAD SCREW 1
#10-32 X 21
7 OR90127 SPECIAL WASHER 1
8 OR90103 LOCK KNOB 1
9 OR90129 CARRIAGE HEAD SCREW 1
#10-32 X 2
10 OR90130 CARRIAGE HEAD SCREW 1
#10-32 X 2-1/4
1! OR90!0! LINK
12 OR90!04 FRONT TOOL REST
13 OR90!0! LiNK
14 OR90!27 SPECIAL WASHER
15 OR90!03 LOCK KNOB
16 OR90130 CARRIAGE HEAD SCREW
#10-32 X 2-1/4
17 OR90!27 SPECIAL WASHER
18 OR90103 LOCK KNOB
19 OR92150 TOP COVER
20 OR92!5! FRONT TOOL REST BUSHING
21 OR92!52 ON/OFF LABEL
22 OR90!06 SWFCH
23 OR92153 REAR TOOL REST BUSHING
24 OR92154 CRAFTSMAN LABEL
25 OR92155 WARNING LABEL
26 OR92156 SPEC LABEL(NOT SHOWN)
27 OR90131 ROUND HEAD TAP SCREW
M4 X 12rnrn
28 OR90!08 CLAMP 1
29 OR90!11 BUSHING 1
30 OR90112 WASHER 1
31 OR90113 SHARPENING WHEELASSY 1
32 OR90131 ROUND HEAD TAP SCREW 2
M4 X 12mrn
33 OR90108 CLAMP 1
34 OR90112 WASHER 1
35 OR9011! BUSHING 1
36 OR90056 HEX SOC SET SCREW 1
M4 X 6turn
Key Pa_
No. No.
37 OR90110
38 OR90109
39 OR90132
40 OR90!33
41 OR90!44
42 OR90!15
43 OR90!14
44 OR90144
45 OR90!19
46 OR92!57
47 OR92!58
48 OR90!25
49 OR90136
50 OR90121
51 OR92159
52 OR92160
53 OR92160
54 OR90131
55 OR90143
56 OR90116
57 OR90143
58 OR90131
59 OR90109
60 OR90134
61 OR90143
62 OR90118
63 OR90131
64 OR90122
65 OR92161
66 OR90128
67 OR90123
68 OR90124
69 OR92162
70 OR90135
71 OR92164
72 OR92163
Description Qty.
PULLEY(35 teeth)
DRIVE BELT
EXT RET RING(STW-12)
LOCK NUT M6
FLAT WASHER M6
PULLEY(35 teeth /11 teeth)
SLEEVE
FLAT WASHER M6
MOTOR PAD
PAN HEAD SCREW M6 X 55rnrn
SQUARE FLAT WASHER
CABLE CLIP
PAN HD TAP SCREW
M5 X 10rnrn
RUBBER FOOT 4
BOTTOM COVER 1
PAN HD TAP SCREW 2
M4 X 18mm
PAN HD TAP SCREW 4
M4 X 18ram
ROUND HD TAP SCREW 1
M4X 12ram
FLAT WASHER M4 1
CAPACITOR 1
FLAT WASHER M4 1
ROUND HD TAP SCREW 1
M4X 12mm
DRIVE BELT 1
HEX HD SCREW M4 X 12mm 4
FLAT WASHER M4 4
RETNNER 1
ROUND HD TAP SCREW 2
M4X 12mm
MOTOR 1
RED PINSTRIPE 1
STRAIN RELIEF 1
JUMPER WIRE (RED) 1
JUMPER WIRE (WHITE) 1
M4,3mm EXT TOOTH WASHER 2
PAN HD SCREW M4 X 6mm 1
POWER CORD 1
OWNER'S MANUAL(NOT SHOWN) 1
13

UTIUTY SHARPENER PARTS UST MODEL NO, 152.211740
1
3
4
15
37_
38 \
43 ,
44 \
14

15

16

ICRAFTSHI:IN°I _°°°°__°opo,ooiooo_
Conserve este manuam para prop6sitos de referencia futura
-RECTIFICADORA DE USOGENERAL-
NO. DE MODELO 152.211740
PARA $U PROPmA SEGURmDAD: Lea y obedezca todas Has hstrucciones
de Seguddad y de Operad6n antes de hacer uso de esta Rect#icadora de
Uso General
Scars, Roebuck and Co,, Hoffman Estates, IL 60179 USA
Picza No, OR92163
17

GARANTIA COMPLETA DE UN A_4O
Si este producto falla debido a un defecto material o de elaboraci6n dentro de un
a_o desde Ia fecha de compra, DEVUELVALO A LA TENDA SEARS O
CRAFTSMAN MAS CERCANA, y se Io reemplazara sin costo aiguno,
Esta garantia le concede derechos Iegales espedficos, y usted tambien puede
gozar de otros derechos que varfan de un estado aI otro,
Sears, Roebuck and Co,, Depto, 817 WA, Hoffman Estates, HL60179 USA
18

mNSTRUCCmONES GENERALES DE SEGUF{mDAD
El funcionamiento de una Rectificadora de Uso General puede resultar peligroso si se hace
case omiso de la seguridad y del sentido com0n. E! operario debe estar familiarizado con el
funcionamiento de la herramienta. Lea este manual para entender su Rectificadora de Use
General. NO OPERE esta Rectificadora de Uso General si no entiende a cabalidad las
limitaciones de dicha herramienta. NO realice modificaciones de cualquier tipo a esta
Rectificadora de Use General.
ANTES DE UTmLmZARLA RECTmFmCADORA DE USO GENERAL
Para evitar las heridas graves y el da[io a la herramienta, lea y obedezca todas las
Instrucciones de Seguridad y Operaci6n antes de operar la Rectificadora de Uso General.
1= LEA a consciencia el Manual del Propietario= APRENDA come hacer use de esta
herramienta para sus aplicaciones disdfadas.
2. CONECTE TODAS LAS HERRAMIENTAS A TIERRA. Si la herramienta se suministra
con un enchufe de 3 machos, se le debe enchufar a un tomacorfientes que disponga de
3 contactos electricos. El tercer macho se utiliza para conectar la herramienta a tierra y
ofrecer proteccion contra los choques el6ctricos accidentales. NO quite el tercer macho.
Vea las Instrucciones de Conexi6n a Tierra en la pagina 22.
3. EVBTEUN ENTORNO LABORAL PELIGROSO. NO utilice las herramientas el6ctricas
en un entorno humedo, ni tampoco las exponga a Iluvia.
4. NO utilice herramientas electricas si hay gases o liquidos inflamables presentes.
5= MANTENGA SBEMPREsu zona de trabajo limpia, bien alumbrada y organizada= NO
TRABAJE en un entorno con superficies de piso resbalosas a consecuencia de los
escombros, la grasa y la cera=
6. MANTENGA ALEJADOS A LOS NINOS Y VISITANTES. No permita que haya
personas en la zona inmediata de trabaio, particularmente cuando la herramienta
el6ctrica se encuentre en funcionamiento.
7=
8=
g=
NO FUERCE LA HERRAMmENTAa realizar operaciones para las cuales no rue
dise[iada. Realizarb, una labor mb,s segura y de mejor calidad si se le utiliza para
realizar operaciones para las cuales rue disef_ada.
UTmLICEVESTmMENTAAPROPBADA. NO vista ropa holgada, guantes, corbatas ni
articulos de }oyeria= Estos articulos pueden quedar atrapados en lamb,quina durante las
operaciones y tirar del operario, atrayendo!o hacia las piezas en movimiento. El usuario
debe Ilevar una cubierta protectiva sobre el cabello, si tiene cabe!lera larga, para impedir
el contacto con cualquier pieza en movimiento.
UTmLICEPROTECCmONOCULAR SIEMPRE= Cualquier herramienta
mec_.nica puede arrojar escombros hacia los o}os durante el fun-
cionamiento, pudiendo esto resultar en lesionamiento ocular grave y
permanente. Los anteoios cotidianos NO son gafas de seguridad.
Utilice gafas de protecci6n SlEMPRE (que cumplan con la normativa
Z87=1de ANSi) durante la operaci6n de herramientas mecb,nicas=
Las galas de protecci6n estan disponibles en las tiendas Sears de
ventas al detaL
19

10= UTBLICEPROTECCBON AUDmTIVASIEMPRE. E! aBgod6n corriente no representa
un dispositivo protector aceptabBe. La proteccion auditiva debe cumpBir con la
normativa S3.19 de ANSi.
11= SIEMPRE DESENCHUFE LA HERRAMmENTA DEL TOMACORRmENTES cuando vaya
a realizar ajustes, cambiar piezas o realizar cualquier clase de mantenimiento=
12= MANTENGA LOS ESCUDOS DE PROTEOOION EN SU SITmOY EN BUEN ESTADO
DE FUNCIONAMIENTO=
13= EVBTEEL ARRANQUE ACCmDENTAL Aseg0rese de que el interrupter de potencia se
encuentre en la posici6n de "APAGADO" antes de enchufar el cordon de potencia en el
tomacorrientes=
14. QUITE TODAS LAS HERRAMIENTAS DE MANTENIMmENTO de la zona inmediata
antes de encender la rectificadora de banco.
15= SOLO UTIUCE ACCESORIOS RECOMENDADOS= El uso de accesorios incorrectos o
inapropiados puede ocasionar heridas graves al operario y ocasionar da[io a la herra-
mienta= Si tiene dudas, consulte el manual de instrucciones que se adjunta con el
accesorio especifico=
16= JAMAS DEJE UNA HERRAMBENTA EN FUNCIONAMmENTO SiN ATENDER= Conmute
el interrupter de energia a la posici6n de apagado= NO abandone la herramienta hasta
que esta se haya detenido per complete.
17. NO SE PARE SOBRE LA HERRAMIENTA. Pueden producirse heridas graves si la
herramienta se vuelca o si usted hace contacto con la herramienta accidentalmente.
18. NO ALMACENE nada por encima ni cerca de la mbquina en donde alguien pueda
intentar pararse en la herramienta para alcanzarlo.
19. MANTENGA SU EQUmUBRmO.NO se extienda sobre la herramienta. Haga uso de
zapatos con suela de caucho resistente al aceite. Mantenga el piso libre de escombros,
grasa o cera.
20. MANTENGA sue NERRAMIENTAS CUIDADOSAMENTE. Mantenga sus herramientas
limpias yen buen estado=Mantenga afiladas todas las hoias y brocas=
21= REVmSESmHAY PIEZAS DANADAS ANTES DE CADA USO DE LA HERRAMBENTA=
Revise todos los protectores cuidadosamente para comprobar que funcionan correcta-
mente y que no est_.n daFiados,y que realizan sus funciones diseSadas correctamente=
Revise el alineamiento, la fijaci6n o la ruptura de las piezas en movimiento= Cualquier
protector u otra pieza que se encuentre da_ada debe repararse o reemplazarse
inmediatamente=
22= HAGA SU TALLER A PRUEBA DE NINOS quitando las Ilaves del interrupter,
desenchufando las herramientas de los tomacorrientes y mediante el use de candados=
23= NO OPERE LA HERRAMIENTA BAJO LA mNFLUENCmADE LAS DROGAS O DEL
ALCOHOL=
24= AFIANCE TODO EL MATERBAL=Siempre que resulte posibte, utilice abrazaderas o
plantillas para asegurar el material=Esto ofrece mayor seguridad que intentar suietar el
material con sus propias manes=
2O

25. UTmLICEUNA EXTENSION ELECTRmCACORRECTA Y EN BUEN ESTADO. Cuando
vaya a hacer uso de una extension electrica, asegurese de ut[lizar una que sea Io sufi-
cientemente fuerte como para transportar la corr[ente a ser util[zada pot su herramienta.
La sigu[ente tabla presenta las dimensiones correctas a ut[lizarse de acuerdo con las
d[mensiones de la extension y la clas[f[caci6n de amperaje en la placa de notaciones.
Si tiene dudas, ut[lice la s[guiente extension de mayor calibre. Mientras menor sea el
numero de calibre, mayor ser_. el diametro de la extension electrica. S[ tiene dudas
sobre las d[mensiones correctas de una extension el6ctrica, util[ce un cordon mas corto
y mb_sgrueso. Una extension de dimensiones insuficientes producirs, una ca[da en el
voltaje de linea, resultando en una perd[da de potencia y el sobrecalentam[ento. SOLO
UTmLICEUNA EXTENSION ELECTRmCADE 3 HmLOSQUE D_SPONGA DE UN
ENCHUFE DE CONEXBON A TIERRA DE 3 MACHOS, Y UN RECEPTACULO DE 3
POLOS QUE ACEPTE EL ENCHUFE DE LA MAQUmNA.
26. UTBLICESmEMPREUNA CARETA DE POLVO PARA IMPEDIR LA ASPBRACION DE
POLVO PELIGROSO O PART[CULAS AC:REAS incluyendo polvo de madera, polvo de
silice cristalina y polvo de asbesto. Aleie las part[culas de la cara y del cuerpo. S[empre
haga uso de la herramienta en zonas con buena ventilaci6n y proporcione la extracci6n
aprop[ada del polvo. Ut[lice un sistema de recolecc[6n de polvo siempre que sea
posible. La expos[c[6n al polvo puede causar da[io respiratorio grave y permanente u
otras her[das, incluyendo silicosis (una enfermedad pulmonar grave), ca.ncery la
muerte. Evite respirar el polvo y ev[te el contacto prolongado con e! polvo. El permitir la
entrada de! polvo en la boca o los ojos, o que permanezca sobre su pie!, puede pro-
mover la absorc[6n de material da_ino. Haga uso siempre de d[sposit[vos de protecci6n
respiratoria aprobados pot NIOSH/OSHA con buen ajuste y aprop[ados para la exposi-
cion al polvo; lave las.
GUARDE ESTAS JNSTRUCCJONES.
DIRECTRICES PARA LAS EXTENSlONES ELECTRICAS
Siesta haciendo uso de aria extensi6n el_ctrica a la intemperie, este seguro de que la
extens[6n se encuentre marcada con "W-A" ('MT"en el Canada), Io que [ndica que su uso a
la intemperie es aceptable.
Est_ segaro del dimensionamiento correcto de sa extensi6n el_ctrica, y que se encuen-
tre en buen estado electr[co. Repare s[empre una extensi6n el6ctrica da_iada, o procure que
una persona experta la repare antes del uso.
Prote]a sus extensiones el_ctricaa contra los ob]etos filosos, el calor en exceso y los
lugares mojados o h0medos.
FUNCIONAMENTO A 120 VOLTIOS SOLAMENTE
25 PINES 50 PIES 100 PIES 150 PIES
DE LARGO DE LARGO DE LARGO DE LARGO
0 a 6 Amper[os 18 AWG 16 AWG 16 AWG 14 AWG
6 a 10 Ampe rios 18 AWG 16 AWG 14 AWG 12 AWG
10 a 12 Amperios 16AWG 16AWG 14AWG 12AWG
21

EN EL CASO DE UN MALFUNCmONAMIENTO O AVERBA, la conexi6n a tierra ofrece el
trecho de menor resistencia para la corriente electrica y reduce el riesgo de los choques
electricos. Esta herramienta viene equipada con un cord6n electrico que dispone de un
conductor de conexion a tierra para el equipo asi como un enchufe de conexion a tierr& E!
enchufe DEBE estar enchufado a un tomacorrientes adaptado que haya sido correctamente
instalado y conectado a tierra de acuerdo con TODOS los c6digos y ordenanzas municipaJes.
NO MODIFBQUE EL ENCHUFE SUMINISTRADO. Haga que un electricista calificado instale
el tomacorrientes apropiado si e! enchufe no cabe en el tomacorrientes.
LA CONEXmONELECTRBCA mNDEBIDAdel conductor de conexion a tierra para e! equipo
puede resultar en el riesgo de choques electricos. El conductor con el aislamiento verde
(con o sin rayas amarillas) es el conductor de conexion a tierra para el equipo. NO conecte
el conductor de conexion a tierra para el equipo a una terminaci6n viva si resulta necesario
reparar o reemplazar e{ cordon electrico o el enchufe.
CONSULTE con un electricista calificado o personal de servicio si no entiende las instruc-
ciones de conexion a tierra completamente, o si no esta seguro que la herramienta est,.
debidamente conectada a tierra.
SOLO UTmLmCEUNA EXTENSION ELECTRBCA DE 3 HBLOSQUE DISPONGA DE UN
ENCHUFE DE CONEXION A TBERRA DE 3 MACHOS, Y UN RECEPTACULO DE 3
POLOS QUE ACEPTE EL ENCHUFE DE LA MAQUINA.
REPONGA CUALQUmERCORDON DANADO O GASTADO mNMEDmATAMENTE.
Fig° conexi6nAc°nduct°raParat°mac°rrienteStierradeS machos __:_ Fig°
corddn el6ctrico de 3 hilos
Esta herramienta estb_dise_ada para el uso en un circuito que disponga de un tomacorriem
tes como el que se ilustra en la NGURA A. La FmGURAA muestra un enchufe electrico de 3
hilos y un tomacorrientes electrico con conductor de conexion a tierra. Si no se encuentra
disponible un tomacorrientes debidamente conectado a tierra, se puede hacer uso de un
adaptador, segun Io ilustrado en la FBGURA B, para conectar d]cho enchufe provisionaF
mente al tomacorrientes de 2 contactos que no esta conectado a tierra. El adaptador cuenta
con una orejeta rigida que DEBE ser conectada a una conexi6n a tierra permanente, asi
como un tomacorrientes debidamente conectado a tierra. ESTE ADAPTADOR ESTA
PROHmBmDOEN EL CANADA.
PRECAUCmON: En todos los casos, aseg0rese de que el tomacorrientes en cuestion este
debidamente conectado a tierra. Si no estb_seguro, haga que un electricista certificado revise
el tomacorrientes.
22

mNSTF{UCCmONESDE SEGURmDAD ESPECmFmCAS
PARA LAS RECTmFmCADORAS DE USO GENERAL
1,
E! funcionamiento de la Rectificadora de Uso General puede resultar
en la expulsi6n de escombros hacia sus o}os, pudiendo resultar en
da_o ocular grave, S_EMPRE utilice Gafas de Seguridad (que cure-
plan con la normativa Z87,1 de ANSi) cuando vaya a hacer use de la
Rectificadora de Uso General, Las Galas de Seguridad se encuentran
disponibles en todas las tiendas Sears de ventas al detal, Aleje los
pulgares y los dedos de las ruedas de rectificaci6n,
LA RECTmFICADORA DE USO GENERAL PUEDE PRODUCmRCHmSPASY ESOOM°
BROS DURANTE LAS OPERACmONES DE RECTmFmCACmONAseg0rese de que no
existan materiales inflamables en las cercanfas_
2_ JAMAS FUERCE EL MATERmALCONTRA UNA RUEDA DE RECTmF{CACBON,
especialmente si la rueda est,. fria_Aplique el material lentamente, d&ndole a la rueda
de rectificaci6n la oportunidad de calentarse, Esto reducira, la posibilidad de la ruptura
de la rueda, NO RECTBFmQUEcontra los lados de las ruedas de rectificaci6n, NO
APMQUE refrigerante directamente sobre la rueda de rectificaci6n,
3. EL DIAMETRO DE LA RUEDA DE RECTBFmCACBONSE REDUCIRA CON EL USO.
Ajuste todos los portaherramientas para mantener una distancia de 1/8 pulg, o menos
de la rueda,
4_ MANTENGA TODOS LOS PORTAHERRAM_ENTAS EN SUS SIT{OS. NO UTmLICELA
RECTIFmCADORA DE USO GENERAL CON LOS PORTAHERRAMmENTAS FUERA
DE SITIO. MANTENGA LOS PORTAHERRAMIENTAS FIRMEMENTE AJUSTADOS.
GUARDE ESTAS JNSTRUCCJONES.
23

PORTAHERFIAMIENTAS
DELANTEROADJUSTABLE
PORTAHERRAMIENTAS
TRASEROADJUSTABLE
INTERRUPTORDECONTROL
AVANCE=APAGADO°CONTRAMARCHA
La Rectificadora de Uso General CRAFTSMAN de Sears ha sido diseSada con numerosos
distintivos para afilar una variedad de arficulos en la casa yen e! taller de manera rapida y
segura= Se utiliza una rueda de rectificaci6n de grano fino para producir un borde de corte
afilado y precise= Dos portaherramientas de posiciones multiples proporcionan una superficie
de trabajo firme en una variedad de angulos= So utiliza una rosa de agua para enfriar tanto la
rueda de rectificacion come el material durante las operaciones de afilado= La Rectificadora
de Use General, per aSadidura, ha side equipada con un interrupter de energia electrica que
permite la rotaci6n de la rueda de rectificaci6n en las direcciones de avance y contramarcha=
La Rectificadora de Uso General darb. file a cuchillos, tiieras y cinceles pianos con una canti-
dad minima de esfuerzo y destreza per parte del cliente= Las herramientas filosas cortan con
m&s rapidez, seguridad y eficiencia= Un borde poco filoso ebliga al usuario a ejercer mas
presion sobre el material, aumentando la posibilidad de herir al usuario=Si las herramientas
cortantes se conservan bien afiladas, proporcionaran touches a[ios de sewicio 0tiL Et afilado
periodico impedir& que las herramientas pierdan su biselado original de fabrica= Cuando vaya
a afilar cualquier herramienta, debe utilizarse e! biselado de fabrica=
24

La rectificacion es una operaci6n fb,cil de realizar con tal de que se obedezcan los siguientes
arficulos.
1.
2n
3n
4.
5.
6.
LIMPIE e! artfculo a ser afilado antes de dar comienzo a cualquier operacion de
rectificaci6n.
S_EMPRE utilice e! bisetado de fabrica (angulo de! filo cortante) como gufa para afilar la
herramienta.
RECTIFBQUE las herramientas antes de iniciar cualquier trabajo que envuelva el uso
de las mismas. El usuario se vera menos inclinado a apresurar el procedimiento de
rectificaci6n, realizando entonces un traba}o m_tsseguro y mejor.
RECTIFBQUE las herramientas con numerosos pases a presion ligera en vez de
presionar fuertamente la herramienta contra la rueda de rectificaci6n. Los pases ligeros
serb.nmas seguros y producir_.n un borde mas afilado sobre la herramienta. Los pases
pesados producir_.n un file mellado y rugoso en la herramienta.
NO RECTBFmQUEherramientas que esten agrietadas o torcidas. Cuaiquier herramienta
daSada debe descartarse.
La Rectificadora de Uso General NO debe utilizarse como Rectificadora de Banco para
eliminar grandes cantidades de material, ya que su rueda de rectificaci6n gira mucho
mb.s lento que la de una Rectificadora de Banco. La rueda de rectificacion de la
Rectificadora de Uso General dispone de un grano mucho mb_sfino que la rueda de
rectificaci6n de la Rectificadora de Banco.
25

La Rectificadora de Uso General ha sido diseffada para afilar cuchillos, tijeras, cinceles
pianos, y mucho mas.
iUTBMCE PROTECCK)N OCULAR SlEMPRE! Las operaciones de rectificaci6n pueden
producir chispas calientes.
1. El interruptor de potencia etectrica debe estar en la posici6n de APAGADO.
2. El cord6n de energia debe estar desenchufado det tomacorrientes.
3. Coloque la Rectificadora de Uso General sobre una superficie plana, firme y resistente
a[ agua.
4. Afioje las dos perillas de cierre que sostienen el portaherramientas delantero hasta que
sea posJble apartar el portaherramientas de la piedra. Las perillas de cierre podran
reposicionarse tirando ligeramente de la perilla. Esto permite que la perilla pueda girarse
para el afiojamiento o apriete adicional.
Fig. C Llene parcialmente una taza de medidas con
agua de grifo. Proceda a vaciar lentamente
3-6 onzas de agua aproximadamente sobre
la piedra, conforme a Io ilustrado en la
Figura Ca
No ponga la Rectificadora de Uso General en
servicio mientras que affade e! agua, ya que la
rueda de rectificaci6n girante hara salpicar el
agua, posiblemente sobre el interruptor electrico.
6.
7.
Enchufe el cordon de energia y ENC[ENDA la Rectificadora de Uso General Permita
que la herramienta funcione por un minuto. Esto permitira, que la rueda de rectificacJ6n
absorba un poco de agua y ofrezca una superficie de rectificaci6n fresca.
Despues de un minuto, APAGUE la Rectificadora de Uso General y desenchufe el
cord6n de energia del tomacorrientes. Pase a Ilenar la rosa de agua hasta que el agua
casi este a punto de derramarse de la abertura de drenaie en la parte posterior de la
Rectificadora de Uso General.
8. Ser_.necesario reabastecer la Fosa de Agua de vez en cuando durante las operacJones
prolongadas de rectificaci6n.
9. Devuelva el portaherramientas delantero a su posici6n nuevamente.
10. Ajuste los portaherramientas tanto delantero como trasero hasta que queden aproxi-
madamente 1/8 pulg. de la rueda de rectificaci6n. Apriete las cuatro perillas de cJerre
con firmeza.
11. Inspeccione cuidadosamente e! articulo a ser rectificado. Compruebe la existencia de
grietas o dobladuras. Si el articulo esta da[_ado,descartelo. NO [NTENTE rectificar una
herramienta dafiada.
26

12. Si el artfculo a set rectificado est,. en buenas condiciones, pase a colocar el artfculo
de manera plana sobre cualquiera de los portaherramientas seg0n [o ilustrado en la
Figura D. Afloie las peril[as de cierre y ajuste el portaherramientas hasta igualar e[
a.ngulode biselado original del articulo a rectificarse. Mantenga una distancia de
1/8 pulg. de la rueda de rectificacion despues de haber ajustado el portaherramientas
a[ a.ngu[ocorrecto. Apriete ambas peril[as de cierre con firmeza.
AV[SO: Para afi[ar tijeras, sostengalas en la manera ilustrada en la Figura E. Debe afi[ar
e[ lade biselado de cada hoja de tijera. No trate de afi[ar e[ [ado plane de la hoja, ya que
esto arruinara. [as tijeras.
Fig. O Fig. E
13. Practique unas cuantas veces mientras que [a Rectificadora de Uso General se
encuentre APAGADA, tirando de la herramienta lentamente a [o largo de la rueda de
rectificaci6n y manteniendola plana sobre el portaherramientas a la misma vez.
SlEMPRE tire de[ articulo a rectificar a Io [argo de la rueda desde la agarradera hasta la
punta de la hoja. JAMAS empuje e[ articulo a !o largo de [a rueda de rectificaci6n.
14. Enchufe e! cord6n de energia en e! tomacorrientes y ENOIENDA [a Rectificadora de
Uso General. Generalmente, los bordes filosos se rectifican con la rueda de rectificacJ6n
girando hacia la hoja. Sin embargo, para su comodidad personal, puede rea[izar la
rectificaci6n con la rueda girando en direcci6n opuesta a [a hoja.
15. Pase a colocar e[ articulo a set afilado de manera ptana sobre el portaherramientas,
sujet_.ndolo firmemente con ambas manes. Tire del articulo lenta y ligeramente a !o
[argo de [a rueda de rectificacion girante. Inspeccione el articulo luego de unos cuantos
pases para comprobar e[ progreso. E! borde filoso debe tenet un aspecto brillante a Io
largo de toda la superficie cortante. Si la superficie tJene puntos oscuros y brillantes,
esto significa que e[ b.ngulo del portaherramientas no est,. correctamente ajustado, o
que e! operario no est,. manteniendo el articulo plane sobre el portaherramientas.
Realice los ajustes que sean necesarios.
16. Alteme e! afilado en ambos [ados de [a herramienta.
17. AI completar las operaciones de rectificaci6n es posible que se forme una peque_a
rebaba en e! borde filoso. E[imine [a rebaba APAGANDO la Rectificadora de Uso
General y desenchufandola de! tomacorrientes. Frote la hoja ligeramente a !o largo de
la rueda de rectificaci6n estacionaria hasta que haya eliminado la pequeffa rebaba.
18. Inclinando la Rectificadora de Uso General hacia atr_.s,vacie e! agua vertida anterior-
mente dentro de la rosa de agua.
19. Limpie la Rectificadora de Use General con un pafio limpio y seco, e inspeccione la
rueda de rectificaci6n pot si se ha producido alg0n daffo.
27

Apague e! interruptor de energia y desenchufe el cordon de energfa de la fuente de potencJa
antes de realizar cualquier mantenimiento.
Con la Rectificadora de Use General desenchufada, gire la rueda abrasante lentamente e
inspeccionela per si existe cualquier daffo.
PREOAUOION: REPONGA la rueda abrasante si existe cualquier tipo de da_o. El dejar de
reponer una rueda daFiadapuede resultar en heridas graves para el operario.
PRECAUCION: NO UTiL[CE MATER[ALES mNFLAMABLES para limpiar la Rectificadora de
Use General So!o se necesita un pa5o limpio y seco o un cepillo para quitar el polvo y la
acumulaci6n de escombros.
Las reparaciones a la Rectificadora de Uso General deben ser reatizadas por personal
experto solamente. Comuniquese con su Centre de Servicio de Sears mb.scercano para
recibir servicio autorizado. Las reparaciones desautorizadas, o el uso de piezas de recambio
que no sean de fb,brica, podrian resultar en heridas graves para el usuario y daffo a la
Rectificadora de Use General.
PARA EVlTAR HERIRSE A Sl MISMO o daffar la Rectificadora de Uso General, conmute
e! interrupter a la posicion de "APAGADO" y desenchufe el cordon de energia del toma-
corrientes antes de realizar cualquier apste.
PROBLEMA CAUSA PROBABLE SOLUCION
E[ motor no M_quina desenchufada Enchufe el cordon de potencia a[ tomacorrientes
funoiona Intermptor de potencia en posici6n de Eleve et interruptor a la posici6n de encendido
apagado ("OFF") ("ON")
Cordon de potencia defectuoso Devuolva la unidad al Centro de Servido Soars
Fusible o disyuntor de circuitos abierto Circuito electrico sobrecargado
Motor da_iado Devoelva la unidad al Centro de Semicio Soars
E[ motor no Voltaie de ffnoa incorrecto Haga que un eiectricista competente revise [a
a[oanza toda foerza [inea para asegurar que haya el voltaje correcto,
Motor da_iado Devuelva la unidad al Oentro de Servicio Sears
E[ motor se ¢a[ienta Motor sobrecargado Reduzca [a presi6n sobre el material
Mala circulaci6n de airo alrededor del Quite cualquier obstrucci6n en tome al motor
motor
El motor so atasca Motor sobrecargado Reduzca la presi6n sobre el material
o torte Iontamonto Voltaie de linea incorrecto Haga que un electrJcJstacompetente revise la
linea para asegurar que haya el voltaje correcto,
Falla de capacitador Devuelva la unidad al Oentro de Servicio Sears
E[ fusible so rondo
o so dispara el
disyuntor de
circuitos
Motor sobrecargado
Circuito electrico sobrecargado
Fusible o disyuntor de circuito
equivocado
Extension electrica de dimensiones
insuficientes o do largo excesivo,
vease el manual
Rueda de rectificaci6n bloqueada
Reduzca [a presion sobre e[ material
Reduzca [a cantidad de articulos en e[ mismo circuito
Rep6ngalo con el fusible e disyunter de circuitoe
correcto
Utilice el tamaffo correcto
Desenchufe [a mgquina y quite las ebstrucciones
28

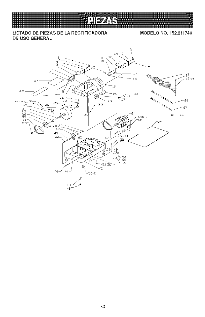
USTADO DE PIEZAS DE LA RECTIFICADORA MODELO NO. 152.2!1740
DE USO GENERAL
$61outilice piezas de recambio CRAFTSMAN cuando vaya a rendir serMicio, El uso de
cualquier otro tipo de piezas de recambio puede constituir un PELIGRO o causar da_o al
producto.
Cualquier intento de reparar o reempiazar las piezas electricas en esta Rectificadora de Uso
General puede constituir un PELIGRO a menos que las reparaciones sean realizadas per un
tecnico de servicio competente, Los servicios de reparacion estb_ndisponibles de gaffe de su
Centre de Servicio Sears ma.scercano,
Realice sus encargos siempre por NUMERO DE HEZA, no per n0mero de clave.
No, de No. de
Clave Pleza
1 OR90103
2 OR90127
3 OR90101
4 OR90102
5 OR90101
6 OR90129
7 OR90127
8 OR90103
9 OR90129
10 OR90130
11 OR90101
12 OR90104
13 OR90101
14 OR90127
15 OR90103
16 OR90130
17 OR90127
18 OR90103
19 OR92150
20 OR92151
21 OR92152
22 OR90106
23 OR92153
24 OR92154
25 OR92155
26 OR92156
27 OR90131
28 OR90108
29 OR90111
?_0 OR90112
31 OR90113
32 OR90131
33 OR90108
34 OR90112
?_ OR90111
36 OR90056
37 OR90110
Descrlpcl6n
PERILLA DE CERRE
ARANDELA ESPECIAL
ESLABON
PORTAHERRAMENTAS TRASERO
ESLABON
TORNILLO DE CARROCERiA #10-32 X 21
ARANDELA ESPECIAL
PERILLA DE CERRE
TORNILLO DE CARROCERiA
#10-32 X 2
TORNILLO DE CARROCERiA
# 10-32 X 2-1/4
ESLABON
PORTAHERRAMENTAS DELANTERO
ESLABON
ARANDELA ESPECIAL
PERILLA DE CERRE
TORNILLO DE CARROCERiA
#10-32 X 2-1/4
ARANDELA ESPECIAL
PERILLA DE CERRE
CUBERTA SUPERIOR
BUJE DEL PORTAHERRAMENTAS DELANTERO
ETIQUETA DE ENCENDIDO/APAGADO
INTERRUPTOR
BUJE DEL PORTAHERRAMENTAS TRASERO
ETIQUETA CRAFTSMAN
ETIQUETA DE ADVERTENCIA
ETIQUETA DE ESPECIFICACIONES
(NO ILUSTRADA)
TORNILLO ROSCADOR DE CABEZA REDONDA 2
M4X12mm
ABRAZADERA
BUJE
ARANDELA
ENSAMBLADO DE LA RUEDAAFILADORA
TORNILLO ROSCADOR DE CABEZA REDONDA
M4X12mm
ABRAZADERA
ARANDELA
BUJE
TORNILLO DE PRESION DE CABEZA HUECA
HEXAGONAL M4 X 6 mm
POLEA (35 dientes)
No. de No. de
Cant. Clave Pleza
38 ORg0109
39 OR90132
40 OR90133
41 OR90144
42 OR90115
43 OR90114
44 OR90144
45 OR90119
46 OR92157
47 OR92158
48 OR90125
49 OR90136
50 OR90121
51 OR92159
52 OR92160
53 OR92160
54 OR00131
55 OR90143
56 OR90116
57 OR90143
58 OR90131
59 OR90109
60 OR90134
61 OR90143
62 OR90118
63 OR90131
64 OR90122
65 OR02161
66 OR90128
67 OR90123
68 OR90124
69 OR92162
70 OR90135
71 OR92164
72 OR92163
Descrlpclon Cant.
CORREA DE TRANSMISION
ANILLO DE RETEN EXT (STW-12)
TUERCA DE CERRE M6
ARANDELA PLANA M6
POLEA(35 dientes /11dientes)
CASQUILLO
ARANDELA PLANAM6
ALMOHADILLA DEL MOTOR
TORNILLO DE CABEZA TRONCOCONICA
M6X55mm
ARANDELA PLANACUADRADA
PRESlLLA PARACABLE
TORNILLO ROSCADOR DE CABEZA
TRONCOOONICA M5 X 10 mm
PIE DE GOMA 4
CUBERTA INFERIOR 1
TORNILLO ,ROSCADORDE CABEZA 2
TRONCOCONICA M4 X 18 mm
TORNILLO ,ROSCADORDE CABEZA 4
TRONCOCONICA M4 X 18 mm
TORNILLO ROSCADOR DE CABEZA REDONDA
M4X12mm
ARANDELA PLANAM4
CAPACITADOR
ARANDELA PLANAM4
TORNILLO ROSCADOR DE CABEZA REDONDA
M4X12mm
CORREA DE TRANSMISI(SN
TORNILLO DE CABEZA HEXAGONAL
M4X12mm
ARANDELA PLANAM4 4
RETEN 1
TORNILLO ROSCADOR DE CABEZA REDONDA 2
M4 X 12 mm
MOTOR
HILO DE COLOR ROJO
DESCARGA DE TENSION
ALAMBRE BARRENADOR (ROJO)
ALAMBRE BARRENADOR (BLANCO)
ARANDELA CON DIENTES EXT. M4 X 3 mm
TORNILLO DE CABEZA TRONCOCONICA
M4X6mm
CORDON DE POTENCIA 1
MANUAL DEL PROPETARIO (no ilustrado) 1
29

USTADO DE PIEZAS DE LA RECTIFICADORA MODELO NO. 152.2!1740
DE USO GENERAL
1
3
4
15
37_
38 \
43 ,
44 \
30

31

iiiiiiiiiiiiiiiiiiiiiiiiiii_i_
Your Home
For repair - in your home - of all major brand appliances,
lawn and garden equipment, or heating and cooling systems,
no matter who made it, no matter who sold it!
For the replacement parts, accessories and
owner's manuals that you need to do-it-yourself.
For Sears professional installation of home appliances
and items like garage door openers and water heaters.
1-800-4-MY-HOME ® Anytime, day or night
(1-800-469-4663) (U.S.A. and Canada)
www.sears.com www.sears.ca
Our Home
For repair of carry-in products like vacuums, lawn equipment,
and electronics, call or go on-line for the nearest
Sears Parts and Repair Center.
1-800-488-1222 Anytime, day or night (U.S.A. only)
www.sears.com
To purchase a protection agreement (U.S.A.)
or maintenance agreement (Canada) on a product serviced by Sears:
1-800-827-6655 (U.S.A) 1-800-361-6665 (Canada)
Para pedirservicio de reparacm a
domicilio, y para ordenar piezas:
1-888-SU-HOGARsM
(1_38-784-6427)
Au Canada pour service en frar[;ais:
1-800-LE-FOYERMc
(1-800-533-6937)
www.sears.ca
© Sears,Roebuck and Co.
® Registered Trademark /TMTrademark /SMService Mark of Sears, Roebuck and Co.
TM
® Marca Registrada /Marca de F_brica /SMMarca de Servicio de Sears, Roebuck and Co,
MC MD
Marque de commerce /Marque depos6e de Sears, Roebuck and Co,