Craftsman 24729934 User Manual FRONT TINE TILLER Manuals And Guides 1108611L
User Manual: Craftsman 24729934 24729934 CRAFTSMAN FRONT TINE TILLER - Manuals and Guides View the owners manual for your CRAFTSMAN FRONT TINE TILLER #24729934. Home:Lawn & Garden Parts:Craftsman Parts:Craftsman FRONT TINE TILLER Manual
Open the PDF directly: View PDF
.
Page Count: 68

Operator's Manual
I:Rl FI'SlVl N
208cc Engine
Front Tine Tiller
Model No. 247.29934
CAUTION: Before using
this product, read this
manual and follow all
safety rules and operating
instructions.
*SAFETY
*ASSEMBLY
*OPERATION
*MAINTENANCE
*PARTS LIST
*ESPANOL
Sears Brands Management Corporation, Hoffman Estates, iL 60179, U.S.A.
Visit our web site: www.craftsman.com
FORMNO.769-05511D
8/17/2011

WarrantyStatement..................................Page2
Safetyinstructions....................................Pages3-6
Assembly..................................................Pages7-9
Operation..................................................Pages10-16
ServiceandMaintenance.........................Pages17-21
Off-SeasonStorage..................................Page22
Troubleshooting........................................Page23
PartsList...................................................Page24-35
LabelMap.................................................Page36
RepairProtectionAgreement...................Page39
Espa_ol.....................................................Page40
ServiceNumbers......................................BackCover
CRAFTSMANONEYEARFULLWARRANTY
FORONEYEARfromthedateofpurchase,thisproductiswarrantedagainstanydefectsinmaterialorworkmanship.Adefectiveproductwill
receivefreerepairorreplacementifrepairisunavailable.
Forwarrantycoveragedetailstoobtainfreerepairor replacement,visit the web site: www.craftsman.com
Thiswarranty is voidif this productis everused while providingcommercialservices or if rentedto another person.
This warranty covers ONLYdefects in material andworkmanship. Warranty coverage does NOTinclude:
• Expendableitemsthatcan wearoutfromnormalusewithinthewarrantyperiod,includingbut not limitedto augers,augerpaddles,drift
cutters,skidshoes,shaveplate,shearpins,sparkplug,air cleaner,belts,andoil filter.
• Standardmaintenanceservicing,oilchanges,or tune-ups.
• Tire replacementor repaircausedby puncturesfromoutsideobjects,suchas nails,thorns,stumps,or glass.
Tireor wheelreplacementor repairresultingfromnormalwear,accident,orimproperoperationor maintenance.
Repairsnecessarybecauseof operatorabuse,includingbutnot limitedto damagecausedby over-speedingthe engine,or fromimpacting
objectsthat bendthe frame,augershaft,etc.
• Repairsnecessarybecauseof operatornegligence,includingbut not limitedto,electricalandmechanicaldamagecausedby improper
storage,failureto usethe propergradeandamountof engineoil, or failureto maintainthe equipmentaccordingto the instructionscontained
inthe operator'smanual.
• Engine(fuelsystem)cleaningor repairscausedbyfuel determinedto becontaminatedoroxidized(stale).In general,fuel shouldbeused
within30 daysof itspurchasedate.
Normaldeteriorationandwearof the exteriorfinishes,or productlabelreplacement.
Thiswarrantygivesyou specificlegalrights,andyou mayalso haveotherrightswhichvaryfromstateto state.
Sears Brands Management Corporation, Hoffman Estates, IL 60179
EngineSeries: 208cc
EngineOilType: 10w30
EngineOilCapacity: 20ounces
Fuel: UnleadedGasoline
SparkPlug: F6RTC
SparkPlugGap: .030"
Model Number.................................................................
Serial Number .................................................................
Dateof Purchase.............................................................
Recordthe modelnumber,serialnumber
anddateof purchaseabove
©KCDIR LLC 2

Thissymbolpointsout importantsafetyinstructionswhich,if not
followed,couldendangerthe personalsafetyand/orpropertyof
yourselfandothers. Readandfollowall instructionsin thismanual
beforeattemptingto operatethismachine.Failureto complywith
theseinstructionsmayresultin personalinjury.Whenyou seethis
symbol,HEEDITSWARNING!
CALIFORNIA PROPOSITION 65
EngineExhaust,someof itsconstituents,andcertainvehicle
componentscontainoremitchemicalsknownto Stateof California
to causecancerandbirthdefectsorother reproductiveharm.Bat-
tery posts,terminals,andrelatedaccessoriescontainleadand lead
compounds,chemicalsknownto the Stateof Californiato cause
cancerandreproductiveharm.Washhandsafterhandling.
Thismachinewasbuilt to beoperatedaccordingto the safeopera-
tion practicesin thismanual.As withany typeof powerequipment,
carelessnessorerroronthe part of the operatorcan resultin
seriousinjury.Thismachineis capableof amputatingfingers,hands,
toesandfeetandthrowingdebris.Failureto observethe following
safetyinstructionscouldresultin seriousinjuryordeath.
Your Responsibility--Restrictthe use of thispowermachineto
personswho read,understandandfollowthewarningsand instruc-
tionsin thismanualandon the machine.
SAVETHESEINSTRUCTIONS!
TRAINING
•Read,understand,andfollowall instructionson the machineand
in themanual(s)beforeattemptingto assembleandoperate.
Keepthis manualina safeplacefor futureand regularreference
andfor orderingreplacementparts.
• Readthe Operator'sManualand followallwarningsand safety
instructions.Failureto doso can resultin seriousinjuryto the
operatorand/or bystanders.Forquestions,call 1-800-4MY-HOME.
• Befamiliarwithall controlsandtheir properoperation.Knowhow
to stopthe machineanddisengagethemquickly.
• Neverallowchildrenunder14yearsof ageto operatethis
machine.Children14andover shouldreadandunderstandthe
instructionsandsafeoperationpracticesin thismanualandon
the machineandbe trainedandsupervisedby anadult.
• Neverallowadultsto operatethis machinewithoutproper
instruction.
• Keepbystanders,pets,andchildrenat least75feetfromthe
machinewhile it is in operation.Stopmachineif anyoneenters
the area.
• Neverrunanengineindoorsor ina poorlyventilatedarea.Engine
exhaustcontainscarbonmonoxide,anodorlessanddeadlygas.
PREPARATION
•Thoroughlyinspecttheareawherethe equipmentis to beused.
Removeall rocks,bottles,cans,or otherforeignobjectswhich
could bepickedupor thrownandcausepersonalinjuryor
damageto the machine.
• Alwayswear safetyglassesor safetygogglesduringoperation
andwhile performingan adjustmentor repair,to protectyour
eyes.Thrownobjectswhichricochetcan causeseriousinjuryto
the eyes.
• Wearsturdy,rough-soledworkshoesandclose-fittingslacksand
shirts.Loosefittingclothesor jewelrycan becaughtin movable
parts.Neveroperatethismachineinbarefeetorsandals.
• Beforestarting,checkallboltsandscrewsfor propertightnessto
besurethe machineis insafeworkingcondition.Also,visually
inspectmachinefor any damageat frequentintervals.
• Disengageclutchleversandshift (if provided)into neutral("N")
beforestartingtheengine.
• Neverleavethismachineunattendedwiththe enginerunning.
• Neverattemptto makeanyadjustmentswhilethe engineis
running,exceptwherespecificallyrecommendedinthe operator's
manual.
• Maintainor replacesafetyandinstructionslabels,as necessary.
3

Safe Handling of Gasoline:
Toavoidpersonalinjuryor propertydamageuseextremecare in
handlinggasoline.Gasolineis extremelyflammableandthe vaporsare
explosive.Seriouspersonalinjurycan occurwhengasolineis spilled
onyourselfor yourclotheswhichcan ignite.Washyour skinand
changeclothesimmediately.
• Useonlyan approvedgasolinecontainer.
• Neverfill containersinsidea vehicleor ona truckor trailerbed
witha plasticliner.Alwaysplacecontainersonthe groundaway
fromyour vehiclebeforefilling.
• Whenpractical,removegas-poweredequipmentfromthe truck
ortrailerand refuelitonthe ground.Ifthisis notpossible,then
refuelsuchequipmenton a trailerwitha portablecontainer,rather
thanfroma gasolinedispensernozzle.
• Keepthe nozzleincontactwiththe rimof the fuel tankor
containeropeningat alltimes untilfuelingis complete.Do not use
a nozzlelock-opendevice.
• Extinguishallcigarettes,cigars,pipesandother sourcesof
ignition.
• Neverfuel machineindoors.
• Neverremovegas capor addfuel whilethe engineishot or run-
ning.Allowengineto cool at leasttwo minutesbeforerefueling.
• Neveroverfill fueltank. Fill tankto nomorethan1/2inchbelow
bottomof filler neckto allowspacefor fuel expansion.
• Replacegasolinecapandtightensecurely.
• Ifgasolineisspilled,wipe itoff theengineandequipment.Move
unitto anotherarea.Wait5 minutesbeforestartingthe engine.
• To reducefire hazards,keepmachinefreeof grass, leaves,or
otherdebrisbuild-up.Cleanupoil orfuel spillageand removeany
fuel soakeddebris.
• Neverstorethe machineorfuel containerinsidewherethereis an
openflame,sparkor pilotlightas on awaterheater,spaceheater,
furnace,clothesdryer orothergas appliances.
OPERATION
•Do not puthandsorfeetnear rotatingparts.Contactwiththe
rotatingpartscan amputatehandsand feet.
• Do notoperatemachinewhileunderthe influenceof alcoholor
drugs.
• Neveroperatethismachinewithoutgoodvisibilityor light.Always
be sureof yourfootingandkeepa firmholdonthe handles.
• Keepbystandersawayfromthe machinewhileit isinoperation.
Stopthe machineif anyoneentersthe area.
• Becarefulwhentilling inhardground.Thetines maycatchinthe
groundandpropelthe tillerforward.Ifthis occurs,let goof the
handlebarsanddo not restrainthe machine.
• Exerciseextremecautionwhenoperatingonor crossinggravel
surfaces.Stayalert for hiddenhazardsortraffic. Do notcarry
passengers.
• Neveroperatethe machineat hightransportspeedson hardor
slipperysurfaces.
• Exercisecautionto avoidslippingor falling.
• Lookdownand behindandusecare whenin reverseor pulling
machinetowardsyou.
• Startthe engineaccordingto the instructionsfoundinthis manual
and keepfeetwell awayfromthe tinesat all times.
• Afterstrikingaforeignobjector ifyour machineshouldstart mak-
inganunusualnoiseor vibration,immediatelyshutthe engineoff.
Disconnectthe sparkplugwire,grounditagainstthe engineand
performthe followingsteps:
a. Inspectfor damage.
b. Repairor replaceanydamagedparts.
c. Checkfor anyloose partsandtightento assurecontinued
safeoperation.
• Disengageall clutchlevers(if fitted)and stopenginebeforeyou
leavethe operatingposition(behindthe handles).Waituntil
the tinescometo a completestopbeforeuncloggingthe tines,
makingany adjustments,or inspections.
• Neverrunanengineindoorsorina poorlyventilatedarea.Engine
exhaustcontainscarbonmonoxide,an odorlessanddeadlygas.
• Mufflerandenginebecomehot andcancausea burn.Do not
touch.
• Usecautionwhentillingnearfences,buildingsandunderground
utilities.Rotatingtinescan causepropertydamageor personal
injury.
• Donot overloadmachinecapacityby attemptingto till soil too
deepat too fastof a rate.
• Ifthe machineshouldstart makinganunusualnoiseor vibration,
stopthe engine,disconnectthe sparkplugwire andgroundit
againstthe engine.Inspectthoroughlyfor damage.Repairany
damagebeforestartingandoperating.
• Keepallshields,guards,and safetydevicesinplaceandoperat-
ing properly.
• Neverpick uporcarrymachinewhilethe engineis running.
• Useonly attachmentsandaccessoriesapprovedby the manu-
factureras listedin the PartsListpagesof thisoperator'smanual.
Failureto doso can resultin personalinjury.
• Ifsituationsoccurwhichare notcoveredinthis manual,use care
andgoodjudgement.ContactCustomerSupportat 1-800-4MY-
HOMEfor assistanceandthe nameof thenearestservicedealer
MAINTENANCE & STORAGE
•Keepthe machine,attachmentsandaccessoriesin safeworking
order.
•Allowthe machineto coolat leastfiveminutesbeforestoring.
Nevertamperwithsafetydevices.Checktheirproperoperation
regularly.
•Checkboltsandscrewsfor propertightnessat frequentintervals
to keepthe machineinsafeworkingcondition.Also,visually
inspectmachineforany damage.
• Beforecleaning,repairing,or inspecting,stopthe engineand
makecertainthetinesandall movingpartshavestopped.
Disconnectthe sparkplugwireandgrounditagainstthe engineto
preventunintendedstarting.
4

• Do notchangethe enginegovernorsettingsor over-speedthe
engine.Thegovernorcontrolsthemaximumsafeoperatingspeed
of engine.
Maintainor replacesafetyandinstructionlabels,as necessary.
Followthis manualfor safeloading,unloading,transporting,and
storageof thismachine.
Alwaysreferto theoperator'smanualfor importantdetailsif the
machineis to bestoredforan extendedperiod.
If thefuel tankhasto be drained,do thisoutdoors.
Observeproperdisposallawsandregulationsfor gas,oil, etc.to
protectthe environment.
Accordingto the ConsumerProductsSafetyCommission(CPSC)
andthe U.S.EnvironmentalProtectionAgency(EPA),thisproduct
hasan AverageUsefulLifeof seven(7)years,or 130hoursof
operation.At the endof theAverageUsefulLifehavethe machine
inspectedannuallyby anauthorizedservicedealerto ensurethat
allmechanicalandsafetysystemsareworkingproperlyandnot
wornexcessively.Failureto do so can resultinaccidents,injuries
ordeath.
DO NOT MODIFY ENGINE
Toavoidseriousinjuryordeath,donot modifyenginein anyway.
Tamperingwiththe governorsettingcan leadto a runawayengineand
causeit to operateat unsafespeeds.Nevertamperwithfactorysetting
of enginegovernor.
NOTICE REGARDING EMISSIONS
EngineswhicharecertifiedtocomplywithCaliforniaandfederal
EPAemissionregulationsfor SORE(SmallOff RoadEquipment)are
certifiedto operateon regularunleadedgasoline,and mayinclude
the followingemissioncontrolsystems:EngineModification(EM),
OxidizingCatalyst(CO),SecondaryAirInjection(SAI)and ThreeWay
Catalyst(TWO)if so equipped.
SPARK ARRESTOR
Thismachineis equippedwithan internalcombustionengineand
shouldnotbe usedonor nearanyunimprovedforest-covered,
brushcoveredor grass-coveredlandunlessthe engine'sexhaust
systemis equippedwitha sparkarrestormeetingapplicablelocal or
statelaws(if any)
Ifa sparkarrestoris used,it shouldbe maintainedin effectiveworking
orderby theoperator.Inthe Stateof Californiathe aboveis required
bylaw (Section4442of the CaliforniaPublicResourcesCode).Other
statesmayhavesimilarlaws. Federallawsapplyonfederallands.
A sparkarrestorfor the muffleris availablethroughyournearestSears
PartsandRepairServiceCenter.

SAFETY SYMBOLS
Thispagedepictsanddescribessafetysymbolsthatmayappearonthisproduct. Read,understand,andfollowall instructionson the machine
beforeattemptingto assembleandoperate.
ii
READ THE OPERATOR'S MANUAL(S)
Read, understand, and follow all instructions in the manual(s) before attempting to assemble and
operate
WARNING-- ROTATING TINES
Do not put hands or feet near rotating parts. Contact with the rotating parts can amputate
hands and feet.
WARNING-- ROTATING TINES
Do not put hands or feet near rotating parts. Contact with the rotating parts can amputate
hands and feet.
WARNING--GASOLINE IS FLAMMABLE
Allow the engine to cool at least two minutes before refueling.
WARNING-- CARBON MONOXIDE
Never run an engine indoors or in a poorly ventilated area. Engine exhaust contains carbon
monoxide, an odorless and deadly gas.
WARNING-- HOT SURFACE
Engine parts, especially the muffler, become extremely hot during operation. Allow engine
and muffler to cool before touching.
WARNING: YourResponsibility--Restrictthe useof this powermachineto personswho read,understandandfollowthe
warningsand instructionsinthis manualandonthe machine.
SAVETHESEINSTRUCTIONS!
6

IMPORTANT:Thisunit isshippedwithoutgasolineoroil inthe engine.
Becertainto serviceenginewithgasolineandoilas instructedinthe
Operationsectionof this manualbeforeoperatingyourmachine.
NOTE:Referenceto rightand lefthandsideof the Tillerisobserved
fromthe operatingposition.
OPENING CARTON
1. Cuteachcornerof the cartonverticallyfromtop to bottom.
2. Removeall looseparts.
3. Removeloosepackingmaterial.
REMOVING UNIT FROM CARTON
1. Usethe handlebarto liftand pullthe tiller backwardsto a flat
area.Checkthecartonthoroughlyfor looseparts.
2. Besure notto kinkthe forwardclutchcable.
LOOSE PARTS IN CARTON
• HandlebarAssembly
• Tiller
• EngineOil
• Operator'sManual
• DepthGageAssembly
ATTACHING THE CABLE
1. Identifythe forwardclutchcable.SeeFigure1.
2. Hookthe "Z" endof the forwardclutchcable(A) intothe forward
fineengagementlever.SeeFigure2.
NOTE:Besure notto kinkthe cablewhileattaching.
/
/
/
Forward Clutch
Cable
f
Figure2
J
f
Figure3
ATTACHING THE HANDLE ASSEMBLY
1. Removethe hexbolt andcuppedwasherfromthe rightside of the
frame.Holdthe cableguidebracketonthe left sideof frameas it
will fall whenthe boltis removed.Step 1in Figure3.
2. Insertthe handleintothe tillerframe.Step2 in Figure3.
3. Insertthe bolt throughthe cuppedwasher,frame,handleandinto
the cableguidebracket(notethe notchinthe cableguidebracket
goes overtheflangeon theframe.)Step3 in Figure3.
J
Figure1
7

4. Tightenthe boltsecurelyaftersecuringthe handlebrace.See
Figure4.
5. Locatethecarriagebolt,bellwasherandhandknobpackedwith
yourtiller.
6. Insertthe carriagebolt throughthe weldedbracketon the handle,
bellwasher,handlebraceandintothe handknob.SeeFigure4.
7. Selectoneof the threehandleheightpositions(threenotchesin
the weldedhandlebracket)andtightenthe handknobto secure
the handleinthe desiredposition.SeeFigure4. Returnto the
lowerhandleandtightenthe hexbolt securely.
ATTACHING THE DEPTH GAGE
1. Disassemblethedepthgageassembly.See Figure5. Retainthe
pinandclip for laterreassembly.
2. Removethetwo screwsfromthe tail bracket.See Figure6.
3. Insertthe depthgagebracketintothe frameand reinstallthe
twoscrewsremovedearlier.Tightenthe hexboltssecurely.See
Figure6.
4. Insertthe depthstakeintothe depthgagebracketassembly.See
Figure7.
5. Securethe pinwiththe clip removedearlier.Thedepth stakecan
beplacedat variouspositions.Forsetuppurposesit is suggested
thatthe depthstakebeassembledwiththe stakejust above
orlevelwiththe groundsurface.Forfurtherinstructionsonthe
DepthStakereferto the OperationSectionof this manual.
Hand Knob
/Bell Washer
_. HandleBrace j
Figure4
f
Tail Bracket
Pin
Depth
Stake
Figure5
.................. /,
............/*
Tail Bracket
.....................
Figure6
Cotter
Pin
8
Figure7
J

ADJUSTMENTS
Priorto operatingyour tiller,carefullyreadand followall instructions
below.Performall adjustmentsto verifyyourtiller isoperatingsafely
_andpropery.
Checkthe adjustmentof the wheels:
Thetiller isshippedwiththe wheelsadjustedso thatthe machinesits
level.Thewheelsneedto beadjustedto meetyourtillingneedsbefore
operation.Thisadjustmentis madeby removingtheclevis pinfromthe
wheelyokeand raisingthe wheelsto thedesiredheight.SeeFigure8.
Checkthe adjustmentof the forwardclutchcableas follows:
1. Disconnectandgroundthe sparkplugwire againsttheengine.
2. Adjustthe cableby looseningthe hexnut.SeeFigure9.
3. Turnthe cablecollar sectiononeor twoturnsto increaseor
decreasetensionon thecable.SeeFigure10.
4. Retightenthe locknut againstthe cablecollar.SeeFigure11.
5. Withthe forwardfine engagementhandlein the neutral(released)
position,pullthe starterropeseveraltimes.Thetinesshouldnot
turn.
6. Iftheyturn forwardor inreverse,adjustthe clutchcableto
decreaseor increasetensionusingthe previousstepslisted.
7. Checkagainfor correcttensionon the clutchcable.
f
Wheel Yoke
\Pin
Figure8
Depth
Stake J
Figure9
Figure10
9
Figure11
J

f
Fuel Ca
Air Filter Forward Tine
Engagement Lever
-- Handle Height
Adjustment
Oil Fill Cap
& Dipstick )th Stake
Tiller Tines
Figure12
.J
Nowthat youhavesetup yourtillerfor operation,get acquaintedwith
itscontrolsandfeatures.Thesearedescribedon the nexttwopages
andillustratedon thispage.Thisknowledgewill allowyou to useyour
newequipmentto its fullestpotential.
RECOIL STARTER HANDLE
Thishandleisusedto startthe engine.
THROTTLE CONTROL
Thethrottlecontrolis locatedon the sideof the engine.Itregulatesthe
spreadof the engineandwill shutoff theenginewhen movedintothe
STOPposition.
The operationof anytiller can resultinforeignobjectsbeingthrown
intothe eyes,whichcan damageyoureyesseverely.Alwayswear
safetyglassesduringoperationor whileperforminganyadjustments
or repairs.
CHOKE CONTROL
The chokecontrolis foundon the sideof the engineandis activated
by movingthe leverto the CHOKEposition.Activatingthe choke
controlclosesthe chokeplateon the carburetorandaids instartingthe
engine.
CHOKE RUN
Meets ANSi Safety Standards
CraftsmanTillersconformto the safetystandardof the AmericanNationalStandardsInstitute(ANSI).
10

AiR FILTER
Theair filteris a deviceonthe engineair intakethatpreventsdustand
dirt enteringthe engine.SeeFigure12.
MUFFLER
Engineexhaustexitsthe enginevia the muffler.SeeFigure12.
DEPTH STAKE
The depthstakecontrolsthe tillingdepth.SeeFigure12.
HANDLEBAR HEIGHT ADJUSTMENT
The handleheightmaybeadjusted.Loosenthe knobto changethe
position.Tightenhardwarewhencomplete.SeeFigure12.
OIL FILL CAP & DIPSTICK
Engineoil levelcan becheckedand oiladdedthroughtheoil fill. See
Figure12.
NOTE:ThisunitwasshippedWITHOUToil inthe engine.Oilis
includedinthe plasticbag packedwiththe manualinwiththe unit.
Addtheoil as directedin theGas & OilFill Up section.Checkthe oil
levelbeforeeachoperationto ensureadequateoil is inthe engine.
Forfurtherinstructions,referto the stepsinthe EngineMaintenance
sectionof thismanual.
TINES
Tillingtinesareusedto cultivate,furrowandprepareyourgardenfor
seeding.SeeFigure12.
FORWARD TINE ENGAGEMENT LEVER
Theforwardtine engagementlevercontrolsthe engagementof the
tines.Releasethe leverto stopthe tines.SeeFigure12.
11

GAS AND OIL FILL-UP
Oil (one bottle shipped with unit)
FirstTimeUse
1. Removeoilfill dipstick.
2. Withthe tilleron levelground,usea funnelto emptyentire
contentsofoil bottleprovidedintothe engine.
3. Replaceoilfill dipstickandtighten.
Subsequent Uses
Only usehighqualitydetergentoil ratedwithAPIserviceclassifica-
tion SF,or SG.Selectthe oil'sSAEviscositygradeaccordingto the
expectedoperatingtemperature.Followthe chartbelow.
o
o_
oJ oa
_u
,$,,
m
m
m
m
m
ml
II
(°C) -30° -20° -10°0° 100 200 300 400
AmbientTemperature
1. SingleViscosity
2. MultiViscosity
Althoughmulti-viscosityoils (5W30,10W30,etc.)improvestarting
in coldweather,theywill resultinincreasedoil consumptionwhen
usedabove32°F.Checkyourengineoil levelmorefrequentlyto avoid
possibleenginedamagefromrunninglowon oil.
1. Checkthe oillevelmakingcertainnotto rubthe dipstickalong
the insidewallsof the oil fill tube.Thiswould resultina false
dipstickreading.Wipedipstickcleanwithcloth. Replacedipstick
into theoil fillerneck, butdo not screwit in. Removeandcheck
oil level.Refillto FULLmarkon dipstick,if necessary.Capacityis
approximately20oz.Overfillingwill causethe engineto smoke
profuselyandwill resultin poorengineperformance.
2. Replaceoilfill dipstickandtighten.
3. Keepoil levelat FULL.Runningthe enginewithtoo littleoilcan
resultinpermanentenginedamage.
Useextremecarewhenhandlinggasoline.Gasolineis extremely
flammableandthe vaporsareexplosive.Neverfuel machineindoors
orwhilethe engineis hotor running.Extinguishcigarettes,cigars,
pipes,andothersourcesof ignition.
Gasoline
1. Removefuelcap fromthefuel tank.
2. Makesurethecontainerfromwhichyouwill pourthe gasolineis
cleanandfreefrom rustorforeignparticles.Neveruse gasoline
thatmaybestalefromlongperiodsof storageinitscontainer.
Gasolinethathas beensittingfor any periodlongerthan four
weeksshouldbeconsideredstale.
Alcoholblendedfuels(calledgasoholor usingethanolor methanol)
canattractmoisturewhichleadsto separationandformationof acids
duringstorage.Acidicgas can damagethe fuel systemof anengine
whileinstorage.
Toavoidengineproblems,the fuel systemshouldbeemptied
beforestoragefor 30daysor longer.Drainthegas tank,start the
engineandlet it rununtilthe gastank, fuellinesand carburetorare
empty.Usefreshfuel nextseason.SeeSTORAGEInstructionsfor
additionalinformation.
Neveruseengineor carburetorcleanerproductsinthe fueltankor
permanentdamagemayoccur.
3. Fillfuel tankwithclean,fresh,unleadedregulargasolineonly.Do
not usegasolinecontainingMETHANOL.Replacefuel cap.
NOTE:Checkthe fuellevelperiodicallyto avoid runningout of
gasolinewhileoperatingthe tiller.
TO START ENGINE
1. Attachsparkplugwire andrubberbootto sparkplug.
2. Filltankto no morethan 1/2inch belowbottomof filler neckto
providespacefor fuelexpansion.
3. Makesurethe tineclutchcontrolisdisengaged.
4. Movethechokeleveron the engineto CHOKEI'_1 position.(A
warmenginemaynot requirechoking.)SeeFigure13.
5. Movethrottlecontrolto START/RUN(Rabbit)_1_ position.See
Figure13.
6. Standingon the sideof the unit,graspstarterhandleandpull
ropeout untilyou feela drag.
f
i==,,--
\
Figure13
12

7. Pullthe ropewitha rapid,continuous,full arm stroke.Keepafirm
griponthe starterhandle.Letthe roperewindslowly.
8. Repeat,if necessary,untilenginestarts.Whenenginestarts,
movechokecontrolgraduallytowardthe RUNI _' I position..
9. Ifenginefalters,movechokecontrolbacktowardthe CHOKE
I'_1 positionand repeatsteps5 though8.
10. ALWAYSkeepthe throttlecontrolinthe START/RUN(Rabbit)
positionwhenoperatingthe tiller.
TO STOP ENGINE
1. Tostopthe wheelsandtines,releasethe ForwardClutchBail.
2. Movethrottlecontrolleverto slow(turtle)_ position.
Wheneverpossible,graduallyreduceenginespeedbefore
stoppingengine.
3. Movethrottlecontrolleverto STOP_ orOFFposition.
4. Disconnectsparkplugwireandgroundit againsttheengineto
preventaccidentalstartingwhilethe equipmentis unattended.
TO ENGAGE DRIVE & TINES
1. Forforwardmotionof thewheelsand powerto the tinespullthe
ForwardClutchBailupagainstthe handlebar.
2. Whentilling,relaxandlet thewheelspullthemachinewhilethe
tinesdig.Walkslowlybehindthetiller allowingit to moveat its
own pacewhilekeepinga securegriponthe handlebarwithyour
elbowsflexed.
3. Releasethe bailto stopthe forwardmotionof wheelsandtines.
TURNING THE TILLER
1. Practiceturningthe tillerin a level,openarea. Beverycarefulto
keepyourfeetandlegs awayfromthetines.
2. Tobeginaturn, liftthe handlebarsuntil thetinesareout of the
groundandthe engineandtinesarebalancedoverthe wheels.
3. Withthe tillerbalanced,push sidewayson the handlebarto steer
in thedirectionof the turn.Afterturning,slowlylowerthe tinesinto
the soilto resumetilling.
Wheel Wheel Yoke
Figure14
Wheel Yoke
Wheel
Figure15
J
.J
Becertainsparkplugwire is disconnectedandgroundedagainstthe
enginewhen performingany adjustments.
SETTING THE DEPTH
Yoke Forward
Attachthe wheelyokeso thatthe wheelsareforward(nearestto tines)
for shallowtilling,cultivatingandtransportby removingthe clevispin
andcotterpin. SeeFigure14.
Yoke Back
Attachthe wheelyokeso thatthe wheelsaretowardthe rear(closest
to depthstake)for deeptilling andcultivatingby removingtheclevis
pinandcotter pin.SeeFigure15.
Depth Stake
Thedepth stakeacts as a brakefor the tiller andcontrolsthe depth
andspeedat whichthemachinewill operate.Removetheclevis pin
andhairpinclip to raiseor lowerthedepth stake.SeeFigure16.
f
13
Depth Stake
Figure16

ADJUSTING THE HANDLE HEIGHT
The handleshouldbe adjustedso thatwhenthe tilleris digging3-4"
intothe soil,the handlefallsto aboutwaste-high.To adjusthandle,
simplyloosenthe handleknob,movethe handleto the desiredheight
andretightenthe handleknob.SeeFigure17.
Beforeclearingthe tinesby hand,stoptheengine,allowall moving
partsto stopanddisconnectthe sparkplugwire.Failureto followthis
warningcouldresultin personalinjury.
CLEARING THE TINES
Thetineshavea self-clearingactionwhicheliminatesmostof the
tanglingof debris.However,occasionallydry grass,stringystalksor
toughvinesmaybecometangled.Followtheseproceduresto help
avoidtanglingandto clearthe tines,if necessary.
•Tryto till undercrop residuesor covercropswhile theyare green,
moistandtender.
•Whiletilling,try swayingthe handlebarsfromsideto side (about
6" to 12").This"fishtailing"actionoftenclearsthetinesof debris.
Beforetilling,contactyour telephoneor utilitiescompanyandinquire
l if undergroundequipmentor linesareusedonyour property.Do not
|till nearburiedelectriccables,telephonelines,pipesor hoses.
[
TILLING TIPS & TECHNIQUES
Tilling Depth
•Thisisa FRT(forward-rotatingfine) tiller.Whenthe forwardtine
engagementleveris pressedagainstthe handlethe tinesrotate
forward.This createsan"uppercut"tine actionwhichdigsdeeply,
uprootingsoilandweeds.Don'toverloadthe engine,but digas
deeplyas possibleon eachpass.
•Whencultivating(breakingupthe surfacesoilaroundthe plants
to destroyweeds,SeeFigure18),tryto havethe tinesonlydig 1"
to 2" deep.Usingthe shallowtilling depthhelpspreventinjuryto
the plantswhoserootsoftengrow closeto the surface.If needed,
lift uponthe handlebarsslightlyto preventthetinesfromdigging
toodeeply.(Cultivatingona regularbasisnotonly eliminates
weeds,it alsoloosensandaeratesthe soilfor bettermoisture
absorptionandfasterplantgrowth.)Wateringthe gardenareaa
fewdayspriorto tillingwill maketillingeasier,as will lettingthe
newlyworkedsoil setfora day ortwo beforemakinga final,deep
tillingpass.
Figure17
f
J
Figure18
14

Choosing the Correct Tine Speed
Withexperience,you will findthe tillingdepthandtilling speed
combinationthatisbestfor yourgarden.Set theenginethrottleleverat
a speedtogive the engineadequatepowerandyetallowit tooperate
at the slowestpossiblespeeduntilyou haveachievedthe maximum
tillingdepthyoudesire.Fasterenginespeedsmaybedesirable
whenmakingfinalpassesthroughthe seedbedorwhen cultivating.
Selectionof the correctenginespeed,inrelationto the tillingdepth,
will ensurea sufficientpowerlevelto dothejob withoutcausingthe
engineto labor.
Suggested Tilling Patterns
• Whenpreparinga seedbed,go overthesamepathtwice inthe
first row,thenoverlapone-halfthe tillerwidthonthe restof the
passes.SeeFigure19.
• Whenfinishedinonedirection,makea secondpassat a right
angle,SeeFigure20. Overlapeachpassfor thebest results(in
veryhardground,itmaytakethreeorfour passesto thoroughly
pulverizethe soil.)
• If thegardensizewill not permitlengthwiseandthen crosswise
tilling,then overlapthe firstpassesby one-halfa tillerwidth,fol-
lowedby successivepassesat one-quarterwidth.SeeFigure21.
Donot operatethe tilleron a slopetoo steepfor safeoperation.Till
slowlyandbe sureyouhavegoodfooting.Neverpermitthe tiller to
freewheeldownslopes.Failureto followthiswarningcouldresultin
personalinjury.
Tilling on a Slope
1. Till onlyon moderateslopes,neveronsteepgroundwherethe
footingisdifficult.
2. Tillingupanddownslopesisrecommendedoverterracing.Tilling
verticallyon a slopeallowsmaximumplantingareaandalso
leavesroomforcultivating.
NOTE:Whentilling onslopes,besurethe correctoil levelismain-
tainedinthe engine(checkeveryone-halfhourof operation).The
inclineof the slopewillcausethe oilto slantawayfromitsnormal
levelandthiscan starveenginepartsof requiredlubrication.Keepthe
motoroil levelat thefull pointat all times.
Figure19
[m_m_
t j
Figure20
Tilling Up and Down a Slope
1. Tokeepsoil erosionto a minimum,be sureto addenoughorganic
matterto the soilso thatit hasgoodmoistureholdingtextureand
tryto avoidleavingfootprintsor wheelmarks.
2. Whentillingvertically,try to makethe first passuphillas the tiller
digs moredeeplygoinguphillthan it doesdownhill.In soft soilor
weeds,you may haveto lift the handlebarsslightlywhile goingup-
hill.Whengoingdownhill,overlapthe first passbyaboutone-half
the widthof the tiller.
15
Figure21

Terrace Gardening
1. Tocreatea terrace,startat thetop of the slopeandworkdown
Gobackandforthacrossthefirst row.SeeFigure22.
2. Eachsucceedinglowerterraceis startedby walkingbelowthe
terraceyouare preparing.Foraddedstabilityof the tiller,always
keepthe uphillwheelin the soft,newlytilledsoil. Donot till the
last 12"or moreof thedownhilloutsideedgeof each terrace.This
untilledstriphelpspreventthe terracesfrombreakingapart and
washingdownhill.Italso providesa walkingpath betweenthe
rows,
f
,O
' REPEA'
Figure22
J
16

MAINTENANCE SCHEDULE
Beforeperforminganytypeof maintenance/service,disengageall
controlsandstoptheengine.Waituntilallmovingpartshavecometo
acompletestop.Disconnectsparkplugwireandgrounditagainstthe
enginetopreventunintendedstarting.Alwayswearsafetyglassesduring
operationor whileperforminganyadjustmentsor repairs.
Followthe maintenanceschedulegivenbelow.Thischartdescribes
serviceguidelinesonly.Usethe ServiceLogcolumnto keeptrackof
completedmaintenancetasks.To locate the nearest Sears Service
Centeror to scheduleservice,simplycontactSears at
1-800-4-MY-HOME®.
EachUse
1st2 hours
1st5 hours
Every10hours
Every25 hours
Every30 hours
Every50 hours
Every100hours
BeforeStorage
.
2.
3.
4.
1.
2.
1.
1.
2.
1.
1.
2.
1.
1.
2.
1.
Engineoillevel
Looseormissinghardware
Engineandaroundmuffler
Aircleaner
Drivebelt tension
Nutsand Bolts
Engineoil
Drivebelt tension
Unit
Sparkplug
Tinesfor wear
Tirepressure
Engineoill-
Aircleaner
SparkPlug
Fuelsystem
= =
1. Check
2. Tightenor_place
3. Clean
4. Check
1. Check
2. Check
1. Change
1. Check
2. Lubricate
1. Check
1. Check
2. Check
1. Change
1. Change
2. Change
1. Runengineuntilit stopsfromlackof
fuel oradda gasolineadditiveto the
gas in thetank.
Changeoileverytwentyfivehourswhenoperatingengineunderheavyloadorin hightemperatures
Alwaysstopengineanddisconnectsparkplugwirebeforeperforming
lany maintenanceor adjustments.Alwayswearsafetyglassesduring
[operationorwhile performingany adjustmentsor repairs.
ENGINE MAINTENANCE
DO NOTcheckfor sparkwithsparkplugremoved.DO NOTcrank
enginewithsparkplug removed.
GENERAL RECOMMENDATIONS
•Alwaysobserveallsafetyrulesfoundonproductlabelsandin
thisoperator'smanualwhenperformingany maintenance.Safety
rulescan befoundonthe productlabelsandin thisOperator's
Manualbeginningon page3.
• Thewarrantyon thistillerdoes notcoveritemsthathavebeen
subjectedto operatorabuseor negligence.Toreceivefull value
fromwarranty,operatormust maintainthe equipmentas
instructedhere.
• Someadjustmentswillhaveto be madeperiodicallyto maintain
yourunit properly.
• Periodicallycheckall fastenersand makesurethesearetight.
Ifthe enginehas beenrunning,the mufflerwill beveryhot. Becareful
notto touchthe muffler.
Thesparkplugmustbesecurelytightened.Animproperlytightened
sparkplugcan becomeveryhot andmaydamagethe engine.
Checking the Spark Plug
Toensureproperengineoperation,the sparkplugmustbeproperly
gappedandfree of deposits.Checkthe sparkplugevery25hoursand
replaceitevery100hours.
17

1. Removethesparkplugbootanduse a sparkplugwrenchto
removethe plug.See Figure23.
2. Visuallyinspectthe sparkplug.Discardthe sparkplugif thereis
apparentwear,orif the insulatoris crackedor chipped.Cleanthe
sparkplugwitha wirebrush if it is to be reused.
3. Measurethe pluggapwitha feelergauge.Correctas necessary
by bendingsideelectrode.SeeFigure24.The gapshouldbeset
to 0.030in.
4. Checkthatthe sparkplugwasheris ingoodconditionandthread
the sparkplugin by handto preventcrossthreading.
5. Afterthesparkplugis seated,tightenwitha sparkplugwrenchto
compressthe washer.
NOTE:Wheninstallinga newsparkplug,tighten1/2turn afterthe
sparkplugseatsto compressthe washer.Whenreinstallinga used
sparkplug,tighten1/8-1/4turnafterthe sparkplugseatsto compress
the washer.
Neverusegasolineorlow flashpointsolventsfor cleaningthe air
c eanereement. A f re orexpos oncou d resut.
Servicing the Air Cleaner
Theair cleanerpreventsdamagingdirt, dust,etc.,fromenteringthe
carburetorand beingforcedintothe engineandis importantto engine
life andperformance.Neverrunthe enginewithoutan aircleaner
completelyassembled.Checkthe air cleanerbeforeeach use.
Paperfilterscannotbecleanedandmustbe replacedonce a year
orevery 100operatinghours;moreoftenif usedin extremelydusty
conditions.
1. Pressthe tab onthe airfiltercover,lift the coverandremovethe
airfilter.SeeFigure25.
2. Discardold airfilter.
3. Installnewairfilter.
4. Closethe cover.
NOTE:Ifthe filteris torn ordamagedin anyway,replaceit.
Donot sprayenginewithwaterto clean becausewatercould
contaminatefuel. Usinga gardenhoseorpressurewashingequip-
mentcanalso forcewaterintothe muffleropening.Waterthat passes
throughthe mufflercanenterthe cylinder,causingdamage.
Accumulationof debrisaroundmufflercouldcausea fire.Inspectand
cleanbeforeeveryuse.
Figure23
0.02-0.03 in.
===_1 _=====0.60=0.80 mm
Figure24
J
Air Filter
Cover
Filter
Cleaning the Engine
If theenginehasbeenrunning,allowit to coolfor at leasthalfan hour
beforecleaning.Periodicallyremovedirt build-upfromtheengine.
Cleanaroundthe muffler.Cleanwitha brushor compressedair. Figure25
J
18

Check Engine Oil
1. Checkoil beforeeachuse.Stopengineandwaitseveralminutes
beforecheckingoil level.Withthe tilleron levelground,the oil
mustbeto FULLmarkon dipstick.
2. Removeoil fill dipstickandwipe cleanwithcloth.
3. Replacedipstickintothe oilfiller neck,but donot screwitin.
Removeandcheckoil level.Levelshouldbeat FULLmark.
4. If needed,addoil slowly- recheck.Do not overfill.
5. Wipedipstickclean,replacebut donot tighten.Removeand
checkoil level.Oillevelshouldbeat FULLlineondipstick.
6. Replaceandtightendipstickfirmlybeforestartingengine.
DO NOTuse non-detergentoilor 2-strokeengineoil. itcould shorten
the engine'sservicelife.
Change Engine Oil
•SAE10W-30is recommendedforgeneral,all temperatureuse.
Whenaddingoilto the engine,referto viscositychart inthe
operationsection.Usea 4-stroke,oranequivalenthighdeter-
gent,premiumqualitymotoroil certifiedto meetor exceedU.S.
automobilemanufacturer'srequirementsfor serviceclassification
SG,SR MotoroilsclassifiedSG,SF will showthisdesignationon
thecontainer.
•Changeengineoil afterthefirst fiveto eight hoursof operation,
andeveryfifty hoursoreveryseasonthereafter.Changeoil every
twentyfivehourswhenoperatingengineunderheavyloadorin
hightemperatures.
oil
Drain
Figure 26
4. Replaceandtightenthe oildrainendcap.
5. Whenengineisdrainedof all oil, placeenginelevel.Refillwith
approximately20oz.of freshoil. Fillto FULLlineondipstick.
Donot overfill.Referto CheckEngineOil inthis SERVICE&
MAINTENANCEsection.
6. Replacesparkplugwire beforestarting.
Beforetippingengineor equipmentto drainoil, drainfuel fromtank by
runningengineuntilfuel tankisempty.
Usedmotoroil maycauseskincancerif repeatedlyleftin contactwith
the skinfor prolongedperiods.Althoughthis isunlikelyunlessyou
handleusedoil ona daily basis,itis stilladvisableto thoroughlywash
yourhandswithsoapandwateras soonas possibleafter handling
usedoil.
To Drain Oil
1. Drainthe fuelfromthe tankby runningthe engineuntil thefuel
tankisempty.Besurefuel fill cap issecure.
2. WithengineOFFbutstillwarm,disconnectsparkplugwire and
keepitawayfromsparkplug.
3. Removeoil drainendcap locatedat the baseof the engine,and
drainoil into anappropriatereceptacle.SeeFigure26.
Usedoilisa hazardouswasteproduct.Disposeof usedoil properly
IDonot discardwithhouseholdwaste.Checkwithyourlocalauthori-
_tiesor SearsServiceCenterfor safedisposal/recyclingfacilities.
19

LUBRiCATiON
Afterevery10operatinghours,oilor greasethe lubricationpoints.Use
cleanlubricatingoil (#30weightmotoroil is suitable)andcleangeneral
purposegrease(greasecontaininga metallubricantis preferred,if
available).
•Removethetinesandcleanthe fine shaft.Usea file or sandpa-
perto gentlyremoveany rust,burrsor roughspots(especially
aroundthe holesinthe shaft).Applygreaseto the endsof the
shaftbeforeinstallingthe tines.
Removethebelt coverandlubricateallthe pivotpointsand
linkageswitha lightcoatof oil. Keepthe beltsfree of lubrication.
Thechaincaseis pre-lubricatedand sealedat the factoryand
requiresno maintenance.
HARDWARE
Checkfor looseor missinghardwareafterevery10operatinghours
andtightenor replace-- as needed= beforereusingthe tiller.Be
sureto checkthe screwsunderneaththe tillerhoodthatsecurethe
transmissioncoverandthe DepthRegulatorLeverto thetransmission.
Beforeperformingany typeof maintenanceonthe machine,waitfor
all partsto stopmovinganddisconnectthe sparkplugwire.Failure
to followthis instructioncouldresultinpersonalinjuryor property
damage.
BELT REPLACEMENT
If thedrive beltneedsto be replaced,makesureyou useonly a
factoryauthorizedbelt listedinthe Partspagesof thisoperator's
manual,as an "over-the-counter"beltmaynot performsatisfactorily.
Theprocedurerequiresaveragemechanicalabilityandcommonly
availabletools.
Toreplacethe Drivebelt,followthesesteps:
1. Removethebelt coverfromthe leftside of the tillerby removing
the twoselftappingscrewsandhex stopnutandwasher.See
Figure27.
2. Removetheidlerpulleybolt andmovethe beltfromunderthe
idlerpulleykeeper.SeeFigure28.
3. Removethebelt keeperassemblylocatedbehindtheengine
pulleyby removingthe two hexboltsandlockwashers.See
Figure28.
4. Removetheold beltfromaroundthe transmissionpulleyand
installthe new belt. SeeFigure28.
5. Followthe instructionsinreverseorderto re-installthe beltkeeper
andidlerpulley.
NOTE:Uponreassernbly,makecertainthatthe idlerpulleykeeper
isas showninFigure28. Takenoteof the notchon the bottomof the
keeperandthe alignmentwhenreassemblingwiththe replacement
belt.
f
/
/
/
Hex Stop
Nut
Washer
Figure27
Figure28
Transmission
Pulley
J
2O

TINES
Thetineswill wearwithuseand shouldbe inspectedat the beginning
of eachtillingseasonandafterevery30 operatinghours.Thetines
can bereplaced.Referto the PartsListsectionof thismanualfor part
numbers.
Tine inspection
Withuse,the tineswill becomeshorter,narrowerandpointed.Badly
worntineswill resultina lossof tillingdepth,andreducedeffective-
nesswhen choppingupandturningunderorganicmatter.
Removing/Installing a Tine Assembly
1. Atine assemblyconsistsof a lefthandfineanda righthandfine.
NOTE:Thesharpedgesof the tinesarepositionedto enterthe soil
firstwhen rotating.Notethispositionof the tinesfor reinstallationof the
newfine assemblies.
2. To removeafine assembly,simplyremovethe cotterpin securing
theclevis pinfor eachfine.SeeFigure29.
3. Removethe clevispin foreachfine,and slidetheassemblyto the
outsideof the unitandoff of the fine shaft.
4. Beforereinstallingthe fineassembly,inspectthe tine shaftfor
rust, roughspotsorburrs.Lightlyfile or sand,as needed.Applya
thincoatof greaseto the shaft.
5. Installeachtine of theassemblyso thatthecutting(sharp)edge
of the tineswill enterthe soil firstwhenthe tiller movesforward.
Clevis Pin
Figure29
J
21

Neverstoretiller withfuel in tankindoorsor in poorlyventilatedareasI
wherefuel fumesmayreachanopenflame,spark,or pilotlightas on
a furnace,waterheater,c othesdryer,orgas app ance. 1
Neverleaveengineunattendedwhileit is running.
PREPARING THE ENGINE
Enginesstoredbetween30and 90daysneedto betreatedwitha
gasolinestabilizerandenginesstoredover90daysneedto bedrained
of fuel to preventdeteriorationandgumfromforminginfuel systemor
on essentialcarburetorparts.Ifthe gasolineinyourenginedeterio-
ratesduringstorage,you mayneedto havethecarburetor,andother
fuel systemcomponents,servicedor replaced.
1. Removeallfuel fromtankby runningengineuntilit stopsfrom
lackof fuel.
2. Changethe oil. SeeChangeEngineOil inSERVICEAND
MAINTENANCEsection.
3. Removesparkplugand pourabouta 1/2ounceof engineoilinto
the cylinder.Replacesparkplugandcrankit slowlyto distribute
oil.
4. Cleandebrisfromaroundtheengineandthe muffler.Touchup
any damagedpaint,andcoatotherareasthatmayrustwitha light
filmof oil.
5. Storein a clean,dry andwellventilatedareaawayfromany ap-
pliancethatoperateswitha flameorpilot light,suchas a furnace,
waterheater,orclothesdryer.Alsoavoidany areawitha spark
producingelectricmotor,orwherepowertoolsare operated.
6. Ifpossible,also avoidstorageareaswithhighhumidity,because
that promotesrustandcorrosion.
7. Keeptheenginelevelinstorage.Tiltingcan causefuel or oil
leakage.
PREPARING THE TILLER
Whenthe tillerwon'tbe usedfor an extendedperiod,prepareit for
storageas follows:
1. Cleanthe tillerandengine.
2. Followthe lubricationrecommendationsandcheckfor looseparts
and hardware.
3. Storethe tiller ina clean,dry area.
4. Neverstorethe tillerwithfuel inthe fuel tankinan enclosedarea
wheregas fumescould reachan openflameor spark,or where
ignitionsourcesare present(spaceheaters,hot waterheaters,
furnaces,etc.).
22

Beforeperforminganytypedmaintenance/service,disengageallcontrolsandstoptheengine.Waituntilall
movingpartshavecometo acompletestop.Disconnectsparkplugwireandgroundit againsttheenginetoprevent
unintendedstarting.Alwayswearsafetyglassesduringoperationorwhileperforminganyadjustmentsorrepairs.
Enginefailsto start
Enginerunserratically
Engineoverheats
Enginedoesnot shutoff
Wheels/Tineswill notturn
Tinesturn, butwheelsdon't
Wheelsturn,buttinesdon't
Poortilling performance
1. Sparkplugwire disconnected.
2. EngineThrottleControlLeverincorrectlyset.
3. Fueltankemptyor stalefuel.
4. Dirtyairfilter.
5. Defectiveor incorrectlygappedsparkplug.
6. Misadjustedthrottlecontrol.
7. Dirtorwaterinfuel tank.
1. Defectiveor incorrectlygappedsparkplug.
2. Dirtyairfilter(s).
3. Carburetorout of adjustment.
4. Stalegasoline.
5. Dirtorwaterinfuel tank.
6. Enginecoolingsystemclogged.
1. Enginecoolingsystemclogged.
2. Carburetorout of adjustment.
3. Oillevelis low.
1. Misadjustedthrottlecontrolor ignitionswitch.
1. Improperuse of controls.
2. Worn,broken,or misadjusteddrive belt(s).
3. Internaltransmissionwearor damage.
4. Bolt looseintransmissionpulley.
1. Bolt looseintransmissionpulley.
2. Internaltransmissionwearor damage.
1. Tine holdermountinghardwaremissing.
2. Bolt looseintransmissionpulley.
3. Internaltransmissionwearor damage.
1. Worntines.
2. ImproperDepthRegulatorsetting.
3. Incorrectthrottlesetting.
4. ForwardDriveBeltslipping.
1. Reconnectwire.
2. Putleverin STARTposition.
3. Filltankwithclean,freshgasoline.
4. Cleanor replacefilter.
5. Clean,adjustgap,or replace.
6. Contactyour SearsParts& RepairCenter.
7. Contactyour SearsParts& RepairCenter.
1. Clean,adjustgap,or replace.
2. Cleanor replace.
3. Contactyour SearsParts& RepairCenter.
4. Replacewithfreshgasoline.
5. Contactyour SearsParts& RepairCenter.
6. Cleanair coolingsystem.
1. Cleanair coolingarea.
2. Contactyour SearsParts& RepairCenter.
3. Checkoil level.
1. Contactyour SearsParts& RepairCenter.
1. ReviewOperationsection.
2. Replaceor adjustbelts.
3. Contactyour SearsParts& RepairCenter.
4. Tightenbolt.
1. Tightenbolt.
2. Contactyour SearsParts& RepairCenter.
1. Replacehardware.
2. Tightenbolt.
3. Contactyour SearsParts& RepairCenter.
1. ReplaceTines.
1. See"TillingTips& Techniques."
1. SeeService& MaintenanceSection.
1. SeeService& MaintenanceSection.
NEED MORE HELP?
You'll find _:he answe_ and mo_e oh ma.nagemy_[eocem ,,, for free!
Find this and aLLyour other product manuals online.
Get answers from our team of home experts.
Get a personalized maintenance plan for your home.
Find information and tools to help with home projects.
managemyli[e
b:_o_g_'_t to yo'a b_,_$ea_r_
i_i_i_!ii!ii!ii!ii!ii!ii!ii!ii!ii!ii!ii!ii!ii!ii!ii!ii!ii!ii!ii!ii!ii!ii!ii!ii!ii!ii!ii!ii!ii!ii!ii!ii!ii!ii!ii!ii!ii!ii!ii!ii!ii!ii!ii!ii!ii!ii!ii!ii!ii!ii!ii!ii!ii!ii!ii!ii!ii!ii!ii!ii!ii!ii!ii!ii!i
23

Craftsman Tiller B Model No. 247.29934
22
12 21
14
4O
32
15
26
2O
43
24

Craftsman Tiller BIViodel No. 247.29934
686-0081A-0637 WheelBracketAssembly
2 911-0415 ClevisPin, .375x 1.75
3 714-04043 BowTie Cotter Pin
4 734-04547 CompleteWheelAssy.8 x 1.75
5 738-0929 ShoulderScrew,.496x 1.4453/8-16
6 710-0805 HexHeadScrew,5/16-18x 1.50
7 712-04063 Nut,5/16-18,FlangeLock
8 750-0890 Spacer,.325IDx .75ODx.520
9 786-0003-0637 Tail Bracket,LH
10 786-0004-0637 Tail Bracket,RH
11 786-0005-0637 DepthBar
12 649-04040-4044 CompleteHandleAssembly
13 686-0083-0637 ClutchBail
14 710-0641 HexHeadScrew,1/4-20x 2.25
15 710-1236 CarriageScrew,5/16-18x 1.00
16 710-3194 HexHeadScrew,1/2-20x .750
17 912-0298 JamNut, 1/4-20
18 912-0442 Nut,1/4-20,Lock
19 720-0195 HandleKnob
20 720-0269 Grip,ClutchBail
21 720-0274 Grip, Handle
22 731-06253A HandleCover
931-1645B ClutchBailHolder
24 936-0140 FiatWasher,.385x.62 x.063
25 736-0242 BellWasher,.340x.872x.060
26 936-0921 LockWasher,1/2
27 936-3020 FlatWasher,.271x.630x.065
28 749-1401A-4044 HandleBrace
29 710-0176 HexHeadScrew,5/16-18x 2.75
30 710-0502A SEMSScrew,3/8-16
31 710-0602 Self-TappingScrew,5/16-18x 1.00
32 710-0604A Self-TappingScrew,5/16-18x .625
33 912-0240 JamNut,7/16-20
34 912-0429 NylonHexLockNut,5/16-18
35 936-0171 LockWasher,7/16
36 738-0934 ShoulderScrew,.475x 2.115/16-18
37 750-0470 Spacer,.47OD x .96
38 786-0138A-4044 Frame,RH
39 786-0139A-4044 Frame,LH
40 786-0145A-4044 EngineMountingPlate
41 946-0918 ForwardClutchCable
42 946-0778 Z-Fitting(incl.Ref43)
43 712-0121 JamNut
25

Craftsman Tiller BIViodel No. 247.29934
34
37
27
_..26
10
26

Craftsman Tiller BIViodel No. 247.29934
986-0091 ChainCaseAssembly
2 642-0002-0637 innerTineAssembly,RH
3 642-0003-0637 innerTineAssembly,LH
4 642-0004-0637 OuterTineAssembly,RH 26 712-3029
5 642-0005-0637 OuterTineAssembly,LH 27 736-0112
6 911-0415 ClevisPin,.375x 1.75 28 936-0119
7 714-04043 BowTie CotterPin 29 736-0242
8 710-0599 Screw,1/4-20x 0.500 30 736-0312
9 711-0919 Bolt,Belt Cover 31 936-0452
10 712-0392 Nut, 1/4-28,Lock 32 786-0149
11 712-3004A Nut,5/16-18,FlangeLock 33 948-0350
12 936-3020 FiatWasher,.271x.630x.065 34 950-0892
13 738-0930 ShoulderScrew,.560x.1655/16-18 35 954-0428
14 786-0056A-4044 Belt Cover 36 756-0313
15 710-3008 HexHeadScrew,5/16-18x .75 37 756-0585
16 712-04063 Nut,5/16-18,FlangeLock 38 756-0971
17 786-0043A-4044 TineShield 39 756-0972
18 786-0053-0637 Bracket,Tine Shield 40 786-0039B-0637
19 686-0088 Idler BracketAssembly 41 786-0129-0637
20 710-0189 HexHeadScrew,5/16-18x 3.00
21 710-0237 HexHeadScrew,5/16-24x .625
22 710-1039 HexHeadScrew,3/8-24x 1.00
710-3005 HexHeadScrew,3/8-16x 1.25
24 711-1036A HexNut,5/16-18
25 712-0266A JamlockNut,3/8-16
Nut, 1/2-20,Jam
Washer,.531x 1.62x .045
LockWasher,5/16
BellWasher,.340x.872x.060
FiatWasher,1.26x 1.87x .150
BellWasher,.396x 1.140x .095
BeltKeeper
PulleyAdaptor
Spacer,.64 IDx 2.4
Belt,4L x 41.9LG
Pulley1.88OD
Pulley6.00OD
InnerEnginePulley
OuterEnginePulley
BeltKeeperBracket
CableGuideBracket
42 786-0144-0637 IdlerBracket
43 952Z170-VOB ReplacementEngine
27

Craftsman Engine IViodel 170-VOB For Tiller IViodel 247.29932
23 23
20
_37
____-34
32-_ _ '_--32
31
m
20
21
22
23
30
31
32
34
35
36
37
951-11285
712-04214
751-12294
710-05002
951-10806
712-04213
710-05102
951-12135
951-10794
951-10794
951-12136
m = O 0
ExhaustPipeGasket
Nut,M8
MufflerAssembly
Bolt
Air CleanerHousing
Nut
Self-TappingBolt M4.2x16
SilencerPlate
Air CleanerAssembly
Air CleanerAssembly
Air CleanerCover
28

Craftsman Engine IViodel 170-VOB For Tiller IViodel 247.29932
d
a
c
29
m
28
29
a
b
C
d
e
f
g
h
I
J
k
I
951-10797
951-11571
951-11177
N/A
N/A
N/A
N/A
N/A
N/A
N/A
N/A
N/A
N/A
N/A
D = I! q!
CarburetorAssembly
CarburetorGasketPlate
ControlLever,Choke
ChokeShaft
ChokePlate
ThrottleShaft
ThrottlePlate
ScrewM3x5
LockWasher
IdleJetAssembly
Gasket,ThrottlePlate
IdleSpeedAdjustingScrew
MixtureScrew
CarburetorBody
m
m
n
0
P
q
r
s
t
U
V
W
X
N/A
N/A
N/A
N/A
N/A
N/A
951-11589
N/A
951-11348
710-04945
951-11349
710-04938
951-12119
D = I! O
FloatPin
EmulsionTube
NeedleValve
MainJet
NeedleValveSpring
Float
FuelBowlGasket
FuelBowl
FuelBowlGasket
FuelBowlMountingBolt
FuelDrainPlugGasket
FuelDrainPlug
CarburetorKit- Major
(Incl Ref.I,m,n,o,p,q,r,s,u&w)
29

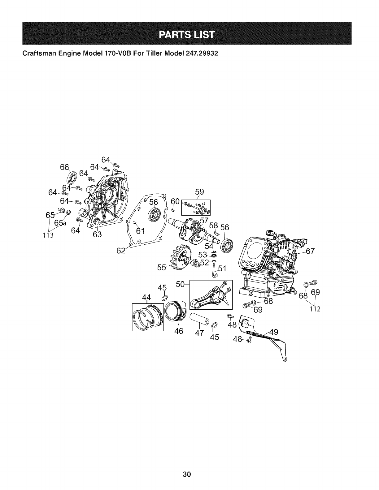
Craftsman Engine Model 170-VOB For Tiller Model 247.29932
5a 64
113 63
55
45
4_4
56
46 4_7 _
45
112
3O

Craftsman Engine IViodel 170=VOB For Tiller IViodel 247.29932
m
44
45
46
47
48
49
5O
51
52
53
54
55
56
57
58
59
6O
61
62
63
64
65
65a
66
67
68
69
112
113
951-11253
951-11632
951-12007
951-11633
710-04915
951-11113
951-11573
951-11356
736-04461
951-11574
714-04074
951-11575
951-11369
951-12160
951-10307
951-11576
715-04092
715-04089
951-11371
951-12125
710-04932
951-11377
951-11577
951-11578
951-12155
736-04440
710-04906
951-10370
951-11283
D = B
PistonRingSet
PistonPinSnapRing
Piston
PistonPin
Bolt M6x12
AirShield
ConnectingRodAssembly
GovernorArm Shaft
Washer5.2xl.9
GovernorSeal
CotterPin
CamshaftAssy.
RadialBallBearing,6205
CrankshaftAssembly
WoodruffKey
GovernorGear/ShaftAssembly
DowelPin7x14
DowelPin9x14
CrankcaseCoverGasket
CoverComp,LeftCrankcase
Bolt M8x32
Oil FillerPlugAss'y
O-Ring
OilSeal,25x41.25x6
Short Block
(InclRef.4,20,25,26,38,
40,41,44-47,50-70)
Washer10x16x1.5
Oil DrainPlug
Oil DrainPlug& WasherAssembly
Oil FillPlugAssembly
31

Craftsman Engine Model 170=VOB For Tiller Model 247.29932
114
18
16 38
32

Craftsman Engine IViodel 170=VOB For Tiller IViodel 247.29932
m
1
2
3
3a
4
5
6
7
8
9
10
11
12
13
14
15
16
17
18
710-04968
951-11054
731-07059
726-04101
951-11565
951-11892
751-11124
751-11123
951-11893
710-04902
951-11895
951-12000
951-12002
951-12003
951-12004
951-11894
710-04933
951-10668A
951-10292
D = B 0
BoltM6x16
ValveCover
BreatherHose
HoseClamp
ValveCoverGasket
RockerArmAssembly
Nut,PivotLocking
AdjustingNut,Valve
RockerArm
Bolt,Pivot
PushRodGuide
Retainer,In.ValveSpring
Adjuster,ExhValve
Retainer,Ex.ValveSpring
ValveSpring
IntakeValveSeal
BoltM8x55
CylinderHeadAssembly
(InclRef.4,6-15,17,20,
25,26,38,42& 43)
SparkPlug/F6Rtc
m
19
19
24
25
26
27
38
39
4O
41
42
43
114
710-05276
951-10657
710-05101
951-11567
951-11568
951-11569
951-11572
951-10648
951-11899
715-04090
951-10647A
951-10647A
951-11063A
951-10819
951-12120
951-12121
D = O
MufflerStud M8x36
MufflerStudAssembly
StudM6x110
CarburetorInsulatorGasket
CarburetorInsulator
CarburetorGasket
Gasket,CylinderHead
PushRod
Tappet
DowelPin10x16
ValveKit
ValveKit
ValveCoverKit
CylinderHeadServiceKit
(InclRef.4,15,16& 38)
GasketKit,External
(InclRef.4,20,25,26,27,29& 68)
GasketKit,Complete
(InclRef.4,20,25,26,27,29,38,52,
53,62,66,68& 70)
33

Craftsman Engine IViodel 170=VOB For Tiller IViodel 247.29932
74
82
81
p_
80
m
7O
71
72
73
74
75
76
77
79
80
81
82
109
110
111
951-12126
951-10792
710-04919
951-10805
951-10909
951-10911
712-04209
710-04915
951-11583
736-04455
710-04974
951-12127
712-04212
710-04918
951-11109
D = O O
Oil Seal25x41.25x6
IgnitionCoil Assembly
BoltM6x25
Flywheel
Fan,Cooling
Pulley,Starter
Nut,Special,M14x1.5
BoltM6x12
BlowerHousing
FlatWasher
BoltM6xlO
RecoilStarter
Nut,M6
BoltM6x20
BlowerHousingShield
34

Craftsman Engine IViodel 170=VOB For Tiller IViodel 247.29932
m
1
83
84
85
86
87
88
9O
91
92
93
94
95
710-04968
951-11067
951-12131
710-04928
951-11585
951-10664
951-10665
951-11106
712-04212
710-04908
951-10650
951-11700
710-04915
D = O
BoltM6x16
ThrottleControlKnob
PrimerBracket
BoltM6x12
GovernorSpring
ThrottleLinkageSpring
ThrottleLinkage
GovernorArm
NutM6
GovernorArmBolt
FuelLineKit
FuelHoseClamp
BoltM6x12
m
96
97
98
1CO
101
101a
102
103
104
106
107
108
951-11914
710-04905
710-04915
951-11903
951-10656
951-11913
951-11904
951-11912
951-10917A
951-11933
951-12159
951-10651
D = O O
DipstickDecorationCover
Bolt
Bolt M6x12
Oil FillTubeO-Ring
Oil FillTube
Oil FillTubeAssembly
Oil FillTubeO-Ring
DipstickAssembly
FuelCapAssembly
FuelLevelIndicator
FuelTank
FuelTankNipple
35

Craftsman Tiller IViodel No. 247.29934
777D15526
777123259 777i23174 777S33498
777D15527
777D15447
777D15452
777S33612
777120358
777122502
36

(Thispageapplicableinthe U.S.A.and Canadaonly.)
Sears Brands Management Corporation (Sears), the California Air Resources Board (CARD)
and the United States Environmental Protection Agency (U.S. EPA)
Emission Control System Warranty Statement (Owner's Defect Warranty Rights and Obligations)
EMISSIONCONTROLWARRANTYCOVERAGEISAPPLICABLETOCERTI-
FIEDENGINESPURCHASEDINCALIFORNIAIN1995ANDTHEREAF-
TER,WHICHARE USEDINCALIFORNIA,ANDTOCERTIFIEDMODEL
California and United States Emission
The CaliforniaAir ResourcesBoard(CARD),U.S.EPAand Searsare pleased
to explainthe EmissionControlSystemWarrantyon your modelyear2000and
latersmalloff-roadengine(SORE).InCalifornia,newsmall off-roadengines
mustbedesigned,builtand equippedto meettheState'sstringentanti-smog
standards.Elsewherein theUnitedStates,newnon-road,spark-ignition
enginescertifiedfor modelyear 1997and latermustmeetsimilarstandardsset
forthbythe U.S.EPA.Searsmustwarranttheemissioncontrolsystemonyour
YEAR1997ANDLATERENGINESWHICHARE PURCHASEDAND USED
ELSEWHEREINTHEUNITEDSTATES(ANDAFTERJANUARY1,2001 IN
CANADA).
Control Defects Warranty Statement
enginefor theperiodsoftime listedbelow,providedtherehas beennoabuse,
neglector impropermaintenanceof your smalloff-roadengine.Youremis-
sion controlsystemincludespartssuch as thecarburetor,air cleaner,ignition
system,mufflerand catalyticconverter.Also includedmaybeconnectorsand
otheremissionrelatedassemblies.Wherea warrantableconditionexists,Sears
will repairyour smalloff-roadengineat no costto youincludingdiagnosis,parts
and labor.
Sears Emission Control Defects Warranty Coverage
Smalloff-roadenginesarewarrantedrelativeto emissioncontrolpartsdefects
fora periodof one year,subjectto provisionsset forth below.Ifanycovered
Owner's Warranty
Asthe smalloff-roadengineowner,youare responsiblefor theperformanceof
therequiredmaintenancelistedin yourOperatingand MaintenanceInstruc-
tions.Searsrecommendsthatyouretainallyourreceiptscoveringmaintenance
onyoursmalloff-roadengine,butSearscannotdenywarrantysolelyfor the
lackof receiptsorfor yourfailureto ensuretheperformanceof allscheduled
maintenance.As the smalloff-roadengineowner,youshouldhoweverbe
awarethat Searsmaydenyyouwarrantycoverageifyour smalloff-roadengine
ora parthasfaileddueto abuse,neglect,impropermaintenanceor unap-
parton yourengineis defective,the partwillbe repairedorreplacedbySears.
Responsibilities
provedmodifications.Youare responsiblefor presentingyour smalloff-road
engineto an AuthorizedSearsServiceDealeras soonas a problemexists.The
undisputedwarrantyrepairsshouldbe completedina reasonableamountof
time,notto exceed30 days.Ifyouhaveany questionsregardingyourwarranty
rightsand responsibilities,you shouldcontacta SearsService Representative
at 1-800-469-4663.Theemissionwarrantyis a defectswarranty.Defectsare
judgedon normalengineperformance.The warrantyis notrelatedto an in-use
emissiontest.
Sears Emission Control Defects Warranty Provisions
ThefollowingarespecificprovisionsrelativetoyourEmissionControlDefectsWarrantyCoverage.ItisinadditiontotheSearsenginewarrantyfornon-regulated
enginesfoundin theOperatingand MaintenanceInstructions.
1. WarrantedParts
Coverageunderthis warrantyextendsonly to the parts listedbelow (the
emissioncontrolsystemsparts)to the extentthese partswere presenton
theenginepurchased.
a. FuelMeteringSystem
•Cold start enrichmentsystem
•Carburetorand internalparts
•FuelPump
b. AirlnductionSystem
•Aircleaner
•Intakemanifold
c. IgnitionSystem
•Sparkplug(s)
•Magnetoignitionsystem
d. CatalystSystem
•Catalyticconverter
•Exhaustmanifold
•Air injectionsystemor pulsevalve
e. MiscellaneousItemsUsedin AboveSystems
•Vacuum,temperature,position,timesensitivevalves
andswitches
• Connectorsandassemblies
2. Lengthof Coverage
Searswarrantsto the initialownerand eachsubsequentpurchaserthat
theWarrantedPartsshallbefree fromdefectsin materialsandworkman-
shipwhich causedthefailure of the WarrantedPartsfor a periodof one
yearfromthe datethe engineis deliveredto a retailpurchaser.
3. NoCharge
Repairor replacementof anyWarrantedPartwill beperformedat no
chargeto the owner,includingdiagnosticlabor whichleadsto the
determinationthata WarrantedPartisdefective,ifthe diagnosticworkis
performedat an AuthorizedSears ServiceDealer.Foremissionswarranty
servicecontact yournearestAuthorizedSears ServiceDealeras listed in
the "YellowPages"under"Engines,Gasoline,""GasolineEngines,""Lawn
Mowers,"orsimilarcategory.
4. Claimsand CoverageExclusions
Warrantyclaimsshall befiled in accordancewiththe provisionsof the
SearsEngineWarrantyPolicy.Warrantycoverageshall be excludedfor
failuresof WarrantedPartswhichare notoriginalSears partsor because
of abuse,neglector impropermaintenanceas setforth inthe Sears
EngineWarrantyPolicy.Sears isnotliableto coverfailuresof Warranted
Partscausedby theuseof add-on,non-original,or modifiedparts.
5. Maintenance
Any WarrantedPart whichis notscheduledfor replacementas required
maintenanceor whichis scheduledonly for regularinspectionto the effect
of "repairor replaceas necessary"shallbe warrantedas to defectsfor the
warrantyperiod.Any WarrantedPartwhich isscheduledfor replacement
as requiredmaintenanceshallbe warrantedas to defectsonly forthe
periodof time up to the first scheduledreplacementfor that part. Any
replacementpartthat is equivalentin performanceand durabilitymay
be usedin the performanceof any maintenanceor repairs.The owneris
responsibleforthe performanceof all requiredmaintenance,as definedin
the SearsOperatingand MaintenanceInstructions.
6. ConsequentialCoverage
Coveragehereundershallextend to thefailure of any enginecomponents
caused bythe failureof any WarrantedPartstill underwarranty.
Inthe USAandCanada,a 24 hourhotline, 1-800-469-4663,has a menu of pre-recordedmessagesofferingyou enginemaintenanceinformation.
GDOC-100188Rev.B
37

Look For Relevant Emissions Durability Period and
Air index information On Your Engine Emissions Label
Engines that are certified to meet the California Air Resources Board (CARB) Tier 2 Emission Standards must
display information regarding the Emissions Durability Period and the Air Index. Sears Brands Management
Corporation makes this information available to the consumer on our emission labels.
The Emissions Durability Period describes the number of hours of actual running time for which the engine is
certified to be emissions compliant, assuming proper maintenance in accordance with the Operating & Mainte-
nance Instructions. The following categories are used:
Moderate: Engine is certified to be emission compliant for 125 hours of actual engine running time.
Intermediate: Engine is certified to be emission compliant for 250 hours of actual engine running time.
Extended: Engine is certified to be emission compliant for 500 hours of actual engine running time.
For example, a typical walk-behind lawn mower is used 20 to 25 hours per year. Therefore, the Emissions
Durability Period of an engine with an intermediate rating would equate to 10 to 12 years.
The Air index is a calculated number describing the relative level of emissions for a specific engine family. The
lower the Air Index, the cleaner the engine. This information is displayed in graphical form on the emissions label.
After July 1,2000, Look For Emissions Compliance Period
On Engine Emissions Compliance Label
After July 1, 2000 certain Sears Brands Management Corporation engines will be certified to meet the United
States Environmental Protection Agency (USEPA) Phase 2 emission standards. For Phase 2 certified engines, the
Emissions Compliance Period referred to on the Emissions Compliance label indicates the number of operating
hours for which the engine has been shown to meet Federal emission requirements.
For engines less than 225 cc displacement, Category C = 125 hours, B = 250 hours and A = 500 hours.
For engines of 225 cc or more, Category C = 250 hours, B = 500 hours and A = 1000 hours.
This is ageneric representation of the emission label typically found on a certified engine.
FAMILYYBSXS.3192VA 274812
GDOC-100182Rev.B
38

Congratulations on making a smart purchase. Your new Craftsman® product is designed and
manufactured for years of dependable operation. But like all products, it may require repair
from time to time. That's when having a Repair Protection Agreement can save you money and
aggravation.
Here's what the Repair Protection Agreement* includes:
[] Expert service by our 10,000 professional repair specialists
[] Unlimited service and no charge for parts and labor on all covered repairs
[] Product replacement up to $1500 if your covered product can't be fixed
[] Discount of 25% from regular price of service and related installed parts not covered by the
agreement; also, 25% off regular price of preventive maintenance check
[] Fast help by phone - we call it Rapid Resolution - phone support from a Sears representative.
Think of us as a "talking owner's manual."
Once you purchase the Repair Protection Agreement, a simple phone call is all that it takes for you
to schedule service. You can call anytime day or night, or schedule a service appointment online.
The Repair Protection Agreement is a risk-free purchase. If you cancel for any reason during the
product warranty period, we will provide a full refund. Or, a prorated refund anytime after the
product warranty period expires. Purchase your Repair Protection Agreement today!
Some limitations and exclusions apply. For prices and additional information in the U.S.A.
call 1=800=827=6655.
*Coverage in Canada varies on some items. For full details call Sears Canada at 1=800=361=
6665.
Sears Installation Service
For Sears professional installation of home appliances, garage door openers, water heaters, and
other major home items, in the U.S.A. or Canada call 1=800=4=MY=HOME®.
39

Declaraci6n de garantia ............... Pagina 40
Medidas importantes de seguridad.. Paginas 41-44
Armado ........................ Paginas 45-47
Funcionamiento ................. Paginas 48-54
Servicio y Mantenimiento .......... Paginas 55-59
Almacenamiento fuera de temporada .... Pagina 60
Soluci6n de problemas ................ Pagina 61
Acuerdo de protecci6n para reparaciones. Pagina 67
NOmero de servicio ............ Cubierta posterior
CRAFTSMAN UN Al_O DE GARANTiA
Duranteun aSodesdelafechadecornpra,esteproductoestagarantizadocontracualquierdefectode rnaterialeso rnanode obra. Unproducto
defectuosorecibir_,reparaci6ngratuitao reernplazosi la reparaci6nnoest,.disponible.
Paradetalles sobre la garantia de coberturaparaobtener reparaci6ngratuita o reemplazo,visite el sitio web: www.craftsman.com
Estagarantiaser_nulasi elproductoesutilizadoalgunavez,mientrasquelaprestaci6ndeservicioscomercialesosi se alquilaaotra persona.
Esta garantias61ocubre defectos en rnateriMesy mano de obra. Cobertura de lagarantiano incluye:
• Bienesfungiblesquepuedendesgastarsecon el usonormaldentrodel periododegaranfia,incluyendoperonolirnitadoa, taladros,palas
taladro,cortadoresde deriva,patines,afeitarsela placa,pasadoresdeseguridad,bujias,filtrode aire,cinturones,y el filtrodeaceite.
• Serviciode rnantenirnientoest_.ndar,carnbiosde aceite,o puestasa punto.
• De los neurn_.ticosde reernplazoo la reparaci6nde pinchazoscausadosporobjetosexternos,talescornoclavos,espinas,toconeso vidrio.
• Llantao ruedade repuestoo reparaci6nresultantesdeldesgastenormal,accidenteuoperaci6no rnantenirnientoinadecuado.
• Reparacionesnecesariasdebidoal abusodel operador,incluyendoperonolirnitadoa da_oscausadosporel excesode velocidaddel
motor,o deirnpactosde objetosquese doblanel marco,ejede la barrena,etc.
• Reparacionesnecesariasdebidoa lanegligenciadeloperador,incluyendoperono lirnitadoa, el_ctricay rnec_nicada_oscausadosporun
alrnacenarnientoinadecuado,la faltadeusodel gradoy lacantidadapropiadade aceitede motoro faltade rnantenirnientode losequipos
deacuerdoalas instruccionescontenidasen el manualdeloperador.
• Del motor(sisternade combustible)de lirnpiezao reparacionescausadasporel combustibledeterrninadodecontarninaci6no oxidado
(rancio).Engeneral,el combustibledebeserutilizadodentrode los 30dias siguientesa la fechade cornpra.
• Deterioroy al desgastenaturalde losacabadosexteriores,o lasustituci6netiquetadel producto.
Estagarantialeotorgaderechoslegalesespecificos,y ustedtarnbi_npuedetenerotrosderechosquevariandeestadoa estado.
Sears Brands Management Corporation, Hoffman Estates, IL 60179
Seriedel motor: 208cc
Tipodeaceitedelmotor: 10W30
Capacidadde aceitedel motor: 20onzas
Combustible: Gasolinasin plorno
Bujia: F6RTC
Separaci6ndelas bujias: .030"
NSmerode rnodelo ..........................................................
NSmerode serie ..............................................................
Fechade compra .............................................................
Registreel nQrnerodernodelo,nQrnerode serie
y fechade cornprarn_sarriba
©KCDIR LLC 40

Lapresenciadeestesfmboloindicaquesetratadeinstruccionesde
seguridadimportantesquesedebenrespetarparaevitarponerenpeligro
suseguridadpersonaly/omaterialyladeotraspersonas.Leaycumpla
todaslasinstruccionesdeestemanualantesdeintentaroperaresta
m_quina.Sinorespetaestasinstruccionespuedeprovocarlesiones
personales.Cuandoveaestesfmbolo,ipresteatenci6nalaadvertencia!
Estam_quinaest_dise_adaparaserutilizadarespetandolasnormas
deseguridadcontenidasenestemanual.AIigualqueconcualquiertipo
deequipomotorizado,undescuidooerrorporpartedeloperadorpuede
producirlesionesgraves.Estam_quinaescapazdeamputardedos,
manosypiesydearrojarresiduos.Denorespetarlasinstruccionesde
seguridadsiguientessepuedenproducirlesionesgravesolamuerte.
PROPOSICI6N 65 DE CALiFORNiA
Elescapedel motorde esteproducto,algunosde suscomponentesy
algunoscomponentesdel vehfculocontieneno liberansustanciasqufmicas
que el estadode Californiaconsideraque puedenproducirc_ncer,
defectosdenacimientouotros problemasreproductivos.Loshomesdela
baterfay los accesoriosalines contienenplomoy compuestosde plomo,
sustanciasqufmicasquesegOnIo establecidopor el Estadode California
causanc_ncery da_osen el sistemareproductivo.L_veselas manos
despuesdeestar encontactocon estoscomponentes.
Su responsabilidad--Lirnite el usode estarn_.quinarnotorizada
alas personasque lean,cornprendany curnplanlas advertenciase
instruccionesqueaparecenenestemanualy enla rn_.quina.
iGUARDEESTASINSTRUCCIONES!
CAPAClTACI6N
• Lea,cornprenday respetetodaslas instruccionesquefiguranen
la rn_.quinayen el o los rnanualesantesde procedera arrnarlay
hacerlafuncionar.Guardeestemanualen unlugarseguropara
consultasfuturasy peri6dicas,asf cornoparasolicitarrepuestos.
• Leael manualdeloperadory sigatodaslas advertenciase
instruccionesdeseguridad.Deno hacerlo,puedeocasionar
heridasde gravedadal operadory/o alos observadores.Ante
cualquierduda,Ilarneal 1-800-4MY-HOME.
• Farniliarfcesecontodoslos controlesy su correcto
funcionarniento.Sepac6rnodetenerla rn_.quinay c6rno
desconectarloscontrolesr_.pidarnente.
• No perrnitanuncaque los ni_osrnenoresde 14a_osutilicen
estarn_.quina.Los ni_osde 14a_osen adelantedebenleery
entenderlas instruccionesde operaci6ny norrnasdeseguridad
contenidaseneste manualy en larn_.quinay debenser
entrenadosy supervisadospor unadulto.
• Nuncaperrnitaquelos adultosoperenestarn_.quinasin recibir
antesla instrucci6napropiada.
• Mantengaa losobservadores,rnascotasy ni_osal rnenosa 25
metrosde la rn_.quinarnientrasest,.en funcionarniento.Detenga
la rn_.quinasi alguiense acerca.
• Nuncaenciendael motorenespacioscerradoso en unazona
con pocaventilaci6n.Elescapedelmotorcontienernon6xidode
carbono,un gas inodoroy let&
PR EPARATIVO S
• Reviserninuciosarnenteel _.readondese va a usarel equipo.
Retiretodaslas piedras,botellas,latasy otrosobjetosextra_os
que puedanser levantadoso arrojadoscausandolesiones
personaleso da_osa la rn_.quina.
• Paraprotegerselosojos,utilicesiernpregalas o anteojosde
seguridadrnientrasoperalarn_.quinao rnientraslaajustao
repara.Losobjetosarrojadosquerebotanpuedenproducir
lesionesocularesgraves.
• Utilicezapatosde trabajoresistentes,desuelafuerte,y
pantalonesy carnisasajustados.Las prendassueltasy las
alhajasse puedenengancharen laspiezasrn6viles.Nuncaopere
estarn_.quinaestandodescalzoo consandalias.
• Antesdeencenderla rn_quinacontrolequetodoslos pernosy
tornillosest_nbienajustadosparagarantizarquela rn_.quinase
encuentraen condicionessegurasdeoperaci6n.Adern_.s,realice
unainspecci6nvisualde la rn_.quinaa intervalosfrecuentespara
controlarsi la rnisrnaest,.da_ada.
• Antesdearrancarel motor,desenganchelas palancasdel
ernbraguey despl_.celas(en casode haber)a la posici6nneutral
("N").
• Nuncadeje larn_.quinaenfuncionarnientosin vigilancia.
• Nuncaintenterealizarajustesrnientrasel motorest,.enrnarcha,
exceptoen los casosespecfficarnenterecornendadosen el
manualdeloperador.
• Mantengao reernplacelas etiquetasdeseguridade instrucciones
segQnsea necesario.
41

Manejo seguro de la gasolina:
Paraevitarlesionespersonalesy da_os materialestengamuchocuidadoal
manipularla gasolina.Lagasolinaes sumamenteinflamableysus vapores
puedencausarexplosiones.Si se derramagasolinaencimao sobrela ropa
se puedelesionargravementeya quese puedeincendiar. Lavesela piely
c_mbiesede ropade inmediato.
• Utilices61olos recipientesparagasolinaautorizados.
• NuncaIlenelosrecipientesen el interiorde unveh[culoo cami6no
caja de remolquecon un recubrimientopl&stico.Coloquesiemprelos
recipientesenel pisoy lejos delveh[culoantes deIlenarlos.
• Cuandoseafactible,retireel equipo a gasolinadel cami6no remolquey
Ileneloenel suelo.Siesto noes posible,Ileneelequipoen unremolque
concontenedorport_til,envez dedesde una boquilladispensadorade
gasolina.
• Mantengala boquillaencontactoconel hordedel tanquede
combustibleo de laaberturadel recipienteen todo momento,hasta
terminarde cargar.No utiliceun dispositivoparaabrir/cerrarla boquilla.
• Apaguetodos los cigarrillos,cigarros,pipasyotras fuentesde
combusti6n.
• Nuncacarguecombustibleen lam&quinaen un espaciocerrado.
• Nuncasaquela tapa dela gasolinani agreguecombustiblemientrasel
motorest&calienteo en marcha.Permitaque el motorse enfr[epot Io
menosdos minutosantesde volvera cargar combustible.
• Nuncallene enexcesoeltanquede combustible.Lleneel tanqueno
m&sdeY2pulgadapordebajode la basedel cuello del tap6nde carga,
paradejar espacioparalaexpansi6ndel combustible.
• Vuelvaa colocarla tapadel combustibley ajL]stelabien.
• Limpiela gasolinaquese puedahaberderramadosobreel motoro el
equipo.Trasladela m_quinaa otra zona.Espere5 minutosantesde
encenderel motor.
• Parareducirel riesgode incendio,mantengala m&quinalimpiade
pasto,hojasy deacumulaci6nde otrosescombros.Limpielosderrames
deaceiteo combustibley saquetodos los escombrosembebidosde
combustible.
• Nuncaguardela m_quinao el recipientede combustibleen un espacio
cerradodondehayafuego,chispaso luz piloto,como por ejemplode
calentadoresde agua,calefactoresdeambientes,hornos,secadoresde
ropau otrosaparatosa gas.
FUNCIONANIIENTO
•Nocoloquelas manosni los piescerca depiezasgiratorias.Elcontacto
conlas piezasgiratoriaspuedeocasionaren la amputaci6nde manos
o pies.
• No utilicela m_quinabajola influenciadel alcoholo lasdrogas.
• Nuncaopereestam_quinasino hay buenavisibilidado iluminaci6n.
Siempredebeestar segurodeque est_bien afirmadoysujetando
firmementelas manijas.
• Mantengaa lostranseL]ntesalejadosde la m&quinamientrasla misma
est&enfuncionamiento.Detengala m_quinasi alguiense acerca.
• Tengacuidadoal labrarun terrenoduro.Los dientespuedenclavarseen
latierra e impulsarlacultivadorahaciaadelante.Si estoocurre,suelteel
manubrioy dejela m_quinalibre.
• Seasumamenteprecavidocuandoopere la m&quinasobreuna
superficiecongravao al cruzarla.Mantengasealerta porsi se
presentanpeligrosocultoso tr&nsito.No transportepasajeros.
• Nuncautilicela m&quinaa altas velocidadesdedesplazamientosobre
superficiesduraso resbaladizas.
• Tengacuidadoparaevitarresbalaro caerse.
• Mire haciaabajo y haciaatr&sy tengacuidadocuandose desplaceen
marchaatr&so cuandojale de la m_quinahaciausted.
• Arranqueel motordeacuerdocon lasinstruccionesdel manualyaleje
los piesde losdientesentodo momento.
•Si golpeaalgOnunobjeto extraSoo si la m&quinacomienzaa emitir
un sonidopococomOno a vibrar,apagueel motorde inmediato.
Desconecteel cablede la buj[a,p6ngalohaciendomasacontrael motor
y siga los pasossiguientes:
a. Inspeccionela m&quinaparaversi est_daSada.
b. Repareo reemplacelas piezasdaSadas.
c. Controlesi haypiezasflojasy ajQstelasparaasegurarque la
m&quinafuncionedemaneraseguray continua.
• Desenganchetodas las palancasdeembrague(si las hay)y detengael
motorantesde dejarla posici6nde operaci6n(detr&sde las manijas).
Esperehasta quelosdientesse detengancompletamenteantesde
limpiarlos,haceralgQnajusteo inspeccionarlos.
• Nuncaenciendael motoren espacioscerradoso en unazonaconpoca
ventilaci6n.Elescape del motorcontienemon6xidode carbono,un gas
inodoroy letal.
• Elsilenciadory el motorse calientany puedencausarquemaduras.No
los toque.
• Tengaprecauci6ncuandolabreterrenocerca de vallas,edificiosy
serviciossubterr_neos.LosdientesrotatoriospuedencausardaSos
materialeso lesionespersonales.
• No sobrecarguela capacidadde la m_quinaintentandolabrarel sueloa
un niveldemasiadoprofundoo a unavelocidaddemasiador@ida.
• Si la m&quinaarrancahaciendounsonidoo unavibraci6nrata, detenga
el motor,desconecteel cable de la buj[ay conecteloa masacontrael
motor.Inspeccionelam&quinaminuciosamenteparaver si est&daSada.
Reparetodoslos daSosantesde encendery operarla m&quina.
• Mantengatodos los escudos,protectoresy dispositivosde seguridaden
su lugaryen correctofuncionamiento.
• Nuncalevanteo transportela m_quinacuandoel motorest_ encendido.
• Utilice s61odispositivosde sujeci6no accesoriosaprobadospor el
fabricanteque figuranenlas paginasde lalista de piezasdeeste
manualdel operador.Si noIo hace,puedenproducirselesiones
personales.
• Si se presentansituacionesque noest&nprevistasen estemanual,sea
cuidadosoy useel sentido comL]n.P6ngaseencontactocon Asistencia
al Clienteparasolicitarayudayel hombredel distribuidordeservicio
m_s cercano.
MANTENINIIENTO Y ALMACENANIIENTO
•Mantengala m_quina,losaditamentosy accesoriosen condicionesde
funcionamientoseguro.
• Dejeque la m_quinase enfr[epor Io menoscincominutosantes
de guardarla.Nuncaalterelos dispositivosde seguridad.Controle
peri6dicamentequefuncionancorrectamente.
• Verifiquefrecuentementeque lospernosytornillosestenajustados
correctamenteparaasegurarsede que la m_quinaestetrabajandode
manerasegura.Adem_s,haga unainspecci6nvisualdela m_quinapara
verificarsiest_daSada.
• Antesde limpiar,repararo revisar,detengael motoryasegOresedeque
los dientesytodas laspartesm6vilesse handetenido.Desconecteel
cablede la buj[ay p6ngalohaciendomasacontrael motorparaevitarque
se enciendaaccidentalmente.
• No cambielaconfiguraci6ndel reguladordel motorni Io hagafuncionar
a demasiadavelocidad.Elreguladordel motorcontrolala velocidad
m_ximade funcionamientosegurodel motor.
• Mantengao reemplacelasetiquetasde seguridady deinstrucciones
segOnsea necesario.
• Sigalas instruccionesdeestemanualparacargar,descargar,transportar
y almacenarde maneraseguraestam_quina.
• Si la m_quinase vaa almacenarpor un per[odoprolongado,consulte
siempreel manualdeloperadorparaobtenerinformaci6nimportante.
• Si debevaciareltanquedecombustible,h_galoal airelibre.
42

,, Observelareglamentaci6nylasnormasrespectoalaeliminaci6n
correctadegasolina,aceite,etc.paraprotegerelmedicambiente.
• SegOnlaComisi6ndeSeguridaddeProductosparaelConsumidorde
losEstadosUnidos(CPSC)ylaAgenciadeProtecci6nAmbientaldelos
EstadosUnidos(EPA),esteproductotieneunavidaOtilmediadesiete
(7)a_os6130horasdefuncionamiento.AIfinalizarlavidaQtilmedia
hagainspeccionaranualmenteestaunidadporundistribuidordeservicio
autorizadoparacerciorarsedequetodoslossistemasmec_nicosyde
seguridadfuncionancorrectamenteynotienenexcesivodesgaste.Sino
Iohace,puedenproducirseaccidentes,lesionesolamuerte.
NO MODIFIQUE EL MOTOR
Paraevitar lesionesgraveso la muerte,no modifiqueel motorbajo ninguna
circunstancia.Si alteralaconfiguraci6ndel regulador,el motorse puede
desbocaryfuncionaravelocidadesqueno son seguras.Nuncamodifiquela
configuraci6nde f_bricadel reguladordel motor.
AVISO REFERIDO AEMISIONES
Losmotoresque est_ncertificadosycumplenconlas regulacionesde
emisionesfederalesEPAy de Californiapara SORE (EquiposSmallOff Road
Equipment)est&ncertificadosparaoperarcon gasolinacomL]nsin plomoy
puedenincluirlos siguientessistemasde controlde emisiones:Modificaci6n
de motor(EM), catalizadoroxidante(OC),inyecci6nde airesecundaria(SAI)
y catalizadorde tresvias (TWO)si est&nequipadosde esa manera.
AMORTIGUADOR DE CHISPAS
Estam&quinaest&equipadaconun motorde combusti6ninternay no
debe set utilizadaen unterrenoagrestecubiertopot bosque,malezaso
hierbani cercadel mismoexceptoque el sistemade escapedel motor
esteequipadoconunamortiguadordechispasquecumpla conlas leyes
localeso estatalescorrespondientes(encasode existir).
Si se utilizaun amortiguadorde chispasel operadorIo debe manteneren
condicionesde usoadecuadas.Enel Estadode Californialas medidas
anteriormentemencionadasson exigidaspor ley (Arficulo4442del C6digode
RecursosPQblicosde California).Esposibleque existanleyessimilaresen
otrosestados.Lasleyesfederalesse aplicanen territoriosfederales.
Podr&obtenerunamortiguadorde chispasparael silenciadoren el centrode
serviciode piezasy reparacionesSears m_scercano.
43

SiIVIBOLOS DE SEGURIDAD
Enestap_ginase presentany describenlos simbolosde seguridadque puedenaparecerenesteproducto. Lea,entienday cumplatodaslas
instruccionesincluidasen la m_quinaantesdeintentararmarlay utilizarla.
J'?i
LEALOSMANUALESDELOPERADOR
Lea,entienda y cumpla todas las instrucciones incluidas en los manuales antes de intentar armar la
unidad y utilizarla.
ADVERTENCIA - DIENTES GIRATORIOS
No coloque las manos ni los pies cerca de piezas giratorias. El contacto con las piezas giratorias puede
ocasionar en la amputaci6n de manos o pies.
ADVERTENCIA - DIENTES GIRATORIOS
No coloque las manos ni los pies cerca de piezas giratorias. El contacto con las piezas giratorias puede
ocasionar en la amputaci6n de manos o pies.
ADVERTENCIA - LA GASOLINA ES INFLAMABLE
Deje que el motor se enfrie pot Io menos dos minutos antes de cargar combustible.
ADVERTENCIA - MONOXIDO DE CARBONO
Nunca encienda el motor en espacios cerrados o en una zona con poca ventilaci6n. El escape del
motor contiene mon6xido de carbono, un gas inodoro y letal.
ADVERTENCIA -- SUPERFIClE CALIENTE
Las piezas del motor, especialmente el silenciador, se recalientan durante la operaci6n. Deje que el
motor y el silenciador se enfrien antes de tocarlos.
ADVERTENCIA: Su responsabilidad--Limiteel uso deestam&quinamotorizadaa las personasquelean,comprendany
cumplanlasadvertenciase instruccionesque aparecenen estemanualy en la m&quina.
iGUARDEESTASINSTRUCCIONES!
44

IMPORTANTE:Estaunidadse enviasin gasolinani aceiteenel
motor.Antesde operarla rn&quinacargueel motorcon gasolinay
aceitecornose indicaenla secci6nFundonarnientode estemanual.
NOTA:Lasreferenciasa los ladosderechoe izquierdodela
cultivadorase hacenobservandolarn_.quinadesdela posici6nde
operaci6n.
APERTURA DE LA CAJA DE CARTON
1. Cortecada unade lasesquinasde la cajaverticalrnente,de la
partesuperiora la base.
2. Saquetodaslaspiezassueltas.
3. Quiteel materialdeempaquesuelto.
COIVIO SACAR LA UNIDAD DE LA CAJA
1. Useel rnanillarparalevantary tirar dela tillerbackwardsa una
zonaplan& Inspeccionerninuciosarnentelacaja paradetectarsi
haypiezassueltas.
2. AsegQresedenodoblarelcable delernbraguedernarcha
direct&
PIEZAS SUELTAS DENTRO DE LA CAJA
• Montajede las barrasde control
• Cultivadora
• Aceitedel motor
• Manualdel propietario
• Montajedel calibradordeprofundidad
UNION DE LOS CABLES
1. Identifiqueel cabledelernbraguede rnarchadirect& Veala
Figura1.
2. Engancheel extrerno"Z"del cabledelernbraguedernarcha
directa(A)en la palancadeenganchede losdientesde rnarcha
direct&Veala Figura2.
NOTA:AsegQresede notorcerel cablernientrasrealizala instalaci6n.
/
/
Cable de
embrague de
marcha directa
Figura1
J
Figura2
J
-ii_i
Figura3
INSTALACION DE LA MANIJA
1. Retireel pernohexagonaly la arandelac6nicadelladoderecho
del bastidor.Sostengalarn_nsuladela guiadelcabledel lado
izquierdodel bastidorya quese caer_,alquitarel perno.Paso1
en la Fig.3.
2. Insertela rnanijadentrodelbastidorde lacultivadora.Paso 1en
la Fig.3.
3. Inserteel pernoa travesde la arandelac6nica,el bastidor,la
rnanijay dentrode larn_nsuladeguiadelcable (observeque la
rnuescadela rn_nsulade laguia delcablepasaporencirnade la
bridasobreel bastidor).Paso1en la Fig.3.
45

4. Asegureel pernodespu6sdeajustarla trabadela manija.Yeala
Figura4,
5, Ubiqueel pernode carro,la arandelade campanay laperillade
manoempaquetadosconsu cultivadora,
6, Inserteel pernodecarroa travesdel soportesoldadode la
manija,laarandelacampana,latraba dela manija,y dentrode la
perillade mano,Veala Figura4,
7. Seleccioneunadelas tresposicionesparalaalturade la manija
(tresmuescasen la m6nsulasoldadade lamanija),y ajustela
perillade manoparafijar la manijaen laposici6ndeseada.Veala
figura4, Regresea la manijainferiory ajusteel pernohexagonal
firmemente.
INSTALACI(SN DEL CALIBRADOR DE
PROFUNDIDAD
1. Desensambleelcalibradorde profundidad.Vealafigura5.
Qu6deseconel pasadory elbrocheparareensamblarlosm_.s
tarde.
2. Extraigalosdos tornillosde lam6nsulaposterior.Veala Figura6.
3. Insertelam6nsuladelcalibradordeprofundidaddentrodel
bastidory reinstalelosdos tornilosantesextraidos.Ajustelos
pernoshexagonalesfirmemente.Veala Figura6.
4. Insertelaestacade profundidaddentrodelconjuntodela
m6nsuladel calibradorde profundidad.Veala Figura7.
5. Ajusteel pasadorcon laabrazaderaque sequit6 anteriormente.
Laestacade profundidadse puedecolocarendiversas
posiciones.A losefectosde laconfiguraci6nse sugiereque
la estacade profundidadse armecon laestacajustoencima
o alnivelde la superficiedelterreno.Paraobtenerm_.s
instruccionessobrela Estacade profundidadconsultelasecci6n
Funcionamientodeestemanual.
Perno del Perilla
manual
Arandela
Figura4
de
chaveta
Estacade
profundidad
J
f
Figura6
Pasador
de
chaveta
46
Figura7
J

AJUSTES
Antesdeoperarsucultivadora,leaatentamentey cumplatodas
las instruccionesqueaparecenacontinuaci6n.Realicetodoslos
ajustesparaverificarquela unidadest&operandocon seguridady
correctamente,
Verifiqueel ajustede las ruedas:
Lacultivadorase entregacon las ruedasajustadasdemodoque
la m_.quinaest6nivelada,Es necesarioajustarlas ruedaspara
adaptarsea susnecesidadesdelabranzaantesdehacerfuncionarla
m&quina.Esteajustese realizaretirandoel pasadorde horquilladel
ret6ndelas ruedasy levantandolas ruedasa la alturadeseada,Vea
la Figura8,
f
Tuerca
hexagonal
Compruebeel ajustedel cabledelembraguedemarchadirectade la
siguienteforma:
1, Descon6ctelosy hagamasacon elcablede la bujiacontrael
motor,
2. Ajusteel cableaflojandolatuercahexagonal.Yeala Figura9.
3. Girelaparte delcollarindelcableunao dos vueltaspara
aumentaro aflojarlatensi6nsobreel cable.Veala Figura10.
4. Vuelvaa ajustarlatuercade seguridadcontrael collarindel
cable.Veala Figura11.
5. Con lamanijadeenganchededienteshaciaadelanteen posici6n
neutral(liberada),tire de lacuerdadelarrancadorvariasveces.
Losdientesno debengirar.
6. Sigiranhaciaadelanteo haciaatr_.s,ajusteel cabledel
embragueparaaumentaro aflojarlatensi6nutilizandolos pasos
mencionadosanteriormente.
7. Controlenuevamenteparaverificarquelatensi6ndel cabledel
embraguesea adecuada.
Ret_n de la rueda
\ \
Pasador
de
horquilla
Pasador de
profundidad
Figura8
Figura9
f
Collar|n del
cable
47
f
Figura10
Tuerca
hexagonal
Figura11
J

Tap6nde
combustible
Filtro de
aire
Silenciador
enganche de marcha
hacia adelante de los dientes
uste de la altura
de la manija
Tap6. de
Ilenado y varilla
del nivel de
aceite
de profu.didad
Dientes de la
cultivadora
Figura10
Ahoraquetiene lacultivadorapreparadaparafuncionar,farniliaricese CONTROL DE OBTURACION
con loscontrolesy funciones.Encontrar_.lasdescripcionesen las
siguientesdos p_.ginasy las ilustracionesen_sta. Esteconocirniento
le perrnitir_,utilizarsu nuevoequipoa su rn_.xirnacapacidad.
AIoperarunacultivadoraes posiblequearrojeobjetosextra_osa
los ojos,Io cual podriacausarleslesionesgraves.Utilicesiernpre
I Iosanteojosde seguridadcon estaunidado protectoresparaojos
rnientraslabray rnientrasrealizaajusteso reparaciones.
CHOKE RUN
Elcontroldelcebadorseencuentraen la partelateraldel motor y
se activahaciendogirarla palancaa la posici6nCHOKE(cebador).
AI activarel control_el cebadorse cierrala placadelcebadordel
carburadory estoayudaa ponerenrnarchael motor.
FILTRO DE AIRE
MANIJA DEL ARRANCADOR DE
RETROCESO
Estarnanijase utilizaparaarrancarel motor.
CONTROL DEL REGULADOR @
Elcontroldel reguladorest,.ubicadoen la partelateraldel motor.
Regulalavelocidaddel motor,y Io apagacuandose Iocolocaen la
posici6nSTOP(detenci6n).
Elfiltrodeairees undispositivodela tornade airedelmotorque
irnpidela entradade polvoy suciedaden el motor.Veala Figura10.
SILENCIADOR
Elescapedelmotorsaledel motoratravesdelsilenciador.Veala
Figura10.
ESTACA DE PROFUNDIDAD
Laestacadeprofundidadcontrolala profundidadde la labranza.Vea
la Figura10.
DIENTES
Losdientesse utilizanparacultivar,surcary prepararsujardin parla
Curnple con los est_ndares de seguridad de ANSI
LascultivadorasCraftsmancurnplencon las norrnasde sequridaddel InstitutoNacionalArnericanode Norrnalizaci6n(ANSI).
48

TAPON DE LLENADO YVARILLA DEL NIVEL
DE ACEITE
Es posiblecontrolarel niveldeaceitedel motor,asi cornotarnbi_n
agregaraceite,a travesdel Ilenadode aceite.Veala Figura10.
NOTA:EstaunidadseentregaSINaceiteenel motor.Se induye
aceiteen la bolsapl_.sticaernpacadaconel manualde la unidad.
Agregueaceitecornose indicaen lasecci6nCargade gasolinay
deaceite.Controleel nivelde aceiteantesde cadaoperaci6npara
asegurarsede quehayaaceitesuficienteen el motor.Pararn_.s
inforrnaci6n,consultelas instruccionesdela secci6nMantenirniento
delmotorde estemanual.
PALANCA DE ENGANCHE DE IVlARCHA
HAClA ADELANTE DE LOS DIENTES
La palancadeenganchede rnarchahaciaadelantede losdientes
controlaelenganchede losdientes.Sueltela palancaparadetener
los dientes.VealaFigura10.
AJUSTE DE LA ALTURA DE LA BARRA DE
CONTROL
Laalturade las rnanijassepuedeajustar.Aflojela perillaparacarnbiar
la posici6n.Ajusteloselementosdeferreteriacuandohayaterrninado.
Veala Figura10.
LLENADO DE GASOLINA Y ACEITE
Aceite (se envia una botella con la unidad)
Primeruso
1. Saquela varilladel niveldeaceite.
2. Conla cultivadorasobreterrenonivelado,utiliceunernbudopara
vaciardentrodelmotortodo elcontenidodela botellade aceite
surninistradacon la unidad.
3. Vuelvaa colocarla varillade Ilenadodeaceitey ajQstela.
Usosposteriores
Usesolarnenteun aceitedetergentede altacalidadcuyaclasificaci6n
deservicioAPIsea SF o SG.SeleccioneelgradodeviscosidadSAE
delaceiteseg_nlaternperaturade operaci6nesperada.Curnplala
tablaqueaparecea continuaci6n.
o_
c-&
£__
%u
_N
(o()
(°F)
mI I1_ II!1
-30o-20o-I0 o 0o 100 200 300 400
-20o 0o 150 300 500 700 850 1050
Temperatura ambiente
1. Viscosidadrnonogrado
2. Viscosidadrnultigrado
Aunquelos aceitesde viscosidadrnQltiple(5W30,10W30,etc.)
rnejoranel encendidocuandoel clirnaest,.frio, los rnisrnos
incrernentanel consurnodeaceitecuandose usana rn_.sde32°E
Cornpruebeel niveldeaceiteconmayorfrecuenciaparaevitarda_os
debidoa queel motortrabajecon unnivelde aceitebajo.
1. Cornpruebeel niveldeaceiteasegur_.ndoseque lavarilladel
niveldeaceitenorocecon las paredesinterioresdeltubo de
Ilenadode aceite.Dehacerlose puedeproducirunalecturafalsa
de lavarilladel niveldeaceite.Sequela varillade rnedici6ncon
untrapo.Vuelvaa colocarlaenel cuellodeIlenadode aceitepero
nolaatornille.Saquelavarillay verifiqueel niveldeaceite.Llene
hastala rnarca FULL(lleno)de lavarilladelnivelde aceite,si
es necesario.Lacapacidades de aproxirnadarnente20onzas.
Llenarloen excesohacequeel motorechernuchohurnoy
disrninuyeel rendirniento.
2. Vuelvaa colocarlavarillade Ilenadode aceitey ajQstela.
3. Mantengael nivelde aceiteen larnarcaFULL.Si poneel
motorenrnarchacon rnuypoco aceitele puedecausarda_os
perrnanentes.
Gasolina
Tengarnuchocuidadoaltrabajarcongasolina.Lagasolinaes
sumarnenteinfiarnabley susvaporespuedencausarexplosiones.
Nuncacarguecombustibleen la rn_.quinaen un espaciocerrado
o cuandoel motorest,.calienteo en rnarcha.Apaguecigarrillos,
cigarros,pipasy otrasfuentesde cornbustbn.
1. Saquelatapadel combustibledel dep6sitodel rnisrno.
2. Verifiquequeel recipientedelqueva a verterla gasolinaest_
lirnpioy librede6xidoo deobjetosextra_os.Nouse nunca
gasolinaque puedaestarvieja porhaberestadoalrnacenada
en su recipienteporlargosperiodos.Lagasolinaqueha estado
estacionadaporunperiodosuperiora cuatrosernanasdebe
considerarsevieja.
Loscombustiblescon rnezclade alcohol(quese Ilarnangasohol,
o queutilizanetanolo rnetanol)puedenatraerla hurnedad,Io
queconducea la separaci6ny forrnaci6nde _.cidosdurante
el alrnacenarniento.Elgas acidicopuededa_arel sisternade
combustibledeun motorduranteel alrnacenarnientodelrnisrno.
Paraevitarproblernasconel motor,el sisternadecombustible
debeservaciadoantesdealrnacenarla rn_.quinadurante30dias o
rn_.s.Vade el tanquede nafta,enciendael motory d_jelofuncionar
hastaque eldep6sitode nafta,las lineasde combustibley el
carburadorest_nvados. La siguienteternporadausecombustible
nuevo.Consultelas Instruccionesde ALMACENAMIENTOsi desea
inforrnaci6nadicional.
No usenuncaproductosde lirnpiezapararnotoreso carburadores
enel dep6sitodecombustible,se puedenocasionarda_os
perrnanentes.
49

3. Lleneel tanquedecombustibles61ocon gasolinanormalsin
plorno,lirnpiay fresca.Nouse gasolinaquecontengaMETANOL.
Vuelvaa colocarla tapade combustibleen su lugar.
NOTA:Verifiqueperi6dicarnenteel niveldecombustibleparaevitar
quedarsesingasolinarnientrasest,.operandolacultivadora.
PARA ENCENDER EL MOTOR
1. Conecteel cablede labujiay larnangadegornaa la rnisrna.
2. Lleneel dep6sitoconno rn_.sde 1/2pulgadapordebajode la
parteinferiordel cuellodeIlenadoparaofrecerespacioparala
expansi6ndelcombustible.
3. Cornpruebequeel controldel ernbraguede losdientesest_
desenganchado.
4. Muevala palancadelcebadordel motora la posici6nCHOKE
I'_1. (Si el motorest,.tibio puedenoser necesariocebarlo).Vea
la Figura11.
u.I +1
.
Figura11
Muevala palancadecontroldel reguladora la posici6nSTART/
RUN(encendido/funcionando,representadoporunaliebre,f_
). Veala Figura11.
PARA DETENER EL MOTOR
1. Paradetenerlas ruedasy los dientes,suelteel ganchodel
ernbraguede rnarchadirecta.
2. Muevala palancade controldelreguladorhastala posici6n
SLOW(lento,representadoporunatortuga)_,. Siernpreque
sea posible,reduzcagradualrnentela velocidaddel motorantes
de detenerlo.
3. Muevala palancade controldelreguladora la posici6nSTOP
(detenci6n) u OFF(apagado).
4. Desconecteel cablede la bujiay hagarnasaconelmotorpara
evitarquese enciendaaccidentalrnenteel equipoal dejarlosin
vigilancia.
PARA ENGRANAR LA TRANSMISION Y LOS
DIENTES
1. Paramoverlas ruedashaciaadelantee irnpulsarlosdientes
coloqueelganchodelernbraguedernarchadirectacontrala
barradecontrol.
2. Cuandorealicela labranza,disti_ndasey dejequelas ruedas
tiren dela rn_.quinarnientraslosdientescavan.Carnine
lentarnentedetr_.sdela cultivadoraperrnitiendoquese rnuevaa
su propioritrnornanteniendola barrade controlbiensujetacon
los codosflexionados.
3. Suelteel ganchoparadetenerel rnovirnientohaciaadelantede
las ruedasy los dientes.
DAR LA VUELTA CON LA CULTIVADORA
1. Practiquedar lavueltacon lacultivadoraen un_.reaabiertay
nivelada.Tengacuidadopararnantenerlos piesy laspiernas
lejos delos dientes.
2. Paracornenzara voltear,levantelas barrasde controlhastaque
los dientesse separendel sueloy el motory los dientesest_n
balanceadospot encirnadelas ruedas.
3. Con lacultivadoraequilibrada,ernpujehaciael costadosobrela
barradecontrolen la direcci6nen quese est,.volteando.Luego
de darla vuelta,introduzcalentarnentelos dientesen el suelo
parareiniciarlalabranza.
6. Situadoal ladodela unidad,tomela rnanijadelarrancadory tire
de lacuerdahastaquesientauntir6n.
7. Tirede lacuerdade rnanerar_.piday continua.Mantengaun
ajuste firrnesobrela rnanijadel arrancador.Dejequela cuerda
se enrollelentarnente.
8. Repitaestepaso,de sernecesario,hastaquese enciendael
motor.Cuandoel motorarranque,rnuevael controldel cebador
gradualrnentehastala posici6nRUNI { I.
9. Siel motorfalla,vuelvael controldelcebadora laposici6n
CHOKEI'_1 y repitalos pasos5 a 8.
10. MantengaSlEMPREelcontroldelreguladoren posici6nSTART/
RUN(encendido/funcionando)(Liebre)rnientrasoperela
cultivadora.
5O

ESTABLECIIVllENTO DE LA PROFUNDIDAD
Cerci6resedeque elcablede la bujiaest,.desconectadoy
haciendornasacontrael motorantesde realizarcualquierajuste.
Ret_n hacia adelante
Coloqueel retchde las ruedasde rnaneraquelasruedasest_nhacia
delante(puntorn_.scercanoa losdientes)paralabranzasuperficial,
cultivoy transporte,extrayendoel pasadorde horquillay de chaveta.
Veala Figura12.
de tuecla de Ret_n de la
calibraci6n tuecla
Figura12
Ret_n hacia atras
Coloqueel ret_nde las ruedasde rnaneraquelas ruedasest_nhacia
atr_.s(puntorn_.scercanoa laestacade profundidad)paralabranza
superficial,cultivo,extrayendoel pasadordehorquillay de chaveta.
Veala Figura13.
RetCh de la ruecla
de rueda de
_. calibraci6n J
Figura 13
Estaca de profundidad
Laestacade profundidadfuncionacornoun frenodela cultivadoray
controlala profundidady la velocidada la cualfuncionala rn&quina.
Retireelpasadorde horquillaparasubiro bajarlaestacade
profundidad.Veala Figura14.
Estacade
profundidad
Figura14
AJUSTE DE LA ALTURA DE LA IVlANIJA
Larnanijadebeajustarseparaquecuandola cultivadoraest_
labrandoa unaprofundidadde3-4"en el suelo,la rnanijase encuentre
aproxirnadarnentea la alturade lacintura.Paraajustarla rnanija,
sirnplernenteafioje laperillade la rnanija,rnuevalarnanijaa laaltura
deseaday vuelvaa ajustarla perilladela rnanija.VealaFigura15.
Figura15
51

LIIVIPIEZA DE LOS DIENTES
Antesdedespejarlosdientesa rnano,detengael motor,dejeque
todaslas partesen rnovirnientose detengany desconecteel cable
dela bujia.Si nose observaestaadvertenciase puedenproducir
_es onespersonaes.
Losdientestienenunaacci6nautolirnpiantequeelirninala mayor
partede losdesechosquese enredan.Sinembargo,a vecesse
puedenenredarpastoseco,tallosfibrososoenredaderasresistentes.
Sigaestosprocedirnientosparaayudara evitarque seforrnen
maracasen losdientesy paralirnpiarlos,si es necesario.
•Tratede realizarla labranzadebajode los residuosdecosechao
cultivosdecoberturarnientrasest_nverdes,hOrnedosy tiernos.
•Mientrasrealizalalabranza,tratedebalancearlas barrasdecontrol
deunladoal otro(aproximadarnenteentre6"y 12").Laacci6n
de"coleado"arnenudodespejalosdientesdesprendiendolos
desechos.
SUGERENCIAS Y TI_CNICAS DE LABRANZA
Antesdelabranza,encontactocon sutel_fonoo dela ernpresade
ServiciospOblicosy preguntarsi elequipodetierrao las lineasse
utilizanen su propiedad.Nohastacercade las tuberiasenterradas
cablesel_ctricos,lineastelef6nicas,o las rnangueras.
La profundidad de la labranza
• Estaes unacultivadorade"dientesquerotanhaciaadelante"
(CRT).Cuandolapalancade enganchededienteshacia
adelantese presionacontrala rnanijalos dientesrotanhacia
adelante.Estocrea unaacci6nde "gancho"de losdientesque
cavanen profundidad,arrancandode rafzsueloy rnalezas.1/o
sobrecargueel motor,perocaveIo rn&sprofundoposibleen cada
pasada.
Cuandolabrela tierra(rornpiendolasuperficiede sueloalrededor
de las plantasparadestruirlas rnalezas,vea la Fig.16),ajuste
los dientesparacavarOnicarnentea unaprofundidadde 1a
2 pulgadas.Lalabranzaa pocaprofundidadayudaaevitar
lesionesalas plantascuyasrafcesa rnenudocrecencerca
de la superficie.Sies necesario,levantelas barrasdecontrol
ligerarnenteparaevitarquelos dientescavendernasiado
profundo.(Lalabranzaregularnos61oelirninarnalezas,sino
queadern&saflojay aireael suelopararnejorabsorci6ndela
hurnedady crecirnientorn_.sr&pidode las plantas).Si se riega
el areadeljardinunoscuantosdias antesde la labranzase
facilitar&estatarea;tarnbi_nse contribuyeperrnitiendoal suelo
reci_ntrabajadoasentarseporunoodos dias antesde la pasada
final,profunda,de lacultivadora.
Figura16
J
Elecci6n de la velocidad correcta para los
dientes
Con experiencia,podr&encontrarlacornbinaci6nde profundidady
velocidaddelabranzarn&sadecuadaalas necesidadesde sujardin.
Ajustelapalancadel reguladordel motora unavelocidadqued_al
motoradecuadapotenciay queal rnisrnotiernpole perrnitafuncionar
a la rnenorvelocidadposiblehastaquehayaalcanzadola rn_.xirna
profundidadde labranzadeseada.AI realizarlas pasadasfinales
a travesdellechode siernbrao al realizarla labranzatal vezsea
deseableutilizarvelocidadesrn&sr&pidasdelmotor.Laselecci6n
de lavelocidadcorrectadel motor,enrelaci6ncon la profundidadde
labranza,asegurar&un niveldepotenciasuficienteparahacerlatarea
sin sorneteral motora excesivaexigencia.
52

IViodelos de labranza sugeridos
AI prepararel lechodesiernbra,recorrala rnisrnasendados
vecesenla prirnerahilera,luegotraslapela rnitaddel anchodela
culfivadoraenel restodelas pasadas.Yeala Figura17.
Figura17
Cuandoterrnineenunadirecci6n,realiceunasegundapasadaen
_.ngulorecto,veala Fig. 18.Traslapecadapasadaparaobtener
el rnejorresultado(enterrenornuyduro,puedesernecesario
realizartreso cuatropasadasparapulverizarel sueloa rondo).
_r- F 7
Figura18
Silas dirnensionesdeljardin noperrnitenlalabranzaen sentido
longitudinaly luegotransversal,traslapelas prirneraspasadas
porlarnitaddelanchode lacultivadora,continuandocon
sucesivaspasadasa uncuartodelancho.Veala Figura19.
J
Figura 19
Labranza en pendiente
No operela cultivadoraen unapendientedernasiadoernpinadapara
unaoperaci6nsegura.Realicela labranzalentarnentey asegQrese
deestarfirrnernenteparado.Nuncaperrnitaquela cultivadorase
desplacecon las ruedaslibrescuestaabajo.Si nose observaesta
[advertenca se puedenproducr es onespersonaes.
1. Realicela labranzaQnicarnenteenpendientesrnoderadas,nunca
en terrenodernasiadoernpinadodondeseadificil rnantenerla
estabilidad.
2. Serecorniendalabrarsubiendoy bajandolas pendientesen lugar
de hacerloen forrnadeterrazas.La labranzaverticalen una
pendienteperrniteun_.rearn_.xirnade plantaci6ny adern_.sdeja
espacioparael cultivo.
NOTA:Cuandorealicela labranzaen pendientes,asegQresede
rnantenerel nivelde aceitecorrectoen elmotor(controlecada media
horade funcionarniento).Lainclinaci6nde lapendientehacequeel
aceitese rnuevaen sentidooblicuorespectode su nivelnormaly esto
puedesubalirnentarciertaspartesdelmotorque requierenlubricaci6n.
Mantengael nivelde aceitede motorenel puntorn_.saltoentodo
rnornento.
53

Labranza cuesta arriba y cuesta abajo
1. Pararnantenerlaerosi6ndel sueloal rninirno,aseg_resede
agregarsuficienternateriaorg_.nicaalsueloparaquernantenga
un nivelde hurnedadadecuado,y tratede evitardejarpisadaso
rnarcasde ruedas.
2. AI realizarla labranzaverticalrnente,tratedehacerla prirnera
pasadahaciaarribayaque lacultivadoracavacon mayor
profundidadcuandosube quecuandobaja. Ensueloblandoo
dondehay rnalezas,puedeser necesarioquelevantelas barras
decontrollevernenteal ir cuestaarriba.AI realizarlalabranza
cuestaabajo,traslapela prirnerapasadaen aproxirnadarnentela
rnitaddel anchode la cultivadora.
Jardineria en terrazas
1. Paracrear unaterraza,cornienceenla cirnade la pendientey
trabajehaciaabajo.Recorrala prirnerahilerahaciaatr_.sy hacia
adelante.VealaFigura20.
f-,,
,
O,
0
iiiiiiiiiiJJJ!!_i!i_i_ii!ii!i_i_iii_i_!_i!_i_i_ii_iii_i_i!iiiiiiii_ii_ii_ii_iii!iiiiiiiii!iiiiiiiiiiiiiiii!iiiii_i!_!_ii_ii_ii_ii_ii_ii_ii_ii_ii_ii_ii_ii_i!_ii_!_i_i_i_ii_ii_ii_ii_i_iiiiiiii!i_!!i!!i!!i!!i!!i!S_i!_!ii_!i!iii!_!!i!i!_!i_i_!i_!i_!i_!i_!i_!i_!i_!i_!i_!i_!i_!i_!i_!i_!i_!i_!i_!i_ii_!_!_!_!_i_ii_i!_!_!i_!_i_i_!_i!_!_!_!_!_!_!_!_!_!_!_!_!_!_!_!_!_!_!_!_!_!_!_!_!_!_!_!_!_!_!_!_!_!_!_!_!_!_!_!_!_!_!_!_!_!_!_!_!_!_!_!_!_!_!_!_!_!_!_!_!_!_!_!_!_!_!_!_!_!_!_!_!_!_!_!_!_!_!_!_!_!_!_!_!_!_!_!_!_!_!_!_!_!_!_!_!_!_!_!_!_!_!_!_!_!_!_!_!_!_!_!_!_!_!_!_!_!_!_!_!_!_!_!_!_!_!_!_!_!_!_i
_ REPITA
J
Figura20
Eltrabajoencadaterrazainferiorsucesivacornienzacarninando
en laterrazadebajode laqueest,.preparando.Paramayor
estabilidadde lacultivadora,siernprernantengala ruedacuesta
arribaen el sueloblando,reci_nlabrado.No realicelalabranza
en lasQltirnas12"o rn_.sdel hordeexteriorcuestaabajode cada
terraza.Estafranjasin labrarayudaa evitarquelas terrazasse
quiebreny desintegrencuestaabajo.Tarnbi_nproporcionauna
sendaparacarninarentrelas hileras.
54

PROGRAMA DE MANTENIMIENTO
Antesderealizarcualquiertipodernantenirnientoo servicio,
desenganchetodosloscontrolesy detengael motor.Esperea quese
detengancornpletarnentetodaslaspiezasrn6viles.Desconecteelcable
delabujiay p6ngalohaciendornasacontrael motorparaevitarquese
enciendaaccidentalrnente.Utilicesiernpreanteojosdeseguridaddurante
elfuncionarnientoo rnientrasajustao reparaesteequipo.
Cadauso
1ras 2 horas
l ras5 horas
Cada 10horas
Cada25 horas
Cada30 horas
Cada50 horas
Cada 100horas
Antesde
alrnacenar
1. Nivelde aceitedel motor
2. Piezassueltaso faltantes
3. Motory alrededordelsilenciador
4. Purificadordeaire
1. Tensi6nde la correadetransrnisi6n
2. Tuercasy pernos
1. Aceitedel motor
1. Tensi6nde la correadetransrnisi6n
2. Unidad
1. Bujiadeencendido
1. Desgastedelosdientes
2. Presi6ndelos neurn_ticos
1. Aceitedelrnotort
1. Purificadordeaire
2. Bujfadeencendido
1. Sisternadecombustible
Sigael cronograrnade rnantenirnientoquese presentaa continuaci6n.
Estatabla s61odescribepautasdeservicio.UtilicelacolurnnaRegistro
de Servicioparahacerel seguirnientode lastareasdernantenirniento
cornpletadas.Paraubicar el Centro de Servicio Sears m_s cercano
oparaprogramarun servicio, sirnplementecomuniquese con
Sears al tel_fono 1-800-4-MY-HOME®.
1. Verificar
2. Ajusteo reernplace
3. Lirnpieza
4. Verificar
1. Verificar
2. Verificar
1. Carnbiar
1. Verificar
2. Lubrique
1. Verificar
1. Verificar
2. Verificar
1. Carnbiar
1. Carnbiar
2. Carnbiar
1. Hacerfuncionarel motorhastaque
sedetengaporfaltadecombustibleo
agregaraditivoparagasolinaa la quese
encuentraen el tanque.
Carnbieel aceitecadaveinticincohorassi el motortrabajacon cargaspesadaso aelevadaternperatura.
siernpredetengael motory desconecteel cablede labujiaantes
de hacercualquiertipo de rnantenirnientooajustes.Utilicesiernpre
lanteojosdeseguridadduranteel funcionarnientoo rnientrasajustao
re araestee ui o.
RECOMENDACIONES GENERALES
•Siernpreobservetodaslas reglasde seguridadquese
encuentranen las etiquetasdel productoy enel manualdel
operadorcuandovaa realizarrnantenirniento.Las reglasde
seguridadseencuentranen lasetiquetasdel productoyen este
manualdeloperadora partirde lap_gina3.
• Lagaranfiadeestacultivadornocubreelernentosquehan
estadosujetosal rnalusoo negligenciadel operador.Para
recibirel reernbolsototalde lagarantia,el operadordeber_dar
rnantenirnientoal equipotal y cornose indicaenestemanual.
• Algunosajustesdebenser realizadosperi6dicarnenteparael
mantenirnientoadecuadodela unidad.
• Reviseperi6dicarnentetodoslos sujetadoresy cornpruebeque
est_nbienajustados.
MANTENIMIENTO DEL MOTOR
NOpruebelachispasi noest,.la bujiade encendido.NOd_
arranqueal motorsi noest_ labujiade encendido.
Siel motorha estadofuncionando,el silenciadorestar_rnuycaliente.
Tengacuidadode notocarel silenciador.
Labujiadebeestarfirrnernenteasegurada.Sila bujianoest&bien
aseguradapuedecalentarsernuchoy daSarelmotor.
Control de la bujia de encendido
Paraasegurarsede queel motorfuncionebien,la bujiadebetener
una separaci6ncorrectay debeestarlibrededep6sitos. Controlela
bujiacada 25horasy reernpl&celacada100horas.
55

1. Retirela fundadebujiay utiliceunaIlaveparabujiasparaextraer
la bujfa.Veala Figura23.
2. Inspeccionevisualrnentela bujfa.Elirninela bujfasi presenta
rnuchodesgaste,o si el aislanteest,.agrietadoo astillado.Lirnpie
la bujfacon un cepillode alarnbresi seva a reutilizar.
3. Midala separaci6ndebujfacon uncalibrador.Corrijade ser
necesariotorciendoel electrodolateral.Veala figura24.La
separaci6ndebeestablecerseen0,030pulg.
4. Verifiqueque laarandelade la bujfaest_enbuenascondiciones
y coloquelabujiaenrosc_.ndolaa rnanoparanoestropearla
rosca.
5. Unavezquela bujfaest,.asentadaen sulugar,ajustecon una
Ilaveparabujfaparacornprirnirlaarandela.
NOTA:Cuandoinstaleunabujfanueva,unavezasentadala bujia,
ajuste1/2vueltaparacomprirnirla arandela.Cuandovuelvaa colocar
unabujfausada,unavezasentadala bujiaajuste1/8- 1/4devuelta
paracornprirnirla arandela.
Nuncause gasolinao solventesdepuntodeencendidobajopara
lirnpiarel elernentodel depuradordeaire. Podriaproducirseun
incendioo explosidn.
Mantenimiento del filtro de aire.
Elfiltrode aireevitael ingresoal carburadorde suciedad,polvo,
etc.perjudicialesy evitaquelos rnisrnosseanintroducidosdentro
delmotor.Adern_.s,dichofiltroes irnportanteparalavida t_tily el
rendirnientodel motor.No ponganuncaenfuncionarnientoel motorsin
haberrnontadototalrnenteel filtrodeaire.Verifiqueel depuradorde
aireantesde cadauso.
Losfiltrosde papelnose puedenlirnpiar.Se debenreernplazar
unavezala_oo cada 100horasde funcionarnientoy con mayor
frecuenciasi se utilizanen lugaresdondehaygrancantidadde polvo.
1. Oprirnala pesta_adela tapadel filtrodeaire,levantela tapay
retireelfiltro. Veala Figura25.
2. Desecheelfiltrode aireusado.
3. Instaleelfiltrodeaire nuevo.
4. Cierrelacubierta.
NOTA:si elfiltroest,. rotooda_ado,c_.rnbielo.
Norocieel motorcon aguaparalirnpiarloporqueel aguapodria
contarninarel combustible.Sise utilizaunarnangueradejardin o
equipode lavadoa presi6ntarnbi_npuedeentraraguadentrodela
aberturadel silenciador.Elaguaquepasaporel silenciadorpuede
ingresarenel cilindro,causandodaSos.
Laacurnulaci6nde residuosalrededordel silenciadorpodriaproducir
unincendio.Inspecci6neloy lirnpieloantesde cadauso.
Limpieza del motor
Siel motorhaestadofuncionando,d_jeloenfriarduranteporIo
rnenosmediahoraantesde lirnpiarlo.De rnaneraregular,elirninela
acurnulaci6ndesuciedaddelmotor.Lirnpiealrededordel silenciador.
Lirnpieconun cepilloo airecornprirnido.
56
Bujia de
encendido
i
Figura23
0,02=0,03 pulg.
0.60=0.80 mm
Figura24
E
Elemento
espuma ............................
Tapa del
filtro de
aire de
aire
Figura25
J

Inspeccione el aceite del motor
1. Controleel aceiteantesdecada uso.Detengaelmotory espere
variosrninutosantesdeverificarel niveldeaceite.Con la
cultivadorasobreunasuperficiepareja,elaceitedebealcanzarla
rnarcaFULL(lleno)de lavarilladel nivelde aceite.
2. Extraigala varillade rnedici6nde aceitey sequelacon untrapo.
3. Vuelvaa colocarlaen el cuellodeIlenadodeaceiteperonola
atornille.Saquela varillay verifiqueelnivelde aceite.Elnivel
deberiaestarenla rnarcaFULL(lleno)
4. Sies necesario,agregueaceitelentarnentey vuelvaa controlar.
No Io Ileneen exceso.
5. Lirnpielavarilla,vuelvaa colocarlasin ajustarla.Saquelavarilla
y verifiqueelnivelde aceite.Elniveldeaceitedebealcanzarla
rnarcaFULLde lavarilla.
6. Vuelvaa colocarla varillade rnedici6nde aceitey ajOstelabien
antesde poneren rnarchael motor.
NO utiliceaceitessin detergenteni aceiteparamotorde dostiernpos.
Podriareducirselavida Otildelmotor.
f
Cambie el aceite del motor
• SerecorniendaSAE10W-30parausogeneral,atodaslas
ternperaturas.Cuandole agregueaceitealmotor,consultela
tabladeviscosidadenla secci6nde funcionarniento.Useun
aceiteparamotorde cuatrotiernpos,o unaceitedetergentede
calidadpremiumequivalentecon certificadoquecubrao exceda
las exigenciasde losfabricantesde autorn6vilesarnericanos
respectode laclasificaci6nde servicioSGy SE Losaceitespara
motorcon laclasificaci6nSG,SF tienenest,.designaci6nen el
envase.
• Carnbieel aceitedelmotordespu_sdelas prirnerascincoa ocho
horasdefuncionarniento,y a partirde entoncescadacincuenta
horasdefuncionarnientoo unavez porternporada.Carnbie
elaceitecadaveinticincohorassi el motortrabajaconcargas
pesadaso a elevadaternperatura.
Antesde inclinarel motoro equipoparadrenarel aceite,dreneel
combustibledel dep6sitohaciendofuncionarel motorhastaqueel
dep6sitode combustibleest_vado.
Elaceiteusadodel motorpuedecausarcancerde piel sientra en
contactocon la pielde rnanerareiteraday porperiodosprolongados.I
Si bienestoes improbablea rnenosque rnanipuleaceiteusadotodos
los dias,sin embargoes recornendablelavarsebienlas rnanoscon I
aguay jab6ninrnediatarnentedespu_sde haberrnanipuladoaceite I
usado, j
Elaceiteusadoes un residuopeligroso.Desecheel aceiteusado
correctarnente.No Ioarrojejuntocon los residuosdorn_sticos.
Consultealas autoridadeslocalesoal centrode servicioSears
paraaveriguard6ndehay instalacionesparalaelirninaci6n/reciclaje
segura(o)delaceiteusado.
3. Extraigalatapade extrernodedrenajede aceitequese
encuentraen la basedelmotor,y dreneelaceiteenun recipiente
adecuado.Veala Figura26.
4. Vuelvaa colocary ajustela tapadeextrernodedrenajedeaceite.
5. Cuandose hadrenadotodo elaceitedelmotor,coloqueel motor
en unasuperficienivelada.Vuelvaa Ilenarconaproxirnadarnente
20 onzasdeaceitenuevo.Llenehastalalinea FULL(lleno)de la
varillade rnedici6n.NoIo Ileneenexceso.ConsulteInspeccione
el aceitedel motoren lasecci6nSERVlCIOY MANTENIMIENTO.
6. Vuelvaa colocarel cablede la bujiaantesdearrancarlaunidad.
Drenaje del aceite
1. Vade elcombustibledeltanquehaciendofuncionarel motor
hastaqueel tanquedecombustibleest_vado. Cerci6resede
queeltap6n deIlenadodelcombustibleest,.bienajustado.
2. Conel motorapagadoperotodaviacaliente,desconecteel cable
de bujiay rnant_ngaloalejadode labujia.
57

LUBRICACI6N
Despu_sdecada 10horasde funcionarniento,aceiteo engraselos
puntosde lubricaci6n-Useaceitelubricantelirnpio(esadecuado
el aceitepararnotoresde peso#30) y grasade usogeneralNrnpia
(es preferiblegrasaquecontengaunlubricantede metal,si hay
disponible).
• Retirelos dientesy lirnpieel ejede losdientes.Useuna limao
papelde Njaparaquitarsuavernentecualquier6xido,rebabas
o asperezas(especialrnentealrededordelos orificiosdeleje).
ApNquegrasaa losextrernosdelejeantesdeinstalarlos dientes.
• Extraigalacubiertadela correay lubriquetodoslos puntosde
pivotey el variNajecon unalevecapade aceite.Mantengalas
correassin lubricaci6n.
• Elc_rterde lacadenaseentregapreviarnentelubricadoy sellado
enf_bricay no requierernantenirniento.
HARDWARE
Verifiquesi hayherrajessueltoso faltantescada 10horasde
operaci6ny ajQsteloso c_rnbielos(segQnsea necesario)antesde
volvera usarla cultivadora.AsegOresede inspeccionarlostornillos
queest_.ndebajode la cubiertadela cultivadoraquesujetanla
cubiertade latransrnisi6ny la palancadel reguladordeprofundidada
la transrnisi6n.
Antesde Ilevara cabo algQntipo de rnantenirnientoenla rn_quina,
dejequetodaslas piezassedetengany desconecteel cablede la
bujfa.Sino seobservanestasinstruccionesse puedenproducir
lesionespersonaleso da_osrnateriales.
CAiVIBIO DE CORREA
Si lacorreadetransrnisi6ndebeser reernplazada,aseg_resede
utiNzarQnicarnenteunacorreacertificadaen f_bricaincluidaen
las p_ginasde Piezasde estemanualdeloperador,dadoqueuna
correaadquirida"sobreel rnostrador"puedefuncionardernanerano
totalrnentesatisfactoria.Elprocedirnientorequierehabilidadrnec_nica
mediay herrarnientashabitualrnentedisponibles.
Parareernplazarla correade transrnisi6n,sigaestospasos:
1. Retirela cubiertadela correadesdeel ladoizquierdodela
cultivadoraretirandolos dostornillosautorroscantesy latuerca
hexagonaly laarandela.Veala Figura27.
2. Retireel pernode lapoleaIocay rnuevalacorreadesdedebajo
delguardacorreasde lapoleaIoca.Veala Figura28.
3. Retireel conjuntodel guardacorreasde lacorreaubicadodetr_s
dela poleadelmotorextrayendolos dos pernoshexagonalesy
las arandelasde seguridad.Veala Figura28.
4. Extraigalacorreausadadealrededordela poleade transrnisi6n
e instalela nuevacorrea. Veala Figura28.
5. Sigalas instruccionesen ordeninversaparareinstalarel
guardacorreasde lacorreay la poleaIoca.
f
/
/
Tuerca
hexagonal d
detenci6n
Tornillos
autorroscantes
Arandela
Figura27
Guardacorrea Polea Polea de
Iota transmisi6n
Figura28
NOTA:AI volveraarrnar,asegOresedequeel guardacorreasdela
poleaIocaquedetal cornose rnuestraen la Figura28. Observela
rnuescaenla parteinferiordel guardacorreasy laalineaci6ncuando
vuelvaa arrnarcon lacorreanueva.
58

DIENTES
Losdientesse desgastanconel uso y se los debeinspeccionaral
comienzode cadatemporadade labranzay a intervalosde 30horas
defuncionamiento.Losdientesse puedenreemplazar.Consulteel
nQmerode piezaen la secci6nListade piezasde estemanual.
Inspecci6n de los dientes
Conel uso,losdientesseacortan,se angostany vuelven
puntiagudos.Elusode dientesmuydesgastadosresultaraen p_rdida
de profundidadde la labranzayen menoreficaciaparacortary girar
debajode lamateriaorg_.nica.
Retiro/Instalaci6n de un conjunto de dientes
1. Unconjuntode dientesconstade unconjuntode dientes
izquierdoy unconjuntodedientesderecho.
NOTA:Loshordesfilososde los dientesestanposicionadospara
penetrarenel sueloprimerocuandorotan.Observeestaposici6nde
los dientesparapoderreinstalarlos conjuntosde dientesnuevos.
1. Pararetirarunconjuntodedientes,simplementesaqueel
pasadordechavetaasegurandoel pasadorde horquiNapara
cadadiente.Veala Figura29.
2. Retireel pasadorde horquillaparacadadientey desliceel
conjuntohaciaafuerade launidady lejosdelejede los dientes.
3. Antesde volvera instalarel conjuntodedientes,inspeccione
eleje delos dientesparaverificarsi hay 6xido,asperezaso
rebabas.Limeo Njeligeramente,segQnsea necesario.Apliqueal
ejeunacapadelgadade grasa.
4. Instalecada conjuntode dientesde modoqueel hordecortante
(filoso)de los dientespenetreel sueloprimerocuandola
cultivadorase muevahaciaadelante.
Pasadorde
horquilla
1
chaveta
Figura29
J
59

Nuncaalrnacenela cultivadoraconcombustibleenel tanqueenun
espaciocerradoo en_.reaspocoventiladasdondelos gasesdel
combustiblepuedanNegara una Narnaexpuesta,unachispao un
pilotocornoel quetienenalgunoshornos,calentadoresde agua,
secadoresde ropao algQnartefactoa gas.
Nuncadejeel motorsin vigilanciarnientrasest,.en funcionarniento.
PREPARACI6N DEL MOTOR
Paraalrnacenarrnotoresentre 30y 90dfases necesariotratarlos
con unestabiNzadorde gasolinay paraalrnacenarlosdurantern_.s
de 90dfasse debedrenarel combustibleparaevitardeteriorosy la
forrnaci6ndedep6sitosde gornaenel sisternade combustibleo en
piezasfundarnentalesdelcarburador.Sila gasolinaen su motorse
deterioraduranteel alrnacenarniento,es posiblequedebareparar
o reernplazarel carburadory otroscornponentesdelsisternade
combustible.
1. Extraigatodo elcombustibledeldep6sitohaciendofuncionarel
motorhastaquese detengaporfaltade combustible.
2. Carnbieel aceite.Consulteel Carnbiode aceiteen la secci6n
SERVlCIOY MANTENIMIENTO.
3. Retirelabujfay viertacercade 1/2onzade aceiteparamotor
en elciNndro.Vuelvaa colocarla bujfay d_ rnarchaalmotor
lentarnenteparadistribuirelaceite.
4. Lirnpiela suciedadde las _.reasdel motory del silenciador.
RetoquelapinturadaSada,y revistaotras_.reasque puedan
oxidarsecon unapelfculadelgadadeaceite.
5. Alrnaceneen unsectorlirnpio,secoy bienventilado,lejosde
cualquierartefactoquefuncionecon unaNarnao luz pilotocorno
un homo,calentadorde aguao secadorde ropa.Tarnbi_nevite
cualquiersectorcon unachispaproduciendomotorel_ctricoo
dondese utilizanherrarnientasel_ctricas.
6. Deser posible,tarnbi_nevita_.reasdealrnacenarnientocon
rnuchahurnedadparaevitaroxidaci6ny corrosi6n.
7. Mantengael motorniveladocuandoIoalrnacene.Lainclinaci6n
del motorpuederesultarenfugasdecombustibleo aceite.
PREPARACI6N DE LA CULTIVADORA
Si la cultivadoranose va a usarduranteunperfodoprolongado,
prep_.relaparael alrnacenarnientodela siguienteforrna:
1. Lirnpiela cultivadoray el motor.
2. Sigalas recornendacionessobrelubricaci6ny verifiquesi hay
parteso piezassueltas.
3. Alrnacenelacultivadoraen un_.realirnpiay seca.
4. Nuncaalrnacenelacultivadoraconcombustibleenel tanqueen
un _.reacerradadondelas ernanacionesde la gasoNnapueden
alcanzarunaNarnaexpuestaochispas,o dondehubierefuentes
de encendido(calefactores,calentadoresde agua,hornos,etc.).
6O

Antesde realizarcualquiertipodemantenimientooservicio,desenganchetodosloscontrolesy detengael
motor.Espereaquesedetengancompletamentetodaslaspiezasm6viles.Desconecteel cabledelabujiay
p6ngaJohaciendomasacontraelmotorparaevitarqueseenciendaaccidentalmente.Utilicesiempreanteojosde
seguridaddurantelaoperaci6no mientrasrealizaajusteso reparaciones.
El motorno arranca
El motorfunciona de manera erratica
1. Reconecteel cable.
2. Coloque la palancaen la posici6n START(arranque).
3. Lleneel tanquecon gasolinalimpiay nueva.
1. Se ha desconectadoel cable de la bujia.
2. Ajusteincorrecto de la palancade control del regulador
delmotor.
3. Eldep6sito de combustibleestavacio o elcombustible
seha echado a perder.
4. Filtrode aire sucio.
5. Separaci6ndefectuosao incorrectaen la bujia.
6. Ajusteincorrecto delcontrol del regulador.
7. Aguao suciedaden el tanque del combustible.
1. Separaci6ndefectuosao incorrectaen la bujia.
2. Filtro(s) de aire sucio(s).
3. Esnecesario regularel carburador.
4. Gasolinavieja.
5. Aguao suciedaden el tanque del combustible.
6. Sistema de enfriamientodelmotor tapado.
1. Sistema de enfriamientodelmotor tapado.
2. Esnecesario regularel carburador.
3. Nivelde aceite bajo.
1. Ajusteincorrecto del controldel reguladoro del
interrupterde encendido.
1. Useincorrecto de los controles.
2. Correa(s)de transmisi6n desgastada(s),rota(s) o mal
ajustada(s).
3. Trasmisi6n internadesgastada o daSada.
4. Pernosuelto en la poleade transmisi6n.
1. Pernosuelto en la poleade transmisi6n.
2. Trasmisi6n internadesgastada o daSada.
1. Faltapieza metalicaparamontar el soportede dientes.
2. Pernosuelto en la poleade transmisi6n.
3. Trasmisi6n internadesgastada o daSada.
1. Dientesdesgastados.
2. Configuraci6nincorrecta del reguladorde profundidad.
3. Configuraci6nincorrecta del regulador.
4. Deslizamientode la correa de transmisi6nde marcha
directa.
El motor recalienta
El motorno seapaga. Contactecon su centrode piezasy reparacionesSears.
Las ruedasy los dientesno giran
Los dientesgiran, lasruedasno.
Las ruedasgiran, los dientes no.
Rendimientodeficiente de la labranza
4. Limpieo cambieel filtro.
5. Limpiela, ajuste ladistancia disruptiva o cambiela.
6. Contacte con su centrede piezasy reparacionesSears.
7. Contacte con su centrede piezasy reparacionesSears.
1. Limpie,ajuste la separaci6n,o cambie la bujia.
2. Limpieo reemplace
3. Contacte con su centrode piezasy reparacionesSears.
4. Cambiela pergasolinafresca.
5. Contacte con su centrede piezasy reparacionesSears.
6. Limpieel sistema de enfriamientodel motor
1. Limpieel Areade enfriamientodel motor
2. Contacte con su centrede piezasy reparacionesSears.
3. Reviseel nivelde aceite.
1.
1. Revisela secci6n de Funcionamiento
2. Reemplaceo ajuste las correas.
3. Contacte con su centrode piezasy reparacionesSears.
4. Ajuste el perno.
1. Ajuste el perno.
2. Contacte con su centrede piezasy reparacionesSears.
1. Reemplacelapieza metalica.
2. Ajuste el perno.
3. Contacte con su centrede piezasy reparacionesSears.
1. Reemplacelosdientes.
2. Vea "Sugerenciasy tecnicas para la labranza".
3. Consulte la secci6n Servicio y Mantenimiento
4. Consulte la secci6n Servicio y Mantenimiento
NEED MORE HELP?
You'll _ihd _t_e an we_ ahd m@:e _ll_ _._.gemy_fe_com ,., f@r free!
Findthis and air yourother productmanualsonline,
Getanswersfromourteam of homeexperts,
Geta personalizedmaintenanceplanfor your home.
Findinformation andtools to help with homeprojects.
÷ managemylife
_O_ght te yeI:_ by Sea_s
Wi_i_!ii!ii!ii!ii!ii!ii!ii!ii!ii!ii!ii!ii!ii!ii!ii!ii!ii!ii!ii!ii!ii!ii!ii!ii!ii!ii!ii!ii!ii!ii!ii!ii!ii!ii!ii!ii!ii!ii!ii!ii!ii!ii!ii!ii!ii!ii!ii!ii!ii!ii!ii!ii!ii!ii!ii!ii!ii!ii!ii!ii!ii!ii!ii!
61

62

63

64

(Esta p_.ginase aplica s61oen EE.UU. y Canada.).
Sears Brands Management Corporation, el Consejo de Recursos Ambientales de California (CARB)
y la Agencia de Protecci6n Ambiental de los Estados Unidos (EPA)
Declaraci6n de garantia del sistema de control de emisiones (derechos y obligaciones de la garanfia de defectos del propi=
etario)
LACOBERTURADE LA GARANTJADECONTROLDEEMISIONESES Y PARALOSMODELOSCERTIFICADOSDELANO 1997YPOSTERIORES,
APLIOABLEA LOSMOTORESCERTIFICADOSCOMPRADOSENCALIFOR- QUESE COMPRENY UTILICENENCUALQUIERPARTEDE LOSESTADOS
NIA EN1995Y POSTERIORMENTE,QUESE UTILIZANENCALIFORNIA, UNIDOS(Y A PARTIRDEL 1 DE ENERODE2001ENCANADA).
Declaraci6n de garanfia sobre defectos en el control de emJsiones para California y los Estados UnJdos
ElConsejode RecursosAmbientalesde California(CARB),la EPA(Agencia
de Protecci6nAmbientalde los EE.UU.)y Searstienenel gusto deexplicarla
garantiadel sistemade controlde emisionesparamotoresdela_o 2000y para
elfuturo con relaci6na motorespeque_ostodo terreno(SORE).En California,
los nuevosmotorespeque_ostodo terrenodebenestardise_ados,construidos
y equipadosparacumplirconlas rigurosasnormasanti-smogdelestado.En
el restode los EstadosUnidos,losmotoresnuevostodoterrenodeencendido
porchispacertificadosparael a_o 1997debencumplirest_ndaressimilares
establecidospot la EPA.Searsdebegarantizarel sistemade controldeemi-
sionesde su motorparalosperiodosdetiempoenumeradosa continuaci6n,
siemprequeno hayaabuso,negligenciao mantenimientoindebidode su
motortodoterrenopeque_o.Susistemade controlde emisionespuedeincluir
piezastalescomoel carburador,el filtrodeaire, elsistemadeencendido,el
silenciadoryel conversorcatalitico.Tambienpuedeincluirconectoresyotras
unidadesrelacionadascon lasemisiones.Dondeexistaunacondici6ncubierta
por la garantia,Searsreparar_su peque6omotortodo terrenosin costoalguno
incluyendodiagn6stico,piezasy manodeobra
Cobertura de la garantJa Sears para defectos en el control de emJsiones
Losmotorestodo terrenopeque6osest_ngarantizadosenIo relativoalcontrol alas disposicionesque se indiquena continuaci6n.Si una partedesu motor
deemisionesparadefectosenpiezasduranteunperiodode dos a_os,sujeto cubiertapot lagaranfiaes defectuosa,Searsreparar_o sustituir_dichaparte.
Responsabilidades del propietario en relacibn con la garantia
Comopropietariodel motortodo terrenopeque_o,Ud.es responsablede la
realizaci6ndel mantenimientorequeridoquese incluyeen las instrucciones
deoperaci6ny mantenimiento.Searsrecomiendaquese conserventodoslos
recibosrelativosal mantenimientodesu motortodoterrenopeque_o,pero
nopude denegarla garantiasimplementepor la faltade los mismos,o por su
incumplimientodel mantenimientoprogramatic.Comopropietariodel motor
peque_otodoterrenodebe saberque, sinembargo,Sears lepuedenegar
lacoberturade lagarantiasi su motortodoterrenopeque6oo una piezadel
mismohanfalladodebidoa abuso,negligencia,mantenimientoindebidoo
a modificacionesno aprobadas.Ud.es responsabledepresentarsu motor
todoterrenopeque6oa undistribuidorde serviciosSearsautorizadotan pronto
comoaparezcaun problema.Lasreparacionesde la garantiasinconfiicto
debencompletarseen un plazode tiemporazonable,no superiora 30dias.Si
tienealgunapreguntarespectoa sus derechosy responsabilidadesreferentes
a lagarantia,debe contactarcon un representantede serviciosSears al 1--
800--469--4663.Lagarantiade emisioneses unagarantiapotdefectos.Los
defectosse juzgande acuerdoconelfuncionamientonormalde un motor.La
garantiano est_relacionadaconunapruebade emisionesen uso.
Disposiciones de la garantJa Sears para defectos en el control de emJsiones
Lassiguientessondisposicionesespecificasrelacionadascon la coberturade lagarantia paradefectosenel controlde emisiones.Esuna_adidoa lagarantiade
motorSearsparamotoresnoreguladosque seencuentraen lasinstruccionesde funcionamientoy mantenimiento.
1. Piezascongarantia
Lacoberturadeesta garantiase extiendeL]nicamentealas piezas
queaparecena continuaci6n(las partesde lossistemasdecontrolde
emisiones),siempreque dichaspiezasestuvieranya en el motoren el
momentode su compra.
a. Sistemademedici6nde combustible
•Sistemadeenriquecimientoparaarranqueenfrio
•Carburadory partesinternas
•Bombade combustible
b. Sistemadeinducci6nde aire
•Filtrode aire
•Colectorde admisi6n
c. Sistemadeencendido
•Bujia(s)de encendido
•Sistemadeencendidomagneto
d. Sistemadelcatalizador
•Convertidorcatalitico
•Colectorde escape
•Sistemadeinyecci6nde aireo v_lvulade impulsos
e. Elementosvariadosusadosen lossistemasanteriores
•Wlvulas de vacio,sensiblesa temperatura,posici6ny tiempo
e interruptores
•Conectoresy montajes
2. AIcancede la cobertura
Searsgarantizaal poseedorinicialy a loscompradoressubsiguientes
quelas piezascon garantianotendr_ndefectosen materialesni mano
deobraque provoquenla falla delas mismasduranteun periodode
dosaSosa partirdela fechaen queel motorse entregaa un comprador
particular.
3. Sin cargo
Lareparaci6no reemplazodecualquierpartecon garantiase realizar_
sin cargoalgunoparael poseedor,incluyendotareasdediagn6sticoque
permitandeterminarsi una partecongarantiaes defectuosa,siempreque
dichodiagn6sticose realiceen undistribuidordeserviciosSearsautoriza-
do. Parael serviciode lagarantia deemisiones,contacteal distribuidorde
serviciosSearsautorizadom_scercanoincluidoen las"P_ginasamarillas"
en lascategorias"Motores,gasolina","Motoresdegasolina","Podadoras
de cesped",o similares.
4. Reclamacionesyexclusionesa la cobertura
Las reclamacionesde lagarantia debenenviarsedeacuerdocon las
disposicionesdela politicade garantiaparamotoresSears.La cobertura
de lagarantiaexcluir_defectosen piezascongarantia queno scan partes
originalesSears,o abuso,negligenciao mantenimientoincorrecto,tal y
como se estableceen lapoliticadegarantia paramotoresSears.Sears no
es responsablede lasfallas enpiezascon garantia provocadaspor el uso
de partesa6adidas,que noscanoriginaleso quese hayanmodificado.
5. Mantenimiento
Cualquierpartecon garantiaque noesteprogramadapara set reempla-
zadacomo mantenimientorequerido,o que s61odeba inspeccionarse
regularmentealefectode "inspeccioneo reemplacesegL]nsea necesario",
estar_garantizadacontradefectosduranteel periodode la garantia.Todas
las piezasgarantizadasqueesten programadasparasu reemplazopara
cumplircon los requisitosdemantenimientoestar_ngarantizadass61o
por el periodoanterioral primerreemplazoprogramaticparadicha pieza.
Cualquierpiezade recambioqueseaequivalenteenfuncionamientoy
durabilidadpuedeusarsepararealizarmantenimientoo reparaciones.El
propietarioes responsablederealizartodoel mantenimientorequerido,tal
y comose define enlas instruccionesdefuncionamientoy mantenimiento
Sears
6. Coberturaindirecta
Porla presente,la coberturase extiendea la fallade cualquiercomponente
de motorprovocadapot lafalla de unapiezacongarantiaque estetodavia
en periododegarantia.
Enlos EstadosUnidosy Canad_hayunalineade atenci6nde24 horas,1-800-469--4GG3,quecuentacon un menL]con mensajespre-grabadosque contienen
informaci6nparael mantenimientode motores.

Busque el periodo de duraci6n de emisiones importantes yla informaci6n de clasificaci6n de aire en
la etiqueta de emisiones de su motor
Los motores cuyo cumpiimiento con los estAndares de emisi6n Tier 2 de la Comisi6n de Recursos Ambientales de California (CARB)
est6 certificado deben exhibir la informaci6n relacionada con el periodo de duraci6n de ias emisiones y la clasificaci6n de aire. Sears
Brands Management Corporation ponen esta informaci6n a disposici6n del consumidor en nuestras etiquetas de emisiones.
Ei Periodo de Duraci6n de las Emisiones describe el nQmero de horas de tiempo real de funcionamiento para el cuai se certifica que
el motor cumpie con ias reglas de emisi6n, descontando el mantenimiento adecuado del mismo segQn las instrucciones de oper-
aci6n y mantenimiento. Se utilizan las siguientes categonas:
Moderado:Se certifica que el motor cumpie con las reglas de emisi6n durante 125 horas de tiempo real de funcionamiento del motor.
Inmediato:Se certifica que el motor cumpie con las reglas de emisi6n durante 250 horas de tiempo real de funcionamiento del motor.
Extendido:Se certifica que el motor cumpie con las reglas de emisi6n durante 500 horas de tiempo real de funcionamiento del motor.
Por ejemplo, una cortadora de c6sped tJpica que se empuja desde arras se usa entre 20 y 25 horas por aSo. Por Io tanto, el Periodo
de Duraci6n de Emisiones de un motor con una clasificaci6n intermedia sena equivaiente a entre 10 y 12 aSos.
Laciasificaci6n de aire es un nQmero calculado para describir el nivel relativo de emisiones para un grupo de motores en particular.
Cuanto menor sea la clasificaci6n de aire, mayor es la limpieza del motor. La informaci6n se presenta de forma grAfica en la etiqueta
de emisiones.
Despu_s del 1 de julio de 2000, busque el periodo de cumplimiento de las reglas de
emisiones en la etiqueta de cumplimiento de las reglas de emisiones del motor
Despu6s del 1 de julio de 2000 se certificarA que determinados motores Sears Brands Management Corporation cumplen
con los estAndares de emisiones de la fase 2 de la Agencia de Protecci6n Ambientai de los Estados Unidos (USEPA). Para
los motores certificados para la etapa 2, el periodo de cumplimiento con ias reglas de emisiones al cual se hace referencia
en la etiqueta de cumplimiento con las reglas de emisiones indica el nQmero de horas de funcionamiento para el cual se ha
demostrado que el motor cumple con los requerimientos federales de emisi6n.
Para los motores con desplazamiento inferior a 225 cc, Categoria C = 125 horas, B = 250 horas y A = 500 horas.
Para los motores con desplazamiento de 225 cc o mAs, Categoria C = 250 horas, B = 500 horas y A = 1000 horas.
El desplazamiento de los motores de la serie modelo 150112 es 249 cc.
La presente es una representaci6n gen_rica de la etiqueta de emisi6n que se encuentra generaimente en un
motor certificado.
FAMILYYBSXS.3192VA 274812
GDOC-100182Rev.A
66

Felicitaciones por haber realizado una adquisici6n inteligente. El producto Craftsman® que ha
adquirido esta diseSado y fabricado para brindar muchos aSos de funcionamiento confiable. Pero
como todos los productos a veces puede requerir de reparaciones. Es en ese momento cuando el
disponer de un Acuerdo de protecci6n para reparaciones le puede ahorrar dinero y problemas.
A continuaci6n se detallan los puntos incluidos en el Acuerdo:
[] Servicio experto prestadopor nuestros 10,000especialistas en reparacionesprofesionales
[] Servicio ilirnitado sin cargo para las piezasy la mano de obra en todas las reparacionescubiertas
[] Reernplazo del producto hasta 1500 d61aressi no es posible reparar el producto cubierto
[] Descuento de 25% del precio normal del servicio y de las piezas relacionadascon el mismo que no estencubiertas
por el acuerdo; ademas, 25% del precio normal de laverificaci6n de mantenimientopreventivo
[] Ayuda r_pida pot tel_fono - Io IlamamosResoluci6n RApida- el apoyo telef6nico de un Chamusca al representante.
Piense en nosotros como el manual "de un dueSohablador."
Una vez adquirido el Acuerdo, puede programar el servicio con tan s61orealizar una Ilamadatelef6nica. Puede Ilamaren
cualquier momentodeldia o de la noche o programar un servicio en linea.
ElAcuerdo de Protecci6nde Reparaci6nes unacompra sin riesgo. Si ustedanulapor alguna raz6n duranteel periodo de
garantia de producto,proporcionaremosun reembolso Ileno.O, un reembolsoprorrateadoen cualquier momentodespues
del periodode garantia de producto expira, iAdquiera hoy su acuerdode protecci6n para reparaciones!
Se aplican determinadas limitaciones y exclusiones. Para obtener informaciTn adicional y precios en los Estados
Unidos Ilame al 1-800-827-6655.
El *Coverage en Canad_ivaria en algunos articulos. Para detalles Ilenos la Ilamada Chamusca Canad_ien 1-800-
361-8885.
Servicio de instalaci6nde Sears
Si desea solicitar la instalaci6n profesionalde Sears de aparatosdomesticos, dispositivos paraabrir portones,calentado-
res de agua y otros articulos domesticosimportantes, en los Estados Unidos o Canada flame al 1-800-4-MY-HOME®.
67

Your Home
For troubleshooting, product manuals and expert advice:
managernylife
www.managemylife.com
For repair - in your home - of all major brand appliances,
lawn and garden equipment, or heating and cooling systems,
no matter who made it, no matter who sold it!
For the replacement parts, accessories and
owner's manuals that you need to do-it-yourself.
For Sears professional installation of home appliances
and items like garage door openers and water heaters.
1-800-4-MY-HOME ®(1-800-469-4663)
Call anytime, day or night (U.S.A. and Canada)
www.sears.com www.sears.ca
Our Home
For repair of carry-in items like vacuums, lawn equipment,
and electronics, call anytime for the location of your nearest
Sears Parts & Repair Service Center
1-800-488-1222 (U.S.A.) 1-800-469-4663 (Canada)
www.sears.com www.sears.ca
To purchase a protection agreement on a product serviced by Sears:
1-800-827-6655 (U.S.A.) 1-800-361-6665 (Canada)
Para pedir servicio de reparaci6n
a domicilio, y para ordenar piezas:
1-888-SU-HOGAR ®
(1-888-784-6427)
www.sears.com
Au Canada pour service en frangais:
1-800-LE-FOYER Mc
(1-800-533-6937)
www.sears.ca
® Registered Trademark /TMTrademark of KCD IP, LLC in the United States, or Sears Brands, LLC in other countries
® Marca Registrada !TMMarca de Fabrica de KCD IP, LLC en Estados Unidos, o Sears Brands, LLC in otros paises
MCMarque de commerce !MDMarque deposee de Sears Brands, LLC