Craftsman 247370000 User Manual MOWER Manuals And Guides 1301417L
Craftsman 21 inch push mower manual 247-370000 Craftsman 21 inch push mower manual 247-370000
User Manual: Craftsman 247370000 247370000 CRAFTSMAN MOWER - Manuals and Guides View the owners manual for your CRAFTSMAN MOWER #247370000. Home:Lawn & Garden Parts:Craftsman Parts:Craftsman MOWER Manual
Open the PDF directly: View PDF
.
Page Count: 56

Operator's Manual
CRRFr MRN
21" LAWN MOWER
Model No. 247.370000
CAUTION" Before using this
product, read this manual and
follow all safety rules and operating
instructions.
,, SAFETY
o ASSEMBLY
OPERATION
MAINTENANCE
PARTS LIST
o ESPANOL
Sears Brands Management Corporation, Hoffman Estates, IL 60179, U.S.A.
Visit our website: www.craftsman.com FormI/o 769-07571A
(October1,2012)

WarrantyStatement.............................. Page2
SafetyInstructions............................ Pages3-6
SlopeGuide..................................... Page7
Assembly.................................... Pages8-10
Operation.................................. Pages11-13
ServiceandMaintenance.................... Pages14-17
Off-SeasonStorage.............................. Page18
Troubleshooting................................ Page19
PartsList.................................... Page20-29
Espa_ol........................................ Page33
ServiceNumbers............................ BackCover
CRAFTSMANTWOYEARFULLWARRANTY
Fortwoyearsfromthedateofpurchase,thisproductiswarrantedagainstanydefectsinmaterialorworkmanship.Defectiveproductwill receivefreerepair
orfreereplacementifrepairisunavailable.
Forwarrantycoveragedetailsto obtainrepairorreplacement,visitthewebsite:www.craftsman.com.
ThiswarrantycoversONLYdefectsinmaterialandworkmanship.WarrantycoveragedoesNOTinclude:
,Expendableitemswhichcanwearoutfromnormalusewithinthewarrantyperiod,suchasmowerblades,bladeadapters,belts,filters,orsparkplugs.
,Productdamageresultingfromuserattemptsat productmodificationorrepairorcausedbyproductaccessories.
,Repairsnecessarybecauseofaccidentorfailureto operateormaintainthe productaccordingto allsuppliedinstructions.
,Preventativemaintenanceorrepairsnecessarydueto improperfuelmixture,contaminatedorstalefuel.
Thiswarrantyisvoidifthisproductiseverusedwhileprovidingcommercialservicesorifrentedto anotherperson.
Thiswarrantygivesyouspecificlegalrights,andyoumayalsohaveotherrightswhichvaryfromstateto state.
SearsBrandsManagementCorporation,HoffmanEstates,IL60179
Engine Oil: SAE 30
Fuel: Unleaded Gasoline
Engine: Briggs & Stratton
Model Number
Serial Number
Date of Purchase
Record the model number, serial number,
and date of purchase above.
© Sears Brands, LLC 2

Thissymbolpointsout importantsafety instructionswhich, if not
followed, couldendangerthe personalsafetyand/or property of
yourselfand others.Readandfollow all instructions inthis manual
beforeattempting to operatethis machine.Failureto complywith these
instructionsmayresultinpersonalinjury.Whenyouseethis symbol, HEED
ITSWARNING!
CALIFORNIA PROPOSITION 65
EngineExhaust,someof its constituents,and certainvehiclecomponents
containor emit chemicalsknownto Stateof Californiato causecancerand
birth defectsorother reproductiveharm.
Thismachinewasbuilt to beoperatedaccordingto thesafeoperation
practicesinthis manual.Aswith anytype of powerequipment,
carelessnessorerroronthe part of the operatorcanresultinseriousinjury.
Thismachineiscapableof amputating fingers, hands,toesandfeet and
throwingdebris.Failureto observethefollowing safety instructionscould
resultinseriousinjury or death.
Your Responsibility--Restrict theuseof this powermachineto
personswhoread,understandandfollow thewarningsand instructionsin
this manualandonthe machine.
SAVETHESEINSTRUCTIONS!
GENERAL OPERATION
Readthisoperator'smanualcarefullyinitsentiretybeforeattemptingto
assemblethis machine.Read,understand,andfollowallinstructionsonthe
machineandinthemanualsbeforeoperation.Keepthismanualina safe
placefor futureandregularreferenceandfororderingreplacementparts
Becompletelyfamiliarwith thecontrolsandtheproperuseofthismachine
beforeoperatingit.
Thismachineisa precisionpieceof powerequipment,nota plaything.
Therefore,exerciseextremecautionat alltimes.Thismachinehasbeen
designedto performonejob: to mowgrass.Donotuseitforanyother
purpose.
Neverallowchildrenunder14yearsof ageto operatethis machine.Children
14andovershouldreadandunderstandtheinstructionsandsafeoperation
practicesinthis manualandonthemachineandshouldbetrainedand
supervisedbyanadult.
Onlyresponsibleindividualswhoarefamiliarwith theserulesof safe
operationshouldbeallowedto usethis machine.
Thoroughlyinspecttheareawheretheequipmentisto beused.Removeall
stones,sticks,wire,bones,toysandotherforeignobjects,whichcouldbe
trippedoverorpickedupandthrownbytheblade.Thrownobjectscancause
seriouspersonalinjury.
Planyourmowingpatterntoavoiddischargeof materialtowardroads,
sidewalks,bystandersandthelike.Also,avoiddischargingmaterialagainst
awall orobstruction,whichmaycausedischargedmaterialto ricochetback
towardtheoperator.
Tohelpavoidbladecontactora thrownobjectinjury,stayinoperatorzone
behindhandlesandkeepchildren,bystanders,helpersandpetsat least75
feetfrommowerwhileitisinoperation.Stopmachineifanyoneentersarea.
Alwayswearsafetyglassesorsafetygogglesduringoperationandwhile
performinganadjustmentor repairto protectyoureyes.Thrownobjects
whichricochetcancauseseriousinjuryto theeyes.
Wearsturdy,rough-soledworkshoesandclose-fittingslacksandshirts.
Shirtsandpantsthatcoverthearmsandlegsandsteel-toedshoesare
recommended.Neveroperatethismachineinbarefeet,sandals,slipperyor
light-weight(e.g.canvas)shoes.
Donotputhandsorfeetnearrotatingpartsorunderthecuttingdeck.
Contactwith bladecanamputatefingers,hands,toesandfeet.
Amissingordamageddischargecovercancausebladecontactorthrown
objectinjuries.
Manyinjuriesoccurasa resultofthemowerbeingpulledoverthefoot
duringafall causedbyslippingortripping.Donot holdonto themowerif
youarefalling:releasethehandleimmediately.
Neverpull themowerbacktowardyouwhileyouarewalking.If youmust
backthemowerawayfroma wallorobstructionfirst lookdownandbehind
to avoidtrippingandthenfollowthesesteps:
a. Stepbackfrom mowerto fullyextendyourarmsforward.
b. Besureyouarewell balancedwith surefooting.
c. Pullthemowerbackslowly,no morethanhalfwaytowardyou.
d. Repeatthesestepsasneeded.
Donotoperatethemowerwhileundertheinfluenceof alcoholordrugs.
Donotengagetheself-propelledmechanismonmachinessoequipped
whilestartingengine.
Thebladecontrolhandleisasafetydevice.Neverattemptto bypassits
operation.Doingsomakesthesafetydeviceinoperativeandmayresultin
personalinjurythroughcontactwith therotatingblade.Thebladecontrol
handlemustoperateeasilyinbothdirectionsandautomaticallyreturnto the
disengagedpositionwhenreleased.
Neveroperatethemowerinwetgrass.Alwaysbesureof yourfooting. A
slipandfall cancauseseriouspersonalinjury.Ifyoufeelyouarelosingyour
footing,releasethebladecontrolhandleimmediatelyandthebladewill
stoprotatingwithin threeseconds.
Mowonlyindaylightorgoodartificiallight. Walk,neverrun.
Stopthebladewhencrossinggraveldrives,walksorroads.

Iftheequipmentshouldstarttovibrateabnormally,stoptheengineand
checkimmediatelyforthecause.Vibrationisgenerallyawarningoftrouble.
Shuttheengineoffandwaituntilthebladecomestoacompletestopbefore
removingthegrasscatcheroruncloggingthechute.Thecuttingblade
continuestorotateforafewsecondsafterthebladecontrolisreleased.
Neverplaceanypartofthebodyinthebladeareauntilyouaresurethe
bladehasstoppedrotating.
Neveroperatemowerwithoutpropertrailshield,dischargecover,grass
catcher,bladecontrolhandleorothersafetyprotectivedevicesinplaceand
working.Neveroperatemowerwithdamagedsafetydevices.Failuretodo
socanresultinpersonalinjury.
Mufflerandenginebecomehotandcancauseaburn.Donottouch.
Neverattempttomakeawheelorcuttingheightadjustmentwhilethe
engineisrunning.
Onlyusepartsandaccessoriesmadeforthismachinebythemanufactureras
listedinthePartspagesofthisOperator'sManual.Failuretodosocanresult
inpersonalinjury.
Whenstartingengine,pullcordslowlyuntilresistanceisfelt,thenpull
rapidly.Rapidretractionofstartercord(kickback)willpullhandandarm
towardenginefasterthanyoucanletgo.Brokenbones,fractures,bruisesor
sprainscouldresult.
Ifsituationsoccurwhicharenotcoveredinthismanual,usecareandgood
judgement.
SLOPE OPERATION
Slopesareamajorfactorrelatedto slipandfall accidents,whichcanresultinsevere
injury.Operationonslopesrequiresextracaution.Ifyoufeeluneasyonaslope,do
notmowit.Foryoursafety,usetheSlopeGuideincludedaspartof thismanualto
measureslopesbeforeoperatingthis machineonaslopedor hillyarea.Iftheslope
isgreaterthan 15degrees,donotmowit.
Do:
Mowacrossthefaceofslopes;neverupanddown.Exerciseextremecaution
whenchangingdirectionon slopes.
Watchfor holes,ruts,rocks,hiddenobjects,orbumpswhichcancauseyou
to sliportrip.Tallgrasscanhideobstacles.
Alwaysbesureof yourfooting.Aslip andfallcancauseseriouspersonal
injury.If youfeelyouarelosingyourbalance,releasethebladecontrol
handleimmediatelyandthebladewill stoprotatingwithin three(3)
seconds.
Do Not:
Donotmowneardrop-offs,ditchesorembankments,becauseyoucould
loseyourfootingor balance.
Donotmowslopesgreaterthan15degreesasshownontheslopeguide.
Donotmowonwetgrass.Unstablefootingcouldcauseslipping.
CHILDREN
Tragicaccidentscanoccurif theoperatorisnotalertto thepresenceof children.
Childrenareoftenattractedto themowerandthemowingactivity.Theydonot
understandthedangers.Neverassumethatchildrenwill remainwhereyoulastsaw
them.
Keepchildrenoutof themowingareaandunderwatchfulcareof a
responsibleadultotherthantheoperator.
Bealertandturnmoweroff ifa childentersthearea.
Beforeandwhilemovingbackwards,lookbehindanddownforsmall
children.
Useextremecarewhenapproachingblindcorners,doorways,shrubs,trees,
orotherobjectsthat mayobscureyourvisionof achildwhomayrunintothe
mower.
Keepchildrenawayfromhotorrunningengines.Theycansufferburnsfrom
ahotmuffler.
Neverallowchildrenunder14yearsofageto operatethismachine.Children
14andovershouldreadandunderstandtheinstructionsandsafeoperation
practicesinthismanualandon themachineandbetrainedandsupervised
byanadult.
SERVICE
Safe Handling of Gasoline:
Toavoidpersonalinjuryorpropertydamageuseextremecareinhandling
gasoline.Gasolineisextremely flammable andthe vaporsare explosive.
Seriouspersonalinjury canoccurwhengasolineisspilledonyourselfor your
clotheswhichcan ignite. Washyourskinandchangeclothesimmediately.
Useonlyanapprovedgasolinecontainer.
Neverfill containersinsideavehicleoronatruckortrailerbedwith a plastic
liner.Alwaysplacecontainersonthegroundawayfromyourvehiclebefore
filling.
Removegas-poweredequipmentfromthetruckortrailerandrefuelit on
theground.Ifthisisnotpossible,thenrefuelsuchequipmentonatrailer
with a portablecontainer,ratherthanfromagasolinedispensernozzle.
Keepthenozzleincontactwiththe rimofthefuel tankorcontaineropening
at alltimesuntil fuelingiscomplete.Donot usea nozzlelock-opendevice.
Extinguishallcigarettes,cigars,pipesandothersources
of ignition.
Neverfuelmachineindoorsbecauseflammablevaporswill accumulatein
thearea.
Neverremovegascaporaddfuelwhileengineishotorrunning. Allow
engineto coolat leasttwo minutesbeforerefueling.
Neverover-fillfuel tank.Toallowforexpansionof thefuel,donotfill above
thebottomof thefueltankneck.
Replacegasolinecapandtightensecurely.
Ifgasolineisspilled,wipeit offtheengineandequipment.Movemachineto
anotherarea.Wait5 minutesbeforestartingengine.
Neverstorethemachineorfuelcontainernearanopenflame,sparkorpilot
lightason awaterheater,spaceheater,furnace,clothesdryerorothergas
appliances.
Toreducefire hazard,keepmachinefreeofgrass,leaves,orotherdebris
build-up.Cleanup oilorfuelspillageandremoveanyfuel-soakeddebris.
Allowmachinetocoolat least5 minutesbeforestoring.
4

General Service:
Neverrunanengineindoorsorinapoorlyventilatedarea.Engineexhaust
containscarbonmonoxide,anodorlessanddeadlygas.
Beforecleaning,repairing,orinspecting,makecertainthebladeandall
movingpartshavestopped.Disconnectthesparkplugwireandground
againstthe engineto preventunintendedstarting.
Checkthebladeandenginemountingboltsatfrequentintervalsforproper
tightness.Also,visuallyinspectbladefordamage(e.g.,bent,cracked,worn).
Replacebladewith theoriginalequipmentmanufacture's(O.EM.)blade
only,listedinthe Partspagesof thismanual.Useof partswhichdo notmeet
theoriginalequipmentspecificationsmayleadto improperperformance
andcompromisesafety!
Mowerbladesaresharpandcancut.Wrapthebladeorweargloves,anduse
extracautionwhenservicingthem.
Keepallnuts,bolts,andscrewstightto besuretheequipmentisin safe
workingcondition.
Nevertamperwith safetydevices.Checktheir properoperationregularly.
Afterstrikingaforeignobject,stoptheengine,disconnectthesparkplug
wireandgroundagainsttheengine.Thoroughlyinspectthemowerforany
damage.Repairthedamagebeforestartingandoperatingthe mower.
Neverattemptto makeawheelor cuttingheightadjustmentwhilethe
engineisrunning.
Grasscatchercomponents,dischargecover,andtrailshieldaresubjectto
wearanddamagewhichcouldexposemovingpartsorallowobjectsto be
thrown.Forsafetyprotection,frequentlycheckcomponentsandreplace
immediatelywithoriginalequipmentmanufacturer's(O.EM.)partsonly,
listedinthe Partspagesof thismanual.Useofpartswhichdo notmeetthe
originalequipmentspecificationsmayleadto improperperformanceand
compromisesafety!
Donotchangetheengine'sgovernorsettingorover-speedtheengine.The
governorcontrolsthemaximumsafeoperatingspeedof theengine.
Checkfuelline,tank,cap,andfittingsfrequentlyfor cracksor leaks.Replace
if necessary.
Donotcrankenginewith sparkplugremoved.
Maintainorreplacesafetyandinstructionlabels,asnecessary.
Observeproperdisposallawsandregulations.Improperdisposalof fluids
andmaterialscanharmtheenvironment.
Accordingto theConsumerProductsSafetyCommission(CPSC)andtheU.S.
EnvironmentalProtectionAgency(EPA),thisproducthasanAverageUseful
Lifeofseven(7)years,or140hoursof operation.At theendof theAverage
UsefulLifehavethemachineinspectedannuallybya Searsorotherqualified
servicedealerto ensurethat allmechanicalandsafetysystemsareworking
properlyandnotwornexcessively.Failureto do socanresultinaccidents,
injuriesordeath.
DO NOT MODIFY ENGINE
Toavoidseriousinjuryordeath,do notmodifyengineinanyway.Tampering
with thegovernorsetting canleadto arunawayengineandcauseitto
operateat unsafespeeds.Nevertamperwith factory setting of engine
governor.
NOTICE REGARDING EMISSIONS
Engineswhkh arecertified to complywith Californiaandfederal EPA
emissionregulationsfor SORE(SmallOff RoadEquipment)arecertified
to operateon regularunleadedgasoline,and mayincludethefollowing
emissioncontrolsystems:EngineModification (EM),OxidizingCatalyst(OC),
SecondaryAir Injection (SAI)andThreeWayCatalyst(TWC)ifsoequipped.
SPARK ARRESTOR
Thismachineisequippedwith aninternalcombustionengineandshould
not beusedonor nearanyunimprovedforest-covered,brusbcoveredor
grass-coveredlandunlesstheengine'sexhaustsystemisequippedwith a
sparkarrestormeeting applicablelocalor state laws(if any).
If asparkarrestor isused,itshouldbemaintained ineffective working order
bythe operator.Inthe Stateof Californiathe aboveisrequiredby law (Section
4442 of the CaliforniaPublicResourcesCode).Other statesmayhavesimilar
laws.Federallawsapply onfederallands.
Asparkarrestorfor the muffler isavailablethrough your nearestSearsParts
and RepairServiceCenter.

SAFETY SYMBOLS
Thispage depicts and describes safety symbols that may appear on this product. Read, understand, and follow all instructions on the machine before
attempting to assembleand operate.
• ®
imI
READ THE OPERATOR'S MANUAL(S)
Read, understand, and follow all instructions in the manual(s) before attempting to assemble and
operate
DANGER -- ROTATING BLADES
To reduce the risk of injury, keep hands and feet away. Do not operate unless discharge cover or grass
catcher is in its proper place. If damaged, replace immediately.
DANGER -- BYSTANDERS
Do not mow when children or others are around.
DANGER -- HAND/FOOT CUT
Keep hands and feet away from rotating parts.
DANGER-- THROWNDEBRIS
Remove objects that can be thrown by the blade in any direction. Wear safety glasses.
DANGER -- SLOPES
Use extra caution on slopes. Do not mow slopes greater than 15°.
WARNING--GASOLINE IS FLAMMABLE
Allow the engine to cool at least two minutes before refueling.
WARNING-- CARBON MONOXIDE
Never run an engine indoors or in a poorly ventilated area. Engine exhaust contains carbon
monoxide, an odorless and deadly gas.
WARNING-- HOT SURFACE
Engine parts, especially the muffler, become extremely hot during operation. Allow engine and
muffler to cool before touching.
WARNING: Your Responsibility--Restrict the use of this power machine to persons who read, understand and follow
the warnings and instructions in this manual and on the machine.
SAVETHESEINSTRUCTIONS!
6

(OK)
15° Slope X
(TOO STEEP)
15° Slope
_- _. Figure1
USETHiS SLOPEGAUGETO DETERMINE
iFA SLOPEiS TOOSTEEPFORSAFEOPERATION!
Tocheckthe slope,proceedas follows:
1. Removethis pageandfold alongthe dashedline.
2. Locateavertical objecton or behindthe slope(e.g.a pole, building,fence, tree, etc.)
3. Aligneither side of the slope gaugewith the object(SeeFigure1 andFigure2 ).
4. Adjust gaugeup or down until the left cornertouchesthe slope (SeeFigure1 andFigure2).
5.
_O._daShed._fine
If there is agap belowthe gauge,the slope is too steepfor safeoperation(SeeFigure2 above).
Figure2
Slopesare a major factor relatedto tip-over and roll-overaccidents which can result in severe injury or death. Do not operate machine on slopes
in excess of 15 degrees.All slopes require extra caution. Always mow across the face of slopes, nevermow up and down slopes.

IMPORTAN_Thisunitisshippedwithout gasolineoroil intheengine.Becertainto
serviceenginewithgasolineandoil asinstructedin theOperationsectionbefore
startingorrunningyourmachine.
flOTE:Referenceto right andleft handsideof the LawnMowerisobservedfromthe
operatingposition.
OPENINGCARTON
1. Cuteachcornerof thecartonverticallyfromtopto bottom.
2. Removealllooseparts.
3. Removeloosepackingmaterial.
REMOVINGUNITFROMCARTON
1. Lift unit fromtherearto detachit fromunderlyingcartonmaterialandroll
unit outof carton.
2. Checkcartonthoroughlyforanyotherlooseparts.
LooseParts In Carton
SideDischargeCover
EngineOil
Assembly
Attaching TheHandle
1. Removeanypackingmaterialwhichmaybebetweenupperandlower
handles.
a. Removewingnutsandcarriageboltshandleasshownin Figure1.
Donotloosenor removeadjacenthexheadscrews.
b. Whilestabilizingmowersoit doesn'tmove,pivotupperhandleupas
shownin Figure2. Donotcrimpcablewhilelifting thehandleup.
RemoveT-boltsfromthehandlebracketsasshownin Figure3.
2.
Figure2
Figure3
,,J
Figure1
8

3. Followthestepsbelowto completehandleassembly:
a. Pullupwardon thehandleuntil holesinlowerhandle(shownin
Figure3deckcutaway)lineupwith holesinhandlebracket.See
Figure4.
NOTE:Whenpullingupwardon handle,makesureto not pullhandleall the
wayout.
b. InserttheT-boltsremovedinstepearlierthroughthehandle
bracketsandlowerhandleandtightensecurelyto securethehandle
inplace.SeeFigure4.
c. Reattachwingnutsandcarriageboltsremovedearlierintolower
holesof handleasshownin Figure5.
4. Theropeguideisattachedto the rightsideof theupperhandle.Loosenthe
wingknobwhichsecurestheropeguide.Referto Figure6.
a. Holdbladecontrolagainstupperhandle.
b. Slowlypullstarterropehandlefromengineandslipstarterropeinto
theropeguide.SeeFigure6.
c. Tightenropeguidewingknob.
d. Usecabletiesto securebladecontrolcableto lowerhandle.
Figure5
Figure4
Figure6
9

Attaching SideDischargeCover
Yourmowerisshippedasa mulcher.Toconvertto sidedischarge,makesuregrass
catcherisoffof theunit andreardischargedoorisclosed.
I. Onthesideof themower,lift the mulchingcover.SeeFigure7.
2. Slidetwo hooksof sidedischargecoverunderhingepinonmulchingcover
assembly.Lowermulchingcover.Donotremovesidemulchingcoverat any
time,evenwhenyouarenotmulching.
Adjustments
CuttingHeight
Thereisacutting heightadjustmentleverlocatedabovethefrontandrearright
wheel.
1. Pulltheheightadjustmentleveroutwardtowardswheel(unitwilltendto
fallwhenleverismovedoutward).SeeFigure8.
2. Movelevertodesiredpositionforachangeincuttingheight.SeeFigure8.
3. Releaselevertowardsdeck.
IMPORTANT:Allwheelsmustbeplacedinthesameposition.Forroughoruneven
lawns,moveeachheightadjustmentleverto ahigherposition.Thiswillpreventyou
fromcutting thegrasstoocloseto theground.
SideMulching
Cover
//
SideDischarge
f
Figure7
Figure8
J
10

fControl
Recoil Starter
Primer
Cutting Height
Adjustment
Lever
Side Discharge
Cover
Cutting Height
Adjustment
Lever
Figure9
J
BladeControl
Thebladecontrolisattachedto theupperhandleof themower.Depressand
squeezeitagainsttheupperhandleto operatetheunit.Releaseitto stopengine
andblade.
SideDischargeCover
Yourmowerisshippedasamulcher.Todischargethegrassclippingsto theside
instead,follow theinstructionsintheAssemblysectionto attachthesidedischarge
cover.
Thisbladecontrol isasafetydevice.Neverattempt to bypassitsoperation.
Cutting HeightAdjustmentLever
Oneadjustmentleverislocatedon theright rearwheelandoneislocatedonthe
rightfrontwheel.Bothlevershaveto beatthesamepositionto ensurea uniform
cut.Toadjustthe cutting height,referto the AssemblySection.
Mulch Plug
Themulchplugisusedformulchingpurposes.Insteadof collectingthegrass
clippingsinagrasscatcherorusingthesidedischargechute,somemowermodels
havetheoptionof recirculatingtheclippingsbackto thelawn.Thisiscalled
mulching.
Keephandsandfeet awayfrom the chuteareaoncutting deck.Referto
warning labelonthe unit.
RecoilStarter
Therecoilstarterisattachedto therightupperhandle.Standbehindtheunit and
pulltherecoilstarterropeto starttheunit.
Primer
Theprimerislocatedinthecenteroftheairfilter.SeeFigure9 inset.Theprimeris
usedto pumpgasintothecarburetorandaidinstartingtheengine.
Oilfill Cap/Dipstick
Referto theMaintenancesectionforinstructionsoncheckingtheoil.
MeetsANSISafety Standards
CraftsmanLawnMowersconformto thesafetystandardof theAmericanNationalStandardsInstitute(ANSI).
11

GASANDOILFILL-UP f
IMPORTANT:Thisunit isshippedwithout gasolineoroil intheengine.Becertainto
serviceenginewithgasolineandoil asinstructedin thissectionbeforestartingor
runningyourmachine.
OU(one18ouncebottleshippedwithunit)
First Time Use
1. Removeoilfill dipstick(G).SeeFigure10.
2. Withthe moweronlevelground,emptyentirecontentsof oil bottle
providedintotheengineoilfill (H).
3. Replaceoil fill dipstickandtighten.
SubsequentUses
Use4-strokemotoroilthatmeetsorexceedstherequirementsfor APIservice
categorySF,SG,SH,SJorhigher.AlwayschecktheAPIservicelabelontheoil
containerto besureit includesthelettersSF,SG,SH,SJorhigher.
Outdoortemperaturesdeterminetheproperoil vBcosityfor theengine.Usethe
chartto selectthebestviscosityfortheoutdoortemperaturerangeexpected.
_ 40
2o
Z>°30
* Below40°F(4°C)theuseof SAE30will resultinhardstarting.
** Above80°F(27°C)theuseof 10W-30maycauseincreasedoilconsumption.
Checkoillevelmorefrequently.
1. Checktheoil withtheenginestoppedandlevel.
2. Removetheoilfill dipstickandwipeit clean.
3. Insertandtightentheoil fill dipstick.Removeit to checktheoillevel.See
Figure10.
4. If theoillevelisnearorbelowthelowerlimit markonthedipstick,remove
theoilfill dipstick,andfill with therecommendedoilto theupperlimit
mark(J).Donotoverfill.
5. Reinstalltheoilfill dipstick.
Gasoline
Figure10
Fuelmustmeettheserequirements:
Clean,fresh,unleadedgasoline.
A minimumof 87octane/87AKI(91RON).
Gasolinewith up to 10%ethanol(gasohol)isacceptable.
Refuelinawell-ventilatedareawith theenginestopped.If theenginehasbeen
running,allowit to coolfirst. Neverrefueltheengineinsidea buildingwhere
gasolinefumesmayreachflamesorsparks.
J
Gasolineis highlyflammable andexplosive,andyou canbe burnedor
seriouslyinjuredwhen refueling. Stopengineand keepheat,sparks,and
flame away.Refuelonly outdoors.Wipeup spills immediately.
Ifyourequipmentwill beusedonan infrequentorintermittentbasis,please
refertothe OffSeasonStoragesectionfor additionalinformationregardingfuel
deterioration.
NOTE:Fuelcandamagepaintandsometypesof plastic.Becarefulnot to spillfuel
whenfilling yourfueltank.
Neverusestaleorcontaminatedgasolineoranoil/gasolinemixture.Avoidgetting
dirt orwaterinthefuel tank.
1. Removethefueltankcap.
2. Fillthefuel tankwith fuel.Toallowfor expansionof the fuel,do notfill
abovethe bottomof thefueltankneck.Donotoverfill.Wipeup spilledfuel
beforestartingtheengine.
3. Installthefueltankcapandtightenituntil itclicks.
4. Movelawnmowerat least10feetawayfromthefuel container/sourceand
sitebeforestartingtheengine.
Donot useunapprovedgasolines,suchasE85.Donot mix oil in gasoline
or modify engine to run onalternatefuels.Thiswill damagethe engine
componentsandvoid the engine warranty.
12

Besurenooneother than the operatorisstanding nearthe lawnmower
while starting engine oroperating mower.Neverrun engineindoorsor
inenclosed,poorlyventilated areas.Engineexhaustcontainscarbon
monoxide,anodorlessanddeadlygas.Keephands,feet, hairand loose
clothing awayfrom any movingparts onengineandlawn mower.
TOSTARTENGINE
2.
3.
Pushthe primerthreetimes.SeeFigure11.Donotprimeto restartawarm
engine.
NOTE:Ifyoupushtheprimertoomanytimes,excessivefuelwill floodthe
carburetorandtheenginewill bedifficult tostart.
Standingbehindthemower,squeezethebladecontrolhandleagainstupper
handle.
Holdingthesetwo handlestogetherfirmly,grasprecoilstarterhandleand
pullropeslowlyuntil resistanceisfelt, thenpull witha rapid,continuous,full
armstroke.SeeFigure11.Keepinga firmgrip onthestartercordhandle,let
theroperewindslowly.Repeatuntil enginecranks.Lettheroperewindeach
timeslowly.
f
Figure11
Rapidretractionof starter cord(kickback)will pull handand armtoward
enginefasterthan you canlet go.Brokenbones,fractures,bruisesor
sprainscouldresult.
TOSTOPENGINE
1. Releasebladecontrolto stoptheengineandblade.
Waitfor theblade to stopcompletelybefore performinganyworkonthe
moweror to removethe grasscatcher.
UsingYourLawn Mower
Besurelawnisclearof stones,sticks,wire, orotherobjectswhichcoulddamage
lawnmowerorengine.Suchobjectscouldbeaccidentlythrownbythemowerin
anydirectionandcauseseriouspersonalinjurytotheoperatorandothers.
Theoperationof any lawn mowercanresultinforeign objects being
thrown intothe eyes,whichcandamageyoureyesseverely.Always
wearsafety glasseswhile operating the mower,orwhile performingany
adjustmentsor repairson it.
UsingasMulcher
Formulchinggrass,removethesidedischargechutefromthemower.Foreffective
mulching,do notcutwetgrass.If thegrasshasbeenallowedto growinexcessof
fourinches,mulchingisnotrecommended.Usethegrasscatcherto bagclippings
instead.
If youstrikea foreign object, stoptheengine. Disconnectthe sparkplug
wire,thoroughly inspectmowerfor anydamage,andrepair damage
before restarting andoperating. Extensivevibrationof mower during
operationisanindicationof damage.Theunit should be promptly
inspectedandrepaired.
13

MAINTENANCESCHEDULE
EachUse
Beforeperforming any typeof maintenance/service,disengageall controls
andstopthe engine.Wait until all moving parts havecometo a complete
stop. Disconnectsparkplug wireand groundit againstthe engineto
preventunintendedstarting.
Ist Monthor5hours
Annuallyor25hours
Annuallyor50hours
Annually
BeforeStorage
1. Engineoil level
2. Looseormissinghardware
3. Aircleaner
4. Unitandengine
1. Engineoil
1. Aircleanerf
2. Controllinkages/pivotsandwheels
3. Undersideof mowerdeck
1. Engineoil ff
1. Sparkplug
2. AirCleaner
1. Fuelsystem
Followthemaintenanceschedulegivenbelow.Thischartdescribesservice
guidelinesonly.Usethe ServiceLogcolumnto keeptrackofcompleted
maintenancetasks.TolocatethenearestSearsServiceCenterorto scheduleservice,
simplycontactSearsat 1-800-4-MY-HOME®.
1. Check
2. Tightenorreplace
3. Check
4. Clean
1. Change
1. Clean
2. Lubewith light oil
3. Clean
1. Change
I. Replace
2. Replace
1. Runengineuntil it stopsfromlackoffuel,or
addstabilizerto afull tankof freshfuel prior
to storage.
Cleanmoreoften underdustyconditionsorwhenairbornedebrisis present.Replaceaircleanerifverydirty.
ff Changeoilevery25hourswhenoperatingtheengineunderheavyloadorinhightemperatures.
14

Alwaysstopengine,disconnectsparkplugwire, andgroundagainstengine
before performing anytype of maintenanceon your machine.
GENERALRECOMMENDATIONS
Alwaysobservesafetyruleswhenperforminganymaintenance.
Thewarrantyonthislawnmowerdoesnotcoveritemsthat havebeen
subjectedto operatorabuseornegligence.Toreceivefull valuefrom
warranty,operatormustmaintaintheequipmentas
instructedhere.
Changingof engine-governedspeedwill voidenginewarranty.
All adjustmentsshouldbe checkedat leastonceeachseason.
Periodicallycheckall fastenersandmakesurethesearetight.
ENGINEMAINTENANCE
SparkPlug
Forgoodperformance,thesparkplugmustbeproperlygappedandfreeof
deposits.Replacethesparkplugannually.
1. Disconnectthecapfromthesparkplug,andremoveanydirt fromthespark
plugarea.
2. Usethe propersizesparkplugwrenchto removethesparkplug.
NOTE:Replacewith aChampionRC12YCsparkplug.
3. Checkthegapwitha wiregauge.SeeFigure12.Sparkpluggapshouldbe
0.020in(0.51mm).If necessary,resetthegap.
4. Installandtightenthesparkplugto therecommendedtorque(180Ib-in [20
Nm]).
5. Attachthesparkplug capto the sparkplug.
Air Cleaner
Adirtyair cleanerwill restrictairflow to thecarburetorandcausepoorengine
performance.Inspectthefilter eachtimetheengineisoperated.Youwill needto
cleanthefiltermorefrequentlyif youoperatetheengineinverydustyareas.
Cleantheaircleanerevery25hoursofoperationoroncea season.Replacetheair
cleanerannually.
f
Electrode
><0.020 in. (.51ram)
Figure12
.J
Figure13
Neverstart orrun the enginewith the aircleanerassemblyor theair filter
removed.
NOTE:Donotusepressurizedairorsolventsto cleanthe filter. Pressurizedair can
damagethefilter andsolventswill dissolvethefilter.
Theaircleanersystemusesafoamelementthat canbewashedandreused.
1. Openthecover(B)andremovethefoamelement(C).SeeFigure13.
2. Washthefoamelementinliquiddetergentandwater.Squeezedrythefoam
elementinacleancloth.
3. Saturatethefoamelementwith cleanengineoil.Toremovetheexcess
engineoil,squeezethefoamelementinacleancloth.
4. Installthefoamelementandclosethecover.
15

CheckEngineOil
Checkoil levelbeforeeachoperation.Besureoil levelismaintained.
1. Checkthe oilwiththeenginestoppedandlevel.
2. Removetheoilfill dipstickandwipeit clean.
3. Insertandtightendipstick.Removeit to checktheoil level.
4. If theoillevelis nearorbelowthelowerlimit markonthedipstick,remove
theoilfiller cap/dipstick,andfill with therecommendedoil to the upper
limit mark.Donotoverfill.
5. Reinstalltheoilfill dipstick.
ChangeEngineOil
Gasolineand its vaporsare extremely flammableandexplosive.Fireor
explosioncancausesevereburnsor death.
Changeengineoilafterthefirstfivehoursofoperation,andeveryfiftyhoursor
onceaseasonthereafter.
Whenyoudrainthe oil from the top oilfill tube, the fuel tank must be
empty orfuel canleak out andresult in afire orexplosion.Toempty the
fuel tank, runthe engineuntil it stopsfrom lackof fuel.
1. Withengineoff butstill warm,disconnectthe sparkplugwire andkeepit
awayfromthesparkplug.
2. Placeasuitablecontainernextto theengineto catchtheusedoil.
3. Removetheoilfill dipstickanddraintheoilintothecontainerbytippingthe
enginetowardtheoil filler neck.SeeFigure14.
Usedoil isa hazardouswaste product. Disposeof usedoil properly. Donot
discardwith householdwaste.Checkwith your localauthoritiesor Sears
ServiceCenterfor safedisposal/recyclingfacilities.
4. Withtheenginein alevelposition,fill to the upperlimit markonthedipstick
with therecommendedoil.
Runningthe enginewith a lowoil level cancauseenginedamage.
5. Reinstalltheoiifill dipsticksecurely.
CleanEngine
Dailyorbeforeeveryuse,cleangrass,chaffor accumulateddebrisfrom
engine.Keeplinkage,spring,andcontrolsclean.Keepareaaroundand
behindmufflerfreeof anycombustibledebris.
Keepingenginecleanallowsairmovementaroundengine.
Enginepartsshouldbekeptcleanto reducethe riskof overheatingand
ignitionofaccumulateddebris.
f
f
Figure14
J
Figure15
LUBRICATION
BladeControl
Lubricatepivotpointsonthebladecontrolat leastonceaseasonwith light oil.This
controlmustoperatefreelyin bothdirections.SeeFigure15.
Donot usewater to clean engineparts.Watercouldcontaminatefuel
system.Usea brushor drycloth.
16

CleaningDeck
Cleanundersideofthe mowerdeckonceaseasonto preventbuild-upofgrass
clippingsorotherdebris.Followstepsbelowforthisjob.
1. Runengineuntil itstopsfromlackoffuel. Disconnectsparkplugwire.
2. Tipmowersothatit restsonthehousing,keepingthe mufflersidedown.
Referbackto Figure14.Holdmowerfirmly.
3.
4.
Nevertip the mowermorethan 90oinanydirection anddonot leavethe
mowertipped for anylengthof time. Oilcandrainintothe upperpart of
the enginecausinga starting problem.
Scrapeandcleantheundersideofthedeckwith asuitabletool. Donotspray
with water.
IMPORTAN_Donotusea pressurewasherorgardenhoseto cleanyourunit.
Thesemaycausedamageto bearings,or theengine.Theuseofwaterwill
resultinshortenedlifeandreduceserviceability.
Putthemowerbackonitswheelson theground.
BladeCare
Whenremovingthe cutting bladefor sharpeningorreplacement,protect
yourhandswith apairofheavyglovesorusea heavyragto holdthe blade.
Periodicallyinspectthebladeadapterfor cracks,especiallyifyoustrikeaforeign
object.Replacewhennecessary.Followthestepsbelowfor bladeservice.
1. Disconnectsparkplugbootfromsparkplug.Turnmoweronitssidemaking
surethat theairfilter andthecarburetorarefacingup.
2. Removethebolt andthebladebellsupportwhichholdthebladeandthe
bladeadapterto theenginecrankshaft.SeeFigure16.
3. Removebladeandadapterfromthecrankshaft.
4. Removebladefromtheadapterfortestingbalance.Balancethebladeona
roundshaftscrewdriverto check.Removemetalfromtheheavysideuntil
it balancesevenly.Whensharpeningtheblade,followtheoriginalangleof
grind.Grindeachcuttingedgeequallyto keepthebladebalanced.
f
_4 ......... Bolt
Figure16
J
Anunbalancedbladewill causeexcessivevibrationwhen rotatingat high
speeds.It maycausedamageto mowerand couldbreakcausingpersonal
injury.
5. Lubricatetheenginecrankshaftandtheinnersurfaceof thebladeadapter
with light oil.Slidethebladeadapterontotheenginecrankshaft.Placethe
bladeontheadaptersuchthatthesideof theblademarked"Bottom"(or
with partnumber)facesthegroundwhenthe mowerisin theoperating
position.Makesurethatthebladeisalignedandseatedon thebladeadapter
flanges.SeeFigure16inset.
6. Placebladebellsupportontheblade.Alignnotcheson thebladebell
supportwith smallholesin blade.
7. Replacehexbolt andtightenhexbolt to torque:450in. Ibs.min.,600in.Ibs.
max.
Toensuresafeoperationofyourmower,periodicallycheckthebladeboltforcorrect
torque.
17

Neverstore lawn mowerwith fuel in tank indoorsor in poorlyventilated
areaswherefuel fumesmayreachanopenflame, spark,orpilot light ason
afurnace,water heater,clothesdryer, orgasappliance.
PreparingTheEngine
Forenginesstoredover30days:
Topreventgumfromforminginfuel systemoroncarburetorparts,run
engineuntil it stopsfrom lackof fueloraddagasolineadditiveto thegas
inthetank.If youuseagasadditive,runtheenginefor severalminutesto
circulatetheadditivethroughthecarburetor--afterwhichtheengineand
fuelcanbestoredupto 24months.
Whileengineisstill warm,changetheoil.
Cleanengineof surfacedebris.
PreparingTheLawnMower
Cleanandlubricatemowerthoroughlyasdescribedinthelubrication
instructions.
Donotusea pressurewasherorgardenhoseto cleanyourunit.
Coatmower'scutting bladewith chassisgreaseto preventrusting.
Referto PreparingtheEngineforcorrectenginestorageinstructions.
Storemowerinadry,deanarea.Donotstorenextto corrosivematerials,
suchasfertilizer.
Whenstoringanytypeof powerequipmentinapoorlyventilatedormetalstorage
shed,careshouldbetakento rust-prooftheequipment.Usinga lightoil orsilicone,
coattheequipment,especiallycablesandall movingpartsof yourlawnmower
beforestorage.
18

Disconnectthe sparkplug wireand grounditagainstthe engineto prevent
unintendedstarting. Beforeperforminganytypeof maintenance/service,
disengageall controlsandstopthe engine.Waituntil a[Imovingparts
havecometo acompletestop.Alwayswearsafetyglassesduringoperation
orwhile performinganyadjustmentsorrepairs.
Thissectionaddressesminorserviceissues.Tolocatethe nearestSearsServiceCenterorto scheduleservice,simplycontactSearsat 1-800-4-MY-HOME_.
EngineFailstostart
Enginerunserratic
1. Bladecontroldisengaged.
2. Sparkplugbootdisconnected.
3. Fueltankemptyorstalefuel.
4. Enginenotprimed(Ifequippedwith primer).
5. Faultysparkplug.
6. Engineflooded.
7. Blockedfuel line.
1. Sparkplugbootloose.
2. Stalefuel.
3. Ventingascapplugged.
4. Waterordirt infuelsystem.
5. Dirtyaircleaner.
6. Blockedfuel line.
Engineoverheats 1. Engineoillevellow.
2. Airflow restricted.
Occasionalskips(hesitates) 1. Sparkpluggaptooclose.
Idlespoorly 1. Sparkplugfouled,faulty,orgaptoowide.
2. Dirtyaircleaner.
Excessivevibration 1. Cuttingbladelooseorunbalanced.
2. Bentcuttingblade.
Mowerwill notmulchgrass 1. Wetgrass.
Unevencut
2. Excessivelyhighgrass.
3. Dullblade.
1. Wheelsnotpositionedcorrectly.
2. Dullblade.
1. Engagebladecontrol.
2. Connectwireto sparkboot.
3. Filltankwithdean,freshgasoline.
4. PrimeengineasinstructedintheOperationsection.
5. Clean,adjustgap,orreplace.
6. Waitafewminutesto restart.
7. ContactyourSearsParts&RepairCenterto havefuelline
cleaned.
1. Connectandtightensparkplugboot.
2. Filltankwithdean,freshgasoline.
3. Clearvent.
4. Runengineuntilitstopsfromlackoffuel.Refillwithfreshfuel.
5. RefertoAirCleanerinEngineMaintenancesection.
6. ContactyourSearsParts&RepairCenterto havefuelline
cleaned.
1. Fillcrankcasewithproperoil.
2. Cleanareaaroundandontop of engine.
1. Adjustgap.Referto SparkPluginEngineMaintenancesection.
1. Resetgaporreplacesparkplug.
2. RefertoAirCleanerinEngineMaintenancesection.
1. Tightenbladeandadapter.Balanceblade.
2. Replaceblade.
1. Donotmowwhengrassiswet; waituntil
laterto cut.
2. Mowonceat ahighcuttingheight,thenmowagainatdesired
heightormakeanarrowercuttingpath.
3. Sharpenorreplaceblade.
1. Adjustcuttingheightleveronrightfrontandrightrearwheelto
sameposition.
2. Sharpenorreplaceblade.
NEED MORE HELP?
o Find this and all your other product manuals online.
o Get answers from our team of home experts.
o Get a personalized maintenance plan for your home,
Find information and tools to hetp with home projects,
19

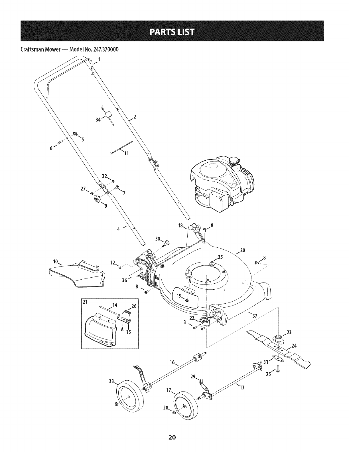
Craftsman Mower-- Model No.247.370000
32\
12.
8
21
20

Craftsman Mower -- Model No.247.370000
m
m
1
2
3
4
5
6
7
8
9
l0
11
12
13
14
15
16
17
18
19
20
21
22
23
24
25
26
27
28
29
3O
31
32
33
34
35
36
37
N/A
747-05184A
749-04680-0637
710-0895
749-04608A-0637
720-0279
710-1205
710-04998
710-04995A
720-04072A
731-07486
725-0157
712-04222
911-04143B
747-0710A
787-01779
911-04142
734-04562
931-04486A
710-05073
787-01869A-4043
987-02516
787-01818A-0637
748-0376E
942-0741A
710-I044
732-I014C
738-04419A
712-04217
720-04130
720-04123A
736-0524B
712-04064
734-04563
946-0957
710-04683A
731-07203
731-07078A
Blade Control
Upper Handle
Screw, 1/4-15 x .750
Lower Handle
Wing Nut
Rope Guide
Carriage Screw ,5/16-18
Screw, 5/16-14 x .750
Hand Knob
Side Chute
Cable Tie
Nut, Sq., 1/4-20
Front Axle Assembly
Hinge Pin
Chute Deflector Bracket
Rear Axle Assembly
Wheel, 7 x 1.8
Rear Baffle
Screw, 1/4-20 x .500
Deck - 21"
Hinged Mulch Plug Assembly
Front Height Adjuster Plate
Blade Adapter
Mulching Blade
Screw, 3/8-24 x 1.50
Torsion Spring
Sldr. Screw, .375 x .126 x 1/4-20
Flange Lock Nut, 3/8-16
Adjustment Lever Knob
Wing Nut
Blade Bell Support
Nut, Flange Lock, 1/4-20
Wheel, 8 x 1.8
Control Cable
TT Screw, 3/8-16 x 1.0
Trail shield
Front Cover
Engine (see breakdown)
B & S Model No. 09P702-0008-F1
21

CraftsmanEngineModel No.09P702-OOO8-FIForCraftsmanMower Model No.247.370000
[ 48 SHORTB LOCK ] [ 1058OPERATOR'SMANUAL ] [ 1329REPLACEMENTENGINE ] [ 1330REPAIRMANUAL I
|1264 _}
1263_
30
24I_
741/
46
22 22A _
615 _
404 ®
616
22

CraftsmanEngineModel No.09P702-OOO8-FIFor CraftsmanMower Model No.247.370000
305
eo
58
930
I 1036 EMISSIONSLABEL ]
922
332
7s @
455
78
85O
23

CraftsmanEngineModelNo.09P702-OOO8-F1ForCraftsmanMower Model No.247.370000
300
188
222
24

CraftsmanEngineModel No.09P702-OOO8-F1For CraftsmanMower Model No.247.370000
1238
318 <:_
623 07240 0
617
0
0
1127_;_
875
1395'<t_ 535
2S

CraftsmanEngineModel No.09P702-OOO8-F1ForCraftsmanMower Model No.247.370000
1023
Y
_868
238 _ 3_
1029
1029A %
914
850 635
121 CARBURETOR OVERHAUL KIT
%% 217 I
104
° 0
617
623 0
163
358 ENGINE GASKET SET
163 d
524 _
623 0
842 _
868_
26

CraftsmanEngineModelNo.09P702-0008-F1ForCraftsmanMowerModelNo.247.370000
590519 Cylinder Assembly
3 299819s Kit-Bushing/Seal (Magneto Side)
L
4 590569 Sump-Engine
5 590525 Head-Cylinder
7 799586 Gasket-Cylinder Head
11 590522 Tube-Breather 58 591108
12 799587 Gasket-Crankcase 60 691915
13 590512 Screw (Cylinder Head) 60A 799716
16 590538 Crankshaft 75 590546
20 391483s Seal-Oil (PTO Side) 78 793480
22 692551 Screw (Crankcase Cover/Sump) (1/4-20 104 590558
x1.19) 121 590589
22A 590763 Screw (Crankcase Cover/Sump) (1/4-20 122 590549
x.78) 125 590556
23 590544 Flywheel 130 691190
24 222698s Key-Flywheel (Aluminum)
25 590521 Piston Assembly (Standard)
26 590523 Ring Set (Standard) 163 799580
27 691588 Lock-Piston Pin 187 791766
28 699659 Pin-Piston 188 793480
29 590518 Rod-Connecting 192 590535
32 691664 Screw (Connecting Rod) 202 590517
33 590531 Valve-Exhaust 209 590541
34 590530 Valve-Intake 222 590560
35 590532 Spring-Valve (Intake) 227 590520
36 590532 Spring-Valve (Exhaust) 238 590533
37 590582 Guard-Flywheel 300 590565
40 590528 Retainer-Valve 305 590586
697799 Slinger-Governor/Oil
45 590514 Tappet-Valve
46 590524 Camshaft
48 N/A Short Block (Not Available At
This Printing)
Rope-Starter
Grip-Starter Rope
Grip-Starter Rope
Washer (Flywheel)
Screw (Flywheel Guard)
Pin-Float Hinge
Kit-Carburetor Overhaul
Spacer-Carburetor
Carburetor
Valve-Throttle (Original Carburetor)
133 591120 Float-Carburetor
155 590529 Plate-Cylinder Head
Gasket-Air Cleaner
Line-Fuel (Cut To Required Length)
Screw (Control Bracket)
Adjuster-Rocker Arm
Link-Mechanical Governor
Spring-Governor (Purple)
Bracket-Control
Lever-Governor Control
Cap-Valve
Muffler
Screw (Blower Housing)
27

CraftsmanEngineModelNo.09P702-OOOS-F1ForCraftsmanMowerModelNo.247.370000
793480 Screw (Mounting Bracket)
332 690662 Nut (Flywheel)
333 799582 Armature-Magneto
334 691061 Screw (Magneto Armature)
337 491055s Plug-Spark
356 692390 Wire-Stop
358 590590 Gasket Set-Engine
404 690272 Washer (Governor Crank)
455 590545 Cup-Flywheel
493 590551 Bracket-Mounting (Carburetor)
505 793515 Nut (Governor Control Lever)
523 796503 Dipstick
524 691876 Seal-Dipstick Tube
528 793006 Hose-Primer (Fuel Tank) (Cut To Required
Length)
535 799579 Filter-Air Cleaner Foam
562 793514 Bolt (Governor Control Lever)
601 791850 Clamp-Hose (Green)
613 590562 Screw (Muffler)
615 690340 Retainer-Governor Shaft
616 590516 Crank-Governor
617 270344s Seal-O Ring (Intake Manifold)
621 692310 Switch-Stop
623 799581 Seal-O Ring (Carburetor Spacer)
635 692076 Boot-Spark Plug
718 690959 Pin-Locating (Cylinder)
724 697478 Retainer-Seal
741 796210 Gear-Timing
745 691146 Screw (Brake) (#10-32x.86)
745A 690859 Screw (Brake) (#10-32x.5)
770 590588 Kit-Rewind/Blower Housing
590536 Stud-Rocker Arm
842 691031 Seal-O Ring (Dipstick)
847 590572 Dipstick/Tube Assembly
850 100106 Sealant-Silicone
868 590534 Seal-Valve
875 590584 Base-Air Cleaner
914 591103 Screw (Rocker Cover)
922 692135 Spring-Brake
923 691487 Brake
930 590585 Guard-Rewind
957 591003 Cap-Fuel
968 590581 Cover-Air Cleaner
972 590568 Fuel-Tank
975 591116 Bowl-Float
1023 590513 Cover-Rocker
1026 590515 Rod-Push
1029 590526 Arm-Rocker (Exhaust)
1029A 590527 Arm-Rocker (Intake)
1036 Label-Emissions (Available From A Briggs
& Stratton Authorized Dealer)
1058 380406TRI Operator's Manual
1127 590554 Screw (Float Bowl to Carburetor Body)
1238 590550 Screw (Carburetor Spacer)
1263 697124 Reed-Breather
1264 793453 Screw (Breather Reed)
1329 N/A Replacement Engine (Not Available At
This Printing)
1330 N/A Repair Manual (Not Available At This
Printing)
1395 590552 Screw (Air Cleaner Base to Carburetor)
Carburetor Overhaul Kit
Engine Gasket Set
Key No. 121
Key No. 358
28

Craftsman Mower Labels -- Model No. 247.370000
777S33353
DISCHARGE COVER, ETC.) IN PLACEAND WORKING. IF DAMAGED. REPLACEIMMEDIATELY.
777S33602
777123312
29

(ThispageapplicableintheU.S.A.andCanadaonly.)
Sears Brands Management Corporation (Sears), the California Air ResourcesBoard (CARB)
and the United States Environmental Protection Agency (U,S, EPA)
EmissionControl System Warranty Statement (Owner's Defect Warranty Rights and Obligations)
EMISSIONCONTROLWARRANTYCOVERAGEISAPPLICABLETOCERTIFIEDENGINES ANDTOCERTIFIEDMODELYEAR1997ANDLATERENGINESWHICHAREPURCHASEDAND
PURCHASEDINCALIFORNIAIN19%ANDTHEREAFTER,WHICHAREUSEDINCALIFORNIA,USEDELSEWHEREINTHEUNITEDSTATES(ANDAFTERJANUARY1,2001INCANADA).
California and United States Emission Control Defects Warranty Statement
TheCaliforniaAir ResourcesBoard(CARB),U.S.EPAandSearsarepleasedto explainthe
EmissionControlSystemWarrantyonyourmodelyear2000andlatersmalloff-road
engine(SORE).InCalifornia,newsmalloff-roadenginesmustbedesigned,builtand
equippedto meettheState'sstringentanti-smogstandards.Elsewhereinthe United
States,newnon-road,spark-ignitionenginescertifiedfor modelyear1997andlater
mustmeetsimilarstandardssetforthbythe U.S.EPA.Searsmustwarranttheemission
controlsystemonyourengineforthe periodsoftime listedbelow,providedtherehas
beenno abuse,neglector impropermaintenanceofyoursmalloff-roadengine.Your
emissioncontrolsystemincludespartssuchasthecarburetor,air cleaner,ignition
system,mufflerandcatalyticconverter.Alsoincludedmaybeconnectorsandother
emissionrelatedassemblies.Whereawarrantableconditionexists,Searswill repair
yoursmalloff-roadengineat nocostto youincludingdiagnosis,partsandlabor.
Sears Emission Control Defects Warranty Coverage
Smalloff-roadenginesarewarrantedrelativeto emissioncontrolpartsdefectsfora
periodof oneyear,subjectto provisionssetforthbelow.Ifanycoveredpartonyour
Owner's Warranty
Asthesmalloff-roadengineowner,youareresponsiblefortheperformanceof the
requiredmaintenancelistedinyourOperatingandMaintenanceInstructions.Sears
recommendsthatyouretainallyourreceiptscoveringmaintenanceonyoursmall
off-roadengine,butSearscannotdenywarrantysolelyforthelackof receiptsorfor
yourfailureto ensuretheperformanceof all scheduledmaintenance.Asthesmall
off-roadengineowner,youshouldhoweverbeawarethatSearsmaydenyyouwarranty
coverageifyoursmalloff-roadengineorapart hasfaileddueto abuse,neglect,
Sears Emission Control Defects
Thefollowingarespecificprovisionsrelativeto yourEmissionControlDefectsWarranty
Coverage.Itis inadditionto theSearsenginewarrantyfor non-regulatedenginesfound
intheOperatingandMaintenanceInstructions.
1. WarrantedParts
Coverageunderthiswarrantyextendsonlyto thepartslistedbelow(the
emissioncontrolsystemsparts)to theextentthesepartswerepresentonthe
enginepurchased.
a. FueIMeteringSystem
• Coldstartenrichmentsystem
• Carburetorandinternalparts
• FuelPump
b. AirlnductionSystem
• Aircleaner
• Intakemanifold
c. IgnitionSystem
•Sparkplug(s)
•Magnetoignitionsystem
d. CatalystSystem
• Catalyticconverter
• Exhaustmanifold
• Airinjectionsystemorpulsevalve
e. MiscellaneousItemsUsedin AboveSystems
• Vacuum,temperature,position,timesensitivevalvesandswitches
• Connectorsandassemblies
2. Lengthof Coverage
Searswarrantsto the initialownerandeachsubsequentpurchaserthat the
WarrantedPartsshallbefreefromdefectsinmaterialsandworkmanshipwhich
causedthefailureoftheWarrantedPartsforaperiodofoneyearfromthedate
theengineisdeliveredto aretailpurchaser.
engineisdefective,thepartwill berepairedorreplacedbySears.
Responsibilities
impropermaintenanceor unapprovedmodifications.Youareresponsibleforpresenting
yoursmalloff-roadengineto anAuthorizedSearsServiceDealerassoonasaproblem
exists.Theundisputedwarrantyrepairsshouldbecompletedinareasonableamount
of time,notto exceed30days.Ifyouhaveanyquestionsregardingyourwarrantyrights
andresponsibilities,youshouldcontactaSearsServiceRepresentativeat 1-800-469-
4663.Theemissionwarrantyisa defectswarranty.Defectsarejudgedon normalengine
performance.Thewarrantyisnotrelatedto an in-useemissiontest.
Warranty Provisions
3. NoCharge
Repairorreplacementof anyWarrantedPartwill beperformedat nochargeto
theowner,includingdiagnosticlaborwhichleadsto thedeterminationthata
WarrantedPartisdefective,if thediagnosticwork isperformedatanAuthorized
SearsServiceDealer.Foremissionswarrantyservicecontactyournearest
AuthorizedSearsServiceDealeraslistedinthe"YellowPages"under"Engines,
Gasoline,""GasolineEngines,""LawnMowers,"orsimilarcategory.
4. ClaimsandCoverageExclusions
Warrantyclaimsshallbefiled in accordancewiththeprovisionsof theSears
EngineWarrantyPolicy.Warrantycoverageshallbeexcludedforfailuresof
WarrantedPartswhicharenotoriginalSearspartsor becauseof abuse,neglect
orimpropermaintenanceassetforth intheSearsEngineWarrantyPolicy.Sears
isnot liableto coverfailuresofWarrantedPartscausedbytheuseofadd-on,
non-original,ormodifiedparts.
5. Maintenance
AnyWarrantedPartwhichis notscheduledforreplacementasrequired
maintenanceor whichisscheduledonlyforregularinspectionto theeffectof
"repairor replaceasnecessary"shallbewarrantedasto defectsforthe warranty
period.AnyWarrantedPartwhichisscheduledfor replacementasrequired
maintenanceshallbewarrantedasto defectsonlyfortheperiodof timeup
to thefirstscheduledreplacementforthat part.Anyreplacementpart thatis
equivalentin performanceanddurabilitymaybeusedin theperformanceof
anymaintenanceorrepairs.Theownerisresponsibleforthe performanceof
all requiredmaintenance,asdefinedintheSearsOperatingandMaintenance
Instructions.
ConsequentialCoverage
Coveragehereundershallextendto thefailureofanyenginecomponentscaused
bythefailureofanyWarrantedPartstill underwarranty.
In theUSAandCanada,a24hourhotline,1-800-469-4663,hasamenuof pre-recordedmessagesofferingyouenginemaintenanceinformation.
30
GDOC-100188Rev.B

31

Congratulationsonmakingasmartpurchase.YournewCraftsman®productisdesignedandmanufacturedforyearsof
dependableoperation.Butlikeall products,it mayrequirerepairfromtimeto time.That'swhenhavinga RepairProtection
Agreementcansaveyoumoneyandaggravation.
Here'swhat the RepairProtectionAgreement_includes:
[] Expertservice byour10,000professionalrepairspecialists
[] Unlimitedserviceand nocharge forpartsandlaboronallcoveredrepairs
[] Productreplacementupto $1500ifyourcoveredproductcan'tbefixed
[] Discountof 25%from regularpriceof serviceandrelatedinstalledpartsnot coveredbythe agreement;also,25%off
regularpriceof preventivemaintenancecheck
[] Fasthelpby phone- wecallitRapidResolution- phonesupportfromaSearsrepresentative.Thinkof usasa"talking
owner'smanual."
Onceyoupurchasethe RepairProtectionAgreement,a simplephonecallisallthat it takesforyouto scheduleservice.You
cancallanytimedayornight,orscheduleaserviceappointmentonline.
TheRepairProtectionAgreementisa risk-freepurchase.If youcancelfor anyreasonduringthe productwarrantyperiod,
wewill provideafull refund.Or,a proratedrefundanytimeafterthe productwarrantyperiodexpires.PurchaseyourRepair
ProtectionAgreementtoday!
Somelimitations and exclusionsapply. Forpricesand additional informationinthe U.S.A.call 1-800-827-6655.
_Coveragein Canadavariesonsomeitems.Forfull detailscall SearsCanadaat 1-800-361-6665.
SearsInstallationService
ForSearsprofessionalinstallationof homeappliances,garagedooropeners,waterheaters,andothermajorhomeitems,in
the U.S.A.orCanadacall1-800-4-MY-HOME®.
32

Declaraci6n de garantia .............................. 33
Instrucciones de seguridad ........................ 34-37
Guia de cuesta ....................................... 38
Montaje .......................................... 39-41
Operaci6n ........................................ 42-44
Servicio y Mantenimiento ......................... 45-48
Almacenamiento fuera de temporada ................ 49
Soluci6n de problemas ............................ 50-51
Numero de servicio .................. Cubierta posterior
GARANTIACOMPLETACRAFTSMANPORDOSANOS
PORDOSANOSapartirdelafechadelacompra,esteproductoest_garantizadopotdefectosenlosmaterialesy lamanodeobra.Losproductosdefectuosos
ser_nreparadossincostooreemplazadossincostosilareparaci6nnoest_disponible.
Paraobtenerinformaci6nsobreelalcancedelagarantiay solicitarlareparaci6noelreemplazo,visiteelsitioWeb:www.craftsman.com.
EstagarantiacubreI)NICAMENTElosdefectosenlosmaterialesy enlamanodeobra.EstagarantiaNOcubre:
•Articulosdeduraci6nlimitadaquepuedendesgastarsebajocondicionesnormalesdeusoduranteelperiododegarantia,talescomocuchillasde
cortadora,adaptadoresparacuchillas,correas,filtros deaire,y bujiasdeencendido.
•ProductodaEosresultantesdelosintentosdelusuariodemodificaci6ndelproducto,reparaci6nocausadosporaccesoriosdeproductos.
•ReparacionesnecesariasdebidoalaccidenteopornooperaromantenerelproductosegOnlasinstruccionesprovistas.
•Mantenimientopreventivooreparacionesnecesariasdebidoamezcladecombustibleimpropia,combustiblecontaminadooaEejo.
LapresentegarantiaseanulasiseutilizaesteproductoalgunavezparaprestarservicioscomercialesosiseIoalquilaaotrapersona.
Estagarantialeotorgaderechoslegalesespecificos,peroustedpodriagozardeotrosderechosenraz6ndesulugarderesidencia.
SearsBrandsManagementCorporation,HoffmanEstates,IL60179
Aceite del motor: SAE 30
Combustible: Gasolina sin plomo
Motor: Briggs & Stratton
Numero de modelo
Numero de serie
Fecha de compra
Registre el numero de modelo, numero de serie y fecha
de compra m_s arriba.
© Sears Brands, LLC 33

Lapresendadeestesimboloindicaquesetrata deinstrucdones
importantesdeseguridadquesedebenrespetarparaevitar poneren
peligrosuseguddadpersonaly/o materialy ladeotras personas.Leaysiga
todaslasinstruccionesdeestemanualantesde poner enfundonamiento
estam_quina.Sinorespetaestasinstrucdonespodriaprovocarlesiones
personales.Cuandoyeaestesimbolo,ipresteatend6n a laadvertenda!
PROPOSICION 65 DE CALiFORNiA
Elescapedel motor deesteproducto,algunosdesuscomponentesy
algunoscomponentesdel vehkulo contieneno liberansustanciasCluimkas
clueelestadodeCalifornia consideracluepuedenprodudr c_ncer,defectos
denadmiento u otros problemasreproductivos.
Estam_quinafue construidaparasetoperadadeacuerdoconlasreglas
deseguddadcontenidasenestemanual.AI igualqueconcualquiertipo
de equipomotodzado,un descuidoo error pot parte del operadorpuede
produdr lesionesgraves.Estam_quinaescapazdeamputar manosy pies
ydearrojarobjetoscongranfuerza.Denorespetarlasinstrucdonesde
seguddadsiguientessepuedenprodudr lesionesgraveso la muerte.
Su responsabilidad--Restdnja el usodeestam_quina motodzada
alas personascluelean,comprendany respetenlasadvertendase
instrucdonesqueaparecenen estemanualyen la m_quina.
iGUARDEESTASINSTRUCCIONES!
FUNCIONAMIENTO
Leaysigatodaslasinstruccionescontenidasenestemanualantesde
intentarensamblarestam_quina.Lea,comprendaysigatodaslas
instruccionesquefiguranenla m_quinayen elolosmanualesantesde
intentaroperarla.Familiarkesecompletamenteconloscontrolesyconel
usoapropiadode estam_quinaantesdeoperarla.Guardeestemanualenun
lugarseguroparareferenciasfuturasy regularesyparasolicitarrepuestos.
Estarcompletamentefamiliarizadoconloscontrolesyel usoapropiadode
estam_quinaantesdeoperarla.
Estam_quinaesunapiezadeequipodeprecisi6n,no unjuguete.Pottanto,
tengalam_ximaprecauci6nentodomomento.Suunidadhasidodisefiada
pararealizarunatarea:cortarelc_sped.Nolautiliceconningtinotro
prop6sito.
Nopermitanuncaquelosnifiosmenoresde14afiosoperenestam_quina.
Losnifiosde 14afiosy m_sdebenleerycomprenderlasinstrucciones
contenidasenestemanualydebensercapacitadosysupervisadospot
unodelospadres.0nicamentelosindividuosresponsablesquesehayan
familiarizadoconestasreglasdeseguridadparalaoperaci6ndeber_nusar
estam_quina.
Inspecdoneminudosamenteel_reaendondeutilizar_elequipo.Saque
todaslaspiedras,palos,cables,huesos,juguetesy otrosobjetosextrafios
conlosquepodriatropezaro quepodrianserarrojadosporlacuchilla.Los
objetosarrojadosporlam_quinapuedenprodudrlesionesgraves.Planifique
elpatr6nenelquevaair descargandoel recorteparaevitarqueladescarga
dematerialserealicehadaloscaminos,lasveredas,losobservadores,etc.
Eviteadem_sdescargarmaterialcontralasparedesyobstrucdonesque
podrianprovocarqueelmaterialdescargadorebotecontrael operador.
Paraayudara evitarelcontactoconlacuchillao unalesi6nporunobjeto
arrojado,mant_ngaseenlazonadeloperadordetr_sde lasmanijasy
mantengaa losnifios,observadores,ayudantesymascotasapartadosal
menos75metrosdelapodadoramientrasest_enoperad6n.Detengala
m_quinasialguienentraenlazona.
Paraprotegerselosojosutilicesiempreanteojosoantiparrasdeseguddad
mientrasoperalam_quinaomientraslaajustaorepara.Losobjetos
arrojadosquerebotanpuedenlesionargravementelavista.
Utillcezapatosdetrabajoreslstentes,desuelafuerteypantalonesycamlsas
ajustados.Serecomiendautillzarcamlsasypantalonesquecubranlosbrazos
ylaspiernas,as[comocalzadoconpuntasreforzadasenacero.Nuncaopere
estam_quinaconlospiesdesnudos,sandalias,oconzapatosIlgeroso con
losquesepuedaresbalar(pot ejemplo,calzadodeIona).
Nopongalasmanosolospiescercadelasplezasrotatodasoenlatolvade
lacortadora.Elcontactoconlascuchlllaspuedeprodudrlaamputad6nde
manosy pies.
Unacublertadedescargafaltanteodafiadapuedeprovocarelcontactocon
lacuchillao lesionespotobjetosarrojados.
Muchasleslonesocurrencomoresultadodepasarlacortadorasobrelospies
duranteunacaJdaprovocadapotderrapesotroplezos.Nosesostengadela
podadorasiseest_cayendo,sueltelamanljalnmediatamente.
Nuncatire haciaustedlapodadoramlentrascamlna.Sideberetrocederla
podadoraparaevitarunapareduobst_culo,mirepdmeroabajoyarraspara
evltartropezarseyluegoslgaestospasos:
a. Retrocedadelapodadorahastaestirarcompletamentesusbrazos.
b. Aseguresequeest_blenequillbradoyblenparado.
c. Tirede lapodadoralentamentehadausted,no m_sall_de lamltad
deladlstanciaentreustedylapodadora.
d. Repitaestospasoscomoserequiera.
Noopereestam_quinaestandobajolosefectosdelalcoholodedrogas.
Noembragueel mecanlsmodeautopropulsi6nenunldadesconesteequipo
mlentrasarrancaelmotor.
Elmecanlsmodecontroldelacuchillaesundispositivodeseguridad.Nunca
lntentedesviarsedesufundonamlento.Dehacerlonofundonar[anlos
dlsposltlvosdeseguddady podrianprodudrseleslonespersonalesporel
contactoconlascuchlllasglratodas.Lasmanljasdecontrolde lacuchllla
debenfundonarblenenambasdlrecdonesyregresarautom_ticamenteala
posid6ndedesengranecuandoselassuelta.
34

Nuncaoperelapodadoraenc_spedhumedo.Siempreest_segurode su
equilibdo.Sitropiezaycaepuedelesionarsegravemente.Sisienteque
pierdeelequilibrio,suelteinmediatamentelamanijadecontrolde la
cuchillaylacuchilladejar_degiraren tressegundos.
Corteelc_spedsolamenteconluzded[ao conunabuenaluzartificial.
Camine,nuncacorra.
Detengalacuchillacuandocrucecaminosdegravilla,pasosoandadores.
Silam_quinacomenzaraa vibrardemaneraanormal,detengaelmotor,
ybusqueinmediatamentelacausa.Lavibrad6nporIogeneralesuna
advertendadealgunproblema.
Apagueelmotoryesperehastaquelacuchillasedetengacompletamente
antesderetirarlaguardaparael recortedec_spedo desatorarlatolva.La
cuchillacontinuagirandoporunoscuantossegundosdespu_squeel motor
sehaapagado.Nuncacoloqueningunapartedelcuerpoenel _readela
cuchillahastaqueest_seguroquelacuchillahadetenidosumovimiento
rotatorio.
Nuncaoperelacortadorasinlasguardasapropiadas,cubiertadedescarga,
guardapararecorte,manijadecontroldelacuchillayotrosdispositivosde
seguddadyprotecd6nen sulugaryfundonando.Nuncaoperelacortadora
silosdispositivosdeseguddadest_ndaffados.SinoIohace,estopuede
tenetcomoresultadolesiones.
Elsilenciadoryelmotorsecalientanypuedenprodudrquemaduras.Nolos
toque.
Utilicesolamentepartesyaccesonosfabricadosespedalmenteparaesta
m_quina,onginalesdelfabncante(OEM).S[noIohace,estopuedetener
comoresultadolesionespersonales.
Paraencenderel motor,jalede lacuerdalentamentehastaquesienta
resistencia,luegojaler_pidamente.Elreplieguer_pidodelacuerdade
arranque(tensi6nde retroceso)lejalar_lamanoyelbrazohadael motor
m_sr_pidodeIoqueustedpuedesoltar.Elresultadopuedenserhuesos
rotos,fracturas,hematomasoesguinces.
Sisepresentansituacionesquenoest_nprevistasenestemanualsea
cuidadosoyuseelsentidocomtin.
DIENTES
Laspendientessonunfactor[mportantequeserelacionaconlosaccidentes
produddospotderrapesyca[dasyquepuedenproducirlesionesgraves.La
operad6nen pendientesrequieremayorprecaud6n.Sinosesienteseguroenuna
pendiente,nolapode.Parasegundad,useel medidordependientesqueseincluye
comopartedeestemanualparamedirlapendienteantesdeoperarlaunidaden
unazona[nclinada.S[lapendientesuperalos15grados,nolapode.
Haga Io siguiente:
Muevalapodadoraatrav_sdelascarasdelapendiente,nuncahaciaardbay
abajo.Tengacuidadocuandocambiededirecd6ncuandooperelam_quinaen
pendientes.
Est_atentoalosagujeros,rakes,rocas,objetosocultosoabultamientosque
puedanprovocarquesederrapeo setropiece.Elc_spedaltopuedeocultar
obst_culos.
Siempreest_segurodesuequilibdo.Sitropiezaycaepuedelesionarse
gravemente.Sisientequepierdeelequilibno,suelte[nmediatamentelamanija
decontroldelacuchillaylacucMladejar_degirarentres(3)segundos.
No haga Io siguiente:
Nocorteelc_spedcercade pozos,hundimientos,bancos,podr[aperderel
equlllbrlo.
Nopodependientesmayoresde 15gradoscomoIoindicael medidorde
pendientes.
Nopodeelc_spedht_medo.SInoest_firmementeparado,puederesbalarse.
NINOS
Puedenocurnracddentestr_gicoss[eloperadornoest_atentoalapresendade
nifos.PotIogeneralalosnifos lesatraenlaspodadorasylaactividaddepodarel
c_sped.Noentiendenlosdesgosnllospeligros.Nuncad_porsentadoquelosnifos
permanecer_nenelmismolugardondelosviopott_ltimavez.
Mantengaalosnifosfueradel_reade trabajoy bajoestdctavigilandade un
adultoresponsableadem_sdeloperador.
Est_alertay apaguela podadorasiunnifo ingresaal _rea.
Antesy mientasseest_moviendohadaarras,mirehadaarrasycuideque
nohayanlffos.
Tengaextremaprecaud6ncuandoseaproximeaesquinasdegas,entradas
depuertas,_rbolesuotrosobjetosquepuedanobstaculizarlelavistadeun
nifo quepudiesecorrerhadalapodadora.
Mantengaalejadosalosnifosdelosmotoresenmarchaocalientes.Pueden
sufrlrquemadurasconun sllendadorcallente.
Nuncapermitaquenifos menoresde14afrosoperenestam_quina.Los
nifos mayoresde14afrosdebenleeryentenderlasinstrucdonesde
operad6nyreglasdeseguddadcontenidasenestemanualydebenset
entrenadosysupervlsadosporsuspadres.
SERVIClO
Manejo seguro de la gasolina:
Paraevitar lesionespersonalesodafos materialesseasumamentecuidadoso
al manipularla gasolina.Lagasolinaesaltamente inflamabley losvapores
sonexplosivos.Sepuedelesionargravementesi derramagasolinasobreusted
o sobrela ropaya quesepuedeencender.
Utilices61orecipientesparagasolinaautorizados.
NuncaIleneloscontenedoresenel interiordeunvehkuloocami6nocajade
camionetaconrecubrimientospl_sticos.Coloquesiemprelosrecipientesen
el pisoy lejosdel vehkuloantesdeIlenarlos.
Retireel equlpoagasollnadelcaml6noremolqueyII_neloenel plso.Slesto
noesposible,entoncesIlenedichoequipoenunremolqueconun redpiente
port_til,envezdedesdeundispensadordegasolina.
MantengalaboquilladeIlenadoencontactoconel bordedelaentradadel
tanquedegasolinaocontenedorentodomomentohastaqueest_Ileno.No
utillceundlsposltlvoparaabrlr/cerrarlaboqullla.
Apaguetodoslosdgardllos,dgarros,pipasyotrasfuentesdecombusti6n.
Nuncacarguecombustibleenlam_quinaenintedoresporqueLosvapores
inflamablespodr[anacumularseen el_rea.
Nuncasaquelatapadelgasniagreguecombustiblemientraselmotorest_
calienteo enmarcha.Dejequeel motorseenfr[eporIomenosdosminutos
antesdevolveracargarcombustible.
35

Nuncarecargueeltanquedecombustible.Lleneeltanquenom_sdeI
pulgadapordebajode labasedel cuellodellenadoparadejarespadoparala
expansi6ndelcombustible.
Vuelvaacolocarlatapadelagasollnayajfistelablen.
Limplelagasollnaderramadasobreel motoryelequipo.Trasladela
m_quinaaotrazona.Espere5 mlnutosantesdeencenderelmotor.
Nuncaalmacenela m_quinao elredpientedecombustibleen unespado
cerradodondehayafuego,chlspasoaparatosconpilotocomoporejemplo,
calentadoresdeagua,calentadores,hornos,secadoresderopau otros
aparatosagas.
Pararedudrel rlesgodeincendlomantengalam_qulnalimpiadepasto,
hojasydeacumulaci6ndeotrosescombros.Limpielosderramesdeacelteo
combustibleysaquetodoslosdesechosembebldosconcombustible.
Dejequela m_quinaseenfrie5 minutosporIomenosantesdealmacenarla.
Funcionamiento general:
Nuncaenciendaunmotorenespacioscerradosoenunazonaconpoca
ventilad6n.Elescapedel motorcontienemon6xidodecarbono,ungas
inodoroyletal.
AntesdeIlmpiar,repararo lnspecdonarlam_quina,compruebequela
cuchHlaytodaslaspartesquesemuevensehandetenldo.Desconecteel
cabledelabujiayp6ngalodemaneraquehagamasacontrael motorpara
evitarqueseendendademaneraaccidental.
Reviselospernosdemontajedelacuchlllaydel motora lntervalos
frecuentesparaverlficarqueest_nbienapretados.Inspecdoneadem_s
vlsualmentelacuchHlaenbuscadeda_os(abolladuras,desgaste,roturas,
etc.).Reemplacelacuchillaconequipooriginaldelfabrkante(OEM)
Ilstadoenestemanual.Lautilizaci6ndepartesquenocumplanconlas
espedficacionesdeequlposoriginalespodriatenercomoresultadoun
rendimlentolncorrectoyadem_slasegurldadpodriaestarcomprometida.
LascuchHlasde laspodadorassonmuyafiladasy podriancortarlo.Envuelva
lacuchillao utiliceguantesyextremeprecaudonescuandoledeservkio.
Mantengatodoslospernos,tuercasytornillosbienajustadospara
asegurarsequelam_qulnaseencuentraencondlclonessegurasde
operad6n.
Nuncamanipulelosdispositivosdesegurldaddemaneralmprudente.
Controleperi6dicamentequefundonendeformaadecuada.
Despu_sdegolpearconalgtinobjetoextra,o,detengaelmotor,desconecte
elcabledelabujiayconecteelmotoramasa.Inspecdoneminudosamente
lam_quinaparadetermlnarsiest_da_ada.Repareelda_oantesde
encenderlayoperarla.
Nuncatratedeajustarunaruedao laalturadecortemientraselmotorest_
enmarcha.
Loscomponentesdelatolvapararecorte,cublertadedescargayescudode
riel,est_nsujetosadesgasteydaffosquepodriadejarexpuestaspartesque
semueveno permltirquesearrojenobjetos.Paraprotegersusegurldad,
verlfiquefrecuentementetodosloscomponentesyreempl_celoss61ocon
partesdelosfabrkantesdeequlposoriginales(O.E.M.)listadaseneste
manual.Lautilizad6ndepartesquenocumplanconlasespeciflcadonesde
equiposoriginalespodriatenercomoresultadounrendimlento[ncorrectoy
adem_slasegurldadpodriaestarcomprometida.
Nocambielaconflgurad6ndelreguladordelmotorniaceleredemadadoel
mismo.Elreguladorcontrolalaveloddadm_ximaseguradeoperad6ndel
motor.
Verifiquefrecuentementelalineade combustible,eltanque,eltapbn,ylos
accesoriosbuscandorajaduraso pdrdidas.Reemplacedesernecesario.
Noddarranqueal motorsi noest_labujiadeencendido.
Mantengao reemplacelasetiquetasdeseguridad,segtinseanecesario.
Observelasleyesy normasaplicablesparadisponeradecuadamentedelos
desechos.Ladescargainapropiadadeliquidoso materialespuededa_arel
medioambiente.
SegtinlaComisibnde SeguridaddeProductosparaelConsumidordelos
EstadosUnidos(CPSC)ylaAgenciadeProtecci6nAmbientaldelosEstados
Unidos(EPA),esteproductotieneunavidatitil mediadesiete(7)a_os,
6 140horasde fundonamiento.AI finalizarlavidatitil media,adquiera
unam_quinanuevao hagainspeccionaranualmente_staSearsporuno
uotrodistribuidordeserviciosparacerciorarsedequetodoslossistemas
mec_nicosyde seguridadfundonancorrectamenteynotienenexcesivo
desgaste.SinoIohace,puedenprodudrseacddentes,lesionesomuerte.
NO MODIFIQUE EL MOTOR
Paraevitar lesionesgraveso la muerte,nomodifique elmotor bajoninguna
circunstancia.Sicambialaconfiguraci6ndel reguladordel motorel motor
puededescontrolarseyoperaravelocidadesinseguras.Nuncacambiela
configuraci6ndef_brica del reguladordel motor.
AVISO REFERIDO A EMISIONES
Losmotoresqueest_ncertificadosycumplencon lasregulacionesde
emisionesfederalesEPAyde CaliforniaparaSORE(Equipospequeffostodo
terreno)est_ncertificadosparaoperarcongasolina(omfin sinplomoy
puedenincluirlossiguientessistemasdecontroldeemisiones:Modifkaci6n
demotor (EM)y catalizadordeires vias(TWC)siest_nequipadosdeesa
manera.
GUARDACHISPAS
Estam_quinaest_equipadaconunmotor de combusti6ninternayno
debeserutilizadaeno cercade unterreno agrestecubierto pot bosque,
malezaso hierbaexceptosi el sistemadeescapedel motorest_equipado
conunamortiguador dechispasquecumpla conlasleyeslocaleso
estatalescorrespondientes,encasodehaberlas.
Siseutiliza un amortiguador dechispasel operadorIo debemantener
encondicionesde usoadecuadas.Enel EstadodeCalifornia lasmedidas
anteriormente mencionadassonexigidaspotley (Artkulo 4442del C6digo
de RecursosPfiblicosde California).Esposiblequeexistanleyessimilaresen
otrosestados,l.asleyesfederalesseaplkan en territorios federales.
Puedeconseguirel amortiguadordecbispasparael silenciadoratray, sdesu
distribuidor autorizadodemotoreso poni_ndoseencontactoconel centrode
servicioSears.
36

S|MBOLOSDESEGURIDAD
Esta p_gina representa ydescribe la seguridad lossimbolosque pueden parecer en este producto. Lea, comprenda, y sigatodas instruccionesen la m_quina
antes procurar para reunir y operar.
• ®
1At
LEA EL MANUAL(S) DEL OPERADOR
Lea, comprenda, y siga todas instrucciones en el manual (manuales) antes procurar para reuniry
operar.
PELIGRO-- GIRANDO HOJAS
Para reducir el riesgo de herida, guarde manos y pies lejos. No funcione a menos que la tapa
de descarga o el receptor de hierba est6n en su lugar apropiado. De ser daflado, sustituya
inmediatamente.
PELIGRO-- ESPECTADORES
No siegue cuando los niflos o los otros est_n alrededor.
PELIGRO-- Die EL CORTE DE PIE/
Guarde manos y pies lejos de hacer girar partes.
PELIGRO-- Escombros Lanzados
Quite objetos que pueden ser lanzados pot la I_mina en cualquier direcci6n. Lleve galas de seguridad.
PELIGRO-- Cuestas
Use extra la precauci6n en cuestas. No siegue cuestas mayores que 15°.
ADVERTENClA DESPIDA
Para reducir el riesgo de incendio mantenga la m_quina limpia de pasto, hojas y de acumulaci6n de
otros escombros.
ADVERTENCIA VAPORES TOXICOS
Nunca encienda un motor en espacios cerrados o en una zona con poca ventilaci6n. El escape del
motor contiene mon6xido de carbono, un gas inodoro y letal.
ADVERTENClA-- SUPERFIClE CALIENTE
Las partes del motor, especialmente el silenciador, Ilega a set muy caliente durante la operaci6n.
Permita motor y silenciador para ponerse fifo antes de tocar.
ADVERTENCIA: Suresp0nsabilidad-Restringirel us0deestam_quinam0t0rizadaa laspersonasqueLean,c0mprendany
respetenlasadvertenciase instrucci0nesdeestemanualy enlam_quina. J
GUARDEESTASINSTRUCCIONES!
37

t_
,/
(ACEPTAR)
15° Pendiente
(DEMASIADO ESCARPADO)
_- _. Figura1
" " "- 15°/fneadisco t.
USO BE ESTE PENBiENTE BE CALIBREPARA BETERrvIINAR
SiUNA PENDIENTE ES DEMASIADO ESCARPADO PARA UNA OPERACION SEGURA!
Paracomprobar la pendiente, haga Io siguiente:
1. Borrar esta p_gina y doble a Io largo de la linea discontinua.
2.
3.
4.
5,
Localizar un objeto vertical sobre o detr_.sde la pendiente (un poste, un edificio, una valla, un _.rbol,etc.)
Alinee cada lado de pendientede calibre con el objeto vertical (consultar Figura 1 and Figura 2 ).
Ajuste el pendiente de calibre arriba o haciaabajo hasta los toques esquina izquierda el pendiente
(consultar Figura 1 and Figura 2).
Si hay un espacio por debajo de la pendiente decalibre, el pendiente es demasiado escarpa por operaci6n
segura (consultar Figura 2 above).
Figura 2
15° Pendiente
Las pendientesson un factor importante relacionadocon un vuelco y renovaci6nde los accidentesque pueden provocar lesionesgraves o la muerte.
No utilice la ma.quinaen pendientes de ma.sde 15grados. Todos pendientesrequiere mayorprecauci6n.Si no puede retroceder en la pendiente o si se
siente inseguro en ella, no la recorte. Siempre corte el cesped en toda la superficie de la cuesta. Nuncaarriba y abajo las pendientes.

IMPORT,4NTE:Estaunidadseenviasingasolinani aceiteenelmotor.Antesde
comenzarocorrerlam_quinacargueelmotorcongasolinayaceitecomoseindica
enlasecddnde operaddndeestemanual.
NOT,4:Lasreferendasa losladosderechoe izquierdodelacortadoradec_spedse
hacenobservandolam_quinadesdelaposiddndeoperaddn.
APERTURABELACAJABECARTON
1. Cortecadaunadelasesquinasdelacajaverticalmente,delapartesuperior
alabase.
2. Saquetodaslaspiezassueltas.
3. Quiteelmaterialdeempaquesuelto.
COMOSACARLAUNIDADDELACAJA
1. Elevelaunidaddesdelaparteposteriorparasepararladel materialdelacaja
quequededebajoyhagarodarlaunidadfueradelacaja.
2. Venfiquecuidadosamentesienlacajaquedaalgunapartesuelta.
Piezassueltasdentro de lacaja
Tolvadedescargalateral
Aceitedel motor
Montaje
Montaje de la manUa
I. Retireelmaterialdeempaquequepudieraestarentrelasmanijassuperior
einferior.
2.
a. Quitelostornillosytuercasdemadposatransportedesdeelmango
comosemuestraenlaFigura1.Noaflojeo quitaradyacentes
tornillosdecabezahexagonal.
b. Sibienlaestabilizad6ndecortac_spedporIoquenosemueve,
pivoteasasuperiorcomosemuestraen laFigura2. Noengarzado
cablemientraslevantala palancahadaardba.
RetirelaT-pernosdelamanijaentrecorchetescomosemuestraenlaFigura3.
Figura 2
Figura3
Figura 1
39

4.
Sigalossiguientespasosparacompletarconjuntodel mango:
a. Tirehadaarribaenelasahastaagujerosenlamanija(quese
muestraenlaFigura3cortedelacubierta)sealineanconlos
agujerosenelmangosoporte.YealaFigura4.
flOTA:AItirar hadaarribala palanca,asegt_resedequenotiredemanejar
todoelcamino.
b. InserteelT-pernosquit6anteriormenteatrav_sdelmango
corchetesyasainferioryaprietebienparaasegurarelmangoensu
lugar.VealaFigura4.
c. Vuelvaacolocartuercasypernosdetransporteretirarseantesen
unareducdbndelosagujerosdelamanijacomosemuestraen la
Figura5.
Lagu[adelacuerda,queest_conectadaalavarilladesost_n,seencuentra
sobreel ladoderechodela manijainferior.VealaFigura6.
a. Sostengalamanijadecontrolde lacuchillacontrala manijasuperior.
b. Jalelacuerdadearranqueparasacarladel motor.Suelteelcontrol
delacuchilla.
c. Deslicelacuerdadearranqueen laguia.
d. Laataduradecableusoparagarantizarcableparabajarde manejar.
Figura5
Figura 6
,,J
Figura4
40

Cone×i6nde Canalde DescargaLateral
SupodadorahasJdoenvladacomoabonadora.Sihacelaconversi6nadescarga
lateral,asegiresedequeelcolectordec_spedest6fueradelaunldadyquela
puertadedescargatraseraest6cerrada.
I. Enelcostadodelapodadora,levanteeladaptadorparaabono.VeaFigura7.
2. Deslcelosdosganchosdelcanaldedescargalateraldebajodelpasadorde
blsagrasobreelmontajedel adaptadorparaabono.Baleeladaptadorpara
abono.NoextralgalaclavJjaparaabonolateralencualqulermomento,ain
cuandonoest6abonando.
Ajustes
Altura de torte
Hayunapalancadeajustede alturadecorte,situadoencimadelaruedadelantera
derechaytrasera.
1. Presionelapalancahacialarueda(unidadtender£acaercuandosesueltala
palanca).
2. Mu@alaacualquierdelasposicionesparalaalturadecortedeseado.Veala
Figura8.
3. Liberelapalancahacialacubiertadelapodadora.
IMPOR@NTE:Tantolasruedasdelanterasytraserasdebencolocarseenlamisma
posici6nrelativa.Cuandoelterrenoesagresteo irregularcambielapalancade
ajustedelaalturaaunaposici6nm£salta.Deestamanerasecuidam£selc_sped.
Clavijaparaabono
lateral
Ji
\\
Canalde Descarga
Lateral
Figura7
Figura8
41

Arrancador
de retroceso
Tap6n de
aceite/varilla de
medici6n del
nivel de aceite
Cebador
Palanca de
ajuste de altura
de torte
Canal de
Descarga Lateral
/
Clavija paraj
abono
Figura9
Palanca de
ajuste de altura
de corte
Controlde CuchUla
Elcontrolde lacuchillaest_unidoalamanijasuperior.Presionelamanijadecontrol
delacuchillacontralamanijasuperiorparaoperarlaunidad.Sueltelamanijade
controldelacuchillaparadetenerelmotorylacuchilla.
Canalde DescargaLateral
Sucortac_spedestransportadocomounmulcher.Paradescargarlosrecortes
deperi6dicodehierbaalladoencambio,sigalasinstruccionesen lasecci6nde
Montajeparaatarelcanaldedescargalateral.
Elcontrol delacuchilla esundispositivodeseguridad.Nuncaintente
anular sufuncionamiento.
Mantengasusmanosy piesalejadosdel _rea del canalde la plataforma de
corte.Consultela etiqueta deadvertenciasenla unidad.
PalancadeAjustede ia Alturade torte
Unapalancadeajusteseencuentraen laruedatraseraderechayel otrose
encuentraenlaruedadelanteraderecha.Losdospalancastienenqueestarenla
mismaposid6nrelativaparaaseguraruncorteuniforme.Paraajustarlaalturade
corte,serefierena lasecci6ndeMontaje.
Clavija ParaAbono
EladaptadorparaabonoseutilizaOnicamenteparaprop6sitosdeabono.Envez
derecolectarlosrecortesdel c_speden uncolectordec_spedocanaldedescarga
lateral,algunosmodelosdepodadoratienenlaopci6nderecircularlosrecortesen
elc_sped.Estosellamaabonar.
Arrancadorde Retroceso
Elarrancadorderetrocesoest_unidoa lamanijasuperiorderecha.Paraencenderla
unidadcol6quesedetr_sdelamismaytiredelacuerdadelarrancadorde retroceso.
Cebador
Elcebadorseencuentraenelcentrodelfiltro deaire.V_alaFigura9 inserci6n.El
cebadordeusaparabombeargasolinaalcarburadoryayudara arrancarelmotor.
Tap6ndeaceite/varUla demedid6n del niveide
aceite
Consultelasecd6nMantenimientoparaobtenerinstrucdonessobrec6moverificar
elaceite.
Cumpleconias normas deseguridaddeANSi
Lascortadorasdec_spedCraftsmancumplenconlasnormasdeseguridaddelInstitutoEstadounidensedeNormasNadonales(ANSI).
42

LLENADODEGASOUNAYACEITE
Aceite(seenviaunabotella juntoconla unidad)
Primer uso
I. Saquelavarilladel niveldeaceite(G).Veala Figura10.
2. Conlacortadoradec_spedubicadaensuelonivelado,viertaelaceite
lentamentepotdentrodeltubodellenadodeaceitedelmotor(H).
3. Vuelvaacolocarlavarilladellenadodeaceiteyajustela.
Usosposteriores
Useaceiteparamotorde 4tiemposquecumplaosobrepaselosrequisitospara
laclasificaci6ndeservidoAPISF,%, SH,SJoequivalente.Compruebesiemprela
etiquetadeservicioAPIenelredpientedelaceiteparaasegurarsequeincluyelas
letrasSF,SG,SH,SJo equivalente.
Temperaturasalairelibrededeterminarlaviscosidaddelaceitecorrectopara
elmotor.Uselatablaparaselecdonarlamejorviscosidadparael tangode
temperaturaalairefibreseespera.
f
Potdebajode40°F(4°C)elusodeSAE30dar_lugaradurosdepartida.
_ Potendmade80 oF(27oC)el usodeI0W-30puedeprovocarunaumentodel
consumode petr61eo.Nivelde aceiteconm_sfrecuenda.
I. Reviseelaceiteconelmotorparadoynivelado.
2. Quitelatapadeldep6sitodeaceite/varillamedidoradelniveldeaceitey
limpiela.
3. Coloqueyajustelavarillaindkadora.Luegoquitelapararevisarel nivelde
aceite.VealaFigura10.
4. Sielniveldeaceiteest_cercaopotdebajodelamarcadelimite bajodela
varillamedidoradelniveldeaceite,quitelatapadeldep6sitodeaceite/
varillamedidoradelniveldeaceiteyll_neloconelaceiterecomendado
hastalamarcade limitesuperior.Nollenedem_s.
5. Vuelvaa instalarlatapa/varillamedidoradel niveldeaceite.
Gasolina
Noutilice gasolinasnoaprobados,talescomoE85.Nomezcleelaceite
enla gasolinao modificarel motor parafuncionar concombustibles
alternativos. Estodaffar_loscomponentesdel motory anularla garantia
del motor.
Figura10
Decombustibledebecumplirestosrequisitos:
Limpia,fresca,lagasolinasinplomo.
Unminimode87octane/87AKI(91RON).
J
Lagasolinaconhastaun10%deetanol(gasohol)esaceptable.
Echegasolinaenun_reabienventiladayconelmotorparado.Sielmotorha
estadofundonando,dejequeseenfrieprimero.Noechegasolinaa lam_quinaen
el interiordeun edifidodondelosvaporesdelagasolinapuedanestarexpuestosa
algunallamaochispa.
Lagasolinaesaltamenteinflamabley explosivay ustedpuedequemarse
o lesionarsegravementeal reabastecer.Pareel motor ymantengalejos
elcalor,laschispasylasllamas.Reabastezcas61oal airefibre. Limpie
inmediatamentelosderrames.
Sivaausarelequipodeformaintermitenteos61oocasionalmente,consultela
secd6nde AlmacenamientoFueradeTemporadaparaobtenerm_sinformad6n
sobreeldeteriorodelcombustible.
NOTA:Elcombustiblepuededaffarlapinturayalgunostiposdepl_stico.Tenga
cuidadodenoderramarcombustiblecuandoIlenaeltanque.
Nousenuncagasolinarandaocontaminadanimezdasde aceiteygasolina.No
permitaqueentresuciedadoaguaeneltanquedecombustible.
1. Quitelatapadeltanquedecombustible.
2. Agreguecombustiblehastalaparteinferiordel limitedenivelde
combustibleeneltubo deltanque.NoIlenedem_s.Limpieel combustible
derramadoantesdearrancarelmotor.
3. Aprieteeltap6nfirmemente.
4. Antesde arrancarelmotor,al_jesealmenos3metrosdelemplazamientoy
lafuentedelagasolina.
43

Aseguresedequeninguna personaaparte del operadorpermanezca
cercade la cortadoramientrasarrancael motor uoperala misma.Nunca
enciendael motor en espacioscerradosoen unazonaconpocaventilaci6n.
Elescapedel motor contienemon6xidode carbono,ungasinodoroy fetal.
Mantengalasmanos,lospies,el cabelloy la ropasueltaalejadosdelas
partesm6vilesdel motory de lacortadora.
PARAENCENDERELMOTOR
2.
3.
Empujeelcebadoriresveces.VealaFigura11.Nocebeel motorcalientepara
reinidarloluegode unadetend6nbreve.
NOI"A:Sisepulsael primerdemasiadasveces,excesivodecombustiblese
inundar_elcarburadoryelmotorvaa serdificilparaempezar.
Col6quesedetr_sde lapodadora,aprietela manijadecontroldelacuchillay
sost_ngalacontralamanijasuperior.
Sostengafirmementelasdosmanijasjuntas,tomela manijadelarrancador
deretrocesoytire delacuerdaparasacarlaconunmovimientor_pidoy
continuo.VealaFigura11.Mantengafirme lamanijadelarrancador,deje
quelacuerdaregreselentamentealarrancador.Repitahastaqueelmotor
est_en marcha.Dejequelacuerdaseenrosquelentamentederegreso.
Deretracci6nr_pidadel cord6nde arranque(soborno)tirar_ demanoyel
brazohada el motor m_sr_pidodeIo quepuededejar it. Lasfracturasde
huesos,fracturas,contusionesoesguincespodriaresultar.
PARADETENERELMOTOR
I. Sueltelamanijadecontrolde lacuchillaparadetenerelmotorylacuchilla.
Espereaquelacucbillase hayadetenido potcompletoantesde hacer
cualquiertrabajo enla cortadorao deretkarel colectordec_sped.
tlso de la cortadora dec sped
Aseguresedequeelc_spedest_fibrede piedras,palos,cablesuotrosobjetos
quepudiesendaEarlacortadoraoel motor.Dichosobjetospuedenserarrojados
acddentalmenteporlacortadoraencualquierdirecci6nyprovocarlesiones
personalesgravesaloperadory aotraspersonas.
AIoperarunacortadora dec_spedesposiblequeobjetos extraEossean
arrojadosa losojos,Io cualpuededaEarlosgravemente.Utilicesiempre
galasdeseguridaddurantela operad6ndela cortadorade c_spedo
mientras laajusta o repara.
f
J
Figura11
tlso comoabonadora
Paraabonarelc#sped,quiteelcanaldedescargalateraldelam_iquina.Paraun
abonoefidente,nocortec#spedhumedo.Sielc#spedhacreddom_isde10,2cm.(4
pulg.)noserecomiendaelusodelapodadoracomoabonadora.Enesecaso,useel
colectordec#spedparaembolsarlosrecortes.
Sigolpeaunobjeto e×tra_o,detengael motor. Retireel cabledela bujia,
inspeccionedetenidamentelacortadoraparaver quenotengadaEos,y
repareel daEoantesde volvera encendery operar.Elexcesodevibraci6n
delacortadoradurante laoperaci6nesunaindicaci6ndedaEo.Sedebe
inspecdonaryrepararla unidadIoantesposible.
44

PROGRAMADEMANTENIMIENTO
Antesderealizarcuaiquiertipo demantenimiento o servicio,desenganche
todos loscontrolesydetengael motor. Esperea quesedetengan
completamentetodaslaspiezasm6viles.Desconecteelcablede labujia
y p6ngalohaciendomasacontrael motor paraevitar queseencienda
accidentalmente.
Sigaelcronogramade mantenimientoquesepresentaa continuaci6n.Estatabla
s61odescribepautasdeservicio.UtilicelacolumnaRegistrode Servidoparahacerel
seguimientodelastareasde mantenimientocompletadas.PanubicarelCentrode
ServidoSearsm_scercanoo paraprogramarunservicio,simplementecomuniquese
conSearsalteBfono1-800-4-MY-HOME®.
Cadauso
lras meso5 horas
Anualmenteo25horas
1. Niveldeaceitedelmotor
2. Piezassueltasofaltantes
3. Depuradordeaire
4. Unidady motor
1. Aceitedel motor
1. Depuradordeairef
2. Varillajes/pivotesdecontrolyruedas
3. Laparteinferiorde laplataformade la
cortadorade c_sped
Aceitedel motorff
Bujiadeencendido
Depuradordeaire
Sistemadecombustible
1. Verificar
2. Ajustaroreemplazar
3. Verificar
4. Limpie
1. Cambiar
1. Limpiaroreemplazar
2. Lubricarconaceiteligero
3. Limpie
Anualmenteo50horas 1. 1. Cambiar
Anualmente 1. 1. Reemplazar
2. 2. Reemplazar
Antesdealmacenar 1. 1. Hacerfuncionarelmotorhastaquesedetenga
potfaltadecombustibleo affadirestabilizador
deuntanqueIlenodecombustiblenuevo
antesdesualmacenamiento.
$ Limpiom_sa menudoencondicionespolvorientaso cuandolosescombrosaerotransportadosest_npresentes.Sustituyaelfiltro deairedesermuysucio.
ff Cambieelpetr6ieocada25horaswhemfuncionamientode[motorbajolacargapesadaoentemperaturasaltas.
Detengasiempree[motor, desconecteel cablede [a buj[ay hagamasa
contrael motor antesdereaiizarcualquiertareademantenimiento asu
m_quina.
RECOMENDACIONESGENERALES
Respetesiemprelasreglasdeseguridadcuandorealicetareasde
mantenimiento.
Lagarantiadeestacortadorano cubreelementosquehanestadosujetos
al malusoo lanegligenciadeloperador.Panredbirel reembolsototalde
lagarantia,eloperadordeber_darmantenimientoal equipotalycomose
indicaenestemanual.
Elcambiodelaveloddadcontroladadelmotorinvalidar_lagarantiadel
motor.
TodoslosajustesdebenserverificadosporIo menosunavezencada
estaci6n.
Reviseperi6dicamentetodoslossujetadoresycompruebequeest_nbien
ajustados.
45

MANTENIMIENTODELMOTOR f
Bujia de encendido
Paraunbuenfuncionamiento,labujiadebeestaradecuadamenteabiertay libre
dedep6sitos.Cambielabujiacada50horaso unavezportemporada.Reempiacela
bujiaanualmente.
1. Desconecteeicapuch6ndelabujiayretirecualquiersuciedaddei_reade
_sta.
2. UselaIlavedebujiasdeltamatioadecuadoparaextraerla.
NO@:ReemplazarconunaChampionRC12YCbujia.
3. Compruebeelentrehierroconun calibradordealambre.Laseparaci6n
correctaes0,020in.(0,51mm).VealaFigura12.Siesnecesario,reajusteel
entrehierro.
4. Instaleyaprietelabujiaalpardeaprieterecomendado.Paraelajustedel
entrehierrooelpardeapriete,consultelasecci6ndeEspecificaciones.
5. Coloqueelcapuch6ndela bujia.
Filtrodeaire
Unfiltro deairesuciorestringir_elflujo deairealcarburadory causar_el
funcionamientodefectuosodelmotor.Inspeccioneelfiltro cadavezqueopereel
motor.Necesitar_limpiarconm_sfrecuenciaelfiltro si ustedoperaelmotoren
_reasmuypolvorientas.
Limpioelfiltro deairecada25horasde laoperaci6no unavezportemporada.
Reemplaceelfiltro deaireanualmente.
Nuncaarranquefi opereel motor siremovi6el conjuntodei fiitro deaireo
el fiitro de aire.
NOTA:Nouseairea presi6nni solventesparalimpiarelfiltro. Elaireapresi6npuede
datiarelfiltro ylossolventespuedendisolverlo.
Elsistemadefiltrode aireutilizaunelementodeespumaquesepuedenlavary
reutilizar.
1. Abralatapa(B)yquitarel elementodeespuma(C).VealaFigura13.
2. Laveel elementodeespumacondetergenteliquidoyagua.Aprieteel
elementodeespumasecaen unpatiolimpio.
3. Saturarelelementodeespumaconaceitede motorlimpio.Paraeliminar
elexcesodeaceitedel motor,aprieteelelementode espumaenun patio
limpio.
4. Instalarelelementodeespumaycierrelacubierta.
Electrodo
--9 _ O.020in. (.51ram)
f
Figura12
J
J
Figura13
Comprobarel aceite del motor
Comprobarei niveldeaceiteantesdecadaoperaci6n.Asegtiresedequeelhive[de
aceitesemantiene.
1. Reviseelaceiteconelmotorparadoynivelado.
2. Quitelatapadeldep6sitodeaceite/varillamedidoradel niveldeaceitey
limpiela.
3. Coloqueyajustelavarillaindicadora.Luegoquitelapararevisarelnivelde
aceite.
4. Siel niveldeaceiteest_cercao pordebajode lamarcadelimite bajodela
varillamedidoradel niveldeaceite,quitelatapadel dep6sitodeaceite/
varillamedidoradel niveldeaceitey IRneloconel aceiterecomendadohasta
lamarcadelimite superior.NoIlenede m_s.
5. Vuelvaainstalarlatapa/varillamedidoradelniveldeaceite.
46

Cambiarel aceitedel motor
Lagasolinaysusvaporessonextremadamenteinflamablesyexplosivos.
Unincendioo unaexplosi6npuedencausargravesquemaduraso la
muerte.
Cambieelaceitedelmotordespu_sde lasprimerasdncohorasdeoperad6n,ycada
dncuentahoraso unavezalatemporadadespu_s.
Sidrenaelaceitedesdeel tubo superiorde llenadodeaceite,eltanque de
combustibledebeestar vado ode Io contrariopodria presentarseunafuga
decombustiblequepodriaocasionarun incendioouna explosi6n.Para
desocuparel tanque decombustible,opereel motor basraquesedetenga
por la falta decombustible.
1. Conelmotorapagadoperoauncaliente,desconecteelcablede labujiay
mant_ngaloadistandadelabujia.
2. Coloqueunredpienteadecuadocercadelmotorpararecogerelaceiteusado.
3. Quitelatapa/varillamedidoradel niveldeaceitey dreneel aceiteal
redpienteinclinandoel motorhadaeltubode Ilenadodelaceite.Yeala
Figura14.
Elaceiteusadoesunresiduopeligroso.Elimineel aceiteusado
adecuadamente.NoIoarrojejunto conlosresiduosdomiciliarios.Consulte
alas autoridadeslocalesoal centrodeservicioSearsparaaveriguard6nde
hayinstalacionespara la eliminaci6nl redclajesegura(o)del aceiteusado.
4. Conelmotorenunaposici6nnivelada,Ilenehastala marcadelimitealtoen
lavarillamedidoradelniveldeaceiteconel aceiterecomendado.
Poneren marchael motor conunnivel deaceitebajopuedecausardaffos
enel motor.
5. Vuelvaa instalarbienlatapa/varillamedidoradel niveldeaceite.
Limpie el motor
Diariamenteoantesdecadauso,limpieelc_sped,lagrasao losresiduos
acumuladosdelmotor.Mantengalimpioselvarillaje,losresortesy los
controles.Mantengael_reaquerodeaalsilenciadorydetr_sdelmismofibre
decualquierresiduocombustible.
Elmantenimientodelmotorencondicioneslimpiaspermiteelmovimiento
deairealrededordelmismo.
Laspartesdelmotorsedebenmantenerlimpiaspararedudrel riesgode
sobrecalentamientoycombusti6ndelosresiduosacumulados.
f
Tap6n de
aceltelvardla de
medici6n del nivel
de aceite
Figura14
Filtro de aire
/
J
Figura15
LUBRICACION
Controlde la cuchilla
Lubriqueconaceiteligerolospuntosdepivotedelcontroldelacuchillaal
menosunavezcadaestad6n.Estecontroledebefundonarlibrementeen ambas
direcdones.Veala Figura15.
J
Nouseaguapara limpiar laspiezasdel motor. Elagua puedecontaminarel
sistemadecombustible. Useuncepillo o un trapo seco.
47

Limpieza de ia plataforma f
Debelimpiarlaparteinferiordelaplataformadelacortadoradec_speduna
vezunatemporadaparaprevenirlaacumulad6nderecortesde c_speduotros
desechos.Sigalospasosqueaparecendebajopararealizarestatarea.
1. Opereelmotorhastaquesedetengaporlafaltadecombustible.Desconecte
elcabledelabujia.
2. Inclinelacortadoradec6speddemodoquequedeapoyadasobreal
alojamiento,mantengaelsilendadordecostadohadaabajo.Refl6rasea la
figura14.Sostengafirmementelacortadora.
Nuncaincline[acortadora dec_spedm_sde90oen ningunadirecd6n yno
deje[a unidadindinada.Sepuedefiitrar aceitedentro de [a partesuperior
de[ motory causarproblemasdearranque.
Raspeylimpielaparteinferiordelaplataformamedianteelusodeuna
herramientaadecuada.Nolaroc[econagua.
IMPOR@NTE:Noutilkeunalavadoraapresi6nomangueradejardinpara
limpiarsuunidad.Puedenprodudrdaffosalosrodamientosoalmotor.El
usodeaguaacortakilavidautildelam_iquinayredudkisucapaddadde
servido.
4. Vuelvaacolocarlacortadoradec_spedsobresusruedasenelsuelo.
Cuidadode ia cuchiila
,SOportede_
Campanade la
Cuchilla
@_ .......... Pemo
Figura16
Sila cuchillaest_desequilibradagenerar_vibracionesexcesivascuando
rotea altasveloddades.Puedeprodudr daffosa lacortadora dec_spedyse
puederomper,causandoasilesionespersonales.
Cuandosaquelacuchilladecorte paraafilarla o reemplazarla,prot_jaselas
manosusandoun pardeguantesparatrabajo rudoo un trapo gruesopara
sostenerlacuchilla.
Inspeccioneperi6dicamenteeladaptadordelacuchillaenbuscaderajaduras,
espedalmentecuandogolpeeunobjetoextraffo.Realkelosreemplazos
queresultennecesarios.Sigalospasosqueaparecendebajopararealizarel
mantenimientode lacuchilla.
Desconecteelcapuch6ndelcabledelabujia.Girelacortadorade c_sped
sobreel costadoycompruebequeelfiltro de aireyelcarburadorqueden
mirandohadaarriba.
Saqueel pernoyelsoportedecampanadelacuchillaquesostienenla
cuchillayeladaptadordelamismaaldgi]efialdel motor.VealaFigura16.
Saquelacuchillayeladaptadordel cigiJefial.
NO@:Quitandoestosartkulos,laarandelatambi#npuedenliberarsedeel
cigiJefial.Est#seguroparahaterlanotadelaorientaci6ndeesteartkulo
paranuevasesi6n.
4. Saquelacuchilladeladaptadorparacomprobarelequilibrio.Balanceela
cuchillasobreundestornilladordeejeredondoparainspeccionarla.Saque
metaldelladopesadohastaquequedebienequilibrada.Cuandoafilela
cuchilla,sigael_ingulooriginaldelamuelacomoguia.Afilecadabordede
torte porigualparamantenerelbalancedelacuchilla.
5. Lubriqueelcigi]efialdel motory lasuperfideinternadeladaptadorde la
cuchillaconaceiteligero.DesliceeladaptadordelacuchillasobreeldgiJefial
del motor.Instalelacuchillaen eladaptadorconelladomarcado"Bottom"
(inferior)(oconel numerodeparte)haciael pisocuandolacortadorade
c#spedest_ienposici6nde funcionamiento.Aseguresequelacuchillaquede
alineadayasentadaenlasbridasdeladaptador.VealaFigura16inserto.
6. Coloqueelsoportedecampanadelacuchillaenlamisma.Alineelas
muescasdel soportedecampanade lacuchillaconlosorificiospequefiosde
lacuchilla.
7. Vuelvaacolocarel pernohexagonalyajustelosegunlossiguientesvalores
detorsi6n:450Ib-pulgcomom[nimo,600Ib-pulgcomom_ximo.
Paragarantizarlaoperad6nseguradelacortadoradec_sped,revise
peri6dicamenteelpernodelacuchillaparadeterminarsiest_bienajustado.
48

Nuncaalmacene[acortadorade c_spedconcombustibleeneltanque en
unespaciocerradooen_reasconpocaventilaci6n,dondelosgasesdel
combustiblepuedanalcanzarel fuego,chispaso unaluz piloto comolaque
tienenalgunoshomos,calentadoresdeagua,secadoresderopao algun
otto dispositivoa gas.
Preparad6ndel Motor
Yaquelosmotoresalmacenaronm_sde30dias:
Paraimpedira lagomaformarseenel sistemadecombustibleoen partes
decarburador,dirijasel motorhastaqueestoseparea faltadel combustible
oaffadirunaditivodegasolinaalgaseneltanque.Siustedusaunaditivo
degas,dirigeelmotordurantevariosminutosparaponerencirculaci6nel
aditivoporelcarburador-- despu_squeel motoryelcombustiblepueden
seralmacenadoshasta24meses.
Mientraselmotorestodaviacaliente,cambioel petr61eo.
Limpieelmotordeescombrossuperficiales.
Preparad6nde ia Cortadorade C sped
Limpieylubriquelacortadoracomosedescribeenlasinstruccionesde
lubricaci6n.
NoutJiiceunalavadoraapresi6nniunamangueradejardinparalimpiarsu
unidad.
Cubralacuchilladelacortadoracongrasaparachasisparaimpedirla
oxidaci6n.
Refi_rasealaPreparaci6ndelMotorparainstruccionesdealmacenajede
motorcorrectas.
Almaceneiaunidadenunazonalimpiayseca.Nolaalmacenecercade
materialescorrosivoscomoporejemplofertilizantes.
Cuandoalmacenecualquiertipo deequipomotorizadoen ungaip6nde dep6sito
met_licooconpocaventilaci6n,tengaespecialcuidadodereaiizarieuntratamiento
antioxidantealequipo.Useaceiteligeroosiliconapararecubrirelequipo,
especialmenteloscablesypartesm6vilesdesucortadoraantesdealmacenarla.
49

Antesderealizarcualquiertipo del mantenimiento/servicio,suelte
todos losmandosy pareel motor. Esperehastaquetodaslaspartesde
movimientohayanvenido a unaparadacompleta.Desconecteel alambre
debujia y b_selocontrael motor paraprevenirelcomienzoinvoluntario.
Siemprellevepuestoscristalesinastillablesdurante laoperad6no
realizandocualquierajusteo reparadones.
Estasecddnseocupa de cuestionesdemenor importanda del servkio.Paralocalizar el m_scercanoCentrode Servkio Sears,o para programar un
servido,simplemente p6ngase en contactoconSearsal 1-800-4-MY-HOMEo
Elmotornoarranca I. Controldelacuchilladesenganchado.
2. Sehadesconectadoelcapuchdndelabujia.
3. Eldep6sitodecombustibleest_vadooelcombustible
sehaechadoa perder.
4. Elmotornoest_cebado.(SiIotiene)
5. Labujianofuncionacorrectamente.
6. Elmotorsedesbord6.
7. Lineadecombustiblebloqueada.
Elmotorfundonademanera I. Elcapuch6ndelabujiaest_flojo.
err_tica 2. Elcombustiblesehaechadoaperder.
3. Laventilad6ndelatapadelcombustibleest_
obstrqda.
4. Aguao sudedadenelsistemadelcombustible.
5. Elfiltrodeaireest&sudo.
6. Lineadecombustiblebloqueada.
Elmotorrecallenta 1. Elniveldeaceitedelmotorest_ibajo.
2. Flujodealrerestrlngido.
I. Engraneelcontroldelacuchilla.
2. Conecteelcablealcapuch6ndelabujia.
3. Lleneeltanquecongasollnallmplay nueva.
4. Cebeelmotortalcomoseexplkaenlasecd6nde
Fundonamiento.
5. Limpie,ajuste[aseparad6n,ocamNelabujia.
6. Esperarunosmlnutosparareactivarse,peronocebe.
7. ContacteconsucentrodepartesyreparadonesSears.
I. Conecteyajusteelcapuchdnde[abujia.
2. Lleneeltanquecongasollnallmplay nueva.
3. Destapelavendlad6n.
4. Vadeeltanquedecombustible.Carguecombustiblenuevoen
eldep6sito.
5. Consultelasecd6nMantenlmlentodelmanual.
6. ContacteconsucentrodepartesyreparadonesSears.
1. Lleneel motorconlacantidadytlpodeacelteadecuado.
2. Limpielosresiduosdealrededordelasaletasderefrlgerad6n
delmotorydelalojamlentodelsoplador.
LNECESITA MAS AYUDA?
Encontrar5 b I_e pue tay m_ en managemylife.com - isin cargo!
En linea podr_ encontrar este manual y los manuales de todos los otros productos que posea,
Sus preguntas ser_n respondidas pot nuestro equipo de especialistas,
Obtenga un plan de mantenimiento personalizado para su hogar.
Encuentre informaci6n y herramientas que Io ayudar4n con los proyectos de su hogar.
managemylife
50

Elmotorvadlaaaltasrevoludones 1. Pocaseparad6ndeloselectrodosdelabuj[a. 1. Ajustelaseparad6n.Consultelasecd6nMantenimientodel
manual.
Elmotorfundonamalenmarcha 1. Buj[aatorada,averladaoexcesodeseparad6n. 1.
lenta 2. ElfiltrodeaJreest_sudo. 2.
Demasiadavlbrad6n 1. Cuchllladetorteflojaodescentrada. 1.
2. CuchJllaabollada. 2.
1. C_spedhtimedo. 1.Lacortadoradec_spednoregresa
elrecortedec_spedcomoabono
2. C_speddemasiadoalto.
3. Lacuchllladelacortadoranoest_afilada. 3.
Cortedeslgual 1. Laposicl6ndelasruedasno escorrecta. 1.
2. LacuchJlladelacortadoranoest_afilada. 2.
LJmpie,reemplaceo reajustelaseparad6n.
Consultelasecd6nMantenimientodelmanual.
AprJetelacuchJllayeladaptadorBalanceelacuchJlla.
CamblelacuchJlla.
Notorteelc_spedcuandoest_mojado,esperehastaquesea
m_stardeparahacerlo.
Corteunavezaalturadetorteelevada,luegovuelvaacortarala
alturadeseadao hagaunsenderodetortem_sangosto.
AfileocambJelacuchJlla.
Coloque[ascuatroruedasenlamlsmaposid6ndealtura.
AfileocambJelacuchJlla.
i_NECESITA MAS AYUDA?
[{r_':_':_r_v:r_r_I_ r_! Flue v:_y m_ _!_ managemylife.com _ isin cargo!
En Iff/ea podr4 encontrar este manual y los manuales de todos los otros productos que posea.
Sus preguntas ser_n respondidas por nuestro equipo de especialistas. !!
Obtenga un plan de mantenimier/to personalizado para su hogar,
Encuentre informaciOn y herramientas que Io ayudar4n con los proyectos de su hogar,
mar agemylife iil
$1

(Estap_iginaseaplicas6loenEE.UU.y Cana&i).
Sears Brands Management Corporation, el Consejo de Recursos Ambientales de California (CARB) yla Agencia de Protecci6n
Ambiental de los Estados Unidos (EPA) Declaraci6n de garantia del sistema de control de emisiones (derechos yobligaciones
de la garantia de defectos del propietario)
LACOBERTNRADELAGARANTIADECONTROLDEEMISIONESESAPLICABLEALOSMOTORES YNTILICENENCNALQUIERPARTEDELOSESTADOSNNIDOS(YAPARTIRDEL1DEENERODE2001EN
CERTIFICADOSCOMPRADOSENCALIFORNIAEN1995YPOSTERIORMENTEQUESENTILIZANEN CANADA).
CALIFORNIA,YPARALOSMODELOSCERTIFICADOSDELANO1997YPOSTERIORES,QUESECOMPREN
Dedaraci6n de garantia sobre defectos en el control
ElConsejodeRecursosAmbientalesde California(CARB),laEPA(AgendadeProtecci6n
Ambientalde losEENU.)ySearstienen elgustode explkar lagarantiadelsistemadecontrol
de emisionespara motoresdelafro2000yparael futuro conrelaciona motorespequeffostodo
terreno(SORE).EnCalifornia,losnuevosmotorespequeffostodo terrenodebenestardiseiiados,
construidosy equipadosparacumplirconlasrigurosasnormasanti-smogdel estado.Enel resto
de losEstadosNnidos,losmotoresnuevostodoterrenodeencendidoporcNspacertificadospara
el afro1997debencumplkest_ndaressimilaresestableddosporlaEPA.Searsdebegarantizar
de emisiones para California y los Estados Unidos
el sistemadecontrolde emisionesde sumotorparalos periodosde tiempoenumeradosa
continuacion,siemprequeno hayaabuso,negligenciao mantenimientoindebidodesumotor
todo terrenopeque_o.Susistemade controldeemisionespuedeincluirpiezastalescomoel
carburador,el filtro deaire,elsistemade encendido,el silenciadoryelconversorcatalitico.
Tambi_npuedeincluirconectoresyotrasunidadesrelacionadasconlasemisiones.Dondeexista
unacondicioncubiertaporlagarantia,Searsreparar;_supequeiiomotortodo terrenosincosto
algunoincluyendodiagnostico,piezasy manodeobra
Cobertura de la garantia Sears para defectos en el control de emisiones
Losmotorestodoterrenopeque_osest_ngarantizadosen Io relativoal controlde disposicionesquese indiquena continuaci6n.Si unapartedesu motorcubierta
emisionesparadefectosen piezasduranteunper[ododedosafios,sujetoalas por la garanfiaes defectuosa,Searsreparar_o sustituir_dichaparte.
Responsabilidades del propietario en relaci6n con la garantia
Comopropietariodelmotor todoterrenopequeiio,Nd.esresponsabledela realizaciondel
mantenimientorequeridoqueseincluyeen lasinstruccionesde operaciony mantenimiento.
Searsrecomiendaqueseconserventodoslos recibosrelativosal mantenimientodesumotor
todo terrenopequeiio,perono pudedenegarlagarantiasimplementepor lafalta delos mismos,
o por suincumplimientodelmantenimientoprogramado.Comopropietariodelmotor pequeiio
todoterrenodebesaberque,sin embargo,Searslepuedenegarlacoberturade lagarantiasi
sumotortodoterrenopequeffoo unapiezadelmismohanfalladodebidoa abuso,negligencia,
mantenimientoindebidoo a modificacionesnoaprobadas.Nd.esresponsabledepresentarsu
motor todoterrenopequeiioaun distribuidorde serviciosSearsautorizadotan prontocomo
aparezcaun problema.Lasreparadonesdela garantiasinconflictodebencompletarseen
un plazode tiempo razonable,nosuperiora 30dias.Sitiene algunapreguntarespectoa sus
derechosy responsabilidadesreferentesa lagarantia,debecontactarcon un representantede
serviciosSearsal 1--800--469--4663.Lagarantiade emisionesesunagarantiapordefectos.Los
defectossejuzgande acuerdoconel funcionamientonormaldeun motor.Lagarantianoest_
relacionadaconunapruebade emisionesen uso.
Disposiciones de la garantia Sears para defectos en el control de emisiones
Lassiguientessondisposicionesespedficasrelacionadasconlacoberturade lagarantiapara
defectosenel controldeemisiones.Esun a_adidoa lagarantiade motorSearsparamotoresno
reguladosqueseencuentraenlas instruccionesdefuncionamientoy mantenimiento.
I. Piezascongarantia
Lacoberturade estagarantiaseextiendefinicamentealas piezasqueaparecena
continuacion(laspartesdelossistemasdecontrol deemisiones),siemprequedichas
piezasestuvieranyaen el motorenel momentodesucompra.
a. Sistemademediciondecombustible
•Sistemade enriquecimientoparaarranqueenffio
•Carburadorypartesinternas
•Bombadecombustible
b. Sistemade inducci6ndeaire
•Filtrodeaire
•Colectorde admision
c. Sistemadeencendido
•Bujia(s)deencendido
•Sistemadeencendidomagneto
d. Sistemadelcatalizador
•Convertidorcatalitko
•Colectorde escape
•Sistemade inyecciondeaireo v_lvulade impulsos
e. Elementosvariadosusadosen lossistemasanteriores
•V;ilvulasdevacJo,sensiblesa temperatura,posicionytiempo e interruptores
•Conectoresymontajes
2. Alcancede lacobertura
Searsgarantizaal poseedorinicialya loscompradoressubsiguientesquelaspiezascon
garantianotendr;indefectosen matefialesni manodeobraqueprovoquenlafallade las
mismasduranteun periododedosa_osa partir dela fechaen queelmotor seentregaa
un compradorparticular.
Sincargo
Lareparationo reemplazodecualquierpartecongarantiaserealizar;_sincargoalguno
parael poseedor,incluyendotareasdediagn6sticoque permitandeterminarsi unaparte
congarantiaesdefectuosa,siemprequedichodiagn6sticoserealiceenun distribuidor
de serviciosSearsautorizado.Paraelservidode lagarantiadeemisiones,contacteal
distribuidordeservidosSearsautorizadom;_scercanoincluidoen las"P_ginasamarillas"
en lascategofias"Motores,gasolina","Motoresde gasolina","Podadorasdec_sped",o
similares.
4. Reclamadonesy exclusionesala cobertura
Lasreclamacionesdelagarantiadebenenviarsedeacuerdoconlasdisposicionesde [a
politka degarantiaparamotoresSears.Lacoberturadela garantiaexcluk;_defectos
en piezascongarantiaqueno seanpartesofiginalesSears,oabuso,negligendao
mantenimientoincorrecto,tal y comoseestableceenla politka degarantiaparamotores
Sears.Searsnoesresponsablede lasfallasen piezascongarantiaprovocadasporel uso
de partesaffadidas,que noseanodginalesoquesehayanmodificado.
5. Mantenimiento
Cualquierpartecongarantiaqueno est_programadaparaserreemplazadacomo
mantenimientorequefido,o ques61odebainspecdonarseregularmenteal efectode
"inspecdoneo reemplacesegunseanecesado",estar;_garantizadacontradefectos
duranteel pefiododelagarantia.Todaslaspiezasgarantizadasqueest_nprogramadas
parasureemplazoparacumplkconlosrequisitosdemantenimientoestar;_n
garantizadass6loporelperiodoanterioral primerreemplazoprogramadoparadicha
pieza.Cualquierpiezade recambioqueseaequivalenteenfundonamientoy durabilidad
puedeusarsepararealizarmantenimientoo reparadones.Elpropietadoesresponsable
de realizartodoel mantenimientorequefido,tal ycomosedefine enlas instruccionesde
fundonamientoymantenimientoSears
6. Coberturaindkecta
Porla presente,la coberturaseextiendea lafalladecualquiercomponentedemotor
provocadaporlafalla de unapiezacongarantiaqueest_todaviaenperiodode garantia.
EnlosEstadosUnidosyCana&ihayunalineadeatenci6nde 24horas,1-800-469--4663,quecuentaconunmenticonmensajespre-grabadosquecontieneninformaci6nparael
mantenimientodemotores.
52
GDOC-100188Rev.B

Felicitacionespor haberrealizadouna adquisicidninteligente.EIproductoCraftsman®que haadquiridoestddise#adoy fabricado
parabrindarmuchosa#osde funcionamientoconfiable.Perocomotodoslosproductosa vecespuederequerirde reparaciones.Es
en esemomento cuandoeldisponerde un Acuerdodeproteccidnpara reparacioneslepuede ahorrardineroy problemas.
Acontinuad6nsedetailanlospuntosinduidosenel Acuerdo:
[] Servido expertoprestadopornuestros10,000espedalistasenreparadonesprofesionales
[] Servido Uimitado sincargo paralaspiezasy lamanodeobraentodaslasreparadonescubiertas
[] Reemplazodel producto hasta1500d6laressinoesposiblerepararelproductocubierto
[] Descuentode 25%delpredonormaldelservkioy delaspiezasreladonadasconelmismoquenoest_ncubiertaspor
elacuerdo;adem_s,25%delpredonormaldelavefificaci6ndemantenimientopreventivo
[] Ayudar_pidapot tei_fono- IoIlamamosResolud6nR_pida- elapoyotelef6nicodeun Chamuscaal representante.
Pienseennosotroscomoelmanual"deundueffohablador."
UnavezadquiridoelAcuerdo,puedeprogramarelservidocontan s61orealizarunaIlamadatelef6nica.PuedeIlamaren
cualquiermomentodeldfao dela nocheoprogramarunservk[oen Ifnea.
ElAcuerdodeProtecd6ndeReparad6nesunacomprasinfiesgo.Siustedanulaporalgunaraz6nduranteelpeffodode
garantfadeproducto,propordonaremosunreembolsoIleno.O,unreembolsoprorrateadoencualquiermomentodespu_s
delpeffododegarantfadeproductoexpira,iAdquierahoysuacuerdodeprotecd6nparareparadones[
Seaplican determinadas iimitacionesy exclusiones.Paraobtener informaci6nadicionai y preciosen los
EstadosUnidosiiameai 1-800-827-6655.
El*Coverageen Canad_variaen algunosartkulos. Paradetalles llenos la llamada ChamuscaCanad_en 1-800-
361-6665.
Servidode instalad6ndeSears
Sideseasolidtarlainstalad6nprofesionaldeSearsdeaparatosdom_sticos,dispositivosparaabfirportones,calentadoresde
aguay otrosartkulosdom_sticosimportantes,enlosEstadosUnidoso Canad_Ilameal1-800-4-MY-HOME®.
53

54

55

Your Home
For troubleshooting, product manuals and expert advice:
managernylife
www.managemylife.com
For repair - in your home - of all major brand appliances,
lawn and garden equipment, or heating and cooling systems,
no matter who made it, no matter who sold it!
For the replacement parts, accessories and
owner's manuals that you need to do-it-yourself.
For Sears professional installation of home appliances
and items like garage door openers and water heaters.
1-800-4-MY-HOME ®(1-800-469-4663)
Call anytime, day or night (U.S.A. and Canada)
www.sears.com www.sears.ca
Our Home
For repair of carry-in items like vacuums, lawn equipment,
and electronics, call anytime for the location of your nearest
Sears Parts & Repair Service Center
1-800-488-1222 (U.S.A.) 1-800-469-4663 (Canada)
www.sears.com www.sears.ca
To purchase a protection agreement on a product serviced by Sears:
1-800-827-6655 (U.S.A.) 1-800-361-6665 (Canada)
Para pedir servicio de reparaci6n
a domicilio, y para ordenar piezas:
1-888-SU-HOGAR ®
(1-888-784-6427)
www.sears.com
Au Canada pour service en frangais:
1-800-LE-FOYER Mc
(1-800-533-6937)
www.sears.ca
® Registered Trademark /TMTrademark of KCD IP, LLC in the United States, or Sears Brands, LLC in other countries
® Marca Registrada !TMMarca de Fabrica de KCD IP, LLC en Estados Unidos, o Sears Brands, LLC in otros paises
MCMarque de commerce !MDMarque deposee de Sears Brands, LLC