Craftsman 247881700 User Manual SNOW THROWER Manuals And Guides 1207239L
User Manual: Craftsman 247881700 247881700 CRAFTSMAN SNOW THROWER - Manuals and Guides View the owners manual for your CRAFTSMAN SNOW THROWER #247881700. Home:Lawn & Garden Parts:Craftsman Parts:Craftsman SNOW THROWER Manual
Open the PDF directly: View PDF
.
Page Count: 68

perator_s nual
I:RRFrgMRN°
Electric Start
-INCH SNOW THROWER
Model No. 247.881700
CAUTION: Before using this product,
read this manual and follow all safety
rules and operating instructions.
,, SAFETY
o ASSEMBLY
OPERATION
MAINTENANCE
PARTS LIST
o ESPANOL
Sears Brands Management Corporation, Hoffman Estates, IL 60179, U.S.A.
Visit our website: www.craftsman.corn FormNo.769-08167
(May21,2012)

WarrantyStatement.................... Page2
SafeOperation Practices ................ Page 3
Assembly ............................ Page 7
Operation ........................... Page 11
Maintenance & Service ................. Page 15
Off-Season Storage ................... Page 20
Troubleshooting ...................... Page 21
Parts List ............................ Page 22
Repair Protection Agreement ............ Page 43
Espa_ol ............................. Page 44
Contact Numbers .................. Back Cover
CRAFTSMANTWOYEAR FULLWARRANTY
FORTWOYEARSfromthe dateof purchase,this productis warrantedagainstanydefectsin materialor workmanship.A defective
productwill receivefree repairor replacementif repairis unavailable.
Forwarranty coverage details to obtain free repairor replacement,visitthe web site: www.craftsman.com
This warranty coversONLYdefects in material andworkmanship. Warranty coverage does NOTinclude:
• Expendableitemsthatcan wearoutfromnormalusewithinthe warrantyperiod,includingbut not limitedto augers,augerpaddles,
driftcutters,skidshoes,shaveplate,shearpins,sparkplug,aircleaner,belts,andoilfilter.
•Standardmaintenanceservicing,oilchanges,or tune-ups.
Tire replacementor repaircausedby puncturesfromoutsideobjects,suchas nails,thorns,stumps,or glass.
Tireor wheelreplacementor repairresultingfromnormalwear,accident,or improperoperationor maintenance.
Repairsnecessarybecauseof operatorabuse,includingbutnot limitedto damagecausedby over-speedingthe engine,or from
impactingobjectsthat bendthe frame,augershaft,etc.
•Repairsnecessarybecauseof operatornegligence,includingbutnot limitedto,electricalandmechanicaldamagecausedby
improperstorage,failureto usethe propergradeandamountof engineoil, or failureto maintainthe equipmentaccordingto the
instructionscontainedinthe operator'smanual.
•Engine(fuel system)cleaningor repairscausedbyfuel determinedto becontaminatedor oxidized(stale).In general,fuel shouldbe
usedwithin30 daysof itspurchasedate.
Normaldeteriorationandwearof the exteriorfinishes,or productlabelreplacement.
Thiswarrantyis void if thisproductis ever usedwhileprovidingcommercialservicesor if rentedto anotherperson.
Thiswarrantygivesyou specificlegalrights,andyou mayalso haveotherrightswhichvaryfromstateto state.
Sears Brands ManagementCorporation, Hoffman Estates, IL 60179
EngineOilType: 5W-30
EngineOilCapacity: 20ounces
FuelCapacity: 2.3Quarts
SparkPlug: F6RTC(F6TC)
SparkPlugGap: .020"to .030"
ModelNumber.................................................................
Serial Number .................................................................
Dateof Purchase.............................................................
Recordthe modelnumber,serialnumber
anddateof purchaseabove
© SearsBrands,LLC
2

Thissymbolpointsout importantsafetyinstructionswhich,if not
followed,couldendangerthepersonalsafetyand/orpropertyof
yourselfandothers. Readandfollowall instructionsin thismanual
beforeattemptingto operatethismachine.Failureto complywith
theseinstructionsmayresultin personalinjury.Whenyou seethis
symbol,HEEDITSWARNING!
CALIFORNIA PROPOSITION 65
EngineExhaust,someof itsconstituents,andcertainvehicle
componentscontainoremitchemicalsknownto Stateof California
to causecancerandbirthdefectsorotherreproductiveharm,
Thismachinewasbuiltto beoperatedaccordingto the safeopera-
tion practicesinthis manual.As withanytypeof powerequipment,
carelessnessorerroron the partof the operatorcan resultin serious
injury.Thismachineis capableof amputatingfingers,hands,toes
andfeetandthrowingdebris.Failureto observethe followingsafety
instructionscouldresultin seriousinjuryor death.
Your Responsibility--Restrict the useof thispowermachineto
personswho read,understandandfollowthewarningsand instruc-
tionsin thismanualandon the machine.
SAVE THESE INSTRUCTIONS!
TRAiNiNG
•Read,understand,andfollowall instructionson the machineand
in themanual(s)beforeattemptingto assembleandoperate.
Failureto do socan resultinseriousinjuryto the operatorand/
orbystanders.Keepthismanualin a safeplaceforfutureand
regularreferenceandfor orderingreplacementparts.
• Befamiliarwithall controlsandtheir properoperation.Knowhow
to stopthe machineanddisengagethemquickly.
• Neverallowchildrenunder14yearsof ageto operatethis
machine.Children14andover shouldreadandunderstandthe
instructionsandsafeoperationpracticesin thismanualandon
the machineandbe trainedandsupervisedby anadult.
Neverallowadultsto operatethis machinewithoutproper
instruction.
• Thrownobjectscan causeseriouspersonalinjury.Planyour
snow-throwingpatternto avoiddischargeof materialtoward
roads,bystandersandthe like.
Keepbystanders,petsandchildrenat least75feetfromthe
machinewhile it is in operation.Stopmachineif anyoneenters
the area.
• Exercisecautionto avoidslippingor falling,especiallywhen
operatingin reverse.
PREPARATION
Thoroughlyinspecttheareawherethe equipmentisto beused.
Removeall doormats,newspapers,sleds,boards,wiresandother
foreignobjects,whichcouldbe trippedoverorthrownby the auger/
impeller.
• Alwayswear safetyglassesor eyeshieldsduringoperationand
while performingan adjustmentor repairto protectyoureyes.
Thrownobjectswhichricochetcancauseseriousinjuryto the
eyes.
Donot operatewithoutwearingadequatewinteroutergarments.
Donot wearjewelry,longscarvesorotherlooseclothing,which
could becomeentangledin movingparts.Wearfootwearwhich
will improvefootingonslipperysurfaces.
Usea groundedthree-wireextensioncordand receptaclefor all
machineswithelectricstartengines.
Disengageall controlleversbeforestartingthe engine.
Adjustcollectorhousingheightto cleargravelorcrushedrock
surfaces.
• Neverattemptto makeanyadjustmentswhileengineis running,
exceptwherespecificallyrecommendedinthe operator'smanual.
Letengineandmachineadjustto outdoortemperaturebefore
startingto clearsnow.
3

Safe Handling of Gasoline
Toavoidpersonalinjuryor propertydamageuseextremecare in
handlinggasoline.Gasolineis extremelyflammableandthe vaporsare
explosive.Seriouspersonalinjurycan occurwhengasolineis spilled
onyourselfor yourclotheswhichcan ignite. Washyour skinand
changeclothesimmediately.
• Useonlyan approvedgasolinecontainer.
• Extinguishallcigarettes,cigars,pipesandother sourcesof
ignition.
• Neverfuel machineindoors.
• Neverremovegas capor addfuel whilethe engineis hot or
running.
• Allowengineto coolat leasttwo minutesbeforerefueling.
• Neveroverfill fueltank. Fill tankto nomorethan1/2inchbelow
bottomof filler neckto providespaceforfuel expansion.
• Replacegasolinecapandtightensecurely.
• Ifgasolineis spilled,wipe it off theengineandequipment.Move
machineto anotherarea.Wait5 minutesbeforestartingthe
engine.
• Neverstorethe machineorfuel containerinsidewherethereis an
openflame,sparkor pilotlight(e.g.furnace,waterheater,space
heater,clothesdryeretc.).
• Allowmachineto cool at least5 minutesbeforestoring.
• Neverfill containersinsidea vehicleor ona truckor trailerbed
witha plasticliner.Alwaysplacecontainersonthe groundaway
fromyour vehiclebeforefilling.
• If possible,removegas-poweredequipmentfromthe truckor
trailerandrefuelit onthe ground.Ifthis is not possible,then refuel
suchequipmenton a trailerwitha portablecontainer,ratherthan
froma gasolinedispensernozzle.
• Keepthe nozzlein contactwiththe rimof the fuel tankor
containeropeningat alltimes untilfuelingis complete.Do not use
a nozzlelock-opendevice.
OPERATION
•Do not puthandsorfeetnear rotatingparts,in the auger/impeller
housingor chuteassembly.Contactwiththe rotatingpartscan
amputatehandsandfeet.
• Theauger/impellercontrolleveris a safetydevice.Neverbypass
itsoperation.Doingso makesthe machineunsafeandmaycause
personalinjury.
• Thecontrolleversmustoperateeasilyin bothdirectionsand
automaticallyreturnto the disengagedpositionwhenreleased.
• Neveroperatewitha missingor damagedchuteassembly.Keep
all safetydevicesin placeandworking.
• Neverrunanengineindoorsor ina poorlyventilatedarea. Engine
exhaustcontainscarbonmonoxide,anodorlessanddeadlygas.
• Do notoperatemachinewhileunderthe influenceof alcoholor
drugs.
• Mufflerandenginebecomehotandcan causea burn.Do not
touch.Keepchildrenaway.
• Exerciseextremecautionwhenoperatingon orcrossinggravel
surfaces.Stayalertfor hiddenhazardsor traffic.
Exercisecautionwhenchangingdirectionandwhileoperatingon
slopes.Do notoperateon steepslopes.
Planyoursnow-throwingpatternto avoiddischargetowards
windows,walls,carsetc. Thus,avoidingpossibleproperty
damageor personalinjurycausedby a ricochet.
Neverdirectdischargeat children,bystandersand petsor allow
anyoneinfrontof the machine.
Donot overloadmachinecapacityby attemptingto clearsnowat
too fastof a rate.
Neveroperatethis machinewithoutgoodvisibilityorlight.Always
be sureof yourfootingand keepa firmholdon the handles.Walk,
neverrun.
Disengagepowerto theauger/impellerwhentransportingor not
in use.
Neveroperatemachineat hightransportspeedson slippery
surfaces.Lookdownand behindand usecarewhenbackingup.
Ifthe machineshouldstart to vibrateabnormally,stopthe engine,
disconnectthe sparkplugwire andgroundit againstthe engine.
Inspectthoroughlyfor damage.Repairanydamagebefore
startingandoperating.
Disengageall controlleversandstopenginebeforeyouleave
the operatingposition(behindthe handles).Waituntilthe auger/
impellercomesto a completestopbeforeuncloggingthechute
assembly,makingany adjustments,or inspections.
Neverput yourhandinthe dischargeor collectoropenings.Do
not unclogchuteassemblywhileengineis running.Shutoff
engineand remainbehindhandlesuntilall movingpartshave
stoppedbeforeunclogging.
Useonly attachmentsandaccessoriesapprovedby the manufac-
turer (e.g.wheelweights,tire chains,cabsetc.). Forinformation
concerningtheseitems,call 1-800-469-4663.
Whenstartingengine,pullcord slowlyuntilresistanceis felt, then
pull rapidly.Rapidretractionof startercord(kickback)will pull
handandarmtowardenginefasterthan youcan let go. Broken
bones,fractures,bruisesor sprainscould result.
Ifsituationsoccurwhichare notcoveredinthis manual,use care
andgoodjudgment.
Toorderpartsor scheduleservicefor thisproduct,call 1-800-
469-4663.
CLEARING ACLOGGED DISCHARGE CHUTE
Handcontactwiththe rotatingimpellerinsidethe dischargechute
is the mostcommoncauseof injuryassociatedwithsnowthrowers.
Neveruse yourhandto cleanout thedischargechute.
Toclear thechute:
1. SHUTTHEENGINEOFF!
2. Wait 10secondsto be surethe impellerbladeshavestopped
rotating.
3. Alwaysusea clean-outtool,not yourhands.
4

MAINTENANCE & STORAGE
•Nevertamperwithsafetydevices.Checktheirproperoperation
regularly.Referto the maintenanceandadjustmentsectionsof
thismanual.
• Beforecleaning,repairing,or inspectingmachinedisengageall
controlleversandstopthe engine.Waituntilthe auger/impeller
cometo a completestop.Disconnectthe sparkplugwireand
groundagainsttheengineto preventunintendedstarting.
Checkboltsand screwsfor propertightnessat frequentintervals
to keepthe machineinsafeworkingcondition.Also,visually
inspectmachinefor anydamage.
Do notchangetheenginegovernorsettingor over-speedthe
engine.Thegovernorcontrolsthe maximumsafeoperatingspeed
of the engine.
Snowthrowershaveplatesand skidshoesaresubjectto wear
anddamage.Foryoursafetyprotection,frequentlycheckall
componentsand replacewithoriginalequipmentmanufacturer's
(OEM)partsonlyas listedinthe Partspagesof thisoperator's
manual.Useof partswhichdonot meetthe originalequipment
specificationsmayleadto improperperformanceandcompro-
misesafety!
Checkcontrolleversperiodicallyto verifytheyengageanddisen-
gageproperlyandadjust,if necessary.Referto the adjustment
sectioninthisoperator'smanualfor instructions.
Maintainor replacesafetyandinstructionlabels,as necessary.
Observeproperdisposallawsand regulationsfor gas,oil,etc. to
protectthe environment.
Priorto storing,runmachinea few minutestoclear snowfrom
machineand preventfreezeupof auger/impeller.
Neverstorethe machineorfuel containerinsidewherethereisan
openflame,sparkorpilot lightsuchas a waterheater,furnace,
clothesdryer etc.
Alwaysreferto the operator'smanualfor properinstructionson
off-seasonstorage.
Checkfuelline,tank, cap,andfittingsfrequentlyfor cracksor
leaks.Replaceif necessary.
Do notcrankenginewithsparkplugremoved.
Accordingto the ConsumerProductsSafetyCommission(CPSC)
andthe U.S.EnvironmentalProtectionAgency(EPA),thisproduct
hasan AverageUsefulLifeof seven(7)years,or 60 hoursof
operation.At the endof theAverageUsefulLifehavethe machine
inspectedannuallybyan authorizedservicedealerto ensurethat
allmechanicalandsafetysystemsareworkingproperlyand not
wornexcessively.Failureto do so can resultinaccidents,injuries
ordeath.
DO NOT MODIFY ENGINE
Toavoidseriousinjuryor death,do not modifyengineinany way.
Tamperingwiththe governorsettingcanleadto a runawayengineand
causeit to operateat unsafespeeds.Nevertamperwithfactorysetting
of enginegovernor.
NOTICE REGARDING EMiSSiONS
EngineswhicharecertifiedtocomplywithCaliforniaandfederal
EPAemissionregulationsfor SORE(SmallOff RoadEquipment)are
certifiedto operateon regularunleadedgasoline,and mayinclude
the followingemissioncontrolsystems:EngineModification(EM),
OxidizingCatalyst(OC),SecondaryAirInjection(SAI)and ThreeWay
Catalyst(TWO)if so equipped.
SPARK ARRESTOR
Thismachineisequippedwithaninternalcombustionengineand
shouldnotbe usedonor nearany unimprovedforest-covered,
brush-coveredorgrass-coveredlandunlessthe engine'sexhaust
systemisequippedwitha sparkarrestormeetingapplicablelocalor
statelaws(if any)
Ifa sparkarrestoris used,it shouldbe maintainedin effectiveworking
orderby theoperator.Inthe Stateof Californiathe aboveis required
bylaw (Section4442of the CaliforniaPublicResourcesCode).Other
statesmayhavesimilarlaws. Federallawsapplyonfederallands.
A sparkarrestorfor the muffleris availablethroughyournearestSears
PartsandRepairServiceCenter.

SAFETY SYMBOLS
Thispagedepictsanddescribessafetysymbolsthatmayappearonthisproduct. Read,understand,andfollowall instructionson the machine
beforeattemptingto assembleandoperate.
. +
ii
"JIp
READ THE OPERATOR'S MANUAL(S)
Read, understand, and follow all instructions in the manual(s) before attempting to assemble and
operate
WARNING-- ROTATING BLADES
Keep hands out of inlet and discharge openings while machine is running. There are rotating blades
inside
WARNING-- ROTATING BLADES
Keep hands out of inlet and discharge openings while machine is running. There are rotating blades
inside
WARNING-- ROTATING AUGER
Do not put hands or feet near rotating parts, in the auger/impeller housing or chute assembly.
Contact with the rotating parts can amputate hands and feet.
WARNING--THROWN OBJECTS
This machine may pick up and throw objects which can cause serious personal injury.
WARNING--GASOLINE IS FLAMMABLE
Allow the engine to cool at least two minutes before refueling.
WARNING-- CARBON MONOXIDE
Never run an engine indoors or in a poorly ventilated area. Engine exhaust contains carbon
monoxide, an odorless and deadly gas+
WARNING-- ELECTRICAL SHOCK
Do not use the engine's electric starter in the rain
6

iMPORTANT:Thisunitis shippedwiththeenginefullof oil. After
assembly,see page10for fuel andoildetails.
Removing From Carton
1. Cutthe cornersof thecartonandlay the sidesflaton the ground.
Removeall packinginserts.
2. Movethe snowthrowerout of thecarton.
3. Makecertainthe cartonhas beencompletelyemptiedbefore
discardingit.
DO NOT liftthe snowthrower bythechute handle.
Before Assembly
NOTE: Referenceto right,left, frontor rearof the unit isfromthe
operatingposition,facingforward,unlessotherwisestated.
Setting Up The Handle
NOTE: Beawareof the three looselyfitted cabletiesattachedto the
lowerhandlethatwill beutilizedlaterto securethe cables.
1. Loosenand removethe wingknob,saddlewasher,handletaband
carriagescrewoneach sideof the lowerhandle.SeeFigure1.
2. Slidethe looselyfitted cabletie fromthe rightsideof the lower
handleupto thecross memberof the lowerhandle.Leavethe
secondcabletie inplaceonthe rightsideof the lowerhandle.See
Figure3 for reference.
iMPORTANT: itwill benecessaryto liftthe upperhandlewhile
slidingupthiscabletie to preventdamageto the cable.
3. Liftthe upperhandleupandpositionit overthelowerhandle,
aligningthe holeswherethe wingknobswereremoved(1).See
Figure2.
Becarefulnot to bendor kinkthe cables.
4. Inserta carriagescrewfromthe outsidethrougha handletab,the
upperand lowerhandles,a saddlewasherandintothe wing knob
(2). Repeatonthe otherside.
5. Tightenthewing knobsoneach sideof the handle.Referto Figure
2.
NOTE:The augercable routesdownthe left lowerhandleandthe
drivecableis routedacrossthe top of the lowerhandleanddownthe
rightside of the lowerhandle.SeeFigure3.
6. Twocabletieshavebeenusedto looselytie the controlcablesto
the lowerhandle.A pushclip is alsoincludedon the lowerdrive
cable.Positioncabletiesnow,as inFig.3, andtightento secure
cablesto the lowerhandle.Trimoff excessmaterialof cableties.
Installthe pushclip intothe holeinthe handleprovidedas shownin
the leftinsetinFigure3.
Figure 1
Figure 2
Drive Cable
/
Auger Cable
Push Cli
Figure 3
7

Skid Shoe
Thesnowthrowerskidshoesareadjustedupwardat thefactory
for shippingpurposes.Adjustthemdownward,if desired,priorto
operatingthe snowthrower.
It isnot recommendedthatyouoperatethis snowthrowerongravel
as itcan easilypickup andthrowloosegravel,causingpersonal
injuryordamageto the snowthrowerand surroundingproperty.
• Forclosesnowremovalona smoothsurface,raiseskidshoes
higheronthe augerhousingto lowershaveplate.
• Whentheareato beclearedis uneven,suchas a graveldriveway,
lowerskidshoeson theaugerhousingto raisethe shaveplate.
NOTE: Ifyou chooseto operatethe snowthrowerona gravelsurface,
keepthe skidshoesin lowestpositionfor maximumclearance
betweenthe groundandthe shaveplate.
Operatinga snowthrowerequippedwithsteelskidshoesmay
resultindamageto naturalstonepavedsurfaces(e.g.sandstone,
bluestone,limestone).For informationonavailablepolymerskid
shoes,call 1-800-4MY-HOME.
Clean-Out Tool
Thechuteclean-outtoolisfastenedto thetopoftheaugerhousingwitha
mountingclipandacabletieat thefactory.Cutthecabletiebeforeoperating
thesnowthrower.SeeFigure5.
ChuteClean-outTool
Figure 5
To adjust the skid shoes:
1. Loosenthe fourhex nuts(twooneach side)andcarriagebolts.
Moveskidshoesto desiredposition.See Figure4.
/
/
//
0! i
Tire Pressure
The properinflationpressureis between15psiand20psi.Checkthe tire
pressureperiodicallyandmaintainequalpressurein bothtiresat all
times.Excessivepressure(above20 psi)maycausethe wheel(tire/
rim)assemblyto burstwithsufficientforceto causeseriousinjury.Do
notover-inflatethe tire.Usea manualpumpor portableelectrictire
inflatorto preventover-inflation.NEVERUSEANAIRCOMPRESSOR.
Over-inflatingthe tirewithexcessivepressure(above20psi) may
causethe tire/rimto burstwithsufficientforceto causeseriousinjury.
Figure 4
2. Makecertaintheentirebottomsurfaceof skidshoeisagainstthe
groundto avoidunevenwearonthe skidshoes.
3. Retightennutsandboltssecurely.
Shear Pins
A pairof replacementaugershearpinsandbow
tie cotterpinsare includedwithyoursnowthrower.
Storethemina safeplaceuntilneeded.
8

Fuel Recommendations
Useautomotivegasoline(unleadedor low leadedto minimizecombus-
tionchamberdeposits)witha minimumof 87octane.Gasolinewith
upto 10%ethanolor 15%MTBE(MethylTertiaryButylEther)canbe
used.Neveruseanoil/gasolinemixtureor dirtygasoline.Avoidgetting
dirt,dust,or waterinthefuel tank. DO NOTuse E85gasoline.
*Refuelin awell-ventilatedareawiththe enginestopped.Donot
smokeor allowflamesorsparksinthe areawheretheengineis
refueledor wheregasolineisstored.
*Do notoverfillthe fuel tank.Afterrefueling,makesurethe tank
cap is closedproperlyandsecurely.
*Becarefulnot to spillfuel when refueling.Spilledfuelor fuelvapor
mayignite.Ifany fuel isspilled,makesurethe areaisdry before
startingtheengine.
*Avoidrepeatedor prolongedcontactwithskinor breathingof
vapor.
Adding Fuel
Useextremecarewhenhandlinggasoline.Gasolineis extremely
flammableandthe vaporsareexplosive.Neverfuel the machine
indoorsorwhile the engineishotor running.Extinguishcigarettes,
cigars,pipesandother sourcesof ignition.
Alwayskeephandsandfeetclear of equipmentmovingparts.Do not
usea pressurizedstartingfluid.Vaporsareflammable.
1. Cleanaroundfuel fill beforeremovingcap to fuel.
2. A fuel levelindicatoris located inthefuel tank. Filltankuntil fuel
reachesthe fuellevel indictor,Figure6. Be carefulnotto overfill.
FuelLevelIndicator
TopView
Checking Oil Level
The engineis shippedwithoil in theengine.Youmust,however,
checkthe oil levelpriorto operatingthe snowthrower.Runningthe
enginewithinsufficientoil cancauseseriousenginedamageand
void theenginewarranty.
NOTE: Be suretocheckthe engineon a levelsurfacewiththe engine
stopped.
1. Removetheoil filler cap/dipstickand wipethe dipstickclean.See
Figure7.
f-
)
_,., J
Figure7
2. Insertthe cap/dipstickinto the oilfillerneck,turn thecap 1/4turnuntil
fully seated.
NOTE:On someengines,a threadedcap/dipstickmayexist insteadof
a 1/4turncap as describedabove.In this instancedo notfullytighten
the capto checktheoil level.Simplyrestthe capon the threadsto
checkfor properoil level.
3. Removetheoil filler cap/dipstick.Ifthe levelis low,slowlyadd oiluntil
oil levelregistersbetweenhigh(H) andlow(L), Figure7. Referto the
EngineMaintenancesectionfor correctoil viscosityandengineoil
capacity.
NOTE:Do notoverfill.Overfillingwith oil mayresult in enginesmoking,
hardstartingor sparkplugfouling.
4. Replaceandtightencap/dipstickfirmly beforestartingengine.
Figure6
9

Discharge Chute
1. Loosenthe wingknobon the upperchute,adjustchuteand chute
controlto desiredoperatingposition.
2. Tightenthewing knobonthe upperchutemakingsurethe carriage
bolt iscorrectlypositioned.Referto Figure8.
Auger Control Test
iMPORTANT:Performthefollowingtest beforeoperatingthesnow
throwerfor the firsttimeandat the startof eachwinterseason.
Checkthe adjustmentof theaugercontrolas follows:
1. Whenaugercontrolisreleasedandinthe disengaged"up" posi-
tion,cable shouldhaveverylittleslack,but shouldNOTbetight.
Figure8
J
Donot over-tightenthe cable.Over-tighteningmaypreventthe auger
fromdisengagingandcompromisethe safetyof the snowthrower.
2. Ina well-ventilatedarea,startthe snowthrowerengineas
instructedon page10underthe headingStartingEngine.Make
thethrottleisset inthe FAST
sure position.
3. Whilestandingin operator'sposition(behindunit) engageauger.
4. Allowaugerto remainengagedforapproximatelyten (10)
secondsbeforereleasingthe augercontrol.Repeatthis several
times.
5. Withthe enginerunninginthe FAST_ positionand theauger
controlinthe disengaged"up"position,walkto the frontof the
machine.
6. Confirmthatthe augerhascompletelystoppedrotatingand
showsNO signsof motion
7. ifthe augershowsANYsignsof rotating,immediatelyreturnto
the operator'spositionandshutoffthe engine.Waitfor allmoving
partsto stopbeforereadjustingthe augercontrol.
8. Loosenthe rearhexbolton the cableadjustmentbracket. See
Figure9.
fAdjustment "
Bracket
Auger Housing
Screws
Figure 9
9. Slidethe cableadjustmentbracketbackwardstakingup the slack
inthe augercable.
10. Retightenthe rearhexbolt
11. Repeatsteps2-6aboveto verifyproperadjustmenthas been
achieved.
10

Upper Handle
Drive
AugerControl Control
UpperChute
Chute Assembl
Clean-out Tool
Auger Shave Plate Chute Knob
_- Skid Shoe
FuelCap RecoilStarter
Handle
Oil Drain Electric StarterOutlet
Befamiliarwith allthe controlson the snowthrowerandtheir properoperation.Knowhowto stopthe machineanddisengagethemquickly.
Snowthrowercontrolsandfeaturesare describedbelowandillustrated
in thefigureabove.
Drive Control
Locatedon the undersideof theupperhandle,the drivecontrolis used
to engage/disengagewheels.Squeezethe drivecontrolagainstthe
upperhandleto engagethe wheels;releaseto disengage.
Auger Control
Theaugercontrolis on thefrontthe upperhandle.Squeezethe auger
controlagainstthe upperhandleto engagethe auger;releaseto
disengagethe auger.
Nevermakeadjustmentstothechuteassemblyunlessbothaugerand
drivecontrolsaredisengagedandtheoperatoris standingbesidetheunit.
IMPORTANT:Referto AugerControlTestinthe Assemblysectionof
thismanualpriorto operatingyoursnowthrower.Readandfollowall
instructionscarefullyandperformall adjustmentsto verify yoursnow
throweris operatingsafelyandproperly.
Chute Handle
The directionof snowthrowingcorrespondsto the directionof the
chuteopening.Usethechutehandleto turn thechuteassemblyinthe
directionyouwishto throw the snow.
Chute Knob
The distancesnowisthrowncanbe adjustedbyeitherraisingor
loweringthe upperchute. Loosenthe chuteknobonthe side of the
upperchuteto adjust.Pivotthe upperchuteto desiredposition,and
retightenthechuteknob.Raisingthe chutethrowsthe snowfurther.
Shave Plate
The shaveplatemaintainscontactwithpavementas the snow
throweris propelled,allowingsnowcloseto pavement'ssurfaceto be
discharged.
Skid Shoe
The spacebetweenthe shaveplateandthegroundcan be adjusted.
Forclosesnowremoval,placeskidshoesin the highestposition.Use
middleor lowestpositionwhenareato beclearedis unevenor on
gravelsurfaces.
11

Auger
Whenengaged,the augerrotatesanddrawssnowintothe auger
housing.
Chute Assembly
Snowdrawnintothe augerhousingis dischargedout the chute
assembly.
Choke Control
Thechokecontrolaidsinstartingtheengine.For
informationonchokeusage,seeStartingThe
Enginelaterinthis section.
Recoil Starter &Starter Handle
Thismotoris fittedwitha recoilactionpullstart and
a mittengrip handlefor easyaccesswhile wearingglovesor mittens.
Key
The keyis a safetydevice.It mustbefully inserted
inorderfor the engineto start.Removethe key
whenthe snowthroweris not in use.
NOTE:Do notturn the keyinanattemptto start
theengine.Doingso maycauseit to break.
Electric Starter Button
Pressingthe electricstarterbuttonengagesthe engine'selectric
starterwhenpluggedintoa 120Vpowersource.
Clean=Out Tool
Neveruseyour handsto clear acloggedchuteassembly.Shutoff
engineandremainbehindhandlesuntilall movingpartshavestopped
beforeusingthe clean-outtoolto clear thechuteassembly.
The chuteclean-outtool is convenientlyfastenedto the rearof the
augerhousingwitha mountingclip.Shouldsnowandice become
I j _ lodgedinthe chuteassemblyduringoperation,proceedas followsto
Isafelycleanthe chuteassemblyand chuteopening:
1. Releaseboththe AugerControlandthe DriveControl.
2. Stopthe engineby removingthe key.
3. Removethe clean-outtool fromtheclip whichsecuresit to the
rearof the augerhousing.
4. Usethe shovel-shapedendof the clean-outtool to dislodgeand
scoopany snowandice whichhas formedinand nearthe chute
(_ assembly.
| 5. Refastenthe clean-outtoolto the mountingclipon the rearof
the augerhousing,reinsertthe keyandstartthe snowthrower's
engine.
0 6. Whilestandinginthe operator'sposition(behindthe snow
thrower),engagethe augercontrolfor a fewsecondsto clearany
remainingsnowand icefromthe chuteassembly.
Before Starting Engine
Electric Starter Outlet
Requiresthe useof a three-prongoutdoorextensioncord(included)
anda 120Vpowersource/walloutlet.
Primer
Pressingthe primerforcesfuel directlyinto
engine'scarburetorto aid incold-weatherstarting.
Referto the startinginstructionsinthe Operation
sectionof this manualfor properprimerusage.The
imageto the rightcorrespondswiththe labelon the
engineidentifyingthe primer.
Oil Fill
Removeoil cap to addoil. Referto the Maintenance& Servicesection
for checkingandaddingoil instructions.
Gasoline Cap
Removegas cap to addfuel.Unitrunson regulargas.
NOTE:Thisunit mayincludea fuel plug,whichis only usedduring
assemblyto keepdirt anddebrisout of fuel tank. Discardthefuel plug
beforefillingthe fuel tank.
Throttle Control
Read,understand,andfollowall instructionsand warningsonthe
machineandinthis manualbeforeoperating.
Check Engine Oil
The unitwasshippedwithoil in the engine.Checkoil levelbeforeeach
operationto ensureadequateoil inthe engine.Forfurtherinstructions,
referto the Maintenance& Servicesectionof this manual.
NOTE: Besureto checkthe engineona levelsurfacewiththeengine
stopped.
1. Removethe oilfiller cap/dipstickandwipe thedipstickclean.
2. Insertthe cap/dipstickintothe oil fillerneck,turnthe cap 1/4turn
until fullyseated.
.
NOTE: Onsomeengines,a threadedcap/dipstickmayexist
insteadof a 1/4turncap as describedabove.In this instancedo
not fullytightenthe cap tocheckthe oil level.Simplyrestthe cap
on thethreadsto checkfor properoil level.
Removethe oilfiller cap/dipstick.If thelevelis low,slowlyadd
oil (5W-30,witha minimumclassificationof SF/SG)untiloil level
registersbetweenhigh(H) andlow (L).
NOTE: Donot overfill.Overfillingwithoil mayresultinenginesmoking,
hardstartingor sparkplugfouling.
4. Replaceandtightencap/dipstickfirmlybeforestartingengine.
Thethrottlecontrolis locatedon theengine.It regulatesthe speedof
theengineandwill shutoff the enginewhenplacedinthe Stop0
position. 12

Gasoline
Useautomotivegasoline(unleadedor low leadedto minimizecombus-
tionchamberdeposits)witha minimumof 87octane.Gasolinewith
upto 10%ethanolor 15%MTBE(MethylTertiaryButylEther)can be
used.Neveruse anoil/gasolinemixtureor dirtygasoline.Avoidgetting
dirt,dust,or waterinthe fueltank. DONOTuse E85gasoline.
•Refuelina well-ventilatedareawiththe enginestopped.Donot
smokeor allowflamesor sparksinthe areawherethe engineis
refueledorwheregasolineis stored.
•Do notoverfillthe fuel tank.Afterrefueling,makesurethetank
cap is closedproperlyand securely.
•Becarefulnot to spill fuelwhen refueling.Spilledfuel or fuelvapor
mayignite.Ifany fuel isspilled,makesurethe areaisdry before
startingthe engine.
•Avoidrepeatedor prolongedcontactwithskinor breathingof
vapor.
Useextremecarewhenhandlinggasoline.Gasolineis extremely
flammableandthe vaporsareexplosive.Neverfuel the machine
indoorsor whilethe engineishot or running.Extinguishcigarettes,
cigars, pipesand othersourcesof ignition.
.
Cleanaroundfuel fill beforeremovingcapto fuelto avoiddirt and
debrisfallingintofuel tank.
A fuellevelindicatorislocatedinthefuel tank. Filltank untilfuel
reachesthe fuel levelindictor.SeeFigure10inset.Becarefulnot
to overfill.
Starting The Engine
Determinethatyour home'swiringisa three-wiregroundedsystem.
Aska licensedelectricianifyouare notcertain.
Ifyou havea groundedthree-prongreceptacle,proceedas follows.
Ifyou donot havethe properhousewiring,DO NOTusethe electric
starterunderanyconditions.
1. Plugthe extensioncord intothe outletlocatedonthe engine's
surface.Plugtheother endof extensioncord intoa three-prong
120-volt,grounded,ACoutletina well-ventilatedarea.
2. Movethrottlecontrolto FAST(rabbit),_ position.
3. Movechokecontrolto the CHOKEposition I,,"1(co dengine
start).Ifengineis warm,placechokecontrolinRUNposition.
4. Pushprimerthree(3) times,makingsureto coverventholewhen
pushing.If engineis warm,pushprimeronly once.Alwayscover
ventholewhenpushing.Coolweathermayrequireprimingto be
repeated.
5. Pushand holdstarterbuttondownto startengine.Oncethe
enginestarts,immediatelyreleasestarterbutton.Electric
starteris equippedwiththermaloverloadprotection;systemwill
temporarilyshutdownto allow starterto cool ifelectricstarter
becomesoverloaded.
6. As the enginewarms,slowlyrotatethe chokecontrolto RUN
position.Ifthe enginefalters,restartengineand runwithchoke
controlat half-chokepositionfor a shortperiodof time,andthen
slowlyrotatethe chokeintoRUNposition.
7. Afterengineis running,disconnectpowercord fromelectric
starter.Whendisconnecting,alwaysunplugtheendat the wall
outletbeforeunpluggingthe oppositeendfromthe engine.
Recoil Starter
Alwayskeephandsand feetclearof movingparts.Do not usea
pressurizedstartingfluid.Vaporsareflammable.
NOTE: Forlocationof allthe enginecontrolsreferredto inthis section,
referto Figure9 on page12.
NOTE:Allowtheengineto warmupfor a fewminutesafterstarting.
Theenginewill not developfull poweruntilit reachesoperating
temperatures.
1. Makecertainboththe augercontrolanddrivecontrolare inthe
disengaged(released)position.
2. insertkeyintoslot. Makesureit snapsinto place.Do notattempt
to turnthe key.
NOTE:The enginecannotstartwithoutthe keyfullyinsertedintothe
switch.
Electric Starter
Theoptionalelectricstarterisequippedwitha groundedthree-wire
powercord andplug,andisdesignedto operateon 120volt AC
householdcurrent.It mustbeusedwitha properlygroundedthree-
prongreceptacleat alltimesto avoidthe possibilityof electricshock.
Followallinstructionscarefullypriorto operatingthe electricstarter.
DO NOTuseelectricstarterinthe rain.
Donot pullthe starterhandlewhile theenginerunning.
1. Movethrottlecontrolto FAST(rabbit)_ position.
2. Movechokecontrolto the CHOKEposition I.,,¢1(coldengine
start).Ifengineis warm,placechokecontrolinRUNposition.
3. Pushprimerthree(3) times,makingsureto coverventholewhen
pushing.If engineis warm,pushprimeronly once.Alwayscover
ventholewhenpushing.Coolweathermayrequireprimingto be
repeated.
4. Pullgentlyonthe starterhandleuntilit beginsto resist,thenpull
quicklyandforcefullyto overcomethecompression.Engineshould
start.Donot releasethe handleandallowit to snapback.Return
ropeSLOWLYto originalposition.If required,repeatthis step.
5. As the enginewarms,slowlyrotatethe chokecontrolto RUNposi-
tion. Ifthe enginefalters,restartengineand runwithchokecontrol
at half-chokepositionfora shortperiodof time,andthenslowly
rotatethechokeintoRUNposition.
Toavoidunsupervisedengineoperation,neverleavethe machine
unattendedwiththe enginerunning.Turnthe engineoff afteruseand
removeignitionkey.
13

Stopping The Engine
Runenginefor a fewminutesbeforestoppingto helpdry off any
moistureonthe engine.
1. Movethrottlecontrolto STOP position.
2. Removethe key.Removingthe keywill reducethe possibilityof
unauthorizedstartingof the enginewhileequipmentis not inuse.
Keepthe keyina safeplace.The enginecannotstart withoutthe
key.
3. Wipeanymoistureawayfromthe controlson theengine..
To Stop The Snow Thrower
1. Tostopthewheels,releasethe drivecontrol.
2. Tostopthrowingsnow,releasethe augercontrol.
3. Tostopengine,movethrottlecontrolleverto OFF 0 and pullout
the key.Donot turnkey.
Thetemperatureof mufflerandthe surroundingareasmayexceed
1500F.Avoidtheseareas.
Using Snow Thrower to Clear
Snow
CAUTION:Checktheareato be clearedfor foreignobjects.Remove
foreignobjects,if any.
1. Startthe enginefollowingstartinginstructions.
2. Allowthe engineto warmup fora fewminutesas the enginewill not
developfull poweruntil it reachesoperatingtemperature.
3. Rotatethe chuteassemblyto the desireddirection,awayfrom
bystandersand/or buildings.
4. Makingcertainno bystandersor obstaclesare infrontof the unit,
squeezethe augercontrolcompletelyagainstthe upperhandleto
fullyengagetheauger.
5. Whiletheaugercontrolisengaged,squeezethe drivecontrol
completelyagainsttheupperhandleto engagethe wheels.Do not
"feather"the drivecontrol.
6. As the snowthrowerstartsto move,maintaina firmholdonthe
handle,andguidethe snowthroweralongthe pathto becleared.
7. Releasethe augeranddrive controlsto stopthe snowthrowing
actionandforwardmotion.
NOTE:Yourunitisequippedwithaclutch inthe transmission.If the
wheelsstopturningwhiletryingto dischargelargevolumesof snow,
immediatelydisengagethedrivecontrolandallowthe rotatingauger
to dischargesnowfromthe housing.Reducethe clearingwidthand
continueoperation.
8. Oneach succeedingpass,readjustthe chuteassemblyto the
desiredpositionandslightlyoverlapthe previouslyclearedpath.
Positioning Discharge Chute
Loosenthechuteknobandpivotupperchuteto desiredposition.Tighten
the chuteknobmakingsurethe carriageboltiscorrectlypositioned.
Raisingthe chutethrowssnowfurther.
Rotatechutehandleto desiredoperatingposition.
Donot liftthe snowthrowerat any timeby thechutehandle.
Operating Tips
1. Formostdficientsnowremoval,removesnowimmediatelyafteritfalls.
2. Dischargesnowdownwindwheneverpossible.Slightlyoverlap
each previouspath.
3. Set the skidshoes1/4"belowthe shaveplatefor normalusage.
The skidshoesmaybeadjustedupwardfor hard-packedsnow.
NOTE: It isnot recommendedthatyouoperatethis snowthroweron
gravelas loosegravelcan beeasily pickedupandthrownbythe auger
causingpersonalinjuryand/or damageto the snowthrower.
4. Ifyou chooseto operatethe snowthrowerongravel,keepthe skid
shoe inthe lowestpositionfor maximumclearancebetweenthe
groundandthe shaveplate.
5. Cleanthe snowthrowerthoroughlyaftereachuse.
REPLACING SHEAR PINS
The augeris securedto the spiralshaftwithtwo shearpinsandbow-
tie clips. Ifthe augershouldstrikea foreignobjector icejam,the snow
throweris designedso thatthe shearpinsmayshear.Ifaugerwill not
turn,checkto see ifthe pins havesheared.SeeFigure10.
NEVERreplacethe augershearpins withanythingotherthan OEM
PartNo.738-04124replacementshearpins.SeePartsListinthis
Operator'sManual.Any damageto the snowthroweras a resultof
failingto do sowill NOTbecoveredbyyour snowthrower'swarranty.
Alwaysturn offthe snowthrower'sengineand removethe keypriorto
replacingshearpins.
f -,
f9
/
14
J
Figure10

Beforeservicing,repairing,lubricatingorinspecting,disengageallcon-
trolsandstopengine.Waituntilallmovingpartshavecometoacomplete
stop.Removethekeytopreventunintendedstarting.Alwayswearsafety
glassesduringoperationorwhileperforminganyadjustmentsorrepairs.
Followthemaintenanceschedulegivenbelow.Thischartdescribes
serviceguidelinesonly.UsetheServiceLogcolumntokeeptrack
ofcompletedmaintenancetasks.Tolocatethe nearest Sears
Service Centeror to scheduleservice,simplycontactSearsat
1-800-4-MY-HOME®.
Maintenance Schedule
EachUseandevery5
hours
1st5 hours
Annuallyor 25hours
1. Engineoillevel
2. Looseormissinghardware
3. Unitandengine.
1. Engineoil
1. Sparkplug
2. Controllinkagesand pivots
3. Wheels
4. Gearshaft andAugershaft
1. Engineoil
1. Sparkplug
Annuallyor 50hours
Annuallyor 100hours
BeforeStorage 1. Fuelsystem 1.
1. Check
2. Tightenor replace
3. Clean
1. Change
1. Check
2. Lubewithlightoil
3. Lubewithmultipurposeautogrease
4. Lubewithlightoil
1. Change
1. Clean,adjustgap,or replaceif
necessary
Runengineuntilit stopsfromlack
of fuel
f
ENGINE MAINTENANCE
Checking Engine Oil
Beforelubricating,repairing,or inspecting,disengageall controls
Iandstopengine.Waituntilall movingpartshavecometo a complete
_stop.
NOTE: Checktheoil levelbeforeeachuseandaftereveryfivehours
of operationto besurecorrectoil levelis maintained.
Whenaddingoilto the engine,referto viscositychart below.Engine
oilcapacityis 600ml (approx.20 oz.). Donot over-fill.Usea 4-stroke,
oran equivalenthighdetergent,premiumqualitymotoroilcertified
to meetor exceedU.S.automobilemanufacturer'srequirementsfor
serviceclassificationSG, SR MotoroilsclassifiedSG, SFwill show
thisdesignationonthe container.
1. Removethe oil fillercap/dipstickandwipethe dipstickclean.
2. Insertthe cap/dipstickintothe oilfiller neck,turnthe cap 1/4turn
untilfullyseated.
NOTE:On someengines,athreadedcap/dipstickmayexist
insteadof a 1/4turn cap as describedabove.In thisinstancedo
not fullytightenthe cap to checkthe oil level.Simplyrestthe cap
onthe threadsto checkfor properoil level.
3. Removethe oil fillercap/dipstick.Iflevelis low,slowlyadd oiluntil
oil levelregistersbetweenhigh(H) andlow (L). SeeFigure11.
4. Replaceandtightencap/dipstickfirmlybeforestartingengine.
j
Figure11
Changing Engine Oil
NOTE:Changethe engineoil afterthefirst 5 hoursof operationand
once a seasonor every50 hoursthereafter.
1. Drainfuel fromtankby runningengineuntilthefuel tankis empty.
Besurefuel fill capis secure.
2. Placesuitableoil collectioncontainerunderoil drainplug.
3. Removeoil drainplug.SeeFigure12.
4. Tip engineto drainoil intothe container.Usedoil mustbe
disposedof at a propercollectioncenter
15

f
Usedoil isa hazardouswasteproduct.Disposeof usedoil properly.
Donotdiscardwith householdwaste.Checkwithyourlocalauthori-
tiesor SearsServiceCenterfor safedisposal/recyclingfacilities.
.
6.
Reinstallthe drainplugandtightenit securely.
Refillwiththe recommendedoil andcheckthe oil level.See
RecommendedOil Usagechart.Theengine'soil capacityis 20
ounces.
i i
(%-400 -200 0o 200 400
("c) -30°-20°-10° 0°
Oil Drain
Plug
Figure12
.J
DO NOTuse non-detergentoil or 2-strokeengineoil. Itcould shorten
the engine'sservicelife.
7. Reinstallthe oilfillercap/dipsticksecurely.
Thoroughlywashyour handswithsoapandwateras soonas
possibleafterhandling usedoil.
Checking Spark Plug
DO NOTcheckfor sparkwithsparkplugremoved.DO NOTcrank
enginewithsparkplugremoved.
Ifthe enginehasbeenrunning,the mufflerwill bevery hot.Becareful
notto touchthe muffler.
NOTE: Checkthe sparkplugoncea seasonorevery25hoursof
operation.Changethe sparkplugoncea seasonor every100hours.
Toensureproperengineoperation,the sparkplugmustbe properly
gappedandfreeof deposits.
1. Removethesparkplugbootanduse a sparkplugwrenchto
removethe plug.See Figure13.
2. Visuallyinspectthe sparkplug.Discardthe sparkplugif thereis
apparentwear,orif the insulatoris crackedor chipped.Cleanthe
sparkplugwitha wirebrush if it is to be reused.
3. Measurethe pluggapwith a feelergauge.Correctas necessary
by bendingsideelectrode.SeeFigure14.The gapshouldbeset
to .02-.03inches(0.60-0.80ram).
4. Checkthatthe sparkplugwasheris ingoodconditionandthread
the sparkplugin by handto preventcross-threading.
5. Afterthesparkplugis seated,tightenwitha sparkplugwrenchto
compressthe washer.
SparkPlug
SparkPlug Boot
Figure13
Electrode
___,. ,___ .02-.03in.
(0.60-0.80 ram)
Figure14
16

NOTE:Wheninstallinga newsparkplug,tighten1/2-turnafterthe
sparkplugseatsto compressthe washer.Whenreinstallinga used
sparkplug,tighten1/81to 1/41turnafterthe sparkplugseatsto
compressthe washer.GeneralRecommendations
1. Alwaysobservesafetyruleswhenperformingany maintenance.
2. Thewarrantyon thissnowthrowerdoesnot coveritemsthathave
beensubjectedto operatorabuseor negligence.To receivefull
valuefromthe warranty,operatormustmaintainthe snowthrower
as instructedin thismanual.
3. Periodicallycheckall fastenersand hardwareto makesurethese
aretight.
Replacing the Shave Plate and
Skid Shoes
The shaveplateand skidshoesonthe bottomof the snowthrowerare
subjectto wear.Theseshouldbe checkedperiodicallyandreplaced
whennecessary
1. Toreplace,removetwocarriageboltsandnutssecuringeachskidshoe
totheaugerhousing.SeeFigure15.
fShearPin CotterPin
Carriage Bolt
Shave Plate /
LockNut
SkidShoe
l
/
CarriageBolt /_
LockNut
Figure 15
J
Lubrication
Fora viewof the lubricationpointsonthe snowthrower,see Figure16.
1. Lubricatepivotpointsonthe augercontrolanddrivecontrolwitha
light engineoilonce a season.
2. Lubricatetheaugeridlerbracketwitha lightengineoilonceaseason.
Figure 16
Engine
Listedbelowaregeneralrecommendationsaboutmaintainingyour
snowthrowerengine.
1. Beforeoperatingsnowthrower,checkthe oil level.
2. Changeengineoilafterfirst fivehoursof operationandevery50
hoursthereafter.
3. Cleansparkplugandresetthe electrodegapto 0.030"at least
once a seasonor every100hoursof operation;replaceevery200
hoursof operation.
.
3.
.
Reassemblenewskidshoeswithhardwarejustremoved.Makesurethe
skidshoesareadjustedtobelevel.
Toremoveshaveplate:Removebothskidshoesandhardware
includingcarriageboltsandnutswhichattachshaveplatetothe
snowthrowerhousing.Forlocationof shaveplate,see Figure15.
Reassemblenewshaveplate,makingsureheadsof thecarriagebolts
areto theinsideof thehousing.Reinstallskidshoes.Tightensecurely.
Servicing Auger
Theaugeris securedto the spiralshaftwithfourshearpinsandcotter
pins.If you hit a foreignobjectorice jam,the snowthroweris designed
so thatthe pinsmay shear.Referto Figure15.
Ifthe augerdoesnot turn,check if the pinshavesheared.Replace,if
needed,withpropershearpins.Referto the PartsListinthis manual
for thecorrectpart number.
IMPORTANT:NEVERreplacetheaugershearpinswithstandardpins
orfasteners.Anydamageto the augergearboxor othercomponents,
as a resultof doingso,will NOTbe coveredby yoursnowthrower's
warranty.
17

Check V=Belts
Followinstructionsbelowto checkconditionof drivebeltsevery50
hoursof operation.
1. Removetheplasticbelt coveronthe frontof the engineby
removingthe self-tappingscrewand pressingthe plastictabsto
releasethe beltcover.
2. Visuallyinspectfor frayed,cracked,orexcessivelyworn outbelts.
Replace,if necessary,andfollowinstructionsbelow.
Replacing Belts
NOTE:Therearetwobeltson thissnowthrower:an augerbelt and
drivebelt.it isrecommendedthatboth beltsbereplacedat the same
time.
1. Removethesparkplugwirefromsparkplugandgrounditagainst
the engineto preventaccidentalstarting.
2. Runthe engineuntilthe fuel tankisdry to preventgasolineleakage
whenreplacingbelts.
Performbelt maintenanceoutdoorsas somegas maypossiblyleak
fromthe carburetor.
3. Removetheself-tappingscrewshownin Figure17,andpressthe
plastictabsto releasethe beltcover.Pullthe belt coverupand out
fromaroundthe engineandchuteassembly.Set it asideandsave.
Figure17
Auger Belt
iMPORTANT:Becausegas could leakfromthe carburetorwhen
servicingaugerbelt,runthe engineuntilthe fuel tankisdry,as previ-
ouslyinstructedinReplacingBelts.
1. Tip the snowthrowerupandforwardso that it restsonthe auger
housing. Removethe beltkeeperas calledout inFigure19.Return
the snowthrowerto itsuprightpositionto completethe following
steps.
2. Slipthe frontaugerbelt offof theenginepulley,pushingit forward
and rollinginoff of the pulley.SeeFigure18.
idlerBracket
Figure18
Squeezethe augercontrolhandleto releasetheaugerbrake,
whichisthe tab thatholdsthe beltonto theaugerpulley.Remove
the belt.
4. Replacewithnew beltafterreplacingthedrive belt.
18

Drive Belt
NOTE: Replacethe drivebelt beforereassemblingthe newaugerbelt.
1.Tip the snowthrowerupandforwardsothat it restson theauger
housing.
iMPORTANT:Becausegas couldleakfromthe carburetorwhen
servicingaugerbelt,runthe engineuntilthe fueltankis dry,as previ-
ouslyinstructedin ReplacingBelts.
2. Removethe springthatconnectsthe transmissionto abolt onthe
engineframe.SeeFigure19.
NOTE: Itmaybeeasierto first removethe flangelocknut,then use
needle-nosedpliersto firmlygripspringandremovefrombolt.
F
Adjusting The Auger Cable
Referto theAssemblysectionfor instructionson adjustingthe auger
controlcable.
Spring
........ _'*'_:" ...............DriveBelt
BeltKeeper
Figure19
3. Pivotthe transmissionforwardto releasepressureon the drivebelt.
Removebeltfromtransmissionpulley.
4. Removethe drivebelt fromaroundthe enginepulley,andaway
fromthe unit.
5. Placethe newdrivebelt intothe grooveonthe enginepulley.See
Figure18.
6. Tiltthe transmissionforwardandpositionthe drive beltontothe
transmissionpulley.
7. Reconnectthe springto thebolt onthe engineframeandsecure
thetransmission.Reinstalltheflange locknut.
8. Installnewaugerbelt.
9. Reassemblethe belt coveronthe snowthrower.
10.Reassemblethe belt keeperto the housing.
19

Ifthe snowthrowerwillnot be usedfor30 daysor longer,or if it is the endof the snowseasonwhenthe lastpossibilityof snowis gone,the
equipmentneedsto bestoredproperly.Followstorageinstructionsbelowto ensuretop performancefromthe snowthrowerfor manymoreyears.
PREPARING ENGINE
Enginesstoredover30daysneedto bedrainedof fuel to prevent
deteriorationandgumfrom formingin fuel systemor onessential
carburetorparts.If thegasolineinyourenginedeterioratesduring
storage,youmayneedto havethe carburetor,andotherfuel system
components,servicedor replaced.
1. Removeall fuel fromtank by runningengineuntil it stops.Donot
attemptto pourfuel fromthe engine.
2. Changethe engineoil.
3. Removesparkplugandpourapproximately1oz.(30 rnl)of clean
engineoil intothe cylinder.Pullthe recoilstarterseveraltimesto
distributetheoil, and reinstallthe sparkplug.
4. Cleandebrisfromaroundengine,andunder,around,andbehind
muffler.Applya lightfilmof oilon anyareasthatare susceptible
to rust.
• Storeina clean,dry andwellventilatedareaawayfromanyap-
pliancethatoperateswithaflameor pilotlight,suchas a furnace,
waterheater,or clothesdryer.Avoidany areawitha spark
producingelectricmotor,or wherepowertoolsareoperated.
Neverstoresnowthrowerwithfuel intank indoorsor inpoorlyventi-
latedareas,wherefuel fumesmayreachan openflame,sparkor pilol
lightas ona furnace,waterheater,clothesdryer orgas appliance.
• If possible,avoidstorageareaswithhighhumidity.
• Keepthe enginelevelin storage.Tiltingcan causefuel oroil
leakage.
PREPARING SNOW THROWER
Whenstoringthe snowthrowerin anunventilatedormetalstor-
age shed,careshouldbetakento rustprooftheequipment.Using
a light oilor silicone,coattheequipment,especiallyanychains,
springs,bearingsandcables.
• Removealldirt fromexteriorof engineandequipment.
• Followlubricationrecommendations.
• Storeequipmentin a clean,dry area.
• Inflatethe tiresto the maximumPSi. Referto tiresidewall.
2O

Beforeperforminganytypeof maintenance/service,disengageall
controlsandstopthe engine.Waituntilallmovingpartshavecometo a
completestop.Removethekeyto preventunintendedstarting.Always
wearsafetyglassesduringoperationorwhileperforminganyadjustments
orrepairs.
This sectionaddresses minor serviceissues.Tolocate the near-
est Sears Service Centerorto scheduleservice,simplycontact
Searsat 1-800-4-MY-HOME®.
Enginefailsto start
Enginerunningerratically/
inconsistentRPM(huntingor
surging)
1. Chokecontrolnot in Chokeposition.
2. Sparkplugwiredisconnected.
3. Faultysparkplug.
4. Fueltankemptyor stalefuel.
5. Enginenot primed.
6. Safetykeynot inserted.
7. Extensioncord notconnected(whenusing
electricstart button)
1. Enginerunningonchoke.
2. Fuelline blocked,or stalefuel.
3. Wateror dirt infuel system.
4. Carburetoroutof adjustment.
5. Over-governedengine
1. Carburetornotadjustedproperly.
1. Loosepartsordamagedauger.
Engineoverheats
Excessivevibration
Lossof power 1. Sparkplugwireloose.
2. Gascap ventholeplugged.
Unitfailsto propelitself 1. Drivecablein needof adjustment.
2. Drivebeltlooseor damaged.
Unitfailsto dischargesnow 1. Chuteassemblyclogged.
2. Foreignobjectlodgedin auger.
3. Augercable inneedof adjustment.
4. Augerbeltlooseor damaged.
5. Shearpin(s)sheared.
1. Movechokecontrolto Chokeposition.
2. Connectwireto sparkplug.
3. Clean,adjustgap, or replace.
4. Filltankwithclean,freshgasoline.
5. Primeengineas instructedin theOperationSection.
6. Insertkeyfullyintothe switch.
7. Connectoneendof the extensioncordto the electric
starteroutletandthe otherendto a three-prong
120-volt,grounded,AC outlet.
1. Movechokeleverto RUNposition.
2. Cleanfuel lineandfill tankwithfresh, cleangasoline.
3. Runengineuntilit stops.Refillwithfreshfuel.
4. Contacta SearsServiceCenter.
5. Contacta SearsServiceCenter.
1. ContactyourSearsParts& RepairCenter.
1. Stopengineimmediatelyanddisconnectsparkplug
wire.Tightenall boltsandnuts.If vibrationcontinues,
haveunit servicedby a SearsParts& RepairCenter.
1. Connectandtightensparkplugwire.
2. Removeice andsnowfromgas cap.Becertainvent
holeis clear.
1. Adjustdrivecontrolcable.Referto Serviceand
Maintenancesection.
2. Replacedrivebelt.Referto Service&Maint.section.
1. Stopengineimmediatelyanddisconnectsparkplug
wire.Cleanchuteassemblyandinsideof auger
housingwithclean-outtoolor a stick.
2. Stopengineimmediatelyanddisconnectsparkplug
wire.Removeobjectfromaugerwithclean-outtool
or a stick.
3. Adjustaugercontrolcable.Referto Assembly
section.
4. Replaceaugerbelt.Referto Serviceand Mainte-
nancesection.
5. Replacewith newshearpin(s).
NEED MOR£ H_.LP?
o Find this and a[[ your other product manua|s online.
o Get answers from our team of home experts,
o Get a personalized maintenance p[an for your home.
o Find information and tools to help with home projects.
21

Craftsman Snow Thrower IViodel 247.881700
\
/
22

Craftsman Snow Thrower IViodel 247.881700
m
M
1
2
3
4
5
6
7
8
9
lO
11
12
13
14
15
16
17
18
19
2o
21
22
23
24
984-04037
71o-o4o71
71o-o451
710-0260A
720-04072A
731-04388A
731-04426A
936-0267
931-04127
931-04353
931-2636A
932-04111
712-04064
931-2643
731-2635
725-0157
710-0134
710-0520
710-04484
712-04063
712-04065
750-04852
715-04020
926-04012
ChuteAssembly
CarriageBolt5/16-18x 1.0"
CarriageBolt5/16-18
CarriageBolt5/16-18x .62
WingKnob5/16-18
ChuteHandle
UpperChute
FiatWasher.385 x .87x .06
LowerChute
ChuteRing
ChuteAdapter5" Dia.
ChuteAdjustmentSpring
FlangeLockNut 1/4-20
Clean-outTool
Clean-outToolMount
CableTie
CarriageScrew 1/4-20x 0.62"
HexBolt 3/8-16x 1.50"
AB Screw5/16-18x .750
FlangeLock Nut, 5/16-18
FlangeLock Nut, 3/8-16
ShoulderSpacer
Spiral Pin
PushOn Nut
m
M
25
26
27
28
29
30
31
32
33
34
35
36
37
38
39
40
41
42
43
44
45
46
47
48
731-04218B
932-0611
736-0174
938-0281
941-0245
941-0309
950-04191
684-04358
784-0434-0637
790-00075
918-04292B
684-04113A-0637
684-04114A-0637
684-04166A-4043
714-04040
731-04870
936-0351
738-04124A
741-0493A
790-00087A-0637
790-00117-0637
784-5580-4043
710-04606A
929-0071A
Impeller
ExtensionSpring
WaveWasher
ShoulderScrew3/8-16
Hex FlangeBearing
Ball Bearing
Spacer
FlatIdler
Auger IdlerBracket
BearingHousing
AugerGearboxAssembly
AugerAssembly- LH
AugerAssembly- RH
AugerHousing,22"
Bow TieCotter Pin72
Spacer,1.25x.75x 1.00
FlatWasher
Shear Pin,.25x 1.50
FlangeBushing
Hex BearingHousing
Shave Plate2.25 x21.66 LG
Skid Shoe
Belt Keeper
ExtensionCord
23

Craftsman Snow Thrower Model 247.881700
24

Craftsman Snow Thrower IViodel 247.881700
m
1
2
3
4
5
6
7
8
9
lO
11
12
13
14
15
16
17
18
19
2o
21
22
23
24
25
26
27
28
29
71o-o572
71o-o6o5
71o-o4484
712-o4o64
720-04072A
725-0157
946-04642
946-04640
747-04394A-0637
747-04405-0637
749-04147
749-04495-0637
990-00053
918-04296B
710-0809
710-1652
711-1364
914-0115
714-04040
915-0249
717-04066A
917-04073A
932-0429A
936-0192
738-04184A
738-0924A
941-0245
741-04108
756-0625
CarriageScrew5/16-18x 2.25
Mach.Screw 1/4-20x 1.825
Screw5/16-18x .75
FlangeLockNut 1/4-20
WingKnob5/16-18
CableTie
DriveCable
AugerCable
AugerControl
DriveControl
LowerHandle
UpperHandle
HandleTab
TransmissionAssembly
TTScrew1/4-20x 1.25
Screw1/4-20x .625
ClevisPin
Cotter Pin 1/8x 1.0
BowTie CotterPin72
RollPin
Pinion14T
Gear70T
ExtensionSpring
FlatWasher
ShoulderScrew1/4-20
ShoulderScrew1/4-28
Hex FlangeBearing
Hex FlangeBearing
CableRoller
m
M
30
31
32
33
34
35
36
37
38
39
4o
41
42
43
44
45
46
47
48
49
5o
51
52
53
54
55
56
784-o419C-4O43
790-00223A-0637
790-00224
934-04282B
734-04322
710-0627
736-0242
738-04321
910-0224
710-0654A
710-0696
710-1245B
931-04162A
736-0247
736-0505
748-04067A
950-1355
950-1356
954-04013
954-04014
956-04024
756-0569
729-04035
731-05672A
936-0160
936-0451
731-06749
952Z265-SUA
DriveHousingFrame
AugerCable Bracket
AugerCable Adj.Bracket
Wheel AssySnow HogGray
Tube,Tire,4.10/3.50-4.0
LockBolt 5/16-24x .75
BellWasher.34x .872x .06
Axle
HexScrew#10-16x .500
TT SemsScrew3/8-16x 1.0
HexBolt 3/8-24x .875
LockBolt 5/16-24x .875
BeltCover
FlatWasher.406IDx 1.25OD
FlatWasher.34IDx 1.50OD
Pulley:Adapter.75Dia.
Spacer .876x 1.25x .19
Spacer .876x 1.25x .86
V-Belt3/8 x 21.108Lg.
V-Belt3/8 x 26.680Lg.
Auger Pulley
PulleyHalf
Amp SealedConnector
Spacer
FlatWasher.53x .93x .05
SaddleWasher
CableClip
Engine
25

Craftsman Snow Thrower Model 247.881700
777S32636
1OO1£RO=NV313
"]VgNVN S,HOIVH3dOQV]U "_
"S]3VdHgS13AVU9NO9NlVU3dO
N3HMNOilgVOVUIX33Sn"SU3QNVISABIV 39UVHOSiQ
133U10U3A3N'S3iUIlrNISI33F80 NMOUHI OIOM Ol "t_
"_NJHOVN5NI3JAU3SHO9N199013Nn
3UOd3B03ddOIS3AVHSIUVd9NIAON]IV]JlN[iS_]QNVH
QNJH38NJVNBUONV '3NJON3dOIS'S83A33HOlff]O39VgNBSJQ"£
"31nHO39UVHOSiQ90qONn O1]OO1InO'NV3qO3Sn "_
"133dQNV SQNVH31V1ffdNVNV3U39ffVUO U3]]3dNJHIIM
lOVlNO3"U39nVQNVU3]]3dNI 9NllVlOUNOUdArMYd33)1"L
777S32236 777i23249
777122138
777X43688
................OONOT....................
.....USEE85 ORFUEL'
CONTAiNiNG MORE
THAN10% ETHANOL
W
777122164
F •
m
|22164 AC
777D16343
777D16340
777D18033
26

Craftsman Engine Model 265=SUA For Snow Model 247.881720
24
23
m
I
i
i19
!
i
120
i
i
i
i20
!
!
i
121
i
i
122
i
i
i
i23
!
i
i
124
i
951-11282
710-05001
751-14190
951-11289
712-04214
710-04915
951-10642B
m = I! O
MufflerAssembly
StudM8x36
MufflerStud Kit
ExhaustPipeGasket
Nut,M8
Bolt M6x12
MufflerShield
27

Craftsman Engine Model 265=SUA For Snow Model 247.881720
41 _42
°0 37
35
m
34
35
36
37
39
4O
41
42
43
951-10634
712-04213
951-11284
951-10757
951-10637
731-05632
951-10640
951-10635
710-04943
D = O O
Air CleanerHousing
Nut
ChokeKnob
ThrottleControlKnob
KeySwitch
Key
Choke PushRod
HeaterBox
Bolt M6x28
28

Craftsman Engine Model 265=SUA For Snow Model 247.881720
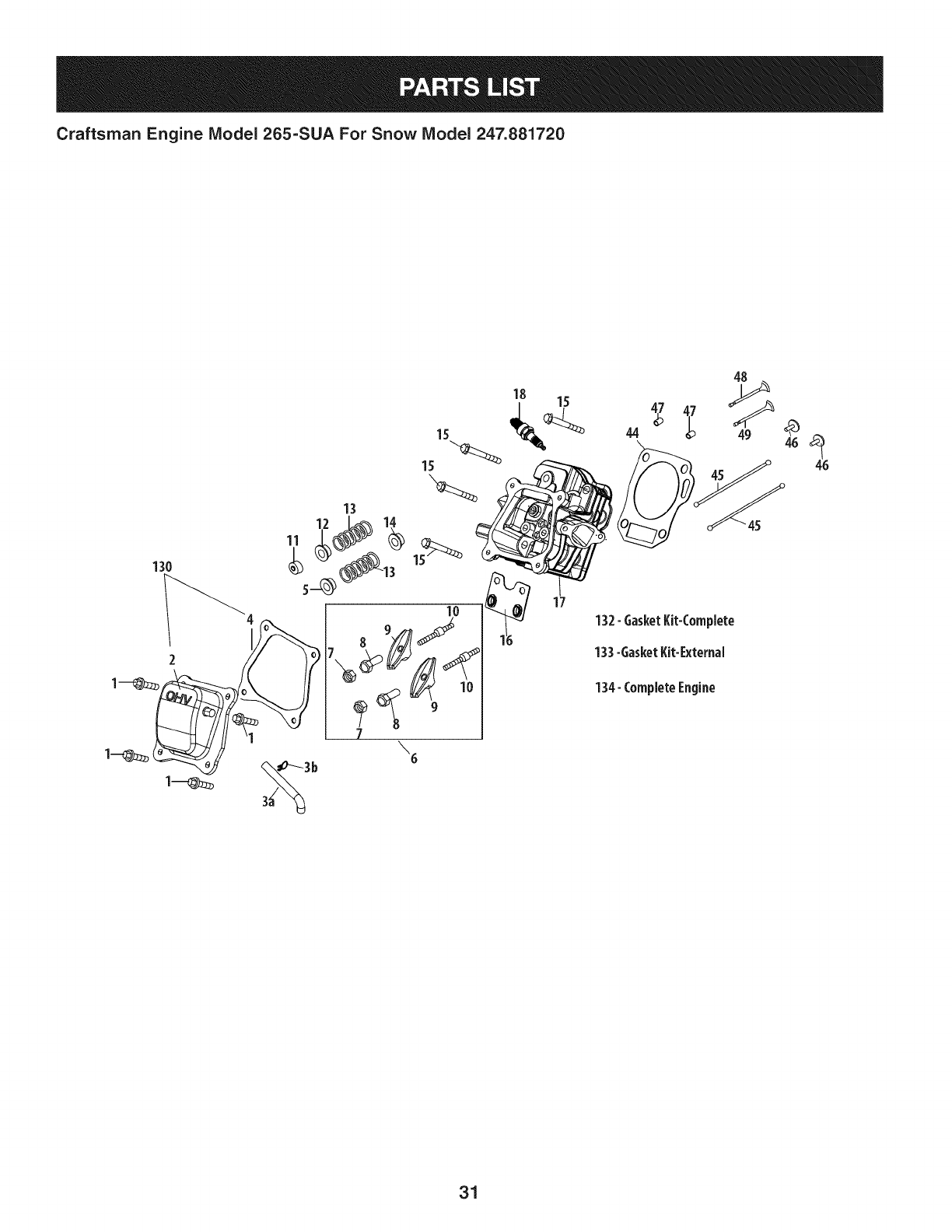
132- 6asket Kit-Complete
133- 6asket Kit-External
134-CompleteEngine
63
62
29

Craftsman Engine IViodel 265=SUA For Snow IViodel 247.881720
m
5O
51
52
53
54
55
56
57
58
59
6O
61
62
63
64
65
66
67
68
69
951-11688
951-11632
951-11900
951-11901
710-04915
951-11113
951-11573
951-14053
736-04461
951-11902
714-04078
951-11575
951-11369
951-10307
951-11247A
951-11576
715-04092
715-04096
951-11371
951-12125
951-11246
D = O
PistonRingSet
PistonPinSnapRing
Piston
PistonPin
Bolt M6x12
Air Shield
ConnectingRodAssembly
GovernorArm Shaft
Washer5.2xl.9
GovernorSeal
CotterPin
CamshaftAssembly
RadialBallBearing,6205
WoodruffKey
CrankshaftKit
(Incl.62-64,74,79)
GovernorGear/ShaftAssembly
DowelPin7x14
DowelPin9x14
CrankcaseCoverGasket
CrankcaseCover
CrankcaseCoverKit
(Incl.62,68-74)
m
7O
71
73
74
75
76
77
78
79
131
132
133
134
710-04932
951-11283
951-11577
951-11368
951-11248A
951-11062B
951-11350
736-04440
710-04906
951-11370
951-10641
951-11061A
951-10661B
952Z265-SUA
D = O O
Bolt M8x32
Oil FillPlugAssembly
O-Ring15.8x2.5
OilSeal,25x41.25x6
CrankcaseKit
(Incl.59,62,74,75,79)
ShortBlockAssembly
(Incl.4,21,27-29,32,44,
46,47,80-53,56-79)
Oil DrainPipeAssy.
Washer10x16x1.5
Oil DrainPlug
OilSeal25x41.25x6
Oil DrainAssembly
GasketKit- Complete
(Incl.4,21,27-29,32,44,
58,59,68,74,77,79)
GasketKit- External
(Incl.4,21,27-29,32,77)
CompleteEngine
3O

Craftsman Engine Model 265=SUA For Snow Model 247.881720
48
15 44 _)
13
u_ _ _'45
10
\6
17
132-GasketKit-Complete
133-GasketKit-External
134-CompleteEngine
31

Craftsman Engine IViodel 265=SUA For Snow IViodel 247.881720
m
1
2
3a
3b
4
5
6
7
8
9
10
11
12
13
14
15
16
17
18
44
45
46
47
48
49
130
132
133
134
710-04968
951-11054A
731-07059
726-04101
951-11565
951-12000
951-11892
751-11124
751-11123
951-11893
710-04902
951-12002
951-12003
951-12004
951-11894
710-04933
951-11895
751-14195
951-10292
951-11898
951-10648
951-11899
715-04108
951-10647A
951-10647A
951-12626
951-11061A
951-10661B
952Z265-SUA
D = W O
Bolt M6x16
ValveCover
BreatherHose
BreatherHoseClamp
ValveCoverGasket
ValveSpringRetainer(Intake)
RockerArmAssembly
Nut, PivotLocking
AdjustingNut,Valve
RockerArm
Bolt,Pivot
ExhaustLashCap
ValveSpringRetainer(Exhaust)
ValveSpring
ValveSeal(Intake)
Bolt M8x55
PushRodGuide
CylinderHeadAssembly
(Incl.4-14,16,17,21,27,
29,44,48,49)
SparkPlug/F6Rtc
Gasket,CylinderHead
PushRod Kit
Tappet
DowelPin 10x16
ValveKit
ValveKit
ValveCoverKit
GasketKit- Complete
(Incl.4,21,27-29,32,44,
58,59,68,74,77,79)
GasketKit- External
(Incl.4,21,27-29,32,77)
CompleteEngine
32

Craftsman Engine IViodel 265=SUA For Snow IViodel 247.881720
27
28
3O
135-CarburetorKit
31_
w
33

Craftsman Engine IViodel 265=SUA For Snow IViodel 247.881720
m
25
26
27
28
29
30
30
31
32
33
135
a
b
C
d
e
f
g
h
I
J
k
I
m
n
o
P
q
r
s
t
U
V
W
X
Y
710-04939
710-04910
951-11567
951-11896
951-11569A
951-10639A
951-11824
951-12705
951-11897
951-11112
951-14050
n/a
n/a
n/a
n/a
710-05469
736-04638
n/a
n/a
n/a
n/a
951-11699
951-11906
n/a
n/a
n/a
951-12875
n/a
n/a
n/a
951-11589
n/a
951-11348
710-04945
951-11349
710-04938
D = O O
Stud M6x117
Stud M6x105
CarburetorInsulatorGasket
CarburetorInsulator
CarburetorGasket
PrimerAssembly
PrimerBulb
CarburetorAssembly
CarburetorGasketPlate
ChokeControl
CarburetorKit
(Incl.h,n,o,p,q,r,s,t,v,x)
ChokeShaft
ChokePlate
ThrottleShaft
ThrottlePlate
ScrewM3x6
LockWasher
Gasket,ThrottlePlate
IdleJet Assembly(0.34)
Idle SpeedAdjustingScrew
PrimerPipe
PrimerHose
HoseClamp
CarburetorBody
FloatPin
EmulsionTube(P18-019)
NeedleValve
MainJet(#73)
NeedleValveSpring
Float
FuelBowlO-Ring
FuelBowl
FuelBowlMountingBoltGasket
FuelBowlMountingBolt
FuelBowlDrain BoltGasket
FuelBowlDrain Bolt
34

Craftsman Engine Model 265-SUA For Snow Model 247.881720
82
85
86
92/° _3
87 94
93
_89 _89 92-_ _/93
m
8O
81
82
83
85
86
87
88
89
91
92
93
94
951-10646
951-11110
710-04940
710-04919
951-12416
951-10934
951-10911
712-04209
710-04915
951-10663A
736-04455
710-04974
951-14151
D = O O
IgnitionCoil Assembly
Air FlowShield
BoltM6xlO
BoltM6x25
Flywheel
CoolingFan
StarterCup
Nut,Special,M14x1.5
BoltM6x12
BlowerHousing
Gasket6
BoltM6xlO
RecoilStarter
35

Craftsman Engine Model 265=SUA For Snow Model 247.881720
,115
116
96 103 _--117
9s 99 107
95
m
95
96
97
98
99
1CO
102
103
104
105
106
107
951-10758
710-05103
951-11108
951-11935
951-10664
951-10665
951-11106
712-04212
710-04908
951-11700
951-10650
710-04915
D = O
PrimerBracket
BoltM6x12
GovernorSystemShield
GovernorSpring
ThrottleLinkageSpring
ThrottleLinkage
GovernorArm
NutM6
GovernorArmBolt
FuelHoseClamp
FuelLineKit
BoltM6x12
m
108
109
110
111
112
113
114
115
116
117
118
951-11914
710-04905
710-04915
951-11913
951-11381
951-10656
951-11904
951-12482
951-12533
951-11933
951-10653B
D = O O
DipstickDecorationCover
Bolt
Bolt M6x12
Oil FillTubeAssembly
O-Ring
Oil FillTube
O-Ring
DipstickAssembly
FuelCapAssembly
FuelLevelIndicator
FuelTankAssembly
36

Craftsman Engine Model 265=SUA For Snow Model 247.881720
121
119
120
123
122
126
_i _128
29
126
m
i
1119
1
1
1
i 120
!
i
1121
1
1
1
i 122
1
1
1
i 123
!
i
i 124
1
1
1
i 125
!
!
i
i 126
1
1
i 127
1
1
1
i 128
!
i
1
i 129
1
710-04914
951-11680
951-11114
712-05015
710-04935
710-04965
710-05182
715-04088
951-10645A
710-04915
951-11109
D = O !
BoltM6xlO
WireClip
SwitchHousingMountingBracket
Nut,M6
BoltM4x60
BoltM4x55
BoltM6x32
DowelPin8x8
ElectricStarter
BoltM6x12
BlowerHousingShield
37

38

39

MTD CONSUMER GROUP INC (MTD), the California Air Resources Board (CARB)
and the United States Environment Protection Agency (U. S. EPA)
Emission Control System Warranty Statement
(Owner's Defect Warranty Rights and Obligations)
EMISSIONCONTROLSYSTEMCOVERAGEIS APPLICABLETOCERTIFIEDENGINESPURCHASEDINCALIFORNIAIN2005ANDTHERE-
AFTER,WHICHARE USEDINCALIFORNIA,ANDTO CERTIFIEDMODELYEAR2005ANDLATERENGINESWHICHARE PURCHASEDAND
USEDELSEWHEREINTHEUNITEDSTATES.
Californiaandelsewherein the UnitedStatesEmissionControlDefectsWarrantyCoverage
The CaliforniaAir ResourcesBoard(CARB),U.S. EPAandMTDarepleasedto explaintheemissionscontrolsystemwarrantyonyour modelyear
2006andlatersmalloff-roadengine.In California,new smalloff-roadenginesmustbe designed,builtand equippedto meettheStatesanti-smog
standards.Elsewhereinthe UnitedStates,newnon-road,spark-ignitionenginescertifiedfor model2005and later,mustmeetsimilarstandardsset
forthby the U. S. EPA.MTDmustwarrantythe emissioncontrolsystemonyourenginefor the periodof timelistedbelow,providedtherehasbeen
noabuse,neglector impropermaintenanceof your smalloff-roadengine.
Youremissioncontrolsystemmayincludepartssuchas the carburetor,fuel-injectionsystem,the ignitionsystem,andcatalyticconverter,fueltanks,
fuel lines,fuel caps,valves,canisters,filters,vaporhoses,clamps,connectors,andotherassociatedemission-relatedcomponents.
Wherea warrantableconditionexists,MTDwill repairyoursmalloff-roadengineat nocost to yourincludingdiagnosis,partsand labor.
MANUFACTURER'S WARRANTY COVERAGE:
Thisemissionscontrolsystemis warrantedfor twoyears.If anyemission-relatedpart onyourengineis defective,the part will berepairedor
replacedby MTD. OWNER'S WARRANTY RESPONSIBILITIES:
As the smalloff-roadengineowner,youare responsibleforthe performanceof the requiredmaintenancelistedinyour Owner'sManual.MTD
recommendsthatyou retainall yourreceiptscoveringmaintenanceson yoursmalloff-roadengine,but MTDcan not denywarrantysolelyfor the
lackof receiptsor foryour failureto ensurethe performanceto allscheduledmaintenance.
As the smalloff-roadengineowner,youshouldhoweverbeawarethat MTDmaydenyyour warrantycoverageif yoursmalloff-roadengineorpart
hasfaileddue toabuse,neglect,impropermaintenanceor unapprovedmodifications.
Youare responsiblefor presentingyour smalloff-roadengineto an AuthorizedMTDServiceDealeras soonas a problemexists.Thewarranted
repairsshouldbe completedina reasonableamountof time,notto exceed30 days.
Ifyou haveanyquestionsregardingyourwarrantyrightsand responsibilities,you shouldcontacta MTDServiceRepresentativeat 1-800-800-7310
andaddressis MTDCONSUMERGROUP,RO.Box361131,ClevelandOH,44136-0019.
DEFECTS WARRANTY REQUIREMENTS FOR 1995 AND LATER SMALL OFF-ROAD ENGINES:
Thissectionappliesto 1995andlater smalloff-roadengines.The warrantyperiodbeginsonthe datethe engineor equipmentis deliveredto an
ultimatepurchaser.
(a) GeneralEmissionsWarrantyCoverage_
MTDmustwarrantto the ultimatepurchaserandeachsubsequentpurchaserthatthe engineis:
(1)Designed,built,andequippedsoas to conformwithallapplicableregulationsadoptedby the AirResourcesBoardpursuantto itsauthorityin
Chapters1and2,Part5, Division26of the HealthandSafetyCode;and
(2) Freefromdefectsin materialsandworkmanshipthatcausethe failureof a warrantedpart to beidenticalin all materialrespectsto the partas
describedin theenginemanufacturer'sapplicationfor certificationfora periodof twoyears.
.(b)The warrantyonemissions-relatedpartswill be interpretedas follows:
(1)Anywarrantedpart thatis not scheduledfor replacementas requiredmaintenanceinthe writteninstructionsrequiredby Subsection(c)
mustbewarrantedfor the warrantyperioddefinedinSubsection(a)(2). Ifany suchpartfailsduringthe periodof warrantycoverage,it mustbe
repairedor replacedby MTDaccordingto Subsection(4)below.Anysuchpart repairedor replacedunderthewarrantymustbewarrantedfor
the remainingwarrantyperiod.
(2)Any warrantedpartthat is scheduledonlyfor regularinspectioninthe writteninstructionsrequiredby Subsection(c) must bewarrantedfor
thewarrantyperioddefinedin Subsection(a)(2).A statementinsuchwritteninstructionsto the effectof "repairor replaceas necessary"will
not reducethe periodof warrantycoverage.Anysuchpart repairedor replacedunderwarrantymustbe warrantedforthe remainingwarranty
period.
(3) Anywarrantedpartthat whichis scheduledfor replacementas requiredmaintenancein the writteninstructionsrequiredby Subsection(c)
mustbewarrantedfor the periodof timepriorto the first scheduledreplacementpointforthat part.Ifthe part failspriorto thefirst scheduled
replacement,the part mustbe repairedor replacedby MTDaccordingto Subsection(4) below.Any suchpart repairedor replacedunder
warrantymustbewarrantedfor the remainderof the periodpriorto the first scheduledreplacementpointfor the part.
(4) Repairor replacementof any warrantedpartunderthewarrantyprovisionsof thisarticlemustbe performedat nochargeto the ownerat a
warrantystation.
(5) Notwithstandingthe provisionsof Subsection(4)above,warrantyservicesor repairsmustbe providedat all MTDdistributioncentersthat
arefranchisedto servicethe subjectengines.

(6)Theownermustnotbechargedfordiagnosticlaborthatleadstothedeterminationthatawarrantedpartisinfactdefective,providedthat
suchdiagnosticworkisperformedatawarrantystation.
(7)Theenginemanufacturerisliablefordamagestootherenginecomponentsproximatelycausedbyafailureunderwarrantyofanywarranted
part.
(8)Throughouttheengine'swarrantyperioddefinedinSubsection(a)(2),MTDwillmaintainasupplyofwarrantedpartssufficienttomeetthe
expecteddemandforsuchparts.
(9)Anyreplacementpartmaybeusedintheperformanceofanywarrantymaintenanceorrepairsandmustbeprovidedwithoutchargetothe
owner.SuchusewillnotreducethewarrantyobligationsofMTD.
(10)Add-onormodifiedpartsthatarenotexemptedbytheAirResourcesBoardmaynotbeused.Theuseofanynon-exemptedadd-onor
modifiedpartsshallbegroundsfordisallowingawarrantyclaimmadeinaccordancewiththisarticle.Theenginemanufacturershallnotbe
liableunderthisarticletowarrantfailuresofwarrantedpartscausedbytheuseofnon-exemptedadd-onormodifiedpart.
(c) MTDwill includea copyof the followingemissionwarrantypartslistwitheach newengine,usingthoseportionsof the listapplicableto the
e__&gine.
(1)FuelMeteringSystem
• Coldstart enrichmentsystem(soft choke)
,,Carburetorandinternalparts
• Fuel Pump
• FuelTank
(2)Air InductionSystem
• Aircleaner
• Intakemanifold
(3) IgnitionSystem
• Sparkplug(s)
• MagnetoIgnitionSystem
(4)ExhaustSystem
Catalyticconverter
• SAI (Reedvalve)
(5) MiscellaneousItemsUsedin AboveSystem
Vacuum,temperature,position,timesensitivevalvesand switches
Connectorsandassemblies
(6) Evaporativecontrol
• Fuel Hosecertifiedfor ARBevaporativeemissionof 2006.
• Fuel HoseClamps
Tetheredfuel cap
Carboncanister
• Vaporlines
GD0C-100174Rev.B

Look For Relevant Emissions Durability Period and
Air index information On Your Engine Emissions Label
Engines that are certified to meet the California Air Resources Board (CARB) Tier 2 Emission Standards must
display information regarding the Emissions Durability Period and the Air Index. Sears Brands Management
Corporation makes this information available to the consumer on our emission labels.
The Emissions Durability Period describes the number of hours of actual running time for which the engine is
certified to be emissions compliant, assuming proper maintenance in accordance with the Operating & Mainte-
nance Instructions. The following categories are used:
Moderate: Engine is certified to be emission compliant for 125 hours of actual engine running time.
Intermediate: Engine is certified to be emission compliant for 250 hours of actual engine running time.
Extended: Engine is certified to be emission compliant for 500 hours of actual engine running time.
For example, a typical walk-behind lawn mower is used 20 to 25 hours per year. Therefore, the Emissions
Durability Period of an engine with an intermediate rating would equate to 10 to 12 years.
The Air index is a calculated number describing the relative level of emissions for a specific engine family. The
lower the Air Index, the cleaner the engine. This information is displayed in graphical form on the emissions label.
After July 1,2000, Look For Emissions Compliance Period
On Engine Emissions Compliance Label
After July 1, 2000 certain Sears Brands Management Corporation engines will be certified to meet the United
States Environmental Protection Agency (USEPA) Phase 2 emission standards. For Phase 2 certified engines, the
Emissions Compliance Period referred to on the Emissions Compliance label indicates the number of operating
hours for which the engine has been shown to meet Federal emission requirements.
For engines less than 225 cc displacement, Category C = 125 hours, B = 250 hours and A = 500 hours.
For engines of 225 cc or more, Category C = 250 hours, B = 500 hours and A = 1000 hours.
This is ageneric representation of the emission label typically found on a certified engine.
FAMILYYBSXS.3192VA 274812
GDOC-100182Rev.B
42

Congratulations on making a smart purchase. Your new Craftsman® product is designed and
manufactured for years of dependable operation. But like all products, it may require repair
from time to time. That's when having a Repair Protection Agreement can save you money and
aggravation.
Here's what the Repair Protection Agreement* includes:
[] Expert service by our 10,000 professional repair specialists
[] Unlimited service and no charge for parts and labor on all covered repairs
[] Product replacement up to $1500 if your covered product can't be fixed
[] Discount of 25% from regular price of service and related installed parts not covered by the
agreement; also, 25% off regular price of preventive maintenance check
[] Fast help by phone - we call it Rapid Resolution - phone support from a Sears representative.
Think of us as a "talking owner's manual."
Once you purchase the Repair Protection Agreement, a simple phone call is all that it takes for you
to schedule service. You can call anytime day or night, or schedule a service appointment online.
The Repair Protection Agreement is a risk-free purchase. If you cancel for any reason during the
product warranty period, we will provide a full refund. Or, a prorated refund anytime after the
product warranty period expires. Purchase your Repair Protection Agreement today!
Some limitations and exclusions apply. For prices and additional information in the U.S.A.
call 1=800=827=6655.
*Coverage in Canada varies on some items. For full details call Sears Canada at 1=800=361=
6665.
Sears Installation Service
For Sears professional installation of home appliances, garage door openers, water heaters, and
other major home items, in the U.S.A. or Canada call 1=800=4=MY=HOME®.
43

Declaraci6n de garantia ............................ Pagina 44
Practicas operaci6n seguras ..................... Pagina 45
Montaje ...................................................... Pagina 49
Operaci6n .................................................. Pagina 53
Servicio y Mantenimiento .......................... Pagina 57
Almacenamiento fuera de temporada ....... Pagina 62
Soluci6n de problemas .............................. Pagina 63
Lista de piezas ........................................... Pagina 22
Acuerdo de protecci6n para reparaciones .... Pagina 67
NOmero de servicio ................................ 01tima pagina
GARANTiA COMPLETA CRAFTSMAN POR DOS AltOS
PORDOSANOSapartir dela fechade lacornpra,esteproductoest,.garantizadopordefectosen los rnaterialesy la rnanodeobra.
Los productosdefectuososser_.nreparadossin costoo reernplazadossin costosi la reparaci6nnoest,.disponiNe.
La presentegarantiase anulasi se utilizaesteproductoalgunavezparaprestarservicioscornercialeso si se Ioalquilaa otra persona.
Paraobtener informaci6nsobre el alcancede la garantiay solieitar la reparaci6noel reemplazo,visite el sitio Web:www.craftsman.com
Esta garantia eubre0NICAMENTElosdefectos en los rnaterialesy en la mano de obra. Estagarantia NOcubre:
• Elernentosno renovablesquepuedendesgastarsepor eluso normal,duranteel plazodela garantia,incluyendoentreotros,lasbarrenas,
las paletasdelas barrenas,los cortadoresde desplazarniento,laszapatasantideslizantes,la placade raspado,lospasadoresdecuchilla,
la bujia,elfiltrode aire,las correasy el filtrodeaceite.
• Serviciosde rnantenirnientoest_.ndar,carnbiosde aceiteo afinaci6n.
• Carnbiode neurn_.ticoso reparacionesporpinchadurascon objetosexternoscornoclavos,espinas,toconeso vidrios.
• Reernplazoo reparaci6nde neurn_.ticoso ruedascornoresultadodel desgastenormal,unaccident&o funcionarniento
o rnantenirnientoincorrectos.
• Reparacionesrequeridascornoresultadodel uso inadecuadopot partedeloperador,incluyendoentreotrosel da_oocasionadoporobjetos
queirnpactanla rn_.quinay quetuercenel bastidor,el ejede labarrena,etc.,odebidoa queel motorrueaceleradoenexceso.
• Reparacionesnecesariasdebidoa negligenciadeloperador,incluyendoentre otros,da_osrnec_.nicoy el_ctricoocasionadopor
unalrnacenarnientonoapropiado,fallaporel uso deaceitede gradoy/o cantidadnoapropiadoso falla pornodar rnantenirniento
alequipodeacuerdocon las instruccionescontenidasenel manualdel operador.
• Lirnpiezao reparacionesdel motor(sisternade combustible)debidasa combustiblequese deterrninaest,.contarninadou oxidado(viejo).
Engeneral,el combustibledebeutilizarseen unperiodono mayorde 30dias a partirde su adquisici6n.
• Eldeterioroy desgastenormalde losacabadosexteriores,o reernplazode laetiquetadelproducto.
Estagarantialeotorgaderechoslegalesespecificos,peroustedpodriagozarde otrosderechosen raz6nde su lugarde residencia.
Sears Brands Management Corporation, Hoffman Estates, IL 60179
Tipodeaceitedelmotor:
Capacidadde aceitedel motor:
Capacidadde combustible:
Bujias:
Separaci6ndelas bujias:
5W-30
20onzas
2.3cuartos
FeRTC(F6TC)
.020"to .030"
N_mero de rnodelo ..........................................................
N_mero de sede ..............................................................
Feehade eompra .............................................................
Registrearribael nOrnerodel rnodelo,el nOrnerode seriey la fecha
de cornpra
©SearsBrands,LLC
44

Lapresenciadeeste sfrnboloindicaque setratade instrucciones
irnportantesde seguridadquese debenrespetarparaevitar
ponerenpeligrosu seguridadpersonaly/o materialy lade otras
personas.Leay siga todaslas instruccionesdeestemanualantes
de poneren funcionarnientoestarn_.quina.Si no respetaestas
instruccionespodrfaprovocarlesionespersonales.Cuandoveaeste
sfrnbolo,ipresteatenci6na la advertencia!
PROPOSICION 65 DE CALIFORNIA
Elescapedel motordeesteproducto,algunosde suscornponentes
y algunoscornponentesdelvehfculocontieneno liberansustancias
qufrnicasqueelestadodeCaliforniaconsideraque puedenproducir
c_.ncer,defectosde nacirnientouotrosproblernasreproductivos.
Estarn_.quinarueconstruidaparaseroperadadeacuerdocon
las reglasde seguridadcontenidasenestemanual.AI igualque
concualquiertipo deequipornotorizado,undescuidoo errorpor
partedeloperadorpuedeproducirlesionesgraves.Estarn_.quina
es capazde arnputarrnanosy piesy dearrojarobjetoscon gran
fuerza.Deno respetarlasinstruccionesde seguridadsiguientesse
puedenproducirlesionesgraveso larnuerte.
Su responsabilidad--Restrinja el usode estarn_.quina
rnotorizadaalas personasque lean,cornprendany respetenlas
advertenciase instruccionesqueaparecenen estemanualyen la
rn_.quina.
iGUARDEESTASINSTRUCCIONES!
CAPACITACI6N
•Lea,entienday curnplatodaslas instruccionesincluidasen
la rn_.quinay enlos rnanualesantesdernontarlay utiNzarla.
Guardeestemanualenun lugarseguroparaconsultasfuturasy
peri6dicas,asf cornoparasolicitarrepuestos.
•Leael ManualdelOperadory sigatodaslas advertenciase
instruccionesdeseguridad.Elfracasode hacerasf puedecausar
la heridaseriaal operadory/o personaspresentes.
•Farniliarfcesecontodoslos controlesy con el usoadecuado
delos rnisrnos.Sepac6rnodetenerlarn_.quinay desactivarlos
controlesr_.pidarnente.
•No perrnitanuncaque los ni_osrnenoresde 14a_osutilicen
estarn_.quina.Los ni_osde 14a_osen adelantedebenleery
entenderlas instruccionesde operaci6ny norrnasdeseguridad
contenidaseneste manual,yen la rn_.quinaydebenser entrena-
dosy supervisadosporun adulto.
•Nuncaperrnitaquelos adultosoperenestarn_.quinasin recibir
antesla instrucci6napropiada.
•Losobjetosarrojadosporla rn_.quinapuedenproducirlesiones
graves.Planifiqueel patr6nenel queva air arrojandonievepara
evitarque ladescargade materialse realicehacialos carninos,
los observadores,etc.
•Mantengaa losobservadores,ayudantes,rnascotasy ni_ospor
Io rnenosa 75piesde la rn_.quinarnientrasla rnisrnaest,.en
funcionarniento.Detengala rn_.quinasi alguienseacerca.
•Seaprecavidoparaevitarpatinarseo caerseespecialrnente
cuandooperala rn_.quinaen reversa.
PR E PARATIVO S
Inspeccionerninuciosarnenteel_.readondeutilizar_,el equipo.Saque
todoslos felpudos,peri6dicos,trineos,tablas,cablesy otrosobjetos
extra_oscon los quepodrfatropezaro quepodrfanser arrojadospor
labarrena/irnpulsor.
•Paraprotegerselosojos utilicesiernpreanteojosoantiparras
de seguridadrnientrasoperala rn_.quinao rnientrasla ajusta
o repara.Losobjetosarrojadosquerebotanpuedenproducir
lesionesocularesgraves.
•Nooperelarn_.quinasin la vestirnentaadecuadaparaestaral
airelibre en invierno.No utilicealhajas,bufandaslargasu otras
prendassueltasquepodrfanenredarseenlas partesrn6viles.
UtiNceun calzadoespecialparasuperficiesresbaladizas.
•Useun prolongadory untornacorrientedetrescablescon
conexi6na tierraparatodaslas rn_.quinascon rnotoresde
encendidoel_ctrico.
•Ajustelaalturade lacaja deltornacorrienteparaNrnpiarla grava
o las superficiescon piedrastrituradas.
•Desengranetodaslas palancasde controlantesde arrancarel
motor.
•Nuncaintenterealizarajustesrnientrasel motorest,.enrnarcha
exceptoen los casosespecfficarnenterecornendadosen el
manualdeloperador.
•Dejequeelmotory la rn_.quinase adaptena laternperatura
exteriorantesde cornenzara sacarla nieve.
45

Manejo seguro de la gasolina
Paraevitarlesionespersonales0 daSosrnaterialestengarnucho
cuidadocuandotrabajecon gasolina.Lagasolinaes surnarnente
inflarnabley susvaporespuedencausarexplosiones.Si se derrarna
gasolinaencirna0 sobrela ropase puedelesionargravernenteya que
se puedeincendiar. L&vesela piely c&rnbiesede ropade inrnediato.
• Utilices610los recipientesparagasolinaautorizados.
• Apaguetodoslos cigarrillos,cigarros,pipasy otrasfuentesde
cornbusfi6n.
• Nuncacarguecombustibleen larn&quinaen unespaciocerrado.
• Nuncasaquela tapadelcombustibleni agreguecombustible
rnientrasel motorest&caliente0 en rnarcha.
• Dejequeel motorse enfrieporI0 rnenosdos rninutosantesde
volvera cargarcombustible.
• Nuncalleneenexcesoel dep6sitodecombustible.Lleneel
tanquea no rn&sde1/2pulgadapordebajode la basedelcuello
de Ilenadodejandoespacioparaladilataci6ndeIcombustible.
• Vuelvaa colocarla tapade lagasoiinay aj_stelabien.
• Lirnpieel combustiblequese hayaderrarnadosobreel motory el
equipo.Trasladela rn&quinaa otra zona.Espere5 rninutosantes
deencenderel motor.
• Nuncaalrnacenela rn&quina0 el recipientedecombustibleen
unespaciocerradodondehayafuego,chispas0 luz piloto(por
ejernplo,hornos,calentadoresdeagua,calefactores,secadores
de ropa,etc.).
• Dejequela rn_.quinase enfrieporIo rnenos5 rninutosantesde
guardarla.
• NuncaIlenelos recipientesenel interiordeunvehiculoo carni6n
ocaja de rernolquecon recubrirnientospl_.sticos.Coloque
siernprelos recipientesenel pisoy lejosdelvehiculoantesde
Ilenarlos.
• Sies posible,retireel equipoa gasolinadelcarni6no rernolque
y II_neloen el suelo.Siestonoes posible,Ileneel equipoen un
rernolquecon contenedorport_.til,envezdedesdeunaboquilla
dispensadoradegasolina.
• Mantengala boquilladispensadoraen contactocon el hordedel
dep6sitode combustibleo con la aberturadel recipienteentodo
rnornento,hastaterrninarlacarga.No utiliceundispositivode
apertura/cierrede boquilla.
FUNCIONANIIENTO
•No pongalas rnanoso los piescercadelas piezasrotatorias,
en lacajade la barrena/irnpulsoro en el rnontajedelcanalde
descarga.Hacercontactocon piezasgiratoriaspuederesultaren
laarnputaci6ndernanoso pies.
• La palancadecontrolde la barrena/irnpulsores un dispositivo
de seguridad.Nuncaevitesu funcionarniento.De hacerlola
operaci6nde la rn_.quinaes riesgosay puedeocasionarlesiones.
• Las palancasdecontroldebenfuncionarbienen arnbasdirec-
cionesy regresarautorn_.ticarnentea la posici6nde desengrane
cuandose lassuelta.
• Nuncaoperela rn_.quinasi faltaunrnontajedelcanalo si el
rnisrnoest,.daSado.Mantengatodoslosdispositivosde seguri-
daden su lugary enfuncionarniento.
• Nuncaenciendaelmotorenespacioscerradoso en unazona
con pocaventilaci6n.Elescapedel motorcontienernon6xidode
carbono,ungas inodoroy letal.
• Noutilicela rn_.quinabajola influenciadelalcoholo las drogas.
• Elsilenciadory el motorse calientany puedencausarquernadu-
ras.Nolos toque.Mantengaa los niSosalejados.
• Seasurnarnenteprecavidocuandooperelarn_.quinasobreuna
superficiecon gravaocuandola cruce.Mant_ngasealerta porsi
se presentanpeligrosocultoso tr_.nsito.
• Tengacuidadocuandocarnbiede direcci6no cuandoopere
la rn_.quinaenpendientes.Nouse la rn_.quinaen pendientes
pronunciadas.
• Planifiqueel patr6nenel queva air arrojandonieveparaevitar
que ladescargade materialse produzcahacialas ventanas,
las paredes,losautorn6viles,etc.y evitarasi posiblesdaSos
rnaterialeso lesionesproducidasporlos rebotes.
• Nuncadirijaladescargahacialos niSos,los observadoreso las
rnascotasni dejequenadiese paredelantede la rn_.quina.
• Nosobrecarguelacapacidadde la rn_.quinatratandode sacarla
nievernuyr_.pidarnente.
• Nuncaopereestarn_.quinasin buenavisibilidado ilurninaci6n.
Siernpredebeestarsegurode queest,.bienafirrnadoy su-
jetandofirrnernentelas rnanijas.Carnine,nuncacorra.
• Cortela corrientea la barrena/irnpulsorcuandotransportela
rn_.quinao cuandolarnisrnanoest,.en uso.
• Nuncaoperela rn_.quinaaalta velocidadde desplazarniento
sobresuperficiesresbaladizas.Mirehaciaabajoy haciaatr_.sy
tengacuidadocuandovayarnarchaatr_.s.
• Si la rn_.quinacornenzaraavibrarde rnaneraanorrnal,detengael
motor,desconecteel cablede labujiay p6ngalade rnaneraque
hagarnasacontrael motor.Inspeccionela rn_.quinarninuciosa-
rnenteparaver si est,.daSada.Reparetodoslos daSosantesde
encendery operarla rn_.quina.
• Desengranetodaslas palancasde controly detengaelmotor
antesdedejarla posici6nde operaci6n(detr_.sdelas rnanijas).
Espereaque labarrena/irnpulsorse detengaporcornpleto
antesdedestaparelrnontajedelcanalo realizarajustese
inspecciones.
• Nuncapongalas rnanosenlas aberturasdedescargao de
recolecci6n.Utilicesiernprela herrarnientadelirnpiezaquese
adjuntaparadestaparla aberturadedescarga.Nodestapeel
rnontajedelcanal rnientrasel motorest,.en funcionarniento.
Antesde destaparlo,apagueel motory perrnanezcadetr_.sde las
rnanijashastaque todaslas partesrn6vilesse hayandetenido.
• Uses61ounionesy accesoriosaprobadospot el fabricante(por
ejernplo,pesasparalas ruedas,cadenasparalos neurn_.ticos,
cabinas,etc.). Paraobtenerrn_.sinforrnaci6nacercadeestos
ternas,Ilarneal 1-800-469-4663.
46

• Paraencenderel motor,jale de lacuerdalentarnentehastaque
sientaresistencia,luegojale r_.pidarnente.Elreplieguer_.pidode
la cuerdade arranque(tensi6nde retroceso)lejalar_,la rnanoy
el brazohaciael motorrn_.sr_.pidodeIo queustedpuedesoltar.
El resultadopuedenserhuesosrotos,fracturas,hernatornaso
esguinces.
• Si se presentansituacionesquenoest_.nprevistasen este
manual,seacuidadosoy use el sentidocornOn.
• Parapedirrepuestoso serviciohorarioparaesteproducto,Ilarne
a 1-800-469-4663.
MANTENIMIENTO Y ALMACENAMIENTO
•Nuncaalterelos dispositivosde seguridad.Controleperi6dica-
rnentequefuncionencorrectarnente.Rernitasea las secciones
demantenirnientoy ajustede estemanual.
• Antesde realizarla lirnpieza,repararo revisarla rn_.quina,
desengranetodaslaspalancasdecontroly detengael motor.
Esperea quela barrena/irnpulsorse detengaporcornpleto.
Desconecteel cabledela bujfay p6ngalohaciendornasacontra
el motorparaevitarquese enciendaaccidentalrnente.
• Controlefrecuenternentequetodoslospernosy tornillosest_n
bienajustadosparacornprobarquela rn_.quinase encuentra
encondicionessegurasde funcionarniento.Adern_.s,hagauna
inspecci6nvisualde larn_.quinaparaverificarsi est,.da_ada.
• No carnbielaconfiguraci6ndel reguladordelmotorni acelere
dernasiadoelrnisrno.Elreguladordelmotorcontrolala velocidad
rn_.xirnaseguradefuncionarnientodelmotor.
• Las placasde raspadoy las zapatasantideslizantesquese
usancon la rn_.quinaquitanievese desgastany se da_an.
Paraprotegersu seguridad,verifiquefrecuenternentetodoslos
cornponentesy reernpl_.celoss61ocon partesde los fabricantes
deequiposoriginales(OEM).iEI usode piezasquenocurnplen
con lasespecificacionesdelequipooriginalpuederesultaren
rendirnientoinadecuadoadern_.sde poneren riesgola seguridad!
• Reviselas palancasde controlperi6dicarnenteparaverificar
queengraneny desengranenadecuadarnentey ajOstelossi es
necesario.Consultela secci6nde ajustesdeeste manualdel
operadorparaobtenerinstrucciones.
• Mantengao reernplacelasetiquetasde seguridade instrucciones
segQnseanecesario.
• Respetelas norrnasreferentesa ladisposici6ncorrectay las
reglarnentacionessobregasolina,aceite,etc. paraprotegerel
medicarnbiente.
• Antesdealrnacenarlarn_.quinaenci_ndalaunosrninutospara
sacarla nievequehayaquedadoen larnisrnay paraevitarasi
quese congelela barrena/irnpulsor.
• SegOnlaCornisi6nde Seguridadde Productosparael Consurni-
dorde los EstadosUnidos(CPSC)y laAgenciade Protecci6n
Arnbientalde los EstadosUnidos(EPA),esteproductotieneuna
vida Qtilmediadesiete(7) a_os,660 horasdefuncionarniento.
AI finalizarlavida Otilmedia,adquieraunarn_.quinanuevao
hagainspeccionaranualrnente_staporun distribuidordeservicio
autorizadoparacerciorarsede quetodoslos sisternasrnec_.nicos
y deseguridadfuncionancorrectarnentey notienenexcesivo
desgaste.Si no Iohace,puedenproducirseaccidentes,lesiones
o rnuerte
• Nuncaalrnacenela rn_.quinao el recipientedecombustibleen un
espaciocerradodondehayafuego,chispaso luz pilotocornopor
ejernplo,calentadoresde agua,hornos,secadoresde ropa,etc.
• Consultesiernpreel manualdeloperadorparaobtener
instruccionesadecuadasparaelalrnacenarnientofuerade
ternporadaVerifiquefrecuenternentelaIfneade combustible,el
tanque,el tap6n,y losaccesoriosbuscandorajaduraso perdidas.
Reernplacede ser necesario.
• Nod_ arranqueal motorsinoest,. labujiade encendido.
NO MODIFIQUE EL MOTOR
Paraevitarlesionesgraveso larnuerte,nornodifiqueel motorbajo
ningunacircunstancia.Si carnbiala configuraci6ndel reguladorel
motorpuededescontrolarsey operara velocidadesinseguras.Nunca
carnbielaconfiguraci6ndef_.bricadel reguladordel motor.
AVISO REFERIDO A EMISIONES
Losrnotoresqueest&ncertificadosy curnplencon las regulaciones
de ernisionesfederalesEPAy de CaliforniaparaSORE(Equipos
peque_ostodoterreno)est_.ncertificadosparaoperarcon gasolina
cornOnsinplornoy puedenincluirlossiguientessisternasde control
de ernisiones:Modificaci6ndemotor(EM) y catalizadorde tresvias
(TWO)si est_.nequipadosde esa rnanera.
GUARDACHISPAS
Estarn&quinaest,.equipadacon unmotorde cornbusti6ninternay
nodebeser utilizadaen o cercade unterrenoagrestecubiertopor
bosque,rnalezaso hierbaexceptosi el sisternade escapedelmotor
est,.equipadocon unarnortiguadorde chispasquecurnplaconlas
leyeslocaleso estatalescorrespondientes,encasodehaberlas.
Sise utilizaun arnortiguadordechispasel operadorIo debernantener
en condicionesde usoadecuadas.Enel Estadode Californialas
rnedidasanteriorrnenternencionadassonexigidasporley (Arficulo
4442del C6digode RecursosPOblicosde California).Es posible
queexistanleyessirnilaresenotrosestados.Lasleyesfederalesse
aplicanenterritoriosfederales.
Puedeconseguirelarnortiguadorde chispasparael silenciadora
travesde sudistribuidorautorizadode rnotoreso poni_ndoseen
contactocon eldepartarnentodeservicios.
4.7

SiMBOLOS DE SEGURIDAD
Estap_ginadescribelossirnbolosy figurasde seguridadinternacionalesquepuedenaparecerenesteproducto.Leael manualdeloperador
)araobtenerla inforrnaci6nterrninadasobreseguridad,reunirse,operaci6ny rnantenimientoy reparaci6n.
ii
LEAELMANUAL DELOPERADOR(S)
Lea,entienda, y siga todas lasinstrucciones en el manual (es)antes de intentar reunirse y funcionar.
LA ADVERTENCIA -- PLATOS ROTATORIOS
Guarde manos de entrada y aperturas de la descarga mientras la m_iquina corre. Alli ellos hacen para
girar platos dentro.
LA ADVERTENCIA- LAMINAS ROTATIVAS
Guarde manos de entrada y aperturas de descarga mientras la m_iquina corre. Alli hacen girar I_iminas
dentro.
LA ADVERTENCIA -- TALADRO ROTATIVO
No ponga manos o pies cerca del giro de partes, en el alojamiento de taladro/aspa o asamblea de
tolva. Contacto con las partes rotativas puede amputar manos y pies.
OBJETOS LANZADOS POR ADVERTENClA
Esta m_iquina puede recoger y lanzar objetos que pueden causar la herida personal seria.
GASOLINA DE ADVERTENClA ESINFLAMABLE
Permita que el motor se enfrie al menos dos minutos antes del reabastecimiento de combustible.
ADVERTENCIA -- MONOXIDO DE CARBONO
Nunca dirijas un motor dentro o en un _irea mal ventilada. Los gases de combusti6n de motor
contienen el mon6xido de carbono, un gas inodoro y mortal.
ADVERTENCIA -- ELECTROCHOQUE
No use eljuez de salida el6ctrico del motor en la Iluvia.
48

IMPORTANTE:Estaunidadse enviaconel motorIlenode aceite,
Despu_sdelrnontaje,consultela p_.gina10paralosdetallesdel
combustibley elaceite,
Extracci6n de la unidad de la caja
1, Cortelasesquinasdela cajade cart6ny extiendaloslados
de rnaneraquequedenpianossobreel piso Quitetodoslos
separadoresde ernpaque,
2, Saquela rn_.quinaquitanievede lacaja.
3, Aseg@esedevaciarcornpletarnentela cajaantesdetirarla,
Lie
NOTA:Lasreferenciasquecontieneestemanualsobrelosladosderecho
oizquierdodelarn_.quinaquitanievesehacenobservandola rnisrna
desdelaposid6ndeoperaci6na rnenosqueseindiqueIocontrario,
Configuracidn de la manija
NOTA: Tengaen cuentalas tresunionesdecable flojasqueest_.n
unidasa labarradecontrolinferiory se utilizar_.nposteriorrnentepara
sujetarlos canes.
1. Aflojelaperilladealetas,laarandelac6ncava,lalengOetadelabarra
decontroly eltornillodelcarroqueest&naambosladosdelabarrade
controlinferiory refirelos.VealaFigure1.
2. Desliceunadelasunionesdecableflojasdesdeelladoderechodela
barradecontrolinferiorhastaeltravesaSodelamisma.Dejelasegunda
uni6ndecableensusitioa laderechadelabarradecontrolinferior.Vea
laFigure3comoreferencia.
IMPORTANTE: Paraevitarqueseda_eelcableresultar_necesario
levantarlabarradecontrolsuperiormientrassedeslizaestauni6ndecable
haciaarriba.
3. Elevelabarradecontrolsuperiory ubiquelasobrelabarrainferior,
Tengacuidadode nodoblarni torcerlos cables.
.Inserteuntornillodecarrodesdeel exterioratravesdeuna
leng_Jetade labarradecontrol,lasbarrassuperiore inferior,una
arandelac6ncava,y al interiorde laperilladealetas(2). RepitaIo
rnisrnoen el otrolado.
5. Ajustelas perillasde aletasa cadaladode la barradecontrol.
Consultela Figure2.
NOTA: Elrecorridodel cablede labarrenapasapordebajodela
barrade controlinferiorizquierday el cablede transrnisi6npasaa
travesde la partesuperiorde labarradecontrolinferiory pordebajo
delladoderechode la rnisrna.Veala Figure3.
.Doscanes desujeci6nse banutilizadoparaatarsinapretarlos
cablesdecontroldela rnanijainferior.Unclipde presi6ntarnbi_nse
induyeenel cabledela unidadinferior.Posici6ndelasatadurasde
cablesahora,cornoen lafigura.3, y aprieteparafijar loscablesa
larnanijainferior.Recorteelexcesodematerialdelasatadurasde
cables.Instaleel clipdepresi6nenelorificioenel mangocornoel
indicadoenel recuadroa laizquierdaen la Figura3.
Figura 1
Figura 2
J
transmisi6n
Cablede la barrena
Impulsar Clip
Figura 3
49

Zapata antideslizante
Laszapatasantideslizantesdelam_quinaquitanieveseajustanhaciaarriba
enf_brica,paraelenvio.SiIodesea,puedeajustarlashaciaabajoantesde
hacerfuncionarlam_quinaquitanieve.
Serecorniendanooperarestarn_.quinaquitanievesobregravaya que
launidadpuederecogery lanzargravasueltaf_.cilrnente,causando
lesionespersonaleso da_osa larn_.quinay losobjetosquelarodean.
•Sideseaquitarla nieveal rasen unasuperficielisa,elevea
mayoralturalaszapatasantideslizantesde la cajade la barrena
parabajarrasuradaplato.
•Uselas posicionesinterrnediao bajacuandola superficieque
deseelirnpiares despareja,porejernploenuncarninodegrava
paralevantarel platode rasurada.
NOTA:Sidecideusarla rn_.quinaquitanievesobreunasuperficie
degrava,rnantengalas zapatasantideslizantesen laposici6nque
perrnitaIograrunaseparaci6nrn_.xirnaentreel sueloy laplacade
raspado.
Operara unlanzadorde nieveequipadocon aceropatinazapatos
puedentenetcornoresultadoda_oa superficiesdepiedranaturales
de paver(porejernploarenisca,bluestone,lapiedracaliza).Para
la inforrnaci6nenelpolirnerodisponiblepatinazapatos,laIlarnada
1-800-4MY-HOME.
Para ajustar las zapatas antideslizantes:
1. Aflojelascuatrostuercashexagonales(dos a cadalado)y los
pernosdel carro.Muevalas zapatasantideslizantesa laposici6n
deseada.Veala Figure4.
f// ',,
/
/
Pasadores de cuchilla
Surn_.quinaquitanievetrae unparde pasadores
de cuchillade labarrenay pasadoresdechaveta
con uni6ncurvade reernplazo.Alrnac_nelos
en unlugarsegurohastaquelos necesite.
Herramienta de limpieza
Laherrarnientadelirnpiezadelcanalvieneajustadadef_.bricaalaparte
superiordelacajadelabarrenaconunpasadordeensarnbladoy unauni6n
decable.Cortelauni6ndecableantesdeoperarlarn_.quinaquitanieve.
VealaFigure5.
Herramientade
limpiezadelcanal
Figura 5
Presi6n de los neum_ticos
Lapresi6nde infladoadecuadaes deentre15psiy 20psi.Verifiquela
presi6ndelos neurn_.ticosregularrnentey rnantengasiernprela rnisrna
presi6nenlos dos neurn_.ticos.Unapresi6nexcesiva(porencirna
de 20psi) puedehacerqueel conjuntode la rueda(neurn_.tico/
Ilanta)explotecon unafuerzasuficientecornoparacausarlesiones
graves.Noinfle dernasiadoel neurn_.tico.Utiliceunabornbamanual
o un infladorde neurn_.ticosel_ctricoport_.tilparaevitarinflarlo
excesivarnente.NO USENUNCAUNCOMPRESORDEAIRE
Elinfladoexcesivode los neurn_.ticoscon unapresi6nexcesiva
(pot encirnade 20 psi)puedehacerqueel conjuntode la rueda
(neurn_.tico/llanta)explorecon unafuerzasuficientecornopara
causarlesionesgraves.
Figura 4
2. Cornpruebequetoda la superficieinferiorde laszapatas
antideslizantesest,.contrael sueloparaevitareldesgaste
desparejode las rnisrnas.
3. Vuelvaa ajustarbienlas tuercasy los pernos.
5O

Recomendaciones sobre el combustible
Utilicegasolinaparaautorn6viles(sinplornoo bajocontenidodeplorno
pararninirnizarlosdep6sitosenlac_rnaradecornbusti6n)con unrninirno
de87octanos.Sepuedeusargasolinaconhastaun 10%deetanolo un
15%de MTBE(eterrnetilicoterciario-bufilico).Nuncauseunarnezcla
deaceitey gasolinanigasolinasucia.Evitequeseintroduzcasuciedad,
polvooaguaenel dep6sitodecombustible.NOutilicegasolinaE85.
*Carguecombustibleenun _reabienventiladay conel motor
apagado.Nofumeni perrnitallamasochispasenel lugardonde
se cargacombustibleo se alrnacenalagasolina.
*No Ileneen excesoel dep6sitode combustible.Despu_sde
cargarcombustible,asegQresedeque eltap6ndel dep6sitoest_
biencerradoy asegurado.
*Tengacuidadode noderrarnarcombustibleal realizarla recarga.
Elcombustiblederrarnadoo susvaporesse puedenincendiar.
Si sederrarnacombustible,asegQresede queel_reaest_seca
antesde arrancarel motor.
.Eviteel contactorepetidoo prolongadocon la pielo la inhalaci6n
de losvapores.
Carga de combustible
Tengarnuchocuidadoal trabajarcon gasolina.Lagasolinaes
surnarnenteinfiarnabley susvaporespuedencausarexplosiones.
Nuncaagreguecombustiblea la rn&quinaen interioresni rnientrasel
motorest&calienteoen funcionarniento.Apaguecigarrillos,cigarros,
pipasy otrasfuentesdecornbusti6n.
Verificaci6n del nivel de aceite
Elmotorse enviacon aceiteenel motor.Sinembargo,debe
controlarelnivelde aceiteantesdehacerfuncionarlarn_.quina
quitanieve.Si se hacefuncionarel motorsin suficienteaceitepuede
da_arsegravernentey seanulalagaranfia.
NOTA: Paracomprobarel motorasegOresedeque esteapagadoy sobre
una superficienivelada.
1. Retireel tap6ndeIlenadode aceite/lavarillade medici6ny limpie la
varillademedici6nde aceite.Veala Figure7.
Siernprernantengalas rnanosy los piesalejadosde las piezas
rn6vilesdelequipo.No utilicefiuidoscornprirnidosparaarrancar.Los
vaporesson inflarnables.
1,
2. Antesde sacar eltap6n paracargar combustible,limpie alrededor.
En el dep6sitode combustiblehay un indicadordenivel. Lleneel
dep6sitohastaIlegaral nivelde combustibledel indicador;veala
Figura6. Tengacuidado parano Ilenarel dep6sitoen exceso.
Vista superiordel indicadorde
nivelde combustible
2,
Figura7
Insertelatapa /varillade medici6nenel cuello de Ilenadodeaceite,
gire latapa 1/4 vuelta hastaque estecompletamenteasentada.
NOTA: En algunosmotores,untap6n derosca/varilla demedici6n
puedenexistir en lugarde unatapa de1 /4 vuelta comose describe
anteriormente.Eneste caso no apretarlatapa paraverificarel nivelde
aceite.Simplerestode la PACen lasroscasparacomprobarel nivelde
aceitecorrecto.
3. Saqueeltap6n/la varilla de medici6ndeaceite.Si el niveles bajo,
agregueaceitelentamentehastaque el registromarqueentre nivelalto
(H)y bajo(L), Figura7.Consultela secci6nMantenimientodel motor
paraver laviscosidadycapacidadde aceitedel motorcorrectas.
NOTA:No IoIleneen exceso. ElIlenadoexcesivodeaceite puede
hacerque el motorgenere humo,quecuestearrancarloo quefalle la
bujia.
4. Vuelvaa colocarel tap6n/la varillade medici6nde aceitebien
ajustadosantes deponeren marchael motor.
J
Figura6 51

Canal de descarga 6.
1. Aflojelaperilladealetasdelcanalsuperior,ajusteelcanaly elcontrol
delcanalalaposici6ndefuncionamientodeseada.
2. Aprietelaperilladealetasdelcanalsuperiorasegur_ndosedequeel
pernodelcarroseencuentrecorrectamentecolocado.Consulte 7.
laFigure8.
Controldelcanal
Sila barrenamuestraALGONsignode rotaci6n,vuelva
inmediatamentea la posici6ndeloperadory apagueel motor.
Esperea quetodaslas partesm6vilessedetenganantesde
reajustarelcablede controlde la barrena.
Aflojelatuercahexagonalposteriorenelsoportedeajustedelcable.
VealaFigura9.
J Soporte de
ajuste delcable
de la barrena
Tornillo de
la caja de la
barrenainferior..............
/".. Tornillode la
X,_ " de la barrenasuperior _j
Figura9
Figura8
Prueba de control de la barrena
iMPORTANTE:Realicela pruebasiguienteantesdeoperarla
m_.quinaquitanieveporprimeravezy al principiode cadainvierno.
Compruebeel ajustedel controldela barrenadela siguienteforma:
1. Cuandose sueltael controlde la barrenayest,.en posici6n
desengranadaarriba,elcabledebetenetmuypocojuego,peroNO
debeestarajustado.
8. Deslice el soporte de ajuste del cable hacia atra.sreduciendo el
juego del cable de la barrena.
9. Vuelva a ajustar la tuerca hexagonalposterior.
10. Encienda el motor y verifique que el control de la barrena se engrana
y desengrana adecuadamente.
NOTA: Si la barrena continua girando con ei controldesengranado,
apague el motor y reajuste el soporte del cable hacia adelante. Luego
vuelva a controlarel funcionamientode la barrena.
Noajustedemasiadoel cable.Elajusteexcesivopuedeimpedir
que la barrenase desengraney porteren peligrolaseguridaddela
m_.quinaquitanieve.
.
3.
.
.
Enun_.reabienventilada,arranqueel motorde lam_.quina
quitanievesegQnse indicaen la p_.gina10bajoel encabezado
"Encendidodel motor".AsegQresede queel reguladorse
encuentreen laposici6nFAST(r_.pida)_j_ w
Paradoen la posici6ndel operador(detr_.sde la unidad),engrane
la barrena.
Dejela barrenaengranadaduranteaproximadamentediez(10)
segundosantesde soltarel controlde la misma.Repitaesta
operaci6nvariasveces.
Conel motorfuncionandoenposici6nFAST(r_.pida)_j_ y el
controlde labarrenaenposici6ndesengranadaarriba,camine
haciael frentedela m_.quina.
Confirmequela barrenahadejadode girarporcompletoy no
muestraNINGONsignodemovimiento.
52

Control de la
barrena
de la
transmisi6n
Cuerda de Tapade la
arranque, gasolina
\
Canal superior _ del canal
Tap6n de Manija del
kf
Montaje del canal Silenciador combustible arrancador de
retroceso
Herramienta de limpieza
Cebador
Llavede
encendido
Barrena Perilla del canal
Placa de
raspado _ Zapata de aceite arrancador electrico
antideslizante
Familiaricesecon el usode todosloscontrolesde la m_.quinaquitanieveyconsucorrectofuncionamiento.Sepac6modetenerla m_.quinay
desactivarloscontrolesr_.pidamente.
NOTA:Comparela Figuracon suequipoy siga ladescripci6nde los
controles,quese ofrecena continuaci6n,parafamiliarizarsecon su
operaci6n.
Control de la transmisi6n
Ubicadoenla parteinferiordel ganchosuperior,el controlde la
transmisi6nse utilizaparaengranar/desengranarlas ruedas.Apriete
el controldela transmisi6ncontrala barradecontrolsuperiorpara
engranarlas ruedas,y su_lteloparadesengranarlas.
Control de la barrena
Elcontrolde la barrenaest&al ladodela barrade controlsuperior.
Aprieteel controlde labarrenacontralabarradecontrolsuperiorpara
engranarlas barrenas,y su_lteloparadesengranarlas.
Nuncarealiceajustesal montajedel canala menosquelos controles
de la barrenay latransmisi6nest_ndesengranadosy el operador
est_ paradojuntoa la unidad.
IMPORTANTE:ConsultelaInformaci6nsobrelapruebadecontroldela
barrenaenlasecci6nMontajey Ajustesdeestemanualantesde hacer
funcionarla m_.quinaquitanieve.Leay cumplatodaslasinstrucciones
concuidado,y realicetodoslos ajustesparaverificarquesu m_.quina
quitanieveest,.funcionandodeformaseguray adecuada.
Manija del canal
Ladirecci6nen quese arrojalanievecorrespondea la direcci6nde
aperturadel canal.Usela manijadel canalparagirarel montajedel
canalen la direcci6nen laquedeseearrojarla nieve.
Perilla del canal
Esposibleajustarladistanciaa lacual se arrojala nieveelevando
o bajandoel canalsuperior.Aflojelaperilladelcanaldel ladodel
canal superiorparaajustarlo.Gireelcanal superiorhastala posici6n
deseaday vuelvaaajustarla perilladelcanal.
Placa de raspado
Laplacade raspadomantieneelcontactocon el pavimentoa medida
que seimpulsala m_.quinaquitanieve,permitiendoque sedescargue
lanievequeest,.cercade la superficiedelpavimento.
Zapata antideslizante
Sepuedeajustarel espacioque existeentrela placade raspadoy
el suelo.Si deseaquitarnieveal rasdelsuelo,coloquelas zapatas
antideslizantesen la posici6nbaja. Uselas posicionesmediao alta
cuandola superficiequedesea limpiarseadesparejao est_cubierta
de grava.
53

Barrenas
Cuandoest_.nengranadas,las barrenasgirany rnandanlanievehacia
el interiorde lacaja dela barrena.
IVIontaje del canal
La nieveernpujadaal interiorde lacajade la barrenasedescargapor
el rnontajedel canal.
Control del cebador
AIactivarel controldelcebadorsecierrala placa
decebadodelcarburadory se ayudaa encenderel
motor.Porinforrnaci6nacercadel usodelcebador,
consulteArranquedel Motorrn_.sadelanteen esta
secci6n.
Arrancador de retroceso y manija del
arrancador
Estemotorcuentaarranqueporestirarnientoconacci6nde retroceso
y rnanijadela ernpu_aduradernit6nparaunf_.cilaccesousando
guanteso rnitones.
Llave de encendido
La Ilavede encendidoes undispositivodeseguridad.
Debeestarcornpletarnenteinsertadaparaque el
motorarranque.Retirela Ilavede encendidocuando
no usela rn_.quinaquitanieve.
NOTA:Nogire laIlavede encendidoparaintentar
arrancarel motor.AI hacerlopodriarornperla.
Bot6n del arrancador electrico
Sioprirneelbot6ndelarrancadorelectricoseengranaelarrancador
el_ctricodelmotorcuandoseIoenchufaa unafuentedeenergfade 120V.
Salida del arrancador el_ctrico
Es necesariousarun cord6nprolongadorparaexterioresdetres patas
(se incluye)y unafuentedeenergia/tornacorrientede paredde 120V.
Cebador
AI presionarel cebadorse enviacombustible |
directarnenteal carburadordelmotorpara _k_P-
facilitarel arranquecuandohacefrio.Consulte I
las instruccionesde encendidoenla secci6nde Ill
operaci6nde estemanualparausarcorrectarnente
elcebador.Lairnagenqueapareceacontinuaci6na la izquierda,
coincideconla etiquetaqueidentificaal cebadorenel motor.
Llenado de aceite
Saqueel tap6ndeaceiteparaagregaraceite. Consultelasecci6n
Mantenirnientoy Servicioparaobtenerinstruccionessobrecontroly
Ilenadodeaceite.
Tapa de la gasolina
Saquela tapade lagasolinaparaagregarcombustible.Launidad
operacon combustiblenormal.
NOTA: Estaunidadpuedeincluirun tap6ndecombustible,que
Onicarnentese utilizaduranteel rnontajepararnantenerel dep6sito
decombustiblelibredesuciedady residuos. Descarteeltap6nde
combustibleantesdeIlenareldep6sitodecombustible.
Control del regulador
Elcontroldel reguladorest,. ubicadoenel motor.Regulalavelocidad
del motor,y Io apagacuandose presionahaciaabajocornpletarnente.
Lairnagende laderecharepresentalasvelocidadesdel control
del reguladory coincidecon laetiquetaubicadaenel motor.Las
imP.genesa continuaci6nilustranla definici6ndecada sirnbolo.
I i I [ Nuncause las rnanosparadespejarun rnontajede canaltapado.
Apagueelmotory perrnanezcadetr_.sde lasrnanijashastaquetodas
las partesrn6vilessehayandetenidoantesde utilizarla herrarnienta
de lirnpiezaparadespejarelconjuntodelcanal.
Laherrarnientade lirnpiezadel canalest,.ajustadaconvenienternente
a la parteposteriorde la cajade la barrenacon unpasadorde
ensarnblado.Si se acurnulannievey hieloen el canaldedescarga
durantelaoperaci6n,procedacornose indicaa continuaci6npara
lirnpiarde rnanerasegurael rnontajedelcanaly laaberturadel canal:
1. Suelteel controldela barrenay el controlde latransrnisi6n.
(_ 2. Paradetenerel motorsaquela Ilavede encendido.
| 3. Saquelaherrarnientadelirnpiezade la horquillaque laajustaa la
parte posteriorde lacaja dela barrena.
4. Useel extrernocon forrnade palade la herrarnientade lirnpieza
(_O paradesplazary recogerla nievey el hieloque seforrnendentro
y cercadel rnontajedel canal.
5. Vuelvaa ajustarla herrarnientade lirnpiezaalpasadorde
ensarnbladoubicadoen la parteposteriorde lacajade la
barrena,insertede nuevolaIlavede encendidoy enciendael
motorde la rn_.quinaquitanieve.
6. Paradoen laposici6ndeloperador(detr_.sde larn_.quina
quitanieve),engraneel controldela barrenaduranteunos
segundosparaelirninarlanieveo el hieloquehayanquedadoen
el rnontajedelcanal.
Antes de encender el motor
Lea,cornprenday sigatodaslas instruccionesy advertenciasque
aparecenen larn_.quinay en estemanualantesde operarla.
Aceite del motor
Estaunidadseenvi6con aceiteen elmotor.Controleel nivelde
aceiteantesde cadaoperaci6nparaasegurarsedeque hayaaceite
suficienteen el motor.Porrn_.sinstrucciones,consultela secci6n
Mantenirnientoy Serviciode estemanual.
NOTA: Paracornprobarel motorasegQresedeque est_apagadoy
sobreuna superficienivelada.
1. Retireel tap6nde Ilenadodeaceite/lavarillade rnedici6ny lirnpie
la varilladernedici6ndeaceite.
2. Insertelatapa/varilladernedici6nenelcuellodellenadodeaceite,
girelatapa1/4 vueltahastaqueest_cornpletarnenteasentada.
3. Saqueel tap6n/la varillade rnedici6nde aceite.Si el niveles
bajo,agregueaceitelentarnente(5W-30,con unaclasificaci6n
minimade SF/SG)hastaqueel nivelregistradoest_entre los
puntosalto (H) y bajo(L).
NOTA:NoIoIleneen exceso.ElIlenadoexcesivodeaceitepuedehacer
queelmotorgenerehurno,quecuestearrancarlooquefallela bujia.
4. Vuelvaa colocarel tap6n/lavarillade rnedici6nde aceitebien
ajustadosantesde poneren rnarchaelmotor.
54

Gasolina
Utiiice gasolina para autom6viles (sin plomo o bajo contenido de plomo
para minimizar los dep6sitos en la ca.marade combusti6n) con un minimo
de 87octanos. Se puede usar gasolina con hasta un 10%de etanoi o un
15%de MTBE (eter metilico terciario-butilico). Nunca useuna mezcla
de aceite y gasolina ni gasolina sucia. Eviteque se introduzcasuciedad,
polvo o agua en ei dep6sito de combustible. NO utilice gasolina E85.
Cargue combustible en un a.reabien ventiladay con el motor
apagado. No fume ni permita llamaso chispas en el lugar donde se
carga combustible o se aimacena ia gasolina.
No iiene en exceso el dep6sito de combustible. Despues de cargar
combustible, asegurese de que el tap6n del dep6sito este bien
cerrado y asegurado.
Tenga cuidadode no derramar combustible ai realizar ia recarga. El
combustible derramado o sus vapores se pueden incendiar. Si se
derramacombustible, asegQresede que el a.reaeste seca antes de
arrancarel motor.
Eviteel contacto repetidoo prolongado con la piel o la inhaiaci6n de
los vapores.
Tengamuchocuidadoaltrabajarcongasolina.Lagasolinaessumamente
inflamabley susvaporespuedencausarexplosiones.Nuncaagregue
combustiblea lam@uinaen interioreso mientraselmotorestacalienteo en
funcionamiento.Apaguecigarrillos,cigarros,pipasyotrasfuentesde combusti6n.
1,
2.
Antes de sacar el tap6n para cargar combustible, limpie airededor.
Enei dep6sito de combustible hay un indicador de nivel. Llene el
dep6sito hasta Ilegar ai nivel de combustible del indicador. Veael
recuadro de la Figura 10.Tenga cuidado de no Ilenaren exceso.
Encendido del motor
NO use ei arrancador electrico en ninguna circunstancia.
1. Conecte el prolongador a la salida situada en ia superficie del motor.
Conecte ei otto extremo del prolongador a un tomacorrientede CA,
120voltios con conexi6n a tierra, para tres patas, en un a.reabien
ventiiada.
2. Mueva la palanca de control del regula_o..rhastala posici6n FAST
(r@ido, representado pot una liebre) _ .
3. Mueva la palanca del cebador hasta la posici6n CHOKE (encendido)
I.,,a(J. Si el motor esta.caliente, ubique el cebador en la posici6n
RUN (apagado).
4. Presioneel bot6ndel cebadortres (3) veces,asegurandosede cubrir
el orificio deventiiaci6n cuandoio haga.Si ei motor esta.caliente,
presione el bot6ndel cebador unasola vez. Cubra siempre el orificio
de ventilaci6ncuando optimael bot6ndel cebador.Si hacefrio puede
resultar necesario repetirel cebado.
5. Presioneel bot6n del arrancador paraarrancar ei motor. Una vez
encendido el motor, suelte inmediatamenteel bot6n del arrancador.
Elarrancador electrico tiene una protecci6n contra sobrecarga
t@mica; el sistema se apagara,transitoriamente para permitir que se
enfrie el arrancador en caso que se sobrecargue.
6. A medida que se calienta el motor, rote lentamente ei control dei
cebador hasta la posici6n RUN(apagado). Si el motorse detiene,
vuelva a encenderlo, ha.galofuncionar con el cebador ensu posici6n
media durante un iapso brevey luego gire lentamente el cebador
hasta la posici6n RUN (apagado).
7. Una vez que el motor este en funcionamiento,desconecte del
arrancador ei@trico ei cable de aiimentaci6n. Para desconectarlo,
desenchufe siempre el extremo que esta.enchufado ai tomacorriente
de pared antes de desenchufarel extremo opuesto que esta.
conectado ai motor.
Arrancador de retroceso
Siempremantengalas manosy los piesalejadosde laspartesm6viles.No
utilicefluidoscomprimidosparaarrancar.Losvaporessoninflamables.
NOTA: Paraubicar todos los controles dei motor que se mencionanen
esta secci6n, consulte ia Figura 9 de ia pagina 12.
NOTA: Deje que el motor se caiiente durante unos minutos tras el
arranque. Ei motor no desarrollara,toda su potencia hasta que aicance
temperaturasoperativas.
1. Aseguresede que el control de la barrena y el control de ia
transmisi6nesten en posici6n desengranada (sin presionar).
2. Inserte ia iiavede encendido en la ranura.AsegQresede que entre a
presi6n en su iugar. No intentegirar la Ilave.
NOTA: El motor no puede arrancar si la iiave no esta.completamente
insertada enei interruptor de encendido.
Arrancador el_ctrico
Elarrancadorel@tricoopcionalest_equipadocon un cablede alimentaci6n
detres hilosconectadoa tierray unenchufey est_dise_adopara
operarconcorrientedomesticaCA, 120voltios.Debeser utilizadocon
unrecept_culoparatres patascorrectamenteconectadoa tierraen todo
momentoparaevitar laposibilidaddedescargaselectricas.Sigatodas las
instruccionescuidadosamenteantesde operarel arrancadorelectrico.NO
utiliceel arrancadorelectrico enla Iluvia.
Determinesi el cableado de su hogar es unsistema de tres cables
conectado a tierra. Consulte con un electricista matriculadosi no esta.
seguro.
Si tiene un recepta.culode tres terminaies con conexi6na tierra, proceda
de la siguiente manera: Si el cableado de su hogar noes el adecuado,
Notire de la manijadel arrancadormientrasel motorest_en marcha.
1. Mueva la palanca de control del regula_orhasta la posici6n FAST
(r@ido, representado pot una liebre) _ .
2. Mueva la palanca del cebador hasta la posici6n CHOKE (encendido)
J,,_'J (encendido con el motor en frio). Si el motor esta.caliente,
ubique el cebador en la posici6n RUN (apagado).
3. Presioneel bot6n del cebador tres (3) veces, asegurandose de cubrir
el orificio de ventiiaci6n cuando io haga. Siel motor esta.caliente,
presione el bot6n del cebador unasola vez. Cubrasiempre el orificio
de ventiiaci6n cuando optima el bot6n del cebador.Si hace frio puede
resultar necesario repetir el cebado.
4. Jale suavemente la manija del arrancador hasta que comience a
ofrecer resistencia, luego ja.lelar@idamente y con fuerza parasuperar
la compresi6n.No suelte la manija ni permita que se desenganche.
Vuelva la soga LENTAMENTEa su posici6n original. De ser necesario,
repita este paso.
5. A medida que se calienta el motor, rote lentamente ei control dei
cebador hasta la posici6n RUN(apagado). Si el motorse detiene,
vuelva a encenderlo, ha.galofuncionar con el cebador ensu posici6n
media durante un iapso brevey luego gire lentamente el cebador
hasta la posici6n RUN (apagado).
Paraevitarque el motorfuncionesin control,nuncadejela m_quinasin
vigilanciamientrasest_en marcha.Apagueel motorluegode usarloy
saquela Ilavedeencendido.
53

Detenci6n del motor
Deje encendido el motor durante aigunos minutosantes de detenerlo para
permitir que se sequela humedad en el mismo.
1. Muevael controldel reguladorhastala posici6nSTOP(detenci6n)_.
2. Retire ia Ilavede encendido. Ai retirar la ilave se reduce la posibilidad
de que ei motor sea puesto en marchasin autorizaci6n mientras el
equipo no esta.en uso. Guardela iiave en un iugar seguro. El motor
no puede arrancarsin la Ilavede encendido.
3. Elimine la humedad de los controles del motor.
Antes de detener la rn quina
1. Deje encendidoel motorduranteaigunosminutospara permitirque se
sequela humedaden el mismo.
2. Paraevitar un posible congelamientodel arrancador de retroceso,siga
estospasos:
Arrancador de retroceso
a. Con el motor en marcha, tirede la cuerda del arrancador con
movimientora.pidoy continuo del brazo tres o cuatro veces.
Procedirniento para detener la
m _quina quitanieve
1. Paradetener las ruedas,suelte ei control de la transmisi6n.
2. Paradejar de quitar la nieve, suelte el control de la barrena.
3. Paradetenerei motor presio la palancade controldel reguladorhasta
la posici6nOFF (apagado)I }y saque la Ilave.No gire la Ilave.
La temperaturadel silenciadoryde las_reas que Io rodeanpuedesuperar
los 150oF.Evitedichas_reas.
Procedimiento para quitar la nieve
PRECAUClOI/: Revise la zona que desea limpiar paradetectar la
presencia de objetos extra_os. Refirelos si los hay.
1. Encienda el motor siguiendo ias instrucciones de encendido.
2. Deje que el motor se caliente unos minutosya que el mismo no
desarrolla la potencia ma.ximahasta que aicanza la temperatura de
funcionamiento.
3. Gire el conjunto del canal hacia la direcci6n deseada, lejos de
transeunteso edificios.
4. Asegurese deque no haya ningOntranseunte ni ningOnobjetoenfrente
de ia unidad, presione el control de ia barrena completamente contra
la barra superior hasta engranar totaimente ias barrenas.
5. Mientrasengrana el controlde ia barrena, presioneel control de la
transmisi6n completamente contra la manija superior para engranar
las ruedas. No ponga horizontal el control de transmisi6n.
6. A medida que la ma.quinaquitanieve comienza a moverse, sostenga
firmemente la manija y guie la ma.quinaa Io largodel camino que
desea limpiar.
7. Sueltelos controles de la barrena y latransmisi6n para que ia
ma.quinadeje de quitar nieve y de desplazarse hacia delante.
I!OTA:Su unidadesta.equipada con un embrague en ia transmisi6n. Si
las ruedas se detienen mientras trata de descargar grandes volOmenesde
nieve, inmediatamentedesengrane el control de la transmisi6n y deje que
las barrenas que esta.ngirando descarguen la nieve de la caja. Reduzca
la anchura de separaci6ny continue ia operaci6n.
8. Conlas pasadassucesivasreajusteel conjuntodel canal en la posici6n
deseaday traslape levementela pasada que limpi6 previamente. 54
Ubicacibn del canal de descarga
Afloje la perilladel canal y gireel canal superiorhasta la posici6ndeseada.
Ajuste la perilladel canal comprobandoque el perno decarro este ubicado
correctamente.
Gire la manija del canal a la posici6n de operaci6n deseada.
Noelevenuncala m_uitanieve tom_ndolade la mani_del canal.
Consejos de operaci6n
1. Paraqueel quitadodela nievesea ma.seficientedebehacerlo
inmediatamentedespuesde lacaidade la misma.
2. Enio posible, descargue la nieve en la direcci6n del viento. Traslape
levementecada pasada anterior.
3. Configure ias zapatasantideslizantes 1/4" pot debajo de ia placade
raspado para un uso normal.Las zapatas antideslizantesse pueden
ajustar hacia arriba cuando la nieve este muy compactada.
I!OTA: No se recomienda ia operaci6nde esta ma.quinaquitanieve sobre
grava, ya que es posible que la ma.quinaquitanieve tome la grava suelta y
la barrena la expulse, Io cual podria causar lesiones personales o dafiar la
ma.quinaquitanieve.
4. Si pot algun motivo tiene que usar ia ma.quinaquitanieve sobre grava,
mantenga la zapataantideslizante en ia posici6n ma.selevada para
Iograr una separaci6n ma.ximaentre el suelo y ia placade raspado.
5. Limpie cuidadosamente la ma.quinaquitanieve despues de cada uso.
REEMPLAZO DE LOS PASADORES DE
CUCHILLA
Lasbarrenas esta.najustadas al eje espirai con dos pasadores de cuchilla
y pasadoresde chaveta. Lamaquina quitanieve ha sido disefiada para
que los pasadores se quiebren si la barrena golpeara unobjeto extra_o
o un trozo de hielo. Si las barrenas no giran, verifique si los pasadoresse
han quebrado.Vea la Figura 10.
NUNCAcambielos pasadoresde cuchillade lasbarrenaspot otracosaqueI
los pasadoresde cuchillade repuestodel fabricantedel equipooriginal, No I
de pieza-738-04124.Cualquierda_oque sufra la cajade engranajesdela I
barrenao cualquierotrocomponentepot respetarlaindicaci6nprecedente, I
NOestar_cubierto or la arantiade su m_ ulna uitanieve.
Siempredebe apagarel motorde lam_quinaquitanievey retirarlaIlave
antesde cambiarlospasadoresde cuchilla.
f
O.........
Figura10

MANTENIMIENTO DEL MOTOR f "_
Antes de realizar tareas de lubricaci6n, reparaci6no inspecci6n,
desengrane todos los controles y detenga ei motor. Esperea que se
detengan completamente todas las piezas m6viles.
Control del aceite del motor
NOTA: Verifique ei nivel de aceite antes de cada usoy despues de cada
cinco horasde funcionamiento para cerciorarse que se mantiene el nivel
de aceite indicado.
Cuandole agregueaceite ai motor,consulteia siguientetabla de
viscosidad. Lacapacidadde aceitedel motores 600 ml (aprox.20 onzas).
No iieneexcesivamente.Use unaceite paramotor decuatro tiempos,o un
aceitedetergentede caiidadpremiumequivalentecon certificadoque cubra
o excedaias exigenciasde los fabricantesde autom6vilesamericanos
respectode la clasificaci6nde servicio SG y SF.Losaceites paramotor con
la clasificaci6nSG, SFtienen esta.designaci6n enel envase.
1. Retire el tap6n de ilenado de aceite/la varillade medici6ny limpie la
variiiade medici6nde aceite.
2. Inserte ia tapa /variiia de medici6n en ei cueilo de ilenado de aceite,
gire la tapa 1/4 vueita hasta que este completamente asentada.
NOTA: En algunos motores, un tap6n de rosca /variiia de medici6n
pueden existir en iugar de una tapa de 1/4 vuelta como se describe
anteriormente. Eneste caso no apretar la tapa para verificarei
nivel de aceite. Simplementedescansar la tapa en las roscas para
comprobar el nivel de aceite correcto.
3. Saque el tap6n /la varilla de medici6n de aceite. Si el nivel es bajo,
agregue lentamente aceite hasta que el nivel registrado este en un
punto intermedioentre alto (H) y bajo (L). Vea la Figura 11.
4. Vueiva a colocar el tap6n /ia varilia de medici6nde aceite bien
ajustados antes de poner en marcha el motor.
Cambio de aceite del motor
NOTA: Cambie ei aceite dei motor despues de ias primeras cinco horas
de funcionamientoy, en Io sucesivo, una vez portemporada o cada
cincuenta horas.
1. Vacieel combustible dei dep6sito haciendo funcionar ei motor hasta
que ei dep6sito de combustible este vacio. Cerci6rese de que el
tap6n de Ilenadodel combustible esta.bien ajustado.
2. Pararecolectar el aceite coloque un recipiente adecuado bajo el
tap6n de drenajede aceite.
3. Saque el tap6n de drenaje del aceite. Vea la Figura 12.
4. Incline el motor para drenar el aceite en el recipiente. Elaceite usado
se debe descartar en un centro de recolecci6n adecuado.
El aceite usadoes un residuo peligroso.Elimineei aceite usadoadecu- i
I
adamente. NoIo arroje juntocon los residuosdomiciliarios.Consultealas
autoridadeslocales o ai centrode servicioSears para averiguard6nde hay
nstaac ones para a e m nac6n/rec ca e segura(o)de ace te usado, j
5. Vuelva a colocar el tap6n de drenaje y ajQstelobien.
6. Vueiva a cargar el aceite recomendado y controle ei nivel deaceite.
Consulte el gra.ficode uso de aceite recomendado. La capacidad de
aceite del motor es de 20 onzas.
NO utiliceaceitessin detergenteo paramotordedos tiempos.Podria
reducirselavida _til delmotor.
Figura11
J
Tap6n de '_
drenajede _.
aceite '_
Figura 12
Vuelva a colocar y ajustar el tap6n de Ilenado/la varilla de nivel de
aceite.
L&vesebienlasmanoscon aguay jab6ninmediatamentedespu_s
detocaraceiteusado.
u i
Synthetic
(°F)-40 o-20o 0o 200 400
("c} -30°-20 °-10 ° 0°
57

Control de la bujia
NO pruebe lachispa si no esta.la bujia de encendido. NO dearranque al
motor si no esta.la bujia de encendido.
Si el motor ha estado funcionando, el silenciador estara,muy caiiente.
Tenga cuidadode no tocar el silenciador.
NOTA: Controle la bujia una vez por temporada o cada 25 horas de
funcionamiento. Cambie la bujia una vez por temporada o cada 100 horas
de funcionamiento.
Paraasegurarse de que el motor funcione bien, la bujia debe tener una
separaci6n correctay debe estar libre de dep6sitos.
1. Retire la funda de bujia y utilice una Ilave para bujias para extraer la
bujia. Vea la Figura 13.
2. Inspeccione visualmente la bujia. Elimine la bujia si presenta mucho
desgaste, o si el aislante esta.agrietado o astiilado. Limpie la bujia
con un cepillo de aiambre si se va a reutiiizar.
3. Mida la separaci6n de bujia con un calibrador. Corrijade set
necesario torciendo el electrodo lateral. Vea la Figura 14.La
separaci6n debe establecerse entre 0,02 y 0,03 pulgadas (0,60-0,80
mm).
4. Verifique que la arandela de la bujiaeste en buenas condiciones
y enrosque la bujia hacia adentro manualmente para evitar que se
enrosque cruzada.
5. Una vez que la bujia esta.colocada en su lugar,apriete con una Ilave
para bujia para comprimir la arandela.
NOTA: Cuando instale una bujia nueva,apriete 1/2vuelta, despues que
la bujia se encuentra colocada en su lugar, paracomprimir laarandela.
Cuando reinstale una bujia usada, ajuste 1/8-a 1/4degiro, despuesque la
bujia se encuentra colocadaen su lugar,a fin de comprimir la arandela.
Labujia debe estar bienajustada. Si la bujiaesta.floja puede I
reca entarse y da_ar e motor. I
Bujia de
encendido
Fundade bujia
Figura13
Electrodo
0,02-0,03pulgadas
(0,60-0,80 ram)
Figura14
58

Recomendaciones generales
1. Respetesiempre las regias de seguridad cuando reaiice tareas de
mantenimiento.
2. La garantfa de esta ma.quinaquitanieve no cubre elementosque han
estado sujetos al real usoo negligencia del operador. Pararecibir el
reembolso total de la garantfa, ei operador debera,dar mantenimiento
a la ma.quinaquitanieve como se indica en este manual.
3. Revise peri6dicamentetodos los sujetadores y los elementos de
ferreterfa paracomprobar que esten bien ajustados.
Realice el mantenimientode ia correa ai aire iibre, ya que es posible
que haya perdidas de combustible dei carburador incluso cuando se
ubica un trozode pla.sticobajo la tapa de Ilenadode combustible para
evitar que este sulfa perdidas.
Carnbio de la plata de raspado y
las zapatas antideslizantes
La placa de raspadoy ias zapatasantideslizantes ubicadas en ia base
de ia ma.quinaquitanieve esta.nsujetas a desgaste. Debe controlarlas
peri6dicamente y reemplazarlas cuando sea necesario.
1. Paracambiarlas,quitelospernosde carroylastuercasqueasegurancada
zapataantideslizantea iacajadeia ma.quinaquitanieve.Veaiafigura15.
2. Vueivaa ensamblarnuevaszapatasantideslizantesconloselementosde
ferreterfaqueacabade retirar.Compruebequelaszapatasantideslizantes
esta.najustadasparaquequedenparejas.
3. Pararetirarla placaderaspado:Retireambaszapatasantideslizantesy
los elementosde ferreterfa,incluyendolospernos delcarro y las tuercas
que unenla placade raspadoa la caja de la ma.quinaquitanieve.Por la
ubicaci6nde ia placade raspado,consulte ia figura 15.
4. Vueivaa ensamblaria placade raspadonueva,asegura.ndosedeque ias
cabezasde los pernosdel carroseencuentrendel ladointeriorde la caja.
Vuelvaa instaiarlaszapatasantideslizantes.Ajustebien.
Servicio de las barrenas
Las barrenas esta.nsujetas al eje espiral con cuatro pasadores de cuchilla
y pasadores de chaveta. La ma.quinaquitanieve esta.dise_ada de manera
que los pasadoresse quiebransi golpea unobjeto extra_o o una barra de
hielo. Consulte ia Figura 15.
Si las barrenas nogiran, verifique si los pasadores se quebraron. Si es
necesario,reempla.celospot pasadores de cuchiiia adecuados. Consulte
el nOmerode pieza correctoen la lista de piezas de este manual.
IMPORTANTE:NoreemplaceNUNCAlospasadoresde cuchillade las
barrenaspot pasadoreso sujetadoresestAndar.CualquierdaSoquesufra el
engranajede la barrenao cualquierotto componentepor el usode pasadores
esta.ndarNO estara,cubierto pot lagarantfadesu ma.quinaquitanieve.
Lubricaci6n
Paraubicar los puntos de lubricaci6n de la ma.quinaquitanieve,consulte
la Figura 16.
1. Unavez pot temporada, lubrique los puntosde giro del control de ia
barrena y ei control de la transmisi6ncon un aceite liviano para motor.
2. Una vezpor temporada,lubriqueel soporteintermediode labarrenacon
unaceiteliviano.
Motor
Acontinuaci6n se enumeran recomendacionesgenerales sobre el
mantenimiento dei motor de su ma.quinaquitanieve.
1. Antes de operar la ma.quinaquitanieve, controle el nivel de aceite.
fPasadorde "_
cuchilla Pasadorde
chaveta
....... Zapata
antideslizante
°°"° /!ii
raspado Tuerca de Perno del Tuel le
seguridad carro
_ seguridad
Figura 15
J
i/
/ /
/
/
Figura 16
2. Cambie el aceite del motor despues de ias primeras cinco horas de
funcionamiento y a partir de ahf cada 50 horas.
3. Limpie la bujfa y reajuste la separaci6n de electrodos a 0,030" al
menos una vez por temporada o cada 100 horas defuncionamiento;
reempla.celacada 200 horas de funcionamiento.
Verifique las correas en V
Siga las instrucciones que se suministrana continuaci6n paraverificar el
estado de ias correas de transmisi6n cada 50 horasde funcionamiento.
1. Saque la cubierta pia.sticade la correa ubicada en el frente dei motor.
Para elio saque los tornilios autorroscantes y presione las lengOetas
pla.sticasparasoltar ia cubierta de la correa.
2. Verifique visuaimentela existencia de correas rafdas, agrietadas o
excesivamente gastadas. En caso de set necesario, reemplace segOn
las instrucciones que aparecen a continuaci6n.
Reemplazo de las correas
NOTA: Estama.quinaquitanieve viene equipada con dos correas: una
correa de ia barrena y una correa de transmisi6n. Se recomienda que
ambas correas sean reemplazadasai mismo tiempo.
1. Retirede labujia el cablede la misma,y p6ngalode maneraque haga
masa contra el motorpara evitarque se encienda de maneraaccidental.
2. Hagafuncionar el motor hasta que el dep6sito de combustible se vacfe
para evitar una perdida de gasolina durante los siguientes pasos.
59

f
Figura 17
fCorreade barrena
Poleadel
motor
Correa de la
transmisi6n t
Poleade la
t_barrena
f
_GuGuardacorrea
\
N_nsuia intermedia
Figura 18
Poleadetransmisi6n
Guardacorrea
Figura19
Antes de realizartareas de servicio, reparaci6n,iubricaci6n o inspecci6n,
desengrane todos los controles y detenga el motor. Espere a que se
detengan completamentetodas ias piezas m6viles. Desconecte el cable
de la bujiay p6ngalo haciendo masa contra el motor para evitar que
se encienda accidentalmente. Utilice siempre anteojosde seguridad
_durante a operac 6n o m entras rea za a usteso reparacones.
Retireel torniilo autorroscanteque se muestra en ia Figura 17,y
presione las iengietas pla.sticasparasoltar ia cubierta de la correa.
Tire de ia cubierta de ia correa haciaarriba y hacia afuera saca.ndola
de alrededor del motor y el montaje del canal. Dejelaseparada y
gua.rdela.
Correa de barrena
IMPORTANTE: Recuerde que puede haber perdida de gasolina del
carburador eneste punto; debe haber hechofuncionar el motor hasta
vaciar el dep6sito de combustible como se indic6 previamente.
1. Incline ia ma.quinaquitanieve hacia arriba y hacia adeiante de
maneraque quede apoyada sobre la caja de la barren& Retire el
guardacorrea como se indica en la Figura 19.Regrese ia ma.quina
quitanieve a su posici6n vertical para completar los siguientes pasos.
2. Deslice la correade la barrena frontal fuera de la polea del motor
empuja.ndolahacia adelante y haciendola rodar fuera de la polea. Vea
la Figura 18.
3. Apriete la barra de control de ia barrena parasoltar el freno de la
barrena,que es la lengieta que sujeta la correa sobre la polea de la
barrena.Retire la correa.
4. Reempla.celapor la nueva correa despues de reemplazar la correa de
latransmisi6n.
Correa de la transmisi6n
NOTA: Reemplacela correade la transmisi6n antes de volver a
ensamblar la nueva correa de la barrena.
1. Incline ia m£quina quitanieve hacia arriba y hacia adelante de manera
que quede apoyada sobre la caja de la barren&
IMPORTANTE: Recuerde que puede haber perdida de gasolina del
carburador eneste punto; debe haber hechofuncionar el motor hasta
vaciar ei dep6sito de combustible como se indic6 previamente.
2. Quite el resorte que conecta la transmisi6na un perno en el cuadro del
motor.Vea ia Figura 19.
NOTA: Puedeset m£s fa.ciiretirar la tuerca de seguridad bridada en
primer iugar,y iuego usar pinzasde punta de aguja parasujetar con
firmeza el resortey retirarlodel perno.
3. Gireia transmisi6nhacia adelante parasoltar ia presi6n en la correa
de transmisi6n. Retire ia correa de la polea de transmisi6n.
4. Quite ia correa de transmisi6n dealrededor de la polea del motor y
sa.quelade la unidad.
5. Instale una nuevacorrea de transmisi6n dentro de la ranura de la
polea del motor.Vea la Figura 18.
6. incline ia transmisi6n hacia adelantey ubique la correa de transmisi6n
en la poleade transmisi6n.
7. Vueiva a conectar el resorteal pemo en el marco del motor y ajuste la
transmisi6n. Vueiva a instaiar la tuerca de seguridad bridada.
8. Coloquela correa de barrena nueva.
9. Vuelva a montar la cubierta de la correa en la ma.quinaquitanieve:
10.Vuelva a montarel guardacorrea a la caja.
60

Ajuste del cable de la barrena
Es posible que se requieran ajustes peri6dicos del cable de controlde
la barrena debido ai estiramiento y al desgaste normal de la correa.
Se necesitara.najustes si las barrenas parecen temblar mientras giran
pero el motor mantiene su velocidad, o si sigue girando con ei control
de la barrena desengranado. Refierase a la secci6n de la Asamblea par
Ajuste del cable de la barrena
Siga el cronograma de mantenimiento que se presenta a continuaci6n. Algunos ajustes deben ser realizados peri6dicamente para
el mantenimiento adecuado de la unidad. Revise peri6dicamente todos los sujetadores y compruebe que esten bien ajustados.
Controle su calendario de mantenimiento completando el campo "Fechas de los servicios" que aparece a continuaci6n.
Antes de realizartareasde servicio,reparaci6n,iubricaci6no inspecci6n,desengranetodos los controlesy detengael motor.Esperea que se detengan
completamentetodaslaspiezasm6viles.Desconecteel cabledelabujiayp6ngalohaciendomasacontrael motorparaevitarqueseenciendaaccidentaimente.
Utilicesiempreanteojosdeseguridaddurantelaoperaci6no mientrasrealizaajusteso reparaciones.
Antes de cada uso
Prograrna de rnantenirniento
Despu_sdecada uso
l ras5 horas 1.
Luegode 25horas 1.
Antesde almacenar
Unavezportemporada
1. Revise el nivel de aceite del
motor.
1. Verifiqueelequipo.
2. Verifique el estado de las
zapatas.
1. Aceitedel motor
1. Compruebelascorreasen
V.
1. Sistema de combustible.
1. Puntosde pivote.
2. Sistema de transmisi6n y eje
de engranaje hexagonal.
3. Ejedelasruedas.
4. Bujfadeencendido.
1. Carguadeaceitesi elnivelest,.
bajo
1. Limpieza
2. Limpieza
Cambio.
Ajusteo reparaci6nsegQnresulte
necesario.
1. Vaciado.
1. Lubricaci6n.
2. Lubricaci6n.
3. Engrasado.
4. Cambiodesernecesario.
61

Sinosevaa utilizael equipodurante30dfasorn_.s,o sies elfinaldelaternporadadenievey ya noexisteposibilidaddequenieve,es necesario
alrnacenarelequipode rnaneraadecuada.Sigalasinstruccionesdealrnacenarnientoquese indicanacontinuaci6nparagarantizarelrendirniento
rn_.xirnodelarn_.quinaquitanieveduranternuchosa_os.
PREPARACI6N DEL MOTOR
Losrnotoresquese alrnacenandurantern&sde30 dfasnecesitan
serdrenadosdecombustibleparaevitarquese deterioreny se forrne
gornaenel sisternade combustibleoen las piezasprincipalesdel
carburador.Si lagasoNnade su motorse deterioraduranteel alrnace-
narniento,es posiblequedeba repararo reernplazarelcarburadory
otroscornponentesdel sisternade combustible.
1. Elirninetodoel combustibledel tanquehaciendofuncionarel
motorhastaquese detenga.No intentede combustibleparael
motor.
2. Carnbieel aceitedel motor.
3. Extraigala bujfade encendidoy viertaen elcilindroaproxirna-
darnente1onza(30 rnl)de aceiteparamotorNrnpio.Tire varias
vecesdel arrancadorde retrocesoparadistribuirelaceitey
reinstalela bujfa.
4. Lirnpielos residuosdealrededordel motor,y debajo,alrededor,
y detr_.sdel silenciador.ApNqueunacapa delgadade aceiteen
todaslas _.reasquepuedenNegara oxidarse.
• Alrnaceneenun sectorlirnpio,secoy bienventilado,lejosde
cualquierartefactoquefuncioneconunaNarnao luz pilotocorno
unhomo,calentadordeaguao secadorde ropa.Evitecualquier
sectorcon un motorel_ctricoqueproduzcachispaso dondese
utilicenherrarnientasel_ctricas.
Nuncaalrnacenelarn_.quinaquitanieveconcombustibleenel
tanqueenun espaciocerradooen _.reascon pocaventilaci6n,
dondelosgasesdelcombustiblepuedanalcanzarel fuego,chispas
o unaluz pilotocornola quetienenalgunoshornos,calentadoresde
agua,secadoresde ropao algQnotto dispositivoagas.
PREPARACI6N DE LA NIAQUINA QUITANIEVE
1. Cuandoalrnacenelarn&quinaquitanieveen ungalp6nde
dep6sitornet_.licoo con pocaventilaci6n,tengaespecialcuidado
de realizarleuntratarnientoanti- oxidanteal equipo.Useaceite
ligeroo silic6npararecubrirel equipo,especialrnentelas
cadenas,los resortes,loscojinetesy loscables.
2. Elirninetodo el polvodelexteriordelmotory delequipo.
3. Sigalas recornendacionesde lubricaci6nen la secci6nde
rnantenirnientodeestemanual.
4. AIrnaceneel equipoen un_.readespejaday seca.
5. Inflarlos neurn_.ticosa la presi6nde psi rn_.xirna.Consulteel
costadodelneurn_.tico.
• Sies posible,evitesectoresdealrnacenarnientocon rnucha
hurnedad.
• Mantengael motorniveladoen el alrnac_n.Lainclinaci6ndel
motorpuedecausarperdidasde combustibleo aceite.
62

Antesde realizarcuaiquiertipo de mantenimientoo servicio,desenganche
todos loscontrolesy detengael motor.Esperea que se detengancomple-
tamentetodas laspiezasm6viles.Desconecteel cablede la bujh y p6ngalo
haciendomasacontraei motorparaevitarquese enciendaaccidentalmente.
Utilicesiempreanteojosde seguridaddurantela operaci6no mientrasrealiza
ajusteso reparaciones.
Esta secci6nanaliza problemasmenores de servicio.Paraubicar el Centrode Servicio Sears m_scercanooparaprogramarun servi-
eio, simplemente eomuniquese con Sears al tel_fono 1-800-4-MY-HOME®.
Elmotor no arranca 1. Elcontrol del cebador no estfi en la posicidn ON (encendido).
2. Se ha desconectado elcable de la bujia.
3. La bujia nofuncionacorrectamente.
4. El depdsitodecombustibleestfi vacio o el combustiblese
haechadoa perder.
El motornoest_cebado.
Motorenmarcha
errAtica/RPM
incompatibles(o
aumentode la caza)
5,
6.
1.
2.
3.
1. Pongael control del cebadoren laposici6nON (encendido).
2. Conecteel cablea la bujia.
3. Limpiela,ajustela distanciadisruptivao cambiela.
4. Lleneeltanque congasolinalimpiayfresca.
La Ilavedeseguridadno se ha insertado.
El motorest_funcionandoen la posici6n"choke"(c.
La linea del combustibleest_tapadao el combustiblees
viejo.
Hayaguao suciedaden elsistemade combustible.
Es necesarioregularel carburador.
MAsgobernadosmotor
El carburadorno est_ bienregulado.
Haypiezasque est_nflojaso la barrenaest_da_ada.
El cablede la bujiaest_flojo.
El orificiode ventilaci6ndel tap6n de combustibleest_
obstruido.
El cablede la transmisi6nnecesitaun ajuste.
La correadetransmisi6nest_floja o daSada.
El conjuntodel canalest_tapado.
5. Cebeel motortal comose explic6en la secci6n
Funcionamiento.
6. Insertela llavetotalmentedentrodel interruptor.
1,
2.
Muevala palancadel cebadora la posici6nRUN.
Limpiela lineadel combustibley Ileneel dep6sitocon
gasolinalimpia ynueva.
Poneren marchael motorhastaque se detengaparavaciar
el dep6sitode combustible.Vuelvaa Ilenarel dep6sitocon
combustiblenuevo.
Comuniquesecon uncentrodeservicioSears.
Comuniquesecon uncentrodeservicioSears.
4, 4,
5. 5.
Elmotorrecalienta 1. 1. Contacteconsu centrodepartesy reparacionesSears.
Vibraci6nexcesiva 1. 1. Detengael motorde inmediatoydesconecteel cablede la
bujia.Ajustetodoslos pernosy lastuercas.Si lavibraci6n
continQa,Ilevela unidada reparara uncentrodepartesy
reparaci6nSears.
Perdidade potencia 1. 1. Conectey ajusteel cablede la bujia.
2. 2. Retireel hielo y lanieve del tap6nde combustible.
Compruebequeel orificiodeventilaci6nnoeste obstruido.
Launidadnose 1. 1. Ajusteel cabledel controlde transmisi6n.Consultela
autoimpulsa secci6nde Servicioy Mantenimiento.
2. 2. Reemplacela correadetransmisi6n.Consultelasecci6nde
Servicioy Mant.
Launidadno 1. 1.
descargala nieve
2. Hayunobjeto extra6oen la barrena.
3. El cabledela barrenanecesitaunajuste.
4. La correadela barrenaest_floja o da6ada.
5. El o los pasadoresde cuchillaest,(n) quebrado(s).
Detengael motorde inmediatoydesconecteel cablede la
bujia.Limpieel montajedel canaly el interiorde la caja de
la barrenacon la herramientade limpiezao unavarilla.
2. Detengael motorde inmediatoydesconecteel cablede la
bujia.Retireel objetode la barrenacon la herramientade
limpiezao unavarilla.
3. Ajusteelcabledel controlde la barrena.Consultela secci6n
Montaje.
4. Reemplacela correade labarrena.Consultela secci6nde
Servicioy Mantenimiento.
5. Reemplaceconnuevo(s)pasador(es)de cuchilla.
63

MTD CONSUMER GROUP, iNC. (MTD), el Bordo de Recursos de Aire de California (CARB)
y la Agencia de Protecci6n Medioambiental de Estados Unidos (U. S. EPA)
Declaraci6n de Garantia del Sistema de Control de Emisiones
(Derechos yobligaciones del propietario seg_n la garantia contra defectos)
LACOBERTURADESISTEMADECONTROLDEEMISIONESAPLICABLEA MOTORESCERTIFICADOSCOMPRADOSENCALIFORNIA
EN2005Y A PARTIRDE ENTONCES,QUESON USADOSEN CALIFORNIA,Y HASTAANO2005DE MODELOCERTIFICADOY MOTORES
POSTERIORESQUESON COMPRADOSY USADOSENOTRAPARTEEN LOSESTADOSUNIDOS.
Californiayen otraparteen la Coberturade Garantiade DefectosdeControlde Emisi6nde losEstadosUnidos
El Bordode Recursosde Airede California(CARB),la U.S. EPAy MTDsecomplacenenexplicarla garantiadel sistemade controldeemisiones
de su motorparaequipotodo terreno,modelo,aSo2005y versionesposteriores.EnCalifornia,los nuevosmotorespequeSosparaequipotodo
terrenose debendise5ar,fabricary equiparparacumplirconest_.ndaresde antinieblat6xicade estados.Enotraparteen los EstadosUnidos,
el nuevonocamino,motoresdeignici6ndechispacertificadosparaelmodelo2005y m_.starde,debeencontrareljuegode est_.ndaressimilar
adelanteporlos EstadosUnidos.EPA.MTDdebegarantizarel sistemadecontrolde emisionesdesu motorpor elperiodode tiempoindicadom&s
abajo,siempreycuandono hayaexistidousoincorrecto,negligencianimantenimientoinadecuadode su motorpequeBoparaequipotodoterreno.
El sistemadecontrolde emisionespuedeincluirpiezascomo,porejemplo,el carburador,sistemadeinyecci6ndecombustible,el sistemade
encendido,el catalizador,losdep6sitosdecombustible,abastecedecombustiblelineas,gorrasde combustible,v&lvulas,latas,filtros,mangueras
devapor,abrazaderas,conectoresy otroscomponentesrelacionadosconlas emisiones.
Dondeexistaunacondici6ncubiertaporla garantia,MTDreparar&su motorpequeBoparaequipotodoterrenosincostoalgunoincluyendoel
diagn6stico,laspiezasy la manode obra.
COBERTURA DE LA GARANTJA DEL FABRICANTE:
Estesistemade controldeemisionesse garantizaporel t@rminodedos a5os.Si algunapiezade su motorrelacionadacon lasemisioneses
defectuosa,MTD reparar&o sustituir&dichapieza.
RESPONSABJLIDADES DEL PROPIETARIO SEGUN LA GARANTJA:
Comopropietariodeun motorpequeSode equipotodoterreno,ustedes responsablede realizarel mantenimientonecesarioquefigura enel
manualdel propietario.MTDle recomiendaqueconservetodoslos recibosquecubrenlos serviciosdemantenimientodel motorpeque5opara
equipotodoterreno,noobstanteIo cual MTDnopodr&denegarel cumplimientodela garantiaQnicamenteporlafaltade reciboso porsu imposibi-
lidadde asegurarquese realizar_.ntodoslos serviciosdemantenimientoprogramado.
Comopropietariodelmotorpeque5oparaequipotodo terreno,sinembargo,ustedtambi@ndebesaberque MTDpuededenegarlacoberturadela
garantiasi su motorpeque5oparaequipotodoterrenoo unapiezadel mismofallandebidoa usoincorrecto,negligencia,mantenimientoindebido
oa modificacionesnoaprobadas.
Ustedes responsablede presentarlacortadoradecespedal centrode distribuci6no de mantenimientode MTDCONSUMERGROUP,INC.tan
prontocomoaparecierael problem& Lasreparacionescubiertaspor lagarantfasedebenIlevaracabo enun lapsorazonableque noexcedade
30dias.Si desearealizaralgunaconsultacon respectoa la coberturade lagarantia,debeponerseencontactocon su distribuidorlocalde MTD.
Paracomunicarseconla LineadeAsistenciaal Clientede Distribuidoresde MTD,Ilameal nQmero(877)282-8684.
REQUERJMJENTOS DE GARANTJA SOBRE DEFECTOS PARA MOTORES PEQUENOS DE EQUJPO TODO TERRENO
DE 1995YVERSJONES POSTERJORES:
Estasecci6nse aplicaa motorespeque5osdeequipotodo terrenode 1995y versionesposteriores.Elperiododegarantiacomienzaa partirde la
fechaen queel motoro elequiposeentreganal compradorfinal.
(a)Coberturade la garantiacontraemisionesgenerales
MTDgarantizaal compradorfinaly acada compradorsubsiguientequeel motor:
(1)hasido diseSado,construidoy equipadode maneraquecumplacontodaslas regulacionesvigentesadoptadasporel Departamentodelos
RecursosdeAire envirtuda suautoridadconferidaen los capitulos1y 2, Parte5, Divisi6n26del C6digode Saludy Seguridad;y
(2)est,. librede defectosen losmaterialesyen la manode obraquecausenlafalla deunapiezabajogarantiaque seaid@nticaentodoslos
aspectosmaterialesa lapiezacomoaparecedescriptaen laaplicaci6ndelfabricantedel motorparacertificaci6npor unperiododedos a5os.
Lb/Lagarantiasobre piezasrelacJonadasconemisJonesse interpretar_,de la sJguientemanera:
(1)Cualquierpiezacubiertaporgarantiaquenoest@programadaparasu reemplazosegQnel mantenimientorequeridoenlas instrucciones
escritasdela Subsecci6n(c) debeestargarantizadapor unperiodode garantiadefinidoen la Subsecci6n(a)(2). Sila piezafalladurante
el periododecoberturadela garantia,lamismaser_.reparadao reemplazadaporMTD de acuerdocon laSubsecci6n(4)a continuaci6n.
Cualquierpiezareparadao reemplazadasegQnlagarantiasegarantizarB,porel restodelperiodode garantia.
(2) Cualquierpiezacubiertaporgarantiaqueest@programadasoloparainspecci6nregularen las instruccionesescritasde la Subsecci6n
(c) debeestargarantizadaporun periododegarantiadefinidoenla Subsecci6n(a) (2). Unadeclaraci6nen dichasinstruccionesporescrito
alefectode "reparaci6no reemplazosegQnseanecesario"no reducir_,elperiodode coberturade la garantia.Cualquierpiezareparadao
reemplazadasegQnla garantiase garantizar_,porel restodel periodode garantia.

(3) Cualquierpiezagarantizadaqueest_prograrnadaparareernplazosegQnelrnantenirnientorequeridodeconforrnidadconlasinstruc-
clonesescritasdelaSubsecci6n(c)segarantizaporelperiododetiernpoanterioralaprirnerafechadereernplazoprograrnadaparaesa
pieza.Silapiezafallaantesdelprimerreernplazoprogramatic,larnisrnaser_.reparadaoreernplazadaporMTDdeacuerdoconlaSubsecci6n
(4)acontinuaci6n.Cualquierpiezareparadaoreernplazadabajogaranfiasegarantizar_,porelrestodelperiodoanterioralprimerreernplazo
programaticpuntualparaesapieza.
(4)Lareparaci6noelreernplazodecualquierpiezagarantizadadeconforrnidadconlasdisposicionesdelagaranfiaqueaquiseestipulase
deberealizarenuncentrodegaranfiasincostoalgunoparaelpropietario.
(5)SinperjuiciodelasdisposicionesdelaSubsecci6n(4)anterior,losserviciosoreparacionescubiertosporlagaranfiadebensersurnin-
istradosportodosloscentrosdedistribuci6ndeMTDquetenganlafranquiciapararealizarreparacionesyrnantenirnientoalosrnotoresen
cuesti6n.
(6)ElpropietarionodebeafrontarningQncargoparatrabajosdediagn6sticoqueIlevenalaconclusi6ndequeunapiezabajogaranfiapresenta
efectivarnentedefectos,siernpreycuandodichodiagn6sticoseaIlevadoacaboenuncentrocubiertoporlagarantia.
(7)ElfabricantedelmotoresresponsablepordaSoscausadosaotroscornponentesdernotoresderivadosdelafallabajogaranfiadecualquier
piezagarantizada.
(8)DurantetodoelperiododegaranfiadelmotordefinidoenlaSubsecci6n(a)(2),MTDrnantendr_,unsurninistrodepiezascubiertaspor
garantiasuficienteparasatisfacerladernandaesperadaparatalespiezas.
(9)Cualquierpiezadereernplazosepodr_,usarparaelcurnplirnientodelrnantenirnientooreparacionesbajogaranfia,ysesurninistrar_,sin
cargoalpropietario.Dichousonoreducir_,lasobligacionesdegarantiadeMTD.
(10)Nosepodr_.nusarpiezasadicionalesnirnodificadasquenoest_nexentasdeacuerdoconelDepartarnentodelosRecursosdelAire(Air
ResourcesBoard).Elusodepiezasadicionalesornodificadasnoexentasser_.causasuficienteparaanularunreclarnobajogaranfiarealizado
deacuerdoconestearticulo.Elfabricantedelmotornotendr_,responsabilidad,enconforrnidadconestearticulo,degarantizarfallasdepiezas
garantizadasquefuerencausadasporelusodeunapiezanoexentaadicionalornodificada.
.(c)MTDincluir_,unacopiade lasiguientelistade piezasbajogarantiacontraernisionescon cadanuevomotor,utilizandolas partesde la lista
a_plicablesal motor.
(1)Sisternadernedici6ndecombustible
• Sisternade rnejoraparainicioenfrio (cebadosuave)
• Carburadory cornponentesinternos
• Bornbade combustible
• Dep6sitodecombustible
(2) Sisternadeinducci6ndeaire
• Filtrode aire
• Colectordeentrada
(3) Sisternadeencendido
• Bujia(s)
• Sisternadeencendidopor magneto
(4)Sisternadeescape
• Catalizador
• SAI (v_Jvulade CaSa)
(5) Cornponentesvariosutilizadosen el sisternaanterior
• V_Jvulase interruptoresde vado, ternperatura,posici6nsensiblesal tiernpo
• Conectoresy rnontajes
(6)Controlde Evaporative
• Manguerade CombustiblecertificadaparaARB evaporativeernisi6nde 2006.
• Abrazaderasde Manguerade Combustible
• Gorrade combustibleatada
• Latade carb6n
• Lineasdevapor
GD0C-100174Rev.B

Busque el periodo de duraci6n de emisiones importantes yla informaci6n de clasificaci6n de aire en
la etiqueta de emisiones de su motor
Los motores cuyo cumpiimiento con los estAndares de emisi6n Tier 2 de la Comisi6n de Recursos Ambientales de California (CARB)
est6 certificado deben exhibir la informaci6n relacionada con el periodo de duraci6n de ias emisiones y la clasificaci6n de aire. Sears
Brands Management Corporation ponen esta informaci6n a disposici6n del consumidor en nuestras etiquetas de emisiones.
Ei Periodo de Duraci6n de las Emisiones describe el nQmero de horas de tiempo real de funcionamiento para el cuai se certifica que
el motor cumpie con ias reglas de emisi6n, descontando el mantenimiento adecuado del mismo segQn las instrucciones de oper-
aci6n y mantenimiento. Se utilizan las siguientes categonas:
Moderado:Se certifica que el motor cumpie con las reglas de emisi6n durante 125 horas de tiempo real de funcionamiento del motor.
Inmediato:Se certifica que el motor cumpie con las reglas de emisi6n durante 250 horas de tiempo real de funcionamiento del motor.
Extendido:Se certifica que el motor cumpie con las reglas de emisi6n durante 500 horas de tiempo real de funcionamiento del motor.
Por ejemplo, una cortadora de c6sped tJpica que se empuja desde arras se usa entre 20 y 25 horas por aSo. Por Io tanto, el Periodo
de Duraci6n de Emisiones de un motor con una clasificaci6n intermedia sena equivaiente a entre 10 y 12 aSos.
Laciasificaci6n de aire es un nQmero calculado para describir el nivel relativo de emisiones para un grupo de motores en particular.
Cuanto menor sea la clasificaci6n de aire, mayor es la limpieza del motor. La informaci6n se presenta de forma grAfica en la etiqueta
de emisiones.
Despu_s del 1 de julio de 2000, busque el periodo de cumplimiento de las reglas de
emisiones en la etiqueta de cumplimiento de las reglas de emisiones del motor
Despu6s del 1 de julio de 2000 se certificarA que determinados motores Sears Brands Management Corporation cumplen
con los estAndares de emisiones de la fase 2 de la Agencia de Protecci6n Ambientai de los Estados Unidos (USEPA). Para
los motores certificados para la etapa 2, el periodo de cumplimiento con ias reglas de emisiones al cual se hace referencia
en la etiqueta de cumplimiento con las reglas de emisiones indica el nQmero de horas de funcionamiento para el cual se ha
demostrado que el motor cumple con los requerimientos federales de emisi6n.
Para los motores con desplazamiento inferior a 225 cc, Categoria C = 125 horas, B = 250 horas y A = 500 horas.
Para los motores con desplazamiento de 225 cc o mAs, Categoria C = 250 horas, B = 500 horas y A = 1000 horas.
El desplazamiento de los motores de la serie modelo 150112 es 249 cc.
La presente es una representaci6n gen_rica de la etiqueta de emisi6n que se encuentra generaimente en un
motor certificado.
FAMILYYBSXS.3192VA 274812
GDOC-100182Rev.A
66

Felicitaciones por haber realizado una adquisici6n inteligente. El producto Craftsman® que ha
adquirido esta diseSado y fabricado para brindar muchos aSos de funcionamiento confiable. Pero
como todos los productos a veces puede requerir de reparaciones. Es en ese momento cuando el
disponer de un Acuerdo de protecci6n para reparaciones le puede ahorrar dinero y problemas.
A continuaci6n se detallan los puntos incluidos en el Acuerdo:
[] Servicio experto prestadopor nuestros 10,000 especialistas en reparacionesprofesionales
[] Servicio ilirnitado sin cargo para las piezasy la mano de obra en todas las reparacionescubiertas
[] Reernplazo del producto hasta 1500 d61aressi no es posible reparar el producto cubierto
[] Descuento de 25% del precio normal delservicio y de las piezas relacionadascon el mismo que no esten cubiertas
por el acuerdo; ademas, 25% del precio normal de laverificaci6n de mantenimientopreventivo
[] Ayuda r_pida pot tel_fono - Io IlamamosResoluci6n RApida- el apoyo telef6nico de un Chamusca al representante.
Piense en nosotros como el manual "de un dueSohablador."
Una vez adquirido el Acuerdo, puede programar el servicio con tan s61orealizar una Ilamadatelef6nica. Puede Ilamaren
cualquier momentodel dia o de la noche o programar un servicio en linea.
ElAcuerdo de Protecci6nde Reparaci6nes unacompra sin riesgo. Si ustedanulapor alguna raz6n duranteel periodode
garantia de producto,proporcionaremos un reembolso Ileno.O, un reembolsoprorrateadoen cualquier momentodespues
del periodode garantia de producto expira, iAdquiera hoy su acuerdode protecci6n para reparaciones!
Se aplican determinadas limitaciones y exclusiones. Para obtener informaciTn adicional y precios en los Estados
Unidos Ilame al 1-800-827-6655.
El *Coverage en Canad_ivaria en algunos articulos. Para detalles Ilenos la Ilamada Chamusca Canad_ien 1-800-
361-8885.
Servicio de instalaci6nde Sears
Si desea solicitar la instalaci6n profesionalde Sears de aparatosdomesticos,dispositivos paraabrir portones,calentado-
res de agua y otros articulos domesticosimportantes, en los Estados Unidos o Canada flame al 1-800-4-MY-HOME®.
67

Your Home
For troubleshooting, product manuals and expert advice:
managernylife
www.managemylife.com
For repair - in your home - of all major brand appliances,
lawn and garden equipment, or heating and cooling systems,
no matter who made it, no matter who sold it!
For the replacement parts, accessories and
owner's manuals that you need to do-it-yourself.
For Sears professional installation of home appliances
and items like garage door openers and water heaters.
1-800-4-MY-HOME ®(1-800-469-4663)
Call anytime, day or night (U.S.A. and Canada)
www.sears.com www.sears.ca
Our Home
For repair of carry-in items like vacuums, lawn equipment,
and electronics, call anytime for the location of your nearest
Sears Parts & Repair Service Center
1-800-488-1222 (U.S.A.) 1-800-469-4663 (Canada)
www.sears.com www.sears.ca
To purchase a protection agreement on a product serviced by Sears:
1-800-827-6655 (U.S.A.) 1-800-361-6665 (Canada)
Para pedir servicio de reparaci6n
a domicilio, y para ordenar piezas:
1-888-SU-HOGAR ®
(1-888-784-6427)
www.sears.com
Au Canada pour service en frangais:
1-800-LE-FOYER Mc
(1-800-533-6937)
www.sears.ca
® Registered Trademark /TMTrademark of KCD IP, LLC in the United States, or Sears Brands, LLC in other countries
® Marca Registrada !TMMarca de Fabrica de KCD IP, LLC en Estados Unidos, o Sears Brands, LLC in otros paises
MCMarque de commerce !MDMarque deposee de Sears Brands, LLC