Craftsman 315212050 User Manual MITER SAW Manuals And Guides L0411285
CRAFTSMAN Miter Saw Manual L0411285 CRAFTSMAN Miter Saw Owner's Manual, CRAFTSMAN Miter Saw installation guides
User Manual: Craftsman 315212050 315212050 CRAFTSMAN MITER SAW - Manuals and Guides View the owners manual for your CRAFTSMAN MITER SAW #315212050. Home:Tool Parts:Craftsman Parts:Craftsman MITER SAW Manual
Open the PDF directly: View PDF
.
Page Count: 44

OPERATOR'S MANUAL
II:RRFTSMRN I
12 in. COMPOUND MITER SAW
DOUBLE INSULATED
Model No.
315.212050
_WARNING: To reduce the risk of injury,
the user must read and understand the
operator's manual before using this product.
Customer Help Line: t-800-932-3188
Sears, Roebuck and Co., 3333 Beverly Rd., Hoffman Estates, IL 60179 USA
Visit the Craftsman web page: www.sears.com/craftsman
983000-549
6-04
Save this manual for future reference

•Warranty ............................................................................................................................................................................ 2
• Introduction ....................................................................................................................................................................... 2
• General Safety Rules ..................................................................................................................................................... 3-4
• Specific Safety Rules ..................................................................................................................................................... 4-5
• Symbols ......................................................................................................................................................................... 6-7
• Electrical ............................................................................................................................................................................ 8
• Glossary of Terms .............................................................................................................................................................. 9
• Features ..................................................................................................................................................................... 10-12
• Tools Needed ................................................................................................................................................................. 13
• Loose Parts .................................................................................................................................................................... 14
• Assembly ................................................................................................................................................................... 15-25
• Operation ................................................................................................................................................................... 25-31
• Adjustments ................................................................................................................................................................... 32
• Maintenance .............................................................................................................................................................. 33-34
• Exploded View ........................................................................................................................................................... 35-43
• Parts Ordering/Service ...................................................................................................................................... Back Page
ONE YEAR FULL WARRANTY ON CRAFTSMAN TOOL
If this Craftsman tool fails due to a defect in material or workmanship within one year from the date of purchase,
CONTACT THE NEAREST SEARS PARTS & REPAIR CENTER at 1-800-4-MY-HOME ® and Sears will repair it, free of
charge. This warranty applies only while this product is in the United States.
If this tool is used for commercial or rental purposes, this warranty will apply for only ninety days from the date of
purchase.
This warranty gives you specific legal rights, and you may also have other rights which vary from state to state.
Sears, Roebuck and Co., Dept. 817WA, Hoffman Estates, IL 60179
This tool has many features for making its use more pleasant and enjoyable. Safety, performance, and dependability
have been given top priority in the design of this product making it easy to maintain and operate.

_IL WARNING:Read and understand all instruc-
tions. Failure to follow all instructions listed below,
may result in electric shock, fire and/or serious
personal injury.
READ ALL INSTRUCTIONS
•KNOW YOUR POWER TOOL. Read the operator's
manual carefully. Learn the saw's applications and
limitations as well as the specific potential hazards
related to this tool.
•GUARD AGAINST ELECTRICAL SHOCK BY PRE-
VENTING BODY CONTACT WITH GROUNDED
SURFACES. For example, pipes, radiators, ranges,
refrigerator enclosures.
• KEEP GUARDS IN PLACE and in good working order.
• REMOVE ADJUSTING KEYS AND WRENCHES.
Form habit of checking to see that keys and adjusting
wrenches are removed from tool before turning it on.
• KEEP WORK AREA CLEAN. Cluttered areas and
benches invite accidents. DO NOT leave tools or
pieces of wood on the saw while it is in operation.
•DO NOT USE IN DANGEROUS ENVIRONMENTS.
Do not use power tools in damp or wet locations or
expose to rain. Keep the work area well lit.
• KEEP CHILDREN AND VISITORS AWAY. All visitors
should wear safety glasses and be kept a safe
distance from work area. Do not let visitors contact
tool or extension cord while operating.
•MAKE WORKSHOP CHILDPROOF with padlocks and
master switches, or by removing starter keys.
• DON'T FORCE TOOL. It will do the job better and
safer at the feed rate for which it was designed.
•USE RIGHT TOOL. Don't force the tool or attachment
to do a job it was not designed for. Don't use it for a
purpose not intended.
•USE THE PROPER EXTENSION CORD. Make sure
your extension cord is in good condition. Use only a
cord heavy enough to carry the current your product
will draw. An undersized cord will cause a drop in line
voltage resulting in loss of power and overheating. A
wire gauge size (A.W.G.) of at least 14 is recommended
for an extension cord 25 feet or less in length. If in
doubt, use the next heavier gauge. The smaller the
gauge number, the heavier the cord.
• DRESS PROPERLY. Do not wear loose clothing,
gloves, neckties, or jewelry. They can get caught
and draw you into moving parts. Rubber gloves and
nonskid footwear are recommended when working
outdoors. Also wear protective hair covering to contain
long hair.
•ALWAYS WEAR SAFETY GLASSES WITH SIDE
SHIELDS. Everyday eyeglasses have only impact-
resistant lenses, they are NOT safety glasses.
•SECURE WORK. Use clamps or a vise to hold work
when practical. It's safer than using your hand and
frees both hands to operate tool.
• DON'T OVERREACH. Keep proper footing and
balance at all times.
•MAINTAIN TOOLS WITH CARE. Keep tools sharp
and clean for better and safer performance. Follow
instructions for lubricating and changing accessories.
• DISCONNECT TOOLS. When not in use, before
servicing, or when changing attachments, blades, bits,
cutters, etc., all tools should be disconnected.
• AVOID ACCIDENTAL STARTING. Be sure switch is off
when plugging in any tool.
• USE RECOMMENDED ACCESSORIES. The use of
improper accessories may risk injury.
• NEVER STAND ON TOOL. Serious injury could occur
if the tool is tipped or if the cutting tool is unintention-
ally contacted.
•CHECK DAMAGED PARTS. Before further use of
the tool, a guard or other part that is damaged should
be carefully checked to determine that it will operate
properly and perform its intended function. Check for
alignment of moving parts, binding of moving parts,
breakage of parts, mounting and any other conditions
that may affect its operation. A guard or other part that
is damaged must be properly repaired or replaced by
an authorized service center to avoid risk of personal
injury.
• USE THE RIGHT DIRECTION OF FEED. Feed work
into a blade or cutter against the direction of rotation of
blade or cutter only.
• NEVER LEAVE TOOL RUNNING UNATTENDED.
TURN THE POWER OFF. Don't leave tool until it
comes to a complete stop.
• PROTECT YOUR LUNGS. Wear a face or dust mask if
the cutting operation is dusty.
• PROTECT YOUR HEARING. Wear hearing protection
during extended periods of operation.
• DO NOT ABUSE CORD. Never yank cord to discon-
nect from receptacle. Keep cord from heat, oil, and
sharp edges.
• USE OUTDOOR EXTENSION CORDS. When tool
is used outdoors, use only extension cords with
approved ground connection that are intended for use
outdoors and so marked.
• KEEP BLADES CLEAN, SHARP, AND WITH
SUFFICIENT SET. Sharp blades minimize stalling
and kickback.
• BLADE COASTS AFTER BEING TURNED OFF.
• NEVER USE IN AN EXPLOSIVE ATMOSPHERE.
Normal sparking of the motor could ignite fumes.

• INSPECTTOOLCORDSPERIODICALLY.Ifdamaged,
haverepairedbya qualifiedservicetechnicianat
anauthorizedservicefacility.Theconductorwith
insulationhavinganoutersurfacethatisgreenwith
orwithoutyellowstripesistheequipment-ground-
ing conductor. If repair or replacement of the electric
cord or plug is necessary, do not connect the equip-
ment-grounding conductor to a live terminal. Repair
or replace a damaged or worn cord immediately. Stay
constantly aware of cord location and keep it well away
from the rotating blade.
• INSPECT EXTENSION CORDS PERIODICALLY and
replace if damaged.
• POLARIZED PLUGS. To reduce the risk of electric
shock, this tool has a polarized plug (one blade is
wider than the other). This plug will fit in a polarized
outlet only one way. If the plug does not fit fully in the
outlet, reverse the plug. If it still does not fit, contact a
qualified electrician to install the proper outlet. Do not
change the plug in any way.
• KEEP TOOL DRY, CLEAN, AND FREE FROM OIL
AND GREASE. Always use a clean cloth when clean-
ing. Never use brake fluids, gasoline, petroleum-based
products, or any solvents to clean tool.
• STAY ALERT AND EXERCISE CONTROL. Watch
what you are doing and use common sense. Do not
operate tool when you are tired. Do not rush.
•DO NOT USE TOOL IF SWITCH DOES NOT TURN IT
ON AND OFF. Have defective switches replaced by an
authorized service center.
• USE ONLY CORRECT BLADES. Do not use blades
with incorrect size holes. Never use blade washers or
blade bolts that are defective or incorrect. The maxi-
mum blade capacity of your saw is 12 in. (305 mm).
•BEFORE MAKING A CUT, BE SURE ALL ADJUST-
MENTS ARE SECURE.
•BE SURE BLADE PATH IS FREE OF NAILS. Inspect
for and remove all nails from lumber before cutting.
• NEVER TOUCH BLADE or other moving parts during
use.
• NEVER START A TOOL WHEN ANY ROTATING COM-
PONENT IS IN CONTACT WITH THE WORKPIECE.
• DO NOT OPERATE A TOOL WHILE UNDER THE
INFLUENCE OF DRUGS, ALCOHOL, OR ANY
MEDICATION.
• WHEN SERVICING use only identical replacement
parts. Use of any other parts may create a hazard or
cause product damage.
• USE ONLY RECOMMENDED ACCESSORIES listed
in this manual or addendums. Use of accessories
that are not listed may cause the risk of personal
injury. Instructions for safe use of accessories are
included with the accessory.
•DOUBLE CHECK ALL SETUPS. Make sure blade is
tight and not making contact with saw or workpiece
before connecting to power supply.
•FIRMLY CLAMP OR BOLT your miter saw to a work-
bench or table at approximately hip height.
• KEEP HANDS AWAY FROM CUTTING AREA. Do not
reach underneath work or in blade cutting path with
your hands and fingers for any reason. Always turn the
power off.
• ALWAYS SUPPORT LONG WORKPIECES while cut-
ting to minimize risk of blade pinching and kickback.
Saw may slip, walk or slide while cutting long or heavy
boards.
• ALWAYS USE A CLAMP to secure the workpiece
when possible.
• BE SURE THE BLADE CLEARS THE WORKPIECE.
Never start the saw with the blade touching the
workpiece. Allow motor to come up to full speed
before starting cut.
• MAKE SURE THE MITER TABLE AND SAW ARM
(BEVEL FUNCTION) ARE LOCKED IN POSITION BE-
FORE OPERATING YOUR SAW. Lock the miter table
by securely tightening the miter lock levers. Lock
the saw arm (bevel function) by securely tightening the
bevel lock knob.
•NEVER USE A LENGTH STOP ON THE FREE SCRAP
END OF A CLAMPED WORKPIECE. NEVER hold
onto or bind the free scrap end of the workpiece in any
operation. If a work clamp and length stop are used
together, they must both be installed on the same side
of the saw table to prevent the saw from catching the
loose end and kicking up.
• NEVER cut more than one piece at a time. DO NOT
STACK more than one workpiece on the saw table at a
time.
• NEVER PERFORM ANY OPERATION FREEHAND.
Always place the workpiece to be cut on the miter
table and position it firmly against the fence as a back-
stop. Always use the fence.
• NEVER hand hold a workpiece that is too small to be
clamped. Keep hands clear of the cutting area.
• NEVER reach behind, under, or within three inches
of the blade and its cutting path with your hands and
fingers for any reason.

• NEVERreachto pickupaworkpiece,apieceof scrap,
oranythingelsethatisinornearthecuttingpathofthe
blade.
• AVOIDAWKWARDOPERATIONSANDHAND
POSITIONSwhereasuddenslipcouldcauseyour
handto moveintotheblade.ALWAYSmakesureyou
havegoodbalance.NEVERoperateyourmitersaw
onthefloororina crouchedposition.
• NEVERstandorhaveanypartof yourbodyinlinewith
thepathofthesawblade.
• ALWAYSreleasethepowerswitchandallowthe
sawbladeto stoprotatingbeforeraisingit outofthe
workpiece.
•DO NOT TURN THE MOTOR SWITCH ON AND OFF
RAPIDLY. This could cause the saw blade to loosen
and could create a hazard. Should this ever occur,
stand clear and allow the saw blade to come to a
complete stop. Disconnect your saw from the power
supply and securely retighten the blade bolt.
•IF ANY PART OF THIS MITER SAW IS MISSING or
should break, bend, or fail in any way, or should any
electrical component fail to perform properly, shut off
the power switch, remove the miter saw plug from the
power source and have damaged, missing, or failed
parts replaced before resuming operation.
• ALWAYS STAY ALERT! Do not allow familiarity (gained
from frequent use of your saw) to cause a careless
mistake. ALWAYS REMEMBER that a careless fraction
of a second is sufficient to inflict severe injury.
•MAKE SURE THE WORK AREA HAS AMPLE LIGHT-
ING to see the work and that no obstructions will inter-
fere with safe operation BEFORE performing any work
using your saw.
• ALWAYS TURN OFF THE SAW before disconnecting
it to avoid accidental starting when reconnecting to
power supply. NEVER leave the saw unattended while
connected to a power source.
• THIS TOOL should have the following markings:
a) Wear eye protection.
b) Keep hands out of path of saw blade
c) Do not operate saw without guards in place.
d) Do not perform any operation freehand.
e) Never reach around saw blade.
f) Turn off tool and wait for saw blade to stop before
moving workpiece or changing settings.
g) Disconnect power (or unplug tool as applicable)
before changing blade or servicing.
h) No load speed.
• ALWAYS carry the tool only by the carrying handle.
• AVOID direct eye exposure when using the laser guide.
• SAVE THESE INSTRUCTIONS. Refer to them
frequently and use to instruct other users. If you loan
someone this tool, loan them these instructions also.
_k WARNING: Some dust created by power sanding, sawing, grinding, drilling, and other construction activities
contains chemicals known to cause cancer, birth defects or other reproductive harm. Some examples of these
chemicals are:
• lead from lead-based paints,
• crystalline silica from bricks and cement and other masonry products, and
• arsenic and chromium from chemically-treated lumber.
Your risk from these exposures varies, depending on how often you do this type of work. To reduce your exposure
to these chemicals: work in a well ventilated area, and work with approved safety equipment, such as those dust
masks that are specially designed to filter out microscopic particles.

Someofthefollowingsymbolsmaybeusedonthistool.Pleasestudythemandlearntheirmeaning.Proper
interpretationofthesesymbolswillallowyouto operatethetoolbetterandsafer.
SYMBOL NAME DESIGNATION/EXPLANATION
V Volts Voltage
A Amperes Current
Hz Hertz Frequency(cyclespersecond)
W Watt Power
min Minutes Time
"%, Alternating Current Type of current
Direct Current Type or a characteristic of current
no No Load Speed Rotational speed, at no load
[] Class II Construction Double-insulated construction
.../min Per Minute Revolutions, strokes, surface speed, orbits etc., per minute
Wet Conditions Alert Do not expose to rain or use in damp locations.
Read The Operator's Manual To reduce the risk of injury, user must read and understandoperator's manual before using this product.
O Always wear safety goggles or safety glasses with side
Eye Protection shields and a full face shield when operating this product.
_, Alert Precautions that involve
Safety your safety.
t_ Failure to keep your hands away from the blade will result in
No Hands Symbol serious personal injury.
No Hands Failure to keep your hands away from the blade will result in
Symbol serious personal injury.
No Hands Symbol Failure to keep your hands away from the blade will result in
serious personal injury.
No Hands Symbol Failure to keep your hands away from the blade will result in
serious personal injury.
Hot Surface
®To reduce the risk of injury or damage, avoid contact with
any hot surface.

Thefollowingsignalwordsandmeaningsareintendedto explainthelevelsofriskassociatedwiththis
product.
SYMBOL SIGNAL MEANING
,_ DANGER: Indicates an imminently hazardous situation, which, if not avoided, will
result in death or serious injury.
,_ WARNING: Indicates a potentially hazardous situation, which, if not avoided, could
result in death or serious injury.
,_ CAUTION:
CAUTION:
Indicates a potentially hazardous situation, which, if not avoided, may
result in minor or moderate injury.
(Without Safety Alert Symbol) Indicates a situation that may result in
property damage.
SERVICE
Servicing requires extreme care and knowledge and
should be performed only by a qualified service tech-
nician. For service we suggest you return the product to
your nearest AUTHORIZED SERVICE CENTER for repair.
When servicing, use only identical replacement parts.
,_ WARNING: To avoid serious personal injury, do not
attempt to use this product until you read thoroughly
and understand completely the operator's manual.
Save this operator's manual and review frequently for
continuing safe operation and instructing others who
may use this product.
,_ WARNING:
The operation of any power tool can result in foreign objects being thrown into your eyes, which can
result in severe eye damage. Before beginning power tool operation, always wear safety goggles or
safety glasses with side shields and a full face shield when needed. We recommend Wide Vision Safety
Mask for use over eyeglasses or standard safety glasses with side shields. Always use eye protection
which is marked to comply with ANSI Z87.1.
SAVE THESE INSTRUCTIONS

DOUBLE INSULATION
Double insulation is a concept in safety in electric power
tools, which eliminates the need for the usual three-wire
grounded power cord. All exposed metal parts are
isolated from the internal metal motor components with
protecting insulation. Double insulated tools do not need
to be grounded.
_, WARNING: The double insulated system is
intended to protect the user from shock resulting
from a break in the tool's internal insulation. Observe
all normal safety precautions to avoid electrical
shock.
NOTE: Servicing of a tool with double insulation requires
extreme care and knowledge of the system and should
be performed only by a qualified service technician. For
service, we suggest you return the tool to your nearest
authorized service center for repair. Always use original
factory replacement parts when servicing.
ELECTRICAL CONNECTION
This tool has a precision-built electric motor. It should be
connected to a power supply that is 120 volts, 60 Hz,
AC only (normal household current), Do not operate
this tool on direct current (DC). A substantial voltage drop
will cause a loss of power and the motor will overheat. If
your tool does not operate when plugged into an outlet,
double-check the power supply.
EXTENSION CORDS
When using a power tool at a considerable distance from
a power source, be sure to use an extension cord that has
the capacity to handle the current the tool will draw. An
undersized cord will cause a drop in line voltage, resulting
in overheating and loss of power. Use the chart to deter-
mine the minimum wire size required in an extension cord.
Only round jacketed cords listed by Underwriter's Labora-
tories (UL) should be used.
When working outdoors with a tool, use an extension cord
that is designed for outside use. This type of cord is
designated with "WA" on the cord's jacket.
Before using any extension cord, inspect it for loose or
exposed wires and cut or worn insulation.
**Ampere rating (on tool faceptate)
0-2.0 2.1-3.4 3,5-5.0 5.1-7.0 7.1-12,0 12,1-15.0
Cord Length Wire Size (A.W.G.)
25' 16 16 16 16 14 14
50' 16 16 16 14 14 12
100' 16 16 14 12 10 --
**Used on 12 gauge -20 amp c_dt.
NOTE: AWG = American Wire Gauge
&WARNING: Keep the extension cord clear of the
working area. Position the cord so that it will not get
caught on lumber, tools or other obstructions while
you are working with a power tool. Failure to do so
can result in serious personal injury.
AWARNING: Check extension cords before each
use. If damaged replace immediately. Never use tool
with a damaged cord since touching the damaged
area could cause electrical shock resulting in serious
injury.

Anti-Kickback Pawls (radial arm and table saws)
A devise which, when properly installed and maintained,
is designed to stop the workpiece from being kicked back
toward the front of the saw during a ripping operation.
Arbor
The shaft on which a blade or cutting tool is mounted.
Bevel Cut
A cutting operation made with the blade at any angle
other than 90° to the table surface.
Chamfer
A cut removing a wedge from a block so the end (or part
of the end) is angled rather than at 90° .
Compound Cut
A cross cut made with both a miter and a bevel angle.
Crosscut
A cutting or shaping operation made across the grain or
the width of the workpiece.
Cutter Head (planers and jointers)
A rotating piece of adjustable blades. The cutter head
removes material from the workpiece.
Dado Cut
A non-through cut which produces a square-sided notch
or trough in the workpiece (requires a special blade).
Featherboard
A device used to help control the workpiece by guiding it
securely against the table or fence during any ripping
operation.
FPM or SPM
Feet per minute (or strokes per minute), used in reference
to blade movement.
Freehand
Performing a cut without the workpiece being guided by a
fence, miter gauge, or other aids.
Gum
A sticky, sap-based residue from wood products.
Heel
Alignment of the blade to the fence.
Kerf
The material removed by the blade in a through cut or the
slot produced by the blade in a non-through or partial cut.
Kickback
A hazard that can occur when the blade binds or stalls,
throwing the workpiece back toward operator.
Leading End
The end of the workpiece pushed into the tool first.
Miter Cut
A cutting operation made with the workpiece at any angle
to the blade other than 90 ° .
Non-Through Cuts
Any cutting operation where the blade does not extend
completely through the thickness of the workpiece.
Push Blocks and Push Sticks
Devices used to feed the workpiece through the saw
blade during cutting operations. A push stick (not a push
block) should be used for narrow ripping operations.
These aids help keep the operator's hands well away from
the blade.
Pilot Hole (drill presses)
A small hole drilled in a workpiece that serves as a guide
for drilling large holes accurately.
Resaw
A cutting operation to reduce the thickness of the work-
piece to make thinner pieces.
Resin
A sticky, sap-based substance that has hardened.
Revolutions Per Minute (RPM)
The number of turns completed by a spinning object in
one minute.
Ripping or Rip Cut
A cutting operation along the length of the workpiece.
Riving Knife/Spreader/Splitter (table saws)
A metal piece, slightly thinner than the blade, which helps
keep the kerf open and also helps to prevent kickback.
Saw Blade Path
The area over, under, behind, or in front of the blade. As
it applies to the workpiece, that area which will be or has
been cut by the blade.
Set
The distance that the tip of the saw blade tooth is bent (or
set) outward from the face of the blade.
Snipe (planers)
Depression made at either end of a workpiece by cutter
blades when the workpiece is not properly supported.
Throw-Back
The throwing back of a workpiece usually caused by the
workpiece being dropped into the blade or being placed
inadvertently in contact with the blade.
Through Sawing
Any cutting operation where the blade extends completely
through the thickness of the workpiece.
Workpiece or Material
The item on which the operation is being done.
Worktable
Surface where the workpiece rests while performing a
cutting, drilling, planing, or sanding operation.

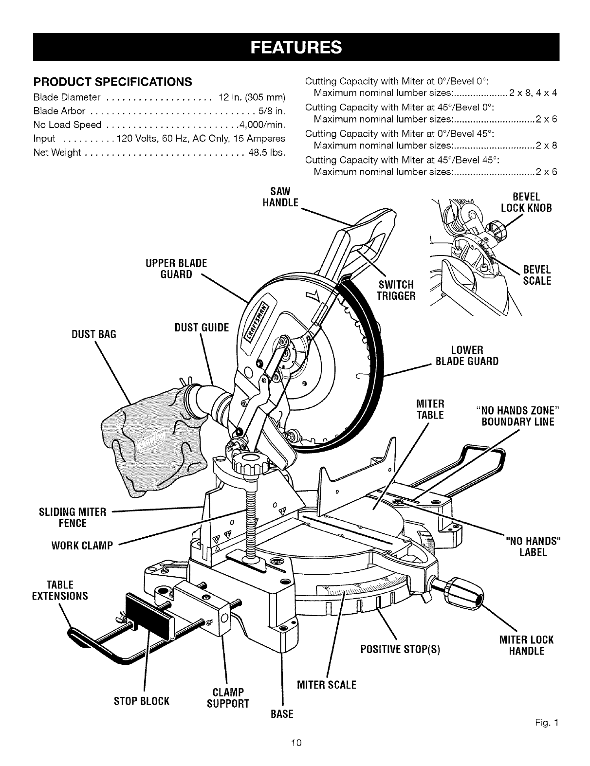
PRODUCT SPECIFICATIONS
Blade Diameter .................... 12 in. (305 mm)
Blade Arbor ............................... 5/8 in.
No Load Speed ......................... 4,000/min.
Input .......... 120 Volts, 60 Hz, AC Only, 15 Amperes
Net Weight .............................. 48.5 Ibs.
SAW
HANDLE
UPPERBLADE
GUARD
DUST BAG DUST GUIDE
Cutting Capacity with Miter at 0°/Bevel 0°:
Maximum nominal ]umber sizes: .................... 2 x 8, 4 x 4
Cutting Capacity with Miter at 45°/Bevel 0°:
Maximum nominal lumber sizes: .............................. 2 x 6
Cutting Capacity with Miter at 0°/Bevel 45°:
Maximum nominal lumber sizes: .............................. 2 x 8
Cutting Capacity with Miter at 45°/Bevel 45°:
Maximum nominal lumber sizes: .............................. 2 x 6
SWITCH
TRIGGER
BEVEL
KNOB
SCALE
LOWER
BLADE GUARD
MITER
TABLE "NO HANDSZONE"
BOUNDARYLINE
SLIDING MITER
FENCE
WORKCLAMP "NO HANDS"
LABEL
TABLE
EXTENSIONS
%
POSITIVE STOP(S)
MITERLOCK
HANDLE
STOPBLOCK CLAMP
SUPPORT BASE
MITER SCALE
Fig. 1
10

KNOW YOUR COMPOUND MITER SAW
See Figure 1.
Before attempting to use this product, familiarize yourself
with all operating features and safety rules.
15 AMP MOTOR
Your saw has a powerful 15 amp motor with sufficient
power to handle tough cutting jobs. It is made with all ball
bearings, and has externally accessible brushes for ease
of servicing.
12 in. BLADE
A 12 in. carbide-tipped blade is included with your com-
pound miter saw. It will cut materials up to 7 7/8 in. wide,
depending upon the thickness of the material and the set-
ting at which the cut is being made.
CARRYING HANDLE
See Figure 2.
For convenience when carrying or transporting your
miter saw from one place to another, a carrying handle
has been provided on top of the saw arm. To transport,
turn off and unplug your saw, then lower the saw arm and
lock it in the down position. Lock saw arm by depressing
the lock pin.
CARRYING
HANDLE
SAW
ARM
\
LOCKPIN
)
MITERLOCK
HANDLE SAWARM
LOCKEDIN DOWNPOSITION Fig. 2
MITER LOCK HANDLE
See Figure 2.
The miter lock handle securely locks your saw at desired
miter angles.
11
SPINDLE LOCK BUTTON
See Figure 3.
A spindle lock button has been provided for locking the
spindle which keeps the blade in your saw from rotating.
Depress and hold the lock button while installing, chang-
ing, or removing blade.
SWITCH
TRIGGER
SPINDLE
LOCKBUTTON
Fig. 3
TRIGGER LOCK
See Figure 4.
To prevent unauthorized use of your compound miter
saw, we suggest that you disconnect it from the power
supply and lock the switch in the off position. To lock the
switch, install a padlock (not included) through the hole in
the switch trigger. A lock with a long shackle up to 9/32
in. diameter may be used. When the lock is installed and
locked, the switch is inoperable. Store the padlock key in
another location.
PADLOCK
SWITCH
TRIGGER
Fig. 4

ROTATING
HANDLE
HANDLE
ADJUSTINGKNOB
Fig. 5
ROTATING HANDLE
See Figure 5.
The rotating handle can be adjusted to provide different
positions of the saw handle. Turn the handle adjusting
knob clockwise to loosen the rotating handle before
twisting the rotating handle to a desired position. Lock
the rotating handle into positions by turning the handle
adusting knob counterclockwise
LASER GUIDE
For more accurate cuts, a laser guide is included with your
miter saw. When used properly, the laser guide makes
accurate, precision cutting simple and easy.
POSITIVE STOPS ON MITER TABLE
Positive stops have been provided at 0°, 15°, 22-1/2 °,
31.62 °, and 45° on both the left and right side of the miter
table.
BEVEL LOCK KNOB
The bevel lock knob securely locks your compound miter
saw at desired bevel angles. A positive stop adjustment
screw has been provided on each side of the saw arm.
These adjustment screws are for making fine adjustments
at 0 and 45 °.
ELECTRIC BRAKE
An electric brake has been provided to quickly stop blade
rotation after the switch is released.
SLIDING MITER FENCE
The miter fence on your compound miter saw has been
provided to hold your workpiece securely against when
making all cuts; the left side is also larger providing
additional support. It has a sliding feature for clearance of
the saw arm when making bevel or compound cuts.
Loosen the fence screw before attempting to slide the
miter fence. Once the desired position of the miter fence
is determined, tighten the fence screw to secure the
sliding fence.
SELF-RETRACTING LOWER BLADE GUARD
The lower blade guard is made of shock-resistant, see-
through plastic that provides protection from each side
of the blade. It retracts over the upper blade guard as the
saw is lowered into the workpiece.
BLADE WRENCH STORAGE
This miter saw has a convenient blade wrench storage in
the saw's base.
12

Thefollowingtools(notincluded)areneededforcheckingadjustmentsofyoursaworforinstallingtheblade:
PHILLIPSSCREWDRIVER
COMBINATION
SQUARE
FRAMINGSQUARE
Fig. 6
13

ThefollowingitemsareincludedwithyourCompoundMiterSaw:
• MiterLockHandle
• DustGuide
• DustBag
• BladeWrench
• 10mmHexKey
• WorkClampAssembly
• ClampSupport
• StopBlock
• LaserGlasses
• SmallWingScrew
• TableExtensions(2)
• ClampBrackets(2)
• ClampBracketScrews(2)
• ClampExtensionRod
• Screws(4)
• OuterBladeWasher
• HexKeyBolt
• Operator'sManual
CLAMPSUPPORT
SCREW
SMALL
WING
SCREW__
10 mm HEXKEY
LASERGLASSES
DUSTGUIDE /
CLAMPEXTENSION J /
\/,_(_ _WORKCLAMP
__ ASSEMBLY
_j j v MITERLOCK
SCREW _HANDLE
BLOCK
CLAMP_
B_ACKET TABLEEXTENSION
_ _,.,. OUTER
BLADE
WASHER
BLADE
BOLT
BLADEWRENCH
,_ WARNING: The use of attachments or accessories not listed might be hazardous and could cause serious
personal injury. Fig. 7
14

UNPACKING
This product has been shipped completely assembled.
• Carefully lift saw from the carton by the carrying handle
and the saw base, and place it on a level work surface.
NOTE: This saw is heavy. To avoid back injury, lift with
your legs, not your back, and get help when needed.
• Your saw has been shipped with the saw arm secured
in the down position. To release the saw arm, push
down on the top of the saw arm, cut the tie-wrap, and
pull out on the lock pin.
• Lift the saw arm by the handle. Hand pressure should
remain on the saw arm to prevent sudden rise upon
release of the tie wrap.
• Inspect the tool carefully to make sure no breakage or
damage occurred during shipping.
• Do not discard the packing material until you have
carefully inspected and satisfactorily operated the tool.
• The saw is factory set for accurate cutting. After
assembling it, check for accuracy. If shipping has
influenced the settings, refer to specific procedures
explained in this manual.
• If any parts are damaged or missing, please call
1-800-932-3188 for assistance.
WARNING: If any parts are missing, do not operate
this tool until the missing parts are replaced. Failure
to do so could result in possible serious personal
injury.
AWARNING: Do not attempt to modify this tool
or create accessories not recommended for use
with this tool. Any such alteration or modification is
misuse and could result in a hazardous condition
leading to possible serious personal injury.
_ WARNING: Do not connect to power supply until
assembly is complete. Failure to comply could result
in accidental starting and possible serious personal
injury.
MOUNTING HOLES
See Figure 8.
_ WARNING: Always make sure your compound
miter saw is securely mounted to a workbench or an
approved workstand. Failure to heed this warning
can result in serious personal injury.
Your compound miter saw should be permanently
mounted to a firm supporting surface such as a work-
bench. Four bolt holes have been provided in the saw
base for this purpose. Each of the four mounting holes
should be bolted securely using 3/8 in. machine bolts,
lock washers, and hex nuts (not included). Bolts should be
of sufficient length to accommodate the saw base, lock
washers, hex nuts, and the thickness of the workbench.
Tighten all four bolts securely.
The hole pattern for mounting to a workbench is shown in
figure 8. Carefully check the workbench after mounting to
make sure that no movement can occur during use. If any
tipping, sliding, or walking is noted, secure the workbench
to the floor before operating.
TRACEHOLES
ATTHESELOCATIONSFOR
HOLEPATTERN
\o C]
\
TRACEHOLES
ATTHESELOCATIONSFOR
HOLEPATTERN
BASE MOUNTINGSURFACE
Fig. 8
15

MITER LOCK HANDLE
See Figure 9.
Cut the tie-wraps holding the saw arm and the miter lock
in place. To install the miter lock handle, place the thread-
ed stud into the threaded hole in the control arm. Turn
clockwise to tighten.
EXHAUST
PORT
TO
LOOSEN
T_TIG]H )
TEN
MITER
LOCKHANDLE
CONTROL
ARM MITER
TABLE
Fig. 9
DUST GUIDE
See Figure 10.
To install the dust guide, place the end marked INSERT
over the exhaust port in the upper blade guard. Turn the
guide so that the open end is facing down or toward the
rear of the saw.
DUST
GUIDE
DUST BAG Fig. 10
See Figure 11.
A dust bag is provided for use on your miter saw. It fits
over the dust guide on the upper Made guard. To install,
squeeze the two metal clips to open the mouth of the bag
and slide it on to the dust guide. Release the clips. The
metal ring in the bag should lock in between the grooves
on the dust guide.
To remove the dust bag for emptying, simply reverse the
above procedure.
DUST GUIDE
DUSTBAG
Fig. 11
16

,_k SAWVIEWEDFROMBOTTOM
WARNING: Before connecting saw to power
source, make sure the blade or blade guard will not
hit the work clamp or table extensions when cutting
35° to 45 ° angles.
TABLE EXTENSIONS
See Figures 12- 13.
If you plan to use both the stop block and miter clamp,
slide the stop block on the back arm of the desired table
extension first. Next slide the clamp support on the same
table extension.
To install table extensions, insert the ends of the exten-
sions into the two holes in each side of the base.
Secure them in place by positioning a clamp bracket
under each table extension beneath the miter table. Orient
each clamp bracket as shown in figure 13. Secure each
clamp bracket in place with a clamp bracket screw. The
clamp bracket screw threads through the clamp bracket
and tightens against the bottom of miter table, securing
clamp bracket against table extension.
CLAMP
SUPPORT
STOPBLOCK
MITER
SAWBASE
TABLE
EXTENSION
MITER
SAWBASE
TABLE
EXTENSION
CLAMP
BRACKET
CLAMP
BRACKETSCREW
Fig. 13
STOP BLOCK
The stop block is useful as a stop for making repetitive
cuts to the same length. It can be installed on either side
of the saw base:
• Slide the stop block on the back arm of either table
extension, then insert the table extension into the saw
base.
• Use the small wing screw to secure the stop block to
the table extension.
• Loosen the small wing screw and adjust the stop block
the desired distance from the blade for the cut to be
made.
• Tighten small wing screw securely.
• Make a test cut in scrap material and measure the
length of the workpiece.
• Make any necessary adjustments.
_ WARNING: When using the work clamp with the
stop block, install the clamp on the same side as
the stop block. This will eliminate the possibility of
trapping the workpiece, resulting in the blade and
workpiece kicking up. Failure to heed this warning
can result in serious personal injury.
Fig. 12
17

WORK CLAMP
See Figure 14.
SMALL
SCREW
\
CLAMP
EXTENSION
ROD
CLAMP
SUPPORT
SMALL
SCREW
SMALL
WING
SCREW
TABLEEXTENSION
CLAMP
ASSEMBLY
\
CLAMP
BRACKET
CLAMP
BRACKET
SCREW
HOLESFORCLAMP
EXTENSIONROD
Fig. 14
The work clamp provides greater control by clamping the
workpiece to the fence or the saw table. It also prevents
the workpiece from creeping toward the saw blade. This is
very helpful when cutting compound miters.
To assemble and install the work clamp on the miter saw,
carefully place the saw on a stable surface exposing the
underside of the miter saw table.
• Place the clamp support on the table extension and
secure using a small screw in each screw hole in the
top of the clamp support.
• Holding the clamp bracket on the bracket support,
place table extension through the holes in the end of
the miter saw base and into the corresponding exten-
sion support trapping the clamp bracket against the
saw table.
• Secure with the clamp bracket screw.
• Return the saw right side up.
SCREWHOLDCLAMP
SUPPORTTO TABLE
EXTENSION
TABLE
EXTENSION
CLAMP
SUPPORT
CLAMPWORKPIECETO THEFENCE Fig. 15
CLAMPING WORKPIECE TO THE FENCE
See Figures 15- 16.
• Insert the grooved end of the clamp extension rod as
far as it will go into the front hole of the clamp sup-
port. This will allow the clamp to press the workpiece
against the fence.
• Secure the clamp extension rod with a screw.
• Slide the clamp assembly onto the clamp extension
rod and secure with a screw.
Note: The clamp assembly can be slid forward or
backward on the clamp extension rod as needed by
loosening the screw.
• Turn the knob to secure and free the workpiece against
the fence.
• Securely tighten all screws on the clamp before each
use.
• Before making a cut, always check the blade and blade
guard clearance over and around the miter clamp.
_i WARNING: Make sure the saw blade or blade
guard will not hit the work clamp assembly when
cutting miter and bevel cuts. Failure to heed this
warning could result in serious personal injury.
CLAMPSUPPORT
18
KNOB
SCREWS
CLAMPEXTENSION
ROD Fig. 16

SCREWS
CLAMPSUPPORT
CLAMPWORKPIECETOTHESAWTABLE
Fig. 17
CLAMPING WORKPIECE TO THE SAW TABLE
See Figure 17,
• Insert the grooved end of the clamp extension rod into
the back, top hole of the clamp support. This will
allow the clamp to press the workpiece against the
saw table.
• Align the groove in the clamp extension rod with the
screw hole, and secure the rod with a screw.
• Slide the clamp assembly onto the clamp extension
rod and secure with a screw.
Note: The clamp assembly can be slid forward or back-
ward on the clamp extension rod as needed by loosen-
ing the screw.
• Turn the knob to secure and free the workpiece against
the saw table.
• Securely tighten all screws on the clamp before each
use.
• Before making a cut, always check the blade and blade
guard clearance over and around the miter clamp.
_ WARNING: Make sure the saw blade or blade
guard will not hit the work clamp assembly when
cutting miter and bevel cuts. Failure to heed this
warning could result in serious personal injury.
TO INSTALL BLADE
See Figures 18 -20.
AWARNING: A 12 in. blade is the maximum blade
capacity of your saw. Never use a blade that is too
thick to allow outer blade washer to engage with
the flats on the spindle. Larger blades will come in
contact with the blade guards, while thicker blades
will prevent the blade screw from securing the blade
on the spindle. Either of these situations could result
in a serious accident and can cause serious personal
injury.
• Unplug your saw.
• Loosen phillips screw on the blade bolt cover.
• Gently raise the lower blade guard bracket, releasing
lower blade guard from notch so that lower blade
guard and blade bolt cover can be rotated up and back
to expose the blade bolt.
• Depress the spindle lock button and rotate the blade
bolt until the spindle locks.
• Using the blade wrench provided, loosen and remove
the blade bolt.
NOTE: The blade bolt has left hand threads. Turn blade
bolt clockwise to loosen.
PHILLIPS
SCREW
LOWERBLADE
GUARDBRACKET
Fig. 18
19

LOWER
BLADEGUARD
BLADE _HILLIPS
SCREW
TO
LOOSEN
FLAT(S)
ONSPINDLE
TO
TIGHTEN
BLADE
BOLT OUTERBLADEWASHER
WITH DOUBLE"D" FLATS
INNERBLADE
WASHERWITH
DOUBLE"D"FLATS
Fig. 19
• Remove outer blade washer. Do not remove inner
blade washer.
• Wipe a drop of oil onto inner blade washer and outer
blade washer where they contact the blade.
_WARNING: If inner blade washer has been
removed, replace it before placing blade on spindle.
Failure to do so could cause an accident since blade
will not tighten properly.
• Fit blade inside lower blade guard and onto spindle.
The blade teeth point downward at the front of saw as
shown in figure 19.
,_ CAUTION: Always install the blade with the blade
teeth and the arrow printed on the side of the blade
pointing down at the front of the saw. The direction
of blade rotation is also stamped with an arrow on
the upper blade guard.
• Replace outer blade washer or the laser guide (see in-
structions on the following page). The double "D" flats
align with the flats on the spindle.
• Depress spindle lock button and replace blade bolt.
NOTE: The blade bolt has left hand threads. Turn blade
bolt counterclockwise to tighten.
• Tighten blade bolt securely.
• Replace the lower blade guard and blade bolt cover.
• Retighten phillips screw securing blade bolt cover.
Tighten screw securely.
ACAUTION: Make sure the spindle lock button is not
engaged before reconnecting saw to power source.
Never engage spindle lock button when blade is
rotating.
SPINDLE
LOCK
Fig. 20
2O

MOUNTING THE LASER GUIDE
See Figure 21.
• Unplug your saw.
See "To Install Blade" on page 19 of this operator's
manual.
• Make sure inner blade washer is in place before
positioning saw blade on the spindle of your saw.
NOTE: The laser guide replaces the outer blade
washer.
• Place the laser guide onto the spindle, aligning the
double "D" flats in the laser guide with the flats on the
spindle.
• Position flat surface of laser guide against the blade.
Warning labels are visible when laser guide is mounted
properly.
• Depress spindle lock button and secure laser guide
using only the special hex key bolt provided.
NOTE: The hex key bolt has left hand threads. Turn
bolt counterclockwise to tighten.
• Using the blade wrench provided with your saw,
tighten bolt securely.
• Remove the blade wrench and return it to the storage
area in the saw's base.
• Replace the lower blade guard and blade bolt cover.
• Retighten phillips screw securing blade bolt cover.
Tighten screw securely.
_ DANGER: Laser radiation. Avoid direct eye contact
with light source.
ALIGNING THE LASER GUIDE LINE
See Figure 22.
The laser guide will generate a red colored line on the
work surface when the blade is spinning above 500 rpm.
The red laser line will appear as a broken line on the
workpiece when the blade assembly is in the uppermost
position and the motor switch is activated. This broken
line will let you see your mark and your laser guide line at
the same time, and will assist you in lining up your mark
for more accurate cutting of the workpiece.
Align the laser line and your mark with the blade at the up-
permost position. Once both lines are in alignment, do not
move the workpiece until after you have finished cutting.
As the blade assembly is lowered toward the workpiece,
the broken line will become solid.
Make several practice cuts on different styles and thick-
ness of material.
Follow the directions below for using your laser guide.
Removing Your Mark:
Position the laser line near the left edge of your mark on
the work surface in order to remove the mark.
To Cut Your Mark:
Position the laser line near or over your mark on the work
surface in order to cut the mark.
To Leave Your Mark:
Position the laser line near the right edge of your mark on
the work surface in order to leave the mark.
After you have become familiar with using your laser
guide, you will be able to remove, cut, or leave your mark
on the work surface. Practice will teach you the correct
position for aligning the laser line with your mark.
BLADE
LASER
GUIDE
X
TO
LOOSEN
HEXKEY
BOLT
TO
TIGHTEN
BLADE
WRENCH
SPINDLE
INNERBLADE
WASHER
Fig. 21
21
BROKEN
REDLINE
Fig. 22

NOTE:Manyoftheillustrationsinthismanualshowonly
portionsof yourcompoundmitersaw.Thisisintentional
sothatwecanclearlyshowpointsbeingmadeinthe
illustrations.Neveroperateyoursawwithoutall guards
securelyinplaceandingoodoperatingcondition.
SQUARING THE MITER TABLE TO THE
FENCE
See Figures 23 -26.
• Unplug your saw.
• Push down on the saw arm and pull out the lock pin to
release the saw arm.
• Raise saw arm to its full raised position.
• Loosen the miter lock handle.
• Rotate the miter table until the pointer is positioned
at 0.
• Securely tighten the miter lock handle.
• Lay a framing square flat on the miter table. Place one
leg of the square against the fence. Place the other
leg of the square beside the throat plate in the miter
table. The edge of the square and the slot in the throat
plate in the miter table should be parallel as shown in
figure 23.
• If the edge of the framing square and the throat plate
in the miter table are not parallel as shown in figures 24
and 25, adjustments are needed.
• Using the blade wrench, loosen the socket head
screws securing the fence. Adjust the fence left or right
until the framing square and throat plate are parallel.
• Retighten the screws securely and recheck the fence-
to-table alignment.
FRAMING
SQUARE
FENCE
MITERTABLE
FRAMING
SQUARE FENCE
MITERTABLE
THROATPLATE
VIEW OFMITERTABLENOTSQUAREWITH
FENCE,ADJUSTMENTSAREREQUIRED Fig. 24
FRAMING
SQUARE FENCE
MITERTABLE
THROATPLATE
VIEWOF MITERTABLENOTSQUAREWITH
FENCE,ADJUSTMENTSAREREQUIRED
Fig. 25
SOCKETHEAD SOCKETHEAD
SCREW(S) SCREW(S)
THROATPLATE
VIEWOF MITERTABLESQUAREWITH FENCE
CORRECTLYADJUSTED
Fig. 23
22
Fig. 26

SQUARING THE SAW BLADE TO THE FENCE
See Figures 27 -30.
• Unplug your saw.
• Pull the saw arm all the way down and engage the lock
pin to hold the saw arm in transport position.
• Loosen the miter lock handle.
• Rotate the miter table until the pointer is positioned
at O.
• Securely tighten the miter lock handle.
• Lay a framing square flat on the miter table. Place one
leg of the square against the fence. Slide the other leg
of the square against the flat part of the blade.
NOTE: Make sure that the square contacts the flat part
of the blade, not the blade teeth.
• The edge of the square and the blade should be
parallel as shown in figure 27.
• If the front or back edge of the saw blade angles away
from the square as shown in figures 28 and 29, adjust-
ments are needed.
• Using the blade wrench, loosen the hex screws that
secure the mounting bracket to the miter table.
• Rotate the mounting bracket left or right until the blade
is parallel with the square.
• Retighten the screws securely and recheck the blade-
to-fence alignment.
FENCE
NG
/_SQUARE
BASE
VIEWOF BLADENOTSQUAREWITH
FENCE,ADJUSTMENTSAREREQUIRED
Fig. 28
E
nn-fi-Ll FRAMING
-_ SQUARE
BASE
VIEWOF BLADENOTSQUAREWITH
FENCE,ADJUSTMENTSAREREQUIRED Fig. 29
VIEW OFBLADE
BASE SQUAREWITH FENCE
FRAMING
SQUARE
Fig. 27
MITER
TABLE
HEXHEAD
SCREW(S)
MOUNTING
BRACKET
23
Fig. 30

SQUARING THE BLADE TO THE MITER TABLE
See Figures 31 -33.
• Unplug your saw.
• Pull the saw arm all the way down and engage the lock
pin to hold the saw arm in transport position.
• Loosen the miter lock handle.
• Rotate the miter table until the pointer is positioned
at 0.
• Securely tighten the miter lock handle.
• Loosen bevel lock knob and set saw arm at 0 bevel
(blade set 90° to miter table). Tighten bevel lock knob.
• Place a combination square against the miter table and
the flat part of the blade.
NOTE: Make sure that the square contacts the flat part
of the blade, not the blade teeth.
• Rotate the blade by hand and check the blade-to-table
alignment at several points.
• The edge of the square and the blade should be paral-
lel.
• If the top or bottom of the blade angles away from the
square as shown in figures 32 and 34, adjustments are
needed.
• Using a 13 mm wrench or adjustable wrench, loosen
the lock nut securing positive stop adjustment screw.
Also loosen bevel lock knob.
• Adjust positive stop adjustment screw to bring blade
into alignment with the square.
• Retighten bevel lock knob. Next, retighten lock nut
securing the positive stop adjustment screw. Recheck
blade-to-table alignment.
NOTE: The above procedure can be used to check
blade squareness of the blade to the miter table at
both 0° and 45 angles.
FENCE
COMBINATION MITER
SQUARE TABLE
CORRECTVIEW OFBLADE
SQUAREWITH MITERTABLE
FENCE
COMBINATION MITER
SQUARE TABLE
VIEW OFBLADENOTSQUAREWITH MITER
TABLE,ADJUSTMENTSAREREQUIRED
BLADE
Fig. 31
Fig. 32
POSITIVESTOP
ADJUSTMENT
SCREWFOR
0°ANGLES
24
LOCK
NUT(S) Fig. 33

Yoursawhastwoscaleindicators,oneonthebevelscale
andoneonthemiterscale.Aftersquaringadjustments
havebeenmade,it maybenecessaryto loosentheindi-
catorsscrewsandresetthemto zero.
FENCE
BLADE
COMBINATION
SQUARE
MITER
TABLE
VIEW OFBLADENOTSQUAREWITH MITERTABLE,
ADJUSTMENTSAREREQUIRED Fig. 34
,l& WARNING: Do not allow familiarity with tools to
make you careless. Remember that a careless frac-
tion of a second is sufficient to inflict severe injury.
_ WARNING: Always wear safety goggles or safety
glasses with side shields when operating tools.
Failure to do so could result in objects being thrown
into your eyes resulting in possible serious injury.
AWARNING: Do not use any attachments or acces-
sories not recommended by the manufacturer of
this tool. The use of attachments or accessories not
recommended can result in serious personal injury.
APPLICATIONS
This product has been designed only for the purposes
listed below:
• Cross cutting wood and plastic
• Cross cutting miters, joints, etc. for picture frames,
moldings, door casings, and fine joinery
• Bevel cutting and compound cutting
NOTE: The blade provided is fine for most wood cutting
operations, but for fine joinery cuts or cutting plastic, use
one of the accessory blades available from your nearest
Sears retail store.
_WARNING: Before starting any cutting operation,
clamp or bolt your compound miter saw to a work-
bench. Never operate your miter saw on the floor or
in a crouched position. Failure to heed this warning
can result in serious personal injury.
WARNING: Always make sure your miter saw is
securely mounted to a workbench or an appropriate
workstand. Failure to do so could result in an acci-
dent resulting in possible serious personal injury.
CUTTING WITH YOUR COMPOUND MITER
SAW
_ WARNING: When using a work clamp or C-clamp
to secure your workpiece, clamp workpiece on one
side of the blade only. The workpiece must remain
free on one side of the blade to prevent the blade
from binding in workpiece. The workpiece binding
the blade will cause motor stalling and kickback.
This situation could cause an accident resulting in
possible serious personal injury.
CROSSCUTTING
See Figure 35,
A crosscut is made by cutting across the grain of the
workpiece. A straight crosscut is made with the miter
table set at the 0 position. Miter crosscuts are made with
the miter table set at some angle other than zero.
25
STRAIGHT
CROSSCUT
Fig. 35

TO MITER CUT
• Pull out the lock pin and lift saw arm to its full height.
• Loosen the miter lock handle.
• Rotate the saw table until the pointer aligns with the
desired angle on the miter scale.
• Tighten the miter lock handle securely.
,_ WARNING: To avoid serious personal injury, always
tighten the miter lock handle securely before making
a cut. Failure to do so could result in movement of
the control arm or miter table while making a cut.
• Place the workpiece flat on the miter table with one
edge securely against the fence. If the board is warped,
place the convex side against the fence. If the concave
edge of a board is placed against the fence, the board
could collapse on the blade at the end of the cut,
jamming the blade.
• When cutting long pieces of lumber or molding,
support the opposite end of the stock with a roller
stand or with a work surface level with the saw table.
See Figure 40.
• Align cutting line on the workpiece with the edge of
blade.
• Grasp the stock firmly with one hand and secure
it against the fence or use the optional work clamp or a
C-clamp to secure the workpiece.
,_ WARNING: To avoid serious personal injury, keep
your hands outside the no hands zone; at least
3 in. from blade. Never perform any cutting opera-
tion freehand (without holding workpiece against the
fence). The blade could grab the workpiece if it slips
or twists.
• Before turning on the saw, perform a dry run of the
cutting operation just to make sure that no problems
will occur when the cut is made.
• Grasp the saw handle firmly then squeeze the switch
trigger. Allow several seconds for the blade to reach
maximum speed.
• Slowly lower the blade into and through the workpiece.
• Release the switch trigger and allow the Blade to stop
rotating before raising the blade out of workpiece. Wait
until the electric brake stops blade from turning before
removing the workpiece from the miter table.
TO BEVEL CUT
See Figures 36 -37.
A bevel cut is made by cutting across the grain of the
workpiece with the blade angled to the workpiece. A
straight bevel cut is made with the miter table set at the
zero degree position and the blade set at an angle
between 0 and 45.
• Pull out the lock pin and lift saw arm to its full height.
• Loosen the miter lock handle.
• Rotate the saw table until the pointer aligns with zero
on the miter scale.
• Tighten the miter lock handle securely.
_i WARNING: To avoid serious personal injury, always
tighten the miter lock lever securely before making a
cut. Failure to do so could result in movement of the
control arm or miter table while making a cut.
LEFTSIDE
LEFT
INDICATOR
POINT
OUNTING
SCALE BRACKET
RIGHTSIDE
RIGHT
INDICATOR
POINT
SCALE Fig. 36
• Loosen the bevel lock knob and move the saw arm to
the left to the desired bevel angle.
• Bevel angles can be set from 0 to 45°.
• Align the indicator point for the desired angle.
• Once the saw arm has been set at the desired angle,
securely tighten the bevel lock knob.
• Place the workpiece flat on the miter table with one
edge securely against the fence. If the board is warped,
place the convex side against the fence. If the concave
edge of a board is placed against the fence, the board
could collapse on the blade at the end of the cut, jam-
ming the blade.
• When cutting long pieces of lumber or molding,
support the opposite end of the stock with a roller
stand or with a work surface level with the saw table.
• Align the cutting line on the workpiece with the edge of
blade.
• Grasp the stock firmly with one hand and secure it
against the fence or use the optional work clamp or a
C-clamp to secure the workpiece.
,_ WARNING: To avoid serious personal injury, keep
your hands away from cutting area. Never perform
any cutting operation freehand (without holding
workpiece against the fence). The blade could grab
the workpiece if it slips or twists.
26

• Beforeturningonthesaw,performa dryrunofthecut-
tingoperationjustto makesurethatnoproblemswill
occurwhenthecutismade.
• Graspthesawhandlefirmlythensqueezetheswitch
trigger.Allowseveralsecondsforthebladeto reach
maximumspeed.
• Slowlylowerthebladeintoandthroughtheworkpiece.
• Releasetheswitchtriggerandallowthesawbladeto
stoprotatingbeforeraisingthebladeoutofworkpiece.
Waituntiltheelectricbrakestopsbladefromturning
beforeremovingtheworkpiecefrommitertable.
BEVELCUT
Fig. 37
TO COMPOUND MITER CUT
A compound miter cut is a cut made using a miter angle
and a bevel angle at the same time. This type of cut is
used to make picture frames, cut molding, make boxes
with sloping sides, and for certain roof framing cuts.
To make this type of cut the control arm on the miter table
must be rotated to the correct angle and the saw arm
must be tilted to the correct bevel angle. Care should
always be taken when making compound miter setups
due to the interaction of the two angle settings.
Adjustments of miter and bevel settings are interde-
pendent with one another. Each time you adjust the miter
setting you change the effect of the bevel setting. Also,
each time you adjust the bevel setting you change the
effect of the miter setting.
It may take several settings to obtain the desired cut. The
first angle setting should be checked after setting the
second angle, since adjusting the second angle affects
the first.
Once the two correct settings for a particular cut have
been obtained, always make a test cut in scrap material
before making a finish cut in good material.
TO MAKE A COMPOUND CUT
• Pull out the lock pin and lift saw arm to its full height.
• Loosen the miter lock handle.
• Rotate the saw table until the pointer aligns with the
desired angle on the miter scale.
• Tighten the miter lock handle securely.
_k WARNING: To avoid serious personal injury, always
tighten the miter lock levers securely before making
a cut. Failure to do so could result in movement of
the control arm or miter table while making a cut.
• Loosen the bevel lock knob and move the saw arm to
the left to the desired bevel angle.
• Bevel angles can be set from 0° to 45 °.
• Once the saw arm has been set at the desired angle,
securely tighten the bevel lock knob.
• Recheck miter angle setting. Make a test cut in scrap
material.
• Place the workpiece flat on the miter table with one
edge securely against the fence. If the board is warped,
place the convex side against the fence. If the concave
edge of a board could collapse on the blade at the end
of the cut, jamming the blade.
• When cutting long pieces of lumber or molding, sup-
port the opposite end of the stock with a roller stand or
with a work surface level with the saw table.
• Align the cutting line on the workpiece with the edge of
saw blade.
• Grasp the stock firmly with one hand and secure it
against the fence or use the optional work clamp or a
C-clamp to secure the workpiece when possible.
NOTE: When making a 45° left miter and a bevel angle
greater than 30°, you must use a C-clamp to secure the
workpiece or move clamp to the right side of the base.
_ WARNING: To avoid serious personal injury, always
keep your hands away from cutting area. Never per-
form any cutting operation freehand (without holding
workpiece against the fence). The blade could grab
the workpiece if it slips or twists.
COMPOUND
MITER CUT
27
Fig. 38

•Before turning on the saw, perform a dry run of the cut-
ting operation just to make sure that no problems will
occur when the cut is made.
• Grasp the saw handle firmly then squeeze the switch
trigger. Allow several seconds for the blade to reach
maximum speed.
• Slowly lower the blade into and through the workpiece.
• Release the switch trigger and allow the saw blade to
stop rotating before raising the blade out of workpiece.
Wait until the electric brake stops blade from turning
before removing the workpiece from miter table.
SUPPORT LONG WORKPIECES
See Figure 40.
Long workpieces need extra supports. Supports should
be placed along the workpiece so it does not sag. The
support should let the workpiece lay flat on the base
of the saw and work table during the cutting operation.
Use the optional work clamp or a C-clamp to secure the
workpiece.
_ WARNING" To avoid serious personal injury, always
keep your hands outside the no hands zone; at least
3 in. from blade. Never perform any cutting opera-
tion freehand (without holding workpiece against the
fence). The blade could grab the workpiece if it slips
or twists.
45°X 45°COMPOUNDMITER CUT
Fig. 39
LONGWORKPIECE
WORKPIECESUPPORTS
28
Fig. 40

CUTTING COMPOUND MITERS
To aid in making the correct settings, the compound angle setting chart below has been provided. Since compound cuts
are the most difficult to accurately obtain, trial cuts should be made in scrap material, and much thought and planning
made, prior to making your required cut.
NUMBER OF SIDES
PITCH
OFSIDE 4 I5I6I7 8 I9IlO
M- 45.00 ° M- 36.00 ° M- 30.00 ° M- 25.71 ° M- 22.50 ° M- 20.00 ° M- 18.00 °
0o B- 0.00 ° B- 0.00 ° B- 0.00 ° B- 0.00 ° B- 0.00 ° B- 0.00 ° B- 0.00 °
M- 44.89 ° M- 35.90 ° M- 29.91 ° M- 25.63 ° M- 22.42 ° M- 19.93 ° M- 17.94 °
5° B- 3.53 ° B- 2.94 ° B- 2.50 ° B- 2.17 ° B- 1.91° B- 1.71 ° B- 1.54 °
M- 44.56 ° M- 35.58 ° M- 29.62 ° M- 25.37 ° M- 22.19 ° M- 19.72 ° M- 17.74°
10° B- 7.05 ° B- 5.86 ° B- 4.98 ° B- 4.32 ° B- 3.81 ° B- 3.40 ° B- 3.08 °
M-44.01° M-35.06 ° M-29.15 ° M-24.95 ° M-21.81° M-19.37 ° M-17.42 °
15° B-10.55 ° B- 8.75 ° B- 7.44 ° B- 6.45 ° B- 5.68 ° B- 5.08 ° B- 4.59 °
M- 43.22 ° M- 34.32 ° M- 28.48 ° M- 24.35 ° M- 21.27 ° M- 18.88 ° M- 16.98 °
20 ° B-14.00 ° B-11.60 ° B- 9.85 ° B- 8.53 ° B- 7.52 ° B- 6.72 ° B- 6.07 °
M- 42.19 ° M- 33.36 ° M- 27.62 ° M- 23.56 ° M- 20.58 ° M- 18.26 ° M- 16.41 °
25° B- 17.39 ° B- 14.38 ° B- 12.20 ° B- 10.57 ° B- 9.31 ° B- 8.31 ° B- 7.50 °
30° M- 40.89 ° M- 32.18 ° M- 26.57 ° M- 22.64 ° M- 19.73 ° M- 17.50 ° M- 15.72 °
B-20.70 ° B-17.09 ° B-14.48 ° B-12.53 ° B-11.03 ° B- 9.85 ° B- 8.89 °
M-39.32 ° M-30.76 ° M-25.31° M-21.53 ° M-18.74 ° M-16.60 ° M-14.90 °
35 ° B- 23.93 ° B- 19.70 ° B- 16.67 ° B- 14.41 ° B- 12.68 ° B- 11.31 ° B- 10.21 °
M- 37.45 ° M- 29.10 ° M- 23.86 ° M- 20.25 ° M- 17.60 ° M- 15.58 ° M- 13.98 °
40 ° B- 27.03 ° B- 22.20 ° B- 18.75 ° B- 16.19 ° B- 14.24 ° B- 12.70 ° B- 11.46 °
M- 35.26 ° M- 27.19 ° M- 22.21 ° M- 18.80 ° M- 16.32 ° M- 14.43 ° M- 12.94 °
45° B- 30.00 ° B- 24.56 ° B- 20.70 ° B- 17.87 ° B- 15.70 ° B- 14.00 ° B- 12.62 °
M-32.73 ° M-25.03 ° M-20.36 ° M-17.20 ° M-14.91° M-13.17 ° M-11.80 °
50 ° B- 32.80 ° B- 26.76 ° B- 22.52 ° B- 19.41 ° B- 17.05 ° B- 15.19 ° B- 13.69 °
M- 29.84 ° M- 22.62 ° M- 18.32 ° M- 15.44 ° M- 13.36 ° M- 11.79 ° M- 10.56 °
55° B- 35.40 ° B- 28.78 ° B- 24.18 ° B- 20.82 ° B- 18.27 ° B- 16.27 ° B- 14.66 °
M-26.57 ° M-19.96 ° M-16.10 ° M-13.54 ° M-11.70 ° M-10.31 ° M- 9.23 °
60° B- 37.76 ° B- 30.60 ° B- 25.66 ° B- 22.07 ° B- 19.35 ° B- 17.23 ° B- 15.52 °
M-22.91 ° M-17.07 ° M-13.71 ° M-11.50 ° M- 9.93 ° M- 8.74 ° M- 7.82 °
65° B- 39.86 ° B- 32.19 ° B- 26.95 ° B- 23.16 ° B- 20.29 ° B- 18.06 ° B-16.26 °
M-18.88 ° M-13.95 ° M-11.17 ° M- 9.35 ° M- 8.06 ° M- 7.10 ° M- 6.34 °
70° B- 41.64 ° B- 33.53 ° B- 28.02 ° B- 24.06 ° B- 21.08 ° B- 18.75 ° B- 16.88 °
75° M-14.51 ° M-10.65 ° M- 8.50 ° M- 7.10 ° M- 6.12 ° M- 5.38 ° M- 4.81 °
B- 43.08 ° B- 34.59 ° B- 28.88 ° B- 24.78 ° B- 21.69 ° B- 19.29 ° B- 17.37 °
M- 9.85 ° M- 7.19 ° M- 5.73 ° M- 4.78 ° M- 4.11 ° M- 3.62 ° M- 3.23 °
80 ° B- 44.14 ° B- 35.37 ° B- 29.50 ° B- 25.30 ° B- 22.14 ° B- 19.68 ° B- 17.72 °
M- 4.98 ° M- 3.62 ° M- 2.88 ° M- 2.40 ° M-2.07 ° M-1.82 ° M- 1.62 °
85° B- 44.78 ° B- 35.84 ° B- 29.87 ° B- 25.61° B- 22.41° B- 19.92 ° B- 17.93 °
M- 0.00 ° M- 0.00 ° M- 0.00 ° M- 0.00 ° M- 0.00° M- 0.00 ° M- 0.00 °
90 ° B- 45.00 ° B- 36.00 ° B- 30.00 ° B- 25.71° B- 22.50 ° B- 20.00 ° B- 18.00 °
Each B (Bevel) and M (Miter) Setting is Given to the Closest 0.005 °.
COMPOUND-ANGLE SETTINGS FOR POPULAR STRUCTURES
29

CUTTING CROWN MOLDING
Your compound miter saw does an excellent job of cut-
ting crown molding. In general, compound miter saws do
a better job of cutting crown molding than any other tool
made.
In order to fit properly, crown molding must be compound
mitered with extreme accuracy.
The two contact surfaces on a piece of crown molding
that fit flat against the ceiling and the wall of a room are at
angles that, when added together, equal exactly 90. Most
crown molding has a top rear angle (the section that fits
flat against the ceiling) of 52 and a bottom rear angle (the
section that fits flat against the wall) of 38°.
LAYING MOLDING FLAT ON THE MITER
TABLE
See Figure 41,
To use this method for accurately cutting crown molding
for a 90 inside or outside corner, lay the molding with its
broad back surface flat on the miter table and against the
fence.
52° CEILING
A
L
L FENCE
TOPEDGEAGAINSTFENCE=
* LEFTSIDE, INSIDECORNER
•RIGHTSIDE, OUTSIDECORNER
MITERTABLE
When setting the bevel and miter angles for compound
miters, remember that the settings are interdependent;
changing one angle changes the other angle as well.
Keep in mind that the angles for crown moldings are very
precise and difficult to set. Since it is very easy for these
angles to shift, all settings should first be tested on scrap
molding. Also most walls do not have angles of exactly
90, therefore, you will need to fine tune your settings.
When cutting crown molding by this method the bevel
angle should be set at 33.85 The miter angle should be
set at 31.62 either right or left, depending on the desired
cut for the application. See the chart below for correct
angle settings and correct positioning of crown molding
on miter table.
The settings in the chart below can be used for cutting All
Standard (U.S.) crown molding with 52 ° and 38 angles.
The crown molding is placed flat on the miter table using
the compound features of your miter saw.
INSIDE
CORNER OUTSIDE
FENCE CORNER
BOTTOMEDGEAGAINSTFENCE=
•RIGHTSIDE, INSIDECORNER
•LEFTSIDE, OUTSIDECORNER
MITERTABLE
CROWNMOLDINGFLATONMITERTABLE
Fig. 41
30

Bevel
Angle
Setting
33.85 °
33.85 °
33.85 °
33.85 °
Type of Cut
Left side, inside corner
1. Top edge of molding against fence
2. Miter table set right 31.62
3. Save left end of cut
Right side, inside corner
1. Bottom edge of molding against fence
2. Miter table set left 31.62
3. Save left end of cut
Left side, outside corner
1. Bottom edge of molding against fence
2. Miter table set left 31.62
3. Save right end of cut
Right side, outside corner
1. Top edge of molding against fence
2. Miter table set right 31.62
3. Save right end of cut
CUTTING WARPED MATERIAL
See Figures 42 -44,
When cutting warped material, always make sure it is
positioned on the miter table with the convex side
against the fence as shown in figure 42.
If the warped material is positioned the wrong way as
shown in figure 43, it will pinch the blade near the
completion of the cut.
RIGHT
Fig. 42
WRONG
Fig. 43
_ WARNING: To avoid a kickback and to avoid seri-
ous personal injury, never position the concave edge
of bowed or warped material against the fence.
CLAMPING WIDE WORKPIECES
See Figure 41.
When cutting wide workpieces such as a 2 in. x 6 in.,
boards should be clamped with a C-clamp as shown in
figure 44.
WIDE
BOARD
\
Fig. 44
31

WARNING:Beforeperforminganyadjustment,
makesurethetoolisunpluggedfromthepower
supplyandtheswitchisintheOFF (O) position.
Failure to heed this warning could result in serious
personal injury.
Your compound miter saw has been adjusted at the
factory for making very accurate cuts. However, some of
the components might have moved out of alignment
during shipping. Also, over a period of time, readjustment
will probably become necessary due to wear. After
unpacking your saw, check the following adjustments
before you begin using saw. Make any readjustments that
are necessary and periodically check the parts alignment
to make sure that your saw is cutting accurately.
POSITIVESTOP
ADJUSTMENT
SCREWFOR
45°ANGLES
PIVOT ADJUSTMENTS
NOTE: These adjustments were made at the factory and
normally do not require readjustment.
TRAVEL PIVOT ADJUSTMENT
•The saw arm should rise completely to the up position
by itself.
• If the saw arm does not raise by itself or if there is play
in the pivot joints, have saw repaired by a qualified
service technician at your nearest Sears Service Center
to avoid risk of personal injury.
BEVEL PIVOT ADJUSTMENT
• Your compound miter saw should bevel easily by
loosening the bevel lock knob and tilting the saw
arm to the left.
• If movement is tight or if there is play in the pivot, have
saw repaired by a qualified service technician at your
nearest Sears Service Center to avoid risk of personal
injury.
LOCK
Fig. 45
32

WARNING:Whenservicing,useonlyidentical
replacementparts.Useofanyotherpartmaycreate
ahazardorcauseproductdamage.
,_ WARNING: Always wear safety goggles or safety
glasses with side shields during power tool operation
or when blowing dust. If operation is dusty, also wear
a dust mask.
GENERAL
Avoid using solvents when cleaning plastic parts. Most
plastics are susceptible to damage from various types of
commercial solvents and may be damaged by their use.
Use clean cloths to remove dirt, carbon dust, etc.
_k WARNING: Do not at any time let brake fluids,
gasoline, petroleum-based products, penetrating
oils, etc. come in contact with plastic parts. Chemi-
cals can damage, weaken or destroy plastic which
may result in serious personal injury.
It has been found that electric tools are subject to ac-
celerated wear and possible premature failure when they
are used on fiberglass boats, sports cars, wallboard,
spackling compounds, or plaster. The chips and grindings
from these materials are highly abrasive to electric tool
parts such as bearings, brushes, commutators, etc. Con-
sequently, it is not recommended that this tool be used
for extended work on any fiberglass material, wallboard,
spackling compounds, or plaster. During any use on these
materials it is extremely important that the tool is cleaned
frequently by blowing with an air jet.
LUBRICATION
All of the bearings in this tool are lubricated with a suffi-
cient amount of high grade lubricant for the life of the unit
under normal operating conditions. Therefore, no further
lubrication is required.
_i WARNING: To ensure safety and reliability, all
repairs -- with the exception of the externally acces-
sible brushes -- should be performed by a qualified
service technician at a Sears store to avoid risk of
personal injury.
BRUSH
CAP
BRUSH
ASSEMBLY
BRUSH
CAP BRUSH
ASSEMBLY Fig. 46
BRUSH REPLACEMENT
See Figure 46,
Your saw has externally accessible brush assemblies that
should be periodically checked for wear.
Proceed as follows when replacement is required:
• Unplug your saw.
_k WARNING: Failure to unplug your saw could result
in accidental starting causing serious injury.
• Remove brush cap with a screwdriver. Brush assembly
is spring loaded and will pop out when you remove
brush cap.
• Remove brush assembly.
• Check for wear. Replace both brushes when either has
less than 1/4 in. length of carbon remaining. Do not
replace one side without replacing the other.
• Reassemble using new brush assemblies. Make sure
curvature of brush matches curvature of motor and
that brush moves freely in brush tube.
• Make sure brush cap is oriented correctly (straight) and
replace.
• Tighten brush cap securely. Do not overtighten.
33

CHANGING THE BATTERIES
See Figure 47.
• Unplug your saw.
Remove the laser guide from the saw. Lay laser guide on
a flat surface with the two phillips screws facing upward.
Remove the screws and separate the laser guide cover
from the laser guide support.
Remove the three button cell batteries using a non-con-
ductive device such as a toothpick.
NOTE: Replace the batteries with silver oxide batteries
that have a rating of 1.5 volt and 180 mah (milliampere
hour) minimum (Number 357 silver oxide only).
When replacing the batteries, the laser guide should be
thoroughly cleaned. Use a soft paintbrush or similar de-
vice, to remove all sawdust and debris.
Do not attempt to activate the laser.
The laser is activated by means of a centrifugal switch
only while the saw motor is running and the laser guide is
mounted on the saw.
After cleaning laser guide and replacing batteries, secure
laser guide cover to laser guide support using the two
phillips head screws. For proper assembly, be sure to
align the key on the laser guide cover with the key slot in
the laser guide support. Tighten screws securely.
NOTE: Aperture in laser guide cover must be aligned with
aperture in laser guide support.
_k CAUTION: Use of controls or adjustments or per-
formance of procedures other than those specified
herein may result in hazardous radiation exposure.
LASERGUIDE
SUPPORT
"(
LASERGUIDE
SUPPORT
I I
APERTURE
(UPSIDEDOWNVIEW)
KEY
I
LASERGUIDE u
COVER I
PLASTIC
BATTERY
INSULATOR
BATTERIES
NEGATIVE(-)
KEY
SLOT
APERTURE
LASERGUIDE
Fig. 47
_DANGER: Laser radiation when open and inter-
lock defeated. AVOID DIRECT EYE EXPOSURE.
34

35


CRAFTSMAN COMPOUND MITER SAW = MODEL NUMBER 315.212050
SEE BACK PAGE FOR PARTS ORDERmNG mNSTRUCTmONS
PARTS UST FOR F GURE A
KEY PART
NO. NUMBER
1 A31703010008
2 A35031025100
3 A36131020100
4 555101300
5 588071004
6 A10003050083
7 558106007
8 558105100
9 A07910621000
10 555102200
11 A36030814204
12 A07103080357
13 A10003060103
14 558112200
15 Al1003060106
16 558113100
17 555528000
18 558111109
19 557102200
20 A30003008001
21 558115006
22 555106000
23 558107003
DESCRIPTION QUAN.
Lock Nut .............................................................. 1
* Washer (M10) **STD851010 ................................ 2
* Spring Washer (M10) **STD852010 .................... 1
Base .................................................................... 1
Alarm Line Label .................................................. 2
* Screw (M5 x 8 mm) ............................................. 3
Miter Scale .......................................................... 1
Table Spindle ....................................................... 1
Hex Key (6 mm x 142 mm) .................................. 1
Fence ................................................................... 1
* Spring Washer (M8) **STD852008 ...................... 4
* Bolt (M8 x 35 mm) **STD831035 ......................... 4
* Screw (M6 x 10 mm) ........................................... 2
Miter Lock Plate .................................................. 1
* Screw (M6 x 10 mm Pan Hd.) ............................. 2
Fixed Plate ........................................................... 1
Miter Knob ........................................................... 1
Clamp Nut ........................................................... 1
Table .................................................................... 1
* Nut, Hex (M8)**STD840812 ................................ 2
Bolt, Hex Head (M8) ............................................ 2
Miter Indicator ..................................................... 1
Throat Plate ......................................................... 1
KEY PART
NO. NUMBER
24 A10003050105
25 A10003040085
26 558510200
27 A10007050150
28 558512100
29 558507200
30 555516000
31 558511100
32 558503200
33 A42071040252
34 558505100
35 558506003
36 A35070512010
37 558509001
38 586024108
39 589024300
40 511113000
41 588072000
42 555104000
43 555103000
44 $55500500
45 $55500400
46 558109005
47 511109000
D_=SORIPTJON QUAN.
* Screw (M5 x 10 mm Pan Hd.) ............................. 1
* Screw (M4 x 8 mm Pan Hd.) ............................... 6
Table Extension, U Type ...................................... 2
* Screw (M5 x 15 mm Pan Hd.) ............................. 5
Bolt, Wing (1/4-20 x 12 mm) ............................... 1
Stop Block .......................................................... 1
Wing Bolt ............................................................. 2
Clamp Bracket ..................................................... 2
Threaded Rod ...................................................... 1
Roll Pin (4 x 25 mm) ............................................ 1
Rod ...................................................................... 1
Stop Block ........................................................... 1
* Washer (M5 x 12 x 1 mm) .................................... 1
Swing Bracket ..................................................... 1
Clamp Knob ........................................................ 1
Clamp Plate ......................................................... 1
Slide Fence Label ................................................ 1
No Hands Label ................................................... 2
Fence Knob ......................................................... 1
Slide Fence .......................................................... 1
Base & Table Assembly ....................................... 1
Work Clamp ......................................................... 1
Hex Key Storage ................................................. 1
Insert Label .......................................................... 1
* Standard Hardware Item -- May Be Purchased Locally
** Available Prom Div. 98 = Source 980.00

_,__ CRAFTSMAN COMPOUND MITER SAW- MODEL NUMBER 315.212050
Figure B
24
21
23
I
27
18
17 16
15
NOTE : The assembly shown represents an important part of the double insulated system. To avoid the possibility of alteration or damage to the
system, service should be performed by your nearest Sears Repair Center. Contact your nearest Sears retail store for service center information.

CRAFTSMAN COMPOUND MITER SAW = MODEL NUMBER 315.212050
KEY PART
NO. NUMBER
1 Al1003030057 *
2 558305106
3 A50062030045
4 A46000150008
5 558306102
6 588029007
7 A45204040157
8 558307100
9 A10003050250 *
10 A50060010025
11 A47000040006
12 555325000
13 588027005
14 558313002
SEE SACK PAGE FOR PARTS ORDERmNG mNSTRUCTmONS
PARTS UST FOR NGURE 8
DESCRIPTION QUAN.
Screw (M3 x 5 mm L+S, Pan Hd.) ......................... 2
Bearing Cover ....................................................... 1
Ball Bearing (6203ZZ) ............................................ 1
C-Ring (S-15) ........................................................ 1
Arbor ..................................................................... 1
Lock Ring .............................................................. 1
Key, Paralled (4 x 4 x 15 mm) ................................ 1
Master Gear .......................................................... 1
Screw (M5 x 25 mm Pan Hd.) ............................... 4
Ball Bearing (6001ZZ) **STD315511 ..................... 1
E-Ring ................................................................... 1
Flat Washer ........................................................... 1
Compression Spring ............................................. 1
Arbor Stop Pin ...................................................... 1
KEY PART
NO. NUMBER
15 558314008
16 555329000
17 511352000
18 511311000
19 A10003050350 *
20 A70003060250 *
21 511353000
22 A18003050054 *
23 A95001050060 *
24 588005100
25 588006100
26 588007300
27 511340000
28 $55500800
29 555324000
30 A10003050150 *
DESCRIPTION QUAN.
Pin Cap ................................................................. 1
Data Plate .............................................................. 1
Twist Handle Label ................................................ 1
Carry Handle ......................................................... 1
Screw (M5 x 35 mm Pan Hd.) ............................... 4
Screw (M6 x 25 mm) ............................................. 2
Warning Label ....................................................... 1
Screw (M5 x 5 mm) ............................................... 2
Screw (M5 x 6 mm) ............................................... 2
Brush Cap ............................................................. 2
Carbon Brush ........................................................ 2
Brush Holder ......................................................... 2
Twist Handle Knob ................................................ 1
Arbor Shaft Assembly ........................................... 1
Felt Pad ................................................................. 1
Screw (M5 x 15 mm Pan Hd.) ............................... 2
* Standard Hardware Item -- May Be Purchased Locally
** Available From Divo 98 = Source 980.00


__ CRAFTSMAN COMPOUND IVimTERSAW- MODEL NUMBER 315.212050
I The model number will be found on a plate attached to the motor housing, Always mention the model number in all correspondence regarding your 1
COMPOUND MITER SAW or when ordering repair parts, J
SEE BACK PAGE FOR PARTS ORDERmNG mNSTRUCTmONS
Key PaR
No. Number
1 558202100
2 A36031221309
3 A07003120352
4 555204000
5 A49010020056
6 555205000
7 558206001
8 A35031030300
9 558204100
10 555201000
11 555202000
12 A35030410018
13 558414109
14 558412000
15 555203000
16 558415100
17 558413006
18 555206000
19 A07003050200
20 A10003040085
PARTS LIST FOR FIGURE C
Description Quart.
Pivot Bracket ........................................................................................................................................................... 1
* Spring Washer (M12) **STD852012 ........................................................................................................................ 2
* Bolt (M12 x 35 mm) **STD837035 .......................................................................................................................... 2
Bevel Scale ............................................................................................................................................................. 1
* Rivet (2 x 5 mm) ...................................................................................................................................................... 3
Bevel Knob .............................................................................................................................................................. 1
Pivot Spindle ........................................................................................................................................................... 1
* Washer (M10) **STD851010 .................................................................................................................................... 1
Spring Washer ......................................................................................................................................................... 1
Support Bracket ...................................................................................................................................................... 1
Bevel hdicator (L) ................................................................................................................................................... 1
* Washer (M4) **STD851004 ...................................................................................................................................... 3
Arm Stop Pin ........................................................................................................................................................... 1
Arm Shaft ................................................................................................................................................................ 1
Bevel hdicator (R)................................................................................................................................................... 1
Tension Spring ........................................................................................................................................................ 1
Spring Position Locater .......................................................................................................................................... 1
Dust Chute Stopper ................................................................................................................................................ 1
* Bolt (M5 x 20 mm) ................................................................................................................................................... 2
* Screw (M4 x 8 mm) ................................................................................................................................................. 2
*Standard Hardware Item -- May Be Purchased Locally
** Available From Div. 98 -- Source 980.00
*** Complete assortment available at your nearest Sears Catalog Order or Retail Store.


__ CRAFTSMAN COMPOUND MINTER SAW- MOOEL NUMBER 315.212050
I The model number will be found on a p}ate attached to the motor housing. Always mention the model number in a}l correspondence regarding your 1
COMPOUND MITER SAW or when ordering repair parts. J
SEE BACK PAGE FOR PARTS ORDERING iNSTRUCTiONS
PARTS UST FOR F GURE D
KEY PART
NO. NUMBER
1 558416100
2 555408000
3 A10003060158
4 558404007
5 A35031226023
6 555415000
7 555406000
8 558426100
9 558425003
10 555417000
11 545501000
12 555402100
13 555409000
14 558407100
15 558427200
16 A31703006004
17 A35010616105
18 555414000
19 555404100
20 A19001050122
21 555410000
22 538417000
23 566407000
24 A36030612157
DESORIPTION QUAN.
Shoulder Screw ................................................... 1
* Link (Long) ........................................................... 1
* Screw (M6 x 15 mm) ........................................... 1
Sleeve .................................................................. 1
* Flat Washer (M12) **STD851012 ......................... 1
Link (Short) .......................................................... 1
* Screw (Pan Hd.) ................................................... 1
* Shoulder Screw ................................................... 1
Roller ................................................................... 1
Upper Guard ........................................................ 1
Elbow ................................................................... 1
Logo Label ........................................................... 1
Blade Bolt Cover ................................................. 1
Shoulder Screw ................................................... 1
Retaining Spring .................................................. 1
Lock Nut (M6) ...................................................... 1
* Flat Washer (M6) **STD851006 ........................... 1
Tension Spring Holder ......................................... 1
Lower Guard ........................................................ 1
* Screw (M5 x 12 mm Pan Hd.) ............................. 1
Bolt, Hex Hd ........................................................ 1
Retaining Ring ..................................................... 1
Roller ................................................................... 1
* Spring Washer (M6) **STD852006 ...................... 1
KEY PART
NO. NUMBER
25 555407000
26 A10003060158
27 558409104
28 555418000
29 A10003050127
30 555421000
31 Al1003050308
32 555416000
33 558422100
34 558410100
35 555501000
36 555420000
37 A07911020000
38 555511000
39 555512000
40 555514000
41 511513000
42 511517000
43 558411200
44 555D07020
45 $55500300
46 A18003060207
47 A49510040070
DESORIPTION QUAN.
Stop Block ........................................................... 1
* Screw (M6 x 15 mm Pan Hd.) ............................. 1
Stop Block ........................................................... 1
Dust Chute Adapter ............................................. 1
* Screw (M5 x 12 mm Pan Hd.) ............................ 1
Spring .................................................................. 1
* Screw (M5 x 30 mm Pan Hd.) ............................. 4
Cover Plate .......................................................... 1
Blade Bolt (M10 x P1.5) ....................................... 1
Flange (Outer) ...................................................... 1
Blade ................................................................... 1
Adapter Pin .......................................................... 1
* Hex Key (10 mm) ................................................. 1
Laser Guide ......................................................... 1
Blade Bolt ............................................................ 1
Laser Guide Warning ........................................... 1
Safety Goggles .................................................... 1
Dust Bag .............................................................. 1
Flange (Inner) ....................................................... 1
Laser Assembly ................................................... 1
Lower Blade Guard Assembly ............................. 1
Screw (M6 x 20 mm) ........................................... 2
Rivet .................................................................... 1
* Standard Hardware Item -- May Be Purchased Locally
** Available From Div. 98 -- Source 980.00
_, *** Complete assortment available at your nearest Sears Catalog Order or Retail Store.

Your Home
For repair-in your home-of all major brand appliances,
lawn and garden equipment, or heating and cooling systems,
no matter who made it, no matter who sold it! ..................
For the replacement parts, accessories and
owner's manuals that you need to do-it-yourself. ....................................
For Sears professional installation of home appliances
and items like garage door openers and water heaters. ..................
1-8 00-4-MY-H 0 ME® (1-800-469-4663)
oa,,an t, o, o,oht sodOaoada ..................
www.sears.com www.sears.ca
OurHome
For repair of carry-in items like vacuums, lawn equipment,
and electronics, call or go on-line for the location of your nearest
Sears Parts & Repair Center.
1-800-488-1222
Call anytime, day or night (U.S.A. only)
www.sears.com
To purchase a protection agreement (U.S.A.)
or maintenance agreement (Canada) on a product serviced by Sears:
1-800-827-6655 (U.S.A.) 1-800-361-6665 (Canada)
Pard pedir servicio de reparacien Au Canada pour service en frangais:
a domicilio, y para ordenar piezas. 1-800- LE- FOYER Mc
1-8 88-S U- HOGAR sM (1-800-533-6937)
(1-888-784-6427) www.sears.ca .............................
SEARS
SM
® Registered Trademark /TMTrademark /Service Mark of Sears, Roebuck and Co.
TM SM
® Marca Registrada /Marca de F_brica /Marca de Servicio de Sears, Roebuck and Co.
MC MD
Marque de commerce /Marque d6pos6e de Sears, Roebuck and Co. ® Sears, Roebuck and Co.