Craftsman 351233780 User Manual PLANER Manuals And Guides L1003343
CRAFTSMAN Planer Manual L1003343 CRAFTSMAN Planer Owner's Manual, CRAFTSMAN Planer installation guides
User Manual: Craftsman 351233780 351233780 CRAFTSMAN PLANER - Manuals and Guides View the owners manual for your CRAFTSMAN PLANER #351233780. Home:Tool Parts:Craftsman Parts:Craftsman PLANER Manual
Open the PDF directly: View PDF
.
Page Count: 28

OperatoF's NlanuaH
®
12½"
PLANER
Model No.
351.233780
CAUTION: Read and follow
all Safety Rules and Operating
Instructions before First Use
_f this Product.
.3ears, Roebuck and Co., Hoffman Estates, IL 60179 U.S.A.
_629.00 Draft (07/28/97)

Warranty..................................... 2
SafetyRules..................................... 2-3
Unpacking...................................... 3
Assembly......................................... 3-4
Installation.................................... 4-5
Operation..................................... 5-8
Maintenance.......................... 8-9
Troubleshooting......................... 10-11
PartsIllustrationandList .................. 12-17
Espa#,ol................................... !8-27
FULL ONE YEAR WARRANTY ON
CRAFTSMAN 121/2" PLANER
If this Craftsman Planer fails due to a defect in material
or workmanship within one year from the date of pur-
chase, contact the nearest Sears in-home major brand
repair service in the United States, and Sears will repair
it, free of charge.
If this planer is used for commercial or rental purposes,
this warranty will apply for 90 days from the date of pur-
chase..
This warranty applies only while the product is in the
United States. This warranty gives you specific legal
rights and you may also have other rights which vary
from state to state
Sears, Roebuck and Co.., Dept. 817WA, Hoffman
Estates, IL 60179
WARNING: For your own safety, read aft of the rules
and precautions before operating tool,
CAUTION: Always follow proper operating procedures
as defined in this manual even if you are familiar with
use of this or similar tools. Remember that being care-
less for even a fraction of a second can result in severe
personal injury
BE PREPARED FOR JOB
° Wear proper apparel. Do not wear loose clothing,
gloves, neckties, rings, bracelets or other jewelry
which may get caught in moving parts of machine
o Wear protective hair covering to contain long hair.
o Wear safety shoes with non-slip soles.
° Wear safety glasses complying with United States
ANSI Z87.1o Everyday glasses have only impact
resistant lense& They are NOT safety glasses.
= Wear face mask or dust mask if operation is dusty.
° Be alert and think clearly. Never operate power tools
when tired, intoxicated or when taking medications
that cause drowsiness.
PREPARE WORK AREA FOR JOB
° Keep work area clean. Cluttered work areas invite
accidents,.
oDo not use power tools in dangerous environments.
o Do not use power tools in damp or wet locations. Do
not expose power tools to rain.
• Work area should be property lighted
= Proper electrical receptacle should be available for
tool. Three prong plug should be plugged directly
into properly grounded, three-prong receptacle,
° Extension cords should have a grounding prong and
the three wires of the extension cord should be of
the correct gauge.
o Keep visitors at a safe distance from work area..
°Keep children out of workplace Make workshop child-
proof. Use padlocks, master switches or remove switch
keys to prevent any unintentional use of power tools.
TOOL SHOULD BE MAINTAINED
° Always unplug tool prior to inspection
= Consult manual for specific maintaining and adjust-
ing procedures.
= Keep tool lubricated and clean for safest operation..
, Remove adjusting tools. Form habit of checking to
see that adjusting tools are removed before switch*
ing machine on.
= Keep all parts in working order. Check to determine
that the guard or other parts will operate properly
and perform their intended function.
o Check for damaged parts. Check for alignment of
moving parts, binding, breakage, mounting and any
other condition that may affect a too!'s operation,
= A guard or other part that is damaged should be
properly repaired or replaced Do not perform
makeshift repairs_ (Use parts list provided to order
replacement parts)
KNOW HOW TO USE TOOL
= Use right tool for job. Do not force tool or attachment
to do a job for which it was not designed
o Disconnect tool when changing blades.
= Avoid accidental start-up Make sure that the switch
is in the OFF position before plugging in
o Do not force tool. It will work most efficiently at the
rate for which it was designed,
,, Keep hands away from moving parts and cutting
surfaces,.
o Never leave tool running unattended. Turn the power
off and do not leave tool until it comes to a complete
stop
• Do not overreach. Keep proper footing and balance.
oNever stand on tool. Serious injury could occur if tool is
tipped or if blade is unintentionally contacted,
o Know your too!. Learn the tool's operation, applica-
tion and specific limitations.
2

•Use recommended accessories (refer to page 15),
Use of improper accessories may cause risk of
injury to persons.
.Handle workpiece correctly,, Protect hands from pos-
sible injury,
o Turn machine off if it jams, Blade jams when it digs
too deeply into workpiece (Motor force keeps it
stuck in the work,).
o Always keep drive, cutterhead and blade guards in
place and in proper operating Condition,
oFeed work into blade or cutter against direction of
rotation.
CAUTION: Think safety! Safety is a combination of
operator common sense and alertness at all times
when tool is being used,.
WARNING: Do not attempt to operate tool until it is
completely assembled according to the instructions,
Refer to Figure 1 below,
Check for shipping damage, if damage has occurred, a
claim must be filed with carrier Check for complete-
ness immediately report missing parts to dealer
The planer comes assembled as one unit, Additional
parts which need to be fastened to planer should be
located and accounted for before assembling.
A Handle with Knob
B. Blade Guard
C"Two Knife Gauges
D Knife Gauge Rod
Figure 1 - Unpacking
Hardware bag includes:
° 6-I.0 x 16ram Socket head bolt (1)
• 6ram Lock washer (1)
° 8-1 25 x 50ram Socket head bolts (4)
° 3 CMI-t0 E-rings (4)
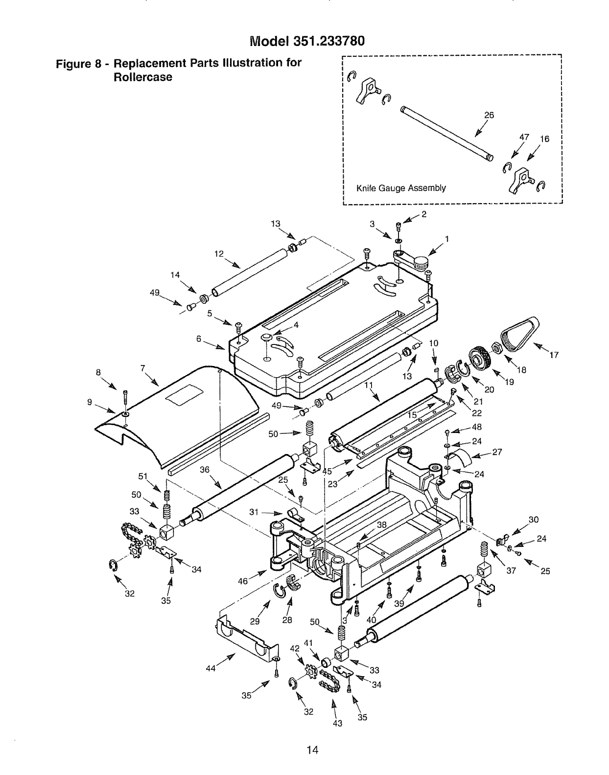
Refer to Figures 8 and 9, pages 14 and 16.
WARNING: Do not attempt assembly if parts are
missing. Use this manual to order replacement parts,
INSTALL BLADE GUARD
Refer to Figure 8, page 14.
WARNING: To properly guard against accidental con-
tact with cutterhead, blade guard must be fastened
securely
° The blade guard (No. 7) attaches to the rollercase.
The blade guard directs the flow of chips removed
from the workpiece and protects against unintention-
al contact with the cutterhead.
• Remove two socket head bolts and flat washers
(Nos. 8 and 9) from rollercase (No. 46)
° Position the blade guard on outfeed side of roller-
case so that the holes in the guard and rollercase
are aligned properly°
• Reinstall two socket head bolts and flat washers to
secure blade guard.
INSTALL HANDLE
Refer to Figures 8 and 9, pages 14 and 16.
° Handle (Fig. 8, No. 1) can be installed either to the
top-right or the top-left side of the planer If needed,
remove plug (Fig 8, No,, 4) from the top cover (Fig.
8, No, 6) on the side where handle is to be installed,
o Insert handle onto the top of the elevation screw
(Fig., 9, No, 1 or 2), Align hole in handle with hole in
the top of elevation screw,
• Secure handle to elevation screw using lock washer
and socket head bolt (Fig 8, Nos, 2 and 3).
KNIFE GAUGE ASSEMBLY
Refer to Figure 8, page 14_
The knife gauge assembly is used to verify the height of
blade edges and to make adjustments if necessary.
-Slide knife gauge (No, 16) on to knife gauge rod (No
26)°
• Position knife gauge so that the two grooves on one
end of the rod are on either side of knife gauge
o Press in E-rings (t'4o.47), one into each groove, to
secure knife gauge position
a Slide other knife gauge on the other end of rod and
secure knife gauge using E-rings.
MOUNT PLANER TO WORK SURFACE
Refer to Figures 2 and 9, pages 4 and 16.
oPlaner is designed to be portable so it can be moved
to job site, but should be mounted to stable, level
bench or table.. See Recommended Accessories,
page 15.
.Base of planer has mounting holes in it. Holes form
a rectangle 17¼" x 8", Use a square to mark posi-
tion on work surface.
oDrill pilot holes in surface for mounting with bolts
(Fig 9, No..29).
o Mount planer to work surface by bolting it through
holes,
3

Figure 2- 12_/2" Thickness Planer shown on top section
of Optional Multi-Purpose Stand Model No. 22250
POWER SOURCE
WARNING: Do not connect planer to the power
source until all assembly steps have been completed.
The motor is designed for operation on the voltage and
frequency specified° Normal loads wilt be handled safe-
ly on voltages net more than 10% above or below spec-
ified voltage. Running the unit on voltages which are not
within range may cause overheating and motor burn-
out. Heavy loads require that voltage at motor terminals
be no less than the voltage specified on nameplate.
o Power supply to the motor is controlled by a rocker
switch Removing the rocker switch will lock the unit
and prevent unauthorized use.
GROUNDING INSTRUCTIONS
WARNING: improper connection of equipment
grounding conductor can result in the risk of electrical
shock_ Equipment should be grounded while in use to
protect operator from electrical shock.
o Check with a qualified electrician if you do not
understand grounding instructions or if you are in
doubt as to whether the tool is properly grounded.
o This tool is equipped with an approved cord rated at
150V and a 3-prong grounding type plug (see Figure
3) for your protection against shock hazards.
o Grounding plug should be plugged directly into a
properly installed and grounded 3-prong grounding-
type receptacle, as shown (see Figure 3).
Grounded Outlet --'_-'-"_
Properly __
Grounding Prong
3-Prong Plug
Figure 3 -3.Prong Receptacle
= Do not remove or alter grounding prong in any manner.
In the event of a malfunction or breakdown, grounding
provides a path of least resistance for electrical shock.
WARNING: Do not permit fingers to touch the termi-
nals of plug when installing or removing from outlet.
= Plug must be plugged into matching outlet that is
properly installed and grounded in accordance with
all Jocalcodes and ordinances. Do not modify plug
provided If it will not fit in outlet, have proper outlet
installed by a qualified electrician,
° Inspect tool cords periodically, and if damaged, have
repaired by an authorized service facility_
= Green (or green and yellow) conductor in cord is the
grounding wire_ If repair or replacement of the elec-
tric cord or plug is necessary, do not connect the
green (or green and yellow) wire to a live terminal
• A 2-prong wall receptacle must be replaced with a
properly grounded 3-prong receptacle installed in
accordance with National Electric Code and local
codes and ordinances.
WARNING; Any receptacle replacement should be
performed by a qualified electrician.
A temporary 3-prong to 2-prong grounding adapter (see
Figure 4) is available for connecting plugs to a two pole
outlet if it is properly grounded.
Make Sure This
Grounding Lug ._. Is Connected
To A Known
3-Prong Plug Ground
2-Prong Receptacle
Figure 4 - 2-Prong Receptacle with Adapter
= Do not use a 3-prong to 2*prong grounding adapter
unless permitted by local and national codes and
ordinances, (A 3-prong to 2-prong grounding adapter
is not permitted in Canada)
Where a 3-prong to 2-prong grounding adapter is
permitted, the rigid green tab or terminal on the side
of the adapter must be securely connected to a
permanent electrical ground such as a properly
grounded water pipe, a properly grounded outlet box
or a properly grounded wire system.
o Many cover plate screws, water pipes and outlet
boxes are not properly grounded. To ensure proper
ground, grounding means must be tested by a quali-
fied electrician_
EXTENSION CORDS
o The use of any extension cord will cause some drop
in voltage and loss of power,
• Wires of the extension cord must be of sufficient size
to carry the current and maintain adequate voltage.
= The minimum extension cord wire size is AW.G. t4.
Do not use extension cords over 25 feet long.
° Use only 3-wire extension cords having 3-prong
grounding type plugs and 3-poie receptacles which
accept the tool plug.
o If the extension cord is worn, cut or damaged in any
way, replace it immediately.
4

MOTOR
Planer is Supplied with a 2 HP motor installed,
The 120 Volt AC universal motor has the following
specifications:
Horsepower (Maximum Developed) ................ 2
Voltage ....................................... 120
Amperes ............................................ 14
Hertz .......................................... 60
Phase .......................................... Single
RPM (loaded) ........................... 8000
ELECTRICAL CONNECTIONS
WARNING: Make sure unit is turned off and discon-
nected from power source before inspecting any wiring,,
The motor is installed and wiring connected as illustrat-
ed in the wiring schematic (see Figure 5).
Switch
- _ ...............To Power
Figure 5 - Wiring Schematic
The motor is assembled with an approved three con-
ductor cord to be used on 120 volts as indicated_The
power supply to the motor is controlled by a double
pole locking rocker switch.
o Removing the rocker switch will lock the unit and
prevent unauthorized use,
The power lines are inserted directly onto the switch..
The green ground line must remain securely fastened
to the frame to properly protect against electrical shock
A manual reset overload protector is installed in line
with the power supply to the motor, If the planer is over-
loaded, the protector will break the circuit,
If the breaker is tripped, turn the planer off and reset
the circuit by pressing the button.
CAUTION: Be sure to turn the planer off prior to reset-
ting the circuit breaker to avoid unintentional start-up of
the planer,
Refer to Figures 6, 8 and 9, pages 7, 14 and 16
DESCRIPTION
Sears 12V2" planer finishes rough-cut lumber to size
and planes soft and hardwoods up to 6" thick and 12Vz"
wide. Wood feeds into two-blade cutterhead by rubber
infeed/outfeed rollers. Sturdy cast aluminum base and
four-post design permits smooth feeding and virtually
snipeless planing (see "Avoiding Snipe;' page 8). Planer
comes with enclosed, universal ball bearing, 2HP (max.
developed) motor with overload protection Motor has
on/oft switch with removable key to prevent accidental
start-up Unit features double-edged blades for mini-
mized downtime, top mounted rollers for workpiece
return, built-in carrying handles for portability, and fold-
ing infeed/outfeed rollers for smooth operation. Planer
takes cuts up to ¾2"per pass (for boards up to 5" wide)
or up to _A,"per pass (for boards from 5" up to 12V2"
wide) at 26 feet per minute, Inch height scale has grad-
uations in ¼¢' increments, and metric height scale has
graduations in lrnm increments,
OPERATION SAFETY RULES
WARNING; For your own safety, read all of the
instructions and precautions before operating tool.
WARNING: Operation of any power tool can result in
foreign objects being thrown into eyes which can result
in severe eye damage, Always wear safety goggles
complying with United States ANSI Z871 (shown on
package) before commencing power tool operation,
CAUTION: Always observe the following safety pre-
cautions:
o Know general power tool safety, Make sure all pre-
cautions are understood (see pages 2, 3, 5 and 6)
• Whenever adjusting or replacing any parts on planer,
turn switch off and remove plug from power source
o Make sure all guards are properly attached and
securely fastened.
o Make sure all moving parts are free from interference.
= Always wear eye protection or face shield,
Q Make sure blades are aligned and properly attached
to cutterhead_
o Do not plug in planer unless switch is in OFF posi-
tion, After turning switch on, allow planer to come to
full speed before operating,
o Keep hands clear of all moving parts
o Do not force cut° Slowing or stalling will overheat
motor, Allow automatic feed to function properly,
o Use quality lumber Blades last longer and cuts are
smoother with good quality wood
• Do not plane material shorter than 141/2", narrower
than 3A",wider than 12V2" or thinner than V2",,
- Never make planing cut deeper than ¾2"_,
o Maintain the proper relationships of infeed and out-
feed table surfaces and cutterhead blade path,,
Do not back the work toward the infeed table,
o
0Take precautions against kickback. Do not permit any-
one to stand or cross in line of cutterhead's rotation.
Kickback or thrown debris will travel in this direction
Turn switch off and disconnect power whenever plan-
er is not in use,,
° Replace or sharpen knives as they become dam-
aged or dull,
° Keep planer maintained, Follow maintenance instruc-
tions (see pages 8 and 9)_

DEPTH OF CUT
Thickness planing refers to the sizing of lumber to a
desired thickness while creating a level surface parallel
to the opposite side of the board.
= Quality of thickness planing depends on the opera-
tot's judgement about the depth of cut
,, Depth of cut depends on the width, hardness, damp-
ness, grain direction and grain structure of the wood.
° Maximum thickness of wood which can be removed
in one pass is _=" for planing operations on work-
piece up to 5" wide. Workpiece must be positioned
away from the center tab in the rollercase to cut _/3_".
°Maximum thickness of wood which can be removed
in one pass is ',%" for planing operations on work-
piece from 5" up to 12V2" wide.
o For optimum planing performance, the depth of cut
should be tess than ',4¢'..
= Board should be planed with shallow cuts until the
work has a level side. Once level surface has been
created, flip the lumber and create parallel sides.
° Plane alternate sides until the desired thickness is
obtained When half of total depth of cut is taken from
each side, the board will have a uniform moisture con-
tent and additional drying will not cause it to warp.
o Depth of cut should be shallower when work is wider..
° When planing hardwood, take light cuts or plane the
wood in thin widths.
° Make test cut when working with a new type of
board or different kind of operation.
= Check accuracy of test cut prior to working on fin-
ished product
ADJUSTING DEPTH OF CUT
Refer to Figures 8 and 9, pages 14 and 16.
Board thickness which the planer will produce is indicat-
ed by either scale (Fig. 9, No 13) on the side.
Thickness is adjusted by rotating the handle (Fig 8, No 1)
clockwise to raise the blade height..To reduce the blade
height, rotate the handle counterclockwise.
= Do not set blade below '¾2"°Do not plane a board
which is less than a V2" thick.
° Blade height will be moved '/,_" with every complete
revolution of the handle
a Make a test cut on a piece of wood and measure the
thickness produced.
The planer will produce uneven depth of cut (tapered cut)
if the roIlercase (Fig. 8, No. 46) is not parallel with the base
(Fig 9, No..17). To restore parallelism of the rollercase with
the base:
o Unplug the planer and turn it off
o Clamp a vise plier on the left side of the shaft (Fig 9,
No..8) next to the bevel gear (Fig. 9, No, 3)
= Remove E-ring (Fig. 9, No..4) and disengage right
bevel gear (Fig. 9, No 3) on the right elevation screw
(Fig. 9, No. 2).
o Slowly rotate handle (Fig, 8, No. 1) to raise or lower
the cutterhead. Rotate clockwise to raise roUercase,
counterclockwise to lower rollercase Rollercase wilt
be moved by _004" with every turn of the beveled
gear by one tooth.
o After moving roIlercase the required distance, make
sure both beveled gears (Fig 9, No. 3) are engaged
and secured with E-ring
o Release and remove the vise plier
o Make a test cut to make sure the adjustment was
appropriate
• Add grease to bevel gears if necessary°
When the depth of cut adjustment is operating correctly,
loosen the pan head screw (Fig. 8, No..5) and set the
indicator (Fig. 8, No. 30) to show the thickness pro-
duced Make sure that the indicator is positioned cot*
rectly_
ADJUSTING CUTTERHEAD HEIGHT
Refer to Figures 8 and 9, pages 14 and 16._
The depth of cut of the planer is adjusted by raising or
lowering the cutterhead (Fig, 8, No i1)..
Rotate the handle (Fig. 8, No. 1) to raise or lower the
cutterhead to the desired position.
The scale (Fig. 9, No. 13) and indicator (Fig. 8, No. 30)
can be used when adiusting the cutterhead heighL
ADJUSTING SUPPORT ROLLERS
Refer to Figure 9, page 16.
° The support rollers (No. 12) should be adjusted to
help keep the portion of work which is outside the
planer in line.
o Use a straightedge to align the roller plate so the
support roller height is even with the base cover' (No.
21).
o Loosen nuts (No, 15) and adjust height with the hex
head bolts (No. 21).
• Make sure that both of the hex bolts hold the posi-
tion of the roller plate.. Hold the hex bolt with an open
end wrench and secure the adjustment by tightening
the nut.
o Check the alignment of the support roller at each
end with a straight edge..
ADJUSTING BLADE HEIGHT
Refer to Figures 6 and 8, pages 7 and 14_
The knife gauge assembly (see Assembly, page 3) is
required to make replacing or adjusting planing blades
(Fig 8, No. 23) more convenient..
° Unplug the planer and turn it off.
o Loosen and remove two socket head bolts and
washers (Fig 8, Nos, 8 and 9).
° Remove blade guard (Fig. 8, No.,7)_
= Turn cutterhead (Fig. 8, No. 11) carefully to access
one blade
CAUTION: Blades are sharp.
6

• Position knife gauge assembly on the cutterhead so
that the two knife gauges (Fig 8, No t6) are approxi-
mately at the same distance from the cutterhead edge.
o Hold knife gauge assembly against cutterhead so
contact point is over the blade (see Figure 6).
Figure 6 -Adjusting Blade Height
° While holding rod (Fig., 8, No_.52) down use open
end wrench to loosen locking bolts (Fig. 8 No,..22)
° When all the bolts are loose, the springs (Fig. 8, No.
15) wil! raise the blade.
° Make sure the blade (Fig. 8, No. 23) is raised only so
much that it just touches the contact point in the
knife gauge°
• Make sure the blade just touches the contact point
on both knife gauges at each end of the rod.
o Tighten locking bolts and secure blade heighL
° Adjust second blade in same manner.
° Replace blade guard and fasten securely.
AVOID DAMAGE TO BLADES
o Thickness planer is a precision woodworking
machine and should be used on quality lumber only.
. Do not plane dirty boards; dirt and small stones are
abrasive and will wear out blade,.
o Remove nails and staples. Use planer to cut wood only.
• Avoid knots. Heavily cross-grained wood makes
knots hard, Knots can come loose and jam blade.
CAUTION: Any article that encounters planer blades
may be forcib]y ejected from planer creating risk of injury
PREPARE WORK
,, Thickness planer works best when lumber has at
least one flat surface.
° Use surface planer or jointer to create a flat surface
= Twisted or severely warped boards can jam planer..
Rip lumber in half to reduce magnitude of warp,
o Work should be fed into planer in same direction as
the grain of the wood. Sometimes grain will change
directions in middle of board. In such cases, if possi-
ble, cut board in middle before planing so grain
direction is correct,
CAUTION: Do not plane board which is less than
14V2" long; force of cut could split board and cause
kickback.
FEEDING WORK
Refer to Figures 8 and 9, pages 14 and 16,
WARNING: Always turn the planer off and disconnect
it from the power source whenever blade guard (Fig. 8,
No 7) is removed, Never operate planer without the
blade guard properly secured.
The planer is supplied with planing blades mounted in the
cutterhead and infeedand outfeed rollers adjusted to the
correct height. Planer feed is automatic; it will vary slightly
depending on type of wood,
° Feed rate refers to rate at which lumber travels
through planer.
o Operator is responsible for aligning work so it witi
feed properly.
o Adjust the cutterhead height to produce the depth of
cut desired
• Stand on side to which the handle is attached.
° Lift edge to infeed roller plate (Fig 9, No. 16) by
grasping edges of board at approximately middle of
length.
o Boards longer than 24" should have additional sup*
port from free standing material stands,.
° Position the workpiece with the face to be planed on
top°
° Rest board end on in-feed roller plate and direct
board into planer,,
- Gently slide workpiece into the infeed side of the
planer unti! the infeed roller begins to advance the
workpiece,
° Let go of the workpiece and allow automatic feed to
advance the workpiece
° Do not push/pull on workpiece, Move to the rear and
receive planed lumber by grasping it in same man-
ner as it was fed.
CAUTION: To avoid risk of injury due to kickbacks, do
not stand directly in line with front or rear of planer°
= Do not grasp any portion of board which has not
gone past out-feed roller..
o Repeat this operation on all boards which need to be
same thickness. For different thickness, adjust depth
of cut (see page 6).
o Planer has return rollers (Fig. 8, 1to. 12) on top so
assistant can pass work back to operator.
NOTE: Assistant must follow same precautions as
operator..
• Surface that the planer will produce wil! be smoother
if shallower depth of cut is used.
AVOIDING SNIPE
o Snipe refers to a depression at either end of board
caused by an uneven force on cutterhead when work
is entering or leaving planer..
o Snipe wilt occur when boards are not supported
properly or when only one feed roller is in contact
with work at beginning or end of cut
7

•To avoid snipe, gently push the board up while feed-
ing the work until the outfeed roller starts advancing
it..
oMove to the rear and receive planed board by gently
pushing it up when the infeed roller looses contact
with the board.
•When planing more than one board of the same
thickness, butt boards together to avoid snipe_
o Snipe is more apparent when deeper cuts are taken.
• Feed work in direction of grain. Work fed against
grain will have chipped, splintered edges.
CHECK FOR WORN BLADES
o Condition of blades will affect precision of cut.,
Observe quality of cut which planer produces to
check condition of blades=
,, Dull blades will tear, rather than sever wood fibers
and produce fuzzy appearance_
• Raised grain will occur when dull blades pound on
wood that has varying density. Raised edge will also
be produced where blades have been nicked.,
Refer' to Figures 6, 7, 8 and 9, pages 7, 12, t4 and 16
Planer will operate best if kept in good condition and
properly adjusted.. Blades must be kept clean and
sharpened to ensure quality of cut and efficiency of
operation,
REVERSING BLADES
Refer to Figure 8, page 14.
Planer comes with double edged blades When cutting
edge has become dull, blades can be reversed, To
reverse blades:
oUnplug planer from power source and turn planer
off
. Loosen and remove two socket head bolts and
washers (Nos. 8 and 9).
o Remove blade guard ( No. 7)._
o Carefully turn cutterhead (No_ 11) to access one
blade (No. 23)°
CAUTION: Blades are sharp
o Hold cutterhead using knife gauge assembly,
° Loosen (turn clockwise) all locking bolts (No. 22)
using open end wrench.
oRemove and reverse blade..
o Make sure the cutting edge is angled in the same
direction as the cutterhead rotation.
o Set the blade height appropriately (see "Adjusting
Blade Height," pages 6 and 7)
oTighten all locking bolts.
=Reverse other blade in the same manner.
.Replace and secure blade guard..
CLEANING KNIVES
Gum and pitch will collect on blades and cause excess
friction when working. Blades will overheat and wear
out at accelerated rate. Use gum and pitch remover to
keep blades clean.
WHETTING KNIVES
= Blades can be kept sharp by whetting them on a
sharpening stone_
= Remove blade guard.. Partially cover with paper to
protect roltercase.
o Position cutterhead so stone will make contact with
blade along its beveled surface.
= Stroke stone across blade from one side to other
while stone is also moved slightly in direction of
feed. Make sure to do the same number of strokes
on both blades, Replace cutterhead guard.
REMOVING BLADES
• Blades that are noticeably nicked or worn must be
resurfaced to new beveled edge
oRemove blades one at a time, Hold blade with knife
gauge (see Figure 6). Loosen locking bolts and
remove blades.
NOTE: Many shops do not have capability to resurface
blades. Consult Yellow Pages under "Sharpening
Services" or "Tool Grinding",
REPLACING BLADES
Replacing blades is often less expensive than resurfac-
ing them Keeping spare set of blades on hand is rec-
ommended Use parts list (page 15) to order blades_
,, Blades should always be sharpened or replaced as
matched seL
oReplace blades in reverse manner in which they
were removed, Adjust blades as described in
"Adjusting Blade Height," pages 6 and 7.
REPLACING V-BELT
Refer to Figures 7, 8 and 9, pages 12, 14 and 16.
Inadequate tension in the V-belt (Fig 8, No 17) will
cause the belt to slip from the motor' pulley (Fig, 7, No_
9) or drive pulley (Fig. 8, No. 19), Loose belt must be
replaced To replace ',,/-belt:
oTurn planer off and unplug planer from power
source.
°Loosen and remove four socket head bolts (Fig. 9,
No_32) on right cover (Fig 9, No 3i). Remove
cover.
o To remove belt, walk the belt from the motor and
drive pulleys alternatefy by pulling the belt and turn-
ing the purley at the same time°
= To replace belt, walk belt onto pulley in the reverse
manner as when removing the beJt.
• Make sure the belt is evenly seated all the way in
both the motor and drive pulleys..
,, Replace and secure right cover.
8

LUBRICATION
,, Motor and cutterhead bearings are sealed and need
no lubrication.
• Beveled gears and elevation screws should be
cleaned of debris and greased.
• The base cover can be coated with a lubricant such
as furniture wax, to make the workpiece feed
smoother. Be sure the lubricant used does not affect
the ability to finish the workpiece with varnish, seal-
er, etc. Do not use any silicone base lubricants,
CLEAN PLANER
o Keep planer clean of any wood chips, dust, dirt or debris
° After 10 hours of operation, the chains and gears
should have wood chips, dust and old grease
removed,.
o Use common automotive bearing grease to lubricate
all chains and gears. Be sure all chains and gears
have plenty of grease
9o
DUST COLLECTOR CHIP CHUTE
Refer to Figure 8, page 14.
A dust collector chip chute (not shown) is available as
an optional accessory. The dust chute has a fitting for
attaching a 4" hose
The dust collector chip chute is mounted to the planer
in place of the blade guard (No 7), To mount dust col-
lector chip chute:
Unplug the planer and turn it off
Loosen and remove two socket head bolts and
washers (Nos 8 and 9).
° Remove blade guard.
o Slide dust collector chip chute aiong the inside walls
of rollercase (No. 46), so that the slots on the dust
chute are aligned above the holes on the rollercase.
o Reuse two socket head bolts and washers (Nos. 8
and 9) to secure dust chute with rolfercase.
After mounting, attach a 4" (outside diameter) dust col-
lector hose to the dust chute fitting. Be sure to turn the
vacuum ON before operating the planer,
OVERLOAD RESET
The planer is supplied with an overload protection circuit
breaker to prevent damage to the planer motor.
If the planer stops working during operation, unplug the
planer and turn the switch off Press the reset button
next to the switch to enable the planer to be restarted.
9

SYMPTOM..............................
Snipe
(gouging at ends of board)
POSSIBLE CAI0,SE(S) ' ....................
1,Duii blades
2,Inadequate support of long boards
3Uneven force on cutterhead
Fuzzy grain
Torn grain
Rough raised grain
Uneven depth of cut
(side to side)
C;utterhead elevation adjusts
with difficulty
Board feeds inside, but stops
moving past the outfeed roller
Board thickness does not
match depth of cut scale
Chain jumping
4 Rollercase not aligned
5.Lumber not butted properly
6, Support rollers misatigned
Planing wood with a high moisture
content
! Too heavy a cut
2.Blades cutting against grain
3,.Dull blades
1,.Dull blades
2.Too heavy a cut
3,Moisture content too high
1Blade projeciion not uniform
2.Cutterhead not level with planer
base
1.Gears dirty
2Elevation screws dirty
3,Gears, elevation screws worn
4.Friction between rollercase and
covers
5. Rollercase not parallel with planer
base
1.0utfeed rollers cannot rotate due
to clogging of chips
2Too much pressure on the
cutterhead from long workpiece
1.Indicator not set correctly
2, Blade height incorrect
1Sprockets worn
2Chain worn
CORRECTIVE ACTION
1Reverse, replace or sharpen blades per
instructions, See "Adjusting Blade Height"
and "Maintenance"
i2Support long boards.
3Gently push board when board is in contact
with only one feed roller,See "Feeding Work_'
&Check position on elevation screws,,
See "Adjusting Depth of Cut.!'
5Butt end to end each piece of stock as
boards pass through planer:
&Adjust support rollers,
'"Remove high moistu're content from wood by
drying
1 Review "Depth of Cut."
2, Review "Feeding Work"
3. Reverse, replace or sharpen blades per
instructions.See "Adjusting Blade Height"
and Maintenance."
1.Reverse, replace or sharpen blades per
instructions. See "Adjusting Blade Height"
and"Maintenance."
2. Review "Depth of Cut,"
3, Dry the wood or use dried wood.
.....1,Adjust blade projection.
See "Adjusting Blade Height"
2 Rollercase not level.
See "Adjusting Depth of Cut,,"
1,Clean and lubricate gears.
2Clean and lubricate elevation screws.
3 Replace gears, elevation screws
4.Clean and lubricate.
5. Adjust rollercase_
See "Adjusting Depth of Cut,!'
1Clear the clogging, use dust collector chip
chute. See "Recommended Accessories,"
2, Use support stands to support workpiece
longer than 24'L See "Recommended
Accessories?
1.Adjust indicator and tighten securely.
2Set blade height correctly,
See "Adjusting Blade Height,,"
1_Replace sprockets
2 Replace chain,,
10

SYMPTOM
Planerwiltnotoperate
POSSIBLE CAUSE(S)
1•No power to p_aner
2Motor overload protection tripped
3. Defective or loose switch or wiring
CORRECTIVE ACTION
1°Check power source by qualified electrician,
2,Turn planer off, Reset motor overload
protection, See "Overload Reset°"
3,Check switch and wiring by qualified
electrician.
Belt slipping Loose belt Replace belt, see "Replacing V-BeltY

0
i
"0
0
12

Z
U)
UJ
e_
6
Z
_n
.._ ol
0_ :nO ! ._
x _ _ £
_°o _-_
trl
cJ
u_
0 0 li90 O 0 0 0 0 0
C) 0_00000C) Oi
_mmmu_mm_ I
ed C4 ¢-4e,l¢14e9 O0 cO CO ,
c)
09
o I
Ol
_m
_r
o
o
"o c '-
o
000_000_000000
0 0 o q,q q q q q,q q q q
__0_ _ _
"If,',
o
o
&0
Ill
i:i
o
09 o
o_CO
,=- _ 0o
_ N
fl P0 €.a
0
oooog
qqqq
0
00_
_°x
o m m C919
o0oooo
o0oo
(.0_o(o
e- X
oooo
ooo
.4u6o6_N
P,.. b,. P',, _,. b,.,
O0 cO OD O:) _0
09 _'0 0";, OD 09
_gg_
13
o
o
(D
t_
e_.
"0
co

Model 351.233780
Figure 8 - Replacement Parts Illustration for
Roliercase
L_
Knife Gauge Assembly
47 16
,//
..... J
6
41
\32
\
43
13
t0
20
2t
30
37 25
14

KEY
NO. PART NO.
1 963&00
2 1760,00
3 STD852006
4 9631,00
5 1218,00
6 9632_00
7 9633°00
8 580500
9 STD852005
10 3839.,00
11 9634,,00
!2 963500
13 8338.O0
DESCRIPTION QTY.
Handle 1
6-1 0 x 16mm Socket 1
Head Bolt
6mm Lock Washer* 5
Plug 1
8-1o25 x 16ram Sockei Pan 4
Head Bolt
Top Cover 1
Blade Guard 1
5-0,8 x 30ram Socket 2
Head Bolt
5mm Lock Washer*
5 x 5 x 10mm Key 1
Cutterhead 1
Roller 12
6 x 20mm Dowel Pin 2
4
4
2
1
1
1
1
1
14
14 9637,00
t5 9638°00
16 3879.00
17 3841o00
18 3829.00
i9 384000
20 3838°00
21 STD315235
22 2706.00
23 963900
24 STD851004
25 10781,00
26 9640°00
27 3848,00
Bushing
Spring
Knife Gauge
! 35 Poly V-Belt
16-1.50mm Hex Nut
Drive Pulley
3BMI-40 Retaining Ring
6203LL Bearing*
Blade Locking Bolt
Planer Blade (Set)
4ram Flat Washer*
4-07 x 8ram Pan
Head Screw
Rod
Belt Cover
* Standard ha_wareitem availableloca!ly
A NotShown
KEY
NO. PART NO,
28 STD315225
29 1441o00
30 3850,00
31 9641,00
32 0533.00
33 3843,00
34 9661,00
35 1784_00
36 3842,OO
37 3844.00
38 3886,O0
39 3180o00
40 017900
41 3856,0O
42 3853,0O
43 3854,00
44 964200
45 3834.0O
46 9643,00
47 1434,00
48 1548o00
49 9636,00
50 322600
51 3227_00
A 962900
DESCRIPTION QTY,
6202LL Bearing* .......
3BMI-34 Retaining Ring I
Indicator 2
Wire Clip 1
3AM1-15 Retaining Ring 2
Retaining Bracket 4
Bracket 4
5-0,8 x 10ram Pan 0
Head Screw
Feed Roller 2
Spring 1
Dowel Pin - Stepped 2
6-1.60 x 20mm Thread 2
Forming Bolt
6-1,0 x 20mm Socket 2
Head Bolt
Spacer 1
Chain Sprocket 3
Chain 2
Cover 1
Cutterhead Gib 2
a0iieic'ase 1
3CM1-10 Retaining Ring 4
4-0,7 x 12ram Pan 2
Head Screw
6 x 22mm Clevis Pin 2
Spring 3
Spring 1
Owner's Manual
Recommended Accessories
A Dust Collector Chip Chute
A Multi-Purpose Stand
A Horizontal Roller Stand
Planer Blade (set)
351,23314
35122250
351_21417
351,23315
15

Model 351.233780
Figure 9 - Replacement Parts Illustration for Base
34
26 24
31 35
6
35
31
1
37
8
!
26 I1
I0
!6
33
12
16

KEY
NO.
I
2
3
4
5
6
7
8
9
10
11
i2
13
14
15
PART NO.
9644.00
964&00
9646.00
7383.00
3873O0
STD851005
8551.00
9647..00
9648.00
9649 00
866200
9650.00
3851_00
STD833025
STD840610
9651..00
966200
STD852008
1822.00
1596.00
9653.00
DESCRIPTION
Elevation Screw (Lel
Elevation Screw (Right)
Gear
3CMI-9 E-Ring
4 x 4 x 8mm Key
5mm Flat Washer*
Bracket
Shaft
Roller Plate
Spacer
6q ..0x 8mm Socket
Head Bolt
Support Roller
Scale (Set)
6-1 0 x 25mm Hex
Head Bolt*
6-1.0mm Hex Nut*
Extension Table
Base
8mm Lock Washer*
8-1 25 x 20ram Socket
Head Bolt
6 x 20mm Spring Pin
Cover
* Standard hardware item available locally
QTY. ,
1
1
4
2
4
8_
2
1i
4
4
4
i
2 .
i
1
4
i
4
2
1
4
4
i
i
4
1
KEY
NO. PART NO. QT_
3812.,00 ! 4
23
24
25
26
27
28
29
30
31
32
33
34
35
36
37
38
965400
9655.00
5331.00
5265,00
3806.00
9656.00
7266.00
0221,00
9657,00
6270.00
9658.00
3810o00
965&00
9660..00
STD852005
9652.00
DESCRIPTION
6-1.0 x 10mm Pan
Head Screw
Guide Plate
Column
5-0.8 x 12mm Socket
Head Bolt
4-0 7 x 8mm Pan
Head Screw
6-1.0 x 10mm Socket
Head Bolt
Set Plate
8-1.25 x 50mm Socket
Head Bolt
3AMI-10 Retaining Ring
Cover
5-0.8 x 8mm Socket
Head Bolt
Bushing
Spring
Grip
Clamp
5mm Lock Washer*
4-1.4 x 8mm Thread
Forming Screw
I
!2
4
!4
i
1 8
4
!
I 2
[ 4
! 2
2
I
4
!2
I 2
i24
!4
17

CEPILLADORA DE 121/2"
Modelo No.
351.233780
PRECAUCION: Lea este manual y siga las
Regtas de Seguridad y tas lnstrucciones de
Operaci6n, antes de usar este producto per la
prirnera vez.
Engl_s ..................................... 2-17
Ilustraci6n y tista de partes ....................... 12-17
Garantia ................................................ 18
Reglas de seguddad ................................ 18-19
Montaje ......................................... 19-20
lnstafaci6n ............................................ 20-21
Operaci6n ..................................... 21-24
Mantenimiento ................................ 24-25
ldentificati6n de problemas .................. 26-27
• Este alerta ypiense ciaramente Nunca opere herramientas
mec_nicas cuando este cansado, intoxicado o cuando est_
tomando medicamentos que causan mareos.,
PREPARACION DEL AREA PARA EJECUTAR EL
TRABAJO
•Mantenga el ,_realimpia. Las areas de trabajo desordenadas
atraen accidentes
. No use herramientas mec_.nicas en ambientes peligrosos
- No use herramientas mec_nicas en lugares ht_medos o me-
jades. No exponga ias herramientas mec_nicas a ia iluvia.
• El _rea de trabajo debe estar iluminada adecuadamenteo
° Tiene que haber dispenible un recept&cuio el_ctrico adecuado
para la herramienta EI enchufe de _trespuntas se tiene que
enchufar directamente en un recept_,culo de tres puntas
conectado a tierra correctamente.
° Los cordones de extensi6n deben tener una punta de co-
nexi6n a tierray los tres alambres del cord6n de extensi6n
deben set del calibre correcto.
• Mantenga a los visitantes a una distancia prudente der &tea
de trabajo
= Mantenga a los nifios fue[a del lugar de trabajo.Haga que
su taller sea a p_ueba de nifios Use candados, interruptores
principaleso remueva las ltaves del interrupter para evitar eB
use no intencienal de las herramientas mec,_nicas
UN AISle ENTERO DE GARANTIA PARA
LA CEPILLADORA DE 31,8 CM CRAFTSMAN
Si la cepitladoraCraftsman faila debido aun defecto on el materi-
al o en la mane de obra, dentro de un afio a partir de la fecha de
compra, p6ngase en contacto con el servicio de reparaciones de
marcas pdncipales, interne, Sears en Estados Unidos, y Sears la
reparar_, sin costa.
Siesta cepilladora so usa para fines comerciates o para arriendo,
esta garantia se aplica per 90 dias a partir de ta fecha de compra
Esta garantia se aplica solamente cuando el producto est,, en
Estados Unidos Esta garantia le otorga derechos legales especi-
ficos y tambiL,n puede tener otros derechos que varian de estado
aestado,_
Sears, Roebuck and Co., Dept 817WA, Hoffman Estates, IL 60179
ADVERTENCIA: Para su propia seguridad, lea todas las regtas
ylas precauciones antes de operar la herramienta.
PRECAUCION: Siempre siga los procedimientos de operaci6n
correctos, ta| come se definen en este manual, aun cuando est_
familiarizado con el use de _sta o de otras herramientas simiiares
Recuerde que si no se tiene cuidado per aunque sea una fracci6n
de un segundo se pueden producir lesiones personales graves
ESTE PREPARADO PARA ELTRABAJO
•Use ropa apropiada No use ropa suelta, guantes, corbatas,
anilles pulseras u otras joyas que puedan quedar cogidas en
las pa_'tes m6vtles de la m&quina..
= Use una cubierta protectora para el cabello, para sujetar el
cabeflo largo
° Use zapatos de seguridad con suelas antideslizantes
° Use galas de seguridad, que cumplan con ANSI Z871 de
Estados Unidos Los anteojos corrientes tienen solamente
lentes resistentes af impacto NO son anteojos de seguridad
o Use una mascara para la cara o una m_.scara para el polvo,
si ta operaci6n produce po[vo.
ES IMPORTANTE MANTENER LAS HERRAMIENTAS
-Desenchufe siernpre la herramienta antes de inspeccionarla
•Consutte el manual para informa_sesobre los procedimientos
de mantenimiento y ajuste especificos
• Mantenga ta herramienta lubricada y limpia, para obtener una
operaci6n m_s segura.
• Remueva las her_amientas de ajuste F6rmese et h&bito de
revisarpara verificar si las herramientas de ajuste se han
removido antes de encender la m_,quina.
• Mantenga todas las partes listas para funcionar. Revise para
determinar que el protector u otras partes operar_n correcta-
mente y harsh el l_abajoque deben hacer
° Revise para verificar si hay partes dafiadas Revise el
alineamiento de las partes movibles, el atascamiento, las
roturas, el montaje y cualquier otra condici6n que pueda
afectar la operaci6n de la herramienta
• Si hay una protecci6n o cualquier otra parte daf_adas, tienen
que repararse correctamente o cambiarse No haga repara=
ciones provisorias (Use la lista de partes que viene incluida
para ordenar las partes de repuesto )
EL OPERADOR DEBE SABER COMe USAR LA
HERRAMIENTA
•Use ta henamienta correcta para et trabajo No fuerce la
herramienta,o el accesorio, ni los use para un trabajo para
el cual no hart side disefiados
= Desconecte la herramienta cuando cambie las hojas_
• Evite e] arranque per accidentes Asegurese que el interrupter
de la herramienta est& en la posici6n OFF (apagado) antes
de enchufaria
• No fuerce la herramienta. Trabajar& en la forma m&s eficiente
a la velocidad para la cual se dise56
•Mantenga ias manes alejadas de las partes m6viles y de las
superficies cortadoras
.Nunca deje que una herramienta funcione sola Descon_ctela
y no se vaya hasta que se detenga compietamente
oNo trate de alcanzar demasiado lejos Mantengase firme y
equilibrado,
18

°Nunca se pare en la herramienta Se pueden producir
lesiones graves si la herramienta se inctina, o si se entra
en contacto con la hoja por accidente.
, Cenozca su herramienta Aprenda la operaci6n de la herra-
mienta, aplicaci6n y limilaciones especificas.
, Use los accesorios recomendados (Relrierase a ta p,_gina
15.) Si se usan accesorios incorrectos, se puede correr el
riesgo de lesionar alas personas
° Deje tas manos libres para operar la maquina Prot_,jalas de
posibles lesiones.
. Apague ta m,_quina si se atasca., La h0jase atasca si se inlro-
duce muy prolundamente en la pieza de trabajo (La fuerza
del molor la mantiene pegada a la pieza de trabajo )
• Siempre mantenga tas protecciones de la impulsi6n, del por-
tacuchilfa y de la hoja en su tagar yen fas condiciones de
operaci6n correctas.
. Alimente el trabajo en la cuchilta o en la cortadora en centra
de la direcci6n de rotacion
PRECAUClON: iPiense en la seguridad! La seguridad es una
cembinaci6n de sentido comt)n del operador y de estar alerta
en todo momento cuando se est_ usando la herramienta
ADVERTENCIA: No trate de operar la herramienta hasta que
est_ completamente montada segun las instrucciones,
Revise para verificar si se han producido dafios durante el envio
Si se hart producidodafios se tiene que presentar un reclamo a
la compafiia de transporte. Revise para verificar siesta" completa
lmmediatemente avisele al distribuidor si hay parles que faflan.
La cepiiladora viene montado como una unidad Encuentre y
cuente las partes extras que se tienen que adjuntar a la cepil-
ladora, antes de montarlas
A Mango con manilla
B Protecci6n de la hoja
C Medidores de dos cuchillas
D Varitla medidora de la cuchilla
B
Figura 1 - Desempaque
La bolsa con los articulos de ferreteda incluye 1osiguitente:
,, Perno de cabeza hueca, 6-1,0 x t6 mm (t)
°Arandela de seguridad, 6 mm (1)
= Pernos de cabeza hueca, 8-t.25 x 50 mm (4)
• Anillos E, 3CMF10 (4)
Refi_,rase alas Figuras 8 y 9, p&ginas 14 y 16
ADVERTENCIA: No Irate de montada si hay partes que fallan,
Use esla manual para ordenar las partes de repuesto
INSTALACION DE LA PROTECCION DE LA HOJA
Reli_rase a la Figura 8, p_gina 14
ADVERTENClA: Para evitar el contacto por accidente con el
portacuchitla,la protecci6n de la hoja tiene que estar sujeta en
forma segura
. La protecci6n de la hoja (No 7) se adjunta a la caja det redil-
Io La protecci6n de la hoja didge el tlujo de las astillas que se
removieren de la pieza de trabajo y ofrece proteccion en con-
tra de! contacto pot accidente con e! portacuchilla
°Remueva dos pernos de cabeza hueca y las arandelas
planas (Nos 8 y 9) de la caja de rodillos (No 46)
° Ponga la protecc6n de la heja en el lado de salida de la caja
del rodillo, de modo que los agujeros en fa protecci6n y en la
caja det rodilto queden atineados correctamente
,, Vuelva a instalar dos pernos de cabeza hueca y las arandelas
ptanas para asegurar la prolecci6n de la hoja.
INSTALACION DEL MANGO
Refi_rase alas Figuras 8 y 9, p_ginas 14 y 16.
- Et mango (Fig. 8, No,. 1)se puede instalar ya sea en el lade
derecho superior o en el lado izquierdo superior de la cepil-
ladora En el caso de que sea necesario remueva el enchufe
(Fig 8, No 4) de la cubierta superior (Fig 8, No_6) en el lado
en donde se va a instalar el mango
=Inserte el mango en la parle superior del tornitlo de elevaci6n
(Fig, 9, No, t o 2), Alinee el agujero en el mango con el agu-
jero en la parte superior det torniflo de elevaci6n_
- Asegure el mango en el tornillo de elevaciSn usando la afan-
dela de seguddad y el perno de cabeza hueca
(Fig. 8, Nes 2 y 3),,
CONJUNTO DEL MEDIDOR DE LA CUCHILLA
Reli6rase a la Figura 8, p&gina t4
Et conjunto del medidor de la cuchilla se usa para verificar ta
altura de los bordes de ta cuchilla y hacer los ajustes en el caso
de que sea necesado
° Deslice el medidor de ta cuchilla {No, t6) en la varitta del
medidor de la cuchilta (No, 26)
-Coloque el rnedidor de la cuchilla de modo que las dos
ranuras en un extreme de la vadlta queden en cualquier lado
del medidor de ta cuchilla,
,, Presione los anillos E (No, 47), uno en cada ranura, para ase-
gurar ta posici6n det medidor de la cuchilla.
• Deslice otro medidor de la cuchiila en el otro exlremo de la
varilla y asegure el medidor de la cuchilla usando los anitlos E.
MONTAJE DE LA CEPILLADORA EN LA
SUPERFICIE DE TRABAJO
Reli_rase a tas Figuras 2 y 9, p_ginas 20 y 16,
* La cepilladora ha side dise_ada para que sea port&tit de
modo que se pueda mover al lugar de trabajo, pero se tiene
que montar en un banco o mesa estabie y nivetada Vea
"Accesorios Recomendados," pagina 15
, La base de la cepilladora tiene agujeros de montaje Los agu-
jeros forman un rect_ngu!o de 43,8 x 20,3 cm Use una
escuadra para marcar la posicion en la superficie de trabajo
19

,, Taladre los agujeros pitoto en la superficie para montar con
los pemos de entibamiento (Fig. 9, No. 29).
° Monte la cepilladora en la superficie de trabajo apern,-_ndolaa
tray,s de los agujeros
Tomacorriente conectado
a tierra correctamente
Punta de conexi6n a tierra
Enchufe de
3puntas
Figura 3 -Receptdcuto de 3 Puntas
Figura 2 -Cepilladora de 31,8 cm de espesor, mostrada en
la secci6n superior del pedestal de use mt31tiple,Mode!o
No. 22250°
FUENTE DE ENERGIA
ADVERTENCIA: No conecte la cepilladora a ta fuente de
energia sine hasta despu_s de que se hayan completado redes
los pasos del mentaje.
El motor ha side diseSado para operar con el vottaje y fa fre-
cuencia especificados Las cargas normales se pueden manejar
con seguridad con vottajes de no m_s de t0% per sobre 0 bajo
det voJtaje especificado Si se hace funcionar la unidad con vol-
tajes que no est_n dentro de ta gama, se puede producir un
calentamiento excesivo y quemarse el motor: Las cargas pesa-
das exigen que el voltaje en los terminales del motor no sean
menos que el voltaje especificado.
• Ei abastecimiento de energia que va al motor est& controlado
per el interrupter oscilante. Si se remueve e] interrupter osci-
lante se asegura ta unidad y se impide el use no autorizado
INSTRUCCIONES PARA LA CONEXION A TIERRA
ADVERTENCIA: Si se conecta incorrectamenteel conductor
de conexion a tierra dei equipo, se puede producir un riesgo de
cheque el_ctrico Et equipo debe estar conectado a tierra mien-
tras se esta usando, para proteger at operador contra un cheque
el_ctrico..
• Si las instruccionespara ta conexi6n atierra no se entienden
osi se tienen dudas de que la herramienta est_ conectada a
lierra correclamente, consutte aun electdcista calificado..
. Esta herramienta viene equipada con un cord6n de 3 conduc-
totes, aprobado, con capacidad de 150V y con un enchufe
de 3 puntas det tipo de conexi6n a tierra(yea ta Figura 3) para
su protecci6n en contra de los peligros de cheque el_ctrico.
• El enchufe de conexi6n a tierra se debe enchufar directa-
mente en un recept_.culo de conexi6n a tierra di_ 3 puntas,
conectado a tierra einstafado correctamente, come se
muestra (Figura 3).
• No remueva ni altere la punta de conexi6n a tierra de ninguna
manera. En et case de una falta o de una descarga disruptiva,
la conexi6n a tierra proporciona el camino de menor resisten-
cia al cheque el_ctrico.
ADVERTENClA: No permita que los dedos toquen los termi-
nales o el enchufe cuando se est,=fi_ninstatando o removiendo del
tomacorriente
° El enchufe se debe enchufar en el tomacorriente correspon-
diente, que debe eslar instatado correctamente y conectado
a tierra seg_bnredes !os c6digos y reglamentos locales No
modifique el enchufe que se proporciona Si no calza en
et tomacorriente, haga que un electricista calificado instale
uno correcto,
• lnspeccione los cordones de la herramienta peri6dicamente y,
si eslan daSados, h&galos reparar per un servicio autodzado
° Et conductor verde (o verde y amarillo) det cord6n es el cable
de conexi6n a tierra..Si es necesario reparar o eambiar el cor-
d6n el_ctrico o el enchufe, no conecte el cable verde (o verde
y amarillo) aun terminal cargado
• Si tiene un enchufe de 2 puntas se fine que cambiar per un
recept&culo, conectado a tierra correctamente, de 3 punlas,
instalado segun los c6digos y regutaciones locales y el
National Electric Code.
ADVERTENCIA: Un electricista calificado tiene que hacer
lodes los cambios de recept_culos.
Se puede ebtener un adaptador de conexi6n a tierraproviso-
rio de 3 puntas a 2 puntas (yea la Figura 4) para coneclar !os
enchufes aun tomacordente bipolar, si est,_conectado a lierra
correctamente
Tal6nde tierra . Asegerese
Adaptador conectadoa
Enchute de \. (€. il _ II una conexi6n
3 puntas \ "_ a tiefra
conocido
Recept_culo
de 2 puntas
Figura 4- Recept,_culo de 2 Puntas con Adaptador
. No use un adaptador de conexiSn a tierrade 3 punlas a
2 puntas a menos que sea permitido per los cSdigos y regta-
mentos locales y nacionates. (En Canada no se permile usar
un adaptador de conexi6n a tierra de 3 puntas a 2 punlas )
En donde se permite el use de un adaptador de conexion a t]erra
de 3 puntas a 2 puntas, la lengL_etaverde rigida o el terminal en
el lade del adaptador debe estar conectado firmemente a una
conexi6n a tierra eiectrica permanente, tal come una tubeda de
agua conectada a tierra correctamente, una caja de tomacorrien-
te conectada a tierra correctamente o un sistema de cables
conectado a tierracorrectamente.
20

Muchos de los torniltos de la plancha de cubierta, las tube-
rias de agua y las cajas de tomacorriente no est,_n conecta-
dos a tierra correctamente Para asegurar una conexi6n a tie-
rra correcta, un electricista calificado debe probar los medios
de conexi6n a tierra
CORDONES DE EXTENSION
° El use de cuatquier cordon de extension producir,_ cierta
caida de vollaie y p_rdida de energia
° Los cables de1cordon de extension lienen que ser de1tamaOo
suficiente come para conducir corriente y mantener el voltaje
adecuado
° El tamaOo minimo del cable del cordon de extension es t4
A,WG No use cordones de extension con m,_sde 7,6 m de
1ongitud
° Use cordones de extension de 3 cables, con enchufes del tipo
de conexi6n atierra de tres puntas y recept__cutosde tripola-
res que acepten el enchufe de la unidad,
,, $i el cordon de extension est_ desgastado, cortado o daOado
en alguna forma, c&mbielo inmediatamente
MOTOR
La cepilladora con un motor de 2 HP, instafado
El motor universal de CA, de 120 voltios tiene 1as especificaciones
siguientes:
Cabal!os de fuerza (m_ximo desarroltado) ............ 2
Voltaje ........................ 120
Amperios ......................... 14
Hertz ....................... 60
Fase........................... Monofasico
RPM (cargada) ......................... 8000
CONEXIONES ELECTRICAS
ADVERTENCIA: Asegurese que la unidad est_ apagada y
desconectada de la fuente de energia antes de inspeccionar
el cableado.
El motor se instala y se conecta el cableado segL_nla ilustraci6n
en el diagrama de cableado (yea ta Figura 5)
Interrupter de circuito
Interrupter
Figura 5_Diagrarna del Cableado
El motor se monta con un cordon de tres conductores, aprobado,
para usarse con 120 vollios0 tal come se Jndica El abastecimien-
to de energia que va al motor est_ controlado per un interrupter
oscilante de enclavamiento, bipolar,
•Si se remueve el interrupter oscilante se asegura la unidad y
se impide el use no autorizado
Las iineas de energia el_clrica se insertan directamente en el
interrupter, La linea de conexi6n Eltierraverde debe permanecer
firmemente sujeta al bastidor para ofrecer la prolecci6n adecua-
da en contra del cheque el_ctrico,
Hay un protector de sobrecarga de reajuste manual instatado en
fa linea del abastecimienlo de energia que va al motor Si la
cepi!tadora se sobrecarga, el protector cortar& et circuito
Si et interrupter se dispara, apague la cepilladora y vuelva a
ajustar el circuito presionando el bot0n,
PRECAUClON: AsegtJrese de apagar la cepilladora antes de
volver a establecer el circuilo para evitar que la cepitladora
arranque sin inlenci6n,
Refi_rase a las Figuras 6, 8 y9, p_ginas 23, 14 y t6,
DESCRIPCION
La cepifladora Sears 3t,7 cm acaba la madera cortada sin
acabar y la deja del tamaOo correcto y cepilla las maderas
blandas y duras de hasfa 15,2 cm de espesor y 31,7 cm de
ancho, La madera se alimenta en un portacuchilla de dos hojas
per medio de los rodillos de goma de entradalsatida La base de
aluminio, con una caja firme y de diseOo de cuatro posies per-
mite una alimentaciOn uniforme y un cepillado pr_cticamente sin
redondeo (yea "COme Evitar el Redondeo;' en la p&gina 24)La
cepilladora viene con un rodamiento de bola universal, encerra-
do, y un motor de 2 HP (desarrollo mAximo) con protecci6n con-
tra la sobrecarga El motor tiene un interrupter de encendido/apa-
gado con una llave removible para impedir el arranque per acci-
dente,, La unidad cuenta con hojas de borde doble para minimizar
los tiempos de interrupci6n, con rodillos montados en la parte
superior para el retorno de la pieza de trabajo,mangos porta-
dores incorporados para la portabilidad y rodillos pfegadores de
entrada/salida para Iograr una operaciOn uniforme, La cepiltadora
corta hasta 2,4 mm per pasada (para las tablas de basra 12,7 cm
de ancho) o hasta 1,6 mm per pasada (para tabtas de 12,7 cm
hasta 31,7 cm de ancho) a 7,9 metros per minute La escafa de
altura en pulgadas, tiene gradaciones de incremenios de 1,6 ram,
la mOtrica tiene incrementos de ! ram,
REGLAS DE SEGURIDAD DE OPERACION
ADVERTENCIA: Para su propia seguddad, lea todas las reglas
y las precauciones antes de operar ta herrmienta,,
ADVERTENCIA: La operaciOn de todas las herramientas mec__-
nicas puede hacer que los objetos sean lanzados a los ojos 1o
que puede producir da_os graves en _stos Siempre use galas
de seguridad que cumplan con los requisites de ANSI Z87 1 de
Estados Unidos (se muestran en el paquete) antes de comenzar
con la operaci6n de las herramientas mec_nicas
PRECAUCION; Siempre observe 1asprecauciones de seguri-
dad a continuaci6n:
• Aprenda los aspectos de seguridad de las herramientas
mec&nicas en general Aseg_rese que todas las precauciones
se entiendan (yea tas p,_ginas 18, 19, 21 y 22)
• Cuando ajuste o cambie cualquier parte en la cepilladora
apague el interrupter y remueva el enchufe de la fuente de
energia et_ctrica
• Aseg0rese que todas las protecciones est_n adjuntas correc-
iamente y sujetas en lorma segura
° Asegurese que todas fas partes movibles estOn libres y sin
ninguna interferencia
• Siempre use protecci6n para los ojos o para la cara
• AsegLirese que las hojas estOn alineadas y adjuntas co-
rrectamente en et portacuchilta
, No enchufe la cepiltadora a menos que el interrupter est6 en
OFF (apagado) Despu_s que se encienda el interrupter, per-
mita que la cepilladora alcance ta velocidad completa antes
de operar
• Mantenga las manes aleiadas de las partes movibles
21

*No fuerce el corte_ Si funciona mas despacio o se para, el
motor se calentar& demasiado Pe_mita que la alimentaciSn
automf_tica funcione correctamente
° Use madera de cafidad. Las hojas duran m&s y los cortes son
m&s uniformes con una madera de buena calidad.
°No cepille e] material de menos de 36,8 cm de iongitud, con
menos de 1,9 cm de ancho, con m&s de 31,7 cm de ancho o
m_s delgado que 1,3 cm
°Nunca haga et corte de cepillado mas profundoque 2,3 mm
. Mantenga las relaciones correctas de las superficies de ta
mesa de arimentaciSn de entrada y fa de salida y del paso de
la hoja del portacuchitla
.No retroceda el trabajo hacia la mesa de alJmentaciSn de
entrada
*Tome las precauciones necespdas en contra de los contra-
golpes No petmita que nadie se pare o cruce la tinea de la
rotad6n de] portacuchilta Los contragolpes o el desperdicio
votado avanzar& en esta direcciSn.
°Apague el interrupter y desconecle la energia electrica cuan-
do la cepittadora no est_ en use.
° Cambie o afire las cuchiflas cuando se daSen o pierdan e] file
° Manlenga la cepiiladora bien mantenida Siga las instruc-
ciones de mantenimiento (yea tas p_,ginas24 y 25)
PROFUNDIDAD DEL CORTE
El cepillado de espesor se refiere a reducir et tamale de la
madera ai espesor deseado ai mismo tiempo que se crea una
superficie nivelada, pa_alela ai lade opuesto de la tab$a
• La caiidad del cepilrado de espesor depende del buen juicio
det operador en Io que se reliefs a la profundidad de1corte
• La profundidad del corte depends del ancho, la dureza, la
humedad, la direcci6n de la veta y de ta estructura de fa veta
de la madera
•E1espesor m_ximo de la madera que se puede remover en
una pasada es de 2,3 mm para las operaciones de cepi!lado
en la pieza de trabajo de hasta 12,7 cm de ancho La pieza
de trabajo se tiene que co]ocar alejada de fa leng_eta de]
centre en la caja der roditlo para cortar 2,3 mm
• El espesor m,_ximo de la madera que se puede remover en
una pasada es de 1,5 mm para las operaciones de cepiliado
en una pieza de trabajo de t2,7 cm a 31,7 cm de ancho
•Si se desea obtener el mejor rendimiento de ta cepiltadora, la
profundidad de[ corte debe set menos de 1,5 mm
•La tabta se tiene que cepi]tar con cortes poco profundoshas-
la que la pieza de trabajo tenga un lade nivelado Una vez
que se haya creado una superficie nivetada, d_ vuelta a ]a
madera y cree lades paraleJos
•CepiIle los tados alternados hasta que se obtenga e[ espesor
deseado Cuando la milad de Eaprofundidad totai det corte se
saca de carla lade, la tabla tendr_ un contenido de humedad
uniforme y no se combat& con m&s secado.
o La profundidad de] corte tiene que set menor cuando el traba-
joes m:Ssancho.
•Cuando cepille madera dura, haga cortes pequefios o cepi-
ilela en anchose delgados.
,, Haga un corte de prueba cuando trabaje con un ripede tabta
nuevo o con una operaci6n de distinta class
• Revise la precisi6nde la prueba de corte antes de trabajar en
e! producto terminado.
AJUSTE DE LA PROFUNDIDAD DEL CORTE
Refi6rase a Ias Figuras 8 y 9, paginas t4 y 16
El espesor de la table que ia cepilladora va a prodL_cirqueda indi-
cado en cualquier escala (Figura 9, Ref No 13) en et lade
E1espesor se ajusta rotando el mango (Fig 8, No 1) en el senti-
do de fas manillas def reloj para elevar la aEturade la hoja. Para
reducir la altura de la hoja rote et mango en el sentido contrafio
de las manillas del reloj
° No ajuste la hoja a menos de 1,0 cm No cepilte una tabla
que tenga menos de 1,3 cm de espesor.
. La altura de fa hoja se movera t,5 mm con carla revoluciSn
completa de] volante
•Haga un corte de prueba en la madera y mida el espesor pro-
ducido
La cepil]ado_a producira una profundidad de corte dispareja
(code ahusado) si ]a caja del rodillo (Fig. 8, No. 46) no esl& para-
leta con la base (Fig..9, No.. 17) Para restaurar el paralelismo de
la caja del rodillo con la base:
= Desenchufe la cepilladora y apaguela.
° Sujete un alicale de prensa de torniilo en el lade izquierdo del
eje (Fig 9, No. 8) pr6ximo al engranaje c6nico ( Fig 9, No 3)
•Remueva el anillo E (Fig. 9, No. 4) y desenganche el engrana-
je cSnico derecho (Fig 9, No, 3) en el tornilWode efevaci6n
derecho (F_g 9, No 2).
•Rote lentamenle et mango (Fig 8, No 1) para elevaro bajat
et portacuchilla R6telo en el sentido de las manillas del reloj
para elevar la caja del rodillo, en el sentido contrafio para
bajarla La caja del rodillo se movera en 0,1 mm con cada
vuelta del engranaje c6nico de un disnte.
° Despu_s de mover ta caja del rodillo la distancia requerida,
asegOrese que ambos engranajes biselados (Fig. 9, No..3)
est_n enganchados y asegurados con el anillo E..
o Suette y remueva et aiicate de prensa de tornillo,
•Haga un co_te de prueba para asegurarse que el ajuste es el
correcto
• Agregue grasa alos eng_anajes cSnicosen el case de que
sea necesario,
Cuando la pro|undidad del ajuste del corte este operando correc-
tamente, suelte e[ tornillo de cabeza de placa (Fig 8, No. 5) y
ajuste el indicador (Fig 8, No 30) para mostrar el espesor pro-
ducido Aseg,Jrese que el indicadoreste colocado correctamente
AJUSTE DE LA ALTURA DEL PORTACUCHILLA
Refi_rase alas Figuras 8 y 9, p_,ginas 14 y 16
La prefundidaddel corte de la cepilladora se ajusta e]evandoo
bajando el podacuchilla(Fig 8, No 11)
Rote el mango (Fig 8, No, 1) para e]evar o bajar el portacuchiIla
aia posici_n deseada
La escala (Fig 9, No 13) y e] indicador (Fig 8, No 30) se
pueden usarcuando se ajuste ]a altura del portacuchilla
AJUSTE DE LOS RODILLOS DE SOPORTE
Refi_ase a la Figura 9, p_gina 16.
• Los rodi]los de soporte (No 12) se tienen que ajustar papa
ayudar a mantener la parte del trabajo que est_ fuera de la
cepiIladora en Iinea
o Use una regla para alinear ia placa del rodillode mode que la
altura del rodil_ode soporte quede pareja con la cubierta de ]a
base (No 21)
° Suelte las tuercas (No t5) y ajuste la attura con los pernos
de cabeza hexagonal (No 21)
22

.Asegurese que ambos pernos hexagonales sujeten la posi-
ci6n de laplaca del rodiflo Sujete el perno hexagonal con una
Itave de boca y asegure e] ajuste apretando la tuerca
,, Reviseel alineamiento del rodillo de soporte en cada extreme
con una regla
AJUSTE DE LA ALTURA DE LA HOJA
Refi_rase alas Figuras 6 y8, p_ginas 7 y 14
El conjunto medidor de la cuchilla (yea Montaje, p_gina 3) es
necesafio para facilitar el cambio o el ajuste de las hejas de
cepillado (Fig, 8, No..23)
-Desenchufe la cepiltadora y apaguela
°Sue!le y remueva dos pernos de cabeza hueca y las arande-
tas (Fig,,8, Nos 8 y 9),
,, Remueva la protecci6n de ta hoja (Fig..8, No 7).
.Gire el portacuchilla (Fig 8, No 11) cuidadosamente pare
obtener acceso a una hoja.,
PRECAUClON: Las hoias est&n aliladas,
.Ponga el conjunlo del medidor de ]a cuchilta en el por-
lacuchilla de mode que los dos medidores de cuchilla (Fig 8,
No, 16) queden aproximadamente ala misma dislancia del
horde del porlacuchilla
•Sujete el conjunto del medidor de ta cuchilla en centre del
portacuchilla de mode que el punto de contacto quede sobre
la hoja (vea la Figure 6)
Figura 6 -Ajuste de ta Altura de la Hoja
•At mismo tiempo que sujeta la varilfa (Fig, 8, No 52) presiena-
dahacia abaio, use la llave de boca para soltar los pernos de
seguridad (Fig 8, No 22),
-Cuando lodes los pemos est_n sueitos, los resortes (Fig 8,
No.,15) elevar_n la hoja
.Asegurese que la hoja (Fig. 8, No 23) s6fo se eleve 1osuli-
ciente de mode que apenas toque el punto de contacto en el
medidor de la cuchilla.
oAseg_rese que la hoja apenas toque el punto de contacto en
ambos medidores de la cuchilfa en cada extreme de la varilla
° Apriete los pernos de segufidad y asegure la altura de la
hoja.
• Ajuste la segunda hoja de ta misma manera,
=Cambte ]a protecciSn de la hoja y apri_tela en forma segura
EVtTE EL DA_,IO ALAS HOJAS
• La cepilladora de espesor es una m_quina de precisi6npara tra-
bajaren madera y s6tose debe usar en madera de buena calidad
. No cepille tables sucias; la mugre y las piedras pequeSas son
abrasivas y desgastar__nfa hoja
•Remueva ios clavos y lae grapas Use la cepiIfadora pare cortar
madera solamenle
- Evitelos nudes La madera con una ,;eta atravesada tupida
endurece los nudes,Los nudes pueden sollarse y atascar la hoja
23
PRECAUCION: Todo articulo que se encuentre con las hojas
de la cepiltadora puede set lanzando con fuerze creando un ries-
go de lesiones,
PREPARACION DEL TRABAJO
.La cepifladora de espesor funciona meier cuando la madera
tiene per to menos una superficie plana
•Use la cepilladora de superficie o un cepillo mec,_nico de
banco para crear una sl_perficie plane.
.Las tabtas torcidas o muy combadas pueden atascar la cepil-
ladora Rompa la madera en dos para redt_cir la magnitud de
la comba°
• El trabajo se tiene que alimenlar en la cepilladora en la
misma direcci6n que la veta de la madera Algunas veces la
veta cambia de direcci6n en el medio de la table, En dichos
cases, si es posible, corte la labia en el medio antes de cepil-
far, de mode que la direcci6n de ta veta sea la correcta
PRECAUClON: No cepilte una labia que tonga menos de
36,8 cm de longitud; la fuerza del corte puede partir la tabla
produciendocontragolpes
ALIMENTACION DEL TRABAJO
Refi_rase alas 8 y 9, p_ginas 14 y t6
ADVERTENCIA, Siempre apague ta cepilladora y descon_ctela
de la fuente de energia cuando la protecci6n de la hoja (Fig 8, No,,
7) est_ removida Nunca opere facepilladora sin la protecci6n de ta
hoja asegurada en forma correcta
La cepilladora viene con las hojas de cepillado montadas en el
portacuchiltay con los rodi!los de alimentaci6n y de salida ajusta-
dos ala allura correcla La afimentaci6n de la cepilladora es
autom,_tica; veda un poco dependiendo def tipo de madera
.La velocidad de alimentaci6n se refiere ala vetocidad a la
que avanza la madera a trav_,sde la cepilladora
• El operador es responsable per la alineaci6n del trabajo de
manera que se atimente correctamente
° Ajtiste la allura del portacuchitla para producir la profundidad
del corte deseado
° P&rese en e! lade en el cual el mango esta adjunto..
• Levante et borde para alimenlar la place del roditlo (Fig, 9, No_
16) agarrando los hordes de la labia aproximadamente en el
medio de su Iongitud,,
• La tables con una longitud mayor de 61 cm deben tener m&s
soporte proporcionado con plataformas de material independi-
entes,
°Ponga ta pieza de lrabajo con la cara que se va a cepiltar en
la parle superior
°Haga descansar el extreme de la labia en la placa del rodillo
de alimentaci6n y didjala hacia dentro de la cepiltadora,
• S[_avemente destice la pieza de trabajo en el lade de ali-
mentaci6n de la cepilladora hasta que el rodillo de ali-
mentaci6n empiece a hacer avanzar la pieza de trabajo
° Suette la pieza de trabajo y permita que ta alimentaci6n
automatica la haga avanzar,
,, No empuje/tire la pieza de trabajo Muevase a fa parte trasera
y reciba la tabta cepillada agarrAndola de la misma manera
que se ailment6
PRECAUCION: Para evitar el riesgo de las lesiones debido a
los contragolpes, no se pai-e directamente en la linea de la parle
delanlera o de la parte trasera de la cepilladora
•No agarre ninguna parle de la table que no haya pasado per
el rodillo de satida.
° Repita esta operaciSn con lodas las tablas que necesitan
tener el mismo espesor, Pare otros espesores, adjuste la
profundidad del corte (yea ta pagina 22)

o Lacepilladoracuenlaconrodiitosdei'etorno(Fig8,No12)
en fa Parte superior, de mode qua et ayudante puede pasade
el trabjo de vuella ai operador
AVISO: El ayudante fiene que tomar ]as mismas precauciones
que el operado(:
• La superficie que producir& la cepiIladora set& m_s lisa si se
usa una profundidad de corte menos profunda.
COMe EV|TAR EL REDONDEO
•Et redondeo se refiere a la depresi6n en cua]quier extreme de
la tabla, producido per una fuerza dispareja en el per-
tacuchilla cuando el trabajo entra o sale de Ia cepitladora,
• El redondeo se produce cuando las tablas no est&n correcta-
monte soportadas o cuando solamente un roditlo de ali-
mentaciSn esl_ en contacto con et trabajo, en el comienzo o
en el final del corte.,
• Para evitar el redondeo suavemente empuje la labia hacia
arriba at mismo tiempo que alimenta el trabajo hasta que e]
rodillo de salida empiece a hacerlo avanzar_
• Mu6vase a la parle trasera y reciba la labia cepillada empu-
j_ndola suavemenle hacia arriba cuando el rodillo de ali-
mentaciSn pierda el contacto con la tabla
• Cuando cepille m_s de una tabla del mismo espesor haga
que las tablas se topen entre si para evitar el redondeo
° El redondeo es m_s evidente cuando se hacen cortes mas
profundos
•Alimente el trabajo en ta direcciSn de la veta La madera que
se alimenta en contra de ta veta tendra bordes picadosy astit-
lades
REVISION DE LAS HOJAS DESGASTADAS
•La condici6n de las hojas afectar_ ta precisi6n del corte
Observe la calidad del corte que produce la cepilladora para
revisar la condici6n de las hojas.
•Las hojas desafiladas van a rasgar, en vez de co,tar tas fibras
de madera y producir,_n una apariencia fibrosao
. La veta se eleva cuando tas hojas desafiladas golpean la
madera que t[ene densidad variable Tambi_n se van a elevar
los bordes cuando fas hojas tengan picaduras.
Refi6rasa a EasFiguras 6, 7, 8, 9, p_ginas 23, 12, t4 y 16.
La cepifladora operar,_ meier cuando se mantiene en buenas
condiciones y estz&ajustada correctamente Las hojas se tienen
que mantener limpias y afiladas para asegurar la calidad del
corte y ]a eficiencia de ta operaciSn
INVERSION DE LAS HOJAS
Refi_rase ala Figura 8, p_gina 14
La cepilladora viene con hojas de horde dobte Cuando el horde
de corte se ha desafilado, se pueden invertir ias hojas Para
invertir _ahojas:
• Desenchufe la cepiitadora de la fuente de energia y apaguela.
•Suefte y remueva dos pernos de cabeza hueca y las arande-
fas (Nos 8 y 9)
.Remueva la protecciSnde la hoja (No. 7).
°Cuidadosamente gire el portacuchilla (No. tl) para obtener
acceso a una hoja (No. 23)
PRECAUCtON: Las hojas son afitadas
• Sujete el portacuchi!iausando el conjunto del medidor de la
cuchilia.
• Suefte todos los pernos de seguridad (No 22) (g_relos en el
sentido de las manillas del reloj) usando una liave de boca.
,, Remueva e invierta la hoja
°Asegurese que el borde de corte quede en a_nguloen la
misma direcciSn que la rotaciSn del portacuchilla.
• Ajuste la allura de la hoja co_rectamente (vea "Ajuste de ia
Altura de la Hoja," paginas 6 y 7)
• Apriete todos tos pernos de seguridad.
•Invierta la otra hoja de la misma manera.
• Vuelva a colocar y asegurar la protecciSn de la hoja.
LIMPIEZA DE LAS HOJAS
La goma yla resina se acumulan en las hojas yproducen una
friccion excesiva cuando trabajan, Lax hojas se van a sobrecaEen-
tar ydesgastaraceleradamente Use un removedor de goma y
resina para manlener tas hojas limpias
AFILAMIENTO DE LAS HOJAS
• Las hejas se pueden mantener afi]adas si se afilan an una
piedra afiladora
*Remueva la protecciSn de Ja hoja Cr_brala parciaImenle con
pape] para proteger la caja del rodillo
.Ponga et portacuchillade mode que la piedfa entre en contac-
to con ia cuchifla a [o largo de su superlicie biselada_
. Pase ta piedra a trav_s de la cuchifla de un lade para el olro
al mismo tiempo que la piedra tambi_n se mueve un poco en
ia direcci6n de la atimentaciSn Asegt_rese que el numero de
pasadas sea igual para ambas hojas Vuelva a co[ocar la pro.
tecciSn del portacuchilla
REMOCtON DE LAS HOJAS
oLas hojas que muestran evidencia de que estan picadas o
desgastadas se tienen que velvet a afilar para obtener un
borde biselado nuevo
° Remueva las hojas una a ]a vez. Sujele las hojas con et medio
dot de la cuchiIla (yea Figura 6) Sue]to los pernos de seguri-
dad y remueva las hojas
AMISO: Muchos tat_eresno cuentan con ;a capacidad para afilar
las hojas Consulle las p&ginas amaritlas y mire "Servicios de
Afilamiento" o"Afilamiento de Herramientas"
CAMBIO DE LAS HOJAS
Cambiar las hojas a menudo es mas barato que afilarlas. Se
recomienda que se mantenga un conjunto de hojas de repuesto
a mane Use la lista de partes de repuesto (pAgina 15) para
ordenar las hojas
°Las hojas siempre se tienen que afilaf o cambiar come un
conjunto
• Vuetva a colocar las hojas en orden inverse en que se
removieron. Ajuste las hojas tal come se ha descfito en
"Ajuste de la Altura de ta Hoja;' pAgina 23.
GAMBle DE LA CORREA V
Refi_rase alas Figuras 7, 8y9, p_ginas 12, 14 y 16
La tensiSn incorrecta en la correa V (Fig. 8, No. 17) har_.que la
correa se desfice de la polea del motor (Fig. 7, No 9) o de la
potea impufsora (Figura 8, No 19). Las correas sueitas se tienen
que cambiar Para cambiar la correa V:
° Apague ]a cepilladora y desencht3fela de la fuente de energia
24

o Suelle y remueva cuatro tornillos de cabeza hueca (Fig..9,
No. 32) en la cubierta derecha (Fig. 9, No..31) Remueva la
cubierta.
° Para remover la correa haga caminar la correa desde la polea
del motor y la impulsora, atternadamente, tir_ndola y girando
fa polea al mismo tiempo.
o Para vo]ver a colocar ta correa, haga caminar la correa en la
polea en la manera inversa que se removi6
• AsegL]rese que la correa est6 asentada completamente en
lanto la polea del motor como en la impulsora.
• Vuelva a colocar'y asegurar la cubierta derecha.
LUBRiCACION
,, Los rodamientos det portacuchilla ydet motor vienen setlados
y no necesitan fubricai6n,
- Los engranajes c6nicos y los torniltos de elevaciSn tienen que
limpiarse para remover el desperdicio y engrasarse
- Esta cubierta de base se puede cubrir con un tubricante tal
como la cera de muebles, para asegurarse que ta pieza de
trabajo se aliment6 en forma m&s uniforme AsegtJrese queet
tubricante usado no afecte la capacidad de acabar la pieza de
trabajo con barniz, seltador, etc No use lubricantes de base
de silic6n
LIMPIEZA DE LA CEPILLADORA
= Mantenga la cepilladora limpia sin astillas de madera, polvo,
mugre o desperdicio
,' Despu_s de 10 horas de operaci6n, las astillas de madera, el
potvo y la grasa vieja se tienen que remover de las cadenas y
los engranajes
• Use grasa de rodamientos automotrices para lubricar todas
tas cadenas y los engranajes AsegtJrese que todas las cade-
nas y los engranajes cuenten con suficiente grasa.
CANAL DE ASTILLAS DEL COLECTOR DE POLVO
Refi_rase a la Figura 8, p_gina 14.
El canal de astitlas del cotector de polvo (no se muestra) est_
disponible como un accesorio opcional. El canal de potvo tiene
un accesorio para adjuntar una manguera de 4"
El canal de astitlas del colector de polvo, se monta en la cepil-
ladora en vez de fa protecci6n de ta hoja (No 7) Para montar el
canal de astillas del colector de polvo:
,, Desenchufe la cepilladora y apaguela
o Suette y remueva dos pernos de cabeza hueca y las arande-
las (Nos 8 y 9)
,, Remueva la protecciSnde la hoja
• Deslice el canal de astiilas del colector de polvo a 1olargo de
las paredes interiores de la caia del rodil!o(No 46) de modo
que las ranuras en el canal de polvo queden alineadas sobre
los agujeros en la caja del rodilto
• Vuelva a ulilizar los dos pernos de cabeza hueca y tas aran-
delas (Nos 8 y 9) para asegurar el canal d_elcolector de polvo
a la caja de! rodillo
Luego de instalarlo, fije [a manguera de 10,2 cm (diametro exteri.
or) det colector de polvo a! accesorio del canal del colector de
polvo. Asegr_rese de ENCENDER et aspirador antes de operar la
cepifladora
REAJUSTE DE SOBRECARGA
La cepilladora incluyeun interrup!or aurora&rico de protecci6n
contra sobrecargas para evitar daSos al motor de la cepilladora.
Si la cepilladora deja de funcionar durante la operaeiSn, desenchule
la cepilladora y apaguela Para velvet a enceder ta cepiiladora, opri-
ma et bot6n de reajuste ubicado junto al interruptor
25

SINTOMA
Redondeo (depresiones
en los extremes de la
tab]a)
CAUSA(S) POSIBLE(S)
!. Hojas desafiladas
2. Soporte inadecuado de tas tablas,largas
3Fuerza dispareja en el portacuchi]la
4 La caja dei rodillo no esta alineada
5 La madera no est_ topando correcta-
mente
6 Los rodi]los de soporte est__ndesalineados
Veta fibrosa Se est_ cepillando madera con un alto
contenido de humedad
Veta desgarrada 1 Corte muy pesado
2 Las cuchi]las estan cortando en contra
',}eta _ispera, eJevada
...... HH,................
Profundidad de corte
dispareja (lade a lade)
La elevaciSn del por-
tacuchitla se ajusta con difi-
cultad
MEDIDAS CORRECTiVAS
1 lnvi_rtalas, €_mbieias o afilelas segt3n las instrucciones.
Vea "Ajuste de ta A[tura de la Hoja" y "Mantenimiento"
2 Soporte ]as tab]as largas
3 Suavemente empuje la tabla cuando este en contacto
con s61o un rodil]o alimentador Vea "C6mo AIimentar el
Trabajo"
4Revise la pesici6n de los tornillos de elevacion Vea
"Ajuste de la Profundidad de Corte,
5 Haga que los extremes de ]as piezas de matefiales se
topen entre si a medida que las tabias pasan a tray, s
de la cepi]iadora
6 Ajuste los rodilles de soporte
Remueva et alto contenido de humedad de la madera
secandola
1 Estudie" Profund=dad det Corte!'
2 Estudie "Alimentaci6n del Trabajo."
La tab]a entra pero deja
de moverse antes de
pasar el rodil]o de salida
de la veta
3Hojas desafiladas
............... L........................
1_ Hojas desafiladas
2 Corte muy pesado
3 tnviertalas, c&mbie]as o afi]elas segt)n fas instrucciones
Vea "Ajuste de la Altura de fa Hoja" y "Manlenimiento!'
1lnvi_rtatas, c,'_mbie]as o afilelas seg_Jn las instrucciones
Vea "Ajuste de ]a Altura de la Hoja" y "Mantenimienlo_'
2. Estudie"Profundidad del Corle"
El espesor de la tabia no
coincide con la profundi-
dad de la escala de corte
La cadena satta
3 Contenido de humedad muy alto 3 Sequela madera o use madera seca
1 La saliente de la heja no es uniforme t Ajuste la satiente de la hoja. Vea "Ajuste de la Aitura de
ia Hoja"
2 El portacuchilla no est_ nivefado con la
base de la cepillado=a
1 Los engranajes est_n sucios
2 Los torniilos de evevaci6n est&n sucios
3 Los engranajes, tornillos de elevaciSn
estan desgastados
4, Fricci6n entre fa caja del rodiflo y las
cubiertas
5. La caja de los roditlos no est_ pa_alela
con la base de ta cepi]ladora
1 Los rodilios de salida no pueden rotar
debido a que est&n atascados con asti]las
2 Mucha presiSn en el portacuchi!la debido
a una pieza de trabajo ]arga
1 EI indicador no estd ajustado correcta*
mente
2 AItura de la hoja incorrecta
La rueda dentada est_ desgastada
2 La caja del rodillo no est& nivelada Vea "Ajuste de la
Profundidad del Corte_'
I_ Limpie y lubrique los engranajes,
2 Limpie y lubrique los tornillos de elevaci6n
3 Cambie los engranajes, lorni]los de elevacion
4Limpiey I_Jbriq_Je
5 Ajuste la caja de los rodi]los Yea "Ajuste de ia
Profundidad del Corte"
1
2
Despeje el atascamiento, use el canal de astiilas del
colector de polvo Vea "Accesorios Recomendados"
Use los pedestaies de soporte para soportar una pieza
de trabajo con m_is de 61 cm de Iongitud Vea
"Accesofios Recomendados"
t Ajuste el indicador y aprieielo en forma segura
2 Ajuste la altura de la hoja correctamente Yea "Ajuste de
ta Altura de la Hoia"
1 Cambie tas ruedas dentadas
2La cadena est_ desgastada 2 Cambie la cadena
26

......SlNT,0MA ..................CA,USA(S),,,P,0SIBLE(S) ...................i.,
Lacepiiladorano opera I.. No tienela energiaconectada
2 La protecciSn contra la sobrecarga det
motor se dispar6
3 lnterruptor o cableado defectuosos o
sueitos
Lacorrea se est_desiizando Correa suelta
IVlEDIDAS CORRECTIVAS
t Un electricista calificado tiene que revisar la fuente de
fa energia
2 Apague la cepiJladora Vuefva a ajustar fa proteccidn
contra la sobrecarga de! motor Vea "Reajuste de
Sobrecarga"
3 Un eiectricista cafificado tiene que revisar el interruptor
y el cab[eado.,
Cambie la correa, vea "Cambio de la Correa V"
27

For the repair or replacement parts you need
delivered directly to your home
Call 7 am - 7 pm, 7 days a week
1oS00=366-PART
(1-800-366-7278)
Para ordenar piezas con entrega a
domicillo- 1-800-659-7084
For in-home major brand repair service
Call 24 hours a day, 7 days a week
1-800-4-REPAIR
(1-800-473-7247)
Para pedir servicio de reparacibn a
domicilio - 1-800-659-7084
For the location of a Sears Parts and
Repair Center in your area
Call 24 hours a day, 7 days a week
1-800=488-1222
When requesting service or ordering
parts, always provide the following
information:
eProduct Type =Part Number
o Model Number •Part Description America's Repair Speciafists