Craftsman 358352030 User Manual CHAIN SAW Manuals And Guides LR708189
CRAFTSMAN Chainsaw, Gas Manual LR708189 CRAFTSMAN Chainsaw, Gas Owner's Manual, CRAFTSMAN Chainsaw, Gas installation guides
User Manual: Craftsman 358352030 358352030 CRAFTSMAN CHAIN SAW - Manuals and Guides View the owners manual for your CRAFTSMAN CHAIN SAW #358352030. Home:Lawn & Garden Parts:Craftsman Parts:Craftsman CHAIN SAW Manual
Open the PDF directly: View PDF 
.
Page Count: 16

lsears I
CHAIN SAW
owner's
manual
MODEL NO.
358.352030-10""
358.352060-12"
358.352070-14"
CAUTION:
Read Rules for
Safe Operation
and Instructions
Carefully
i
CRRFTSMRtl
2.0/'i0" 2.0/'I2" 2.0/14
•Assembly •Maintenance
*Operation * Repair Parts
Record in the space provided below the Made--and Serial No.
of your saw. These numbers are located on the starting instructions
decal.
Model No. Serial No.
Retain these numbers for future reference.
Sears, Roebuck and Co., Chicago, Il!. 60684 U.SJ_.
63869 9/_0 pRiNTED iN U. _. A-

-SAFETY RRST
Y DON'T
O Don't use the saw when you are tired
O Don't start cutting until you llave a clear work area,
secure tooting, and a planned retreat from afalling
tree.
O Don't tL_ asaw t.hat is damaged or poorly, adjssted
ODon't touch amoving _-t=a_n
ODon't use the s_w in an er_lor, ed _ea
_VD_O
OWear safe footwear, sr_ug_fitting ClOthing, and eye, hear-
ing, and head protection
0Be careful handling fuel
OHold the saw firmly with both hands
OCarry the saw with the engine stopped, the bar and
_haln to the rear, and the muffler away/from you
0Shat off the engine before setting it down .
0 Keep the handles free of oil and rue!
0Keep others out of the work area when the saw is
running
V BE CAREFUL
O Oon't climb in a tree with a saw - it is very dangerous.
Get professional help.
0Be caref_l.;¢utting small braneh_s end b_hes -- smelt
limbs may catch the chain and be whipped toward you.
II LOOK OUT FOR KICKBACK
OWhen. the moving cha!n at the nose of the bar touches
an object, the bar and _ain can be thrown Upward
with considerable for_'e. This is KICKBACK!
0Hold the saw firmly with both han_ls
ODon't overreach
O Don't _et the nose of the bar _ontact a log, brar_h, etc.
OCut Only at h_gh engine speeds
ODon't reach above shoulder height to cut -- the chain is
too close to your face in this position
O Keep your chain sharp
THE SAW WHEN NEVER USE THE SAW |USE BOTH HANDS
IT NEEDS REPAIR WHEN TIRED | WHEN OPERATING
GENERAL TIPS
Dress Safely -- Loose clothing may get caught in moving parts. Woo_ Chil_ Tell You A Lot -- The dl[ps should be about the
it's_ One Man Job -_ Keep others out of the work area when the size of the chain teeth. If they are small and powder like, your
er_gine is P.Jnn[r_j. chain is dull. Get it Sharpened !
LOOK OUT"F_R KICKBACK" -- Don*t let the tip of the bar Don't Press Hard -- Light pressure is ervaugh.'Heavy pressure ¢an
touch anything while l_e engine is running: cause un,_afe _ondi_iom% Check for a &-.a'g¢_ai_ Gr w_. _.
T_ _Of year saw . ., _Sea Guide Bar Maintenance and Chain _arpen_ngt,
I_ep the (T_ain. Out of the Dirt -'E_ a small _oo_t _f I_r-_rt . Out .Ol_ At H_gh .SPeeds -- Keep t/le tttrettfe-wi_e open when
on-the !'og_/iil dull the chain quickly, cutting. Don't run the engine at high speed when not cutting!
Keep the _J_air_ Sharp -- Adull chain is unsafe and wilt c_use It _hould Cut Smoothly -- If the engine stalls or bogs with light
excessive weartootherpart_, pressure, check the carburetor setting and the a_r filter.
Don't Force the Saw Out of a Jam -Use awedge, an axe, a Performance and Safety -- Keep your saw running well and your
.crowbar. Or another saw but don't force it out. WOrk wlti be easier and safer.
=FULL 90 DAY WARRANTY _-
_ For 90 days from date of purchase, Se,ars will "repair any defect in material or work-
manship-in this ga_oliniechain saw a_ no charge.
If the chain saw is used for commercial or renta! purposes, the warranty applies for _
o only 30 days from the date of purchase.
Warranty service is available by contacting the nearest Sears store or Service Center
throughout the United _ates.
This warranty gives you specific legal rights, and you may also have other rights <:_
which vary from state to state.

TABLE OF CONTENTS
•I'NSTALLING THE BAR AND CHA! N ...................................................... 4
FUEL AND OIL ......... ;............................................................ 5
SAWING TECHNIQUES ................................................................ 5
MAINTENANCE ..................................................................... 7
GUIDE BAR MAINTENANCE ............................................................ 8
CHAIN SHARPENING ................................................................. 8
TEMPERATURE LIMITING MUFFLER INSTRUCTIONS ................ ............. ........... 15
_ee [mpo/taf)t /_orJce on page 15 _egatding states [equili[l_q temperature I/miring ml_{e/" ¢ovsr,
SPARK PLUG
SPARK PLUG GAP
MODULE AIR GAP
IGNITIONS,
FUEL MIX
GUIDE BAR
CHAIN
MUFFLE R ..............{
SPECIFICATIONS
358.352030 358,352060 358.352070
(2.0/10") (2.0/12") (2,0/14")
Champion CJ8 -Champ!on CJ8 Champion CJ8
.023 to .027" .023 to .027" .023 to ,027"
......... ,,,,.008to .012" .008 to .012'" -'.008'{o .b12';" '
Solid State Solid State ...........,,, ,: " .Solid State' ''"."
.(16:1) _Pt_ Oil to (16:1) ½ Pt. Oil to (16:1) ½Pt. Oil to .......
1Gel. Reg. Gasoline IGaL Re_. Gasoline 1Gal. Reg. Gasoline
10'_Non-Armor Tip 12" Sprocket Nose I4" Sprocket Nose
•Low Profile 3/8 Pitch" _Low Profile 3/8 Pitch
Low Profile 3/8 Pitch• Chrome Cutters Chrome Cutters
• _rk Arresting Spark Arresting ....... Spark Arrestin_ .........
Guide Bar Nose
Guide Bar
Chain
Hand Guard Choke Knob
OmOff Swhch
Throttle Trigger
NO;
Model No.
Cap
Handle
HAIkIDGUARD MOUNTING INSTRUCTIONS
HANDGUARDS I}O NOTELIMINATE THE POSSIBIUTY
OF INJURY AS A.RF..SULT OF KICKBACK OR LOSS OF
CONTROL OF THE CHA!N SAW. HEAD OPERATING
INSTRUCTIONS CA.REFULLY.
.1. A_mb[e _he handguard to the bend _n the handlebar as
shown= Do not tighten the screws,
2. Make sure the handguard {s parallel to the handlebar.
Alternately tighten each handguard'mounting screw main-
raining an even gap between the handguard and mounting
;cap.
3. Tighten the mounting screws until the handguard and"
mounting cap are puFled together.
Caution: Screws must be tightened evenly to prevent
breakage.
CAP
HANDGUARD"

Rear Bar Clamp_
Screw J
Figure I
Figure 2
Figure 3
INSTALLING THE BAR AND CHAIN
_r Always wear gloves when handling the chain!
It is sharp!
1. Remove the bar clamp nut and rear bar clamp screw
(FigUre !}. Turn the adjusting screw, setting the pin all
the way to the rear (See Figure 5).
2. Place the guide bar slot over the mounting pins and slide it
to the rear (Figure 2).
3. Fit the chain over the clutch aod onto the guide bar. Be
sure the cutters face the way shown in Figure 3.
4. Slide the bar forward placing the adjusting pin into the
hole in the bar (Figure 4). The pin can be moved farther
back by turning the adjusting screw (Figure 5)
counterclockwise,
5. Replace the bar clamp and tighten the bar clamp nut
FINGER TIGHT.
• 6. NOTE: Be sure fuel line is in slot in fan housing. (See
Figure 1).
7. Holding the tip of the bar up (Figure 5) turn the adjusting
screw clockwise 41_ until the chain is snug on the bar.
8. Lift the chain from the bar near the middle of the bar
(Figure 6}. When tensioned right, the chain wilt lift about
1/8" from the bar. Figure 6shows the right tension.
Adjust y<_ur chain until it looks like this.
g. Hold the bar tip up and _ighten the bar clamp nutfirmly.
Replace the rear housing screw. (See that fuel line is not
pind_ed and is in slot in fan housing).
10. The chain should not sag below the bar and should move
freely around the bar.
CHAIN STRETCHES WHEN USED. CHEdK THE
TENSION OFTEN!
Figure 4
Figure 5
Figure 6

OPERATINGINSTRUCTIONS
Before Starting
OCheck the chain tension. Is the chain sharp?
O Are the handles clean of gasand oil?
OD_d you fill the fuel AND oil tan_.s?
3. Hold the rear handle in your right hand and squeeze the
trigger.
4. Hold the starter handle in your left hand,
5. Push the saw away from you while pulling the starter
quickly.
HOLD THE SAW FIRMLY'. Do not let the starter snap
back. Hold the handle end let the rope r_owind slowly.
6. After afew pulls, the engine wilt fire.
7. Return the choke to its original position.
8. Pull until the engine star_s• Allow 8 to 10 pulls for anew
unit or one which has been stored for time.
The chain must not move when the engine idles• See
maintenance section.
9. ff engine does not fire after 5 to 6pulls, it may be flooded.
Push choke off (clockwise| and pull starter several times
while holding trigger at wide open throttle. If saw has run
out of fuel, 8 to 10 pulls with choke on may be required
to restart engine. When restarting ahot ,engine, or one
which has just been refueled, you may have to choke the
engine for one or two pufl_
To stop engine, push switch to "off" position. The engine
may also be stopped by pushing the choke lever to the
right (COu_ter-clockwise).
10.
FUEL and OIL
Fuel Mix: T6 parts gasoline to I part oil (T/2 pint oi! to one
gallon gasoline). Use air cooled two cycle engine oil for fuel
mix. CAUTION:
When preparing fuel mixture, mix only the amount needed for
the job you are to do. Do not use fuel mixture that has been
stored longer than two (2) months. Fuel mixture stored longer
than this wilt cause hard starting and poor performance of
your saw. If fuel mix has been stored in your saw longer than
this _ime it should also be removed and filled with a fresh
mixture before using•
Chain Oil: For cold weatl_er operation, above 30 ° F, use
straight Craftsman Bar and (;hain Lubricant. 30 ° to 0°, use 5%
diesel fuel #1 or kerosene and 95% Lubricant; below 0°F,
use 10% diesel fuel #1 or kerosene and 90% LubdcanL If Bar
and Chain Lubricant is not diluted adequately, the oil system
of the chain saw will not pump enough oil for adequate lu-
brication of Bar and _'-_=ain .
A WORD ABOUT CHAIN OILING
1• Fill the oil tank each time you fill the fuel tank. Lack of
oil onthe chain will quickly ruin the bar and chain.
2. You will use at least 1/3 tank of oil for each tank of gas. If
you use less, check for a plugged oil hole in the guide bar.
•Use clean oil. Do not let sawdust or dirt into the oil tank.
Clean the oil cap and the area around it before removing.
The oil tank is pressurized for pump operation• A little oil
will pump out after the engine stops. Oil on the bar and
chain will drip off after use. Let the saw stand and cool
off:Wipe the bottom clean before storing•
STARTING
Move bystanders and obstructions welt out of reach! Release
the trigger after the engine starts.
1. Move the choke knob as far as itwil] go in the direction of
the arrow.
2. Turn the switch On (to the left|,
CUTTING TIPS
_1rRead the safety tips in the front of this manual. Always
keep your chain sharp.
Plan Ahead
Check The Wind -- If it is strong enough to move the top of
• 1
the tree, DON T CUT. Come back another day!
Check The Lean-Tie a weight to a piece of string about 3 feet
. tong. Hang the weight in your line of sight. The string is a
good Verticat llne to help you judge the lean of the tree.
The tree wilt try to fall the way it is leaning.
Check The Weight Distribution -- A tr_e is heavier on the side
with the most limbs, tt wil! try to f_l.l on its heavy side.
Trim a few limbs to "balance" the t#ee.
Clear The Work Area -- You need a clean ar_a at! around the
tree for good footing. Get everything out of the area where
the tree will fall People, pets, cars, e_tc.
Find aRetreat Path - Know which way you are going when
the tree starts to fail. I_ake sure it is€lear.
Push the saw away from you while puUin9 the starter quickly•
2
Direction of Fall
5

Direction
of Fall
FELLING (Cutting down atree)
A Small Trees -Less than 8- across
1. If there is doubt about the direction of fall, use
"notch" method described _ B,
2. Make a single felling cut or} the side away from the
direction of fall. Don't cut all the way through!
3. When the tree starts to fall, put the saw down and GET
AWAY OUtCKLY!
B L_ge Tr_s -- 8" or large racross
1. The notch is very impOrtant. The tree will try to fall
"into" the notch,
2., Make the bottom notch cut first,.about 1/3 to 1/2 way
into the tree.
3. Complete the notch with the slant cut. Remove the
wedge of wood before going on.
4, The felling cut is next. Make it on the side opposite the
notch,
5. It is made 2" higher than the bottom of the notch_
6..DO NOT try to cut through to the notch.
7. As the tree starts to fall, put the saw down and GET
AWAY QU ICK LY!
BUCKING
Bucking is the sewing of a log or fallen tree into smaller pieces.
F1 Use Both Hands --. grip the saw firmly with the thumb and
forefinger wrapped around the handte.
[3 S_and Uphill -- a fog that is cut loose will roll downhill
_] Keep The Chain Out Of The Dirt -- dirt will du II the chain.
Adutl chain is unsafe.
17 Stand to the left of the saw.
How To
Atn area "'A", come up from the bottom 1/3 of the way.
Finish by coming down from the top.
BIn area °'B", come down from the top 1/3 of the way.
Finish by coming up from the bottom.
6.
PRUNING AND DEBRANCHING
1 Be Careful ":
:0 Use_Bot_ Hands _- keep afirm'grip. " ....
OLook Out For Kickback -- don't let the tip of the bar
touch anything while the engine is running.
ODon't Cut Overhead -- keep the saw below chest high. The
chain is too close to your face in this position.
2' Pruning {Cutting limbs from standing tree)
ODon't Use The Saw In ATree -- It isvery dangerous. Get
professional help. •
OKeep Both HandsO n The Saw - keep a firm grip. "
OBe Sure Of Your Support _ don't cut off balance.
OCut Up From The Bottom, Finish Down From The Top.
3Debranching (Cutting the limbs from a fallen tree)
O Cut On The Opposite Side Of The Tree -- keep t_e tree
• between you and the chaTn.
O13e Sure Of Your Footing --work slowly and deliberately.
OLook Out For Spri_jpoles _I;mbs bent under pre_'ure
will snap up at you when cut, "

MAfN_-ENANCE
Carburetor Adjustment
_" BE CAREFUL! The chain will be moving daring this
procedure.
1, Stop the engine.
2. Remove the carburetor cover (Figure 7), Turn the high
speed (Figure 8} and low speed mixture screws
clockwise _(Figure "8} until they stop. Don't tighten
them. you may damage the needle seats]
3. Turn the high speed and low speed mixture screws one fu II
tUrn counterclockwise _ .
4. Start the engine, if it stops, increase the idle speed (Figure
•. '!8} by turning the idle Speed screw clockwise _ . Keep
dirt and _awdust away ¢rom the carburetor while the covet
;-; is removed.
5. Run the engine for a few minutes to bring it up to
operating temperature.
6. Set the idle speed as fast as possible without the chain
moving. Turn the idle speed screw clockwise _ for
faster idle. counterclockwise 1€_ for slower idle.
7. Squeeze the trigger quickly. If the engine stops, restart it.
The engine should accelerate without hesitating when the
trigger is squeezed. If _ does not, turn the low Speed
mixture screw counterclockwise _ 1/16 of a tUrn and
d3eck the aocaleration again. If the idle speed slows while
adjusting the Jow speed mixture, reset the idle speed as in
step 6. Continue step 7 until acceleration is smooth.
8, Make a test cut v_ith the saw {keep sawdust out of the
carbu[etor!)
9. If the engine seems to smoke excessively in the cut, turn
• the high speed mixture screw clockwise _ I/t6 of a
turn. Repeat step 8 and 9, if necessary. WARNING: The
high speed needle must never be less than 7/8 turn open.
Too lean of a setting will quickly ruin tl_e engine.
10. If the engine seems to weaken or lose power in the
cut, turn the high speed mixtUre screw Counterclock-
wise _ f/16 of aturn at a time until the saw cu_s
smoothly. The high speed mi×ture screw should not be
open more than 1¼ turns (counterclockwise _ }
from the stopped position in step 2.
1I. Reset the idle speed (see step 6).
Re+-_ ca_aretor c_,er
_v Incorrect placement of _co_er,will prevent the choke
•from working, r" ..... "
1. Move the choke knob all the way i_ the e_hoke direction.
2. Move the choke shutter to the choke closed position (See
Figure 8).
3, Place the cover on the saw and tighten the screw&
4. Check the operation of the choke. If the knob sticks or
won't move, remove the cover and repeat the procedure
above,
Air Filter
Clean the air filter aflcer every 10 tanks of gas or every
• 5 hours of operation.
1. Remove the carburetor Cover and pal! out the fi_ter
:(Fig ure g).
2. DO NOT clean your filter in gasoline or other flammable
solvent. 8tow the dirt off with compressed air or wash
filter in soap and water,
3. Note: The filter is o;I soaked. It must be resoaked after
cleaning. Else 30W oil or _.'-'_in oil. Soak the filter with oii
then squeeze out completely.
4. Replace the filter and carburetor cover_
Choke Closed
Figu re
Figure 8 _
7_
High speed
Mix Screw
I_ow Speed
Mix Screw
FIghre 9

.:Figure 10
_, ,,
Figure 12
1. ' 2
Correct Rollover Worn Uneven
Rails & Rails Rails
,J, J ,,,
Figure 14
File Guide
Figure 13
Align The File Holder
Figure 15
\
/
t
Press Hard
.... ,, ,, , ,
Figure 16
i
File In One Direction Only /Mways Check Depth G_uges
Starter Rope
If your rope breaks near the pulley, it can be repaired by th_s
method. Otherwise, replace the _:ope.
1. Remove the pulley screw and pulley very carefully. The
recoil spring lies beneath the pulley. Twist the pulley
gently as you pull up to release the spring, The spring
must stay in th_ housing, flat against the bottom.
2. Burn the rope end and run it through a rag before it cools,
An enlarged end w_ll keep the rope from fitting onto the
pulley. Don't touch the burned end. It is hot!
3. Fe_ the rope through the housing, -into the pulley, and up
through the pulley hole as in Figure 10, A sharp objector
_iff wire will help you get the rope through the hole.
4o Tie aknot in the end of the rope.'Pult it very tight agaln_t
the pulley.
5. Replace the pulley in the housing, Be sure the pulley is all
the way down and the spring is engaged. Replace and
tighten the pulley screw,
6. Rewincf all the rope onto the pulley by turrEng
ootJntercfockwise
7. Pull about _; inches out as shown in Figure 11 and set the
rope in the pulley slot.
8. Make thre_ complete tucns of the pulley c|ock-
wise _. Pull the starter handle to the full extent of
the rope and let the rope rewind slowly.
GUIDE BAR MAINTENANCE
_F Check the condition of the guide bar often, A worn
bar will damage the chain and make cutting harder.
•1. Figure 12 shows a cross-section of the guide bar. Keep the
edges square as in 1 with aflat file.
:2. Rollover is shown in 2 .This will causc you to press extTa
hard when cutting.
3. Worn rails are shown in 3 .This occurs reost often at the
guide bar nose.
4. Uneven rails are shown in 4 .This wffl cause the saw to
cut on an angle.
5. Keep the raiis ftat and srjuare asshown in I.
"-_-:CHAtNSHARPEt_'ING (Refer•to page 9 for tools}
OKeep Your Chain Sharp
Dirt will dull a chain instantly. Keep the chain out of the
dirt.
If _he chain cuts to one side, it is dul!,
_xtra rough cutting iS asign of a dull chain.
Powder-like wood chips mead a dull chain.
Cutting is much easier a_'f_r with _ sharp chain.
OTo Sharpen
1. <Jet the €halo tension right. You must still be able to move
the cha_r_around _he bar.
2, (;lamp the guide bar in a vise. Don't clamp the chain!
Clamp in the center of the bar.
3. Use 5/32" fife only.
4. Sharpen all the cutters away from you first, Then turn the
saw around and sharpen the cutters on the other side.
5. Align the file holder markswith the bar as shown in Figure
I3, using the 30 ° angle mark on file holder.
.•

6. Hold t_e file level, perpendicular to the bar, Figure 14.
7, File in ONE direction only! Figure 15,
8. Presshard[ Two or three strokes should do it.
9. Always check the depth gauge w_th the depth gauge filing
guide after filing, If the depth gauge sticks out, fileitoff
with a flat file, Figure 16.
STORING YOUR CHAIN SAW
Once you have finished Using the saw and it is to be idle for
s_veral months, follow these steps before storing the saw.
1. Drain fuel from the tapk.
2. Star_Er_ir_'and allow tQ run at idle speed until all fuel is
used.
3. Drain oH from oil tar}t<.
4, 'Coat guide bar and chain with oi! to pr_ent rust.
5. Store in a dry area end cover to protect from duSt.
i kit MA,.TE.ANC ,T =S
ma nfenance .BUT.Or .,T. ",'oursAW
•Available t]lrough your nearest Sears Service Center
KEY NO. PART NO. CATALOG I_O. OESCRtPTION
1 55046 32-36516 _File Holder (includes file}
,2 55004 32-36524 File (5]32" die.)
3 31059 Spark Plug Wrench
430005 32*36403 Spark Plug';ha mpion CJ_
az
5 55023 32-36557 Depth Guage(.025 )
6 51045 32`3622 10" replacemen_ chain
51046 32-3623 t2" replacement chain
51047 3"2-3617 14"" replacement chain '
Acces_Joriesa_ra(lable _l_rougfi your nearest Sears Store or Ca1_|og outlet,
A(I items except numbers 3 &5 shown above,
CATALOG NO. I_ESCRIP_-_O_
32-36513 PlasticChain Guard
32`36621 Carry C_se
32-36554 .Bar&Chain Lubricant
32-36555 Two_:ycte Engine Oil
32`36363 Replacement 10"°Bar
32-36364 Replacement ]2"' Bar
32-36365 _Replacement 14" Bar

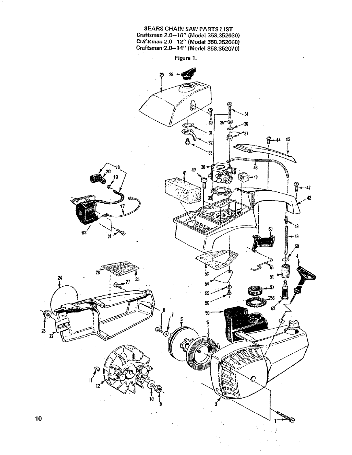
SEARS CHAIN SAW PARTS LIST
Craftsman 2.0--10" (Model 358.352030)
Craftsman 2,0--12'" (Model 358.352060)
Craftsman 2.0-14" {Model 358.352070)
Figure 1.
10

SEARS CHAIN SAW PARTS LIST
Craftsman 2,0-10"" (Model 358.352030)
Craftsman 2.0-12" (Mode( 358.352060}
Craftsman 2.0-t4" {Model 358.352070)
Figure1.
Re(. No.
1
3
4
5
6
7
8
9
10
11
12
17
18
19
20
21
22
23
24
25
26
27
28
29
3O
31
32
33
34
35
36
37
38
39
4O
41
42
43
44
45
46
47
.48
49
50
51
:52
53
54
55
56
57
58
59
60
6!
62
63
. .
Part No. Cry.
15229
11309
23783
42023
10373
15428
15036
626605
15127
15126
39t 11
24158
39082
3933
3934
15128
11311
15251
23927
23929
24052
24126
24124
15163
23807
23881
15168
15147
23806
1726
15245
23865
•15254
23805
35002
19045
15242
23791
23878
23373
15247
23883
21025
15141
23877
21024
15252
23364
23363
19082
23366
23367
15241
23808
19093
23819
23804
23803
39087
390_ 1
53869
23931
2
I
1
I
1
1
1
1
1
1"
1
1
1
1
2
1
1
1
1
I
t1
1
1
!
2
1
1
1
2
1
1
1
I
1
3
1
1
1
1
I
1
1
1
I
1
1
1
1
I
1
''1
1
1
1
1
1
1
1
1
1
Description
Screw- 1@24x 1-3/8
Fan Housing
Rope &Hand.Starter
Spring-Starter
Pulley-Starter (includes Re(. No, 7)
Washer
Screw- 10-24x½
Nut-5/16-24
Washer-Flywheel
Key-Flywheel
Flywheel Assembly
Lead-Switch
Lead-Spark Plug (includes 19 & 20]
Connector-Spark Plug
Boot-Spark Ptug
Screw-8-32x% Sums
Bar Clamp
Nut-Bar Mounting
Decal-Bar Clamp (Model 2.8-- 10")
Decal-Bar Clamp (Model 2.0o12"'1
Decal-Bar Clamp (Model 2.0-14")
D_eal-lnstructio_ (left half)
Decal-Instruction (right half)
Serew-10_24×7/8
Choke Knob
CovePCarburetor
Screw-10o24xS/8
Wave Washer
Lever-Choke
Screw-8-32xS!16 Tapping
Screw- 10-24× 1-5/8
Spacer-Choke Shutter
Wave Washer
Shutter-Chok e
Carburetor _WA-19)
G asket-Carburetor
Screw-_ -20X 11/16
Air Filter
Handle & Carburetor Housing
Boot-Throttle Wire
Screw*No. 8x_ Tapping
•Fuel Line (Bulk No. 8133)
Serew-_-20x¾
Fitting-Fuel Line
Line-Fuel Pick-up (Bulk No. 8!33)
Washer-Fuel Pick-up Weight
Filter-Fuel
Weight-Fuel Pick-up
Gasket-Carburetor Housing
Reed Valve
Washer-Reed Valve
Screw-No. 6x5/16 Tapping
Cap-Fuel Tank •--_'-
SeaI-Fpet Tank Neck
Fuel Tank
Trigger*Th rottle
Wire-Throttle
"Ignition Module, includes 17 & 18
,Lead-Switch
Owners Manuat : "
Warranty decal
11

Optional
temperature limiting
mUffler cover referred
to on page 15.
SEARS CHAIN SAW PARTS LIST
Craftsman 2.0-- 10'" (Model 358.352030}
Craftsman 2.0--12 _°(Model 358.352060)
Craftsman 2.0--14" (Model 358.352070)
=,, ,,,,,,,.
Hi=
IUSI_. ON MATING SURFACES
OF CRANKCASE HALVES)
2
40 41
38
10 11
57
12

SEARS CHAIN SAW PARTS LIST
Craftsman 2.0-10" (Mode! 358.352030)
Craftsman 2.0-12" (Model 358.352060)
Craftsman 2o0-14" (Model 358.352070)
Figure 2.
Ref. No. Part No.
I10194
2 15236
323492
415135
515249
6 19059
732026
8 22172
9 23887
10 32025
11 22158
12 22152
13 23843
14 23789
t5 19088
16 11287
17 15239
18 300O5
i9 23794
20 1666
2t 23797
22 23796
23 23535
24 23795
25 15169
26 23788
27 23786
28 23787
29 15235
30 15238
31 23874
32 t949
33 23519
34 48032
35 32028
36 15173
37 10158
38 22138
39 15037
40 _ 1648
41 15151
42 23824
43 19089
44 21026
45 19091
46 10195
47 23801
48 23802
49 1643
50 44135
44132
44133
51 51045
51046
51047
52 31063
53 30054
54 52043
55 15004
56 23653
57 23656
58 10221
59 22222
60 24091
61 24049
62 15342
63 10252
64 32--36151
65 1697
Qty. Description
1 Crankcase Assembly -- includes
Nos. 2, 3o4, 5, 6, & 7.,
1 Screw-Bar Adjust. (included in No. 1)
1 Pin-Bar Adjust. (included in No. 1)
1Lock Nut-8-32 (included in No. f)
1 Stud-Bar (included in No. 1)
2 Seal-Crankshaft (included in No. 1}
2 Bearing_CranksMft (inpluded in NO. 1}
I .Crankshaft Solid State Ignition
!Thrust Washer-Crankshaft
12 Bearing-Roller
1 Conhecting Rod
tPiston Kit; includes No. 13
2 Ring-Piston Pin Retainer
1 Piston Ring
I Gasket-Cylinder
•1 Cylinder
2 Screw-]&-20x_ Socket Head
I Spark Plug-C J-8
1 8ody-Mu filer
2 Screw- t0-24x½
2 Baffle-Muffler
1 Screen-Spark Arrestor
1 Spacer-_fuffler Cover
1 Cover-Muffler
1Screw-10-24x1-7/16
1 Knob-Kill Switch
1Ramp-Switch
1 Cfamp_Switch
1 Screw-No. 8x9116 Tapping
7Screw-1O-24x 11116
1 CapOil
1 O-Ring-Oil'Cap
1 Spacer-Clutch (inside}
1 Sprocket & Drum {includes 35)
1 Bushing-Clutch Drum
1 Thrust Washer (outside)
1 Clutch Assembly
1 Handlebar (358.352020--10")
2Screw- t0-24x5/8
1 Screw-_-20xl¼ Hex Bolt
1 Washer-Handlebar (top}
!Check Va!ve-(_,_ I Ta,-{k P{er-_'_->e
1Gasket-Check Valve
1 Line-Oil Discharge (Bulk No.'8133)
2Gasket-O il Pump "
1 Body Assembly-Oil Metering
I Filter-Oil
t Cover-Oil Pump
2 Screw-8-32x ½
1 Bar-10"
1 Bar-12"S. N.
1 Bar-14" S. N.
1 10"" Chain r
112"° Chain
1 14"' Chain
t Wrench-Bar &Chain Adjusting
AS
Req.
1
!
1
I
7
I
1
3
1
1
!
Sealant-Crankcase
Chain Repair Kit (includes t Drive llnk, 2 Preset tie
straps, 2 Plain tie straps, I Guard drive link}
Serew-8-32x5/16 (358_352060 &358.352070}
Chain-Oil Cap (358.352060 & 35&352070)
Retainer-Chain (358.352060 & 358.352070)
Oil Cap Ass'y {358.352060 & 358.352070)
(includes 31, 32, 55, 56 and 57}
Handlebar wicover (358.352060 &358.352970)
Hand Guard
Cap-Hand Guard
Screws-Hand Guard
Hand Guard Assem _y (! ncludes 60, 6I, 62)
Optionel temperature limlting muffler cover
Spring-Clutch
13

Ref. No. Part No.
1 35007
2 35003
335033
4 35034
"5 35006
6 35008
735009
835012
9 35011
t0 35013
II 35014
12 35015
13 .... 35016
14 35035
15 35018
16 35021
t7 35017
18 35036
.19 35023
20 35038
21 .35047
22 35024
23 35O53
24 35039
25 35027
26 35028
27 35042
28 35031
35049
(*I
'14
Description
Clip-Throttle Shaft
Cover-Metering Diaphragm
Cover-Fuel Pump
Shaft-Throttle
Shutter-Throttle
*Valve-I nlet Needle
*Gasket-Fuel Pump
*Gasket-Circuit Plate
*Gasket-Metering Diaphragm
*Diaphragm-Fuel Pump
*Diaphragm-Metering .
*Screw-Throttle Shutter "
Screw-Metering Lever Pin
Screw-I die Adj,
*Screw-Circuit Plate
Screw Assembly.Metering Cover
Screw-Pump Cover
Sprlng-Htgh Speed Needle
Spring-Idle Needle
Spring-Idle Adj. Screw
*Spring-Metering Lever
Spring-Throttle Return
Needle-High Speed Adj.
Needle-Idle Adj.
*Screen-inlet
*Pin-Metering Lever
Plate-Circuit
* Lever-Metering.
Kwik Kit-Repair
Indicates contents of Repair PartsKit,
4
24
18
6

OPTIONAL TEMPERATURE LIMITING MUFFLER COVER
In some states, such as California, laws covering chain saws (having internal combustion engines),
when used in areas covered by forests, brush or grass (excluding residential lawns and landscaped
areas}, necessitate fitting the saw's muffler with an additional heat shield to reduce muffler surface
temperatures. Sears offers such ashietd as an optional aCcessory kit. Order Muffler Heat Shield
Accessory Kit as listed below. Check" with your state conservation or forestry department about
their regulations before operating this Sears chain saw on any forest-covered, brush-covered, or
grass-covered areas Oregon & Washington have similar requirements with respect to forest-
covered lands.
5,EA6, ,CHAINSAW MUFFLER HEAT SH[E,L DKIT
358.352030, 352060, 352070 PART NO,-32 36151
The mufflers on the above chain sawsare equipped with a "spark arrestor" to help prevent exhaust
sparks from igniting flammable materials. Some states, such as California, require individuals using
this chain saw in areas covered by forests, brush, or grass (excludingresidentiat lawns and landscaped
areas) to maintain the "spark arrestor" in effective Working order. Instructions covering proper
maintenance and replacement are contained in your Owner's Manual..
INSTRUCTIONS FOR INSTALLING
TEMPERATURE LIMITING MUFFLER COVER
R.EMOVE STANDARD COVER
1. Use a 5/16" socket wrench to remove the
screw located in the center of the muffler cover.
Remove the muller cover from the muffler body
.(figure 1.) Do not remove inside parts.
INSTALL VENT COVER
2_ Insert the temperature limiting muffler cover
(figure 2.) into the muffler body until it seats on
the inside parts, Replace and tighten screw. Do not
use an air wrench to tighten screw.
NOTE:
It is not necessary to remove ins{de muffler
parts to install temperature limiting muffler cover.
If inside parts are removed, the diagram shows how
parts are reassembled.
Figure 2
.,. ,•

lSears
MODEL NO.
358,352030_0""
358.352060-12""
358.352070-14'"
How to Order
Repair Parts
SEARS SERVICE
IS AT YOUR SERVICE
The Model Number will be found under the handle with the Serial
Number. Always mention the Model Number when requesting service
or repair parts for your Chain Saw.
All parts listed herein may be ordered from any SEARS, ROEBUCK
AND CO. OR SIMPSONS-SEARS LIMITED retail or catalog store.
WHEN ORDERING REPAIR PARTS, ALWAYS GIVE THE
FOLLOWING INFORMATION AS SHOWN IN THIS LIST.
1. The PART NUMBER 3. The PART DESCRIPTION
2. The MODEL NUMBER 4. The NAME OF ITEM-
358.352030 Chain Saw
358,352060
358.352070
If the parts you need are not stocked locally, Four order will be
electronically transmitted to a Sears Repair Parts Distribution center.
for expedited handling. " "
When you buy merchandise
from Sears you get an extra
something that nobody else
can offer... Sears Service.
Across town or across the
country, Sears Service follows
you, providing trustworthy,
competent service technicians
using only Sears specified
factory parts.