Craftsman 536884581 User Manual SNOW THROWER Manuals And Guides L0801194
CRAFTSMAN Snowthrower, Electric Manual L0801194 CRAFTSMAN Snowthrower, Electric Owner's Manual, CRAFTSMAN Snowthrower, Electric installation guides
User Manual: Craftsman 536884581 536884581 CRAFTSMAN SNOW THROWER - Manuals and Guides View the owners manual for your CRAFTSMAN SNOW THROWER #536884581. Home:Lawn & Garden Parts:Craftsman Parts:Craftsman SNOW THROWER Manual
Open the PDF directly: View PDF
.
Page Count: 48

CRAFTSMRN ®
3 Horsepower
21 Inch Single Stage
Auger Propelled
SNOWTHROWER
Electric Start
MODEL NO.
536.884581
Caution:
Read andfollow all Safety
Rulesand Operating
Instructionsbeforefirst use
of this product.
SEARS, ROEBUCK AND CO., Hoffman Estates 60179 U.S.A.
340850 08/23t96

Tableof Contents 2 ServiceandAdjustments 12-15
Warranty 2 Storage 16
Safety Rules 2-4 Troubleshooting 17
Contentsof ShippingCarton 4 EdgerRepairParts t8-24
Assembty 5 EngineRepairParts 25-28
Operation 6-10 Spanish(Espaflo!) 29-45
Maintenance ! 1 PartsOrdering/Service BackCover
LIMITEDTWO-YEARWARRANTY ON CRAFTSMAN SNOWTHROWER
Fortwoyearsfromthedateof purchase,whenthisCraftsmanSnowThrowerismain-
tained,lubricated,andtunedupaccordingtotheoperatingandmaintenanceinstruc-
tionsintheowner'smanual,Searswillrepair,freeofcharge,anydetectinmaterialor
workmanship.
IfthisCraftsmanSnowThroweris usedforcommercialor rentalpurposes,thiswar-
rantyappliesforonly90daysfromthedateof purchase
Thiswarrantydoesnotcoverthefollowing:
• Itemswhichbecomewornduringnormaluse,suchassparkpkJgs,drivebeltsand
shearpins
• RepairsnecessarybecauseofoperatorabuseornegNgence,includingbentcrank
shaftsandthefailureto maintainthe equipmentaccordingto theinstructionscon-
tainedintheowner'smanual
WARRANTYSERVICEISAVAILABLEBYRETURNINGTHECRAFTSMANSNOW
THROWERTOTHENEARESTSEARSSERVICECENTER/DEPARTMENTINTHE
UNITEDSTATES.THISWARRANTYAPPLIESONLYWHILETHISPRODUCTISIN
USEINTHEUNITEDSTATES.
Thiswarrantygivesyouspecificlegalrights,andyoumayalsohaveotherrightswhich
mayvaryfromstateto state.
Sears,RoebuckandCo.,D817WA,HoffmanEstates,IL60179
/k
Z_ CAUTION: Turn key to OFF position
and remove key to prevent accidental
starting when setting-tip, transporting,
adiusting or making repairs.
IMPORTANT: Safety standards require
operator presence controis to minimize the
risk of injury. Your snow thrower is
equipped with such controls Do not attempt
to defeat the function of the operator
presence control under any circumstances.
Look for this symbol to point out Important safety precautions. It means---
ATTENTION!!! Become alert!!! Your safety is involved°
BEFORE USE
• Read the owner's manual carefully. Be
thoroughly familiar with the controls and .
the proper use of the snow thrower. Know
how to stop the snow thrower and
disengage the controls quickly.
• Do not operate the snow thrower without .
wearing adequate outer garments Wear
footwear that wilt improve footing on
slippery surfaces
Keep the area of operation clear of all
persons, particularly small children and
pets.
Thoroughly inspect the area where the
snow thrower is to be used and remove
all foreign objects,
Use extension cords and receptacles as
specified by the manufacturer for all snow
throwers with electric drive motors or with
factoryqnstalled or optional starting
motors
Use only attachments and accessories
approved by the manufacturer of the
snow thrower (such as electric starter kits,
etc.).
Never operate the snow thrower without
good visibility or Iight Always be sure of

yourfooting,andkeepa firmholdonthe
handles.Walk;neverrun.
• Thissnowthrowerisfor useonside-
walks,driveways,andothergroundlevel
surfaces.CAUTION:shouldbeexercised
whileusingonsteepslopingsurfaces.DO
NOTUSESNOWTHROWERON
SURFACESABOVEGROUNDLEVEL
Suchasroofsof residences,garages,
porchesorothersuchstructuresor
buildings,
• Checkallboltsatfrequentintervalsfor
propertightnessto besurethesnow
throweris insafeworkingcondition.
• Disengageclutchbeforestartingthe
engine,
• Letengineandsnowthroweradjustto
outdoortemperaturesbeforestartingto
clearsnow,
FUEL SAFETY
• Handlefuelwithcare;itis highlyflam-
mable.
• Useanapprovedcontainer,
• Checkfuelsupplybeforeeachuse,
allowingspacefor expansionastheheat
of theengineand/orsuncancausefuel
to expand.
• Fillfueltankoutdoorswithextremecare,
Neverfillfueltankindoors.Replacefuel
tankcapsecurelyandwipeupspilled
fuel.
• Neverremovethefueltankcaporadd
fuelto a runningor hotengine,
• Neverstorefuelorsnowthrowerwithfuel
inthetankinsidea buildingwherefumes
mayreachanopenflame.
OPERATING SAFETY
o Never allow children or young teenagers
to operate the snow thrower, Keep them
away while it is operating, Never allow
adults to operate the snow thrower
without proper instruction.
, Do not operate this machine if you are
taking drugs or other medication which
can cause drowsiness or affect your
ability to operate this machine.
• Do not use this machine if you are
mentally or physically unable to operate
this machine safely,
• Always wear safety glasses or eye
shields during operation or while perform-
ing an adjustment or repair to protect
your eyes from foreign objects that may
be thrown from the snow thrower,
• Do not put hands or feet near or under
rotating parts. Keep clear of the discharge
opening at all times.
• Exercise extreme cautbn to avoid
slipping or falling, especially when
operating in reverse or backing up.
• Do not clear snow across the face of
slopes. Excerctse caultion when changing
direction on slopes. Do not attempt to
clear steep slopes_
• Never operate the snow thrower without
proper guards, plates, or other safety
protective devices in place.
• Never operate the snow thrower near
glass enclosures, automobiles, window
wells, drop_offs, and the tike without
proper adjustment of the snow discharge
angle. Keep children and pets away.
• Never operate the snow thrower at high
transport speeds on slippery surfaces
Look behind and use care when backing.
• Never direct discharge at bystanders or
allow anyone in front of the snow thrower,
• Do not run the engine indoors, except
when starting the engine and for trans-
porting the snow thrower in or out of the
building. Open the outside doors; exhaust
fumes are dangerous, containing CAR-
BON MONOXIDE, an ODORLESS and
DEADLY GAS.
• Take all possible precautions when
leaving the snow thrower unattended.
Disengage the auger/impeller, stop
engine, and remove key°
• Do not overload the machine capacity by
attempting to clear snow at too fast a rate.
SAFE STORAGE
• Always refer to the owner's manual
instructions for important details if the
snow thrower is to be stored for an
extended period,
• Disengage power to the auger/impeller
when snow thrower is transported or not
in use.
• Never store the snow thrower with fuel in
the fuel tank inside a building where
ignition sources are present such as
water and space heaters, clothes dryers,
and the like. Allow the engine to cool
before storing in any enclosure.
REPAIR/ADJUSTMENTS SAFETY
• After striking a foreign object, stop the
engine (motor)_ Turn the ignition OFF to
prevent accidental starting.. Thoroughly
inspect the snow thrower for any damage,
and repair the damage before restarting
and operating ito
• If snow thrower should start to vibrate
abnormally, stop engine (motor) and

check immediately for the cause. Vibra-
tion is generally a warning of trouble.
• Stop the engine (motor) whenever you
leave the operating position_ Also, remove
the ignition key before unclogging the
auger/impeller housing or disch,_rge
chute, and when making any repairs,
adjustments, or inspections. Remove wire
from spark plug to prevent accidental
starting.
• When cleaning, repairing, or inspecting,
make certain the augedimpeller and all
moving parts have stopped. Remove the
ignition key to prevent accidental starting.
• Never attempt to make any adjustments
while the engine is running except when
specifically recommended by the manu-
facturer.
• Maintain or replace safety and instruction
labels, as necessary.
• Run the snow thrower a few minutes after
throwing snow to prevent freeze-up of the
. auger/impeller°
/Ik WARNING: The engine exhaust
from this product contains chemicals
known to the State of California to cause
cancer, birth defects or other reproductive
harm.
,t_ WARNING: This unit is equipped with
an internal combustion engine and should
not be used on or near any unimproved for-
est-covered, brush-covered or grass-cov-
ered land unless the engine's exhaust sys-
tem is equipped with a spark arrester meet-
ing applicable local or state taws (if any). if a
spark arrester is used, it should be main-
tained in effective working order by the op-
erator.
In the state of California the spark attester is
required by law (Section 4442 of the Califor-
nia Public Resources Code). Other states
may have similar taws. Federal laws appIy
on federal lands. A spark arrester/muffler is
available through your nearest Sears Autho-
rized Service Center (See ENGINE REPAIR
PARTS section in this manual).
Contents of Parts Bag
I-Owner's Manual (not shown)
1Paris Bag (not shown)
1-3°2 ouBce container
Craftsman 2-cycle otl 1-Electric Starter Cord
10 ft.

tk
/IkCAUTION: Always wear safety
glasses or eye shields while assembling
snow thrower,
TOOLS REQUIRED FOR ASSEMBLY
1 - Knife to cut carton
The figure to the right shows the snow
thrower completely assembled°
References to the right or left hand side
of the snow thrower are from the viewpoint
of the operator's position behind the unit.
TO REMOVE SNOW THROWER
FROM CARTON
• Locate and remove container of Crafts-
man 2-cycle oil,
• Remove the inserts positioned around the
unit and the packing material,
, Cut down all four corners of the carton
and lay the panels flat.
, Pull snow thrower out of the carton_
TO ASSEMBLE THE SNOW
THROWER
, Remove wrap on upper handle and along
the side of both handles, Discard wrap.
• Loosen the tee knobs on each side of the
upper handle. See figure on this page_
• Raise the upper handle to the operating
position as shown in figure. Hold upper
handle apart to prevent scratching lower
handle.
° Check to be sure the clutch cable is not
caught in the handle. Tighten the tee
knobs.
Auger Control Bar
Chute Control
Tee
Chute Deflector
Knob
i/' CHECKLIST
Before you operate your new snow thrower,
to ensure that you receive the best perfor-
mance and satisfaction from this quality
product, p_ease review the following
checklist:
,f All assembly instructions have been
completed.
#' The discharge chute rotates freely.
4' No remaining loose parts in carton.
While learning how to use your snow
thrower, pay extra attention to the following
important items:
,Z,I Make sure gas tank is filled with the
correct mixture of gasoline and oil.
,/'4" Become familiar with a!l controls-their
location and function. Operate controls
before starting engine.

KNOW YOUR SNOW THROWER
READ THIS OWNER'S MANUAL AND SAFETY RULES BEFORE OPERATING YOUR
SNOW THROWER. Compare the illustrations with your SNOW THROWER to familiarize
yourself with the location of various controls and adjustments. Save this manual for future
reference_
Electric Start ignition Off ignition On Oil/Fuel Mixture Primer Button Push to Engage
Electric Starter
Auger Control Bar
Chute Control
Handle
Chute !lector
Lower
Chute
REAR
!{)nttton Switch
Auger A., Roy !oke Control El
"Auger Housing Button
Box
Auger Control Bar - Starts and stops the
auger which propels the snow thrower.
Chute Control Rod - Changes the direc*
tion of snow discharge.
Chute Deflector - Changes the distance
the snow is thrown,
Dlscharge Chute - Changes the direction
the snow is thrown.
Ignttlon Switch Key - Must be inserted
and turned to the ON position to start the
engine_
Choke Control - Used 1o start a cold en-
gine
Primer Button - Injects fuel directly into the
carburetor manifold for fast starts in cold
weather,
Recoil Starter Handle - Starts the engine
manually_
Electric Starter Button - Used to start the
engine using the 120V electric starter,

HOW TO USE YOUR
SNOW THROWER
TO STOP YOUR SNOW THROWER
• To stop the auger, release the auger
control bar.
NOTE: If the auger continues to creep, refer
(To Adjust Auger Control Cable paragraph on
page !2).
• To stop the engine, turn key to the OFF
position.
TO CONTROL SNOW DISCHARGE
• Turn the chute control rod to set the
direction of the snow throwing.
•Loosen the wing knob on the chute
deflector and move the deflector to set
the distance. Move the deflector (UP) for
more distance, (DOWN) for less distance.
Then tighten the wing knob (See figure
below).
Knob
"TO USE AUGER PROPEL ACTION
• Squeeze the auger control bar down
against the upper handle to allow the
auger to turn.
• To propel forward, raise the handle to
allow the rubber auger blades to contact
the ground (See figure below).
Blades
NormaE
ig
be_o CAUTION: Read owner's manual
re operating machine. Never direct
discharge toward bystanders, Release the
auger control bar and stop the engine
before unclogging discharge chute or auger
housing and before leaving the machine_
BEFORE STARTING ENGINE
WARNING: Experience indicates that
alcohol blended fuels (called gasoho_ or
those using ethanol or methanol) can
attract moisture which leads to separation
and formation of acids during storage,
Acidic gas can damage the fuel system of
an engine while in storage. To avoid engine
problems, the fuel system should be
emptied before storage for 30 days or
longer. Start engine and let it rununtil fuel
lines and carburetor are empty. Use
carburetor bowl drain to empty residual
gasoline from float chamber (See figure in
Storage section, page 16), Use fresh fuel
next season. (See Storage Instructions on
page 16 for additional information).
Never use engine or carl_uretor cleaner
products in the fuel tank or permanent
damage may occur
FILL GAS
The two cycle engine used on this snow
thrower requires a mixture of gasoline and
oil for lubrication of the bearings and other
moving parts_ The correct fuel mixture ratio
is 40:1 (3.2 oz. oil per gallon of gas -see
Fuel Mixture Chart). Gasoline and oil must
be pre-mixed in a clean gasoline container.
Always use fresh, clean, unleaded gasoline.
FUEL MIX CHART (Mlxture 40:1)
U.S. IMPERIA L S. L (METRIC)
o,,GAs OIL G sI OiL
i Gal 3,2 oz, 1Gal 3.7oz, 4 Liters 100ML
GASOLINE AND OIL MIXTURE
Mix gasoline and oil as follows:
• Pour 1 U.So cluart of fresh, dean,
unleaded automotive gasoline to a gallon
gasoline container.
. Add &2 oz of clean, high quality,
Craftsman two-cycle oil into the gasoline
container (One 3.2 ounces of oil pro-
vided)_

DO NOT FILL THE FUEL 'TANK WITH GASOLINE THAT DOES NOT HAVE OIL MIXED IN IT.
SHAKE THE GASOLINE CONTAINER BEFORE EACH FILLING OF THE FUEL TANK.
Oil
(1/2 cup or 3,2 oz,)
Gasoline (_
(1 u.so +
Quart)
1 U.S. gallon container
Shake Can
IMPORTANT: Do not use outboard motor
oil or automobile oils, such as SAE 30 oil,
or multi-viscosity oils, such as 10W-30 or
10W-40.
•Reinstall the cap on the gasoline
container and shake container vigorously
so the oi_mixes with the gasoline
• Add an additional 3 U.S_ quarts of
gasoline to the gallon container and
shake the container again.
WARNING: Gasoline is flammable and
.caution must be used when handling or
storing it, Do not fill fuel tank while snow
thrower is running, hot, or when snow
thrower is in an enclosed area. Keep away
from open flame, electrica! spark, and do
not smoke while filling the fuel tank. Never
fill fuel tank completely; but fill the tank to
within 1/4-1/2 inch from the top to provide
space for expansion of fuel Always fill fuel
tank outdoors and use a funnel or spout to
prevent spilling. Make sure to wipe up any
spilled fuel before starting the engine. Store
gasoline in a clean, approved container,
and keep the cap in place on the container.
Keep gasoline in a cool, well ventilated
place; never in the house. Never buy more
than a 30 day supply of gasoline to ensure
volatility. Gasoline is intended to be used as
a fuel for internal combustion engines;
therefore, do not use gasoline for any other
purpose. Since many children like the smell
of gasoline, keep it out of their reach
because the fumes are dangerous to
inhale, as well as being explosive.
TO STOP ENGINE
• To stop the engine, turn the key to OFF
and remove key. Keep key in a safe
place, The engine wilt not start without the
key. See figure on next page,
TO START ENGINE (ELECTRIC
START)
The snow thrower engine is equipped with a
120 volt AC electric starter and recoil starter.
Before starting the engine, be certain that
you have read the following information:
COLD START
• Insert the key and turn ON,
• Move the choke control to the FULL
position,
• Connect the power cord to the switch box
on the snow thrower.
• Plug the other end of the power cord into
athree hole, grounded 120 volt AC
receptacle.
• Push the primer button while covering the
vent holes as follows: (Remove finger
from primer button between primes).
Do not prime if temperature is above
50°F.
Two times if temperature is 50 ° F to 15°F.
Four times if temperature is below 15°F.
•Push down on the starter button until the
engine starts Do not crank for more than
10 seconds at a time. This electric starter
is thermally protected, If overheated it will
stop automatically and can be restarted
only when it has cooled to asafe tempera_
lure (a wait of about 5 to 10 minutes is
required.
• Disconnect the power cord from the
receptacle first and then from the switch
box on the snow thrower.
. As the engine warms up and begins to
operate evenly, move the choke control
slowly to the OFF position. If the engine

falters,returnto I/2 chokeuntilit runs
smoothly,thenmovetoOFFposition.
NOTE:Allowengine to warm up for a
few minutes before using snow thrower,
as the engine will not develop full power
until it reaches operating temperature_
WARM START
,, Be sure the choke is in the OFF posi-
tion and puli the starter handle until the
engine starts.
• Do not prime a warm engine. If the en-
gine fails to start, follow the Cold En-
gine Start instructions on page 8.
Primer Button Recoil Starter
Handle
Vent Hole
Starter
3ox
Choke _ -_rterButton
CAUTION: This starter is equipped to
operate on 120 volt AC household currenL
Follow all instructions carefully as set forth
in the "To Start Engine" section. When
connecting 120 volt AC power cord, always
connect the cord to the switch box on the
engine first, then plug the other end into the
household receptacle. When disconnecting
the 120 volt AC power cord, always unplug
from the household receptacle first.
TO STOP ENGINE
• To stop the engine, turn the key to OFF
and remove key. Keep key in a safe
place. The engine will not start without
the key. See figure above,
TO START ENGINE (RECOIL START)
Before starting the engine, be certain that
you have read and understood all the
instructions on the preceding pages.
COLD START
• insert the key and turn ON,
o Move the choke control to the FULL
position_
•Push the primer button while covering the
vent holes as follows: (Remove finger
from primer button between primes).
Do not prime if temperature is above
50°F.
Two times if temperature is 50 ° F to 15°F.
Four times if temperature is below 15°Fo
• Pull the starter handle with a smooth
rapid movement. Do not allow the starter
rope to snap back. Rewind smoothly
while holding the starter handle. If the
engine fires but does not start, pull the
starter handleuntit the engine starts.
• After three pulls, repeat the priming and
pulling steps again.
• As the engine warms up and begins to
operate evenly, move the choke control
slowly to the OFF position. If the engine
falters, return to 1/2 choke until it runs
smoothly, then move to OFF position.
NOTE: Allow engine to warm up for a
few minutes before using snow thrower,
as the engine will not develop ful! power
until it reaches operating temperature,
WARM START
• Do not prime a warm engine. If the en-
gine fails to start, follow the Cold En-
gine Start instructions on this page..
Z_ CAUTION: Never run engine indoors
or in enclosed, poorly ventilated areas.
Engine exhaust contains carbon monoxide,
an odorless and a deadly gas. Always stand
behind snow thrower(operator's position)
when starting engine. Do not put hands,
feet, hair or loose clothing in or near the
discharge chute deflector or auger housing
while the engine is running, The tempera-
ture of the muffler and neaby areas may
exceed 150 ° F,; avoid these areas also.
/_ WARNING: Objects such as gravel,
rocks or other debris, if struck by the auger,
may be thrown with sufficient force to cause
personal injury or property damage.
We recommend standard safety glasses or
Wide Vision Safety Mask for over your
glasses.

SNOW THROWING TIPS
• This snow thrower will propel itself
forward when the handle is raised'
enough to cause the auger blades to
contact the ground. The auger should
stop when auger control bar is released°
If it does not, refer to Adjust Auger
Control Cabfe paragraph on page 12.
• For most efficient snow throwing, turn the
discharge chute deflector to throw snow
downwind, and slightly overlap each
swath. In light snow take up to a full cut
and in heavy snow take less than a full
cut,
• The distance snow will be discharged can
be adjusted by moving the discharge
chute deflector. Raise the deflector for
more distance or lower the deflector for
less distance.
• In windy conditions, lower the chute
deflector to direct discharged snow close
to the ground where it is less likely to
blow into unwanted areas,
• Keep the area to be cleared free of
stones, toys and other foreign objects for
safety and to prevent damage to the
snow thrower.
• Do not use the auger propelfing feature
when clearing gravel or crushed rock
driveways° Move the handle down to
raise the auger slightly.
• The allowable forward speed of the snow
thrower is dependent on the depth and
weight of the snow. Experience wilt
establish the most effective method of
using the snow thrower under different
conditions.
DRY AND AVERAGE SNOW
,Snow up to eight inch depth can be
removed rapidly and easily by walking at
a moderate rate. For snow or drifts of a
greater depth you may find it desirable to
slow your pace to allow the discharge
chute 1o dispose of the snow as rapidly
as the auger receives the snow°
• Plan to have the snow discharged in the
direction the wind is blowing.
WET PACKED SNOW
• Move slowly into snow of this condition.
The greater the depth, the slower you 10
should goo When it appears that the wet,
packed snow is causing the auger to slow
down and the chute to clog, back off and
begin a series of short jabs into the snow°
These short back and forth, 4 to 6 inch,
jabbing motions will "belch" the snow
from the chute.
SNOW BANKS AND DRIFTS
• In snow of greater depth than the unit,
use the jabbing technique described
above. Turn the discharge chute away
from the snow bank. More time wil! be
required to remove snow of this type than
level snoW,
PRODUCT SPECIFICATIONS
HORSE POWER: 3HP
DISPLACEMENT: 6.0 cu. in,
GASOLINE CAPACITY: t quart
(unleaded)
FUEL/OIL MIX RATIO: 40:!
(3_2 oz. of air-
cooled engine 2
cycle oil specified
for 40:1 per 1 gaL of
gas)
SPARK PLUG: Champion RCJSY
(Gap ,030) or
Equivalent

CUSTOMER RESPONSIBILITIES
;SERVICE
RECORDS
Fill In dates as
you complete
regular service
i
TightenAil Screws& Nuts j
CheckSparkPlug
CheckDriveBelts
Lubricate ChuteControlFlang_
CheckFue!
DrainFuel
GENERAL RECOMMENDATIONS
The warranty on this snow thrower does not
cover items that have been subjected to op-
erator abuse or negligence. To receive full
value from the warranty, the operator must
maintain the snow thrower as instructed in
this manual. The above chart is provided to
assist the operator in properly maintaining
the snow thrower°
SNOW THROWER
AFTER FIRST USE
• Check for any loose or damaged parts
after each user
• Tighten any loose fasteners,
AFTER EACH USE
.Run the machine to clear the auger of
SNOW_
• Remove all snow and slush from the snow
thrower to prevent freezing of auger or
controls.
LUBRICATION - AS REQUIRED
, Lubricate the flange on the discharge
chute before storage. See To Remove
Top Cover instructions on page !2_
, See Lubrication Chart diagram for
lubrication points and type of lubricant,
SCHEDULE
Before After As IBefore Begin
Each firstt2 Needed ,Storage Each
Use Hours Season
i
LU BRICATION CHART
/
Lubricate chute conlro] flange
Coat flange wilh a clinging lype
grease such as Lubdplate
ENGINE
SPARK PLUG
11
SERVICE
DATES
• Clean the spark plug and reset the gap
periodically. To service or replace spark
plug, see To Replace the Spark Plug
paragraph on page 15.
• Make sure that the spark plug is tightened
securely into the engine and the spark
plug wire is attached to the spark plug
• If a torque wrench is available, torque
plug to 18 to 23 foot pounds.
• Clean the area around the spark plug
base before removal to prevent dirt from
entering the engine,,

CARBURETOR ADJUSTMENT
The carburetor on this snow thrower is not
adjustable.
IMPORTANT: If you think the carburetor is
not operating properly, contact your
nearest Sears service center.
,_ CAUTION: Never tamper with the
engine governor which is factory set for
proper engine speed. Over speeding the
engine may increase the danger of
personal injury and will void the engine
warranty. If you think the engine governor
high speed needs adjusting, contact your
nearest Sears service center who has the
proper equipment and experience to
make any unnecessary adjustments.
TO ADJUST THE CHUTE CRANK
ASSEMBLY
If you cannot rotate the chute crank fully to the
left and to the right, you need to adjust the
chute crank. See first figure on this page.
•Remove the top cover. See To Remove
Top Cover instructions on this page
•Loosen both 1/2" nuts on the crank
adjusting bracket using I/2" wre.nches
, Swivel the crank adjusting bracket to
allow about 1/8" clearance between the
notch in the flange and the outer diameter
of the worm.
• Once this clearance is set, tighten the
nuts.
TO ADJUST THE AUGER CONTROL
CABLE
The auger control cable isset at the factory for
proper operation, tf you need to adjust the
cable, because the control bar does not prop-
erly engage or disengage the auger, do the
following:
• Remove "Z" hook from the auger control
bar, See second figure on this page.
• Slide the boot toward the loose end of the
cable, See last figure on this page,
• Push the cable down through the hole in
the top of the cable adjustment bracket to
provide slack in the cable. See last figure
on this page°
• Remove the "Z" hook from the top hole in
the cableadjustment bracket and move to
the next hole away from the top of the
bracket. See last figure on this page.
•Pull cable slack through cable adjustment
bracket and insert in the control bar. See
last figure on this page.
, Replace boot over cable adjustment
bracket.
• Insert "Z" hook in the auger control bar.
• Start the snow thrower and check that the
auger does not continue to turn when the
auger control bar is released,
Notch in
Flange
Adjustments
Nuts
:Adjust-
ment Bracket
"Worm
Auger Control
Bar
ook
Cable -._
TO REMOVE TOP COVER
• Follow these steps from operator's
position.
, Remove the T-knob and fasteners on the
discharge chute.

• Remove the gas cap.
•Remove the two bolts and nuts from the
front lip of the top cover, Use a flat head
screwdriver and a 3/8" wrench.
. Remove the bolt from the front right side°
Use a 5/16" and 3/8" wrench.
°Remove the four screws on the left side of
the top cover. Use a large flat head
screwdriver.
.Remove the bolt from the front left side,
Use a 5/16" and 3/8" wrench.
•Remove the four screws on the right side
of the top cover° Use a large flat head
screwdriver.
• Remove the three screws from the top
portion of the control panel.. Use a large
flat head screwdriver.
• Carefully pull up on the rear of top cover
making sure to clear gas tank.
•Carefully lift top cover over the three bolts
holding the lower chute to the chute ring_
NOTE: This area was designed to have a
tight fit, it will be necessary to rock top
cover carefully over these bolts.
° Remove top cover.
• Reinstall in reverse order_
TO REMOVE BELT COVER
•Follow these steps from operator's
position. See figure on this page.
,, Using alarge fiathead screwdriver,
remove the heat shield from the rear of
the belt cover.
•Remove the four bolts and nuts holding
the belt cover to the auger housing. Use
a 5/t6" and 3/8" wrench.
• Remove the two screws holding the belt
cover to the top cover. Use a large flat
head screwdriver. NOTE: tf the top cover
is already removed, omit this step.
•Remove the one screw holding the belt
cover to the bottom cover. Use a large flat
head screwdriver.
• Grasp the bottom portion of the belt cover
and pull down and out to remove.
° Using a large flathead screwdriver,
remove the heat shield from the rear of
the belt cover.
• Reinstall in reverse order.
Bolts to be
removed from
T_ _ Cover
Screws to be
removed from Top
Chute
Cover
Shield
T-KnoZband
Fasteners
Belt rews
Bolts to be
removed from removed
Belt Cover from Belt
TO ADJUST BRAKE PAD Cover
The brake pad is adjusted at the factory and
no periodic adjustment is necessary.
IMPORTANT: Adjustment should only be
made to the brake if the brake pad has
become loose or has been removed. To
adjust proceed as follows:
NOTE: See figure on next page for proper
location of brake pad.
•Turn engine off°
•Remove belt cover, See To Remove Belt
Cover paragraph on this page..
• Remove the top cover. See To Remove
Top Cover instructions on page 12.
NOTE: Make sure the belt is in proper
position. See To Replace the Drive Belt
paragraph on page 14.
• Tie the control bail to the upper handle
with a piece of string. NOTE: This will
engage the pulley and belt system.
•Using a 7/16 wrench, 7/'16 socket, and a
rachet loosen screw and nut on brake
pad. See first figure on page 14 for
location of screw and nut°
•Adjust brake pad up or down to have a
1/8" gap between the bottom of the brake
pad and the belt,
, Tighten screw and nut°

NOTEt Checkthedrivebeltadjustment
beforere-installingthebeltcover+SeeTo
AdjusttheDriveBeltparagraphbelow,
Brake=ad
idlerPulley
Screwandnutto
beloosened Pulley
Belt Roller
TO ADJUST THE DRIVE BELT
If the engine drive pulley and the auger
drive pulley are not aligned properly,
excessive belt wear wilt occur+ To check the
pulley alignment, proceed as foftows:
, Remove belt cover° See To Remove Belt
Cover on page 13.
• Place a straight edge approximately 16"
tong across the large auger pulley,
touching two points and extending to the
engine putley_ See next figure_ The
outside of the engine pulley must be flush
with the straight edge+ if the pulleys are
aligned, skip to the last step_
To adjust the engine pulley:
•Loosen the 2 set screws on the engine
pulley,
•Slide the engine pulley in or out on the
shaft until the pulley is flush with the
straight edge.
•Tighten the 2 set screws on the engine
pulley.
•Reinstall the belt cover.
If the drive belt is damaged or worn
excessively, replace it with a new belt.
TO REPLACE THE DRIVE BELT
The drive belt on this unit is of special
construction and must be replaced with the
same type belt available at your nearest
SEARS Service Center.
!
o
Remove the belt cover, See to Remove
the Belt Cover paragraph on page 13.
Move belt guide away from belt+ See first
figure on next page+ Belt may come out
without loosening belt guide, Carefully
_4
press idler pulley down to release brake
pressure on belt,
• Remove belt from between brake pad
and roller,
•Remove old belt.
.Replace with new belt by carefully
pressing down on the idler pulley and
placing the belt between the brake pad
and roller with belt ribs down.
• Release belt pulley,
. Attach new belt to the engine pulley and
auger pulley,
• Make sure the belt is seated properly,
•Move belt guide into position+ The belt
guide should be 3/32" from belt when belt
is engaged as shown In first figure on
page 15,
• Check the drive belt adjustment, See to
Adjust the Drive Belt paragraph on th[s
page.
• Reinstall beltcover.
straight
edge at these
points
Belt


ENGINE SERVICE
Unless the operator is fully qualified to
make engine repairs or adjustments, we
recommend that such work should be done
by technicians trained to work on 6now
thrower type engines. Take your snow
thrower to your nearest SEARS Service
Center for repair and adjustment,
ADJUST ENGINE SPEED
Your engine speed has been factory seL Do
not attempt to change engine speed or it may
result in personal injury° If you believe that the
engine is running too fast or too slow, take
your snow thrower to your nearest SEARS
Service Center for repair and adjustment.
Z_ WARNING: Never store yoursnow
thrower indoors or in an enclosed, poorly
ventilated area If gasoline remains in the
tank, fumes may reach an open flame,
spark or pilot light from a furnace, water
heater, clothes dryer, cigarette, etc.
To prevent engine damage (if snow thrower
is not used for more than 30 days) follow
the steps below.
SNOW THROWER STORAGE
•Thoroughly clean the snow thrower.
, Lubricate all the lubrication points° See
the Maintenance section, page 11.
•Be sure that all nuts, bolts and screws are
securely fastened. Inspect all visible
moving parts for damage, breakage and
wear. Replace if necessary.
•Touch up all rusted or chipped paint
surfaces; sand lightly before painting.
• Cover the bare metal parts of the b!ower
housing and auger with rust preventative,
such as a spray lubricant.
ENGINE STORAGE
Gasoline must be removed or treated to
prevent gum deposits from forming in the
tank, filter, hose, and carburetor during
storage. Also during storage, alcohol
blended gasoline that uses ethanol or
methanol (sometimes called gasohol)
attracts water. It acts on the gasoline to
form acids which damage the engine.
• To remove gasoline, run the engine until
the tank is empty and the engine stops.
Then drain remaining gasoline from
carburetor by pressing upward on bow!
drain located on the bottom of carburetor,
See next figure.
• If you do not want to remove gasoline, a
fuel stabilizer (such as Craftsman fuel
stabilizer No. 33500) may be added to
any gasoline left in the tank to minimize
gum deposits and acids If the tank is
almost empty, mix stabilizer with fresh
gasoline in a separate container and add
some to the tank. Always follow instruc-
tions on stabilizer container. Instructions
on stabilizer container, Then run engine at
least 10 minutes after stabilizer is added
to allow mixture to reach carburetor. Store
snow thrower in a safe place. See
Warning under STORAGE.
OTHER
• If possible, store your snow thrower
indoors with the gas removed and cover it
to give protection from dust and dirt.
, If the machine must be stored outdoors,
block up the snow thrower to be sure the
entire machine is off the ground.
• Cover the snow thrower with a suitable
protective cover that does not retain
moisture_ Do not use plastic or vinyl.
NOTE: A yearly checkup or tune-up at a
SEARS Service Center is a good way of
ensuring that your snow thrower will provide
maximum performance for the next season.
Carburetor
Carbl Drain Right side view of
engine
16

TROUBLE CAUSE CORRECTION
)lfflcult starting Defective spark plug Replace defective plug
Engine stalls Unit running on CHOKE
Blocked fuel line or low on fuel
Water or dirt in fuel system
Carburetor out of adjustment
Englne runs
erractlcally
or
Loss of power
Excessive
,lbration
Units falls to
0ropel itself
Unit fails to
discharge snow
Loose parts; damaged impeller
Damaged auger
Drive belt loose or damaged
Incorrect adjustment of auger con-
trol cable
Auger drive belt loose or damaged
Auger control cable not adjusted
correctly
Discharge chute clogged
Foreign object lodged in auger
Move choke lever to OFF positon
Clean fuel line; check fuel sup-
ply; add fresh gasoline (gaso-
line/oil mixture if 2-cycle engine)
Use carburetor bowl drain to
flush and refill with fresh fuel
See carburetor adjustment sec-
tion in this manual
Stop engine immediately and
remove key, Tighten all bolts
and make all necessary repairs.
if vibration continues, have the
unit serviced by a Sears service
repairman
Repair or replace auger assem _
b!Y
Replace drive belt
Adjust auger control cable
Adjust auger drive belt; replace
if damaged
Adjust auger control cable
Stop engine immediately and re-
move key, Clean discharge
chute and inside of auger hous-
ing
Stop engine immediately and
remove key° Remove object
from auger.
t7

CRAFTSMAN 21" -3H.P. SNOW THROWER 536.884581
ELECTRIC START ASSEMBLY
13
ITEM 1O,
PAGE 19
REF. ITEM 120
PAGE 20
J
930
313944A
Note: Always use original equipment
parts, Use of servicelreplacement paris
other than original pads may void your
warranty,
All unnumbered items are
interchangeable wtth opposite
side
REF
NO,
13
14
15
16
17
18
19 .
93011
PART NO.i
560701
305607
56026
302267
414106
271482
57444
56023
340850
PART NAME
Starter, Engine
Screw, 1t4-20x.86
Clamp, Strap-hinge
Screw, #6-32x250
Flatwasher.188x38x.040
Nut, #6-32 Hexkeps
Cable Tie
Cord, Extension 10 feet
Owner's Manual Eng/Sp
18

CRAFTSMAN 2'1" -3H.P. SNOW THROWER 536.884581
ENGINE/DRIVE ASSEMBLY
32
REF:
NO,
I0
11
12
20
21
22
23
24
25
26
27
28
30
31
32
33
40
PART NO.
ENGINE
180077
120638
333970
180077
120638
18o018
1502
313440
120393
120638
180079
313444
333594
1498
313473
320077
PART NAME
Engine, Model 143 973091
(See Engine pages}
Screw, 5/16-18x 75
Washer, Hvsptik
Brake Pad
Screw, 5/16-18x 75
Washer, Hvspflk
Screw, 1/4-20× 62
Nut, 114-20Reghexctrtk
Belt Guide
Flatwasher. 344x 69x 065
Washer, Hvspttk
Screw, 5/t8-18xl O0
idler Pivot Arm
Shoulder Bolt, 5116-18
Nut, 5116-18Reghexctrtk
Extension Spring
Idler Arm
m
REF
NO.
41
42
45
46
47
50
51
52
53
6O
61
62
70
71
72
75
lg
3343108
PART NO_
333594
1498
48924
302637
41529
180034
120392
313443
t502
313436
414106
121223
48921
'2t25
191956
3_9596
PART NAME
Shoulder Bolt, 5/16-18
Nut, 5/16-18 Reghexctrtk
idler Pulley
Screw, 3/8-16X1-r50
Nut, 3/8-16Hexjam
Screw. 1/4-20xl.50 In
Flatwasher, ,28lx 63x 065
Roller, Belt Pinch
Nut, 1/4-20 Reghexctrlk
Rod, Clutch Linkage
Flatwasher, i88x 38x 040
Cotter Pin .062x 75
Engine Pulley
Woodruff Key
Screw, t/4-20x 388qsetcp
Bell Poiy V

CRAFTSMAN 21" - 3H.P. SNOW THROWER 536.884581
FRAME ASSEMBLY
'REF.
rNO,
60
81
90
91
92
I00
t01
io2j
1071
108 I
109 I
1101
1121
1131
1141
1151
1161
1171
118!
i
'PART NO.
333769.853
333767
333987
180044
1502
333749-853
180020
t502
180020
120392
1502
333739
340300
323363
47345
335351
323387
56679
335906
PART NAME
Frame, Side RH
Frame, Side LH
Channel, Frame Support
Screw, 1t4-20x2.00
Nut, 114_20Reghexctrik
Bracket, Fuel Tank 15 Qt
Screw, 1/4-20x.75
Nut, :1/4-20Reghexctrtk
Screw, 1/4-20x 75
Flatwasher .281x 63x 065
Nut, 1/4-20 Reghexctdk
Fuel Tank 15 Qt.
Fuel Cap 40:1
Gas Tubing 8 Inches
Hose Clamp
Plate, Boiling Support
Hose Clamp
Filter, In-Line
Tub|ng, 6 inches
333966E
2O
REF.
NO.
120
12!
124
125 I
_26 I
t27 ]
!28 I
130 I
PART NO.
340088
56021
578109
334298-853
180024
120392
1502
57587
PART NAME
Bottom Cover
Screw, 1/4-14x 75 Stwatap
Nut, t/4-20 Speed J Type
Panel, Control
Screw, 1/4-20x1.25
Flatwasher, 2811x 63x.085
Nut, 1/4-20 Reghexctdk
Grommet & Washer
131 1333643
140 156992
141 1138557
142 148140
143 149643
145 154601
146 13355O7
147 1271172
Knob, Stand Tee
Switch, Ignition
Washer, Regintlk
Nut, 5/8-32, Ign Switch
2 Keys &Ring Assy
Primer, Enginer
Hose, Primer 950Lg
Nul, t/4-20 Reghexkeps
333968E

CRAFTSMAN 21" -3H.P. SNOW THROWER 536.884581
BELT COVER ASSEM BLY
174
170
REF,
NO. i
150
151
152
157
159
160
16t
162
PART NO,
340089
274707
997316
56021
578109
335855-853
56021
578109
PART NAME
BettCover
Screw 10-24x.50 Wahhma
Nut, #!0+24 Reghexctdk
Screw 1/4-I4x.75 Slwatap
Nut, t/4-10 Speed J Type
Heat Shield
Screw, 1/4+!4x,75 SIwatap
Nut, 1/4+10Speed J Type
REF.
NO,
170
171
172
173
174
176
181
182
i
182 33431ll
PART NO.
340087
274707
997316
56021
55380
578109
56021
578109
PART NAME
Cover, Top
Screw, tO-24xSWahhma
Nut, #10-24 Reghexctrik
Screw, 1/4+14x.75Slwalal:
Sea!, Strip Aug Chute Foa
Nut, 1/4-10 Speed J Type
Screw, 1/4-14x.75 Slwataf:
Nut, 1/4+10Speed J Type
DISCHARGE CHUTE ASSEMBLY
X
603
-590
-601
tREF.
NO.
580
581
582
583
590
591
592
600
601
602
603
6O4
6O5
606
6071
6o8 i
21
PART NO.
333859
300302
577021
337166
334234
180016
46931
325847
308931
302843
120393
13527
120376
578088
120393
1498
PART NAM E
Ring, Chute
Screw, #I0x50 Tap
Guide, Chute
Seal Strip
Lower Chute
Nut, 1/4+20x,50
Nut, 1/4+20Mac-lock
Upper Chute
Wire, Hinge
Carriage Bolt 5t 16-18x1.25
Ffatwasher +344x+69x,065
Knob, T
Nut, 5/16-18 Reghex
Screw, 5/16-t 8x.75
Flatwasher +344x.69x.065
Nut, 5/16-!8 Reghexctdk
337341A

CRAFTSMAN 21" - 3H,P. SNOW THROWER 536.884581
AUGER HOUSING ASSEMBLY
_pART NO,
,_80 1340091
481 i t80020
482 !120392
483 t502
490 155323
491 577707
492 I 180020
493 146931
510 1577023
511 I180021
512 I120392
513 146931
520 1327072
520-2 1302565
520-6149838
520-8 I335993
520-101309376
529 1580251
530 143846
531 1334287
532 1180o18
533 I12O392
534 I1502
540 I578101
541 1313670
PART NAME
Auger Housing Assy.
Screw, 1/4-20x.75
Flat,washer,.28lx 63x 085
Nut, t/4-20 Reghexctdk
Scraper BTade
Rivet, Ovset
Screw 1/4-20x 75
Nut, 1/4-20 Mac-lock
Bearing, Flange
Screw 114-20x88
Flatwasher .281x 63x 065
Nut, 1/4-20 Mac-Lock
Auger Assembly
Blade, Auger
Rivet. Ovset
Blade, Center
Auger & Blade Assy
Retainer, Bearing
Bearing, Ball
Bearing Retainer
Screw 1/4_20x,62
Flat'washer .281x63x 065
Nut, 1/4-20 Reghexctrlk
Spacer, Sleve.640x 88xo15
Pulley, Poly6" 3339-960
22

CRAFTSMAN 21" -3H.P. SNOW THROWER 536.884581
WHEEL ASSEMBLY
651 660
PART NAME
Axle, Shaft
Flatwasher .39tx 1.00x, 125
Tire & Rim 6xl.25
Flatwasher .391xI 00x_t 25
Ring, Retaining
3354'_88
662
661
HANDLE ASSEMBLY
760
764
'REF,
NO,
740
74t
742
743
744
750
751
752 _!20392
PART NO.
313449
313441
313448
308146
313471
333909-853
180024
PART NAME
Cable, Upper Control
Bracket, Cable Adjust
Cable, Lower Control
Boot, Clutch Spring
Spring, Extension
Lower Handle
Screw 1/4_20x1.25
Fiatwasher ,281x,63x,065
!REF,
INO.
,,,,,,,,,,,,, ,,,,,,
753
760
761
762
763
764
765
23
PART NO.
1502
3339!9-853
333954-853
337584
22025
13527
12o376
PART NAME
Nut, I/4-20 Reghexctrlk
Upper Handle
Control Bail
Bolt, 5/t6-18x2 O0CUH
Formed Washer
Knob, T2Blade 5/16_18 Nut
Nut, 5/16-18 Reghex
3343t2A

CRAFTSMAN 21" - 3H.P. SNOW THROWER 536.884581
DECALS
REF.
NO. PART NO. PART NAME
822 402633 Decal, Dash ES
824 402897 Decal, 3/2t" Elect. Start
826 69880
828 318494
829 308768
830 313892
831 70141
835 337524
Decal, Warn Hot Muffler
Decal Choke
Decal, Dang Stripe
Danger Chute Decal
Decal. Danger Auger
Decal, Auger Control Bar ......
337371D
CHUTE CONTROL ROD ASSEMBLY
85O
REF.
NO.
850
851
852
853
854
855
856
857
858
PART NO
334314
12O394
121224
313431
335264
120394
57082
331532
3809
PART NAME
Chute Rod Assembly
Flatwasher .406x 81;,
Cotter Pin 094x!,00
Washer, Curved Spn
Chute Crank Brkt As._y
Flatwasher 406x 81_
Knob, Sleeve
Nut, Push
Carr. Bo!t I/4-20x,63
REF_
No.
859
860
861
870
871
872
873
874
24
PART NO.
120393
120638
120375
333946_853
70993
120393
120638
120376
PART NAME
Ftatwasher o344x69x 065
Washer, Hvsptlk
Nut, 1/4-20 Reghex
Chute Rotate Bracket
Carro Bolt, 5/16_18x.75
Flatwasher .344x 69x.065
Washer, Hvsptlk
Nut, 5/t6-t8 Reghex
334313C

CRAFTSMAN 2-CYCLE ENGINE MODEL NUMBER: 143.973091
Starter No, 590712
/
13 --8
.;-7
REF, PART
NO. NO.
0 590712
1 590599A!
2 590600
3590696
4590601
5590697
6 590698
7 590699
8590709
!1 590713
t2 590535
13 590701
PART NAM E
Rewind Starter
_OaringPin (Incl 4)
sher
Retainer
Washer
Brake Spring
Starter Dog
Dog Spring
Pulley & Rewind Sprg As
Starter Housing Assy
Starter Rope
(Length 98"x9/64" dia)
Starter Handle
O_2
Starter No. 590743(OPTIONAL)
i_ - tt
_-°
REF,
NO.
o
3
6
7
6
11
12
13
14
PART
NO.
590743 ....
590740
590616
590617
590645A
590643
590535
59O701
59O741
PART NAME
Rewind Starter
Retainer
Starter Dog
Dog Spring
Pulley&Rewind Spring Ass
Starter Housing Assy
Starter Rope
(Length 98"x9/64" dia)
Starter Handle
Locking Tab
25

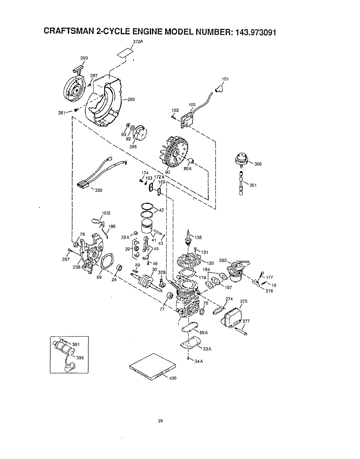
CRAFTSMAN 2-CYCLE ENGINE MODEL NUMBER: 143.973091
370A
_260
@'`` 350
_6

CRAFTSMAN 2-CYCLE ENGINE MODEL NUMBER: 143.973091
REF,# PART NO,
t
16B 490291A
t9 570707
24 530110
29 530150
29A 530104A
30 290607
33A 570644
34A 650579
41 310283A
42 310190
43 310167
45 310235B
46 65O633
69 510292A
69A 510323A
75 510319
77 530105
89A 611032
90 611066
92 650815
93 650390
100 34443A
101 610118
103 651007
119 510274A
120 250240B
13t 650477
135 611049
163 650838
169 510325A
172A 570708
174 650579
177 650959
184 5t0326A
186 490322
187 570438A
216 570645
,257 650911
258 350422
260 350437
26! 650737
274 510207A
275 390330
277 650869
285 590551A
287 650926
325 29443
330 611164A
350 570629A
351 32180C
361 650909
370A 36261
380 632714
390 590712
395 88941
40O 510324B
DESCRIPTION
Cylinder (Order S/B if replacementis needed)
Air Vane
ExtensionSpring
Bail Bearing
Needle Bearing & Line (Set (37 Needles)
Cartridge Bearing
Crankshaft
Cover Plate
Screw, Terx T-25 10-24xl/2"
Piston & Pin Assy(inct 43)
Ring Set
Piston Pin Retaining Ring
Connecting Rod Assy (lncl 29, 29A ,&46)
Connecting Rod Bolt
Cylinder Cover Gasket
Cover Plate Gasket
Oil Seat
Cartridge Bearing
Adapter Sleeve
Flywheel
Bellevitie Washer
Flywheel Nut
SolidState Ignition (Incl, 101)
Spark Plug Cover
Screw, Torx T-15, 10-24x15/16"
Cylinder Head Gasket
Cylinder Head
Screw, Torx %30 1/4-20x3/4'
Resistor Spark Pug (RCJSY)
Washer
Compression Release Cover Gasket
Cempression Release Cover
Screw, Torx T-25,10-24xl/2"
Screw, 5/32 Allen 1/4-20xi"
Carburetor Gasket
Governor Link
Spacer
R P.M Adjusting Lever
Screw, Torx T-30, 1/4-20x5/8"
Blower Housing Base (Incf 75)
Blower Housing
Screw 1/4-20x2-3/4"
ExhaustGasket
Mutfter (inc1274&277)
Screw, 1/4-20x2-3/4"
Starter Cup
Screw 8-32x21/64'
Wire Clip
Ground Wire
Primer Assy
Primer Line
Screw Torx %30, 1/4-20x7/8"
Decal Lubrication
Carburetor (incl 184)
Rewind Starter
Electric Starter Motor (t 20Volt) (Optional)
Gasket Set (lncL Items Marked PKin Notes)
QTY.
I
I
I
I
I
I
I
I
4
I
2
2
I
4
fPK
IPK
2
1
I
I
I
I
I
I
2
IPK
I
5
I
I
IPK
I
I
2
2PK
I
I
I
4
I
I
4
IPK
I
2
I
3
I
I
I
I
2
I
I
I*
I
I0
NOTE: This engine couldhabe been built with 590743 starter. Refer to the design of the rope pulley
strengthribs for partidentification.Individual starter partsdo not interchange.
0 Incl.(1) each of part #'s 510207A, 510274A, 510292A, 5t0323A, 510325A, 510326A, 510346A,
and (2) of part #510110A
27

CRAFTSMAN 2-CYCLE ENGINE MODEL NUMBER: 143.973091
Carburetor No.632714
t \
t>3
REFoi PART
NO. NO.
0 632714
1 632166
2 632169
4 631184
5 631183
6 631621
7 650506
10 631300
14 631815
15 630735
16 632164
25 631949
26 632386
27 631024
28 632019
29 631028
30 631021
i31 631022
i32 27136A
33 27554
40 632385
44 631334
48 631027
PART NAME .....
Carburetor
Throttle Shaft &Lever Ass'y.
Throttle Return
_ Spring
Dust Seal Washer
Dust Seal (Throttle)
Throttle Shutter
Shutter Screw
Choke Shaft & Lever Assy
Choke Shutter
Choke Positioning Spring
Fuel Fitting
Roat Bowl
Float Dampening Spring
Float Shaft
Float
Float Bowl "O" Ring
Inlet Needfe, Seat, Clip (inct 31
SpringClip
Bowl Drain Assy
Drain Plunger Gasket
High Speed Bow! Nut
Bowl Nut Washer
Welch Plug, Atmospheric Vent
28

REMOVEDORA DE NIEVE (Arranque el ctrico opctonal)
Tabla of Contenidos 29
Garantia 29
Reglas de Seguridad 29-32
Contenido del paquet e con articulos33
Montaje 32
Operacion 33-38
Mantenimento 38-39
Servicio y Ajustes 39-43
Almacenamiento 44
Solucion de Problemas 45
Partes de Repuecto t 7-22
Partes de Motor 23-26
Orden de Partes Servicio Contratapa
GARANTIA LIMITADA DE DOS AI_IOS SOBRE LA REMOVEDORA DE NIEVE
CRAFTSMAN
Durante dos a_os a partir de la fecha de compra, cuando esta Removedora de nieve
Craftsman sea martenida, lubricada y afinada de acuerdo con las instrucciones en el
manual del propietado, SEARS reparar&, sin recargo alguno, cualquier defecto en
materiates y mano de obra.
Siesta Removedora de nieve Craftsman se usa para prop6sitos comerciales o de
arrendamiento, esta garantia es v&lida durante 90 dias a parfir de la fecha de compra
Esta garantia no cubre lo siguiente:
• Elementos fungibles los cuales se gastan durante e! uso normal, tales como bujias,
correas de transmisi6n y clavijas de seguro por esfuerzo cortante.
• Reparaciones necesarias debido al abuso o negligencia del operador, incluyendo
cig0eSales doblados y la falta de mantenimiento del equipo de acuerdo con las
instrucc{ones contenidas en el manual del propietario
EL SERVIC}O DE GARANTIA SE PUEDE OBTENER AL DEVOLVER LA
REMOVEDORA DE NIEVE CRAFTSMAN AL CENTRO/DEPARTAMENTO DE
SERV1CtO SEARS MAS CERCANO EN LOS ESTADOS UNIDOS ESTA GARANTIA
ES VALIDA SOLO CUANDO ESTE PRODUCTO SEA USADO EN LOS ESTADOS
UNIDOS.
Esta garantia le otorga derechos legales especfficos, y asimismo es posible que
tenga otros derechos los cuales varian de estado a estado.
Sears, Roebuck and Co., D817WA, Hoffman Estates, IL 60179
,4,,
Z_ PRECAUCION: Siempre desconecte
el alambre de la bujia y coloque!o donde no
jaga contacto con bujia para evitar un
arranque accidental al montar, transportar,
ajustar o efectuar reparaciones
IMPORTANTE: Los estandares de
suguridad requieren ta presencia del
operador en los controles para minimizar el
riesgo de heridas Su removerdora de nieve
esta equipada con dichos controles. No
intente pasar pot alto ta funcion del control
de presencia del operador bajo ninguna
circunstancia.
Busque este slmbolo para destacar precauciones de seguridad lmportanteso
Esto sfgntflca---ATENClON!!! Este!!! U seguridad esta de por medlo,
controles y el uso apropiado de la
removedora de nieve Sepa c6mo
detener la removedora de nieve y
desenganchar los controles
r&pidamente
2. Nunca permita a niSos operar la
removedora de nieve y mant@ngalos
fuera del alcance de la misma mienlras
se encuenlra en operaci6n Nunca
permita qu'e adultos operen la
removedora de nieve sin instrucci6n
apropiada No Ifeve pasaieros,
3,, Mantenga el &rea libre de personas,
especialmente niSos pequeSos y
mascotas
Tenga precauci6n a fin de evitar
deslizamientos o caidas, especialmente I
4.
29
CAPAClTAClON
1. Lea el manual deloperador
cuidadosamente.
Familiaricese completamente con los

aloperarla removedorade nieveen
retroceso.
PREPARACION
1. Inspeccionecompletamenteel &rea
dondeseuser&laremovedor_de
nievey retiretodaslasesteras,trineos,
tableros,alambres,y otrosobjetos
extrafios.
2. Desengancheredeslosembraguesy
cambiea neutroantesdearrancarel
motor.
3. Nooperela removedorade nievesin
vestirlasprendasdeinvierno
adecuadasparaambientesexteriores.
Vistacalzadoquemejoresu
estabilidadensuperficieslisas.
4. Manejeelcombustibleconcuidado;as
altamenteinftamabte:
(a) Useuncontenedorparecombus
tibleaprobado.
(b) Nuncaretirelatapaderadel
tanquedecombtibleo aRadacombus
tiblea unmotorenmarchaoa unmotor
caliente.
(c) Lfeneeltanqueparacombustible
alairelibre,con cuidadoextreme.
NuncaIleneeltanqueenambientes
interiores.
(d) Coloquenuevamentelatapadera
deltanqueparacombustibledemanera
seguray limpieelcombustible
derramado,
(e) Nuncaah'nacenecombustibleo la
removedorade nieveconcombustible
eneltanquedentrode un edificio
dondelosvaporespudiesenentraren
contactoconunallamadesprotegidao
unachispa.
(f) Verifiquelasexistenciasdecorn
bustibleantesdecadauso,permitiendo
espaciopareexpansi6npuestoque
elcalordelmotory/oelsolpueden
causerlaexpansi6ndelcombustible.
5. Usecablesdeextensi6ny
recept&culosdelamanera
especificadaperelfabricantepara
todaslasremovedorasdenievecon
motoresaccionadosperenerg[a
el6ctricao motoresdearranque
el_ctrico,
6o Ajustelaatturade laremovedorade
nieveparapasarsobresuperficiesde
graveo piedratriturada.
7. Jam&sintenteefectuarning5najuste
mientraselmotorseencuentraen
marcha(exceptocuandoe]fabricanteIo
recomiendeas(especfficamente)°
8, Permitaqueelmotory la removedora
denievese ajustenalastemperatures
exterioresantesdecomenzara retiraria
nieve.
9_ Siempre use galas de seguridad o
protectores para los ojos durante la
operaci6n o mientras se efectOa un
ajuste o reparaci6n pare proteger sus
ojos de objetos extraSos que pudiesen
ser lanzados per la removedora de
nieve.
OPERACION
I. No coloque las manes o los pies cerca
o bale piezas rotativas. Mant6ngase a
distancia de la aberlura pare descarga
rode el tiempo.
2 No opere esta m&quina si est& tomando
drogas u otras medicines que pudiera
causar somnolencia o que pudieran
afectar su habitidad pare operar esta
m&quina.
3. No opere esta m&quina si su estado
emoctonal o |fsico no le permite
operaria con seguridado
4. Tenga precauci6n extreme al operar
sobre o al cruzar caminos, aceras, o
catles de gravao Mant_ngase alerta en
case de petigros ocultos o tr&ficoo
5. Despu_s de golpear un objeto extraSo,
pare el motor, retire el alambre de la
bujfa, desconecte el cable en motores
et6ctricos, inspeccione completamente
la removedora de nieve a fin de
encontrar cualquier dare, y reparar
dicho daSo antes de arrancar y operar
la removedora de nieve nuevamente,.
6. En el case de que la removedora de
nieve comience a vibrar fuera de Io nor-
mal, pare el motor y revise la m_quina
inmediatamente para encontrar la
causao Generalmente, la vibraci6n es
una advertencia de problemas.
7. Pare el motor dondequiera que deje la
posici6n de operaci6n, antes de
desobstruir el alojamiento del barreno/
propulsor o gula de descarga, y cuando
efect6e cualesquiera reparaciones,
ajustes, o inspecciones.
8_ AI limpiar, reparar, o inspeccionar la
m&quina aseg0rese de que el barreno/
propulsor y toda parte m6vil se hayan
detenido° Desconecte el atambre de la
bujla y mant6ngalo alejado de la bujfa
para evitar un arranque accidental.
3O

9_ No ponga en marcha el motor en
ambJentes Jnteriores, excepto al
arrancar et motor y para transportar la
removedora de nieve hacla adentro o
hacla afuera del edificio. Abra las
puertas exteriores; el humo del escape
es peligroso (conttene MONOXtDO DE
CARBONO, un GAS INODORO y
LETAL).
10. No limpte nieve perpendicularmente a
la direccJ6n de pendientes. Tonga
precauciSn al cambiar de direcci6n en
pendientes. No intente limpJar
pendientes pronunciadas_
11. Nunca opere la removedora de nieve
sin que los resguardos, placas u otros
dispositivos de seguridad se
encuentren en su lugar.
12. Nunca opere la removedora de nieve
cerca de recJntos de vidrio,
autom6viles0 huecos de ventanas,
sitios de carga/descarga, y similares
sin el ajuste apropiado del &ngulo de
descarga de la nieve, Mantenga niSos
y mascotas alejados.
13, No sobrecargue la capacidad de ta
m&quina at intentar limpiar nieve a una
velocidad demasiado r&pida.
14, Nunca opere ta removedora de nJeve a
aitas velocidades de transporte sobre
superficies resbalosas. Mire hacia atr&s
y tonga cuidado al retreceder.
15o Nunca descargue directamente sobre
espectadores ni permita a nadie frente
a la removedora de nieve.
16. Desenganche la fuerza motrJz al
barreno!propulsor cuando la
removedora de nieve sea transportada
o est_ fuera de USOo
17, Utilice _nicamente aditamentos y
accesorios aprobados per el fabricante
de la removedora de nieve (tales come
cadenas antiderrapantes para las
Ilantas, juegos de arranque el_ctrico,
etc_)o
18, Nunca opere la removedora de nieve
sin buena visibilidad o iluminaci6n.
Siempre est_ seguro de su estabJlidad,
y mantenga un agarre firme de las
manJjas. CamJne; jam&s corra,
MANTENIMIENTO Y
ALMACENAMIENTO
1. Revise los pernos de seguro per
esfuerzo cortante y otros pernos que
frecuentemente no est&n apretados
adecuadamente para asegurarse de
que la removedora de nieve est& en
condiciones seguras de trabajo.
2. Nunca almacene la removedora de
nieve con combustible en el tanque
para combustible dentro de un edificio
en el cual se encuentran presentes
fuentes de ignici6n tales come agua
caliente y calentadores de espacio,
secadoras de ropa, y similares. Permita
que el motor se enfr[e antes de
afmacenar]o en cualquier recinto.
3. Siempre refi_rase alas instrucciones
de! manual del operador para consulta
de los detalles Jmportantes si la
removedora de nieve ser& almacenada
durante un per[ode de tiempo
prolongado, '
4_ Mantenga o coloque de nuevo las
etiquetas de seguridad e instrucciones,
de acuerdo a Io que sea necesario.
5. Mantenga la removedora de nieve en
marcha unos cuantos minutes despu_s
de tirar la nieve para evJtar el
congelamiento del barreno/propulsoro
ADVERTENOIA: Esta removedora
de nieve se usa para aceras, caminos de
entrada, y otras superficies de terreno
ptanas. Se debe toner mucha
PRECAUCION al utilizarla en superficies
con pendiente pronunciada. NO USAR
LA REMOVEDORA DE N1EVE SOBRE
SUPERFICIES PeR ENCIMA DEL
NIVEL DEL TERRENO, tales come
techos de residencias, cocheras, porches
u otras de tales estructuras o edificios.
Z_ ADVERTENCIA: Las emanaciones
de escape producJdas per este motor
contienen qu[mJcos reconocidos per el
Estado de California come carcin6genos,
tambJ_n pueden produeJr defectos en los
reci_n nacJdos o causar otros daSos al
sistema reproductivoo

Contenido de la bolsa con las partes 1- Manuel del Duedo(no muestra)
1 - Bolsa con tas partes (no muestra)
1-Envase Craftsman de 100cc(3.2 oz) de
ace|le de 2 tiempos 1 - Cuerda del arrancador el_,ctrlco 10 ft,
APRECAUCION: Siempre use gafas
protectoras o protectores para los ojos
cuando monte la removedora de nieveo
HERRAMIENTAS REQUERIDAS
PARA EL MONTAJE
1 - Navaja (para cortar cart6n y ataduras
pl&sticas)
La figura derecho muestra ta removedora
de nieve completamente montada.
La referencia de los tados derecho e
izquierdo de ]a removedora de nieve se
hace desde la posici6n del operador en la
manija.
PARA RETIRAR LA REMOVEDORA
DE NIEVE DE LA CAJA
•Localice eremueva et aceite de 2
tiempos Craftsman,
• Remueva los separaderes colocados
alrededor de la unidad y el material de
embalajeo
• Corte las cuatro esquinas de la caja de
cartSn y extienda los paneles.
• Saque la removedora de nieve de la caja
de carton.
PARA MONTAR LA MANIJA
•Remueva el envoltorio do la manija
superior y de los lades de ambas
manijas. Tire el en vottorio.
• Afloje los tornillos en forma de T a cada
lade de la manija superior. Vea pr6ximo
figura,
• Lavante ta manija superior ala posiciSn
de operaci6n come se muestra en la
figura, NOTA: Mantenga separada la
manija superior para evitar que se raye la
manija inferior.
• Aseg_rese de que el cote del embrague
no se encuentra trabado en la manija
Ahora, apriete los perillas en T ubicadas
en la manija superior. Apriete los tornillos
en forma de T.
Manilja de
del Barreno
Palanca de
PeriJla
Deflector des \\
descarga X
=f LISTA DE REVISION
Antes de operar y disfrutar de su
removedor de nieve nuevo, deseamos
garantizade que reciba el mejor
rendimiento y la mayor satisfaccion de este
producto de caliclad:
J' Todos las instrucciones para el
montaje hart side completadas.
#- El canal de descarga arota tibrementeo
No quedan partes suettas en la caja de
carton.
AI mismo tiempo que aprende a usar su
removedor de nieve, presto atencion
especiaJ a los items de Jmprotancia a
continuacion:
v"J Asegurese que el estanqt_e de
gasolina est& IIeno con la mezcla
correcta de gasolina y aceite.
,f,/" Familiaricese con todos los controles-
su ubicaci6n y tunciSm Opere los
controles antes de hacer arrancar el
motor_
32

CONOZCA SU REMOVEDORA DE NIEVE
LEA ESTE MANUAL DEL PROPIETARIO Y LAS REGLAS DE SEGURIDAD ANTES DE
OPERAR LA REMOVEDORA DE NFEVE, Compare tas ilustraciones con su removedora de
nieve para familiarizarse con la posici6n de los diferentes controles y ajustes. Guarde este
manual para una reterencia futurao
Arranque El_ctrico Detenoton Ignicion Sobre Ignicion Presionaceite/ Boron Cebo
Carburante mezcla
Manija de Control dei Barreno
Palanca de Descarga\
_erior I÷6]
Presione la
enganche
arranque el_ctrico
Boca de
Descaf
Grupo de 3aretas
Barreno
Manija de Control del barreno- Arranca
y detiene el barreno que impulsa la
removedora de nieve
Palanca de descarga - Cambia la
distancia a la que se tira la nieve
Desvlador de descarga - Cambia ta
distanc}a a la que se tira la nieve
Boca de descarga - Cambia la direcciSn a
Ia que se tira la nieve,
Llave de Ignlclon _ Deber& set insertada
para arrancar el motor.
Control de Estrangulacion - Se usa para
arrancar un motor frio,
Llave d/e
Ignicion Contro de nterruptor
del Estrangulacion El_ctrico
Boton Cebo - tnjecta e] combustible
directamente dentro del carburador o
distribuidor para un arranque r&pido en
clima frio.
Manivela de Arranque - Arranca el motor
manualmente,
Boron de Arranque Electrico - Acciona el
arranque el6ctrico de 120V que se utiliza
para encender el motor,
33


NO VIERTA EN EL TANQU EGASOLINA PURA, QUIE NO ESTE MEZCLADA CON ACEITE. AGITE
EL RECIPIENTE DE LA MEZCLA COMBUST|BLE CADA VEZ Y ANTES DE LLENAR EL TANQUE
DE LA GASOLtNA.
ACEITE
(1t2 taza 63,2 cc.) Agite Bien
!°°-,.° i
1 U_S.Recfplenta de 4 cuatro_'_*
TIPO DE COMBUSTIBLE
Et motor ados tiempos de esta
removedora de nieve requiere una mezcla
de gasolina y aceite para la lubricaci6n de
tos cojinetes y otras plezas m6viles. Esta
mezcla debe guardar una proporci6n
precisa de 40:1 (100cc (3,2 oz) de aceite
per 4 litros (1 gal) de gasolina -vea la
Tabla de la Mezcla Combustible). La
gasolina y el aceite deben ser mezclados
en un recipiente limpio antes de verterlos
en la unidad. Utilice siempre gasolina
nueva y limpla, sin plomo.
TABLA DE LA MEZCLA COMBUSTIBLE
(Proporcldn 40:1)
i1[ i, iiii, iiii i i i ii
I E, E, UU. SISTEMA J SISTEMA
IMPERIAL I METRIC_)___
IGAsIA_EiT, E GASIACEITEI GAS IACEITE
o=i o,l3,7 o,, }4 Litt0S Ii00cc
MEZCLA DE GASOLINA Y ACEITE
Mezcla la gasoitna y el aceite de la siguiente
manera:
•Vlerta 1litro (! cuarto) de gasolina para
autom6v(les, nueva, limpia y sin ptomo,
en un recip{ente con capacid suficiente.
• Agregue lO0cc (3,2 oz) de aceite de dos
tiempos, limpio y de la alta calidad
Craftsman (so incluye una lata de aceite
de t00cc).
IMPORTANTE: No use aceite para
motores fuera de borda, ni aceites para
automoviles tales como SAE 30, ni aceites
multigrados como 10W-30, 10W40.
• Tape el recipiente herm_ticamente y
agftelo vigorsamente para que la gaselina
y el aceite se mezclen.
•Afiada 3 titros (3 cuartos) m&s de
gasolina en et recipiente y ag(telo
nuevamenteo 35
_cuatno:
de mezc|a
mm_ combus-
tible
ADVERTENCIA: La gasolina es
inflamable yse debe ejercer sumo cuidado
cuando se la use o la vaya a almacenaro No
Ilene el tanque cu_hdo la removedora de
nieve este caliente, funcionando o se halle
en un area cerrada. Mantengala alejada del
fuego vivo o emisones etectricas_ No fume
cuando este preparando la mezcla o
Ilenando e[ tanqueo Nunca llene el tanque a
su maxima capacidad. De je un espacio de
0,65 cm a 1,30cm (1/4-1/2 pulgada) del tope
del recipiente, como margen de seguridad
para la expansion de la gasolina_ Siempre
Ilene el tanque de gasotina en espacios
abiertos usando un embudo o vertidor
adecuado para evitar derrames, Asegurese
de limpiar cuidadosamente cuatquier
derrame ocurrido antes de encender el
motor.
Guarde ta gasolina en un recipiente limpio,
aprobado para tales fines, y mantenga!o
siempre tapado, Guarde la gasolina en
lugares frescos y de buena ventilacion,
nunca en la casa. Nunca compre mas
gasolina que la que utilizara en 30 dias; con
esto garantiza la volatilidad adecuada,. La
gasolina es preparada para usarse en
motores de combustion interna; pot Io tanto,
no utilice gasotina para ningun otro fin°
Dado que el olor de la gasolina resulta
agradable para muchos niflos, evite que
olios puedan manipularla pues ademas de
set explosiva, sus vapores pueden ser
nocivos.
PARA DETENER EL MOTOR
•Si dose parar el motor, haga girar Ia Ilave
hacia la posici6n "APAGADO" (OFF) y
retire ta del encendidoo Gu&rdela an un
sitio seguroo El motor no puede ser
encendido sin la !lave. Vea figura en
pagina 36.

NO VIERTA EN EL TANQUE GASOLINA PURA, QUIE NO ESTE MEZCLADA CON ACEITE. AGITE
EL RECIPIENTE DE LA MEZCLA COMBUSTIBLE CADA VEZ Y ANTES DE LLENAR EL TANQUE DE
LA GASOLINA.
ACEITE
(1/2 tBza63°2 cc_
L/
Agtte Bien
Gasoltna
(I cuarto) +
1U,S. Recip|ente
de 4cuatros
ternporada (Vea "lnstrucCiones para
almacenamiento" para obtener informaci6n
adicional). Nunca use productos de
limpieza de motor o carburador en e!
tanque de combustible, de Io contrario
podfia causar da_o permanente_
Llene el tanque de combustible con
gasolina automotriz limpia, fresca, sin
plomo. Aseg(_rese de que el contenedor
desde el cual vierte ta gasolina est_ limpie
y libre de 6xido u otras partfculas extrafias.
Jamas use gasolina caducada debido a
largos per_odos de almacenamiento en el
contenedor.
+
TIPO DE COMBUSTIBLE
El motor a dos tiempos de esta removedora
de nieve requiere una mezcla de gasolina y
aceite para la lubricaci6n de los cojinetes y
otras piezas m6viles. Esta mezcla debe
guardar una proporci6n precisa de 40:1
(100cc (3,2 oz) de aceite por 4 litros (1 gal)
de gasolina _yea la Tabla de fa Mezcla
Combustible). La gasolina y e! aceite deben
ser mezclados en un recipiente limpio antes
de vertedos en la unidad. Utitice siempre
gasolina nueva y limpia, sin plomo_
TABLA DE LA MEZCLA COMBUSTIBLE
(Proporci6n 40:1)
SISTEMA SISTEMA
E,E. UU. IMPERIAL M_TRtCO
GAS ACEITEGASACEITE GAS ACEITE
1 Gal 3.2oz. Ga 3.7 oz. 4 Litros 100cc
MEZCLA DE GASOLINA Y ACEITE
Mezcla la gasolina y el aceite de la siguiente
manera:
° Vierta 1 litro (1 cuarto) de gasofina para
autom6viles, nueva, timpia y sin plomo,
en un recipiente con capacid suficiente.
• Agregue 100cc (3,2 oz) de aceite de dos
tiempos, timpio y de la alta calidad
Craftsman (se inctuye una lata de aceite
de 100cc).
4 cuatros
de mezcla
combus-
tible
tMPORTANTE: No use aceite para
motores fuera de borda, ni aceites para
automoviles tales como SAE 30, ni aceites
mu]tigrados como 10W-30, 10W40.
=Tape el recipiente herm_ticamente y
agftelo vigorsamente para que la
gasolina y e! aceite se mezclen.
°ASada 3 litros (3 cuartos) m_,s de
gasolina en et recipiente y agffelo
nuevamente.
ADVERTENCIA: La gasolina es
inflamable y se debe ejercer sumo cuidado
cuando se la use o la vaya a almacenar. No
Ilene el tanque cuando la removedora de
nieve este caliente, funcionande o se halle
en un area cerrada. Mantengala alejada del
fuego vivo o emisones electricas, No fume
cuando este preparando la mezcla o
tlenando el tanque. Nunca llene el tanque a
su maxima capacidad. De je un espacio de
0,65 cm a 1,30cm (1/4-1/2 pulgada) del
tope del recipiente, como margen de
seguridad para ta expansion de la gasolina.
Siempre Ilene el tanque de gasolina en
espacios abiertos usando un embudo o
vertidor adecuado para evitar derrames.
Asegurese de limpiar cuidadosamente
cualquier derrame ocurrido antes de
encender el molor.
Guarde la gasolina en un recipiente limpio,
aprobado para tales fines, y mantengalo
siempre tapado_ Guarde la gasolina en
tugares frescos y de buena ventilacion,
nunca en la casa. Nunca compre mas
gasolina que la que utilizara en 30 ciias; con
esto garantiza la volati_idad adecuada. La
gasolina es preparada para usarse en
motores de combustion interna; por Io
tanto, no utilice gasolina para ningun otro
fin. Dado que el olor de la gasolina resulta
agradable para muchos niSos, evite que
ellos puedan manipularla pues ademas de
ser explosiva, sus vapores pueden ser
nocivos.
36

No pulse el bot6n en temperaturas
superiores a los 10°C (50°F).
PL_Iseto dos veces, si la tsmperatura est,,
entre-9,5°C y 10°C (15 ° F y 15°F).
Cuatro veces, st la temperatura es inferior
a-9o5°C (15°F).
Hale la manivela del arranque con un
movimtento seguro y r_ptdo. No deje que
la inercia del encendido hale la cuerda
dot arranque con violencta. Permita que
vuelva a enroilarse suavemente mientras
sostiene la manivela. Si el motor hace
explosi6n pore no arranca, hale la
manivela de arranque hasta que logre
encenderio.
Despu_.s de tres intentos, repita los pasos
de! estrangutador y manivela de arranque
una vez m_.s,
A medida que eI motor se caliente y
comience a funcionar en forma pareja,
mueva con lentitud e! control de
estrangulaci6n hasta fa posici6n
"APAGADO" (OFF). Si el motor falta,
regress et estrangulador a la mitad dei
recorfido hasta que Iogre un
funcionamiento parejo; tuego mu_valo a
la posiciOn "APAGADO" (OFF).
PARA DETENEFI EL MOTOR
•Si dose parar el motor, haga girar la liars
hacia ta posici6n "APAGADO" (OFF) y
retire la del encendtdo. Gu_,rdela en un
sttio saguro_ El motor no puede ser
encendido sin la llave.
NOTA: Deje que al motor se caliente per
algunos minutes antes de usar la
removedora de nieve, pues el motor no
brindar& toda su potancia mientras no
alcance temperatura de operact6n.
ARRANQUE EN OALIENTF_.
•Aseg_rese de qua el control de
estrangulaci6n "APAGADO" (OFF) y
hale la manivela del arranque hasta
que e1motor encienda,
• No cebe un motor en caliente, Si el mo-
tor no encienda, siga los pasos para el
arranque an frio descritos arriba,
/_ PRECAUCION: Nunca haga
funcionar el motor en espacios interiares
osectores encerrados con poca
ventilacion. Los vapores del motor
contienen monoxide de oarbono, un gas
inodoro y mortal Este siempre detras de
la removedora de nieve (posicion de1
37
operador) cuando encienda el motor. No
ponga manes pies, pete ni ropa floia eno
cerca del deflector del canal de dascarga
ni del a!ojamlento del barreno cuando el
motor este functonando. Las
temparaturas del escape y areas
cercanas podrian exceder los 150°Fo
Eviate estas areas.
PRECAUOION: Objetos come
grava, piedras o escombros, si son
golpeados par el barreno, pueden ser
arojados con la fuerza suficiente come
para causar dales personates o de
propiedad.
CONSEJOS PARA LA EXPULSION
DE NIEVE
• Esta removedora de nieve se
autopropulsa hacia adelante cuando las
paletas del barreno hacen contacto con el
susie, a! levantar suficientemente la
manila de control. El barrano deber_
detenerse cuando sa libera la manija de
control. Si no Ilega a detenerse,
(consults la secci6n "Ajuste del cable de
control del barreno" erj la p&gina 40).
• Para una mayor eficiancia en ta expulsi6n
de nieve, coloque el desviador de
descarga en ta direcci6n del viento y
superponga ligeramente los sectores del
barrldo. St la nieve es ligera, puede
efectuar un barrido complete; an el case
de nieve densa, ta profundidad de barrido
ser_. menor.
• Puede ajustar la distancia de descarga de
la nieve moviendo el desviador de la boca
de descarga. Si Io mueve hacia arriba,
obtendr,_ mayor distancia de lanzamiento;
hacia abajo, una distancia menor.
•Cuando haya viento fuerte, mueva el
desviador hacia abajo para expulsar la
nieve m&s cerca del suelo y evitar
lanzarla hacia &reas no deseadas,
• Aseg[_rese de que el &rea a limpiar no
tonga piedras, juguetes ni otros objetos
extrahos, per razones de seguridad y
para evitar daSos a la removedora de
nieve.
• No utilica la capacidad de propulsi6n del
barreno cuando est6 timpiando caminos
de ripio o piedra picada. Mueva la
manivela hacia abajo para elevar el
barreno levemente,
, La velocidad que la removedora puede
lograr hacia adelante depends del
espesor y peso de la nieveo La

experiencialebrindar&unamayor
efectividadenel usedela removedora
bajodiferentescircunstancias.
NIEVE SECA Y NORMAL
° La nieve de hasta echo pulgad&s de
profundidad puede removerse r&pida y
f_cilmente caminando a una velecidad
moderada, Para la nieve de mayor
profundidad o pormontorios de nieve
puede ser preferible caminar m&s
despacio pare permitir al canal descargar
la nieve tan r&pidamente come la vaya
recibJendo e! barreno.
• Planee que la descarga de la nieve se
haga en la direcciSn del viento.
NIEVE HUMEDA Y COMPACTA
• Mu6vase despacio en ta nieve en estas
condiciones, Cuanto mayor sea _a
profundidad, m&s lentamente deber&
moverse usted. Cuando parezca que la
nieve h_meda y compactas est&
haciendo que el barreno se mueva m&s
Ientamente y que et canal se atasque,
retroceda y comience una serie de
pequeSs empujes en la nieveo Estos
pequeSos movimientos de empuje hacia
adelante y hacia adetante y hacia atr&s,
de 4 a 6 pulgadas, expulsar&n la nieve
del canals.
BANCOS Y PROMONTORIES DE
NIEVE
• En nieve de mayor profundidad que la
unidad, use la t_cnica de empujes
descrita en la secciOn anterior, Afeje el
canal de descarga del banco de nieve.
RESPONABILIDADES DEL CLIENTE
Se necesitar_, m&s tiempo para remover
la nieve de este ripe que pare remover la
nieve nivelada.
ESPACIFICACIONES DEL
PRODUCTO
CABALLOS DE FUERZA: 3HP
DESPLAZAMIENTO: 6,0 PULG c_bicas
CAPAClDAD DE GASOLINA: 1 cuartos
(Sin plomo)
PORPORCION DE LA MEZCLA DE
GASOLINA/ACEITE: 40:1
(100cc 3.2 oz. de
aceite pare motores
de 2 aire, indicados
para una proporci6n
40:1 per 4 litros de
gasolina)
BUIJA: Champion RCJSY
(Entrehierro ,030
pulg.)
REGISTROS
DESERVIClO
Llene las fechas
amedlda que
complete su
servlcto regular
PROGRAMA FECHAS DE
SERVIClO
iAntes
de cads
use
Despu_
de las
primeras
12
Horas
Da
ecuerdo
ale
_necesarlo
Antes del
almacena-
mtento
Antes del
Cads
temporada
............ iii .................... i,i,11i,, ii
Apretar todos los torni_los y tuercas
Apre{ar bujt'a,
Apretarlas coffeesimpulsoras
Lubricariabridede controldelcanal
Apretsr combustible t,J
Drenar combustible
............................... i
J
v"
39
m_

RECOMENDACIONES GENERALES
La garantla de esta removedora de nieve
no cubre elementos que hen estado sujetos
a abuse o negligencia de! operador. Para
recibir el valor total de la garantfa, el
operador deber#, dar mantenimiento ala
removedora de nieve de acuerdo alas
instrucciones contenidas en este manual
Se necesitar& efectuar algunos ajustes
peri6dicamente para mantener
apropiadamente su removedora de nieve.
Tedos ros ajustes en la secciSn Servicio y
ajustes de este manual deberfan ser
vedficados per lo r0enos una vez durante la
estacl6n.
REMOVEDORA DE NIEVE
DESPUES DEL PRIMER use
• Examine todas las piezas para ver si
est&n sueltas o dafiadas, despu6s do
cada vez que use la unidad.
• Ajuste redes los pernos que est_n flojos.
DESPUES DEL CADA use
• Haga funcionar la unidad hasta que
expulse toda la nieve y quede limpio el
barreno.
•Retire de la removedora cualquier resto
do nieve o fango para evitar la
congelaci6n del barreno y los controles.
LUBRICACION -DE ACUERDO A LO
NECESARIO
•Lubrique ta badda del canal de descarga
antes de guardar la unidad (Vea Ias
instrucciones "Remoci6n De La Cubierta
Superior" en la p&gina 40).
,Consulta la "Tabla de lubricaci6n" pare
obtener informaciOn sobre los puntos de
aceite y el ripe de lubricante a usar,
TABLA DE LUBRICACION
Lubricarla
braide de
controldel
canal
pestafia entre
Lubriplate_
MOTOR
BUJIA
• Peri6dicamente, limpie la bujfa y calibre
su abaertura. Pare darle servicio o
reemplazar la bujfa (Consulte la secci6n
"Cambio de la bujla" on la p&gina 43).
•Aseg0rese do que la buj{a est_ colocada
apropiadamente en el motor y conectada
al cable respectivoo
• Si cuenta con una llave de torque
(dinamo,_trica), ajuste la bujia entre 18 y
23 pie-tibras (entre 2,48 y 2,76 ki-
logr&metros)_
• Amtes de remover la bujfa, limpie el &tea
a su alrededor para evitar que ning5n
sucio o part[cula extrafla caiga en el
interior del motor.
AJUSTE DEL CARBURADOR
El carburador de esta removedora de nieve
no es del tipo ajustable,
IMPORTANTE: Si usted cree que el
carburador no esta funcionando
adecuadamente, comuniquese con su
centre de servicios SEARS mas cercano_
A_ PRECAUClON: Nunca trate de
alterar las condiciones del regulador del
motor pues este ha side colibrado en
fabrica para brindar la velocidad
necesaria° El exceso de velocidad del
motor puede aumentar el peligro de
39
lesiones personales ademas de anular la
garantie sobre el motor. Si cree que el
regulador de velocidad requiem de un
ajuste en alta, comuniquese conel centre
de servicios SEARS mas cercano, donde
obtendra el equipo y la experiencia
adecuados pare realizer los ajustes
necesarios,
COMe AJUSTAR EL GRUPO DE LA
MANIVELA DE DESCARGA
Si usted no puede mover la manivela hacia
la derecha y fa izquierda on toda su
extensi6n, es necesario ajustarla (Yea
figure uno, pagina 40),

• Remueva la cubierta superior (Yea las
instrucciones "Remoci6n De La Cubierta
Superior" en {a p&gina).
• Afloje las dos tuercas de 12,7 mm (1/2
pulgada) que sostienen la abrazadera de
}a manivela (use llaves de 1/2 pulgada).
• Mueva la abrazadera pare dejar un
espacio de 3,2 mm
(1/8 pulgada) entre la muesca de la brida
del canal de descarga y el di&metro
externo del serpent_n.
• Una vez que logre este margen de
espacio, apriete las tuercas.
COMO AJUSTAR EL CABLE DE CON-
TROL DEL BARRENO
El cable de controt de_ barreno ha side
ajuslado en ta planta para brindar el nivel de
operaci6n apropiado. S] necesita ajustar el
cable, en el case de que la manija de con-
trol no haga funcionar apropiadamente al
embrague del barreno, proceda de la
siguiente forma:
• Quite el gancho en "Z" de la manija de
control del barreno (Vea figura abajo).
• Deslice la mange protectora hacia el lade
euelto del cable (Vea figura dos).
• Empuje et cable a tray,s del orificio
superior de la abrazadera de ajuste del
cable, de forma tal de obtener una
Iongitud de cable holgada (Vea figure
dos).
• Saque el gancho en "Z" del orificio
superior de la abrazadera de ajuste del
cable y col6quelo en el siguiente orificio,
alej&ndose del extreme de la abrazadera
(Vea figura dos).
• Hale el cable a trav_s de la abrazadera
de ajuste del cable e ins6rtelo en ta
manija de control (Vea la figurados),
° Vuelva a colocar la manga protectora
sobre la abrazadera de ajuste del cable.
• Inserte el gancho en "Z" en la manija de
control.
• Encienda la removedora de nieve y
verifique que el barreno deja de girar al
soltar la maniia de control.
Det canal Tuercas
de descarg_
aiuste de Ja
3.2ram manivela
(1/8
de juego ---Serpentin
40
Manija de control
del barrenc
ho en "Z"
Manga /
Protectora Abrazadera de
ajuste de! cable /
_en "Z"
Z"
ajuste del cable !_YParte inferior de la
barazadera
REMOCION DE LA CUBIERTA
SUPERIOR
• Remueva la manilla T y los sujetadores
en el canal de descarga.
- Remueva la tapa de la gasolina.
.Remueva los dos pernos y tuercas del
borde detantero de la cubierta superior.
Use un destorniliador de cabeza plana y
una Ilave de 3/8".
• Remueva el perno del fade delantero
derecho° Use una Itave de 5/16" y 3/8".
• Remueva los cuatro torniUos en el lade
izquierdo de la cubierta superior. Use un
destornillador de cabeza ptana grande.
• Remueva e! perno delantero del lade
izquierdo. Use una Ilave de 5/16" y 3/8",
• Remueva los cuatro tornHIos en el lade
derecho de la cubierta superior, Use un
destorniltador de cabeza plana grande.
• Remueva los tree tornillos de la parte
superior del tablero de control. Use un
destornillador de cabeza plana grande.
• Tire cuidadosamente hacia arriba la parte
trasera de la cubierta superior,
asegur&ndose de mantenerse fibre del
estanque de gasolina.
• Levante cuidadosamente la cubierta
superior sobre los tres pernos qua sujetan
el canal inferior aI anillo del canal.
AVlSO: Esta &rea ha side diseSada para
que catce apretado, ser& necesario hacer
mover la cubierta superior
cuidadosamente sobre estos pernos.

• Remueva la cubierta superior,
• Vuelva a instaJarta en orden inverso,
REMOCION DE LA CUBtERTA DE LA
CORREA (Vea flgura abaJo)
• Using un destomillador de cabeza plana
grande, remueva de plata calon escudo
de posterior de cubierta de la corre&
•Remueva los cuatro pernos y tuercas que
sujetan la cubierta de la correa a la caja
de la barrena. Use una Ilave de 5/16" y
3/8".
•Remueva los dos tornillos que sujetan la
cubierta de ta correa a la cubierta
superior. Use un destornfllador de cabeza
plana grande. AVISO: Si ya se ha
removido la cubierta superior, omita este
paso.
•Remueva el tornillo que sujeta la cubierta
de la correa a la cubierta inferior_ Use un
destornillador de cabeza plana grande.
• Coja ta parte inferior de la cubierta de ta
correa y tirela hacia abajo y hacia afuera
para removed&
• Vuelva a instalarla en orden inverso.
Pernos que se Cubferta Tornfllos que se
deben remover s_ " deben remover de
de la cubierta a cubierta superior
sul
.=ro
control
Canal d_ interior
descarg_
escudo
inferior correa os
Pemos que que se
deben remover deben
de la cubiertade remover de
la correa la cubierta
de la correa
IMPORTANTE: Sotar_ente se debe ajustar
e! freno si el cojfn del lyeno se ha soltado o
ha sido removido. Para ajustar, proceda
seg_n Io siguiente:
AVISO: Vea la figura bajo para verificar la
ubicaciSn correcta del cojin del frenoo
• Apague el motor.
•Remueva la cubierta de la correa (Vea ef
p_rrafo "RemociSn De La Cubierta De La
Correa" en la pbgina).
•Remueva la cubierta superior (Vea las
instruccfones "Remoci6n De La Cubierta
Superior" en ta p_.gina 40),
AMISO: Aseg_rese que la correa est_ en la
posici6n correcta (Yea el p&rrafo "RemociSn
De La Correa De Impulsi6n" en la p&gina
42).
• Amarre la bola de control al mango
superior con una cuerda_ AVISO: Esto
enganchar& el sistema de correa y pole&
• Usando una tlave de 7/16, una boquilla de
7/16 y un trinquete suelte el tornillo y la
tuerca del cojfn del freno. Vea fa pr6xmio
figura para verificar fa ubicaci6n del
tornHlo y la tuercao
•Ajuste el coj[n del freno hacia arriba o
hacia abajo para tener una abertura de
!/8" entre la porte inferior del cojfn del
freno y la correa.
•Apriete el tornillo y la tuercao
AVtSO: Revise el ajuste de la correa de
impulsiSn antes de volver a instalar la
cubierta de la correa (Vea e! p&rrafo "Ajuste
De La Correa De Impulsi6n" en la p_,gina
41).
Tornillo y luerca Polea de guia
que se can a
soltar
: 5
impulsion
del motor
de la
iI!o correa
def freno
AJUSTE DEL COJIN DEL FRENO
El cojfn del freno es ajustado en la f&brica y
no se necesita hacer ningOn ajuste
periSdico,
4l

AJUSTE DE LA CORREA DE
TRACCION
Si la polea de tracci6n y la polea del barreno
no se encuentran alineadas correctamente,
la correa puede sufrir un desgaste excesivoo
Pare verificar la adecuada alineaci6n de las
poleas, tome las siguientes medidas:
•Quite el protector de la correa (Vea
"Como quitar e! protector de la correa" en
la p&gina 4I).
•Coloque un canto recto de
aproximadamente unos 41 cm (16
pulgadas) de longitud, a trav6s de la
polea grande del barreno, haciendo
contacto en dos puntos y extendi6ndota
haste la palea de tracci6n (Vea figura
abajo),, La care extema de ta polea de
tracci6n debe estara nivel con el canto
recto° Si las poleas est&n afineadae, vaya
al _ltimo paso.
Para aJustar la polea de tracclSn:
•Afloje los 2 juegos de torni!los en la po[ea.
• Deslice la polea de tracci6n hacia afuera
o adentro del eje hasta que est_ pareja
con e! canto recto de nivelaci6n.
• Apriete los 2 juegos de tornillos en ta
potea de tracci6n,_
o Vuelva a instalar e[ protector de la correa
en su sitio correspondiente,
Si la correa de tracciSn est& daffada o
presenta un desgaste excesivo,
reempl&cela con una nueva.
• Retire et protector de la correa (Vea
"Como quitar el protector de la correa" en
la p&gina 41).
• Separe la guia de la correa (Vea la figura
abajo) (La correa debe poder salir sin
aflojar ta gu[a).
• Presione la polea tensora hacla abajo con
cuidado para tiberar la presi6n del freno
sobre la correa.
• Extratga la correa de su posici6n, entre la
almohadilla y la zapa.ta del freno.
•Remueva la correa usada.
• Reempl&ce la con una nueva,
presionando la po[ea tensora hacia abajo
con cuidado, y calocando la nueva correa
entre la atmohadilla y la zapata del freno,
con el borde re[orzado hacia abajo.
• Libere la poleao
• Enganche la correa alrededor de la polea
del motor y la polea del barreno.
•Aseg_rese de que la polea calce
adecuadamente.
•Coloque ta gu[a de la correa en su
posici6"n normal (La gu[a debe quedar a
unos 2,4 mm 63/32 pulgada de
separaci6n de la correa cuando 6sta est6
en posici6n, como muestra la uno figure,
p_gina 43).
•Verifique et ajuste de la correa de tracci6n
(Vea la secci6n de arriba "Ajuste de la
correa de tracci6n").
• Reinstate el protector de la correa.
=uiade
ta polea
Zapata
del freno
para
eFcanto recto
de nivelacion
REEMPLAZO DE LA CORREA DE
TRACCION
La correa de tracciSn de esta unidad es el
resultado de una fabricaci6n especial y
debe ser substituida con el mismo tipo de
correa, disponible en su Centro de
Servicios SEARS m&s cercano. 42
traccion

Potea tensora Polea de traccion
Cot ............. _P"-_ _'--.-Guia de
._ 3/32 Pulg. la correa
PARA CAMBIAR EL BARRENO
• Retire el protector de la correa (Vea
"Como quitar el protector de la correa" en
la p&gina 41) y la correa de tracciSn (Vea
"Reemplazo de la correa de tracci6n" en
la p&gina 42).
• Desmonte la polea del barreno (Vea
pr6ximo figure) de su eje de giro (tiene
rosca izquierda; gire en e! sentido de las
agujas del reloj para aflojar). Coloque un
trozo de madera (5 x 10 cm) en et &rea
de la paleta central pare asegurar la
inmovilidad del barreno,
• Desmonte el grupo de rodamiento del
armaz6n izquierdo de la removedora de
nieve, quitando las dos tuercas.
•Deslice el grupo det barreno alei&ndolo
del rodamiento ala derecha de la unidad.
• Incline el grupo del barreno Io suficiente
para que pueda salir de la camisa de
protecciSn que la alberga.
• Instale el nuevo grupo del barreno en
orden inverso al de extracci6no
NOTA: Examine el ajuste de la correa de
tracci6n antes instalar de nuevo el protector
de la correa (Vea la secci6n de "Ajuste de
la correa de tracci6n" en ta p&gina 42)_
Armazon
izquierda rod. mtento /._k'cJ_>_i.Poteadel
Esp"acio ''_" _at:reno
REEMPLAZO DE LA BUJIA
La bujla se encuentra en el compartimiento
de! motor debajo de la tape superior (Vea la
figura bajo) y no puede verse en
condiciones normales.
• Quite la tapa superior removiendo los
cinco tornillos de sujeci6n.
• Desconecte el alambre de la buj[ao
• Limpie el &rea alrededor de la buj[a pare
evitar que atglin sucio penetre en el
motor.
• Saquela buj[a y st la nota rota,
impregnada e'n aceite o sucia, deber&
reemplazarla (consulte la p&gina 38 pare
identificar el repuesto adecuado).
• La separaciSn d'e los electr_dos de la
buj[a debe calibrarse a 7,6 mm (0,030
pulgada)o Luego, instale la buj[a nueva
en la cabeza de! cilindro. Si tiene una
Have de torque, ajuste la bujia entre 18 y
23 pie-iibras (entre 2,48 y 2,76
kilogr_.metros); de 1ocontrario, ajOstela
con firmeza con una Ilave corriente (Vea
la figure bajo).
•Vuelva a conectar el alambre de la buj[a.
• Reinstale la tapa superior.
LOS SERVtCIOS AL MOTOR
Excepto cuando el operador est6
pJenamente calificado pare efectuar la
reparaciSn y ajustes del motor, es
recomendabte que tales tabores seen
realizadas por personal t_cnico entrenado
en el tipo de motores de su removedora de
nieve. Lleve su removedora de nieve a un
Centro de Servicios SEARS autorizado para
Ias reparaclones y ajustes que necesite.
AJUSTE DE LA VELOClDAD DEL
MOTOR
La velocidad del motor ha sido calibrada en
la f&brica. No trate de cambiarla ya que
puede ocasionarse lesiones personaleso Si
piensa que el motor est#, funcionando
demasiado r&pida o lentamente, tleve su
removedora de nieve a un Centro de
Servicios SEARS autorizado.
43

PRECAUCION: Nunca almacene
su removedora de nieve en ambientes
interJores o en un area cerrado, real
ventilada si el tanque aun tiene gasolina.
Los vapores podrian alcanzar una llama
desprotegida, chJspa o llama piloto de un
homo, calentadora de agua, secadora de
ropa, cigarrillo, etc.
Para evitar da6o al motor (sila removedora
de nieve estar& fuera de uso por m&s de 30
dias) siga los passos detallados abajo.
ALMACENAMIENTO DE LA
REMOVEDORA DE NIEVE
•Limpie completamente la removedora de
nieve.
• Lubdque todos los puntos de lubricaciSn
(yea la secciSn Mantenimiento en pagina
38).
- AsegOrese de que todos las tuercas,
pernos y tornillos est&n sujetados de
manera segurao Inspeccione todas las
piezas m6viles visibles para detectar
daflos, roturas y desgaste. EfectOe
reemplazos si fuese necesario_
• Retoque todas las superficies de pintura
oxidadas o desgaradas; lije antas de
aplicar pintur&
• Cubra las piezas de metal al desnudo det
compresor del alojamiento del barreno y
el impuisor con un material para prevenir
la corrosi6n, tal como un lubricante en
aerosol°
NOTA: Una revisiSn o afinado anual pot un
Centro de Servicio SEARS es una buena
manera de asegurar que #u removedora de
nieve le brindar& el m&ximo rendimiento la
siguiente temporada.
ALMACENAMIENTO DEL MOTOR
La gasolina deber& set removida o tratada
para prevenir la formaciSn de depSsitos de
goma en el tanque, _tro, manguera, y
carburador durante el almacenamiento,
Asimismo, durante el almacenamiento [a
gasolina mezclada con aicohol la cual
utiliza etanot o metanol (algunas veces
Ifamado gasoho!) atrae agua_
• Para remover la gasoLina, mantenga el
motor en march basra que el tanque est6
vacio y et motor pare. Luego, drene la
gasolina remanente del carburador
presionando hacia arriba en la vasija de 4,t
drenaje del carburador situada en la parte
inferior del carburador, Vea figura bajo.
Si no desea remover la gasolina, podrla
aRadir un estabilizador de combustible
(tal como el Estabilizador de combustible
Craftsman No_ 33500) a cualquier
gasolina que deje en el tanque para de
minimizar los dep6sitos de goma y
_,cidos. Si el tanque est& casi vac[o,
mezcle e! estabilizador con gasolina
fresca en un contenedor separado y
agregue atguna de 6sta al tanque°
Carburador
Vasi de Perfil derecho
e del carburador det motor
Siempre siga las instrucciones en et
contenedor del estabLlizadoro Luego opere el
motor surante al menos 10 minutos despues
de que se haya aRadido el estabilizador
para permitJr que Eamezcla alcance el
carburadoro Alamcene la removedora de
nieve en un lugar seguroo Vease la
advertencia arriba.
Puede mantener su motor en buenas
condiciones de funcionamiento durante el
almacenamiento at:
Lubricando el &tea del pistSn/cilindroo
Esto puede ser hecho removiendo
pdmero la bujra y satpicando el agujero
Esto puede ser hecho removiendo
primero la buj[a y salpicando el agujero
de la jubia con aceite de motor fimpio.
Luego cubra el agujero de Ia bujfa con un
paso para absorber el roc[o de aceite, A
continuaciSn, rote el motor al halar de ta
cuerda de arranque hasta sacarla
completamente dos o tres veces.
Finalmente, reinstale la bujfa y conectre el
alambre de la bujfa.
OTROS
• Si fuese posibJe, alacene su removedora
de nieve en ambientes interlores y
c0brafa para protegerla contra el polvo y
la sucida&

, Si la m&quina deber& estar en el exterior,
cot6quela sobre bfoques para garantizar
que ta m&quina no estar& en contacto con
el terrenoo
•Cubra la remove,dora de nieve con una
cubierta protectora apropiada que no
retenga humedad. No use p!&stico ni
vtnl!o,
IMPORTANTE: Nunca cubra la
removedora de nieve mientras las areas
del motor y el escape aun esten clientes_
PROBLEMA CAUSA CORRECCION
!Dificultad de arranque Buifa defectuosa _eemplazar bujfa defectuosa
El motor se apaga Unidad funcionando en eFmodo Celocar la planaca de estrangulaciOn
en la OFF posiciOn
Et motor funciona
err&ticamente
perdida de
potencia
ESTRANGULACION (CHOKE)
Llnea de combustible bloqueada o
poco combustible
Agua o suciedaden el sistemade
combustible
Carburador desajustado
_near de €omb_
ray sar a ex stencia de combustible;
agregar combustible fersco(mezcla
gasolina!aceite si es motor de dos
tiempos)
Usar vastja de drenaje del
carburadorpara lavary retlenar con
combustiblefresco
Vea carburadoradjuste secoion on
Vibracibn excesiva
pagina 39
Piezas tlojas; impulser daOade Parar el motor inmediateamente y
desconectar el alambre de la buj|a
Apretar todos los pernos y efectuar
las reparaciones necesarlas Si la
vibraciOn centln5a, solicits a un
Barreno dafando
La unidad no se
pt!edepropulsar a s[
m_sma
Correa impulsorafloja o daOada
Ajuste incorrectodel cable impulsorde
la oruga
Correa propulsora del barreno floja e
dafada
Cable de control del barreno no
_ajustado correctamente
Canal de descarga obstruido
La unidad no
descarga nieve
Objeto extraOo atorado en barreno
reparadorcompetente que le dO
servicio ala unidad,
Repare o reemplace et conjunto del
barreno
Reemplazar ta cerrea de impulsion
Ajustar el cable de control det
barreno
Ajustar la correa de propulsion det
barreno; reemplazar si esta daOada
Ajustar el cable de control del
barreno
Parar el motor inmediatemente y
desconectar el alambare de la
bujta. Limpiar canal de descarga y
dentro del alojamiento det barreno,
Para el motor inmediatamente y
desconectar el alambre de la bujia
Remueva los objetos del barreno
45

46

47

For the repair or replacement parts you
need delivered directly to your home
Call 7 am-7 pm, 7 days a week
1-800-366-PART
(1-800-366-7278)
Para ordenar piezas con entrega
a domicilio -1-800-659-7084
For in-house major brand repair service
Call 24 hours a day, 7 days a week
1-800-4-REPAIR
(1-800-473-7247)
Para pedir servicio de reparacibn a
domicilio - 1-800-676-5811
For the location of a Sears Parts and
Repair Center in your area
Call 24 hours a day, 7 days a week
1-800-488-1222 HHHBH
aliHil
For information on purchasing a Sears
Maintenance Agreement or to inquire
about an existing Agreement
Call 9 am -Spm, Monday-Saturday
1-800-827-6655
When requesting service or ordering
parts, always provide the following
information:
• Product Type •Part Number
° Model Number ° Part Description
E/AV 8
America'sRepairSpecialists Printed in U.S.Ao