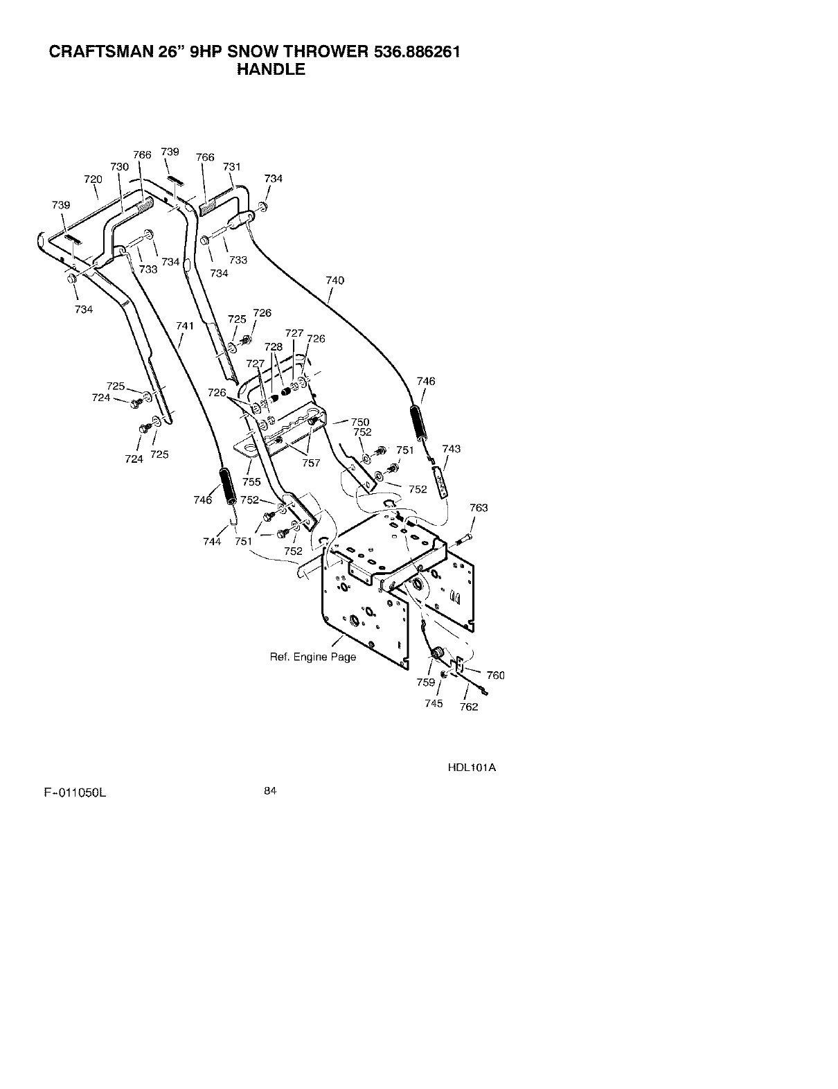
Craftsman 536886261 User Manual SNOW THROWER Manuals And Guides L0108016
CRAFTSMAN Snowthrower, Gas Manual L0108016 CRAFTSMAN Snowthrower, Gas Owner's Manual, CRAFTSMAN Snowthrower, Gas installation guides
User Manual: Craftsman 536886261 536886261 CRAFTSMAN SNOW THROWER - Manuals and Guides View the owners manual for your CRAFTSMAN SNOW THROWER #536886261. Home:Lawn & Garden Parts:Craftsman Parts:Craftsman SNOW THROWER Manual
Open the PDF directly: View PDF
.
Page Count: 98

Operator's Manual
Snow Thrower
9.0 Horsepower
Electric Start
26-inch Dual Stage
Model536.886261
CAUTION: Before using this product,
read this manual and follow all of its
Safety Rules and Operating Instructions.
-I=..rT=...°l-
Manual del usario
Quitanieves
de 26 pulgadas
9.0 caballos de fuerza (hp)
Bietapico
Arranque el_ctrico
Modelo 536.886261
PRECAUCION: Antes de usar este producto,
lea este manual y siga todas las reglas de
seguridad e instrucciones de operaci6n.
Sears, Roebuck and Co., Hoffman Estates, IL 60179 U.S.A.
F-011050L www.sears.com/craftsman

NnIL,'q:] !=l[o]d[_o_ _Innl=1_In_
WARRANTY STATEMENT ......
SAFETY RULES ...............
INTERNATIONAL SYMBOLS . ..
ASSEMBLY ...................
OPERATION ..................
MAINTENANCE ...............
SERVICE AND ADJUSTMENT ..
2 STORAGE .................... 30
2 TROUBLE SHOOTING CHART.. 31
4 REPAIR PARTS ............... 35
6 ENGINE REPAIR PARTS ....... 51
11 SPANISH (ESPAI_IOL) .......... 60
17 PARTS ORDERING/SERVICE ..
20 BACK COVER
LIMITED TWO-YEAR WARRANTY ON CRAFTSMAN SNOW THROWER
For two years from the date of purchase, when this Craftsman Snow thrower is maintained,
lubricated, and tuned up according to the operating and maintenance instructions in the
owner's manual, Craftsman will repair, free of charge, any defect in material or workman-
ship.
If this Craftsman Snow thrower is used for commercial or rental purposes, this warranty ap-
plies for only 90 days from the date of purchase.
This warranty does not cover the following:
Items which become worn during normal use, such as spark plugs, drive belts and shear
pins.
Repair necessary because of operator abuse or negligence, including bent crankshafts
and the failure to maintain the equipment according to the instructions contained in the
owner's manual.
WARRANTY SERVICE IS AVAILABLE BY RETURNING THE CRAFTSMAN SNOW
THROWERTO THE NEAREST CRAFTSMAN SERVICE CENTER/DEPARTMENT IN
THE UNITED STATES. THIS WARRANTY APPLIES ONLY WHILE THIS PRODUCT IS
IN USE IN THE UNITED STATES.
This warranty gives you specific legal rights, and you may also have other rights which may
vary from state to state.
Sears, Roebuck and Co., D817WA, Hoffman Estates. IL 60179
_k OOK FOR THIS SYMBOL TO POINT OUT IMPORTANT SAFETY PRECAUTIONS.
IT MEANS-- ATTENTION!!! BECOME ALERT!!! YOUR SAFETY IS INVOLVED.
Engine Exhaust, some of its constituents, and
certain vehicle components contain or emit
chemicals known to the State of California to
cause cancer and birth defects or other repro-
ductive harm.
Battery posts, terminals and related accessories
contain lead and lead compounds, chemicals
known to the State of California to cause cancer
and birth defects or other reproductive harm.
WASH HANDS AFTER HANDLING.
_k ARNING: Always discon-
nect the spark plug wire
and place it where it cannot
make contact with spark plug to
prevent accidental starting during:
Preparation, Maintenance, or Stor-
age of your snow thrower.
IMPORTANT: Safety standards re-
quire operator presence controls to
minimize the risk of injury. Your snow
thrower is equipped with such controls.
Do not attempt to defeat the function of
the operator presence control under any
circumstances.
F-O11050L 2

TRAINING
1. Read the operating and service instruction
manual carefully. Be thoroughly familiar
with the controls and the proper use of the
equipment. Know how to stop the unit and
disengage the controls quickly.
2. Never allow children to operate the equip-
ment. Never allow adults to operate the
equipment without proper instruction.
3. Keep the area of operation clear of all per-
sons, particularly small children and pets.
4. Exercise caution to avoid slipping or falling
especially when operating in reverse.
PREPARATION
1. Thoroughly inspect the area where the
equipment is to be used and remove all
doormats, sleds, boards, wires, and other
foreign objects.
2. Disengage all clutches before starting the
engine (motor).
3. Do not operate the equipment without
wearing adequate winter outer garments.
Wear footwear that will improve footing on
slippery surfaces.
4. Handle fuel with care; it is highiy flam-
mable.
a. Use an approved fuel container.
b. Never remove fuel tank cap or add fuel
to a running engine (motor) or hot en-
gine (motor).
c. Fill fuel tank outdoors with extreme
care. Never fill fuel tank indoors.
d. Replace fuel cap securely and wipe up
spilled fuel.
e. Never store fuel or snow thrower with
fuel in the tank inside of a building
where fumes may reach an open flame
or spark.
f. Check fuel supply before each use, al-
lowing space for expansion as the heat
of the engine (motor) and/or sun can
cause fuel to expand.
5. For all units with electric starting motors
use electric starting extension cords certi-
fied CSA/UL Use only with a receptacle
that has been installed in accordance with
iocal inspection authorities.
6. Adjust the snow thrower height to clear
gravel or crushed rock surface.
7. Never attempt to make any adjustments
while the engine (motor) is running (except
when specifically recommended by manu-
facturer).
8. Let engine (motor) and snow thrower ad-
just to outdoor temperatures before starting
to dear snow.
F-011050L
Always wear safety glasses or eye shields
during operation or while performing an ad-
justment or repair to protect eyes from
foreign objects that may be thrown from the
snow thrower.
OPERATION
1. Do not operate this machine if you are tak-
ing drugs or other medication which can
cause drowsiness or affect your ability to
operate this machine.
2. Do not use this machine if you are mentally
or physically unable to operate this ma-
chine safely.
3. Do not put hands or feet near or under ro-
tating parts. Keep clear of the discharge
opening at all times.
4. Exercise extreme caution when operating
on or crossing gravel drives, walks or
roads. Stay alert for hidden hazards or
traffic.
5. After striking a foreign object, stop the en-
gine (motor), remove the wire from the
spark plug, thoroughly inspect snow
thrower for any damage, and repair the
damage before restarting and operating
the snow thrower.
6. If the unit should start to vibrate abnormal-
ly, stop the engine (motor) and check im-
mediately for the cause. Vibration is
generally a warning of trouble.
7. Stop the engine (motor) whenever you
leave the operating position, before un-
clogging the auger/impeller housing or dis-
charge chute and when making any
repairs, adjustments, or inspections.
8. When cleaning, repairing, or inspecting,
make certain the auger/impeller and all
moving parts have stopped and all controls
are disengaged. Disconnect the spark plug
wire and keep the wire away from the spark
plug to prevent accidental starting.
9. Take all possible precautions when leaving
the snow thrower unattended. Disengage
the auger/ impeller, stop engine (motor),
and remove key.
10. Do not run the engine (motor) indoors, ex-
cept when starting the engine (motor) and
for transporting the snow thrower in or out
of the building. Open the outside doors; ex-
haust fumes are dangerous (containing
CARBON MONOXIDE, an ODORLESS
and DEADLY GAS).
11. Do not clear snow across the face of
slopes. Exercise extreme caution when
changing direction on slopes. Do not at-
tempt to clear steep slopes.
12. Never operate the snow thrower without
proper guards, plates or other safety pro-
tective devices in place.

13.Neveroperatethesnowthrowernearen-
closures,automobiles,windowwells,
drop-offs,andthelikewithoutproperad-
justmentof thesnowdischargeangle.
Keepchildrenandpetsaway,
14.Donotoverloadthemachinecapacityby
attemptingtoclearsnowattoofastarate.
15.Neveroperatethemachineathightrans-
portspeedsonslipperysurfaces.Lookbe-
hindandusecarewhenbackingup.
16.Neverdirectdischargeatbystandersor
allowanyoneinfrontoftheunit.
17.Disengagepowertothecollector/impel]er
whensnowthroweristransportedornotin
use.
18. Use only attachments and accessories ap-
proved by the manufacturer of the snow
thrower (such as tire chains, electric start
kits, ect.),
19. Never operate the snow thrower without
good visibility or light, Always be sure of
your footing and keep a firm hold on the
handles. Walk;never run,
20. Do not over-reach, Keep proper footing
and balance at all times.
21, Do not attempt to use snow thrower on a
roof.
MAINTENANCE AND
STORAGE
1, Check shear bolts and other bolts at fre-
quent intervals for proper tightness to be
sure the equipment is in safe working
condition,
2. Never store the snow thrower with fuel in
the tank inside a building where ignition
sources are present such as hot water and
space heaters, clothes dryers, and the like.
Allow the engine (motor) to cool before
storing in any enclosure.
3. Always refer to operator's guide instruc-
tions for important details if the snow
thrower is to be stored for an extended
period.
4. Maintain or replace safety and instruction
labels, as necessary.
5. Run the snow thrower a few minutes after
throwing snow to prevent freeze-up of the
auger/impeller.
_lb WARNING: This snow thrower is
for use on sidewalks, driveways
and other ground level surfaces.
Caution should be exercised while using on
steep sloping surfaces. DO NOT USE
SNOW THROWER ON SURFACES ABOVE
GROUND LEVEL such as roofs of resi-
dences, garages, porches or other such
structures or buildings.
iMPORTANT: Many of the following symbols are located on your unit or on literature sup-
plied with the product. Before you operate the unit, learn and understand the purpose for
each symbol.
CONTROL AND OPERATING SYMBOLS
Slow Fast Electric Start Engine Start Engine Run
I-I N
Engine Off Engine Stop On Choke Off Choke On
U
Throttle Primer Button Ignition Key
4
F-011050L
Neutral
®Q
Ignition Off Ignition On

Drive Clutch Forward Reverse Auger Clutch Auger Collector Engage
Push To Engage
Electric Starter Fuel Oil FueI OilMixture
Discharge DOWN Discharge UP Discharge LEFT Discharge RIGHT
Weight Transfer Weight Transfer Transmission Ignition Key
Lift Handle To Depress Pedal Insert To Run,
Engage To Disengage Pull Out To Stop.
Safety Warning Symbols
DANGER
Thrown Objects.
Keep Bystanders Away.
IMPORTANT
Read Owner's Manual
Before Operating
This Machine.
DANGER
Thrown Objects.
Keep Bystanders Away.
DANGER
Avoid Injury From
Rotating Auger. Keep
Hands, Feet And
Clothing Away.
WARNING
DANGER
Stop The Engine
Before Unclogging
Discharge Chute!
WARNING
Hot Surface STOP
F-O11050L 5

CONTENTS OF PARTS BAG (ACTUAL SIZE)
1-Owner's Manual (not shown)
1 - Packet of Fuel Stabilizer (not shown)
1 - Warranty Card (not shown)
*Non-Assembly Parts, found in toolbox located on belt cover
1 - Shift Lever Knob
(not actual size)
PARTS PACKED SEPARATELY IN CARTON
(NOT SHOWN FULL SIZE)
2- Ignition Keys
(Attached to engine in plastic bag) 1-Snow Chute Assembly
F-011050L 6

4_lb WARNING: Always wearsafety glasses or eye shields
while assembling snow
thrower.
TOOLS REQUIRED FOR
ASSEMBLY
1 - Knife to cut carton
2 - 1/2 inch wrenches
(or adjustable wrenches)
2 - 9/16 inch wrenches
(or adjustable wrenches)
2 - 3/4 inch wrenches
(or adjustable wrenches)
1 - Pliers (to spread cotter pin)
1 - Screwdriver
1 - Measuring tape or ruler
Figure 1
Figure 1 shows the snow thrower in the
shipping position.
Figure 2 shows the snow thrower com-
pletely assembled.
References to the right or left hand side
of the snow thrower are from the view-
point of the operator's position behind
the unit.
Auger Drive Lever
Shifter
Lever
F-011050L
Drive Lever
Clutch Cable
Crank Assembly
Chute
Deflector
Height
Adjust
Skid
Figure 2
TO REMOVE SNOW THROWER
FROM CARTON
1. Locate all parts packed separately
and remove from the carton.
NOTE: Place fuel stabilizer in a safe
place until needed for storage.
2. Remove and discard the packing
material from around the snow
thrower.
3. Cut down all four corners of the car-
ton and lay the panels flat.
4. For shipping purposes, the height
adjust skids are attached to the
pallet. Remove the screw that se-
cures each height adjust skid to
the pallet. See Figure 2.
5. Roll snow thrower off the pallet by
pulling on the lower handle. CAU-
TION: DO NOT back over cables.
6,
7.
Remove the packing material from
handle assembly.
Cut ties securing the clutch control
cables to the lower handle and lay
cable back away from the motor
frame.

TO ASSEMBLE THE HANDLE AND
CRANK ASSEMBLY
1. Cut tie holding shift rod to lower
handle and move shifter to the first
forward gear.
2. Cut and discard the plastic tie that
secures the crank assembly.
3. Loosen, but do not remove, the
screws, flatwashers, Iockwashers,
and hex nuts in the upper holes of
the lower handle. See Figure 3.
4. Remove the fasteners and the eye-
bolt from the lower holes of the low-
er handle See Figure 5.
Right Hand Side
Of U
6. Install the fasteners that were re-
moved in step 4. DO NOT tighten
until all bolts are in place.
Left Side Of _\
Upper Handle
3/8" Nylon
5/16" Hex Nut
5/16" Split _
Lockwasher
Loosen,
but do not
remove
11/32"
Flatwasher
5/16"
Screw
Figure 3
NOTE: Make sure the cables are not
caught between the upper and lower
handle.
5. Raise the upper handle into operat-
ing position.
NOTE: If the cables have become dis-
connected form the clutch levers, rein-
stall the cables as shown in Figure 4.
Control
Cable
Eye Bolt Figure 5
7. Attach the crank rod to the universal
joint assembly with the hair pin. See
Figure 6.
8. Tighten nut on eye bolt. Make sure
eye bolt is properly aligned and the
crank can freely rotate.
9. Tighten all handle bolts.
Universal Joint Assembly Crank Rod
Figure 6
Figure 4
F-011050L 8

TO INSTALL SHIFTER KNOB
1. Thread the shifter lever knob onto
the threaded end of the shifter le-
ver until it is snug against the hex
jam nut and the lip is pointed away
from the engine. Tighten the hex
jam nut against the bottom of the
shifter lever knob to lock in posi-
tion.
NOTE: If the cables have become dis-
connected, connect cables as shown in
Figure 8.
Traction Drive Cable Auger Drive Cable
SNOW CHUTEASSEMBLY
1. Turn crank assembly counterclock-
wise until it stops.
2. Position snow chute on inside of
snow chute flange and align the
three holes in the snow chute with
holes on snow chute flange. (See
Figure 9)
3. Place three 5/16-18 carriage bolts
from inside of chute as shown in
Figure 9. (hardware is found in
parts bag).
4. Place three 5/16-18 flatwashers
and three 5/16-18 nuts on outside
of flange.
5. Tighten all four carriage bolts se-
curely.
NOTE: DO NOT overtighten carriage
bolts.
Figure 8
6. Turn crank assembly clockwise and
make sure all carriage bolts are
tight.
Carriage
Bolts ,
Snow Chute
Nut
/
Flange
Figure 9
F-011050L 9

HOW TO SET THE SKID HEIGHT
Your snow thrower is equipped with
height adjust skids on the outside of the
auger housing. To adjust the skid
height for different conditions, see To
Adjust Skid Height paragraph in the
Service And Adjustment section.
HOW TO SET THE LENGTH OF THE CABLES
The cables were adjusted at the factory
and no adjustments should be neces-
sary. However, after the handles are put
in the operating position, the cables can
be too tight or too loose. If an adjust-
ment is necessary, see "How To Check
And Adjust The Cables" in the Service
And Adjustment section.
_" CHECKLIST
Before you operate your new snow
thrower, to ensure that you receive the
best performance and satisfaction from
this quality product, please review the
following checklist:
v' All assembly instructions have been
completed.
_' The discharge chute rotates freely.
v" No remaining loose parts in carton.
While learning how to use your snow
thrower, pay extra attention to the fol-
lowing important items:
v' Engine oil is at proper level.
v' Make sure gas tank is filled properly
with clean, fresh, unleaded gasoline.
_' Become familiar with all controls-
their location and function. Operate
controls before starting engine.
F-011050L 10

[o]-.l_1:_±'1/[o]_
KNOW YOUR SNOW THROWER
READ THIS OWNER'S MANUAL AND SAFETY RULES BEFORE OPERATING
YOUR SNOW THROWER. Compare the illustrations with your SNOW THROWER
to familiarize yourself with the location of various controls and adjustments. Save
this manual for future reference.
Auger _ Traction Drive Lever
Electric Drive Lever (left hand)
Start (right hand)
Button
Primer
Ignition Switch Crank
Box Assembly
J
• Chute
Deflector
Discharge
Chute
Choke
Control Recoil
Throttle Starter
Control Handle Height
Adjust
Skid Figure 10
Auger Drive Lever - Starts and stops
the auger and impeller (snow gathering
and throwing)
Traction Drive Lever - Propels the
snow thrower forward and in reverse.
Speed Shifter Lever - Selects the
speed of the snow thrower (6 speeds for-
ward and 2 speeds reverse).
Crank Assembly - Changesthe direction
of snow throwingthroughthe discharge chute.
Chute Deflector - Changes the distance
the snow is thrown.
Discharge Chute - Changesthe heigl_
and directionthe snow is thrown.
Height Adjust Skid - Adjusts the ground
clearance of the auger housing.
Ignition Key - Must be inserted to start
the engine.
F-011050L 11
Recoil Starter Handle - Starts the en-
gine manually.
Choke Control - Used to start a cold
engine.
Primer Button - Injects fuel directly into
the carburetor manifold for fast starts in
cold weather.
Throttle Control - Controls the engine
speed.
Electric Start Button - (if so equipped)
Used to start the engine usingthe 120 V elec-
tnc starter.
Shear Pin -Shear pins are designed to
break (to protect the machine) ff an ob-
iect becomes lodged in the aguer hous-
ing.
Toolbox -spare shear pins and spacers
are located in toolbox.

[o]-.l_1:_±'1/[o]_
The operation of any snow thrower can
result in foreign objects being thrown
into the eyes, which can result in se-
vere eye damage. Always wear safety
glasses or eye shields while operating
the snow thrower.
We recommend standard safety
glasses or a wide vision safety mask for
over your glasses.
,_ WARNING: Read Owner's
Manual before operating
machine. Never direct dis-
charge toward bystanders stop the
engine before unclogging discharge
chute or auger housing and before
leaving the machine.
TO STOP YOUR
SNOW THROWER
1. To stop throwing snow, release the
auger drive lever. See Figure 10.
2. To stop the wheels, release the
traction drive lever.
3. To stop the engine, push the
throttle control lever to off and pull
out the ignition key.
TO CONTROL SNOW DISCHARGE
1. Turn the chute control rod to set the
direction of the snow throwing.
2. Loosen the wing knob on the chute
deflector and move the deflector to
set the distance. Move the deflector
(Up) for more distance, (Down) for
less distance. Then tighten the
wing knob (See Figure 11).
Knob
the speed you desire by moving the
speed shifter lever left into the ap-
propriate notches on the shift lever
plate:
Speeds 1,2 - Wet, Heaw
Speed 3 - Light
Speed 4 - Very Light
Speed 5,6 - Transport only
2. Engage the traction drive lever (left
hand). As the snow thrower starts
to move, maintain a firm hold on the
handles, and guide the snow throw-
er along the clearing path. Do not
attempt to push the snow thrower.
3. To move the snow thrower back-
ward, move the speed shifter lever
right into first or second reverse and
engage the traction drive lever (left
hand).
IMPORTANT: Do not move the speed
shifter lever while the traction lever
is down.
TO THROW SNOW
1. Push down the auger driver lever
(right hand).
2. Release to stop throwing snow.
TO USE WHEEL LOCKOUT PIN
1. The left hand wheel is secured to
the axle with a klick pin. This unit
was shipped with this klick pin in the
locked position (through wheel
hole). See Figure 12.
Klick Pin
Figure 11
HOW TO MOVE FORWARD AND
BACKWARD
1. TO shift, release the traction drive
lever (left hand) and move the
speed shifter lever to the speed you
desire. Ground speed is deter-
mined by snow conditions. Select
F-011050L
Locked
Position
12
2-Wheel Drive
Figure 12
2. For ease of maneuverability in light
snow conditions, disconnect the
klick pin from the wheel locked
position and push into the single
wheel drive position (unlocked axle
hole only). See Figure 13.

[e] ",.l=1:__,'1/[e];_
Klick Pin
! Unlocked
sition
Single Wheel Drive Figure 13
NOTE: Make sure that the klick pin is
in the single wheel drive position of the
axle only and not through the locked
position.
BEFORE STARTING THE ENGINE
1. Before you service or start the en-
gine, familiarize yourself with the
snow thrower. Be sure you under-
stand the function and location of all
controls.
2. Check the tension of clutch cable
before starting the engine. See To
Adjust The Control Cable para-
graph in the Service &Adjust-
ments section of this manual.
3. Be sure that all fasteners are tight.
4. Make sure the height adjust skids
are properly adjusted. See To Ad-
just Skid Height paragraph in the
Service & Adjustments section of
this manual.
5. Check tire pressure (14-17
pounds). Do not exceed maximum
amount of pressure.
CHECK THE OIL:
NOTE: The engine was shipped from
the factory filled with oil. Check the lev-
el of the oil. Add oil as needed.
1. Make sure the unit is level.
NOTE: Do not check the level of the
oil while the engine runs.
2. Remove the oil fill cap/dipstick.
Check the oil.
3. If necessary, add oil until the oil
reaches the FULL mark on the oil fill
cap/dipstick (see Figure 14). Do not
add too much oil.
F-011050L 13
_/Dipstick
Figure 14
4. Tighten the fill cap/dipstick securely
each time you check the oil level.
NOTE: For extreme cold operating
conditions of 0°F and below, use a par-
tial synthetic 0W30 motor oil for easier
starting.
NOTE: S.A.E. 5W30 motor oil may be
used to make starting easier in areas
where temperature is consistently 20°R
or lower.
FILL GAS:
NOTICE: ENGINES WHICH ARE
CERTIFIED TO COMPLY WITH CAL-
IFORNIA AND US EPA EMISSION
REGULATIONS FOR ULGE ENGINES:
Are certified to operate on regular un-
leaded gasoline. Include the following
emission control system(s): EM, TWC
(if so equipped). Include any user ad-
justable features-therefore no other ad-
justments are needed.
_IL ARNING: Experiences in-
dicates that alcohol blended
fuels (called gasohol or
those using ethanol or methanol)
can attract moisture which leads to
separation and formation of acids
during storage, Acidic gas can dam-
age the fuel system of an engine
while in storage,
NOTE: To avoid engine problems, the
fuel system must be emptied before
storage for 30 days or longer. Start the
engine and let it run until the fuel lines
and carburetor are empty. Use the car-
buretor bowl drain to empty residual
gasoline from the float chamber. Use
fresh fuel next season. See the Stor-
age section in this manual for additional
information.

[e] "J_1:_±'1/[e]_
Never use engine or carburetor cleaner
products in the fuel tank or permanent
damage may occur.
1. Fill the fuel tank only with a fresh,
clean, unleaded regular, unleaded
premium, or reformulated automo-
tive gasoline. DO NOT use leaded
gasoline. Make sure that the con-
tainer you pour the gasoline from is
clean and free from rust or other for-
eign particles. Never use gasoline
that may be stale from long periods
of storage in the container.
_[b ARNING: Gasoline is flam-
mable. Always use caution
when handling or storing
gasoline.
Do not fill fuel tank while snow
thrower is running, when it is hot, or
when snow thrower is in an en-
closed area.
Keep away from open flame or an
electrical spark and do not smoke
while filling the fuel tank.
Never fill the tank completely. Fill
the tank to within 1/4"-1/2" from the
top to provide space for expansion
of fuel.
Always fill fuel tank outdoors and
use a funnel or spout to prevent
spilling.
Make sure to wipe up any spilled
fuel before stating the engine.
Store gasoline in a clean, approved
container and keep the cap in place
on the container.
TO STOP ENGINE
To stop engine, move the throttle con-
trol lever to "STOP" position and re-
move key. Keep the key in a safe
place. The engine will not start without
the key.
TO START ENGINE
(electric starter, if equipped)
Be sure that the engine has sufficient
oil. The snow thrower engine is
equipped with a 120 volt A.C. electric
starter and recoil starter. Before start-
F-011050L 14
ing the engine, be certain that you have
read the following information.
_ ARNING: The starter is
equipped with a three-wire
power cord and plug and is
designed to operate on 120 volt AC
household current.It must be proper-
ly grounded at all times to avoid the
possibility of electrical shock which
may be injurious to operator. Follow
all instructions carefully as set forth
in the "To Start Engine" section. De-
termine that your house wiring is a
three-wire grounded system. Ask a
licensed electrician if you are not
sure. If your house wire system is
not a three-wire system, do not use
this electric starter under any condi-
tions. If your system is grounded
and a three-hole receptacle is not
available at the point your starter will
normally be used, one should be
installed by a licensed electrician.
when connecting 120 volt AC "Power
Cord", always connect the cord to
the Switch Box" on the engine first,
then plug the other end into the
three-hole grounded receptacle.
When disconnecting "Power cord",
always unplug the end in the three-
hole grounded receptacle first.
COLD START
1. Be sure auger drive and traction
drive levers are in the disengaged
(RELEASED) position.
2. Move throttle control to'FAST' posi-
tion.
3. Remove the keys form the plastic
bag. Insert one key into ignition
slot. Make sure it snaps into place.
Do not turn key. Keep the second
key in a safe place.
4. Rotate choke knob clockwise to the
choke ON position.
5. Connect the power cord to the
switch box on the engine.
6. Plug other end of power cord into a
three-hole, grounded 120 VOLT, AC
receptacle. (See WARNING in this
section).

[e] "J_1:_±'1/[e]_
7. Push the primer button while cov-
ering the vent hole as follows: Re-
move finger from primer button
between primes.
Do not prime if temperature above
50° F (10 ° C).
Push two time if temperature is 50 °
F (10 ° C) to 15°F (-10 ° C).
Push four times if temperature is
below 15° F (-10 ° C).
8. Push down on the starter button
until the engine starts. Do not crank
for more than 10 seconds at a time.
This electric starter is thermally pro-
tected. If overheated it will stop au-
tomatically and can be restarted
only when it has cooled to a safe
temperature (a wait of about 5 to 10
minutes is required).
9. When the engine starts, release the
starter button and move choke le-
ver to "1/2 choke" position. When
engine runs smoothly, move choke
lever to "No Choke" Position.
10. Disconnect power cord from recep-
tacle, first, and then from switch
box.
NOTE: Allow the engine to warm up for
several minutes before blowing snow in
temperatures below 0°E
11. Run engine at full throttle "FAST'
when throwing snow.
WARM START
If restarting a warm engine after a short
shutdown, leave choke at "OFF" and do
not push the primer button. If the en-
gine fails to start, follow the Cold Start
instructions.
TO START ENGINE
(recoil starter)
Be sure that the engine has sufficient
eil. The snow thrower engine is
equipped with a recoil starter. Before
starting the engine, be certain that you
have read the following information.
F-011050L 15
COLD START
1. Be sure auger drive and traction
drive levers are in the disengaged
(RELEASED) position.
2. Move throttle control to'FAST' posi-
tion.
3. Remove the keys form the plastic
bag. Insert one key into ignition
slot. Make sure it snaps into place.
Do not turn key. Keep the second
key in a safe place.
4. Rotate choke knob clockwise to the
choke ON position.
5. Push the primer button while cov-
ering the vent hole as follows: Re-
move finger from primer button
between primes.
Do not prime if temperature above
50 ° F (10 o C).
Push two time if temperature is 50 °
F (10 ° C) to 15°F (-10 ° C).
Push four times if temperature is
below 15° F (-10 ° C).
6. Pull the starter handle rapidly. Do
not allow the handle to snap back,
but allow it to rewind slowly while
keeping a firm hold on the starter
handle.
7. As the engine warms up, move
choke lever to "1/2 choke" position.
When engine runs smoothly, move
choke lever to "No Choke" Posi-
tion.
NOTE: Allow the engine to warm up for
several minutes before blowing snow in
temperatures below 0°R
8. Run engine at full throttle "FAST"
when throwing snow.
WARM START
If restarting a warm engine after a short
shutdown, leave choke at "OFF" and do
not push the primer button. If the en-
gine fails to start, follow the Cold Start
instructions.
FROZEN STARTER
If the starter is frozen and will not turn
engine:
1. Pull as much rope out of the starter
as possible.

[e] -J_1:_±,1/[e]_
2. Release the starter handle and let it
snap back against the starter.
If the engine still fails to start, repeat the
two previous steps until the engine
starts. Then continue with the direc-
tions for cold start.
To help prevent possible freeze-up of
recoil starter and engine controls, pro-
ceed as follows after each snow remov-
al job.
1. With the engine running, pull the
starter rope hard with a continuous
full arm stroke three or four times.
Pulling of starter rope will produce a
loud clattering sound. This is not
harmful to the engine or starter.
2. With the engine not running, wipe all
snow and moisture from the carbu-
retor cover in area of control levers.
Also move throttle control, choke
control, and starter handle several
times.
_lb ARNING: Never run en-
gine indoors or in enclosed,
poorly ventilated areas. En-
gine exhaust contains CARBON
MONOXIDE, AN ODORLESS AND
DEADLY GAS. Keep hands, feet,
hair and loose clothing away from
any moving parts on engine and
snow thrower.
The temperature of muffler and
nearby areas may exceed 150°F.
Avoid these areas.
DO NOT allow children or young
teenagers to operate or be near
snow thrower while it is operating.
_lb ARNING: Do not attempt
to remove any item that may
become lodged in auger
without taking the following precau-
tions:
• Release auger drive lever.
Move throttle lever to stop posi-
tion.
Remove (do not turn) ignition
key.
Disconnect spark plug wire.
Do not place your hands in the
auger or discharge chute. Use a
pry bar.
SNOW THROWING TIPS
1. For maximum snow thrower efficien-
cy in removing snow, adjust ground
speed, NEVER the throttle. Go
slower in deep, freezing or wet
snow. If the wheels slips, reduce
forward speed. The engine is de-
signed to deliver maximum perfor-
mance at full throttle and should be
run at this power setting at all times.
2. Most efficient snow throwing is ac-
complished when the snow is re-
moved immediately after if falls.
3. For complete snow removal, slightly
overlap each path previously taken.
4. The snow should be discharged
down wind whenever possible.
5. For normal usage, set the skids so
that the scraper bar is 1/8" above
the skids. For extremely hard-
packed snow surfaces, adjust the
skids upward so that the scraper
bar touches the ground.
6. On gravel or crushed rock surfaces,
set the skids at 1-1/4" below the
scraper bar. See To Adjust Skid
Height paragraph in the Service &
Adjustments section of this manu-
al. Rocks and gravel must not be
picked up and thrown by the ma-
chine.
7. After the snow throwing job has
been completed, allow the engine to
idle for a few minutes, which will
melt snow and accumulated ice off
the engine.
8. Clean the snow thrower thoroughly
after each use.
9. Remove ice and snow accumulation
and all debris from the entire snow
thrower, and flush with water (if pos-
sible) to remove all salt or other
chemicals. Wipe snow thrower dry.
F-O11050L 16

CUSTOMER RESPONSIBILITIES
SERVICERECORDS
Fillindatesasyou Before
completeregular Each
service. Usa Often
Change Engine Oil
_ ...........................::::::::::::::::::::::
Check Spark Plug
Check Fuel _/
Check Cable
Adjustment
See Cable Adjustment)
Every Every Every
5 10 25 Each Before SERVICE
Hours Hours Hours Season Storage DATES
,/ ,/
,/ ,/
,/
GENERAL RECOMMENDATIONS
The warranty on this snow thrower
does not cover items that have been
subjected to operator abuse or negli-
gence. To receive full value from the
warranty, the operator must maintain
the snow thrower as instructed in this
manual.
Some adjustments will need to be
made periodically to properly maintain
your snow thrower.
All adjustments in the Service and Ad-
justments section of this manual
should be checked atleast once each
season.
AFTER EACH USE
Check for any loose or damaged
parts.
Tighten any loose fasteners.
Check and maintain the auger.
Check controls to make sure they
are functioning properly.
If any parts are worn or damaged,
replace immediately.
F-011050L 17

PRODUCT SPECIFICATIONS
HORSEPOWER 9 HP
DISPLACEMENT 19.34 cu, in.
GASOLINE 4 quarts
CAPACITY (unleaded)
OIL CAPACITY 5W30
(20 oz capacity)
SPARK PLUG: Champion RJt 9LM
(Gap ,030 in.) or
equivalent
VALVE CLEARANCE: Intake: ,010 In,
Exhaust: ,010 In.
SNOW THROWER
AS REQUIRED
The following adjustment should be
preformed more than once each sea-
son.
1. Auger drive belt should be adjusted
after the first 2 to 4 hours of use,
again about mid-season and twice
each season thereafter (See to Ad-
just Belts paragraph in the Ser-
vice end Adjustment section).
CHAIN LUBRICATION
EVERY 25 HOURS
1. Position speed selector lever in first
(1) forward gear.
2. Stand the snow blower up on the
auger housing end.
NOTE: When the crank case if
filled with oil, do not leave the
snow blower standing up on the
auger housing for an extended
period of time.
3. Remove the bottom panel.
4. Lubricate the chains with a chain
type lubricant.
5. For storage, wipe the hexsheft and
sprockets with 5W30 motor oil.
NOTE: Clean all excess grease or
oil found on the rubber friction
wheel or the disc drive plate.
F-011050L
CAUTION: Do not allow grease or
oil to contact the rubber friction
wheel or the disc drive plate.
6. Install the bottom panel.
Figure 15
AUGER GEAR BOX
The auger gear box is lubricated at the
factory and should not require addition-
al lubrication. If for some reason the
lubricant should leak out, have auger
gear case checked by a competent re-
pairman.
ENGINE
LUBRICATION
Check the crankcase oil level before
starting the engine and after each five
(5) hours of continuous use. See
Figure 16. Add S.A.E. 5W30 motor oil
as needed. Tighten fill cap/dipstick se-
curely each time you check the oil lev-
el.
18
Change the oil every twenty-five (25)
hours or at least once a year if the
snow thrower is not used for twenty-
five (25) hours.

TO CHANGE ENGINE OIL
1. Position the snow thrower so that
the oil drain plug is at the lowest
point on the engine.
2. Remove the oil drain plug and the
oil fill cap/dipstick. Drain the oil
into a suitable container.
NOTE: The oil will drain more freely
when the engine is warm.
3. After draining all the oil, reinstall the
oil drain plug securely.
4. Fill the engine crankcase with
S.A.E. 5W30 motor oil, pouring
slowly. DO NOT OVERFILL.
SPARK PLUG
Check the spark plug every twenty-
five (25) hours. Replace the spark plug
if the electrodes are pitted or burned or
if the porcelain is cracked.
1. Make sure the spark plug is clean.
Clean the spark plug by carefully
scraping the electrodes (do not
sand blast or usa awire brush).
2. Check the spark plug gap with a
feeler gauge and reset gap to 0.30"
if necessary. See Figure 17.
3. Before installing the spark plug,
coat the threads lightly with oil for
easy removal. Tighten the spark
plug to a torque of 15 foot-pounds.
Feeler Gauge
0.030"
Spark Plug
Figure 17
F-011050L 19

_lb ARNING: Always discon-
nect the spark plug wire and
place it where it cannot
make contact with spark plug to pre-
vent accidental starting when mak-
ing any adjustments or repairs.
TO ADJUST SKID HEIGHT
This snow thrower is equipped with two
height adjustment skids, located on
the outside of the auger housing. See
Figure 18.
These skids elevate the front of the
snow thrower.
Nuts
O
Auger F Height Adjust Skid
Figure 18
For normal hard surfaces, such as a
paved driveway or walk, adjust the
skids as follows.
1. Position the snow thrower on a level
surface.
2. Make sure both tires are equally in-
flated. Proper tire pressure is 14to
17 PSI. See side of tire for maxi-
mum inflation. Do not exceed side-
wall maximum pressure on tire.
3. Place the extra shear bolts supplied
(found in parts bag) under each
end of the scraper bar next to the
adjustable skids.
4. Loosen the mounting nuts that hold
the adjustable skids. To bring the
front of the snow thrower down,
raise the adjustable skids. Tighten
the mounting nuts. See Figure 18.
NOTE: For rocky or uneven surfaces,
raise the front of the snow thrower by
moving the skids down.
_ WARNING: Be certain to
maintain proper ground
clearance for your particular
area to be cleared. Objects such as
gravel, rocks or other debris, if
struck by the impeller, may be
thrown with sufficient force to cause
personal injury, property damage or
damage to the snow thrower.
TO ADJUST SCRAPER BAR
After considerable use, the metal scrap-
er bar will have a definite wear pattern.
The scraper bar in conjunction with the
skids should always be adjusted to al-
low 1/8" between the scraper bar and
the sidewalk or area to be cleaned.
1. Position the snow thrower on a level
surface.
2,
3,
4.
5.
6.
Make sure both tires are equally in-
flated. Proper tire pressure is 14to
17 PSI. See side of tire for maxi-
mum inflation. Do not exceed side-
wall maximum pressure on tire.
Loosen the carriage bolts and nuts
securing the scraper bar to the au-
ger housing.
Adjust the scraper bar to the proper
position.
Tighten the carriage bolts and nuts,
making sure that the scraper bar is
parallel with the working surface.
For extended operation, the scraper
bar may be reversed. If the scraper
bar must be replaced due to wear,
remove the carriage bolts and nuts
and install a new scraper bar.
F-011050L 20

BELT ADJUSTMENT
Traction Drive Belt
The traction drive belt has constant
spring pressure and does not require
an adjustment. If the traction drive belt
is slipping, replace the belt. See "How
To Replace The Belts" in the Mainte-
nance section.
Auger Drive Belt
If your snow blower will not discharge
snow, check the control cable adjust-
ment. If it is correct, then check the
condition of the auger drive belt. If it is
damaged or loose, replace it (see Belt
Replacement in this section of the
manual).
1. Disconnect spark plug wire.
2. Remove screw from belt cover,
Remove belt cover (see Figure 19).
3. Loosen nut on auger idler pulley
and move auger idler pulley towards
belt about 1/8 inch (3 ram) (see
Figure 22).
4. Tighten nut.
F-011050L
5. Have someone engage auger drive
clutch. Check tension on belt (op-
posite idler pulley). Belt should de-
flect about 1/2 inch (12.5 mm) with
moderate pressure Figure 20). You
may have to move idler pulley more
than once to obtain the correct ten-
sion.
Auger
Drive
l "_-- Engine
--_ _ Pulley
J i_ O 1/2 inch
,._ \_.j (12.5mm)
idler_,.._('/tc /', _-"_ Deflection
P°"°Y1o, "
Engaged ___
Figure 20
6. Reinstall belt cover.
7. Whenever belts are adjusted or re-
placed, the cables will need to be
adjusted. (See Cable Adjustment in
this section of the manual).
21
8. Attach the spark plug wire.
HOW TO REPLACE THE BELTS
The drive belts are of special construc-
tion and must be replaced with original
factory replacement belts available from
your nearest authorized service center.
Some steps require the assistance of a
second person.
How To Remove the Auger Drive Belt
If the auger drive belt is damaged, the
snow thrower will not discharge snow.
Replace the damaged belt as follows.
1. Disconnect the spark plug wire.
2. Loosen the bolts on each side of
the bottom panel (see Figure 21).

3. Remove the bottom panel.
Bolt Bottom
Panel
from the engine pulley. Replace
the auger drive belt with an original
factory replacement belt available
from an authorized service center.
Auger
Housing
8. Install the new auger drive belt
onto the auger drive pulley and
onto pulley.
9. Adjust the auger drive belt. See
"How To Adjust The Auger Drive
Belt" in the Maintenance section.
Figure 21
4. Remove screw from belt cover.
Remove the belt cover (see
Figure 19).
5. Loosen the belt guide. Pull the belt
guide away from the auger drive
pulley (see Figure 22).
6. Pull the idler pulley away from the
auger drive belt.
7. Remove the old auger drive belt
10. Adjust the belt guide. See "How To
Adjust The Belt Guide" in the Main-
tenance section.
11. Install the belt cover. Tighten
screw (See Figure 19).
12. Check the adjustment of the cables.
See "How To Check And Adjust The
Cables" in the Maintenance section.
13. Install the bottom panel (see
Figure 21).
14. Tighten the bolts on each side of
the bottom panel.
from the auger drive pulley and 15. Connect the spark plug wire.
X__'_'_ Traction Drive Belt
Engine Pulley
Beit Guide
Auger Drive Pulley
'\ _CJl/_
Auger Idler Pulley Auger Drive Belt
E-Ring
Swing Plate
Axle Rod
Traction Drive
Spring
Traction
Drive Belt
Traction
Drive Pulley
Engine
Pulley
Figure 22
F-011050L 22

How To Remove
The Traction Drive Belt
If the snow thrower will not move for-
ward, check the traction drive belt for
wear or damage. If the traction drive
belt is worn or damaged, replace the
belt as follows.
plate is properly secured (see
Figure 23).
1. Disconnect the spark plug wire.
2. Remove the auger drive belt. See
"How To Remove The Auger Drive
Belt" in the Maintenance section. I
3. Remove the e-ring from one end of
the swing plate axle rod. Remove
the swing plate axle rod to allow
the the swing plate to pivot forward
(see Figure 22).
4. Remove the traction drive spring.
5. Remove the old traction drive belt
from the traction drive pulley and
from the engine pulley. Replace
the traction drive belt with an origi-
nal factory replacement belt avail-
able from an authorized service
center.
6. Install the new traction drive belt
onto the traction drive pulley and
onto engine pulley.
7. Make sure the traction drive idler
pulley is properly aligned with the
traction drive belt.
8. Attach the traction drive spring.
9. Install the swing plate axle rod and
secure with the e-ring removed
earlier.
10. The bottom of the swing plate must
be positioned between the align-
ment tabs. Make sure the swing
F-011050L
Alignment Tabs Figure 23
NOTE: If the drive will not engage
after the traction drive belt has
been replaced, then check to
make sure that the swing plate is
positioned between the align-
ment tabs.
23
11. Install and adjust the auger drive
belt. See "How To Remove The Au-
ger Drive Belt" in the Maintenance
section.
12. Adjust the belt guide. See "How To
Adjust The Belt Guide" in the Main-
tenance section.
13. Install the bottom panel (see
Figure 21).
14. Tighten the bolts on each side of
the bottom panel.
15. Install the belt cover. Tighten
screw (see Figure 19).
16. Check the adjustment of the cables.
See "How To Check And Adjust The
Cables" in the Maintenance section.
17. Connect the spark plug wire.

BELT GUIDE ADJUSTMENT
1. Remove spark plug wire.
2. Have someone engage auger drive.
3. Measure the distance between the
belt guide and belt. The distance
should be 1/8 inch (3.175 ram) for
guide. See Figure 24.
Belt Guide
1/8 Inch
(3.175 ram)
Figure 24
4. If adjustment is necessary, loosen
belt guide mounting bolt. Move belt
guide to the correct position. Tight-
en mounting bolt.
5. Reinstall belt cover.
6. Reconnect spark plug wire.
HOW TO CHECK AND AD-
JUST THE CABLES
The cables are adjusted at the factory
and no adjustment should be neces-
sary. If the cables have become
stretched or are sagging adjustment will
be necessary.
Whenever belts are adjusted or re-
placed, the cables will need to be ad-
justed.
To check for correct adjustment, un-
hook "Z" fitting at clutch lever (see
Figure 25).
1. Move clutch lever to the full forward
position (just contacting plastic
bumper). Holding cable tight, note
position of fitting to hole in clutch le-
ver.
F-011050L
Control lever must be in full forward posi-
tion (just contacting plastic bumper) when
checking cable length.
24
"Z" Fitting
Plastic Bumper
Figure 25
2. The center of the "Z" fitting should
be between the centre and top of
the hole in the clutch lever. Adjust
either the auger drive cable or the
traction drive cable as follows.
Auger Drive Cable Adjustment
_ARNING: Drain the gaso-
line outdoors, away from
fire or flame.
1. Remove the gas from the gas tank.
Stand the snow thrower up on the
front end of the auger housing.
2. Push cable through spring to ex-
pose the threaded portion of the
cable (see Figure 26).
Square
End
Cable Spring
Locknut
Figure 26
3. Hold square end of threaded portion
with pliers and adjust Iocknut in or
out until correct adjustment is
reached. Pull cable back through
spring and connect cable.

TRACTION DRIVE CABLE ADJUSTMENT
_lb WARNING: Drainthe gaso- 6. Pushthe bottom of the traction
line outdoors, away from
fire or flame, justment bracket untilthe "Z"
1. Remove the gas from the gas tank.
Stand the snow thrower up on the
front end of the auger housing.
2. Loosen the bolts on each side of
the bottom panel (see Figure 27).
Bolt Bottom Panel
Auger
Housing
\ \ Bolt _/._J
Figure 27
drive cable through the cable ad-
hook can be removed.
7. Remove the "Z" hook from the
cable adjustment bracket. Move
the "Z" hook down to the next ad-
justment hole.
8. Pull the traction drive cable up
through the cable adjustment
bracket.
9. Put the cable boot over the cable
adjustment bracket.
10. Install the "Z" hook to the traction
drive lever (see Figure 25).
11. To check the adjustment, depress
the drive lever and check the length
of the drive spring. In correct ad-
justment, the length of the drive
spring is
3" min., 3-3/8" max. (76 mm. min.,
85 ram. max) (see Figure 29).
3. Remove the bottom panel.
4. Disconnect the "Z" fitting from the
drive lever (see Figure 25).
5. Slide the cable boot off the cable
adjustment bracket (see
Figure 28).
Cable Boo
i -9'""")
?
Cable Adjustment /_ "Z" Hook
Bracket Figure 28
Drive Spring Figure 29
F-011050L 25

HOW TO ADJUST OR REPLACE
THE FRICTION WHEEL
How To Check The Friction Wheel
If the snow thrower will not move for-
ward, check the traction drive belt, the
traction drive cable or the friction wheel.
If the friction wheel is worn or damaged,
it must be replaced. See "How To Re-
place the Friction Wheel" in this section.
If the friction wheel is not worn or dam-
aged, check as follows.
1. Remove the gas from the gas tank.
Stand the snow thrower up on the
front end of the auger housing
(see Figure 30).
_b ARNING: Drain the gaso-
line outdoors, away from
fire or flame.
2. Disconnect the spark plug wire.
3. Loosen the bolts on each side of
the bottom panel (see Figure 30).
4. Remove the bottom panel.
5. Position the shift speed lever in
the lowest forward speed.
6. Note the position of the friction
wheel (see Figure 31). The correct
distance "A" from the right side of
the friction wheel to the outside of
the motorbox is as follows:
Tire Size Distance "A"
12 and 13 inch 4-1/8"
16 inch 4-5/16"
If the friction wheel is net in the
correct position, adjust as follows.
How To Adjust The Friction Wheel
1. Position the shift speed lever in
the lowest forward speed.
2. Loosen the bolts on the speed
control rod (see Figure 32).
3. Move the friction wheel to the cor-
rect position (see Figure 31).
4. Tighten the bolts on the speed
control rod (see Figure 32).
F-011050L
5. Install the bottom panel (see
Figure 30).
6. Tighten the bolts on each side of
the bottom panel.
Bolt Bottom Panel
Auger
Housing
JR
Figure 30
Figure 31
26
Figure 32

How To Replace The Friction Wheel
If the friction wheel is worn or
damaged, the snow thrower will not
move forward. The friction wheel
must be replaced as follows.
1. Remove the gas from the gas tank.
Stand the snow thrower up on the
front end of the auger housing (4).
(see Figure 30).
_hb ARNING: Drain the gaso-
line outdoors, away from
fire or flame.
2. Disconnect the spark plug wire.
3. Remove the fasteners that secure
the right wheel. Remove the right
wheel from the axle (see Figure 33)
4. Loosen the bolts on each side of
the bottom panel.
5. Remove the bottom panel.
6. Remove the fasteners that secure
the drive sprocket to the axle (see
Figure 34).
7. Remove the left wheel, axle, and
drive sprocket.
8. Remove the four bolts that hold the
bearings on each side of the hex
shaft (see Figure 35).
9. Remove the hex shaft and bear-
ings.
NOTE: Take special note of the posi-
tion of the washers on the hex shaft.
Bolt
Chain
Wheel
Figure 33
Figure 34
Bolts
Figure 35
F-011050L 27

10. Remove the three fasteners that
hold the friction wheel to the hub
(see Figure 36).
11. Remove the friction wheel from the
hub. Slip the friction wheel off the
hex shaft.
12. Assemble the new friction wheel
onto hub with the fasteners re-
moved earlier.
13. Install the hex shaft and bearings
with the four bolts removed earlier
(see Figure 37).
Make sure the washers are prop-
erly installed in the original posi-
tion. Also, make sure the two
washers are properly aligned
with the actuator arms.
14. Make sure the hex shaft turns free-
ly.
15. Install the left wheel, axle, and
drive sprocket with the fasteners
removed earlier. Install the chain
onto the drive sprocket (see
Figure 34).
16. Check the adjustment of the friction
wheel. See "How To Adjust The
Friction Wheel" in this section.
17. Make sure the friction wheel and the
disc drive plate are free from grease
or oil.
18. Install the bottom panel (see
Figure 33).
19. Tighten the bolts on each side of
the bottom panel.
20. Install the right wheel to the axle
with the fasteners removed earlier.
21. Connect the spark plug wire.
Friction
Fasteners Hub Wheel
Hex Shaft
Fasteners
Figure 36
Actuator Arms
Bearings
\
Washer
Bearings
1
Washer
Washer
Figure 37
F-011050L 28

HOW TO REPLACE
THE AUGER SHEAR BOLT
The augers are secured to the auger shaft
with special shear bolts. These shear bolts
are designed to break and protect the ma-
chine if an object becomes lodged in the au-
ger housing. Do not use a harder bolt as the
protection provided by the shear bolt will be
Iost.
_lb ARNING: For safety and to
protect the machine, use only
original equipment shear bolts.
To replace a broken shear bolt, proceed
as follows. Extra shear bolts were pro-
vided in the assembly parts bag.
1. Move the throttle control to the stop
position. Disengage all controls.
2. Disconnect the spark plug wire.
Make sure all moving parts have
stopped.
3. Align the hole in the auger with the
hole in the auger shaft. Install the
new shear pin and spacer. See
Figure 38.
4. Connect the spark plug wire.
_ She'Jr Pin
i(o "/Spa cer
Figure 38
TO ADJUST
THE CARBURETOR
If you think your carburetor needs ad-
justing, see your nearest Craftsman
Store. Engine performance should not
be affected at altitudes up to 7,000 feet.
For operation at higher elevations, con-
tact your nearest Sears Store.
IMPORTANT: Never tamper with the
engine governor, which is factory set for
proper engine speed. Over-speeding
F-011050L
the engine above the factory high
speed setting can be dangerous. If you
think the engine-governed high speed
needs adjusting, contact your nearest
Sears Store, which has the proper
equipment and experience to make any
necessary adjustments.
TO ADJUST OR REPLACE
THE SPARK PLUG
If you have difficulty starting the snow
thrower, adjust or replace the spark
plug. Replacethe spark plug is the
electrodes are pitted or burned or if the
porcelain is cracked. Follow the instruc-
tions below.
To adjust:
1. Cleanspark plug by carefully
scraping the electrodes (Do not
sand blast or use awire brush).
2. Be sure spark plug is clean and
free of foreign material. Check elec-
trodes gap with a wire feeler gauge
and reset gap to 0.030" if neces-
sary. See Figure 39.
To Replace:
1. If you need a new spark plug, use
only the proper replacement spark
plug.
2. Set the gap to 0.030 inches.
3. Before installing the spark plug,
lightly coat the spark plug threads
with oil or grease to insure easy re-
moval.
4. Firmly tighten the spark plug in the
engine.
5. If a torque wrench is available,
torque the plug to 18 to 23 foot
pounds.
Feeler Gauge
29
Spark Plug
Figure 39

_lb ARNING: Never store your
snow thrower indoors or in
an enclosed, poorly venti-
lated area. If gasoline remains in the
tank, fumes may reach an open
flame, spark or pilot light from a fur-
nace, water heater, clothes dryer,
cigarette, etc.
NOTE: To prevent engine damage (if
snow thrower is not used for more than
30 days) follow the steps below.
SNOW THROWER
1. Thoroughly clean the snow thrower.
2. Lubricate all lubrication points. See
the Maintenance section.
3. Be sure that all nuts, bolts and
screws are securely fastened. In-
spect all visible moving parts for
damage, breakage and wear. Re-
place if necessary.
4. Touch up all rusted or chipped paint
surfaces; sand lightly before paint-
ing.
5. Cover the bare metal parts of the
blower housing auger and the im-
peller with rust preventative, such
as a spray lubricant.
NOTE: A yearly checkup or tune-up by
a Sears service center is a good way of
ensuring that your snow thrower will
provide maximum performance for the
next season.
ENGINE
_blL ARNING: Drain the gaso-
line outdoors, away from
fire or flame.
Gasoline must be removed or treated to
prevent gum deposits from forming in
the fuel tank, filter, hose, and carburetor
during storage. Also, during storage al-
cohol blended gasoline that uses etha-
nol or methanol (sometimes called
gasohol) attracts water. It acts on the
gasoline to form acids which damage
the engine.
F-011050L
1,
2.
3,
4,
5.
TO remove gasoline, run the engine
until the fuel tank is empty and the
engine stops.
If you do not remove the gasoline,
use fuel stabilizer supplied with unit
or purchase Craftsman Fuel Stabi-
lizer No. 3550. Add fuel stabilizer to
any gasoline left in the tank to mini-
mize gum deposits and acids. If the
fuel tank is almost empty, mix stabi-
lizer with fresh gasoline in a sepa-
rate container and add some to the
fuel tank.
Always follow the instruction on the
stabilizer container. After the stabi-
lizer is added to the fuel tank, run
the engine at least ten minutes to
allow the mixture to reach the car-
buretor.
Change the engine oil.
Lubricate the piston/cylinder area.
First, remove the spark plug and
squirt a few drops of clean engine
oil into the spark plug hole. Next,
cover the spark plug hole with a rag
to absorb oil spray. Then, pull two or
three times on the recoil starter rope
to rotate the engine. Finally, install
the spark plug and attach the spark
plug wire.
3O
OTHER
1. If possible, store your snow thrower
indoors and cover it to give protec-
tion from dust and dirt.
2. If the machine must be stored out-
doors, block up the snow thrower to
be sure the entire machine is off the
ground.
3. Cover the snow thrower with a suit-
able protective cover that does not
retain moisture. Do not use plastic.
IMPORTANT: Never cover snow
thrower while engine and exhaust areas
are still warm.

TROUBLE CORRECTION
Difficult starting
CAUSE
Defective spark plug.
Water or dirt in fuel system.
Replace spark plug.
Use carburetor bowl drain to
flush and refill with fresh fuel.
Engine runs erratic Blocked fuel line, empty gas Clean fuel line; check fuel
tank, or stale gasoline supply; add fresh gasoline
Engine stalls Unit running on CHOKE. Set choke lever to RUN
position.
Engine runs erratic; Water or dirt in fuel system. Use carburetor bowl drain to
Loss of power flush and refill with fresh fuel.
Excessive vibration Loose parts: damaged Stop engine immediately and
impeller disconnect spark plug wire.
Tighten all bolts and make all
necessary repairs. If
vibration continues, have the
unit serviced by a Craftsman
service repairman.
Unit fails to propel itself Drive belt ioose or damaged.
Incorrect adjustment of
traction drive cable
Worn or damaged friction
wheel,
Auger drive belt loose or
damaged.
Replace drive belt.
Adjust traction drive cable.
Unit fails to discharge
snow
Replace friction wheel.
Adjust auger drive belt;
replace if damaged.
Auger control cable not Adjust auger control cable.
adjusted correctly.
Shear boit broken Replace shear bolt
Discharge chute clogged. Stop engine immediately and
disconnect spark plug wire.
Clean discharge chute and
inside of auger housing.
Foreign object lodged in Stop engine immediately and
auger disconnect spark plug wire.
Remove object from auger.
F-011050L 31

SEARS, ROEBUCK AND CO.
Federal and California Emission Control Systems Limited Warranty
Small Off-Road Engines
CALIFORNIA & US EPA EMISSION
CONTROL WARRANTY STATEMENT
The U. S. Environmental Protection Agency
("EPA"), the California Air Resources Board
("CARB") and Sears, Roebuck and Co. are
pleased to explain the Federal and California
Emission Control Systems Warranty on your
new small oft-road engine. In California, new
1995 and later smali oft-road engines must be
designed, built and equipped to meet the
State's stringent anti-smog standards. In oth-
er states, new 1997 and later model year en-
gines must be designed, built and equipped, at
the time of sale, to meet the U.S. EPA regula-
tions for small non-road engines. Sears, Roe-
buck and Co. will warrant the emission control
system on your small oft-road engine for the
periods of time listed below, provided there
has been no abuse, neglect, unapproved mod-
ification, or improper maintenance of your
small oft-road engine.
Your emission control system may include
parts such as the carburetor, ignition system
and exhaust system. Also included may be the
compression release system and other emis-
sion-related assemblies.
Where a warrantable condition exists, Sears,
Roebuck and Co. will repair your small off-
road engine at no cost to you for diagnosis,
parts and labor.
MANUFACTURER'S EMISSION
CONTROL SYSTEM WARRANTY
COVERAGE
Emission control systems on 1995 and later
model year California small oft-road engines
are warranted for two years as hereinafter
noted. In other states, 1997 and later model
year engines are also warranted for two years.
If, during such warranty period, any emission-
related part on your engine is defective in ma-
terials or workmanship, the part will be
repaired or replaced by Sears, Roebuck and
Co.
OWNER'S WARRANTY
RESPONSIBILITIES
As the small oft-road engine owner, you are
responsible for the performance of the re-
F-011050L
quired maintenance listed in your Owner's
Manual, but Sears, Roebuck and Co. will not
deny warranty solely due to the lack of receipts
or for your failure to provide written evidence
of the performance of all scheduled mainte-
nance.
As the small oft-road engine owner, you
should, however, be aware that Sears, Roe-
buck and Co. may deny you warranty cover-
age if your small oft-road engine or a part
thereof has failed due to abuse, neglect, im-
proper maintenance or unapproved modifica-
tions.
You are responsible for presenting your small
oft-road engine to a Sears, Roebuck and Co.
Authorized Service Outlet as soon as a prob-
lem exists. The warranty repairs should be
completed in a reasonable amount of time, not
to exceed 30 days.
Warranty service can be arranged by contact-
ing either a Sears, Roebuck and Co. Autho-
rized Service Outlet, or by contacting Sears,
Roebuck and Co. at 1-800-473-7247.
32
IMPORTANT NOTE
Esta This warranty statement explains your
rights and obligations under the Emission
Control System Warranty ("ECS Warranty")
which is provided to you by Sears, Roebuck
and Co. pursuant to California law. See also
the Sears, Roebuck and Co. Limited Warran-
ties for Sears, Roebuck and Co. which is en-
closed therewith on a separate sheet and also
is provided to you by Sears, Roebuck and Co.
The ECS Warranty applies only to the emis-
sion control system of your new engine. To the
extent that there is any conflict in terms be-
tween the ECS Warranty and the Sears, Roe-
buck and Co. Warranty, the ECS Warranty
shall apply except in any circumstances in
which the Sears, Roebuck and Co. Warranty
may provide a Iongerwarranty period. Both the
ECS Warranty and the Sears, Roebuck and
Co. Warranty describe important rights and
obligations with respect to your new engine.
Warranty service can only be performed by a
Sears, Roebuck and Co. Authorized Service
Outlet. At the time of requesting warranty ser-
vice, evidence must be presented of the date
of sale to the original purchaser. The purchas-

ershallpayanychargesformakingservice
callsand/orfortransportingtheproductsto
andfromtheplacewheretheinspectionand/
orwarrantyworkisperformed.Thepurchaser
shallberesponsibleforanydamageorlossin-
curredinconnectionwiththetransportationof
anyengineoranypart(s)thereofsubmittedfor
inspectionand/orwarrantywork.
Ifyouhaveanyquestionsregardingyourwar-
rantyrightsandresponsibilities,youshould
contactSears,Roebuckand Oo. at
1-800-473-7247.
EMISSION CONTROL SYSTEM
WARRANTY
Emission Control System Warranty ("ECS
Warranty") for 1995 and later model year Cali-
fornia small off-road engines (for other states,
1997 and later model year engines):
A. APPLICABILITY: This warranty shall apply
to 1995 and later model year California small
off-road engines (for other states, 1997 and
later model year engines). The ECS Warranty
Period shall begin on the date the new engine
or equipment is delivered to its original, end-
use purchaser, and shall continue for 24 con-
secutive months thereafter.
B. GENERAL EMISSIONS WARRANTY
COVERAGE: Sears, Roebuck and Co. war-
rants to the original, end-use purchaser of the
new engine or equipment and to each subse-
quent purchaser that each of its small off- road
engines is:
1. Designed, built and equipped so as to con-
form with all applicable regulations adopted by
the Air Resources Board pursuant to its au-
thority in Chapters 1 and 2, Part 5, Division 26
of the Health and Safety Code, and
2. Free from defects in materials and work-
manship which, at any time during the ECS
Warranty Period, will cause a warranted emis-
sions-related part to fail to be identical in all
material respects to the part as described in
the engine manufacturer's application forcer[i-
fication.
C. The ECS Warranty only pertains to emis-
sions-related parts on your engine, as follows:
1. Any warranted, emissions-related parts
which are not scheduled for replacement as
required maintenance in the Owner's Manual
shall be warranted for the ECS Warranty Peri-
od. If any such part fails during the ECS War-
ranty Period, it shall be repaired or replaced by
F-011050L 33
Sears, Roebuck and Co. according to Subsec-
tion 4 below. Any such part repaired or re-
placed under the ECS Warranty shall be
warranted for any remainder of the ECS War-
ranty Period.
2. Any warranted, emissions-related part
which is scheduled only for regular inspection
as specified in the Owner's Manual shall be
warranted for the ECS Warranty Period. A
statement in such written instructions to the ef-
fect of "repair or replace as necessary", shall
not reduce the ECS Warranty Period. Any
such part repaired or replaced under the ECS
Warranty shall be warranted for the remainder
of the ECS Warranty Period.
3. Any warranted, emissions-related part
which is scheduled for replacement as re-
quired maintenance in the Owner's Manual,
shall be warranted for the period of time prior
to the first scheduled replacement point for
that part. If the part fails prior to the first sched-
uled replacement, the part shall be repaired or
replaced by Sears, Roebuck and Co. accord-
ing to Subsection 4 below. Any such emis-
sions-related part repaired or replaced under
the ECS Warranty, shall be warranted for the
remainder of the ECS Warranty Period prior to
the first scheduled replacement point for such
emissions-related part.
4. Repair or replacement of any warranted,
emissions-related part under this ECS War-
ranty shall be performed at no charge to the
owner at a Sears, Roebuck and Co. Autho-
rized Service Outlet.
5. The owner shall not be charged for diagnos-
tic labor which leads to the determination that
a part covered by the ECS Warranty is in fact
defective, provided that such diagnostic work
is performed at a Sears, Roebuck and Co. Au-
thorized Service Outlet.
6. Sears, Roebuck and Co. shall be liable for
damages to other original engine components
or approved modifications proximately caused
by a failure under warranty of an emission- re-
lated part covered by the ECS Warranty.
7 Throughout the ECS Warranty Period,
Sears, Roebuck and Co. shall maintain a sup-
ply of warranted emission-related parts suffi-
cient to meet the expected demand for such
emission-related parts.
8. Any Sears, Roebuck and Co. authorized
and approved emission-related replacement
part may be used in the performance of any
ECS Warranty maintenance or repair and will
be provided without charge to the owner. Such

useshallnotreduceSears,RoebuckandCo.
ECSWarrantyobligations.
9.Unapprovedadd-onormodifiedpartsmay
notbeusedtomodifyorrepairaSears,Roe-
buckandCo.engine.SuchusevoidsthisECS
Warrantyandshallbesufficientgroundsfor
disallowinganECSWarrantyclaim.Sears,
RoebuckandCo.shallnotbeliablehereunder
forfailuresofanywarrantedpartsofaSears,
RoebuckandCo.enginecausedbytheuseof
suchanunapprovedadd-onormodifiedpart.
EMISSION-RELATED PARTS
INCLUDE THE FOLLOWING:
1. Carburetor Assembly and its Internal Com-
ponents
a) Fuel filter
b) Carburetor gaskets
c) Intake pipe
2. Air Cleaner Assembly
a) Air filter element
3. Ignition System, including:
a) Spark plug
b) Ignition module
c) Flywheel assembly
4. Catalytic Muffler (if so equipped)
a) Muffler gasket (if so equipped)
b) Exhaust manifold (if so equipped)
5. Crankcase Breather Assembly and its
Components
a) Breather connection tube
10/22/99 EPA/CARB
Sears, Roebuck and Co., Hoffman Estates, IL 60179 U.S.A.
F-011050L 34

GARANTiA ...................
REGLAS DE SEGURIDAD ......
SiMBOLOS INTERNACIONALES
ENSAMBLAJE ................
OPERACI6N ..................
59 MANTENIMIENTO ............. 75
59 SERVICIO YAJUSTES ......... 78
ALMACENAMIENTO ........... 88
62 TABLA DE LOC.ALIZACI(_N Y
64 REPARACION DE AVERiAS 89
69 PEDIDO DE PIEZAS/SERVICIO ... 96
[c%! i P_I
GARANTiA LIMITADA DE DOS AI;IOS PARA EL QUITANIEVES CRAFTSMAN
Durante dos argosa partir de la fecha de compra, siempre que a este quitanieves Craftsman se le
d_ mantenimiento, lubricaci6n y afinamiento de acuerdo con las instrucciones de operaci6n y man-
tenimiento presentadas en et manual del propietario, Craftsman reparar&, sin cargo alguno, cual
quier defecto en material y mano de obra.
Si este quitanieves Craftsman es usado con prop6sitos comerciales o de arrendamiento, esta ga
rantia ser& v&lida sotamente por 90 dias a partir de la fecha de compra.
Esta garantia no cubre 1osiguiente:
Elementos de desgaste normal, tales como bujias, correas de transmisi6n y pasadores de segu
ridad.
Reparaciones necesarias debido alabuso o negligenciadel operador, incluyendovarillas dobla
dos y otras reparaciones necesarias porfalta del mantenimiento a la unidad segOn Io recomen
dado en las instrucciones contenidas en el manual det propietario.
EL SERVIClO DE GARANTiA SE PUEDE OBTENER LLEVANDO E/QUlTANIEVES AL CEN-
TRO/DEPARTAMENTO DE SERVICIO CRAFTSMAN MAS CERCANO EN LOS ESTADOS UNI-
DOS. ESTA GARANTiA ES VALIDA SOLO CUANDO ESTE PRODUCTO ES USADO EN LOS
ESTADOS UNIDOS.
Esta garantia le otorga derechos legales especificos, y asimismo es posible que tenga otros dere
chos los cuales varian de un estado a otro.
Sears, Roebuck and Co., D817WA, Hoffman Estates, IL 60179
,_ Presteatenci6nae, stesimbolo, leindicaprecaucionesdeseguridadimportantes. Sig-
nifica--!!!ATENClON!!! !!!ESTE ALERTA!H Se trata de su seguridad.
Las emanaciones de escape producidas pot este
motor y ciertos componentes de esta maquina con-
tienen quimicos reconocidos por el Estado de Cali-
fornia como carcinogenos, tambien pueden produ-
cir defectos en los reci_n nacidos o causar otros da-
_os al sistema reproductivo.
Los bornes, terminales y accesorios relacionados
con la bateria contienen plomo y compuestos del
plomo, ademas de sustancias quimicas que el Esta-
do de California reconoce qae estos compuestos
pueden causar c&ncer y defectos como carcinoge-
nas, ademas estas sustancias pueden producir da-
_os congenitos, a los bebes y adem&s de otros da-
_os al sistema reproductivo humano. DEBE LAVAR-
SE MUY BIEN LAS MANOS DESPUES DE MANIPU-
LAR ESTOS COMPONENTES.
F-011050L 35
ADVERTENCIA:
Siempre desconecte
el cable de la bujia y
coloquelo alejado de _sta
para prevenir un arranque
accidental durante la prepa-
raci6n mantenimiento o al-
macenamiento del quitanie-
ves.
IMPORTANTE: Para prevenir
lesiones, las normas de seguri-
dad exigen controles en la u nidad
que s61o puedan set manejados
en presencia del operador. Su
quitanieves estA equipado con
dichos controlss. Pot ningt'Jn mo-
tivo intente pasar por alto la fun-
ci6n del control en presencia del
operador.

CAPACITACION
1. Lea atentamente las instrucciones sobre
operaci6n y servicio que aparecen en el
manual. Familiaricese completamente
con los controles y el uso adecuado de la
unidad. Aprenda a detener el quitanieves
y a desenganchar rapidamente los contro-
les.
2. Nunca permita a niSos operar el quitanie-
yes y mantengalos fuera del alcance del
mismo mientras 6ste se encuentra en
operaci6n. Nunca permita que adultos
operen el quitanieves sin Ia instrucci6n
apropiada. No Ileve pasajeros.
3. Mantenga el Area libre de personas, espe-
cialmente niSos pequeflos y mascotas.
4. Tenga cuidado para evitar resbalarse o
caerse, especialmente cuando est_ retro-
cediendo.
PREPARACION
1. Inspeccione completamente el Area don-
de usara el quitanieves y retire todos los
felpudos, trineos, tablas, alambres y otros
objetos que puedan entorpecer su trabajo.
2. Desenganche todos los embragues antes
de arrancar el motor.
3. No opere el quitanieves sin vestir ropa de
invierno adecuada para trabajar afuera.
Vista calzado que le de buena estabilidad
en superficies resbalosas.
4. Tenga cuidado con el combustible; es su-
mamente inflamable.
(a) Use un contenedor aprobado para
combustible.
(b) Nunca quite la tapa del tanque de ni
aflada combustible si el motor est_
en marcha o esta caliente.
(c) Llene el tanque de combustible al aire
libre y con mucho cuidado. Nunca lie-
ne ei tanque en un recinto cerrado.
(d) Coloque nuevamente la tapa del tan-
que y compruebe que quede segura,
limpie el combustible derramado.
(e) Nunca almacene combustible o el qui-
tanieves con combustible en el tan-
que dentro de un recinto cerrado
donde los vapores de este pudieran
alcanzar alguna llama desprotegida o
una chispa.
(f) Revise la reserva de combustible en
el tanque antes de cada uso, dejando
algt_n espacio para la expansi6n del
F-011050L
1. No opere esta mAquina si esta tomando
drogas o medicinas que puedan causar
somnolencia o afectar su habilidad para
operar esta unidad de manera segura.
2. No opere esta unidad si por motivos emo-
cionales o fisicos se le dificulta manejarla
con seguridad.
3. No coloque las manos ni los pies cerca o
debajo de piezas giratorias. Mantengase
siempre a una distancia prudente de la
abertura de descarga.
4. Tenga mucho cuidado cuando al operar la
unidad pase o cruce caminos, aceras o
calles de grava. Mantengase alerta a pelf
gros ocultos o trAfico.
5. Si golpea alg[in objeto, pare el motor, des-
conecte el cable de la bujia, inspeccione
completamente el quitanieves pot si hu-
biera algAn daSo, y repArelo antes de vol-
vet a arrancar ei motor y operar el
quitanieves.
6. Si la unidad comienza a vibrar fuera de Io
normal, pare el motor y revise la maquina
inmediatamente para encontrar la causa.
Generalmente, la vibraci6n es una adver-
tencia de problemas.
7. Pare el motor cuando deje la posici6n de
operaci6n, antes de desobstruir el aloja-
miento de la barrena/propulsor o el canal
de descarga, y cuando efectAe cualquier
reparaci6n, ajuste o inspecci6n a la uni-
dad.
combustible que se produce por el
calor del motor y/o del sol.
5. Para todas las unidades con motores de
arranque el6ctrico, utilice cables de exten-
si6n certificados por CSA/UL. Use sola-
mente con un tomacorrientes que haya
sido instalado de acuerdo alas normas
estipuladas por las autoridades de inspec-
ci6n locales.
6. Ajuste la altura del quitanieves para pasar
sobre superficies de grava o piedra tritura-
da.
7. Nunca trate de hacer ajustes a la unidad
mientras el motor est_ en marcha (excep-
to cuando esto sea especfficamente reco-
mendado por el fabricante).
8. Permita que el motor y el quitanieves se
ajusten a las temperaturas exteriores an-
tes de comenzar el trabajo.
9. Use siempre gafas de seguridad o protec-
totes para los ojos durante la operaci6n
del quitanieves o mientras hace algt3n
ajuste o reparaci6n al mismo, para prote-
get sus ojos de objetos que puedan ser
lanzados pot et quitanieves.
OPERACION
36

8. Cuandolimpie,repareoinspeccionela
unidad,asegt3resedequelabarrena/pro-
pulsorytodaslaspartesm6vilesseha-
yahdetenido.Desconecteelcabledela
bujiaymantengaloalejadodeestapara
evitarunarranqueaccidental.
9. Tometodaslasprecaucionesposiblesal
dejarelquitanievesdesatendido.Desen-
gancheIabarrena/propulsor,pareelmo-
tor,yretirelaIlave.
10.Nohagaarrancarelmotorenrecintosce-
rrados,exceptoalarranoaryparatrans-
portarelquitanieveshaciaadentroo
haciaafueradelrecinto.Abralaspuertas
quedanalexterior;lasemisionesdeles-
capesonpeligrosas(contienenMONOXl-
DODECARBONO,unGASINODOROy
MORTAL).
11.NouseelquitanievesparalimpiarAreas
deterrenosinclinadas.Tengamuchocui-
dadoalcambiardedirecci6n.Nointente
limpiarpendientesmuypronunciadas.
12.NuncaopereelquitanievessinqueIos
resguardos,placasuotrosdispositivosde
seguridadseencuentrenensulugar.
13.Nuncaopereelquitanievescercadees-
caparatesdevidrio,autom6viles,vidrie-
ras,sitiosdecarga/descarga,ysimilares
sinelajusteapropiadodelangulodedes-
cargadenieve.MantengaalosniSosy
mascotasalejadosdelAreaqueestades-
pejando.
14.Nosobrecarguelacapacidaddelamaqui-
naalintentarlimpiarnieveaunaveloci-
daddemasiadorapid&
15.Nuncaopereelquitanievesaaltasveloci-
dadesdetransportesobresuperficiesres-
balosas.Mirehaciaarrasytengacuidado
alretroceder.
16.Nuncadescarguedirectamentehaciaper-
sonasquevayanpasandonipermitaa
nadiefrentealquitanieves.
17.Desenganchelafuerzamotrizalabarre-
na/propulsorcuandoelquitanievessea
trasportadaonoest6enuso.
18.Utilicet3nicamenteaditamentosyaceeso-
dosaprobadosporelfabricantedelquita-
nieves(talescomocadenasparalas
ruedas,juegosdearranqueeI6ctrico,
etc.).
19.Nuncaopereelquitanievessinbuenavisi-
bilidadoiluminaci6n.Asegt_resesiempre
detenetbuenaestabilidad, y sujete con
firmeza el mango de la unidad. Camine;
nunca corra.
20. No intente alcanzar lugares dificiles. Ase-
gtSrese siempre de mantener buen equili-
brio y traecidn.
21. No trate de usar ei quitanieves para des-
pejar tejados.
MANTENIMIENTO Y
ALMACENAMIENTO
1, Revise con frecuenoia los pernos de se-
guro y otros pernos para asegurar que
estan bien apretados y que el equipo se
encuentra en buenas y seguras condicio-
nes de funcionamiento.
2. Nunca guarde el quitanieves con combus-
tible en el tanque dentro de un recinto
donde hubieran fuentes de ignici6n tales
como calentadores de agua y estufas, se-
cadoras de ropa y similares. Permita que
el motor se enfrle antes de almacenar la
unidad en cualquier recinto.
3. En el manual del operador encontrarA in-
formaci6n detallada e importante acerca
de c6mo guardar el quitanieves por un
tiempo prolongado.
4. Mantenga o reemplaee las etiquetas de
seguridad e instrucciones a medida que
estas se vayan despegando de Ia unidad.
5. Mantenga el quitanieves en marcha unos
cuantos minutos despues de despejar la
nieve para evitar que se congele la barre-
na/propulsor.
_lb ADVERTENClA: Este quitanieves
es para uso en aceras, entradas
de auto y otras superficies de te-
rreno planas. Se debe tenet cuidado al
usar el quitanieves en superficies inclina-
das. NO USE EL QUITANIEVES EN SU-
PERFICIES SOBRE EL NIVEL DEL SUELO
tales como techos de residencias, de ga-
rajes, porches u otras estructuras o cons-
trucciones similares.
F-011050L 37

B'_t] KtI-']
IMPORTANTE: Encontrara muchos de los simbolos siguientes en su unidad o en los impresos in-
formativos que vienen con el producto. Antes de operar la unidad entienda y aprenda el objetivo de
cada simbolo.
Simbolos de control y operacion
Despacio Rapido Arranque el_ctrico Arranque del motor
@oI
Motor en marcha Motor parado Apagado Encendido
H N
Estrangulador Estrangulador
desactivado activado Neutro Control de
aceleracion
Boton Llave de ignicion
cebador
Embrague
de propulsion
Colector
de barrena
F-011050L
® @
Ignicion Ignicion
desactivada activada
Avance Marcha atras de barrena
O_onar 0
Enganchar el arranque electrico Transmision
38

Simbolos de control y operacion
Mezcla de combustible
Combustible Aceite y aceite
Descarga hacia Descarga hacia Descarga hacia la Descarga hacia la
ABAJO ARRIBA IZQUIERDA DERECHA
i' o]
Transterencia de peso Transterencia de peso Llave de ignicibn
Levante el mango Presione el pedal Insertar para marcha,
para enganchar para desenganchar retirar para parada.
Simbolos de advertencia de seguridad
PELIGRO
Objetos lanzados.
Mantenga alejados a
los transauntes
PELIGRO
Objetos lanzados.
Mantenga alejados a
los transet_ntes. ADVERTENCIA
IMPORTANTE
Lea el manual del
propietario antes de
opera_uina.
ADVERTENCIA
Superficie caliente
F-O11050L
PELIGRO
Para evitar lesiones que pue-
da causar la barrena rotato-
ria, mantenga las manos, los
pies y la ropa alejados.
PARE
39
PELIGRO
Pare el motor
antes de desatascar
el canal de descarga.

CONTENIDO DE LA BOLSA DE PARTES (TAMANO REAL)
1- Manual del Propietario (no se muestra)
1 - Paquete de estabilizador de combustible (no se muestra)
1 - Tarjeta de garantia (no se muestra)
*Las partes que no necesitan ensamblado se encuentran en la caja de herramientas ubicada en la
cubierta de la correa.
1 - Perilla de la palanca de cambios (no
en su tamar_o real)
tamaflo real)
PARTES QUE VIENEN EMPAQUETADAS EN FORMA SEPARADA EN LA CAJA
DE CARTON (NO SE MUESTRAN EN SU TAMAI_IO REAL)
2- Llaves de ignici6n (Adjuntas al
motor en bolsa plastica) 1-Conjunto del canal de
descarga de nieve
F-011050L 40

_lb DVERTENCIA: Siempre use
gafas de seguridad o protecto-
res para los ojos mientras en-
sambla el quitanieves.
HERRAMIENTAS NECESARIAS
1 - Cuchillo para cortar la caja
2 - Uave de tuercas de 1/2 pig
(o Ilave de tuercas ajustable)
2 - Uave de tuercas de 9/16 pig
(o Ilave de tuercas ajustable)
2 - Uave de tuercas de 3/4 pig
(o Ilave de tuercas ajustable)
1 - Alicate (paraabrir las patas
del pasador de chaveta)
1 - Destornillador
1 - Cinta 0 regla para medir
Figura 40
La Figura 40 muestra el quitanieves en
posiciSn de envio.
La Figura 41 muestra el quitanieves
completamente ensamblado.
La referencia a los lados izquierdo y
derecho del quitanieves se hace desde
la posiciSn del operador cuando este se
encuentra detras de la unidad.
Palanca de propulsiSn
de Ia barrena
Palanca d
Tornillo
F-011050L
Palanca de
propulsi6n por
tracci6n
Cable del
Manivela
Deflector de
descarga
Patines de
ajuste de
altura
Figura 41
41
COMO SACAR EL QUITANIEVES
DE LA CAJA
1. Ubique todas las piezas que vienen
empaquetadas por separado y
s&quelas de la caja.
NOTA: Coloque el estabilizador de
combustible en un lugar seguro hasta
que Io necesite para guardar la unidad.
2. Quite y deseche el material de
empaque que rodea la unidad.
3. Haga un corte de arriba hacia abajo
en cada esquina de la caja y deje
los paneles sobre el suelo.
4. Para prop6sitos de envio, los pa-
tines de ajuste de alture, van suje-
tos a la plataforma de envio. Saque
el tornillo que sujeta cada petin a
la plataforma. Vea la Figura 41.
5. Agarre el quitanieves por el mango
inferior y h&galo rodar fuera de la
caja. PRECAUCl6N: NO
retroceda sobre los cables.
6. Quite el material de empaque del
conjunto de los mangos.
7. Corte los amarres que sujetan los
cables de control del embrague al
mango inferior, y col6quelos
alejados del bastidor del motor.

COMO ENSAMBLAR EL MANGOY
EL CONJUNTO DE LA MANIVELA
1. Corte los amarres que sujetan la
palanca de cambios al mango
inferior y mueva la palanca a la
primera velocidad de avance.
2. Corte y deseche el amarre de pl&s-
tico que sujeta el conjunto de la ma-
nivela.
3. Afloje pero no quite los tornillos,
arandelas planas, arandelas de
seguridad y tuercas hexagonales
que se encuentran en los agujeros
superiores del mango inferior. Vea
la Figura 42.
4. Retire los sujetadores y el perno de
anilla de los agujeros inferiores del
mango inferior. Vea la Figura 44.
L%o% Yr°o1°
Tuerca
5/16 pig
Arandela de seguri-
dad (abierta) de
5/16 pig
/
Afloje pero
j no quite
_/ Arandela
21 ,,plana de
//11/32 pig
Tornillo de
]_ J 5/16 pig
Figura 42
NOTA: AsegQrese de que los cables no
queden atrapados entre los mangos
superior e inferior.
5. Levante el mango superior a la
posici6n de operaci6n.
NOTA: Si los cables se han
desconectado de las palancas de
embrague, reinstale los cables como se
muestra en la Figura 43.
Palanca de embrague
Conexi6n en "Z"
Cable
Figura 43
6. Instale los sujetadores que quit6 en
el paso 4. NO los apriete hasta
tener todos los pernos en su lugar.
Lado izquierdo
Manivela
Perno
de anilla
S Contratuerca
_. de de
nylon
3/8 pig
Arandela
Figura 44
F-011050L 42

7. Conecte el eje de la manivela a la
junta universal con el pasador de
horquilla. Vea la Figura 45.
8. Apriete la tuerca del perno de
anilla. Aseg0rese de que el perno
de anilla est_ bien alineado y que
la manivela pueda girar libremente.
9. Apriete todos los pernos del mango.
INSTALACION DE LA PERILLA DE LA PALANCA DE CAMBIOS
1. Enrosque la perilla en el extremo
roscado de la palanca de cambios
hasta que haga contacto con la
contratuerca hexagonal y la
leng0eta apunte en direcci6n
opuesta al motor. Apriete la
eontratuerca hexagonal contra el
fondo de la perilla para que esta
quede fija.
Figura 45
NOTA: Si los cables se hart desconec-
tado, con_ctelos come se muestra en la
Figura 47.
Cable de Cable de propul-
propulsi6n si6n de la barrena
Contratuerca
hexago
Palanca
de cambio de
velocidades Figura 46
Figura 47
F-011050L 43

ENSAMBLADO DEL CANAL DE
DESCARGA
1. Gire la manivela de ajuste de direcci6n
de descarga hacia la izquierda hasta
que se detenga.
2. Coloque et canal de daacatga de nieve
en la parte interior de la brida y alinee
los tres agujeros del canal de descarga
con los agujeros de la brida det canal de
descarga. (Vea la Figura 48).
3. Coloque tres pernos de cabeza redon*
da de 5/16-18, de adentro hacia afuera
en el canal.
4. Coloque tres arandelas planas 5/16-18
ytres tuercas 5/16-18 en la parte de
afuera de la brida.
5. Apriete los trea pernos de coche hasta
que queden seguros.
NOTA: NO los apriete demasiado.
6. Gire la manivela hacia la derecha y
compruebe que todos los pernos de
cabeza redonda est_n bien apreta-
dos.
Pemos
de
oabeza
Canal de descarga
Tuerca
/
Arandela
plana
Figura 48
C6MO AJUSTAR LOS PATINES DE ALTURA
Su quitanieves estA equipado con patines de
ajuste de altura ubicados en la parte exterior
del alojamiento de la barren& Para ajustar
ios patines de altura para diferentes condi-
ciones, consulte "Ajuste de los patinea de
altura", en la secci6n de Servicio y Ajus-
tes.
COMO ESTABLECER LA LONGITUD DE LOS CABLES
Puesto que los cables fueron ajustados en la
fabrica, no es necesario que usted los ajus-
te, Sin embargo, una vez que se instalan los
mangos en la posici6n de operaci6n, es po-
sible que los cables queden muy tirantes o
muy flojos. Si es necesario ajustarlos, con-
suite el p_rrafo "C6mo revisar y ajustar los
cables" que aparece en Ia secci6n de Servi-
cioy Ajustes,
_' LISTA DE REVISI6N
Antes de usar su nuevo quitanieves, y para
asegurar que obtenga el mejor rendimiento y
ia mayor satisfacci6n de este producto de
oalidad, pot favor haga un repaso de la si-
guiente lista de revisi6n:
_' Se han completado todas las instruccio-
nes de ensamblado.
_' El canal de descarga gira libremente.
_' No quedan piezas sueltas en la caja de
cart6n.
F-011050L
AI mismo tiempo que aprende a usar su qui-
tanieves, preste mucha atenci6n a los impor-
tantes detalles a continuaci6n:
44
v" El aceite del motor est_ al nivel adecuado.
v" AsegSrese que el tanque de gasolina este
Ileno con gasolina limpia, fresca y sin plo-
mo.
v" Familiaricese con todos los controles, su
ubicaci6n y funci6n. Opere los controles
antes de hacer arranoar el motor.

CONOZCA SU QUITANIEVES
LEA ESTE MANUAL DEL PROPIETARIO Y LAS REGLAS DE SEGURIDAD ANTES DE
USAR USAR SU QUITANIEVES. Compare QUITANIEVES para familarizarse con las posicio-
nes de los diversos controles y ajustes. Guarde este manuel para referencia en el futuro.
Palanca de propul-
Bot6n de arran- si6n por tracci6n
que electrico barrena (mano izquierda)
Bot6n cebador
Llave de Manivela
Deflector dc
• canal de
descarga
descarga
Manija de
Control de arranque ma-
aceleraci6n nual
Patines de ajuste de Figura 49
Palanca de propulsi6n de la bar_ena -
Arranca y detiene la barrena y el propulsor
(recoge y lanza la nieve).
Palanca de propulsi6n por traccion -Im-
pulsa el quitanieves hacia delar_e o hacia
atr_s.
Palanca de cambio de velocidades - Selec-
ciona la velocidad del quitanieves (6 velocida-
des hacia adelante y2velocidades hacia
atr_s).
Manivela - Cambia la direcci6n de lanza-
mier_o de la nieve.
Deflector del canal de descarga -Cambia la
distancia de lanzamiento de la nieve.
Canal de descarga - Cambia la altura de
Ianzamiento de la nieve.
Patines de ajuste de altura - Ajustan la dis-
tancia libre entre el terreno y el alojamiento de
Ia barrena
F-011050L 45
Llave de ignici6n - Debe ser insertada para
arrancar el motor.
Manija de arranque manual - Para arrancar
el motor de forrna manual.
Eatrangulador - Se usa para arrancar un
motor frio.
Bot6n cebador - Injecta combustible directa-
mente dentro del carburador o distribuidor pa-
ra un arranque rApido en temperaturas bajas.
Control de acelaraci6n - Controla la veloci-
dad del motor.
Botbn de arranque electrico (si la unidad Io
tiene) - Se usa para arrancar el motor usan-
do eI arrancador el@ctdcode 120V.
Pasadores de seguridad - Pemos disefia-
dos especialmente para rornperse (para prote-
ger la maquina) si un objeto se atasca en eI
alojamiento de la barrena.
Caja de herramientas - Contiene pasadores
de seguridad y espaciadores de repuesto.

Laoperaci6ndecualquierquitanievespuede
ocasionarqueobjetosextraSosseanlanza-
dosconfuerzahacialosojos,Iocualpodria
resultaren lesiones graves. Use siempre
gafas de seguridad o protectores pars los
ojos mientras opera el quitanieves.
Se recomiendan las gafas de seguridad es-
tandar o la mascara de seguridad de visi6n
amplia pars usarla sabre los anteojos.
,_ ADVERTENCIA: Lea al manual
del propietarie antes de operar
la mbquina. Nunsa dirija la des-
aarga hacia los transet_ntes. Pare el mo-
tor antes de desobstruir al canal de des-
carga o el alojamiento de la barrana y an-
tes de dejar la maquina.
C()MODETENER EL QUITANIEVES
1. Pars detener eI lanzamiento de nieve,
suelte la palanca de propulsibn de la
barrana. Veala Figura 49.
2. Pars detener las ruedas, suelte Ia palan-
ca de propulsion per tracaion.
3. Pars parar el motor, ernpuje la palanca
de control de aceleracibn a Ia posici6n
APAGADO ysaque la Ilava de ignicibn.
C()MOCONTROLARLA DESCARGADE
NIEVE
1. Gire la manivela de control para establecer
la direcci6n del lanzamiento de la nieve.
2. Afloje la tuerca de mariposa en el de-
flector del canal de descarga y ajuste el
deflector para establecer la distancia.
Mueva el deflector hacia (ARRIBA) para
mayor distancia, hacia (ABAJO) para
una distancia menor. Luego apriete la
tuerea de mariposa (Veala Figura 50).
ca de cambio de velocidades a la ranura
apropiada del panel de control de cam-
bias.
Velocidad 1,2 - Nieve mojada, pesada
Velocidad 3 - Nieve ligera
Velocidad 4 - Nieve may ligera
Velocidad 5, 6 - Pars transportar la uni-
dad solamente
2. Enganche la palanca de propulsi6n par
tracci6n (mane izqaierda). A medida
que el quitanieves comienza a moverse,
sujete firmemente los mangos, y guie el
quitanieves a Io largo del camino a des-
pejar No intente empujarlo.
3. Para mover el quitanieves en retroceso,
mueva la palanca de cambio de velocida-
des a la primera o segunda velocidad de
retroceso y enganche la palanca de pro-
pulsi6n par tracci6n (mane izqaierda).
IMPORTANTE: Nunca mueva la palanca de
cambio de velecidades mientras la palanca
de propulsion par traccion esta abajo.
LANZAMIENTODENIEVE
1. Empuje la palanca de propulsi6n de ]a
barrena (mane dereeha) hacia abajo.
2. Sueltela pars detener el lanzamiento de
nieve.
C()MOUSAREL PASADORDE
ENGANCHEDELA RUEDA
1. La rueda del lade izquierdo va asegurada
al eje par media de un pasador de en-
ganche (pasadar klick). Esta unidad fue
despachada con el pasador en la peal-
clan de anganeha (a traves del agujero
de la rueda). Vea la Figura 51.
Pasador
#klick
Jra 50
C()MOAVANZARY RETROCEDER
1. Para cambiar de velocidad, suelte Ia pa-
lanca de propulsi6n par tracci6n (mane
izqaierda} y mueva la palanca de cam-
bias a la velocidad deseada. La veloci-
dad en el terreno sera determinada par
las condiciones de la nieve. Selections la
velocidad que desea moviendo la palan-
F-011050L 46
Posici6n de
enganche
Tracci6n en
2 ruedas Figura 51
2. Para facilitar la maniobra de la unidad en
condiciones de nieve ligera, desconecte
el pasador klick de la poaicion de an-
ganche de la rueda eintrodSzcalo en el
agujero para tracci6n de una rueda (des-
enganche solamente el agujero-del
eje). Vea Ia Figura 52.

asador
klick
Posici6n de
desengan-
Traoc,on en __
sola rueda Figura 52
NOTA: AsegSrese de que el pasador kiick
est_ en la posici6n de tracci6n de una sola
rueda en el eje solamente, y no est_ inserta-
do a traves de Ia posici6n de enganche.
ANTESDE ENCENDEREL MOTOR
1. Antes de dar servicio o encender el mo-
tor, familiarlcese con su quitanieves. Ase-
g0rese de conocer la ubicaci6n de todos
los oontroles y entender su funci6n.
2. Revise la tensi6n del cable del embrague
antes de arrancar el motor. Consulte el
Ajuste del cable de control que apare-
ce en la secci6n de Servicio y Ajustes
de este manual
3. Aseg0rese de que todos los sujetadores
esten apretados.
4. Compruebe que el ajuste de los patines
de altura este correoto. Consulte el parra-
fo "Ajuste de los patines de altura" que
aparece en la secci6n de Servicio y
Ajustes de este manual.
5. Revise la presi6n de los neumAticos
(14-17 libras). No exceda eI limite mAxi-
mo de presi6n.
REVISIONARDELACEITE:ANTESDE
ARRANCAREL MOTOR
NOTA: El motor fue enviado de la fAbrica
con aceite. Revise el nivel de aceite. ASada
aoeite seglJn sea necesario.
1. Aseg0rese de que la unidad se encuen-
tre sobre una superficie nivelada.
NOTA: No revise el nivel de aceite estan-
do el motor en march&
2. Quite la tapa/varilla indicadora deI nivel
de aceite. Revise el niveL
3. Si es necesario, aSada aceite hasta la
linea FULL (lleno) en la tapa/varilla indi-
cadora dei nivel de aceite (yea la la
Figura 53). No exceda ia medida.
F-011050L
/Tapa/varilla indicadora
_ _,.__elnivel de ac 'e
47
NOTA: El nivel del aceite deberA estar
entre la marca FULL (lleno) y Ia marca
ADD (agregar) Figura 53
4. Apriete firmemente la tapa/varilla cada
vez que revise el nivel de aceite.
NOTA: Para operar el quitanieves en tempe-
raturas muy bajas: 0°F o menos, use aceite
de motor 0W30 parcialmente sintetico para
un arranque mAs fAcil.
NOTA: En Areas donde Ia temperatura se
mantiene constante en los -6,7°C (20°F) o
menos, puede usar aceite del tipo S.A.E.
5W-30 para facilitar el encendido det motor.
COMBUSTIBLE
AVISO: LOS MOTORES QUE EST/_,NCER-
TiFICADOS PARA CUMPLIR CON LAS ES-
TIPULACIONES DE LAS NORMAS DE
EMISION EN EL ESTADO DE CALIFORNIA
Y DE LAS NORMAS FEDERALES DE EPA
DE EUA PARA MOTORES ULGE: EstAn cer-
tificados para funcionar con gasolina regular
sin plomo. Esto incluye los siguientes siste-
mas de control de emisi6n: EM, TWC (Siste-
ma de convertidor catalitico tridireccional para
los motores que esten equipados con este
sistsma). Todas las caracterlsticas ajustables
por el usuario ya cumplen con las normas, pot
la tanto no es necesario ningSn otto ajuste.
_DVERTENClA: La experiencia
indica que los combustibles
mezclados con alcohol (llama-
do gasohol o aquellos que contienen eta-
nol o metanol) pueden atraer humedad la
cual conduce a la separacion y forma-
cibn de acidos durante el almacenamien-
to. Los gases acidicos pueden daSar el
sistema de combustible de un motor
mientras se encuentra guardado.
NOTA: Para evitar problemas en el motor, et
sistema de combustible debe vaciarse antes
del guardar la unidad por 30 dias o mAs.
Arranque el motor y dejelo en marcha basra
que Ias Iineas de combustible y el carbura-

dorestenvacios.Useeltaz6ndedrenaje
delcarburadorparavaciarlagasolinaresi-
dualdelacAmaradelflotador.Usegasolina
frescalasiguientetemporada.Parsmayor
informaci6nconsultelasecci6ndeAlmaca-
namiento de este manual.
Nunca use productos de Iimpieza de motor o
carburador en el tanque de combustible, de
Io contrario podria causar daho permanente
a la unidad.
1. Llene el tanque solamente con gasolina
fresca, limpia, regular sin plomo, s@er
sin plomo o gasolina automotor reformu-
lada. NO use gasolina con plomo. Ase-
gt_rese de que el recipiente que contiene
la gasolina a utilizar, este limpio y sin 6xi-
do u otras particuIas extrahas. Nunca
use gasolina que pueda estar vencida
debido a su prolongado almacenamiento.
_lb DVERTENCIA: La gasolina es
inflamable y debera tener mu-
cho cuidsdo al manipularla o
almacenarla.
No Ilene el tanque de combustible mien-
tras el quitanieves se encuentre en mar-
sha, cuando este saliente o cuando el
quitanieves se encuentre en un recinto
serrado.
Mantenga el combustible slejado de lla-
mas expuestas o chispss electricas y no
fume mientrss liens el tanque de com-
bustible.
Nunca Ilene el tanque sompletsmente,
Ll_nelo hasta que quede un espacio de
1/4-1/2 pulgads (0,5-1 cm) desde la parte
superior para proporcionar espacio para
la expansibn del combustible.
Siempre Ilene el tanque en smbientes ex-
teriores y utilice un embudo o boquills
para prevenir derrames.
Asegt_rese de limpiar cualquier combus-
tible derramado antes de arransar el mo-
tor.
Almacene la gasolina en un contenedor,
limpio y aprobado, y mantengs la tapa
del contenedor en su lugar.
PARADADELMOTOR
Para parar Ia marcha del motor, mueva la
palanca de control de aceleraci6n a la posi-
ci6n PARAR y retire la Ilave. Mantenga la
Ilave en un lugar seguro. El motor no puede
arrancar sin la Ilave de ignici6n.
F-011050L 48
ARRANQUEDELMOTOR
(si la unidadest_equipadaconun
arrancadorelectrico)
AsegL_rese de que el motor tenga suficiente
aceite. El motor del quitanieves esta equipa-
do con un arrancador electrico de 120 voltios
de corriente altema y con un arrancador ma-
nual. Antes de arrancar el motor, asegt3rese
de haber leido la informaci6n siguiente:
_k DVERTENCIA: El motor de
arranque esta equipsdo con un
cable de alimentacion y enchu-
fe trifilar, dise6ados para funcionar con
corriente domestica de 120 voltios CA. El
cable de alimentacion debera estar co-
nectado s tierra en todo momento para
evitar la posibilidad de un choque electri-
co que podria lesionar al operador. Siga
cuidadosamente todas las instrucciones
de la seccion "Arranque del motor." Veri-
fique qua el alambrado el_ctrico de su
casa tenga un sistema trifilar conectado
a tierra. Si no esta seguro de esto, pre-
g_ntele a un electricista profesional. Si
su casa no cuenta con un sistema de
alambrado electrico trifilar, no use el
arrancador electrico bajo ninguna cir-
cunstancia. Si su sistema esta conectado
a tierra pero no dispone de un tomaco-
rrientes trifilar, en un punto convenients
para enchufar su arrancador electrico,
pida a un electricista profesional que le
instale uno. Pars conectsr el cable de ali-
mentacion de 120 voltios de CA, siempre
conecte primero el cable a la caja del to-
macorrientes del motor, luego enchufe el
otro extremo en el tomacorrientes trifilar
conectado a tierra. AI desconectar el ca-
ble de alimentacibn electrica, siempre
desenchufe primero el extremo en el to-
macorrientes conectado a tierra.
ARRANQUEDELMOTORENFRi0
Compruebe que las palancas de propul-
si6n de la barrens y de propulsi6n pot
tracci6n esten en la posici6n desengan-
chado.
2. Mueva el control de aceleraci6n a la posi-
ci6n "RAPIDO".
3. Saque las Ilaves de la bolsa plastics. In-
serte una Ilave en la ranura de ignici6n.
Asegt_rese de que al meter la Ilave oye
que esta hace un sonido de enganche.
No gire Is Ilavs. Mantenga la segunda
Ilave en un lugar seguro.

4. GirelaperilladeIestranguladorhaciala
derechaalaposici6n"ACTWADO".
5. Conecteelcabledealimentaci6nalaca-
ja del tomacorrientes del motor.
6. Enchufe el otto extremo deI cable de ali-
mentaci6n en un tomacorrientes trifilar de
120 voltios CA, conectado a tierra.
7. Empuje el boton ¢ebador mientras cu-
bre el agujero de ventilaci6n de la mane-
ra siguiente: Quite el dedo del bot6n
cebador entre cebados.
No use el cebado si la temperatura estA
sobre 50°F (10°C).
Empuje el bot6n dos veces si latemperatu-
ra esta entre 50°F (10°C) y 15°F (- 10_'C).
Empuje el bot6n cuatro veces si la tem-
peratura se encuentra pot debajo de los
t5°F (- t 0"C).
8. Presione el boton del arranoador hasta
encender el motor. No Io presione por
mAs de 10 segundos a la vez. Este motor
de arranque electrico cuenta con protec-
ci6n termica. Si se sobrecalienta se de-
tendrA automaticarnente y puede ser
arranoado nuevamente s61o ouando se
haya enfriado a una temperatura segura
(debe esperar entre 5 y 10 minutos apro-
ximadamente).
9. Una vez que el motor encienda, suelte el
boton de arranque y mueva el estran-
gulador a la posici6n "1/2". Cuando el
motor est6 trabajando de manera unifor-
me, mueva el estrangulador a Ia posi-
ci6n "desactivado'L
10. Desconecte el cable de alimentaci6n, pri-
mero del tomacorrientes y luego de la
caja del tomacorrientes del motor.
NOTA: Deje que el motor se caliente pot
varios minutos antes de empezar a despejar
Ia nieve en temperaturas inferiores a los
- 18°C (0_'F).
11. Opere el motor a una velocidad de acele-
raci6n "RAPIDA" cuando este despejan-
do la nieve.
ARRANQUEDELMOTORCALIENTE
Si est_ arrancando un motor caliente des-
pu6s de haberlo apagado por un periodo
corto, deje el estrangulador en la posici6n
"DESACTIVADO" y no pulse el bot6n ceba-
dor. Si el motor no arranca, siga las instruc-
ciones que aparecen en el pArrafo "Arranque
del motor en frio" de esta secci6n.
F-011050L 49
ARRANQUEDELMOTOR
(arranquemanual)
Cerci6rese de que el motor tiene suficiente
aceite. El motor deI quitanieves est@ equipa-
do con un sistema de de arranque manual.
Antes de arrancar el motor, aseg@ese haber
leido Ia informaci6n siguiente:
ARRANQUEEN FRiO
2,
3.
1. Compruebe que las palancas de propul-
si6n de la barrena y de propulsi6n por
tracci6n est_n en la posici6n de desen-
ganche.
Mueva el control de aceleraci6n a la posi-
ciSn "RAPIDO".
4.
5.
Saque las Ilaves de la bolsa plastica. In-
serte una Ilave en la ranura de ignici6n.
Asegtlrese de que al meter la Ilave oye
un clic. NO gire la Ilave. Guarde la Ilave
adicional en un lugar seguro.
Gire la perilla del estArter haoia la dere-
cha a la posici6n "ACTIVADO".
Empuje el botbn cebador mientras cu-
bre el agujero de ventilaci6n de la mane-
ra siguiente: Quite el dedo del bot6n
cebador entre cebados.
No use el cebado si la temperatura esta
sobre los 50°F (10°C).
Empuje el bot6n dos veces si la temperatu-
ra estA entre 50°F (10°C) y 15°F (- t 0°C).
Empuje el bot6n cuatro veces si ia tem-
peratura se encuentra por debajo de
los15°F (- 10°C).
6. Jale la manija de arranque manual con
un rnovirniento seguro y rapido. No la
suelte despu6s de jalarla. Deje que la
ouetda vuelva a enrollarse lentamente
mientras sostiene la manija.
7. Mientras el motor se va calentando, mue-
va el estrangulador a "1/2 estrangula-
ci6n". Cuando el motor este funcionando
de manera uniforme, mueva el estrangu-
lador a la posici6n "desactivado".
NOTA: Deje que el motor se caliente por
varios minutos antes de empezar a despejar
la nieve en temperaturas inferiores a los
- 18_'C (0°F).
8. Opere e) motor a la velocidad de acelera-
ci6n "RAPIDO" cuando este despejando
Ia nieve.
ARRANQUE DEL MOTOR CALIENTE
Siesta arrancando un motor caliente des-
pues de haberlo apagado por un periodo

corto, deje el estrangulador en "DESACTI-
VADO" y no pulse el bot6n cebador.
ARRANQUECONGELADO
Si el motor de arranque est_ congelado y no
enciende el motor:
1. Jale tanta cuerda del arrancador manual
como sea posible.
2. Suelte la manija de arranque manual y
dejela enrollarse con fuerza contra el
arrancador.
Si el motor todavia no arranca, repita estos
dos pasos hasta que Iogre encenderlo.
Para ayudar a evitar que se congelen el
arranque manual y los controles del motor,
proceda de la manera siguiente despu6s de
cada trabajo de remoci6n de nieve.
1. Con el motor en march& jale energica-
mente la cuerda de arranque manual es-
tirando su brazo completamente tres o
cuatro veces seguidas. El halado de la
cuerda de arranque producira un sonido
de repiqueteo fuerte. Esto no causa daflo
ni al motor ni al arrancador.
2. Con el motor apagado, limpie toda la nie-
ve y humedad de la cubierta del carbura-
dot en el Area de las palancas de control.
Asimismo, mueva varias veces el control
de aceleraci6n, el control del estrangula-
dot y la manija de arranque manual.
_IL DVERTENCIA: Nunca deje co-
rrer el motor en un recinto ce-
rrado y con poca ventilacion.
Las emanaciones de escape contienen
MONOXIDO DE CARBONO, UN GAS INO-
DORO Y MORTAL. Mantenga las manos,
pies, cabello y ropa suelta, alejados de
las partes mbviles del motor y del quita-
nieves. La temperatura del silenciador y
Areas adyacentes puede exceder los
150°F. Tenga cuidado de no tocar estas
partes. NO permita que niSos o adoles-
centes utilicen o est_n cerca del quita-
nieves mientras est_ funcionando.
_DVERTENCIA: No intente sa-
car ningt_n objeto atascado en
la barrena sin tomar las precau-
ciones siguientes.
Suelte las palancas de propulsion de
la barrena y de propulsion por trac-
cion.
Muevs la palanca de control de acele-
racion a la posicion "parar".
Retire (sin girar) la Ilave de ignicion.
F-011050L 5O
Desconecte el cable de la bujia.
No coloque las manos en la barrena o
canal de descarga. Use una barfs de
apalancamiento para sacar el objeto
atascado.
CONSEJOSSOBREEL
LANZAMIENTODE NIEVE
1. Para un rendimiento m_xirno de su quita-
nieves, al despejar la nieve ajuste la ve-
Iocidad sobre el terreno, NUNCA haga
este ajuste en el control de aceleraci6n.
Avance lentamente en nieve profunda,
congelada, o mejeda. Si les ruedas pati-
nan, reduzca la velocidad de avance. El
motor esta diseflado para brindar un ren-
dimiento m_bdmo bajo aceleraci6n total y
debe set operado en este valor de poten-
cia en todo momento.
2. El lanzamiento de nieve es mas eficiente
si el trabajo se realiza inmediatamente
despues de Ia nevada.
3. Para una remoci6n completa de la nieve,
traslape ligeramente cada camino adop-
tado previamente. En nieve profunda, su-
perponga los barridos entre sJ para evitar
sobrecargar la mAquina.
4, La nieve debeda set descargada en la
direcci6n del viento siempre que sea po-
sible.
5. Para uso normal, ajuste los patines de
altura de manera que la barra raspadora
quede a 1/8 de pulgada sobre los pati-
nes. Para superficies de nieve dura y
compecta, ajuste los patines de altura
hacia arriba de manera que la barra ras-
padora haga contacto con el suelo.
6. En superficies de grava o piedra tritura-
da, ajuste los patines de altura a 1-1/4
pulgadas por debajo de Ia barra raspado-
ra. Consulte el pArrafo "Ajuste de los
patines de altura" en la secci6n de Ser-
vicio y Ajaetee de este manual. Este
ajuste es importante para que la mAquina
no recoja y lance piedras ni grava.
7. Despues de completar el trabajo de des-
pejar la nieve, deje el motor en marcha
por unos cuantos minutos, esto derretirA
Ia nieve y hielo acumulados alrededor del
motor.
8.
9.
Limpie completamente el quitanieves
despues de cada uso.
Quite toda acumulaci6n de hielo y nieve
y todo material extraflo del quitanieves, y
enjuague con agua (si fuera posible) para
remover toda la sal u otros qulmicos. Se-
que el quitanieves con un patio.

RESPONSABILIDADES DEL CLIENTE
REGISTROSDE
SERVICIO
Anotelas fechsssme- Antes Cada Cada Cada Csda Antes FECHA
didaque completsel deca- A me- 5 10 25 tempo- de DEL
servicio da uso nudo horas horas horas rada guardar SERVICIO
Cambiar eI aceite del
motor
Revisar la bujia
to_ _!! ..............................................................................
Revisar el combustible _/
............................................................................
Revisar el ajuste de los
cables (secci6nAjuste
de los cables")
,/
,/
,/
,/
,/
!i!i!i!i!i!i!i!i!i!i!i!i!i!i!i!i!i!i!i!i!i!i!i!i!i!i!i!iiii'il,ii i
!i!i!i!i!i!i!i!i!i!i!i!i!i!i!i!i!i!i!i!i!i!i!i!i!i!i!i!iiii'il,ii i
!i!i!i!i!i!i!i!i!i!i!i!i!i!i!i!i!i!i!i!i!i!i!i!i!i!i!i! i i' i,ii i
RECOMENDACIONESGENERALES
La garant[a de este quitanieves no cubre
elementos que han estado sujetos a abuso o
negligencia pot parte del operador. Para re-
cibir el valor total de la garantia, el operador
deberA dar mantenimiento al quitanieves de
acuerdo a las instrucciones contenidas en
este manual.
SerA necesario efectuar algunos ajustes pe-
ri6dicamente para mantener su quitanieves
en buenas condiciones de funcionamiento.
Todos los ajustes en la secci6n Servicio y
Ajustes de este manual deberian ser reali-
zados por Io menos una vez durante cada
temporada.
DESPUES DE CADA USO
• Revise la unidad pot si tuviera alguna
pieza suetta o da_ada.
• Apriete los sujetadores que est6n
sueltos.
• Revise y de mantenimiento a la barrena.
• Revise los controles para asegurarse de
que funcionan correctamente.
• Si encuentra alguna pieza gastada o
daSada, cAmbiela inmediatamente.
F-O11050L 51

ESPECIFICACIONES
CABALLOS DE 9 HP
FUERZA
CILINDRADA 19,34 pig. CL_.
CAPACIDAD DE 4 cuartos
GASOLINA (sin plomo)
CAPACIDAD DE
ACEITE 20 onzas, 5W30
BUJiA: Champion RJ19LM
(Entrehierro 0,030pk
HOLGURA DE Entrada: 0,010 pig.
V_,LVULAS: Escape: 0,010 pig.
QUITANIEVES
SEGUN SEA NECESARIO
Los siguientes ajustes se deben hacerse
mAs de una vez por temporada.
1. Ajuste la correa de propulsi6n de la ba-
rrena despu6s de Ias primeras 2 6 4 ho-
ras, y nuevamente a mitad de la
temporada, y dos veces cada temporada
posteriormente, (Consolte el p_rrafo
"Cbmo ajustar las correas" en la sec-
cion de Servicio y Ajustes.
LUBRICACI(_N DE LA CADENA - CA-
DA 25 HORAS
1. Ponga la palanca de selecci6n de veloci-
dad en primera (1).
2. Ponga el quitanieves de pie sobre el ex-
tremo del alojamiento de la barren&
NOTA: Cuando el carter del motor est_
Ileno de aceite, aseg_3rese de no dejar
el quitanieves de pie sobre el
alojamiento de la barrena por mucho
tiempo.
3. Quite el panel inferior.
4. Lubrique las cadena8 con un Iubricante
especial para cadenas.
5. Cuando vaya a almacenarlo, limpie el eje
hexagonal y los engranajes con aceite
de motor 5W30.
NOTA: Limpie todo exceso de grasa o
de aceite de la rueda de fricoibn o de
la placa del disco de propulsibn.
F-011050L 52
PRECAUCI(_N: No permita que la
grasa entre en contacto con la rueda
de friccion ni con la placa del disco de
propulsibn.
6. InstaIe el panel inferior.
Figura 54
CAJA DE ENGRANAJESDELA
BARRENA
La caja de engranajes de la barrena se lubri-
ca en la fAbrica y no requiere lubricaci6n. Si
pot alguna raz6n el lubricante se escapa,
haga revisar esta caja de engranajes en un
centro de servicio autorizado.
MOTOR
LUBRICACION
Revise el nivel de aceite en el carter del mo-
tor antes de encenderlo y despues de cada
cinco (5) horas de uso continuo. Vea la
Figura 55. Agregue aceite de motor S.A.E.
5W30 a medida que sea necesario. Apriete
la tapa/varilla indicadora en forma segura
cada vez que revise el nivel del aceite.
Tapa/varilla indicadora deI nivel
de aceite
Figura 55
Cambie el aceite cada veinticinco (25) horas
de uso, o pot Io menos una vez aI a_o si el
quitanieves no se usa por veinticinco (25)
horas.

CAMBIO DE ACEITE
1. Coloque el quitanieves de manera tal que
el tap6n de drenaje del aceite sea ei pun-
to mAs bajo del motor.
2. Quite el tap6n de drenaje del aceite y la
tapa/varilla indicadora del nivel de
aceite. Drene el aceite en un recipiente
apropiado.
NOTA: El aceite fluira mejor si el motor es-
tA caliente.
3. Una vez que haya sacado todo el aceite,
coloque nuevamente el tap6n de drenaje
en su lugar y aprietelo para que quede
seguro.
4. Llene lentamente el carter del motor con
aceite S.A.E. 5W30. NO LO LLENE DE-
MASIADO.
BUJiA
Revise la bujia cada veinticinco (25) horas.
ReemplAcela si los electrodes estan picados
o quemados o si la porcelana esta rajada.
1. Asegt_rese de que la bujia este limpia.
Limpiela raspando con mucho cuidado
ios electrodos (no use chorro de aren ni
cepillo de alambres).
2. Revise el entrehierro de la bujia usando
una lamina calibradora y restablezca el
entrehierro a 0,030 pig. si fuera necesa-
rio. Vea la Figura 56.
3. Antes de instalar la bujia, cubra la rosca
con un poco de aceite para que sea mAs
facil sacarla, si fuera necesario. Aprieta
Ia bujia a un par de apriete de 15 pie-li-
bra.
0,030pig.
Bujia
Figura 56
F-011050L 53

_lb ADVERTENCiA: Para prevenir
el arranque accidental del mo-
tor, siempre desconecte el ca-
ble de la bujia y mantengalo alejado de
esta mientras realiza ajustes o repara-
ciones a la unidad.
C6MO AJUSTAR LOS PATINES DE
ALTURA
Este quitanieves esta equipado con dos pati-
nes de ajuste de altura, ubicados en el lado
exterior del alojamiento de la barren& Vea la
Figura 57.
Estos patines de ajuste de altura eIevan la
parte delantera del quitanieves.
Tuercas de montaje
O
Alojamiento de Patin de ajuste de
la barrena altura Figura 57
Para superficies duras normales, tales como
entradas de auto o senderos pavimentados
ajuste los patines de ajuste de altura de la
de Ia siguiente manera:
1. Ponga el quitanieves en una superficie
nivelada.
2. Compruebe que ambos neumAticos tie-
nen la misma presi6n de aire. La presi6n
de aire correcta es 14 a 17 PSI (de 228
a 277 kg/cm).
3. Coloque los pernos de seguridad adicio-
nales (que se encuentran en la bolsa
de partes) debajo de cada extremo de la
barra raspadora junto a los patines de
ajuste de altura.
4. Afloje las tuercas de montaje que sujetan
los patines de ajuste de altura. Para bajar
Ia parte delantera del quitanieves, suba
los patines. Apriete las tuercas de mon-
taje. Vea la Figura 57.
NOTA: Para las superficies pedregosas o
irregulares, suba la parte delantera del quita-
nieves bajando los patines de ajuste..
_1= DVERTENCIA: Asegurese de
mantener la altura necesaria
sobre el suelo del Area que se
va a limpiar. Si el impulsor golpea obje-
tos tales como grava, piedras u otros
desechos, los puede lanzar con sufi-
ciente fuerza como para causar lesio-
nes personales, da5os a la propiedad o
dafms al quitanieves.
AJUSTEDELABARRA
RASPADORA
Despu6s de mucho uso, la barra raspadora
met_Iica se gastar& La barra raspadora y
los patines, siempre deben ajustarse de ma-
nera que quede un espacio de 1/8 pig. entre
la barra raspadora y la acera o el Area que
se va a despejar.
1. Ponga el quitanieves en una superficie
nivelada,
Compruebe que ambos neumAticos tie-
nen la misma presi6n de aire. La presi6n
correcta es de 14 a 17 PSI. No exceda
Ia presi6n la cantidad maxima de aire in-
dicada en el neumAtico.
3. Afloje las tuercas y pernos de coche que
sujetan la barra raspadora al alojamiento
de la barrena.
4. Ajuste la barra raspadora a la posici6n
correota.
5. Apriete las tuercas y pernos de coche,.
Asegure que la barra raspadora quede
paralela con la acera o el Area que se va
a despejar.
6. Para que la barra raspadora dure mAs
tiempo, quflela y m6ntela al rev6s. Si de-
be reemplazarla debido al desgaste, qui-
te las tuercas y los pemos de coche e
instale una barra raspadora nueva.
F-011050L 54

AJUSTES DE LA CORREA
Correa de propulsion
La correa de propulsi6n tiene una
presi6n de resorte constante y no re-
quiere ningQn ajuste. Si nora que em-
peza a resbalar, reempl&cela. Consulte
"Modo de reemplazar la correa" en la
secci6n de mantenimiento.
Correa de propulsion de la barrena
Si el quitanieves no expulsa la nieve,
compruebe el ajuste del cable. Si es
correcto, compruebe que la correa de
propulsi6n de la barrena este en buen
estado. Siesta estropeada o suelta,
reempl_.cela (vea Reemplazo de la co-
rrea en esta misma secci6n del ma-
nual).
1. Desconecte el cable de la bujia.
2. Quite el tornillo de la cubierta de
la correa. Quite la cubierta de la
correa (Figura 58).
Figure 58 _
3. Afloje la tuerca de la polea guia de
la barrena y mueva esta Qltima ha-
cia la correa un octavo de pulgada
aproximadamente (3 mm)
(Figura 61).
4. Apriete latuerca.
5. Pida a alguien que ponga el embra-
gue de la barrena. Compruebe la
tensi6n de la correa (al lado contra-
rio de la polea guia). La correa de-
F-011050L 55
beria coder media pulgada (12,5
mm) con presi6n moderada
(Figura 59). Puede que tenga que
mover la polea guia mas de una
vez para conseguir la tensi6n co-
rrecta.
Polea de
-- barrena
Polea (_ "\/ (12,5mm)
0Figura 59
6. Vuelva a poner la cubierta de la
correa.
7. Siempre que ajuste o reemplace las
correas, tambien hara falta ajustar
los cables. (Vea Ajuste de los ca-
bles en esta misma secci6n del ma-
nual).
8. Conecte el cable de las bujias.
MODO DE REEMPLAZAR LAS
CORREAS
Las correas de propulsi6n son especia-
les y se deben reemplazar con correas
originales del fabricante que podr& en-
contrar en un distribuidor autorizado.
Para completar algunos de estos pro-
cedimientos necesitar& la ayuda de otra
persona.
Modo de desmontar la correa de pro-
pulsion de la barrena
Si la correa de propulsi6n est_ estro-
peada, el quitanieves no expulsar& la
nieve. Reemplace la correa de la si-
guiente manera.
1. Desconecte el cable de la bujia.
2. Afloje los pernos a cada lado del
panel inferior (Figura 60).

3. Quiteelpanel inferior.
Pemo Panel
inferior
Instale una correa de propulsion
de la barrena nueva original de f&-
brica que haya comprado en un
centro de servicio autorizado.
miento
de la ba-
rrena
Figura 60
4. Quite el tornillo de la cubierta de
la correa. Quite la cubierta
(Figura 58).
5. Afloje la guia de la correa. Separe
la gula de la polea de propulsion
de la barrena (Figura 61).
6. Separe la polea guia de la correa
de propulsion de la barrena.
7. Quite la correa de propulsion vieja
de la polea de propulsion de la
barrena y de la polea del motor.
8. Instale la correa de propulsion de
la barrena nueva en la polea de
propulsion yen la polea.
9. Ajuste la eorrea de propulsion de
la barrena. Consulte "Modo de
ajustar la correa de propulsiSn de la
barrena" en la secci6n de manteni-
miento.
10. Ajuste la gula de la correa. Consul-
te "Modo de ajustar la guia de la co-
rrea" en la secciSn de
mantenimiento.
11. Instale la eubierta de la eorrea.
Apriete el tornillo (Figura 58).
12. Revise los cables. Consulte "Modo
de revisar y ajustar los cables" en la
secci6n de mantenimiento.
13. Instale el panel inferior (Figura 60).
14. Apriete los pernos a cada lade del
panel inferior.
15. Conecte el cable de la bujia.
( X_ iCorre_d e
Polea del motor Guia de Ia correa
Polea
Poleaguiade la barrena
propulsi6n
de la barrena
propuisi6n
de la barrena
Anillo
Eje de la
ptaca oscilante
Resorte de
propulsi6n
Correa de
propulsi6n
Polea de
propulsi6n
Polea deI motor
Figura 61
F-011050L 56

Modo de desmontar la correa de
propulsion
Si el quitanieves no se mueve hacia
adelante, aseg_rese de que la correa
de propulsi6n no est@excesivamente
desgastada o dafiada. Si Io est&,
reempl&cela de la siguiente manera.
1. Desconecte el cable de la bujia.
2. Quite la correa de propulsi6n de la
barrena. Consulte "Modo de des-
montar la correa de propulsi6n de la
barrena" en la secci6n de manteni-
miento.
3. Quite el anillo ede uno de los ex-
tremos del eje de la placa oscilan-
te. Quite este eje para que la placa
oscilante gire hacia adelante
(Figura 61).
4. Quite el resorte de propulsion,
5. Quite la correa de propulsion vieja
de la polea de propulsion y de la
polea del motor. Instale una co-
rrea de propulsion original de f&-
brica de un distribuidor autorizado.
6. Instale la correa de propulsion en
la polea de propulsion yen la po-
lea del motor.
sujeta (Figura 62).
11.
Marcas de alineamiento Figura 62
NOTA. Si la transmision no fun-
ciona una vez que haya substitui-
do la correa de propulsibn,
asegt_rese de que la placa osci-
lante se encuentre entre las dos
marcas de alineamiento.
Instale y ajuste la correa de pro-
pulaion de la barrena. Consulte
"Modo de desmontar ia correa de
propulsi6n de la barrena" en la sec-
ci6n de mantenimiento.
12. Ajuste la guia de la correa. Consul-
te "Modo de ajustar la guia de la co-
rrea" en la secci6n de
mantenimiento.
7. Aseg_rese de que la polea guia de
propulsion est_ alineada con la
correa de propulsion.
8. Conecte el resorte de propulsion.
9. Instale el eje de la placa oscilante
y suj_telo con el anillo e.
10. La parte inferior de la placa osci-
lante debe quedar entre las mar-
cas de alineamiento. AsegQrese
de que la placa oscilante este bien
F-011050L
17.
57
13. Instale el panel inferior (Figura 60).
14. Apriete los pernos a ambos lados
del panel inferior.
15. Instale la cubierta de la correa.
Apriete el tornillo (Figura 58).
16. Revise los cables. Consulte "Modo
de revisar y ajustar los cables" en la
secci6n de mantenimiento.
Conecte el cable de la bujia.

AJUSTES DE LA CORREA GUiA
1. Quite el cable de la bujia.
2. Pida a alguien que ponga el propul-
sor de la barrena.
3. Mida la distancia entre la guia de la
correa y la correa. La distancia de-
be ser de 1/8 de pulgada (3,175
mm) para la guia. (Figura 63).
--_. Guia de
la correa
Polea '\ _Of,,_1/8 pig.
guia _-- _\" (3,175 ram)
de la
barrena
funciona-
miento )
Figura 63
4. Si necesita hacer algQn ajuste, aflo-
je el perno de montaje de la guia de
la correa. Ponga la guia en la posi-
ci6n correcta. Apriete el perno.
5. Vuelva a instalar la cubierta de la
correa.
6. Vuelve a conectar el cable de la bujia.
Cuando revise la Iongitud del cable, la pa-
lanca debe estar hacia adelante (tocando
et tope de plAstico).
Accesorio "Z"
Tope de plastico
Figura 64
2. El centro del accesorio "Z" debe es-
tar entre el centre y la parte super-
ior del agujero en la palanca de
propulsi6n. Ajuste el cable de pro-
pulsi6n de la barrena o el cable de
propulsi6n de tracci6n de la siguien-
te forma.
Ajuste del cable de propulsion de la
barrena
_ DVERTENCIA: Vacle la ga-
solina al aire libre, lejos de
cualquier llama.
1. Vacie el tanque de gasolina. Levan-
te el quitanieves con el extreme
frontal del alojamiento de la barrena
hacia abajo.
2. Meta el cable por el resorte hasta
exponer la porci6n roscada del ca-
ble (Figura 65).
MODO DE REVISAR Y AJUSTAR
LOS CABLES
Los cables se ajustan en la f_.brica y no Extremocuadrado
deberia ser necesario ajustarlos. Si se
se dan de si o est&n flojos, ajQstelos.
Siempre que cambie o ajuste las
correas tendr& que ajustar los cables.
Para asegurarse de que esten bien
ajustados, suelte el accesorio "Z" en
la palanca de propulsion (Figura 64).
1. Mueva la palanca de propulsi6n to-
do Io que pueda hacia adelante
(hasta que toque el tope de pl_.sti-
co). Sujete bien el cable, observe
la posici6n del accesorio con res-
pecto al agujero en la palanca de
propulsi6n.
F-011050L 58
Resorte
del cable
Contratuerca
Figura 65
3. Sujete el extremo cuadrado de la
parte roscada con unos alicates y
ajuste la contratuerca hacia afuera
o hacia adentro hasta conseguir el
ajuste correcto. Vuelva a meter el
cable por el resorte y con@ctelo.

AJUSTES DEL CABLE DE PROPULSION
_1= ADVERTENCIA: Vacie la ga- 6. Meta la parteinferiordel cable de
solina al aire libre, lejos de propulsion porel soporte de ajus-
cualquier llama, te del cable hasta que pueda sacar
1. Vacie el tanque de gasolina. Levan-
te el quitanieves con el extremo
frontal del alojamiento de la barrena
hacia abajo.
2. Afloje los pemos a cada lade del
panel inferior (Figura 66).
J
Pemo
\\
Perno Panel inferior
Figura 66
el gancho "Z".
7. Saque el gancho "Z" del soporte
de ajuste del cable. Mueva el gan-
cho "Z" hacia abajo hasta el si-
guiente agujero de ajuste.
8. Jale el cable de propulsion por el
soporte de ajuste.
9. Ponga el manguito del cable sobre
el eoporte de ajuste del cable.
10. Instale el gancho "Z" en la palan-
ca de propulsion (Figura 64).
11. Para revisar el ajuste, baje la palam
ca de propulsi6n y compruebe la
Iongitud del resorte de propulsion.
Si el ajuste es el correcto, la Iongi-
tud del reeorte de propulsion es
min. 3, max. 3-3/8 pig. (rain. 76
mm., max. 85 ram.) (Figura 68).
3. Quite el panel inferior.
4. Desconecte el accesorio "Z" de la
palanca de propulsion (Figura 64).
5. Saque el manguito del cable del
aoporte de ajuate del cable
(Figura 67).
Soporte deajuste /_ G, ncho "Z"
del cable Figura 67
Resorte de propulsi6n Figura 68
F-011050L 59

AJUSTE 0 REEMPLAZO DE LA RUEDA DE FRICCION
Revision de la rueda de friccion
Si el quitanieves no avanza, revise la
correa de propulsi6n per tracci6n, el ca-
ble de propulsi6n o la rueda de fricci6n.
Si la rueda de fricci6n est& gastada o
daSada, hay que cambiarla. Ver
"Reemplazo de la rueda de fricci6n" en
esta secci6n. Si la rueda de fricci6n no
esta gastada o dafiada, revisela de la
siguiente manera.
1. Vacie el tanque de gasolina. Ponga
el quitanieves en posici6n vertical
sobre la parte delantera del aloja-
miento de la barrena (consulte la
Figura 69).
_IL DVERTENCIA: Vacie el
tanque de gasolina al aire
libre, lejos de fuentes de
ignicion.
2. Desconecte el cable de la bujia.
3. Afloje los pernos a cada lade del pa-
nel inferior (consulte la Figura 69).
4. Quite el panel inferior.
5. Ponga la palanca de cambio de
velocidades en la posici6n m&s
lenta de velocidad de avance.
Perno inferior
miento
de la
barrena
Si la rueda de friccion no esta en
la posici6n correct& ajOstela de la
siguiente manera (consulte la
Figura 70).
Figura 70
Ajuste de la rueda de friccion
1,
2.
3.
4.
5.
6.
Coloque la palanca de cambio de
velocidades en la posici6n m&s
lenta de velocidad de avance.
Afloje los pernos en la vara de
control de velocidad (consulte la
Figura 71).
Mueva la rueda de friccion a la po-
sici6n correcta (consulte la
Figura 70).
Apriete los pernos que hay en la
vara de control de velocidad (con-
suite la Figura 71).
Instale el panel inferior (consulte la
Figura 69).
Apriete los pernos que hay a cada
lade del panel inferior.
\\'\c- Perno Figura 69
6. Fijese en la posici6n de la rueda de
friccion (consulte la Figura 70). La
distancia correcta "A" desde el lade
derecho de la rueda de friccion
hasta ]a parte exterior de la caja
del motor es la siguiente:
Tama_o Ilanta Distancia "A"
12 y 13 pulgs. 4-1/8"
16 pulgs. 4-515'
F-011050L 6O

Reemplazo de la rueda de friccion
Si la rueda de fricci6n est& gastada o
dafiada, el quitanieves no avanza.
La rueda de fricci6n se debe cambiar
de la siguiente manera.
1. Vacie el tanque de gasolina. Ponga
el quitanieves en posici6n vertical
sobre la parte delantera del aloja-
miento de la barrena (4). (consulte
la Figura 69).
NOTA: Fijese especialmente en la
posicion de las arandelas en el eje
hexagonal.
Panel inferior Perno
nicion.
ADVERTENCIA: Vacte el
tanque de gasolina al aire
libre, lejos de fuentes de ig-
2. Desconecte el cable de la bujia.
3. Quite los sujetadores que fijan la
Ilanta derecha. Quite la Ilanta de-
recha del eje (consulte la
Figura 72)
4. Afloje los pernos que haya a cada
lado del panel inferior.
5. Quite el panel inferior.
6. Quite los sujetadores que fijan el
engranaje de propulsion al eje
(consulte la Figura 73).
7. Quite la Ilanta izquierda, el eje y el
engranaje de propulsion.
8. Quite los cuatro pernos que retie-
nen los cojinetes a cada lado del
eje hexagonal (consulte la
Figura 74).
9. Quite el eje hexagonal y los coji-
netes.
Llanta
Figura 72
Cadena Figura 73
netes
_Pemos
Figura 74
F-011050L 61

10. Quite los tres sujetadores que re-
tienen la rueda de friccion en el
cubo (consulte la Figura 75).
11. Quite la rueda de friccion del cu-
bo. Deslice la rueda de friccion
fuera del eje hexagonal.
12. Instale la nueva rueda de friecion
en el cubo con los sujetadores que
quit6 antes.
13. Instale el eje hexagonal y los coji-
netes con los cuatro pernos que
quit6 antes (consulte la Figura 76).
Asegt_rese de que haya instalado
correctamente las arandelas en
su posicion original. Asimismo,
compruebe que las dos arande-
las esten correctamente alinea-
das con los brazos del impulsor.
t4. Aseg_rese de que el eje hexagonal
gira libremente.
15. Instale la Ilanta izquierda, el eje y el
engranaje de propulsion con los
sujetadores que quit6 antes. Instale
la cadena en el engranaje de pro-
pulsion (consulte la Figura 73).
16. Revise el ajuste de la rueda de fric-
ci6n. Consulte "Ajuste de la rueda
de fricci6n" en esta secci6n.
17. AsegQrese de que la rueda de fric-
ci6n y la placa del propulsor de dis-
co no tienen ni grasa ni aceite.
18. Instale el panel inferior (consulte la
Figura 72).
19. Apriete los pernos a cada lado del
panel inferior.
20. Instale la Ilanta derecha en el eje
con los sujetadores que quit6 antes.
21. Conecte el cable de la bujia.
Rueda de
Sujetadores Cubo fricci6n
Eje hexagonal
Sujetadores
Figura 75
Arandela
Brazos delimpulsor
Cojinetes
\
Arandela
Cojinetes
Arandela
Figura 76
F-011050L 62

C()MO REEMPLAZARLOS PERNOSDE
SEGURIDADDE LABARRENA
Las barrenas estAn sujetas al eje de Ia ba-
rrena con pernos de seguridad especiales.
Estos pernos estAn diseSados para romper-
se y proteger la mAquina en caso de que un
objeto se atasque en el alojamiento de la
barren& No use pemos duros pues perderA
Ia protecci6n de los pemos de seguridad.
_IL DVERTENCIA: Por razones de
seguridad y para proteger la
maquina, use solamente pernos
de seguridad originales.
Para cambiar un perno de seguridad roto,
proceda de la siguiente manera. En la bolsa
de partes encontrarA pernos de seguddad
adicionales.
1. Mueva el control de aceleraci6n a la posi-
ci6n de parada. Desenganche todos los
controtes.
2. Desconecte el cable de la bujia. Aseg_-
rese de que todas las piezas m6viles se
hayan detenido.
3. Alinee el agujero de la barrena con et
agujero del eje de la barrena. Instale el
nuevo pasador de seguridad yespacia-
dor. Vea la Figura 77.
4. Conecte el cable de la bujla.
'_dor de
_ __L" -- .segiridad
i°, Espaciador
/Figura 77
AJUSTEDELCARBURADOR
Si piensa que su carburador necesita ser
ajustado, vaya al concesionario Craftsman
mAs cercano. El rendimiento del motor no
debe verse afectado en altitudes de hasta
2.100 m (7,000 pies). Para operar este mo-
tor en altitudes mAs elevadas, p6ngase en
oontacto con su concesionario Craftsman.
IMPORTANTE: Nunca experimente con el
gobernador del motor, el cual estA configura-
do de fAbrica para la velocidad apropiada del
motor. El exceso de velocidad del motor por
encima del ajuste de alta velocidad de fabri-
F-011050L
ca puede ser peligroso. Si usted cree que la
velocidad alta del gobernador del motor ne-
cesita set ajustada, p6ngase en contacto
con su centro de servicio Craftsman mAs
cercano, el cual tiene el equipo y la expe-
riencia apropiados para efectuar los ajustes
necesarios.
AJUSTE0 REEMPLAZODELA BUJiA
NOTA: Este sistema de encendido por chis-
pa cumpte con todos los requisitos de las
normas canadienses para equipo causante
de interferencia.
NOTA: Este motor cumple con todas las res-
tricciones actuales de Australia y Nueva Ze-
landa con respecto a Ia interferencia
electromagnetica.
Si tiene dificultades al arrancar el motor de
su quitanieves, es posible que la bujia nece-
site set ajustada o reemplazada. Reemplace
la bujia si los electrodos estAn picados o
quemados o si la porcelana esta rajada. Si-
ga las instrucciones que se presentan a con-
tinuaci6n.
Ajuste:
1. Limpie la bujia al raspando con cuidado
los electredos. (No la lirnpie con chorro
de arena ni use un cepillo de alambre).
2. Aseg_rese de que la bujia est_ limpia y
Iibre de materia extra_a. Revise el entre-
hierro de los electrodos usando una lAmi-
na calibradora y si fuera necesario,
restaure el entrehierro a 0,030 pig. Vea la
Figura 78.
Reemplazo:
1. Si necesita una buj_a nueva, use sola-
mente una bujia de reemptazo apropia-
da.
2. Establezca et entrehierro a 0,030 pig.
3. Antes de instalar la bujia recubra su ros-
ca ligeramente con aceite o grasa que
sea mAs f&cil sacarla si fuera necesario.
4. Apriete la bujia firmemente en el motor.
5. Si tiene una Ilave dinamom6trica, aplique
un par de torsi6n de 18 a 23 pies-libra.
LAmina calibradora 0,030
63
Bujia Figura 78

M ! _vjr;Te]=1_r;__vjII=1_il i[o]
_1= DVERTENCIA: Nunca guarde
su quitanieves en ambientes in-
teriores o en an area cerrada y
real ventilada. Si queda gasolina en el
tanque, los vapores podrian alcanzar
alguna llama expuesta, chispa o llama
piloto de una caldera, calentador de
agua, secadora de ropa, cigarrillo, etc.
NOTA: Para prevenir el dafio al motor (si el
quitanieves no se usa par mAs 30 dims) pre-
pArelo como se indica a contlnuaci6n.
QUlTANIEVES
1. Limpie todo el quitanieves.
2. Lubrique todos los puntos de lubricaci6n.
Consulte la secci6n de Mantenimiento.
3. Asegt3rese de que todas las tuercas, per-
nos y tornillos esten bien apretados. Ins-
peccione todas las piezas m6viles
visibles para detectar dafios, roturas y
desgaste. Haga los reemplazos necesa-
rios.
4. Retoque todas las superficies oxidadas o
que tengan la pintura saltada; lijelas sua-
vemente antes de aplicar la pintura.
5. Cubra las piezas de metal expuesto dei
soplador del alojamiento de la barrena y
del impulsor, con un anticorrosivo, tal co-
mo un lubricante en aerosol.
NOTA: Una revisi6n o afinamiento anual
hecho en un Centre de servicio Craftsman
es una buena manera de asegurar que su
quitanieves le brinde el maximo rendimiento
Ia siguiente temporada.
MOTOR
ADVERTENCIA: VacJe el tanque
de gasolina al airs libre, alejado
de faego y llamas expuestas.
Deber_ sacar la gasolina del tanque o pre-
pararla para prevenir la formaci6n de dep6si-
tos de goma en el tanque, filtro, manguera y
carburador durante el almacenamiento. Ade-
m_s, durante el almacenamiento, la gasolina
mezclada con alcohol que contiene etanoi o
metanol (llamada a veces gasohol) atrae
agua, y @staactt3a sobre la gasolina for-
mando acidos que dafian el motor.
t,
2.
Para sacar toda la gasolina, mantenga el
motor en marcha hasta que el tanque
quede vacio y el motor se pare.
Si no quiere sacar la gasolina, use el es-
tabilizador de combustible provisto con la
unidad, o compre estabilizador de com-
bustible Craftsman Nt_m. 33500. Afiada
el estabilizador de combustible a cual-
quier cantidad de gasolina que perma-
nezca en el tanque para minimizar los
dep6sitos de goma y acido. Si el tanque
est_ casi vacio, mezcle el estabilizador
con gasolina fresca en un recipiente se-
parado y afiada un poco de esta mezcla
al tanque.
Siempre siga las instrucciones en el en-
vase del estabilizador. Luego de afiadir el
estabilizador, encienda el motor y dejelo
correr por 10 minutos pot Io menos para
permitir que la mezcla alcance el carbu-
rador.
Cambie ei aceite del motor
Lubrique el area del pist6n/cilindro. Para
hacerlo, saque primero la bujia y coloque
una gotas de aceite de motor limpio en el
z6calo de la bujia. Luego cubra el z6calo
con un patio para absorber el exceso de
aceite. A continuaci6n, jale la manija de
arranque manual unas dos o tres yeses
para hacer girar el motor. Finalmente,
reinstale Ia bujia y conecte el cable.
OTRAS INDICACIONES
t. Si fuera posible, guarde su quitanieves
dentro de un recinto, cubri6ndolo para
protegerlo del polvo y la suciedad.
2. Si debe dejar la m_quina en el exterior,
col6quela sobre bloques para asegurar
que ninguna parte de la m_quina este en
contacto directo con el suelo.
3. Cubra el quitanieves con una cubierta
protectora apropiada que no retenga hu-
medad. No use plastico.
IMPORTANTE: Nunca cubra el quitanieves
mientras las _reas del motor y del escape
esten todav{a calientes.
F-011050L 64

Inf_*1:]W_*ll I[olo _*1ml
PROBLEMA
Dificultad de
arranque
CAUSA CORRECCION
Buj_adefectuosa. Reernplace la bujia defectuosa.
Agua o suciedad en et sistema Use el taz6n de drenaje del
de combustible, carburador para vaciar y velvet a
Ilenar con combustible fresco.
El motor funciona Linea de combustible bloqueada, Limpie la Iinea de combustible;
err_tioamente falta de combustible o mezcla de revise la existencia de
combustible vieja, combustible en el tanque,
agregue gasolina fresca si es
neoesario.
El motor se para Unidad funcionando con Coloque la palanca de
estrangulador activado, estrangulador en la posici6n
DESACTIVADO.
El motor funoiona Agua o suciedad en ei sistema Use el taz6n de drenaje del
erraticamente; de combustible, carburador para vaciar y volver a
)erdida de Ilenar con combustible fresco.
)otenoia
Vibracion excesiva Piezas suettas; propulsor Pare el motor inmediatamente y
daSado, desconecte el cable de la bujia.
Apriete todos los pemos y haga
todas las reparaciones
necesarias. Si la vibraci6n
continEa, haga revisar la unidad
por un tecnico especializado de
Craftsman.
La unidad no se Correa de propulsi6n floja o Reemplace la correa de
puede propulsar adaSada, propulsi6n.
si misma
Ajuste incorrecto del cable de Ajuste cable de propulsi6n por
propulsi6n por tracci6n, tracci6n.
Rueda de fricci6n gastada o Reemplace la rueda de fricci6n.
da_ada.
La unidad no Correa de propulsi6n de la Reemplace la correa de
descarga la nieve barrena suelta o daSada, propulsi6n de la barrena.
El cable de control de Ia barrena Ajuste el cable de control de la
no est_ ajustado correctamente, barrena.
Perno de seguridad roto. Reemplace el perno de
seguridad.
Canal de descarga obstruido Pare el motor inmediatamente y
desconecte el cable de la bujJa.
Limpie el canal de descarga y la
parte de adentro del alojamiento
de la barrena.
Objeto extraflo atascado en la
barrena. Pare el motor inmediatamente y
desconecte el cable de la bujia
Retire el objeto atascado en la
barrena.
F-011050L 65

SEARS, ROEBUCK AND CO.
Garantia limitada de cumplimiento con el Sistema Federal
de control de emisiones y con el sistema de control de
emisiones del Estado de California
Motores pequehos no aptos para carretera (off-road)
CONTROL DE EMISIONES DE
CALIFORNIA Y DE LA AGENCIA DE
PROTECCI(_N AMBIENTAL (EPA) DE
E.U.A. -DECLARACI(_N DE LA
GARANTIA
La Agencia de Protecci6n Ambiental de los
Estados Unidos (en Io sucesivo "EPA"), el
Consejo de California para los Recursos del
Aire (en Io sucesivo "CARB") y Sears, Roe-
buck and Co. tienen el placer de explicar Io q ue
es la Garantla Federal y de California para Sis-
temas de Control de Emisiones de su nuevo
motor pequeSo para vehiculos off-road. En
California, los motores pequeflos paravehicu-
los off-road de modelo 1995 y modelos de
aSos posteriores deben set disefiados, cons-
truidos y equipados para cumplir con las es-
trictas normas anti contaminaci6n del Estado.
En otros estados, los motores modelo 1997 y
modelos de aflos posteriores deben estar di-
seflados, construidos y equipados, al momen-
to de su venta, para que cumpIan con las
disposiciones de la EPA acerca de motores
pequeSos para vehiculos off-road. Sears,
Roebuck and Co. garantizarA el sistema para
el control de emisiones de su motor pequefio
para vehiculos off-road por los periodos de
tiempo que se mencionan mas adelante, con
tal que su motor pequefio para vehiculos off-
road no haya sufrido algSn abuse, negligen-
cia, modificaci6n no aprobada o
mantenimiento indebido.
Es probable que su sistema para el control de
emisiones incluya partes como el carburador,
el sistema de encendido yel sistema de esca-
pe. Tambien es posible que se incluya el siste-
ma de descompresiSn y otros ensamblajes
relacionados con emisiones.
Cuando surja una condici6n protegida per la
garantia, Sears, Roebuck and Co. reparara su
motor pequeSo para vehiculos off-road sin
costo alguno para usted pot concepto de diag-
n6stico, partes y mano de obra.
SISTEMA PARA EL CONTROL DE
EMISIONES DEL FABRICANTE -
COBERTURA DE LA GARANTIA
Los sistemas para el control de emisiones mo-
delo 1995 y modelos de aflos posteriores de
motores pequeflos paravehfculos off-road en
California estAn garantizados per dos aSos, tal
y como se menciona en la presente garantia.
En otros estados, los motores modelo t 997 y
modelos de aflos posteriores tambien estan
garantizados pot dos a_os. En caso de que,
durante dicho periodo de la garantia, cualquier
parte de su motor relacionada con emisiones
este defectuosa en sus materiales o hechura,
Sears, Roebuck and Co. reparara o cambiarA
dicha parte.
RESPONSABILIDADES DEL
PROPIETARIO DE LA GARANTJA
Como propietario del motor pequeAo para ve-
hiculos off-road usted es responsable de que
se Ileve a cabo el mantenimiento requerido
que se menciona en el Manual del Propietario,
pero Sears, Roebuck and Co. no negara la ga-
rantia 5nicamente debido a la falta de un reci-
boo a que usted no proporcione una prueba
escrita de q ue se ha Ilevado a cabo el manteni-
miento programado.
No obstante, usted, como propietario del mo-
tor pequefio para vehiculos off-road, debera
estar consciente de que Sears, Roebuck and
Co. le puede negar la cobertura de la garantia
si su motor o alg u na parte del mismo ha fallado
debido a un abuso, negligencia, mantenimien-
to inadecuado o modificaciones no aproba-
das.
Usted es responsable de presentar su motor
pequeflo para vehiculos off-road en el Taller
Autorizado de Servicio de Sears, Roebuck
and Co. en cuanto surja el problema. Las repa-
raciones bajo la garantia deben Ilevarse a ca-
bo dentro de un periodo de tiempo razonable
que no exceda de 30 dias.
Se puede programar el servicio de garantia
Ilamando al Taller Autorizado de Servicio de
F-011050L 66

Sears, Roebuck and Co. o a Sears, Roebuck
and Co. al 1-800-473-7247 (llamada gratuita
en E.U.A.).
NOTA IMPORTANTE
Esta declaraci6n de la garantia explica los de-
rechos y las obligaciones que usted tiene de
conformidad con la Garantia del Sistema para
el Control de Emisiones (en Io sucesivo la"Ga-
rantia SCE"), la cual Sears, Roebuck and Co.
Ie proporciona de conformidad con las leyes
de California. V6ase tambien las Garantias Li-
mitadas de Sears, Roebuck and Co. que se
adjuntan a la Garantia SCE en una hoja por
separado y que tambien le proporciona Sears,
Roebuck and Co. La Garant[a SCE t_nicamen-
te se aplica en el sistema para el control de
emisiones de su motor nuevo. Hasta el punto
en donde no haya ning_n conflicto en terminos
entre la Garantia SCE y la Garantia de Sears,
Roebuck and Co., la Garantla SCE aplicar_
para cualquier circunstancia a excepci6n de
aquella en que la Garantia de Sears, Roebuck
and Co. pueda proporcionar un periodo de ga-
rantia mAs largo. La Garantia SCE y la Garan-
tim de Sears, Roebuck and Co. describen
importantes derechos y obligaciones que us-
ted tiene con respecto a su motor nuevo.
S61o se puede Ilevar a cabo el servicio de ga-
rantia en un Taller Autorizado de Servicio de
Sears, Roebuck and Co. AI momento de solici-
tar un servicio de garantia, se debe presentar
una prueba de la feche de compra por parte
del comprador original. El comprador pagarA
cualquier cargo pot concepto de Ilamadas de
servicio y/o transportaci6n de productos des-
de y para el lugar en donde se Ileve a cabo el
trabajo de inspecci6n y/o garantia. El compra-
dor sera responsable de cualquier da_o o per-
dida en el que se incurra con relaci6n a la
transportaci6n de cualquier motor o cualquier
parte del mismo que se presente para inspec-
ci6n y/o trabajo de garantia.
Si tiene alg una preg unta con relaci6n a sus de-
rechos y responsabilidades, debera Ilamar a
Sears, Roebuck and Co. al 1-800-473-7247.
GARANTiA DEL SISTEMA PARA EL
CONTROL DE EMISIONES
Garantia del Sistema para et Control de Emi-
siones ("Garantia SCE") de motores peque-
Los para vehiculos off-road modelo 1995 y
modelos de aSos posteriores en California
(para otros estados, motores modelo 1997 y
aflos posteriores):
F-011050L 67
A. CAMPO DE APLICAOION: Esta garantia
de berA aplicarse a los motores peq ue5os para
vehiculos off-road modelo 1995 y modelos de
aSos posteriores en California (para otros es-
tados, motores modelo 1997 y modelos de
aSos posteriores). El Periodo de la Garantia
SCE iniciarA en la fecha de entrega del nuevo
motor o equipo al comprador original y conti-
nuara durante ios siguientes 24 meses conse-
cutivos.
B. COBERTURA GENERAL DE LA GA-
RANTiA DEL SISTEMA PARA EL CON-
TROL DE EMISIONES: Sears, Roebuck and
Co. garantiza al comprador original del nuevo
motor o equipo y a cada comprador subse-
cuente que su motor pequeflo para vehiculos
off-road est.:
1. Dise_ado, construido y equipado para que
cumpla con todas las disposiciones aplicables
adoptadas por el Consejo para los Recursos
del Aire de conformidad con su autoridad es-
pecificada en los Cap[tulos 1 y 2, Parte 5, Divi-
si6n 28 del C6digo de Salud y Seguridad, y
2. Libre de defectos en sus materiales y mano
de obra, los cuales, en cualquier momento du-
rante el Periodo de la Garantla SCE, cause la
falla de una parte reIacionada con emisiones
y que est_ bajo la garantia en cuanto a que no
sea identica en sus materiales a la parte des-
crita en la solicitud de motor dei fabricante pa-
ra su certificaci6n.
C. La Garantia SCE s61oafafle a las partes de
su motor relacionadas con emisiones de la si-
guiente manera:
1. Cualquier parte relacionada con emisiones
que no se especifique como de cambio, tal y
como se requiere en el mantenimiento especi-
ficado en el Manual del Propietado, debera ga-
rantizarse pot el Periodo de la Garantia SCE.
Si dicha parte falla d urante el Periodo de la Ga-
rantia SCE, Sears, Roebuck and Co. la repa-
rata o cambiara de acuerdo con la Subsecci6n
4 que se menciona mas adelante. Cualquier
parte reparada o cambiada de conformidad
con la Garantia SCE deberA estar garantizada
pot el resto del Periodo de la misma.
2. Cualquier parte garantizada y relacionada
con emisiones que est_ especificada s61o pa-
ra inspecciones regulares conforme al Manual
de l Propietario deberA estar garantizada pot el
Periodo de la Garantia SCE. Una declaraci6n
en dichas instrucciones pot escrito a efecto de
"reparar o oambiar tal y como sea necesario"
no reducirA el Periodo de la Garantia SCE. Di-
cha parte reparada o cambiada conforme a la

GarantiaSCEdeberAgarantizarseperelresto
delPeriododelamisma.
3.CualquierpartegarantizadayreIacionada
conemisionesqueseespecifiqueparacam-
bio,deconformidadconelManualdelPropie-
tario,deber&garantizarseporelperiodode
tiempoprevioalprimerpuntodecambiode
esaparte.Silapartefallaantesdelprimer
cambioprogramado,Sears,RoebuckandCo.
repararAocambiaraesapartedeacuerdocon
laSubsecci6n4quesemencionamasadelan-
te.Cualquierparterelacionadaconemisiones
queserepareocambiedeconformidadconla
GarantiaSCEdeberAestargarantizadaporel
restodetPeriododelamismaprevioalprimer
puntodecambioprogramadodeesapartere-
iacionadaconemisiones.
4.Lareparaci6noelcambiodecualquierparte
garantizadayrelacionadaconemisionesde
conformidadconestaGarantlaSCEsedebe-
rAIlevaracabo,sincargoalgunoparaelpro-
pietario,enunTallerAutorizadodeServiciode
Sears,RoebuckandCo.
5.Nosecargaraalpropietarioelcostopertra-
bajodediagn6stico,elcualIlevaaladetermi-
naci6ndequeunaparteprotegidapotla
GarantiaSCEsiest_defectuosa,provistoque
dichotrabajodediagn6sticoseIleveacaboen
unTallerAutorizadodeServiciodeSears,
RoebuckandCo.
6.Sears,RoebuckandCo.seraresponsable
dedaSosaotroscomponentesoriginalesdel
motoromodificacionesaprobadasqueproba-
blementeseancausadospotunafallacom-
prendidaen la garantiade unaparte
relacionadaconemisionescubiertaporlaGa-
rantiaSCE.
7.DuranteelPeriododelaGarant[aSCE,
Sears,RoebuckandCo.deberAconservarun
suministrodepartesgarantizadasyrelaciona-
dasconemisionesqueseasuficientepara
cumplirlademandaesperadadeesaspartes
relaoionadasconemisiones.
8.Sepuedeutilizarcualquierpartederepues-
torelacionadaconemisionesautorizaday
aprobadaperSears,RoebuckandCo.para
utilizarseeneldesempeflodecualquierman-
tenimientoocambiodelaGarantiaSCE,la
cualseproporcionarAsincargoalgunoparael
propietario.DichousonoreducirAlasobliga-
cionesdeSears,RoebuckandCo.conforme
alaGarantiaSCE.
9.Laspartesqueseagreguenomodifiquen
sinaprobaci6nnosepodranutilizarparamo-
dificarorepararunmotordeSears,Roebuck
andCo.DichousoanulaestaGarant[aSCEy
conformar_lasbasessuficientespararecha-
zarlademandadeunaGarantiaSCE.Sears,
RoebuckandCo.noseraresponsable,con-
formeaestagarantla,porlasfallasdecual-
quierpartegarantizadadeunmotordeSears,
RoebuckandCo.causadaspotelusodedi-
chaparteagregadaomodificadasinaproba-
ci6n.
LAS PARTES RELACIONADAS CON
EMISIONES INCLUYEN A LAS
SIGUIENTES:
1. Ensamblaje deI carburador y sus compo-
nentes intemos
a) Filtro de combustible
b) Empaques (juntas) del carburador
c) Tubo de entrada
2. Ensamblaje del depurador de aire
a) Elemento del filtro de aire
3. Sistema de encendido, que incluye:
a) Buj_a de encendido
b) M6dulo de encendido
c) Ensamblaje del volante
4. Silenciador catalitico (si est_ equipado)
a) Empaque del silenciador (siesta equipado)
b) Colector de escape (siesta equipado)
5. Ensamblaje del respiradero del carter del ci-
gL_eSaly sus componentes
a) Tubo de conexi6n deI respiradero
10/22/99 EPA/CARB
Sears, Roebuck and Co., Hoffman Estates, Ib 60179 U.S.A.
F-011050L 68

F-OOIO50M 69

F-OOIO50M 70

F-OOIO50M 71

For repair of major brand appliances in your own home.,.
no matter who made it, no matter who sold it! iiiiiiiiiii
1-800-4-MY-HOME SMAny,_medayor night
(,-800469-4663! iiiiiiiiiii
www.sears.com iiiiiiiiiii
TO bring in products such as vacuums,
lawn equipment and electronics for repair, call for
the location of your nearest Sears Parts & Repair Center.
1-800-488-1222 Anytime, day or night
www.sears.com
Fortherep,acementpa_s,accessoriesandownersmanuals
that you need to do-it-yourself, call Sears PartsDirectSM!
iiiiiiiiiii
1-800-366-PART 6a.m.-11p.m.CST,
(,.soo.306-72,s 7d ysaweek iiiiiiiiiii
www.sears.com/partsdirect
TO purchase or inquire about a Sears Service Agreement: iiiiiiiiiii
1-800-827-6655
iiiiiiiiiii
7 a.m.- 5 p.m. OST_ MOFL- Sa,.
® Registered Trademark /TM Trademark of Sears, Roebuck and Co,
TM
© Sears, Roebuck and Co ® Marca Registrada /Marca de Fabrica de Sears, Roebuck and Co

CRAFTSMAN 26" 9HP SNOW THROWER 536.886261
ENGINE
25-3 5
_ 25-4
8
/16
12
/
/
14
3Ref.Drive
Page
Ref. Auger
ENG101A Housing Page
Key Key
No. Part No. Description No. Part No. Description
2 ENG{NE 20 1501201 GUIDE, BELT
3 2x97 BOLT 22 71060 WASHER
5 28x76 RETAINER 24 710097 SCREW
6 710026 NUT 25 FRAME ASSY
8 1501109 PULLEY 25-1 1501062-549 PLATE, ENGINE
10 710247 WASHER 25-2 310169 SCREW
12 71063 WASHER 25-3 780055 SCREW
14 71015 SCREW 25-4 1501049-549 BOX MOTOR
16 37x120 BELT, V -- F-011050L MANUAL
18 579932 BELT, V
F-011050L 73

CRAFTSMAN 26" 9HP SNOW THROWER 536.886261
ELECTRIC STARTER
8
9
7\
ES100A
Key No.
6
7
8
9
Part No.
6218
6216
6217
6219
Description
MOTOR, STARTER
SCREW
SCREW
CORD, STARTER
F-O11050L 74

CRAFTSMAN 26" 9HP SNOW THROWER 536.886261
FRAME
169
106
\ lo5
170 160
162
91
111
120qo
Ref. Auger
Housing
Page
Ref. Drive
Page
Key
No. Part No.
90 1501055E701
91 310169
103 1501111YZ
105 711682
106 761761
107 165x159
108 761675YZ
110 585781
111 711617
112 1501112 YZ
114 1501065
116 710097
F-011050L
103
Key
Description No. Part No.
COVER, BOTTOM 118 71060
SCREW 122 780055
IDLER ASSEMBLY 145 53704
PIN, HAIR 148 50793
PIN, KLIK 149 590
SPRING, TENSION 160 1501052
ARM, CONTROL 162 310169
BOLT, CARR. 166 71067
WASHER, FLAT 168 1501200
BRACKET, IDLER 169 760539
BUSHING, IDLER 170 761187
SCREW
75
149 107
Description
WASHER, SPLIT
SCREW, TAP
SPRING, IDLER
PULLE_IDLER
NU_ JAM
COVER, BELT
SCREW, TAP
WASHER, FLAT
SPACER, AUGER
LID, TOOL BOX
PAD, FOAM

CRAFTSMAN 26" 9HP SNOW THROWER 536.886261
GEAR CASE
341 340
327
326 324 323
325 /
322
304
\
306
\
/
324
303
\
313
310
320
304
301
303
315 314
311
GEAR100A
Key
No. Part No.
300 10577
301 10576
303 710025
304 302635
306 9344
310 9566
311 50304
312 48275
313 340287
314 51279
315 51405
316 431787
F-011050L
Key
Description No. Part No.
CASE, GEAR, RH 320 50221
CASE, GEAR, LH 321 1501128
SCREW 322 580295
NUT 323 454565
SCREW 324 48275
SEAL, OIL 325 50684
BEARING, FL 326 50304
WASHER, FLAT 327 9566
SHAFT, OUTPUT 340 760194-853
GASKET 341 454565
GEAR, WORM 333431
KEY, WOODRUFF
76
Description
BRNG, FL
SHAFT, INPUT
COLLAR, THRUST
PIN, SPRING
WASHER, FLAT
BRNG, ROLL
BRNG, FL
SEAL, OIL
IMPELLER
PIN, SPRING
10oz TUBE
LUBRIPLATE
*(NOT ILLUSTRATED)

CRAFTSMAN 26" 9HP SNOW THROWER 536.886261
SHIFT YOKE
_ 795
792
791
80O
814
/
8O2
813
/
812
F-011050L
Key No.
790
791
792
795
798
800
801
802
811
812
813
"_ SYOKE102A
Part No. Description
581631-853 ROD, SHIFT
302628 SCREW, 1/4-20X.75
73826 NUT, 1/4-20
318486 NUT, JAM
304438 KNOB, SHIFT
760564 LEVER, SPRING
302628 SCREW, 1/4-20X.75
73826 NUT, 1/4-20
579944 BEARING, FLANGED
1501085 YZ ROD ASSY,, SPEED SELECT
11X30 RETAINER, RING
77

CRAFTSMAN 26" 9HP SNOW THROWER 536.886261
DRIVE
Ref. Shift Yoke Ref. Frame 229
Page Page f-_
Ref. Wheel 200
Page
Ref, Whee
Page
206
\
201
\
225
',/
227
/
f
/204
230
\\
Ref
Wheel
Page
208 218 213
\
210 238
\
212
215
220
218
DR100A
F-011050L 78

CRAFTSMAN 26" 9HP SNOW THROWER 536.886261
DRIVE
Key No. Part No.
200 1501092 YZ
201 579851
203 334163
204 579858
206 780055
207 1501100
208 579868
210 337029
212 53830
213 11871
215 303008
217 579859
218 579858
220 334163
221 780055
223 1501115
225 1501057 YZ
226 1501158
227 15Xl14
229 11X30
230 1501107 YZ
232 11X30
234 165X112
236 1501090
238 71074
Description
LF AXLE, SW_NG PLATE YZ
CHAIN, ROLLER #42x19.00
BEARING AND RETAINER, ASSY
WASHER
SCREW, TAP 5/16-18x0.5
ASSY, HEX SHAFT
CHAIN, ROLLER #36x18,00 LG
BEARING, TRUNION CLUTCH R
WHEEL, FRICTION DISC
SCREW, 1/4-20 x 0.63
NUT, KEPS HEX 1/4-20
RING, RETEXT
WASHER
BEARING AND RETAINER, ASSY
SCREW, TAP 5/16-18 x .5
ASSY, FRICTION PULLEY
LF PLATE, SWINGING YZ
SPACER, FRICTION PULLEY
NUT, FLANGE LOCK 3/8-24
RETAINER, RING
LF ASSY, SPRING LINK YZ
RETAINER, RING
SPRING, EXTENSION
WLD, INTERMED SPROCKET 33T/7
WASHER, FLAT
F-O11050L 79

CRAFTSMAN 26" 9HP SNOW THROWER 536.886261
AUGER HOUSING
480 485
481
482
491
500 527
523
509
\
526525
500
521
\ 520
Ref. Gear 524
Case Page
527
\\
544 540
541
510
514
524
AUG 100A
F-011050L 80

CRAFTSMAN 26" 9HP SNOW THROWER 536.886261
AUGER HOUSING
Key No. Part No. Description
480 762146 PULLEY, 4L 6.12X .67
481 577400 SCREW, 5/16-18X.63
482 2001022 KEY, SQUARE 3/16 X 3/4
485 1501158 SPACER, FRICTION PULLEY
490 582957 YZ RETAINER, BALL BRNG
491 43846 BEARING, BALL
493 1X92 BOLT, HEX 5/16-18X .50
499 710026 NUT, 5/16-18 HEXWDPLLK
500 1501149E549 HOUSING, ASSY
502 309235 FASTENER, RATCHET
510 581399-853 BLADE, SCRAPER 26"
511 340714 BOLT, 1/4-20X.75
514 780285 NUT, 1/4-20
520 339503-853 AUGER, ASSY, LH
521 339506-853 AUGER, ASSY, RH
522 760875 PIN, SHEAR - SELF-LOCKING
523 3943 SPACER, SLEEVE
524 73826 NUT, 1/4-20
525 9517 BEARING, FLANGE
526 711862 NUT, 5/16-18
527 9357 SCREW, 5/16-18X .75
540 301380-853 SKID, HEIGHT ADJUST
541 340720 BOLT, 5/16-18 X .75
544 710026 NUT, 5/16-18
F-O11050L 81

CRAFTSMAN 26" 9HP SNOW THROWER 536.886261
DISCHARGE CHUTE
600
599 583
600
598
60o 604
Pop Rivets
Ref. Auger Housing Page
F-O11050L 82

CRAFTSMAN 26" 9HP SNOW THROWER 536.886261
DISCHARGE CHUTE
Key No. Part No. Description
582 340720 BOLT, CARRIAGE 5/16-18 X.75
583 12021 WASHER, PLASTIC
584 71038 NUT, 5/16-18 REGHEX NYLOCK
588 6711 WASHER, PLASTIC
592 12021 WASHER, PLASTIC
593 6711 WASHER, PLASTIC
594 71071 WASHER, FLAT
595 71060 WASHER, SPLIT
596 71071 WASHER, FLAT
597 57171 KNOB, T 3.00
598 71037 NUT, 5/16-18 REGHEX
599 3316 BOLT, 5/16-18X1.00
600 760990-853 CHUTE ASSEMBLY
- - PIN, HINGE
601 586280 BOLT, 5/16-18 X1.00
602 71071 WASHER, FLAT
603 71038 NUT, 5/16-18 HEXNYL
604 760268 FLAP, CHUTE
606 585214 YZ CHUTE COLLAR
607 2X98 SCREW, 1/4-20 X 1.00
608 71067 WASHER, FLAT
609 780029 NUT, 1/4-20 HEX NYLOCK
610 337227 RETAINER R_NG INNER
611 1501054 RETAINER RING OUTER
F-011050L 83

CRAFTSMAN 26" 9HP SNOW THROWER 536.886261
HANDLE
739
766 39 766
730 731
720 734
\/
\
734
724 725
726
744 751
763
/
Ref. Engine P_
759/
745
")
760
762
HDL101A
F-011050L 84

CRAFTSMAN 26" 9HP SNOW THROWER 536.886261
HANDLE
Key No. Part No. Description
720 9552-853 HANDLE, UPPER
724 11234 SCREW, 5/16-18X2.75
725 71071 WASHER, FLAT
726 71060 WASHER, SPTLK .31X.58X.08
727 71037 NUT, 5/16-18 REGHEX
728 11261 STOP, RED PLASTIC
729 337399 GRIP-HANDLE FINGER
730 301386-853 LEVER, ASSY CLUTCH DRIVE RH
731 301387-853 LEVER, ASSY CLUTCH DRIVE LH
733 4140 PIN, PIVOT CLUTCH
734 3535 NUT, PUSH ON CAP
735 337373 SPACER-HANDLE
739 4049 BUMPER, RECTANGLE
740 1501123 CABLE, CLUTCH 28.44L
741 761590 CABLE, AUGER CLUTCH
743 313441 BRACKET, CABLE ADJUSTER
744 1673 SPRING, AUGER CLUTCH
745 780029 NUT, 1/4-20
746 308146 BOOT, CLUTCH SPRING
750 339541E701 HANDLE, LOWER
751 70984 SCREW, TAP 5/16-18 X .75
752 71060 WASHER, SPTLK
755 337407E701 BRKT, GEAR SELECTOR
756 6751 SCREW, 5/16-18X2.OO
757 300303 SCREW, .25 X .75 X .51
759 579860 SPOOL-CABLE, AUGRT CLUTCH
760 1501059 YZ BRACKET, CABLE SPOOL YZ
762 1501122 CABLE, LOWER DRIVE 12"
763 1X186 BOLT, HEX 1/4-20 X 1.75 YZ
764 780029 NUT, 1/4-20
766 333927 GRIP
F-011050L 85

CRAFTSMAN 26" 9HP SNOW THROWER 536.886261
CHUTE ROD
852-9
/852-5
852-4
/ /
852-12 852-3
CROD105A
F-O11050L 86

CRAFTSMAN 26" 9HP SNOW THROWER 536.886261
CHUTE ROD
Key No. Part No. Description
852-1 1501076 YZ ASSEMBLY, YOKE & ROD
852-2 313431 WASHER, CURVED SPRING
852-3 1501067 GEAR, CHUTE ROTATION 9T
852-4 17X170 WASHER
852-5 71082 PIN, COTTER
852-6 1501051V701 BRACKET, GEAR MOUNT
852-7 579493 PIN, COTTER
852-8 1501075 YZ ASSEMBLY, YOKE ADAPTER YZ
852-9 711682 PIN, HAIR
852-10 578060 PIN, UNIVERSAL JOINT
852-11 578309 PIN, CLEVIS
852-12 579493 PIN, COTTER
852-13 578063 HOUSING, UNIVERSAL
854 51443 HANDLE, CRANK
855 309312 FLATWASHER
858 578159 RING, RETAINER
860 581618 EYE BOLT 3/8-16X6.00
861 148 GROMMET, EYE BOLT
863 71045 NUT, 3/8-16 HEXJAM
864 71072 FLATWASH ER .406X.81X.066
867 71046 NUT, 3/8-16 HEXNYL
868 2X98 BOLT, CARRIAGE 1/4-20 X 1.00
870 1501074 CRANK, ASSY CHUTE
F-011050L 87

CRAFTSMAN 26" 9HP SNOW THROWER 536.886261
WHEELS
679
676
671
675
671
654
- 650 678
655
652 Ref. Drive Page
678
\
WHL100A
677
F-O11050L
Key No.
650
652
653
654
655
671
673
675
676
677
678
679
Part No.
1501113
1501089
lx186
780029
1501114
712120
1501139
318503
577015
780029
239
73842
Description
SHAFT, AXLE
SPRKT & HUB
SCREW, 1/4-20X2.25
NUT, 1/4-20 HEX NYLOCK
BEARING, AXLE
WASHER, FLAT
BUSHING, WHEEL
TIRE & RIM
SCREW, 1/4-20Xl.75 HH
NUT, 1/4-20 HEX NYLOCK
RING, RET
PIN, KLIK .25 X 1.38 DIA
88

CRAFTSMAN 21" 5HP SNOW THROWER 536.885213
NOTILLUSTRATED DECALS
Part No.
761916
761776
48x398
761079
3902
3903
48x349
760983
48x358
48x387
Description
DECAL, DANGER CHUTE -HAND
DECAL, DANGER & FOOT
DECAL, 9/26 CRAFTSMAN
DECAL, DANGER STRIPE
DECAL, TRACTION DRIVE -ENGAGE
DECAL, AUGER DRIVE -ENGAGE
DECAL, SPEED SELECT
DECAL, TOOL BOX-BELT COVER
NAMEPLATE, CRAFTSMAN
DECAL, 5.5/24 CRAFTSMAN
89
F-O11050L

CRAFTSMAN 4-CYCLE ENGINE MODEL NUMBER 143.029003
87
70
69 48 _
282
370C
9O
F-O11050L

CRAFTSMAN 4-CYCLE ENGINE MODEL NUMBER 143.029003
KEY PART KEY PART
NO. NO. DESCRIPTION NO. NO. DESCRIPTION
O RPM High 3550 to 3850 60 33273A Blower Housing Exten-
0 RPM Low 2000 sion
1 35385 Cylinder (Incl. 2 & 20) 65 650128 Screw, 10-24 x 1/2"
2 27652 Dowel Pin 69 37342 Cylinder Cover Gasket
3 650820 Screw, 1/4-20 x 1/2" 70 35376A Cylinder Cover
4 31857 Oil Drain Extension (Incl. 71,75 & 80)
(Purchase Locally) 71 35377 Crankshaft Bushing
5 30969 Extension Cap 75 35319 Oil Seal
14 28277 Extension Cap 80 37587 Governor Shaft
15 30699C Governor Rod 81 651080 Washer
(Incl. 15A & 15B) 82 37588 Governor Gear Ass'y.
15A 30700 Governor Yoke (Incl. 81)
15B 650494 Screw, 6-40 x 5/16" 83 30588A Governor Spool
16 33454 Governor Lever 84 29193 Retaining Ring
17 29916 Governor Lever Clamp 86 650833 Screw, 1/4-20 x 1-3/16"
18 651028 Screw, Torx T-15 87 650832 Screw, 1/4-20 x 1-11/16"
19 34663 Speed Control Spring 89 32589 Flywheel Key
20 35319 Oil Seal 90 611093 Flywheel (W/Ring Gear)
25 36460 Blower Housing Raffle 92 650880 Belleville Washer
26 650561 Screw, 1/4-20 x 5/6" 93 650861 Flywheel Nut
28 30322 Lock Nut, 8-32 100 35135A Solid State Ignition
30 37231 Crankshaft 101 610118 Spark Piug Cover
35 29826 Screw, 10-32 x 3/4" 102 651024 Solid State Mounting
Stud
36 29918 Lock Washer 103 651007 Screw, Torx T- 15
37 29216 Lock Nut, 10-32 110 35187 Ground Wire
38 29642 Retaining Ring 110A 37047 Ground Wire
40 40011 Piston, Pin & Ring Set
(Std.) 119 36446 Cylinder Head Gasket
40 40012 Piston, Pin & Ring Set 120 36449 Cylinder Head
(.010" OS) 125 27676A Exhaust Valve (Std.)
41 40009 Piston & Pin Ass'y. {Std.) (Incl. 151)
(Incl, 43) 125 27680A Exhaust Valve (1/32" OS)
41 40010 Piston & Pin Ass'y. (IncL151)
(.010" OS) (Incl. 43) 126 34035 Intake Valve (Std.)
42 40013 Ring Set (Std.) (Incl. 151)
42 40014 Ring Set (.010" OS) 127 650691 Washer
43 27866 Piston Pin Retaining Ring 130 6021A Screw, 5/16-18 x 1-1/2"
45 36897 Connecting Rod Ass'y. 130A 650727 Screw, 5/16-18 x 1-3/4"
(Incl, 47 & 49) 130B 651055 Screw, 5/16-18 x 5/8"
47 651033 Connecting Rod Bolt 135 35395 Resistor Spark Plug
46 34034 Valve Lifter (RJ19LM)
49 36896 Oil Dipper 139 33369 Governor Gear Bracket
50 35375 Camshaft (MCR) 140 650836 Screw, 10-24 x 1/2"
91
F-O11050L

CRAFTSMAN 4-CYCLE ENGINE MODEL NUMBER 143.029003
149 27882 Valve Spring Cap 298 650665 Screw, 1/4-15 x 7/8 _'
149A 35862 Valve Spring Cap 300 34186A Fuel Tank
150 27881 Valve Spring (Incl. 292 & 301)
151 32581 Valve Spring Keeper 301 35355 Fuel Cap
169 27896A Valve Cover Gasket 305 35554 Oil Fill Tube
170 28423 Breather Body 307 35499 "O" Ring
171 28424 Breather Element 308 35540 Fill Tube Clip
172 28425 Valve Cover 310 36205 Dipstick
173 35350 Breather Tube 314 650873 Screw, 1/4-20 x 3/4"
174 650128 Screw, 10-24 x 1/2" 315 611111 Alternator Coil (18 Watt)
178 29752 Nut & Lock Washer (Incl. 323)
323 611118 Terminal
182 30088A Screw, 1/4-28 x 1" 325 29443 Wire Clip
183 34587A Choke Bracket 327 35392 Starter Plug
184 33263 Gasket 328 35593 Key Switch (Push-In)
185 33877 Intake Pipe 329 610973 Terminal
186 34667 Governor Link 335 35057 Carburetor Cover
186B 36652 Choke Spring 336 650765 Screw, 10-32 x 1/2"
200 34677 Control Bracket
(Incl. 19,203,204 & 206) 338 28942 Screw, 10-32 x 3/8"
203 31342 Compression Spring 340 34154 Fuel Tank Bracket
204 651029 Screw, Terx T- 10 341 34155 Fuel Tank Bracket
206 610973 Terminal 342 650561 Screw, 1/4-20 x 5/8"
207 33878 Throttle Link 343 35079A Key Switch Bracket
209 650821 Screw, 10-32 x 1/2" 350 570682A Primer Ass'y.
215 35440 Control Knob 351 32180C Primer Line
219 34586 Choke Rod 355 590574 Startet Handle
220 35438 Choke Knob 364 33377 Carburetor Cover Bracket
222 6501081 Screw, 10-32 x 15/32" 365 650767 Screw, 8-32 x 27/64"
223 650378 Screw, Torx T-30 370C 36501 Primer Decal
224 27915A Intake Pipe Gasket 370G 35077 Instruction Decal
260 35447A Blower Housing 3701 37580 Warning Decal
261 650788 Screw, 5/16-18 x 3/4" 380 640052 Carburetor (Incl. 184)
262 29747B Screw, Torx T-4O 390 590749 Starter, Rewind
264A 650802 Screw, 1/4-20 x 5/8" 396 33329E Electric Starter (Optional
265 33272D Cylinder Head Cover 400 36450C Gasket Set (Incl. Items
Marked PK in Notes)
275 35056 Muffler 900 O Replacement Engine,
276 31588 Locking Plate N/A
277 651002 Screw, 5/16-18 x 4-3/16" 900 O Replacement Short Block
281 33013 Starter Bubble Cover 756337A, order from
282 650760 Screw, 8-32 x 3/8" 71-999 Incl. part #'s
27272A (1), 27896A (2),
285 35985B Starter Cup 27915A (1), 29673 (1),
287 29752 Nut & Lock Washer 33263 (1), 33629 (1),
291 30962 Fuel Line 34698A (1), 35262A (1),
36448 (1)
292 26460 Fuel Line Clamp
92
F-011050L

CRAFTSMAN 4-CYCLE ENGINE MODEL NUMBER 143.029003
F-O11050L
60
0_37
._.37
I >3
40/1,[_
93
-25

CRAFTSMAN4-CYCLE ENGINEMODELNUMBER143.029003
KEY PART
NO. NO. DESCRIPTION
640052 Carburetor (Inc1,184 of Engine Parts List)
1 631776A Throttle Shaft & Lever Assembly
2 631970 Throttle Return Spring
6 631778 Throttle Shutter
7 650506 Shutter Screw
10 632112 Choke Shaft & Lever AssembIy
14 632174 Choke Shutter
15 630735 Choke Positioning Spring
16 632164 Fuel Fitting
17 650417 Throttle Crack Screw/Idle Speed Screw
18 630766 Tension Spring
20 640016 Idle Mixture Screw
20A 640053 Idle Restrictor Screw Cap
25 631951 Float Bowl Ass'y. (Incl. 32 & 33)
27 631024 Float Shaft
28 632019 Float
29 631028 Float Bowl O Ring
30 631021 Inlet Needle, Seat & Clip (Incl. 31)
31 631022 Spring Clip
32 27136A Bowl Drain Assembly
33 27554 Drain Plunger Gasket
36 640005 Main Nozzle Tube
37 632547 "O" Ring
40 640055 High Speed Bowl Nut
44 27110 Bowl Nut Washer
47 630748 Welch PIug, Idle Mixture Well
48 631027 Welch Plug, Atmospheric Vent
60 632760 Repair Kit
94
F-011050L

CRAFTSMAN 4-CYCLE ENGINE MODEL NUMBER 143.029003
29
\23
14-.-,_'--- 22
16 26
\7
\6
5A
95
F-O11050L

CRAFTSMAN 4-CYCLE ENGINE MODEL NUMBER 143.029003
KEY PART
NO. NO. DESCRIPTION
0 33329E Electric Starter (110 Volt)
1 33451 Dust Cover
2 33842 Retainer Ring
3 33430 Spring Retainer
4 33431 Anti-drift Spring
5A 37050 Gear & Nut (Incl. 2)
635449 Drive End Cap Ass'y. (Incl. 7)
7 35450 "O" Ring
8 35915 Armature
9 35451B Housing Ass'y,
10 35452A Brush Card Ass'y.
11 35911 Thrust Washer
13 590500 Thrust Washer
14 33441 Ground Screw
15 35453 Commutator End Cap Ass'y, (Incl. 7)
16 35454 Switch Box Ass'y.
22 35455 Case Bolt
23 35456 Ground Screw
26 650819 Screw, 6-32 X 2-1/2"
29 32450B Extension Cord (10'6")
30 30063 Screw, Torx T-30, 1/4-20 X 1/2"
31 650820 Screw, 1/4-20 X 1/2"
96
F-O11050L

CRAFTSMAN 4-CYCLE ENGINE MODEL NUMBER 143.029003
12 t3
_"4
(_\3
@_2
F-011050L
KEY PART
NO. NO.
O 590749
1 590599A
2 590600
3 590679
4 590601
5 590678
6 590680
7 590412
8 590682
11 590750
12 590535
13 590574
DESCRIPTION
Rewind Starter
Spring Pin (Incl. 4)
Washer
Retainer
Washer
Brake Spring
Starter Dog
Dog Spring
Pulley & Rewind Spring Assembly
Starter Housing Assembly
Starter Rope (Length 98" x 9/64" dia.)
Mitten Grip Handle(Not included with starter)
97

FACTORYMODEL88626100A SEARSMODEL536.886261
DECALS
NOT ILLUSTRATED
Key No. Part No.
823 761916
824 761776
827 48x398
828 761079
829 3902
830 3903
831 48x349
833 760983
835 48x358
- - 48x387
Description
DECAL, DANGER CHUTE -HAND
DECAL, DANGER & FOOT
DECAL, 9/26 CRAFTSMAN
DECAL, DANGER STRIPE
DECAL, TRACTION DRIVE-ENGAGE
DECAL, AUGER DRIVE-ENGAGE
DECAL, SPEED SELECT
DECAL, TOOLBOX-BELTCOVER
NAMEPLATE, CRAFTSMAN
DECAL, 5.5/24 CRAFTSMAN
98