Craftsman 580327140 User Manual GENERATOR Manuals And Guides L0201127
CRAFTSMAN Generator Manual L0201127 CRAFTSMAN Generator Owner's Manual, CRAFTSMAN Generator installation guides
User Manual: Craftsman 580327140 580327140 CRAFTSMAN GENERATOR - Manuals and Guides View the owners manual for your CRAFTSMAN GENERATOR #580327140. Home:Tool Parts:Craftsman Parts:Craftsman GENERATOR Manual
Open the PDF directly: View PDF
.
Page Count: 56

OWNER'S
MANUAL
MODEL NO.
580.327140
PORTABLIE GENERATOR,
CUSTOMER
HELPLINIE
HOURS:
Mon.- Frl. 8 a.m. to 5 p.m
(CST)
CAUTION:
Read and Follow
ell Safety Rules
end Instructions
Before Operating
This Equipment
RAFTSMAN°
120-240 VOLT/4200 WATT
12-VOLT D-C BATTERY CHARGER
DELUXE PORTABLE GENERATOR
• Assembly
•Operation
• Customer Responsibilities
•Service and Adjustment
•Repair Parts
SEARS, ROEBUCK and CO., Hoffman Estates, IL 60179 U.S.A.
PanNo. B2552 Rev-I (3/27/98)

OWNER'S
MANUAL
MODEL No.
580.32714O
IF YOU NEED
REPAIR SERVICE
OR PARTS
FOR REPAIR SERVICE CALL
THIS TOLL FREE NUMBER
1"800"4" REPAIR
(1-800-473-7247)
FOR REPLACEMENT PARTS IN-
FORMATION AND ORDERING,
CALL THIS TOLL FREE NUMBER:
1-800-FON-PART
(1-800-366-7278)
CRAFTSMAN°
120/240 VOLTS /4200 WATT A-C
12 VOLTS D-C BATTERY CHARGER
DELUXE PORTABLE GENERATOR
Each Portable Generator has its own model number. Each engine has its
own part number.
The model number for your Portable Generator will be found on a decal
attached to the unit.
The part number for your engine will be found on the Blower Housing of
the engine adjacent to the spark plug.
All parts listed herein may be ordered through Seam, Roebuck and Co.
Service Centers and most Retail Stores.
WHEN ORDERING REPAIR PARTS, ALWAYS GIVE THE FOL-
LOWING INFORMATION:
• PRODUCT-- PORTABLE GENERATOR
•MODEL NUMBER--580.327140
•PART NUMBER
• PART DESCRIPTION
Your Sears merchandise has added value when you consider that Sears
has service units nationwide staffed with Sears trained technicians....pro-
fessional technicians specifically trained on Sears products, having the
)arts, tools and the equipment to ensure that we meet our pledge to you,
we service what we sell.
SEARS ROEBUCK and CO., Hoffman Estates, IL 60179 U.S.A.

SAFETY RULES
CAUTION: ALWAYS DISCONNECT SPARK PLUG WIRE AND PLACE WIRE WHERE IT CANNOT CON-
TACT SPARK PLUG, TO PREVENT ACCIDENTAL STARTING WHEN SET'rING UP, TRANSPORTING,
ADJUSTING OR MAKING REPAIRS TO YOUR GENERATOR.
IMPORTANT
THIS GENERATOR IS DESIGNED FOR OUTDOOR USE ONLY. USING THIS GENERATOR INSIDE ANY BUILDING OR
ENCLOSURE INCLUDING THE GENERATOR COMPARTMENT OF A RECREATIONAL VEHICLE (RV), IS DANGEROUS.
FIRE OR AN EXPLOSION MAY RESULT. NO USER PERFORMED MOD F CAT ONS, NCLUD NG VENTING OF EXHAUST
AND/OR COOLING VENTILATION, WILL ELIMINATE THE DANGER.
• If this unit is used for backup power in the event of
a utility power failura, take the followingsteps: BE-
FORECONNECTING THE GENERATOR TO AN
ELECTRICAL SYSTEM OPEN THE MAIN CIR-
CUIT BREAKER OR MAIN SWITCH SERVING
THE SYSTEM TO ISOLATE THE GENERATOR
SYSTEM FROM THE ELECTRIC UTILITY. FAIL-
URE TO ISOLATE THE GENERATOR AND UTIL-
ITY SYSTEMS MAY RESULT IN DAMAGE TO
THE GENERATOR AND MAY ALSO RESULT IN
INJURY OR DEATH TO ELECTRIC UTILITY
WORKERS DUE TO BACKFEED OF ELECTRI-
CAL ENERGY.
•This generator supplies dangerously high electrical
voltages. Use care to prevent extremely hazardous
and possibly lethal electrical shock. Never permit
any unqualified person(s) to operate or service the
unit.
•DO NOT operate this equipment in the rain, while
standing in water, while barefoot, or while hands or
feet are wet. Dangerous electrical shock will result.
•The spark arrestor muffler can become extremely
hot. DO NOT operate this equipment in areas where
combustible material such as grass, leaves or paper
products can come in contact with the muffler.
•Maintain all wiring, extension cords, etc., in good
condition. Worn, bare, frayed, or otherwise dam-
aged wiring and cord sets may cause dangerous
electrical shock and may also result in damage to
equipment and/or property.
•The National Electrical Code requires that the gen-
erator be properly connected to an approved earth
ground. Local electrical codes may also require
proper grounding of the unit. See ASSEMBLY sec-
tion for mere grounding information.
• Wire gauge sizes of wiring and cord sets must be
large enough to handle the maximum electrical load
to which they will be subjected. Most devices re-
quire cord sets rated 125 AC volts at 20 to 30
amperes or 250 AC volts at 20 amps (or greater).
Some devices may require a higher or lower rating.
Refer to the Owner's manual ofthe electrical device
for the manufacturer's recommendations. Cord
sets that are too small in diameter or too long will
overheat, become damaged and may cause prop-
erty damage and/or electrical shock.
•The generator engine consumes oxygen and gives
off DEADLY carbon monoxide gas through its ex-
haust system. This dangerous gas if breathed in
surf c ent concentrations, can cause unconscious-
ness or even death. Operate this equipment out-
doors only, in well ventilated areas where exhaust
gases cannot accumulate and endanger people or
animals.
•Gasoline is extremely FLAMMABLE and its vapors
are EXPLOSIVE. Comply with all laws regulating
the storage and handling of gasoline. DO NOT
permit smoking, open flames, sparks or heat in the
vicinity while handling gasoline. Avoid spilling
gasoline on a hot engine. DO NOT fill fuel tank:
while engine is running or hot. Clean off any spilled
gasoline before starting engine.
•DO NOT fill fuel tank completely full. Allow room at
top of tank for fuel expansion or fuel may expand
and overflow onto a hot engine.
•Drain all gasoline from tank before transporting your
generator inside your car or other vehicle.
•DO NOT store the generator with fuel in tank where
gasoline vapors might reach an open flame, spark,
or pilot light, as on a fumace, water.heater, dryer,
etc. FIRE or an EXPLOSION might result.
•DO NOT insert any object or tool through cooling air
slots or openings of the engine or generator, even
if the eng=ne is not running. Damage to the unit or
personal injury may result.
•DO NOT attempt to change the engine govemed
speed.. Factory settings are correct when you ra-
calve the unit. Excessively high engine speeds may
result in injury or damage to equipment.
•DO NOT use the unit if it has been damaged. Repair
or replace all damaged or defective components
before you run the unit.
•DO NOT permit children to operate or service the
generator.
•Read your Owner's Manual carefully. Only persons
who are familiar with these safety rules and have
been properly instructed in the use of this product
should be permitted to use the product.
LOOK FOR THIS SYMBOL TO POINT OUT IMPORTANT SAFETY PRECAUTIONS. IT I
MEANS "ATTENTIONII! BECOME ALERTI!! YOUR SAFETY IS INVOLVED." I

CONGRATULATIONS on your pumheae of a Sears Crafts-
man Generator. It has been designed, engineered and
manufactured to give you the best possible dependability
and performance.
Should you experience any problem you cannot easily
remedy, please contact your nearest Sears Service Cen-
ter/Department or call the 1-800 number listed on the front
of this manual. We have competent, well-trained techni-
cians and the proper tools to service or repair this unit.
Please read and retain this manual The instructions will
enable you to assemble and maintain your generator prop-
erly, Always observe the 'SAFETY RULES."
MODEL
NUMBER 580.327140
SERIAL
NUMBER
DATE OF
PURCHASE.
THE MODEL AND SERIAL NUMBERS WILL BE
FOUND ON A DECAL A'I-T'ACHED TO THE GENER-
ATOR STATOR CAN.
YOU SHOULD RECORD BOTH SERIAL NUMBER
AND DATE OF PURCHASE AND KEEP IN A SAFE
PLACE FOR FUTURE REFERENCE.
PRODUCT SPECIFICATIONS
Generator Specifications
RATED MAXIMUM
POWER
RATED VOLTAGE
RATED MAXIMUM
LOAD CURRENT
RATED FREQUENCY
PHASE
BA'I-FERY CHARGE Amps:
Volts:
4200 Watts (4.2 kW)
120/240 Volts a-c
35/17.5 a-c amperes
60 Hz at 3600 rpm
Single Phase
10 DC Amps
12 volts DC
Engine Specifications
RATED HORSEPOWER 7.8 at 3600 rpm
DISPLACEMENT 220cc
SPARK PLUG: Type:
Set Gap to:
Champion RC12YC or
or equivalent
0.030 inch !0.76ram)
GASOLINE CAPACITY
OIL (620ml) summer
winter
4 U.S. gallons
SAE 30 Oil
SAAE10W- 30)
E 5W-20 or 5W-30
MAINTENANCE AGREEMENT
A Sears Maintenance Agreement is available on this prod-
uct, Contact your nearest Sears store for details.
CUSTOMER RESPONSIBILITIES
• Read and observe the safety rules.
NOTE: Your generator is equipped with a spark arrestor
muffler. The spark arrestor must be maintained in effective
working order by the owner/operator.
In the State of California a spark arrestor is required by law
(Section 4442 of the California Public Resources Code).
Other states may have similar laws. Federal laws apply on
federal lands.
• Follow regular schedule inmaintaining, caring for and
using your generator,
•Followtheinstructionsunder'Maintenance"and "Stor-
age" sections of this Owner's Manual.

TABLE OF CONTENTS
SAFETY RULES .................................. INSIDE COVER
MAINTENANCE AGREEMENT ................................... 1
PRODUCT SPECIFICATIONS ....................................... 1
CONTENTS OF HARDWARE ..................... 3
ASSEMBLY .......................................... 3
OPERATION ...................................... 4-8
MAINTENANCE ....................................... 9-10
SERVICE AND ADJUSTMENTS ............................. 11
SERVICE RECOMMENDATIONS. .................. 12
STORAGE .................................................................... 12
TROUBLESHOOTING POINTS ...................... 13
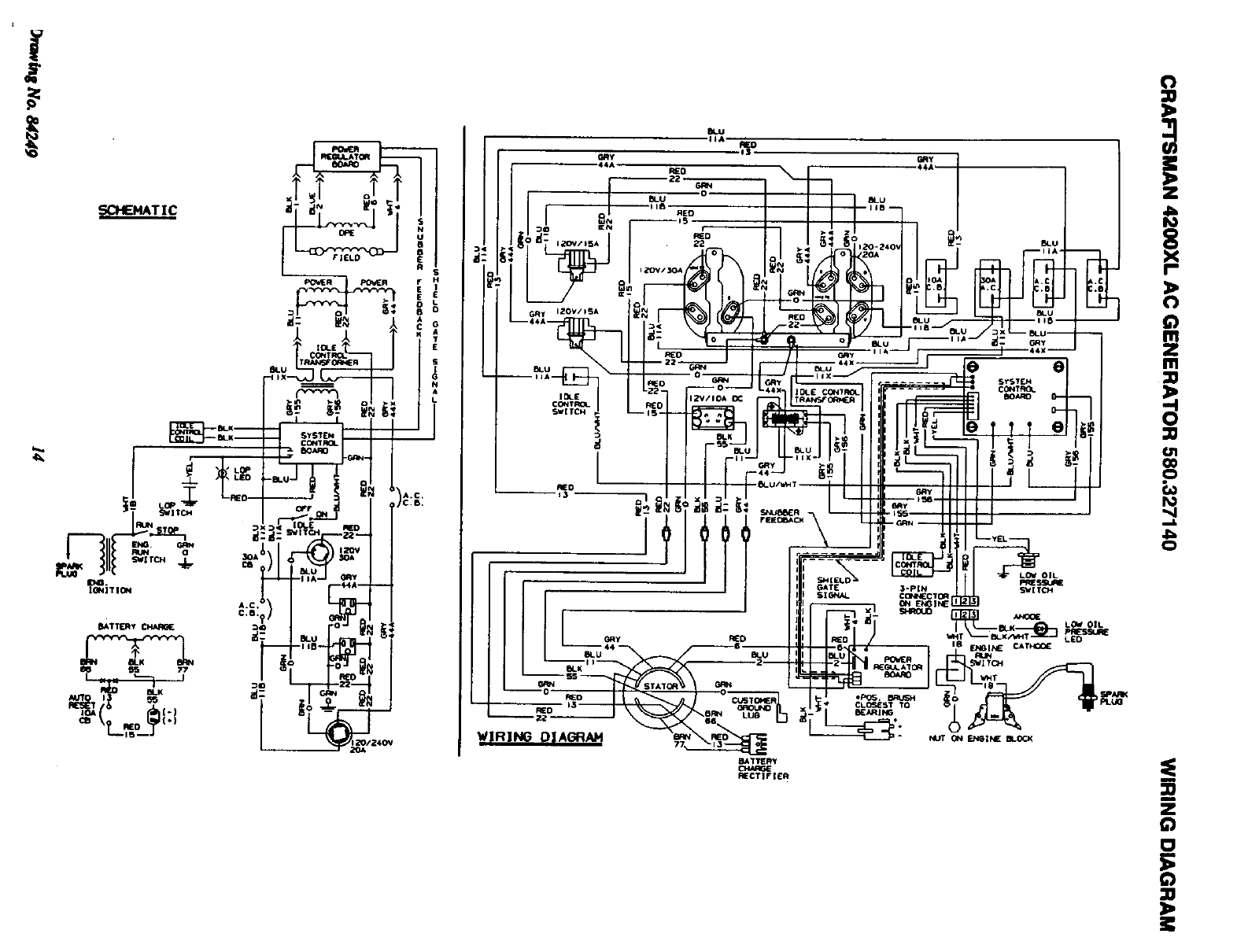
WIRING DIAGRAM ......................................... 14
REPAIR PARTS ....................................................... 16-21
WARRANTY ............................................................ 22-24
PARTS ORDERING. .................... BACK COVER
Index
-A- -H- -R-
Air Cleaner... ......... 4, 10
Assembly ................ 3
-B-
Before Starting ............ 5
Battery Charging ........... 7
Battery Safety ............. 6
-C-
Carburetor. .............. 11
Circuit Breakers .......... 3,5
Cord Sets ................ 3
Customer Responsibilites .... 1
-E-
Engine
Carburetoradjustment ........ 11
Ot/level .................... 11
Speed..................... 11
Electrical Loads ........... 8
-G-
Gasoline ................. 5
Grounding Lug ............ 3
Head boils .............. 11
-I-
Idle Control ............... 6
-L-
Low Oil Shutdown .......... 8
Lubrication .............. 5,9
--M--
Maintenance
Agreement .................. 1
Cleaning generator............ 9
Engine maintenance........... 9
General Recommendations..... 9
Generator Maintenance ........ 9
-O-
OilLevel ................. 9
Operation ............... 4-8
Overloading .............. 8
-p-
Parts, repair ........... 16-21
Receptacles .............. 3
Retorque head bolts ....... 11
-S-
Safety Rules ...... inside cover
Service and Adjustments... 11
Service Recommendations . 12
Specifications ............. 1
Starting Engine ............ 5
Stopping Engine ........... 6
Storage ................. 12
-T-
Troubleshooting .......... 13
-W-
Warranty .............. 22-24
Wattage Reference Guide... 8
Widng Diagram ........... 14
2

ASSEMBLY
Your AC generator was completely assembled at the fac-
tory. It is ready for use after it has been propedy serviced
with the recommended lubricatingoil and fuel.
IF YOU HAVE ANY PROBLEMS WITH THE ASSEMBLY
OF YOUR GENERATOR, PLEASE CALL THE GENERA-
TOR HELPLINE AT 1-800-222-3136.
IMPORTANT: ANY ATTEMPT TO RUN THE ENGINE
BEFORE IT HAS BEEN SERVICED WITH THE RECOM-
MENDED OIL WILL RESULT IN AN ENGINE FAILURE.
TO REMOVE GENERATOR FROM CARTON
• Set the carton on a flat rigid surface with 'qHIS SIDE
UP" arrows pointing upward.
•Carefully open the top flaps of shipping carton.
•Cut down corners at one end of shipping carton and
lay that side of carton down flat.
•Remove packing material, carton fillers, etc.
•Remove generator from shipping carton.
PARTS SHIPPED LOOSE WITH UNIT
•Battery Charge Cables
•Spark Plug Wrench and Screw Driver
•EngineOil
•Wheel Kit
CORD SETS AND CONNECTOR PLUGS
120 VOLTS DUPLEX RECEPTACLE
Use only high quality, !
well-insulated, extension i
cords with the 120-volt
"duplex"type electrical
receptacles (Fig. 1). All
cord sets used should be
rated 125 volts at 15 a-c
amps or greater for most
electrical devices.
FIG. 1
Keep extension cords as short as possible, preferably
less than 15 feet long to prevent voltage drop and wires
from overheating.
120 VOLTS, 30 AMP RECEPTACLE
For 120 volts, 30 amp locking type NEMA L5-30R recep-
tacle, a well-insulated cord set with a NEMA L5-30P lock-
ing type connector plug (Fig. 2) must be properly connect-
ed to the receptacle and the desired 120 volts, single
phase, 60 Hz, a-c load. The cord set should be rated 30
a-c amperes at 125 volts (or greater) for most electrical
devices.
120/240 VOLTS, 20 AMP RECEPTACLE
A 120/240 volts, 20 amp, locking type type mating con-
nector plug (Rg. 3) is required when using this receptacle
(L14-2OR). A4-wire cord set, rated 20 a-c amperes at 250
volts (or greater), is required and must be connected to
the plug and to the desired loads.
R.,RCI--I/_ED
3NtlRE COI_
120 V_3
; ; i:i ,N_JIWAL(N)
GROUND(G)
FIG. 2
_vd Set
F)Tc-_d
(c-re_)
FIG. 3
GROUNDING THE GENERATOR
The National Electrical Code requires that the frame and
external electrically conductive parts of this generator be
properly connected to an approved earth ground. Local
electrical codes may also require proper grounding of the
unit. For that purpose, a GROUNDING WING NUT is pro-
vided on the base of the cradle (Fig. 4). Generally, con-
necting a No. 12 AWG (American Wire Gauge) stranded
copper wire to the grounding lug and to an earth-driven
copper or brass grounding rod (electrode) provides ade-
quate protection against electrical shock. Be sure to keep
ground wire attached when you connect electrode.
However, local codes may vary widely. Consult with a
local electrician for grounding requirements in your area.
Proper grounding of generator will help prevent electricel
shock in the event of a ground fault condition in the gener-
ator or in connected electrical devices. Proper grounding
also helps dissipate static electricity, which often builds up
in ungrounded devices.
#12 AWG STRANDED
COPPER WIRE
GROUNO4NGROD
FIG. 4
3

OPERATION
KNOW YOUR GENERATOR
READ THIS OWNER'S MANUAL AND SAFETY RULES BEFORE OPERATING YOUR GENERATOR. Compare the
illustrationswith your generator,to familiarizeyourselfwiththe locationsofvariouscontrolsand adjustments. Save the
manualfor future reference.
AIR CLEANER
RECOILSTARTER
FUELTANK 120-VOLTA.C.
30AMP RECEPTACLE
120-VOLTA.C.
DUPLEXRECEPTACLE
120/240-VOLTA.C.
20AMP RECEPTACLE
IDLECONTROLSWlTCl
12-VOLTD.C.
RECEPTACLE
CIRCUITBREAKERS
120-VOLT A.C. "DUPLEX" RECEPTACLES -- May be
used to supply electrical Ix}wer for the operation of 120 volts
at 15 amps A.C., single phase, 60 Hz, AC electrical lighting,
appliance, tool and motor loads.
120-VOLT A.C., 30 AMP RECEPTACLE -- May be used
to supply electrical power for the operation of 120 volts at
30 amps A.C, single phase, 60 Hz, A.C. electrical lighting,
appliance, tool and motor loads.
120/240-VOLT A.C., 20 AMP RECEPTACLE -- May be
used to supply electrical power for the operation of 120
and/or 240 volts at 20 amps A.C., single phase, 60 Hz, AC
electrical lighting, appliance, tool and motor loads.
RECOIL STARTER -- (not shown) Used for starting the
GN engine.
RUN/STOP SWITCH -- (not shown) Set this switch to
=RUN" before using recoil starter. Set switch to "STOP" to
switch OFF engine. Located on engine block.
IDLE CONTROL SWITCH -- With this switch set to ON,
printed circuit board in control panel automatically reduces
engine speed when no load is connected and increases
engine to proper speed when load is applied. However, be
sure switch is OFF when starting engine.
CIRCUIT BREAKERS (A.C.) -- Each receptacle is pro-
vided with a circuit breaker to protect the generator against
electrical overload. Breakers are =push to reset" type.
SPARK ARRESTOR MUFFLER -- Exhaust muffler lowers
engine noise and is equipped with a spark arrestor screen.
AIR CLEANER -- Uses a dry type filter element and foam
pre-cleaner to limit the amount of dirt and dust that gets in
the engine.
FUEL TANK --Capacity of four U.S. gallons (15.2 liters).
CHOKE SWITCH -- Used when starting a cold engine.
12-VOLT D.C. RECEPTACLE -- Recharge a discharged
12 voltsautomotivetypebatterythroughthisreceptacle.
4

OPERATION
IF YOU HAVE ANY PROBLEMS OPERATING YOUR
GENERATOR, PLEASE CALL THE GENERATOR
HELPLINE AT 1-800-222-3136.
BEFORE STARTING ENGINE
ADD OIL:
Place generator on a level surface and remove one of
.they..ellowOil .FillCaps (Rg. 5) and add engine oil unti!
levm is at point owovernowmg. Check engine oil levee
before starting each time thereafter. If oil level is below
point of overflowing, fill to proper level. The recom-
mended oils include (during summer months) SAE 30
oil. SAE 10W-30 is an acceptable substitute. During
winter months use SAE 5W-20 or 5W-30. DO NOT
USE lOW-40. Crankcase oil capacity is about 720ml
with oil filter.
CAUTION: ANY AI"rEMPT TO CRANK OR START
THE ENGINE BEFORE IT HAS BEEN PROPERLY
SERVICED WITH THE RECOMMENDED OIL RE-
SULTS IN AN ENGINE FAILURE.
• Locate the Idle Control On/Off switch on control panel
and set it to OFF position.
• Locate the Run/Stop switch (Fig. 6) next to the engine
cylinder head and set it to RUN.
\
FIG. 6
•Close the choke to FULL position (Fig. 7) by sliding it
to far position in direction indicated by arrow on air
cleaner housing.
FULL
RUN
FIG. 5 FIG. 7
ADD GASOLINE:
• Use regular UNLEADED gasoline with the generator
engine. Regular leaded gasoline may also be used if
UNLEADED is not available. Fuel tank capacity is 4
U.S. gallons.
_1= CAUTION: DO NOT OVERFILL THE FUEL TANK.
ALWAYS ALLOW ROOM FOR FUEL EXPANSION.
WARNING: NEVER FILL FUEL TANK INDOORS.
NEVER RLL FUEL TANK WHEN ENGINE IS RUN-
NING OR HOT. DO NOT UGHT A CIGARET OR
SMOKE WHEN FILUNG FUEL TANK.
TO START THE ENGINE
CAUTION: NEVER START, OR STOP, THE EN-
GINE-GENERATOR WITH ELECTRICAL LOADS
CONNECTED TO THE RECEPTACLES WITH THE
CONNECTED DEVICES TURNED ON.
•Start, store and fuel the unit in a level position.
•Open fuel shut-off valve.
• Grasp the starter grip and pull slowly until you feel
resistance. Then pull rapidly. Repeatif necessarywith
choke opened slightly.
•When engine starts, open choke gradually.
CONNECTING ELECTRICAL LOADS
• Let engine stabilize and warm up for about five minutes
after starting.
•Plug in and turn on the desired 120 or 240 volts, single
phase, 60 Hertz, a-c electrical loads.
•DO NOT connect 240 volts to 120 volts duplex recep-
tacles.
•DO NOT connect 3-phase loads to panel receptacles.
•DO NOT connect any 50 Hz loads to the generator.
•Add up the rated watts of all lights tool appliance and
motor loads you are powering at one time. This total
should NOT be greater than (a) generator's rated watt-
age. capac!_ or (b) circuit breaker rating of the recep-
tac=e suoplymg the power.

OPERATION
STOPPING THE ENGINE
• Disconnect all electrical loads and let engine run at
no-load for about five minutes to stablize internal tom-
peratures of engine and generator.
•Tum off the engine by moving the Run/Stop switch to
STOP position.
OPERATING AUTOMATIC IDLE CONTROL
An Automatic Idle Control system provides greatly im-
proved fuel economy by operating the unit at its normal high
govemed speed only when electrical loads are plugged in
and tumed ON. The system consists of (a) an Idle Control
Circuit Board, (b) a Sensing Transformer, (c) an Electro-
magnet, and (d) an Idle Control Switch located on the
control panel (Fig. 8).
IDLE
CONTROL
FIG. 8
Engine-generator runs at high governed speed with Idle
Control Switch ON only when an electrical load is con-
nected to the generator and turned on. When the electrical
load is disconnected, an Electromagnet is energized to pull
the engine throttle control against its idle stop. Engine then
runs at reduced (idle) speed.
The Electromagnet cannot be energized with Idle Control
Switch OFF, since its power circuit is open. Engine runs
at high govemed speed (about 3600 rpm) whether load(s)
are connected or not.
ADJUSTING AND SETTING IDLE CONTROL
You will need a volt-ohmmeter to adjust the idle control.
You can set and adjust the Idle Control on the Deluxe
Generator as follows:
Presetting Idle Control: Refer to the Idle Control Assem-
bly when you make the initial adjustment oi the idle Control.
•With the unit running and warmed up, tum the idle
control bolt clockwise (faster speed), or counterclock-
wise (slower speed) until the engine speed is between
25 and 35 Hz. (1500 - 2100 rpm). See Fig. 9.
•Lock the Idle Control Jam nut against the idle control
bracket, while the engine is still running at a range of
25 to 35 Hz.
JAM NUT
IDLE CONTROL BOLT
BRACKET
FIG.9
Carburetor "Microadjusting": Once the idle control has
been preset, you can use the carburetor's idle screw to
make further =microadjustments" to the speed of the an-
gine-generator idle control.
• Turn the carburetor's idle screw clockwise (faster
_4Oezed ) until the engine speed is between 38 and 40
(2280 - 2400 rpm).
NOTE: Engine speeds of less than 38 Hz. could cause the
engine to stall if you apply sudden block loads.
BA'I-rERY SAFETY
A
WARNING: STORAGE BAI"rERIES GIVE OFF EX-
PLOSIVE HYDROGEN GAS WHILE CHARGING.
AN EXPLOSWE MIXTURE WILL REMAIN AROUND
BATTERY FOR A LONG 11MEAFTER IT HAS BEEN
CHARGED. THE SUGHTESTSPARK CAN IGNITE
GAS AND CAUSE AN EXPLOSION. SUCH AN EX-
PLOSION CAN SHATTER BATTERY AND CAUSE
BLINDNESS OR OTHER SERIOUS INJURY.
WARNING: DO NOT PERMIT SMOKING, OPEN
FLAME, SPARKS OR ANY OTHER SOURCE OF
HEAT AROUND A BAI"rERY. DO NOT USE A
UGHTER OR OTHER FLAME FOR CHECKING
BATfERY FLUID LEVELS. WEAR PROTECTIVE
GOGGLES, RUBBER APRON AND RUBBER
GLOVES WHEN WORKING AROUND ABATrERY.
BATTERY ELECTROLYTE FLUID IS AN EX-
TREMELY CAUSTIC SULFURIC ACID SOLUTION
THAT CAN CAUSE SEVERE BURNS. DO NOT
PERMIT FLUID CONTACT WITH EYES, SKIN,
CLOTHING, ETC. IF SPILL OCCURS, FLUSH
AREA WITH CLEAR WATER IMMEDIATELY.
6

OPERATION
CHARGING A BA1TERY
Your generator has the capability of recharging a dis-
charged, 12-volt automotive or utility style storage battery.
Do not use the unit to charge any 6-volt batteries. Do not
use the unit to crank an engine having a discharged battery.
To recharge 12-volt battedas, proceed as follows:
• Check fluid level in all battery cells. If necessary, add
ONLY distilled water to sever separators in battery
cells. DO NOT USE TAP WATER.
• If the battery is equipped with vent caps, make sure
they are installed and are tight.
•If necessary, clean battery posts or terminals.
•Connect battery charge cable connector plug to panel
recaptacle (Fig. 10). identified by the words =12-VOLT
D.C.
Connectbatterycharge cable clamp with red handle to
battery post or terminal indicated by a POSITIVE, POS
or(*).
•Connect battery charge cable clamp with black handle
to battery post or terminal indicated by a NEGATIVE,
NEG, or (--).
. Start en.g=ne(see =Starting the Engine" on Page 5). Let
the engine run while battery recharges.
•When battery has charged, shut down engine (see
=Stopping the Engine" on this page).
NOTE: Use an automotive hydrometer to test battery state of
charge and condition. Follow the hydrometer manufacturer's
instruc_onscarefully Generally, a battery is considered to be at
100% state of charge when speQtic gravityof its flu_ (as meas-
ured by hydrometer)is 1 260.
FIG. 10
LOW OIL PRESSURE SHUTDOWN SYSTEM
The engine is equipped w_tha low od pressure sensor that
shuts down the engine automatically when the oil pressure
drops below 6 psi. If the engine shuts down by itself and
the fuel tank has enough gasoline, check engine oil level.
INITIAL STARTUP
Adelay built m the shutdown system allows oil pressure to
build dunng starting. The delay allows the engine to run for
about 10 seconds before sensing oil pressure.
SENSING LOW PRESSURE
If the system senses low oil pressure during operation, the
eng=ne shuts down. As the system shuts down, the low oil
light comes ON. However, once the engine has stopped
rotating, this light will go OFF.
RESTARTING
If you try to restart the eng=ne within 5 seconds after it shuts
down, the engine may NOT start. The system needs 5 to
10 seconds to reset.
If you do restart the engine after such a shutdown and
have not corrected the low oil pressure, the engine
runs for about 10 seconds as described above and then
stops.
7

OPERATION
DON'T OVERLOAD THE GENERATOR
Overloading a generator in excess of its rated wattage
capacity can result in damage to generator and to con-
nected electrical devices. Observe the following, to pre-
vent overloading the unit:
•Add up the total wattage of all electrical devices to be
connected at one time. This total should NOT be
greater than the generator's wattage capacity.
• The rated wattage of lights can be taken from light
bulbs. The rated wattage of tools, appliances and
motors can usual!y be found on a data plate or decal
affixed to the device.
•If the appliance, tool or motor does not give wattage,
mulitply !20 volts Umas ampere rating to detarmnne
watts (volts x amps = watts).
Some electric motors, such as induction types, require
about two-and-a-half times more watts of power for
s_rtin_ than for running. This surge of power lasts for
omy a few seconds when starting such motors. Be sure
you allow ;or this high starting wattage when selecting
electrical devices to connect to your generator. First
figure the watts needed to start largest motor. Add to
that figure running watts of all other connected loads.
The GUIDE below is provided to assist you in deter-
mining how many items your generator can operate at
one time.
WATTAGE REFERENCE GUIDE
RUNNING
WA'I-rS
*Air Conditioner (12,000 Btu) .................................... 1700
Battery Charger (20 amp) .......................................... 500
Belt Sander (3") ......................................................... 1000
Chain Saw ................................................................. 1200
Cimular Saw (6-12/') ..................................... 800 to 1000
Coffee Maker ............................................................. 1000
"Compressor (1 HP) .................................................. 2000
*Compressor (3/4 HP) ............................................... 1800
*Compressor (1/2 HP) ............................................... 1400
Curling Iron ................. ................................................ 700
"Deep Freeze ............................................................. 500
Disc Sander (9") ........................................................ 1200
Edge Trimmer ............................................................. 500
Electric Nail Gun ....................................................... 1200
Electric Range (one element) .................................... 1500
Electdc Skillet. .......................................................... 1250
*Furnace Fan (1/3 HP) .............................................. 1200
Hair Dryer .................................................................. 1200
Hand Drill (1") ............................................................ 1100
Hand Drill (1/2') ............................................ 750 to 1000
Hand Drill (3/8") .......................................................... 500
Hand Ddll (1/4') ........................................................... 250
Hedge Trimmer .......................................................... 450
RUNNING
WATTS
Impact Wrench ........................................................... 500
*Jet Pump ................................................................... 800
Lawn Mower .............................................................. 1200
Microwave Oven ......................................................... 700
*Milk Cooler ............................................................... 1100
Oil Burner on Fumaca ................................................ 300
Oil Fired Space Heater (140,000 Btu) ........................ 400
Oil Fired Space Heater (85,000 Btu) .......................... 225
Oil Fired Space Heater (30,000 Btu) .......................... 150
*Paint Sprayer, Airless (1/3 HP) ................................. 600
Paint Sprayer, Aidess (handhelu) ............................... 150
Radio ................................................................ 50 to 200
"Refrigerator ............................................................... 600
Slow Cooker ............................................................... 200
*Submersible Pump (1-1/2 HP) ................................. 2800
*Submersible Pump (1 HP) ....................................... 2000
*Submersible Pump (1/2 HP) .................................... 1500
Sump Pump ................................................................ 600
*Table Saw (10") ......................................... 1750 to 2000
Television ........................................................ .200 to 500
Weed Trimmer ............................................................ 500
* Allow 2-1/2 times the listed watts for starting these
devices.
8

MAINTENANCE
GENERAL RECOMMENDATIONS
The Owner/Operator is responsible for making sure that all
periodic maintenance tasks are completed on a timely
basis; that all discrepancies are corrected; and that the unit
is kept ctean and property stored. Never operate a dam-
aged or defective generator.
GENERATOR MAINTENANCE
Generator maintenance consists of keeping the unit clean
and dry. Operate and store the unit in a clean dry envior-
ment where it will not be exposed to exceesive dust, dirt,
moisture or any corrosive vapors. Cooling air slots in the
generator must not become dogged with snow, leaves or
any other foreign material.
Check the cleenliness of the generator fraquentiy and clean
when dust, dirt, oil, moisture or other foreign substances
are visible on its exterior surface.
NOTE: We DO NOT recommend usinga garden hose to clean
the generator. Water can enterthe enginefuelsystemand cause
problems. In addition, if water entem the generator through
coolingair slots,some of the water will be retained in voids and
cracks of the rotorand statorwindinginsulation. Water and dirt
buildup on the generator internal windings will eventually de-
crease the insulationresistanceof these windings.
TO CLEAN THE GENERATOR:
•Use a damp cloth to wipe exterior surfaces clean.
•Use a soft, bristle brush to loosen caked on dirt, oil, etc.
•A vacuum cleaner may be used to pick up loose dirt
and debris.
Low pressure air (not to exceed 25 psi) may be used
to blow away dirt. Inspect cooling air slots and opening
on the generator. These openings must be kept clean
and unobstructed.
CAUTION: NEVER INSERT ANY OBJECT OR
TOOL THROUGH THE AIR COOLING SLOTS, EVEN
IF THE ENGINE IS NOT RUNNING. DAMAGE TO
THE UNIT OR PERSONAL INJURY MAY RESULT.
ENGINE MAINTENANCE
CHECKING OIL LEVEL
See OPERATION sectionon Page 4 for informationon checking
oil level. Oil levelshould be checked before each use or at least
every eight hours of operation. Keep oil level maintained.
CHANGING OIL AND OIL FILTER
Change oil after first 8 hours of operation. Change oil every
50 hours thereafter. If you are using your generator under
dirty or dusty conditions, or in extremely hot weather,
change oil more often.
J,_ CAUTION: DISCONNECT SPARK PLUG WIRE
FROM SPARK PLUG AND KEEP IT AWAY FROM
SPARK PLUG. DO THIS EVERYTIME YOU PER-
FORM ANY MAINTENANCE ON THE ENGINE OR
THE GENERATOR,
Change oil while engine is still warm from running, as
follows:
• Clean area around oil drain plug, remove plug (Fig. 11)
and drain oil completely into a suitable container.
OIL FILTER
I
A
FIG. 11
•When oil has drained, install and tighten oil drain plug.
•Remove oil fill plug and insert a clean fill funnel into
plug opening. Fill engine crankcase with recom-
mended oil until oil level is at point of overflowing. Do
not overfill above the point of overflowing. About 21
ounces (620ml) is required. POUR SLOWLY.
•When engine crankcase is filled to proper level. Install
and tighten oil fill plug.
Replace Oil Filter: Replace the engine oil filter after first
8 hours of operation, every 50 operating hours thereafter.
•Turn oil filter counterclockwise to remove (Figure 11).
•Coat gasket of new filter with engine oil.
•Turn the new filter clockwise until its gasket contacts
tightly with the filter adaptor. Then tighten by hand an
additional 3/4 to one turn.
RETORQUE HEAD BOLTS
After 50 hours of operation, retorque the head bolts for the
GN engine to 4.0 kg/m (29 foot-pounds).
•The torque sequence is A, B, C, D, E (star pattern).
See Fig 12. OB
E
C
FIG. 12
9

MAINTENANCE
SERVICE AIR CLEANER REPLACE SPARK PLUG
Your engine will not run properly and may be damaged if
you run it using a dirty air cleaner.
Clean or replace the air cleaner paper filter (Fig. 13) once
every 25 hours of operation or once a year, whichever
comes first. Clean or replace mere often if operating under
dusty or dirty conditions. Clean foam pre-filter every 25
hours of operation or sooner under dusty conditions.
ICAUTION: NEVER RUN THIS UNIT WITHOUT THE
ACOMPLETE AIR CLEANER SYSTEM INSTALLED
ON THE ENGINE. THIS COULD RESULT IN PRE-
MATURE WEAR TO THE ENGINE.
PAPER FILTER
PRECLEANER
FIG. 13
Change the spark plug every 100 hours of operation or
once each year, whichever comes first. This will help your
engine to start easier and run better. Replace with Cham-
pion RC12YC or equivalent type spark plug. Set spark plug
gap (Fig. 14) 0.030 inch (0.76mm).
/"_.030" FEELER GAUGE
/_ (0.76mm)
FIG. 14
CLEAN SPARK ARRESTOR SCREEN
The engine exhaust muffler has a spark arrestor screen.
Inspect and clean the screen every 100 hours of operation
or once each year, whichever comes first.
pWARNING: LET THE MUFFLER COOL BEFORE I
AWORKING ON IT. CONTACT WITH A HOT MUF-
FLER OR ENGINE CAN CAUSE SEVERE BURNS.
NOTE: If you use your generator on any forest-covered,brush°
covered or grass-coveredunimprovedland, it must have a spark
arrestor. The sparkarrestormustbe maintainedingoodcondition
by the owner/operator.
• Clean and inspect the spark arrestor as follows:
• To remove the heat shield from the muffler (Fig. 15),
remove the nine screws that connect the shield to the
muffler.
To clean or replace foam pre-filter:
* Remove air cleaner cover, then foam pre-tilter.
• Wash pre-filter in soap water. Squeeze pre-c eaner dry
in clean cloth (DO NOTTWlST). Saturata pre-c eaner
in clean engine oil and then wrap pre-ti tern clean dry
cloth to squeeze out excess oil (DO NOT TWIST).
• Clean air cleaner cover before installing it.
To clean or replace paper air filter:
• Remove air cleaner cover; then remove foam pre-fi ter
Iservice if necessary) and remove paper tilter.
, Clean air filter by tapping it gently on a solid surface. If
the filter is too durty replace it with a new one. D spose
of the o d fIter properly.
bClean air cleaner cover then insert pre-filter into cover.
Next insert new paper filter into cover to hod pre-filter
in place and assemble all of them to the base of the air
cleaner.
MUFFLER
SPARKARRESTOR
SCREEN
Heat Shield
FIG. 15
Remove four screws that attach the spark arrestor
screen.
Inspect screen and replace if tom, perforated or other-
wise oamaged. DO NOT USE a defective screen. If
the screen is not damaged, clean it with a commercial
solvent.
• Reattach the screen and the heat shield.
10

SERVICE AND ADJUSTMENTS
ENGINE SPEED
CAUTION: ENGINE SPEED WAS PROPERLY AD-
JUSTED AT THE FACTORY AND SHOULD RE-
QUIRE NO ADDITIONAL ADJUSTMENT. DO NOT
AI"rEMPT TO CHANGE ENGINE SPEED. IF YOU
BEUEVE THE ENGINE IS RUNNING TOO FAST OR
TOO SLOW, TAKE YOUR GENERATOR TO
AUTHORIZED SERVICE CENTER FOR REPAIR
ANO ADJUSTMENT. CHANGING ENGINE GOV-
ERNED SPEED WILL VOID ENGINE WARRANTY.
Your generator runs at • constant speed. This constant
operating speed is maintained by a mechanical, flyweight
type, fixed speed governor. DO NOT try to adjust the
govemed speed setting for the following reasons:
• High engine speeds are dangerous and increase the
dsk of personal injury or damage to equipment.
• Low engine speeds impose a heavy load on the engine
when sufficient engine power is not available and may
shorten engine life.
•The generator will supply correct rated AC frequency
and voltage only at the proper speed. Some connected
electrical devices could be damaged by incorrect fre-
quency and/or voltage.
ADJUSTING THE CARBURETOR
The carburetor of your generator set is preset at the factory.
DO NOT TAMPER WITH THE CARBURETOR as this will
void the warranty for the emission control system. If your
generator is to be used at an altitude above 5,000 feet,
consult with a Sears Authorized Service Facility regarding
high altitude jetting changes.
ADJUSTING VALVE CLEARANCE
After the first 50 hours of operation, you should adjust the
valve clearance in the engine.
When adjusting valve clearanca, the engine should be at
room temperature and the piston should be at Top Dead
Center ('rDC) of its compression stroke (both valves
closed). Correct clearance is 0.05-0.1mm. Adjust valve
clearance as follows:
•Loosen the rocker arm jam nut. Use an allen wrench
to turn the pivot ball stud while checking clearance
between the rocker arm and the valve stem with a feeler
gauge (Fig. 16).
• When valve clearance is correct, hold pivot bell stud
with allen wrench and tighten rocker arm jam nut with
a crows foot. Tighten the jam nut to 65-85 =nch-pounds
torque. After tightenin_,l the jam nut, recheck valve
clearance to make sure it did not change (Fig. 17).
ALLEN FEELER
0GAUGE
_LOOSEN
JAM NUT
FIG. 16
"F_jhten]am nutto
65-85 inch-pounds
("/-10 N-m).
FIG. 17
1!

SERVICE RECOMMENDATIONS
MAINTENANCE OPERATION Every 8 Hours or 25 Hours or Every SOHours or Every 100 Hours or Every
NOTE 1: Change oil and oil filterafter first8 hoursof operationand then every 50 hoursthereafter. Change soonerwhen operating
underheavy load or in dustyor dirtyenvironmentor in highambient temperature.
NOTE 2: Clean more often when operatingthe unit underdirty ordustyconditions.
STORAGE
The generator should be started at least once every seven
days and allowed to run at least 30 minutes. If this cannot
be done and you must store the unit for more than 30 days,
use the following information as a guide to prepare it for
storage.
STORAGE INSTRUCTIONS
WARNING: NEVER STORE ENGINE WITH FUEL IN
THE TANK INDOORS OR IN ENCLOSED, POORLY
,_ VENTILATED AREAS, WHERE FUMES CAN
REACH AN OPEN FLAME SPARK OR PILOT LIGHT
AS ON A FURNACE, WATER HEATER, CLOTHES
DRYER OR OTHER GAS FURNACE.
ENGINE
• Run engine for about five minutes to warm it.
NOTE: If you did use =gasohol,"drainfuel tank, then run engine
untilenginestopsfrom lack of fuel.
WARNING: DRAIN FUEL INTO APPROVED CON- ] •
_TAINER OUTDOORS, AWAY FROM OPEN FLAME; I
BE SURE ENGINE IS COOL J
NOTE: Using a fuel additive such as Sears Craftsman®Fuel •
Stabilizer, or an equivalent,will prevent gum depositsfrom form-
ing in the generator's fuel system.
•While engine is still warm, drain oil from crankcase.
Refill with fresh oil. See BEFORE STARTING EN-
GINE on Page 2 for oil recommendations.
•Remove spark plug and pour about 1/2 ounce (15ml)
of engine oil into cylinder. Crank slowly to distribute oil
I_CAUTION: AVOID SPRAY FROM SPARK PLUG
HOLE WHEN CRANKING ENGINE SLOWLY.
•Install spark plug. Do not connect spark plug wire.
•Clean dirt, oil and grease from cylinder, cylinder head,
fins, blower housing, rotating screen and muffler area.
•Close fuel shut-off valve, located beneath the fuel tank.
GENERATOR
•Clean the generator as outlined on Page 5 ("To Clean
the Generator').
•Check that cooling air slots and openings on generator
are open and unobstructed.
OTHER STORAGE TIPS
Do not store gasoline from one season to another.
Replace your gasoline can if it starts to rust. Rust
and/or dirt in your gasoline can cause problems when
you use it with this unit.
Store in clean and dry area.
DANGER: STORAGE COVER IS FLAMMABLE. DO
NOT PLACE THE STORAGE COVER OVER A HOT
GENERATOR. LETTHE UNIT COOL FOR A SUFFI-
_k CIENT TIME BEFORE PLACING THE COVER ON
THE UNIT. IF YOU PLACE THE COVER ON THE
UNIT BEFORE GENERATOR IS COOL, THE COVER
COULD START ON RRE.
12

TROUBLESHOOTING POINTS
PROBLEM
Engineis running,10utno
AC outputis available.
Engine runs good at no-load but"bogs
down"when loads are connected
Enginewill not start;or starts
and runs rough.
Engine shutsdown dunng operation
Engine lacks power.
Engine "hunts" orfaltera.
CAUSE
1. One of the circuitbreakers is open.
2. Fault ingenerator.
3. Poor connectionor defective
cord set.
4. Connected device is bad.
1.
2.
3.
4.
1.
2.
3.
4.
5.
.
7.
8.
9.
10.
11.
CORRECTION
1. Reset circuitbreaker.
2. Contact Sears Service DepadmenL
3. Check and repair.
4.
Short circuitin a connectedload. 1.
Enginespeed istoo slow. 2.
Generator is overloaded. 3.
Shoded generatorcircuit. 4,
Run/Stop Switchset to STOP. 1.
Dirty air cleaner 2.
Out of gasoline. 3.
Stale gasoline. 4.
Spark plugwire notconnected 5.
to spark plug.
Bad spark plug. 6.
Water in gasoline. 7.
Overchoking. 8.
Excessivelyrichfuel mixture. 9.
Intakevalve stuckopen or dosed. 10.
Enginehas lostcompression. 11.
12. Intakevalve stuck opan orclosed. 12.
13. Enginecompressionlost. 13.
14. Failed battery. 14.
1. Out of gasoline. 1.
2. Lowoil level. 2.
1. Load is too high. 1.
2. Dirtyair filter. 2.
1. Choke is opened too soon. 1,
2. Carburetoris runningtoo rich 2.
or toolean.
13
Connect anotherdevice that is
in goodcondition.
Disconnectshorted electricalload.
Contact Sears Service Department.
See "Don't Ovedoad the Generator
on Page 6.
ContactSears Service Department.
Set switchto RUN.
Clean or replace air cleaner.
Fillfuel tank.
Drain gas tank; fillwith freshfuel.
Connect wire to spark plug.
Replace spark plug.
Drain gas tank; till withfreshfuel.
Open choke fully and crankengine.
Contact Sears Service Department.
Contact Sears Service Department.
Contact Sears Service Department.
Contact Sears Service Department.
Contact Sears Service Department.
Replace battery.
Fillfuel tank.
Fillcrankcase to properlevel.
See "Don'tOverload the Generator"
on Page 6.
Replace air filter.
Move choke to halfway positionuntil
engine runs smoothly.
Contact Sears Service Department.

W_[RZNG D| AGRAH
BtTTERy
I_CT]F JER

CRAFTSMAN 4200 WATT DELUXE AC GENERATOR 580.327140
8\87
REPAIR PARTS
23
"-17
3
10
ITEM PARTNO.
1 83976
2 83975
3 66818
4 66821
5 68867C
66S868C
7 75207A
8 75207G
g 82538
10 84134
11 83514
12 83970
DESCRIPTION ITEM PART NO.
CONTROL PANEL (1 REQ.) 13 84028
CONTROL BOX (1 REQ,)
120 VOLTS AC OUTLET 2(REQ.) 14 67022
12 VOLTS DC OUTLET (1 REQ.) 15 85584
120/240 VOLTS, 20 AMP 16 84534A
TWISTLOCK OUTLET (1 REQ.) 17 84534(3
120 VOLTS, 30 AMP (1 REQ.) 18 84198
TWISTLOCK OUTLET (1 REQ.) 19 84197
30 A CIRCUIT BREAKER (1 REQ.)
AMP CIRCUIT BREAKER (2 REQ.) 21 75476
ON/OFF ROCKER SWITCH (1 REQ.) 22 22264
RUBBER GROMMET (1 REQ.) 23 51715
10 ACIRCUIT BREAKER (1 REQ.) 24 84534B
SYSTEM CONTROL BRD. (1 REQ.) 25 84335
26 82542
OESCRIPTION
IDLE CONTROL TRANSFORMER
(1 REQ)
RUBBER GROMMET (1 REQ)
BUS BAR (1 REQ)
3.0 X 12MM SCREW (2 REQ)
3.5 X 18MM SCREW (4 REQ)
CIRCUIT BREAKER SHIELD (3 REQ)
CIRCUIT BREAKER
RETAINING BAR (1 REQ)
4.0 X 16MM SCREW (2 REQ)
M4 LOCK WASHER (4 REQ)
M3 HEX NUT (8 REQ)
3.5 X 12MM SCREW (10 REQ)
WIRE HARNESS (1 REQ)
DC OUTLET RETAINING BAR (1 REQ)
15 I)rawin8 No.87407

CRAFTSMAN 4200XL DELUXE PORTABLE GENERATOR 580.327140 REPAIR PARTS
7O
71
66
49 50 "_ ,€6
'Jr/
52 73
I0
56
'41
_5
DETNL "X "
3
35 69
11
3O 68 22- 14
16

CRAFTSMAN 4200 WATr DELUXE AC GENERATOR 580.327140 REPAIR PARTS
rn M PART CSY. tTEM PARTNO. Q_. DESCRIPTIO__._._._N
1B2551 1 CRADLE, 4200 W 39 67025 1
2 84021 1SUPPORT, Engine 41 86494 1
3 ENGA1386 1 ENGINE, 7.8 HP 42 .86292 5
466365 1 HOUSING, Engine Adapter 43 77395 4
584141J - 1 ROTOR, Assembly 44 83465 4
683540J -- 1 STATOR, Assembly 46 78831B 4
7 65791 1 BEARING 47 80270 1
8 67451 1 WASHER, M8 Rat 46 78299 1
9 22129 2 WASHER, M8 Lock 49 85134 1
10 86307 4 HHMS, 5/16- 24 x 3/4 Long 50 83311 1
11 47480 1 HHCS, 5/16 -24 x7" Long 51 84042 1
12 84508 2 MOUN_, Vi_ 45° 52 84687 1
13 52858 8 NU'I_,M8 _ 53 85000 1
14 83208 1BRACKE'_,Muffler 54 14353621 1
16 66476 2 SCREV_, M6 - 1.00 x 12 55 23762 1
17 89476 1 GASK_, Exhaust 56 26850 2
18 70644 1 PPHMS, M8- 1.25 x 20 Long 58 57593 1
19 84346 3 PPHMS, M8 x 35 Long 60 B2550 1
20 40976 2 SCREV_, M8 -1.25 x 20 61 92982 1
21 83083 1 SCREEN, Spark An'estor 62 B2549 2
22 83071 1MUFFLER 64 77026 1
23 81917 1 PIN, RollM4 x10 66 93826 1
25 66825B 1 BEARING, Rear Carrier 67 96409 1
26 85652 2 MOUN_, Vibra'don 68 77816 1
27 45771 2 NLrI_,M8 Hex 59 B1432 1
30 74908 4 TAPTITE, M5 - 0.8 x 10 Long 70 B1779 2
32 86308 4BOLT,M6 - 1.0 x115Stator 71 B2347 2
33 65795 1 RECTIFIER, Batten]Charge 72 B2555 1
34 66849A 1TAFT]'iE, M5 - 0.8 x 20 Long 73 51757 2
35 67022 2 GROMME-'I_,Rubber 74 52857 2
36 84132 1 MODULE, Drive 75 46476 2
37 66386 1 ASSY., BrushHolder
38 66849 2 TAPTTTE,M5 -0.7x 16 Long
COVER, Bearing Carrier
SCREW, M6 -1.0 x 16 Lg. Wing
HHCS, 10 -16 x Self DdU
NU'E M6 Range Lock
GROMMET, Tank
HHMS, M6 - 1.0 x 60 (black)
VALVE, Tank
BUSHLNG, Pla_c Tank
CAP, Fuel
TANK, Fuel
SHIELD, Heat
INSULATION, #2 1/4"Thick
CLIP, Insula'don
WIRE, Ground
SHAKEPROOF, #10
SHAKEPROOF, M6
-RE, Cable Mount
DECAL, Codm_lPanel
DECAL, Danger
DECAL, Heat Shield
DECAL, Data
DECAL, Start Instructions
DECAL, 1-800#
DECAL, MufflerVVaming
ASSEMBLY, ControlPanel
COVER, Hinge
END C_, Tube
HANDLE
HHCS, M6- 1.0 x45
NLr_, M6 - 1.0 Loddng
CAP PLUG, 1"Square
17 Drawing No.B2554

CRAFTSMAN 4200 WATT DELUXE AC GENERATOR 580.327140
36
REPAIR PARTS
3B 7
7
46
2
t8
ITEM PART NO. DESCRIPTION
1 78621
2 76389
3 88411
4 89665A
577168
6 88057
7 76390
6 83337A
9 78658
10 78659
11 21857A
12 76354
13 81695
14 76359
15 78645
16 76365
17 72683
18 98752
19 89096
2O 88156
21 21704
22 78691
23 76367
24 76362
25 78692
26 786O6
1|A-lIB
_12 9
47
ITEM PART NO. DESCRIPTION
ControlRod Assembly (1 req,) 27 76361
Piston Pin (1 mq.) 28 89230
Piston Ring Set (1 req.) 29 99922
Gear Cover Assembly (1 reg.) 30 86293
M8 x 52mm Head Bolt {5 req.) 31 88401
Piston (1 req.) 32 84186
Pin Retainer Ring (2 req,) 33 83192
CrankshaftAssembly(1 req.) 34 86254
Governor"R" Pin (1 req,) 35 76349
Govern_ ArmThrt_ Washer{1 req.) 36 21705B
Crankcase Assembly (1 req.) 37 90082
GovernorArm (1 req,) 38 90081
Oil Seal (1 req.) 39 88396A
GovernorGear Assembly(1 req.) 40 83235
GovernorGear C-Ring (1 req.) 41 80336
GovernorSpool(1 req.) 42 88397
1/8"NPT Pipe Plug (1 req.) 43 77161
Camshaft Assembly (1 req.) 44 77160
Crankcase Gasket (1 req.) 45 76307
Valve Stem Seal (1 req.) 46 88403
Cylinder Head Gasket (1 req.) 47 72657
Oil PressureRelief Cover (1 req,) 48 88412
Oil Pressure Spring(1 req.) 49 76329
5/16"Ball (1 req.) 50 21942
M5 Form Screw (1 req,)
M6-1.0 x 12ram Screw (4 req.)
13
4O
/8
GovomorGearThrustWasher(1 req.)
M8-1.25 x 35ram Screw (6 req.)
Spring Washer (1 req.)
Valve Spring Retainer(1 req.)
ValveSpring (2 req.)
Va_e Sp_g WearWasher(2 re¢)
Gerotar Set (1 mq.)
"o" Ring(1 req.)
Searing (1 req.)
CylinderHead Assembly(1 req.)
ExhaustValve (1 req.)
IntakeValve (1 req.)
PushRod (1 req.)
Tappet (2 req.)
Oil Pick-upAssembly(1 req.)
RockerCover Gasket(1 req.)
Pivot Ball Stud(2 req.)
GN-t90/220 RockerArm (2 req.)
Rocker Arm Jam Nut (2 req.)
PushRod Guide Plate (t req.)
1/4"NPT Pipe Plug(1 req.)
Rocker Cover Assembly(1 req.)
Plastic Oil FillPlug (1 req.)
Complete Long Block

CRAFTSMAN 4200 WAn" DELUXE AC GENERATOR 580.327140 REPAIR PARTS
36
31
39
49
44 50
41
CARBURETORANDAll
CLEANER
ITEM PART NO. DESCRIPTION
31 90947
32 90051
35 80316
36 9O948
39 91846
41 80303
42 78631
45
47
48
/
-./7
43 97747
44 78607
45 66476
46 59635
47 78601
48 78602
49 83504
1
1
2
1
1
1
1
1
1
Breather Hose
Manifold Head Gasket
M6 x 30mm Screw
Intake Manifold
Carburetor/Air Box
Gasket
Canal Cover
Carburetor Manifold
Gasket
Carburetor (220cc)
Air Cleaner Base
M6 x 12mm Capscrew
#8 x 3/8" Plastite Screw
Air Filter
Precleaner
Choke Knob
MUFFLER 73
ITEM PART NO. DESCRIPTION
73 89476
74 40976
75 88688
76 66476
83038
Muffler Gasket (1 req.)
M8 x 20mm Capscrew (2 req,)
Small Muffler (1 req.)
M6 x 12 HHFS (2 req.)
Spark Arrestor (not shown)
79A
79B
FLYWHEEL
9O
ITEM PART NO. DESCRIPTION
78 82774
79A 77182T
80 83312
81 81810
90 A2482
Woodruff Key (1 req.)
Flywheel (1 req.)
Conical Washer (1 req.)
M16 Hex Nut (1 req.)
Recoil Cup (1 req.)
j 8O
/
81
19

CRAFTSMAN 4200 WA_" DELUXE AC GENERATOR 580.327140 REPAIR PARTS
8
I0
12 _
L.O.S. WITH ENGINE
20
23
24
30
25,
29 28
26
\
27
ITEM PART NO. DESCRIPTION
7 78653
8 85272
9 84195
10 85620
12 84329
13 00185271
14 22097
15 82891
16 81675
17 84274
18 87221A
19 45756
Run/Stop Switch (1 [eq.)
L.E.D. Assembly (1 req.)
Low Oil Shutdown Decal (1 req.)
Black Sleeving (1 req.)
3-pin Male Connector
Housing (1 req.)
White Wire Assembly (1 req.)
M6 Lock Washer (2 req.)
M6 x 30mm Screw (2 req.)
Ignition Coil (1 req.)
Tinnerman Clamp (1 req.)
Low Oil Shutdown
Module (1 req.)
M6 x 10ram Screw (1 req.)
ITEM PART NO. QTY. DESCRIPTION
20 72347
21 86962
22 85953
23 83502
24 83512
25 78604
26 66476
27 83503
28 83781
29 86384
30 86037
Spark Plug= (1 req.)
Governor Lever (1 req.)
Wear Washer (1 re(].)
Adjust Screw (1 req.)
M8x 15mm Taptite
Screw (1 req.)
Governor Spring (1 req.)
M6 x 12ram Capscrew (1 req.)
MS Lock Nut (1 req.)
Governor Bracket (1 req.)
Governor Rod (1 req.)
Anti-lash Spring (1 req.)
20

CRAFTSMAN 4200 WAn" DELUXE AC GENERATOR 580.327140 REPAIR PARTS
OIL SWITCH AND OIL FILTER
2 6
WITH OIL FILTER 4
ITEM PART NO. DESCRIPTION
1 94820
2_91848
3 84892
4 92978
5 99236
6 70185
EXPANSION PLUG (1 REQ.)
OIL FILTER GASKET (1 REQ.)
OIL FILTER ADAPTER (1 REQ.)
M6 x 20ram SCREW (2 REQ.)
OIL PRESSURE SWITCH (1 REQ,)
OIL FILTER (1 REQ.)
RECOIL STARTER
91
/
82
86 88
ITEM PART NO. DESCRIPTION
82 92984
83 45756
84 78609
85 78608B
86 90695A
87 89739
88 66476
89 A2799
90 A2842
91 78651C
TOP WRAPPER (1 REQ.)
M6 x 10ram SCREW (4 REQ.)
COVER BOLT (2 REQ.)
SEARS AIR BOX COVER (1 REQ.)
BLOWER HOUSING (1 REQ.)
LOWER WRAPPER (1 REQ.)
M6 x 12ram CAPSCREW (9 REQ.)
RECOIL ASSEMBLY (1 REQ,)
RECOIL CUP (I REQ.)
BACKPLATE (1 REQ.)
21

FOR CALIFORNIA RESIDENTS ONLY WHEN SEEKING SERVICE IN CALIFORNIA
CALIFORNIA EMISSION CONTROL WARRANTY STATEMENT
YOUR WARRANTY RIGHTS AND OBLIGATIONS
The California Air Resources Board and Sears Roebuck and Co., USA (Sears), are pleased to explain the
emissions control system warranty on your 1995 and later lawn and garden equipment engine. In California new
utility and lawn and garden equipment engines must be designed, built, and equipped to meet the State's stringent
anti-smog standards. Sears must warrant the emission control system on your lawn and garden equipment
engine for the periods of time listed below provided there has been no abuse, neglect, or improper maintenance
of your lawn and garden equipment engine.
Your emission control system includes parts such as the carburetor and the ignition system.
Where a warrantable condition exists, Sears will repair your lawn and garden equipment engine at no cost to
you. Expenses covered under warranty include diagnosis, parts, and labor.
MANUFACTURER'S WARRANTY COVERAGE
The 1995 and later utilityand lawn and garden equipment enginesare warrantedfor two years. If any emission
related part on yourengine (as listedbelow) is defective,the partwill be repaired or replaced by Sears.
OWNER'S WARRANTY RESPONSIBILITIES
As the lawn and garden equipmentengine owner, you are responsiblefor the performance of the required
maintenancelistedinyourOwner'sManual. Sears recommendsthatyouretainall receiptscovering maintenance
on your lawn and garden equipmentengine, but Sears cannotdeny warrantysolelyfor the lackof receiptsorfor
yourfailure to ensurethe performance ofall scheduledmaintenance.
As the lawn and garden equipment engine owner, you should be aware that Sears may deny you warranty
coverage if your lawn and garden equipment engine or a part of it has failed due to abuse, neglect, improper
maintenance, unapproved modifications, or the use of parts not made or approved by the original equipment
manufacturer.
You are responsible for presenting your lawn and garden equipment engine to a Sears authorized repair center
as soon as a problem exists. Warranty repairs should be completed ina reasonable amount of time, not to exceed
30 days.
If you have any questionsregardingyour warranty rightsand responsibilities,you shouldcontactyour nearest
authorizedservice center or callSears at 1-800-473-7247.
WARRANTY COMMENCEMENT DATE
The warrantyperiod beginsonthedatethe lawnandgardenequipment engineisdeliveredtothe original,end-use
purchaser.
LENGTH OF COVERAGE
Sears warrantsto the initialownerand eachsubsequentpurchaserthat theengine isfree from defectsinmaterials
and workmanshipwhichcause the failure of a warrantedpartfor aperiod of two years.
22

WHAT IS COVERED
REPAIR OR REPLACEMENT OF PARTS
• Repair or replacement of any warranted part will be performed at not charge to the owner at an approved
Sears servicing center.
•If you have any questions regarding your warranty rights and responsibilities, you should contact your nearest
authorized service center or call Sears at 1-800-473-7247.
WARRANTY PERIOD
Any warranted part which is not scheduled for replacement as required maintenance, or which is scheduled only
for regular inspection to the effect of =repair or replace as necessary" shall be warranted for 2 yearS. Any warranted
part which is scheduled for replacement as required maintenance shall be warranted for the period of time up to
the first scheduled replacement point for that part.
DIAGNOSIS
The owner shall not be charged for diagnostic labor which leads to the determination that a warranted part is
defective if the diagnostic work is performed at an approved Sears servicing center.
CONSEQUENTIAL DAMAGES
Sears may be liable for damages to other engine components caused by the failure of a warranted part still under
warranty.
WHAT IS NOT COVERED
All failures caused by abuse, neglect, or improper maintenance are not covered.
ADD-ON OR MODIFIED PARTS
The use of add-on or modified parts can be grounds for disallowing a warranty claim. Sears is not liable to cover
failures of warranted parts caused by the use of add-on or modified parts.
HOW TO FILE A CLAIM
If you have any questionsregardingyourwarranty rightsand responsibilities,you should contactyournearest
authodzed service center or call Sears at 1-800-473-7247.
WHERE TO GET WARRANTY SERVICE
Warranty services or repairs shall be provided at all Sears authorized service centers.
MAINTENANCE, REPLACEMENT AND REPAIR OF EMISSION RELATED PARTS
Any Sears approved replacement part used inthe performance of any warranty maintenance or repair on emission
related parts will be provided without charge to the owner if the part is under warranty.
EMISSION CONTROL WARRANTY PARTS LIST
1. Carburetor Assembly
2. Ignition System
a. Spark Plug, covered up to maintenance schedule.
b. Ignition Module
3. Crankcase Breather Tube
4. Exhaust Manifold
MAINTENANCE STATEMENT
The owner is responsible for the performance of all required maintenance as defined in the owners manual.
23

TWO YEAR LIMITED WARRANTY FOR DELUXE PORTABLE GENERATORS
SEARS warrantsto the Odginalpurchaserthat the aHernatorandengineforitsportablegeneratorwillbe free fromdefectsin
rnstedaisorworkmanshipfor the itemsand periodset forth below fromthe date of odginalpurchase.This warrantyis not
_ransferableand appliesonlyto portablegeneratorsdrivenbythe GN-SeriesSears warrantedengine.
Altemstor
Engine
CONSUMER* COMMERCIAL*
2 years (2ndyear partsonly) I year
2years (2ndyear partsonly) I year
' NOTE: For the purpose of this warranty "Consumer Use" means personal residential householdend emergency use
k)yoriginal purchaser,not to be used as • pdmary source of power. "CommercialUse" means ell other uses, Including
rental,€onstnJCtlon,commerclst,primary source of realdentfalhousehold power end income producingpurposes.
Dnco agenerator has exbedenced commercial use, It shall thereafter be considered a commercial use generator for
lhe purpose of this warranty.
:)udngsaid warrantyperiod,SEARS will,at its option,repairor replaceany part which,uponexaminationby SEARS, is
=oundto be defectiveundernormaluse and service**. Startingbatfadesare notwarrantedby SEARS. All transportation
;osts underwarranty,includingreturnto the factory if necessary,are to be bome by the purchaserand prepaidby him. This
tvarmnty doesnotcovernormalmaintenanceand serviceand doesnotapply to a generatorset, alternatororengine,or
)arts whichhave beensubjectedto improperor unauthorizedinstallationor alteration,misuse,negligence,accident,over-
oeding,overapseding,impropermaintenance,repairor storage so as, inSEARS'sjudgment,to adverselyaffectitsperform-
ance and reliability.
** NORMALWEAR: As with all mechanical devlcea, engines need periodic parts service and replacement to per-
form well. This warranty will not cover repair when normal use has exhausted the life of a pert or engine.
THERE IS N(_ OTHER EXPRESS WARRANTY. SEARS HEREBY DISCLAIMSANY AND ALL IMPLIED WARRANTIES,
INCLUDING BUT NOT LIMITEDTO THOSE OF MERCHANTABILITYAND FITNESS FOR A PARTICULARPURPOSETO
THE EXTENT PERMITTED BY LAW. THE DURATIONOF ANY IMPLIEDWARRANTIESWHICH CANNOT BE DIS-
CLAIMED IS LIMITEDTO THE TIME PERIOD AS SPECIFIED INTHE EXPRESS WARRANTY. LIABILITYFOR CONSE-
QUENTIAL INCIDENTAL OR SPECIAL DAMAGES UNDER ANY AND ALLWARRANTIES IS EXCLUDED. Somestates
de notallow limitationson howlongan impliedwarrantylasts,or the exclusionor limitationof incidentalor consequential
damages,so the abovelimitationsor exclusionsmaynot applyto you. Thiswarrantygivesyou specific legal rightsand you
may alsohave otherrights,whichvery from state to state.
Forservice, see yournearest SEARS authorizedwarrantyservice facility.Warrantyservicecan be performedonlyby e
SEARS authorizedservicefacility. This warrantywill notapply to serviceat any otherfacility. At the time of requestingwar-
rantyservice,evidenceof originalpurchasedate mustbe presented.
SEARS, ROEBUCK AND CO., Hoffman Estates, IL 60179 U.S.A
24

WHEEL KIT ASSEMBLY INSTRUCTIONS
Tools Required:
1. 15/16" box or open end wrench (or socket wrench).
2. 2 13mm wrench, metric box wrench or open end wrench (or socket wrench).
Parts in Wheel Kit Box:
1. 87005A
2. B1760
3. 93728C
4. 94222Q
5. 49808
6. B1764
2
2
2
2
4
1
Retaining Pin
10" Diameter Wheel
Axle Stud
5/8-18 Lock Jam Nut
Flat Washer
Mounting Leg
6/
4
USE EXISTING FASTENERS
TO SECURE: ITE:H #6
Assembly Instructions:
1. Place the bottom of the generator cradle on a flat, even surface.
2. Place axle stud through wheel retainer on cradle frame.
4. Use wrench to secure the axle stud to frame with 5/8-18 jam nut.
5. Install the other axle stud in the same manner.
NOTE: Be sure to install the wheel with raised hub inboard.
6. Place flat washer over axle stud, tip unit and installthe wheel.
7. Retain wheel on axle stud with flat washer and retaining pin. Install other wheel on remaining axle shaft in
the same manner.
8. Remove two front nuts and lock washers from vibration mounting with 13mm wrench. Use these nuts to
retain the mounting leg.
2_

SE/AR8
MANUAL DEL
PROPIETARIO
MODELO NO.
580,327140
HORAS:
Lun. -Vie. 8 a.m. a 5 p.m
(TCE)
PRECAUCION:
Lea y Slga las Reglas de
Segurldad • Instrucciones
Antes de Operar Este
Equlpo
CRAFTSMAN°
120/240 VOLTIOS /4200 VATIOS C-A
12 VOLTIOS C-D CARGAS DE BATERIA
GENERADOR PORTATIL DE LUJO
• Ensamble
•Operaci6n
•Responsabilidades del Cliente
•Servicio y Ajuste
•Partes de Recambio
SEARS, ROEBUCK and CO., Hoffman Estates, IL 60179 U.S.A.
NTo. deParteB2552 Rev-I (3/27/98)

SE/A/R
MANUAL DEL
PROPIETARIO
MODEL NO.
580.327140
Sl NECESITA
REPARACIONES
O PARTES
PARA SERVICIO DE
REPARACION LLAME A
ESTE NUMERO DE LLAMADA
GRATUITA
1-800-4,REPAIR
(1-800-473-7247)
PARA INFORMACION ACERCA
DE PARTES DE RECAMBIO Y
ORDENES, LLAME A SETE NU-
MERO DE LLAMADA GRATUITA:
1-800-FON-PART
(1-800-366-7278)
CRAFTSMAN°
120/240 VOLTIOS/4200 VATIOS C-A
12 VOLTIOS C-D CARGAS DE BATERIA
GENERADOR PORTATIL DE LUJO
Cada Maquina Lavadora de Alta Presi6n tiene su propio nt_mero de
modelo.
El ndmero de modelo de su maquina lavadora de presi6n serd encontmdo
en la calcomania adherida a la unided.
Todas las partes enlistadas aqui adelante pueden ser ordenadas a trav6s
de los Centros de Servicio de Sears, Roebuck and Co. y la mayoria de las
Almacenes de Venta al Detal.
SIEMPRE PROPORCIONE LA SIGUIENTE INFORMACION
CUANDO ESTE ORDENANDO PARTES DE REEMPLAZO:
• PRODUCTO mMAQUINA LAVADORA DE ALTA
PRESION
•NUMERO DE MODELO-- 580.327140
•NUMERO DE LA PARTE
• DESCRIPCION DE LA PARTE
A su mercancia de Sears se le ha afiadid valor debido a que Sears tiene
unidades de servicio en toda la naci6n equipades con t6chnicos entre-
nados por Sears...tdcnicos profesionales entranados especificamente en
los productos de Sears, poseyendo las partes, la herramientas y los
equipos neceesarieos para asegurale que vamos a satisfacer nuestro
comprosio con usted, le damos servicio a Io que vendemos.
SEARS, ROEBUCK and CO., Hoffman Estates, IL 60179 U.S.A.
Impre_ en les I_.U.A.

REGLAS DESEGURIDAD
PRECAUCION: SIEMPRE DESCONECTE EL CABLE DE LA BUJIA Y COLOQUELO DONDE NO PUEDA A
HACER CONTACTO CON LA BUJIA Y ASI PREVENIR ENCENDIDO6 ACCIDENTALES CUANDO ESTA
k INSTALANDO, TRANSPORTANDO, AJUSTANDO O HACIENDO REPARACIONES EN SU GENERADOR.
IMPORTANTE
ESTE GENERADOR ESTA DISEI_IADOUNICAMENTE PAPA SER UTILIZADO EN EXTERIORES. ES PELIGROSO UTILIZAR
ESTE GENEPADOR DENTRO DE CUALQUIER EDIFICACION O RECINTO, INCLUYENDO EL COMPARTIMIENTO PARA
GENERADOR DE UN VEHICULO RECREACIONAL (VR). PUEDE OCURRIR EXPLOSION. I.AS MODIFICACIONES REALI-
ZADAS POR EL USUARIO, INCLUYENDO VENTILACION DEL ESCAPE Y/O VENTILACION DE ENFRIAMIENTO NO
ELIMINARAN EL PELIGRO.
•Siesta unidad es ulJlizadacomo fuente de energla de
reserva en ca.sode que falle el sorvlclo de energia, siga
lossiguientespasos: ANTES DE CONECTAR EL GEN-
ERADOR A UN SISTEMA ELECTRICO, ABRA EL IN-
TERRUPTOR AUTOMATICO PRINCIPAL DE CIR-
CUITO O EL INTERRUPTOR PRINCIPAL QUE ACTIVA
EL SISTEMA PAPA AISLAR EL SISTEMA DEL GEN-
EPADOR DEL SERVICIO ELECTRICO. LA FALLA AL
AISLAR EL GENEPADOR Y LQS SISTEMAS DE SERV-
ICIOS PUEDE CAUSAR DANO AL GENERADOR Y
PUEDEN TAMBIEN RESULTAR EN LESION O
MUERTE DE LOS TRABAJADORES DEL SERVICIO
ELECTRICO DEBIDOA LA RETROALIMENTACION DE
LA ENERGIA ELECTRICA
• Este generador summistravoltajes elfJctncosaltospeh-
grosos. Sea cuidadosopara prevenir descargas el_ctn-
cas extremaclamentepeligrosasy posiblementeletales.
Nunca permtta que persona(s) no cahficada(s) opere o
de serv_ctoa la untdad
• NO opere este equipobajo la Iluvia,sobre superftciescon
agua, cuando est_ descalzo, o cuando tonga las manos
o los pies hdmedos. Ocurrird una descarga eldctnca
pehgrosa
•El sdenciador contrachtspas puede calentarse excesP
vamente. NO opere este equipo en dreas donde materi-
ales combusbbles como pasto hojas o productosde
pape puedan entrar en contacto con el silencJador.
•Mantonga todas las conexiones el_ctricas, cables de
extensibn, etc., en buenas cond_cJones.Las conexiones
eldctricas o juegos de cables gastados gastados,
deshilachados,o daRadosde otra torma pueden causar
descarga eldctrica peSgrosay tambi_n puede ocas_onar
daRoal equtpoy/o la propmdad.
•El Cbdigo EI6ctnco Nactonel requiem que el generador
estd conectado correctamente a tierra fis_caaprobada.
Los cbdlgos eldctncoslocales tarnbl_n pueden requenr
una aproplada conex_(_na tierra de la unidad Vea la
secci6n de MONTAJE para mds mformactbnen la con-
exl_)na tierra.
•Los calibres de loscables de losjuegos de conex_ones
eldctdcasy cablesdeben set Io suficmntementegrandes
para manejar la cargaeldcldca mdximaalas cuaresellos
serdn sujetos La mayorta de dJspositNosnecesdan de
juegos de cables clasificadosen 125 voltiosCA de 20 a
30 amperioso 250 volttosCA a 20 ampenos (o mayor)
Algunos disposltivospueden requerir una clasificact6n
mayor o menor. Refidrase al manual del Propietario de
disposilJvoel6ctricopara las recomendecionesdel fabd-
_apte..Los jue.gosde cables que son muy peque_os en
larnetro omuy largosse sobrecalentardn, para despuds
dat_arse,y pueden causar daSoa la propiedady/o des-
carga eldctdca.
•Elmotor_gperador consumeoxygen?yproducegas
oe monoxioooe carbonoMORTAL atraves oe susistema
de escape. Este gas es deligroso, si es respirado en
concentraciones suflcientes puede causar I_rdida del
cor_c,im_entoy a_n la muerte. Unicamento operar este
equtpoen extertores,en dreas bien ventiladasdonde los
_s_s del escape no se puedan acumular y poner en
ro la gente o los animales.
•La gasolina es extmmadarnente INFLAMABLE y sus
vapores son EXPLOSIVOS. Cumpla todas las leyes que
regulan el almacenaje y manejo de la gasolina. NO
permda que se fume, llamas abiertas chispaso calor a
su alrededor mientras estd manejando gasoPna. Evitar
derramar gasolina sobre un motor caliente. NO Ilene el
tanque del combustible mientras el motor estd fun-
clonandoo est_ caliente. Limpie cualquier derrame de
gasolinaantes de encender el motor.
•NO Ilene compJetamenteel tanque de combusbble.Deje
algo de espac_oen la parte supertordel tanque para la
expansi(_ndel combusbble,de otraforma el combustible
se puede expandiry derramarsesobre el motorcaliente.
• Drene toda la gasohna del tanque antes de transportar
su generadordentrode su carro u otro vehiculo.
•NO almacene el generador con combustibledentro del
tanquedondelosvaporesde lagasolinapuedanalcanzar
una llama abterta, una chispa, o una luz de piloto,como
en un homo, un calentador de agua, una secadora etc.
Puede resultaren FUEGO o EXPLOSION.
•NO inserte ningdn objeto o herramientaa _avds de las
ranuras del atre de enfnamiento o de las aperturas del
motor o del generador, a_n cuando el motor no est6
funcionando.Puede resultar en da_o a la untdad o en
lesk_npersonal.
•NO mtente cambiar la velocidad de r6gimandel motor.
Losvaloresde fdbrtcason correctoscuandoustedrecibe
la unldad Las velocidades del motor excestvamente
altas pueden resultaren lesi6no da_o al equipo.
•NO utthcela unidad si est_ da_ada. Repare o reemplaos
todos loscomponentesdaSades o defectuososantes de
hacerfuncionarla unidad.
•NO permitaque n_5osopereno denserv_ctoel generador.
•Lea culdadosamente su Manual del Propietario. Uni-
camente se debe perm_tirel uso de este producto a
_aarSOnasque conozcan estas reglas de seguddady que
yan sido mstruidascorrectamente en la utilizaci(_nde
este producto
I_BUSQUE ESTE SlMBOLO PARA SEI_IALAR IMPORTANTES PRECAUCIONES DE SEGURIDAD. I
ESTO SIGNIFICA "iATENClONtttt iMANTENGASE ALTERA!!! SU SEGURIOAO ESTA EN PELI- I
GRO."

FELICITACIONES per su compra del Generador Sears
Craftsman. Este ha sido disettado, concebido y fabricado
para brlndade la mejor conflabilidad y el mejor desempei'lo
posible.
si _iene cualquier problema qua no pueda solucionar con
factlidad, por favor contacte su Centro/Departamento de
Servicio Sears mds cercano o Ilame al ndmem 1-800
indicado en la cubiarta de esta manual. Tenamos t_nicos
competentes y bien entrenados y las herramientas ap-
ropiadas para darle servicio y reparar esta unidad.
Por favor lea y conserve este manual. Las instrucciones Io
capacitardn para ensamblar y rnantener apropiadamante
su generador. Siempre siga la "REGLAS DE SEGURI-
DAD."
NUMERO DEL
MODELO 580.327140
NUMERO DE
SERIE
FECHA DE
COMPRA
LOS NUMERO DEL MODELO Y DE SERIE SE EN-
CUENTRAN EN I.A CALCOMANIA ADHERIDA AL
GENERADOR
DEBE REGISTRAR EL NUMERO DE SERIE Y LA
FECHA DE COMPRA Y MANTENERLOS EN UN
LUGAR SEGURO PARA REFERENCIAS FUTURAS.
ACUERDO DE MANTENIMIENTO
Estd disponible en este producto un Acuerdo de Man-
tenimiento Sears. Contacte su almac6n Sears mds cer-
cano para detalles.
REPONSABILIDADES DELCLIENTE
•Lea y siga las reglas de seguridad.
•Siga una programacibn de mantenimiento regular, cui-
dado y utilizaci6n de su generador.
•Siga las instrucciones de las secciones de "Man-
tenimiento" y =Almacenaje" de este Manual del Propie-
tado.
ESPECIFICACIONES DEL PRODUCTO
Especiflcaclones del Generador
POTENCIA NOMINAL
MAXIMA 4200 Watts (4,2 kW)
VOLTAJE NOMINAL 120/240 Voltios AC
CORRIENTE DE CARGA
NOMINAL MAXIMA 35/17.5 AC amperes
FRECUENCIA NOMINAL 60 Hz at 3600 rpm
FASE Uno Fase
CARGA LA BATERIA Amps: 10 DC amperes
Vohtos: 12 Voltios DC
Especlflcaclones del Motor
MOOELO DEL MOTOR GN-220 ,
DESPLAZAIMENTO 220cc
BUJIA: Tipo:
Espacio Establecido
Champion RC12YC or
equivalent
0.030 inch (0.78mm)
TIEMPO DE OPERACION carga carga
MAXIMO CON completa 1/2
EL TANQUE LLENO (hrs) 3 5
CAPACIDAD DE GASOLINA 4 gallones U.S.
ACEITE (mesos de verano) SAE 30
(mesos de invierno) SAE 5W20 o 5W30
CAPAICIDAD DE ACEITE 870ml (confinrode aceite)
620ml (sinfiltrodeaceite)
NOTA: Este generador estd equipado con un silenciador
contrachispas. El contrachispas debe ser mantenido fun-
cionando correctamente pot el propietado/operador.
Es requerido por ley un contrachispas en el estado de
California (Secci6n 4442 del C6digo de Recursos Pt_blicos
de California). Otros estados pueden tener leyes similares.
Las leyes federales se aplican en tierras federales.

TABLA DE CONTENIDOS
REGLAS DE
SEGURIDAD ......... PARTE INTERNA DE LA CUBIERTA
ACUERDO DE MANTENIMIENTO ................................. 1
RESPONSABILIDADES DEL CLIENTE ......................... 1
ESPECIFICACIONES DEL PRODUCTO ....................... 1
MONTAJ E ....................................................................... 3
OPERACION ................................................................ 4-8
MANTENIMIENTO ..................................................... 9-10
SERVICIO Y AJUSTES ................................................ 11
RECOMENDACIONE8 DE SERVICIO ........................ 12
ALMACENAJE .............................................................. 12
PUNTOS DEL DIAGNOSTICO DE AVERIAS .............. 13
DIAGRAMA DE CONEXION ........................................ 14
PIEZAS DE RECAMBIO .......................................... 15-22
GARANTIA ............................................................... 23-26
-A-
Almacenaje .............. 12
Antes de Encender ......... 5
Apagado de Presi6n ........ 8
Baja de Aceite ............ 5
-C-
Carburador .............. 11
Carga de la Bater'B......... 7
Cargas El_ctricas .......... 5
-D-
Depurador de Aim ....... 4,10
Diagn6stico de Avedas ..... 13
Diagrama do Conexi6n ..... 14
-E-
Encendido del Motor ........ 5
Especificaciones ........... 1
-G-
Garanfia .............. 23-26
Gasolina ................. 5
Guta de Referencia ......... 8
Indlce
-J=
Interruptores Automdticos
de Circuito ................ 4
-J-
Juegos de Cables .......... 4
-L-
Lubdcaci6n ............... 5
-M-
Mantenimiento
Acuerdo .................... 1
Limpieza del Generador ....... 9
Mantenimientodel motor....... 9
RecomendacionesGenemles... 9
Maintenimiento del Generador 9
Medidas de Seguridad para
la Baterla ................. 6
Montaje .................. 3
Motor
Ajuste del carburador......... 11
Nivel de aceite ............... 5
Velocidad .................. 11
-N-
Nivel de Aceite ............ 5
-O-
Operaci6n............... 4-8
-p-
Parado del Motor .......... 6
Partes, mparaci6n ...... 15-22
°R-
Recomendaciones
de Servicio .............. 12
Reglas de
Seguridad .... dentrode la cublelta
Responsabilidedes del
Cliente ................... 1
oS-
Servicioy Ajuses ......... 11
Sistema de Enfriamiento..... 9
Sobrecarga ............... 8
-T-
Terminal de Conexi6n
a Tierra .................. 3
Tomas ................... 3

,MONTAJE
Su generadorCA fue ensambladocompletamenteen la fi'dbrica.
Se encuentralistopara ser utilizadodespu_sde haber recibido
el servicio apropiado con el aceite lubricantey combustible
recomendado.
SI TIENE PROBLEMAS CON EL MONTAJE DE SU GENER-
ADOR POR FAVOR LLAME A LA LINF_ADE AYUDA DE AL
GENERADOR AL 1-800-222-3136.
IMPORTANTE: CUALQUIER INTENTO DE HACER FUN-
CIONAR EL MOTOR ANTES DE HABER RECIBIDO SERVI-
CIO CON EL ACEITE RECOMENDADO RESULTARA EN
FALLADEL MOTOR.
PARA RETIRAR EL GENERADOR DE LA
CAJA
• Coloquela caja sobre una superficieplana y rfgidalas fie-
chas =THISSIDE UP"apuntandohaciaarriba.
•Abra cuidadosamentelas tapas superioresde la caja de
envfo.
•Corte las esquinasen una de las terminacionesde la caja
de envioy acuestela caja porese lado.
•Retireel materialde empaque,re,enosde la caja, etc.
•Retireel generadorde la caja de envfo.
JUEGOS DE CABLES Y ENCHUFES
CONECTORES
TOMA DOBLE DE 120
VOLTIOS
Utilice 0nicamente cables
de extensi6n de alta cali-
dad y conbuen aislamiento
de las tomas el_ctdcastipo
"doble" de 120 voltios.
Todoslos juegosde cables
utilizadosdeben ser clasifi-
cadoscomo de 125 voltios
a 15 CA amperios o may-
orespara la mayorfade los
dispositivos el6ctricos. FIG. 1
Conserveloscablesde extensi6ntan cortoscomosea posible,
preferiblementemenosde 15 piesde Iongitud paraprevenircai-
das de voltajesy sobrecalentamientode loscables.
TOMAS DE 120 VOLTIOS, 30 AM
Para la toma NEMA L5-30R con trabapor giro30 amp de 120
voltios, un juego de cables con buen aislamiento con un
enchufe conector con treba de giro NEMA L5-30P debe ser
apropiadamenteconectadoa la toma y a la cargadeseada CA
60 Hz monof&sicade 120 voltios.El juego de cablesdebe ser
clasificadocomo de 30 CA amperiosa 125 voltios(o mayor)
parala mayorfa de losdispositivosel_tricos (Fig.2).
CORDONESDE 3 ALAMBRES
_.A--L NEOTRO
TIERRA
FIG. 2
CORDONES DE
l_]ot y_ _k_ j'J X (cargado)
_l_cargado) "_ "
TIERRA
(verde)
FIG. 3
CONECTANDO A TIERRA EL GENERADOR
El Cx_igo El_,ctricoNacionalrequiemque el marcoy las partes
conductorasel_:,ctdcasextemasde este generadorestbnconec-
tadas apmpiadamentea unatierra fisicaaprobada.Losc6digos
eldctricoslocalestambi_npuedenrequerirunaconexi6na tierra
apropiadade la unidad.Pare tal prop6sitoes propomionadoun
TERMINAL DE CONEXION A TIERRA en la base del bastidor
(Fig.4). Generalmenteconectandoun alambrede cobretrenza-
do No. 12 AWG (Calibrede AlambreAmericano)al terminalde
conexibn a tierra y a un barra (electrodo)dirigida atierra de
cobre o lat6n, propomionauna proteccibnadecuada en contra
de descargael6ctrica.Sinembargo,loscbdigoslocalespueden
variar bastante.Consultecon un electricistalocal para requisi-
tosde conexi(_na tierraen su_rea.
La conexi6n atierra apropiada del generador le ayudard a
previnirdescargas eldctricasen el caso que se presente un
condici6nde averfa quese descarguea tierra en el generadoro
en los dispositivose!_ctricosconectados.La conexiona tierra
apropiadatambidn ayuda a disipar la electricidadestdtica, la
cualcomfinmentese acumulaen los dispositivosnoconectados
atierra.
ALAMBRE DE COBRE
TRENZADO NO. 12 AWG
TOMA DE 120/240 VOLTIOS, 20 AMP
Es necesario un enchufe conectorcomplementadotipo traba
por girode 120/240 voltios,30 amp cuandoestdutilizandoesta
toma. Es necesariounjuegode cablesde 4 alambres,clasifica-
do en 30 CA amperios a250 voltios (o mayor) y debe ser
conectadoal enchufe y alas cargas deseadas. Orden NEMA
tipoL14-30P.
BARRA(ELECTRODO)
3FIG. 4

OPERACION
CONOZCA SU GENERADOR
LEA ESTE MANUAL DEL PROPIETARIO Y LAS REGLAS DE SEGURIDAD ANTES DE HACER FUNCIONAR SU
GENERADOR. Compare las ilustraciones con su generador para familiadzarse con las Iocalizaciones de los controles
y ajustes. Guarde este manual pare referencias futuras.
DEPURADOR
DEAIRE
TANQUEDECOMBUSTIE
TOMADE120-VOLTIOS
30AMP
TOMADE
1201240-VOLTIOS
_TOMASDOBLES
DE12-VOLTIOS
INTERRUPTORES
AUTOMATICOSDE
ClRCUITO
TOMAS =DOBLES" DE 120 VOLTIOS -Pueden ser ut=li-
zadas para summistrar energia el_ctnca para el fun-
cJonamlento de CA de 120 volt=osa 20 amps, monofds=ca,
60 Hz, cargas de =lum=naci6n electnca de CA, electro-
dom6sticos y motores.
TOMA DE 120 VOLTIOS, 30 AMP - Puede ser ut=l,zada
para suministrar energta el_=_ctricapara el funcionamiento
de CA de La conexi6n a tierra apropiada del generador le
ayudard a prevenireldctrica de CA, electrodomdsticos, her-
remientas y motores. Los conectores de c_errepor g=roson
necesarios cuando utlhce esta toma.
TOMA DE 120/240 VOLTIOS - Puede ser utilizada para
suministrar energia el6ctrica para el funcionamJento de CA
de hasta 240 voltios a 30 amps, monofdsica, 60 Hz, cargas
de iluminaci6n eldctrica de CA, electrodomdsticos, her-
ram=entas y motores. Los conectores de cierre por giro son
necesanos cuando utilice esta toma.
INTERRUPTORES AUTOMATICOS DE CIRCUITO CA -
Protege el generador contra la sobrecarga eldctrica. Los
mterruptores automdt_cos son del t_po=pulsar para act=vaf'
para cargas de 15 amp, 20 amp y 30 amp.
SILENCIADOR CONTRACHISPAS - El silenciador del
escape t,ene una pantalla contrachispas.
INTERRUPTOR RUN/STOP DEL MOTOR - Debe ser colo-
cado en RUN para encender el motor. Coloque el interrup-
tor en STOP para detener el motor.
MEDIDOR DEL NIVEL DE COMBUSTIBLE -Indica el nivel
del combustible en el tanque de combustible.

OPERACION
ANTES DE ENCENDER EL MOTOR
Agmgue Aceite de Motor Antes del Arranque Inlclal:
Quite una de las Tapas Amadllas de Llenado del Aceite
(Figura 2 en la Pagina3) y agregue aceite de motor hasta
que el nivel del aceite est6 en el punk) de rebose. Examine
el nivel de aceite del motor antes de arrancar de ahora en
mds. Si el nivel del aceite estd debajo del punto de rebose,
Ilene hasta el nivel apropiado (Fig. 5).
Los aceites recomendados incluyen los siguientes: Du-
rank) los meses de verano: SAE 30. SAE 10W-30 es un
sustituto aceptable. Durante los moses inviemo: SAE 5W-
20 o 5W-30. NO USE SAE 10W-40.
La capacidad de aceite del critter es unos 720ml. No use
aditivos especiales.
PRECAUCION: Cualquler tentative de hater fun-
clonar o arramcar el motor antes de hacede el
servlclo aproplado con et acelte recomendado re-suite en fella del motor.
FIG. 5
Agregue gasoline:
Llene el tanque de combustible con gasolina UN-
LEADED (SIN PLOMO) fresca y limpia. Tambidn
puede utilizar gasolina grade REGULAR con plomo.
NO UTILICE GASOL[NA PREMIUM. SEA CUI-
DADOSO DE NO LLENAR EN EXCESO EL TANQUE
DE COMBUSTIBLE.
PRECAUCION: No Ilene exceso el tanque de corn-
Slempre deJe espaclo pare expansl6n
bustlble. la
del combustible.
ADVERTENCIA: NUNCA LLENE EL TANQUE DE
COMBUSTIBLE DENTRO DE UNA INSTALACION.
NUNCA LLENE EL TANQUE DE COMBUSTIBLE
CUANDO EL MOTOR ESTA FUNClONANDO O
CALIENTE NO ENClENDA UN ClGARRILLO O
FUME MIENTRAS ESTA LLENDAND EL TANQUE
DEL COMBUSTIBLE.
COMO OPERAR EL GENERADOR
PRECAUCION! Nunca arranque, o pare, el motor- J
generador con dls.posltlvos o apmtos en modo de I
funclonamlento ON" cusndo esten conectadas a
los tomacorrientes del _lenerador.
IADVERTENCIA! SE DEBE EL GENERADOR SECO. I
SI SE OPERA EL GENERAl)OR EN LA LLUVIA, EL I
USARIO PODRIA RECIBIR UN CHOQUE ELEC-I
TRICO Y LA HUMEDAD PODRIA DA_IAR LOS COM-
PONENTES DEL GENERADOR.
C6mo arrancar el motor:. Desconnecte todas las cargas
el6ctricas del generador,
•Localice el interrupter de Encender/Apagar (On/Off)
del Control de Marcha en VacJo en el tablero de control
y p6ngalo en la posicibn OFF.
• Localice el interruptor de Funcionar/Parar
(RUN/STOP) ala par de la base del depurador de aim
y p6ngalo en RUN(Figura 6).
IFUNCIONAM
! I
.---T
SEMI-ABIERTO
FIG. 6 FIG. 7
•C
ierre el estrangulador en la posici6n FULL (TOTAL)
deslizdndolo a]a posici6n ala)eda en la direcci6n indi-
cada por una flecha en la caja del depurader de aire
(Figura 7).
Agarre la empuSaclura del arrancador y jale len-
tamente hasta que se sienta resistencia. Entoncesjale
rdpidamente. Repita el procedimiento si fuera nece-
sario con el estrangulador (choke) ligeramente abierto.
Cuando el motor arranca, abra el estrangulador gradu-
almente.
CONEXION DE CARGAS ELECTRICAS
•Utilizer este generador para operar cargas de 120/240
voltios, monofdsicas, 60 Hz, =luminaci6n CA, electro-
dom_sticos, herramientas y motores.
•Conecte y encienda las cargas el_ctricas de 120 o 240
voltios, monofdsicas, de 60 Hertz que se deseen.
•NO conecte 240 voltios alas tomas dobles de 120
voltios, 120 voltios, 30 amp.
•NO conecte ninguna carga trif_sica alas tomas del
panel.
• NO conecte ninguna carga de 50 Hz al generador.
•Sume los vatios clasificados de todas las cargas de las
luces, herramientas, electrodom6sticos y motores alas
_)ue. le estd suministrando energta en un momento.
icno total NO deDe ser mayor a (a) la capacidad de
va!iaje clasificado del genemdor, o (b) la clasificact6n
eel interruptor automdtico del cimuito de la tome que
estd suministrando energia. Vea "NO Sobrecarge el
Generador" en la Pdgina 8.
5

OPERACION
PARADO DEL MOTOR
•Desconecte todas las cargas el6ctdcas de las tomas
del panel del generador. Nunca encienda o detenga
el motor con los dispositivos el6ctricos conectados y
encendidos.
• Deje funcionar el motor sin cargas por vados minutos
pare estabilizar las temperaturas internes del motor y
el generador.
•Coloque el Interruptor Run/Stop en STOP. Espere que
el motor se detegna completamente (Fig. 6).
•Cierre la Vdlvula de Corte de Combustible.
COMO OPERAR EL CONTROL AUTOMATICO
DE MARCHA EN VAC|O
Este provee econom'm en
la operecibn de la unidad
dando mds rendimiento del
combustible cuando estd
operando la misma a
niveles de velocidad mdxi-
mos y norrnales. Ten-
iendo en cuenta que 6ste
ahorro se obtiene sola-
mente cuando los aparetos
estan conectados al gen-
erador.
CONTROL DE
MARCHA EN VACIO
FIG. 8
El sistema consiste de (a) un Tablero de Circuito de Control
de Marcha en Vacio, (b) un Transformador Detector, (c) un
Electromagneto, y (d) un Interruptor de Control de Marcha
en Vacio Iocalizado en el tablero de control (Figura 8).
El motor-generador funciona a una velocidad alta regulada
con el Interruptor de Control de Maroha en Vacio en ON
cuando una carga el6ctdca se conecta el generador.
Cuando la carga eldctrica se desconecta, se activa un
Electromagneto para jalar el Choke del motor contra el paro
del sistema de marcha en vacio. El motor entonces fun-
ciona a una velocidad (marcha en vacto) reducida.
El electromagneto no puede ser activado con el Interruptor
de Control de Maroha en Vacio en OFF, puesto que el
circuito de potencia estd abierto. El motor funciona a una
velocidad alta regulada (a unas 3000 rpm) si la(s) carga(s)
estd(n) conectada(s) o no.
AJUSTE Y CALIBRATION DEL CONTROL LIBRE
Necesitard un volti-metro-ohmimetor para ajustar el control
libre. Puede colocar y ajustar el Control Libre en el Gen-
erador De Lujo como se describe a continuaci6n:
Precalibraci6n de Control Libre: Refi_rase al Ensamble
del Control Libre cuando realice el ajuste inicial del Control
Libre.
Con la unidad funcionando y caliente, gire en sentido
de las manecillas del reloj el pemo del control libre
(velocidad mds rdpida), o en sentido contrario de las
manecillas del reloj (velocidad n_s lenta) haste que la
velocidad del motor est6 entre 25 y 35 Hz (1500-2100
rpm). Vea la Figure 9.
PERNO DE CONTROL
EN VACIO
MENSULA
FIG. 9
•Asequre la Contretuerca del Control Libre contra la
mdnsula del control libre mientras que el motor est_
funcionando dentro de un rango de 25 a 35 Hz.
"Micro Ajuste" del Carburador: Una vez al control libre
ha sido precalibrado puede utilizer el tomillo del libredel
carburedor para realizar "micro ajustes" adicionales ala
velocidad del control libre del motor-generador.
•Gire en sentido de las manecillas del reloj el tomillo de
ajuste del libre del carburador (velocidad mds rdpida)
hasta que la velocidad del motor est_ entre 38 y 40 Hz.
(2280-2400 rpm).
NOTA: Las velocidades del motor de menos de 38 Hz,
poddan causar que el motor se apague si aplica ines-
peradamente cargas muy grandes.
MEDIDAS DE SEGURIDAD DE LA BATERIA
GAS DE HIDROGENO EXPLOSIVO
PRECAUClON: El almacenar lie batedas hace que
ellis produzcan gas de hldr6geno EXPLOSIVO
mientras se estdn cargando. Una mezcla explosive
permanecerst alrededor de la bateda por largo
tiempo despu_s que ha sldo cargada. La m4s
mfnlma chlspa puede encender el gas y causer una
explosl6n. Dicha explosl(_n puede destrulr la
bateda y causer ceguera u otras leslones serlas.
PRECAUCION: NO permita que se fume, IlamM,
abiertas, chispas o cualquier fuente de calm"el-
rededor de una bateda. NO utillce nlnguna clise de
encendedor u otra clase de llama pare Ilumlnar y
reviser el nlvel del liquido de la bater_a. Use anteo-
joe de protecci6n, delantal de caucho y guantce de
caucho cuando trabaje alrededor de la bater_a.
ACIDO SULFURICO CAUSTICO
PRECAUClON: El I[quido electrolftico de la bat=de
es una solucl6n de dcldo sulf0dco extremada-
mente c_ustJca que puede causer quemaduru
severse. NO permita que el I_quido entre en con-
tacto con ojos, plel, vestldos, etc. Sl sucede un
derrame, I_vese con ague Umpla inmedlatamente.

OPERAClON
CARGANDO UNA BATERIA
Su generador tiene la capacided de recargar una bate(m
de autorn6vil de 12 voltios descargada o una bater'm para
almacenar tipo servicio. No u_lice la unidad pare cargar
batefias de 6 voltios. No utilios la unidad para hacer girar
un motor que tenga una batefia descargada. Para recargar
las bate(ms do 12 voltios, proceda como se describe a
contJnuaci6n:
• Revise el nivel del rquido en todas las celdas de la
bator'B. Si es neossario, afiada UNICAMENTE agua
destJlada para cubrir los separadores de las celdas de
la batsrta. NO UTILICE AGUA DE GRIFO.
•Si la bater'm estd equipada con tapes de ventilaci6n,
asegurese que estdn instaladas y apretadas.
•Si es necesado, limpie los bomes de la bateria o los
terminalesenerador.
•Conecte el enchufe del conector del cable de carga de
la bateria a la toma del panel (Fig. 10) indentificado con
las palabras =12-VOLT D.C."
12 VOLTIOS D.C.
PO RECEPTACULOs__-
BATERIA DE 12 VOLTIOS
•Conecte la abrazadera del cable de carga de la bateria
con la agarradera negra al bomo de la bateda o termi-
nal marcado con un NEGATIVO, NEG o (-).
•Encienda el motor (vea "Encendido del Motor" en la
Pagina 5). Deje funcionar el motor mientras la bats(==
se recarga.
•Cuando la batefia se ha cargado, apague el motor (vea
"Parado del Motor" en esta pdgina).
NOTA: Utilice un hidrbmeter para autorn6viles pare prober
el estado de carga y condici6n de la baterla. Siga cuidados-
mente las instrucciones del fabricante del hidr6meter. En
general, se considera qua una bater'm estd en el 100% de
estado de carga cuando la gravedad especifica de su
liquido (medido por el hidrbmeter) es de 1.260.
SISTEMA DE APAGUE DE PRESION BAJA
DEL ACEITE
El motor viene equipado con un detector de prasi6n baja
aceite qua apaga el motor automdticamen_,e cuando la
presi6n del aceite cae debajo de 0.422 Kg/cm =. Si el motor
se apaga por si mismo y el tanque de combustible tiene
suficiente gasolina, examine el nivel del aceite del motor.
Arranque Inciah Un retraso incorporado en el sistema de
apague permite que la presi6n se acumule durante el
arranque. El retraso permite que el motor funciona por
unos 10 segundos antes de detecter la presi6n del aceite.
C6mo Se Detecta la Presfon Baja: Si el sistema detecta
presi6n baja del acaite duranto la operaci6n, el motor se
apaga. AI apagarse el motor, el indicador de bajo nivel
de aceite se enciende (ON). Sin embargo, una vez qua el
motor ha parado de girar, esta luz se apaga (OFF).
C6mo Volver e Arrancar: Si intenta volver a arrancar el
motor en 5 segundos despu6s de que se apaga, el motor
puede NO arrancar. El sistema necesita de 5 a 10 segun-
dos para restablecerse.
Si usted vuelve a arrancar el motor despu6s de este de
apague y no ha corregido la presi6n baja del aceite, el
motor funciona por unos 10 segundos como se de-
scrlb|6 anteriormente y Iuego se para.
FIG. 10
?

OPERACION
NO SOBRERECARGEELGENERADOR
Este generador est_ equipedo con dos interruptores
automdticos del cimuito de 15 amp, uno de 20 amp y otro
de 30 amp, los cuales protegen la unidad en contra de
sobrecarga el_ctdca. El sobrecargar un generador en ex-
ceso de su capacidad clasificada de vatiaje puede resultar
en da5o al generador y a los dispositivos el6ctricos conec-
tados al mismo. Siga Iosiguiente para prevenir sobrecarga
la unidad.
Sume el vatiaje total de todos los aparatos que se van
a conectar al mismo Uempo. Este total NO debe sor
mayor que la capacidad de vatiaje del generador.
El vatiaje nominal de las luces pueden tomarse de las
bombillas eldctricas. El vatiaje nominal de las her-
ramientas, electrodomdsticos y rnotoros pueden usu-
almenta encontrarse en una placa de datos o calco-
mania pegada en el aparato.
Si el electrodomt_sUco o el motor no tlenen el vatlaje,
multiplique 220 voltios por la potancia de amperlo para
detarminar los vaUos (voltios x amps = vatios).
•Algunos motores ek_ctricos, tales como los de tipo de
inducci6n, requieren como dos veces y media rnds de
vatios de potancia para arrancar que para funcionar.
Esta sobracarga momentanea de enorgta dura sola-
rnente por unos pocos segundos cuando se arrancan
dichos motores. Cerci6rese de dar tiompo para este
vatiajo alto do arranquo cuando se eligen los aparatos
elt_ctricos para conectar a sus _.enerador. Primero
calcule los vatios que se neces=tan para arrancar el
motor rods grande. Agregue a esa cifra los vaUos de
funcionamiento de todas las otras cargas conectadas.
•La GUIA a continuaci6n se provee para asistido en
determinar cuantas piezas su ganerador puede operar
al mismo tiempo.
GUIAS DE REFERENCIA DEL VATIAJE
FUNCIONAMIENTO
VATIOS
Aire Acondicionado (12,000 Btu) .............................. 1700
Cargador de Bater'_a(20 amp) ..................................... 500
Arenador de Correa (3") ........................................... 1000
Sierra de Cadena ...................................................... 1200
Sierra Circular (6-12/') ............................ 800 a 1000
Cafetora .................................................................... 1000
*Compresor (1 HP) ................................................ 2000
*Compresor (3/4 HP) ................................................ 1800
Rizador de Pelo ................................................. 700
*Congolador ................................................................ 500
Arenador do Disco (9") .............................................. 1200
Recortadora de Bordes ............................................... 500
Pistola Eldctdca de Clavos .................................. 1200
Cocina Eldctnca (un elemento) ............................... 1500
Sarten Eldctnco ................................................... 1250
*Ventilador de Homo (1/3 HP) ........................ 1200
Secador de Pelo ............................................ 1200
Taladro de Mano (1 ") ............................................... 1100
Taladro de Mano (1/2") .............................. 750 a 1000
Taladro de Mano (3/8") ............................................ 500
FUN-
CIONAMIENTO
VATIOS
Recortadora Razante ................................................... 450
Llave de Impacto ......................................................... 500
*Bomba de Chorro ..................................................... 800
Segadora de C_sped ................................................. 1200
Bombillo .................................................................... 100
Homo Micro Ondas ...................................................... 700
*Enfriadora de Leche ................................................. 1100
Quemador de Aceite del Homo ................................... 300
Calentador de Ambiente de Aceite Quemado
(140,000 Btu) .............................................................. 400
Calentador de Ambiente de Aceite Quemado
(30,000 Btu) .......................................................... 150
*Atomizador de Pmtura, Sm Aira (1/3 HP) ................... 600
Atom=zador do Pmtura, Sin Aire (de mano) ................. 150
Rad=o................................................................. 50 a 200
*Refngerador ............................................................... 600
* Asigne 2-1/2 veces la cantidad de vatios de la lista
para arrancar estos aparatos.
Rec=piente de Cocci6n Lenta200

MAINTENIMIENTO
RECOMENDACIONES GENERALES
El Propietado/Operador es responsable de asegurarse que
todos los trabajce de mantenimiento pedddicos sean ter-
minados a tiempo; que todos Ice problemas sean corregi-
dos; y que la unidad se mantenga limpia y almacenade
apropiadamente. Nunca opera un genarador dafiado o
defectuosos. Siga las recomendacionas de la tabla de
RECOMENDACIONES DE SERVICIO.
I PRECAUCION: Desconec_ el cable de la buJla y I
_IL coloquelo donde no entre an contacto con la buJla
antes de trabajar en su generador.
MANTENIMIENTO DEL GENERADOR
El mantenimiento del generador consiste en conservar la
unided limpia y seca. Opera y almacene la unidad an un
ambiente limpio y seco donde no serd axpuesta al polvo,
suciedad, humedad o vapores corrosivos. Las ranuras del
aim de enfriamianto del ganerador no deben estar tapadas
con nieve, hojas, o cualquiar otro material extrafio.
Revise frecuentementa la limpieza del generadory Iimpielo
cuando est6 con polvo, sucio, con aceite, humedad, o
cuando otras substancias extrafias sean visibles en su
superficie exterior.
NOTA: NO recomendamce utilizar la manguera del jardin
para limpiar el ganerador. El agua puede entrar al sistema
de combustible del motor y causar problemas. Ademds, si
el agua entra al genarador a trav6s de las ranuras dal aira
de enfriamianto, parte del agua serd retenida en los huecce
y desquabrajaduras del aislamiento del devanado del rotor
y el estator. La acumulaci6n de agua y suciedad en los
devanados internos dal generador eventualmente dis-
minuird la resistencia al aislamiento de esos devanados.
PARA LIMPIAR EL GENERADOR:
• Utilice un patio hOmedo para dejar limpias las superfi-
cies extenores.
•Puede utilizar un cepillo de cerdas suaves para recoger
la suciedad y los restos sueltos.
•Pueda ser utilizada una aspiradora para recoger la
suciedad y las particulas.
•Puede utilizar aira a baja presi6n (no exceder de 25
psi) para soplar la suciedad. Inspeccione las ranuras
del aire de enfriammiento del generador. Estas aper-
turas se deben mantener limpras y sin obstrucciones.
I PRECAUCION: NUNCA INSERTE NINGUN OB-I
JETO O HERRAMIENTA A TRAVES DE LAS I
RANURAS DE AIRE DE ENFRIAMIENTO AUN Sl EL J
,_ MOTOR NO ESTA EN FUNClONAMIENTO. PUEDE I
OCURRIR DAI_IO A LA UNIDAD O LESION PER-
SONAL.
MANTENIMIENTO DEL MOTOR
C6mo Examinar el Nlvel del Aceite: V6ase ANTES DE
ARRANCAR EL MOTOR en la Pagina 3 para la informa-
ci6n sobre c6mo examinar el nivel del aceite. El nivel del
aceite deba axaminarse antes de cada uso o por Io mence
cada ocho horas de operaci6n. Mantenga el nivel del
aceite bien servido.
C0mo Camblar el Ace#e: Cambie el aceite despuds de
las pdmeras ocho horas de operaci6n. Carnbie el aceite
cade 50 horas de aqut en adelante. Si se estd usando el
ganerador bajo condiciones de suciedad o polvo, o en
clima extremadamente caliente, cambie el aceite con rnds
frecuencia.
Cambie el aceite mientras el motor estd todav'sacaliente
despul_s de haber funcionado, de la siguiente manera:
PRECAUCION: Desconecte el cable de la bujfa y I
_k =mperelodelabujfa. Sigaesteprocedlmientocada
_loU realize manten mientos en el motor o gen-
• Limpie el drea alrededor del talx_n drenaje del aceite,
quite el tap6n (Rgura 11)y drene el aceite comple-
tamente an un rec=piente adecuado.
Coloque
FIG. ll
• Cuando el aceite ha sido drenado, instale y apriete el
tap6n de drenaje del aceite.
•Quite el tap_n de drenaje del aceite meta un embudo
de Ilendado limpio an la abertura de tap6n. Llene el
critter del motor con el aceite recomandado hasta que
el nivel del aceite Ilegua al punto de rebose. No liana
axcesivamente por encima del punto de rebose. Se
requieren unos 720ml. VIERTAL LENTAMIENTE.
•Cuando el cdrter del motor se Ilena hasta el nivel
adecuado, instale y apriete el tap(_n de Ilenado del
aceite.
Servicio para el Depurador de Aim: Su motor no fun-
cionar& adecuadamente y se puede dafiar si Io hace fun-
cionar usando un depurador de aire sucio.
Limpie o reemplace el filtro de papel de depurador de aim
una vez cada 25 horas de operaci6n o una vez al afio, Io
que primero que tenga lugar (Figura 12 en los Pagina 11).
Limpie o reemplace mds a menudo si se opera bajo condi-
clones polvorientas o sucias. Limpie el pra-filtro de es-
puma cada 25 horas de funcionamiento o antes bajo con-
diciones polvorientas.
J PRECAUCION: Nunca haga funclonar esta unklad ]
_k sin tener Instalado el sistema cornpleto del depu- J
rador de aire en el motor. Esto puede resultar en I
un degaste prematuro del motor.
Para limpiar o reemplazar el pre-filtro de espuma:
•Quite la cubierta del depurador de aire, luego el pre-fil-
tro espuma.

MANTENIMIENTO
FILTRO DE PAPEI
PRE-FILTRO
FIG. 12
•Limpie el pre-filtro en agua con jab_n. Exprima el
pre-limpiador en saco en un trapo mojado (NO
TUERZA). Sature el pre-limpiador en aceite de motor
limpio y luego arrolle el pre-filtro en un trapo seco limpio
para extraer el exceso de aceite (NO TUERZA).
•Limpie la cubierta del depurador de aire antes de
instalado.
Para limpiar o reemplazar el filtro de aire del papel:
•Quite la cubierta del depurador de aire luego quite el
pre-f tro de espuma (hdgale servicio si fuera nece-
sario) y quite el filtro de papel.
•Limpie el filtro de aire golp_andolo suavemente en una
superficie s61ida. Si el filtro estd demasiado sucio,
reempldcelo con uno nuevo. Bote el filtro viejo en forma
apropiada.
•Limpie la cubierta del depurador de aim luego meta el
pre-filtro en la cubierta. Seguidamente meta el filtro de
papel nuevo en la cubierta para sostener el pre-filtro
en su lugar y ensamble todos 6stos en la base del
depurado de aire.
REAJUSTE DEL PAR LOS PERNOS DE CA-
BEZAL
Tras las primeras 50 horas de funcionamiento, deberd
reajustar el par de los pemos de cabezal.
•Par-- 4,0 kg.-m (50 libras-pie)
•La secuencia del par es la siguiente: A, B, C, D, E
(patron de comienzo). Ver la Figura 13.
DB
E
C
REEMPLAZO DE LA BUJ|A
Cambie la bujia cada 100 horas de operack_ o una vez el
ai_o, Io que pdmero tenga lugar. Esto ayudard a que el
motor arranque rnds fdcilmente y a que funcione mejor.
Reemplace con una bujia Champion RC12YC o un tipo
equivalente. Establezca la separaci6n de los electrodos
de la bujia a 0.76mm.
LIMPIEZA DE LA MALLA DEL APAGACHISPAS
El silenciador de escape del motor tiene una malla de
apagachispas. Inspeccione y limpie la malla cada 100
horas de operaci6n o una vez al afio, Io que primero tenga
lugar.
ADVERTENCIA: DEJE QUE SE ENFRIE EL SILF.N- ]
ClADOR ANTES DE TRABAJAR EN EL NOI
A TOQUE UN SILENCIADOR O MOTOR CAUENTES I
YA QUE PUEDEN CAUSAR QUEMADURA$ $EV- I
ERAS. I
NOTA: Si usa el generador en cualquier terreno descuidade
cubierto de bosques, matorral o cdsped, debe tener un apa-
gachispas.El pmpietario/operaderdebe mantener el apagachis-
pas en buenas condiciones.Limpie e inspeccioneel apagachis-
pas de la siguentemanera:
• Para quitar la pantalla tdrmica del silenciador (Fig. 14),
quite los nueve tormillos que conectan la pantalla al
silenciador.
•Quite los cuatro tornillos que unen la malla de ape-
.qachispas.
MALLADE APAGACHISPAS
SILENCIADOR
PANTALLA
TERMICA
FIG. 14
•Inspeccione la malla y reempldcela si estd desgastada
pe_forada o de cualquier manera averiada. NO USE
una malla defectuosa. Si la malla no estd dar3ada,
limpiela con un solvente comemial.
•Vuelva a unir la malla y la pantalla t_rmica.
FIG. 13 10

SERVIClO Y AJUSTES
VELOCIDAD DEL MOTOR
PRECAUCION: La velocided del motor fue ajustada
adecuademente en la fdbdca y no debe requerir rnds
ajustes. No tmte de cambiar la velocidad del motor. Si
usted cree que el motor estd funcionando demasiado
rdpido o demasiado despacio, Ileve su generador al centro
de servicio autorizado para reparaci6n y ajuste. EL CAM-
BIO DE LA VELOCIDAD REGULADA DEL MOTOR CAN-
CELARA LA GARANTIA DEL MOTOR.
Su generador funciona a una velocidad constante. Esta
velocidad de funcionamiento constante se mantiene por un
regulador mecdnico, de tipo contmpeso, de velocidad fija.
NO trate de ajustar el ajuste do la velocidad regulada por
las sJguientes razones:
- Las velocidades de motor altas son peligrosas y
aumentan el riesgo de darK)s personales o dafios al
equipo.
•I.as velocidades bajas del motor imponen una carga
pesade en el motor cuando no haya sufldente energ_a
del motor a la dispoelci6n y puede acortar la durac_)n
del motor.
•El generador suplird frecuencia y voltaje CA nominales
correctos solamente a la velocidad apropiada. AI-
gunos dispositivos el6ctricos conectaclos podrlan
dei_arse con una
COMO AJUSTAR EL CARBURADOR
El carburador de su generador es ajuste et el manufacturer.
NUNCA AJUSTE EL CARBURADOR o cancelara la gar-
antia del sistema de control de emisiones. El rendimiento
del motor puede ser afectado en altitudes por encima de
5,000 pies. Si piensa que su carburador necesita ajuste
viste a su distribuidor de Sen_icio Generac.
RECOMENDAClONES DE SERVIClO
TRABAJO DE MANTENIMIENTO
1. Revise el nivel de aceite.
INTERVALO DE OPERACION POR HORA
oCADADIARLMENTE8HORAS CADA 25 HORAS CADA 50 HORAS CADAHoRAS100
X
I
2. Cambie el aceite del motor.
3. Cambie el filtro del aceite.
4. De servicioal depurador de aire.
5. Umpie la Malla del Apagachispas
6. Reemplace la bujta.
7. Reemplace el filtrode combustibleen I'mea.
8. Prepdrelopara almacenaje.**
"*Prepare la unidad para almacenaje si esta permanece sin funcionar por mds de 30 d'las.
NOTA 1: Cambie el aceite despu6s de las primeras 8 horas de operaci6n, despu6s cada 50 horas. Cada 25 horas si.
funciona bajo carga pesada o altas temperaturas ambientes.
NOTA 2: Limpie mds frecuentemente bajo condiciones polvorientas o cuando est6n presentes residuos aerotranspor-
tados.
1!

ALMACENAJE
El genemdor debe arrancarso por Io menos una vez carla
slete orbs y dejarlo funcionar pot Io menos 30 minutos. Si
esto no so puede hacer y usted debe aimacenar la unidad
por mds de 30 dlas, use la informacibn siguiente como una
guta para prepararlo el almacenamiento.
ADVERTENClA: NUNCA ALMACENE EL MOTOR
CON COMBUSITIBLE EN ELTANQUE DENTRO DE
UN EDIFIClO O AREAS ENCERRADAS, MAL VEN-
TILADAS, EN DONDE VAPORES PUEDEN ALCAN-
ZAR UNA CHISPA DE LLAMA VIVA O LUZ DE:
PILOTO COMO EN UN HORNO, CALENTADOR DE
AGUA, SECADOR DE ROPA O UN HORNO DE
GAS.
Motor:.
• Haga funcionar el motor por unos cinco minutos para
calentado.
NOTA: Si us6 "gasohol,"drene tanque de combustible, luego
haga funcionarel motor hasta que el motorse pare, pot falta de •
combustible.
ADVERTENClA: DRENE EL COMBUSTIBLE EN I
UN REClPIENTE APROPIADO AL AIRE MBRE, LE-
JOS DE UNA LLAMA VIVA. CERClORESE DE QUEEL MOTOR ESTE FRIO.
Mientras el motor estd todav'ta caliente, drene el aceite
del cdrter. Vuelva a Ilenar con aceite fresco. Vdase
ESPECIFICACIONES en la Pdgina 1 para las re-
comendaciones de aceite.
•Quite la bujia y vacle como 15ml del aceite del motor
en el cilindro. Arranque lentarnente 10amdistribuir el
aceite.
I_PRECAUCION: Evltl el rock:)deed• el mguJerode
Is bu|[a ¢uando so mmmca el motor lentament_
•Instale la bujia. No conecte el aiambre de la bujia.
• Limpie la suciedad, el aceite y la graso del cilindro, la
cabeza del cilindro, las aietas, la caja del ventilador, la
malla giratoria y el drea del silenciador.
Generador:
,, Umpie el generador como so expuso a grandes msgos
en la Pdglna 5 ("Chino Limpiar el Generador').
• Examine para ver si las ranuras de aim refrigerants y
las aberturas en el generador estdn abiertas y sin
obstrucciones.
OVal Sugemncias tara AlmaCenllJe:
No almacene gasolina de una estacibn a otra.
Reemplace la gasolina si comienza a oxidarse. []
herrumbre y/o/a suciedad en su gasolina pueden
causar problemas cuando so usa con esta unidad.
Almacene en un drea limpia y seca.
12

PUNTOS DEI. DIAGNOSTICOS DE AVERIAS
CAUSA
1, El interruptorautomdticode circuito.
est_ abierto.
2. Avertaen el generador
3. Conexi6n real o de_ del juego
de cables.
4, El disposittvoconectadoestd defiado.
Codo circuitoen una de las cargas
conectadas.
Velocidad del motor es muy lenta.
PROBLEMA
El motorest_ funclonandopero no
existe saiida de CA disponsible.
El motorlunciona bien sincarga 1.
pen) "lunciona mar cuando se me
contectancargas. 2.
3.
4.
El motorno se enciende;o se 1.
El generador estd sobmcarga.
Circuitodel generadoren code.
InterrupterRun/Stopposcioando en
STOP.
2. Depurador de air sucio.
3. Sin gasolina.
4. Gasolina vieja.
5. El cable de la bujiano estd en males
CORRECCION
1. ReposJdoneel Interruuptor.
2. Contacte el Departmentode
ServlctoSears.
3. Revise y repare.
4. Conecte otro dispositJvoque e616
buenes condiclones.
1. Desco_cte la ca_gaetdclflca en.
corto.
2. Contacte el Deparl_nontode
SendeloSeara.
3. Vea =NoSobrecar_ el Generador
en la Pagina 7.
4. Contacto el Departmento de
ServicioSears.
I. Coloque del interrupteren RUN.
enblende y fundona mal.
la bujla.
6. Bujiadefectuosa.
7. Agua en la gasolina.
8. Sobmcebado.
2. Limpieo reemplace e_depurader
de aim.
3. Ll_)netoco(i combustiblefresco.
4. Drene el tanque de gasolina;
Ildnolocon combustiblefresco.
El motor se apaga duranteel
funcionamiento
Le falta fuerza al motor.
El motorcambiade dtmo
9. Mezcla de combustible
excesivamente dca.
11. El motor ha perdidocompresi_l.
1. Sin gasolina.
2. Nivel de aceite bajo.
1. La carga es muy alta.
2. Depuradorde aim sucio.
1. El cebador es abiertomuy pronto.
2. El carbura0orestd funcionandocon
una mezcla muy dca o muy pobre
13
5. Conecte el cable a la buj'la.
6. Reemplace la bujta.
7. Drene el tanque de gasolina;.
Ildnelocon combustiblefresco.
8. Abm por completo el cebador y
haga girarel motor.
9.. Contacte el Deparlmento de
ServicioSears.
10. La vdlvulade entrada estd atascada
ServicioSears.
11. Contacte el Departmento de
ServicioSears.
1. Llene el tanque de combustible.
2. Llene de caja del cig0ei_alal nivel
apropiado.
1. Vea "No Sobrecargue el Generador"
la P_tgina7.
2. Reemplace el tiltrode aira.
1. Mueva el cebador a la posci6n
intermedia hasta qus el motor
funcione suavemente.
2. Contacto el Departmento de
Sen/icio Seara..

OIAGRAMA ELECTRIOO
TUERCA EN EL I_,(X_IE O_. MOTOR

GENERADOR DE CRAFTSMAN DE 4200 VATIOS CA 580.327140 REPUESTO$
PARA LISTE DE PARTES
VEA LA PA GINA 15
VERSION EN INGLES
Dibjuo Nro. 87407 15

GENERAl)OR DE CRAFTSMAN DE 4200 VATIOS CA 580.327140 REPUESTO$
7O
49 5O 71 74 :_
47 3
64
52
4
35
38
11
14
16
13
DETNL " Y "
Dibujo Nro. B2554 16

GENERADOR DE CRAFTSMAN DE 4200 VATIOS CA 580.327140 REPUESTOS
PARA LISTE DE PARTES
VEA LA PA GINA 17
VERSION EN INGLES
17 Dibujo Nro. 97193

CRAFTSMAN 4200 WATt DELUXE AC GENERATOR 580.327140 REPAIR PARTS
PARA LISTE DE PARTES
VEA LA PAGINA 18
VERSION EN INGLES
18

CRAFTSMAN 4200 WATT DELUXE AC GENERATOR 580.327140 REPAIR PARTS
PARA LISTE DE PARTES
VEA LA PAGINA 19
VERSION EN INGLES
19

CRAFTSMAN 4200 WATr DELUXE AC GENERATOR 580.327140 REPAIR PARTS
PARA LISTE DE PARTES
VEA LA PAGINA 20
VERSION EN INGLES
2O

CRAFTSMAN 4200 WATT DELUXE AC GENERATOR 580.327140 REPAIR'PARTS
PARA LISTE DE PARTES
VEA LA PAGINA 21
VERSION EN INGLES

NOTAS
22

NOTAS
23

GARANTIA LIMrrADA DE DOS ANO DE GENERADOR PORTATILE CRAFTSMAN
SEARS garantJzaal compradororiginalqueel alternadory el motorpara su generadorport_tilestar_nlibrosde defectos
en losmatedaleso la manode obra para las piezasy el perfodoestablecidoa partirde la fecha de compraoriginal.Esta
gamntfanoes tmnsfedbley se aplica dnicamentea losgeneradoresport_Ulesimpulsadosporel motorgarantizadoGN
Seria de Seam.
Consumldor* Comerclal*
Altemador 2 aP,os 1 afio
Motor 2 afios 1 ai_o
*Nota: Para el prop6sitode esta gamntfa"Usode Consumidor"quiem deckusodom6sticode residenciapersonalpor el
compmdororiginal."UsoComemial"quieredecirtodoslosotrosusos,incluyendoalquiler,construccibn,comerciely
prop&sitosqua produosnganancia.Una vez qua un generadorhaexperimontadouso comercial,de allfon adelenteserd
consideradocomoungeneradorde usocomercialpara lospmp6sitosde osta gamntfa.
Durantedichoperfodode grant|a,SEARS repamrdo remplazrda su opci6ncualquierpioza la cuel, al ser exarninadepor
SEARS, se encuentreque ostd defectiosabajo usoy servicionormales*°. Las baterfasde arranquono estdngarantizadas
por SEARS.Todosloscostosde tranportebajola garantfa,incluyendola devoluci6na la fdbrica si fuom necesario,serdn
cargadosal compradory prepagadospor61.Estagrantfano incluyeel mantonimiantoy servicionormalnose aplica aun
conjuntodegenerador,altemadoro motor,o lasplazas qua hansido sujetasa instelack_na altemci6ninadecuadadso
desautodzadas, abuso,negligencia,accidentes,sobrecarga,velocidadaxossiva,mantenimiento, mpamiones oelmace-
namientoinadecuados,de modoqua, an la opini6nde SEARS,afecten advorsamantesu mndimionto y confiabilidad.
**Degaste Normal: Comocontodos losaparatoselE_ctdcos,losmotores necesitanservicioy reemplazoped_lico para
qua den buenrendimiento.Estagamnt='anocubrir&mpamck_ncuandoel usonormal ha agotadola duraci6nde una pieza
o de unmotor.
No hay ningunaotragarantfaexpresada.SEARS poreste medio desconocecualquioray todaslas grantfas[mplicadas,
induyendoperono limitdndosea aquellasde mercantibildady adaptaci6npara unpropositoparticular,an la pmpomi6n
permitadapor la lay.La dumci6nde cualquiergamntl'aimplicadala cual nopuede ser desconocida se limitaal perfodode
teimposeg_Jnse especificaen la gamntl'aexpresada.La msponsabilidad pordaRosde consequencia,accidontaleso
especialesbajocuelquierao todas las garantl'asse excluye.Algunosestadosno permitenlimitacionassobm c0antotiem-
po unagamnt|a implicadadura,o la exclusfono limitaci6nde dai_osaccidentaleso de consecuenoia,de manaraqua las
limitacionoso exclusionosmencionadasanteriormentopuedenno aplicarpara usted.Estagamntfale da darechoslegales
especificosy ustedtambi6npuedetenor otrosderechos,loscualesvarfande estadoa estado.
Para servicio,p6ngaseen contacola instalaci6nde serviciode garantfaautorizadamds cercanade SEARS. El serviciode
garantfapuede ser Ilevadoa cabo solamentepor una iostelaci6nde servicioautorizadode SEARS. Estagarantfano se
aplica al serviciodado en ningunaotrainstalacibn.En el momentode solicitarservicode gmntfa,se debe presentarevi-
danca de la fecha de compraoriginal.
SEARS, ROEBUCK AND CO., D/817 WA, Hoffman Estates, IL 60179
24

NOTAS
25