Craftsman 580327360 User Manual GENERATOR Manuals And Guides L0704368
CRAFTSMAN Generator Manual L0704368 CRAFTSMAN Generator Owner's Manual, CRAFTSMAN Generator installation guides
User Manual: Craftsman 580327360 580327360 CRAFTSMAN GENERATOR - Manuals and Guides View the owners manual for your CRAFTSMAN GENERATOR #580327360. Home:Tool Parts:Craftsman Parts:Craftsman GENERATOR Manual
Open the PDF directly: View PDF
.
Page Count: 60

Operator'sManual
®
HOURS: Man. =Fri. 8 a.m. to 5 p.m. (CT)
WARNING
Before using this product, readthis
manuai and foiiow ali Safety Rules
and Operating instructions.
ADVERTENCIA
Antes de utiiizar eI producto, Iea este
manual y siga todas ias Reglasde
Seguridade Instrucciones de Uso.
Sears, Roebuck and Co., Hoffman Estates, JL 68179 U.S.A.
Visit our Craftsman website: www.craftsman.com
® Safety
,, Assembly
,, Operation
,, Maintenance
® Parts
®Espa_oi, p. 36
0 6
Part No. 202384GS Draft B (04/16/2007)

WARRANTY.................................... 2
SAFETYRULES ............................... 3-5
FEATURESAND CONTROLS....................... 6
ASSEMBLY................................... /-9
OPERATION................................ 1O-f3
SPECIFICATIONS............................... 14
MAINTENANCE.............................. 15-18
STORAGE .................................... 19
TROUBLESHOOTING............................ 20
NOTES .................................. 21 & 33
SCHEMATIC/WIRiNGDIAGRAM ................ 22-23
REPLACEMENTPARTS ....................... 24°32
EMISSIONSSYSTEMWARRANTY............... 34-35
ESPANOL.................................. 36°59
HOWTO ORDERPARTS ................. BACKPAGE
One-Year FuMMWarranty on Craftsman Generator
If this generator fails dueto a defect in materiai or workmanship within oneyear from the date of purchase,return it to any
Sears store, other Craftsman outlet, or Sears Parts & Repair Center in the United States for free repair (or replacement if
repair proves impossible).
Additional One-YearLimitedWarranty on Craftsman Generator
For the second year from the date of purchase, if any part of this generator faiis dueto a defect in material or workmanship, a
new part wiii be supplied free of charge. You must pay the labor cost if you wish to have it installed.
Ati warranty coverageappiies for only 90 days from date of purchase if this generator is used for commercial or rental
purposes. Oncea generator has experiencedcommercial or rental use, it shall thereafter be considered a commercial or rental
generator for the purpose of this warranty.
This warranty gives you specific legal rights, and you may atso have other rights which vary from state to state.
Sears, Roebuck and Ca., D/817WA, Haffman Estates, _L60179 U.S.A.
© Sears Brands, LLC

This is the safety alert symbol, tt is used to alert youto potential personal injuryhazards.
Obey all safety messages that fallow this symbamto avoid passibleinjury or death.
The safety alert symbol (_) is used with a signal word
(DANGER,CAUTIOr/,WARNIr/G), a pictorial and/or a safety
messageto alert you to hazards. BANGERindicates a hazard
which, if not avoided, wi//'result in death or serious injury.
WARNINGindicates a hazardwhich, if not avoided, could
result in death or serious injury. CAUTIONindicates a hazard
which, if not avoided, might result in minor or moderate
injury. NOTICEindicates a situation that couId resuIt in
equipment damage.Foiiow safety messagesto avoid or
reducethe risk of injury or death.
WARNING
The eegine exhaust from this productcontains chemicals
known to the State of Ca(ifornia to cause cancer, birth
defects,orotherreproductiveharm.
Hazard Symbolsand IVleanings
DANGER
Contentsare HARMFULOR FATALIF
SWALLOWED.Avoid contact to eyes, skin or
clothing. DONOTtake internaliy. Avoid breathing
the mist or vapor. Overexposureto eyes or skin
can cause irritation. Keepstabiiizer out of the
reach of children.
Fuetstabilizer is a hazardouschemical.**
°FreshStartTM fuel capis designedto holdacartridgewhich
containsfuelstabilizer.
* IfSWALLOWEDcallphysicianimmediately.DONOTinduce
vomiting.If inhaledremoveto freshair. Incaseof eyeor skin
contact,flushwithwaterfor 15minutes.
o StoreLmopenedcartridgesina cool,dry wellventilatedarea.
Keepopencatridge infuel cap,andfuel capclosedonfueltank
whennotin use.
o Inthe caseof anemergency,contacta physicianimrnediately
andcall 1-800-424-9300for rnaterialsafetyinformation.
**Fuel stabilizer contains: 2,6-di-tret-butylphenol (128-39-2) and aliphatic petroleum
distillate (64742-47-8).
A_Explosion
B_Fire
C_E/ectricShock
D_Toxic Fumes
E_Kickback
F_Hot Surface
@
G_h_ing Objects
H_Exp/'osivePressure
J_ChemicalBum
K_HazardousChemical
L_Moving Parts
M- Read Manual
Using a generator iedoors CAN KiLL YOU iN M|NUTES,
Generator exhaust contains carbon monoxide, This is
a poison you cannot see or smell,
NEVER use inside a home
or garage, EVEN mFdoors
and windows are open,
Only use OUTS|DE and
far away from windows,
doors, and vents,
WARNING
Running enginegives off carbon monoxide, an
odorless, cotorless, poison gas.
_ Breathing carbon monoxide can cause headache,
fatigue, dizziness,vomiting, confusion, seizures,
nausea,fainting or death.
• OperategeneratorONLYoutdoors.
• Installabatteryoperatedcarbonrnonoxidealarrnnearthe
bedrooms.
• Keepexhaustgasfromenteringa corffinedareathrough
windows_doors,ventilationintakes,or otheropenings.
• DONOTstartor runengineindoorsor in anenclosedarea,
(evenif wir_dowsanddoorsareoper0 includingthe generator
compa!tmentof arecreationalvehicle(RV).

WARNING
3enerator produces hazardous voltage.
Faiiure to isoiate generator from power utiiity can
result in death or injury to etectric utiiity workers
due to backfeed of electrical energy.
• Wben using generator for backup power_notify utility company.
Use approvedtransfer equipment to isolate generator frorn
electric utility.
• Use a ground fault circuit interrupter (GFCI)in any damp or
bigbly conductive area, such as metal decking or steel work.
• DO NOTtouch barewires or receptacles.
o DO NOTuse generator with ebctrical cords which are worn,
frayed, bareor otherwise damaged.
• DO NOToperate generator in the rain or wet weather.
• DO NOTbandle generator or ebctrica! cords while standing in
water, while barefoot, or wbile hands or feet are wet.
• DO NOTallow unqualified persons or children to operate or
service generator.
WARNING
Contactwith muffler areacan result in serious
burns.
Exhaust heat/gases can ignite combustibles,
structures or damagefuel tank causing a fire.
DONOTtouch hot parts and AVOIDbot exhaustgases.
• Allow equipment to cool before touching.
• Keep at least 5 feet (1.5 m) of clearance on all sides of
generator including overhead.
• Codeof FederalRegulation (CFR)Title 36 Parks, Forests, and
Public Property require equipment powered by an internal
combustion engineto have a spark arrester, rnaintainedin
effective working order, complying to USDAForest seP,dce
standard 5100-10 or later revision. In the State of California a
spark arrester is required under section 4442 of the California
Public resourcescode. Otherstates may havesimilar laws.
WARNING
Starter and other rotating parts can entangie
hands, hair, ciothing, or accessories.
• NEVERoperate generator without protective housing or covers.
o DO NOTwear loose c!othing, jewelry'or anything that may'be
caught in the starter or other rotating parts.
o Tie up long hair and remove jewelry'.
WARNING
Starter cord kickback (rapid retraction) can result
in bodiiy injury. Kickback wiii puff hand and arm
_< toward engine faster than you can bt go.
Broken bones, fractures, bruises, or sprains
could result.
• When starting engine, pull cord slowly until resistanceis felt and
then pull rapidly'to avoid kickback.
• NEVERstart or stop enginewith electrica!devices plugged in
and turned on.
WARNING
Fuel and its vapors are extremely flammable and
explosive.
Fire or explosion can cause severe burns ordeath.
WNENADDING ORDRA_NINGFUEL
o Turn generator OFFand let it cool at least2 rninutes before
removing fuel cap. Loosen cap slowly to re%ve pressure in
tank.
• Fill or drain fuel tank outdoors.
o DONOToverfill tank. Allow space for fuel expansion.
• If fue! spills, wait until it evaporates before starting engine.
o Keep rue! away from sparks_open flames, pilot lights, beat, and
other ignition sources.
o DONOTlight a cigarette or smoke.
WHENSTARTBNGEQUIPMENT
• Ensure spark plug_muffler, fue! cap, and air charier are in place.
o DONOTcrank enginewith spark plug removed.
WNEN OPERATmNGEQUmPLNIENT
• DONOT tip engine or equipment at angle wbich causesfuel to
spill.
o This generator is not for usein rnobileequipment or rnarine
applications.
WNENTRANSPORTINGORREPAIRmNGEQUmPI_IENT
• Transport/repair witb fuel tank EMPTYor with fuel shutoff valve
OFF.
• Disconnect spark plug wire.
WNEN STORmNGFUELOR EQUmPIVlENTWITH FUEL iN TANK
o Store away'from furnaces, stoves,water heaters,clothes dryers,
or other appliances that bavepilot light or other ignition source
becausethey can ignite fuel vapors.
WARNING
This generator does not rneetU. S. CoastGuard Regulation
33CFR-183and should not beused on rnarine applications.
Failure to usethe appropriate U. S. Coast Guard approved
generator could result in death or serious iniury and/or
property damage.

WARNING
Unintentionai sparking can result in fire or
electric shock.
WHENADJUSTINGOR[VIAKINOREPAIRSTOYOURGENERATOR
, Disconnectthe sparkplugwirefromthe sparkplugandplace
thewirewhereit camot contactsparkplug.
WHEN TESTINGFOR ENGINESPARK
• Useapprovedsparkplugtester.
o DONOTcheckfor sparkwithsparkplugremoved.
CAUTION
Excessively high operating speeds increase risk of injury
and damage to generator.
Excessively low speeds impose a heavy load.
DO NOTtamper with governed speed.Generatorsupplies
correct rated frequency and voltage when running at governed
speed.
DO NOTmodify generator in anyway.
NOTICE
Exceeding generators wattage/amperage capacity can
damage generator and/or eiectricai devices connected to it.
DONOTexceedthe generator's wattage/amperage capacity, See
Don't OverloadGeneratorin the Operationsection.
Stat generator and let engine stabilize before connecting
ebctrical loads,
Connectebctrical loads in OFFposition, then turn ONfor
operation.
Turn electrical loads OFFand disconnect from generator before
stopping generator.
NOTICE
Improper treatment of generator can damage it and
shorten its iife.
Use generator only for intended uses,
If you havequestions about intended use,ask dealeror contact
local service center.
Operategenerator only on level surfaces.
DONOTexpose generator to excessivemoisture, dust, dirt, or
conosive vapors.
DONOTinsert any obiects through cooling slots.
If connected devices overheat_turn them off and disconnect
them from generator.
Shut off generator if:
-electrical output is lost;
-equipment sparks, smokes, or emits flames;
-unit vibrates excessively.

KnowYourGenerator
ii_._-! I Read the Operator's Manual and safety rules before operating your generator,
.... Comparethe illustrations with your generator to familiarize,'ourseif with the locations of various controls and
adjustments. Savethis manual for future reference.
A =120 Volt AC, 20 Amp, Duplex Receptacles -- May be
used to suppiy eiectricai power for the operation of
120 Volt AC, 20 Amp, single phase,60 Hzelectrical,
lighting, appliance,tooi, and motor ioads.
B-Air Cmeaner-- Protects engine by fiitering dust and
debris out of intake air.
C =Choke Lever-- Usedwhen starting a cold engine.
D - Data Tag -- Provides modei, revision, and serial number
of generator. Pleasehavethese readily available when
calling for assistance.
EoCiroait Breakers (AC) -- Push-to-reset circuit breakers
are provided to protect the generator against electrical
overload.
F - Engine Identification -- Provides model, type and code
of engine. Pleasehavethese readily available if calling for
assistance.
G =Fael Tank-- Capacityof four (4) U,S, galIons (15 L),
R oFael Valve -- Usedto turn fuel supply on and off to
engine,
J - Greanding Fastener -- Consult your iocai agency having
jurisdiction for grounding requirements in your area,
K =Oil Drain Plag -- Drain engine oiI here,
L - Oil Fill Cap -- Checkand fiii engine with oil here.
Nio Recoil Starter -- Usedto start the engine,
N - Racker Switch -- Set this switch to "On" before using
recoii starter. Set switch to "Off" to stop engine.
P - Spark Arrestor Maffler -- Exhaust muffler iowers engine
noise and is equipped with a spark arrestor screen.
R - StatStationTM -- Dispiaysthe nominat ioad on generator
based on output frequency. It also has a built in
maintenancereminder,

YourCraftsmangeneratorrequiressomeassemblyandis
readyforuseonlyafterit hasbeenproperlyservicedwiththe
recommendedoilandfuel.
tfyouhaveanyproblemswiththeassemblyofyour
generator,please call the generator helpliee at
1o800o222o3t36.
Unpack Generator
1. Set the carton on a rigid, fiat surface.
2. Removeeverything from carton except generator.
3. Opencarton completely by cutting each corner from top
to bottom.
4. Leavegenerator on carton to install wheel kit.
CartonContents
Check aii contents against those listed below:
oMain unit
o Engineeli
oOperator's manuai
o Wheel kit
oAdapter cord set
If any parts are missing or damaged,call the generator
helpline at 1=800=222=3136.
Install Wheel Kit
NOTE:Wheel kit is not intended for over-the-road use. DO
NOTtow this unit with a motorized vehicle.
You wiii needthe foiiowing toois to install these
components:
o 13mm wrench
o Socket wrench with a 13mm socket
o Piiers
. Safety giasses
Install the Wheel Kit as Felbwa:
1. Tip generator so that engine end is up.
2. Slide axie (A) througil both mounting brackets.
3. Placea wheel (B) on each side as shown.
4. Placea washer (C) on axleand then place an e=ring(O)
in axie groove.
5. Instati e=ringwith pliers, squeezingfrom top of e=ringto
bottom of axle.
CAUTION
E=ringscan cause eye injury.
E=ringscan spring back and become airborne
when instaiiing or removing.
o Alwaysweareyeprotectionwheninstalling/removinge-rings.
6. Repeatsteps 4 and 5 to secure second wheel.
7. Tip generator so that engine side is down.
8. Line up hobs in support leg (E) with hobs in generator
frame.
9. Attach support ieg using two short capscrews (M8 x
16 mm) (F) and two iocking hex nuts (G). Tighten with
a 13 mm socket and wrench.
10. Returngenerator to normal operating position (resting
on wheels and support leg).

BeforeStarting the Generator
Add Engine Oil
1. Place generator on a level surface.
2. Cleanareaaround oiI fili and removeyetiow oiI filI cap.
NOTE:Seethe section Oi/to review oii recommendations.
Verify provided oii bottle is correct viscosity for current
ambient temperature.
3. Using oiI funnet (optional), slowly pour entire contents
of provided oil bottle (18 oz.)into oil fill opening.
NOTICE
Improper treatment of generator can damage it and
shorten its life.
DONOTattemptto crankor startthe enginebeforeit hasbeen
properlyservicedwiththe recommendedoil.Thisrnayresultin
anenginefailure.
4. Replaceoil fill cap and fully tighten.
Add Fuel
Fuel must meet these requirements:
, Clean,fresh, unleadedgasoiine.
o A minimum of 87 octane/87 AKi (91 RON). High altitude
use, see High A/titude.
, Gasoline with up to 10% ethanoi (gas@@ or up to
15% MTBE(methyl tertiary butyl ether) is acceptable.
NOTICE
Avoid generator damage.
Faiiureto foiiow Operator's Manual for fuel
recommendations voids warrant},.
DONOTuseunapprovedgasolinesuchasE85.
DONOTmixoil in gasoline.
DONOTrnodifyengineto runonalternatefuels.
To protect the fuel system from gum formation, mix in a fuel
stabiiizer when adding fuel. See Storage.AIi fuei is not the
same. if you experiencestarting or performance problems
after using fuel, switch to a different fueI provider or change
brands. This engine is certified to operate on gasoline. The
emission control system for this engine is EM (Engine
Modifications).
WARNING
Fueland its vapors are extremely flammable and
explosive.
Fireor explosion can cause severe burns or
death.
WHENADDINGFUEL
, TurngeneratorOFFandlet it cool at least2 rninutesbefore
removingfuel cap.Loosencapslowlyto relievepressurein
tank.
• Fillfue!tankoutdoors.
, DONOToverfilltank.Allowspacefor fuel expansion.
• Iffue!spills,waituntil it evaporatesbeforestartingengine.
, Keepfuelawayfrom sparks_openflames,pilot lights,heat,and
otherignitionsources.
, DONOTlight acigaretteor smoke.
1. Cteanareaaround fuei fiii cap, removecap.
2. Slowly add unieadedgasoline (A) to fuel tank (B). Be
careful not to overfill=Allow about 1.5"(4 cm) of tank
space (C) for fuel expansion.
;@
3. Instail fuei cap and let any spifled fuel evaporate before
starting engine.

FreshStartTM Fuel Cap
Adding fuel preserver helps keepfuel fresh and carburetors
clean for easier starting, aii season iong. This new fuel cap
automatically drips concentrated fuel preserver into your fuel
tank.
DANGER
Contentsare HARMFULOR FATALiF
_ WALLOWED.Avoid contact to eyes, skin or
ciothing. DO NOTtake internaliy. Avoid breathing
the mist or vapor. Overexposureto eyesor skin
can cause irritation. Keepstabiiizer out of the
reach of chiidren.
Fuelstabilizer is a hazardouschemical.**
•If SWALLOWED,ca!lphysicianimmediately.
oInthe caseof anemergency',contacta physicianimmediately
andcall 1-800-424-9300foFmaterialsafetyinformation.
• *Fuel stabilizer contains: 2,6-di-tret-butylpheno[ (128-39-2) and aliphatic petroleum
distillate (64742-47-8).
1, Place cartridge into fuel cap.
/ /
2, Push to "snap" cartridge into place,
3, Removetab to expose membrane.
IMPORTANT:DONOTremove the silvei foil seal oll the
opposite side.
4. ReinstalIfuel cap on fuel tank.
I
5. Periodicaiiy check the cartridge to ensure ttlere is stiil
fuel preserver inside. If it is empty, removecartridge
and replace.
High Altitude
At aititudes over 5,000 feet (1524 meters), a minimum
85 octane /85 AKt (89 RON)gasoline is acceptable.To
remain emissions compliant, high aititude adjustment is
required. Operationwithout this adjustment wiii cause
decreasedperformance, increasedfuel consumption, and
increasedemissions. Seea qualified Sears deaierfor high
attitude adjustment information. Operation of the engine at
altitudes beiow 2,500 feet (762 meters) with the high altitude
kit is not recommended.

Howto Use YourGenerator
If you haveany problems operating your generator after
readingthe manual, please call the generator helpline at
1o800o222o3136.
System Ground
The generator has a system ground that connects the
generator frame components to the ground terminais on the
A6 output receptacies.The system ground is connected to
the AC neutral wire (the neutraI is bonded to the generator
frame).
Special Requirements
There may be Federalor StateOccupational Safety and
HealthAdministration (OSHA)reguIations, locat codes, or
ordinancesthat apply to the intended use of the generator.
PieaseconsuIt a qualified electrician, electrical inspector, or
the local agency having jurisdiction.
o In some areas,generators are required to be registered
with ioca) utiiity companies.
o If the generator is used at a construction site, there may
be additional regulations which must be observed.
¥(IImT__l([__ (l
Connecting to a Buiiding's Electrical System
6onnections for standby power to a buiiding's electrical
system must be made by a qualified electrician. The
connection must isoiate the generator power from utiiity
power, and must comply with ai) appiicab)elaws and
e)ectrica(codes.
WABN(NG
Generatorproduces hazardousvoltage.
Failureto isolate generator from power utility can
result in death or injury to electric utility workers
dueto backfeedof electrical energy.
o Whenusinggeneratorfor backuppower notifyutilitycornpany.
Useapprovedtransferequiprnentto isolategeneratorfrorn
electricutility.
• Useagroundfaultcircuit interrupter(GFC))in anydampor
MgMyconductivearea,suchas metaldeckingor steelwork.
• DONOTtouchbarewiresor receptacles.
o DONOTusegeneratorwithelectricalcordswhichareworn,
frayed_bareor otherwisedamaged.
• DONOToperategeneratorinthe rainorwetweather.
• DONOThandlegeneratoror electricalcordswhilestandingin
water,wMlebarefoot,or whilehandsorfeetarewet.
• DONOTallowunqualifiedpersonsor childrento operateor
servicegenerator.
Generator Location
Generator Clearance
WABNING
_,_5 jExhaustheat/gases can ignite combustibles,
_structures or damage fuel tank causing a fire.
Keepat least5 ft. (1.5 rn)clearanceonall sidesof generator
includingoverhead.
Macegenerator outdoors in an areathat wiii not accumulate
deadly exhaust gas. DO NOTplace generator where exhaust
gas (A) could accumulate and enter inside or be drawn into a
potentiaiiy occupied buiiding. Ensure exhaust gas is kept
away from any windows, doors, ventiiation intakes, or other
openings that can aiiow exhaust gasto coiiect in a confined
area. Prevaiiing winds and air currents should be taken into
consideration when positioning generator.
Using a generator indoors CAN KiLL YOU IN MINUTES,
Generator exhaust contains carbon monoxide, This is
apo(son you cannot see or smell,
A,
NEVER use inside a home
or garage, EVEN iF doors
and windows are open,
Onmyuse OUTS(DEand
far away from windows,
doors, and vents,
10

ToStart The Engine
DisconnectalI electrical loads from the generator. NEVER
start or stop engine with electrical devices piugged in and
turned ON. Foilow start instruction steps in numerical order:
I. Make sure unit is on a level surface.
IMPORTANT:Failureto start and operate unit on a Ievei
surface wiii cause the unit not to start or shut down during
operation.
2. Turn fueI vaiveto "On" position. Fuei valve handle
should bevertical (pointing toward ground) for fuel to
flow.
WARNING
Contactwith muffler areacan result in serious
burns.
_ Exhaust heat/gases can ignite combustibies,
structures or damage fue! tank causing a fire.
o
®
o
DONOTtouch hotpartsandAVOIDhot exhaustgases.
Allowequipmentto coolbeforetouching.
Keepat least5 feet(1.5m) of clearanceonall sidesof
generatorincludingoverhead.
Codeof FederalRegulation(CFR)Title36 Parks,Forests,and
PublicPropertyrequireequipmentpoweredby aninternal
combustionengineto haveasparkanester,maintainedin
effectiveworkingorder,complyingto USDAForestservice
standard5100-1Cor laterrevision.Inthe Stateof Californiaa
sparkarresteris requiredundersection4442ofthe CaBornia
Publicresourcescode.Otherstatesrnayhavesimilarlaws.
3. Place choke lever in "Choke" position.
4. Set rocker switch to "On" position.
5. Grasp recoil handb and pull slowly until slight
resistance is felt. Then pull rapidly to start engine.
WARNING
Startercord kickback (rapid retraction) can result
n bodiiy injury=Kickbackwiii puff handand arm
!oward engine faster than you can iet go.
Broken bones, fractures, bruises, or sprains
souid result.
o Whenstartingengine,pullcordslowly'until resistanceisfelt and
then pullrapidlyto avoidkickback.
• NEVERstart orstopenginewith ebctricaldevicespluggedin
andturnedon.
IMPORTANT:If enginefloods, place choke lever in "Run"
position and crank untii engine starts.
6. Move choke bver to "Run" position a short distance at
a time over severaiseconds in warm weather or
minutes in cold weather. Let engine run smoothty
before each change.Operatewith choke in "Run"
position.
NOTE:if engine starts after 3 pulls but faiis to run, or if unit
shuts down during operation, makesure unit is on a ievel
surface and check for proper oil bvei in crankcase. This unit
may beequipped with a iow oii protection device. If so, oil
must be at proper level for engineto start.
Concocting Electrical Loads
o Let the engine stabilize and warm up for a few minutes
after starting=
o DONOTconnect240Voit ioadsto 120Volt receptacles=
o DO NOTconnect 3-phase ioads to the generator=
o DO NOTconnect 50 Hzioads to the generator=
o Plug in and turn on the desired 120 Volt AC, singb
phase,60 Hertz etectrbaI loads.
o DO NOTOVERLOADTHEGENERATOR.SeeDon't
Overload Generator.
NOTICE
Exceedinggeneratorswattage/amperagecapacity can
damagegenerator and/or electrical devicesconnected to it.
DONOTexceedthe generator'swattage/amperagecapacity.See
DonYOverloadGeneratorinthe Operationsection.
Startgeneratorandletenginestabilizebeforeconnecting
electricalloads.
Connectelectricalloadsin OFFposition_thenturn ONfor
operation.
TurnelectricalloadsOFFanddisconnectfromgeneratorbefore
stoppinggenerator.
Stopping the Engine
1= Turn off and unplug aii eiectricai ioads from unit=
NEVERstart or stop enginewith ebctrbai devices
ptugged in andturned on=
2= Let engine run at no=ioadfor two minutes to stabilize
unit's internal temperatures=
3= Move rocker switch to "Off" position=
4= Move fuel valveto "Off" position=
i wAR.a.G
11

Cord Sets and Receptades
Useonty high quality, welI=insuhted, grounded extension
cords with the generator's 120 Vott duplex receptacle.
Inspectextension cords before each use.
Checkthe ratings of aii extension cords before you use them.
Extensioncord sets used should be rated for 125Volt AC
loads at 20 Amps or greater for most ebctricai devices.
Some devices,however, may not require this type of
extension cord. Checkthe operator's manuals of those
devices for the manufacturer's recommendations.
Keepextension cords as short as possible to minimize
voltage drop.
WARNING
Overloadedelectrical cords can overheat, arc,
and burn resulting in death, bodily injury, and/or
property damage.
• ONLYusecordsratedfor your loads,
o Followallsafetiesonebctricalcords,
120 Vott AC,20 Amp, Duplex Receptacles
Eachduplex receptacb is protected against overload by a
pushoto-resetcircuit breaker.
Useeach receptacleto operate 120 Volt AC,singb°phase,
60 HzelectricaI ioads requiring up to 2,400 watts (2.4 kW) at
20 Amps of current. Usecord sets that are rated for 125 Volt
AC loads at 20 Amps (or greater).
NOTICE
Receptaciesmay be marked with rating value greater than
generator output capacity.
NEVERattemptto poweradevicerequirir_grnoreamperage
thangeneratoror receptaclecansupply.
DONOToverloadthe generatorSeeDon't OverloadGenefato£
GeneratorAdapter Cord Set
The generator comes with a 25' generator adapter cord set
designedto provide two sets of 120 Voit, 20 Amp outlets
from one 120 Volt, 20 Amp duplex receptacb.
The maximum ioad on each outlet is 20 Amps. The maximum
total ioad on both black wire outiets or white stripe wire
outlets is 20 Amps.
NOTE:Foliowaii safety precautions when connecting any
extension cord or deviceto the generator.
12

Don't OveHoadGenerator
Capacity
You must make sure your generator can supply enough rated
(running) and surge (starting) watts for the items you will
power at the sametime. Foiiowthese simpie steps:
1. Selectthe items you wiii power at the same time.
2. Totai the rated (running) watts of these items. This is
the amount of power your generator must produce to
keep your items running.
3. Estimate how many surge (starting) watts you wiii need.
Surge wattage is the short burst of power neededto
start eiectric motor=driventools or appiiancessuch as a
circular saw or refrigerator. Becausenot aii motors start
at the sametime, totai surge watts can be estimated by
adding only the item(s) with the highest additional
surge watts to the total rated watts from step 2.
Example:
Tool or Appliance
Window Air
Conditioner
Refrigerator
DeeB Freezer
Television
Light (75 Watts)
Rated
(Running) Watts
1200
800
50O
50O
75
3075 Total
Running Watts
Total Rated(Running) Watts
HighestAdditional Surge Watts
Total Generator Output Required
Additional Surge
(Starting) Watts
1800
1600
500
1800 Highest
Surge Watts
= 3075
= I BOO
= 4875
NOTE:The rated (running) watts cannot exceed3600. Also,
given the 3600 watt rated iimit, additional surge (starting)
watts cannot exceed5300.
Power Management
To proiong the iife of your generator and attached devices, it
is important to take care when adding electrical ioads to your
generator. There should be nothing connected to the
generator outiets before starting it's engine. The correct and
safe way to managegenerator power is to sequentially add
loads as follows:
1. With nothing connected to the generator, start the
engine as describedin this manual.
2. Hug in and turn on the first ioad, preferably the largest
load you have.
3. Permit the generator output to stabiiize (engine runs
smoothly and attached deviceoperates properly).
4. Hug in and turn on the next ioad.
5. Again, permit the generator to stabiiize.
6. Repeatsteps 4 and 5 for each additional load.
NEVERadd more loads than the generator capacity. Take
speciai care to consider surge loads in generator capacity, as
describedabove.
Tool or Appliance
Essentials
L_ht Bulb -75 watt
Deep Freezer
Sump Pump
Refrigerator/Freezer- 18 Cu. FL
Water Well Pump- 1/3 HP
Heating/Cooling
Window AC -10,000 BTU
Window Fan
Furnace Fan Blower- 1/2 HP
Kitchen
Microwave Oven -1000Watt
Coffee Maker
Electric Stove - Sinqle Element
Hot Plate
Family Room
DVD/CD Player
VCR
Stereo Receiver
Color Television -27"
Personal Computer w/17"
monitor
Other
Security Svstem
AM/FM Clock Radio
Garage Door Opener -1/2 HP
Electric Water Heater -40
Gallon
DIY/Job Site
Quartz Haloqen Work Light
Airless Sprayer- 1/3 HP
Reciprocating Saw
Electric Drill- 1/2 HP
Circular Saw -7 1/4"
Miter Saw -10"
Table Planer-6"
Table Saw/RadialArm Saw -10"
Air Compressor -1-1/2 HP
*Wattages listed are approximate only.
appliance for actual wattage.
Additional
Rated*
(Running) Surge
Watts (Starting)
Watts
75
500 500
800 1200
800 1600
1000 2000
1200 1800
300 600
800 1300
1000
1500
1500
2500
100
100
45O
50O
8O0
180
30O
480 520
4000
1000
600 1200
960 960
1000 1000
1500 1500
1800 1800
1800 1800
2000 2000
2500 2500
Checktool or
13

EngineTechnicaMinformation
This is a singb cylinder, overhead valve (OHV),air cooled
engine, it is a iow emissions engine.
In the Stateof California, Modei Series 120000 engines are
certified by the CaliforniaAir ResourcesBoardto meet
emissions standards for 125 hours. Such certification does
not grant the purchaser, owner or operator of this engine any
additional warranties with respectto the performance or
operational iife of this engine. The engine is warranted sobly
according to the product and emissions warranties stated
elsewherein this manual.
Power Ratings
The gross power rating for individual gas engine modeIs is
labeledin accordance with SAE (Society of Automotive
Engineers)code J1940 (SmaII Engine Power & Torque
Rating Procedure),and rating performance has been
obtained andcorrected in accordancewith SAEJ1995
(Revision 2002-05). Torque values are derived at 3060 RPM;
horsepower vaIues are derived at 3600 RPM. Actual gross
engine power wiii be Iower and is affected by, among other
things, ambient operating conditions and engine-to-engine
vadabiiity. Given both the wide array of products on which
engines are ptacedand the variety of environmentaI issues
applbabie to operating the equipment, the gas engine will not
develop the rated gross power when used in a given piece of
power equipment (actual "on=site"or net power). This
difference is due to a variety of factors including, but not
limited to, accessories (air cleaner, exhaust,charging,
cooiing, carburetor, fuel pump, etc.), appiication iimitations,
ambient operating conditions (temperature,humidity,
altitude), and engine-to-engine variabiiity. Due to
manufacturing and capacity iimitations, Briggs & Stratton
maysubstitute an engine of higher rated power for this
Series engine.
Product Specifications
Wattage ........................ 3,600 Watts (3.6kW)
Starting Wattage ................. 5,300 Watts (5.3kW)
RatedAC Voltage .......................... 120 Volts
RatedA6 Current
at 120 Volts ........................ 30.0 Amperes
RatedFrequency ................... 60 Hzat 3600 rpm
Phase ................................ Single Phase
FueiCapacity ......................... 4 U.S. galions
Shipping Weight ........................... 127 Ibs.
Engine Specifications
Bore .............................. 2.69 in. (68mm)
Stroke ............................. 2.20 in. (56ram)
Dispiacement ...................... 12.57 in. (206 cc)
Spark Plug
Type: .................... Briggs & Stratton 491055
Set GapTo: .................... O.030inch(0.76mm)
Armature Air Gap: ........ 0.010=0.014in. (0.25=0.36mm)
Valve clearancewith valvesprings installed and piston 1/4 in.
(6 ram) past top dead center (check when engine is cold).
Intake ................. 0.004=0.006in. (0.10=0.15ram)
Exhaust ............... 0.009=0.011in. (0.23=0.28ram)
Oil Capacity .................... 20 Ounces(0.6 Liters)
NOTE:For practicai operation, the generator load should not
exceed 85% of rated wattage. Enginepower wiii decrease
3-I/2% for each 1,000 feet (300 meters) above sea level and
1% for each 10° F (5.6° C) above 77° F(25° C). It shouId
operatesatisfactorily at an angb up to 15°.
14

Maintenance Schedule
Foiiowthe houriy or calendar intervals, whichever occurs first.
More frequent service is required when operating in adverseconditions noted below.
MAmNTENANCESCHEDULE
FILL IN DATESAS YOU COMPLETE
REGULARSERVICE
MAINTENANCETASK
Check oil level
Cleandebris
Change engine oil
Service air cleaner
Service spark plug
Service spark arrester
Cleancooling system
Prepare for storage
Before
EachUse
X
X
SERVICEDATES
I Every 25 Hours
or Yearly
X 2
Every 50 Hours
or Yearly
X 1
If unit is to remain idle for longer than 30 days.
Every 100 Hours
or Yearly
X
X
X2
SERVICEDATES
Change oil after the first (5) operating hours and every 50 hours or every year, whichever occurs first, thereafter,
Change sooner when operating under dirty or dusty conditions,
2 Replace more often under dirty or dusty conditions,
General Recommendations
Regular maintenancewiii improve the performance and
extendthe life of the generator. Seeany Sears or other
qualified dealerfor service.
The generator's warranty does not cover items that have
been subjected to operator abuse or negligence.To receive
fuIi value from the warranty, the operator must maintain
generator as instructed in this manual.
Some adjustments wiii needto be made periodicafly to
properly maintain your generator.
AII service and adjustments should be made at least once
each season. Follow the requirements in the Maintenance
Schedu/echart above.
NOTE:Oncea year you should clean or replace the spark
plug and replace the air filter. A new spark plug and clean air
filter assure proper fuePair mixture and help your engine run
better and last longer.
EmissieBs Control
Maintenance,repiacementor repair of the emissions control
devices and systems may be performed by any non=road
engine repair establishment or individual.
Generator iVlaintenance
Generatormaintenanceconsists of keepingthe unit cban and
dry. Operateand store the unit in a clean dry environment
where it wilI not be exposedto excessive dust, dirt, moisture
or any corrosive vapors. Cooling air slots in the generator
must not becomeclogged with snow, leaves,or any other
foreign material.
Checkthe cleanliness of the generator frequently and clean
when dust, dirt, oii, moisture or other foreign substances are
visible on its exterior surface.
NOTE:DO NOTuse a garden hose to clean generator. Water
can enter the engine fuei system and causeproblems, in
addition, if water enters the generator through cooiing air
slots, some of the water wiii be retained in voids and cracks
of the rotor and stator winding insulation. Water and dirt
buiidup on the generator internai windings wiii eventually
decreasethe insuiation resistance of these windings.
Generater Cleaning
Daiiy or before use,clean accumulated debris from
generator. Keepiinkage,spring and controis clean. Keeparea
around and behind muffler free from any combustibie debris.
Inspect cooiing air slots and openings on the generator.
Theseopenings must be kept clean and unobstructed.
Generator parts shouid be kept cteanto reducethe risk of
overheating and ignition of accumulated debris.
o Usea damp cloth to wipe exterior surfaces ciean.
NOTICE
Improper treatment of generator can damage it and
shorten its life.
DONOTexposegeneratorto excessivernoisture,dusLdirL or
corrosivevapors.
DONOTinsertanyobjectsthroughcoolingslots.
o Usea soft bristle brush to ioosen caked on dirt, off, etc.
o Useavacuumcleanerto pickup loose dirt and debris.
15

TheStatStationTM displays the nominai ioad on generator
based on output frequency. It also has a built in maintenance
reminder.
Wattage Monitor Operatian
The dispiay is two seven-segment LEDsthat provide an easy-
to-read indication of the amount of power being suppiied by
the generator. The ioad monitor displays the generator's
output as a percentage.
As generator ioad increases,the dispiay vaiues wiii increase.
When the dispiayedvalues begin flashing, the user should
stop adding electricaI ioads to the generator.
If the power usage becomestoo higI1,the ietters "OL" (for
Over Load)will flash on the display. The user should reduce
the amount of load attached to the generator.
_laintenanee Reminder
The LEDwill display certain codes to aiert you to check oii,
change off, check or replaceair fiiter and check or replace
spark piug. The foliowing codes wiii display:
"C1" Check oii at 8 hour increments
"C2" Changeoil at 50 hour increments
"C3" Check or repiace air fiiter at 25 hour increments
"C4" Check or repiace spark piug at 100 hour increments
To take advantage of the StatStation "maintenance reminder"
capabilities, tile user must press tile resetbutton after
compbting the maintenancecatied for in the dispiayedcode
(Cl, C2, C3, or C4). This results in a display of "Co" or "CA",
depending on how iong the button is pressed:
1) "Co" = Pressingthe reset button once quickiy wiii
display "Co" (clearing to zero). This wilI clear any
maintenancecodes that haveelapsed up to that point
and they wiii begin timing againfrom zero.
2) "CA" - Pressing and honing the resetbutton for
2 seconds wilI display "CA"(clearing all). This clearsalI
maintenancecodes, even if they have not yet reached
their service point, and they will begin timing again
from zero.
If nominal Ioad and maintenancecodes appear
simuItaneously, the LEDshall display, alternately, the
nominal Ioad and code as follows:
The code wilI display for 3 seconds, then 1/2 second off. The
load will display for 6 seconds and then 1/2 second off.
Engine Maintenance
WARNING
Unintentionai sparking can result in fire or
electric shock.
WHEN ADJUSTINGOR [VIAKmNGREPAIRSTO YOUR GENERATOR
,Disconnectthe sparkplugwirefromthe sparkplugandplace
thewirewhereit cannotcontactsparkplug.
WHEN TESTINGFORENGINESPARK
,Useapprovedsparkplugtester.
• DONOTcheckfor sparkwithsparkplugremoved.
oim
Oil Recommendations
NOTE:Usea Ngh quality detergent oiI ciassified "For Service
SF,SG, SH, SJ" or higher. DO NOTuse special additives.
1. Choosea viscosity according to the table below:
104 F ,w.__ !
86
68
5O
32
14
4
-22
40 C
o 30
20
10
_ 0
-10
-20
-30
NOTE:Synthetic oii meeting iLSAC GF-2,APi certification
mark and API service symbol with "SJ/CFENERGY
CONSERVING"or higiler, is an acceptabieoii at aii
temperatures. Use of synthetic oil does not alter required oil
change intervals.
SAE38: 40°Fand h,L@er(5°6 and higher) is good for alI
purpose use above 40°F, use below 40% will causehard
starting.
t0W-30:0 to IO0°F (-18 to 38°C) is better for varying
temperature conditions. This viscosity improves cold weather
starting, but may increaseoil consumption above 80%
(27°6).
*Check oii ievel frequently at higher temperatures.
Synthetic 5W-38:=20 to 120°F(-30 to 40 °C)provides the
best protection at ati temperatures as weii as improved
starting with iess oii consumption.
5W-30: 40°F and below (5°C and bdovv) is recommended
for winter use and works best in cold conditions.
16

Checking Oil Level
Oii level should be checked prior to each use or at least every
5 hours of operation=Keepoii ievetmaintained.
1. Make sure generator is on a ieve!surface=
2. Cleanareaaround oii fiii and remove oii fiii cap=
3. Verify oii is at tile point of overflowing at oil fill opening.
4. Replaceand tighten oil fill cap=
Adding Engine Oil
1. Make sure generator is on a level surface.
2. Check oii ievei as described in Checking OffLevel
3. If needed, siowiy pour oii into oil fill opening to the
point of overflowing at oil %.
4. Replaceand tighten oil fill cap.
Changing Engine Oil
Changethe oil after the first 5 hours of operation. Changeoil
every 50 hours thereafter, if you are using your generator
underextremely dirty or dusty conditions, or in extremely hot
weather, change the oil more often.
CAUTION
or rep_
oil.
Usedmotoroil hasbeenshownto causeskincancerin certain
laboratoryanimaB
Thoroughlywashexposedareaswithsoapandwater
KEEPOUTOFREACHOFCHILDREN,DON'T
POLLUTE,CONSERVERESOURCE&RETURN
USEDOIL TO COLLECTIONCENTERS.
4. Remove oil drain plug and drain oil completely into a
suitabie container.
5. Reinstail oil drain plug and tighten securely. Removeoil
fill cap.
6. Slowiy pour oiI (about 20 oz.) into oil filI opening (B) to
the point of overflowing (C) at oil fill cap. DO NOT
overfill.
7. Reinstatioii fiii cap. Fingertigilten cap securely.
8. Wipe up any spiiied oil.
Service Air Cleaner
Your engine wiil not run properiy and may be damaged if you
run it with a dirty air cleaner.
Repiacethe air cieaner every 25 hours of operation or once
each year, whichever comes first. Repiacemore often if
operating under dirty or dusty conditions.
To service the air cteaner, foiiow these steps:
1. Loosen screws (A) and remove air cleanercover (B).
Changethe oil while the engine is still warm from running, as
foflows:
1. Make sure unit is on a level surface.
2. Disconnect the spark piug wire from the spark piug and
place the wire where it cannot contact spark plug.
3. Cban areaaround oil drain ptug (A). The oii drain plug
is located at base of engine, opposite carburetor.
2, Carefully remove cartridge (C) from base (O),
3. Instaii ctean (or new) air cieaner assembly inside cover.
Dispose of old fiiter properly.
4, Assembteair cleaner cover onto base and tighten
screws.
NOTE:You can purchase new air cleaner elements by calling
1=800=4=MY=HOME(46g°4663),
17

Clean/Replace Spark Plug
Changethe spark plug every 100 hours of operation or once
each year, whichever comes first. This wifl help your engine
to start easier and run better.
1. Cleanareaaround spark piug.
2. Remove and inspect spark piug.
3. Checkelectrode gap with wire feeier gaugeand set
spark plug gap to 0.030 inch (O.76mm) if necessary.
4. Repiacespark piug if electrodes are pitted, burned or
porcelain is cracked. Use a recommended replacement
plug.
5. Install spark ptug and tighten firmly.
NOTE:You can purchasea new spark plug by caIling
l=800o4=MY=NOME(469-4663).
Clean Spark Attester Screen
The engine exhaust muffler has a spark arrester screen.
Inspectand cteanthe screen every 100 hours of operation or
once eachyear, whichever comes first.
NOTE:You can purchasea new spark attester screen by
calling l=800o4=MY=NOME(469o4663).
If you useyour generator on any forest-covered, brush-
covered, or grass-coveredunimproved iand, it must have a
spark arrester. The spark arrester must be maintainedin good
condition by the owner/operator.
WARNING
Contactwith muffler areacan result in serious
burns.
Exhaust heat/gases can ignite combustibies,
structures or damagefuel tank causing a fire.
• DONOTtouchhot partsandAVOIDhot exhaustgases.
• Allowequipmentto coolbeforetouching.
• Keepat least5 feet(1.5m) of clearanceonall sidesof
generatorincludingoverhead.
• Codeof FederalRegulation(CFR)Title36 Parks,Forests,and
PublicPropertyrequireequipmentpoweredbyan internal
combustionengineto haveasparkarrester,rnaintainedin
effectiveworkingorder,complyingto USDAForestservice
standard5100-1Cor laterrevision.Inthe Stateof Californiaa
sparkarresteris requiredundersection4442of theCalifornia
Publicresourcescode.Otherstatesmayhavesimilarlaws.
(}lean and inspect the spark attester as fallows:
1. To removemuffler heat shield (A) from muffler (B),
removefour screwsthat connectguardto muffler bracket.
2. Removefour screwsthat attachspark attester screen(C).
3. Inspect screen and obtain a repiacement if torn,
perforated or otherwise damaged. DO riOT use a
defectivescreen, if screen is not damaged,clean it with
commercial soivent.
4. Reattachscreenand muffler guard.
Air Coaling System
Overtime debris may accumulate in cyiinder cooiing fins and
cannot be observed without partial engine disassembly=For
this reason,we recommend you have a Sears or other
quaiified service deaierclean the cooiing system (A) per
recommended intervais (see Maintenance Schedub)=Equally
important is to keeptop of engine free from debris. See
Generator C/eaning=
Carburetor Adjustment
The carburetor on this engine is iow emission, it is equipped
with a non-adjustable idle mixture valve and governed idIe, if
equipped. Governedidte and top speed have beenset at the
factory, if adjustment is required,see any Sears or other
ualified dealer.
CAUTION
Excessivelyhigh operating speeds increase risk of injury
and damageto generator.
Excessivelyiow speeds impose a heavyioad.
DONOTtamperwithgovernedspeed.Generatorsupplies
correctratedfrequency'andvoltagewhenrunningat governed
speed.
DONOTmodify'generatorinanyway'.
18

Thegeneratorshouldbestartedatleastonceeveryseven
daysandaiiowedto runatieast30minutes,if thiscannotbe
doneandyoumuststoretheunitformorethan30days,use
thefollowinginformationasaguidetoprepareitforstorage.
LongTerm Storage Instructions
It is important to prevent gum deposits from forming in
essentiai fuei system parts, such as the carburetor, fue! fiiter,
fuel hose or tank during storage. Aiso, experienceindicates
that aicohoI=blendedfuels (catied gasohol, ethanoi or
methanol) can attract moisture, which ieads to separation
and formation of acids during storage. Acidic fuet can
damagethe fuel system of an engine while in storage.
WARNING
FueIand its vapors are extremely flammable and
expiosive.
Fire or explosion can causesevere burns or
death.
WHEN STORmNGFUELOR EQUIPMENTWiTH FUELmNTANK
*Storeawayfrom furnacesstoves,waterheaters,clothesdryers
or otherappliancesthat havepilotlight or otherignitionsource
becausetheycanignitefuel vapors.
WHEN DRAiNmNGFUEL
o TurngeneratorOFFandlet it coolat least2 minutesbefore
removingfuel cap.Loosencapslowlyto relievepressurein
tank.
o Drainfueltankoutdoors.
o Keepfuel awayfromsparks,openflarnes,pilot lights,heat,and
otherignitionsources.
, DONOTlighta cigaretteorsmoke.
ProtectFuelSystem
FuelPreserver:
FilIthe fueItank with fresh fuet allowing at least 1.5"of tank
spacefor fuel expansion as shown on page8, when using a
fuei preserver cartridge with the fresh start fuei cap. if onty
partiatiy fiiied, air in the tank wiii promote fuei deterioration
during storage. Engineand fuel can be stored upto 6 months
with fuei preserver.
° Check levelof fueI preserver cartridge. FueIpreserver is
dark in color.
° If cartridge is atmost empty or empty, repiace with a
new fuei preserver cartridge following the instructions
in Fresh StartTMFuel Cap.
If fueI preserver is not used, remove ali fuel from tank and
run engine until it stops from lack of fuel.
ChangeOil
Whiie engine is still warm, drain oii from crankcase. Refill
with recommended grade. See ChangingEngine 0//'.
Oil Cylinder Sore
° Removespark plug and pour about 1 ounce (30mI) of
clean engine oil into the cylinder.
o Instati spark plug and crank slowly to distribute oil.
Generator
1. Cieangenerator as out%ed in Generator C/'eaning.
2, Checkthat cooiing air siots and openings on generator
are open and unobstructed,
WARNING
Unintentional sparking can resuit in fire or
electric shock,
o NEVERcrankenginewith sparkplugremoved.
Other Storage Tips
1= DO NOTstore fuei from oneseasonto another unlessit
has beentreated as described in Protect FuelSystem=
2= Repiacefuei can if it starts to rust=Contaminatedfuel
will cause engine problems=
3= If possible, store unit indoors and cover it to give
protection from dust and dirt=
4= Coverunit with a suitable protective cover that does not
retain moisture.
WARNING
covers can be flammable,
DONOTplaceastoragecoverovera hotgenerator.
Letequipmentcoolfor a sufficienttimebeforeplacingthecover
onthe equiprnent.
5. Store generator in clean, dry area.
19

Probmem
Engine is running, hut no ACoutput is
availaMe.
Engine runs good at nooload hut "hogs
down" when loads are connected.
Cause
f. One of the circuit breakers is open,
2. Faultin generator,
3. Poor connection or defective cord
set,
4. Connected deviceis bad.
,
2.
3.
4.
Short circuit in a connected load. 1.
Enginespeed is too slow. 2.
Generator is overloaded. 3.
Shorted generator circuit. 4.
1. Rocker Switch set to "Off".
2. FuelValve is in "Off" position.
3. Dirty air cleaner.
4. Out of fuel.
5. Stale fuel.
6. Spark plug wire not connectedto
Correction
1. Resetcircuit breaker.
2. ContactSears service facility.
3. Checkand repair.
4. Connectanother device that is in
good condition.
Disconnect shorted electricaI load.
ContactSears service faciiity.
SeeDon't OverloadGenerator.
ContactSears service facility.
1. Set switch to "On".
2. Turn fuel valveto "Open"position.
3. Cleanor replaceair cleaner.
4. Fill fuei tank.
5. Drain fuel tank and carburetor; fill
with fresh fuel.
6. Connectwire to spark plug.
Engine will not start; or starts and runs
rough.
spark piug.
7. Badspark piug.
8. Water in fuel.
9. Flooded.
7. Repiacespark plug.
8. Drain fuel tank and carburetor; fill
with fresh fuel.
9. Wait 5 minutes and re-crank
engine.
10. Excessiveiyrich fuel mixture.
11. Intake valvestuck open or ciosed.
12. Enginehas lost compression.
Out of fuel.
10. ContactSears service faciiity.
11. ContactSears service faciiity.
12. ContactSears service facility.
Fiflfuel tank.
1. Load is too high.
2. Dirty air filter.
Carburetor is running too rich or too
lean.
Engine shuts down when running.
1. SeeDon't OverloadGeneratof:
Engine lacks power. 2. Replaceair filter.
Engine "hunts" or falters. ContactSears service facility.
2O

21

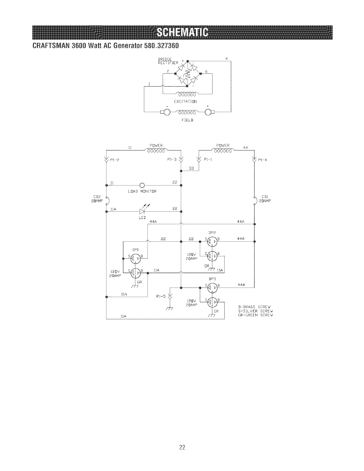
CRAFTSMAN 3608 Watt AC Generator 588o327360
FIELD
ODD
20AMP
Rl-8
POWER POWER
11 0 82
LOAD MONITOR
F'4/4 22
liA
LEI_
44A
11A
DP2
22
DP3
P1-5/_ 120V
20AMP
11A
44A
44A
PI-4
CBI
20AMP
44A
B BRASS SCREW
S-SILVER SCREW
GR-GREEN SCREW
22

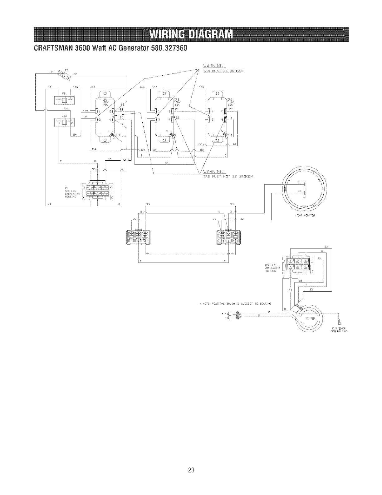
CRAFTSMAN3688 Watt AC Generator 580.327360
i I
i 144
Io
23

CRAFTSMAN3600 Watt ACGenerator 580.327360
Main Unit -- ExplodedView
45
52
51
54
58.\ /
44 \
59
5O
41
900
\
\24
12
10
6
4
34
26
37
1t
25 22
16
14
2
24

(;RAFTSMAN 3600 Watt AC Generator 580.327360
Main Unit -- PartsList
item Part #
I 198816GS
2 194150GS
3 67989GS
4 186058AGS
5 NSP
6 *
7 *
8 96796GS
9 *
10 *
11 47480GS
12 *
13 19433BGS
14 191785GS
15 697815
16 *
17 188301GS
18 *
19 83083GS
20 B4986GS
21 194153GS
22 86494GS
23 195094GS
24 198037GS
25 19119BGS
26 74908GS
31 196830GS
34 195422GS
35 195207GS
37 56893GS
40 199433GS
199284GS
41 192980GS
44 198226GS
45 198912GS
48 195373GS
50 188333GS
51 194799GS
52 189235GS
53 203579GS
54 196908GS
55 197798GS
58 20043BGS
59 *
900 NSP
Description
ASSY, Cradle(Includes Items 20, 31 & 53)
KIT,Vibration, Mount, 45°
NUT,M8 FiangeSerrated
HOUSING,EngineAdapter
ASSY,Ait (see page27)
NUT,HexM8 =I=25
TPHMS, M8 =1=25x 35
WASHER,M8 Fiat
WASHER,Lock 5/16 =M8
HHCS,5/16-24 x 3/4
HHCS,5/16=24x 7
HHCS,M8 =1=25x 25
KIT, Handle
BRACKET,Muffler
GASKET,Exhaust
HHCS,MC= 1=0x 12 w/LW
MUFFLER
SHCS,M6 =1=0x 20
SCREEN,Spark Arrest
DECAL,Ground, Green
KIT,Vibration Mount
SCREW,Wing M6 =1,0 x 16
SCREW,10 ° 16 x =68,Self Drill
SHIELD,Heat
CAP
SCREW,M5=0,8x 10, Taptite
DECAL,ExhaustWarning
COVER,RBC,Piastic with Cap
KIT, FuelHose, Formed
CRIMPTITE,10=24x 1/2
KIT, Fue!Tank Hrdwr w/U=Ctips
U=CLIPS,(Optional Accessory)
KIT,Valve, FuetTank
ASSY,Tank, Fuel(Includes Items 41,50, 51,52 & 55)
FUELCAP,FreshStartTM
WIRE,Ground
DECAL,GasFill
DECAL,Danger
DECAL,Start instructions
DECAL,COWarning
LOADMONITOR
DECAL,Shut=Off,Fue!
ASSY, Control Panel(see page 26)
NUT,PaInut,3/16"
ENGINE(121012=0114=E8)(see pages 29=32)
Parts Not Illustrated
202384GS
AB3061BGS
5097D
197474GS
198817GS
MANUAL,Operator's
BOTTLE,Oil
CARTRIDGE,FreshFuel
CORDSET,Storm
KIT, Decals
* =Items without part numbers are common fastenersand are availableat local hardware stores,
25

CRAFTSMAN3600 Watt ACGenerator 580.327360
Control Panel-- Exploded View and PartsList
_J
4
\\\\\\
5
\\\\\\
14
2
\\\\\\
\
\\\
10
item Part # Description
I 196898GS PANEL,Controi
2 197004GS COVER,Outlet Fiip
3 188890GS COVER,BackPanel
4 197731GS OUTLET,12BV,15/2BA Dplx
5 189165GS NUT,5/32 PaI
6 197729GS MODULE,Led
7 197958GS SCREW,3 x 6, Tapping
8 84198GS CAP,Breaker
9 75207GS BREAKER,Circuit, 2OA
10 197805GS BAR,Retaining
11 * PPHMS,M3 =O.5x 18
12 192241GS SCREW,3.5 x 14, Tapping
13 22694GS HOUSING,Rcptct, 6 Pin
14 82308GS SCREW,3 x 18, Tapping
* =items without part numbers are common fasteners and are
available at local hardware stores.
26

CRAFTSMAN3600 Watt AC Generator 580.327360
Alternator -- Expiottetl View &PartsList
4
\\
_ N
\
\
7
\\
\\
\
\\ \\
/,
12
\\\\\\
\, 2
i
\\
\
\
\
7
\
\,
I0
item Part #
I 186059GS
2 192164GS
3 199047AGS
4 186060GS
5 86308JGS
6 91825GS
7 66849GS
8 22694GS
9 81917GS
10 193428AGS
11 198779GS
12 65791GS
11
Description
ADAPTER,Mounting, Alternator
ROTOR(Includes item 12)
STATOR
RBC,with O=Ring(p/n 189197GS)
HHCS,M6 =1.0 x 95 SEMS
ASSY, Hotder, Rectifier/Brush
TAPTITE,M5 =0.8 x 16
RECEPTACLE,6 pin
PiN, Roll, 4mm x 10
ASSY,Wire, Ground
HARNESS,Wire, Power
BEARING
27

CRAFTSMAN3600 Watt AC Generator 580.327360
Wheel Kit -- ExplodedView and PartsList
item Part # Description
I 196517GS WHEEL
2 191267NGS AXLE
3 191%5GS E=RiNG
4 * WASHER,5/8"
5 B1764GS SUPPORT,Wheei Kit
6 67989GS NUT,M8, FlangeSerrated
7 * HHCS,PJiS-1.25 x 16
*-Items without part numbers are common fasteners and are
available at local hardware stores=
28

ENGINE,Bdggs and Stratton, 121012- Exploded View
I 331 40
36_@
868_4o@
3o7 _ 24 d¢_
415 @ 228Sd_
2(
830
635 914A _L6
337_ 10 914d9
914B
332 @
12
21@D
5520 _ 615o
718dp
15
@
15A
32A
29

ENGINE,Briggs and Stratton, 121012=Fxpioded View
163
13;
lO4
633 Q
692
633AG
186
137_
276
276,____
365
276
977 CARBURETOR GASKETSET
633A @ 633 G_"
425_
968
121 CARBURETOROVERHAUL KiT
633A
633_
276_
445
358 ENGINEGASKET SET
2O
12
993 1022
868
971
3O

ENGINE,Briggs and Stratton, 121012=Fxpioded View
6O4
209
222
356 _%
35GA_4_
_ 851
347
564_ 725 \ _q_
\_ 564A 728
23
1070 1005
332
58 _._Y
1211
Y
55
65_
1095 VALVEGASKETSET
993_868_51
31

ENGINE,Briggs and Stratton, 121012- PartsList
item Part # Description
1 699510 Cylinder Assembly
2 399269 Kit-Bushing/Sea! (Magneto Side)
3 2998!9S 1 SeaFOil(Magneto Side)
5 699486 Head-Cylinder
7 698210 t Y Gasket-Cylinder Head
11 790632 Tube-Breather
12 699485 t Gasket-Crankcase
13 699482 Screw (Cylinder Head)
15 691686 Plug-Oil Drain
15A 691682 Plug-Oil Drain
16 699443 Crankshaft
18 699804 Cover-Crankcase
20 692550 t Seal-Oil (PTO Side)
21 281658S Cap-Oil Fill
22 699488 Screw (CrankcaseCover)
23 699488 Flywheel
24 222698S Key-Flywheel
25 791097 Piston Assembly (Standard)
791326 Piston Assembly (.020" Oversize)
26 791969 Ring Set (Standard)
791324 Ring Set (.020" Oversize)
27 691866 Lock-Piston Pin
28 499423 Pin-Piston
29 690124 Rod-Connecting
30 692562 Dipper-Connecting Rod
32 691664 Screw (Cormecting Rod)
32A 695759 Screw (Connecting Rod)
33 499642 Valve-Exhaust
34 499641 Valve-Intake
35 691304 Spring-Valve (Intake)
36 691304 Spring-Valve (Exhaust)
40 692194 Retainer-Valve
45 690977 Tappet-Valve
46 693404 Camsbaft
51 692555 £ 1-$ ¥ Gasket-Intake
55 791848 Housing-Rewind Starter
58 66574 Rope-Starter
60 490652 Grip-Starter Rope
65 699228 Screw (Rewind Starter)
95 691636 Screw (Throttle Valve)
97 690024 Tbrottle Sbaft
104 691242 £ Pin-Float Hinge
108 692567 Valve-Choke
109 790624 Sbaft-Choke
117 691428 Jet-Main (Standard)
118 695042 Jet-Main (High Altitude)
121 792006 Kit-Carburetor Overhaul
122 693749 Spacer-Carburetor
125 791991 Carburetor
130 691203 Valve-Throttle
133 398187 Float-Carburetor
134 398188 £ Valve-Float Needle
137 693981 £ $ Gasket-FloatBowl
146 690979 Key-Timing
155 698214 Plate-Cylinder Head
16! 790631 Base-Air Cleaner
163 696024 £ t $ Gasket-AirCleaner
186 692317 Connector-Hose
188 699479 Screw (Control Bracket)
192 694543 Bali-Rocker Arm
209 693206 Spring-Governor
219 693578 Gear-Governor
220 691724 Washer (Governor Gear)
222 793100 Bracket-Control
227 692573 Lever-Governor Control
238 691300 Cap-Valve
276 271716 £ Washer-Sealing
304 699598 Housing-Blower
mtem
305
306
307
332
333
334
337
347
356
356A
358
365
415
425
445
455
456
459
505
552
562
564
564A
597
604
608
615
616
6!9
632
633
633A
635
689
692
718
725
728
741
742
746
830
851
868
914
914A
914B
951
968
971
975
977
993
1005
1022
1023
1026
1029
1034
1095
1070
1210
1211
t
£
¥
Part #
699480
693610
699483
699359
695711
699477
491055S
698338
695630
692602
791797
699484
693463
699492
491588S
692591
692299
281505S
691251
692346
691112
699491
699206
691696
697326
791670
692576
692547
699480
693408
693867
691321
692076
691855
690572
690959
792874
699632
692565
692564
790278
694544
493880S
692044
699480
692557
697551
790630
791082
690370
493640
697001
694088
692592
691890
499924
790287
691230
691343
791798
699201
498144
498144
Included in
Included in
Included in
Included in
Dessriptiee
Screw(BlowerHousing)
Sbield-Cylinder
Screw(CylinderShield)
Nut(Flywheel)
Armature-Magneto
Screw(MagnetoArmature)
Plug-Spark
Switch-Rocker
StopWire
StopWire
GasketSet-Engine
Screw(Carburetor)
Plug
Screw(Air CleanerCover)
Filter-A/CCartridge
Cup-Flywheel
Plate-PawlFriction
PawI-Ratchet
Nut(GovernorControlLever)
Bushing-GovernorCrank
Bolt (GovernorControlLever)
Screw(ControlCover)
Screw(ControlCover)
Screw(PawlFrictionPlate)
Cover-Contro!
Starter-Rewind
Retainer-GovernorSbaft
Crank-Governor
Screw(CylinderHeadPlate)
Spring/Link-MechanicalGovernor
£ $ Seal-Choke/ThrottleSbaft
£ $ SeaI-Cboke/ThrottleSbaft
Boot-SparkPlug
Spring-Friction
Spring-Detent
Pin-Locating
Sbield-Heat
Screw(HeatShield)
Gear-Timing
Ring-Retaining
Gear-Idler
Stud(RockerArm)
Terminal-SparkPlug
t ¥ Seal-Valve
Screw(RockerCover)(Bottorn)
Screw(RockerCover)(Top)
Screw(RockerCover)(Sides)
Lever-Choke
Cover-AirCleaner
Screw(Air CleanerBase)
Bow!-FIoat
GasketSet-Carburetor
t ¥ Gasket-CylinderHeadPlate
Fan-Flywbee!
t ¥ Gasket-RockerCover
Cover-Rocker
Rod-Push
RockerArm
Guide-PushRod
Set-ValveGasket
Screw(Flywheel)
Pulley/SpringAssembly(Pulley)
Pulley/SpringAssembly(Spring)
EngineGasketSet, Item 358
Carburetor Overbaul Kit, Item !21
Carburetor GasketSet Item 977
Valve GasketSet, Item 1095
32

33

Sears, Roebuckand Co., U.S.A. (Sears), the California Air Resources Beard (CARB)and
the United States EnvironmentalProtectionAgency (U.S.EPA}
EmissionsControl System Warranty Statement
(Owner's Defect Warranty Rights and Obligations)
The California Air Resources Board (CARB), U.S. EPAand Sears are
pleasedto explain the Emissions Control System Warranty oil your
srna[[offroad engine (SORE).In California, new small offroad
engines rnodel year 2006 and later must be desiglred, built and
equipped to meet the State's stringent anti-smog standards.
Elsewhereinthe UnitedStates, new non-road,spark-ignition engines
certifiedfor mode[year 1997 and latermust meetsimilar standardsset
forth bythe U.S. EPA.Searsmust warrant the emissions control
system onyour engine for the periodsof time listed below, provided
there hasbeenno abuse,neglector impropermaintenanceof your
small off-road engine.
Your emissions control system includes parts such as tire
carburetor, air cleaner, ignition system, fuel line, muffler and
catalytic converter. Also included rnay beconnectors and other
emissions related assemblies.
Where a warrantable colrdltion exists, Searswill repair your small
off-road engine at no cost to you hrcluding diagnosis, parts and
labor.
Sears, Roehock aod Co. Emissions Control gefeots Warraoty
Coverage
Small off-road enginesare warranted relative to ernissions control
parts defects for a period of two years, subiect to provisions set
forth below. If any covered part on your engine is defective,the part
will be repaired or replaced by Sears.
OwneCs Warranty Responsibilities
As tire small off-road engine owner, you are responsible for the
performance of the required maintenancelisted inyour Operating
and MaintenanceInstructions. Searsrecommends that you retain all
your receiptscovering maintenance on your sma[t off-road engine,
but Sears cannot deny warranty solely for the lack of receipts or for
your failure to ensurethe performance of all scheduled rnaintenance.
As the small off-road engine owner, you should however be aware
that Sears may deny'you warranty coverage if your small off-road
engine or a part has failed due to abuse, neglect, improper
rnaintenanceor unapproved modifications.
You are responsible for presenting your small off-road engineto an
Authorized Sears Service Dealeras soon as a problem exbts.
The undisputed warranty repairs should be completed ina
reasonable amoLmtof time, not to exceed30 days.
If you have any questbns regarding your warranty rights and
responsibilities, you should contact a Sears Service Representative
at 1-800-469-4663.
The emissions warranty is a defects warranty. Defects are iudged
on normal engine performance. The warranty is not related to an in-
use emissions test.
Sears, Recheck aod Co. Emissions Control gefects Warraoty
Provisions
Thefollowing are specific provisions rebtive to your Emissions
Control DefectsWarranty Coverage.It is in addition to the Sears
enginewarranty for non-regulated enginesfound in the Operatingand
MahrtenanceInstructbns.
1. Warranted Parts
Coverageunder this warranty extendsonly to the parts listed
below (theemissions control systems parts) to the extent these
parts were present on the enginepurchased.
a. Fuel Meterlag System
• Cold start enrichment system
*Carburetor and internalparts
*Fuel Pump
*Fuel line, fuel line fittings, clamps
, Fue[tank, cap and tether
, Carbon canister
b. Air Induction System
*Air cbaner
, Intake manifold
, Purge and vent line
c Ignition System
, Spark plug(s)
, Magneto ignition system
d. Catalyst System
*Catalytic converter
, Exhaustmanifold
, Air iniection system, Pulsevalve
e. Miscellaneous Items
, Vacuum, temperature, position, tirne sensitive valves and
switches
o Connectors and assernblbs
2. Length of Coverage
Sears warrants to the initial owner and eachsubsequent
purchaser that the Warranted Parts shahbefree from defects in
materials and workrnanship which caused the failure of the
Warranted Parts for a period of two years from the date tire
engineis deliveredto a retail purchaser.
3. No Charge
Repair or replacementof airy Warranted Part will be performed
at no charge to the owner, includingdiagnostic laborwhich
leads to the @termination that a Warranted Part is defective if
the diagnostic work ls performed at an Authorized Sears
Service Dealer.
4. CJaims and Coverage Exclasians
Warranty claims shall befiled inaccordance with the provls_ons
of the Sears Brgine Warranty Policy. Warranty coverageshall
be excludedfor failures ofWarranted Parts which are not
original Sears parts or becauseof abuse, neglect or improper
rnaintenanceas set forth in the SearsEngine Warranty Policy.
Sears is not liable to cover failures of Warranted Parts caused
by the useof add-on, non-original, or rnodified parts.
5. Maintenance
Any Warranted Part which is not schedubd for rephcement as
required rnaintenanceor which is scheduled only for regular
inspection to the effect of "repair or replaceas necessary"shall
bewarranted asto defectsfor the warranty period. Any
Warranted Partwhich is scheduledfor replacementas required
rnaintenarce shall be warranted as to defectsonly for the period
of time up to tire first scheduled replacementfor that part. Any
replacementpart that is equivalent in performarce and
durabilityrnay be used in the perforrnanceof any maintenanceor
repairs. The owner is responsible for the performance of all
required maintenance,as defined in the Sears Operatingand
MaintenanceInstructions.
6. Canseqaential Coverage
Coverage hereunder shall extendto the failure of any engine
components caused by tire failure of any Warranted Part still
under warranty.
In the USAandCanada,a24-hourhot!lne,1-800-469-4663,hasa rnenuof pro-recordedrnessagesofferingyou productmaintenance
lnforrnation.
34

EmJ_ions Information
Enginesthat are certified to meetthe CaliforniaAir Resources
Board(CARB)Tier 2 Emission Standards must display
information regardingthe Emissions Durabiiity Period and Air
Index. The engine manufacturer makesthis information
avaiiabteto the consumer on emission iabeis, The engine
emission iabet wili indicate certification information,
The Emissions Durability Period describes the number of
hours of actual running time for which the engine is certified
to beemissions compliant, assuming proper maintenancein
accordancewith the Operating & Maintenance Instructions.
The following categories are used:
Moderate: Engineis certified to be emission compliant for
125 hours of actual engine running time.
Intermediate: Engineis certified to beemission compliant
for 250 hours of actual engine running time.
Extended: Engineis certified to beemission compiiant for
500 hours of actual engine running time.
Forexample, a typical walk-behind lawn mower is used 20 to
25 hours per year. Therefore, the Emissions Durability
Period of an engine with an intermediate rating would
equateto 10to 12 years.
Certainengines wiii be certified to meetthe United States
Environmental Protection Agency (USEPA)Phase 2 emission
standards. For phase 2 certified engines, the Emissions
OompiiancePeriod referred to on the Emissions Compliance
label indicates the number of operating hours for which the
engine has been shown to meet Federalemission
requirements.
For engines iess than 225 cc displacement:
CategoryC = 125 hours
Category B = 250 hours
CategoryA = 500 hours
For engines of 225 cc or more:
CategoryC = 250 hours
Category B = 500 hours
CategoryA = 1000 hours
35

GARANTIA .................................... 36
REGLASDESEGURIDAD ...................... 37-39
CONOZCASU GENERADOR........................ 40
MONTAJE .................................. 41-43
FUNCIONAMIENTO........................... 44-47
ESPECIFICACIONES............................. 48
MANTENIMIENTO ........................... 49-52
ALMACENAMiENTO............................. 53
REPARACIONDEAVERIAS ....................... 54
NOTAS ..................................... 55-57
GARANTIADEL SISTEMADECONTROL
DE EMISIONES .............................. 58-59
COMOORDENARPARTES ............ ULTIMA PAGINA
Garaatia compMetade an damgenerador Craftsman
Si ei generador falia debido a defectos de materiaies o mane de obra en el plaza de un aria a partir de la fecha de compra,
devu6ivatoa cuatquier aimac@ Sears,punto de venta de Craftsman o centre de reparaci6n y repuestos de Sears de los
Estados Unidos para su reparaciOngratuita o, en case de qua 6sta no sea posible, parasu sustituciOn.
Garant_a iimitada de un a_e adi¢ianai dei generader Craftsman
Duranteei segundo a_o a partir de ia fechade compra, si cuaiquier pieza dei generador faiia debido a defectos de materiaies o
mane de obra, se suministrarA gratuitamente una nuevaplaza. Si @sea quase instaie ia pieza,deber_ pagar ia mane de obra.
Et pefiodo de garantfase reducir_ a 90 dias des@ ia fecha de compra sieI generadorse utiiiza con fines comerciaies o de
alquiier. Una vez qua el generador se haya usadocon fines comerciales o de alquiier, se considerate1come equipo de use
comerciai o aiquiier a efectos de esta garantia.
Estagarantia b otorga determinados derechos bgates yes posibb qua tenga otros detaches qua puedenvariar de un pais o
estado a otto.
Sears, Roebuck and Coo, D/817WA, Haffman Estates, IL 68179 U.S.A.
36

Este es emsimboRode amertade segufidad. Esusado paraindicafle situacionescon peHgrospotenciamesde mesionpara e_
personal Siga masinstrucciones de todos mosmensajes de seguridad qua aparecen despues de estesimbumupara evitar pusibmes
mesiunesumuerte.
..... • Lea estemanuamde manera cuidadusay famiHadcese cue
__su generadur. Cunuzcasususus, sus Hmituciunes y
cualquier peligru relaciunadu cunel mismu.
E[ simbo[u de a[erta de seguddad (,_k) es usaducun una pa[abra
(PELIGRO,ADVERTENCIA,PRECAUCION),un mensaje put escritu o
una iIustraciOn, para aIertarlo acerca de cualquier situaciGnde
peligru que puedaexistir. PELtGROindica un riesgo el cual, si no se
evita, causardla muerte u una herida grave. ADVERTENCBAindica
un riesgu el cual, si no se evita, puede causar la muerte o Lma
herida grave. PRECAUOIONindica un riesgu, el cual, si no se evita,
puede causar heridas menores u moderadas. AVmSOindica una
situaciGnque podria resultar en el da_o del eqLfipo.Siga los
mensajes de seguridad paraevitar u reducir los riesgos de heridas e
inclusive la rnuerte.
ADVERTENCIA
E] escapedel motor de este productoceetiene
emementes qu[m[ces recenecides en el Estade de
California per producir c_ncer, defectes de nacimiente u
otres da_os de ripe reproductive.
PELIGRO
SERINGERIDO.Evitee! contacto con Ios o]os, la
piei o ia ropa=No tomar internamente. Evite
respirar la niebta o el vapor• La exposiciOn
excesivade los ojos o la piet puede causar
irritaciOn. MantengaeI estabilizador fuera del
atcancede Ios ni_os=
EI estabiiizador de combustible es un qdmico
peligroso.**
La tapa de combustible FreshStartTM est_ disefiadaparasosteuer
un cartucho el cualcontiene el estabflizadorde combustible.
ENCASODESER INGERIDO,IIame un medico iumediatamente.
No induzcael vOmito. En caso de inhaIaciOnsalir al aire libre. Eu
caso de contacto con lus ojos o con la piel, lavar
abundantementecon agua durante 15 minutos.
Almacene los cartuchos sin abrir eu un dreafresca, secay bien
veutilada. Mantenga el cartucho abierto el_la tapa de
combustible, y [a tapa de combustible cerradaen el talsquede
combustible cuando no est_ eu uso.
Encaso de la ernergencia,contacte a un rn_dico
inmediatamentey llama 1-800-424-9300 para la inforrnaciOn
material de la seguridad.
*El estabilizador de combustible contiene 2,6-di-tert-butilfenol (128-39-2) y destilado
de petrGleo alif_tico (64742-47-8).
El uso de un generador en un espacio interior PUEDE
PROVOCAR LA MUERTE EN POCOS MINUTOS.
Los gases de escape dei generador contienen
monG×ido de carbono, an veneno invisible e inodoro.
NUNCA uti|ice un generador
en el interior de una casa o
un garaje, AUNQUE haya
ventanaa y puertaa abiertaso
A
Util_ceio solo en e|
EXTERIOR, aiejado de
ventanae, puertas y
aberturaa de ventilaciGn.
A=Exp,,'osiGn
B=Fuego
C=Descarga E/dctrica
D=Gases T_xicos
E=Retmceso
F=Superficie Caliente
G=Objets volant
H =Presi_n Expfosiva
J=OuemadurasOufmica
K=OuLmicoPe/,_mso
L=Pa,_'esen Movimiento
M=Manual de/Operario
37

ADVEBTENCIA
AI motor funcionar, se produce mon6xido de
sarbono, un gas inodoro y venenoso.
Respirar mon6xido de carbono puede provocar
dolor de cabeza,fatiga, mareos, vOmitos,
sonfusiOn,ataques, n_iuseas,desmayos o inciuso
a muerte.
o OpereelgeneradorSOLAMENTEalairelibre.
oInstaleunaalarmademonOxidodecarbor_ocon bater{acerca
delos dormitorios.
o AsegOresedequelos gasesdeescapenopuedanentrarpor
ventanas,puertas,tomasdeairedeventilaci6nu otrasaberturas
enunespaciocerradoenel quepuedanacumularse.
• NOarranqueni dejefuncionare! motoreninterioresnienzonas
cerradas_(aunquehayaventanasy puertasabiertas),incByendo
elcompartirnientodelgeneradorenunvehiculorecreativoo RV.
ADVEBTENCIA
Et retroceso (repliegue r@ido) de! cable del
arrancador puede producir iesiones. Et retroceso
impedir_ que el usuano suetteet cable a tbmpo y
tirar_ de su mano y brazo hacia e! motor.
6omo resultado, podr{anproducirse fracturas,
contusiones o esguinces.
o Cuandoarranqueelrnotor tire lentamentedelcablehastasentir
unaresistenciay_acontinuaci6n,tire r@idarnentede61para
evitarso retroceso.
o I,IUI',ICAarranqueo pareelmotorcuandohayaaparatos
el6ctricosconectadosy entuncionamiento.
ADVEBTENCIA
Los generadores producen un voltaje muy
_oderoso.
_¢ Si no aisla el generador de utilidades de energia,
)uedehacer que los trabajadores de electdcidad
sufran heridas graves e inclusive Ia muerte,
debido a Ia retroalimentaci6n de Ia energia
ai@trba.
• Cuandouseungeneradorcomopoderdeenergiaauxiliar_
notifiqueaB compariiadeutilidades.Usee!equipode
transferenciaaprobadoparaaislarelgeneradordeotra utilidad
el6ctrica.
• Useuninterruptorparalafallade!circuitodetierra(GFC!)en
cualquier_reabastantehOrnedao queseaaltamenteconductiva,
talescornoterrazasdemetalo trabajohechoconacero.
• 1/0toquelosalambrespeladoso recept_culos.
o 1/0 useungeneradorconcablesel_ctricosqueest@
malgastados_rotos,peladoso dai_adosdecualquierforrna.
• 1/0opereel generadorbajolaIBvia.
• 1/0 maneieelgeneradoro cablese!_ctricosmientrasest6
paradoenagua_descalzoo cuandolasrnanosy los piesest@
mojados.
o 1/0 perrnitaquepersonasdescalificadaso ni_osopereno sirvan
algenerador.
ADVEBTENCIA
La combustible y sos vapores son
extremadamente infiamables y expiosivos.
Et fuego o una explosi6n pueden causar
quemaduras severas e inclusive la muerte.
CUANDO ANADA CO_IBUST_BLE0 VACiEEL DEP{}SITO:
o Apague el generador (posici6n OFF)y d_ielo enfriar al menos
por 2 rninutos antes de rernover la tapa de la combustible.
Afloje la tapa bntamente para dejar que la presiOnsalga de!
tanque.
• Lbne o vacie el dep6sito de combustible a la internperie.
o NO!lene dernasiado eltanque. Permita al menos espacio paraB
expansion de! combustible.
o Si se haderramado combustible, esperea que se evapore antes
de arrancarel motor.
o Mantenga la combustible alejadade chispas, llamas abiertas_
pilotos_calory otras fuentes de ignici6n.
o NOencienda un cigarrillo o furne.
CUANDO PONGA EN FUNCmONA_VImENTOEL EQUmPO:
o Cornpruebeque la buiia, el silenciador, el tap@ deldep6sito de
combustible y el filtro de aire est_n instalados.
o NOarranque el motor sin la buiia instalada.
CUANDO OPERE EL EQUmPO:
o NOincline el motor o el eqLdpo,de tal maneraque B
combustible se puedaderramar.
o Estegenerador noes apto parael uso en equipos rn@ibs ni en
aplicaciones marinas.
CUANDO TRANSPORTE 0 REPARE EL EQUIPO:
o Transpo_teo repareel equipo con el tanque de combustible
vacio, o con la v_lvula para apagarel combustibb_ apagada
(posiciOnOFF).
• Desconecteel cable de la bujia.
CUANDO ALIViACENE0 GUARDE EL EQUIPO CON CO_IBUSTIBLE
ENEL TANQUE:
o Almacene alejado de calderas,estufas, calentadoresde agua,
secadorasde ropa u otros aparatos electrodorn6sticos que
posean pilotos u otras fuentes de ignici6n, porque ellos pueden
encender los vapores de B combustible.
ADVEBTENCIA
Estegenerador nocurnple la norma 336FR-183 del cuerpo de
guardacostasde EE.UU.y nodebe utilizarse en aplicaciones
marinas.
El uso de un generador no homologado por cuerpo de
guardacostasde EE.UU.puede provocar lesiones y daiios
materiales.
38

AOVERTENCIA
Elcontacto con Ia zona de! silenciador puede
producir quemadurasgraves.
Los gasesy el calor de escapepueden infiamar
los materiales combustibies y ias estructuras o
da[iar el dep6sito de combustibJey provocar un
incendio.
NOtoquelassuperficiescalientesy evitelos gasesdelescapea
altatemperatura
Permitaqueelequipose enfrieantesdetocado.
Dejeunespaciorninimode1.5 m (5 pies)alrededordel
generadorincluidalapartesuperior.
ElC6digodeNormativaFederal(CFR,Titulo36: ParqLles
Bosquesy PropiedadP8b!ica)obligaa instalarunapantalla
apagachispasenlosequiposcon motordecombusti6n[nterno
y a rnantenerlaenbuenascondicionesdefuncionarniento
conformea lanorma5100-1C(oposterior)de!ServicioForestal
delaUSDA.Enel EstadodeCalifornialaley exigeel usodeuna
pantallaapagachispas(Secci6n4442delCOdigodeRecursos
POblicosdeCalifornia).Enotrosestadospuedehaberleyes
similaresenvigor.
AOVERTENCIA
EI arrancador y otras piezas que rotan pueden
enredar ias manos, el pelo, la ropa, o los
• accesorios.
o NUNCAutilice la generador sin sus carcasaso tapas de
protecciOn.
o NO use ropa suelta, joyas o elementos que pLledanquedar
atrapados en el arranque o en otras partes rotatorias.
, Ate paraarriba e! pelo largo y quite la joyeria.
AOVERTENCIA
Chispear invotuntario puede tenet como
resuitado el fuego o el golpe et6ctrico.
CUANDOAJUSTE0 HAGAREPARACmONESA SU MAQUmNA
GENERADOR
Siempredesconecte el alambrede la buj[ay col6quelo donde no
pueda entrar en contacto con la bujia.
CUANDOPRUEBELA BUJiA DEL I_OTOR
Utilice un cornprobador de buj[as hornologado.
NOcomprueba la chispa sin la bujia instalada.
PRECAUCION
Las veJocidades de operacJ6n en exceso, aumentan ios
riesgos de heridas y da_os ai generador.
Las veJocidades bajan en exceso, imponen una carga muy
)esada.
NOcambie ninguna velocidad determinada. Ei generador
suministra unafrecuencia y Lmvottaie calificado cuando
funciona a una velocidad determinada.
NOmodJfiqueal generador en ninguna forma.
AVlSO
Ei sobrepasar Ia capacidad deI amperaje y vataje dei
lenerador, puede da[iar aI generador y los aparatos
ei6ctricos conectados ai mismo.
Vea No sobmcargue generador.
Enciendasu generadory deje que el rnotor se estabiliceantes
de conectar las cargas el_ctricas.
Conectelas cargasel6ctr[cas en la posiciOnde apagado(OFF),
luego encienda (ON) parasu operaciOn.
Apague (OFF)las cargas el_ctricas y descon6ctelasdel
generador antes de parar el generador.
AVISO
Et tratamiento inadecuado dei generador puede daSado y
acortar su vida productJva.
Use el generador solamentecon la finalidad para el cual fue
disefiado.
Encaso de dudas sobre su uso, dir[jase al distribuidor.
Opereel generador solarnente en superficies niveladas.
NOexponga a! generador a Lmahurnedad excesiva,polvo,
suciedado vapores corrosivos.
NOinserte cualquJerobjeto a trav_s de las ranuras de
enfriamiento.
Si los aparatos conectados se sobrecalientan, apAgueJosy
descon6ctelosdel generador.
Apagueel generador si:
-Se pierde la salidae!_ctrica;
-E! equipo produce chispas, hurno o ernite llamas;
-La unidadvibra de una maneraexcesiva.
39

Conozca SU Generador
il}_r lilLeoos,e ,olo,e,o,oylos,egmo.,o.eg.,,o,°.,e.,eo,e,o,s.geoo,o,o,.
.... Compare Ias ilustraciones con su generadorpara famifiarizarse con la ubicaciOnde los diferentes controbs y ajustes.
Conserveeste manuatpara referencbs futuras.
A =TomacorrienteBobbs de 120 Voitios AC, 20 Amp --
Puedenser utiiizados parasuministrar atimentaciOn
elCctricapara el funcionambnto de cargas del motor,
herrambntas, aparatos especialese iiuminaciOnel@trica
de 120 Voltios AC a 20 Amperios, monof_sica de60 Hz.
B =Bepurador de Aire -- Filtra el aire de entrada a medida
que penetra en eI motor.
C - PamaneaEstranguiadora -- Usadacuando se est_ dando
arranque a un motor frio.
D - Etiqueta de Datos -- Proporciona et modeto, revision y
et nOmero de serie degenerador. Tenga pot favor estos
prontamente disponible cu_ndo Ilamar para Ia ayuda.
E oCortacirsuitos (AC) -- 6ada tomacorrbnte posee un
cortacircuito para proteger e! generador contra
sobrecargas ei@tricas. Los cortacircuitos son del tipo
"oprimir para reposicionar".
F =JdentificaciCn demMotor -- indica eI modeto, tipo y
cOdigo de! motor. Tengapor favor estos prontamente
disponibb cu_ndo ilamar para la ayuda.
6 =Tanquedel Combustible -- E!tanque tiene una
capacidadde 15 L (4 galones amerbanos) de gaso%a
sin contenido de piomo.
H=%lvula de Combustible -- Permiteabrir y cerrar b
alimentaci6n de combustibb ai motor.
J - Cnnector de Tierra -- ConsuItecon ei organismo
responsablede Ia normativa vigente de conexiOnatierra.
J(=Tap6n de Vaciado de Aceite -- Permite vaciar et aceite
del motor.
L =Tapa del Dep6sito del Aceite -- Liene et motor cnn
aceite aqui.
_1- Culatazo el Principin -- Us6 para comenzar motor.
N =tnterraptor Balandn -- Deber_estar en ia position "On"
(En) para darie arranqueaI motor. ColOqueioen Ia
posiciOn "Off" (Apagado) para detener un motor en
funcionamiento.
P =Silenciador Apaga@iapas -- EIsiienciador disminuye et
ruido de! motor y est_ equipado con una pantaila
apagachispas.
R - StatStaflonTM - Muestra ia carga nominat del generador
en funci6n de ia frecuencia de saiida. Tambi@ incluye
unafunci6n de aviso de mantenimiento integrada.
4O

Sugeneradorrequierede ciertosprocedimientosdemontajey
solo estar_Iisto paraser utilizadodespu6sde haberle
suministradoserviciocon eI combustibley aceiterecomendados.
$i usted tiene problemascon et meetaje de su generador,
per favor Ilame a la linea de ayuda para generaderes al
1-8e0-222-3136.
Desembalaje del 6enerador
1. CotoqueIa caja de cart6n en una superficie rigida y
piana.
2. Saquetodo ei contenido de la caja de cart6n, a
excepci6n dei generador.
3. Abra compietamente ia caja de cart6n cortando cada
una de sus esquinas de arriba abajo.
4. Mantengae! generador sobre el cart6n para instalar el
juego de ruedas.
Contenido de la Caja
Reviserode ei contenido compar_ndolo cell la lista a
continuaci6n:
o Unidad Principai
o Aceite dei Motor
o Manual dei Operario
o Juego de Ruedas
, Juego de Cablesdel Adaptador
Si cualquier parte faita o est_ da_ada, iiame a la Linea de
Ayuda deI Generadoral 1o800o222o3136.
Instale ei ,luege de Ruedas
NOTA: Eijuego de ruedas no est_ dise_ado para use en
carretera. NO remoique la unidad con un vehicuio con
tracci6n mec_inica.
Necesitar_ias siguientes herramientas para instalar estos
componentes:
o Liave de 13 mm
, Liave de cube de 13 mm
o Alicates
o Gafasde seguridad
tnstale et juege de ruedas cenferme a las instruccienes
siguientes:
1. Deie ia vueita ai generador deforma que el motor quede
arriba.
2. Introduzca ei eje (A) a trav6s de los dos soportes de
montaje.
3. Coloque una rueda (B) en cada extreme, cuando
mostrado.
4. [ntroduzca una arandeia (C) per ei eje y coloque una
anilla en "e" (D) en ia ranura dei eje.
5. Paraeiio, apriete con unos aiicates desde ia parte
superior de la anilla en "e" hacia la parte inferior de[ eje.
PRECAUCiON
Las aniiias en "e" pueden provocar lesiones
oculares.
Las aniiias en "e" pueden saiir disparadas
durante el montaje o el desmontaje.
• Utilicesiempreprotecci6nocularparamontarodesmontar
al_illasen"e'.
6. Repitalos pasos del 3 al 5 para asegurar la segunda
rueda.
7. Deteia vueita ai generador de forma que el lade del
motor quede abajo.
8. Hagacoincidir los orificios de Ia pata de apoyo (E) con
los deI bastidor dei generador.
9. Monte ia pata de apoyo con dos torniiios de cabeza
cortes (M8 x 16 mm) (F) y dos tuercas hexagonates
(G). Apriete con una Ilavede cube de 13 mm.
10. Vuelva a colocar el generador en Ia posici6n normal de
funcionamiento (apoyado en las ruedas y la pata de
apoyo).
41

Antes de DaHe Arranque aM
Agregar Aceite ai Motor
1. Coloque Ia generador en unasuperficie plana y nivelada.
2= Limpie ia zona de aIrededor deI orificio de flenado de
aceitey quite el tapOnamariiio.
NOTA:ConsuIte ia secciOnAcdte para vet ias
recomendaciones reIativasai aceite. Compruebeque ia
boteiia de aceitesuministrada tiene ia viscosidad adecuada
para la temperatura ambiente actuai.
3= Con Ia ayuda de un embudo (opcional), vierta
lentamentetodo e! contenido de ia boteiia de aceite
(0,53 1=18 onzas) por et orificio de Ilenado de aceite.
AVISO
EItratamiento inadecuado dei generador puededafiarlo y
acortar su vida productiva.
NOprocureacodarni empezarel rnotoranteshasidoatendidoa
apropiadamenteconelaceiterecornendado.Estopuedetenet
comoresultadounaavedade!motor.
4= Vuelva a colocar el tapOny apri6telo firmemente.
Agregue combustible
EJcombustiMedebe reunir los siguientes requisites:
, Gasotinasin piomo timpia y nueva=
o Un minimo de 87 octanos/87 AKI (91 RON)=Para uso a
gran altitud, consulte Granaltitud.
o Et motor admite gasolina con hasta un 10% de etanol
(gasohot) o hasta un 15% de MTBE (6ter metil
terbutflico)=
AVISO
Eviteei dafio deI generador.
Et fracaso paraseguir Manual de Operartopara el
combustible reccomendations garant[a de vacios.
NOutilicegasolinanoautorizada;porejemplo,E85.
NOmezcleaceitecongasolina.
NOmodifiqueelmotorparahacerlofuncionarconotros
combustibles.
Paraevitar ia formaciOn de carboniiia en eI circuito de
combustible, siempre que afiadacombustibie, m6zcteiocon
un estabiiizador. ConsuIteAlmacenamiento. No todos ios
combustibles son iguales=Si detecta problemas de arranque
o de rendimiento despu_s de utiiizar un combustible, pruebe
a cambiar de proveedor o de marca. Estemotor est_
certificado para funcionar con gasolina. Su sistema de
control de emisiones es EM (Modificaciones del motor).
ADVERTENCIA
Lacombustible y sus vapores son
extremadamente infiamabies y expiosivos.
Etfuego o una expiosiOnpuedencausar
quemaduras severas e inclusive la muerte.
CUANDOANADACO_IBUST_BLE
• Apague el generador (posiciOn OFF)y d_jelo enfriar al menos
pot 2 rninutos antes de remover la tapa de la combustible.
Afloje la tapa lentamente para dejar que la presiOnsalga deÁ
tanque.
• Llene o vacie el dep6sito de combustible a la intemperie.
o [/0 !lene dernasiado eltanque. Permita al menos espacio para la
expansion deÁcombustible.
o Si se haderramado combustible, esperea que se evapore antes
de arra!lcar e! motor.
o Mantenga la combustible alejadade chispas, llamas abiertas,
pilotos calory otras fuentes de ignici6n.
• NOencienda un cigarrillo o fume.
.
2.
Limpie e! _rea airededor de ia tapa de ilenado del
combustible, retire ia tapa.
Afiada Ientamentegasolina sin plomo (A) aI depOsitode
combustible (B). NOafiada combustible en exceso. Deje
aproximadamente 4 cm (1,5") de espacio en et dep6sito
(C) para permitir la expansi6n del combustible, como se
muestra.
_N_NNN_N_NNN_N_
_N_NNN__N_NNN
3. Instale Iatapa deI tanque de combustible y Ia espera
paraalgOncombustible rociado para evaporar.
42

Tap6n de Combustiblepara Mejorar el Arranque
Eiuso de conservante de combustible mantiene ei
combustible en buen estado y Iimpia Ios carburadores, Io que
faciiita e! arranque en todas ias estacionesdei afio. Einuevo
tapOnde combustibie gotea autom_ticamenteconservante
concentrado en et dep6sJtode combustibJe=
PELIGRO
Su Contenido es NOCiVO0 FATALENCASODE
SERINGERtDO.Eviteei contacto con los ojos, Ja
pieI o ia ropa. No tomar internamente. Evite
respirar ia niebJao el vapor. La exposiciOn
excesiva de los ojos o Ia piet puede causar
irritaciOn. Mantengael estabiiizador fuera deJ
alcance de ios ni_os=
Etestabiiizador de combustible es un quimico
peligroso.**
• ENCASODESERINGERIDO,IlameunmedicoinmedJatamente.
• Encasodelaernergencia,contactea unm_dico
inmediatamentey llama1-800-424-9300paralainformaci6n
materialdela seguridad.
• *El estabilizador de combustible contiene 2,6-di-tert-butiJfenoJ (128-39-2) y destiJado
de petr6ieo aiif_tico (64742-47-8),
1. Jntroduzcaet cartucho en e! tap6n.
2. Presione hasta que el cartucho encajeen su posici6n.
3= Retire Ia Ieng_Jetapara dejar Ia membranaai
descubierto.
JMPORTANTE:NO retire eI cierre plateado det otto Jado=
4= Vuelva a colocar e! tap6n decombustJbieen el dep6sito=
5. CompruebeperiOdicamenteei cartucho paraasegurarse
de que siga conteniendo estabilizador de combustible.
SiestA vacio, cambie et cartucho por uno nuevo.
Gran aJtitud
Enaltitudes superiores a 1.524 metros (5.000 pies), se
deber_utiiizar gasoiina con un minimo de 85 octanos /
85 AKI (89 RON).Paraseguir cumpiiendo ia normativa sobre
emisiones, es necesario ajustar la unidad para su uso a gran
altitud= De no reaJizarseeste ajuste, ei rendJmJentose
reducir_ y ei consumo de combustibie y ias emisiones
aumentar_n=Paraobtener m_s informaci6n sobre et ajuste
paragran aititud, consuite con un distribuidor cualificado de
Sears=No se recomienda utiiizar el motor a altitudes
inferiores a 762 metros (2=500pies) con el juego de gran
altitud=
43

ComoUsar Su Generador
SI TIENEPROBLEMASoperandosu generador despu_sde
leer el manual, per favor ]lamea Ia I[neade ayuda para
generadoresaI 1=800=222=3136.
Tierra dei Sistema
Etgenerador dispone de una conexi6n a tierra de! sistema
que conecta los componentes del bastidor a Iosterminales
de tierra de los enchufes hembra de salida de CA. Latierra
dei sistema est_ conectada aI cable de CA neutro que, a su
vez, est_ conectado aI bastidor del generador.
Requisites Especiales
Esposibie que haya normas u ordenanzasiocatesy
nacionaIesen materia de seguridade higieneen el trabajo
apiicabiesat use dei generador. ConsuItecon un eiectricista
cualificado, un inspector ei6ctrico o et organismo competente.
o En algunas zonas, es obligatorio registrar ios
generadores en ias compafiias eI6ctricas iocaies.
o Si et generadorse utiliza en una obra, puede ser
necesafio cumptir normas y requisites adicionales.
Cenexi6n ai Sistema Eieetrico de un Edificio
Lasconexiones a efectos de alimentaciOnde reservaai
sistema el6ctrico de un edificio debenser reaiizadasper un
electricista cualificado. LaconexiOndebeaislar ia
alimentaciOndei generador de ia aiimentaci6n de ia red
p0biica y debe cumpfir todas las leyesy normas el6ctricas
vigentes.
ADVERTENCIA
['os generadores producen un voltaje muy
_oderoso.
Si no aisia ei generador de utiiidades de energia,
_uedehacer que ios trabajadores de eiectricidad
sufran heridas graves e inclusive ia muerte,
debido a ia retroalimentaci6n de la energia
_16ctrica.
o Cuandouseungeneradorcomepoderdeenergiaauxfliar,
notifiqueala compafiiadeutilidades.Useelequipode
transferenciaaprobadoparaaislarelgeneradordeotra utilidad
el6ctrica.
• Usetminterrupterparalafallade!circuitodetierra(GFCl)en
cua[quierAreabastanteh0medao queseaa[tarnenteconductiva,
talescometerrazasdemetalo trabajohechoconacero.
• NOtoquelosalarnbrespeladoso receptAculos.
• NOuseLmgeneradorconcablesel_ctricosqueest6n
maIgastadosrotes,peladoso dafiadosdecualquierforma.
• NOopereel generadorbajolaIIuvia.
o NOmanejeelgeneradoro cablese!_ctricosmientrasest6
paradeenagua,descalzoo cuandolasmanesy los piesest6n
mejades.
o NOpermitaquepersonasdescalificadaso ni_osopereno sirvan
algenerador.
Ubicaci6n del 6enerador
Es_acio Libre AIrededor del Geeerador
ADVERTENCIA
Los gasesy ei calor de escapepueden infiamar
ios materiaies combustibles y ias estructuras o
dafiar ei dep6sito de combustible y provocar un
incendio.
• Dejeunespaciominimode1.5 rn(5 pies)alrededordel
generador,induidalapartesuperior.
Coloque Ia generadora Ia intemperie en una zona en donde
no se acumulen gases de escapemortales. NOinstate eI
generador en Iugares en Ios que Ios gases de escape(A) se
puedanacumular o entrar en un edificio que puedaestar
ocupado. Aseg0resede que Ios gases de escapeno puedan
entrar per ventanas, puertas, tomas de aire de ventilaci6n u
otras aberturas en un espacio cerrado en et que puedan
acumularse. Tenga en cuenta Ios vientos y Iascorriente de
aire preponderantescuando etija la ubicaciOndel generador.
El uso de un generador en un espacio interior PUEDE
PROVOCAR LA MUERTE EN POCOS MINUTOS.
Los gases de escape dei generador contienee
mon6×ido de carbono, un veneeo invisible e inodoro,
NUNCA ati|ice un generador
en el interior de una caaa o
un garaje, AUNQUE haya
ventanas y puertas abiertaso
Utilicelo solo en e|
EXTERIOR, alejado de
ventanas, puertas y
aberturas de ventiiaci6n,
44

Enciendaei Motor
Desconectetodas ias cargas el6ctricas deJgenerador.
NUNCAarranque o paree! motor cuando haya aparatos
et6ctricos conectados yen funcionamiento. Siga ias
instrucciones de puestaen marcha en orden num6rico.
1= Aseg0resede que la unidad est_ en una superficie
plana.
tMPORTANTE:Si Ia unidad no se arranca y utiliza en una
superficie piana, se pueden producir probJemasde arranque
y de paradadurante ei funcionamiento.
2. Gire ia %Ivuia dei combustibie a ia posici6n "On".Ei
asidero de ia %ivula dei combustibie debeset vertical
(sefialar hacia eJsuelo) para ei combustible parafiuir=
3. CoJoqueJapatancade choke en ia posici6n "Cheke".
4. Coloque el interruptor balancin a ia posici6n "On".
%
5= Agarre Ia manilIade retroceso y hateIentamentet_asta
que puede sentir un poco de resistencia. Luego hale
r_ipidamenteparaencender el motor.
ADVERTENCIA
Et retroceso (repiiegue r_pido) de! cable deI
arrancador puede producir Iesiones.Et retroceso
l_, = impedirA,que el usuario suelte,ei cabie a tiempo y
_!_ tirar_ de brazo hacia el motor.
SU mano Y
IComo resultado, podrian producirse fracturas,
Jcontusioneso esguJnces.
unaresistenciay acontinuaci6n,tire r_pidarnentede61para
evitarso retroceso.
NUNCAarranqueo paree!motorcuandohayaaparatos
el6ctricosconectadosyen funcionamiento.
J
t_IPORTANTE:Si eJmotor se desborda,coioque ia palanca
estranguiadoraen la posici6n "Run"e intente arrancarJohasta
conseguirJo.
6. Muevaia palanca de choke a ia posici6n "Run"una
distancia corta a ia vez por atgunossegundos en un
ciima c_Iido, o algunos mJnutosen un clima frio. Deje
que ei motor corra suavemente antes de cada cambio.
Operecon ei choke en ia posici6n "Run"=
NOTA:Si el motor arranca despu6sdetirar tres vecesdei
arrancadorpero no sigue funcionando,o si ia unidadse para
en funcionamJento,asegOresede que ia unidadest_ en una
superficie planay compruebequeei nivei deaceitedei cigOefiai
es correcto. La unidadpuedeequiparsecon un dispositivo de
protecciOnde bajo nivei deaceite. Encaso afirmativo,ei nivel
del aceitedebeset adecuadoparaqueeJmotor arranque.
®
o
®
®
ADVERTENCIA
Elcontacto con la zona dei siienciador puede
producir quemadurasgraves.
Los gasesy e! calor de escapepueden infiamar
ios materiaiescombustibles y ias estructuras o
dafiar et dep6sito de combustible y provocar un
incendio.
NOtoquelassuperficiescalientesy evitelosgasesde!escapea
altatemperatura.
Permitaqueelequipose enfrieantesdetocar!o.
Dejeunespaciominimode1.5 rn(5 pies)alrededordel
generador,induidalapartesuperior.
ElCOdigodeNormativaFederal(CFR,Titulo36: Parques,
Bosquesy PropiedadP(iblica)obligaainstalarunapantalla
apagachispasenlosequiposconrnotordecombustioninterno
y a mantenerlaenbuenascondicionesdefuncionamiento,
conformea lanorma5100-1C(o posterior)delServicioForestal
dela USDA.EnelEstadodeCalifornia,laley exigeel usodeuna
pantallaapagachispas(SecciOn4442delC6digodeRecursos
%blicos deCalifornia).Enotrosestadospuedehaberleyes
sirnilareserlvigor.
Conexion de Cargas Eieerieas
. Dejeque eJmotor se estabiiice y se catientepot unos
minutos despu6s deJarranque.
o Enchufey encienda ias cargas ei6ctricas AC de
120 Voitios, monof_sicas de 60 Hertziosdeseadas.
o NOconecte cargas de 240 Voitios a ios tomacordentes
de 120 Voitios.
o NOconecte cargas trif_sicas a ios tomacorrientes.
o NOconecte cargas de 50 Hertziosai generador.
o NOSOBRECARGUEGENERADOR.Vea No Sobrecargue
Genemdor.
AVISO
Ei sobrepasar ia capacidaddei amperaje y vataje del
lenerador, puede dafiar aJgeneradory los aparatos
el6ctricos conectados al mismo.
VeaNosobmcarguegenerafiol:
Enciendasu generadory dejequeel motorse estabiliceantes
deconectarlas cargasel_ctricas.
Conectelascargasel_ctricasenlaposiciOndeapagado(OFF),
luegoencienda(ON)parasu operaci6n.
Apague(OFF)las cargase!6ctricasy descon6ctelasdel
generadorantesdepararelgenerador.
45

Detener ei Motor
1. Desconectetodas ias cargas ei@tricas de ia unidad.
Nunca arranque o detenga ei motor con dispositivos
el@tricos conectados a 6i y encendidos.
2. Permita que el motor funcione sin carga durante dos
minutos para estabilizar las temperaturas internas de la
unidad.
3. Mueva et interruptor del motor a la posici6n "Off"
(Apagado).
ADVERTENCIA
Ei motor podr[a petardear, incendiarseo da_arse=
• NOcoloquelapalancaestranguladoraenlaposici6n"Choke"
parapararel motor.
4= Gire la vAIvulaa la posici6n "Off" (Apagado)=
3uegos de eordones yenehufes eonecteres
Utiiice exciusivamentecabies proiongadores de aita catidad,
bien aislados y con conexi6n a tbrra para iatoma dobie de
120 V dei generador=Examineios cables prolongadores
antes de cada uso.
Reviseias capacidadesdetodos ias cordones de extensi6n
antes de usarios. Los juegos de cordones de extensi6n
utiiizados deberAntener unacapacidad de 125 Voltios AC a
20 Amperios o mayor para la mayoria de los dispositivos
el@tricos=Sin embargo, aigunos dispositivos podrian no
requerir estetipo de cord6n de extension. Reviseel manual
dei propietario de esos dispositivos para ver las
recomendacionesdei fabricante=
Utiiice cabies proiongadores de ia menor iongitud posibb
_arareducir ai minimo la caida detension.
o
®
ADVERTENCIA
Los cabies et@tricos sobrecargados pueden
recalentarse,formar un arco o quemarse,
srovocando ia muerte, bsiones y/o da_os
materiaies.
Utiliceexclusivameetecablesreguladosparalascargas
apticadas.
Respetetodaslas medidasdeseguridaddeloscables
el6ctricos.
Tomas el@tricas dobbs de t20 V CAy 20 A
Cada receptAcuioestA protegido en contra de sobrecargas
por un corto=circuitos de, det tipo "empuje para reposicionar".
Usecada receptAcu!opara operar 120 Voitios AC, de fase
sencilla, de cargas de 60Hz que requierenhasta 2,400 vatios
(2.4 kW) a corrientes de 20 Amps. Usetos juegos de cabbs
queson catificados para cargas de 125 Voltios AC,a
20 Amps (o mayores).
AVISO
Las tomas ei@tricas pueden marcar un vaior nominal
mavor que la capacid_enerador.
NUNCAintenteconectarundispositivoquerequbram_s
amperajedelqueel generadoro latornael_ctricapueden
surninistrar.
NOsobrecargarelgenerador.V_aseNosobmcargarel
generado,:
3uego de cables del adaptador dei generador
Etgenerador estAequipado con un Juego de Cabiesdei
Adaptador dei 6enerador de 25 pies, diseiiado para un
circuito neutro a tierra de 120 voltios, 20 Amperios.
La carga maxima en cada tomacorriente es de 20 Amperios.
La carga maximatotai tanto en ei tomacorriente de cable
amariiio como el tomacorrbnte de cable negro, es de
20 Amperios.
NOTA:Sigatodas ias instrucciones deseguridad cuando
conecte cuatquiercable de extensi6n o aparato ai generador.
46

No Sobrecargue Generador
Capacidad
Usted debeasegurarseque su generador puede proveer ei
suficiente vataje calificado (cuando est6funcionando) y de
carga (at encender) para Ios aparatos a Ios cuatesva a
proveer ia energia, ai mismo tiempo. Siga estos pasos:
1. Seleccioneios aparatos que recibir_n ia energia,aI
mismo tiempo.
2. Totalice los vatios calificados (cuando est_
funcionando) de estos aparatos. Estaes ia cantidad de
energia que su generador debe producir para mantener
eso aparatos funcionando adecuadamente.
3. CaicuieIa cantidad devatios de carga (aI encender) que
usted necesitar_. Eivataje de carga es ia cantidad
minima de eiectricidad, necesariapara encender
herramientas o aparatoscon motores ei@tricos, tabs
como, sierras circuiares o refrigeradores. Debido a que
no todos ios motores se encienden ai mismo momento,
ei vataje totai de carga se puede estimar ai afiadir
soiamente ei(ios) aparato(s) con ei vatajeadicionai mAs
alto, aItotal del vataje caiificado, obtenido en el paso 2.
Ejemplo:
Herramienta o Aparato
El@trico
Vatios Adicionales de
Carga (al encender)
(cuando est6
funcionando)
1200
8OO
5OO
5OO
75
Total = 3075
Vatios para funcionar
Aire Acondicionado de 1800
Ventana
Refrigerador 1600
Congelador industrial 500
Televisi6n
Luz (75 Vatios)
1800 (Vatios de Carga
m_s alto)
VatajeTotal Calificado (cuando est6funcionando) = 3075
Vataje de CargaAdicionaI mAsalto = 1800
SaiidaTotal Requerida dei Generador = 4875
NOTA: Einive! nominal de vatios (en funcionamiento) no
puedeset superior a 3.600. Dadaesta iimitaci6n, ei nivei
adicionaI de vatios (arranque) no puedeset superior a 5.300.
Control de [a Energia
Paraprolongar la vida de su generadory ios aparatos que
est@ conectadosai mismo, es muy importante cuidario
cuando se ie affadencargas ei@tricas. Nada deberiaestar
conectado a los tomacorrientes dei generador antes de que
su motor sea encendido. La forma correcta y m_s segura
para controiar ia energia dei generador, es ia de affadir en
secuenciasias cargas, como se describe a continuaciOn:
1. Sin tenet nada conectado ai generador, encienda e[
motor de ia manera descrita en este manual.
2. Conectey encienda ia primera carga, preferibiemente [a
mayor que usted tenga.
3. Permita que ia saiida dei generador se estabiiice (el
motor funciona suavementey e! aparato conectado aI
mismo trabaja adecuadamente).
4. Conectey encienda ia prOximacarga.
5. De nuevo, permita queet generador se estabiiice.
6. Repitaios pasos4 y 5 para cada carga adicionaI que
ustedtenga.
NUNCAa_adam_s cargas sobre ia capacidad dei generador.
Tome unaatenciOnespecial en considerar ias cargas de
corriente segOnia capacidaddei generador, como se
describearriba.
Herramienta o Aparato El@trico
Esenciales
Bombilla - 75 vatios
Congelador industrial
Bomba de aguas negras
Refrigerador /congelador - 18 pies
cObicos
Bomba de agua - 1/3 HP
Cale_acci6n/enfriamiento
Aire Acond. de ventana - 10.000 BTU
Ventilador de ventana
Calefactor de caldera - 1/2 HP
Cecina
Homo de microondas - 1.000 Vatios
Cafetera
Cocina el@trica - Elementosimple
Calientaplatos
Habitaci6n Familiar
Tocador de DVD/CD
VCR
Receptor est_reo
Televisor a color - 27 pulg,
Computadora personal con monitor de
17 pulg.
Otros
Sistema de seguridad
Radio-Reloj AM/FM
Abridor de garaje - 1/2 HP
Calentadorel@trico de agua - 40
galones
Taller
Luz de hal6geno para trabajar
Rociador sin aire - 1/3 HP
Sierra intercambiabb
Taladro el@trico - 1/2 HP
Sierra circular - 7 X pulg,
Sierra inglete- 10 pulg.
Mesade planificaci6n -6 pulg.
Sierra de mesa/sierra de brazo radial
- 10 pulg.
Compresor de aire- 1-1/2 HP HP =
Caballo de fuerza,
Calificados* Adicionabs
(cuando est6 de Carga(al
funcionando) encender)
75
500 500
800 1200
800 1600
1000 2000
1200 1800
300 600
800 1300
1000
1500
1500
2500
100
IO0
45O
5O0
8OO
180
3OO
480 520
4000
1000
600 1200
960 960
1000 1000
1500 1500
1800 1800
1800 1800
2000 2000
2500 2500
*E! vataje que apareceen ia iista es solamente una cantidad
aproximada. Verifique ia herramienta o aparato et@tdco para
obtener el vataje verdadero.
47

Jnformac[6nt@n[ca sobre e[ motor
Elmotor es de uno cilindros, de v4Ivulas en cabeza(OHV),
refrigerado por aire y de bajaemisiOn.
Enei Estado de California, Ios motores de Ia 120000 han
obtenido ia certificaciOn deI CaliforniaAir ResourcesBoard
(Consejode recursos de aire de California) de cumplimJento
de ia normativa sobre emisiones durante 125 horas. Esta
certificaciOn no supone para ei comprador, ei propietario o et
usuario ninguna garantia adicionai en Io retativo ai
rendimientoy a ia vida OtJidei motor. Las garant[as deI
motor atafien exciusivamente ai producto y alas emisiones
que se decJaranen este manuak
Poteneia Nominal
Elvalor de potencia bruta de cada modeto de motor de
gasoiina se indica en ia etiquetaconforme a ios requisitos dei
cOdigoJ1940 (Procedimbnto de valoraciOnde potenciay par
de pequeSosmotores) de Ia SAE(Society of Automotive
Engineers,Sociedad de ingenieros de automociOn). Los
valores nominaies se han obtenido y corregido conforme ai
cOdigo SAEJ1995 (RevisiOn2002°05). Los vaiores de par se
obtienen a 3060 rpm, y ios valores de potencia, a 3600 rpm.
Lapotencia bruta real del motor ser_ inferior y depender_,
entre otros factores, de ias condiciones ambientaies de uso y
de ias variaciones entre distintos motores det mismo modelo.
Dadata ampiia variedad de productos que utitizan nuestros
motores y ia muJtitud de factores ambientaies que pueden
afectar a su funcionambnto, es posibte que e! motor de
gasoiina no desarroiie toda su potencia bruta nominal en
determinados equipos (potencia "en Ia apiicaciOn" o neta
reat).Esta diferenciase debe, entre otros, a ios siguientes
factores: accesorios (filtro de aire, escape,carga,
refrigeraciOn,carburador, bomba de combustible, etc.),
Jimitacionesde ia aplicaciOn,condiciones ambientaies de uso
(temperatura,humedad, aititud) y variaciones entre distintos
motores de un mismo modelo. Briggs & Stratton podr_
sustituir et motor de esta serie pot otto de mayor potencia
nominal en caso de Jimitacionesde fabrbaciOn o capacidad.
EspeeificacienesdeMPreducte
Especificaciones dei 6enerador
Vataje .......................... 3600 vatios (3.6 kW)
Vataje que Empieza ............... 5300 Vatios (5.3 kW}
Vottaje Nominal AC ....................... 120 Vottios
Corrientea 120 Voltios .................. 30.0 Ampefios
FrecuenciaNominal .................. 60Hz a 3600 rpm
Fase................................... Monof_sica
Capacidadde Gasoiina ............ 4 galones amerbanos
Peso que Embarca .......................... 127 Jbs.
Especificaeiones dei Motor
Di_metro decamisa.............. 68 mm (2,69 puigadas}
Carrera........................ 56 mm (2,20 pulgadas}
Desplazambnto ................ 206 cc (12,57 pulgadas)
Bujia
Tipo: .................... Briggs & Stratton 491055
Calibrar SeparaciOna: ...... 0.030 puigadas (0.76mm)
Entrehbrro deJinducido: ................. 0,25°0,36 mm
(0,010o0,014
puigadas}
Hotgurade ia %tvuta con muetiesde %ivuia instalados y
piston de 6 mm (0,25 pulgadas) pasado ei punto muerto
superior (comprobar con et motor en frio)
AdmisiOn.......... 0,10o0,15mm (0,004-0,006 puigadas)
Escape ........... 0,23-0,28 mm (0,009-0,011 puigadas)
Capacidadde Aceite ................ 0.6 Jitros (20 onzas)
NOTA:Paraque el rendimiento sea @timo, ia carga det
generador no debesuperar e! 85% de Ia potencia nominal en
vatios. Lapotencia bruta deI motor se reducir_ un 3,5% pot
cada 300 m (1.000 pies) de attitud sobre el nivet del mar y
un 1% por cada 5,6 °C (10 °F} por encima de 25 °C (77 °F}.
Elfuncionambnto ser_ satisfactodo hasta un _nguio de
inclinaciOnde 15°.
48

Programade Mantenimiento
Siga los intervaJoshorarios o de caJendario,Joque ocurra primero. Se requierede servbio con mayor frecuencia cuando
opere la unidad en las condiciones adversas descntas a continuaci6n.
CALENDARiO DE MANTENUMIENTO
ANOTE LAS FECHASCONFORMECUMPLA UNTERVALODE OPERACIONPOR HORA
CON EL SERVICIONORMAL FECHA$ DE$ERVICIO
Antes de Cada Cada 25 Horas o Cada 50 Horas o _ Cada 100 Horas
TAREADE MANTENIMIENTO Uso a Ai_o a A_o I o al Ai_o
Verificar el rfivel de aceite X
Limpie los residuos X
Cambiar el aceite dol motor X _
Servicio al filtro de aire X 2
Servicio a la bujia X
Servicio al sistema de la bujia X
Limpie el sistema de refrigeraciSn X 2
Prepar almacenamiento Si la unidad permanecer_ sin uso por m_s de 30 d[as.
Cambiar el aceite despu6s de las pnmeras (5) horas y despu_s cada 50 horas.
Hacer el cambio de aceite con mayor frecuencia cuando trabaje en condiciones de mucha suciedad o polvo.
Remplazar m_s a menudo bajo condiciones de suciedad o polvo,
ReeomendacionesGenerales
ElmantenimientoperiOdicomqorar_ eI rendimientoy proiongar_
lavida OtiideIgenerador.Sinecesitaasistencia,consultecon un
distribuidordeSearso con otto distribuidorcualificado.
La garantia del generador no cubre Ios elementos que hayan
sido sujetos aI abuso o negligencia deI operador. Pararecibir
el vaior compieto de ia garantia, ei operador deber_ mantener
ei generador de ia forma descrita en este manuat.
Se deber_nIlevara cabo algunos ajustes peri6dicamente
para mantener correctamente su genera@r.
Todos Ios ajustes de Ia secciOnServicio y Ajustes deeste
manuai deber_n set hechos pot Io menos unavez en cada
estaciOn.Cumpiacon ios requisitos de la tabla Programa de
Mantenimbnto descrita anteriormente.
NOTA:Una vez at a_o deber_iimpiar o reempiazarla buj[a y
reempiazarel fiitro de aire. Una bujia nuevay un fiitro de aire
limpio garantizanuna mezctade combustibte-aire adecuaday
ayuda a que su motor funcione mejor y tonga una vida Otil
m_s proiongada:
Control de Emisiones
Cuaiquierestabbcimiento o individuo especiaiizadoen ia
reparaci6n de motores que no sean de automoci6n puede
encargarsedeI mantenimiento, ia sustituci6n y ia reparaci@
de los dispositivos y sistemas de control de emisiones.
Mantenimiento del Generador
Et mantenimbnto dei generador consiste en conservar ia
unidad iimpia y seca. Operey aimacenela unidad en un
ambiente iimpio y seco don@ no serAexpuesta ai polvo,
suciedad, humedad o vapores corrosivos. Las ranuras dei
aire de enfriambnto del generadorno @ben estar tapadas
con nbve, hojas, o cualqubr otro material extra_os.
Revisefrecuentemente ia iimpieza dei generadory iimpielo
cuando est_ con poivo, sucio, con aceite, humedad,o
cuando otras substancias extra,as sean visibbs en su
superficb exterior.
NOTA: NO recomendamoset uso de manguerasdejardin para
limpiar ei generador. Eiagua podria introducirse en e! sistema
de combustible deI motor y causar probiemas. Adem_s, si e!
aguase introduce aI generadora trav6s de Ias ranuras para
aire de enfriamiento, aigo de! agua quedar_retenida en ios
espacios vados y grietas deiaisiamiento dei devanadodei
estator y rotor. Laacumulaci6n de aguay suciedaden ios
devanadosinternos dei generador disminuir_ eventuatmente
la resistenciadel aislamiento de estos devanados.
Limpieza del Generador
Limpie a diario, o antes de cada uso, los residuos
acumulados en e! generador. Mantengaiimpias ias
conexiones, ios mueiiesy ios man@s. Limpie todo resto de
combustibie de ia zona que rodeaai siienciador y de detr_s
del mismo, inspeccione ias ranuras paraaire de enfriamiento
y ia apertura dei generador. Estas aperturas deber_n
mantenerseiimpias y despejadas.
Mantengaiimpios ios componentes dot generador para
reducir el riesgo desobrecalentamiento e igniciOn de los
residuos acumuiados.
o Utiiice un trapo h_medo para limpiar las superficies
extefiores.
AVISO
Et tratamiento inadecuadodei generadorpuede da_arlo y
acortar su vida productiva.
NOexpongaal generadoraunahurnedadexcesiva,polvo,
suciedadovaporescorrosivos.
NOinsertecualquierobietoatrav6sdelasranurasde
enfr[amiento.
49

PuedeusaruncepilIodecerdassuavespararetirarla
suciedadendurecida,aceite,etc.
, Puedeusarunam_quinaaspiradoraparaeliminar
suciedady residuossueltos.
EtStatStationTM muestra ia carga nominaI de! generador en
funciOnde iafrecuencia de salida. TambiOnincluye una
funciOnde aviso de mantenimiento integrada.
_enitor de potencia
LapantaIIaconsta de dos LED desiete segmentos que
indican de forma f_ciI de leer Ia cantidad de energia que
suministra eI generador. Et monitor de carga muestra la
salida deI generadoren forma de porcentaje.
Cuandoaumenta Ia energia del generador, aumentan ios
valores de ia pantatia. Cuandoios vatores que muestra la
pantalIaempiezana parpadear,el usuado debedejar de
a_adir cargas etOctricasaI generador.
Si eI consumo deenergia es excesivo, Ias Ietras "OL" (Over
Load= Sobrecarga) parpadear_inen Ia pantalh. Eneste caso,
et usuario debe reducir la carga conectada at generador.
Funci6n de avise de mantenimiento
Elvisor de LED mostrar_ unaserie de cOdigospara avisarle
cuando sea necesariocomprobar o cambiar e! aceite,
comprobar o cambiar eI fiitro de aire y comprobar o cambiar
la bujia. Los cOdigosson los siguientes:
"C1" Comprobar el aceite cada 8 horas
"C2" Cambiarei aceitecada 50 horas
"C3" Comprobar o cambiar ei fiitro de aire cada 25 horas
"C4" Comprobar o cambiar Ia buj[a cada 100 horas
ParaaprovecharIasventajasde Ia funciOnde"aviso de
mantenimiento"de StatStation,el usuario debepulsar el botOn
de rearme (reset) unavez que hayacompletado Iastareasde
mantenimientosoiicitadassegOnel cOdigoque se muestra
(C1,C2,C3,o C4).Estohar_ quese muestre "Co" o "CA", en
funciOndei tiempo quese haya mantenidopulsado e! botOn:
1) "Co" - Si se pulsa et botOn de rearme (reset)
r_pidamente unavez, se mostrar_ "Co" (borrado a
cero). Esto borrar_ los cOdigos de mantenimiento
que hayan cumptido su tiempo hasta ese punto y se
voiver_ a contar eI tiempo nuevamente desde cero.
2) "CA"- Si se pulsa el botOnde rearme (reset) y se Io
mantiene pulsado durante 2 segundos, se mostrar_
"CA"(borrado total). Esto borra todos los cOdigosde
mantenimiento, inctuso si no han aicanzadoa8n su
punto de servicio y se voiver_ a contar ei tiempo
nuevamente desdecero.
Si aparece simuit_neamente ia carga nominal y un cOdigode
mantenimiento, ia pantaiia LED mostrar_ atternativamentela
carga nominai y eI cOdigocomo se indica a continuaciOn:
EtcOdigoaparecer_ durante 3 segundosy desaparecer_
durante medio segundo. La carga aparecer_ durante
6 segundos y desaparecer_durante medio segundo.
Mantenimiente deMMotor
ADVERTENC A
Chispearinvoluntario puedetener como
_ resultado el fuego o el gotpe elOctrico.
CUANDO AJUSTE0 HAGA REPARACIONESA SU WL_QUINA
GENERADOR
o Siernpredesconecteelalarnbredela bu}{ay colOquelodondeno
puedaentrarencontactocon labujia.
CUANDO PRUEBELABUJiADELMOTOR
, UtiliceLincomprobadordebui{ashomologado.
o NOcornpruebalachispasin labujiainstalada.
Aeeite
Recomendaciones sobre el aceite
NOTA:Cuandoafiada aceite at c_irterdet motor, utilice sOto
aceite detergentede aita calidad con clasificaciOnde servicio
SF,SG, SH, SJ o superior. NO utiiice aditivos especiates.
1. Elija unaviscosidad conforme a Ia siguiente tabla:
104 F
86
68
50
32
14
4
-22
40 C
30
10
_ 0
-10
-20
-30
NOTA:Todo aceite sintOticoque cumpia ias especificaciones
ILSACGF=2,con marcade certificaciOn APi y con simboio de
servicio APi con "SJ/CFENERGYCONSERVING"o superior es
un aceite aceptabiea todas ias temperaturas=Et uso de aceite
sintOtico no aitera los intervaios de cambio de aceite
indicados.
SAE30:5 °C(40 °F)y superiores adecuadopara todo tipo
de usos por encima de5 °C (40 °F). EI uso por debajo de
5 °C (40 °F) provocar_ dificuitades de arranque.
10W-30:=18 a 38 °C(0 a 100 °F)es mejor en caso de
temperatura variable. Estegrado de aceite mejora ei arranque
en ctimas frios, pero puedeaumentar ei consumo de aceitea
27 °C (00 °F) o temperaturas superiores.
*Compruebe et nivel deaceite con frecuencia a temperaturas
superiores.
Sintdtico 5W=30:=30 a 40 °C(=20a 120 °F) proporciona la
mejor protecciOna tndas Iastemperaturas at tiempo que
mejora et arranquey reduce et consumo de aceite.
5W-30:5 °C (40 °F) e inferior es ei aceite recomendado para
el invierno y funciona mejor en condiciones de frio.
5O

ComprobaciCn del Nivel de Aceite
Compruebee! nivet de aceiteantes de cada useo cada 5 horas
de funcionamiento, come minimo=Reiienesi es necesario=
1. Coioque e! generador sobre una superficie niveiada=
2= Quite ei tap(in de Ilenado de aceitey limpielo con un
trapo=
3= Compruebeque ei aceiteliega hasta e! punto de
desbordamiento en ei orificio de iienado=
4= Instate eI tap0n de Ilenado deaceite, apriete
firmemente=
AdiciCn de Aceite demMeter
1= AsegOresede que la generador est6 en unasuperficie
piana.
2. Compruebee! nivei de aceitetai come se indica en la
secciCnCompmbaciCn de/nive/de aceite.
3. Si es necesario, vierta ientamenteaceite per e! orificio
de iienado hasta ei punto de desbordamiento en el
tapCn de Ilenado de aceite.
4. Instaie el tapCnde Ilenado deaceite, apriete
firmemente.
Cambie de Aceite del Meter
Cambiee! aceite despuCsde Ias primeras 5 horas de
operaciCn.Cambieei aceite cada 50 horas de ese memento
en adelante.Si est_ utiiizando su generador bajo condiciones
de extrema suciedad o poivo, o en un ciima demasiado
caliente, haga et cambio de aceite m_s frecuentemente.
AVISO
Eviteel contacto proiongado o repetido de piei con aceite
usado de motor.
Elaceiteusadodelmotorhasidemostradoalcancerdelapie!
delacausaenciertosanimalesdellaboratorio.
Completarnentelavadoexpusoareascon eljabOny elagua.
MANTENERFUERADELALCANCEDE LOS NiNOS.
NO CONTAMINE.CONSERVELOSRECURSOS.
DEPOSiTEELACEITEUSADOEN UN PUNTODE
RECOGiDA.
Cambieei aceite cuando el motor siga estando catiente
despuCsde haber funcionado:
1= Aseg0resede que la unidad est6 en una superficie
plana=
2. Desconecteel cable de Ia buj[a de esta y colOqueio
donde no puedaentrar en contacto con ia buj[a.
3. Limpie ia zona de airededor dei tap0n de vaciado de
aceite (A), situado en la base del motor, ai otro lade del
carburador.
4. Quite ei tapOnde iienado de aceitey vacietodo el aceite
en un recipiente adecuado.
5. Vuelva a colocar ei tapOnde vaciado y apriCtdo bien.
Quite el tapOn de Ilenadode aceite.
6. Vierta Ientamenteunos 0,6 Iitros (20 onzas) de aceite
per e! orificio de Ilenado (B) hasta e! punto de
desbordamiento (C). NO a_adaaceite en exceso.
7. Vueiva a coiocar el tapOn de Ilenadode aceiteApriCtelo
firmemente a mane.
8. Limpie los residues de aceite.
Servicio del Depurador de Aire
Su motor no funcionarAadecuadamentey puede dafiarsesi
usted Io hace funcionar con un depurador de aim sucio=
Suministre servicio ai depurador de aim unavez cada
25 horas de operaciCno unavez per afio, io que suceda
primero. Suministre servicio m_s frecuentemente si ia unidad
funciona bajo condiciones de mucha suciedad o poivo=Los
repuestos se encuentrandisponiNes en su centre de servicio
IocaI Sears=
Para dar servicie al filtre de aim, siga lee paces que se
detallan a centinuacidn:
1, Afloje los torni%s (A) y quite aim la cubierta m_s fimpia
(B)=
2. Con cuidado quite cartucho (C) de base (D).
3. Instaie Iimpie (o nuevo) aim Ia asambiea m_s Iimpia
dentro de ia cubierta. Desh_gasedel filtro viejo
apropiadamente.
4. Arme ia cubierta mAsiimpia aCreaen ia basey apdete
los tomiiios.
NOTA:Usted puedecomprar los elementos del fiitro de aire
nuevos Ilamandoal 1=800=4=MY=HOME(469o4663).
51

Limpie/Reempiace ia Buj a
Cambieia bujfa cada 100 horas de funcionamiento o una vez
al afio, io que suceda antes. Esto ayudar_ a su motor a
arrancar mAsf_cilmente y funcionar mejor=
1. Limpie Ia zonade alrededor de Ia buj[a=
2. Retire e inspeccione Ia bujia=
3. Revise ia separaciOnde! electrodo con un caiibrador de
aiambre y ajuste la separaciOna 0=030pulgadas
(O=76mm)si es necesario=
4= CambieIa bujfasi los electrodosest_n picadoso
quemadoso si ia porcelanaest_agrietada.Utiiice ia buj[a
de repuesto recomendada=Consulte Especificaciones=
5. Instaie ia buj[a y apriete firmemente=
NOTA: Puedeadquirir nuevos bujia ai nOmerotetef6nico
l=800o4=MY=NOME(469=4663)=
Limpie ia Pantaiia Apagachispas
Elsiienciador del escapede! motor posee una pantatia
apagachispas,inspeccione y iimpie ia pantalia cada 100 horas
de operaci6n o una vezai afio, io quesuceda primero=
NOTA: Usted puedecomprar los apagachispasa trav6s
nuevos Ilamando aI 1-Seeo4¢IY-NOME (469-4663)=
ElgeneradortendrA quetener un apagachispassi Io usa en
terrenos no tratados cubiertos de monte, maiezao pasto=Ei
apagachispasdeberAser mantenido en buenas condiciones
por parte del propietario/operador=
®
®
®
®
ADVERTENCIA
Etcontacto con Ia zona deI silenciador puede
producir quemadurasgraves.
Los gasesy e! calor de escape puedeninfiamar
los materiaies combustibles y ias estructuras o
dafiar ei dep6sito de combustibie y provocar un
incendio=
NOtoquelassuperficiescalientesy evitelos gasesdelescapea
altatemperatura.
Permitaqueelequiposeenfrieantesdetocarlo.
Dejeunespaciominimode 1.5m (5 pies)alrededorde!
generadorincluidalapartesuperior.
E!COdigodeNormativaFederal(CFR,Titulo36: Parques,
Bosquesy Propiedad%blica) obligaainstalarunapantalla
apagachispasenlosequiposconmotordecombusti6ninterno
y a mantenerlaenbuenascondicionesdefuncionamiento
conformea lanorma5100-10(o posterior)dd ServicioForestal
delaUSDA.Enel EstadodeCalifornialaley exigeel usodeuna
pantallaapagachispas(Secci6n4442delC6digodeRecursos
POblicosdeCalifornia).Enotrosestadospuedehaberleyes
similaresenvigor.
Limpieeinspecdoneel apagachispasde la siguiente manera:
1= Para retirar Ia protecciOndet silenciador (A) de
silenciador (B), retire los cuatro tornilIos queconectan
la protecciOn a la m_nsuia del silenciador=
2. Retire los cuatro torniiios que sostienen la pantalla
apagachispas (C).
3. InspeccioneIapantaliay mempl_celasi est_rota,pedomda
o dafiada.NOusepantalIasddectuosas=SiIa pantaiiano
estAdafiada,iimpielacon un disoiventecomerciat=
4. Vuelvaa instalar lapantallay la protecci6n delsilenciador.
Sistema de Refrigeraci6n de Aire
Coneltiempo, se puedenacumularresiduosen ias aietasde
refrigeraci6ndeIciiindro y pasar inadvertidosmientrasno se
desmonteparcialmenteet motor=Recomendamosqueencargue
laiimpiezadei sistemade refrigeraci6n(A)a undistribuidor de
servicio Searssiguiendoios intervaios recomendados(consuite
lasecci6n Plandemantenimiento)=Esiguaimenteimportante
queno se acumulenresiduosen el motor. ConsuitelasecciOn
Limpiezade/denerador=
Ajuste del Carburader
Elcarburador de este motor es de bajaemisi6n=EstAequipado
con una%Ivula de mezclade ralent[no ajustabiey, en atgunos
casos, con ralenti regulado. Los nivelesde raienti reguiadoy
velocidad m_ximase ajustanen ia f_brica. Si es necesario
modificarlos, acudaa un distdbuidor de servicio Sears.
PRECAUCION
Las velocidades de operaci6n en exceso, aumentanios
riesgos de heridas y dafios ai generador=
Las velocidades bajan en exceso, imponen una carga muy
)esada.
NOcambieningunavelocidaddeterminada.Elgenerador
suministraunafrecuenciay unvottaiecalificadocuando
funcionaa unavdocidaddeterminada.
NOmodifiquealgeneradorenningunaforma.
52

Generalidades
Etgenerador deberAser encendido aI menos unavez cada
siete d{asy deberAdejarlo funcionar aI menos durante
30 minutes. Si no puede hacer esto y debeaimacenar ia
unidad per m_s de 30 d{as,use Ia siguiente informaciOn
come guia para preparar su unidad paraalmacenamiento.
lastruccionesde Aimacenamiento para Pedodos
Prolongados
Esimportante evitar quese formen dep6sitos degoma enias
partesesenciaiesdei sistemade combustible,come ei
carburador,fiitro de combustible, manguerao tanque de
combustible, durantee! aimacenamiento.Tambi6n,ia
experienciaindica que ios combustiblescon mezclasdeaicohoi
(iiamadosgasohoi,etanoi o metanoi)puedenatraer humedad,
lacuat iievaa ia separaciOny formaciOnde _cidosduranteet
almacenamiento.Eigas Acidopuededa_arel sistemade
combustible de un motor durantesu almacenamiento.
ADVERTENCIA
Lacombustibie y sus vapores son
extremadamente infiamabies y expiosivos.
EIfuego o una expiosi6n puedencausarquemadurasseverase inclusive la muerte.
CUANDOAL_dACENEO GUARDEELEQUmPOCONCOMBUSTmBLE
ENEL TANQUE
, Ahnacenealeiado de calderas,estufas_calentadoresde agua,
secadorasde ropa u otros aparatos electrodom_sticos que
posean pilotos u otras fuentes de igniciOn,porque ellos pueden
eneenderlos vapores de la combustible.
CUANDOVACiE ELDEPOSITO
•Apague el generador (posici6n OFF)y d_ielo enfriar aI menos
per 2 minutes antes de remover la tapa de la combustible.
Afloje la tapa lentarnenteparadejar que la presiOnsalga del
tanque.
,Vacieel depOsitode combustible a la intemperie.
,Mantenga la cornbustible alejada dechispas, llamas abiertas,
piloto& calor y otras fuentes de igniciOn.
• NOencienda un cigarrillo o fume.
Protecci6n del Sistema de Combustible
Aditivo para Combustible:
Lieneei dep6sito con combustible nuevo y deje
aproximadamente 4 cm (1,5") de espacio para permitir ia
expansion dei combustibie, come se muestra en ia p_gina
42, cuAndo utiliza un cartucho de aditivo para ei combustible
con ei tap6n FreshStartTM. Si s6io se iiena parciaimente,el
aire contenido en e! depOsitofavorecer_ el deterioro det
combustibie durante et aimacenamiento. El motor y ei
combustibie se pueden aimacenarhasta 6 meses con aditivo.
o Compruebee! niveI deI cartucho de aditivo para ei
combustibie. Eiaditivo es decoior oscuro.
o Si ei cartucho est,1vacio o casi vacio, cAmbieto per otro
nuevo conforme a ias instrucciones de la secci6n Tap6n
de combustible Fresh StarF_
Si no usa aditivo para combustible, retire todo ei
combustible deItanque y hagafuncionar et motor hasta que
se detenga per falta de combustibie.
Cambie de Aceite
Con e! motor todavia caiiente, drene ei aceite de ia caja del
cigOe_al.Vueiva a ilenarla con et grade deaceite
recomendado.
Aceite et Didmetro Interior del Ciliedre
o Quite Ia bujia y vierta aproximadamente30 mI (1 onza)
de aceite de motor iimpio en ei interior dei ciiindro.
o Coioque la buj[a y arranque lentamente para distribuir el
aceite.
ADVERTENCIA
Chispearinvoiuntario puedetener come
_ resultado et fuego oet golpe ei6ctrico.
•NUNCAarranqueel motorsin la bujiasinstalada.
Geeerador
o Limpie e! generador come est_ descrito en Lirnpiezade/
Generador.
o Reviseque ias ranuras para ei aire de enfriamiento y las
aperturas dei generador se encuentren abiertasy
despejadas.
Otras Sugereneias para ei Aimacenamiento
1. No guarde combustible de unatemporada a otra a
menos que io hayatratado come se indica en la secci6n
Pmtecci6n dei Sistema de Combustib/'e.
2. Reempiacela canecade gasoiina si comienza a
oxidarse. Ei Oxidoy/o ia suciedad en ia gasoiina le
causar_ probiemas.
3. Si es posibie, aimacenesu unidaden un recinto
encerrado y cObralapara protegeria dei poivo y la
suciedad.
4. Cubra su unidad con unacubierta de protecciOn
adecuadaque no retenga humedad.
ADVERTENCIA
Las cubiertas para almacenamientopueden ser
inflamables.
NOcoloqueunacubiertaencirnadeungeneradorcaliente.
Dejequela unidadseenfrieIo suficientementeantesdequele
coloquela cubierta.
5. Atmacenela unidad en un _rea fimpia y seca.
53

Problema
Ei meter est_ funcionande pete no
existe salida de AC dispenibie.
EJmotorfuncionabiensincargaspero
'luncionamap cuandomascargasson
conectadas. 3.
4.
1.
2.
3.
4.
5.
6.
El motor no arran€a; o arranca y
funciona real. 7.
8.
Causa
1. Uno de ios cotacircuitos est_
abbrto.
2. Failaen el generador.
3. Maia conexiOno juego de cordones
defectuoso.
4. Eldispositivo conectado est_ en
maIestado.
1. Corto circuito en la carga
conectada.
2. Lavelocidad dei motor es muy
lenta.
Elgenerador est_ sobrecargado.
Circuito del generador en corto.
Interruptor balancin en "Off".
%Ivula deI combustible a la
posiciOn"Off".
Depurador de aire sucio=
Sin combustible.
Combustible vbja.
Elatambre de Ia bujia no est_
conectado.
Bujiaen maI estado.
Agua en la combustible.
SoluciCn
1. Reajusteel cortacircuito.
2. POngaseen contacto con la Planta
de Servicio de Sears.
3. Revisey repare.
4. Conecteotro dispositivo que est6
en buenas condiciones.
1. Desconecteia carga ei@trica en
corto.
2. POngaseen contacto con ia Planta
de Servicio de Sears.
3. Yea/Vo Sobrecargue Generado£
4. POngaseen contacto con la Planta
de Servbio de Sears.
.
2.
3.
4.
5.
6.
Cotoqueel interruptor en "On"(En).
Gire Ia %Ivula del combustible a la
posiciOn"On".
Limpie o reemplaceet depurador
de aire.
Lieneei tanque de combustible=
Drone eltanque de combustibb
II@elo con combustible fresco.
Conecteet abmbre a la bujia.
7. ReemplaceIa buj[a.
8, Drone ettanque de combustibie
II@elo con combustible fresco=
9. Excesode cebado.
10. Mezctade combustibb
excesivamenterica.
9. Espere5 minutos y hagagirar et
motor.
10. POngaseen contacto con Ia Planta
de Servicio de Sears.
11. V_Ivula detoma atascadaen la
posiciOnabierta o cerrada.
12. El motor ha perdido compresiCn.
El motor se apaga en pleno Sin combustible.
funcionamiento.
AI motor le hate falta poten¢ia.
El motor "no funciona continuamente"o
se defiene.
1. Lacarga es muy alta.
2. Filtro de aire sucio.
Carburador con mezctade aireo
combustibb muy rica o muy pobre.
11. PCngaseen contacto con Ia Planta
de Servicio de Sears.
12. POngaseen contacto con la Manta
de Servbio de Sears=
Lleneel tanque del combustible.
1. Vea No Sobrecargue Generador.
2. Reemplaceel filtro de aire.
POngaseen contacto con la Planta de
Servicio de Sears.
54

55

56

57

Sears, Roebuck and Co., U.S.A. (Sears), California Air Resources Board (Consejo de Recursos sobre el Aire de California,
CARB, per sus siglas en ingles)y UnitedStates Environmental ProtectionAgency (Agenciade Protecci6nAmbiental de
EE.UU., EPA, per sue siglas en ingi_s).
DecJara¢idnde garanfia damsistema de ¢ontromde emisiones
(detaches y oMiga¢iones del propietarie pare la gamnfia centre defectesl
California Air Resources Board (CARB) U.S, EPAy Sears le explican a continuaci6n
la garant[a del sistema de control de emisiones de su pequ@o motor para m_iquinas
de servicio (SORE, Small Offroad Engine). En California, los modelos de peque_os
motores para m_quinas de servicio a partir del a_o 2006 @ben estar dise_ados,
fabdcados y equipados conforme a los exigentes est_indares de lucha contra la
contaminaci6n del Estado.
En otras regiones de Estados Unidos, los nuevos motores para interiores de
ignici6n per chispa certificados para modelos a_o !997 y posteriores deben
cumplir con normas similares establecidas per la EPA de EE.UU. Sears debe
garantizar el sistema de control de emisiones de su motor para los per[odes
indicados a continuaci6n, siempre y cuando no se haya abusado, descuidado o
dado mantenimiento incorrecto al motor peque_o para exteriores
Su sistema de control de emisiones incluye plazas come el carburador, el filtro de
aire, el sistema de arranque, el tube de combustible el silenciador y el convertidor
catalitico. Tambidn puede incluir conectores y otros coquntos relacionados con las
emisiones
Cuando exista una condici6n qua pueda ser cubierta per la garantia, Sears
reparar_i el motor pequ@o para exteriores sin costa alguno, incluyendo el
diagn6stico, las partes de repuesto y la mane de obra
Cobertura de la garaetia de Sears, Recheck and Ce. centre detectes ee el
central de emisianee
Los pequ@os motores para m_quinas de servicio est_in garantizados centre defectos
de las piezas de control de emisiones durante un periodo de dos a_os, conforme alas 2.
siguientes disposiciones Si cualquier plaza del motor con cobertura es defectuosa,
ser_ reparada o sustituida per Sears.
Respaesabilidadas del prepietarie pare la garaetia
Come propietario del motor pequ@o para exteriores_ usted es responsable de
realizar las actividades de mantenimiento requeddas qua se indican en
Instrucciones de use y mantenimiento Sears recomienda qua conserve todos los 3.
recibos qua cubran el mantenimiento de su motor pequ@o para exteriores, pare
Sears no puede negar la garant[a solamente per la falta de recibos ni per su
imposibilidad de garantizar la realizacidn de todas las actividades de
mantenimiento programadas.
Come propietado del motor pequdio pare exteriores, usted siempre debe tenet
en cuenta qua Sears podr_ negar la cobertura de la garant[a si su motor peque_o 4.
para exteriores o una parte del mismo presenta fallas debido a abuse, descuido,
mantenimiento incorrecto o modificaciones no aprobadas
Usted es responsabb de presentar su motor pequeiio para extedores a un
distdbuidor autodzado de servicio de Sears aprobado tan pronto come se
presente el probbma,
Las reparaciones cubbrtas per la garanth se Ilevar_n a cabo en un plaza
razonable, no superior a 30 dhs en ning0n case.
Si tiene alguna pregunta con respecto a sus derechos y responsabilidades pare la 5.
garant[a, pdngase en contacto con un representante de servicio Sears al 1-800-
469-4663
La garanfia de emisiones es una garant[a contra defectos, Los defectos se juzgan
en funcidn del rendimiento normal del motor. La garant[a no depender_i de
ninguna prueba de emisiones en funcionamiento.
Diepesi¢ianes de la garaetia de Sears, Reebeck and Ce. centre detectae ee el
central de emisiaees
Las siguientes son disposiciones especificas relacionadas con la cobertura de la
garanfia contra defectos en el control de emisiones. Se a_ade a la garanfia de
motores de Sears para motores no regulados, qua figura en las Instrucciones de
use y mantenimiento
1, Partes garaetizadae
La cobertura bajo esta garant[a incluye solamente aquellas partes qua se 6.
enumeran a continuaci6n (las partes del sistema de control de emisiones)
en la medida qua dichas partes hayan estado presentes en el motor
adquirido.
a. Sistema de medicidn de combustible
Sistema de enriquecimbnto para arranque en fr[o
En EE.UU. y Canada1contamos con una I[nea de emergencia las 24 horas (1-800-469-4663),
mantenimiento de productos,
Carburador y partes internas
Bomba de combustible
Tube de combustible, acoplamientos del tube de combustible,
abrazaderas
Dep6sito de cornbustible, tap6n y cadena
Bate de carbono
b Sistema de inducci6n de aire
Filtro de aire
Colector de entrada
Linea de purga y ventilacidn
c. Sistema de ignici6n
BujBs
Sistema de ignici6n por magneto
d Sbtema catalizador
Convertidor catal[tico
Colector de escape
Sistema de inyeccidn de aire o v_lvula por impulsos
e. Distintos elementos utilizados en los sistemas antedores
V_lvulas e interruptores de vado temperatura posicidn y de
deteccidn de tiempo
Conectores y conjuntos
Vigen¢ia de ia Gebertera
Sears garantiza al propietario inicial y a cada comprador subsiguiente qua
las partes garantizadas estar_n libres de defectos en material yen mane de
obra, qua ocasionen fallas de las partes garantizadas durante un per[ode de
dos aSos a partir de la fecha en qua el motor sea entregado al comprador
minorista,
Ne babr_ cargae
La reparacidn o reemplazo de cualquier parte garantizada se realizar_isin
cargo alguno pare el propietado, incluyendo la mane de obra de diagndstico
qua derive en la determinacidn de qua una parte garantizada est_ defeduosa,
si la labor de diagndstico se realiza en un Centre de servicio Sears aprobado.
Reclames y exelesieees de cabemtera
Los reclamos vinculados con la garant[a se presentar_in conforme alas
disposiciones de la Pdliza de garant[a de Sears. La cobertura de la garanth
se excluir_i para aquellas fallas de partes garantizadas qua no sean partes
originales de Sears o debido a abuse, descuido o mantenimiento incorrecto,
sag@ se estabbce en la Pdliza de garanth de motores de Sears. Sears no
es responsable per la cobertura de fallas de partes garantizadas ocasionadas
per el use de partes adicionales, no originabs o modificadas.
Manteeimiente
Cualquier parte garantizada cuyo reemplazo no est6 programado come
mantenimiento requeddo o qua est_ programada 8nicamente para
inspeccidn frecuente con el fin de "reparar o reemplazar conforme sea
necesario", estar_i garantizada en cuanto a defectos per el per[ode de la
garantia. Cualquier parte garantizada cuyo reemplazo este programado
come mantenimiento requeddo tendr_ solamente una garanth contra
defectos 0nicamente per el per[ode hasta el primer reemplazo programado
para esa parte Se podr_ utilizer cualquier parte de repuesto qua tenga un
rendimiento y durabilidad equivabntes, al realizar cualquier actividad de
mantenimiento o reparacidn El propietario es responsable de realizar todo
el mantenimiento requerido, segSn se define en Instrucciones de use y
mantenimiento de Sears,
Cebertara ceesigeieete
La cobertura bajo [a presente se ampliar_ a [a falla de cualquier componente
del motor provocada per un desperfecto en cualquier parte garantizada qua
siga gozando de la cobertura de la garant[a.
qua ofrece un men_ de mensajes pregrabados con informaci6n sabre
58

_nformacidn sobre emisiones
Los motores con certificad@ de cumplimbnto de Ia
normativa sobre emisiones de nivel 2 del CaIifornia Air
ResourcesBoard (CARB)@ben mostrar informaci6n sobre
el per[odo de durabiiidad de ias emisiones y e! [ndice de aire.
Etfabrbante dei motor ofreceesta informaci@ aI
consumidor mediante etiquetas de emisiones. La etiqueta de
emisiones det motor contiene ia informaciOn de certificaci@.
EtPefiodo de Durabilidad de las Emisiones indica et
nOmerode horas durante ias cuabs el motor puede
funcionar curnpiiendo ias normas sobre emisiones, siempre
que se reaIicenias operacionesde mantenimbnto que se
detatianen Ias instrucciones de uso y mantenimbnto. Se
utilizanIas siguientes categor[as:
Nioderado: Ei motor est_ certificado para cumpiir ia
normativa sobre emisiones durante 125 horas de
funcionamiento real
Jntermedio: Ei motor est_ certificado para cumptir la
normativa sobre emisiones durante 250 horas de
funcionamiento real.
Prelongado: Etmotor est_certificado para cumpiir la
normativa sobre emisiones durante 500 horas de
funcionamiento reai.
Porejemplo, un corta@sped con operario a pie se sueie
utilizar entre 20 y 25 horas aI aiio. Portanto, ei Pefiodo de
Durabilidad de las Emisiones de un motor con dasificaci@
inteH_edia equivaldr[aa 10-12 afios.
Algunos motores cuentan con ia certificaciOn de
cumptimiento de Iafase 2 de Iasnormas sobre emisiones de
la United States Environmental Protection Agency (USEPA,
Agencia estadounidense de protecci6n deI medioambiente).
Enel caso de Ios motores con certificaci6n de fase 2, el
periodo de cumptimiento de Ia normativa sobre emisiones
quefigura en ia etiqueta de cumplimiento de emisiones
indica et nOmero de horas de funcionamiento durante Ias
cuabs ei motor ha demostrado cumplir los requisitos
federales sobre emisiones.
Paramotores de menos de 225 cc:
CategoriaC = 125 horas
CategoriaB = 250 horas
CategoriaA = 500 horas.
Paramotores de 225 cco m_s:
CategoriaC = 250 horas
CategoriaB = 500 horas
CategoriaA = 1000 horas.
59

Your Home
For repair-in your home-of aH major brand appliances,
lawn and garden equipment, or heating and cooling systems,
no matter who made it, no matter who sold it!
For,the replacement parts, accessories and
owner s manuals that you need to do-it-yourself.
For Sears professional installation of home appliances
and items like garage door openers and water heaters.
1-800-4-MY-HOME ® Anytime, day or night
(1o800-469-4663) (U.S.A. and Canada)
www.sears.corn www.sears.ca
our Home
For repair of carry-in items like vacuums, Hawnequipment,
_n_oloct_on_cs,c_,orgoon-,oo_or_eo st
soo_,po_t__Ropoi,cooto,.
1"800"488"1222 Anytime, day or night (U.S.A. only)
............... www,sears.com
To purchase a protection agreement (U.S.A.)
or maintenance agreement (Canada)on a product serviced by Sears:
1-800-827-6655 (U.S.A.) 1-800-361-6665 (Canada)
Parapedirserviciodereparaci6n AuCanadapourserviceenfran_ais:
a domieilio, y para ordenar piezas: 1.800.LE.FOYERMC
1-888 oSUoHOGAR sM (1°800°533°6937)
(1-888W84-6427) www.sears.ca
@ Sears Brands, LLC
@ Registered Trademark /TMTrademark /SMService Mark of Sears Brands, LLC
® Mama Registrada /TM Mama de Fabrica /sM Marca de Servicio de Sears Brands, LLC
Mc Marque de commerce /MDMarque d6pos6e de Sears Brands, LLC