Craftsman 580328301 User Manual AC GENERATOR Manuals And Guides L0209326
CRAFTSMAN Generator Manual L0209326 CRAFTSMAN Generator Owner's Manual, CRAFTSMAN Generator installation guides
User Manual: Craftsman 580328301 580328301 CRAFTSMAN AC GENERATOR - Manuals and Guides View the owners manual for your CRAFTSMAN AC GENERATOR #580328301. Home:Tool Parts:Craftsman Parts:Craftsman AC GENERATOR Manual
Open the PDF directly: View PDF
.
Page Count: 60

Owner's Manual
CRAFTSMAN+
120/240 Volt
Electric Start
10,000 Watt
AC GENERATOR
Model No 580.328301
CusGemn:/aHt°lpline_"
HOURS: Mon.- Fri. 8 a.m. to 5 p.m. (CT)
CAUTION:
Before using this product, read this
manual and follow all its Safety Rules
and Operating Instructions
Sears, Roebuck and Co, Hoffman Estates, IL 60179
Visit our Craftsman website: www.sears.com/craftsman
Part No. 186942 Draft 3 (09/19/2002) Printed in the U.S.A.
• Safety
• Assembly
• Operation
• Maintenance
• Parts
•Espahol

Warranty .................................. 2
Safety Rules ............................... 3
Assembly ............................... 4-5
Operation .............................. 6-12
Maintenance ........................... 13-15
Product Specifications ....................... 14
Storage .................................. 16
Troubleshooting ............................ 17
Schematic ................................ 18
Wiring Diagram ............................ 19
Replacement Parts ...................... 20-37
Emissions Warranty ......................... 38
Notes ................................... 39
EspaSol ............................... 40-59
How to Order Parts .................. Back Cover
LIMITED WARRANTY FOR DELUXE PORTABLE GENERATORS
SEARS warrants to the original purchaser that the alternator and engine for its portable generator will be free
from defects in materials or workmanship for the items and period set forth below from the date of original
purchase. This warranty is not transferable and applies only to portable generators driven by the Sears
warranted engine.
CONSUMER* COMMERCIAL*
Alternator 2 years (2nd year parts only) 1 year
Engine 2 years (2nd year parts only) 1 year
*NOTE: For the purpose of this warranty "Consumer Use" means personal residential household and
emergency use by original purchaser, not to be used as a primary source of power. "Commercial Use" means all
other uses, including rental, construction, commercial, and income producing purposes. Once a generator has
experienced commercial use, it shall thereafter be considered a commercial use generator for the purpose of
this warranty.
During said warranty period, SEARS will, at its option, repair or replace any part which, upon examination by
SEARS, is found to be defective under normal use and service**. Starting batteries are not warranted by
SEARS. All transportation costs under warranty, including return to the factory if necessary, are to be borne by
the purchaser and prepaid by him. This warranty does not cover normal maintenance and service and does not
apply to a generator set, alternator or engine, or parts which have been subjected to improper or unauthorized
installation or alteration, misuse, negligence, accident, overloading, overspeeding, improper maintenance, repair
or storage so as, in SEARS's judgment, to adversely affect its performance and reliability.
** NORMAL WEAR: As with all mechanical devices, engines need periodic parts service and replacement to
perform well. This warranty will not cover repair when normal use has exhausted the life of a part or engine.
THERE IS NO OTHER EXPRESS WARRANTY. SEARS HEREBY DISCLAIMS ANY AND ALL
IMPLIED WARRANTIES, INCLUDING BUT NOT LIMITED TO THOSE OF MERCHANTABILITY
AND FITNESS FOR A PARTICULAR PURPOSE TO THE EXTENT PERMITTED BY LAW. THE
DURATION OF ANY IMPLIED WARRANTIES WHICH CANNOT BE DISCLAIMED IS LIMITED TO
THE TIME PERIOD AS SPECIFIED IN THE EXPRESS WARRANTY. LIABILITY FOR
CONSEQUENTIAL, INCIDENTAL, OR SPECIAL DAMAGES UNDER ANY AND ALL WARRANTIES
IS EXCLUDED.
Some states do not allow limitations on how long an implied warranty lasts, or the exclusion or limitation of
incidental or consequential damages, so the above limitations or exclusions may not apply to you. This warranty
gives you specific legal rights and you may also have other rights, which vary from state to state.
For service, see your nearest SEARS authorized warranty service facility. Warranty service can be performed
only by a SEARS authorized service facility. This warranty will not apply to service at any other facility. At the
time of requesting warranty service, evidence of original purchase date must be presented.
SEARS, ROEBUCK AND CO., D/817 WA, Hoffman Estates, IL 60179 U.S.A

CAUTION! Before using this product, read this
manual and follow all Safety Rules and
Operating Instructions.
WARNING! You must isolate the generator
from the electric utility by opening the electrical
system's main circuit breaker or main switch if
this unit is used for backup power. Failure to
isolate the generator from the power utility
may result in injury or death to electric utility
workers and damage to the generator due to
a backfeed of electrical energy. When used as
backup power, the local power utilitymust be
notified.
DANGER! Generator exhaust gases contain
DEADLY carbon monoxide gas. Carbon
monoxide, if breathed in sufficient
concentrations, will cause unconsciousness
or death. Operate this equipment outdoors
where adequate ventilation is available.
CAUTION! To prevent accidental starting when
setting up, transporting, adjusting or making
repairs to your generator, always disconnect
spark plug wire and place the wire where it
cannot contact the spark plug.
• The unit requires an adequate flow of cooling air
for its continued proper operation. Never operate
the unit inside any room or enclosure where the
free flow of cooling air into and out of the unit might
be obstructed. Allow at least 3 feet of clearance on
all sides of generator or you could damage the unit.
• The generator produces dangerously high voltage
that can cause extremely hazardous electrical
shock. Avoid contact with bare wires, terminals,
etc. Never permit any untrained person to operate
or service the generator.
•Do Not overfill the fuel tank. Always allow room for
fuel expansion. If tank is overfilled, fuel can
overflow onto a hot engine and cause FIRE or an
EXPLOSION.
• Never operate the generator:
in rain; in any enclosed compartment; when
connected electrical devices overheat; if electrical
output is lost; if engine or generator sparks; if flame
or smoke is observed while unit is running; if unit
vibrates excessively.
• Never handle any kind of electrical cord or device
while standing in water, while barefoot or while
hands or feet are wet. Dangerous electrical shock
will result.
• Use a ground fault circuit interrupter in any damp
or highly conductive area (such as metal decking or
steel work).
• Do Not use worn, bare, frayed or otherwise
damaged electrical cord sets with the generator.
Using any defective cord set may result in electrical
shock or damage to property.
• Operate generator only on level surfaces and
where it will not be exposed to excessive moisture,
dirt, dust or corrosive vapors.
• Gasoline is highly FLAMMABLE and its vapors are
EXPLOSIVE. Do Not permit smoking, open flames,
sparks or heat in the vicinity while handling
gasoline. Avoid spilling gasoline on a hot engine.
Comply with all laws regulating storage and
handling of gasoline.
• Never store generator with fuel in tank where
gasoline vapors might reach an open flame or
spark or pilot light (as on a furnace, water heater or
clothes dryer). FIRE or EXPLOSION may result.
• Never add fuel while unit is running.
• Never start or stop the unit with electrical loads
connected to receptacles AND with connected
devices turned ON. Start the engine and let it
stabilize before connecting electrical loads.
Disconnect all electrical loads before shutting down
the generator.
• Do Not insert any object through cooling slots of
the engine-generator.
NOTE: Your generator is equipped with a spark
arrester muffler. The spark arrester must be
maintained in effective working order by the owner/
operator. In the State of California, a spark arrester is
required by law (Section 4442 of the California Public
Resources Code). Other states may have similar laws.
Federal laws apply on federal lands.
,_ THIS IS THE SAFETY ALERT SYMBOL. IT IS USED TO ALERT YOU TO POTENTIAL
PERSONAL INJURY HAZARDS. OBEY ALL SAFETY MESSAGES THAT FOLLOW THIS
SYMBOL TO AVOID POSSIBLE INJURY OR DEATH.

Your generator requires some assembly and is ready
for use after it has been properly serviced with the
recommended oil and fuel.
If you have any problems with the assembly of
your generator, please call the generator helpline
at 1-800-222-3136.
IMPORTANT: Any attempt to run the engine before it
has been serviced with the recommended oil will result
in an engine failure.
TO REMOVE THE GENERATOR
FROM CARTON
• Set the palleted carton on a rigid flat surface.
• Carefully cut bands around the shipping carton.
• Lift carton off the generator.
• Remove all packing material, carton fillers, etc.
• Remove the generator from the shipping pallet.
CARTON CONTENTS
Check all contents. If any parts are missing or
damaged, call the generator helpline at
1-800-222-3136. Contents Include:
• 10,000 Watt generator
• Owner's manual
• 2 Bottles of engine oil (28 oz.)
• 125 Volt, 30 Amp plug
• 125 Volt, 20 Amp plug
• 240 Volt, 30 Amp plug
• Oil fill spout
• Wheel kit
CHECK BATTERY /ATTACH
NEGATIVE BATTERY WIRE
The battery on the generator is fully charged, sealed
and pre-installed except for the negative (black)
battery cable.
To install:
•Place key switch in "Stop" position.
•Remove hardware on the negative battery terminal.
f
Neg_
• Align the negative battery cable with the terminal.
• Reattach hardware and tighten.
• Ensure the connections to the battery and
generator and tight and secure.
4

WHEEL KIT INSTALLATION
To install your wheel kit, you will need the following
tools:
•13mm metric box, open end or socket wrench
• Neddle-nose pliers
Install Wheel Kit as follows:
1. Place the bottom of the generator cradle on a flat,
even surface. Place temporary blocks under the
cradle to ease assembly.
2. Slide axle through both axle mounting brackets on
cradle frame.
3. Slide spacer over each end of axle.
4. Slide a wheel over the axle.
NOTE: Be sure to install both wheels with the air
pressure valve on the outboard side.
5. Place the e-ring onto the groove in the axle. You
may add the flat washer if desired.
6. Place one end of the needle nose pliers on the
bottom of the axle and the other end of the pliers
on top of the e-ring. Seat the e-ring by pressing
the pliers closed.
7. Repeat step 4 through 6 to secure second wheel.
8. Secure the vibration mount on the support leg with
lock nut,and 30mm long capscrew.
9. Fasten the support leg to the bottom of the
generator cradle using two 20 mm capscrews, two
lock washers and two flat washers. Remove
temporary blocks.
10. Position the handle below the muffler bracket on
the frame, as shown. Attach the handle with four
45mm long capscrews and four lock nuts.
11. Recheck all nuts to make sure they are tight and
secure.
Handle
Weld
Nut
Locking
Nut
45mm
Capscrew
Locking
Nut
Support
Leg
Axle Spacer
Wheel
Washer
E-Ring
Vibration
Mount .
30mm
Capscrew
Flat Washer
Washer
_ 20mm
Capscrew

KNOW YOUR GENERATOR
Read the owner's manual and safety rules before operating your generator.
Compare the illustrations with your generator to familiarize yourself with the locations of various controls and
adjustments. Save this manual for future reference.
FuelTank
Circuit Breakers
(AC)
120 Volt AC,
20 Amp
Duplex
Receptacle
120 Volt AC.
20 Amp
Locking
Receptacle
120 Volt AC,
30 Amp
Locking
Receptacle
120/240 Volt AC,
30 Amp Locking
Receptacle
Fuel Shut Off Valve
120/240 Volt AC,
50 Amp Receptacle
Air Filter
top of engine)
Key Switch
Choke
Oil Filter
120 Volt AC, 20 Amp Duplex Receptacle -- Each
supplies electrical power for the operation of 120 Volt
AC, 20 Amp, single phase, 60 Hz electrical lighting,
appliance, tool and motor loads.
120 Volt AC, 20 Amp Locking Receptacle --
Supplies electrical power for the operation of 120 Volt
AC, 20 Amp, single phase, 60 Hz electrical lighting,
appliance, tool and motor loads.
120 Volt AC, 30 Amp Locking Receptacle --
Supplies electrical power for the operation of 120 Volt
AC, 30 Amp, single phase, 60 Hz electrical lighting,
appliance, tool and motor loads.
120/240 Volt AC, 30 Amp Locking Receptacle --
Supplies electrical power for the operation of
120 and/or 240 Volt AC, 30 Amp, single phase, 60 Hz
electrical lighting, appliance, tool and motor loads.
120/240 Volt AC, 50 Amp Receptacle -- Supplies
electrical power for the operation of 120/240 Volt AC,
single phase, 60 Hz welder or motor loads at
50 Amps.
Air Filter -- Filters intake air as it is drawn into the
engine.
Choke -- Used to start a cold engine.
Circuit Breakers (AC) -- Each receptacle is provided
with a circuit breaker to protect the generator against
electrical overload. Breakers are "push to reset" type.
Fuel Shut-Off Valve -- Always have the fuel shut-off
valve closed when engine not running.
Fuel Tank -- Tank holds 10 U.S. gallons of unleaded
gasoline.
Key Switch -- Used to start engine. Always have key
switch in the "Stop" position when not in use.
Oil Filter- Filters engine oil to prolong engine life.

BEFORE STARTING THE
GENERATOR
Add Engine Oil
NOTE: A 20 hour break-in period is required. Replace
engine oil and oil filter after the first 20 hours. Do Not
use synthetic oil during the break-in period.
NOTE: When adding oil to the engine crankcase in
the future, use only high quality detergent oil rated
with API service classification SF or higher. Use no
special additives.
Select the oil's viscosity grade according to your
expected operating temperature:
i[tlYivj
PZ*IT_VJ
Single
Grade
Multi • •
Grade • •
-20 -10 0 10 20 30 40°C
-4 14 32 50 68 86 104°F
NOTE: For operating temperatures above 90°F,
synthetic oil is recommended. Synthetic oil will last
longer and protect the engine better in high
temperature conditions.
Although multi-viscosity oils (10W40, 10W30, etc.)
improve starting in cold weather, these multi-viscosity
oils will result in increased oil consumption when used
above 32°F. Check your engine oil level more
frequently to avoid possible damage from running low
on oil.
To add oil:
• Place generator on a level surface.
• Clean area around oil fill cap and dipstick. Remove
oil fill cap and dipstick.
• Wipe dipstick clean.
• Slowly fill engine with oil through the oil fill opening
until it reaches the upper line on the dipstick. An oil
spout is supplied that can be attached to the oil
bottle. Always check the oil level with the dipstick
plugged into position. Stop filling occasionally to
check oil level. Do Not overfill!
• Install dipstick. Install oil fill cap and hand tighten
securely.
• Check engine oil level before starting each time
thereafter. Refill if below the lower line on the
dipstick.
0,,Oau0e
Upper Level
Add Gasoline
A ARNING! Never fill fuel tank indoors. Never
fill fuel tank when engine is running or hot.
Do Not light a cigarette or smoke when filling
the fuel tank.
A ARNING! Do Not overfill the fuel tank.
Always leave room for expansion.
• Use regular UNLEADED gasoline in the
generator. Do Not use premium gasoline. Do Not
mix oil with gasoline.
• Clean area around fuel fill cap; remove cap.
• Fill fuel tank with clean, fresh, unleaded gasoline.
Be careful not to overfill. Allow 1/2" of tank space
for fuel expansion.
Tank
1/2" Air _ _ J Fuel
:___Space _ __ _:_zz_
• Install fuel cap and wipe up any spilled gasoline.
IMPORTANT: If the generator stops because it ran
out of fuel, turn key switch to "Stop" position so that
the battery is not depleted.
IMPORTANT: It is important to prevent gum deposits
from forming in fuel system parts during storage, such
as the carburetor, fuel filter, fuel hose or tank. Also,
alcohol-blended fuels (called gasohol, ethanol or
methanol) can attract moisture, which leads to
formation of acids during storage. Acidic gas can
damage the fuel system while in storage. To avoid
engine problems, the fuel system should be emptied
before storage of 30 days or longer. See "Storage" on
page 16. Never use engine or carburetor cleaner
products in the fuel tank or permanent damage may
Occur.

HOW TO USE YOUR GENERATOR
If you have any problems operating your generator,
please call the generator helpline at 1-800-222-3136.
Grounding The Generator
The National Electrical Code requires that the
frame and external electrically conductive parts of
this generator be properly connected to an
approved earth ground. Local electrical codes may
also require proper grounding of the unit. For that
purpose, a grounding lug is provided on the base of
the cradle.
TO START THE ENGINE
CAUTION! Never start or stop engine with electrical
devices plugged into the receptacles AND devices
turned ON.
• Unplug all electrical loads from generator
receptacles before starting the engine.
• Make sure the unit is in a level position.
• Open the fuel shut-off valve.
\FUEL TANK
Generally, connecting a No. 12 AWG (American Wire
Gauge) stranded copper wire to the grounding lug and
to an earth-driven copper or brass grounding rod
(electrode) provides adequate protection against
electrical shock. However, local codes may vary
widely. Consult with a local electrician for
grounding requirements in your area.
Proper grounding of generator will help prevent
electrical shock in the event of a ground fault
condition in the generator or in connected electrical
devices. Proper grounding also helps dissipate static
electricity, which often builds up in ungrounded
devices.
Connecting Electrical Loads
• Let engine stabilize and warm up for a few minutes
after starting.
• Plug in and turn on the desired 120 Volt or
240 Volt, single phase, 60 Hz electrical loads.
• Do Not connect 240 Volt loads to 120 Volt
receptacles.
• Do Not connect 3-phase loads to the generator.
• Do Not connect 50 Hz loads to the generator.
• Add up the rated watts (or amps) of all loads to be
connected at one time. This total should not be
greater than (a) the rated wattage/amperage
capacity of the generator or (b) circuit breaker
rating of the receptacle supplying the power. See
"Don't Overload the Generator" on page 12.
J
Fuel Valve is shown
in the On position
Pull the choke knob to close. If the engine is warm,
or the ambient temperature is high, pull the choke
knob half-way, or keep it fully open.
Close /
/
\
Turn the key switch to the "Start" position.
IMPORTANT: Do Not operate the electric starter
continuously for more than 5 seconds, even if the
engine does not start. Extended cranking can damage
the starter motor.
NOTE: If engine fails to start, set the key to the "Run"
position and wait for about 10 seconds before retrying.
IMPORTANT: Never turn the key switch to the "Start"
position while the engine is running. You could
damage the starter motor.
• When the engine starts, gradually open choke by
pushing the choke knob and keep it fully opened
while running.

IMPORTANT:DoNotoverloadthegenerator.Also,
DoNotoverloadindividualpanelreceptacles.These
outletsareprotectedagainstoverloadwithpush-to-
reset-typecircuitbreakers.Ifamperageratingofany
circuitbreakerisexceeded,thatbreakeropensand
electricaloutputtothatreceptacleislost.Read"Don't
OverloadtheGenerator"onpage12carefully.
STOPPING THE ENGINE
• Unplug (or turn OFF) all electrical loads connected
to generator panel receptacles. Never start or
stop engine with devices plugged in and turned
on.
• Let engine run at no-load for 30 seconds to
stabilize the internal temperatures of engine and
generator.
• Turn the key switch to the "Stop" position.
• Close the fuel valve.
STOPPING THE ENGINE WITH THE
FUEL VALVE
This procedure eliminates fuel from the carburetor.
Use this method to stop the generator if you plan to
store the generator over a long period. Fuel will clog
the internal passages of carburetor if allowed to
remain for an extended period.
• Unplug (or turn OFF) all electrical loads connected
to generator panel receptacles. Never start or
stop engine with devices plugged in and turned
on.
• Let engine run at no-load for 30 seconds to
stabilize the internal temperatures of engine and
generator.
• Close the fuel valve while the engine is running
and wait until the engine stops.
Set the key switch to the "Stop" position after
stopping the engine. Failure to put the key
switch into the "Stop" position will deplete the
battery.
If the Engine Will Not Start
Perform the following checks if your engine does not
start:
1. Do you have enough gasoline?
Check to make sure you have fuel in the gas tank.
2. Is the fuel valve open?
Check to make sure the fuel valve is open. If it is
closed, open it.
3. Is there enough compression?
Check to see if either spark plug is loose. If so,
tighten it.
4. Is there enough oil?
You unit comes equipped with a low oil pressure
shutdown system. If there is not enough oil in your
engine it will not start. Fill the engine with oil to the
proper level.
5. Is the spark plug wet with gasoline?
• Apply full choke and crank the engine for 2 or
3 seconds. Remove the plug and check to see if
the electrode is wet. If the electrode is wet, fuel is
well supplied to your engine.
• If the electrode is dry, check to find where the
fuel is restricted. (Check the fuel intake of the
carburetor and fuel strainer intake.)
• In case the engine does not start with well
supplied fuel, try using fresh fuel.
6. Is there a strong spark across the electrode?
,_ WARNING! Wipe off any spilled gasoline
before checking the spark plug. Place spark
plug as far away from the spark plug hole as
possible. Do Not hold spark plug by hand when
checking.
• Remove the spark plug and connect it to the
plug cap. Ground spark plug against engine
body. Turn key switch to "Start" position.
Observe strength of spark.
• Repeat above step with a new spark plug if
the spark is weak or there is no spark.
• The ignition system is faulty if there is no
spark with a new spark plug. Take your unit to
your nearest Sears service center.
7. Is your battery well charged?
• Check the battery as it may be discharged
and unable to operate the electric starter.
Consult your nearest Sears service center.

RECEPTACLES
120 Volt AC, 20 Amp, Duplex Receptacle
This is a 120 Volt AC outlet, consisting of a pair of
receptacles protected against overload by a 20 Amp
push-to-reset circuit breaker.
120 Volt AC, 30 Amp Receptacle
Use a NEMA L5-30 plug with this receptacle. Connect
a 3-wire cord set rated for 125 Volts AC at 30 Amps
(or greater) to the plug.
Cord Set NEMA L5-30
Use each receptacle to power 120 Volt AC, single
phase, 60 Hz electrical loads requiring up to a
combined 2400 watts (2.4 kW) or 20 Amps of current.
Use only high quality, well-insulated, 3-wire grounded
cord sets rated for 125 Volts at 20 Amps (or greater).
Keep extension cords as short as possible, preferably
less than 15 feet long, to prevent voltage drop and
possible overheating of wires.
120 Volt AC, 20 Amp Receptacle
Use a NEMA L5-20 plug with this receptacle. Connect
a 3-wire cord set rated for 125 Volts AC at 20 Amps
(or greater) to the plug.
3-Wire Cord Set
__l.,.J NEMA L5-20
Neutral
Hot
Ground (Green)
Use this receptacle to operate 120 Volt AC, 60 Hz,
single phase loads requiring up to 2,400 watts (2.4
kW) of power at 20 Amps. The outlet is protected by a
20 Amp push-to-reset circuit breaker.
©__r_nd eutral
120V
iltreen)
Use this receptacle to operate 120 Volt AC, 60 Hz,
single phase loads requiring up to 3,600 watts
(3.6 kW) of power at 30 Amps. The outlet is protected
by a 30 Amp push-to-reset circuit breaker.
120/240 Volt AC, 30 Amp Receptacle
Use a NEMA L14-30 plug with this receptacle.
Connect a suitable 4-wire grounded cord set to the
plug and to the desired load. The cord set should be
rated for 250 Volts AC at 30 Amps (or greater).
4-Wire Cord Set
(Neutral)
NEMA L14-30 /_ Ground (Green)
Use this receptacle to operate 120 Volt AC, 60 Hz,
single phase loads requiring up to 3,600 watts
(3.6 kW) of power at 30 Amps or 240 Volt AC, 60 Hz,
single phase loads requiring up to 7,200 watts
(7.2 kW) of power at 30 Amps. The outlet is protected
by a 30 Amp push-to-reset circuit breaker.
10

120/240 Volt AC, 50 Amp Receptacle
Use a NEMA 14-50 plug with this receptacle. Connect
a 4-wire cord set rated for 250 Volts AC at 50 Amps to
the plug.
Y (Hot)
240 Volts AC
r__m
Frame Ground
AC_
W (Neutral)
NEMA 14-50
X (Hot)
Use this receptacle to operate 240 Volts AC, 60 Hz,
single phase loads requiring up to 10,000 watts
(10.0 kW) of power.
_ CAUTION! Although this outlet states it has a
240 Volt 50 Amp rating (up to 12,500 watts), the
generator is only rated for 10,000 watts.
Powering loads that exceed the wattage/
amperage capacity of the generator can
damage it and cause serious injuries.
COLD WEATHER OPERATION
Under certain weather conditions (temperatures below
40°F [4°C] combined with high humidity), your
Craftsman generator may experience icing of the
carburetor and/or the crankcase breather system. To
reduce this problem, you need to perform the following:
• Make sure generator has clean, fresh fuel.
• Open fuel tank valve (turn valve to open position).
• Use SAE 5W-30 oil (synthetic preferred, see page 5).
• Check oil level daily or after every eight (8) hours
of operation.
• Change oil every 24 hours of operation.
• Shelter unit from the elements.
In an emergency, use the original shipping carton as a
temporary shelter:
• Cut off all carton flaps.
• Cut out one of the long sides of the carton to
expose muffler side of unit as shown. Ensure a
minimum of two feet clearance between open side
of carton and nearest object.
Wind
Muffler side exposed. Your unit may differ in
appearance from that shown above.
• Cut appropriate slots to access receptacles of unit.
• Start unit, then place carton over it.
NOTE: Remove carton when temperature is above
40°F [4°C].
For a more permanent shelter, build a structure that
will enclose three sides and the top of the generator.
• Make sure entire muffler-side of generator is
exposed, as shown.
• Ensure a minimum of two feet clearance between
open side of structure and nearest object.
• Face exposed end away from wind and elements.
• Structure should hold enough heat created by the
generator to prevent icing problem.
_ ARNING! Engines give off carbon monoxide,
an odorless, colorless, poison gas. Breathing
carbon monoxide can cause nausea, fainting or
death.
• Start and run engine outdoors.
• Do Not start or run engine in enclosed area, even
if doors or windows are open.
• Do Not enclose generator any more than shown.
• Remove shelter when temperatures are above
40°F [4°C].
• Turn engine OFF and let cool two (2) minutes
before refueling.
11

DON'T OVERLOAD YOUR
GENERATOR
Capacity
You must make sure your generator can supply
enough rated (running) and surge (starting) watts for
the items you will power at the same time. Follow
these simple steps:
1. Select the items you will power at the same time.
2. Total the rated (running) watts of these items. This
is the amount of power your generator must
produce to keep your items running. See the table
on the right.
3. Estimate how many surge (starting) watts you will
need. Surge wattage is the short burst of power
needed to start electric motor-driven tools or
appliances such as a circular saw or refrigerator.
Because not all motors start at the same time,
total surge watts can be estimated by adding only
the item(s) with the highest additional surge watts
to the total rated watts from step 2.
Example:
Tool or Appliance
Window Air
Conditioner
Refrigerator
Deep Freezer
Television
Light (75 Watts)
Rated
(Running) Watts
1200
800
500
500
75
3075 Total
Running Watts
Total Rated (Running) Watts
Highest Additional Surge Watts
Total Generator Output Required
Additional Surge
(Starting) Watts
1800
1600
5OO
1800 Highest
Sure Watts
= 3075
= 1800
= 4875
Power Management
To prolong the life of your generator and attached
devices, it is important to take care when adding
electrical loads to your generator. There should be
nothing connected to the generator outlets before
starting it's engine. The correct and safe way to
manage generator power is to sequentially add loads
as follows:
1. With nothing connected to the generator, start the
engine as described in this manual.
2. Plug in and turn on the first load, preferably the
largest load you have.
3. Permit the generator output to stabilize (engine
runs smoothly and attached device operates
properly.
4. Plug in and turn on the next load.
5. Again, permit the generator to stabilize.
6. Repeat steps 4 and 5 for each additional load.
Never add more loads than the generator capacity.
Take special care to consider surge loads in generator
capacity, as described above.
Tool or Appliance
Essentials
Light Bulb - 75 watt
Deep Freezer
Sump Pump
Refrigerator/Freezer- 18 Cu. Ft.
Water Well Pump- 1/3 HP
Heating/Cooling
Window AC - 10,000 BTU
Window Fan
Furnace Fan Blower- 1/2 HP
Kitchen
Microwave Oven - 1000 Watt
Coffee Maker
Electric Stove - Single Element
Hot Plate
Family Room
DVD/CD Player
VCR
Stereo Receiver
Color Television - 27"
Personal Computer w/17"
monitor
Other
Security System
AM/FM Clock Radio
Garage Door Opener- 1/2 HP
Electric Water Heater - 40
Gallon
DIY/Job Site
Quartz Halogen Work Light
Airless Sprayer- 1/3 HP
Reciprocating Saw
Electric Drill- 1/2 HP
Circular Saw - 7 1/4"
Miter Saw - 10"
Table Planer - 6"
Table Saw/Radial Arm Saw -
10"
Air Compressor - 1-1/2 HP
*Wattages listed are approximate
appliance for actual wattage.
Additional
Rated*
(Running) Surge
Watts (Starting)
Watts
75
500 500
800 1200
800 1600
1000 2000
1200 1800
300 600
800 1300
1000
1500
1500
2500
100
100
450
500
800
180
300
480 520
4000
1000
600 1200
960 960
1000 1000
1500 1500
1800 1800
1800 1800
2000 2000
2500 2500
only. Check tool or
12

MAINTENANCE SCHEDULE
The following chart is based on normal engine operation. Follow the hourly or calendar intervals, whichever
occurs first. More frequent service is required when operating in extremely dusty or heavy load conditions.
Maintenance Items
Clean generator and check
bolts and nuts
Check and refill engine oil
Change engine oil (Note 1)
Clean spark plug
Clean air cleaner
Clean muffler exhaust
outlet
Clean fuel strainer
Replace air cleaner
element
Clean and adjust spark
plugs and electrodes
Replace oil filter
(Note 1)
Clean carburetor*
Clean carbon from cylinder
head*
Clean engine base
(oil pan)*
Check and adjust valve
seats*
Adjust valve clearance*
Replace spark plug
Replace fuel lines*
Overhaul engine*
(Note 2)
Every 8 hours
or daily
X
X
Every 50 Every 200
Hours Hours
X
X
X
X
Every 500
Hours
X
X
X
X
Every 1000
Hours
iHHHHHHHHHHHHHHHHHHHHHHHi
HHHHHHHHHHHHHHHHHHHHHHHH
HiHHHHHHHHHHHHHHHHHHHHHHii
X
X
iiiiiiiiiiiiiiiiiiiiiiiiiiiiiiiiiiiiiiiiiiiiiiiiiiiiiiiiiiiiiiiiiiiiiiiiiiiiiiiiiiiiiiiiiiiiiiiiiiiiiiiiiiiiiiiiiiiiiiiiiiiiiiiiiiiiiiiiiiiiiiiiiiiiiiiiiiiiiiiiiiiiiiiiiiiiiiiiiiiiiiiiiiiiiiiiiii i i ! !iiiiiiiiiiiiiiiiiiiiiiiiiiiiiiiiiiiiiiiiiiiiiiiiiiiiiiiiiiiiiiiiiiiiiiiiiiiiiiiiiiiiiiiiiiiiiiiiiiiiiiiiiiiiiiiiiiiiiiiiiiiiiiiiiiiiiiiiiiiiiiiiiiiiiiiiiii i i ! ii i'i'i i
X
X
X
X
ii!i!i!i!i!i!i!i!i!i!i!i!i!i!i!i!i!i!i!i!i!i!i!i!i!i!i!i!i!i!i!i!i!i!i!i!i!i!i!i!i!i!i!i!i!i!i!i!i!i!i!i!i!i!i!i!i!i!i!i!i!i!i!i!i!i!i!i!i!i!i!i!i!i!i!i!i!i!i!i_ii_i_!__!_i_ii!ii!i__i!_i!_i!_i!_i!_i!_i___!_i_
_i_i_i_i_i_i_i_i_i_i_i_i_i_i_i_i_i_i_i_i_i_i_i_i_i_i_i_i_i_i_i_i_i_i_i_i_i_i_i_i_i_i_i_i_i_i_i_i_i_i_i_i_i_i_i_i_i_i_i_i_i_i_i_i_i_i_i_i_i_i_i_i_i_i_i_i_i_i_i_i_i_i_i_i_i_i_i_i_i_i_i__,I_
__
X
X
*These maintenance operations should be performed by an authorized Sears service center. If you feel that
you are qualified to perform these maintenance items, you must order a service manual for instructions on
how to properly perform these procedures.
Note 1: Initial oil change and oil filter replacement must be performed after 20 hours of operation. Thereafter
change oil every 50 hours and replace oil filter after 200 hours.
Note 2: Must be performed by a Sears service center.
13

PRODUCT SPECIFICATIONS
Engine Specifications
Type .............................................. Air Cooled, 4 stroke,
V-Twin, Horizontal
Shaft, OHV gasoline
engine
Bore x Stroke ................................ 2-80mm x 65mm
Rated Horsepower ........................ 18 at 3600 rpm
Displacement ................................ 653 cc
Spark Plug .................................... NGK BPR6ES
(Champion RN114C4)
Gasoline Capacity ......................... 10 U.S. gallons
Oil Type......................................... See page 7
Oil Capacity ................................... 1.55 liter
Generator Specifications
Rated Maximum Power ................ 10,000 Watts
(10.0 kW)
Surge Power ................................. 12,500 Watts
(12.5 kW)
Rated AC Voltage ......................... 120/240 Volts
Rated Maximum Load Current:
at 240 Volts ................................. 41.7 Amperes
at 120 Volts ................................. 83.3 Amperes
Rated Frequency ......................... 60 Hz at 3600 rpm
Phase ............................................ Single Phase
Power Factor ................................. 1.0
GENERAL MAINTENANCE
RECOMMENDATIONS
The generator warranty does not cover items that
have been subjected to operator abuse or negligence.
To receive full value from the warranty, the operator
must maintain the generator as instructed in this
manual.
Some adjustments will need to be made periodically to
properly maintain the generator.
All adjustments in the Service and Adjustments
section of this manual should be made at least once
each season. Follow the requirements in the
"Maintenance Schedule" chart on page 13.
GENERATOR MAINTENANCE
Generator maintenance consists of keeping the unit
clean and dry. Operate and store the unit in a clean
dry environment where it will not be exposed to
excessive dust, dirt, moisture or any corrosive vapors.
Cooling air slots in the generator must not become
clogged with snow, leaves, or any other foreign
material.
Check the cleanliness of the generator frequently and
clean when dust, dirt, oil, moisture or other foreign
substances are visible on its exterior surface.
_CAUTION! Never insert any object or tool
through the air cooling slots, even if the engine
is not running.
NOTE: Do Not use a garden hose to clean generator.
Water can enter the engine fuel system and cause
problems. In addition, if water enters the generator
through cooling air slots, some water will be retained
in voids and cracks of the rotor and stator winding
insulation. Water and dirt buildup on the generator
internal windings will eventually decrease the
insulation resistance of these windings.
To Clean the Generator
• Use a damp cloth to wipe exterior surfaces clean.
• A soft, bristle brush may be used to loosen caked
on dirt, oil, etc.
• A vacuum cleaner may be used to pick up loose
dirt and debris.
Low pressure air (not to exceed 25 psi) may be
used to blow away dirt. Inspect cooling air slots
and openings on the generator. These openings
must be kept clean and unobstructed.
ENGINE MAINTENANCE
_AUTION! When working on the generator,
always disconnect negative cable from battery.
Also disconnect spark plug wires from spark
plugs and keep wires away from spark plugs.
This will prevent accidental start-up.
Checking Oil Level
See "BEFORE STARTING THE GENERATOR" on
page 7 for information on checking the oil level. The
oil level should be checked before each use, or at
least every eight hours of operation. Keep the oil
level maintained.
Changing the Oil and Oil Filter
Change the oil and filter after the first 20 hours of
operation. Thereafter, change the oil every 50
hours and replace oil filter every 200 hours. If you
are using this engine under dirty or dusty conditions,
or in extremely hot weather, change the oil more
often.
Use the following instructions to change the oil while
the engine is still warm:
1. Clean the area around the oil drain plug, remove
the plug and drain the oil completely into a suitable
container.
2. When the oil is drained, install and tighten the oil
drain plug.
3. Place a suitable container beneath the oil filter and
remove the filter.
14

4. Coattheo-ringof a newfilterwithengineoil.Turn
thenewfilterclockwiseuntilthegasketcontacts
thefilteradapter,thentightenanadditional
2/3turn.
5. Fillenginewithoilasdescribedonpage7.
6. Runtheenginefora minute;stoptheengineand
checkforoilleakagearoundtheoilfilter.Recheck
oillevel.
7. Whenthecrankcaseisfilledto theproperlevel,
installandtightentheoilfill cap.
Inspecting the Spark Plugs
Clean spark plugs every 50 hours and replace the
plugs every 500 hours of operation. Use the
recommended spark plugs gapped for 0.6mm to
0.7mm.
1. Stop the engine and pull the spark plug wires off of
the spark plugs.
2. Clean around the spark plugs and remove them
from the cylinder head.
3. Clean off carbon deposits on the spark plug
electrode using a plug cleaner or wire brush.
4. Set the spark plugs' gap to 0.6mm to 0.7mm.
Install the correctly gapped spark plugs into the
cylinder heads.
Service Air Cleaner
The engine's air cleaner is one of the most important
areas to maintain. The engine will not run properly and
will be damaged if it is run with a dirty air cleaner
system.
Clean the urethane foam element every 50 hours
of operation. Clean paper element every 50 hours
of operation and replace every 200 hours. Clean or
replace more often in dusty or dirty conditions.
CAUTION! Never run this equipment without the
complete air cleaner system installed on the engine.
Failure to do so will result in premature engine wear
and significantly reduced engine life.
• The air cleaner paper inner element and urethane
foam outer element can be removed after removing
knob and air cleaner cover. When installing, set the
paper element and urethane foam on the air
cleaner base. Check that the grommet is in
position, and then install the cover with the knob
tightened securely.
Cleaning Urethane Foam Element:
• Wash and clean the urethane foam in kerosene.
Saturate in a mixture of 3 parts kerosene and
1 part engine oil, and then squeeze to remove
excess oil. Clean or replace urethane foam
element every 50 hours (more often in dusty
conditions).
Paper Element
• Clean by tapping gently to remove dirt and blow off
dust. Never use oil. Clean or replace more often in
dirty or dusty environments.
NOTE: If you need to order a new air filter, please call
1-800-336-PART.
Engine Governed Speed
CAUTION! The engine speed was properly adjusted
at the factory and should require no additional
adjustment. Do Not attempt to change engine speed. If
you believe the engine is running too fast or too slow,
take your unit to an authorized Sears service center for
repair and adjustment. CHANGING THE ENGINE
GOVERNED SPEED WILL VOID THE ENGINE
WARRANTY.
Do Not try to adjust the governed speed for the
following reasons:
• Operating the engine at high engine speeds is
dangerous and increases the risk of personal injury
or damage to the equipment.
• Operating the engine at low engine speeds with
heavy loads may shorten the engine's life.
Incorrect speed settings also affects electrical
operation of your generator as follows:
• Operating at high speeds results in an over-
frequency and over-voltage condition.
• Operating at low speeds causes an under-
frequency and under-voltage condition.
IMPORTANT: Incorrect frequency and/or voltage
may damage some connected electrical loads.
If you suspect engine speed is incorrect, take the
unit to an authorized Sears service facility for
repair and adjustment.
Carburetor Adjustments
The engine carburetor is preset at the factory. The
carburetor should not be tampered with because doing
so will void the emission control system warranty. If
you experience problems or your engine is used at an
altitude higher than 5,000 feet, contact the nearest
authorized Sears service center regarding high altitude
setting changes.
15

GENERAL
The generator should be started at least once every
seven days and allowed to run at least 30 minutes. If
this cannot be done and you must store the unit for
more than 30 days, use the following information as a
guide to prepare it for storage.
_ WARNING! Never store engine with fuel in
tank indoors or in enclosed, poorly ventilated
areas where fumes may reach an open flame,
spark or pilot light as on a furnace, water heater,
clothes dryer or other gas appliance.
LONG TERM STORAGE
It is important to prevent gum deposits from forming in
essential fuel system parts such as the carburetor, fuel
hose or tank during storage. Also, experience
indicates that alcohol-blended fuels (called gasohol,
ethanol or methanol) can attract moisture, which leads
to separation and formation of acids during storage.
Acidic gas can damage the fuel system of an engine
while in storage.
To avoid engine problems, the fuel system should be
emptied before storage of 30 days or longer, as
follows:
• Remove all gasoline from the fuel tank.
_ARNING! Drain fuel into approved container
outdoors, away from open flame. Be sure
engine is cool. Do Not smoke.
• Start and run engine until engine stops from lack of
fuel.
• While engine is still warm, drain oil from crankcase.
Refill with recommended grade.
• Remove spark plugs and pour about 1/2 ounce
(15ml) of engine oil into each cylinder.
_AUTION! Avoid spray from spark plug hole
when cranking engine.
• Cover spark plug holes with rag. Crank the engine
for 2-3 seconds and reinstall the spark plugs.
Do Not connect spark plug wires.
• Remove the negative battery cable from the battery
to prevent the battery from being depleted.
WARNING! Fire, explosion and burn hazard!
The battery is water based. If you are storing the
generator in an area that will go below freezing,
you must remove the battery and store it
separately in an area that will not freeze. If you
allow the battery to freeze, the water in it will
expand and crack open the battery, spilling the
contents. Battery electrolyte fluid is an extremely
caustic sulfuric acid solution that can cause
severe burns. The spilled solution may also give
off hydrogen gas, which can ignite at the
slightest spark or flame and cause an explosion.
Clean the generator outer surfaces. Check that
cooling air slots and openings on generator are
open and unobstructed.
Store the unit in a clean, dry, frost-free area.
OTHER STORAGE TIPS:
•Do Not store gasoline from one season to another.
• Replace your gasoline can if the can starts to rust.
Rust and/or dirt in the gasoline will cause
problems.
• If possible, store your unit indoors and cover it to
give protection from dust and dirt. BE SURE TO
EMPTY THE FUEL TANK.
• Cover your unit with a suitable protective cover that
does not retain moisture.
_ AUTION! Never cover your generator while
engine and exhaust area are warm.
16

Problem
Engine is running, but no AC
output is available.
Engine runs good but bogs
down when loads are
connected.
Engine will not start; or starts
and runs rough.
Engine shuts down during
operation.
Engine lacks power.
Engine "hunts" or falters.
Cause
1. Circuit breaker is open.
2. Poor connection or defective
cord set.
3. Connected device is bad.
4. Fault in generator.
1. Short circuit in a connected load.
2. Generator is overloaded.
3. Engine speed is too slow.
4. Shorted generator circuit.
1. Dirty air cleaner.
2. Out of gasoline.
3. Stale gasoline.
4. Spark plug wire not connected to
spark plug.
5. Bad spark plug.
6. Water in gasoline.
7. Overchoking.
8. Low oil level.
9. Excessively rich fuel mixture.
10. Intake valve stuck open or
closed.
11. Engine has lost compression.
1. Out of gasoline.
2. Low oil level.
3. Fault in engine.
1. Load is too high.
2. Dirty air filter.
3. Engine needs to be serviced.
1. Choke is opened too soon.
.Carburetor is running too rich or
too lean.
Solution
1. Reset circuit breaker.
2. Check and repair.
3. Connect another device that is in
good condition.
4. Contact Sears service facility.
1. Disconnect shorted electrical load.
2. See "Don't Overload the
Generator" on page 12.
3. Contact Sears service facility.
4. Contact Sears service facility.
1. Clean or replace air cleaner.
2. Fill fuel tank.
3. Drain gas tank and fill with fresh
fuel.
4. Connect wire to spark plug.
5. Replace spark plug.
6. Drain gas tank; fill with fresh fuel.
7. Put choke lever to "no choke"
position.
8. Fill crankcase to proper level.
9. Contact Sears service facility.
10. Contact Sears service facility.
11
1.
2.
3.
1.
.
3.
1.
.
Contact Sears service facility.
Fill fuel tank.
Fill crankcase to proper level.
Contact Sears service facility.
See "Don't Overload the
Generator" on page 12.
Replace air filter.
Contact Sears service facility.
Move choke to halfway position till
engine runs smoothly.
Contact Sears service facility.
17

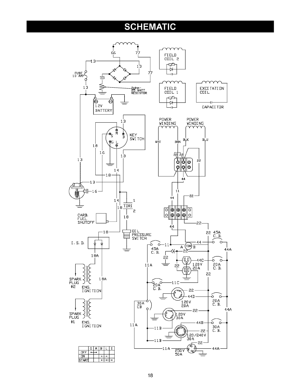
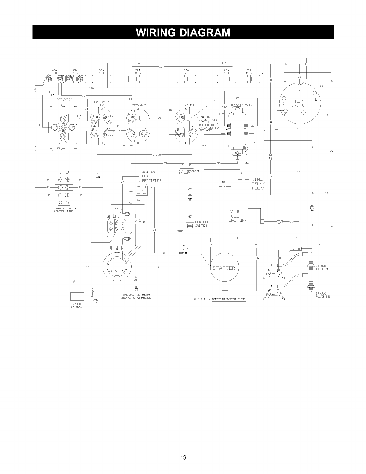
I
13
KEY
SWZTCH
COILI_
CAPACI TOR
POWER
WI N]]I NG
44
#2 ENG,
I GNZ TI ON
SPARK _A
#[ ENG,
I GNI TI ON ii A
_44D--
_'_ 120V
I) 20A
_.._'_-_J 30 A
I _44B- _'-"o--
_40V-
_IlB -- T30A
IIA _44A--
50A
20A
C,B,
44A
G M BL S
OFF
ON
$TARG
18

oo!
[
TERMINAL BLOCK
CONTROL PANEL
SUPPLIED
BATTERY
120 840V
30A I£OV/30A
I
TD
FRAME
GRDUND
GROUN]) TB REAR
SEARING CARRIER
85
85
13
FU2E
[0 AMP
ts_
x\
i 13
is
16
i 13
18
L3
16
3PARK
PLUG #£
19

Craftsman 10,000 Watt Generator 580.328301
Main Unit
63
I0
34 13
62
55
15
50
71
\ 58
56_ 37
"0 Wrre"
D=
63
\
21
J
19
Detail of Battery Tray
46
43
68
56
29
\
22
3
27
50_ 7°
20
1
59 15
57
2O

Craftsman 10,000 Watt Generator 580.328301
Main Unit
Item Part # Qty
2 BB4509GS 1
3 B77304GS 2
4 BB4811GS 1
5 80270GS 1
6 78299GS 1
7 B4325GS 1
8 38353GS 6
9 78831BGS 4
10 B1997GS 1
11 BB4426GS 1
12 83465GS 4
13 186963GS 1
14 23152GS 7
15 22237GS 20
16 22241GS 10
17 22746GS 4
18 22131GS 8
19 BB5228GS 1
20 B4425GS 1
21 1955362GS1 1
22 45757GS 1
23 B4502GS 1
24 22145GS 2
25 26850GS 3
26 96409GS 1
27 B4986GS 1
28 92982GS 1
29 B4647GS 1
30 186947GS 1
32 77816GS 2
33 B4826GS 1
34 B4824GS 1
36 73054GS 1
37 B4268GS 1
38 BB4481GS 1
39 20441GS 4
40 B4489GS 1
41 B4627GS 1
Description
SHIELD, Heat
SUPPORT, Engine
SHIELD, Heat
VALVE, Fuel Shut-Off
BUSHING, Fuel Valve
CAP, Fuel Tank
MOUNTS, Vibration
SCREW
ASSY, Tank, Fuel (Includes
Items 5 & 6)
CRADLE
GROMMET, Fuel Tank
Mounting
DECAL, Engine Shroud
SCREW
WASHER, Lock
NUT
SCREW
WASHER
SHIELD, Heat
ASSY, Control Panel (see
page 23)
ASSY, Wire, Ground
SCREW
SWITCH, Key Ingnition
WASHER
WASHER
DECAL, 1-800
DECAL Ground
DECAL Danger
DECAL Side Panel
DECAL Control Panel
DECAL Caution Hot Muffler
DECAL Start Instructions
DECAL Start - Run - Stop
DECAL Fuel Shut-Off
ALTERNATOR
GUARD, Muffler
SCREW
BATTERY
KEY, Ignition Switch
Item Part # Qty
42 BB4682GS 1
43 B96925GS 1
44 96924GS 2
45 19353621GS 1
46 19453621GS 1
47 52618GS 2
48 49226GS 1
49 52856GS 2
50 49820GS 2
51 39253GS 1
52 NSP
54 27482GS 1
55 47411GS 2
56 22473GS 2
57 B4948GS 1
58 55934GGS 3
59 22511GS 4
60 B4803GS 1
61 52618GS 1
62 B4794GS 1
63 B2153GS 20
64 B4988GS 1
65 52857GS 1
66 87680GS 1
67 B4901GS 1
68 23897GS 2
69 49813GS 1
70 B4648GS 1
71 76040GS 1
72 48031CGS 2
73 30340GS 1
900 NSP 1
Items Not Illustrated
BB3061GS
B3518GS
37806GS
43438GS
93568GS
186942GS
Description
BRACKET, Ignition Switch
BRACKET, Battery Tie Down
J-BOLT
CABLE, Battery Positive
CABLE, Battery Negative
SCREW
WASHER, Lock
NUT, Lock
NUT, Nylok
SCREW
SUPPLIED WITH ENGINE
WASHER
SCREW
WASHER
CLAMP, Hose
CLAMP, Hose
SCREW
CONNECTOR, 5-way
SCREW
GROMMET, Generator Cover
SCREW
DECAL, Oil Fill
NUT, Lock
SCREW, Wing
DECAL, 1-800-4-MyHome
WASHER
NUT
DECAL, Control Panel
SCREW
CLAMP, Hose
HOSE
ENGINE
2 SAE 30 Oil
1 Oil bottle spout
1 125 Volt 30 Amp plug
1 240 Volt 30 Amp plug
1 125 Volt 20 Amp plug
1 Owner's manual
21

Sincro Alternator Model EK-10
17
14
11
12
7
16
15
Item
1
2
3
4
5
6
7
8
9
11
12
14
15
16
17
18
19
Part #
B4906GS
B4907GS
B4908GS
B4909GS
B4910GS
B4911GS
B4912GS
B4913GS
B4914GS
B4916GS
191297GS
B4919GS
B4920GS
49820GS
188928GS
22473GS
49813GS
Qty Description
1 SHIELD, Front
2 GRID, Front
1 BOLT, Shaft Stay
4 BOLT, Stay
1 ASSY, Housing
1 CAP
1 COVER, Blind End
1 COVER, Top Black
2 CAPACITOR
1 CAPACITOR, Diode + Varistor + EMC
1 ASSY, Rotor (Includes Item 11)
2 SCREW
8 SCREW
1 NUT, Lock
1 CONNECTOR, 6-Pin
6 WASHER
6 NUT
22

Craftsman 10,000 Watt Generator 580.328301
Control Panel
5O
/
/
25
27\
51
4
5
fit
\\\
10 21
14
2
Item Part # Qty Description
1 BB4504GS 1 PANEL, Control
2 23897GS 5 WASHER
3 91526GS 4 SCREW
4 49226GS 5 WASHER, Lock
5 75207GS 3 BREAKER, Circuit, 20 A
6 23365GS 12 WASHER
7 68759GS 1 OUTLET, 120 V, 20 A, Duplex
8 38150GS 12 WASHER
9 22264GS 12 WASHER, Lock
10 51715GS 12 NUT
11 75207AGS 2 BREAKER, Circuit, 30 A
12 74190GS 1 OUTLET, 120V, 20A
Twistlock
13 68868GS 1 OUTLET, 120V, 30A
Twistlock
14 B4445GS 2 BREAKER, Circuit, 45A
15 B4262GS 1 OUTLET, 120/250 V, 50 A
4
9
Item
16
17
18
19
20
21
22
23
24
25
26
27
28
29
30
31
22
10
/9
9
8
Part #
43437GS
80077GS
92953GS
90576GS
84135GS
75477GS
B4894GS
43181GS
43182GS
77314GS
B4737GS
B95906GS
51716GS
B4893GS
B4892GS
51714GS
17 18
Qty Description
1 OUTLET, 120/240 V, 30 A,
Twistlock
4 SCREW
1 BLOCK, 50 A, 3 - Terminal
1 GROMMET, Rubber
1 GROMMET, Rubber
1 SCREW
1 RECTIFIER, Battery Charge
4 SCREW
4 WASHER, Lock
1 RELAY, Thermal
1 ASSY, Wire Harness
1 BOX, Control Panel
1 NUT
2 STAND OFF
1 RESISTOR, 2ohm 25 watt
1 NUT
23

Craftsman 10,000 Watt Generator 580.328301
Wheel Kit 1 \
910
11 13
Item Part # Qty Description
1 93393BGS 1 HANDLE
2 39287GS 4 SCREW
3 52858GS 5 NUT, Lock
4 93394GS 1 LEG, Mounting Support
5 191413GS 1 MOUNT, Vibe with Washer
6 22145GS 2 WASHER
7 42909GS 1 SCREW
8 39253GS 2 SCREW
9 191267BGS 1 AXLE
10 89635GS 2 SPACER, Wheel
11 89742GS 2 WHEEL
12 22247GS 2 WASHER
13 191265GS 2 E-RING
14 22129GS 2 WASHER, Lock
24

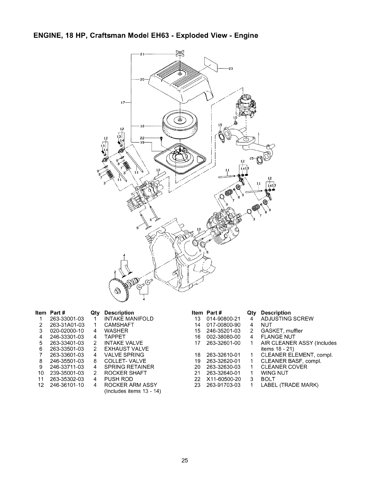
ENGINE, 18 HP, Craftsman Model EH63 - Exploded View- Engine
Item Pa_ # Qty
1 263-33001-03 1
2 263-31A01-03 1
3 020-02000-10 4
4 246-33301-03 4
5 263-33401-03 2
6 263-33501-03 2
7 263-33601-03 4
8 246-35501-03 8
9 246-33711-03 4
10 239-35001-03 2
11 263-35302-03 4
12 246-36101-10 4
Description Item
INTAKE MANIFOLD 13
CAMSHAFT 14
WASHER 15
TAPPET 16
INTAKE VALVE 17
EXHAUST VALVE
VALVE SPRING 18
COLLET- VALVE 19
SPRING RETAINER 20
ROCKER SHAFT 21
PUSH ROD 22
ROCKER ARM ASSY 23
(Includes items 13 - 14)
Part#
014-90800-21
017-00800-90
246-35201-03
002-38080-00
263-32601-00
263-32610-01
263-32620-01
263-32630-03
263-32640-01
Xll-60500-20
263-91703-03
Qty Description
4 ADJUSTING SCREW
4 NUT
2 GASKET, muffler
4 FLANGE NUT
1 AIR CLEANER ASSY (Includes
items 18 - 21)
1 CLEANER ELEMENT, compl.
1 CLEANER BASF, compl.
1 CLEANER COVER
1 WING NUT
3 BOLT
1 LABEL (TRADE MARK)
25

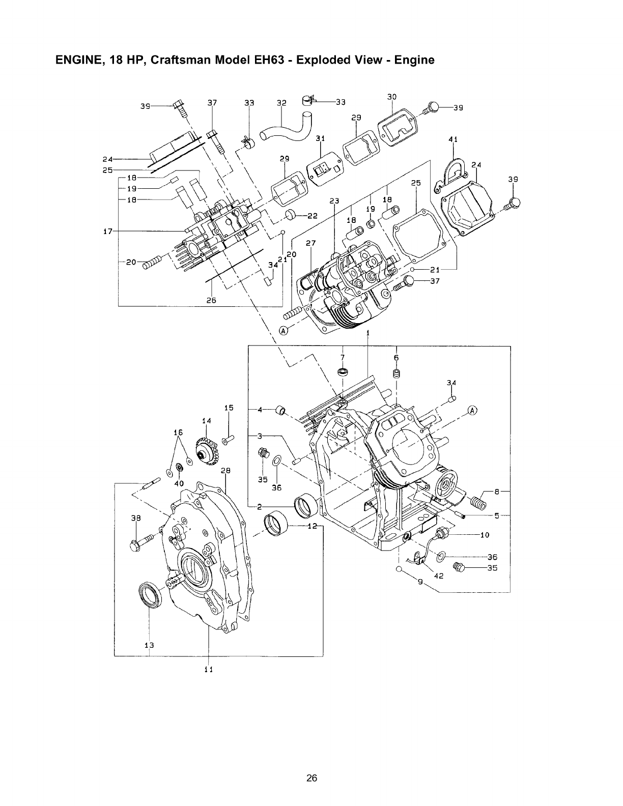
ENGINE, 18 HP, Craftsman Model EH63 - Exploded View - Engine
24
25
29
3O
4t
24
39
<
38
26
t6
4O
15
28
\\
11
26

ENGINE, 18 HP, Craftsman Model EH63 - Exploded View- Engine
Item Part # Qty Description
1 263-10101-01 1 CRANKCASE, compl. (Includes items 2 thru 9)
2 263-15801-03 1 MAIN BEARING
3 005-26081-80 2 DOWEL PIN
4 142-55601-03 2 PIPE
5 159-65401-03 1 PIPE (PULSE)
6 212-15008-13 1 BLIND PLUG
7 044-00800-10 1 OIL SEAL
8 263-15901-03 1 UNION
9 045-01200-10 1 STEEL BALL
10 248-76301-01 1 SWITCH OIL PRESSURE
11 263-11102-01 1 MAIN BEARING COVER, compl. (Includes items 12 and 13)
12 263-15801-03 1 MAIN BEARING
13 044-04200-10 1 OIL SEAL
14 263-45001-01 1 GOVERNOR GEAR, compl.
15 263-41901-03 1 GOVERNOR SLEEVE
16 263-46214-A3 1 WASH ER
17 263-13001-01 1 CYLINDER HEAD 1, compl. (Includes items 18 thru 22)
18 132-12AA0-80 4 VALVE GUIDE
19 132-07AA0-50 2 SEAL-INTAKE VALVE
20 010-50802-90 8 STUD
21 006-90104-00 1 STEEL BALL
22 263-16201-03 1 PLUG
23 263-13101-01 1 CYLINDER HEAD 2, compl. (Includes items 18 thru 21)
24 246-15501-01 2 ROCKER COVER, compl.
25 246-16002-13 2 GASKET, rocker cover
26 263-15001-03 1 GASKET 1, cyl. head
27 263-15101-03 1 GASKET 2, cyl. head
28 263-16001-03 1 GASKET, main bearing cover
29 263-16006-03 2 GASKET, breather plate
30 263-14301-03 1 BREATHER COVER
31 263-14401-01 1 BREATHER PLATE, compl.
32 263-18001-03 1 RUBBER PIPE
33 263-68511-03 2 HOSE CLAMP
34 031-00600-20 4 DOWEL PIN
35 040-11400-30 2 PLUG
36 021-11400-20 2 GASKET
37 011-01000-30 8 FLANGE BOLT
38 011-00800-90 10 FLANGE BOLT
39 011-00600-30 10 FLANGE BOLT
40 263-46213-A3 1 THRUST BEARING
41 263-19001-03 2 HOOK
42 214-79006-01 1 CLAMP
27

ENGINE, 18 HP, Craftsman Model EH63 - Exploded View- Engine
./1
22 j _2_
I
I
t8 24
Item
1
2
3
4
5
6
7
8
9
10
11
12
13
Part #
263-46001-03
263-46011-01
263-43901-01
263-46010-03
261-45201-03
261-43101-03
003-22100-00
015-20500-10
263-42301-03
263-42201-03
263-42505-03
263-42701-01
263-42801-03
Qty Description
1 Choke Control Link
1 Choke Control Rod
1 Choke knob
1 Choke Knob Clamp
2 Return Spring
1 Link Pivot
1 Waved Washer
1 Tapping Screw
1 GOVERNOR LEVER
1 GOVERNOR SHAFT
1 GOVERNOR SPRING
1 GOVERNOR ROD
1 ROD SPRING
Item
14
18
19
20
21
22
23
24
25
26
27
28
29
Part#
263-43311-A3
263-45021-A2
261-43901-03
005-11060-00
001-14063-00
018-60600-20
011-00600-20
011-50500-20
002-27050-00
002-38060-00
001-17052-00
003-10080-00
X23-00801-50
Qty Description
1 SPEED CONTROL LEVER
1 BRACKET, Speed Control
2 CLAMP
1 SNAP PIN
1 BOLT/WASHER ASSY
1 NUT
2 FLANGE BOLT
1 BOLT
1 NUT
1 FLANGE NUT
1 BOLT/WASHER ASSY
1 WASHER
1 SPACER
28

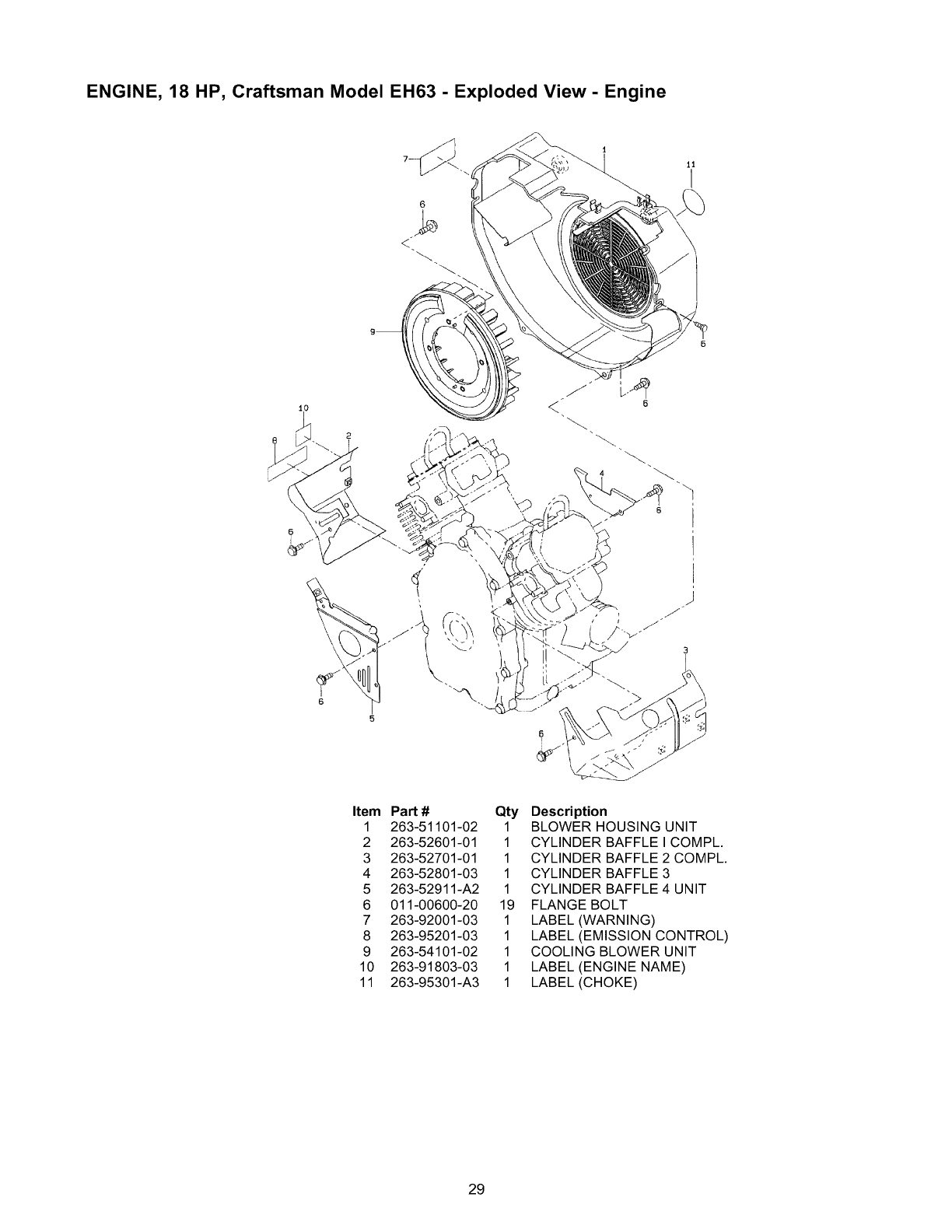
ENGINE, 18 HP, Craftsman Model EH63 - Exploded View- Engine
6
10
6
\\\
6
5
Item Pa_ #
1 263-51101-02
2 263-52601-01
3 263-52701-01
4 263-52801-03
5 263-52911-A2
6 011-00600-20
7 263-92001-03
8 263-95201-03
9 263-54101-02
10 263-91803-03
11 263-95301-A3
Qty Description
1 BLOWER HOUSING UNIT
1 CYLINDER BAFFLE I COMPL.
1 CYLINDER BAFFLE 2 COMPL.
1 CYLINDER BAFFLE 3
1 CYLINDER BAFFLE 4 UNIT
19 FLANGE BOLT
1 LABEL (WARNING)
1 LABEL (EMISSION CONTROL)
1 COOLING BLOWER UNIT
1 LABEL (ENGINE NAME)
1 LABEL (CHOKE)
29

ENGINE, 18 HP, Craftsman Model EH63 - Exploded View- Engine
17
23
25
.4
3O

ENGINE, 18 HP, Craftsman Model EH63 - Exploded View - Engine
Item Part # Qty Description
1 263-63901-03 1 INNER ROTOR
2 263-63902-03 1 OUTER ROTOR
3 263-64301-02 1 OIL PUMP FILTER UNIT
4 263-64001-01 1 OIL PUMP COVER, compl. (Includes item 5)
5 044-03500-90 1 OIL SEAL
6 X24-08900-20 1 O-RING
7 263-65001-13 1 PLUG, oil relief
8 003-70140-00 1 GASKET, aluminum
9 248-65601-03 1 SPRING, relief valve
10 006-90308-00 1 STEEL BALL
11 261-65902-A0 1 OIL FILTER
12 263-63602-A1 1 OIL GAUGE, compl.
13 263-63602-03 1 OIL FILL CAP
14 021-31600-10 1 GASKET
15 263-62601-01 1 FUEL PIPE, compl. (Includes items 15 and 16)
15 263-68001-03 1 RUBBER PIPE
16 263-68501-03 2 HOSE CLAMP
17 263-62501-00 1 CARBURETOR ASSY
18 263-66201-03 1 GASKET, carburetor
19 248-62201-00 1 FUEL PUMP ASSY
20 263-65002-02 1 BRACKET, fuel pump
21 263-62650-01 1 PULSE PIPE, compl. (Includes items 21 and 22)
21 263-68051-03 1 RUBBER PIPE
22 263-68501-03 2 HOSE CLAMP
23 X11-60500-20 1 BOLT
24 011-00801-10 2 FLANGE BOLT
25 011-00601-40 4 FLANGE BOLT
26 011-00600-20 4 FLANGE BOLT
27 263-65011-A0 1 FUEL FILTER ASSY
28 263-62611-A1 1 FUEL PIPE COMPL. (Includes items 28 and 29)
28 263-68002-03 1 RUBBER PIPE
29 263-68501-03 2 HOSE CLAMP
30 160-67402-A3 1 VINYL PIPE
31 206-75501-01 2 CLAMP CP
31

ENGINE, 18 HP, Craftsman Model EH63 - Exploded View- Engine
32

ENGINE, 18 HP, Craftsman Model EH63 - Exploded View - Engine
Item Part # Qty Description
2 258-62545-08 1 GASKET, air horn
3 NSP 1 BODY, Air Horn
4 263-62524-08 1 LEVER ASSY, choke
5 258-62551-08 1 RING, choke lever
6 263-62445-08 1 SPRING, choke
7 258-62553-08 1 COLLAR, choke
8 258-62554-08 1 FILTER, choke shaft
9 263-62520-08 1 SHAFT ASSY, choke
10 258-62525-08 1 CHOKE VALVE
11 258-62555-08 2 SCREW, valve set
12 258-62450-08 4 SCREW, air horn set
13 226-62501-08 1 VALVE, float
14 258-62505-08 1 FLOATASSY
15 258-62515-08 1 FLOAT PIN
16 258-62556-08 1 SCREW, float pin set
17 263-62400-08 1 MAIN JET (# 134)
18 258-62546-08 1 GASKET
19 258-62557-08 1 SOLENOID VALVE ASSY
20 263-62421-08 1 JET, slow (#58)
21 258-62445-08 1 SPRING, adjust screw
22 258-62451-08 1 SCREW, throttle adjust
23 261-62435-08 1 NEEDLE, idle adjust
24 263-62530-08 1 THROTTLE SHAFT ASSY
25 226-62580-08 1 FILTER throttle shaft
26 258-62570-08 1 COLLAR
27 263-62535-08 1 THROTTLE VALVE
28 261-62352-08 2 VALVE SET SCREW (M3 x 5mm)
29 258-62560-08 1 EXPANSION PLUG
30 258-62566-08 1 CLAMP, solenoid
31 263-62551-08 1 PLUG
32 215-62353-08 1 SCREW
33 215-62446-08 1 SPRING
34 263-62560-08 1 O-RING
35 263-62555-08 1 GASKET
36 263-62570-08 1 PLUG, ANTI TAMPER
263-62503-00 0 CARBURETOR ASSY (Includes items 2 thru 36)
33

ENGINE, 18 HP, Craftsman Model EH63 - Exploded View - Engine
7
7
4
\
Item Pa_ #
1 263-21201-01
2 263-22501-00
3 246-23001-03
4263-23401-03
5263-23301-03
6 263-23501-07
7 056-52100-20
8 263-25001-03
8 263-25002-03
8 263-25003-03
9 002-18180-00
10 003-10180-00
11 003-20180-00
12 005-32054-01
Qty Description
1 CRANKSHAFT, Taper 2.25/12 (SAE-WG)
2 CONNECTING ROD ASSY (Includes item 3)
2 CONNECTING ROD BOLT
2 PISTON
2 PISTON PIN
2 PISTON RING SET
4 CLIP
1 SPACER, t = 0.6 or
1 SPACER, t = 0.8 or
1 SPACER, t = 1.0
1 NUT
1 WASHER
1 SPRING WASHER
1 WOODRUFF KEY
34

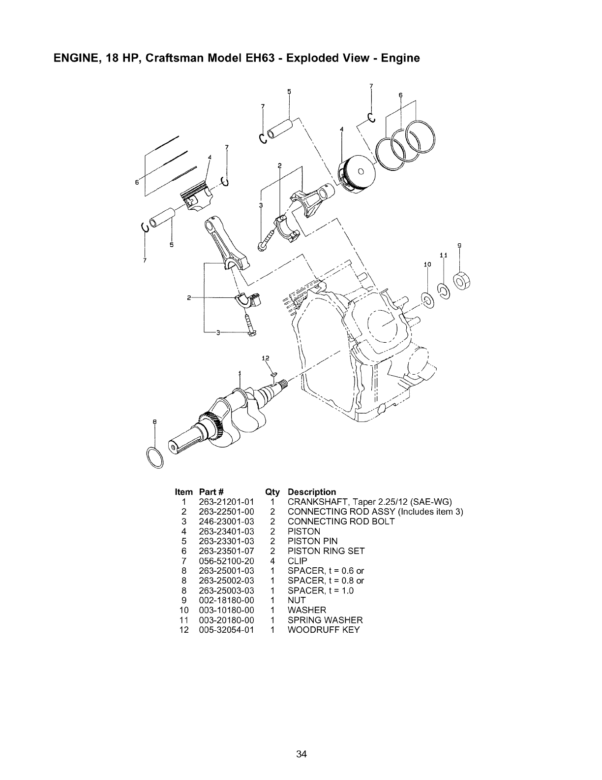
ENGINE, 18 HP, Craftsman Model EH63 - Exploded View- Engine
26
24
L
Item Pa_ # Qty
1 263-77202-01 1
2 263-78201-01 2
4 246-79501-03 2
5 263-71001-03 1
6 263-70502-A0 1
8 263-73016-01 I
9 263-73017-01 I
10 065-01404-80 2
11 065-50001-40 2
12 065-90000-10 2
13 206-75501-01 1
17 056-60002-50 3
20 263-73102-A1 1
21 001-14063-00 4
23 Xll-00801-00 2
24 Xll-00600-20 4
25 263-55001-A3 1
27 002-38080-00 2
29 056-30000-40 4
30 206-75501-01 1
31 214-79006-01 1
33 263-73112-01 I
Description
FLYWHEEL, compl.
IGNITION COIL, compl.
GROMMET
RING GEAR
STARTING MOTOR ASSY
WIRE 4, compl.
WIRE 5, compl.
SPARK PLUG, compl.
SPARK PLUG CAP
PLUG TERMINAL
CLAMP
CLAMP
WIRE ASSY, oil pressure switch
BOLT and WASHER ASSY
FLANGE BOLT
FLANGE BOLT
BLIND PLATE
FLANGE NUT
WIRE BAND
CLAMP, compl.
CLAMP, compl,
WIRE 6, compl,
35

ENGINE, 18 HP, Craftsman Model EH63 - Exploded View - Engine
O
O
Item Part# Qty Description
1 017-00800-30 6 Flanged Nut (M8)
2 263-35201-A1 3 Gasket
3 263-34101-A1 1 Manifold
4 263-34211-01 1 Muffler Cover
5 011-00600-10 8 Flange Bolt
6 263-30201-01 1 Muffler
7 263-37301-A1 1 Deflector Ass'y
8 263-37011-A1 1 Bracket
9 001-11081-60 2 Bolt W/Lockwasher (M8x16)
10 001-04085-05 1 Flange Bolt (M8 x 50
11 263-37321-A2 1 SparkArrester
36

ENGINE, 18 HP, Craftsman Model EH63 - Exploded View - Engine
1'7 20
16
18 15
812 4
13
2
lg\10
3
Item
1
2
3
4
5
6
8
9
10
11
12
13
16
17
18
19
20
21
Part#
263-70502-A0
263-70510-08
263-70550-08
210-70534-08
255-70580-08
263-70505-08
255-70531-08
228-70514-08
255-70551-08
228-70516-08
255-70521-08
263-70500-08
255-70570-08
243-70525-08
263-70515-08
207-70524-08
263-70551-08
263-70552-08
Qty Description
1 STARTING MOTOR ASSY (Includes items 1 thru 21)
1 ARMATURE ASSY
1 THRUST WASHER KIT
1 PINION STOPPER SET
1 YOKE ASSY
1 REAR COVER ASSY (Includes item 7)
1 BRUSH HOLDER ASSY (Includes items 9 thru 11)
2 BRUSH (-)
1 BRUSH SET
4 BRUSH SPRING
I PINION ASSY
1 GEAR CASE ASSY (Includes items 14 and 15)
1 DUST COVER KIT
1 SHIFT LEVER KIT
1 MAGNETIC SWITCH ASSY
2 THROUGH BOLT
2 BOLT
1 M TERMINAL COVER
37

Sears, Roebuck and Co., U.S.A. (Sears), the California Air Resources Board (CARB) and
the United States Environmental Protection Agency (U.S.EPA)
Emission Control System Warranty Statement
(Owner's Defect Warranty Rights and Obligations)
EMISSION CONTROL WARRANTY COVERAGE IS
APPLICABLE TO CERTIFIED ENGINES PURCHASED IN
CALIFORNIA IN 1995 AND THEREAFTER WHICH ARE
USED IN CALIFORNIA, AND TO CERTIFIED MODEL
YEAR 1997 AND LATER ENGINES WHICH ARE
PURCHASED AND USED ELSEWHERE IN THE UNITED
STATES (AND AFTER JANUARY 1, 2001 IN CANADA).
California and U.S. EPA Emission Control Warranty
Statement Your Warranty Rights and Obligations
The California Air Resources Board (CARB), U.S.EPA and
Sears are pleased to explain the Emission Control System
Warranty on your model year 2000 and later small off-road
engine (SORE). In California, new small off-road engines
must be designed, built and equipped to meet the State's
stringent anti-smog standards. Elsewhere in the United
States, new non-road, spark-ignition engines certified for
model year 1997 and later, must meet similar standards set
forth by the U.S.EPA. Sears must warrant the emission
control system on your engine for the periods of time listed
below, provided there has been no abuse, neglect, or
improper maintenance of your small off-road engine.
Your emission control system may include parts such as the
carburetor or fuel-injection system, the ignition system, and
catalytic converter. Also included may be hoses, belts,
connectors and other emission related assemblies.
Where a warrantable condition exists, Sears will repair your
small off-road engine at no cost to you including diagnosis,
parts and labor.
Sears Emission Control Defects Warranty Coverage
The 1995 and later small off-road engines are warranted for
two years. If any emission-related part on your engine is
defective, the part will be repaired or replaced by Sears.
Owner's Warranty Responsibilities
As the small off-road engine owner, you are responsible for
the performance of the required maintenance listed in this
owner's manual. Sears recommends that you retain all your
receipts covering maintenance on your small off-road
engine, but Sears cannot deny warranty solely for the lack of
receipts or for your failure to ensure the performance of all
scheduled maintenance.
As the small off-road engine owner, you should however be
aware that Sears may deny you warranty coverage if your
small off-road engine or a part has failed due to abuse,
neglect, improper maintenance or unapproved modifications.
You are responsible for presenting your small off-road
engine to an approved Sears Service Center as soon as a
problem exists. The warranty repairs should be completed in
a reasonable amount of time, not to exceed 30 days.
If you have any questions regarding your warranty rights and
responsibilities, you should contact a Sears Service
Representative at 1-800-469-4663.
Sears Emission Control Defects Warranty Provisions
The following are specific provisions relative to your
Emission Control Defects Warranty Coverage.
1. Warranted Parts
Coverage under this warranty extends only to the parts
listed below (the emission control systems parts) to the
extent these parts were present on the engine purchased.
a. Fuel Metering System
Cold start enrichment system
Carburetor and internal parts
Fuel Pump
b. Air Induction System
Air cleaner
Intake manifold
c. Ignition System
Spark plug(s)
Magneto ignition system
d. Catalyst System
Catalytic converter
Exhaust manifold
Air injection system or pulse valve
e. Miscellaneous Items Used in Above Systems
Vacuum, temperature, position, time sensitive valves
and switches
Connectors and assemblies
2. Length of Coverage
Sears warrants to the initial owner and each subsequent
owner that the Warranted Parts shall be free from
defects in materials and workmanship which caused the
failure of the Warranted Parts for a period of two years
from the date the engine is delivered to a retail
purchaser.
3. No Charge
Repair or replacement of any Warranted Part will be
performed at no charge to the owner, including
diagnostic labor which leads to the determination that a
Warranted Part is defective, if the diagnostic work is
performed at an approved Sears Service Center.
4. Claims and Coverage Exclusions
Warranty claims shall be filed in accordance with the
provisions of the Sears Warranty Policy. Warranty
coverage shall be excluded for failures of Warranted
Parts which are not original Sears parts or because of
abuse, neglect or improper maintenance as set forth in
the Sears Engine Warranty Policy. Sears is not liable to
cover failures of Warranted Parts caused by the use of
add-on, non-original, or modified parts.
5. Maintenance
Any Warranted Part which is not scheduled for
replacement as required maintenance or which is
scheduled only for regular inspection to the effect of
"repair or replace as necessary" shall be warranted as to
defects for the warranty period. Any Warranted Part
which is scheduled for replacement as required
maintenance shall be warranted as to defects only for
the period of time up to the first scheduled replacement
for that part. Any replacement part that is equivalent in
performance and durability may be used in the
performance of any maintenance or repairs. The owner
is responsible for the performance of all required
maintenance, as defined in this owner's manual.
6. Consequential Coverage
Coverage hereunder shall extend to the failure of any
engine components caused by the failure of any
Warranty Part still under warranty.
In the USA and Canada, a 24-hour hotline, 1-800-469-4663, has a menu of pre-recorded messages offering you product
maintenance information.
38

39

Garantia ................................ 40
Reglas de Seguridad ....................... 41
Montaje .............................. 42-43
Funcionamiento ........................ 44-50
Mantenimiento ......................... 51-53
Especificaciones del Producto ................ 52
Almacenamiento .......................... 54
Reparacion de Averias ..................... 55
Garantia de Emisiones ..................... 56
Notas ................................ 57-59
Como Ordenar Partes ............. Ultima Pagina
GARANTIA LIMITADA DE GENERADOR PORTATILE CRAFTSMAN
SEARS garantiza al comprador original que el alternador y el motor para su generador portatil estaran libres de defectos en
los materiales o la mano de obra para las piezas y el periodo establecido a partir de la fecha de compra original. Esta
garantia no es transferible y se aplica Qnicamente a los generadores portatiles impulsados por el motor garantizado
GN Seria de Sears.
Consumidor* Comercial*
Alternador 2 ahos 1 aho
Motor 2 ahos 1 aho
*NOTA: Para el prop6sito de esta garantia "Uso de Consumidor" quiere decir uso dom6stico de residencia personal por el
comprador original. "Uso Comerciar' quiere decir todos los otros usos, incluyendo alquiler, construcci6n, comercial y
prop6sitos que producen ganancia. Una vez que un generador ha experimentado uso comercial, de alli en adelente sera
considerado como un generador de uso comercial para los prop6sitos de esta garantia.
Durante dicho periodo de grantia, SEARS reparara o remplazra a su opci6n cualquier pieza la cual, al ser examinada por
SEARS, se encuentre que esta defectiosa bajo uso y servicio normales**. Las baterias de arranque no estan garantizadas
por SEARS. Todos los costos de tranporte bajo la garantia, incluyendo la devoluci6n a la fabrica si fuera necesario, seran
cargados al comprador y prepagados por 61. Esta grantia no incluye el mantenimiento y servicio normal no se aplica a un
conjunto de generador, alternador o motor, o las piezas que han sido sujetas a instalaci6n a alteraci6n inadecuadads o
desautorizadas, abuso, negligencia, accidentes, sobrecarga, velocidad excesiva, mantenimiento, reparciones o
almacenamiento inadecuados, de modo que, en la opini6n de SEARS, afecten adversamente su rendimiento y confiabilidad.
**Degaste Normal: Como con todos los aparatos el6ctricos, los motores necesitan servicio y reemplazo peri6dico para que
den buen rendimiento. Esta garantia no cubrira reparaci6n cuando el uso normal ha agotado la duraci6n de una pieza o de
un motor.
NO HAY NINGUNA OTRA GARANTJA EXPRESADA. SEARS POR ESTE MEDIO DESCONOCE CUALQUIERA Y
TODAS LAS GRANTiAS IMPLICADAS, INCLUYENDO PERO NO LIMITANDOSE A AQUELLAS DE MERCANTIBILDAD
Y ADAPTACION PARA UN PROPOSITO PARTICULAR, EN LA PROPORCION PERMITADA POR LA LEY. LA
DURACION DE CUALQUIER GARANTJA IMPLICADA LA CUAL NO PUEDE SER DESCONOCIDA SE LIMITA AL
PERJODO DE TEIMPO SEGON SE ESPECIFICA EN LA GARANTJA EXPRESADA. LA RESPONSABILIDAD POR
DANOS DE CONSEQUENCIA, ACCIDENTALES O ESPECIALES BAJO CUALQUIERA O TODAS LAS GARANTiAS SE
EXCLUYE. ALGUNOS ESTADOS NO PERMITEN LIMITACIONES SOBRE COANTO TIEMPO UNA GARANTJA
IMPLICADA DURA, O LA EXCLUSION O LIMITACION DE DANOS ACCIDENTALES O DE CONSECUENCIA, DE
MANERA QUE LAS LIMITACIONES O EXCLUSIONES MENCIONADAS ANTERIORMENTE PUEDEN NO APLICAR
PARA USTED. ESTA GARANTJA LE DA DERECHOS LEGALES ESPECIFICOS Y USTED TAMBI#'N PUEDE TENER
OTROS DERECHOS, LOS CUALES VARJAN DE ESTADO A ESTADO.
Para servicio, p6ngase en contaco la instalaci6n de servicio de garantia autorizada mas cercana de SEARS. El servicio de
garantia puede ser Ilevado a cabo solamente por una instalaci6n de servicio autorizado de SEARS. Esta garantia no se
aplica al servicio dado en ninguna otra instalaci6n. En el momento de solicitar servico de grantia, se debe presentar
evidenca de la fecha de compra original.
SEARS, ROEBUCK AND CO., D/817 WA, Hoffman Estates, IL 60179
40

iPRECAUCION! Lea este manual y siga todas las
Reglas de Seguridad e Instrucciones de Operaci6n
antes de usar este producto.
iADVERTENCIA! Siesta unidad se usa para
energia de refuerzo, usted debe aislar el generador
de cualquier utilidad el6ctrica usando un equipo de
transferencia aprobado. Si no se aisla de la manera
adecuada, puede resultar en un accidente e
inclusive la muerte para los electricistas que
trabajen alli y por Io tanto, dafio al generador
debido a la retroalimentaci6n de energia el6ctrica. En
todo momento que la unidad est6 proveyendo
energia de refuerzo, la compafiia el6ctrica de
utilidades debe ser notificada.
iPELIGRO! Los gases provenientes del
generador contienen monoxido de carbono, el
cual puede causar la MUERTE. Si se respira en
concentraciones suficientes, el monoxido de
carbono puede hacer que la persona quede
inconsciente o a_n pierda la vida. Opere este
equipo al aire libre donde haya bastante ventilaci6n.
iPRECAUCION! Siempre desconecte el alambre
de la bujia y col6quelo donde no pueda entrar en
contacto con la bujia, para evitar el arranque
accidental durante la instalaci6n, transporte, ajuste o
reparaci6n de su generador.
•El motor-generador requiere de un flujo adecuado de aire
de enfriamiento para que funcione continua y
correctamente. Nunca opere esta unidad dentro de un
sal6n o recinto cerrado donde el flujo libre de aire de
enfriamiento, hacia el interior y la parte externa de la
unidad, pueda ser obstruido. Sin suficiente flujo de aire
de enfriamiento, la unidad se recalienta rapidamente,
dafiando el generador o la propiedad alrededor.
• El generador produce un voltaje muy alto, el cual puede
ocasionar descargas el6ctricas extremamente
peligrosas. Evite el contacto con terminales, alambres
pelados o sin recubrimiento, etc. Nunca permita que
personas no calificadas operen o proporcionen servicio
al generador.
• No Ilene el tanque de combustible excesivamente.
Siempre permita que exista espacio para la expansi6n
del combustible. Si el tanque esta demasiado Ileno, el
combustible podria rebosarse y caer sobre el motor
caliente y ocasionar un INCENDIO o una EXPLOSION.
• Nunca opere el generador:
en la Iluvia; en espacios encerrados; si la velocidad del
motor varia; si se recalientan los dispositivos el6ctricos
conectados; si se pierde la salida el6ctrica; si se
presentan chispas en el motor o generador; si se
observan llamas o humo cuando la unidad esta
funcionando; si la unidad vibra demasiado.
• Nunca manipule dispositivos o cordones el6ctricos
cuando se encuentre parado en agua, descalzo o con
los pies o las manos mojadas.
• Use un interruptor de circuito de falla a tierra en areas
hQmedas o de alta conductividad (como en pisos
metalicos o estructuras de acero).
• No utilice en el generador juegos de cordones el6ctricos
que est6n desgastados, pelados, raidos o dafiados de
cualquier manera. El uso de un cord6n defectuoso puede
resultar en descarga el6ctrica o dafio del equipo y/o la
propiedad.
• Opere el generador s61o en superficies planas y en
donde no sera expuesto a la humedad excesiva, la
tierra, el polvo ni vapores corrosivos.
• La gasolina es altamente INFLAMABLE y sus vapores
son EXPLOSIVOS. No permita que fumen, que existan
llamas abiertas, chispas o calor a su alrededor cuando
manipule gasolina. Evite regar gasolina sobre un motor
caliente. Cumpla con todas las leyes que regulan el
almacenamiento y el manejo de gasolina.
• Nunca almacene el generador con combustible en el
tanque, donde los vapores de la gasolina puedan entrar
en contacto con llamas abiertas, chispas o luces de piloto
(como en hornos, calentadores de agua o secadoras de
ropa). Podrian ocurrir INCENDIOS o EXPLOSIONES.
• Nunca agregue el combustible mientras la unidad corre.
• Nunca arranque o detenga el motor-generador cuando
tenga cargas el6ctricas conectadas a los tomacorrientes
y los dispositivos conectados est6n ENCENDIDOS.
Arranque el motor y permita que se estabilice antes de
conectar las cargas el6ctricas. Desconecte todas las
cargas el6ctricas antes de apagar el generador.
• No meta objetivo por la refrigeraci6n ranuras del
generador de motor.
NOTA: El motor de su generador esta equipado con un
silenciador apagachispas, el apagachispas debera ser
mantenido en buenas condiciones de funcionamiento por
parte del propietario/operador. En el estado de California es
obligatorio, segQn ley, el uso de apagachispas (Secci6n
4442 del C6digo de Recursos P0blicos de California). Otros
estados pueden tener leyes similares. Las leyes federales
se aplican en tierras federales.
_USQUE ESTE SIMBOLO PARA SENALAR PRECAUCIONES DE SEGURIDAD IMPORTANTES. ESTE SIGNIFICA
"iATENCION!!! iESTE ALERTA!!! SU SEGURIDAD ESTA EN PELIGRO."
41

Sugeneradorrequieredeciertoensambleyestaralisto
paraserusadodespu6sdehaberledadounservicio
adecuadoconelaceitey elcombustiblerecomendados.
Sitieneproblemasconelmontajedesugenerador,por
favorIlamealaLineadeAyudadelGeneradoral
1-800-222-3136.
IMPORTANTE: Cualquier intento de poner en marcha al
motor antes de darle el servicio con el aceite recomendado
resultara en falla del motor
PARA RETIRAR EL GENERADOR
DE LA CAJA
• Coloque la caja entarimada sobre una superficie plana y
rigida
• Corte con cuidado las bandas que estan alrededor de la
caja de envio
• Levante la caja del generador
• Retire todo el material de protecci6n, material de relleno,
etc
• Retire el generador de la tarima de envio
CONTENIDO DE LA CAJA
Revise todo el contenido. Si alguna parte falta o esta
daSada, Ilame a la Linea de Ayuda del Generador al
1-800-222-3136.
La caja incluye:
• Generador de 10000 Vatios
• Manual del Propietario
• 2 Botella de Aceite para Motor (28 oz)
• Enchufe de 125 Voltios, 30 Amperios
• Enchufe de 125 Voltios, 20 Amperios
• Enchufe de 240 Voltios, 30 Amperios
• Embudo para Llenado de Aceite
• Juego de Ruedas
REVISE LA BATERIA /CONECTE EL
ALAMBRE NEGATIVO DE LA
BATERIA
La bateria del generador se encuentra completamente
cargada, sellada y ha sido previamente instalada con la
excepci6n del cable negativo (negro) de la bateria
Para instalarlo:
• Retire la tuerca del terminal negativo de la bateria
• Inserte el cable negativo de la bateria en el tornillo del
terminal
©
• Vuelva a enroscar la tuerca y apriete
• Asegt_rese de que las conexiones en la bateria y el
generador se encuentre apretadas y seguras
42

INSTALACION DEL JUEGO DE
RUEDAS
Para instalar su juego de ruedas, necesitara las
siguientes herramientas:
• Llave de cubos o extremo abierto m6trica de 13mm.
• Unas pinsas de punta
Instale el Juego de Ruedas como se describe a
continuacion:
1. Coloque la parte inferior del bastidor del generador
sobre una superficie plana y pareja.
2. Pase el eje a trav6s de ambas m6nsulas de montaje
del armaz6n del bastidor.
3. Inserte un espaciador en cada extremo del eje.
4. Deslice una rueda en el eje.
NOTA: Asegt_rese de instalar ambas ruedas con la valvula
de aire hacia el lado de afuera.
5.
6.
7.
8.
g.
10.
Coloque el e-ring en la ranura del eje.
Coloque un extremo de las pinzas de puntas de aguja
en la parte inferior del eje y el otro extremo de las
pinzas en la parte superior del e-ring. Asiente el e-ring
cerrando las pinzas.
Repita los pasos 4 por 6 para asegurar la segunda
rueda.
Asegure el montaje antivibratorio a la pata de soporte
con la tuerca de sujeci6n y el tornillo prisionero largo de
30 mm. Ajuste la pata de soporte a la parte inferior del
bastidor del generador utilizando dos tornillos
prisioneros de 20 mm y dos arandelas y dos arandelas
plana.
Coloque la manija por debajo de la m6nsula del
silenciador en el lado del motor del generador. Instale la
manija con cuatro tornillos prisioneros largos de 45 mm
y cuatro tuercas de sujeci6n.
Vuelva a revisar todas las tuercas para asegurarse de
que estan apretadas correctamente.
Manija
Tuerca de
Sujeci6n
Tornillo Prisionero
de 45 mm
/
de
Sujeci6n
Pata de
Soporte
J
Espaciador
Rueda
Arandela
Montaje
Antivibratorio "-
E-Ring
Tornillo
'''" Prisionero
de 30 mm
--Arandela Plana
_Arandela
Tornillo
de 20 mm
43

CONOZCA SU GENERADOR
Lea este manual del propietario ylas reglas de seguridad antes de operar su generador.
Compare las ilustraciones con su generador para familiarizarse con la ubicaci6n de los diferentes controles y ajustes.
Valvula de Corte de Combustible ue de Combustible
Cortacircuitos
(AC)
Tomacorrientes
Doble de
120 Voltios AC
20 Amperios
Filtro de Aire
(en la parte
superior del
motor)
Interruptor de Llave
Tomacorriente
de Seguridad de
120 Voltios AC
20 Amperios
Cebador
Tomacorrient_ de
Seguridad de
120 Voltios AC,
30 Amperios
Filtro de Aceite
Tomacorriente e Seguridad
de 120/240 Voltios AC,
30 Amperios
Cebador - Usado para dar arranque a motores frios.
Cortacircuitos (AC) - Cada tomacorriente posee un
cortacircuito para proteger el generador contra sobrecargas
el6ctricas. Los cortacircuitos son del tipo "oprimir para
reposicionar".
Filtro de Aceite - Filtra el aceite del motor para prolongar
su vida 6til.
Filtro de Aire - Filtra el aire de entrada a medida que
penetra en el motor.
Interruptor de Llave - Usado para dar arranque al motor.
Siempre tenga el interruptor de Ilave en la posici6n "Stop"
cuando no Io est6 usando.
Tanque de Combustible - El tanque tiene una capacidad
de 10 galones americanos de gasolina sin contenido de
plomo.
Tomacorriente Doble de 120 Voltios AC, 20 Amperios -
Cada uno suministra alimentaci6n el6ctrica para el
funcionamiento de cargas del motor y herramientas,
aparatos especiales e iluminaci6n el6ctrica de 120 Voltios
AC, 20 Amperios, monofasica de 60 Hz.
Tomacorriente de
120/240 Voltios AC,
50 Amperios
Tomacorriente de 120/240 Voltios AC, 50 Amperios -
Suministra alimentaci6n el6ctrica para el funcionamiento de
cargas de motor o soldadores de 120/240 Voltios AC,
monofasica de 60 Hertzios a 50 Amperios.
Tomacorriente de Seguridad de 120 Voltios AC,
20 Amperios - Suministra alimentaci6n el6ctrica para el
funcionamiento de cargas del motor y herramientas,
aparatos especiales e iluminaci6n el6ctrica de 120 Voltios
AC, 20 Amperios, monofasica de 60 Hz.
Tomacorriente de Seguridad de 120 Voltios AC,
30 Amperios - Suministra alimentaci6n el6ctrica para el
funcionamiento de cargas del motor y herramientas,
aparatos especiales e iluminaci6n el6ctrica de 120 Voltios
AC, 30 Amperios, monofasica de 60 Hz.
Tomacorriente de Seguridad de 120/240 Voltios AC,
30 Amperios - Suministra alimentaci6n el6ctrica para el
funcionamiento de cargas del motor y herramientas,
aparatos especiales e iluminaci6n el6ctrica de 120 y/o
240 Voltios AC, 30 Amperios, monofasica de 60 Hz.
Valvula de Corte de Combustible -Siempre tenga la
valvula de corte de combustible cerrada cuando el motor no
est6 en funcionamiento.
44

ANTES DE DARLE ARRANQUE AL
GENERADOR
A_ada Aceite al Motor
NOTA: El motor requiere de un periodo de despegue de
20 horas. Reemplace el aceite del motor y el filtro del aceite
despu6s de las primeras 20 horas. No use aceite sint6tico
durante el periodo de despegue.
NOTA: Cuando aSada aceite a la caja del cigQefial del
motor en el futuro, Qnicamente use aceite detergente de alta
calidad con la clasificaci6n de servicio SF o mayor de API.
No use aditivos especiales.
Seleccione el grado de viscosidad del aceite de acuerdo con
la temperatura de funcionamiento que espera tener:
i[tlYivl
P_*lTiVJ
Grado
Sencillo
Grado
M0,tip,e • •
-20 -10 0 10 20 30 40°C
-4 14 32 50 68 86 104°F
NOTA: Para temperaturas de funcionamiento por encima de
los 90°F, se recomienda aceite sint6tico. El aceite sint6tico
dura mas y protege mejor el motor en condiciones de alta
temperatura.
A pesar de que los aceites de mQItiple viscosidad (10W40,
10W30, etc.) mejoran el arranque en clima frio, estos
pueden producir un aumento en el consumo de aceite
cuando son usados por encima de 32°F. Revise el nivel de
aceite de su motor mas frecuentemente para evitar el
posible dafio del motor debido al funcionamiento del mismo
con un bajo nivel de aceite.
Para ahadir aceite:
Coloque el generador sobre una superficie nivelada.
Limpie el area alrededor de la tapa de Ilenado de aceite y
varilla de medici6n. Retire la tapa y la varilla de medici6n.
Limpie la varilla de medici6n.
Llene el motor usando la abertura de Ilenado del aceite
hasta que Ilegue a la linea superior de la varilla de
medici6n. Siempre revise el nivel del aceite con la varilla
de medici6n instalada en su sitio. Det6ngase y revise
peri6dicamente el nivel del aceite. NO LLENE
EXCESIVAMENTE.
• Instale la varilla de medici6n. Instale la tapa y aprietela
con la mano firmemente.
En adelante, revise el nivel de aceite del motor antes de
cada arranque. Vuelva a depositar aceite si su nivel se
encuentra por debajo de la linea inferior de la varilla de
medici6n.
Medid°r de Aceite _i__ _
e' _ "-i!i_i/'_jl'_@
suiVrior _/_/_
_ _'",:.::,:.:>:.:,:
L_ Nivel Inferior
Agregue Gasolina
AADVERTENClA! Nunca Ilene el tanque de
combustible en recintos cerrados. Nunca Ilene el
tanque de combustible cuando el motor est6
funcionando o est6 caliente. No fume cuando est6
Ilenando el tanque de combustible.
iADVERTENCIA! Nunca Ilene por completo el
tanque de combustible. Deje espacio para la
expansi6n del combustible. Limpie cualquier derrame
de combustible del motor y del equipo antes de darle
arranque a la unidad.
• Use gasolina regular SIN CONTENIDO DE PLOMO en el
generador. No use gasolina premium. No mezcle aceite
con gasolina.
• Instale la tapa del combustible y limpie cualquier derrame
de gasolina.
• Limpie el area alrededor de la tapa de la gasolina; retire
la tapa.
• Llene el tanque con gasolina sin contenido de plomo
limpia y nueva. Sea cuidadoso de no Ilenar en exceso.
Deje 1/2" de espacio en el tanque para la expansi6n del
combustible.
Espacio
v:c,:d:U Tanque
/NNNN
IMPORTANTE: Si el generador se detiene por falta de
combustible, mueva el interruptor de Ilave a la posici6n
"Stop" para que la bateria no se descargue.
45

COMO USAR SU GENERADOR
Si tiene problemas operando su generador, por favor Ilame
a la linea de ayuda para generadores al 1-800-222-3136.
Conexion aTierra del Generador
El Codigo Eldctrico Nacional exige que el bastidor y las
partes externas conductoras de electricidad de este
generador se encuentren conectadas adecuadamente a
una tierra fisica aprobada. Los c6digos el6ctricos locales
tambi6n podrian exigir la conexi6n a tierra de la unidad.
Para tal prop6sito, se ha suministrado una aleta de conexi6n
a tierra en la base del armaz6n.
Aleta de Conexi6n _ f
a Tierra
Por Io general, la conexi6n de un alambre de cobre trenzado
No. 12 AWG (American Wire Gauge) a la aleta de conexi6n
a tierra y a una barra de conexi6n a tierra de cobre o bronce
(electrodo) proporciona una protecci6n adecuada contra
descargas el6ctricas. Sin embargo, los c6digos locales
pueden variar substancialmente. Consulte con un
electricista local para conocer los requisitos de
conexion a tierra de su area.
La conexi6n a tierra adecuada del generador ayudara a
evitar las descargas el6ctricas en el caso de que exista una
condici6n de falla a tierra en el generador o en los
dispositivos el6ctricos conectados. La conexi6n a tierra
adecuada tambi6n ayuda a disipar la electricidad estatica, la
cual se acumula frecuentemente en dispositivos No
conectados a tierra.
Conexion de Cargas Eldctricas
• Deje que el motor se estabilice y se caliente por unos
minutos despu6s del arranque.
• Enchufe y encienda las cargas el6ctricas de 120 o
240 Voltios, monofasicas de 60 Hertzios.
• No conecte cargas de 240 Voltios a tomacorrientes de
120 Voltios.
No conecte cargas trifasicas al generador.
No conecte cargas de 50 Hz al generador.
Sume los vatios asignados (o amperios) de todas las
cargas que se van a conectar al mismo tiempo. Este total
no debe ser mayor que (a) la capacidad del
vatiaje/amperaje nominal del generador o (b) la
capacidad del cortacircuito del tomacorriente que
suministre la alimentaci6n. Vea "No Sobrecargue el
Generador" en la pagina 50.
PARA DARLE ARRANQUE AL
MOTOR
iPRECAUCION! Nunca encienda o pare el motor con las
cargas el6ctricas conectadas a los receptaculos Y con los
aparatos conectados ENCENDIDOS.
• Desconecte todas las cargas el6ctricas de los
tomacorrientes del generador antes de darle arranque al
motor.
AsegQrese de que la unidad esta nivelada.
Abra la valvula de corte de combustible.
_FUEL TAN_
Valvula del Combustible
en posici6n "On"
Hale la perilla del cebador hasta cerrarlo. Si el motor esta
caliente, o la temperatura ambiente es elevada, hale la
perilla del cebador hasta la mitad, o mant6ngala
completamente abierta.
\
Cerrar /
/
/
Coloque el interruptor de Ilave en la posici6n "Start".
/Stop
Run
Start
= Parado
=Marcha
=Arranque
IMPORTANTE: No active el arranque el6ctrico de forma
continua por mas de 5 segundos, incluso si el motor no
enciende. El viraje prolongado puede daSar el motor del
arrancador.
NOTA: Si el motor no arranca, coloque la Ilave en la
posici6n "Run" y espere 10 segundos aproximadamente
antes de volver a intentar.
IMPORTANTE: Nunga coloque el interruptor de Ilave en la
posici6n "Start" cuando el motor est6 en funcionamiento.
Podria daSar el motor del arrancador.
• Cuando el motor arranque, abra gradualmente el cebador
empujando la perilla y conservandola completamente
abierta durante el funcionamiento.
46

/Abierta
/ /
IMPORTANTE: No sobrecargue el generador. Tampoco
sobrecargue los tomacorrientes individuales del panel.
Estas tomas estan protegidas contra sobrecargas por
cortacircuitos tipo oprimir para reajustar. Si excede la
capacidad de cualquier cortacircuito, ese cortacircuito se
abrira y se perdera la salida el6ctrica para ese
tomacorrientes. Lea minuciosamente "No Sobrecargue el
Generador" en la pagina 50.
PARADO DEL MOTOR
•Desconecte (o APAGUE) las cargas el6ctricas
conectadas a los tomacorrientes del panel del generador.
Nunca le de arranque o detenga el motor teniendo
dispositivos conectados y encendidos.
• Deje que el motor funcione sin cargas por 30 segundos
para estabilizar las temperaturas internas del motor y el
generador.
• Mueva el interruptor de Ilave a la posici6n "Stop".
• Cierre la valvula del combustible.
PARADO DEL MOTOR CON LA
VALVULA DE COMBUSTIBLE
Este procedimiento elimina el combustible del carburador.
Use este m6todo para detener el generador si planea
almacenar el generador por un periodo de tiempo
prolongado. El combustible tapa los pasajes internos del
carburador si permanece en el sistema por un periodo de
tiempo prolongado.
• Desconecte (o APAGUE) todas las cargas el6ctricas
conectadas a los tomacorrientes del panel del generador.
Nunca le de arranque o detenga un motor si tiene
dispositivos conectados y encendidos.
• Deje que el motor funcione sin cargas por 30 segundos
para estabilizar las temperaturas internas del motor y el
generador.
• Cierre la valvula del combustible durante el
funcionamiento y espere a que el motor se detenga.
• Coloque el interruptor de Ilave en la posici6n "Stop"
despu_s de apagar el motor. La bateria se va a
descargar si no coloca el interruptor de Ilave en la
posici6n "Stop".
CUANDO EL MOTOR NO ARRANCA:
Lleve a cabo las siguientes revisiones si su motor no
arranca:
1. &Tiene suficiente gasolina?
Revise y asegerese de que tiene combustible en el
tanque.
2. &Esta abierta la v_lvula del combustible?
Revise y asegQrese de que la valvula del combustible
est6 abierta. Si esta cerrada, abrala.
3. &Tiene compresi6n suficiente?
Revise si la bujia esta suelta. Siesta suelta, aprietela.
4. &Tiene aceite suficiente?
La unidad viene equipada con un sistema de apagado
por baja presi6n de aceite. Si no tiene suficiente aceite
en su motor la unidad no va a arrancar. Deposite el
aceite necesario hasta alcanzar el nivel correcto.
5.
6.
&Est_ la bujia mojada con gasolina?
Cebe (cierre la palanca del cebador) y arranque
lentamente el motor por 2 o 3 segundos. Retire la bujia
para ver si el electrodo esta hQmedo. Si el electrodo esta
hQmedo es porque existe un buen suministro de
combustible al motor.
• Cuando el electrodo esta seco, revise hasta encontrar
donde existe restricci6n para el combustible. (Revise
la toma de combustible del carburador y la entrada de
combustible).
• Si el motor no arranca y tiene un buen suministro de
combustible, use combustible fresco.
&Observa una chispa fuerte atray,s del electrodo?
,_ iADVERTENCIA! Limpie cualquier derrame de
gasolina antes de revisar la bujia. Coloque la bujia
tan lejos como sea posible de su orificio. No
sostenga la bujia con la mano cuando la est6
revisando.
7.
• Retire la bujia y con6ctela a la tapa de la bujia. Gire el
interruptor a la posici6n "Start" al mismo tiempo que
conecta a tierra la bujia contra el motor.
• Si la chispa es d6bil o no observa chispa, intente con
una bujia nueva.
• El sistema de ignici6n es defectuoso si no observa
chispas con una bujia nueva. Lleve su motor a su
centro de servicio Sears mas cercano.
&Est_ bien cargada su bateria?
• Revise la bateria, es posible que est6 descargada y
no pueda activar el arrancador el6ctrico. Consulte con
su centro de servicio Sears mas cercano.
47

TOMACORRIENTES
Tomacorriente Doble de 120 Voltios AC,
20 Amperios
Esta es una toma de 120 Voltios AC, que consiste de un par
de tomacorrientes protegidos contra sobrecargas por un
cortacircuito con dispositivo de reposici6n.
Tomacorriente de 120 Voltios AC,
30 Amperios
Use un enchufe tipo NEMA L5-30 con este tomacorriente.
Conecte al enchufe un juego de cordones de 3 alambres
con capacidad de 125 Voltios AC a 30 Amperios (o mayor).
Juego de Cable de 3 Alambres
NEMA L5-30
Neutro
120V
Cargado
Utilice cada tomacorriente para operar cargas el6ctricas de
120 Voltios AC, 60 Hz, monofasicas que requieran hasta
2,400 vatios (2.4 kW) combinados de potencia o
20 Amperios de corriente. Unicamente utilice juegos de
cordones con conexi6n a tierra de 3 alambres bien aislados
que tengan una capacidad de 125 Voltios a 20 Amperios (o
mayor).
Conserve Io mas corto posible los cordones de extensi6n,
preferiblemente menos de 15 pies de Iongitud para evitar
caidas de voltaje y posible sobrecalentamiento de los
alambres.
Tomacorriente de 120 Voltios AC,
20 Amperios
Use un enchufe tipo NEMA L5-20 con este tomacorriente.
Conecte al enchufe un juego de cordones de 3 alambres
con capacidad de 125 Voltios AC a 20 Amperios (o mayor).
Juego de Cable de 3 Alambres
__1 "_ NEMA L5-20
INeutro
120V
Cargado
Tierra (Verde)
Utilice este tomacorriente para operar cargas de 120 Voltios
AC, 60 Hz, monofasicas que requieran hasta 2,400 vatios
(2.4 kW) de potencia a 20 Amperios. La toma esta protegida
por un cortacircuito con dispositivo de reposici6n de
20 Amperios.
Tierra (Verde)
Utilice este tomacorriente para operar cargas de 120 Voltios
AC, 60 Hz, monofasicas que requieran hasta 3600 vatios
(3.6 kW) de potencia a 30 Amperios. La toma esta protegida
por un cortacircuito con dispositivo de reposici6n de
30 Amperios.
Tomacorriente de 120/240 Voltios AC,
30 Amperios
Use un enchufe tipo NEMA L14-30 con este tomacorriente.
Conecte al enchufe y a la carga que desee un juego de
cordones de 4 alambres con conexi6n a tierra. El cord6n
debera tener una capacidad de 250 Voltios AC a
30 Amperios (o mayor).
Juego de Cable de 4 Alambres
__11
/--\
___8L_0 _ Y (Cargado)
NEMA L14-30
(Neutro)
X (Cargado)
/_L7 Tierra (Verde)
Utilice este tomacorriente para operar cargas de 120 Voltios
AC, 60 Hz, monofasicas que requieran hasta 3,600 vatios
(3.6 kW) de potencia a 30 Amperios o cargas de 240 Voltios
AC, 60 Hz, monofasicas que requieran hasta 7,200 vatios
(7.2 kW) de potencia a 30 Amperios. La toma esta protegida
por un cortacircuito con dispositivo de reposici6n de
30 Amperios.
48

Tomacorriente de 120/240 Voltios AC,
50 Amperios
Utilice un enchufe NEMA 14-50 con este tomacorriente.
Conecte al enchufe un juego de cordones de 4 alambres
con capacidad de 250 Voltios AC a 50 Amperios.
Y (Cargado)
_240 Voltios AC .=
/,__m
Conexi6n a
Tierra del
Armaz6n
120 120
Voltios AC "= Voltios AC
NEMA 14-50 w (Neutro)
X (Cargado)
Utilice este tomacorriente para operar cargas de 240 Voltios
AC, 60 Hz, monofasicas que requieran hasta 10,000 vatios
(10.0 kW) de potencia.
_PRECAUCION! A pesar de que esta toma tiene
una capacidad de 240 Voltios AC a 50 Amperios
(hasta 12,500 vatios), el generador tan solo tiene una
capacidad de 10,000 vatios. Las cargas de potencia
que excedan la capacidad de vatiaje/amperaje del
generador pueden daSarlo y causar lesiones severas.
FUNCIONAMIENTO EN CLIMA FRJO
En ciertas condiciones climaticas (temperaturas inferiores a
4-°C [40=°F] combinadas con un alto nivel de humedad), su
generador Craftsman puede experimentar formaci6n de hielo
en el carburador o el sistema de ventilaci6n del carter. Para
reducir este problema, es necesario realizar Io siguiente:
• Asegt_rese de que el generador tenga combustible nuevo
y limpio.
• Abra la vMvula del tanque de combustible (gire la vMvula
a la posici6n de abierto).
• Utilice aceite 5W-30 SAE (se prefiere sint6tico, v6ase la
pagina 31).
• Verifique el nivel de aceite diariamente o despu6s de
cada ocho (8) horas de funcionamiento.
• Cambie el aceite despu6s de cada 24 horas de
funcionamiento.
• Proteja la unidad de la intemperie.
En caso de emergencia, utilice la caja de cart6n del
embalaje original como una protecci6n temporal.
• Corte las tapas de la caja.
• Corte uno de los lados largos de la caja para dejar
expuesto el lado del silenciador de la unidad como se
muestra. Asegt_rese de que haya una separaci6n minima
de 60 cm (2 pies) entre el lado abierto de la caja y el
objeto mas cercano.
• Corte las ranuras adecuadas para tenet acceso a los
tomacorrientes de la unidad.
• Arranque la unidad y despu6s coloque la caja de cart6n
encima.
NOTA: Retire la caja cuando la temperatura sea superior a
4-°C [40=°F].
Para una protecci6n mas permanente, construya una
estructura que rodee los tres lados y la parte superior del
generador.
• Asegt_rese de que quede expuesto el lado completo del
silenciador del generador, como se muestra.
Lado del silenciador expuesto. Su unidad puede tener una
apariencia diferente de como se muestra mas arriba.
• Asegt_rese de que haya una separaci6n minima de
60 cm (2 pies) entre el lado abierto de la estructura y el
objeto mas cercano.
• El extremo expuesto debe estar situado en direcci6n
contraria al viento y los elementos.
• La estructura debera conservar suficiente calor del
generador a fin de evitar problemas de formaci6n de hielo.
,_ iADVERTENCIA! El motor produce mon6xido de
carbono, un gas venenoso, incoloro e inodoro. La
inhalaci6n de mon6xido de carbono puede provocar
nauseas, desmayos o la muerte.
• Arranque el motor y mant6ngalo en marcha en exteriores.
• No arranque ni mantenga el motor en marcha en un Area
cerrada, aun cuando est6n abiertas puertas y ventanas.
• El generador no debe quedar mas encerrado de Io que
se muestra.
• Retire la protecci6n cuando la temperatura sea superior a
4° C [40° F].
• Apague el motor y d6jelo enfriar durante dos (2) minutos
antes de volver a abastecer de combustible.
49

NO SOBRECARGUE EL
GENERADOR
Capacidad
Usted debe asegurarse que su generador puede proveer el
suficiente vataje calificado (cuando est6 funcionando) y de
carga (al encender) para los aparatos a los cuales va a
proveer la energia, al mismo tiempo. Siga estos pasos:
1. Seleccione los aparatos que recibiran la energia, al
mismo tiempo.
2. Totalice los vatios calificados (cuando est6
funcionando) de estos aparatos. Esta es la cantidad de
energia que su generador debe producir para mantener
eso aparatos funcionando adecuadamente.
3. Calcule la cantidad de vatios de carga (al encender)
que usted necesitar& El vataje de carga es la cantidad
minima de electricidad, necesaria para encender
herramientas o aparatos con motores el6ctricos, tales
como, sierras circulares o refrigeradores. Debido a que
no todos los motores se encienden al mismo momento,
el vataje total de carga se puede estimar al afiadir
solamente el(los) aparato(s) con el vataje adicional mas
alto, al total del vataje calificado, obtenido en el paso 2.
Ejemplo:
Herramienta o
Aparato Electrico
Aire Acondicionado
de Ventana
Refrigerador
Congelador
industrial
Televisi6n
Luz (75 Vatios)
Vatios Calificados
(cuando este
funcionando)
1200
800
500
500
75
Total = 3075
Vatios para
funcionar
Vatios Adicionales
de Carga (al
encender)
1800
1600
500
1800 (Vatios de
Carga mas alto)
Vataje Total Calificado (cuando est6 funcionando) = 3075
Vataje de Carga Adicional mas alto = 1800
Salida Total Requerida del Generador = 4875
Control de la Energia
Para prolongar la vida de su generador y los aparatos que
est6n conectados al mismo, es muy importante cuidarlo
cuando se le aSaden cargas el6ctricas. Nada deberia estar
conectado a los tomacorrientes del generador antes de que
su motor sea encendido. La forma correcta y mas segura
para controlar la energia del generador, es la de afiadir en
secuencias las cargas, como se describe a continuaci6n:
1. Sin tener nada conectado al generador, encienda el
motor de la manera descrita en este manual.
2. Conecte y encienda la primera carga, preferiblemente la
mayor que usted tenga.
3. Permita que la salida del generador se estabilice (el
motor funciona suavemente y el aparato conectado al
mismo trabaja adecuadamente).
4. Conecte y encienda la pr6xima carga.
5. De nuevo, permita que el generador se estabilice.
6. Repita los pasos 4 y 5 para cada carga adicional que
usted tenga.
Nunca afiada mas cargas sobre la capacidad del
generador. Tome una atenci6n especial en considerar las
cargas de corriente segQn la capacidad del generador, como
se describe arriba.
Herramienta o Aparato Electrico
Esenciales
Bombilla - 75 vatios
Congelador industrial
Bomba de aguas negras
Refrigerador /congelador - 18 pies
cQbicos
Bomba de agua - 1/3 HP
Calefaccibn /enfriamiento
Aire Acond. de ventana - 10.000
BTU
Ventilador de ventana
Calefactor de caldera - 1/2 HP
Cocina
Homo de microondas - 1.000
Vatios
Cafetera
Cocina electrica - Elemento simple
Calientaplatos
Habitacibn Familiar
Tocador de DVD/CD
VCR
Receptor estereo
Televisor a color - 27 pulg.
Computadora personal con monitor
de 17 pulg.
Otros
Sistema de seguridad
Radio-Reloj AM/FM
Abridor de garaje - 1/2 HP
Calentador electrico de agua - 40
galones
Taller
Luz de hal6geno para trabajar
Rociador sin aire - 1/3 HP
Sierra intercambiable
Taladro electrico - 1/2 HP
Sierra circular - 7 1/4pulg.
Sierra inglete- 10 pulg.
Mesa de planificaci6n - 6 pulg.
Sierra de mesa /sierra de brazo
radial- 10 pulg.
Compresor de aire - 1-1/2 HP HP =
Caballo de fuerza.
Vatios
Calificados*
(cuando
este
funcionand
o)
75
5OO
8OO
8OO
Vatios
Adicionales
de Carga
(al
encender)
500
1200
1600
1000 2000
1200 1800
300 600
800 1300
1000
1500
1500
2500
100
100
450
5OO
8OO
180
3OO
48O
4000
IOO0
6OO
96O
1000
1500
1800
1800
2000
2500
520
1200
960
1000
1500
1800
1800
2000
2500
*El vataje que aparece en la lista es solamente una cantidad
aproximada. Verifique la herramienta o aparato el6ctrico
para obtener el vataje verdadero.
50

PROGRAMA DE MANTENIMIENTO
La siguiente tabla esta basada en el funcionamiento normal del motor. Siga los intervalos horarios o de calendario, Io que
ocurra primero. Se requiere de servicio con mayor frecuencia cuando opere la unidad en condiciones con exceso de polvo o
cargas pesadas.
Elementos de
Mantenimiento
Limpie el generador y revise
pernos y tuercas
Revise el nivel del aceite
Cambie el aceite del motor
(Nota 1)
Limpie la bujia
Limpie el depurador de aire
Limpie salida de escape de
silenciador
Limpie el filtro del combustible
Reemplace el elemento del
depurador de aire
Limpie y ajuste bujias y
electrodos
Reemplace el filtro del aceite
(Nota 1)
Limpie el carburador*
Limpie la cabeza del cilindro*
Limpie la base del motor
(dep6sito de aceite)*
Revise y ajuste los asientos
de las valvulas*
Ajuste la separaci6n de las
valvulas*
Reemplace la bujia
Reemplace las lineas de
combustible*
Repare el motor* (Nota 2)
Cada 8 horas
o diariamente
X
X
Cada 50 Cada 200
horas horas
X
X
X
X
iiiiiiiiiiiiiiiiiiiiiiiiiiiiiiiiiiiiiiiiiiiiiiiiiiiiiiiiiiiiiiiiiiiiiiiiiiiiiiiiiiiiiiiiiiiiiiiiiiiiiiiiiiiiiiiiiiiiiiiiiiiiiiiiiiiiiiiiiiiiiiiiiiiiiiiiiiiiiiiiiiiiiiiiiiiiiiiiiiiiiiiiiiiiiiiiii_i;_iiiiiiiiiiiiiiiiiiiiiiiiiiiiiiiiiiiiiiiiiiiiiiiiiiiiiiiiiiiiiiiiiiiiiiiiiiiiiiiiiiiiiiiiiiiiiiiiiiiiiiiiiiiiiiiiiiiiiiiiiiiiiiiiiiiiiiiiiiiiiiiiiiiiiiiiiiiiiiiiiiiiiiiiiiiiiiiiiiii_i;_:_:_:_:_
iiiiiiiiiiiiiiiiiiiiiiiiiiiiiiiiiiiiiiiiiiiiiiiiiiiiiiiiiiiiiiiiiiiiiiiiiiiiiiiiiiiiiiiiiiiiiiiiiiiiiiiiiiiiiiiiiiiiiiiiiiiiiiiiiiiiiiiiiiiiiiiiiiiiiiiiiiiiiiiiiiiiiiiiiiiiiiiiiiiiiiiiiiiiiiiiiiiiii_:Iiiiiiiiiiiiiiiiiiiiiiiiiiiiiiiiiiiiiiiiiiiiiiiiiiiiiiiiiiiiiiiiiiiiiiiiiiiiiiiiiiiiiiiiiiiiiiiiiiiiiiiiiiiiiiiiiiiiiiiiiiiiiiiiiiiiiiiiiiiiiiiiiiiiiiiiiiiiiiiiiiiiiiiiiiiiiiiiiiiiiiiiiii_i_:!
.....
X
X
X
X
iiiiiiiiiiiiiiiiiiiiiiiiiiiiiiiiiiiiiiiiiiiiiiiiiiiiiiiiiiiiiiiiiiiiiiiiiiiiiiiiiiiiiiiiiiiiiiiiiiiiiiiiiiiiiiiiiiiiiiiiiiiiiiiiiiiiiiiiiiiiiiiiiiiiiiiiiiiiiiiiiiiiiiiiiiiiiiiiiiiiiiiiiiii_iiiiiiiiiiiiiiiiiiiiiiiiiiiiiiiiiiiiiiiiiiiiiiiiiiiiiiiiiiiiiiiiiiiiiiiiiiiiiiiiiiiiiiiiiiiiiiiiiiiiiiiiiiiiiiiiiiiiiiiiiiiiiiiiiiiiiiiiiiiiiiiiiiiiiiiiiiiiiiiiiiiiiiiiiiiiiiiiiiiiiiiiiii.....
Cada 500
horas
X
X
X
X
X
X
iiiiiiiiiiiiiiiiiiiiiiiiiiiiiiiiiiiiiiiiiiiiiiiiiiiiiiiiiiiiiiiiiiiiiiiiiiiiiiiiiiiiiiiiiiiiiiiiiiiiiiiiiiiiiiiiiiiiiiiiiiiiiiiiiiiiiiiiiiiiiiiiiiiiiiiiiiiiiiiiiiiiiiiiiiiiiiiiiiiiiiii_;_
Cada 1000
horas
iiiiiiiiiiiiiiiiiiiiiiiiiiiiiiiiiiiiiiiiiiiiiiiiiiiiiiiiiiiiiiiiiiiiiiiiiiiiiiiiiiiiiiiiiiiiiiiiiiiiiiiiiiiiiiiiiiiiiiiiiiiiiiiiiiiiiiiiiiiiiiiiiiiiiiiiiiiiiiiiiiiiiiiiiiiiiiiiiiiiii i !iili
!i!i!i!i!i!i!i!i!i!i!i!i!i!i!i!i!i!i!i!i!i!i!i!i!i!i!i!i!i!i!i!i!i!i!i!i!i!i!i!i!i!i!i!i!i!i!i!i!i!i!i!i!i!i!i!i!i!i!i!i!i!i!i!i!i!i!i!i!i!i!i!i!i!i!i!i!i!i!i!i!i!i!i_'i;i_i_i_i_i!_i!_i!_i!ii_i_ii:_
X
X
* Estas operaciones de mantenimiento deben ser realizadas por un Centro de Servicio Sears autorizado. Si piensa que esta
calificado para Ilevar a cabo estas maniobras de mantenimiento, debera ordenar el manual de servicio para las
instrucciones acerca de como realizar estos procedimientos de forma correcta.
NOTA 1: El cambio de aceite y el reemplazo de filtro inicial deberan set Ilevados a cabo despu6s de 20 horas de operaci6n.
En adelante, cambie el aceite cada 50 horas y reemplace el filtro del aceite despu6s de 200 horas.
NOTA 2: Debe set realizado pot su Centro de Servicio Sears mas cercano.
51

ESPECIFICACIONES DEL PRODUCTO
Especificaciones del Motor
Tipo ........................ Motor a gasolina
OHV Enfriado a
Aire, 4 tiempos,
V-Twin, con Eje
Horizontal
Diametro x Recorrido ........... 2-80 mm x 65 mm
Caballos de Fuerza ............ 18 a 3600 rpm
Desplazamiento ............... 653 cc
Bujia ....................... NGK BPR6ES
(Champion
RN 114C4)
Capacidad del Tanque de Gasolina 10 galones
americanos
Tipo de Aceite ................ Ver pagina 45
Capacidad del Dep6sito de Aceite .1.55 litros
Especificaciones del Generador
Potencia Maxima .............. 10,000 vatios
(10.0kW)
Potencia de Sobretensi6n ........ 12,500 vatios
(12.5kW)
Voltaje AC Nominal ............ 120/240 Voltios
Corriente de Carga Maxima
a 240 Voltios ................ 41.7 Amperios
a 120 Voltios ................ 83.3 Amperios
Frecuencia Nominal ............ 60Hz a 3600 rpm
Fase ....................... Monofasica
Factor de Potencia ............. 1.0
RECOMENDACIONES GENERALES
La garantia del generador no cubre los elementos que
hayan sido sujetos al abuso o negligencia del operador.
Para recibir el valor completo de la garantia, el operador
debera mantener el generador de la forma descrita en este
manual.
Se deberan Ilevar a cabo algunos ajustes peri6dicamente
para mantener correctamente su generador.
Todos los ajustes de la secci6n Servicio y Ajustes de este
manual deberan ser hechos por Io menos una vez en cada
estaci6n. Cumpla con los requisitos de la tabla "Programa
de Mantenimiento" descrita en la pagina 51.
MANTENIMIENTO DEL
GENERADOR
El mantenimiento del generador consiste en mantener la
unidad limpia y seca. Opere y almacene la unidad en un
ambiente limpio y seco donde no vaya a estar expuesta a
excesos de polvo, suciedad, humedad o a vapores
corrosivos. Las ranuras para aire de enfriamiento del
generador deben permanecer despejadas, sin acumulaci6n
de nieve, hojas u objetos extraSos.
Revise frecuentemente la limpieza del generador y limpielo
cuando elementos como polvo, suciedad, aceite, humedad o
substancias extraSas sean visibles sobre su superficie
exterior.
,_ iPRECAUCION! Nunca inserte objetos oherramientas a trav6s de las ranuras de enfriamiento
de aire, incluso si el motor no esta en
funcionamiento.
NOTA: No recomendamos el uso de mangueras de jardfn
para limpiar el generador. El agua podria introducirse en el
sistema de combustible del motor y causar problemas.
Ademas, si el agua se introduce al generador a trav6s de
las ranuras para aire de enfriamiento, algo del agua quedara
retenida en los espacios vacios y grietas del aislamiento del
devanado del estator y rotor. La acumulaci6n de agua y
suciedad en los devanados internos del generador
disminuira eventualmente la resistencia del aislamiento de
estos devanados.
Para Limpiar el Generador
•Utilice un trapo ht_medo para limpiar las superficies
exteriores.
• Puede usar un cepillo de cerdas suaves para retirar la
suciedad endurecida, aceite, etc.
• Puede usar una maquina aspiradora para eliminar
suciedad y residuos sueltos.
• Puede usar aire a baja presi6n (que no exceda los
25 psi) para eliminar la suciedad. Inspeccione las ranuras
para aire de enfriamiento y la apertura del generador.
Estas aberturas deberan mantenerse limpias y
despejadas.
MANTENIMIENTO DEL MOTOR
,_ iPRECAUCION! Siempre desconecte el cable
negativo de la bateria cuando trabaje en el
generador. Tambi6n desconecte los alambres de las
bujias y mant6ngalos alejados de las mismas cuando
trabaje en el generador. Esto evita arranques
accidentales.
Revision del Nivel de Aceite
Vea la secci6n "ANTES DE DARLE ARRANQUE AL
GENERADOR" en la pagina 45 para inforci6n en como
revisar el nivel del aceite. El nivel de aceite debera revisarse
antes de cada uso o por Io menos cada ocho horas de
operacion. Conserve el nivel de aceite adecuado.
Cambio de Aceite y Filtro del Aceite
Cambie el aceite y el filtro del aceite despu6s de las
primeras 20 horas de operacion. Cambie el aceite cada
50 horas y reemplace el filtro del aceite cada 200 horas
de ese momento en adelante. Siesta utilizando su
generador bajo condiciones de extrema suciedad o polvo, o
en un clima demasiado caliente, haga el cambio de aceite
mas frecuentemente.
52

Siga las siguientes instrucciones para cambiar el aceite
mientras el motor se encuentre caliente:
1. Limpie el Area alrededor del tap6n para drenaje de
aceite, retire el tap6n y drene el aceite por completo en
un recipiente adecuado.
2. Una vez haya drenado el aceite, instale el tap6n del
drenaje de aceite y apri6telo.
3. Coloque un recipiente debajo del filtro de aceite y retire el filtro.
4. Recubra el anillo 'o' del filtro nuevo con una capa de
aceite de motor. Gire el filtro nuevo en el mismo sentido
de las manecillas del reloj hasta que el empaque tenga
un contacto firme con el adaptador del filtro; despu6s
aprietelo 2/3 de vuelta adicional.
5. Llene el motor con aceite de acuerdo alas instrucciones
descritas en la pagina 45.
6. Haga funcionar el motor por un minuto; detenga el motor
y revise si existe fugas de aceite alrededor del filtro del
aceite; vuelva a revisar el nivel del aceite.
7. Cuando la caja del cigQeSal est6 Ilena al nivel correcto,
instale la tapa y apri6tela.
Revision de las Bujias
Limpie las bujias cada 50 horas y reemplacelas cada
500 horas de operacion. Use bujias recomendaci6n. La
separaci6n correcta es 0.6 mm a 0.7 mm.
1. Detenga el motor y saque los alambres de las bujias.
2. Limpie alrededor de las bujias y saquelas de las bujias.
3. Limpie los dep6sito de carb6n del electrodo de las bujias
utilizando un limpiador de bujias o un cepillo de alambre.
4. Ajuste la separaci6n de las bujias de 0.6 mm a 0.7 mm.
Instale las bujias con la separaci6n correcta en las
cabezas de los cilindros.
Proporcione Servicio al Depurador de Aire
El depurador de aire de su equipo es una de las Areas mas
importantes y debera mantenerlo en buen estado. Este motor
no funcionara correctamente y podria resultar daSado si Io
hace funcionar con un sistema de depurador de aire sucio.
Limpie el elemento de espuma de uretano cada 25 horas
de operacion. Limpie el elemento de papel cada
50 horas de operacion o reemplacelo cada 200 horas.
Limpie o reemplace mAs a menudo si el motor funciona bajo
condiciones de suciedad o polvo excesivo.
iPRECAUCION! Nunca haga funcionar este equipo si todo
el sistema del depurador de aire no esta instalado en el
motor. Esto podria ocasionar el desgaste prematuro del
motor.
El elemento interno de papel del depurador de aire y el
elemento externo de espuma de uretano pueden ser
retirados despu6s de retirar la perilla y la cubierta del
depurador de aire. Durante la instalaci6n, coloque el
elemento de papel y la espuma de uretano en la base del
depurador de aire. Revise que el anillo protector est6 en
su sitio y despu6s instale la cubierta con la perilla
apretada firmemente.
Limpieza de la Espuma de Uretano
•Lave y limpie la espuma de uretano en kerosene. Sature
la espuma en una mezcla de 3 pares de kerosene y
1 parte de aceite de motor, despu6s exprimala para
eliminar el exceso de aceite. Limpie o reemplace el
elemento de espuma de uretano cada 50 horas (mas a
menudo en condiciones de mucho polvo).
Elemento de Papel
• Limpie el elemento de papel golpeandolo
cuidadosamente para retirar la suciedad; elimine el polvo
con aire. Nunca use aceite. Limpie o reemplace el
elemento de papel cada 50 horas de operaci6n y
reemplacelo cada 200 horas o una vez al aSo. Limpie o
reemplace mas a menudo si la unidad funciona en
ambientes muy sucios o polvorientos.
NOTA: Si necesita ordenar un filtro de aire nuevo, por favor
Ilame al 1-800-336-PART.
Velocidad de Mando del Motor
iPRECAUCION! La velocidad del motor rue ajustada
adecuadamente en la fabrica y no requiere de ajustes
adicionales. No intente cambiar la velocidad del motor. Si
cree que el motor esta funcionando muy rapido o muy lento,
Ileve su motor a un centro de servicio autorizado para
reparaci6n y ajuste. CAMBIAR LA VELOCIDAD DE MANDO
DEL MOTOR CANCELA LA GARANTIA.
No intente ajustar la calibraci6n de la velocidad de mando
por las siguientes razones:
• Hacer funcionar el motor a velocidades altas es peligroso y
aumenta el riesgo de lesiones personales o daSo del equipo.
• Hacer funcionar el motor a velocidades bajas con cargas
pesadas puede acortar la vida del motor.
Las calibraciones incorrectas de velocidad tambi6n afectan
el funcionamiento el6ctrico de su generador de la siguiente
manera:
• Hacer funcionar el motor a altas velocidades crea una
condici6n de sobrefrecuencia y sobrevoltaje.
• Hacer funcionar el motor a bajas velocidades crea una
condici6n de baja frecuencia y bajo voltaje.
IMPORTANTE: La frecuencia y/o el voltaje incorrecto puede
daSar algunas de las cargas electricas conectadas.
Si sospecha que la velocidad del motor es incorrecta,
Ileve el generador a un centro de servicio autorizado
para su reparacion y ajuste.
Ajustes del Carburador
El carburador de su motor fue ajustado previamente en la
fabrica. No debera manipular el carburador ya que esto
cancelara la garantia del sistema de control de emisiones.
Si tiene problemas o su motor es usado en altitudes
mayores de 5,000 pies, p6ngase en contacto con el
distribuidor autorizado mas cercano para los cambios de
calibraci6n correspondientes para altitudes elevadas.
53

GENERALIDADES
El generador debera ser encendido al menos una vez cada
siete dias y debera dejarlo funcionar al menos durante 30
minutos. Si no puede hacer esto y debe almacenar la
unidad por mas de 30 dias, siga las siguientes instrucciones
como guia para preparar su unidad para almacenamiento.
,_ iADVERTENCIA! Nunca almacene el motor con
combustible en el tanque en recintos cerrados o en
Areas encerradas con poca ventilaci6n donde los
vapores puedan alcanzar llamas abiertas, chispa o
luz de piloto como en un homo, calentador de agua,
secadora de ropa u otro aparato de gas.
ALMAC ENAMI ENTO PARA
PERIODOS PROLONGADOS
Es importante evitar que se formen dep6sitos de goma en
las partes esenciales del sistema de combustible, como el
carburador, manguera o tanque de combustible, durante el
almacenamiento. Tambi6n, la experiencia indica que los
combustibles con mezclas de alcohol (llamados gasohol,
etanol o metanol) pueden atraer humedad, la cual Ileva a la
separaci6n y formaci6n de acidos durante el
almacenamiento. La gasolina acida puede daSar el sistema
de combustible de un motor durante su almacenamiento.
Para evitar problemas con el motor, el sistema de
combustible debera desocuparse antes de un
almacenamiento de 30 dias o mas de la siguiente manera:
• Retire toda la gasolina del tanque de combustible.
,_ iADVERTENCIA! Drene el combustible dentro de
un recipiente adecuado, lejos de llamas abiertas yen
lugares al aire libre. AsegQrese de que el motor est6
frio. No fume.
• Dele arranque al motor y d6jelo funcionar hasta que se
detenga pot la falta de combustible.
• Con el motor todavia caliente, drene el aceite de la caja
del cigiJeSal. Vuelva a Ilenarlo con el grado de aceite
recomendado.
Retire las bujias y rocie aproximadamente ½ onza
(15 ml) de aceite para motor dentro de cada cilindro.
,_ iPRECAUCION! Evite el rociado del orificio de la
bujia cuando est6 girando el motor.
• Cubra los orificios de la bujias con un trapo. Haga girar el
motor pot 2-3 segundos y vuelva a instalar la bujias. No
conecte los alambres de las bujias.
• Retire el cable negativo de la bateria para evitar que la
bateria se descargue.
,_ iADVERTENCIA! Riesgo de incendio, explosi6n y
quemaduras! La bateria funciona con agua. Si usted
almacena el generador en un Area que va a estar por
debajo del punto de congelaci6n, debera retirar la
bateria y almacenarla por separado en un Area que
no vaya a presentar congelamiento. Si permite que la
bateria se congele, el agua en el interior de la bateria
se expandira, rompiendo la bateria y derramando su
contenido. El liquido electr61ito de la bateria es una
soluci6n de acido sulf0rico bastante caustica que
puede causar quemaduras severas. Los derrames de
dicha soluci6n tambi6n pueden producir gas de
hidr6geno, el cual puede encenderse con la chispa o
llama mas insignificante y causar explosi6n.
• Limpie la superficie externa del generador. Revise que
las ranuras de aire de enfriamiento y aberturas del
generador est6n abiertas y despejadas.
• Almacene la unidad en un lugar seco, limpio sin peligro
de congelamiento.
OTRAS SUGERENCIAS PARA EL
ALMACENAMIENTO
• No almacene gasolina de una estaci6n a otra.
• Reemplace la caneca de gasolina si comienza a
oxidarse. El 6xido y/o la suciedad en la gasolina le
causara problemas.
• Si es posible, almacene su unidad en un recinto
encerrado y cQbrala para protegerla del polvo y la
suciedad. ASEGURESE DE VAClAR EL TANQUE DEL
COMBUSTIBLE.
• Cubra su unidad con una cubierta de protecci6n
adecuada que no retenga humedad.
,_ iPRECAUClON! Nunca cubra su generador
cuando el motor y el Area del escape est6n calientes.
54

Problema
El motor esta funcionando pero
no existe salida de AC
disponible.
El motor funciona bien sin
cargas pero funciona mal
cuando las cargas son
conectadas.
Causa
1. Cortacircuitos abierto.
2. Mala conexi6n ojuego de cordones
defectuoso.
3. El dispositivo conectado esta en mal
estado.
4. Falla en el generador
1. Corto circuito en una carga
conectada.
2. El generador esta sobrecargado.
3. La velocidad del motor es muy lenta.
4. Circuito del generador en corto.
Solucibn
1. Reajuste el cortacircuito.
2. Revise y repare.
3. Conecte otro dispositivo que est6 en
buenas condiciones.
4. P6ngase en contacto con el Centro
de Servicio de Sears.
1. Desconecte la carga el6ctrica en
corto.
2. Vea "No Sobrecargue el Generador"
en la pagina 50.
3. P6ngase en contacto con el Centro
de Servicio de Sears.
4. P6ngase en contacto con el Centro
de Servicio de Sears.
1. Depurador de aire sucio.
2. Sin gasolina.
3. Gasolina vieja.
El motor no arranca; o arranca y
funciona mal.
4. El alambre de la bujia no esta
conectado a la bujia.
5. Bujia en mal estado.
6. Agua en la gasolina.
7. Exceso de cebado.
8. Bajo nivel de aceite.
9. Mezcla de combustible
excesivamente rica.
1.
2.
3.
4.
5.
6.
7.
8.
9.
Limpie o reemplace el depurador de
aire.
Llene el tanque de combustible.
Drene el tanque de gasolina y
116nelocon combustible fresco.
Conecte el alambre a la bujia.
Reemplace la bujia.
Drene el tanque de gasolina; 116nelo
con combustible fresco.
Coloque la palanca del cebador en
"no choke".
Llene la caja del cigQefial al nivel
adecuado.
P6ngase en contacto con el Centro
de Servicio de Sears.
El motor se apaga en pleno
funcionamiento.
AI motor le hace falta potencia.
El motor "no funciona
continuamente" o se detiene.
10. Valvula de toma atascada en la
posici6n abierta o cerrada.
11. El motor ha perdido compresi6n.
1. Sin gasolina.
2. Nivel de aceite bajo.
3. Falla en el motor.
1. La carga es muy alta.
2. Filtro de aire sucio.
3. El motor necesita servicio.
1. El cebadorfue abierto muy
rapidamente.
2. Carburador con mezcla de aire-
combustible muy rica o muy pobre.
10. P6ngase en contacto con el Centro
de Servicio de Sears.
11. P6ngase en contacto con el Centro
de Servicio de Sears.
1. Llene eltanque del combustible.
2. Llene la caja del cigQefial al nivel
correcto.
3. P6ngase en contacto con el Centro
de Servicio de Sears.
1. Vea "No Sobrecargue el Generador"
en la pagina 50.
2. Reemplace el filtro de aire.
3. P6ngase en contacto con el Centro
de Servicio de Sears.
1. Mueva el cebador a la posici6n
intermedia hasta que el motor
funcione suavemente.
2. P6ngase en contacto con el Centro
de Servicio de Sears.
55

Sears, Roebuck and Co., U.S.A. (Sears), California Air Resources Board (Consejo de Recursos sobre el Aire de
California, CARB, por sus siglas en ingles) y United States Environmental Protection Agency (Agencia de Proteccion
Ambiental de EE.UU., EPA, por sus siglas en ingles).
Declaracion de garantia del sistema de control de emisiones
(derechos y obligaciones del propietario para la garantia contra defectos)
LA COBERTURA DE LA GARANT(A DE CONTROL DE EMISIONES SE
APLICA A LOS MOTORES CERTIFICADOS ADQUIRIDOS EN
CALIFORNIA EN 1995 Y POSTERIORMENTE, QUE SE UTILICEN EN
CALIFORNIA, Y A MOTORES CERTIFICADOS MODELO 1997 Y
POSTERIORES QUE SEAN ADQUIRIDOS Y UTILIZADOS EN OTRA
REGION DE ESTADOS UNIDOS (Y A PARTIR DEL 1°DE ENERO DE
2001, EN CANADA).
Declaracibn de garantia sobre el control de emisiones de la EPA de
EE.UU. y California.
El California Air Resources Board (CARB), la EPA de EE.UU. y Sears se
complacen en explicar la Garantfa para el sistema de control de emisiones
para motores pequeSos para exteriores (SORE) modelos aSo 2000 y
posteriores. En California, los nuevos motores pequeSos para exteriores se
deben dise_ar, construir y equipar para cumplir con las estrictas normas
del estado contra el smog. En otras regiones de Estados Unidos, los
nuevos motores para interiores de ignici6n por chispa certificados para
modelos arc 1997 y posteriores deben cumplir con normas similares
establecidas por la EPA de EE.UU. Sears debe garantizar el sistema de
control de emisiones de su motor para los perfodos indicados a
continuaci6n, siempre y cuando no se haya abusado, descuidado o dado
mantenimiento incorrecto al motor pequeSo para exteriores.
Su sistema de control de emisiones podra incluir partes como el
carburador o el sistema de inyecci6n de combustible, el sistema de
ignici6n y el convertidor catalitico. Tambi6n se pueden incluir mangueras,
correas, conectores y otros componentes relacionados con las emisiones.
Cuando exista una condici6n que pueda ser cubierta por la garantfa,
Sears reparara el motor pequeSo para exteriores sin costo alguno,
incluyendo el diagn6stico, las partes de repuesto y la mano de obra.
Cobertura de la garantia de Sears contra defectos en el control de
emisiones
Los motores peque_os para exteriores modelos 1995 y posteriores tienen
una garantfa de dos aSos. Si alguna parte de su motor relacionada con
las emisiones esta defectuosa, Sears la reparara o sustituir&
Responsabilidades del propietario para la garantia
Como propietario del motor pequeSo para exteriores, usted es
responsable de realizar las actividades de mantenimiento requeridas
que se indican en este manual del propietario. Sears recomienda que
conserve todos los recibos que cubran el mantenimiento de su motor
pequeSo para exteriores, pero Sears no puede negar la garantia
solamente por la falta de recibos ni por su imposibilidad de garantizar la
realizaci6n de todas las actividades de mantenimiento programadas.
Como propietario del motor pequeSo para exteriores, usted siempre
debe tener en cuenta que Sears podra negar la cobertura de la garantia
si su motor pequeSo para exteriores o una parte del mismo presenta
fallas debido a abuso, descuido, mantenimiento incorrecto o
modificaciones no aprobadas.
Usted es responsable de presentar su motor peque5o para exteriores a
un Centro de servicio Sears aprobado tan pronto como se presente el
problema. Las reparaciones bajo garantia deberAn concluirse en un
periodo razonable, que no excederA de 30 dfas.
Si tiene alguna pregunta con respecto a sus derechos y
responsabilidades para la garantia, p6ngase en contacto con un
representante de servicio Sears al 1-800-469-4663.
Disposiciones de la garantia de Sears contra defectos en el control
de emisiones
Las siguientes son disposiciones especificas relacionadas con la
cobertura de la garantfa contra defectos en el control de emisiones.
1. Partes garantizadas
La cobertura bajo esta garantia incluye solamente aquellas partes
que se enumeran a continuaci6n (las partes del sistema de control
de emisiones) en la medida que dichas partes hayan estado
presentes en el motor adquirido.
a. Sistema de medici6n de combustible.
Sistema de enriquecimiento para arranque en frio.
Carburador y partes internas.
Bomba de combustible.
b. Sistema de inducci6n de aire.
Filtro de aire.
Colector de entrada.
c. Sistema de ignici6n.
Bujias.
Sistema de ignici6n por magneto.
d. Sistema catalizador.
Convertidor catalftico.
Colector de escape.
Sistema de inyecci6n de aire o vAIvula por impulsos.
e. Distintos elementos utilizados en los sistemas anteriores.
Valvulas e interruptores de vacio, temperatura, posici6n y de
detecci6n de tiempo.
Conectores y conjuntos.
2. Vigencia de la cobertura
Sears garantiza al propietario inicial y a cada propietario
subsiguiente que las partes garantizadas estaran libres de defectos
en material y en mano de obra, que ocasionen fallas de las partes
garantizadas durante un periodo de dos aSos a partir de la fecha
en que el motor sea entregado al comprador minorista.
3. No habrA cargos
La reparaci6n o reemplazo de cualquier parte garantizada se
realizara sin cargo alguno para el propietario, incluyendo la mano de
obra de diagn6stico que derive en la determinaci6n de que una parte
garantizada esta defectuosa, si la labor de diagn6stico se realiza en
un Centro de servicio Sears aprobado.
4. Reclamos y exclusiones de cobertura
Los reclamos vinculados con la garantia se presentarAn conforme a
las disposiciones de la P61iza de garantia de Sears. La cobertura de
la garantia se excluirA para aquellas fallas de partes garantizadas
que no sean partes originales de Sears o debido a abuso, descuido
o mantenimiento incorrecto, segen se establece en la P61iza de
garantia de motores de Sears. Sears no es responsable por la
cobertura de fallas de partes garantizadas ocasionadas por el uso
de partes adicionales, no originales o modificadas.
5. Mantenimiento
Cualquier parte garantizada cuyo reemplazo no est6 programado
como mantenimiento requerido o que est6 programada t]nicamente
para inspecci6n frecuente con el fin de "reparar o reemplazar
conforme sea necesario", estara garantizada en cuanto a defectos
por el periodo de la garantia. Cualquier parte garantizada cuyo
reemplazo est6 programado como mantenimiento requerido tendra
solamente una garantia contra defectos t]nicamente por el periodo
hasta el primer reemplazo programado para esa parte. Se podra
utilizar cualquier parte de repuesto que tenga un rendimiento y
durabilidad equivalentes, al realizar cualquier actividad de
mantenimiento o reparaci6n. El propietario es responsable de
realizar todo el mantenimiento requerido, segt]n se define en este
manual del propietario.
6. Cobertura consiguiente
La cobertura bajo la presente se ampliara a la falla de cualquier
componente del motor provocada por un desperfecto en cualquier
parte garantizada que siga gozando de la cobertura de la garantia.
En EE.UU. y Canada contamos con una Ifnea de emergencia las 24 horas (1-800-469-4663), que ofrece un ment] de mensajes pregrabados con
informaci6n sobre mantenimiento de productos.
56

57

58

59

For in-home major brand repair service:
Call 24 hours a day, 7 days a week
1-800-4-MY-HOM E SM(1-800-469-4663)
Para pedir servicio de reparacibn a domicilio - 1-800-676-5811
In Canada for all your service and parts needs call - 1-800-665-4455
Au Canada por tout le service ou les pi6ces
For the repair or replacement parts you need:
Call 7 am - 7 pm, 7 days a week
1-800-366-PART (1-800-366-7278)
Para ordenar piezas con entrega a domicilio - 1-800-659-7084
For the location of a Sears Parts and Repair Center in your area:
Call 24 hours aday, 7days a week
1-800-488-1222
For information on purchasing a Sears Maintenance Agreement
or to inquire about an existing Agreement:
Call 9 am - 5 pm, Monday -Saturday
1-800-827-6655
The ServiceSideofSears_