Craftsman 580328310 User Manual PORTABLE AC GENERATOR Manuals And Guides L0503231
CRAFTSMAN Generator Manual L0503231 CRAFTSMAN Generator Owner's Manual, CRAFTSMAN Generator installation guides
User Manual: Craftsman 580328310 580328310 CRAFTSMAN PORTABLE AC GENERATOR - Manuals and Guides View the owners manual for your CRAFTSMAN PORTABLE AC GENERATOR #580328310. Home:Tool Parts:Craftsman Parts:Craftsman PORTABLE AC GENERATOR Manual
Open the PDF directly: View PDF
.
Page Count: 60

Owner's Manual
®
Start
AC
Model No,
580.328310
GENERATOR
CUSTOMER
NELPLINE
HOURS: Non. - Fri. 8 a.m. to 5p.m. (CT)
CAUTtON
Before using this product, read this
manual and follow all Safety Rules and
Operating instructions.
Sears, Roebuck and Co., Hoffman Estates, _L 60179 U.S.A.
Visit our Craftsman websJte: www.craftsman.com
Part No. 194591GS Draft 1 (02/24/2005)
PRECAUC_0N
Antes de utilizar el producto, lea este
manual y siga todas las Reglas de
Seguridad e Instrucciones de Uso.
o Safety
o Assembly
o Operation
o Maintenance
o Parts
o Espa_oN
0 8

WARRANTY .................................... 2
SAFETY RULES ............................... 3-4
FEATURES AND CONTROLS ...................... 5
ASSEMBLY ................................... 6-8
OPERATION ................................. 9-15
SPECIFICATIONS ............................... 16
MAINTENANCE .............................. 17-19
STORAGE ..................................... 20
TROUBLESHOOTING ............................ 21
SCHEMATIC DIAGRAM .......................... 22
WIRING DIAGRAM .............................. 23
REPLACEMENT PARTS ....................... 24-33
EMISSION CONTROL WARRANTY .............. 34-35
ESPAIqOL ................................... 36-59
HOW TO ORDER PARTS ................ BACK PAGE
LIMITED WARRANTY FOR DELUXE PORTABLE GENERATORS
SEARS warrants to the original purchaser that the alternator and engine for its portable generator will be free
from defects in materials or workmanship for the items and period set forth below from the date of original
purchase. This warranty is not transferable and applies only to portable generators driven by the Sears
warranted engine.
CONSUMER* COMMERCIAL*
Alternator 2 years (2nd year parts only) 1 year
Engine 2 years (2nd year parts only) 1 year
* NOTE: For the purpose of this warranty "Consumer Use" means personal residential household and
emergency use by odginal purchaser, not to be used as a primary source of power. "Commercial Use" means all
other uses, including rental, construction, commercial, and income producing purposes. Once a generator has
experienced commercial use, it shall thereafter be considered a commercial use generator for the purpose of
this warranty.
During said warranty period, SEARS will, at its option, repair or replace any part which, upon examination by
SEARS, is found to be defective under normal use and service**. Starting batteries are not warranted by
SEARS. All transportation costs under warranty, including return to the factory if necessary, are to be borne by
the purchaser and prepaid by him. This warranty does not cover normal maintenance and service and does not
apply to a generator set, alternator or engine, or parts which have been subjected to improper or unauthorized
installation or alteration, misuse, negligence, accident, overloading, overspeeding, improper maintenance, repair
or storage so as, in SEARS's judgment, to adversely affect its performance and reliability.
** NORMAL WEAR: As with all mechanical devices, engines need periodic parts service and replacement to
perform well. This warranty will not cover repair when normal use has exhausted the life of a part or engine.
THERE IS NO OTHER EXPRESS WARRANTY. SEARS HEREBY DISCLAIMS ANY AND ALL
IMPLIED WARRANTIES, INCLUDING BUT NOT LIMITED TO THOSE OF MERCHANTABILITY
AND FITNESS FOR A PARTICULAR PURPOSE TO THE EXTENT PERMITTED BY LAW. THE
DURATION OF ANY IMPLIED WARRANTIES WHICH CANNOT BE DISCLAIMED IS LIMITED TO
THE TIME PERIOD AS SPECIFIED IN THE EXPRESS WARRANTY. LIABILITY FOR
CONSEQUENTIAL, INCIDENTAL, OR SPECIAL DAMAGES UNDER ANY AND ALL WARRANTIES
IS EXCLUDED.
Some states do not allow limitations on how long an implied warranty lasts, or the exclusion or limitation of
incidental or consequential damages, so the above limitations or exclusions may not apply to you. This warranty
gives you specific legal rights and you may also have other rights, which vary from state to state.
For service, see your nearest SEARS authorized warranty service facility. Warranty service can be performed
only by a SEARS authorized service facility. This warranty will not apply to service at any other facility. At the
time of requesting warranty service, evidence of original purchase date must be presented.
Sears, Roebuck and Co., Dt817 WA, Hoffman Estates, _L 60179 U.S.A
© Sears, Roebuck and Co.

Thisis the safety alert symbol, it is used to alert you to potential personal inju_ hazards.
Obey all safety messages that foltow this symbol to avoid possible injury or death.
,¢'_- I_ Read this manuat carefully and become
.... familiar with your generator. Know its
applications, its limitations, and any hazards
involved.
The safety alert symbol (,&) is used with a signal
word (DANGER, CAUTION, WARNING), a pictorial
and/or a safety message to alert you to hazards.
DANGER indicates a hazard which, if not avoided, wil/
result in death or serious injury. WARNING indicates a
hazard which, if not avoided, could result in death or
serious injury. CAUTION indicates a hazard which, if
not avoided, might result in minor or moderate injury.
CAUTION, when used without the alert symbol,
indicates a situation that could result in equipment
damage. Follow safety messages to avoid or reduce
the risk of injury or death.
WARNING
The engine exhaust from this product contains
chemicals known to the State of California to cause
cancer, birth defects, or other reproductive harm.
WARNING
• This generator does not meet U. S. Coast Guard
Regulation 33CFR=183and should not be used on
marine applications.
•Failure to use the appropriate U. S. Coast Guard
approved generator could result in bodily injury and/or
property damage.
Hazard Symbols and Meanings
"4"
Electrocution Electrical Shock Electrical Shock
Explosion
Toxic Fumes Hot Surface
Fire
Kickback
r _
Explosive Pressure Chemical Burn
, DANGER
DO NOT allow any open flame, spark, heat, or lit cigarette
during and for several minutes after charging a battery.
Wear protective goggles, rubber apron, and rubber gloves.
WARNING
Operate generator ONLY outdoors.
Keep exhaust gas from entering a confined area through
windows, doors, ventilation intakes or other openings.
DO NOT operate generator inside any building or
enclosure, including the generator compartment of a
recreational vehicle (RV).
WARNING
When using generator for backup power, notify utility
company. Use approved transfer equipment to isolate
generator from electric utility.
Use a ground circuit fault interrupter (GFCi) in any damp
or highly conductive area, such as metal decking or steel
work.
DO NOT touch bare wires or receptacles.
DO NOT use generator with electrical cords which are
worn, frayed, bare or otherwise damaged.
DO NOT operate generator in the rain.
DO NOT handle generator or electrical cords while
standing in water, while barefoot, or while hands or feet
are wet.
DO NOT allow unqualified persons or children to operate
or service generator.

WARNING 1
When starting engine, pull cord slowly until resistance is
felt and then pull rapidly to avoid kickback.
NEVER start or stop engine with electrical devices
plugged in and turned on.
WARNING
WHEN ADDING OR DRAINING FUEL
Turn generator OFF and let it cool at least 2 minutes
before removing fuel cap. Loosen cap slowly to relieve
pressure in tank.
Fill or drain fuel tank outdoors.
DO NOT overfill tank. Allow space for fuel expansion.
Keep fuel away from sparks, open flames, pilot lights,
heat, and other ignition sources.
DO NOT light a cigarette or smoke.
WHEN STARTING EQUIPMENT
Ensure spark plug, muffler, fuel cap and air cleaner are
in place.
DO NOT crank engine with spark plug removed.
If fue! spills, wait until it evaporates before starting engine.
WHEN OPERATING EQUIPMENT
Do not tip engine or equipment at angle which causes
fuel to spill.
DO NOT choke carburetor to stop engine.
This generator is not for use in mobile equipment or
marine applications.
WHEN TRANSPORTING OR REPAIRING EQUIPMENT
Transport/repair with fuel tank EMPTY or with fuel shutof
valve OFF.
Disconnect spark plug wire.
WHEN STORING FUEL OR EQUIPMENT WiTH FUEL IN
TANK
Store away from furnaces, stoves, water heaters, clothes
dryers or other appliances that have pilot light or other
ignition source because they can ignite fuel vapors.
WARNING
WHEN ADJUST}NG OR MAKING REPAIRS TO YOUR
GENERATOR
Disconnect the spark plug wire from the spark plug and
place the wire where it cannot contact spark plug.
WHEN TESTBNG FOR ENGINE SPARK
Use approved spark plug tester.
DO NOT check for spark with spark plug removed.
WARNING
DO NOT touch hot surfaces.
Allow equipment to cool before touching.
The generator must be at least 5 feet from structures having
combustible wails and/or other combustible materials.
Keep at least 3 feet of clearance on all sides of generator
for adequate cooling, maintenance and servicing.
In the State of California a spark arrester is required by
law (Section 4442 of the California Public Resources
Code). Other states may have similar laws. Federal laws
apply on federal lands. If you equip the muffler with a
spark arrester, it must be maintained in effective working
order.You can order a spark arrester through your
authorized Sears service dealer.
CAUTION
DO NOT tamper with governed speed. Generator
supplies correct rated frequency and voltage when
running at governed speed.
DO NOT modify generator in any way.
CAUTION
See "Don't Overload Generator".
Start generator and let engine stabilize before connecting
electrical loads.
Connect electrical loads in OFF position, then turn ON
for operation.
Turn electrical loads OFF and disconnect from generator
before stopping generator.
CAUTION
Use generator only for intended uses.
If you have questions about intended use, ask dealer or
contact Sears.
Operate generator only on level surfaces.
DO NOT expose generator to excessive moisture, dust,
dirt, or corrosive vapors.
DO NOT insert any objects through cooling slots.
If connected devices overheat, turn them off and
disconnect them from generator.
Shut off generator if:
oelectrical output is lost;
-equipment sparks, smokes, or emits flames;
-unit vibrates excessively.

KNOW YOUR GENERATOR
Read the owner's manual and safety rules before operating your generator,
Compare the illustrations with your generator to familiarize yourself with the locations of various controls and
adjustments. Save this manual for future reference.
Electric Start Button
Oil Fill Cap
Circuit Breakers (AC)
ignition Switch
Recoil Starter
FuelTank
Idle Control Switch
12 Volt DC
Receptacle
120 Volt AC, 20 Amp
Duplex Receptacles
120 Volt AC, 20 Amp
Locking Receptacle
120 Volt AC, 30 Amp
Locking Receptacle
120/240 Volt AC, 30 Amp Grounding
Locking Receptacle Fastener
12 VoJt DC Receptacme -- Use this receptacle with battery
charge cables to charge a 12 Volt battery.
120 Volt AC, 20 Amp Duplex Receptacles -- May be used to
supply electrical power for the operation of 120 Volt AC,
20 Amp, single phase, 60 Hz electrical lighting, appliance, tool
and motor loads.
120 Volt AC, 20 Amp Locking Receptacle -- May be used to
supply electrical power for the operation of 120 Volt AC,
20 Amp, single phase, 60 Hz electrical lighting, appliance, tool
and motor loads.
120 Volt AC, 30 Amp Locking Receptacle -- May be used
to supply electrical power for the operation of 120 Volt AC,
30 Amp, single phase, 60 Hz electrical lighting, appliance,
tool and motor loads.
120/240 Volt AC, 30 Amp Locking Receptacle -- May be
used to supply electrical power for the operation of
120 and/or 240 Volt AC, 30 Amp, single phase, 60 Hz
electrical lighting, appliance, too! and motor loads.
240 Volt AC, 50 Amp Receptacle -- May be used to supply
electrical power for the operation of 240 Volt AC, 50 Amp,
single phase, 60 Hz electrical loads.
Air Filter -- Filters intake air as it is drawn into the engine.
Choke Lever
Air Filter
Spark Arrester Muffler
240 Volt AC,
50 Amp Receptacle
Data Tag
Choke Lever -- Used when starting a cold engine.
Circuit Breakers (AC) -- Each receptacle is provided with a
"push to reset" circuit breaker to protect the generator
against electrical over!oad.
Data Tag - Provides model, revision and serial number of
generator. Please have these readily available if calling for
assistance.
Fuel Tank -- Capacity of eight (8) U.S. gallons.
Electric Start Switch -- Press to start the engine.
Grounding Fastener -- If required, please consult a
qualified electrician, electrical inspector, or local agency
having jurisdiction.
mdle Control Switch -- The idle control runs the engine at
normal (high) speeds when there is a load present and runs
the engine at idle (low) speeds when a load is not present.
OH Fill Cap -- Add oil to engine here.
Recoil Starter -- Used to start the engine manually.
Ignition Switch -- Must be in 'On" (-) position to start
engine. Set to "Off" (o) to stop a running engine.
Spark Arrester Muffler -- Exhaust muffler lowers engine
noise and is equipped with a spark arrester screen.

ASSEMBLY
Your Craftsman generator requires some assembly
and is ready for use only after it has been properly
serviced with the recommended oil and fuel.
If you have any probBems with the assembly of
your generator, please call the generator helpline
at 1-800-222-3136.
IMPORTANT: Any attempt to run the engine before it
has been serviced with the recommended oil will result
in an engine failure.
Remove Generator From Carton
1. Set palleted carton on a rigid flat surface.
2. Carefully cut bands around shipping carton.
3. Lift carton off generator.
4. Remove all packing material, carton fillers, etc.
5. Remove generator from shipping pallet.
Carton Contents
Check all contents. If any parts are missing or damaged,
call the generator helpline at 1-800-222-3136.
The main unit
Owner's manual
Engine oil
Wheel kit
Battery charger
Oil bottle funnel cap
120/240 Volt, 30 Amp locking plug
120 Volt, 20 Amp locking plug
120 Volt, 30 Amp locking plug
Battery charge cables
_nstaH Wheem Kit
The wheel kit is designed to greatly improve the
portability of your generator.
NOTE: Wheel kit is not intended for over-the-road use.
You will need a socket wrench with 1/2" or 13mm
sockets and a needle-nose plier to install this kit.
Install the wheel kit as follows:
1. Place generator on a hard flat surface.
2. Stand at control panel end of generator and gently tilt
generator up, high enough to place wooden blocks
beneath cradle. This will allow you to add wheels.
3. Slide axle through holes in brackets provided on
generator cradle.
4. Slide a wheel spacer, wheel and flat washer on
one end of axle. Make sure air inflation valve is
outward. Place e-dng onto groove in axle.
5. Place one end of needle nose pliers on bottom of
axle and other end of pliers on top of e-ring. Seat
e-ring by pressing pliers closed.
6. Slide axle through until wheel is tight against bracket.
7. Repeat steps 4 and 5 for opposite side. Remove
wooden blocks.
8. Attach vibration mount to support leg with a 20mm
capscrew and lock nut.
9. With wheels on, secure support leg assembly to
cradle with 20 mm long capscrews, flat washers,
and lock washers.
10. Check that all fasteners are tight and the tires are
inflated to the value marked on the tire or within
15 and 40 psi.
Whee_ Kit Assembly View
Axle
Wheel Spacers
Wheel
Support Leg
Hex
V'brat'0n _']_ _/'1---Fiat Washer
Mount -? 20mm _--L°ck Washer
_--L_ap _20mm Cap Screw
Screw
Fiat J
Washer E-Ring

Check Battery tAttach Negative Battery
Wire
The sealed battery on the generator is fully charged
and pre-installed except for the negative (black)
battery cable.
You will need two 8mm wrenches to install the
negative battery cable.
To install:
.
Negative
Battery Cable
3. Slide negative battery cable over screw on
negative terminal.
4. Reattach washer and nut and tighten.
5. Verify that connections to battery and generator
are tight and secure.
Cut off tie wrap securing loose end of negative
(black) cable.
Remove nut and washer on negative battery terminal.
BEFORE STARTING "THE
NOTE: Synthetic oil meeting JLSAC GF-2, APJ
certification mark and APJ service symbol with "SJ/CF
ENERGY CONSERVING" or higher, is an acceptable
oil at all temperatures. Use of synthetic oil does not
alter required oil change intervals.
* The use of multi-viscosity oils (5W-30, 10W-30, etc.)
in temperatures above 40°F (4°C) will result in higher
than normal oil consumption. When using a multi°
viscosity oil, check oil more frequently.
** If using SAE 30 oil in temperatures below 40°F
(4°C), it will result in hard starting and possible engine
bore damage due to inadequate lubrication.
2. Place generator on a level surface.
3. Clean area around yellow oil fill cap and dipstick.
Remove dipstick and wipe with clean cloth.
4. Push dipstick back in and remove to check oil level.
5. Remove oil fill cap and slowly fill engine with oil
through the oil fill opening. Fill to "Full" mark on
dipstick.
6. Install yellow oil fill cap and finger tighten securely.
7. Check engine oil level before starting each time
thereafter. If oil level is below "Full" mark on
dipstick, fill to "Full" mark on dipstick.
Add Engine Oim
NOTE: When adding oil to the engine crankcase, use
only high quality detergent oil rated with API service
classification SF, SG, SH, SJ or higher. DO NOT use
speciaJ additives.
1. Choose a viscosity according to the following tame:
STARTING TEMPERATURE RANGE ANTICIPATED BEFORE NEXT OiL CHANGE

Add Fue{
NOTE: This gasoline engine is certified to operate on
gasoline. Exhaust Emission Control System: EM
(Engine Modifications).
WARNING
WHEN ADDING FUEL
Turn generator OFF and let it cool at least 2 minutes
before removing fuel cap. Loosen cap slowly to relieve
pressure in tank.
Fill fuel tank outdoors.
DO NOT overfill tank. Allow space for fuel expansion.
Keep fuel away from sparks, open flames, pilot lights,
heat, and other ignition sources.
DO NOT light a cigarette or smoke.
1. Use clean, fresh, regular UNLEADED fuel with a
minimum of 85 octane with equipment. DO NOT
use fuel which contains Methanol. DO NOT mix oil
with fuel.
2. Clean area around fuel fill cap, remove cap.
3. Slowly add regular unleaded fuel to fuel tank. Be
careful not to overfill. Allow about 1.5" of tank
space for fuel expansion, as shown here.
GFuel
........... ..... CY'.....
4. install fuel cap and wipe up any spilled fuel.
CAUTRON! Alcohol-blended fuels (called gasohol,
ethanol or methanol) can attract moisture, which leads
to separation and formation of acids during storage.
Acidic gas can damage the fuel system of an engine
while in storage.
To avoid engine problems, the fuel system should be
emptied before storage of 30 days or longer. Drain the
fuel tank, start the engine and let it run until the fuel lines
and carburetor are empty. Use fresh fuel next season.
See "Storage" on page 20 for additional information.
NEVER use engine or carburetor cleaner products in
the fuel tank as permanent damage may occur.

HOW TO USE YOUR GENERATOR
if you have any problems operating your generator,
please call the generator helpline at 1-800-222-3136.
System Ground
The generator has a system ground that connects the
generator frame components to the ground terminals
on the AC output receptacles. The system ground is
connected to the AC neutral wire (the neutral is
bonded to the generator flame).
SpeciamRequirements
There may be Federal or State Occupational Safety
and Health Administration (OSHA) regulations, local
codes, or ordinances that apply to the intended use of
the generator. Please consult a qualified electrician,
electrical inspector, or the local agency having
jurisdiction.
• in some areas, generators are required to be
registered with local utility companies.
• if the generator is used at a construction site, there
may be additional regulations which must be
observed.
Connecting to a BuHding's E_ectrica_
System
Connections for standby power to a building's
electrical system must be made by a qualified
electrician. The connection must isolate the generator
power from utility power, and must comply with all
applicable laws and electrical codes.
WARNING
When using generator for backup power, notify utility
company. Use approved transfer equipment to isolate
generator from electric utility.
Use a ground circuit fault interrupter (GFCI) in any damp
or highly conductive area, such as metal decking or steel
work.
DO NOT touch bare wires or receptacles.
DO NOT use generator with electrical cords which are
worn, frayed, bare or otherwise damaged.
DO NOT operate generator in the rain.
DO NOT handle generator or electrical cords while
standing in water, while barefoot, or while hands or feet
are wet.
DO NOT allow unqualified persons or children to operate
or service generator.
Generator Location
Generator Clearance
WARNING
Operate generator ONLY outdoors.
Keep exhaust gas from entering a confined area through
windows, doors, ventilation intakes or other openings.
DO NOT operate generator inside any building or
enclosure, including the generator compartment of a
recreational vehicle (RV).
The generator must be at least 5 ft. (152 cm) from
structures having combustible walls and/or other
combustible materials. Leave at least 3 ft. (92 cm) all
around generator including overhead, for adequate
cooling, maintenance and servicing.
Place generator in a well ventilated area, which will
allow for removal of deadly exhaust gas. DO NOT
place generator where exhaust gas could accumulate
and enter inside or be drawn into a potentially
occupied building. Ensure exhaust gas is kept away
from any windows, doors, ventilation intakes or other
openings that can allow exhaust gas to collect in a
confined area. Prevailing winds and air currents
should be taken into consideration when positioning
generator.
Typical Generator Shown
Exhaust Port

To Start The Engine
CAUTION
See "Don't Ovedoad Generator".
Start generator and let engine stabilize before connecting
electrical loads.
Connect electrical loads in OFF position, then turn ON
for operation.
Turn electrical loads OFF and disconnect from generator
before stopping generator.
iMPORTANT: Always unplug the battery float charger
before starting the generator.
Disconnect all electrical loads from the generator. Use
the following start instruction steps by numerical order:
1. Make sure unit is on a level surface.
iMPORTANT: Failure to start and operate unit on a
level surface will cause the unit not to start or shut
down during operation.
2. Turn fuel valve to "On" position. Fuel valve handle
should be vertical (pointing toward the ground) for
fuel to flow.
Fuel Valve is shown
in the On position
3. Make sure Idle Control switch is in "Off" position.
IDLE
4. Set Ignition switch to "On" (-) position.
5. Pull choke control out to close choke.
6A. For electric starting, press start switch on
generator cradle until engine starts. To prolong life
of starter components, press starter button for no
more than 5 seconds, then pause for 1 minute.
• If engine starts, proceed to step 8.
• If engine fails to start, proceed to step 7.
NOTE: If battery is discharged, use manual starting
instructions.
6B. For manual starting, grasp recoil handle and pull
slowly until slight resistance is felt. Then pull
rapidly one time only to start engine.
• If engine starts, proceed to step 8.
• If engine fails to start, proceed to step 7.
WARNING
When starting engine, pull cord slowly until resistance is
felt and then pul! rapidly to avoid kickback.
NEVER start or stop engine with electrical devices
plugged in and turned on.
7. Push in the choke handle half way, and pull recoil
handle twice.
• If engine fails to start, repeat steps 5 thru 6.
8. Open the choke gradually as the engine warms up
by pushing in on the choke handle.
NOTE: If engine starts after 3 pulls but fails to run, or
if unit shuts down during operation, make sure unit is
on a level surface and check for proper oil level in
crankcase. This unit may be equipped with a low oil
)rotection device.
WARN NG
DO NOT touch hot surfaces.
Allow equipment to coo! before touching.
The generator must be at least 5 feet from structures having
combustible wails and/or other combustible materials.
Keep at least 3 feet of clearance on all sides of generator
for adequate cooling, maintenance and servicing.
In the State of California a spark arrester is required by
law (Section 4442 of the California Public Resources
Code). Other states may have similar laws. Federal laws
apply on federal lands. If you equip the muffler with a
spark arrester, it must be maintained in effective working
order.You can order a spark arrester through your
authorized Sears service dealer.
10

To Stop The Engine
1. Turn OFF and unplug all electrical loads from
generator panel receptacles. NEVER start or stop
engine with electrical devices plugged in and
turned on.
2. Put idle control switch in "Off" position.
3. Let engine run at no-load for several minutes to
stabilize internal temperatures of engine and
generator.
4. Move ignition switch to "Off" (O) position.
5. Move fuel valve to "Off" position.
Connecting E_ectrica_ Loads
• DO NOT connect 240 Volt loads to 120 Volt
receptacles.
• DO NOT connect 3=phase loads to the generator.
• DO NOT connect 50 Hz loads to the generator.
• Let engine stabilize and warm up for a few minutes
after starting.
• Plug in and turn on the desired 120 and/or 240 Volt
AC, single phase, 60 Hz electrical loads.
• DO NOT OVERLOAD GENERATOR. See "Don't
Overload Generator".
Operating Automatic [dme Contro_
This feature is designed to greatly improve fuel
economy. When this switch is turned ON, the
engine will only run at its normal high governed engine
speed when electrical loads are connected. When
electrical loads are removed, the engine will run at a
reduced speed. With the switch off, the engine will
run at the normal high engine speed. Always have
the switch off when starting and stopping the
engine.
Oi_ Pressure Switch
If oil pressure drops below 1z4 psi, an oil pressure
switch will stop the engine. Check oil level with
dipstick. If oil level is between ADD and FULL mark on
dipstick, DO NOT try to restart engine. Contact an
Authorized Sears Service Dealer. DO NOT operate
generator until oil pressure is corrected.
If oil level is below ADD mark on dipstick, add oil to
bring level to FULL mark. Restart engine and check oil
pressure. If pressure is normal, continue to operate
generator.
Charging a Battery
Your generator has the capability of recharging a
discharged 12 Volt automotive or utility style storage
battery. DO NOT use the unit to charge any 6 Volt
batteries. DO NOT use the unit to crank an engine
having a discharged battery.
To recharge 12 Volt batteries, proceed as follows:
1. Check fluid level in all battery cells. If necessary,
add ONLY distilled water to cover separators in
battery cells. DO NOT use tap water.
DANGER
Do not allow any open flame, spark, heat, or lit cigarette
during and for several minutes after charging a battery.
Wear protective goggles, rubber apron, and rubber gloves.
2. If battery is equipped with vent caps, make sure
they are installed and are tight.
3. If necessary, clean battery terminals.
4. Connect battery charge cable connector plug to
panel receptacle identified by the words
"12WOLTS D.C."
.Connect battery charge cable clamp with red
handle to the positive (+) battery terminal.
12 VOLT D.C.
RECEPTACLE
+
POS NEG
6. Connect battery charge cable clamp with black
handle to the negative (-) battery terminal.
7. Start engine. Let engine run while battery recharges.
8. When battery has charged, shut down engine
NOTE: Use an automotive hydrometer to test battery
state of charge and condition. Follow the hydrometer
manufacturer's instructions carefully. Generally, a
battery is considered to be at 100% state of charge
when specific gravity of its fluid (as measured by
hydrometer) is 1.260 or higher.
How to Use the Battery Charger
Use battery charger jack to keep the starting battery
charged and ready for use. Battery charging should be
done in a dry location, such as inside a garage.
1. Plug charger into unit's "12V DC Battery Charger"
jack, which is located on control panel. Plug
battery charger into a 120 Volt AC wall receptacle.
11

2. Unplugchargerfromunitandwalloutletwhen
generatorisbeingstartedandwhileinoperation.
3. Keepchargerpluggedinwhengeneratorisnotin
usetoprolongbatterylife.Thechargerhasabuiltin
floatequalizerandwillnotoverchargebattery,even
whenpluggedinforanextendedperiodoftime.
IMPORTANT:See"BatteryMaintenance"onpage18
foradditionalinformation.
COLD WEATHER OPERATION
Under certain weather conditions (temperatures below
40°F [4°C] combined with high humidity), your
Craftsman generator may experience icing of the
carburetor and/or the crankcase breather system. To
reduce this problem, you need to perform the following:
1. Make sure generator has clean, fresh fuel.
2. Open fuel valve (turn valve to open position).
3. Use SAE 5W-30 oil (synthetic preferred, see page 7).
4. Check oil level daily or after every eight (8) hours
of operation.
5. Change oil every 24 hours of operation.
6. Shelter unit from elements.
in an emergency, use the original shipping carton as a
temporary shelter:
7. Cut off all carton flaps.
8. Cut out one long side of carton to expose muffler
side of unit as shown.
Muffler side exposed. Your unit may differ in
appearance from that shown above.
IMPORTANT: The generator must be at least 5 ft.
(152 cm) from structures having combustible walls
and/or other combustible materials. Leave at least 3 ft.
(92 cm) all around generator including overhead, for
adequate cooling, maintenance and servicing.
WARNING
DO NOT touch hot surfaces.
Allow equipment to cool before touching.
The generator must be at least 5 feet from structures having
combustible wails and/or other combustible materials.
Keep at least 3 feet of clearance on all sides of generator
for adequate cooling, maintenance and servicing.
Remove shelter when temperatures are above 40°F [4°C].
9. Cut appropriate slots to access receptacles of unit.
10. Start unit, then place carton over it.
NOTE: Remove shelter when temperatures are above
40°F [4°C].
For a more permanent shelter, build a structure that
will enclose three sides and the top of the generator.
7. Make sure entire muffler-side of generator is
exposed, as shown previously.
IMPORTANT: The generator must be at least 5 ft.
(152 cm) from structures having combustible walls
and/or other combustible materials. Leave at least 3 ft.
(92 cm) all around generator including overhead, for
adequate cooling, maintenance and servicing.
9. Face exposed end away from wind and elements.
10. Structure should hold enough heat created by the
generator to prevent icing problem.
11. Start and run engine outdoors.
12. Keep exhaust gas from entering a confined area
through windows, doors, ventilation intakes or
other openings.
WARNtNG
Operate generator ONLY outdoors.
Keep exhaust gas from entering a confined area through
windows, doors, ventilation intakes or other openings.
DO NOT operate generator inside any building or
enclosure, including the generator compartment of a
recreational vehicle (RV).
13. DO NOT enclose generator any more than shown.
14. Remove shelter when temperatures are above
40°F [4°C].
15. Turn engine OFF and let cool two (2) minutes
before refueling.
12

CORD SETS AND RECEPTACLES
Use only high quality, weGinsulated, extension cords
with the generator's 120 Volt electrical receptacles.
Check the ratings of all extension cords before you
use them. Extension cord sets used should be rated
for 125 Volt AC loads at 20 Amps or greater for most
electrical devices. Some devices, however, may not
require this type of extension cord. Check the owner's
manuals of those devices for the manufacturer's
recommendations.
Keep extension cords as short as possible, preferably
less than 15 feet long, to prevent voltage drop and
possible overheating of wires.
CAUTION ]
• NEVER attempt to power a device requiring more
amperage than generator or receptacle can supply,
• DO NOT overload the generator, See "Don't Overload
Generator",
240 Volt AC, 50 Amp Receptacle
Use a NEMA 14-50 plug with this receptacle. Connect
a 4-wire cord set rated for 250 Volt AC loads at
50 Amps to the plug.
_------240 Volts AC --
Frame_
Y (Hot) X (Hot)
120 Volts
-- AC
W (Neutral)
NEMA 14-50
Use this receptacle to operate 240 Volt AC, 50 Amp,
60 Hz, single phase loads requiring up to 10,000 watts
(10.0 kW) of power. The outlet is protected by a
45 Amp push-to-reset circuit breaker.
1201240 Volt AC, 30 Amp, Locking
Receptacle
Use a NEMA L14-30 plug with this receptacle.
Connect a 4-wire cord set rated for 250 Volt AC loads
at 30 Amps (or greater). You can use the same 4-wire
cord if you plan to run a 120 Volt load.
4-Wire Cord Set
J
1
NEMA L14-30
(Neutral)
Y (Hot) _ X (Hot)
Ground (Green)
This receptacle powers 120/240 Volt AC, 60 Hz, single
phase loads requiring up to 3,600 watts of power at
30 Amps for 120 Volts; 7,200 watts of power (7.2 kW)
at 30 Amps for 240 Volts. The outlet is protected by a
30 Amp push-to-reset circuit breaker.
120 Volt AC, 30 Amp Locking Receptacle
Use a NEMA L5-30 plug with this receptacle. Connect
a 3-wire cord set rated for 125 Volt AC loads at
30 Amps to the plug.
3-Wire Cord Set NEMA L5-30
Use this receptacle to operate 120 Volt AC, 60 Hz,
single phase loads requiring up to 3,600 watts
(3.6 kW) of power at 30 Amps. The outlet is protected
by a 30 Amp push-to-reset circuit breaker.
13

120 VoJt, 20 Amp Locking Type
Receptacle
Usea NEMAL5-20plugwiththisreceptacle.Connect
a 3-wirecordsetratedfor 125VoltACloadsat
20Ampstotheplug.
3-WireCordSet NEMA L5-20
Neutral
120V
Hot
Ground (Green)
Use this receptacle to operate 120 VoJt AC, 60 Hz,
singJe phase loads requiring up to 2,400 watts
(2.4 kW) of power at 20 Amps. The outlet is protected
by a 20 Amp push-to-reset circuit breaker.
120 Volt AC, 20 Amp, Duplex Receptacle
Each receptacle is protected against overload by a
20 Amp push-to-reset circuit breaker.
Use each receptacle to operate 120 Volt AC,
single-phase, 60 Hz electrical loads requiring up to
2,400 watts (2.4 kW) at 20 Amps of current. Use cord
sets that are rated for 125 Volt AC loads at 20 Amps
(or greater).
12 Volt DO, 10 Amp Receptacle
This receptacle allows you to recharge a 12 Volt
automotive or utility style storage battery with the
battery charge cables provided.
This receptacle can not recharge 6 Volt batteries and
can not be used to crank an engine having a
discharged battery. See the section "Charging a
Battery" (page 11) before attempting to recharge a
battery.
14

DON'T OVERLOAD GENERATOR
Capacity
You must make sure your generator can supply
enough rated (running) and surge (starting) watts for
the items you will power at the same time. Follow
these simple steps:
1. Select the items you will power at the same time.
2. Total the rated (running) watts of these items. This
is the amount of power your generator must
produce to keep your items running. See the table
on the right.
3. Estimate how many surge (starting) watts you will
need. Surge wattage is the short burst of power
needed to start electric motor-driven tools or
appliances such as a circular saw or refrigerator.
Because not all motors start at the same time,
total surge watts can be estimated by adding only
the item(s) with the highest additional surge watts
to the total rated watts from step 2.
Example:
Tool or Appliance
Window Air
Conditioner
Refrigerator
Deep Freezer
Television
Li ht z75 Watts
Rated
(Running) Watts
1200
8OO
5OO
5OO
75
3075 Total
Running Watts
Total Rated (Running) Watts
Highest Additional Surge Watts
Total Generator Output Required
Power Management
Additional Surge
(Starting) Watts
1800
1600
500
1800 Highest
Surge Watts
= 3075
= 1800
= 4875
To prolong the life of your generator and attached
devices, it is important to take care when adding
electrical loads to your generator. There should be
nothing connected to the generator outlets before
starting it's engine. The correct and safe way to
manage generator power is to sequentially add loads
as follows:
1. With nothing connected to the generator, start the
engine as described in this manual.
2. Plug in and turn on the first load, preferably the
largest load you have.
3. Permit the generator output to stabilize (engine
runs smoothly and attached device operates
properly.
4. Plug in and turn on the next load.
5. Again, permit the generator to stabilize.
6. Repeat steps 4 and 5 for each additional load.
NEVER add more loads than the generator capacity.
Take special care to consider surge loads in generator
capacity, as described above.
Too! or Appliance
Essentials
Light Bulb -75 watt
Deep Freezer
Sump Pump
Refrigerator/Freezer- 18 Cu. Ft.
Water Well Pump -1/3 HP
Heating/Cooling
Window AC -10,000 BTU
Window Fan
Furnace Fan Blower- 1/2 HP
Kitchen
Microwave Oven -1000 Watt
Coffee Maker
Electric Stove -Single Element
Hot Plate
Family Room
DVD/CD Plaver
VCR
Stereo Receiver
Color Television - 27"
Personal Computer w/17"
monitor
Other
Security System
AM/FM Clock Radio
Garage Door Opener -1/2 HP
Electric Water Heater -40
Gallon
D_Y/Job Site
Quartz Haloqen Work Light
Airless Sprayer -1/3 HP
Reci rocatin Saw
Electric Drill -1/2 HP
Circular Saw -7 1/4"
Miter Saw -10"
Table Planer -6"
Table Saw/Radial Arm Saw -
10"
Air Compressor -1-1/2 HP
*Wattages listed are approximate only.
appliance for actual wattage.
Additional
Rated* Surge
(Running) (Starting)
Watts Watts
75
500 500
800 1200
800 1600
1000 2000
1200 1800
300 600
800 1300
1000
1500
1500
2500
100
100
45O
5OO
8OO
180
3OO
480 520
4000
1000
600 1200
960 960
1000 1000
1500 1500
1800 1800
1800 1800
2000 2000
2500 2500
Check tool or
15

ENGINE TECHNICAL INFORMATION
This is a twin cylinder, overhead valve(OHV), air
cooled engine, it is a low emissions engine.
in the State of California, Model Series 350000
engines are certified by the California Air Resources
Board to meet emissions standards for 250 hours.
Such certification does not grant the purchaser, owner
or operator of this engine any additional warranties
with respect to the performance or operational life of
this engine. The engine is warranted solely according
to the product and emmisions warranties stated
elsewhere in this manual.
Power Ratings
The power ratings for an individual engine model are
initially developed by starting with SAE (Society of
Automotive Engineers) code J1940 (Small Engine
Power & Torque Rating Procedure) (Revision 2002-
05). Given both the wide array of products on which
our engines are placed, and the variety of
environmental issues applicable to operating the
equipement, it may be that the engine you have
purchased will not develop the rated horsepower when
used in a peice of power equipment (actual "on-site"
power). This difference is due to a variety of factors
including, but not limited to, the following: differences
in altitude, temperature, barometric pressure, humidity,
fuel, engine lubrication, maximum governed engine
speed, individual engine to engine variability, design of
the particular peice of power equipment, the manner in
which the engine is operated, engine runqn to reduce
friction and clean out of combustion chambers,
adjustments to the valves and carburetor, and other
factors. The power ratings may also be adjusted
based on comparisons to other similar engines
utilizedin similar applications, and will thereforenot
necessarily match the values derived using the
foregoing codes.
PRODUCT SPECIFICATIONS
Generator Specifications
Rated Maximum Power ........ 10000 Watts (10.0 kW)
Surge Power ................ 12500 Watts (12.5 kW)
Rated AC Voltage ............ 120/240 Volts
Rated Maximum AC Current
at 240 Volts ............... 41.6 Amperes
at 120 Volts ............... 83.3 Amperes
Rated Frequency ............. 60 Hz at 3600 rpm
Phase ...................... Single Phase
Unit Weight ................. 198 Ibs.
Engine Specifications
Rated Horsepower ............ 18 at 3600 rpm
Bore ....................... 2.83 in. (72mm)
Stroke ...................... 2.76 in. (70mm)
Displacement ................ 34.7 in. (570 cc)
Spark Plug
Type: ................. Champion RC12YC or
Equivalent
Set Gap To: ............ 0.030inch (0.76ram)
Armature Air Gap: ............ 0.008-0.0!2 in.
(0.20-0.30ram)
Valve clearance with valve springs installed and piston 1/4 in.
(6 ram) past top dead center (check when engine is cold).
intake ...................... 0.004-0.006 in.
(0.!0-0.!5 mm)
Exhaust .................... 0.004-0.006 in.
(0.10-0.15 ram)
Fuel Capacity ................ 8 U.S. gallons
Oil Type:
Above 40 ° F ............... SAE 30
Below 40 ° F ............... SAE 5W-30 or 10W-30
16

OWNER'S RESPONSIBILITIES
Follow the hourly or calendar intervals, whichever occurs first.
More frequent service is required when operating in adverse conditions noted below.
MABNTENANCE SCHEDULE
FILL tN DATES AS YOU
COMPLETE REGULAR SERVICE
MAINTENANCE TASK Before
Each Use
HOURLY OPERATING iNTERVAL
1
Every 25
Hours or
Yearly
Every 50
Hours or
Yeady
Every 100
Hours or
Yearly
Check oil level X
Clean debris X
Change engine oil X _
Change oil fi+ter (if equipped) X
Service air cleaner pre+cteaner X 2
Service air c+eaner X 2
Service spark plug X
Service spark arrester X
Prepare for storage If unit is to remain idle for longer than 30 days.
1
SERVICE DATES
Change oil after the first (5) operating hours and every 50 hours or every year, whichever occurs first, thereafter.
Change sooner when operating under dirty or dusty conditions.
2 Rep+ace more often under dirty or dusty conditions.
GENERAL RECOMMENDATIONS
Regular maintenance will improve the performance
and extend the life of the generator. See any
authorized Sears dealer for service.
The generator's warranty does not cover items that
have been subjected to operator abuse or negligence.
To receive full value from the warranty, the operator
must maintain generator as instructed in this manual.
Some adjustments will need to be made periodically to
properly maintain your generator.
All service and adjustments should be made at least
once each season. Follow the requirements in the
"Maintenance Schedule" chart above.
NOTE: Once a year you should clean or replace the
spark plug and replace the air filter. A new spark plug
and clean air filter assure proper fuel-air mixture and
help your engine run better and last longer.
EMISSION CONTROL
Maintenance, replacement or repair of the emission
control devices and systems may be performed by any
non-road engine repair establishment or individual.
GENERATOR MAINTENANCE
Generator maintenance consists of keeping the unit
clean and dry. Operate and store the unit in a clean dry
environment where it will not be exposed to excessive
dust, dirt, moisture or any corrosive vapors. Cooling air
slots in the generator must not become clogged with
snow, leaves, or any other foreign material.
Check the cleanliness of the generator frequently and
clean when dust, dirt, oil, moisture or other foreign
substances are visible on its exterior surface.
NOTE: DO NOT use a garden hose to clean
generator. Water can enter the engine fuel system and
cause problems. In addition, if water enters the
generator through cooling air slots, some of the water
will be retained in voids and cracks of the rotor and
stator winding insulation. Water and dirt buildup on the
generator internal windings will eventual+y decrease
the insulation resistance of these windings.
Generator Cleaning
Daily or before use, clean accumulated debris from
generator. Keep linkage, spring and controls clean.
Keep area around and behind muffler free from any
combustible debris.
Generator parts should be kept clean to reduce the
risk of overheating and ignition of accumulated debris.
• Use a damp cloth to wipe exterior surfaces clean.
CAUTION
DO NOT expose generator to excessive moisture, dust,
dirt, or corrosive vapors,
DO NOT insert any objects through cooling slots,
Use a soft bristle brush to loosen caked on dirt, oil,
etc+
17

Useavacuumcleanertopickuploosedirtanddebris.
Uselowpressureair(nottoexceed25psi)toblow
awaydirt.Inspectcoolingairslotsandopeningson
thegenerator.Theseopeningsmustbekeptclean
andunobstructed.
Battery Maintenance
Other than trickle charging, described elsewhere, no
maintenance is required for the battery. Keep the
battery and terminals clean and dry.
iMPORTANT: Battery charging should be performed
in a dry location, such as inside a garage.
ENGINE MAINTENANCE
WARNING
WHEN ADJUSTING OR MAKmNG REPAIRS TO YOUR
GENERATOR
Disconnect the spark plug wire from the spark plug and
place the wire where it cannot contact spark plug.
WHEN TESTBNG FOR ENGINE SPARK
Use approved spark plug tester.
DO NOT check for spark with spark plug removed,
Checking OH Leve_
Oil level should be checked prior to each use or at
least every 5 hours of operation. Keep oil level
maintained.
Changing Oimand Oi_ FHter
Change the oil after the first 5 hours of operation.
Change oil every 50 hours or once each year,
whichever comes first, thereafter. If you are using your
generator under extremely dirty or dusty conditions, or
in extremely hot weather, change the oil more often.
Change the oi! while the engine is still warm from
running, as follows:
1. Place generator on a ]eve] surface.
2. Disconnect spark plug wire and keep it away from
spark plug. Disconnect battery at negative
terminal.
3. Clean area around oH drain plug. The oil drain
plug is located at base of engine, opposite
carburetor.
4. Remove oil drain plug and oil fill cap and drain oil
completely into a suitable container.
5. Instal] oil drain plug and tighten securely.
6. Place a suitable container beneath oil filter and
turn filter counterclockwise to remove.
7. Lightly coat gasket of a new filter with fresh engine
oil Turn new filter clockwise until gasket contacts
filter adapter, then tighten an additional 3/4 turn.
8. Fill oil sump with recommended oil to "Fult" mark
on dipstick. See page 7 for oil recommendations.
9. Instal] oil fill cap. Tighten securely.
10. Wipe up any spilled oil
CJean/Rep_ace Spark P_ugs
Change the spark plugs every 100 hours of operation
or once each year, whichever comes first. This will
help your engine to start easier and run better.
1. Clean area around spark plugs.
2. Remove and inspect spark plugs.
3. Check electrode gap with wire feeler gauge and
set spark plug gap to 0.030 inch (0.76mm) if
necessary.
4. Replace spark plugs if electrodes are pitted,
burned or porcelain is cracked. Use a
recommended replacement plug.
NOTE: You can purchase new spark plugs by calling
1-800-366-PART.
18

Service Air Cleaner
Your engine will not run properly and may be
damaged if you run it with a dirty air cleaner.
Service the pre-cleaner every 25 hours and the
cartridge every 100 hours of operation or once each
year, whichever comes first. Service more often if
operating under dirty or dusty conditions.
To service the air cleaner, follow these steps:
1. Unhook latches on both sides of cover and
remove cover.
Latches
Knob
Plate
|
!
|
|
Z. Foam
Pre-Cleaner
Housing
2. Remove knob and plate. Carefully remove air
cleaner assembly to prevent debris from entering
carburetor.
3. Slide foam pre-cleaner off cartridge and wash
pre-cleaner in liquid detergent and water.
4. Squeeze the pre-cleaner dry with a clean cloth.
DO NOT TWIST.
5. Tap cartridge gently on a solid surface to loosen
and remove trapped particles.
6. Reassemble clean (or new) pre-cleaner on clean
(or new) cartridge.
7. Install clean (or new) air cleaner assembly inside
cover. Dispose of old filter properly.
8. Reinstall knob and plate.
9. Replace cover and reattach latches to cover.
NOTE: You can purchase new air filter elements by
calling 1-800-366-PART.
Carburetor
If you think your carburetor needs adjusting, see your
nearest Sears service center. Engine performance
may be affected at altitudes above 3000-5000 feet.
For operation at higher elevations, contact your
nearest Sears service center.
CJean Spark Arrester Screen
The engine exhaust muffler has a spark attester
screen. Inspect and clean the screen every 100 hours
of operation or once each year, whichever comes first.
NOTE: If you use your generator on any forest-
covered, brush-covered, or grass-covered unimproved
land, it must have a spark attester. The spark attester
must be maintained in good condition by the
ownerloperator.
WARNING
DO NOT touch hot surfaces.
Allow equipment to coo! before touching.
The generator must be at least 5 feet from structures having
combustible wails and/or other combustible materials.
Keep at least 3 feet of clearance on al! sides of generator
for adequate cooling, maintenance and servicing.
In the State of California a spark arrester is required by law
(Section 4442 of the California Public Resources Code).
Other states may have similar laws. Federal laws apply on
federal lands. If you equip the muffler with a spark arrester,
it must be maintained in effective working order.
To clean and inspect the spark arrestor:
• Remove four screws that attach the spark arrestor
screen.
#
Inspect screen and replace if torn, perforated or
otherwise damaged. DO NOT USE a defective
screen. If screen is not damaged, clean it with
commercial solvent.
Reattach the screen with four screws.
19

Thegeneratorshouldbestartedat leastonceevery
sevendaysandallowedtorunatleast30minutes.If
thiscannotbedoneandyoumuststoretheunitfor
morethan30days,usethefollowinginformationasa
guideto prepareitforstorage.
Long Term Storage _nstructions
it is important to prevent gum deposits from forming in
essential fuel system parts, such as the carburetor,
fuel filter, fuel hose or tank during storage. Also,
experience indicates that alcohol-blended fuels (called
gasohol, ethanol or methanol) can attract moisture,
which leads to separation and formation of acids
during storage. Acidic fuel can damage the fuel
system of an engine while in storage.
To avoid engine problems, the fuel system should be
emptied before storage of 30 days or longer. Follow
these instructions:
WARNING
WHEN STORING FUEL OR EQUmPMENTWiTH FUEL IN
TANK
Store away from furnaces, stoves, water heaters, clothes
dryers or other appliances that have pilot light or other
ignition source because they can ignite fuel vapors.
WHEN DRAINING FUEL
Turn generator OFF and let it cool at least 2 minutes
before removing fuel cap. Loosen cap slowly to relieve
pressure in tank.
Drain fuel tank outdoors.
Keep fuel away from sparks, open flames, pilot lights,
heat, and other ignition sources.
DO NOT light a cigarette or smoke.
Protect FueJSystem
1. Remove all gasoline from fuel tank to prevent gum
deposits from forming on these parts and causing
possible malfunction of engine.
2. Run engine until engine stops from lack of fuel.
Change OH
While engine is still warm, drain oil from crankcase.
Refill with recommended grade.
OHCylinder Bore
•Remove spark plug and pour about 1 ounce (30ml)
of clean engine oil into each cylinder.
•Install spark plug and crank slowly to distribute oil.
WARN NG
NEVER crank enqine with spark plug removed.
Generator
1. Clean generator as outlined in "Generator Cleaning".
2. Check that cooling air slots and openings on
generator are open and unobstructed.
Other Storage Tips
1. DO NOT store fuel from one season to another.
2. Replace fuel can if it starts to rust. Contaminated
fuel will cause engine problems.
3. If possible, store unit indoors and cover it to give
protection from dust and dirt. BE SURE TO
EMPTY FUEL TANK.
.
5.
Cover unit with a suitable protective cover that
does not retain moisture.
Store generator in clean, dry area.
WARNING
DO NOT place a storage cover over a hot generator,
Let equipment coo! for a sufficient time before placing
the cover on the equipment.
2O

Prob{em
Engine Bsrunning, but no AC
output is available.
EngBne runs good at no-load but
"bogs down" when loads are
connected.
Engine wHI not start; or starts
CRuse
One of the circuit breakers is
open.
Poor connection or defective
cord set.
3. Connected device is bad.
.Fault in generator.
Short circuit in a connected
load.
Generator is overloaded.
3. Engine speed is too slow.
4. Shorted generator circuit.
Fuel valve in the "Off" position.
ignition Switch set to "Off".
Correction
Reset circuit breaker.
Check and repair.
3. Connect another device that is
in good condition.
4. Contact Sears service facility.
Disconnect shorted electrical
load.
See "Don't Overload
Generator".
3. Contact Sears service facility.
4. Contact Sears service facility.
Set fuel valve to the "On"
position.
Set switch to "On".
3. Dirty air cleaner.
4. Out of fuel.
5. Stale fuel.
6. Spark plug wire not connected
3. Clean or replace air cleaner.
4. Fill fuel tank.
5. Drain fuel tank; fill with fresh
fuel.
6. Connect wire to spark plug.
and runs rough. to spark plug.
7. Bad spark plug.
8. Water in fuel.
9. Overchoking.
7. Replace spark plug.
8. Drain fuel tank; fill with flesh
fuel.
9. Open choke fully and crank
engine.
Engine shuts down during
operation.
10. Low oil level. 10. Fill crankcase to proper level.
11. Excessively rich fuel mixture. 11. Contact Sears service facility.
Out of fuel. Fill fuel tank.
Load is too high.
Engine lacks power. Dirty air filter.
Choke is opened too soon.
Engine "hunts" or ratters. Carburetor is running too rich or
too lean.
See "Don't Overload Generator"
Replace air filter.
Move choke to halfway position
until engine runs smoothly.
Contact Sears service facility.
21

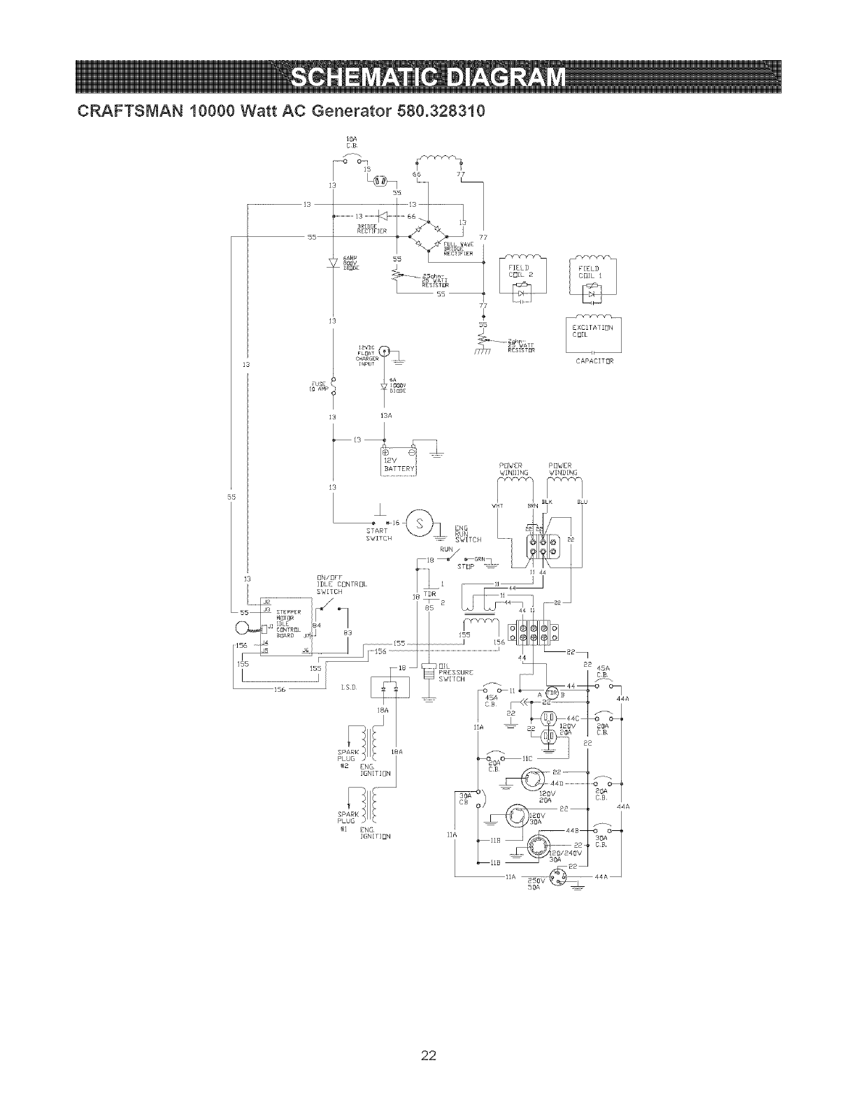
CRAFTSMAN 10000 Watt AC Generator 580.328310
13
55
10A
CB
55 i3_y
......................13
......t<2 i
RECTIFIER 77
77
#
55
13A
CAPACITDR
13
POWER P_WER
WJN]]ING VINDIN6
_OA
22

CRAFTSMAN 10000 Watt AC Generator 580.328310
250V/58A 120 240V
0 0 0 3_A 120V/30A | 120V/20A
44D
RECI IFIER
_UT_ R_SET
SW]I OH F
GR_,
GR[I[JND TO REAR
BEARING CARRIER Y
_3t_
L
]SPARK
PlUG #i
SPARK
PLUG _2
GR_JND
SUPPLIZB
BATTERY
23

CRAFTSMAN 10000 Watt AC Generator 580.328310
Main Unit _ E×ploded View
\ 15
16
54
5
28 29
\
9
X
6
32\\
25<
Detail of BaLte_y Tray
76
42
'\\
@ 74
45 \
\,,\
55
DETAIL OF JACK
ASSEMBLY COAXIAL ]_X?
44
58
22
18
DFIAIL OF FLECTRIC
S[AR[ SWI rCH
59
43
56
STARTER
_ _TO RBC
4 fO + TERMINAL
ON BATTERY
10
81
/900
ThrotUe I [nk<uge
24

CRAFTSMAN 10000 Watt AC Generator 580.328310
Main Unit m Parts List
Item PaR #
1 M189487GS
3 M77304GS
5 NSP
6 *
7 62265GS
8 *
9 B4794GS
10 96832GS
11 192280GS
12 55934GGS
13 55934TGS
14 *
15 *
16 *
17 75246GS
18 96867GS
19 J93074GS
20 B4986GS
21 194526GS
22 *
23 194533GS
24 JB5567GS
26 *
28 *
29 *
30 194543GS
31 191436GS
32 187049GS
33 194441GS
34 *
35 194265GS
36 194440GS
37 *
38 A5850GS
39 194439GS
40 194401GS
41 192980GS
42 M96925GS
43 77282GS
44 B1997GS
45 B4325GS
46 B4135GS
47 193986GS
48 19553621GS
49 95920GS
50 188333GS
Description
CRADLE
SUPPORT, Engine
ASSY, Alternator (see page 28)
HHCS, M5 -0.8 x 12
GROMMET, Rubber
WASHER, M5 Lock
GROMMET, Generator Cover
CLAMP, Hose
BARB, Hose
CLAMP, Hose
CLAMP, Hose
WASHER, M6 Shakeproof
WASHER, 318" Lock
HHCS, 3/8 x 1-1/4"
SELF TAPPING, 3/8"-16 x 1-1/4"
ASSY, Stepper Motor
SHIELD, Heat
DECAL, Ground
KIT, Vibration Mount
HHCS, M8 -1.25 x 20
KIT, Grounding Hardware
SHIELD, Heat
WASHER, Lock M8
CAPSCREW, M6 -1.0 X 16 Lg.
WASHER, Flat M6
KIT, Throttle Linkage Hardware
DECAL, Caution Hot Muffler
PLUG, Dome
KIT, Hardware Contact Starter
SCREW, M5-0.8 x 16 Lg Phillips
KIT, Hose, Fuel with Clamps
KIT, Starter Mounting Hardware
SCREW, #12 Self Driller
U-CHANNEL, .09" Groove x 4"
KIT, Mounting Plate
KIT, Hardware Tank, Fuel
KIT, Valve, Fuel Shut-Off
BRACKET, Battery Tie Down
SWITCH, Starter
TANK, Fuel (Includes item 41 )
CAP, Fuel Tank
PIN, with Lanyard
KIT, J-Bolt with Hardware
ASSY, Wire, Ground
LINKAGE, Stepper Motor to Bell
Crank
DECAL, instruction, Fuel Level
Item Part#
51 194799GS
52 93826GS
53 194034GS
54 *
55 191435GS
56 95349GS
57 *
58 186076GS
60 JB4509AGS
61 95348GS
62 95921GS
63 96717GS
69 B4489GS
71 192531GS
73 58359GS
74 193347GS
76 19753621GS
78 189302DGS
81 189302AGS
84 186102GS
90 B193200GS
91 189718GS
900 NSP
Description
DECAL, Danger
DECAL, Start Instructions
KIT, Hardware Fold Down
Handle
WASHER, 5/16" Shakeproof
DECAL, Fuel Shut-Off
PLATE, Adjust
HHCS, M8 -1.25 x 20 Lg.
ASSY, Control Panel
(see page 26)
SHIELD, Heat
BRACKET, Bell Crank
LINKAGE, Bell Crank to Throttle
SPRING
BATTERY
ASSY, Jack, DC
LUG, 5/16 #22/18 I-S
KIT, Battery Hardware
CABLE, Battery Negative
CABLE, Battery Positive
ASSY, Wire, #16
WIRE, Harness
ASSY, Handle
(Includes Item 91)
GRIP
ENGINE (350445-1401-E1)
Parts NotHlustrated
692099
690898
691513
392390
690661
692056
692359
194591GS
AB3061GS
B3518GS
43438GS
93568GS
100523GS
492932S
65787GS
194800GS
MUFFLER
CLAMP, Muffler
BRACKET, Muffler
SPARK ARRESTOR
SCREW, Set
BOLT
SCREW, SEMS M6 x 12
MANUAL, Owners
OIL BOTTLE
CAP, Funnel, Oil Bottle
PLUG, 120/240V, 30A, 4 Prong
PLUG, 125V, 20A
PLUG, 120V/30A, 3 Prong
OIL FILTER
CABLE, Battery Charge
KIT, Decals, Service
* - items without part numbers are common fasteners
and are available at local hardware stores.
25

CRAFTSMAN 10000 Watt AC Generator 580.328310
Contro{ Pane{ m Exp{oded View and Parts List
6
!Y
13 12 26
30
22
17 2O
22
39
21
\\ \
37 \\
18
24
23
\ 12
13 14
16
36
Item
1
2
3
4
5
6
7
8
9
10
11
12
13
14
16
17
18
19
2O
21
22
23
24
Part #
AB4432GS
B95906GS
43437GS
68759GS
68868GS
B5112GS
186102GS
90576GS
B4262GS
87962GS
93929GS
90418GS
75207AGS
78653GS
Description
PANEL, Control
BOX, Control
OUTLET, 120/240V, 30A
Locking
OUTLET, 120V, 20A Duplex
OUTLET, 120V, 30A Locking
ASSY, Diode
ASSY, Engine Harness
GROMMET, Rubber
OUTLET, 120/240V 50A
BREAKER, Circuit
STAND OFF, 1/2" Hex
NUT, M4 -0.7 Hex
WASHER, Lock, #8 M4
SCREW, M3- .05 x 10mm
WASHER, Flat, #8
WASHER, #8 Shakeproof
OUTLET, 12V DC Snap
WASHER, Lock, M3
BREAKER, Circuit, 30A
SWITCH, Run -Stop
SCREW, M3 -0.5 x 20mm
SCREW, M5 - .08 x 12mm
WASHER, Lock, M5
_&-'__ 19
38 --_
Item Part #
25 *
26 75207GS
27 74190GS
28 92953GS
29 *
30 94117GS
31 84028GS
32 65795GS
33 84135GS
34 *
35 186200GS
36 B4893GS
37 82538GS
38 *
39 *
40 B4445GS
41 B4894GS
42 77314GS
43 B4892GS
44 27565GS
Description
WASHER, Flat, M5
BREAKER, Circuit, 20A
OUTLET, 120V/20A
BLOCK, 50A, 3 -Terminal
SCREW, M4 x 20mm
BOARD, Idle Control
TRANSFORMER, Idle Control
RECTIFIER, Battery Charge
GROMMET, Rubber
SCREW, M5 -0.8 x 30mm
RESISTOR, .25 OHM, 25 Watt
STAND OFF
SWITCH, On -Off
NUT, Hex, M3 -0.5
HEXNUT, M5 -0.8
BREAKER, Circuit, 45A
RECTIFIER, Battery Charge
RELAY, 3A Thermal
RESISTOR, 2 OHM. 25 Watt
TAPE, Glass insulation x 1.5"
*-Items without part numbers are common fasteners
and are available at local hardware stores.
26

CRAFTSMAN 10000 Watt AC Generator 580.328310
Whee{ Kit m Exp{oded View and Parts List
14
15
16 17
18
Item PaR #
1 B19320OGS
2 189718GS
4 *
5 *
6 194034GS
7 B4135GS
8 B93394GS
9 191413GS
10 *
11 *
12 *
13 *
14 191267BGS
15 89635GS
16 89742GS
17 *
18 191265GS
Description
ASSY, Handle (Includes item 2)
GRIP
WASHER, Flat, 5/16 -M8
NUT, M8 Nylok
KIT, Hardware Handle Fold-Down
PiN, with Lanyard
LEG, Mounting Support
VIBE MOUNT, w/Washer
NUT, 1/4 -20 Serrated Lock
WASHER, M8 Lock
HHCS, M8 -1.25 x 20 Lg.
HHCS, 1/4 -20 x 1.00 Lg.
AXLE
SPACER, Wheel
WHEEL
WASHER, Flat, 5/8
E-RING
*-items without part numbers are common fasteners and are
avaiJable at local hardware stores.
27

CRAFTSMAN 10000 Watt AC Generator 580.328310
A_temator m Exploded View and Parts List
14
J11
\
12
9
17
7\
15
Item Part #
1 B4906GS
2 B4907GS
3 B4908GS
4 B4909GS
5 B4910GS
6 187049GS
7 B4912GS
8 B4913GS
9 B4914GS
11 B4916GS
12 191297GS
14 *
15 *
16 49820GS
17 188928GS
18 *
19 *
Description
SHIELD, Front
GRID, Front
BOLT, Shaft Stay
STAY BOLT, M8 x 30
ASSY, Housing
PLUG, Domed
COVER, Blind End
COVER, Top Black
CAPACITOR
CAPACITOR, Diode + Varistor + EMC
ASSY, Rotor (Includes Item 11)
SCREW, M6 - 1.0 x 10mm
SCREW, M5- 0.8 x 10mm
LOCK NUT, M8 - 1.25
CONNECTOR, 6-Pin Sincro
WASHER, Flat M6
NUT, M6
* _ Items without part numbers are common fasteners and are
available at local hardware stores.
28

ENGINE_ 18 HP, Briggs and Stratton, 350445 - E×p_oded View
507
520
359 @
373 @
1005
934
1006_
332_ _J
455_ %
851
334_
11t0
729_
1054
578
Y
34
35 9
36
@
1022 1022
33_
4s_
1_ 1025
1026A 102
©
1023A_
29

ENGINE_ 18 HP, Briggs and Stratton, 350445 - E×ploded View
287 _;_
525
523
524 572
43_ @1
1o27_j
338
1095 VALVE
718_
741
273 %
479 _ %-""_
468 @
596
750
3O

ENGINE, 18 HP, Briggs and Stratton, 350445 - E×p_oded View
968
467
445
423 _'
996_
163%
833_ 833A%
862
CARBURETOR OVERHAUL
633 Q
KiT
10s®
©
987 _4 _J1091_
9__1o89s_
102_
105 -- =
104_133_ lo,,%1
%
276A # 50
31

ENGINE, 18 HP, Briggs and Stratton, 350445 - E×p_oded View
322_#
638
308A
879
506
304
573
447
4O5
732A,_
305_
638 0_
322
358 ENGINE GASKET SET
163 _
868 ©
691 @
468
273C_
439 %
3
338
51_ 524_
I 71 GRAPHOI_' I 988 1022
58
8O3
544
597#
697_
802
65 _
32

ENGINE, 18 HP, Briggs and Stratton, 350445 - Parts List
item Part # Description item Part # Description _tem Part #
1 692544 Cylinder Assembly 192 807623 Screw (Valve Adjustment) 572 690686
2 808534 Cylinder Bearing 203 690923 Bell Crank 573 841310
3 805101 Oil Seal 205 692083 Screw (Bell Crank) 578 692319
5 809185 Cylinder Head (Cylinder #1) 206 691244 Nut (Governor Control Rod) 596 691492
5A 808384 Cylinder Head (Cylinder #2) 208 691549 Governor Control Rod 597 690876
7 690888 Cylinder Head Gasket 209 805630 Governor Spring 598 807625
8 808984 Breather Assembly 211 692068 Governor Idle Spring 608 692102
9 807688 Breather Gasket 211A 805450 Governed Idle Spring 615 691550
10 690751 Screw (Breather Assembly) 212 690712 Throttle Link 616 806685
11 806083 Breather Tube 216 690705 Choke Link 633 690722
12 691684 Crankcase Gasket 222 808454 Control Bracket 635 805529
13 692059 Screw (Cyfinder Head) 226 692075 Hand Choke Rod 638 691551
15 690946 Oil Drain Plug 227 690236 Governor Control Lever
16 809811 Crankshaft 232 692073 Governor Link Spring 643 692079
17 690752 Ball Bearing 234 691723 Control Rod Clip 689 691272
18 808847 Crankcase Cover 239 491657 Oil Pressure Switch 691 690680
20 805049 Oil Seal 255 690721 Choke Shaft Bushing 697 692062
22 692540 Screw (Crankcase Cover) 262 805762 Screw (Rod Bracket) 711 841233
23 808768 Flywheel 273 690681 O-Ring (Oil Pump) 718 806469
24 806066 Flywheel Key 276 807085 Sealing Washer 727 841313
25 808326 Piston Assembly (Standard) 280 691526 Rod Bracket 729 690586
25 808337 Piston Assembly (.020 O.S.) 287 692062 Screw (Dipstick Tube) 732 692539
26 807889 Piston Ring Set (Standard) 304 690930 Blower Housing 732A 690688
26 807995 Piston Ring Set (.020 O.S) 305 692056 Screw (Blower Housing) 741 805984
27 690683 Piston Pin Lock 308 841232 Air Guide Cover (Cylinder #1) 750 692539
28 807886 Piston Pin 308A 841182 Air Guide Cover (Cylinder #2) 797 691029
29 807803 Connecting Rod (020 U.S.) 309 691564 Starter Motor 801 808777
29 807900 Connecting Rod (Standard) 310 690323 Bolt (Starter Motor) 802 691286
32 690698 Screw (Connecting Rod) 322 841233 Screw (Cylinder Head Cover)
33 807681 Exhaust Valve 332 690887 Nut (Flywheel) 803 693547
34 807680 intake Valve 333 492341 Magneto Armature 816 690706
35 692084 Valve Spring (Intake) 334 692066 Screw (Magneto Armature) 830 809157
36 692084 Valve Spring (Exhaust) 337 491055 Plug-Spark 833 692537
40 692058 Valve Retainer 338 691312 Gasket-Dipstick
42 807683 Valve Keeper 349 690238 Nut (Cylinder Head Cover) 833A 841233
45 690977 Valve Tappet 358 808390 Engine Gasket Set
50 690754 intake Manifold 359 691077 Washer (Ground Terminal) 838 690875
51 691694 intake Gasket 363 19203 Flywheel Puller 851 493880
51A 805023 intake Gasket 365 690711 Screw (Carburetor) 862 692153
54 690676 Screw (Intake Manifold) 373 691612 Nut (Ground Terminal) 865 841312
55 691568 Rewind Starter Housing 377 808095 Woodruff Key 868 691963
56 692085 Starter Pulley 383 19374 Sparkplug Wrench 871 805084
57 692086 Rewind Starter Spring 405 692539 Screw (Back Plate) 879 690757
58 66574 Starter Rope 423 690688 Screw (Air Cleaner Base) 934 691058
59 805957 Grip Insert 430 690679 Screw (OH Filter Adapter) 955 807723
60 808167 Starter Rope Grip 432 691509 Spring Cap 965 805654
65 691982 Screw (Rewind Starter) 439 692154 O-Ring (Crankcase Cover) 967 272490
84 690283 Pipe Plug 445 394018 A/C Cartridge Filter 968 692097
91 808396 Upper Carburetor Body 447 692539 Screw (Va_by Cover} 987 806131
Assembly 455 690864 Flywheel Cup 988 692063
94 808399 Idle Mixture Kit 456 691529 Pawl Friction P_ate 996 691577
95 690718 Screw (Throttle Valve) 459 808166 Ratchet Pawl 1004 690743
97 809062 Throttle Shaft 467 691985 Air Cleaner Knob 1005 690911
98 808177 Idle Speed Kit 468 690690 O-Ring (Pick - Up Tube) 1006 690452
102 692077 Carburetor Body Gasket 479 807084 Screw (Oil Pump Screen) 1017 690900
104 690723 Needle Valve Float 505 690238 Nut (Governor Control Lever) 1022 806039
105 805620 Fuel Inlet Valve 506 690677 Screw (Carburetor Cover) 1023 691494
108 806134 Choke Valve 507 691972 Insulator 1023A 691531
109 808398 Choke Shaft 510 496881 Starter Drive 1024 693185
117 806126 Main Jet 515 691528 Pawl Spring 1025 690689
117 808413 Main Jet (High Altitude) 520 691084 Ground Terminal 1026 691836
119 690720 Screw (Upper to Lower Body) 522 809500 Dipstick/Fill P_ug 1026A 691758
121 809023 Carburetor Kit 523 693175 Dipstick 1027 492932
122 690747 Carburetor Spacer 524 693172 Dipstick Tube Seal 1028 808033
125 809019 Carburetor 525 693174 Dipstick Tube 1029 807323
130 806132 Throttle Valve 529 690744 Grommet 1051 691124
133 806961 Carburetor Float 544 693548 tarter Armature 1054 280275
142 806128 Carburetor Nozzle 552 690701 Governor Crank Bushing 1091 691516
161 691561 Air Cleaner Base 552A 690702 Governor Crank Bushing 1090 691293
163 692081 Air Cleaner Gasket 562 690239 Bolt (Governor Control Lever) 1095 808392
188 692056 Screw (Control Bracket) 565 690682 Stud (Oil Filter Adapter) 1100 690973
1254 807084
Description
Breather Baffle
Back Plate
Wire Assembly
Screw (Off Pump)
Screw (Paw_ Friction Plate)
End Play Shim
Starter Rewind
Governor Shaft Retainer
Governor Crank
Choke Shaft Seal
Sparkplug Boot
Washer (Cylinder Head
Cover)
Air Filter Retainer
Friction Spring
Governor Shaft Seal
Screw (Drive Cap)
Screw (Carburetor Shield)
Locating Pin
Starter Drive Cover
Wire Clip
Screw (Starter Drive Cover)
Screw (Starter Drive Cover)
Timing Gear
Screw (Oil Pump Cover)
Nut (Brush Retainer)
Drive Cap
End Cap (Includes 496887
Brush Set)
Starter Housing
Washer (Oil Filter Adapter)
Stud (Rocker Arm)
Screw (Cleaner Mounting
Strap)
Screw (Cleaner Mounting
Strap)
Rewind Starter Ring
Cable Terminal
Cleaner Mounting Strap
Air Guide Cover
Valve Sea_
Bushing Guide
Carburetor Cover
Screw (Fan Retainer)
Plug-Carburetor
Oil Pump Cover
Pre-Cleaner Filter
Air Cleaner Cover
Throttle Shaft Seal
Oil Filter Adapter Gasket
Carburetor Shield
Air Duct
Flywheel Fan
Fan Retainer
Oil Pump Screen
Rocker Cover Gasket
Rocker Cover
Rocker Cover
Oil Pump
Governor Spool
Push Rod
Push Rod
Oil Filter
Oil Filter Adopter
Rocker Arm
Ring-Retaining
Cable Tie
Limiter Cap
Retainer-Brush
Valve Gasket Set
Rocker Arm Pivot
Screw (Rocker Cover)
33

Sears, Roebuckand Co., U.S.A.(Sears),the California Air ResourcesBoard (CARB)and
the United States Environmenta_Protection Agency (U.S.EPA)
Emission Contro_System Warranty Statement
(Owner's DefectWarranty Rights and Obligations)
EMiSSiON CONTROL WARRANTY COVERAGE iS
APPLICABLE TO CERTIFIED ENGINES PURCHASED iN
CALIFORNIA iN 1995 AND THEREAFTER WHICH ARE
USED IN CALiFORNiA, AND TO CERTiFiED MODEL
YEAR 1997 AND LATER ENGINES WHICH ARE
PURCHASED AND USED ELSEWHERE IN THE UNITED
STATES (AND AFTER JANUARY 1, 2001 iN CANADA).
California and U.S. EPA Emission Control Warranty
Statement Your Warranty Rights and Obligations
The California Air Resources Board (CARB), U.S.EPA and
Sears are pleased to explain the Emission Control System
Warranty on your model year 2000 and later small off-road
engine (SORE)_ In California, new small off-road engines
must be designed, built and equipped to meet the State's
stringent anti-smog standards. Elsewhere in the United
States, new non-road, spark-ignition engines certified for
model year 1997 and later, must meet similar standards set
forth by the U.S.EPA. Sears must warrant the emission
control system on your engine for the periods of time listed
below, provided there has been no abuse, neglect, or
improper maintenance of your small off-road engine.
Your emission control system may include parts such as the
carburetor or fuel-injection system, the ignition system, and
catalytic converter. Also included may be hoses, belts,
connectors and other emission related assemblies.
Where a warrantable condition exists, Sears will repair your
small off-road engine at no cost to you including diagnosis,
parts and labor.
Sears Emission Controt Defects Warranty Coverage
The 1995 and later small off-road engines are warranted for
two years. If any emission-related part on your engine is
defective, the part will be repaired or replaced by Sears.
Owner's Warranty Responsibilities
As the small off-road engine owner, you are responsible for
the performance of the required maintenance listed in this
owner's manual. Sears recommends that you retain al! your
receipts covering maintenance on your smal! off-road
engine, but Sears cannot deny warranty solely for the lack of
receipts or for your failure to ensure the performance of al!
scheduled maintenance.
As the small off-road engine owner, you should however be
aware that Sears may deny you warranty coverage if your
small off-road engine or a part has failed due to abuse,
neglect, improper maintenance or unapproved modifications.
You are responsible for presenting your small off-road
engine to an approved Sears Service Center as soon as a
problem exists. The warranty repairs should be completed in
a reasonable amount of time, not to exceed 30 days.
if you have any questions regarding your warranty rights and
responsibilities, you should contact a Sears Service
Representative at 1-800-469-4663.
Sears Emission Controt Defects Warranty Provisions
The following are specific provisions relative to your
Emission Control Defects Warranty Coverage.
1. Warranted Parts
Coverage under this warranty extends only to the parts
listed below (the emission control systems parts) to the
extent these parts were present on the engine purchased.
a. Fuel Metering System
Cold start enrichment system
Carburetor and internal parts
Fue! Pump
b. Air Induction System
Air cleaner
Intake manifold
c. Ignition System
Spark plug(s)
Magneto ignition system
d. Catalyst System
Catalytic converter
Exhaust manifold
Air injection system or pulse valve
e. Miscellaneous Items Used in Above Systems
Vacuum, temperature, position, time sensitive valves
and switches
Connectors and assemblies
2. Length of Coverage
Sears warrants to the initial owner and each subsequent
owner that the Warranted Parts shall be free from
defects in materials and workmanship which caused the
failure of the Warranted Parts for a period of two years
from the date the engine is delivered to a retail
purchaser.
3. No Charge
Repair or replacement of any Warranted Part will be
performed at no charge to the owner, including
diagnostic labor which leads to the determination that a
Warranted Part is defective, if the diagnostic work is
performed at an approved Sears Service Center.
4. Claims and Coverage Excmusions
Warranty claims shall be flied in accordance with the
provisions of the Sears Warranty Policy. Warranty
coverage shall be excluded for failures of Warranted
Parts which are not origina! Sears parts or because of
abuse, neglect or improper maintenance as set forth in
the Sears Engine Warranty Policy. Sears is not liable to
cover failures of Warranted Parts caused by the use of
add-on, non-original, or modified parts.
5. Maintenance
Any Warranted Part which is not scheduled for
replacement as required maintenance or which is
scheduled only for regular inspection to the effect of
"repair or replace as necessary" shal! be warranted as to
defects for the warranty period. Any Warranted Part
which is scheduled for replacement as required
maintenance shall be warranted as to defects only for
the period of time up to the first scheduled replacement
for that part. Any replacement part that is equivalent in
performance and durability may be used in the
performance of any maintenance or repairs. The owner
is responsible for the performance of all required
maintenance, as defined in this owner's manual.
6. Consequential Coverage
Coverage hereunder shall extend to the failure of any
engine components caused by the failure of any
Warranty Part still under warranty.
In the USA and Canada, a 24-hour hotline, 1-800-469-4663, has a menu of pre-recorded messages offering you product
maintenance information.
34

Emissions Durability Period and Air index
Information On Your Engine Emissions Labe_
Engines that are certified to meet the California Air
Resources Board (CARB) Tier 2 Emission Standards must
display information regarding the Emissions Durability Period
and Air Index. The engine manufacturer makes this
information available to the consumer on emission labels.
The Emissions Durability Period describes the number of
hours of actual running time for which the engine is certified
to be emissions compliant, assuming proper maintenance in
accordance with the Operating & Maintenance Instructions.
The following categories are used:
Moderate: Engine is certified to be emission compliant for
125 hours of actual engine running time.
Intermediate: Engine is certified to be emission compliant
for 250 hours of actual engine running time.
Extended: Engine is certified to be emission compliant for
500 hours of actual engine running time.
For example, a typical walkobehind lawn mower is used
20 to 25 hours per year. Therefore, the Emissions
Durability Period of an engine with an intermediate rating
would equate to 10 to 12 years.
The Air hdex is a calculated number describing the relative
level of emissions for a specific engine family. The lower the
Air Index, the cleaner the engine. This information is
displayed in graphical form on the emisions labe!.
Emissions Compliance Period On Engine
Emissions Compliance Labe_
After July 1, 2000 certain Sears engines will be
certified to meet the United States Environmental
Protection Agency (USEPA) Phase 2 emission
standards. For phase 2 certified engines, the
Emissions Compliance Period referred to on the
Emissions Compliance label indicates the number of
operating hours for which the engine has been shown
to meet Federal emission requirements. For engines
less than 225 cc displacement, Category C =
125 hours, B = 250 hours and A = 500 hours. For
engines of 225 cc or more, Category C = 250 hours,
B = 500 hours and A = 1000 hours.
This engine has an intermediate rating with and Air
Index of 2. The EPA Emissions compliance period is
Category C. The diplacement of this engine is 570 cc.
35

GARANTIA .................................... 36
REGLAS DE SEGURIDAD ..................... 37°38
CARACTERISTICAS Y CONTROLES ............... 39
ENSAMBLAJE ............................... 40°42
FUNCIONAMIENTO .......................... 43°49
ESPECIFICACIONES DEL PRODUCTO ............. 50
MANTENIMIENTO ............................ 51-53
ALMACENAMIENTO ............................ 54
DIAGNOSTICOS DE AVERIAS .................... 55
GARANTJA DE EMISIONES .................... 56-57
NOTAS ..................................... 58-59
PARTES/SERVICIO .......................... 22-33
COMO ORDENAR PARTES ........... ULTIMA PAGINA
GARANTIA LJMJTADA DE GENERADOR PORTATtLE CRAFTSMAN
SEARS garantiza a! comprador original que el alternador y e! motor para su generador port&til estaran libres de defectos en
los materiales o la mano de obra para las piezas y el periodo establecido a partir de la fecha de compra original. Esta
garantla no es transferible y se aplica Onicamente a los generadores portatiles impulsados por el motor garantizado
GN Sefia de Sears.
Consumidor* ComerciaF
Alternador 2 ASos (segundo ado despide so!o) 1 AFro
Motor 2 ASos (segundo ado despide solo) 1 AFro
*NOTA: Para el prop6sito de esta garantla 'Uso de Consumidor" quiere decir uso domestico de residencia personal por e!
comprador original. "Uso Comerciar' quiere decir todos los otros usos, incluyendo alquiler, construcci6n, comercial y
propositos que producen ganancia. Una vez que un generador ha experimentado uso comercial, de alli en adelente sera
considerado como un generador de uso comercia! para los prop6sitos de esta garantia.
Durante dicho periodo de grantia, SEARS reparara o remplazra a su opci6n cualquier pieza la cua!, al ser examinada por
SEARS, se encuentre que esta defectiosa bajo uso y servicio normales**. Las baterias de arranque no estan garantizadas
pot SEARS. Todos los costos de tranporte bajo la garantla, incluyendo la devoluci6n a la fabrica si fuera necesario, seran
cargados al comprador y prepagados por @l. Esta grantia no incluye el mantenimiento y servicio normal no se aplica a un
conjunto de generador, alternador o motor, o las piezas que han sido sujetas a instalacion a alteracion inadecuadads o
desautorizadas, abuso, negligencia, accidentes, sobrecarga, velocidad excesiva, mantenimiento, reparciones o
almacenamiento inadecuados, de modo que, en la opini6n de SEARS, afecten adversamente su rendimiento y confiabilidad.
**Degaste Normal: Como con todos los aparatos electricos, los motores necesitan servicio y reemplazo periodico para que
den buen rendimiento. Esta garantia no cubrira reparacion cuando el uso normal ha agotado la duraci6n de una pieza o de
un motor.
NO HAY NINGUNA OTRA GARANTJA EXPRESADA. SEARS POR ESTE MEDIO DESCONOCE CUALQUIERA Y TODAS
LAS GRANTJAS IMPLICADAS, INCLUYENDO PERO NO LIMITANDOSE A AQUELLAS DE MERCANTIBILDAD Y
ADAPTACJON PARA UN PROPOSITO PARTICULAR, EN LA PROPORCION PERMITADA POR LA LEY. LA DURACION
DE CUALQUIER GARANTJA IMPUCADA LA CUAL NO PUEDE SER DESCONOCIDA SE LIMITA AL PERiODO DE
TEIMPO SEGON SE ESPECJFICA EN LA GARANTJA EXPRESADA. LA RESPONSABILIDAD POR DAY'lOS DE
CONSEQUENCIA, ACCIDENTALES O ESPECIALES BAJO CUALQUERA OTODAS LAS GARANTJAS SE EXCLUYE.
ALGUNOS ESTADOS NO PERMITEN LIMITACIONES SOBRE COANTO TIEMPO UNA GARANTiA IMPLICADA DURA,
O LA EXCLUSION OLIMITACION DE DANOS ACCIDENTALES ODE CONSECUENCIA, DE MANERA QUE LAS
LIMITACIONES O EXCLUSIONES MENCIONADAS ANTERIORMENTE PUEDEN NO APLICAR PARA USTED. ESTA
GARANTIA LE DA DERECHOS LEGALES ESPECIFICOS Y USTED TAMBIEN PUEDE TENER OTROS DERECHOS,
LOS CUALES VARJAN DE ESTADO A ESTADO.
Para servicio, pongase en contaco la instalaci6n de servicio de garantia autorizada m&s cercana de SEARS. El servicio de
garantia puede ser Ilevado a cabo solamente pot una instalaci6n de servicio autorizado de SEARS. Esta garantia no se
aplica al servicio dado en ninguna otra instalacion. En e! momento de solicitar servico de grantia, se debe presentar
evidenca de la fecha de compra original.
Sears, Roebuck and Co., Dt817 WA, Hoffman Estates, JL 60179
36

Este es e[ simbo[o de a[erta de seguridad. Es usado para indicar[e situaciones con pe[igros potencia[es de
lesion para e[ persona[. Siga [as instrucciones de todos los mensajes de seguridad que aparecen despues de
este simbo[o para evitar posib[es [esiones o muerte.
Leaesteman°a,demaoeraco,dadosay
[__l_J;J..... fami[iar[cese con su generador. Conozca sus
usos, sus Hmitaciones y cua[quier peJigro
re[acionado con e[ mismo.
El simbolo de alerta de seguridad (,_) es usado con una
palabra (PELiGRO, ADVERTENCIA, PRECAUCION), un
mensaje por escrito o una ilustraci6n, para alertarlo acerca
de cua[quier situaci6n de peligro que pueda existir.
PEL[GRO indica un riesgo el cual, si no se evita, eausar& la
muerte o una hedda grave. ADVERTENCIA indica un riesgo
el cual, si no se evita, puede causar la muerte o una herida
grave. PRECAUCl6N indica un riesgo, e! cual, si no se
evita, puede causar heridas menores o moderadas.
PRECAUCI6N, cuando se usa sin el simbolo de alerta,
indica una situaci6n que podr[a resultar en el daffo del
equipo. Siga los mensajes de seguddad para evitar o reducir
los riesgos de heridas e inclusive la muerte.
A
E[ escape de[ motor de este producto contiene
elementos quimicos reconocidos en el Estado de
California pot producir c&ncer, defectos de nacimiento
u otros daF_os de tipo reproductivo.
ADVERTENC[A
° Este generador no cumpte la norma 33CFR-183 del cuerpo de
guardacostas de EE.UU. y no debe utilizarse en aplicaciones
marinas.
• El uso de un generador no homologado por cuerpo de guardacostas
de EE.UU. puede provocar lesiones y da_os materiales.
S[mbo[os de Pe[igro y Significados
Electrocutamiento Descarga Electrica Descarga Electrica
Explosion Fuego
Gases Toxicos Superficie Caliente Retroceso
Presion Exp!osiva Quemaduras Qu[mica
PEL[GRO
No permita ninguna llama abierta, chispa, calor, o encienda un
cigarrillo durante y por vados minutos despu6s de haber
recargado la bated&
Lleve puestos las gafas protectoras, detantal y guantes de goma.
ADVERTENC[A
Opere et generador SOLAMENTE al aire libre.
AsegL_rese de que los gases de escape no puedan entrar pot
ventanas, puertas, tomas de aire de ventilaci6n u otras
aberturas en un espacio cerrado en el que puedan acumularse.
NO opere et generador dentro de un edificio o lugar cerrado,
incluyendo ei compartimiento del generador en un vehicuto
recreativo o RV.
ADVERTENC[A
Cuando use un generador como poder de energia auxiliar, notifique
a la compa_ia de utitidades. Use el equipo de transferencia
aprobado para aislar el generador de otra utilidad el6ctrica.
Use un interruptor para ta fatla deI circuito de tierra (GFCI) en
cuatquier area bastante hOmeda o que sea altamente conductiva,
tales como terrazas de metal o trabajo hecho con acero.
NO toque los alambres petados o receptaculos.
NO use un generador con cables electricos que esten
malgastados, rotos, pelados o daFtados de cualquier forma.
NO opere et generador ba]o ta tluvia.
NO maneje et generador o cables et6ctricos mientras est@ parado
en agua, descalzo o cuando tas manos y los pies est6n mojados.
NO permita que personas descalificadas o nWtos operen o
sirvan al generador.
37

ADVERTENCIA
• Cuando arranque el motor, tire lentamente de! cable hasta
sentir una resistencia y, a continuaci6n, tire rapidamente de 6t
para evitar su retroceso.
• NUNCA arranque o pare el motor cuando haya aparatos
et6ctricos conectados yen funcionamiento.
CUANDO ANADA COMBUSTIBLE O VACiE EL DEP6SITO
• Apague et generador (posici6n OFF) y d6jelo enfriar al meno_ por
2 minutos antes de remover ta tapa de ta combustible. Afloje
tapa lentamente para dejar que la presi6n salga del tanque.
• Liene o vacie el de)6sito de combustible a la intempene.
• NO tlene demasiado et tanque. Permita at menos espacio para
la expansi6n det combustible.
• Mantenga la combustible alejada de chispas, llamas abierta ,
pilotos, calory otras fuentes de ignici6n.
• NO encienda un c_garritto o fume.
CUANDO PONGA EN FUNCIONAMIENTO EL _=QUIPO
• Compruebe que ta bujia, el sitenciador, et tap6n del dep6sit de
combustible y et filtro de aire estan instalados.
• NO arranque et motor sin la bujia instalada.
• Si se ha derramado combustible, espere a que se evapore
antes de arrancar el motor.
CUANBO OPER_= _=L _=QUIPO
• NO incline el motor o ei equipo, de tat manera que ta
combustible se )ueda derramar.
• NO estrangute el carburador para parar et motor.
• Este generador no es apto para el uso en equipos m6viles _ en
aplicaciones mannas.
CUANBO TRANSPORTE O REPARE EL EQUIPO
• Transporte o repare el equipo con el tanque de combustible va( _,o
con ta valvula para apagar et combustible, apagada (posici6n C ).
•Desconecte el cable de ta bujia.
CUANBO AL_','IACEN _=O GUARB _=_=L _=QUIPO CON
COMBUSTIBLE EN EL TANQUE
• Almacene atejado de calderas, estufas, calentadores de agt
secadoras de ro )a u otros aparatos etectrodom6sticos que
posean pilotos u otras fuentes de ignici6n, porque ettos )ue
encender los va _ores de la combustible.
CUANDO AJUSTE O HAGA REPARACIONES A SU
GENERADOR
•Siempre desconecte el alambre de la bujia y cot6quelo don,
no pueda entrar en contacto con ta bujia.
CUANDO PRUEBE LA BUJiA DEL MOTOR
•Utilice un comprobador de bujias homologado.
• NO comprueba la chispa sin ta bujia instalada.
1
38
ADVERTENCIA
NO toque las superficies catientes.
Permita que el equipo se enfrie antes de tocado.
El generador debe estar situado a un minimo de 152 cm
(5 pies) de toda estructura con muros combustibles y/o otras
materias combustibles.
Mantenga un minimo de 92 cm (3 pies) alrededor de la carcasa
det generador, para facilitar ta ventitaci6n y el mantenimiento del
generador.
En et estado de California es obligatorio, segOn la tey, el uso de
apagachispas (SecciOn 4442 del C6digo de Recursos POblicos de
California). Otros estados pueden tener leyes similares. Las teyes
federates se aplican en tierras federales. Si equipa et silenciador
con un apagachispas, este debera ser mantenido en buenas
condiciones de trabajo. Usted puede ordenar el apagachispas a
trav6s de su distribuidor de servicio autorizado Sears.
PRECAUCION
No cambie ninguna vetocidad determinada. El generador
suministra una frecuencia y un voltaje calificado cuando
funciona a una velocidad determinada.
No modifique al generador en ninguna forma.
Vea "No sobrecargue generado¢'.
Encienda su generador y deje que et motor se estabitice antes
de conectar las cargas et6ctricas.
Conecte las cargas electricas en la posici6n de apagado (OFF),
tuego encienda (ON) para su operaci6n.
Apague (OFF) tas cargas et6ctricas y descon6ctelas del
generador antes de parar et generador.
PRECAUCION
Use el generador solamente con ta finalidad para el cual rue
dise_ado.
Si usted tiene atguna pregunta acerca de las finalidades de uso
det generador, pregOntete a su concesionario o contacte a
Sears.
Opere et generador solamente en superficies nivetadas.
NO exponga at generador a una humedad excesiva, potvo,
suciedad o vapores corrosivos.
NO inserte cuatquier objeto a trav6s de tas ranuras de
enfriamiento.
Si los aparatos conectados se sobrecalientan, apaguetos y
descon6ctetos det generador.
Apague el generador si:
-Se pierde la salida el6ctrica;
-El equipo produce chispas, humo o emite llamas;
-La unidad vibra de una manera excesiva.

CONOZCA SU GENERADOR
LEA ESTE MANUAL DEL PROP_ETARIO Y LAS REGLAS DE SEGURIDAD ANTES DE OPERAR SU GENERADOR,
Compare las ilustraciones con su Generador para familiarizarse con las ubicaciones de los diferentes controles y ajustes.
Conserve este manual para referencias futuras.
Bot6n de Encendido
Aceite Ltena Ja Tapa
Cortacircuitos (AC)
tnterruptor Ignici6n
Interruptor det Control
de Marcha en Vado \
Tomacordentes
de 12 Vottios DC
CuJatazo el Principio
Tanque del Combustible
Palanca del Cebador
Tomacorriente Dobtes de
120 Voltios AC, 20 Amperios
Tomacorrientes con
Dispositivo de Seguridad de
120 Voltios, 20 Amperios
Tomaoorrientes con
Dispositivo de Seguridad de
120 Vottios, 30 Amperios
Tomacorriente con Dis
de Seguddad de Tuerca Madposa par
120/240 Vottios, 30 Amperios Conexi6n a Tierra ......
Aceite LEena Ja Tapa oAgrega aceite al motor aqui.
Bot6n de Encendido oCuando es oprimido, hace que el motor se
encienda.
Cortacircuitos (AC) o Cada tomacorriente posee un
cortacircuito para proteger el generador contra sobrecargas
el¢ctricas. Los cortacircuitos son del tipo "oprimir para
reposicionar".
CuJatazo el Principio o Us6 para comenzar motor.
Depurador de Aire o Filtra el aire de entrada a medida que
penetra en el motor.
Etiqueta de Datos -- Proporciona el modelo, revision y el
nOmero de serie de generador. Tenga por favor estos
prontamente disponible cuando Ilamar para la ayuda.
mnterruptor mgnici6n o Debera estar en la posicion "On" (:) para
darle arranque al motor. Col6quelo en la posici6n "Off" (O) para
detener un motor en funcionamiento.
mnterruptor del Control de Marcha en Vacio oEl control de
marcha en vacio hace funcionar el motor a velocidades
normales (altas) cuando existe una carga presente y hace
funcionar el motor a velocidades de marcha en vacio (bajas)
cuando no existen cargas presentes. Esta caracteristica meiora
el ahorro de combustible, prolonga la vida del motor y
disminuye el ruido del motor.
PaJanca del Cebador o Usada cuando se est& dando arranque
a un motor frio.
SHenciador Apagachispas o El siJenciador disminuye el ruido
del motor y esta. equipado con una pantalla apagachispas.
Tanque del Combustible oEl tanque tiene una capacidad de
8 galones Americanos de gasolina sin contenido de plomo.
Depurador de Aire
Sitenciador Apagachispas
Etiqueta de Datos
Tomaoorrientes con
Dispositivo de Seguridad de
240 Voltios, 50 Amperios
Tomacorriente DobJes de t20 Vo[tios AC, 20 Amperios o
Pueden ser utilizados para suministrar alimentaci6n el¢ctrica
para el funcionamiento de cargas del motor, herramientas,
aparatos especiales e iluminaci6n el¢ctrica de 120 Voltios AC a
20 Amperios, monofasica de 60 Hz.
Tomacorriente con Dispositivo de Seguridad de
120/240 Voitios, 30 Amperios -Puede ser utilizado para
suministrar alimentaci6n electrica para el funcionamiento de
cargas del motor, herramientas, aparatos especiales e
iluminacion el¢ctrica de 120 y/o 240 VoJtios AC a 30 Amperios,
monofasica de 60 Hz.
Tomacorrientes con Dispositivo de Seguridad de
120 Voltios, 20 Amperios -Puede set utiJizado para
suministrar alimentaci6n el¢ctrica para el funcionamiento de
cargas del motor, herramientas, aparatos especiales e
iluminacion elctrica de 120 Voltios AC a 20 Amperios,
monofasica de 60 Hz.
Tomacorrientes con Dispositivo de Seguridad de 120 Vo[tios,
30 Amperios oPuede ser utiJizado para suministrar alimentaci6n
electrica para el funcionamiento de cargas del motor, herramientas,
aparatos especiales e iluminaci6n el6trica de 120 VoJtios AC a 30
Amperios, monofasica de 60 Hz.
Tomacorrientes con Dispositivo de Seguridad de
240 Voltios, 50 Amperios -Puede ser utilizado para
suministrar alimentaci6n electrica para el funcionamiento de
cargas del elctrica de 240 VoJtios AC a 50 Amperios,
monofg_sica de 60 Hz.
Tomacorrientes de 12 Vo[tios DO o Este tomacorriente le
permite recargar baterias tipo servicio o automotriz de
12 Voltios o bateria de almacenamiento tipo servicio uti)izando
los cables para cargar baterias.
Tuerca _'lar[posa para Conexi6n a Tierra o Si requiri6,
consulte con un electricista cualificado, un inspector electrico o
el organismo competente.
39

Su generador requiere de ciertos procedimientos de monta]e
y solo estara listo para ser utilizado despues de haberle
suministrado servicio con el combustible y aceite
recomendados.
Si usted tiene problemas con el monta]e de su generador,
por favor Ilame a la linea de ayuda para generadores al
1 o800o222o3136.
IMPORTANTE: Cualquier intento de encender el motor
antes de haber co!ocado e! aceite recomendado resultara
daSo de! motor.
Tap6n de embudo de la botella de aceite
Enchufes de 120/240 Voltios, 30 Amperios
Enchufes de 120 Voltios, 20 Amperios
Enchufes de 120 Voltios, 30 Amperios
Cables de carga de la bateda
Instale e_ Juego de Ruedas
El ]uego de ruedas esta disel_ado para mejorar el transporte
del generador.
NOTA: Este Juego de Ruedas no ha sido dise_ado para ser
usado en la carretera.
Para Retirar el Generador de [a Caja
1. Coloque la palleted ca]a sobre una superficie plana y
rigida.
2. Detenidamente bandas de corte alrededor del caja que
embarca.
3. Levante el caja del generador.
4. Retire todo e! material de empaque, relleno, etc..
5. Saque el generador de la espatula de envio.
Contenido de la Caja
Revise todo el contenido. Si alguna de las partes no esta
presente o esta da_ada, pot favor !lame a la linea de ayuda
para generadores al 1o800o222o3136.
La unidad principal
Manual del propietario
Aceite para motor
Juego de Ilantas
Corcel de bateria
Necesitara una Ilave de cubes con cubos de ½" o 13mm,
martillo y unas pinsas de punta para instalar el juego de
ruedas.
Instale el juego de ruedas corno se describe a
continuaci6n:
1. Coloque e! generador sobre una superficie plana y dura.
2. Parese en el extremo del motor del generador e incline
el generador cuidadosamente hacia adelante, Io
suficiente como para colocar bloques por deba]o de!
armazon. Esto le permitira colocar las ruedas.
3. Pase el e]e a traves de los orificios de las mensulas de!
armazon del generador.
4. Deslice una rueda espaciadore, rueda y arandela plana
en un fin del eje. Cerci6rese la valvula aerea del inflado
es exterior. Coloque el e-ring en la ranura del e]e.
5. Coloque un extremo de las pinzas de puntas de aguja
en la parte inferior de! eje y el otro extremo de las
pinzas en la parte superior del e-ring. Asiente e! e-ring
cerrando las pinzas.
Vista de_ Montaje de_ Juego de Ruedas
E]e
Rueda Espaciadore
Rueda
T/"_- "h Pata de Apoyo
uercas
Antivibratorio (.__._ /
"_ _--Arandelas de Cerradura
-Tornillos _Tornillos
Arandela
:E-Ring
4O

6. Deslice e! eje por hasta que la rueda sea apretada
contra parentesis.
7. Instale el eoring de la misma forma que se indica en los
pasos 4 y 5. Retire los b!oques de madera.
8. Instale los montajes antivibratorios a la pata de soporte
utilizando dos tornillos prisioneros 30mm y tuercas de
seguridad.
9. Con las ruedas instaladas, ahora puede inclinar el
extremo del generador e instalar la pata de soporte
utilizando dos tornillos prisioneros 20mm y dos tuercas
de seguridad.
10. Verifique que todas las piezas esten apretadas y las
Ilantas esten infladas al valor marco en la Ilanta o
dentro de 15 y 40 psi.
Verificjue la Bateria /Conecte el Cable
Negat_vo de la Bateria
La bateria se!lada en el generador esta completamente
cargada y ha sido preoinstalada, excepto por e! cable
negativo (negro) de bateria.
Usted necesitara dos 8 Mm Ilaves inglesas instalar el cable
negativo de bateda.
Para instalar:
1. Corte el cablecito que esta aguantando el cable negro,
para poderlo usar.
2. Remueva la tuerca y la arandela en e! terminal negativo
de la bateria.
Cable Negativo
de la Bateria
3. Deslice el cable negativo de la bateria sabre el tornillo
en e! terminal negativo.
4. Reconecte la arandela y la tuerca, y aprietela.
5. AsegOrese que las conexiones a la bateria y al
generador estan apretadas y aseguradas.
ANTES DE DARLE ARRANQUE AL
Agregar Aceite al Motor
NOTA: Cuando agregue aceite al compartimiento del motor,
utilice Onicamente aceite detergente de alta calidad,
designado con la clasificacion API de servicio SF, SG, SH,
SJ o superior. NO use aditivos especiales.
1. Seleccione una viscosidad de acuerdo a la tabla
siguiente:
Temperaturas de Usa Esperadas
NOTA: Todo aceite sintetico que cumpla las
especificaciones ILSAC GFo2, con marca de certificaci6n
API y con simbolo de servicio API con "SJ/CF ENERGY
CONSERVING" o superior es un aceite aceptable a todas
las temperaturas, El uso de aceite sint6tico no altera los
intervalos de cambio de aceite indicados.
* El uso de aceites multigrado (5Wo30, 10Wo30, etc.) en
temperaturas mayores a los 40°F (4°C) ocasionara un
consumo de aceite mayor al normal. Cuando utilice un
aceite multJgrado, revise con mayor frecuencia el nive! de
aceite del motor.
** Si utiliza aceite SAE 30 en temperaturas inferiores a los
40°F (4°C), ocasionara que el arranque sea mas dificil e
incluso que se desbiele el motor debido a su inadecuada
lubricaci6n interna.
2. Coloque e! generador sobre una superficie nivelada.
3. Limpie la zona de alrededor de! tap6n de Ilenado
amarillo y de la varilla de nivel de aceite. Quite la varilla
de nivel de aceite y limpiela con un trapo limpio.
4. Vuelva a insertar la varilla y retirela de nuevo para
comprobar e! nive! de aceite.
5. Quite el tapon de !lenado y vierta lentamente aceite en
e! motor a traves de la boca de Ilenado. Llene hasta la
marca "Full" (lleno) de la varilla de nivel.
6,
7.
Coloque el tap6n de Ilenado amarillo y apri6telo bien
con la mano.
Compruebe e! nivel de aceite de! motor antes de coda
arranque sucesivo. Si el nivel esta por debajo de la
marco "Full" (lleno) de la varilla, adada aceite hasta la
marca.
41

Agregue Gaso_ina
NOTA: Este motor est& certificado para funcionar con
gasolina. Sistema de control de emisiones de gases de
escape: EM (Modificaciones de! motor),
ADVERTENCiA
CUANDO A_IADA COMBUSTBBLE
Apague et generador (posici6n OFF) y d6jelo enfriar al menos
pot 2 minutos antes de remover la tapa de la combustible. Afloje
la tapa tentamente para dejar que ta presi6n satga del tanque.
Ltene el dep6sito de combustible a la intemperie.
NO liene demasiado eI tanque. Permita at menos espacio para
la expansion dei combustible.
Mantenga la combustible atejada de chispas, llamas abiertas,
pilotos, calory otras fuentes de igniciSn.
NO encienda un cigarrilto o fume.
Utilice gasolina normal sin plomo, limpia y nueva con un
mJnimo de 85 octanos. NO utilice combustible que
contenga metano! ni mezcle aceite con combustible.
2. Limpie el area alrededor de la tapa de Ilenado del
combustible, retire la tapa.
3. Agregue lentamente gasolina regular "SIN PLOMO" al
tanque de combustible. Use un embudo para evitar que
se derrame. Uene el tanque lentamente hasta
aproximadamente 1.5" por debajo de la parte la cima
del cuello del tubo de Ilenado.
Combustible
4. Instale la tapa del tanque de combustible y limpie la
gasolina que se haya derramado.
iPRECAUCI6N! Los combustibles con mezcla de alcohol
(gasoho!, etanol o metanol) pueden atraer la humedad y
provocar la separaci6n y formacion de &cidos durante el
almacenamiento. Los gases acidos pueden da_ar el circuito
de combustible y e! motor durante e! almacenamiento.
Para evitar este tipo de problemas, vacie el circuito de
combustible cuando vaya a almacenar la unidad durante
30 dias o mas. Vacie e! deposito de combustible, arranque
el motor y deje!o funcionar hasta que los conductos de
combustible y e! carburador queden vacios. Utilice
combustible nuevo la proxima temporada. Para obtener mas
informacion al respecto, consulte "Almacenamiento" en la
pagina 54.
NUNCA utilice productos limpiadores para motores o
carburadores en el deposito de combustible, ya que podrian
provocar dagos permanentes.
42

COMO USAR SU GENERADOR
Si tiene problemas operando su generador, por favor Ilame
a la linea de ayuda para generadores a! 1o800o222o3136.
Tierra de_ Sistema
El generador dispone de una conexion a tierra del sistema
que conecta los componentes dei bastidor a los terminales
de tierra de los enchufes hembra de salida de CA. La tierra
del sistema esta conectada al cable de CA neutro que, a su
vez, esta conectado al bastidor del generador.
Requisitos Especiales
Es posible que haya normas u ordenanzas locales y
nacionales en materia de seguridad e higiene en e! traba]o
aplicables al uso del generador. Consulte con un electricista
cualificado, un inspector electrico o el organismo
competente.
En algunas zonas, es obligatorio registrar los
generadores en las compa_ias el6ctricas locales.
S{ el generador se utiliza en una obra, puede set
necesario cumplir normas y requisitos adicionales.
Conexi6n a_ Sistema E_6ctrico de un
Edificio
Las conexiones a efectos de alimentaci6n de reserva al
sistema el6ctrico de un edificio deben ser realizadas por un
electricista cualificado. La conexi6n debe aislar la
alimentaci6n del generador de la alimentaci6n de la red
pOblica y debe cumplir todas las leyes y normas el6ctricas
vigentes.
ADVERTENCJA
Cuando use un generador como poder de energia auxiliar, notifique
a ta compaFfia de utilidades. Use et equipo de transferencia
aprobado para aistar et generador de otra utilidad et6ctrica.
Use un interruptor para la falla del circuito de tierra (GFCi) en
cualquier area bastante hOmeda o que sea altamente conductiva,
tales como terrazas de metat o trabajo hecho con acero.
NO toque los alambres pelados o receptacutos.
NO use un generador con cables et6ctricos que est6n
malgastados, rotos, pelados o da_ados de cuatquier forma.
NO opere et generador bajo la Ituvia.
NO maneje el generador o cables el6ctricos mientras est6 parado
en agua, descatzo o cuando las manos y tos pies est6n mojados.
NO permita que personas descalificadas o ni5os operen o
sirvan al generador.
Ubicaci6n de_ Generador
Espacio Libre A[rededor de[ Generador
Opere et generador SOLAMENTE al aire libre.
AsegOrese de que los gases de escape no puedan entrar por
ventanas, puertas, tomas de aire de ventilaci6n u otras
aberturas en un espacio cerrado en el que puedan acumularse.
NO opere et generador dentro de un edificio o [ugar cerrado,
incluyendo et compartimiento del generador en un vehicuto
recreativo o RV.
El generador debe estar situado a un minimo de 152 cm
(5 pies) de toda estructura con muros combustibles y/o otras
materias combustibles. Mantenga un minimo de 92 cm
(3 pies) alrededor de! generador, incluido la parte superior,
para facilitar la ventilaci6n y el mantenimiento de[ generador.
SitOe el generador en una zona bien ventilada que permita
la eliminaci6n de los gases de escape mortales. No instale
el generador en lugares en los que los gases de escape se
puedan acumular o entrar en un edificio que pueda estar
ocupado. AsegOrese de que los gases de escape no puedan
entrar por ventanas, puertas, tomas de aire de ventilaci6n u
otras aberturas en un espacio cerrado en el que puedan
acumularse. Tenga en cuenta los vientos y las corriente de
aire preponderantes cuando eli]a la ubicaci6n del generador.
T[pica Generador Mostrada
Salida del Escape
43

Para Encender e_ Motor
Yea "No sobrecargue generador".
Encienda su generador y deje que el motor se estabilice antes
de conectar !as cargas el_ctricas.
Conecte las cargas e!6ctricas en la posici6n de apagado (OFF),
luego encienda (ON) para su operaci6n.
Apague (OFF) las cargas e!6ctricas y descon6ctelas del
generador antes de parar el generador.
IMPORTANTE: Desenchufe siempre el cargador de
flotacion de la bateria antes de arrancar el generador.
Desconecte todas las cargas electricas del generador. Use
las siguientes instrucciones para encender, paso per paso,
en orden num@ico.
1. Aseg0rese de que la unidad esta en una superficie plan&
IMPORTANTE: Si la unidad no se arranca y utiliza en una
superficie plana, se pueden producir problemas de arranque
y de parada durante e! funcionamiento.
2. Gire la valvula del combustible a la posicion "On". El
asidero de la valvula del combustible debe set vertical
(sefialar hacia el suelo) para e! combustible para fluir.
V&.lvula de! Combustible
en posici6n 'On"
3. Verifique si el interrupter de control secundario se
encuentra "Off" (Apagado).
IDLE
4,
5,
Coloque el interruptor ignici6n a la posici6n "On" (-).
Estire estrangulese el contro! fuera cerrar se estrangula_
6A. Para el arrancado el_ctrico, presione el interrupter de
arranque en e! marco del generador, hasta que
arranque la maquina. Para pro!ongar la vida media de
los componentes de! arrancador, no presione mas de
5 segundos el boton de arranque y luego repita la
accion despues de una pausa de 1 minuto.
Si el motor arranca, continQe con el paso 8.
Si el motor no arranca, proceda con el paso 7.
Cuando arranque et motor, tire Jentamente del came hasta
sentir una resistencia y, a continuaci6n, tire rapidamente de 61
para evitar su retroceso.
NUNCA arranque o pare el motor cuando haya aparatos
electricos conectados yen funcionamiento.
NOTA: Si la bateria se descarga, siga las instrucciones
manuales de arrancado.
6B. Para el arranque manual hale la manija de retroceso,
en forma suave hasta que sienta resistencia, Luego
para arrancar e! motor hacer tracci6n en forma rapida
una sola vez,
Si el motor arranca, continOe con el paso 8.
Si el motor no arranca, proceda con el paso 7.
7. Presione el tirador del estrangulador hasta la posici6n
intermedia y tire dos veces dei tirador de retroceso.
Si el motor no arranca, repita los pasos desde 5 hasta 6.
8. Abra el estrangulador poco a poco, presionando su
tirador a medida que e! motor se calienta.
NOTA: Si el motor arranca despues de tirar tres veces de!
arrancador pero no sigue funcionando, o si se detiene
durante e! funcionamiento, verifique que la unidad este en
una superficie plana y compruebe que el nivel de aceite del
carter sea correcto. La unidad puede estar equipada con un
dispositivo de proteccion de bajo nivel de aceite.
ADVERTENCIA
NO toque las superficies ca!ientes.
Permita que el equipo se enfrie antes de tocado.
El generador debe estar situado a un minimo de 152 cm
(5 pies) de toda estructura con muros combustibles y/o otras
matedas combustibles.
Mantenga un minimo de 92 cm (3 pies) alrededor de la carcasa
del generador, para faci!itar !a ventitaci6n y el mantenimiento dei
generador.
En et estado de California es obligatorio, segQn la !ey, el uso de
apagachispas (Secci6n 4442 del C6digo de Recursos PQb!icos de
California). Otros estados pueden tener leyes similares. Las !eyes
federa!es se aplican en tierras federales. Si equipa et si!enciador
con un apagachispas, este debera ser mantenido en buenas
condiciones de trabajo. Usted puede ordenar el apagachispas a
trav6s de su distribuidor de servicio autorizado Sears.
44

Parado del Motor
1. Desconecte todas las cargas el6ctricas de la unidad.
NUNCA arranque o detenga el motor con dispositivos
el6ctricos conectados a 61 y eneendidoe,
2. Verifique si el interruptor de control secundario se
encuentra "Off" (Apagado).
3. Permita que e! motor funcione sin carga durante dos
minutos para estabilizar las temperaturas intemas de la
unidad.
4. Mueva e! interruptor ignici6n a la posicion "Off" (O).
5. Gire valvula a posici6n "Off" (Apagado).
Conexion de Cargas Electricas
NO conecte cargas de 240 Voltios a tomacorrientes de
120 Voltios.
NO conecte cargas trifasicas al generador.
NO conecte cargas de 50 Hz al generador.
Deje que el motor se estabilice y se caliente por unos
minutos despues del arranque.
Conecte y encienda las cargas electricas de 120 y/o
240 Voltios AC monofasicas de 60 Hz que desse.
NO SOBRECARGUE EL GENERADOR. Vea "No
Sobrecargue Generador".
Funcionarniento del Contro_ Autom_tico
de Marcha en Vacio
Este interruptor ha sido diseSado para mejorar el consumo
de combustible. Cuando _ete interruptor sea "Activado",
el motor funcionara 0nicamente en su alta velocidad de
mando normal una vez sea conectada una carga el6ctrica.
Cuando la carga el6ctrica es retirada, el motor funcionara a
una velocidad menor. Si el interruptor est& "Desactivado",
el motor funcionara en alta velocidad normal. Siempre
tenga el interruptor en la posici6n off (apagado) cuando
arranque y detenga el motor.
Presostato de Aceite
Si la presion de aceite cae por debaio de 1-4 psi, e!
presostato de aceite detendra ei moton Compruebe el nivel
de aceite con la varilla. Si el nivel esta entre las marcas
"ADD" (a6adir) y "FULL" (lleno) de la varilla, NO intente
poner en marcha e! moton P6ngase en contacto con un
distribuidor autorizado de servicio Sears. NO utilice el
generador hasta que la presi6n de aceite sea correcta.
Si el nivel de esta por debajo de la marca "ADD" (a_adir) de
la varilla, a_ada aceite hasta la marca FULL (lleno). Vuelva
a poner en marcha e! motor y compruebe la presi6n de
aceite. Si es correcta, siga utilizando el generador.
Carga de la Bateria
Su generador tiene la capacidad de recargar baterias
descargadas de acumuladores tipo servicio o automotriz de
12 Voltios. NO utilice la unidad para cargar baterias de
6 Voltios. NO use la unidad para mover motores que tengan
la bateria descargada.
PELIGRO
No permita ninguna llama abierta, chispa, calor, o encienda un
cigarrillo durante y pot vanos minutos despu6s de haber
recargado ta bateria.
Lleve puestos las gafas protectoras, detantal y guantes de goma.
Para recargar baterias de 12 Voltios, lleve a cabo los
siguientes procedimientos:
1. Revise e! hive! de! liquido en todas las celdas de la
bateria. Si es necesario, aSada agua destilada
UNICAMENTE hasta cubrir los separadores de las
celdas de la bateria. NO use agua de grifo.
2. Sila bateria esta equipada con tapas de desfogue,
asegOrese de que estan instaladas y apretadas.
3. Limpie los terminales de la bateria si es necesario.
4. Conecte e! enchufe conector del cable de carga de la
bateria al tomacorrientes del panel identificado con las
palabras "12-VOLTS D.C." output.
5. Conecte el su]etador del cable de carga de la bateria
que tiene la manila roja al terminal positivo (+) de la
bateria.
TOMACORRIENTE DE
DC
+ POSITIVO - NEGATIVO
6. Conecte el sujetador del cable de carga de la bateria
que tiene la manija negra al terminal negativo (=) de la
bateria.
7. Arranque e! motor. Deje que el motor funcione mientras
la bateria se recarga.
8. Apague el motor cuando la bateria se haya cargado.
NOTA: Use un hidr6metro para automoviles para probar el
estado de carga y condici6n de la bateria. Siga
cuidadosamente las instrucciones de! fabficante del
hidr6metro. Por Io general, se considera que una bateria
esta en un estado de carga del 100% cuando la gravedad
especifica de su liquido (medido por el hidrometro) es de
1.260 o mayor.
45

C6mo amUso e_ Corce_ de Bateda
El gato del corcel de la bateda del uso con el corce!
proporcionado de bateria a mantiene la bateria que
comienza cargado y se prepara para e! uso. Cargar de
bateda se debe hacer en una ubicaci6n seca, tal como
dentro de un garaje.
1. Levante la solapa al tapon el corcel en la unidad '12V
DC Battery Charger", cuaJ se Iocaliza en la cara del
entrepafio. Tape el corcel de bateria en un
120 receptacle de pared de Voltio AC.
2. Quite e! corcel de la unidad y la saiida de _ared cuando
arandela de presi6n se comienza y mientras esta en la
operacion.
3. Mantenga este corcel conecto cuando arandeJa de
presion No esta en esta acostumbrado a prolonga la vida
de bateria. El corcel tiene un construy6 en el equalizer de
la flota y hace No overcharge la bateria, aOn cuando
conecto por un periodo extendido de tiempo.
mMPORTANTE: Ve la Conservaci6n "Battery" en la
p&gina 52 para la informaci6n adiciona!.
FUNOtONAMtENTO EN CLJMA FRiO
En ciertas condiciones climaticas (temperaturas inferiores a
4 ° C [400 F] combinadas con un alto nivel de humedad), su
generador Craftsman puede experimentar formaci6n de hielo
en e! carburador o el sistema de ventilaci6n del c&rter. Para
reducir este problema, es necesario realizar Io siguiente:
1. AsegOrese de que e! generador tenga combustible
nuevo y limpio.
2. Abra la v&lvula de combustible (gire la valvula a la
posici6n de abierto).
3. Utilice aceite 5W-30 SAE (se prefiere sintetico, vease la
p&gina 41 ).
4. Verifique el nivel de aceite diariamente o despues de
cada ocho (8) horas de funcionamiento.
5. Cambie el aceite despues de cada 24 horas de
funcionamiento.
6. Proteja la unidad de la intemperie.
En caso de emergencia, utilice la caja de carton del
embalaje original como una proteccion temporal.
7. Corte las tapas de la caja.
Corte uno de los lados largos de la caja para dejar
expuesto el lado del silenciador de la unidad como se
muestra.
Lade del silenciador expuesto. Su unidad puede tener una
apariencia diferente de como se muestra m&s arriba.
IMPORTANTE: El generador debe estar situado a un
minimo de 152 cm (5 pies) de toda estructura con muros
combustibles y/o otras materias combustibles. Mantenga un
minimo de 92 cm (3 pies) alrededor del generador, incluido
la parte superior, para facilitar la ventilaci6n y e!
mantenimiento del generador.
ADVERTENCIA
NO toque las superficies catientes.
Permita que el equipo se enfrie antes de tocado.
El generador debe estar situado a un minimo de 152 cm
(5 pies) de toda estructura con muros combustibles y/o otras
materias combustibles.
Mantenga un minimo de 92 cm (3 pies) alrededor de la carcasa
det generador, para facititar ta ventitaci6n y el mantenimiento del
generador.
Retire la protecci6n cuando ta temperatura sea superior a 4° C
[40 ° F].
9. Corte las ranuras adecuadas para tener acceso a los
tomacorrientes de la unidad.
10. Arranque la unidad y despues co!oque la caja de carton
encima.
NOTA: Retire la proteccion cuando la temperatura sea
superior a 4 ° C [40 ° F].
46

Para una proteccion mas permanente, construya una estructura
que rodee los tres lados y la parte superior del generador.
7. AsegOrese de que quede expuesto el lado completo del
silenciador dei generador, como se muestra.
IMPORTANTE: El generador debe estar situado a un
minimo de 152 cm (5 pies) de toda estructura con muros
combustibles y/o otras materias combustibles. Mantenga un
minimo de 92 cm (3 pies) alrededor del generador, incluido
la parte superior, para facilitar la ventilacion y e!
mantenimiento de! generador.
8. El extremo expuesto debe estar situado en direccion
contraria al viento y los elementos.
9. La estructura debera conservar suficiente calor de!
generador a fin de evitar problemas de formaci6n de hielo.
10. Arranque el motor y mantengalo en marcha en exteriores.
11. AsegOrese de que los gases de escape no puedan
entrar por ventanas, puertas, tomas de aire de
ventilaci6n u otras aberturas en un espacio cerrado en
el que puedan acumularse.
ADVERTENCIA
Opere et generador SOLAMENTE at aire libre.
AsegQrese de que los gases de escape no puedan entrar por
ventanas, puertas, tomas de aire de ventitaci6n u otras
aberturas en un espacio cerrado en et que puedan acumularse.
NO opere el generador dentro de un edificio o lugar cerrado,
incluyendo el compartimiento del generador en un veMculo
recreativo o RV.
12. El generador no debe quedar mas encerrado de Io que
se muestra.
13. Retire la protecci6n cuando la temperatura sea superior
a 4 ° C [40 ° F].
14. Apague e! motor y dejelo enfriar durante dos (2)
minutos antes de volver a abastecer de combustible.
JUEGOS DE CORDONES Y
ENCHUFES CONECTORES
Use L_nicamente cordones de extensi6n de alta calidad y
bien aislados con los tomacorrientes electricos dobles de
120 Voltios de! generador.
Revise las capacidades de todos las cordones de extension
antes de usar!os. Los juegos de cordones de extensi6n
utilizados deber&n tener una capacidad de 125 Voltios AC a
20 Amperios o mayor para la mayoria de los dispositivos
electricos. Sin embargo, algunos dispositivos podrian no
requerir este tipo de cordon de extensi6n. Revise e! manual
de! propietario de esos dispositivos para ver las
recomendaciones de! fabricante.
Mantenga los cordones de extensi6n Io mas corto posible,
preferiblemente menos de 15 pies de largo para evitar la
caida de voltaje y posible recalentamiento de los alambres.
NUNCA intente suministrar corriente a un dispositivo de
amperaje superior al que puede suministrar el generador o el
enchufe hembra.
NO sobrecargue el generador. Consulte el apartado "No
Sobrecargue Generador".
240 Voltios AC, 50 Amperios Recept_culo
Use un tapon NEMA 14-50 con este receptaculo. Conecte
un juego de cable de 4 alambres, clasificado como
250 Voltios AC a 50 Amperios (o mayor).
_240 Voltios AC_
Y (Cargado)
Conexion a
Tierra de!
Armazon
AC ---4 AC
NEMA 14-50 W (Neutro)
(Cargado)
Este receptaculo le provee poder a cargas de 240 Voltios
AC, de 60 Hz, fase sencilla, que requieren hasta
10,000 vatios de energia (10.0 kW) a 50 Amperios para
240 Voltios. La salida esta protegida por un corto-circuito de
45 Amperios, del tipo "empuje para reposicionar".
47

1201240 Vo_tios AC, 30 Amperios,
Recept_culo de Seguridad
Con este tomacorriente se utiliza un enchufe tipo NEMA
L14-30. Conecte un cable de 4 hilos preparado para trabajar
con cargas de 250 Voltios de c.a. a 30 Amperios (o mas).
Puede utilizar el mismo cable de 4 hilos si piensa trabajar
con una carga de 120 Voltios.
Juego de Cable de 4 Alambres
_- W (Neutro)
Y (Cargado) X (Cargado)
NEMA L14z30 Tierra (Verde)
Este receptaculo le provee poder a cargas de 120/240 Voltios
AC, de 60 Hz, fase sencilla, que requieren hasta 3,600 Voltios
de energia a 30 Amperios, para 120 Voltios; 7,200 Voltios de
energia (7.2 kW) a 30 Amperios para 240 Voltios. La salida
esta protegida por un corto=circuito.
Tomacorrientes de 120 Voltios AC,
30 Amperios
Use un enchufe tipo NEMA L5-30 con este tomacorriente.
Conecte un juego de cordones de 3 alambres con una
capacidad de 125 Voltios AC a 30 Amperios al enchufe.
Juego de Cable de 3 Alambres
N EMA L5o30
Neutro
120V
Cargado
Juego de Cable de 3 Alambres
NEMA L5-20
Neotro
120V
Cargado
Utilice este tomacorriente para operar cargas electricas de
120 Voltios AC, monofasicas de 60 Hz que requieran hasta
2,400 vatios (2.4 kW) a 20 Amperios de corriente. La toma
esta protegida por un cortacircuito de 20 Amperios con
dispositivo de reposici6n.
Tomacorriente Doble de 120 Voltios AC
Cada tomacorriente esta protegido contra sobrecargas por
medio de un cortacircuito con dispositivo de reposici6n. Utllice
cada uno de estos tomacorrientes para operar cargas electricas
de 120 Voltios AC, monofasicas de 60 Hz que requieran hasta
2,400 vatios (2.4 kW) a 20 Ampedos de corriente.
Tomacorrientes de 12 Voltios DO
Este tomacorriente le permite recargar una bateria de
almacenamiento tipo servicio o automotriz de 12 Voltios
utilizando los cables suministrados para cargar baterias.
Tierra (Verde)
Utilice este tomacorriente para operar cargas electricas de
120 Voltios AC, monof&sicas de 60 Hz que requieran hasta
3,600 vatios (3.6 kW) a 30 Amperios de corriente. La toma
esta protegida por un cortacircuito de 30 Amperios con
dispositivo de reposici6n.
Tomacorrientes de 120 Voltios AC,
20 Amperios
Use un enchufe tipo NEMA L5-20 con este tomacorriente.
Conecte un juego de cordones de 3 alambres con una
capacidad de 125 Voltios AC a 20 Amperios al enchufe.
Vea las seccione "Carga de la Bateria" (pagina 45) antes de
intentar recargar la bateria.
48

NO SOBRECARGUE GENERADOR
Capacidad
Usted debe asegurarse que su generador puede proveer el
suficiente vataje calificado (cuando este funcionando) y de
carga (al encender) para los aparatos a los cuales va a
proveer la energia, al mismo tiempo. Siga estos pasos:
1. Seleccione los aparatos que recibir&n la energia, al
mismo tiempo.
2. Totalice los vatios calificados (cuando este
funcionando) de estos aparatos. Esta es la cantidad de
energia que su generador debe producir para mantener
eso aparatos funcionando adecuadamente.
3. Calcule la cantidad de vatios de carga (al encender)
que usted necesitara. El vataje de carga es la cantidad
minima de electricidad, necesaria para encender
herramientas o aparatos con motores electricos, tales
como, sierras circulares o refrigeradores, Debido a que
no todos los motores se encienden al mismo momento,
e! vataje total de carga se puede estimar al affadir
solamente el(los) aparato(s) con e! vataje adicional mas
alto, al total del vataje calificado, obtenido en el paso 2.
Ejemplo:
Herramienta o
Aparato EI6ctrico
Aire Acondicionado
de Ventana
Refriqerador
Congelador
industrial
Tetevisi6n
Luz (75 Vatios)
Vatios Catificados
(cuando este
funcionando)
1200
8OO
5OO
50O
75
Total = 3075
Vatios para
funcionar
Vatios Adicionales
de Carga (al
encender)
1800
1600
5OO
1800 (Vatios de
Carga mas alto)
Vataje Total Calificado (cuando este funcionando) = 3075
Vataje de Carga Adiciona! mas alto = 1800
Salida Total Requerida de! Generador = 4875
Control de [a Energia
Para prolongar la vida de su generador y los aparatos que
esten conectados al mismo, es muy importante cuidarlo
cuando se le affaden cargas electricas. Nada deberia estar
conectado a los tomacorrientes de! generador antes de que
su motor sea encendido. La forma correcta y mas segura
para controlar la energia del generador, es la de affadir en
secuencias las cargas, como se describe a continuaci6n:
1. Sin tener nada conectado al generador, encienda el
motor de la manera descrita en este manual.
2. Conecte y encienda la primera carga, preferiblemente la
mayor que usted tenga.
3. Permita que la salida del generador se estabilice (el
motor funciona suavemente y el aparato conectado al
mismo trabaja adecuadamente).
4. Conecte y encienda la proxima carga.
5. De nuevo, permita que el generador se estabilice.
6. Repita los pasos 4 y 5 para cada carga adicional que
usted tenga.
NUNCA affada mas cargas sobre la capacidad del
generador. Tome una atenci6n especial en considerar las
cargas de corriente segOn la capacidad del generador, como
se describe arriba.
Herramienta o Aparato Electrico
Esenciales
Bombilta - 75 vatios
Congelador industrial
Bomba de aguas n_ras
Refrigerador /congelador - 18 pies
cObicos
Bomba de agua - 1/3 HP
Ca_efacci6n tenfriamiento
Aire Acond. de ventana - 10.000
BTU
Ventflador de ventana
Calefactor de caldera - 1/2 HP
Cocina
Homo de microondas -1.000
Vatios
Cafetera
Cocina et6ctrica - Elemento sirnple
Calientaplatos
Habitaci6n Familiar
Tocader de DVD/CD
VCR
Receptor estereo
Televisor a color - 27 pulg.
Computadora personal con monitor
de 17 put9.
Otros
Sistema de s_uridad
Radio-Reloj AM/FM
Abridor de garaje - 1/2 HP
Calentador el6ctrico de agua - 40
galones
Taller
Luz de ha_6oeno Dara trabaiar
Rociador sin aire - 1/3 HP
Sierra intercambiabte
Tatadro el@ctrico - 1/2 HP
1
Sierra circular - 7 Z pulp.
Sierra ingtete- 10 pulg.
Mesa de pJanificaci6n - 6 uE_g\
Sierra de mesa /sierra de brazo
radial- 10 pulg.
Compresor de aire - 1-1/2 HP HP =
Caballo de fuerza.
Vatios Vatios
Catificados* Adicionales
(cuando de Carga
est6
funcionand (at
o) encender)
75
500 500
800 1200
800 1600
1000 2000
1200 1800
300 600
800 1300
1000
1500
1500
2500
100
100
45O
5O0
8OO
180
3OO
480 520
4000
1000
600 1200
960 960
1000 1000
1500 1500
1800 1800
1800 1800
2000 2000
2500 2500
*El vataje que aparece en la lista es solamente una cantidad
aproximada. Vefifique la herramienta o aparato electrico
para obtener ei vataje verdadero.
49

INFORMACI6N Tg:CNICA SOBRE EL
MOTOR
El motor es de dos cilindros, de v&lvulas en cabeza (OHV),
refrigerado per aire y de baja emision,
En e! Estado de Carifornia, los motores de la sede 350000
han obtenido la certificacion del California Air Resources
Board (Consejo de recursos de aire de California) de
cumplimiento de la normativa sobre emisiones durante
250 horas. Esta certificaci6n no supone para el comprador,
el propietario o el usuario ninguna garanfia adicional en Io
relativo al rendimiento y a la vida Oti! del motor. Las
garantias del motor atafien exclusivamente al producto y a
las emisiones que se declaran en este manual.
Potencia Nominal
Los valores de potencia nominal de un modelo de motor se
establecen en primer lugar con el c6digo J1940
(Procedimiento de valoraci6n de potencia y par de
peque_os motores, Revision 2002-05) de la SAE (Society of
Automotive Engineers, Sociedad de ingenieros de
automocion). Dada la amplia variedad de productos que
utilizan nuestros motores y la multitud de factores
ambientales que pueden afectar a su funcionamiento, el
motor que ha adquiddo puede no Ilegar a desarro!lar su
potencia nominal cuando se utilice con un aparato mec&nico
(potencia real "in situ"). Esta diferencia se debe, entre otros,
a los siguientes factores: diferencias de altitud, temperatura,
presion barometrica, humedad, combustible, lubricaci6n del
motor, ve!ocidad maxima controlada de! motor, variaciones
entre distintos motores de! mismo modelo, disefio del equipo
mecanico utilizado, manera de hacer funcionar el motor,
rodaje de! motor para reducir la fricci6n y limpiar las
camaras de combustion, ajustes de las valvulas y e!
carburador, etc. Los valores de potencia nominal tambien se
puede ajustar en funcion de las comparaciones con otros
motores similares utilizados en aplicaciones similares, por Io
que no coincidira necesariamente con los valores que se
obtienen al aplicar los codigos mencionados.
ESPEC FICACtONES DEL
PRODUCTO
Especificaciones de_ Generador
Potencia M&xima ............... 10,000 vatios (10.0 kW)
Potencia de Sobretension ........ 12,500 Vatios (12.5 kW)
Voltaje Nominal AC .................... 120/240 Voltios
Corriente Maxima a 240 Voltios ........... 41.6 Amperios
Corriente Maxima a 120 Voltios ........... 83.3 Amperios
Frecuencia Nominal .................. 60Hz a 3600 rpm
Fase ................................... Monofasica
Peso que Embarca .......................... 198 Ibs.
Especificaciones de_ Motor
Cabal!os de Fuerza ..................... 18 a 3600 rpm
Diametro de camisa ............. 72 mm (2,83 pulgadas)
Carrera ....................... 70 mm (2,76 pulgadas)
Desplazamiento ................ 570 cc (34,7 pulgadas)
Bujia
Tipo: ............. Champion RC12YC o equivalente
Calibrar Separacion a: ...... 0.030 pulgadas (0.76mm)
Entrehierro de! inducido: ................. 0,20°0,30 mm
(0,008=0,012
pulgadas)
Holgura de la valvula con muelles de valvula instalados y
piston de 6 mm (0,25 pulgadas) pasado e! punto muerto
superior (comprobar con el motor en frio)
Admisi6n .......... 0,10-0,15 mm (0,004-0,006 pulgadas)
Escape ........... 0,10-0,15 mm (0,004-0,006 pulgadas)
Capacidad de Gasolina ............ 8 galones americanos
Tipo de Aceite
Sobre 40°F ............................. SAE 30
Debajo 40°F ................. SAE 5W-30 o 10W-30
5O

RESPONSIBILADES DEL CLIENTE
Siga los intervalos horarios o de calendario, Io que ocurra primero. Se requiere de servic+o con mayor frecuencia cuando
opere la unidad en las condiciones adversas descritas a continuaci6n.
CALENDARIO DE MANTENiMtENTO
ANOTE LAS FECHAS CONFORME INTERVALO DE OPERACION POR NORA
CUMPLA CON EL SERVICIO NORMAL FECHAS DE SERVIClO
Antes de I Cada 25 Horas Cada 50 Horas o Cada 100 Horas
TAREA DE MANTENIMtENTO Cada Uso I o al Afio a A_o o al Afio
Verificar el nivel de ace+re X
L+mp+e Eosresiduos X
Cambiar el aceite del motor X l
Manten+miento del prefiltro del filtro de X
ace+te (si equ+pado)
Service al prefiEtro de al fiEtrode a+re X 2
Serv+cio al filtro de aire X 2
Serv+cio a Eabujia X
Serv+cio al s+stema de Eabujia X
Prepar almacenam+ento S+Eaun+dad permanecera sin use por mas de 30 dias.
Cambiar el aceite despu6s de las pdmeras (5) horas y despu6s cada 50 horas.
Hacer el cambio de aceite con mayor frecuencia cuando trabaje en condiciones de mucha suciedad o potvo.
2 Remplazar mas a menudo bajo condiciones de suciedad o potvo.
RECOMENDACtONES GENERALES
El mantenimiento peri6dico mejorara el rendimiento y
prolongara la vida Oti! del generador. Acuda a un distribuidor
autorizado de Sears para reparar la unidad.
La garant+a del generador no cubre los elementos que hayan
sido sujetos al abuso o negligencia del operador. Para recibir
e! valor completo de la garantia, el operador debera
mantener e! generador de la forma descrita en este manual.
Se deberan !levar a cabo algunos ajustes peri6dicamente
para mantener correctamente su generador+
Todos los ajustes de la seccion Servicio y Ajustes de este
manual deberan ser hechos por Io menos una vez en cada
estaci6n. Cumpla con los requisitos de la tabla "Programa
de Mantenimiento" descrita anteriormente.
NOTA: Una vez al aSo debera limpiar o reemplazar la bujia
y reemplazar el filtro de aire+ Una bujia nueva y un filtro de
aire limpio garantizan una mezcla de combustible-aire
adecuada y ayuda a que su motor funcione mejor y tenga
una vida Otil mas pro!ongada+
CONTROL DE EM SlONES
Cualquier establecimiento o individuo especializado en la
reparacion de motores que no sean de automoci6n puede
encargarse del mantenimiento, la sustituci6n y la reparacion
de los dispositivos y sistemas de control de emisiones.
Mantenimiento del Generador
El mantenimiento del generador consiste en conservar la
unidad limpia y seca+ Opere y almacene la unidad en un
ambiente limpio y seco donde no sera expuesta al polvo,
suciedad, humedad o vapores corrosivos. Las ranuras del
aire de enfriamiento de! generador no deben estar tapadas
con nieve, hojas, o cualquier otto material extrados.
Revise frecuentemente la limpieza del generador y limpie!o
cuando este con polvo, sucio, con aceite, humedad, o
cuando otras substancias extra,as scan visibles en su
superficie exterior.
NOTA: NO recomendamos el uso de mangueras de jardin para
limpiar el generador. El agua podria introducirse en el sistema
de combustible del motor y causar problemas+ Ademas, si el
agua se introduce al generador a traves de las ranuras para aire
de enfriamiento, algo del agua quedara retenida en los espacios
vacios y grietas del aislamiento del devanado del estator y rotor.
La acumulaci6n de agua y suciedad en los devanados intemos
del generador disminuira eventualmente la resistencia del
aislamiento de estos devanados+
Limpieza del Generador
Limpie a diario, o antes de cada uso, los residuos acumulados
en el generador. Mantenga limpias las conexiones, los muelles
y los mandos+ Limpie todo resto de combustible de la zona
que rodea al silenciador y de detras del mismo.
Mantenga limpios los componentes del generador para
reducir el riesgo de sobrecalentamiento e ignicl6n de los
residuos acumulados.
Utilice un trapo hOmedo para limpiar las superficies extefiores.
Puede usar un cepillo de cerdas suaves para retirar la
suc+edad endurecida, aceite, etc.
PRECAUCION
NO exponga at generador a una humedad excesiva, potvo,
suciedad o vapores corrosivos.
NO inserte cualquier objeto a trav6s de +as ranuras de
enfriamiento.
51

Puede usar una maquina aspiradora para eliminar
suciedad y residuos sueitos,
Puede usar aire a baja presion (que no exceda los 25 psi)
para eliminar la suciedad. Inspeccione las ranuras para
aire de enfriamiento y la apertura de! generador. Estas
aperturas deberan mantenerse limpias y despejadas.
Mantenimiento de [a Bateria
De otra manera que chorrea un poco cargar, descrito en otra
parte, la conservaci6n ningOn otto se requiere para la bateria,
[MPORTANTE: Cargar de bateria se debe realizar en una
ubicaci6n seca, tal como dentro de un garaje.
MANTENIM[ENTO DEL MOTOR
CUANDO AJUSTE O HAGA REPARAC[ONES A SU
GENERADOR
Siempre desconecte el alambre de la bujfa y cot6quelo donde
no pueda entrar en contacto con ta bujia.
CUANDO PRUEBE LA BUJiA DEL MOTOR
Utilice un comprobador de bujfas homologado.
NO comprueba la chispa sin la bujia instalada.
Revision de[ Nive[ de Aceite
El nivel de aceite debera revisarse antes de cada uso o por
Io menos cada 5 horas de operaci6n. Conserve el hive! de
aceite adecuado,
Cambio de Aceite de[ Motor y Fi[tro
Cambie el aceite despues de las primeras 5 horas de
operaci6n, Cambie el aceite y e! filtro cada 50 horas de ese
momento en adelante. Siesta utilizando su generador bajo
condiciones de extrema suciedad o polvo, o en un clima
demasiado caliente, haga el cambio de aceite m&s
frecuentemente,
Cambie e[ aceite cuando e[ motor todav[a se encuentre
ca[iente despu_s de[ funcionamiento, como se indica a
continuaci6n:
1, Co!oque el generador sobre una superficie nivelada,
2, Retire el tapon de drenaje de aceite y el tapon de
Ilenado del aceite y drene el aceite por completo en un
recipiente adecuado.
3, Limpie la zona de alrededor del tapon de vaciado de
aceite, situado en la base del motor, a[ otro lado del
carburador.
4, Quite los tapones de vaciado y de Ilenado de aceite y
vacie todo e! aceite en un recipiente adecuado.
5, Coloque el tap6n de vaciado y aprietelo bien,
6, Coloque un recipiente adecuado debajo de[ filtro de
aceite y gire el filtro hacia la izquierda para extraerlo.
7, Lubrique ligeramente con aceite de motor sin usar la
junta de un filtro nuevo, Gire el filtro nuevo hacia la
derecha hasta que la junta entre en contacto con el
adaptador de! filtro y gire 3/4 de vuelta mas.
8. Llene e! carter con e! aceite recomendado hasta la
marca "Full" (lleno) de la varilla. Consulte en la pagina
41 las recomendaciones relativas al aceite.
9. Coloque el tapon de Ilenado de aceite y aprietelo bien.
10, Limpie cualquier derrame de aceite,
LimpelReemp[ace [a Bujia
Cambie la bujia cada 100 horas de operacion o una vez al
afro, Io que suceda primero, Esto ayudara a su motor a
arrancar mas facilmente y a funcionar mejor,
1. Limpie el area alrededor de la bujia.
2. Retire y revise la bujia,
3. Revise la separaci6n del electrodo con un calibrador de
alambre y ajuste la separacion a 0.030 pulgadas
(0.76ram) si es necesario,
4. Reemplace la buj[a si los electrodos est&n picados,
quemados o si la porcelana est& rota, Utilice una bujia
de repuesto recomendada,
NOTA: Puede adquidr nuevos bujia al n0mero telef6nico
l=800o366=PART,
Proporcione Servicio a[ Depurador de Aire
Su motor no funcionara correctamente y podria resuitar
dafado si Io hace funcionar con un depurador de aire sucio.
Revise el prefiltro cada 25 horas y e! cartucho cada 100 horas
de funcionamiento, !o que suceda antes Haga revisiones m&s
frecuentes si trabaja en zonas sucias o donde hay polvo,
Para revisar e[ fi[tro de aire, siga estos pasos:
1. Quite los pestillos situados a ambos lados de la tapa y
quite la tapa.
SUJETADORES
PERtLLA
RETENEDOR
DEL CARTUCHO
CARTUCHO
\
J J
i I
J a
I
DE ESPUMA
2.
CAJA
Retire el pomo y la placa, Quite con cuidado el conjunto
del filtro de aire para evitar la entrada de residuos en el
carburador.
52

3. Extraiga e! prefiJtro de espuma de! cartucho y limpielo
con detergente liquido y agua.
4. Apriete el prefiltro con un trapo limpio para secarlo. NO
LO RETUERZA.
5. Golpee suavemente e! cartucho contra una superficie
firme para soltar y eliminar las parficulas que hayan
quedado retenidas.
6. Vuelva a montar el prefiltro limpio (o nuevo) en e!
cartucho limpio (o nuevo).
7. Instale un conjunto de filtro de aire limpio (o nuevo) en
e! interior de la tapa. Deseche el filtro viejo con arreglo
a la normativa vigente.
8. Vuelva a colocar e! pomo y la placa.
9. Coloque de nuevo la tapa y cierre los pestillos.
NOTA: Si necesita oredenar un filtro de papel nuevo, por
favor Ilame al lo800°366°PART.
Carburador
Si usted cree que su carburador necesita ajuste, visite su
centro de servicio Sears mas cercano. El funcionamiento de!
motor podda resultar afectado a altitudes por encima de
3000°5000 pies. Para operaciones a elevaciones mayores,
pongase en contacto con el centro de servicio Sears mas
cercano.
Lirnpie la PantaHa Apagachispas
El silenciador del escape del motor posee una pantalla
apagachispas. Inspeccione y limpie la pantaJla cada 100 horas
de operacion o una vez al argo, Io que suceda primero.
NOTA: El generador tendra que tener un apagachispas si Io
usa en terrenos no tratados cubiertos de monte, maleza o
pasto. El apagachispas debera set mantenido en buenas
condiciones por parte de! propietario/operador.
, ADVERTENCIA
NO toque las superficies catientes.
Permita que el equipo se enfrie antes de tocado.
El generador debe estar situado a un minimo de 152 cm
(5 pies) de toda estructura con muros combustibles y/o otras
materias combustibles.
Mantenga un minimo de 92 cm (3 pies) alrededor de la carcasa
det generador, para facititar la ventitaci6n y el mantenimiento del
generador.
En et estado de California es obligatodo, segQn la tey, el uso de
apagachispas (SecciOn 4442 del C6digo de Recursos PQbiicos de
California). Otros estados pueden tener leyes similares. Las teyes
federates se aplican en tierras federales. Si equipa eI silenciador
con un apagachispas, este debera ser mantenido en buenas
condiciones de trabajo. Usted puede ordenar el apagachispas a
traves de su distribuidor de servicio autorizado Sears.
Para limpiar e inspeccionar el apagachispas:
Retire los cuatro tomillos que estan sujetando la pantalla
de! apagachispas.
Inspeccione la pantalla y reempl&cela si est& rota,
perforada o en general da_ada. NO use pantallas
defectuosas. Si la pantalla no esta da_ada, limpiela con
un disolvente comercial.
Vuelva a instalar la pantalla usando los cuatro tornillos.
53

GENERALIDADES
El generador debera ser encendido al menos una vez cada
siete dias y debera dejarlo funcionar a! menos durante
30 minutos. Si no puede hacer esto y debe almacenar la
unidad pot mas de 30 dias, siga las siguientes instrucciones
para preparar su unidad para almacenamiento.
Atmacenamiento Para Periodos
Pro_ongados
Es importante evitar que se formen dep6sitos de goma en
las partes esenciales del sistema de combustible, como e!
carburador, filtro de combustible, manguera o tanque de
combustible, durante e! almacenamiento. Tambien, la
experiencia indica que los combustibles con mezclas de
alcoho! (llamados gasoho!, etanol o metanol) pueden atraer
humedad, la cual Ileva a la separacion y formacion de
acidos durante el almacenamiento. El gas acido puede
da_ar el sistema de combustible de un motor durante su
almacenamiento.
Para evitar problemas del motor, el sistema de combustible
debera desocuparse antes de un almacenamiento de
30 dias o mas. Siga estas instrucciones:
ADVERTENCIA
CUANDO ALMACENE O GUARDE EL EQUIPO CON
COMBUSTIBLE EN EL TANQUE
Atmacene alejado de calderas, estufas, calentadores de agua,
secadoras de ropa u otros aparatos etectrodomesticos que
posean pitotos u otras fuentes de ignici6n, porque eltos pueden
encender tos vapores de la combustible.
CUANDO VACiE EL DEP6SITO DE COMBUSTIBLE
Apague el generador (posici6n OFF) y d6jeto enfriar al menos
por 2 minutos antes de remover la tapa de ta combustible.
Afloje la tapa lentamente para de]ar que la presi6n salga del
tanque.
Vacie el dep6sito de combustible a ta intemperie.
Mantenga la combustible atejada de chispas, llamas abiertas,
pilotos, calor y otras fuentes de ignici6n.
NO encienda un cigarritto o fume.
Proteja el Sistema de CombustiMe
1. Retire toda la gasolina del tanque de combustible para
evitar que se formen depositos de goma en estas
partes y causen posible real funcionamiento de! motor.
2. Haga funcionar e! motor hasta que se detenga por la
falta de combustible.
Cambio de Aceite
Con el motor todavia caliente, drene e! aceite de la caja del
cigQeSal. Vuelva a !lenarlo con el grado de aceite
recomendado.
Aeeite el Di_metro mnterior del CHindro
Quite la bujia y vierta aproximadamente 30 m! (1 onza)
de aceite de motor limpio en el interior de! cilindro.
Co!oque la bujia y arranque lentamente para distribuir e!
aceite.
Je el motor sin la bu ia instalada.
Generador
1. Limpie el generador come esta descrito en la pagina 43
("Limpieza del Generador').
2. Revise que las ranuras para e! aire de enfriamiento y
las aperturas del generador se encuentren abiertas y
despejadas.
Otras Sugerencias Para e_
A_macenamiento
1. NO almacene gasolina de una estacion a otra.
2. Reemplace la caneca de gasolina si comienza a
oxidarse, El oxido y/o la suciedad en la gasolina le
causara problemas.
3. Si es posible, almacene su unidad en un recinto
encerrado y cObrala para protegerla del polvo y la
suciedad. ASEGURESE DE VACIAR EL TANQUE
DEL COMBUST{BLE.
4. Cubra su unidad con una cubierta de protecci6n
adecuada que no retenga humedad.
5. AImacene la unidad en un area limpia y seca.
NO coloque una cubierta encima de un generador caliente.
Deje que la unidad se enfrie to suficientemente antes de que le
coloque ta cubierta.
54

Prob_emo
EI motor est_ funcionando pero no
e×iste saiida de A¢ disponsible.
EI motor funciona bien sin carga pero
"funciona maU' cuando se le
contectan eargas.
Causa
1, El interruptor automatico de circuito
esta abierto,
2, Conexi6n real o defectuosa del
juego de cables.
3, El dispositivo conectado esta
da_ado,
4, Averia en el generador.
1, Corto circuito en una de las cargas
conectadas.
2, El generador esta sobrecarga,
3, Ve!ocidad del motor es muy lenta.
4, Circuito de! generador en corto.
1, Valvula del Combustible en
posici6n "Off".
2, Interruptor ignici6n poscioando en
Accion
1. Reposicione el interruptor,
2. Revise y repare,
3. Conecte otro dispositivo que este
buenas condiciones.
4. Contacte el Departmento de
Servicio Sears.
1. Desconecte la carga electrica en
corto,
2. Vea "No Sobrerecarque
Generador'L
3. Contacte el Departmento de
Servicio Sears.
4. Contacte el Departmento de
Servicio Sears.
1. Gire la valvula del combustible a la
posici6n "On",
2. Coloque de! interruptor ignici6n en
EI motor no se enciende; o se
enciende y funciona real
"off" (o),
3, Depurador de aire sucio,
4, Sin gasolina,
5, Gasolina vieja,
6, El cable de la bujia no esta en
malas la bujia.
7, Bujia defectuosa.
8, Agua en la gasolina,
9, Sobrecebado,
10, Mezcla de combustible
excesivamente rica.
"on" (-),
3. Limpie o reemplace e! depurador
de aire,
4. Llene!o con combustible fresco,
5. Drene el tanque de gasolina; Ilenelo
con combustible fresco.
6. Conecte el cable a la bujia,
7.
8.
9.
10.
Reemplace la bujia.
Drene el tanque de gasolina; Ilenelo
con combustible fresco.
Abra por completo el cebador
haga girar e! motor.
Contacte el Departmento de
Servicio Sears.
Emmotor se apaga en pleno Sin
funcionamiento.
1, 1. Yea "No Sobrerecarque
AI motor le hace fatta potencia. Generador'L
2, 2. Reemplace el filtro de aire,
1,
I:Imotor "no funciona
continuamente" o se detiene.
2_
La valvula de corte de combustible.
gasolina.
La carga es muy alta.
Filtro de aire sucio,
El cebador fue abierto muy
rapidamente.
Carburador con mezcla de aire-
combustible muy rica o muy pobre,
1 1. Contacte el Departmento de
Servico Sears,
Llene el tanque de combustible,
1.
2.
Mueva e! cebador a la posicion
intermedia hasta que el motor
funcione suavemente.
Contacte el Departmento de
Servicio Sears.
55

Sears, Roebuck and Co., U.S.A. (Sears), California Air Resources Board (Consejo de Recursos sobre e[ Aire de
California, CARB, por sus sig[as en ingles) y United States Environmental Protection Agency (Agencia de Protecci6n
Ambienta[ de EE.UU., EPA, pot sus sig[as en ingles).
Dec[araci6n de garantia de[ sistema de control de emisiones
(derechos y obHgaciones de[ propietado para [a garant[a contra defectos)
LA COBERTURA DE LA GARANT[A DE CONTROL DE EMISIONES SE
APLICA A LOS MOTORES CERTIFICADOS ADQURtDOS EN
CALIFORNIA EN 1995 Y POSTERIORMENTE, QUE SE UTILICEN EN
CALFORNtA, Y A MOTORES CERTtFtCADOS MODELO 1997 Y
POSTERIORES QUE SEAN ADQUIRIDOS Y UTILIZADOS EN OTRA
REGION DE ESTADOS UNIDOS (Y A PARTIR DEL 10 DE ENERO DE
2001, EN CANADA).
Deciaraci6n de garant[a sobre el control de emisiones de [a EPA de
EE.UU. y California,
El California Air Resources Board (CARB), la EPA de EE.UU. y Sears se
comp[acen en explicar la Garant[a para el sistema de control de emisiones
para motores pequeffos para exteriores (SORE) modelos ado 2000 y
posteriores. En California, los nuevos motores pequeffos para exteriores se
deben diseffar, construir y equipar para cumplir con las estrictas normas
del estado contra el smog. En otras regiones de Estados Unidos, los
nuevos motores para interiores de ignici6n per chispa certificados para
modelos afro 1997 y postedores deben cumplir con normas similares
establecidas pot [a EPA de EE.UU Sears debe garantizar et sistema de
control de emisiones de su motor para los periodos indicados a
continuaci6n, siempre y cuando no se haya abusado, descuidado o dado
mantenimiento incorrecto al motor pequeSo para extedores.
Su sistema de control de emisiones podra incIuir partes como e[
carburador o el sistema de inyecci6n de combustible, el sistema de
ignici6n y el convertidor catalitico. Tambi6n se pueden inc[uir mangueras,
correas, conectores y otros componentes relacionados con {as emisiones
Cuando exista una condici6n que pueda ser cubierta pot la garantfa,
Sears reparar_ el motor peque_o para exteriores sin costo alguno,
incluyendo el diagndstico, las partes de repuesto y la mano de obra.
Cobertura de [a garant[a de Sears contra defectos en e[ control de
emisiones
Los motores pequeffos para exteriores modelos 1995 y posteriores tienen
una garantfa de dos a_os. Si alguna parte de su motor relacionada con
[as emisiones est& defectuosa, Sears la reparara o sustituir&
ResponsabHidades de[ propietario para [a garant[a
Como propietado del motor peque_o para exteriores, usted es
responsable de rea[izar las actividades de mantenimiento requefidas
que se indican en este manual del propietado. Sears recomienda que
conserve todos los recibos que cubran e[ mantenimiento de su motor
peque_io para extedores, pero Sears no puede negar la garantfa
solamente pot la falta de recibos ni pot su imposibilidad de garantizar la
realizacidn de todas las actividades de mantenimiento programadas.
Como propietario del motor pequeSo para exteriores, usted siempre
debe tener en cuenta que Sears podr& negar la cobertura de la garantfa
si su motor pequeSo para exteriores o una parte de{ mismo presenta
fallas debido a abuso, descuido, mantenimiento incorrecto o
modificaciones no aprobadas
Usted es responsable de presentar su motor pequeffo para extefiores a
un Centro de servicio Sears aprobado tan pronto como se presente el
problem& Las reparaciones bajo garantia deberan conciuirse en un
per[odo razonable, que no exceder& de 30 d[as
Si tiene alguna pregunta con respecto a sus derechos y
responsabilidades para [a garantfa, p6ngase en contacto con un
representante de servicio Sears al 1-800-469-4663.
Disposiciones de [a garant[a de Sears contra defectos en e[ control
de emisiones
Las siguientes son disposiciones espec[ficas relacionadas con }a
cobertura de la garantfa contra defectos en el control de emisiones.
1 Partes garantizadas
La cobertura bajo esta garantla incluye solamente aquellas partes
que se enumeran a continuaci6n 0as partes del sistema de control
de emisiones) en la medida que dichas partes hayan estado
presentes en el motor adquirido.
a Sistema de medici6n de combustible
Sistema de enriquecimiento para arranque en ff[o.
Carburador y partes intemas.
Bomba de combustible.
b Sistema de inducci6n de aire.
Filtro de aire.
Colector de entrada.
c. Sistema de ignici6n.
Bujias.
Sistema de ignicidn pot magneto
d Sistema cataiizador
Convertidor catalftico.
Colector de escape
Sistema de inyecci6n de aire o v_lvula pot impuisos.
e Distintos elementos utilizados en los sistemas anteriores
V_lvulas e interruptores de vacio, temperatura, posici6n y de
detecci6n de tiempo.
Conectores y con juntos.
2. Vigencia de _a cobertura
Sears garantiza al propietario inicial y a cada propietario
subsiguiente que las partes garantizadas estar_n libres de defectos
en material yen mano de obra, que ocasionen falias de las partes
garantizadas durante un periodo de dos afios a partir de la fecha
en que el motor sea entregado at comprador minorista
3. No habr_ cargos
La reparaci6n o reemplazo de cualquier parte garantizada se
realizar_ sin cargo alguno para el propietario, incluyendo la mano de
obra de diagn6stico que derive en [a determinaci6n de que una parte
garantizada esta defectuosa, si la labor de diagn6stico se realiza en
un Centro de sen¢icio Sears aprobado.
4. Reciamos y exciusiones de cobertura
Los reclamos vinculados con la garantia se presentar_n conforme a
[as disposiciones de la P61iza de garantia de Sears. La cobertura de
la garantfa se excluira para aquellas fallas de partes garantizadas
que no sean partes ofiginales de Sears o debido a abuse, descuido
o mantenimiento incorrecto, segOn se estabtece en la Pdliza de
garantfa de motores de Sears. Sears no es responsable pot la
cobertura de fa[las de partes garantizadas ocasionadas pot el uso
de partes adiciona[es, no originales o modificadas.
5. Mantenimiento
Cualquier parte garantizada cuyo reemplazo no est_ programado
como mantenimiento requerido o que est6 programada Onicamente
para inspeccibn frecuente con el fin de "reparar o reemplazar
conforme sea necesario", estar_ garantizada en cuanto a defectos
pot et periodo de la garantfa. Cuaiquier parte garantizada cuyo
reemplazo est# programado como mantenimiento requerido tendr_
so[amente una garantia contra defectos Onicamente pot el perfodo
hasta el primer reemp[azo programado para esa parte. Se podra
utilizar cualquier parte de repuesto que tenga un rendimiento y
durabilidad equivalentes, al realizar cualquier actividad de
mantenimiento o reparacidn El propietario es responsable de
realizar todo el mantenimiento requerido, segOn se define en este
manual del propietario.
6. Cobertura cons[gu[ente
La cobertura bajo la presente se ampliar& a la fa[la de cuaiquier
componente de[ motor provocada por un desperfecto en cualquier
parte garantizada que siga gozando de la cobertura de la garantia.
En EE.UU. y Canad_ contamos con una Hnea de emergencia las 24 horas (1-800-469-4663), que ofrece un men6 de mensajes pregrabados con
informaci6n sobre mantenimiento de productos.
56

_nformaci6n Sobre emPeriodo de
Durabilidad de masEmisiones y e_ indice
de Aire en _a Etiqueta de Emisiones de_
Motor
Los motores con certificaci6n de cumplimiento de la
normativa sobre emisiones de nivel 2 del California Air
Resources Board (CARB) deben mostrar informaci6n sobre
el periodo de durabilidad de las emisiones y el indice de
aire. El fabricante de! motor ofrece esta informaci6n al
consumidor mediante etiquetas de emisiones.
El Per[odo de DurabHidad de [as Emisiones indica e!
n0mero de horas durante las cuales el motor puede
funcionar cumpliendo las normas sobre emisiones, siempre
que se realicen las operaciones de mantenimiento que se
detallan en las instrucciones de uso y mantenimiento. Se
utilizan las siguientes categorias:
Moderado: El motor esta certificado para cumplir la
normativa sobre emisiones durante 125 horas de
funcionamiento real.
Intermedio: El motor esta certificado para cumplir la
normativa sobre emisiones durante 250 horas de
funcionamiento real.
Promongado: El motor esta certificado para cumplir la
normativa sobre emisiones durante 500 horas de
funcionamiento real.
Pot ejemplo, un cortacesped con operario a pie se suele
utilizar entre 20 y 25 horas al aSo. Por tanto, el Periodo de
DurabiHdad de las Emisiones de un motor con
clasificaci6n intermedia equivaldria a 10-12 aSos.
El indice de Aire es un valor calculado que indica el nivel
relativo de emisiones de una gama concreta de motores.
Cuanto menor es el indice de Aire, mas limpio es el motor.
Esta informacion se presenta en forma gr&fica en la etiqueta
de emisiones.
Periodo de Cump_imiento de _a Normativa
de Emisiones en ia Etiqueta de
CumpHmiento de Emisiones dem Motor
Desde el 1 de julio de 2000, algunos motores Sears cuentan
con la certificacion de cumplimiento de la fase 2 de las
normas sobre emisiones de la United States Environmental
Protection Agency (USEPA, Agencia estadounidense de
protecci6n del medioambiente ). En e! caso de los motores
con certificaci6n de fase 2, el periodo de cumplimiento de la
normativa sobre emisiones que figura en la etiqueta de
cumplimiento de emisiones indica el nOmero de horas de
funcionamiento durante las cuales el motor ha demostrado
cumplir los requisitos federales sobre emisiones. Para
motores de menos de 225 cc, Categoria C = 125 horas, B =
250 horas y A = 500 horas. Para motores de 225 cc o mas,
Categoria C = 250 horas, B = 500 horas y A = 1000 horas.
La clasificacion de este motor es intermedia, con un indice
de aire de 2. El periodo de cumplimiento de la normativa
sobre emisiones de la EPA es de categoria C. El motor
tiene una cilindrada de 570 cc.
57

58

59

(1-888W84-6427)
Your Home
For repair-inyour home-of aH major brand appliances
lawn and garden equipment,or heatingand coolingsystems,
no matter who made it, no matter who sold it!
For,the replacement parts, accessories and
owner s manuals that you need to do-it-yourself.
For Sears professional installation of home appliances
and items like garage door openers and water heaters.
1-800-4-MYoHOME ® (1-8004694663)
Call anytime, day or night (U.S.A. and Canada)
www,sears,com www.sears.ca
Home
For repair of carry-in items like vacuums, lawn equipment,
and electronics, call or go on-line for the location of your nearest
Sears ?rts & R?air Center.
1 800 488 1222
Call anytime, day or night (U.S.A. only)
www,sears°com
To purchase a protection agreement (U.S.A.)
or maintenanc: agreement (Canada)on : pro:hot ?rviced by Sears:
1 800 827 8855 (U.S.A.) 1 800 381 8885 (Canada)
Parspedirserviciodereparaci6n AuCanadapourserviceenfran ais:
a domiciRio, y pars ordenar piezas: 1.800.LE.FOYERMC
1-888-S UoHOGAR sM (1°800°533°6937)
_w.sears.ca
® Registered Trademark /TMTrademark /SMService Mark of Sears, Roebuck and Co.
® Mama Registrada /TM Marca de F_brica /SM Marca de Servicio de Sears, Roebuck and Co.
Mc Marque de commerce /MDMarque d6posCe de Sears, Roebuck and Co. © Sears, Roebuck and Co,