Craftsman 580329140 User Manual GENERATOR Manuals And Guides L0209327
CRAFTSMAN Generator Manual L0209327 CRAFTSMAN Generator Owner's Manual, CRAFTSMAN Generator installation guides
User Manual: Craftsman 580329140 580329140 CRAFTSMAN GENERATOR - Manuals and Guides View the owners manual for your CRAFTSMAN GENERATOR #580329140. Home:Tool Parts:Craftsman Parts:Craftsman GENERATOR Manual
Open the PDF directly: View PDF
.
Page Count: 48

Owner's Manual
CRRFT$14RN°
120/240 Volt
4200 Watt
Electric Start
AC GENERATOR
Model No 580.329140
CusGemneraHt°lpline_
HOURS: Mon. - Fri. 8 a.m. to 5 p.m. (CT)
CAUTION:
Before using this product, read this
manual and follow all its Safety Rules
and Operating Instructions
Sears, Roebuck and Co, Hoffman Estates, IL 60179
Visit our Craftsman website: www.sears.com/craftsman
Part No. 187004GS Draft 2 (09/17/2002) Printed in the U.S.A.
• Safety
• Assembly
• Operation
• Maintenance
• Parts
• Espahol

Warranty .................................. 2
Safety Rules ............................... 3
Assembly ................................ 4-5
Operation ............................... 6-11
Product Specifications ....................... 12
Maintenance ............................ 12-15
Storage .................................. 16
Troubleshooting ............................ 17
Schematic ................................ 18
Wiring Diagram ............................ 19
Replacement Parts ....................... 20-27
Emissions Warranty ......................... 28
EspaSol ............................... 30-47
How to Order Parts ................... Back Page
LIMITED WARRANTY FOR DELUXE PORTABLE GENERATORS
SEARS warrants to the original purchaser that the alternator and engine for its portable generator will be free
from defects in materials or workmanship for the items and period set forth below from the date of original pur-
chase. This warranty is not transferable and applies only to portable generators driven by the GN-Series Sears
warranted engine.
CONSUMER* COMMERCIAL*
Alternator 2 years (2nd year parts only) 1 year
Engine 2 years (2nd year parts only) 1 year
*NOTE: For the purpose of this warranty "Consumer Use" means personal residential household and emergency
use by original purchaser, not to be used as a primary source of power. "Commercial Use" means all other uses,
including rental, construction, commercial, and income producing purposes. Once a generator has experienced
commercial use, it shall thereafter be considered a commercial use generator for the purpose of this warranty.
During said warranty period, SEARS will, at its option, repair or replace any part which, upon examination by
SEARS, is found to be defective under normal use and service**. Starting batteries are not warranted by
SEARS. All transportation costs under warranty, including return to the factory if necessary, are to be borne by
the purchaser and prepaid by him. This warranty does not cover normal maintenance and service and does not
apply to a generator set, alternator or engine, or parts which have been subjected to improper or unauthorized
installation or alteration, misuse, negligence, accident, overloading, overspeeding, improper maintenance,
repair or storage so as, in SEARS's judgment, to adversely affect its performance and reliability.
** NORMAL WEAR: As with all mechanical devices, engines need periodic parts service and replacement to
perform well. This warranty will not cover repair when normal use has exhausted the life of a part or engine.
THERE IS NO OTHER EXPRESS WARRANTY. SEARS HEREBY DISCLAIMS ANY AND ALL IMPLIED WAR-
RANTIES, INCLUDING BUT NOT LIMITED TO THOSE OF MERCHANTABILITY AND FITNESS FOR A PAR-
TICULAR PURPOSE TO THE EXTENT PERMITTED BY LAW. THE DURATION OF ANY IMPLIED WAR-
RANTIES WHICH CANNOT BE DISCLAIMED IS LIMITED TO THE TIME PERIOD AS SPECIFIED IN THE
EXPRESS WARRANTY. LIABILITY FOR CONSEQUENTIAL, INCIDENTAL, OR SPECIAL DAMAGES UNDER
ANY AND ALL WARRANTIES IS EXCLUDED. Some provinces do not allow limitations on how long an implied
warranty lasts, or the exclusion or limitation of incidental or consequential damages, so the above limitations or
exclusions may not apply to you. This warranty gives you specific legal rights and you may also have other
rights, which vary from state to state.
For service, see your nearest SEARS authorized warranty service facility. Warranty service can be performed
only by a SEARS authorized service facility. This warranty will not apply to service at any other facility. At the
time of requesting warranty service, evidence of original purchase date must be presented.
SEARS, ROEBUCK and CO., D/817WA, Hoffman Estates, IL 60179 U.S.A.

The engine exhaust from this product contains
chemicals known to the State of California
to cause cancer, birth defects,
or other reproductive harm.
,_ CAUTION! Before using this product, read this
manual and follow all Safety Rules and
Operating Instructions.
WARNING! You must isolate the generator
from the electric utility by opening the electrical
system's main circuit breaker or main switch if
this unit is used for backup power. Failure to
isolate the generator from the power utility
may result in injury or death to electric utility
workers and damage to the generator due to
a backfeed of electrical energy. When used as
backup power, the local power utility must be
notified.
DANGER! Generator exhaust gases contain
DEADLY carbon monoxide gas. Carbon
monoxide, if breathed in sufficient
concentrations, will cause unconsciousness
or death. Operate this equipment outdoors
where adequate ventilation is available.
CAUTION! To prevent accidental starting when
setting up, transporting, adjusting or making
repairs to your generator, always disconnect
spark plug wire and place the wire where it
cannot contact the spark plug.
• The unit requires an adequate flow of cooling air
for its continued proper operation. Never operate
the unit inside any room or enclosure where the
free flow of cooling air into and out of the unit might
be obstructed. Allow at least 3 feet of clearance on
all sides of generator or you could damage the unit.
• The generator produces dangerously high voltage
that can cause extremely hazardous electrical
shock. Avoid contact with bare wires, terminals,
etc. Never permit any untrained person to operate
or service the generator.
•Do Not overfill the fuel tank. Always allow room for
fuel expansion. If tank is overfilled, fuel can
overflow onto a hot engine and cause FIRE or an
EXPLOSION.
• Never operate the generator:
in rain; in any enclosed compartment; when
connected electrical devices overheat; if electrical
output is lost; if engine or generator sparks; if flame
or smoke is observed while unit is running; if unit
vibrates excessively.
• Never handle any kind of electrical cord or device
while standing in water, while barefoot or while
hands or feet are wet. Dangerous electrical shock
will result.
• Use a ground fault circuit interrupter in any damp
or highly conductive area (such as metal decking or
steel work).
• Do Not use worn, bare, frayed or otherwise
damaged electrical cord sets with the generator.
Using any defective cord set may result in electrical
shock or damage to property.
• Operate generator only on level surfaces and
where it will not be exposed to excessive moisture,
dirt, dust or corrosive vapors.
• Gasoline is highly FLAMMABLE and its vapors are
EXPLOSIVE. Do Not permit smoking, open flames,
sparks or heat in the vicinity while handling
gasoline. Avoid spilling gasoline on a hot engine.
Comply with all laws regulating storage and
handling of gasoline.
• Never store generator with fuel in tank where
gasoline vapors might reach an open flame or
spark or pilot light (as on a furnace, water heater or
clothes dryer). FIRE or EXPLOSION may result.
• Never add fuel while unit is running.
• Never start or stop the unit with electrical loads
connected to receptacles AND with connected
devices turned ON. Start the engine and let it
stabilize before connecting electrical loads.
Disconnect all electrical loads before shutting down
the generator.
• Do Not insert any object through cooling slots of
the engine-generator.
NOTE: Your generator is equipped with a spark
arrester muffler. The spark arrester must be
maintained in effective working order by the owner/
operator. In the State of California, a spark arrester is
required by law (Section 4442 of the California Public
Resources Code). Other states may have similar laws.
Federal laws apply on federal lands.
,_ THIS IS THE SAFETY ALERT SYMBOL. IT IS USED TO ALERT YOU TO POTENTIAL PERSONALINJURY HAZARDS. OBEY ALL SAFETY MESSAGES THAT FOLLOW THIS SYMBOL TO AVOID
POSSIBLE INJURY OR DEATH.

Your Craftsman generator requires some assembly
and is ready for use after it has been properly serviced
with the recommended oil and fuel.
If you have any problems with the assembly of
your generator, please call the generator helpline
at 1-800-222-3136.
IMPORTANT: Any attempt to run the engine before it
has been serviced with the recommended oil will result
in an engine failure.
TO REMOVE THE GENERATOR
FROM CARTON
•Set the carton on a rigid flat surface with "THIS
SIDE UP" arrows pointing upward. See "Cold
Weather Operation" on page 9 before cutting
carton.
• Carefully open the top flaps of the shipping carton.
• Cut down corners at one end of carton from top to
bottom and lay that side of carton down flat.
• Remove all packing material, carton fillers, etc.
• Remove the generator from the shipping carton.
CARTON CONTENTS
Check all contents. If any parts are missing or
damaged, call the generator helpline at
1-800-222-3136.
The carton contains:
• The main unit
• Battery charge cables
• Battery
• Battery float charger
• Owner's manual
• Engine oil
• Wheel kit
• Battery tray with hardware
ASSEMBLING THE WHEEL KIT
The wheel kit is designed to greatly improve the
portability of your generator.
NOTE: Wheel kit is not intended for over-the-road use.
You will need a socket wrench with 1/2" or 13mm
sockets and a needle-nose pliers to install the wheel
kit components.
Refer to illustration shown below and install the wheel
kit as follows:
1. Place the generator on a hard flat surface.
2. Stand at the engine end of the generator and
gently tilt the generator forward, high enough to
place wooden blocks beneath the cradle. This will
allow you to add the wheels.
3. Slide the axle through the holes in the brackets
provided on the generator cradle.
4. Slide a wheel over the axle.
NOTE: Be sure to install both wheels with the air
pressure valve on the outboard side.
5. Place the e-ring onto the groove in the axle. You
may add the flat washer if desired.
NOTE: Use retaining pins instead of e-clip, if applicable.
6. Place one end of the needle nose pliers on the
bottom of the axle and the other end of the pliers
on top of the e-ring. Seat the e-ring by pressing
the pliers closed.
7. Repeat step 4 through 6 to secure second wheel.
Wheel Kit
NOTE: Fold-down
handle not shown
Locknut_
Mounting Leg
Vibration Mounts __
30mm Capscrews
20mm
Capscrew
wheel
_- Locknut
Flat Washer (Optional)
/
/
/
E-Ring
4

8. Attachthevibrationmountstothesupportlegwith
30mmcapscrewsandlocknuts.
9. Attachthesupportlegwith20mmcapscrewsand
locknuts.Removethewoodenblocks.
10.Checkeachfastenerto ensureit issecure.
INSTALLING TRAY AND BATTERY
NOTE: The generator can be started manually. If you
choose not to use the electric start feature of this
generator, it is not necessary to install the battery.
•Find the battery tray and fasteners shipped loose in
the carton. Included are: one hold-down bracket, two
5" bolts, two lock washers, two flat washers and two
hex nuts.
• Remove the four battery tray screws from cradle.
• Position the battery tray and attach with supplied
hardware.
• Set battery onto tray between the two locating
dimples. Position hold-down bracket.
• Attach battery to tray with two 5" bolts, two lock
washers, two flat washers and two hex nuts, as
shown.
_____------ 5" Bolt
_a_.._ Flat Washer
,.=v..,,_ Hold Down Bracket
Battery
Pre-lnstalled Battery
Screws
Locating Lock Washer
Dimples Hex Nut
Connect the red battery cable to the stud of the
engine starter switch stud, as shown.
Connect
Red y
Cable to
this Stud
• Connect the red battery cable from the engine
starter switch to positive (+) terminal on the battery.
• Route the red battery cable and secure with
supplied cable ties, as shown.
RED (+)
wire from
battery
BLACK (-) wire
from battery
• Connect the black battery cable to the negative (-)
terminal on the battery.
• Connect the other end of the black cable to the
engine, not the frame. Route black cable as shown.
_AUTION! Be sure the black cable is
connected to the engine and not the frame.
Failure to connect cable to the engine block will
result in damage to the wiring, which is not
covered under warranty.
• Double check all connections to ensure they are in
the correct locations and secure.
NOTE: The battery may lose its charge while in
storage. It may be necessary to manually start the
generator for the first time with the recoil starter, but
the generator will charge a connected battery while it
is running. Or you can follow the instructions on
page 10 and use the supplied battery charger.
Red Battery
Cable

KNOW YOUR GENERATOR
Read the owner's manual and safety rules before operating your generator.
Compare the illustrations with your generator to familiarize yourself with the locations of various controls and
adjustments. Save this manual for future reference.
Maintenance
Minder
Fuel Tank
Circuit
Breakers
12V DC Float
Charger Input
Idle Control
Switch
12 Volt DC
Receptacle
120 Volt AC, 30 Am
Locking Receptacle
120/240 Volt AC, 20 Amp
Locking Receptacle 120 Volt AC, 20 Amp
Duplex Receptacle
Starter Switch
(Not Shown)
Air Cleaner
Run/Stop Switch
Lever
Spark Arrester Muffler
12 Volt DC Float Charger Input -- Plug float charger
jack in here to keep the units battery charged and
ready for use.
12 Volt DC Receptacle -- This receptacle allows you
to recharge a 12 Volt automotive or utility style storage
battery with the battery charge cables provided.
120 Volt AC, 20 Amp, Duplex Receptacle -- May be
used to supply electrical power for the operation of
120 Volt AC at 20 Amp, single phase, 60 Hz, electrical
lighting, appliance, tool and motor loads.
120 Volt AC, 30 Amp, Locking Receptacle -- May
be used to supply electrical power for the operation of
120 Volt AC at 30 Amp, single phase, 60 Hz, electrical
lighting, appliance, tool and motor loads.
120/240 Volt AC, 20 Amp, Locking Receptacle --
May be used to supply electrical power to 120 and/or
240 Volt AC at 20 Amp, single phase, 60 Hz, electrical
lighting, appliance, tool and motor loads.
Air Cleaner -- Filters intake air as it is drawn into the
engine.
Choke Lever- Used when starting a cold engine.
Circuit Breakers (AC) -- Each receptacle is provided
with a push to reset circuit breaker to protect the
generator against electrical overload.
Fuel Tank -- Tank holds 4 U.S. gallons of unleaded
gasoline.
Maintenance Minder -- Alerts you to change the oil
and service the air filter when needed.
Idle Control Switch -- The idle control runs the
engine at normal (high) speeds when there is a load
present and runs the engine at idle (low) speeds when
a load is not present.
Run/Stop Switch -- Must be in "Run" position to start
engine. Set to "Stop" to stop the unit.
Spark Arrester Muffler -- Muffler lowers engine
noise and is equipped with a spark arrester screen.
Starter Switch -- Press to start the engine.

CORD SETS AND RECEPTACLES
Use only high quality, well-insulated, extension cords
with the generator's 120 Volt electrical receptacles.
Check the ratings of all extension cords before you
use them. Extension cord sets used should be rated
125 AC Volts at 20 Amps (or greater) for most
electrical devices. Some devices, however, may not
require this type of extension cord. Check the owner's
manuals of those devices for the manufacturer's
recommendations.
Keep extension cords as short as possible, preferably
less than 15 feet long, to prevent voltage drop and
possible overheating of wires.
120 Volt AC Duplex Receptacle
Each receptacle is protected against overload by a
single push-to-reset circuit breaker. Use each
receptacle to operate 120 Volt AC, single phase,
60 Hz, electrical loads requiring up to 2,400 watts
(2.4 kW) at 20 Amps of current.
,_ CAUTION! Although each receptacle is rated
for 120 Volts at 20 Amps (2,400 watts or
2.4 kW), the generator is rated for a total of
4,200 watts. Powering loads that exceed the
wattage capacity of the generator can damage it
or cause serious injuries. The total 120 Volt load
powered through these receptacles should not
exceed 20 Amps.
120/240 Volt AC, 20 Amp Receptacle
This is a full capacity receptacle which means you can
take the generator's full rated wattage from this single
NEMA L14-20 receptacle. The outlet is protected by a
20 Amp push-to-reset circuit breaker.
4-Wire Cord Set
__i
(Neutral)
Y (Hot) IX (Hot)
NEMA L14-20 /-7L7 Ground (Green)
A NEMA L14-20 mating connector plug is required for
use with this 240 Volt receptacle. Connect a suitable
4-wire cord set to the plug and to the desired load.
The cord set should be rated for 250 Volt AC loads at
20 Amps.
,_ CAUTION! Although this outlet is rated for
240 Volts AC at 20 Amps, the generator is
capable of producing only 17.5 Amps at
240 Volts AC.
120 Volt AC, 30 Amp Receptacle
Use a NEMA L5-30 plug with this receptacle. Connect
a 3-wire cord set rated for 125 Volts AC at 30 Amps to
the plug.
Cord Set NEMA L5-30
__r_ eutral
120V
Hot
d (Green)
Use this receptacle to operate 120 Volt AC, 60 Hz,
single phase loads requiring up to 3,600 watts
(3.6 kW) of power at 30 Amps. The outlet is protected
by a 30 Amp push-to-reset circuit breaker.
12 Volt DC Receptacle
This receptacle allows you to recharge a 12 Volt
automotive or utility style storage battery with the battery
charge cables provided. This
receptacle can not recharge 6 Volt
batteries and can not be used to _
crank an engine having a discharged
battery. See the section "Charging a
Battery" (page 10) before attempting
to recharge a battery.
HOW TO USE YOUR GENERATOR
If you have any problems operating your generator,
please call the generator helpline at 1-800-222-3136.
Grounding The Generator
The National Electrical Code requires that the frame
and external electrically conductive parts of this
generator be properly connected to an approved earth
ground. Local electrical codes may also require proper
grounding of the unit. For that purpose, a grounding
wing nut is provided on the base of the cradle.
Wing Nut

Generally,connectinga No.12AWG(AmericanWire
Gauge)strandedcopperwiretothegroundingnutand
to anearth-drivencopperorbrassgroundingrod
(electrode)providesadequateprotectionagainst
electricalshock.However,localcodesmayvary
widely.Consultwitha localelectricianforgrounding
requirementsinyourarea.
Propergroundingofthegeneratorwillhelpprevent
electricalshockintheeventof a groundfaultcondition
inthegeneratoror inconnectedelectricaldevices.
Propergroundingalsohelpsdissipatestaticelectricity,
whichoftenbuildsupinungroundeddevices.
BEFORE STARTING THE
GENERATOR
To operate the generator you will need to first add
engine oil and gasoline, as follows:
Add Engine Oil
NOTE: When adding oil to the engine crankcase in
the future, use only high quality detergent oil rated
with API service classification SF or SG SAE 30
weight. Use no special additives.
Select the oil's viscosity grade according to your
expected operating temperature. Do Not use
SAE 10W-40.
[-15
°F -20 0 20 32 40 60 80 100
°c_ 0 -2'o J0 0 1'0 4'o
Temperature Range of Expected Use
• Above 40°F, use SAE 10W-30 or SAE 30.
•Below 40°F, use synthetic 5W-20 or 5W-30.
Although multi-viscosity oils (5W30, 10W30, etc.)
improve starting in cold weather, these multi-viscosity
oils will result in increased oil consumption when used
above 32°F. Check your engine oil level more
frequently to avoid possible damage from running low
on oil.
• Place generator on a level surface.
• Clean area around yellow oil fill cap. Remove the
oil fill cap.
• Slowly fill engine with oil through the oil fill opening
until the oil level is to the point of overflowing.
• Install yellow oil fill cap and finger tighten securely.
• Check engine oil level before starting each time
thereafter. If the oil level is below the point of
overflowing, fill to the proper level.
Add Gasoline
_ARNING! Never fill fuel tank indoors. Never
fill fuel tank when engine is running or hot. Allow
unit to cool for two minutes before refueling. Do
Not light a cigarette or smoke when filling the
fuel tank.
_ARNING! Do Not overfill the fuel tank.
Always leave room for expansion.
• Use regular UNLEADED gasoline with the
generator engine. Do Not use premium gasoline.
Do Not mix oil with gasoline.
• Clean area around fuel fill cap, remove cap.
• Slowly add unleaded regular gasoline to fuel tank.
Be careful not to overfill. Allow about 1/2" of tank
space for fuel expansion, as shown here.
1/2" Air /Tank
• Install fuel cap and wipe up any spilled gasoline.
IMPORTANT: It is important to prevent gum deposits
from forming in fuel system parts such as the
carburetor, fuel hose or tank during storage. Alcohol-
blended fuels (called gasohol, ethanol or methanol)
can attract moisture, which leads to separation and
formation of acids during storage. Acidic fuel can
damage the fuel system of an engine while in storage.
To avoid engine problems, the fuel system should be
emptied before storage of 30 days or longer. See
"Storage" on page 16. Never use engine or carburetor
cleaner products in the fuel tank as permanent
damage may occur.
TO START THE ENGINE
_AUTION! Never start or stop engine with
electrical devices plugged into the receptacles
AND with devices turned ON.
Disconnect all electrical loads from the generator. Use
the following start instruction steps by numerical order:
1. Make sure the Idle Control switch is in "Off"
position.
IDLE
2.
OFF
position
Turn the fuel valve to the "On" position.
FUEL TANK
Fuel Valve is shown
in the On position

3. SettheRun/Stopswitchto "Run"position.
.Place the choke lever in the "Full" choke position.
Choke /
5A. For electric starting, press start switch on
generator cradle until engine starts. To prolong the
life of the starter components, press the starter
button for no more than 15 seconds, then pause
for 30 seconds.
• If engine starts, proceed to step 7.
• If engine fails to start, proceed to step 6.
NOTE: If battery is discharged, use manual starting
instructions.
5B. For manual starting, grasp the recoil handle and
pull slowly until slight resistance is felt. Then pull
rapidly one time only to start engine.
• If engine starts, proceed to step 7.
• If engine fails to start, proceed to step 6.
6. Move the choke lever to "Half" choke position, and
pull recoil handle twice.
• If engine fails to start, repeat steps 4 thru 6.
7. Move choke lever to "Run" position. If engine
falters, move choke lever to "Half" choke position
until the engine runs smoothly, and then to "Run"
position.
NOTE: If engine starts after 3 pulls, but fails to run for
more than 10 seconds, check for proper oil level in
crankcase. This unit is equipped with a Low Oil
Pressure Shutdown System (see below).
IMPORTANT: Do Not overload the generator. Also,
Do Not overload individual panel receptacles. These
outlets are protected against overload with push-to-
reset-type circuit breakers. If amperage rating of any
circuit breaker is exceeded, that breaker opens and
electrical output to that receptacle is lost. Read "Don't
Overload the Generator' on page 11 carefully.
STOPPING THE ENGINE
• Unplug all electrical loads from generator panel
receptacles. Never start or stop engine with
electrical devices plugged in and turned on.
• Turn "Off" the Idle Control switch (if On).
• Let engine run at no-load for several minutes to
stabilize the internal temperatures of engine and
generator.
• Move Run/Stop switch to "Stop" position.
• Close fuel valve.
Automatic Idle Control
This feature is designed to greatly improve fuel
economy. When this switch is turned "On", the engine
will only run at its normal fast governed engine speed
when an electrical load is connected. When the load is
removed, the engine will run at a reduced speed. With
the switch "Off", the engine runs at the normal fast
engine speed all the time. Always have the switch
OFF when starting and stopping the engine.
Low Oil Pressure Shutdown System
The engine is equipped with a low oil pressure sensor
that shuts down the engine automatically when the oil
pressure drops below 6 psi. If the engine shuts down
by itself and the fuel tank has enough gasoline, check
engine oil level.
Initial Start-up
A delay built in the low oil shutdown system allows oil
pressure to build during starting. The delay allows the
engine to run for about 10 seconds before sensing oil
pressure.
Sensing Low Pressure
If the system senses low oil pressure during operation,
the engine shuts down. As the system shuts down, the
low oil light comes ON. However, once the engine has
stopped rotating, this light will go OFF.
Restarting
If you try to restart the engine within 10 seconds after
it shuts down, the engine may NOT start. The system
needs 5 to 10 seconds to reset.
If you do restart the engine after such a shutdown and
have not corrected the low oil pressure, the engine
runs for about 10 seconds as described above and
then stops.
COLD WEATHER OPERATION
Under certain weather conditions (temperatures below
40°F [4°C] and a high dew point), your generator may
experience icing of the carburetor and/or the
crankcase breather system. In an emergency, use the
original shipping box as a temporary shelter:
• Cut off all flaps and one of the long sides of the
box to expose exhaust side of unit. Cut appropriate
slots to access receptacles of unit.
• Start unit, then place box over it. Ensure a
minimum of two feet clearance between open side
of box and nearest object.
IMPORTANT: Remove shelter when temperature is
above 40°F [4°C].

Connectbatterychargecableclampwithred
handleto thepositive(+)batteryterminal.
12 VOLT D.C.
RECEPTACLE
For a more permanent shelter, build a structure that
will enclose three sides and the top of the generator.
Make sure entire muffler-side of generator is exposed,
with two feet clearance between open side of box and
nearest object. Face exposed end away from wind
and elements.
CHARGING A BATTERY
WARNING! Certain storage batteries give off
explosive hydrogen gas while recharging. An
explosive mixture will remain around the battery
for a long time after it has been charged. The
slightest spark can ignite the hydrogen and
cause an explosion. Such an explosion can
shatter the battery and cause blindness or other
serious injury.
,_ WARNING! Do Not permit smoking, open
flame, sparks or any other source of heat
around a battery. Wear protective goggles,
rubber apron and rubber gloves when working
around a battery. Battery electrolyte fluid is an
extremely caustic sulfuric acid solution that can
cause severe burns. If spill occurs, flush area
with clear water immediately.
Your generator has the capability of recharging a
discharged 12 Volt automotive or utility style storage
battery. Do Not use the unit to charge any 6 Volt
batteries. Do Not use the unit to crank an engine
having a discharged battery.
To recharge 12 Volt batteries, proceed as follows:
•Check fluid level in all battery cells. If necessary,
add ONLY distilled water to cover separators in
battery cells. Do Not use tap water.
•If the battery is equipped with vent caps, make
sure they are installed and are tight.
• If necessary, clean battery terminals.
• Connect battery charge cable connector plug to
panel receptacle identified by the words
"12 Volt DC Output".
+
POS NEG
12 VOLT BATTERY
• Connect battery charge cable clamp with black
handle to the negative (-) battery terminal.
• Start engine. Let the engine run while battery
recharges.
• When battery has charged, shut down engine.
NOTE: Use an automotive hydrometer to test battery
state of charge and condition. Follow the hydrometer
manufacturer's instructions carefully. Generally, a
battery is considered to be at 100% state of charge
when specific gravity of its fluid (as measured by
hydrometer) is 1.260 or higher.
How to Use the Battery Charger
Use battery charger jack to keep the starting battery
charged and ready for use. Battery charging should be
done in a dry location, such as inside a garage.
• Plug the charger into the unit's "12V DC Battery
Charger" jack, which is located on the control
panel. Plug battery charger into a 120 Volt AC wall
receptacle.
• Unplug the charger from the unit and the wall outlet
when generator is being started and while it is in
operation.
• Keep this charger plugged in when generator is not
in use to prolong battery life. The charger has a
built in float equalizer and will not overcharge the
battery, even when plugged in for an extended
period of time.
IMPORTANT: See "Battery Maintenance" on page 13
for additional information.
10

DON'T OVERLOAD YOUR
GENERATOR
Capacity
You must make sure your generator can supply
enough rated (running) and surge (starting) watts for
the items you will power at the same time. Follow
these simple steps:
1. Select the items you will power at the same time.
2. Total the rated (running) watts of these items. This
is the amount of power your generator must
produce to keep your items running. See the table
on the right.
3. Estimate how many surge (starting) watts you will
need. Surge wattage is the short burst of power
needed to start electric motor-driven tools or
appliances such as a circular saw or refrigerator.
Because not all motors start at the same time,
total surge watts can be estimated by adding only
the item(s) with the highest additional surge watts
to the total rated watts from step 2.
Example:
Tool or Appliance
Window Air
Conditioner
Refrigerator
Deep Freezer
Television
Light (75 Watts)
Rated
(Running) Watts
1200
800
500
500
75
3075 Total
Running Watts
Total Rated (Running) Watts
Highest Additional Surge Watts
Total Generator Output Required
Additional Surge
(Starting) Watts
1800
1600
5OO
1800 Highest
Sure Watts
= 3075
= 1800
= 4875
Power Management
To prolong the life of your generator and attached
devices, it is important to take care when adding
electrical loads to your generator. There should be
nothing connected to the generator outlets before
starting it's engine. The correct and safe way to
manage generator power is to sequentially add loads
as follows:
1. With nothing connected to the generator, start the
engine as described in this manual.
2. Plug in and turn on the first load, preferably the
largest load you have.
3. Permit the generator output to stabilize (engine
runs smoothly and attached device operates
properly.
4. Plug in and turn on the next load.
5. Again, permit the generator to stabilize.
6. Repeat steps 4 and 5 for each additional load.
Never add more loads than the generator capacity.
Take special care to consider surge loads in generator
capacity, as described above.
Tool or Appliance
Essentials
Light Bulb - 75 watt
Deep Freezer
Sump Pump
Refrigerator/Freezer- 18 Cu. Ft.
Water Well Pump- 1/3 HP
Heating/Cooling
Window AC - 10,000 BTU
Window Fan
Furnace Fan Blower- 1/2 HP
Kitchen
Microwave Oven - 1000 Watt
Coffee Maker
Electric Stove - Single Element
Hot Plate
Family Room
DVD/CD Player
VCR
Stereo Receiver
Color Television - 27"
Personal Computer w/17"
monitor
Other
Security System
AM/FM Clock Radio
Garage Door Opener- 1/2 HP
Electric Water Heater - 40
Gallon
DIY/Job Site
Quartz Halogen Work Light
Airless Sprayer- 1/3 HP
Reciprocating Saw
Electric Drill- 1/2 HP
Circular Saw - 7 1/4"
Miter Saw - 10"
Table Planer - 6"
Table Saw/Radial Arm Saw -
10"
Air Compressor - 1-1/2 HP
*Wattages listed are approximate
appliance for actual wattage.
Additional
Rated*
(Running) Surge
Watts (Starting)
Watts
75
500 500
800 1200
800 1600
1000 2000
1200 1800
300 600
800 1300
1000
1500
1500
2500
100
100
450
500
800
180
300
480 520
4000
1000
600 1200
960 960
1000 1000
1500 1500
1800 1800
1800 1800
2000 2000
2500 2500
only. Check tool or
11

MAINTENANCE SCHEDULE
Follow the hourly or calendar intervals, whichever occurs first.
More frequent service is required when operating in adverse conditions noted below.
Maintenance Operation
Check Oil Level
Service Air Pre-Cleaner
Change Oil And Oil Filters
Service Air Cleaner
Adjust Valve Clearance
Retorque Head Bolts
Clean Spark Arrester Screen
Replace Spark Plugs
Every 8Hours
or Daily ...............
X
25 Hours or 50 Hours or
Every Season Every Season
I
X**
X*
X**
X
X_
100 Hours or
Every Season
X
X
Change oil after first 8 hours of operation then after every 50 hours or every season.
*Change oil and oil filter every 25 hours when operating under heavy load or in high temperatures.
** Clean more often under dirty or dusty conditions. Replace air cleaner parts if very dirty.
*** Retorque head bolts only after the first 50 hours. Head bolts will not need further retorquing.
PRODUCT SPECIFICATIONS
Generator Specifications
Rated Maximum Power ........ 4,200 Watts (4.2 kW)
Surge Power ................ 5,250 Watts (5.25 kW)
Rated AC Voltage ............ 120/240 Volts
Rated Maximum Current
at 240 Volts ............... 17.5 Amperes
Rated Maximum Current
at 120 Volts ............... 35.0 Amperes
Rated Frequency ............ 60 Hz at 3600 rpm
Phase ..................... Single Phase
Engine Specifications
Rated Horsepower ........... 7.8 at 3600 rpm
Displacement ............... 220 cc
Spark Plug Type: ............. Champion RC12YC or
Equivalent
Set Gap To: ........... 0.030inch (0.76mm)
Gasoline Capacity ............ 4 U.S. gallons
Oil
Above 40°F ............ SAE 30 or 10W-30
Below40°F ............ Synthetic 5W-20 or
5W-30
GENERAL RECOMMENDATIONS
The generator warranty does not cover items that
have been subjected to operator abuse or negligence.
To receive full value from the warranty, the operator
must maintain the unit as instructed in this manual.
Some adjustments will need to be made periodically to
properly maintain the generator.
All adjustments in the Service and Adjustments
section of this manual should be made at least once
each season. Follow the requirements in the
"Maintenance Schedule" chart above.
NOTE: Once a year you should clean or replace the
spark plug and replace the air filter. A new spark plug
and clean air filter assure proper fuel-air mixture and
help your engine run better and last longer.
GENERATOR MAINTENANCE
Generator maintenance consists of keeping the unit
clean and dry. Operate and store the unit in a clean
dry environment where it will not be exposed to
excessive dust, dirt, moisture or any corrosive vapors.
Cooling air slots in the generator must not become
clogged with snow, leaves, or any other foreign
material.
12

Checkthecleanlinessofthegeneratorfrequentlyand
cleanwhendust,dirt,oil,moistureorotherforeign
substancesarevisibleonitsexteriorsurface.
_ CAUTION! Never insert any object or tool
through the air cooling slots, even if the engine
is not running.
NOTE: Do Not use a garden hose to clean generator.
Water can enter the engine fuel system and cause
problems. In addition, if water enters the generator
through cooling air slots, some of the water will be
retained in voids and cracks of the rotor and stator
winding insulation. Water and dirt buildup on the
generator internal windings will eventually decrease
the insulation resistance of these windings.
To clean the generator:
• Use a damp cloth to wipe exterior surfaces clean.
• A soft, bristle brush may be used to loosen caked
on dirt, oil, etc.
• A vacuum cleaner may be used to pick up loose
dirt and debris.
• Low pressure air (not to exceed 25 psi) may be
used to blow away dirt. Inspect cooling air slots
and openings on the generator. These openings
must be kept clean and unobstructed.
Battery Maintenance
Other than trickle charging, described elsewhere, no
maintenance is required for the battery. Keep the
battery and terminals clean and dry.
IMPORTANT: Battery charging should be performed
in a dry location, such as inside a garage.
ENGINE MAINTENANCE
Maintenance Minder
The maintenance minder displays and records how
many hours your generator has run (up to 9,999.9). It
also alerts you when to change your oil and to service
your air filter.
The message "CHG OIL" will flash after the first eight
hours of unit operation. This is to remind you to
replace the 'break-in' oil with regular duty oil. The
same message will again flash after intervals of
50 hours. The maintenance reminder does not sense
that the oil change has occurred - it merely flashes the
message for a two hour period to permit you to
observe the reminder.
Similarly, the message "SVC AIR FILTER" will flash
after intervals of 25 hours to remind you to service or
change the air filter element.
,_ CAUTION! When working on the generator,
always disconnect spark plug wire from spark
plug and keep it away from spark plug.
Checking Oil Level
Oil level should be checked prior to each use or at
least every 8 hours of operation. Keep oil level
maintained.
Changing Engine Oil and Oil Filter
Change oil after first 8 hours of operation. Change oil
and oil filter every 50 hours thereafter. If you are using
your generator under extremely dirty or dusty
conditions, or in extremely hot weather, change oil
more often.
Change oil while engine is still warm from running, as
follows:
• Clean area around oil drain plug.
• Remove oil drain plug and oil fill plug. Drain oil
completely into a suitable container.
• When oil has completely drained, install oil drain
plug and tighten securely.
• Place a suitable container beneath the oil filter and
turn filter counterclockwise to remove. Discard oil
and filter according to local regulations.
• Coat gasket of new filter with engine oil. Turn filter
clockwise until snug against filter adapter, then
tighten an additional 3/4 turn.
• Fill unit with recommended oil. See "Before Starting
the Generator" on page 8 for oil recommendations.
• Install the oil fill plug and tighten securely.
• Wipe up any spilled oil.
Clean/Replace Spark Plug
Change the spark plug every 100 hours of operation
or once each year, whichever comes first. This will
help your engine to start easier and run better.
Replace with recommended plug.
• Clean area around spark plug.
• Remove and inspect spark plug.
• Check electrode gap with wire feeler gauge and set
spark plug gap to 0.030 inch (0.76mm) if
necessary.
• Replace spark plug if electrodes are pitted, burned
or porcelain is cracked.
NOTE: If you need to order a new spark plug, Please
call 1-800-366-PART.
13

Service Air Cleaner
Your engine will not run properly and may be
damaged if you run it using a dirty air cleaner. Clean
or replace the air cleaner paper filter once every
50 hours of operation or once a year, whichever
comes first. Clean or replace more often if operating
under dusty or dirty conditions. Clean foam precleaner
every 25 hours of operation or sooner under dusty
conditions.
To clean or replace foam precleaner:
•Remove air cleaner cover, then the foam pre-filter.
Foam
Pre-Filter
Paper
Filter
• Wash precleaner in soapy water. Squeeze pre-filter
dry in a clean cloth. Do Not twist.
• Clean air cleaner cover before installing it.
To clean or replace paper air filter:
• Remove air cleaner cover; then remove foam pre-
filter (service if necessary) and remove paper filter.
• Clean paper filter by tapping it gently on a solid
surface. If the filter is too dirty, replace it with a new
one. Dispose of the old filter properly.
• Clean air cleaner cover then insert precleaner into
cover. Next insert new paper filter into cover to
hold precleaner in place and assemble all of them
to the base of the air cleaner.
NOTE: If you need to order a new air filter, please call
1-800-366-PART.
Clean Spark Arrester Screen
The engine exhaust muffler includes a spark arrester
screen. Inspect and clean the screen every 100 hours
of operation or once each year, whichever comes first.
NOTE: If you use your generator on any forest-
covered, brush-covered or grass-covered unimproved
land, it must have a spark arrester. The spark arrester
must be maintained in good condition by the
owner/operator.
Clean and inspect the spark arrester screen as follows:
•To remove the heat shield from the muffler, remove
the screws that connect the shield to the muffler.
• Remove the screws that attach the spark arrester
screen.
Spark Arrester
Screen
Muffler Heat Shield
• Inspect screen and replace if torn, perforated or
otherwise damaged. Do Not use a defective
screen. If screen is not damaged, clean it with
commercial solvent.
• Reattach the screen and the heat shield.
14

Retorque Head Bolts
After the first 50 hours of operation, you must retorque
the head bolts to 4.0 kg.-m. (22 ft.-Ibs.)
IMPORTANT: If you feel uncomfortable about doing
this procedure or you don't have the proper tools,
please take the unit to your nearest service center to
retorque the head bolts. This is a very important step
to insure the longest life for your engine.
NOTE: Only perform this adjustment after the first
50 hours of operation. The head bolts will need no
further adjustment.
• Torque sequence is as follows: A, B, C, D, E (star
pattern).
C
A B
D
Adjusting Valve Clearance
After the first 50 hours of operation, you should adjust
the valve clearance in the engine.
IMPORTANT: If you feel uncomfortable about doing
this procedure or you don't have the proper tools,
please take the unit to your nearest service center to
have the valve clearance adjusted. This is a very
important step to insure the longest life for your
engine.
To adjust valve clearance:
• Make sure the engine is at room temperature.
• Make sure that the spark plug wire is removed from
the spark plug and out of the way.
• Remove the breather tube from the valve cover.
• Remove the four screws attaching the valve cover
with a #2 or 3 phillips screwdriver.
• Make sure the piston is at Top Dead Center (TDC)
of its compression stroke (both valves closed). To
get the piston at TDC, pull on the recoil handle
slowly watching the piston through the spark plug
hole. As you pull on the recoil handle the piston
should move up and down. The piston is at TDC
when it is up as high as it can go.
• Using a 10mm wrench, loosen the rocker arm jam
nut. Use an 8mm allen wrench to turn the pivot ball
stud while checking clearance between the rocker
arm and the valve stem with a feeler gauge.
Correct clearance is 0.002-0.004 inch
(0.05-0.1 mm).
NOTE: You must hold the rocker arm jam nut in place
as you turn the pivot ball stud.
Allen Wrench Feeler
Gauge
Loosen
Jam Nut
When valve clearance is correct, hold the pivot ball
stud in place with the allen wrench and tighten the
rocker arm jam nut. Tighten the jam nut to
65-85 inch-pounds torque. After tightening the jam
nut, recheck valve clearance to make sure it did
not change.
Tighten Jam Nut to
65-85 inch-pounds
• Reattach the valve cover, making sure the gasket
between the valve cover and cylinder head is in
place. Start all four screws before tightening or you
will not be able to get all the screws in place.
• Reattach the breather tube.
• Reattach the spark plug wire to the spark plug.
15

GENERAL
The generator should be started at least once every
seven days and allowed to run at least 30 minutes. If
this cannot be done and you must store the unit for
more than 30 days, use the following information as a
guide to prepare it for storage.
_ WARNING! Never store engine with fuel in
tank indoors or in enclosed, poorly ventilated
areas where fumes may reach an open flame,
spark or pilot light as on a furnace, water heater,
clothes dryer or other gas appliance.
LONG TERM STORAGE
It is important to prevent gum deposits from forming in
essential fuel system parts such as the carburetor, fuel
filter, fuel hose or tank during storage. Also,
experience indicates that alcohol-blended fuels (called
gasohol, ethanol or methanol) can attract moisture,
which leads to separation and formation of acids
during storage. Acidic gas can damage the fuel
system of an engine while in storage.
To avoid engine problems, the fuel system should be
emptied before storage of 30 days or longer. Follow
these instructions:
Protect Fuel System
• Remove all gasoline from the fuel tank to prevent
gum deposits from forming on these parts and
causing possible malfunction of engine.
_ WARNING! Drain fuel into approved container
outdoors, away from open flame. Be sure
engine is cool. Do Not smoke.
• Run engine until engine stops from lack of fuel.
Change Oil
While engine is still warm, drain oil from crankcase.
Refill with recommended grade.
Oil Cylinder Bore
•Remove spark plug and pour about 1/2 ounce
(15ml) of engine oil into the cylinder. Cover spark
plug hole with rag. Crank slowly to distribute oil.
_ AUTION! Avoid spray from spark plug hole
when cranking engine slowly.
• Install spark plug. Do Not connect spark plug wire.
GENERATOR
• Clean the generator as outlined on page 13 ("To
Clean the Generator").
• Check that cooling air slots and openings on
generator are open and unobstructed.
• Disconnect negative cable from battery terminal.
OTHER STORAGE TIPS
• Do Not store gasoline from one season to another.
• Replace the gasoline can if it starts to rust. Rust
and/or dirt in your gasoline will cause problems.
• If possible, store your unit indoors and cover it to
give protection from dust and dirt. BE SURE TO
EMPTY THE FUEL TANK.
• Cover your unit with a suitable protective cover that
does not retain moisture.
_ AUTION! Never cover your generator while
engine and exhaust area are warm.
• Store generator in clean, dry area.
16

Problem
Engine is running, but no
AC output is available.
Engine runs good at no-
load but "bogs down"
when loads are connected.
Cause
1. One of the circuit breakers is open.
2. Connected device is bad.
3. Poor connection or defective cord
set.
4. Fault in generator.
1. Short circuit in a connected load.
2. Generator is overloaded.
3. Engine speed is too slow.
4. Shorted generator circuit.
1. Run/Stop Switch set to "Stop".
2. Dirty air cleaner.
3. Out of gasoline.
4. Stale gasoline.
5. Spark plug wire not connected to
Correction
1. Reset circuit breaker.
2. Connect another device that is in
good condition.
3. Check and repair.
.
1.
2.
.
4.
Contact Sears service facility.
Disconnect shorted electrical load.
See "Don't Overload the
Generator" on page 11.
Contact Sears service facility.
Contact Sears service facility.
1. Set switch to "Run".
2. Clean or replace air cleaner.
3. Fill gas tank.
4. Drain gas tank; fill with fresh fuel.
5. Connect wire to spark plug.
Engine will not start; or
starts and runs rough.
spark plug.
6. Bad spark plug.
7. Water in gasoline.
8. Overchoking.
9. Low oil level.
6. Replace spark plug.
7. Drain gas tank; fill with fresh fuel.
8. Open choke fully and crank
engine.
9. Fill crankcase to proper level.
Engine shuts down during
operation.
Engine lacks power.
Engine "hunts" or falters.
No output from control
panel 12 Volt DC outlet.
10. Excessively rich fuel mixture. 10.
11. Intake valve stuck open or closed. 11.
12. Engine has lost compression. 12.
13. Discharged battery. 13.
.
2.
1.
2.
1.
2.
Out of gasoline.
Low oil level.
Load is too high.
Dirty air filter.
Choke is opened too soon.
Carburetor is running too rich or
too lean.
1. Battery posts are corroded.
2. Battery fluid level is low.
3. Battery cable is bad.
4. Battery is defective.
5. Receptacle is bad.
.
2.
1.
2.
1.
2.
Contact Sears service facility.
Contact Sears service facility.
Contact Sears service facility.
Manually start engine and let
battery recharge.
Fill fuel tank.
Fill crankcase to proper level.
See "Don't Overload the
Generator" on page 11.
Replace air filter.
Move choke to halfway position
until engine runs smoothly.
Contact Sears service facility.
1. Clean battery posts.
2. Add distilled water to battery.
3. Replace cable.
4. Check battery condition; replace if
defective.
5. Contact Sears service facility.
17

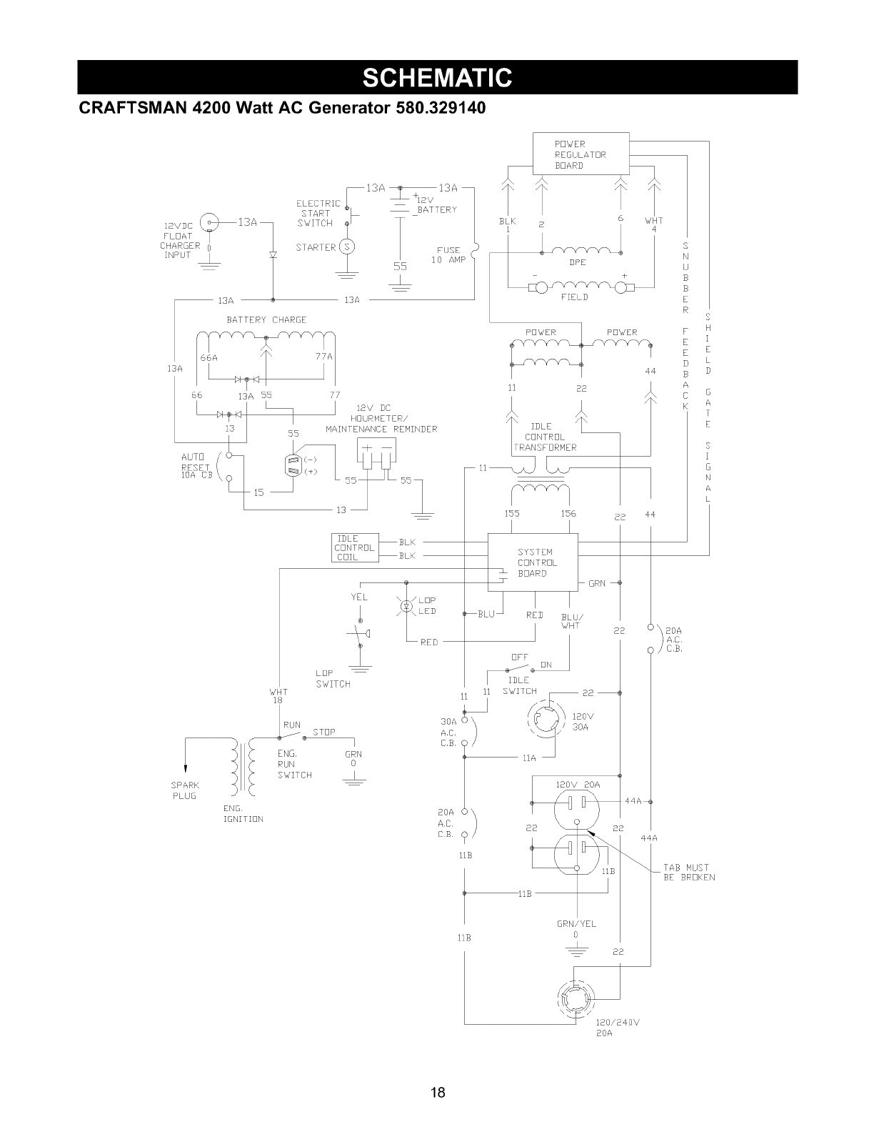
CRAFTSMAN 4200 Watt AC Generator 580.329140
isvsc ?13A
FLOAT
CHARGER 0
INPUT
13A
_13A_+ISV 13A
ELECTRIC_
START _ BATTERY
STARTERy FUSE
5 10 AMP
13A
BATTERY CHARGE
13A
66 13A 55 77
I
YEL
SPARK
PLUG
ENG
IGNITION
LOP
SWITCH
WHT
18
ENG, GRN
RUN 0
SWITCH
11
30A VArC,
C'9' I
20A
AC
CB
BLK
POWER
REGULATOR
BOARD
FIELD
POWER POWER
44
11 28
WHT
b
iSS 44
SYSTEM
CONTROL
BOARD
v
BLU 1 RE9
lib
156 22
GRN
I
BLU/
22
ii SWITCH -28
__} 20V
30A
G
A
T
E
lib
6RN/YEL
lib 0
€4A
44A
TAB MUST
BE BROKEN
22
8OA
18

CRAFTSMAN 4200 Watt AC Generator 580.329140
44 15
l: A
13
DC CB
I]
SNUBBER
FEEDBACK
GRN
BLU
18V DC HOURMETER/
HAINTEHANCE REMINDER
o55
5 DC FLOAT CONTROL
CHARGER ...... SLUT/
13 _ 11 55
13A ii • I I
1
@
6RN BLU/ BLU
WHT
I
o\
GATE
SIGNAL 3 PIN
CONNECTOR
1 ON ENGINE
W_ TB_K \_LBLKH_ ......
PRESSURE
K/W LED
ENGINE CATHODE
RUN
SWITCH
R WHT
G_N
W_T CLBBEBT TB
BEARING
BLK [
NUT ON ENGINE BLOCK
GRN
BLU
19

CRAFTSMAN 4200 Watt AC Generator 580.329140
Main Unit mExploded View
61 66
70 _59
63
4-2
7'3..._
79-
71 74 _
=waw "n_v 76
75
J
m72
L------ 77
"-------82
"'o---I 82
52
53
7B
900
10
69
32
33
38
36
87
25
62
11
2O
17
20

CRAFTSMAN 4200 Watt AC Generator 580.329140
Main Unit mParts List
Item Part # Qty. Description
1 BB2551GS 1 CRADLE
2 B84021GS 1 SUPPORT, Engine
4 66365GS 1 HOUSING, Engine Adapter
5 84141JGS 1 ASSY, Rotor (Inclds Item 7)
6 187105AGS 1 ASSY, Stator
7 65791GS 1 BEARING
8 96796GS 1 WASHER
9 22287GS 2 SCREW
10 86307GS 4 SCREW
11 47480GS 1 SCREW
12 84508GS 2 MOUNT, Vibration
14 83208GS 1 BRACKET, Muffler
15 B4901GS 1 DECAL, 1-800-4-MyHome
16 66476GS 2 SCREW
17 89476GS 1 GASKET, Exhaust
18 70644GS 1 SCREW
19 84346GS 3 SCREW
20 40976GS 2 SCREW
21 83083GS 1 SCREEN, SparkArrester
22 83071GS 1 MUFFLER
23 81917GS 1 PIN, Roll
24 22097GS 4 WASHER, Lock
25 SRV66825DGS1 CARRIER, Rear Bearing
26 85652GS 2 MOUNT, Vibration
27 67989GS 11 NUT
28 B4986GS 1 DECAL, Ground
29 22127GS 4 NUT
30 74908GS 4 SCREW
31 77282GS 1 SWITCH, Starter
32 86308GS 4 BOLT, Stator
33 65795GS 2 RECTIFIER, Battery Charge
34 66849CGS 1 SCREW
35 67022GS 1 GROMMET, Rubber
36 84132GS 1 MODULE, Drive
37 66386GS 1 ASSY, Brush Holder
38 66849GS 2 SCREW
39 B4871GS 1 COVER, Bearing Carrier
40 78289GS 1 BRACKET, Starter Switch
41 86494GS 1 SCREW, Wing
42 B2153GS 8 SCREW
43 77395GS 4 NUT, Lock
44 83465GS 4 GROMMET, Tank
45 46476GS 2 CAP PLUG
46 78831BGS 4 SCREW
47 80270GS 1 VALVE, Tank
48 78299GS 1 BUSHING, Plastic Tank
49 85134GS 1 CAP, Fuel
50 83311GS 1 ASSY, Tank, Fuel
(Includes Items 47 & 48)
51 B84042GS 1 SHIELD, Heat
52 84687GS 1 INSULATION
Item Part # Qty.
53 85000GS 1
54 14353621GS 1
55 23762GS 1
56 26850GS 2
57 52857GS 2
58 51767GS 2
59 BB2555GS 1
60 187002GS 1
61 92982GS 1
62 187214GS 2
63 B2347GS 2
64 NSP 1
65 73054GS 1
66 93826GS 1
67 96409GS 1
68 77816GS 1
69 187001GS 1
70 B1779GS
71 B187078GS
72 B187081GS
73 26586GS
74 22097GS
75 22473GS
76 22127GS
77 187079GS
78 185931DGS
79 185931CGS
80 187004GS
81 AB3061GS
82 58443GS
83 185939DGS
84 189992GS
85 39414GS
86 86292GS
87 84409GS
88 187128GS
900 NSP
Description
CLIP, Insulation
WIRE, Ground
WASHER
WASHER
NUT, Lock
SCREW
HANDLE
DECAL, Control Panel
DECAL, Danger
DECAL, Heat Shield
END CAP, Tube
DECAL, Data
DECAL, Fuel Shut Off
DECAL, Start Instructions
DECAL, 1-800 #
DECAL, Muffler Warning
ASSY, Control Panel (see
page 22)
2 COVER, Hinge
1 TRAY, Battery
1 BRACKET, Hold Down
2 SCREW
2 WASHER, Lock
2 WASHER
2 NUT
1 BATTERY
1 ASSY, Wire
1 ASSY, Wire
1 MANUAL, Owner's
1 BOTTLE, Oil
4 SCREW
1 ASSY, Wire
1 HARNESS, Wire, Starter
1 SCREW
1 SCREW
1 SLEEVING, Flexo
1 HARNESS, Wire, Starter
1 ENGINE
Parts Not Illustrated
65787GS 1
B4177GS 1
28739AGS 2
Battery Charge Cable
Battery Charger
4" Black Tie Wraps
Optional Accessories
0932688GS
0932785GS
0932686GS
0932687GS
Not Illustrated
Cord Wrap Kit
Storage Cover
120/240 Volt 20 Amp Locking
Plug
120 Volt 30 Amp Locking Plug
21

CRAFTSMAN 4200 Watt AC Generator 580.329140
Control Panel -- Exploded View and Parts List
10 \
2
2O
1
12
29
16
28
12
11
14
15
13
24
18
27
26
25
Item Part # Qty. Description
1B187096GS 1PANEL, Control
2 B4694GS 1 JACK, Coaxial DC Power
3 22264GS 6WASHER, Lock
4 38150GS 6 WASHER
5 51715GS 6 NUT
6 68759GS 1 RECEPTACLE, 120V, 20A
7 68867GS 1 RECEPTACLE, 120/240V, 20A
8 187028GS 1 METER, Hour, Maintenance
Reminder
9 68868GS 1 RECEPTACLE, 120V, 30A
10 82538GS 1 SWITCH, Rocker, Idle Control
11 43181GS 4 SCREW
12 43182GS 6 WASHER, Lock
13 90418GS 1 OUTLET, 12V DC
14 75207GS 2 BREAKER, Circuit, 20 A
1
11 22
28
2
3
6
Item Part #
15 82881GS
16 75207AGS
17 84028GS
18 64525GS
19 64526GS
20 83970GS
21 84335GS
22 87692GS
23 84134GS
24 B87782GS
25 91526GS
26 49226GS
27 23897GS
28 23365GS
29 51714GS
5
14
19
21
23
Qty. Description
3 WASHER, Lock
1 BREAKER, Circuit, 30 A
1 TRANSFORMER, Idle Control
4 STAND OFF
8 SCREW
1 BOARD, Control, System
1 ASSY, Harness, Wire
1 BREAKER, Circuit, 12 V, 10 A
1 GROMMET, Rubber
1 BOX, Control Panel
4 SCREW
4 WASHER, Lock
4 WASHER
6 WASHER
2 NUT
22

CRAFTSMAN 4200 Watt AC Generator 580.329140
Wheel Kit mExploded View and Parts List
2
0
8
/
Item Part # Qty. Description
1 52858GS 4 NUT, Lock
2 187101GS 1 SUPPORT, Wheel Kit
3 191413GS 2 MOUNT, Vibe
5 42909GS 2 SCREW
6 B4966GS 2 WHEEL
7 191265GS 2 E-RING
8 22247GS 2 WASHER
9 191267FGS 1 AXLE
10 39253GS 2 SCREW
23

Engine, 7.8 HP, Generac Power Systems, EHC 04276
1
/
10
-_ / WHITE
9
3 5\
/
/
TO OIL SWITCH
BLACK _ 7
\ WHITE .. 6
__ _\_ _\18
_FROM
CONTROL PANEL
8
11
/
/
/
21
12 13
14 17_
22
\\
\\\ 15
2O
Item
1
2
3
4
5
6
7
8
9
10
11
Part #
78653GS
85272GS
84195GS
85767GS
84329GS
22097GS
82981GS
81675GS
00185271
00285271
72347GS
GS
GS
Qty. Description
1 Switch, Run Stop
1 Assy, Led Wire
1 Decal, Los S- Engine
1 Sleeving, Black
1 Housing, Male- 3 Pin
2 Washer, Lock
2 Screw
1 Assy, Ignition Coil
1 Assy, Wire- White
1 Assy, Wire- Black
1 Sparkplug
Item Part #
12 85953GS
13 C3979GS
14 86384GS
15 83503GS
16 45756GS
17 83512GS
18 C2018GS
19 91638GS
20 C8962GS
21 C2756GS
22 C2467GS
Qty. Description
1 Washer, Carb Wear
1 Spring, Anti Lash
1 Rod, Governor
1 Nut, Lock
7 Screw
1 Screw
2 Washer
1 Spring, Governor
1 Assy, Idle Coil
1 Assy, Governor Lever
1 Screw
24

Engine, 7.8 HP, Generac Power Systems, EHC 04276
26
23
34
24
49
/
/
42
27
3O
17
32
j 1
3
/
/
/
2 9
11
43 44
45 46 Y
36 37
38
39
Item Part # Qty. Description
178621GS 1 Assy, Connecting Rod
2 76389GS 1 Pin, Piston
3 88411GS 1 Piston Ring Set
4 A8897BGS 1 Gear Cover Assembly
5 77168GS 5 Bolt
6 88057GS 1 Piston
7 76390GS 2 Pin Retainer Ring
8 83337AGS 1 Assy, Tapered Crankshaft
9 78658GS 1 Governor"R" Pin
10 78659GS 1 Washer
11 89213JGS 1 Assy, Crankcase
12 A7637GS 1 Governor Arm
13 81695GS 2 Oil Seal
14 D1303GS 1 Assy, Governor Gear
15 78645GS 1 Governor Gear C-Ring
16 A7811GS 1 Governor Spool
17 72683GS 1 Pipe Plug
18 A9878GS 1 Assy, Camshaft
19 89096GS 1 Crankcase Gasket
20 88156GS 1 Valve Stem Seal
21 A8822GS 1 Cylinder Head Gasket
22 78691GS 1 Oil Pressure Relief Cover
23 A5772GS 1 Oil Pressure Spring
24 A5776GS 1 Ball
25 74908GS 1 Screw
26 78606GS 4 Screw
29
21
)
Item Part #
27 76361GS
28 89230GS
29 99922GS
30 A1720GS
31 88401GS
32 84186GS
33 83192GS
34 86254GS
35 78699BGS
36 21705BGS
37 90082GS
38 90081GS
39 88396AGS
40 83235GS
41 80336GS
42 96362GS
43 77161GS
44 77160GS
45 76307GS
46 88403GS
47 26073AGS
48 88412GS
49 76329GS
50 88590GS
C8925GS
47
Qty. Description
1 Washer
6 Screw
1 Washer
2 Valve Spring Retainer
2 Valve Spring
2 Washer
1 Geroter Set
1 "O" Ring
3 Sleeve, Seam Dwl
1 Assy, Cylinder Head
1 Exhaust Valve
1 Intake Valve
2 Push Rod
2 Tappet
1 Assy, Oil Pick-Up
1 Rocker Cover Gasket
2 Pivot Ball Stud
2 Rocker Arm
2 Jam Nut
1 Push Rod Guide Plate
2 Pipe Plug
1 Assy, Rocker Cover
1 Plastic Oil Fill Plug
1 Dowel
0 Assy, Long Block
25

Engine, 7.8 HP, Generac Power Systems, EHC 04276
38
39_
41
Item
36
37
38
39
40
41
42
43
44
45
46
47
48
49
50
42
Part #
48031CGS
30340AGS
90947GS
90051GS
80316GS
90948GS
91846GS
78607GS
78643GS
80303GS
78602GS
78601GS
59635GS
78631GS
C 1535GS
50
36
37
16
48
43 44
45
Qty. Description
1 Clamp, Hose
1 Hose
1 Hose, Breather Hs
1 Gasket, Manifold/Head
2 Screw W/Lock Washer
1 Intake Manifold
1 Gasket, Carb/Air Box
1 Base, Air Cleaner
2 Carb Bolt
1 Cover, Breather Canal
1 Precleaner
1 Air Filter
1 Screw
1 Gasket, Carb/Manifold
1 Carburetor
47
/46
/
26

Engine, 7.8 HP, Generac Power Systems, EHC 04276
60
34
35 16
31
Im 32
_../28
30
29
/
/
28
16
25
26
24
/
23
55
Item
16
23
24
25
26
27
28
29
30
31
32
33
34
35
52
53
54
55
56
57
59
60
61
33
Part #
45756GS
81810GS
83312GS
82774GS
C8917AGS
A2842GS
C 1069GS
A2799GS
90695AGS
78609GS
78608AGS
89739GS
92984GS
C8798AGS
91848GS
84982GS
99236GS
40945GS
70185GS
94820GS
A7692GS
22129GS
40976GS
Qty Description
7 Screw
1 Nut
1 Washer
1 Key, Woodruff
1 Flywheel, With Ring Gear
1 Recoil Cup
9 Screw
1 Assy, Recoil
1 Blower Housing
2 Cover Bolts
1 Air Box Cover
1 Lower Wrapper
1 Top Wrapper
1 Backplate, Electric Start
1 Gasket, Oil PSI Pad
1 Adapter, Oil Filter
1 Switch, Oil
2 Screw
1 Filter, Oil
1 Plug, Expansion
1 Assy, Starter
2 Washer, Lock
2 Screw
27

Sears, Roebuck and Co., U.S.A. (Sears), the California Air Resources Board (CARB) and
the United States Environmental Protection Agency (U.S.EPA)
Emission Control System Warranty Statement
(Owner's Defect Warranty Rights and Obligations)
EMISSION CONTROL WARRANTY COVERAGE IS
APPLICABLE TO CERTIFIED ENGINES PURCHASED IN
CALIFORNIA IN 1995 AND THEREAFTER WHICH ARE
USED IN CALIFORNIA, AND TO CERTIFIED MODEL
YEAR 1997 AND LATER ENGINES WHICH ARE
PURCHASED AND USED ELSEWHERE IN THE UNITED
STATES (AND AFTER JANUARY 1, 2001 IN CANADA).
California and U.S. EPA Emission Control Warranty
Statement Your Warranty Rights and Obligations
The California Air Resources Board (CARB), U.S.EPA and
Sears are pleased to explain the Emission Control System
Warranty on your model year 2000 and later small off-road
engine (SORE). In California, new small off-road engines
must be designed, built and equipped to meet the State's
stringent anti-smog standards. Elsewhere in the United
States, new non-road, spark-ignition engines certified for
model year 1997 and later, must meet similar standards set
forth by the U.S.EPA. Sears must warrant the emission
control system on your engine for the periods of time listed
below, provided there has been no abuse, neglect, or
improper maintenance of your small off-road engine.
Your emission control system may include parts such as the
carburetor or fuel-injection system, the ignition system, and
catalytic converter. Also included may be hoses, belts,
connectors and other emission related assemblies.
Where a warrantable condition exists, Sears will repair your
small off-road engine at no cost to you including diagnosis,
parts and labor.
Sears Emission Control Defects Warranty Coverage
The 1995 and later small off-road engines are warranted for
two years. If any emission-related part on your engine is
defective, the part will be repaired or replaced by Sears.
Owner's Warranty Responsibilities
As the small off-road engine owner, you are responsible for
the performance of the required maintenance listed in this
owner's manual. Sears recommends that you retain all your
receipts covering maintenance on your small off-road
engine, but Sears cannot deny warranty solely for the lack of
receipts or for your failure to ensure the performance of all
scheduled maintenance.
As the small off-road engine owner, you should however be
aware that Sears may deny you warranty coverage if your
small off-road engine or a part has failed due to abuse,
neglect, improper maintenance or unapproved modifications.
You are responsible for presenting your small off-road
engine to an approved Sears Service Center as soon as a
problem exists. The warranty repairs should be completed in
a reasonable amount of time, not to exceed 30 days.
If you have any questions regarding your warranty rights and
responsibilities, you should contact a Sears Service
Representative at 1-800-469-4663.
Sears Emission Control Defects Warranty Provisions
The following are specific provisions relative to your
Emission Control Defects Warranty Coverage.
1. Warranted Parts
Coverage under this warranty extends only to the parts
listed below (the emission control systems parts) to the
extent these parts were present on the engine purchased.
a. Fuel Metering System
Cold start enrichment system
Carburetor and internal parts
Fuel Pump
b. Air Induction System
Air cleaner
Intake manifold
c. Ignition System
Spark plug(s)
Magneto ignition system
d. Catalyst System
Catalytic converter
Exhaust manifold
Air injection system or pulse valve
e. Miscellaneous Items Used in Above Systems
Vacuum, temperature, position, time sensitive valves
and switches
Connectors and assemblies
2. Length of Coverage
Sears warrants to the initial owner and each subsequent
owner that the Warranted Parts shall be free from
defects in materials and workmanship which caused the
failure of the Warranted Parts for a period of two years
from the date the engine is delivered to a retail
purchaser.
3. No Charge
Repair or replacement of any Warranted Part will be
performed at no charge to the owner, including
diagnostic labor which leads to the determination that a
Warranted Part is defective, if the diagnostic work is
performed at an approved Sears Service Center.
4. Claims and Coverage Exclusions
Warranty claims shall be filed in accordance with the
provisions of the Sears Warranty Policy. Warranty
coverage shall be excluded for failures of Warranted
Parts which are not original Sears parts or because of
abuse, neglect or improper maintenance as set forth in
the Sears Engine Warranty Policy. Sears is not liable to
cover failures of Warranted Parts caused by the use of
add-on, non-original, or modified parts.
5. Maintenance
Any Warranted Part which is not scheduled for
replacement as required maintenance or which is
scheduled only for regular inspection to the effect of
"repair or replace as necessary" shall be warranted as to
defects for the warranty period. Any Warranted Part
which is scheduled for replacement as required
maintenance shall be warranted as to defects only for
the period of time up to the first scheduled replacement
for that part. Any replacement part that is equivalent in
performance and durability may be used in the
performance of any maintenance or repairs. The owner
is responsible for the performance of all required
maintenance, as defined in this owner's manual.
6. Consequential Coverage
Coverage hereunder shall extend to the failure of any
engine components caused by the failure of any
Warranty Part still under warranty.
In the USA and Canada, a 24-hour hotline, 1-800-469-4663, has a menu of pre-recorded messages offering you product
maintenance information.
28

29

Garantia............................... 30
ReglasDeSeguridad...................... 31
Montaje............................. 32-33
Operacion............................ 34-40
EspecificacionesdelProducto............... 41
Mantenimiento........................ 41-44
Almacenamiento......................... 45
ReparaciondeAverias..................... 46
GarantiadeControldeEmisiones............ 47
C6moOrdenarPartes............. UltimaPagina
GARANTIA LIMITADA PARA GENERADORES PORTATILES DE LUJO
SEARS le garantiza al comprador original que el altemador y el motor de su generador portatil estara libre de defectos en
materiales y mano de obra en los componentes y por el periodo de tiempo establecido a continuaci6n a partir de la fecha
de compra original. Esta garantia no es transferible y se aplica enicamente a los generadores portatiles accionados por el
motor garantizado Sears Serie GN.
CLIENTE* COMERCIAL*
Alternador 2 ahos (El 20. aho 0nicamente las partes) 1 Aho
Motor 2 ahos (El 20. aho 0nicamente las partes) 1 Aho
* NOTA: Para prop6sitos de esta garantia el t6rmino "Uso del Cliente" representa el uso dom6stico residencial y de
emergencia por parte del comprador original, sin incluir aplicaciones donde la unidad sea usada como fuente de potencia
principal. El t6rmino "Uso Comercial" representa todos los otros usos, incluyendo alquiler, construcci6n, comercial y para
prop6sitos lucrativos. Una vez el generador haya tenido uso comercial, este sera considerado como un generador para
uso comercial para los fines de esta garantia.
Durante dicho periodo de garantia, SEARS reparara o reemplazara, a su discreci6n, cualquier parte que haya sido
encontrada defectuosa, en examen previo realizado por SEARS, bajo uso y servicio normal**. Las baterias de arranque
no estan garantizadas por SEARS. Todos los costos de transporte bajo garantia, incluyendo el envio a la fabrica, de ser
necesario, seran responsabilidad del comprador y deberan ser pagados por anticipado. Esta garantia no cubre el
mantenimiento y servicio normal y no se aplica a generadores, alternadores, motores o pares que hayan sido sujetos a
instalaciones o modificaciones incorrectas o no autorizadas, mal uso, negligencia, accidente, sobrecarga, exceso de
velocidad, mantenimiento, reparaci6n o almacenamiento incorrecto que, a juicio de SEARS, afecte negativamente su
funcionamiento y confiabilidad.
** DESGASTE NORMAL: Como con todos los dispositivos mecanicos, los motores necesitan el servicio y reemplazo
peri6dico de las partes para funcionar en buenas condiciones. Esta garantia no cubre reparaciones cuando el uso normal
haya sobrepasado la vida t_til de una parte o motor.
NO EXISTEN OTRAS GARANTIAS EXPRESAS. SEARS POR MEDIO DE LA PRESENTE DESCONOCE TODAS LAS
GARANTIAS IMPLICITAS, INCLUYENDO, SIN LIMITARSE, A AQUELLAS DE COMERCIALIZACION Y ADAPTACION
PARA UN PROPOSITO PARTICULAR AL EXTREMO PERMITIDO POR LA LEY. LA DURACION DE CUALQUIER
GARANTIA IMPLICITA QUE NO PUEDA SER DESCONOCIDA, ESTA LIMITADA AL PERIODO DE TIEMPO
ESPECIFICADO EN LA GARANTIA EXPRESA. LA RESPONSABILIDAD LEGAL ES EXCLUIDA POR DANOS
CONSECUENCIALES, INCIDENTALES O ESPECIALES BAJO CUALQUIERA DE LAS GARANTIAS. Algunas provincias
no permiten limitaciones en la duraci6n de las garantias implicitas, o la exclusi6n o limitaci6n de daSos incidentales o
consecuenciales, por tanto las limitaciones o exclusiones anteriormente mencionadas podrian no aplicarse a usted. Esta
garantia le otorga derechos legales especificos; usted podria tener otros derechos, los cuales cambian de estado a
estado.
Para servicio, visite su centro de servicio de garantia autorizado SEARS mas cercano. El servicio de garantia puede ser
Ilevado a cabo Qnicamente por un centro de servicio autorizado SEARS. Esta garantia no se podra aplicar para servicio
en otros centros de servicio. Evidencia de la fecha de compra original debera ser presentada en el momento de solicitar el
servicio de garantia.
SEARS, ROEBUCK and CO., D/817WA, Hoffman Estates, IL 60179 U.S.A.
3O

El escape del motor de este producto contiene
elementos quimicos reconocidos en el Estado
de California por producir cancer, defectos de
nacimiento u otros dahos de tipo reproductivo.
,_ iPRECAUCION! Lea este manual y siga todas las
Reglas de Seguridad e Instrucciones de Operaci6n
antes de usar este producto.
iADVERTENCIA! Siesta unidad se usa para
energia de refuerzo, usted debe aislar el generador
de cualquier utilidad el6ctrica usando un equipo de
transferencia aprobado. Si no se aisla de la manera
adecuada, puede resultar en un accidente e
inclusive la muerte para los electricistas que
trabajen alli y por Io tanto, dafio al generador
debido a la retroalimentaci6n de energia el6ctrica. En
todo momento que la unidad est6 proveyendo
energia de refuerzo, la compafiia el6ctrica de
utilidades debe ser notificada.
iPELIGRO! Los gases provenientes del
generador contienen monoxido de carbono, el
cual puede causar la MUERTE. Si se respira en
concentraciones suficientes, el monoxido de
carbono puede hacer que la persona quede
inconsciente o a_n pierda la vida. Opere este
equipo al aire libre donde haya bastante ventilaci6n.
iPRECAUCION! Siempre desconecte el alambre
de la bujia y col6quelo donde no pueda entrar en
contacto con la bujia, para evitar el arranque
accidental durante la instalaci6n, transporte, ajuste o
reparaci6n de su generador.
•El motor-generador requiere de un flujo adecuado de aire
de enfriamiento para que funcione continua y
correctamente. Nunca opere esta unidad dentro de un
sal6n o recinto cerrado donde el flujo libre de aire de
enfriamiento, hacia el interior y la parte externa de la
unidad, pueda ser obstruido. Sin suficiente flujo de aire
de enfriamiento, la unidad se recalienta rapidamente,
dafiando el generador o la propiedad alrededor.
• El generador produce un voltaje muy alto, el cual puede
ocasionar descargas el6ctricas extremamente
peligrosas. Evite el contacto con terminales, alambres
pelados o sin recubrimiento, etc. Nunca permita que
personas no calificadas operen o proporcionen servicio
al generador.
• No Ilene el tanque de combustible excesivamente.
Siempre permita que exista espacio para la expansi6n
del combustible. Si el tanque esta demasiado Ileno, el
combustible podria rebosarse y caer sobre el motor
caliente y ocasionar un INCENDIO o una EXPLOSION.
• Nunca opere el generador:
en la Iluvia; en espacios encerrados; si la velocidad del
motor varia; si se recalientan los dispositivos el6ctricos
conectados; si se pierde la salida el6ctrica; si se
presentan chispas en el motor o generador; si se
observan llamas o humo cuando la unidad esta
funcionando; si la unidad vibra demasiado.
• Nunca manipule dispositivos o cordones el6ctricos
cuando se encuentre parado en agua, descalzo o con
los pies o las manos mojadas.
• Use un interruptor de circuito de falla a tierra en areas
h6medas o de alta conductividad (como en pisos
metalicos o estructuras de acero).
• No utilice en el generador juegos de cordones el6ctricos
que est6n desgastados, pelados, raidos o dafiados de
cualquier manera. El uso de un cord6n defectuoso puede
resultar en descarga el6ctrica o dafio del equipo y/o la
propiedad.
• Opere el generador s61o en superficies planas yen
donde no sera expuesto a la humedad excesiva, la
tierra, el polvo ni vapores corrosivos.
• La gasolina es altamente INFLAMABLE y sus vapores
son EXPLOSIVOS. No permita que fumen, que existan
llamas abiertas, chispas o calor a su alrededor cuando
manipule gasolina. Evite regar gasolina sobre un motor
caliente. Cumpla con todas las leyes que regulan el
almacenamiento y el manejo de gasolina.
• Nunca almacene el generador con combustible en el
tanque, donde los vapores de la gasolina puedan entrar
en contacto con llamas abiertas, chispas o luces de piloto
(como en hornos, calentadores de agua o secadoras de
ropa). Podrian ocurrir INCENDIOS o EXPLOSIONES.
• Nunca agregue el combustible mientras la unidad corre.
• Nunca arranque o detenga el motor-generador cuando
tenga cargas el6ctricas conectadas a los tomacorrientes
y los dispositivos conectados est6n ENCENDIDOS.
Arranque el motor y permita que se estabilice antes de
conectar las cargas el6ctricas. Desconecte todas las
cargas el6ctricas antes de apagar el generador.
• No meta objetivo por la refrigeraci6n ranuras del
generador de motor.
NOTA: El motor de su generador esta equipado con un
silenciador apagachispas, el apagachispas debera ser
mantenido en buenas condiciones de funcionamiento por
parte del propietario/operador. En el estado de California es
obligatorio, seg6n ley, el uso de apagachispas (Secci6n
4442 del C6digo de Recursos P6blicos de California). Otros
estados pueden tener leyes similares. Las leyes federales
se aplican en tierras federales.
,_ BUSQUE ESTE SIMBOLO PARA SENALAR PRECAUCIONES DE SEGURIDAD IMPORTANTES. ESTO
SIGNIFICA "iATENCION!!! iESTE ALERTA!!! SU SEGURIDAD ESTA EN PELIGRO."
31

Su generador AC requiere de ciertos procedimientos de
armado y esta listo para ser usado despu6s de haberle
suministrado servicio adecuado con el aceite y combustible
recomendado.
Si tiene problemas con el montaje de su generador, por
favor Ilame a la linea de ayuda del generador al
1-800-222-3136.
IMPORTANTE: Cualquier intento de hacer funcionar el
motor antes de haberle suministrado servicio con el aceite
recomendado resultara en falla del motor.
PARA RETIRAR EL GENERADOR DE LA
CAJA
•Coloque la caja sobre una superficie plana y rigida con
las flechas "THIS SIDE UP" (ESTE LADO ARRIBA)
apuntando hacia arriba.Vea la "Operaci6n en Clima Frio"
en la pagina 38 antes de cortar el cart6n.
• Abra cuidadosamente las tapas superiores de la caja de
envio.
• Corte las esquinas en un extremo de la caja de arriba
hacia abajo y coloque ese lado de la caja hacia abajo.
• Retire todo el material de protecci6n, el material de
relleno, etc.
• Retire el generador de la caja de envio.
CONTENIDO DE LA CAJA
Revise todo el contenido. Si alguna parte falta o esta
daSada, Ilame a la linea de ayuda del generador al
1-800-222-3136.
• La unidad principal
• Los cables de carga de la bateria
• Componentes del soporte de la bateria
• Bateria
• El corcel de la flota de la bateria
• El manual del operador
• El aceite del motor
• Juego de Ruedas
INSTALACION DEL JUEGO DE
LLANTAS
El juego de Ilantas esta dise_ado para facilitar el transporte
o movimiento de su generador.
NOTA: El juego de Ilantas no esta diseSado para ser
utilizado en el pavimento de las carreteras o de las calles.
Para instalar los componentes del juego de Ilantas, usted
necesita una Ilave de tubo, con un portatubos de 1/2" o de
13mm.
Instale el juego de Ilantas con la ayuda de la ilustracion
que se muestra mas adelante en la forma siguiente:
1. Coloque el generador sobre una superficie plana y
dura.
2. Solivie o levante el extremo del generador y
suavemente incline el generador hacia adelante, de tal
forma que pueda colocar unos bloques de madera
debajo del marco de soporte, Io cual permite la
colocaci6n de las Ilantas.
3. Deslice el eje a trav6s de los orificios en las piezas de
montaje provistas, sobre el marco de soporte del
generador.
4. Deslice una rueda en el eje.
NOTA: AsegQrese de instalar ambas ruedas con la valvula
de aire hacia el lado de afuera.
5. Coloque el e-ring en la ranura del eje.
JUEGO DE RUEDAS
(No se muestra la
manija de doblar)
TUERCA de
Seguridad
PATA de Soporte
MONTAJE
Antivibratorio _1
TORNILLO PRISIONERO
EJE
RUEDA
,TUERCA de Seguridad
ARANDELA
para Rueda
(Opcional)
/
E-Ring
32

6. Coloque un extremo de las pinzas de puntas de aguja
en la parte inferior del eje y el otro extremo de las
pinzas en la parte superior del e-ring. Asiente el e-ring
cerrando las pinzas.
7. Repita los pasos 4 por 6 para asegurar la segunda
rueda.
8. Instale los soportes elasticos aisladores de vibraci6n a
la pata de soporte con tornillos imperdibles y tuercas de
30mm.
9. Instale la pata de soporte con tornillos imperdibles y
tuercas de 20mm. Retire los bloques de madera.
10. Verifique que todos los pemos o sujetadores queden
bien apretados.
INSTALACION DE LA BANDEJA Y
DE LA BATERJA
NOTA: El generador puede ponerse en marcha o
arrancarse en forma manual. Si prefiere no utilizar el
dispositivo de arranque el6ctrico, no es necesario instalar la
bated&
•La bandeja de la bateria y los sujetadores se encuentran
en la caja del empaque. Tambi6n se incluyen: una pieza
de sujeci6n (anclaje), dos tornillos o pernos de 5", dos
arandelas planas, y dos tuercas hexagonales.
• Retire los cuatro tornillos de la bandeja de la bateria del
marco de soporte.
• Coloque la bandeja de la bateria y fijela con los
elementos suministrados.
Coloque la bateria en la bandeja entre los dos puntos de
Iocalizaci6n. Coloque la pieza de sujeci6n (anclaje).
Fije la bateria a la bandeja, como se indica, con dos
pernos o tornillos de 5", dos arandelas de sujeci6n, dos
arandelas planas y dos tuercas hexagonales.
Perno o tornillo de 5"
Arandela plana
Pieza de anclaje o
sujeci6n
Bateria
Tornillos pre-
instalados de la
bandeja de la
bateria
Puntos de
ubicaci6n Arandela de seguridad
Tuerca hexagonal
Conecte el cable rojo de la bateria al borne o terminal del
interruptor de arranque del motor, segQn se indica.
• Conecte el cable rojo de la bateria al borne o terminal
desde el interruptor de arranque del motor al terminal
positivo (+} de la bateria.
• Coloque el cable rojo de la bateria y asegQrelo, en la
forma indicada, con los cables suministrados.
Alambre
ROJO (+)
de la bateria
Alambre NEGRO
(-) de la bateria
• Conecte el cable negro de la bateria al terminal
negativo (-) de la bateria.
• Conecte el otto extremo del cable negro al motor y no al
marco. Coloque el cable negro, de acuerdo a Io indicado.
&PRECAUClON! Asegt_rese de que el cable negro
quede conectado al motor y no al marco. Cualquier
error al conectar este cable al bloque del motor,
daSara el cableado y la garantia no cubre este tipo de
dafios.
• Revise de nuevo si todas las conexiones estan bien
instaladas y asegQrelas.
NOTA: La carga de la bateria se puede perder durante el
almacenamiento. Por ello, la primera vez que la utilice,
puede ser necesario que arranque el generador en forma
manual con el arrancador de retroceso; pero durante el
funcionamiento del generador se recargara la bateria
conectada. Tambi6n usted puede recargarla siguiendo las
instrucciones detalladas en la pagina 39 y utilizar el
cargador de bateria suministrado.
Conecte el
cable rojo
a este
borne
Cable rojo
de la bateria
33

CONOZCA SU GENERADOR
Lea este manual del propietario y las reglas de seguridad antes de operar su generador. Compare las ilustraciones con su
generador para familiarizarse con la ubicaci6n de los diferentes controles y ajustes.
Mantenimiento
Minder
La Entrada del
Corcel de la Flota
de DC 12V
Interruptor de
Control de
Marcha al Vacio
Tomacorrientes
de 12 Voltios DC
Tomacorrientes con
Dispositivo de Seguridad de
120 Voltios AC, 30 Amp
Tomacorrientes con
Dispositivo de Seguridad de
120/240 Voltios AC, 20 Amp
Cortacircuitos
Tanque de
Combustible
Tomacorrientes Doble de
120 Voltios AC, 20 Amp
El Interruptor del principio
(no Mostrado)
Depurador de Aire
Interruptor de
Marcha/Parado
del Cebador
Silenciador
Apagachispas
Cortacircuitos (AC) -Cada tomacorriente posee un cortacircuito
para proteger el generador contra sobrecargas electricas. Los
cortacircuitos son del tipo "oprimir para reposicionar".
Depurador de Aire - Filtra el aire de entrada a medida que penetra
en el motor.
El Interruptor del principio - Apriete al comienzo el motor.
Interruptor de Marcha/Parado - Debera estar en la posiciOn "Run"
(Marcha) para darle arranque al motor. ColOquelo en la posiciOn
"Stop" (Parado) para detener un motor en funcionamiento.
Interruptor del Control de Marcha en Vacio - El control de
marcha en vacio hace funcionar el motor a velocidades normales
(altas) cuando existe una carga presente y hace funcionar el motor
a velocidades de marcha en vacio (bajas) cuando no existen cargas
presentes. Esta caracteristica mejora el ahorro de combustible,
prolonga la vida del motor y disminuye el ruido del motor.
Mantenimiento Minder - Lo pone sobre aviso al cambio el aceite y
atiende al filtro aereo cuando sea necesario.
La Entrada del Corcel de la Flota de DC 12V - El corcel de la
flota del tapOn en aqui a mantiene la bateria de unidades cargada y
se prepara para el uso.
Palanca del Cebador - Usada cuando se esta dando arranque a
un motor frio.
Silenciador Apagachispas - El silenciador disminuye el ruido del
motor y esta equipado con una pantalla apagachispas.
Tanque del Combustible - El tanque tiene una capacidad de
4 galones americanos de gasolina sin contenido de plomo.
Tomacorrientes Doble de 120 Voltios, 20 Amp - Pueden ser
utilizados para suministrar alimentaci6n electrica para el
funcionamiento de cargas del motor, herramientas, aparatos
especiales e iluminaci6n electrica de 120 Voltios AC a 20 Amperios,
monofasica de 60 Hz.
Tomacorrientes con Dispositivo de Seguridad de 120 Voltios,
30 Amp - Puede ser utilizado para suministrar alimentaci6n
electrica para el funcionamiento de cargas del motor, herramientas,
aparatos especiales e iluminaci6n eletrica de 120 Voltios AC a
30 Amperios, monofasica de 60 Hz.
Tomacorrientes con Dispositivo de Seguridad de
120/240 Voltios, 20 Amp - Puede ser utilizado para suministrar
alimentaci6n electrica para el funcionamiento de cargas del motor,
herramientas, aparatos especiales e iluminaci6n electrica de
120 y/o 240 Voltios AC a 20 Amperios, monofasica de 60 Hz.
Tomacorrientes de 12 Voltios DC - Este tomacorriente le permite
recargar baterias tipo servicio o automotriz de 12 Voltios o bateria
de almacenamiento tipo servicio utilizando los cables para cargar
baterias.
34

JUEGOS DE CORDONES Y
ENCHUFES CONECTORES
Use Onicamente cordones de extensi6n de alta calidad y
bien aislados con los tomacorrientes el6ctricos dobles de
120 Voltios del generador.
Revise las capacidades de todos las cordones de extensi6n
antes de usarlos. Los juegos de cordones de extensi6n
utilizados deberan tener una capacidad de 125 Voltios AC a
20 Amperios o mayor para la mayoria de los dispositivos
el6ctricos. Sin embargo, algunos dispositivos podrian no
requerir este tipo de cord6n de extensi6n. Revise el manual
del propietario de esos dispositivos para ver las
recomendaciones del fabricante.
Mantenga los cordones de extensi6n Io mas corto posible,
preferiblemente menos de 15 pies de largo para evitar la
caida de voltaje y posible recalentamiento de los alambres.
Tomacorrientes Doble de 120 Voltios
Cada tomacorriente esta protegido contra sobrecargas por
medio de un cortacircuito con dispositivo de reposici6n.
Utilice cada uno de estos tomacorrientes para operar cargas
el6ctricas AC de 120 Voltios, monofasicas de 60 Hz que
requieran hasta 2,400 vatios (2.4 kW) a 20 Amperios de
corriente.
_ iPRECAUCION! A pesar de que cada
tomacorriente tiene una capacidad de 120 Voltios a
20 Amperios (2,400 vatios o 2.4 kV), el generador
tiene una capacidad total de 4,200 vatios. Las cargas
de potencia que excedan la capacidad de vatiaje del
generador pueden causar daSos o lesiones severas.
El total de las cargas con 120 Voltios que pasan a
trav6s de estos tomacorrientes no debera exceder los
20 Amperios.
Tomacorrientes de 120/240 Voltios,
20 Amperios
Este es un tomacorriente de capacidad total, Io que significa
que usted puede tomar el vatiaje nominal total de este solo
tomacorriente. Este es una tomacorriente tipo NEMA
L14-20. La toma esta protegida por un cortacircuito de
20 Amperios con dispositivo de reposici6n.
Usted debera usar un enchufe para conector tipo bloqueo
NEMA L14-20 con el tomacorriente de 240 Voltios. Conecte
un juego de cordones de 4 alambres al enchufe y a las
cargas el6ctricas deseadas. Los juegos de cordones
deberan tener una capacidad de 250 Voltios a 20 Amperios
AC.
__i£,go de Cable de 4 Alambres
(Neutro)
Y (Cargado) i X (Cargado)
NEMA L14-20
Tierra (Verde)
_ iPRECAUCION! Aunque el enchufe de 120/240V
esta capacitado para 240 Voltios AC a 20 Amperios,
el generador es capaz de producir Qnicamente
17.5 Amperios a 240 Voltios AC.
Tomacorrientes de 120 Voltios AC,
30 Amperios
Use un enchufe tipo NEMA L5-30 con este tomacorriente.
Conecte un juego de cordones de 3 alambres con una
capacidad de 125 Voltios AC a 30 Amperios al enchufe.
Juego de Cable de 3 Alambres
NEMA L5-30
r
Neutro
120V
Cargado
Tierra (Verde)
Utilice este tomacorriente para operar cargas el6ctricas de
120 Voltios AC, monofasicas de 60 Hz que requieran hasta
3,600 vatios (3.6 kW) a 30 Amperios de corriente. La toma
esta protegida por un cortacircuito de 30 Amperios con
dispositivo de reposici6n.
Tomacorrientes de 12 Voltios DC
Este tomacorriente le permite recargar una bateria de
almacenamiento tipo servicio o automotriz de 12 Voltios
utilizando los cables suministrados para cargar baterias.
Este tomacorriente no puede recargar
baterias de 6 Voltios y no se puede
usar para darle arranque a motores
que tengan la bateria descargada.
Vea las seccione "Carga de la
Bateria" (pagina 38) antes de intentar
recargar la bateria.
35

COMO USAR SU GENERADOR
Si usted tiene problemas operando su generador, por favor Ilame
a la linea de ayuda para Generadores al 1-81)0-222-3136.
Conexion aTierra del Generador
El C6digo EI6ctrico Nacional exige que el bastidor y las
partes externas conductoras de electricidad del generador
se encuentren conectadas adecuadamente a una tierra
fisica aprobada. Los c6digos el6ctricos locales tambi6n
podrian exigir la conexi6n a tierra de la unidad. Para tal
prop6sito, se ha suministrado una tuerca mariposa para
conexi6n a tierra en la base del armaz6n.
Tuerca Mari
para Conexi6n a
Tierra
Por Io general, la conexi6n de un alambre de cobre trenzado
No. 12 AWG (American Wire Gauge) a la aleta y a una
barra de conexi6n a tierra de cobre o bronce (electrodo)
proporciona una protecci6n adecuada contra las descargas
el6ctricas. Sin embargo, los c6digos locales pueden variar
substancialmente. Consulte con un electricista local para
conocer los requisitos de conexi6n a tierra de su Area.
La conexi6n a tierra adecuada del generador ayudara a
evitar las descargas el6ctricas en el caso de que exista una
condici6n de falla a tierra en el generador o en los
dispositivos el6ctricos conectados. La conexi6n a tierra
adecuada tambi6n ayuda a disipar la electricidad estatica, la
cual se acumula frecuentemente en dispositivos no
conectados a tierra.
ANTES DE DARLE ARRANQUE AL
GENERADOR
Para operar el motor, debera Ilevar colocar gasolina y aceite
de motor en el generador:
Ahada Aceite al Motor
NOTA: Cuando aSada aceite a la caja del cig0efial del
motor en el futuro, 0nicamente use aceite detergente de alta
calidad con la clasificaci6n de servicio SF o SG de API, con
un peso de 30 SAE. No use aditivos especiales.
Seleccione el grado de viscosidad del aceite de acuerdo con
la temperatura de funcionamiento que espera tener. No use
10W-40.
Ul]
°F -20 0 20 32 40 60 80 100
°C. o -2'o -io d i'o 2'0 Xo
Temperaturasde Uso Esperadas
•Por encima de 41)°-F,use SAE 10W-30 o SAE 30.
• Por debajo de 41)°-F,use sint6tico 5W-20 o 5W-30.
A pesar de que los aceites de meltiple viscosidad (5W30,
10W30, etc.) mejoran el arranque en clima frio, estos
pueden producir un aumento en el consumo de aceite
cuando son usados por encima de 32-°F. Revise el nivel de
aceite de su motor m&s frecuentemente para evitar el
posible dafio del motor debido al funcionamiento del mismo
con un bajo nivel de aceite.
• Coloque el generador sobre una superficie nivelada.
• El area limpia alrededor de aceite amarillo Ilena la tapa.
Quite el aceite Ilena la tapa.
• Llene lentamente motor con aceite por el aceite Ilena
abrir hasta que el nivel de aceite sea al grano de
derramar.
• Instale aceite amarillo Ilena la tapa y el dedo aprieta
seguramente.
• Verifique el nivel de aceite de motor antes de comenzar
cada vez despu6s. Si el nivel de aceite esta debajo del
punto de derramar, Ilena al nivel apropiado.
Agregue Gasolina
AADVERTENClA! Nunca Ilene el tanque delcombustible en recintos cerrados. Nunca Ilene el
tanque del combustible cuando el motor estd en
funcionamiento o caliente. No encienda cigarrillos o
fume cuando estd Ilenando el tanque del combustible.
A iADVERTENClA! No Ilene excesivamente el
tanque de combustible. Deje suficiente espacio para
la expansi6n del combustible.
• Use gasolina regular SIN CONTENIDO DE PLOMO en el
generador. No use gasolina premium. No mezcle aceite
con gasolina.
• Limpie el area alrededor del Ilenado de gasolina; retire la
tapa.
• Llene lentamente el tanque con gasolina sin contenido de
plomo. Sea cuidadoso de no Ilenar excesivamente. Deje
1/2" de espacio en el tanque para que la expansi6n del
combustible, como se muestra en esta ilustraci6n.
Espacio de
Aire de 1/2" Tanque
Combustible
• Instale la tapa del combustible y limpie cualquier derrame
de gasolina.
IMPORTANTE: Es importante evitar la formaci6n de
dep6sitos de goma en las partes esenciales del sistema de
combustible como en el carburador, filtro del combustible,
manguera del combustible o tanque, durante su
almacenamiento. Los combustibles mezclados con alcohol
(llamados gasohol, etanol o metanol) pueden atraer la
36

humedad, la cual produce la separaci6n y formaci6n de
acidos durante el almacenamiento. La gasolina acida puede
daSar el sistema de combustible de un motor durante su
almacenamiento. Para evitar problemas en el motor, debera
vaciar el sistema de combustible antes de periodos de
almacenamiento de 30 dias o mas. Vea "Almacenamiento"
en la pagina 45. Nunca use productos para limpiar motores
o carburadores en el tanque del combustible; si Io hace
ocurriran daSos permanentes.
PUESTA EN MARCHA O
ARRANQUE DEL MOTOR
,_ iPRECAUCION! Jamas arranque o pare el motor
con los dispositivos el6ctricos conectados a los
tomacorrientes, NI con los dispositivos el6ctricos
encendidos.
Desconecte todas las cargas el6ctricas del generador. Para
el arranque del motor siga las siguientes instrucciones en
orden num6rico:
1. Verifique si el interruptor de control secundario se
encuentra "Apagado".
f
IDLE
2. Encienda la valvula de combustible.
__mbustible
Valvula del _f// ) ] ....
_ %; ._tl( J Girela en este sentido a la
uomDus[IDle en posl- ""-_4 .____ .......
ci6n "O_erta") _ posici6n Off' ( Cerrada )
3. Coloque el interruptor Run/Stop (Ciclo de marcha/
parada) en la posici6n de marcha "Run".
4. Coloque la palanca de choque en la posici6n total
"Full".
Posici6n de Maxima __n /ll
5A. Para el arrancado el_ctrico, presione el interruptor de
arranque en el marco del generador, hasta que
arranque la maquina. Para prolongar la vida media de
los componentes del arrancador, no presione mas de
15 segundos el bot6n de arranque y luego repita la
acci6n despu6s de una pausa de 30 segundos.
• Si el motor arranca, continue con el paso 7.
• Si el motor no arranca, proceda con el paso 6.
NOTA: Si la bateria se descarga, siga las instrucciones
manuales de arrancado.
5B. Para el arranque manual, hale la manija de retroceso,
en forma suave hasta que sienta resistencia, Luego
para arrancar el motor hacer tracci6n en forma rapida
una sola vez.
• Si el motor arranca, continue con el paso 7.
• Si el motor no arranca, proceda con el paso 6.
6. Mueva la palanca de choque hasta la posici6n "Half"
(media) y accione dos veces la manija de retroceso.
• Si el motor no arranca, repita los pasos desde
4 hasta 6.
7. Coloque la palanca de retroceso en la posici6n de
"Run" (marcha). Si el motor vacila, mueva la palanca de
retroceso hasta la posici6n media "Half" hasta que el
motor marche suavemente y luego col6quelo en la
posici6n de marcha "Run".
NOTA: Si el motor arranca despu6s de tres accionamientos,
pero s61o funciona por 10 segundos, revise el nivel de aceite
del motor en la caja del cigQeSal (carter).Esta unidad esta
equipada con un Sistema de suspensi6n de aceite con baja
presi6n. (Ver pagina 38).
IMPORTANTE: Enchufe y encienda las cargas el6ctricas de
120 y/o 240 Voltios AC, monofasicas de 60 Hertzios. NO
SOBRECARGUE EL GENERADOR. Sume los vatios
asignados (o Amperios) de todas las cargas que se van a
conectar al mismo tiempo. Este total no debe ser mayor que
la capacidad del vatiaje/amperaje nominal del generador.
Vea No Sobrecargue el Generador en la pagina 40.
PARADO DEL MOTOR
• Desconecte todas las cargas el6ctricas de los
tomacorrientes del panel del generador. Nunca de
arranque o detenga el motor con todos los dispositivos
el6ctricos conectados y encendidos.
• Apague (Off) el interruptor de control de marcha en vacio.
• Deje que el motor funcione sin cargas por algunos
minutos para estabilizar las temperaturas internas del
motor y el generador.
• Mueva el interruptor de marcha/parado a la posici6n
"Stop" (Parado).
• Cierre la valvula del combustible.
37

Funcionamiento del Control Autom_tico
de Marcha en Vacio
Este interruptor ha sido disefiado para mejorar el consumo de
combustible. Cuando 6ste interruptor sea "Activado", el motor
funcionara Qnicamente en su alta velocidad de mando normal
una vez sea conectada una carga el6ctrica. Cuando la carga
el6ctrica es retirada, el motor funcionara a una velocidad
menor. Si el interruptor esta "Desactivado", el motor funcionara
en alta velocidad normal. Siempre tenga el interruptor en la
posicion off (apagado) cuando arranque y detenga el
motor.
Sistema de Apagado por Baja Presion de
Aceite
El motor esta equipado con un detector de baja presi6n de
aceite que apaga el motor automaticamente cuando la
presi6n del aceite cae por debajo de 6 psi. Revise el nivel
de aceite del motor si el motor se apaga por si solo y el
tanque de combustible tiene suficiente gasolina.
Puesta en Marcha Inicial
Una demora incorporada en el sistema de apagado por baja
presi6n de aceite permite que la presi6n del aceite se
acumule durante el arranque. La demora permite que el
motor funcione por aproximadamente 10 segundos antes de
detectar la presi6n del aceite.
Deteccion de Baja Presion
El motor se apagara si el sistema detecta baja presi6n de
aceite durante el funcionamiento. Cuando el sistema se
apaga, la luz de bajo nivel de aceite se ENClENDE. Sin
embargo, una vez que el motor ha dejado de rotar, esta luz
se APAGARA.
Arranques Sucesivos
Si usted trata de volver a darle arranque al motor a los
10 segundos de haberse apagado, es posible que el motor
no arranque. El sistema necesita de 5 a 10 segundos para
reajustarse.
Si usted vuelve a darle arranque al motor despu6s de dicho
apagado y no ha corregido el problema de bajo nivel de
aceite, el motor funcionarA por aproximadamente
10 segundos, como fue descrito anteriormente, y despu6s
se detendr&
OPERACION EN CLIMA FRIO
Es posible que se forme hielo en su generador y/o el
sistema de desfogue de la caja del cigQefial bajo ciertas
condiciones climaticas (temperaturas por debajo de 40-°F
[4-°C] y un punto de condensaci6n elevado). En caso de
emergencia, utilice la caja de envio original como protecci6n
para el generador:
• Corte las tapas y uno de los lados largos de la caja con
el fin de dejar expuesta la parte de la unidad donde va el
escape.Corte las ranuras correspondientes para tener
acceso a los tomacorrientes de la unidad.
• Encienda la unidad y despu6s coloque la caja sobre ella.
AsegQrese de que exista un minimo de dos pies de
separaci6n entre la parte abierta de la caja y el objeto
mas cercano.
IMPORTANTE: Retire la protecci6n cuando la temperatura
est6 por encima de los 40-°F [4-°C].
Para tener una protecci6n mas permanente, construya una
estructura que encierre tres lados y la parte superior del
generador. AsegQrese de dejar expuesto toda la parte del
silenciador, con dos pies de separaci6n entre la parte
abierta de la caja y el objeto mas cercano. Coloque el lado
expuesto lejos del viento y los elementos.
CARGA DE LA BATERIA
_ ADVERTENClA! Las baterias de acumuladoresproducen gas de hidr6geno explosivo cuando son
recargadas. Una mezcla explosiva va a permanecer
alrededor de la bateria por un periodo de tiempo
prolongado despu6s de haber sido cargada. La
chispa mas pequefia podria encender el gas y causar
una explosi6n. La explosi6n puede destruir la bateria
y causar ceguera y otras lesiones serias.
_ADVERTENCIA! No permita que se fume, llamasabiertas, chispas o cualquier otra fuente de calor
alrededor de la bateria. Use anteojos de proteccion,
delantal y guantes de caucho cuando trabaje
alrededor de la bateria. El liquido electrolito de la
bateria es una soluci6n de acido sulferico caustico, la
cual puede causar quemaduras severas. Si ocurren
derrames, limpie inmediatamente el Area con agua
limpia.
Su generador tiene la capacidad de recargar baterias
descargadas de acumuladores tipo servicio o automotriz de
12 Voltios. No utilice la unidad para cargar baterias de
6 Voltios. No use la unidad para mover motores que
tengan la bateria descargada.
Para recargar baterias de 12 Voltios, Ileve a cabo los
siguientes procedimientos:
• Revise el nivel del liquido en todas las celdas de la
bateria. Si es necesario, afiada agua destilada
UNICAMENTE hasta cubrir los separadores de las celdas
de la bateria. No use agua de grifo.
• Si la bateria esta equipada con tapas de desfogue,
asegQrese de que estan instaladas y apretadas.
• Limpie los terminales de la bateria si es necesario.
• Conecte el enchufe conector del cable de carga de la
bateria al tomacorrientes del panel identificado con las
palabras "12 Volt DC Output".
38

Conecte el sujetador del cable de carga de la bateria que
tiene la manija roja al terminal positivo (+) de la bateria.
TOMACORRIENTE DE
12 VOLTIOS DC
"I"
POSITIVO NEGATIVO
• Conecte el sujetador del cable de carga de la bateria que
tiene la manija negra al terminal negativo (-) de la
bated&
• Arranque el motor. Deje que el motor funcione mientras
la bateria se recarga.
• Apague el motor cuando la bateria se haya cargado.
NOTA: Use un hidr6metro para autom6viles para probar el
estado de carga y condici6n de la bateria. Siga
cuidadosamente las instrucciones del fabricante del
hidr6metro. Por Io general, se considera que una bateria
esta en un estado de carga del 100% cuando la gravedad
especifica de su liquido (medido por el hidr6metro) es de
1.260 o mayor.
Como al Uso el Corcel de Bateria
El gato del corcel de la bateria del uso con el corcel
proporcionado de bateria a mantiene la bateria que
comienza cargado y se prepara para el uso. Cargar de
bateria se debe hacer en una ubicaci6n seca, tal como
dentro de un garaje.
• Levante la solapa al tap6n el corcel en la unidad "12V DC
Battery Charger", cual se Iocaliza en la cara del
entrepaSo. Tape el corcel de bateria en un
120 receptacle de pared de Voltio AC.
• Quite el corcel de la unidad y la salida de pared cuando
arandela de presi6n se comienza y mientras esta en la
operaci6n.
• Mantenga este corcel conect6 cuando arandela de
presi6n No esta en esta acostumbrado a prolonga la vida
de bateria. El corcel tiene un construy6 en el equalizer de
la flota y hace No overcharge la bateria, aQn cuando
conect6 por un periodo extendido de tiempo.
IMPORTANTE: Ve la Conservaci6n "Battery" en la
pagina 42 para la informaci6n adicional.
39

NO SOBRECARGUE EL
GENERADOR
Capacidad
Usted debe asegurarse que su generador puede proveer el
suficiente vataje calificado (cuando est6 funcionando) y de
carga (al encender) para los aparatos a los cuales va a
proveer la energia, al mismo tiempo. Siga estos pasos:
1. Seleccione los aparatos que recibiran la energia, al
mismo tiempo.
2. Totalice los vatios calificados (cuando est6
funcionando) de estos aparatos. Esta es la cantidad de
energia que su generador debe producir para mantener
eso aparatos funcionando adecuadamente.
3. Calcule la cantidad de vatios de carga (al encender)
que usted necesitar& El vataje de carga es la cantidad
minima de electricidad, necesaria para encender
herramientas o aparatos con motores el6ctricos, tales
como, sierras circulares o refrigeradores. Debido a que
no todos los motores se encienden al mismo momento,
el vataje total de carga se puede estimar al afiadir
solamente el(los) aparato(s) con el vataje adicional mas
alto, al total del vataje calificado, obtenido en el paso 2.
Ejemplo:
Herramienta o
Aparato Electrico
Aire Acondicionado
de Ventana
Refrigerador
Congelador
industrial
Televisi6n
Luz (75 Vatios)
Vatios Calificados
(cuando este
funcionando)
1200
800
500
500
75
Total = 3075
Vatios para
funcionar
Vatios Adicionales
de Carga (al
encender)
1800
1600
500
1800 (Vatios de
Carga mas alto)
Vataje Total Calificado (cuando est6 funcionando) = 3075
Vataje de Carga Adicional mas alto = 1800
Salida Total Requerida del Generador = 4875
Control de la Energia
Para prolongar la vida de su generador y los aparatos que
est6n conectados al mismo, es muy importante cuidarlo
cuando se le aSaden cargas el6ctricas. Nada deberia estar
conectado a los tomacorrientes del generador antes de que
su motor sea encendido. La forma correcta y mas segura
para controlar la energia del generador, es la de afiadir en
secuencias las cargas, como se describe a continuaci6n:
1. Sin tener nada conectado al generador, encienda el
motor de la manera descrita en este manual.
2. Conecte y encienda la primera carga, preferiblemente la
mayor que usted tenga.
3. Permita que la salida del generador se estabilice (el
motor funciona suavemente y el aparato conectado al
mismo trabaja adecuadamente).
4. Conecte y encienda la pr6xima carga.
5. De nuevo, permita que el generador se estabilice.
6. Repita los pasos 4 y 5 para cada carga adicional que
usted tenga.
Nunca afiada mas cargas sobre la capacidad del
generador. Tome una atenci6n especial en considerar las
cargas de corriente segQn la capacidad del generador, como
se describe arriba.
Herramienta o Aparato Electrico
Esenciales
Bombilla - 75 vatios
Congelador industrial
Bomba de aguas negras
Refrigerador /congelador - 18 pies
cQbicos
Bomba de agua - 1/3 HP
Calefaccibn /enfriamiento
Aire Acond. de ventana - 10.000
BTU
Ventilador de ventana
Calefactor de caldera - 1/2 HP
Cocina
Homo de microondas - 1.000
Vatios
Cafetera
Cocina electrica - Elemento simple
Calientaplatos
Habitacibn Familiar
Tocador de DVD/CD
VCR
Receptor estereo
Televisor a color - 27 pulg.
Computadora personal con monitor
de 17 pulg.
Otros
Sistema de seguridad
Radio-Reloj AM/FM
Abridor de garaje - 1/2 HP
Calentador electrico de agua - 40
galones
Taller
Luz de hal6geno para trabajar
Rociador sin aire - 1/3 HP
Sierra intercambiable
Taladro electrico - 1/2 HP
Sierra circular - 7 1/4pulg.
Sierra inglete- 10 pulg.
Mesa de planificaci6n - 6 pulg.
Sierra de mesa /sierra de brazo
radial- 10 pulg.
Compresor de aire - 1-1/2 HP HP =
Caballo de fuerza.
Vatios
Calificados*
(cuando
este
funcionand
o)
75
5OO
8OO
8OO
Vatios
Adicionales
de Carga
(al
encender)
500
1200
1600
1000 2000
1200 1800
300 600
800 1300
1000
1500
1500
2500
100
100
450
5OO
8OO
180
3OO
48O
4000
IOO0
6OO
96O
1000
1500
1800
1800
2000
520
1200
960
1000
1500
1800
1800
2000
2500 2500
*El vataje que aparece en la lista es solamente una cantidad
aproximada. Verifique la herramienta o aparato el6ctrico
para obtener el vataje verdadero.
40

PROGRAMA DE MANTENIMIENTO
Siga los intervalos horarios o de calendario, Io que ocurra primero. Se requiere de servicio con mayor frecuencia cuando
opere la unidad en las condiciones adversas descritas a continuaci6n.
Operacion de Mantenimiento
Revise el nivel del aceite
Proporcione servicio al prelimpiador
del depurador de aire
Cambie el aceite y filtro de aceite ++
Proporcione servicio al cartucho del
depurador de aire
Vuelva a apretar los pernos de
cabeza
Ajuste la separaci6n de las valvulas
Limpie la pantalla del apagachispas
Reemplace la bujias
Cada 8 horas
o diariamente
X
iiiiiiiiiiiiiiiiiiiiiiiiiiiiiiiiiiiiiiiiiiiiiiiiiiiiiiiiiiiiiiiiiiiiiiiiiiiiiiiiiiiiiiiiiii_i:¸I
25 horas o
cada estacion
X**
50 horas o
cada estacion
X*
X**
X
100 horas o
cada estacion
X
X
++ Cambie el aceite despu6s de las primeras 8 horas de operaci6n y despu6s cada 50 horas o cada estaci6n.
* Cambie el aceite y ek filtro de aceite cada 25 horas cuando opere la unidad bajo cargas pesadas o en altas temperaturas.
** Limpie mas a menudo bajo condiciones demasiado sucias o polvorientas. Reemplace las pares del depurador si estan
muy sucias.
*** Lleve a cabo esta tarea 6nicamente despu6s de las primeras 50 horas de operaci6n. No tendra que volver a apretar los
pernos de cabeza.
ESPECIFICACIONES DEL RECOMENDACIONES GENERALES
PRODUCTO
Especificaciones del Generador
Potencia MAxima ................. 4,200 Vatios
(4.2 kW)
Potencia de Sobretensi6n ........... 5,250 Vatios
(5.25 kW)
Voltaje AC Nominal ................ 120/240 Voltios
Corriente MAxima a 240 Voltios ...... 17.5 Amperios
Corriente MAxima a 120 Voltios ...... 35.0 Amperios
Frecuencia Nominal ............... 60Hz a 3600 rpm
Fase ........................... Monofasica
Especificaciones del Motor
Caballos de Fuerza ................ 7.8 a3600 rpm
Desplazamiento .................. 220cc
Bujia Tipo: ...................... Champion RC12YC
oequivalente
Calibrar Separaci6n a: ............. 0.030 pulgadas
(0.76mm)
Capacidad de Gasolina ............. 4 galones
americanos
Tipo de Aceite
Superior 40-°F ............... SAE 30 o10W-30
Debajo 40-°F ................ Sint6tico 5W-20 o 5W-30
La garantia del generador no cubre los elementos que
hayan sido sujetos al abuso o negligencia del operador.
Para recibir el valor completo de la garantia, el operador
debera mantener el generador de la forma descrita en este
manual.
Se deberan Ilevar a cabo algunos ajustes peri6dicamente
para mantener correctamente su generador.
Todos los ajustes de la secci6n Servicio y Ajustes de este
manual deberan ser hechos por Io menos una vez en cada
estaci6n. Cumpla con los requisitos de la tabla "Programa
de Mantenimiento" descrita anteriormente.
NOTA: Una vez al aSo debera limpiar o reemplazar la bujia
y reemplazar el filtro de aire. Una bujia nueva y un filtro de
aire limpio garantizan una mezcla de combustible-aire
adecuada y ayuda a que su motor funcione mejor y tenga
una vida 6til mas prolongada.
MANTENIMIENTO DEL
GENERADOR
El mantenimiento del generador consiste en mantener la
unidad limpia y seca. Opere y almacene la unidad en un
ambiente limpio y seco donde no vaya a estar expuesta a
excesos de polvo, suciedad, humedad o a vapores
corrosivos. Las ranuras para aire de enfriamiento del
generador deben permanecer despejadas, sin acumulaci6n
de nieve, hojas u objetos extraSos.
41

Revise frecuentemente la limpieza del generador y limpielo
cuando elementos como polvo, suciedad, aceite, humedad o
substancias extraSas sean visibles sobre su superficie
exterior.
_ iPRECAUClON! Nunca inserte objetos oherramientas a trav6s de las ranuras de enfriamiento
de aire, incluso si el motor no esta en funcionamiento.
NOTA: No recomendamos el uso de mangueras de jardin
para limpiar el generador. El agua podria introducirse en el
sistema de combustible del motor y causar problemas.
Ademas, si el agua se introduce al generador a trav6s de
las ranuras para aire de enfriamiento, algo del agua quedara
retenida en los espacios vacios y grietas del aislamiento del
devanado del estator y rotor. La acumulaci6n de agua y
suciedad en los devanados internos del generador
disminuira eventualmente la resistencia del aislamiento de
estos devanados.
Para Limpiar el Generador:
• Utilice un trapo h6medo para limpiar las superficies
exteriores.
• Puede usar un cepillo de cerdas suaves para retirar la
suciedad endurecida, aceite, etc.
• Puede usar una maquina aspiradora para eliminar
suciedad y residuos sueltos.
• Puede usar aire a baja presi6n (que no exceda los
25 psi) para eliminar la suciedad. Inspeccione las ranuras
para aire de enfriamiento y la apertura del generador.
Estas aperturas deberan mantenerse limpias y
despejadas.
Mantenimiento de la Bateria
De otra manera que chorrea un poco cargar, descrito en
otra parte, la conservaci6n ning6n otro se requiere para la
bateria.
IMPORTANTE: Cargar de bateria se debe realizar en una
ubicaci6n seca, tal como dentro de un garaje.
MANTENIMIENTO DEL MOTOR
Mantenimiento Minder
El recordador de mantenimiento muestra y registra las horas
que ha funcionado su generador (hasta 9,999.9). Tambi6n le
avisa cuando debe cambiarle el aceite y hacerle
mantenimiento al filtro de aire.
Despu6s de las primeras ocho horas de funcionamiento de
la unidad, aparecera un mensaje en forma intermitente
"CHG OIL" (CAMBIAR ACEITE). Este mensaje es para
recordarle al usuario que debe cambiar el aceite de
'interposici6n' con aceite de rendimiento regular. El mismo
mensaje aparecera cada 50 horas de intervalo. El
recordador de mantenimiento no detecta si se cambi6 el
aceite - s61o anuncia el mensaje en forma intermitente
durante un periodo de dos horas, Io que le permite al
usuario observar el recordatorio.
De igual forma, aparecera en forma intermitente el mensaje
"SVC AIR FILTER"(HACERLE MANTENIMIENTO AL
FILTRO DE AIRE) en intervalos de 25 horas, para
recordarle al usuario que debe hacer este mantenimiento o
que debe cambiar el filtro de aire.
_ iPRECAUCION! AI trabajar con el generador,
siempre debe desconectar el cable de la bujia de
encendido de la bujia y permanecer alejado de dicha
bujia.
Revision del Nivel de Aceite
El nivel de aceite debera revisarse antes de cada uso o por
Io menos cada 8 horas de operaci6n. Conserve el nivel de
aceite adecuado.
Cambio de Aceite del Motor y Filtro
Cambie el aceite despu6s de las primeras 8 horas de
operaci6n. Cambie el aceite y el filtro cada 50 horas de ese
momento en adelante. Siesta utilizando su generador bajo
condiciones de extrema suciedad o polvo, o en un clima
demasiado caliente, haga el cambio de aceite mas
frecuentemente.
Cambie el aceite cuando el motor todavia se encuentre
caliente despu_s del funcionamiento, come se indica a
continuacion:
• Limpie el Area alrededor del tap6n para drenaje de
aceite.
• Retire el tap6n de drenaje de aceite y el tap6n de Ilenado
del aceite y drene el aceite pot completo en un recipiente
adecuado.
• Cuando haya drenado el aceite completamente, instale el
tap6n para drenaje de aceite y apri6telo firmemente.
• Coloque un recipiente adecuado pot debajo del filtro de
aceite y retire el filtro girandolo en sentido contrario alas
manecillas del reloj. Descartelo cumpliendo con las leyes
locales.
• Cubra con aceite de motor el empaque del filtro nuevo.
Gire el filtro en sentido de las manecillas del reloj hasta
que el empaque se ponga en estrecho contacto con el
adaptador del filtro. Despu6s apriete 3/4 de vuelta mas.
• Llene con el aceite recomendado. (Vea "Antes de Poner
en Marcha el Generador" en la pagina 36 para las
recomendaciones del aceite).
• Instale el tap6n de Ilenado del aceite y aseg6relo.
• Limpie cualquier derrame de aceite.
Limpie/reemplace La Bujia
Cambie la bujia cada 100 horas de operaci6n o una vez al
aSo, Io que suceda primero. Esto ayudara a su motor a
arrancar mas facilmente y a funcionar mejor.
• Limpie el Area alrededor de la bujia.
• Retire y revise la bujia.
• Revise la separaci6n del electrodo con un calibrador de
alambre y ajuste la separaci6n a 0.030 pulgadas
(0.76mm) si es necesario.
42

• Reemplace la bujia si los electrodos estan picados,
quemados o si la porcelana esta rota.
NOTA: Si necesita oredenar un bujia, por favor Ilame al
1-800-366-PART.
Proporcione Servicio al Depurador de Aire
Su motor no funcionara correctamente y podria resultar
daSado si Io hace funcionar con un depurador de aire sucio.
Limpie o reemplace el filtro de papel del depurador de aire
cada 50 horas de operaci6n o una vez al aSo, Io que suceda
primero. Limpielo o reemplacelo mas a menudo si la unidad
funciona bajo condiciones de suciedad o polvo excesivo.
Limpie el predepurador de espuma cada 25 horas de
operaci6n o mas pronto siesta bajo condiciones de
suciedad.
Para limpiar o reemplazar el predepurador de espuma:
• Retire la cubierta del depurador de aire, despu6s el
prefiltro de espuma.
Prefiltro de
Espuma
/
Filtro de
Papel
Lave el predepurador en agua jabonosa. Exprima el
predepurador en un trapo limpio y seco (NO
RETUERZA).
Limpie la cubierta del depurador de aire antes de
instalarla.
Para limpiar o reemplazar el filtro del aire de papel:
• Retire la cubierta del depurador de aire; despu6s retire el
prefiltro de espuma (dele servicio si es necesario) y retire
del filtro de papel.
• Limpie el filtro de papel golpeandolo suavemente sobre
una superficie s61ida. Si el filtro esta demasiado sucio,
reemplacelo por uno nuevo. Deseche adecuadamente el
filtro viejo.
• Limpie la cubierta del depurador de aire, despu6s
introduzca el predepurador en la cubierta. Luego
introduzca el filtro nuevo de papel dentro de la cubierta
para sostener el predepurador en su sitio y m6nte todoa
a la base del depurador de aire.
NOTA: Si necesita oredenar un filtro de papel nuevo, por
favor Ilame al 1-800-366-PART.
Limpie la Pantalla Apagachispas
El silenciador del escape del motor posee una pantalla
apagachispas. Inspeccione y limpie la pantalla cada
100 horas de operaci6n o una vez al aSo, Io que suceda
primero.
NOTA: El generador tendra que tenet un apagachispas si Io
usa en terrenos no tratados cubiertos de monte, maleza o
pasto. El apagachispas debera set mantenido en buenas
condiciones por parte del propietario/operador.
Limpie e inspeccione el apagachispas de la siguiente
manera:
• Para retirar la protecci6n del silenciador, retire los cuatro
tornillos que conectan la protecci6n a la m6nsula del
silenciador.
• Retire los cuatro tornillos que sostienen la pantalla
apagachispas.
Malla de
Apagachispas
Silenciador Pantalla
Termica
• Inspeccione la pantalla y reemplacela siesta rota,
perforada o daSada. No use pantallas defectuosas. Si la
pantalla no esta daSada, limpiela con un disolvente
comercial.
• Vuelva a instalar la pantalla y la protecci6n del
silenciador.
43

Vuelva a Apretar los Pernos de Cabeza
Usted debera volver a apretar los pernos de cabeza a
4.0 kg.-m (22 ft.-Ibs.) despu6s de las primeras 50 horas de
operaci6n.
IMPORTANTE: Si no se siente seguro haciendo este
procedimiento, o no tiene las herramientas indicadas, por
favor Ileve su generador al centro de servicio mas cercano
para hacer ajustar la separaci6n de las valvulas. Este es un
paso muy importante para garantizar la vida 6til prolongada
de su motor.
NOTA: Tan solo Ileve a cabo este ajuste despu6s de las
primeras 50 horas de operaci6n. Los pernos de cabeza no
necesitaran ajustes adicionales.
• La secuencia de apretamiento es la siguiente: A, B, C, D,
E (siguiendo un patr6n alternante).
C
A B
D
Ajuste de la Separacion de las V_lvulas
Despu6s de las primeras 50 horas de funcionamiento
debera ajustar la separaci6n de las vMvulas del motor.
IMPORTANTE: Si no se siente seguro haciendo este
procedimiento, o no tiene las herramientas indicadas, por
favor Ileve su generador al centro de servicio mas cercano
para hacer ajustar la separaci6n de las valvulas. Este es un
paso muy importante para garantizar la vida 6til prolongada
de su motor.
Para ajustar la separacion de las valvulas:
• Aseg6rese de que el motor est6 a temperatura ambiente.
• Aseg6rese de que el alambre de la bujia haya sido
desconectado y est6 alejado de la bujia.
• Retire el tubo del respiradero de la cubierta de las
valvulas.
Retire los cuatro tornillos que estan conectando la
cubierta de las vMvulas utilizando un destornillador
philips #2 6 3.
Aseg6rese de que el pist6n est6 en el Punto Muerto
Superior (PMS) de su recorrido de compresi6n (ambas
valvulas cerradas). Para Ilevar el pist6n al punto muerto
superior, hale la manija de retroceso lentamente
observando el pist6n a trav6s del orificio de la bujia. A
medida que hale la manija de retroceso el pist6n debera
moverse hacia arriba y abajo. El pist6n estara en el
Punto Muerto Superior cuando se encuentre en la
posici6n mas superior posible.
Suelte la contratuerca del brazo oscilante utilizando
unallave de 10 mm. Use una Ilave allen de 8 mm para
girar el pasador de bola pivote mientras revisa la
separaci6n entre el brazo oscilante y el vastago de la
vMvula utilizando un calibrador de cinta. La separaci6n
correcta es de 0.002-0.004 pulgadas (0.05-0.1 mm).
Llave Allen de Cinta
Suelte la
Contratuerca
Cuando la separaci6n de las valvulas sea la correcta,
sostenga el pasador de bola pivote en su posici6n con la
Ilave allen y apriete la contratuerca del brazo oscilante.
Apriete la contratuerca a 65-85 pulgadas-libras de
torque. Despu6s de apretar la contratuerca, vuelva a
revisar la separaci6n de las vMvulas para asegurarse de
que esta no ha cambiado.
Apriete Nuez de
Mermelada a 65-85
libras de la pulgada
• Vuelva a instalar la cubierta de las vMvulas.
NOTA: Comience a atornillar todos los cuatro tornillos antes
de apretarlos o no podra colocarlos en su lugar.
NOTA: Aseg6rese de que el empaque entre la cubierta de
las vMvulas y la cabeza del cilindro est6 en su lugar.
• Vuelva a instalar el tubo del respiradero.
• Vuelva a conectar el alambre de la bujia.
44

GENERALIDADES
El generador debera ser encendido al menos una vez cada
siete dias y debera dejarlo funcionar al menos durante
30 minutos. Si no puede hacer esto y debe almacenar la
unidad por mas de 30 dias, siga las siguientes instrucciones
para preparar su unidad para almacenamiento.
_ iADVERTENCIA! Nunca almacene el motor con
combustible en el tanque en recintos cerrados o en
Areas encerradas con poca ventilaci6n donde los
vapores puedan alcanzar llamas abiertas, chispa o
luz de piloto como en un homo, calentador de agua,
secadora de ropa u otro aparato de gas.
ALMACENAMIENTO PARA
PERIODOS PROLONGADOS
Es importante evitar que se formen dep6sitos de goma en
las partes esenciales del sistema de combustible, como el
carburador, filtro de combustible, manguera o tanque de
combustible, durante el almacenamiento. Tambi6n, la
experiencia indica que los combustibles con mezclas de
alcohol (llamados gasohol, etanol o metanol) pueden atraer
humedad, la cual Ileva a la separaci6n y formaci6n de
acidos durante el almacenamiento. El gas acido puede
daSar el sistema de combustible de un motor durante su
almacenamiento.
Para evitar problemas del motor, el sistema de combustible
debera desocuparse antes de un almacenamiento de
30 dias o mas. Siga estas instrucciones:
Proteja el Sistema de Combustible
• Retire toda la gasolina del tanque de combustible para
evitar que se formen dep6sitos de goma en estas partes
y causen posible mal funcionamiento del motor.
_iADVERTENCIA! Drene el combustible dentro de
un recipiente adecuado, lejos de llamas abiertas yen
lugares al aire libre. AsegQrese de que el motor est6
frio. No fume.
• Haga funcionar el motor hasta que se detenga por la falta
de combustible.
Cambio de Aceite
Con el motor todavia caliente, drene el aceite de la caja del
cigiJeSal. Vuelva a Ilenarlo con el grado de aceite
recomendado.
Aceite el Di_metro Interior del Cilindro
Retire la bujia y rocie aproximadamente 1/2 onza (15 ml)
de aceite para motor dentro del cilindro. Cubra el orificio
de la bujia con un trapo. Haga girar el motor lentamente
para distribuir el aceite.
_PRECAUCION! Evite el rociado del orificio de la
bujia cuando est6 girando el motor lentamente.
• Instale la bujia. No conecte el alambre de la bujia.
GENERADOR
• Limpie el generador como esta descrito en la pagina 42
("Para Limpiar el Generador").
• Revise que las ranuras para el aire de enfriamiento y las
aperturas del generador se encuentren abiertas y
despejadas.
• Desconecte cable negativo de la terminal de bateria.
OTRAS SUGERENCIAS PARA EL
ALMACENAMIENTO
• No almacene gasolina de una estaci6n a otra.
• Reemplace la caneca de gasolina si comienza a
oxidarse. El 6xido y/o la suciedad en la gasolina le
causara problemas.
• Si es posible, almacene su unidad en un recinto
encerrado y cQbrala para protegerla del polvo y la
suciedad. ASEGURESE DE VACIAR EL TANQUE DEL
COMBUSTIBLE.
• Cubra su unidad con una cubierta de protecci6n
adecuada que no retenga humedad.
_iPRECAUCION! Nunca cubra su generador
cuando el motor y el Area del escape est6n calientes.
• Almacene la unidad en un Area limpia y seca.
45

PROBLEMA
El motor esta
funcionando pero no
existe salida de AC
disponible.
El motor funciona bien
sin cargas pero "funciona
mal" cuando las cargas
son conectadas.
CAUSA
1. Uno de los cotacircuitos esta abierto.
2. Mala conexi6n ojuego de cordones
defectuoso.
3. El dispositivo conectado esta en mal
estado.
4. Falla en el generador.
1. Corto circuito en la carga conectada.
2. La velocidad del motor es muy lenta.
3. El generador esta sobrecargado.
4. Circuito del generador en corto.
1. Interruptor de Marcha/Parado en "Stop".
2. Depurador de aire sucio.
3. Sin gasolina.
4. Gasolina vieja.
5. El alambre de la bujia no esta conectado.
SOLUCION
1. Reajuste el cortacircuito.
2. Revise y repare.
3. Conecte otro dispositivo que est6 en
buenas condiciones.
4. P6ngase en contacto con la Planta de
Servicio de Sears.
1. Desconecte la carga el6ctrica en corto.
2. P6ngase en contacto con la Planta de
Servicio de Sears.
3. Vea "No Sobrecargue el Generador"
on pagina 40.
4. P6ngase en contacto con la Planta de
Servicio de Sears.
1. Coloque el interruptor en "Run"
(MARCHA).
2. Limpie o reemplace el depurador de
aire.
3. Llene eltanque de combustible.
4. Drene el tanque de gasolina; 116nelo
con combustible fresco.
5. Conecte el alambre a la bujia.
El motor no arranca; o
arranca y funciona mal.
6. Bujia en mal estado.
7. Agua en la gasolina.
8. Exceso de cebado.
9. Bajo nivel de aceite.
6. Reemplace la bujia.
7. Drene el tanque de gasolina; 116nelo
con combustible fresco.
8. Abra el cebador por completo y haga
girar el motor.
9. Llene la caja del cigQeSal al nivel
adecuado.
El motor se apaga en
pleno funcionamiento.
AI motor le hace falta
potencia.
El motor "no funciona
continuamente" o se
detiene.
Ninguna salida del
entrepaho del control
12 Salida del Voltio DC.
10. Mezcla de combustible excesivamente rica.
11. Valvula de toma atascada en la posici6n
abierta o cerrada.
12. El motor ha perdido compresi6n.
13. La bateria descargada.
1. Sin gasolina.
2. Nivel de aceite bajo.
1. La carga es muy alta.
2. Filtro de aire sucio.
1. El cebador fue abierto muy rapidamente.
2. Carburador con mezcla de aire-
combustible muy rica o muy pobre.
1. Los bornes de la bateria estan oxidados.
2. El nivel del liquido de la bateria es bajo.
3. El cable de la bateria esta daSado.
4. Bateria defectuosa.
5. El tomacorriente esta daSado.
10. P6ngase en contacto con la Planta de
Servicio de Sears.
11. P6ngase en contacto con la Planta de
Servicio de Sears.
12. P6ngase en contacto con la Planta de
Servicio de Sears.
13. Manualmente motor de comienzo y
permiti6 recharge de bateria.
1. Llene eltanque del combustible.
2. Llene la caja del cigQeSal al nivel
correcto
1.
2.
1.
2.
Vea "No Sobrecargue el Generador"
on pagina 40.
Reemplace el filtro de aire.
Mueva el cebador a la posici6n
intermedia hasta que el motor funcione
suavemente.
P6ngase en contacto con la Planta de
Servicio de Sears.
1. Limpie los bornes de la bateria.
2. Agregue agua destilada a la bateria.
3. Reemplace el cable.
4. Revise la condici6n de la bateria;
reemplacela siesta defectuosa.
5. P6ngase en contacto con la Planta de
Servicio de Sears.
46

Sears, Roebuck and Co., U.S.A. (Sears), California Air Resources Board (Consejo de Recursos sobre el Aire de
California, CARB, por sus siglas en ingles) y United States Environmental Protection Agency (Agencia de Proteccion
Ambiental de EE.UU., EPA, por sus siglas en ingles).
Declaracion de garantia del sistema de control de emisiones
(derechos y obligaciones del propietario para la garantia contra defectos)
LA COBERTURA DE LA GARANT(A DE CONTROL DE EMISIONES SE
APLICA A LOS MOTORES CERTIFICADOS ADQUIRIDOS EN
CALIFORNIA EN 1995 Y POSTERIORMENTE, QUE SE UTILICEN EN
CALIFORNIA, Y A MOTORES CERTIFICADOS MODELO 1997 Y
POSTERIORES QUE SEAN ADQUIRIDOS Y UTILIZADOS EN OTRA
REGION DE ESTADOS UNIDOS (Y A PARTIR DEL 1°DE ENERO DE
2001, EN CANADA).
Declaracibn de garantia sobre el control de emisiones de la EPA de
EE.UU. y California.
El California Air Resources Board (CARB), la EPA de EE.UU. y Sears se
complacen en explicar la Garantfa para el sistema de control de emisiones
para motores pequeSos para exteriores (SORE) modelos aSo 2000 y
posteriores. En California, los nuevos motores pequeSos para exteriores se
deben dise_ar, construir y equipar para cumplir con las estrictas normas
del estado contra el smog. En otras regiones de Estados Unidos, los
nuevos motores para interiores de ignici6n por chispa certificados para
modelos arc 1997 y posteriores deben cumplir con normas similares
establecidas por la EPA de EE.UU. Sears debe garantizar el sistema de
control de emisiones de su motor para los perfodos indicados a
continuaci6n, siempre y cuando no se haya abusado, descuidado o dado
mantenimiento incorrecto al motor pequeSo para exteriores.
Su sistema de control de emisiones podra incluir partes como el
carburador o el sistema de inyecci6n de combustible, el sistema de
ignici6n y el convertidor catalitico. Tambi6n se pueden incluir mangueras,
correas, conectores y otros componentes relacionados con las emisiones.
Cuando exista una condici6n que pueda ser cubierta por la garantfa,
Sears reparara el motor pequeSo para exteriores sin costo alguno,
incluyendo el diagn6stico, las partes de repuesto y la mano de obra.
Cobertura de la garantia de Sears contra defectos en el control de
emisiones
Los motores peque_os para exteriores modelos 1995 y posteriores tienen
una garantfa de dos aSos. Si alguna parte de su motor relacionada con
las emisiones esta defectuosa, Sears la reparara o sustituir&
Responsabilidades del propietario para la garantia
Como propietario del motor pequeSo para exteriores, usted es
responsable de realizar las actividades de mantenimiento requeridas
que se indican en este manual del propietario. Sears recomienda que
conserve todos los recibos que cubran el mantenimiento de su motor
pequeSo para exteriores, pero Sears no puede negar la garantia
solamente por la falta de recibos ni por su imposibilidad de garantizar la
realizaci6n de todas las actividades de mantenimiento programadas.
Como propietario del motor pequeSo para exteriores, usted siempre
debe tener en cuenta que Sears podra negar la cobertura de la garantia
si su motor pequeSo para exteriores o una parte del mismo presenta
fallas debido a abuso, descuido, mantenimiento incorrecto o
modificaciones no aprobadas.
Usted es responsable de presentar su motor peque5o para exteriores a
un Centro de servicio Sears aprobado tan pronto como se presente el
problema. Las reparaciones bajo garantia deberAn concluirse en un
periodo razonable, que no excederA de 30 dfas.
Si tiene alguna pregunta con respecto a sus derechos y
responsabilidades para la garantia, p6ngase en contacto con un
representante de servicio Sears al 1-800-469-4663.
Disposiciones de la garantia de Sears contra defectos en el control
de emisiones
Las siguientes son disposiciones especificas relacionadas con la
cobertura de la garantfa contra defectos en el control de emisiones.
1. Partes garantizadas
La cobertura bajo esta garantia incluye solamente aquellas partes
que se enumeran a continuaci6n (las partes del sistema de control
de emisiones) en la medida que dichas partes hayan estado
presentes en el motor adquirido.
a. Sistema de medici6n de combustible.
Sistema de enriquecimiento para arranque en frio.
Carburador y partes internas.
Bomba de combustible.
b. Sistema de inducci6n de aire.
Filtro de aire.
Colector de entrada.
c. Sistema de ignici6n.
Bujias.
Sistema de ignici6n por magneto.
d. Sistema catalizador.
Convertidor catalftico.
Colector de escape.
Sistema de inyecci6n de aire o vAIvula por impulsos.
e. Distintos elementos utilizados en los sistemas anteriores.
Valvulas e interruptores de vacio, temperatura, posici6n y de
detecci6n de tiempo.
Conectores y conjuntos.
2. Vigencia de la cobertura
Sears garantiza al propietario inicial y a cada propietario
subsiguiente que las partes garantizadas estaran libres de defectos
en material yen mano de obra, que ocasionen fallas de las partes
garantizadas durante un periodo de dos aSos a partir de la fecha
en que el motor sea entregado al comprador minorista.
3. No habrA cargos
La reparaci6n o reemplazo de cualquier parte garantizada se
realizara sin cargo alguno para el propietario, incluyendo la mano de
obra de diagn6stico que derive en la determinaci6n de que una parte
garantizada esta defectuosa, si la labor de diagn6stico se realiza en
un Centro de servicio Sears aprobado.
4. Reclamos y exclusiones de cobertura
Los reclamos vinculados con la garantia se presentarAn conforme a
las disposiciones de la P61iza de garantia de Sears. La cobertura de
la garantia se excluirA para aquellas fallas de partes garantizadas
que no sean partes originales de Sears o debido a abuso, descuido
o mantenimiento incorrecto, segen se establece en la P61iza de
garantia de motores de Sears. Sears no es responsable por la
cobertura de fallas de partes garantizadas ocasionadas por el uso
de partes adicionales, no originales o modificadas.
5. Mantenimiento
Cualquier parte garantizada cuyo reemplazo no est6 programado
como mantenimiento requerido o que est6 programada t]nicamente
para inspecci6n frecuente con el fin de "reparar o reemplazar
conforme sea necesario", estara garantizada en cuanto a defectos
por el periodo de la garantia. Cualquier parte garantizada cuyo
reemplazo est6 programado como mantenimiento requerido tendra
solamente una garantia contra defectos t]nicamente por el periodo
hasta el primer reemplazo programado para esa parte. Se podra
utilizar cualquier parte de repuesto que tenga un rendimiento y
durabilidad equivalentes, al realizar cualquier actividad de
mantenimiento o reparaci6n. El propietario es responsable de
realizar todo el mantenimiento requerido, segt]n se define en este
manual del propietario.
6. Cobertura consiguiente
La cobertura bajo la presente se ampliara a la falla de cualquier
componente del motor provocada por un desperfecto en cualquier
parte garantizada que siga gozando de la cobertura de la garantia.
En EE.UU. y Canada contamos con una Ifnea de emergencia las 24 horas (1-800-469-4663), que ofrece un ment] de mensajes pregrabados con
informaci6n sobre mantenimiento de productos.
47

For in-home major brand repair service:
Call 24 hours a day, 7 days a week
1-800-4-MY-HOM E SM(1-800-469-4663)
Para pedir servicio de reparacibn a domicilio - 1-800-676-5811
In Canada for all your service and parts needs call - 1-800-665-4455
Au Canada por tout le service ou les pi6ces
For the repair or replacement parts you need:
Call 7 am - 7 pm, 7 days a week
1-800-366-PART (1-800-366-7278)
Para ordenar piezas con entrega a domicilio - 1-800-659-7084
For the location of a Sears Parts and Repair Center in your area:
Call 24 hours aday, 7days a week
1-800-488-1222
For information on purchasing a Sears maintenance Agreement
or to inquire about an existing Agreement:
Call 9 am - 5 pm, Monday -Saturday
1-800-827-6655
TheServiceSideofSears"