Craftsman 580768324 User Manual PRESSURE WASHER Manuals And Guides L0209001
CRAFTSMAN Power Washer, Gas Manual L0209001 CRAFTSMAN Power Washer, Gas Owner's Manual, CRAFTSMAN Power Washer, Gas installation guides
User Manual: Craftsman 580768324 580768324 CRAFTSMAN PRESSURE WASHER - Manuals and Guides View the owners manual for your CRAFTSMAN PRESSURE WASHER #580768324. Home:Lawn & Garden Parts:Craftsman Parts:Craftsman PRESSURE WASHER Manual
Open the PDF directly: View PDF
.
Page Count: 47

Operators Manual
CRRFTSMRN°
4.5 HORSEPOWER
2000 PSI
2.0 GPM
HIGH PRESSURE WASHER
Model No. 580.768324
HOURS: Mon.- Fri. 8 a.m. to 5 p.m. (CT)
CAUTION" Before using this product,
read this manual and follow all Safety
Rules and Operating Instructions.
• Safety
•Assembly
•Operation
•Maintenance
•Parts
•Espafiol
SEARS, ROEBUCK and CO., Hoffman Estates, IL 60179 U.S.A.
Visit our Craftsman website: www.sears.com/craftsman
Part No. 186369 Draft 0 (2/23/2000)

WARRANTY ................................... 2
SAFETY RULES .............................. 2-3
ASSEMBLY .................................. 4-6
OPERATION ................................ 7-10
MAINTENANCE ............................ 12-15
SPECIFICATIONS ............................. 12
STORAGE ................................... 16
TROUBLESHOOTING .......................... 17
REPLACEMENT PARTS ...................... 18-27
EMISSION CONTROL WARRANTY ................ 28
ESPANOL ................................. 30-47
HOW TO ORDER PARTS ............... BACK PAGE
LIMITED WARRANTY ON CRAFTSMAN HIGH PRESSURE WASHER
For one year from the date of purchase, when this Craftsman pressure washer is maintained and operated
according to the instructions in the owner's manual, Sears will repair, free of charge, any defect in material and
workmanship.
If this washer is used for commercial purposes, this warranty applies for only 90 days from the date of
purchase. If this high pressure washer is used for rental purposes, this warranty applies for only 30 days after
date of purchase.
This warranty does not cover:
• Expendable items such as spark plugs or air filters, which become worn during normal use.
• Repairs necessary because of operator abuse or negligence, including damage resulting from no water
being supplied to pump or failure to maintain the equipment according to the instructions contained in the
owner's manual.
Warranty service is available by returning the high pressure washer to the nearest Sears service center or
dealer in the United States.
This warranty gives you specific legal rights and you may also have other rights, which vary from state to state.
Sears, Roebuck and Co., Dept. 817WA, Hoffman Estates, IL 60179
The engine exhaust from this product contains
chemicals known to the State of California to
cause cancer, birth defects, or other
reproductive harm.
CAUTION! When setting up, transporting,
adjusting or making repairs to your high
pressure washer, always disconnect the spark
plug wire from the spark plug and place the
wire where it cannot contact spark plug.
DANGER! Engine exhaust gases contain
DEADLY carbon monoxide gas. This dangerous
gas, if breathed in sufficient concentrations, can
cause unconsciousness or even death. Operate
this equipment only in the open air where
adequate ventilation is available.
_ANGER! Gasoline is highly FLAMMABLE
and its vapors are EXPLOSIVE. Do Not permit
smoking, open flames, sparks or heat in the
vicinity while handling gasoline. Avoid spilling
gasoline on a hot engine. Allow unit to cool
before refueling. Comply with all laws regulating
storage and handling of gasoline.
Read this manual carefully and become familiar
with your pressure washer. Know its applications,
its limitations, and any hazards involved.
• Locate this pressure washer in areas away from
combustible materials, combustible fumes or dust.
• The high pressure equipment is designed to be used
with Sears authorized parts ONLY. If you use this
equipment with parts that do not comply with
minimum specifications, the user assumes all risks
and liabilities.

• Somechemicalsordetergentsmaybeharmfulif
inhaledoringested,causingseverenausea,fainting
orpoisoning.Theharmfulelementsmaycause
propertydamageorsevereinjury.
• DoNotallowCHILDRENtooperatethepressure
washeratanytime.
• Operateengineonlyatgovernedspeed.Runningthe
engineatexcessivespeedsincreasesthehazardof
personalinjury.DoNottamperwithpartswhichmay
increaseordecreasethegovernedspeed.
• DoNotwearlooseclothing,jewelryoranythingthat
maybecaughtinthestarterorotherrotatingparts.
• Beforestartingthepressurewasherincoldweather,
checkallpartsoftheequipmentforiceformation.
Removeanyicebeforestartingpressurewasher.
• Neverusea spraygunwhichdoesnothaveatrigger
lockortriggerguardinplaceandinworkingorder.
• Keepthehoseconnectedto machineorthespray
gunwhilethesystemispressurized.Disconnecting
thehosewhiletheunitispressurizedisdangerous.
• Unitswithbrokenormissingparts,orwithout
protectivehousingorcovers,shouldNEVERbe
operated.
• Checkthefuelsystemforleaksorsignsof
deterioration,suchaschafedorspongyhose,loose
ormissingclamps,ordamagedtankorcap.Correct
alldefectsbeforeoperatingthepressurewasher.
• DoNotsprayflammableliquids.
• Usearespiratorormaskwheneverthereisachance
thatvaporsmaybeinhaled.Readall instructions
withmasksoyouarecertainthemaskwillprovide
thenecessaryprotectionagainstinhalingharmful
vapors.
• Neveraimthegunat people,animalsor plants.The
highpressurestreamofwaterthatthisequipment
producescanpierceskinanditsunderlyingtissues,
leadingto seriousinjuryandpossibleamputation.
• Neverallowanypartofthebodytocomeincontact
withthefluidstream.DoNotcomeincontactwitha
fluidstreamcreatedbya leakinthehighpressure
hose.
• Alwaysweareyeprotectionwhenyouusethis
equipmentorwhenyouareinthevicinitywherethe
equipmentisinuse.
• Highpressurespraycancausepaintchipsorother
particlesto becomeairborne.
• DoNotoperatethepressurewasherabovetherated
pressure.
• Nevermovethemachinebypullingonthehigh
pressurehose.Usethehandleprovidedontheunit.
• Alwaysbecertainthespraygun,nozzlesand
accessoriesarecorrectlyattached.
• DoNotsecurethesprayguninthe(open)position.
• Highpressurespraymaydamagefragileitems
includingglass.DoNotpointspraygunat glass
wheninthejetspraymode.
• Holdthespraygunfirmlyinyourhandbeforeyou
starttheunit.Failureto dosocouldresultinaninjury
froma whippingspraygun.DoNotleavethespray
gununattendedwhilethemachineisrunning.
• Thecleaningareashouldhaveadequateslopesand
drainageto reducethepossibilityofafalldueto
slipperysurfaces.
• Keepwatersprayawayfromelectricwiringorfatal
electricshockmayresult.
• DoNotby-passanysafetydeviceonthismachine.
• Themufflerandengineheatupduringoperationand
remainhotimmediatelyaftershuttingitdown.Avoid
contactwitha hotmufflerorengineasyoucouldbe
severelyburned.
• Operateandstorethisunitona stablesurface.
• Highpressurehosecandevelopleaksfromwear,
kinking,abuse,etc.Watersprayingfromaleakis
capableofinjectingmaterialintoskin.Inspecthose
eachtimebeforeusingit.Checkall hosesforcuts,
leaks,abrasionsorbulgingofcover,ordamageor
movementofcouplings.Ifanyoftheseconditions
exist,replacehoseimmediately.Neverrepairhigh
pressurehose.Replaceitwithanotherhosethat
meetsmaximumpressureratingofyourunit.
• Themufflerandaircleanermustbeinstalledandin
goodconditionbeforeoperatingthepressure
washer.Thesecomponentsactassparkarrestorsif
theenginebackfires.
IntheStateofCaliforniaasparkarrestorisrequiredby
law(Section4442oftheCaliforniaPublicResources
Code).Otherstatesmayhavesimilarlaws.Federal
lawsapplyonfederallands.
NOTE:Ifyouequipthemufflerwithasparkarrestor,it
mustbemaintainedineffectiveworkingorder.Youcan
orderasparkarrestorthroughyourauthorizedSears
servicedealer.
,_ THIS IS THE SAFETY ALERT SYMBOL. IT IS USED TO ALERT YOU TO POTENTIAL
PERSONAL INJURY HAZARDS. OBEY ALL SAFETY MESSAGES THAT FOLLOW THIS
SYMBOL TO AVOID POSSIBLE INJURY OR DEATH.

Your pressure washer requires some assembly and is
ready for use only after it has been properly serviced
with the recommended oil and fuel.
If you have any problems with the assembly of
your pressure washer, please call the pressure
washer helpline at 1-800-222-3136.
IMPORTANT: Any attempt to run the engine before it
has been serviced with the recommended oil will result
in an engine failure.
REMOVE PRESSURE WASHER FROM
CARTON
•Open carton and slice two corners opposite guide
handle from top to bottom so the panel can be
folded down flat.
• Remove hose reel box, fillers, and parts box
shipped with your pressure washer.
• Roll the pressure washer out the open end of the
carton.
• Raise guide handle, secure in place.
Lift the handle to
upright position and
slide the locking caps
into place
• Check carton for additional loose parts.
CARTON CONTENTS
Check all contents. If any parts are missing or
damaged, call the pressure washer helpline at
1-800-222-3136.
• The main unit
• Hose reel components
• Parts box (which includes items listed below)
High pressure hose
Spray gun
Nozzle extension with Hi/Lo adjustable nozzle
Engine oil
Operators manual
Nozzle cleaning kit
O-Ring kit
Become familiar with each piece before assembling
the pressure washer. Check all contents against the
illustration on page 7. If any parts are missing or
damaged, call the pressure washer helpline at
1-800-222-3136.
ASSEMBLING YOUR PRESSURE
WASHER
Your Craftsman high pressure washer was mostly
assembled at the factory. However, you will need to
perform these tasks before you can operate your
pressure washer:
• Attach hose reel.
• Add oil to engine crankcase.
• Add fuel to fuel tank.
• Connect high pressure hose to the spray gun and
the pump.
• Connect water supply to the pump.
Assembling Hose Reel
IMPORTANT: You must take the hose off the reel
when operating your high pressure washer. The reel is
for storage purposes only.
• Attach the handle to the reel with Iocknuts,
flatwashers, and bolts as shown.
• Secure the hose reel to the left side upright, (from
behind the unit), with Iocknuts, flatwashers, and
bolts. See page 7 for location.
-- M6 Locknuts
M6 Flatwashers
/-
M6 B/olts
M8 Bolts
M8 M8 Flatwashers

Add Engine Oil
IMPORTANT: Any attempt to crank or start the engine
before it has been properly serviced with the
recommended oil may result in an engine failure.
NOTE: When adding oil to the engine crankcase, use
only high quality detergent oil rated with API service
classification SF, or SG rated SAE 10W-30 weight.
Other viscosity oils shown in the chart may be used
when the average temperature in your area is within
the recommended range.
-20 020 40 60 80 IO0°F
I I !IIIII
-30 -20 -10 0 10 20 30 40°C
AMBIENT TEMPERATURE
Place pressure washer on a level surface.
Clean area around oil fill, remove oil dipstick and
wipe it clean.
OIL FILLER CAP/DIPSTICK
ILIMIT
Add Gasoline
ADANGER! Never fill fuel tank indoors. Never
fill fuel tank when engine is running or hot. Do
Not smoke when filling fuel tank.
A ARNING! Never fill fuel tank completely full.
Provide space for fuel expansion. Wipe away
any fuel spillage from engine and equipment
before starting.
Use fresh, clean unleaded automotive gasoline.
• Use clean fuel and store in approved, clean,
covered containers. Use clean fill funnels. Never
use "stale" gasoline left over from last season or
gasoline stored for long periods.
• Clean area around fuel fill cap, remove cap.
• Slowly add gasoline to fuel tank. Use a funnel to
prevent spillage. Fill tank to "Fuel Level Mark" as
shown below.
• Install fuel cap and wipe up any spilled gasoline.
• Slowly pour oil into oil fill opening until oil reaches
"UPPER LIMIT" mark on the dipstick. Stop
occasionally to check oil level. Insert and remove
the dipstick without screwing it into the filler neck.
• If the oil level is near or below the lower limit mark
on the dipstick, fill with the recommended oil to the
upper limit mark. DO NOT OVERFILL.
• Install oil dipstick, hand tighten securely.
NOTE: Check oil often during engine break-in.

Connect Hose and Water Supply to Pump
IMPORTANT: You must assemble nozzle extension
and attach all hoses before you start engine. Starting
engine without all hoses connected and water supplied
will damage pump.
• Uncoil high pressure hose and attach one end of
hose to the base of the spray gun. Tighten by
hand.
• Turn ON the water (open supply valve completely).
• Squeeze trigger on gun to purge pump system of
air and impurities.
_AUTION! Before starting the pressure
washer, be sure you are wearing adequate
eye protection.
• Attach nozzle extension to spray gun. Tighten by
hand.
Attach other end of high pressure hose to the high
pressure outlet on the pump. Tighten by hand.
%
Before you connect your garden hose to the water
inlet, inspect the inlet screen. Clean the screen if it
contains debris or have it replaced if damaged. Do
not run the pressure washer if the inlet screen
is damaged.
Connect garden hose to water inlet. Tighten by
hand.
CHECKLIST BEFORE STARTING
ENGINE
Review the unit to ensure you have performed all of
the following:
• Check that hose reel fasteners are tight.
• Check that oil has been added to proper level in
engine crankcase.
• Add proper gasoline to fuel tank.
• Check for properly tightened hose connections
(high pressure and water supply) and that there are
no kinks, cuts, or damage to the high pressure
hose.
• Provide proper water supply (not to exceed 140°F).
• Be sure to read "Safety Rules" and "Operation"
sections before using the pressure washer.

KNOW YOUR PRESSURE WASHER
Read the owner's manual and safety rules before operating your pressure washer.
Compare the illustrations with your pressure washer to familiarize yourself with the locations of various controls
and adjustments. Save this manual for future reference.
Spray Gun
Detergent Pick-Up
Tube and Filter
Recoil Starter
Oil Fill Cap
Gas Cap
High Pressure Hose
Hose Reel
Nozzle Extension
Choke Lever
Adjustable Nozzle
Water Inlet
Throttle Control Lever
Air Filter
High Pressure Outlet
Pump
Adjustable Nozzle - Adjust for high or low pressure;
narrow or fan spray.
Air Filter - Dry type filter element limits the amount of
dirt and dust that gets in the engine.
Choke Lever - Used to help start a cold engine.
Detergent Pick-Up Tube and Filter- Used to siphon
detergent from chemical bottle to the low pressure
water stream.
Gas Cap - Fill engine with regular unleaded gasoline
here.
High Pressure Hose - Connect one end to the spray
gun and other end to the high pressure outlet.
High Pressure Outlet - Connection for high pressure
hose.
Hose Reel -- Used for storing hose while unit is not in
use. Hose must be detached from unit and gun before
storage.
Nozzle Extension - Attached to spray gun for more
convenient use.
Oil Fill Cap - Fill engine with oil here. See page 5 for
oil recommendations and filling instructions.
Pump - Develops high water pressure.
Recoil Starter- Used for starting the engine.
Spray Gun - Controls the application of water onto
cleaning surface with trigger device. Includes safety
latch.
Throttle Control Lever - Sets engine in starting
mode for recoil starter and stops running engine.
Water Inlet - Connection for garden hose.

HOW TO USE YOUR PRESSURE
WASHER
If you have any problems operating your pressure
washer, please call the pressure washer helpline at
1-800-222-3136.
To Start Your Pressure Washer
To start your engine-powered pressure washer for the
first time, follow these instructions step-by-step. This
starting information also applies whenever you start
the engine after you have let the pressure washer sit
idle for at least a day.
• Place the pressure washer in an area close
enough to an outside water source capable of
supplying water at a flow rate greater than
2.2 gallons per minute.
• Check that the high pressure hose is tightly
connected to the spray gun and to the pump. See
"Assembling Your Pressure Washer" (page 6) for
illustrations.
• Make sure unit is in a level position.
• Connect the garden hose to the water inlet on the
pressure washer pump. Turn on the water.
,_ CAUTION: Do Not run the pump without the
water supply connected and turned on. You
must follow this caution or the pump will be
damaged.
• Squeeze trigger on gun to purge pump system
of air and impurities.
• Attach nozzle extension to spray gun. Tighten by
hand.
• Position the nozzle in the low pressure mode (slide
nozzle forward) and squeeze the trigger on the
spray gun to relieve pressure caused by turning
ON the water. Water will flow out of the gun in a
thin stream. Continue to hold trigger until there is a
steady stream of water and no air remains in the
system. Release the trigger.
Safety Latch
• Engage the safety latch to the spray gun trigger.
• Move the choke lever to the "Closed" position.
NOTE: For a warm engine, be sure the choke lever is
in the "Open" position.
Choke
lever in
Open
position
Throttle
lever in
Fast
position
Move the throttle lever to the "Fast" position,
shown as a rabbit. Controls are shown in the
desired operating condition.
Rotate the fuel valve lever to the "On" position.
Place your left foot on the lower frame and grasp
the handle as shown. Unit appearance may differ
slightly. Pull the starter grip handle lightly with your
right hand until you feel some resistance, then pull
briskly. Return the starter grip handle slowly. Do
Not let rope "snap back" against starter.
If the unit fails to start, squeeze trigger to release
built up pressure. Repeat previous steps.
If the choke lever was placed in the "Closed"
position to start the engine, move it slowly to the
"Open" position as the engine warms up enough to
run smoothly.
How to Stop Your Pressure Washer
• Move throttle lever to "Stop" position.
•Rotate the fuel valve lever to the "Off" position.
•Squeeze trigger on the spray gun to relieve
pressure in the hose.
NOTE: A small amount of water will squirt out when
you release the pressure.
How To Use the Adjustable Nozzle
You now should know how to START your pressure
washer and how to STOP it. The information in this
section will tell you how to adjust the spray pattern
and apply detergent or other cleaning chemicals.

_ ANGER!Neveradjustspraypatternwhen
spraying.Neverputhandsinfrontof nozzleto
adjustspraypattern.
Ontheendof yourspraygunisanozzlehandlethat
youcanslideforwardandbackwardto adjustthe
spraypatternto beeitherhighor lowpressure.
Slidenozzlebackwardfor
highpressuremode. Slidenozzleforwardfor
lowpressuremodeand
detergentapplication.
Youcanalsoadjustthespraysoit isconcentratedin
a streampatternorexpandedintoafanpatternby
twistingit.
Twistnozzlecounter- Twistnozzleclockwisefor
clockwiseforfanpattern, narrowspraypattern.
• Pointthenozzletowardtheground,disengagethe
safetylatch,andpressthetriggerto testthe
pattern.
• Twistingthenozzleadjuststhespraypatternfrom
a narrowpatternto afanpattern.
• Formosteffectivecleaning,keepthespraynozzle
between8to 24inchesawayfromcleaning
surface.
• Ifyougetthespraynozzletooclose,especially
usinghighpressuremode,youmaydamagethe
surfacebeingcleaned.
• DoNotgetcloserthan8 incheswhencleaning
tires.
Applying Detergent with the Adjustable
Nozzle
IMPORTANT: Use chemicals designed specifically
for pressure washers, Household detergents could
damage the pump.
IMPORTANT: You must attach all hoses before you
start the engine. Starting the engine without all the
hoses connected and without the water turned ON will
damage the pump.
To apply detergent, follow these steps:
•Review the use of the adjustable nozzle.
• Prepare the detergent solution as required by the
job.
• Hang the detergent solution container on the hook
of the wireform attached to the handle.
• Place the filter end of the detergent siphoning tube
into the detergent container.
_AUTION: When inserting the filter into the
detergent container, route the tube so as to keep
it from inadvertently contacting the hot muffler.
• Slide the adjustable nozzle forward to low pressure
mode. Detergent cannot be applied with the nozzle
in high pressure position.
• Make sure the garden hose is connected to the
water inlet. Check that the high pressure hose is
connected to the spray gun and the pump. Start
the engine.
• Apply detergent to a dry surface, starting from the
bottom and working up.
• Allow the detergent to "soak in" for 3-5 minutes
before rinsing.
• For washing, start at lower portion of area to be
washed and work upward, using long, even,
overlapping strokes.
Pressure Washer Rinsing
_ ARNING: Be extremely careful if you use the
pressure washer from a ladder, scaffolding or
any other relatively unstable location. Pressure
in a running washer builds as you climb. When
you press the trigger, the recoil from the initial
spray could force you to fall. The high pressure
spray could also force you to fall if you are too
close to the cleaning surface.
For Rinsing:
• Slide the nozzle backward to high pressure, press
the trigger and wait for the detergent to clear.

NOTE:Youcanalsostopdetergentflowbyremoving
detergentsiphoningtubefromcontainer.
• Keepthesprayguna safedistancefromthearea
youplanto spray.
• Applya highpressuresprayto a smallarea,then
checkthesurfacefordamage.Ifnodamageis
found,it isokayto continuecleaning.
• Startat thetopoftheareato berinsed,working
downwithsameoverlappingstrokesasyouused
forwashingandapplyingdetergent.
Automatic Cool Down System
(Thermal Relief)
If you run the engine on your pressure washer for
3-5 minutes without pressing the trigger on the spray
gun, circulating water in the pump can reach
temperatures between 140-145°F. The automatic cool
down system engages at this temperature and cools
the pump by discharging the warm water onto the
ground, preventing internal pump damage.
How to Use the Hose Reel
Your pressure washer is equipped with a hose reel
that is designed to store your hose when unit is not in
use. These instructions are for short term storage
only. For long term storage see "Storage" on page 16.
After each use:
• Disconnect hose from gun and high pressure outlet
on pump.
• Drain water from hose.
• Slide one end of the hose into the hole on the hose
reel. Turn the hose reel clockwise with the handle
to coil the hose onto the reel.
• Push the other end of the hose into the clip on the
side of your unit.
IMPORTANT: Do Not use your pressure washer with
the hose coiled onto the hose reel. The hose reel is for
storage purposes only.
10

11

OWNER'S RESPONSIBILITIES
Follow the hourly or calendar intervals, whichever occurs first.
More frequent service is required when operating in adverse conditions noted below.
MAINTENANCE SCHEDULE
FILL IN DATES AS YOU COMPLETE
REGULAR SERVICE
MAINTENANCE TASK
PRESSURE WASHER
Check/clean water inlet screen
on quick-connect.
Check high pressure hose.
Check detergent hose.
Check spray gun and assembly for leaks.
Purge pump of air and contaminants.
ENGINE
Check oil level.
Change engine oil.
Service air cleaner.
Clean spark plug.
Replace spark plug
Service spark attester
Prepare for storage.
HOURLY OPERATING INTERVAL
Before Each
Use
Every 50 Every 100
Hours or Hours or
Yearly Yearly
X*
X**
X
X
xt
X
X
X
X
X
X
Prepare unit for storage if it is to
remain idle for longer than 30 days.
Clean if clogged. Replace if perforated or torn.
Every 200
Hours or
Yearly
SERVICE DATES
Change oil after the first (5) operating hours and every 50 hours thereafter. Change sooner when operating under dirty or dusty
conditions.
Replace more often under dirty or dusty conditions.
PRODUCT SPECIFICATIONS
Pressure Washer Specifications
Pressure ................... 2000 PSI
Flow Rate .................. 2.0 GPM
Chemical Mix ............... Use as directed
Water Supply Temperature ..... Not to Exceed 140°F
Engine Specifications
Rated Horsepower ........... 4.5 liP
Spark Plug
Type: ................ BPR6ES (NGK) or
Equivalent
Set Gap To: ........... 0.028inch (0.70mm)-
0.031 inch (0.80mm)
Gasoline Capacity ............ 1.2 Quarts
Oil
Above 50°F .......... SAE 30
General Use ......... SAE 10W-30
GENERAL RECOMMENDATIONS
The pressure washers warranty does not cover items
that have been subjected to operator abuse or
negligence. To receive full value from the warranty,
the operator must maintain pressure washer as
instructed in this manual.
Some adjustments will need to be made periodically to
properly maintain your pressure washer.
All service and adjustments should be made at least
once each season. Follow the requirements in the
"Maintenance Schedule" chart above.
NOTE: Once a year you should clean or replace the
spark plug and replace the air filter. A new spark plug
and clean air filter assure proper fuel-air mixture and
help your engine run better and last longer.
12

BEFORE EACH USE
• Check engine oil level.
• Check water inlet screen for damage.
• Check high pressure hose for leaks.
• Check chemical filters for damage.
• Check gun and nozzle extension assembly for
leaks.
• Purge pump of air and contaminants.
PRESSURE WASHER
MAINTENANCE
Check and Clean Inlet Screen
Examine garden hose inlet screen. Clean if it is
clogged or replace if it is torn.
Check High Pressure Hose
High pressure hoses can develop leaks from wear,
kinking, or abuse. Inspect hose before each use.
Check for cuts, leaks, abrasions, bulging of cover, or
damage or movement of couplings. If any of these
conditions exist, replace hose immediately.
_ANGER: Never repair a high pressure hose.
Replace with hose that meets the minimum
pressure rating of your pressure washer.
Check Gun and Nozzle Extension
Examine hose connection to gun and make sure it is
secure. Test trigger by pressing it and making sure it
springs back into place when you release it. Engage
safety latch and test trigger. You should not be able to
press trigger. Replace gun immediately if it fails any of
these tests.
Check In-Line Filter
Refer to the illustrationand service the in-line filter if it
becomes clogged, as follows:
Nozzle extension
In-line Filter
O-ring
.Detach gun and nozzle extension from high
pressure hose. Detach nozzle extension from gun
and remove o-ring and screen from nozzle
extension. Flush the screen, gun, and nozzle
extension with clean water to clear debris.
.
.
If the screen is damaged, the o-ring kit contains a
replacement in-line filter screen and an o-ring. If
undamaged, reuse screen.
Place the in-line filter screen into the threaded end
of the nozzle extension. Direction does not matter.
Push the screen in with the eraser end of a pencil
until it rests flat at the bottom of the opening. Take
care to not bend the screen.
4. Place the o-ring into the recess. Push the o-ring
snugly against the in-line filter screen.
5. Assemble the nozzle extension to the spray gun,
as described earlier in this manual.
Purge Pump of Air and Contaminants
To remove the air from the pump, follow these steps:
• Set up the pressure washer as described in the
ASSEMBLY section and connect the water supply.
• Remove the nozzle extension extension from the
gun.
• Pull the trigger on the gun and hold until a steady
stream of water appears.
To remove the contaminants from the pump, follow
these steps:
• Set up the pressure washer as described in the
ASSEMBLY section, and connect the water supply.
• Remove the nozzle extension from the gun.
• Start the engine according to instructions in
OPERATION section.
• Pull the trigger on the gun and hold.
• When the water supply is steady and constant,
engage the safety latch and refasten the nozzle
extension.
Nozzle Maintenance
If the nozzle becomes restricted or clogged with
foreign materials such as dirt, excessive pump
pressure may develop. A partially clogged nozzle can
cause a pulsing condition during use. This generally is
not a pump related problem, but rather a clogged or
partially restricted nozzle.
If the nozzle becomes clogged or partially restricted,
immediately clean the nozzle with the kit included with
your pressure washer by following these instructions:
• Shut off the engine and turn off the water supply.
• Separate the nozzle extension from the gun.
• Rotate to stream setting.
• Remove nozzle from the end of the nozzle
extension using a 2 mm or 5/64 allen wrench.
\
13

Usethewireincludedinthekitora smallpaper
cliptofreetheforeignmaterialscloggingor
restrictingthenozzle.
Insertwireintonozzleandturnbackandforthto
clearobstruction.
Removeadditionaldebrisbybackflushingwater
supplythroughnozzleextension.Backflush
between30to 60seconds.Turnnozzleextension
to streamsprayandmovenozzlefromlowto high
pressurewhileflushing.
NOTE:Theabovetwoo-ringsarecloseinsize.
Pleasematchcarefullyto assurepropero-ringusage.
• 1rubberwasher,(p/nB2385)fortheinsideofthe
gardenhoseconnector.
• 1waterinletscreen(p/nB2384)forthegarden
hoseconnector.
• Reinstallnozzleintonozzleextension.DoNot
overtighten.
• Reconnectnozzleextensionextensionto spray
gun.
• Reconnectthewatersupply,turnONthewater,
andstarttheengine.
• Testthepressurewasherbyoperatingwithnozzle
inthehighandthelowpressurepositions.
O-Ring Maintenance
Through the normal operation of your pressure
washer, the o-rings keep the connections of the hoses
and gun tight and leak-free. They may become worn
or damaged with use. Provided with your pressure
washer is an O-ring Maintenance Kit containing
replacement o-rings, rubber washer and a garden
hose inlet screen.
Parts in the O-Ring Kit Include:
• 1 o-ring, red, (p/n B2726) for the end of the spray
gun connection between gun and nozzle extension.
O
1 o-ring, yellow, (p/n B2264) for the end of the
high pressure hose.
To remove a worn or damaged O-Ring:
• Use a small flathead screwdriver to get underneath
the o-ring to pry it off.
ENGINE MAINTENANCE
Checking Oil Level
Oil level should be checked prior to each use or at
least every 5 hours of operation. Keep oil level
maintained.
Changing Oil
Change engine oil after the first 5 hours and every 50
hours thereafter. If you are using your pressure
washer under extremely dirty or dusty conditions, or in
extremely hot weather, change oil every 25 hours.
Change oil while engine is still warm from running, as
follows:
• Rotate fuel valve to the "OFF" position to reduce
the possibility of fuel leakage.
• Remove all gasoline from tank.
• Clean area around oil fill, remove oil dipstick and
wipe it clean.
• Tip your pressure washer to drain oil from the oil
dipstick into a suitable container. When crankcase
is empty, return the pressure washer to upright
position. Wipe up spilled oil.
• Slowly pour oil into oil fill opening until oil reaches
"UPPER LIMIT" mark on the dipstick. Stop
occasionally to check oil level. Insert and remove
the dipstick without screwing it into the filler neck.
• If the oil level is near or below the lower limit mark
on the dipstick, fill with the recommended oil to the
upper limit mark. DO NOT OVERFILL.
• Install oil dipstick, hand tighten securely.
• Wipe up any remaining oil.
14

Service Air Cleaner
Your engine will not run properly and may be
damaged if you run it with a dirty air cleaner.
Replace the air cleaner once every 200 hours of
operation or once each year, whichever comes first.
Replace more often if operating under dirty or dusty
conditions. Replacements are available at your local
Sears service center.
To replace the air cleaner, follow these steps:
• Press the latch tabs on the top of the air cleaner
cover, and remove the cover.
AIR CLEANER BODY
AIR DUCT
AIR CLEANER COVER
LOWER TABS
• Remove dirty air filter element carefully to prevent
debris from falling into carburetor. Discard.
• Clean inside of filter case, using a moist rag.
• Reinstall new air filter element and cover.
Clean /Replace Spark Plug
Check and clean the spark plug every 100 hours of
operation. Replace the spark plug yearly or every
200 hours of operation.
,_ CAUTION: Disconnect spark plug wire from
spark plug and keep wire away from spark plug
while servicing engine.
• Clean area around spark plug.
• Remove and inspect spark plug.
• Replace spark plug if the electrodes are worn, or if
the insulator is cracked or chipped. For
replacement use BPR6ES (NGK) or equivalent.
• Check electrode gap with wire feeler gauge and set
gap at 0.028 inches-0.031 inches
(0.70mm-0.80mm), if necessary.
• Install spark plug, tighten securely.
Carburetor
If you think your carburetor needs adjusting, see your
nearest Sears service center. Engine performance
may be affected at altitudes above 4000 feet. For
operation at higher elevations, contact your nearest
Sears service center.
Spark Arrester Service
Your engine is not factory-equipped with a spark
arrester. In some areas, it is illegal to operate an
engine without a spark arrester. Check local laws and
regulations. A spark arrestor is available from your
nearest Sears service center. You can purchase a
new spark arrester by calling 1-800-366-PART.
The spark arrester must be serviced every 100 hours
to keep it functioning as designed.
If the engine has been running, the muffler will be very
hot. Allow the muffler to cool before servicing the
spark arrestor.
• Remove the three 6 mm bolts from the muffler
protector, and remove the muffler protector.
SPARK ARRESTER
MUFFLER PROTECTOR
jjz -jj MUFFLER
SPECIAL SCREWS
6 mm BOLTS
• Remove the two special screws from the spark
arrester, and remove the spark arrester from the
muffler.
• Use a brush to remove carbon deposits from the
spark arrester screen. Be careful to avoid
damaging the screen. The spark arrester must be
free of breaks and holes. Replace the spark
arrester if it is damaged.
• Install the spark arrester and muffler protector in
the reverse order of disassembly.
15

Problem Cause Correction
1. Nozzle in low pressure mode. 1. Pull nozzle backward for high
Pump has following
problems: failure to produce
pressure, erratic pressure,
chattering, loss of pressure,
low water volume.
Detergent fails to mix with
spray.
Engine runs good at no-load
but "bogs" when load is
added.
Engine will not start; or
starts and runs rough.
2. Water inlet is blocked.
3. Inadequate water supply.
4. Inlet hose is kinked or leaking.
5. Clogged inlet hose strainer.
6. Water supply is over 140°F.
7. High pressure hose is blocked or
leaks.
8. Gun leaks.
9. Nozzle is obstructed.
10. Pump is faulty.
1. Detergent siphoning tube is not
submerged.
2. Chemical filter is clogged.
3. Nozzle is in high pressure mode.
Engine speed is too slow.
1. Low oil level.
2. Dirty air cleaner.
3. Out of gasoline.
4. Stale gasoline.
5. Spark plug wire not connected to
pressure mode.
2. Clear inlet.
3. Provide adequate water flow.
4. Straighten inlet hose, patch leak.
5. Check and clean inlet hose
strainer.
6. Provide cooler water supply.
7. Clear blocks in outlet hose.
8. Replace gun.
9. Clean nozzle.
10. Contact Sears service facility.
1. Insert detergent siphoning tube
into detergent.
2. Clean or replace filter/detergent
siphoning tube.
3. Push nozzle forward for low
pressure mode.
Move throttle control to FAST
position. If engine still "bogs down",
contact Sears service facility.
1. Fill crankcase to proper level.
2. Clean or replace air cleaner.
3. Fill fuel tank.
4. Drain gas tank; fill with fresh
fuel.
5. Connect wire to spark plug.
spark plug.
6. Bad spark plug.
7. Water in gasoline.
8. Overchoking.
6. Replace spark plug.
7. Drain gas tank; fill with fresh
fuel.
8. Open choke fully and crank
engine.
9. Excessively rich fuel mixture.
10. Intake valve stuck open or
closed.
11. Engine has lost compression.
9. Contact Sears service facility.
10. Contact Sears service facility.
11. Contact Sears service facility.
Engine shuts down during 1. Out of gasoline. 1. Fill fuel tank.
operation. 2. Low oil level. 2. Fill crankcase to proper level.
Engine lacks power. Dirty air filter.
Engine "hunts" or falters. Choke is opened too soon.
Replace air filter.
Move choke to halfway position until
engine runs smoothly.
17

CRAFTSMAN 2000PSI Pressure Washer 580.768324
Main Unit mExploded View
/
6/
33
51_ \\
900_ \\\\\\
21
_22
_9
/
/
_10
/
3 "/ --\
26_
19_
\\\\\\\\
41
_16
/
45
_25
/
/
27
19
42
18

CRAFTSMAN 2000 PSI Pressure Washer 580.768324
Main Unit mParts List
Item PaN # Qty.
2 B1932 1
3 96307 1
4 EB5654 1
5 50190 2
6 B5669 1
7 30809 1
8 B1631B 1
9 B4966 2
10 75402C 2
11 52858 2
12 27007 2
13 39288 2
14 B1735 3
15 B1880 3
16 A1040B 1
17 A1041 1
18 B2218 1
19 31669 2
20 48031G 1
21 B5685B 1
22 97100 1
23 21761 1
24 B4224 1
25 EB5653 1
26 B1779 2
27 B2347 2
28 97837 1
29 B2071 2
30 46476 2
31 B2516 3
32 21424 1
33 A1408 1
34 B5693 1
35 97566 1
36 B3335 1
37 B3263 1
38 B5830 1
39 B3708 1
40 186369 1
41 AB3061B 1
42 B4992 1
43 B2427B 1
44 B2153 1
900 NSP 1
Description
DECAL, Instructions
DECAL, 1-800 Number
BASE, Polo Green
WASHER, Flat, .34" x 1"
DECAL, Unit 1431-0
GROMMET, Chemical Hose
BILLBOARD
TIRE, 10"
PUSHNUT, 5/8"
NUT, M8 Locking Flange
MOUNT, Vibration
HHCS, M8- 1.25 x 55
STUD, Double Ended
NUT, with Washer
HOSE, Chemical
FILTER, Chemical Hose
O-RING, 1.625" ID x .103"
CARRIAGE BOLT, 1/4" - 20 x 1-3/4"
CLAMP, Hose
ASSY., Pump EG w/Thermal
CAP, High Pressure
NOZZLE, Replacement
SCREEN, Gun Inlet
HANDLE, Polo Green
COVER, Hinge
CAP, End
O-RING, Hi Pressure Trns.
NUT, 1/4"-20 Locking Flange
CAP, Plug
CAP, Vinyl
CONNECTOR, Garden Hose
CAP, Hose Connector
HOSE, 1/4" x 25'
TAG, Nozzle Instructions
WAND, Adjustable Nozzle
GUN, High Pressure
KIT, Maintenance
KIT, Nozzle, Cleaning
MANUAL
OIL, Engine
REEL, Hose
CLIP, Holder
SELF DRILLER, 12 - 14 x 7/8"
ENGINE, Honda 4.5 H.P.
19

CRAFTSMAN 2000 PSI Pressure Washer 580.768324
Pump- Exploded View
2
\\\
/
0
29
2S 26
22 O_
12
o 23
0 o
fO
34
0
0 -
o
,57 38
13
35
47
20

CRAFTSMAN 2000PSI Pressure Washer 580.768324
Pump mParts List
Item PaN #
1 B2218
2 97962
3 96795
4 21429
5 97835
6 21783
7 93680
8 97831
9 B2702
10 B5003
11 B5710
12 97841
13 40946
14 185710
......
......
5 ......
15 ......
6 ......
17 ......
18 ......
19 185287
20 ......
21 ......
22 ......
23 ......
24 ......
30 ......
25 185711
23 ......
26 ......
27 ......
28 ......
29 ......
31 ......
32 ......
Qty. Description Item
1 O-RING, Engine Seal 33
3 SHCS, M6- 1 x 25 13
3 SLEEVE, Grommet Spacer 34
6 BUSHING, Rubber Mount 35
1 O-RING, Housing Seal 47
1 THERMAL RELIEF 36
3 SEAL, Oil Piston 13
3 SPACER, Pilot 37
1 HOUSING, Piston 38
1 ADAPTER, Engine 39
1 VALVE, 1/8" NPT 1-5 PSI 1
3 CAP, Outlet Check Valve 2
4 SHCS, M6-1.0 x 35 5
0 KIT, AXIAL CAM 40
1 O-RING, Engine Seal 41
3 SHCS, M6- 1 x 25 42
1 O-RING, Housing Seal 43
1 WASHER, Brg. 36 x 65 x 6 1
Thk 2
2 ASSY., Brg. Cage 45 x 65 5
3 WASHER, Brg. 45 x 65 x 1 7
1 CAM, Axial 5.6 7/8" SAE 13
0KIT, CHEM INJECT 23
1 FITTING, Chem Inject 27
1 BALL, Chem Inject 30
1 SPRING, Chem Inject 34
1 O-RING, Venturi & Seat, Black 44
1 VENTURI, Chem Inject 45
1 O-RING, Venturi, Yellow
0 KIT, UNLOADER 2000 46
1 O-RING, Venturi & Seat, Black 47
1 CAP, Unloader
1 O-RING, Unloader Cap
1 SPRING, Unloader
1 PISTON, Unloader
1 SEAT, Unloader
1 WASHER, 1.5mm Shim
Part#
185712
B4186
185713
B5752
Qty. Description
0KIT, CHECK VALVES
4 SHCS, M6-1.0 x 35
3 O-RING, Check Valve
6 ASSY., Check Valve
3 O-RING, Check Valve, White
0KIT, HEAD ALUM EG
4 SHCS, M6-1.0 x 35
1 HEAD, Pump
1 PLUG, 1/8-28
0 KIT, PISTON & SPRING
1 O-RING, Engine Seal
3 SHCS, M6- 1 x 25
1 O-RING, Housing Seal
3 RETAINER, Piston Spring
3 PISTON, Dia. 15 x 65
3 SPRING, Piston Return
0 KIT, O-RING/SEAL 2000
1 O-RING, Engine Seal
3 SHCS, M6- 1 x 25
1 O-RING, Housing Seal
3 SEAL, Oil Piston
4 SHCS, M6-1.0 x 35
2 O-RING, Venturi & Seat, Black
1 O-RING, Unloader Cap
1 O-RING, Venturi, Yellow
3 O-RING, Check Valve
3 SEAL, Double-Lip
1 O-RING, High Pressure
Transfer
3 O-RING, Outlet CV Cap
3 O-RING, Check Valve, White
Item numbers 14, 19, 25, 32, 35, 38, and 42 are
service kits and include all parts shown within the box.
Certain parts may only be available as components of
a kit.
21

ENGINE, 4.5 HP, Honda, GCV135 - Exploded View and Parts List - Cylinder Barrel and
Oil Pan
Item Part# Qty. Description Item Part#
1 12000-ZL9-405 1 CYLINDER ASSY. (010) 5 90013-883-000
2 12216-ZE5-300 1 CLIP, VALVE GUIDE 6 90014-952-000
3 12311-ZL8-000 1 COVER, HEAD 7 91201-ZL8-003
4 12355-ZL8-000 1 COVER COMP., 8 98079-56846
BREATHER
4
Qty. Description
4BOLT, FLANGE (6X12)
1 BOLT, FLANGE (6X14)
1 OIL SEAL (25.4X62X6)
1 SPARK PLUG (BPR6ES)
(NGK)
Item Part # Qty. Description
1 11300-ZM0-810 1 PAN ASSY., OiL
2 15625-ZE1-003 1 GASKET, OIL FILLER CAP
4 16508-ZM0-000 1 SHAFT COMP.,
GOVERNOR HOLDER
5 16510-ZM0-000 1 GOVERNOR ASSY.
6 16511-ZL8-000 2 WEIGHT, GOVERNOR
7 16512-ZM0-000 1 HOLDER, GOVERNOR
WEIGHT
8 16513-ZE1-000 2 PIN, GOVERNOR WEIGHT
9 16531-ZE1-000 1 SLIDER, GOVERNOR
10 16541-ZM0-000 1 SHAFT, GOVERNOR ARM
Item Part #
11 90014-952-000
12 90121-952-000
13 90451-ZE1-000
14 90602-ZE1-000
15 91202-ZL8-003
16 94101-06800
17 94251-08000
18 94301-08200
19 15650-ZM0-003
Qty. Description
1 BOLT, FLANGE (6X14)
8 BOLT, FLANGE (6X25)
1 WASHER, THRUST (6MM)
1 CLIP, GOVERNOR
HOLDER
1 OIL SEAL (28X41.25X6)
1 WASHER, PLAIN (6MM)
1 PIN, LOCK (8MM)
2 PIN, DOWEL (8X20)
1 GAUGE ASSY., OIL LEVEL
22

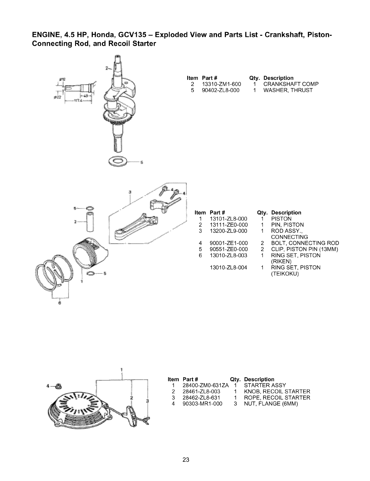
ENGINE, 4.5 HP, Honda, GCV135 - Exploded View and Parts List - Crankshaft, Piston-
Connecting Rod, and Recoil Starter
Item Part# Qty. Description
2 13310-ZM1-600 1 CRANKSHAFT COMP
5 90402-ZL8-000 1 WASHER, THRUST
Item Part# Qty. Description
1 13101-ZL8-000 1 PISTON
213111-ZE0-000 1 PIN, PISTON
3 13200-ZL9-000 1 ROD ASSY.,
_!_ CONNECTING
.._. 4 90001-ZE1-000 2 BOLT, CONNECTING ROD
:_ _"_ 5 90551-ZE0-000 2 CLIP, PISTON PIN (13MM)
_ 6 13010-ZL8-003 1 RING SET, PISTON
(RIKEN)
13010-ZL8-004 1 RING SET, PISTON
(TEIKOKU)
Item Part# Qty. Description
1 28400-ZM0-631ZA 1 STARTER ASSY
2 28461-ZL8-003 1 KNOB, RECOIL STARTER
3 28462-ZL8-631 1 ROPE, RECOIL STARTER
4 90303-MR1-000 3 NUT, FLANGE (6MM)
23

ENGINE, 4.5 HP, Honda, GCV135 - Exploded View and Parts List - Air Cleaner and Fan
Cover
Item Part# Qty. Description
1 15721-ZM1-000 1 TUBE, BREATHER
2 17211-ZL8-000 1 ELEMENT, AIR CLEANER
3 17220-ZM0-000 CASE ASSY., AIR
CLEANER
5 17228-ZM0-000 1 GASKET, AIR CLEANER
6 17231-ZM0-000 1 COVER, AIR CLEANER
7 90003-ZM0-000 2 BOLT, FLANGE (6X86)
8 95701-06014-08 1 BOLT, FLANGE (6X14)
Item Part #
2 16950-ZG9-M02
3 16956-ZM0-000
4 17620-ZL8-003
5 17702-ZM0-000
6 19610-ZM1-010ZA
8 33609-GK4-620
Qty. Description
1 PETCOCK ASSY. (MAN)
1 BRACKET, PETCOCK
1 CAP ASSY., FUEL TANK
1 TUBE, FUEL
1 COVER COMP., FAN
1 COLLAR, FR. TURN
SIGNAL
Item Part# Qty. Description
9 90041-ZL9-000 3 BOLT, STUD (FAN/C)
10 93891-05010-08 1 SCREW-WASHER (5X10)
11 95001-55008-40M 1 BULK HOSE, FUEL
12 95002-02080 1 CLIP, TUBE (B8)
13 95002-02100 2 CLIP, TUBE (B10)
14 95002-50000 1 CLIP, TUBE (C9)
24

ENGINE, 4.5 HP, Honda, GCV135 - Exploded View and Parts List - Carburetor
........................ 7
Item Part# Qty. Description Item Part#
1 16010-883-015 1 GASKET SET 11 16212-ZL8-000
2 16013-ZL1-003 1 FLOAT SET 12 16221-883-800
3 16015-887-782 1 CHAMBER SET, FLOAT 13 16228-ZL8-000
4 16016-ZG0-W00 1 SCREW SET
5 16028-ZE0-005 1 SCREW SET B. 14 19650-ZM0-000
6 16029-ZG0-901 1 SCREW SET 15 93500-05006-0H
7 16100-ZM1-803 1 CARBURETOR ASSY. 93500-05006-1H
(BB64B C) 16 99101-124-0550
8 16155-ZM0-003 1 VALVE, FLOAT 99101-124-0580
9 16166-ZM1-003 1 NOZZLE, MAIN 99101-124-0600
10 16211-ZL8-000 1 INSULATOR, 99101-124-0620
CARBURETOR 17 16024-ZE1-811
Qty. Description
1 GASKET, INSULATOR
2 GASKET, CARBURETOR
1 GASKET, CARB (CHOKE
SIDE)
1 GUIDE COMP., AIR
1 SCREW, PAN (5X6)
1 SCREW, PAN (5X6)
1 JET, MAIN (#55)
1 JET, MAIN (#58)
1 JET, MAIN (#60)
1 JET, MAIN (#62)
1 SCREW SET, DRAIN
25

ENGINE, 4.5 HP, Honda, GCV135 - Exploded View and Parts List - Flywheel and
Camshaft Pulley
Item Part# Qty. Description Item Part#
1 13331-357-000 1 KEY, SPECIAL 7 75113-ZM0-000
WOODRUFF (25X18) 8 90014-952-000
2 30500-ZL8-004 1 COIL ASSY., IGNITION 9 90018-ZE1-000
3 31105-ZM1-000 1 FLYWHEEL ASSY 10 90022-888-010
4 32195-ZM0-000 1 WIRE, STOP SWITCH 11 90201-878-003
5 35120-ZM0-003 1 SWITCH ASSY., ENGINE 12 90681-959-003
STOP 13 93892-04012-00
6 75100-ZM0-000 1 BRAKE ASSY. 14 94103-04000
Qty. Description
1 SPRING, BRAKE LEVER
1 BOLT, FLANGE (6X14)
1 BOLT, FLANGE (6X23)
1 BOLT, FLANGE (6X20)
1 NUT, SPECIAL (14MM)
1 CLIP, CABLE (A)
1 SCREW-WASHER (4X12)
1 WASHER, PLAIN (4MM)
Item Part# Qty. Description
1 14320-ZL8-000 1 PULLEY COMP.,
CAMSHAFT
2 14324-ZL8-000 1 SHAFT, CAM PULLEY
3 14400-ZL9-003 1 BELT, TIMING (79HU7 G-
200)
4 14431-ZL8-000 1 ARM, IN. VALVE ROCKER
5 14441-ZL8-000 1 ARM, EX. VALVE ROCKER
6 14461-ZL8-000 2 SHAFT, ROCKER ARM
Item Part#
7 14711-ZL8-000
8 14721-ZL8-000
9 14751-ZL8-000
10 14771-ZE1-000
11 90012-333-000
12 90206-001-000
13 91301-ZM0-V31
Qty. Description
1 VALVE, IN.
1 VALVE, EX.
2 SPRING, VALVE
2 RETAINER, IN. VALVE
SPRING
2 SCREW, TAPPET ADJ.
2 NUT, TAPPET ADJ.
1 O-RING (6.8X1.9)
26

ENGINE, 4.5 HP, Honda, GCV135 - Exploded View and Parts List - Muffler and Control
Linkage
j_! _o,s_
1
Item Part# Qty. Description
1 18310-ZM0-000 1 MUFFLER COMP.
218321-ZL8-000 1 PROTECTOR, MUFFLER
3 90004-ZL8-000 2BOLT, FLANGE (6X79)
4 90013-883-000 3 BOLT, FLANGE (6X12)
5 18381-ZL8-305 1 GASKET, MUFFLER
i
Item Part #
1 16551-ZM0-000
2 16555-ZM1-000
3 16561-ZM1-000
4 16562-ZM1-000
5 16576-ZE7-300
6 16576-891-000
Qty. Description
1 ARM, GOVERNOR
1 ROD, GOVERNOR
1 SPRING, GOVERNOR
1 SPRING, THROTTLE
RETURN
1 SPRING, LEVER
1 HOLDER, CABLE
Item Part #
7 16580-ZM0-020
8 16674-ZM0-000
9 90015-ZE5-010
10 90016-ZM0-000
11 93500-05016-0A
12 94050-06000
Qty. Description
1 BASE COMP., CONTROL
1 ROD, CHOKE
1 BOLT, GOVERNOR ARM
1 BOLT, FLANGE (6X45)
1 SCREW, PAN (5X16)
1 NUT, FLANGE (6MM)
27

Your Warranty Rights and Obligations
The California Air Resources Board ("CARB") and Sears
Roebuck and Co., USA, are pleased to explain the Emission
Control System Warranty on your model year 2000 and later
small off-road engine (engine). In California, new engines
must be designed, built and equipped to meet the State's
stringent anti-smog standards. Sears must warrant the
emission control system on your engine for the periods of
time listed below provided there has been no abuse, neglect,
or improper maintenance of your engine.
Your emission control system includes parts such as the
carburetor and the ignition system.
Where a warrantable condition exists, Sears will repair your
engine at no cost to you. Expenses covered under under
warranty include diagnosis, parts, and labor.
Manufacturer's Warranty Coverage
The model year 2000 and later engines are warranted for
two years. If any emission related part on your engine (as
listed below) is defective, the part will be repaired or
replaced by Sears.
Owner's Warranty Responsibilities
As the engine owner, you are responsible for the
performance of the required maintenance listed in this
owners manual. Sears recommends that you retain all
receipts covering maintenance on your engine, but Sears
cannot deny warranty solely due for the lack of receipts or
for your failure to ensure the performance of all scheduled
maintenance.
As the engine owner, you should be aware that Sears may
deny you warranty coverage if your engine or a part of it has
failed due to abuse, neglect, improper maintenance,
unapproved modifications, or the use of parts not made or
approved by the original equipment manufacturer.
You are responsible for presenting your engine to a Sears
authorized repair center as soon as a problem exists.
Warranty repairs should be completed in a reasonable
amount of time, not to exceed 30 days.
If you have any questions regarding your warranty rights and
responsibilities, you should contact your nearest authorized
service center or call Sears at 1-800-473-7247.
Warranty Commencement Date
The warranty period begins on the date the engine is
delivered.
Length of Coverage
Sears warrants to the initial owner and each subsequent
purchaser that the engine is free from defects in materials
and workmanship which cause the failure of a warranted
part for a period of two years.
WHAT IS COVERED
Repair or Replacement of Parts
•Repair or replacement of any warranted part will be
performed at no charge to the owner at an approved
Sears service center.
If you have any questions regarding your warranty rights
and responsibilities, your should contact your nearest
authorized service center or call Sears at
1-800-473-7247.
Warranty Period
Any warranted part which is not scheduled for replacement
as required maintenance, or which is scheduled only for
regular inspection to the effect of "repair or replace as
necessary" shall be warranted for 2 years. Any warranted
part which is scheduled for replacement as required
maintenance shall be warranted for the period of time up to
the first scheduled replacement point for that part.
Diagnosis
The owner shall not be charged for diagnostic labor which
leads to the determination that the warranted part is
defective if the diagnostic work is performed at an approved
Sears service center.
Consequential Damages
Sears may be liable for damages to other engine
components caused by the failure of a warranted part still
under warranty.
WHAT IS NOT COVERED
All failures caused by abuse, neglect, or improper
maintenance are not covered.
Add-on or Modified Parts
The use of add-on or modified parts can be grounds for
disallowing a warranty claim. Sears is not liable to cover
failures of warranted parts caused by the use of add-on or
modified parts.
How to File a Claim
If you have any questions regarding your warranty rights and
responsibilities, you should contact your nearest authorized
service center or call Sears at 1-800-473-7247.
Where to Get Warranty Service
Warranty services or repairs shall be provided at all Sears
authorized service centers.
Maintenance, Replacement and Repair of
Emission Related Parts
Any Sears approved replacement part used in the
performance of any warranty maintenance or repair on
emission related parts will be provided without charge to the
owner if the part it under warranty.
Emission Control Warranty Parts List
1. Carburetor Assembly
2. Ignition System
a. Spark Plug, covered up to maintenance schedule.
b. Ignition Module
3. Crankcase Breather Tube
4. Exhaust Manifold
28

29

GARANTIA.............................. 30
INSTRUCClONESDESEGURIDAD......... 30-31
MONTAJE............................ 32-34
OPERAClON.......................... 35-38
MANTENIMIENTO...................... 40-43
ESPECIFICACIONESDELPRODUCTO........ 40
ALMACENAMIENTO....................... 44
REPARACIONDEDAI_OS.................. 45
GARANTIADEEMISIONES................. 46
PARTES/SERVICIO............ ULTIMAP,_,GINA
GARANTIA LIMITADA DE LA MAQUINA LAVADORA DE ALTA PRESION CRAFTSMAN
Durante un a_o a partir de la fecha de compra, Sears reparar& sin cargo alguno, cualquier defecto en material y mano de
obra, siempre y cuando esta maquina lavadora de alta presi6n Craftsman haya sido mantenida y puesta en funcionamien-
to de acuerdo a las instrucciones suministradas en el manual del propietario.
Siesta maquina lavadora es usada para fines comerciales, la garantia se aplicara tan solo por 90 dias a partir de la fecha
de compra. Si esta maquina lavadora de alta presi6n es usada para alquiler, la garantia se aplicara tan solo por 30 dias
despu6s de la fecha de compra.
Esta garantia no cubre:
• Elementos perecederos como bujias o filtros de aire, los cuales se desgastan con el uso normal.
• Reparaciones necesarias debido al abuso o negligencia del operador, incluyendo daSos ocasionados por la ausencia
de suministro de agua a la bomba o por no mantener el equipo de acuerdo a las instrucciones contenidas en el
manual del propietario.
El servicio de garantia se hace efectivo devolviendo la maquina lavadora de alta presi6n al centro de servicio o distribuidor
Sears mas cercano en los Estados Unidos.
Esta garantia le proporciona derechos legales especificos; usted tambi6n puede tener otros derechos, los cuales varian de
estado a estado.
Sears, Roebuck and Co., Dept. 817WA, Hoffman Estates, IL 60179
El escape del motor de este producto I
contiene elementos quimicos reconocidos en I
el Estado de California por producir c_ncer, I
defectos de nacimiento u otros dahos de tipo I
reproductivo. I
,_ iPRECAUCION! Cuando transporte, instale, ajuste ohaga reparaciones a su maquina lavadora de alta
presi6n, siempre desconecte el alambre de la bujia y
col6quelo donde no pueda entrar en contacto con la
bujia.
iPELIGRO! Los gases del sistema de escape del
motor contienen gas de mon6xido de carbono
MORTAL. Si este gas peligroso se inhala en
concentraciones suficientes, puede causar p6rdida
de la consciencia o incluso la muerte. Opere este
equipo Qnicamente al aire libre, donde exista
ventilaci6n adecuada.
,_iPELIGRO! La gasolina es altamente INFLAMABLE y
sus vapores son EXPLOSIVOS. No permita que
fumen, que existan llamas abiertas, chispas o calor a
su alrededor cuando manipule gasolina. Evite regar
gasolina sobre un motor caliente. Permita que la
unidad se enfrie antes de volver a colocarle
combustible. Cumpla con todas las leyes que regulan
el almacenamiento y el manejo de gasolina.
Lea este manual minuciosamente y conozca a fondo las
partes y el funcionamiento de su maquina lavadora a
presion. Conozca sus aplicaciones, sus limitaciones y
los peligros involucrados.
• Coloque esta maquina lavadora a presi6n en Areas
alejadas de materiales combustibles, humos o polvo
combustibles.
El equipo de alta presi6n esta diseSado para ser utilizado
UNICAMENTE con las partes autorizadas Sears. Si utiliza
este equipo con pares que no cumplan con las
especificaciones minimas, el usuario asume todos los
riesgos y responsabilidades.
30

Algunos quimicos o detergentes pueden ser nocivos si se
inhalan o ingieren, causando nausea severa, desmayos o
envenenamiento. Los elementos nocivos pueden
ocasionar daSo a la propiedad o lesiones severas.
No permita en ningen momento que NINOS operen la
maquina lavadora a presi6n.
Opere el motor Qnicamente a la velocidad de mando.
Hacer funcionar el motor a velocidades excesivas
aumenta el riesgo de lesiones personales. No juegue con
partes que puedan aumentar o disminuir la velocidad de
mando.
No use ropa suelta, joyas o elementos que puedan
quedar atrapados en el arranque o en otras partes
rotatorias.
Antes de poner en marcha la maquina lavadora a presi6n
en clima frio, revise todas las pares del equipo y
asegQrese de que no se haya formado hielo sobre elias.
Nunca utilice una pistola de rociado que no tenga un
seguro para gatillo o protecci6n para gatillo en su lugar y
en buenas condiciones.
Mantenga conectada la manguera a la maquina o a la
pistola de rociado cuando el sistema est6 presurizado. Es
peligroso desconectar la manguera cuando la unidad esta
presurizada.
NUNCA deberan ser operadas las unidades con partes
rotas o ausentes, o sin la caja o cubiertas de protecci6n.
Revise que el sistema de combustible no presente fugas o
signos de deterioro, como mangueras desgastadas o
porosas, sujetadores flojos o ausentes, tapa o tanque
daSados. Corrija todos los defectos antes de operar la
maquina lavadora a presi6n.
No rocie liquidos inflamables.
Utilice un respirador o mascara siempre que exista la
posibilidad de inhalar vapores. Lea todas las instrucciones
de la mascara para asegurarse de que le brindara la
protecci6n necesaria contra la inhalaci6n de vapores
nocivos.
Nunca apunte la pistola a la gente, animales o plantas. La
corriente de agua de alta presi6n que produce este
equipo pueden perforar la piel y sus tejidos profundos,
ocasionando lesiones serias y posible amputaci6n.
Nunca permita que pares del cuerpo entren en contacto
con la corriente del fluido. No entre en contacto con la
corriente del fluido creada por una fuga en la manguera
de alta presi6n.
Siempre use protecci6n para los ojos cuando utilice este
equipo o cuando est6 cerca de donde se est6 usando el
equipo.
El rociado de alta presi6n puede hacer que particulas
pequeSas de pintura u otras particulas salgan disparadas
y viajen a altas velocidades.
No opere la maquina lavadora a presi6n con un valor de
presi6n superior a su clasificaci6n de presi6n.
• Nunca mueva la maquina halando la manguera de alta
presi6n. Utilice la manija que viene con la unidad.
• Siempre asegQrese de que la pistola de rociado, boquillas
y accesorios est6n conectados correctamente.
• No asegure la pistola de rociado en la posici6n (open =
abierto).
• El rociado de alta presi6n puede daSar elementos fragiles,
incluyendo el vidrio. No apunte la pistola de rociado al
vidrio cuando est6 en el modo de rociado a chorro.
• Sostenga firmemente en su mano la manguera de rociado
antes de poner en marcha la unidad. De no hacerlo,
podrian ocurrir lesiones por el movimiento brusco de la
pistola de rociado. No abandone la pistola de rociado
cuando la maquina est6 en funcionamiento.
• El area de limpieza debera tener inclinaciones y drenajes
adecuados para disminuir la posibilidad de caidas debido
a superficies resbalosas.
• Mantenga el chorro del agua alejado de alambrados
el6ctricos, de Io contrario podrian ocurrir descargas
el6ctricas fatales.
• No eluda ningQn dispositivo de seguridad de esta
maquina.
• El silenciador y el motor se calientan durante el
funcionamiento y permanecen calientes inmediatamente
despu6s del apagado. Evite el contacto con silenciadores
o motores calientes, o podria quemarse severamente.
• Opere y almacene esta unidad sobre una superficie
estable.
• La manguera de alta presi6n puede desarrollar fugas
debido al desgaste, dobleces, abuso, etc. El agua que
sale de una fuga es capaz de inyectar materiales en la
piel. Inspeccione la manguera siempre que la vaya a usar.
Revise todas las mangueras para ver si presentan cortes,
fugas, abrasiones o deformaci6n de la cubierta, daSo o
movimiento de acoplamientos. Si existe cualquiera de
estas condiciones, remplace la manguera
inmediatamente. Nunca repare la manguera de alta
presi6n. Remplacela con una manguera que tenga la
misma capacidad de presi6n maxima de su unidad.
• El silenciador y el depurador de aire deberan estar
instalados yen buenas condiciones antes de operar la
maquina lavadora a presi6n. Estos componentes actQan
como apagachispas si el motor presenta contrafuegos.
En el estado de California es obligatorio, segQn la ley, el uso
de apagachispas (Secci6n 4442 del C6digo de Recursos
PQblicos de California). Otros estados pueden tener leyes
similares. Las leyes federales se aplican en tierras federales.
NOTA: Si equipa el silenciador con un apagachispas, este
debera ser mantenido en buenas condiciones de trabajo.
Usted puede ordenar el apagachispas a trav6s de su
distribuidor de servicio autorizado Sears.
,_ ESTE ES EL SIMBOLO DE ALERTA DE SEGURIDAD. ES USADO PARA INDICARLE SITUACIONES CONPELIGROS POTENCIALES DE LESION PARA EL PERSONAL. SIGA LAS INSTRUCCIONES DE TODOS LOS
MENSAJES DE SEGURIDAD QUE APARECEN DESPUES DE ESTE SIMBOLO PARA EVITAR POSIBLES
LESIONES O MUERTE.
31

Su maquina lavadora a presi6n requiere de cierto ensamble
y estara lista para ser usada 0nicamente despu6s de haber
depositado el combustible y el aceite recomendado.
Si tiene problemas con el ensamble de su maquina
lavadora a presion, Ilame a la linea de ayuda de la
maquina lavadora a presion al 1-800-222-3136.
IMPORTANTE: Cualquier intento de hacer funcionar el
motor sin haber depositado el aceite recomendado resultara
en falla del mismo.
RETIRE LA MAQUlNA LAVADORA A
PRESlON DE LA CAJA
•Abra la caja y corte dos esquinas opuestas a la manija
guia de la parte superior a la inferior de tal forma que el
panel pueda ser doblado hacia abajo.
• Retire las pares sueltas, material de relleno y la caja de
repuestos enviada con la maquina lavadora a presi6n.
• Saque la maquina lavadora a presi6n de la caja.
• Levante la manija guia, aseg0rela en su sitio.
Levante Ia manija a Ia
posici6n vertical y mueva
Ia tapas de fijaci6n a su
sitio.
• Revise la caja para ver si existen partes sueltas
adicionales.
CONTENIDO DE LA CAJA
Revise el contenido de la caja. Si alguna de las partes no
esta presente o esta daSada, Ilame a la linea de ayuda de
la maquina lavadora a presi6n al 1-800-222-3136.
• La unidad principal
• Los componentes del carrete de la manguera
• Caja de pares (incluye los elementos descritos a
continuaci6n)
Manguera de alta presi6n
Pistola de rociado
Extensi6n para boquillas con boquilla ajustable a
Alta/Baja presi6n
Aceite para motor
Adaptador de conexi6n rapida
Manual de operador
Juego para limpiar boquillas
Juego de anillos 'O'
Familiaricese con cada parte antes de ensamblar la
maquina lavadora a presi6n. Compare el contenido con la
ilustraci6n de la pagina 35. Si alguna de la partes no esta
presente o se encuentra daSada, Ilame a la linea de ayuda
de la maquina lavadora a presi6n al 1-800-222-3136.
MONTAJE DE LA MAQUINA
LAVADORA A PRESION
La gran mayoria de su maquina lavadora a presi6n
Craftsman ha sido ensamblada en la fabrica. Sin embargo,
usted debera Ilevar a cabo los siguientes procedimientos
antes de poner en funcionamiento su maquina lavadora a
presi6n:
• Conecte el carrete de la manguera.
• Deposite aceite en la caja del cigQeSal del motor.
• Deposite combustible en el tanque.
• Conecte la manguera de alta presi6n a la pistola de
rociado y a la bomba.
• Conecte el suministro de agua a la bomba.
Montaje del Carrete de la Manguera
IMPORTANTE: Debera sacar la manguera del carrete
cuando ponga en funcionamiento su maquina lavadora a
presi6n. El carrete es 0nicamente para almacenamiento.
• Conecte la manija al carrete utilizando tuercas de
fijaci6n, arandelas planas y pernos como se ilustra a
continuaci6n.
• Asegure el carrete de la manguera a la parte vertical del
lado izquierdo (desde la parte posterior de la unidad)
utilizando tuercas de fijaci6n, arandelas planas y pernos.
Vea la pagina 35 para su ubicaci6n.
___ Tuercas de fijaci6n M6
Arandelas planas M6
\_ Manija
Pernos M6
Pernos M8
/
Tuercas de fijaci6n M8 Arandelas planas M8
32

Agregue Aceite de Motor
IMPORTANTE: Cualquier intento de hacer girar o arrancar
el motor antes de que se haya depositado el aceite
recomendado puede resultar en falla del motor.
NOTA: Cuando agregue aceite a la caja del cigL_eSal del
motor, use Qnicamente aceite detergente de alta calidad con
clasificaci6n de servicio API SF o SG de peso 10W-30 con
clasificaci6n SAE.
Se pueden usar los otros aceites de viscosidad mostrados
en la tabla cuando la temperatura promedio de su Area se
encuentre dentro de los limites recomendados.
-20 0 20 40 60 80 100°F
t I I 1 I |I|
-30 -20 -10 0 10 20 30 40°C
TEMPERATURA AMBIENTE
•Coloque la maquina lavadora a presi6n en una superficie
nivelada.
•Limpie el Area alrededor del Ilenado de aceite, retire la
varilla de medici6n de aceite y limpiela.
VARILLA DE MEDICION/TAPA DEL ORIFIClO
PARA LLENADO DE ACEITE
Agregue Gasolina
_PELIGRO! Nunca Ilene el tanque de combustible
en recintos cerrados. Nunca Ilene el tanque de
combustible cuando el motor est6 funcionando o est6
caliente. No fume cuando est6 Ilenando el tanque de
combustible.
_ADVERTENCIA! Nunca Ilene por completo el
tanque de combustible. Deje espacio para la
expansi6n del combustible. Limpie cualquier derrame
de combustible del motor y del equipo antes de darle
arranque a la unidad.
Utilice gasolina para automotores limpia, fresca y sin
contenido de plomo.
• Use combustible limpio y almac6nelo en recipientes
cubiertos, limpios y aprobados. Utilice embudos limpios.
Nunca utilice gasolina "vieja" dejada de la estaci6n
anterior o gasolina almacenada por periodos de tiempo
prolongados.
• Limpie el Area alrededor de la tapa de Ilenado del
combustible, retire la tapa.
• Agregue lentamente gasolina al tanque de combustible.
Use un embudo para evitar que se derrame. Llene el
tanque hasta la "Marca de Nivel del Combustible"
como se muestra a continuaci6n.
LIMITE
LIMITE
INFERIOR
• Vierta lentamente el aceite en la abertura de Ilenado
hasta que alcance la marca de "UPPER LIMIT" ("LIMITE
SUPERIOR") de la varilla de medici6n. Pare de vez en
cuando para revisar el nivel del aceite. Inserte y retire la
varilla de medici6n sin atornillarla en la abertura de
Ilenado.
• Si el nivel del aceite se encuentra cerca o por debajo de
la marca del limite inferior de la varilla de medici6n,
deposite el aceite recomendado hasta Ilegar a la marca
del limite superior. NO LLENE EXCESlVAMENTE.
• Instale la varilla de medici6n y aprietela firmemente con
la mano.
NOTA: Revise el aceite frecuentemente durante el
despegue del motor.
• Instale la tapa del tanque de combustible y limpie la
gasolina que se haya derramado.
33

Conecte la Manguera y el Suministro de
Agua a la Bomba
IMPORTANTE: Usted debera armar la extensi6n para
boquillas y conectar todas las mangueras antes de darle
arranque al motor. La bomba resultara daSada si arranca el
motor sin tener todas las mangueras conectadas y el
suministro agua abierto.
• Desenrrolle la manguera de alta presi6n y conecte un
extremo de la manguera a la base de la pistola de
rociado. Apriete con la mano.
• Abra el suministro del agua (abra la vMvula de
suministro completamente).
• Apriete el gatillo de la pistola para eliminar el aire y las
impurezas del sistema de la bomba.
_ iPRECAUCION! Antes de darle arranque a la
maquina lavadora a presi6n, aseg6rese de usar
protecci6n adecuada para los ojos.
• Conecte la extensi6n para boquillas a la pistola de
rociado. Apriete con la mano.
Conecte el otro extremo de la manguera de alta presi6n
a la salida de alta presi6n de la bomba. Apriete con la
mano.
• Antes de que conecte la manguera de jardin a la entrada
de agua, inspeccione el colador de la entrada. Limpie el
colador si tiene residuos o solicite su reemplazo si esta
da_ado. No haga funcionar la maquina lavadora a
presion si el colador de la entrada esta dahado.
• Conecte la manguera de jardin a la entrada del agua.
Apriete con la mano.
LISTA DE REVISION PREVIA AL
ARRANQUE DEL MOTOR
Revise la unidad para asegurarse que ha Ilevado a cabo los
siguientes procedimientos:
• Revise que los sujetadores del carrete de la manguera
est6n apretados.
• Revise que haya sido depositado aceite y est6 al nivel
correcto en la caja del cigQeSal del motor.
• Deposite la gasolina adecuada en el tanque del
combustible.
• Revise que todas las conexiones de las mangueras (alta
presi6n y suministro de agua) est6n apretadas
correctamente y que no existan dobleces, cortes o daSo
de la manguera de alta presi6n.
• Proporcione el suministro de agua adecuado (que no
exceda los 140°F).
• Aseg6rese de leer las secciones "Reglas de Seguridad"
y "Operaci6n" antes de usar la maquina lavadora a
presi6n.
34

CONOZCA SU MAQUINA LAVADORA DE ALTA PRESION
Lea el manual del propietario y las reglas de seguridad antes de poner en marcha su maquina lavadora a
presibn. Compare las ilustraciones con su maquina lavadora a presi0n para familiarizarse con las ubicaciones
de los diferentes controles y ajustes. Guarde este manual para referencias futuras.
Pistola de Rociado
Filtro y Tubo para RecolecciOn
de Detergente
Arrancador de Retroceso
Tapa del DepOsito del Aceite
Tapa de la Gasolina
Manguera de Alta PresiOn
Carrete de la Manguera
ExtensiOn para
Boquillas
Boquilla Ajustable
Entrada de Agua
Palanca del Cebador
Palanca de Control de la
Valvula de RegulaciOn
Filtro de Aire
Bomba
Toma de Alta PresiOn
Arrancador de Retroceso - Usado para el arranque del
motor.
Bomba - Desarrolla alta presiOn de agua.
Boquilla Ajustable - Ajusta la presiOn a alta o baja presiOn;
rociado a chorro o en abanico.
Carrete de la Manguera - Usado para almacenar la
manguera cuando la unidad no esta siendo usada. La
manguera debera ser desconectada de la unidad y la pistola
antes de almacenarla.
Entrada de Agua - ConexiOn para la manguera de jardin.
Extension para Boquillas - Conectada a la pistola de
rociado para un uso mas conveniente.
Filtro de Aire - El elemento de filtro tipo seco limita la
cantidad de suciedad y polvo que se introduce en el motor.
Filtro y Tubo para Recoleccion de Detergente - Usado
para succionar detergente de la botella de quimicos a la
corriente de agua de baja presiOn.
Manguera de Alta Presion - Conecte un extremo a la
pistola de rociado y el otro extremo a la toma de alta
presiOn.
Palanca de Control de la Valvula de Regulacion - Coloca
el motor en modo de arranque para el arrancador de
retroceso y detiene el motor en funcionamiento.
Palanca del Cebador- Usada para arranque de motores
frios.
Pistola de Rociado - Controla la aplicaciOn de agua sobre
la superficie de limpieza con el gatillo. Incluye cerrojo de
seguridad.
Tapa de la Gasolina - Llene el motor con gasolina regular
sin contenido de plomo en este punto.
Tapa del Deposito del Aceite - Llene el motor con aceite
aqui. Vea la pagina 33 para las recomendaciones del aceite
y las instrucciones de Ilenado.
Toma de Alta Presion - ConexiOn para la manguera de
alta presiOn.
35

COMO USAR SU MAQUINA
LAVADORA A PRESION
Si tiene problemas con el funcionamiento de su maquina
lavadora a presi6n, por favor Ilame a la linea de ayuda de la
maquina lavadora a presi6n al 1-81)0-222-3136.
Para Poner en Marcha la M_quina
Lavadora a Presion
Para darle arranque a su maquina lavadora a presi6n
movida a motor por primera vez, siga estas instrucciones
paso a paso. Esta informaci6n acerca de la puesta en
marcha inicial tambi6n es valida para cuando vaya a darle
arranque al motor despu6s de haberlo dejado la maquina
lavadora a presi6n fuera de funcionamiento por Io menos un
dia.
• Coloque la maquina lavadora a presi6n en un Area cerca
de una fuente de agua exterior que pueda suministrar un
volumen de agua superior a los 2.2 galones por minuto.
• Revise que la manguera de alta presi6n est6 firmemente
conectada a la pistola de rociado y a la bomba. Vea la
secci6n "Montaje de la Maquina Lavadora a Presi6n"
(pagina 34) para las ilustraciones.
• AsegQrese que la unidad est6 nivelada.
• Conecte la manguera de jardin a la entrada del agua de
la bomba de la maquina lavadora a presi6n. Abra el
suministro del agua.
,_ iPRECAUCION! No ponga la bomba en
funcionamiento si no tiene conectado y abierto el
suministro de agua. Debera cumplir con esta
precauci6n o la bomba resultara dafiada.
• Apriete el gatillo de la pistola para eliminar el aire y las
impurezas del sistema de la bomba.
• Conecte la extensi6n para boquillas a la pistola de
rociado. Apriete con la mano.
• Coloque la boquilla en el modo de baja presi6n (mueva
la boquilla hacia adelante) y apriete el gatillo de la
pistola de rociado para eliminar la presi6n generada por
la ACTIVAClON del suministro del agua. Continue
apretando el gatillo hasta que observe una corriente
continua de agua y no exista aire en el sistema. Suelte
el gatillo.
• Enganche el cerrojo de seguridad al gatillo de la pistola
de rociado.
_ errojo de
Seguridad
Palanca
deI
cebador
en Ia
posici6n
Abierto
Palanca de la
v&lvula de
regulaci6n en
posici6n
R&pido
• Mueva la palanca del cebador a la posici6n "Closed"
("Cerrado").
NOTA: Para motores calientes, asegQrese de que la
palanca del cebador est6 en la posici6n "Open"
("Abierto").
• Mueva la palanca del cebador a la posici6n "Fast"
("Rapido"), indicada con la figura de un conejo. Los
controles son mostrados en la condici6n de operaci6n
deseada.
Mueva la palanca de la valvula del combustible a la
posici6n "On".
Coloque el pie izquierdo en el marco mas bajo y agarre
el asidero como mostrado. La apariencia de la unidad
puede diferir levemente. Estire el asidero del pufio del
principio levemente con su mano correcta hasta que
usted se sienta alguna resistencia, entonces estira
vigorosamente. Vuelva el asidero del pufio del principio
lentamente. No permita el lazo "espalda de cierre" contra
el principio.
Si la unidad no arranca, apriete el gatillo para eliminar la
presi6n acumulada. Repita los pasos anteriores.
Si la palanca del cebador fue colocada en la posici6n
"Closed" para darle arranque al motor, col6quela en la
posici6n "Open" tan pronto como el motor se caliente Io
suficiente y funcione normalmente.
Como Detener su M_quina Lavadora a
Presion
• Mueva la palanca de la valvula de regulaci6n a la
posici6n "Stop" ("Parado").
• Mueva la palanca de la valvula del combustible a la
posici6n "Off".
•Apriete el gatillo de la pistola de rociado para
eliminar la presion de la manguera.
NOTA: Observara una pequefia cantidad de agua cuando
elimine la presi6n.
36

Como Usar la Boquilla Ajustable
Usted ya debe saber como darle ARRANQUE a su maquina
lavadora a presi6n y como DETENERLA. La informaci6n de
esta secci6n le dira como ajustar el patr6n de rociado y
como aplicar detergente u otros quimicos de limpieza.
_ iPELIGRO! Nunca ajuste el patr6n de rociado
cuando est6 rociando. Nunca coloque las manos en
frente de la boquilla para ajustar el patr6n de rociado.
En el extremo de su pistola de rociado existe una manija
que puede mover hacia adelante y hacia atras para ajustar
el patr6n de rociado para que sea de alta o baja presi6n.
Mueva la boquilla hacia Mueva la boquilla hacia ade-
atras para obtener el modo lante para obtener el modo
de alta presi6n, de baja presi6n y para la
aplicaci6n del detergente.
Usted tambi6n puede ajustar el patr6n de rociado girando la
boquilla para que est6 concentrado en un patr6n de chorro o
un patr6n expandido en abanico.
!
Gire la boquilla en sentido
contrario alas manecillas del
reloj para un patr6n de
rociado en abanico.
Gire la boquilla en sentido de
las manecillas del reloj para
un patr6n de rociado a
chorro.
Apunte la boquilla hacia el suelo, desenganche el cerrojo
de seguridad y apriete el gatillo para probar el patr6n de
rociado.
• El patr6n de rociado se ajusta de un patr6n angosto a un
patr6n en abanico girando la boquilla.
• Para una limpieza mas efectiva, mantenga la boquilla de
rociado de 8 a 24 pulgadas de la superficie de limpieza.
• Si coloca la boquilla de rociado demasiado cerca podria
daSar la superficie, especialmente cuando est6 usando
el modo de alta presi6n.
• No coloque la boquilla a menos de 8 pulgadas cuando
est6 limpiando Ilantas.
Aplicacion del Detergente Usando la
Boquilla Ajustable
IMPORTANTE: Utilice quimicos disehados
especificamente para maquinas lavadoras a presion. Los
detergentes caseros podrian da_ar la bomba.
IMPORTANTE: Usted debera conectar todas las
mangueras antes de darle arranque al motor. Arrancar el
motor sin tener todas las mangueras conectadas y sin el
suministro de agua ABIERTO (ON) causara el daSo de la
bomba.
Para aplicar el detergente, siga los siguientes pasos:
•Revise el uso de la boquilla ajustable.
• Prepare la soluci6n detergente segQn Io indicado para el
trabajo de limpieza.
• Cuelgue el recipiente de la soluci6n detergente en el
gancho del alambre conectado a la manija.
• Coloque el extremo con el filtro del tubo para succi6n de
detergente en el recipiente del detergente.
_ PRECAUClON! Cuando coloque el filtro en el
recipiente del detergente, coloque el tubo de manera
que no entre en contacto con el silenciador caliente.
• Mueva la boquilla ajustable hacia adelante para obtener
el modo de baja presi6n. El detergente no puede ser
aplicado si tiene la boquilla en la posici6n de alta
presi6n.
• AsegQrese que la manguera de jardin est6 conectada a
la entrada del agua. Revise que la manguera de alta
presi6n est6 conectada a la pistola de rociado y a la
bomba. Dele arranque al motor.
• Aplique el detergente sobre la superficie seca,
comenzando en la parte inferior y dirigi6ndose hacia
arriba.
Permita que el detergente "penetre" de 3 a 5 minutos
antes de enjuagar.
Para lavar, comience en la parte inferior del Area que
esta lavando y dirijase hacia arriba, utilizando
movimientos largos, parejos y superpuestos.
37

Enjuage de la M_quina Lavadora a
P'resibn
iADVERTENCIA! Sea extremadamente cuidadoso
si debe usar el sistema de limpieza desde una
escalera, andamio o cualquier superficie
relativamente inestable. La presi6n de una maquina
lavadora en funcionamiento se acumula a medida
que usted sube. Cuando oprima el gatillo, la fuerza
de reacci6n del rociado inicial podria hacerlo caer. La
fuerza de la alta presi6n podria sacarlo del dispositivo
de elevaci6n donde se encuentra parado siesta muy
cerca de la superficie de limpieza.
Para Enjuage:
• Mueva la boquilla hacia atras para obtener el modo de
alta presi6n, oprima el gatillo y espere que deje de salir
detergente.
NOTA: Tambi6n puede detener la circulaci6n del detergente
retirando el tubo de succi6n del recipiente.
• Mantenga la pistola de rociado a una distancia segura
del area que planea rociar.
• Aplique un rociado de alta presi6n en un area pequeSa,
despu6s revise si la superficie presenta daSos. Si no
encuentra daSos, puede continuar con el trabajo de
limpieza.
• Comience en la parte superior del area que va a
enjuagar, dirigi6ndose hacia abajo con los mismos
movimientos superpuestos que utiliz6 para el lavado y la
aplicaci6n del detergente.
Sistema de Enfriamiento Autom&tico
(Alivio Tdrmico)
El agua que circula dentro de la bomba puede alcanzar
temperaturas entre los 140-145°F si hace funcionar el motor
de su maquina lavadora a presi6n de 3 a 5 minutos sin
oprimir el gatillo de la pistola de rociado. El sistema de
enfriamiento automatica se activa a esta temperatura y
enfria la bomba descargando agua caliente en el piso,
evitando asi el daSo interno de la bomba.
Como Usar el Carrete para Manguera
Su maquina lavadora a presi6n viene equipada con un
carrete para manguera diseSado para almacenar la
manguera cuando la unidad no esta siendo usada. Estas
instrucciones son Qnicamente para almacenar la manguera
por poco tiempo. Para un almacenamiento prolongado,
consulte la secci6n Almacenamiento de la pagina 44.
Despu_s de cada uso:
• Desconecte la manguera de la pistola y la toma de alta
presi6n de la bomba.
• Elimine el agua de la manguera.
• Pase un extremo de la manguera por el orificio del
carrete para manguera. Haga girar el carrete para
manguera con la manija para enrollarla en el carrete.
l\
• Coloque el otro extremo de la manguera en la presilla
ubicada en el costado de su unidad.
IMPORTANTE: No use su maquina lavadora a presi6n
cuando la manguera est6 enrollada en el carrete. El carrete
para manguera sirve Qnicamente para su almacenamiento.
38

39

RESPONSABILIDADES DEL PROPIETARIO
Siga el programa de mantenimiento segt_n el nt_mero de horas o segt_n el calendario, Io que suceda primero.
Se requiere de servicio con mayor frecuencia cuando opere la unidad en las condiciones adversas descritas a continuaci6n.
HORARIO DE MANTENIMIENTO
COLOQUE LAS FECHAS A MEDIDA QUE VA
COMPLETANDO EL SERVICIO REGULAR
INTERVALO DE OPERACION POR HORA
Antes de
cada use
Cada 50
Horas o
Anualmente
Cada 100 Cada 200
Horas o Horas o
Anualmente Anualmentc
TAREA DE MANTENIMIENTO
MAQUINA LAVADORA A PRESION
Revise/limpieel coladorde la entrada
de agua de la conexi6n rapida, xt
Revise la manguera de alta presi6n. X
Revise la manguera del detergente. X
Revise la pistola de rociado y el conjunto X
Elimineel airey los contaminantesde la bomba. X
MOTOR
Revise el nivel de aceite X
Cambie el aceite del motor. X*
Proporcione servicio al depurador de aire. X**
Limpie la bujia. X
Remplace la bujia. X
Proporcione servicio al apagachispas. X
Prepare la unidad para almacenamiento. Prepare la unidad para alrnacenarniente siva
a estar fuera de servicio per m_s de 30 dias.
FECHAS DE SERVICIO
1 Limpiar siesta obstruido. Remplazar si esta perforado o rote.
* Cambiar el aceite despues de las primeras (5) horas y despues cada 50 horas. Hacer el cambio de aceite con mayor
frecuencia cuando trabaje en condiciones de mucha suciedad o polvo.
** Remplazar mas a menudo bajo condiciones de suciedad o polvo.
ESPECIFICACIONES DEL
PRODUCTO
Especificaciones de la M_quina Lavadora
a Presion
Presi6n ................. 2000 PSI
Velocidad de flujo ......... 2.0 GPM
Mezcla de quimicos ........ Use segQn instrucciones
Temperatura del suministro
de agua ................. Que no exceda los 140°F
Especificaciones del Motor
Caballos de fuerza ........ 4.5 HP
Bujia
Tipo: ................. BPR6ES (NGK) o similar
Calibre la separaci6n a: . .0.028 pulgadas (0.70 mm)
0.031 pulgadas (0.80 mm)
Capacidad de gasolina ..... 1.2 Cuartos
Aceite ..................
Per encima de 50°F ..... SAE 30
Use General ........... SAE 10W-30
RECOMENDACIONES GENERALES
La garantia de la maquina lavadora a presi6n no cubre los
elementos que han side sujetos a abuse o negligencia per
parte del operador. Para recibir el valor total de la garantia,
el operador debera mantener la maquina lavadora a presi6n
come se indica en este manual.
Algunos ajustes tendran que hacerse peri6dicamente para
mantener adecuadamente su maquina lavadora a presi6n.
Todos los servicios y ajustes deberan hacerse per Io menos
una vez en cada estaci6n. Siga las instrucciones de la tabla
"Programa de Mantenimiento" descrita anteriormente.
NOTA: Una vez al afio, usted debera limpiar o remplazar la
bujia y el filtro de aire. Una bujia nueva y un filtro de aire
limpio garantizan una mezcla de combustible-aire adecuada
y le ayuda a su motor a funcionar mejor y a tener una vida
Qtil mas prolongada.
40

ANTES DE CADA USO
• Revise el nivel de aceite del motor.
• Revise si existen daSos en el colador de la entrada de agua.
• Revise si existen fugas en la manguera de alta presi6n.
• Revise si existen daSos en los filtros de quimicos.
• Revise si existen fugas en el conjunto de la extensi6n
para boquillas y pistola.
• Elimine el aire y los contaminantes de la bomba.
MANTENIMIENTO DE LA MAQUINA
LAVADORA A PRESION
Revise y Limpie el Colador de Entrada
Examine el colador de entrada de la manguera de jardin.
Limpielo siesta tapado o remplacelo siesta roto.
Revise la Manguera de Alta Presion
Las mangueras de alta presi6n pueden desarrollar fugas
debido al desgaste, dobleces o abuso. Revise la manguera
antes de cada uso. Revise si existen cortes, fugas,
abrasiones, levantamiento de la cubierta, daSo o
movimiento de los acoplamientos. Si existe cualquiera de
estas condiciones, remplace la manguera inmediatamente.
,_ iPELIGRO! Nunca repare la manguera de altapresi6n. Remplacela con una manguera que cumpla
con la capacidad minima de presi6n de su maquina
lavadora a presi6n.
Revise la Pistola y la Extension para
Boquillas
Examine la conexi6n de la manguera a la pistola y
cerciorese de que est6 en buen estado. Pruebe el gatillo
oprimi6ndolo y asegurandose de que se devuelve a su sitio
cuando Io suelte. Coloque el cerrojo de seguridad y pruebe
el gatillo. Usted no debe ser capaz de oprimir el gatillo.
Remplace la pistola inmediatamente si falla cualquiera de
estas pruebas.
Revise el Filtro en Linea
Consulte la ilustraci6n y suministre servicio al filtro en linea
si se tapa siguiendo estos pasos:
Filtro en linea
Extensi6n para _ _r_..._
boquillas Anillo 'O' @
2.
Retire la pistola y la extensi6n para boquillas de la
manguera de alta presi6n. Retire la extensi6n para
boquillas de la pistola y retire el anillo 'O' y el colador de
la extensi6n para boquillas. Lave el interior del colador,
pistola y extensi6n para boquillas con agua limpia para
eliminar toda clase de residuos.
Si el colador esta daSado, encontrara un colador para el
filtro en linea y un anillo 'O' de repuesto en el juego de
anillos 'O'. Si no esta daSado, vuelva a usarlo.
3. Coloque el colador del filtro en linea en el extremo con
rosca de la extensi6n para boquillas. Su direcci6n no
importa. Coloque el colador ejerciendo presi6n con el
borrador de un lapiz hasta que se asiente por completo
en el fondo de la abertura. Tenga cuidado de no doblar
el colador.
4. Coloque el anillo 'O' en la ranura respectiva. Empuje el
Anillo 'O' hasta que quede ajustado contra el colador del
filtro en linea.
5. Conecte la extensi6n para boquillas a la pistola de
rociado de la manera descrita con anterioridad en este
manual.
Elimine el Aire y los Contaminantes de la
Bomba
Para retirar el aire de la bomba, siga los siguientes pasos:
• Instale la maquina lavadora a presi6n como esta descrito
en la secci6n de MONTAJE y conecte el suministro de
agua.
• Retire la extensi6n para boquillas de la pistola.
• Hale el gatillo de la pistola y mant6ngalo apretado hasta
que obtenga una corriente de agua constante.
Para retirar los contaminantes de la bomba, siga los
siguientes pasos:
• Instale la maquina lavadora a presi6n como esta descrito
en la secci6n de MONTAJE y conecte el suministro de
agua.
• Retire la extensi6n para boquillas de la pistola.
• Ponga en marcha el motor de acuerdo alas
instrucciones de la secci6n OPERAClON.
• Hale el gatillo de la pistola y mant6ngalo apretado.
• Cuando el suministro de agua sea uniforme y constante,
enganche el cerrojo de seguridad y vuelva a instalar la
extensi6n para boquillas.
Mantenimiento de las Boquillas
Si la boquilla se obstruye o tapa con materiales extraSos,
como suciedad, se puede presentar presi6n excesiva de la
bomba. Una boquilla parcialmente tapada puede causar una
sensaci6n pulsatil durante el uso. Esto generalmente no es
un problema relacionado con la bomba, es mas que todo
una boquilla tapada o parcialmente obstruida.
Si la boquilla se tapa u obstruye parcialmente, limpiela
inmediatamente con el juego incluido en su maquina
lavadora a presi6n siguiendo estas instrucciones:
• Apague el motor y cierre el suministro de agua.
• Separe la extensi6n para boquillas de la pistola.
• Girela a la posici6n de chorro.
• Retire la boquilla del extremo de la extensi6n para
boquillas usando una Ilave allen de 2 mm o 5/64.
41

Use el alambre incluido en el juego o un clip de papel
pequeSo para liberar los materiales extraSos que estan
tapando u obstruyendo la boquilla.
Introduzca el alambre dentro de la boquilla y girelo
hacia los lados, hacia adelante y atras hasta despejar
la obstrucci6n.
Retire la suciedad adicional inyectando el suministro de
agua en sentido contrario a trav6s de la extensi6n para
boquillas. Lave de esta forma de 30 a 60 segundos. Gire
la extensi6n para boquillas hasta obtener un rociado en
chorro y mueva la boquilla de presi6n baja a alta
mientras hace el lavado.
NOTA: Los dos anillos 'o' anteriores tienen un tamaSo
similar. Por favor comparelos y aseg6rese de usarlos en el
lugar correcto.
• 1 arandela de caucho (p/n B2385) para la parte interna
del conector de la manguera de jardin.
• 1 colador para la entrada de agua (p/n B2384) para el
conector de la manguera de jardin.
• Vuelva a instalar la boquilla en la extensi6n para
boquillas. No la apriete demasiado.
• Vuelva a conectar la extensi6n para boquillas a la pistola
de rociado.
Vuelva a conectar el suministro de agua, ABRA el
suministro agua y d61e arranque al motor.
Pruebe la maquina lavadora a presi6n haci6ndola
funcionar con la boquilla en las posiciones de alta y baja
presi6n.
Mantenimiento de los Anillos 'o'
Durante la operaci6n normal de su maquina lavadora a
presi6n los anillos 'o' mantienen apretadas y libres de fugas
las conexiones de las mangueras y la pistola. EIIos pueden
desgastarse o daSarse con el uso. Su maquina lavadora a
presi6n viene con un Juego de Mantenimiento para anillos
'o', el cual contiene anillos 'o', una arandela de caucho y un
colador para la entrada de agua de repuesto.
Las partes del Juego de Anillos 'o' incluyen:
• 1 anillo 'o', rojo, (pin B2726) para el extremo de la
conexi6n de la pistola de rociado entre la pistola y la
extensi6n para boquillas.
O
1 anillo 'o' amarillo, (pin B2264) para el extremo de la
manguera de alta presi6n.
Para retirar un anillo 'o' desgastado o dahado:
• Utilice un destornillador de cabeza plana pequeSo,
col6quelo por debajo del anillo 'o' y saquelo haciendo
palanca.
MANTENIMIENTO DEL MOTOR
Revision del Nivel del Aceite
El nivel del aceite debera ser revisado antes de cada uso o
al menos cada 5 horas de operaci6n. Conserve el nivel del
aceite.
Cambio de Aceite
Cambie el aceite del motor despu6s de las primeras 5 horas
y cada 50 horas a partir de ese momento. Siesta utilizando
su maquina lavadora a presi6n bajo condiciones de extrema
suciedad o polvo, o en un clima demasiado caliente, haga el
cambio de aceite cada 25 horas.
Cambie el aceite con el motor caliente despu6s del
funcionamiento, como se indica a continuaci6n:
• Gire la vMvula de combustible a la posici6n "OFF" para
reducir el riesgo de fugas de combustible.
• Retire toda la gasolina del tanque de combustible.
• Limpie el Area alrededor de la abertura para Ilenado de
aceite, retire la varilla de medici6n de aciete y limpiela.
• Incline su maquina lavadora a presi6n para drenar el
aceite a trav6s del tubo de la varilla de medici6n a un
recipiente adecuado. Cuando la caja del cigQeSal est6
vacia, vuelva a colocar la maquina lavadora a presi6n en
posici6n vertical. Limpie el aceite que haya derramado.
• Deposite el aceite lentamente hasta que Ilegue a la
marca "UPPER LIMIT" ("LIMITE SUPERIOR") de la
varilla de medici6n. Pare de vez en cuando y revise el
nivel del aceite. Inserte y retire la varilla de medici6n sin
atornillarla en el tubo de Ilenado.
42

• Si el nivel del aceite se encuentra cerca o por debajo de
la marca limite de la varilla de medici6n, deposite el
aceite recomendado hasta que Ilegue a la marca del
limite superior. NO LLENE EXCESIVAMENTE.
• Instale y apriete la varilla de medici6n del aceite con la
mano.
• Limpie los residuos de aceite.
Servicio del Depurador de Aire
Su motor no funcionara adecuadamente y puede dafiarse si
usted Io hace funcionar con un depurador de aire sucio.
Remplace el depurador de aire una vez cada 200 horas de
operaci6n o una vez por afio, Io que suceda primero.
Remplacelo mas frecuentemente si la unidad funciona bajo
condiciones de mucha suciedad o polvo. Los repuestos se
encuentran disponibles en su centro de servicio local Sears.
Para remplazar el depurador de aire, siga los siguientes
pasos:
• Oprima las lengQetas de fijaci6n ubicadas en la parte
superior de la cubierta del depurador de aire y retire la
cubierta.
CAJA DEL DEPURADOR DE AIRE
LENGOETAS INFERIORES
• Retire cuidadosamente el elemento del filtro de aire
sucio para evitar que suciedad caiga dentro del
carburador. Descartelo.
• Limpie la parte interna de la caja del filtro utilizando un
trapo ht_medo.
• Vuelva a colocar un elemento de filtro de aire nuevo y la
cubierta.
Limpie /Remplace la Bujia
Revise y limpie la bujia cada 100 horas de operaci6n.
Remplace la bujia una vez al afio o cada 200 horas de
operaci6n.
_ iPRECAUCION! Desconecte el alambre de la
bujia y mantengalo alejado de la misma cuando
suministre servicio al motor.
• Limpie el Area alrededor de la bujia.
• Retire y revise la bujia.
• Cambie la bujia si los electrodos estan desgastados, o si
el aislador esta roto o partido. Para su remplazo, utilice
una bujia BPR6ES (NGK) o similar.
• Revise la separaci6n del electrodo con un calibrador de
alambre y ajuste la separaci6n a 0.28 pulgadas - 0.031
pulgadas (0.70 mm - 0.80 mm) si es necesario.
• Instale la bujia y aprietela firmemente.
Carburador
Si usted cree que su carburador necesita ajuste, visite su
centro de servicio Sears mas cercano. El funcionamiento del
motor podria resultar afectado a altitudes por encima de
4000 pies. Para operaciones a elevaciones mayores,
p6ngase en contacto con el centro de servicio Sears mas
cercano.
Servicio del Apagachispas
El motor de su unidad no viene equipado de fabrica con un
apagachispas. En ciertas Areas, es ilegal operar motores
que no tengan apagachispas. Revise las leyes y
regulaciones locales. Si necesita apagachispas, Io puede
comprar en su centro de servicio Sears mas cercano. Usted
puede comprar un arrester nuevo de la chispa Ilamando
1-800-366-PART.
Debera suministrarle servicio al apagachispas cada 100
horas para conservarlo en buenas condiciones de
funcionamiento.
Si el motor ha estado funcionando, el silenciador estara
bastante caliente. Deje que el silenciador se enfrie para
poder darle servicio al apagachispas.
• Retire los tres pernos de 6 mm del protector del
silenciador y retire el protector del silenciador.
APAGACHISPAS
PROTECTOR DEL
SILENCIADOR
S
PERNOS DE 6 mm
• Retire los dos tornillos especiales del apagachispas y
retire el apagachispas del silenciador.
• Utilice un cepillo para retirar los dep6sitos de carbono de
la pantalla del apagachispas. Sea cuidadoso y evite
dafiar la pantalla. El apagachispas no puede tener
rupturas y orificios. Remplace el apagachispas siesta
dafiado.
• Instale el apagachispas y el protector del silenciador en
el orden contrario al usado para su desarme.
43

DESPUES DE CADA USO
No debera haber agua en la unidad por largos periodos de tiempo.
Los sedimentos de minerales se pueden depositar en partes de la
bombay "congelar" su funcionamiento. Lleve a cabo estos
procedimientos despues de cada uso:
• Lave el tubo de succi6n de detergente colocando el filtro en un
balde de agua limpia al mismo tiempo que hace funcionar la
maquina lavadora a presi6n en el modo de baja presi6n
(boquilla ajustable en posici6n delantera). Lave por un minuto o
dos minutos.
•Apague el motor y dejelo enfriar, despues retire todas las
mangueras.
• Desconecte el alambre de la bujia.
• Saque todos los liquidos de la bomba halando la manija de
retroceso aproximadamente 6 veces. Esto debera evacuar la
mayoria del liquido de la bomba.
• Enrolle la manguera de alta presi6n y revisela para ver si
presenta dafios. Los cortes en la manguera o el desgaste de la
misma pueden ocasionar fugas y perdida de presi6n. Si
encuentra alg0n dafio, remplace la manguera. No intente
reparar una manguera dafiada. Remplace la manguera con la
parte Craftsman genuina.
• Desconecte la manguera de la pistola y la toma de alta presi6n
de la bomba. Elimine el agua de la manguera y sequela
manguera con un trapo.
• Pase un extremo de la manguera por el orificio del carrete para
manguera. Haga girar el carrete para manguera con la manija
para enrollarla en el carrete. Coloque el otro extremo de la
manguera en la presilla ubicada en el costado de su unidad.
• Vuelva a conectar el alambre a la bujia
• Almacene la unidad en una area limpia y seca
,_ iPELIGRO! Nunca almacene el motor con combustible en
el tanque en recintos cerrados o en areas encerradas con
poca ventilaci6n donde los vapores puedan entrar en
contacto con llamas abiertas chispas o luces de piloto
ALMACENAMIENTO PARA INVIERNO
,_ iPRECAUCION! Usted debera proteger su unidad de las
temperaturas de congelamiento. Si no Io hace, dafiara
permanentemente la bomba y la unidad no podra funcionar.
Para proteger la unidad de las temperaturas de
congelamiento:
•Lave el tubo de succi6n de detergente colocando el filtro en un
balde de agua limpia al mismo tiempo que hace funcionar la
maquina lavadora a presi6n en el modo de baja presi6n
(boquilla ajustable en posici6n delantera). Lave por un minuto o
dos minutos.
• Desconecte la manguera conectada al adaptador de inyecci6n
de quimicos de la bomba.
• Saque todos los liquidos de la bomba halando la manija de
retroceso aproximadamente 6 veces. Esto debera evacuar la
mayoria del liquido de la bomba.
• Conecte un pedazo de manguera de jardin de 3pies al
adaptador de la entrada del agua. Vierta anticongelante RV
(anticongelante sin alcohol) en la manguera. Hale la manija de
retroceso dos veces. Desconecte la manguera de 3pies.
ALMACENAMIENTO PROLONGADO
Si usted no planea usar la maquina lavadora a presi6n por mas de
30 dias, debera preparar el motor para un almacenamiento
prolongado.
Es importante evitar la formaci6n de dep6sitos de goma en las
partes esenciales del sistema del combustible tales como
carburador, filtro del combustible, manguera o tanque del
combustible durante el almacenamiento. Tambien, la experiencia
indica que los combustibles con mezclas de alcohol (llamados
gasohol, etanol o metanol) pueden atraer la humedad, Io que Ileva a
la separaci6n y formaci6n de acidos durante el almacenamiento. La
gasolina acida puede dafiar el sistema del combustible de un motor
durante el almacenamiento.
Proteja el Sistema de Combustible
Estabilizador de Combustible:
Siva a usar estabilizador de combustible, Ilene el tanque de
combustible con gasolina fresca. Si el tanque tan solo esta
parcialmente Ileno, el aire del tanque va a promover el deterioro del
combustible durante el almacenamiento.
• Deposite el estabilizador de combustible siguiendo las
instrucciones del fabricante.
• Aseg0rese de tener conectado y ABIERTO el suministro de
agua a la entrada de la bomba.
• Ponga en funcionamiento el motor en un area descubierta por
10 minutos para garantizar que la gasolina tratada ha
remplazado la gasolina no tratada del carburador.
Cambio de Aceite
Con el motor todavia caliente, drene el aceite de la caja del
cig0efial. Vuelva a Ilenarlo con el grado de aceite recomendado.
Vea "Cambio de Aceite" en la pagina 42.
Aceite el Diametro Interior del Cilindro
• Retire la bujia Rocie aproximadamente 1 cucharada de aceite
limpio para motor dentro del cilindro Cubra el orificio de la bujia
con un trapo Hale la manija de retroceso lentamente para
distribuir el aceite Evite el rociado del orificio de la bujia
• Instale la bujia No conecte el alambre de la bujia
OTROS
• No almacene gasolina de una estaci6n a otra.
• Si es posible, almacene su unidad en un recinto cerrado y
cebrala para protegerla del polvo y la suciedad. ASEGURESE
DE VACIAR EL TANQUE DEL COMBUSTIBLE.
Drenaje del Tanque de Combustible:
iPELIGRO! Drene el combustible en un area despejada,
lejos de llamas abiertas, en un recipiente adecuado y
utilizando un embudo. Aseg0rese que el motor este frio. No
Fume.
• Retire el perno de la taza del flotador, despues gire la palanca
de la valvula del combustible a la posici6n "On".
• Despues que todo el combustible ha drenado en el recipiente,
vuelva a instalar la taza del flotador sosteniendola en su sitio en
el carburador. Apriete el perno firmemente.
IMPORTANTE: NUNCA cubra su maquina lavadora a presi6n
cuando el motor y el area del escape esten calientes. Por favor
consulte la seccibn de Repuestos comenzando en la p_gina 22
para la identificiacibn de componentes.
44

Problema
La bomba presenta los
siguientes problemas: no
produce presion o produce una
presion errada, traqueteo,
p_rdida de presion, bajo
volumen de agua.
El detergente no se mezcla con
el rociado.
El motor funciona bien cuando
no tiene cargas, pero funciona
"mar' cuando se conecta una
carga.
El motor no arranca;
o arranca y funciona mal.
Causa
1. La boquilla esta en el modo de baja
presi6n.
2. La entrada de agua esta bloqueada.
3. Suministro de agua inadecuado.
4. La manguera de entrada esta
doblada o presenta fugas.
5. El colador de la manguera de la
entrada de agua esta tapado.
6. El suministro de agua esta por
encima de los 140? F.
7. La manguera de alta presi6n esta
bloqueada o presenta fugas.
8. La pistola presenta fugas.
9. La boquilla esta obstruida.
10. Bomba defectuosa.
1.
2.
3.
El tubo de succi6n de detergente no
esta sumergido.
El filtro de quimicos esta tapado.
La boquilla esta en el modo de alta
presi6n.
La velocidad del motor es demasiado
lenta.
El motor se apaga durante la
operacion.
El motor no tiene fuerza. Filtro de aire sucio.
Cebador abierto demasiado rapido
El motor intenta estabilizarse o
su funcionamiento no es
constante.
1. Bajo nivel de aceite.
2. Depurador de aire sucio.
3. Sin gasolina.
4. Gasolina vieja.
5. El alambre de la bujia no esta
conectado a la bujia.
6. Bujia mala.
7. Agua en la gasolina.
8. Estrangulaci6n excesiva o inundado.
9. Mezcla de combustible demasiado
rica.
10. Valvula de entrada trabada en la
posici6n abierta o cerrada.
11. El motor ha perdido compresi6n.
1. Sin gasolina.
2. Bajo nivel de aceite.
Solucion
1. Mueva la boquilla hacia atras para el
modo de alta presi6n.
2. Limpie la entrada.
3. Proporcione flujo de agua
adecuado.
4. Estire la manguera de entrada,
coloque un parche en la fuga.
5. Revise y limpie el colador de la
manguera de entrada.
6. Proporcione suministro de agua mas
fria.
7. Retire las obstrucciones de la
manguera de salida.
8. Remplace la pistola.
9. Limpie la boquilla.
10. P6ngase en contacto con el centro
de servicio Sears.
1. Coloque el tubo de succi6n de
detergente en el detergente.
2. Limpie o remplace el filtro/tubo de
succi6n de detergente.
3. Mueva la boquilla hacia adelante
para el modo de baja presi6n.
Mueva el control de la valvula de
regulaci6n a la posici6n FAST
(RAPIDO). Si el motor continua
funcionando mal, p6ngase en contacto
con el centro de servicio Sears.
1. Llene la caja del cigQefial hasta el
nivel correcto.
2. Limpie o remplace el depurador de
aire.
3. Llene el tanque de combustible.
4. Drene el tanque de gasolina; 116nelo
con combustible fresco.
5. Conecte el alambre a la bujia.
6. Remplace la bujia.
7. Drene el tanque de gasolina; 116nelo
con combustible fresco.
8. Abra el cebador por completo y
haga girar el motor.
9. P6ngase en contacto con el centro
de servicio Sears.
10. P6ngase en contacto con el centro
de servicio Sears.
11. P6ngase en contacto con el centro
de servicio Sears.
1. Llene el tanque de combustible.
2. Llene la caja del cigQefial hasta el
nivel correcto.
Remplace el filtro de aire.
Mueva el cebador a la posici6n
intermedia hasta que el motor funcione
normalmente.
45

Sus Obligaciones y Derechos de Garantia
La Junta Directiva de Recursos Ambientales de California ("CARB")
y Sears Roebuck and Co. USA, tienen el gusto de explicar la
Garantfa del Sistema de Control de Emisiones de su motor (motor)
pequefio afio 2000 y modelos posteriores. En California, los
motores nuevos deben ser disefiados, fabricados y equipados para
cumplir con los estrictos estandares anti-poluci6n del Estado. Sears
debera garantizar el sistema de control de emisiones de su motor
por los perfodos de tiempo enlistados a continuaci6n, con tal de que
no haya habido abuso, negligencia o mantenimiento inadecuado de
su motor.
Su sistema de control de emisiones incluye partes como el
carburador y el sistema de ignici6n.
Donde exista una condici6n que se pueda garantizar, Sears
reparar& su motor sin costo alguno para usted. Los gastos cubiertos
bajo la garantfa incluyen diagn6stico, partes y mano de obra.
Cubrimiento de Garantia del Fabricante
Los motores modelo afio 2000 y posteriores estan garantizados por
dos afios. Si alguna parte de su motor relacionada con las
emisiones (lista a continuaci6n) es defectuosa, esta sera
remplazada o reparada por Sears.
Resp.onsabilidades de Garantia del
Propietario
Como propietario del motor, usted es responsable de la realizaci6n
del mantenimiento requerido enlistado en este manual del
propietario. Sears le recomienda conservar todos los recibos que
cubran el mantenimiento de su motor. Sin embargo, Sears no
puede negar los derechos de garantfa tan solo debido a la falta de
los recibos o por que no se haya asegurado de realizar todo el
mantenimiento programado.
Como propietario del motor, usted debe saber que Sears puede
negar el cubrimiento de la garantfa si su motor, o una parte del
mismo, ha fallado debido a abuso, negligencia, mantenimiento
inadecuado, modificaciones no aprobadas, o por el uso de partes
que no hayan sido fabricadas o aprobadas por el fabricante original
del equipo.
Usted es responsable de Ilevar su motor a un centro de reparaci6n
autorizado Sears tan pronto como aparezca el problema. Las
reparaciones de garantfa deberan terminarse en un perfodo de
tiempo razonable, que no exceda los 30 dias.
Si tiene preguntas acerca de sus responsabilidades y derechos de
garantfa, debera ponerse en contacto con su centro de servicio
autorizado mas cercano o Ilamar a Sears al 1-800-473-7247.
Fecha de Inicio de la Garantia
El periodo de la garantia comienza en la fecha de entrega del
motor.
Duracion del Cubrimiento
Sears garantiza al propietario inicial y a cada comprador
subsecuente, que el motor est& libre de defectos en materiales y
mano de obra que puedan causar falla de la parte garantizada por
un periodo de dos afios.
QUE ESTA CUBIERTO
Reparacion o Remplazo de Partes
• La reparaci6n oel remplazo de cualquier parte garantizada se
realizara sin ningQn costo para el propietario en un centro de
servicio aprobado Sears.
Si tiene preguntas acerca de sus responsabilidades y derechos
de garantfa, deber& ponerse en contacto con su centro de
servicio autorizado mas cercano o Ilamar a Sears al
1-800-473-7247.
Periodo de Garantia
Cualquier parte garantizada que no haya sido programada para
reemplazo como mantenimiento requerido, o que este programada
6nicamente para inspecci6n bajo la condici6n de "repare o remplace
cuando sea necesario", sera garantizada por 2 afios. Cualquier
parte garantizada que este programada para reemplazo seg6n el
mantenimiento requerido sera garantizada por el perfodo de tiempo
hasta su primer remplazo programado.
Diagnostico
No se le cobrara al propietario los costos del trabajo diagn6stico
que Ileve a la conclusi6n de que la parte garantizada es defectuosa,
si dicho trabajo diagn6stico es hecho en un centro de servicio Sears
aprobado.
DaSos Consecuenciales
Sears puede ser responsable por dafios a otros componentes del
motor causados por la falla de una parte garantizada que a6n esta
bajo garantia.
QUE NO ESTA CUBIERTO
No seran cubiertas las fallas causadas por abuso, negligencia o
mantenimiento inadecuado.
Partes Agregadas o Modificadas
El uso de partes agregadas o modificadas puede ser motivo
suficiente para negar reclamos bajo garantfa. Sears no es
responsable de cubrir fallas de partes garantizadas causadas por el
uso de partes agregadas o modificadas.
Como Presentar un Reclamo
Si tiene preguntas acerca de sus responsabilidades y derechos de
garantfa, debera ponerse en contacto con su centro de servicio
autorizado mas cercano o Ilamar a Sears al 1-800-473-7247.
Donde se Obtiene el Servicio de Garantia
Las reparaciones o servicios de garantfa seran proporcionados en
todos los centros de servicio autorizados Sears.
Mantenimiento, Remplazo y Reparacion
de Partes Relacionadas con Emisiones
Cualquier repuesto aprobado por Sears usado en la realizaci6n de
cualquier mantenimiento o reparaci6n de garantia en partes
relacionadas con las emisiones, sera suministrado sin costo alguno
al propietario si la parte esta bajo garantia.
Lista de Partes en Garantia del Control de
Emisiones
1. Conjunto del carburador
2. Sistema de ignici6n
a. Bujia, cubierta hasta el programa de mantenimiento.
b. M6dulo de ignici6n
3. Tubo del respiradero de la caja del cigQeSal
4. MQItiple de escape
46

47

For in-home major brand repair service:
Call 24 hours a day, 7 days a week
1-800-4-MY-HOME sM(1-800-469-4663)
Para pedir servicio de reparacibn a domicilio - 1-800-676-5811
In Canada for all your service and parts needs call - 1-800-665-4455
Au Canada pour tout le service ou les pi_ces
For the repair or replacement parts you need:
Call 7 am -7 pm, 7 days a week
1-800-366-PART (1-800-366-7278)
Para ordenar piezas con entrega a domicilio -1-800-659-7084
For the location of a Sears Parts and Repair Center in your area:
Call 24 hoursa day, 7 days a week
1-800-488-1222
For information on purchasing a Sears Maintenance Agreement
or to inquire about an existing Agreement:
Call 9 am -5 pm, Monday- Saturday
1-800-827-6655
TheServiceSideofSears_