Craftsman 580768340 User Manual PRESSURE WASHER Manuals And Guides L0209031
CRAFTSMAN Power Washer, Gas Manual L0209031 CRAFTSMAN Power Washer, Gas Owner's Manual, CRAFTSMAN Power Washer, Gas installation guides
User Manual: Craftsman 580768340 580768340 CRAFTSMAN PRESSURE WASHER - Manuals and Guides View the owners manual for your CRAFTSMAN PRESSURE WASHER #580768340. Home:Lawn & Garden Parts:Craftsman Parts:Craftsman PRESSURE WASHER Manual
Open the PDF directly: View PDF
.
Page Count: 48

Owner's Manual
CRRFTSMRN°
5.5 HORSEPOWER
2400 PSI
2.2 GPM
HIGH PRESSUR
Model No. 580.768340
WASHER
HOURS: Mon.- Fri. 8 a.m. to 5 p.m. (CT)
CAUTION" Before using this product,
read this manual and follow all Safety
Rules and Operating Instructions.
•Safety
•Assembly
•Operation
•Maintenance
•Parts
•Espafiol
SEARS, ROEBUCK and CO., Hoffman Estates, IL 60179 U.S.A.
Visit our Craftsman website: www.sears.com/craftsman
Part No. B5659 Draft 4 (6/1/2000)

WARRANTY ................................... 2
SAFETY RULES .............................. 2-3
ASSEMBLY .................................. 4-6
OPERATION ................................ 7-10
MAINTENANCE ............................ 11-14
SPECIFICATIONS ............................. 11
STORAGE ................................... 15
TROUBLESHOOTING .......................... 16
REPLACEMENT PARTS ...................... 18-27
EMISSION CONTROL WARRANTY ................ 28
ESPANOL ................................. 29-47
HOW TO ORDER PARTS ............... BACK PAGE
LIMITED WARRANTY ON CRAFTSMAN HIGH PRESSURE WASHER
For one year from the date of purchase, when this Craftsman pressure washer is maintained and operated
according to the instructions in the owner's manual, Sears will repair, free of charge, any defect in material and
workmanship.
If this washer is used for commercial purposes, this warranty applies for only 90 days from the date of purchase.
If this high pressure washer is used for rental purposes, this warranty applies for only 30 days after date of
purchase.
This warranty does not cover:
• Expendable items such as spark plugs or air filters, which become worn during normal use.
• Repairs necessary because of operator abuse or negligence, including damage resulting from no water being
supplied to pump or failure to maintain the equipment according to the instructions contained in the owner's
manual.
Warranty service is available by returning the high pressure washer to the nearest Sears service center or
dealer in the United States.
This warranty gives you specific legal rights and you may also have other rights, which vary from state to state.
Sears, Roebuck and Co., Dept. 817WA, Hoffman Estates, IL 60179
The engine exhaust from this product contains
chemicals known to the State of California to
cause cancer, birth defects, or other
reproductive harm.
CAUTION! When setting up, transporting,
adjusting or making repairs to your high
pressure washer, always disconnect the spark
plug wire from the spark plug and place the wire
where it cannot contact spark plug.
DANGER! Engine exhaust gases contain
DEADLY carbon monoxide gas. This dangerous
gas, if breathed in sufficient concentrations, can
cause unconsciousness or even death. Operate
this equipment only in the open air where
adequate ventilation is available.
_ANGER! Gasoline is highly FLAMMABLE
and its vapors are EXPLOSIVE. Do Not permit
smoking, open flames, sparks or heat in the
vicinity while handling gasoline. Avoid spilling
gasoline on a hot engine. Allow unit to cool
before refueling. Comply with all laws regulating
storage and handling of gasoline.
Read this manual carefully and become familiar
with your pressure washer. Know its applications,
its limitations, and any hazards involved.
• Locate this pressure washer in areas away from
combustible materials, combustible fumes or dust.
• The high pressure equipment is designed to be
used with Sears authorized parts ONLY. If you use
this equipment with parts that do not comply with
minimum specifications, the user assumes all risks
and liabilities.

• Somechemicalsordetergentsmaybeharmfulif
inhaledor ingested,causingseverenausea,
faintingor poisoning.Theharmfulelementsmay
causepropertydamageorsevereinjury.
• DoNotallowCHILDRENtooperatethepressure
washerat anytime.
• Operateengineonlyatgovernedspeed.Running
theengineatexcessivespeedsincreasesthe
hazardof personalinjury.DoNottamperwithparts
whichmayincreaseordecreasethegoverned
speed.
• DoNotwearlooseclothing,jewelryoranything
thatmaybecaughtinthestarterorotherrotating
parts.
• Beforestartingthepressurewasherincold
weather,checkall partsoftheequipmentandbe
sureicehasnotformedthere.
• Neverusea spraygunwhichdoesnothavea
triggerlockortriggerguardin placeandinworking
order.
• Keepthehoseconnectedto machineorthespray
gunwhilethesystemispressurized.Disconnecting
thehosewhiletheunitispressurizedisdangerous.
• Unitswithbrokenor missingparts,orwithout
protectivehousingorcovers,shouldNeverbe
operated.
• Checkthefuelsystemfor leaksorsignsof
deterioration,suchaschafedorspongyhose,
looseormissingclamps,ordamagedtankorcap.
Correctalldefectsbeforeoperatingthepressure
washer.
• DoNotsprayflammableliquids.
• Usea respiratorormaskwheneverthereisa
chancethatvaporsmaybeinhaled.Readall
instructionswithmasksoyouarecertainthemask
willprovidethenecessaryprotectionagainst
inhalingharmfulvapors.
• Neveraimthespraygunat people,animalsor
plants.Thehighpressurestreamofwaterthatthis
equipmentproducescanpierceskinandits
underlyingtissues,leadingto seriousinjuryand
possibleamputation.
• Neverallowanypartofthebodytocomein
contactwiththefluidstream.DoNotcomein
contactwithafluidstreamcreatedbyaleakinthe
highpressurehose.
• Alwaysweareyeprotectionwhenyouusethis
equipmentorwhenyouareinthevicinitywhere
theequipmentisinuse.
• Highpressurespraycancausepaintchipsorother
particlesto becomeairborne.
• DoNotoperatethepressurewasherabovethe
ratedpressure.
• Nevermovethemachinebypullingonthehigh
pressurehose.Usethehandleprovidedonthe
unit.
• Alwaysbecertainthespraygun,nozzlesand
accessoriesarecorrectlyattached.
• DoNotsecurethesprayguninthe(open)
position.
• Highpressurespraymaydamagefragileitems
includingglass.DoNotpointspraygunat glass
wheninthejetspraymode.
• Holdthespraygunfirmlyinyourhandbeforeyou
starttheunit.Failureto dosocouldresultinan
injuryfromawhippingspraygun.DoNotleavethe
spraygununattendedwhilethemachineis
running.
• Thecleaningareashouldhaveadequateslopes
anddrainageto reducethepossibilityofafalldue
to slipperysurfaces.
• Keepwatersprayawayfromelectricwiringorfatal
electricshockmayresult.
• DoNotby-passanysafetydeviceonthis
machine.
• Themufflerandengineheatupduringoperation
andremainhotimmediatelyaftershuttingitdown.
Avoidcontactwithahotmufflerorengineasyou
couldbeseverelyburned.
• Operateandstorethisunitona stablesurface.
• Highpressurehosecandevelopleaksfromwear,
kinking,abuse,etc.Watersprayingfroma leakis
capableof injectingmaterialintoskin.Inspecthose
eachtimebeforeusingit.Checkallhosesforcuts,
leaks,abrasionsorbulgingof cover,ordamageor
movementof couplings.Ifanyof theseconditions
exist,replacehoseimmediately.Neverrepairhigh
pressurehose.Replaceitwithanotherhosethat
exceedsmaximumpressureratingof yourunit.
• Themufflerandaircleanermustbeinstalledandin
goodconditionbeforeoperatingthepressure
washer.Thesecomponentsactassparkarresters
iftheenginebackfires.
IntheStateof Californiaa sparkarresterisrequired
bylaw(Section4442oftheCaliforniaPublic
ResourcesCode).Otherstatesmayhavesimilarlaws.
Federallawsapplyonfederallands.
NOTE:Ifyouequipthemufflerwitha sparkarrester,it
mustbemaintainedineffectiveworkingorder.You
canordera sparkarresterthroughyourauthorized
Searsservicedealer.
,_ THIS IS THE SAFETY ALERT SYMBOL. IT IS USED TO ALERT YOU TO POTENTIAL
PERSONAL INJURY HAZARDS. OBEY ALL SAFETY MESSAGES THAT FOLLOW THIS
SYMBOL TO AVOID POSSIBLE INJURY OR DEATH.

Your pressure washer requires some assembly and is
ready for use only after it has been properly serviced
with the recommended oil and fuel.
If you have any problems with the assembly of
your pressure washer, please call the pressure
washer helpline at 1-800-222-3136.
IMPORTANT: Any attempt to run the engine before it
has been serviced with the recommended oil will result
in an engine failure.
REMOVE PRESSURE WASHER
FROM CARTON
•Open carton and slice two corners opposite guide
handle from top to bottom so the panel can be
folded down flat.
• Remove hose reel box, fillers, and parts box
shipped with your pressure washer.
• Roll the pressure washer out the open end of the
carton.
• Raise guide handle, secure in place.
Lift the handle to upright
position and slide the
locking caps into place
• Check carton for additional loose parts.
CARTON CONTENTS
Check all contents. If any parts are missing or
damaged, call the pressure washer helpline at
1-800-222-3136.
• The main unit
• Hose reel components
• Parts box (which includes items listed below)
High pressure hose
Spray gun
Nozzle extension with Hi/Lo adjustable nozzle
Engine oil
Quick connect fitting
Owner's manual
Nozzle cleaning kit
O-Ring kit
Become familiar with each piece before assembling
the pressure washer. Check all contents against the
illustration shown on page 7. If any parts are missing
or damaged, call the pressure washer helpline at
1-800-222-3136.
ASSEMBLING YOUR PRESSURE
WASHER
Your Craftsman high pressure washer was mostly
assembled at the factory. However, you will need to
perform these tasks before you can operate your
pressure washer:
• Attach hose reel.
• Add oil to engine crankcase.
• Add fuel to fuel tank.
• Connect high pressure hose to the spray gun and
the pump.
• Connect water supply to the pump.
Assembling Hose Reel
IMPORTANT: You must take the hose off the reel
when operating your high pressure washer. The reel is
for storage purposes only.
• Attach the handle to the reel with Iocknuts, flat
washers, and bolts as shown.
• Secure the hose reel to the left side upright, (from
behind the unit), with Iocknuts, flat washers, and
bolts. See page 7 for location.
-- M6 Bolts
M6 Flat washers
M6 L!ck washer
M8 Bolts
M8 M8 Flat washers

Add Engine Oil
IMPORTANT: Any attempt to crank or start the engine
before it has been properly serviced with the
recommended oil may result in an engine failure.
NOTE: When adding oil to the engine crankcase, use
only high quality detergent oil rated with API service
classification SF, or SG rated SAE 10W-30 weight.
Other viscosity oils shown in the chart may be used
when the average temperature in your area is within
the recommended range:
-20 020 40 60 80 IO0°F
I ! !I I I I I
-30 -20 -10 0 10 20 30 40°C
AMBIENT TEMPERATURE
•Place pressure washer on a level surface.
• Clean area around oil fill, remove oil dipstick and
wipe it clean.
• Insert and remove the dipstick without screwing it
into the filler neck.
OIL FILLER CAP/DIPSTICK
R LIMIT
Add Gasoline
_ANGER! Never fill fuel tank indoors. Never
fill fuel tank when engine is running or hot.
Do Not smoke when filling fuel tank.
_ARNING! Never fill fuel tank completely full.
Provide space for fuel expansion. Wipe away
any fuel spillage from engine and equipment
before starting.
• Use fresh, clean unleaded automotive gasoline and
store in approved, clean, covered containers. Use
clean fill funnels. Never use "stale" gasoline left
over from last season or gasoline stored for long
periods.
• Clean area around fuel fill cap, remove cap.
• Slowly add gasoline to fuel tank. Use a funnel to
prevent spillage. Fill tank to "Fuel Level Mark" as
shown below.
i _.J MAXIMUM FUEL LEVEL
- 2_FUEL LEVEL
- _-. _MARK
• Install fuel cap and wipe up any spilled gasoline.
• Slowly pour oil into oil fill opening until oil reaches
"UPPER LIMIT" mark on the dipstick. Stop
occasionally to check oil level.
• If the oil level is near or below the lower limit mark
on the dipstick, fill with the recommended oil to the
upper limit mark. DO NOT OVERFILL.
• Install oil dipstick, hand tighten securely.
NOTE: Check oil often during engine break-in.

Connect Hose and Water Supply to Pump
IMPORTANT: You must attach all hoses before you
start engine. Starting engine without all hoses
connected and water supplied will damage pump.
•Attach quick connect fitting to the high pressure
hose.
Quick Connect
Fitting
/
• Uncoil high pressure hose and attach one end of
hose to the base of the spray gun with attached
quick connect. Pull down on the collar of the quick
connect, slide onto the spray gun and let go of
collar. Pull on hose and spray gun to be sure of a
tight connection.
• Attach other end of high pressure hose to the high
pressure outlet on the pump. Tighten by hand.
Before you connect your garden hose to the water
inlet, inspect the inlet screen. Clean the screen if it
contains debris or have it replaced if damaged.
Do Not run the pressure washer if the inlet
screen is damaged.
• Connect the garden hose to the water inlet. Tighten
by hand.
,_ WARNING! There MUST be at least ten feet of
unrestricted garden hose between the pressure
washer inlet and any flow shut off device, such
as a 'Y' shut-off connector or other
convenience-type water shut-off valve. Damage
to pressure washer resulting from disregarding
this warning will not be covered by the warranty.
• Turn ON the water (open supply valve completely).
,_ CAUTION! Before starting the pressure
washer, be sure you are wearing adequate
eye protection.
CHECKLIST BEFORE STARTING
ENGINE
Review the assembled unit to ensure you have
performed all of the following:
• Check that hose reel fasteners are tight.
• Check that oil has been added to proper level in
engine crankcase.
• Add proper gasoline to fuel tank.
• Check for properly tightened hose connections
(high pressure and water supply) and that there are
no kinks, cuts, or damage to the high pressure
hose.
• Provide proper water supply (not to exceed 140°F).
• Be sure to read "Safety Rules" and "Operation"
sections before using the pressure washer.

KNOW YOUR PRESSURE WASHER
Read the owner's manual and safety rules before operating your pressure washer.
Compare the illustrations with your pressure washer to familiarize yourself with the locations of various controls
and adjustments. Save this manual for future reference.
Spray Gun
Recoil Starter
Detergent Pick-Up
Tube and Filter
Gas Cap
Oil Fill Cap High Pressure Hose
Nozzle Extension
Adjustable Nozzle
Water Inlet Pump High Pressure Outlet
Hose Reel
Choke Lever
Throttle Control Lever
Air Filter
Adjustable Nozzle- Always attached to nozzle
extension. Pull back for high pressure or push forward
for low pressure; turn clockwise for narrow spray or
turn counterclockwise for fan spray.
Air Filter - Dry type filter element limits the amount of
dirt and dust that gets in the engine.
Choke Lever - Used to help start a cold engine.
Detergent Pick-Up Tube and Filter- Used to siphon
detergent from chemical bottle to the low pressure
water stream.
Gas Cap - Engine is filled with regular unleaded
gasoline here.
High Pressure Hose - Connect one end to the spray
gun and other end to the high pressure outlet.
High Pressure Outlet - Connection for high pressure
hose.
Hose Reel -- Used for storing hose while unit is not in
use. Hose must be detached from unit and spray gun
before storage.
Nozzle Extension - Attach to spray gun to use
adjustable nozzle.
Oil Fill Cap - Engine is filled with oil here. See page 5
for oil recommendations and filling instructions.
Pump - Develops high water pressure.
Recoil Starter- Used for starting the engine.
spray gun - Controls the application of water onto
cleaning surface with trigger device. Includes safety
latch.
Throttle Control Lever - Sets engine in starting
mode for recoil starter and stops running engine.
Water Inlet - Connection for garden hose.

HOW TO USE YOUR PRESSURE
WASHER
If you have any problems operating your pressure
washer, please call the pressure washer helpline at
1-800-222-3136.
To Start Your Pressure Washer
To start your engine-powered pressure washer for the
first time, follow these instructions step-by-step. This
starting information also applies whenever you start
the engine after you have let the pressure washer sit
idle for at least a day.
,_ CAUTION! Before starting the pressure
washer, be sure you are wearing adequate
eye protection.
• Place the pressure washer in an area close
enough to an outside water source capable of
supplying water at a flow rate greater than
2.4 gallons per minute.
• Check that the high pressure hose is tightly
connected to the spray gun and to the pump. See
"Assembling Your Pressure Washer" for
illustrations.
• Make sure unit is in a level position.
• Connect the garden hose to the water inlet on the
pressure washer pump. Turn ON the water.
,_ CAUTION: Do Not run the pump without the
water supply connected and turned on. You
must follow this caution or the pump will be
damaged.
• Rotate the fuel valve lever to the "On" position.
• Move the choke lever to the "Closed" position.
Choke
lever in
Open
position
Throttle
lever in
Fast
NOTE: For a warm engine, be sure the choke lever is
in the "Open" position.
• Move the throttle lever to the "Fast" position,
shown on the engine as a rabbit. Controls are
shown in the desired operating condition.
• As shown in the illustration to the right, ensure the
nozzle extension is NOT attached to the spray gun.
Note that your unit will appear slightly different from
the illustration used here. Place the spray gun on
the handle storage hook.
• Place your left foot on the unit's lower frame.
Safety Glasses Left Hand
squeezes
trigger and
steadies
unit
Right Hand
pulls recoil
starter handle
Left Foot holds base
• Grasp the spray gun with your left hand and
squeeze the trigger on the spray gun. Water will
flow out of the spray gun in a thin stream. Continue
to squeeze the trigger. Your left hand will also
serve to steady the unit.
• Grasp the recoil starter handle with your right
hand, as shown. Pull the starter handle lightly until
you feel some resistance, then pull briskly.
• Return the starter grip handle slowly. Do Not let
rope "snap back" against starter.
• If the choke lever was placed in the "Closed"
position to start the engine, move it slowly to the
"Open" position as the engine warms up enough to
run smoothly.
• With engine running, engage the safety latch to the
spray gun trigger.
Safety Latch
• Attach nozzle extension to spray gun. Tighten by
hand.

How to Stop Your Pressure Washer
• Move throttle lever to "Stop" position.
•Rotate the fuel valve lever to the "Off" position.
•Squeeze trigger on the spray gun to relieve
pressure in the hose.
NOTE: A small amount of water will squirt out when
you release the pressure.
How To Use the Adjustable Nozzle
You now should know how to START your pressure
washer and how to STOP it. The information in this
section will tell you how to adjust the spray pattern
and apply detergent or other cleaning chemicals.
_DANGER! Never adjust spray pattern when
spraying. Never put hands in front of nozzle to
adjust spray pattern.
On the end of your spray gun is an adjustable nozzle
that you can use to adjust the spray pattern and the
spray pressure.
• Slide the nozzle forward for low pressure spray;
slide it backward for high pressure spray.
Slide nozzle backward for Slide nozzle forward for
high pressure mode. low pressure mode and
detergent application.
• Point the nozzle towards a hard surface, disengage
the safety latch, and press the trigger to test the
pattern.
• Twisting the nozzle adjusts the spray pattern from
a narrow pattern to a fan pattern.
Twist nozzle counter-
clockwise for fan pattern.
!
Twist nozzle clockwise for
narrow spray pattern.
• For most effective cleaning, keep the spray nozzle
between 8 to 24 inches away from cleaning
surface.
• If you get the spray nozzle too close, especially
using high pressure mode, you may damage the
surface being cleaned.
• Do Not get closer than 8 inches when cleaning
tires.
Applying Detergent with the Adjustable
Nozzle
IMPORTANT: Use chemicals designed specifically
for pressure washers, Household detergents could
damage the pump.
IMPORTANT: You MUST attach all hoses before you
start the engine. Starting the engine without all the
hoses connected and without the water turned ON will
damage the pump.
To apply detergent, follow these steps:
• Review the use of the adjustable nozzle.
• Prepare detergent solution as required by the job.
• Hang the detergent solution container on the hook
of the wireform attached to the handle.
• Place the filter end of the detergent siphoning tube
into the detergent container.
_AUTION: When inserting the filter into the
detergent container, route the tube so as to
keep it from inadvertently contacting the hot
muffler.
• Slide the adjustable nozzle forward to low pressure
mode. Detergent cannot be applied with the nozzle
in high pressure position.
• Make sure the garden hose is connected to the
water inlet. Check that the high pressure hose is
connected to the spray gun and the pump. Start
the engine.
• Apply detergent to a dry surface, starting from the
bottom and working up.
• Allow the detergent to "soak in" for 3-5 minutes
before rinsing. Reapply as needed to keep the
surface wet.

•For washing, start at lower portion of area to be
washed and work upward, using long, even,
overlapping strokes.
Pressure Washer Rinsing
WARNING: Be extremely careful if you use the
pressure washer from a ladder, scaffolding or
any other relatively unstable location. Pressure
in a running washer builds as you climb. When
you press the trigger, the recoil from the initial
spray could cause you to fall. The high pressure
spray could also cause you to fall if you are too
close to the cleaning surface.
For Rinsing:
• Slide the nozzle backward to high pressure, press
the trigger and wait for the detergent to clear.
NOTE: You can also stop detergent flow by removing
detergent siphoning tube from container.
• Keep the spray gun a safe distance from the area
you plan to spray.
• Apply a high pressure spray to a small area, then
check the surface for damage. If no damage is
found, it is okay to continue cleaning.
• Start at the top of the area to be rinsed, working
down with same overlapping strokes as you used
for washing and applying detergent.
Automatic Cool Down System
(Thermal Relief)
If you run the engine on your pressure washer for
3-5 minutes without pressing the trigger on the spray
gun, circulating water in the pump can reach
temperatures between 140-145°F. The automatic cool
down system engages at this temperature and cools
the pump by discharging the warm water onto the
ground, preventing internal pump damage.
How to Use the Hose Reel
Your pressure washer is equipped with a hose reel
that is designed to store your hose when unit is not in
use. These instructions are for short term storage
only. For long term storage see "Storage" on page 15.
After each use:
• Disconnect hose from spray gun and high pressure
outlet on pump.
• Drain water from hose.
• Slide one end of the hose into the hole on the hose
reel. Turn the hose reel with the handle to coil the
hose onto the reel.
Spring
Tension
Knob
• Push the other end of the hose into the clip on the
side of your unit.
IMPORTANT: Do Not use your pressure washer with
the hose coiled onto the hose reel. The hose reel is for
storage purposes only.
Adjustable Hose Reel Spring Tension
The hose reel is provided with a spring tension
adjustment knob, as shown above.
Although the operator can loosen or tighten the knob
to achieve the desired reel tension, the manufacturer
recommends that the knob be fully hand tightened
(clockwise).
10

OWNER'S RESPONSIBILITIES
Follow the hourly or calendar intervals, whichever occurs first.
More frequent service is required when operating in adverse conditions noted below.
MAINTENANCE SCHEDULE
FILL IN DATES AS YOU COMPLETE
REGULAR SERVICE
MAINTENANCE TASK
PRESSURE WASHER
Check/clean water inlet screen
on quick-connect.
Check high pressure hose.
Check detergent hose.
Check spray gun and assembly for leaks.
Purge pump of air and contaminants.
HOURLY OPERATING INTERVAL
Before Each
Use
xt
X
X
X
X
Every 25
Hours or
Yearly
I
Every 100 I Every 200
Hours or I Hours or
Yearly Yearly
ENGINE
Check oil level. X
Change engine oil. X*
Service air cleaner. X**
Clean spark plug. X
Replace spark plug X
Service spark attester
Prepare for storage.
SERVICE DATES
X
Prepare unit for storage if it is to
remain idle for longer than 30 days.
Clean if clogged. Replace if perforated or torn.
Change oil after the first (5) operating hours and every 25 hours thereafter. Change sooner when operating under dirty or dusty
conditions.
Replace more often under dirty or dusty conditions.
PRODUCT SPECIFICATIONS
Pressure Washer Specifications
Pressure ................... 2400 PSI
Flow Rate .................. 2.2 GPM
Chemical Mix ............... Use as directed
Water Supply Temperature ..... Not to Exceed 140°F
Engine Specifications
Rated Horsepower ........... 5.5 liP
Spark Plug
Type: ................ BPR6ES (NGK) or
Equivalent
Set Gap To: ........... 0.028inch (0.70mm)-
0.031 inch (0.80mm)
Gasoline Capacity ............ 1.2 Quarts
Oil
Above 50°F .......... SHe 30
General Use ......... SAE 10W-30
GENERAL RECOMMENDATIONS
The pressure washers warranty does not cover items
that have been subjected to operator abuse or
negligence. To receive full value from the warranty,
the operator must maintain pressure washer as
instructed in this manual.
Some adjustments will need to be made periodically to
properly maintain your pressure washer.
All service and adjustments should be made at least
once each season. Follow the requirements in the
"Maintenance Schedule" chart above.
NOTE: Once a year you should clean or replace the
spark plug and replace the air filter. A new spark plug
and clean air filter assure proper fuel-air mixture and
help your engine run better and last longer.
11

BEFORE EACH USE
• Check engine oil level.
• Check water inlet screen for damage.
• Check high pressure hose for leaks.
• Check chemical filters for damage.
• Check spray gun and nozzle extension assembly
for leaks.
• Purge pump of air and contaminants.
PRESSURE WASHER
MAINTENANCE
Check and Clean Inlet Screen
Examine garden hose inlet screen. Clean if it is
clogged or replace if it is torn.
Check High Pressure Hose
High pressure hoses can develop leaks from wear,
kinking, or abuse. Inspect hose before each use.
Check for cuts, leaks, abrasions, bulging of cover, or
damage or movement of couplings. If any of these
conditions exist, replace hose immediately.
_ANGER: Never repair a high pressure hose.
Replace with hose that exceeds the maximum
pressure rating of your pressure washer.
Check Spray Gun and Nozzle Extension
Examine hose connection to spray gun and make sure
it is secure. Test trigger by pressing it and making
sure it springs back into place when you release it.
Engage safety latch and test trigger. You should not
be able to press trigger. Replace spray gun
immediately if it fails any of these tests.
Check In-Line Filter
Refer to the illustrationand service the in-line filter if it
becomes clogged, as follows:
In-line Filter
,
,
Nozzle Extension IF-_@ _..._@
O-ring
Detach spray gun and nozzle extension from high
pressure hose. Detach nozzle extension from
spray gun and remove o-ring and screen from
nozzle extension. Flush the screen, spray gun,
and nozzle extension with clean water to clear
debris.
If the screen is damaged, the o-ring kit contains a
replacement in-line filter screen and an o-ring. If
undamaged, reuse screen.
,Place the in-line filter screen into the threaded end
of the nozzle extension. Direction does not matter.
Push the screen in with the eraser end of a pencil
until it rests flat at the bottom of the opening. Take
care to not bend the screen.
4. Place the o-ring into the recess. Push the o-ring
snugly against the in-line filter screen.
5. Assemble the nozzle extension to the spray gun,
as described earlier in this manual.
Purge Pump of Air and Contaminants
To remove air from the pump, follow these steps:
• Set up the pressure washer as described in the
ASSEMBLY section and connect the water supply.
• Pull the trigger on the spray gun and hold until a
steady stream of water appears.
To remove contaminants from the pump, follow these
steps:
• Set up the pressure washer as described in the
ASSEMBLY section, and connect the water supply.
• Remove the nozzle extension from the spray gun.
• Start the engine according to instructions in
OPERATION section.
• Pull the trigger on the spray gun and hold.
• When the water supply is steady and constant,
engage the safety latch and refasten the nozzle
extension.
Nozzle Maintenance
If a nozzle becomes restricted or clogged with dirt or
foreign materials, a pulsing sensation caused by
excessive pump pressure may occur during use.
Immediately clean a clogged or partially restricted
nozzle with the kit included with your pressure washer
by following these instructions:
• Shut off the engine and turn off the water supply.
• Disengage the safety latch and pull the trigger on
the spray gun. Hold until all water is purged from
the unit. Engage the safety latch on the spray gun.
• Separate the nozzle extension from the spray gun.
• Twist nozzle to stream setting.
• Remove nozzle from the end of the nozzle
extension using a 2 mm or 5/64 allen wrench
(included in Nozzle Cleaning Kit).
\
• Use the wire included in the kit or a small paper
clip to free the foreign materials clogging or
restricting the nozzle.
12

Insert wire into nozzle and turn back
and forth to clear obstruction.
• Remove additional debris by back flushing water
supply through nozzle extension. Back flush
between 30 to 60 seconds. Twist nozzle extension
to stream pattern and move nozzle from low to high
pressure while flushing.
• Reinstall nozzle into nozzle extension. Do Not
overtighten.
• Reconnect the water supply, turn ON the water,
and start the engine.
• Reconnect nozzle extension to spray gun.
• Test the pressure washer by operating with nozzle
in the high and the low pressure positions.
O-RING MAINTENANCE
Your pressure washer uses o-rings to keep hose and
spray gun connections tight and leak-free. Through
the normal operation of your unit, these o-rings may
become worn or damaged.
Provided with your pressure washer is an O-Ring
Maintenance Kit which includes replacement o-rings,
rubber washer and water inlet filter. Refer to the
instruction sheet provided in the kit to service your
unit's o-rings. Note that not all of the parts in the kit
will be used on your unit.
Parts in the O-Ring Kit Include:
• 1 o-ring, red, (p/n B2726) for the end of the spray
gun connection between spray gun and nozzle
extension.
• 1 o-ring, yellow, (p/n B2264) for the end of the
high pressure hose.
NOTE: The above two o-rings are close in size.
Please match carefully to assure proper o-ring usage.
• 1 o-ring, blue, (p/n B3065) for the inside of the
hose to spray gun quick connect.
• 1 rubber washer, (p/n B2385) for the inside of the
garden hose connector.
• 1 water inlet screen (p/n B2384) for the garden
hose connector.
To remove a worn or damaged O-Ring:
• Use a small flathead screwdriver to get underneath
the o-ring and pry it off.
ENGINE MAINTENANCE
Checking Oil Level
Oil level should be checked prior to each use or at
least every 5 hours of operation. Keep oil level
maintained.
Changing Oil
Change engine oil after the first 5 hours and every
25 hours thereafter. If you are using your pressure
washer under extremely dirty or dusty conditions, or in
extremely hot weather, change oil more often.
Change oil while engine is still warm from running, as
follows:
• Rotate fuel valve to the "OFF" position to reduce
the possibility of fuel leakage.
• Remove all gasoline from tank.
• Clean area around oil fill, remove oil dipstick and
wipe it clean.
• Insert and remove the dipstick without screwing it
into the filler neck.
13

•Tip your pressure washer to drain oil from the oil
dipstick opening into a suitable container. When
crankcase is empty, return the pressure washer to
upright position. Wipe up spilled oil.
• Slowly pour oil into oil fill opening until oil reaches
"UPPER LIMIT" mark on the dipstick. Stop
occasionally to check oil level.
• If the oil level is near or below the lower limit mark
on the dipstick, fill with the recommended oil to the
upper limit mark. DO NOT OVERFILL.
• Install oil dipstick, hand tighten securely.
• Wipe up any remaining oil.
Service Air Cleaner
Your engine will not run properly and may be
damaged if you run it with a dirty air cleaner.
Replace the air cleaner once every 200 hours of
operation or once each year, whichever comes first.
Replace more often if operating under dirty or dusty
conditions. Replacements are available at your local
Sears service center.
To replace the air cleaner, follow these steps:
• Press the latch tabs on the top of the air cleaner
cover, and remove the cover.
• Remove dirty air filter element carefully to prevent
debris from falling into carburetor. Discard.
• Clean inside of filter case, using a moist rag.
• Reinstall new air filter element and cover.
Clean /Replace Spark Plug
Check and clean the spark plug every 100 hours of
operation. Replace the spark plug yearly or every
200 hours of operation.
_ CAUTION: Disconnect spark plug wire from
spark plug and keep wire away from spark plug
while servicing engine.
• Clean area around spark plug.
• Remove and inspect spark plug.
• Replace spark plug if the electrodes are worn, or if
the insulator is cracked or chipped. For
replacement use BPR6ES (NGK) or equivalent.
• Check electrode gap with wire feeler gauge and set
gap at 0.028 inches-0.031 inches
(0.70mm-0.80mm), if necessary.
• Install spark plug, tighten securely.
Carburetor
If you think your carburetor needs adjusting, see your
nearest Sears service center. Engine performance
may be affected at altitudes above 4000 feet. For
operation at higher elevations, contact your nearest
Sears service center.
Spark Arrester Service
Your engine is not factory-equipped with a spark
arrester. In some areas, it is illegal to operate an
engine without a spark arrester. Check local laws and
regulations. A spark arrester is available from your
nearest Sears service center.
The spark arrester must be serviced every 100 hours
to keep it functioning as designed.
If the engine has been running, the muffler will be very
hot. Allow the muffler to cool before servicing the
spark arrester.
• Remove the three 6 mm bolts from the muffler
protector, and remove the muffler protector.
MUFFLER PROTECTOR
SPARK ARRESTER
J'J MUFFLER
j j_'J
SPECIAL SCREWS
6 mm BOLTS
•Remove the two special screws from the spark
arrester, and remove the spark arrester from the
muffler.
• Use a brush to remove carbon deposits from the
spark arrester screen. Be careful to avoid
damaging the screen. The spark arrester must be
free of breaks and holes. Replace the spark
arrester if it is damaged.
• Install the spark arrester and muffler protector in
the reverse order of disassembly.
14

AFTER EACH USE
Water should not remain in the unit for long periods of
time. Sediments or minerals can deposit on pump
parts and "freeze" pump action. Follow these
procedures after every use:
• Flush detergent siphoning tube by placing the filter
into a pail of clean water while running pressure
washer in low pressure mode (adjustable nozzle in
the forward position). Flush for one to two minutes.
• Shut off engine, let it cool, then remove all hoses.
• Disconnect spark plug wire from spark plug.
• Empty the pump of all liquids by pulling recoil
handle about 6 times. This should remove most of
the liquid in the pump.
• Coil the high pressure hose and inspect it for
damage. Cuts in the hose or fraying could result in
leaks and loss of pressure. Should any damage be
found, replace the hose. Do Not attempt to repair a
damaged hose. Replace the hose with the genuine
Craftsman part.
• Disconnect hose from spray gun and high pressure
outlet on pump. Drain water from hose and use a
rag to wipe off the hose.
• Slide one end of the hose into the hole on the hose
reel. Turn the hose reel with the handle to coil the
hose onto the reel. Push the other end of the hose
into the clip on the side of you unit.
• Reconnect spark plug wire to spark plug.
• Store unit in a clean, dry area.
_ANGER: Never store the engine with fuel in
the gas tank indoors or in enclosed, poorly
ventilated areas where fumes may reach an
open flame, a spark, or pilot light.
WINTER STORAGE
_AUTION: You must protect your unit from
freezing temperatures. Failure to do so will
permanently damage your pump and render
your unit inoperable.
To protect the unit from freezing temperatures:
• Flush detergent siphoning tube by placing the filter
into a pail of clean water while running pressure
washer in low pressure mode (adjustable nozzle in
the forward position). Flush for one to two minutes.
• Disconnect hose connected to chemical inject
fitting on the pump.
• Empty the pump of all pumped liquids by pulling
recoil handle about 6 times. This should remove
most of the liquid in the pump.
• Connect a 3-foot section of garden hose to the
water inlet adapter. Pour RV-antifreeze (antifreeze
without alcohol) into the hose. Pull the recoil handle
twice. Disconnect 3-foot hose.
LONG TERM STORAGE
If you do not plan to use the pressure washer for more
than 30 days, you must prepare the engine for long
term storage.
It is important to prevent gum deposits from forming in
essential fuel system parts such as the carburetor, fuel
filter, fuel hose or tank during storage. Also,
experience indicates that alcohol-blended fuels (called
gasohol, ethanol or methanol) can attract moisture,
which leads to separation and formation of acids
during storage. Acidic gas can damage the fuel
system of an engine while in storage.
Protect Fuel System
Fuel Stabilizer:
If adding a fuel stabilizer, fill the fuel tank with fresh
gasoline. If only partially filled, air in the tank will
promote fuel deterioration during storage.
• Add fuel stabilizer following manufacturer's
instructions.
• Make sure you have water supply to pump inlet
connected and turned ON.
• Run the engine outdoors for 10 minutes to be sure
that treated gasoline has replaced the untreated
gasoline in the carburetor.
Change Oil
While engine is still warm, drain oil from crankcase.
Refill with recommended grade. See "Changing Oil" on
page 13.
Oil Cylinder Bore
• Remove spark plug. Squirt about 1 tablespoon of
clean engine oil into the cylinder. Cover spark plug
hole with rag. Pull recoil handle slowly to distribute
oil. Avoid spray from spark plug hole.
• Install spark plug. Do Not connect spark plug wire.
OTHER
•Do Not store gasoline from one season to another.
•If possible, store your unit indoors and cover it to
give protection from dust and dirt. BE SURE TO
EMPTY THE FUEL TANK.
Draining Fuel Tank:
_ANGER: Drain fuel, using a funnel, into
approved container outdoors, away from open
flame. Be sure engine is cool. Do Not smoke.
• Remove the float bowl bolt, then rotate the fuel
valve lever to the "ON" position.
• After all fuel has drained into the container, reinstall
the float bowl bolt while holding the float bowl in
position on the carburetor. Tighten bolt securely.
IMPORTANT: Never cover your pressure washer
while engine and exhaust area are warm.
15

Problem Cause Correction
1. Nozzle in low pressure mode. 1. Pull nozzle backward for high
Pump has following
problems: failure to produce
pressure, erratic pressure,
chattering, loss of pressure,
low water volume.
Detergent fails to mix with
spray.
Engine runs good at no-load
but "bogs" when load is
added.
Engine will not start; or
starts and runs rough.
2. Water inlet is blocked.
3. Inadequate water supply.
4. Inlet hose is kinked or leaking.
5. Clogged inlet hose strainer.
6. Water supply is over 140°F.
7. High pressure hose is blocked or
leaks.
8. Gun leaks.
9. Nozzle is obstructed.
10. Pump is faulty.
1. Detergent siphoning tube is not
submerged.
2. Chemical filter is clogged.
3. Nozzle is in high pressure mode.
Engine speed is too slow.
1. Low oil level.
2. Dirty air cleaner.
3. Out of gasoline.
4. Stale gasoline.
5. Spark plug wire not connected to
pressure mode.
2. Clear inlet.
3. Provide adequate water flow.
4. Straighten inlet hose, patch leak.
5. Check and clean inlet hose
strainer.
6. Provide cooler water supply.
7. Clear blocks in outlet hose.
8. Replace gun.
9. Clean nozzle.
10. Contact Sears service facility.
1. Insert detergent siphoning tube
into detergent.
2. Clean or replace filter/detergent
siphoning tube.
3. Push nozzle forward for low
pressure mode.
Move throttle control to FAST
position. If engine still "bogs down",
contact Sears service facility.
1. Fill crankcase to proper level.
2. Clean or replace air cleaner.
3. Fill fuel tank.
4. Drain gas tank; fill with fresh
fuel.
5. Connect wire to spark plug.
spark plug.
6. Bad spark plug.
7. Water in gasoline.
8. Overchoking.
6. Replace spark plug.
7. Drain gas tank; fill with fresh
fuel.
8. Open choke fully and crank
engine.
9. Excessively rich fuel mixture.
10. Intake valve stuck open or
closed.
11. Engine has lost compression.
Engine shuts down during Out of gasoline.
operation.
Engine lacks power. Dirty air filter.
Engine "hunts" or falters. Choke is opened too soon.
9. Contact Sears service facility.
10. Contact Sears service facility.
11. Contact Sears service facility.
Fill fuel tank.
Replace air filter.
Move choke to halfway position until
engine runs smoothly.
16

17

CRAFTSMAN 2400 PSI Pressure Washer 580.768340
Main Unit mExploded View
19
11
12
5
13
15
20
14.
21
43
18

CRAFTSMAN 2400 PSI Pressure Washer 580.768340
Main Unit mParts List
Item PaN# Qty.
2 B1932 1
3 96307 1
4 EB5654 1
5 50190 2
6 B5671 1
7 30809 1
8 B1631B 1
9 B4966 2
10 75402C 2
11 52858 2
12 27007 2
13 39288 2
14 B1735 3
15 B1880 3
16 A1040B 1
17 A1041 1
18 B2218 1
19 31669 2
20 48031G 1
21 B5685A 1
23 21761 1
24 B4224 1
25 EB5653 1
26 B1779 2
27 B2347 2
28 97837 1
29 B2071 2
30 46476 2
31 B2516 3
32 21424 1
34 B5642 1
35 97566 1
36 B3335 1
37 B3263A 1
38 B5830 1
39 B3708 1
40 B5659 1
41 AB3061B 1
42 B4992 1
43 B2427B 1
44 B2153 1
45 95518 1
46 186317 1
47 186318 1
900 NSP 1
Description
DECAL, Instructions
DECAL, 1-800 Number
BASE, Polo Green
WASHER, .34 X 1
DECAL, 2400 PSI
GROMMET, Rubber
BILLBOARD
TIRE, 10"
PUSHNUT, 5/8"
NUT, M8 Locking Flange
MOUNT, Vibration
HHCS, M8- 1.25 x 55
STUD, Double Ended
NUT, with Washer
HOSE, Chemical
FILTER, Chemical Hose
SEAL, Engine Donut
CARRIAGE BOLT, 1/4"- 20 x 1-3/4"
CLAMP, Hose 3/8"
ASSY., Pump (See pages 20-21)
NOZZLE, Replacement
SCREEN, Spray gun Inlet
HANDLE, Polo Green
COVER, Hinge
CAP, End
O-RING, Hi Pressure Trns
NUT, 1/4-20 Locking Flange
CAP, Plug
CAP, Vinyl
CONNECTOR, Garden Hose
HOSE, 1/4" x 25'
TAG, Nozzle Instructions
EXTENSION, Adjustable Nozzle
SPRAY GUN, High Pressure
KIT, Maintenance
KIT, Nozzle, Cleaning
MANUAL, Owners
OIL, Engine
REEL, Hose
CLIP, Holder
SELF DRILL, 12 - 14 x 7/8"
QUICK DISCONNECT
KIT, Hardware Hose Reel
REEL, Hose without Hardware
ENGINE, Honda 5.5 H.P.
19

CRAFTSMAN 2400 PSI Pressure Washer 580.768340
Pump mExploded View
___1717 ! 11_
16 _) 5
J5 51 I25
26
30 24 I 19
41 40
@14
44
45
/
1 38
25
46
12
3 I o ° 23 C)_ I
"o__ ..I 27 30/°
o 15
o _ 47
/
37 58
3 I 35
i1
13
47
20

CRAFTSMAN 2400 PSI Pressure Washer 580.768340
Pump mParts List
Item PaN #
1 B2218
2 97962
3 96795
4 21429
5 97835
6 21783
7 93680
8 97831
9 B2702
10 B5003
11 B5710
12 97841
13 40946
14 185710
......
......
5 ......
15 ......
6 ......
17 ......
18 ......
19 185287
20 ......
21 ......
22 ......
23 ......
24 ......
30 ......
25 185711
23 ......
26 ......
27 ......
28 ......
29 ......
31 ......
Qty. Description Item
1 O-RING, Engine Seal 33
3 SHCS, M6- 1 x 25 13
3 SLEEVE, Grommet Spacer 34
6 BUSHING, Rubber Mount 35
1 O-RING, Housing Seal 47
1 THERMAL RELIEF 36
3 SEAL, Oil Piston 13
3 SPACER, Pilot 37
1 HOUSING, Piston 38
1 ADAPTER, Engine 39
1 VALVE, 1/8 npt 1/5 PSI 1
3 CAP, Outlet Check Valve 2
4 SHCS, M6-1.0 x 35 5
0 KIT, AXIAL CAM 40
1 O-RING, Engine Seal 41
3 SHCS, M6- 1 x 25 42
1 O-RING, Housing Seal 43
1 WASHER, Brg. 36 x 65 x 6 1
Thk 2
2 ASSY., Brg. Cage 45 x 65 5
3 WASHER, Brg. 45 x 65 x 1 7
1 CAM, Axial 5.6 7/8"SAE 13
0KIT, CHEM INJECT 23
1 FITTING, Chem Inject 27
1 BALL, Chem Inject 30
1 SPRING, Chem Inject 34
1 O-RING, Venturi & Seat, Black 44
1 VENTURI, Chem Inject 45
1 O-RING, Venturi, Yellow
0 KIT, UNLOADER 2300 46
1 O-RING, Venturi & Seat, Black 47
1 CAP, Unloader
1 O-RING, Unloader Cap
1 SPRING, Unloader
1 PISTON, Unloader
1 SEAT, Unloader
Part#
185712
185531
185713
185714
Qty. Description
0KIT, CHECK VALVES
4 SHCS, M6-1.0 x 35
3 O-RING, Check Valve
6 ASSY., Check Valve
3 O-RING, Check Valve, White
0 KIT, HEAD BRASS
4 SHCS, M6-1.0 x 35
1 HEAD, Pump
1 PLUG, 1/8-28
0 KIT, PISTON & SPRING
1 O-RING, Engine Seal
3 SHCS, M6- 1 x 25
1 O-RING, Housing Seal
3 RETAINER, Piston Spring
3 PISTON, Dia. 15 x 65
3 SPRING, Piston Return
0 KIT, O-RING/SEAL 2300
1 O-RING, Engine Seal
3 SHCS, M6- 1 x 25
1 O-RING, Housing Seal
3 SEAL, Oil Piston
4 SHCS, M6-1.0 x 35
2 O-RING, Venturi & Seat, Black
1 O-RING, Unloader Cap
1 O-RING, Venturi, Yellow
3 O-RING, Check Valve
3 SEAL, Double-Lip
1 O-RING, High Pressure
Transfer
3 O-RING, Outlet CV Cap
3 O-RING, Check Valve, White
Item numbers 14, 19, 25, 33, 36, 39, and 43 are
service kits and include all parts shown within the box.
Certain parts may only be available as components of
a kit.
21

ENGINE, 5.5 HP, Honda, GCV160 - Exploded View and Parts List - Cylinder Barrel and
Oil Pan
Item Part # Qty. Description Item Part # Qty. Description
1 12000-ZL8-405 1 CYLINDER ASSY. 5 90013-883-000 4 BOLT, FLANGE (6X12)
2 12216-ZE5-300 1 CLIP, VALVE GUIDE 6 90014-952-000 1 BOLT, FLANGE (6X14)
3 12311-ZL8-000 1 COVER, HEAD 7 91201-ZL8-003 1 OIL SEAL (25.4X62X6)
4 12355-ZL8-000 1 COVER COMP., BREATHER 8 98079-56846 1 SPARK PLUG (BPR6ES) (NGK)
Item Part # Qty. Description Item
1 11300-ZM0-810 1 PAN ASSY., OIL 11
2 15625-ZE1-003 1 GASKET, OIL FILLER CAP 12
4 16508-ZM0-000 1 SHAFT COMP., GOVERNOR 13
HOLDER 14
5 16510-ZM0-000 1 GOVERNOR ASSY. 15
6 16511-ZL8-000 2 WEIGHT, GOVERNOR 16
7 16512-ZM0-000 1 HOLDER, GOV. WEIGHT 17
8 16513-ZE1-000 2 PIN, GOVERNOR WEIGHT 18
9 16531-ZE1-000 1 SLIDER, GOVERNOR 19
10 16541-ZM0-000 1 SHAFT, GOVERNOR ARM
Part # Qty. Description
90014-952-000 1 BOLT, FLANGE (6X14)
90121-952-000 8 BOLT, FLANGE (6X25)
90451-ZE1-000 1 WASHER, THRUST (6MM)
90602-ZE1-000 1 CLIP, GOV. HOLDER
91202-ZL8-003 1 OIL SEAL (28X41.25X6)
94101-06800 1 WASHER, PLAIN (6MM)
94251-08000 1 PIN, LOCK (8MM)
94301-08200 2 PIN, DOWEL (8X20)
15650-ZM0-003 1 GAUGE ASSY., OIL LEVEL
22

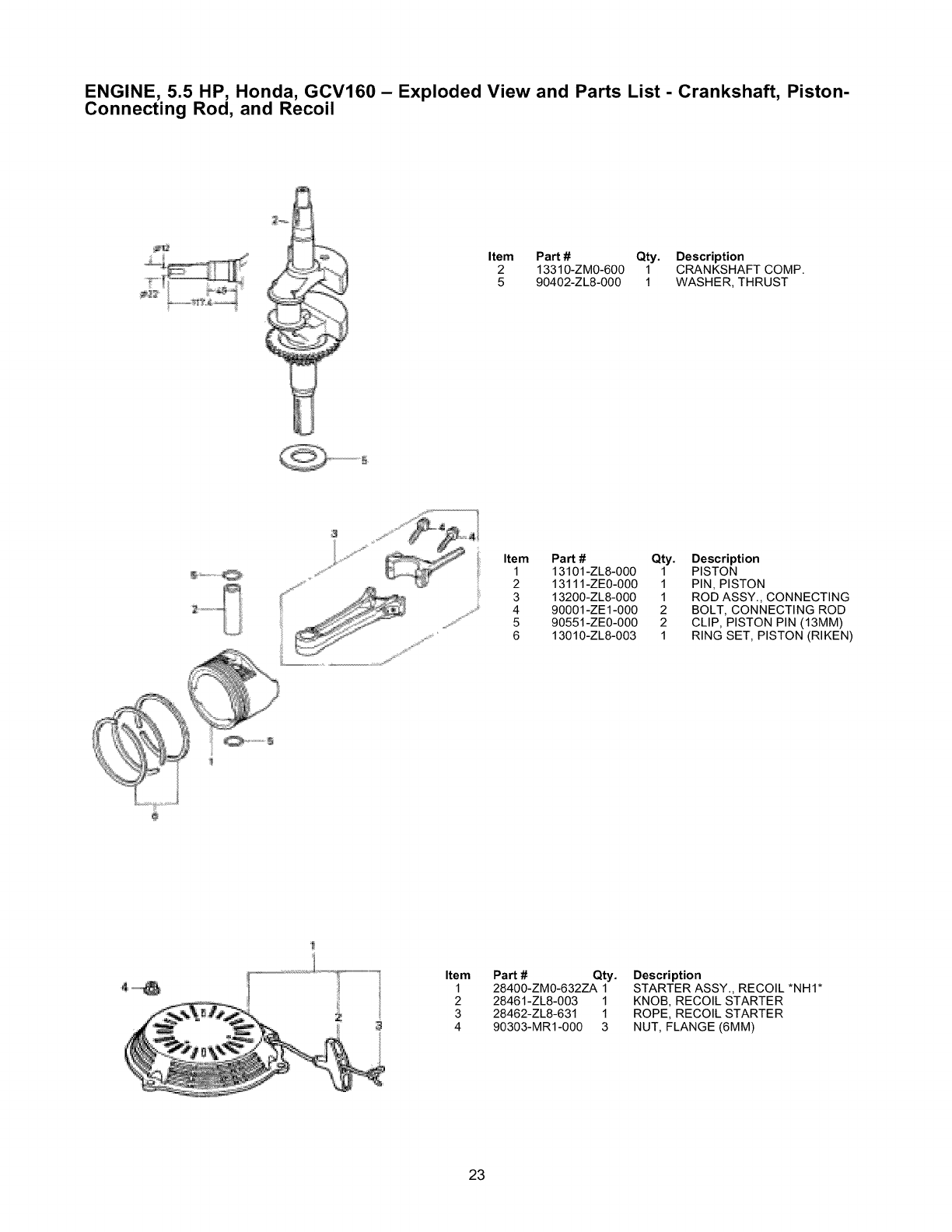
ENGINE, 5.5 HP, Honda, GCV160 - Exploded View and Parts List - Crankshaft, Piston-
Connecting Rod, and Recoil
Item Part # Qty. Description
2 13310-ZM0-600 1 CRANKSHAFT COMP.
5 90402-ZL8-000 1 WASHER, THRUST
........................................l
.. tJ
I_''_" ....
L,_ ,-
J
joo ............
.......l
Item Part # Qty. Description
1 13101-ZL8-000 1 PISTON
2 13111-ZE0-000 1 PIN, PISTON
3 13200-ZL8-000 1 ROD ASSY., CONNECTING
4 90001-ZE1-000 2 BOLT, CONNECTING ROD
5 90551-ZE0-000 2 CLIP, PISTON PIN (13MM)
6 13010-ZL8-003 1 RING SET, PISTON (RIKEN)
Item Part # Qty.
1 28400-ZM0-632ZA 1
2 28461-ZL8-003 1
3 28462-ZL8-631 1
4 90303-MR1-000 3
Description
STARTER ASSY., RECOIL *NHI*
KNOB, RECOIL STARTER
ROPE, RECOIL STARTER
NUT, FLANGE (6MM)
23

ENGINE, 5.5 HP, Honda, GCV160 - Exploded View and Parts List - Air Cleaner and Fan
Cover
Item Part # Qty. Description
1 15721-ZM0-000 1 TUBE, BREATHER
2 17211-ZL8-000 1 ELEMENT, AIR CLEANER
3 17220-ZM0-000 1 CASE ASSY., AIR CLEANER
5 17228-ZM0-000 1 GASKET, AIR CLEANER
6 17231-ZM0-000 1 COVER, AIR CLEANER
7 90003-ZM0-000 2 BOLT, FLANGE (6X86)
(CT200)
8 95701-06014-08 1 BOLT, FLANGE (6X14)
Item Part # Qty.
1 16854-ZH8-000 1
2 16950-ZG9-M02 1
3 16956-ZM0-000 1
4 17620-ZL8-003 1
5 17702-ZM0-000 1
6 19610-ZM0-010ZA 1
8 33609-GK4-620 1
Description
RUBBER, SUPPORTER
(107MM)
PETCOCK ASSY. (MAN)
BRACKET, PETCOCK
CAP ASSY., FUEL TANK
TUBE, FUEL
COVER COMP., FAN *NHI*
COLLAR, FR. TURN SIGNAL
Item Part # Qty. Description
9 90043-ZL8-000 3 BOLT, STUD
10 93891-05010-08 1 SCREW-WASHER (5X10)
11 95001-55008-40M 1 BULK HOSE, FUEL (5.5X8000)
(5.5X150) B
12 95002-02080 1 CLIP, TUBE (B8)
13 95002-02100 2 CLIP, TUBE (B10)
14 95002-50000 1 CLIP, TUBE (C9)
24

ENGINE, 5.5 HP, Honda, GCV160 - Exploded View and Parts List - Carburetor
!i'i_!
Item Part # Qty. Description Item Part # Qty. Description
1 16010-883-015 1 GASKET SET 12 16221-883-800 2 GASKET, CARBURETOR
2 16013-ZL1-003 1 FLOAT SET 13 16228-ZL8-000 1 GASKET, CARB (CHOKE SIDE)
3 16015-887-782 1 CHAMBER SET, FLOAT 14 19650-ZM0-000 1 GUIDE COMP., AIR
4 16016-ZG0-W00 1 SCREW SET 15 93500-05006-0H 1 SCREW, PAN (5X6)
5 16028-ZE0-005 1 SCREW SET B. 93500-05006-1H 1 SCREW, PAN (5X6)
6 16029-ZG0-901 1 SCREW SET 16 99101-124-0550 1 JET, MAIN (#55)
7 16100-ZM1-803 1 CARB. ASSY (BB64B C) 99101-124-0580 1 JET, MAIN (#58)
8 16155-ZM0-003 1 VALVE, FLOAT 99101-124-0600 1 JET, MAIN (#60)
9 16166-ZM1-003 1 NOZZLE, MAIN 99101-124-0620 1 JET, MAIN (#62)
10 16211-ZL8-000 1 INSULATOR, CARBURETOR 17 16024-ZE1-811 1 SCREW SET, DRAIN
11 16212-ZL8-000 1 GASKET, INSULATOR
25

ENGINE, 5.5 HP, Honda, GCV160 - Exploded View and Parts List - Flywheel and
Camshaft Pulley
_5
Item
1
2
3
4
5
Part #
13331-357-000
30500-ZL8-004
31105-ZM0-000
32195-ZM0-000
35120-ZM0-003
75100-ZM0-000
Qty. Description
1 KEY, SPECIAL WOODRUFF
(25Xl 8)
1 COIL ASSY., IGNITION
1 FLYWHEEL ASSY
1 WIRE, STOP SWITCH
1 SWITCH ASSY., ENGINE STOP
(N.C)
1 BRAKE ASSY.
Item Part#
7 75113-ZM0-000
8 90014-952-000
9 90018-ZE1-000
10 90022-888-010
11 90201-878-003
12 90681-959-003
13 93892-04012-00
14 94103-04000
Qty. Description
1 SPRING, BRAKE LEVER
1 BOLT, FLANGE (6X14)
1 BOLT, FLANGE (6X23)
1 BOLT, FLANGE (6X20)
1 NUT, SPECIAL (14MM)
1 CLIP, CABLE (A)
1 SCREW-WASHER (4X12)
1 WASHER, PLAIN (4MM)
Item Part# Qty.
1 14320-ZL8-000 1
2 14324-ZL8-000 1
3 14400-ZL8-003 1
4 14431-ZL8-000 1
5 14441-ZL8-000 1
6 14461-ZL8-000 2
Description
PULLEY COMP., CAMSHAFT
SHAFT, CAM PULLEY
BELT, TIMING (84HU7 G-200)
ARM, IN. VALVE ROCKER
ARM, EX. VALVE ROCKER
SHAFT, ROCKER ARM
Item Part#
7 14711-ZL8-000
8 14721-ZL8-000
9 14751-ZL8-000
10 14771-ZE1-000
11 90012-333-000
12 90206-001-000
13 91301-ZM0-V31
Qty. Description
1 VALVE, IN.
1 VALVE, EX.
2 SPRING, VALVE
2 RETAINER, IN. VALVE SPRING
2 SCREW, TAPPET ADJ.
2 NUT, TAPPET ADJ.
1 O-RING (6.8X1.9)
26

ENGINE, 5.5 HP, Honda, GCV160 - Exploded View and Parts List - Muffler and Control
i
Item Part # Qty. Description
1 18310-ZM0-000 1 MUFFLER COMP.
2 18321-ZL8-000 1 PROTECTOR, MUFFLER
3 90004-ZL8-000 2 BOLT, FLANGE (6X79) (CT200)
4 90013-883-000 3 BOLT, FLANGE (6X12) (CT200)
5 18381-ZL8-305 1 GASKET, MUFFLER
Item
1
2
3
4
5
6
Part #
16551-ZM0-000
16555-ZM0-000
16561-ZM0-000
16562-ZM0-000
16576-ZE7-300
16576-891-000
Qty. Description Item Part #
1 ARM, GOVERNOR 7 16580-ZM0-020
1 ROD, GOVERNOR 8 16674-ZM0-000
1 SPRING, GOVERNOR 9 90015-ZE5-010
1 SPRING, THROTTLE RETURN 10 90016-ZM0-000
1 SPRING, LEVER 11 93500-05016-0A
1 HOLDER, CABLE 12 94050-06000
Qty. Description
1 BASE COMP.,
1 ROD, CHOKE
1 BOLT, GOVERNOR ARM
1 BOLT, FLANGE (6X45) (CT200)
1 SCREW, PAN (5X16)
1 NUT, FLANGE (6MM)
27

Your Warranty Rights and Obligations
The California Air Resources Board ("CARB") and Sears
Roebuck and Co., USA, are pleased to explain the Emission
Control System Warranty on your model year 2000 and later
small off-road engine (engine). In California, new engines
must be designed, built and equipped to meet the State's
stringent anti-smog standards. Sears must warrant the
emission control system on your engine for the periods of
time listed below provided there has been no abuse, neglect,
or improper maintenance of your engine.
Your emission control system includes parts such as the
carburetor and the ignition system.
Where a warrantable condition exists, Sears will repair your
engine at no cost to you. Expenses covered under under
warranty include diagnosis, parts, and labor.
Manufacturer's Warranty Coverage
The model year 2000 and later engines are warranted for
two years. If any emission related part on your engine (as
listed below) is defective, the part will be repaired or
replaced by Sears.
Owner's Warranty Responsibilities
As the engine owner, you are responsible for the
performance of the required maintenance listed in this
owners manual. Sears recommends that you retain all
receipts covering maintenance on your engine, but Sears
cannot deny warranty solely due for the lack of receipts or
for your failure to ensure the performance of all scheduled
maintenance.
As the engine owner, you should be aware that Sears may
deny you warranty coverage if your engine or a part of it has
failed due to abuse, neglect, improper maintenance,
unapproved modifications, or the use of parts not made or
approved by the original equipment manufacturer.
You are responsible for presenting your engine to a Sears
authorized repair center as soon as a problem exists.
Warranty repairs should be completed in a reasonable
amount of time, not to exceed 30 days.
If you have any questions regarding your warranty rights and
responsibilities, you should contact your nearest authorized
service center or call Sears at 1-800-473-7247.
Warranty Commencement Date
The warranty period begins on the date the engine is
delivered.
Length of Coverage
Sears warrants to the initial owner and each subsequent
purchaser that the engine is free from defects in materials
and workmanship which cause the failure of a warranted
part for a period of two years.
WHAT IS COVERED
Repair or Replacement of Parts
•Repair or replacement of any warranted part will be
performed at no charge to the owner at an approved
Sears service center.
If you have any questions regarding your warranty rights
and responsibilities, your should contact your nearest
authorized service center or call Sears at
1-800-473-7247.
Warranty Period
Any warranted part which is not scheduled for replacement
as required maintenance, or which is scheduled only for
regular inspection to the effect of "repair or replace as
necessary" shall be warranted for 2 years. Any warranted
part which is scheduled for replacement as required
maintenance shall be warranted for the period of time up to
the first scheduled replacement point for that part.
Diagnosis
The owner shall not be charged for diagnostic labor which
leads to the determination that the warranted part is
defective if the diagnostic work is performed at an approved
Sears service center.
Consequential Damages
Sears may be liable for damages to other engine
components caused by the failure of a warranted part still
under warranty.
WHAT IS NOT COVERED
All failures caused by abuse, neglect, or improper
maintenance are not covered.
Add-on or Modified Parts
The use of add-on or modified parts can be grounds for
disallowing a warranty claim. Sears is not liable to cover
failures of warranted parts caused by the use of add-on or
modified parts.
How to File a Claim
If you have any questions regarding your warranty rights and
responsibilities, you should contact your nearest authorized
service center or call Sears at 1-800-473-7247.
Where to Get Warranty Service
Warranty services or repairs shall be provided at all Sears
authorized service centers.
Maintenance, Replacement and Repair of
Emission Related Parts
Any Sears approved replacement part used in the
performance of any warranty maintenance or repair on
emission related parts will be provided without charge to the
owner if the part it under warranty.
Emission Control Warranty Parts List
1. Carburetor Assembly
2. Ignition System
a. Spark Plug, covered up to maintenance schedule.
b. Ignition Module
3. Crankcase Breather Tube
4. Exhaust Manifold
28

GARANTIA ................................... 29
INSTRUCClONES DE SEGURIDAD ............. 29-30
MONTAJE ................................. 31-33
OPERAClON ............................... 34-37
MANTENIMIENTO ........................... 39-42
ESPECIFICACIONES ........................... 39
ALMACENAMIENTO ........................... 43
REPARACION DE DAI_OS ....................... 46
GARANTIA DEL CONTROL DE EMISIONES ......... 47
COMO ORDENAR PARTES ....... PAGINA POSTERIOR
GARANTIA LIMITADA DE LA MAQUINA LAVADORA DE ALTA PRESION CRAFTSMAN
Durante un a_o a partir de la fecha de compra, Sears reparar& sin cargo alspray guno, cualquier defecto en material y mano
de obra, siempre y cuando esta maquina lavadora de alta presi6n Craftsman haya sido mantenida y puesta en funcionamien-
to de acuerdo alas instrucciones suministradas en el manual del propietario.
Siesta maquina lavadora es usada para fines comerciales, la garantia se aplicara tan solo por 90 dias a partir de la fecha de
compra. Siesta maquina lavadora de alta presi6n es usada para alquiler, la garantia se aplicara tan solo por 30 dias
despu6s de la fecha de compra.
Esta garantia no cubre:
• Elementos perecederos como bujias o filtros de aire, los cuales se desgastan con el uso normal.
• Reparaciones necesarias debido al abuso o negligencia del operador, incluyendo daSos ocasionados por la ausencia de
suministro de agua a la bomba o por no mantener el equipo de acuerdo alas instrucciones contenidas en el manual del
propietario.
El servicio de garantia se hace efectivo devolviendo la maquina lavadora de alta presi6n al centro de servicio o distribuidor
Sears mas cercano en los Estados Unidos.
Esta garantia le proporciona derechos legales especificos; usted tambi6n puede tener otros derechos, los cuales varian de
estado a estado.
Sears, Roebuck and Co., Dept. 817WA, Hoffman Estates, IL 60179
El escape del motor de este producto contiene
elementos quimicos reconocidos en el Estado
de California por producir cancer, defectos de
nacimiento u otros dahos de tipo reproductivo.
iPRECAUCION! Cuando transporte, instale, ajuste
o haga reparaciones a su maquina lavadora de alta
presi6n, siempre desconecte el alambre de la bujia y
col6quelo donde no pueda entrar en contacto con la
bujia.
iPELIGRO! Los gases del sistema de escape del
motor contienen gas de mon6xido de carbono
MORTAL. Si este gas peligroso se inhala en
concentraciones suficientes, puede causar p6rdida de
la consciencia o incluso la muerte. Opere este equipo
Qnicamente al aire libre, donde exista ventilaci6n
adecuada.
A PELIGRO! La gasolina es altamente INFLA-
MABLE y sus vapores son EXPLOSIVOS. No
permita que fumen, que existan llamas abiertas,
chispas o calor a su alrededor cuando manipule
gasolina. Evite regar gasolina sobre un motor
caliente. Permita que la unidad se enfrie antes de
volver a colocarle combustible. Cumpla con todas las
leyes que regulan el almacenamiento y el manejo de
gasolina.
Lea este manual minuciosamente y conozca a fondo las
partes y el funcionamiento de su maquina lavadora a
presion. Conozca sus aplicaciones, sus limitaciones y
los peligros involucrados.
• Coloque esta maquina lavadora a presi6n en Areas
alejadas de materiales combustibles, humos o polvo
combustibles.
• El equipo de alta presi6n esta diseSado para ser
utilizado UNICAMENTE con las pares autorizadas
Sears. Si utiliza este equipo con partes que no cumplan
con las especificaciones minimas, el usuario asume
todos los riesgos y responsabilidades.
,_ ESTE ES EL SIMBOLO DE ALERTA DE SEGURIDAD. ES USADO PARA INDICARLE SITUACIONES CON
PELIGROS POTENCIALES DE LESION PARA EL PERSONAL. SIGA LAS INSTRUCCIONES DE TODOS LOS
MENSAJES DE SEGURIDAD QUE APARECEN DESPUES DE ESTE SIMBOLO PARA EVITAR POSIBLES
LESIONES O MUERTE.
29

•Algunos quimicos o detergentes pueden ser nocivos si
se inhalan o ingieren, causando nausea severa,
desmayos o envenenamiento. Los elementos nocivos
pueden ocasionar daSo a la propiedad o lesiones
severas.
•No permita en ning6n momento que NINOS operen la
maquina lavadora a presi6n.
• Opere el motor 6nicamente a la velocidad de mando.
Hacer funcionar el motor a velocidades excesivas
aumenta el riesgo de lesiones personales. No juegue
con partes que puedan aumentar o disminuir la
velocidad de mando.
• No use ropa suelta, joyas o elementos que puedan
quedar atrapados en el arranque o en otras partes
rotatorias.
• Antes de poner en marcha la maquina lavadora a
presi6n en clima frio, revise todas las partes del equipo y
aseg6rese de que no se haya formado hielo sobre elias.
• Nunca utilice una pistola de rociado que no tenga un
seguro para gatillo o protecci6n para gatillo en su lugar y
en buenas condiciones.
• Mantenga conectada la manguera a la maquina o a la
pistola de rociado cuando el sistema est6 presurizado.
Es peligroso desconectar la manguera cuando la unidad
esta presurizada.
• NUNCA deber&n ser operadas las unidades con partes
rotas o ausentes, o sin la caja o cubiertas de protecci6n.
• Revise que el sistema de combustible no presente fugas
o signos de deterioro, como mangueras desgastadas o
porosas, sujetadores flojos o ausentes, tapa o tanque
daSados. Corrija todos los defectos antes de operar la
maquina lavadora a presi6n.
• No rocie liquidos inflamables.
• Utilice un respirador o mascara siempre que exista la
posibilidad de inhalar vapores. Lea todas las
instrucciones de la mascara para asegurarse de que le
brindara la protecci6n necesaria contra la inhalaci6n de
vapores nocivos.
• Nunca apunte la pistola a la gente, animales o plantas.
La corriente de agua de alta presi6n que produce este
equipo pueden perforar la piel y sus tejidos profundos,
ocasionando lesiones serias y posible amputaci6n.
• Nunca permita que partes del cuerpo entren en contacto
con la corriente del fluido. No entre en contacto con la
corriente del fluido creada por una fuga en la manguera
de alta presi6n.
• Siempre use protecci6n para los ojos cuando utilice este
equipo o cuando est6 cerca de donde se est6 usando el
equipo.
• El rociado de alta presi6n puede hacer que particulas
pequeSas de pintura u otras particulas salgan
disparadas y viajen a altas velocidades.
• No opere la maquina lavadora a presi6n con un valor de
presi6n superior a su clasificaci6n de presi6n.
• Nunca mueva la maquina halando la manguera de alta
presi6n. Utilice la manija que viene con la unidad.
• Siempre aseg6rese de que la pistola de rociado,
boquillas y accesorios est6n conectados correctamente.
• No asegure la pistola de rociado en la posici6n (open =
abierto).
• El rociado de alta presi6n puede daSar elementos
fragiles, incluyendo el vidrio. No apunte la pistola de
rociado al vidrio cuando est6 en el modo de rociado a
chorro.
• Sostenga firmemente en su mano la manguera de
rociado antes de poner en marcha la unidad. De no
hacerlo, podrian ocurrir lesiones por el movimiento
brusco de la pistola de rociado. No abandone la pistola
de rociado cuando la maquina est6 en funcionamiento.
• El area de limpieza debera tener inclinaciones y drenajes
adecuados para disminuir la posibilidad de caidas
debido a superficies resbalosas.
• Mantenga el chorro del agua alejado de alambrados
el6ctricos, de Io contrario podrian ocurrir descargas
el6ctricas fatales.
• No eluda ning6n dispositivo de seguridad de esta
maquina.
• El silenciador y el motor se calientan durante el
funcionamiento y permanecen calientes inmediatamente
despu6s del apagado. Evite el contacto con
silenciadores o motores calientes, o podria quemarse
severamente.
• Opere y almacene esta unidad sobre una superficie
estable.
• La manguera de alta presi6n puede desarrollar fugas
debido al desgaste, dobleces, abuso, etc. El agua que
sale de una fuga es capaz de inyectar materiales en la
piel. Inspeccione la manguera siempre que la vaya a
usar. Revise todas las mangueras para ver si presentan
cortes, fugas, abrasiones o deformaci6n de la cubierta,
daSo o movimiento de acoplamientos. Si existe
cualquiera de estas condiciones, remplace la manguera
inmediatamente. Nunca repare la manguera de alta
presi6n. Remplacela con una manguera que tenga la
misma capacidad de presi6n maxima de su unidad.
• El silenciador y el depurador de aire deberan estar
instalados y en buenas condiciones antes de operar la
maquina lavadora a presi6n. Estos componentes act6an
como apagachispas si el motor presenta contrafuegos.
En el estado de California es obligatorio, seg6n la ley, el uso
de apagachispas (Secci6n 4442 del C6digo de Recursos
P6blicos de California). Otros estados pueden tener leyes
similares. Las leyes federales se aplican en tierras
federales.
NOTA: Si equipa el silenciador con un apagachispas, este
debera ser mantenido en buenas condiciones de trabajo.
Usted puede ordenar el apagachispas a trav6s de su
distribuidor de servicio autorizado Sears.
30

Su maquina lavadora a presi6n requiere de cierto ensamble
y estara lista para ser usada enicamente despu6s de haber
depositado el combustible y el aceite recomendado.
Si tiene problemas con el ensamble de su maquina
lavadora a presion, Ilame a la linea de ayuda de la
maquina lavadora a presion al 1-800-222-3136.
IMPORTANTE: Cualquier intento de hacer funcionar el
motor sin haber depositado el aceite recomendado resultara
en falla del mismo.
RETIRE LA MAQUlNA LAVADORA A
PRESlON DE LA CAJA
•Abra la caja y corte dos esquinas opuestas a la manija
guia de la parte superior a la inferior de tal forma que el
panel pueda ser doblado hacia abajo.
• Retire las pares sueltas, material de relleno y la caja de
repuestos enviada con la maquina lavadora a presi6n.
• Saque la maquina lavadora a presi6n de la caja.
• Levante la manija guia, asegerela en su sitio.
Levante la manija a la posici6n
vertical y mueva la tapas de
fijaci6n a su sitio.
• Revise la caja para ver si existen partes sueltas
adicionales.
CONTENIDO DE LA CAJA
Revise el contenido de la caja. Si alguna de las partes no
est& presente o esta daSada, Ilame a la linea de ayuda de la
maquina lavadora a presi6n al 1-800-222-3136.
• La unidad principal
• Los componentes del carrete de la manguera
• Caja de partes (incluye los elementos descritos a
continuaci6n)
Manguera de alta presi6n
Pistola de rociado
Extensi6n para boquillas con boquilla ajustable a
Alta/Baja presi6n
Aceite para motor
Adaptador de conexi6n rapida
Manual de operador
Juego para limpiar boquillas
Juego de anillos 'O'
Familiaricese con cada parte antes de ensamblar la
maquina lavadora a presi6n. Compare el contenido con la
ilustraci6n de la pagina 34. Si alguna de la partes no esta
presente o se encuentra daSada, Ilame a la linea de ayuda
de la maquina lavadora a presi6n al 1-800-222-3136.
MONTAJE DE LA MAQUINA
LAVADORA A PRESION
La gran mayoria de su maquina lavadora a presi6n
Craftsman ha sido ensamblada en la fabrica. Sin embargo,
usted debera Ilevar a cabo los siguientes procedimientos
antes de poner en funcionamiento su maquina lavadora a
presi6n:
• Conecte el carrete de la manguera.
• Deposite aceite en la caja del cigiJeSal del motor.
• Deposite combustible en el tanque.
• Conecte la manguera de alta presi6n a la pistola de
rociado y a la bomba. Conecte el suministro de agua a la
bomba.
Montaje del Carrete de la Manguera
IMPORTANTE: Debera sacar la manguera del carrete
cuando ponga en funcionamiento su maquina lavadora a
presi6n. El carrete es enicamente para almacenamiento.
• Conecte la manija al carrete utilizando tuercas de
fijaci6n, arandelas planas y pernos como se ilustra a
continuaci6n.
• Asegure el carrete de la manguera a la manija del lado
izquierdo (al mismo lado del depurador de aire del
motor) utilizando tuercas de fijaci6n, arandelas planas y
pernos.
Pernos M6
Arandelas planas M6
Manija
-\
Tuercas de fijacidn M6
Pernos M8
/
Tuercas de
fijaci6n M8 Arandelas planas M8
31

Agregue Aceite de Motor
IMPORTANTE: Cualquier intento de hacer girar o arrancar
el motor antes de que se haya depositado el aceite
recomendado puede resultar en falla del motor.
NOTA: Cuando agregue aceite a la caja del cigL_efial del
motor, use 0nicamente aceite detergente de alta calidad con
clasificaci6n de servicio API SF o SG de peso 10W-30 con
clasificaci6n SAE.
Se pueden usar los otros aceites de viscosidad mostrados
en la tabla cuando la temperatura promedio de su Area se
encuentre dentro de los limites recomendados:
-20 0 20 40 60 80 100°F
I I tI I I I I
-30 -20 -10 0 10 20 30 40°C
TEMPERATURA AMBIENTE
•Coloque la maquina lavadora a presi6n en una superficie
nivelada.
• Limpie el Area alrededor del Ilenado de aceite, retire la
varilla de medici6n de aceite y limpiela.
• Inserte y retire la varilla de medici6n sin atornillarla en la
abertura de Ilenado.
• Vierta lentamente el aceite en la abertura de Ilenado
hasta que alcance la marca de "UPPER LIMIT"
("LIMITE SUPERIOR") de la varilla de medici6n. Pare
de vez en cuando para revisar el nivel del aceite.
VARILLA DE MEDIClONiTAPA DEL ORIFIClO
PARA LLENADO DE ACEITE
LIMITE
LIMITE
INFERIOR
• Si el nivel del aceite se encuentra cerca o por debajo de
la marca del limite inferior de la varilla de medici6n,
deposite el aceite recomendado hasta Ilegar a la marca
del limite superior. NO LLENE EXCESlVAMENTE.
• Instale la varilla de medici6n y aprietela firmemente con
la mano.
NOTA: Revise el aceite frecuentemente durante el
despegue del motor.
Agregue Gasolina
_PELIGRO! Nunca Ilene el tanque de combustible
en recintos cerrados. Nunca Ilene el tanque de
combustible cuando el motor est6 funcionando o est6
caliente. No fume cuando est6 Ilenando el tanque de
combustible.
_ADVERTENCIA! Nunca Ilene por completo el
tanque de combustible. Deje espacio para la
expansi6n del combustible. Limpie cualquier derrame
de combustible del motor y del equipo antes de darle
arranque a la unidad.
Utilice gasolina para automotores limpia, fresca y sin
contenido de plomo.
• Use combustible limpio y almac6nelo en recipientes
cubiertos, limpios y aprobados. Utilice embudos limpios.
Nunca utilice gasolina "vieja" dejada de la estaci6n
anterior o gasolina almacenada por periodos de tiempo
prolongados.
• Limpie el Area alrededor de la tapa de Ilenado del
combustible, retire la tapa.
• Agregue lentamente gasolina al tanque de combustible.
Use un embudo para evitar que se derrame. Llene el
tanque hasta la "Marca de Nivel del Combustible"
como se muestra a continuaci6n.
• Instale la tapa del tanque de combustible y limpie la
gasolina que se haya derramado.
32

Conecte la Manguera y el Suministro de
Agua a la Bomba
IMPORTANTE: Usted debera armar la extensi6n para
boquillas y conectar todas las mangueras antes de darle
arranque al motor. La bomba resultara daSada si arranca el
motor sin tener todas las mangueras conectadas y el
suministro agua abierto.
• Instale la conexi6n rapida a la manguera de su maquina
lavadora de alta presi6n.
• Antes de que conecte la manguera de jardin a la entrada
de agua, inspeccione el colador de la entrada. Limpie la
colador si tiene residuos o solicite su reemplazo siesta
daSado. No haga funcionar la maquina lavadora a
presion si el colador de la entrada esta dahado.
• Conecte la manguera de jardin a la entrada del agua.
Apriete con la mano.
Conexi6n Rapida
/
¢;
• Desenrrolle la manguera de alta presi6n y conecte un
extremo de la manguera a la base de la pistola de
rociado con la conexi6n rapida instalada. Baje el collar
de la conexi6n rApida, con6ctela a la manguera y suelte
el collar. Hale de la manguera y la pistola para
asegurarse de que la conexi6n es firme.
• Conecte el otro extremo de la manguera de alta presi6n
a la salida de alta presi6n de la bomba. Apriete con la
mano.
• Abra el suministro del agua (abra la vMvula de
suministro completamente).
_ iPRECAUClON! Antes de darle arranque a la
maquina lavadora a presi6n, aseg6rese de usar
protecci6n adecuada para los ojos.
LISTA DE REVISION PREVIA AL
ARRANQUE DEL MOTOR
Revise la unidad para asegurarse que ha Ilevado a cabo los
siguientes procedimientos:
• Revise que los sujetadores del carrete de la manguera
est6n apretados.
• Revise que haya sido depositado aceite y est6 al nivel
correcto en la caja del cigQeSal del motor.
• Deposite la gasolina adecuada en el tanque del
combustible.
• Revise que todas las conexiones de las mangueras (alta
presi6n y suministro de agua) est6n apretadas
correctamente y que no existan dobleces, cortes o daSo
de la manguera de alta presi6n.
• Proporcione el suministro de agua adecuado (que no
exceda los 140°F).
• Aseg6rese de leer las secciones "Reglas de Seguridad"
y "Operaci6n" antes de usar la maquina lavadora a
presi6n.
33

CONOZCA SU MAQUINA LAVADORA DE ALTA PRESION
Lea el manual del propietario y las reglas de seguridad antes de poner en marcha su maquina lavadora a presion.
Compare las ilustraciones con su maquina lavadora a presi0n para familiarizarse con las ubicaciones de los diferentes
controles y ajustes. Guarde este manual para referencias futuras.
Pistola de Rociado
Arrancador de Retroceso
Filtro y Tubo para
RecolecciOn de Detergente
_a de la Gasolina
Tapa del DepOsito del Aceite
ExtensiOn para Boquillas
-.....
Boquilla Ajustable
Manguera de Alta Presi6n
Carrete de la
Manguera
Palanca del Cebador
Palanca de Control de la
Valvula de RegulaciOn
Filtro de Aire
Entrada de Agua Bomba
Arrancador de Retroceso - Usado para el arranque del
motor.
Bomba - Desarrolla alta presi6n de agua.
Boquilla Ajustable - Ajusta la presi6n a alta o baja presi6n;
rociado a chorro o en abanico.
Carrete de la Manguera - Usado para almacenar la
manguera cuando la unidad no esta siendo usada. La
manguera debera ser desconectada de la unidad y la pistola
antes de almacenarla.
Entrada de Agua - Conexi6n para la manguera de jardin.
Extension para Boquillas - Conectada a la pistola de
rociado para un uso mas conveniente.
Filtro de Aire - El elemento de filtro tipo seco limita la
cantidad de suciedad y polvo que se introduce en el motor.
Filtro y Tubo para Recoleccion de Detergente - Usado
para succionar detergente de la botella de quimicos a la
corriente de agua de baja presi6n.
Toma de Alta PresiOn
Manguera de Alta Presion - Conecte un extremo a la
pistola de rociado y el otro extremo a la toma de alta
presi6n.
Palanca de Control de la Valvula de Regulacion- Coloca
el motor en modo de arranque para el arrancador de
retroceso y detiene el motor en funcionamiento.
Palanca del Cebador- Usada para arranque de motores
frios.
Pistola de Rociado - Controla la aplicaci6n de agua sobre
la superficie de limpieza con el gatillo. Incluye cerrojo de
seguridad.
Tapa de la Gasolina - Llene el motor con gasolina regular
sin contenido de plomo en este punto.
Tapa del Deposito del Aceite - Llene el motor con aceite
aqui. Vea la pagina 5 para las recomendaciones del aceite y
las instrucciones de Ilenado.
Toma de Alta Presion - Conexi6n para la manguera de
alta presi6n.
34

COMO USAR SU MAQUINA
LAVADORA A PRESION
Si tiene problemas con el funcionamiento de su maquina
lavadora a presi6n, por favor Ilame a la linea de ayuda de la
maquina lavadora a presi6n al 1-81)0-222-3136.
Para Darle Arranque a su M_quina
Lavadora a Presion
Para darle arranque a su maquina lavadora a presi6n
accionado por motor por primera vez, siga estas
instrucciones paso a paso. Esta informaci6n acerca del
arranque tambi6n se aplica siempre que le de arranque al
motor despu6s de haber dejado el maquina lavadora a
presi6n fuera de uso por Io menos por un dia.
_ iPRECAUCION! Antes de darle arranque al
maquina lavadora a presi6n, aseg6rese de usar la
protecci6n ocular adecuada.
• Coloque el maquina lavadora a presi6n en un Area
cercana a una fuente de agua exterior capaz de
suministrar agua a una proporci6n mayor de 2.2 galones
por minuto.
• Revise que la manguera de alta presi6n est6 firmemente
conectada a la pistola de rociado y a la bomba. Vea
"Ensamble de su maquina lavadora a presi6n" para las
ilustraciones.
• Aseg6rese de que la unidad est6 nivelada.
• Conecte la manguera del jardin a la entrada del agua de
la bomba del maquina lavadora a presi6n. ABRA el
suministro del agua.
_ PRECAUClON! No haga funcionar la bomba sin
tener conectado y abierto el suministro de agua.
Debera cumplir con esta instrucci6n, de otra forma la
bomba resultara daSada.
• Mueva la palanca de la valvula del combustible a la
posici6n "On".
• Mueva la palanca del cebador a la posici6n "Closed".
Estr_ngulese
palanca en
la posici6n
Abierta
Estrangulese
palanca en
la posici6n
R&pida
NOTA: Si el motor esta caliente, asegerese que la palanca
del cebador est6 en la posici6n "Open".
• Mueva la palanca de la valvula de regulaci6n a la
posici6n "Fast", marcada en la unidad con un conejo.
Los controles son mostrados en la posici6n de operaci6n
deseada.
Anteojos de Seguridad
La Mano
Izquierda
oprime el
gatillo y
estabiliza la
parte la
La Mano
Derecha hala
la manija del
arranque de
retroceso
El Pie Izquierdo sostiene la base
• Como se muestra a la derecha, aseg6rese que la
extensi6n para boquillas NO esta conectada a la pistola
de rociado. Tenga en cuenta que su unidad va a lucir
ligeramente diferente a la unidad de la ilustraci6n.
Coloque la pistola de rociado en el gancho para
almacenamiento.
• Coloque su pie izquierdo sobre el bastidor inferior de la
unidad.
• Agarre la pistola de rociado con su mano izquierda y
oprima el gatillo de la pistola de rociado. Observara un
chorro delgado de agua saliendo de la pistola de
rociado. Contin6e oprimiendo el gatillo. Su mano
izquierda tambi6n ayudara a estabilizar la unidad.
• Agarre la manija del arranque de retroceso con su mano
derecha, de la forma ilustrada. Hale ligeramente la
manija del arranque hasta que sienta cierta resistencia y
luego hale rapidamente.
• Devuelva la manija del arranque lentamente. No permita
que la soga "rebote violentamente" contra el arranque.
• Si la palanca del cebador fue puesta en la posici6n
"Closed" para el arranque del motor, mu6vala
lentamente a la posici6n "Open" a medida que el motor
se caliente y funcione correctamente.
• Con el motor en funcionamiento, enganche el cerrojo de
seguridad al gatillo de la pistola de rociado.
Cerrojo de
uridad
35

•Conecte la extensi6n para boquillas a la pistola de
rociado. Apriete con la mano.
Como Detener su M_quina Lavadora a
Presion
• Mueva la palanca de la valvula de regulaci6n a la
posici6n "Stop" ("Parado").
• Mueva la palanca de la valvula del combustible a la
posici6n "Off".
•Apriete el gatillo de la pistola de rociado para
eliminar la presion de la manguera.
NOTA: Observara una peque_a cantidad de agua cuando
elimine la presi6n.
Como Usar la Boquilla Ajustable
Usted ya debe saber como darle ARRANQUE a su maquina
lavadora a presi6n ycomo DETENERLA. La informaci6n de
esta secci6n le dira como ajustar el patr6n de rociado y
como aplicar detergente u otros quimicos de limpieza.
_ iPELIGRO! Nunca ajuste el patr6n de rociado
cuando est6 rociando. Nunca coloque las manos en
frente de la boquilla para ajustar el patr6n de rociado.
En el extremo de su pistola de rociado existe una manija
que puede mover hacia adelante y hacia atras para ajustar
el patr6n de rociado para que sea de alta o baja presi6n.
Usted tambi6n puede ajustar el patr6n de rociado girando la
boquilla para que est6 concentrado en un patr6n de chorro o
un patr6n expandido en abanico.
Mueva la boquilla hacia atras
para obtener el modo de alta
presi6n.
Mueva la boquilla hacia ade-
lante para obtener el modo
de baja presi6n y para la
aplicaci6n del detergente.
Apunte la boquilla hacia el suelo, desenganche el cerrojo
de seguridad y apriete el gatillo para probar el patr6n de
rociado.
Gire la boquilla en sentido
contrario alas manecillas del
reloj para un patr6n de
rociado en abanico.
Gire la boquilla en sentido
de las manecillas del reloj
para un patr6n de rociado a
chorro.
• El patr6n de rociado se ajusta de un patr6n angosto a un
patr6n en abanico girando la boquilla.
• Para una limpieza mas efectiva, mantenga la boquilla de
rociado de 8 a 24 pulgadas de la superficie de limpieza.
• Si coloca la boquilla de rociado demasiado cerca podria
daSar la superficie, especialmente cuando est6 usando
el modo de alta presi6n.
• No coloque la boquilla a menos de 8 pulgadas cuando
est6 limpiando Ilantas.
Aplicacion del Detergente Usando la
Boquilla Ajustable
IMPORTANTE: Utilice quimicos disehados
especificamente para maquinas lavadoras a presion. Los
detergentes caseros podrian da_ar la bomba.
IMPORTANTE: Usted debera conectar todas las
mangueras antes de darle arranque al motor. Arrancar el
motor sin tener todas las mangueras conectadas y sin el
suministro de agua ABIERTO (ON) causara el daSo de la
bomba.
Para aplicar el detergente, siga los siguientes pasos:
•Revise el uso de la boquilla ajustable.
• Prepare la soluci6n detergente segQn Io indicado para el
trabajo de limpieza.
• Cuelgue el recipiente de la soluci6n detergente en el
gancho del alambre conectado a la manija.
• Coloque el extremo con el filtro del tubo para succi6n de
detergente en el recipiente del detergente.
_PRECAUCION! Cuando coloque el filtro en el
recipiente del detergente, coloque el tubo de manera
que no entre en contacto con el silenciador caliente.
36

•Mueva la boquilla ajustable hacia adelante para obtener
el modo de baja presi6n. El detergente no puede ser
aplicado si tiene la boquilla en la posici6n de alta
presi6n.
• AsegQrese que la manguera de jardin est6 conectada a
la entrada del agua. Revise que la manguera de alta
presi6n est6 conectada a la pistola de rociado y a la
bomba. Dele arranque al motor.
• Aplique el detergente sobre la superficie seca,
comenzando en la parte inferior y dirigi6ndose hacia
arriba.
• Permita que el detergente "penetre" de 3 a 5 minutos
antes de enjuagar.
• Para lavar, comience en la parte inferior del Area que
esta lavando y dirijase hacia arriba, utilizando
movimientos largos, parejos y superpuestos.
Enjuage de la M_quina Lavadora a
Presion
_iADVERTENCIA! Sea extremadamente cuidadoso
si debe usar el sistema de limpieza desde una
escalera, andamio o cualquier superficie
relativamente inestable. La presi6n de una maquina
lavadora en funcionamiento se acumula a medida
que usted sube. Cuando oprima el gatillo, la fuerza
de reacci6n del rociado inicial podria hacerlo caer. La
fuerza de la alta presi6n podria sacarlo del dispositivo
de elevaci6n donde se encuentra parado si esta muy
cerca de la superficie de limpieza.
Para Enjuage:
• Mueva la boquilla hacia atras para obtener el modo de
alta presi6n, optima el gatillo y espere que deje de salir
detergente.
NOTA: Tambi6n puede detener la circulaci6n del detergente
retirando el tubo de succi6n del recipiente.
• Mantenga la pistola de rociado a una distancia segura
del area que planea rociar.
• Aplique un rociado de alta presi6n en un area pequeSa,
despu6s revise si la superficie presenta daSos. Si no
encuentra daSos, puede continuar con el trabajo de
limpieza.
• Comience en la parte superior del area que va a
enjuagar, dirigi6ndose hacia abajo con los mismos
movimientos superpuestos que utiliz6 para el lavado y la
aplicaci6n del detergente.
Sistema de Enfriamiento Autom&tico
(Alivio Tdrmico)
El agua que circula dentro de la bomba puede alcanzar
temperaturas entre los 140-145°F si hace funcionar el motor
de su maquina lavadora a presi6n de 3 a 5 minutos sin
oprimir el gatillo de la pistola de rociado. El sistema de
enfriamiento automatica se activa a esta temperatura y
enfria la bomba descargando agua caliente en el piso,
evitando asi el daSo interno de la bomba.
Como Usar el Carrete para Manguera
Su maquina lavadora a presi6n viene equipada con un
carrete para manguera diseSado para almacenar la
manguera cuando la unidad no esta siendo usada. Estas
instrucciones son Qnicamente para almacenar la manguera
por poco tiempo. Para un almacenamiento prolongado,
consulte la secci6n Almacenamiento de la pagina 43.
Despu_s de cada uso:
• Desconecte la manguera de la pistola y la toma de alta
presi6n de la bomba.
• Elimine el agua de la manguera.
• Pase un extremo de la manguera por el orificio del
carrete para manguera. Haga girar el carrete para
manguera con la manija para enrollarla en el carrete.
f
• Coloque el otro extremo de la manguera en la presilla
ubicada en el costado de su unidad.
IMPORTANTE: No use su maquina lavadora a presi6n
cuando la manguera est6 enrollada en el carrete. El carrete
para manguera sirve enicamente para su almacenamiento.
37

38

RESPONSABILIDADES DEL PROPIETARIO
Siga el programa de mantenimiento segt_n el nt_mero de horas o segt_n el calendario, Io que suceda primero.
Se requiere de servicio con mayor frecuencia cuando opere la unidad en las condiciones adversas descritas a continuaci6n.
HORARIO DE MANTENIMIENTO
COLOQUE LAS FECHAS A MEDIDA QUE VA
COMPLETANDO EL SERVICIO REGULAR
TAREA DE MANTENIMIENTO
MAQUINA LAVADORA A PRESION
Revise/limpieel coladorde la entrada
de agua de la conexi6n rapida. Xt
Revise la manguera de alta presi6n. X
Revise la manguera del detergente. X
Revise la pistola de°rociado y el conjunto
para ver si existen Tugas. X
Elimineelaire y loscontaminantesde la bomba. X
MOTOR
Revise el nivel de aceite X
Cambie el aceite del motor.
Proporcione servicio al depurador de aire.
Limpie la bujia.
INTERVALO DE OPERACION POR HORA
Cada 200
Antes de Horas o
cada use Anua mente
Cada 25 Cada 100
Horas o Horas o
Anualmente Anualmente
X*
X**
X
X
Remplace la bujia. X
Proporcione servicio al apagachispas.
Prepare la unidad para almacenamiento. Prepare la unidad para almacenamiento si va
aestar fuera de servicio per rn_s de 30 dias.
1 Limpiar siesta obstruido. Remplazar si esta perforado oroto.
FECHAS DE SERVICIO
Cambiar el aceite despues de las primeras (5) horas y despues cada 25 horas. Hacer el cambio de aceite con mayor
frecuencia cuando trabaje en condiciones de mucha suciedad o polvo.
Remplazar mas a menudo bajo condiciones de suciedad o polvo.
ESPECIFICACIONES DEL
PRODUCTO
Es.pecificaciones de la M_quina Lavadora
at.'resibn
Presi6n ................. 2,400 PSI
Velocidad de flujo ......... 2.2 GPM
Mezcla de quimicos ........ Use segen instrucciones
Temperatura del suministro
de agua ................. Que no exceda los 140°F
Especificaciones del Motor
Caballos de fuerza ........ 5.5 HP
Bujia
Tipo: ................. BPR6ES (NGK) o similar
Calibre la separaci6n a: . .0.028 pulgadas (0.70 mm)
0,031 pulgadas (0.80 mm)
Capacidad de gasolina ..... 1.2 Cuartos
Aceite ..................
Por encima de 50°F ..... SAE 30
Uso General ........... SAE 10W-30
RECOMENDACIONES GENERALES
La garantia de la maquina lavadora a presi6n no cubre los
elementos que han sido sujetos a abuso o negligencia por
parte del operador. Para recibir el valor total de la garantia,
el operador debera mantener la maquina lavadora a presi6n
como se indica en este manual.
Algunos ajustes tendran que hacerse peri6dicamente para
mantener adecuadamente su maquina lavadora a presi6n.
Todos los servicios y ajustes deberan hacerse por Io menos
una vez en cada estaci6n. Siga las instrucciones de la tabla
"Programa de Mantenimiento" descrita anteriormente.
NOTA: Una vez al a_o, usted debera limpiar o remplazar la
bujia y el filtro de aire. Una bujia nueva y un filtro de aire
limpio garantizan una mezcla de combustible-aire adecuada
y le ayuda a su motor a funcionar mejor y a tener una vida
Qtil mas prolongada.
39

ANTES DE CADA USO
• Revise el nivel de aceite del motor.
• Revise si existen daSos en el colador de la entrada de
agua.
• Revise si existen fugas en la manguera de alta presi6n.
• Revise si existen daSos en los filtros de quimicos.
• Revise si existen fugas en el conjunto de la extensi6n
para boquillas y pistola.
• Elimine el aire y los contaminantes de la bomba.
MANTENIMIENTO DE LA MAQUINA
LAVADORA A PRESION
Revise y Limpie el Colador de Entrada
Examine el colador de entrada de la manguera de jardin.
Limpielo siesta tapado o remplacelo siesta roto.
Revise la Manguera de Alta Presion
Las mangueras de alta presi6n pueden desarrollar fugas
debido al desgaste, dobleces o abuso. Revise la manguera
antes de cada uso. Revise si existen cortes, fugas,
abrasiones, levantamiento de la cubierta, daSo o movimiento
de los acoplamientos. Si existe cualquiera de estas
condiciones, remplace la manguera inmediatamente.
,_ iPELIGRO! Nunca repare la manguera de alta
presi6n. Remplacela con una manguera que cumpla
con la capacidad minima de presi6n de su maquina
lavadora a presi6n.
Revise la Pistola y la Extension para
Boquillas
Examine la conexi6n de la manguera a la pistola y
cerciorese de que est6 en buen estado. Pruebe el gatillo
oprimi6ndolo y asegurandose de que se devuelve a su sitio
cuando Io suelte. Coloque el cerrojo de seguridad y pruebe
el gatillo. Usted no debe ser capaz de oprimir el gatillo.
Remplace la pistola inmediatamente si falla cualquiera de
estas pruebas.
Revise el Filtro en Linea
Consulte la ilustraci6n y suministre servicio al filtro en linea
si se tapa siguiendo estos pasos:
Filtro en Linea
Extensi6n para Boquillas Anillo 'O'
1. Retire la pistola y la extensi6n para boquillas de la
manguera de alta presi6n. Retire la extensi6n para
boquillas de la pistola y retire el anillo 'O' y el colador
de la extensi6n para boquillas. Lave el interior del
colador, pistola y extensi6n para boquillas con agua
limpia para eliminar toda clase de residuos.
2. Si el colador esta daSado, encontrara un colador para el
filtro en linea y un anillo 'O' de repuesto en el juego de
anillos 'O'. Si no esta daSado, vuelva a usarlo.
3.
4.
5.
Coloque el colador del filtro en linea en el extremo con
rosca de la extensi6n para boquillas. Su direcci6n no
importa. Coloque el colador ejerciendo presi6n con el
borrador de un lapiz hasta que se asiente por completo
en el fondo de la abertura. Tenga cuidado de no doblar
el colador.
Coloque el anillo 'O' en la ranura respectiva. Empuje el
anilloAnillo 'O' hasta que quede ajustado contra el
colador del filtro en linea.
Conecte la extensi6n para boquillas a la pistola de
rociado de la manera descrita con anterioridad en este
manual.
Elimine el Aire y los Contaminantes de la
Bomba
Para retirar el aire de la bomba, siga los siguientes pasos:
• Instale la maquina lavadora a presi6n como esta descrito
en la secci6n de MONTAJE y conecte el suministro de
agua.
• Hale el gatillo de la pistola y mant6ngalo apretado hasta
que obtenga una corriente de agua constante.
Para retirar los contaminantes de la bomba, siga los
siguientes pasos:
• Instale la maquina lavadora a presi6n como esta descrito
en la secci6n de MONTAJE y conecte el suministro de
agua.
• Retire la extensi6n para boquillas de la pistola.
• Ponga en marcha el motor de acuerdo alas
instrucciones de la secci6n OPERAClON.
• Hale el gatillo de la pistola y mant6ngalo apretado.
• Cuando el suministro de agua sea uniforme y constante,
enganche el cerrojo de seguridad y vuelva a instalar la
extensi6n para boquillas.
Mantenimiento de las Boquillas
Si la boquilla se obstruye o tapa con materiales extraSos,
como suciedad, se puede presentar presi6n excesiva de la
bomba. Una boquilla parcialmente tapada puede causar una
sensaci6n pulsatil durante el uso. Esto generalmente no es
un problema relacionado con la bomba, es masque todo
una boquilla tapada o parcialmente obstruida.
Si la boquilla se tapa u obstruye parcialmente, limpiela
inmediatamente con el juego incluido en su maquina
lavadora a presi6n siguiendo estas instrucciones:
• Apague el motor y cierre el suministro de agua.
• Separe la extensi6n para boquillas de la pistola.
• Girela a la posici6n de chorro.
• Retire la boquilla del extremo de la extensi6n para
boquillas usando una Ilave allen de 2 mm o 5/64.
t
40

• Use el alambre incluido en el juego o un clip de papel
pequeSo para liberar los materiales extraSos que estan
tapando u obstruyendo la boquilla.
Introduzca el alambre dentro de la boquilla y girelo hacia los
lados, hacia adelante y atras hasta despejar la obstrucci6n.
Retire la suciedad adicional inyectando el suministro de
agua en sentido contrario a trav6s de la extensi6n para
boquillas. Lave de esta forma de 30 a 60 segundos. Gire
la extensi6n para boquillas hasta obtener un rociado en
chorro y mueva la boquilla de presi6n baja a alta
mientras hace el lavado.
• Vuelva a instalar la boquilla en la extensi6n para
boquillas. No la apriete demasiado.
• Vuelva a conectar la extensi6n para boquillas a la pistola
de rociado.
• Vuelva a conectar el suministro de agua, ABRA el
suministro agua y d61e arranque al motor.
• Pruebe la maquina lavadora a presi6n haci6ndola
funcionar con la boquilla en las posiciones de alta y baja
presi6n.
Mantenimiento de los Anillos 'o'
Durante la operaci6n normal de su maquina lavadora a
presi6n los anillos 'o' mantienen apretadas y libres de fugas
las conexiones de las mangueras y la pistola. EIIos pueden
desgastarse o daSarse con el uso. Su maquina lavadora a
presi6n viene con un Juego de Mantenimiento para anillos
'o', el cual contiene anillos 'o', una arandela de caucho y un
colador para la entrada de agua de repuesto.
Las partes del Juego de Anillos 'o' incluyen:
• 1 anillo 'o', rojo, (pin B2726) para el extremo de la
conexi6n de la pistola de rociado entre la pistola y la
extensi6n para boquillas.
0
1 anillo 'o' amarillo, (pin B2264) para el extremo de la
manguera de alta presi6n.
NOTA: Los dos anillos 'o' anteriores tienen un tamaSo
similar. Por favor comparelos y aseg6rese de usarlos en el
lugar correcto.
• 1 anillo 'o', azul, (p/n B3065) para la parte interna de la
manguera a la conexi6n rapida de la pistola.
0
1 arandela de caucho (pin B2385) para la parte interna
del conector de la manguera de jardin.
• 1 colador para la entrada de agua (pin B2384) para el
conector de la manguera de jardin.
Para retirar un anillo 'o' desgastado o dahado:
• Utilice un destornillador de cabeza plana peque_o,
col6quelo por debajo del anillo 'o' y saquelo haciendo
palanca.
MANTENIMIENTO DEL MOTOR
Revision del Nivel del Aceite
El nivel del aceite debera ser revisado antes de cada uso o
al menos cada 5 horas de operaci6n. Conserve el nivel del
aceite.
Cambio de Aceite
Cambie el aceite del motor despu6s de las primeras 5 horas
y cada 25 horas a partir de ese momento. Siesta utilizando
su maquina lavadora a presi6n bajo condiciones de extrema
suciedad o polvo, o en un clima demasiado caliente, haga el
cambio de aceite cada 25 horas.
Cambie el aceite con el motor caliente despu6s del
funcionamiento, como se indica a continuaci6n:
• Gire la vMvula de combustible a la posici6n "OFF" para
reducir el riesgo de fugas de combustible.
• Limpie el Area alrededor de la abertura para Ilenado de
aceite, retire la varilla de medici6n/tapa del dep6sito de
aciete. Limpie la varilla de medici6n.
41

• Inclinesumaquinalavadoraapresi6nparadrenarel
aceiteatrav6sdeltubodelavarillademedici6n/tapadel
aceiteaunrecipienteadecuado.Cuandolacajadel
cigQeSalest6vacia,vuelvaacolocarlamaquina
lavadoraapresi6nenposici6nvertical.Limpieelaceite
quehayaderramado.
• LlenelentamentelacajadelcigQeSaldelmotorconel
aceiterecomendadohastaqueelniveldelaceiteest6en
lamarca"UPPERLIMIT" ("LIMITE SUPERIOR") de la
varilla de medici6n. No Ilene por encima de esa marca.
• Cuando la caja del cigQeSal del motor est6 Ilena al nivel
adecuado, instale y apriete la varilla de medici6n/tapa
del aceite.
• Limpie los residuos de aceite.
Servicio del Depurador de Aire
Su motor no funcionara adecuadamente y puede daSarse si
usted Io hace funcionar con un depurador de aire sucio.
Remplace el depurador de aire una vez cada 200 horas de
operaci6n o una vez por aSo, Io que suceda primero.
Remplacelo mas frecuentemente si la unidad funciona bajo
condiciones de mucha suciedad o polvo. Los repuestos se
encuentran disponibles en su centro de servicio local Sears.
Para remplazar el depurador de aire, siga los siguientes
pasos:
• Oprima las lengQetas de fijaci6n ubicadas en la parte
superior de la cubierta del depurador de aire y retire la
cubierta.
CAJA DEL DEPURADOR DE AIRE
DUCTO DE AIIRE _- __ ,FILTRO
--- -- - - -- - " CUBIERTA DEL DEPU-
- q_h, I RADOR DE AIRE
_:_./ -r?/ LENGUETAS /
/DE FIJACION
i _ LENGUETAS INFERtORES
• Retire cuidadosamente el elemento del filtro de aire
sucio para evitar que suciedad caiga dentro del
carburador. Descartelo.
• Limpie la parte interna de la caja del filtro utilizando un
trapo ht_medo.
• Vuelva a colocar un elemento de filtro de aire nuevo y la
cubierta.
Limpie /Remplace la Bujia
Revise y limpie la bujia cada 100 horas de operaci6n.
Remplace la bujia una vez al aSo o cada 200 horas de
operaci6n.
_PRECAUCION! Desconecte el alambre de la bujia
y mant6ngalo alejado de la misma cuando suministre
servicio al motor.
• Limpie el Area alrededor de la bujia.
• Retire y revise la bujia.
• Cambie la bujia si los electrodos estan desgastados, o si
el aislador esta roto o partido. Para su remplazo, utilice
una bujia BPR6ES (NGK) o similar.
• Revise la separaci6n del electrodo con un calibrador de
alambre y ajuste la separaci6n a 0.28 pulgadas - 0.031
pulgadas (0.70 mm - 0.80 mm) si es necesario.
• Instale la bujia y aprietela firmemente.
Carburador
Si usted cree que su carburador necesita ajuste, visite su
centro de servicio Sears mas cercano. El funcionamiento del
motor podria resultar afectado a altitudes por encima de
4000 pies. Para operaciones a elevaciones mayores,
p6ngase en contacto con el centro de servicio Sears mas
cercano.
Servicio del Apagachispas
El motor de su unidad no viene equipado de fabrica con un
apagachispas. En ciertas Areas, es ilegal operar motores
que no tengan apagachispas. Revise las leyes y
regulaciones locales. Si necesita apagachispas, Io puede
comprar en su centro de servicio Sears mas cercano.
Debera suministrarle servicio al apagachispas cada 100
horas para conservarlo en buenas condiciones de
funcionamiento.
Si el motor ha estado funcionando, el silenciador estara
bastante caliente. Deje que el silenciador se enfrie para
poder darle servicio al apagachispas.
• Retire los tres pernos de 6 mm del protector del
silenciador y retire el protector del silenciador.
APAGACHISPAS
/ _ ._ .. " SILENCIADOR
TQRNILLOS ESPEClALES
PE
• Retire los dos tornillos especiales del apagachispas y
retire el apagachispas del silenciador.
• Utilice un cepillo para retirar los dep6sitos de carbono de
la pantalla del apagachispas. Sea cuidadoso y evite
da_ar la pantalla. El apagachispas no puede tener
rupturas y oricios. Remplace el apagachispas siesta
da_ado.
• Instale el apagachispas y el protector del silenciador en
el orden contrario al usado para su desarme.
42

DESPUES DE CADA USO ALMACENAMIENTO PROLONGADO
No debera haber agua en la unidad por largos periodos de tiempo.
Los sedimentos de minerales se pueden depositar en partes de la
bomba y "congelar" su funcionamiento. Lleve a cabo estos
procedimientos despues de cada uso:
• Lave el tubo de succi6n de detergente colocando el filtro en un
balde de agua limpia al mismo tiempo que hace funcionar la
maquina lavadora a presi6n en el modo de baja presi6n
(boquilla ajustable en posici6n delantera). Lave por un minuto o
dos minutos.
• Apague el motor y dejelo enfriar, despues retire todas las
mangueras.
• Desconecte el alambre de la bujia.
• Saque todos los liquidos de la bomba halando la manija de
retroceso aproximadamente 6 veces. Esto debera evacuar la
mayoria del liquido de la bomba.
• Enrolle la manguera de alta presi6n y revisela para ver si
presenta dafios. Los cortes en la manguera o el desgaste de la
misma pueden ocasionar fugas y perdida de presi6n. Si
encuentra algQn dafio, remplace la manguera. No intente
reparar una manguera dafiada. Remplace la manguera con la
parte Craftsman genuina.
• Desconecte la manguera de la pistola y la toma de alta presi6n
de la bomba. Elimine el agua de la manguera y sequela
manguera con un trapo.
• Pase un extremo de la manguera por el orificio del carrete para
manguera. Haga girar el carrete para manguera con la manija
para enrollarla en el carrete. Coloque el otro extremo de la
manguera en la presilla ubicada en el costado de su unidad.
• Vuelva a conectar el alambre a la bujia.
• Almacene la unidad en una area limpia y seca.
,_ iPELIGRO! Nunca almacene el motor con combustible en el
tanque en recintos cerrados o en areas encerradas con
poca ventilaci6n donde los vapores puedan entrar en
contacto con llamas abiertas, chispas o luces de piloto.
ALMACENAMIENTO PARA INVIERNO
,_ iPRECAUCION! Usted debera proteger su unidad de las
temperaturas de congelamiento. Si no Io hace, dafiara
permanentemente la bombay la unidad no podra funcionar.
Para proteger la unidad de las temperaturas de
congelamiento:
•Lave el tubo de succi6n de detergente colocando el filtro en un
balde de agua limpia al mismo tiempo que hace funcionar la
maquina lavadora a presi6n en el modo de baja presi6n
(boquilla ajustable en posici6n delantera). Lave por un minuto o
dos minutos.
• Desconecte la manguera conectada al adaptador de inyecci6n
de quimicos de la bomba.
• Saque todos los liquidos de la bomba halando la manija de
retroceso aproximadamente 6 veces. Esto debera evacuar la
mayoria del liquido de la bomba.
• Conecte un pedazo de manguera de jardin de 3pies al
adaptador de la entrada del agua. Vierta anticongelante RV
(anticongelante sin alcohol) en la manguera. Hale la manija de
retroceso dos veces. Desconecte la manguera de 3pies.
Si usted no planea usar la maquina lavadora a presi6n por mas de
30 dias, debera preparar el motor para un almacenamiento
prolongado.
Es importante evitar la formaci6n de dep6sitos de goma en las
partes esenciales del sistema del combustible tales como
carburador, filtro del combustible, manguera o tanque del
combustible durante el almacenamiento. Tambien, la experiencia
indica que los combustibles con mezclas de alcohol (llamados
gasohol, etanol o metanol) pueden atraer la humedad, Io que Ileva a
la separaci6n y formaci6n de acidos durante el almacenamiento. La
gasolina acida puede dafiar el sistema del combustible de un motor
durante el almacenamiento.
Proteja el Sistema de Combustible
Estabilizador de Combustible:
Siva a usar estabilizador de combustible, Ilene el tanque de
combustible con gasolina fresca. Si el tanque tan solo Io esta
parcialmente Ileno, el aire del tanque va a promover el deterioro del
combustible durante el almacenamiento.
• Deposite el estabilizador de combustible siguiendo las
instrucciones del fabricante.
• AsegQrese de tener conectado y ABIERTO el suministro de
agua a la entrada de la bomba.
• Ponga en funcionamiento el motor en un area descubierta por
10 minutos para garantizar que la gasolina tratada ha
remplazado la gasolina no tratada del carburador.
Cambio de Aceite
Con el motor todavia caliente, drene el aceite de la caja del
cigQefial. Vuelva a Ilenarlo con el grado de aceite recomendado.
Vea "Cambio de Aceite" en la pagina 41.
Aceite el Diametro Interior del Cilindro
• Retire la bujia. Rocie aproximadamente 1 cucharada de aceite
limpio para motor dentro del cilindro. Cubra el orificio de la bujia
con un trapo. Hale la manija de retroceso lentamente para
distribuir el aceite. Evite el rociado del orificio de la bujia.
• Instale la bujia. No conecte el alambre de la bujia.
OTROS
•No almacene gasolina de una estaci6n a otra.
• Si es posible, almacene su unidad en un recinto cerrado y
cebrala para protegerla del polvo y la suciedad. ASEGURESE
DE VAClAR EL TANQUE DEL COMBUSTIBLE.
Drenaje del Tanque de Combustible:
,_ iPELIGRO! Drene el combustible en un area despejada,
lejos de llamas abiertas, en un recipiente adecuado y
utilizando un embudo. AsegQrese que el motor este frio. No
Fume.
• Retire el perno de la taza del flotador, despues gire la palanca
de la valvula del combustible a la posici6n "ON".
• Despues que todo el combustible ha drenado en el recipiente,
vuelva a instalar la taza del flotador sosteniendola en su sitio en
el carburador. Apriete el perno firmemente.
IMPORTANTE: NUNCA cubra su maquina lavadora a presi6n
cuando el motor y el area del escape esten calientes. Por favor
consulte la secci6n de Repuestos comenzando en la p_gina 34
para la identificacibn de componentes.
43

44

45

Problema
La bomba presenta los
siguientes problemas: no
produce presion o produce
una presion errada, traqueteo,
p_rdida de presion, bajo
volumen de agua.
El detergente no se mezcla
con el rociado.
El motor funciona bien cuando
no tiene cargas, pero funciona
"mar' cuando se conecta una
carga.
El motor no arranca;
o arranca y funciona mal.
Causa
1. La boquilla esta en el modo de baja
presi6n.
2. La entrada de agua esta bloqueada.
3. Suministro de agua inadecuado.
4. La manguera de entrada esta
doblada o presenta fugas.
5. El colador de la manguera de la
entrada de agua esta tapado.
6. El suministro de agua esta por
encima de los 140°F.
7. La manguera de alta presi6n esta
bloqueada o presenta fugas.
8. La pistola presenta fugas.
9. La boquilla estA obstruida.
10. Bomba defectuosa.
1. El tubo de succi6n de detergente no
esta sumergido.
2. El filtro de quimicos esta tapado.
3. La boquilla esta en el modo de alta
presi6n.
La velocidad del motor es demasiado
lenta.
1. Bajo nivel de aceite.
2. Depurador de aire sucio.
3. Sin gasolina.
4. Gasolina vieja.
5. El alambre de la bujia no esta
conectado a la bujia.
6. Bujia mala.
7. Agua en la gasolina.
8. Estrangulaci6n excesiva o inundado.
9. Mezcla de combustible demasiado
rica.
10. Valvula de entrada trabada en la
posici6n abierta o cerrada.
11. El motor ha perdido compresi6n.
Solucion
1. Mueva la boquilla hacia atras para
el modo de alta presi6n.
2. Limpie la entrada.
3. Proporcione flujo de agua
adecuado.
4. Estire la manguera de entrada,
coloque un parche en la fuga.
5. Revise y limpie el colador de la
manguera de entrada.
6. Proporcione suministro de agua
mas fria.
7. Retire las obstrucciones de la
manguera de salida.
8. Remplace la pistola.
9. Limpie la boquilla.
10. P6ngase en contacto con el centro
de servicio Sears.
1. Coloque el tubo de succi6n de
detergente en el detergente.
2. Limpie o remplace el filtro/tubo de
succi6n de detergente.
3. Mueva la boquilla hacia adelante
para el modo de baja presi6n.
Mueva el control de la valvula de
regulaci6n a la posici6n FAST
(RAPIDO). Si el motor continua
funcionando mal, p6ngase en contacto
con el centro de servicio Sears.
1. Llene la caja del cigeeSal hasta el
nivel correcto.
2. Limpie o remplace el depurador de
aire.
3. Llene eltanque de combustible.
4. Drene el tanque de gasolina;
116nelocon combustible fresco.
5. Conecte el alambre a la bujia.
6. Remplace la bujia.
7. Drene el tanque de gasolina;
116nelocon combustible fresco.
8. Abra el cebador por completo y
haga girar el motor.
9. P6ngase en contacto con el centro
de servicio Sears.
10. P6ngase en contacto con el centro
de servicio Sears.
11. P6ngase en contacto con el centro
de servicio Sears.
El motor se apaga durante la 1. Sin gasolina. 1. Llene el tanque de combustible.
operacion. 2. Bajo nivel de aceite. 2. Llene la caja del cigQeSal hasta el
nivel correcto.
El motor no tiene fuerza. Filtro de aire sucio. Remplace el filtro de aire.
Cebador abierto demasiado rapido
El motor intenta estabilizarse o
su funcionamiento no es
constante.
Mueva el cebador a la posici6n
intermedia hasta que el motor funcione
normalmente.
46

Sus Obligaciones y Derechos de Garantia
La Junta Directiva de Recursos Ambientales de California ("CARB')
ySears Roebuck and Co. USA, tienen el gusto de explicar la
Garantia del Sistema de Control de Emisiones de su motor (motor)
pequeSo aSo 2000 y modelos posteriores. En California, los
motores nuevos deben ser diseSados, fabricados y equipados para
cumplir con los estrictos estandares anti-poluci6n del Estado. Sears
debera garantizar el sistema de control de emisiones de su motor
por los periodos de tiempo enlistados a continuaci6n, con tal de que
no haya habido abuso, negligencia o mantenimiento inadecuado de
su motor.
Su sistema de control de emisiones incluye partes como el
carburador y el sistema de ignici6n.
Donde exista una condici6n que se pueda garantizar, Sears
reparar& su motor sin costo alguno para usted. Los gastos cubiertos
bajo la garantia incluyen diagn6stico, partes y mano de obra.
Cubrimiento de Garantia del Fabricante
Los motores modelo aSo 2000 y posteriores estan garantizados por
dos aSos. Si alguna parte de su motor relacionada con las
emisiones (lista a continuaci6n) es defectuosa, esta sera
remplazada o reparada por Sears.
Resp.onsabilidades de Garantia del
Propietario
Como propietario del motor, usted es responsable de la realizaci6n
del mantenimiento requerido enlistado en este manual del
propietario. Sears le recomienda conservar todos los recibos que
cubran el mantenimiento de su motor. Sin embargo, Sears no
puede negar los derechos de garantia tan solo debido a la falta de
los recibos o por que no se haya asegurado de realizar todo el
mantenimiento programado.
Como propietario del motor, usted debe saber que Sears puede
negar el cubrimiento de la garantia si su motor, ouna parte del
mismo, ha fallado debido a abuso, negligencia, mantenimiento
inadecuado, modificaciones no aprobadas, o por el uso de partes
que no hayan sido fabricadas o aprobadas por el fabricante original
del equipo.
Usted es responsable de Ilevar su motor a un centro de reparaci6n
autorizado Sears tan pronto como aparezca el problema. Las
reparaciones de garantia deberan terminarse en un periodo de
tiempo razonable, que no exceda los 30 dias.
Si tiene preguntas acerca de sus responsabilidades y derechos de
garantia, debera ponerse en contacto con su centro de servicio
autorizado mas cercano o Ilamar a Sears al 1-800-473-7247.
Fecha de Inicio de la Garantia
El periodo de la garantia comienza en la fecha de entrega del
motor.
Duracion del Cubrimiento
Sears garantiza al propietario inicial y a cada comprador
subsecuente, que el motor est& libre de defectos en materiales y
mano de obra que puedan causar falla de la parte garantizada por
un periodo de dos aSos.
QUE ESTA CUBIERTO
Reparacion o Remplazo de Partes
• La reparaci6n oel remplazo de cualquier parte garantizada se
realizara sin ningQn costo para el propietario en un centro de
servicio aprobado Sears.
Si tiene preguntas acerca de sus responsabilidades y derechos
de garantia, deber& ponerse en contacto con su centro de
servicio autorizado mas cercano o Ilamar a Sears al
1-800-473-7247.
Periodo de Garantia
Cualquier parte garantizada que no haya sido programada para
reemplazo como mantenimiento requerido, o que este programada
6nicamente para inspecci6n bajo la condici6n de "repare o remplace
cuando sea necesario", sera garantizada por 2 aSos. Cualquier
parte garantizada que este programada para reemplazo seg6n el
mantenimiento requerido sera garantizada por el periodo de tiempo
hasta su primer remplazo programado.
Diagnostico
No se le cobrara al propietario los costos del trabajo diagn6stico
que Ileve a la conclusi6n de que la parte garantizada es defectuosa,
si dicho trabajo diagn6stico es hecho en un centro de servicio Sears
aprobado.
DaSos Consecuenciales
Sears puede ser responsable por da_os a otros componentes del
motor causados por la falla de una parte garantizada que a6n esta
bajo garantia.
QUE NO ESTA CUBIERTO
No seran cubiertas las fallas causadas por abuso, negligencia o
mantenimiento inadecuado.
Partes Agregadas o Modificadas
El uso de partes agregadas omodificadas puede ser motivo
suficiente para negar reclamos bajo garantia. Sears no es
responsable de cubrir fallas de partes garantizadas causadas por el
uso de partes agregadas o modificadas.
Como Presentar un Reclamo
Si tiene preguntas acerca de sus responsabilidades y derechos de
garantia, debera ponerse en contacto con su centro de servicio
autorizado mas cercano o Ilamar a Sears al 1-800-473-7247.
Donde se Obtiene el Servicio de Garantia
Las reparaciones o servicios de garantia seran proporcionados en
todos los centros de servicio autorizados Sears.
Mantenimiento, Remplazo y Reparacion
de Partes Relacionadas con Emisiones
Cualquier repuesto aprobado por Sears usado en la realizaci6n de
cualquier mantenimiento o reparaci6n de garantia en partes
relacionadas con las emisiones, sera suministrado sin costo alguno
al propietario si la parte esta bajo garantia.
Lista de Partes en Garantia del Control de
Emisiones
1. Conjunto del carburador
2. Sistema de ignici6n
a. Bujia, cubierta hasta el programa de mantenimiento.
b. M6dulo de ignici6n
3. Tubo del respiradero de la caja del cigQeSal
4. MQItiple de escape
47

For in-home major brand repair service:
Call 24 hours a day, 7 days a week
1-800-4-MY-HOM E SM(1-800-469-4663)
Para pedir servicio de reparacibn a domicilio - 1-800-676-5811
In Canada for all your service and parts needs call - 1-800-665-4455
Au Canada por tout le service ou les pi6ces
For the repair or replacement parts you need:
Call 7 am - 7 pm, 7 days a week
1-800-366-PART (1-800-366-7278)
Para ordenar piezas con entrega a domicilio - 1-800-659-7084
For the location of a Sears Parts and Repair Center in your area:
Call 24 hours aday, 7days a week
1-800-488-1222
For information on purchasing a Sears Maintenance Agreement
or to inquire about an existing Agreement:
Call 9 am - 5 pm, Monday -Saturday
1-800-827-6655
The ServiceSideofSears_