Craftsman 900277300 User Manual PLATE JOINER Manuals And Guides L0909319
CRAFTSMAN Jointer/Planer Manual L0909319 CRAFTSMAN Jointer/Planer Owner's Manual, CRAFTSMAN Jointer/Planer installation guides
User Manual: Craftsman 900277300 900277300 CRAFTSMAN PLATE JOINER - Manuals and Guides View the owners manual for your CRAFTSMAN PLATE JOINER #900277300. Home:Tool Parts:Craftsman Parts:Craftsman PLATE JOINER Manual
Open the PDF directly: View PDF
.
Page Count: 31

___/'j-__ Operator's Manual
CRRFTSMRNo
Heavy Duty
PLATE JOINER
Model No.
900.277300
CAUTION: Read and follow all
Safety Rules and Operating
Instructions before First Use
of this Product.
Sears, Roebuck and Co., Hoffman Estates, IL 60179 USA
Form No. 381555-00 MAY96-CD-2 Printed in U.S.A.

Full one year warranty on Craftsman Industrial Plate Joiner
If this Craftsman Industrial Plate Joiner fails due to a defect in material or workmanship
within one year from the date of purchase Sears will repair it free of charge.
WARRANTY SERVICE IS AVAILABLE BY SIMPLY RETURNING THE TOOL TO THE
NEAREST STORE OR SERVICE CENTER IN THE UNITED STATES.
This warranty gives you specific legal rights and you may have other rights which vary
from state to state.
Sears, Roebuck and Co., Hoffman Estates, IL 60179
IMPORTANT SAFETY
INSTRUCTIONS
WARNING: When using electric tools,
basic safety precautions should always be
followed to reduce risk of fire, electric
shock, and personal injury, including
the following:
READ ALL INSTRUCTIONS
DOUBLEINSULATION
Double insulated tools are constructed
throughout with two separate layers of
electrical insulation or one double
thickness of insulation between you and
the tool's electrical system. Tools built with
this insulation system are not intended to
be grounded. As a result, your tool is
equipped with a two prong plug which
permits you to use extension cords
without concern for maintaining a
ground connection.
NOTE: Double insulation does not take the
place of normal safety precautions when
operating this tool. The insulation system
is for added protection against injury
resulting from a possible electrical
insulation failure within the tool.
CAUTION: WHEN SERVICING USE
ONLY IDENTICAL REPLACEMENT
PARTS. Repair or replace damaged cords.
POLARIZEDPLUGS
Polarized plugs (one blade is wider than
the other) are used on equipment to
reduce the risk of electric shock. When
provided, this plug will fit into a polarized
outlet only one way. If the plug does not fit
fully into the outlet, reverse the plug. If it
still does not fit, contact a qualified
electrician to install the proper outlet. Do
not change the plug in any way.
SAFETY INSTRUCTIONS
FOR ALL TOOLS
•KEEP WORK AREA CLEAN.
Cluttered areas and benches
invite injuries.
• CONSIDER WORK AREA
ENVIRONMENT. Don't expose
power tools to rain. Don't use power
tools in damp or wet locations.
Keep work area well lit. Do not use
tool in presence of flammable
liquids or gases.
• GUARD AGAINST ELECTRIC
SHOCK. Prevent body contact with
grounded surfaces. For example;
pipes, radiators, ranges, and
refrigerator enclosures.
• KEEP CHILDREN AWAY. Do not
let visitors contact tool or extension
cord. All visitors should be kept
away from work area.
• STORE IDLE TOOLS. When not in
use, tools should be stored in dry,
and high or locked-up place - out of
reach of children.
• DON'T FORCE TOOL. It will do the
job better and safer at the rate for
which it was intended.
• USE RIGHT TOOL. Don't force
small tool or attachment to do the
job of a heavy-duty tool. Don't use
tool for purpose not intended.
° DRESS PROPERLY. Do not wear
loose clothing or jewelry. They can
2

be caughtin movingparts. Rubber
glovesand non-skidfootwearare
recommendedwhenworking
outdoors.Wearprotectivehair
coveringto containlong hair.
•USE SAFETY GLASSES. Also
use face or dust mask if operation
is dusty.
•DON'T ABUSE CORD. Never carry
tool by cord or yank it to disconnect
from receptacle. Keep cord from
heat, oil, and sharp edges.
• SECURE WORK. Use clamps or a
vise to hold work. It's safer than
using your hand and it frees both
hands to operate tool.
• DON'T OVERREACH. Keep proper
footing and balance at all times.
•MAINTAIN TOOLS WITH CARE.
Keep tools sharp and clean for
better and safer performance.
Follow instructions for lubricating
and changing accessories. Inspect
toot cords periodically and if
damaged, have repaired by
authorized service facility. Inspect
extension cords periodically and
replace if damaged. Keep handles
dry, clean, and free from oil
and grease.
•DISCONNECT OR LOCK OFF
TOOLS when not in use, before
servicing, and when changing
accessories, such as blades,
bits, cutters.
• REMOVE ADJUSTING KEYS AND
WRENCHES. Form habit of
checking to see that keys and
adjusting wrenches are removed
from tool before turning it on.
• AVOID UNINTENTIONAL
STARTING. Don't carry tool with
finger on switch. Be sure switch is
off when plugging in.
•EXTENSION CORDS. Make sure
your extension cord is in good
condition. When using an extension
cord, be sure to use one heavy
enough to carry the current your
product will draw. An undersized
cord will cause a drop in line
voltage resulting in loss of power
and overheating. The following
table shows the correct size to use
depending on cord length and
nameplate ampere rating. If in
doubt, use the next heavier gage.
The smaller the gage number, the
heavier the cord.
Minimum Gage for Cord Sets
Volts Total Lengthof Cord in Feet
120V 0-25 26-50 51-100 I01-150
240V 0-50 51-100 101-200 201-300
Ampere Rating
More Not more AWG
Than Than
0 - 6 18 16 16 14
6- 10 18 16 14 12
10 - 12 16 16 14 12
12 -16 14 12 NotRecommended
OUTDOOR USE EXTENSION
CORDS. When tool is used
outdoors, use only extension cords
intended for use outdoors and
so marked.
STAY ALERT. Watch what you are
doing. Use common sense. Do not
operate tool when you are tired.
CHECK DAMAGED PARTS.
Before further use of the tool, a
guard or other part that is damaged
should be carefully checked to
determine that it will operate
properly and perform its intended
function. Check for alignment of
moving parts, binding of moving
parts, breakage of parts, mounting,
and any other conditions that may
affect its operation. A guard or other
part that is damaged should be
properly repaired or replaced by an
authorized service center unless
otherwise indicated elsewhere in
this instruction manual. Have
defective switches replaced by
authorized service center. Do not
use tool if switch does not turn it on
and off.
SAVE THESE
INSTRUCTIONS
3

INTRODUCTION
Examine Figure 1 and your plate joiner for
a few minutes to become familiar with the
various features and the names used to
_ describe thefn. The following sections will
discuss the various controls and you will
need to know where they are.
FIG 1
Lock knob
Paddie switch
Lock on bu_on Dust Height
exhaust adjustment
po_ knob
Adjustable
fence.
_f_ \ Plunge depth
\ adjustment
Anti-slippage pin Lock knob knob
OVERVIEW
You have purchased a precision
woodworking tool. The function of the
plate joiner is to enable you to make
extremely strong and accurate joints in
wood and wood byproducts.
The tool works by a plunging action to
precisely cut crescent shaped slots for the
placement of flat wooden dowels or
"biscuits" like those shown in Figure 2.
FIG 2
1/2"
2-3/8" I : !2-3/16"_
(60m__ (56rnm)__
I
#20 #10
5/16"
1-13/1_
(46rnm)[ _
I
#0
(flat biscuits)
4
The various adjustments on the patented
base/fence assembly will enable you to
make virtually any biscuit joint imaginable
The tool may be further enhanced by
some simple jigs and fixtures that can be
easily made. Some of the more common
biscuit joinery applications are shown in
Figure 3 and are discussed in detail in the
applications section of this manual.
FIG 3
EDGE TO EDGE JOINT
45 ° FRAME JOINT
EDGE I,,,./.4
M_TaEL-------b.X I
JOINT -----] _
L__J JOINT [- OFFSE
OFFSET JOINT
SWITCH
Your plate joiner has a paddle switch
located on the underside, as shown in
Figure 1. To turn the tool on, depress the
paddle switch. To turn the tool off, release
the paddle switch. To lock the tool on for
continuous operation, there is a lock on
button located at the rear of the tool just
above the cord. When cutting always hold
the tool with one hand on the paddle
switch and one hand on the handle. To
lock the tool on, depress and hold the
paddle switch as you depress the lock
button. Hold the lock button in as you
gently release the paddle switch. The tool
will continue to run. To turn the tool off
from a locked on condition, depress and
release the paddle switch once.
BLADEREPLACEMENT
In time your saw blade will wear out and
need replacement.
To remove the blade, follow the
steps below.
1. Turn off and unplug the plate joiner.
2. Remove the 4 torx head screws
from the bottom of the shoe, using
the T20 torx screwdriver provided.
3. Rotate the shoe out of the way.
4. Use the spanner wrench provided
to loosen (counterclockwise) the
blade nut. Depress the spindle lock

.
.
FIG 4
pin on the top of the gear case to
hold the spindle while you unscrew
the nut.
Remove the blade and have it
sharpened or replace it with a
new one. (Available through Sears
service centers.
Reinstall the blade by reversing the
steps above. Be sure blade teeth
point counterclockwise as shown in
Figure 4.
.IMPORTANT: Always check the fine
depth adjustment when sharpening
or replacing the blade. Adjust if
necessary.
(See "Controls" section).
THE CONTROLS
The heart of your plate joiner is the
base/fence assembly. All of the controls
that let you make a variety of precision
cuts are located on this assembly. Take a
few minutes to become familiar with the
various controls.
CAUTION: Always turn off and unplug
plate joiner before making any adjustments.
1. ADJUSTABLE FENCE
The adjustable fence provides a sturdy,
precise reference surface to determine the
point at which the slots for the biscuits will
be cut. Its adjustable height feature allows
you to position biscuit slots as close as
3/16" (4.76mm) and as distant as 1-3/8"
(35mm) measured from the workpiece
surface to the centerline of the blade (see
Figure 6). The adjustable angle feature
allows a full range of settings from 0° to 90
as well as a reverse 45 ° bevel which
allows outside registration on miter joints.
5
(See Applications section under Miter
Joints, Figure 27.)
The height adjustment is accomplished by
first loosening the lock knob on the right
side of the fence and then rotating the
FIG 5 Adjustment Knob
Lock knob
knurled adjustment knob until the desired
height is reached (see Figure 5).
Tightening the lock knob will then
automatically align the fence parallel to the
blade and lock it in position. The vertical
scale and pointer located directly under
the lock knob can be used to assist in
setting this height. The scale readings
indicate distance from the blade centerline
to the fence surface when the fence is set
at 90 ° (see Figure 6). If the depth scale
ever needs to be adjusted, loosen the two
screws that secure the scale and move
FIG 6
Pointer points
to 1/2" mark
Center-
line of
_ blade
the scale until the pointer is indicating the
proper reading (see Figure 6).
2. PLUNGE DEPTH ADJUSTMENT
The depth of cut can be set to match the
dimensions of the particular size biscuit
you will be using. The numbers on the
depth adjustment knob (0,10,20,M)

coincidewiththe three sizes of biscuits
shownin Figure2. The letter M standsfor
the maximumdepthcapacityof the tool
whichis 20mm(25/32").This depthis
obtainableonly witha new bladeand by
backingout the fine adjustmentscrew(see
nextsection).
NOTE:The M setting has beenprovided
for futureuse and will not be necessaryfor
most biscuitingoperations.To selecta
depth,alignthe appropriatenumberwith
the redmarkscribedin the tool'shousing,
as shownin Figure7. Rotatethe depth
adjustmentknobto the desiredposition
and it will "click"into place.
FIG 7
3. FINE DEPTH ADJUSTMENT
You may encounter situations where you
want to leave a little looseness in your
joint so that you can move it slightly before
the glue sets up. For these instances a
fine depth adjustment has been provided.
To adjust, you must first raise the
adjustable fence to its uppermost position.
Then insert the T20 torx screwdriver
provided into the opening as shown in
Figure 8. Turn the depth adjustment screw
clockwise for less depth and counter-
clockwise for increased depth. Each full
turn causes a change in depth of lmm
(0.04"). Always check the depth
adjustment by first making test cuts in
scrap wood.
FIG 8
Fine depth adjustment
4. ANTI-SLIPPAGE PINS
Plate Joiners tend to slide to the right with
respect to the workpiece when making a
cut. This tendency is increased with a dull
blade or when plunging very rapidly. Anti-
slippage pins have been provided to reduce
this tendency and are located on the front
registration surface on either side of the
blade opening slot. When making some
joints, you may wish to retract the anti-
slippage pins so as not to scratch your
workpiece in a visible area. For this
purpose, simply rotate the anti-slippage
pins approximately 1/6 of a turn and they
will retract back behind the front registration
surface. A flat blade screwdriver can be
used to rotate the pins as shown in Figure 9.
FIG 9
Anti-slippage pin
5. BOTTOM REGISTRATION SURFACE
For certain applications, you will want to use
the bottom surface of the plate joiner for
alignment. When using the bottom
registration surface, the adjustable fence
should be set to 0 °. The height setting is
unimportant. This surface is used primarily
when making 'T' joints (see applications
section). The distance between the
centerline of the blade and the bottom
registration surface is fixed at 3/8" (9.5mm)
which allows centering on 3/4" (19mm) thick
stock. The 3 red marks on the bottom
registration surface indicate the centerline
(or the deepest point) of the biscuit cut and
the approximate width of a #20 biscuit so
that you'll know where the edge of the blade
is and can prevent breakthrough. To avoid
breaking through the workpiece, align the
shoe so that neither outside mark extends
beyond the end of the workpiece. If either
side does, there is a good chance that the
blade will break through the surface and ruin
your work.
6

6. DUST EXTRACTION
There are two options provided for
collecting dust from your plate joiner as
described below.
A. Dust Adaptor (See Figure 10)
This attachment, when inserted as
described above, allows the use of
several common sizes of vacuum
hose to be attached for direct
vacuum pick-up of the dust.
FIG 10
Vacuum hose connection
B. Dust Bag (See Figure 11)
The dust bag provided fits snugly
over the dust adaptor described
above. To empty the bag, open the
zipper underneath and dump
dust out.
NOTE: When the bag becomes full, the
dust will back-up into the adaptor and the
exhaust port on the right rear of the tool.
To clean out, turn off and unplug the tool
and remove packed dust. The bag will
hold the dust generated from
approximately 70 to 100 #20 biscuit cuts
before filling up.
FIG 11
GENERALOPERATION
Plate joiners are primarily used for making
cabinetry and furniture, joining millwork or
other similar applications where a strong,
accurate joint is required in wood or
wood by-products. There are literally
hundreds of variations of joints that can
be made with your Plate Joiner. We will
limit our discussion to six basic joints (see
application section) that can be used to
build on and adapt to your own applications.
The following are some basic set-up steps
that will apply to all biscuit joints.
1. BISCUIT SIZE SELECTION
As mentioned earlier, the three biscuit
sizes are #0, #10 and #20. Itis a good
rule of thumb to use the largest biscuit
size that will physically fit in the
application. Unless you are joining narrow
face or picture frames or using 1/2" or
thinner stock, you will find the #20 biscuit
size to suit most applications. After
selecting the biscuit size, set the depth
adjustment knob to the corresponding size
(see Controls section). Also, be sure the
fine depth adjustment is correctly set by
first testing in a scrap piece. This is
extremely important as you do not want to
discover during glue-up that your biscuit
slots are not quite deep enough.
2. BISCUIT LOCATION AND LAYOUT
Generally, biscuits may be spaced and
located at your discretion. For edge joints,
a good rule of thumb is to space biscuits
every 6-10-inches on center. It is further
recommended that biscuits be placed so
that the centerline of the end biscuits is
2-3 inches from the end of the workpiece.
When joining face frames or picture
frames where the workpiece is narrow, you
may have to choose the smaller biscuit
sizes to keep from "breaking out" on the
end of the joint. Breaking out should be
avoided if possible, but if not you can
assemble the joint and trim off the
exposed biscuit tip after the glue sets (see
Figure 12). When working with material up
to 1" thick, we advise to use a single
biscuit located in the approximate center
of the material thickness. If thicker stock is
to be joined, you may choose to use 2
biscuits across the thickness for greater
strength (see Figure 13). Biscuit locations
should be marked by first positioning the
mating pieces exactly as they are to be
assembled. Next, make a mark at 90 ° to
the joint interface across both pieces at
7

the desiredbiscuit locations(see
Figure 14).SeeApplicationsectionfor
morespecificinformationonjoint layout.
The marksyou makewill then be aligned
withone of the center registrationmarks
on the tool, again,dependinguponyour
specificapplication.
FIG12
end(Trimoffwith
sawandsand
smooth)
FIG13
1" or greater stock thickness
FIG 14
produce accurate joints, so practicing in
scrap wood first is advisable.
4. JOINT ASSEMBLY
After your joints are cut, you may wish to
trial fit everything together before gluing.
When you are satisfied with your joints,
evenly spread any good quality wood-
working glue in each slot as well as on
the mating flat surfaces of your joint. Place
biscuits in the slots, assemble the joint
and clamp until dry. For a biscuit joint to
be most effective, it is important that the
biscuits themselves be in contact with the
glue. This is because the biscuits absorb
the moisture in the glue and expand to
form a tight joint.
APPLICATIONS
1. EDGE TO EDGE JOINTS
This is the simplest to make and most
common joint for the plate joiner. Follow
the steps below to produce this joint.
A. Prepare the workpieces and lay
them on a work surface exactly as
they are to be assembled.
B. Spacing biscuits 2-3" in from the
ends and 6-10" apart, lay out the
biscuit centers.
FIG 15
3. MAKING THE CUT
Prior to making any cut, be sure that all
fence adjustments are set and lock knobs
are tight. Also, be sure you have selected
the proper depth setting. Clamp your
workpiece firmly and align the plate joiner's
center registration mark with your layout
mark. Turn on the tool and let the blade
come up to full speed (approximately 1
second). Grasping the paddle switch and
handle and positioning the fence firmly and
squarely against the workpiece, plunge the
blade until it bottoms against the stop.
Continuing to hold the tool squarely and
firmly, allow the return spring to retract the
blade from the work and then release the
switch to shut the tool off. It will take some
practice to obtain a "feel" for the tool to
C. Set up the plate joiner by first
selecting the proper depth setting.
Set the fence to 90 °. Set the height
adjustment to position the biscuit in
the approximate center of the stock
thickness.
D. Clamp the workpiece and position
the tool so that the center indicator
mark lines up with the first layout
mark (see Figure 16). Turn on the
tool and make the plunge cut.
Retract the tool and release the

paddleswitchto turnthe tool off.
Repeatfor each layoutmark.
FIG16
E.
F.
Glue, assemble and clamp the joint.
For stock thicker than 1", you may
wish to use double biscuits at each
location. Set the height adjustment
to allow at least 3/16" of stock
between the biscuit and the edge of
the work surface. Make all cuts at
this fence setting before readjusting
the fence for the lower cuts. Again,
there should be at least 3/16" of
stock between the biscuit and the
outside wall and between the
biscuits themselves (see .Figure 17).
FIG 17
3/16" Minimum 3/16" Minimum
T
3/16" Minimum
2. FRAME JOINTS
Frame joints are an ideal application for
biscuit joinery. With the plate joiner you
can create a very strong, precise joint that
is much faster to make than a dowel or
mortise and tenon joint. Figure 18 shows
two types of frame joints. Follow the steps
outlined below.
FIG 18
A. Arrange the workpieces on a flat
work surface exactly as they are to
be assembled.
B. Select the proper biscuit size based
on the length of the joint. If the
frame pieces are too narrow for a
#0 biscuit, you will have to allow the
biscuit tip to protrude slightly. Tl'ten
trim the tip off after the joint is dry
(see Figure 12).
C. Lay out the biscuit locations.
D. Set up the tool by selecting the
depth that corresponds to the
chosen bisc_Jit size. Lock the fence
at 90 ° and adjust the fence height
to center the biscuit on the stock
thickness.
E. Clamp the workpiece and position
the Plate Joiner to make the first
cut (see Figure 19).
9
F. Turn on the tool and make the
plunge cut.
G. Repeat for each layout mark.
H. Glue, assemble and clamp the
frame.
3. CORNER JOINTS (SEE FIGURE 20)
Corner joints are another common and
excellent application for biscuit joinery.
Follow the procedure below.
A. Arrange the workpieces exactly as
they are to be joined.
B. Select the biscuit size and layout
the biscuit locations.
C. Set up the tool by selecting the
proper depth setting, adjusting the
fence to center on the stock
thickness and setting the angle to
90 ° .
D. For this joint, you will make cuts
into the edge of one workpiece and
the face of another. The edge cut is
performed the same as for edge to
edge joints. The face cut is made
by clamping the workpiece and
aligning the tool as shown in

E.
Figure 21. Turn the tool on, make
the plunge cut and repeat for each
layout mark.
Glue, assemble and clamp the joint.
FIG 20
FIG 21
4. OFFSET JOINTS (SEE FIGURE 22)
You may wish to have a deliberate offset
between two workpieces. This is easily
accomplished with your plate joiner by
performing the following steps.
FIG 22
A. Arrange the workpieces as they are
to be assembled and layout the
biscuit locations.
B. Set up the tool by selecting the
proper biscuit size and adjusting the
fence angle to 90 °. Select the
workpiece that will be set back and
adjust the fence height to center the
cut within the thickness of that
piece.
C. Clamp the workpiece, align the tool
and make the plunge cut.
D. Next, adjust the fence up by an
amount equal to the desired offset.
Use the scale and pointer located
on the right side of the tool under
the fence lock knob.
E. Clamp the second workpiece, align
the tool and make the plunge cut.
F. Glue, assemble and clamp the joint.
5. EDGE MITER JOINTS (FIGURE 23)
Edge miters are most commonly used in
box structures or for making multisided
pedestals where you would like to hide the
end grain. Once again, biscuit joinery is an
outstanding method to use both for added
strength as well as ease of assembly.
Follow the steps below to assemble a
90° joint.
FIG 23
A. Position the workpieces as they are
to be assembled and layout biscuit
locations on the outside of the joint.
B. Set up tool by first setting fence
angle to 90 ° . Make the fence
adjustment such that the biscuit is
located toward the inside of the joint
where the material is thicker, then
select the biscuit size so that the
blade does not protrude through the
outside wall when the cut is made
(see Figure 24).
C. Clamp the workpiece and align the
tool as shown in Figure 25.
D. Turn on the tool and make the
plunge cut.
E. Glue, assemble and clamp the joint.
F. For joints other than 90 ° see
Outside Registration column in
Figure 26 for proper fence
angle setting.
10

FIG24 F. Glue,assembleand clampthe joint.
Insideedge G. For joints otherthan 90° see Inside
Registrationcolumnin Figure26for
Positionbiscuit properfence anglesetting.
closerto inside A
edgetoincrease FIG27 __ _
dimension"A"
FIG25
6. T-JOINTS
Reverse 45° bevel: Allows outside registration
on miter joints (NOTE: The tool is registered
against the outside surface.)
FIG 26 # FENCE ANGLE SETTING
OF SIDES JOINT ANGLE
4 _ 90 ° 45 °
5 ._. 81° - 54 °
6 _ 75 ° 60 °
8 _ 67.5 ° 67.5°
The above method will produce a joint
where the outside surfaces of the joint are
aligned. If you wish to produce a joint
where the inside surfaces are aligned, use
the following procedures for a 90 ° joint.
A. Position workpieces as they are to
be assembled.
B. Lay out biscuit locations on the
inside of the angle.
C. Set up tool by setting fence angle to
45 ° . Set vertical fence adjustment
so that the biscuit is located toward
the inside of the joint where
material is thicker. Select biscuit
size so that the blade does not
protrude through the outside face of
the material.
D. Clamp the workpiece and align the
tool as shown in Figure 27.
E. Make the plunge cut and repeat for
all biscuit locations.
N
Biscuit joining is a viable alternative to
dadoing when making a T-joint. T-joints
are most commonly used when attaching
shelves to the sides of a case. The
method described below will work if your
shelf material is at least 5/8" thick.
A. Place the workpieces on a work
surface exactly as you will be
assembling them in the form of an
upside down "T." Mark lightly along
the joint where the top of the shelf
will go (see Figure 28). Mark biscuit
locations at the joint interface on
the shelf piece only.
FIG 28
g. Lay the shelf down on the mating
workpiece. Clamp the two
workpieces together and to the
work surface in this position (see
Figure 29).
FIG 29
11

C,
O.
Set up the tool by selecting the
proper biscuit size and setting the
adjustable fence angle at 0 °.
Using the bottom registration
surface, align the tool with the
biscuit location marks and make a
vertical and a horizontal plunge cut
for each biscuit location as shown
in Figure 30.
E. Glue, assemble and clamp the joint.
FIG 30
IMPORTANT
To assure product SAFETY and
RELIABILITY, repairs, maintenance and
adjustment should be performed by Sears
service centers.
ACCESSORIES
Recommended accessories for use with
your tool are available at extra cost from
Sears stores or Sears service centers.
12

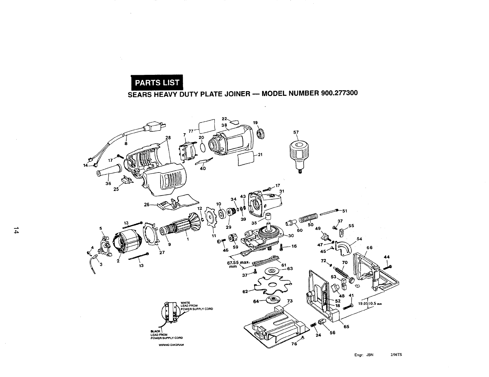
SEARS HEAVY DUTY PLATE JOINER -- MODEL NUMBER 900.277300
._.1.
28 7 57
1
34 43 35_
5 60
111 _59
4 \ 46
37_- v
o,@
64"_ 73
WHITE
LEAD FROM
R SUPPLY CORD
LEADFROM 24
pOWER :SUPPLY CORD
WIRJNeOLAQP_A_ 76
56
72
37
65
54
66
44
Engr: JBN 2D6T$

SEARS HEAVTY DUTY PLATE JOINER -- MODEL NUMBER 900.277300
The model number will be found on a nameplate attached to the handle. Always
mention the Model Number in all correspondence regarding your Heavy Duty
Plate Joiner or when ordering repair parts.
PARTS LIST
...k
ol
ITEM PART
NO. NO.
_1 150320-00
2150050-00
3445861-06
4 445860-00
5 449899-05
7 147818-00
8 330072-98
_9 330003-03
10 330003-17
11 150057-00
12 444793-00
13 445880-00
14 464228-00
16 146929-00
17 330019-13
18 330045-43
19 445217-02
20 700248-00
21 381551-00
22 147803-03
24 147809-00
25 447847-00
26 447846-00
27 445876-00
28 445879-09
29 152487-01
30 147730-01
31 150323-00
34 50050-00
35 36826-00
36 330005-01
37 330045-05
_38 445886-00
39 449559-00
40 445882-99
41 330045-16
43 38751-00
44 98022-25
45 98102-10
ITEM PART
DESCRIPTION QTY NO. NO. DESCRIPTION QTY
Armature & Fan (Incl. 9,10,11,12)1 46 147791-00 M5 x 0.8 x 22 mm Shoulder
Field (Incl. 13) 1 Screw 1
47 330016-07 Washer 1
Brush & Lead 2 48 147750-00 Knob t
Brush Spring 2 49 147801-00 Knob 1
Brush Ring (incl. 4) 1 50 147758-00 Compression Spring '1
Switch 1 51 147759-00 Shaft 1
Cord & Plug (18-2 SJ) 1 52 147797-00 Scale 1
Ball Bearing 1 53 147749-00 Ctamp 1
Ball Bearing 1 54 147795-00 Quadrant 1
Bearing Retainer 1
Retaining Ring 1 _55 147786-00 Stop 1
Plastite Screw 2 56 147753-00 Pin 2
57 145439-07 Knob 1
Terminal 2 59 147760-00 Stop !
M4 x 13 Screw 4 60 147785-00 Guide 1
Plastite Screw 8
M3 x 0,5 x 6mmTaptite Screw 2 _61 147736-01 Gib 2
Rubber Sleeve 1 62 147790-07 Blade 1
O-Ring 1 63 147725-00 Clamp Washer 1
Nameplate 1 64 151001-00 Clamp Nut 1
Blade Warning Label 1 65 147741-00 Carrier Support 1
Spring 2_)66 147740-01 Fence 1
Lock Button 1 70 147745-00 Pinion, Knob & O-Ring
Paddle 1(8 Teeth) (Incl. 72) 1
Fan Baffle 1 72 147799-00 O-Ring 2
End Cap &Cover 173 147754-00 Base Assembly (Incl, 76) 1
Pinion (12 Teeth) 1 76 98103-16 Screw 4
Gear Case Cover Assm. 1 77 381552-00 Identification Label !
Gear Case & Lock Pin (Incl. 35) 1EXTRA EQUIPMENT: (Not Supplied W_ Unit)
O-Ring 1 761995-00 Polyrex Grease (6 oz.)
Sleeve Bearing 1 283484-00 Polyrex Grease (32 oz,'J
Cord Protector 1 LUBRICATION:
M4 x 0.7 x 20 mm Tapt_te Screw 5 7 grams of Polyrex grease to be applied to gear teeth in
Field Case (Incl, 40) 1 gear case. Rotate spindle by hand at least two revolu-
Washer 1 fions for grease distribution.
Contact Strip 2
M5 x 0.8 x 25 mm Taptite Screw 2 NO LOAD TEST SPECIFICATIONS:
Retaining Clip 1AMPS SPEED
M5 x 0.8 x 25 mm Screw 1 MIN. MAX MIN. MAX.
M4 x 0.7 x 10 mm Screw 2 2.65 3.35 1925 2150
PARTS NOT SHOWN: (Supplied with Unit)
381555-00 Instruction Manual 1
445871-00 Spanner Wrench 1
147794-00 Adaptor (for dust bag or standard
1 1/2" hose) 1
152693-00 Torx Driver T-20 1
381553-00 Kit Box 1
147734-06 Dust Bag Assembly 1
NOTES:
1Bearing retainer must be oriented to gear case
before assembly. Apply small amount of lubricant
to armature shaft splines,
9 Coat O.D with oil before assembling in rubber
boot.
38 Date Code on bottom of field case. Also order
items 21.22 and 77.
55 Adjust to achieve 90 ° cage position, Paint
arrowhead red,
61 Must be mounted to the bottom of gear case cover
per the dimension shown.
66 Set Pivot plate to dimension shown, With fence in
this position, adjust scale (Item 52) so that the
small arrowhead on the scale lines up with the
pointer within ±0.5 am,
IMPORTANTI To assure product SAFETY and RELI-
ABILITY, repairs, maintenance and adjustment should be
performed by Sears Service Centers or other qualified
service organizations, always using Sears replacement
parts,
When servicing Double Insulated Tools. it is extremely
important that ONLY IDENTICAL REPLACEMENT
PARTS BE USED and that REASSEMBLY OF TOOL IS
IDENTICAL TO THE ORIGINAL ASSEMBLY.
Model No. Volts Amps RPM
900.27730 120 6.5 10,000
AC/DC
Engr: JBN 2_6T$

For the repair or replacement part you need
delivered directly to your home
Call 7 am -- 7 pm, 7 days a week
1-800-366-PART
(1-800-366-7278)
PARA ORDENAR PIEZAS CON ENTREGA A
OOalClLIO- 1-800-659-7084
For in-house major brand repair service
Call 24 hours a day, 7 days a week
1-800-4-REPAIR
(1-800-473-7247)
Para pedir servicio de reparaci6n a
domicilio- 1-800-676-5811
For the location of a Sears Parts and
Repair Center in your area
Call 24 hours a day, 7 days a week
1-800-488-1222 immmm
mmmmm(
For information on purchasing a Sears
Maintenance Agreement or to inquire
about an existing Agreement
Call 9 am _5 pm, Monday-Saturday
1-800-827-6655
When requesting service or ordering
parts, always provide the following
information:
°Product Type
°Model Number
• Part Number
° Part Description America's Repair Specialists
sold by Sears, Roebuck and Co., Hoffman Estates, IL 60!79 U.S.A.

_.____._ Manual de operaci6n
CRI:I.FTSMI:1No
Para trabajo pesado
ENSAMBLADORA PARA
TRABAJO PESADO
Modelo No.
900.277300
PRECAUClON: Lea y siga todas las
reglas de seguridad e instrucciones
de operaci6n antes de utilizar este
producto por primera vez.
Sears, Roebuck and Co., Hoffman Estates, IL 60179 USA
Form No. 381555 MAY96-CD-2 Printed in U.S.A.

Garantia completa por un a_o en la Ensambladora Industrial Craftsman
Siesta Ensambladora Industrial Craftsman falla debido a material omano de obra
defectuosos dentro del a_o siguiente a la fecha de compra, Sears la reparar_, sin costo.
EL SERVICIO EN GARANTIA ESTAA SU DISPOSICION SIMPLEMENTE ENVIANDO
LA HERRAMIENTAA LA TIENDA O CENTRO DE SERVICIO MAS CERCANO EN LOS
ESTADOS UNIDOS.
Esta garantfa le otorga ciertos derechos y usted puede tener otros, que pueden variar
de estado a estado.
Sears, Roebuck and Co., Hoffman Estates, IL 60179
INSTRUCCIONES
IMPORTANTES DE
SEGURIDAD
ADVERTENCIA: Es indispensable
sujetarse a las precauciones bAsicas de
seguridad, con la finalidad de reducir el
peligro de incendio, choque el_ctrico y
lesiones personales, en todas las
ocasiones en que se utilicen herramientas
el_ctricas. Entre estas precauciones se
incluyen las siguientes.
LEA TODAS LAS INSTRUCCIONES
DOBLEAISLAMIENTO
Las herramientas con doble aislamiento se
han elaborado de manera integral con dos
capas separadas o una capa de espesor
doble de aislamiento electrico entre usted
y el sistema electrico que contienen. Las
herramientas elaboradas con este sistema
de aislamiento no requieren conectarse a
tierra. Como resultado, su unidad esta
equipada con una clavija de dos patas que
le permite emplear cordones de extensi6n
sin preocuparse por tener una conexi6n a
tierra.
NOTA: El doble aislamiento no substituye
a las precauciones normales de seguridad
cuando se opera esta herramienta. La
finalidad de este sistema de aislamiento
es ofrecer a usted protecci6n a5adida
contra la lesi6n resultante de fallas en el
aislamiento electrico interno de la
herramienta.
PRECAUClON: UTILICE SOLAMENTE
REFACCIONES ORIGINALES CUANDO
HAGA SERVICIO A SU HERRAMIENTA.
Reemplace los cordones el_ctricos
da5ados.
CLAVIJAPOLARIZADA
Se emplean clavijas polarizadas (con una
pata mAs ancha que la otra) para reducir
los riesgos de choque el_ctrico. Cuando el
cord6n el_ctrico cuente con este tipo de
clavija, ajustara en un contacto polarizado
solamente de una manera. Si la clavija no
ajusta completamente en su contacto,
invi6rtala. Si aQn asf no ajusta, Ilame a un
electricista calificado para que le instale un
contacto polarizado apropiado. No
modifique o haga cambios en la clavija por
ningQn motivo.
INSTRUCClONES DE
SEGURIDAD PARA
TODAS LAS
HERRAMIENTAS
• CONSERVE LIMPIA LA ZONA DE
TRABAJO. Las superficies y los
bancos con objetos acumulados en
desorden propician los accidentes.
°OTORGUE PRIORIDADAL
AMBIENTE DE TRABAJO. No deje
las herramientas etectricas
expuestas a la Iluvia. No las utilice
en lugares inundados o mojados.
Conserve bien iluminada la zona de
trabajo. No use la herramienta en
presencia de Iiquidos o gases
inflamables.
° PROTEJASE CONTRA EL
CHOQUE ELECTRICO. Evite el
contacto corporal con superficies
aterrizadas, por ejemplo, tuberfas,
radiadores, antenas y gabinetes de
refrigeraci6n.
2

•CONSERVE APARTADOS A LOS
NINOS. No permita que los
visitantes toquen las herramientas o
los cables de extensi6n. Los
visitantes deben estar alejados del
_.rea de trabajo.
• GUARDE LAS HERRAMIENTAS
QUE NO EMPLEE. Las
herramientas que no se estan
utilizando deben guardarse en un
lugar seco y elevado o bajo Ilave,
fuera del alcance de los niSos.
• NO FUERCE LA HERRAMIENTA.
Esta cumplir_, su funci6n mejor y
con ma.s seguridad bajo las
especificaciones para las que se
disefi6.
•EMPLEE LA HERRAMIENTA
ADECUADA. No fuerce a una
herramienta peque5a o a sus
dispositivos de montaje en un
trabajo de tipo pesado. No emplee
la herramienta en una tarea para la
que no se dise56.
•VISTASE DE LA MANERA
ADECUADA. No tenga puestas
ropas o artfculos de joyerfa flojos,
pues podrfan quedar atrapados por
las partes m6viles de las
herramientas. Se recomienda el
empleo de guantes de caucho y
calzado antiderrapante cuando se
trabaja al aire libre. C_brase bien la
cabeza para sujetarse el pelo si Io
tiene largo.
• COLOQUESE ANTEOJOS DE
SEGURIDAD. P6ngase tambi_n
una mascarilla contra el polvo si Io
produce la operaci6n de corte que
va a efectuar.
• TENGA MUCHO CUIDADO CON
EL CORDON ELECTRICO. Nunca
levante la herramienta por el
cord6n ni tire de _ste para
desconectarlo del enchufe. Ap&rtelo
del calory los objetos calientes, las
sustancias grasosas y los bordes
cortantes.
•SUJETE FIRMEMENTE LOS
OBJETOS SOBRE LOS QUE
TRABAJE. Utilice prensas o
tornillos de banco para sujetar bien
los objetos sobre los que va a
trabajar. Esto ofrece mayor
seguridad que sujetar los objetos
con la mano, y adema.s deja libres
ambas manos para operar la
herramienta.
•NO SE SOBRE EXTIENDA.
Conserve en todo momento bien
apoyados los pies, Io mismo que el
equilibrio.
•CUIDE SUS HERRAMIENTAS.
Conserve sus herramientas bien
afiladas y limpias para que
funcionen mejor y con mayor
seguridad. Obedezca las
instrucciones de lubricaci6n y
cambio de accesorios. Inspeccione
los cordones el_ctricos con
frecuencia y, si los encuentra
dahados, hagalos cambiar o
reparar en un centro de servicio
autorizado. Revise tambi_n con
frecuencia las extensiones
el6ctricas y reempl&celas si estan
da5adas. Conserve los mangos
secos, limpios y libres de aceites y
grasas.
• DESCONECTE LAS
HERRAMIENTAS O
ASEGURELAS EN POSlClON DE
APAGADO. H_galo cuando no las
emplee, antes de darles servicio y
cuando vaya a cambiarles
accesorios como seguetas, discos,
brocas, etc.
• RETIRE LAS LLAVES DE AJUSTE
Y OTRAS HERRAMIENTAS DE
MANO. Adquiera el h_.bito de
asegurarse de que se han retirado
las Ilaves de ajuste de la
herramienta antes de accionarla.
• EVITE QUE LA HERRAMIENTA
SE ACCIONE
ACCIDENTALMENTE. Nunca
sostenga una herramienta con el
dedo en el interruptor. Asegerese
que el interruptor est& en la
posici6n de "apagado" antes de
conectarla.
3

CORDONES DE EXTENSION.
Asegt3rese que su cord6n de
extensi6n est_ en buenas
condiciones. Cuando utilice un
cord6n de extensi6n, asegQrese de
usar uno con el calibre necesario
para soportar la corriente que su
producto necesita. Un cord6n de
extensi6n de menor calibre al
necesario ocasionar_, una cafda en
el voltaje de la Ifnea, produciendo
p_rdida de potencia y
sobrecalentamiento. La tabla 1
muestra el calibre correcto para
utilizarse de acuerdo de la Iongitud
del cord6n y el amperaje nominal
que se encuentra en la placa de
identificaci6n del producto. Si tiene
dudas, utilice el calibre inmediato
superior. Mientras m_s pequeSo es
el nt3mero del calibre, mayor
capacidad tiene el cord6n.
Calibre mfnimo para cordones de extensi6n
Volts " Longitud total del cord6n en metros
120V 0-7.62 7.63-15.24 15,25-30.48 30.49-45.72
240V 0-15.24 15.25-30.48 30.49-60.96 60.97-91.44
AMPERAJE
M_.s No m_ts Calbre del cord6n
de de
0- 6 18 16 16 14
6- 10 18 16 14 12
10 - 12 16 16 14 12
12 - 16 14 12 No Recomendado
• CORDONES DE EXTENSION
PARA INTEMPERIE. Cuando
trabaje a la intemperie, utilice
siempre cordones de extensi6n
diseSados exclusivamente para
esta finalidad.
• NO SE DISTRAIGA. Conc_ntrese
en Io que est#.haciendo. Recurra al
sentido comen. No opere ninguna
herramienta si se encuentra
fatigado.
• VERIFIQUE LAS PARTES
DANADAS. Antes de seguir
empleando cualquier herramienta,
es indispensable verificar con
mucho cuidado que las guardas u
otras partes da5adas puedan
operar de la manera adecuada para
cumplir con su funci6n. Verifique la
alineaci6n de las partes m6viles, la
firmeza con que deben encontrarse
sujetas en sus montaduras, las
4
partes rotas, las propias
montaduras y cualesquiera otros
detalles que pudieran afectar a la
operaci6n de la herramienta. Las
guardas y las otras partes que se
encuentren daSadas deber&n
repararse bien o cambiarse en un
centro de servicio autorizado, a
menos que se diga otra cosa en el
manual del usuario. Haga que se
cambien los interruptores daSados
en un centro de servicio autorizado.
No emplee ninguna herramienta
que tenga inutilizado o estropeado
el interruptor.
CONSERVE ESTAS
INSTRUCCIONES
INTRODUCCION
Examine la figura 1 y su ensambladora
durante unos minutos para familiarizarse
con las diferentes caracterfsticas y sus
nombres. Las secciones siguientes
explicar&n los diferentes controles y usted
deber_, saber en donde se encuentran.
FIG 1
Perilla de seguridad
Interruptor de
Botdn de
encendido Puerto de escape Perilla de
permanente de polvo ajuste de
altura
Gufa de
ajuste
Perilla de
ajuste de
Perilla de profundidad de
Perno anti
derrapante seguridad penetraci6n
VISTAZO
Usted ha adquirido una herramienta para

trabajode precisi6nen madera.Lafunci6n
de la ensambladoraes permitirlehacer
ensamblesextremadamenteresistentesy
precisosen maderay productosderivados
de ella.
La herramientatrabajaa base de una
funci6nde penetraci6npara cortarcon
precisi6nlas cajas para colocarespigas
planasde madera,comolas ilustradaspor
lafigura 2.
FIG2
1/2"
(12.7 mm)
2-3/8"
(60 mm
I
#20
3/8"
(9.5 mm)
2-3/16"
(56 mm i(8mm)t'_
#10 #0
(espiga plana)
Los diferentes ajustes en el montaje
patentado de la base y la gufa le
permitir_.n hacer casi cualquier ensamble
con espigas que usted se pueda imaginar.
El trabajo de la herramienta se puede
mejorar con algunos cortes y arreglos
sencillos que se pueden Iograr f_.cilmente.
Algunos de los tipos de ensambles con
espigas mAs comunes se muestran en la
figura 3 y se tratan a detalle en la secci6n
de aplicaciones de este manual.
FIG 3
ENSAMBLE DE BORDE FN£AMR/F
I I ! n II I EOE
I I -"--_ _ LJ ESQUINA ELIEVE
ENSAMBLE DE MARCO A 45 ° ENSAMBLE EN RELIEVE
INTERRUPTOR
Su ensambladora cuenta con un
interruptor de paleta Iocalizado en la parte
inferior, como se ilustra en la figura 1.
Para encender la herramienta, oprima la
paleta. Para apagar la herramienta, libere
el interruptor. Hay un bot6n de encendido
permanente para asegurar la herramienta
para operaci6n continua. Este bot6n se
encuentra en la parte trasera de la
herramienta, justo por encima del cord6n
electrico. Siempre que corte sujete la
herramienta con una mano en el mango
del interruptor y la otra mano en el mango
auxiliar. Para asegurar la herramienta en
posici6n de operaci6n continua, oprima el
gatillo interruptor al mismo tiempo que el
bot6n de encendido permanente. Sujete el
bot6n de encendido permanente mientras
libera el gatillo interruptor. La herramienta
continuar& en funcionamiento. Para
apagar la herramienta desde la posici6n
de operaci6n continua, oprima y libere el
gatillo interruptor una vez.
CAMBIODE CUCHILLA
Con el tiempo, la cuchilla de su
herramienta se desgastar_, y necesitara
cambiarse.
Para sacar la cuchilla, siga los pasos
descritos a continuaci6n.
1. Apague y desconecte la
ensambladora.
2. Quite los 4 tornillos con cabeza de
estrella de la parte inferior de la
zapata con la Ilave de estrella T20
que le proporcionamos.
3. Gire la zapata para apartarla del
camino.
4. Con la Ilave de horquilla que le
proporcionamos, afloje (en sentido
contrario aias manecillas del reloj)
la tuerca de la cuchilla. Oprima el
perno de seguro de la flecha que
se encuentra en la parte superior
de la caja de engranes para sujetar
la flecha mientras afloja la tuerca.
5. Quite la cuchilla y h_.gala afilar o
c_.mbiela por una nueva. (A su
disposici6n en los centros de
servicio Sears.)
6. Instale de nuevo la cuchilla
invirtiendo los pasos citados
anteriormente. Aseg0rese que los
FIG 4

,
dientes de la cuchilla apuntan en
sentido contrario a las manecillas
del reloj, como se observa en la
figura 4.
IMPORTANTE: Siempre revise el
ajuste fino de profundidad cuando
afile o cambie la cuchilla. AjtJstelo
de ser necesario.
(Consulte la secci6n "Controles".)
LOSCONTROLES
El coraz6n de su ensambladora es el
montaje de la base y la gufa. Todos los
controles que le permiten efectuar cortes
en diversas posiciones se Iocalizan en
este montaje. T6mese unos minutos para
familiarizarse con los diferentes controles.
PRECAUClON: Siempre apague y
desconecte la ensambladora antes de
hacer cualquier ajuste.
1. GUIA AJUSTABLE
La gufa ajustable proporciona una
superficie de referencia fuerte y precisa
para determinar el punto en el que se
cortaran las cajas para las espigas. Su
caracterfstica de altura ajustable le
permite colocar las cajas tan cercanas
como 4,76 mm (3/16") y tan distantes
como 35 mm (1-3/8") medidas a partir de
la superficie de la pieza de trabajo hasta
la Ifnea central de la cuchilla (observe la
figura 6).La caracter(stica de ajuste de
a,ngulo le permite variar las posiciones
desde 0° hasta 90 ° asf como en _mgulo
invertido de 45 °, que le permite registro
exterior en ensambles angulares.
(Consulte la secci6n de aplicaciones,
ensambles angulares, figura 27).
El ajuste de altura se Iogra de la siguiente
manera: primero se afloja la perilla de
seguridad que se encuentra al lado
derecho de la gu_a y a continuaci6n se
gira la perilla moleteada de ajuste hasta
alcanzar la altura deseada (figura 5).
AI apretar la perilla de seguridad se
alineara la gu(a en paralelo con la cuchilla
autom_tticamente yse asegurar_, en
posicion. La escala vertical y el indicador
Iocalizados directamente bajo la perilla de
seguridad se pueden utilizar para
ayudarse a hacer este ajuste de altura.
Las lecturas de la escala indican la
distancia entre la Ifnea central de la
6
FIG 5 Perilla de ajuste
Perilla de
seguridad
cuchilla y la superficie de la gufa cuando
esta colocada a 90 °(figura 6). Si en
alguna ocasi6n se requiere ajustar la
escala de profundidad, afloje los dos
tornillos que la aseguran y mu6vala hasta
que el indicador apunte hacia la lectura
debida (observe la figura 6).
FIG 6 El indicador apunta a la
marca de 12,7 mm (1/2")
12,7 mm
(1/2") de
la linea
central
,_ de la
cuchilla
2. AJUSTE DE PROFUNDIDAD DE
PENETRAClON
La profundidad del corte se puede ajustar
de acuerdo con el tamafio de las espigas
que piense utilizar. Los nQmeros en la
perilla de ajuste de profundidad (0, 10, 20,
M) coinciden con los tres tama5os de
espigas mostradas en la figura 2. La letra
'M' equivale a la capacidad maxima de
profundidad de corte de la herramienta,
que es de 20 mm (25/32"). Esta
profundidad se puede obtener solamente
con una cuchilla nueva y sacando el
tornillo de ajuste fino (consulte la siguiente
secci6n).
NOTA: La posici6n 'M' se proporciona en
caso de que se requiera usar y no
necesariamente para la mayorfa de las
operaciones de ensamblaje. Para
seleccionar una profundidad, haga
coincidir el nt_mero apropiado con la

marcaroja grabadaen lacarcazade la
herramienta,comose observaen la
figura 7. Gire la perillade ajustede
profundidada la posici6ndeseaday
chasquear_en su lugar.
FIG 7
una cuchilla sin filo o cuando se penetra
demasiado rapidamente. Los pernos
antiderrapantes se proveen para reducir
esta tendencia y se Iocalizan en la
superficie de registro frontal a cualquier
lado de la ranura de salida de la cuchilla.
Cuando haga algunos ensambles, puede
desear retraer los pernos antiderrapantes
para no rayar la pieza de trabajo en una
zona visible. Para este efecto,
sencillamente gire los pernos
antiderrapantes aproximadamente 1/6 de
vuelta y se retraerb, n por detr_.s de la
superficie de registro frontal. Se puede
utilizar un destornillador piano para girar
los pernos, como se ilustra en la figura 9.
FIG 9
3. AJUSTE FINO DE PROFUNDIDAD
Puede encontrarse con situaciones en las
que quiera dejar un poco de juego en el
ensamble para poderlo mover un poco
antes que el pegamento seque. Para
estas ocasiones, se proporciona un ajuste
fino de profundidad. Para ajustarlo, debe
levantar primero la gufa ajustable a la
posici6n mb.s alta. A continuaci6n inserte
el destornillador de estrella T20 que le
proporcionamos en la abertura, como se
observa en la figura 8. Gire el tornillo de
ajuste de profundidad en el sentido de las
manecillas del reloj para menor
profundidad yen sentido contrario alas
manecillas del reloj para aumentar la
profundidad. Cada giro completo cambia
la profundidad en 1 mm (0,04"). Siempre
revise el ajuste de profundidad haciendo
cortes de prueba en material de
desperdicio.
FIG 8
Ajuste fino de profundidad
4. PERNOS ANTIDERRAPANTES
Las ensambladoras tienden a deslizarse
hacia la derecha con respecto a la pieza
de trabajo cuando se efectt3an los cortes.
Esta tendencia aumenta con el uso de
7
Perno antiderrapante
5. SUPERFICIE DE REGISTRO
INFERIOR
Para ciertas aplicaciones, usted preferira
utilizar la superficie inferior de la
ensambladora para alinearse. Cuando
utilice la superficie de registro inferior, la
gufa ajustable de be ajustarse a 0 °, sin
importar el ajuste de altura. Esta superficie
de alineaci6n se utiliza principalmente
para hacer ensambles en 'T' (vea la
secci6n "Aplicaciones"). La distancia entre
la Ifnea central de la cuchilla y el fondo de
la superficie de registro inferior est,. fija a
9,5 mm (3/8") que permite centrar en
madera de 19 mm (3/4"). Las 3 marcas
rojas que se encuentran en la superficie
de registro inferior indican la Ifnea central
(o el punto m#,s profundo) del corte para la
espiga y aproximadamente el ancho de
una espiga del No. 20 para que usted
sepa en d6nde se encuentra el filo de la
cuchilla y pueda evitar atravesar la pieza.
Para evitar atravesar la pieza de trabajo,
coloque la zapata de manera que ninguna
de las marcas se extienda mAs alia de los
confines de la pieza de trabajo. Si cualquier
de las marcas sobresale, existen buenas
posibilidades de que la cuchilla traspase la
pieza y usted arruine su trabajo.

6. EXTRACCION DE POLVO
Su herramienta cuenta con dos opciones
para recolectar el polvo de madera que su
ensambladora genera, como se describe a
continuaci6n.
A. Adaptador para polvo (observe la
figura 10).
Este dispositivo, cuando se inserta
como se describe en el p#,rrafo
anterior, permite el empleo de
diversos tamaSos de mangueras de
aspiradora para la extracci6n
directa del polvo.
FIG 10
Conexi6n para manguera de aspiradora
B. Bolsa para polvo (observe la
figura 11).
La bolsa para polvo que viene con
su ensambladora se ajusta sobre el
adaptador para polvo, descrito
anteriormente. Para vaciar la bolsa,
abra la cremallera que se
encuentra en la parte inferior y
vacfe el polvo.
NOTA: Cuando la bolsa se Ilena, el polvo
se regresarA hacia el adaptador y el
puerto de escape que se encuentra en la
parte trasera de la herramienta. Para
limpiar, apague y desconecte la
herramienta y saque el polvo empacado.
La bolsa contendrA el polvo generado por
aproximadamente 70 a 100 cortes de
cajas No. 20 antes de Ilenarse.
FIG 11
OPERACIONGENERAL
Las ensambladoras se utilizan
principalmente en la fabricaci6n de
gabinetes y muebles para unir tablones, o
en otras aplicaciones en que se requieran
uniones precisas y resistentes de piezas
de madera o sus derivados. Existen
literalmente cientos de variaciones de
ensambles que pueden realizarse con su
ensambladora. Nos limitaremos a describir
seis ensambles bAsicos que pueden
utilizarse para fabricar y adaptarse a sus
propias aplicaciones.
Los siguientes son algunos pasos de
ajuste inicial b_.sicos que se aplican a
todos los ensambles de espiga.
1. SELECCION DE TAMAI_O DE LA
ESPIGA
Como se mencion6 con anterioridad, los
tres tamaSos b_sicos de espigas son #0,
#10 y #20. Como regla pr_.ctica, es mejor
utilizar la espiga m_,s grande que quepa
ffsicamente en su aplicaci6n. A menos que
quiera ensamblar tiras angostas o marcos,
o utilice madera de menos de 12,7 mm
(1/2") de espesor, se encontrar_, que las
espigas #20 sirven para la mayorfa de las
aplicaciones. Despu_s de seleccionar el
tamaSo de la espiga, coloque la perilla de
ajuste de profundidad en la indicaci6n
correspondiente al tama5o de la espiga
(vea en la secci6n de "Controles").
Tambien, asegt]rese que el ajuste fino de
profundidad est,, correctamente ajustado
probando primero en una pieza de madera
de desperdicio. Esto es de extrema
importancia si no quiere descubrir durante
el pegado que las cajas para sus espigas
no son suficientemente profundas.
2. LOCALIZACION Y TRAZO DE LA
ESPIGA
Generalmente, las espigas se pueden
espaciar y Iocalizar a discreci6n. Para
ensambles a media madera, una buena
regla pra.ctica es espaciar las cajas entre
10 y 15 cm de centro a centro. Se
recomienda tambien que las espigas se
coloquen de tal manera que las espigas
finales queden aproximadamente entre 5 y
7,5 cm del final de la pieza de trabajo.
Cuando ensamble marcos en que las
piezas de madera sean muy angostas,
usted deber_, seleccionar los tamaSos de

espigasmas pequeSospara evitar
traspasarel extremodel ensamble.Debe
evitarsetraspasarlas piezas,siempreque
sea posible,pero si no es as/, usted
puederecortarel sobrantede la espiga
despu_sde que el pegamentoseque
(observelafigura 12).Cuandotrabajecon
materialeshastade 25 mm (1") de
espesor,le aconsejamosque utiliceuna
espigaIocalizadaen la partecentraldel
material.Si se trabajar_con materialcon
espesormayor,ustedpuedeescoger
colocardos espigasen la pieza para
aumentarla resistencia(figura 13).La
Iocalizaci6nde las espigasdebe marcarse
colocandoprimerolas piezasa unir
exactamentecomoseran ensambladas.A
continuaci6n,haga una marcaa 90° de la
uni6ndeambas piezasen los lugaresen
que colocaralasespigas(figura 15).Vea
la secci6nde "Aplicaciones"para obtener
informaci6nm_.sespecfficasobre el
trazadode losensambles.Lasmarcas
que ustedhagaquedar&nalineadascon
una de las marcasde registrode la
herramienta,de nuevo, dependiendode
su aplicaci6nespecffica.
FIG 12
Extremo
\ sobresaliente de
la espiga (corte
con segueta y
lije hasta alisar)
FIG 13
Madera de 25,4 mm (1") de espesor o mayor
3. CORTE
Antes de hacer cualquier corte, asegL_rese
que todos los ajustes de la guia se hayan
colocado correctamente y que las perillas
est_n apretadas. Tambien, asegerese de
haber seleccionado la profundidad
adecuada. Sujete su pieza de trabajo
firmemente y haga coincidir la marca de
registro de centro de la ensambladora con
la marca que usted traz6 en la pieza.
Encienda la herramienta y permita que la
cuchilla alcance su velocidad m&xima
(aproximadamente 1 segundo). Tome el
interruptor de paleta y el mango lateral y
coloque la guia con firmeza y a escuadra
contra la pieza de trabajo, haga que la
cuchilla penetre hasta que haga contacto
con el tope. ContinQe sujetando la
herramienta con firmeza y a escuadra,
permita que el resorte retraiga la cuchilla
de la pieza de trabajo y libere el
interruptor para apagar la herramienta. Le
tomar_ alg_n tiempo desarrollar la
sensibilidad necesaria para que la
herramienta realice ensambles precisos,
asi que mejor practique un poco en
material de desperdicio primero.
4. ENSAMBLADO
Despu_s de cortar sus piezas, usted
puede probar el ajuste antes de pegarlas.
Cuando este satisfecho con los cortes que
realiz6, distribuya uniformemente
cualquier pegamento para madera de
buena calidad en cada caja, asf como en
las superficies que quedar_.n en contacto.
Coloque las espigas en las cajas, arme la
pieza y prense hasta que seque. Para que
un ensamble de espiga sea mAs eficaz, es
importante que las propias espigas est_n
en contacto con el pegamento. Esto se
debe a que las espigas absorber_.n la
humedad del pegamento y se expandira.n
para formar un ensamble ajustado.
FIG 14 APLICACIONES
9
1. ENSAMBLES A MEDIA MADERA
Esta es la manera m_.s sencilla y m_,s
comt_n de hacer un ensamble con su
herramienta. Siga los pasos descritos a
continuaci6n para producir este ensamble.
A. Prepare las piezas de trabajo y
col6quelas sobre una superficie
exactamente como ser_.n
ensambladas.

B. Separelas espigasa 5 6 7,5 cm de
los extremosy 15 a 25 cm entrelos
centrosde _stas.
FIG 15
caja y la pared exterior y entre las
cajas mismas (observe la figura 17).
FIG 17
5 mm (3/16") Minimo 5 mm (3/16") Minimo
5 mm (3/16") Minimo
C.
D.
Ajuste la ensambladora
seleccionando primero la
profundidad correcta. Coloque la
gufa a 90 °. Coloque el ajuste de
altura aproximadamente a la parte
central del espesor de la pieza.
Sujete la pieza de trabajo y coloque
la herramienta de manera que la
Ifnea indicadora central coincida
con la primera de las Ifneas que
usted traz6 (observe la figura 16).
Encienda la herramienta y haga el
corte. Retraiga la herramienta y
libere el gatillo interruptor para
apagarla. Repita para cada linea
que usted haya marcado.
FIG 16
E.
F.
Agregue el pegamento, ensamble y
prense la uni6n.
Para tablas con espesor mayor a
25 mm (1") usted puede desear
colocar dos espigas en cada zona.
Arregle el ajuste de altura para
dejar por Io menos 5 mm (3/16")
entre la caja y la superficie de la
tabla. Haga todos los cortes con
este ajuste de gufa antes de
reajustarla para los cortes
inferiores. De nuevo, debe haber
por Io menos 5 mm (3/16") entre la
2. ENSAMBLES PARA MARCOS
Los marcos son una aplicaci6n ideal para
los ensambles de espiga y caja. Con la
ensambladora usted puede crear una
uni6n muy precisa y resistente que es
mucho mAs rApida de hacer que un
ensamble de pernos. La figura 18 muestra
dos tipos de ensambles para marcos. Siga
los pasos descritos a continuaci6n.
FIG 18
A. Coloque las piezas de trabajo sobre
una superficie plana exactamente
en la manera en que ser&n
ensambladas.
B. Seleccione el tamafio adecuado de
espiga basado en la Iongitud de la
uni6n. (Si las piezas del marco son
demasiado angostas para una
espiga #0, usted deber_, permitir
que la espiga sobresalga
ligeramente y recortarla despues
que el pegamento haya secado
(figura 12).
C. Marque la Iocalizaci6n de las cajas.
D. Ajuste la herramienta
seleccionando la profundidad que
corresponda al tamafio de la espiga
que haya seleccionado. Asegure la
guia a 90 ° y ajuste la altura de la
gufa para centrar la caja en el
material.
E. Asegure la pieza de trabajo y
coloque la ensambladora para
10

Go
H.
corte.
Repita para cada caja.
ASada el pegamento, ensamble y
prense el marco.
hacer el primer corte (observe la FIG 21
figura 19).
FIG
F. Encienda la herramienta y haga el
E. ASada el pegamento, ensamble y
prense el ensamble.
3. ENSAMBLES DE ARISTA (OBSERVE
LA FIGURA 20)
Los ensambles de arista son otra
aplicaci6n perfecta para nuestra
herramienta. Siga los pasos descritos a
continuaci6n.
A. Coloque las piezas de trabajo
exactamente en la manera en que
ser_.n ensambladas.
B. Seleccione el tamaSo adecuado de
espiga y Marque la Iocalizaci6n de
las cajas.
C. Ajuste la herramienta
seleccionando la profundidad que
corresponda al tama5o de la espiga
que haya seteccionada. Asegure la
guia a 90 °.
D. Para este ensamble, usted har_,
cortes en el borde de una de las
piezas yen la cara de la otra. El
corte en el borde se hace igual que
para los ensambles de borde contra
borde. Los cortes en la cara se
hacen sujetando la madera y
alineando la herramienta como se
muestra en la figura 21. Encienda
la herramienta, haga el corte y
repita para cada caja.
FIG 20
4. ENSAMBLES EN RELIEVE
(OBSERVE LA FIGURA 22)
Usted puede decidir dejar un relieve
deliberadamente entre dos piezas. Esto
se puede Iograr con facilidad con su
ensambladora realizando los siguientes
pasos.
FIG 22
A. Coloque las piezas en la forma en
que las va a ensamblar y trace la
Iocalizaci6n de las cajas.
B. Ajuste la herramienta
seleccionando el tama5o de espiga
adecuado y ajustando la gufa a 90 °.
Tome la pieza que ser_. colocada
como respaldo y ajuste la altura de
la guia para centrar el corte dentro
del espesor de esa pieza.
C. Sujete la pieza de trabajo, centre la
herramienta y haga el corte.
D. A continuaci6n, ajuste la gufa hacia
arriba en la medida que desee
hacer el relieve. Utilice la escala y
el indicador que se encuentran al
lado derecho de la herramienta
debajo de la perilla de seguridad de
la gufa.
E. Sujete la segunda pieza, centre la
herramienta y haga el corte.
11
I

F. Afiada el pegamento, ensamble y
prense la uni6n.
5. ENSAMBLES ANGULARES
(FIGURA 23)
Los ensambles angulares se utilizan
principalmente en estructuras de cajas o
para hacer pedestales de lados m_ltiples
en los que quiera esconder la veta de la
cara de la madera. De nuevo, los
ensambles de espiga son un m_todo
sobresaliente para ser utilizado con el fin
de facilitar el armado y dar resistencia.
Sign los pasos descritos a continuaci6n
para hacer un ensamble a 90 °.
FIG 23
A. Coloque Ins piezas enla manera en
que Ins ensamblara y trace la
Iocalizaci6n de Ins cajas en la parte
exterior del ensamble.
B. Ajuste la gufa de la herramienta a
90 °. Haga el ajuste a la gufa de
manera que la espiga quede
Iocalizada hacia el interior del
ensamble en donde el material
tiene mayor espesor, a
continuaci6n, seleccione el tamafio
de la espiga de manera que la
cuchilla no traspase la pared
cuando haga el corte (observe la
figura 24).
C. Sujete la herramienta y centrela
como se muestra en la figura 25.
D. Encienda la herramienta y haga el
corte.
E. Afiada el pegamento, ensamble y
prense la uni6n.
F. Para ensambles con angulos
diferentes a 90 °, consulte la figura
26 para ajustar debidamente el
Angulo de la herramienta.
FIG 24
Borde interior _ 7
Coloque la espiga ////_,,/4_
oerca del borde ////// A
interior para aumentar//////
la dimensi6n "A" //////
FIG 25
Bisel invertido a 45°: Permite el registro exterior
en ensambles angulares (NOTA: La herramienta
se registra contra la superficie exterior.)
FIG 26 # ANGULO DEL ANGULO IEN LA GUfA
)E LADOS ENSAMBLE REGIS]'R0_ R_ISTR0It_F_'_3_
4 . [_ , 90 ° 45 °
5 _ 81 ° 54 °
6 _ 75 = 60 °
135 °
8_ 67.5 ° 67.5 °
El metodo anterior producira un ensamble
en que Ins superficies exteriores esten
alineadas. Si desea hacer un ensamble
con las superficies interiores alineadas,
utilice el siguiente procedimiento para
ensambles a 90 °.
A. Coloque Ins piezas en la manera en
que Ins ensamblara,
B. Trace la Iocalizaci6n de Ins cajas en
la parte interior del _.ngulo.
C. Ajuste la gufa de la herramienta a
45 °. Haga el ajuste a la gufa de
manera que la espiga quede
Iocalizada hacia el interior del
ensamble en donde el material
tiene mayor espesor, a
continuaci6n, seleccione el tamaflo
de la espiga de manera que la
cuchilla no traspase la pared
cuando haga el corte.
D. Sujete la herramienta y centrela
como se muestra en la figura 27.
E. Encienda la herramienta y haga el
corte; repita en los lugares donde
se haran cajas.
F. Afiada el pegamento, ensamble y
prense la uni6n.
G. Para ensambles con a.ngulos
diferentes a 90 °, consulte la figura
26 para ajustar debidamente el
_ngulo de la herramienta.
12

FIG 27
6. ENSAMBLES EN 'T'
Los ensambles de caja y espiga son una
alternativa viable para ranurar cuando se
quiera hacer un ensamble en 'T'. Los
ensambles en 'T' se utilizan comunmente
para afiadir una repisa a los lados de un
caj6n. El m_todo descrito a continuaci6n
funcionar& si el material para su repisa
tiene por Io menos 16 mm (5/8") de
espesor.
A. Coloque la piezas sobre una
superficie exactamente en la
manera en que las ensamblar_, en
forma de una 'T' invertida. Marque
ligeramente a Io largo de la uni6n
en el lugar en que termina la repisa
(observe la figura 28). Marque la
Iocalizaci6n de las cajas
t3nicamente en la pieza que
quedara como repisa.
FIG 28
D. Utilice la superficie de registro
inferior, centre la herramienta alas
marcas de Iocalizaci6n de las cajas
y haga un corte vertical y horizontal
para cada caja, como se observa
en la figura 30.
E. Afiada el pegamento, ensamble y
prense la uni6n.
FIG 30
IMPORTANTE
Para garantizar la SEGURIDAD y la
CONFIABILIDAD, deber_.n hacerse
reparaciones, mantenimiento y ajustes
de esta herramienta en los centros de
servicio Sears.
ACCESORIOS
Dispone usted de los accesorios para
su herramienta por un cargo adicional
en las tiendas Sears o en los centros de
servicio Sears.
B, Coloque la repisa sobre la pieza
con que se unir_., prense las dos
piezas juntas a la superficie de
trabajo en la posici6n que se
muestra en la figura 29.
FIG 29
C, Ajuste la herramienta
seleccionando el tamafio de caja
adecuado y ajustando el _,ngulo de
la gufa a 0°.
13

o
0
o')
F-
o4
o
0
rr
LU
Z
0
.J
w
r_
o
I
LU
0
a
,,_
(/1
iii
a.,
0
O0
,,:1
fr
T_
e_
z
Lu
14

o
ILl
d
-_.oZ
"r-" _
(1) "(:3
_-_ _
c 0) 0j
"0 "0 "--
.-- C 0 •
_'Xo- c
.'_-_(D- o
C
-0 _ 0
.I
o
_° o
c_
..,1 LU
_'_ _
c _
o--
ON_
_ClJJ
E. o_ _
C_c
c
0
0
Z
CI
E
> . c
>,_ o
,,-" 0 I::
_EdE_
o8,_,oT
olo
o
co
_, _ ,g"8 ._=,,: ,_E E
._ GI._ C C=. o.
"0 0 _ toO3 0"_'0 XCX
.®._.o._uo om =x x • _,=__c =-_x ..,..Ix
==c "_ oo=ooo_ _m-o_ _ _®,__,=o :_ 3_
.,o OOc ....... -_:,o c-oc-o-o._-c'_'_o
o'u '_- K_-,C_'--[3 i :="o
Oo?O_ooooo_ oo.
o_ooooo_-_880 8888o=G _°oo ooo_88_0
iIIiIIIIIIIII
_o
15

For the repair or replacement part you need
delivered directly to your home
Call 7 am m7 pm, 7 days a week
1-800-366-PART
(1-800-366-7278)
PARA ORDENAR PIEZAS CON ENTREGA A
DOMIClLIO m1-800-659-7084
For in-house major brand repair service
Call 24 hours a day, 7 days a week
1-800-4-REPAIR
(1-8001473-7247)
Para pedir servicio de reparaci6n a
domicilio -- 1-800-676-5811
Para Iocalizar el centro de servicio
y partes Sears de su area
Llame las 24 horas, 7 dias a la semana
1-800-488-1222 immmmm
|mmmmm
Para obtener informaci6n sobre la compra
de una pbliza de mantenimiento Sears o
preguntar sobre una p61iza existente
Llame de 9 am a 5 pm, de lunes a
1-800-827-6655
Cuando pida servicio u ordene
refacciones, siempre proporcione
la siguiente informacibn:
*Tipo de producto °Parte Nt_mero
oModelo NDmero ° Descripci6n de parte America's Repair Specialists
Vendido por Sears, Roebuck and Co., Hoffman Estates, IL 60179 U.S.A.