Craftsman 917252502 User Manual TRACTOR Manuals And Guides L0804243
CRAFTSMAN Lawn, Tractor Manual L0804243 CRAFTSMAN Lawn, Tractor Owner's Manual, CRAFTSMAN Lawn, Tractor installation guides
User Manual: Craftsman 917252502 917252502 CRAFTSMAN TRACTOR - Manuals and Guides View the owners manual for your CRAFTSMAN TRACTOR #917252502. Home:Lawn & Garden Parts:Craftsman Parts:Craftsman TRACTOR Manual
Open the PDF directly: View PDF
.
Page Count: 56

®
MODEL NUMBER 917.252502 OWNER'SMANUAL
+Assembly
+Operation
®Customer Responsibilities
+Service and Adjustments
+Repair Parts
_AUTION: Read and follow all safety rules and instructions before operating this equipment.
FOR CONSUMER ASSISTANCE HOT LINE, CALL THIS TOLL FREE NUMBER: 1-800-659-5917

SAFETY RULES
Safe Operation Practices for Ride-On Mowers
iMPORTANT: THIS CUTTING MACHINE IS CAPABLE OF AMPUTATING HANDS AND FEET AND THROWING OBJECTS.
FAILURE TO OBSERVE THE FOLLOWING SAFETY INSTRUCTIONS COULD RESULT IN SERIOUS INJURY OR DEATH.
I. GENERAL OPERATION
o Read, understand, and fofiow all instructions in the manual
and on the machine before starting.
• Only allow responsible adults, who are familiar with the
instructions, to operate the machine.
• Clear the area of objects such as rocks, toys, wire, etc.,
which could be picked up and thrown by the blade,
• Be sure the area is clear of other people before mowing. Stop
machine if anyone enters the area.
= Never carry passengers,
= Do not mow in reverse unless absolutely necessary. Always
look down and behind before and while backing.
,Be aware of the mower discharge direction and do not point
it at anyone. Do not operate the mower without either the
entire grass catcher or the guard in place.
- Slow down before turning.
-Never leave a running machine unattended. Aiways turn off
blades, set parking brake, stop engine, and remove keys
before dismounting.
• Turn off biades when not mowing.
• Stop engine before removing grass catcher or unclogging
chute.
•Mow only in daylight or good artificial light.
= Do not operate the machine while under the influence of
alcohol or drugs.
• Watch for traffic when operating near or crossing roadways.
oUse extra care when loading or unloading the machine into
a trailer or truck.
II. SLOPE OPERATION
Slopes are a major factor related to loss-of-control and
tipover accidents, which can result in severe injury or death.
All slopes require extra caution. If you cannot back up the
slope or if you feel uneasy on it, do not mow it.
DO:
•Mow up and down slopes, not across.
" Remove obstacles such as rocks, tree timbs, etc.
°Watch for holes, ruts, or bumps. Uneven terrain could
overturn the machine. Taft grass can hide obstacles,
•Use slow speed. Choose a!ow gear so that you will not have
to stop or shift while on the slope.
•Follow the manufacturer's recommendations for wheel
weights or counterweights to improve stability.
', Use extra care with grass catchers or other attachments.
These can change the stability of the machine.
• Keep all movement on the slopes slow and gradual Do not
make sudden changes in speed or direction.
•Avoid starting or stopping on a slope, ff tires tose traction,
disengage the blades and proceed slowly straight down the
slope.
DO NOT:
°Do not turn on slopes unless necessary, and then, turn slowly
and gradually downhi!l, ifpossible.
•Do not mow near drop-offs, ditches, or embankments. The
mower could suddenly turn over if a wheel is over the edge
of a cliff or ditch, or if an edge caves in.
•Do not mow on wet grass. Reduced traction could cause
sliding.
oDo not try to stabilize the machine by putting your foot on the
ground.
•Do not use grass catcher on steep slopes,
ltl, CHILDREN
Tragic accidents can occur if the operator is not alert to the
presence of children. Children are often attracted to the
machine and the mowing activity. Never assume that
children will remain where you last saw them.
• Keep chiidren out of the mowing area and under the watchfu!
care of another responsible adult.
- Be alert and turn machine off if children enter the area.
- Before and when backing, took behind and down for small
children.
o Never carry children. They may fall off and be seriously
injured or interfere with safe machine operation.
• Never allow children to operate the machine.
o Use extra care when approaching blind corners, shrubs,
trees, or other objects that may obscure vision.
2
IV. SERVICE
° Use extra care in handling gasoline and other fuels. They are
flammable and vapors are explosive.
Use onty an approved container.
Never remove gas cap or add fue! with the engine
running. Allow engine to cool before refueling. Do not
smoke.
Never refuel the machine indoors.
Never store the machine or fuel container inside where
there is an open flame, such as a water heater.
° Never run a machine inside a dosed area.
° Keep nuts and bolts, especially Made attachment belts, tight
and keep equipment in good condition.
•Never tamper with safety devices. Check their proper
operation regularly.
°Keep machine free of grass, leaves, or other debris build-up.
Clean oil or fuel spillage. Allow machine to cool before
storing.
•Stop and inspect the equipment if you strike an object.
Repair, if necessary, before restarting.
" Never make adjustments or repairs with the engine running.
° Grass catcher components are subject to wear, damage, and
deterioration, which could expose moving parts or allow
objects to be thrown. Frequently check components and
replace with manufacturer's recommended parts, when nec-
essary,
° Mower blades are sharp and can cut, Wrap the blade(s) or
wear gloves, and use extra caution when servicing them.
Check brake operation frequently. Adjust and service as
required.
Look for this symbol to point out im-
portant safety precautions. It means
CAUTION!!! BECOMEALERT!!! YOUR
SAFETY IS INVOLVED.
CAUTION: Always disconnect spark plug
wire and place wire where it cannot contact
spark plug in order to prevent accidental
starting when setting up, transporting,
adjusting or making repairs.
HH
A WARNING A
The engine exhaust from this product con-
tains chemicals known to the State of Califor-
nia to cause cancer, birth defects, or other
reproductive harm.

CONGRATULATIONS on your purchase of a Sears
Tractor. It has been designed, engineered and manufac-
tured to give you the best possible dependability and
performance.
Should you experience any problem you cannot easily
remedy, please contact your nearest Sears Authorized
Service Center/Department. We have competent, well-
trained technicians and the proper tools to service or repair
this tractor.
Please read and retain this manual. The instructions will
enable you to assemble and maintain your unit properly.
Always observe the "SAFETY RULES".
MODEL
NUMBER 917.252502
SERIAL
NUMBER
DATEOFPURCHASE
THE MODEL AND SERIAL NUMBERS WILL BE FOUND
ON A PLATE UNDER THE SEAT.
YOUSHOULDRECORDBOTHSERIALNUMBERAND
DATE OF PURCHASE AND KEEPIN A SAFE PLACE
FOR FUTURE REFERENCE.
MAINTENANCE AGREEMENT
A Sears Maintenance Agreement is available on this prod-
uct. Contact your nearest Sears store for details,
CUSTOMER RESPONSlBIMTIES
- Read and observe the safety rules.
- Fol!ow a regular schedule in maintaining, caring for and
using your tractor.
Foflow the instructions under "Customer Responsibili-
ties" and "Storage" sections of this owner's manuat.
WARNING: This tractor is equipped with an internal
combustion engine and should not be used on or near any
PRODUCT SPECIFICATIONS
HORSEPOWER: 13,0
GASOLINE CAPACITY 5 QUARTS
AND TYPE: UNLEADED REGULAR
OIL TYPE (API-SF/SG): SAE 30 (above 32°F)
SAE 5W-30 (below 32°F)
OIL CAPACITY: 3 PINTS
SPARK PLUG: CHAMPION RJ19LM
GAP: .030") STD361458
VALVE CLEARANCE: INTAKE: _005" -.007"
EXHAUST: .009" - ,01 t"
GROUND SPEED (MPH): FORWARD:
1st 1.0
2nd 1.4
3rd 2.1
4t h 3, l
5th 4.0
6th 5.1
REVERSE: 1.6
TIRE PRESSURE: FRONT: t4 PSI
REAR: 12 PSI
CHARGING SYSTEM: 3 AMPS BATTERY
5 AMPS HEADLIGHTS
BLADE BOLT TORQUE: 30-35 FT. LBS.
unimproved forest-covered, brush-covered or grass-cov-
ered land unless the engine's exhaust system is equipped
with a spark arrester meeting applicable local or state laws
(if any). If a spark arrester is used, it should be maintained
in effective working order by the operator.
In the state of California the above is required by law
(Section 4442 of the California Public Resources Code).
Other states may have similar laws, Federai laws apply on
federal lands. A spark arrester for the muffler is available
through your nearest Sears Authorized Service Center/
Department (See REPAIR PARTS section of this manual).
LIMITED TWO YEAR WARRANTY ON CRAFTSMAN RIDING EQUIPMENT
For two (2) years from the date of purchase, if this Craftsman Riding Equipment is maintained, lubricated and tuned up according
to the instructions in the owner's manual, Sears will repair or replace, free of charge, any parts found to be detective in material or
workmanship.
This Warranty does not cover:
• Expendable items which become worn during normai use, such as blades, spark plugs, air cleaners, belts, etc.
, Tire replacement or repair caused by punctures from outside objects, such as nails, thorns, stumps, or glass.
- Repairs necessary because of operator abuse, negligence, improper storage or accident or the failure to maintain the
equipment according to the instructions contained in the owner's manual.
Riding equipment used for commercial or rental purposes.
LIMITED 90 DAY WARRANTY ON BATTERY
For ninety (90) days from date of purchase, if any battery included with this riding equipment proves defective in materiat or
workmanship and our testing determines the battery will not hold a charge, Sears will replace the battery at no charge.
IN-HOME WARRANTY SERVICE ON YOUR CRAFTSMAN RIDING EQUIPMENT IS AVAILABLE AT NO-CHARGE FOR 30
DAYS FROM THE DATE OF PURCHASE. PLEASE CONTACT YOUR NEAREST SERVICE CENTER. AFTER 30 DAYS FROM
THE DATE OF PURCHASE, WARRANTY SERVICE IS AVAILABLE BY TAKING YOUR CRAFTSMAN RIDING EQUIPMENT TO
YOUR NEAREST SEARS SERVICE CENTER. (IN-HOME WARRANTY SERVICE WILL STILL BE AVAILABLE AFTER 30 DAYS
FROM THE DATE OF PURCHASE BUT A STANDARD TRiP CHARGE WILL APPLY.) THIS WARRANTY APPLIES ONLY
WHILE THIS PRODUCT tS tN THE UNITED STATES.
This Warranty gives you specific legal rights, and you may also have other rights which may vary from state to state.
SEARS, ROEBUCK AND CO., D/817 WA, HOFFMAN ESTATES, IL 60179

TABLE OF CONTENTS
SAFETY RULES ............................................................ 2
PRODUCT S PECiF_CAT_ONS ...................................... 3
CUSTOMER RESPONSIBILITIES ..................... 3, 15-18
WARRANTY .................................................................. 3
TRACTOR ACCESSORIES .......................................... 5
ASSEMBLY ............................................................... 7*9
OPERATION .......................................................... 10-14
MAINTENANCE SCHEDULE ..................................... 15
SERVICE AND ADJUSTMENTS ............................ 19-24
STORAGE ................................................................... 25
TROUBLESHOOTING ........................................... 26-27
REPAIR PARTS - TRACTOR ................................ 30-47
REPAIR PARTS - ENGINE .................................... 48-52
PARTS ORDERING/SERVICE ............... BACK COVER
INDEX
A
Accessories ........................................... 5
Adjustments:
Brake ............................................ 21
Carburetor .................................... 24
Mower
Front-To-Back ......................... 20
Side-To-Side ........................... 20
Throttle Control Cable .................. 24
Air Filter, Engine ............................ 17-18
Air Screen, Engine .............................. 18
Assembly ................................... :........ 7-9
B
Battery:
Charging ....................................... 8
Cieaning ....................................... 17
Installation ...................................... 9
Levels ........................................ 8,16
Preparation .................................... 8
Starting with Weak Battery .......... 22
Storage ........................................ 25
Terminals ..................................... 17
Belt:
Motion Drive
Removal/Replacement ........... 21
Mower Belt(s)
Removal/Replacement ........... 21
Blade:
Sharpening .................................. 16
Replacement ................................ 16
Brake Adjustment ................................ 2t
C
Carburetor Adjustment ........................ 24
Controls, Tractor ................................. 11
Customer Responsibilities ............. 16-18
Engine:
Air Filter .................................... 17
Air Screen ................................ 18
Cooling Fins ............................. 18
Engine Oil ........................... 13,17
Fuel Fitter ................................. ! 8
Spark Plug(s) ........................... t8
Tractor:
Battery ................................. 16-17
Blade ........................................ 16
Lubrication Chart ..................... ! 5
Maintenance Schedule ............ 15
Tire Care .......................... 8,16,22
Transaxle ................................. 17
Cutting Height, Mower ........................ 12
E
Electrical:
Interlocks and Relays .................. 23
Schematic ................................... 29
Wiring Diagram ............................ 30
Engine:
Air Filter ................................... 17-18
Air Screen .................................... 18
Cooling Fins ................................. 18
Oil Change ................................... 17
Oil Level ....................................... 13
Oil Type ................................... t3,17
Preparation .................................. 13
Repair Parts ............................ 48-52
Starting ......................................... 14
Storage ........................................ 25
F
Filter:
Air Filter ........................................ t7
Fuel .............................................. 18
Fuel:
Type ............................................. 14
Storage ........................................ 25
Fuse .................................................... 23
H
Hood Removal/Installation .................. 23
L
Leveling Mower Deck .......................... 20
Lubrication:
Chart ............................................ 15
Engine .......................................... 17
M
Maintenance Schedule ....................... 15
Mower:
Adjustment, Front-to-Back ........... 20
Adjustment, Side-to-Side ............. 20
Blade Replacement ..................... t6
Blade Sharpening ........................ 16
Cutting Height .............................. 12
Installation .................................... 19
Operation ..................................... 13
Removal ....................................... 19
Mowing Tips ........................................ 14
Muffler ................................................. 18
Spark Arrester ........................... 3,40
O
Oil:
Cold Weather Conditions ........ 13,17
Engine .......................................... 17
Storage ........................................ 25
Operation ....................................... 10-t 4
Operating Mower ................................ 13
Options:
Accessories .................................... 5
Spark Arrester ........................... 3,40
P
Parking Brake ................................ 11,t2
Parts Bag .............................................. 6
Paris, Replacement/Repair ............ 30-47
Product Specifications .......................... 3
R
Repair Parts ................................... 30-47
S
Safety Rules .......................................... 2
Seat ....................................................... 8
Service and Adjustments ............... 19-24
Carburetor .................................... 24
Fuse ............................................. 23
Hood Removal/Installation ........... 23
Motion Drive Belt
Removal/Replacement ........... 2 !
Mower Belt(s)
Removal/Replacement ........... 21
Mower Adjustment
Front-to-Back .......................... 20
Side-to-Side ............................ 20
Mower Removal/installation ......... 19
Tire Care .............................. 8,16,22
Slope Guide Sheet .............................. 55
Spark Plug(s) ...................................... 18
Specifications ........................................ 3
Starting the Engine ........................ 13-14
Steering Wheel ................................ 7,22
Stopping the Tractor ........................... 12
Storage ........................... :.................... 25
T
Throttle Control Cable Adjustment ...... 24
Tires ............................................ 8,!6,22
Trouble Shooting Chart .................. 26-27
Transaxle ............................................ 17
4
W
Warranty ................................................. 3
Wiring Diagram ................................... 30
Wiring Schematic ................................ 29

ACCESSORIES AN ATTACHMENTS
These accessories and attachments were available through most Sears retail outlets and service centers when the tractor was purchased.
Most Sears stores can order these items for you when you provide the modemnumber of your tractor.
ENGINE MAINTENANCE
SPARK PLUG GAS CAN ENGINE OIL FUEL STABILIZER AIR FILTER BLADES BELTS
PERFORMANCE
Sears offers a wide variety of attachments that fit your tractor, Many of these are listed below with brief explanations of how they can help
you. This list was current at the time of publication; however, itmay change in future years _ more attachments may be added, changes
may be made in these attachments, or some may no longer be avaiFable or fit your model. Contact your nearest Sears store for the
accessories and attachments that are available for your tractor.
Most of these attachments do not require additional hitches or conversion kits (those that do are indicated) and are designed for easy
attaching and detaching.
AERATOR promotes deep root growth for a healthy lawn. Ta-
pered 2.5-inch steel spikes mounted on 10-inch diameter discs
puncture holes {nsoil at close intervals to let moisture soak in.
Steel weight tray for increased penetration.
BAGGER lets you collect grass clippings and leaves for a
healthier, heater looking lawn. Two Permanex containers hold
30-gallon plastic bags.
BUMPER protects front end of tractor from damage.
CARTS make hauling easy. Variety of sizes available, ptus
accessories such as side panel kits, tool caddy, cart cover,
protective mat and dolly,
CORING AERATOR takes small ptugs out of soil to aliow mois-
ture and nutrients to reach grass roots. 36-inch swath. 24
hardened steel coring tips. 150 Ib, capacity weight tray,
EASY OIL DRAIN VALVE makes oil changes easier, faster.
FRONT NOSE ROLLER canters infront of mower deck to reduce
chances of "scalp{ng" on uneven terrain.
GANG HITCH lets you tow 2 or 3 pull-behind attachments at once,
such as sweepers, dethatchers, aerators (not for use with rollers,
carts or other heavy attachments).
GAUGE WHEELS on both sides of the mower deck reduce
chances of "scalping" on uneven terrain. For mower decks not so
equipped.
MULCH RAKEJDETHATCHER loosens soif and flips thatch and
matted leaves to fawn surface for easy pickup. Twenty spring tine
teeth. Usefut to prepare bare areas for seeding. Available for front
or rear mounting. HIGH PERFORMANCE REEL=ACTION
SPRING TINS DETHATCHER covers 36-inch wide path and
tosses thatch into Iarge hopper. Mounts behind tractor.
MULCHING CLOSE-OUT PLATE KiT, once installed, lets you
muich, discharge or bag clippings (bagger optional) without
changing blades, For models not equipped as 3-in-1 Convertible
mowers. See "MOWER" in the Repair Parts section of this
manual.
RAMP TOPS AND FEET let you load and unload tractor from a
pickup truck. Use with 2 x 8 or 2 x 10 lumber.
ROLLER for smoother lawn surface. 36-inch wide, 18-inch
diameter wate r-tight drum holds up to 390 lbs. of weight. Rounded
edges prevent harm to'turf. Adjustable scraper automatically
cteans drum.
SNOW BLADEforsnow removal only. 14-inch high,48-inch wide
blade clears 42-inch path when angled ieft or right. Raises, !owers
with side lever. Adjustable skids; replaceable, reversible scraper
bar. (Use with tire chains and wheel weights and/or rear drawbar
weight.)
SNOWTHROWER has 40-inch swath. Drum-typeaugerhandles
powdery and wet/heavy snow. Mounts easily with simple pin
arrangement. Discharge chute adjusts from tractor seat. 6-inch
diameter spout discharges snow t0 to 50 feet. Lift controlled at
tractor seat. (Use with chains and wheel weights and/or rear
drawbar weight,)
SPRAYERS use 12-volt DC electric motor that connects to the
tractor battery or other 12-vott source. Includes booms for
automatic spraying and hand held wand for spot spraying. Wand
has adjustable spray pattern. For applying herbicides, insecti-
cides, fungicides and liquid fertilizers,
SPREADER/SESDERS make seeding, fertilizing, and weed kill-
ing easy. Broadcast spreaders are also useful for granular de-
icers and sand,
SWEEPERS let you collect grass clippings and leaves.
TILLER has 5 hp engine and 36-inch swath to prepare seed beds,
cultivate and compost garden residue, Tiller has its own built-in
fift and depth contro_ system and does NOT require a sleeve hitch.
Fits any lawn, yard or garden tractor. Simp]y. hook up to the tractor
drawbar and go! Optlonal accessories convert unit for
dethatching, aerating, hitling...without tools.
TiRE CHAINS are heavy duty; cfosely spaced extra-large cross
links give smooth ride, outstanding traction.
TRACTOR CAB has heavy duty vinyl fabric over tubular steet
frame, ABS plastic top; clear plastic windshield offers 360 degree
visibility. Hinged metal doors with catch. Keeps operator warm
and dry. Remove vinyl sides and windshields for use as sun
protector in summer. Optional accessories include: tinted/
tempered solid safety glass windshield with hand operated wiper;
12-volt amber caution light for mounting on cab top.
VACS for powerful collectlon of heavy grass clippings and leaves.
Optional wand attachment to pick up debris in hard-to-reach
places. VAC/CHIPPSR includes a chipper-shredder.
WEIGHT BRACKET for drawbar for snow removal applications.
Uses (1) 55 lb. weight,
WHEEL WEIGHTS for rear wheels provide needed traction for
snow removal or dozing heavy materia]s.

CONTENTS OF HARDWARE PACK
Parts Bag contents shown full size
0
"_\'\\\_ (2)Sheet
Metal
Screws
#i0q6 x 1/2
(1) L0eknut 3/8-24
(1) Large Flat Washer
(1) ShOulder Bolt 5/16-t8
(1) Hex Bolt 1/2-13 x 1
(1) WaSher 17/32
x 1-3/16 x i2 Gauge
C
(1) Lock Washer i/2
(2) Hex Bolts 1/4-20 x 3/4 (2) Hex Nuts 1/4-20
(2) Lock Washers 1/4
(2) WaShers 9/32 x 5/8 x i6 Gauge
Parts packed separate|y in carton
Steering
Wheel
Seat
Steering
Boot
Video
CasSette
It
t t
tt
I 1
Manual Pa_s Bag
Parts bag contents not shown ful! size
Steering Wheel
Adapter
\\\
Steering
Wheel
Insert
@ teedng
Bushing (2) Keys
Slope Sheet

.................................... _LI I I .... iiii I II1[
ASSEMBLY
Your new tractor has been assembled at the factory with exception of those parts left unassembled for shipping purposes.
To ensure safe and proper operation of your tractor all parts and hardware you assemble must be tightened securely. Use
the correct tools as necessary to insure proper tightness.
TOOLS REQUIRED FOR ASSEMBLY
A socket wrench set will make assembly easier. Standard
wrench sizes are listed.
(1) 5/16" wrench (1) 3/4" wrench
(2) 7/16" wrenches Tire pressure gauge
(1) 1/2" wrench Utility knife
(1) 9/16" wrench
When right or left hand is mentioned in this manual, it
means when you are in the operating position (seated
behind the steering wheel).
TO REMOVETRACTOR FROM CARTON
UNPACK CARTON
*Remove all accessible loose parts and parts cartons
from carton (See page 6).
. Cut, from top to bottom, along lines on all four corners
of carton, and lay panels flat.
. Check for any additional loose parts or cartons and
remove.
BEFORE ROLLING TRACTOR OFFSKID
ATTACH STEERING WHEEL (See Fig. 1)
. Slide the steering bushing over the steering shaft.
- Raise steering shaft forward until screw holes in dash
tine up with steering bushing. Install two (2) sheet
metal screws and tighten securely.
•Position steering boot over steering shaft.
•Place tabs of steering boot over tab slots in dash and
push down to secure.
•Slide steering wheel adapter onto upper steering shaft.
• Position front wheels of the tractor so they are pointing
straight forward.
• Position steering wheel so cross bars are horizontal
(left to right) and slide onto adapter.
• Assemble large flat washer and 3/8-24 locknut and
tighten securely.
= Snap steering wheel insert into center of steering
wheel
.Remove protective plastic from tractor hood and grill.
IMPORTANT:CHECK FOR AND REMOVE ANY STAPLES
IN SKID THAT MAY PUNCTURE TIRES WHERE TRACTOR
IS TO ROLL OFF SKID,
STEERING SHAFT
(SHIPPING POSITION)
FiG, t
TO ROLL TRACTOR OFF SKID (See Fig. 6)
. Raise attachment lift lever to its highest position.
* Release parking brake by depressing clutch/brake
pedal.
. Place gearshift lever in neutral (N) position.
- Rolt tractor backwards off skid.
. Remove banding holding discharge guard up against
tractor.

BLY
CONNECT BATTERY (See Figs. 2 and 3}
CAUTION: Do not short battery termi-
naJs. Before connecting battery, re-
move metal bracelets, wristwatch
bands, rings, etc.
Positive terminal must be connected
first to prevent sparking from acciden-
tal grounding.
Remove cardboard packing from seat pan and lift seat
pan to raised position..
- Open battery box door.
•Remove terminaI protective caps and discard.
if this battery is put into service after month and year
indicated on label (label Iocated between terminals)
charge battery for minimum of one hour at 6-10 amps.
.First connect RED battery cable to positive (+) terminal
with hex bolt, flat washer, lock washer and hex nut as
shown. Tighten securely.
•Connect BLACK grounding cable to negative (-) termi-
nal with remaining hex bolt, flat washer, lock washer
and hex nut. Tighten securely,
• Close battery box door,
Open battery box door for:
-Inspection for secure connections (to tighten hard-
ware).
• Inspection for corrosion.
•Testing battery.
,Jumping (if required).
•Periodic charging.
POSITIVE
(RED) CABLE
DISCARD
TERMINAL
PROTECT|VE
CAPS
HEX
NUT
LOCK
WASHER
FLAT
WASHER
VENT
(KEEP
CLEAN)
BOLT
,\
NEGATIVE
(BLACK) CABLE
FIG. 2
SEAT
PAN
BOX DOOR
FiG. 3
INSTALL SEAT (See Fig. 4)
Adjust seat before tightening adjustment bolt.
Remove cardboard packing on seat pan.
.Place seat on seat pan and assemble shoulder bolt.
= Assemble adjustment bolt, Iockwasherand flat washer
loosely. Do not tighten.
- Tighten shoulder bolt securely.
• Lower seat into operating position and sit on seat.
o Slide seat until a comfortable position is reached which
allows you to press clutch/brake pedal atl the way
down.
.Get off seat without moving its adjusted position,
= Raise seat and tighten adjustment bott securely.
SEAT
SEAT PAN
SHOULDER
BOLT
ADJUSTMENT
BOLT
FLAT WASHER
LOCK WASHER
FiG. 4
8

CHECK TIRE PRESSURE
The tires on your tractor were overinflated at the factory for
shipping purposes. Correct tire pressure is important for
best cutting performance.
,Reduce tire pressure to PSI shown in "PRODUCT
SPECIFICATIONS" on page 3 of this manual.
JCHECKLiST
BEFORE YOU OPERATE AND ENJOY YOUR NEW
TRACTOR, WE WISH TO ASSURE THAT YOU RECEIVE
THE BESTPERFORMANCEAND SATtSFACTION FROM
THtS QUALITY PRODUCT,
PLEASE REVIEW THE FOLLOWING CHECKLIST:
CHECK DECK LEVELNESS
For best cutting results, mower housing should be properly
leveled, See "TO LEVEL MOWER HOUSING" in the
Service and Adjustments section of this manual,
CHECK FOR PROPER POSITION OF ALL
B ELTS
See the figures that are shown for replacing motion and
mower blade drive belts in the Service and Adjustments
section of this manuat. Verify that the belts are routed
correctly.
CHECK BRAKE SYSTEM
After you learn how to operate your tractor, check to see
that the brake is properly adjusted. See '_O ADJUST
BRAKE" in the Service and Adjustments section of this
manual.
€' All assembly instructions have been completed.
,/ No remaining loose parts in carton.
,/ Battery is properly prepared and charged. (Minimum
1 hour at 6 amps).
,/ Seat is adjusted comfortably and tightened securely.
•/All tires are properly inflated. (For shipping purposes,
the tires were overinflated at the factory).
¢" Be sure mower deck is properly leveled side-to-side/
front-to-rear for best cutting results. (Tires must be
properly inflated for leveling).
,/ Check mower and drive belts. Be sure they are routed
properly around pulleys and inside all belt keepers.
v" Check wiring. See that all connections are stilt secure
and wires are properly clamped.
WHILE LEARNING HOWTO USE YOUR TRACTOR, PAY
EXTRA ATTENTION TO THE FOLLOWING IMPORTANT
ITEMS:
,/ Engine oil is at proper level.
,/ Fuel tank is filled with fresh, clean, regular unleaded
gasoline.
,/ Become familiar with all controls -their location and
function. Operate them before you start the engine.
v" Be sure brake system is in safe operating condition.

0 ERATION
These symbols may appear on your tractor or in literature supplied with the product. Learn and understand their meaning.
BATTERY CAUTION OR REVERSE FORWARD FAST SLOW
WARNING
ENGINE ON ENGINE OFF OIL PRESSURE CLUTCH LIGHTS ON LIGHTS OFF
FUEL CHOKE MOWER HEIGHT DIFFERENTIAL PARKING BRAKE UNLOCKED
LOCK LOCKED
MOWER LIFT
REVERSE NEUTRAL
ATTACHMENT
CLUTCH ENGAGED
L
HIGH LOW
ATTACHMENT
CLUTCH DISENGAGED
PARKING BRAKE
IGNITION
DANGER, KEEP HANDS AND FEET AWAY HYDROSTATIC FREE WHEEL
(Hydro Models only)
lo

O RATION
KNOW YOUR TRACTOR
READ THIS OWNER'S MANUAL AND SAFETY RULES BEFORE OPERATING YOUR TRACTOR
Compare the ustrat ons w th your tractor to fam ar ze yourse f w th the locations of various controls and adjustments. Save
this manual for future reference.
LIGHT
SWITCH
THROTTLE/
CHOKE
CONTROL
AMMETER IGNITION
SWITCH
ATTACHMENT
CLUTCH LEVER
\\,
N _
t_ /J
LIFT LEVER
PLUNGER
ATTACHMENT
LIFT LEVER
CLUTCH/
BRAKE
PEDAL
MOWER DECK
HEIGHT ADJUSTMENT
POSITIONS
GEARSHIFT
LEVER
FIG. 5
PARKING
BRAKE
Our tractors conform to the safety standards of the American National Standards Institute.
ATTACHMENT CLUTCH LEVER: Used to engage the
mower blades, or other attachments mounted to your
tractor.
LIGHT SWITCH: Turns the headlights on and off.
THROTTLE/CHOKE CONTROL: Used for starting and
controlling engine speed.
CLUTCH/BRAKE PEDAL: Used for dectutching and brak-
ing the tractor and starting the engine.
PARKING BRAKE: Locks clutch/brake pedaI into the
brake position.
GEARSHIFT LEVER: Selects the speed and direction of
tractor.
ATTACHMENT LIFT LEVER: Used to raise, lower, and
adjust the mower deck or other attachments mounted to
your tractor.
LIFT LEVER PLUNGER: Used to release attachment lift
lever when changing its position.
IGNITION SWITCH: Used for starting and stopping the
engine,
AMMETER: Indicates battery charging (+) or discharging
(-).
11

OPERATION
HOW TO USE YOUR TRACTOR
TO SET PARKING BRAKE (See Fig, 6)
Your tractor is equipped with an operator presence sensing
switch. When engine is running, any attempt by the
operator to leave the seat without first setting the parking
brake will shut off the engine.
,Depress clutch/brake pedal into ful! "BRAKE" position
and hold.
•Place parking brake lever in "ENGAGED" position and
release pressure from clutch/brake pedal Pedal should
remain in "BRAKE" position. Make sure parking brake
will hold tractor secure.
ATTACHMENT CLUTCH LEVER "DISENGAGED"
"ENGAGED" POSITION POSITION
IGNITION
KEY
THROTTL_CHOKE_
CONTROLLEVER
GEAR-
SHIFT
LEVER
"BRAKE"
POSITION
CLUTCH[BRAKE PEDAL PARKING BRAKE
"DRIVE" POS|TION "DISENGAGED" POSITION
FIG. 6
STOPPING (See Fig. 6)
MOWER BLADES
Move attachment ctutch lever to "DISENGAGED '_po-
s{tion_
GROUND DRIVE -
Depress clutch/brake pedal into fult "BRAKE" position.
, Move gearshift lever to neutral (N) position.
ENGINE -
Move throttle control to slow (,_,) position.
NOTE: Failure to move throttle control to slow (,_)
position and allowing engine to idle before stopping may
cause engine to "backfire".
Turn ignition key to "OFF" position and remove key.
Always remove key when leaving tractor to prevent
unauthorized use.
Never use choke to stop engine.
NOTE: Under certain conditions when trac or is standing
idle with the engine running, hot engine exhaust gases may
cause "browning" of grass. To eliminate this possibility,
always stop engine when stopping tractor on grass areas.
CAUTION: Always stop tractor com-
pletely, as described above, before leav-
ing the operator's position; to empty
grass catcher, etc.
TO USE THROTTLE CONTROL (See Fig. 6)
Always operate engine at ful! throttle.
- Operating engine at less than full throttle reduces the
battery charging rate.
Futl throttle offers the best bagging and mower perfor-
mance.
TO MOVE FORWARD AND BACKWARD
(See Fig. 6)
The direction and speed of movement is controlled by the
gearshift lever.
,Start tractor with clutch!brake pedal depressed and
gearshift lever in neutral (N) position.
Move gearshift lever to desired position.
Slowly release clutch/brake pedal to start movement,
IMPORTANT: BR}NG TRACTOR TO A COMPLETE STOP
BEFORE SHIFTING OR CHANGING GEARS. FAILURE
TO DO SO WILL SHORTEN "['HE USEFUL LIFE OF YOUR
TRANSAXLE.
TO ADJUST MOWER CUTTING HEIGHT
(See Fig. 5)
The position of the attachment tilt lever determines the
cutting height.
•Grasp lift lever.
, Press plunger with thumb and move lever to desired
position.
The cutting height range is approximately 1-1/2 to 4". The
heights are measured from the ground to the blade tip with
the engine not running, These heights are approximate
and may vary depending upon soil conditions, height of
grass and types of grass being mowed,
- The average lawn should be cutto approximately 2-l/2
inches during the cool season and to over 3 inches
during hot months. For healthier and better looking
lawns, mow often and after moderate growth.
For best cutting performance, grass over 6 inches in
height should be mowed twice. Make the first cut
relatively high; the second to desired height.
12

OPERATION
TO OPERATE MOWER (See Fig. 7)
Your tractor is equipped with an operator presence sens-
ing switch. Any attempt by the operator to leave the seat
with the engine running and the attachment clutch engaged
will shut off the engine.
•Select desired height of cut.
• Start mower blades by engaging attachment clutch
control.
- TO STOP MOWER BLADES -disengage attachment
clutch control.
CAUTION: Do not operate the mower
without either the entire grass catcher,
on mowers so equipped, or the dis-
charge guard in place.
ATTACHMENT CLUTCH LEVER
"DISENGAGED"POSITION
"ENGAGED"
POS|T_N
ATTACHMENT
LIFT LEVER
HIGH POSITION
DISCHARGE
GUARD
FIG. 7
TO OPERATE ON HILLS
I_h_esgreater than t5 ° and I
I_do not tin're across any slope. |
.Choose the slowest speed before starting up or down
hifls.
-Avoid stopping or changing speed on hills.
•If slowing is necessary, move throttle control lever to
slower position:
• if stopping is absoiutely necessary, push clutch/brake
pedal quickly to brake position and engage parking
brake.
•Move gearshift lever to 1st gear. Be sure you have
allowed room for tractor to roll slightly as you restart
movement.
• To restart movement, slowly release parking brake and
clutch/brake pedal.
• Make all turns slowly.
TO TRANSPORT
°Raise attachment lift to highest position with attach-
ment lift control.
• When pushing or towing your tractor, be sure gearshift
lever is in neutral (N) position.
• Do not push or tow tractor at more than five (5) MPH.
NOTE: To protect hood from damage when transporting
your tractor on atruck or a traile r, be sure hood isclosed and
securedtotractor. Usean appropriate meansoftying hood
to tractor (rope, cord, etc.).
BEFORE STARTING THE ENGINE
CHECK ENGINE OIL LEVEL (See Fig. 13)
* The engine in your tractor has been shipped, from the
factory, already filled with summer weight oil.
* Check engine oil with tractor on level ground.
* Remove oil fill cap/dipstick and wipe clean, reinsert the
dipstick and screw cap tight, wait for a few seconds,
remove and read oil level. If necessary, add oil until
"FULL" mark on dipstick is reached. Do not overfill.
.For cold weather operation you should change oil for
easier starting (See "OIL VISCOSITY CHART" in the
Customer Responsibilities section of this manual).
°To change engine oil, see the Customer Responsibili-
ties section in this manual.
13

OPERATION
ADD GASOUNE
Fill fuel tank. Use fresh, clean, _egutar unleaded
gasoline. (Use of leaded gasoline will increase carbon
and lead oxide deposits and reduce valve life).
IMPORTANT: WHEN OPERATING IN TEMPERATURES
BELOW 32°F(0°C), USE FRESH, CLEAN WINTER GRADE
GASOLINE TO HELP {NSURE GOOD COLD WEATHER
STARTING.
WARNING: Experience indicates that alcohol blended
fueis (called gasohot or using ethanol or methanol) can
attract moisture which leads to separation and formation of
acids during storage. Acidic gas can damage the fuel
system of an engine while in storage. To avoid engine
problems, the fue! system should be emptied before stor-
age of 30 days or longer. Drain the gas tank, start the
engine and let it run untiI the fuel lines and carburetor are
empty. Use fresh fuel next season. See Storage instruc-
tions for additional information. Never use engine or
carburetor cleaner products in the fue! tank or permanent
damage may occur.
CAUTION: Flit to bottom of gas tank
filler neck. Do not overfill. Wipe off any
spilled oil or fuel. Do not store, spill or
use gasoline near an open flame.
TO START ENGINE (See Fig. 7)
When starting engine for the first time or if engine has run
out of fuel, it will take extra cranking time to move fuel from
the tank to the engine.
-Depress clutch/brake pedal and set parking brake.
,Place gearshift lever in neutral (N) position.
, Move attachment clutch to "DISENGAGED" position.
- Move throttle control _ever tO choke (IX) position for
cold engine start. For warm eng ne start, movethrott e
control to fast (,_) positioN.
,Insert key into ignition and turn key clockwise to"START"
position and release key as soon as engine starts. Do
not run starter continuously for more than fifteen
seconds per minute. If engine does not start after
severai attempts, move throttle control to fast (,_)
position, wait a few minutes and try again.
When engine starts, move throttle control to desired
position.
Aflow engine to warm up for a few minutes before
engaging drive or attachments.
NOTE: {f at a high altitude (above 3000 feet) or in cold
temperatures (below 32°F), the carburetor fuel mixture
may need to be adjusted for best engine performance. See
"TO ADJUST CARBURETOR" in the Service and Adjust-
ments section of this manual.
MOWING TiPS
•Tire chains cannot be used when the mower housing
is attached to tractor,
- Mower should be properly leveled for best mowing
performance. See "TO LEVEL MOWER HOUSING" in
the Service and Adjustments section of this manual.
= The left hand side of mower should be used for trim-
ming.
•Drive so that clippings are discharged onto the area
that has been cut. Have the cut area to the right of the
machine. This will result in a more even distrib{Jtion of
clippings and more uniform cutting.
•When mowing large areas, start by turning to the right
so that clippings will discharge away from Shrubs,
fences, driveways, etc. After one or two rounds, mow
in the opposite direction making left hand turns until
finished (See Fig. 8 ).
• If grass is extremely tall, it should be mowed twice to
reduce toad and possible fire hazard from dried clip-
pings. Make first cut relatively high; the second to the
desired height.
= Do not mow grass when it is wet. Wet grass will p}ug
mower and teave undesirable clumps. Allow grass to
dry before mowing.
o Always operate engine at full throttle when mowing to
assure better mowing performance and proper dis-
charge of material. Regulate ground speed by select-
ing a low enough gear to give the mower cutting
performance as welt as the quality of cut desired.
• When operating attachments, select a ground speed
that wilt suit the terrain and give best performance of
the attachment being used.
[-- t
C "
FIG. 8
14

......... , J L - •
CUSTOM ESPON BIL ES
MAINTENANCE SCHEDULE
FiLL tN DATES
AS YOU COMPLETE
REGULAR SERVICE
Check Brake Operation
Check Tire Pressure
T Checkf0rLooseFasteners
I Sharpen/Replace Mower Blades
cA Lubrication Chart
T Check BatteP! LeveVRecharge
0 Clean Battery and Terminals
R Check Transaxle Cooling
Adjust Blade Belt(e) Tension
Adjust Motion Drive Belt(s) Tension
Change Engine Oil
_ERV1CE DATES
v" v" ............. i I I ..........,
v" v" I
V" ..... i V', iv'
v'4
v" _v"
v" .... t/ .....
J
v"
Check Engine Oit Level V" V"
v'5
im
E Clean Air Filter
N Clean Air Screen
!G Inspect Muffler/Spark Arrester
Replace Oil Filter (if equipped)
N Clean Engine Cooling Fins
Replace Spark Ptug
Replace Air Filter Paper Cartridge
Replace Fuel Filter
v'2
t _ Change more often when operating under a heavy Load or in high ambient temperatures,
v" v"
........... _#f# ________ _
5- If equipped with adjustable system,
2 _ Service more often when operating in dirty or dusty conditions.
3 If equipped with oiI filter, change oil every 50 hours,
4 - Replace blades more often when mowing in sandy soil.
GENERAL RECONIMENDATIONS
The warranty on this tractor does not cover items that have
been subjected to operator abuse or negligence. To
receive full value from the warranty, operator must maintain
tractor as instructed in this manual.
Some adjustments will need to be made periodically to
properly maintain your tractor.
Atl adjustments in the Service and Adjustments section of
this manual should be checked at least once each season.
6-Not required if equipped with maintenance-freebattery.
7 - Tighten front axle pivot bolt to 35 ft,qbs, maximum,
Do not overtighten.
LUBRICATION CHART
Once a year you should replace the spark plug, clean (T) ATTA_
or replace air filter, and check blades and belts for CLUTCH
wear. A new spark plug and clean air filter assure PIVOT(S)
proper air-fuel mixture and help your engine run better
and last longer.
:::::::::::::'-' ENGINE (_)
BEFORE EACH USE
• Check engine oil level.
o Check brake operation.
Check tire pressure.
o Check for loose fasteners,
15
(_SAE 30OR 10W30 MOTOR OIL
(_) GENERAL PURPOSE GREASE
(_ REFER TO CUSTOMER RESPONSIBILITIES "ENGINE" SECTION
IMPORTANT: DO NOT OIL OR GREASE THE PIVOT POINTS
WHICH HAVE SPECIAL NYLON BEARINGS. VISCOUS LUBRi-
CANTS WILL ATTRACT DUST AND DiRT THAT WILL SHORTEN
THE LIFE OF THE SELF-LUBRICATING BEARINGS. IF YOU
FEEL THEY MUST BE LUBRICATED, USE ONLY A DRY, POW-
DERED GRAPHITE TYPE LUBRICANT SPARINGLY.

CUSTOMER ESPONSIBILITIES
TRACTOR TO SHARPEN BLADE (See Fig, !0)
Always observe safety rules when performing any mainte-
nance.
BRAKE OPERATION
If tractor requires more than six (6) feet stopping distance
at high speed in highest gear, then brake must be adjusted.
(See "TO ADJUST BRAKE" in the Service and Adjust-
ments section of this manual).
TIRES
•Maintain proper air pressure in all tires (See "PROD-
UCT SPECiFICATiONS" on page 3 of this manual).
o Keep tires free of gasoline, oil, or insect control chemi-
cals which can harm rubber.
• Avoid stumps, stones, deep ruts, sharp objects and
other haz&rde that may cause tire damage.
Care should be taken to keep the blade balanced. An
unbalanced blade witl cause excessive vibration and even-
tual damage to mower and engine.
, The blade can be sharpened with a file or on a grinding
wheel. Do not attempt to sharpen while on the mower.
= To check blade balance, you wilt need a 5/8" diameter
steel bolt, pin, or a cone balancer. (When using a cone
balancer, follow the instructions supplied with bal-
ancer).
Slide blade on to an unthreaded portion of the steel bolt
or pin and hold the bolt or pin parallel with the ground.
if brade is balanced, it should remain in a horizontal
_osition. If either end of the Made moves downward,
sharpen the heavy end until the Made is balanced.
NOTE: Do not use a nail for balancing blade. The lobes of
the center hole may appear to be centered, but are not.
BLADE CARE
For best results mower blades must be kept sharp. Re-
place bent or damaged blades.
BLADE REMOVAL (See Fig, 9)
• Raise mower to highest position to allow access to
blades.
• Remove hex bolt, lock washer and flat washer secur-
ing blade.
= Install new or resharpened blade with trailing edge up
towards deck as shown.
Reassemble hex bolt, lock washer and flat washer in
exact order as shown.
• Tighten belt securety (30-35 Ft. Lbs. torque).
IMPORTANT: BLADE BOLT IS GRADE 8 HEAT TREATED.
NOTE: We do not recommend sharpening blade - but if
_oudo, be sure the blade is balanced.
BLADE
\
FLAT
LOCK WASHER
MANDREL
ASSEMBLY
1 TRAILING
EDGE UP
*A GRADE 8 HEAT TREATED BOLT CAN BE
IDENTIFIED BY SIX LINES ON THE BOLT HEAD.
FIG. 9
CENTER HOLE
/
/
/
BLADE
J
FIG. 10
BATTERY
Your tractor has a battery charging system which is suffi-
cient for normal use. However, periodic charging of the
battery with an automotive charger will extend its life.
Keep battery and terminals clean.
-Keep battery botts tight.
Keep small vent holes open.
Recharge at 6-10 amperes for 1 hour.
TO CLEAN BATTERY AND TERMINALS
Corrosion and dirt on the battery and terminals can cause
the battery to "leak" power.
Remove terminal guard.
• Disconnect BLACK battery cable first then RED bat-
tery cable and remove battery from tractor,
-Rinse the batten/with plain water and dry.
• Clean terminals and battery cable ends with wire brush
until bright.
, Coat terminals with grease or petroleum jelly.
•Reinstall battery (See "CONNECT BATTERY" in the
AssemMy section of this manual).
16

CUSTO RESPONSIBILITI
Check V-belts for deterioration and wear after 100 hours of
operation and replace if necessary. The belts are not
adjustable. Replace belts if they begin to slip from wear.
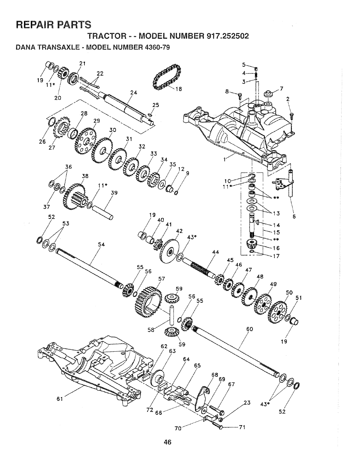
TRANSAXLE COOLING
Keep transaxle free from build-up of dirt and chaff which
can restrict cooling.
ENGINE
LUBRICATION
Only use high quality detergent oil rated with API service
classification SF or SG. Selectthe oil's SAE viscosity grade
according to your expected operating temperature.
NOTE: Although multi-viscosity oils (5W30, 10W30 etc.)
improve starting in cotd weather, these multi-viscosity oils
wil! result in increased oil consumption when used above
32°F: Check your engine oil level more frequently to avoid
possible engine damage from running tow on oil.
SAE VISCOSITY GRADES
.20 o 0_ 60 _ 80 _ 100 °
.30 _ .20 _ _10 o 0_ 10° 20 ° 30 _ 40_
TEMPERATURE RANGE ANTICIPATED BEFORE NEXT OIL CHANGE
FIG, 11
Change the oil after the first two hours of operation and
every 25 hours thereafter or at least once a year if the
tractor is not used for 25 hours in one year.
Check the crankcase oil tevel before starting the engine
and after each eight (8) hours of operation. Tighten oil fill
cap!dipstick securely each time you check the oil level.
TO CHANGE ENGINE OIL (See Figs. 11 and 12)
Determine temperature range expected before oil change.
All oil must meet APt service classification SF or SG,
. Be sure tractor is on level surface.
• Oil will drain more freely when warm.
•Catch oil in a suitable container.
• Remove oil fili cap/dipstick. Be careful not to allow dirt
to enter the engine when changing oil.
• Remove drain plug.
= After oil has drained completely, replace oi! drain plug
and tighten securely.
OIL FILL
CAPIDIPSTICK
OlL DRAIN
PLUG
,Refill engine with oil through oil fill dipstick tube. Pour
slowly. Do not overfill. For approximate capacity see
"PRODUCT SPECIFICATIONS" on page 3 of this
manual.
• Use gauge on oil fill cap/dipstick for checking level. Be
sure dipstick cap is tightened securely for accurate
reading. Keep oil at "FULL" line on dipstick.
AIR FILTER (See Fig. 13)
Your engine will not run properly using a dirty air filter.
Clean the foam pre-deaner after every 25 hours of opera-
tion or every season, Service paper cartridge every 100
hours of operation or every season, whichever occurs first.
Service air cleaner more often under dusty conditions.
•Remove knob(s) and cover.
TO SERVICE PRE-CLEANER
• Slide foam pre-cleaner off cartridge.
= Wash it in liquid detergent and water.
• Squeeze it dry in a ctean cloth;
. Saturate it in engine oil. Wrap it in clean, absorbent
cloth and squeeze to remove excess oil.
• If very dirty or damaged, replace pre-cleaner.
-Reinstall pre-cleaner over cartridge.
o Reinstall cover and secure with knob(s).
TO SERVICE CARTRIDGE
,Remove cartridge nut.
o Carefully remove cartridge to prevent debris from
entering carburetor. Clean base carefully to prevent
debris from entering carburetor.
• Clean cartridge by tapping gently on flat surface. Ifvery
dirty or damaged, replace cartridge.
• Reinstall cartridge, nut, precteaner, cover and secure
with knob(s).
IMPORTANT: PETROLEUM SOLVENTS, SUCH AS
KEROSENE, ARE NOT TO BE USED TO CLEAN THE
CARTRIDGE. THEY MAY CAUSE DETERIORATION OF
THE CARTRIDGE. DO NOT OIL CARTRIDGE. DO NOT
USE PRESSURIZED AIR TO CLEAN OR DRY
CARTRIDGE.
KNOB
_ CARTRIDGE
COVER _._'_'_NUT
_PAPER
FOAM /'CARTRIDGE
PRE-CLEANER
FIG. 13
FIG. 12 17

CUSTOMER ESPONSIBILITIES
CLEAN AIR SCREEN (See Fig. 14)
Air screen must be kept free of dirt and chaff to prevent
engine damage from overheating. Clean with a wire brush
or compressed air to remove dirt and stubborn dried gum
fibers.
ENGINE COOLING FINS (See Fig. 14)
Remove any dust, dirt or oil from engine cooting fins to
prevent engine damage from overheating.
• Remove screws from blower housing and lift housing
and oil filf tube assembly off engine.
• Cover oil fill opening to prevent entry of dirt.
, Remove the screws securing the starter housing and
lift housing off engine.
• Use compressed air or stiff bristle brush to thoroughly
clean engine cooling fins.
• To reassemble, reverse above procedure,
SCREWS
OIL FILL
TUBE
ASSEMBLY
BLOWER HOUSING
AIR SCREEN
SCREWS
SPARK
PLUG
tN-LINE FUEL RLTER (See Fig. 15)
The fue! filter should be replaced once each season. If fuel
filter becomes clogged, obstructing fuel flow to carburetor,
replacement is required.
e With engine cool, remove filter and plug fuel line
sections.
Place new fue! filter in position in fuel tine with arrow
pointing towards carburetor.
. Be sure there are no fuel line teaks and clamps are
properly positioned.
, Immediately wipe up any spilled gasoline.
CLAMP
FUEL )__ / / F='-_'-----J'
FILTER ""__j/
FIG. !5
CLEANING
•Clean engine, battery, seat, finish, etc. of a!l foreign
matter,
•Keep finished surfaces and wheels free of all gasoline,
oil, etc.
-Protect painted surfaces with automotive type wax.
We do not recommend using a garden hose to clean your
tractor unless the electrical system, muffler, air filter and
carburetor are covered to keep water out. Water in engine
can result in a shortened engine life.
FIG. !4
MUFFLER
Inspect and replace corroded muffler and spark arrester (if
equipped) as it could create a fire hazard and!or damage.
SPARK PLUGS
Replace spark plugs at the beginning of each mowing
season or after' every 100 hours of operation, whichever
occurs first. Spark plug type and gap setting are shown in
"PRODUCT SPECIFICATIONS" on page 3 of this manual.
18

SERVICE AN ADJUSTMENTS
UH ' ' U = I=""t'=='='='='=="_l=r=
CAUTION: BEFORE PERFORMING ANY SERVICE OR ADJUSTMENTS:
oDepress clutch/brake pedal fully and set parking brake.
oPlace gearshift lever in neutral (N) position.
oPlace attachment clutch in "DISENGAGED" position.
=Turn ignition key "OFF" and remove key.
• Make sure the blades and all moving parts have completely stopped.
, Disconnect spark p|ug wire from spark plug and place wire where it cannot come in contact with
plug.
= = ,=1= =, ,u,=n ............... I
TO REMOVE MOWER (See Fig: 16)
Mower will be easier to remove from the right side of tractor.
• Place attachment clutch in "DISENGAGED" position.
• Move attachment lift lever forward to lower mower to its
lowest position.
= Roll belt off engine pulley.
° Disconnect clutch rod from clutch lever by removing
retainer spring.
•Disconnect anti-sway bar from chassis bracket by
removing retainer spring.
•Disconnect suspension arms from rear deck brackets
by removing retainer springs.
,Disconnect front links from deck by removing retainer
springs.
° Raise lift lever to raise suspension arms. Slide mower
out from under tractor.
IMPORTANT: IF AN ATTACHMENT OTHER THAN THE
MOWER IS TO BE MOUNTED TO THE TRACTOR, THE
R.H. AND L.H. SUSPENSION ARMS MUST BE REMOVED
FROM TRACTOR.
TO INSTALL MOWER (See Fig. 16)
-Raise attachment liftlever to its highest position.
- Slide mower under tractor with discharge guard to right
side of tractor.
•Lower lift lever to its lowest position.
°Install mower in reverse order of removal instructions.
CLUTCH LEVER
CLUTCH
RETAINER
SUSPENSION ENGINE
RETAINER
SPRING
ANTI-SWAY BAR RETAINER
SPRINGS
(BOTH SIDES)
FIG. 16
19

SERVICE AND ADJUSTMENTS
TO LEVEL MOWER HOUSING
Adjust the mower while tractor is parked on level ground or
driveway. Make sure tires are propedy inflated (See
"PRODUCT SPECIFICATIONS" on page 3 of this manual).
If tires are over or undednflated, you will not properly adjust
your mower.
SiDE-TO-SIDE ADJUSTMENT (See Figs. 17 and 18)
Raise mower to its highest position.
, At the midpoint of both sides of mower, measure height
from bottom edge of mower to ground. Distance"A" on
both sides of mower should be the same or within 1/4'
of each other.
, If adjustment is necessary, make adjustment on one
side of mower only.
- To raise one side of mower, tighten lift link adjustment
nut on that side,
, To lower one side of mower, loosen lift fink adjustment
nut on that side.
NOTE: Each full turn of adjustment nut will change mower
height about 1/8".
• Recheck measurements after adjusting.
BOTTOM EDGE BOTTOM EDGE
OF MOWER TO OF MOWER TO
GROU__D
GROUND LINE
F_G. 17
SUSPENSION
ARM
LiFT LINK
ADJUSTMENT NUT
FIG. t 8
FRONT-TO-BACK ADJUSTMENT (See Figs. 19 and 20)
IMPORTANT: DECK MUST BE LEVEL SIDE-TO-SIDE. IF
THE FOLLOWING FRONT-TO-BACK ADJUSTMENT IS
NECESSARY, BE SURE TO ADJUST BOTH FRONT LINKS
EQUALLY SO MOWER WILL ST'AY LEVEL SIDE-TO-
SIDE.
To obtain the best cutting results, the m'_wer housing
should be adjusted so that the front is approximately 1/4" to
3/4" lower than the rear when the mower is in its highest
position.
Check adjustment on right side of tractor. Measure dis-
tance "D" directly in front and behind the mandrel at bottom
edge of mower housing as shown.
= Before making any necessary adjustments, check that
both front links are equa! in length. Both links Should be
approximately 10-3/8.
• If links are not equal in length, adjust one link to same
length as other link.
To lower front of mower loosen nut "E" on both front
links an equal number of turns.
• When distance "D" is 1/4" to 3/4" lower at front than
rear, tighten nuts "F" against trunnion on both front
links.
To raise front of mower, loosen nut"F" from trunnion on
both front links. Tighten nut "E" on both front links an
equal number of turns.
o When distance "D" is !/4" to 3/4" lower at front than
rear, tighten nut"F" against trunnion on both front links.
Recheck side-to-side adjustment.
FiG. 19
BOTH FRONT LINKS MUST BE EQUAL iN LENGTH
____._ 1 _t_ II_[_ } NUT"E"
NUT 'F"_'
FRONT LINKS TRUNNION
20 FiG. 20

SERVICE AN ADJUSTMENTS
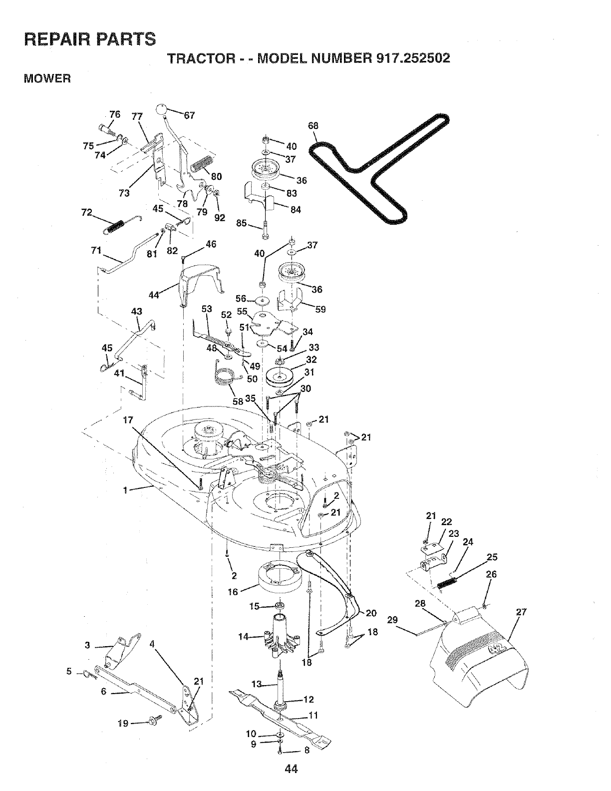
TO REPLACE MOWER BLADE DRIVE BELT
(See Fig. 21)
The mower blade drive belt may be replaced without tools.
Park the tractor on level surface. Engage parking brake.
BELT REMOVAL -
* Remove mower from tractor (See "TO REMOVE
MOWER" in this section of this manual).
-Work belt off both mandrel pulleys and idler pulleys,
,, Pull belt away from mower.
BELT INSTALLATION -
,Install new belt in reverse order of removal.
-Make sure belt is in all pulley grooves and inside all belt
guides.
,Install mower in reverse order of removal instructions.
i
WITH PARKING BRAKE "ENGAGED"
NUT "A"
JAM NUT
FIG. 22
OPERATING
ARM
MANDREL IDLER
PULLEY PULLEYS
iii
MANDREL
PULLEY
FIG. 21
TO ADJUST BRAKE (See Fig. 22)
Your tractor is equipped with an adjustat_le brake system
which is mounted on the right side of the't_ansaxle.
If tractor requires more than six (6) feet stopping distance
at high speed in highest gear, then brake must be adjusted.
-Depress clutch/brake pedal and engage parking brake.
°Measure distance between brake operating arm and
nut "A" on brake rod.
Ifdistance is other than 1-1/2", loosen jam nut and turn
nut "A" until distance becomes 1-1/2". Retighten jam
nut against nut "A".
Road testtractor for proper stopping distance as stated
above. Readjust if necessary. If stopping distance is
still greater than six (6) feet in highest gear, further
maintenance is necessary. Contact your nearest au-
thorized service center/department.
TO REPLACE MOTION DRIVE BELT
(See Fig. 23)
Park the tractor on level surface. Engage parking brake.
For assistance, there is a belt installation guide decal on
bottom side of left footrest,
-Remove mower (See "TO REMOVE MOWER" in this
section of this manual.)
- Remove upper belt keeper.
= Remove belt from Stationary idler and clutching idler.
•Pull belt slack toward rear of tractor. Remove belt
upwards from transaxle pulley by deflecting belt keep-
ers.
,Pull belt toward front of tractor and remove downwards
from around engine pulley:
oInstall new belt by reversing above procedure.
IMPORTANT: MAKE SURE UPPER BELT KEEPER IS
POSITIONED PROPERLY BETWEEN LOCATOR TABS.
LOCATOR
IDLER
IPPER BELT
KEEPER
IDLER
l PULLEY
{
z
21 FIG. 23

SERVICE AND ADJUSTMENTS
TO ADJUST STEERING WHEEL ALIGNMENT
If steering wheel crossbars are not horizontal (left to right)
when wheets are positioned straightforward, remove steer-
mg wheel and reassemble per instructions in the Assembly
section of this manual.
FRONT WHEEL TOE-IN!CAMBER
The front wheel toe-in and camber are not adjustable on
your tractor. If damage has Occurred to affect the front
wheel toe-in or camber, contact your nearest authorized
service center/department.
TO REMOVE WHEEL FOR REPAIRS
(See Fig. 24)
o Block up axle securely.
.Remove axte cover, retaining ring and washersto allow
wheel removal (rear wheel contains a square key - Do
not lose).
• Repair tire and reassemble.
• On rear wheels only: align grooves in rear wheel hub
and axle. Insert square key.
- Replace washers and snap retaining ring securely in
axle groove.
• Replace axle cover,
WASHERS
RETAINING
RING
AXLE COVER
FiG. 24
TO START ENGaNE WSTH A WEAK BATTERY
See Fig, 25)
_[_ at__ep sparks_-flame I
_a_s away from bat-
te__p otection I
If your battery is too weak to start the engine, it should be
recharged. If "jumper cables" are used for emergency
starting, follow this procedure:
IMPORTANT: YOUR TRACTOR _SEQUIPPEDWlTH A 12
VOLT NEGATIVE GROUNDED SYSTEM. THE OTHER
VEHICLE MUST ALSO BE A 12 VOLT NEGATIVE
GROUNDED SYSTEM. DO NOT USE YOUR TRACTOR
BATTERY TO START OTHER VEHICLES.
TO ATTACH JUMPER CABLES -
Connect each end of the RED cable to the POSITIVE
(+) terminaf of each battery, taking care not to short
against chassis.
.Connect one end of the BLACK cable to the NEGA-
TIVE (-) terminal of fully charged battery.
*Connect the other end of the BLACK cable to good
CHASSIS G ROUND, away from fuel tank and battery,
TO REMOVE CABLES, REVERSE ORDER -
.BLACK cable first from chassis and then from the fully
charged battery.
.RED cable last from both batteries.
POSITIVE TERMINAL NEGATIVE TERMINAL
CHARGED
BATTERY
POSITIVE TERMINAL NEGATIVE TERMINAL
FIG, 25
22 •

SERVICE AND ADJUSTMENTS
TO REPLACE HEADLIGHT BULB
.Raise hood. ::
• Pull bulb holder out Of the hole in the backside Of the
grill.
.Replace bulb in holder and p_sh bulb holder securely
back into the hole in the backside of the grill.
° Close hood.
INTERLOCKS AND RELAYS
Loose or damaged wiring may cause your tractor to run
poorly, stop running, or prevent it from starting.
• Check wiring. See electrical wiring diagram in the
Repair Parts section of this manual.
TO REPLACE FUSE
Replace with 30 amp automotive4ype plUg-in fuse. The
fuse holder is located behind the dash.
..................... = • - i 'n.,=lM= =' == '
TO REMOVE HOOD AND GRILL ASSEMBLY
(See Fig. 26)
•Raise hood,
• Unsnap headlight wire connector.
•Stand in front of tractor. Grasp hood at sides, tilt toward
engine and lift off of tractor,
• To replace, reverse above procedures.
,'L, ,*, ,,,,
HOOD
FIG. 26
23

SERVICE AND ADJUSTMENTS
ENGINE
L
TO ADJUST THROTTLE CONTROL CABLE
(See Fig, 27)
The throttle control has .been preset at the factory and
adjustment should not be necessary. Check adjustment as
described below before loosening cable. ]f adjustment is
necessary, proceed as f0}lows:
•With engine not running, move throttle control lever
from slow (,,_h.) to choke ( X ) position. Slowty move
ever from choke (",I) to fast (,f_) pos t on.
= Checkthatho]es"A,_ingovernorcontrolleverandhole
in governor pJate Jine-up. If holes "A" are not aligned,
Joosen clamp screw and move throttle cable until holes
are aligned. Tighten clamp screw securely.
GOVERNOR GOVERNOR
CONTROL LEVER CONTROL PLATE
\
\\
THROTTLE
CABLE
HOLES "A" CLAMP
SCREW
FIG. 27
TO ADJUST CARBURETOR (See Fig. 28)
The carburetor has been preset at the factory and adjust-
ment should not be necessary. However, minor adjust-
ment may be required to compensate for differences infuel,
temperature, altitude or toad. ff the carburetor does need
adjustment, proceed as fo{lows:
In general, turning idie mixture valve in (c!ockwise) de-
creases the supply of fuel to the engine giving a leaner fue!/
air mixture. Turning the idle mixture valve out (counter-
clockwise) increases the supply of fuel to the engine giving
a richer fuel/air mixture.
IMPORTANT: DAMAGE TO THE NEEDLE VALVE AND
THE SEAT IN CARBURETOR MAY RESULT IF SCREW IS
TURNED IN TOO TIGHT,
PRELIMINARY SETTING -
Air cleaner assembly must be assembled to the carbu-
retor when making carburetor adjustments.
• Be sure the throttle control cable is adjusted properly
(see above).
With engine off turn idle mixture valve in (clockwise)
closing it finger tight and then turn out (counterclock-
wise) 1 fullturn.
FINAL SETTING -
Start engine and allow to warm for five minutes. Make
final adjustments with engine running and shift/motion
control lever in neutra_l(N) position.
. Move throttle control iever to slow (,_) position. With
finger, rotate and hold throttle lever against idle speed
screw. Turn idle speed screw to attain i750 RPM.
, While still holding throttle lever against idle speed
screw, turn idle mixture valve in (ClOCkwise) until en-
gine begins to die and then turn out (counterclockwise)
until engine runs rough. Turn valve to a point midway
between those two positions. Release throttle lever.
ACCELERATION TEST o
- Move throttle control lever from slow (,.g_) to fast (,_)
position. If engine hesitates or dies, turn idle mixture
valve out (counterclockwise) 1/8 turn. Repeat test and
continue to adjust, if necessary, until engine acceler-
ates smoothly.
High speed stop is factory adjusted. Do not adjust -
damage may result.
IMPORTANT: NEVER TAMPER WITH THE ENGINE
GOVERNOR, WHICH IS FACTORY SET FOR PROPER
ENGINE SPEED. OVERSPEEDING THE ENGINE ABOVE
THE FACTORY HIGH SPEED SETTING CAN BE
DANGEROUS. IF YOU THINK THE ENGINE-GOVERNED
H_GH SPEED NEEDS ADJUSTING, CONTACT YOUR
NEAREST AUTHORIZED SERVICE CENTER/
DEPARTMENT, WHICH HAS PROPER EQUIPMENT AND
EXPERIENCE TO MAKE ANY NECESSARY
ADJUSTMENTS.
THROTTLE IDLE SPEED
LEVER SCREW
IDLE MIXTURE
VALVE
FIG. 28
24'

STORAGE
Immediately prepare your tractor for Storage at the end of
the season or if the tractor wilt not be used for 30 days or
more.
_'i CAUTION: Never sto_
igasoline in the tank inside a building
I where fumes may reach an open flame
| or spark. Allow the engine to cool
mbefore storing in any enclosure. J
TRACTOR
Remove mower from tractor for winter storage_ When
mower is to be stored for a period of time, clean it thor-
oughly, remove atl dirt, grease, leaves, etc. Store in a
clean, dry area.
, Clean entire tractor (See"CLEANING" inthe Customer
Responsibilities section of this manual).
•Inspect and replace belts, if necessary (See belt re-
placement instructions in the Service and Adjustments
section of this manual).
• Lubricate as shown in the Customer Responsibilities
section of this manual.
• Be sure that all nuts, bolts and screws are securely
fastened. Inspect moving parts for damage, breakage
and wear. Replace if necessary.
, Touch up all rusted or chipped paint surfaces; sand
lightly before painting.
= Fully'charge the battery for storage.
•After a period of time in storage, battery may require
recharging.
o To help prevent corrosion and power leakage during
long periods of storage, battery cables should be
disconnected and battery cleaned thoroughly (see "TO
CLEAN BATTERY AND TERMINALS" in the Cus-
tomer Responsibilities section of this manual).
•After cleaning, leave cables disconnected and place
cables where they cannot come in contact with battery
terminals.
•Be sure battery drain tube is securely attached.
If battery is removed from tractor for storage, do not
store battery directly on concrete or damp surfaces.
ENGINE
FUEL SYSTEM
IMPORTANT: IT IS IMPORTANT TO PREVENT GUM
DEROSITS FROM FORMING IN ESSENTIAL FUEL
SYSTEM PARTS SUCH AS CARBURETOR, FUEL FILTER,
FUEL HOSE, OR TANK DURING STORAGE. ALSO,
EXPERIENCE INDICATES THAT ALCOHOL BLENDED
FUELS (CALLED GASOHOL OR USING ETHANOL OR
METHANOL) CAN ATTRACT MOISTURE WHICH LEADS
TO SEPARATION AND FORMATION OF ACIDS DURING
STORAGE. ACIDIC GAS CAN DAMAGE THE FUEL
SYSTEM OF AN ENGINE WHILE IN STORAGE.
, Drain the fuel tank,
•Start the engine and let it run until the fuel lines and
carburetor are empty.
, Never use engine or carburetor cleaner products in the
fuel tank or permanent damage may occur.
,Use fresh fuel next season.
NOTE: Fuel stabilizer is an acceptable alternative in
minimizing the formation of fuel gum deposits during stor-
age. Add stabilizer to gasoline in fuel tank or storage
containerl Always follow the mix ratio found on stabilizer
container_ Run engine at least 10 minutes after adding
Stabilizer to allow the stabilizer to reach the carburetor. Do
not drain the gas tankand carburetor if using fuel stabilizer.
ENGINE OiL
Drain oil (with engine warm) and replace with clean engine
oil. (See "ENGINE" in the Customer Responsibilities
section of this manual).
CYLINDERS
,Remove spark plug(s).
° Pour one ounce of oil through spark plug hole(s) into
cylinder(s).
• Turn igfiition key to "START" position for afew seconds
to distribute oil:
° Replace with new spark plug(s).
OTHER
-Do not store gasoline from one season to another.
o Replace your gasoline can if your can starts to rust,
Rust and/or dirt in your gasoline will cause problems.
• If possible, store your tractor indoors and cover it to
give protection from dust and dirt.
Cover your tractor with a suitable protective cover that
does not retain moisture. Do not use plastic. Plastic
cannot breathe which allows condensation to form and
will cause your tractor to rust.
IMPORTANT: NEVER COVERTRACTOR WHILE ENGINE
AND EXHAUST AREAS ARE STILL WARM.
25

TRO LESHOOTING POINTS
PROBLEM
Will not start
Hard to start
Engine wilt not turn over
CAUSE
1, Out of fuel.
2. Engine not "CHOKED" properly.
3. Engine flooded.
4, Bad spark plug.
5, Dirty air filter,
6, Dirty fuel filter,
7. Water in fuel,
8: Loose or damaged widng,
9, Carburetor out of adjustment,
!0. Engine valves out of adjustment.
Engine clicks but will not
start
Loss of power
h
Excessive vibration
1; Dirtyairfi_ter.
2. Bad spark ptug.
3, Weak or dead battery:
4: Dirty fuel filter.
5. Stale or dirty fuel.
6. Loose or damaged wiring.
7. Carburetor out of adjustment.
8. Engine valves out of adjustment.
1. Clutch/brake pedat not depresse&
2. Attachment clutch is engaged.
3. Weak or dead battery.
4. Blown fuse.
5. Corroded battery terminals.
6. Loose or damaged wiring.
7. Faulty ignition switch.
8. FauIty solenoid or starter.
9. Faulty operator presence switch(es).
1. Weak or dead battery.
2. Corroded battery terminals.
3. Loose or damaged wiring.
4. Faulty solenoid or starter.
1. Cutting too much grass/too fast.
2. Throttle in "CHOKE" position_
3. Build-up of grass, leaves and trash under mower.
4. Dirtyair filter.
5. Low oil levetididy oil.
6. Fauky spark plug.
7. Dirty fuel filter.
8. Stale or dirty fuel.
9. Water in fuel
10. Spark plug wire Ioose.
11. Dirty engine air screen/fins.
t2. Dirbj/ctogged muffler.
13. Looseor damaged wiring.
14. Carburetor out of adjustment,
15. Engine valves out of adjustment.
!. Worn, bent or loose blade.
2. Bent blade mandrel.
3. Loose/damaged part(s).
CORRECT|ON
1. Fill fueitank.
2. See "TO START ENGINE" in Operation section.
3. Wait several minutes before attempting to start.
4. Replace spark plug.
5. Clean/replace air fiIter.
6. Replace fuel filter.
7. Drain fuel tank and carburetor, refitt tank with fresh
gasoline and replace fuel filter.
8. CheckatJ wiring.
9. Contact an authorized service center/department.
10. Contact an authorized service center/department.
1. Clean/replace air filter.
2. Replace spark plug.
3. Recharge or reptace battery.
4. Replace rue{ filter
5. Drain fue! tank and refill with fresh gasoline.
6. Check all wiring.
7. Contact an authorized service center/department.
8. Contact an authorized service center/department.
1. Depress clutch/brake pedal.
2. Disengage attachment ctutch.
3. Recharge or replace battery.
4. Replace fuse.
5. Clean battery terminals.
6. Check all wiring.
7. Check/replace ignition switch.
8. Check/replace solenoid or starter.
9. Contact an authorized service center/department.
t. Recharge or replace batter,/.
2. Clean battery terminals.
3. Check all wiring.
4. Check/replace solenoid or starter.
1. Set in "Higher Cut" position/reduce speed.
2. Adjust throttle control
3. Clean underside of mower housing.
4. C_eanirepiace air fi_ter.
5. Check oi_leve_ichange oil
6. Clean and regap or change spark plug.
7. Replace fuel filter.
8. Drain fuel tank and refill with fresh gasofine.
9. Drain fuel tank and Carburetor, refill tank with fresh
gasoline and replace fuel filter.
10. Connect and tighten spark plug wire.
t 1. Clean engine air screen/fins.
t 2. Clean/replace muffler.
t3. Check all wiring.
14. Contact an authorized service center/department.
t5. Contact an authorized service center/department.
1. Replace blade. Tighten blade bolt.
2. Replace blade mandrel.
3. Tighten loose part(s). Replace damaged parts.
26

TROUBLESHOOTING
PROBLEM
Engine continues to run
when operator leaves seat
with attachment clutch
engaged
Poor cut - uneven
Mower blades will not
rotate
Poor grass discharge
Headlight(s) not working
(if so equipped)
Battery will not charge
Engine "backfires"
when turning engine
"OFF"
POINTS
i,,H,I! i i illl,iT.r_l ii l llll, ................
CAUSE CORRECTION ,
i ii, r i i,i
i,i ,,11!1 r
1. Faulty operator-safety presence control system. 1. Check wiring, switches and connections, If not
corrected, contact an authorized service center/
department.
!_ Worn, bent or}oose b!ade_
2, Mower deck not level.
3 Buildup of grass, leaves, and trash under mower.
4. Bent blade mandret,
5. Clogged mower deck vent holes from buildup of
grass, leaves, and trash around mandrels.
1. Obstruction in clutch mechanism.
2. Worn/damaged mower drive belt,
3. Frozen idter pulfey.
4. Frozen blade mandrel.
1. Engine speed too slow.
2. Travel speed too fast.
3. Wet grass.
4. Mower deck not level.
5. Low/uneven tire air pressure.
6. Worn, bent or loose btade.
7. Buildup of grass, leaves and trash under mower.
8. Mower drivebeft worn.
9_ Blades improperly installed.
10. Improper blades used.
11. O!ogged mower deck vent holes from buildup of
grass, leaves, and trash around mandrels.
ii ii1,1
1. Switch is "OFF".
2. Bulb(s) burned out.
3. Faulty light switch.
4. Loose or damaged wiring.
5. Blown fuse.
1, Bad battery' cell(s),
2. Poor cabte connections.
3. Faulty regulator (if so equipped).
4. Faulty alternator.
1. Engine throttle controi not set at "SLOW"
position for 30 seconds before stopping engine.
Repiace blade:. Tighten blade bolt.
Level mower deck.
Clean underside of mower housing.
Replace blade mandrel
Clean around mandrels to open vent hoies.
Remove obstruction.
Replace mower drive belt,
Replace !diet pulley.
Replace blade :mandrel.
Place throttle control in "FAST" position.
Shift to slower speed.
Atlow grass to dry before mowing.
Level mower deck.
Check tires for proper air pressure.
Replace/sharpen btade. Tighten blade bolt.
Clean underside of mower housing.
Replace mower drive belt.
Reinstall blades sharp edge down.
Replace with blades listed in this manual.
Clean around mandrels to open vent holes.
2.
3.
4.
5.
t.
2.
3.
4.
t.
2.
3.
4.
5.
6.
7.
8.
9.
10.
11.
i iii ,i,
1. Turn switch "ON".
2. Replace bulb(s).
3. Check/replace light switch.
4. Check wiring and connections.
5. Replace fuse.
t. Replace battery.
2. Check/clean all connections.
3. Replace regulator.
4. Replace aftemator.
1. Move throttle cont[ol to "SLOW" position and allow
to idle for 30 seconds before stopping engine.
27

SERVICE NOTES
28

TRACTOR -- MODEL NUMBER 917.252502
SCHEMATIC
RED
BATTERY
AMMETER
)G
RED
WHITE
CY"_
FUSE 30 AMP.
'to o}
c_ _-
(_LUTCH d
/BRAKE
(PEDAL UP)
BLACK
BLACK
..... J
SOLENOID
RED
STARTER
BLACK
WHfTE
SEAT SWITCH
......... _ (NOT OCCUPIED)
w,,TE'_-,t 7,-I t _...... F.... '
ATT MENT CLUTCH""" 7 _ -G_ -'
I
cl UNIT PLUG
CHARGING SYSTEM OUTPUT
3 AMP DC @ 3600 RPM 28 VOLTS AC MIN. @ 3600 RPM
{CHARGING SYSTEM DISCONNECTED)
RED
IGNITION SWITCH
POSITION CIRCUIT
oFF....... M; G
ON B+ L
START B + S + L
LIGHTING SYSTEM I
OUTPUT DIODE i ALTERNATOR
5 AMP AC @_ 4-,-
NOTE I_ -_, L J
YOUR TRACTOR IS j_ " t4 VOLTS AC M[N. @ 3600 RPM (LIGHTS OFF)
EQUIPPED WITH A SPECIAL I_ HEADLIGHTS
ALTERNATOR SYSTEM. f _...... t
THE LIGHTS ARE NOT LL('____ _')_..._B_
CONNECTED TO THE L-- _--[_-L'_ - F "----J T--
BATTERY, BUT HAVE THEIR 14E-AD[IGH'r I _,, 1
OWN ELECTRICAL SOURCE. SWITCH L_© O_J
BECAUSE OF THIS, THE (OFF) "--_/
BRIGHTNESS OF THE LIGHTS
WILL CHANGE WITH ENGINE
SPEED. AT IDLE THE LIGHTS
WILL DIM. AS THE ENGINE IS
SPEEDED UP, THE LIGHTS
WILL BECOME THEIR BRIGHTEST.
--'9_"_ NON*REMOVABLE --
CONNECTIONS i_---- REMOVABLE
CONNECTIONS
WIRING INSULATED CLIPS /_
NOTE: IF WIRING INSULATED
CLIPS WERE REMOVED FOR
SERVICING OF UNIT, THEY
SHOULD BE REPLACED TO
PROPERLY SECURE YOUR WIRING.
29

REPAIR PARTS
TRACTOR - MODEL NUMBER 917.252502
ELECTRICAL
21
22
26
42
36
36 35
39
45 25 32
39
30

REPAIR PARTS
TRACTOR --MODEL NUMBER 917.252502
ELECTRICAL
KEY PART
NO, NO. DESCRiPTiON
1 146139
2 74760412
3 19091016
4 10040400
6 73220400
7 109238X
8 144940
9 109596X
15 147688
19 10090400
20 73350400
21 136850
22 4152J
24 4799J
25 146147
26 108824X
28 4207J
29 !21305X
30 144921
31 140400
32 141226
33 140403
34 !!0712X
35 108236X
36 17021008
38 140336
39 109553X
40 146057
4t 71110408
42 131563
43 145673
44 73640400
45 121433X
49 11151000
70 140413
Battery 12 Volt 25 AMP
Bolt Hex Hd !/4-20unc X 3/4
Washer 9/32 X 5/8 X 16 Ga
Washer Lock Hvy Helical 1/4
Nut Fin Hex 1/4-20 Unc
Tube Plastic 12"
Case Battery
Clamp Hose Olive
Fastner Snapqn
Washer Lock 1/4
Nut Jam Hex I/4-20 Unc
Harness Socket Light W/4152J
Bulb Light #! 156
Cabre Battery 6ga 11" red
Cable Battery 6 Ga W/16 Wir red
Fuse 30 AMP Auto Green
Cable Ground 6ga 12" black
Switch Plunger Nc Gray
Switch Ign 3 pos
Nut ignition
Cover Sw Ignition
Key lgn Molded Craftsman, Delta
Switch Light Btk Blk Red
Bracket Switch Clutch
Screw Tap Hex #10-24unc X 1/2
Bracket Switch Interlock
Switch tntlk CI MWR Cry 4 Term
Harness lgn Dash LT 1 PC Mech 95
Bott Blk Hex 1/4-20unc x 1/2
Cover Terminal Red
Solenoid
Nut Keps Bfk Hex 1/4-20 Uric
Ammeter Rectangular 6 AMP
Washer Lock Internal Tooth 5/8
Harness Engine, B&S/Tec. Dual
NOTE: AIr component dimensions given in U.S. inches
1 inch = 25.4 mm
31

REPAIR PARTS
TRACTOR - - MODEL NUMBER 917.252502
CHASSIS AND ENCLOSURES
3O
\
31
14
21
26 25
5
18
19
29
26
33
28
°t
38 34
39 26 14
32

REPAIR PARTS
TRACTOR - - MODEL NUMBER 917.252502
CHASSIS AND ENCLOSURES
KEY PART
NO. NO. DESCRIPTION
1 145501
2 140356
3 17490612
4 19131216
5 146077
6 145208X016
7 126842X
8 126471X
9 146760X01I
10 72140608
11 146956
13 146961X012
14 17490608
t5 74180512
16 73510500
17 131445X417
18 126938X
I9 17521312
21 122933X
22 124479X
24 74780616
25 19131312
26 73800600
27 17030814
28 140135
29 124029X
30 109872X417
31 136619
33 145244X417
34 145243X417
35 72110606
38 139886
39 139887
100 105037X
-- 5479J
NOTE:
Chassis Wldmt 11ga 1995
Drawbar Stretch
Screw Thdrol 3/8-16 x 3/4 Ty-tt
Washer 13/32 X 3/4 X 16 Ga
Bumper Snapqn
Saddle Slkscr Fit Sdl 65 D4360
Shield Ht. Hood KohtiDia Engine
Clip Insulator 406 Mtg Hole
Dash Slkscr 1-pc
Bolt Rdhd Sqnk 3/8-!6unc X t
Panel Dash LH
Panel Slkscr Dash RH
Screw Thdrol 3/8q6 x 1/2 Ty-tt
Screw Mach TRHD 5/16=18 unc x 3/4
Nut Keps 5/! 6-18 Uric
Hood Asm Pnt Slope Weld Ms-417
Bumper Hood
Screw Sltd Hex Hd W/PI Washer
Rivet Ratchet Nylon
Washer Nyron Btk 28 x 75 x 19
Bolt Fin Hex 3/8-I6 unc x I Gr. 5
Washer 13/32 X 13/!6 x 12 Ga
Nut Hex Lock W/Ins. 3/8-! 6 Unc
Screw Spider[ec Hex Hd #8 x 7/8
Grille Grey
Lens Headlight Bar Clear
Fender Pnt LT W/o Shift
Bracket Fender Rep1109873x
Footrest Pnt Lh (Silver)
Footrest Pnt Rh (Silver)
Bolt Rdhd Sht Sqnk 3/8-16 x 3/4
Bracket Asm Pvt LH MWR Rear
Bracket Asm Pvt RH MWR Rear
Strip Foam 18"
Plug Button Blk 359 Dia Choke
All component dimensions given f[_ U.S. inche
1 inch = 25.4 mm
33

REPAIR PARTSTRACTOR --MODEL NUMBER 917.252502
DRIVE
57
12
"4
i A52 30
,/I / 32
61
77
18 5
58
19
32 30
52
5
18
62
35
34
70 56
26
27
34

REPAIR PARTS :
TRACTOR" -MODEL NUMBER 917,252502
DRIVE
KEY PART KEY PART
NO. NO. DESCRIPTION NO. NO. DESCRIPTION
1 142603 Transaxle 6sp Std D4360_79 41 109070X
2 146682 Spring Return Brake Tia Zinc 42 19131312
3 123666X Pulley Transaxle 18/20" tires 44 105706X
4 12000028 Ring Retainer # 5100-62 45 110812X
5 121520X Strap Torque 30 Degrees 46 12000039
6 17490512 Screw Thdro! 5/16-18 X 3/4 TYT 47 127783
7 130802 Bracket Saddle Shift T/a 48 123789X
8 131679 Rod Shf Sdl LY!YT Str BtkZinc 49 123205X
10 76020416 Pin Cotter 1/8 X 1 Cad 50 74760624
1t 105701X Washer Plate Shf 388 Sq Hole 51 73680600
!2 19151216 Washer 15/32 X 3/4 X 16ga 52 73680500
13 74550412 Bolt 1/4-28unf Gr8 W!Patch 53 105710X
14 10040400 Washer Lock Hvy Helical 1/4 55 105709X
15 74780544 Bolt Fin Hex 5/16-18unc X 2 75 56 74760620
18 74780616 Bolt Fin Hex 3/8-16unc X 1 Gr. 5 57 130801
19 73800600 Nut Lock Hex W/Ins. 3/8-16 Unc 58 127274X
21 106933X Knob Rd 1/2-13 Plstc Thds BIk 59 140312
22 130804 Rod Brake Blk Zinc 26 840 81 17490612
24 73350600 Nut Hex Jam 3/8-16 Unc 62 8883R
25 106888X Spring Rod Brake 2 O0Zinc 63 140186
26 19131316 Washer t3/32 X 13/16 X 16 Ga' 64 71170764
27 76020412 Pin Cotter 1/8 X 3/4 Cad 65 10040700
28 145204 Rod Brake Parking LtiYt 66 129921
29 124236X Cap Brake Parking Red 70 134683
30 130807 Bracket Mtg Transaxle 72 19132012
31 127275X Keeper Belt LH LT 14 Ga 74 109502X
32 74760512 Bolt Hex Hd 5/16-18unc X 3/4 75 121749X
34 149001 Shaft Asm Pedal Foot 76 12000001
35 120183X Bearing Nylon Blk629 Id 77 123583X
36 19211616 Washer 21/32 X 1 X 16 Ga 78 121748X
37 1572H Pin Rolt 3/16 X1" 100 19111216
38 123674X Pulley Idler Flat 112 19091210
39 74760644 Bolt Fin Hex 3/8-16unc X 2-3/4
40 4470J Spacer Split 395 X 59 Bzp
Keeper Belt Retainer
Washer 13/32 X 13/16 X 12 Ga
Bearing Nyl 503 X 628 X 1 25
Washer Hardened
Ring Klip #t5304-50
Pulley Idler V Groove Plastic
Bellcrank Asm Clutch
Retainer Belt Style Spring
Bolt Hex Hd 3/8-16unc X 1-1/2
Nut Crownlock 3/8-t6 UNC
Nut Crown Lock 5/16-!8
Link Clutch 7 66
Spring Return Clutch 6 75
Bolt Fin Hex 3/8-16 unc x 1-1/4
V-Belt Gd Drive 95 25
Keeper Belt RH LT Pntizinc 16g
Keeper Belt Centerspan
Screw Thdrof 3/8-16x3/4 Ty-tt
Cover Pedal Btk Round
Pulley Eng CI Mech 38deg LTiYT
Bolt Hex 7/t6-20x4 Gr 5
Washer Lock Hvy Hlci Spr 7/16
Keeper Belt Engine LH LT
Guide Belt Mower Drive RH
Washer 13/32 X 1-1/4 X 12 Ga
Spacer Split 80xl 94 Cad/zinc
Washer 25/32 X 1 1/4 X 16 Ga
E-ring #5t 33-75
Key Square 2 0 X 1845/1865
Washer 25/32 X 1-5/8 X 16ga
Washer 11/32 X 3/4 X 16ga
Washer 9/32 X 3/4 X 10 Ga
NOTE: All component dimensions given in U.S. inches.
1 inch = 25.4 mm
35 !i

J
j /
s_!l_._ _ _ 3_1
,/ _ 40
l
"MODEL NUMBER 912.252502
t_4t
r. •
s
i i
f
17

REPAIR PARTS
TRACTOR -- MODEL NUMBER 917.252502
STEERING ASSEMBLY
KEY PART
NO. NO. DESCRIPTION
1 139768
2 142033
3 135227
4 135228
5 6266H
6 121748X
7 19272016
8 12000029
9 3366R
10 130468
11 10040600
12 73610600
13 110438X
14 74011056
!5 73901000
t6 132624
17 132614
18 57079
19 124035X
20 t26684X
21 10040400
22 71070410
23 127501
24 109816X
25 124036X
26 126847X
27 136874
28 19131416
29 17490612
30 76020412
32 130465
36 132196
37 17431008
38 139769
39 19133808
40 7810H
41 104820X
42 124417X
43 121749X
46 121232X
47 6855M
62 149684
Wheel Steering Opp Sears Blk
Axle Asm Front Lt
Spindle Asm Lh
Spindle Asm Rh
Washer Thrust .75 x 1,230
Washer 25/32 x 1-5/8 x I6 Ga.
Washer 27/32 x 1-1/4 x 16 Ga.
RingKlip #T5304-75
Bearing Cot Strg Blk
Link Drag Sol Ball Jt 20,064
Washer Lock Hvy Htcl Spr 3/8
Nut Fin Hex 3/8-24 Unf
Spacer Bearing Axle Front
Bolt, Hex 5/8-11 UNC x 3-1/2
Locknut Flange 5/8-11 UNC
Pin Axle 5/8 x 1,55/t.54 Lg
Shaft Asm Strg 5/8 x 15,19 Lt
Washer Thrust .515 x ,750 x .033
Support Shaft
Washer Shim 1/4 x 5/8 x .062
Washer Lock Hvy Helical 1/4
Screw Hex Socket I/4-20 x 5/8
Shaft Asm Pitman
Nyliner Snap in
Bracket Steering
Bushing Link Drag Blk LR
Gear Sector 22 Teeth
Washer 13/32 x 7/8 x 16 Ga.
Screw Thdrol 3/8-16 x 3/4 TY-TT
Pin Cotter 1/8 x 3/4 Cad
Rod Tie Wire Form 19.75 Mech
Bushing Strg, 5/8 ID Dash
Screw Slftp #10-16 x 1/2 Ty-B
Cap Wheel Steer Opp Sears BIk
Washer 13/32 x 2-3/8 x 8 Ga.
Locknut Center 3/8-24 Unf
Adaptor Wheel Strg..640/.635 ld
Boot Shaft Steering Craftsman
Washer 25/32 x 1-1/4 x 16 Ga.
Cap Spindle Fr Top Blk
Fitting Grease
Steering Assembly
NOTE: All component dimensions given in U.S. inches
1 inch = 25.4 mm
37

REPAIR PARTS
TRACTOR --MODEL NUMBER 917.252502
ENGINE
44
33
37
40
OPTIONAL EQUIPMENT
Spark Attester
14
3
72
62
81
-i
I
I
16
38 78
23
38

REPAIR PARTS
TRACTOR' - MODEL NUMBER 917.252502
ENGINE
KEY PART
NO. NO. DESCRIPTION
1 132759
2 17720410
3 145294
4 137348
13 272293
14 13280324
15 13200300
16 11O5O6OO
23 128953
24 17021008
29 137180
3! 109202X
32 123549X
33 123487X
37 137040
38 .......
4O 124028X
44 17490412
46 19091416
62 1OO4O50O
72 71070512
78 17490620
81 128861
NOTE:
Control Thich RH Blk Pd115 10
Screw Hex Thd Cut 1/4o20x5/8 T
Engine Asm B&S Dmd.PLSI Dual
13HP Model No 28M707,
Type No.0142-0!
Muffler LT B&S 12/12 5/13 HP
Gasket Eng 1 3t3 Id Tin Plated
Nipple Pipe 3/8 Npt x 3"
Elbow Std 90 Degree 3/8q8 Npt
Washer Lock Ext Tooth 3/8
Shield Heat Browning LT/YT
Screw Tap Hex #10-24 unc X 1/2
Kit Spark Arrestor (Flat Scrn)
Tank Fuel Front 1 25
Cap Asm Fuel Wisym Vented
Clamp Hose BIk
Line Fuel 20"
Ptug Oil Drain (Order From Engine
Manufacturer)
Bushing Snap Nyt Bik Fuel Line
Screw Hexwsh Thdrol 1/4_20 x 3/4
Washer 9/32 x 7/8 x 16 ga
Washer Lock Hvy HIcl Spr 5/16
Screw Hex Hd Cap 5/16-18 X 3/4
Screw Thdrol 3/8-16x1-I/4 TYTT
Nut Flange 1/4-20 Starter Nut
All component dimensions given in U,S. inches
1 inch = 25.4 mm
39

REPAIR PARTS
TRACTOR -- MODEL NUMBER 917.252502
SEAT ASSEMBLY
17 12
KEY
NO.
1
2
3
4
5
6
7
8
9
10
12
13
PART
NO.
140122
140551
74760616
19131610
145006
73800600
124!81X
17490616
19131614
140552
121246X
121248X
DESCRIPTION
Seat 14
Bracket Pvt St 15
Bolt Fin Hex 3/8-16unc X 1 16
Washer Flat 13/32 X 1 X 10 Ga 17
Clip Push-In Hinged 2!
Locknut Hex WANsh 3/8-15 22
Spring Seat Cprsn 2 250 BIk Zi 23
Screw Thdrol 3/8-16 X 1 Ty-tt 24
Washer 13/32 X 1 X 14 Ga 25
Pan Seat 26
Bracket Mounting Switch NOTE:
Bushing Snap BIk Ny[ 50 ld
KEY PART
NO. NO. DESCRIPTION
72050411
134300
121250X
123976X
139888
73800500
74780814
19171912
127018X
10040800
Bolt Rdhd Sht Nk t/4-20xl-3/8
Spacer Split 28x 96 Yel Zinc
Spring Cprsn 1 27 Bfk Pnt
Nut Lock 1/4 Lge Ffg Gr 5 Zinc
Bolt Shld 5/16-18 Type Tt T R
Nut Lock Hex"W/ins 5/16-18
Bolt Fin Hex 1/2-13 X 7/8 Gr5
Washer 17/32 X 1-3/16 X I2 Ga
Bolt Shoulder 5/16-18 X 62
Washer Lock Hvy Hlct Spr t/2
Al! component dimensions given in U,S. inches
1 inch = 25.4 mm
40

REPA|R
DECALS
PARTS
TRACTOR -- MODEL NUMBER 917,252502
14 t7
17
7414 tt
10
16
13
15
18
16
-1
KEY PART
NO. NO.
1 138955
2 272937
3 140560
4 140561
5 132674
6 133644
7 142248
8 140837
9 125880X
10 149516
11 137537
WHEELS &TIRES
KEY PART
DESCRIPTION NO, NO.
Decal, Dash lnst Oper English 12 4900J
Decal B&S 13HP lcgold 13 146046
Decat Hood RH Crafts li Sip LT 14 131473
Decal Hood LH Crafts li Sip LT 15 136832
Decal Gd]le LT4000 Craft USA !6 145245
Decal Malnt Cust Sears Domesti 17 142251
Decal Side Phi lcgold BIk B & S 18 133179
Decal Brake Parking Saddle 21 131265
Decal Fender Craftsman Red -- 138311
Decal Battery Dngr/Psn Eng Acme -- 145247
Decal Caution Fender Eng/span -- 150296
- - 150297
4,10
7
\
11
DESCRIPTION
Decal Clutch/brake English
Decal V-Belt Dr Sch Tractor
Decal Chassis 6s£ 42"
Decal V-Belt Sch
Pad Footrest Rbr Sq Craftsman 95
Decal Ins Hood HP Black
Decal Mower Qc System
Decal Lightbox
Decal Handle Lft Height Adjust
Fastener Pop ]n Footrest
Manual Owners 252501 English
Manual Owners 252501 Spanish
KEY PART
NO. NO. DESCRIPTION
1 59192
2 65139
3 106222X
4 59904
5 106732X417
6 278H
7 9040H
8 106!08X417
9 !24635X
10 7152J
11 104757X
-- 144334
Cap Valve Tire
Stem Valve
Tire F Ts 15 X 6 0 - 6 Service
Tube Front (Service Item Only)
Rim Asm 6" front Sliver Service
Fitting Grease (Front Wheel Only)
Bearing Flange (Front Wheel Only)
Rim Asm 8" rear Silver Service
T_re R Ts 18x8 5-8 C Service
Tube Rear (Service Item Onty)
Cap Hub Axle Blk t 50 X 1 00
Sealant, Tire (10 oz. Tube)
NOTE: A!l component dimensions given in U.S. inches
1 inch = 25.4 mm
41

REPAIR PARTS
TRACTOR --MODEL NUMBER 917.252502
LIFT
5
19
\
13
32
13
19
!3
3
2
20 161718 20
15
42

REPAIR PARTS
TRACTOR -- MODEL NUMBER 917.252502
LIFT
KEY PART
NO. NO. DESCRIPTION
1 136973
2 122507X
3 105767X
4 12000002
5 19211621
6 t20183X
7 125631X
8 122365X
10 122512X
1t 139865
12 139866
13 4939M
!5 127218
16 73350800
17 130171
18 73800800
19 139868
20 3146R
31 140302
32 73540600
Wire Asm Inner W/plunger 17 32
Shaft Asm Lift 9 680
Pin Groove 1 500 Zinc
E Ring #5133-62
Washer Pltd 21/32 X 1 X 21ga
Bearing Nylon BIk 629 td
Grip Handle Fluted Blk
Button Plunger Red
Spring Cprsn 3 750 Oiled
Link Lift LH
[.ink Lift RH
Retainer Spring
Link Front
Nut Jam Hex 1/2-13 Unc
Trunnion BIk Zinc
Nut Lock W/wsh 1/2-13unc
Arm Suspension Rear
Retainer Spring Zinc
Bearing Pvt Lift Spherical
Nut Crowniock 3/8-24
NOTE: AIJcomponent dimensions given in U.S. inches
1 inch = 25.4 mm
z
'i
43

REPAIR PARTS
MOWER
TRACTOR - - MODEL NUMBER 917.252502
76 77 _ 67
74
92
3\
621
68
8
34
33
32
31
\2
16
18
44
29
21
28
22
23 24
25
26
27

REPAIR PARTS
42" MOWER
TRACTOR -- MODEL NUMBER 917.252502
KEY PART
NO. NO.
1 144393
2 STD533107
3 138017
4 138440
5 STD624008
6 130832
8 850857
9 STD551137
10 140296
1I 134149
12 129895
!3 137645
14 128774
15 110485X
16 140329
17 72110610
18 7214O5O5
19 132827
20 136888
21 73680500
22 134753
23 131267
24 105304X
25 123713X
26 I10452X
27 130968
28 19111016
29 131491
30 138776
31 129963
32 129861
33 137266
34 STD533717
35 133835
36 131494
37 19131316
40 73680600
41 133551
DESCRIPTION
Mower Housing
Bolt
Bracket Assembly,Sway Bar, Front
Bracket Assembly, Sway Bar
Retainer Spring
Arm, Suspension, Rear
Bolt, Hex 3/8-24 x 1.25 Grade 8
Washer, LOck
Washer, Hardened
Blade, Mulching
Bearing, Bali
Shaft Assembly, Mandrel, Vented
(Includes Key Number 6)
Housing, Mandrel, Vented
Bearing, Ball, Mandrel
Stripper, Vented Mower Deck
Bolt, Carriage 3/8-!6 x 2ol/4
Bolt, Carriage 5/16-18 x 5/8
Bolt, Shoulder
Baffle, Vortex
Nut, Crowntock 5/16-!8 UNC
Stiffener Bracket
Bracket, Deflector
Cap, Sleeve
Spring, Torsion, Deflector
Nut, Push
Shield, Deflector
Washer 11/32 x 5/8 x i6 Gauge
Rod, Hinge
Screw Thdrol Hex Head Zinc Mwr
Washer, Spacer
Pulley, Mandrel
Nut, Toplock, Flanged
Bott
Fastner, Christmas Tree
Pulley, Idler, Flat
Washer 13/32 x 13/16 x 16 Ga,
Nut, Crownlock 3/8_16 UNC
Rod, Pivot, with Nibs
KEY PART
NO. NO. DESCRiPTiON
43 140083
44 140088
45 STD624003
46 137729
48 133944
49 133940
50 131340
51 STD54t410
52 139888
53 131845
54 133943
55 140084
56 122052X
58 140086
59 141043
67 106932X
68 144200
71 142427
72 131870
73 127847
74 121748X
75 12000029
76 128903
77 127845
78 140334
79 127498
80 128759
81 73350600
82 14.2028
83 120958X
84 144394
85 72140618
92 73800600
-- 130794
145411
Rod, Clutch, Secondary, with Nibs
Guard, Mandrel, L.H,
Retainer
Screw, Thd. Roll 1/4-20 x 5/8
Washer, Hardened
Roller Assembly, Cam Follower
Bolt, Shoulder #10-24 Grade 5
Locknut
Bolt, Shoulder 5/16-I8 UNC
Arm Assembly, Pad, Brake
Washer, Hardened
Arm, Idler
Spacer, Retainer
Spring, Torsion Brakes 42"
Guard, Tuv ldter (94)
Knob, Round 3/8-16 UNC
V-Belt
Rod, Clu:tcb_Primary, with Nibs
Spring, Return
Arm, Clutch, Secondary
Washer 25/32 x !-5/8 x 16 Gauge
Ring, Klip
Bolt, Shoulder 3/8-16 UNC x 1.44
Keeper, Spring
Arm, Clutch, Primary
Bushing, Large, B[ass
Spring, Mower Clutch
Nut, HexJam 3/8-t6 UNC
Trunnion Adj. 94
Washer Sintered
Keeper Belt Idler Fixed
Bolt Carriage 3/8-16 x 2-1/4
Locknut, Hex W/Wsh 3/8-16 UNC
Mandrel Assembiy (inCludes Key
Numbers 8-10, 12-15, 31 and 32)
Mower DeCk, Complete
Available Muncher Plate Kit not included with tractor:
- - 141112 Mulcher Close-out Plate Kit
NOTE: All component dimensions given in U.S. inches
1 inch = 25.4 mm.
45

REPAIR PARTS
TRACTOR-- MODEL NUMBER 917.252502
DANA TRANSAXLE -MODEL NUMBER 4360-79
19
2G
21
11 +
27
36
37
52 53
38
29
30
24
25
V ¸
31
32
33 34 35
19 40 41
42
55 56
57
59
12 9
56 55
45
I
13
15
tg
17
46 47
48
49
SO 51
82 63
59
64 65
68 69 67
60
//
19
72 66
43" /
52
46

REPAIR PARTS
TRACTOR -- MODEL NUMBER 917.252502
DANA TRANSAXLE -MODEL NUMBER 4360-79
KEY PART KEY PART
NO. NO. DESCRI_PTION NO. NO= DESCRIPTION
1 142671 Housing, Upper 41 105928X
2 2274J Screw, Self-Tapping, Large 42 110084X
1/4-20 x .734 43 134394
3 134400 Ball, Detent 44 !20473X
4 105904X Spring, Detent 45 142678
5 105905X Screw, Set 46 142679
6 138235 Kit, Shifter Assembly 47 120407X
7 134399 Boot, Shifter 48 106589X
8 134791 Screw, Tapping w/Seater 49 120408X
9 138241 Square Ring 50 105937X
10 142672 Ring, Retaining 51 2226J
11 134793 * Assembry, Kit, Shim .625 Shaft 52 134401
12 142673 Bearing, Flange 53 2264J
!3 t20415X Washer, Plain .632 x 1,38 x .046 54 120474X
14 142674 Key, Woodruff, #9 55 110081X
15 138234 AssemMy, Kit, Input Shaft 56 105941X
16 110078X Pinion, Bevel, 14Teeth 57 1!0071X
I7 105909X Ring, Retaining 58 120952X
I8 105910X Chain, 24 Pitches 59 110082X
19 105911X Bearing, Flange 60 120475X
20 142675 Gear, Spur, 14 Teeth 61 142680
21 138246 Collar, Clutch 62 120961X
22 138236 Assembly, Kit, Clutch Keys 63 7294J
23 73810500 Locknut 5/16-24 64 108989X
24 142676 Shaft, intermediate 65 120953X
25 2244J Key, Woodruff, #61 66 120954X
26 105916X Ring, Retaining 67 134799
27 120470X Sprocket, 18 Teeth
28 110070X Spacer 68 138244
29 142677 Gear, Spur, 37Teeth 69 108996X
30 142681 Gear, Spur, 35Teeth 70 120956X
3t 120405X Gear, Spur, 30 Teeth 71 106596X
32 108980X Gear, Spur, 25 Teeth
33 !20406X Gear, Spur, 22 Teeth 72 120951X
34 134796 Gear, Spur, 19 Teeth 73 120416X
35 105925X Washer, Plain .640 x 1.37 x .061
36 2232J Washer, Plain .632 x 1o00x .026
37 108978X Spacer .630 x 1.00 x .169
38 110079X Assembly, Gear, Combination of ** Order Key No. 15
12 Teeth and 35 Teeth
Shaft, Idler
Spacer .635 x .875 x .755
39 124639X
40 120472X
Sprocket, 9Teeth
Gear, Bevel, 42 Teeth
* Assembly, Kit, Shim .750 Shaft
Shaft, Drive
Gear, Spur, 12 Teeth
Gear, Spur, 15 Teeth
Gear, Spur, 20 Teeth
Gear, Spur, 25 Teeth
Gear, Spur, 28 Teeth
Gear, Spur, 31 Teeth
Washer, Plain .632 x 1.00 x .060
Washeq Neoprene
Washer, Plain .758 x 1.25 × .031
Axle, L.H.
Gear, Miter, 15 Teeth
Ring, Retaining
Gear, Spur, 32 Teeth
Shaft, Cross
Gear, Miter, 15 Teeth
Axle, R.H.
Housing, Lower
Puck, Friction
Disc, Brake
Spacer
Jaw, Brake
Pin, Dowel
Screw, Self-Tapping, Large
5/16-18 x 2.25
Lever, Actuating
Washer, Plain .321 x t.00 x .055
Bracket, Anti-Rotation
Screw, Self*Tapping, Large
5/16-18 x 1.44
Puck, Friction
Grease
* Use in combinations to maintain proper clearances
NOTE: AII component dimensions given in U.S. inches
1 inch = 25.4 mm
i:i
47

REPAIR PARTS
TRACTOR -= MODEL NUMBER 917.252502
BRIGGS & STRATTON ENGINE - MODEL NUMBER 28M707, TYPE NUMBER 0142-01
306
307
REQUIRES SPECIAL TOOLS
TO INSTALL. SEE REPAIR
iNSTRUCTION MANUAL.
383
552
3o5
5
562
32
\741
22
15
48

REPAIR PARTS
TRACTOR --MODEL NUMBER 917.252502
BRIGGS &STRATTON ENGINE - MODEL NUMBER 28M707, TYPE NUMBER 0142-0!
52
t64 _123
REQUIRES SPECIAL TOOLS
TO INSTALL. SEE REPAIR
INSTRUCTION MANUAL.
130
95 987 t
634B
_I05
523
_- 284
_524 535
445
224
646 _ 284A
_ 663
49

REPAIR PARTS
TRACTOR -- MODEL NUMBER 917.252502
BRMGGS & STRATTON ENGINE - MODEL NUMBER 28M707, TYPE NUMBER 0142-01
222
663
240
265
_) 729
601
877
304 S
334
%
305 r _ 78 1044 __ 668
@ 7s
455
5O

REPAIR PARTS
TRACTOR - - MODEL NUMBER 917.252502
BRtGGS &STRA_ON ENGINE., MODEL NUMBER 28M707, TYPE NUMBER 0142=01
729A
................ :::j ..........................
783
801
1090
803
310
544
51

REPAIR PARTS
TRACTOR - =MODEL NUMBER 917.252502
BRIGGS & STRATTON ENGINE - MODEL NUMBER 28M707, TYPE NUMBER 0142-01
KEy PART KEY PART
NO. NO. DESCRIPTION NO. NO. DESCR}PTION
1 496413 Cylinder Assembly 52 272554 * Gasket, Carburetor
2 399265 Bearing, Cylinder 53 94637 Stud, Carburetor Mounting
3 391086 * Seal, Oil 75 224061 Washer, Spring
5 494240 Head, Cylinder 78 94626 Screw, Sems
6 22963 Washer, Fiat 95 94098 ** Screw, Throttle
7 271866 * Gasket, Cylinder Head 98 495800 Screw, Idle Adjust
8 495735 Breather Assembly 104 231789 ** Pin, Float Hinge
(includes Mounting Gasket) 105 231855 ** Valve, Inlet Needle
9 27803 * Gasket, Valve Cover 106 231854 ** Seat, Inlet
10 94621 Screw, Seres 108 224540 Valve, Choke
11 280100 Tube, Breather 1t8 494383 Valve, Needle
12 271916 * Gasket, Crankcase Cover, 1/64" 121 497535 Carburetor Kit
271997 * Gasket, Crankcase Cover, .005" 123 94616 Screw, Elbow Mounting
27!996 * Gasket, Crankcase Cover, .009" 125 495706 Carburetor
13 94622 Screw, Cylinder Head 127 - - - ** Plug, Welch (Sold in Kit Only)
t5 94239 Plug, Oil Drain 130 224539 Valve, Throttle
16 495162 Crankshaft t31 494379 Shaft, Throttle
94196 Key, Timing Gear 133 494381 Float, Carburetor
18 494238 Base, Engine !37 281165 ***Gasket, Float Bowl
20 291675 * Seal, Oil 138 281164 *** Washer, Float Bowl
22 94624 Screw, Sems, Base Mounting 141 495931 Shaft, Choke
23 492326 Flywheel 142 494537 ** Nozzle, Carburetor
24 222698 Key, Flywheel 147 497492 ** Pilot, Jet
25 394661 Piston Assembly, Standard Size t64 213819 Carburetor, Elbow
394662 Piston Assembly, .010" Oversize 171 281051 Nut, Air Cleaner
394663 Piston Assembly, .020" Oversize t 87 393815 Line, Fuel (11" Long, Cut to Suit)
394664 Piston Assembly, .030" Oversize 188 94627 Screw, Sems
26 391780 Ring Set, Standard Size 201 262767 Link, Governor
392331 Ring Set, Standard Size, Chrome 209 260871 Spring, Governor
391781 Ring Set, .010" Oversize 216 262766 Link, Choke
391782 Ring Set, .020" Oversize 219 490815 Gear, Governor
391783 Ring Set, .030" Oversize 222 495611 Plate, Governor Control
27 260924 Lock, Piston Pin 224 94729 Screw, Hex Head
28 299691 Pin, Piston, Standard Size 225 231058 Crank, Governor
391286 Pin, Piston, .005" Oversize 227 493935 Lever Assembly, Governor
29 490348 Rod, Connecting 230 94742 Washer, Governor Crank
490469 Rod, Connecting, .020" Undersize 232 262785 Spring, Governor Link
32 94671 Screw, Connecting Rod 240 394358 Filter, Fuel
33 262246 Valve, Exhaust 265 221535 Clamp, Casing
34 262247 Valve, Intake
35 65906 Spring, Valve * included in Gasket Set (494241)
36 26828 Spring, Valve
37 224502 Guard, Flywheel ** included in Carburetor Kit (497535)
40 221596 Retainer, Intake Valve
4! 292260 Rotocoil, Exhaust Valve *** Included in both Carburetor Kit (497535),
42 93630 Retainer, Rotocoil and Carburetor Gasket Set (494385)
45 262248 Tappet, Valve
46 212897 Gear, Cam NOTE: All component dimensions given in U.S. inches
5! 272465 *** Gasket, Carburetor 1 inch = 25.4 mm
52

REPAIR PARTSTRACTOR.. - MODEL NUMBER 917.252502
BRIGGS &STRATTON ENGINE =MODEL NUMBER 28M707, TYPE NUMBER 0142-01
KEY PART KEY PART
NO. NO. DESCRIPTION NO. NO. DESCRIPTION
284 94073 Screw, Hex Head 668 280848 Spacer
284A 94704 Screw, Hex Head 726 392134 Gear, Ring
304 496280 Housing, Blower 727 490324 Cover, Starter
305 94786 Screw, Hex Head 729 281159 Clip, Lead Wire
306 224545 Shield, Cylinder 729A 225170 Retainer, Wire
307 94623 Screw, Sems 741 262962 Gear, Timing
308 491490 Cover, Cylinder Head 757 213998 Link, Counterweight
309 497595 Motor, Starter 758 399891 Counterweight Assembly
310 497602 Thru Bolt Assembly 759 298909 Pin, Counterweight
311 497608 Brush Assembly 761 94593 Screw, Counterweight
332A 94314 Nut, Hex 783 280104 Gear
333 492341 Armature, Magneto 801 394856 Cap, Drive
334 93381 Screw, Sems 802 497605 Cap, End
337 802592 Ptug, Spark 803 497604 Housing, Starter
346 93705 Screw, Hex Head 842 270920 *Seat, Cap
356 494328 Wire Assembly 847 496415 Tube Assembly, Oil
358 494241 Gasket Set 851 221798 Terminal, Ignition Cable
363 19203 Puller, Flywheel 869 261463 Seat, Intake Valve
383 89838 Wrench, Spark Plug 870 213316 Seat, Exhaust Valve
423 94073 Screw, Sems 871 261961 Guide, Exhaust Valve
445 493909 Cartridge, Air Cleaner 231218 Guide, intake Valve, Brass
455 222561 Cup, Screen Mounting 872 281361 Cover, Air Cleaner
467 493903 Knob, Air Cleaner 875 494237 Body, Air Cleaner
468 224948 Screen, Rotating 877 393456 Diode Assembly
474 393474 Stator, Alternator 955 94642 Screw, Fuel Bowl
482 93621 Screw, Sems 965 94010 Nut, Hex
510 497606 Starter Drive Group 975 494378 Bowl, F_oat
523 495230 Dipstick, Oil 977 494385 Carburetor Gasket Set
524 68838 * Seal, Oil 987 28!166 ** Seal, Throttle Shaft
525 496113 "Tube, Oil Filler 1005 281355 Fan, Flywheel
535 272403 Element, Filter 1006 224413 Retainer, Fan
537 281106 * O-Ring, Air Cleaner 1019 491252 Label Kit
544 497603 Armature, Starter 1044 94673 Screw, Hex Head
552 231597 Bushing, Governor Crank 1058 272697 Manual, Owner's
562 92613 Bolt, Governor Lever 1090 497607 Retainer, Brush
592 231082 Nut, Hex
601 93053 Clamp, Fuel Pipe RPM Settings: Low Speed: !900-2100
611 494451 Elbow, Fuel Pipe High Speed: 3000-3200
614 93306 Pin, Cotter
6t5 93307 Retainer, E-Ring * Included in Gasket Set (494241)
618 262803 Spring, Choke Return
634 281168 ** Seal, Choke Shaft ** included in Carburetor Kit (497535)
634A 491323 * Seal, Governor
634B 398970 ** Washer, Throttle Shaft *** Included in both Carburetor Kit (497535),
635 66538 Elbow, Spark Plug and Carburetor Gasket Set (494385)
646 224546 Brace, Air Cleaner
657 93496 Screw, Sems NOTE: Alt component dimensions given in U.S. inches
663 94620 Screw, Hex Head t inch = 25.4 mm
53

SERVICE NOTES
54

SUGGESTED GUIDE FOR SIGHTING SLOPES FOR SAFE OPERATION
SiGHTiNG
GUIDE
ONLY RIDE UP AND DOWN HILL,
NOT ACROSS HtLL
SIGHT AND HOLD THIS LEVEL WITH
SKY LINE OR TREE.
!
15 ° MAX.
&

S A/RS
OWNER'S
MANUAL
MODEL NO.
917.252502
IF YOU NEED
REPAIR SERVICE
OR PARTS:
FOR REPAIR SERVICE, CALL
THIS TOLL FREE NUMBER:
1-800-4-REPAIR
(t-800-473-7247)
FOR REPLACEMENT PARTS
INFORMATION AND
ORDERING, CALL THIS
TOLL FREE NUMBER:
1-800-FON-PART "
(1-800-366-7278)
:OR CONSUMER ASSISTANCE
HOT LINE, CALL THtS
TOLL FREE NUMBER:
1-800-659-5917
£RnFTSl4RH
13.0 HP IC
ELECTRIC START
42" MOWER
6 SPEED TRANSAXLE
LAWN TRACTOR
Each tractor has its own modet number. Each engine has
its own model number.
The model number for your tractor will be found on the
model plate located under the seat.
The model number for your engine will be found on the
blower housing of the engine.
All parts listed herein may be ordered from any Sears,
Roebuck and Co. Service Center/Department and most Re-
tail Stores.
WHEN ORDERING REPAIR PARTS, ALWAYS GIVE THE
FOLLOWING INFORMATION:
• PRODUCT _TRACTOR
• MODEL NUMBER - 917.252502
.ENGINE MODEL NO. -28M707, TYPE NO. 0142-01
• PART NUMBER
• PART DESCRIPTION
Your Sears merchandise has added value when you
consider Sears has service units nationwide staffed with
Sears trained technicians.., professional technicians
specifically trained to insure that we meet our pledge to
you, we service what we sell,
150296 06.20.95 Printed in U.S.A.