Craftsman 917255692 User Manual Lawn, Tractor Manuals And Guides L0805065
CRAFTSMAN Lawn, Tractor Manual L0805065 CRAFTSMAN Lawn, Tractor Owner's Manual, CRAFTSMAN Lawn, Tractor installation guides
User Manual: Craftsman 917255692 917255692 CRAFTSMAN Lawn, Tractor - Manuals and Guides View the owners manual for your CRAFTSMAN Lawn, Tractor #917255692. Home:Lawn & Garden Parts:Craftsman Parts:Craftsman Lawn, Tractor Manual
Open the PDF directly: View PDF
.
Page Count: 52

Caution:
Read and follow
al_ Safety Rules
and Instructions
Before Operating
This Equ=pment
_Convertible
®
oAssembly
oOperatien
oCustemer Respensibinities
oServRceand Adjustment
oRepair Parts
Sears, Roebuck and Co., Chicago, _L60684 U.S.A.
...... ll,li,Nil,ll

SAFETY RULES
Safe Operation Practices for Ride-On Mowers
IMPORTANT: THIS CUTTING MACHINE tS CAPABLE OF AMPUTATING HANDS AND FEET AN D THROWING OBJECTS,
FAILURE TO OBSERVE THE FOLLOWING SAFETY INSTRUCTIONS COULD RESULT IN SERIOUS INJURY OR DEATH.
to GENERAL OPERATION
•Read, understand, and follow all instructions in the manual
and on the machine befol'e starting
• Onty allow responsible adults, who are familiar with the
instructions, to operate the machine.
, Clear the area of objects such as rocks, toys, wire, etc.,
which could be picked up and thrown by the bladeo
• Be sure the area is clear ofother people before mowing. Stop
machine if anyone enters the area_
• Never carry passengers.
• Do not mow in rover se unless absolutely necessary. Always
look down and behind before and while backing..
• Be aware of the mower discharge direction and do not point
it at anyone. Do not operate the mower without either the
entire grass catcher or the gua_'d in place_
• Slow down before turning,
• Never leave a running machine unattended. Always turn off
blades, set parking brake, stop engine, and remove keys
before dismounting.
•Turn off blades when not mowing.
• Stop engine before removing grass catcher or unclogging
chute.
• Mow only in daylight or good artificial light.
• Do not operate the machine while under the influence of
alcohol or drugs.
• Watch for traffic when operating near or crossing roadways.
• Use extra care when loading or unloading the machine into
atrailer or truck.
It. SLOPE OPERATION
Slopes are a major factor related to loss-of,-control and tipover
accidents, which can result in severe injury or death° All slopes
require extra caution. If you cannot back up the slope or ifyou feel
uneasy on it, do not mow it.
DO:
•Mow up and down slopes, not across.
• Remove obstacles such as rocks, tree limbs, etc.
• Watch for holes, ruts, or bumps. Uneven terrain could
overturn the machine_ Tall grass can hide obstacles.
• Use slow speed. Choose alow gear so that you will not have
to'stop or' shift while or] the slope.
• Follow the nlanufacturer's recommendations for wheel
weights or counterweights to improve stability.
• Use extra care with grass catchers or other attachments,
These can change the stability of the rnachine.
•Keep all movement on the slopes slowand gradual Do not
make sudden changes in speed or direction..
• Avoid starting or stopping on a slope. If tires lose traction,
disengage the blades and proceed slowly straight down the
slope,
DO NOT:
•Do not turn on slopes unless necessary, and then, turn slowly
and gradually downhill, if possible.
•Do not mow near drop-offs, ditches, or embankments° The
mower could suddenly turn over if a wheel is over the edge
of a cliff or ditch, or if an edge caves in.
•Do not mow on wet grass. Reduced traction could cause
sliding.
°Do not try to stabilize the machine by putting your foot on the
ground.
•Do not use grass catcher on steep slopes.
iii. CHILDREN
Tragic accidents can occur if the operator is not alert to the
presence of children. Children ate often attracted to the machine
and the mowing activity_ Never assume that children will remain
where you last saw them.
* Keep children out of the mowing area and under the watchful
care of another responsible adulL
" Be alert and turn machine off if children enter the area.
.Before and when backing, look behind and down for small
children
.Never carrY children. They may fall off and be seriously
injured or interfere with safe machine operation.
. Never allow children to operate the machine,
.Use extra care when approaching blind corners, shrubs,
trees, or other objects that may obscure vision
IV. SERVICE
2
i
o
Use extra care in handling gasoline and other fuels, They are
flammable and vapors are explosive..
Use only an approved container
Never remove gas cap or add fuel with the engine
running Allow engine to cool before refueling. Do not
smoke.
Never refuel the machine indoors.
Never store the machine or fuel container inside where
there is an open flame, such as a water heater_
Never run a machine inside a closed area_
Keep nuts and boits, especially blade attachment bolts, tight
and keep equipment in good condition,
Never tamper with safety devices. Check their proper
operation regularly_
Keep machine free of grass leaves or other debris build-up.
Clean oil or fuel spillage_ Allow machine to cool before
storing.
Stop and inspect the equipment if you stri!<e an object.
Repair, if necessary, before restarting
Never make adjustments or repairs with the engine running,
Grass catcher components are subject to wear, damage, and
deterioration, which could expose moving parts or allow
objects to be thrown. Frequently check components and
replace with manufacturer's recommended parts, when nec.
essary.
Mower blades are sharp and can cut, Wrap the blade(s) or
wear gloves, and use extra caution when servicing them.
Check brake operation frequently Adjust and service as
required_
Look for this symbol to point out Impor-
tant safety precautions. It means
CAUTION!!! BECOME ALERT
CONGRATULATIONS on your purchase of a Sears
tractor. It has been designed, engineered and manufac-
tured to give you the best possible dependability and
performance.
Should you experience any problem you cannot easily
remedy, please contact your nearest Sears Service
Center/Department.. We have competent, well-trained
technicians and the proper tools to service or repair this
unit,
Please read and retain this manual° The instructions will
enable you to assemble and maintain your unit properly,,
Always observe the "SAFETY RULES",
MODEL
NUMBER 917.255692
SERIAL
NUMBER
DATE OF PU RCHASE
THE MODELAND SERIAL NUMBERS WILL BE FOUND
ON A PLATE UNDER THE SEAT.
YOU SHOULD RECORD BOTH SERIAL NUMBERAND
DATE OF PURCHASE AND KEEP lN A SAFE PLACE
FOR FUTURE REFERENCE.
PRODUCT SPECgFICATIONS
HORSEPOWER: l&0
GASOLINE CAPACITY: 3,5 GALLONS
UNLEADED REGULAR
OIL (3.0 PINTS w/o FILTER) SAE 30 (Above 32°F)
(35 PINTS w/FILTER) 5W-30 (Below 32°F)
SPARK PLUG (GAP030 IN): CHAMPION RC12YC
VALVE CLEARANCE: INTAKE; .0015-°0030IN_
EXHAUST: .0020-..0035IN.
GROUND SPEED: FORWCARD:
1st 1o10 MPH
2rid 1.40 MPH
3rd 2.00 MPH
4th 3°00 MPH
5th 4.20 MPH
6th &00 MPH
REVERSE: 1.50 MPH
TIRE PRESSURE: FRONT: 14 PSI
REAR: 10 PSt
CHARGING SYSTEM; 15 AMPS @ 3600 RPM
BLADE BOLT TORQUE: 30-35 FT. LBSo
MAINTENANCE AGREEMENT
A Sears maintenance agreement is available on this prod-
uct, Contact your nearest Sears store for details.
CUSTOMER RESPONSIBILITIES
,Read and observe the safety rules°
• Follow a regular schedule in maintaining, caring for and
using your unit.
• Follow the instructions under "Customer Responsibili-
ties" and "Storage" sections of this owner's manual.
WARNING: This unit is equipped with an internal combus-
tion engine and should not be used on or near any unim-
proved forest-covered, brush-covered or grass-covered
land unless the engine's exhaust system is equipped with
a spark arrester meeting applicable local or state laws (if
any), if a spark arrester is used, it should be maintained in
effective working order by the operator°
in the state of California the above is required by law
(_Section 4442 of the California Public Resources Code).
Other states may have similar laws. Federal laws apply on
federal lands. A spark arrester for the muffler is available
throughyour nearest Sears authorized service center (See
the "REPAIR PARTS" section of this manual).
LIMITED TWO YEAR WARRANTY ON ELECTRIC START RiDiNG EQUIPMENT
For two (2) years from the date of purchase,ff this dding equipment is maintained, lubricated and tuned up according to the
instructionsin the owner'smanual, Sears wil!repair or replace, free of charge, any partsfound to be defective in material or
workmanship.
This Warranty does not cover:
• Expendable items which become worn during normal use, such as blades, spark plugs, air cleaners and belts.
* Tire replacement or repair caused by punctures from outside objects, such as nails, thorns, stumps, or glass.
, Repairs necessary because of operator abuse, negligence,improper storage or accident or the failure to maini.aintile
equipment according to the instructions contained in the owner's manual.
, Riding equipment used for commercial or rental purposes.
LIMITED 90 DAY WARRANTY ON BATTERY
For 90 days from date of purchase, if any battery includedwith this riding equipment proves defective in material or workmanship
and our testing determines the battery willnot hold a charge, Sears weltreplace the battery at nocharge°
WARRANTY SERVICE IS AVAILABLE BY RETURNING THE RIDING EQUIPMENT TO THE NEAREST SEARS SERVICE
CENTER/DEPARTMENT IN THE UNITED STATES
This Warranty gives you specific legal rights, and you may also have other rights which may vary from state to state,
SEARS, ROEBUCK AND COo, Di731CR-W, SEARS TOWER, CHICAGO, ILLINOIS 60684
3

TABLE OF CONTENTS
SAFETY RULES ............................................................ 2
PRODUCT SPECIFICATIONS ....................................... 3
CUSTOMER RESPONSIBILITIES ..................... 3, 15-18
WARRANTY ................................................................... 3
TABLE OF CONTENTS ................................................. 4
INDEX ............................................................................. 4
TRACTOR ACCESSORIES ........................................... 5
ASSEMBLY .............................................................. 7-10
OPERATION ........................................................... t1-14
MAINTENANCE SCH EDULE ...................................... 15
SERVICE AND ADJUSTMENTS ............................ 19-23
STORAGE .................................................................... 24
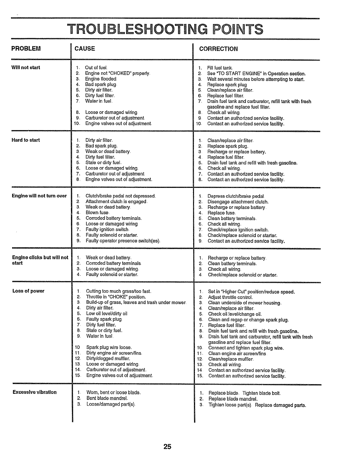
TROUBLESHOOTING ............................................ 25-26
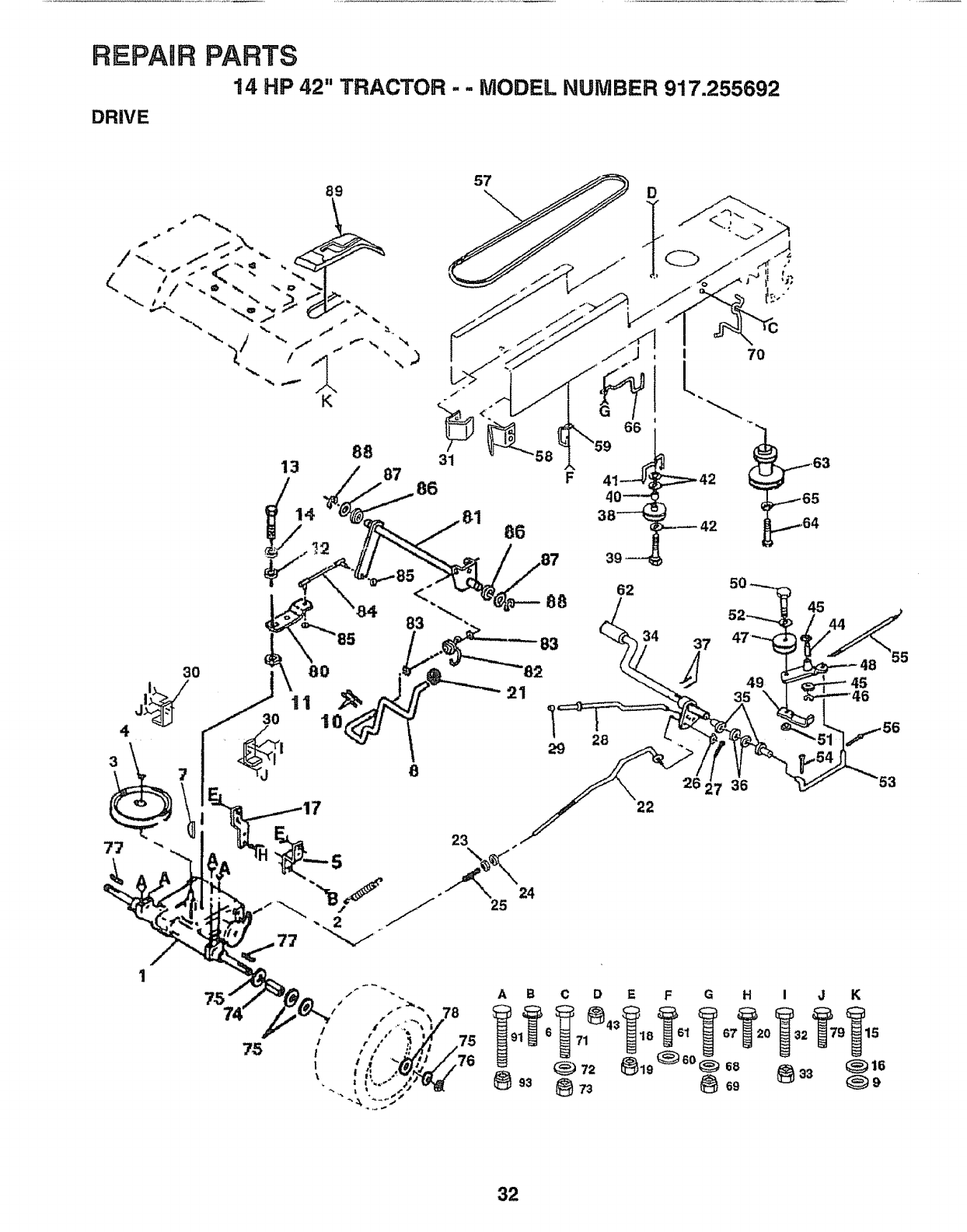
REPAIR PARTS - TRACTOR ................................. 28-43
REPAIR PARTS -ENGINE ..................................... 44-49
PARTS ORDERING/SERVICE ................... BACK PAGE
iNDEX
A
Accessories ............................................. 5
Adjustments:
Brake .................................................2t
Carburetor ....................................... 23
Mower
Front-To-Back ........................ 20
Side-To .Side ............................ 20
Throttle Control Cable .................. 23
Air Filter, Engine ................................... t7
Air Screen, Engine .............................. 17
Assembly ........................................... 7-i 0
B
Battery:
Charging ........................................... 8
Cleaning .......................................... 16
Installation ...................................... 9
Levels ................................... 8,16-t7
Preparation .................................... 8
Starting with Weak Battery .......... 22
Storage ........................................ 24
Terminals .................................... 16
Belt:
Motion Drive
Removal/Replacement ........... 21
Mower Blade Ddve
Removal/Rep!acemen t........... 21
Blade:
Sharpening .................................. t6
Replacement ............................... 16
Brake Adjustment ............................... 21
C
Carburetor Adjustment ............ •.......... 23
Controls, Tractor .................................. ! 1
Customer Responsibilities ............. 15-18
Engine:
Air Filter ..................................... 17
Air Filter Foam Pre-Cleaner .... 17
Air Screen, Engine .................. 17
Battery ...................................... 16
Engine Oil ................................ 17
Fuel Filter ................................ t8
Oil Filter ...................................... 18
Spark Plugs .............................. 18
Tractor:
Blade ............................................ 16
Lubrication Chart ...................... 15
Maintenance Schedule ..............15
Tire Care ......................... 8,t6,22
Cutting Height, Mower ........................ 12
E
Electrical:
Schematic ..................................... 27
Wiring Diagram ............................... 28
Engine:
Air Filter .......................................... 17
Air Filter Foam Pre-Cleaner ........ 17
Air Screen ..................................... 17
Oil Change .................................. 1?
Oil Level ......................................13,17
Oil Type .............................................17
Preparation .................................... 13
Repair Parts ................................44-49
Starting ............................................ 14
Storage .......................................... 24
F
Filter:
Air Filter ......................................... 17
Air Filter Foam Pre-Cleaner ........ 17
Fuel .................................................. 18
Oil ..................................................... 18
Fuel:
Type ............................................... 13
Storage .................................................24
Fuse ...........................................................22
L
Leveling Mower Deck .......................... 20
Lubrication:
Chart ............................................ 15
M
Maintenance Schedule ......................... 15
Mower:
Adjustment, Front-to-Back ............ 20
Adjustment, Side4o-Side ............. 20
Blade Sharpening ......................... 16
Blade Replacement ...................... 16
Cutting Height ............................... t2
Installation ................................... 19
Operation ....................................... 13
Removal ...................................... ,....19
Mowing Tips ......................................... t4
Muffler .................................................. 18
Spark Arrester ............................. 3,36
Mulcher Plate ........................................ 10
O
Oil:
Cold Weather Conditions ....... 13,17
Engine ......................................... 17
Filter .............................................. 18
Storage ........................................ 24
Operation ...................................... 11-14
Operating Mower ....;...............................13
Options:
Accessories .................................... 5
Spark Arrester .......................... 3,36
P
Parking Brake .................................. 11-12
Parts Bag .............................................. 6
Parts, Replacement/Repair ........... 28-43
Product Specifications ........................... 3
R
Repair Parts ...................................... 28-43
S
Safety Rules ............................................ 2
Seat ......................................................... 8
Service and Adjustments ............... 19-23
Carburetor .........................................23
Fuse ............................................. 22
Motion Drive Belt
Removal/Replacement ............ 21
Mower Blade Drive Belt
Removal/Replacement ............ 21
Mower Adjustment
Front- to-Back ......................... 20
Side-to-Side .................... ;.........20
Mower Removal .......................... 19
Tire Care ..................................8,! 6,22
Slope Guide Sheet ............................... 51
Spark Plugs ......................................... 18
Specifications ....................................... 3
Starting the Engine .......................... 13-14
Steering Wheel ................................. 7,22
Stopl3ing the Tractor ........................... t 2
Storage ................................................ 24
T
Throttle Control Cable
Adjustment .................................... 23
Tires ......................................................8,16,22
Trouble Shooting Chart ................... 25-26
Transaxle:
Repair Parts ............................ 42-43
W
Warranty ................................................... 3
Wiring Diagram ..................................... 28
Wiring Schematic ............................... 27
4

ACCESSORmES AN A ACH
........... i ,, .................................... i,ll,,ll .....
These accessories and attachments were available when the unit was purchased, They are also available at most Sears retail outlets,
catalog and service centers, Most Sears stores can order these items for you when you provide the model number of your tractor
ENGINE MAINTENANCE
SPARK PLUG MUFFLER AIR FILTER GAS CAN ENGINE OIL STABILIZER BLADES BELTS
PERFORMANCE
Sears offers a wide variety of attachments that fit your vehicle. Many of these are listed below with brief explanations of how they can
helpyou This list was current at the time of publication; however, itmay change infutureyears- more attachments may be added, changes
may be made in these attachments, or some may no longer be available or fit your model Contact your nearest Sears store for the
accessories and attachments that are available for your unit,
Most of these attachments do not require additional hitches or conversion kits (those that do are indicated) and are designed for easy
attaching and detaching.
PERMANEX BAGGER lets you collect grass clippings and
leaves for a healthier, nearer looking lawn Two Permanex
containers hold 30-gallon plastic bags.
LAWN SWEEPERS let you collect grass clippings and leaves,
LAWN VACS for powerful collection of heavy grass clippings and
leaves. Wand attachment to pick up debris in hard-to-reach
places,
CARTS make hauling easy Variety of sizes available,
ROLLER for smoother tawn surface. 36-inch wide, 18-inch
diameterwater4ight drum holds upto3901bs ofweight, Rounded
edges prevent harm to turf,, Adjustable scraper automatically
cleans drum
SPREADERiSEEDERS make seeding, fertilizing, and weed
killing easy Broadcast spreaders are also useful for granular
de-icers and sand
CORING AERATOR takes small plugs out of soil to allow mois-
ture and nutrients to reach grass roots. 364nch swath. 24
hardened steel coring tips. 150 Ib. capacity weight tray.
AERATOR promotes deep root growth for a healthy lawn Tar
pered 25-inch steel spikes mounted on 10-inch diameter discs
puncture holes in soil at close intervals to let moisture soak in.
Steel weight tray for increased penetration
MU LCH RAKE/DETHATCHER loosens soil and flips thatch and
matted leaves to lawn surface for easy pickup. Twenty spring fine
teeth, Useful to prepare bare areas forseeding. Availableforfront
or rear mounting_
SPRAYERS use 12-volt DC electric motor that connects to the
tractor battery or other 12-volt source, includes booms for
automatic spraying when pulling, and hand held wand for spot
spraying, Wand has adjustable spray pattern. For applying
herbicides, insecticides, fungicides, and liquid fertilizers,.
SNOW BLADE for snow removal only. 14-1nchhigh, 42-inch
wide blade clears 38-inch path when angled left or right, Raises,
lowers with side lever_ Adjustable skids; replaceable, reversible
scraper bar. (Usewith t_rechains, wheel weights, or rear drawbar
weight,)
SNOWTHROWER has40-inch swath. Drum-type auger handles
powdery and wet/heavy snow. Mountseasily with simple pin
arrangement. Discharge chute adjusts from tractor seat, 6-inch
diameter spout discharges snow 10to 50 feet, Lift controlled at
tractor seat (Use with chains, wheel weights, or rear drawb_
weight.)
TIRE CHAINS are heavy duty; closely spaced extra-large cross
links give smooth ride, outstanding traction.
WHEEL WEIGHTS for rear wheels provide needed traction for
snow removalor dozing heavy materials In pairs. (30ibs each )
TRACTOR CAB has heavy duty vinyf fabric over tubular steel
frame, ABS ptas_ctop; clear plastic windshield offers 360 degree
visibility. Hinged metal doors with catch. Keeps operator warm
and dry, Remove vinyl andwindshields for use as sun protector
in summer° (Catalog only.)
Optional accessories for tractor cab: tinted/temperedsolid
safetyglasswindshieldwithhand operatedwiper;12woltamber
cautionlightformountingon cab top. (Catalogonly.)
TRACTOR COVER protects tractor from weather. Made of
Evolution3 fabric (water-rape!lent,extremely breathable,light
weight,soft, non-abrasive,pliable in all temperatures,durable,
stain/tear/puncture resistant,willnotshrinkor stretch.) (Catalog
only.)
TILLER has5hp engine and36-inchswathto prepareseed beds,
cultivate,and compostgardenresidue. Tiller hasitsown built-in
liftand depth controlsystemanddoesNOTrequirea sleevehitch
Fits any lawn, yard, or garden tractor. Simply hook up to the
tractordrawbar and go!
5

CONTE TS OF HARDWA E PACK
Parts Bag contents shown full size
i-------. (1) Shoulder Bolt 5/16-18
()Knob
i1) Washer 17/32 x 1-3/16 x 12 Ga.
(2) Screw #10 x5/8
(2) Washer 3/16 x3/4 x 16 Ga,
i i
(2) Hex Bolts 1/4 -20 x3/4
G
@
(2) Washer, Lock #t0
4
(2) Nut, Weld #10
_tilll/
@
(2) Hex Nuts 1/4.20
(2) Washers 9/32 x 5/8 x16 Ga,(2) LockWashers 1/4
(2) Wing Nuts !/4- 20
,,,,,,,,,,,,,,,,,,, ,..... :_
Parts packed separately in carton
Seat
Steerlng Mulcher
Wheel Plate
Steering
Sleeve
0
Battery acid
1
Battery
Ownerls Manual Parts Bag
Parts bag contents not shown full size
(2) Latch Hook
Assembly
'Terminal Guard
Steering
Wheel
Insert
I_ _\_!_!\\!!!!_!_!_!_!_!_i\_
(2) Battery Cardage Bolts 1/4-20 x 7-1/2
(2) Keys
il !
15°Slope Sheet Battery Caps
and Instructions
6

ASS LY
Your new tractor has been assemb ed at the factory with exception of those parts left unassembled for shipping purposes
To ensure safe and proper operation of your tractor all parts and hardware you assemble must be tightened securely. Use
the correct tools as necessary to insure their proper tightness.
TOOLS REQUIRED FOR ASSEMBLY
A socket wrench set will make assembly easier_ Standard
wrench sizes are listedo
(2) 7/16" wrenches (1) Tire pressure gauge
(1) Screwdriver (1) 3/4" socket w/drive ratchet
(1) I/2" wrench (1) Utility knife
When right and left hand is mentioned in this manual, it
means when you are in the operating position (seated
behind the steering wheel).
TO REMOVE UNIT FROM CARTON
UNPACK CARTON
• Remove all accessible loose parts and parts cartons
from carton (See page 6).
• Cut along lines on the carton, from top to bottom, all
four corners of carton and lay panels flaL
• Check for any additional loose parts or cartons and
remove.
BEFORE ROLLING UNIT OFF SKID
ATTACH STEERING WHEEL (See Fig. 1)
• Remove hex Iocknut and large flat washer from steer-
ing shaft°
•Position front wheels of the tractor so they are pointing
straight forward.
• Position steering sleeve over steering shaft.
, Position steering wheel so cross bars are horizontal
(left to right) andslide onto adapter.
, Secure steering wheel to steering shaft with hex lock-
nut and large fiat washer previously removed. Tighten
securely.
, Snap insert into center of steering wheel°
• Remove protective plastic from tractor hood and grill,
IMPORTANT: CHECK FOR AND REMOVEANY STAPLES
IN SKID THAT MAY PUNCTURE TIRES WHERE UNIT IS
TO ROLL OFF SKID.
(See Fig. 2)
• Raise attachment lift lever to its highest position.
• Release parking brake by depressing clutch/brake
pedal,
° Place gearshift lever in "NEUTRAL" position,
• Roll unit backwards off skid.
• Remove banding holding discharge guard up against
tractor.
......STEERING
WHEEL
INSERT
STEERING
WHEEL
FIG. 1
CLUTCHfBRAKE PEDAL MFT LEVER
/
FIG. 2
7

LY
HOW TO SET UP YOUR TRACTOR
PREPARE BATTERY (See Fig. 3)
CAUTION: Wear eye and face shield.
Wash hands or clothing immediately if
_accldentalty tn contact with batter=/acid.
Do not smoke. Fumes from charged bat-
tery acid are explosive.
Read the Instructions Included with the
battery vent caps. Always wear gloves,
clothing and goggles to protect your hands,
skin and eyes.
Your unit has a battery charging system which is sufficient
for normal use° However, periodic charging of the battery
with an automotive charger will extend its life,
°See instructions packed with vent caps in parts bag
• Fill battery with acid. Fill each cell until it reaches the
bottom of the vent wells, Do not overfill,
• Allow battery to stand and settle for at least thirty
minutes° After standing, check the level of acid_ If
below the vent wells, add more acid until the correct
level is reached.
While battery is standing (after adding acid) and later, while
battery is being charged, continue with assembly of unit.
IMPORTANT: TO MAXIMIZE THE LIFE OF YOUR
BATTERY, IT IS NECESSARY THAT THE BATTERY BE
CHARGED BEFORE USE FAILURE TO CHARGE
BATTERY CAN RESULT IN A SHORTENED BATTERY
LIFE,
•Charge battery at a rate of 6 amperes for 1 hour° Use
a 12 volt battery charger, Observe all safety precau-
tions required for battery charging_
•Check the acid level after the battery is charged. If the
acid has fallen below the correct level, add distilled or
iron free water.
• Instaltthe vent caps to cover the vent wells° Wash the
top of the battery with water to remove any acid, then
wrpe dry.
. Check battery case for leakage to make sure that no
damage has occurred in handling.
•Dispose of excess battery acid. Neutralize acid for
disposal by _dding it to four inches of water in a five
gallon plastic container, Stir with a wooden or plastic
paddle while adding baking soda until the addition of
more soda causes no more foaming.
° Follow instructions on how to install battery_
CUT AWAY VIEW VENT CAP
VENT WELL
BATTERY
CELL ACID
LEVEL
INSTALL SEAT (See Fig. 4)
Adjust seat before tightening adjustment knob,
• Remove cardboard packing on seat pan.
• Place seat on pan and assemble shoulder bolt.
• Assemble adjustment knob and flat washer loosely.
Do not tighten,
.Tighten shoulder bolt securely.
°Lower seat into operating position and sit on seat°
• Slide seat until a comfortable position is reached which
allows you to press clutch/brake pedal all the way
down.
.Get off seat without moving its adjusted position.
• Raise seat and tighten adjustment knob securely.
SEAT
SEAT PAN
SHOULDER
BOLT
ADJUSTMENT
KNOB
FIG. 4
FLAT WASHER
CHECK TIRE PRESSURE
The tires on your unit were overinflated at the factory for
shipping purposes_ Correct tire pressure is important for
best cutting performanceo
• Reduce tire pressure to PSI shown in "PRODUCT
SPECIFICATIONS on page 3 of this manual_
CHECK DECK LEVELNESS
For best cutting results, mower housing should be properly
leveled. See "TO LEVEL MOWER HOUSING" in the
Service and Adjustments section of this manual
CHECK FOR PROPER POSiTiON OF ALL
BELTS
See the figures that are shown for replacing motion, mower
drive, and mower blade drive belts in the Service and
Adjustments section of this manual. Verify that the belts are
routed correctty_
FIG. 3
8

CHECK BRAKE SYSTEM
After you learn how to operate your tractor, check to see
that the brake is properly adjusted.. See "TO ADJUST
BRAKE" in the Service and Adjustments section of this
manual,
INSTALL BATTERY (See Figs. 5 and 6)
CAUTION: Do not short battery termi-
nals. Before Installing battery, remove
metal bracelets, wristwatch bands,
rings, etco
Postttve terminal must be connected
first to prevent sparking from acciden-
tal grounding.
Raise hood_
, Make sure drain tube is fastened to drain hole in battery
tray and battery tray is positioned in hole of battery
support.
• Place battery in plastic tray, battery terminals to front of
tractor,
, First connect RED battery cable to positive (+) battery
terminal with hex bolt, flat washer, lock washer and hex
nut as shown. Tighten securely.
, Connect BLACK grounding cable to negative (-) battery
terminalwith remaining hex bolt, flat washer, lock washer
and hex nut. Tighten secureiyo
• Slide the two battery bolts through the terminal guard
and start the wing nuts onto the threads.
• Position terminal guard over the battery as shown, lower
bolts into keyholes and slide square shafts of bolts into
slots of key holes°
• Tighten wing nuts by hand making sure battery bolts
remain in slots of the key holes in the battery support°
• Be sure terminal access doors are closed..
Use terminal access doors for:
, Inspection for secure con nections (to tighten hardware).
, Inspection for corrosion_
, Testing battery.
• Jumping (if required).
° Periodic charging.
HE)(
(NEGATIVE) ".
BLACK CABLE
DRAIN TUBE
FIG, 5
WINGNUTS,
FLAT
_WASHER
BOLTS
FLAT WASHER
TERMINAL
GUARD
BATTERY BOLT :!
TERMINAL
DOORS
CAPS
KEY HOLE BATTERYTRAY
FIG. 6
9

ASS BLY
INSTALL MULCHER PLATE (See Figs. 7 &
e)
•Install two latch hook assemblies to mulcher plate
using screw, washer', lock washer, and weld nut as
shown.
•Tighten hardware securely,
•Raise and hold deflector shield in upright position.
° Place front of mulcher plate over front of mower deck
opening and slide into place, as shown_
• Hook front latch into tab hole on front of mower deck.
° Hook rear latch into tab hole on back of mower deck.
CAUTION: Do not remove discharge
guard from mower. Raise and hold
guard when attaching mulcher plate
and allow it to rest on plate while in
operation.
LOCKWASHER MULCHER PLATE
WELD NUT
\_ SCREW WASHER
LATCH
LATCH
LOCK WELD NUT
WASHER
FIG. 7
DEFLECTOR
SHIELD
LATCH HOOKS
TO CONVERT TO BAGGING OR DISCHARGING
Simply remove mulcher plate and store in a safe place.
Your mower is now ready for discharging or installation of
optional grass catcher accessory'.
,/'CHECKLIST
BEFORE YOU OPERATE AND ENJOY YOUR NEW
TRACTOR, WE WISH TO ASSURE THAT YOU RECEIVE
THE BEST PERFORMANCE AND SA TISFA CTION FROM
THIS QUALITY PRODUCT
PLEASE REVIEW THE FOLLOWING CHECKLIST:
,! All assembly instructions have been completed.
No remaining loose parts in carton.
,/ Battery is properly prepared and charged. (Minimum
1 hour at 6 amps)
,/ Seat is adjusted comfortably and tightened securely.
J' Al! tires are properly inflated. (For shipping purposes,
the tires were over-inflated at the factory),
,I Be sure mower deck is properly leveled side-to-side/
front-to-rear for best cutting results_ (Tires must be
properly inflated for leveling),
v" Check mower and drive belts. Be sure they are routed
properly around pulleys and inside all belt keepers,
,/" Check wiring See that all connections are still secure
and wires are properly clamped,
WHILE LEARNING HOW TO USE YOUR TRACTOR, PAY
EXTRA ATTENTION TO THE FOLLOWING IMPORTANT
ITEMS:
J Engine oil is at proper level.
J Fuel tank is filted with fresh, clean, regular unleaded
gasoline.
4' Become familiar with alt controls - their location and
function. Operate them before you start the engine.
,/ Be sure brake system is in safe operating condition.
FIG. 8
10

OPERATION
KNOW YOUR TRACTOR
READ THiS OWNER'S MANUAL AND SAFETY RULES BEFORE OPERATING YOUR TRACTOR.
Compare the illustrationswith your tractor to familiarize yourself with the location of various controls and adjustments. Save
this manual for future reference.,
ATTACHMENTCLUTCHLEVER
UGHT SWITCH
IGNITION SWITCH
LEVER PLUNGER
THROTTLE CONTROL
LIFT lPVER
CLUTCH/BRAKE It J PARKING BRAKE
PEDAL LEVER
HEIGHT ADJUSTMENT
KNOB GEARSHIFT LEVER
FIG. 9
Sears tractors conform to the safety standards of the American National Standards Institute.
ATTACHMENT CLUTCH LEVER - Used to engage mower
blades or other attachments mounted to your tractor,,
ATTACHMENT LIFT LEVER - Used to raise and lower
mower deck or other attachments mounted to your tractor,
CLUTCHIBRAKE PEDAL - Used for declutching and
braking the tractor and starting the engine,
HEIGHT ADJUSTMENT KNOB., Used to adjust the mower
height°
LIGHT SWITCH - Turns the headlights on and off.
GEARSHIFT LEVER -Selects the speed and direction of
the tractor°
IGNITION SWITCH - Used to start and stop the engine_
PARKING BRAKE LEVER - Locks clutch/brake pedal into
the brake position°
THROTTLE CONTROL - Used to control engine speed°
CHOKE CONTROL - Used when starting a cold engine_
LIFT LEVER PLUNGER- Used to release attachment lift
lever when changing its position,
11

OPERATIO
The operatlon of any tractor can result in foreign objects thrown into the eyes, which can result
In severe eye damage. Always wear safety glasses or eye shields before starting your tractor
and whlle movlng. We recommend Wide Vision Safety Mask for over the spectacles or standard
safety glasses.
HOW TO USE YOUR TRACTOR
TO SET PARKING BRAKE (See Fig. 10)
° Depress clutch/brake pedal into full "BRAKE" position
and hold.
Place parking brake lever in "ENGAGED" position and
release pressure from clutch!brake pedal, Pedal should
remain in "BRAKE" position, Make sure parking brake
will hold vehicle secure.
STOPPING (See Fig. 10)
MOWER BLADES -
• Move attachment clutch lever to "DISENGAGED" po-
sition.
GROUND DRIVE-
• Depress clutch/brake pedal intofull "BRAKE" position.
, Move gearshift fever to "NEUTRAL" position.
ENGINE -
, Move throttle control to "SLOW" position.
NOTE; Failure to move throttle control to "SLOW" position
and allowing engine to idle before stopping may cause
engine to "backfire".
. Turn ignition key to "OFF" position and remove key.
Always remove key when leaving vehicle to prevent
unauthorized use.
• Never use choke to stop engine.
NOTE; Under certa!n conditions when unit is standing idle
with the engine running, hot engine exhaust gasses may
cause "browning" of grass, To eliminate this possibility,
always stop engine when stopping unit on grass areas.
CAUTION: Always stop unitcompletely,
as described above, before leaving the
operator's position; to empty grass
catcher, etc,
TO USE CHOKE CONTROL (See Fig. 10)
Use choke control whenever you are starting a cold engine.
Do not use to start a warm engine.
• To engage choke control, pull knob out, Slowly push
knob in to disengage,
TO USE THROTTLE CONTROL (See Fig. 10)
Always operate engine at full throttle.
, Operating engine at less than full throttle reduces the
battery charging rate.
• Full throttle offers the best bagging mower perfor-
manGe,
TO MOVE FORWARD AND BACKWARD
(See Fig. 10)
The direction and speed of movement is controlled by the
gearshift lever.
• Start tractor with clutch/brake pedal depressed and
gearshift lever in "NEUTRAL" position_
•Move gearshift lever to desired position,
• Slowly release clutch/brake pedal to start movement.
IMPORTANT; BRING TRACTOR TO A COMPLETE STOP
BEFORE SHIFTING OR CHANGING GEARS, FAILURE
TO DO SO WILL SHORTEN THE USEFUL LIFE OF YOUR
TRANSAXLE.
AT'r'ACHMENT
CLUTCH LEVER
"ENGAGED" _
POSITION
TH ROTTLE
CONTROL
"DISENGAGED" POSITION
PARKING BRAKE
"ENGAGED" POSITION
GEARSHIFT
LEVER
CHOKE
CONTROL
"DISENGAGED"
POSITION
"BRAKE"
POSITION
HEIGHTADJUSTMENT
KNOB
CLUTCH/BRAKE PEDAL "DRIVE" POSITION
FIG. 10
TO ADJUST MOWER CUTTING HEIGHT
(See Fig. 10)
Tile cutting height is controlled by turning the height ad-
justment knob in desired direction.
. Turn knob clockwise to raise cutting height.
, Turn knob counterclockwise to lower cutting heighL
The cutting height range is approximately 1-1/4" to 3-3/4"_
The heights are measured from the ground to the blade tip
with tile engine not running. These heights are approxi-
mate and may vary depending upon soil conditions, height
of grass and types of grass being mowed.
o The average lawn should be cut to approximately
2-1/2 inches during the cool season and to over 3
inches during hot months. For healthier and better
looking lawns, mow often and after moderate growth.
. For best cutting performance, grass over 6 inches in
height should be mowed twice, Make the first cut
relatively high; the second to desired height,
12

TO OPERATE MOWER (See Fig. 9)
Your unit is equipped with an operator presence sensing
switch. Any attempt by the operator to leave the seat with
the engine running and the mower clutch engaged will shut
off the engine°
o Select desired height of cut, using height adjustment
knob.
o Lower mower with lift lever..
° Engage mower by slowly moving mower clutch lever to
"ENGAGED" position..
• TO STOP MOWER - Move mower clutch lever to
"DISENGAGED" position.
IP=k Do not operate the mower
CAUT,oN:
A J_ without either the entire grass catcher,
on mowers so equipped, or the dis-
charge guard in place.
TO OPERATE ON HILLS
CAUTION: Do not drive up or down
hills with slopes greater than 15° and
do not drive across any slope.
•Choose the slowest speed before starting up ordown
hills.
° Avoid stopping or changing speed on hills°
• If slowing is necessary, move throttle control lever to
slower position.
• If stopping is absolutely necessary, push clutch/brake
pedal quickly to brake position and engage parking
brake.
° Move gearshift lever to "NEUTRAL" position..
° To restart movement, move gearshift lever to 1st gear°
Be sure you have allowed room for unit to roll slightly as
you restart movement°
°Slowly release parking brake and clutch/brake pedal.
o Make all rums slowly.
TO TRANSPORT
° Raise attachment lift control to highest position,
° When pushing or towing your unit, be sure gearshift
lever is in "NEUTRAL" position.
°Do not push unit at more than five (5) MPH.
BEFORE STARTaNG THE ENGINE
CHECK ENGINE OIL LEVEL
°The engine in your unit has been shipped, from the
factory, already filled with summer weight oil.
° Check engine oil with unit on level ground°
o Unthread and remove the oil fill cap/dipstick; wipe oil
off., Reinsert the dipstick into the tube and rest the oil
fill cap on the tube. Do not thread the cap onto the tube.
Remove and read oil level.. If necessary, add oil until
"FULL" mark on dipstick is reached.. Do not overfill.
° For cold weather operation you should change oil for
easier starting (see "OIL VISCOSITY CHART" in the
Customer Responsibilities section of this manual).
° To change engine oil, see the Customer Responsibili-
ties section in this manual
ADD GASOLINE
° Fill fuel tank. Use fresh, clean, regular unleaded
gasoline.. (Use of leaded gasoline will increase carbon
and lead oxide deposits and reduce valve life)..
IMPORTANT: WHEN OPERATING IN TEMPERATURES
BELOW 32°F(0°C), USE FRESH, CLEAN WINTER GRADE
GASOLINE TO HELP INSURE GOOD COLD WEATHER
STARTING,
WARNING: Experience indicates that alcohol blended
fuels (called gasohol or using ethanol or methanol) can
attract moisture which leads to separation and formation of
acids during storage. Acidic gas can damage the fuel
system of an engine while in storage° To avoid engine
problems, the fuel system should be emptied before stor-
age of 30 days or longer. Drain the gas tank, start the
engine and let it run until the fuel lines and carburetor are
empty. Use fresh fuel next season.. See Storage Instruc-
tions for additional information. Never use engine or
carburetor cleaner products in the fuel tank or permanent
damage may occur_
CAUTION: Fill to bottom of gas tank
filler neck. Do not overfill. Wipe offany
spilled oil or fuel. Do not store, spill or
use gasoline near an open flame.
13

............... !ill ,i , ii! ii, :
OPERATION
Hi ,_Ulll .......... ::: ..... .......
. If grass is extremely tall, it should be mowed twice
TO START ENGINE (See Fig. 10) to reduce load and possible fire hazard from dried
When starting engine for the first time or if engine has clippings. Make first cut relatively high; the second
run out of fuel, it wilt take extra cranking time to move to the desired height ......
fuel from the tank to the engine. •Do not mow grass when it is wet. Wet grass will
• Depress the clutch/brake pedal and set the parking plug mower and leave undesirable clumps, Allow
brake_ grass to dry before mowing
°Place gearshift lever in "NEUTRAL" position., o Always operate engine at full throttle when mowing
o Move attachment clutch to "DISENGAGED" position, to assure better mowing performance and proper dis-
charge of material Regulate ground speed by se-
•Pull choke control out to "CHOKE" position for cold lecting a low enough gear to give the mower cutting
engine start_ For warm engine start do not use performance as well as the quality of cut desired.
choke control. o When operating attachments, select a ground speed
•Move throttle control to midway between "FAST" and that will suit the terrain and give best performance of
"SLOW" positions., the attachment being used°
o Turn ignition key clockwise to "START" position and
release key as soon as engine starts. Do not run
starter continuously for more than fifteen seconds
per minute, if engine does not start after several
attempts, move throttle control to "FAST" position,
wait a few minutes and try again.
° When engine starts, slowly push choke control in..
° Move throttle control to "FAST" position.
- Allow engine to warm up for a few minutes before
engaging clutch/brake pedal or attachment clutch
lever.
NOTE: If at a high altitude (above 3000 feet) or' in cold
temperatures (below 32 ° F), the carburetor fuel mixture
may need to be adjusted for best engine performance.
See 'q'O ADJUST CARBURETOR" in the Service and
Adjustments section of this manual
MOWING TIPS
.Tire chains cannot be used when the mower hous-
ing is attached to unit.
=Mower should be properly leveled for best mowin_
performance. See 'q'O LEVEL MOWER HOUSING'
tn the Service and Adjustments section of this
manual,
.The left hand side of mower should be used for trim-
ruing.
. Drive so that clippings are discharged ot'_to the area
that has beon cut. Have the cut area to the right of
the machine. This will result in a more even distri-
bution of clippings and more uniform cutting..
- When mowing large areas, start by turning to the
right so that clippings will discharge away from
shrubs, fences, driveways, etc. After one or two
rounds, mow in the opposite direction making left
hand turns until finished(See Fig° 11).
f
MULCHING MOWING TIPS
IMPORTANT: FOR BEST PERFORMANCE, KEEP
MOWER HOUSING FREE OF BUILT-UP GRASS AND
TRASH_ CLEAN AFTER EACH USE,.
•The special mulching blade will recur the grass clip-
pings many times and reduce them in size so that as
they fall onto the lawn they will disperse into the grass
and not be noticed. Also, the mulched grass will
biodegrade quickly to provide nutrients for the lawn..
Always mulch with your highest engine (blade) speed
as this will provide the best recutting action of the
blades.
° Avoid cutting your' lawn when it is wet. Wet grass
tends to form clumps and interferes with the mulching
action. The best time to mow your lawn is the early
afternoon_ At this time the grass has dried and the
newly cut area will not be exposed to the direct sun.
°For' best results, adjust the mower cutting height so
that the mower cuts off only the top one-third of the
grass blades (See Fig,. 12).. For extremely heavy
mulching, reduce your' width of cut and mow slowly.
°Certain types of grass and grass conditions may
require that an area be mulched a second time to
completely hide the clippings. When doing a second
cut, mow across or perpendicular to the first cut path.
oChangeyourcuttingpatternfromweektoweek, Mow
north to south one week then change to east to west
the next week. This will help prevent matting and
graining of the lawn_
,t,
MAX 1/3
FIG. 12
FIG. 11 14

CUSTO EESPONSm M ES
.....MAINTENANCE SCHEDULE .,,- _.,..,._.,,_,,.--___ ,._e,,._,__
AS YOU COMPLETE
Check Brake Operation 6/'
....... _ . : ; ............... _ _ ! _ ........
Check Tire Pressure
TCheck for Loose Fasteners 6#4
R SharpeniRepiaceMower Blades
ALubrication Chart .............
C check Battery LeveiiRecharge q
0 Clean Battery andTerrnlnals
R CheckTransmtssion Cooling
Adjust Blade Belt(s) Tension
Adjust Motion Drive Belt(s) Tension
Check Engine Oil Level 6#4' $f
Change Engine Oil $##' 6_I,2,3
Clean Air Filter 6442
"cJeanAirScreen.......................
G Inspect MuffleriSparkArrester
IReplace O11Filter (if equipped) ................................. . . , 6_,2_
NEngine Cooling Fins ......................6#42
= ,..,.ReplaceSpark Plug ................................ ..........,...................,6#4 6##'
Replace Air Filter Paper Cartridge ........................ , ........ 6#42
Replace Fuel Filter 6#4
v",
e,"............ .....
1- Change mo_e o_en when operating under a heavy load or in high ambient temperatures
2-Service mere often when operating in dtrty o!' dusty cendl_lons
3,.If equipped with oil filter, change otl every 50 hours
4 - Replace blades more often when mowing tn sandy soil
5 - If equipped with _.d_ustable system
GENERAL RECOMMENDATIONS
The warranty on this vehicle does not cover items that have
been subjected to operator abuse or negligence, To
receive full value from the warranty, operator must main-
tain unit as instructed in this manual.
Some adjustments will need to be made periodically to
properly maintain your unit.
All adjustments in the Service and Adjustments section of
this manual should be checked at least once each season.
Once a year you should replace the spark plug, clean
or replace air filter, and check blades and belts for
wear. A new spark plug and clean air filter assure
proper air-fuel mixture and help your engine run better
andlast longer,
(_) FRC
BEARING ZERK
®
LUBRICATION CHART
"FRONT WHEEL_)
BEARING ZERK
@
CLUTCH
PIVOT(S)
BEFORE EACH USE
• Check engine oil level,
•Check brake operation°
•Check tire pressure,
• Check for loose fasteners,
PIVOTS
(_$AE 30 OR 10W30 MOTOR OIL API - SG
(_) GENERAL PURPOSE GREASE
@REFER TO CUSTOMER RESPONSIBILITIES "ENGINE" SECTION
IMPORTANT: DO NOT OIL OR GREASE THE PIVOT POINTS
WHICH HAVE SPECIAL NYLON BEARINGS, VISCOUS LUBRI-
CANTS WILL ATTRACT DUST AND DIRT THAT WILL SHORTEN
THE LIFE OF THE SELF-LUBRICATING BEARINGS. IF YOU
FEEL THEY MUST BE LUBRICATED, USE ONLY A DRY, POW-
15 DERED GRAPHITE TYPE LUBRICANT SPARINGLY,

CUSTO
TRACTOR
Always observe safety rules when performing any mainte-
nance.
BRAKE OPERATION
if unit requires more than six (6) feet stoppingdistance at
high speed in highest gear, than brake mustbe adjusted
(See "TO ADJUST BRAKE' in the Service and Adjust-
ments section of this manual).
TIRES
•Maintainproper airpressure in all tires (See "PROD-
UCT SPECIFICATIONS on page 3 of this manual).
oKeep tires free of gasoline, oil, orinsect control chemi-
cals which can harm rubber.
°Avoid stumps, stones, deep ruts, sharp objects and
other hazards that may cause tire damage_
BLADE CARE
For best results mower blades must be kept sharp. Tile
blades can be sharpened with a file or on agdnding wheel.
We suggest they be sharpened or replaced after every 25
hours of mowing. Check blades more often if mowing in
sandy conditions°
•Do not attempt to sharpen blades while they are on the
mower.
° Replace bent or damaged blades°
ESPONSI LUTm
TO SHARPEN BLADE (See Fig. 14)
Care should be taken to keep the blade balanced. An
unbalanced blade will cause excessive vibration and even-
tual damage to mower' and engine. .....
.The blade can be sharpened with a file or ona grinding
wheel.. Do not attempt to sharpen while on the mower.
. To check blade balance, you will need a 5/8" diameter
steel bolt, pin, ora cone balancer_ (When using a cone
balancer, follow the instructions supplied w_th bal-
arlcer)_
o Slidebladeon toan unthreadedportionofthesteelbolt
orpinand holdtheboltorpinparallelwiththeground.
If blade is balanced, it should remain in a horizontal
position. If either end of the blade moves downward,
sharpen the heavy end until the blade is balanced.
NOTE: Do not use a nail for balancing blade. The lobes of
the center hole may appear' to be centered, but are noL
CENTER HOLE
5!8" BOLT
OR PIN
BLADE
BLADE REMOVAL (See Fig. 13)
• Raise mower to highest position to allow access to
blades°
oRemove hex bolt, lock washerand flat washersecuring
blade_
•Install new or resharpened blade with trailing edge up
towards deck as shown,
-Reassemble hex bolt, lock washer and flat washer in
exact order as shown°
° Tighten bolt securely (30-35 FtoLbs. torque),
IMPORTANT: BLADE BOLT,IS GRADE 8 HEATTREATED.
BLADE _,i_ MANDREL
ASSEMBLY
T.AlU.GEDaE
FLATWAS.ER. /
LOCK WASHER __
_"_ HEX BOLT (GRADE 8)*
*AGRADE 8HEATTREATEDBOLTCAN BE
IDENTIFIED BY SIX LINES ONTHE BOLT HEAD,
FIG. 13
16
FIG. 14
BATTERY (See Fig. 15)
Your unit has a battery charging system which is sufficient
for normal use. However, periodic charging of the battery
with an automotive charger will extend it's life.
° Acid solution level in each battery cell should be even
with bottoms ofvent wells_Add only distilled or ironfree
water if necessary. Do not overfill
• Keep battery and terminals clean°
•Keep battery bolts tight.
•Keep vent caps tight and small vent holes incaps open.
•Recharge at 6 amperes for 1hour..
TO CLEAN BATTERY AND TERMINALS ,.
Corrosion and dirt on the battery and terminals can cause
the battery to "leak" power.
• Remove terminal guard°
°Disconnect BLACK battery cable first, then RED bat-
tery cable and remove battery from tractor.
° Wash battery with solution of four tablespoons of
baking soda to one gallon of water., Be careful not to get
the soda solution into the cells,
° Rinse the battery with plain water' and dry.
= Clean terminals and battery cable ends with wire brush
until brighL
°Coat terminals with grease or petroleum jelly.
°Reinstall battery (See "INSTALL BATTERY" in the
Assembly section of this manual).

CUSTOME RESPO TreES
CUT AWAY VIEW _VENTCAP
_VENT
WELL
CELLACID
LEVEL
FIG. 15
V-BELTS
Check V-belts for deterioration and wear after 100 hours
and replace if neces-sary_ The belts are not adjustable.
Replace belts ifthey begin to slip from wear°
TRANSAXLE COOLING
Keep transaxle free from build-up of dirt and chaff which
can restrict cooling°
ENGINE
LUBRICATION
Only use high quality detergent o!1rated with API service
classification SG,, Select the oil s SAE viscosity grade
according to your expected operating temperature°
RECOMMENDED SAE VISCOSITY GRADES
°F -20°0a 32 ° 60 ° 80° 100 °
°C -29° -18°0°16°27° 38°
NOTE: Although multi-viscosity oils (5W30, i0W30 etc.)
improve starting in cold weather, these multi-viscosity oils
wilt result in increased oil consumption when used above
32°F, Check your engine oil level more frequently to avoid
possible engine damage from running low on oil,,
Change the oil after the first two hours of operation and
every 50 hours thereafter or at least once a year if the
tractor is not used for 50 hours in one year°
Check the crankcase oil level before starting the engine
and after each eight (5) hours of continuous use. Tighten
oil fill cap!dipstick securely each time you check the oil
level.
TO CHANGE ENGINE OiL -
oBe sure vehicle is on level surface
°Oil will drain more freely when warm.
o Catch oil in a suitable container°
o Remove oil fill dipstick, Be careful not to allow dirt to
enter the engine when changing oil
•Remove drain plug_
° After oil has drained completely, replace oil drain plug
and tighten securely.
• Refill engine with oil through oil fill dipstick tube. Pour
slowly. Do not overfill. For approximate capacity see
"PRODUCT SPECIFICATIONS" on page 3 of this
manual.
°Use gauge on oil fill dipstick for checking level, Do not
thread the cap onto the tube when taking reading°
Keepoit at"FULL" line on dipstick, Tighten cap onto the
tube securely when finished
AiR FILTER FOAM PRE-CLEANER (See Fig.
16)
Your engine wilI not run properly and may be damaged by
using a dirty air filter. Clean the foam preocleaner element
after every 25 hours of operation, more often if tractor is
used in very dusty, dirty conditions,
° Remove knob and cover.
o Remove foam pre-cleaner element by sliding it off of
the paper cartridge.
NOTE: Do not attempt to clean or oil the paper cartridge.
Replace paper cartridge once a year or after every 100
hours of operation; more often if used in very dusty or dirty
conditions_
° Wash foam pre-cleaner in liquid detergent and water.
= Wrap foam pre-cleaner in cloth and squeeze dry.
• Lightly coat foam pre-cleaner with clean engine oil
Squeeze in towel to remove excess oil. Do not satu-
rate°
° Install foam pre-cleaner over paper cartridge.
• Reassemble cover and tighten knob securely_
AIR CLEANER KNOB
COVER
•WING NUT
FOAM
PRE.CLEANER
-\
AIR CLEANER
PAPER CARTRIDGE
CLEANER
BASE
OIL
RLLER CAP
AND DIPSTICK
AIR INTAKE
SCREEN
OILDRAINPLUG
FIG. 16
17

CUSTO
CLEAN AiR INTAKE/COOLiNG AREAS
ESPONSN LITnE$
To insure proper cooling, make sure the air intake screen,
cooling fins, and other external surfaces of the engine are
kept clean at all times..
Every 100 hours of operation (more often under extremely
dusty, dirty conditions), remove the blower housing and
other coohng shrouds_ Clean the cooling fins and external
surfaces as necessary., Make surethe cooling shrouds are
reinstalled.,
NOTE: Operating the engine with a blocked air' intake
screen, dirty or plugged cooling fins, and/or cooling shrouds
removed, will cause engine damage due to overheating°
ENGINE OIL FILTER (See Fig, 17)
Replace the engine oil filter' every season or' every other oil
change if the tractor' is used more than 100 hours in one
yea_'.
oDrain oil from engine crankcase ( See "TO CHANGE
ENGINE OIL" through step remove drain plug)o
°Remove oil filter drain plug located at base of oil filter'
adapter_ Allow oil filter to drain.
° Remove oil filter and wipe off filter' adapter_ Reinstall oil
filter drain plug.
• Apply a thin coating of new engine oil to the rubber
gasket on replacement oil filter°
oInsta{I replacement oil filter' on fitter' adapter. Turn oil
filter clockwise until rubber gasket contacts the filter
adapter, then tighten filter an additional 1/2 turn.
° Fill crankcase with new oil ( See "TO CHANGE EN-
GINE OIL' in this section of this manual). For approxi-
mate capacity see"PRODUCT SPECIFICATIONS" on
page 3 of this manual..
°Start the engine and check for oil leaks. Correct any
leaks before placing engine into full operation.
MUFFLER
Inspect and replace corroded muffler and spark arrester (if
equipped) as it could create afire hazard and/or damage.
SPARK PLUGS
Replace spark plugs at the beginning of each mowing
season or after every 100 hours of use, whichever comes
first., Spark plug type and gap setting are shown in
"PRODUCT SP ECIFICAT1ONS" on page 3 of this manual
IN-LINE FUEL FILTER (See Fig. 18)
Fuelfilter should be replaced once each season° Iffuelfilter
becomes clogged, obstructing fuel flow to carburetor, re-
placement is required.
• With engine cool, remove filter' and plug fuel line
sections.
• Place new fuel filter in position in fuel line with arrow
toward carburetor.
°Be sure there are no fuel line leaks and clamps are
properly positioned.
° Immediately wipe up any spilled gasoline.
CLAMP_ __j CLAMP
FUEL FILTER
FIG. 18
OIL FILTER
O
OIL RLTER DRAIN PLUG
CLEANING
IMPORTANT: FOR BEST PERFORMANCE, KEEP
MOWER HOUSING FREE OF BUILD-UP, GRASS AND
TRASH_ CLEAN UNDERSIDE OF MOWER HOUSING
AFTER EACH USE°
• Clean engine, battery, seat, finish, etc. of all foreign
matter.
° Keep finished surfaces and wheels free of all gasoline,
oil, etc_
°Protect painted surfaces with automotive type wax°
We do not recommend using a garden hose to clean your
unit unless the electrical system, muffler, air filter and
carburetor are covered to keep water out. Water in engine
can result in a shortened engine life_
FIG. 17
18

SERVmCEAN ADJUSTMENTS
e
t
w
m
cALiTION: BEFORE PERFORMING ANY SERVICE OR ADJUSTMENTS:
Depress clutch/brake pedal fully and set parking brake,
Place gearshift lever in "NEUTRAL" position.
Place attachment clutch in "DISENGAGED" position.
Turn tgnltlon key "OFF" and remove key.
Make sure the blades and all movlng parts have completely stopped.
Disconnect spark plug wire from spark plug and place wire where tt cannot come in contact with
plug.
TRACTOR
TO REMOVE MOWER (See Fig. 17)
Mower will be easier to remove from the right side of unit.
• Place attachment clutch in "DISENGAGED" position.
° Move attachment lift lever forward to lower mower to its
lowest position,
• Roll belt off engine pulley,
• Disconnect clutch rod from clutch lever by removing
retainer spring,
• Disconnect suspension arms from rear deck brackets
by removing retainer springs.
° Disconnect front links from deck by removing retainer
springs,
• Raise lift lever to raise suspension arms., Slide mower
out from under tractor,
IMPORTANT: IF AN ATTACHMENT OTHER THAN THE
MOWER IS TO BE MOUNTED TO THE TRACTOR, BOTH
SUSPENSION ARMS MUST BE REMOVED FROM
TRACTOR.
TO INSTALL MOWER (See Fig. 17)
• Raise attachment fift lever to its highest position.
• Slide mower under tractor with discharge guard to right
side of tractor,
° Lower lift lever to its lowest position,
• install mower in reverse order of removal instructions,
NOTE: The mower clutch rod has a trunnion that has been
preset, atthe factory, for optimum mower performance, DO
NOT MOVETHETRUNNION ON THE CLUTCH ROD° Iffor
any reason the trunnion has been moved on the clutch rod,
it must be reset to correct position (parallel with clutch rod)
and measure 10-11/32" (Check dimension on edge of fiat
work surface as shown)°
Be sure to tighten trunnion nut securely against trunnion
after making any adjustments°
TRUNNION
CLUTCH
SUSPENSION
ARMS
RETAINER
SPRINGS
(BOTH SIDES)
SEE NOTE ABOVE
10-11/32"
Z
CLUTCH LEVER
FIG. 19
CONNECT
)_TRUNNION
POSTION
"_'-' PARALLEL
RETAINER
SPRING
ENGINE
PULLEY
RETAINER
SPRINGS
SIDES)
19

...................... It,l,l,llln,I II n 'll i
SERVICE A
TO LEVEL MOWER HOUSING
Adjust the mower while tractor is parked on level ground or
driveway. Make sure tires are properly inflated (See
"PRODUCT SPECIFICATIONS" on page 3). if tires are
over or under inflated, you wilt not properly adjust your'
mower.
SIDE-TO-SIDE ADJUSTMENT (See Figs. 20 and 21) -
You will need two (2) standard 2 x 4 short pieces of wood
to make the following adjustment, S#nilar blocks measur_
ing 1-1/2" thick may also be used.
• Raise mower with attachment lift control to allow two
(2) t-1/2" thick blocks to be placed under rear edge of
mower directly behind mandrels,
• Lower mower deck to its lowest height of cut position
(See "TO ADJUST MOWER CUTTING HEIGHT" in the
Operation section of this manual).
, On both sides of tractor, loosen, but do not remove, the
fasteners securing the adjustable pivot brackets to
frame, Both brackets must be loose enough to move
freely.
• Pull down firmly on suspension arm to remove any
slack in pivot bracket and hold while tightening rear
fastener first to secure Tighten remaining fastener.
• Repeat procedure on other side of tractor.
• Raise mower with attachment lift control and remove
blocks from under mower_
PLACE TWO (2) 1-1/2" THICK BLOCKS UNDER REAR EDGE OF
MOWERDECK (Usewood2x 4'sorequivalent)
MOWER MUST BE IN LOWES:r HEIGHT OF CUT POSITION
FIG. 20
ADJUSTABLEPIVOT
BRACKET
PULL DOWN AND
TIGHTEN REAR
FASTENER FIRST'
.....i
2O
ADJUSTMENTS
FRONT-TO-BACK ADJUSTMENT (See Fig& 22 and 23)-
IMPORTANT: DECK MUST BE LEVEL S_DE-TO-SIDE. IF
THE FOLLOWING FRONT*TO-BACK ADJUSTMENT IS
NECESSARY, RE SURE TO ADJUST BOTH FRONT LINKS
EQUALLY SO MOWER WtLL STAY LEVEL SIDE-TO-
SIDE
To obtain the best cutting results, the mower housing
should be adjusted so that the front is approximately 1/4" to
3/4" lower than the rear when the mower is in its highest
position,
Check adjustment on right side of tractor Measure dis-
tance "D" directly in front and behind the mandrel at bottom
edge of mower housing as shown,
• Before making any necessary adjustments, check that
both front _inks are equal in length, Both links should
be approximately 10-3/8"
.If links are not equal in length, adjust one link to same
length as other link
. To lower #ont of mower loosen nut "E" on both front
links an equal number of turns
• When distance "D" is 1/4" to 3/4" lower at front than
rear, tighten nuts "F" against trunnion on both front
links=
• To raise front of mower, loosen nut "F" from trunnion on
both front links, Tighten nut "E" on both front links an
equal number of turns
• When distance "D" is 1/4" to 3/4" lower at front than
rear, tighten nut "F" against trunnion on both front links,
•Recheck side-to-side adjustment.
MANDREL
FIG. 22
BOTH FRONT UNKS MUST BE EQUAL IN LENGTH
NUT "E"
NUT "F"
FRONT LINKS TRUNNION
FIG. 21 FIG. 23

SERVICE AND A
TO REPLACE MOWER BLADE DRIVE BELT
(See Fig. 24)
Th°_sm_wr_rt_leadecdrrenbevlttmsa_fabcee"brake,,For assistance, there is a belt _n_s_i_on_artgrhuk_U_
decal on the mower housing
BELT REMOVAL-
o Place attachment clutch in "DISENGAGED" position°
o Move attachment lift lever forward to lower mower to
its lowest position.
° Roll belt off engine pulley°
° Work belt off both mandrel pulleys and idler pulleys,,
o Pull belt away from mower..
BELT INSTALLATION -
oInstall new belt in reverse order of removal.
°Make sure belt is in all pulley grooves and inside all
belt guides.
MANDREL IDLER
PULLEY PULLEYS
MANDREL
PULLEY
ENGINE PULLEY
FIG. 24
TO ADJUST BRAKE (See Fig. 25)
• Depress clutcWbrake pedal and engage parking brake.
° Measure distance between brake operating arm and
nut "A" on brake rod.
° Engage parking brake and recheck distance,,
o
thorized service center.
JUSTMENT$
WITH PARKINGBRAKE "ENGAGED"
FIG. 25
TO REPLACE MOTION DRIVE BELT (See
Fig. 26)
ParkFor assistance,the tract°rthere°nleve]isa _e_tainstEar_lga_igoe;uai_iengebcr_ken
bottom side of left footrest.
°Remove mower (See "TO REMOVE MOWER" in this
section of this manual)°
•Remove belt from stationary idler and clutching idler,,
° Remove belt from engine pulley_
.Roll belt over top of transaxle pulley.
° install new belt by reversing above procedure.
IMPORTANT: REPLACE ONLY WiTH BELT LISTED
IN THIS MANUAL_
PULLEY
CHASSIS
CLUTCH|NO
STATIONARY
IDLER ENGINE
PULLEY
FIG. 26
21

SERVICE AND
TO ADJUST STEERING WHEEL ALIGNMENT
If steering wheel crossbars are not horizontal (left to right)
when wheels are positioned straight forward, remove steer-
ing wheel and reassemble per instructionsintheAssembiy
section of this manual.,
FRONT WHEEL TOE-II'_CAMBER
The front wheel toe-in and camber are not adjustable on
your unit° If damage has occurred to affect the front wheel
toe-in or camber, contact your nearest authorized service
center,
TO REMOVE WHEEL FOR REPAIRS (See
Fig. 27)
, Block up axle securely_
•Remove axle cover, retaining dng and washers to allow
wheel removal (rear wheel contains a square key - Do
not lose).
o Repair tire and reassemble.
•On rear wheels only: align grooves in rear wheel hub
and axle_ insert square key°
= Replace washers and snap retaining ring securely in
axle groove_
° Replace axle cover:
WASHERS
RETAINING
RING
!
_SQUARE KEY
(REAR WHEEL ONLY)
FIG. 27
AXLECOVER
TO START ENGINE WITH A WEAK BAT-
TERY (See Figs. 28 & 29)
CAUTION: Lead-acid batteries gener- I
ateexplosive gases. Keep sparks, flame
and smoking materials away from bat- |
teries. Always wear eye protection |
when around batteries. ,i,,, INNIlI'IIL _ '111'11
If your battery is too weak to start the engine, it should be
recharged. If "jumper cables" are used for' emergency
starting, follow this procedure:
ADJUSTMENTS
IMPORTANT: YOUR UNIT IS EQUIPPED WITH A 12
VOLT NEGATIVE GROUNDED SYSTEM. THE OTHER
VEHICLE MUST ALSO BE A 12 VOLT NEGATIVE
GROUNDED SYSTEM. DO NOT USE YOUR TRACTOR
BATTERY TO START OTHER VEHICLES°
TO
°
ATTACH JUMPER CABLES -
Connect each end of the RED cab{e to the POSITIVE
(+) terminal of each battery, taking care not to short
against chassis.
• Connect one end of the BLACK cable to the NEGA-
TIVE (-) terminal of fully charged battery.
° Connect the other end of the BLACK cable to a panel
bolt on the left side of the chassis, away from fueltank
and battery.
TO REMOVE CABLES, REVERSE ORDER -
•BLACK cable first from [eft side of chassis and fully
charged battery.
oRED cable last from both batteries.
"POSITIVE .... NEGATIVE"
(*) (-)
FIG. 28
PA"ELL/ J
FIG. 29
TO REPLACE FUSE
Replace with 30 amp automotive-type plug-in fuse. The
fuse holder is located under the dash, directly behind the
engine.
TO REPLACE HEADLIGHT BULB
• Raise hood.
• Pull bulb holder out of the hole in the backside of the
grill.
°Replace bulb in holder and push bulb holder securely
back into the hole inthe backside of the grill
•Close hood,
22

SERVICE AND ADJUSTMENTS
ENGRNE
TO ADJUST THROTTLE CONTROL CABLE
(See Fig. 30)
The throttle control has been preset at the factory and
adjustment should not be necessary_ Check adjustment as
described below before loosening cable° If adjustment is
necessary, procede as follows:
o With ,engineno!, running;, move throttle control lever
from SLOW to CHOKE position. Slowly move lever
from "CHOKE" to "FAST" position,
° Check to see if hole in throttle lever and hole in speed
control bracket are aligned_
°If holes are not aligned, loosen cable clamp screw and
align the holes by inserting a pencil or a t/4" drill bit
through both holes°
• Pull throttle cable up to remove slack and tighten cable
clamp screw. Remove alignment pencil or drill bit..
TO ADJUST CARBURETOR (See Fig. 31)
The carburetor has been preset at the factory and adjust-
ment should not be necessary. However, minor adjust-
ment may be required to compensate for differences in fuel,
temperature, altitude or load.. If the carburetor does need
adjustment, proceed as follows:
In general, turning the adjusting needles in (clockwise)
decreases the supply of fuel to the engine giving a leaner
fue!/air mixture. Turning the adjusting needles out (counter-
clockwise) increases the supply of fuel to the engine giving
a-richer fuel/air mixture_
IMPORTANT: DAMAGE TO THE NEEDLES AND THE
SEATS IN CARBURETOR MAY RESULT tF NEEDLE IS
TURNED iN TOO TIGHT
PRELIMINARY SETTING -
• Be sure you have a clean air filter and the throttle
control cable is adjusted properly (see above)°
° With engine offturn idlefuel adjusting needle in (clock-
wise) closing it finger tight and then turn out (counter-
clockwise) 1 turn.
FINAL SETTING -
° Start engine and allow to warm for five minutes. Make
final adjustments with engine running and shift/motion
control lever in "NEUTRAL" position.
° ld!e speed setting-With throttle control lever in"SLOW"
position, engine-should idle at 1625 RPM. If engine
idles too slow or fast, tu rn idle speed adjusting screw in
or out until correct idle is attained_
°idle fuel needle setting - With throttle control lever in
"SLOW" position, turn idle fuel adjusting needle in
(,clockwise) until engine begins to die and then turn out
(.counterclockwise) approximately 1/8 to '1/4 turn to
obtain best tow speed performance.
o Recheck idle speed.. Readjust if necessary°
ACCELERATION TEST -
o Move throttle control lever from "SLOW" to "FAST"
position, If engine hesitates or dies, turn idle fuel
adjusting needleout (counterclockwise) t/Stum. Re-
peat test and continue to adjust, if necessary, until
engine accelerates smoothly°
High speed stop is factory adjusted. Do not adjust -
damage may resulL
IMPORTANT: NEVER TAMPER WiTH THE ENGINE
GOVERNOR, WHICH IS FACTORY SET FOR PROPER
ENGINE SPEED° OVERSPEEDING THE ENGINE ABOVE
THE FACTORY HIGH SPEED SETTING CAN BE
DANGEROUS. IF YOU THINK THE ENGINE-GOVERNED
HIGH SPEED NEEDS ADJUSTING, CONTACT YOUR
NEAREST SEARS SERVICE CENTER, WHICH HAS
PROPER EQUIPMENT AND EXPERIENCE TO MAKE ANY
NECESSARY ADJUSTMENTS°
CABLE
SPEED
THROTTLE LEVER
FIG. 30
IDLE SPEED ADJUSTING SCREW
IDLE FUEL ADJUSTING NEEDLE
FIG. 31
23

STORAGE
immediately prepare your' tractor for storage at the end of
theseason orifthe unit will not be used for30daysor more.
_CAUTION: Never store the tractor with [
gasoline in the tank inside a building
where fumes may reach an open flame
or spark. Allow the engine to cool
before storing in any enclosure.
TRACTOR
Remove mower from tractor for winter storage+ When
mower is to be stored for a period of time, clean it thor-
oughly, remove all dirt, grease, leaves, etc. Store in a
clean, dry area+
• Clean entire tractor (See"CLEANING" inthe Customer
Responsibilities section of this manual).
= Inspect and replace belts, if necessary (See belt re-
placement instructions in the Service and Adjustments
section of this manual).
•Lubricate as shown in the Cu3tomer Responsibilities
section of this manual
* Be sure that all nuts, bolts and screws are securely
fastened, Inspect moving partsfordamage, breakage
and wear+ Replace if necessary.
oTouch up all rusted or chipped paint surfaces; sand
lightly before painting
BATTERY
,, Fully charge the battery for storage+
°After a period of time in storage, battery may require
recharging.
° To help prevent corrosion and power leakage during
long periods of storage, battery cables should be
disconnected and battery cleaned thoroughly (see "TO
CLEAN BATTERY AND TERMINALS" in the Cus-
tomer Responsibilities section of this manual).
• After cleaning: leave cables disconnected and place
cables where they cannot come in contact with battery
terminals.
= Bi_ sure battery drain tube is securely attached.
ENGINE
FUEL SYSTEM
IMPORTANT: IT IS IMPORTANT TO PREVENT GUM
DEPOSITS FROM FORMING {N ESSENTIAL FUEL
SYSTEM PARTS SUCH AS CARBURETOR, FUEL FILTER,
FUEL HOSE, OR TANK DURING STORAGE. ALSO,
EXPERIENCE INDICATES THAT ALCOHOL BLENDED
FUELS (CALLED GASOHOL OR USING ETHANOL OR
METHANOL) CAN ATTRACT MOISTURE WHICH LEADS
TO SEPARATtON AND FORMATION OF ACIDS DURING
STORAGE. ACIDIC GAS CAN DAMAGE THE FUEL
SYSTEM OF AN ENGINE WHILE IN STORAGE.
• Drain the fuel tank.
•Start the engine and let it run until the fuel lines and
carburetor are empty.
• Never use engine orcarburetor cleaner products inthe
fuel tank or permanent damage may occur,
o Use fresh fuel next season,
NOTE: Fuel stabilizer is an acceptable alternative in
minimizing the formation of fuel gum deposits during stor-
age+ Add stabilizer to gasoline in fuel tank or storage
container+ Always follow the mix ratio found on stabilizer
container. Run engine at least 10 minutes after adding
stabilizer to allow the stabilizer' to reach the carburetor'. Do
not drain the gas tank and carburetor if using fuel stabilizer.
ENGINE OIL
Drain oil (wi!h engine Warm) and replace with clean engine
oil, (See ENGINE" in the Customer' Responsibilities
section of this manual),
CYLINDERS
o Remove spark plug(s),
° Pour' one ounce of oil through spark plug hole(s) into
cylinder(s)+
t,
• Turn ignition key to START' position for a few seconds
to distribute oil+
° Replace with new spark plug(s)+
OTHER
* Do not store gasoline from one season to another.
°Replace your gasoline can if your can starts to rust.
Hust and/or dirt in your gasoline will cause problems.
o If possible, store your unit indoors and covet it to give
protection from dust and dirt
oCovet'your unit with a suitable protective cover that
does not retain moisture+ Do not use plastic. Plastic
cannot breathe which allows condensation to form and
wi{Icause your unit to rust.
IMPORTANT: NEVER COVER TRACTOR WHILE ENGINE
AND EXHAUST AREAS ARE STILL WARM.
24

TROU LESHO0 GPONNTS
PROBLEM
Will not start
CAUSE
!, Out of fuel.
2, Engine not "CHOKED" properly,
34 Engine flooded.
4. Bad spark ptug
5,, Dirty air filter,
6, Dirty fuel filter.
7, Water in fuel.
8. Loose or damaged wiring
9_ Carburetoroutof adjustment,
10, Engine valves out of adjustmenL
Hard to start 1, Dirty air filter,
2, Bad spark plug,
3. Weak or dead battery,
4_ Dirty fuel lilter.
5. Stale or dirty fuel,
6. Loose or damaged wiring,
7, Carburetor out of adjustment
8. Engine valves out of adjustment,,
Engine will not turn over I, Clutchtbrake pedal not depressed,
2, Attachment clutch is engaged,
3, Weak or dead battery,
4_ Blown fuse,
5. Corroded battery terminals.,
6 Loose or damaged wiring,
7, Faulty ignition switch
8, Faulty solenoid or starter.
9. Faulty operator presence switch(as),
Engine clicks but wtll not
start
Loss of power
Excessive vibration
!, Weakordead battery,
2_ Corroded battery terminals,
3, Loose or damaged wiring
4, Faulty solenoid or starter°
1. Cutting toomuch grass/too fast.
2, Throttle in "CHOKE" position,
3- Build-up of grass, leaves and trash under mower.
4. Dirty air filter,
5. Low oil level!dirtyoil
6, Faulty spark plug.
7. Dirty fuet filter_
8. Stale or dirty fuel.
9, Water in fuel,
10 Spark plug wire loose,
11, Dirty engine air screent[ins,
12, Dirty!clogged muffler°
t3 Loose or damaged wiring,
14. Carburetor out of adjustment,
15 Engine valves out of adjustment_
CORRECTION
1., Fill fuel tank,
2, See "TO START ENGINE" in Operation seotton_
3, Wait several minutes before attempting to start°
4, Replace spark plug
5 Cleantreplace air filter.
6o Replace fuel filter,,
7, Drain fuel tank and carburetor, refill tank with fresh
gasoline and replace fuel filter,,
8rCheck alJwiring
9, Contact an authorized service facility,
10, Contact an authorized service facility,
1, Clean/replace air filter.
2_ Replace spark plug,,
3 Recharge or replacebattery,
4 Replacefuel filter,
5. Drain fuel tankand refill with fresh gasoline,,
6,, Check all wiring.
7. Contact anauthonzed service facility°
8, Contact an authorized service facility,
1, Depress c_utchlbrake pedal.
2, Disengage attachment clutch.
3. Recharge or replace battery'.
4_ Replace fuse,
5, Clean battery terminars,
6, Check all wiring
7, Checldrepiace ignition switch,
8. Chectdreptase solenoid or starter,
9, Contact an authorized service facility.
1., Recharge or replace battary_
2o Clean battery terminals.
3, Check all wiring,
4 Checldreplace solenoid or starter.
lrSet in "Higher Cut" positiontreduce speed.
2, Adjust throttle control,,
3, Clean underside of mower housing,
4 Cleantreplace air filter,
5, Check oil leve!lchange oil,
6, Clean and regap or change spark plug,
7,. Replace fuel filter,
8, Drain fuel tank and refill with fresh gasoline.
9, Drain fuel tank and carburetor, refill tank with fresh
gasoline and replace fuel filter,
10 Connect and tighten spark plug wire.
11, Clean engine air soreentfins
t2, Clean/replace muffler_
13, Check at! wiring
14, Contact an authorized service facility,
15, Contact an authorized service facility,
t_ VVom,bent or loose blade.
2, Bent blade mandrel.
3. Looseldamaged part(s)_
1o Replace blade Tighten blade boll
2. Replace blade mandrel.
3. Tighlen loose part(s). Replace damaged parts.
25

PROBLEM
Engine continues to run
when operator leaves seat
with attachment clutch
engaged
Poorcut*uneven
i,,,
Mower blades will not
rotate
uu
Poor grass discharge
j/uu ,m
Headlight(s) not working
(if so equipped)
Battery will not charge
Engine "backfires"
when turning engine
"OFF"
TF OUBLESHO0
CAUSE
L ....................................................
1 Faulty operator-safetypresencecontrolsystem,
1_ Worn, bent orloose blade
2, Mowerdeck notlevel,
3, Buildupof grass,leaves,and trashunder mower
4Bentblade mandrel
5. Ctogged mower deck vent holesfrom buildup of
grass, leaves, and trasharound mandrels_
I. Obstruction in clutchmechanism
2, Worn/damagedmower drive bell
3. Frozen idlerpufley_
4 Frozen blade mandrel
1_ Enginespeed tooslow,
2+ Travel speedtoo fast+
3, Wet grass.
4o Mowerdecknotlevel,
5, Low/uneventire air pressure
6. Worn,bent orloose blade.
7, Buildup of grass, leavesand trashunder mower.
8Mower drive beltworn
9. Blades improperlyinstalled.
10_ Improper blades used
11. Clogged mower deck vent holes from buildup of
grass, leaves, and trasharound mandrels.
1, Switch is "OFF",
2, Bulb(s) bumedouL
3, Faulty light switch.
4, Loose or damaged wiring
5, Blown fuse,
1. Bad batterycell(s).
2, Poor cabieconnections,
3, Faultyregulator (ifso equipped),
4, .Faultyalternator.
1. Engine throttle controlnot set at "SLOW'
position for 30 seconds before stopping engine,
GPOINTS
CORRECllON
1, Check wiring,switches and Connections,if not
correcled, contactan authorized service facil[ty_
I_ Replace blade, Tighten blade boll
2_ Level mower deck,
,3, Clean underside of mower housing°
4, Replace blade mandrel,
5 Clean around mandrels to open vent holes,,
1 Remove obstruction
2. Replace mower drive belt,,
3. Replace idlerpu{[ey.
4, Replaceblademandrel,
1_ Placethrottlecontrolin"FAST" position_
2, Shift to slowerspeed,
3, A!low grassto dry beforemowing,
4, Level mower deck.
5, Check tiresfor proper air pressure,
6 Replace/sharpen blade, Tighten blade bolt,
7 Clean underside of mower housing,
8 Replace mower drive bell
9 Reinstall blades sharp edge down_
10, Replace with blades listed in thismanual
11. Clean around mandrels to open vent holes.
1. Turn switch "ON",
2, Replace bulb(s),
3. Check/replace light switch_
4. Check wiring and connections.
5, Replace {use,
1, Replace battery.
2, Check/clean all connections,
3. Replace regulator,
4_ Replace alternator.
Move throttlecontrol to =SLOW"position and allow
to idlefor 30 seconds before stoppingengine,
26

SCHEMATIC
14 HP 42" TRACTOR --MODEL NUMBER 917.255692
.
ttl
o 1! io 0 ,0K
BATTERY
BLACK
"7
RED _'!it _" ) RED l|RED
FUSE 30 AMP, f , t
WHITE
BLACK
(
CLUTCH!BRAKE
(PEDAL UP)
1WHITE
'L
I 1 8_CK
IGNITION SWITCH
RED
BLUE AFTER FIRE
SOLENOID
1 i I
SOLENOID
1
I2""_._ .,""_ L WHITE
1j
| I I
t l I
t
J i
AT_MENTCLUTCH
(CLUTCHOFF)
IGNITION
UNIT
GREEN
15AMP _
REGULATOR YE_OW
STARTER
)
I f
' IC '"_ i BLAOf{
,,--O j_:; )
SEAT
SWITCH
(NOT OCCUPIED)
SPARK Q
PLUG
ALTERNATOR
40 VOLTSAC(MIN) L.,,._ ,,=
@3600 RPM
SORANGE
!!
HEADLIGHT
SWITCH
(OFF)
BROWN
_7
IGNITION SWITCH
POSITION CIRCUIT
OFF M +G
ON B +L
START B + S+ L
NON-REMOVABLE
CONNECTIONS
REMOVABLE
CONNECTIONS
WIRING INSULATED CLIPS
NOTE: IF WIRING INSULATED
CLIPS WERE REMOVED FOR
SERVICING OF UNIT, THEY
SHOULD BE REPLACED TO
PROPERLY SECURE YOUR WIRING
27

REPAIR PARTS
14 HP 42" TRACTOR . - MODEL NUMBER 917.255692
ELECTRICAL
6
33
/
/
/
t
/
40
° \
,39
\
I
I
J39
t
I
I
6I
/
26
36
f
/
!
/
5I
I
I
A B C D E F
28

REPAIR PARTS
14 HP 42" TRACTOR -- MODEL NUMBER 917.255692
ELECTRICAL
KEY PART KEY PART
NO. NO, DESCRIPTION NO. NO. DESCRIPTION
1 121537X Battery 22 121264X
2 102972X Switch, I_nition 23 74760412
3 124211X Nut, Ignition 24 STD551025
4 133135 Harness, Ignition 25 STD551125
5 4207J Cable, Ground 26 STD541025
6 4206J Cable, Battery 27 109310X
7 STD54143'7 Nut 28 108824X
8 7603J Tray, Battery 29 100541K
9 109596X Clamp, Hose 30 123620X
10 109081X Solenoid 31 110712X
tl STD551t25 Washer, Lock 32 127441X
12 73350400 Nut, Hex, Jam '1/4-20 UNC 33 4152J
13 74780408 Bolt, Hex, Fin. 34 t08236X
1/4.o20UNC x 1/2 Grade 5 35 STD601005
14 STD551225 Washer 36 1'10923X
15 STD541425 Nut 37 74760616
t6 131563 Cover, Terminal 38 STD551237
't7 109553X Switch, interlock 39 't23198X
18 STD601005 Screw 40 102476X
19 104445X Switch, Interlock 41 STD532575
20 STD601005 Screw 42 19131312
2'1 121305X Switch, Phmger
Cap, Battery
Bolt, Hex 1/4-20 UNC x 3/4
Washer
Washer
Nut
Key, Ignition
Fuse
Tube, Plastic
Cover, Key Switch
Switch, Light
Harness, Light Socket
Bulb, Light
Bracket, Switch
Screw
Bracket, Switch
Bolt, Hex 3/8-16x 1
Washer
Nut, Plastic, Wing 1/4-20
Guard, Terminal
Bolt
Washer 13/32x 13/16 x 12 Gauge
NOTE: All component dimensions given in U,S. inches
1 inch = 25°4 mm
29

REPAIR PARTS
14 HP 42" TRACTOR --MODEL NUMBER 917.255692
CHASSIS AND ENCLOSURES
84 82
1/
15
R_48
A
34
A D
_23
E F G H K L M N o P
4_21 v
Q R $ 1" U V W
58
(_ 59 41
ss
s9
3O

REPABR PARTS
14 HP 42" TRACTOR -- MODEL NUMBER 917.255692
CHASSIS AND ENCLOSURES
KEY PART KEY PART
NO. NO, DESCRIPTION NO, NO, DESCRIPTION
1'135034
2'130805
317490612
4 72140606
5134775
6 123783X012
7 17490608
82751R
9120028X
10 5479J
11 124118X
12 121794X
13 133748
14 1749O612
15 134774
16 STD533710
17 2751R
18 129621X012
19 74180412
20 STD551025
21 STD541425
22 74180512
23 73680500
24 STD523707
25 19131312
26 STD541437
27 105509X
28 105528X
29 STD54143!
30 123784)(459
31 73680600
32 STD523120
33 105465)(459
34 105464X459
35 STD533707
36 8TD541437
37 105466X
38 2751R
39 STD551237
40 8TD541437
4! 121235X
42 105525X
43 STD523707
44 STD523707
45 STD541437
Chassis 46
Drawbar 47
Screw, Thd, Roll
3/8-16 x 3/4 Type TT 48 109015X
Bolt, Carriage 318-16 x 3/4
Bracket Assembly, Pivot, RH 49 109016X
Saddle, Silkscreened
Screw, Thd., Roll 50 '106013X459
3/8-16x 1/2TypeTT 51 106091X
Clip, Fuel Line 52 191314'16
Dash, Plastic 53 121236X
Plug, Button 54 108067X
Panel, Dash, LH 55 108402X
Cover, Access 56 17490612
Panel, Dash, RH
Screw, Thd,, Roll 57 110436X
3/8-16 x 3/4 Type TT 58 8TD551137
Bracket Assembly, Pivot, LH 59 STD541037
Bolt 60 STD533727
Clip, Fuel Line 61 108403X459
Plate, Dash 62 108410X459
Screw, Machine 1/4-20 x 3/4 63 STD523707
Washer 17/64 64 106909X
Nut 65 106910X
Screw, Machine, Truss Head 66 106003X
5/16-18 UNC x 3/4 67 106004X
Nut, Crownlock 5/16-18 68 132257
Bolt 69 128231
Washer !3/32 x13/16 x 12 Gauge 70 108512X
Nut 71 108513)(
Bracket Assembly, Fender 72 5320R
Grill 73 120529X
Nut, Crownlock 5/t6-18 74 123933X394
Fender 75 108067X
Nut, Crownlock 76 110350X459
Bolt, Hex 5/1648x 2 77 106090X
Footrest, LH 78 108067X
Footrest, RH 79 t0553!X
Bolt 80 17490612
Nut
Pad, Footrest 81
Clip, Fuel Line 82
Washer 83
Nut 84
Spacer, Split 85
Bracket, Support, Dash 86
Bolt 87
Bolt 88
Nut
105518)( Dash, Lower
17490608 Screw, Thd., Roll.
3/8d6 x 1/2 Type TT
Bracket Assembly,
Front Pivot Hinge, LH
Bracket Assembly,
Front Pivot Hinge, RH
Hood Assembly
Hinge Assembly, RH
Washer 13/32 x 7/8 x 16 Gauge
Spacer, Split
Nut, Pal
U Clip, Altuminum
Screw, Thd., Roll.
3/8-16 x 314 Type TT
Bushing, Snap, Split
Washer, Lock
Nut
Bolt
Panel Assembly, RH
Panel Assembly, LH
Bolt
Screw, Special, Dacrotized
Washer, Alluminum
Lens, Headlight, RH
Lens, Headlight, LH
Bezel, Light
Plate, Support, BatterY
Bracket Assembly, Pivot, RH
Bracket Assembly, Pivot, LH
Clip, Insulated
Washer, Nylon .44 x ,75 x .032
Pointer, Height Indicator
Nut, Pal
Strap Assembly, Grill
Hinge Assembly, LH
Nut, Pal
Nut, Push, Nylon
Screw, Thd.. Roll.
3/8-16 x 3/4 Type TT
123934X Scale, Height,tl,.ndicator
t9112410 Washer 11/32x 1-1/2x10 Gauge
STD551 '131 Washer, Lock
74780516 Bolt, Hex, Fin. 5/16-'18 UNC x 1
120579X Nut, Pal
123935X Plug, Hole
t 05511X Fender Strap
136532 Bumper, Hood
NOTE: All component dimensions given in U.S, inches
1 inch = 25,4 mm
31

REPAIR PARTS
14 HP 42" TRACTOR - - MODEL NUMBER 917.255692
DRIVE
89
K
13
14
88
87
57
86
39_
i
L7O
164
45
53
I J K
32

REPAIR
DRIVE
PARTS
14 HP 42" TRACTOR - -MODEL NUMBER 917,255692
KEY
NO.
t
2
3
4
5
6
7
8
9
I0
11
t2
13
14
15
16
17
18
19
20
21
22
23
24
25
26
27
28
29
3O
31
32
33
34
35
36
37
38
39
40
41
42
43
44
45
46
47
PART
NO.
136168
110422X
123667X
12000028
121520X
174905t 2
2228M
127288X
19060718
STD561210
105701X
19151216
71040412
STD551125
74640808
t 0100800
121520X
STD523707
STD541437
17490512
106933X
130804
STD541437
STD541237
106888X
STD551037
STD561210
133261
124236X
130807
127289
STD523107
STD541431
122424X
! 20t 83X
STD551062
STD571810
123674X
STD523727
4470J
t09070X
19131312
STD541437
105706X
1!0812X
12000039
127783
KEY PART
DESCRIPTION NO. NO. DESCRIPTION
Transaxle, Dana, 6 Speed 48
Spring, Return, Brake 49
Pulley, Transaxle 50
Ring, Retainer 51
Strap, Torque 52
Screw, Thd., Roll. 53
5/16-18 x 3/4 Type T 54
Key, Woodruff 55
Rod, Shifter, Fender 56
Washer 3/16 x 7/16 x 18 Gauge 57
Pin 58
Washer, Plate, Shifter 59
Washer 15/32 x 3/4 x 16 Gauge 60
Bolt, Hex, Fin. 61
1/4-28 UNF x 3/4 Grade 8
Washer, Lock, Heavy Helical Spring 62 8883R
Screw #8 x 1/2 63 134825
Washer, Lock #8 64 M010110100
Strap, Torque 65 STD551143
Bolt 66 129921
Nut 67 STD523710
Screw, Thd. Roll 68 19131312
5/16-18 x 3/4 Type T 69 STD541437
Knob, Round 70 134683
Rod, Brake 71 STD523710
Locknut 72 19132012
Nut 73 STD541437
Spring, Rod, Brake 74 109502X
Washer 75 121749X
Pin 76 STD581075
Rod, Parking Brake 77 123583X
Cap, Parking Brake, Red 78 121748X
Bracket, Transaxle Mounting 79 17490612
Keeper, Belt, LH
Bolt 80
Nut 81
Shaft Assembly, Foot Pedal 82
Bearing, Nylon 83
Washer 84
Pin, Roll 85
Pulley, Idler, Flat 86
Bolt 87
Spacer, Split 88
Keeper, Belt Retainer 89
Washer 13/32 x 13/16 x 12 Gauge 90
Nut 91
Bearing, Nylon
Washer, Hardened
Ring, Kiip
Pulley, Idler, V-Groove
!23789X Bellcrank Assembly
123205X Retainer, Belt
STD523715 Bolt
STD541437 Nut
STD551037 Washer
105710X Link, Clutch
STD561210 Pin
105709X Spring, Return, Clutch
STD561210 Pin
131006 V-Belt, Ground Drive
127290 Keeper, Belt, RH
136715 Keeper, Chassis, Center Span Belt
19131312 Washer 13/32 x 13/16 x I2 Gauge
17490612 Screw, Thd., RoE
3/8-16 x 3/4 Type TT
Cover, Pedal, Round
Pulley, Engine
Bolt, Hex M10-1_5 x 100
Washer
Keeper, Belt, Engine, LH
Bolt
Washer 13/32 x 13/16 x 12 Gauge
Nut
Guide, Mower Drive Belt, RH
Bolt
Washer 13/32 x 14/4 x 12 Gauge
Nut
Spacer, Split
Washer 25/32 x 1-1/4 x 16 Gauge
E-Ring
Key, Squar e 2.0 x .1845/.1865
Washer 25/32 x 1-5/8 x 16 Gauge
Screw, Thd. Roll
3/8-16 x 3/4 Type TT
131487 Arm, Shift, Transaxle
136933 Shaft Assembly, Shifter
t 23782X Spring, Torsion, Transaxle
19171216 Washer 17/32 x 3/4 x 16 Gauge
132183 Tie Rod
73530400 Nut, Nylock 1/4-28
71208 Bushing, Pivot
19212016 Washer
t2000008 E-Ring
t27287X Console, Shifter, 6 Speed
STD541431 Nut
74760540 Bolt, Hex, Fin.
5/16-18 LINC x 2-1/2
NOTE: All component dimensions given in US° inches
1 inch = 2&4 mm
33

s_ _"G _ss_Y

REPAURPARTS
14 HP 42" TRACTOR -- MODEL NUMBER 917.255692
STEERING ASSEMBLY
KEY PART KEY PART
NO. NO. DESCRIPTION NO. NO. DESCRIPTION
'1 133741 Steering Wheel 29 17490612
2 131450 Axle Assembly, Front
3 135227 Spindle Assembly, LH 30 STD551137
4 135228 Spindle Assembly, RH 31 73610600
5 6266H Bearing, Race, Thrust, Hardened 32 130465
6 121748X Washer 25/32 x 1-5/8 x 16 Gauge 33 126847X
7 19272016 Washer 27/32 x 1-1/4x 16 Gauge 34 19131416
8 12000029 Ring, Klip 35 STD5612'10
9 3366R Bearing 36 1554J
10 130468 Link, Drag 37 STD523710
11 STD551137 Washer, Lock 38 133742
12 73610600 Nut, Hex, Fin. 3/8-24 UNF 39 100712K
13 110438X Spacer, Bearing, Front Axle 40 STD541350
14 74011056 Bolt, Hex 5/8-11 UNC x3-1/2 4t 100711L
15 7360'1000 Locknut, Hex, Jam, with Washer 42 1t0709X
Insert 5/8-tl UNC 43 121749X
16 132624 Pin, Axle, Large 5/8x 1.55It.54 44 121748X
17 128755 Shaft Assembly, Steering 45 12000029
18 57079 Washer, Thrust o515x .750 x .033 46 121232X
19 124035X Support, Shaft 47 !31672
20 126684X Washer, Shim I/4 x 5/8 x .062 48 17490612
21 STD551125 Washer
22 7t0704I0 Screw, Hex Socket Head 49
1/4-20 x 5/8 50
Shaft Assembly, Pittman 51
Nyliner, Snap-In 52
Bracket, Steering
Ring, Klip 53
Gear, Sector 54
Bearing, Race, Thrust, Hardened
23 127501
24 109816X
25 124036X
26 12000029
27 124034X
28 6266H
131291
STD561210
125916X
106451X
STD541437
106933X
Screw, Thd,, Rollo
3/8-16 x 3/4 Type TT
Washer, Lock
Nut, Hex, Fin. 3/8-24 UNF
Tie Rod
Bushing, Link, Drag
Washer 't3/32 x 7/8 x 16 Gauge
Pin
Bushing, Steering
Bolt
Insert, Cap, Steering Wheel
Washer ..53x 2.25 x _160
Nut
Adapter, Steering Wheel
Column, Steering
Washer 25/32 x 1-1/4 x 16 Gauge
Washer 25/32 x '1-5/8 x 16 Gauge
Ring, Klip
Cap, Spindle
Bracket, Pivot, Manual Clutch Lever
Screw, Thd. Roll.
3/8-16 x 3/4 Type TT
Link, Clutch, with Nibs
Pin
Lever Assembly, Mower Clutch
Bolt, Shoulder
3/8o16 UNC Grade 2
NUt
Knob, Round
NOTE" All component dimensions given in U.S. inches
1 inch = 25.4 mm
35

REPAIR PARTS
14 HP 42" TRACTOR --MODEL NUMBER 917.255692
ENGHNE
1
11 19 12
3
÷
I
G, \ 7
22
I
,, ,,, • i.............................
OPTIONAL EQUIPMENT
Spark Arrester
C
A
5
23
4
36

RE!PAIR
ENGINE
PARTS
14 HP 42" TRACTOR., -MODEL NUMBER 917.255692
KEY
NO.
1
2
4
5
6
8
9
lO
'i I
PART
NO.
134265
17720410
132499
124196X
1o1326L
17030808
STD551t31
STD523105
127334X
t23549X
KEY PART
DESCRIPTION NO. NO, DESCRIPTION
Control, Throttle 12 123487X
Screw, Hex Head, Thread Cutting 13 8543R
1/4-20 x 5/8 14 13280336
Engine, Kohler, 14 HP, 15 13200300
Model No. CV14S, Type Noo 1445 16 STD55!231
Muffler, Exhaust 17 M740108025
Deflector, Muffler 18 3645J
Screw, Hex Head, Spiderlock 19 106082X
#8 x 1/2 AB 20 8710J
Plug, Oil Drain 21 2751R
(Order From Engine Manufacturer) 22 121851X
Washer, Lock 23 128953
Bolt 24 STD601005
Tank, Fuel 25 109227X
Cap Assembly, Fuel NOTE:
Clamp, Hose
Line, Fuel
Nipple, Pipe
Elbow, Standard 90 °, 3/8-18 NPT
Washer
Hex Bolt
Bushing
Spacer, Pad
Stem, Fuel Tank
Clip, Fuel Line
Arrester, Spark
Shield, Heat
Screw
Spacer Pad
All component dimensions given in U_S. inches
1inch = 25.4 mm
37

REPAIR PARTS
14 HP 42" TRACTOR --MODEL NUMBER 917.255692
SEAT ASSEMBLY
29
11
t
26
C
10
B
5
D D
7
.i
I_p*=
>,
J
%
12
13
A B C D E
KEY
NO.
1
2
3
4
5
6
7
9
10
11
12
13
14
15
PART
NO.
127438X
126656X
STD523707
1913121O
2751R
STD541437
124181X
19131614
131451
121251X
121246X
121248X
72050411
1343O0
DESCRIPTION
Seat
Bracket, Pivot, Seat
Bolt
Washer 13/32 x 3/4 x 10 Gauge
_luitP,Fuel Line
ring, Seat
sher 13/32 x 1 x 14 Gauge
Pan, Seat
Strip, Foam
Bracket, Switch Mounting
Bushing, Snap, Nylon
Bolt, Carriage 1/4-20 x 1-3/8
Spacer, Split
KEY PART
NO. NO. DESCRIPTION
16 121250X Spring
17 123976X Nut, Flangelock 1/4 Grade 5
18 STD511005 Screw
19 73951000 Nut, Keps #10-32UNF
20 4171R Clip, Insulated
21 105529X Bolt, Shoulder 5/16-18 UNC
22 STD541431 Nut
24 19171912 Washer 17/32 x 1-3/16x 12 Gauge
25 127018X Bolt, Shoulder 5/16-18 x .62
26 120068X Knob, Seat
27 STD541437 Nut
29 124238X Cap, Spring, Seat
NOTE: All component dimensions given in U,S. inches
1 inch = 25.4 mm
38

REPAIR
DECALS
13
9
PARTS
14 HP 42" TRACTOR - - MODEL NUMBER 917.255692
25
24
18 6 2 3 7 85 8 20 4 22 3 10
22
15 19
4 --..
11
16
12
23
1
23
KEY PART
NO. NOo
1 108456X
2 133178
3 128490
4 128491
5 105806X
6 133644
7 106814X
8 133204
9 128314
10 133796
11 4900J
12 109199X
DESCRIPTION
Decal, Operating Instruction
Decal, Mower, 3 In One
Decal, Hood, Craftsman, RH
Decal, Hood, Craftsman, LH
Decal, Grille, Craftsman
Decal, Maintenance
Deca_, Side Panel, Stripe, RH
Decal, Side Panel,
Kohler OHV/14 HP
Decal, Fender, Craftsman
Decal, Caution
Decal, Clutch/Brake
Decal, V-Belt Drive Schematic
7
11
39
KEY PART
NO. NO.
13 '131473
14 136832
15 121343X
16 3713J
17 133179
18 132268
19 120960X
20 106813X
2i 132271
22 128258
23 106202X
24 108743X
25 108744X
-- 136219
DESCRIPTION
Decal, Chassis, 6 Speed/42"
Decal, V-Belt Schematic
Decal, Danger
Decal, Rotating Blades
Decal, Mower QC System
Decal, Insruction
Decal, Battery
Decal, Side Panel, Stripe, LH
Decal, LT4000
Decal, Hood & Grill, LT4000
Reflector, Taillight
Decal, Hood, Stripe, LH
Decal, Hood, Stripe, RH
Manual, Owner's
KEY PART
NO. NO, DESCRIPTION
1 59192
2 65139
3 106222X
4 59904
5 106732X311
6 278H
7 9040H
8 106108X31!
9 124632X
10 7152J
!I 104757X
Cap, Valve, Tire
Stem, Valve
Tire, Front
Tube, Front (Service Item Only)
Rim Assembly, Front
Fitting, Grease (Front Wheel Only)
Bearing, Flange (Front Wheel Only)
Rim Assembly, Rear
Tire, Rear
Tube, Rear (Service Item Only)
Cap, Axle
NOTE: All component dimensions given in UoS, inches
1 inch = 25A mm

REPAIR PARTS
14 HP 42" TRACTOR - - MODEL NUMBER 917.255692
42" MOWER DECK
67 70
59
66
39
52
54
42
43
51
91
90
89
87 8H
82
7"/
/84
76
!
21
92
14
18
17
15
12
5.-_
-----6
95 98 97
4O

REPAnR PARTS
14 HP 42" TRACTOR - oMODEL NUMBER 917.255692
42" MOWER DECK
KEY PART KEY PART
NO. NO. DESCRIPTION NO. NO. DESCRIPTION
1 130970
2 130969
3 110485X
4 128774
5 133172
6 129895
7134149
8 129962
9 STD551137
10 850857
11 128961
12 130968
!3 131491
14 131267
15 110452X
!6 123713X
17 19111016
18 105304X
19 STD541431
20 STD533107
21 STD624008
22 127218
23 73350800
24 130171
25 STD541450
26 135388
27 135563
28 130832
29 134619
33 133844
34 78158
35 129963
36 129861
37 73050900
38 STD5337t7
39 133943
40 131494
41 122052X
42 19131612
43 133502
44 133503
45 STD541437
46 72110618
47 133835
48 131340
49 133940
50 STD541410
5! 105529X
52 131845
53 133944
Mower Deck Assembly, 42" 54
V-Belt, 42" Mower 55
Bearing, Ball, Mandrel 56
Housing, Mandrel, Vented 57
Shaft Assembly, Mandrel, Vented 58
(Includes Key Number 6) 59
Bearing, Ball 60
Blade, Mulching, 42" Mower Deck 61
Washer, Hardened 62
Washer, Lock 63
Bolt 3/8-24 x 125 Grade 8
Stripper, Vented Mower Deck 64
Shield, Deflector 65
Rod, Hinge 66
Bracket, Deflector 67
Nut, Push 68
Spring, Torsion, Deflector 69
Washer 11/32 x 5/8 x 16 Gauge 70
Cap, Sleeve 72
Nut 73
Bolt 74
Retainer Spring 75
Link, Front 76
Nut, Hex, Jam 1/2_13 UNC 77
Trunnion 78
Nut 79
Link, Lift, RH 80
Pin, Spring, Slotted 81
Arm, Suspension, Rear 82
Link, Lift LH 83
Arm, Idler 84
Bolt 5/16-18 x 1.25 85
Washer, Spacer 86
Pulley, Mandrel 87
Nut, Toplock 9/16 88
Bolt 89
Washer, Hardened 90
Pulley, Idler, Flat 91
Spacer, Retainer
Washer 13/32 x 1 x 12 Gauge 92
Spacer, Idter Arm, Upper, 93
Hardened 94
Spacer, Idler Arm, Upper, 95
Hardened 96
Nut 97
Bolt, Carriage 3/8-16 x 2-1/4 98
Fastner, Christmas Tree - -
Bolt, Shloulder #10.24 Grade 5
Roller AssembIy, Cam Follower - -
Locknut
Bolt, Shoulder 5/16-18 UNC
Arm Assembly, Pad, Brake
Washer, Hardened
131335
133551
STD560907
133504
134236
134666
STD541237
133205
STD624003
17720410
127498
133435
127847
128903
12000029
121748X
127845
127846
128759
12000022
19292016
131926
121002X
74780624
121006X
2876H
122364X
122365X
t25631X
1108IOX
19151216
12000037
110807X
STD551037
STD560907
110729X
100734K
134753
134079
7t161010
STD551110
190612t6
2029J
130758
133171
130794
Spring, Extension
Rod, Pivot, with Nibs
Cotter Pin
Rod, Clutch, Secondary, with Nibs
Guard, Mandrel, LH
Rod, Clutch, Primary, with Nibs
Nut
Trunnion 3/8-16 UNC x t 30
Retainer
Screw, Hex Head, Thread Cutting
1t4-20 x 5/8
Bushing, Large, Brass
Spring, Extension, Return
Arm, Clutch, Secondary
Bolt, Shoulder 3/8-16 UNC x 1.44
Ring, Klip
Washer 25/32 x 1_5/8 x 16 Gauge
Keeper, Spring
Arm, Clutch, Primary
Spring, Mower Clutch
E-Ring
Washer 29/32 x 1-1/4 x 16 Gauge
Shaft Assembly, Lift
Lever Assembly, Lift
Bolt, Hex, Fin. 3/8-16 UNC x 1-1/2
Rod Assembly, Lever
Spring
Plunger, Lift Lever
Button, Plunger
Grip, Handle, Fluted
Trunnion, Depth Stop
Washer 15/32 x 3/4 x 16 Gauge
Ring, Klip
Nut, Special
Washer
Pin
Rod, Lift Adjust
Knob, Infinite Height Adjustment
3/8-16 UNC
Stiffener Bracket
Mulcher Cover
Screw
Washer, Lock
Washer #10
Nut, Weld
Latch Assembly, Bagger
Mower Deck, Complete (Does Not
include Mulching Components)
Mandrel Assembly (Includes Key
Numbers 5-8, 10-12, 39 and 41)
NOTE; All component dimensions given in U.So inches
1 inch = 254 mm
41

REPAIR PARTS
14 HP 42" TRACTOR --MODEL NUMBER 917.255692
DANA TRANSAXLE - MODEL NUMBER 4360-41
26 27
37
52
36
28
31
32
33 34
38
39
19
40 41
54
55 56
57
55 19
42
t2
47
48
59
56 55
3
4
49
6O
62 63 59
64
65
68 69
52
8
6"6
42
70

REPARRPARTS
14 HP 42" TRACTOR - - MODEL NUMBER 917.255692
DANA TRANSAXLE -MODEL NUMBER 4360-41
KEY PART KEY PART
NO. NO. DESCRIPTION NO, NO. DESCRIPTION
1 124643X Housin_ Upper 42 106605X
22274J Screw, !apping, Large 43 134394
1/4-20 x .734 44 120473X
3 134400 Ball, Detent 45 106596X
4 105904X Spring, Detent
5 105905X Screw, Set 46 105933X
6 134788 Kit, Shifter Assembly 47 124641X
7 t34399 Boot, Shifter 48 106589X
8 120951X Puck, Friction 49 120408)(
9 134791 Screw, Tapping, w/Sealer 50 105937X
10 2267J Ring, Retaining 51 2226J
11 134793 Assembly, Kit, Shim, °625 Shaft 52 134401
12 10615tX Gear, Spur, 15 Teeth 53 2264J
13 120415X Washer, Plain .632 x t .38 x °046 54 120474X
14 2257J Key, Woodruff, #9 55 I20409X
15 106846X Assembly, Kit, input Shaft 56 105941X
16 106095X Pinion, Bevel, t4 Teeth 57 !10071X
17 105909X Ring, Retaining 58 120952X
18 1059t0X Chain, 24 Pitches 59 106592X
19 105911X Bearing, Flange 60 120475X
20 108976X Gear, Spur, 14 Teeth 61 134798
21 105913X Collar, Clutch 62 120961X
22 120468 Key, Clutch 63 7294J
23 2242J Key, Woodruff, #3 64 108989X
24 124638X Shaft, Intermediate 65 120953X
25 2244J Key, Woodruff, #61 66 120954X
26 105916X Ring, Retaining 67 134799
27 120470X Sprocket, 18 Teeth 68 108992X
28 110070X Spacer 69 108996X
29 108977X Gear, Spur, 37 Teeth 70 120956X
30 109254X Gear, Spur, 35 Teeth 71 73810500
31 124644X Gear, Spur, 30 Teeth 72 120416X
32 108980X Gear, Spur, 25 Teeth
33 120406X Gear, Spur, 22 Teeth
34 134796 Gear, Spur, 19 Teeth
35 105925X Washer, Plain n640x 1o37 x .06'I
36 2232J Washer, Plain .632 x 1o00 x .026 ** Order Key Number 15.
37 108978X Spacer .630 x 1_O0x .169
38 110079X Assembly, Gear, Combination, 12
Teeth and 35 Teeth
Shaft, Idler
Spacer .633 x .87 x.755
Sprocket, 9 Teeth
39 124639X
40 !20472X
41 105928X
Gear, Bevel, 42 Teeth
Assembly, Kit, Shim, °750 Shaft
Shaft, Drive
Screw, Tapping, Large
5/16-18 x 1°44
Gear, Spur, 12 Teeth
Gear, Spur, 20 'Teeth
Gear, Spur, 25 Teeth
Gear, Spur, 28 Teeth
Gear, Spur, 31 Teeth
Washer, Plain °632 x 1o00x .060
Washer, Neoprene
Washer, Plain .758 x 1.25 x .03'1
Axle, Left Hand
Gear, Miter, 15 Teeth
Ring, Retaining
Gear, Spur, 32 Teeth
Shaft, Cross
Gear, Miter, 15 Teeth
Axle, Right Hand
Housing, Lower
Puck, Friction
Disc, Brake
Spacer
Jaw, Brake
Pin, Dowel
Screw, Tapping 5/16-18 x 2.25
Lever, Actuating
Washer, Plain _321 x t _00x .055
Bracket, Anti-Rotation
Locknut 5/16-24
Grease
* Use in various combinations to maintain proper
clearances.
*** Lubricate with Aerospace Lubricant. Inc_
PC-8 Oil or equivalent,
NOTE: All component dimensions given in U,S,, inches
1 inch = 25.4 mm
43

REPAIR PARTS
14 HP 42" TRACTOR -- MODEL NUMBER 917,255692
KOHLER ENGINE -MODEL NUMBER CV14S, TYPE NUMBER 1445
AIR INTAKE i _--1
2
6_
9
10
:cRANKSHAFT.J
BLOWER HOUSING AND BAFFLES I
1
i
_'_ 15
11
EX.AUST.,I.............
5
4
3
/
44

RIEPAmRPARTS
14 HP 42" TRACTOR --MODEL NUMBER 917.255692
KOHLER ENGINE -MODEL NUMBER CV14S, TYPE NUMBER 1445
AIR INTAKE BLOWER HOUSING AND BAFFLES
KEY PART KEY PART
NO. NO. DESCRIPTION NO. NO. DESCRIPTION
1 12 341 01 Knob, Air Cleaner Cover 1 SM-0545010
2 12 096 06 Cover, Air Cleaner 2 12 146 01
3 12 '100 01 WingNut 3 12 063 01
4 X-25-63 Washer, Plain 1/4 4 12 096 0'1
5 12 083 08 Precleaner Element 5 12 027 04
6 12 083 05 Element, Air Cleaner 6 !2 063 02
7 12 072 03 Stud, Mounting Plate 7 12 313 03
8 12 086 01 Screw, Mounting Plate Stud 8 12 063 03
9 12 041 02 Gasket, Air Cleaner
10 12 094 01 Base, Air Cleaner
ENGINE CONTROLS
EXHAUST KEY PART
NO, NO.
KEY PART
NO, NO. DESCRIPTION
1 M-0829036 Stud, Exhaust Manifold
M8 x 1°25 x20 (2)
Gasket, Exhaust Manifold
Nut, Muffler Mounting M8 x 1.25 (2)
Bracket, Muffler
Strap, Lifting
Screw, Lifting Strap
M6 x 1o0x 25 (3)
DESCRIPTION
Crankshaft
Short Block
Gasket Set
2 12 041 03
3 SM-0841080
4 12 t26 1t
5 12445 01
6 SM-0645025
Screw, Mounting M5 x 0,8 x 10 ('14)
Plate, Blower Housing
Baffle, Cylinder Barrel
Cover, Starter
Housing, Blower
Baffle, Carburetor
Grommet, Blower Housing
Baffle, Cylinder Head
CRANKSHAFT
KEY PART
NO. NO.
1 12 014 02
-- '!252202
-- 12 755 0t
DESCRIPTION
1 12 079 03
212 237 0'I
3SM-0645020
4 SM-0545016
512 536 01
6 SM-0443025
7 12 089 1'1
8 12 O89 04
9 12 089 12
10 SM-0641060
tl SM-0642025
12 12 090 05
t3 25158 09
14 12 O79 01
15 25t58 08
Linkage, Choke
Clamp, Cable
Screw, Hex Head M6 x 1.0 x 20 (2)
Screw, Cable Clamp
Control, Speed Assembly.(lncludes
Key Numbers 6 through 8)
Screw
Spring
Spring, Choke Return
Spring, Governor
Nut, Governor Arm M6 x 1,.0
Screw, Governor Arm
M6 x 1.0 x 25
Lever, Governor
Bushing
Linkage, Throttle
Bushing
NOTE: All component dimensions given in U.S. inches
1inch = 25.4 mm
45

REPABRPARTS
14 HP 42" TRACTOR - - MODEL NUMBER 917.255692
KOHLER ENGINE -MODEL NUMBER CV14S, TYPE NUMBER 1445
FUEL SYSTEM _i...................................
3O
34
31
33
4
/
.135
41
7
/
40
12
8
HUHIUHI/UHII ill HI
CYLINDEP HEAD, VAVLE AND BRE,ATH..ER ' .I
14
9
9
21 .._
20-._.__
19 ----_
10
36
3
35 5
J26
46

REPAIR PARTS
14 HP 42" TRACTOR -=MODEL NUMBER 917.255692
KOHLER ENGINE - MODEL NUMBER CV14S, TYPE NUMBER 1445
FUEL SYSTEM
KEY PART KEY PART
NO. NO. DESCRIPTION NO, NO. DESCRIPTION
1 12 853 08 Kit, Carburetor w/Gaskets 25 12 757 02
(Includes Key Numbers 6, 7: and 26 12 041 05
14-29, and all Kits marked-) 27 t2 104 01
2 X-22-11
3 25 237 02
4 12 265 01
5 X-426-9
6 12 04'I 01
7 12 041 O2
8 M-0629122
9 X-25-63
10 SM-0641060
11 52 353 22
12 47 154 01
13 25 O50 02
14 12 368 01
15 12 O89 09
16 12 086 04
'17 t2 O89 O9
18 12 146 03
19 25 086 27
20 12 144 09
21 '12 144 O8
22 1208910
23 12 146 02
24 12 337 01
Washer, Star 1/4 28 t2 041 06
Clamp, Hose (2) 29 12 086 05
Deflector, Heat 30 12 559 01
31 25 041 09
Clamp, Hose (4)
Gasket, Carburetor (2) 32 SM-0645020
Gasket, Air Cleaner 33 25 155 02
Stud, Carburetor M6 x 1.0 x 110 (2) 34 12 123 01
Washer, Plain 1/4 35 12 353 01
Nut, Carburetor M6x !o0 (2) 36 12 3t3 01
Fuel Line 37 SM-0545010
38 t2 154 01
Clip, Cable
Filter, Fuel 39 12 086 07
Needle, Idle 40 12 431 01
41 X-380ol
Spring, Idle Speed
Screw, Idle Speed Adjust
Spring, Idle Fuel NOT
Plate, Throttle
Screw, Throttle Plate (2)
Shaft, Throttle with Lever and Seal
Shaft, Choke
Spring, Choke Return
Plate, Choke
Jet, Main
Kit, Float
Gasket, Bowl
Bowl, Fuel
Gasket, Bowl Retainer Screw
Screw, Fuel Bowl
Kit, Fuel Pump (Includes Key #31)
Gasket, Fuel Pump
Screw, Fuel Pump M6 x 1,0 x 20 (2)
Connector, Hose
Line, Fuel, Metal
Rubber
Line, Fuel, Line(2)
Grommet, Fuel
Screw, Fuel Line Clamp
Clamp, Fuel Line
Screw, Ground Wire
Sleeve, Insulating
Connector, Hose
ILLUSTRATED
12 757 01 * Kit, Carburetor Repair
12 755 09 * Kit, High Altitude Jet
12 435 02 * Solenoid Assembly, Fuel
12 5't8 05 Lead, Solenoid, Black, 5'1,14
Gauge Uninsulated Push-On Tabs
41 518 34 Lead, Ground, Green, 5,18 Gauge
Insulated Grip Barrel Eyetets
CYLINDER HEAD, VALVE AND BREATHER
KEY PART KEY PART
NO. NO. DESCRIPTION NO. NO, DESCRIPTION
1
2
3
4
5
6
7
8
9
10
11
t2
13
14
15
12 318 01
12 351 01
12 411 Ol
12 041 04
12 017 01
12 017 02
12 016 01
12 016 02
12 112 04
M-1040080
52 018 01
12 089 '15
t2 173 01
t2 755 03
12 089 01
12 032 02
X-426-9
Head, Cylinder
Lifter, Valve (2)
Rod, Push (2)
Gasket, Cylinder Head
Valve, Intake, Standard Size
Valve, Intake .25" oversize
Valve, Exhaust, Standard
Valve, Exhaust 25" oversize
Spacer, Head Bolt Exhaust Port
Screw, Cylinder Head
alo x t.5 x ao(5)
Retainer, Spring (2)
Spring, Exhaust Valve, Green
Cap, Valve Spring (2)
Kit, Retainer (2)
Spring, Intake Valve
Seal,Valve Stem
Clamp, Hose (2)
16 12 326 03
17 SM-0645020
18 12 O96 O7
19 SM-0545010
20 12 018 01
21 12 402 01
22 SM-0642025
23 12 186 01
24 12126 05
25 12 14403
Hose, Breather
Screw, Valve Cover
M6 x 1.0 x 20 (3)
Cover, Valve with Nipple
Screw, Breather ReedRetainer
M5x Oo8x 1
Retainer, Breather Reed
Reed, Breather
Screw, Rocker Bridge
M6 x 1,0 x 25 (2)
Arm, Rocker (2)
Bridge, Rocker Arm
Shaft, Rocker Arm
NOT ILLUSTRATED
12 755 02 Kit, Cylinder Head
NOTE: All component dimensions given in U,So inches
1 inch = 2&4 mm
47

REPAURPARTS
14 HP 42" TRACTOR --MODEL NUMBER 917.255692
KOHLER ENGINE - MODEL NUMBER CV14S, TYPE NUMBER 1445
GNITION 1ELECTRICAL
4
13
OIL PAN /LUBRICATION I
_--20
21
_22
18
START!NG SYSTEM I
5_4
®
_7
48

REPABR PARTS
14 HP 42" TRACTOR -- MODEL NUMBER 917.255692
KOHLER ENGINE -MODEL NUMBER CV14S, TYPE NUMBER 1445
IGNITION /ELECTRICAL
KEY PART
NO. NO.
1SM-1040045
2 12 468 03
3 12 162 01
4SM-0639016
512 112 0'1
6 12 157 0!
7 X-42-15
8 41 403 09
9 SM-0639016
10 236602
11 236473
12 12 025 01
13 SM-0544025
14 SM-05450!0
15 '12 154 02
16 41 085 07
17 12 132 02
18 X-728-t
19 8M*0545010
20 12 58401
21 SM-0545020
NOT
DESCRIPTION
Screw, Flywheel Mounting
Washer, Flywheel Mounting Screw
Screen, Grass
Screw, Fan Mounting (4)
Spacer, Fan (4)
Fan
Key
Rectifier-Regulator
Screw, Rectifier-Regulator
M6 x 1.0 x 1_6(2)
connector, Rectifier-Regulator
Connector, 3 Contact
Flywheel Assembly
Screw, Stator Mounting
M5 x 0.8 x 25 (4)
Screw, Stator Harness Clip
M5xO.Sx 10
Clip, Stator Harness
Stator, 15 Amp
Spark Plug
Clip, Kill Lead
Screw, Lead Clip
Module, Ignition
Screw, Ignition Module
M5 x o,8 x 20 (2)
ILLUSTRATED
25 518 05 Lead, Black, Rectifier To Connector
5"-14 Gauge, Uninsulated Push-on
Tab Terminals
12 518 01 Lead, White, Ground To Kill
OIL PAN /LUBRICATION
KEY PART
NO. NO.
1 12 03B 01
212 153 02
3 12 123 04
4 SM_0545020
5 12 t5301
6 12 162 02
7 12 096 03
8 SM-0545016
9 SM-1039025
10 12 126 02
11 12 089 03
!2 1246201
!3 12 208 01
14 52 O50 02
t5 12 136 01
16 X-75-23
17 12 199 09
18 X-75-10
19 12 393 0!
20 12 032 04
21 1209602
22 SM-0£_5016
23 12 032 03
24 SM-0839045
DESCRIPTION
Dipstick
O-Ring, Upper Oil Fill Tube
Tube, Oil Fill
Screw, Oil Fill Tube M5 x 0.8 x 20
O-Ring, Lower Oil Fill Tube
Screen, Oil Pick-up
Cover, Oil Pick-up Screen
Screw, Screen Cover
Screw, Oil Pump Relief Valve
Bracket MIO x 1o5x 25
Bracket, Oil Pump Relief Bracket
Spring, Oil Pump Relief Valve
Piston, Oil Pump Relief Valve
Body, Oil Pump Relief Valve
Filter, Oil
Adapter
Plug
Pan, Oil
Plug, Soild Sq. Hd. 3/8 NPTF (2)
Pump, Oil
O-Ring, 0i! Pump Cover
Cover, Oil Pump
Screw, Oil Pump Cover
M5x O.Sx 16 (,_3)
Seal, Oil (P.T.O. End)
Screw, Oil Pan M8 x 1.25 x 45 (12) 49
CRANKCASE
KEY PART
NO. NO.
1 12 032 03
212 030 01
12 030 02
12 030 03
3 12 445 02
4 SM-0839025
5 12 380 03
6 12 010 02
7 12 089 05
8 12 422 01
12422 02
'!2 422 03
12422 11
12 422 12
12 422 06
t2 422 07
9 12 144 04
10 12 874 01
12 874 02
'12 874 03
'11 12 018 02
i2 12 t08 01
12 't 08 02
12 'IOB03
13 12 067 01
12 O67 02
14 12 360 01
15 1204305
16 SM-0631005
17 t2 144 02
18 52 139 09
19 12 144 01
20 SM-0631015
21 12 032 01
22 )(-25-1 O2
23 12 380 04
DESCRIPTION
Block, Cylinder (Use Short Block,
Part Number 12 522 02)
Seal, Crankshaft
Bearing, Crankshaft, Standard
(Flywheel End)
Bearing, Crankshaft _25" oversize
Bearing, Crankshaft _50" oversize
Strap, Lifting
Screw, Lifting Strap
Dowel, Locating (4)
Camshaft Assembly (Includes #7)
Spring, Actuating
Shim, Camshaft
Shim, Camshaft (is required)
Shim, Camshaft/as required)
Shim, Camshaft as required)
Shim, Camshaft as required)
Shim, Camshaft as requ!red)
Shim, Camshaft as requtrea)
Shaft, Balance
Piston wiring Set, Standard
Piston w/Ring Set 25" oversize
Piston w/Ring Set .50" oversize
Retainer, Piston Pin (2)
Ring Set, Standard
Ping Set °25" oversize
Ring Set .50" oversize
Connecting Rod, Standard
Connecting Rod 25" oversize
Pin, Governor Regulating
Gear, Governor Assembly
Washer, Governor Gear Thrust
Shaft, Governor Gear
Plug, Cup
Shaft, Governor Cross
Washer, Governor Shaft
Seal, Governor Cross Shaft
Washer, Plain
Pin, Governor Hitch
STARTING SYSTEM
KEY PART
NO. NO.
1 SM-0839065
212 468 01
3 "1209B 05
4 12 755 !2
512 755 06
6 12 227 01
7 12 170 02
8 12 086 02
9 12 243 01
10 46 755 15
DESCRIPTION
Screw, Bendix Starter
M8 x 1/25 x 65.5 (2)
Washer (2)
Starter Assembly (Includes #4-10)
Kit, Drive (Includes Key Number 5)
Kit, Drive Parts
Cap, Drive End
Armature
Screw, Hex Flange
Cap, Commutator End
(Includes Key Number 10)
Kit, Brush
NOT ILLUSTRATED
52 357 01 Lubricant, Starter
NOTE: All component dimensions given in U.S. inches
1 inch = 25.4 mm

ERVmCENOTES
5O

SUGGESTED GUIDE FOR SUGHTUNGSLOPES FOR SAFE; OPERATUON
SIGHTING
GUIDE
ONLY RIDE UP AND DOWN HILL,
NOT ACROSS HILL
SIGHT AND HOLD THIS LEVEL WITH
SKY LINE OR TREE.
15° bIAX.
_Operate your Tractor up and down the face of slopes (not
_ _ greater than 15°), never across the face. lVlake turns gradu=
II_ _ ally to prevent tipping or loss of control. Exercise extreme
IIL caution when changing direction on slopes.

OWNER'S
MANUAL
MODEL NO.
917.255692
HOW TO ORDER
REPAIR PARTS
®
14.0 HP OHV
ELECTRIC START
3in One ConvertJbUe
42" OWER ECK
6 SPEE TRANSAXLE
LAWN TRACTO
Each tractor has its own model number. Each engine has its own model
number,
The model number for your tractor will be found on the modet plate
located under the seat.
The model number' for your engine will be found on the blower housing.
All parts listed herein may be ordered from any Sears, Roebuck and Co.
Service Centers and most Retail Stores.
WHEN ORDERING REPAIR PARTS, ALWAYS GIVE THE FOLLOW-
ING INFORMATION:
• PRODUCT- LAWN TRACTOR
°MODEL NUMBER - 917o255692
° ENGINE MODEL NUMBER -CV 14, TYPE NUMBER PS 1445
°PART NUMBER
"PART DESCRIPTION
Your Sears merchandise has added value when you consider Sears has
service units nationwide staffed with Sears trained technicians .... profes-
sional technicians specifically trained to insure that we meet our pledge
to you, we service what we see
Sears, Roebuck and Co., Chicago, IL 60684 U.S.A.
136219 Rev. 2 06.09,92 PRINTED IN U,S,A°