Craftsman 917272082 User Manual LAWN TRACTOR Manuals And Guides L0201126
CRAFTSMAN Lawn, Tractor Manual L0201126 CRAFTSMAN Lawn, Tractor Owner's Manual, CRAFTSMAN Lawn, Tractor installation guides
User Manual: Craftsman 917272082 917272082 CRAFTSMAN LAWN TRACTOR - Manuals and Guides View the owners manual for your CRAFTSMAN LAWN TRACTOR #917272082. Home:Lawn & Garden Parts:Craftsman Parts:Craftsman LAWN TRACTOR Manual
Open the PDF directly: View PDF
.
Page Count: 64

Owner's Manual
CRIIFTSMHN°J
7.0 HP
ELECTRIC START
42" MOWER
AUTOMATIC
LAWN TRACTOR
Model No.
917.272082
• Safety
• Assembly
•Operation
•Maintenance
•Repair Parts
This product has a low emission engine which operates
differently from previously built engines. Before you start the
engine, read and understand this Owner's Manual.
CAUTION:
Read and follow all Safety
Rules and Instructionsbefore
operating this equipment.
For answers to your questions
about this product, Call:
1-800-659-5917
Sears Craftsman Help Line
5 am -5 pm, Mon -Sat
Seam, Roebuck and Co., Hoffman Estates, II 60179
Visit our Craftsman website:www.sears.com/craftsman

Warranty ............................................... 2
Safety Rules ......................................... 3
Product Specifications .......................... 6
Assembly .............................................. 8
Operation ............................................ 11
Maintenance ....................................... 18
Maintenance Schedule ...................... 18
Service and Adjustments .................... 23
Storage ............................................... 29
Troubleshooting ................................. 30
Repair Parts ........................................ 34
Parts Ordering ..................... Back Cover
LIMITED TWO YEAR WARRANTY ON CRAFTSMAN RIDING EQUIPMENT PARTS
For two (2) years from the date of purchase, if this Craftsman Riding Equipment as
manntained, lubricated and tuned up according to the instructions in the owner's
manual, Sears wall repair or replace, free of charge, any parts found to be defective in
material or workmanship. Warranty service is available free of charge by returning your
Craftsman riding equipment to your nearest Sears Service Center. In-home warranty
service is available but a trip charge will apply. This warranty applies only while this
product is in the United States.
This Warranty does not cover:
•Expendable items which become worn during normal use, such as blades, spark
plugs, air cleaners, belts and oil filters.
•Tire replacement or repair caused by punctures from outside objects, such as nails,
thorns, stumps, or glass.
• Repairs necessary because of operator abuse, including but not limited to, damage
caused by towing obJeCts beyond the capability of the riding equipment, impacting
objects that bend the frame or crankshaft, or over speednng the engine.
•Repairs necessary because of operator negligence, including but not limited to,
electrical and mechanical damage caused by improper storage, failure to use the
proper grade and amount of engine oil, failure to keep the deck clear of flammable
debris, or the failure to maintain the equipment according to the instructions con-
tained in the owner's manual.
•Engine (fuel system) cleaning or repairs caused by fuel determined to be contami-
nated or oxidized (stale). In general, fuel should be used within thirty (30) days of its
purchase date.
•Riding equipment used for commercial or rental purposes. A product is "used for
commercial purpose" if is used for any purpose other than single family household
dwellings or in usage where profit is made.
LIMITED 90 DAY WARRANTY ON BATTERY
For ninety (90) days from date of purchase, if any battery included with this riding
equipment proves defective in material or workmanship and our testing determines the
battery will not hold acharge, Sears will replace the battery at no charge. Warranty
service is available free of charge by returning your Craftsman riding equipment to
your nearest Sears Service Center. In-home warranty service is available but a trip
charge will apply. This warranty applies only while this product is in the United States.
TO LOCATE THE NEAREST SEARS SERVICE CENTER OR TO SCHEDULE IN-HOME
WARRANTY SERVICE, SIMPLY CONTACT SEARS AT 1-800-4-MY-HOME
This Warranty gives you specific legal rights, and you may also have other rights which
may vary from state to state.
Sears, Roebuck and Co., D/817 WA, Hoffman Estates, IL 60179
2

IMPORTANT: This cutting machine is capable of amputating hands and feet and
throwing objects. Failure to observe the following safety instructions could result in
serious injury or death.
I. GENERAL OPERATION II, SLOPE OPERATION
• Read, understand, and follow all
instructions in the manual and on the
machine before starting.
•Only allow responsible adults, who are
familiar with the instructions, to operate
the machine.
•Clear the area of objects such as rocks,
toys, wire, etc., which could be picked
up and thrown by the blade.
•Be sure the area is clear of other people
before mowing. Stop machine if anyone
enters the area.
•Never carry passengers.
•Do not mow in reverse unless absolutely
necessary. Always look down and
behind before and while backing.
•Be aware of the mower discharge
direction and do not point it at anyone.
Do not operate the mower without either
the entire grass catcher or the guard in
place.
•Slow down before turning.
•Never leave a running machine
unattended. Always turn off blades, set
parking brake, stop engine, and remove
keys before dismounting.
• Turn off blades when not mowing.
• Stop engine before removing grass
catcher or unclogging chute.
• Mow only in daylight or good artificial
light.
• Do not operate the machine while under
the influence of alcohol or drugs.
• Watch for traffic when operating near or
crossing roadways.
• Use extra care when loading or unload-
ing the machine into a trailer or truck.
• Data indicates that operators, age 60
years and above, are involved in alarge
percentage of dding mower-related
injuries, These operators should
evaluate their ability to operate the riding
mower safely enough to protect them-
selves and others from serious injury.
• Keep machine free of grass, leaves or
other debris build-up which can touch
hot exhaust /engine parts and bum. Do
not allow the mower deck to plow leaves
or other debris which can cause build-
up to occur. Clean any oil or fuel
spillage before operating or storing the
machine. Allow machine to cool before
Slopes are a major factor related to loss-of-
control and tipover accidents, which can re-
sult in severe injury or death. All slopes
require extra caution. If you cannot back up
the slope or if you feel uneasy on it, do not
mow it.
DO:
•Mow up and down slopes, not across.
•Remove obstacles such as rocks, tree
limbs, etc.
•Watch for holes, ruts, or bumps. Uneven
terrain could overturn the machine. Taft
grass can hide obstacles.
• Use slow speed. Choose alow gear so
that you will not have to stop or shift
while on the slope.
• Follow the manufacturer's recommenda-
tions for wheel weights or counter-
weights to improve stability.
• Use extra care with grass catchers or
other attachments. These can change
the stability of the machine.
• Keep all movement on the slopes slow
and gradual Do not make sudden
changes in speed or direction.
•Avoid starting or stopping on a slope. If
tires lose traction, disengage the blades
and proceed slowly straight down the
slope.
DO NOT"
=Do not turn on slopes unless necessary,
and then, turn slowly and gradually
downhill, if possible.
•Do not mow near drop-offs, ditches, or
embankments. The mower could
suddenly turn over if awheel is over the
edge of a cliff or ditch, or if an edge
caves in.
•Do not mow on wet grass. Reduced
traction could cause sliding.
•Do not try to stabilize the machine by
putting your foot on the ground.
•Do not use grass catcher on steep
slopes.
=orage. 3

III. CHILDREN •
Tragic accidents can occur if the operator
is not alert to the presence of children. •
Children are often attracted to the
machine and the mowing activity. Never
assume that children will remain where •
you last saw them.
• Keep children out of the mowing area •
and under the watchful care of another
responsible adult.
•Be alert and turn machine off if children
enter the area. •
•Before and when backing, look behind
and down for small children.
• Never carry children. They may fall off •
and be seriously injured or interfere
with safe machine operation. •
• Never allow children to operate the
machine.
• Use extra care when approaching blind
corners, shrubs, trees, or other objects
that may obscure vision.
IV. SERVICE
•Use extra care in handling gasoline
and other fuels. They are flammable
and vapors are explosive.
-Use only an approved container.
-Never remove gas cap or add fuel
with the engine running. Allow
engine to cool before refueling. Do
not smoke.
-Never refuel the machine indoors.
-Never store the machine or fuel
container inside where there is an
open flame, such as a water heater.
Never run a machine inside a closed
area.
Keep nuts and bolts, especially blade
attachment bolts, tight and keep
equipment in good condition.
Never tamper with safety devices.
Check their proper operation regularly.
Keep machine free of grass, leaves, or
other debris build-up. Clean oil or fuel
spillage. Allow machine to cool before
storing.
Stop and inspect the equipment if you
strike an object. Repair, if necessary,
before restarting.
Never make adjustments or repairs
with the engine running.
Grass catcher components are subject
to wear, damage, and deterioration,
which could expose moving parts or
allow objects to be thrown. Frequently
check components and replace with
manufacturer's recommended parts,
when necessary.
Mower blades are sharp and can cut.
Wrap the blade(s) or wear gloves, and
use extra caution when servicing them.
Check brake operation frequently.
Adjust and service as required.
•Be sure the area is clear of other •Be alert and tum machine off if children
people before mowing. Stop machine if
anyone enters the area.
• Never carry passengers or children
even with the blades off.
• Do not mow in reverse unless abso-
lutely necessary. Always look down
and behind before and while backing.
• Never carry children. They may fall off
and be seriously injured or interfere
with safe machine operation.
• Keep children out of the mowing area
and under the watchful care of another
enter the area.
•Before and when backing, look behind
and down for small children.
•Mow up and down slopes (15 ° Max),
not across.
•Remove obstacles such as rocks, tree
limbs, etc.
•Watch for holes, ruts, or bumps.
Uneven terrain could overfum the
machine. Tall grass can hide obstacles.
responsible adult. 4

•Use slow speed. Choose a low gear so
that you will not have to stop or shift
while on the slope.
•Avoid starting or stopping on a slope. If
tires lose traction, disengage the
blades and proceed slowly straight
down the slope.
• If machine stops while going uphill,
disengage blades, shift into reverse
and back down slowly.
• Do not turn on slopes unless neces-
sary, and then, turn slowly and gradu-
ally downhill, if possible.
_l, Look for this symbol to point out
important safety precautions. It means
CAUTION!!! BECOME ALERT!!! YOUR
SAFETY IS INVOLVED.
,_ CAUTION: In order to prevent
accidental starting when setting up,
transporting, adjusting or making repairs,
always disconnect spark plug wire and
place wire where it cannot contact spark
plug.
_, CAUTION: Do not coast down a hill
in neutral, you may lose control of the
tractor.
_lb CAUTION: Tow only the attachments
that are recommended by and comply
with specifications of the manufacturer of
your tractor. Use common sense when
towing. Operate only at the lowest
possible speed when on a slope. Too
heavy of a load, while on a slope, is
dangerous. Tires can lose traction with
the ground and cause you to lose control
of your tractor.
_,WARNING: Engine exhaust, some of
its constituents, and certain vehicle
components contain or emit chemicals
known to the State of California to cause
cancer and birth defects or other repro-
ductive harm.
,_WARNING: Battery posts, terminals
and related accessories contain lead and
lead compounds, chemicals known to the
State of California to cause cancer and
birth defects or other reproductive harm.
Wash hands after handling.
5

PRODUCT SPECIFICATIONS
GASOLINE
CAPACITY
AND TYPE:
OILTYPE
API-SF-SJ):
OIL CAPACITY:
1.25 GALLONS
UNLEADED
REGULAR
SAE 10W30(above 32°F)
SAE 5W-30 (below 32°F)
W/FILTER: 4.0 PINTS
W/OFILTER: 3.5 PINTS
SPARK PLUG: CHAMPION RC12YC
GAP: .040")
GROUND FORWARD: 5.5
SPEED(MPH): REVERSE: 2.4
TIRE FRONT: 14 PSI
REAR: 10 PSI
CHARGING
SYSTEM: 15 AMPS @ 3600 RPM
BATTERY: AMP/HR: 30
MIN. CCA: 240
CASE SIZE: U 1R
BLADE BOLT 27-35 FT. LBS.
TORQUE:
CONGRATULATIONS on your purchase
of a new tractor. It has been designed,
engineered and manufactured to give
you the best possible dependability and
performance.
Should you experience any problem you
cannot easily remedy, please contact a
Sears or other qualified service center.
We have competent, well-trained techni-
cians and the proper tools to service or
repair this tractor.
Please read and retain this manual. The
instructions will enable you to assemble
and maintain your tractor properly.
Always observe the "SAFETY RULES".
REPAIR AGREEMENT
A Repair Agreement is available on this
product. Contact your nearest Sears
store for details.
CUSTOMER RESPONSIBILITIES
• Read and observe the safety rules.
• Follow a regular schedule in maintain-
ing, caring for and using your tractor.
• Follow the instructions under "Mainte-
nance" and "Storage" sections of this
owner's manual.
_WARNING- This tractor is equipped
with an internal combustion engine and
should not be used on or near any
unimproved forest-covered, brush-
covered or grass-covered land unless the
engine's exhaust system is equipped with
a spark arrester meeting applicable local
or state laws (if any). If a spark arrester is
used, it should be maintained in effective
working order by the operator.
In the state of California the above is
required by law (Section 4442 of the
California Public Resources Code).
Other states may have similar laws.
Federal laws apply on federal lands. A
spark arrester for the muffler is available
through your nearest Sears service
center (See REPAIR PARTS section of
this manual).
6

Steering
Wheel Insert
C)
I_(1) Hex Bolt
3/8-16 x 1
Steering
Boot t
Steering Wheel
(1) Large Flat Washer
(1) Lockwasher 3/8 (1) Hex Bolt
5/16-18 x 1-1/4
(1) Locknut
5/16-18
J_ Steering
Wheel Adapter
tteering
Extension
Shaft
Seat
(_Washer
1_32 xl-3/16 x12
Gauge
{_(1) Knob
Slope Sheet
Keys
(2) Keys
w
r-q
"t
Video Cassette
For Future Use
7

Your new tractor has been assembled at the factory with exception of those parts left
unassembled for shipping purposes. To ensure safe and proper operation of your
tractor all parts and hardware you assemble must be tightened securely. Use the
correct tools as necessary to insure proper tightness. Review the video cassette before
you begin.
TOOLS REQUIRED FOR ASSEMBLY
A socket wrench set will make assembly
easier, Standard wrench sizes you need
are listed below.
(1) 9/16" wrench (1) Pliers
(2) 1/2" wrench (1) Utility knife
(1) Tire pressure gauge
When right or left hand is mentioned in
this manual, it means, from your point of
view, when you are in the operating
position (seated behind the steering
wheel).
TO REMOVETRACTOR FROM
CARTON
UNPACK CARTON
1. Remove all accessible loose parts
and parts cartons from carton.
2. Cut, from top to bottom, along lines on
all four corners of carton, and lay
panels flat.
3. Check for any additional loose parts
or cartons and remove.
BEFORE REMOVINGTRACTOR
FROM SKID
ATTACH STEERING WHEEL
ASSEMBLE EXTENSION SHAFT AND
BOOT
1. Slide extension shaft onto lower
steedng shaft. Align mounting holes
in extension and lower shafts and
install 5/16 hex bolt and Iocknut.
Tighten securely.
IMPORTANT: Tighten bolt and nut
securely to 18-22 ft. Ibs torque.
2. Place tabs of steedng boot over tab
slots in dash and push down to
secure.
INSTALL STEERING WHEEL
3. Position front wheels of the tractor so
they are pointing straight forward.
4. Remove steering wheel adapter from
steedng wheel and slide adapter onto
steedng shaft extension.
5. Position steedng wheel so cross bars
are horizontal (left to dght) and slide
inside boot and onto adapter.
6. Assemble large flat washer, 3/8 lock
washer, 3/8 hex bolt and tighten
securely.
7. Snap steering wheel insert into center
of steedng wheel.
8. Remove protective matedals from
tractor hood and gdll.
IMPORTANT: Check for and remove any
staples in skid that may puncture tire
where tractor is to roll off skid.
HOWTO SET UPYOURTRACTOR
CHECK BATTERY
1. Lift seat pan to raised position and
open battery box door.
NOTE: If this battery is put into service
after month and year indicated on label
(label located between terminals) charge
battery for minimum of one hour at 6-10
amps. (See "BATTERY" in Maintenance
section of this manual for charging
instructions).
8

Battery
Door
Terminal
INSTALL SEAT
Adjust seat before tightening adjustment
knob.
1. Remove adjustment knob and flat
washer securing seat to cardboard
packing and set aside for assembly of
seat to tractor.
2. Pivot seat upward and remove from
the cardboard packing. Remove the
cardboard packing and discard.
3. Place seat on seat pan so head of
shoulder bolt is positioned over large
slotted hole in pan.
4. Push down on seat to engage
shoulder bolt in slot and pull seat
towards rear of tractor.
5. Pivot seat and pan forward and
assemble adjustment knob and flat
washer loosely. Do not tighten.
6. Lower seat into operating position and
sit in seat.
7. Slide seat until a comfortable position
is reached which allows you to press
clutch/brake pedal all the way down.
8. Get off seat without moving its
adjusted position.
8. Raise seat and tighten adjustment
knob securely.
Seat
Seat Pan_
Bolt
Flat Washer
NOTE: You may now roll or drive your
tractor off the skid. Follow the appropriate
instruction below to remove the tractor
from the skid.
TO ROLLTRACTOR OFF SKID (See
Operation section for location and
function of controls)
1. Press lift lever plunger and raise
attachment lift lever to its highest
position.
2. Release parking brake by depressing
clutch/brake pedal.
3. Place freewheel control in freewheel-
ing position to disengage transmis-
sion (See "TO TRANSPORT" in the
Operation section of this manual).
4. Roll tractor forward off skid.
5. Remove banding holding deflector
shield up against tractor.
TO DRIVETRACTOR OFF SKID (See
Operation section for location and
function of controls)
,_WARNING: Before starting, read,
understand and follow all instructions in
the Operation section of this manual. Be
sure tractor is in a well-ventilated area. Be
sure the area in front of tractor is clear of
other people and objects.
1. Be sure all the above assembly steps
have been completed,
2. Check engine oil level and fill fuel
tank with gasoline.
3. Place freewheel control in "transmis-
sion engaged" position.
4. Sit on seat in operating position,
depress clutch/brake pedal and set
the parking brake.
5. Place motion control lever in neutral
(N) position.
6. Press lift lever plunger and raise
attachment lift lever to its highest
position.
7. Start the engine. After engine has
started, move throttle control to idle
position,
8. Release parking brake.
9. Slowly move the motion control lever
forward and slowly drive tractor off
skid.
10.Apply brake to stop tractor, set parking
brake and place motion control lever
in neutral position.
11 .Turn ignition key to "OFF" position.
Continue with the instructions that follow.
9

INSTALL MULCHER PLATE
(If previously removed)
1. Raise and hold deflector shield in
upright position.
2. Place front of mulcher plate over front
of mower deck opening and slide into
place, as shown.
3. Hook front latch into hole on front of
mower deck.
4. Hook rear latch into hole on back of
mower deck.
,_CAUTION: Do not remove deflector
shield from mower. Raise and hold shield
when attaching mulcher plate and allow it
to rest on plate while in operation.
TO CONVERTTO BAGGING OR
DISCHARGING
Simply remove mulcher plate and store in
a safe place. Your mower is now ready for
discharging or installation of optional
grass catcher accessory.
NOTE: It is not necessary to change
blades. The mulcher blades are de-
signed for discharging and bagging also.
CHECKTIRE PRESSURE
The tires on your tractor were overinflated
at the factory for shipping purposes.
Correct tire pressure =simportant for best
cutting performance.
•Reduce tire pressure to PSI shown in
"PRODUCT SPECIFICATIONS" section
of this manual.
CHECK DECK LEVELNESS
For best cutting results, mower housing
should be properly leveled. See "TO
LEVEL MOWER HOUSING" in the
Service and Adjustments section of this
manual.
CHECK FOR PROPER POSITION OF
ALL BELTS
See the figures that are shown for
replacing motion and mower blade drive
belts in the Service and Adjustments
section of this manual. Verify that the
belts are routed correctly.
CHECK BRAKE SYSTEM
After you learn how to operate your
tractor, check to see that the brake is
properly adjusted. See "TO ADJUST
BRAKE" in the Service and Adjustments
section of this manual.
i/CHECKLIST
Before you operate and enjoy your new
tractor, we wish to assure that you receive
the best performance and satisfaction
from this Quality Product.
Please review the following checklist:
,/All assembly instructions have been
completed.
/ No remaining loose parts in carton.
,/' Battery is properly prepared and
charged. (Minimum 1 hour at 6 amps).
,/Seat is adjusted comfortably and
tightened securely.
,/All tires are properly inflated. (For
shipping purposes, the tires were
overinflated at the factory).
,/Be sure mower deck is properly leveled
side-to-side/front-to-rear for best cutting
results. (Tires must be properly inflated
for leveling).
,/" Check mower and drive belts. Be sure
they are routed properly around pulleys
and inside all belt keepers.
,/Check wiring. See that all connections
are still secure and wires are properly
clamped.
,,/Before driving tractor, be sure free-
wheel control is in drive position.
While learning how to use your tractor,
pay extra attention to the following
important items:
,/Engine oil is at proper level.
,/Fuel tank is filled with fresh, clean,
regular unleaded gasoline.
,I Become familiar with all controls - their
location and function. Operate them
before you start the engine.
/Be sure brake system is in safe
operating condition.
,/It is important to purge the transmission
before operating your tractor for the first
time. Follow proper starting and
transmission purging instructions (See
"TO START ENGINE" and "PURGE
TRANSMISSION" in the Operation
section of this manual).
10

These symbols may appear on your tractor or in literature supplied with the product.
Learn and understand their meaning.
BATTERY CAUTION OR
WARNING
REVERSE FORWARD FAST SLOW
ENGINE ON ENGINE OFF OIL PRESSURE
n' n
FUEL CHOKE MOWERHEIGHT
LIGHTS ON
0
PARKING BRAKE
LOCKED
OVER TEMP I
LIGHT
UNLOCKED MOWER LIFT
R N H L
ATTACHMENT REVERSE NEUTRAL HIGH LOW PARKING BRAKE
CLUTCH ENGAGED
KEEP AREA CLEAR SLOPE HAZARDS
ATTACHMENT
IGNITION CLUTCH DISENGAGED (SEE SAFETY RULES SECTION)
DANGER, KEEP HANDS AND FEET AWAY
11
FREE WHEEL
(AutomaticModelsonly)

KNOWYOURTRACTOR
READ THIS OWNER'S MANUAL AND SAFETY RULES BEFORE OPERATING
YOUR TRACTOR
Compare the illustrations with your tractor to familiarize yourself with the locations of
various controls and adjustments. Save this manual for future reference.
Attachment
Clutch
Ignition Switch
Ammeter
Throttle/Choke
Control
Light Switch
Lift
_Lever
Plunger
Attachment
Lift Lever
Clutch/Brake
Pedal Height
Adjustment
Indicator
Freewheel
Control "Parking Brake Lever
Motion Control
Lever
i
Our tractors conform to the safety standards of the American
National Standards Institute.
AMMETER - Indicates charging (+) or
discharging (-) of battery.
ATTACHMENT CLUTCH LEVER - Used
to engage the mower blades, or other
attachments mounted to your tractor.
ATTACHMENT LIFT LEVER -Used to
raise, lower, and adjust the mower deck
or other attachments mounted to your
tractor.
CLUTCH/BRAKE PEDAL - Used for
declutching and braking the tractor and
starting the engine.
MOTION CONTROL LEVER - Selects the
speed and direction of tractor.
IGNITION SWITCH - Used for starting and
stopping the engine.
LIFT LEVER PLUNGER -Used to release
attachment lift lever when changing its
position.
LIGHT SWITCH -Turns the headlights on
and off.
PARKING BRAKE LEVER - Locks clutch/
brake pedal into the brake position.
THRO'I'rLE/CHOKE CONTROL - Used
for starting and controlling engine speed.
FREEWHEEL CONTROL -
Disengagages transmission for pushing
or slowly towing the tractor with the
engine off.
12

The operation of any tractor can result in foreign objects thrown into the
eyes, which can result in severe eye damage. Always wear safety
glasses or eye shields while operating your tractor or performing any
adjustments or repairs. We recommend a wide vision safety mask over
spectacles or standard safety glasses.
HOWTO USEYOURTRACTOR
TO SET PARKING BRAKE
Your tractor is equipped with an operator
presence sensing switch. When engine
is running, any attempt by the operator to
leave the seat without first setting the
parking brake will shut off the engine.
1. Depress clutch/brake pedal into full
"BRAKE" position and hold.
2. Place parking brake lever in "EN-
GAGED" position and release
pressure from clutch/brake pedal.
Pedal should remain in "BRAKE"
position. Make sure parking brake will
hold tractor secure.
Throttle/ Attachment Clutch Lever
Choke "Engaged"
Position
"Disengaged"
Clutch/ Brake
Brake Pedal "Engaged"
Position
"Disengaged" Position Lever
Position
STOPPING
MOWER BLADES -
•To stop mower blades,move attach-
ment clutch lever to "DISENGAGED"
position.
GROUND DRIVE -
• To stop ground drive, depress clutch/
brake pedal into full =BRAKE" position.
• Move motion control lever to neutral (N)
position.
IMPORTANT: The motion control lever
does not retum to neutral (N) position
when the clutch/brake pedal is de-
pressed.
ENGINE -
• Move throttle control to slow position.
NOTE; Failure to move throttle control to
slow position and allowing engine to idle
before stopping may cause engine to
"backfire".
• Turn ignition key to "OFF" position and
remove key. Always remove key when
leaving tractor to prevent unauthorized
use.
• Never use choke to stop engine.
IMPORTANT: Leaving the ignition switch
in any position other than "OFF" will
cause the battery to be discharged,
(dead).
NOTE: Under certain conditions when
tractor is standing idle with the engine
running, hot engine exhaust gases may
cause "browning" of grass. To eliminate
this possibility, always stop engine when
stopping tractor on grass areas.
_CeAIUTION,: Always s.toptra.ctgrcorn-
y, as oescnoea aoove, oeTore
leaving the operator's position; to empty
grass catcher, etc.
TO USE THROTTLE CONTROL
Always operate engine at full throttle.
• Operating engine at less than full
throttle reduces the battery charging
rate.
•Full throttle offers the best bagging and
mower performance.
TO MOVE FORWARD AND
BACKWARD
The direction and speed of movement is
controlled by the motion control lever.
1. Start tractor with motion control lever
in neutral (N) position.
2. Release parking brake and clutch/
brake pedal.
3. Slowly move motion control lever to
desired position.
TO ADJUST MOWER CUTTING HEIGHT
The position of the attachment lift lever
determines the cutting height.
•Grasp lift lever.
•Press plunger with thumb and move
lever to desired position.
The cutting height range is approxi-
mately 1-1/2 to 4". The heights are
measured from the ground to the blade
tip with the engine not running. These
heights are approximate and may vary
depending upon soil conditions, height of
grass and types of grass being mowed.
•The average lawn should be cut to
approximately 2-1/2 inches during the
cool season and to over 3 inches
during hot months. For healthier and
better looking lawns, mow often and
after moderate growth.
13

•For best cutting performance, grass
over 6 inches in height should be
mowed twice. Make the first cut
relatively high; the second to desired
height.
TO ADJUST GAUGE WHEELS
Gauge wheels are properly adjusted
when they are slightly off the ground
when mower is at the desired cutting
height in operating position. Gauge
wheels then keep the deck in proper
position to help prevent scalping in most
terrain conditions.
NOTE: Adjust gauge wheels with tractor
on a flat level surface.
1, Adjust mower to desired cutting height
(See "TO ADJUST MOWER CUTTING
HEIGHT" in the Operation section of
this manual).
2. With mower in desired height of cut
position, gauge wheels should be
assembled so they are slightly off the
ground. Install gauge wheel in
appropriate hole with shoulder bolt,
3/8 washer, and 3/8-16 Iocknut and
tighten securely.
3. Repeat for opposite side installing
gauge wheel in same adjustment
hole.
3/8-16 "_ _
Locknu
Gaug(
Wheel
3/8
Gauge Wheel
Shoulder
TO OPERATE MOWER
Your tractor is equipped with an operator
presence sensing switch. Any attempt by
the operator to leave the seat with the
engine running and the attachment
clutch engaged will shut off the engine.
1. Select desired height of cut.
2. Start mower blades by engaging
attachment clutch control.
TO STOP MOWER BLADES -
disengage attachment clutch control.
,_ CAUTION: Do not operate the
mower without either the entire grass
catcher, on mowers so equipped, or the
deflector shield in place.
Attachment Clutch Lever
"Engaged"
Position _.
Attachemnt
Lever High
Position
•Low
Position
"Disengaged"
Position
TO OPERATE ON HILLS
_CAUTION: DO not drive up or down
hills with slopes greater than 15 ° and do
not drive across any slope.
•Choose the slowest speed before
starting up or down hills.
•Avoid stopping or changing speed on
hills.
•If slowing is necessary, move throttle
control lever to slower position.
•If stopping is absolutely necessary,
push clutch/brake pedal quickly to
brake position and engage parking
brake.
•Move motion control lever to neutral (N)
position.
IMPORTANT: The motion control lever
does not return to neutral (N) position
when the clutch/brake pedal is de-
pressed.
•To restart movement, slowly release
parking brake and clutch/brake pedal.
°Slowly move motion control lever to
slowest setting.
•Make all turns slowly.
TO TRANSPORT
When pushing or towing your tractor, be
sure to disengage transmission by
placing freewheel control in freewheeling
position. Free wheel control is located at
the rear drawbar of tractor.
1. Raise attachment lift to highest
position with attachment lift control
2. Pull freewheel control out and down
into the slot and release so it is held in
the disengaged position.
•Do not push or tow tractor at more than
two (2) MPH.
•To reengage transmission, reverse
above procedure.
14

NOTE: To protect hood from damage
when transporting your tractor on atruck
or a trailer, be sure hood is closed and
secured to tractor. Use an appropriate
means of tying hood to tractor (rope, cord,
etc.).
TOWING CARTS AND OTHER ATTACH-
MENTS
Tow only the attachments that are
recommended by and comply with
specifications of the manufacturer of your
tractor. Use common sense when towing.
Too heavy of a load, while on a slope, is
dangerous. Tires can lose traction with
the ground and cause you to lose control
of your tractor.
BEFORE STARTINGTHE ENGINE
CHECK ENGINE OIL LEVEL
The engine in your tractor has been
shipped, from the factory, already filled
with summer weight oil.
1. Check engine oil with tractor on level
ground.
2. Unthread and remove oil fill cap/
dipstick; wipe oil off. Reinsert the
dipstick into the tube and rest oil fill
cap on the tube. Do not thread the
cap onto the tube. Remove and read
oil level. If necessary, add oil until
"FULL" mark on dipstick is reached.
Do not overfill.
•For cold weather operation you should
change oil for easier starting (See "OIL
VISCOSITY CHART" in the Mainte-
nance section of this manual).
•To change engine oil, see the Mainte-
nance section in this manual.
ADD GASOLINE
•Fill fuel tank. Use fresh, clean, regular
unleaded gasoline with a minimum of
87 octane. (Use of leaded gasoline
will increase carbon and lead oxide
deposits and reduce valve life). Do not
mix oil with gasoline. Purchase fuel in
quantities that can be used within 30
days to assure fuel freshness.
IMPORTANT: When operating in
temperatures below 32°F(0°C), use fresh,
clean winter grade gasoline to help
insure good cold weather starting.
_WARNING: Experience indicates that
alcohol blended fuels (called gasohol or
using ethanol or methanol) can attract
moisture which leads to separation and
formation of acids during storage. Acidic
gas can damage the fuel system of an
engine while in storage. To avoid engine
problems, the fuel system should be
emptied before storage of 30 days or
longer. Drain the gas tank, start the
engine and let it run until the fuel lines
and carburetor are empty. Use fresh fuel
next season. See Storage Instructions for
additional information. Never use engine
or carburetor cleaner products in the fuel
tank or permanent damage may occur.
_CAUTION: Fill to bottom of gas tank
filler neck. Do not overfill. Wipe off any
spilled oil or fuel. Do not store, spill or
use gasoline near an open flame.
TO START ENGINE
When starting the engine for the first time
or if the engine has run out of fuel, it will
take extra cranking time to move fuel from
the tank to the engine.
1. Be sure freewheel control is in the
transmission engaged position.
2. Sit on seat in operating position,
depress clutch/brake pedal and set
parking brake.
3. Place motion control lever in neutral
(N) position.
4. Move attachment clutch to "DISEN-
GAGED" position.
5. Move throttle control to choke position.
NOTE: Before starting, read the warm
and cold starting procedures below.
6. Insert key into ignition and turn key
clockwise to "START" position and
release key as soon as engine starts.
Do not run starter continuously for
more than fifteen seconds per minute.
If the engine does not start after
several attempts, move throttle control
to fast position, wait a few minutes and
try again. If engine still does not start,
move the throttle control back to the
choke position and retry.
WARM WEATHER STARTING (50 ° F and
above)
7. When engine starts, move the throttle
control to the fast position.
15

•The attachments and ground drive can
now be used. If the engine does not
accept the load, restart the engine and
allow it to warm up for one minute
using the choke as described above.
COLD WEATHER STARTING ( 50 ° F and
below)
7. When engine starts, allow engine to
run with the throttle control in the
choke position until the engine runs
roughly, then move throttle control to
fast position. This may require an
engine warm-up period from several
seconds to several minutes, depend-
ing on the temperature.
AUTOMATIC TRANSMISSION WARM UP
Before driving the unit in cold weather,
the transmission should be warmed up as
follows:
1. Be sure the tractor is on level ground.
2. Place the motion control lever in
neutral. Release the parking brake
and let the clutch/brake slowly return
to operating position.
3. Allow one minute for transmission to
warm up. This can be done during
the engine warm up period.
•The attachments can also be used
during the engine warm-up period after
the transmission has been warmed up.
NOTE: If at a high altitude (above 3000
feet) or in cold temperatures (below 32 F)
the carburetor fuel mixture may need to
be adjusted for best engine performance.
See 'frO ADJUST CARBURETOR" in the
Service and Adjustments section of this
manual.
PURGETRANSMISSION
_CAUTION: Never engage or disen*
gage freewheel lever while the engine is
running.
To ensure proper operation and perfor-
mance, it is recommended that the
transmission be purged before operating
tractor for the first time. This procedure will
remove any trapped air inside the
transmission which may have developed
during shipping of your tractor.
IMPORTANT: Should your transmission
require removal for service or replace-
ment, it should be purged after reinstalla-
tion before operating the tractor.
1. Place tractor safely on level surface
with engine off and parking brake set.
2. Disengage transmission by placing
freewheel control in freewheeling
position (See "TO TRANSPORT" in
this section of manual).
3. Sitting in the tractor seat, start engine.
After the engine is running, move
throttle control to slow position. With
motion control lever in neutral (N)
position, slowly disengage clutch/
brake pedal.
4. Move motion control lever to full
forward position and hold for five (5)
seconds. Move lever to full reverse
position and hold for five (5) seconds.
Repeat this procedure three (3) times.
NOTE; During this procedure there will be
no movement of drive wheels. The air is
being removed from hydraulic drive
system.
5. Move motion control lever to neutral
(N) position. Shut- off engine and set
parking brake.
6. Engage transmission by placing
freewheel control in driving position
(See "TO TRANSPORT" in this section
of manual).
7. Sitting in the tractor seat, start engine.
After the engine is running, move
throttle control to half (1/2) speed. With
motion control lever in neutral (N)
position, slowly disengage clutch/
brake pedal.
8. Slowly move motion control lever
forward, after the tractor moves
approximately five (5) feet, slowly
move motion control lever to reverse
position. After the tractor moves
approximately five (5) feet return the
motion control lever to the neutral (N)
position. Repeat this procedure with
the motion control lever three (3)
times.
Your tractor is now purged and now ready
for normal operation.
16

MOWINGTIPS
•Mower should be properly leveled for
best mowing performance. See 'q'O
LEVEL MOWER HOUSING" in the
Service and Adjustments section of this
manual.
*The left hand side of mower should be
used for trimming.
* Drive so that clippings are discharged
onto the area that has been cut. Have
the cut area to the right of the tractor.
This will result in a more even distribu-
tion of clippings and more uniform
cutting.
•When mowing large areas, start by
turning to the right so that clippings will
discharge away from shrubs, fences,
driveways, etc. After one or two
rounds, mow in the opposite direction
making left hand turns until finished.
•If grass is extremely tall, it should be
mowed twice to reduce load and
possible fire hazard from dried clip-
pings. Make first cut relatively high; the
second to the desired height.
•Do not mow grass when it is wet. Wet
grass will plug mower and leave
undesirable clumps. Allow grass to dry
before mowing.
•Always operate engine at full throttle
when mowing to assure better mowing
performance and proper discharge of
material. Regulate ground speed by
selecting a low enough gear to give the
mower cutting performance as well as
the quality of cut desired.
•When operating attachments, select a
ground speed that will suit the terrain
and give best performance of the
attachment being used.
MULCHING MOWINGTIPS
IMPORTANT: For best performance,
keep mower housing free of built-up
grass and trash. Clean after each use.
•The special mulching blade will recut
the grass clippings many times and
reduce them in size so that as they fall
onto the lawn they will disperse into the
grass and not be noticed. Also, the
mulched grass will biodegrade quickly
to provide nutrients for the lawn.
Always mulch with your highest engine
(blade) speed as this will provide the
best recutting action of the blades.
•Avoid cutting your lawn when it is wet.
Wet grass tends to form clumps and
interferes with the mulching action.
The best time to mow your lawn is the
early afternoon. At this time the grass
has dried and the newly cut area will
not be exposed to the direct sun.
•For best results, adjust the mower
cutting height so that the mower cuts oft
only the top one-third of the grass
blades. For extremely heavy mulching,
reduce your width of cut on each pass
and mow slowly.
• Certain types of grass and grass
conditions may require that an area be
mulched a second time to completely
hide the clippings. When doing a
second cut, mow across or perpendicu-
lar to the first cut path.
•Change your cutting pattern from week
to week. Mow north to south one week
then change to east to west the next
week. This will help prevent matting
and graining of the lawn.
17

MAINTENANCE SCHEDULE
FILL IN DATES
AS YOU COMPLETE
REGULAR SERVICE SERVICE DATES
Check Brake Operation _I_ #
CheckTire Pressure I_ I _
Check Operator Presence and
IntedockSystems
Check for Loose Fasteners 1_7 I_
Sharpen/Replece Mower Blades I_4
LubricationChart _II_
Check Baltery Level
Clean Battery and Terminals I_
Check Transaxio Coo_ing
Adjust Blade Belt(s) Tension I_s
Adjust Motion Drive Belt(s) Tension Ks
Check Engine OII Level _
Change EngineOil _t2.3
Clean Air Filter _#12
Clean Air Screen _z
InspectMuffler/Spark Arrester I_
Replace Oil Filter (If equipped) lli#_l._
Clean Engine CoolingFins If2
Replace Spark Plug I_ JJ_
Replace Air Filter Paper Cartridge _z
Replace Fuel Filter I_
1 -ChangemoreoftenwhenoperatingunderaheawIoadorinhighemb_mttemperatur_, 5-1fequippedwi_had]ustableays_m.
2 - eervk_ moreo;f_n v_'4n_pera_ng in dirtyor dustyconditions, e- Not _qulred if equippedw_hmaint_/nance-frel baue,_.
3- If equippedwitho_ fiJter,changedil ev.ry 50 hOUrS. 7 ° "ligh_mfror_a_ p_votboltto 35 tL-_. rn_ximurn.
4°R_ace b_adesmoreoeen ,,_*enmo',_n,gin eandysoil. Do notovedighte_,
GENERAL RECOMMENDATIONS
The warranty on this tractor does not cover
items that have been subjected to operator
abuse or negligence. To receive full value
from the warranty, operator must maintain
tractor as instructed in this manual.
Some adjustments will need to be made
periodically to properly maintain your
tractor.
All adjustments in the Service and
Adjustments section of this manual should
be checked at least once each season.
•Once a year you should replace the
spark plug, clean or replace air filter, and
check blades and belts for wear. A new
spark plug and clean air filter assure
proper air-fuel mixture and help your
engine run better and last longer.
BEFORE EACH USE
1. Check engine oil level.
2. Check brake operation.
3. Check tire pressure.
4. Check operator presence and
interlock systems for proper operation.
5. Check for loose fasteners.
LUBRICATION CHART
Spindle --
Zerk Zerk
OFront Wheel
Bearing
Zed_
_)Engine
Zerk
(_)SAE30 or10w30MOTOR OIL
(_)REFERTO Maintenance=ENGINE"SECTION
IMPORTANT: Do not oil or grease the
civot points which have special nylon
earings. Viscous lubricants will attract
dust and dirt that will shorten the life of
the self-lubricating bearings. If you feel
they must be lubricated, use only a dry,
powdered graphite type lubricant
sparingly.
18

TRACI_R
Always observe safety rules when
performing any maintenance.
BRAKE OPERATION
If tractor requires more than six (6) feet
stopping distance at high speed in
highest gear, then brake must be ad-
justed. (See "-ro ADJUST BRAKE" in the
Service and Adjustments section of this
manual).
TIRES
• Maintain proper air pressure in all tires
(See "PRODUCT SPECIFICATIONS"
section of this manual).
•Keep tires free of gasoline, oil, or insect
control chemicals which can harm
rubber.
•Avoid stumps, stones, deep ruts, sharp
objects and other hazards that may
cause tire damage.
NOTE: To seal tire punctures and prevent
flat tires due to slow leaks, tire sealant
may be purchased from your local parts
dealer. Tire sealant also prevents tire dry
rot and corrosion.
OPERATOR PRESENCE SYSTEM
Be sure operator presence and interlock
systems are working properly. If your
tractor does not function as described,
repair the problem immediately.
•The engine should not start unless the
clutch/brake pedal is fully depressed
and attachement clutch control is in the
disengaged position.
•When the engine is running, any
attempt by the operator to leave the
seat without first setting the parking
brake should shut off the engine.
•When the engine is running and the
attachment clutch is engaged, any
attempt by the operator to leave the
seat should shut off the engine.
•The attachment clutch should never
operate unless the operator is in the
seat.
BLADE CARE
For best results mower blades must be
kept sharp. Replace bent or damaged
blades.
BLADE REMOVAL
I. Raise mower to highest position to
allow access to blades.
2. Remove hex bolt, lock washer and flat
washer securing blade.
3. Install new or resharpened blade with
trailing edge up towards deck as
shown.
IMPORTANT: To ensure proper assembly,
center hole in blade must align with star
on mandrel assembly.
4. Reassemble hex bolt, lock washer
and flat washer in exact order as
shown.
5. Tighten bolt securely (27-35 Ft. Lbs.
torque).
IMPORTANT: Blade bolt is grade 8 heat
treated.
Mandrel Assembly
TrailingEdge Up
Blade Center
Hole
Flat Washer
Lock Washer
_-- Hex Bolt
*A Grade 8 heattreated boltcan be identified
by six lines on the bolt head.
TO SHARPEN BLADE
NOTE: We do not recommend sharpen-
ing blade - but if you do, be sure the
blade is balanced.
Care should be taken to keep the blade
balanced. An unbalanced blade will
cause excessive vibration and eventual
damage to mower and engine.
•The blade can be sharpened with a file
or on a grinding wheel. Do not attempt
to sharpen while on the mower.
•To check blade balance, you will need
a 5/8" diameter steel bolt, pin, or a cone
balancer. (When using a cone bal-
ancer, follow the instructions supplied
with balancer.)
NOTE: Do not use a nail for balancing
blade. The lobes of the center hole may
appear to be centered, but are not.
•Slide blade on to an unthreaded
portion of the steel bolt or pin and hold
the bolt or pin parallel with the ground.
If blade is balanced, it should remain in
a horizontal position. If either end of
the blade moves downward, sharpen
the heavy end until the blade is
balanced.
5/8" B_e
Center Hole
19

BATTERY
Your tractor has a battery charging system
which is sufficient for normal use. How-
ever, periodic charging of the battery with
an automotive charger will extend its life.
•Keep battery and terminals clean.
•Keep battery bolts tight.
•Keep small vent holes open.
• Recharge at 6-10 amperes for 1 hour.
NOTE: The original equipment battery on
your tractor is maintenance free. Do not
attempt to open or remove caps or covers.
Adding or checking level of electrolyte is
not necessary,
TO CLEAN BATTERY AND TERMINALS
Corrosion and did on the battery and
terminals can cause the battery to "leak"
power.
1. Open battery box door.
2. Disconnect BLACK battery cable first
then RED battery cable and remove
battery from tractor.
3. Rinse the battery with plain water and
dry.
4. Clean terminals and battery cable
ends with wire brush until bright.
5. Coat terminals with grease or petro-
leum jelly.
6. Reinstall battery (See "REPLACING
BATTERY" in the SERVICE AND
ADJUSTMENTS section of this
manual).
V-BELTS
Check V-belts for deterioration and wear
after 100 hours of operation and replace
if necessary. The belts are not adjustable.
Replace belts if they begin to slip from
wear.
TRANSAXLE COOLING
The transmission fan and cooling fins
should be kept clean to assure proper
cooling.
Do not attempt to clean fan or transmis-
sion while engine is running or while the
transmission is hot. To prevent possible
damage to seals, do not use high
pressure water or steam to clean
transaxle.
•Inspect cooling fan to be sure fan
blades are intact and clean.
•Inspect cooling fins for dirt, grass
clippings and other materials. To
prevent damage to seals, do not use
compressed air or high pressure
sprayer to clean cooling fins.
TRANSAXLE PUMP FLUID
The transaxle was sealed at the factory
and fluid maintenance is not required for
the life of the transaxle. Should the
transaxle ever leak or require servicing,
contact your nearest authorized service
center/department.
ENGINE
LUBRICATION
Only use high quality detergent oil rated
with API service classification SF-SJ.
Select the oil's SAE viscosity grade
according to your expected operating
temperature.
SAE VISCOSITY GRADES
-20 0 30 32 40 60 80 100
TEMPERATURE RANGE ANTICIPATED BEFORE NEXT OIL CHANGE
2O
Change the oil after every 50 hours of
operation or at least once a year if the
tractor is not used for 50 hours in one
year.
Check the crankcase oil level before
starting the engine and after each eight
(8) hours of operation. Tighten oil fill cap/
dipstick securely each time you check the
oil level.
TO CHANGE ENGINE OIL
Determine temperature range expected
before oil change. All oil must meet API
service classification SF-SJ.
•Be sure tractor is on level surface.
• Oil will drain more freely when warm.
• Catch oil in a suitable container.
1. Remove oil fill cap/dipstick. Be careful
not to allow dirt to enter the engine
when changing oil.
2. Remove cap from end of drain valve
and install the drain tube onto the
fitting.
3. Unlock drain valve by pushing inward
slightly and tuming counterclockwise.
4. To open, pull out on the drain valve.
5. After oil has drained completely, close
and lock the drain valve by pushing
inward and turning clockwise until the
pin is in the locked position as shown.
6. Remove the drain tube and replace
the cap onto to the end of the drain
valve.
7. Refill engine with oil through oil fill
dipstick tube. Pour slowly. Do not
overfill. For approximate capacity see
"PRODUCT SPECIFICATIONS"
section of this manual.

8. Use gauge on oil fill cap/dipstick for
checking level. Insert dipstick into the
tube and rest the oil fill cap on the
tube. Do not thread the cap onto the
tube when taking reading. Keep oil
at "FULL" line on dipstick. Tighten cap
onto the tube securely when finished.
Oil Drain Valve
Locked
Position
Cap _
Drain Tube
CLEAN AIR SCREEN
Air screen must be kept free of dirt and
chaff to prevent engine damage from
overheating. Clean with a wire brush or
compressed air to remove dirt and
stubbom dried gum fibers.
CLEAN AIR INTAKE/COOLING AREAS
To insure proper cooling, make sure the
grass screen, cooling fins, and other
external surfaces of the engine are kept
clean at all times.
Every 100 hours of operation (more often
under extremely dusty, dirty conditions),
remove the blower housing and other
cooling shrouds. Clean the cooling fins
and external surfaces as necessary.
Make sure the cooling shrouds are
reinstalled.
NOTE: Operating the engine with a
blocked grass screen, dirty or plugged
cooling fins, and/or cooling shrouds
removed will cause engine damage due
to overheating.
AIR FILTER
Your engine will not run propedy using a
dirty air filter. Clean the foam pre-cleaner
after every 25 hours of operation or every
season. Service paper cartridge every
100 hours of operation or every season,
whichever occurs first.
Service air cleaner more often under
dusty conditions.
1. Remove knob and cover.
2. Remove wing nut and air cleaner
from base.
TO SERVICE PRE-CLEANER
3. Slide foam pre-cleaner off cartridge.
4. Wash it in liquid detergent and water.
5. Squeeze it dry in a clean cloth. Allow i
to dry.
6. Saturate it in engine oil. Wrap it in
clean, absorbent cloth and squeeze to
remove excess oil.
TO SERVICE CARTRIDGE
•Replace a dirty, bent, or damaged
cartridge.
NOTE: Do not wash the paper cartridge
or use pressurized air, as this will damage
the cartridge.
7. Reinstall the pre-cleaner (cleaned anc
oiled) over the paper cartridge.
8, Reassemble air cleaner, wing nut,
cover and tighten knob securely.
Air Cleaner Cover
Cover _-. Knob
Foam -- Wing Nut
Pre- Rubber
• Grommet
Air Cleane_
Paper
Cartridge
\ Air Cleaner
Base
Screen
MUFFLER
Inspect and replace corroded muffler and
spark arrester (if equipped) as it could
create a fire hazard and/or damage.
SPARK PLUGS
Replace spark plugs at the beginning of
each mowing season or after every 100
hours of operation, whichever occurs first.
Spark plug type and gap setting are
shown in =PRODUCT SPECIFICATIONS"
section of this manual.
ENGINE OIL FILTER
Replace the engine oil filter every season
or every other oil change if the tractor is
used more than 100 hours in one year.
1. Drain oil from engine crankcase (See
"TO CHANGE ENGINE OIL" in this
section of this manual, through step
remove drain plug).
2. Remove oil filter and wipe off filter
adapter.
21

3. Apply a thin coating of new engine oil
to the rubber gasket on replacement
oil filter.
4. Install replacement oil filter on filter
adapter. Turn oil filter clockwise until
rubber gasket contacts the filter
adapter, then tighten filter an addi-
tional 1/2 turn.
5. Fill crankcase with new oil (See "TO
CHANGE ENGINE OIL" in this section
of this manual). For approximate
capacity see "PRODUCT SPECIFICA-
TIONS" section of this manual.
6. Start the engine and check for oil
leaks. Correct any leaks before
placing engine into full operation.
IN-LINE FUEL FILTER
The fuel filter should be replaced once
each season. If fuel filter becomes
clogged, obstructing fuel flow to carbure-
tor, replacement is required.
1. With engine cool, remove filter and
plug fuel line sections.
2. Place new fuel filter in position in fuel
line with arrow pointing towards
carburetor.
3. Be sure there are no fuel line leaks
and clamps are properly positioned.
4. Immediately wipe up any spilled
gasoline.
Clamp _ ./'-'_-_
Fuel Filter " _ --
CLEANING
• Clean engine, battery, seat, finish, etc.
of all foreign matter.
• Keep finished surfaces and wheels free
of all gasoline, oil, etc.
• Protect painted surfaces with automo-
tive type wax.
We do not recommend using a garden
hose to clean your tractor unless the
electrical system, muffler, air filter and
carburetor are covered to keep water out.
Water in engine can result in a shortened
engine life.
22

_CAUTION: BEFORE PERFORMING ANY SERVICE OR ADJUSTMENTS:
1. Depress clutch/brake pedal fully and set parking brake.
2. Place motion control lever in neutral (N) position.
3. Place attachment clutch in "DISENGAGED" position.
4. Turn ignition key "OFF" and remove key.
5. Make sure the blades and all moving parts have completely stopped.
6. Disconnect spark plug wire from spark plug and place wire where it cannot
come in contact with plug.
TRACTOR
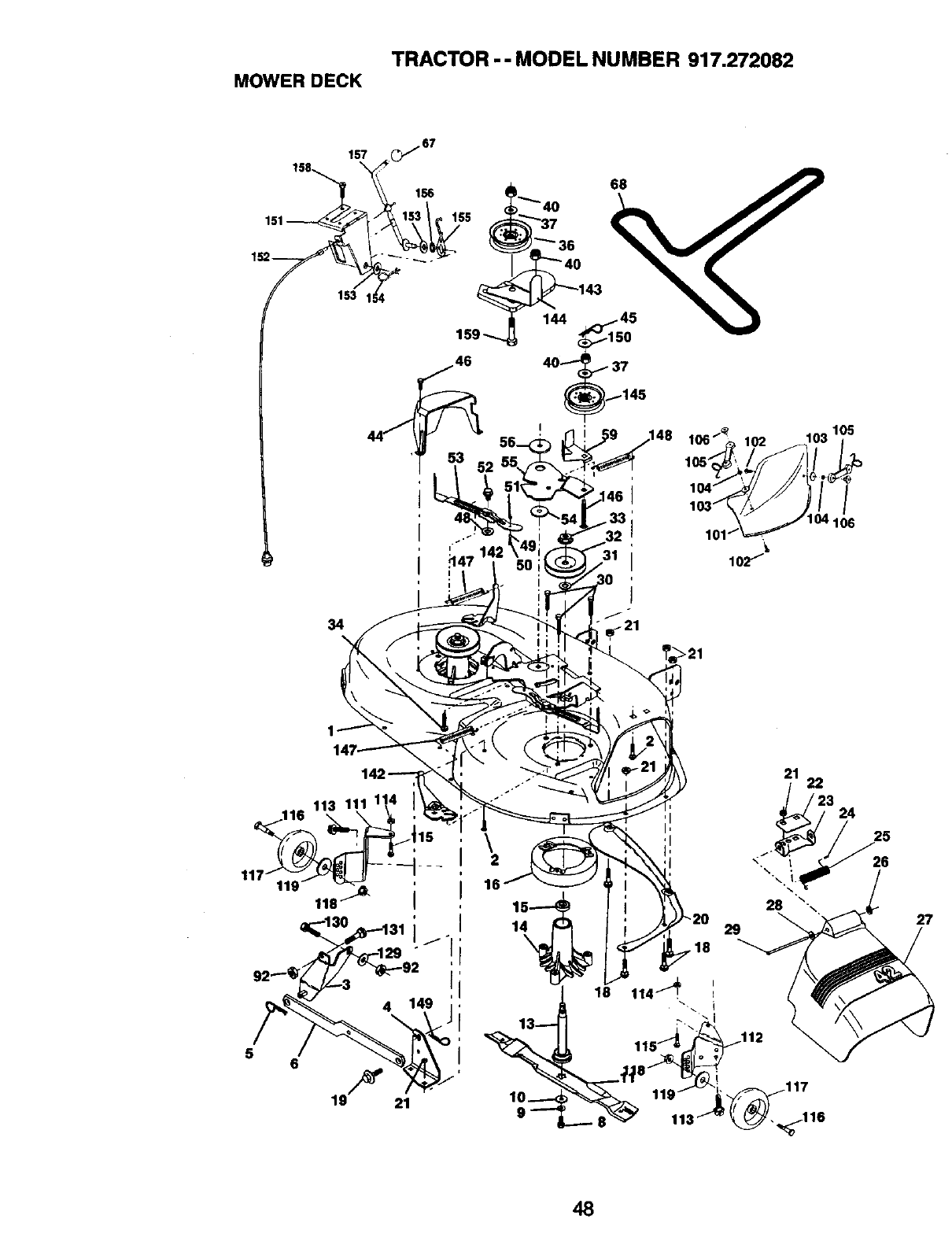
TO REMOVE MOWER
Mower will be easier to remove from the
right side of tractor.
1. Place attachment clutch in "DISEN-
GAGED" position.
2. Move attachment lift lever forward to
lower mower to its lowest position.
3. Roll belt off engine pulley.
4. Remove small retainer spring, and lift
clutch spring off pulley bolt.
5. Remove large retainer spring, slide
collar off and push housing guide out
of bracket.
6. Disconnect anti-swaybar from chassis
bracket by removing retainer spring.
7. Disconnect suspension arms from
rear deck brackets by removing
retainer springs.
8. Disconnect front links from deck by
removing retainer springs.
9. Raise lift lever to raise suspension
arms. Slide mower out from under
tractor.
Small Retainer Spring
Clutch
IMPORTANT: If an attachment other than
the mower deck is to be mounted on the
tractor, remove the front links and hook
the clutch spring Into square hole in
frame.
TO INSTALL MOWER
1. Raise attachment lift lever to its
highest position.
2. Slide mower under tractor with
discharge guard to right side of tractor
3. Lower lift lever to its lowest position.
4. Install mower in reverse order of
removal instructions.
TO LEVEL MOWER HOUSING
Adjust the mower while tractor is parked
on level ground or driveway. Make sure
tires are properly inflated (See "PROD-
UCT SPECIFICATIONS" section of this
manual). If tires are over or
underinflated, you will not properly adjust
your mower.
-; ;°;'-:'_''_- Square Hole
Suspension Arms
Link
gs
(Both Sides)
Housing Guide
pdng
23

SIDE-TO-SIDE ADJUSTMENT
• Raise mower to its highest position.
• At the midpoint of both sides of mower,
measure height from bottom edge of
mower to ground. Distance "A" on
both sides of mower should be the
same or within 1/4" of each other.
• If adjustment is necessary, make
adjustment on one side of mower only.
• To raise one side of mower, tighten lift
link adjustment nut on that side.
• To lower one side of mower, loosen lift
link adjustment nut on that side.
NOTE: Each full turn of adjustment nut
will change mower height about 1/8".
• Recheck measurements after adjust-
ing.
Bottom edge of Bottom edge of
mower to mower to
ground _T ground
Suspension Arm
•To raise front of mower, loosen nut "F"
from trunnion on both front links.
Tighten nut "E" on both front links an
equal number of turns.
•When distance "D" is 1/8" to 1/2" lower
at front than rear, tighten nut "F" against
trunnion on both front links.
•Recheck side-to-side adjustment.
_--_o_ Mandrel
Both Front Links Should be Equal in Length
/
Nut UE-
Lift Link
Adj,
FRONT-TO-BACK ADJUSTMENT
IMPORTANT: Deck must be level side-to
side. If the following front-to-back adjust-
ment is necessary, be sure to adjust both
front links equally so mower will stay level
side-to-side.
To obtain the best cutting results, the
mower housing should be adjusted so
that the front is approximately 1/8" to 1/2"
lower than the rear when the mower is in
its highest position.
Check adjustment on right side of tractor.
Measure distance "D" directly in front and
behind the mandrel at bottom edge of
mower housing as shown.
•Before making any necessary adjust-
ments, check that both front links are
equal in length.
•If links are not equal in length, adjust
one link to same length as other link.
•To lower front of mower loosen nut "E"
on both front links an equal number of
turns.
• When distance "D" is 1/8" to 1/2" lower
at front than rear, tighten nuts "F"
against trunnion on both front links.
Front Links
TO REPLACE MOWER BLADE DRIVE
BELT
The mower blade drive belt may be
replaced without tools. Park the tractor on
level surface. Engage parking brake.
BELT REMOVAL -
1. Remove mower from tractor (See "TO
REMOVE MOWER" in this section of
this manual).
2. Work belt off both mandrel pulleys and
idler pulleys.
3. Pull belt away from mower.
Mandrel
Pulley
24

BELT INSTALLATION -
4. Install new belt in reverse order of
removal.
5. Make sure belt is in all pulley grooves
and inside all belt guides.
6. Install mower in reverse order of
removal instructions.
TO ADJUST BRAKE
Your tractor is equipped with an adjustable
brake system which is mounted on the
side of the transaxle.
If tractor requires more than six (6) feet
stopping distance at high speed in highest
gear on a level dry concrete or paved
surface, then brake must be adjusted.
1. Depress clutch/brake pedal and
engage parking brake.
2. Measure distance between brake
operating arm and nut "A" on brake rod.
3. If distance is other than 1-9/16", loosen
jam nut and tum nut "A" until distance
becomes 1-9/16". Retighten jam nut
against nut "A".
4. Road test tractor for proper stopping
distance as stated above. Readjust if
necessary. If stopping distance is still
greater than six (6) feet in highest gear,
further maintenance is necessary.
Contact a Sears or other qualified
service center.
With Parking Brake "Engaged"
Nut "A"
__° _perating
Do Not touch this nut. If further brake adjust-
ment is necessary,contacta Sears or other
qualifiedsen/ice center.
TO REPLACE MOTION DRIVE BELT
Park the tractor on level surface. Engage
parking brake. For assistance, there is a
belt installation guide decal on bottom
side of left footrest.
1. Remove mower (See =-ro REMOVE
MOWER" in this section of this
manual.)
2. Remove belt from stationary idler and
clutching idler.
3. Pull belt slack toward rear of tractor.
Carefully remove belt upwards from
transmission input pulley and over
cooling fan blades.
4. Pull belt toward front of tractor and
remove downward from around
engine pulley.
5. Install new belt by reversing above
procedure.
Pulley
Clutching
Stationar_
Transmission
Input Pulley
TRANSAXLE MOTION CONTROL
LEVER NEUTRAL ADJUSTMENT
The motion control lever has been preset
at the factory and adjustment should not
be necessary.
1. Loosen adjustment bolt in front of the
right rear wheel, and lightly tighten.
2. Start engine and move motion control
lever until tractor does not move
forward or backward.
3. Hold motion control lever in that
position and turn engine off.
4. While holding motion control lever in
place, loosen the adjustment bolt.
5. Move motion control lever to the
neutral (N) (lock gate) position.
6. Tighten adjustment bolt securely.
NOTE: If additional clearance is needed
to get to adjustment bolt, move mower
deck height to the lowest position.
After above adjustment is made, if the
tractor still creeps forward or backward
while motion control lever is in neutral
position, follow these steps:
1. Loosen the adjustment bolt.
25

2. Move the motion control lever 1/4 to
1/2 inch in the direction it is trying to
creep.
3. Tighten adjustment bolt securely.
4. Start engine and test.
5. If tractor still creeps, repeat above
steps until satisfied.
Motion Control Neutral Lock Gate
Lever
Adjustment Bolt
TRANSMISSION REMOVAL/REPLACE-
MENT
Should your transmission require
removal for service or replacement, it
should be purged after reinstallation and
before operating the tractor. See
"PURGE TRANSMISSION" in the
Operation section of this manual.
TO ADJUST STEERING WHEEL ALIGN-
MENT
If steering wheel crossbars are not
horizontal (left to right) when wheels are
positioned straight forward, remove
steering wheel and reassemble per
instructions in the Assembly section of
this manual.
FRONT WHEEL TOE-IN/CAMBER
The front wheel toe-in and camber are
not adjustable on your tractor. If damage
has occurred to affect the front wheel toe-
in or camber, contact a Sears or other
qualified service center.
TO REMOVE WHEEL FOR REPAIRS
1. Block up axle securely.
2. Remove axle cover, retaining ring and
washers to allow wheel removal (rear
wheel contains a square key - Do not
lose).
3. Repair tire and reassemble.
NOTE: On rear wheels only: align
grooves in rear wheel hub and axle.
Insert square key.
4. Replace washers and snap retaining
ring securely in axle groove.
5. Replace axle cover.
NOTE: To seal tire punctures and prevent
flat tires due to slow leaks, tire sealant
may be purchased from your local parts
dealer. Tire sealant also prevents tire dry
rot and corrosion.
Washers
Retaining Ring
Axle Covel_X_ _
Square Key_''_ ,
(Rear Wheel Only)
TO START ENGINE WITH A WEAK
BATTERY
4t_CAUTION: Lead-acid batteries generate
explosivegases. Keep sparks, flame and
smoking materials away from batteries.
Always wear eye protectionwhen around
batteries.
If your battery is too weak to startthe engine, i
shouldbe recharged. (See "BATTERY" in the
MAINTENANCE section of this manual).
If "jumper cables"are used for emergency
starting,follow this procedure:
IMPORTANT: Yourtractor is equipped witha
12 voltnegative grounded system. The other
vehical must also be a 12 volt negative
grounded system. Do not use your tractor
batteryto startother vehicles.
TO ATFACH JUMPER CABLES -
1. Connect each end of the RED cable tc
the POSITIVE (+) terminal of each
battery, taking care not to short
against chassis.
2. Connect one end of the BLACK cable
to the NEGATIVE (-) terminal of fully
charged battery.
3. Connect the other end of the BLACK
cable to good CHASSIS GROUND,
away from fuel tank and battery.
TO REMOVE CABLES, REVERSE ORDER -
1. BLACK cable first from chassis and
then from the fully charged battery.
2. RED cable last from both batteries.
Positive Terminal Terminal
Charged
Positive Battery
26 Terminal

REPLACING BATTERY
A
41_CAUT!ON: Do not short ba.ttery
terminals oy allowing a wrench or any
other object to contact both terminals at
the same time. Before connecting battery,
remove metal bracelets, wristwatch
bands, rings, etc.
Positive terminal must be connected first
to prevent sparking from accidental
grounding.
1. Lift seat pan to raised position and
open battery box door.
2. Disconnect BLACK battery cable first
then RED battery cable and carefully
remove battery from tractor.
3. Install new battery with terminals in
same position as old battery.
4. First connect RED battery cable to
positive (+) terminal with hex bolt and
kepa nut as shown. Tighten securely.
5. Connect BLACK grounding cable to
negative (-) terminal with remaining
hex bolt and keps nut. Tighten
securely.
6. Close battery box door.
Battery
Box
Bolt
Positive(Red) Cable Negative (Black) Cable
TO REPLACE HEADLIGHT BULB
1. Raise hood.
2. Pull bulb holder out of the hole in the
backside of the grill.
3. Replace bulb in holder and push bulb
holder securely back into the hole in
the backside of the grill.
4. Close hood.
INTERLOCKS AND RELAYS
Loose or damaged wiring may cause your
tractor to run poorly, stop running, or
prevent it from starting.
•Check wiring. See electrical wiring
diagram in the Repair Parts section.
TO REPLACE FUSE
Replace with 20 amp automotive-type
plug-in fuse. The fuse holder is located
behind the dash.
Maintenance, repair, or replacement of the
emission control devices and systems, which
are being done at the customers expense,
may be performed by any non-read engine
repair establishment or individual.Warranty
repairs must be performed by an authorized
engine manufacturer's service outlet.
TO ADJUST THROTI'LE CONTROL
CABLE
The throttlecontrol has been preset at the
factory and adjustment should not be
necessary. Check adjustment as descn'bed
below before loosening cable. If adjustment i.,
necessary, proceed as follows:
1. With engine not running, move throttle
controllever from slow to choke position.
Slowly move lever from choke to fast
position.
2. Check to see if hole inthrottle lever and
hole in speed control bracket are aligned.
3. If holes are not aligned, loosen cable
clamp screw and align the holes by
inserting a pencil or a 1/4" drillbit through
beth holes.
4. Pull throttle cable up to remove slack and
tighten cable clamp screw. Remove
alignment pencil or drillbit.
Cab,e
Clamp_______
Bracke_---_ _
TO REMOVE HOOD AND GRILL AS-
SEMBLY
1. Raise hood.
2. Unsnap headlight wire connector.
3. Stand in front of tractor. Grasp hood a
sides, tilt toward engine and lift off of
tractor.
4. To replace, reverse above procedure.
\
ENGINE
Hood
\_ Headlight Wire
J.._\/ Connector
27

TO ADJUST CARBURETOR
The carburetor has been preset at the factory
and adjustment should not be necessary.
However, minor adjustment may be required
to compensate for differences in fuel,
temperature, altitudeor load. If the carburetor
does need adjustment, proceed as follows:
In general, turning the adjusting needles in
(clockwise) decreases the supply of fuel to
the engine gMng a leaner fuel/air mixture.
Tuming the adjusting needles out (counter-
clockwise) increases the supply of fuel to the
engine givinga richerfuel/air mixture.
IMPORTANT; Damage to the needles and
seats in carburetor may result ifturned in too
tight.
NOTE; The carburetor on this engine is low
emission. It is equipped with an idle fuel
adjustingneedle with a limitercap, which
allows some adjustment within the limits
allowed by the cap. Do notattempt to remove
the limitercap. The limitercap cannot be
removed without breaking the adjusting
needle.
1. Be sure you have a clean air filterand the
throttlecontrolcable is adjusted preperly
(see above).
2. Start engine and allow to warm for five
minutes. Make adjustments with engine
running and shift/motioncontrol lever in
neutral (N) position.
3. Idle speed setting -With throttle control
lever in slow position,engine should idle
at 1750 RPM. If engine idlestoo slow or
fast, turn idle speed adjustingscrew in or
out untilcorrect idle is attained.
4. Idle fuel needle setting - W'rththrottle
controllever in slow position,rum idle fuel
adjustment needle in (clockwise) until
engine begins to die and then tum out
(counterclockwise) until engine runs
rough. Turn needle to a point midway
between those two positions.
5. Recheck idle speed. Readjust if neces-
sary.
ACCELERATION TEST -
6. Move throttlecontrollever from slow to
fast position.If engine hesitates or dies,
rum idle fuel adjusting needle out
(counterclockwise)1/8 turn. Repeat test
and continueto adjust, if necessary, until
engine accelerates smoothly.
High speed stop is factory adjusted. Do
not adjust - damage may result.
IMPORTANT; Never tamper with the
engine governor, which is factory set for
proper engine speed. Overspeeding the
engine above the factory high speed
setting can be dangerous. If you think the
engine-governed high speed needs
adjusting, contact a Sears or other
qualified service center, which has proper
equipment and experience to make any
necessary adjustments.
Idle Speed
Adjusting
Idle Fuel
Adjusting-
Needle
28

Immediately prepare your tractor for
storage at the end of the season or if the
tractor will not be used for 30 days or
more.
,_ CAUTION: Never store the tractor
with gasoline in the tank inside a building
where fumes may reach an open flame or
spark. Allow the engine to cool before
storing in any enclosure.
TRACTOR
Remove mower from tractor for winter
storage. When mower is to be stored for
aperiod of time, clean it thoroughly,
remove all dirt, grease, leaves, etc. Store
in a clean, dry area.
1. Clean entire tractor (See "CLEANING"
in the Maintenance section of this
manual).
2. Inspect and replace belts, if necessary
(See belt replacement instructions in
the Service and Adjustments section
of this manual).
3. Lubricate as shown in the Mainte-
nance section of this manual.
4. Be sure that all nuts, bolts and screws
are securely fastened. Inspect moving
parts for damage, breakage and wear.
Replace if necessary.
5. Touch up all rusted or chipped paint
surfaces; sand lightly before painting.
BATTERY
•Fully charge the battery for storage.
•After a period of time in storage, battery
may require recharging.
•To help prevent corrosion and power
leakage during long periods of storage,
battery cables should be disconnected
and battery cleaned thoroughly (see
"TO CLEAN BATTERY AND TERMI-
NALS" in the Maintenance section of
this manual).
•After cleaning, leave cables discon-
nected and place cables where they
cannot come in contact with battery
terminals.
•If battery is removed from tractor for
storage, do not store battery directly on
concrete or damp surfaces.
ENGINE
FUEL SYSTEM
IMPORTANT: It is important to prevent
gum deposites from forming in essential
fuel system parts such as carburetor, fuel
hose, or tank during storage.
Also, experiance indicates that alcohol
blended fuels (called gasohol or using
ethanol or methanol) can attract moisture
which leads to separation and formation
of acids during storage. Acidic gas can
damage the fuel system of and engine
while in storage.
1. Drain the fuel tank.
2. Start the engine and let it run until the
fuel lines and carburetor are empty.
• Never use engine or carburetor cleane
products in the fuel tank or permanent
damage may occur.
•Use fresh fuel next season.
NOTE: Fuel stabilizer is an acceptable
alternative in minimizing the formation of
fuel gum deposits during storage. Add
stabilizer to gasoline in fuel tank or
storage container. Always follow the mix
ratio found on stabilizer container. Run
engine at least 10 minutes after adding
stabilizer to allow the stabilizer to reach
the carburetor. Do not drain the gas tank
and carburetor if using fuel stabilizer.
ENGINE OIL
Drain oil (with engine warm) and replace
with clean engine oil. (See "ENGINE" in
the Maintenance section of this manual).
CYLINDER(S)
1. Remove spark plug(s).
2. Pour one ounce of oil through spark
plug hole(s) into cylinder(s).
3. Turn ignition key to "START" position
for a few seconds to distribute oil.
4. Replace with new spark plug(s).
OTHER
•Do not store gasoline from one season
to another.
•Replace your gasoline can if your can
starts to rust. Rust and/or dirt in your
gasoline will cause problems.
• If possible, store your tractor indoors
and cover it to give protection from dust
and dirt.
•Cover your tractor with a suitable
protective cover that does not retain
moisture. Do not use plastic. Plastic
cannot breathe which allows conden-
sation to form and will cause your
tractor to rust.
IMPORTANT: Never cover tractor while
engine and exhaust areas are still warm.
29

TROUBLESHOOTING CHART
PROBLEM CAUSE CORRECTION
Will not start
Hard to start
Enginewill not
turn over
Engine clicks but
will not start
Loss of power
1. Out of fuel.
2. Engine not "CHOKED"
properly.
3. Engine flooded.
4. Bad spark plug.
5. Dirty air filter.
6. Dirty fuel filter,
7. Water in fuel.
8. Loose or damaged wiring.
9. Carburetor out of adjustment, i
10. Engine valves out of
adjustment.
1. Dirty air filter.
2. Bad spark plug.
3. Weak or dead battery.
4. Dirty fuel filter.
5. Stale or dirty fuel.
6. Loose or damaged wiring.
7. Carburetor out of adjustment.
8. Engine valves out of
adjustment.
1. Clutch/brake pedal not
depressed
2. Attachment clutch is
engaged.
3. Weak or dead battery.
4. Blown fuse.
5. Corroded battery terminals.
6. Loose or damaged wiring.
7. Faulty ignition switch.
8. Faulty solenoid or starter.
9. Faulty operator presence
switch(es).
1. Weak or dead battery.
2. Corroded battery terminals.
3. Loose or damaged wiring.
4. Faulty solenoid or starter.
1. Cutting too much grass/too
fast.
2. Throttle in "CHOKE"
position.
1. Fill fuel tank.
2. See "TO START ENGINE"
in Operation Section.
3. Wait several minutes before
attempting to start.
4. Replace spark plug.
5. Clean/replace air filter.
6. Replace fuel filter.
7. Drain fuel tank and carbure-
tor, refill tank with fresh
gasoline and replace fuel
filter.
8. Check all wiring.
9. See 'fro Adjust Carburetor"
in Service Adjustments
section.
10.Contact a Sears or other
qualified service center.
1. Clean/replace air filter.
2. Replace spark plug.
3. Recharge or replace battery.
4. Replace fuel filter.
5. Drain fuel tank and refill with
fresh gasoline.
6. Check all wiring.
7. See "To Adjust Carburetor" in
Service Adjustments
section.
8. Contact a Sears or other
qualified service center.
1. Depress clutch/brake pedal.
2. Disengage attachment
clutch.
3. Recharge or replace battery.
4. Replace fuse.
5. Clean battery terminals.
6. Check all wiring.
7. Check/replace ignition
switch.
8. Check/replace solenoid or
starter.
9. Contact a Sears or other
qualified service center.
1. Recharge or replace battery,
2. Clean battery terminals.
3. Check all widng.
4. Check/replace solenoid or
starter.
1. Set in "Higher Cut" position/
reduce speed.
2. Adjust throttle control.
3O

TROUBLESHOOTING CHART
CAUSE CORRECTION
3.
PROBLEM
Loss of power
(continued)
Excessive
vibration
Enginecontinues
to run when
operator leaves
seat with
attachment
clutch engaged
Poor cut - uneven
Mower blades will
not rotate
Build-up of grass, leaves
and trash under mower.
4. Dirty air filter.
5. Low oil level/dirty oil.
6. Faulty spark plug.
7. Dirty fuel filter.
8. Stale or dirty fuel.
9. Water in fuel.
10.Spark plug wire loose.
11.Dirty engine air screen/fins.
12. Dirty/clogged muffler.
13.Loose or damaged wiring.
14.Carburetor out of
adjustment.
15. Engine valves out of
adjustment.
1. Worn, bent or loose blade.
2. Bent blade mandrel.
3. Loose/damaged part(s).
1. Faulty operator-safety
presence control system.
1. Worn, bent or loose blade.
2. Mower deck not level.
3. Buildup of grass, leaves,
and trash under mower.
4. Bent blade mandrel.
5. Clogged mower deck vent
from build-up of grass,
leaves, and trash around
mandrels.
1. Obstruction in clutch
mechanism.
2. Worn/damaged mower
drive belt.
3. Frozen idler pulley.
4. Frozen blade mandrel.
3. Clean underside of mower
housing.
4. Clean/replace air filter"
5. Check oil level/change oil.
6. Clean and regap or change
spark plug.
7. Replace fuel filter.
8. Drain fuel tank and refill
with fresh gasoline.
9. Drain fuel tank and
carburetor, refill tank with
fresh gasoline and replace
fuel filter.
10.Connect and tighten spark
plug wire.
11.Clean engine air screen/
fins.
12.Clean/replace muffler.
13.Check all wiring.
14. See "To Adjust Carburetor"
in Service Adjustments
section.
15.Contact a Sears or other
qualified service center.
1. Replace blade.
Tighten blade bolt.
2. Replace blade mandrel.
3. Tighten loose part(s).
Replace damaged parts.
.Check wiring, switches and
connections. If not corrected.
contact a Sears or other
qualified service center.
1. Replace blade. Tighten
blade bolt.
2. Level mower deck.
3. Clean underside of mower
housing.
4. Replace blade mandrel.
5. Clean around mandrels to
open vent holes.
1. Remove obstruction.
2. Replace mower drive belt.
3. Replace idler pulley.
4. Replace blade mandrel.
31

TROUBLESHOOTING CHART
CORRECTION]PROBLEM CAUSE
Poor grass 1. Engine speed too slow.
discharge 2.
3.
4.
5.
6.
7.
Travel speed too fast.
Wet grass.
Mower deck not level.
Low/uneven tire air pressure.
Worn, bent or loose blade.
Buildup of grass, leaves and
trash under mower.
Head!ight(s) not
Iworking
(if so equipped)
Battery will not
charge
Loss of drive
Engine"backfires"
when turning
engine
"OFF"
8. Mower drive belt worn.
9. Blades improperly installed.
10. Improper blades used.
11.Clogged mower deck vent
holes from buildup of
grass, leaves, and trash
around mandrels.
1. Switch is "OFF".
2. Bulb(s) or lamp(s) bumed out.
3. Faulty light switch.
4. Loose or damaged wiring.
5. Blown fuse.
1. Bad battery cell(s).
2. Poor cable connections.
3. Faulty regulator
(if so equipped).
4. Faulty alternator.
1. Freewheel control in
"disengaged" position.
2. Motion drive belt worn,
damaged, or broken.
3. Air trapped in transmission
during shipment or
servicing.
!1. Engine throttle control not
set at "SLOW"
position for 30 seconds
before stopping engine.
1. Place throttle control in
"FAST" position.
2. Shift to slower speed.
3. Allow grass to dry before
mowing.
4. Level mower deck.
5. Check tires for proper air
pressure.
16. Replace/sharpen blade.
Tighten blade bolt.
17. Clean underside of mower
housing.
Replace mower drive belt.
i Reinstall blades sharp edge
down.
10. Rep ace with blades listed
in this manual.
11.Clean around mandrels to
open vent holes.
1. Turn switch "ON".
12 Replace bulb(s) or lamp(s).
i Check/replace light switch.
4. Check wiring and connec-
tions.
5. Replace fuse,
1. Replace battery.
2. Check/clean all connec-
tions.
!3. Replace regulator.
4. Replace alternator.
1. Place freewheel control in
"engaged" position.
2. Replace motion drive belt.
3, Purge transmission.
.Move throttle control to
"SLOW" position and allow
to idle for 30 seconds before
stopping engine.
32

SCHEMATIC
TRACTOR - - MODEL NUMBER 917.272082
RED
RED
AMMETER
(OPTIONAL) _=_
G A1
IGNITION I
R
IGNITION SWITCH
BATTERY SOLENOID
I
FUSE STARTER
WHITE BLACR
CLUTCH /BRAKE
(PEDAL UP)
I
I i I BLUE II BLUE
_NTc_L ....... J_ .......
_-........ i (CLUTCH OFF) I
,_ GREEN 4_,
I
SEAT SWITCH
(NOT OCCUPIED)
i
i
OPERATOR
86 I
RED
RELAY
PRESENCE RELAY #1
FUEL
I
i
I
FUEL SHUTOFF
SOLENOID
(IFSO EQUIPPED)
SPARK
IGNITION PLUG _
UNIT GAP
(2 PLUGS ON
TWIN CYL. ENGINES)
yELLOW
NON-REMOVABLE REMOVABLE
CONNECTIONS CONNECTIONS
WIRING INSULATED CLIPS
NOTE: IF WIRING INSULATED CLIPS WERE REMOVED FC
SERVICING OF UNIT, THEY SHOULD BE REPLACED TO
PROPERLY SECURE YOUR WIRING.
33

TRACTOR --MODEL NUMBER 917.272082
ELECTRICAL
26
25
I
III
I27
l
I
I
t
/
i/
I
I
I
I
I
\
\
/
/
/!
//
/
/
34

TRACTOR -- MODEL NUMBER 917.272082
ELECTRICAL
KEY PART
NO. NO.
1 163465
2 74760412
8 156417
16 161343
21 175688
22 4152J
24 4799J
25 146147
26 175158
27 73510400
28 4207J
29 160784
30 175566
33 14O403
40 170_19
41 71110408
42 131563
43 175141
45 122822X
52 141940
81 109748X
DESCRIPTION
Battery 12 Volt 28 Amp
Bolt, Hex Head 1/4-20 unc x 3/4
Case, Battery Mech Hinge
Switch, Interlock N Opn/N Opn
Harness, Light Socket (Includes 4152J)
Bulb, Light
Cable, Battery, 6 Gauge, Red, 11"
Cable, Battery, 6 Gauge, Red, W/16 Wire
Fuse, 20 Amp
Nut Keps Hexl/4-20 Unc
Cable, Ground, 6 Gauge, Black, 12"
Switch, Plunger Normal Op Olive
Switch, IgniUon
Key, Ignition
Harness, Ignition
Bolt, Hex Head, Fin, 1/4-20 x 1/2
Cover, Terminal, Red
Solenoid
Ammeter Rectangular
Protection Wire Loop
Relay Asm,
NOTE: All component dimensions given in U.S. inches
1 inch = 25.4 mm
35

TRACTOR -- MODEL NUMBER 917.272082
CHASSIS AND ENCLOSURES
212--_
28
39
166
208
_/5 58
2O8
74 2O8
36

TRACTOR -- MODEL NUMBER 917.272082
CHASSIS AND ENCLOSURES
KEY PART
NO. NO. DESCRIPTION
1 174619 Chassis Stamping
2 176554 Draw_bar
3 17060612 Screw 3/8-16 x 3/4
5 155272 Bumper Hood/Dash
9 168337X013 Dash
10 STD533710 Bolt, Carriage 3/8-16 x 1
11 155927 Panel, Dash, L.H.
13 172107X010 Panel, Dash, R.H.
14 17490608 Screw Thdrol 3/8-16 x 1/2
17 174330X558 Hood Assemb4y
18 126938X BumperHood
25 19131312 Washer 13/32 x 13/16 x 12 Gauge
26 STD541437 Nut
28 175049 Gdlle Lens Asm
29 174332X599 Lens, Gdlle
30 164919X558 Fend/Ftrest Pnt STLT
31 139976 Bracket, Fender Support
37 17490508 Screw Thdrol 5/16-18 x 1/2 Tyt
38 169834 Bracket Asm. Pivot Mower Rear
39 174714 Bracket, Pivot
58 150127 Duct Air Engine P/L LT
60 72140606 Bolt Rdhd Sqnk 3/8-16 UNC x 3/4
64 154798 Dash Lower STLT
74 73680600 Nut Crownlock 3/8-16 UNC
142 165867 Plate Reinforcement STLT
143 154966 Bracket Swaybar Chassis
144 154207 Bracket Pnt Footrest STLT
145 156524 Jod Pivot Chassis/Hood
159 155123X428 Cupholder
166 164863 Screw Hwhd HI Lo #13-16 x 3/4
206 170165 Bolt Shoulder 5/16 -18 TT
207 1767(_508 ScrewThdrol 5/16-18x1/2TY'i-I"
2(_ 17670608 Screw Thdrol 3/8-16 x 1/2
212 175143 Insert Lens Reflective
- - 5479J Plug, Button
NOTE: All component dimensions given in U.S. inches
1 inch = 25.4 mm
37

GROUND DRIVE 917.272082
TRACTOR.. MODEL NUMBER
62
32
36

TRACTOR-- MODEL NUMBER 917.272082
GROUND DRIVE
KEY PART KEY PART
NO. NO. DESCRIPTION NO. NO.
1...... Transaxle (See Breakdown) 66 154778
Hydro Gr314-0510 70 134683
8 165866 Rod Shift Fender Adjust 71 169183
10 STD561210 Pin Cotter 1/8 x 1 CAD 73 169182
14 10040400 Washer Lock Hvy Helical 74 137057
15 74490544 Bolt Hex FLGHD 5/16-18 x Gr 5 75 121749X
16 STD541431 Nut Lock Hex W/Ins. 5/16-18 Unc 76 STD581075
19 STD5414.37 Nut Lock Hex W/Wsh 3/8-16 Unc 77 123583X
21 130564 Knob, Deluxe 1/2-13 78 121748X
22 169498 Rod, Brake Hydro 81 165596
24 73350600 Nut, Hex Jam 3/8-16 Unc 82 165711
25 106888X Spring, Brake Rod 83 19171216
26 STD551037 Washer 84 169594
27 S'1"D561210 Pin Cotter 1/8 x 3/4 CAD. 89
28 175765 Rod, Parking Brake 90 124346X
29 71673 Cap, Parking Brake 95 170201
30 169592 Bracket, Transaxle 96 4497H
32 74760512 Bolt Hex Hd 5/16-18 Uric x 3/4 116 72140608
34 175578 Shaft, Foot Pedal 120 73900600
35 120183X Bearing, Nylon 150 175456
36 19211616 Washer 151 19133210
37 1572H Pin, Roll 156 166002
38 165936 Pulley, Composite, Rat 158 165589
39 74760648 Bolt Fin Hex 3/8-16 x 3 159 165494
40 175461 Spacer, Split 161 72140406
41 175556 Keeper, Belt Idler 162 73680400
42 19131312 Washer 13/32x13/16x12Ga. 163 74780416
47 127783 Pulley, Idler, V-Groove 164 19091010
48 154407 Bellcrank, Clutch 165 165623
49 123205X Retainer, Belt 166 166880
50 STD523715 Bolt 168 165492
51 STD541437 NutCrownlock 3/8-16 UNC 169 165580
52 s'rD541431 Nut, Crownlock 5/16-18Unc 197 169613
53 105710X Link, Clutch 198 169593
55 105709X Spring, Return, Clutch 199 169612
56 17060616 Screw 3/8-16 x I 200 72140508
57 140294 V-Belt 202 72110614
59 169691 Keeper, Center Span 212 145212
61 17060612 Screw. 3/8-16 x 3/4
62 8883R Cover, Pedal
63 175410 Pulley, Engine
64 71170764 Bolt Hex 7/16-20 x 4 Gr. 5
65 STD551143 Washer
DESCRIPTION
Keeper Belt Engine Hydro
Keeper Belt Engine
Strap Torque Lh Hydro
Strap Torque Rh Hydro
Spacer
Washer 25/32 x 1-1/4 x 16 Gau§
E-Ring
Key, Square
Washer 25/32 x 1-5/8 x 16 Gaug
Shaft Asm Cross Tapered
Spring Torsion
Washer 17132 x 3/4 x 16 Ga.
Link Transaxie
164890X428 Console, Shift
Nut Self-Thd Wsh-hd 1/4 Zinc
Control Bypass Hydro 20" Tires
Retainer Spring 1' Zinc/Cad
Bolt Rdhd Sqneck 3/8-16 x 1
Nut Lock Fig 3/8-16
Spacer Retainer
Washer 13/32 x 2 x 10 Ga.
Washer Srrted 5/161D x 1.125
Bracket Shift Mount
Hub Tapered Flange Shift Lt
Bolt Rdhd Sqnk 1/4-20 x 3/4 Gr 5
Nut Crownlock 1/4-20 Unc
Bolt Hex Fin 1/4-20 Unc x 1 Gr 5
Washer 5/8 x .281 x lOGa
Bracket Pivot Lever
Screw 5/16-18 x 5/8
Bolt Shoulder 5/16-18 x .561
Plate Fastening
NyUner Snap-In 5/8"1D
Washer Nyl 7/8 ID x .105" Hyd
Bolt Shoulder 5/16-18UNC
Bolt Rdhd Sgnk 5/16-18UNC x 1
Bolt Carr Sh 3/8-16 x 1-3/4 Gr.5
Nut Hex Flange Lock
NOTE: All componentdimensionsgiveninU.S.
inches1 inch= 25.4 mm
39

TRACTOR -- MODEL NUMBER 917.272082
STEERING ASSEMBLY
_3o
L
LI _42
37_ I
47
15 15
/
40 /
13
43
4O

TRACTOR - - MODEL NUMBER 917.272082
STEERING ASSEMBLY
KEY PART
NO. NO. DESCRIPTION
1 139768
2 154427
3 169840
4 169839
5 6266H
6 121748X
7 19272016
8 12000029
9 3366R
10 175121
11 STD551137
13 136518
15 145212
17 177876
26 126847X
28 19131416
29 17060612
3O STD561210
32 13O465
36 155099
37 152927
38 139769
39 19133812
40 STD541537
41 100711L
42 145054x428
43 121749X
44 153720
46 121232X
47 6855M
51 STD541431
54 74780520
63 STD523710
65 160367
67 72140618
68 169827
71 175146
82 169835
85 133835
88 175118
91 175553
Steedng Wheel
Axle Assembly STMP Dropped STL
Spindle Assembly, L.H.
Spindle Assembly, R.H.
Beadng, Race, Thrust, Hardened
Washer 25/32 x 1-5/8 x 16 Gauge
Washer 27/32 x 1-1/4 x 16 Gauge
Ring, Klip
Searing, Steering Column
Dreglink
Washer, Lock
Spacer Brg Axle Front
Nut, Hexflange Lock
Shaft Assembly, Steedng
Bushing, Unk, Drag
Washer 13/32 x 7/8 x 16 Gauge
Screw 3/8-16 x 3/4
Pin
Rod, Tie
SushiP_3,Steering
Screw
Insert, Steedng Wheel
Washer 13/32 x 2-3/8 x 12 Gauge
Nut Lock Center 3/8-24 UNF
Adaptor, Steering Wheel
Boot, Steedng Shaft
Washer 25/32 x 1-1/4 x 16 Gauge
Extension Shaft Steedng LR.LT
Cap, Spindle
Fitting, Grease
Nut Lock Hex w/Ins. 8/16-18 UNC
Boft Fin Hex 5/16-18 UNC x 1-1/4
Bolt, Fin Hex 3/8-16 UNC x 1 Gr 5
Spacer Brace Axle
Bolt Rdhd Sqnk 3/8-16 x 2-1/4
Axle, Brace
Steering Asm
Bracket Susp Chassis Front
Fastner Christmas Tree
Bolt Shoulder 7/16-20
Clip Steedng
NOTE: Allcomponentdimensionsg4venInU,S. inches
1 Inch = 25.4 mm
41

ENGINE
TRACTOR o- MODEL NUMBER 917.272082
38
33
31
_"_ 33 29
I OPTIONAL EQUIPMENT
Spark Arrester 23
42

TRACTOR - - MODEL NUMBER 917.272082
ENGINE
KEY PART
NO. NO.
1 170548
2 1772O410
3 ......
4 159420
13 12-041-03
14 148456
16 STD551237
23 169837
29 137180
31 109202X
32 158990
33 123487X
37 137040
38 148315
40 124028X
44 17670412
45 17000512
46 19O91416
77 19101216
80 74760508
81 73510400
101 M73030800
105 17120616
DESCRIPTION
Control, Throttle
Screw, Hex Head, Thread Cuffing 1/4-20 x 5/8
Engine, (See Breakdown) Kohler Model No. CV490-27505
Muffler
Gasket Kohler
Tube Drain Oil Easy
Washer
Shield Brn/Dbr Guard
Arrestor, Spark
Tank, Fuel
Cap Assembly, Fuel Sears, Vented
Clamp, Hose
Line, Fuel
Plug, Drain Oil Easy
Bushing, Snap, Fuel Line
Screw, Hex Washer Head, Thd., Roll. 1/4-20 x 3/4
Screw Hex Wsh Thdr 3/8-16 x 3/4
Washer 9/32 x 7/8 x 16 Gauge
Washer 5/16 x 3/4 x 16 Ga.
Bolt Hex Hd 5/16-18 Unc x 1/2
Nut Keps Hex 1/4-20Unc
Nut Flan-ge M8-1.25 Non-Lk Zinc
Screw 3/8-16 x I
NOTE: AllcomponentdimensionsgiveninU.S. inches
1inch= 25.4 mm
43

TRACTOR -- MODEL NUMBER 917.272082
SEAT ASSEMBLY
25
11
12
KEY PART
NO. NO.
1 140123
2 140551
3 71110616
4 19131610
5 145006
6 STD541437
7 124181X
8 17000616
9 19131614
10 174894
11 166369
12 121246X
DESCRIPTION
Seat
Bracket, Pivot,Seat
Bolt
Washer 13/32 x 1 x 10 Gauge
Clip, Push-In Hinged
Nut
Spring,Seat
Screw 3/8-16 x 1-1/2
Washer 13/'32x I x 14 Gauge
Pan, Seat
KnobSeat
Bracket,SwitchMounting
KEY PART
NO. NO. DESCRIPTION
13 121248X
14 72050412
15 1343OO
16 121250X
17 123976X
21 171852
22 STD541431
24 19171912
25 127018X
Bushing,Snap
Bolt,Carriage 1/4-20x 1-1/2
Spacer, Split .28 x .88
Spdng
Locknut,Flange 1/4 Grade 5
Bolt,Shoulder5/16-18 UNC
Nut
Washer 17/32 x 1-3/16 x 12 Ga.
Bolt,Shoulder 5/16-18 x ,62
NOTE: All component dimensions given in U.S.
inches I inch =25.4 mm
44

DECALS
TRACTOR -- MODEL NUMBER 917.272082
9771 4 13 10 16 20
KEY PART
NO. NO.
1 156811
2 177367
3 177333
4177334
5171765
6 133644
7 177325
8 172331
9163204
10 156439
12 146046
DESCRIPTION
Decal, Oper. Instr.
Decal,HP Engine
Decal,Hood,R.H.
Decal, Hood,L.H.
DecalHoodReplacement
Decal,CustomerMaintenance
Decal,HoodSide
Decal, Deck
Decal,Fender,Craftsman
Decal,FenderDanger
Decal, V-BeltDrive Schematic
KEY PART
NO, NO.
13 177353
14 160396
16 138047
20 149516
- - 138311
- - 165800X428
- - 165799X428
- - 169210
- - 177994
- - 177995
DESCRIPTION
Decal, LowerDash
Decal,V-Belt Schematic
Decal, BatteryDiehard
Decal, BatteryDngdPsnEng
Decal, LiftHandle
Pad FootrestLHSTLT
PadFootrestRHSTLT
Deca_By Pass LT Hydro
Owner's Manual, English
Owner's Manual,Spanish
WHEELS & TIRES
74,10
11
KEY PART
NO, NO, DESCRIPTION
1 59192 Valve Cap, Tire
2 65139 Stem, Valve
3 106222X Tire, Front
4 59904 Tube, Front Tire
(Not Provided, Service Item Only)
5 106732)(427 Rim, Front
6 278H Fitting, Grease (Front Wheel Only
7 90401-1 Beating, Flange (Front Whee_
Only)
8 106108X427 Rim,Rear
9 1_o082X Tire, Rear
10 7152J Tube, Rear Tire
(Not Provided, Service Item Only',
11 104757X428 Ca_, Axle
- - 144334 Sealant, Tire 10 oz.
NOTE: Allcomponentdimensionsgiven In U.S.
inches Iinch = 25.4 mm
45

TRACTOR --MODEL NUMBER 917.272082
LIFT ASSEMBLY
7
13
46
2
3
.8
//
/
/
/ I
65
19
13
32
19
13
15
20
46

TRACTOR -- MODEL NUMBER 917.272082
LIFT ASSEMBLY
KEY PART
NO. NO. DESCRIPTION
1 159460 Uft Lever Inner Wire Assembly
2 159471 Shaft Assembly, Lift
3105767X Pin, Groove
4 12000002 E-Ring
519211621 Washer 21/32 x 1 x 21 Gauge
6 120183X Beadng, Nylon
7 125631X Grip, Handle, Fluted
8 122365X Button, Plunger, Red
11 139865 Link, Uft, LH.
12 139866 Unk, Lift, R.H.
13 STD624008 Retainer Spdng
15 173288 Link, Front
16 73350800 Nut, Hex, Jam 1/2-13 UNC
17 130171 Trunnion
18 73800800 Looknut, Hex, with Washer Insert 1/2-13 UNC
19 139868 Arm, Suspension, Rear
20 163552 Retainer Spdng
31 169865 Bearing, Pvt, Lift
32 73540600 Nut, Crownlook 3/8-24
NOTE; AllcomponentdimensionsgiveninU.S. inches
1 inch = 25.4 mm
47

TRACTOR -- MODEL NUMBER 917.272082
MOWERDECK
_47 142
34
\2
16
14
21
_/3 24
28 27
48

TRACTOR -- MODEL NUMBER 917.272082
MOWER DECK
KEY PART
NO. NO.
1 165892
2STD533107
3 138017
4 165460
5 STD624008
6130832
8 850857
9 STD551137
10 140296
11 134149
13 137645
14 128774
15 110488X
16 174493
18 72140505
19 132827
20 159770
21 STD5414.31
22 134753
23 131267
24 105304X
25 123713X
26 110452X
27 130968)(428
28 19111016
29 131491
30 157722
31 129963
32 153535
33 137266
34 STD533717
35 133835
36 131494
37 STD551037
4O STD541437
44 140088
45 STD624O03
46 137729
48 133944
49 174284
50 131340
51 STD541410
52 139888
53 131845
54 133943
55 155O46
KEY PART
DESCRIPTION NO. NO.
Mower Deck Assembly, 42" 56 165723
Bolt 59 141043
Bracket Assembly,Sway Bar, 67 149846
Front 68 144959
Bracket Sway Bar 38142" eck 92 73800600
Retainer Spdng 101 136420
Ann, Suspension, Rear 102 71061010
Bolt, Hex 3/8-24 x 1.25 Gr. 8 103 19061216
Washer, Look 104
Washer, Hardened 105
Blade, Mulching 106
Shaft Assembly, Mandrel, Vented 111
(Includes Key Number 12) 112
Housing, Mandrel, Vented t 13
Bearing, Ball, Mandrel 114
Stripper, Mower Deck 115
Bolt, Carriage 5/16-18 x 5/8 116
Bolt,Shoulder 117
Baffle, Vortex 118
Nut Crownlock 5/16-18 UNC 119
Stiffener Bracket 121
Bracket, Deflector 129
Cap, Sleeve 130
Spring, Torsion, Deflector 131
Nut, Push 142 165890
Shield, Deflector 143 157109
Washer 11/32x5/8x16Ga. 144 158634
Red, Hinge 145 165888
Screw Thdrol Washer Head 146 171977
Washer, Spacer 147 131335
Pulley, Mandrel 148 1
Nut, Toplock, Flanged 149 165898
Bolt 150 19091216
Fastner, Chdstmas Tree 151 169670
Pulley, Idler, Rat 152 169676
Washer 13/32x13/16x16Ga 153 169674
NutCmwnlock3/8-16 UNC 154 169675
Guard, Mandrel, LH. 155 169671
Retainer 156 169672
Screw, Thd. Roll 1/4-20 x 5/8 157 169669
Washer, Hardened 158 17720410
Roller Assembly, Cam Follower 159 72140614
Bolt, Shoulder #10-24 Gr. 5 - - 130794
Looknut
Bolt,Shoulder 5/1 6-18 UNC - - 169583
Arm Assembly, Pad, Brake
Washer, Hardened
Arm, Idler
DESCRIPTION
Spacer,Retainer
Guard,TUV Idler
KnobCustomOval
V-Belt
Nut LookHex w/Ins. 3/8-16
MulcherCover
Screw Pan Hd Phillips10-24 x 5/8
Washer #10
STD551110 Washer, Lock
160793 Latch Assembly, Bagger
2029J Nut, Weld
155197 Bracket, Gauge, Wheel L.H.
155198 Bracket, Gauge, Wheel R.H.
17060514 Screw Taping 5/16-18
STD541431 Nut, Hex, Keps 5/16-18 Unc
72110504 Bolt, Cardage 5/16 Uric x 1/2
4898H Bolt, Shoulder
165746 Wheel,Gauge
73930600 Nut, Centedook 3/8-16
STD551037 Washer 3/8 x 7/8 x 14 Gauge
143723 Bracket
19131312 Washer 13/32 x 13/16 x12 Ga.
STD523710 Bolt, Fin Hex 3/8-16 Unc xl Gr. 5
STITo33710 Bolt, Rdhd Sqnk 3/8-16UNCx I
Arm Spring Brake Mower
Bracket Arm Idler 42"
Keeper Belt 42" Clutch Cable
Pulley Idler Flat
Bolt Cardage Idler
Spdng Extension
Spring Return Idler
Retainer Spdng Yellow Zinc
Washer 9/32 x 3/4 x 16 Ga.
Bracket Clutch
Cable Clutch 42 In
Washer Flat 3/8" Type B
Spdng Retainer
Spring Retention Lever
Spacer
Rod Clutch
Screw Hex Thd Cut 1/4-20 x5/8
Bolt Rdhd Sqn 3/8-16 UNC x 1- 3/4
Mandrel Assembly (Includes Key
Numbers 8-10, 13-15, 31 and 32)
Replacement Mower, Complete
NOTE: All component dimensions given in U.S.inches
1 inch = 25.4 mm
49

TRACTOR -- MODEL NUMBER 917.272082
HYDROGEAR TRANSAXLE - - MODEL NUMBER 314-0510
co
(O
o')
\\
\
5O

TRACTOR -- MODEL NUMBER 917.272082
HYDROGEAR TRANSAXLE - - MODEL NUMBER 314-0510
KEY PART KEY PART
NO. NO. DESCRIPTION NO. NO. DESCRIPTION
1 170351
2 170352
3 170353
4 170354
5 169898
6 170355
7 170356
8 170357
9 170358
10 170359
11 170360
12 169870
13 170361
14 169869
16 170362
17 170363
18 170364
19 150771
23 170365
24 170366
27 170367
28 170368
29 170369
30 170370
31 170371
32 170389
33 142991
34 170390
35 170391
36 170392
37 150792
38 150793
39 150809
40 170393
41 170394
42 170395
43 170396
44 150797
45 170397
46 170398
47 170399
48 17O400
49 170401
50 170402
51 170403
52 170404
53 170405
54 170406
55 142977
56 142978
57 150798
58 170407
Main Housing, Assembly 59 170408
Side Housing, Assembly 60 142883
Center Section, Assembly 61 142882
Swashplate, Trunion Machined 62 142887
Block - Assembly 63 170410
Sealant 10.50z
Hex Flange Screw 1/4-20Xl.25 64 142892
Stud, 5/16-24 Hex Double End 65 170411
Shaft, Input 66 170412
Ring - Retaining 67 170413
Spacer 68 170414
Ring - Retaining 69 170415
Seal, Lip .67 X 1.58 X .276 70 170416
Ball Brg 17ram Id X 40mm 71 170417
Od X 12mm
Hex Flange Head Screw 72 170418
5/16-24X0.75
Lip Seal 18 X 32 X 7 73 142884
Arm, Control
Bearing, 30x52x13 Thrust 74 170419
Check Plug Assembly, Washer 75 170420
Shaft, Motor
Gear - Pinion, 131 76 170421
10t/48t Gear 77 170422
Gear, 10t Jackshaft 78 142969
60t Bull Gear 79 142980
Sleeve Bearing 80 150778
.75 X 1.575 X .625
SleeveBearing(Outboard) 81 170423
.75x1.750x.625 82 170424
Washer,
3/4 Id X 1-1/20d X .13 Thk 83 161168
Lip Seal Axle Seal 84 170425
Shaft, Axle .75 X 11.39 85 170426
(Key, R.H.) 87 142917
Shaft, Axle .75 X 16.99 88 170429
(Key, L.H.) 90 170430
Miter Gear (Splined) 93 170431
Miter Gear 15t (0.5 Id) 107 170432
Shaft 108 170433
Ring, Spiral Retaining
Pin, Jackshaft 109 170434
Magnet, Ring 111 170435
Spdng, Bypass 113 170437
Hydro Mtg Screw 3/8-24 X 2.5
Long 116 170438
Filter 119 170439
Base, Filter 120 170440
Actuator, Bypass 121 170441
Rod, Bypass Actuator
Arm, Bypass 122 170442
Retaining Ring .250 External 123 170443
Seal, Lip .741 X .250 X .250Tc 124 170444
Flat Washer,
5/8 Id X 1.00d X .05 Thk 125 170445
Retaining Ring t26 170446
Bearing, Center Block 127 170447
Spdng - Helical Compression 128 173165
Washer 900 166768
20w-50 Oil
Brake Yoke
Rotor, Brake
Brake Puck
Puck Plate
Brake Actuating Pin
Hfhcs 1/4-20x2 W/Patch,
Special Flange
Bolt, 1/4-20 X 1 W/Patch
Spacer
Spring, Brake Arm Bias
Sq. Hd. Bolt 5/16-24-Ribbed
Arm, Brake
Slotted Hex Nut 5/16-24
Cotter Pin 3/32 X 3/4
Compression Spring Brake
Anti-Drag
Washer, Ht
.5 I.D. X 10.D. X .032
Flat - Washer
11/32 I.D. X 7/80.D
Oil Seal .625 X 1.0 X .25
Check Plug Assembly, .027,
Washer
Stud, 5/16-24 Friction Pack
Puck, .330 X 1.50 X .0975
Spring, Helical Comp
Spacer
Hex Lock Nut 5/16-24Unf
(Nylon Insert)
Wedge, Friction Pack
Clip, Washer .316x1.50x.1046
(Plated)
Pin, Standard Headless
Fitting, 5/16 Sae 5/32 Tube
Hose, Expansion Tank
Cap - Poppet Valve
Bolt, Self Tapping 10-32 X 1/2
Puck, Inner Wedge
Spring Clip -Housing Thrust
Deflector
Washer, Motor Shaft
.71idxl.16odx.O30thk
Plug, Sae #6
O-Ring .07 X .301 I.D.
Bracket, Support Expansion
Tank
Silicon Sponge
Fan, 7 In.
Pulley
Hex Lock Nut 1/2-20 (Nylon
Insert)
Washer, BelleviUe
Belt Keeper
Center Section-Filter-Bypass
Assembly
Filter Assembly
Fan -Pulley Service Assembly
Seal -O-Ring Kit
Kit, Expansion Tank
Transaxle Complete
NOTE: All component dimensions given in U.S.
inches 1 inch = 25.4 mm
51

TRACTOR - - MODEL NUMBER 917.272082
KOHLER ENGINE-MODEL NUMBER CV490, TYPE NUMBER 27508
CYLINDER HEAD, VALVE AND BREATHER J
7
2O
CRANKCASE I
sf_
1
/
@
18
52

TRACTOR - - MODEL NUMBER 917.272082
KOHLER ENGINE-MODEL NUMBER CV490, TYPE NUMBER 27508
CYLINDER HEAD/VALVE/BREATHER CRANKCASE
KEY PART KEY PART
NO. NO. DESCRIPTION NO. NO. DESCRIPTION
1
2
3
4
5
25-351-01 -S
12-755-94-S
12-411-03-S
12-041-10-S
12-017-01-S
12-017-02-S
12-016-01-S
12-016-02-S
25-139-60-S
12-318-36-S
25-f86-01-S
12-599-03-S
M-640034-S
7
8
9
10
11
12 12-089-01-S
13 12-173-01-S
14 12-755-03-S
15 12-468-05-S
16 12-112-13-S
17 12-086-15-S
18 25-237-14-S
19 12-326-03-S
20 M-645020-S
21 12-096-07-S
22 M-545010-S
Lifter, valve (2) 1
Kit, cylinder head (Includes 2
3-17, Gaskets 12 041 01-S
(Qty. 2),12 041 02-S, & 3 12-445-02-S
12 041 03-S) 4M-839025-S
Rod, push (2)
Gasket, cylinder head 5 24-380-13-S
Valve, intake (Std.) 6 12-755-49-S
Valve, intake (.25) 7 12-089-31-S
Valve, exhaust (Std.) 8 12-422-08-S
Valve, exhaust (.25) 12-422-09-S
Plug, allen hd. pipe 1/8" 12-422-10-S
Cylinder Head 12-422-11-S
Arm, rocker (2) 12-422-12-S
Pivot, rocker arm (2) 12-422-13-S
Screw, hex. flange 12-422-07-S
M6xLOx34 (2) 9 12-144-28-S
Spring, valve (2) 10 12-874-07-S
Cap, valve spnng (2)
Kit, retainer (2) 12-874-11-S
Washer, plain 13/32" 12-874-08-S
Spacer, head bolt exhaust 12-874-09-S
port 11 12 018 02-S
Screw, hex. flange 12 12-108-07-S
M10x1.Sx81 (5) 12-108-08-S
Clamp, hose (2) 12-108-09-S
Hose, breather 13 12-067-11-S
Screw, hex. flange 12-067-06-S
M6xl.0x20 (5) 14 12-380-01-S
Cover, valve w/nipple 15 12-043-05-S
Screw, hex. flange 16 M-631005-S
M5x0.8xlO 17 12-144-02-S
Retainer, breather reed 18 52-139-09-S
Reed, breather 19 12-755-64-S
20 X-25-102-S
21 12-032-01-S
22 M-631015-S
23 12-154-05-S
23 12-018-01-S
24 12-402-02-S
12-032-03-S Seal, crankshaft
Block, cylinder
(Use Short Block 12 522 .=
Strap, lifting
Screw, hex. flange
M8x1.25x25
Dowel, locating (4)
Kit, camshaft (Includes 7,_
Spring, acluating
Shim, camshaft (A.R.) blu_
Shim, camshaft IA R./red
Shim, camshaft AIR. yell
Shim, camshaft (A.R.) gre,
Shim, camshaft (A.R.) gra_
Shim, camshaft (A.R.) blac
Shim, camshaft (A.R.) whiI
Shaft, balance
Piston w/Ring Set (Std.)
(Includes 11,12)
Piston wiring Set (.08)
Piston w/Ring Set (.25)
Piston wiring Set (.50)
Retainer, piston pin (2)
Ring Set (Std.)
Ring Set (.25)
Ring Set (.50)
Connecting Rod (Std.)
Connecting Rod (.25)
Pin, governor regulating
Gear, governor
Washer, plain 6 mm
Shaft, governor gear
Plug, cup
Kit, gov. cross shaft w/clip
(Includes 23)
Washer, plain 1/4"
Seal, governor cross shaft
Washer, plain 6 mm
Clip, hitch pin
NOTE: All component dimensions given in U,S
inches 1 inch =25.4 mrn
53

TRACTOR --MODEL NUMBER 917.272082
KOHLER ENGINE-MODEL NUMBER CV490, TYPE NUMBER 27508
IGNITION/ELECTRICAL_
43 /14
AIR INTAKE J
BLOWER HOUSING AND BAFFLES]
6-- _7
0-8
10--
9-- 11.,,,_a_L _
54

TRACTOR - - MODEL NUMBER 917.272082
KOHLER ENGINE-MODEL NUMBER CV490, TYPE NUMBER 27508
IGNITION/ELECTRICAL BLOWER HOUSING & BAFFLES
KEY PART KEY PART
NO. NO. DESCRIPTION NO. NO. DESCRIPTION
2
3
4
5
6
7
8
9
10
11
12
13
14
15
16
17
18
19
12-086-14-S Screw, hex. flange 1 M-545010-S
M10x1.5x46
12-468-03-S Washer, plain 3/8" 2 24-468-10-S
24-162-03-S Screen, grass 3 12-146-07-S
25-086-47-S Bolt, shoulder M6xl.0x16 4 M-550010-S
(4)
12-157-06-S Fan 5 24-096-05-S
X-42-15-S Key 6 12-027-76-S
12-025-15-S Flywheel 7 12-063-18-S
12-155-09-S Connector 8 25-154-02-S
M-548025-S Screw, hex. cap M5x0.8x25 9 12-086-37-S
(2)
12-085-09-S Stator - 15 amp with stator 10 12-063-20-S
brake 11 M-645016-S
M-545020-S Screw, hex. flange
M5x0.8x20 (2) 12 12-063-19-S
12-154-06-S Clip, cable (2) NOT ILLUSTRATED
41-403-09-S Regulator, rectifier- 15 amp M-541050-S
X-22-11-S Washer, lock 1/4"
M-639016-S Screw, hex. flange AIR INTAKE/FILTRATION
M6x1.0x16 (2)
236602-S Connector KEY PART
12-132-02-S Spark Plug NO. NO.
X-728-1-S Clip, cable (2)
M-545010-S Screw, hex. flange 12-281-01-S
M5x0.8xl0 (2) 25-341-03-S
12-096-24-S
12-083-12-S
12-100-08-S
12-083-10-S
12-584-04-S Module, ignition
NOT ILLUSTRATED
12-176-44-S Harness, wiring
24-518-12-S Lead, black (6" -12 gauge-
insulated grip barrel eyelet
terminals)
12-518-35-S Lead, white (36" -18 gauge
-fully insulated push on tab
and uninsulated socket
terminals)
20
Screw, hex. flange
M5xO.8xlO (6)
Washer, plain 1/4"
Plate, blower housing
Screw, hex. flange
M5xO.8xlO
Cover, pinion
Housing, blower
Baffle, intake side
Clip, mounting (3)
Screw, captive washer
M5x0.8x20 (3)
Baffle, cylinder head
Screw, hex. flange
M6xf.0x16 (2)
Baffle, cylinder
Nut, hex. flange M5x0.8
DESCRIPTION
1 Duct, air
2 Knob, air cleaner cover
3Cover, air cleaner
4 Precleaner, element
5 Wing Nut
6 Kit, air cleaner element
(Includes 5, 7, 8)
7 12-743-12-S Filter, element (Includes 5,
8)
8 12-032-11-S Seal 1-7/16"
9 12-094-07-S Base, air cleaner (Includes
11, 12)
10 12-072-04-S Stud, mounting plate
M6x1.0x75
11 12-086-01-S Screw, #10 Hi-Lo thread
forming (2)
13 12-041-02-S Gasket, air cleaner
NOT ILLUSTRATED
12-113-53-S Decal, air cleaner
NOTE: All component dimensions given in U.S.
inches 1 inch = 25.4 mm
55

TRACTOR - - MODEL NUMBER 917.272082
KOHLER ENGINE-MODEL NUMBER CV490, TYPE NUMBER 27508
STARTING SYSTEM J
1
I
0
|
g
0
ENGINE CONTROLS J
17
/
/
11
OIL PAN /LUBRICATION I
?
11
2
56

TRACTOR - - MODEL NUMBER 917.272082
KOHLER ENGINE-MODEL NUMBER CV490, TYPE NUMBER 27508
STARTING SYSTEM ENGINE CONTROLS
KEY PART KEY PART
NO. NO. DESCRIPTION NO. NO.
2
M-839070-S
25-098-07-S
12-755-54-S
12-227-18-S
12-170-05-S
12-221-01-S
12-227-13-S
12-211-01-S
Screw, hex. flange
MSx1.25x70 (2)
Starter assembly (Includes
3-8)
Kit, drive end
Cap, drive end
Armature
Kit, brush & spring
Cap, commutator end
Boll, hex. flange 1/4-20x4-
5/8 (2)
3
4
5
6
7
8
OIL PAN/LUBRICATION
DESCRIPTION
KEY PART
NO. NO.
2
3
4
5
6
12-038-01-S
25-755-13-S
12-153-03-S
12-153-02-S
12-123-04-S
M-645025-S
12-153-01-S
25-162-07-S
12-096-03-S
M-545016-S
25-462-09-S
52-050-02-S
25-139-57-S
12-393-01-S
12-153-06-S
12-096-34-S
M-545016-S
12-032-03-S
24-086-16-S
24-086-17-S
12-199-56-S
Dipstick assembly (Includes
2-3)
Kit, oil fill cap (Includes 3)
O-Ring, oil fill cap
O-Ring, upper oil fill tube
Tube, oil fill
Screw, hex. flange
M6x1.0x25
O-Ring, lower oil fill tube
Screen, oil pickup
Cover, oil pickup screen
Screw, hex. flange
M5x0.8x15
Valve, oil pressure relief
Filter, oil
Plug, sq. hd. solid 3/8"
Pump, oil
O-Ring, oil pump cover
Cover, oil pump
Screw, hex. flange
M5x0.8x16 (3)
Seal, oil (RT.O. end)
Screw, hex. flange
M8xl.25x45 (11)
Screw, hex. flange
M8x1.25x45
Assembly,Pan, oil (Incl.
11,14-17)
7
8
9
10
11
12
13
14
15
16
17
18
19
20
21
DESCRIPTION
1
2
3
4
8
9
10
11
12
13
14
15
16
17
12-079-11-S
12-237-01-S
24-086-43-S
M-664020-S
12o536-10-S
M-443025-S
M-443020-S
12-089-11-S
12-089-23-S
12-089-24-S
12-755-83-S
12-100-07-S
52-211-04-S
12-090-28-S
25-158-08-S
12-079-10-S
25-158-11-S
Linkage. choke
Clamp, cable
Screw, hex. flange
Screw, lobed socket
M6xl.0x20 (2)
Control, speed assembly
_ncludes 6-9)
crew, pan head
M4x0.7x25
Screw, pan head
M4x0.7x20
Spring, choke (2)
Spring, choke return
Spring, governor
Kit, governor lever (Includes
12-14)
Nut, hex flange 1/4-20
Bolt, 1/4-20x1"
Lever, governor
Bushing, throttle linkage
Linkage, throttle
Bushing, throttle linkage
NOTE: All component dimensions given in U.S.
inches 1 inch = 25.4 mm
57

TRACTOR - - MODEL NUMBER 917.272082
KOHLER ENGINE-MODEL NUMBER CV490, TYPE NUMBER 27508
CRANKSHAFT 1
2--,_
FUEL SYSTEM J
EXHAUST I
6
!7
/
58

TRACTOR -- MODEL NUMBER 917.272082
KOHLER ENGINE-MODEL NUMBER CV490, TYPE NUMBER 27508
FUEL SYSTEM
KEY PART
NO, NO. DESCRIPTION
1
2
3
4
5
6 12-041-01-S
7 12-265-06-S
8 25-237-14-S
9 52-353-22-S
10 25-050-03-S
11 47-154-01-S
NOT ILLUSTRATED
*M-561010-S
M-641060-S Nut, hex. flange M6xl.0 (2)
M-629116-S Stud M6x1.0x116 (2)
12-853-118-S Kit, carburetor w/gasket
(Includes 4,5,6 qty 1Tie,
cable 12-454-03-S,
Terminal 25-452-20-S)
12-041-02-S Gasket, air cleaner
12-053-118 Carburetor assembly (For
information only not
available separately)
(Includes Kit, float 12-757-
02-S Kit, carburetor repair
12-757-03-S, Kit, solenoid
repair 12-757-33-S)
Gasket, carburetor (2)
Deflector, heat
Clamp, hose (2)
Line, fuel 12-1/4"
Filter, fuel in-line
Clip cable
*X-22-11-S
12-757-02-S
12-757-03-S
12-041-01-S
12-041-02-S
12-041-05-S
12-041-06-S
12-632-06-S
12-757-33-S
12-041-06-S
12-454-03-S
25-452-20-S
12-518-37-S
Screw, thread forming
M5x0.8xl0
Washer, lock 1/4"
Kit, float
Kit, carburetor repair
Gasket, carburetor
Gasket, air cleaner
Gasket, bowl
Gasket, bowl screw
Seal, solenoid
Kit, solenoid repair
Gasket, bowl screw
Tie cable
Terminal
Lead, red, (37" - 20 gauge -
insulated socket and-
uninsulated socket terminals)
*attaches carburetor ground
lead to carb baffle.
CRANKSHAFT
KEY PART
NO. NO, DESCRIPTION
1 12-014-57-S Crankshaft (Includes 2)
2 25-139-27-S Plug, cup
EXHAUST
KEY PART
NO. NO. DESCRIPTION
1
2
3
4
5
25-072-04-S Stud, M8x1.25x33(2)
12-041-03-S Gasket, exhaust manifold
12-126-11-S Bracket muffler
12-445-06-S Strap, lifting
M-645025-S Screw, hex. flange
M6xl.0x25 (2)
PA-27508 Replacement Engine
12-522-51 Short Block
12-755-93-S Gasket Set
NOTE: All component dimensions given in U.S.
inches 1inch = 25.4 mm
59


61


SUGGESTED GUIDE FOR SIGHTING SLOPES FOR SAFE OPERATION
I"-
SIGHTING "" ... ..CUT I
GUIDE TH-Fs
ONLY RIDE UP AND DOWN HILL,
NOT ACROSS HILL
SIGHT AND HOLD THIS LEVEL WITH
SKY LINE OR TREE.
/_ Operate your Tractor up and down the face of slopes (not I
I
greater than 15 ), never across the face. Make turns gradu- I
ally to prevent tipping or loss of control. Exercise extreme
caution when changing direction on slopes.

For repair of major brand appliances in your own home...
_, ;ilil;ili
no matter who made it, no matter who sold
1-800-4-MY-HOME ®AnyUme,dayornk3ht
(1_) (U.S.A. andCanada)
_rwIN.SQcIrs.coIlr2 WWtN.Sears.ca
For repair of carry-in products like vacuums, lawn equipment, and
electronics, call for the nearest Seam Parts and Repair Center.
1-800-488-1222 AnyOne,dayorrt_t (U.S.A.a_)
_h_N.SSarLcoIn
For the replacement parts, accessories and owner's manuals
that you need to do-it-yourseff, call Sears PartsDirectS"!
1-800-366-PART 6a.m.-11 p.m., 7days aweek
(1-e0o-366-7278) (u.sA. one)
www_
To purchase or inquire about a Sears Service Agreement
orSearsMaintenanceAgreement:
1-800-827-6655 (u.s._) 1-800-361-6665 (Canada)
7 a.m.- 5 p.m.,CST, Mort.- Sat. 9 a.m. - 8 p.m.EST, M- F, 4 p.m. Sat
Para pedirsen_ciode reparad_ a
domk_io,y paraordenarpieza_
1.E88-SU-HOGAR sM
(1-s88-_
AuCanadapourse_iceenhan_ais:
1.800-LE-FOYER_c
HomeCenVal®J
®Registered Trademark /TMTrademark /SMService Mad< of Seam, Roebuck and Co.
®Mama Reglstrade / "rMMarca de Fdbdce /.SMMarca de Servlcio de Seam, Roebuck and Co,
MC Marque de commerce /MDMarque d_oos@e de Sears, Roebuck end Co.
178315 Rev. 104.26.01 RH Printed in U.S.A.