Craftsman 917272761 User Manual LAWN TRACTOR Manuals And Guides L0307083
CRAFTSMAN Lawn, Tractor Manual L0307083 CRAFTSMAN Lawn, Tractor Owner's Manual, CRAFTSMAN Lawn, Tractor installation guides
User Manual: Craftsman 917272761 917272761 CRAFTSMAN LAWN TRACTOR - Manuals and Guides View the owners manual for your CRAFTSMAN LAWN TRACTOR #917272761. Home:Lawn & Garden Parts:Craftsman Parts:Craftsman LAWN TRACTOR Manual
Open the PDF directly: View PDF
.
Page Count: 61

Owner's Manual
ICeeFTSM""'I
LAWN TRACTOR
18.0 HP, 42" Mower
Electric Start
Automatic Transmission
Model No.
917.272761
This product has a low emission engine which operates
[_ differently from previously built engines. Before start the
you
engine, read and understand this Owner's Manual,
IMPORTANT:
Read and follow all Safety
Rules and Instructions before
operating this equipment.
For answers to your questions
about this product, Call:
1-800-659-5917
Sears Craftsman Help Line
5 am -5 prn, Mort -Sat
Sears, Roebuck and Co., Hoffman Estates, IL 60179 U.S.A
Visit our Craftsman website:www.sears.comicraftsman

Warranty ................................................ 2 Maintenance Schedule ........................ 18
Safety Rules .......................................... 3 Service and Adjustments ..................... 22
Product Specifications ........................... 6 Storage ................................................ 29
AssemblyPre-Operation ........................ 8 Troubleshooting ................................... 30
Operation ............................................. 11 Repair Parts ......................................... 34
Maintenance ....................................... 18 Sears Service ........................ Back Cover
LIMITED WARRANTY ON CRAFTSMAN RIDING EQUIPMENT
For two (2) years from the date of purchase, if this Craftsman Riding Equipment is
maintained, lubricated and tuned up according to the instructions in the owner's manual,
Sears will repair or replace free of charge any parts that are found to be defective in
material or workmanship according to the guidelines of coverage listed below. Sears will
also provide free labor for these applicable warranted parts for the two full years. During
the first 30 days of purchase, there will be no charges to service the product at your
home for issues covered by this warranty. (See exclusions below). For your conve-
nience, IN HOME warranty service will still be available after the first 30 days of pur-
chase, but a trip charge will apply. This charge will be waived if the Craftsman product is
dropped off at an authorized Sears location. For the nearest authorized Sears location,
please call 1-800-4-MY-HOME®. This warranty applies only while this product is within
the United States.
This Warranty does not cover:
o Expendable items which become worn during normal use, including but not limited to
blades, spark plugs, air cleaners, belts, and oil filters.
o Standard Maintenance Servicing, oil changes, or tune-ups
o Tire replacement or repair caused by punctures from outside objects, such as nails,
thorns, stumps, or glass.
o Repairs necessary because of operator abuse, including but not limited to, damage
caused by towing objects beyond the capability of the riding equipment, impacting
objects that bend the frame or crankshaft, or over-speeding the engine.
o Repairs necessary because of operator negligence, including but not limited to, elec-
trical and mechanical damage caused by improper storage, failure to use the proper
grade and amount of engine oil, failure to keep the deck clear of flammable debris,
or failure to maintain the equipment according to the instructions contained in the
owner's manual.
o Engine (fuel system) cleaning or repairs caused by fuel determined to be contami-
nated or oxidized (stale). In general, fuel should be used within 30 days of its pur-
chase date.
o Normal deterioration and wear of the exterior finishes, or product label replacement.
o Riding equipment used for commercial or rental purposes.
LIMITED WARRANTY ON BATTERY
For ninety (90) days from date of purchase, if any battery included with this riding equip-
ment proves defective in material or workmanship and our testing determines the battery
will not hold a charge, Sears will replace the battery at no charge. During the first 30
days of purchase, there will be no charges to replace the battery at your HOME. After
the first 30 days, for your convenience, IN-HOME warranty service will still be avail-
able but a trip charge will apply. This charge will be waived if the Craftsman product is
dropped off at an authorized Sears location. For the nearest authorized Sears location,
please call 1-800-4-MY-HOME®.
This battery warranty applies only while this product is within the United States.
This warranty gives you specific legal rights, and you may also have other rights, which
vary, from state to state.
Sears, Roebuck and Co.,Dept.817WA, Hoffman Estates, IL 60179

IMPORTANT:This cuttingmachineis capableof amputatinghandsand feet and throw-
ing objects.Failureto observethe followingsafetyinstructionscould resultinserious
injuryor death.
_WARNING: In order to prevent
accidental starting when setting up,
transporting, adjusting or making repairs,
always disconnect spark plug wire and
place wire where it cannot contact spark
plug.
,_WARNING: Do not coast down a
hill in neutral, you may lose control of the
tractor.
_WARNING: Tow only the attach-
ments that are recommended by and
comply with specifications of the man-
ufacturer of your tractor. Use common
sense when towing. Operate only at the
lowest possible speed when on a slope.
Too heavy of a load, while on a slope, is
dangerous. Tires can lose traction with
the ground and cause you to lose control
of your tractor.
_WARNING: Engine exhaust, some
of its constituents, and certain vehicle
components contain or emit chemicals
known to the State of California to cause
cancer and birth defects or other repro-
ductive harm.
_WARNING: Battery posts, terminals
and related accessories contain lead and
lead compounds, chemicals known to the
State of California to cause cancer and
birth defects or other reproductive harm.
Wash hands after handling.
I. GENERAL OPERATION
o Read, understand, and follow all instruc-
tions in the manual and on the machine
before starting.
o Only allow responsible adults, who are
familiar with the instructions, to operate
the machine.
o Clear the area of objects such as rocks,
toys, wire, etc., which could be picked
up and thrown by the blade.
o Be sure the area is clear of other people
before mowing. Stop machine if anyone
enters the area.
o Never carry passengers.
• De net mow in reverse unless abso-
lutely necessary. Always look down and
behind before and while backing.
• Be aware of the mower discharge direc-
tion and do not point it at anyone. Do
net operate the mower without either
the entire grass catcher or the guard in
place.
• Slow down before turning.
• Never leave a running machine unat-
tended. Always turn off blades, set
parking brake, stop engine, and remove
keys before dismounting.
• Turn off blades when not mowing.
• Stop engine before removing grass
catcher or unclogging chute.
• Mow only in daylight or good artificial
light.
• De net operate the machine while under
the influence of alcohol or drugs.
• Watch for traffic when operating near or
crossing roadways.
• Use extra care when loading or un-
loading the machine into a trailer or
truck.
• Data indicates that operators, age 60
years and above, are involved in a large
percentage of riding mower-related in-
juries. These operators should evaluate
their ability to operate the riding mower
safely enough to protect themselves and
others from serious injury.
• Keep machine free of grass, leaves or
other debris build-up which can touch
hot exhaust /engine parts and burn. Do
net allow the mower deck to plow leaves
or other debris which can cause build-
up to occur. Clean any oil or fuel
spillage before operating or storing the
machine. Allow machine to cool before
storage.
II. SLOPE OPERATION
Slopes are a major factor related to loss-
of-control and tipever accidents, which can
result in severe injury or death. All slopes
require extra caution. If you cannot back
up the slope or if you feel uneasy on it, do
not mow it.
3

DO:
o Mow up and down slopes, not across.
o Remove obstacles such as rocks, tree
limbs, etc.
o Watch for holes, ruts, or bumps. Un-
even terrain could overturn the machine.
Tall grass can hide obstacles.
o Use slow speed. Choose a low gear
so that you will not have to stop or shift
while on the slope.
o Follow the manufacturer's recommend-
ations for wheel weights or counter-
weights to improve stability.
o Use extra care with grass catchers or
other attachments. These can change
the stability of the machine.
o Keep all movement on the slopes slow
and gradual. Do not make sudden
changes in speed or direction.
o Avoid starting or stopping on a slope. If
tires lose traction, disengage the blades
and proceed slowly straight down the
slope.
DO NOT:
•Do not turn on slopes unless neces-
sary, and then, turn slowly and gradually
downhill, if possible.
oDo not mow near drop-offs, ditches,
or embankments. The mower could
suddenly turn over if a wheel is over
the edge of a cliff or ditch, or if an edge
caves in.
oDo not mow on wet grass. Reduced
traction could cause sliding.
oDo not try to stabilize the machine by
putting your foot on the ground.
oDo not use grass catcher on steep
slopes.
III. CHILDREN
Tragic accidents can occur if the operator
is not alert to the presence of children.
Children are often attracted to the ma-
chine and the mowing activity. Neveras-
sume that children will remain where you
last saw them.
o Keep children out of the mowing area
and under the watchful care of another
responsible adult.
o Be alert and turn machine off if children
enter the area.
o Before and when backing, look behind
and down for small children.
o Never carry children. They may fall off
and be seriously injured or interfere with
safe machine operation.
o Never allow children to operate the
machine.
o Use extra care when approaching blind
corners, shrubs, trees, or other objects
that may obscure vision.
IV. SERVICE
oUse extra care in handling gasoline and
other fuels. They are flammable and
vapors are explosive.
- Use only an approved container.
- Never remove gas cap or add fuel
with the engine running. Allow
engine to cool before refueling. Do
not smoke.
- Never refuel the machine indoors.
- Never store the machine or fuel
container inside where there is an
open flame, such as a water heater.
o Never run a machine inside a closed
a rea,
oKeep nuts and bolts, especially blade
attachment belts, tight and keep equip-
ment in good condition.
o Never tamper with safety devices.
Check their proper operation regularly.
o Keep machine free of grass, leaves, or
other debris build-up. Clean oil or fuel
spillage. Allow machine to cool before
storing.
o Stop and inspect the equipment if you
strike an object. Repair, if necessary,
before restarting.
o Never make adjustments or repairs with
the engine running.
o Grass catcher components are subject
to wear, damage, and deterioration,
which could expose moving parts or
allow objects to be thrown. Frequently
check components and replace with
manufacturer's recommended parts,
when necessary.
o Mower blades are sharp and can cut.
Wrap the blade(s) or wear gloves, and
use extra caution when servicing them.
o Check brake operation frequently. Ad-
just and service as required.
4

• Be sure the area is clear of other people
before mowing. Stop machine if anyone
enters the area.
• Never carry passengers or children
even with the blades off.
• Do not mow in reverse unless abso-
lutely necessary. Always look down and
behind before and while backing.
• Never carry children. They may fall off
and be seriously injured or interfere with
safe machine operation.
• Keep children out of the mowing area
and under the watchful care of another
responsible adult.
• Be alert and turn machine off if children
enter the area.
• Before and when backing, look behind
and down for small children.
• Mow up and down slopes (15 ° Max), not
across.
° Remove obstacles such as rocks, tree
limbs, etc.
° Watch for holes, ruts, or bumps. Uneven
terrain could overturn the machine. Tall
grass can hide obstacles.
° Use slow speed. Choose a low gear
so that you will not have to stop or shift
while on the slope.
° Avoid starting or stopping on a slope. If
tires lose traction, disengage the blades
and proceed slowly straight down the
slope.
° If machine stops while going uphill,
disengage blades, shift into reverse and
back down slowly.
° Do not turn on slopes unless necessary,
and then, turn slowly and gradually
downhill, if possible.
5

PRODUCT SPECIFICATIONS
Gasoline 1.25 Gallons
Capacity Unleaded
and Type: Regula
Oil Type
API-SF-SJ):
SAE 30 (Above 32°F)
SAE 5W-30
(Below 32°F)
Oil Capacity: W/Filter 3.5 Pints
W/O Filter 3.0 Pints
Spark Plug: Champion RC12YC
GAP: .030")
Ground Speed Forward: 5.5
(MPH): Reverse: 2.4
Tire Pressure: Front: 14 PSI
Rear: 10 PSI
Charging 3 Amps Battery
System: 5 Amps Headlights
Battery: AmpiHr: 28
Min. CCA: 230
Case Size: U1R
Blade Bolt 27-35 Ft. Lbs.
Torque:
CONGRATULATIONS on your purchase
of a new tractor. It has been designed,
engineered and manufactured to give
you the best possible dependability and
performance.
Should you experience any problem you
cannot easily remedy, please contact a
Sears or other qualified service center.
We have competent, well-trained techni-
cians and the proper tools to service or
repair this tractor.
Please read and retain this manual. The
instructions will enable you to assemble
and maintain your tractor properly. Always
observe the "SAFETY RULES".
CUSTOMER RESPONSIBILITIES
. Read and observe the safety rules.
. Follow a regular schedule in main-
taining, caring for and using your tractor.
. Follow the instructions under "Mainte-
nance" and "Storage" sections of this
_/Lwn e r_s manual.
WARNING: This tractor is equipped
with an internal combustion engine and
should not be used on or near any unim-
proved forest-covered, brush-covered or
grass-covered land unless the engine's
exhaust system is equipped with a spark
arrester meeting applicable local or state
laws (if any). If a spark arrester is used, it
should be maintained in effective working
order by the operator.
In the state of California the above is re-
quired by law (Section 4442 of the Califor-
nia Public Resources Code). Other states
may have similar laws. Federal laws apply
on federal lands. A spark arrester for the
muffler is available through your nearest
Sears service center (See REPAIR PARTS
section of this manual).
REPAIR PROTECTION
AGREEMENTS
Congratulations on making a smart pur-
chase. Your new Craftsman@ product is
designed and manufactured for years of
dependable operation. But like all prod-
ucts, it may require repair from time to
time. That's when having a Repair Protec-
tion Agreement can save you money and
aggravation.
Purchase a Repair Protection Agreement
now and protect youmeff from unexpected
hassle and expense.
Here's what's included in the Agreement:
. Expert service by our 12,000 profe-
sional repair specialists.
,Unlimited service and no charge for
parts and labor on all covered repairs.
. Product replacement if your covered
product can't be fixed.
. Discount of 10% from regular price of
service and service-related parts not
covered by the agreement; also, 10%
off regular price of preventive mainte-
nance check.
, Fast help by phone- phone support
from aSears technician on products
requiring in-home repair, plus conve-
nient repair scheduling.
Once you purchase the Agreement, a
simple phone call is all that it takes for you
to schedule service. You can call anytime
day or night, or schedule aservice ap-
pointment online.
Sears has over 12,000 professional repair
specialists, who have access to over 4.5
million quality parts and accessories.
That's the kind of professionalism you can
count on to help prolong the life of your
new purchase for years to come. Purchase
your Repair Protection Agreement today!
Some limitations and exclusions apply.
For prices and additional information
call 1-800-827-6655.
SEARS INSTALLATION SERVICE
For Sears professional installation of home
appliances, garage door openers, water
heaters, and other major home items, in
the U.S.A. call 1-800-4-MY-HOME®
6

Steering
Wheel Insert
(1) Locknut
1/2-2o
Steering
Boot
Steering Wheel
@
(1) Locknut
1/4-28
=_ Steering
Wheel Adapter
(1) Large Flat Washer
(1) Hex Bolt
1/4-28 x 1-1/4
ii
v
Steering
Extension
Shaft
i_Washer
7/32 x 1-3/16 x 12
Gauge
_(1) Knob
For Future Use
Slope Sheet
Keys
Video Cassette
7

Your new tractor has been assembled at the factory with the exception of those parts left
unassembled for shipping purposes. To ensure safe and proper operation of your tractor
all parts and hardware you assemble must be tightened securely. Use the correct tools
as necessary to insure proper tightness. Review the video cassette before you begin.
TOOLS REQUIRED FOR ASSEMBLY
A socket wrench set will make assembly
easier. Standard wrench sizes you need
are listed below.
(1) 3/4" wrench (1) Pliers
(2) 7/16"wrench (1) Utility knife
(1) Tire pressure gauge
When right or left hand is mentioned in
this manual, it means, from your point of
view, when you are in the operating posi-
tion (seated behind the steering wheel).
TO REMOVE TRACTOR FROM
CARTON
UNPACK CARTON
1. Remove all accessible loose parts and
parts boxes from carton.
2. Cut along dotted lines on all four pan-
els of carton. Remove end panels and
lay side panels flat.
3. Check for any additional loose parts or
cartons and remove.
BEFORE REMOVING TRACTOR
FROM SKID
ATTACH STEERING WHEEL
ASSEMBLE EXTENSION SHAFT AND
BOOT
1. Slide extension shaft onto lower steer-
ing shaft. Align mounting holes in ex-
tension and lower shafts and install 1/4
hex bolt and Iocknut. Tighten securely.
IMPORTANT: Tighten bolt and nut se-
curely to 10-12 ft. Ibs torque.
2. Place tabs of steering boot over tab
slots in dash and push down to secure.
INSTALL STEERING WHEEL
3. Position front wheels of the tractor so
they are pointing straight forward.
4. Remove steering wheel adapter from
steering wheel and slide adapter onto
steering shaft extension.
5. Position steering wheel so cross bars
are horizontal (left to right) and slide
inside boot and onto adapter.
6. Assemble large flat washer, 1/2 hex
nut and tighten securely.
7. Snap steering wheel insert into center
of steering wheel.
8. Remove protective materials from trac-
tor hood and grill.
IMPORTANT: Check for and remove any
staples in skid that may puncture tires
where tractor is to roll off skid.
HOW TO SET UP YOUR TRACTOR
INSTALL SEAT
Adjust seat before tightening adjustment
knob.
1. Remove adjustment knob and flat
washer securing seat to cardboard
packing and set aside for assembly of
seat to tractor.
2. Pivot seat upward and remove from
the cardboard packing. Remove the
cardboard packing and discard.
3. Place seat on seat pan so head of
shoulder bolts are positioned over the
large slotted holes in pan.
4. Push down on seat to engage shoulder
bolts in slots and pull seat towards rear
of tractor.
8

5. Pivot seat and pan forward and as-
semble adjustment knob and flat
washer loosely. Do not tighten.
6. Lower seat into operating position and
sit in seat.
7. Slide seat until a comfortable position
is reached which allows you to press
clutch/brake pedal all the way down.
8. Get off seat without moving its ad-
justed position.
9. Raise seat and tighten adjustment
knob secu rely.
Seat
Seat
Shoulder
Bolts
Adj
CHECK BATTERY
1. Lift seat pan to raised position.
NOTE" If this battery is put into service
after month and year indicated on label
(label located between terminals) charge
battery for minimum of one hour at 6-10
amps. (See "BATTERY" in Maintenance
section of this manual for charging instruc-
tions).
Seat Label
._rminal
Terminal
NOTE" You may now roll or drive your
tractor off the skid. Follow the appropriate
instruction below to remove the tractor
from the skid.
TO ROLL TRACTOR OFF SKID (See
Operation section for location and
function of controls)
1. Press lift lever plunger and raise
attachment lift lever to its highest po-
sition.
2. Release parking brake by depressing
clutch/brake pedal.
3. Place freewheel control in "trans-
mission disengaged" position (See "TO
TRANSPORT' in the Operation section
of this manual).
4. Roll tractor forward off skid.
5. Remove banding holding deflector
shield up against tractor.
TO DRIVE TRACTOR OFF SKID (See
Operation section for location and
function of controls)
4_WARNING: Before starting, read, un-
derstand and follow all instructions in the
Operation section of this manual. Be sure
tractor is in a well-ventilated area. Be sure
the area in front of tractor is clear of other
people and objects.
1. Be sure all the above assembly steps
have been completed.
2. Check engine oil level and fill fuel tank
with gasoline.
3. Place freewheel control in "trans-
mission engaged" position. (See "TO
TRANSPORT' in the Operation section
of this manual).
4. Sit on seat in operating position,
depress clutch/brake pedal and set the
parking brake.
5. Place motion control lever in neutral
(N) position.
6. Press lift lever plunger and raise
attachment lift lever to its highest posi-
tion.
7. Start the engine. After engine has
started, move throttle control to idle
position.
8. Release parking brake.
9. Slowly move the motion control lever
forward and slowly drive tractor off
skid.
10.Apply brake to stop tractor, set parking
brake and place motion control lever in
neutral position.
11 .Turn ignition key to "STOP" position.
Continue with the instructions that follow.
9

INSTALL MULCHER PLATE
(If previously removed)
1. Raise and hold deflector shield in
upright position.
2. Place front of mulcher plate over front
of mower deck opening and slide into
place, as shown.
3. Hook front latch into hole on front of
mower deck.
4. Hook rear latch into hole on back of
mower deck.
Deflector
Shield
Mulcher
Plate
Latch
Hooks
£1
4,1 CAUTION: Do not remove deflector
shield from mower.
TO CONVERTTO BAGGING OR
DISCHARGING
Simply remove mulcher plate and store in
a safe place.Your mower is now ready for
discharging or installation of optional grass
catcher accessory.
NOTE: It is not necessary to change
blades. The mulching blades are designed
for discharging and bagging also.
CHECKTIRE PRESSURE
The tires on your tractor were overinflated
at the factory for shipping purposes. Cor-
rect tire pressure is important for best
cutting performance.
• Reduce tire pressure to PSI shown in
"PRODUCT SPECIFICATIONS" section
of this manual.
CHECK DECK LEVELNESS
For best cutting results, mower hous-
ing should be properly leveled. See "TO
LEVEL MOWER HOUSING" in the Service
and Adjustments section of this manual.
CHECK FOR PROPER POSITION
OF ALL BELTS
See the figures that are shown for replac-
ing motion and mower blade drive belts
in the Service and Adjustments section
of this manual. Verify that the belts are
routed correctly.
CHECK BRAKE SYSTEM
After you learn how to operate your trac-
tor, check to see that the brake is properly
adjusted. See "TO ADJUST BRAKE" in
the Service and Adjustments section of
this manual.
v' CHECKLIST
Before you operate your new tractor, we
wish to assure that you receive the best
performance and satisfaction from this
quality product.
Please review the following checklist:
¢" All assembly instructions have been
completed.
¢" No remaining loose parts in carton.
¢" Battery is properly prepared and
charged. (Minimum 1 hour at 6 amps).
¢" Seat is adjusted comfortably and tight-
ened securely.
¢" All tires are properly inflated. (For ship-
ping purposes, the tires were overin-
flared at the factory).
¢" Be sure mower deck is properly leveled
side-to-side/front-to-rear for best cutting
results. (Tires must be properly inflated
for leveling).
¢" Check mower and drive belts. Be sure
they are routed properly around pulleys
and inside all belt keepers.
¢" Check wiring. See that all connections
are still secure and wires are properly
clamped.
¢" Before driving tractor, be sure freewheel
control is in 'transmission engaged"
position (see "TO TRANSPORT" in the
Operation section of this manual).
While learning how to use your tractor, pay
extra attention to the following important
items:
¢" Engine oil is at proper level.
¢" Fuel tank is filled with fresh, clean,
regular unleaded gasoline.
¢" Become familiar with all controls - their
location and function. Operate them
before you start the engine.
¢" Be sure brake system is in safe oper-
ating condition.
¢" It is important to purge the transmission
before operating your tractor for the first
time. Follow proper starting and trans-
mission purging instructions (See ''TO
START ENGINE" and "PURGE TRANS-
MISSION" in the Operation section of
this manual).
10

These symbols may appear on your tractor or in literature supplied with the product.
Learn and understand their meaning.
R N H L Ikl
REVERSE NEUTRAL HIGH LOW CHOKE PAST SLOW IGNITION
ENGINE OFF LIGHTS ON ENGINE ON ENGINE START PARKING BRAKE PARKING BRAKE PARKING DRAKE
LOCKED UNLOCKED
OVER TEMP FUEL OIL PRESSURE BATTERY REVERSE FORWARD
LIGHT
ATTACHMENT ATTACHMENT
CLUTCH ENGAGED CLUTCH DISENGAGED
FREE WHEEL
(Automatic Models only}
MOWER HEIGHT MOWER LIFT
DANGER, KEEP HANDS
AND FEET AWAY
®@@@@
KEEP AREA CLEAR SLOPE HAZARDS
(SEE SAFETY" RULES SECTION)
&
&
&
&
Failure to follow instructions
could result in serious injury or
death. The safety alert symbol ._lf_ltl,..
is used to identify safety inform-
ation about hazards which can
result in death, serious injury
and/or property damage.
DANGER indicates a hazard which, if not avoided,
will result in death or serious injury.
WARNING indicates a hazard which, if not avoided,
could result in death or serious injury.
CAUTION indicates a hazard which, if not avoided,
might result in minor or moderate injury.
CAUTION when used without the alert symbol,
indicates a situation that could result in damage
to the tractor and/or engine.
HOT SURFACES indicates a hazard which,
if not avoided, could result in death, serious injury
and/or property damage.
FIRE indicates a hazard which, if not avoided,
could result in death, serious injury and/or
property damage.
11

KNOW YOUR TRACTOR
READ THIS OWNER'S MANUAL AND SAFETY RULES BEFORE OPERATING YOUR
TRACTOR
Compare the illustrations with your tractor to familiarize yourself with the locations of
various controls and adjustments. Save this manual for future reference.
Attachment
Clutch Lever
Ignition Switch Light Switch
Lift Lever
Ammeter .... - -. Plunger
Throttle/Choke Attachment
Control Lift Lever
Clutch/Brake
PedaI
Height
astment
Indicator
Parking Brake Lever
Motion Control
Lever
Our tractors conform to the safety standards of the
American National Standards institute.
AMMETER - Indicates charging (+) or
discharging (-) of battery.
ATTACHMENT CLUTCH LEVER - Used
to engage the mower blades, or other at-
tachments mounted to your tractor.
ATTACHMENT LIFT LEVER - Used to
raise, lower, and adjust the mower deck or
other attachments mounted to your tractor.
CLUTCH/BRAKE PEDAL - Used for
declutching and braking the tractor and
starting the engine.
MOTION CONTROL LEVER - Selects the
speed and direction of tractor.
IGNITION SWITCH - Used for starting and
stopping the engine.
LIFT LEVER PLUNGER - Used to release
attachment lift lever when changing its
position.
LIGHT SWITCH POSITION - Turns the
headlights on and off.
PARKING BRAKE LEVER - Locks clutch/
brake pedal into the brake position.
THROTTLE/CHOKE CONTROL - Used
for starting and controlling engine speed.
FREEWHEEL CONTROL - Disengagages
transmission for pushing or slowly towing
the tractor with the engine off.
12

I
The operation of any tractor can result in foreign objects thrown into the I
eyes, which can result in severe eye damage. Always wear safety glasses I
or eye shields while operating your tractor or performing any adjustments i
or repairs. We recommend standard safety glasses or a wide vision safety_
mask worn over spectacles, j
HOW TO USE YOUR TRACTOR
TO SET PARKING BRAKE
Your tractor is equipped with an operator
presence sensing switch. When engine
is running, any attempt by the operator
to leave the seat without first setting the
parking brake will shut off the engine.
1. Depress clutch/brake pedal all the way
down and hold.
2. Pull parking brake lever up and release
pressure from clutch/brake pedal.
Pedal should remain in brake position.
Make sure parking brake will hold trac-
tor secure.
Attachment Clutch Lever
"Engaged" Position Ignition
Throttle/ Key
Choke \
Control \ "Disengaged"
Position
Clutch/
Brake Brake
PedaI "Engaged"
Position
• Turn ignition key to "STOP" position and
remove key. Always remove key when
leaving tractor to prevent unauthorized
use.
• Never use choke to stop engine.
IMPORTANT: Leaving the ignition switch
in any position other than "STOP" will
cause the battery to discharge and go
dead.
NOTE: Under certain conditions when
tractor is standing idle with the engine run-
ning, hot engine exhaust gases may cause
"browning" of grass. To eliminate this pos-
sibility, always stop engine when stopping
tractor on grass areas.
• i, CAUTION: Always stop tractor com-
pletely, as described above, before leaving
the operator's position.
TO USE THROTTLE CONTROL
Always operate engine at full throttle.
• Operating engine at less than full
throttle reduces the battery charging
rate.
• Full throttle offers the best bagging and
mower performance.
TO MOVE FORWARD AND BACKWARD
Motion Control
Lever
"Disengaged" "Brake"
Position Position
STOPPING
MOWER BLADES -
•To stop mower blades, move attachment
clutch lever to "DISENGAGED" position.
GROUND DRIVE -
•To stop ground drive, depress clutch/
brake pedal all the way down.
• Move motion control lever to neutral (N)
position.
IMPORTANT: The motion control lever
does not return to neutral (N) position
when the clutch/brake pedal is depressed.
ENGINE -
• Move throttle control to slow position.
NOTE: Failure to move throttle control
to slow position and allowing engine to
idle before stopping may cause engine to
"backfire".
The direction and speed of movement is
controlled by the motion control lever.
1. Start tractor with motion control lever in
neutral (N) position.
2. Release parking brake.
3. Slowly move motion control lever to
desired position.
TO ADJUST MOWER CUTTING HEIGHT
The position of the attachment lift lever
determines the cutting height.
• Grasp lift lever.
• Press plunger with thumb and move
lever to desired position.
The cutting height range is approximately
1-1/2 to 4". The heights are measured
from the ground to the blade tip with the
engine net running. These heights are
approximate and may vary depending upon
soil conditions, height of grass and types of
grass being mowed.
• The average lawn should be cut to ap-
proximately 2-1/2 inches during the cool
season and to over 3 inches during hot
months. For healthier and better looking
lawns, mow often and after moderate
13 growth.

• For bestcuttingperformance,grassover
6 inchesin heightshouldbe mowed
twice. Makethe first cut relativelyhigh;
the secondto desired height.
TO ADJUST GAUGE WHEELS
Gauge wheels are properly adjusted
when they are slightly off the ground when
mower is at the desired cutting height in
operating position. Gauge wheels then
keep the deck in proper position to help
prevent scalping in most terrain conditions.
NOTE: Adjust gauge wheels with tractor
on a flat level surface.
1. Adjust mower to desired cutting height
(See "TO ADJUST MOWER CUTTING
HEIGHT" in this section of manual).
2. With mower in desired height of cut
position, gauge wheels should be
assembled so they are slightly off the
ground. Install gauge wheel in ap-
propriate hole with shoulder bolt, 3/8
washer, and 3/8-16 Iocknut and tighten
securely.
3. Repeat for opposite side, installing
gauge wheel in same adjustment hole.
Gauge
Wheel _-
Mounting
3/8 -16
Locknut
3tSWashe Shoulder
Gauge Wheel
TO OPERATE MOWER
Your tractor is equipped with an operator
presence sensing switch. Any attempt
by the operator to leave the seat with the
engine running and the attachment clutch
engaged will shut off the engine.
1. Select desired height of cut.
2. Start mower blades by engaging at-
tachment clutch control.
TO STOP MOWER BLADES -
disengage attachment clutch control.
_IICAUTION: Do not operate the mower
without either the entire grass catcher,
on mowers so equipped, or the deflector
shield in place.
Attachment Attachemnt
Clutch
"Engaged" fj_ High
Position // Position
Low
Position
"Disengaged'_
Position Deflector
TO OPERATE ON HILLS
A(_WARNING: De net drive up or down
hills with slopes greater than 15 ° and do
not drive across any slope. Use the slope
guide at the back of this manual.
• Choose the slowest speed before start-
ing up or down hills.
• Avoid stopping or changing speed on
hills.
• If slowing is necessary, move throttle
control lever to slower position.
• If stopping is absolutely necessary, push
clutch/brake pedal quickly to brake posi-
tion and engage parking brake.
• Move motion control lever to neutral (N)
position.
IMPORTANT: The motion control lever
does net return to neutral (N) position
when the clutch/brake pedal is depressed.
• To restart movement, slowly release
parking brake and clutch/brake pedal.
• Slowly move motion control lever to
slowest setting.
• Make all turns slowly.
TO TRANSPORT
When pushing or towing your tractor, be
sure to disengage transmission by placing
freewheel control in freewheeling position.
Freewheel control is located at the rear
drawbar of tractor.
1. Raise attachment lift to highest posi-
tion with attachment lift control.
2. Pull freewheel control out and down
into the slot and release so it is held in
the disengaged position.
.Do not push or tow tractor at more than
two (2) MPH.
,To re-engage transmission, reverse
above procedure.
14

Transmission Engaged
Transmission Disengaged
NOTE: To protect hood from damage
when transporting your tractor on a truck
or a trailer, be sure hood is closed and
secured to tractor. Use an appropriate
means of tying hood to tractor (rope, cord,
etc.).
TOWING CARTS AND OTHER ATTACH-
MENTS
Tow only the attachments that are recom-
mended by and comply with specifications
of the manufacturer of your tractor. Use
common sense when towing. Too heavy
of a load, while on a slope, is dangerous.
Tires can lose traction with the ground and
cause you to lose control of your tractor.
BEFORE STARTING THE ENGINE
CHECK ENGINE OIL LEVEL
The engine in your tractor has been
shipped, from the factory, already filled
with summer weight oil.
1. Check engine oil with tractor on level
ground.
2. Remove oil fill cap/dipstick and wipe
clean, reinsert the dipstick and screw
cap tight, wait for a few seconds, re-
move and read oil level. If necessary,
add oil until "FULI_t' mark on dipstick is
reached. Do not overfill.
• For cold weather operation you should
change oil for easier starting ((See the
oil viscosity chart in the Maintenance
section of this manual).
• To change engine oil, see the Mainte-
nance section in this manual.
ADD GASOLINE
• Fill fuel tank to bottom of tank filler neck.
Do not overfill. Use fresh, clean, regular
unleaded gasoline with a minimum of
87 octane. (Use of leaded gasoline will
increase carbon and lead oxide deposits
and reduce valve life). Do not mix oil
with gasoline. Purchase fuel in quanti-
ties that can be used within 30 days to
assure fuel freshness.
_,CAUTION: Wipe off any spilled oil or
fuel. Do not store, spill or use gasoline
near an open flame.
IMPORTANT: When operating in tempera-
tures below 32°F(0°C), use fresh, clean
winter grade gasoline to help insure good
cold weather starting.
CAUTION: Alcohol blended fuels (called
gasohol or using ethanol or methanol) can
attract moisture which leads to separa-
tion and formation of acids during storage.
Acidic gas can damage the fuel system of
an engine while in storage.
To avoid engine problems, the fuel system
should be emptied before storage of 30
days or longer. Drain the gas tank, start
the engine and let it run until the fuel lines
and carburetor are empty. Use fresh fuel
next season. See Storage Instructions for
additional information.
Never use engine or carburetor cleaner
products in the fuel tank or permanent
damage may occur.
TO START ENGINE
When starting the engine for the first time
or if the engine has run out of fuel, it will
take extra cranking time to move fuel from
the tank to the engine.
1. Be sure freewheel control is in the
transmission engaged position.
2. Sit on seat in operating position,
depress clutch/brake pedal and set
parking brake.
3. Place motion control lever in neutral
(N) position.
4. Move attachment clutch to disengaged
position.
5. Move throttle control to choke position.
NOTE: Before starting, read the warm
and cold starting procedures below.
6. Insert key into ignition and turn key
clockwise to start position and release
key as soon as engine starts. Do
not run starter continuously for more
than fifteen seconds per minute. If the
engine does not start after several
attempts, move throttle control to fast
position, wait a few minutes and try
again. If engine still does not start,
move the throttle control back to the
choke position and retry.
WARM WEATHER STARTING (50 ° F and
above)
7. When engine starts, move the throttle
control to the fast position.
15

• The attachments and ground drive can
now be used. If the engine does not
accept the load, restart the engine and
allow it to warm up for one minute using
the choke as described above.
COLD WEATHER STARTING ( 50 ° F and
below)
7. When engine starts, allow engine
to run with the throttle control in the
choke position until the engine runs
roughly, then move throttle control
to fast position. This may require an
engine warm-up period from several
seconds to several minutes, depending
on the temperature.
AUTOMATIC TRANSMISSION WARM UP
Before driving the unit in cold weather,
the transmission should be warmed up as
follows:
1. Be sure the tractor is on level ground.
2. Place the motion control lever in
neutral. Release the parking brake
and let the clutch/brake slowly return
to operating position.
3. Allow one minute for transmission to
warm up. This can be done during
the engine warm up period.
• The attachments can also be used dur-
ing the engine warm-up period after the
transmission has been warmed up.
NOTE: If at a high altitude (above 3000
feet) or in cold temperatures (below 32 F)
the carburetor fuel mixture may need to
be adjusted for best engine performance.
(See "TO ADJUST CARBURETOR" in the
Service and Adjustments section of this
manual.)
PURGE TRANSMISSION
To ensure proper operation and per-
formance, it is recommended that the
transmission be purged before operating
tractor for the first time. This procedure will
remove any trapped air inside the trans-
mission which may have developed during
shipping of your tractor.
IMPORTANT: Should your transmission
require removal for service or replace-
ment, it should be purged after reinstall-
ation before operating the tractor.
1. Place tractor safely in an area that is
flat for approximately 80 feet in front of
the tractor and set the parking brake.
2. Sitting in the tractor seat, start engine.
After the engine is running, move
throttle control to slow position. With
motion control lever in neutral (N)
position, slowly disengage clutch/brake
pedal.
3. Slowly move motion control lever to
full forward position and hold for five
(5) seconds, or approximately 40 feet.
Slowly move lever to full reverse posi-
tion and hold for five (5) seconds, or
approximately 20 feet. After the tractor
moves approximately 20 feet in reverse
return the motion control lever to the
neutral (N) position. Repeat this proce-
dure three (3) times.
Your transmission is now purged and now
ready for normal operation.
16

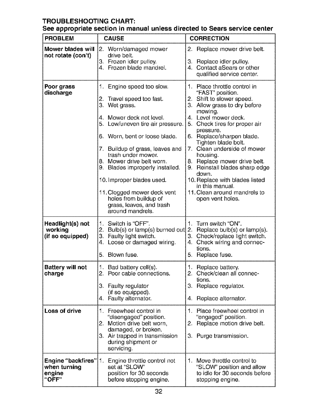
MOWING TIPS
• Mower should be properly leveled for
best mowing performance. See "TO
LEVEL MOWER HOUSING" in the
Service and Adjustments section of this
manual.
• The left hand side of mower should be
used for trimming.
• Drive so that clippings are discharged
onto the area that has already been
cut. Have the cut area to the right of
the tractor. This will result in a more
even distribution of clippings and more
uniform cutting.
• When mowing large areas, start by
turning to the right so that clippings will
discharge away from shrubs, fences,
driveways, etc. After one or two
rounds, mow in the opposite direction
making left hand turns until finished.
l" jj
,)
. If grass is extremely tall, it should be
mowed twice to reduce load and pos-
sible fire hazard from dried clippings.
Make first cut relatively high; the second
to the desired height.
• Do not mow grass when it is wet.
Wet grass will plug mower and leave
undesirable clumps. Allow grass to dry
before mowing.
•Always operate engine at full throttle
when mowing to assure better mow-
ing performance and proper discharge
of material. Regulate ground speed by
selecting a low enough gear to give the
mower cutting performance as well as
the quality of cut desired.
• When operating attachments, select a
ground speed that will suit the terrain
and give best performance of the at-
tachment being used.
MULCHING MOWING TIPS
IMPORTANT: For best performance, keep
mower housing free of built-up grass and
trash. Clean after each use.
• The special mulching blade will recut
the grass clippings many times and
reduce them in size so that as they fall
onto the lawn they will disperse into
the grass and not be noticed. Also, the
mulched grass will biodegrade quickly
to provide nutrients for the lawn. Always
mulch with your highest engine (blade)
speed as this will provide the best recut-
ring action of the blades.
• Avoid cutting your lawn when it is wet.
Wet grass tends to form clumps and
interferes with the mulching action. The
best time to mow your lawn is the early
afternoon. At this time the grass has
dried and the newly cut area will not be
exposed to the direct sun.
• For best results, adjust the mower
cutting height so that the mower cuts
off only the top one-third of the grass
blades. For extremely heavy grass, re-
duce your width of cut on each pass and
mow slowly.
Max 1/3
• Certain types of grass and grass
conditions may require that an area be
mulched a second time to completely
hide the clippings. When doing a sec-
ond cut, mow across or perpendicular to
the first cut path.
• Change your cutting pattern from week
to week. Mow north to south one week
then change to east to west the next
week. This will help prevent matting and
graining of the lawn.
17

AS YOU COMPLETE
REGULAR SERVICE /___EF{VIOE DATES
i
Check Brake Operation _
Check Tire Pressure
Check Operator F_resence and
1" InterEock Systems I_
R Check for Loose Fasteners _ _= I_
S harpen/Replace Mower Blade_ _
T Lubrication Chart
0Check Battery Level
R Clean Battery and Terrninal_ _
Check T ransaxEe Cooling
Check V-Belts I_
Check Engine Oil Level I_ I_
Change Engine Oil (with oil filter) I_,_ I_
E Change Engine Oil (without oil filter) I_1_ ,z
N Clean Air Filter _
Clean Air Screen _2
NI Inspect MuffEedSpark Attester I_
E Replace Oil Filter (If equipped) I_,a
Clean Engine Cooling Fins
Replace Spark Plug _ I_'
Replace Air Filter Paper Cartridge
Replace Fuel Filter
-Oh_nge more often _en operating under a he,.ivy I_d or
in high _lmbient tompetature_
2 _ Se _vi_e more oflen when operating in dif_ or dusty ¢ondkion_.
Reply.toe blades more often when mowing in sttndy soil.
4 • NOt _quired if equipped with mainton_nce ¸free battery¸
5 • Iighton front a;_le pivat bolt to 28 fi. Ibs. rn_xirnum
I_o not overtighton
GENERAL RECOMMENDATIONS
The warranty on this tractor does not
cover items that have been subjected to
operator abuse or negligence. To receive
full value from the warranty, operator
must maintain tractor as instructed in this
manual.
Some adjustments will need to be made
periodically to properly maintain your
tractor.
All adjustments in the Service and Adjust-
ments section of this manual should be
checked at least once each season.
• Once a year you should replace the
spark plug, clean or replace air filter,
and check blades and belts for wear.
A new spark plug and clean air filter
assure proper air-fuel mixture and help
your engine run better and last longer.
BEFORE EACH USE
1. Check engine oil level.
2. Check brake operation.
3. Check tire pressure.
4. Check operator presence and
interlock systems for proper operation.
5. Check for loose fasteners.
LUBRICATION CHART
Zerk Zerk
(%)FrontWheel _, _.._FrontWheel
Bearing Zerk
Zerk
:}
(._)General Purpose Grease
@ REFERTO Maintenance "ENGINE' SECTION
IMPORTANT: Do not oil or grease the
pivot points which have special nylon
bearings. Viscous lubricants will attract
dust and dirt that will shorten the life of
the self-lubricating bearings. If you feel
they must be lubricated, use only a dry,
powdered graphite type lubricant spar-
ingly.
18

TRACTOR
Always observe safety rules when per-
forming any maintenance.
BRAKE OPERATION
If tractor requires more than six (6) feet
stopping distance at high speed in high-
est gear, then brake must be adjusted.
(See "TO ADJUST BRAKE" in the Service
and Adjustments section of this manual).
TIRES
.Maintain proper air pressure in all tires
(See "PRODUCT SPECIFICATIONS"
section of this manual).
. Keep tires free of gasoline, oil, or insect
control chemicals which can harm rub-
ber.
.Avoid stumps, stones, deep ruts, sharp
objects and other hazards that may
cause tire damage.
NOTE: To seal tire punctures and prevent
flat tires due to slow leaks, tire sealant
may be purchased from your local parts
dealer. Tire sealant also prevents tire dry
rot and corrosion.
OPERATOR PRESENCE SYSTEM
Be sure operator presence and interlock
systems are working properly. If your
tractor does not function as described,
repair the problem immediately.
.The engine should not start unless
the brake pedal is fully depressed and
attachement clutch control is in the
disengaged position.
.When the engine is running, any at-
tempt by the operator to leave the seat
without first setting the parking brake
should shut off the engine.
.When the engine is running and the
attachment clutch is engaged, any at-
tempt by the operator to leave the seat
should shut off the engine.
. The attachment clutch should never op-
erate unless the operator is in the seat.
BLADE CARE
For best results mower blades must be
kept sharp. Replace bent or damaged
blades.
BLADE REMOVAL
1. Raise mower to highest position to
allow access to blades.
2. Remove blade bolt, lock washer and
flat washer securing blade.
3. Install new or resharpened blade
with trailing edge up towards deck as
shown.
IMPORTANT: To ensure proper as-
sembly, center hole in blade must align
with star on mandrel assembly.
4. Reassemble blade bolt, lock washer
and flat washer in exact order as
shown.
5. Tighten blade bolt securely (27-35 Ft.
Lbs. torque).
IMPORTANT: Blade bolt is grade 8 heat
treated. Mandrel Assembly
Blade Center
Traili_ Hole
Edge Up
FiatWasher_
Lock Washed,lade
_ (Grade)*
*A Grade 8 heat treated bolt can be identified
by six lineson the bolt head.
TO SHARPEN BLADE
NOTE: We do not recommend sharp-
ening blade - but if you do, be sure the
blade is balanced.
Care should be taken to keep the blade
balanced. An unbalanced blade will cause
excessive vibration and eventual damage
to mower and engine.
. The blade can be sharpened with a file
or on a grinding wheel. Do not attempt
to sharpen while on the mower.
. To check blade balance, you will need a
5/8" diameter steel bolt, pin, or a cone
balancer. (When using a cone balancer,
follow the instructions supplied with
balancer.)
NOTE: Do not use a nail for balancing
blade. The lobes of the center hole may
appear to be centered, but are not.
. Slide blade on to an unthreaded portion
of the steel bolt or pin and hold the
bolt or pin parallel with the ground. If
blade is balanced, it should remain in a
horizontal position. If either end of the
blade moves downward, sharpen the
heavy end until the blade is balanced.
5/8" Bolt o Blade
BATTERY
Your tractor has abattery charging system
which is sufficient for normal use. How-
ever, periodic charging of the battery with
an automotive charger will extend its life.
. Keep battery and terminals clean.
. Keep battery bolts tight.
.Keep small vent holes open.
.Recharge at 6-10 amperes for 1 hour.
NOTE: The original equipment battery on
your tractor is maintenance free. Do not
9attempt to open or remove caps or covers.
1

Addingor checkinglevelof electrolyteis
not necessary.
TO CLEAN BATTERYANDTERMINALS
Corrosionand dirt on the batteryand
terminalscan causethe batteryto "leak"
power.
1. DisconnectBLACKbatterycablefirst
then RED battery cableand remove
batteryfrom tractor.
2. Rinsethe batterywith plainwaterand
dry.
3. Cleanterminalsand batterycableends
with wire brush until bright.
4. Coatterminalswith greaseor petro-
leumjelly.
5. Reinstallbattery(See"REPLACING
BATTERY"inthe Serviceand Adjust-
ments section of this manual).
TRANSAXLE COOLING
The transmission fan and cooling fins
should be kept clean to assure proper
cooling.
Do not attempt to clean fan or transmis-
sion while engine is running or while the
transmission is hot. To prevent possible
damage to seals, do not use high pressure
water or steam to clean transaxle.
• Inspect cooling fan to be sure fan blades
are intact and clean.
• Inspect cooling fins for dirt, grass clip-
pings and other materials. To prevent
damage to seals, do net use com-
pressed air or high pressure sprayer to
clean cooling fins.
TRANSAXLE PUMP FLUID
The transaxle was sealed at the factory
and fluid maintenance is net required for
the life of the transaxle. Should the trans-
axle ever leak or require servicing, contact
a Sears or other qualified service center.
V-BELTS
Check V-belts for deterioration and wear
after 100 hours of operation and replace
if necessary. The belts are net adjustable.
Replace belts if they begin to slip from
wear.
ENGINE
LUBRICATION
Only use high quality detergent oil rated
with API service classification SF-SJ.
Select the oil's SAE viscosity grade
according to your expected operating
temperature.
NOTE: Although multi-viscosity oils
(5W30, 10W30 etc.) improve starting in
cold weather, these multi-viscosity oils will
result in increased oil consumption when
used above 32°R Check your engine oil
level more frequently to avoid possible
engine damage from running low on oil.
Change the oil after every 50 hours of op-
eration or at least once a year if the tractor
is net used for 50 hours in one year.
Check the crankcase oil level before start-
ing the engine and after each eight (8)
hours of operation. Tighten oil fill cap/
dipstick securely each time you check the
oil level.
TO CHANGE ENGINE OIL
Determine temperature range expected
before oil change. All oil must meet API
service classification SF-SJ.
• Be sure tractor is on level surface.
• Oil will drain more freely when warm.
• Catch oil in asuitable container.
1. Remove oil fill cap/dipstick. Be careful
not to allow dirt to enter the engine
when changing oil.
2. Remove yellow cap from end of drain
valve and install the drain tube onto the
fitting. Oil Drain Valve
Closed
and --_--_.._.
Locked [
Position t_
Cap
Drain Tube
/
3. Unlock drain valve by pushing inward
slightly and turning counterclockwise.
4. To open, pull out on the drain valve.
5. After oil has drained completely, close
and lock the drain valve by pushing
inward and turning clockwise until the
pin is in the locked position as shown.
6. Remove the drain tube and replace the
cap onto to the end of the drain valve.
7. Refill engine with oil through oil fill dip-
stick tube. Pour slowly. De net overfill.
For approximate capacity see "PROD-
UCT SPECIFICATIONS" section of this
manual.
8. Use gauge on oil fill cap/dipstick for
checking level. Be sure dipstick cap is
tightened securely for accurate read-
ing. Keep oil at "FULl2 line on dipstick.
2O

ENGINE OIL FILTER
Replace the engine oil filter every season
or every other oil change if the tractor is
used more than 100 hours in one year.
AIR FILTER
Your engine will not run properly using a
dirty air filter. Replace pre-cleaner after
every 25 hours of operation or every
season. Service paper cartridge every
100 hours of operation or every season,
whichever occurs first.
Service air cleaner more often under
dusty conditions.
1. Pull up on air filter cover handle and
rotate towards engine.
2. Remove cover.
3. Carefully remove air filter cartridge and
pre-cleaner from base.
4. Clean base carefully to prevent debris
from falling into carburetor.
NOTE: If very dirty or damaged, replace
cartridge.
5. Place new pre-cleaner and cartridge
firmly in base.
6. Align tabs on cover with slots in blower
housing and replace cover.
7. Hook handle on cover and push down
on handle to close.
IMPORTANT: Petroleum solvents,
such as kerosene, are net to be used
to clean the cartridge. They may cause
deterioration of the cartridge. De net oil
cartridge. De net use pressurized air to
clean cartridge.
ENGINE COOLING SYSTEM
Debris may clog the engine's air cool-
ing system. Remove blower housing and
clean area shown to prevent overheating
and engine damage.
Air Screen Clean out chaff and debris
MUFFLER
Inspect and replace corroded muffler and
spark arrester (if equipped) as it could cre-
ate a fire hazard and/or damage.
SPARK PLUG(S)
Replace spark plug(s) at the beginning
of each mowing season or after every
100 hours of operation, whichever occurs
first. Spark plug type and gap setting are
shown in "PRODUCT SPECIFICATIONS"
section of this manual.
IN-LINE FUEL FILTER
The fuel filter should be replaced once
each season. If fuel filter becomes
clogged, obstructing fuel flow to carbu-
retor, replacement is required.
1. With engine cool, remove filter and
plug fuel line sections.
2. Place new fuel filter in position in fuel
line with arrow pointing towards carbu-
retor.
3. Be sure there are no fuel line leaks and
clamps are properly positioned.
4. Immediately wipe up any spilled gaso-
line.
CLEAN AIR SCREEN
Air screen must be kept free of dirt and
chaff to prevent engine damage from
overheating. Clean with a wire brush or
compressed air to remove dirt and stub-
born dried gum fibers. 21

CLEANING
°Clean engine, battery, seat, finish, etc.
of all foreign matter.
. Keep finished surfaces and wheels free
of all gasoline, oil, etc.
. Protect painted surfaces with auto-
motive type wax.
We de net recommend using a garden
hose or pressure washer to clean your
tractor unless the engine and transmission
covered to keep water out. Water in en-
gine or transmission will shorten the usful
life of your tractor. Use compressed air or
a leaf blower to remove grass, leaves and
trash from tractor and mower.
WARNING: TO AVOID SERIOUS INJURY, BEFORE PERFORMING ANY
SERVICE OR ADJUSTMENTS:
1. Depress clutch/brake pedal fully and set parking brake.
2. Place motion control lever in neutral (N) position.
3. Place attachment clutch in "DISENGAGED" position.
4. Turn ignition key to "STOP" and remove key.
5. Make sure the blades and all moving parts have completely stopped.
6. Disconnect spark plug wire from spark plug and place wire where it cannot
TRACTOR
TO REMOVE MOWER
Mower will be easier to remove from the
right side of tractor.
1. Place attachment clutch in "DISEN-
GAGED" position.
2. Move attachment lift lever forward to
lower mower to its lowest position.
3. Roll belt off engine pulley.
4. Remove small retainer spring, and
remove clutch spring off pulley bolt.
5. Remove large retainer spring, slide
collar off and push housing guide out
of bracket.
Clutch
Small Retainer
Clutch
Retainer
Spring
6. Disconnect anti-sway bar from chassis
bracket by removing retainer spring.
7. Disconnect suspension arms from rear
deck brackets by removing retainer
springs.
8. Disconnect front links from deck by
removing retainer springs.
9. Raise lift lever to raise suspension
arms. Slide mower out from under trac-
tor.
IMPORTANT: If an attachment ether than
the mower deck is to be mounted on the
tractor, remove the front links and hook
the clutch spring Into square hole in frame.
Engine
Pulley
Anti-Sway
Ba_
(Both Sides)
Deflector
Housing
Guide
Retainer Spring
22

TO INSTALL MOWER
1. Raise attachment lift lever to its highest
position.
2. Slide mower under tractor with deflec-
tor shield to right side of tractor.
3. Lower lift lever to its lowest position.
4. Connect front links to mower deck and
secure with retainer springs.
5. Connect suspension arms to rear
deck brackets and secure with retainer
springs.
6. Connect anti-sway bar to chassis
bracket and secure with retainer spring.
7. Push clutch cable housing guide into
bracket, slide collar onto guide and
secure with large retainer spring.
8. Place flat washer and clutch spring on
idler pulley bolt and secure with small
retainer spring.
9. Install belt onto engine pulley.
TO LEVEL MOWER HOUSING
Adjust the mower while tractor is parked
on level ground or driveway. Make sure
tires are properly inflated (See "PRODUCT
SPECIFICATIONS" section of this man-
ual). If tires are over or underinflated, you
will not properly adjust your mower.
SIDE-TO-SIDE ADJUSTMENT
• Raise mower to its highest position.
• At the midpoint of both sides of mower,
measure height from bottom edge of
mower to ground. Distance "A" on both
sides of mower should be the same or
within 1/4" of each other.
• If adjustment is necessary, make adjust-
ment on one side of mower only.
• To raise one side of mower, tighten lift
link adjustment nut on that side.
• To lower one side of mower, loosen lift
link adjustment nut on that side.
NOTE: Each full turn of adjustment nut
will change mower height about 1/8".
• Recheck measurements after adjusting.
Bottom edge Bottom edge of
FRONT-TO-BACK ADJUSTMENT
IMPORTANT," Deck must be level side-to
side. If the following front-to-back adjust-
ment is necessary, be sure to adjust both
front links equally so mower will stay level
side-to-side.
To obtain the best cutting results, the
mower housing should be adjusted so
that the front is approximately 1/8" to 1/2"
lower than the rear when the mower is in
its highest position.
Check adjustment on right side of tractor.
Measure distance "D" directly in front and
behind the mandrel at bottom edge of
mower housing as shown.
• Before making any necessary adjust-
ments, check that both front links are
equal in length.
• If links are not equal in length, adjust
one link to same length as other link.
• To lower front of mower loosen nut "E"
on both front links an equal number of
turns.
• When distance "D" is 1/8" to 1/2"
lower at front than rear, tighten nuts "F"
against trunnion on both front links.
• To raise front of mower, loosen nut
"F" from trunnion on both front links.
Tighten nut "E" on both front links an
equal number of turns. The two front
links must remain equal in length.
• When distance "D" is 1/8" to 1/2"
lower at front than rear, tighten nut "F"
against trunnion on both front links.
• Recheck side-to-side adjustment.
Beth Front Links Should be EquaI in Length
Arm
Lift Link °N_
Adjustment
23

TO REPLACE MOWER BLADE DRIVE
BELT
The mower blade drive belt may be re-
placed without tools. Park the tractor on
level surface. Engage parking brake.
BELT REMOVAL -
1. Remove mower from tractor (See "TO
REMOVE MOWER" in this section of
manual).
2. Work belt off both mandrel pulleys and
idler pulleys.
3. Pull belt away from mower.
BELT INSTALLATION -
1. Work belt around both mandrel pulleys
and idler pulleys
2. Make sure belt is in all pulley grooves
and inside all belt guides.
3. Install mower (See "To Install Mower" in
this section of this manual).
Mandrel
TO ADJUST BRAKE
1. Depress clutch/brake pedal all the way
down and engage parking brake.
2. Measure distance between brake oper-
ating arm and nut 'W' on brake rod.
3. If distance is other than 1-9/16", loosen
jam nut and turn nut "A" until distance
becomes 1-9/16". Retighten jam nut
against nut "A".
4. Engage transmission by placing
freewheel control in 'transmission
engaged" position.
5. Road test tractor for proper stopping
distance as stated above. Readjust
if necessary. If stopping distance is
still greater than five (5) feet in highest
gear, further maintenance is neces-
sary. Replace brake pads or contact a
Sears or other qualified service center.
Pulley
TO CHECK AND ADJUST BRAKE
Your tractor is equipped with an adjustable
brake system which is mounted on the
right side of the transaxle.
If tractor requires more than five (5) feet to
stop at highest speed in highest gear on a
level, dry concrete or paved surface, then
brake must be checked and adjusted.
TO CHECK BRAKE
1. Park tractor on a level, dry concrete or
paved surface, depress clutch/brake
pedal all the way down and engage
parking brake.
2. Disengage transmission by placing
freewheel control in "transmission dis-
engaged" position. Pull freewheel con-
trol out and into the slot and release so
it is held in the disengaged position.
The rear wheels must lock and skid when
you try to manually push the tractor for-
ward. If the rear wheels rotate, the brake
needs to be adjusted or the pads need to
be replaced.
TO REPLACE MOTION DRIVE BELT
Park the tractor on level surface. Engage
parking brake. For assistance, there is a
belt installation guide decal on bottom side
of left footrest.
BELT REMOVAL -
1. Remove mower (See "TO REMOVE
MOWER" in this section of manual).
NOTE" Observe entire motion drive belt
and position of all belt guides and keepers.
2. Remove belt from stationary idler and
clutching idler.
3. Remove belt downward from around
engine pulley.
4. Pull belt slack toward rear of tractor.
Carefully remove belt upwards from
transmission input pulley.
5. Remove belt from center span keeper
and pull belt away from tractor.
BELT INSTALLATION -
1. Carefully work new belt down around
transmission cooling fan and onto the
input pulley.
2. Slide belt into the center span keeper.
3. Pull belt toward front of tractor and roll
around the top groove of engine pulley.
4. Install belt through stationary idler and
clutching idler.
24

5. Makesure belt is in all pulleygrooves
and insideall beltguidesand keepers.
6. Install mower(See"TO INSTALL
MOWER"in this sectionof manual).
MotionControlLever Neutral
Lock Gate
En£
Clutching
Idler
Stationar
Idler
Center Span
Keeper
Transmission
Input Pulley
TRANSAXLE MOTION CONTROLLE-
VER NEUTRAL ADJUSTMENT
The motion control lever has been preset
at the factory and adjustment should not
be necessary.
1. Loosen adjustment bolt Jn front of the
right rear wheel, and lightly tighten.
2. Start engine and move motion con-
trol lever until tractor does net move
forward or backward.
3. Hold motion control lever in that posi-
tion and turn engine off.
4. While holding motion control lever in
place, loosen the adjustment bolt.
5. Move motion control lever to the neu-
tral (N) (lock gate) position.
6. Tighten adjustment bolt securely.
NOTE: If additional clearance is needed
to get to adjustment bolt, move mower
deck height to the lowest position.
After above adjustment is made, if the
tractor still creeps forward or backward
while motion control lever is in neutral
position, follow these steps:
1. Loosen the adjustment bolt.
2. Move the motion control lever 1/4 to
1/2 inch in the direction it is trying to
creep.
3. Tighten adjustment bolt securely.
4. Start engine and test.
5. If tractor still creeps, repeat above
steps until satisfied.
i Adjustment Belt
TRANSMISSION REMOVAL/
REPLACEMENT
Should your transmission require removal
for service or replacement, it should be
purged after reJnstallatien and before op-
erating the tractor. See "PURGE TRANS-
MISSION" in the Operation section of this
manual.
TO ADJUST STEERING WHEEL ALIGN-
MENT
If steering wheel crossbars are not
horizontal (left to right) when wheels are
positioned straight forward, remove steer-
ing wheel and reassemble with crossbars
horizontal. Tighten securely.
FRONT WHEEL TOE-IN!CAMBER
The front wheel toe-in and camber are not
adjustable on your tractor. If damage has
occurred to affect the front wheel toe-in or
camber, contact a Sears or other qualified
service center.
TO REMOVE WHEEL FOR REPAIRS
1. Block up axle securely.
2. Remove axle cover, retaining ring and
washers to allow wheel removal (rear
wheels have a square key - Do not
lose).
3. Repair tire and reassemble.
NOTE: On rear wheels only: align grooves
in rear wheel hub and axle. Insert square
key.
4. Replace washers and snap retaining
ring securely in axle groove.
5. Replace axle cover.
NOTE: To seal tire punctures and prevent
flat tires due to slow leaks, purchase and
use tire sealant from Sears. Tire sealant
also prevents tire dry rot and corrosion.
Washers
Retaining
Ring
Axle
Cover
I
Square Key --_
(Rear Wheel Only)
25

TO START ENGINE WITH A WEAK BAT-
TERY
_WARNING: Lead-acid batteries gen-
erate explosive gases. Keep sparks, flame
and smoking materials away from bat-
teries. Always wear eye protection when
around batteries.
If your battery is too weak to start the
engine, it should be recharged. (See "BAT-
TERY" in the MAINTENANCE section of
this manual).
If "jumper cables" are used for emergency
starting, follow this procedure:
IMPORTANT: Your tractor is equipped
with a 12 volt system. The other vehicle
must also be a 12 volt system. Do not use
your tractor battery to start other vehicles.
TO ATTACH JUMPER CABLES -
1. Connect one end of the RED cable
to the POSITIVE (+) terminal of each
battery(A-B), taking care not to short
against tractor chassis.
2. Connect one end of the BLACK cable
to the NEGATIVE (-) terminal (C) of
fully charged battery.
3. Connect the other end of the BLACK
cable (D) to good chassis ground,
away from fuel tank and battery.
TO REMOVE CABLES, REVERSE
ORDER -
1. BLACK cable first from chassis and
then from the fully charged battery.
2. RED cable last from both batteries.
Weak or Dead Fully Charged
Battery Battery
REPLACING BATTERY
,_WARNING: Do not short battery
terminals by allowing a wrench or any
other object to contact both terminals at
the same time. Before connecting battery,
remove metal bracelets, wristwatch bands,
rings, etc.
Positive terminal must be connected
first to prevent sparking from accidental
grounding.
1. Lift seat pan to raised position.
2. Disconnect BLACK battery cable first
then RED battery cable and carefully
remove battery from tractor.
3. Install new battery with terminals in
same position as old battery.
4. First connect RED battery cable to
positive (+) terminal with hex bolt and
keps nut as shown. Tighten securely.
Slide terminal cover over terminal
5. Connect BLACK grounding cable to
negative (-) terminal with remaining
hex bolt and keps nut. Tighten securely.
TerrninaI
Cover . Keps
!Nut
"--(_ Hex
Bolt
Positive Negative (Black)
(Red) Cable
Cable
TO REPLACE HEADLIGHT BULB
1. Raise hood.
2. Pull bulb holder out of the hole in the
backside of the grill.
3. Replace bulb in holder and push bulb
holder securely back into the hole in
the backside of the grill.
4. Close hood.
INTERLOCKS AND RELAYS
Loose or damaged wiring may cause
your tractor to run poorly, stop running, or
prevent it from starting.
• Check wiring. See electrical wiring
diagram in the Repair Parts section.
TO REPLACE FUSE
Replace with 20 amp automotive-type
plug-in fuse. The fuse holder is located
behind the dash.
TO REMOVE HOOD AND GRILL AS-
SEMBLY
1. Raise hood.
2. Unsnap headlight wire connector.
3. Stand in front of tractor. Grasp hood at
sides, tilt toward engine and lift off of
tractor.
4. When replacing hood, be sure to re-
connect the headlight wire connector.
26

ENGINE
Maintenance, repair, or replacement of
the emission control devices and systems,
which are being done at the customers ex-
pense, may be performed by any non-road
engine repair establishment or individual.
Warranty repairs must be performed by an
authorized engine manufacturer's service
outlet.
TO ADJUST THROTTLE CONTROL
CABLE
The throttle control has been preset at the
factory and adjustment should not be nec-
essary. Check adjustment as described
below before loosening cable. If adjust-
ment is necessary, proceed as follows:
1. With engine not running, move throttle
control lever from slow to choke posi-
tion. Slowly move lever from choke to
fast position.
2. Check that holes 'W' in governor
control lever and hole in governor plate
line-up. If holes 'W' are not aligned,
loosen clamp screw and move throttle
cable until holes are aligned. Tighten
clamp screw securely.
TO ADJUST CARBURETOR
NOTE: The carburetor on this engine is
low emission. It is equipped with an idle
fuel adjusting needle with a limiter cap,
which allows some adjustment within the
limits allowed by the cap. Do not attempt
to remove the limiter cap. The limiter cap
cannot be removed without breaking the
adjusting needle.
The carburetor has been preset at the
factory and adjustment should not be
necessary. However, minor adjustment
may be required to compensate for differ-
ences in fuel, temperature, altitude or load.
If the carburetor does need adjustment,
proceed as follows:
In general, turning idle mixture valve in
(clockwise) decreases the supply of fuel to
the engine giving a leaner fuel/air mix-
ture. Turning the idle mixture valve out
(counterclockwise) increases the supply
of fuel to the engine giving a richer fuel/air
mixture.
IMPORTANT: Damage to the needle
valve and the seat in carburetor may result
if screw is turned in too tight.
PRELIMINARY SETTING -
1. Air cleaner assembly must be assem-
bled to the carburetor when making
carburetor adjustments.
2. Be sure the throttle control cable is
adjusted properly (see above).
Governor ControlGovernor Control Plate
Holes "A" Clamp Screw
3ttle Cable
27

FINAL SETTING -(See "TO ADJUST
THROTTLE CONTROL CABLE" in this
section of the manual.)
1. Start engine and allow to warm for five
minutes. Make final adjustments with
engine running and shift/motion control
lever in neutral (N) position.
2. Move throttle control lever to slow posi-
tion. With finger, rotate and hold throttle
lever against idle speed screw. Turn
idle speed screw to attain 1750 RPM.
3. While still holding throttle lever against
idle speed screw, turn idle mixture
valve full travel clockwise then coun-
terclockwise until engine runs rough.
Turn valve to a point midway between
those two positions. Release throttle
lever.
ACCELERATION TEST -
4. Move throttle control lever from slow
to fast position. If engine hesitates or
dies, turn idle mixture valve out (coun-
terclockwise) 1/8 turn. Repeat test and
continue to adjust, if necessary, until
engine accelerates smoothly.
High speed stop is factory adjusted. Do
not adjust or damage may result.
IMPORTANT: Never tamper with the
engine governor, which is factory set
for proper engine speed. Overspeed-
ing the engine above the factory high
speed setting can be dangerous. If you
think the engine-governed high speed
needs adjusting, contact a Sears or other
qualified service center, which has proper
equipment and experience to make any
necessary adjustments.
Idle Speed
Sgrew
Lever
Idle Mixture Valve _f_°J_"_
with Limiter
28

Immediately prepare your tractor for stor-
age at the end of the season or if the trac-
tor will not be used for 30 days or more.
_,WARNING: Never store the tractor
with gasoline in the tank inside a building
where fumes may reach an open flame
or spark. Allow the engine to cool before
storing in any enclosure.
TRACTOR
Remove mower from tractor for winter
storage. When mower is to be stored for a
period of time, clean it thoroughly, remove
all dirt, grease, leaves, etc. Store in a
clean, dry area.
1. Clean entire tractor (See "CLEANING"
in the Maintenance section of this
manual).
2. Inspect and replace belts, if necessary
(See belt replacement instructions in
the Service and Adjustments section of
this manual).
3. Lubricate as shown in the Maintenance
section of this manual.
4. Be sure that all nuts, bolts and screws
are securely fastened. Inspect moving
parts for damage, breakage and wear.
Replace if necessary.
5. Touch up all rusted or chipped paint
surfaces; sand lightly before painting.
BATTERY
• Fully charge the battery for storage.
• After a period of time in storage, battery
may require recharging.
• To help prevent corrosion and power
leakage during long periods of storage,
battery cables should be disconnected
and battery cleaned thoroughly (see "TO
CLEAN BATTERY AND TERMINALS" in
the Maintenance section of this manual).
• After cleaning, leave cables discon-
nected and place cables where they
cannot come in contact with battery
terminals.
• If battery is removed from tractor for
storage, do not store battery directly on
concrete or damp surfaces.
ENGINE
FUEL SYSTEM
IMPORTANT: It is important to prevent
gum deposits from forming in essential
fuel system parts such as carburetor, fuel
hose, or tank during storage.
Also, alcohol blended fuels (called gasohol
or using ethanol or methanol) can attract
moisture which leads to separation and
formation of acids during storage. Acidic
gas can damage the fuel system of an
engine while in storage.
1. Drain the fuel tank.
2. Start the engine and let it run until the
fuel lines and carburetor are empty.
• Never use engine or carburetor cleaner
products in the fuel tank or permanent
damage may occur.
• Use fresh fuel next season.
NOTE: Fuel stabilizer is an acceptable
alternative in minimizing the formation of
fuel gum deposits during storage. Add
stabilizer to gasoline in fuel tank or stor-
age container. Always follow the mix ratio
found on stabilizer container. Run engine
at least 10 minutes after adding stabilizer
to allow the stabilizer to reach the car-
buretor. Do not drain the gas tank and
carburetor if using fuel stabilizer.
ENGINE OIL
Drain oil (with engine warm) and replace
with clean engine oil. (See "ENGINE" in
the Maintenance section of this manual).
CYLINDER(S)
1. Remove spark plug(s).
2. Pour one ounce of oil through spark
plug hole(s) into cylinder(s).
3. Turn ignition key to start position for a
few seconds to distribute oil.
4. Replace with new spark plug(s).
OTHER
• Do not store gasoline from one season
to another.
• Replace your gasoline can if your can
starts to rust. Rust and/or dirt in your
gasoline will cause problems.
• If possible, store your tractor indoors
and cover it to give protection from dust
and dirt.
• Cover your tractor with a suitable pro-
tective cover that does not retain mois-
ture. Do not use plastic. Plastic cannot
breathe which allows condensation to
form and will cause your tractor to rust.
IMPORTANT: Never cover tractor while
engine and exhaust areas are still warm.
29

TROUBLESHOOTING CHART:
See appropriate section in manual unless directed to Sears service center
PROBLEM
Will not start 1.
2.
3.
4.
5.
6.
7.
Hard to start
Engine will not
turn over
Engine clicks but
will not start
Loss of power
CAUSE
Out of fuel. 1.
Engine not "CHOKED" 2.
properly.
Engine flooded. 3.
Bad spark plug. 4.
Dirty air filter. 5.
Dirty fuel filter. 6.
Water in fuel. 7.
8. Loose or damaged wiring. 8.
9. Carburetor out of adjustment. 9.
10. Engine valves out of
adjustment.
1. Dirty air filter.
2. Bad spark plug.
3. Weak or dead battery.
4. Dirty fuel filter.
5. Stale or dirty fuel.
.
7. Loose or damaged wiring. 6.
Carburetor out of adjustment. 7.
CORRECTION
Fill fuel tank.
See "TO START ENGINE"
in Operation section.
Wait several minutes before
attempting to start.
Replace spark plug.
Clean/replace air filter.
Replace fuel filter.
Drain fuel tank and carbure-
tor, refill tank with fresh
gasoline and replace fuel
filter.
Check all wiring.
See "To Adjust Carbu reter"
in Service and Adjustments
section.
10.Contact a Sears or other
qualified service center.
1. Clean/replace air filter.
2. Replace spark plug.
3. Recharge or replace battery.
4. Replace fuel filter.
5. Drain fuel tank and refill with
fresh gasoline.
Check all wiring.
See "To Adjust Carburetor" in
8. Engine valves out of
adjustment.
1. Brake pedal not
depressed
2. Attachment clutch is
engaged.
3. Weak or dead battery.
.
Service and Adjustments
section.
Contact a Sears or other
qualified service center.
1. Depress brake pedal.
2. Disengage attachment
clutch.
3. Recharge or replace battery.
.
5.
6.
7.
.
.
.
2.
3.
4.
Blown fuse. 4.
Corroded battery terminals. 5.
Loose or damaged wiring. 6.
Faulty ignition switch. 7.
Faulty solenoid or starter. 8.
Faulty operator presence 9.
switch(es).
Replace fuse.
Clean battery terminals.
Check all wiring.
Check/replace ignition
switch.
Check/replace solenoid or
starter.
Contact a Sears or other
qualified service center.
Weak or dead battery. 1. Recharge or replace battery.
Corroded battery terminals. 2. Clean battery terminals.
Loose or damaged wiring.
Faulty solenoid or starter.
1. Cutting too much grass/too
fast.
2. Throttle in "CHOKE" position.
3. Check all wiring.
4. Check/replace solenoid or
1. Set in "Higher Cut" position/
reduce speed.
2. Adjust throttle control.
3O

TROUBLESHOOTING CHART:
See appropriate section in manual unless directed to Sears service center
PROBLEM CAUSE CORRECTION
Loss of power 3. Build-up of grass, leaves 3. Clean underside of mower
(continued) and trash under mower, housing.
4. Dirty air filter. 4. Clean/replace air filter.
5. Low oil level/dirty oil. 5. Check oil level/change oil.
6. Faulty spark plug. 6. Clean and regap or change
spark plug.
7. Dirty fuel filter. 7. Replace fuel filter.
8. Stale or dirty fuel. 8. Drain fuel tank and refill
with fresh gasoline.
9. Water in fuel. 9. Drain fuel tank and
carburetor, refill Lank with
fresh gasoline and replace
fuel filter.
10. Connect and tighten spark
plug wire.
11. Clean engine air screen/
fins.
12. Clean/replace muffler.
13.Check all wiring.
14. See "To Adjust Carburetor"
in Service and Adjustments
section.
15. Engine valves out of 15.Contact a Sears or other
adjustment, qualified service center.
Excessive 1. Worn, bent or loose blade. 1. Replace blade.
10. Spark plug wire loose.
11. Dirty engine air screen/fins.
12. Dirty/clogged muffler.
13. Loose or damaged wiring.
14. Carburetor out of
adjustment.
vibration
Engine continues
to run when
operator leaves
seat with
attachment
clutch engaged
Poor cut - uneven
Mower blades will
not rotate
2. Bent blade mandrel.
3. Loose/damaged part(s).
1. Faulty operator-safety
presence control system.
1. Worn, bent or loose blade.
2. Mower deck not level.
3. Buildup of grass, leaves,
and trash under mower.
4. Bent blade mandrel.
.Clogged mower deck vent
from build-up of grass,
leaves, and trash around
mandrels.
1. Obstruction in clutch
mechanism.
Tighten blade bolt.
2. Contact a Sears or other
qualified service center.
3. Tighten loose part(s).
Replace damaged parts.
.Check wiring, switches and
connections. If not corrected,
contact a Sears or other
qualified service center.
1. Replace blade. Tighten
blade bolt.
2. Level mower deck.
3. Clean underside of mower
housing.
4. Contact a Sears or other
qualified service center.
5. Clean around mandrels to
open vent holes.
1. Remove obstruction.
31

TROUBLESHOOTING CHART:
See appropriate section in manual unless directed to Sears service center
PROBLEM
Mower blades will
not rotate (con't)
Poor grass
discharge
CAUSE
2. Worn/damaged mower
drive belt.
3. Frozen idler pulley.
4. Frozen blade mandrel.
1. Engine speed too slow.
2. Travel speed too fast.
3. Wet grass.
4. Mower deck not level.
5. Low/uneven tire air pressure.
6. Worn, bent or loose blade.
7. Buildup of grass, leaves and
trash under mower.
8. Mower drive belt worn.
9. Blades improperly installed.
10. Improper blades used.
11. Clogged mower deck vent
holes from buildup of
grass, leaves, and trash
around mandrels.
Headlight(s) not 1.
working 2.
(if so equipped) 3.
4.
5.
Battery will not 1.
charge 2.
3.
4.
Loss of drive 1.
2.
3.
Engine "backfires" 1.
when turning
engine
"OFF"
Switch is "OFF".
Bulb(s) or lamp(s) burned out
Faulty light switch.
Loose or damaged wiring.
Blown fuse.
Bad battery cell(s).
Poor cable connections.
Faulty regulator
(if so equipped).
Faulty alternator.
Freewheel control in
"disengaged" position.
Motion drive belt worn,
damaged, or broken.
Air trapped in transmission
during shipment or
servicing.
Engine throttle control not
set at "SLOW"
position for 30 seconds
before stopping engine.
CORRECTION
2. Replace mower drive belt.
3. Replace idler pulley.
4. Contact aSears or other
qualified service center.
1. Place throttle control in
"FAST" position.
2. Shift to slower speed.
3. Allow grass to dry before
mowing.
4. Level mower deck.
5. Check tires for proper air
pressure.
6. Replace/sharpen blade.
Tighten blade bolt.
7. Clean underside of mower
housing.
8. Replace mower drive belt.
9. Reinstall blades sharp edge
down.
10. Replace with blades listed
in this manual.
11.Clean around mandrels to
open vent holes.
1. Turn switch "ON".
2. Replace bulb(s) or lamp(s).
3. Check/replace light switch.
4. Check wiring and connec-
tions.
5. Replace fuse.
1. Replace battery.
2. Check/clean all connec-
tions.
3. Replace regulator.
4. Replace alternator.
1. Place freewheel control in
"engaged" position.
2. Replace motion drive belt.
3. Purge transmission.
1. Move throttle control to
"SLOW" position and allow
to idle for 30 seconds before
stopping engine.
32

TRACTOR - - MODEL NUMBER 917.272761
SCHEMATIC
÷
BATTERY
IAMMETER
(OPTIONAL)
)G A1
IGNITION
SWITCH
FUSE
rI "
i I
,Q
I
LJ
CLUTCH/BRAKE
(PEDAL UP)
[
ISTARTER
SOLENOID
_t¢i1_
II I
ATTMENT CLUTCH
a ,_cv. (CLUTCH OFF) I
SEAT SWITCH
(NOT OCCUPIED)
GROUNDING
CONNECTOR
A
[OPTIONAL) v__ SPARK
BL&OK IGFJITIOFJ _ PLUG
UNIT _ GAP
(2 PLUGS ON
TWiN CYL ENGINES)
AMP LI_3_ 3_% I ItpM _C.t_,_!_I_4G _y61 _'.t _8C_4_4_iL_}
J
FUEL SHUT-OFF SOLENO D JiLL_ I I
(IF SO EQUIPPED) IeriHas','_.qL_ -:Ji i
:-_ ,3, _"_ ;v DIODE IALTERNATOR I
HEADLIGHTS
NOTE
YOUR TRACTOR IS
EQUIPPED WITH A SPECIAL
ALTERNATOR SYSTEM.
THE LIGHTS ARE NOT
CONNECTED TO THE
BATTERy, BUT HAVE THEIR
OWN ELECTRICAL SOURCE.
BECAUSE OF THIS, THE
BRIGHTNESS OF THE LIGHTS
WILL CHANGE WITH ENGINE
SPEED. AT IDLE THE LIGHTS
WILL DIM. AS THE ENGINE IS
SPEEDED UP, THE LIGHTS
WILL BECOME THEIR BRIGHTEST.
NON-REMOVABLE
CONNECTIONS
IGNITION SWITCH
POSITION CIRCUIT _'MAKE"
OFF M+G-AI NONE
Rur,]iLIGI IT B+A1 A2+L
RUN B+A1 NONE
START B - S + A1 NONE
REMOVABLE
CONNECTIONS
WIRING INSULATED CLIPS
NOTE: IF WIRING INSULATED CLIPS WERE REMOVED FOR
SERVICING OF UNIT, THEY SHOULD BE REPLACED TO
PROPERLY SECURE YOUR WIRING.
33

TRACTOR - - MODEL NUMBER 917.272761
ELECTRICAL
/
I
42
41
25
26
I
I
I
I_I
I/i
I iII
JI
J/ i
I
[
I
I
I
II
jI
I I
[I
[I
I
I
I
116
I
16'
\
_ \ i I
\/
28
9O
I
I
I
I
\
/
/
/
34

TRACTOR - - MODEL NUMBER 917.272761
ELECTRICAL
KEY PART
NO. NO.
I 163465
2 74760412
8 176689
I6 176138
21 175688
22 4152J
24 4799J
25 146147
26 175158
27 73510400
28 4207J
29 I21305X
30 175566
33 140403
40 179720
41 71110408
42 131563
43 178861
45 I21433X
52 141940
90 180449
DESCRIPTION
Battery 12 Volt 28 Amp
Bolt, Hex Head 1/4-20 Unc x 3/4
Box, Battery Fender
Switch, Interlock
Harness, Light Socket (Includes 4152J)
Bulb, Light
Cable, Battery, 6 Gauge, Red, 11"
Cable, Battery, 6 Gauge, Red, WiI 6 Wire
Fuse, 20 Amp
Nut Keps Hexli4-20 Unc
Cable, Ground, 6 Gauge, Black, 12"
Switch, Plunger NC Gray
Switch, Ignition
Key, Ignition
Harness, Ignition
Bolt, Hex Head Fin I/4-20 × I/2
Cover, Terminal, Red
Solenoid
Ammeter Rectangular
Protection Wire Loop
Cover Terminal Battery
NOTE: All _mponent dimensions given in U.S. inches
I inch = 25.4 mm
35

TRACTOR - - MODEL NUMBER 917.272761
CHASSIS AND ENCLOSURES
39
/66
@/5
208
2O8
chassis_Laser _lt.stlt27
36

TRACTOR - - MODEL NUMBER 917.272761
CHASSISAND ENCLOSURES
KEY PART
NO. NO. DESCRIPTION
I 174619 Chassis Stamping
2 176554 Drawbar
317060612 Screw 3/8-16×3/4
5 155272 Bumper Hood/Dash
9 168337X013 Dash
I0 STD533710 Bolt Carriage 3/8-16 × I
11 174996 Panel, Dash, LH.
I3 172105X010 Panel, Dash, R.H.
I4 17490608 Screw Thdrol 3/6-I6 x 1/2
17 165682X558 Hood Aasembly
I6 184921 Bumper Hood
26 STD541437 Nut
28 175049 Grille Lens Asm
29 174332X599 Lens, Grille
30 174736X558 Fen(_Ftrest Pnt STLT
3I 139976 Bracket, Fender Support
37 17490508 Screw Thdrol 5/I6-16 x I/2 Tyt
38 1757I 0 Bracket Asm. Pivot Mower Rear
39 174714 Bracket, Pivot
60 72140606 Bolt Rdhd Sqnk 3/6- I6 Uno × 3/4
64 154798 Dash Lower STLT
74 73680600 Nut Crownloek 3/6-I6 Une
I42 175702 Plate Reinforcement STLT
I43 154966 Bracket Swaybar Chassis
I44 175582 Bracket Pnt Footrest STLT
I45 156524 Jod Pivot Chassis/Hood
I66 171875 Screw Hwhd Hi Lo #I3-16 x 3/4
206 170165 Bolt Shoulder 5/16 -18 TT
207 17670508 ScrewThdrol 5iI6-16xl/2TYTT
208 17670608 ScrewThdrol 3/6-I6xl/2
209 17000612 Screw Hex Wsh THDR 3/8-16 x 3/4 BL
212 175143 Insert Lens Reflective
- - 5479J Plug, Button
NOTE: All _mponent dimensions given in U.S. inches
I inch = 25.4 mm
37

TRACTOR - - MODEL NUMBER 917.272761
GROUND DRIVE
85 247
32
;156 166 38-_
35 _39
62
36
3O
212
116
32
30
•53
252 29
/
96
74 75
d rive- hydro.silt 52
38

TRACTOR - - MODEL NUMBER 917.272761
GROUNDDRIVE
KEY PART KEY PART
NO. NO. DESCRIPTION NO. NO.
1 Traasaxle (See Breakdown) 70 I34683
Peerless LTH2000 74 I37057
8 165866 ROd Shift Fender Adiust 75 I21749X
10 STD561210 Pin Cotter I/8 x I CAD 76 STD581075
14 10040400 Washer Lock Hvy Helical 77 I23583X
15 74490544 Bolt He;< FLGHD 5/16-I8 Gr.5 78 I21748X
16 STD541431 Nut Lock Hex W/tas. 5/16-I8 une 81 178139
19 STD541437 Nut Lock Hex W/Wsh 3/6-16 une 82 165711
2I 130564 Knob, Deluxe 1/2-I3 83 19171216
22 17814I Rod, Brake 85 I50360
24 73,350600 Nut, Hex Jam 3/6-16 Une 89 I64690X428
25 106888X Spring Brake Rod 90 I24346X
27 STD561210 Pin Cotter I/8 x 3/4 CAD. 95 178134
28 175765 Rod, Parking Brake 96 4497H
29 71673 Cap, Parking Brake 116 72140608
30 169592 Bracket, Traasaxle 120 73900600
32 74760512 BoltHexHd 5/16-18Uncx3i4 150 175456
34 175578 Shaft Foot Pedal 15I 19133210
35 120183X Bearing, Nylon 156 166002
36 19211616 Washer 158 I65589
37 1572H Pin, Roll 159 183900
38 179114 Pulley, Cx>m posite 16I 72140406
39 74760648 Bolt Fin Hex 3/8-16 x 3 162 73680400
4I 175556 Keeper, Belt Idler 163 74780416
47 127783 Pulley, Idler, V-Groove 164 19091010
46 154407 Bellerank, Clutch 165 165623
49 123205X Retainer, Belt 166 166880
50 72I 10612 Bolt Cart Sh 3/8-I6 x 1-1/2 Gr 5 168 I65492
5I STD541437 Nut Crownloek 3/6-I6 Une 169 165580
52 STD541431 Nut, Crownloek 5/I6-16 Unc 197 169613
53 105710X Link, Clutch 196 169593
55 105709X Spring Return, Clutch 202 72110614
56 17060620 Screw 3/6-I6 x I-I/4 212 145212
57 178138 V-Belt 245 I78122
59 16969I Keeper, Center Span 246 I78121
6I 17120614 Screw 3/8-16x.675 247 181462
62 8883R Cover, Pedal 250 I7060612
63 175410 Pulley, Engine 25I 17060516
64 173937 Bolt Hex 7/I 6-20 x 4 Gr 5 252 I91316I 6
65 STD55I I43 Washer
66 154778 Keeper Belt Engine Hydro
DESCRIPTION
Keeper Belt Engine
Spacer
Washer 25/32 x I-I/4 x 16 Ga.
E-Ring
Key, Square
Washer 25/32 x 1-5/8 x 16 Ga.
Shaft Asm Cross Tapered
Spring Torsion
Washer 17/32 x 3/4 x 16 Ga.
Nut Lock Center 1/4-28 FNTHD
Console, Shift
Nut Self-Thd Wsh-hd 1/4 Zias
Disconnect Asm ROd Bypss LTH
Retainer Spring 1" ZindCad
Bolt Rdhd Sqneek 3/6-16 x I
Nut Lock Fig 3/6-I6
Spacer Retainer
Washer 13/32 x 2x I0 Ga.
Washer Srrtod 5/I6 ID x 1.125
Bracket Shift Mount
Hub Shift
Bolt Rdhd Sqnk I/4-20 x 3/4 Gr 5
Nut Crownlock I/4-20 Unc
Bolt Hex Fin I/4-20 Unex 1 Gr 5
Washer 5/8 x .28I x I0 Ga
Bracket Pivot Lever
Screw 5/16-I8 x 5/6
Bolt Shoulder 5/I 6-I8 x 561
Plate Fastening
Nyliner Snap-In 5/6°1D
Washer Nyl 7/8 ID x .105" Hyd
Bolt Cart Sh 3/8-16 x I-3/4 Gr5
Nut Hex Flange Lock
Strap Torque Lh LTH2000
Strap Torque Rh LTH2000
Link Shift Transaxle LTH2000
Screw. 3/8-I 6 x 3/4
Screw 5/16-I8 x 1
Washer 13/32 x 1 x I6 Ga.
NOTE: All component dimensions given in U.S
inches 1inch = 254 mm
39

TRACTOR - - MODEL NUMBER 917.272761
STEERING ASSEMBLY
t
jr'----.,._ 42
17
13
65
f
/
43
4O

TRACTOR - - MODEL NUMBER 917.272761
STEERING ASSEMBLY
KEY PART
NO. NO. DESCRIPTION
1 I39788 Steering Wheel
2 I84706 Axle Assembly
3 I69840 Spindle Assembly, L,H
4 I69839 Spindle Assembly, R.H
5 8268H Bearing, Race, Thrust, Hardened
6 I21748X Washer 25/32 x 1-5/8 x 18 Ga.
8 12000029 Ring, Klip
10 175121 Draglink
11 STD551137 Washer, Lock
12 73940800 Nut Hex Jam Toplock 1/2-20 Unf
13 136518 Spacer Brg Axle Front
15 145212 Nut, Hexflange Lock
17 I80641 Shaft Assembl Z Steering
26 I26847X Bushing Link, Drag
28 19131418 Washer 13/32x7/Sx18Ga.
29 17080612 Screw 3/8-I8 x 3/4
30 STD581210 Pin
32 I30485 Rod, Tie
36 155099 Bushing Steering
37 I52927 Screw
38 139769 Insert, Steering Wheel
39 19183812 Washer 9/I8 ID x 2-3/80D I2 Ga
40 STD541537 Nut Lock Center 3/8-24 Unf
41 I007I 1L Adaptor Steering Wheel
42 I45054x428 Boot, Steering Shaft
43 I21749X Washer 25/32 x I-I/4 x 18 Ga.
44 I80640 Extension Shaft Steering
46 I84946X505 Cap, Spindle
51 73540400 Nut Crownlook I/4-28
54 71130420 Bolt Hex I/4-28 Unf x I-I/4 Gr. 8
65 160367 Spacer Brace Axle
67 72110618 Bolt Rdhd Sqnk 3/8-18 x 2-1/4
68 I69827 Axle, Brace
71 175146 Steering Asm
82 I69835 Bracket Susp Chassis Front
87 173966 Washer Flat .78I x 1-1/2 x .14
88 175I I8 Bolt Shoolder 7/18-20
91 175553 Clip Steering
NOTE: All component dimensions given in US inches
1 inch =254 mm
41

TRACTOR - - MODEL NUMBER 917.272761
ENGINE
3
72
81 13 4
31
78 _
38 14/
33
I
29
\
OPTIONAL EQUIPMENT
Spark Arrester
f
en£irfe-bsA cy/ 17
42

TRACTOR - - MODEL NUMBER 917.272761
ENGINE
KEY PART
NO. NO. DESCRIPTION
1
2
3
170545
17720408
4 137352
13 165291
14 148456
16 STD551237
23 169837
29 137180
31 184900
32 140527
33 I23487X
37 137040
38 181854
40 I24028X
44 17670412
45 17000612
46 19091416
72 183906
78 17080620
81 73510400
Control, Throttle
Screw, He:<Head, Thread Outting I/4-20 × 1/2
Engine (See Breakdown)
B&S Model No. 31H777-O202-E1
Muffler
Gasket B&S
Tube Drain Oil Easy
Washer
Shield BrniDbr Guard
Arrestor, Spark
Tank, Fuel
Cap Assembly
Clamp, Hose
Line, Fuel
Plug, Drain Oil Easy
Bushing, Snap, Fuel Line
Screw, He:<Washer Head, Thd., Roll 1/4-20 x 3/4
Screw He:<Wsh Thdr 3/8-18 × 3/4
Washer 9/32 x 7/8 × 16 Gauge
Screw Socket Head 5/I6-18 x I
Screw 3/8-I6 × 1-1/4 SMGML TAP/R
Nut Keps He:< I/4-20 Unc
NOTE: All _mponent dimensions given in U.S. inches
1inch = 25.4 mm
43

TRACTOR - - MODEL NUMBER 917.272761
SEAT ASSEMBLY
\
\\\\
I I
11
12
5
21
KEY PART
NO. NO.
1180597
2 180166
371110616
4 19131610
5 145006
6 STD541437
7 I2418IX
817000616
9 19131614
10 180186
1I 166369
DESCRIPTION
Seat
Bracket, Pivot, Fender
Bolt
Washer 13/32 x I × 10 Gauge
Clip, Push-In Hinged
Nut
Spring, Seat
Screw 3/8-I6 x I-I/2
Washer 13/32 x I × 14 Gauge
Pan, Seat
Knob Seat
KEY PART
NO. NO.
12 I21246X
13 I21248X
14 72050412
15 134300
16 I21250X
17 I23976X
21 171852
22 73800500
24 19171912
DESCRIPTION
Bracket Switch Mounting
Bushing Snap
Bolt, Carriage 1/4-20× 1-1/2
Spacer, Split .28 x.88
Spring
Lock.nut, Flange I/4 Grade 5
Bolt, Shoulder 5/I6-18 Unc
Nut
Washer 17/32 x I-3/16 x I2 Ga.
NOTE: All component dimensions given in U.S.
inches 1inch = 25.4 mm
44

TRACTOR - - MODEL NUMBER 917.272761
DECALS
11
10
I3 16
KEY PART
NO. NO.
I 156811
2181882
3184728
4184729
5184915
6 133644
7 184730
8172331
9 184899
10 156439
1I 179128
12 146046
KEY PART
DESCRIPTION NO. NO. DESCRIPTION
Decal, Oper. Instr.
Decal, HP Engine
Decal, Hood, R.H.
Decal, Hood, LH,
Decal Hood Replacement
Decal, Customer Maintenance
Decal, Hood Side
Decal, Deck
Decal, Fender, Craftsman
Decal, Fender Danger
Decal, Deck B 42'
Decal, V-Belt Drive Schematic
I3 183827
I4 160396
I6 138047
20 149516
-- 178392
138311
I65800X428
165799)(428
185218
185219
Decal, Lower Dash
Decal, V-BeE Schematic
Decal, Battery Diehard
Decal, Battery DngrtPsn Eng
Decal, Chassis Discennect
LTH 2000
Decal, Lift Handle
Pad Footrest LH STLT
Pad Footrest RH STLT
Owcer's Manual, English
Owcer's Manual, Spanish
WHEELS &TIRES
4,10
11
KEY PART
NO. NO. DESCRIPTION
1
2
3
4
8
9
10
11
59192 Valve Cap, Tire
65139 Stem, Valve
I06222X Tire, Front
59904 Tube, Front Tire (Not Provided,
Service Item Only)
I06732X624 Rim, Front
278H Fitting Grease (Front Wheel
Only)
9040H Bearing Flange (Front Wheel
Only)
I06108X624 Rim, Rear
I22082X Tire, Rear
7152J Tube, Rear Tire (Not Provided,
Service Item Only)
I04757X428 Cap, Axle
I44334 Sealant, Tire I 0 oz.
NOTE: All component dimensions given in U.S.
inches 1inch = 25.4 mm
45

TRACTOR - - MODEL NUMBER 917.272761
LIFT ASSEMBLY
7
5
13
4
12
2
3
6
13
19
32
13
19
lift-rh,1piece_3
46

TRACTOR - - MODEL NUMBER 917.272761
LIFT ASSEMBLY
KEY PART
NO. NO. DESCRIPTION
1I59460 Lift Lever Inner Wire Assembly
2 159471 Shaft Aasembly_ Lift
3 I05767X Pin, Groove
4 12000002 E-Ring
5 19211621 Washer 21/32 x I ×21 Gauge
6 I20183X Bearing Nylon
7 I25831X Grip, Handle, Fluted
8 I22365X Button, Plunger, Red
11 139865 Link, Lift, L.H.
12 139866 Link, Lift, R.H.
13 STD824008 Retainer Spring
15 173288 Link, Front
16 73350800 Nut, He;<,Jam 1/2-I3 Une
17 175889 Trunnion
18 73800800 Lock.nut,Hex with Washer Insert 1/2-I3 Une
19 139868 Arm, Suspension, Rear
20 I63552 Retainer Spring
31 169865 Bearing Pvt, Lift
32 73540600 Nut, Crownlock 3/8-24
NOTE: All component dimensions given in U.S. inches
I inch = 254 mm
47

TRACTOR - - MODEL NUMBER 917.272761
MOWER DECK
/-
i-
i147 142
101
102j_
103 105
/
34
56
19F 21
42 Dman-t-path slit 3,
\2
16
10_
9_
21
29
23 24
25
f26
27
48

TRACTOR - - MODEL NUMBER 917.272761
MOWER DECK
KEY PART KEY PART
NO. NO. DESCRIPTION NO. NO.
1 185892 Mower Dock Aasembly, 42" 10I 136420
2 STD533107 Bolt 102 71081010
3 138017 Bracket Aasembly, Sway Bar, Frt.
4 185460 Braeket Sway Bar 33/42 ock 103 19081218
5 STD824008 Retainer Spring 104 STD551110
6 178024 Bar Sway Dock 105 I60793
8 850857 Bolt Hex 3/8-24 x 1.25 Gr. 8 108 2029J
9 STD55I I37 Washer, Lock 111 179292
10 140296 Washer, Hardened 112 179293
(The following blades are 113 17060510
available) 114 73680500
1I 134149 Blade 42" Mulching Std 115 72140506
(For mulching mowers onFy)
- - 139775 Blade, 42" Mulching Premium 118 4898H
(For better wear when mulching) 117 I65746
-- 138971 Blade, 42" Hi-Lift 118 73930600
(For bagging or discharging) 119 STD551037
13 137645 Shaft Assembly, Mandrel, 129 19131312
Vented 130 STD523710
14 128774 Housing, Mandrel, Vented
15 110485X Bearing, Ball, Mandrel 13I STD533710
18 174493 Stripper, Mower Dock 142 165890
18 72140505 Bolt, Carriage 5/16-18x5/8 143 157109
19 132827 Bolt, Shoulder 144 158634
20 159770 Baffle, Vortex 145 165888
2I STD54143I Nut Crownloek 5/I6-I8 Une 148 171977
23 177563 Bracket, Deflector 147 131335
24 105304X Cap Sleeve 148 169022
25 123713X Spring Torsion, Deflector 149 165898
28 110452X Nut Push 150 19091218
27 130968)(428 Shield Deflector 15I 169670
28 19II1016 Washer II/32 x 5/8 x I6 Ga. 152 169676
29 131491 Rod, Hinge 153 169674
30 173984 Screw Thdrol 154 I69875
3I 129963 Washer, Spacer 155 169671
32 153535 Pulley, Maodrel 158 169672
3,3 178342 Nut, Toplock, Flanged 157 I69869
34 STD533717 Bolt 158 17720408
38 131494 Pulley, Idler, Flat 159 72140614
37 STD551037 Washer I3/32 x 13/I6 x 18 Ga
40 STD541437 Nut Crownloek 3/8-I8 Unc 184 19131410
44 140088 Guard, Mandrel, LH. - - 130794
45 STD824003 Retainer
48 137729 Screw, Thd. Roll I/4-20 x 5/8
48 133944 Washer, Hardened
52 139888 Bolt, Shoulder 5/18-I8 Unc - - 169583
53 184907 Arm Assembly. Pad, Brake
54 178515 Washer, Hardened
55 155048 Arm, Idler
58 185723 Spacer, Retainer
59 141043 Guard, TUV Idler
67 149846 Knob Custom Oval
68 144959 V-Belt
92 73800800 Nut Lock Hex w/Ins. 3/8-16
DESCRIPTION
Muleher Cover
Screw Pan Hd Phillips
I0-24 x 5/8
Washer #I0
Washer, Lock
Latch Assembly. Bagger
Nut, Weld
Bracket, Gauge, Wheel L.H.
Bracket Gauge, Wheel R.H.
Screw Taping 3/8-I6 x .825
Nut, Crown Lock 5/18-I 8
Bolt, RDHD SQNK,
5/18-I8 une x 3/4
Bolt, Shoulder
Wheel, Gauge
Nut, Centerloek 3/8-I6
Washer 3/8 x 7/8 x I4 Gauge
Washer 13/32 x 13/18 x I2 Ga.
Bolt, Fin Hex
3/8-18 Unc x 1 Gr 5
Bolt, Rdhd Sqnk 3/8-I8 Unc x I
Arm Spring Brake Mower
Bracket Arm Idler 42_
Keeper Belt 42_ Clutch Cable
Pulley Idler Flat
Bolt Carriage Idler
Spring Extension
Spring Return Idler
Retainer Spring Yellow Zinc
Washer 9/32 x 3/4 x 16 Ga
Bracket Clutch
Cable Clutch 42 In
Washer Flat 3/8°Type B
Spring Retainer
Spring Retention Lever
Spacer
Rod Clutch
Screw HexThd Cut I/4-20 xl/2
Bolt Rdhd Sqn 3/8-I6 Unc x
I-3/4
Washer 13/32 x 7/8 x 10 Ga.
Mandrel Assembly (includes
Housing, Shaft, and Shaft
Hardware Only - Pulley Not
Included)
Replacement Mower, Complete
(Std. Deck - order separately
muleher cover and gauge wheel
components key nos. 10I-I06
and I16-II9)
NOTE: All component dimensions given in U.S.inches
1 inch = 25.4 mm
49

TRACTOR -- MODEL NUMBER 917.272761
PEERLESS TRANSAXLE - - MODEL NUMBER LTH2000
:_ :!'f 506
200
2S
3lgl
190
028
IT'%....
208
1_°H
1oo
5O

TRACTOR -- MODEL NUMBER 917.272761
PEERLESS TRANSAXLE -- MODEL NUMBER LTH2OO0
KEY PART KEY PART
NO, NO, DESCRIPTION NO, NO. DESCRIPTION
1 772151 Cover LH. 70 786196 Spacer 625 765
3770135 Case 79 792201 Spring
5 776355 Counter Shaft 85 792154 Oil Fill Plug
6 778263 Spur Gear 1IT 87 788088A Oil Seal 3/4"
9 786197 Neutral Sleeve (.572) 99 792141 Washer .377ID .058W
13 778368 Bevel Gear (Incl. 14) (I3 100 792200 Snubber Washer
Teeth) 10I 792199 Snubber Spring .471D
14 778368 Bevel Gear (Incl. 13) (I3 102 792184 Washer .437ID .078W
Teeth) 103 792193 Screw, 1/4-28 x 490
15 778373 Ring Gear (54 Teeth) 104 792198 Nut, 3/8-24
17 786139 Drive Pin 105 780096 Washer .625 ID 057W
22 792194 Spring 106 786I 62 Sleeve Assembly
23 792195 Washer .750 ID 107 792046 Screw, 1/4-20 x I"
25 792073A Screw 1/4-20 x 1-1/4" 109 788104 "O_ Ring
26 792125 Retaining Ring 113 786199 Sleeve Assy (lnel 157)
28 792035 Retaining Ring 114 786200 Sleeve Assy (lnel 87)
29 780065 Washer .627 ID 09IW 115 786198 Sleeve Assembly (IncL 87)
3I 780189 Washer .568 ID 062W 127 784384 Shift Lever Ass'y (IncL I09)
36 790071 Brake Disk 150 788093A Liquid Gasket RTV Silicon
37 790007 Brake Pad Plate 157 788102 Oil Seal 9/I6"ID
38 799021 Brake Pad 180 730229 BOil Spee. (aow90)
40 792204 Roll Pin .25 182 788103 Grommet
4I 790102 Brake Lever 183 792I 18 Relief Valve
42 792202 Screw, I/4-20 x 3/4 184 792196 Hose Barb
42A 792203 Screw, I/4-20 x I-3/4 185 798050 Tubing I/2 x 5
43 79217I Screw, I0-24 x .500 190 792150 Washer
44A 790100 Inside Brake (Math) 19I 792151 Nut 7/I6-20
44B 790099 Outside Brake (Casting) 200 794787 Differential (Gear Reduction
45 790101 Actuator Rod Drive)
47 774869 Axle 16812 203 798044 Pulley & Hub Assy
48 774688 Axle 11.625 206 798055 Dis_nnect Lever
49 778378 Spur Gear 18"1" 207 798053 Mounting Plate
56 778379 Spur Gear 8IT 208 798040 Fan
65 780195 Washer .7501D 062W 209 798054 Control Lever
67 776440 Brakeshaff 210 794788 Hydro Module LH Fender Con-
tro_
51

TRACTOR - - MODEL NUMBER 917.272761
BRIGGS & STRATTON ENGINE-MODEL NUMBER 31H777,TYPE NUMBER 0202-E1
i
4_ _
45_h _.. "J
36_
24
14
@
1264 ;
624_ 642C_
, i
[ ]
i1619 LABEL KIT I
J1624
i
j._s 16÷
i966
943 O
766 &
12 '_.,?b 1617_ C
• 26 O 89
1627
31H777-0202-E1
52

TRACTOR - - MODEL NUMBER 917.272761
BRIGGS & STRATTON ENGINE-MODEL NUMBER 31H777,TYPE NUMBER 0202-E1
::::::; ::::ii 10£5 VALVE GA£KET SET
a41 r_il
i s£'::_ .....
)
238 _ 1 868 _?_
®L, .... I
7 _"/_"_, N _
1022
617
i
I
I
I
I
I
I J 5240
1022i
914
1119
851
31 H777-0202-E1
53

TRACTOR -- MODEL NUMBER 917.272761
BRIGGS & STRATTON ENGINE-MODEL NUMBER 31H777, TYPE NUMBER 0202-E1
125
141A
i
/;_.
93_
lo5_
T
133' 1 4_
, - ........ j
127 °
!871 ........_:
• i
431 1266A I
I21 CARBURETOR OVERHAUL KIT
104/2 127(_ _-;
987,_
io5_
93_;,_ 106i =/
95_ 117@
63q_ 1266i(
• 977 CARBURETOR GASKET SET
137_ ;; 27s
31 H777-0202-E1
54

TRACTOR - - MODEL NUMBER 917.272761
BRIGGS & STRATTON ENGINE-MODEL NUMBER 31H777, TYPE NUMBER 0202-E1
305A
304_
126,.5 1279 4_
• X
801
803 #
i
57_ i _ 533
J
i_gAi
]
544A_ 3101
86_ |
72_
697
73
1005
1078_
NOTE: F_ Repla_nt Starter M_to_
31 H777-0202-E1
55

TRACTOR - - MODEL NUMBER 917.272761
BRIGGS & STRATTON ENGINE-MODEL NUMBER 31H777,TYPE NUMBER 0202-E1
KEY PART KEY PART
NO, NO. DESCRIPTION NO. NO. DESCRIPTION
1897174
2399265
3 391086
4 897188
5 890188
7692410
9 897109
10 897157
11 897113
12 897110
13 890360
15 890946
16 897127
20 890947
22 892125
23 893557
24 222898
25 897552
897555
697556
697557
26 697553
697558
697559
697560
27 897100
28 897099
29 897126
697263
32 892852
33 495856
34 495857
35 891279
36 891279
37 897108
40 891752
43 891968
45 890564
46 893450
48
50 890193
51 892137oO_+
53 890227
54 891148
73 897133
74 94986
75 890582
78 891003
89 890283
93 890602
94 498030
95 891836
98 495800
104 890525
105 231855
108 890577
Cylinder Assembly I08 890484
Kit-Bushing/Seal (Magneto Side) I08A 692344
• Seal-Oil (Magneto Side) 117 694352
Sump-Engine I18 692411
Head-Cylinder I21 697241
-+ Gasket-Cylinder Head I25 697190
• Gasket-Breather I27 695005
Screw (Breather Assembly) I30 891750
Tube-Breather I31 494379
• Gasket-Crankcase I33 494381
Screw (Cylinder Head) I37 281185
Plug-Oil Drain I41 495097
Crankshaft I41A 495931
• Seal-Oil (PTO Side) I42 897140
Screw (Crankcase CoveriSump) I46 891839
Flywheel 186 692317
Key-Flywheel I87 691050
Piston Assembly (Standard)
Piston Assembly (010" Over- I88 891893
size) I92 891986
Piston Assembly (020" Over- 202 891841
size) 209 892208
Piston Assembly (030" Over- 216 891840
size) 222 894042
Ring Set (Standard) 227 891374
Ring Set (.010 Oversize) 231 891886
Ring Set (.020 Oversize) 232 891842
Ring Set (.030 Oversize) 238 891843
Lock-Piston Pin 240 298090
Pin-Piston 265 891024
Rod-Connecting (Standard) 267 695134
Rod-Connecting (.020 _ Under- 276 892255
size) 304 897883
Screw (Connecting Rod) 305 897102
Valve-Exhaust 305A 697103
Valve-Intake 306 697I 07
Spring-Valve (Intake) 307 891003
Spring-Valve (Exhaust) 309 893551
Guard- Flywheel 309A ........
Retainer-Valve
Slinger-Governor/Oil
Tappet-Valve 310 890323
Camshaft 311 497808
Short Block (31H777-O202-E2 311A 395538
Replacement Engine-art and 333 495859
Short 334 691061
Block not available at this time) 337 891043
Manifold-Intake 358 897I 91
Gasket-Intake 363 19203
Stud (Carburetor) RPM Settings:
Screw (intake Manifold)
Screen-Rotating
Screw (Rotating Screen) - Included
Washer (Flywheel) O Included
Screw (Flywheel Guard) I21
Plug-Oil $ Included
O Bushing-Throttle Shaft + Included
Kit-Idle Mixture
Screw (Throttle Valve)
Kit-Idle Speed
O Pin-Float Hinge
O Valve-Float Needle
O Seat-inlet
Valve-Choke (Manual Choke)
Valve-Choke (Choke A Marie)
O Jet-Main (Standard)
Jet-Main (High Altitude)
Kit-Carburetor Overhaul
Carburetor
Plug-Welch
Valve-Throttle
Kit-Throttle Shaft
Float-Carburetor
O5 Gasket-Float Bowl
Kit-Choke Shalt (Manual Choke)
Kit-Choke Shalt (Choke A Marie)
O Nozzle-Carburetor
Key-Timing
Connector-Hose
Line-Fuel (Cut to Required
Length)
Screw (Control Bracket)
Adjuster-Rocker Arm
Unk-Mechanical Governor
Spring-Governor
Link-Choke
Bracket-Control
Lever-Governor Control
Screw (Choke Valve)
Spring-Governor
Cap-Valve
Filter-Fuel
Clamp-Casing
Screw (Casing Clamp)
O_ Washer-Sealing
Housing-Blower
Screw (Blower Housing)
Screw (Blower Housing)
Shield-Cylinder
Screw (Cylinder Shield)
Motor-Starter
Motor-Starter
(For Replacement Starter
Motor, See Reference 309)
Bolt (Starter Motor)
Brush Set
Brush Set
Armatare-Magneto
Screw (Magneto Armature)
Plug-Spark
Gasket Set-Engine
Flywheel Puller
Low Speed: I900-2100
High Speed: 3000-3200
in Engine Gasket Set, Key No. 358
in Carburetor Overhaul Kit I_y. No.
in Carburetor Gasket Set, Key. No. 977
in Valve Gasket Set, Key.No. 1095
NOTE: All _mponent dimensions given in U.S. inches
I inch = 25.4 mm
56

TRACTOR - - MODEL NUMBER 917.272761
BRIGGS & STRATTON ENGINE-MODEL NUMBER 31H777,TYPE NUMBER 0202-E1
KEY PART KEY PART
NO. NO, DESCRIPTION NO. NO, DESCRIPTION
383 89838 Wrench-Spark Plug 888 690988 o+ Seal-Valve
404 69I 69I Washer (Governor Crank) 876 495877 Kit-Pinion Spring
431 697122 Elbow-Intake 896 691641 Pin-Drive Retainer
445 697153 Filter-Air Cleaner Cartridge 914 690980 Screw (Rocker Cover)
482 69128I Washer (Starter Cable) 943 690589 - SeaI-O Ring (Oil Pump Cover)
474 696459 Alternator 947 694393 Solenoid-Fuel
503 691582 Strap-Starter 985 499613 Cover-Oil Pump
505 69125I Nut (Governor _ntrol Lever) 987 697015 Filter-Pre Cleaner
510 693699 Drive-Starter 988 697448 Cover-Air Cleaner
5IOA 497606 Drive-Starter 975 495933 Bowl- Float
513 692024 Clutch-Drive 977 690192 Gasket Set-Carburetor
523 697086 Dipstick 987 691328 O Seal-Throttle Shaft
524 691032 - Seal-Dipstick Tube I005 697111 Fan-Flywheel
525 697184 Tube-Dipstick I017 690770 Screen-Oil Pump
544 692034 Starter-Armature I019 697143 Kit-Label
544A 390837 Starter-Armature I022 272475 .+ Gasket-Rocker C_ver
552 697144 Bushing-Governor Crank I023 692492 Cover-Rocker Arm
562 69I 119 Bolt (Governor _ntrol Lever) 1024 499054 Pump-Oil
579 691029 Nut (Starter Cable) I026 692003 Rod-Push(Intake)
584 6971 I2 Cover-Breather Passage ..... 692011 Rod-Push (Exhaust)
601 95162 Clamp-Hose I027 697547 Filter-Oil
614 691620 Pin-Cotter I029 691751 Arm-Rocker
616 692012 Crank-Governor I034 690822 Guide-Push Rod
617 692138 .O SeaI-O Ring (intake Mani_ld) I038 695700 Label-Emission
634 690801 O Spring/Seal Aasembly (Manual I040 697142 Plate-Trim
Choke) I05I 691265 Ring-Retaining
634A 690802 O Spring/Seal Aasembly (Choke A I058 275038 Owners Manual
Matic) I070 691058 Screw (Flywheel Fan)
635 691909 Boot-Spark Plug I083 691628 Nut (Starter Terminal)
643 697155 Retainer-Air Filter I O&3A690958 Nut (Starter Terminal)
654 690958 Nut(Carburetor) I090 691293 Retainer-Brush
691 692407 - Seal-Governor Shaft I09I 6913,33 Cap-Limiter
697 690372 Screw (Drive Cap) I095 690190 Gasket Set-Valve
718 690959 Pin-Locating 1119 691183 Screw (Alternator)
729 691224 Clip-Wire 1I27 691657 Screw (Float Bowl)
741 697128 Gear-Timing I263 697124 Reed-Breather
750 691033 Screw (Oil Pump Cover) I264 697104 Screw (Breather Reed)
757 697607 Link-Counterweight I265 697125 Support-Blower Housing
758 697134 Counterweight I268 691917 ._3 SeaI-O Ring (Intake Elbow)
759 697392 Pin-Counterweight I268A697123 O SeaI-O Ring (Intake Elbow)
783 693713 Gear-Pinion I267 697682 Latch-Blower Housing
783A 693059 Gear-Pinion I270 697156 Plug-AVS Counterweight
789 695050 Harness-Wiring I279 690980 Screw (Blower Housing Support)
797 693187 Nut (Brush Retainer) RPM Settings: Low Speed: 1900-2100
801 69I 283 Cap-Drive High Speed: 3000-3200
801A 394856 Cap-Drive
802 691288 Cap-End - Included in Engine Gasket Set Key. No. 358
802A 395537 Cap-End O Included in Carburetor Overhaul Kit, Key. No
803 693757 Housing-Starter 121
803A 398159 Housing-Starter $ Included in Carburetor Gasket Set, Key. No. 977
830 691095 Stud (Rocker Arm) + Included in Valve Gasket Set, Key. No. 1095
842 69103I -SeaI-O Ring (Dipstick Tube)
847 697611 Dipstick/Tube Assembly NOTE: All _mponent dimensions given in U.S. inches
851 692424 Terminal-Spark Plug I inch = 25.4 mm
57

58

SUGGESTED GUIDE FOR SIGHTING SLOPES FOR SAFE OPERATION
_o
1= Fold this page along dotted line indicated above,
2. Hold page before you so that its left edge is vertically parallel to a tree
trunk or other upright structure.
3, Sight across the fold in the direction of hill slope you want to measure,
4, Compare the angle of the fold with the slope of the hill,

Get it,fixed, at,your home or ours!
Your Home
For repair - in your home - of all major brand appliances,
lawn and garden equipment, or heating and cooling systems,
no matter who made it, no matter who sold it!
For the replacement parts, accessories and
owner's manuals that you need to do-it-yourself.
For Sears professional installation of home appliances
and items like garage door openers and water heaters.
1-800-4-MY-HOME ® Anytime dayor night
(1-800-469-4663) (U S A and Canada)
www.sears,com www.sears.ca
Our Home
For repair of carry-in products like vacuums, lawn equipment,
and electronics, call or go on-line for the nearest
Sears Parts and Repair Center.
1-800-488-1222 Anytime day or nigPlt (U S A only)
www.sears,com
To purchase a protechon agreement (U S A )
or maintenance agreement (Canada) on a product serwced by Sears
1-800-827-6655 (u SA) 1-800-361-6665 (`Canada)
Para pedir servicio de reparaci6n
a domicilio, y para ordenar piezas:
1-888-SU-HOGARSM
(`t-888-;_4-6427)
Au Canada pour service en franc ais:
1-800-LE-FOYER Mc
(1-800-53G-8937)
www sears ca
6E/A RS
_¢)Sears,Roebuckard Co
@)Registered Trademark /r._Trademark, s_4Service Mark of Sears, Roebuck ard Co
@)Mar,ca Reglstrada, "Marca de FAbnca, st Marca de Servlclo de Sears, Roebu,ck and Co
_:"Marque de commerce, _4L,Marque dfi,posfi,e de Sears, Roebuck ard Co.
185218 Rev. 2 7.9.03 MHiTRiMH Printed in U.S.A.

LITERATURE -LIS COVERSHEET
Workflow - LITERATURE
Received
BATCH
NUMBER:
Batched Scanned
L0307083
Total Pages: I
Total Models: I
#Notes: I
Supercede I
Paper doc: I
Pdf doc:
Initial and Date each section below as it is completed:
TA I Index QA/IE
IExported
DBQA
Title:
Chassis:
Prod Type:
Doc Type:
Doc Class Code:
Date Received:
Date Published:
Publication #:
Pricing - Div:
Pricing - Source:
MODEL
NUMBERS:
Type:
Mfr. Class:
Status:
Brand #:
FIGURE PROPERTIES
I3-¢39 _o o
-7- /o- 03
-7- _-o3
NIA
N/A
MOBEL INFORMATION
STD [] SBP
ACTIVE NPA []
STD []
ACTNE []
REG []
[]
SBP []
NPA []
Commenta:
Rev 0 47101-HOF