Craftsman 917292491 User Manual TILLER Manuals And Guides L0109053
CRAFTSMAN Front Tine, Gas Tiller Manual L0109053 CRAFTSMAN Front Tine, Gas Tiller Owner's Manual, CRAFTSMAN Front Tine, Gas Tiller installation guides
User Manual: Craftsman 917292491 917292491 CRAFTSMAN TILLER - Manuals and Guides View the owners manual for your CRAFTSMAN TILLER #917292491. Home:Lawn & Garden Parts:Craftsman Parts:Craftsman TILLER Manual
Open the PDF directly: View PDF
.
Page Count: 52

Owner's Manual
ICRRFTSMRH°I
6.0 HP
26 INCH TINE WIDTH
FRONT TINE TILLER
WITH REVERSE
Model No.
917.292491
•Safety
•Assembly
•Operation
•Maintenance
•Espafiol
•Repair Parts
CAUTION:
Read and follow all Safety
Rules and Instructions before
operating this equipment.
Sears, Roebuck and Co., Hoffman Estates, II 60179
Visit our Craftsman website:www.sears.com/craftsman

Warranty ............................................... 2
Safety Rules ......................................... 2
Product Specifications .......................... 4
Assembly .............................................. 6
Operation .............................................. 7
Maintenance ....................................... 11
Maintenance Schedule ...................... 11
Service and Adjustments .................... 13
Storage ............................................... 16
Troubleshooting ................................. 17
Illustrated Parts List ............................ 38
Parts Ordering ..................... Back Cover
LIMITED TWO YEAR WARRANTY ON CRAFTSMAN TILLER
For two (2) years from date of purchase, when this Craftsman Tiller is maintained,
lubricated, and tuned up according to the operating and maintenance instructions in
the owner's manual, Sears will repair free of charge any defect in material or workman-
ship.
This Warranty does not cover:
•Expendable items which become worn during normal use, such as tines, spark
plugs, air cleaners and belts.
• Repairs necessary because of operator abuse or negligence, including bent
crankshafts and the failure to maintain the equipment according to the instructions
contained in the owner's manual.
• If this Craftsman Tiller is used for commercial or rental purposes, this Warranty
applies for only thirty (30) days from the date of purchase.
Warranty service is available by retuming the craftsman power mower to the nearest
sears service center/department in the united states. This warranty applies only while
this product is in use in the united states.
This Warranty gives you specific legal rights, and you may also have other rights which
vary from state to state.
SEARS, ROEBUCK AND CO., D/817WA, HOFFMAN ESTATES, IL 60179
IMPORTANT: This cutting machine is capable of amputating hands and feet and
throwing objects. Failure to observe the following safety instructions could result in
serious injury or death.
TRAINING
• Read the Owner's Manual carefully. Be
thoroughly familiar with the controls
and the proper use of the equipment.
Know how to stop the unit and disen-
gage the controls quickly.
• Never allow children to operate the
equipment. Never allow adults to
operate the equipment without proper
instruction.
• Keep the area of operation clear of all
persons, particularly small children,
and pets.
PREPARATION
•Thoroughly inspect the area where the
equipment is to be used and remove all
foreign objects,
• Disengage all clutches and shift into
neutral before starting the engine
(motor).
• Do not operate the equipment without
wearing adequate outer garments.
Wear footwear that will improve footing
on slippery surfaces.
• Handle fuel with care; it is highly
flammable.
• Use an approved fuel container.
• Never add fuel to a running engine or
hot engine.
• Fill fuel tank outdoors with extreme
care. Never fill fuel tank indoors.
• Replace gasoline cap securely and
clean up spilled fuel before restarting.
2

• Use extension cords and receptacles
as specified by the manufacturer for all
units with electric drive motors or
electric starting motors.
•Never attempt to make any adjustments
while the engine (motor) is running
(except where specifically recommend-
ed by manufacturer).
OPERATION
•Do not put hands or feet near or under
rotating parts.
• Exercise extreme caution when
operating on or crossing gravel drives,
walks, or roads. Stay alert for hidden
hazards or traffic. Do not carry passen-
gers.
• After striking a foreign object, stop the
engine (motor), remove the wire from
the spark plug, thoroughly inspect the
tiller for any damage, and repair the
damage before restarting and operat-
ing the tiller.
• Exercise caution to avoid slipping or
falling.
• If the unit should start to vibrate
abnormally, stop the engine (motor)
and check immediately for the cause.
Vibration is generally a warning of
trouble.
• Stop the engine (motor) when leaving
the operating position.
• Take all possible precautions when
leaving the machine unattended.
Disengage the tines, shift into neutral,
and stop the engine.
• Before cleaning, repairing, or inspect-
ing, shut off the engine and make
certain all moving parts have stopped.
Disconnect the spark plug wire, and
keep the wire away from the plug to
prevent accidental starting. Disconnect
the cord on electric motors.
• Do not run the engine indoors; exhaust
fumes are dangerous.
• Never operate the tiller without proper
guards, plates, or other safety protec-
tive devices in place.
• Keep children and pets away.
• Do not overload the machine capacity
by attempting to till too deep at too fast
a rate.
• Never operate the machine at high
speeds on slippery surfaces. Look
behind and use care when backing.
• Never allow bystanders near the unit.
• Use only attachments and accessories
approved by the manufacturer of the
tiller.
• Never operate the tiller without good
visibility or light.
• Be careful when tilling in hard ground.
The tines may catch in the ground and
propel the tiller forward. If this occurs,
let go of the handlebars and do not
restrain the machine.
MAINTENANCE AND STORAGE
•Keep machine, attachments, and
accessories in safe working condition.
•Check shear pins, engine mounting
bolts, and other bolts at frequent
intervals for proper tightness to be sure
the equipment is in safe working
condition.
•Never store the machine with fuel in the
fuel tank inside a building where
ignition sources are present, such as
hot water and space heaters, clothes
dryers, and the like. Allow the engine to
cool before storing in any enclosure.
•Always refer to the operator's guide
instructions for important details if the
tiller is to be stored for an extended
period.
ALook for this symbol to point out
important safety precautions. It means
CAUTIONH! BECOME ALERT!!! YOUR
SAFETY IS INVOLVED.
ACAUTION: Always disconnect spark
plug wire and place wire where it cannot
contact spark plug in order to prevent
accidental starting when setting up,
transporting, adjusting or making repairs.
AWARNING: Engine exhaust, some of its
constituents, and certain vehicle compo-
nents contain or emit chemicals known to
the State of California to cause cancer
and birth defects or other reproductive
harm.
3

PRODUCT SPECIFICATIONS
GASOLINE 3 QUARTS
:APACITY: UNLEADED
REGULAR
OIL (API-SF-SJ): SAE 30
(ABOVE 32°F)
(CAPACITY: 20 OZ.) SAE 5W-30
(BELOW 32°F)
SPARK PLUG : CHAMPION
GAP: .030") RC12YC
CONGRATULATIONS on your purchase
of aSears Tiller. It has been designed,
engineered and manufactured to give
you the best possible dependability and
performance.
Should you experience any problems you
cannot easily remedy, please contact a
Sears or other qualified Service Center.
We have competent, well-trained techni-
cians and the proper tools to service or
repair this unit.
Please read and retain this manual. The
instructions will enable you to assemble
and maintain your tiller properly. Always
observe the "SAFETY RULES".
Your new tiller has been assembled at the
factory with exception of those parts left
unassembled for shipping purposes. To
ensure safe and proper operation of your
tiller all parts and hardware you as-
semble must be tightened securely. Use
the correct tools as necessary to insure
proper tightness.
CUSTOMER RESPONSIBILITIES
•Read and observe the safety rules.
• Follow a regular schedule in maintain-
ing, caring for and using your tiller.
•Follow the instructions under the
"Customer Responsibilities" and
"Storage" sections of this Owner's
Manual.
_IkWARNING: This unit is equipped with
an internal combustion engine and
should not be used on or near any
unimproved forest-covered, brush-
covered or grass covered land unless the
engine's exhaust system is equipped with
a spark arrester meeting applicable local
or state laws (if any). If a spark arrester is
used, it should be maintained in effective
working order by the operator.
In the state of California the above is
required by law (Section 4442 of the
California Public Resources Code).
Other states may have similar laws.
Federal laws apply on federal lands. A
spark arrester for the muffler is available
through your nearest Sears service
center (See REPAIR PARTS section of
this manual).
These accessories were available when the tiller was purchased. They are also
available at most Sears Retail outlets and Service Centers. Most Sears Stores can
order repair parts for you when you provide the model number of your tiller.
ENGINE
SPARK PLUG MUFFLER AIR FILTER GAS CAN ENGINE OIL STABILIZER
TILLER MAINTENANCE
BELT TINES SHEAR PIN
Q-h
HAIRPIN CLIP
4

Your new tiller has been assembled at the
factory with exception of those parts left
unassembled for shipping purposes. To
ensure safe and proper operation of your
tiller all parts and hardware you assemble
must be tightened securely. Use the correct
tools as necessary to insure proper
tightness.
TOOLS REQUIRED FOR ASSEMBLY
A socket wrench set will make assembly
easier. Standard wrench sizes are listed.
(t) Utility knife
(t) Screwdriver
(1) Pair of pliers
(2) 1/2" wrenches
OPERATOR'S POSITION
When right or left hand is mentioned in this
manual, it means when you are in the
operating position (standing behind tiller
handles).
Front
E-,-1
J|
Left _ Right
Operator's Position
CONTENTS OF HARDWARE PACK
(1) Manual C ) Plastic
able Clip
UiliW!W!!l!l!
L_ (2) Hex Bolts
5/16-18 x 1-1/4
(1) Reverse
Rod Bracket
°1
(1) Clevis Pin (1) Washer
9/32 x 1/2 x
14 Gauge
@
(2) Flange
Locknuts
5/16-18 UNC
(1) Cotter Pin
(2) Hex Nuts
5/16-18 (2) Lock
Washers
5/16
(1) Bottle
_(1) Bushing Engine Oil
0(2) Carriage Bolts
5/16-18 UNC x 2-1/2
5

UNPACK CARTON
_CAUTION: Be careful of exposed
staples when handling or disposing of
cartoning material.
IMPORTANT: When unpacking and
assembling tiller, be careful not to stretch
or kink cable(s).
1. Cut cable ties securing handle column
and reverse rod.
2. Slide handle column onto handle
mount.
3. Remove all packing from carton.
ASSEMBLE HANDLE
1. Slide reverse rod through hole in
reverse rod bracket as shown.
2. Slide bushing over lower reverse rod
and snap into bracket hole.
NOTE: Make sure tine control cable is
routed in front of reverse rod bracket.
3. Attach reverse rod bracket to handle
column using two (2) carriage bolts
and two (2) flange Iocknuts and
tighten securely.
4. Cut away carton.
5. Insert plastic cable clip into hole in
handle column.
6. Route tine control cable through
plastic cable clip on handle column.
7. Cut cable ties securing tiller to skid.
Remove tiller from skid by pulling
backwards.
Handle Mount Tine Control
Tine
Column
Carriage
Bolt
ASSEMBLE REVERSE ROD
•Secure upper reverse rod to lower
reverse rod using clevis pin, washer
and cotter pin.
INSTALL DEPTH STAKE ASSEMBLY
1. Loosen nut =A".
2. Insert stake support between engine
bracket halves with stake spring
down.
3. Bolt stake support to engine brackets
with bolts, lock washers and nuts.
Tighten securely. Tighten nut "A".
4. Depth stake must move freely. If it
does not, loosen support bolt.
Bracket Halves
"A" Depth
Stake
Bolt
Hex Bolts, Lock Washers,
and hex Nuts
HANDLE HEIGHT
•Handle height may be adjusted to
better suit operator. (See "HANDLE
HEIGHT' in the Service and Adjust-
ments section of this manual).
TILLINGWIDTH
• Tilling width may be adjusted to better
handle your tilling conditions (See
"I-INE ARRANGEMENT" in the Service
and Adjustments section of this
manual).
TINE OPERATION
• Check tine operation before first use.
(See "-FINE OPERATION CHECK" in
the Service and Adjustments section of
this manual).
Reverse
Rod Bracket,
Lower Reverse Rod
Reverse
Rod ; Pin
Flange Locknuts
6

KNOWYOURTILLER
READ THIS OWNER'S MANUAL AND SAFETY RULES BEFORE OPERATING
YOUR TILLER.
Compare the illustrations with your tiller to familiarize yourself with the location of
various controls and adjustments. Save this manual for future reference.
These symbols may appear on your Tiller or in literature supplied with the product.
Learn and understand their meaning.
11LUNG FORWARD NEUTRAL REVERSE OR WARNING ON OFF
Reverse Tine
Forward "line
Choke Control
,-Throttle Control
Depth Stake Shield
Tines
O
Sears tillers conform to the safety standards of the
American National Standards Institute.
FORWARD TINE CONTROL - Engages
tines in forward direction.
REVERSE TINE CONTROL - Engages
tines in reverse direction.
CHOKE CONTROL - Used when starting
a cold engine.
THRO'I-rLE CONTROL - Controls engine
speed.
DEPTH STAKE - Controls forward speed
and the depth at which the tiller will dig.
RECOIL STARTER HANDLE - Used to
start the engine.
7

The operation of any tiller can result in foreign objects thrown into the eyes,
which can result in severe eye damage. Always wear safety glasses or eye
shields before starting your tiller and while tilling. We recommend a wide
vision safety mask over spectacles or standard safety glasses.
HOWTO USEYOURTILLER
Know how to operate all controls before
adding fuel and oil or attempting to start
engine.
STOPPING
TINES
1. Release forward tine control to stop
forward movement.
2. Release reverse tine control to stop
reverse movement.
ENGINE
• Move throttle control to "STOP" posi-
tion.
NOTE: Never use choke to stop engine.
Reverse Tine Control Forward Tine Control
sition
IoJJ Forward Tine Control
,J_ "ON" (DOWN) Position
The depth stake should always be below
the wheels for digging. It serves as a
brake to slow the tiller's forward motion to
enable the tines to penetrate the ground.
Also, the more the depth stake is lowered
into the ground the deeper the tines will
dig.
DEPTH STAKE
Adjust depth stake by removing the
hairpin clip and clevis pin. Change depth
stake to desired position. Replace the
clevis pin and hairpin clip.
•For normal tilling, set depth stake at the
second or third hole from the top.
WHEELS
Adjust wheels by removing the hairpin
clip and clevis pin. Change wheel
position. Replace the hairpin clip and
clevis pin.
• For normal tilling, set wheels at the
second or third hole from the top.
Hairpin Clip
and Clevis Pin
Depth Stake
Throttle
Control
Wheel
Choke
Hairpin Clip
Spring and Clevis Pin
TINE OPERATION
FORWARD
• Squeeze forward tine control to handle.
REVERSE
•With forward tine control =OFF" (up)
position, pull back and hold reverse
tine control.
TILLING
The speed and depth of tilling is regu-
lated by the position of the depth stake
and wheel height.
8
TO TRANSPORT
ACAUTION: Before lifting or transporting,
allow tiller engine and muffler to cool.
Disconnect spark plug wire. Drain
gasoline from fuel tank.
AROUND THE YARD
1. Tip depth stake forward until it is held
by the stake spring.
2. Push tiller handles down, raising tines
off the ground.
3. Push or pull tiller to desired location.
AROUND TOWN
1. Disconnect spark plug wire.
2. Drain fuel tank.
3. Transport in upright position to
prevent oil leakage.

BEFORE STARTING ENGINE
IMPORTANT: Be very careful not to allow
dirt to enter the engine when checking or
adding oil or fuel. Use clean oil and fuel
and store in approved, clean, covered
containers, use clean fill funnels.
FILL ENGINE WITH OIL
1. Remove hangtag from engine.
2. With engine level, remove engine oil
filler plug.
3. Fill engine with oil to point of overflow-
ing. For approximate capacity see
=PRODUCT SPECIFICATIONS" on
page 4 of this manual. All oil must
meet A.P.I. Service Classification SF-
SJ.
4. Tilt tiller back on its wheels and then
re-level.
5. With engine level, refill to point of
overflowing if necessary. Replace oil
filler plug.
•For cold weather operation you should
change oil for easier starting (See "OIL
VISCOSITY CHART" in the Mainte-
nance section of this manual).
•To change engine oil, see the Mainte-
nance section of this manual.
Oil
Oil Filler
Plug
ADD GASOLINE
•Fill fuel tank. Use fresh, clean, regular
unleaded gasoline. (Use of leaded
gasoline will increase carbon and lead
oxide deposits and reduce valve life.)
IMPORTANT: When operating in tem-
peratures below 32°F(0°C), use fresh,
clean, winter grade gasoline to help
insure good cold weather starting.
_!_WARNING: Experience indicates that
alcohol blended fuels (called gasohoI or
using ethanol or methanol) can attract
moisture which leads to separation and
formation of acids during storage. Acidic
gas can damage the fuel system of an
engine while in storage. To avoid engine
problems, the fuel system should be
emptied before storage of 30 days or
longer. Drain the gas tank, start the
engine and let it run until the fuel lines
and carburetor are empty. Use fresh fuel
next season. See Storage section of this
manual for additional information. Never
use engine or carburetor cleaner prod-
ucts in the fuel tank or permanent
damage may occur.
_,CAUTION: Fill to within 1/2 inch of top
of fuel tank to prevent spills and to allow
for fuel expansion. If gasoline is acciden-
tally spilled, move machine away from
area of spill. Avoid creating any source of
ignition until gasoline vapors have
disappeared.
Do not overfill. Wipe off any spilled oil or
fuel. Do not store, spill or use gasoline
near an o0en flame.
TO START ENGINE
ACAUTION: Keep drive control bar in
=DISENGAGED" position when starting
engine.
When starting engine for the first time or if
engine has run out of fuel, it will take
extra pulls of the recoil starter to move
fuel from the tank to the engine.
1. Make sure spark plug wire is properly
connected.
2. Place throttle control in "FAST"
position.
3. Move choke control to choke position.
4. Grasp recoil starter handle with one
hand and grasp tiller handle with
other hand. Pull rope out slowly until
engine reaches start of compression
cycle (rope will pull slightly harder at
this point).
5. Pull recoil starter handle quickly. Do
not let starter handle snap back
against starter.
NOTE: If engine fires but does not start,
move choke control to half choke position.
Pull recoil starter handle until engine
starts.
6. When engine starts, slowly move
choke control to "RUN" position as
engine warms up.
NOTE: Awarm engine requires less
choking to start.
7. Move throttle control to desired
running position.
8. Allow engine to warm up for a few
minutes before engaging tines.
NOTE: If at a high altitude (3000 feet) or
in cold temperatures (below 32°F), the
carburetor fuel mixture may need to be
adjusted for best engine performance.
See "TO ADJUST CARBURETOR" in the
Service and Adjustments section of this
manual.
NOTE: If engine does not start, see
troubleshooting points.
9

Plug
Throttle
Choke
BREAKING INYOURTILLER
Break-in your belt(s), pulleys and tine
control before you actually begin tilling.
• Start engine, tip tines off ground by
pressing handles down and engage
fine control to start tine rotation. Allow
tines to rotate for five minutes.
•Check tine operation and adjust if
necessary. See "-FINE OPERATION
CHECK" in the Service and Adjust-
ments section of this manual.
TILLING HINTS
_:_,CAUTION: Until you are accustomed to
handling your tiller, start actual field use
with throttle in slow position (mid-way
between "FAST" and "IDLE").
To help tiller move forward, lift up the
handles slightly (thus lifting depth stake
out of ground). To slow down the tiller,
press down on handles.
If you are straining or tiller is shaking, the
wheels and depth stake are not set
properly in the soil being tilled. The
proper setting of the wheels and depth
stake is through trial and error and
depends upon the soil condition. (The
harder or wetter the ground, the slower
the engine and tine speed needed. Under
these poor conditions, at fast speed the
tiller will run and jump over the ground).
Aproperly adjusted tiller will dig with little
effort from the operator.
•Tilling is digging into, turning over, and
breaking up packed soil before
planting. Loose, unpacked soil helps
root growth. Best tilling depth is 4" to
6". Atiller will also clear the soil of
unwanted vegetation. The decomposi-
tion of this vegetable matter enriches
the soil. Depending on the climate
(rainfall and wind), it may be advisable
to till the soil at the end of the growing
season to further condition the soil.
• Soil conditions are important for proper
tilling. Tines will not readily penetrate
dq/, hard soil which may contribute to
10
excessive bounce and difficult handling
of your tiller. Hard soil should be
moistened before tilling; however,
extremely wet soil will "ball-up" or
clump during tilling. Wait until the soil is
less wet in order to achieve the best
results. When tilling in the fall, remove
vines and long grass to prevent them
from wrapping around the tine shaft
and slowing your tilling operation.
You will find tilling much easier if you
leave a row untilled between passes.
Then go back between tilled rows.
There are two reasons for doing this.
First, wide tums are much easier to
negotiate than about-faces. Second,
the tiller won't be pulling itself, and
you, toward the row next to it.
Set depth stake and wheel height for
shallow tilling when working extremely
hard soil or sod. Then work across the
first cuts at normal depth.
CULTIVATING
Cultivating is destroying the weeds
between rows to prevent them from
robbing nourishment and moisture from
the plants. At the same time, breaking up
the upper layer of soil crust will help
retain moisture in the soil. Best digging
depth is 1" to 3".
• You will probably not need to use the
depth stake. Begin by tipping the depth
stake forward until it is held by the
stake spring.
• Cultivate up and down the rows at a
speed which will allow tines to uproot
weeds and leave the ground in rough
condition, promoting no further growth
of weeds and grass.
OlO 0 o
'0 o10 o 0
!O 010 0 0
'D 01o 0 0

MAINTENANCE o,_o/_. _
SCHEDULE _•
COMPL E
nE O< RSE°V,C
Check Engine Oil Level If b/'
Change Engine Oil 1_1,2
Oil Pivot Points If
Inspect Spark Armster /Muffler I/
Inspect Air Screen If
Clean or Replace Air Cleaner Cartridge 1_2
Clean Engine Cylinder Fins I_
Replace Spark Plug IV/
1- Changemoreoftenwhenoperatingunderaheavyloador in higharnl_entle_ratures.
2-ServicemoreoftenwhenoperatingindirtyorduslycondilJons.
SERVICE DATES
GENERAL RECOMMENDATIONS
The warranty on this tiller does not cover
items that have been subjected to
operator abuse or negligence. To receive
full value from the warranty, the operator
must maintain tiller as instructed in this
manual.
Some adjustments will need to be made
periodically to propedy maintain your
tiller.
All adjustments in the Service and
Adjustments section of this manual
should be checked at least once each
season.
•Once a year you should replace the
spark plug, clean or replace air filter,
and check tines and belts for wear. A
new spark plug and clean air filter
assure proper air-fuel mixture and help
your engine run better and last longer.
BEFORE EACH USE
1. Check engine oil level.
2. Check tine operation.
3. Check for loose fasteners.
LUBRICATION
Keep unit well lubricated (See "LUBRI-
CATION CHART").
LUBRICATION CHART
* Tine Control
** Engine
SAE 30 OR 10W30 MOTOR OIL
** REFER TO MAINTENANCE "ENGINE "
SECTION.
11

ACAUTION: Disconnect spark plug wire
before performing any maintenance
(except carburetor adjustment) to prevent
accidental starting of engine.
Prevent fires! Keep the engine free of
grass, leaves, spilled oil, or fuel. Remove
fuel from tank before tipping unit for
maintenance. Clean muffler area of all
grass, dirt, and debris.
Do not touch hot muffler or cylinder fins
as contact may cause burns.
ENGINE
LUBRICATION
Use only high quality detergent oil rated
with APt service classification SF-SJ.
Select the oil's SAE viscosity grade
according to your expected temperature.
SAE VISCOSITY GRADES
"20 0 30 32 40 60
_0 -._ -_ _ lo _o ;o
TEMPERA'RJRE RANGE ANTICIPATED BEFORE NEXT OIL CHANGE
NOTE: Although multi-viscosity oils (5W-
30, 10W-30, etc.) improve starting in cold
weather, these multi-viscosity oils will
result in increased oil consumption when
used above 32°F (0°C). Check your
engine oil level more frequently to avoid
possible engine damage from running
low on oil.
Change the oil after every 50 hours of
operation or at least once a year if the
tiller is not used for 50 hours in one year.
Check the crankcase oil level before
starting the engine and after each five (5)
hours of continuous use. Add SAE 30
motor oil or equivalent. Tighten oil filler
plug securely each time you check the oil
level.
TO CHANGE ENGINE OIL
Determine temperature range expected
before oil change. All oil must meet API
service classification SF-SJ.
•Be sure tiller is on level surface.
• Oil will drain more freely when warm.
• Catch oil in a suitable container.
1. Remove drain plug.
2. Tip tiller forward to drain oil.
3. After oil has drained completely,
replace oil drain plug and tighten
securely.
4. Remove oil filler plug. Be careful not
to allow dirt to enter the engine.
5. Refill engine with oil. See "FILL
ENGINE WITH OIL" in the Operation
section of this manual.
Oil Drain
Level
\Oil Filter
Plug
AIR CLEANER
Service air cleaner cartridge every
twenty-five hours, more often if engine is
used in very dusty conditions.
1. Loosen air cleaner screw.
2. Remove air cleaner cover.
3. Carefully remove air cleaner cartridge.
Be careful. Do not allow dirt or debris
to fall into carburetor.
4. Clean by tapping gently on a flat
surface.
NOTE: If very dirty or damaged, replace
cartridge.
5. Clean and replace cover. Tighten
screw securely.
ACAUTION: Petroleum solvents, such as
kerosene, are not to be used to clean
cartridge. They may cause deterioration
of the cartridge. Do not oil cartridge. Do
not use pressurized air to clean or dry
cartridge.
Air CleanerCartridge
Cover
Air
Cleaner
Screw
COOLING SYSTEM
Your engine is air cooled. For proper
engine performance and long life keep
your engine clean.
•Clean air screen frequently using a
stiff-bristled brush,
•Remove blower housing and clean as
necessary.
•Keep cylinder fins free of dirt and chaff.
Muffler CylindE Fins
Housing
12

MUFFLER
Do not operate tiller without muffler, Do
not tamper with exhaust system. Dam-
aged mufflers or spark arresters could
create a fire hazard. Inspect periodically
and replace if necessary. If your engine is
equipped with a spark arrester screen as-
sembly, remove every 50 hours for clean-
ing and inspection. Replace if damaged.
SPARK PLUG
Replace spark plugs at the beginning of
each tilling season or after every 50
hours of use, whichever comes first.
Spark plug type and gap setting are
shown in "PRODUCT SPECIFICATIONS"
on page 4 of this manual.
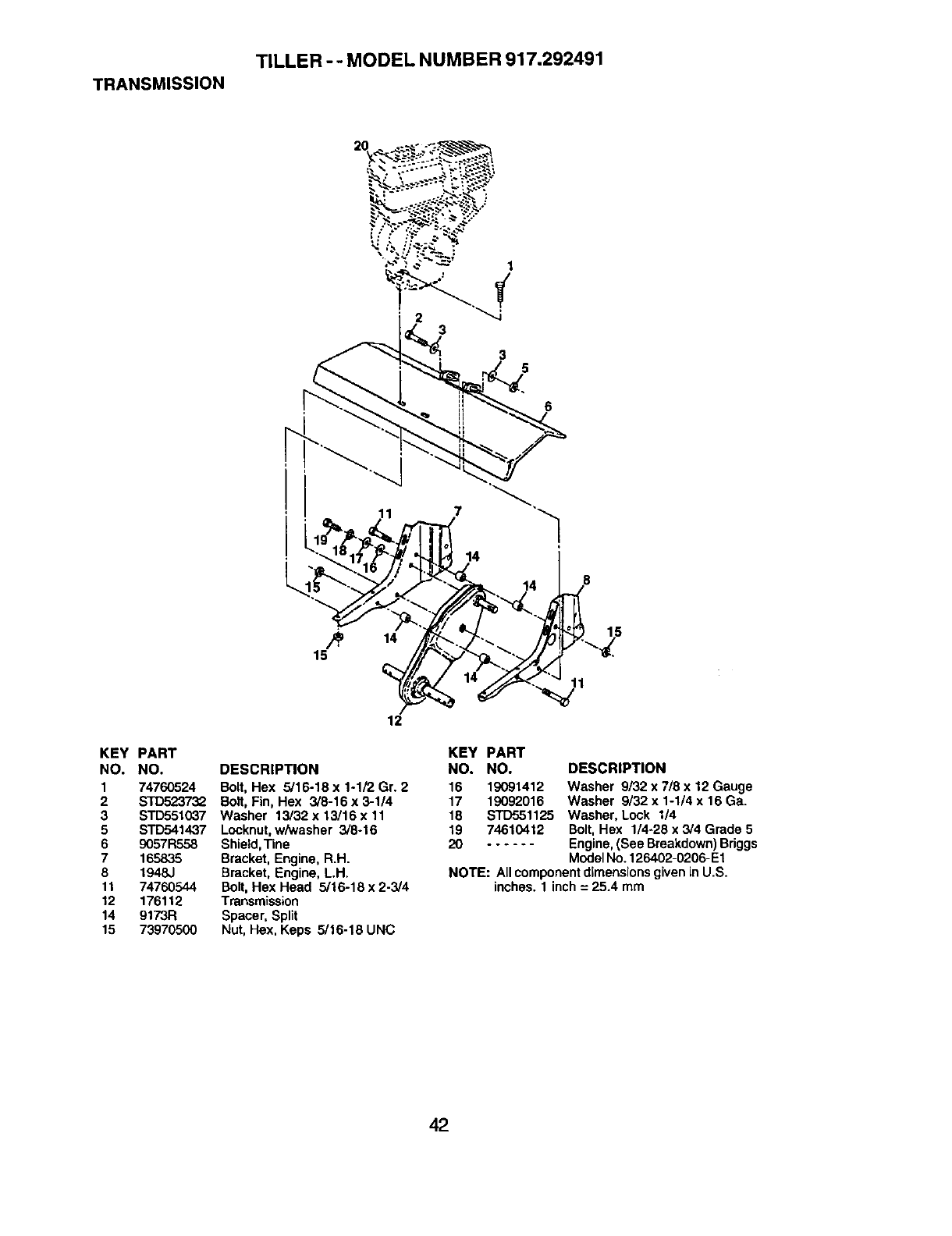
TRANSMISSION
Your transmission is sealed and will not
require lubrication unless serviced.
CLEANING
Do not clean your tiller when the engine
and transmission are hot. We do not
recommend using pressurized water
(garden hose, etc.) to clean your unit
unless the gasket area around the
transmission and the engine muffler, air
filter and carburetor are covered to keep
water out. Water in engine will shorten
the useful life of your tiller.
• Clean engine, wheels, finish, etc. of all
foreign matter.
• Keep finished surfaces and wheels free
of all gasoline, oil, etc.
• Protect painted surfaces with automo-
tive type wax.
_CAUTION: Disconnect spark plug wire
from spark plug and place wire where it
cannot come into contact with plug.
TILLER
TO ADJUST HANDLE HEIGHT
Factory assembly has provided lowest
handle height. Select handle height best
suited for your tilling conditions. Handle
height will be different when tiller digs
into soil.
1. If a higher handle height is desired,
loosen the four nuts securing handle
panel to engine brackets.
2. Slide handle panel to desired loca-
tion.
3. Tighten the four nuts securely.
Engine Brackets
l!_/HandlePanel/I_
2
, on Left Side
of Tiller
TINE ARRANGEMENT
Your outer tines can be assembled in
several different ways to suit your tilling or
cultivating needs.
ACAUTION: Tines are sharp. Wear
gloves or other protection when handling
tines. 13
NORMAL TILLING - 26" PATH
• Assemble holes "A" in tine hubs to
holes "B" in tine shaft.
_-_ Clevis Pin Outer
Tine\
Hairpin Clip \ Inner Tine
MID-WIDTH TILLING - 24" PATH
• Assemble holes "A" in tine hubs to
holes =C" in tine shaft.
C
NARROW TILLING/CULTIVATING -
12-3/4" PATH
• Remove outer tines.
o o
J\
_ Inner Tines Onl
oo]

NOTE: When reassembling outer tines,
be sure right tine assembly (marked "R")
and left tine assembly (marked %") are
mounted to correct side of tine shaft.
TINE OPERATION CHECK
_I, WARNING" Disconnect spark plug wire
from spark plug to prevent starting while
checking tine operation.
For proper tine operation, forward tine
control lever must be against control body
and all slack removed from inner wire of
control cable when control is in the "OFP
(up) position.
If lever and cable are loose, loosen cable
clip at lower end of cable. Pull up on
cable to remove slack, without extending
spring on end of cable, and retighten
cable clip.
FINAL CHECK "OFP POSITION
1. With tine control "OFP (up), push
down on handle to raise tines off the
ground.
2. Slowly pull recoil starter handle while
observing tines. Tines should not
rotate.
3. if tines rotate, inner wire of control
cable is too tight which is extending
lower spring and engaging tines.
Loosen cable clip and push down on
cable only enough to relieve spring
tension. Tighten cable clip.
4. Recheck in "OFF" position and adjust
if necessary.
FINAL CHECK "ON" POSITION
5. With tine control "ON" (held down to
handle) push down on handle to raise
tines off the ground.
6. Slowly pull recoil starter handle while
observing tines. Tines should rotate
forward.
7. If tines do not rotate, inner wire of
control cable is too loose. Loosen
cable clip and pull cable up to remove
slack and retighten clip.
8. Recheck in "ON" position and adjust if
necessary.
NOTE; If "ON" position check required
adjustment, recheck "OFP position
adjustment to insure tines do not rotate
when control is "OFP (up).
II Tine Control `OFP
"ON" Position
CableClip_ "FineControl Cable
TO REMOVE BELT GUARD
1. Remove two (2) cap nuts and washers
from side of belt guard.
2. Loosen (do not remove) tine shield
nut on underside of tine shield.
3. Pull belt guard out and away from unit.
4. Replace belt guard by reversing
above procedure. Be sure slot in
bottom of belt guard is under head of
tine shield bolt and all nuts are
tightened securely.
Nuts and
Washer
3uard
TO REPLACE V-BELTS
Replace V-belts if they have stretched
considerably or if they show cracks or
frayed edges. There are two (2) V-belts -
forward (inside) and reverse (outside).
1. Belt guard must be removed to service
belts. See "TO REMOVE BELT
GUARD" in this section of manual.
NOTE: Observe carefully routing of both
belts and location of all belt guides before
removing belts.
BELT REMOVAL
2. Remove reverse idler pulley from idler
arm.
3. Remove reverse (outside) V-belt.
4. Remove forward (inside) V-belt from
transmission pulley first and then from
engine pulley.
BELT REPLACEMENT
5. Install new forward (inside) V-belt to
engine pulley first then to transmission
pulley. Be sure belt is positioned on
inside groove of both pulleys, inside
all belt guides and rests on idler
pulley.
14

6. Before installing reverse (outside) V-
belt, turn belt "inside out". Twist so
wide, flat surface of belt is to inside.
7. Wrap V-belt around reverse idler
pulley and reassemble idler to idler Idler
arm. Tighten securely. Be sure belt is Arm Pin.
between reverse idler pulley and idler
arm pin.
8. Install belt to outside groove of Pulley
transmission pulley. Be sure belt is Belt,
inside all belt guides and rests on
outside groove of engine pulley. Forward
Idler Pulley
CHECKTINE OPERATION
9. See "FINE OPERATION CHECK" in
this section of manual.
10. Replace belt guard.
FRONTVIEW REFERENCE
Reverse Idler Pulle_ Idler Arm Pin
FORWARD MOTION (INSIDE) V-BELT
_"-_ E/ng_ Belt Guide
0)
Belt Guide Fo_ward'_ k/
Idler "_ J
Pulley -,-.../____ _ n
Transmission Pulley
REVERSE (OUTSIDE) V-BELT
Reverse Idler Pulley
Reverse Idler Arm Reverse (OUTSIDE) V-Belt
Reverse
Idler
Bolt
Transmission Pulley
ENGINE
Maintenance, repair, or replacement of
the emission control devices and sys-
tems, which are being done at the
customers expense, may be performed
by any non-read engine repair establish-
ment or individual. Warranty repairs must
be performed by an authorized engine
manufacturer's service outlet.
TO ADJUST CARBURETOR
The carburetor has been preset at the
factory and adjustment should not be
necessary. However, engine perfor-
mance can be affected by differences in
fuel, temperature, altitude or load. If the
carburetor does need adjustment, contact
your nearest authorized service center/
department
IMPORTANT: Never tamper with the
engine governor, which is factory set for
proper engine speed. Overspeeding the
engine above the factory high speed
setting can be dangerous. If you think the
engine-governed high speed needs
adjusting, contact your nearest sears or
other qualified service center which has
the proper equipment and experience to
make any necessary adjustments.
15

Immediately prepare your tiller for storage
at the end of the season or if the unit will
not be used for 30 days or more.
_kCAUTION: Never store the tiller with
gasoline in the tank inside a building
where fumes may reach an open flame or
spark. Allow the engine to cool before
storing in any enclosure.
TILLER
1. Clean entire tiller (See "CLEANING" in
the Maintenance section of this
manual).
2. Inspect and replace belts, if necessary
(See belt replacement instructions in
the Service and Adjustments section
of this manual).
3. Lubricate as shown in the Mainte-
nance section of this manual.
4. Be sure that all nuts, bolts and screws
are securely fastened. Inspect moving
parts for damage, breakage and wear.
Replace if necessary.
5. Touch up all rusted or chipped paint
surfaces; sand lightly before painting.
ENGINE
FUEL SYSTEM
IMPORTANT: It is important to prevent
gum deposits from forming in essential
fuel system parts such as the carburetor,
fuel filter, fuel hose, or tank during
storage, also, experience indicates that
alcohol blended fuels (called gasohol or
using ethanol or methanol) can attract
moisture which leads to separation and
formation of acids during storage. Acidic
gas can damage the fuel system of an
engine while in storage.
1. Drain the fuel tank.
2. Start the engine and let it run until the
fuel lines and carburetor are empty.
• Never use engine or carburetor cleaner
products in the fuel tank or permanent
damage may occur.
• Use fresh fuel next season.
NOTE: Fuel stabilizer is an acceptable
alternative in minimizing the formation of
fuel gum deposits during storage. Add
stabilizer to gasoline in fuel tank or
storage container. Always follow the mix
ratio found on stabilizer container. Run
engine at least 10 minutes after adding
stabilizer to allow the stabilizer to reach
the carburetor. Do not drain the gas tank
and carburetor if using fuel stabilizer.
ENGINEOIL
Drain oil (with engine warm) and replace
with clean oil. (See "ENGINE" in the
Maintenance section of this manual).
CYLINDER
1. Remove spark plug.
2. Pour 1 ounce (29 ml) of oil through
spark plug hole into cylinder.
3. Pull starter handle slowly several
times to distribute oil.
4. Replace with new spark plug.
OTHER
•Do not store gasoline from one season
to another.
• Replace your gasoline can if your can
starts to rust. Rust and/or dirt in your
gasoline will cause problems.
• If possible, store your unit indoors and
cover it to give protection from dust and
dirt.
• Cover your unit with a suitable protec-
tive cover that does not retain moisture.
Do not use plastic. Plastic cannot
breathe which allows condensation to
form and will cause your unit to rust.
IMPORTANT: Never cover tiller while
engine and exhaust areas are still warm.
16

PROBLEM CAUSE CORRECTION
Will not start
Hard to start
Loss of power
1. Out offuel.
2. Engine not "CHOKED"
properly.
3. Engine flooded.
4. Dirty air cleaner.
5. Water in fuel.
6. Clogged fuel tank.
7. Loose spark plug wire.
8. Bad spark plug or
improper gap.
9. Carburetor out of adjust-
ment.
10.Oil soaked air filter.
1. Throttle control not set
properly.
2. Dirty air cleaner.
3. Bad spark plug or
improper gap.
4. Stale or dirty fuel.
5. Loose spark plug wire.
6. Carburetor out of adjust-
ment.
1. Engine is overloaded.
2. Dirty air cleaner.
3. Low oil level/dirty oil.
4. Faulty spark plug.
5. Oil in fuel.
6. Stale or dirty fuel.
7. Water in fuel.
8. Clogged fuel tank.
9. Spark plug wire loose.
10.Dirty engine air screen.
11 .Dirty/clogged muffler.
12.Carburetor out of adjuts-
ment.
13.Poor compression.
17
1. Fill fuel tank.
2. See "TO START ENGINE" in
the Operation section.
3. Wait several minutes before
attempting to start.
4. Clean or replace aircleaner
cartridge.
5. Drain fuel tank and carbure-
tor, and refill tank with fresh
gasoline.
6. Remove fuel tank and clean.
7. Make sure spark plug wire is
seated properly on plug.
8. Replace spark plug or adjust
gap.
9. Make necessary adjust
ments.
10.Replace air filter.
1. Place throttle control in
"FAST" position.
2. Clean or replace air cleaner
cartridge.
3. Replace spark plug or adjust
gap.
4. Drain fue_ tank and refill with
fresh gasoline.
5. Make sure spark plug wire is
seated properly on plug.
6. Make necessary adjust
ments.
1. Set depth stake and wheels
for shallower tilling.
2. Clean or replace aircleaner
cartridge.
3. Check oil level/change oil.
4. Clean and regap or change
spark plug.
5. Drain and clean fuel tank
and refill, and clean carbure
tor.
6. Drain fuel tank and refill
with fresh gasoline.
7. Drain fuel tank and carbure-
tor, and refill tank with fresh
gasoline.
8. Remove fuel tank and clean.
9. Connect and tighten spark
plug wire.
10.Clean engine air screen.
11.Clean/replace muffler.
12.Make necessary adjust-
ments.
13.Contact a Sears or other
qualified service center.

CAUSE CORRECTION
PROBLEM
Engine
overheats
Excessive
bounce/difficult
handling
1. Low oil level/dirty oil.
2. Dirty engine air screen.
3. Dirty engine.
4. Partially plugged muffler.
5. Improper carburetor
adjustment.
1. Ground too dry and hard.
1. Check oil level/change oil.
2. Clean engine air screen.
3. Clean cylinder fins, air
screen, muffler area.
4. Remove and clean muffler.
5. Adjust carburetor to richer
position.
1. Moisten ground or wait for
more favorable soil condi-
tions.
.
2.
3.
1.
2.
3.
Soil balls up or 1. Ground too wet. 1. Wait for more favorable
clumps soil conditions.
Engine runs but Tine control is not 1. Engage tine control.
tillerwon't engaged.
move V-belt not correctly 2. Inspect/adjust V-belt.
adjusted.
V-belt is off pulley(s). 3. InspectV-belt.
Tilling too deep.Engine runs but
labors when
tilling Throttle control not
properly adjusted.
Carburetor out of
adjustment.
1. Set depth stake for shallower
tilling.
2. Check throttle control setting,
3. Make necessary adjust
ments.
TinesSkip 1. Shear pin (s) broken. 1. Replace shear pin(s).
over ground
Hard to Shift 1. Gears not timmed. 1. Briefly engage drive control
Into gear bar and release or rock tiller
forward and backward until
are able to shift gears.
1. Shift lever set in between
counter rotating till posi-
tion and forward rotating
till position.
2. Tines jammed.
Tiller shuts off
when drive
control bar
engaged
1. Shift to either counter
rotating till position or
forward rotating
till position.
2. Clear tines.
18

Garantia ...................................................... 19
Reglas de Seguddad ................................... 19
Especificaciones del producto .................... 21
Montaje ........................................................ 22
Operacibn .................................................... 24
Mantenimiento ............................................. 29
Programa de Mantenimiento ....................... 29
Servicio y Ajustes ...................................... 31
Almacenamiento .......................................... 35
Identificaci6n de Problemas ........................ 36
Vea el manual Ingl6s del duerio .. Back Cover
GARANTIA LIMITADA DE DOS AI_IOS PARA LA CULTIVADORA CRAFTSMAN
Por dos (2) arios, a partir de la fecha de compra, cuando esta Cultivadora Craftsman se
mantenga, lubdque y afine seg_n las instrucciones para la operaciGn y el mantenimiento en el
manual del duerio, Sears reparard., gratis, todo defecto en el material y la mano de obra.
Esta Garantia no cubre:
•Articulos que se desgastan durante el uso normal tales como los brazos, las bujias, los filtros
de aire y las correas.
• Reparaciones necesarias debido al abuso o a la negligencia del operador, incluy_ndose a los
cigSefiales doblados y a la falta de mantenimiento del equipo seg=in las instrucciones que se
incluyen en el manual del duerio.
• Si la Cultivadora Craftsman se usa para fines de ardendo, esta garantla se aplica solamente
por treinta (30) treintadfas a partir de la fecha de compra.
El Servicio de Garantfa esta disponible al devolver la cultivadora Craftsman al control
departamento de servicio Sears m_.s cercano en los estados unidos.
Esta Garantfa se aplica solamente mientras el producto este en uso en los estados unidos. Esta
Garantfa le otorga derechos legales especfficos, y puede que tambi_n tenga otros derechos que
varfan de estado a estado.
SEARS, ROEBUCK AND CO., D/817WA, HOFFMAN ESTATES, IL 60179
IMPORTANTE: Esta Maquina cortadora es capaz de amputar las manosy los pies yde lanzar
objetos, si no se observan las instrucciones de seguridad siguientes se pueden producir
lesiones graves o la muerte.
ENTRENAMIENTO
• Lea el Manual del Duefio cuidadosamente.
Familiarfcese completamente con los
contmles y con el uso adecuado del equipo.
Sepa cbmo parar la unidad y desenganchar
los controles r&pidamente.
•Nunca permita que los niSos operen el
equipo. Nunca permita que los adultos
operen el equipo sin los conocimientos
adecuados.
• Mantenga el drea de operaci6n despejada
de personas, especialmente nirios
pequefios y animales dom_sticos.
PREPARACI(_N
•Inspeccione cuidadosamente el _.rea en
donde se va usar el equipo y remueva los
objetos extrarios.
•Desenganche todos los embragues y
cambie a neutro antes de hacer arrancar el
motor.
•No opere el equipo sin usar ropa extedor
adecuada. Use zapatos que mejoren el
equilibrio en superficies resbalosas.
•Maneje el combustiblecon cuidado pues es
muy inflamable.
• Use un envase de combustible aprobado.
• Nunca afiada combustible a un motor en
funcionamiento o caliente.
•Llene el estanque de combustible afuera
con mucho cuidado. Nunca Ilene el
estanque de combustible en un recinto
cerrado.
• Vuelva a colocar la tapa del depbsito de
gasolina on forma segura y limpie el
combustible derramado antes de volver a
arrancar.
• Use cordones de extensiSn y receptdculos,
seg_n las especificaciones del fabricante,
para todas las unidades con motores de
impulsibn ocon motores de arranque
el_ctrico.
• Nunca trate de hacer ningdn ajuste
mientras que el motor est6 funcionando
(excepto en los casos especfficamente
recomendados por el fabricante).
OPERACI6N
•No ponga ni las manos ni los pies cerca o
debajo de las piezas rotatorias.
19

•Tenga mucho cuidado cuando opera o
cruce entradas para autom6viles de ripio,
senderos o caminos. Est6 alerta en Io que
se refiere a los peligros escondidos o al
trdfico. No Ileve pasajeros.
•Despu6s de pegarle a un objeto extrafio,
pare el motor, remueva el alambre de la
bujfa, inspeccione la cultivadora
cuidadosamente, para verificar si hay
daSos, y repare el da_o antes de volver a
arrancar y operar la cultivadora.
•Tenga cuidado para evitar resbalarse o
caerse.
•Si la unidad empieza a vibrar anormalmente,
pare el motor y revfsela inmediatamente
para verificar la causa. La vibraci6n
normalmente es un aviso de problemas.
•Pare el motor cuando abandone la posici6n
de operaci6n.
•Tome todas las precauciones posibles
cuando deje la mdquina desatendida.
Desenganche los brazos, cambie a neutro
y pare el motor.
•Antes de limpiar, reparar e inspeccionar,
apague el motor y aseg0rese qua todas las
partes en movimiento se han detenido.
Desconecte el alambre de la bujfa, y
mantdngalo alejado de dsta para evitar el
arranque por accidente. Oesconecte el
cord6n en los motores el6ctdcos.
•No haga funcionar el motor en recintos
cerrados; los gases de escape son
peligresos.
•Nunca opere la cultivadora sin las
protecciones, y las planchas adecuadas y
sin los demds dispositivos de seguridad en
su lugar.
•Mantenga a los nifios y a los animales
dom6sticos alejados.
• No sobrecargue la capacidad de la
mdquina, tratando de cultivar a mucha
profundidad, muy rdpido.
•Nunca opera la mdquina a altas velocidades
en superficies resbalosas. Mire hacia atrds
y tenga cuidado cuando retrocada.
•Nunca permita la presencia de
espectadores cerca de la unidad.
•Use solamente accesorios y aditamentos
para la cultivadora aprobados por el
fabricante.
•Nunca opere la cultivadora sin buena
visibUidado luz.
•Tenga cuidado al cultivar en terreno duro.
Los brazos pueden quedarse agarrados en
el suelo e impulsar a la cultivadora hacia
adelante. Si esto sucede, suelte los mangos
y no restrinja la mdquina.
MANTENIMIENTO Y
ALMACENAMIENTO
•Mantenga los accesorios y aditamentos de
la m._quinaen buenas condiciones para el
funcionamiento.
•Revise las clavijas de seguro, los pemos de
montaje del motor y otros pemos, a
intervalos frecuentes, para verificar si estdn
apretados en forma segura y asegurarse
qua el equipo est6 en buenas condiciones
de funcionamiento.
•Nunca guarde la mdquina con combustible
en el estanque de combustible dentro de un
edificio en donde hay fuentes de ignici6n
presentes, tales como calentadores de
agua o del ambiente, secadoras de ropa u
otros artefactos parecidos. Permita que se
enfrie el motor antes de guardarlo en alg6n
lugar cerrado.
•Siempre refi_rase alas instrucciones en la
gufa del operador para ver los detalles de
importancia si la cultivadora va a set
guardada por un perfodo de tiempo largo.
_l, Busque este sfmbolo qua sefiala las
precauciones de seguridad de importancia.
Quiera decir- iliATENCI(SN!!! IliESTE
ALERTO!!! SU SEGURIDAD ESTA COMPRO-
METIDA.
APRECAUCI(SN: Siempre desconecte el
alambre de la bujfa y p6ngalo donde no pueda
entrar en contacto con la bujfa, para evitar el
arranque por accidente, durante la
preparaci6n, el transporte, el ajuste o cuando
se bacen reparaciones.
_.DVERTENClA: El tubo de escape del
motor, algunos de sus constituyentes y
algunos componentes del vehfculo contienen
o desprenden productos qufmicos conocidos
en el Estado de California come causa de
cdncer y defectos al nacimiento u otros daSos
repreductivos.
2O

ESPECIFICAClONES DEL PRODUCTO
CAPACIDADDE 3 CUARTOS
GASOLINA: SIN PLOMO, REGULAR
ACEITE (API-SF-SJ: SAE 30 (SOBRE 32°F)
.3APACIDAD:20 OZ.) SAE 5W-30 (DEBAJO 32°1=)
BUJIA : CHAMPION
(ABERTURA:0,030") RC12YC
FELICITACIONES por la compra de su
Cultivadora Sears. Ha sido disefada,
planificada y fabricada para darle la mejor
confiabilidad y el mejor rendimiento posible.
En el caso de que se encuentre con cualquier
problema que no pueda solucionar f_cilmente,
haga el favor de ponerse en contacto con un
centro de servicio Sears o con un otro centro
de servicio cualificado. Cuenta con t_cnicos
bien capacitados y competentes con
herramientas adecuadas para darle servicio o
para reparar su unidad.
Haga el favor de leer y de guardar este
manual. Estas instrucciones le permitir&n
montar y mantener su cultivadora en forma
adecuada. Siempre observe las "REGLAS DE
SEGURIDAD."
RESPONSABILIDADES DEL CLIENTE
•Lea y observe ias reglas de seguridad.
•Siga un programa regular de mantenimiento,
cuidado y uso de su cultivadora.
•Siga las instrucciones descdtas en las
secciones "Mantenimiento" y
"Almacenamiento" de este Manual del
Dueho.
_I_DVERTENCIA: Esta unidad viene
equipada con un motor de combusti6n interno
y no se debe usar sobre, o cerca, de un
terreno no desarrellado cubierto de bosques,
de arbustos o de c_sped, a menos que el
sistema de escape del motor venga equipado
con un amortiguador de chispas que cumpla
con las leyes locales o estatales (si existen).
Si se usa un amortiguador de chispas, el
operador debe mantenedo en condiciones de
trabajo eficientes.
En el estado de California, la ley exige Io
anterior (Secci6n 4442 del "California Public
Resources Code" [Decreto de Recursos
Pl_blicosde California]). Otros estados
pueden contar con otras leyes parecidas. Las
leyes {ederales se aplican en las tierras
lederales. Su centre de Servicio rods cercano
tiene disponible amortiguadores de chispas
para el silenciador. (Vea la secci6n de Partes
de Repuesto en el manual Ingles del due_o.)
Estos accesorios estaban disponibles cuando se compr6 la cultivadora. Tambidn estdn
disponibles en la mayorfa de las tiendas de Sears y en los centros de servicio. La mayoria de las
tiendas Sears tambidn pueden ordenar partes de repuesto para usted, si les proporciona el
nemero del modelo de su cultivadora.
MOTOR
BUJ|A SILENCIADOR FILTRO DE AIR s= LATA DE GASOUNA ACEmE DEL MOTOR ESTABILIZADOR
MANTENIMIENTO DE LA CULTIVADORA
CORREA BRAZOS CLAVIJA DE SEGURO
(
ABRAZADERA DE HORQUILLA
21

Su cultivadora nueva ha sido montada en la
f&brica, con la excepci6n de aquellas partes
que se dejaron sin montar por razones de
envio. Para asegurarse que la cultivadora
operar& en forma segura y adecuada, todas
las partes y los arficulos de ferreteda que
monte tienen que estar apretados en forma
segura. Use las herramientas correctas,
seg0n sea necesario, para asegurarse de
que queden apretadas en forma segura.
HERRAMIENTAS NECESARIAS PARA
EL MONTAJE
Se le facilitar& el montaje si cuenta con un
juego de Ilaves de tubo. Se han enumerado
los tamafios est&ndar de las Ilaves.
(1) Cuchillo para todo uso
(t) Par de alicates
(1) Desatornillador
(2) Uave de t/2"
POSICION DEL OPERADOR
Cuando en este manual se mencionan los
tdrminos "lado derecho" o =lado izquierdo" se
refiere acuando usted se encuentra en la
posici6n de operaci6n (parado/a detrds de los
mangos de la cultivadora).
Lado
Izquierdo
PadeDelan_m
Derecho
Posiciondel operador
CONTENIDO DEL CONJUNTO DE FERRETERfA
m
(1) Clavija de horquilla
(1) Manual (1) Abrazadera de !
cable de pldstico (1) Clavija hendida
I Ii iiiW!l!!l!l!
I, I (2) Pernos _,'__ J yJ
(2) Tuercas de
seguridad de brida
5/16-16 UNC
0
0
/1
(1) Puntal de la varilla /'1-_
de marcha atr_.s
(1) Buje
(1) Arandela
de calibre
9/32 x 1/2 x 14
Q(1) Aceite
(2) Tuercas del motor
hexagonales
5/16-18
(2) Arandelas de
seguridad 5/16
(2) Pernos portadores
5/16-18 UNC x 2-1/2
22

DESEMPAQUE DE LA CAJA DE
CART6N
_:i,PRECAUCI6N: Tenga cuidado con las
grapas expuestas cuando maneje o deseche
los materiales de la caja de cartbn.
IMPORTANTE: Cuando desempaque y monte
la cultivadora, tenga cuidado de no estirar o
enredar el (los) cable(s).
1: Corte las ligaduras del cable que aseguran
la columna del mango y la palanca de
marcha atrds.
2. Deslic_ la columna de mango sobre la
montura del mango.
3. Remueva el empaque de la caja de cart6n.
MONTAJE DEL MANGO
1. Deslicd la varilla de marcha atr_.shacia
dentro del agujero en el puntal de la varilla
de marcha atras.
2. Deslic_ la buje sobre la varilla inferior de
marcha atrds y apretdla adentro del
agujero.
AVISO: Asegdrese que el cable de control de
los brazes est6 trazado en frente del puntal de
la varilla de mamha atrds.
3. Enganch6 el puntal de la varilla de marcha
atrds a la columna del mango usando dos
(2) pernos portadores y dos (2) tuercas
de seguridad de brida y apri_telos con
seguridad.
4. Corte la caja de cart6n.
5. Inserte la abrazadera del cable de pldstico
en el agujero de la columna del mango.
6. Haga pasar el cable de control de los
brazos a tray,s de la abrazadera del cable
de pldstico en la columna del mango.
7. Corte las ligaduras del cable que aseguran
la cultivadora a la corredera. Remueva la
cultivadora de la corredera tir_ndola hacia
atrds.
MONTAJE DE LA VARILLA DE
MARCHA ATRAS
•Asegure la varilla superior de marcha atr_.s
a la varilla inferior de marcha atrds usando
una clavija de horquilla, una arandela y una
clavija hendida.
INSTALACION DEL CONJUNTO DE LA
ESTACA DE PROFUNDIDAD
1. Afloje la tuerca =A".
2. Inserte el soporte de la estaca entre las
mitades del puntal del motor,con el resorte
de la estaca hacia abajo.
3. Aperen el soporte de la estaca en los
puntales del motor con los pernos
hexagonales, las arandelas de seguddad y
las tuercas. Apri_telos en forma segura.
Tambidn apriete la tuerca =A".
4. La estaca de profundidad se tiene que
mover libremente. Si no Io hace, suelte el
pemo de soporte.
ALTURA DEL MANGO
•So puede ajustar la altura del mango en la
mejor forma que le acomode al operador.
(Vea "ALTURA DEL MANGO" en la secci6n
de Servicio y Ajustes de este manual.)
ANCHO DEL LABRADO
• Se puede ajustar el ancho del labrado para
manejar mejor sus condiciones de labraci6n
(vea "ARREGLO DE LOS BRAZOS" en la
secci6n de Servicio y Ajustes de este
manual).
OPERAClON DE LOS BRAZOS
•Revise la operac_bnde los brazos antes del
primer uso (yea REVISION DE LA
OPERACl6N DE LOS BRAZOS" en la
secci6n de Servicio y Ajustes de este
manual).
Controlde los
de los brazos, X brazos
%
Clavija hendida,
Perno
poHadores,
Vadlla
supedorde
mamha
atrds
Cable de
conterol de a de
los brazos horquilla
Puntal de la
vadlla de seguridadde
marcha atrds infedorde brida
mamha atrds
Mitades del puntal del motor
Soporte de la estaca
de profundidad
Estaca de
protundidad
23
Resorts de la estaca
:'ernos hexagonales, arandelas de
seguddad y tuemas hexagonales

CONOZCA SU CULTIVADORA
LEA ESTE MANUAL DEL DUEI_IO Y LAS REGLAS DE SEGURIDAD ANTES DE OPERAR SU
CUTIVADORA
Compare las ilustraciones con su cultivadora para familiarizarse con la ubicaci6n de los diversos
controles y ajustes. Guarde este manual para referencia en el futuro.
Estos sfmbolos pueden apareser sobre su culUvadora en la literatura proporcionada con
el producto. Aprenda y comprenda sus significedos.
_o MARCFIA NEUTRO REV_S A_O MOTOR MOTOR PApIDo LENTO ESTRANQU C(714- ACEITE
HACIA /,DVER_IENCtA ENCENOIOO APAGAOO _ BUS'J'IBLE
Controlde losbrazos _______Control de losbrazosmarchaatrds
marchahacia_
v \\\Control de laestrangualci6n
\\ \ -
Estacade plok nddad-_ "_
jControlde la
aceleraci6n
/Defensas de los
brazo
jBrazos
Las cultivadoras de Sears cumplen con los est_mdares de seguddad del
American National Standard Institute (Instituto Nacional de Est&ndares Americano).
CONTROL DE LOS BRAZOS MARCHA
HACIA ADELANTE - Engancha los brazos
en la direcci6n de marcha hacia adelante.
CONTROL DE LOS BRAZOS MARCHA
HACIA ATRAS - Engancha los brazos en la
direccibn de marcha hacia atras.
CONTROL DE LA ESTRANGULACI6N -
Uselo cuando se hace arrancar un motor fr_o.
CONTROL DE LA ACELERACI6N -
Controla la velocidad del motor.
ESTACA DE PROFUNDIDAD -Controla la
velocidad de la marcha hacia adelante y la
pmfundidad a la cual excavard la cultivadora.
MANGO DEL ARRANCADOR DE CULATEO
- Se usa pars hacer arrancar el motor.
24

La operaci6n de cualquier cultivadora puede hacer que salten objetos extraSos
dentro de sus ojos, Io que puede producir daSos graves en dstos. Siempre use
anteojos de seguridad o protecciones para los ojos antes de hacer arrancar su
cultivadora o mientras est6 labrando con dlla. Recomendamos el uso de la
mdscara de seguridad de visi6n amplia, para uso sobre los espejuelos o anteojos
de seguridad est_.ndar.
COMO USAR SU CULTIVADORA
Sepa c6mo operar todos los controles antes
de agregar combustible y aceite o antes de
tratar de hacer arrancar el motor.
PARADA
BRAZOS
1. Sueite el control del movimiento hacia
adelante de los brazos para parar el
movimiento.
2. Suelte el control del movimiento hacia
atrds de los brazos para parar el
movimiento.
MOTOR
•Mueva el control de la aceleraci6n a la
posici6n de "PARADA" (STOP).
AVISO: Nunca use la estrangulaci6n para
parar el motor.
Controlde los brazos Controlde los brazosen la
marchaatrds _ _ posici6nde"Apagado"
Io //Control de la en la posici6n
I/,,_ de=Encendido_(Abajo)
Controlde la
Controlde la _aceleraci6n
estrangulaci6n_
OPERACI(_N DE LOS BRAZOS
MARCHA HACIA ADELANTE
•Apriete el control de los brazos contra el
mango.
MARCHA ATRAS
• Con el control de los brazos de marcha
hacia adelante en la posici6n de
"APAGADO" (OFF) (arriba), tire hacia atras
y sujete el control de los brazos marcha
atrds.
LABRADO
La velocidad yla profundidad del labrado son
reguladas por medio de la posici6n de la
estaca de profundidad y por la altura de la
rueda.
La estaca de profundidad siempre tiene que
estar por debajo de las ruedas para excavar.
Sirve de freno para retardar el movimiento de
marcha hacia adelante de la cultivadora, para
permitir que los brazos penetren en el suelo.
Tambi6n, mientras mds se baje la estaca de
profundidad dentro del suelo, mds profunda
serd la excavaci6n realizada con los brazos.
ESTACA DE PROFUNDIDAD
Ajuste la estaca de profundidad removiendo la
abrazadera de horquilla y la clavija de
horquilla. Cambie la estaca de profundidad a la
posici6n deseada. Vuelva acolocar la clavija
de horquillay la abrazadera de horquilla.
•Para el labrado normal, ajuste la estaca de
profundidad en el segundo o tercer agujero
a partir de la parte superior.
RUEDAS
Ajuste las ruedas removiendo la abrazadera
de horquilla y la clavija de horquilla. Cambie la
posici6n de la rueda. Vuelva a colocar la
abrazadera de horquillay la clavija de
horquilla.
•Para el labrado normal, ajuste las ruedas en
el segundo o tercer agujero a partir de la
parte superior.
Abrazadera de horquillay
clavija de horuilla
Estaca de
profundidad
horquillay
clavija de
horquilla
Resorte de la estaca
PARA EL TRANSPORTE
_PRECAUCI6N: Antes de levantarla o
transportarla, permita que el motor de la
cultivadora y el silenciador se enfrien.
Desconecte el alambre de la bujfa. Drene la
gasolina del estanque de combustible.
EN EL JARD|N
1. incline la estaca de profundidad hacia
adelante, hasta que quede sujeta con el
resorte de la estaca.
2. Empuje los mangos de ia cultivadora hacia
abajo, levantando los brazos por encima
del suelo.
3. Tire o empuje la cuitivadora a la ubicaci6n
deseada.
EN LA ClUDAD
1. Desconecte el alambre de la bujia.
2. Drene el estanque de combustible.
3. Transp6rtela en la posici6n derecha hacia
arriba para evitar la fuga del aceite.
25

ANTES DE HACER ARRANCAR EL
MOTOR
IMPORTANTE: Tenga mucho cuidado de no
perrnitir que entre mugre al motor cua do
revise o anada aceiteo combustible. Use
aceite y combustible limpios y gudrdelos en
envases aprobados, limpios y con tapa. Use
embudos para relleno limpios.
RELLENO DEL ACEITE DEL MOTOR
1. Remueva la etiqueta del motor.
2. Con el motor nivelado, remueva el tap6n
del dep6sito de relleno del aceite del motor.
3. Uene el motor con aceite hasta el punto de
derramarse. Para verificar la capacidad
aproximada vea =ESPECIFICACIONES
DEL PRODUCTO" de este manual.
4. Incline la cultivadora hacia atr_.s en sus
ruedas y luego vuelva a nivelada.
5. Con el motor nivelado, vuelva a Ilenarlo
hasta el punto de derramarse, si es
necesario. Vuelva acolocar el tap6n del
dep6sito de relleno de aceite.
•Pare la operaci6n en clima fifo, debe
cambiarse el aceite para facilitar el arranque
(vea la "FABLA DE VISCOSIDAD DEL
ACEITE" en la secci6n de Mantenimiento en
este manual).
•Para cambiar el aceite del motor, vea la
seccibn de Mantenimiento en este manual.
Nivel del
aceite
Tap6n de
deposito
de rellenode
aceite
AGREGUE GASOLINA
•Llene el estanque de combustible. Use
gasolina regular, sin plomo, nueva y limpia.
(El uso de gasolina con plomo aumentard
los dep6sitos de 6xido de plomo y carbono
y se reducird la duraci6n de la vdlvula.)
IMPORTANTE: Cuando se opere en
tempereturas por debajo de 32°F (0°C) use
gasolina de calidad de inviemo, limpia y nueva
para ayudar a asegurar un buen arranque en
clima fr;o.
_I,AD.VERTE.NClA: La experie.ncia ha i,ndicado
que lOScomDustibles mezclaaos con a_conol
(conocidos como gasohol, o el uso de etanol o
metanol) pueden atraer la humedad, la que
conduce a la separeci6n y formaci6n de
_cidos durante el almacenamiento. La gasolina
acidica puede daSar el sistema del combus-
tible de un motor durante el almacenamiento.
Para evitar problemas con el motor, se
debe vaciar el sistema de combustible
antes de guardarlo por un perlodo de 30
dfas o mds. Vacfe el estanque de combus-
tible, haga arrancar el motor y h_,galo
funcionar hasta que las llneas del combustible
y el carburador queden vacfas. La pr6xima
temporada use combustible nuevo. Vea la
secci6n de Almacenamiento para rods
informaci6n. Nunca use productos de limpieza
para et motor o para el carburador en el
estanque del combustible pues se pueden
producir daSos permanentes.
_I_PRECAUCK_N: Liens el estanque de
combustible hasta dentro de 1/2 pulgada de la
parte superior para evitar los derremes y para
permitir que se expanda el combustible. Si por
casualidad se derrema la gasolina, aleje la
mdquina del drea del derrame. Evite crear
oualquiera fuente de igniciOnhasta que se
hayan desaparecido los gases de la gasolina.
No Io Ilene demasiado. Limpie el aceite o el
combustible derramado. No guarde, detrains o
use la gasolina cerca de una llama expuesta.
PARA HACER ARRANCAR EL MOTOR
_PRECAUCl6N: Mantenga la barra de
control de la impulsi6n en la posici6n
"DESENGANCHADO" cuando haga arrancar
el motor.
Cuando este empezando un motor por la
primera vez o si el motor se ha quedado sin
gasolina, serd necesario varios intentos para
mover la gasolina desde el estanque al motor.
t. AsegL_reseque el alambre de la bujia est6
conectado en forma adecuada y que la
vdlvula de cierre de la gasolina este
abierta.
2. Ponga la palanca de cambio a la posici6n
de (NEUTRO) "N'.
3. Ponga la palanca de cambio ala posici6n
de 'RAPIDO" (FAST).
4. Mueva el control de la estrangulaei6n a la
posici6n de ESTRANGULAClON.
5. Agarre el mango del arrancador de culateo
con una mano y el mango de la cultivadora
con la otra mano, Tire el cord6n hacia
afuera, lentamente, hasta qua el motor
legue al comienzo del ciclo de la
compresi6n (el cord6n se sentir_, un poco
mas dure en este momento).
6. Tire el mango del arrancador de culateo
rdpidamente. No permita que el mango del
arrancador se devuelva abruptamente en
contra del arrancador. Vuelva a mpetir, si
Io es necessario.
AVISO: Si el motor se enciende pero no
comienza, mueva el control de la
estrangulacibn al medio.Tire del mango del
arrancador de retroceso hasta qua el motor
comience.
7. Cuando comience el motor y al mismo
tiempo que se caliente, mueva,
lentamente, el control de la estrangulaci6n,
a la posici6n de "MARCHA".
AVISO: Un motor caliente requiere menos
26estrangulacidn para empezar.

8. Mueva el control de la aceleracibn a la
posici6n de funcionamiento deseada.
9. Permita qua sa caliente el motor por unos
cuantos minutos antes de enganchar los
brazes.
AVISO: A mucha altura (sobre 3000 pies) o en
climas frios (debajo de 40° F [4" C]) puede
qua la mezcla del combustible del carburador
nacesite ajusta, para obtener el major
resultado del motor.Vea =PARA AJUSTAR EL
CARBURADOR" en la secci6n de Servicio y
Ajustes de este manual.
AVISO: Si el motor no arranca, vea la guia de
identificaci6n de problemas.
Bujfa Controlde la
aceleraci6n
la estrangulaci6n
Mangodel
arrancadorde (
RODAJE DE SU CULTIVADORA
Use su(s) correa(s), las poleas y el control de
los brazos antes de empezar a labrar. •
•Haga arrancar el motor, saque los brazos
fuera del suelo presionando los mangos
hacia abajo y enganche el control de los
brazos para hacer arrancar la rotaci6n de
los brazos. Permita que los brazos roten por
cinco minutos.
•Revise la operaci6n de los brazos y
aj_stelos, si as necesario. Vea =REVISI6N
DE LA OPERACI(_N DE LOS BRAZOS" en •
la secci6n de Servicio y Ajustes de este
manual.
CONSEJOS PARA LABRAR
_PRECAUCl6N: Antes de acostumbrarse a
manejar su cultivadora, empiece el uso de
_sta en el terreno con la aceleraci6n en la
posici6n de "lento" (SLOW).
Para ayudarle a la cultivadora a moverse
hacia adelante, levante los mangos un poco
(levantando en esta forma la estaca de
profundidad fuera del suelo). Para hacer que
la cultivadora ande m_s lento presione los
mangos hacia abajo.
Si est_ forz_ndola o si la cultivadora est',
vibrando, quiere decir qua las ruedas y la
estaca de profundidad no est_n ajustadas en
forma adecuada para el terreno que se est_
labrando. El ajusta adecuado de las ruedas y
de la estaca de profundidad se Iogra al
probarlas en acci6n y depende de las
condiciones del suelo. (Mientras m_s duro o
m_s mojado est_ el suelo, menor es la
valocidad necasaria del motor y de los brazos.
La cultivadora va a correr y saltar sobra el
terreno si se usa en estas malas condiciones
a una velocidad rdpida.) 27
Si la cultivadora est_ bien ajustada, excavard
con poco esfuerzo pot parte del operador.
• El labrar quiera dacir el excavar, dar vualta
y romper el suelo duro antes de plantar. El
suelo suelto y blando permite el desarrollo
de las raices. La major profundidadde
labrar es 4" a 6". La cultivadora tambi_n
puede despejar el suelo de la mala hierba
indeseables. La descomposici6n de esta
mala hierba enriquece el suelo.
Dependiendo del clima (lluvia o viento),
puede ser recomendable labrar el suelo a
fines de la temporada de cultivo para
acondicionar el suelo a_n m_.s.
•Las condiciones del suelo son importantes
si se desea obtener un labrado adecuado.
Los brazos no van a penetrar f_.cilmente en
el suelo seco y duro, Io que puede contribuir
a un rebote excesivo y a dificultades en el
manejo de su cultivadora. El terreno duro
tiene qua set humedecido antes de labrarlo,
sin embargo, si el suelo est_ demasiado
mojado se convertir_ en bolas o se
amontonar_ durante el labrado. Espere a
qua el suelo est6 menos mojado para poder
obtener los mejoms resultados. Cuando se
hagan labrados en el oto_o, remueva las
vidas y el c_sped alto para evitar qua se
envuelvan alrededor del eje de los brazos y
retarden su opemci6n para el labrado.
Va a descrubrir qua el labmdo se facilita si
deja una ilia sin labrar entre las pasadas.
Entoncas vuelva de nuevo entre las filas de
cultivo. Hay dos razones para hacer _sto.
Primero, las vueltas amplias se pueden
realizar con m_s facUidad qua las cerradas.
Segundo, la culUvadora no estarb
empuj&ndose ast misma y a usted hacia la
pr6xima hilera.
Ajuste la estaca de profundidad y la altura
de la rueda para labrado poco profundo
cuando est_ trabajando en suelo o terreno
herboso dembsiado duro. Luego atraviesa
los primeros cortes ala profundidad normal.

CULTIVO
Elcultivoquieredecirladestrucci6ndelamala
hierbaentrelasfilas para evitar que _stas le
robert la nutrk_i6ny la humedad a las plantas.
AI rnismo tiempo, si se rompe la capa superior
de la costra del suelo, _ste puede mtener la
humedad. La meier profundidad de excavaci6n
es de 1" a3".
•Probablemente no va a necesitar user la
estaca de profundidad. Empiece per inclinar
la estaca de profundidad hacia adelante,
hasta que quede sujeta en el resorte de la
estaca.
• Cultive hacia arriba y hacia abajo tas filas a
una velocidad que le permita a los brazes
sacar las farces de la mala hierba y dejar el
suelo en condiciones &speras, para impedir
el desarrolto de la mala hierba y el crisped.
A
A
A
A
A
__r_
Q
Q
©
A
k..J"
28

MANTENIMIENTO
LLENELASFECHASDE MEDIDA _/'_l._/O_ _o q_J _?
QUE COMPLETESU _J _ -_ ._"
Revisarel niveldelaceitedelmotor II/ I/
Cambiarel aceitedelmotor
Aceitarlospuntosde pivote V'
Inspeccionarelsupresordelsilenciador V'
Inspeccionarla mjilla de aim I_
Limpiar/cambiarel cartuchodelfiltro de aire V22
Limpiarlas aletasdelcilindmdelmotor V'
Cambiar la buj{a I_
1-Cambiarm_tsmenudocuandose opere baJocargapesadaoen ambientescon altastemperaturas.
2- Darserviciom_s a menudocuandose operoencondicionessucia$o polvorosas
RECOMENDAClONES GENERALES
La garant{a de esta cultivadora no eubre los
art[culos que ban estado sujetos a] abuso o a
la negligencia del operador. Para recibir todo el
valor de la garanto'a,el operador tiene que
mantener la cultivadora segOn las
instrucciones descritas en este manual.
Hay algunos ajustes que se tienen que hacer
en forma periSdica para poder mantener su
cultivadora adecuadamente.
Todos los ajustes en la secci6n de Servicio y
Ajustes de este manual tienen que set
revisados pot Io menos una vez por cada
temporada.
•Una vez al aSo, cambie la bujfa, limpie o
cambie el filtro de aire y revise si los brazos
y las correas estdn desgastadas. Una bujia
nueva y un filtre de aire limpio aseguran una
mezcla de aire.-combustibleadecuada y le
ayuda a que su motor funcione mejor y que
dure rods.
ANTES DE CADA USO
1. Revise el nivel del aceite del motor.
2. Revise la operacibn de los brazos.
3. Revise si hay sujetadores sueltos.
LUBRICACION
Mantenga la unidad bien lubricada (vea la
"TABLA DE LUBRICACION").
TABLA DE LUBRICACION
* Control d_
•Brazo de guia
* ACEITE DE MOTOR SAE 30 0 10W-30
** REFIERASE A LASECCION DELMOTOR,
MANTENIMIENTO
29

[kPRECAUCI(_N: Desconecte el alambro de
la bujia antes de dar mantenimiento (excepto
por el ajuste del carburador) para evitar que el
motor arranque pot accidente.
lEvite los incendios! Mantenga el motor sin
c(_sped, hojas, aceite o combustible
derramado.
Remueva el combustible del estanque antes
de inclinar la unidad para dade mantenimiento.
Limpie el c_sped, la mugre y la basura del
drea del silenciador.
No toque el silenciador caliente o las aletas del
cilindro, pues el contacto puede producir
quemaduras.
ENGINE
LUBRICATION
Use only high quality detergent oil rated
with API service classification SF-SJ.
Select the oil's SAE viscosity grade
according to your expected temperature.
CALIDADES DE VISCOSIDAD DE SAE
4. Remueva el tap6n del dep6sito de relleno
de aceite. Tenga cuidado de no permitir
qua la mugre entre al motor.
5. Vuelva aIlenar el motor con aceite. Vea
"RELLENO DEL MOTOR CON ACEITE"
en la secci6n de Operaci6n de este
manual.
Tapbnde
drenaje del
AVISO: A pesar de qua los aceites de
multiviscosidad (5W-30, 10W-30, etc.)
mejoran el arranque en clima fr|o, estos
aceites de multiviscosidad van a aumentar el
consumo de aceite cuando se usan en
temperaturas sobre 32°F (0°C).
Revise el nivel del aceite del motor mds a
menudo, para evitar un posible dafio en el
motor, debido aque no tiene suficiente aceite.
Cambie el aceite despuds de 50 horas de
operaci6n o por Io menos una vez al afio si el
tiller se utiliza menos 50 horas el afio.
Revise el nivel del aceite del cdrter antes de
hacer arrancar el motor y despu(_s de cada Cubierta
cinco (5) horas de uso continuado. Agregue
aceite de motor SAE 30 o su equivalente.
Apriete el tap6n del dep6sito de relleno del
aceite en forma segura cada vez que revise el
nivel del aceite.
PARA CAMBIAR E1 ACEITE DEL MOTOR
Determine la gama do temperatura esperada
antes del cambio del aceite. Todos los aceites
deben cumplir con los requisitos de la Fomillodel
clasificacibn de servicio API SF-SJ. filtrodeaire
• AsegOrese que la cultivadora est_ en una
superficie nivelada.
• El aceite drenar_, m_.s fdcilmente cuando
e.st&caliente.
• Utilice un embudo para impedir el derrame
de aceite sobre la cultivadora, y recoja el
aceite en un envase adecuado.
1. Remueva el tap6n del drenaje.
2. Incline la cultivadora hacia adelante para
drenar el aceite.
3. Despu6s de que el aceite se haya drenado
completamente, vuelva a colocar el tap6n
del drenaje del aceite y apridtelo en forma
segura. 30
aceite
despositode
relleno de aceite
FILTRO DE AIRE
Dele servicio al cartucho del filtm de aire cada
50 horas y m._sa menudo si el motor se usa
en condiciones muy polvorosas.
1. Suelte los tomillo del filtrode aire.
2. Remueva la cubierta del filtro de aim.
3. Cuidadosamente, remueva el cartucho del
filtro de aire. Tenga cuidado. No permita
qua mugre o basura caigan dentro del
carburador.
4. Lfmpielo golpe:_ndolosuavemente en una
superficie plana.
AVISO: Si el cartucho esta muy sucio o
dafiado, reempldcelo.
5. Limpie y vuelva acolocar la cubierta.
_i Apriete Ios.tornillo en forma segura.
PRECAUClON: Los solventes de petrbleo,
tales como el kerosene, no deben ser utilizado
para limpiar el cartucho. Pueden ocasionar el
deterioro de _ste. No aceite el cartucho. No
use aim a presi6n para limpiado o secarlo.
Cartucho.
Cartucho del filterode aim
SISTEMA DE ENFRIAMIENTO
Su motor se enfrfa con aire. Para obtener el
rendimiento del motor adecuado y larga
duraci6n mantenga su motor limpio.
• Limpie la rejilla de aire frecuenternente
usando un cepillo de cerdas duras.
•Remueva la caja del ventilador y Ifmpiela si
es necesario.
• Mantenga las aletas del cilindro sin mugre o
paja.

Silenciador\
Aletas del cilindro
Caja del
ventilador
Ila de
aire
SILENClADOR
No opere la cultivadora sin el silenciador. No
manipulee el sistema de escape. Los
silenciadores o los amortiguadores de chispas
daSados pueden crear un peligro de incendio.
Inspecci6nelos peri6dicamente y cdmbielos si
es necesario. Si su motor viene equipado con
un conjunto de rejilla para el amortiguador de
chispas, remuevalo cada 50 horas para
limpiarlo e inspeccionarlo. C_,mbielo si es
necesario.
BUJJA
Cambie las bujias al comienzo de cada
temporada de cultivo,o despuds de 50 horas
de uso, Io que suceda primero. El tipo de bujia
y la abertura aparece en las
"ESPECIFICACIONES DEL PRODUCTO" en
la pdgina 21 de este manual.
TRANSMISION
Su transmisi6n est:_sellada y no va a
necesitar lubricaci6n.
LIMPIEZA
No limpie su cultivadora cuando el motor y la
transmisi6n est_n calientes. No
recomendamos el use de agua presurizada
(manguera del jardfn, etc.) para limpiar su
unidad a menes que el drea de la junta
alrededor de la transmisi6n y del silenciador
del motor, del filtro de aire y del carburador se
cubran ara protejedos del agua. El agua en la
transmisi6n y/o el motor acortard la vida de su
cultivadora.
•Limpie todo material extra_o del motor, las
ruedas, el pulido, etc.
•Mantenga las superficies pulidas y las
ruedas sin derrames de gasolina, aceite,
etc.
•Proteja las superficies pintadas con cera
tipo automotriz.
_,PRECAUCl6N: Desconecte el alambre de
la bujia yp6ngalo en donde no pueda entrar
en contacto con la bujla.
CULTIVADORA
PARA AJUSTAR LA ALTURA DEL MANGO
El montaje en la fdbdca se ha realizado
usando la altura m_.sbaja del mango.
Seleccione la altura del mango que mejor se
acomode a sus condiciones de labraci6n. La
altura del mango ser_.diferente cuando la
cultivadora excave el suelo.
1. Si se desea una mayor altura para el
mango, suelte las cuatro tuercas que
aseguran el panel del mango en los
puntales del motor.
2, Deslice el panel del mango a la ubicaci6n
deseada.
3. Apdete las cuatro tuercas en forma
segura.
_ i01._ _l Put_es del ITctSTusrcas (Tamvien2
_o_.-...]_ _-_ JJ/f_._ enelladoizquierdo
_1 J'_,_ _ dela cultivadora)
i\\ s II/////, Paneldel
ARREGLO DE LOS BRAZOS
Sus brazos exteriores se pueden montar de
varias formas distintas para acomodar sus
necesidades de labraci6n o cultivaci6n.
_PRECAUCI(_N: Los brazes son afilados.
Use guantes u otra pretecci6n cuando maneje
los brazos.
LABRADO NORMAL - PASO DE 26"
•Monte los agujeros =A" en los cubos de los
brazos con los agujeros =B" en el eje de los
brazos.
_ Clavija de horquilla Brazo exterior
B
Abrazadera de horquilla _ Brazo interior
LABRADO DE ANCHO MEDIANO -PASO
DE 24"
• Monte los agujeros "A" en los cubes de los
brazos con los agujeros "C" en el eje de los
brazos.
31

CULTIVO/LABRADO ESTRECHO - PASO
DE 12-3/4"
•Remueva los brazes exteriores.
Brazesinterioressolamente
AVISO: Cuando vuelva a montar los brazes
exteriores, asegt_rese que el conjunto del
braze derecho (marcado con "R") y el
conjunto del braze izquierdo (marcado con "L")
est_n montados en el lade correcto del eje de
los brazes.
REVISI6N DE LA OPERACI6N DE LOS
BRAZES
• I,PRECAUCl6N: Desconecte el alambre de
la bujfa para evitar que arranque mientras se
est,. revisando la operaci6n de los brazes.
Para obtener una operaci6n de los brazes
adecuada, la palanca de control de los brazes
tiene que estar en contra del cuerpo del
control y se tiene que remover toda la soltura
del alambre interior del cable de control,
cuando el control est& en la posici6n de
"APAGADO" (OFF) (arriba).
Si la palanca y el cable est&n sueltos, suelte la
abrazadera del cable en el extreme inferior de
_ste. Tire el cable hacia arriba para remover la
soltura, sin extender el resorte en el extreme
del cable, y vuelva a apretar la abrazadera del
cable.
REVISI6N FINAL EN LA POSICION DE
=APAGADO" (OFF)
1. Con el control de los brazes en la posici6n
de "APAGADO" (OFF) (arriba), empuje
hacia abajo el mango para levantar los
brazes fuera del suelo.
2. Lentamente, tire el mango del arrancador
de culateo mientras se observan los
brazes. Los brazes no deben rotar.
3. Si los brazes rotan, el alambre interior del
cable de control est,. demasiado apretado,
extendiendo el resorte inferior y est¢,
enganchando los brazes.
Suelte la abrazadera del cable y empuje el
cable hacia abajo, s61o Io suficiente come
para aliviar la tensi6n del resorte. Apriete la
abrazadera del cable.
4. Vuelva a revisar en la posici6n de
=APAGADO" (OFF) y ajestelo si es
necesario.
REVISI6N FINAL EN LA POSICl6N DE
=ENCENDIDO" (ON)
5. Con el control de los brazes en la posicibn
de "ENCENDIDO" (ON) (sujeto abajo en el
mango), empuje hacia abajo el mango para
levantar los brazes fuera del suelo.
6. Lentamente, tire el mango del arrancador
de culateo mientras se observan los
brazes. Los brazes deben rotar hacia
adelante.
7. Si los brazes no rotan, el alambre interior
del cable de control est& demasiado suelto.
Suelte la abrazadera del cable y empuje el
cable hacia arriba para remover la soltura
y vuelva a apretar la abrazadera.
8. Vuelva a reviear en la posici6n de
=ENCENDIDO" (ON) y air,stele si es
neeesario.
AVISO: Si se necesita ajuste en la posici6n de
"ENCENDIDO" (ON), vuelva a revisar el
ajuste de la posici6n de "APAGADO" (OFF)
para asegurarse que los brazes no roten
cuando el control est& "APAGADO" (OFF)
(arriba).
_m.Controlde losbrazes posici6n
[ " JJ Controlde los brazes
_" posicibn"Encendido"(ON)
Cable de controlde los brazes
Abrazadaradel cable
PARA REMOVER LA PROTECClON DE LA
CORREA
1. Remueva las dos (2) tuercas de cabeza y
las arandelas del lade de la protecci6n de
la correa.
2. Suelte (no la remueva) la tuerca de la
defensa de los brazes en la parte inferior
de _lla.
3. Tire la protecci6n de la correa hacia afuera
alej&ndola de la unidad.
4. Vuelva a colocar la protecci6n de la correa
invirtiendolos pasos del procedirniento
anterior.Aseg0rese que la ranura en la
parte inferiorde la protecci6n de la correa
est6 debajo de la cabeza del perno de la
defensa de los brazes y que todas las
tuercas est6n apretadas en forma segura.
de cabeza
y arandelas
de
la correa
ia
defensa de (os
brazes
32

PARA CAMBIAR I.AS CORREAS V
Cambie las correas V si se han estirado
considerablemente o si estdn partidas o si los
bordes est_.ndeshilachados. Hay dos (2)
correas V - marcha hacia adelante (interior) y
marcha atr&s (exterior). l
1. Se debe remover la protecci6n de las -4
correas para darles servicio. Vea
"PARA REMOVER LAS PROTECCIONES CI
DE LAS CORREAS" en esta secci6n de
este manual. I
AVISO: Observe cuidadosamente el paso de q
ambas correas y la ubicacibn de todas las
gufas de las correas antes de removerlas.
REMOCI(_N DE LAS CORREAS
2. Remueva la polea de gufa de marcha
atr_s del brazo de gufa.
3. Remueva la correa V de marcha atr_.s
(exterior).
4. Remueva la correa V de marcha hacia
adelante (interior) de la polea de la
transmisibn primero y luego de la polea del
motor.
CAMBIO DE LA CORREA
5. Instale la correa V nueva de marcha hacia
adelante (interior) en la polea del motor
primero, luego en la poiea de la
transmisi6n. Asegdrese que la polea est6
colocada en la ranura intema de ambas
poleas, dentro de todas las gulas de las
correas y que descanse en la polea de
gufa.
6. Antes de instalar la polea V de marcha
atrd.s (exterior) de vuelta la correa de
"dentro hacia afuera." Tu6rzala de modo
que la parte ancha y plana de la correa
quede en la parte interior.
7. Envuelva la correa V alrededor de la polea guiade
mamha
de guia de marcha atrds y vuelva a atrds
montar la gufa en el brazo de gufa. "_
Apd6telos en forma segura. Aseg,3rese Clavija [
que la correa quede entre la polea de gufa delbrazo\
de marcha atrds y la clavija del braze de deguia/i
gufa. Polea
8. Instale la correa en la ranura exterior de la delmotor
polea de la transmisi6n. AsegSrese que la
correa est6 dentro de todas las guias de la
correa y que descanse en la ranura
exterior de la polea del motor.
REVISION DE LA OPERACI6N DE LOS
BRAZOS
9. Vea =REVISI6N DE LA OPERACION DE
LOS BRAZOS" en esta seccibn de este
manual.
10. Vuelva a colocar la protecci6n de la
correa.
Referencla de vista delantera
Polea de Guia de
marcha
adel brazo
de guia
Correavde movlmlentohaclaadelante(Interior)
f" _\Polea delmotor Guiade la polea
Guiade' Poleadeguide'_ /
la polea marchahacia _J
adelante t
Poleade latransmisi6n
Correav de marchaarras(Exterior)
Plieade guia
Poleadel _ f
o,or /\
Poleadeguide ,,-_, "_= I(_ I
adelante---_'-" /
Brazo deguia Correav dernarcha
Poleade de marchaatrds atrds (exterior)
Gu(a de
la polea //
Polea de guia de
marcha hacia
adelanter
(interior) ""_'/_nOarchaaVhUa_ia_d i nla
Poleade la de lacorrea
transmisi6n
33

MOTOR
El mantenimiento, la reparaci6n, o el
reemplazo de cualquier dispositivos o
sistemas del control de la emisi6n, los cuales
sean hechos al costo del cliente, pueden set
realizados por cualquier individuo o
establecimiento de reparacibn de motor. Los
reparos que caen bajo garant(a deben set
realizados por un establecimiento de servicio
de reparaci6n de motor autodzado.
PARA AJUSTAR EL CARBURADOR
El carburador tiene un chorro de alta velocidad
y ha sido preajustado en la fdbrica y no
deberia necesitar ajustes. Sin embargo, se
pueden necesitar ajustes de menor
importancia para compensar por las
diferencias en el combustible, temperatura,
aitura o carga. Si el carburador necesita
ajustes, pongase en contacto con su centro/
departamento de servicio autorizado mds
cercano.
IMPORTANTE: Nunca manipule el regulador
del motor el que ha sido ajusta do en la fabrica
para la velocidad del motor adecuada puede
ser peligroso hacer funcionar el motor a una
velocidad por sobre elajuste de lata velocidad
de la fabdca. Si cree que la velocidad alta
regulada del motor necesita ajuste, p6ngase
en contacto con su centro de servicio
cualificado, el cual cuenta con el equipoa
decuado y la experiencia para hacer los
ajustes necesarios.
34

Inmediatamente prepare su cultivadora para el
almacenamiento al final de la temporada o si la
unidad no se va a usar por 30 dfas o m&s.
•k,PRECAUCI6N: Nunca almacene la
cultivadora con gasolina en el estanque dentro
de un edificio en donde los gases pueden
alcanzar una llama expuesta o una chispa.
Permita qua el motor se enfrie antes de
almacenarlo en cualquier recinto privado.
CULTIVADORA
1. Limpie toda la cultivadora (vea "LIMPIEZA"
en la secci6n de Mantenimiento en este
manual).
2. Inspeccione y cambie las correas, si es
necesario (vea las instrucciones para el
cambio de la correa en la secci6n de
Servicio y Ajustes de este manual).
3. Lubrfquela seg_n se muestra en la
secci6n de Mantenimiento en este manual.
4. Aseg_rese que todas las tuemas, pernos
y tornillos est_n apretados en forma
segura. Inspeccione las panes movibles
para verificar si est&n dafiadas, rotas o
desgastadas. C&mbielas si es necesario.
5. Retoque todas las superficies pintadas
que est6n oxidadas o picadas; use una lija
suavemente antes de pintar.
MOTOR
SISTEMA DE COMBUSTIBLE
IMPORTANTE: Es importanta evitar que se
formen dep6sitos de goma en partes
fundamentales del sistema de combustible
tales como el carburador, el filtro del combus-
tible, la manguera del combustible o en el
estanque durante el almacenamiento. La
expedencia tambi_n indica qua los combus-
tibles mezclados con alcohol (conocido como
gasohol o que tienen etanol o metanol) pueden
atraer humedad, Io qua conduce a la
separaci6n de &cidos duranfe el
almacenamiento. La gasolina &cidica puede
dafiar el sistema do combustible de un motor
durante el periodo de almacenamiento.
1. Drene el estanque de combustible.
2. Haga arrancar el motor y dejelo funcionar
basra que las llneas del combustible y el
carburador est_n vacios.
•Nunca use los productos para limpieza del
carburador odel motor en el estanque de
combustible pues se pueden producir
dafios permanentes.
• Use combustible nuevo la pr6xima
temporada.
AVISO: El estabilizador de combustible es una
altemativa aceptable para reducir a un minimo
la formaci6n de dep6sitos de goma en el
combustible durante el periodo de
almacenamiento. Agregue estabilizador a la
gasolina en el estanque de combustible o en el
envase para el almacenamiento. Siempre siga
la proporci6n de mezcla que se encuentra en
el envase del estabilizador. Haga funcionar el
motor por Io menos 10 minutes despu_s de
agregar el estabilizador, para permitir que _ste
Ilegue al carburador. No drene la gasolina del
estanque de gasolina y el carburador si se
est,. usando estabilizador de combustible.
ACEITE DEL MOTOR
Drene el aceite (con el motor caliente) y
c_.mbielocon aceite de motor limpio. (Vea
"MOTOR" en la secci6n de Mantenimiento de
este manual.)
ClLINDRO(S)
1. Remueva la bujfa.
2. Vacie una onza de aceite a trav_s del
agujoro de la bujia en el cilindro.
3. Tire el mango del arrancador, lentamente,
varias veces para distribuirel aceite.
4. Cambie por una bujia nueva.
OTROS
•No guarde la gasolina de una temporada a
la otra.
• Cambie el envase de la gasolina si se
empieza a oxidar. La oxidaci6n y/o la mugre
en su gasolina pmducir&n problemas.
•Si es posible, guarde su unidad en un
recinto cerrado y c_brala para protegerla
contra el polvo y la mugre.
•Cubra su unidad con un form protector
adecuado qua no retenga la humedad. No
use pl&stico.El pl&stico no puede respirar,
Io que permite la formaci6n de
condensaci6n, Io que producir_,la oxidacibn
de su unidad.
IMPORTANTE: Nunca cubra la cultivadora
mientras el motor y las areas de escape
todavia estan calientes.
35

PROBLEMA CORRECCI6N
No arranca
CAUSA
1. Sin combustible.
2. Motor sin la "ESTRANGU-
LACION" (CHOKE)
adecuacla.
3. Motor ahogado.
4. Filtro de aire sucio,
5. Agua en el combustible.
6. Estanque de combustible
taponado.
7. Alambre de la buj(a suelto.
8. Bujfa mala oabertura inade-
cuada.
1. Llene el estanque de combus
tible.
2. Vea =PARA ARRANCAR EL
MOTOR" en la secci6n de
Operacibn.
3. Espere varios minutos antes de
tratar de arrancar.
4. Limpie o cambie el cartucho del
filtro de aire.
5. Drene el estanque de combus
tible y el carburador, vuelva a
Ilenar el estanque con gasolina
nueva.
6. Remueva el estanque de com-
bustible y Ifmpielo.
7. Aseg_rese que el alambre de la
bujia est_ asentado en forma
adecuada en _sta.
8. Cambie la bujfa o ajuste la
abertura.
9. Haga los ajustes necesarios.
10.Habra la v_.lvula,
Dificil de arrancar
Falta de fuerza 1.
2.
3.
4.
5.
6.
7.
8.
9.
9. Carburador desajustado.
10.La vd.Ivula de cierre del com-
bustible estd cerrada.
1. Control de la aceleraci6n
ajustado inadecuadamente.
2. Filtro de aire sucio.
3. Bujla mala o abertura inade-
cuada.
4. Combustible rancio o sucio.
5. Alambre de la bujfa suelto.
6. Carburador desajustado.
El motor estd sobrecargado.
Filtro de aire sucio.
Nivel de aceite bajo/aceite
sucio.
Bujla fallada.
Aceite en el combustible.
Combustible rancio o sucio.
Agua en el combustible.
Estanque de combustible
taponado.
Alambre de la bujia suelto.
36
1. Ponga el control de la
ac_leraci6n en la posicibn de
=RAPIDO" (FAST).
2. Limpie o cambie el cartucho
del filtrode aire.
3. Cambie la buj_ao ajuste la
abertura.
4. Drene el estanque de combus
tible y vuelva a/lenado con
gasolina nueva.
5. Aseg_rese que el alambre de la
bujia estd asentado en forma
adecuada en _sta.
6. Haga los ajustes necesarios.
1. Ajuste la estaca de profundidad
para un labrado menos profundo.
2. Limpie o cambie el cartucho del
filtro de aire.
3. Revise el nivel del aceite/cambie
el aceite.
4. Limpie y vuelva a ajustar la
abertura o cambie la bujia.
5. Drene y limpie el estanque de
combustible y vueIva a Ilenado y
limpie el carburador.
6. Drene el estanque de combus
tible _,vuelva a Ilenarlo con
gasolina nueva.
7. Drene el estanque de combus
tible y el carburador y vuelva a
Ilenar el estanque con gasolina
nueva.
8. Remueva el estanque de
combustible y limpielo.
9. Conecte y apdete el alambre de
la bujfa.

PROBLEMA
Faltadefuerza
Elmotorse
calienta
demasiado
CAUSA
10.Rejinadeaire del motor sucia.
11.Silenciador sucio/taponado.
12. Carburador desajustado.
13. Mala compresi6n.
1. Nivel del aceite bajo/aceite
sucio.
2. Rejilla de aire del motor sucia.
3. Motor sucio.
4. Silenciador parcialmente
5. Mal ajuste del carburador.
CORRECCI6N
10. Limpie la rejilla de aire del motor.
11. Limpie/cambie el silenciador.
12. Haga los ajustes necesarios.
13.Pongase en contacto con un
centro de
1. Revise el nivel del aceite/
cambie el aceite.
2. Limpie la rejilla de aire del motor.
3. Limpie las aletas del cilindro, la
rejina de aire y el drea del
silenciador.
4. Remueva y limpie el silenciador.
taponado.
5. Ajuste el carburador para una
posici6n de mezcla m_s dca.
Rebote excesivo/ 1. El terreno est,. muy seco y 1. Moje el suelo o espere aque
manejo diffcil duro. existan condiciones del suelo
m_.s favorables.
El suelo se hace 1. El terreno estd muy mojado. 1. Espere a que existan condiciones
bolas o se del suelo mds favorables.
amontona
1. La barra de control de la
impulsi6n no estd
enganchada.
2. La correa V no estd ajustada
correctamente.
3. La correa V estd fuera de
la(s) polea(s).
El motor
funciona pero
la cultivadora no
se mueve
El motor
funciona pero se
esfuerza cuando
se labra
1. Se est,. labrando muy
profundamente.
2. El control de la aceleraci6n
no est._ ajustado en forma
adecuada.
3. El carburador est& des
1. Enganche el control de la
impulsi6n.
2. Inspeccione/ajuste la correa V.
3. Inspeccione la correa V.
1. Ajuste la estaca de profundidad
para un iabrado menos profundo.
2. Revise el ajuste del control de
la aceleraci6n.
3. Haga los ajustes necesarios.
ajustado.
Los dientes 1. No baje la estaca de arrastre 1. Baje la estaca de arrastre.
saltan sobre el durante el movimiento de
terreno rotaci6n hacia delante.
Dificil para 1. Las transmisiones no estdn 1. Enganche lentamente la barra de
cambiar de distribuidas, control de la transmisi6n y suelte
transmisi6n o bascule la cultivadora hacia
adelante y hacia atrds hasta que
sea posible cambiar las marchas.
1.
1. El conjunto de palanca esta
colocado entre la posici6n
la para segarde contra rotaci6n
delante.
La cultivadora se
apaga cuando la
barra de control
del camblo de
mando esta
enganchada 2. Los dientes estdn atascados. 2,
Cambie de direcci6n ala posici6n
para segar de contra rotaci6n o
posici6n para segar hacia
y la posicibn para segar
haciaadelante.
Aciare los dientes.
37

TILLER -- MODEL NUMBER 917.292491
HANDLES
35 38
3
17
42
29
18 19
36
35
39
/_. i4
13
12
3
27
/
/
!
t
22 23
24
KEY PART
NO. NO. DESCRIPTION
1 136993 Panel, Control
3 110632X Grip, Handle
12 98000129 Nut, Flange
13 STD533107 Bolt,Carriage 5/16-18 x 3/4
14 110514X Assembly, Panel and Tube
17 106932X Knob, Control, Reverse
18 3066J Cable, Tine Control
19 151229 Lever, Control, Tine
20 154805 Pin, Pivot
21 12000027 Ring,Clip
22 101248K Reverse Rod, Upper
23 1778E Pin, Retaining
24 137056 Reverse Rod, Lower
25 STD551037 Washer 13/32x13/16x16Ga.
KEY PART
NO. NO. DESCRIPTION
26 STD561210 Pin, Cotter 1/8 x 3/4
27 STD560907 Pin, Cotter 3/32 x 1/2
29 12000059 RetainingRing
35 72010520 Bolt 5/16-18 X 2-1/2
36 73970500 Locknut, Flange 5/16-18 UNC
37 165197 Clip, Cable
38 152094 Assembly,Handle Column
39 137640 Bushing, Reverse Rod Bracket
40 136998 Bracket, Reverse Rod
41 STD551025 Washer 9/32x1/2x14Gauga
42 139907 Grcromet
NOTE: All componentdimensionsgiven inU.S. inches.
1 inch = 25.4 mm
38

TILLER-- MODEL NUMBER 917.292491
BELT GUARD AND PULLEY ASSEMBLY
26
24
21 32
10
It 12
14
16
KEY PART
NO. NO.
1 175369
2 9484R
386777
4 74610812
5 STD541037
6 S_1037
72009J
8 175558
9 74760628
10 156705)(558
11 STD551025
12 104213X
13 72140406
14 133035
15 2614J
16 12000028
17 2649M
18 151236
DESCRIPTION
Assembly, Bracket, Belt Guard
Clip, Cable
Screw, Hex Washer Hd. Slotted,
Thrd cut. #10o24 x 1/2 Type D
Bolt, Hex Head 1/2-20 x 3/4
Nut, Hex 3/8-16
Washer 13/32 x 13/16 x16 Ga.
Pulley, Idler, Reverse
Assembly Arm Reverse Idler
Bolt, Hex Hd 3/8-16 x 1-3/4
Guard, Belt
Washer 9/32 x 5/8 x 16 Ga.
Nut, Cap 1/4-20
Bolt, Carriage 1/4-20 x 3/4
V-Belt(Forward Motion)
V-Belt (Reverse)
Ring, Retainer
Key, Square
Sheave, Transmission, flat
KEY PART
NO. NO. DESCRIPTION
19 165914 Bolt, Belt Guard
20 12000035 Ring,Klip
21 STD541237 Nut, Hex, Jam 3/8-16
22 161806 Pulley, Idler
23 175377 Arm, Idler
24 STD523712 Belt, Hex Head 3/8-16 x 1-1/4
25 106968X Shaft, Idler Arm
26 73350500 Nut, Hex, Jam 5/16-18
27 STD541025 Nut, Hex 1/4-20
28 STD551125 Washer, Lock 1/4
29 109227X Pad, Idler
30 23200404 Screw Set Socket, Headless
C.P. 1/4-20 x 1/4
31 101189L Sheave, Engine
32 151223 Sheave,Transmisison
35 19091416 Washer 9/32 x 7/8 x 16 Ga,
40 STD541425 Nut 1/4-20
NOTE: All componentdimensionsgiven in U.S.
inches. 1 inch = 25.4 mm
39

TILLER -- MODEL NUMBER 917.292491
WHEEL AND DEPTH STAKE ASSEMBLY
16
17 19
12 3
2
2O
2O 19
7
6
15
4
54
11
7
9
16
17
KEY PART
NO. NO.
1 9194R
2 74760520
3 STD523107
4 STD541031
5 S'I'D551131
6 STD541437
7 4921H
8 1952J
9 122233X
10 326J
11 74780628
13 1951J
DESCRIPTION
Pin, Clevis
Bolt, Hex Head 5/16-18 x 1-1/4
Bolt, Hex Head 5/16-18 x 3/4
Nut, Hex 5/16-18
Washer, Lock 5/16
Locknut, w/washer 3/8-16
Clip,Hairpin
Support, Depth Stake, R.H.
Stake, Depth
Pin, Clevis
Bolt, Fin, Hex 3/8-16 x 1-3/4
Support, Depth Stake, L.H.
KEY PART
NO, NO, DESCRIPTION
15 5388J Spring, Stake
16 121117X Bolt,Shoulder
17 9188R Wheel
18 STD551037 Washer 13/32 x13/16 x11 Ga.
19 9190R Bracket, Wheel
20 STD541437 Locknut,Crown 3/8-16
21 74760516 Bolt, Hex Head 5/16-18 x 1
22 STD541431 Locknut, w/insert 5/16-18
NOTE: All componentdimensionsgiven in U.S. inches.
1 inch = 25.4 mm
4O

TILLER -- MODEL NUMBER 917.292491
TINE ASSEMBLY
2
1
/
6
2
KEY PART
NO. NO. DESCRIPTION
1 156934 Tine, Outer, R.H.
2 STD624008 RetainerSpdng
3 156932 Tine, Inner, R,H,
KEY PART
NO. NO. DESCRIPTION
4 156931 "line, Inner, LH.
5156933 "Fine,Outer, L.H.
6 4929H Pin, Clevis
41

TRANSMISSION
TILLER -- MODEL NUMBER 917.292491
35
14
14
15
14 15
KEY PART
NO. NO.
1 74760524
2 STD523732
3 STD551037
5 STD541437
6 9057R558
7 165835
8 1948J
11 74760544
12 176112
14 9173R
15 73970500
12
DESCRIPTION
Bolt, Hex 5/16-18 x 1-1/2 Gr. 2
Bolt, Fin, Hex 3/8-16 x 3-1/4
Washer 13/32x 13/16x 11
Locknut, w/%'asher 3/8-16
Shield,Tine
Bracket, Engine, R.H.
Bracket, Engine, LH.
Bolt, Hex Head 5/16-18 x 2-3/4
Transmission
Spacer, Split
Nut, Hex, Keps 5/16-18 UNC
KEY PART
NO. NO. DESCRIPTION
16 19091412 Washer 9/32 x 7/8 x 12 Gauge
17 19092016 Washer 9/32 x 1-1/4 x 16 Ga.
18 STD551125 Washer, Lock 1/4
19 74610412 Bolt, Hex 1/4-28 x 3/4 Grade 5
20 ...... Engine,(See Breakdown)Briggs
ModelNo. 126402-6206-E1
NOTE: All component dimensionsgivenin U.S.
inches. 1 inch = 25.4 mm
42

DECALS
TILLER --MODEL NUMBER 917.292491
9"---------
10
6
KEY PART
NO. NO.
1 176943
2 176941
3 166131
4 137653
5 120431X
6 176783
7 171078
8 120075X
9 162215
10 167156
- - 180349
DESCRIPTION
Decal, Cntd. Pnl Ser
Decal, Belt Grd
Decal, Logo
Decal, Caution,Tine Control
Decal, Hand Placement
Decal, EngineOperation
Decal, Rewind Intek
Decal, Warning, RotatingTines
Decal, Tine Shield
Decal, B & S Intek
Manual,Owner's(Eng/Span)
43

TILLER-- MODEL NUMBER 917.292491
BRIGGS& STRATTONENGINE- MODELNUMBER126402,TYPENO.0206-E1
51
4o_
<t
36_
24
22_
"kREQUIRESSPECIALTOOLS'
TO INSTALl...SEEREPAIR 742
INSTRUCTIONMAbeL. t_ ,'_
[_1019 LABEL KIT 746 _4646_i_
[1058 OWNER'S.ANUA_ ]
_7_
44

TILLER --MODEL NUMBER 917.292491
BRIGGS & STRATrON ENGINE - MODEL NUMBER 126402,TYPE NO. 0206-E1
365
633A
633 (_
692 II
16_08 _J _
127_ _0__, _/_ 276 _)
1171 276_
977 CARBURETOR GASKET SET
=Ts_ _ le3_
633A _L:_ 633 (_
121 CARBURETOR OVERHAUL KIT
163%
137 0 _ 276(_
lo4_ 12_'_6338 833A,_
20
358 ENGINE GASKET SET
1022_
45

TILLER --MODEL NUMBER 917.292491
BRIGGS & STRATTON ENGINE - MODEL NUMBER 126402,TYPE NO. 0206-E1
-_ 562
222J 427
_621_
2098 2o9_
832 _
836 _
883_
425_
334_
190_/D
968
445
46

TILLER -- MODEL NUMBER 917.292491
BRIGGS & STRATTON ENGINE- MODEL NUMBER 126402,TYPE NO. 0206-E1
1211 O
1210 __
689 O
456 _
597
I 1036 EMISSIONS LABEL I
23
305
363_ 1005
455
1070
48
1095 VALVE GASKET SET
993_ 868_51
47

TILLER --MODEL NUMBER 917.292491
BRIGGS & STRATTON ENGINE - MODEL NUMBER 126402,TYPE NO. 0206-E1
KEY PART KEY PART
NO. NO, DESCRIPTION NO. NO. DESCRIPTION
1 693811 Cylinder Assembly 97 690024 Shaft-Throttle
3 299819 •Seal-Oil (Magneto Side) 98 398185 Kit-Idle Speed
5 693643 + Head-Cylinder 104 691242 _ Pin-Float Hinge
7 695166 • Gasket-Cylinder Head 108 692567 Valve-Choke
11 692600 Tube-Breather 109 690023 Shaft-Choke
12 692549 •Gasket-Crankcase 117 498978 Jet-Main (Standard)
13 691137 Screw (Cylinder Head) 118 497466 Jet-Main (High Altitude)
15 691686 Plug-Oil Drain 121 696998 Kit-Carburetor Overhaul
15A 691682 Plug-OU Drain 122 893749 •O Spacer-Carburetor
16 693887 Crankshaft 125 696981 Carburetor
18 694466 Cover-Crankcase 127 691739 _ Plug-Welch
20 692550 •Seal-On (PTO Side) 130 691181 Valve-Throttle
21 281658 Cap-Oil Fill 133 396187 Float-Carburetor
22 691662 Screw (Engine Sump) 134 398188 _ Kit-Needle/Seat
23 692987 Flywheel 137 693981 O_ Gasket-Float Bowl
24 222698 Key-Flywheel 146 690979 Key-Timing
25 690021 Piston Assembly (Standard) 161 696063 Base-Air Cleaner
694167 Piston Assembly (.010" O.S.) 163 696024._:1: Gasket-Air Cleaner
694168 Piston Assembly (.020" O.S.) 186 692317 Connector-Hose
694169 Piston Assembly (.030" O.S.) 187 693401 Line-Fuel (Molded)
26 499631 Ring Set-Piston (Standard) 188 690877 Screw (Control Bracket)
692785 Ring Set-Piston (.010" O.S.) 189 694543 Bali-Rocker Arm
692786 Ring Set-Piston (.026"O.S.) 190 692127 Screw (Fuel Tank)
692787 Ring Set-Piston (.030" O.S,) 209 691278 Spring-Governor
27 691866 Lock-Piston Pin 209A 692571 Spring-Governor
28 499423 Pin-Piston 219 693578 Gear-Governor
29 690124 Rod-Connecting 220 691724 Washer (Governor Gear)
30 692562 Dipper-Connecting Rod 222 694253 Bracket-Control
32 691664 Screw (Connecting Rod) 227 692573 Control Lever-Governor
32A 695759 Screw (Connecting Rod) 238 691300 Cap-Valve
33 499642 Valve-Exhaust 271 694256 Lever-Control
34 499641 Valve-Intake 276 271716 _:1: Sealing Washer
35 691304 Spring-Valve (Intake) 281 694252 Panel-Control
36 691304 Spring-Valve (Exhaust) 300 693593 Muffler
40 692194 Retainer-Valve 304 696066 Housing-Blower
45 690977 Tappet-Valve 305 690960 Screw (Blower Housing)
46 693404 Camshaft 306 693610 Shield-Cylinder
48 693779 Short Block (Replacement
•Engine 126432-0036-E1) °Included in Engine Gasket Set, Key, No.
51 692555 _:1:+ Gasket-Intake 358
55 691421 Housing-Rewind Starter O Included in Carburetor Overhaul Kit, Key.
58 692259 Rope-Starter (Cut to No. 121
Required Length) :1: Included in Carburetor Gasket Set, Key.
60 281434 Grip-Starter Rope No. 977
65 690837 Screw (Rewind Starter) + Included in Valve Gasket Set, Key. No.
95 691636 Screw (Throttle Valve) 1095
NOTE: All componentdimensionsgiven in U.S.
inches 1inch = 25.4 mm
48

TILLER --MODEL NUMBER 917.292491
BRIGGS & STRA'I-rON ENGINE - MODEL NUMBER 126402,TYPE NO. 0206-E1
KEY PART KEY PART
NO. NO. DESCRIPTION NO. NO, DESCRIPTION
307 690345 Screw (Cylinder Shield) 746 692566 Gear-Idler
332 690662 Nut (Flywheel) 773 694258 Retainer
333 692605 Armature-Magneto 830 694544 Stud (Rocker Arm)
334 691061 Screw (Armature Magneto) 832 693583 Guard-Muffler
337 491055 Spark Plug 836 690661 Screw (Muffler Guard)
356 692390 Wire-Stop 836A 693624 Screw (Muffler Guard)
368 697000 Gasket Set-Engine 851 493880 TerminaI-Sparkplug
363 19069 Flywheel Puller 868 692044 .+ Seal-Valve
365 692568 Screw (Carburetor) 883 691893 •Gasket-Exhaust
383 19374 Wrench-Spark Plug 886 696268 Gasket Kit-Cylinder Head/
415 693463 Plug Plate
425 692583 Screw (Air Cleaner Cover) 914 692198 Screw (Rocker Cover)
427 694255 Nut (Control Bracket) 914A 692557 Screw (Rocker Cover)
445 491588 Filter-Air Cleaner Cartridge 957 694261 Cap-Fuel Tank
455 692591 Cup-Flywheel 968 692584 Cover-Air Cleaner
456 692299 Plate-Pawl Fdction 971 690370 Screw (Air Cleaner Base)
459 281505 PawI-Ratchet 972 694260 Tank-Fuel
504 694254 Washer Set 975 493640 Bowl-Float
505 691251 Nut (Governor Control Lever) 977 697001 Gasket Set-Carburetor
552 692346 Bushing-Governor Crank 993 694088 o+ Gasket-Cylinder Head Plate
562 691112 Bolt (Governor Control Lever) 1005 692592 Fan-Flywheel
592 690800 Nut (Rewind Starter) 1019 694851 Kit-Label
597 691696 _crew (Pawl Friction Plate) 1022 691890 .+ Gasket-Rocker Cover
601 95162 Clamp-Hose 1023 499924 Cover-Rocker
609 497680 Starter-Rewind 1026 693517 Rod-Push
613 691665 Screw (Muffler) 1029 691230 Arm-Rocker
615 692576 Retainer-Governor Shaft 1034 691343 Guide-Push Rod
616 692547 Crank-Governor 1036 696766 Label-Emissions
619 691108 Screw (Cylinder Head Plate) 1058 274781 Owner's Manual
621 692310 Switch-Stop 1070 692590 Screw (Flywheel Fan)
632 693408 Spring/Link-Mechanical 1095 695289 Gasket Set-Valve
Governor 1210 498144 Assembly-Pulley/Spring
633 693867 Ot Seal-Choke/Throttle Shaft (Pulley)
633A 691321 O:1: Seal-Throttle Shaft 1211 498144 Assembly-Pulley/Spring
635 692076 Boot-Sparkplug (Spring)
663 694593 Screw (Control Panel)
668 694257 Spacer • Included in Engine Gasket Set, Key. No.
676 393757 Deflector-Muffler 358
677 690661 Screw (Muffler Deflector) _ Included in Carburetor Overhaul Kit, Key.
689 691855 Spring-Friction No. 121
692 690572 Spdng-Detent :1: Included in Carburetor Gasket Set, Key.
718 690959 Pin-Locating No. 977
741 692565 Gear-Timing + Included in Valve Gasket Set, Key. No.
742 692564 Retainer-E Ring 1095
NOTE: All componentdimensions given in U.S.
inches 1 inch =25.4 mm
49

50

51

For repairof major brand appliancesin your own home...
no matter who made it, no matter who sold
1-800-4-MY-HOME _An,pine,dayornight
(1-800-469-4663) (U.SAandCanada)
WWW..._eal'Lcom WV,eN.s_ars.ca
= __ ___ ...........
For repairofcarry-inproductslikevacuums,lawnequipment,and
electronics,callforthe nearestSears Parts and Repair Center.
1-800-488-1222 An,/tine,dayornight(U.SAody)
Www.sears.coln
Forthereplacementparts,accessories andowner'smanuals
that youneedtodo-it-yourself,callSears PartsDirectSU!
1-800-366-PART 6 a.m.-11 p.m., 7 daysaweek
(1-800-366-7278) (U.S.A.only)
www.sears.com'patsdmct
TOpurchase or inquireabout aSears Service Agreement
or Sears Maintenance Agreement:
1-800-827-6655 (U.S.A.)
7 a.m.- 5 p.m.,CST, Mort.- Sat
Para pe_r servidode repar-ad_ a
domicr_o,y para ordenarpieza_
1-888-SU-HOGAR_
(1-888-784-6427)
1-800-361-6665 (Canada)
9a.m.-8 p.m.EST,M- F,4 p.m.Sat.
Au Canadapourse_iceen _:
1.800-LE-FOYERuc
0-8oo-s33-6_7)
www.sear_ca
©Se_zs,_ axedCo. Home ntroi®j
®Registered Trademark /TM Trademark /sMService Mark of Seam, Roebuck and Co.
@Marca Registrada/'rM Marca de Fdbrica Isu Marca de Servicio de Seam, Roebuck and Co.
MCMarque de commerce /MDMarque d6pos6e de Sears, Roebuck and Co.
180349 8.15.01 TR Printed in U.S.A.