Craftsman 917299691 User Manual TILLER Manuals And Guides L0712254
CRAFTSMAN Rear Tine, Gas Tiller Manual L0712254 CRAFTSMAN Rear Tine, Gas Tiller Owner's Manual, CRAFTSMAN Rear Tine, Gas Tiller installation guides
User Manual: Craftsman 917299691 917299691 CRAFTSMAN TILLER - Manuals and Guides View the owners manual for your CRAFTSMAN TILLER #917299691. Home:Lawn & Garden Parts:Craftsman Parts:Craftsman TILLER Manual
Open the PDF directly: View PDF
.
Page Count: 32

OWNER'S
MANUAL
MODEL NO.
917.299691
Cauti6n;
Read and follow
all Safety Rules
and Instructions
Before Operating
This Equipment
5.0 HP
17 INC TINE WIDTH
COUNTER ROTATING
EAR TI TILLER TINES
• Assembly
,Operation
•Maintenance
• Service and Adjustment
•Repair Parts
Sears, Roebuck and Co., Chicago, IL 60684 U.S.A.

SAFETY RULES
Safe Operation Practices for Walk-Behind Powered Rotary Tillers
TRAINING
,Read the operating and service instruction manual care-
fuIly. Be thoroughly familiar with the controls and the
proper use of the equipment. Know how to stop the unit
and disengage the controls quickly.
• Never allow children to operate the equipment. Never
allow adults to operate the equipment without proper
instruction.
, Keep the area of operation clear of all persons, particu-
larly small children, and pets.
PR EPARATIO N
• Thoroughly inspect the area where the equipment is to be
used and remove all foreign objects.
, Disengage all clutches and shift into neutral before
starting the engine (motor),
° Do not operate the equipment without wearing adequate
Outer garments. Wear footwear that wilt improve footing
on slippery surfaces.
•Handle fuel with care; it is highly flammable.
Use an approved fuel container,
,Never add fuel to a running engine or hot engine.
, Fill fuel tank outdoors with extreme care. Never fill
fuel tank indoors.
• Replace gasoline cap securely and clean up spilled
fuel before restarting.
• Use extension cords and receptacles as specified bythe
manufacturer for all units with electric drive motors or
electric starting motors.
• Never attempt to make any adjustments while the engine
(motor) is running (except where specifically recom+
mended by manufacturer)+
OPERATION
"Do not put hands or feet near or under rotating parts.
•Exercise extreme caution when operating on or crossing
gravel drives, walks, or roads. Stay alert for hidden
hazards or traffic. Do not carry passengers.
• After striking a foreign object, stop the engine (motor),
remove the wire from the spark plug, thoroughly inspect
the tiller for any damage, and repair the damage before
restarting and operating the tiller.
• Exercise caution to avoid slipping or falling.
• If the unit should start to vibrate abnormally, stop the
engine (motor) and check immediately for the cause.
Vibration is generally a warning of trouble.
• Stop the engine (motor) when leaving the operating
position, before unclogging the tines, and when making
any repair, adjustments, and inspections.
• Take all possible precautions when leaving the machine
unattended. Disengage the power take-off, lower the
attachment, shift into neutral, stop the engine, and
remove the key.
• Before cleaning, repairing, or inspecting, shut off the
engine and make certain al! moving parts have stopped.
Disconnect the spark plug wire, and keep the wire away
from the plug to prevent accidental starting. Disconnect
the cord on electric motors.
,Do not run the engine indoors; exhaust fumes are dan-
gerous.
• Never operate the tiller without proper guards, plates, or
other safety protective devices in place.
+ Keep children and pets away.
• Do not overload the machine capaci_ by attempting to till
too deep at too fast a rate.
, Never operate the machine at high speeds on slippery
surfaces. Look behind and use care when backing.
, Never allow bystanders near the unit.
• Use only attachments and accessories approved by the
manufacturer of the tiller (such as wheel weights,
counterweights, cabs, and the like).
• Never operate the tiller without good visibility or light.
+ Be careful when tilling in hard ground. The tines may
catch in the ground and propel the tiller forward. If this
occurs, let go of the handlebars and do not restrain the
machine.
MAINTENANCE AND STORAGE
•Keep machine, attachments, and accessories in safe
working condition,
°Check shear bolts, engine mounting bolts, and other
bolts at frequent intervals for proper tightness to be sure
the equipment is in safe working condition,
, Never store the machine with fuel in the fuel tank inside
a buitding where ignition sources are present, such as hot
water and space heaters, clothes dryers, and the like.
Allow the engine to cool before storing in any enclosure.
• Always refer to the operator's guide instructions for
important details if the tiller isto be stored for an extended
period.
-IMPORTANT -
Cautions, [mportants, and Notes are a means of attracting attention to important or critical information in this manual,
_for this symbol to_ IMPORTANT," USED TO ALERT YOU THAT THERE
IS A POSSIBILITY OF DAMAGING THIS EQUIPMENT.
NOTE: Gives essential information that will aid you to
better understand, incorporate, or execute a particular
set of instructions.

NGRATULATIONSonyourpurchaseofaSearsTiller.
_s beendesigned,engineeredand manufacturedto
youthe bestpossibledependabilityand perform-
;e.
_uid you experience any probiems you cannot easily
ledy, please contact your nearest authorized Service
qteriDepartment. They have competent, well-trained
hnicians and the proper tools to serwce or repair this
t.
ase read and retain this manual. The instructions will
_ble you to assemble and maintain your tiller properly.
/ays observe the "SAFETY RULES".
MODEL
NUMBER 917.299691
SERIAL
NUMBER
DATE OF
PURCHASE
THE MODEL AND SERIAL NUMBERS WILL BE
FOUND ON THE MODEL PLATE ATTACHED TO
THE TOP OF THE TRANSMISSION.
YOU SHOULD RECORD BOTH SERIALNUMBER
AND DATE OF PURCHASE AND KEEPIN A SAFE
PLACE FOR FUTURE REFERENCE.
PRODUCT SPECIFICATIONS
HORSEPOWER: 5.0 H.P.
DISPLACEMENT: 12.57 cu. in.
GASOLINE CAPACITY: 3 QUART
(UNLEADED)
OIL (20 OZ. CAPACITY): SAE 30W
(SAE 10W 30)
SPARK PLUG (GAP .030 IN.): Champion
RJ19LM
MAINTENANCE AGREEMENT
A Sears Maintenance Agreement is available on this
product. Contact your nearest Sears store for details.
CUSTOMER RESPONSIBiLITiES
• Read and observe the safety rules.
•Follow a regular schedule in maintaining, caring for
and using your tiller.
• Follow the instructions under "Maintenance" and "Stor-
age" sections of this OwneCs Manual.
MMtTED ONE YEAR WARRANTY ON CRAFTSMAN TILLER
For one year from date of purchase, when this Craftsman Tiller is maintained, lubricated, and tuned up according to
the operating and maintenance instructions in the owner's manuaf, Sears will repair free of charge any defect in
material or workmanship.
This Warranty does not cover:
• Expendable items which become worn during normal use, such as tines, spark plugs, air cleaners and belts.
• Repairs r_ecessary because of operator abuse or negligence, including bent crankshafts and the failure to
maintain the equipment according to the instructions contained in the owner's manual.
o if this Craftsman Tiller is used for commercial or rental purposes, this Warranty applies for only 30 days from the
date of purchase.
WARRANTY SERVICE IS AVAILABLE BY RETURNING THE CRAFTSMAN TILLER TO THE NEAREST SEARS
SERVICE CENTER/DEPARTMENT tN THE UNITED STATES. THIS WARRANTY APPLIES ONLY WHILE THIS
PRODUCT IS tN USE tN THE UNITED STATES.
This Warranty gives you specific legal rights, and you may also have other rights which vary from state to state.
SEARS, ROEBUCK AND CO., D/731CR-W SEARS TOWER, CHICAGO, IL 60684
-NOTE-
qis unit is equipped with an internal combustion engine and should not be used on or near any unimproved forest-covered,
"ush_covered or grass covered tand unless the engine's exhaust system is equipped with a spark arrester meeting applicable
ca1or state taws (if any). ff a spark attester is used, it should be maintained in effective working order by the operator.
the state of California the above is required by faw (Section 4442 of the California Public Resources Code). Other states
,ay have similar laws. Federal laws apply on federal lands. See your Sears Authorized Service Center for spark arrester.
efer to page 33 of Repair Parts section of this manual for part number.
3

OF CONTENTS
INDEX
A
Accessories ...................................... 5
Adjustments:
Depth Stake ............................ 10
Ground Drive Belt .................... 16
Handle Height ......................... 15
Throttle .................................... 18
Tines ....................................... 17
Air Cleaner:
Maintenance ............................ 14
B
Belt:
Guard ...................................... 16
Ground Drive ........................... 16
Repair Parts ............................ 22
C
Cooling System:
Maintenance ............................ 14
Controls:
Choke ........................................ 9
Drive .......................................... 9
Throttle ...................................... 9
Cultivating:
Operation ................................ 12
D
Depth Stake:
Adjustment .............................. i 0
Repair Parts ............................ 25
E
Engine:
Air Cleaner .............................. 14
Cooling System ....................... 14
Fuel Type ................................ 11
Lubrication ............................... 14
Oil Level .................................. 11
Oil Type .............................. 11,14
Spark Plug ............................... 15
Starting .................................... 12
Stopping .................................. 10
Storage .................................... 19
Winter Operation ..................... t 4
F
Fuel:
Filling Tank .............................. 11
Storage .................................... 19
Type ........................................ 11
Finish:
Maintenance ............................ 15
H
Handle:
Height Adjustment ................... 15
Repair Parts ............................ 21
L
Lubrication:
Lubrication Chart .................... 13
Engine ..................................... t4
M
Maintenance:
Air Cleaner .............................. 14
Cooling System ....................... 14
Finish ....................................... 15
Maintenance Schedule ............ 13
Muffler ..................................... 15
Oil Change .............................. 14
Spark Plug ............................... 15
Transmission ........................... 15
Muffler:
Maintenance ............................ 15
Spark Arrester ...................... 3,31
O
Oil:
Level ........................................ 11
Type ................................... 11,14
Operation:
Cultivating ............................... 12
Fit! Fuel Tank ........................... 11
Start Engine ............................. 12
Stopping Tines & Engine ......... 10
Tilling .................................. 10,12
Tilling Hints .............................. 12
Tine Operation ........................ 10
Transporting Tiller ................... 11
Winter Operation ..................... 14
R
Repair Parts:
Tiller & Engine .................... 21-31
Rules for Safe Operation ................. 2
S
Service & Adjustments:
Bett Guard ............................... 16
Ground Drive Belt .................... 16
Handle Height ......................... 15
Throttle Control ....................... 18
Tines ....................................... 17
Service:
Maintenance Schedule ............ 13
Repair Parts ....................... 21-3t
Spark Plug:
Gap ........................................... 3
Maintenance ............................ 15
Storage:
Fuel System ............................ 19
Tilter ........................................ 19
T
Throttle:
Control Adjustment .................. 18
Tilling:
Operation ........................... 10,12
Tines:
Operation ................................ 10
Repair Parts ............................ 26
Replacement ........................... 17
Tires:
Removal/Replacement ............ I5
Repair Parts ....................... 22,23
Transmission:
Maintenance ............................ t5
Repair Parts ............................ 24
Troubleshooting:
Chart ....................................... 20
Transporting:
Operation ................................ 11
W
Warranty:
Tiller ........................................... 3
4

TILLER ACCESSORIES
SE ACCESSORIES WERE AVAILABLE WHEN THE TILLER WAS PURCHASED. THEY ARE ALSO AVAILABLE AT
_T SEARS RETAIL OUTLETS, CATALOG AND SERVICE CENTERS, MOST SEARS STORES CAN ORDER REPAIR
;TS FOR YOU WHEN YOU PROVIDE THE MODEL NUMBER OF YOUR TILLER.
31NE
PARK PLUG
m,,,,i
MUFFLER AIR FILTER ENGINE OIL
...... ., i=1
STABILIZER
LER PERFORMANCE
FURROW OPENER
.LER MAINTENANCE
BELT TINES CLEVIS PIN HAIRPIN CLIP
m
5

ASS LY
,u ,i i
TO ASSEMBLE YOUR TILLER YOU WILL NEED:
(1) utility knife
(1) wire cutter
tli tire pressure gauge
pair of pliers
(1) screwdriver
Ill ratchet9/16"wrench (or adjustable wrench) or
(1) socket extension :
(I) 9/t6" socket
OPERATOR'S POSITION (See Fig. 1)
The right hand (R.H.) and left hand (LH.) sides of your
titler are determined from the operator's position while
standing behind tiNer,
LEFT
FRONT
OPERATOR'S
POSITION
RIGHT
FIGURE 1
• • .... lill ii i ii !
CONTENTS OF HARDWARE PACK
(t) Owner's Manual (2) Hairpin Clips (1) Cabte Clip
(2) Carriage Bolts 3/8-16 UNC x 1 Gr, 5
©
(2) Center Locknuts 3/8-16 UNC
(1) Handle Lock Lever (1) Flat Washer 13/32 x 1 x t 1 Ga. (2) Handle Locks
......................... u

ASSEMBLY
INPACKiNG CARTON (See Fig. 2)
of ¢attoning material.CAUTION:Be careful of expose -----1
staples when handling or disposing i
_PORTANT: WHEN UNPACKING AND ASSEMBLING
ILLER, BE CAREFUL NOT TO STRETCH OR KINK
;ABLES.
While holding handle assembly, cut cable ties securing
handle assembly to top frame and depth stake. Let
handle assembly rest on tiller.
Remove top frame of carton.
Slowly ease handle assembly up and place upside
down on top of carton.
SHIFT ROD
HANDLE
ASSEMBLY
/
FIG. 2
Cut down right hand front and right hand rear corners of
carton, lay side carton wall down,
Remove packing material from handle assembly.
Separate shift rod from handle assembly.
INSTALL HANDLE (See Figs. 3, 4, and 5)
Insert one handle lock (with teeth facing outward) in
gearcase notch. (Apply grease on smooth side of handle
lock to aid in keeping lock in place until handle assembly
is lowered into position,)
\ _,, HANDLEASSEMBLY
NOTCH
HANDLE
LOCK
• Grasp handle assembly. Hold in "up" position. Be sure
handle lock remains in gearcase notch, Slide handle
assembly into position.
"UP" POSITION
HANDLE
ASSEMBLY
TIGHTEN HANDLE
LOCK LEVER TO
HOLD
LOOSEN
LOCK LEVER TO
MOVE
FIG, 4
• Rotate handle assembly down to install two carriage
bolts and tocknuts. Insert rear carriage bolt (Fig. 5) first,
with head of bolt on L.H. side of tiller. Lower the handle
assembly, Tighten bolts so handle moves with some
resistance,
,Insert second handle lock (with teeth inward) in the slot
of the handle base.
• Place flat washer on threaded end of handle lock lever,
• insert handle lock lever through handle base and
gearcase.
•With handle assemblyin !owest position, secureiytighten
handle lock lever by rotating clockwise. Leaving handle
assembly in lowest position will make it easier to remove
tilter from carton.
CARRIAGE
BOLT
GEARCASE
SLOT
HANDLE
LOCK
FLAT
WASHER
HANDLE
LOCK
LEVER
REAR
CARRIAGE
BOLT
HANDLE
BASE
LOCKNUTS
FIG. 5
FiG. 3 7

ASSE BLY
CONNECT SHIFT ROD (See Fig. 6, 7& 8)
•Insert end of shift rod farthest from bend into hote of shift
lever indicator.
,Insert hairpin clip through hole of shift rod to secure.
•Insert other end of shift rod into hoie in shift lever.
• Insert second hairpin clip through hole of shift rod.
ATTACH THIS END TO
SHIFT LEVER
INDICATOR
'/
SHIFT ROD
ATTACH THIS END TO
SHIFT LEVER
INDICATOR
FIG. 6
SHIFT HAIRPIN
CLIP
SHIFT
LEVER
INDICATOR
FIG. 7
REMOVE TILLER FROM CRATE
,Make sure shift lever indicator is in "N" position (See Fig.
7)
• Tilt filler forward by lifting handle. Separate cardboard
cover from leveling shield.
, Rotate tiller handle to the right and putl tiller out of carton.
SHIFT LEVER
HAIRPIN CLIP
SHIFT ROD
FIG. 8
CHECK TIRE PRESSURE
The tires on your unit were overinflated at the factory for
shipping purposes. Correct and equal tire pressure is
important for best tilling performance.
• Reduce tire pressure to 20 PSI.
CABLE CLIP (See Fig. 9)
Insert plastic cable clip into hole on the back of handle
column. Push cables into clip.
CABLES
CABLE
CLIP
FIG, 9
HANDLE HEIGHT
, Handle height may be adjusted to better suit operator
(See "TO ADJUST HANDLE HEIGHT" in the Service
and Adjustments section of this manual).
8

OPERATION
KNOW YOUR TILLER
READ THiS OWNER'S MANUAL AND SAFETY RULES BEFORE OPERATING YOUR T_LLER.
Compare the illustrations with your tiller to familiarize yourself with the location of various controls and adjustments. Save this
manual for future reference.
RECOIL
STARTER
HANDLE
©
LEVELING
SHIELD
FIGURE to
MEETS ANSl SAFETY REQUUREMENTS
Our tillers conform to the safety standards of the American National Standards institute,
THROTTLE CONTROL - is used to control engine speed,
DRIVE CONTROL BAR - is used to engage tiller,
DEPTH STAKE - controls depth at which tiller witi dig.
LEVELING SHIELD -protects small plants from being
buried.
CHOKE CONTROL -is used when starting a cold engine
SHIFT LEVER - is used to shift transmission gears.
SNDFTLEVER iNDICATOR- shows which gear the tiller is
currently in.
RECOIL STARTER HANDLE - is used to start the engine.
OUTER SIDE SHIELD - is adjustable for protecting small
plants from being buried,
SAFETY DECAL
The decat shown below is located on the handle of your tiller.
9

OPERATION
The operation of any tiller can result In foreign objects thrown into the eyes, which can
result in severe eye damage. Always wear safety glasses or eye shields before starting
your tiller and while til|ing. We recommend wide vision safety mask for over the spectacles
or standard safety glasses.
HOW TO USE YOUR TILLER
Know how to operate ali controls before adding fuel and
oil or attempting to start engine,
STOPPING (See Fig. 11)
TINES AND DRIVE -
.Release drive control bar to stop movement.
,Move shift lever to "N" neutral position,
ENGINE -
• Move throttle control to "STOP" position.
oNever use choke to stop engine,
DRIVE CONTROL BAR
"ENGAGED" POSiTiON
THROTTLE
CONTROL
LEVER
HANDLE
DRIVECONTROLBAR
"DISENGAGED"POSMON
FiG. 11
TfNE OPERATION -WiTH WHEEL DRIVE
• Always release drive control bar before moving shift
lever into another position.
-Tine movement is achieved by moving shift lever to "T"
position and engaging drive control bar.
FORWARD +WHEELS ONLY/TINES STOPPED
"Release drive control bar and move shift lever indicator
to "F" position. Engage drive control bar and tiller wiit
move forward,
REVERSE-WHEELS ONLY/TINES STOPPED
• DO NOT STAND DIRECTLY BEHIND TELLER.
oRelease the drive control bar.
• Move throttle control to "SLOW" position.
° Move shift lever indicator to "R" position.
° Hold drive control bar against the handle to start tiller
movement,
DEPTH STAKE (See Fig. 12)
The depth stake can be raised or iowered to allow you more
versatile tilling and cultivating, or to more easily transport
,our tiller+
SHALLOWEST
TILLING "_+-=_
I
DEEPEST,..--- "="
TILLING
DEPTH_
STAKE
c_
"__'_'-_""_ TRANSPORT
¢POSITION
®
®
FIG. 12
TILLING (See Fig. 13)
•Release depth stake pin, Pull the depth stake up for
increased tilling depth. Place depth stake pin in hole of
depth stake to lock in position.
. Place shift lever indicator in "T" position.
•Hold the drive control bar against the handle to start tiliing
movement. Tines and wheels wi]l both turn.
• Move throttle controf to "FAST" position for deep tilling.
To cultivate, throttle control can be set at any desired
speed, depending on how fast or slow you wish to
cultivate,
DEPTH
OUTER
SIDE SHIELD
"LOCKED"
POSITION
FIG. 13
10

OPE ATION
TURNING
* Release the drive control bar.
oMove throttle control to "SLOW" position.
, Place shift lever indicator in 'F" forward position. Tines
wil( not turn.
. Lift handle to raise tines out of ground.
° Engage control bar and swing the handle in the opposite
direction you wish to turn, being careful to keep feet and
legs away from tine&
, When you have completed your turn-around, release !he
drive control bar and lower handle. Place shift lever in T
position and move throttle control to desired speed. To
begin tilling, hold drive control bar against the handle.
OUTER SiDE SHIELDS (See Fig. 13)
The front edges of the outer side shields are slotted so that
the shields can be raised for deep tilling and lowered for
shatiow titling to protect small plants from being buried.
Loosen nut "A" in slot and nut "B". Move shield to desired
position (both sides). Retighten nuts.
TRANSPORTING
•Release the depth stake pin. Move the depth stake down
to the top hole for transporting the tiller. Place depth
stake pin in hole of depth stake to lock in position. This
prevents tines from scuffing the ground.
• Place shift lever indicator in "F" forward position for
transporting.
• Hold the drive control bar against the handle to start tiller
movement. Tines will not turn.
o Move throttle control to desired speed.
IMPORTANT: PRACTICE THE ABOVE PROCEDURES
SEVERAL TIMES BEFORE FILUNG ENGINE WITH FUEL
AND OIL.
CAUTION; Before operating your tiller
for the first time, study tht[s section and
the "SAFETY RULES" on page 2.
Always release drive eontrot bar before
moving shift lever into another pos|=
tion.
Don't back yourself into a solid ob-
struction such as a tree, fence, ere.
BEFORE STARTING ENGINE
CHECK ENGINE OiL LEVEL (See Fig. 14)
•The engine in your unit has been shipped, from the
factory, already filled with summer weight oil.
, With engine level, remove engine oil filler plug.
o Engine oil should be to point of overflowing. For approxi-
mate capacity see "PRODUCT SPECIFICATIONS" on
page 3 of this manual.
• For cold weather ope,,ration you should change oil for
easier starting (See O1L VISCOSITY CHART in the
Maintenance section of this manual).
• Tochangeengineoil, seetheMaintenancesectioninthis
manual.
11
OIL
FILLER
OIL DRAIN PLUG
PLUG
FRG,14
ADD GASOUNE
* Fill fuel tank. Use fresh, clean, regular unleaded gaso-
line. (Use of leaded gasoline will increase carbon and
lead oxide deposits and reduce valve life.)
iMPORTANT: WHEN OPERATING {N TEMPERATURES
BELOW 32°F (0°C), USE FRESH, CLEAN, WINTER
GRADE GASOLINE TO HELP INSURE GOOD COLD
WEATHER STARTING.
WARNING: Experience indicates that alcohol blended
fuels (called gasohol or using ethanol or methanol) can
attract moisture which leads to separation and formation of
acids during storage. Acidic gas can damage the fuel
system of an engine whife in storage. To avoid engine
problems, the fuel system should be emptied before stor-
age of 30 days or longer. Drain the gas tank, start the
engine and let it run until the rue1lines and carburetor are
empty. Use fresh fuel next season. See Storage instruc-
tions for additional information. Never use engine or
carburetor cleaner products in the fuel tank or permanent
damage may occur.
CAUTION: Fill to within1/2 inch of fuel
tank to prevent _piils and to allow for
fuel expansion, {fgasoline is aceiden=
tally spilted, move machine away from
area of spil!, Avoid creating any source
of ignition until gasoline vapors have
disappeared.
Do not overfill Wipe off any spi_led oil
or rue!. Do not store, split or use gaso-
Sine near an open flame°

OPERATION
TO START ENGINE (See Fig. 15)
CAUTION: Keep the fine control in
"OFF" position when starting engine, 1
, Make sure spark plug wire is properly connected.
• Move shift tever indicator to "N" neutral position.
• Place throttle control in "FAST" position.
• Place choke control in "CHOKE" position if the engine is
cold. A warm engine may not require choking to start.
, Grasp starter handle with one hand and grasp the tiller
with other hand. Pull rope out slowly until engine reaches
start of compression cycle (rope will pull slightly harder at
this point).
• Pu!l rope with a rapid, continuous, full arm stroke. Keep
a firm grip on starter handle and let rope rewind slowly.
Do not let starter handle snap back against starter.
, When engine starts, slowly move choke control on en-
gine halfway between CHOKE and "RUN" positions
and then to "RUN" position as engine warms up.
• Move throttle control to desired running position.
,Allow engine to warm up for a few minutes before
engaging tines.
NOTE: If at a high altitude (above 3000 feet) or in cold
temperatures (below 32°F), the carburetor fuel mixture
may need to be adjusted for best engine performance.
See "TO ADJUST CARBURETOR" in the Service and
Adjustments section of this manual.
PLUG CHOKE
\11
RECOIL STARTER
HANDLE
, Soil conditions are important for proper tilling. Tines will
not readily penetrate dry, hard soil which may contribute
to excessive bounce and difficult handling of your ti!ler.
Hard soil should be moistened before tilling; however,
extremely wet soil will "ball-up" or clump during tilling.
Wait until the soil is less wet in order to achieve the best
results. When tilling in the fall, remove vines and long
grass to prevent them from wrapping around the tine
shaft and slowing your tilling operation.
• For easier handling of your tiller, leave about 8 inches of
untilled soil between the first and second tilling passes.
The third pass will be between the first and second (See
Fig. 16).
, Do not lean on handle. This takes weight off the wheels
and reduces traction. To get through a really tough
section of sod or hard ground, apply upward pressure on
handle or lower the depth stake.
/
FiG. 16
CULTIVATING
Cultivating is destroying the weeds between rows to pre-
vent them from robbing nourishment and moisture from the
plants. At the same time, breaking up the upper layer of soil
crust will help retain moisture in the soil. Best digging depth
is 1" to 3". Lower the outer side shields to protect small
plants from being buried.
, Cultivate up and down the rows at a speed which will
allow tines to uproot weeds and leave the ground in rough
grassC°nditi°n'(seePr°m°tingFig.17), no further growth of weeds and
FIG, 15
TILLING HINTS
I CAUTION: Until you are accustomed to
i handling your tiller, start actual field
Iuse with throttle in s!ow position (mid-
''a.d"IDLE").
, Tilling is digging into, turning over, and breaking up
packed soit before planting, Loose, unpacked soil helps
root growth. Best tilling depth is 4" to 6". A tiller will also
clear the soil of unwanted vegetation. The decomposition
of this vegetable matter enriches the soil. Depending on
the climate (rainfall and wind), it may be adwsable to tilt
the soil at the end of the growing season to further
condition the soil,
f\
L-J
dh
U
,J
OI f\
FiG. 17
I2

MAINTENANCE
MAINTENANCE
SCHEDULE
FILL tN DATES
AS YOU COMPLETE
REGULAR SERVICE
Check Engine Oil Level
Change Engine Oil
Oil Pivot Points
inspect Spark Attester Muffler
inspect Air Screen
Replace Air CIeaner Cartridge
Clean Engine Cylinder Fins
Replace Spark Plug
- Change more often when operating under a heavy load or in high ambient temperatures.
2. Service mote often when operating in dirty or dusty conditions,
SERVICE DATES
GENERAL RECOMMENDATIONS
The warranty on this unit does not cover items that have
been subjected to operator abuse or negligence. To
receive full value from the warranty, operator must main-
tain unit as instructed in this manual,
Some adjustments will need to be made periodiealty to
properly maintain your unit.
All adjustments in the Service and Adjustments section of
this manual should be checked at least once each
season.
, Once a year you should replace the spark plug, clean or
replace air filter, and check tines and belts for wear. A
new spark plug and clean air filter assure proper air-fuel
mixture and help your engine run better and last longer,
BEFORE EACH USE
• Check engine oil level.
,Check tine operation.
•Check for loose fasteners.
LUBRICATION CHART
*THROTTLE
CONTROL
* WHEEL
HUB
\
* _DLER
BRACKET
LUBRICATfON
Keep unitwell_ubdoated(See "LUBRICATION CHART").
* SAE 30 OR 10W30 MOTOR OIL AP! _ SG
REFER TO ENGINE MAINTENANCE SECTZON
13

NTENANCE
Disconnect spark plug wire before performing any maintenance (except carburetor adjustment)
to prevent accidental starting of engine.
Prevent firesl Keep the engine free of grass, leaves, spilled oil, or fuel. Remove fuel from tank
before tipping unit for maintenance. Clean muffler area of all grass, dirt and debris.
Do not touch hot muffler or cylinder fins as contact may cause burns.
ENGINE
LUBRICATION
Change the oil after the first two hours of operation and
every 25 hours thereafter or at least once a year if the tiller
is not used for 25 hours in one year.
Check the crankcase oil tevel before starting the engine
and after each five (5) hours of continuous use. Add SAE
30W motor oil or equivalent. Tighten oil filler plug securely
each time you ch eck the oil level. SAE 5W-30 motor oil may
be used to make starting easier inareas where temperature
is consistently 32° F or lower.
TO CHANGE ENGlNE OIL (See Figs. 18 and 19) -
Determine temperature range expected before oil change,
All oii must meet API service classification SG.
, Be sure tiller is on level surface.
•Oit will drain more freety when warm.
• Catch oil in a suitable container.
• Remove drain plug.
• Tip tiller forward to drain oil.
• After oil has drained compfeteiy, replace oil drain plug
and tighten securely.
• Remove oil filler plug. Be careful not to allow dirt to enter
the engine.
• Refill engine with oil,
RECOMMENDED SAE VISCOSITY GRADES
.20° 0o 32° 60° 80° I00 °
FIG. 18
FiG, 19
AIR CLEANER (See Fig. 20)
Replace air cleaner cartridge every twenty-five hours, more
often if engine is used in very dusty conditions,
•Loosen air cleaner screws, one on each side of cover,
oRemove air cleaner cover,
.Carefully remove air cleaner cartridge. Be careful. Do not
allow dirt or debris to fall into carburetor.
.Install new air cleaner cartridge. Clean and replace
cover. Tighten screws securely.
NOTE: Do not attempt to clean or oil the paper cartridge.
AIR
CLEANER
SCREW COVER
AIR CLEANER
FiG. 20
COOLING SYSTEM (See Fig. 21)
Your engine is air cooled, For proper engine performance
and tong life keep your engine clean.
Clean air screen frequently using a stiff bristled brush.
•Remove blower housing and clean as necessary.
•Keep cylinder fins free of dirt and chaff.
CYLINDER FINS
MUFFLER BLOWER
AIR SCREEN
F_G.21
!4

NTENANCE
MUFFLER
Do not operate tiller without muffler, Do not tamper with
exhaust system, Damaged mufflers or spark attesters
could create a fire hazard, inspect periodically and re-
place if necessary. If your engine is equipped with a spark
arrestor screen assembly, remove every 50 hours for
cleaning and inspection. Replace if damaged.
SPARK PLUG
Replace spark plugs at the beginning of each tilling sea-
son or after every 50 hours of use, whichever comes first.
Spark plug type and gap setting is shown in "PRODUCT
SPECIFICAT!ONS" on page 3 of this manual.
TRANSMISSION
Your transmission is seated and will only require lubrication
if serviced.
CLEANING
• Clean engine, wheels, finish, etc, of alt foreign matter.
-Keep finished surfaces and wheels free of all gasoline,
oil, etc.
. Protect painted surfaces with automotive type wax.
We do not recommend using a garden hose to dean your
unit unless the muffler, air filter and carburetor are covered
to keep water out. Water inengine can result in ashortened
engine life.
SERVICE AN ADJUSTMENTS
CAUTION: Disconnect spark plug wires from spark plug and place wire where it cannot come intocontact with pEug.
TILLER
TO ADJUST HANDLE HEIGHT (See Fig. 22)
Select hand{e height best suited for your tilting conditions,
Handte height will be different when tiller digs into soil.
,First loosen handle lock ]ever,
•Handle can be positioned at different settings between
"HIGH" and "LOW" positions,
•Retighten handle lock Iever securely after adjusting,
HANDLE
LOCK
LEVER
HANDLE (LOW
POSITION}
_HANDLE(HIGH
_:_PosmoN)
FiG, 22
TIRE CARE
• Maintain 20 pounds of tire pressure, If tire pressures are
not equal, titler will pull to one side,
° Keep tires free of gasoline or oil which can damage
rubber,
TO REMOVE WHEEL (See Fig, 23)
• P{ace blocks under transmission to keep tilter from tip-
ping.
• Remove outer side shield (See Fig. 10).
°Remove hairpin ctip and clevis pin from wheel,
•Remove wheel and tire.
•Repair tire and reassemble.
FIG. 23
15

SERVICEAN ADJUSTI ENTS
TO REMOVE BELT GUARD (See Fig. 24)
NOTE: For ease of removal, remove outer side shield, and
hairpin clip and clevis pin from left wheel. Pull wheel out
from tiller about 1 inch.
, Remove two (2) cap nuts and washers from side of belt
guard.
o Remove hex nut and washer from bottom of be_t guard
(located behind wheel),
o Pult belt guard out and away from unit,
• Replace belt guard by reversing above procedure,
BELTGUARD CAP NUT
AND WASHER
HEX NUT
AND
WASHER
(LOCATED
BEHIND
TIRE)
/
CAP NUT
AND WASHER HAIRPIN CL|P AND
CLEVIS PIN
FIG, 24
TO REPLACE GROUND DRIVE BELT
(See Figs. 24 and 25)
, Move left wheel and remove belt guard as described in
"TO REMOVE BELT GUARD".
Loosen belt guides"A" and "B" and also nuts "C" and "D".
Remove old belt by slipping from engine pufley first.
Place new belt in groove of transmission pulley and into
engine pulley. BELT MUST BE IN GROOVE ON TOP OF
iDLER PULLEY. NOTE POSITION OF BELT TO
GUIDES.
,Tighten belt guides "A" and "B" and nuts "C" and "D".
•Check belt adjustment as described below.
•Replace belt guard.
•Repositien wheel and replace clevis pin and hafrpin clip.
GROUND DRIVE BELT ADJUSTMENT
(See Fig. 25)
For proper belt tension, the extension spring should have
about 5/8 inch stretch when drive control bar is in "EN-
GAGED" position. This tension can be attained as follows:
•Loosen cable clip screw securing the drive control cable.
, Slide cable forward for less tension and rearward for
more tension until about 5/8 inch stretch is obtained while
the drive control bar is engaged.
•Tighten cable clip screw securely.
NUT "C"
ENGINE
PULLEY
NUT '_D"
IDLER
PULLEY
BELT
GUIDE "A'
BELT
GUIDE "B"
TRANSMISSION
PULLEY
J
EXTENSION
SPRING
CABLE
CLIP
CREW
OL
LESS
TENSION
FIG. 25
16

SERVICE AN ADJUSTMENTS
-TINE REPLACEMENT (See Figs. 26, 27 and
28)
ther protection when han-
dling tines. ____.,=_
A badly worn tine causes your tiller to work harder and dig
more shallow. Most important, worn tines cannot chop and
shred organic matter as effectively nor bury it as deeply as
good tines. A tine this worn needs to be replaced.
NEW TINE WORN TINE
FIG. 26
*To maintain the superb tilling performance of this ma-
chine the tines should be checked for sharpness, wear,
and bending, particufarfy the tines which are next to the
transmission. If the gap between the tines exceeds 3-1/
2 inches, they should be replaced or straightened as
necessary.
v
TINE TRANSMISSION
3-1/2"
MAX
FIG, 27
+ Newtines should be assembled as shown below. Sharp-
ened tine edges will rotate rearward from above.
SHARP EDGE
HAIRPIN CLIP
[
iCOUNTER
TINE
ROTATION
L
SHARP
EDGE
.HAIRPIN CLIP
__ SHARPEDGE
CLEVIS PIN
SHARP EDGE
SHARP
EDGE
CLEVIS PIN SHARP EDGE
RG. 28
17

SERVICE AN ADJUSTM NTS
ENGINE
TO ADJUST THROTTLE CONTROL CABLE
(See Fig. 29)
•Loosen cable clamp screw to allow cable to move,
, Move throttle control lever on upper handle to "FAST"
position.
•Puti throttle cable out until engine betlcrank is back as
far as it will go,
•Hold cable in this position and tighten clamp screw
securely.
CLAMP SCREW
THROTTLE
CABLE
BELLCRANK
F_G. 29
TO ADJUST CARBURETOR (See Fig. 30)
The carburetor has been preset at the factory and ad-
justment should not be necessary_ However, minor ad-
j{_stments may be required to compensate for differences
in fuel, temperature, altitude or load. If the carburetor
does need adjustment, proceed as follows,
In general, turning the needle valve in (clockwise) de-
creases the supply of fuel to the engine giving a leaner
fuel/air mixture, Turning the needle valve out (counter-
clockwise) increases the supply of fuel to the engine
giving a richer fuel/air mixture.
IMPORTANT: DAMAGE TO THE NEEDLES AND THE
SEATS tN CARBURETOR MAY RESULT iF SCREWS
ARE TURNED IN TOO TIGHT.
PRELIMINARY SETTING -
° Air cleaner assembly must be assembled to the carbu-
retor when making carburetor adjustments.
. Be sure the throttle controt cable is adjusted properly
(see above).
• With engine off turn needle valve in (clockwise) closing
it finger tight and then turn out (counterclockwise) 1-1/
2 turns.
FINAL SETTING -
° Start engine and altow to warm for five minutes. Make
final adjustments with engine running and gear shift
control lever in "NEUTRAL" position.
• With throttle control lever in "SLOW" position, turn
needle valve in (clockwise) until engine begins to die
then turn out (counterclockwise) until engine runs rough.
Turn valve to a point midway between those two posi-
tions.
IDLE RPM ADJUSTMENT
• To adjust idle RPM, rotate throttle linkage counter-
clockwise and hold against stop while adjusting idle
speed adjusting screw to obtain 1750 RPM. Release
throttle linkage.
ACCELERATfQN TEST -
• Move throttle control lever from "SLOW" to "FAST"
position. If engine hesitates or dies, turn needle valve
out (counterclockwise) 1/8 turn. Repeat test and con-
tinue to adjust, if necessary, until engine accelerates
smoothly.
High speed stop is factory adjusted. Do not adjust dam-
age may result.
IMPORTANT: NEVER TAMPER WITH THE ENGINE
GOVERNOR, WHICH iS FACTORY SET FOR PROPER
ENGINE SPEED, OVERSPEEDING THE ENGINE ABOVE
THE FACTORY HIGH SPEED SETTING CAN BE
DANGEROUS, tF YOU THINKTHE ENGINE-GOVERNED
HIGH SPEED NEEDS ADJUSTING, CONTACT YOUR
NEARESTAUTHORJZED SERVICE CENTER, WHICH HAS
PROPER EQUIPMENT AND EXPERIENCE TO MAKE ANY
NECESSARY ADJUSTMENTS,
THROTTLE
LINKAGE
THROTTLESTOP
IDLE SPEED
ADJUSTING
SCREW
NEEDLE
VALVE
FIG. 30
!8

STORAGE
Immediately prepare your tiller for storage at the end of the
season or if the unit will not be used for 30 days or more,
CAUTION: Never store the tiller with
gasoline in the tank inside abuilding
where fumes may reach an open flame
or spark. Allow the engine to cool
before storing in any enclosure,
TILLER
•Clean entire tiller (See "CLEANING" in the Maintenance
section of this manual).
, Inspect and replace belts, if necessary (See bett replace-
ment instructions inthe Service and Adjustments section
of this manual).
•Lubricate as shown in the Maintenance section of this
manual.
• Be sure that afi nuts, bolts and screws are securely
fastened. Inspect moving parts for damage, breakage
and wear. Replace if necessary.
,Touch up all rusted or chipped paint surfaces; sand
lightly before painting.
ENGINE
ENGINE OIL
Drain oil (with engine warm) and replace with clean oil.
(See "ENGINE" in the Maintenance section of this manual).
CYLINDERS
• Remove spark plug.
•Pour one ounce of oil through spark plug hole into
cylinder.
• Pull starter handle stowly several times to distribute oil.
• Replace with new spark plug.
OTHER
• Do not store gasoline from one season to another.
• Replace your gasoline can if your can starts to rust. Rust
and/or dirt in your gasoline will cause problems,
•If possible, store your unit indoors and cover it to give
protection from dust and dirt,
•Cover your unit with a suitable protective cover that does
not retain moisture, Do not use plastic. Plastic cannot
breathe which allows condensation to form and will
cause your unit to rust,
IMPORTANT: NEVER COVER TILLER WHILE ENGINE
AND EXHAUST AREAS ARE STILL WARM.
FUEL SYSTEM
IMPORTANT: IT IS IMPORTANT TO PREVENT GUM
DEPOSITS FROM FORMING IN ESSENTIAL FUEL
SYSTEM PARTS SUCH AS THE CARBURETOR, FUEL
FILTER, FUEL HOSE, OR TANK DURING STORAGE.
ALSO, EXPERIENCE iNDICATES THAT ALCOHOL
BLENDED FUELS (CALLED GASOHOL OR USING
ETHANOL OR METHANOL) CAN ATTRACT MOISTURE
WHICH LEADS TO SEPARATION AND FORMATION OF
ACIDS DURING STORAGE. ACIDIC GAS CAN DAMAGE
THE FUEL SYSTEM OFAN ENGINE WHILE IN STORAGE,
• Drain the fuel tank.
• Start the engine and let it run until the fuel lines and
carburetor are empty.
, Never use engine or carburetor cleaner products in the
fuel tank or permanent damage may occur.
o Use fresh fuel next season,
NOTE: Fuel stabilizer is an acceptable alternative in
minimizing the formation of fuel gum deposits during stor-
age, Add stabilizer to gasoline in fuel tank or storage
container. Always follow the mix ratio found on stabilizer
container. Run engine at least 10 minutes after adding
stabilizer to allow the stabilizer to reach the carburetor. Do
not drain the gas tank and carburetor if using fuel stabilizer,
19

d L..... TROUBLESHOOTING
,lu:l i,ll
PROBLEM:
Probable Cause ,,_- Possible Remedy
WiLL NOT START OR HARD TO START
No gasoline in Fuel Tank
Choke not set properly _
Throttle Control not set properly
Choked improperly, flooded Engine,_
Dirty Air Cleaner
Loose Spark Plug Wire r_
Spark Plug dirty or improper gap {,r
Water in gasoline or old fuel ,_
Improper Carburetor adjustment _
Clogged Fuel Tank _._
Fill tank with gasoline
Place Choke Control in "CHOKE" position
Place Throttle Control in "FAST" position
Move Choke control to "Run" position, place Throttle Control in
"FAST" position and pull Starter several times to clear out gas
Remove and replace
Make sure Spark Plug Wire is seated properly on Spark Plug
Replace Spark Plug and adjust gap
Drain Fuel Tank and Carburetor, use fresh fuel and replace Spark
Plug
Make necessary adjustments
Remove and clean
ENGINE MISSES OR LACKS POWER
Engine overloaded _
Partially plugged Air Cleaner r,r
Dirty Air Screen <_-
Spark Plug dirty, improper gap or wrong type _-
Oil in gasoline _o-
Improper Carburetor adjustment _-
Clogged Fuel Tank _
Poor compression _
Set Depth Stake and Wheels for shallower tilling
Remove and inspect; replace if dirty
Clean Air Screen
Replace Spark Plug and adjust gap
Drain and refill Gas Tank and Carburetor
Make necessary adjustments
Remove and clean
Major Engine overhaul
ENGBNE OVERHEATS
Low oil levet or dirty oil _e
Dirty Air Screen _
Dirty Engine _
Partially Plugged Muffler _,r
Improper Carburetor adjustment
Add or change oil
Clean Air Screen
Clean Cylinder Fins, Air Screen and Muffler area
Remove and clean Muffler
Make necessary adjustments
EXCESSIVE BOUNCE AND DiFFiCULT HANDUNG
Wheels and Depth Stake incorrectly adjusted _ Adjust Wheels and Depth Stake
Ground too dry and hard ,_ Moisten ground or wait for more favorable soil conditions
SOiL BALLS UP OR CLUMPS
Ground too wet,_ Wait for more favorable soil conditions
ENGINE RUNS WELL BUT TroLLER WON'T MOVE
Drive Control Bar not engaged,_- Engage Drive Control
V-Belt not correctly adjusted_ Check V-Belt
V-Belt off of pulleys _,_- Check V-Belt
ENGINE RUNS WELL BUT LABORS WHEN TILLING
Tilling too deep _- Adjust Depth Stake
Throttle Control not properly adjusted _ Check Throttle Control setting
Carburetor not adjusted properly_ Check Carburetor adjustment
2O

REPAIR PARTS
5 HP 17" CRT TILLER - - MODEL NUMBER 917.299691
HANDLE ASSEMBLY
21
11
16
\
\ t7 '\
\\
13
KEY PART DESCRIPTION
NO. NO,
1
2
3
4
5
6
7
8
9
10
11
12
13
14
15
16
t7
18
I9
t10707X
110674X
110673X
t27254X
6712J
110641X
STD511005
126948X
STD533125
t09313X
t10741X
110646X
STD624003
81328
110702X
STD541437
109229X
Cap, Sleeve
Grip, Handle
Grommet, Handle
Bar, Drive Control Assembly
Cap, Vinyt
Bushing, Split
*Screw, Mach. Pan Head. C.R.
#10-24 x 1/2
Panei, Control
* Bolt, Carriage
5/t6-18 UNC x 2-3/8 Gr. 5
Grommet, Rubber
Handle, Shift
Handle, Grip
*Clip, Hairpin
Bolt, Shoulder
Rod, Shift
* Nut, Centerlock 3/8-16
Lock, Handle
STD533710 *Bolt, Carriage 3/8-16 x 1 Gr. 5
19131611 Washer 13/32xl xll Ga.
KEY PART
NO. NO.
DESCRIPTION
20 109228X
21 121213X
22 121145X
23 86777
24 9484R
25 73970500
26 110675X
27 STD541025
28 STD551125
29 STD541462
30 127012X
-- 127812
-- 120431X
-- 121859X
-- 127795
Lever, Lock, Handle
Handle, Assemble
Clip, Plastic, Cable
Screw, Hex, Washer Hd, Slotted
#10-24 x t/2
Clip
Locknut, Hex, Flange
Clutch, Cabfe
* Nut, Hex t/4-20
*Washer, Lock 1/4
*Nut, Keps #10-24
Throttle, Control
Manual, OwneCs
Decal, Hand Placement
Decal, Caution-Clutch
Decal, Control Panel
* STANDARD HARDWARE--PURCHASE LOCALLY
NOTE: All component dimensions given in U.S. inches,
1 inch = 25.4 mm
21

REPAIR PARTS
5 HP 17" CRT TILLER - - MODEL NUMBER 917.299691
MAINFRAME_ LEFT SIDE
40
12
13 \
33
19
22
16
13
18
123
KEY PART
NO. NO.
1 STD541431
2 STD551137
3 STD541037
4 74930576
5 STD571810
6 110111X
7 STD532505
8 8700J
10 86777
11 9484R
12 STD551125
13 STD541025
14 STD503103
15 120938X
16 STD55103t
17 100473M
18 STD541031
!9 110651X
20 2649M
21 110653X
22 110652X
23 104214X
25 5015J
124366X
795R
26 126875X
27 STD624003
28 102148X417
29 126791X
DESCRIPTEON
*Nut, Keps 5/16-18
*Washer, Lock 3/8
*Nut, Hex 3/8-16
Bolt, Hex 5/16-18 x 4-3/4
*Pin, Roll
Lever, Shift
* Bolt, Carriage 1/4-20 x 1/2 Gr. 5
Plate, Shift Indicator
Screw, Hex, Washer Head, Slotted
#10-24 x 1/2
Clip
*Washer, Lock 1/4
* Nut, Hex 1/4-20
* Screw, Set, Hex 5/16-18 x 3/8
Spacer, Split 0.327 x 0.42 x 2.68
*Washer 11/32 x 11/16 x 16 Ga.
Sheave, Transmission
* Nut, Hex 5/16-t8
Spacer, Split 0.327 x 0.42 x 1.75
Key, Square 3/16 x 1-1/8
Guard, Pinch Point
Spacer, Split 0.327 x 0.42 x 2.09
Nut, Cap 5/t6-18
Tire
Rim
Tire Valve
Rivet, Drifled
* Clip, Hairpin
Guard, Belt
Belt, V
1623
KEY
NO.
3O
31
32
33
34
35
36
37
38
39
40
PART DESCRIPTION
NO.
104679X Pulley, Idler
12000032 Ring, Klip
102384X Bolt, Hex 5/16-16 x 12
t05611X Bracket, Idler
102t41X Shaft, Idler Arm
STD523710 * Bolt, Hex 3/8-16 x 1
102383X
74760524
102331X
9177R
126788X
102180X
127806
Counterweight, L. H.
Bolt, Hex 5/16-18 x 1-t/2
Bracket, Reinforcement, L. H.
Sheave, Engine
Bracket, Guard Belt
Decal, Shift Indicator
Decal (Belt Guard)
* STANDARD HARDWARE--PURCHASE LOCALLY
NOTE; AH component dimensions given in U.S. inches.
1inch = 25.4 mm
22

:REPAIR PARTS
5HP 17" CRT TILLER -- MODEL NUMBER 917.299691
MAINFRAME, RIGHT SiDE
9
/
i
7
/
PART
NO.
DESCRIPTIONKEY
NO.
l STD541431 *Nut, Keps 5/16-18
2 102332X Bracket, Reinforcment
3 74760524 Bolt, Hex 5/16-18 x 1-1/2
4 102173X Counterweight, R+H.
5 STD551137 *Washer, Lock 3/8
6 STD541037 *Nut, He× 3/8-16
7 STD624003 *Clip, Hairpin
8 126875X Rivet, DriNed
KEY
NO.
9
. +
+ .
PART DESCRiPTiON
NO.
5015J Tire
124366X Rim
795R Valve, Tire
123081X Decal, Engine
127520 Decal, U.S.A.
110719X Decal, Operation and Lubrication
*STANDARD HARDWARE--PURCHASE LOCALLY
NOTE: All component dimensions given in U+SJnches,
linch = 25,4 mm
23

35
KEY PART
_,7_o NO,
2 121147X
3 t06211X
4 5020j
5 t370H
8t02113X
7 t02110X
8 4895H
9 t02136X
t0 7392M
II 100371K
12 106160X
13 102107X
14 8353J
15 12000039
16 102109X
17 104159X
I8 4358J
t9 12000040
20 102114X
21 102115X
22 6803J
23 102111X
24 STD551143
25 STD551143
KEY PART DESCRIPTION
o_ NO, NO.
44" °51 26 102128X O-Ring
27 102t00X Bearing, Shaft, Ground Drive
28 106390X Spacer 0,765 x 1.125 x 1o23
29 102134X Chain #35-50 Pitch
30 124458X Ground Shaft Assembly
31 t02106X Bearing, Shaft, Ground Drive
32 106388X Spacer 0.70 x 1.00 x 1,t50
33 102121X Sprocket and GearAssembly
34 102112X Shaft, Reduction (2nd)
35 102101X Screw, Whiz, Lock 5/16-18x3-!/2
36 124358X Sprocket Assembly w/Bearing
(Includes Key Nos. 37 and 38)
Bearing, Needle
Sprocket, Tine
Gear, Cluster, Red 1st & 2rid
Gear, Reverse
Shaft, Reduction (1st)
Washer, Thrust
Spacer 1.01 x 1.75 x 0.760
Cup, Formed
Ring, Spiral
Seal, Ring, Rubber
Seal, Oil
Gearcase, R.H. w/Bearing
(Includes Key No. 8)
Shaft, Tine
Chain, Roller #50-50 Pitch
Screw 1/4-20 x 1/2
*Nut, Hex 5/16-18
Grease, Plastiiube #1
DESCRiPTiON
Transmission Assembly
_ncludes Key Noso2-52)
earcase, L.H. w/Bearing
GlnCludesKey No. 4)
asket, Gearcase
Bearing, Needle
Washer, Thrust 5/8 x 1.10 x 1/32
Pinion, Input
Shaft, input
Bearing, Needle
Washer, Seal
Ball, Steel
Spring, Shift, Fork
O-Ring
Arm,. Shift
Fork, Shift
Ring, KHp
Shaft, Shift
Spacer, Spilt
Washer
Ring, Ktip
Gear, Assembly, Reverse Idler
(Includes Key Nos. 2t and 22)
Gear, Reverse Idler
Bearing, Needle
Shaft, Reverse Idler
*Washer, Lock 7/16
* Nut, Hex 7/1(}-20
37 4422J
38 124359X
39 105345X
40 105346X
41 8358J
42 4220R
43 106146X
44 9672R
45 102!44X
46 9676R
47 9674R
48 121745X
49 106144X
50 124361X
51 17580408
52 STD54103t
53 6066J
24
* STANDARD HARDWARE--PURCHASE LOCALLY
NOTE: All component dimensions given in U.S. inches.
1inch = 25.4 mm

REPAIR PARTS
5 HP 17" CRT TILLER = - MODEL NUMBER 917.299691
TINE SHIELD
13
24
17
PART
NO.
DESCRIPTIONKEY
NO,
1 98000129 Nut, Flange 5/t6-18
2 104086X417 Shield, Side, Outer L. H.
3 t24309X417 Shie!d, Side
4 8393J Pin, Stake, Depth
5 12000036 Ring, Klip
6 STD533107 *Bolt, Carriage 5/16-18 x 3/4 Gr 5
7 8394J Spring
8 109230X Spring, Stake, Depth
9 t24289X417 Shield, Tine
10 STD532512 *Bolt, Carriage 1/4-20 x 1-1/4 Gr. 5
11 STD541031 *Nut, Hex 5/16-18
t2 STD551131 *Washer, Lock 5/16
13 72110508 Bolt, Carriage 5/16-18 x 1
14 1243l IX Bracket, Shield, Tine
15 104101X417 Shield, Side, Outer R.H.
t6 STD541025 *Nut, Hex 1/4-20
t7 STD551t25 *Washer, Lock 1/4
t8 73970500 Locknut, Hex, Flange
KEY PART DESCRIPTION
NO, NO.
19 10270tX Grip
20 STD541037 *Nut, Hex 3/8-16
21 102156X Stake, Depth
22 74930632 Bolt, Hex 3/8-16 x 2
23 4440J Hinge
24 STD532505 *Bolt, Carriage 1/4-20 x 1/2 Gr. 5
25 6712J Cap, Vinyl
26 109227X Pad, idler
27 102695X417 Shield, Leveling
29 120588X Pin, Hinge
30 8392J Bracket, Latch
31 72110510 Bolt, Carriage 5/16-t8x!-1/4
- - 120075X Deca!, Warning (Leveling Shield)
- _ 127807 Decal, Tine Shield
* STANDARD HARDWARE--PURCHASE LOCALLY
NOTE: All component dimensions given in U.S. inches.
1 inch = 25.4 mm
25

REPAIR PARTS
5 HP 17" CRT TILLER - - MODEL NUMBER 917.299691
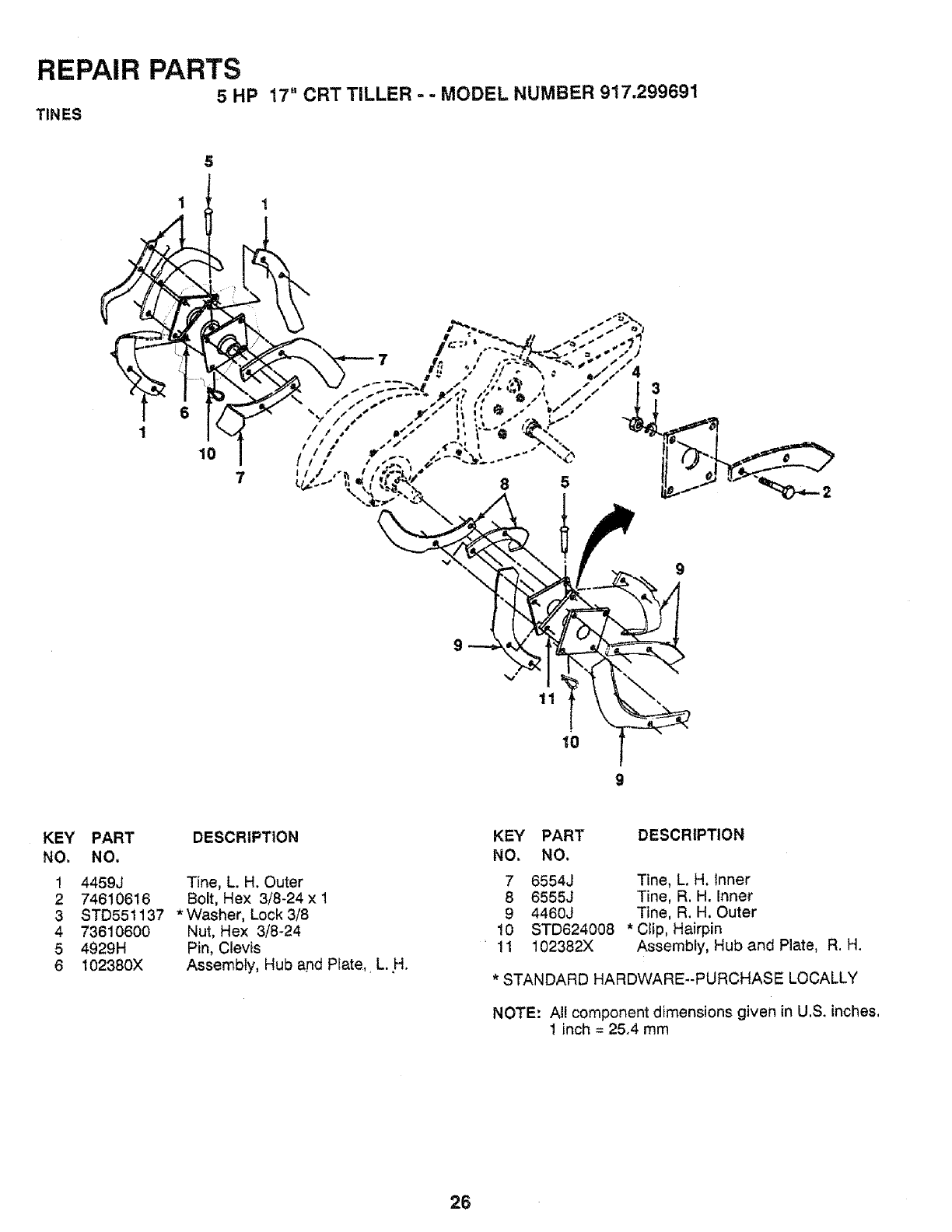
TINES
11
9
11
10
9
KEY
NO.
1
2
3
4
5
6
PART
NO.
4459J
74610616
STD551137
73610600
4929H
I02380X
DESCRIPTION
Tine, L. H. Outer
Bolt, Hex 3/8-24 x 1
* Washer, Lock 3/8
Nut, Hex 3/8-24
Pin, Clevis
Assembly, Hub apd Plate,, L. H,
KEY PART DESCRIPTION
NO, NO,
7 6554J Tine, L. H. Inner
8 6555J Tine, R, H. Inner
9 4460J Tine, R, H. Outer
10 STD624008 *Clip, Hairpin
11 102382X Assembly, Hub and Plate, R.H.
* STANDARD HARDWARE--PURCHASE LOCALLY
NOTE: All component dimensions given in U,S. inches,
1 inch = 25.4 mm
26

2 3
REPAIR PARTS
5 HP 17" CRT TILLER -- MODEL NUMBER 917.299691
ENGINE ,BRIGGS & STRATTON-- MODEL NUMBER 130202, TYPE NUMBER 3129-01
ENGINE, RIGHT SIDE 16
12
/
17 19 20 ..q
/I
'!
1
578
I0 I
KEY PART
NO. NO,
1 390463
2 230228
3 66728
4 66884
5 299431
6 92987
7 490179
8 295871
9 94128
I0 222598
11490817
12 490169
13 93158
14 93490
t5 221923
16 399671
17 394506
!
]
!32 31
DESCRIPTION 33
Starter Assembly, Rewind (Inc. Key
No's 2-9)
Pin, Starter Grip
Grip, Starter Rope (Inc. Key No. 2)
Rope, Starter 63" Long
Housing, Starter (Inc. Key No's 8
and 9)
Nut, Hex
Spring, Starter
Pulley, Starter 0nc. Key No. 4)
Screw, Starter Housing Mounting
Anchor, Spring
Spacer
Housing, Blower
Screw, Blower Housing Mounting
Screw, Sem
Screen, Starter Pulley
Clutch Assembly 0nc. Key No's 17-
2O)
Washer, Clutch Retainer
KEY PART
NO. NO.
18 63770
19 298799
20 394897
21 220865
22 297229
23 93414
24 223886
25 397358
26 221798
27 398808
28 395990
29 299819
30 297565
3I 222443
32 93705
33 222698
* REQUIRES
DESCRIPTION
Ball, Clutch
Ratchet
Housing, Starter Clutch
Washer, Spring
Flywheel, Magneto
Screw, Armature Mtg. Sere
Guide, Air
Armature Assembly (inc. Key No.
26)
Cable, Terminal Ignition
Wire, Ground
Cylinder Assembly (Inc, Key No.
29)
Seal, Oil
*Bushing, Cylinder (Inc. Key No. 29)
Guard, Flywheel
Screw, Flywheel Guard
Key, Flywheel
SPECIAL TOOLS TO INSTALL
27

REPAIR PARTS
5 HP 17" CRT TILLER -= MODEL NUMBER 917.29969t
ENGINE =BRiGGS & STRATTON -- MODEL NUMBER 130202, TYPE NUMBER 3129-01
ENGINE, REAR 2
3
4
5
10'
7_
55
KEY PART
NO. NO.
1 490073
2 223765
3 399959
4 94018
5 490074
6 271935
7 492611
8
9223793
93499
10 93527
11 260575
12 490048
13 271853
I4 398970
15 26227O
t6 271936
t7 280720
t8 231520
19 231533
20 491177
21
22
23
24
25
27
28
29
30
270382
221839
26336
223789
391813
220352
221377
262328
270026
DESCRIPTION
Screw, Cover Mounting
Cover, Air Cleaner
Filter, Air
Screw, Air Cleaner
Base, Air Cleaner
Gasket, Air Cleaner Mtg,
Carburetor Assembly (Inc. Key
No's 8 thru 33)
Throttle, Carburetor
Screw, Throttle Valve to Shaft
Sem
Screw, Machine
Spring, Throttle Adjustment
Shaft and Lever, Throttle
Washer, Throttle Shaft (Foam)
Seal, Throttle Shaft
Link, Throttle
Gasket, Carburetor Mtg. (2)
Crank, Bell
Screw, Shoulder
Valve, Needle
Valve, Group, Choke (Inc. Key
No's 21 and 22)
Washer, Choke Shaft (Felt)
Washer, Choke Shaft
Spring, Needle Va]ve
Plug, Welch
Fuel Pipe and Cfip
Plug, Welch
Cap, Spring
Spring, Fuel Pump Diaphragm
Diaphragm
48
49
50
KEY PART
NO, NO,
31 210959
32 93265
33 93141
34 93543
35 490589
36 223813
37 490507
38 262279
39 220982
40 93357
41 280715
42 490649
43 262359
44 262470
45 93572
46 262282
47 491577
48 93491
49 222962
50 223455
51 396847
52 94409
53 280321
54 490554
55 490075
56 271928
57 223785
58 94094
DESCRIPTION
Cover, Diaphragm
Pin, Diaphragm Cover
Screw, Diaphragm Cover
Screw, FiL Hd.
Screw and Collar
Crank, Bell
Retainer, Rod
Rod, Control
Washer
Screw, Hex Hal.
Knob, Control
Control Panel (lnc, Key No's 37,
41, and 51)
Link, Choke
Link, Throttle
Screw
Spring, Governor
Control, Throttle
Rivet, Governor Control Lever
Mtg.
Bushing, Governor Lever (Flat)
Lever, Governor Control
Switch, Stop
Screw, Tank Bracket Mtg. Sem
Gear Rack, Governor
Tank, Fuel (tnc, Key No's 48,
49, 50, and 55)
Cap, Fuel Tank
Gasket, Fuel Tank Mounting
Clamp, Breather Tube
Screw, Fuel Tank Mtg.. Sem
** iNCLUDED IN GASKET SET NO, 397145
28

REPAIR PARTS
5HP 17" CRT TILLER -- MODEL NUMBER 917.299691
ENGINE - BRIGGS & STRATTON -- MODEL NUMBER 130202, TYPE NUMBER 3129-01
ENGINE, LEFT SIDE
\
i,r-..,,"y]
10
KEY
NO,
1
2
3
PART
NO.
90832
93656
297602
4 294606
5 297603
6 66768
7 270080
8 93490
9 221511
t0 93032
11 91249
DESCRIPTION
Washer, Lock
Stud
Cover Assembly, Crankcase (Inc.
Key No.'s 5,6, and 7)
Seat, Oil
* Bushing, Crankcase Cover
Plug, Oil Filler
** Gasket, Crankcase .015' thick
Screw, Cylinder Shield Mtg. Sere
Shield, Cylinder
Screw, Crankcase Cover Mt.g.
Plug, Pipe 1/4" Std. (Square Head)
* REQUIRES SPECIAL TOOLS TO iNSTALL
** INCLUDED IN GASKET SET NO. 397145
29

REPAIR PARTS
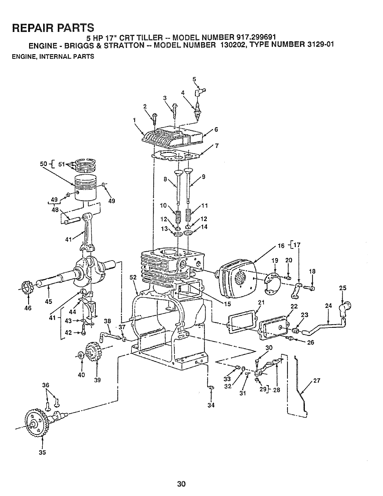
5HP 17" CRT TILLER -- MODEL NUMBER 917.299691
ENGINE -BRIGGS & STRATTON -- MODEL NUMBER 130202, TYPE NUMBER 3129-0t
ENGINE, INTERNAL PARTS
4O 39
36 j
35
5
I-_17
19 20
18
25
30
!
L_ 33 31
34
30

REPAIR PARTS
5 HP 17" CRT TILLER -- MODEL NUMBER 917.299691
ENGINE -BRIGGS & STRATTON o- MODEL NUMBER 130202, TYPE NUMBER 3129-01
ENGINE, iNTERNAL PARTS
KEY PART DESCRIPTION KEY PART
NO, NO. NO. NOo
1 2t 1542 Head, Cylinder 29 231082
2 94221 Screw, Cylinder Head-2-3/32 ID 30 92613
3 93369 Screw, Cylinder Head-2-15/32 31 93306
ID 32 93307
4 293918 Plug, Spark Resistor 33 231079
5 66538 Elbow, Spark Plug
6 221512 Cover, Cylinder Head
7 272157 ** Gasket, Cylinder Head
8 211119 Valve, Exhaust
9 261044 Valve, Intake
10 26478 Spring, Exhaust Valve
11 260552 Spring, intake Valve
12 93312 Retainer, Valve Spring
13 211172 *Seat, Exhaust Valve (Std.)
14 211787 *Seat, Intake Valve (Std.)
15 262001 *Guide, ExhaustVatve
16 393615 Muffler, Exhaust (Inc. Key No's
17 and 18)
17 222263 Lock, Screw
18 93935 Screw, Hex Hd. Shoulder
19 393757 Deflector, Exhaust, Side Outlet
(Inc. Key No. 20)
20 93705 Screw
21 27549 ** Gasket, Valve Cover
22 294178 Breather, Valve Chamber
23 66578 Grommet, Breather Tube
24 231526 Tube, Breather
25 67838 Grommet, Breather Tube
26 93394 Screw, Breather Mounting
27 262280 Link, Governor
28 490374 Lever Assembly, Governor (Inc.
Key No's 29 and 30)
34 93448
35 212733
36 260642
37 222450
38 231077
39 391737
40 221551
41 299430
42 92296
43 221876
44 221890
45 397103
46 261696
48 298909
49 26026
50 298904
5! 298982
52 395990
DESCRIPTION
Nut, Hex No. t0-24
Bolt, Governor Lever
Cotter, Hairpin
Retainer, E-Ring
Bushing, Governor Crank (1/4"
ID)
Plug, Pipe (Hex Socket)
Gear, Cam
Tappet, Valve
Washer, Governor Lever
Crank, Governor (1/4" Dia.)
Gear, Governor
Washer, Thrust
Rod Assembly, Connecting (Inc,
Key No.'s 42 to 44) NOTE: For
connecting Rod with .020"
undersize Crankpin Bore, Order
No. 390459
Screw, Connecting Rod
Lock, Connecting Rod Screw
Dipper, Connecting Rod
Crankshaft
Gear, Timing
Pin Assembly, Piston Std. (Inc.
Key No. 49)
Lock, Piston Pin
Piston Assembly, Std. (Inc. Key
No_ 51)
Ring Set, Piston, Std.
Cylinder Assembly
* REQUIRES SPECIAL TOOLS TO INSTALL
** INCLUDED IN GASKET SET NO. 397145
OPTIONAL EQUIPMENT AND SPECIAL TOOLS:
392193
397145
89838
19069
Spark Arresting Muffler Assembly, Consists of the following:
391913 Screen (1 required)
-- 222535 Deflector (1 required)
-- 93705 Screw (4 required)
Gasket Set
Spark Plug Wrench
Flywheel Puller
31

OWNER'S
MANUAL
MODEL NO.
917.299691
5.0 HP
17 INCH TI
COUNTER E WIDTH
ROTATING
REAR TINE TILLE TIN
Each tiller has its own model number. Each engine has its own modet
number.
The model number for your tiiler wilt be found on a pfate attached to the
top of the transmission.
The mode! number for your engine will be found on the blower housing of
the engine adjacent to the spark plug.
All parts listed herein may be ordered from _n_ Searsl Roebuck and Co.
Service Center and most Retail Steres.
WHEN ORDERING REPAIR P_RTS, ALWAYS GIVE THE FOLLOW-
ING iNFORMATION:
-PRODUCT - REAR TINE TILLER
, MODEL NUMBER - 917.29969I
• ENGINE MODEL NUMBER -130202, TYPE NUMBER 3129o01
•PART NUMBER
, PART DESCRIPTION
Your Sears merchandise has added vaiue when you consider Sears has
service units nationwide staffed with Sears trained technicians.., profes-
sional technicians specifically trained to insure that we meet our pledge
to you, we service what we see
Sears, Roebuck and Co., Chicago, tL 60684 U.S.A.
127812 Rev. 1 5.14.91 PRINTED IN U.S.A.