Craftsman 917374200 374200 Es 115870296_r0 User Manual LAWN MOWER Manuals And Guides 1612101L
User Manual: Craftsman 917374200 917374200 CRAFTSMAN LAWN MOWER - Manuals and Guides View the owners manual for your CRAFTSMAN LAWN MOWER #917374200. Home:Lawn & Garden Parts:Craftsman Parts:Craftsman LAWN MOWER Manual
Open the PDF directly: View PDF
.
Page Count: 44

CAUTION:
Read and follow all
Safety Rules and In struc tions
before operating this equipment
Owner’s Manual
Model No.
917.374200
ROTARY LAWN MOWER
550 Series Briggs & Stratton Engine
21" Multi-Cut
• Español, p. 19
Sears Brands Management Corp., Hoffman Estates, IL 60179 U.S.A.
Visit our Craftsman website: www.craftsman.com

2
Warranty .................................................... 2
Safe ty Rules ...........................................2-4
Prod uct Spec i fi ca tions .............................. 2
Assembly / Pre-Operation ......................6-7
Op er a tion .............................................8-12
Maintenance Sched ule ...........................13
Maintenance .......................................13-16
Ser vice and Ad just ments ...................17-18
Stor age ............................................... 18-19
Trou ble shoot ing .................................19-20
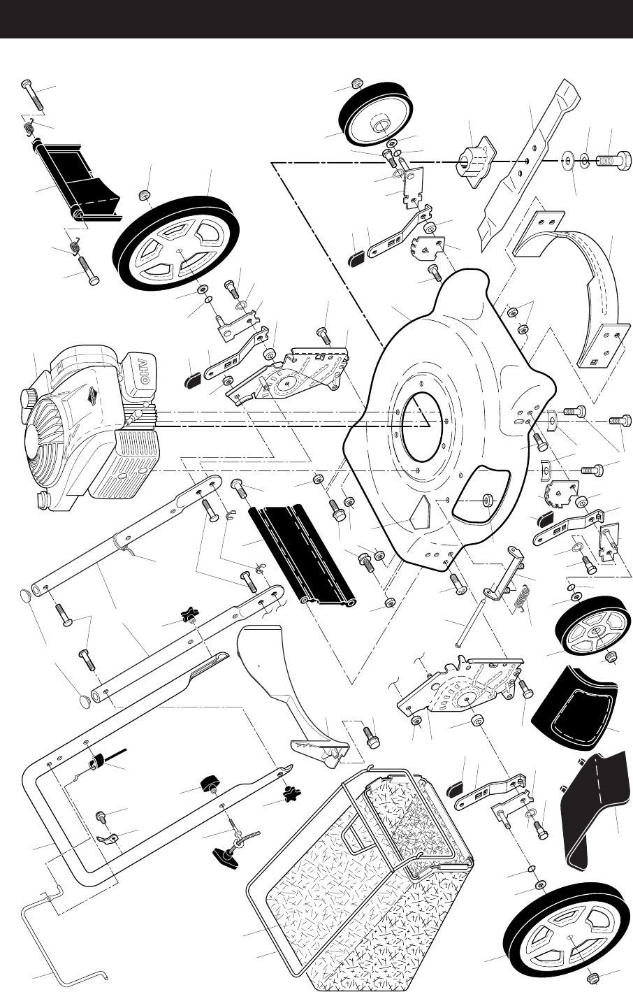
Re pair Parts ........................................36-43
Sears Service ...........................Back Cov er
TABLE OF CONTENTS
WARRANTY
CRAFTSMAN 2-YEAR FULL WARRANTY
For TWO YEARS from the date of purchase, this product is warranted against any
defects in material or workmanship. Defective product will receive free repair or
replacement if repair is unavailable.
For warranty coverage details to obtain free repair or replacement, visit the web page:
www.craftsman.com/warranty
This warranty covers ONLY defects in material and workmanship.
Warranty coverage does NOT include:
• Expendable parts that can wear out from normal use within the warranty
period, such as blades, blade adapters, belts, filters or spark plugs.
• Product damage resulting from user attempts at product modification or repair
or caused by product accessories.
• Repairs necessary because of accident or failure to operate or maintain this
product according to all supplied instructions.
• Preventative maintenance, or repairs necessary due to improper fuel mixture,
contaminated or stale fuel.
This warranty is void if this product is ever used while providing commercial services or
if rented to another person.
This warranty gives you specific legal rights, and you may also have other rights which
vary from state to state.
Sears Brands Management Corporation, Hoffman Estates, IL 60179
SAFETY RULES
IMPORTANT: This cutting machine is
capable of amputating hands and feet and
throwing objects. Failure to observe the
following safety instructions could result in
serious injury or death.
Look for this symbol to point out im por-
tant safety precautions. It means
CAU TION!!! BECOME ALERT!!!
YOUR SAFE TY IS INVOLVED.
WARNING: In order to prevent ac ci-
den tal starting when setting up, trans port-
ing, ad just ing or making repairs, always
dis con nect spark plug wire and place wire
where it can not come in contact with plug.
Serial Number:
Date of Purchase:
Gasoline Capacity / Type: 0.8 Quarts (Unleaded Regular)
Oil Capacity: 16 Ounces
Oil Type (API SJ–SN): SAE 30 (above 32°F); SAE 10W-30 (below 32°F)
Spark Plug: Champion RC12YC (Gap: .030")
Blade Bolt Torque: 35–40 ft. lbs.
• The model and serial numbers will be found on a decal on the rear of the lawn mower
housing. Record both serial number and date of purchase in space provided above.
PRODUCT SPECIFICATIONS

3
CAUTION: Muffler and other engine
parts become extremely
hot during operation and
remain hot after engine
has stopped. To avoid
severe burns on contact,
stay away from these areas.
WARNING: Engine exhaust, some of its
constituents, and certain vehicle com po-
nents contain or emit chem i cals known to
the State of Cal i for nia to cause can cer and
birth defects or oth er re pro duc tive harm.
WARNING: Battery posts, terminals and
related accessories contain lead and lead
compounds, chemicals known to the State
of Cal i for nia to cause can cer and birth
defects or oth er re pro duc tive harm. Wash
hands after handling.
WARNING: This lawn mower is
equipped with an internal com bus tion
engine and should not be used on or near
any un im proved forest-covered, brush-
covered or grass-cov ered land unless the
engine’s exhaust system is equipped with
a spark arrester meeting applicable local
or state laws (if any). If a spark arrester is
used, it should be maintained in effective
working order by the operator.
In the state of California the above is re-
quired by law (Section 4442 of the Califor-
nia Public Resources Code). Other states
may have similar laws. Federal laws apply
on federal lands. A spark arrester for the
muffler is available through your nearest
Sears Parts & Repair Center (See the RE-
PAIR PARTS section of this manual).
I. CHILDREN
WARNING: CHILDREN CAN
BE SERIOUSLY INJURED OR
KILLED BY THIS EQUIPMENT.
Carefully read and follow all of
the safety instructions below.
The American Academy of Pediatrics recom-
mends that children be a minimum of 12 year
of age before operating a pedestrian con-
trolled lawn mower and a minimum of 16 years
of age before operating a riding lawn mower.
Tragic accidents can occur if the op er a tor is
not alert to the presence of children. Children
are often attracted to the ma chine and the
mowing activity. Never assume that children
will remain where you last saw them.
• Keep children out of the mowing area
and under the watchful care of a re-
spon si ble adult other than the operator.
• Be alert and turn machine off if chil dren
enter the area.
• Before and while walking back wards, look
behind and down for small chil dren.
• Never allow children to operate the
machine.
II. GENERAL OPERATION
• Read, understand, and follow all
in struc tions on the machine and in the
manual(s) before starting. Be thor ough ly
familiar with the controls and the proper
use of the machine before starting.
• Do not put hands or feet near or under
rotating parts. Keep clear of the dis-
charge opening at all times.
• Only allow responsible individuals, who
are familiar with the in struc tions, to
operate the machine.
• Clear the area of objects such as rocks,
toys, wire, bones, sticks, etc., which
could be picked up and thrown by
blade. Stay behind the handle when the
engine (motor) is running.
• Be sure the area is clear of other people
before mowing. Stop ma chine if anyone
enters the area.
• Do not operate machine bare footed or
while wearing sandals. Al ways wear
substantial footwear with good ankle
support while mowing.
• Do not pull mower backwards unless
absolutely nec es sary. Always look down
and behind before and while moving
backwards.
• Never direct discharged material toward
anyone. Avoid discharging material
against a wall or obstruction. Material
may richochet back toward the opera-
tor. Stop blade when crossing gravel
surfaces.
• Do not operate the mower without
proper guards, plates, grass catcher or
oth er safety protective devices in place.
• See manufacturer’s instructions for
proper operation and installation of
accessories. Only use accessories ap-
proved by the manufacturer.
• Stop the blade(s) when crossing grav el
drives, walks, or roads.
• Never leave a running machine unat-
tended.
• Stop the engine (motor) and wait until
the blade comes to a complete stop
before clean ing the machine, removing
the grass catcher, or unclogging the
discharge chute.
• Mow only in daylight or good artificial
light.
• Do not operate the machine while under
the influence of alcohol or drugs.
• Never operate machine in wet grass.
Always be sure of your footing: keep a
firm hold on the handle; walk, never run.
4
• Disengage the drive system, if so
equipped, before starting the engine
(motor).
• If the equipment should start to vi brate
abnormally, stop the engine (motor)
and check immediately for the cause.
Vibration is generally a warning of
trouble.
• Always wear eye protection when op er-
at ing machine.
• Use extra care when approaching blind
corners, shrubs, trees, or other objects
that may obscure vision.
• When loading or unloading this ma-
chine, do not exceed the maximum
recommended operation angle of 15°.
• Wear proper Personal Protective Equip-
ment (PPE) while operating this ma-
chine, including (at a minimum) sturdy
footwear, eye protection, and hearing
protection. Do not mow in shorts or
open toed footwear.
Always let someone know you are outside
mowing.
III. SLOPE OPERATION
Slopes are a major factor related to slip &
fall accidents, which can result in severe
injury. All slopes require extra caution. If
you feel uneasy on a slope, do not mow it.
DO:
• Mow across the face of slopes: nev er
up and down. Exercise extreme caution
when changing direction on slopes.
• Remove obstacles such as rocks, tree
limbs, etc.
• Watch for holes, ruts, bumps or hidden
objects. Uneven terrain could cause
a slip and fall accident. Tall grass can
hide obstacles.
DO NOT:
• Do not mow near drop-offs, ditches
or embankments. You could lose your
footing or balance.
• Do not mow on wet grass or exces-
sively steep slopes. Poor footing could
cause a slip and fall accident.
IV. SAFE HANDLING OF GASOLINE
To avoid personal injury or property dam-
age, use extreme care in handling gaso-
line. Gasoline is extremely flammable and
the vapors are explosive.
• Extinguish all cigarettes, cigars, pipes
and other sources of ignition.
• Use only an approved container.
• Never remove gas cap or add fuel with
the engine running.
• Allow engine to cool before refueling.
• Never refuel the machine indoors.
• Never store the machine or fuel contain-
er where there is an open flame, spark
or pilot light such as a water heater or
on other appliances.
• Never fill containers inside a vehicle, on
a truck or trailer bed with a plastic liner.
Always place containers on the ground
away from your vehicle before filling.
• Remove gas-powered equipment from
the truck or trailer and refuel it on the
ground. If this is not possible, then
refuel such equipment with a portable
container, rather than from a gasoline
dispenser nozzle.
• Keep the nozzle in contact with the rim
of the fuel tank or container opening at
all times until fueling is complete. Do
not use a nozzle lock-open device.
• If fuel is spilled on clothing, change
clothing immediately.
• Never overfill fuel tank. Replace gas
cap and tighten securely.
V. GENERAL SERVICE
• Never run machine inside a closed area.
• Never make adjustments or repairs with
the engine (motor) running. Dis con nect
the spark plug wire, and keep the wire
away from the plug to prevent ac ci den-
tal starting.
• Keep all nuts and bolts tight to be sure the
equipment is in safe working condition.
• Never tamper with safety devices.
Check their proper operation reg u lar ly.
Never do anything to interfere with the
intended function of a safety device or
reduce the protection provided by a
safety device.
• Keep machine free of grass, leaves, or
other debris build-up. Clean oil or fuel spill-
age. Allow machine to cool before storing.
• Stop and inspect the equipment if you
strike an object. Repair, if nec es sary,
before restarting.
• Never attempt to make wheel height ad-
justments while the engine is running.
• Grass catcher components are sub ject
to wear, dam age, and de te ri o ra tion,
which could expose moving parts or
allow objects to be thrown. Frequently
check com po nents and replace with
man u fac tur er’s recommended parts,
when necessary.
• Mower blades are sharp and can cut.
Wrap the blade(s) or wear gloves, and
use extra caution when ser vic ing them.
• Do not change the engine governor set-
ting or overspeed the engine.
• Maintain or replace safety and instruc-
tion labels, as necessary.

5
ACCESSORIES
These accessories were available when this lawn mower was produced. They are not
shipped with your mower. They are also available at most Sears retail outlets and service
centers. SOME OF THESE ACCESSORIES MAY NOT APPLY TO YOUR LAWN MOWER.
Congratulations on making a smart pur-
chase. Your new Craftsman® product is
designed and manufactured for years of
dependable operation. But like all prod-
ucts, it may require repair from time to
time. That’s when having a Repair Protec-
tion Agreement can save you money and
aggravation.
Purchase a Repair Protection Agreement
now and protect yourself from unexpected
hassle and expense.
Here’s what’s included in the Agreement:
• Expert service by our 12,000 profe-
sional repair specialists.
• Unlimited service and no charge for
parts and labor on all covered repairs.
• Product replacement if your covered
product can’t be fixed.
• Discount of 25% from regular price of
service and service-related parts not
covered by the agreement; also, 25%
off regular price of preventive mainte-
nance check.
• Fast help by phone – phone sup-
port from a Sears representative on
products requiring in-home repair, plus
convenient repair scheduling.
Once you purchase the Agreement, a
simple phone call is all that it takes for you
to schedule service. You can call anytime
day or night, or schedule a service ap-
pointment online.
Sears has over 12,000 professional repair
specialists, who have access to over 4.5 mil-
lion quality parts and accessories. That’s the
kind of professionalism you can count on to
help prolong the life of your new purchase
for years to come. Purchase your Repair
Protection Agreement today!
Some limitations and exclusions apply.
For prices and additional information
call 1-800-827-6655.
Sears Installation Service
For Sears professional installation of home
appliances, garage door openers, water
heaters, and other major home items, in
the U.S.A. call 1-800-4-MY-HOME®.
Repair Protection Agreements

6
ASSEMBLY / PRE-OPERATION
Read these instructions and this manual
in its entirety before you attempt to as-
semble or operate your new lawn mower.
IMPORTANT: This lawn mower is shipped
WITHOUT OIL OR GASOLINE in the
engine.
Your new lawn mower has been as sem-
bled at the factory with the exception of
those parts left unassembled for shipping
pur pos es. To ensure safe and proper op-
er a tion of your lawn mower, all parts and
hard ware you assemble must be tight-
ened securely. Use the correct tools as
nec es sary to ensure proper tightness. All
parts such as nuts, wash ers, bolts, etc.,
nec es sary to complete the as sem bly have
been placed in the parts bag.
TO REMOVE MOWER FROM
CARTON
1. Remove loose parts included with
mower.
2. Cut down two end corners of carton
and lay end panel down flat.
3. Remove all packing materials except
padding be tween upper and lower
handle and padding holding operator
presence control bar to upper handle.
4. Roll lawn mower out of carton and
check carton thor ough ly for additional
loose parts.
MOWING
POSITION
Lower handle
LIFT
UP
Operator
presence
control bar
Bolt Nut
Bracket
Upper
handle
LIFT
UP
Handle
knob
HOW TO SET UP YOUR LAWN
MOW ER
TO UNFOLD HANDLE
IMPORTANT: Unfold handle carefully so
as not to pinch or damage con trol cables.
1. Raise handles until lower handle sec-
tion locks into place in mowing posi-
tion.
2. Insert bolt through handle and bracket
and secure with nut.
3. Remove protective padding, raise up-
per handle sec tion into place on lower
handle and tighten both handle knobs.
4. Remove handle padding holding
operator pres ence control bar to upper
handle.
Your lawn mower handle can be adjusted
for your mowing comfort. Refer to "AD-
JUST HANDLE" in the Service and Adjust-
ments section of this manual.

7
TO ASSEMBLE GRASS CATCH ER
1. Put grass catcher frame into grass bag
with rigid part of bag on the bottom.
Make sure the frame handle is outside
of the bag top.
2. Slip vinyl bindings over frame.
NOTE: If vinyl bindings are too stiff, hold
them in warm water for a few minutes. If
bag gets wet, let it dry before using.
TO INSTALL ATTACHMENTS
Your lawn mower was shipped ready to be
used as a mulcher. To convert to bagging or
discharging, see “TO CON VERT MOWER” in
the Operation section of this manual.
Frame
handle
Frame
opening
Vinyl
bindings
INSTALL STARTER ROPE
1. Loosen T-knob.
2. Hold control bar against upper handle.
3. Slowly pull engine starter rope out until
rope will slip into loop of rope guide.
4. Tighten T-knob.
Upper handle
Control bar
Engine
starter rope
Rope guide T-Knob

8
IMPORTANT: This lawn
mower is shipped WITHOUT OIL
OR GASOLINE in the engine.
NOTE: Gasoline containing up to 10%
ethanol (E10) is acceptable for use in this machine.
The use of any gasoline exceeding 10% ethanol (E10) will void the product warranty.
KNOW YOUR LAWN MOWER
READ THIS OWNER'S MANUAL AND ALL SAFETY RULES BEFORE OP ER AT ING YOUR
LAWN MOWER. Compare the illustrations with your lawn mower to familiarize yourself
with the location of various controls and adjustments. Save this manual for future refer-
ence.
These symbols may appear on your lawn mower or in literature supplied with the
product. Learn and understand their meaning.
Operator presence control bar
Starter
handle
Handle knob
Engine oil cap
with dipstick
Air filter
Wheel adjuster
(on each wheel)
MEETS CPSC SAFETY REQUIREMENTS
Sears rotary walk-behind power lawn mowers conform to the safety standards of the
American National Standards Institute and the U.S. Consumer Product Safety Com mis-
sion. WARNING: The blade turns when the engine is running.
Operator presence control bar – must
be held down to the handle to start the
engine. Release to stop the engine.
Mulcher door – allows con ver sion to
discharging or bagging operation.
Starter handle – used for starting engine.
Primer– pumps additional fuel from the
carburetor to the cylinder for use when
starting a cold engine.
Muffler
Grass
catcher
Housing
OPERATION
Mulcher door
Gasoline filler cap
Primer
Spark plug

9
HOW TO USE YOUR LAWN MOWER
ENGINE SPEED
Engine speed was set at the factory for
optimum performance. It is not adjustable.
ENGINE ZONE CONTROL
CAUTION: Federal regulations re quire
an engine control to be installed on this
lawn mower in order to minimize the risk
of blade contact injury. Do not un der
any circumstances attempt to de feat the
func tion of the operator con trol. The blade
turns when the engine is running.
• Your lawn mower is equipped with an
operator pres ence control bar which
requires the operator to be positioned
behind the lawn mower handle to start
and operate the lawn mower.
TO ADJUST CUTTING HEIGHT
Raise wheels for low cut and lower wheels
for high cut, adjust cutting height to suit
your requirements. Me di um position is
best for most lawns.
• To change cutting height, squeeze ad-
juster lever to ward wheel. Move wheel
up or down to suit your re quire ments.
Be sure all wheels are in the same set-
ting.
NOTE: Adjuster is properly positioned
when plate tab inserts into hole in lever.
Also, 9-position adjusters (if so equipped)
allow lever to be positioned between the
plate tabs.
SIDE DISCHARGING
• Rear door must be closed.
• Open mulcher door and install dis-
charge deflector under door as shown.
• Mower is now ready for discharging
operation.
• To convert to mulching or bagging
operation, dis charge deflector must be
removed and mulcher door must be
closed.
Pivot pins Grass
catcher
handle
Catcher frame hook
Rear
door
LEVER BACKWARD TO
LOWER MOWER
LEVER FORWARD TO RAISE MOWER
Plate tab
Lever
TO CONVERT MOWER
Your lawn mower was shipped ready to
be used as a mulcher. To convert to bag-
ging or discharging:
REAR BAGGING
• Lift rear door of the lawn mower and
place the grass catcher frame hooks
onto the door pivot pins.
• To convert to mulching or dis charg ing
operation, remove grass catch er and
close rear door.
Open mulcher door
Install
discharge
deflector
MOWER IS NOW READY FOR
DISCHARGING OPERATION
The operation of any lawn mower can result in foreign objects
thrown into the eyes, which can result in severe eye damage.
Always wear safety glasses or eye shields while operating your
lawn mower or performing any adjustments or repairs. We recom-
mend standard safety glasses or a wide vision safety mask over spectacles.
Use ear
protec-
tors to
avoid
damage to hearing.

10
IMPORTANT:
• Check oil level before each use. Add
oil if needed. Fill to full line on dipstick.
• Change the oil after every 25 hours of
operation or each season. You may
need to change the oil more often
under dusty, dirty conditions. See “TO
CHANGE ENGINE OIL” in the Mainte-
nance section of this manual.
ADD GASOLINE
• Fill fuel tank to bottom of tank filler
neck. Do not overfill. Use fresh, clean,
regular unleaded gasoline with a mini-
mum of 87 octane. Do not mix oil with
gasoline. Purchase fuel in quan ti ties
that can be used within 30 days to as-
sure fuel freshness.
CAUTION: Wipe off any spilled oil or
fuel. Do not store, spill or use gasoline
near an open flame.
CAUTION: Alcohol blended fuels
(called gasohol or using ethanol or meth-
anol) can attract moisture which leads to
separation and for ma tion of acids during
storage. Acidic gas can damage the fuel
system of an engine while in storage. To
avoid engine problems, the fuel system
should be emptied before stor age of 30
days or longer. Empty the gas tank, start
the engine and let it run until the fuel lines
and carburetor are empty. Use fresh fuel
next season. See Storage In struc tions for
additional information. Never use engine
or carburetor cleaner products in the fuel
tank or permanent damage may occur.
SIMPLE STEPS TO REMEMBER WHEN
CONVERTING YOUR LAWN MOWER
FOR MULCHING -
1. Rear door closed.
2. Mulcher door closed.
FOR REAR BAGGING -
1. Grass catcher installed.
2. Mulcher door closed.
FOR SIDE DISCHARGING -
1. Rear door closed.
2. Discharge deflector installed.
CAUTION: Do not run your lawn
mower with out rear door closed, clipping
deflector or ap proved grass catcher in
place. Never at tempt to op er ate the lawn
mow er with the rear door re moved or
propped open.
TO EMPTY GRASS CATCHER
1. Lift up on grass catcher using the
frame han dle.
2. Remove grass catcher with clippings
from under lawn mower han dle.
3. Empty clippings from bag.
NOTE: Do not drag the bag when empty-
ing; it will cause unnecessary wear.
BEFORE STARTING ENGINE
ADD OIL
Your lawnmower is shipped without oil in
the engine. For type and grade of oil to
use, see “EN GINE” in the Maintenance
section of this manual.
CAUTION: DO NOT overfill engine with
oil, or it will smoke heavily from the muffler
on startup.
1. Be sure lawnmower is level.
2. Remove oil dipstick from oil fill spout.
3. You receive a container of oil with the
unit. Slowly pour the entire container
down the oil fill spout into the engine.
NOTE: Initial oil fill requires only 14 oz.
due to residual oil in engine from the
manufacturers 100% quality testing. When
changing oil you may need 16 oz.
4. Insert and tighten dipstick.
Grass
catcher
frame
handle
TO STOP ENGINE
• To stop engine, release operator pres-
ence con trol bar.
TO START ENGINE
NOTE: Due to protective coatings on the
engine, a small amount of smoke may be
present during the initial use of the prod-
uct and should be considered normal.
Engine oil cap Gasoline filler cap
Primer

11
• Keep top of engine around starter clear
and clean of grass clippings and chaff.
This will help engine air flow and extend
engine life.
MULCHING MOWING TIPS
IMPORTANT: For best performance,
keep mower housing free of built-up
grass and trash. See “CLEANING” in the
Maintenance section of this manual.
• The special mulching blade will recut
the grass clip pings many times and
reduce them in size so that as they fall
onto the lawn they will disperse into
the grass and not be noticed. Also,
the mulched grass will bio de grade
quick ly to provide nu tri ents for the lawn.
Always mulch with your highest engine
(blade) speed as this will provide the
best recutting action of the blades.
• Avoid cutting your lawn when it is wet.
Wet grass tends to form clumps and
in ter feres with the mulch ing action. The
best time to mow your lawn is the early
afternoon. At this time the grass has
dried, yet the newly cut area will not be
exposed to direct sunlight.
• For best results, adjust the lawn mower
cutting height so that the lawn mower
cuts off only the top one-third of the
grass blades. If the lawn is over grown
it will be nec es sary to raise the height
of cut to reduce pushing effort and to
keep from over load ing the engine and
leaving clumps of mulched grass. For
ex tremely heavy grass, reduce your
width of cut by overlapping previously
cut path and mow slowly.
• Certain types of grass and grass
con di tions may re quire that an area be
mulched a second time to com pletely
hide the clip pings. When doing a sec-
ond cut, mow across (perpendicular) to
the first cut path.
• Change your cutting pattern from week
to week. Mow north to south one week
then change to east to west the next
week. This will help prevent matting
and graining of the lawn.
1. To start a cold engine, push primer three
(3) times before trying to start. Use a firm
push. This step is not usually necessary
when starting an engine which has al-
ready run for a few minutes.
2. Hold operator presence control bar
down to the han dle and pull starter
handle quickly. Do not allow starter
rope to snap back.
NOTE: In cooler weather it may be necessary
to repeat priming steps. In warmer weather
over priming may cause flooding and
engine will not start. If you do flood engine,
wait a few minutes before attempting to
start and do not repeat priming steps.
MOWING TIPS
CAUTION: Do not use de-thatcher
blade attachments on your mower. Such
attachments are hazardous, will damage
your mower and could void your warranty.
• Under certain conditions, such as very
tall grass, it may be necessary to raise
the height of cut to reduce pushing effort
and to keep from over load ing the en gine
and leaving clumps of grass clippings. It
may also be necessary to reduce ground
speed and/or run the lawn mower over
the area a second time.
• For extremely heavy cutting, reduce the
width of cut by overlapping pre vi ous ly
cut path and mow slowly.
• For side discharge operation, cut in
a coun ter clock wise di rec tion, start ing
at the outside of the area to be cut, in
order to spread grass clip pings more
evenly and to put less load on the
engine. To keep clip pings off of walk-
ways, flower beds, etc., make the first
cuts in a clock wise direction. MAX 1/3
• If a trail of grass clipping is left on the
right side of the lawn mower during rear
discharge operation, mow in a clock-
wise direction with a small overlap to
collect the clippings on the next pass.
• Pores in cloth grass catchers can be-
come filled with dirt and dust with use
and catchers will collect less grass. To
prevent this, regularly hose catcher off
with water and let dry before using.

12
Wheel
adjuster (on
each wheel)
Engine oil
Rear door
hinge
Handle bracket mounting pins
MAINTENANCE
GENERAL REC OM MEN DA TIONS
The warranty on this lawn mower does not
cover items that have been sub ject ed to
operator abuse or negligence. To receive
full value from the warranty, operator must
maintain unit as in struct ed in this manual.
Some adjustments will need to be made
periodically to properly maintain your unit.
At least once a season, check to see if
you should make any of the adjustments
described in the Service and Ad just ments
section of this manual.
• At least once a year, replace the spark
plug, clean or replace air filter element
and check blade for wear. A new spark
plug and clean/new air filter element
assure proper air-fuel mix ture and help
your engine run bet ter and last longer.
• Follow the maintenance schedule in this
manual.
BEFORE EACH USE
• Check engine oil level.
• Check for loose fasteners.
LUBRICATION
Keep unit well lubricated
(See “LU BRI CA TION CHART”).
LUBRICATION CHART
Spray lubricant
See "ENGINE" in Maintenance section.
IMPORTANT: Do not oil or grease plastic
wheel bearings. Viscous lu bri cants will
attract dust and dirt that will short en the life
of the self-lu bri cat ing bearings. If you feel
they must be lu bri cated, use only a dry,
pow dered graphite type lubricant spar ingly.
Mulcher
door hinge
Check for Loose Fasteners
Clean / Inspect Grass Catcher *
Check Tires
Check Drive Wheels ***
Clean Lawn Mower ****
Clean under Drive Cover ***
Check Drive Belt / Pulleys ***
Check / Sharpen / Replace Blade
Lubrication
Clean and Recharge Battery **
Check Engine Oil level
Change Engine Oil
Clean Air Filter
Inspect Muffler
Replace Spark Plug
Replace Air Filter Paper Cartridge
Empty fuel system or add Stabilizer
BEFORE
EACH
USE
AFTER
EACH
USE
EVERY
10
HOURS
EVERY
25 HOURS
OR SEASON
EVERY
100
HOURS
BEFORE
STORAGE
1 - Change more often if operating under a heavy load or in high outdoor temperatures.
2 - Service more often if operating in dirty or dusty conditions.
3 - Replace blades more often when mowing in sandy soil.
4 - Charge 48 hours at end of season.
5 - And after each 5 hours of use.
(if so equipped)
Electric-Start mowers
Power-Propelled mowers
Use a scraper
to clean under deck
*
**
***
****

13
LAWN MOWER
Always observe safety rules when per-
form ing any main te nance.
TIRES
• Keep tires free of gasoline, oil, or insect
control chemi cals which can harm rubber.
• Avoid stumps, stones, deep ruts, sharp
objects and other hazards that may
cause tire damage.
BLADE CARE
For best results, mower blade must be kept
sharp. Re place a bent or dam aged blade.
CAUTION: Use only a replacement
blade approved by the manufacturer of
your mower. Using a blade not approved
by the manufacturer of your mower is
hazardous, could damage your mower
and void your warranty.
TO REMOVE BLADE
1. Disconnect spark plug wire from spark
plug and place wire where it cannot
come in contact with plug.
2. Turn lawn mower on its side. Make
sure air filter and carburetor are up.
3. Use a wood block between blade and
mower hous ing to prevent blade from
turning when re mov ing blade bolt.
NOTE: Protect your hands with gloves
and/or wrap blade with heavy cloth.
4. Remove blade bolt by turning counter-
clockwise.
5. Remove blade and attaching hard ware
(bolt, lock wash er and hardened wash er).
TO REPLACE BLADE
1. Position blade on the blade adapter
aligning the two (2) holes in the blade
with the raised lugs on the adapter.
2. Be sure the trailing edge of blade (oppo-
site sharp edge) is up toward the engine.
3. Install the blade bolt with the lock
washer and hardened washer into
blade adapter and crankshaft.
4. Use block of wood between blade and
lawn mower housing and tighten the
blade bolt, turning clockwise.
• The recommended tightening torque is
35–40 ft. lbs.
IMPORTANT: Blade bolt is heat treated.
If bolt needs replacing, replace only with
approved bolt shown in the Repair Parts
section of this manual.
TO SHARPEN BLADE
NOTE: We do not recommend sharp-
en ing the blade - but if you do, be sure
the blade is balanced. An un bal anced
blade will cause eventual damage to lawn
mower or engine.
• The blade can be sharp ened with a file
or on a grinding wheel. Do not attempt
to sharpen while on the mower.
• To check blade balance, drive a nail into
a beam or wall. Leave about one inch of
the straight nail ex posed. Place center
hole of blade over the head of the nail.
If blade is balanced, it should remain in
a horizontal position. If either end of the
blade moves downward, sharpen the
heavy end until the blade is balanced.
GRASS CATCHER
• The grass catcher may be hosed with
water, but must be dry when used.
• Check your grass catcher often for dam-
age or de te ri o ra tion. Through normal use
it will wear. If catcher needs replacing,
replace only with ap proved replacement
catcher shown in the Repair Parts section
of this manual. Give the lawn mower model
number when ordering.
ENGINE
LUBRICATION
Use only high quality detergent oil rated
with API service classification SJ–SN.
Select the oil's SAE viscosity grade
according to your expected operating
temperature.
NOTE: Although multi-viscosity oils
(5W30, 10W30 etc.) improve starting in
cold weather, these multi-viscosity oils will
result in increased oil consumption when
used above 32°F. Check your engine oil
level more frequently to avoid possible en-
gine damage from running low on oil.
Change the oil after every 25 hours of
operation or at least once a year if the
lawn mower is not used for 25 hours in
one year.
Blade
bolt
Crankshaft
keyway
Hardened
washer
Lockwasher
Blade adapter Key
Blade
Trailing edge Crankshaft

14
MUFFLER
Inspect and replace corroded muffler as it
could create a fire hazard and/or dam age.
SPARK PLUG
Replace spark plug at the beginning of
each mowing season or after every 100
hours of operation, whichever occurs
first. Spark plug type and gap setting
are shown in the “PROD UCT SPEC I FI CA-
TIONS” section of this manual.
CLEANING
IMPORTANT: For best performance,
keep mower housing free of built-grass
and trash. Clean the underside of your
mower after each use.
CAUTION: Disconnect spark plug wire
from spark plug and place wire where it
cannot come in contact with spark plug.
• Clean the underside of your lawn
mower by scraping to remove build-up
of grass and trash.
• Clean engine often to keep trash from
accumulating. A clogged engine runs
hotter and shortens engine life.
• Keep finished surfaces and wheels free
of all gasoline, oil, etc.
• With the exception of the water wash-
out port (if equipped), we do not rec-
ommend using a garden hose to clean
the outside of your lawn mower unless
the elec tri cal system, muffler, air filter
and carburetor are covered to keep
water out. Water in engine can result in
shortened engine life.
* NOTE: An oil change is not required but
if you desire to change the oil follow the
procedure below.
Check the crankcase oil level before
starting the engine and after each five (5)
hours of continuous use. Tighten oil plug
securely each time you check the oil level.
TO CHANGE ENGINE OIL
NOTE: Before tipping lawn mower to
drain oil, empty fuel tank by running en-
gine until fuel tank is empty.
1. Disconnect spark plug wire from spark
plug and place wire where it cannot
come in contact with plug.
2. Remove engine oil cap; lay aside on a
clean surface.
3. Tip lawn mower on its side as shown
and drain oil into a suitable container.
Rock lawn mower back and forth to re-
move any oil trapped inside of engine.
4. Wrap foam element in cloth and
squeeze dry.
5. Lightly coat foam element with clean
engine oil. Squeeze in towel to re-
move excess oil. Do not satu rate.
6. Install foam element, then replace
cover.
4. Wipe off any spilled oil from lawn
mower or side of engine.
5. Slowly pour oil down the oil fill spout,
stopping every few ounces to check
the oil level with the dipstick.
6. Stop adding oil when you reach the
FULL mark on the dipstick. Wait a min-
ute to allow oil to settle.
7. Continue adding small amounts of oil,
rechecking the dipstick until oil level
settles at FULL. DO NOT overfill, or
engine will smoke heavily from the
muffler on startup.
8. Always be sure to retighten oil dipstick
before starting engine.
9. Re con nect spark plug wire to plug.
AIR FILTER
Your engine will not run properly and may
be damaged by using a dirty air filter.
Replace the air filter every 100 hours of
operation or every season, whichever oc-
curs first. Service air cleaner more often
under dusty conditions.
TO CLEAN AIR FILTER ELEMENT
1. Remove cover.
2. Carefully remove foam element.
3. Wash foam element in liquid de ter gent
and water.
Container
Tab
Foam
element
Cover
Slot

15
SERVICE AND ADJUSTMENTS
WARNING: To avoid serious injury,
before performing any service and
adjustments:
1. Release control bar and stop engine.
2. Make sure the blade and all moving
parts have completely stopped.
3. Disconnect spark plug wire from spark
plug and place wire where it cannot
come in contact with spark plug.
LAWN MOWER
TO ADJUST CUTTING HEIGHT
See “TO ADJUST CUTTING HEIGHT” in
the Operation sec tion of this manual.
REAR DEFLECTOR
The rear deflector, attached between the
rear wheels of your mower, is provided to
min i mize the possibility that objects will
be thrown out of the rear of the mower
into the operator's mowing position.
Replace the rear deflector if it becomes
dam aged.
TO ADJUST HANDLE
The handle can be mounted in a high or
low position. The mounting holes in the
bottom of lower handle are off center for
raising or lowering the handle.
1. Remove upper handle and wire tie(s)
securing cable(s) to lower handle.
2. Remove klip rings from lower handle
bracket mount ing pins.
3. Remove bolts and nuts.
4. Squeeze lower handle in to remove it
from mounting pins.
5. Turn lower handle over to raise or
lower handle.
6. Squeeze lower handle in and po si tion
holes onto mount ing pins on handle
bracket.
7. Reinstall bolts and nuts.
8. Reassemble upper handle and all
parts removed from lower handle.
ENGINE
ENGINE SPEED
Your engine speed has been factory set.
CARBURETOR
Your carburetor is not adjustable.
IMPORTANT: Never tamper with the
engine governor, which is factory set
for proper engine speed. Over speed-
ing the engine above the factory high
speed setting can be dangerous. If you
think the engine-governed high speed
needs adjusting, contact a Sears or other
qualified service center, which has proper
equip ment and ex pe ri ence to make any
nec es sary adjustments.
Lower handle
Handle
bracket Klip ring
SQUEEZE
TO ADJUST
Mounting pin
Mowing
position Mowing
position
HIGH POSITIONLOW POSITION
Handle
bracket
Bolts
and
nuts
Klip
ring
Mounting
pin

16
STORAGE
Immediately prepare your lawn mower for
storage at the end of the season or if the
unit will not be used for 30 days or more.
LAWN MOWER
When lawn mower is to be stored for a
period of time, clean it thor oughly, remove
all dirt, grease, leaves, etc. Store in a
clean, dry area.
1. Clean entire lawn mower (See
“CLEANING” in the Maintenance sec-
tion of this manual).
2. Lubricate as shown in the Main te-
nance section of this manual.
3. Be sure that all nuts, bolts, screws,
and pins are securely fas tened. In-
spect moving parts for damage, break-
age and wear. Replace if necessary.
4. Touch up all rusted or chipped paint
surfaces; sand lightly before painting.
HANDLE
You can fold your lawn mower handle for
storage.
1. Remove bolts and nuts.
2. Squeeze the bottom ends of the
lower handle toward each other until
the lower handle clears the handle
bracket, then move handle forward.
3. Loosen upper handle mounting bolts
enough to allow upper handle to be
folded back.
IMPORTANT: When folding the handle
for storage or transportation, be sure to
fold the handle as shown or you may
damage the control cables.
• When setting up your handle from the
storage position, the lower han dle will
automatically lock into the mow ing
position.
Lower handle
SQUEEZE
TO FOLD
ENGINE
FUEL SYS TEM
IMPORTANT: It is important to prevent
gum deposits from forming in essential
fuel system parts such as carburetor, fuel
filter, fuel hose, or tank during storage.
Alcohol blended fuels (called gasohol or
using ethanol or methanol) can attract
moisture which leads to separation and
formation of acids during storage. Acidic
gas can damage the fuel system of an
engine while in storage.
• Empty the fuel tank by starting the en-
gine and letting it run until the fuel lines
and car bu re tor are empty.
• Never use engine or carburetor cleaner
prod ucts in the fuel tank or permanent
damage may occur.
• Use fresh fuel next season.
NOTE: Fuel stabilizer is an acceptable
alternative in min i miz ing the formation of
fuel gum deposits during stor age. Add
stabilizer to gasoline in fuel tank or stor-
age container. Always follow the mix ratio
found on stabilizer container. Run engine
at least 10 min utes after adding stabilizer
to allow the stabilizer to reach the car-
buretor. Do not empty the gas tank and
carburetor if using fuel stabilizer.
MOWING
POSITION
Lower handle
Operator
presence
control bar
Upper
handle
Handle
knob
FOLD
FORWARD
FOR
STORAGE
Nut
Bracket
Bolt

17
ENGINE OIL
Drain oil (with engine warm) and replace
with clean engine oil. (See “ENGINE” in
the Maintenance section of this man ual).
CYLINDER
1. Remove spark plug.
2. Pour one ounce (29 ml) of oil through
spark plug hole into cylinder.
3. Pull starter handle slowly a few times
to dis trib ute oil.
4. Replace with new spark plug.
OTHER
• Do not store gasoline from one season
to another.
• Replace your gasoline can if your can
starts to rust. Rust and/or dirt in your
gasoline will cause problems.
• If possible, store your unit indoors and
cover it to protect it from dust and dirt.
• Cover your unit with a suitable pro tec-
tive cover that does not retain mois ture.
Do not use plastic. Plastic cannot
breathe, which allows condensation to
form and will cause your unit to rust.
IMPORTANT: Never cover mower while
engine and exhaust areas are still warm.
CAUTION: Never store the lawn
mower with gaso line in the tank in side a
build ing where fumes may reach an open
flame or spark. Allow the engine to cool
before storing in any enclosure.
Does not start 1. Dirty air filter. 1. Clean/replace air filter.
2. Out of fuel. 2. Fill fuel tank.
3. Stale fuel. 3. Empty fuel tank and refill tank
with fresh, clean gasoline.
4. Water in fuel. 4. Empty fuel tank and refill tank
with fresh, clean gasoline.
5. Spark plug wire disconnected. 5. Connect wire to plug.
6. Bad spark plug. 6. Replace spark plug.
7. Loose blade or broken 7. Tighten blade bolt or
blade adapter. replace blade adapter.
8. Control bar in released 8. Depress control bar to
position. handle.
9. Control bar defective. 9. Replace control bar.
10. Fuel valve lever (if so 10. Turn fuel valve lever
equipped) in OFF position. to the ON position.
11. Weak battery (if equipped). 11. Charge battery.
12. Disconnected battery 12. Connect battery to engine.
connector (if equipped).
13. Blown fuse (if equipped). 13. Replace fuse.
PROBLEM CAUSE CORRECTION
TROUBLESHOOTING - See appropriate section in manual unless directed
to a Sears Parts & Repair Center.

18
Loss of power 1. Rear of mower housing or 1. Raise cutting height.
blade dragging in grass.
2. Cutting too much grass. 2. Raise cutting height.
3. Dirty air filter. 3. Clean/replace air filter.
4. Buildup of grass, leaves, 4. Clean underside of mower
and trash under mower. housing.
5. Too much oil in engine. 5. Check oil level.
6. Walking speed too fast. 6. Cut at slower walking speed.
Poor cut – 1. Worn, bent or loose blade. 1. Replace blade. Tighten
uneven blade bolt.
2. Wheel heights uneven. 2. Set all wheels at same
height.
3. Buildup of grass, leaves 3. Clean underside of
and trash under mower. mower housing.
Excessive 1. Worn, bent or loose blade. 1. Replace blade. Tighten
vibration blade bolt.
2. Bent engine crankshaft. 2. Contact a Sears or other
qualified service center.
Starter rope 1. Engine flywheel brake is on 1. Depress control bar to
hard to pull when control bar is released. upper handle before
pulling the starter rope.
2. Bent engine crankshaft. 2. Contact a Sears or other
qualified service center.
3. Blade adapter broken. 3. Replace blade adapter.
4. Blade dragging in grass. 4. Move lawn mower to cut
grass or to hard surface.
Grass catcher 1. Cutting height too low. 1. Raise cutting height.
not filling 2. Lift on blade worn off. 2. Replace blade.
(If so equipped) 3. Catcher not venting air. 3. Clean grass catcher.
Hard to push 1. Grass is too high or wheel 1. Raise cutting height.
height is too low.
2. Rear of mower housing or 2. Raise rear of mower housing
blade dragging in grass. one (1) setting higher.
3. Grass catcher too full. 3. Empty grass catcher.
4. Handle height position not 4. Adjust handle height to suit.
right for you.
Loss of drive 1. Belt wear. 1. Check/replace drive belt.
or slowing of 2. Belt off of pulley. 2. Check/reinstall drive belt.
drive speed 3. Drive cable worn or broken. 3. Replace drive cable.
4. “Loose” drive control system. 4. Adjust drive control.
NEED MORE HELP?
You'll find the answer and more on managemyhome.com – for free!
• Find this and all your other product manuals online.
• Get answers from our team of home experts.
• Get a personalized maintenance plan for your home.
• Find information and tools to help with home projects.
brought to you by Sears
PROBLEM CAUSE CORRECTION
TROUBLESHOOTING - See appropriate section in manual unless directed
to a Sears Parts & Repair Center.

19
TABLA DE MATERIAS
Garantía ...........................................................19
Reglas de Seguridad ................................ 19-21
Especificaciones del Producto .......................19
Montaje / Pre-Operación ........................... 23-24
Operación ................................................. 25-28
Programa de Mantenimiento ..........................29
Mantenimiento .......................................... 29-31
Servicio y Adjustes ..........................................32
Almacenamiento ....................................... 33-34
Identificación de problemas ..................... 34-35
Partes de repuesto ................................... 36-43
Servicio Sears .................................. Contratapa
GARANTÍA
GARANTÍA DE MANO DE OBRA COMPLETA CRAFTSMAN DE 2 AÑOS
Durante DOS AÑOS a partir de la fecha de compra, este producto está garantizado
contra cualquier defecto de material o mano de obra. El producto defectuoso recibirá
una reparación o un reemplazo en forma gratuita si la reparación no es posible.
Para conocer los detalles de la cobertura de la garantía con el fin de obtener una reparación
o un reemplazo en forma gratuita, visite el página web: www.craftsman.com/warranty
Esta garantía SÓLO cubre defectos de material y mano de obra.
La cobertura de la garantía NO incluye:
• Partes que se pueden gastar por el uso normal dentro del periodo de garantía,
como cuchillas, adaptadores de cuchillas, correas, filtros o bujías.
• Daño del producto que sea resultado de los intentos del usuario por modificar
o reparar el producto o a causa de los accesorios del producto.
• Reparaciones necesarias por accidente o falla al operar o dar mantenimiento
a este producto, de acuerdo con todas las instrucciones provistas.
• Mantenimiento preventivo o reparaciones necesarias debido a una mezcla de
combustible inapropiada, contaminada o inservible.
Esta garantía será nula si el producto se usa alguna vez mientras se proveen servicios
comerciales o si se renta a otra persona.
Esta garantía le otorga derechos legales específicos, además que de puede tener otros
derechos que varían de un estado a otro.
Sears Brands Management Corporation, Hoffman Estates, IL 60179
IMPORTANTE: Esta maquina cortadaora es
capaz de amputar las manos y los manos y
los pies y de lanzar objetos. Si no se observan
las instrucciones de seguridad siguientes se
pueden producir lesiones graves o la muerte.
Busque este símbolo que señala las precau-
ciones de seguridad de importancia. Quiere
decir – ¡¡¡ATENCIÓN!!! ¡¡¡ESTE ALERTO!!!
SU SEGURIDAD ESTA COMPROMETIDA.
REGLAS DE SEGURIDAD
ADVERTENCIA: Siempre desconecte el
alambre de la bujía y póngalo donde no pueda
entrar en contacto con la bujía, para evitar el
arranque por accidente, durante la prepara-
ción, el transporte, el ajuste o cuando se hacen
reparaciones.
ESPECIFICACIONES DEL PRODUCTO
Número de Serie:
Fecha de Compra:
Capacidad y Tipo de Gasolina: 0.8 Cuartos (Regular sin Plomo)
Tipo de Aceite (API SJ–SN): SAE 30 (Sobre 32°F); SAE 5W-30 (Debajo 32°F)
Capacidad de Aceite: 16 Onzas
Bujía (Abertura: .030") Champion RC12YC
Torsión del Perno de la Cuchilla: 35–40 ft. lbs.
• El número del nodelo y el de serie se encuentran en la calcomania adjunta a la parte trasera
de la caja de la segadora. Debe registrar tanto el número de serie come la fecha de compra y
mantengalos en un lugar seguro para refencia en el futuro.

20
PRECAUCIÓN: El tubo de escape del mo-
tor, algunos de sus constituyentes
y algunos componentes del
vehículo contienen o des-
prenden productos químicos
conocidos en el Estado de
California como causa de
cáncer y defectos al nacimiento
u otros daños reproductivos.
ADVERTENCIA: Los bornes, terminales y
accesorios relativos de la batería contienen
plomo o compuestos de plomo, productos
químicos conocidos en el Estado de California
como causa de cáncer y defectos al nacimien-
to u otros daños reproductivos. Lavar las
manos después de manipularlos.
PRECAUCIÓN: El silenciador y otras piezas
del motor llegan a sre extremadamente calien-
tes durante la operación y siguen siendo cali-
entes después de que el motor haya parado.
Para evitar quemaduras severas, permanezca
lejos de estas áreas.
ADVERTENCIA: Este segadora viene
equipado con un motor de combustión interna
y no se debe usar sobre, o cerca, de un ter-
reno no desarrollado cubierto de bosques, de
arbustos o de césped, o menos que el sistema
de es cape del motor venga equipado con un
amor ti gua dor de chispas que cumpla con las
leyes lo cales o estatales (si existen). Si se
usa un amortiguador de chispas, el operador
debe mantenerlo en condiciones de trabajo
eficientes.
En el estado de California, la ley exige lo an-
te ri or (Sección 4442 del “California Pub lic Re-
sourc es Code”). Otros estados pueden contar
con otras leyes parecidas. Las leyes federales
se aplican en la tierras federales. Su centro de
Servicio Sears más cer ca no tiene disponible
amor ti gua do res de chispas para el si len cia dor
(Vea la sección de PARTES DE REPUESTO de
este man u al Inglés del dueño).
I. NIÑOS
ADVERTENCIA: LOS NIÑOS PU-
EDEN SUFRIR HERIDAS GRAVES
O MUERTE A CAUSA DE ESTE
EQUIPO. Lea y siga atentamente
todas las instrucciones siguientes.
La Academia Americana de Pediatría recomien-
da que los cortacésped de conductor a pie
sean manejados por personas de al menos 12
años de edad, mientras que los cortacésped
de conductor montado sean operados por
personas de al menos 16 años de edad.
Se pueden producir accidentes trágicos si el
operador no presta atención a la presencia
de los niños. A menudo, los niños se sienten
atraídos por la máquina y por la actividad de
la siega. Nunca suponga que los niños van a
permanecer en el mismo lugar donde los vio
por última vez.
• Mantenga a los niños alejados de la zona
de trabajo y bajo la supervisión atenta de un
adulto responsable aparte del operador.
• Esté alerta y apague la máquina si hay niños
que entran al área.
• Antes y cuando este retrocediendo, mire
hacia atrás y hacia abajo para verificar si hay
niños pequeños.
• Nunca permita que los niños operen la
máquina.
• Tenga un cuidado extra cuando se acer-
que a esquinas donde no hay visibilidad, a
los arbustos, árboles u otros objetos que
pueden interferir con su línea de visión.
II. OPERACION
• Antes de empezar, debe familiarizarse
completamente con los controles y el uso
correcto de la maquina. Para esto, debe leer
y comprender todas las instrucciones que
aparecen en la maquina y en los manuales
de operación.
• No ponga las manos o los pies cerca o
debajo de las partes rotatorias. Manténgase
siempre lejos de la abertura de la descarga.
• Permita que solamente las personas re-
sponsables que estén familiarizadas con las
instrucciones operen la máquina.
• Despeje el área de objetos tales como pie-
dras, juguetes, alambres, huesos, palos, etc.
que pueden ser recogidos y lanzados por
la cuchilla. Manténgase detrás del mango
cuando el motor esté en marcha.
• Asegúrese que el área no se hallen per-
sonas, antes de segar. Pare la máquina si
alguien entra en el área.
• No utilice la máquina descalzo o con sanda-
lias. Para trabajar, utilice siempre un calzado
resistente con buena protección de los tobil-
los.
• No tire de la segadora hacia atrás a menos
que sea absolutamente necesario. Mire
siempre hacia abajo y hacia detrás antes y
mientras que se mueve hacia atrás.
• Nunca dirigir el material descargado hacia
las personas. Evitar descargar material
contra paredes o barreras. El material
puede retornar al operador. Para la cuchilla
cuando se pasa por superficies de grava.
• No opere la segadora sin los respectivos
resguardos, las placas, el recogedor de
césped u otros aditamentos dise ados para
su protección y seguridad.
• Refiérase a las instrucciones del fabricante
para el funcionamiento e instalación de
accesorios. Use únicamente accesorios
aprobados por el fabricante.
• Detenga la cuchilla o las cuchillas cuando
cruce por calzadas, calles o caminos de
grava.
• Nunca deje la máquina en marcha sin super-
visión.
• Apague el motor y espere a que la cuchilla
se detenga por completo antes de limpiar
la máquina, extraer el colector de hierba o
desatascar el conducto de descarga.
• Apagar el motor y esperar hasta que las
cuchillas estén completamente paradas
antes de remover el receptor de hierba.
• Segar solamente con luz del día o con una
buena luz artificial.
• No opere la máquina bajo la influencia del
alcohol o de las drogas.
21
• Nunca opere la maquina cuando la hierba
esté mojada. Asegúrese siempre de tener
buena tracción en sus pies; mantenga el
mango firmemente y camine; nunca corra.
• Desconecte el sistema de tracción, si la
máquina cuenta con él, antes de arrancar el
motor.
• Si el equipo empezara a vibrar de una
manera anormal, pare el motor y revise de
inmediato para averiguar la causa. General-
mente la vibración suele indicar que existe
alguna avería.
• Utilice protección para los ojos siempre que
trabaje con la máquina.
• Siempre use gafas de seguridad o anteojos
con protección lateral cuando opere la sega-
dora.
• Cuando cargue o descargue la máquina, no
sobrepase el ángulo máximo recomendado
de operación de 15°.
• Utilice equipo de protección personal (EPP)
cuando utilice esta máquina, incluyendo
(como mínimo) calzando resistente, protec-
ción ocular y protección auditiva. No corte
el césped con calzado corto ni abierto.
Ponga en conocimiento de los demás que está
cortando el césped.
III. OPERACION SOBRE LAS CUESTAS
Los accidentes ocurren con más frecuencia en
las cuestas. Estos accidentes ocurren debido a
resbaladas o caídas, las cuales pueden resultar
en graves lesiones. Operar la recortadora en
cuestas requiere mayor concentración. Si se
siente inseguro en una cuesta, no la recorte.
HACER:
• Puede recortar a través de la superficie de
la cuesta, nunca hacia arriba y hacia abajo.
Proceda con extrema precaución cuando
cambie de dirección en las cuestas.
• Renueva todos los objetos extraños, tales
como guijarros, ramas, etc.
• Tenga cuidado con los huecos, surcos, bultos
u objetos ocultos. El terreno irregular puede
provocar resbalones y caídas. Recuerde que
la hierba alta puede esconder obstáculos.
NO HACER:
• No corte el césped cerca de barrancos,
zanjas o terraplenes. Puede perder pie o el
equilibrio.
• No corte hierba mojada ni trabaje en
pendientes muy pronunciadas. Si pierde el
equilibrio puede resbalarse o caer.
IV. MANEJO SEGURO DE GASOLINA
Para evitar daños personales o materiales,
tenga mucho cuidado al manipular gasolina.
La gasolina es extremamente inflamable y los
vapores son explosivos.
• Apagar todos los cigarrillos, cigarros, pipas
y otras fuentes de ignición.
• Usar solo un contenedor apropiado.
• Nunca quitar el tapón de la gasolina o añadir
carburante con el motor en marcha.
• Esperar que el motor se enfríe antes de
repostar la gasolina.
• Nunca repostar la máquina al interior de un
local.
• Nunca guardar la máquina o el contenedor
de gasolina donde hay una llama abierta,
chispa o luz piloto como una caldera u otros
dispositivos.
• Nunca llenar contenedores en un vehículo, en
un camión o caravana con un forro de plástico.
Colocar siempre los contenedores en el suelo
lejos de su vehículo antes de llenar.
• Quitar equipos que funcionan con gasoli-
na del camión o caravana y repostar en el
suelo. Si esto no es posible, repostar dicho
equipo con un contenedor portátil, más bien
que con una tobera de gasolina.
• Mantener la tobera en contacto con el bordo
del depósito de carburante o de la apertura
del contenedor siempre hasta terminar el
abastecimiento. No usar un dispositivo de
cierre-apertura de la tobera.
• Si el carburante cae en la ropa que se lleva,
cambiársela inmediatamente.
• Nunca llenar en exceso el depósito de
carburante. Colocar el tapón de la gasolina y
apretar de modo seguro.
V. SERVICIO
• Nunca haga funcionar una máquina dentro
de un área cerrada.
• Nunca haga ajustes o reparaciones mientras
el motor esté en marcha. Desconecte el
cable de la bujía, y manténgalo a cierta
distancia de ésta para prevenir un arranque
accidental.
• Mantenga todas las tuercas y pernos apreta-
dos para asegurarse de que el equipo se en-
cuentra en condiciones de trabajo seguras.
• Nunca manipule de forma indebida los
dispositivos de seguridad. Controle regu-
larmente su funcionamiento correcto. No
realice acción alguna que pueda interferir
con la función prevista de un dispositivo de
seguridad o reducir la protección suminis-
trada por un dispositivo de seguridad.
• Mantenga la máquina libre de hierba, hojas
u otras acumulaciones de desperdicio.
Limpie los derrames de aceite o com bus-
ti ble. Permita que la máquina se enfríe antes
de almacenarla.
• Pare e inspeccione el equipo si le pega a un
objeto. Repárelo, si es necesario, antes de
hacerlo arrancar.
• En ningún caso hay que regular la altura de
las ruedas mientras el motor está en marcha.
• Los componentes del receptor de la hierba
van sujetos a desgaste, daños y deterioro,
que pueden exponer las partes en mov-
imiento o permitir que objetos sean dispara-
dos. Controlar frecuentemente y cuando sea
necesario sustituir con partes aconsejadas
por el fabricante.
• Las cuchillas de la segadora están afiladas
y pueden cortar. Cubrir las hojas o llevar
guantes, y utilizar precauciones especiales
cuando se efectúa mantenimiento sobre las
mismas.
• No cambie el ajuste del regulador del motor
ni exceda su velocidad.
• Mantener o sustituir las etiquetas de seguri-
dad e instrucciones, cuando sea necesario.

22
ACCESORIOS PARA LA SEGADORA
Estos accesorios estaban disponibles cuando se produjo la segadora. No son facilitados junto al
cortacesped. También están disponibles en la mayoría de las tiendas de Sears y en los centros de
servicio. ALGUNOS DE ESTOS ACCESORIOS TAL VEZ NO SE APLIQUEN A SU SEGADORA.
Congratulaciones por su buena compra. Su
nuevo producto Craftsman® está diseñado
y fabricado para funcionar de modo fiable por
muchos años. Pero como todos los productos,
puede necesitar alguna reparación de tanto
en tanto. En este caso tener un Acuerdo de
Protección para la Reparación puede hacerles
ahorrar dinero y fastidios.
Compre ahora un Acuerdo de Protección para
la Reparación y protégese de molestias y gas-
tos inesperados.
Un Acuerdo incluye los puntos siguientes:
• Servicio experto de nuestros 12.000 espe-
cialistas profesionales en la reparación.
• Servicio ilimitado sin cargo alguno para
las partes y la mano de obra sobre todas las
reparaciones garantizadas.
• Sustitución del producto si su producto
garantizado no puede ser arreglado.
• Descuento del 25% sobre el precio cor-
riente del servicio y de las partes relativas al
servicio no cubiertas por el acuerdo; tam-
bién el 25% menos sobre el precio corriente
de un control de mantenimiento preventivo.
• Ayuda rápida por teléfono – soporte tele-
fónico por parte de un representante Sears
sobre productos que requieren un arreglo en
casa, y además una programación sobre los
a reglos más convenientes.
Cuando se ha comprado el Acuerdo, basta con
una llamada telefónica para programar el servi-
cio. Puede llamar cuando quiera, día y noche
o fijar en línea una cita para obtener el servicio.
Sears tiene más de 12.000 especialistas pro-
fesionales en la reparación, que tienen acceso
a más de 4.5 millones de partes y accesorios
de calidad. Este es el tipo de profesionalidad
con que puede contar para ayudar a alargar la
vida del producto que acaba de comprar, por
muchos años. ¡Compre hoy su Acuerdo de
Protección para la Reparación!
Se aplican algunas limitaciones y exclu-sio-
nes. Para conocer los precios y tener más
información, llame al 1-800-827-6655.
Servicio de Instalación Sears
Para la instalación profesional Sears de apara-
tos de casa, puertas de garaje, calentadores
de agua y otros importantes artículos para la
casa, en U.S.A. llamar a
1-800-4-MY-HOME®.
Acuerdos de Protección para la Reparación

23
MONTAJE / PRE-OPERACIÓN
Lea estas instrucciones y este manual comple-
tamente antes de tratar de montar u operar su
segadora nueva.
IMPORTANTE: Este cortacésped viene SIN
ACEITE O GASOLINA en el motor.
Su segadora nueva ha sido montada en la
fábrica con la excepción de aquellas partes
que se dejaron sin montar por razones de
envío. Todas las partes como las tuercas, las
arandelas, los pernos, etc., que son necesarias
para completar el montaje han sido colocadas
en la bolsa de partes. Para asegurarse que su
segadora funcione en forma segura y adecua-
da, todas las partes y los artículos de ferretería
que se monten tienen que ser apretados segu-
ramente. Use las herramientas correctas, como
sea necesario, para asegurar que se aprieten
adecuadamente.
PARA REMOVER LA SEGADORA DE LA
CAJA DE CARTÓN
1. Remueva las partes sueltas que se incluyen
con la segadora.
2. Corte las dos esquinas de los extremos
de la caja de cartón y tienda el panel del
extremo plano.
3. Remueva todo el material de empaque, ex-
cepto la cuña entre el mango superior y él
inferior, y la cuña que sujeta la barra de los
control que exige la presencia del operador
junto con el mango superior.
4. Haga rodar la segadora hacia afuera de la
caja de cartón y revísela cuidadosamente
para verificar si todavía quedan partes
sueltas adicionales.
Mango
superior
LEVAN-
TAR
LEVAN-
TAR
Mango Inferior
POSICIÓN
PARA
SEGAR
Barra de control
que sxige la
presencia del
operador
Puntal
Tuerca
Manilla del
mango
Perno
COMO PREPARAR SU SEGADORA
PARA DESDOBLAR EL MANGO
IMPORTANTE: Despliegue el mango con
mucho cuidado para no pellizcar o dañar los
cables de control.
1. Levante los mangos hasta que la sección
del mango inferior se asegure en su lugar,
en la posición para segar.
2. Inserte el pernos a través de éste y del
puntal y asegúrelo con las tuercas.
3. Remueva la cuña protectora, levante la sec-
ción del mango superior hasta su lugar en
el mango inferior, y apriete ambas manillas
del mango.
4. Remueva la cuña del mango que sujeta la
barra de los control que exige la presencia
del operador junto con el mango superior.
El mango de la segadora puede ajustarse
según le acomode para segar. Refiérase a
“AJUSTE DEL MANGO” en la Sección de Servi-
cio y Ajustes de este manual.

24
PARA MONTAR EL RECOGEDOR DE CÉSPED
1. Ponga el bastidor del recogedor de césped
en la bolsa del césped con la parte rígida
de la bolsa en la parte inferior. Asegúrese
que el mango del bastidor esté en el exte-
rior de la parte superior de la bolsa.
2. Deslice los sujetadores de vinilo sobre el
bastidor.
AVISO: Si los sujetadores de vinilo están muy
duros, métalos en agua caliente por algunos
minutos. Si se moja la bolsa, déjela que se
seque antes de usarla.
PARA INSTALAR LOS ACCESORIOS
Su segadora fue enviada lista para usarse
como una acolchadora de capa vegetal. Para
convertir la de modo que pueda ensacar o
descargar, refiérase a “PARA CONVERTIR LA
SEGADORA” en la sección de Operación de
este manual.
Mango del
bastidor del
recogedor
Abertura
del bastidor
Sujetadores
de vinilo
INSTALACIÓN DEL CORDÓN ARRANCA-
DOR
1. Afloje una manilla-T.
2. Sujete la barra de control en contra del
mango superior.
3. Lentamente tire el cordón arrancador del
motor hacia afuera hasta que se deslice
dentro la parte redondeada de la guía del
cordón.
4. Apriete una manilla-T.
Mango superior
Barra de control
Cordón
arrancador
del motor
Guía del cordon Manilla-T

25
OPERACIÓN
FAMILIARICESE CON SU SEGADORA
LEA ESTE MANUAL DEL DUENO Y LAS REGLAS DE SEGURIDAD ANTES DE OPARAR SU SEGA-
DORA. Compare las ilustraciones con su segadora para familiarizarse con la ubicación de los
diversos controles y ajustes. Guarde este manual para referencia en el futuro.
Estos símbolos pueden apareser sobre su segadora o en la literatura proporcionada con el
producto. Aprenda y comprenda sus significados.
Barra de control que exige
la presencia del operador
Caja
Manilla del mango
CUMPLE CON LOS REQUISITOS DE SEGURIDAD DE LA CPSC
Las segadoras a motor, que se conducen desde la parte de atrás, rotatorias, Sears, cumplen con los
estándares de seguridad del American National Standards Institute y de la U.S. Con sum er Product
Safety Commission. ADVERTENCIA: La cuchilla gira cuando el motor está funcionando.
Barra de control que exige la presencia del
operador – tiene que sujetarse abajo, junto
con el mango, para hacer arrancar el motor.
Suéltela para parar el motor.
Cordón arrancador – se usa para hacer ar-
rancar el motor.
Filtro
de aire
Cebador – bombea combustible adicional
desde el carburador al cilindro para uso cu-
ando se necesita hacer arrancar un motor frío.
Puerta de la acolchadora – permite la
conversión para la operación de descarga o
ensacado.
Ajustador de la rueda
(en cada rueda)
Cordón
arrancador
Tapa del deposito
de aciete del
motor con varilla
indicadora de nivel
Bujía
Cebador
Recogedor
de césped
Silenciador
Puerta de la acolchadora
NOTA: Esta máquina puede utilizar gasolina
con un contenido de hasta el 10% de etanol (E10).
El uso de una gasolina que supere el 10% de etanol (E10) anulará la garantía del producto.
IMPORTANTE: Este cortacésped viene
SIN ACEITE O GASOLINA en motor.
Tapa del deposito
de la gasolina

26
COMO USAR SU SEGADORA
VELOCIDAD DEL MOTOR
La velocidad del motor se estableció en la fá-
brica para un rendimiento óptimo. La velocidad
no se puede ajustar.
CONTROL DE ZONA DEL MOTOR
PRECAUCIÓN: Las regulaciones federales
exigen que se instale un control para el motor
en esta segadora para reducir a un mínimo el
riesgo de lesionarse debido al contacto con la
cuchilla. Por ningún motivo trate de eliminar
la función del control del operador. La cuchilla
gira cuando el motor está funcionando.
• Su segadora viene equipada con una barra
de controles que exigen la presencia del
operador, lo que requiere que el operador
esté detrás del mango de la segadora para
hacerla arrancar y operarla.
PARA AJUSTAR LA ALTURA DE CORTE
Levante las ruedas para el corte bajo y baje las
ruedas para el corte alto., ajuste la altura de
corte para que se acomode a sus requisitos. La
posición del medio es la mejor para la mayoría
de los céspedes.
• Para cambiar la altura de corte, empuje la
palanca del ajustador hacia la rueda. Mueva
la rueda hacia arriba o hacia abajo de modo
que se acomode a sus requisitos. Asegúrese
que todas las ruedas queden igualmente
ajustadas.
AVISO: El ajustador esta correctamente
colocado cuando las orejas de la placa están
insertadas en el agujero del mango. También,
los ajustes de 9 posiciones (si equipado) per-
miten que el mango pueda ser movido entre
las orejas de la placa.
SEGADORAS CON DESCARGA LATERAL
• La puerta trasera tiene que estar cerrada.
• Abra la protección contra la descarga y
instale el desviador de contra la descarga
debajo de la protección como se muestra.
• La segadora esta lista para la operación de
la descarga.
• Para convertir a la operación de ensacado
o de descarga, el desviador de la descarga
debe ser removido y la protección contra la
descarga debe estar cerrada.
Mango del
bastidor del
recogedor
de césped
Pasador del quincio
Gancho lateral del
bastidor del recogedor
Puerta
trasera
PARA CONVERTIR LA SEGADORA
Su segadora fue enviada lista para usarse como
acolchadora de capa vegetal. Para convertirla
a una operación de ensacado o de descarga:
SEGADORAS CON DESCARGA TRASERA
• Levantar la puerta trasera de cortacésped
y colocar los ganchos del armazón de la
recolectora de hierba en los pasadores del
quicio de la puerta.
• Para pasar a la operación de acolchamiento,
remover la recolectora de hierba y cerrar la
puerta trasera.
PALANCA HACIA ATRÁS
PARA BAJAR EL CORTACÉSPED
PALANCA
HACIA
ADELANTE PARA LEVANTAR EL CORTACÉSPED
Orejas
de la
placa
Mango
Abra la protección
contra la descarga
Desviador de
la descarga
LA SEGADORA
ESTA LISTA PARA LA
OPERACIÓN DE LA DESCARGA
La operación de cualquier segadora puede hacer que
salten objetos extraños dentro de sus ojos, lo que puede
producir daños graves en éstos. Siempre use anteojos
de seguridad o protección para los ojos mientras opere
su segadora o cuando haga ajustes o reparaciones.
Recomendamos gafas o una mascara de seguridad
de visión amplia de seguridad usada sobre las gafas.
Utilice las
protec-
ciones
auditivas
para evitar
daño a la
audiencia.

27
IMPORTANTE:
• Revise el nivel del aceite antes de cada uso.
Agregue aceite si es necesario. Llene hasta la
línea de lleno en la varilla medidora de nivel.
• Cambie el aceite después de 25 horas de
operación o una vez por temporada. Puede
necesitar cambiar el aceite más a menudo
cuando las condiciones son polvorosas o
sucias. Vea “PARA CAMBIAR EL ACEITE
DEL MOTOR” en la seccion de Mantenimien-
to de este manual.
AGREGUE GASOLINA
• Llene el estanque de combustible hasta la
parte inferior del cuello de relleno del es-
tanque de gasolina. No lo llene demasiado.
Use gasolina regular, sin plomo, nueva y lim-
pia con el mínimo de 87 octanos. No mezcle
el aceite con la gasolina. Para asegurar
que la gasolina utilizada sea fresca compre
estanques los cuales puedan ser utilizados
durante los primeros 30 días.
ADVERTENCIA: Limpie el aceite o el
combustible derramado. No al ma ce ne, derrame
o use gasolina cerca de una llama expuesta.
PRECAUCIÓN: Los com bus ti bles mezclados
con alcohol (conocidos como gasohol, o el uso
de etanol o metanol) pueden atraer la humedad,
la que conduce a la separación y formación de
ácidos durante el almacenamiento. La gasolina
acídica puede dañar el sistema del combustible
de un motor durante el almacenamiento. Para
evitar los problemas con el motor, se debe vaciar
el sistema del combustible antes de guardarlo
por un período de 30 días o más. Vacíe el
estanque del combustible, haga arrancar el
motor y hágalo funcionar hasta que las líneas
del combustible y el carburador queden vacíos.
La próxima temporada use combustible nuevo.
Vea las Instrucciones Para El Almacenamiento
para más información. Nunca use productos de
limpieza para el motor o para el carburador en
el estanque del combustible pues se pueden
producir daños permanentes.
PASOS SIMPLES DE RECORDAR
CUANDO CONVIERTA SU SEGADORA
PARA ACOLCHAMIENTO -
1. La plancha acolchadora trasera instalada.
2. La protección contra la descarga cerrada.
PARA ENSACAMIENTO TRASERO -
1. La plancha acolchadora trasera removida.
2. Recogedor del césped instalado.
3. La protección contra la descarga cerrada.
PARA DESCARGA LATERAL-
1. La plancha acolchadora trasera instalada.
2. La desviador de la descarga instalada.
PRECAUCIÓN: No haga funcionar su
segadora sin la placa de la acolchadora, el
desviador de recortes o sin el recogedor
césped aprobados en su lugar. Nunca trate de
operar la segadora cuando se halla removido
la puerta trasera o cuando se ha removido a
puerta trasera o cuando está un poco abierta.
PARA VACIAR EL RECOGEDOR DE CÉSPED
1. Levante el recogedor de césped usando el
mango del bastidor.
2. Remueva el recogedor de césped, con
los recortes, de debajo del mango de la
segadora.
3. Vacíe los recortes de la bolsa.
AVISO: No arrastre la bolsa cuando la vacíe;
se producirá un desgaste innecesario.
ANTES DE HACER
ARRANCAR EL MOTOR
AGREGUE ACEITE
Su segadora fue enviada sin aceite en el motor.
Para el tipo y el grado del aceite a utilizar, vea
el “MOTOR” en la sección del Mantenimiento
de este manual.
PRECAUCIÓN: NO sobrellene el motor con
aceite, o fumará pesa demante del silenciador
cuando lo valla a arrancar.
1. Asegúrese que la segadora esté nivelada.
2. Remueva la varila medidora de aceite del
tubo de desarga de aceite.
3. Usted recibe un envase de aceite con la
unidad. Vierta lentamente el envase entero
de aceite en el tubo de relleno del motor.
AVISO: El terraplén inicial del aceite requiere
solamente 13.5 onzas debido al aceite residual
en el motor de la prueba de calidad de 100%
del fabricante. Al cambiar el aceite puede
necesitar 15.5 onzas.
4. Inserte y apriete la varilla medidora de aceite.
Mango del
bastidor del
recogedor
de césped
Tapa del rellenador de
gasolina Tapa del rellenador
de gasolina
Cebador
PARA PARAR EL MOTOR
• Para parar el motor, suelte la barra de con-
troles que exigen la presencia del operador.

28
• Los poros en los recogedores de césped de
tela pueden llenarse con mugre y polvo con
el uso y los recogedores recaudarán menos
césped. Para evitar éste, rocíe el recogedor
con la manguera de agua, regularmente, y
déjelo secarse antes de usarlo.
• Mantenga la parte superior del motor, alrede-
dor del arrancador, despejada y sin recortes
de césped y paja. Esto ayudará el flujo del
aire del motor y extenderá su duración.
CONSEJOS PARA SEGAR Y ACOLCHAR
IMPORTANTE: Para obtener el mejor rendimiento
mantenga la caja de la segadora sin acumulacion
de cesped y basura. Vea “LIMPIEZA” en la
seccion de Mantenimento de este manual.
• La cuchilla acolchadora especial va a volver a
cortar los recortes de césped muchas veces, y
los reduce en tamaño, de modo que si se caen
en el césped se van a dispesar entre éste y no
se van a notar. También, el césped acolchado
se va a deshacer rápidamente entregando
substancias nutritivas para el césped. Siempre
acolche con la velocidad del motor (cuchilla)
más alta, pues así se obtendrá la mejor acción
de recorte de las cuchillas.
• Evite cortar el césped cuando esté mojado.
El césped mojado tiende a formar montones
e interfiere con la acción de acolchado.
La mejor hora para segar el césped es
temprano en la tarde. A esa hora éste se ha
secado y el área recién cortada no quedará
expuesta al sol directo.
• Para obtener los mejores resultados, ajuste
la altura del corte de la segadora de modo
que ésta corte solamente el tercio superior
de las hojas de césped. En el caso de que el
césped haya crecido demasiado, puede ser
necesario el elevar la altura del corte para re-
ducir el esfuerzo necesario para empujar la
segadora y para evitar sobrecargar el motor,
dejando montones de recortes de césped.
Para un césped muy pesado, reduzca el an-
cho del corte pasando por encima del lugar
anteriormente cortado y siegue lentamente.
• Ciertos tipos de césped y sus condiciones
pueden exigir que un área tenga que ser
acolchada por segunda vez para esconder
completamente los recortes. Cuando se
haga el segundo corte, siegue atravesado
(en forma perpendicular) a la pasada del
primer corte.
• Cambie su patrón de corte de semana a
semana. Siegue de norte a sur una semana
y luego cambie de este a oeste la próxima
semana. Esto evitará que el césped se
enrede y cambie de dirección.
PARA HACER ARRANCAR EL MOTOR
AVISO: Debido a las capas protectoras del mo-
tor, una cantidad pequeña de humo puede es-
tar presente durante el uso inicial del producto
y se debe considerar normal.
1. Para hacer arrancar un motor frío, empuje
el cebador tres (3) veces antes de tratarlo.
Empuje firmemente. Este paso normal-
mente no es necesario cuando se hace
arrancar un motor que ya ha estado funcio-
nando por unos cuantos minutos.
2. Sujete la barra de controles que exigen la
presencia del operador abajo en el mango
y tire el mango del arrancador rápidam-
ente. No permita que el cordón arrancador
se devuelva abruptamente.
AVISO: En climas más fríos puede que sea
necesario repetir los pasos del cebado. En cli-
mas más calurosos el cebar demasiado puede
producir el ahogo y el motor no va a arrancar.
Si se ahoga el motor espere unos cuantos
minutos antes de tratar de hacerlo arrancar y
no repita los pasos del cebado.
CONSEJOS PARA SEGAR
PRECAUCIÓN: No utilizar dispositivos anti-
paja de la hoja en la segadora ya que estos
accesorios son peligrosos, pueden dañar su
segadora y anular su garantía.
• Bajo ciertas condiciones, tal como césped
muy alto, puede ser necesario el elevar
la altura del corte para reducir el esfuerzo
necesario para empujar la segadora y para
evitar sobrecargar el motor, dejando mon-
tones de recortes de césped. Puede que sea
necesario reducir la velocidad del recorrido
y/o haga funcionar la segadora sobre el área
por segunda vez.
• Para un corte muy pesado, reduzca el ancho del
corte pasando parcialmente por encima del lugar
anteriormente cortado y siegue lentamente.
• Si las segadoras de descarga lateral cortan
en una dirección contraria a las manillas del
reloj, si se empieza en la parte de afuera
del área que se va a cortar, se repartirán los
recortes del césped en forma más pareja y
el motor se cargará menos. Para evitar que
los recortes caigan en los senderos, en las
flores, etc., haga los primeros cortes en la
dirección de las manillas del reloj.
MAX 1/3
• Si queda una huella de cortes en el lado
derecho de una segadora con descarga
trasera, siegue en la dirección en que giran
las manillas del reloj, solapando un poco para
recaudar los recortes en la próxima pasada.

29
Ajustador
de la rueda
Clavija de montaje del puntal del mango
Bisagra
de la
puerta
traser
Aceite
del
motor
MANTENIMENTO
RECOMENDACIONES GENERALES
La garantía de esta segadora no cubre los
artículos que han estado sujetos al abuso o a
la negligencia del operador. Para recibir todo
el valor de la garantía, el operador tiene que
mantener la segadora según las instrucciones
descritas en este manual.
Hay algunos ajustes que se tienen que hacer
en forma periódica para poder mantener su
unidad adecuadamente.
Al menos una vez cada estación comprobar
si es necesario efectuar los ajustes descritos
en las secciones de Servicio y Ajustes de este
manual.
• Una vez al año, cambie la bujía, limpie o
cambie el elemento del filtro de aire y revise
si la cuchilla está desgastada. Una bujía
nueva y un elemento del filtro de aire limpio/
nuevo aseguran la mezcla de aire-com bus-
ti ble adecuada y ayudan a que su motor
funcione mejor y que dure más.
• Siga el programa de mantenimiento en este
manual.
ANTES DE CADA USO
• Revise el nivel del aceite del motor.
• Revise si hay sujetadores sueltos.
LUBRICACIÓN
Mantenga la unidad bien lubricada
(vea la “TABLA DE LUBRICACIÓN”).
TABLA DE LUBRICACIÓN
Rocie el lubricante
Vea "MOTOR" en la seccion de Mantenimiento
IMPORTANTE: No aceite o engrase los roda-
mientos de la rueda de plastico. Los lubrican-
tes viscosos atearan polvo y mugre, lo acortara
la duracion de los rodamientos autolubrican-
tes. Si cree que tienen que lubricarse, use
losamente un lubricante tipo crafito, de polvo
seco, en forma moderada.
Puerta
de la
acolchadora

30
SEGADORA
Siempre observe las reglas de seguridad
cuando haga el mantenimiento.
LLANTAS
• Mantenga las llantas sin gasolina, aceite o
substancias químicas para control de insec-
tos que pueden dañar la goma.
• Evite los tocones, las piedras, las grietas
profundas, los objetos afilados y otros pelig-
ros que pueden dañar a las llantas.
CUIDADO DE LA CUCHILLA
Para obtener los mejores resultados, la cuchilla
de la segadora tienen que mantenerse afilada.
Cambie la cuchilla doblada o dañada.
PRECAUCIÓN: Usar solamente la hoja de
repuesto aprobada por el fabricante de su
cortacésped. Usar una hoja no aprobada por
el fabricante de su cortacésped es peligroso,
puede dañar su cortacésped y anular su garantía.
PARA REMOVER LA CUCHILLA
1. Desconecte el alambre de la bujía y póngalo en
donde no pueda entrar en contacto con ésta.
2. Haga descansar la segadora en su lado.
Asegúrese que el filtro de aire y que el
carburador queden mirando hacia arriba.
3. Use un bloque de madera entre la cuchilla
y la caja de la segadora para evitar que la
cuchilla gire cuando se le quite el perno.
AVISO: Proteja sus manos con guantes y/o
envuelva la cuchilla con una tela gruesa.
4. Remueva el perno de la cuchilla girándolo
en el sentido contrario en que giran las
manillas del reloj.
5. Remueva la cuchilla y los artículos de fer-
retería adjuntadores (el perno, la arandela
de seguridad y la arandela endurecida).
PARA CAMBIAR LA CUCHILLA
1. Ponga la cuchilla en el adaptador de ésta
alineando los dos (2) agujeros en la cuchilla
con las salientes elevadas en el adaptador.
2. Asegúrese de que el borde de salida de
la cuchilla (opuesto al borde afilado) esté
hacia arriba hacia el motor.
3. Instale el perno de la cuchilla con la aran-
dela de seguridad y la arandela endurecida
en el adaptador de la cuchilla y el cigueñal.
4. Use un bloque de madera entre la cuchilla
y la caja de la segadora y apriete el perno
de la cuchilla girándolo en el sentido en
que giran las manillas del reloj.
• La torsión para apretar recomendada es de
35–40 pies libras.
IMPORTANTE: El perno de la cuchilla es tratado
a calo. Si es necesario sustituir los pernos, susti-
tuirlos sólo con pernos aprobados mostrados en
la sección Partes de Reparación de este manual.
PARA AFILAR LA CUCHILLA
AVISO: No recomendamos el afilar la cuchilla – pero
si lo hace, asegúrese de que quede balanceada.
Se tiene que tener cuidado de mantenerla bal-
anceada. Una cuchilla que no está balanceada
va a producir eventualmente daño en la sega-
dora o en el motor.
• La cuchilla puede afilarse con una lima o en
una rueda rectificadora. No trate de afilarla
mientras se encuentra en la segadora.
• Para revisar el balance de la cuchilla, clave un
clavo en una viga o en la pared. Deje alrededor
de una pulgada de un clavo recto expuesto.
Ponga el agujero central de la cuchilla sobre
la cabeza del clavo. Si la cuchilla está bal-
anceada debe permanecer en la posición
horizontal. Si cualquiera de los extremos de la
cuchilla se mueve hacia abajo, afile el extremo
pesado hasta que ésta quede balanceada.
RECOGEDOR DE CÉSPED
• El recogedor de césped puede ser rociado
con el agua de la manguera pero tiene que
estar seco cuando se vaya a usar.
• Revise su recogedor de césped a menudo
para verificar si está dañado o deteriorado.
Se va a desgastar con el uso normal. Si se
necesita cambiar el recogedor, cámbielo
solamente por uno que sea aprobado por el
fabricante. Dé el número del modelo de la
segadora cuando lo ordene.
MOTOR
LUBRICACIÓN
Use solamente aceite de detergente de alta
calidad clasificado con la clasificación SJ–SN
de servicio API. Seleccione la calidad de visco-
sidad SAE según su temperatura de operación
esperada.
AVISO: A pesar de que los aceites de mul-
tiviscosidad (5W30, 10W30, etc.) mejoran el
arranque en clima frío, estos aceites de mul-
tiviscosidad van ha aumentar el consumo de
aceite cuando se usan en temperaturas sobre
32° F. Revise el nivel del aceite del motor más a
menudo, para evitar un posible daño en el mo-
tor, debido a que no tiene suficiente aceite.
Cambie el aceite después de 25 horas de
operación o por lo menos una vez al año si la
segadora se utiliza menos 25 horas el año.
* AVISO: No se requiere un cambio de aceite,
pero desea cambiar el aceite siga el proced-
imiento siguiente.
Arandela de
seguridad
Borde de salida
Perno
de la
cuchilla
Ranura
Cuchilla
Chavetero del
ciguenal
Adaptador de
la cuchilla
Ciguénal
Arandela
endurecida

31
Revise el nivel del aceite del cárter antes de
arrancar el motor y después de cada cinco (5)
horas de uso continuado. Apriete el tapón del
aceite en forma segura cada vez que revise el
nivel del aceite.
PARA CAMBIAR EL ACEITE DEL MOTOR
AVISO: Antes de inclinar la segadora para dre-
nar el aceite, drene el tanque de com bus ti ble
haciendo correr el motor hasta que el tanque
esté vacio.
1. Desconecte el alambre de la bujía y
póngalo de modo que no pueda entrar en
contacto con ésta.
2. Remueva la tapa del depósito del aceite;
déjela a un lado en una superficie limpia.
3. Incline la cortadora de césped por este
costado tal como se muestra y purgue el
aceite en un recipiente idóneo. Mueva la
segadora de atrás para adelante para re-
mover todo el aceite que se haya quedado
atrapado dentro del motor.
4. Envuelva el elemento de espuma en una
tela y séquelo apretándolo.
5. Cubra el elemento de espuma con una
capa delgada de aceite de motor limpio.
Apriételo en una toalla para remover el
aceite en exceso. No lo sature.
6. Instale el elemento de espuma, luego
vuelva a poner la cubierta.
4. Limpie todo el aceite derramado en la
segadora y en el lado del motor.
5. Echar aceite despacio en el conducto del
aceite, parándose a intervalos regulares para
controlar el nivel del aceite con la varilla.
6. Parar de añadir aceite cuando se alcanza la
señal de lleno (FULL) en la varilla. Esperar
un minuto para dejar que el aceite se arregle.
7. Continúe agregando cantidades pequeas
de aceite y vuelva a inspeccionar la varilla
medidora settles del nivel de aciete en lleno
(FULL). NO sobrellene el motor con aceite,
o fumará pesa demante del silenciador
cuando lo valla a arrancar.
8. Asegúrese de apretar la varilla medidora
del aceite antes de arrancar el motor.
9. Vuelva a conectar el alambre de la bujía a ésta.
FILTRO DE AIRE
Su motor puede sufrir averías y funcionar
de manera incorrecta con un filtro del aire
sucio. Sustituir el papel del cartucho una vez
al año o tras 100 horas de funcionamiento,
más a menudo si se utiliza en condiciones de
suciedad y polvo particulares. No lave el filtro
de aire.
PARA LIMPIAR EL FILTRO DE AIRE
1. Remueva la cubierta.
2. Cuidadosamente, remueva el elemento de
espuma.
3. Lave el elemento de espuma en detergente
líquido y agua.
Envase
SILENCIADOR
Inspeccione y cambie el silenciador si está cor-
roído puede producir un peligro de incendio
y/o daño.
BUJÍA
Cambie el bujía al comienzo de cada temporada
de siega o después de cada 100 horas de op-
eración, lo que suceda pri me ro. El tipo de bujía
y el ajuste de la abertura aparecen en “ES PE-
CI FI CA CIO NES DEL PRODUCTO” sección de
este manual.
LIMPIEZA
IMPORTANTE: Para obtener el mejor
rendimineto, mantenga la caja de la segadora sin
acumulacion de cesped y basura. Limpie la parte
de abajo de su segadora despues de cada uso.
PRECAUCIÓN: Desconecte el alambre de
la bujía y póngalo en donde no pueda entrar en
contacto con ésta.
• Haga descansar la segadora en su lado.
Asegúrese que el filtro de aire y que el carbu-
rador queden mirando hacia arriba. Limpie la
parte inferior de su segadora raspándola para
remover la acumulación de césped y basura.
• Limpie el motor a menudo para evitar que se
acumule la basura. Un motor tapado funciona
más caliente y se acorta su duración.
• Mantenga las superficies pulidas y las ruedas
sin gasolina, aceite, etc.
• Con la excepción de la boca de derrubio del
agua (si está equipado), no recomendamos el
uso de una manguera de jardín para limpiar
la parte exterior del segadora a menos que el
sistema eléctrico, el silenciador, el filtro de aire
y el carburador estén tapados para evitar que
les entre el agua. El agua en el motor puede
acortar la duración de éste.
Oreja
Elemento
de espuma
Cubierta del filtro de aire
Ranura

32
SERVICIO Y AJUSTES
ADVERTENCIA: Para evitar lesiónes serias,
antes de dar calquier servico o de hacer
ajustes:
1. Suelte la barra de control y pare el motor.
2. Asegúrese que la cuchilla y que todas las
partes movibles se hayan detenido comple-
tamente.
3. Desconecte el alambre de la bujía y pón-
galo en donde no pueda entrar en contacto
con ésta.
SEGADORA
PARA AJUSTAR LA ALTURA DE CORTE
Vea “PARA AJUSTAR LA ALTURA DE CORTE”
en la sección de Operación de este manual.
DESVIADOR TRASERO
Se proporciona un desviador trasero, adjunto
entre las ruedas traseras de su segadora, para
reducir a un mínimo la posibilidad que objetos
sean lanzados hacia afuera de la parte trasera
de la segadora, en la posición en donde se
encuentra el operador. Reemplaze el desviador
si esta danado.
PARA AJUSTAR EL MANGO
El mango puede ser montado a una posición
alta o baja. Los agujeros de montaje en el
mango inferior están fuera del centro para
levantar y bajar el mango.
1. Remueva el mango superior y conexióne(s)
el asegurar él (los) cable(s) al mango infe-
rior.
2. Remueva las annilos de sujeción de la
clavija de montaje del puntal del mango.
3. Remueva los pernos y los teurcas.
4. Apreite el mango inferior hacia dentro para
removerlo de las clavijas de montaje.
5. Gire el mango inferior por encima para
levantar o bajar el mango.
6. Vuelva a montar las clavijas de horquilla
por encima de las clavijas de montaje.
7. Vuelva los pernos y los teurcas.
8. Vuelva a montar el mango superior y todas
las partes removidas del mango inferior.
MOTOR
VELOCIDAD DEL MOTOR
La velocidad del motor ha sido ajustada en la
fábrica.
CARBURADOR
Su carburador tiene un chorro principal fijo no
ajustable para controlar la mezcla.
IMPORTANTE: Nunca manipule el regulador
del motor, el que ha sido ajustado en la fábrica
para la velocidad del motor adecuada. Puede
ser peligroso hacer funcionar el motor a una
velocidad por sobre el ajuste de alta velocidad
de la fábrica. Si cree que la velocidad alta regu-
lada del motor necesita ajuste,contacto con su
centro de servicio Sears, el que cuenta con el
equipo adecuado y la experiencia para hacer
los ajustes necesarios.
Mango inferior
Puntal
del mango Annilo de sujeción
APRIETE
PARA AJUSTE
Clavija de montaje
Posición
para segar Posición
para segar
POSICIÓN ALTAPOSICIÓN BAJA
Puntal
del mango
Pernos
y
tuercas
Annilo de
sujeción
Clavija de
montaje

33
ALMACENAMIENTO
Inmediatamente prepare su segadora para el
almacenamiento al final de cada temporada o
si la unidad no se va a usar por 30 días o más.
SEGADORA
Cuando se va a guardar la segadora por cierto
período de tiempo, límpiela cuidadosamente,
remueva toda la mugre, la grasa, las hojas, etc.
Guárdela en un área limpia y seca.
1. Limpie toda la segadora (Vea “LIMPIEZA”
en la sección de Mantenimento de este
manual).
2. Lubríquela según se muestra en la sección
de Mantenimento de este manual.
3. Asegúrese de que todas las tuercas y
clavijas y todos los pernos y tornillos estén
apretados en foma segura. Inspeccione
las partes que se mueven para verificar si
están dañadas, quebradas o desgastadas.
Cámbielas si es necesario.
4. Retoque todas las superficies que estén
oxidadas o con la pintura picada; use una
lija antes de pintar.
MANGO
Puede doblar el mango de su segadora para el
almacenamiento.
1. Remueva los pernos y los teurcas.
2. Apriete los extremos inferiores del mango
inferior entre sí hasta que el mango inferior
quede separado del puntal del mango,
luego muévalo hacia adelante.
3. Suelte los pernos de montaje del mango
superior lo suficiente como para permitir
que el mango superior se pueda doblar
hacia atrás.
IMPORTANTE: Cuando doble el mango para
el almacenamiento o el transporte, asegúrese
que lo doble según se muestra o purde dañar
los cables de control.
• Cuando prepare sus mangos a partir de
la posición de almacenamiento, el mango
inferior automáticamente se asegurará en la
posición para segar.
Mango inferior
APRIETE
PARA DOBLAR
MOTOR
SISTEMA DE COM BUS TI BLE
IMPORTANTE: Es importante evitar que
se formen depositos de coma en partes
fundamentales del sistemade combustible tales
como el carburador, el filtro del combustible,
la mangura del combustible o en el estanque
durante el almacenamiento. Los combustibles
mezclados con alcohol (conocido come
gasohol o que tienen etanol o metanol)
Pueden atraer humedad, lo que conduce a la
separacion y a la formación de acidos durante
el almacenamiento. La gasolina acida puede
danar el sistema de combustible de un motor
durante el perido de almacenamiento.
• Vaciar el depósito del carburante poniendo
en marcha el motor y dejándolo funcionar
hasta que el carburante termine y el carbura-
dor esté vacío.
• Nunca use los productos para limpieza del
carburador o del motor en el estanque de
combustible pues se pueden producir daños
permanentes.
• Use combustible nuevo la próxima temporada.
AVISO: El estabilizador de combustible es
una alternativa aceptable para reducir a un
mínimo la formación de depósitos de goma
en el com bus ti ble durante el período de
almacenamiento. Agregue estabilizador a la
gasolina en el estanque de combustible o en
el envase para el almacenamiento. Siempre
siga la proporción de mezcla que se encuentra
en el envase del estabilizador. Haga funcionar
el motor por lo menos 10 minutos después de
agregar el estabilizador, para permitir que este
llegue al carburador. No drene la gasolina del
estanque de gasolina y el carburador si se está
usando estabilizador de combustible.
POSICIÓN
PARA
SEGAR
Barra de control
que exige la
presencia del
operador
DOBLAR
HACIA
ADELANTE
PARA
ALMACENAR
Mango
superior
Mango inferior
Manilla del
mango
Puntal
Tuerca
Perno

34
ACEITE DEL MOTOR
Drene el aceite (con el motor caliente) y cámbielo
con aceite de motor limpio. (Vea “MOTOR” en
la sección de Mantenimento de este manual.)
CILINDRO
1. Remueva la bujía.
2. Vacíe una onza (29 ml) de aceite a través
del agujero de la bujía en el cilindro.
3. Tire la manilla de arranque lentamente unas
cuantas veces para distribuir el aceite.
4. Vuelva a montar la nueva bujía.
OTROS
• No guarde la gasolina de una temporada a
la otra.
• Cambie el envase de la gasolina si se emp-
ieza a oxidar. La oxidación y/o la mugre en
su gasolina producirán problemas.
• Si es posible, guarde su unidad en un
recinto cerrado y cúbrala para protegerla
contra el polvo y la mugre.
• Cubra su unidad con un forro protector
adecuado que no retenga la humedad. No
use plástico. El plástico no puede respirar, lo
que permite la formación de condensación,
lo que producirá la oxidación de su unidad.
IMPORTANTE: Nunca cubra la segadora
mientras el motor y las areas de escape
todavia estan calientes.
PRECAUCIÓN: Nunca almacene la
segadora con gasolina en el estanque dentro
de un edificio en donde los gases pueden
alcanzar una llama expuesta o una chispa.
Permita que se enfríe el motor antes de
almacenarla en algún recinto cerrado.
No arranca 1. Filtro de aire sucio. 1. Limpie/cambie el filtro de aire.
2. Sin combustible. 2. Llene el estanque de combustible.
3. Combustible rancio. 3. Vaciar el estanque y vuelva a llenar-
lo con combustible limpio y nuevo.
4. Agua en el combustible. 4. Vaciar el estanque y vuelva a llenar-
lo con combustible limpio y nuevo.
5. Alambre de la bujía desconectado. 5. Conecte el alambre a la bujía.
6. Bujía mala. 6. Cambie la bujía.
7. Cuchilla suelta o adaptador 7. Apriete el perno de la cuchilla
de la cuchilla quebrado. cambie el adaptador de la cuchilla.
8. Barra de control en la 8. Presione la barra de control
posición suelta. hacia el mango.
9. Barra de control defectuosa. 9. Cambie la barra de control.
10. Válvula del combustible (si equ- 10. Gire a la válvula del combustible
ipada) está en la posición OFF. a la posición ON.
11. Batería débi (si equipada). 11. Cague la batería.
12. Desconecte el conector 12. Conecte la batería al motor.
de la batería (si equipada).
13. Fusible quemado. 13. Cambie el fusible.
PROBLEMA CAUSA CORRECCIÓN
SOLUCIÓN DE PROBLEMAS - Vea la sección apropiada en el manual amenos que
esté dirigido a un centro de servico Sears.

35
Falta de 1. Cuchilla desgastada, doblada 1. Eleve la altura de corte.
fuerza o suelta.
2. Altura de las ruedas dispareja. 2. Eleve la altura de corte.
3. Velocidad del motor lenta. 3. Limpie/cambie el filtro de aire.
4. Acumulación de césped, hojas o 4. Limpie la parte inferior de la
basura debajo de la segadora. caja de la segadora.
5. Demasiado aceite en motor. 5. Revise el nivel del aceite.
6. Velocidad de recorrido 6. Corte a una velocidad de
demasiado rápida. recorrido más lenta.
Mal corte- 1. Cuchilla desgastada, doblada 1. Cambie la cuchilla. Apriete el perno
disparejo o suelta. de la cuchilla.
2. Altura de las ruedas dispareja. 2. Ajuste todas las ruedas a la misma
altura.
3. Acumulación de césped, hojas o 3. Limpie la parte inferior de la
basura debajo de la segadora. caja de la segadora.
Vibración 1. Cuchilla desgastada, doblada 1. Cambie la cuchilla. Apriete el
excesiva o suelta. perno de la cuchilla.
2. Cigueñal del motor doblado. 2. Póngase en contacto con su centro
de servicio Sears o con un otro
centro de servicio cualificado.
Cordón 1. El freno del volante del motor 1. Presione la barra de control
arrancador está aplicado cuando se hacia el mango superior antes
difícil de tirar suelta la barra de control. de tirar el cordón arrancador.
2. Cigueñal del motor doblado. 2. Póngase en contacto con su centro
de servicio Sears o con un otro
centro de servicio cualificado.
3. Adaptador de la cuchilla quebrado. 3. Cambie el adaptador de la cuchilla.
4. La cuchilla se arrastra en 4. Mueva la segadora a un lugar
el césped. en donde el césped ha sido
cortado o a una superficie firme
para hacer arrancar el motor.
Recogedor de 1. Altura de corte demasiado baja. 1. Eleve la altura de corte.
césped no se 2. Levantamiento de la cuchilla 2. Cambie las cuchillas.
llena (si viene desgastado.
equipado) 3. Recogedor sin ventilación de aire. 3. Limpie el recogedor de césped.
Difícil de 1. El césped está demasiado alto o la 1. Eleve la altura de corte.
empujar altura de la rueda demasiado baja.
2. Parte trasera de la 2. Eleve la parte trasera de la caja de
caja/cuchilla de la segadora la segadora (1) un lugar más alto.
arrastrándose en el césped.
3. Recogedor de césped 3. Vacíe el recogedor de césped.
demasiado lleno.
4. Posición de la altura del mango 4. Ajuste la altura del mango de
no adecuada para usted. modo que le acomode.
Pérdida de 1. Desgaste de la correa. 1. Re vise/cambie correa de impulsión.
impulsión 2. La correa está fuera de la polea. 2. Revise/vuelva a instalar la
o retardase 3. Cable de la impulsión usado o roto. 3. Cambie el cable de la impulsión.
de la 4. El sistema de control del 4. Ajuste el control del mecanismo
velocidad mecanismo impulsor “suelto”. impulsor.
PROBLEMA CAUSA CORRECCIÓN
SOLUCIÓN DE PROBLEMAS - Vea la sección apropiada en el manual amenos que
esté dirigido a un centro de servico Sears.

36
CRAFTSMAN ROTARY LAWN MOWER - - MODEL NUMBER 917.374200
REPAIR PARTS
12
9
10
11
12
13
88
18
19
22
23
30
31
33
35
35
47
42
43
44
44
46
51
52
84
84
83
62
73
20 22 45
30
33
3673
74
8
25
30
32
33
34
36
40
50
65
66
73
8
26
89
30
32
33
34
36
65 66
73
76
77
41
41
47
21
3
6
87
7
89
36
58
14
14
5
4
65
66
65
66
61
39
49
39
49
37
37 61
15
59
28
29
57
53
54
55
56
37
CRAFTSMAN ROTARY LAWN MOWER - - MODEL NUMBER 917.374200
KEY PART
NO. NO. DESCRIPTION KEY PART
NO. NO. DESCRIPTION
1 194176X428 Control Bar
2 585864805 Upper Handle
3 447814X479 Bar, Lower Handle
4 581902101 Rope Guide
5 581912601 T-Knob
6 191574 Handle Bolt
7 66426 Wire Tie
8 74780512 Screw
9 154132 Hinge Bracket
10 165754 Mulcher Door
11 440934 Engine Zone Control Cable
12 178848 Screw, Hex Washer Head
#10-16 x 5/8
13 429930X004 Up-Stop Bracket
14 182398 Handle Knob
15 12000032 Klip Ring
18 17600406 Screw, Hex Head, Serrated
19 401174X004 Axle Arm Assy., Front, LH
20 401175X004 Axle Arm Assy., Front, RH
21 416860 Rear Skirt
22 401621X004 Selector Spring, Front
23 401814X428 Rear Door Assembly
25 588912405 Handle Bracket Assy., LH
26 588912402 Handle Bracket Assy., RH
29 407494X005 Wheel Adjusting Bracket
30 401629 Spacer
31 165760 Discharge Deflector
32 440858X004 Selector Spring, Rear
33 87877 Selector Knob
34 588912602 Axle Arm Assembly, Rear
35 426589 Nut, Hex 5/16-18
36 401638 Shoulder Bolt
37 581009409 Wheel & Tire Assembly, Front
39 409149 Nut, Hex
40 446774 Frame, Grassbag
41 194186 Hinge Screw
42 405421 Spring, Rear Door, LH
43 405423 Spring, Rear Door, RH
44 184193 Bolt, Rear Door
45 150406 Screw, Hex Head, Threaded,
Rolled 3/8-16 x 1
46 404763 Danger Decal
47 751153 Nut, Hex
49 588154801 Wheel & Tire Assembly, Rear
50 582269001 Grassbag
51 147286 Hinge Rod
52 581708337 Kit, Lawn Mower Housing
(Includes Key Number 46)
53 851084 Screw, Hex Head, Grade 8
3/8-24 x 1-3/8
54 850263 Helical Lockwasher
55 851074 Hardened Washer
56 406706 21" Blade
57 418373 Blade Adapter
58 152124 Hinge Spring
NOTE: All component dimensions given in U.S. inches. 1 inch = 25.4 mm
IMPORTANT: Use only Original Equipment Manufacturer (O.E.M.) replacement parts. Failure to do so could be hazardous, damage your lawn mower and void your warranty.
59 - - - Engine, Briggs & Stratton,
Model Number 9P702-
0211-F1 (See Breakdown)
61 409148 Nut, Hex
62 73800400 Nut, Hex
65 88348 Washer, Flat
66 197480 O-Ring
73 401630 Washer, Curved, Cylindrical
74 851201X004 Washer, Special, Engine
76 589416801 Baffle, Rear
77 17411312 Screw, Rear Baffle
83 428501 Front Baffle
84 17000510 Screw, Front Baffle
87 437516 Plug, Handle Bar
88 586212501 Bolt, Carriage
89 73970500 Nut, Hex
- - 404764 Warning Decal (not shown)
- - 581276301 Bag of Parts (Includes
Key Numbers 88 and 89)
- - 115870296 Owner’s Manual,
English / Spanish
Available accessories not included with mower:
- - 71 33623 Gas Can
(2.5 Gallon Container)
- - 71 33500 Fuel Stabilizer
- - 71 33000 SAE 30W Oil
(20 Ounce Bottle)
KEY PART
NO. NO. DESCRIPTION

38
MODEL NUMBER 9P702-0211-F1BRIGGS & STRATTON 4-CYCLE ENGINE
48 133013291036
24
26
718
27
1
3
25
28
46
16
20
12
4
1264
505
616
562
615
227
1263
22
404
718
22A
741
32
29
27
43
598
522
1472
300
836
832
613
337
635

39
MODEL NUMBER 9P702-0211-F1BRIGGS & STRATTON 4-CYCLE ENGINE
60
58
23
455
332
305
60
770
668
78
37
58
850
745 745A
621
922
923
304
608
334
333
635
163
125
133
975
1127
617
104
623
724
117
118
105
623
493
1238
122
318
729

40
MODEL NUMBER 9P702-0211-F1BRIGGS & STRATTON 4-CYCLE ENGINE
13
1026
1029
45
7
238
36
35
155
33
34
40
914
5
868
1029A
192
1023
40
850
163
623
1022
1022
830
11
875
968
1395
163
535
976

41
MODEL NUMBER 9P702-0211-F1BRIGGS & STRATTON 4-CYCLE ENGINE
Engine Power Rating Information
The gross power rating for individual gas engine models is labeled in accordance with SAE
(Society of Automotive Engineers) code J1940 (Small Engine Power & Torque Rating Procedure),
and rating performance has been obtained and corrected in accordance with SAE J1995 (Revision
2002-05). Torque values are derived at 3060 RPM; horsepower values are derived at 3600 RPM.
Actual gross engine power will be lower and is affected by, among other things, ambient operat-
ing conditions and engine-to-engine variability. Given both the wide array of products on which
engines are placed and the variety of environmental issues applicable to operating the equipment,
the gas engine will not develop the rated gross power when used in a given piece of power equip-
ment (actual “on-site” or net power). This difference is due to a variety of factors including, but not
limited to, accessories (air cleaner, exhaust, charging, cooling, carburetor, fuel pump, etc.), ap-
plication limitations, ambient operating conditions (temperature, humidity, altitude), and engine-to-
engine variability. Due to manufacturing and capacity limitations, Briggs & Stratton may substitute
an engine of higher rated power for this Series engine.
7
358
1472
868
163
623
12
320
163
121
104
617
623
217
850
1022
105
137
1218
972
601
187
188
222
209
356
202

42
MODEL NUMBER 9P702-0211-F1BRIGGS & STRATTON 4-CYCLE ENGINE
KEY PART
NO. NO. DESCRIPTION
1 590519 Cylinder Assembly
3 299819s Kit-Bushing / Seal
(Magneto Side)
4 590569 Sump-Engine
5 595351 Head-Cylinder
7 799586 Gasket-Cylinder Head
11 590522 Tube-Breather
12 799587 Gasket-Crankcase
13 590512 Screw (Cylinder Head)
(M7 x 60mm)
16 590538 Crankshaft
20 391483s Seal-Oil (PTO Side)
22 692551 Screw (Crankcase Cover /
Sump) (1/4-20 x 1.19)
22A 590763 Screw (Crankcase Cover /
Sump) (1/4-20 x .78)
23 590544 Flywheel
24 222698s Key-Flywheel (Aluminum)
25 590521 Piston Assembly
(Standard)
26 590523 Ring Set (Standard)
27 691588 Lock-Piston Pin
28 699659 Pin-Piston
29 590518 Rod-Connecting
32 691664 Screw (Connecting Rod)
33 590531 Valve-Exhaust
34 590530 Valve-Intake
35 590532 Spring-Valve (Intake)
36 590532 Spring-Valve (Exhaust)
37 594729 Guard-Flywheel
40 590528 Retainer-Valve
43 594560 Slinger-Governor/Oil
45 590514 Tappet-Valve
46 592968 Camshaft
48 N/A Short Block
58 591108 Rope-Starter
60 691915 Grip-Starter Rope (Black)
KEY PART
NO. NO. DESCRIPTION
78 793480 Screw (Flywheel Guard)
(M5 x 14mm)
104 590558 Pin-Float Hinge
105 594581 Valve-Float Needle
117 591997 Jet-Main (Standard)
118 591994 Jet-Main (High Altitude)
(5000 > 9000 Feet)
121 799583 Kit-Carburetor Overhaul
122 590549 Spacer-Carburetor
125 590556 Carburetor
130 691190 Valve-Throttle
(Original Carburetor)
133 591120 Float-Carburetor
137 594633 Gasket-Float Bowl
155 590529 Plate-Cylinder Head
163 799580 Gasket-Air Cleaner
187 791766 Line-Fuel
(Cut To Required Length)
188 793480 Screw (Control Bracket)
192 590535 Adjuster-Rocker Arm
202 590517 Link-Mechanical Governor
209 596238 Spring-Governor (Green)
217 590740 Spring-Choke Return
222 590560 Bracket-Control
227 590520 Lever-Governor Control
238 590533 Cap-Valve
300 590565 Muffler
304 593961 Housing-Blower
305 590586 Screw (Blower Housing)
318 793480 Screw (Mounting Bracket)
332 690662 Nut (Flywheel)
333 593872 Armature-Magneto
334 691061 Screw (Magneto Armature)
(#8-32 x .9)
337 692051 Plug-Spark
356 692390 Wire-Stop
358 595350 Gasket Set-Engine

43
MODEL NUMBER 9P702-0211-F1BRIGGS & STRATTON 4-CYCLE ENGINE
KEY PART
NO. NO. DESCRIPTION
404 690272 Washer (Governor Crank)
455 593960 Cup-Flywheel
493 593330 Bracket-Mounting
(Carburetor)
505 793515 Nut
(Governor Control Lever)
522 590580 Plug-Dipstick/Fill
535 799579 Filter-Air Cleaner Foam
562 793514 Bolt
(Governor Control Lever)
598 593291 Shim-Endplay (Crankshaft)
601 791850 Clamp-Hose (Green)
608 593959 Starter-Rewind
613 590562 Screw (Muffler)
(M5 x 17mm)
615 690340 Retainer-Governor Shaft
616 590516 Crank-Governor
617 270344s Seal-O Ring
(Intake Manifold)
621 692310 Switch-Stop
623 799581 Seal-O Ring
(Carburetor Spacer)
635 692076 Boot-Spark Plug
668 590546 Spacer (Flywheel)
718 690959 Pin-Locating (Cylinder)
724 697478 Retainer-Seal
729 594752 Clip-Wire
741 796210 Gear-Timing
745 691146 Screw, Brake (#10-32 x .8)
745A 690859 Screw, Brake (#10-32 x .5)
770 595355 Kit-Rewind/Blower Housing
830 590536 Stud-Rocker Arm
832 592709 Guard-Muffler
836 690661 Screw (Muffler Guard)
(#8-18 x .5)
850 100106 Sealant-Silicone
868 590534 Seal-Valve
KEY PART
NO. NO. DESCRIPTION
875 595663 Base-Air Cleaner
914 591103 Screw (Rocker Cover)
922 692135 Spring-Brake
923 691487 Brake
968 595660 Cover-Air Cleaner
972 596251 Fuel-Tank
975 594632 Bowl-Float
1022 595341 Gasket-Rocker Cover
1023 590513 Cover-Rocker
1026 590515 Rod-Push
(Intake and Exhaust)
1029 590526 Arm-Rocker (Exhaust)
1029A 590527 Arm-Rocker (Intake)
1036 - - - Label-Emissions (Available
From A Briggs & Stratton
Authorized Dealer)
1127 590554 Screw (Float Bowl to
Carburetor Body)
1218 270344s Seal-O Ring (Carburetor)
1238 590562 Screw (Carburetor Spacer)
1263 697124 Reed-Breather
1264 793453 Screw (Breather Reed)
1329 N/A Replacement Engine
1330 N/A Repair Manual
1395 590552 Screw (Air Cleaner Base
to Carburetor)
1472 691876 Seal-O Ring
(Dipstick / Fill Plug)
- - 398067 Spark Arrester
(available accessory)
Carburetor Overhaul Kit – Key Number 121
Engine Gasket Set – Key Number 358
NOTE: All component dimensions given in U.S.
inches. 1 inch = 25.4 mm

115870296 11.14.16 BY Printed in U.S.A.