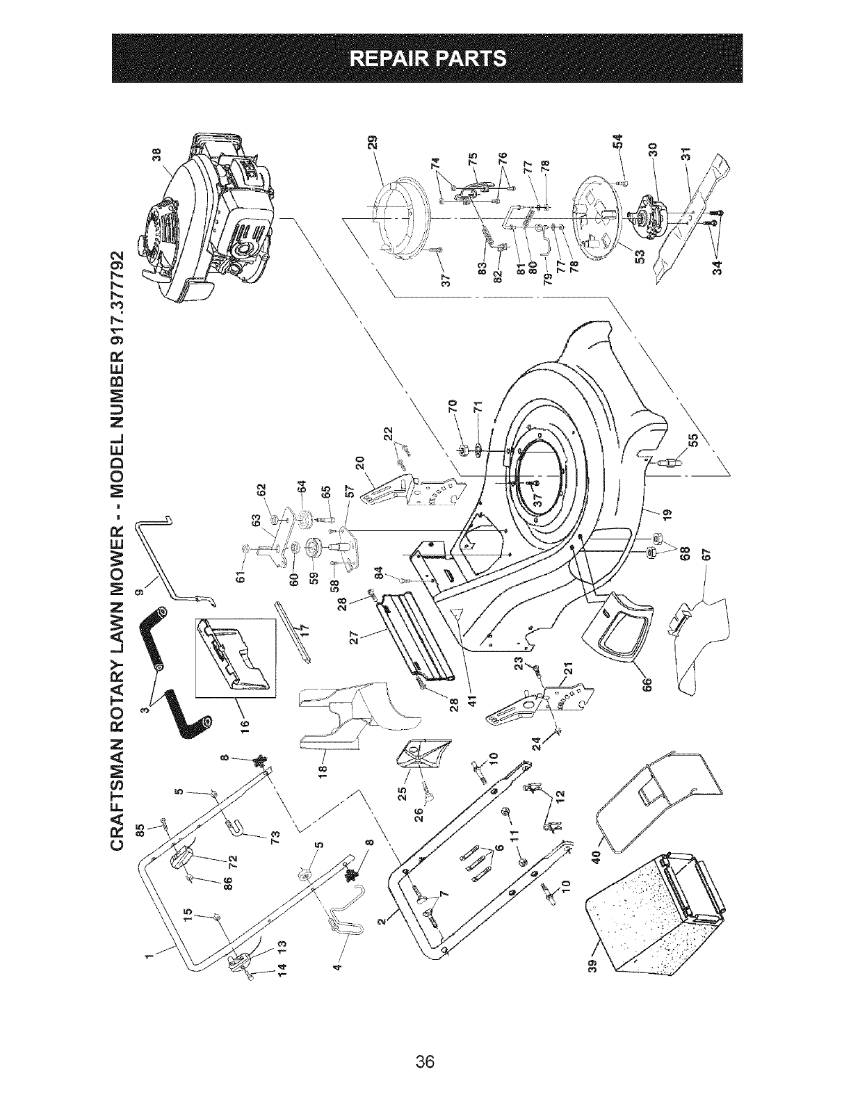
Craftsman 917377792 User Manual Gas, Walk Behind Lawnmower Manuals And Guides L0803188
CRAFTSMAN Walk Behind Lawnmower, Gas Manual L0803188 CRAFTSMAN Walk Behind Lawnmower, Gas Owner's Manual, CRAFTSMAN Walk Behind Lawnmower, Gas installation guides
User Manual: Craftsman 917377792 917377792 CRAFTSMAN Gas, Walk Behind Lawnmower - Manuals and Guides View the owners manual for your CRAFTSMAN Gas, Walk Behind Lawnmower #917377792. Home:Lawn & Garden Parts:Craftsman Parts:Craftsman Gas, Walk Behind Lawnmower Manual
Open the PDF directly: View PDF
.
Page Count: 44

Owner's Manual
CRAFTSMAN°
ROTARY
5.5 Horsepower
Power=Propelled
21" Multi=Cut
Model No.
917.377792
•Espa_ol, p. 19
CAUTION'.
Read and follow all
Safety Rules and instructions
before operating this equipment
Sears, Roebuck and Co., Hoffman Estates, IL 60179 U.S.A.
Visit our Craftsman website:www.sears.com/craftsman

Warranty ................................................ 2
Safety Rules ....................................... 2-4
Product Specifications ......................... 4
Assembly /Pre-Operation ..................... 6
Operation .......................................... 7-11
Maintenance Schedule ........................ 12
Maintenance ................................... 12-14
Service and Adjustments ..................... 15
Storage ........................................... 16-17
Troubleshooting .............................. 17-18
Repair Parts .................................... 38-46
Sears Service ........................ Back Cover
LIMITED TWO YEAR WARRANTY ON CRAFTSMAN POWER MOWER
For two years from date of purchase, when this Craftsman Lawn Mower is maintained,
lubricated, and tuned up according to the operating and maintenance instructions in the
owner's manual, Sears will repair free of charge any defect in material or workmanship.
If this Craftsman Lawn Mower is used for commercial or rental purposes, this warranty
applies for only 90 days from the date of purchase.
This Warranty does not cover:
• Expendable items which become worn during normal use, such as rotary mower
blades, blade adapters, belts, air cleaners and spark plug.
• Repairs necessary because of operator abuse or negligence, including bent crank-
shafts and the failure to maintain the equipment according to the instructions con-
tained in the owner's manual.
Warranty service is available by returning the Craftsman power mower to the nearest Sears
Parts & Repair Center in the United States. This warranty applies only while this product
is used in the United States.
This Warranty gives you specific legal rights, and you may also have other rights which
vary from state to state.
Sears, Roebuck And Co., D/817 WA, Hoffman Estates, IL 60179
IMPORTANT: This cutting machine is capable of amputating hands and feet and throw-
ing objects. Failure to observe the following safety instructions could result in serious
injury or death.
_i, Look for this symbol to point out
important safety precautions. It means
CAUTION!H BECOME ALERT!H
YOUR SAFETY IS INVOLVED.
WARNING: In order to prevent ac-
cidental starting when setting up, trans-
porting, adjusting or making repairs,
always disconnect spark plug wire and
place wire where it cannot come in con-
tact with plug.
AWARNING: Engine exhaust, some of its
constituents, and certain vehicle compo-
nents contain or emit chemicals known
to the State of California to cause cancer
and birth defects or other reproductive
harm.
_,WARNING: Battery posts, terminals and
related accessories contain lead and lead
compounds, chemicals known to the State
of California to cause cancer and birth
defects or other reproductive harm. Wash
hands after handling.
A CAUTION: Muffler and other engine
parts become extremely hot during
operation and remain hot after engine has
stopped. To avoid severe burns on contact,
stay away from these areas.

I. GENERAL OPERATION
• Read, understand,and follow all
instructionson the machine and in the
manual(s)before starting. Be thoroughly
familiarwith the controlsand the proper
useof the machinebefore starting.
• Do not put hands or feet nearor under
rotatingparts. Keep clear of the dis-
charge opening at all times.
• Only allow responsible individuals,who
are familiarwith the instructions,to
operatethe machine.
• Clear the area of objects such as rocks,
toys,wire, bones, sticks, etc., which
could be picked up and thrown by the
blade.
• Be sure the area is clear of other people
before mowing. Stop machine if anyone
enters the area.
• Do not operate the mower when bare-
foot or wearing open sandals. Always
wear substantial foot wear.
•Do not pull mower backwards unless
absolutely necessary. Always look down
and behind before and while moving
backwards.
•Do not operate the mower without
proper guards, plates, grass catcher or
other safety protective devices in place.
•See manufacturer's instructions for
proper operation and installation of
accessories. Only use accessories ap-
proved by the manufacturer.
• Stop the blade(s) when crossing gravel
drives, walks, or roads.
•Stop the engine (motor) whenever you
leave the equipment, before cleaning
the mower or unclogging the chute.
•Shut the engine (motor) off and wait
until the blade comes to complete stop
before removing grass catcher.
•Mow only in daylight or good artificial
light.
• Do not operate the machine while under
the influence of alcohol or drugs.
•Never operate machine in wet grass.
Always be sure of your footing: keep a
firm hold on the handle and walk; never
run.
• Disengage the self-propelled mech-
anism or drive clutch on mowers so
equipped before starting the engine
(motor).
•If the equipment should start to vibrate
abnormally, stop the engine (motor) and
check immediately for the cause. Vibra-
tion is generally a warning of trouble.
• Always wear safety goggles or safety
glasses with side shields when oper-
ating mower. 3
II. SLOPE OPERATION
Slopes are a major factor related to slip
and fall accidents which can result in
severe injury. All slopes require extra cau-
tion. If you feel uneasy on a slope, do not
mow it.
DO:
• Mow across the face of slopes: never
up and down. Exercise extreme caution
when changing direction on slopes.
•Remove obstacles such as rocks, tree
limbs, etc.
. Watch for holes, ruts, or bumps. Tall
grass can hide obstacles.
DO NOT:
•Do not trim near drop-offs, ditches or
embankments. The operator could lose
footing or balance.
• Do not trim excessively steep slopes.
•Do not mow on wet grass. Reduced
footing could cause slipping.
III. CHILDREN
Tragic accidents can occur if the operator
is not alert to the presence of children.
Children are often attracted to the ma-
chine and the mowing activity. Never as-
sume that children will remain where you
last saw them.
•Keep children out of the trimming area
and under the watchful care of another
responsible adult.
•Be alert and turn machine off if children
enter the area.
•Before and while walking backwards,
look behind and down for small children.
• Never allow children to operate the
machine.
•Use extra care when approaching blind
corners, shrubs, trees, or other objects
that may obscure vision.
IV. SERVICE
•Use extra care in handling gasoline and
other fuels. They are flammable and
vapors are explosive.
- Use only an approved container.
- Never remove gas cap or add fuel
with the engine running.
Allow engine to cool before refueling.
Do not smoke.
-Never refuel the machine indoors.
- Never store the machine or fuel
container inside where there is an
open flame, such as a water heater.
•Never run a machine inside a closed area.
•Never make adjustments or repairs with
the engine (motor) running. Disconnect the
spark plug wire, and keep the wire away
from the plug to prevent accidental starting.

•Keep nuts and bolts, especially blade
attachment bolts, tight and keep equip-
ment in good condition.
• Never tamper with safety devices. Check
their proper operation regularly.
• Keep machine free of grass, leaves, or
other debris build-up. Clean oil or fuel spill-
age. Allow machine to cool before storing.
• Stop and inspect the equipment if you
strike an object. Repair, if necessary,
before restarting.
• Never attempt to make wheel height adjust-
ments while the engine (motor)is running.
•Grass catcher components are subject
to wear, damage, and deterioration,
which could expose moving parts or
allow objects to be thrown. Frequently
check components and replace with
manufacturer's recommended parts,
when necessary.
• Mower blades are sharp and can cut.
Wrap the blade(s) or wear gloves, and
use extra caution when servicing them.
• Do not change the engine governor set-
ting or overspeed the engine.
Serial Number:
Date of Purchase:
Gasoline Capacity /Type: 1.0 Quarts (Unleaded Regular)
Oil Type (API-SF-SJ): SAE 10W30
Oil Capacity: 18.5 Ounces
Spark Plug (Gap: .030") NGK BPR6ES
Valve Clearance (_+0.04 mm): Intake: 0.015 mm; Exhaust: 0.020 mm
Blade Bolt Torque: 36-44 ft. Ibs.
• The model and serial numbers will be found on a decal on the rear of the lawn mower
housing. Record both serial number and date of purchase in space provided above.
Repair Protection Agreements
Congratulations on making a smart pur-
chase. Your new Craftsman® product is
designed and manufactured for years of
dependable operation. But like all prod-
ucts, it may require repair from time to
time. That's when having a Repair Protec-
tion Agreement can save you money and
aggravation.
Purchase a Repair Protection Agreement
now and protect yourself from unexpected
hassle and expense.
Here's what's included in the Agreement:
•Expert service by our 12,000 profe-
sional repair specialists.
•Unlimited service and no charge for
parts and labor on all covered repairs.
• Product replacement if your covered
product can't be fixed.
• Discount of 10% from regular price of
service and service-related parts not
covered by the agreement; also, 10%
off regular price of preventive mainte-
nance check.
Fast help by phone - phone support
from a Sears technician on products
requiring in-home repair, plus conve-
nient repair scheduling.
Once you purchase the Agreement, a
simple phone call is all that it takes for you
to schedule service. You can call anytime
day or night, or schedule a service ap-
pointment online.
Sears has over 12,000 professional repair
specialists, who have access to over 4.5
million quality parts and accessories.
That's the kind of professionalism you can
count on to help prolong the life of your
new purchase for years to come. Purchase
your Repair Protection Agreement today!
Some limitations and exclusions apply.
For prices and additional information
call 1=800=827=6655.
Sears Installation Service
For Sears professional installation of home
appliances, garage door openers, water
heaters, and other major home items, in
the U.S.A. call 1-800=4=MY-HOME®.

These accessorieswere availablewhen this lawn mowerwas produced. They are not
shipped with your mower. They are also availableat most Sears retail outlets and
service centers. Some of these accessories may not applyto your lawn mower.
LAWN MOWER PERFORMANCE
CLIPPING
DEFLECTORS
FOR
REAR DISCHARGE
LAWN MOWERS
GRASS CATCHERS
FOR
REAR DISCHARGE
LAWN MOWERS
STABILIZER
GRASS CATCHERS
FOR
SIDE DISCHARGE
LAWN MOWERS
LAWN MOWER MAINTENANCE
GAS
CANS
MUFFLERS
BELTS BLADES
AIR FILTERS
BLADE ADAPTERS WHEELS
SPARK PLUGS
ENGINE OIL
5

Read these instructions and this manual in its entirety before you attempt to assemble or
operate your new lawn mower.
IMPORTANT: This lawn mower is shipped WITHOUT OIL OR GASOLINE in engine.
Your new lawn mower has been assembled at the factory with the exception of those
parts left unassembled for shipping purposes. All parts such as nuts, washers, bolts, etc.,
necessary to complete the assembly have been placed in the parts bag. To ensure safe
and proper operation of your lawn mower, all parts and hardware you assemble must
be tightened securely. Use the correct tools as necessary to ensure proper tightness.
TO REMOVE LAWN MOWER FROM
CARTON
1. Remove loose parts included with
mower.
2. Cut down two end corners of carton
and lay end panel down flat.
3. Remove all packing materials except
padding between upper and lower
handle and padding holding operator
presence control bar to upper handle.
4. Roll lawn mower out of carton and
check carton thorougly for additional
loose parts.
HOW TO SET UP YOUR LAWN MOWER
TO UNFOLD HANDLE
iMPORTANT: Unfold handle carefully so
as not to pinch or damage control cables.
1. Raise lower handle section to oper-
ating position and squeeze the bottom
ends of lower handle towards each
other until the pin in handle can be
inserted into one of the three height
adjustment holes.
2. Remove protective padding, raise up-
per handle section into place on lower
handle and tighten both handle knobs.
3. Remove any packing material from
around control bar.
Your lawn mower handle can be adjusted
for your mowing comfort. Refer to "AD-
JUST HANDLE" in the Service and Adjust-
ments section of this manual.
SQI
Handle
bracket
Handle pin
TO ASSEMBLE GRASS CATCHER
1. Put grass catcher frame into grass bag
with rigid part of bag on the bottom.
Make sure the frame handle is outside
of the bag top.
2. Slip vinyl bindings over frame.
NOTE: If vinyl bindings are too stiff, hold
them in warm water for a few minutes. If
bag gets wet, let it dry before using.
Catcher
frame
handle
Operator presence
control bar
LIFT
UP
\ ,
....:_ Frame
, opening
Mowing
position
Lower handle
TO INSTALL ATTACHMENTS
Your lawn mower was shipped ready to
be used as a mulcher. To convert to bag-
ging or discharging, see "TO CONVERT
MOWER" in the Operation section of this
manual.

KNOW YOUR LAWN MOWER
READ THIS OWNER'S MANUAL AND ALL SAFETY RULES BEFORE OPERATING
YOUR LAWN MOWER. Compare the illustrations with your lawn mower to familiarize
yourself with the location of various controls and adjustments. Save this manual for
future reference.
These symbols may appear on your lawn mower or in literature supplied with the
product. Learn and understand their meaning.
CAUTION ENGINE ENGINE FAST SLOW CHOKE FUEL OIL DANGER, KEEP HANDS
DR WARNING ON OFF AND FEET AWAY
Throttle/
engine
control
Operator presence control bar
Drive control lever
Starter
handle
Grass catcher
Handle knob
Single point height
uster handle
Gasoline filler cap
Muffler
Air filter
Mulcher plug
Engine oil cap with dipstick
Mulcher door Housing
IMPORTANT: This lawn mower is shipped WITHOUT OIL OR GASOLINE in the engine.
MEETS CPSC SAFETY REQUIREMENTS
Sears rotary walk-behind power lawn mowers conform to the safety standards of the
American National Standards Institute and the U.S. Consumer Product Safety Com-
mission.
Operator presence control bar - must
be held down to the handle to start the
blade. Release to stop the blade.
Starter handle - used for starting engine.
Throttle/engine control - used for start-
ing and stopping the engine; and allows
you to select either FAST or SLOW engine
speed.
Mulcher door = allows conversion to dis-
charging or bagging operation. 7
Mulcher plug - located at the rear dis-
charge opening, Must be removed when
converting to bagging operation.
Single point height adjuster - used to
adjust cutting height of lawn mower.
Drive control lever - used to engage
power-propelled forward motion of lawn
mower.
Blade/brake control - used to engage
the blade after the engine is started.

The operationof any lawn
mowercan result in foreign
objects thrown into the
eyes, which can result in
severe eyedamage.Always
wear safety glassesor eye shields while
operating your lawn mower or performing
anyadjustmentsor repairs. We recom-
mend a standard safety glasses or wide
vision safety maskworn over spectacles.
HOW TO USE YOUR LAWN MOWER
THROTTLE/ENGINE CONTROL
The engine is controlled by a throttle con-
trol located on the side of the upper handle.
CHOKE position is for starting a cold engine;
FAST position is for starting a warm engine,
normal cutting, trimming and better grass
bagging; SLOW position is for light cutting,
trimming and fuel economy, STOP position
is for stopping the engine.
0
I"-,IF,AST
"-.--.STOP
CHOKE/-'-4. ,#-",,-_";.
',, ; ,I ,,,'-,
(
BLADE CONTROL
ACAUTION: When the blade control is
engaged, the blade turns. When blade
control is disengaged, the blade stops.
• Your lawn mower has a blade/brake
clutch fastened to the engine crankshaft,
which starts or stops the blade. To start
the blade, hold the operator presence
control bar down to the handJe and push
the blade/brake control lever forward un-
til it latches. To stop the blade, release
the operator presence control bar.
NOTE: Allow a cold engine to warm up for
one minute before starting the blade. Do
not start the blade in deep, uncut grass.
Move lawn mower out of uncut grass
,_fore starting blade.
CAUTION: Federal regulations require
this blade/brake control to minimize the
risk of blade contact injury. Do not under
any circumstances attempt to defeat the
function of this control.
Operator presence control bar Blade/brake
control lever
TO
ENGAGE
BLADE
DRIVE CONTROL
• Self-propelling is controlled by hold-
ing the operator presence control bar
down to the handle and pulling the drive
control lever rearward to the handle.
The farther toward the handle the lever
is pulled, the faster the unit will travel.
• Forward motion will stop when either
the operator presence control bar or
drive control lever are released. To stop
forward motion without stopping blade,
release the drive control lever only. Hold
operator presence control bar down
against handle to continue mowing
without self-propelling.
NOTE: If after releasing the drive control
the mower will not roll backwards, push
the mower forward slightly to disengage
drive wheels.
presence control bar
Drive
control
TO lever
Adjustment ENGAGE DRIVE
button (on DRIVE CONTROL
underside) CONTROL DISENGAGED
DRIVE CONTROL ADJUSTMENT
Over time, the drive control system may be-
come "loose", resulting in decreased speed.
There is a button on the underside of the drive
control housing to increase tension on the
drive cable. Proceed as follows:
1. Turn unit off and disconnect spark plug
wire from spark plug.
2. Pull drive control lever ALL THE WAY
BACK to the handle.
3. Push button on underside of drive
control. While holding button in, return
drive control lever to disengaged posi-
tion ALL THE WAY FORWARD.
NOTE: Do not ratchet the adjustment.
4. Release button.
5. Operate mower to test drive speed.
If condition becomes worse after
the above steps (forward speed has
become slower), your system was not
"loose". Repeating the above steps will
return your unit to the proper adjust-
ment and speed.
6. If condition fails to improve after the
above steps (forward speed remains
the same), your drive belt is worn and
should be replaced.

TO ADJUST CUTTINGHEIGHT
Allfourwheelsareadjustedbyasinglelever.
• Pull adjuster levertoward wheel. To
raise mower, movelever forward to
desired position.To lower mower,move
the lever toward the rear.
LEVER
BACKWARD
TO LOWER
MOWER
LEVER
FORWARD
TO RAISE
MOWER
J Height
adjuster
lever
TO ATTACH GRASS CATCHER
1. Lift the rear door of the lawn mower
and place the grass catcher frame side
hooks into the slots of the rear door.
2. The grass catcher is secured to the lawn
mower housing when the rear door is
lowered onto the grass catcher frame.
ACAUTION: Do not run your lawn mower
without mulcher plug or approved grass
catcher in place. Never attempt to op-
erate the lawn mower with the rear door
removed or propped open.
Rear door slots
Grass
catcher
handle
Catcher frame hook
TO EMPTY GRASS CATCHER
1. Lift up on grass catcher using the
frame handle.
2. Remove grass catcher with clippings
from under lawn mower handle.
3. Empty clippings from bag using both
frame handle and bag handle.
NOTE: Do not drag the bag when empty-
ing; it will cause unnecessary wear.
Grass catcher
frame handle
TO CONVERT MOWER
Your lawn mower was shipped ready to be
used as a mulcher. To convert to bagging
or discharging:
REAR BAGGING
• Open rear door, remove mulcher plug.
Store mulcher plug in a safe place.
• You can now install the grass catcher.
• To convert to mulching or discharging
operation, install mulcher plug into rear
discharge opening of mower.
Mulcher plug
SIDE DISCHARGING
• Mulcher plug must be installed into rear
discharge opening of mower.
•Open mulcher door and install dis-
charge deflector under door as shown.
• Mower is now ready for discharging
operation.
• To convert to mulching or bagging
operation, discharge deflector must
be removed and
mulcher door _'
closed.
,Open mulcher door
Discharge
deflector
Bag
handle 9

SIMPLE STEPS TO REMEMBER WHEN
CONVERTING YOUR LAWN MOWER
FOR MULCHING -
1. Rear mulcher plug installed.
2. Mulcher door closed.
FOR REAR BAGGING -
1. Rear mulcher plug removed.
2. Grass catcher installed.
3. Mulcher door closed.
FOR SIDE DISCHARGING -
1. Rear mulcher plug installed.
_ Discharge deflector installed.
CAUTION: Do not run your lawn
mower without mulcher plug or approved
grass catcher in place. Never attempt to
operate the lawn mower with the rear door
removed or propped open.
BEFORE STARTING ENGINE
ADD OiL
Your lawnmower is shipped without oil in
the engine. For type and grade of oil to
use, see "ENGINE" in the Maintenance
section of this manual.
CAUTION: DO NOT overfill engine with
oil, or it will smoke heavily from the muffler
on startup.
1. Be sure lawnmower is level.
2. Remove oil dipstick from oil fill spout.
3. You receive a container of oil with the
unit. Slowly pour the entire container
down the oil fill spout into the engine.
4. Insert and tighten dipstick.
iMPORTANT:
•Check oil level before each use. Add oil
if needed. Fill to full line on dipstick.
•Change the oil after every 25 hours of
operation or each season. You may
need to change the oil more often
under dusty, dirty conditions. See "TO
CHANGE ENGINE OIL" in the Mainte-
nance section of this manual.
_sti i
t Upper limit
Lower limit
Gasoline
filler cap
Oil
cap
ADD GASOLINE
•Fill fuel tank to bottom of tank filler neck.
Do not overfill. Use fresh, clean, regular
unleaded gasoline with a minimum of
87 octane. Do not mix oil with gasoline.
Purchase fuel in quantities that can be
used within 30 days to assure fuel fresh-
ness.
A CAUTION: Wipe off any spilled oil or
fuel. Do not store, spill or use gasoline
,_ar an open flame.
CAUTION: Alcohol blended fuels
(called gasohol or using ethanol or metha-
nol) can attract moisture which leads to
separation and formation of acids during
storage. Acidic gas can damage the fuel
system of an engine while in storage. To
avoid engine problems, the fuel system
should be emptied before storage of 30
days or longer. Empty the gas tank, start
the engine and let it run until the fuel lines
and carburetor are empty. Use fresh fuel
next season. See Storage Instructions for
additional information. Never use engine
or carburetor cleaner products in the fuel
tank or permanent damage may occur.
TO STOP ENGINE
• To stop engine, move throttle control
lever to STOP position. Wait until blade
and all moving parts have stopped and
turn fuel valve to OFF position if you do
not intend to restart the engine soon.
10

TO START ENGINE
NOTE: Due to protective coatings on the
engine, a small amount of smoke may be
present during the initial use of the prod-
uct and should be considered normal.
1. Be sure fuel valve is in the ON position.
2. To start a cold engine, move handle
mounted throttle/choke control lever to
CHOKE position.
3. Pull starter handle quickly. Do not allow
starter rope to snap back.
4. Slowly move throttle control lever to
FAST position after engine starts.
•To start a warm engine, move throttle
control lever to FAST position, then fol-
low steps above.
NOTE: Allow a cold engine to warm up for
one minute before starting the blade. See
"BLADE CONTROL" in this section of this
manual.
ON
MULCHING MOWING TIPS
IMPORTANT: For best performance,
keep mower housing free of built-up
grass and trash, See "CLEANING" in the
Maintenance section of this manual,
•The special mulching blade will recut
the grass clippings many times and
reduce them in size so that as they fall
onto the lawn they will disperse into
the grass and not be noticed, Also, the
mulched grass will biodegrade quickly
to provide nutrients for the lawn, Always
mulch with your highest engine (blade)
speed as this will provide the best recut-
ting action of the blades,
•Avoid cutting your lawn when it is wet,
Wet grass tends to form clumps and
interferes with the mulching action, The
best time to mow your lawn is the early
afternoon, At this time the grass has
dried, yet the newly cut area will not be
exposed to direct sunlight,
•For best results, adjust the lawn mower
cutting height so that the lawn mower
cuts off only the top one-third of the
grass blades, If the lawn is overgrown it
will be necessary to raise the height of
cut to reduce pushing effort and to keep
from overloading the engine and leaving
clumps of mulched grass, For extremely
heavy grass, reduce your width of cut
by overlapping previously cut path and
mow slowly,
Fuel valve lever
MOWING TIPS
•Under certain conditions, such as very
tall grass, it may be necessary to raise
the height of cut to reduce pushing
effort and to keep from overloading the
engine and leaving clumps of grass
clippings. It may also be necessary to
reduce ground speed and/or run the
mower over the area a second time.
• For extremely heavy cutting, reduce the
width of cut by overlapping previously
cut path and mow slowly.
• For better grass bagging and most cut-
ting conditions, the engine speed should
be set in the FAST position.
• Pores in cloth grass catchers can be-
come filled with dirt and dust with use
and catchers will collect less grass. To
prevent this, regularly hose catcher off
with water and let dry before using.
•Keep top of engine around starter clear
and clean of grass clippings and chaff.
This will help engine air flow and extend
engine life.
1/3
•Certain types of grass and grass
conditions may require that an area be
mulched a second time to completely
hide the clippings, When doing a sec-
ond cut, mow across (perpendicular) to
the first cut path,
•Change your cutting pattern from week
to week, Mow north to south one week
then change to east to west the next
week, This will help prevent matting and
graining of the lawn,
11

MAINTENANCE
SCHEDULE
Check for Loose Fasteners
_ lean /Inspect Grass Catcher *
Check Tires
_ Check Drive Wheels ¢. ¢. ¢.
Clean Lawn Mower ....
M Clean under Drive Cover ***
O Check Drive Belt /Pulleys ***
_ Check /Sharpen /Replace Blade
R Lubrication
Clean and Recharge Battery **
Check Engine Oil level
I_ Change Engine Oil
N Clean Air Filter
_ Inspect Muffler
N Replace Spark Plug
E Replace Air Filter Paper Cartridge
Empty fuel system or add Stabilizer
BEFORE AFTER EVERY EVERY EVERY
EACH EACH 10 25 HOURS 100 BEFORE
USE USE HOURS OR SEASON HOURS STORAGE
i/s
t/ i/ i/
i/3
i/
i/
14
11_,2
14
I/
I/
* (if so equipped)
** Electric-Start mowers
*** Power-Propelled mowers
**** Use a scraper
to clean under deck
1 - Change more often if operating under a heavy load or in high outdoor temperatures.
2 - Service more often if operating in dirty or dusty conditions.
3 - Replace blades more often when mowing in sandy soil,
4- Charge 48 hours at end of season.
5- And after each 5 hours of use.
GENERAL RECOMMENDATIONS
The warranty on this lawn mower does not
cover items that have been subjected to
operator abuse or negligence, To receive
full value from the warranty, operator must
maintain unit as instructed in this manual,
Some adjustments will need to be made
periodically to properly maintain your unit,
At least once a season, check to see if
you should make any of the adjustments
described in the Service and Adjustments
section of this manual.
•At least once a year, replace the spark
plug, clean or replace air filter element
and check blade for wear. A new spark
plug and clean/new air filter element
assure proper air-fuel mixture and help
your engine run better and last longer.
• Follow the maintenance schedule in this
manual.
BEFORE EACH USE
•Check engine oil level.
• Check for loose fasteners.
LUBRICATION
Keep unit well lubricated
(See "LUBRICATION CHART").
LUBRICATION CHART
Wheel
adjuster (on
each wheel)
(_) Engine oil
(_ Mulcher
door hinge pin
(_ Rear door
hinge
(_ Handle bracket mounting pins
_ Spray lubricant
See "ENGINE" in Maintenance section.
IMPORTANT: Do not oil or grease plastic
wheel bearings, Viscous lubricants will
attract dust and dirt that will shorten the life of
the self-lubricating bearings, If you feel they
must be lubricated, use only a dry, powdered
12 graphite type lubricant sparingly,

LAWN MOWER
Always observe safety rules when per-
forming any maintenance.
TIRES
•Keep tires free of gasoline, oil, or insect
control chemicals which can harm rubber.
•Avoid stumps, stones, deep ruts, sharp
objects and other hazards that may
cause tire damage.
DRIVE WHEELS
Check rear drive wheels each time you
mow to be sure they move freely. The
wheels not turning freely means trash,
grass cuttings, etc., may be inside the
drive wheel and dust cover area and must
be cleaned out to free drive wheels.
BLADE CARE
For best results, mower blade must be kept
sharp. Replace bent or damaged blades.
TO REMOVE BLADE
1. Disconnect spark plug wire from spark
plug and place wire where it cannot
come in contact with plug.
2. Turn lawn mower on its side. Make
sure air filter and carburetor are up.
3. Use a wood block between blade and
mower housing to prevent blade from
turning when removing blade bolts.
NOTE: Protect your hands with gloves
and/or wrap blade with heavy cloth.
4. Remove blade bolts by turning counter-
clockwise.
TO REPLACE BLADE
1. Position the blade. Be sure the trailing
edge of blade (opposite sharp edge)
is up toward the engine and install the
blade bolts.
2. Use block of wood between blade and
lawn mower housing and tighten the
blade bolts, turning clockwise.
•The recommended tightening torque is
36-44 ft. Ibs.
\
\
\"\ Blade
\
Trailing Blade ,_ "%_
edge bolts
IMPORTANT: Blade bolts are heat treat-
ed. If bolts need replacing, replace only
with approved bolts shown in the Repair
Parts section of this manual.
TO SHARPEN BLADE
NOTE: We do not recommend sharpening
blade - but if you do, be sure the blade is
balanced.
Care should be taken to keep the blade bal-
anced.An unbalanced blade will cause even-
tual damage to lawn mower or engine.
•The blade can be sharpened with a file
or on a grinding wheel. Do not attempt
to sharpen while on the mower.
•To check blade balance, drive a nail into
a beam or wall. Leave about one inch of
the straight nail exposed. Place center
hole of blade over the head of the nail.
If blade is balanced, it should remain in
a horizontal position. If either end of the
blade moves downward, sharpen the
heavy end until the blade is balanced.
GRASS CATCHER
•The grass catcher may be hosed with
water, but must be dry when used.
•Check your grass catcher often for dam-
age or deterioration. Through normal
use it will wear. If catcher needs replac-
ing, replace only with approved replace-
ment catcher shown in the Repair Parts
section of this manual. Give the lawn
mower model number when ordering.
ENGINE
LUBRICATION
Use only high quality detergent oil rated with
API service classification SF-SJ. Select the
oil's SAE viscosity grade according to your
expected operating temperature.
SAE VISCOSITY GRADES
°F -20 030 32 40 60 80 100
°c -3o -2; -,; ; 1'o _o _o
TEMPERATURE RANGE ANTICIPATED BEFORE NEXT OIL CHANGE
NOTE: Multi-viscosity oils (5W30, 10W30
etc.) improve starting in cold weather, and
you should check your engine oil level fre-
quently to avoid possible engine damage
from running low on oil.
Change the oil after every 25 hours of
operation or at least once a year if the
lawn mower is not used for 25 hours in
one year.
Check the crankcase oil level before
starting the engine and after each five (5)
hours of continuous use. Tighten oil plug
securely each time you check the oil level.
13

TO CHANGEENGINEOIL
NOTE: Beforetippinglawn mower to drain
oil, emptyfuel tank by running engine until
fuel tank is empty.
1. Disconnectspark plug wire from spark
plug and placewire where it cannot
come in contactwith plug.
2. Removeengine oil cap; lay asideon a
clean surface.
3. Tip lawn moweron its side as shown
and drain oil intoa suitablecontainer.
Rock lawn mower back and forth to re-
move anyoil trapped insideof engine.
Oil filler cap/dipstick
limit
,I_I,CAUTION: Petroleum solvents, such as
kerosene, are not to be used to clean car-
tridge. They may cause deterioration of the
cartridge. Do not oil cartridge. Do not use
pressurized air to clean or dry cartridge.
4. Install cartridge, then replace cover.
.,.._________j.__.t Filter Filter
Cover
Tabs
r
4. Wipe off any spilled oil from lawn
mower or side of engine.
5. Fill engine with oil. The engine oil
capacity is 18.5 oz. If oil is not com-
pletely drained from engine, you may
not need the entire container of a 20
oz. bottle of oil. Slowly pour 3/4 of the
oil from the container down the oil fill
spout into the engine.
6. Wait one minute to allow oil to settle.
Use guage on oil fill cap/dipstick for
checking level. Insert dipstick into the
tube and rest the oil fill cap on the tube.
DO NOT thread the cap into the tube
when taking reading.
7. Continue adding small amounts ofoil and
rechecking the dipstick until it reads full.
DO NOT overfill, or engine will smoke
heavily from the muffler on startup.
8. Always be sure to retighten oil dipstick
before starting engine.
9. Reconnect spark plug wire to plug.
AIR FILTER
Your engine will not run properly and may
be damaged by using a dirty air filter.
Replace the air filter every 100 hours of
operation or every season, whichever oc-
curs first. Service air cleaner more often
under dusty conditions.
TO CLEAN AIR FILTER
1. Remove cover.
2. Carefully remove cartridge.
3. Clean by gently tapping on a flat sur-
face. If very dirty, replace cartridge.
Tabs
MUFFLER
Inspect and replace corroded muffler as it
could create a fire hazard and/or damage.
SPARK PLUG
Replace spark plug at the beginning of
each mowing season or after every 100
hours of operation, whichever occurs
first. Spark plug type and gap setting
are shown in the "PRODUCT SPECIFIC-
ATIONS" section of this manual.
CLEANING
IMPORTANT: For best performance, keep
mower housing free of built-up grass and
trash. Clean the underside of your mower
after each use.
_L,CAUTION: Disconnect spark plug wire
from spark plug and place wire where it
cannot come in contact with plug.
• Clean the underside of your lawn mower
by scraping to remove build-up of grass
and trash.
Clean engine often to keep trash from
accumulating. A clogged engine runs
hotter and shortens engine life.
Keep finished surfaces and wheels free
of all gasoline, oil, etc.
• We do not recommend using a garden
hose to clean lawn mower unless the
electrical system, muffler, air filter and
carburetor are covered to keep water
out. Water in engine can result in short-
ened engine life.
CLEAN UNDER DRIVE COVER
Clean under drive cover at least twice a
season. Scrape underside of cover with
putty knife or similar tool to remove any
build-up of trash or grass on underside of
drive cover.
14

_I_WARNING: To avoid serious injury, before
performing any service or adjustments:
1. Release control bar and stop engine.
2. Make sure the blade and all moving
parts have completely stopped.
3. Disconnect spark plug wire from spark
plug and place wire where it cannot
come in contact with plug.
LAWN MOWER
ENGINE
Maintenance, repair, or replacement of
the emission control devices and systems,
which are being done at the customers ex-
pense, may be performed by any non-road
engine repair establishment or individual.
Warranty repairs must be performed by an
authorized engine manufacturer's service
outlet.
TO ADJUST CUTTING HEIGHT
See "TO ADJUST CUTTING HEIGHT" in
the Operation section of this manual.
REAR DEFLECTOR
The rear deflector, attached between the rear
wheels ofyour mower, is provided to minimize
the possibility that objects will be thrown out
of the rear of the mower into the operator's
mowing position. If the deflector becomes
damaged, it should be replaced.
DRIVE BELT
If your mower does not operate properly
due to suspected drive belt problems,
take your mower to a Sears or other
qualified service center for repair and/or
adjustment.
TO ADJUST HANDLE
The handle on your lawn mower has three
(3) height positions - adjust to height that
suits you.
•Squeeze the bottom ends of lower
handle towards each other until the pin
in handle can be inserted into one of the
three height adjustment holes,
ENGINE SPEED
Your engine speed has been factory set.
Do not attempt to increase engine speed
or it may result in personal injury. If you
believe that the engine is running too fast
or too slow, take your lawn mower to a
Sears or other qualified service center for
repair and adjustment.
CARBURETOR
Your carburetor is not adjustable. If your
engine does not operate properly due to
suspected carburetor problems, take your
lawn mower to a Sears or other qualified
service center for repair and/or adjust-
ment.
iMPORTANT: Never tamper with the
engine governor, which is factory set
for proper engine speed. Overspeeding
the engine above the factory high speed
setting can be dangerous. If you think
the engine-governed high speed needs
adjusting, contact a Sears or other
qualified service center, which has proper
equipment and experience to make any
necessary adjustments.
SQ pin
Handle
High
Medium
15

Immediately prepare your lawn mower for
storage at the end of the season or if the
unit will not be used for 30 days or more.
LAWN MOWER
When lawn mower is to be stored for a period
of time, clean it thoroughly, remove all dirt,
grease, leaves, etc. Store in a clean, dry area.
1. Clean entire lawn mower (See
"CLEANING" in the Maintenance sec-
tion of this manual).
2. Lubricate as shown in the Maintenance
section of this manual.
3. Be sure that all nuts, bolts, screws,
and pins are securely fastened. Inspect
moving parts for damage, breakage
and wear. Replace if necessary.
4. Touch up all rusted or chipped paint
surfaces; sand lightly before painting.
HANDLE
You can fold your mower handle for storage.
NOTE: The upper handle has an "anti-fold"
bracket located on the right side of the
handle. This bracket prevents the upper
handle from folding forward, which helps
protect control cable(s) from damage.
1. Loosen the two (2) handle knobs on
sides of the upper handle and allow
handle to fold down to the rear.
2. Squeeze the bottom ends of lower
handle toward each other until pins
in handle clear the brackets and pivot
entire handle assembly forward and
allow it to rest on mower.
•When setting up your handle from the
storage position, you must manually
lock lower handle into mowing position.
IMPORTANT: When folding the handle for
storage or transportation, be sure to fold
the handle as shown or you may damage
the control cables.
Operator presence
control bar
Upper
Lower
//
3.
Mowing
position 4.
16
SQUEEZE
Handle
bracket
J
pin
ENGINE
FUEL SYSTEM
IMPORTANT: It is important to prevent
gum deposits from forming in essential
fuel system parts such as carburetor, fuel
filter, fuel hose, or tank during storage.
Also, alcohol blended fuels (called gasohol
or using ethanol or methanol) can attract
moisture which leads to separation and
formation of acids during storage. Acidic
gas can damage the fuel system of an
engine while in storage.
• Empty the fuel tank by starting the en-
gine and letting it run until the fuel lines
and carburetor are empty.
•Never use engine or carburetor cleaner
products in the fuel tank or permanent
damage may occur.
•Use fresh fuel next season.
NOTE: Fuel stabilizer is an acceptable
alternative in minimizing the formation
of fuel gum deposits during storage. Add
stabilizer to gasoline in fuel tank or stor-
age container. Always follow the mix ratio
found on stabilizer container. Run engine
at least 10 minutes after adding stabilizer
to allow the stabilizer to reach the car-
buretor. Do not empty the gas tank and
carburetor if using fuel stabilizer.
ENGINE OIL
Drain oil (with engine warm) and replace
with clean engine oil. (See "ENGINE" in
the Maintenance section of this manual).
CYLINDER
1. Remove spark plug.
2. Pour one ounce (29 ml) of oil through
spark plug hole into cylinder.
Pull starter handle slowly a few times
to distribute oil.
Replace with new spark plug.

OTHER
• Do notstoregasolinefrom one season
toanother,
•Replace your gasoline can if your can
starts to rust. Rust and/or dirt in your
gasoline will cause problems.
• If possible, store your unit indoors and
cover it to protect it from dust and dirt.
• Cover your unit with a suitable protective
cover that does not retain moisture. Do
not use plastic. Plastic cannot breathe,
which allows condensation to form and
will cause your unit to rust.
IMPORTANT: Never cover mower while
engine and exhaust areas are still warm.
CAUTION: Never store the lawn mower
with gasoline in the tank inside a building
where fumes may reach an open flame or
spark. Allow the engine to cool before stor-
ing in any enclosure.
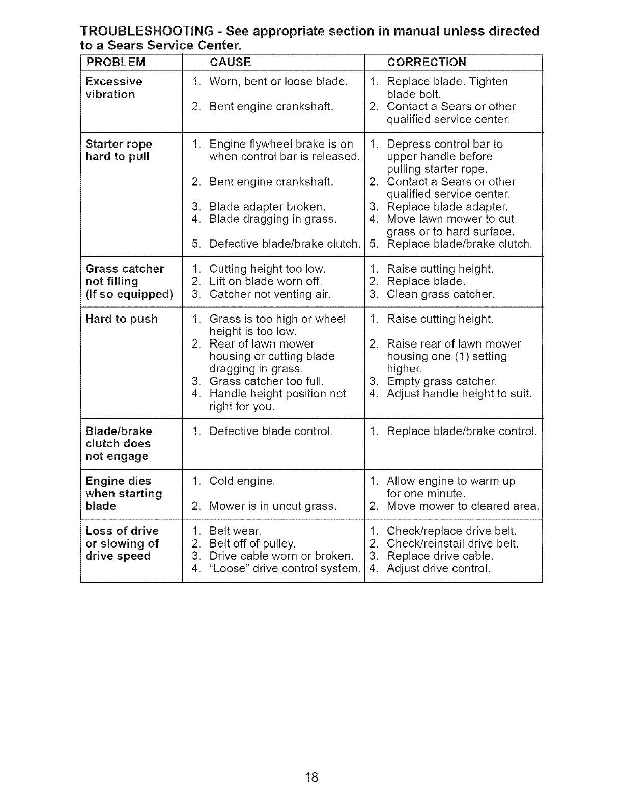
TROUBLESHOOTING - See appropriate section in manual unless directed
to a Sears Service
PROBLEM
Does not start
Center.
CAUSE
1. Dirty air filter.
2. Out of fuel.
3. Stale fuel.
4. Water in fuel.
Loss of power
Poor cut -
uneven
5. Spark plug wire is
disconnected.
6. Bad spark plug.
7. Loose blade or broken
blade adapter.
8. Control bar in released
position.
9. Control bar defective.
10. Fuel valve lever (if so
equipped) in OFF position.
11. Weak battery (if equipped).
12. Disconnected battery
connector (if equipped).
13. Engine control lever is
in STOP position.
1. Rear of lawn mower
housing or cutting blade
dragging in heavy grass.
2. Cutting too much grass.
3. Dirty air filter.
4. Buildup of grass, leaves,
and trash under mower.
5. Too much oil in engine.
6. Walking speed too fast.
1. Worn, bent or loose blade.
2. Wheel heights uneven.
3. Buildup of grass, leaves
and trash under mower.
CORRECTION
1. Clean/replace air filter.
2. Fill fuel tank.
3. Drain fuel tank and refill tank
with fresh, clean gasoline.
4. Drain fuel tank and refill tank
with fresh, clean gasoline.
5. Connect wire to plug.
6. Replace spark plug.
7. Tighten blade bolt or
replace blade adapter.
8. Depress control bar to
handle.
9. Replace control bar.
10.Turn fuel valve lever
to the ON position.
11. Charge battery.
12. Connect battery to engine.
13. Place engine control lever
in FAST position.
1. Raise cutting height.
2. Raise cutting height.
3. Clean/replace air filter.
4. Clean underside of mower
housing.
5. Check oil level.
6. Cut at slower walking speed.
1. Replace blade. Tighten
blade bolt.
2. Set all wheels at same
height.
3. Clean underside of
mower housing.
17

TROUBLESHOOTING -See appropriate section in manual unless directed
to a Sears Service Center.
PROBLEM CAUSE CORRECTION
Excessive 1. Worn, bent or loose blade. 1. Replace blade. Tighten
vibration blade bolt.
2. Bent engine crankshaft. 2. Contact a Sears or other
qualified service center,
1.
Starter rope
hard to pull
Grass catcher
not filling
(if so equipped)
Hard to push
Bladelbrake
clutch does
not engage
Engine dies
when starting
blade
Loss of drive
or slowing of
drive speed
1. Engine flywheel brake is on
when control bar is released.
2. Bent engine crankshaft.
3. Blade adapter broken.
4. Blade dragging in grass.
5. Defective blade/brake clutch.
1. Cutting height too low.
2. Lift on blade worn off.
3. Catcher not venting air.
1. Grass is too high or wheel
height is too low,
2. Rear of lawn mower
housing or cutting blade
dragging in grass.
3. Grass catcher too full.
4. Handle height position not
right for you.
1. Defective blade control.
1. Cold engine.
2. Mower is in uncut grass.
1. Belt wear.
2. Belt off of pulley.
3. Drive cable worn or broken.
4. "Loose" drive control system.
Depress control bar to
upper handle before
pulling starter rope.
2. Contact a Sears or other
qualified service center.
3. Replace blade adapter.
4. Move lawn mower to cut
grass or to hard surface.
5. Replace blade/brake clutch.
1. Raise cutting height.
2. Replace blade.
3. Clean grass catcher.
1. Raise cutting height.
2. Raise rear of lawn mower
housing one (1) setting
higher.
3. Empty grass catcher.
4. Adjust handle height to suit,
1. Replace blade/brake control.
1. Allow engine to warm up
for one minute.
2. Move mower to cleared area.
1. Check/replace drive belt,
2. Check/reinstall drive belt,
3. Replace drive cable.
4. Adjust drive control.
18

Garantia ......................................................... 19
Reglas de Seguridad ................................ 19-21
Especificaciones del Producto ....................... 21
Montaje /Pre-Operaci6n .......................... 22-23
Operaci6n ................................................. 24-28
Mantenimiento .......................................... 29-31
Programa de Mantenimiento ......................... 29
Servicio y Adjustes ........................................ 32
Almacenamiento ....................................... 33-34
ldentificaci6n de problemas ...................... 34-35
Servicio Sears .......................................... 36-46
Orden de Partes ............................... Contratapa
GARANTfA LIMtTADA DE DOS Ai'_OS PARA LA SEGADORA A MOTOR CRAFTSMAN
Por dos (2) afios, a partir de la fecha de compra, cuando esta Segadora Craftsman se mantenga,
lubrique y afine segOn las instrucciones para la operaci6n y el mantenimiento en el manual del
duefio, Sears reparara gratis todo defecto en el material y la mano de obra.
Si la Segadora Craftsman se usa para fines comerciales o de arriendo, esta garanfia s61o se aplica
por noventa (90) dias a partir de la fecha de compra.
Esta Garantia no cubre:
* Articulos que se desgastan durante el uso normal tales como las cuchillas segadoras rotatorias,
los adaptadores de la cuchilla, las correas, los filtros de aire y las bujias.
* Reparaciones necesarias debido al abuso o a la negligencia del operador, incluyendose a los
cigQefiales doblados y a la falta de mantenimiento del equipo segOn las instrucciones que se
incluyen en el manual del duefio.
El servicio de garantia esta disponible al devolver la segadora a motor Craftsman al Centro de
Servicio Sears mas cercano en los Estados Unidos. Esta garanfia se aplica solamente mientras el
producto este en uso en los Estados Unidos.
Esta Garantia le otorga derechos legales especificos, y puede que tambien tenga otros derechos
que varian de estado a estado.
Sears, Roebuck and Co., D/817WA, Hoffman Estates, IL 60179 USA
IMPORTANTE: Esta maquina cortadaora es capaz de amputar las manos y los manos y los pies y
de lanzar objetos. Si no se observan las instrucciones de seguridad siguientes se pueden producir
lesiones graves o la muerte.
_Busque este simbolo que seSala las precau-
ciones de seguridad de importancia. Quiere
decir - iiiATENCtON!!! iiiESTE ALERTO!!!
SU SEGURtDAD ESTA COMPROMETtDA.
_I_ADVERTENClA: Siempre desconecte el
alambre de la bujia y p6ngalo donde no pueda
entrar en contacto con la bujia, para evitar el
arranque por accidente, durante la preparaci6n,
el transporte, el ajuste o cuando se hacen
reparaciones.
_,ADVERTENCIA: Los bornes, terminales y
accesorios relativos de la bateria contienen
plomo o compuestos de plomo, productos
quimicos conocidos en el Estado de California
como causa de cancer y defectos al nacimiento
u otros dafios reproductivos. Lavar las manos
despu_s de manipularlos.
_PRECAUClON: El tubo de escape del motor,
algunos de sus constituyentes y algunos com-
ponentes del vehiculo contienen o desprenden
productos quimicos conocidos en el Estado de
California como causa de cancer y defectos al
nacimiento u otros dafios reproductivos.
,_PRECAUClON: El silenciador y otras
piezas del motor Ilegan a sre extremadamente
calientes durante la operaci6n y siguen siendo
calientes despues de que el motor haya parado.
Para evitar quemaduras severas, permanezca
lejos de estas areas.
19

I. OPERACION
,Antes de empezar, debe familiarizarse comple-
tamente con los controles y el uso correcto de
la maquina. Para esto, debe leer y comprender
todas las instrucciones que aparecen en la ma-
quina yen los manuales de operaci6n.
* No ponga las manos o los pies cerca o
debajo de las partes rotatorias. Mantengase
siempre lejos de la abertura de la descarga.
* Permita que solamente las personas re-
sponsables que esten familiarizadas con las
instrucciones operen la maquina.
* Despeje el area de objetos tales como pie-
dras, juguetes, alambres, huesos, palos, etc.
que pueden ser recogidos y lanzados por las
cuchillas.
* AsegOrese que el area no se hallen per-
sonas, antes de segar. Pare la maquina si
alguien entra en el area.
* No opere la maquina sin zapatos o con sanda-
lias abiertas. P6ngase siempre zapatos s61idos.
* No tire de la segadora hacia atras a menos
que sea absolutamente necesario. Mire
siempre hacia abajo y hacia detras antes y
mientras que se mueve hacia atras.
* No opere la segadora sin los respectivos
resguardos, las placas, el recogedor de
cesped u otros aditamentos dise ados para
su protecci6n y seguridad.
* Refierase alas instrucciones del fabricante
para el funcionamiento e instalaci6n de
accesorios. Use L_nicamente accesorios
aprobados por el fabricante.
* Detenga la cuchilla o las cuchillas cuando cruce
pot calzadas, caries o caminos de grava.
* Parar el motor cada vez que se abandona el
aparato, antes de limpiar la segadora o de
remover residuos del tubo.
* Apagar el motor y esperar hasta que las
cuchillas esten completamente paradas
antes de remover el receptor de hierba.
* Segar solamente con luz del dia o con una
buena luz artificial.
* No opere la maquina bajo la influencia del
alcohol o de las drogas.
* Nunca opere la maquina cuando la hierba
este mojada. AsegOrese siempre de tener
buena tracci6n en sus pies; mantenga el
mango firmemente y camine; nunca corra.
* Desconectar el mecanismo de propulsi6n
aut6noma o el embrague de transmisi6n en
las segadoras que Io tienen antes de poner
en marcha el motor.
* Si el equipo empezara a vibrar de una
manera anormal, pare el motor y revise de
inmediato para averiguar la causa. General-
mente la vibraci6n suele indicar que existe ,
alguna averia.
* Siempre use gafas de seguridad o anteojos con ,
protecci6n lateral cuando opere la segadora.
II. OPERAClON SOBRE LAS CUESTAS
Los accidentes ocurren con mas frecuencia en
las cuestas. Estos accidentes ocurren debido a
resbaladas o caidas, las cuales pueden resultar
en graves lesiones. Operar la recortadora en
cuestas requiere mayor concentraci6n. Si se
siente inseguro en una cuesta, no la recorte. 20
HACER:
Puede recortar a traves de la superficie de
la cuesta, nunca hacia arriba y hacia abajo.
Proceda con extrema precauci6n cuando
cambie de direcci6n en las cuestas.
* Renueva todos los objetos extraSos, tales
como guijarros, ramas, etc.
Debe prestar atenci6n a hoyos, baches o
protuberancias. Recuerde que la hierba alta
puede esconder obstaculos.
NO HACER:
* No recorte cerca de pendientes, zanjas o
terraplenes. El operador puede perder la
tracci6n en los pies o el equilibrio.
* No recorte cuestas demasiado inclinadas.
* No recorte en hierba mojada. La reducci6n
en la tracci6n de la pisada puede causar
resbalones.
III. NINOS
Se pueden producir accidentes tragicos si el
operador no presta atenci6n a la presencia
de los niSos. A menudo, los niSos se sienten
atraidos por la maquina y por la actividad de
la siega. Nunca suponga que los niSos van a
permanecer en el mismo lugar donde los vio
pot 01tima vez.
* Mantenga a los niSos alejados del area de
la siega y bajo el cuidado estricto de otra
persona adulta responsable.
Este alerta y apague la maquina si hay niSos
que entran al area.
Antes y cuando este retrocediendo, mire
hacia atras y hacia abajo para verificar si hay
niSos pequeSos.
Nunca permita que los niSos operen la maquina.
Tenga un cuidado extra cuando se acerque
a esquinas donde no hay visibilidad, a los
arbustos, arboles u otros objetos que pueden
interferir con su linea de visi6n.
IV. SERVIClO
*Tenga cuidado extra al manejar la gasolina y
los demas combustibles. Son inflamables y
los gases son explosivos.
Use solamente un envase aprobado.
Nunca remueva la tapa del dep6sito de
gasolina o agregue combustible con el mo-
tor funcionando. Permita que el motor se
enfrie antes de volver a pone combustible.
No fume.
Nunca vuelva a poner combustible en la
maquina en recintos cerrados.
Nunca almacene la maquina o el envase
del combustible dentro de alg0n lugar en
donde haya una llama expuesta, tal como
la del calentador de agua.
Nunca haga funcionar una maquina dentro
de un area cerrada.
Nunca haga ajustes o reparaciones mientras
el motor este en marcha. Desconecte el
cable de la bujia, y mantengalo a cierta
distancia de esta para prevenir un arranque
accidental.
Mantenga las tuercas y los pernos, espe-
cialmente los pernos del accesorio de la
cuchilla, apretados y mantenga el equipo en
buenas condiciones.

,Nunca manipule de forma indebida los
dispositivos de seguridad. Controle regular-
mente su funcionamiento correcto.
,Mantenga la maquina libre de hierba, hojas
u otras acumulaciones de desperdicio.
Limpie los derrames de aceite o combustible.
Permita que la maquina se enfrie antes de
almacenarla.
Pare e inspeccione el equipo si le pega a un
objeto. Reparelo, si es necesario, antes de
hacerlo arrancar.
En ningQn caso hay que regular la altura de
las ruedas mientras el motor esta en marcha.
,Los componentes del receptor de la hierba
van sujetos a desgaste, da_os y deterioro,
que pueden exponer las partes en mov-
imiento o permitir que objetos sean dispara-
dos. Controlar frecuentemente y cuando sea
necesario sustituir con partes aconsejadas
por el fabricante.
,Las cuchillas de la segadora estan afiladas y
pueden cortar. Cubrir las hojas o Ilevar guantes,
y utilizar precauciones especiales cuando se
efectQa mantenimiento sobre las mismas.
,No cambie el ajuste del regulador del motor
ni exceda su velocidad.
NOmero de Serie:
Fecha de Compra:
Capacidad y Tipo de Gasolina: 1.0 Cuartos (Regular sin Plomo)
Tipo de Aceite (API-SF-SJ): SAE 10W30
Capacidad de Aceite: 18.50nzas
Bujia (Abertura: .030") NGK BPR6ES
Tolerancia de Valvula (_+0.004 mm) Admisi6n: 0.015 mm; Descarga: 0.020 mm
Torsi6n del Perno de la Cuchilla: 36-44 ft, Ibs.
,El nQmero del nodelo y el de serie se encuentran en la calcomania adjunta a la parte trasera
de la caja de la segadora. Debe registrar tanto el nQmero de serie come la fecha de compra y
mantengalos en un lugar seguro para refencia en el futuro.
Acuerdos de Protecci6n para la Reparaci6n
Congratulaciones por su buena compra. Su
nuevo producto Craftsman@ esta dise_ado
y fabricado para funcionar de modo fiable por
muchos a_os. Pero como todos los productos,
puede necesitar alguna reparaci6n de tanto
en tanto. En este caso tener un Acuerdo de
Protecci6n para la Reparaci6n puede hacerles
ahorrar dinero y fastidios.
Compre ahora un Acuerdo de Protecci6n para
la Reparaci6n y protegese de molestias y gas-
tos inesperados.
Un Acuerdo incluye los puntos siguientes:
,Servicio experto de nuestros 12.000 espe-
cialistas profesionales en la reparaci6n.
,Servicio ilimitado sin cargo alguno para
las partes y la mano de obra sobre todas las
reparaciones garantizadas.
, Sustituci6n del producto si su producto
garantizado no puede ser arreglado.
* Descuento del 10% sobre el precio cor-
riente del servicio y de las partes relativas al
servicio no cubiertas por el acuerdo; tambien
el 10% menos sobre el precio corriente de
un control de mantenimiento preventivo.
Ayuda rapida por tel_fono - soporte tele-
f6nico por parte de un tecnico Sears sobre
productos que requieren un arreglo en casa,
y ademas una programaci6n sobre los a
reglos mas convenientes.
Cuando se ha comprado el Acuerdo, basta con
una Ilamada telef6nica para programar el servi-
cio. Puede Ilamar cuando quiera, dia y noche o
fijar en linea una cita para obtener el servicio.
Sears tiene mas de 12.000 especialistas
profesionales en la reparaci6n, que tienen
acceso a mas de 4.5 millones de partes y
accesorios de calidad. Este es el tipo de
profesionalidad con que puede contar para
ayudar a alargar la vida del producto que acaba
de comprar, por muchos aSos. iCompre hoy su
Acuerdo de Protecci6n para la Reparaci6n!
Se aplican algunas lirnitaciones y exclu-
siones. Para conocer los precios y tener
mas informaci6n, Ilame al 1-800-827-6655.
Servicio de Instalaci6n Sears
Para la instalaci6n profesional Sears de
aparatos de casa, puertas de garaje,
calentadores de agua y otros importantes
articulos para la casa, en U.S.A. Ilamar a
1-800-4-MY-HOME®.
21

Estos accesorios estaban disponibles cuando se produjo la segadora. No son facilitados junto
al cortacesped. Estan disponibles en la mayoria de las tiendas de Sears yen los centros de
servicio. AIgunos de estos accesorios tal vez no se apliquen a su segadora.
RENDIMIENTO DE LA SEGADORA
DESVIADOR
DE RECORTES
PARA SEGADORAS
CON DESCARGA
TRASERA
RECOREDOR
PARA
SEGADORAS
CON DESCARGA
TRASERA
ESTABILI-
ZADORES
_ENVASES
DE GASOLINA
RECOREDOR
PARA
SEGADORAS
CON DESCARGA
LATERAL
MANTENIMIENTO DE LA SEGADORA
SILENCIADORES
CORREAS CUCHILLAS
FILTROS DE AIRE
ADAPTADORES
DE CUCHILLA RUEDAS
BUJiAS
ACEITE
DEL MOTOR
Lea estas instrucciones y el manual completamente
antes de tratar de montar u operar su segadora
nueva.
IMPORTANTE: Este cortacesped viene SIN
ACEITE O GASOLINA en el motor.
Su segadora nueva ha sido montada en la
fabrica con la excepci6n de aquellas partes que
se dejaron sin montar por razones de envio.
Todas las partes como las tuercas, las arande-
las, los pernos, etc., que son necesarias para
completar el montaje han sido colocadas en la
bolsa de partes. Para asegurarse que su sega-
dora funcione en forma segura y adecuada,
todas las partes y los articulos de ferreteria que
se monten tienen que ser apretados segura-
mente. Use las herramientas correctas, como
sea necesario, para asegurar que se aprieten
adecuadamente.
22

PARA REMOVER LA SEGADORA DE
LA CAJA DE CARTON
1. Remueva las partes sueltas que se incluyen
con la segadora.
2. Corte las dos esquinas de los extremos
de la caja de cart6n y tienda el panel del
extremo piano.
3. Remueva todo el material de empaque, ex-
cepto la cuba entre el mango superior y 61
inferior, y la cuda que sujeta la barra de los
control que exige la presencia del operador
junto con el mango superior.
4. Haga rodar la segadora hacia afuera de la
caja de cart6n y revisela cuidadosamente
para verificar si todavia quedan partes
sueltas adicionales.
COMO PREPARAR SU SEGADORA
PARA DESDOBLAR EL MANGO
IMPORTANTE: Despliegue el mango con
mucho cuidado para no pellizcar o daSar los
cables de control.
1. Levante la secci6n del mango inferior a la
posici6n de operaci6n y presione las ex-
tremidades inferiores del mando inferior una
en contra una de la otra hasta que la pinza
del mando pueda ser insertada en uno de
los tres agujeros del control de la altura.
2. Levante la secci6n del mango superior
hasta la posici6n de operaci6n, remueva la
cuba protectora y apriete las manillas del
mango en forma segura.
3. Remueva el material de empaque de alred-
edor de la barra de control.
El mango de la segadora puede ajustarse
seg0n le acomode para segar. Refierase a
"AJUSTE DEL MANGO" en la secci6n de
Servicio y Ajustes de este manual.
Barra de control que sxige
la presencia del
Mane
Mang
LEVANTAR
Soporte
de mange
del
mango
/
PARA MONTAR EL RECOGEDOR DE
CFtSPED
1. Ponga el bastidor del recogedor de cesped
en la bolsa del cesped con la parte rigida
de la bolsa en la parte inferior. Aseg0rese
que el mango del bastidor este en el exte-
rior de la parte superior de la bolsa.
2. Deslice los sujetadores de vinilo sobre el
bastidor.
AVlSO: Si los sujetadores de vinilo estan muy
duros, metalos en agua caliente por algunos
minutos. Si se moja la bolsa, dejela que se
seque antes de usarla.
Mango del
bastidor del
recog
Abertura
del bastidor
Posicion
para segar
PARA INSTALAR LOS ACCESORIOS
Su segadora fue enviada lista para usarse
como una acolchadora de capa vegetal. Para
convertirla de modo que pueda ensacar o
descarga, refierase a "PARA CONVERtR LA
SEGADORA" en la secci6n de Operaci6n de
este manual.
23

FAMILIARICESE CON SU SEGADORA
LEA ESTE MANUAL DEL DUEllO Y LAS REGLAS DE SEGURIDAD ANTES DE OPERAR SU
SEGADORA. Compare las ilustraciones con su segadora para familiarizarse con la ubicaci6n de
los diversos controles y ajustes. Guarde este manual para referencia en el futuro.
Estos simbolos pueden apareser sobre su segadora o en la literatura proporcionada con el
producto. Aprenda y comprenda sus significados.
ATTENCION O MOTOR MOTOR R,_,PIDO LENTO ESTRANGU COM- ACEITE PELIGRO, GUARDE LAS
ADVERTENCIA ENCENDIDO APAGADO LACION BUSTIBLE MANOS Y LOS PIES LEJOS
Control de
Barra de control que exige
la presencia del operador
Control de la cuchilla/freno
Control de impulsion
Cordon Manilla del mango
Recogedor de ces[
Mango del adjustador
un solo punto
Tapa del deposito
de la gasolina
Silenciador
Filtro de aire
Tapon de la acolchadera
Tapa del deposito de aceite del motor
con varilla indicadora de nivel
Puerta de la acolchadora Caja
IMPORTANTE: Este cortacesped viene SIN ACEtTE O GASOLINA en motor.
CUMPLE CON LOS REQUISITOS DE SEGURIDAD DE LA CPSC
Las segadoras a motor, que se conducen desde la parte de atras, rotatorias, Sears, cumplen con
los estandares de seguridad del American National Standards Institute y de la U.S. Consumer
Product Safety Commission.
Barra de control que exige la presencia del
operado - tiene que sujetar-se abajo, junto
con el mango, para hacer arrancar la cuchilla.
Sueltela para parar la cuchilla.
Control de acelercion/motor - se usa para
hacer arrancar y parar el motor y le permite
seleccionar la velocidad del motor de ya sea
R/_,PtDA o LENTA.
Puerta de la acolchadora - permite la conver-
si6n para la operaci6n de descarga o ensacado.
Cord6n arrancador - se usa para hacer ar-
rancar el motor.
Tapon de la acolchadera - situada en la
abertura de la descarga y debe ser quitada
cuando se convierte la operaci6n de ensacado
a descarga.
Palanca de control de la impulsi6n - se usa
para enganchar la segadora para movimiento
hacia adelante impulsada a motor.
Control de la cuchilla/freno - se usa para
enganchar la cuchilla despues de que ha ar-
rancado el motor.
Mango del ajustador de un solo punto- se usa
para ajustar la altura de corte de la segadora.
24

La operaci6n de cualquier
segadora puede hacer que
salten objetos extra_os dentro de
sus ojos, Io que puede producir
da_os graves en estos. Siempre
use anteojos de seguridad o protecci6n para
los ojos mientras opere su segadora o cuando
haga ajustes o reparaciones. Recomendamos
gafas o una mascara de seguridad de visi6n
amplia de seguridad usada sobre las gafas.
COMO USAR SU SEGADORA
MANDO DE ACELERICION/MOTOR
El motor se acciona a traves de un mando de
mariposa situado en el lado de! mango superior.
La posici6n ESTRANGULACtON se utiliza para
poner en marcha el motor; la posici6n RAPIDO
se utiliza para poner en marcha un motor tibio,
para un corte y acabado mejores y para ensacar
mejor la hierba; la posici6n LENTA se utiliza para
un corte ligero, para realizar los acabados y para
ahorrar carburante; la posici6n STOP se utiliza
para parar el motor.
RAPIDO_Ip LE_NTA 0
I",1 -"--.--.sToP
z_
tl /J_s
NTROL DE LA CUCHILLA
PRECAUCION: Cuando el mando de la
cuchilla esta accionado, la cuchilla gira. Cuando
el mando de la cuchilla no esta accionado, la
cuchilla esta parada.
* Su segadora tiene un embrague de cuchilla/
freno sujetado al arbol acodado del motor,
que acciona o para la cuchilla. Para accionar
la cuchilla, mantener la palanca de control
que exige la presencia del operador abajo
hacia el mango y presionar la palanca de
mando cuchilla!freno hacia adelante hasta
que se enganche. Para detener la cuchilla,
soltar la palanca de control que exige la
presencia del operador.
AVlSO: Permita que un motor frio se caliente
por un minuto antes de encender la cuchilla.
No accionar la cuchilla en presencia de hierba
muy alta por cortar. Llevar la segadora fuera de
la hierba alta antes de accionar la cuchilla.
,_PRECAUCION: Las normativas federales
requieren que este mando de cuchilla/freno
minimice el riesgo de heridas provocadas pot
el contacto con la cuchilla. En ningOn caso
intentar anular las funciones de mando.
Barra de control que exige
la presencia del operador
Palanca
de mando
cuchilla/freno
PARA
LA CUCHILLA
DESCO(
EXION DE
LA CUCHILLA
CONTROL DE LA IMPULSION
,La autopropulsi6n se controla manteniendo
la palanca de mando operador presente
abajo hacia el mango y tirando la palanca de
accionamiento atras hacia el mango. Cuanto
mas lejos se tira la palanca hacia el mango,
mas rapida ira la unidad.
,El movimiento hacia adelante se detiene cuan-
do sea la palanca de mando operador presente
o la palanca de accionamiento se sueltan. Para
detener el movimiento hacia adelante sin
apagar el cuchilla, soltar s61o la palanca de
accionamiento. Mantener la palanca de mando
operador presente abajo contra el mango
para continuar a cortar sin autopropulsi6n.
AVlSO: Si despues haber desenganchado de la
palanca de control, la segadora no roda hacia
atras, empuje la segadora un poco hacia adelante
para desenganchar las ruedas de la impulsi6n.
Barra de control que exige la presencia del operador
Control d_
la impulsion
PARA
Boron ajuste ENGANCHAR EL CONTROL DE LA
(en la parte CONTROL DE LA IMPULSION
trasera) IMPULSION DESENGANCHADO
AJUSTE DEL MANDO
Ocasionalmente, el sistema de mando puede
"aflojarse", provocando una disminuci6n de la
velocidad. Hay un bot6n en la parte trasera de
la sede del mando para apretar la tensi6n del
cable. Proceder de la siguiente manera:
1. Apagar la unidad y desconectar el cable de
bujia de la bujia.
2. Tirar la palanca de accionamiento TODO
ATRAS HACtA el mango.
3. Empujar el bot6n en la parte trasera del
mando. Con el bot6n apretado, revuelva la
palanca de controles del mecanismo impul-
sor a la posici6n desenganchada TODO
DELANTERO HACtA el mango.
AVlSO: No el trinquete el ajuste.
4. Soltar el bot6n.
5. Opere la segadora para probar la velocidad
del mecanismo. Si tras los pasos descritos
arriba la situaci6n se empeora (la velocidad
de avance ha disminuido), el sistema no
estaba "aflojado". Repitiendo los pasos de
arriba se vuelve la unidad al ajuste y veloci-
dad correctos.
6. Si las condiciones no mejoran despues
de los pasos descritos (la velocidad hacia
adelante queda la misma), la correa de
transmisi6n esta desgastada y tiene que set
sustituida.
PARA AJUSTAR LA ALTURA DE CORTE
Las cuatro ruedas son ajustadas con una
palanca Onica.
* Tire de la palanca de ajustes hacia la rueda. Le-
vante la segadora, mueva la palanca hasta del-
ante a la posici6n deseada. Para bajar la sega-
25 dora, mueva la palanca hacia la retaguardia.

PALANCA
HACIA ATRAS
PARA BAJAR EL
CORTACESPED
PALANCA
HAClA
ADELANTE
PARA
LEVANTAR EL
CORTACESPED
PARA CONVERTIR LA SEGADORA
Su segadora fue enviada lista para usarse como
acolchadora de capa vegetal. Para convertirla a
una operaci6n de ensacado o de descarga:
SEGADORAS CON DESCARGA TRASERA
* Abra la puerta trasera y remueva la tap6n
acolchadora. Guardela en un lugar seguro.
* Puede ahora instalar el recogedor del cesped.
* Para volver a la operaci6n de acolchamiento
o descarga, el tap6n acolchador en la aber-
tufa de descarga de la segadora.
PARA MONTAR Y ADJUNTAR EL RECOGE-
DOR DE C#SPED
1. Levante la puerta trasera de la segadora de
cesped y ponga el marco del recogedor de
cesped a dentro de las ranuras de la puerta
trasera.
2. El recogedor de cesped queda asegurado
en la caja de la segadora cuando se baja la
puerta trasera para descansar en el basti-
dor del recogedor de cesped.
PRECAUClON: No haga funcionar su
segadora sin el tap6n de la acolchadera o sin el
recogedor de cesped, aprobados, en su lugar.
Nunca trate de operar la segadora cuando se
ha removido la puerta trasera o cuando esta un
poco abierta.
Ranuras de la Puerta
Mango del
bastidor del
recogedor de
_ed
Gancho
bastidor del recogedor
PARA VACIAR EL RECOGEDOR DE C#SPED
1. Levante el recogedor de cesped usando el
mango del bastidor.
2. Remueva el recogedor de cesped, con los
recortes, de debajo del mango de la segadora.
3. Vacie los recortes de la bolsa usando tanto
el mango del bastidor como el de la bolsa.
AVlSO: No arrastre la bolsa cuando la vacie;
se producira un desgaste innecesario.
Mango del
Mango del
dela recogedor
bolsa de cesped
Tap6n
acolchadora
26
SEGADORAS CON DESCARGA LATERAL
La tap6n acolchadora debe ser instalada ad-
entro de la abertura de la descarga trasera.
Abra la protecci6n contra la descarga y
instale el desviador de contra la descarga
debajo de la protecci6n como se muestra.
La segadora esta lista para la operaci6n de
la descarga.
Para convertir a la operaci6n de ensacado
o de descarga, el desviador de la descarga
debe ser removido y la protecci6n contra la
descarga debe estar cerrada.
Desviador
Abra la proteccion
contra la descarga

JTapa del rellenador
de gasolina
Marca superior _"
Marca inferior _
Tapa del
rellenador
de gasolina
PASOS SIMPLES DE RECORDAR
CUANDO CONVIERTA SU SEGADORA
PARAACOLCHAMIENTO -
1. La tap6n acolchadora trasera instalada.
2. La protecci6n contra la descarga cerrada.
PARA ENSACAMIENTO TRASERO -
1. La tap6n acolchadora trasera removida.
2. Recogedor del cesped instalado.
3. La protecci6n contra la descarga cerrada.
PARA DESCARGA LATERAL-
1. La tap6n acolchadora trasera instalada.
,_ll La protecci6n contra la descarga instalada.
PRECAUTION: No haga funcionar su
segadora sin la tap6n de la acolchadora o sin
el recogedor cesped aprobados en su lugar.
Nunca trate de operar la segadora cuando se
halla removido la puerta trasera o cuando se
ha removido a puerta trasera o cuando esta un
poco abierta.
ANTES DE HACER ARRANCAR EL
MOTOR
AGREGUE ACEITE
Su segadora fue enviada sin aceite en el motor.
Para el tipo y el grado del aceite a utilizar, yea
el "MOTOR" en la secci6n del Mantenimiento de
este manual.
,_PRECAUCl6N: NO sobrellene el motor con
aceite, o fumar& pesa demante del silenciador
cuando Io valla a arrancar.
1. AsegOrese que la segadora este nivelada.
2. Remueva la varila medidora de aceite del tubo
de desarga de aceite.
3. Usted recibe un envase de aceite con la
unidad. Vierta lentamente el envase entero
de aceite en el tubo de relleno del motor.
4. lnserte y apriete la varilla medidora de aceite.
IMPORTANTE:
Revise el nivel del aceite antes de cada uso.
Agregue aceite si es necesario. Llene hasta la
linea de Ileno en la varilla medidora de nivel.
* Cambie el aceite despues de 25 horas de
operaci6n o una vez por temporada. Puede
necesitar cambiar el aceite mas a menudo
cuando las condiciones son polvorosas o
sucias. Vea "PARA CAMBtAR EL ACEITE DEL
MOTOR" en la seccion de Mantenimiento de
este manual.
Tapa del
deposito
de
con varilla
de nivel
AGREGUE GASOLINA
* Llene el estanque de combustible hasta
la parte inferior del cuello de relleno del
estanque de gasolina. No Io Ilene demasiado.
Use gasolina regular, sin plomo, nueva y lim-
pia con el minimo de 87 octanos. No mezcle
el aceite con la gasolina. Para asegurar
que la gasolina utilizada sea fresca compre
estanques los cuales puedan ser utilizados
A( durante los primeros 30 dias.
PRECAUClON: Limpie el aceite o el
combustible derramado. No almacene, derrame
o use gasolina cerca de una llama expuesta.
,_IPRECAUClON: Los combustibles
mezclados con alcohol (conocidos como
gasohol, o el uso de etanol o metanol) pueden
atraer la humedad, la que conduce a la
separaci6n y formaci6n de acidos durante el
almacenamiento. La gasolina acidica puede
daSar el sistema del combustible de un motor
durante el almacenamiento. Para evitar los
problemas con el motor, se debe vaciar el
sistema del combustible antes de guardarlo
por un periodo de 30 dias o mas. Vacie el
estanque del combustible, haga arrancar el
motor y hagalo funcionar hasta que las lineas
del combustible y el carburador queden vacios.
La pr6xima temporada use combustible nuevo.
Vea las tnstrucciones Para El AImacenamiento
para mas informaci6n. Nunca use productos de
limpieza para el motor o para el carburador en
el estanque del combustible pues se pueden
producir daSos permanentes.
PARA PARAR EL MOTOR
,, Para parar el motor mueva la palanca de
mando de control de aceleraci6n a la posici6n
de STOP. Espere hasta que la cuchilla y todas
las piezas m6viles se hallan parado y mueva
27 la valvula del combustible a la posicion OFF.

PARAHACERARRANCARELMOTOR
AVISO: Debido alas capas protectoras del mo-
tor, una cantidad pequeSa de humo puede es-
tar presente durante el uso inicial del producto
y se debe considerar normal.
1. Asegurase que valvula del combustible este
en la posici6n ON.
2. Para hacer arrancar un motor frio, mueva
la palanca de control de aceleraci6n/
estrangulaci6n, montada en el.mango, a la
posici6n de ESTRANGULACION.
3. Tire el mango del arrancador rapidamente.
No permita que el cord6n arrancador se
devuelva abruptamente.
4. Lentamente mueva la palanca de control
de aceleraci6n a la posici6n de R/_,PIDO,
despues de que arranque el motor.
* Para empezar el motor, mueva la palanca ,de
control de acceleraci6n a la posici6n de RA-
PtDO y despues siga los pasos anteriores.
AVlSO: Permita que un motor frio se caliente
pot un minuto antes de encender la cuchilla.
Vea "CONTROL DE LA CUCHtLLA" en esta
secci6n de este manual.
FUERA
ON
Valvula del combustible
Mantenga la parte superior del motor, alred-
edor del arrancador, despejada y sin recortes
de cesped y paja. Esto ayudara el flujo del
aire del motor y extendera su duraci6n.
CONSEJOS PARA SEGAR Y
ACOLCHAR
IMPORTANTE: Para obtener el mejor ren-
dimiento mantenga la caja de la segadora sin
acumulacion de cesped y basura. Vea "LIMP-
IEZA" in la seccion Mantenimiento de este
manual.
, La cuchilla acolchadora especial va a volver
a cortar los recortes de cesped muchas
veces, y los reduce en tamaSo, de modo que
si se caen en el cesped se van a dispersar
entre este y no se van a notar. Tambien, el
cesped acolchado se va a deshacer rapidam-
ente entregando substancias nutritivas para
el cesped. Siempre acolche con la velocidad
del motor (cuchilla) mas alta, pues asi se
obtendra la mejor acci6n de recorte de las
cuchillas.
* Evite cortar el cesped cuando este mojado.
El cesped mojado tiende a format montones
e interfiere con la acci6n de acolchado.
La mejor hora para segar el cesped es
temprano en la tarde. A esa hora este se ha
secado y el area recien cortada no quedara
expuesta al sol directo.
* Para obtener los mejores resultados, ajuste
la altura del corte de la segadora de modo
que esta corte solamente el tercio superior
de las hojas de cesped. En el caso de que el
cesped haya crecido demasiado, puede ser
necesario el elevar la altura del corte para
reducir el esfuerzo necesario para empujar la
segadora y para evitar sobrecargar el motor,
dejando montones de recortes de cesped.
Para un cesped muy pesado, reduzca el an-
cho del corte pasando por encima del lugar
anteriormente cortado y siegue lentamente.
CONSEJOS PARA SEGAR
,Bajo ciertas condiciones, tal como cesped
muy alto, puede ser necesario el elevar la
altura del corte para reducir el esfuerzo
necesario para empujar la segadora y para
evitar sobrecargar el motor, dejando mort-
tones de recortes de cesped. Puede que sea
necesario reducir la velocidad del recorrido
y/o haga funcionar la segadora sobre el area
por segunda vez.
,Para un corte muy pesado, reduzca el ancho
del corte pasando parcialmente pot encima
del lugar anteriormente cortado y siegue
lentamente.
,Para un mejor ensacado del cesped y para la
mayoria de las condiciones de corte, la velo-
cidad del motor debe ajustarse a la posici6n
de RAPIDO.
,Los poros en los recogedores de cesped de
tela pueden Ilenarse con mugre y polvo con
el uso y los recogedores recaudaran menos
cesped. Para evitar este, rocie el recogedor
con la manguera de agua regularmente y
dejelo secarse antes de usarlo. 28
MAX 1/3
Ciertos tipos de cesped y sus condiciones
pueden exigir que un area tenga que ser
acolchada pot segunda vez para esconder
completamente los recortes. Cuando se haga
el segundo corte, siegue atravesado o (en
forma perpendicular) a la pasada del primer
corte.
Cambie su patr6n de corte de semana a
semana. Siegue de norte a sur una semana
y luego cambie de este a oeste la pr6xima
semana. Esto evitara que el cesped se
enrede y cambie de direcci6n.

PROGRAMA DE
MANTENIMIENTO
Revisar si hay Sujetadores Sueitos
Limpiar/lnspeccionar el Recogedor de Cesped *
E Controiar los Neumaticos
G Controiar las Ruedas Motrices ***
ALimpiar la Segadora ....
DLimpiar debajo la Cubierta de la Transmisi6n ***
O Revisar las Correas y las Poieas Impulsadas ***
R Revisar /Afilar /Cambiar la Cuchilla
ALubrioaoi6n
Limpiar /Recargar la Bateria **
Revisar et nivet del Aceite
MCambiar el Aceite del motor
O Limpiar el Filtro de Aire
T Inspeccionar et Silenciador
O Cambiar la Bujia
R Cambiar el Cartucho de Papet det Filtro de Aire
Vaciar el sistema del carburante
o ai_adir un estabilizador de carburante.
ANTES DESPUES CADA CADA CADA ANTES DEL
DE CADAiDE CADA 10 i25HORAS O100 ALMACE-
USO USO HORAS TEMPORADA HORAS NAMIENTO
14
I/ i/ I/
I/3
I/
i/
14
i/
* (si viene equipado) 1 - Cambiar ma.s a menudo cuando se opere bajo carga pesada o en ambientes con altas temperaturas
** Segadoras con Arranque El_ctrico 2 - Dar servicio mas a menudo cuando se opere en condiciones sucias o polvorosas.
*** Segadoras con Poder Propulsor 3 - Gamble las cuchillas ma.s a menudo cuando siegue en terreno arenoso.
**** Utilizar una rasqueta para limpiar 4 - Cargar por 48 horas al fin de la temporada,
debajo de la cubierta del cortac_sped 5 - Y despues de 5 horas de funcionamiento.
RECOMENDAClONES GENERALES
La garantia de esta segadora no cubre los
articulos que han estado sujetos al abuso o a
la negligencia del operador. Para recibir todo
el valor de la garantia, el operador tiene que
mantener la segadora segOn las instrucciones
descritas en este manual.
Hay algunos ajustes que se tienen que hacer
en forma peri6dica para poder mantener su
unidad adecuadamente.
AImenos una vez cada estaci6n comprobar
sies necesario e_ctuarlos ajustes descritos
enlas secciones de Servicio y _ustesde este
manual.
.Una vez al aSo, cambie la bujia, limpie o
cambie el elemento del filtro de aire y revise
si la cuchilla esta desgastada. Una bujia
nueva y un elemento del filtro de aire limpio/
nuevo aseguran la mezcla de aire-com-
bustible adecuada y ayudan a que su motor
funcione mejor y que dure mas.
.Siga el programa de mantenimiento en este
manual.
TABLA DE LUBRICAClON
(_ Ajustador
de la rueda
(_) Aceite
del motor
I _ _- (_ Bisagra
la puerta
I/de la acol-
i \ chadora
_. (_ Bisagra de
la puerta traser
(_ Clavija de montaje del puntal del mango
_ Rocie el lubricante
(_ Yea "MOTOR" en la seccion de Mantenimiento
ANTES DE CADA USO
.Revise el nivel del aceite del motor.
.Revise si hay sujetadores sueltos.
LUBRICAClON
Mantenga la unidad bien lubricada
(vea la "TABLA DE LUBRtCACtON").
IMPORTANTE: No aceite o engrase los roda-
mientos de la rueda de plastico. Los lubricantes
viscosos atearan polvo y mugre, Io acortara la
duracion de los rodamientos autolubricantes. Si
cree que tienen que lubricarse, use Iosamente
un lubricante tipo crafito, de polvo seco, en
forma moderada.
29

SEGADORA
Siempre observe las reglas de seguridad
cuando haga el mantenimiento.
LLANTAS
.Mantenga las Ilantas sin gasolina, aceite o
substancias quimicas para control de insec-
tos que pueden dafiar la goma.
.Evite los tocones, las piedras, las grietas pro-
fundas, los objetos afilados y otros peligros
que pueden dafiar alas Ilantas.
RUEDAS DE IMPULSION
Revise las ruedas de impulsi6n traseras cada
vez antes de segar, para asegurarse de que se
mueven libremente. Si las ruedas no giran li-
bremente quiere decir que hay basura, recortes
de cesped, etc. dentro del area de las ruedas
de impulsi6n y de la cubierta contra el polvo y
tienen que limpiarse para liberarlas.
CUIDADO DE LA CUCHILLA
Para obtener los mejores resultados, la cuchilla
de la segadora tienen que mantenerse afilada.
Cambie la cuchilla doblada o dafiada.
PARA REMOVER LA CUCHtLLA
1. Desconecte el alambre de la bujia y p6ngalo en
donde no pueda entrar en contacto con esta.
2. Haga descansar la segadora en su lado.
AsegOrese que el filtro de aire y que el
carburador queden mirando hacia arriba.
3. Use un bloque de madera entre la cuchilla
y la caja de la segadora para evitar que la
cuchilla gire cuando se le quite los pernos.
AVlSO: Proteja sus manos con guantes y/o
envuelva la cuchilla con una tela gruesa.
4. Remueva los pernos de la cuchilla girandolo
en el sentido contrario en que giran las
manillas del reloj.
PARA CAMBtAR LA CUCHtLLA
1. Ponga la cuchilla. AsegOrese de que el borde
de salida de la cuchilla (opuesto al borde aft-
lado) este hacia arriba hacia el motor y instale
los pernos de la cuchilla.
2. Use un bloque de madera entre la cuchilla y
la caja de la segadora y apriete los pernos
de la cuchilla girandolo en el sentido en que
giran las manillas del reloj.
.La torsi6n para apretar recomendada es de
36-44 pies libras.
X
'\
\ Cuchilla
Borde
de
salida
IMPORTANTE: El perno de la cuchilla es
tratado a calo. Si es necesario sustituir los
pernos, sustituirlos s61o con pernos aprobados
mostrados en la secci6n Partes de Reparaci6n
de este manual.
PARA AFILAR LA CUCHtLLA
AVISO: No recomendamos el afilar la cuchilla
- pero si Io hace, aseg0rese de que quede
balanceada.
Se tiene que tener cuidado de mantenerla
balanceada. Una cuchilla que no esta bal-
anceada va a producir eventualmente dafio en
la segadora o en el motor.
.La cuchilla puede afilarse con una lima o en
una rueda rectificadora. No trate de afilarla
mientras se encuentra en la segadora.
.Para revisar el balance de la cuchilla, clave
un clavo en una viga o en la pared. Deje
alrededor de una pulgada de un clavo recto
expuesto. Ponga el agujero central de la
cuchilla sobre la cabeza del clavo. Si la
cuchilla esta balanceada debe permanecer
en la posici6n horizontal. Si cualquiera de
los extremos de la cuchilla se mueve hacia
abajo, afile el extremo pesado hasta que esta
quede balanceada.
RECOGEDOR DE CleSPED
. El recogedor de cesped puede ser rociado
con el agua de la manguera pero tiene que
estar seco cuando se vaya a usar.
.Revise su recogedor de cesped a menudo
para verificar siesta dafiado o deteriorado.
Se va a desgastar con el uso normal. Si se
necesita cambiar el recogedor, cambielo
solamente por uno que sea aprobado pot el
fabricante. De el n_mero del modelo de la
segadora cuando Io ordene.
MOTOR
LUBRICACION
Use solamente aceite de detergente de alta
calidad clasificado con la clasificaci6n SF-SJ de
servicio API. Seleccione la calidad de viscosi-
dad SAE seg0n su temperatura de operaci6n
esperada.
CALIDADES DE VlSCOSIDAD DE SAE
I,
II,
°F -20 0 30 32 40 60 80 100
°C -30 -20 -10 0 1'0 20 30 4C
lAMA DE TEMPERATURA ANTIOIPADA ANTES DEL PROXIMO CAMBIO DE ACEITE
AVlSO: Los aceites de multiviscosidad (5W30,
10W30, etc.) mejoran el arranque en clima frio,
y revise el nivel del aceite del motor menudo,
para evitar un posible dafio en el motor, debido
a que no tiene suficiente aceite.
Cambie el aceite despues de 25 horas de
operaci6n o por Io menos una vez al afio si la
segadora se utiliza menos 25 horas el afio.
Revise el nivel del aceite del carter antes de
arrancar el motor y despues de cada cinco (5)
horas de uso continuado. Apriete el tap6n del
aceite en forma segura cada vez que revise el
30nivel del aceite.

PARA CAMBtAR EL ACEITE DEL MOTOR
AVlSO: Antes de inclinar la segadora para dre-
nar el aceite, vaciar el tanque de combustible
haciendo correr el motor hasta que el tanque
este vacio.
1. Desconecte el alambre de la bujia y
p6ngalo de modo que no pueda entrar en
contacto con esta.
2. Remueva la tapa del dep6sito del aceite;
dejela a un lado en una superficie limpia.
3. Incline la cortadora de cesped por este
costado tal como se muestra y purgue el
aceite en un recipiente id6neo. Mueva la
segadora de atras para adelante para re-
mover todo el aceite que se haya quedado
atrapado dentro del motor.
Tapa del deposito de aceite
con varilla de nivel
Marca
inferior
4. Limpie todo el aceite derramado en la sega-
dora yen el lado del motor.
5. Rellene el motor con aceite. La capacidad
de aceite del motor es de 18.5 oz. Si el
aceite no esta completamente drenado
del motor, no se necesitara el contenedor
entero de 20 oz. de aceite. Usted recibe
un envase de aceite con la unidad. Vierta
lentamente 3/4 de aceite en el tubo de rel-
leno del motor.
6. Permita que el aceite se asiente. Use un
medidor en la tapa/varilla indicadora del
nivel para relleno del aceite para revisar el
nivel, lnserte la varilla indicadora de nivel
en el tubo, y haga descansar la tapa del
dep6sito para relleno del aceite en el tubo
al leer las medidas. NO enrosque el tap6n
cuando este tomando una lectura.
7. ContinOe agregando cantidades pequeas
de aceite y vuelva a inspeccionar la varilla
medidora hasta que lea Ileno (FULL). NO
sobrellene el motor con aceite, o fumara
pesa demante del silenciador cuando Io
valla a arrancar.
8. AsegOrese de apretar la varilla medidora
del aceite antes de arrancar el motor.
9. Vuelva a conectar el alambre de la bujia a
esta.
FILTRO DE AIRE
Su motor puede sufrir averias y funcionar de
manera incorrecta con un filtro del aire sucio.
Sustituir el papel del cartucho una vez al afio o
tras 100 horas de funcionamiento, mas a men-
udo si se utiliza en condiciones de suciedad y
polvo particulares. No lave el filtro de aire.
PARA LIMPIAR EL FILTRO DE AIRE
1. Remueva la cubierta.
2. Cuidadosamente, remueva el cartucho.
3. Limpielo golpeandolo suavemente en una
superficie plan& Siesta muy sucio cambie
el cartucho.
,_L,PRECAUCl6N: Los solventes de petr61eo,
tales como el keroseno, no se deben usar para
limpiar el cartucho. Pueden producir el deterioro
de este. No aceite el cartucho. No use aire a
presi6n para limpiarlo o secarlo.
4. lnstale el cartucho, luego vuelva a poner la
cubierta.
Cartucho Cubierta
del filtro
Orejas de aire
SILENClADOR
lnspeccione y cambie el silenciador siesta
corroido puede producir un peligro de incendio
y/o dafio.
BUJiA
Cambie el bujia al comienzo de cada tempo-
rada de siega o despues de cada 100 horas
de operaci6n, Io que suceda pnmero. El tipo de
bujia y el ajuste de la abertura aparecen en "ES-
PECIFICACtONES DEL PRODUCTO" secci6n
de este manual.
LIIVIPIEZA
IIVIPORTANTE: Para obtener el mejor rendimi-
ento, mantenga la caja de la segadora sin ac-
umulacion de cesped y basura. Limpin la parte
,_ abajo de su.segadora despues de cada uso.
PRECAUCION: Desconecte el alambre de
la bujia y p6ngalo en donde no pueda entrar en
contacto con esta.
.Limpie la parte inferior de su segadora
raspandola para remover la acumulaci6n de
cesped y basura.
.Limpie el motor a menudo para evitar que
se acumule la basura. Un motor tapado fun-
ciona mas caliente y se acorta su duraci6n.
.Mantenga las superficies pulidas y las rue-
das sin gasolina, aceite, etc.
.No recomendamos el uso de una manguera
de jardin para limpiar la segadora a menos
que el sistema electrico, el silenciador, el
filtro de aire y el carburador esten tapados
para evitar que les entre el agua. El agua en
el motor puede acortar la duraci6n de este.
31

_ADVERTENCIA: Para evitar lesi6nes serias,
antes de dar calquier servico o de hacer ajustes:
1. Suelte la barra de control y pare el motor.
2. AsegOrese que la cuchilla yque todas las partes
movibles se hayan detenido completamente.
3. Desconecte el alambre de la bujia y p6ngalo en
donde no pueda entrar en contacto con esta.
SEGADORA
PARA AJUSTAR LA ALTURA DE CORTE
Yea "PAPA AJUSTAR LA ALTURA DE CORTE"
en la secci6n de Operaci6n de este manual.
DESVlADOR TRASERO
Se proporciona un desviador trasero, adjunto en-
tre las ruedas traseras de su segadora, para re-
ducir a un minimo la posibilidad que objetos sean
lanzados hacia afuera de la parte trasera de la
segadora, en la posici6n en donde se encuentra el
operador. Si se daSa el desviador debe cambiarse.
LA CORREA DE IMPULSION
Si su segadora no esta funcionando en forma
adecuada debido a problemas que se sospecha
vienen del correa de impulsi6n, Ileve su sega-
dora a contacto con su centro de servicio Sears
o con un otro centro de servicio cualificado para
repararla y/o ajustarla.
PARA AJUSTAR EL MANGO
EIman go de s usegad ora cue nta con tres (3) posicio-
nes de altura - ajOstelo a la altura que le acomode.
Presione las extremidades inferiores del
mando inferior una en contra una de la otra
hasta que la pinza del mango pueda ser
insertada en uno de los tres agujeros del
control de la altura.
MOTOR
El mantenimiento, la reparaci6n, o el reemplazo
de cualquier dispositivos o sistemas del control
de la emisi6n, los cuales sean hechos al costo
del cliente, pueden ser realizados por cualquier
individuo o establecimiento de reparaci6n de
motor. Los reparos que caen bajo garantia
deben ser realizados por un establecimiento de
servicio de reparaci6n de motor autorizado.
VELOCIDAD DEL MOTOR
La velocidad del motor ha sido ajustada en la fa-
brica. No trate de aumentar la velocidad del motor
pues se pueden producir lesiones personales. Si
cree que el motor esta funcionando demasiado
rapido o demasiado lento, Ileve su segadora a
mas con su centro de servicio Sears o con un
otro centro de servicio cualificado.
CARBURADOR
Su carburador no es ajustable. Si su motor no
esta funcionando en forma adecuada debido
a problemas que se sospecha vienen del carbu-
rador, Ileve su segadora a contacto con su cen-
tro de servicio Sears o con un otro centro de
servicio cualificado para repararla y/o ajustarla.
IMPORTANTE: Nunca manipule el regulador
del motor, el que ha sido ajustado en la fabrica
para la velocidad del motor adecuada. Puede
ser peligroso hacer funcionar el motor a una
velocidad por sobre el ajuste de alta velocidad
de la fabrica. Si cree que la velocidad alta regu-
lada del motor necesita ajuste, contacto con su
centro de servicio Sears o con un otro centro
de servicio cualificado, el que cuenta con el
equipo adecuado y la experiencia para hacer
los ajustes necesarios.
Puntal
del man(
del
mango
Alta
32

lnmediatamente prepare su segadora para el
almacenamiento al final de cada temporada o
si la unidad no se va a usar por 30 dias o mas.
SEGADORA
Cuando se va a guardar la segadora por cierto
periodo de tiempo, limpiela cuidado-samente,
remueva toda la mugre, la grasa, las hojas, etc.
Guardela en un area limpia y seca.
1. Limpie toda la segadora (Yea "LIMPIEZA"
en la secci6n de Mantenimento de este
manual).
2. Lubriquela segOn se muestra en la secci6n
de Mantenimento de este manual.
3. AsegOrese de que todas las tuercas y
clavijas y todos los pernos y tornillos esten
apretados en forma segura, tnspeccione
las partes que se mueven para verificar si
estan daSadas, quebradas o desgastadas.
Cambielas si es necesario.
4. Retoque todas las superficies que esten
oxidadas o con la pintura picada; use una
lija antes de pintar.
MANGO
Puede doblar el mango de su segadora para el
almacenamiento.
NOTA: El mango superior tiene un soporte
"contra-dobla" situado en el lado derecho
del mango. Este soporte evita que el mango
superior doble hacia adelante, Io cual ayuda
a proteger el (los) cable(s) de control contra
cualquier daSo.
1. Suelte las dos (2) manillas del mango en
cada lado del mango superior y permita que
el mango se doble hacia detras.
2. Apriete los extremos inferiores del mango
inferior entre si hasta que el mango inferior
quede separado del puntal del mango,
luego muevalo hacia adelante.
Cuando prepare su mango a partir de la
posici6n de almacenamiento, el mango infe-
rior nesecitara cerrarlo manualmente para la
posici6n de sega.
IMPORTANTE: Cuando doble el mango para el
almacenamiento o el transporte, asegOrese que
Io doble segQn se muestra o purde daSar los
cables de control.
Barra de control que
exige la presencia
operador DOBLAR
Mango su[
Mango
Posicion
para segar
Puntal
delmango
del
mango
/
MOTOR
SISTEMA DE COMBUSTIBLE
IMPORTANTE: Es importante evitar que se for-
men depositos de coma en partes funda-mentales
del sistema de combustible tales como el carbu-
rador, el filtro del combustible, la manguera del
combustible o en el estanque durante el almace-
namiento. Los combustibles mezclados con alco-
hol (conocido como gasohol o que tienen etanol o
metanol) pueden atraer humedad, Io que conduce
a la separacion y a la formacion de acidos durante
el almacenamiento. La gasolina acidica puede
danar el sistema de combustible de un motor
durante el periodo de almacenamiento.
Vaciar el dep6sito del carburante poniendo en
marcha el motor y dejandolo funcionar hasta que
el carburante termine y el carburador este vacio.
Nunca use los productos para limpieza del carbu-
rador o del motor en el estanque de combustible
pues se pueden producir da_os permanentes.
Use combustible nuevo la pr6xima temporada.
AVlSO: El estabilizador de combustible es una
alternativa aceptable para reducir a un minimo
la formaci6n de dep6sitos de goma en el com-
bustible durante el periodo de almacen-amiento.
Agregue estabilizador a la gasolina en el es-
tanque de combustible o en el envase para el
almacena-miento. Siempre siga la proporci6n de
mezcla que se encuentra en el envase del estabi-
lizador. Haga funcionar el motor pot Io menos 10
minutos despues de agregar el estabilizador, para
permitir que este Ilegue al carburador. No vaciar la
gasolina del estanque de gasolina y el carburador
si se esta usando estabilizador de combustible.
ACEITE DEL MOTOR
Drene el aceite (con el motor caliente) y cambielo
con aceite de motor limpio. (Vea "MOTOR" en la
secci6n de Mantenimiento de este manual).
ClLINDRO
1. Remueva la bujia.
2. Vacie 29 ml (una onza) de aceite a traves
del agujero de la bujia en el cilindro.
3. Tire la manilla de arranque lentamente unas
cuantas veces para distribuir el aceite.
4. Cambie pot una bujia nueva.
33

OTROS
,No guarde la gasolina de unatemporada a laotra.
,Cambie el envase de la gasolina si se emp-
ieza aoxidar. La oxidaci6n y/o la mugre en
su gasolina produciran problemas.
,Si es posible, guarde su unidad en un recinto
cerrado y cObrala para protegerla contra el
polvo y la mugre.
, Cubra su unidad con un forro protector
adecuado que no retenga la humedad. No
use plastico. El plastico no puede respirar, Io
que permite la formaci6n de condensaci6n,
Io que producira la oxidaci6n de su unidad.
IMPORTANTE: Nunca cubra la segadora mien-
tras el motor y las areas de escape to davia
estan calientes.
_I, PRECAUClON: Nunca almacene la sega-
dora con gasolina en el estanque dentro de un
edificio en donde los gases pueden alcanzar
una llama expuesta o una chispa. Permita que
se enfrie el motor antes de alma-cenarla en
algt_n recinto cerrado.
SOLUCION DE PROBLEMAS - Yea la secci6n apropiada en el manual amenos que
est_ dirigido a un centro de servico Sears.
CAUSAPROBLEMA
NO arranca
Falta de
fuerza
1. Filtro de aire sucio.
2. Sin combustible.
3. Combustible rancio.
4. Agua en el combustible.
5. Alambre de la bujia desconectado.
6. Bujia mala.
7. Cuchilla suelta o adaptador
de la cuchilla quebrado.
8. Barra de control en la
posici6n suelta.
9. Barra de control defectuosa.
10. Valvula del combustible (si equ-
ipada) esta en la posici6n OFF.
11. Bateria debi (si equipada).
12. Desconecte el conector
de la bateria (si equipada).
13. Palanca de mando del motor
en posici6n de STOP.
1. Cuchilla desgastada, doblada
o suelta.
2. AItura de las ruedas dispareja.
3. Velocidad del motor lenta.
4. Acumulaci6n de cesped, hojas o
basura debajo de la segadora.
5. Demasiado aceite en motor.
6. Velocidad de recorrido
demasiado rapida.
CORRECCION
1. Limpie/cambie el filtro de aire.
2. Llene el estanque de combustible.
3. Drene el estanque de combustible
y vuelva a Ilenar el estanque con
gasolina nueva.
4. Drene el estanque de combustible
y vuelva a Ilenar el estanque con
gasolina nueva.
5. Conecte el alambre a la bujia.
6. Cambie la bujia.
7. Apriete el perno de la cuchilla
cambie el adaptador de la cuchilla.
8. Presione la barra de control
hacia el mango.
9. Cambie la barra de control.
10. Gire a la valvula del combustible
a la posici6n ON.
11. Cague la bateria.
12. Conecte la bateria al motor.
13. Colocar la palanca de mando de
motor en la posici6n RAPtDO.
1. Eleve la altura de corte.
2. Eleve la altura de corte.
3. Limpie/cambie el filtro de aire.
4. Limpie la parte inferior de la
caja de la segadora.
5. Revise el nivel del aceite.
6. Corte a una velocidad de
recorrido mas lenta.
34

SOLUCION DE PROBLEMAS - Yea la secci6n apropiada en el manual amenos que
PROBLEMA
Vibraci6n
siva
est_ dirigido aun centro de servico Sears.
CAUSA
1. Cuchilla desgastada, doblada
o suelta.
2. CigueSal del motor doblado.
Cord6n
arrancador
dificil de tirar
Recogedor de
cesped no se
Ilena (si viene
equipado)
Dificil de
empujar
El embrague
cuchilla/freno
no se conecta
El motor se
cala cuando
se enciende
la cuchilla.
P_rdida de
impulsi6n
oretardase
de la
velocidad
1. El freno del volante del motor
esta aplicado cuando se
suelta la barra de control.
2. CigueSal del motor doblado.
3. Adaptador de la cuchilla quebrado.
4. La cuchilla se arrastra en
el cesped.
5. Embrague cuchilla/freno
defectuoso.
1. Altura de corte demasiado baja.
2. Levantamiento de la cuchilla
desgastado.
3. Recogedor sin ventilaci6n de aire.
1. El cesped esta demasiado alto o la
altura de la rueda demasiado baja.
2. Parte trasera de la
caja/cuchilla de la segadora
arrastrandose en el cesped.
3. Recogedor de cesped
demasiado Ileno.
4. Posici6n de la altura del mango
no adecuada para usted.
1. Mando de cuchilla/freno
defectuoso.
1. Motor frio.
2. El cortacespedes en hierba
sin cortar.
1. Desgaste de la correa.
2. La correa esta fuera de la polea.
3. Cable de la impulsi6n usado o roto.
4. El sistema de control del
mecanismo impulsor "suelto'.
CORRECCION
1. Cambie la cuchilla. Apriete el exce-
perno de la cuchilla.
2. P6ngase en contacto con su centro
de servicio Sears o con un otro
centro de servicio cualificado.
1. Presione la barra de control
hacia el mango superior antes
de tirar el cord6n arrancador.
2. P6ngase en contacto con su centro
de servicio Sears o con un otro
centro de servicio cualificado.
3. Cambie el adaptador de la cuchilla.
4. Mueva la segadora a un lugar
en donde el cesped ha sido
cortado o a una superficie firme
para hacer arrancar el motor.
5. Sustituir el embrague
cuchilla/freno.
1. Eleve la altura de corte.
2. Cambie las cuchillas.
3. Limpie el recogedor de cesped.
1. Eleve la altura de corte.
2. Eleve la parte trasera de la caja de
la segadora (1) un lugar mas alto.
3. Vacie el recogedor de cesped.
4. Ajuste la altura del mango de
modo que le acomode.
1. Sustituir el mando cuchilla/freno.
1. Permita que el motor se caliente por
un minuto.
2. Mueva el cortacespedes al area
despejada.
1. Revise/cambie la correa de
impulsi6n.
2. Revise/vuelva a instalar la
3. Cambie el cable de la impulsi6n.
4. Ajuste el control del mecanismo
impulsor.
35

\\\
\
\
\
36

o_
eo
o_
W
o0
D
Z
--!
W
a
0
m
i
tw
W
0
Z
.J
>
n,
0
n,
Z
00
k-
n,
o
c o
o -¢5 L: .C
(D CO 0 o
o o o
>,
Z -o_ oE _ Z
0 _ _ 0 0 _ 0 _
IO onO n_ c
o_ _x® _ _ _-_ o
n_ -o< _iz _e_ x_ x x -_ o_ o-
0 _ 0 _ _-- O-- _ 0 _ _ ._. _ _ 0 _ _ 0 _ _ _0 0 _ _ 0 _ 0
0 mmc0n0_u__-o o©zz_mozmm_zm0_n_-0_c00_z_O n©u_ .-
0%
o
"- E
_E
o E E
o o o i'-.. "_- _ 0
_'_ o o o ooo o _1" o o_
X X o oX_ o X _
_Z < z
37

/ /
\
o,I
0
o
38

O4
W
D
Z
.J
W
{3
0
I
i
W
0
Z
.J
>-
0
Z
<
p-
LL
<
(3
o
(D LO
"_0
x Z3 o_
E ._o 3- E
0 _ C55 0
"_ 0= .: <_, _ E _ 5- o
0 -,_ ---- O-- C0 x 0
Z 0 _ ¢ _ o o c_ .co__ c'=_ o_ _ o_ e _°-_v° _ <o_n >q_._u":,°")_
0 > _ _ r-- 0._, _ ----_,-- _ _C_ oX_
e_ = .=>.=>= w._ > >'6 • o_ c_- _ ®_ =_o o_==_: _ _ x_ • e" _ c
000 o-_ "--_ _-_-- ---- _,.c: c_dC'm'm'- > -c c- _ o_,_ oo _ _ c-c ._ _ • o ,_ o.- c
--- o o'- _ -o_-o .... ®__ co .- o
m w 0 cO n 0 o3 > Z n o n oO © n _ n" oO o3 _ w mm n" o3 n n _ w 0 0 o3 _ Z Z cO o3 _ _0
_z
39

HONDA 4-CYCLE ENGINE MODEL NUMBER GCV-160=ABHH
FAN COVER i CONTROLJ
3
3
FLYWHEEL !
lAIR CLEANER
RECOIL STARTER ]
I
12
CARBURETOR i
I__ o
i --7
Olq 3
4O

HONDA 4-CYCLE ENGINE MODEL NUMBER GCV-160=ABHH
FAN COVER
KEY PART
NO. NO. DESCRIPTION
1 3683646 Rubber, Supporter (107ram)
2 5028923 Petcock Assembly (Manual)
3 5189352 Bracket, Petcock
4 6673289 Cap Assembly, Fuel Tank
5 5580469 Tube, Fuel
6 7058944 Cover, Fan
8 2499440 Collar, Front Turn Signal
9 5581004 Bolt, Stud
10 0671636 Screw, Washer Head (5 x 10)
11 2449593 Bulk Hose, Fuel
(5.5 x 8000) (5.5 x 150)
12 0250647 Clip, Tube (B8)
13 0250985 Clip, Tube (B10)
14 0053447 Clip, Tube (C9)
CONTROL
KEY PART
NO. NO. DESCRIPTION
1 6869630 Arm, Governor
2 5580329 Rod, Governor
3 5580345 Spring, Governor
4 5580352 Spring, Throttle Return
5 4439428 Spring, Lever
6 0800466 Holder, Cable
7 6647630 Base, Control
8 6647655 Spring, Return, Control Lever
9 5580386 Rod, Choke
10 2418671 Bolt, Governor Arm
11 5580998 Bolt, Flange (6 x 45) (CT200)
12 0145557 Screw, Pan (5 x 16)
13 0471623 Nut, Flange (6mm)
14 5611520 Switch Assembly, Engine Stop
15 0485946 Screw, Washer Head (4 x 12)
16 1510361 Washer, Plain (4mm)
FLYWHEEL
KEY PART
NO. NO. DESCRIPTION
1 0348433
2 6648182
3 6859722
4 6859706
5 6315816
9 0636845
12 0671552
13 0442038
14 1824630
15 0485946
16 1510361
17 6913040
18 6315816
19 1824630
Key, Woodruff, Special (25 x 18)
Plate, Side
Coil Assembly, Ignition
Flywheel Assembly
Wire, Stop Switch
Bolt, Flange (6 x 12) (CT200)
Bolt, Flange (6 x 20) (CT200)
Nut, Special (14ram)
Clip, Cable (A)
Screw, Washer Head (4 x 12)
Washer, Plain (4mm)
Flywheel
Wire, Stop Switch
Clip, Cable (A)
RECOIL STARTER
KEY PART
NO, NO. DESCRIPTION
1 6092886
8 5580634
9 5580642
11 6478812
Starter Assemby, Recoil,
Long Rope, Black
Knob, Recoil Starter
Rope, Recoil Starter
Nut, Flange (6mm)
AIR CLEANER
KEY PART
NO, NO.
1 5580154
2 6718159
3 5580410
5 5664560
6 6673255
7 5580964
8 2374742
DESCRIPTION
Tube, Breather
Element, Air Cleaner
Case Assembly, Air Cleaner
Gasket, Air Cleaner
Cover, Air Cleaner
Bolt, Flange (6 x 86) (CT200)
Bolt, Flange (6 x 14)
CARBURETOR
KEY PART
NO. NO. DESCRIPTION
1 3088416 Gasket Set
2 5580162 Float Set
3 3465879 Chamber Set, Float
4 4481818 Screwset
5 1441518 Screwset B
6 5580170 Screwset
7 6212849 Carburetor Assembly (BB62B D)
8 5580212 Valve, Float
9 5580220 Nozzle, Main
10 5580238 Insulator, Carburetor
11 5580246 Gasket, Insulator
12 4581120 Gasket, Carburetor
13 5580253 Gasket, Carburetor (Choke Side)
14 5580535 Guide, Air
15 0639419 Screw, Pan (5 x 6)
16 0635474 Jet, Main (#60)
0635482 Jet, Main (#62)
0636126 Jet, Main (#65)
17 1672187 Screwset, Drain
NOTE: All component dimensions given in U.S. inches
1 Inch = 25.4 Mm
41

HONDA 4-CYCLE ENGINE MODEL NUMBER GCV-160-ABHH
CYLINDER BARREL !
CRANKSHAFT J
5
BLADE BRAKE CLUTCH j
m7
9
, _of
i "÷F
OIL PAN j
[_ 23
MUFFLER
CAMSHAFT PULLEY !
_3 _
1|
12 4
8
10
42

HONDA 4-CYCLE ENGINE MODEL NUMBER GCV-160-ABHH
CYLINDER BARREL
KEY PART
NO. NO. DESCRIPTION
1
2
3
4
5
6
7
8
6842413
2399780
5579990
5580006
0636845
0803619
5581038
1441112
Cylinder Assembly (010)
Clip, Valve Guide
Cover, Head
Cover, Breather
(Breather Valve Assembly)
Bolt, Flange (6 x 12) (CT200)
Bolt, Flange (6 x 14)
Oil Seal (25.4 x 62 x 6)
Spark Plug (BPR6ES) (NGK)
PISTON CONNECTING ROD
KEY PART
NO. NO. DESCRIPTION
1
2
3
4
5
6
5580014 Piston
1426576 Pin, Piston
5580022 Rod Assembly, Connecting
1431055 Bolt, Connecting Rod
2605517 Clip, Piston Pin (13mm)
6315717 Ring Set, Piston (Teikoku)
CRANKSHAFT
KEY PART
NO. NO. DESCRIPTION
5 5581012 Washer, Thrust
7 6647341 Crankshaft
OIL PAN
KEY PART
NO. NO. DESCRIPTION
1 6771489
2 5716915
4 1452754
5 5664503
6 5664511
8 6384341
9 6384333
10 5580287
11 5580295
12 1427244
13 1427251
14 5580303
15 0803619
16 0748111
17 2413862
18 2456697
19 5581046
20 1377704
21 0345900
22 0115527
23 1417369
Pan Assembly, Oil
Gauge Assembly, Oil Level
Gasket, Oil Filler Cap
Extension, Oil Filler
Washer, Extension Lock
Shaft, Governor Holder
Governor Assembly
Weight, Governor
Holder, Governor Weight
Pin, Governor Weight
Slider, Governor
Shaft, Governor Arm
Bolt, Flange (6 x 14)
Bolt, Flange (6 x 25)
Washer, Thrust (6mm)
Clip, Governor Holder
Oil Seal (28 x 41.25 x 6)
O-Ring (14.8 x 2.4) (NOK)
Washer, Plain (6mm)
Pin, Lock (8mm)
Pin, Dowel (8 x 20)
BLADE BRAKE CLUTCH
KEY PART
NO, NO. DESCRIPTION
1 6651327
2 7058951
3 6651467
4 6651434
5 7058969
6 6651459
7 6651400
8 6685440
9 7058977
10 6685465
11 6651541
12 6651442
13 6651384
14 0285882
Holder Assembly, Blade
Plate Assembly, Ball Control
Ball, Steel
Plate, Spring Hook
Plate, Brake
Spring, Ball Plate
Disk, Drive
Disk, Driven
Pulley, Drive
Spring, Clutch
Bolt, Flange (10 x 24)
Bearing, Radial Ball (6006)
Bearing, Radial Ball (6204)
Key, Woodruff (16 x 15)
MUFFLER
KEY PART
NO, NO.
1 5580485
2 5664610
3 5580972
4 0636845
5 5737457
DESCRIPTION
Muffler
Protector, Muffler (CBU)
Bolt, Flange (6 x 79) (CT200)
Bolt, Flange (6 x 12) (CT200)
Gasket, Muffler
CAMSHAFT PULLEY
KEY PART
NO. NO. DESCRIPTION
1 7049679 Pulley, Camshaft
2 5580063 Shaft, Campulley
3 7058985 Belt, Timing (84HU7 G-200)
4 5580089 Rocker Arm, Intake Valve
5 5580097 Rocker Arm, Exhaust Valve
6 5580105 Shaft, Rocker Arm
7 5580113 Valve, Intake
8 5580121 Valve, Exhaust
9 5580139 Spring, Valve
10 1426980 Retainer Spring, Intake Valve
11 0294819 Adjustment Screw, Tappet
12 0004598 Adjustment Nut, Tappet
13 6315873 O-Ring (6.8 x 1.9)
14 6839831 Seal, Valve Stem
NOTE: All component dimensions given in U.S. inches
1 Inch =25.4 Mm
43

Your Home
For repair - in your home - of all major brand appliances,
lawn and garden equipment, or heating and cooling systems,
no matter who made it, no matter who sold it!
For the replacement parts, accessories and
owner's manuals that you need to do-it-yourself.
For Sears professional installation of home appliances
and items like garage door openers and water heaters.
1-800-4-MY-HOME ®Anytime, day or night
(1-800-469-4663) (U.S.A. and Canada)
www.sears.com www.sears.ca
Our Home
For repair of carry-in products like vacuums, lawn equipment,
and electronics, call or go on-line for the nearest
Sears Parts and Repair Center.
SEARS
© Sears,Roebuck and Co.
® Registered Trademark /TMTrademark /SMService Mark of Sears, Roebuck and Co.
® Marca Registrada /TMMarca de Fabrica /SMMarca de Servicio de Sears, Roebuck and Co.
MCMarque de commerce /MDMarque depos6e de Sears, Roebuck and Co.
187227 Rev. 5 02.27.08 BY Printed in U.S.A.