Craftsman 919167810 User Manual AIR COMPRESSOR Manuals And Guides L0710038
CRAFTSMAN Air compressor Manual L0710038 CRAFTSMAN Air compressor Owner's Manual, CRAFTSMAN Air compressor installation guides
User Manual: Craftsman 919167810 919167810 CRAFTSMAN AIR COMPRESSOR - Manuals and Guides View the owners manual for your CRAFTSMAN AIR COMPRESSOR #919167810. Home:Tool Parts:Craftsman Parts:Craftsman AIR COMPRESSOR Manual
Open the PDF directly: View PDF
.
Page Count: 52

Owner's Manual
ICRRFTgMRNI
Oil Lube Two Stage
Air Compressor
AiR COMPRESSOR
=Safety Guidelines
=Assembly
= Operation
=Maintenance
=Troubleshooting
=Repair Parts
CAUTION; Read the Safety Guidelines
and All Instructions Carefully Before
Operating.
Sears, Roebuck and Co., Hoffman Estates, IL 60179 U.S.A.
Visit our Craftsman website: www.sears.com/craftsman
1000002023 5J2eJo7

WARRANTY................................................ 2
SPECiFiCATiONCHART...................................... 2
SAFETYGUiDELiNES...................................... 3-8
GLOSSARY................................................ 9
DUTYCYCLE............................................... 9
ACCESSORIES............................................. 9
ASSEMBLY............................................... 10
iNSTALLATiON......................................... 10-12
OPERATION............................................ 13-15
MAINTENANCE......................................... 16-19
SERVICEANDADJUSTMENTS............................ 19-20
STORAGE................................................ 20
TROUBLESHOOTING GUIDE .............................. 21-23
REPAIR PARTS ......................................... 24-27
ESPA_IOL .............................................. 28-49
REPAIR PROTECTION AGREEMENTS ......................... 51
HOW TO ORDER REPAIR PARTS ...................... back cover
ONE YEAR FULL WARRANTY
If this product fails due to a defect in material or workmanship within one year
from the date of purchase, Sears will at its option repair or replace it free of
charge. Contact Sears at 1-800-4-MY-HOME ®to arrange for repair, or return it
to the place of purchase for replacement.
If this product is used for commercial or rental purposes, this warranty applies
for only ninety days from the date of purchase.
This warranty gives you specific legal rights and you may have other rights
which vary from state to state.
Sears, Roebuck and Co., Dept. 817WA, Hoffman Estates, IL 60179
Model No.
Running Horsepower
Voltage-Single Phase
Minimum Branch Circuit Requirement
Fuse Type
Air Tank Capacity, Gallons
Approximate Cut-in Pressure
Approximate Cut-out Pressure
SCFM @ 100 psig
SCFM @ 175 psig
919.1678t0
*5.3
240V
30 amps
Time Delay
80 ASME, Vertical
140 PSIG
175 PSIG
"13.3
"12.8
* Tested per ISO 1217
Refer to Glossary for abbreviations.
1000002023 2 ENG

This manual contains information that is important for you to know and under-
stand. This information relates to protecting YOUR SAFETY and PREVENTING
EQUIPMENT PROBLEMS. To help you recognize this information, we use the
symbols below. Please read the manual and pay attention to these symbols.
_ Indicates an
imminently hazardous
situation which, if not avoided, wil__l
result in death or serious in'_.
_ Indicates a potentially
hazardous situation
which, if not avoided, could result in
death or serious injury.
_ Indicates a potentially
hazardous situation
which, if not avoided, may result in
minor or moderate injury.
_Used without the
safety alert symbol
indicates a potentially hazardous
situation which, if not avoided, may result
tn property damage.
_Some dust created by power sanding, sawing, grinding,
drilling, and other construction activities contains
chemicals known to the State of California to cause cancer, birth defects or
other reproductive harm. Some example of these chemicals are:
• lead from lead-based paints
• crystalline silica from bricks and cement and other masonry products
o arsenic and chromium from chemically-treated lumber
Your risk from these exposures varies, depending on how often you do this
type of work. To reduce your exposure to these chemicals: work in awell
ventilated area, and work with approved safety equipment, always wear
OSHA/MSHA/NIOSH approved, properly fitting face mask or respirator
when using such tools.
When using air tools, basic safety precautions should always be followed to
reduce the risk of of personal injury.
_This product contains chemicals, known to the State of
California to cause cancer, and birth defects or other
reproductive harm. Wash hands after handling.
Do not operate this unit until you read and #x-_l
understand this instruction manual for safety,
operation and maintenance instructions.
SAVE THESE INSTRUCTIONS
WHAT CAN HAPPEN = HOW TO PREVENT IT
It is normal for electrical contacts Always operate the compressor
within the motor and pressure in a well ventilated area free of
switch to spark, combustible materials, gasoline, or
solvent vapors.
3 ENG 1000002023

If electrical sparks from compressor
come into contact with flammable
vapors, they may ignite, causing fire
or explosion.
Restricting any of the compressor
ventilation openings will cause
serious overheating and could cause
fire.
• Unattended operation of this
product could result in personal
injury or property damage. To
reduce the risk of fire, do not
allow the compressor to operate
unattended.
If spraying flammable materials, locate
compressor at least 20 feet (6.1 m)
away from spray area. An additional
length of air hose may be required.
Store flammable materials in a secure
location away from compressor.
Never place objects against or on
top of compressor.
Operate compressor in an open area
at least 12" (30.5 cm) away from
any wall or obstruction that would
restrict the flow of fresh air to the
ventilation openings.
Operate compressor in a clean, dry
well ventilated area. Do not operate
unit indoors or in any confined area.
Always remain in attendance with
the product when it is operating.
Disconnect electrical supply when
not in use.
__ RISK TO BREATHING (ASPHYXIATION)
WHAT CAN HAPPEN
The compressed air directly from
your compressor is not safe for
breathing. The air stream may
contain carbon monoxide, toxic
vapors, or solid particles from the air
tank. Breathing these contaminant's
can cause serious injury or death.
Sprayed materials such as paint,
paint solvents, paint remover,
insecticides, weed killers, may
contain harmful vapors and poisons.
HOW TO PREVENT IT
Air obtained directly from the
compressor should never be used to
supply air for human consumption.
In order to use air produced by this
compressor for breathing, suitable
filters and in-line safety equipment
must be properly installed. In-line
filters and safety equipment used
in conjunction with the compressor
must be capable of treating air to all
applicable local and federal codes
prior to human consumption.
Work in an area with good cross
ventilation. Read and follow the
safety instructions provided on the
label or safety data sheets for the
materials you are spraying. Always
use certified safety equipment: OSHA/
MSHA!NIOSH respiratory protection
designed for use with your specific
application.
1000002023 4 ENG

I_1_ ISK OF SERIOUS iNJURY OR PROPERTY DAMAGE
WHEN TRANSPORTING COMPRESSOR
WHAT CAN HAPPEN ! HOW TO PREVENT iT
Oil can leak or spill and could • Always place compressor on a
result in fire or breathing hazard; protective mat when transporting
serious injury or death can result, oil I to protect against damage to vehicle
leaks will damage carpet, paint or from leaks. Remove compressor
other surfaces n veh c es or tra ers. from vehicle immediately upon
_]_ RISK OF BURSTING
Air Tank: The air tank on your Air Compressor is designed and may be UM
coded (for units with air tanks greater than 6 inch diameter) according to ASME
Section VIII, Div. 1 rules. All pressure vessels should be inspected once every
two years. To find your state pressure vessels inspector, look under the Division
of Labor and Industries in the government section of a phone book.
The following conditions could lead to a weakening of the air tank, and result in
a violent air tank explosion:
WHAT CAN HAPPEN
Failure to properly drain condensed
water from air tank, causing rust and
thinning of the steel air tank.
Modifications or attempted repairs to
the air tank.
Unauthorized modifications to the
safety valve or any other components
which control air tank pressure.
Excessive vibration can weaken the
air tank of a stationary compressor
and cause an explosion.
Attachments & accessories:
Exceeding the pressure rating of
air tools, spray guns, air operated
accessories, tires, and other I
inflatables can cause them to I
explode o! f!y apart, and could result
n set ous n ury.
HOW TO PREVENT iT
Drain air tank daily or after each use.
If air tank develops a leak, replace it
immediately with a new air tank or
replace the entire compressor.
Never drill into, weld, or make any
modifications to the air tank or its
attachments. Never attempt to
repair a damaged or leaking air tank.
Replace with a new air tank.
The air tank is designed to withstand
specific operating pressures.
Never make adjustments or parts
substitutions to alter the factory set
operating pressures.
The compressor must be properly
mounted, see "Anchoring" under
Installation.
Follow the equipment manufacturers
recommendation and never exceed
the maximum allowable pressure
rating of attachments. Never use
compressor to inflate small low
pressure objects such as children's
toys, footballs, basketballs, etc.
5 ENG 1000002023

[__ RISK OF ELECTRICAL SHOCK
WHAT CAN HAPPEN
•Your air compressor is powered by
electricity. Like any other electrically
powered device, if it is not used
properly it may cause electric shock.
• Repairs attempted by unqualified
personnel can result in serious injury
or death by electrocution.
Electrical Grounding: Failure to
provide adequate grounding to this
product could result in serious injury
or death from electrocution. Refer to
"Grounding Instructions" paragraph
in the Installation section.
HOW TO PREVENT iT
Never operate the compressor
outdoors when it is raining or in wet
conditions.
Never operate compressor with
protective covers removed or
damaged.
Any electrical wiring or repairs
required on this product should be
performed by authorized service
center personnel in accordance with
national and local electrical codes.
Make certain that the electrical circuit
to which the compressor is connected
provides proper electrical grounding,
correct voltage and adequate fuse
protection.
i, D
WHAT CAN HAPPEN
The compressed air stream can
cause soft tissue damage to
exposed skin and can propel dirt,
chips, loose particles, and small
objects at high speed, resulting in
property damage or personal injury.
__ RiSK FROM FLYING OBJECTS
HOW TO PREVENT iT
Always wear certified safety
equipment: ANSI Z87.1 eye
protection (CAN/CSA Z94.3)
with side shields when using the
compressols
Never point any nozzle or sprayer
toward any part of the body or at
other people or animals.
Always turn the compressor off
and bleed pressure from the air
hose and air tank before attempting
maintenance, attaching tools or
accessories.
1000002023 6 ENG

__ RISK OF HOT SURFACES
,, WHAT CAN HAPPEN !. HOW TO PREVENT iT
Touching exposed metal such as I Never touch any exposed metal
the compressor head, engine head, parts on compressor during or
engine exhaust or outlet tubes, can immediately after operation.
result in serious burns. Compressor will remain hot for
several minutes after operation.
• Do not reach around protective
I shrouds or attempt maintenance
until unit has been allowed to cool.
___ RiSK FROM MOVING PARTS
WHAT CAN HAPPEN
Moving parts such as the pulley,
flywheel, and belt can cause serious
injury if they come into contact with
you or your clothing.
Attempting to operate compressor
with damaged or missing parts or
attempting to repair compressor
with protective shrouds removed
can expose you to moving parts and
can result in serious injury.
HOW TO PREVENT iT
Never operate the compressor
with guards or covers which are
damaged or removed.
Keep your hair, clothing, and gloves
away from moving parts. Loose
clothes, jewelry, or long hair can be
caught in moving parts.
Air vents may cover moving parts
and should be avoided as well.
Any repairs required on this product
should be performed by authorized
service center personnel.
7 ENG 1000002023

[__ RiSK OF UNSAFE OPERATION
WHAT CAN HAPPEN ! HOW TO PREVENT iT
•Unsafe operation of your air I = Review and understand all
compressor could lead to serious inju- I instructions and warnings in this
ry or death to you or others, manual.
• Become familiar with the operation
and controls of the air compressor.
Keep operating area clear of all
persons, pets, and obstacles.
Keep children away from the air
compressor at all times.
Do not operate the product when
fatigued or under the influence of
alcohol or drugs. Stay alert at all
times.
Never defeat the safety features of
this product.
Equip area of operation with a fire
extinguisher.
Do not operate machine with missing,
broken, or unauthor zed parts.
[__ RISK OF INJURY FROM LIFTING
WHAT CAN HAPPEN I HOW TO PREVENT iT
I
oSerious injury can result from = The compressor is too heavy to
attempting to lift too heavy an I be lifted by one person. Obtain
object, assistance from others before lifting.
RiSK FROM NOISE
WHAT CAN HAPPEN • HOW TO PREVENT iT
" Under some conditions and duration Always wear certified safety equipment:
of use, noise from this product may ANSI $12.6 (S3.19)hearingprotection.
contribute to hearing loss.
SAVE THESE INSTRUCTIONS
1000002023 8 ENG

Become familiar with these terms
before operating the unit.
CFM: Cubic feet per minute.
SCFM: Standard cubic feet per min-
ute; a unit of measure of air delivery.
PSlG: Pounds per square inch gauge;
a unit of measure of pressure.
Code Certification: Products that
bear one or more of the following
marks: UL, CUL, ETL, CETL, have
been evaluated by OSHA certified
independent safety laboratories and
meet the applicable Underwriters
Laboratories Standards for Safety.
Cut=in Pressure: While the motor is
off, air tank pressure drops as you
continue to use your accessory. When
the tank pressure drops to a certain
low level the motor will restart auto-
matically. The low pressure at which
the motor automatically restarts is
called "cut-in" pressure.
Cut-Out Pressure: When an air
compressor is turned on and begins
to run, air pressure in the air tank
begins to build. It builds to a certain
high pressure before the motor auto-
matically shuts off - protecting your
air tank from pressure higher than its
capacity. The high pressure at which
the motor shuts off is called "cut-out"
pressure.
Branch Circuit: Circuit carrying elec-
tricity from electrical panel to outlet.
To Lock Out Power: Place a lock on
the line power switch so no one else
can turn on the power.
This air compressor pump is capable average duty cycle be maintained; that
of running continuously. However, to is, the air compressor pump should
prolong the life of your air compressor, not run more than 30-45 minutes in
it is recommended that a 50%-75% any given hour.
This unit is capable of powering the following Accessories. The accessories are
available through the current Power and Hand Tool Catalog or full-line Sears
stores.
Accessories
•in Line Filter
•Tire Air Chuck
Quick Connector Sets (various
sizes)
Air Pressure Regulators
Oil Fog Lubricators
Air Hose: 1/4", 3/8" or 1/2" I.D. in
various lengths
Refer to the selection chart located on
the unit to select the tools this unit is
capable of powering.
_The use of any
other accessory
not recommended for use with
this tool could be hazardous. Use
only accessories rated equal to
or higher than the rating of the air
compressor.
9 ENG 1000002023

Contents of Carton
1 - Air Compressor
1 - Parts bag containing:
1 - Owner's Manual
4 - 5/8" Washers
1 - Conduit Connector
Tools Required for Assembly
1 - 9/16" socket or open end wrench
1 - Electric drill
Unpacking
1. Remove all packaging.
_lt may be necessary
__ to brace or support
one side of the outfit when removing
the pallet because the air compressor
will have a tendency to tip.
2. Remove and discard the (4)
screws and washers holding the
compressor to the pallet.
3. With the help of another person
carefully remove air compressor
from pallet and place on a level
surface.
_This compressor was
shipped with oil in
the pump crankcase. Check oil before
operating air compressor, see Check
Oil under Maintenance.
HOW TO SET UP YOUR UNIT
Location of the Air Compressor
• Locate the air compressor in a
clean, dry, and well ventilated
area.
Located the air compressor at
least 12" (30.5 cm) away from
the wall or other obstructions
that will interfere with the flow
of air.
Locate the air compressor as
close to the main power supply
as possible to avoid using long
lengths of electrical wiring.
NOTE: Long lengths of electri-
cal wiring could cause power
loss to the motor.
The air filter must be kept clear
of obstructions which could
reduce air flow to the air com-
presso£
Anchoring of the Air Compressor
_Risk of Bursting.
Excessive
Vibration can weaken the air tank
and cause an explosion. The
compressor must be properly
mounted.
The air compressor MUST be bolted to
a solid, level surface.
Hardware needed:
4 - Concrete anchors
(not supplied)
4 - 3/8" Lag screw to fit concrete
anchors
(not supplied)
4 - 5/8" Washer (supplied)
shims (if needed)
1. Place the air compressor on a
solid, level surface.
2. Mark the surface using the holes
in the air compressor feet as a
template.
3. Drill holes in the surface for the
concrete anchors. Install concrete
anchors.
4. Line-up holes in surface with holes
in air compressor feet.
5. Place the (4) washers (supplied)
between the floor and air com-
pressor feet. If needed, solid
shims may be placed between the
washers and floor to evenly dis-
tribute weight on all four feet. See
next figure.
1000002023 10 ENG

T
.......3/8" Lag
........ Screw
,, ......./(not supplied)
5/8 Washer ,..... /..
(supplied) _ __
_ ,_12
Shim Under _urface Line
Washer Concrete Anchor
(net supplied) (not supplied)
6. Place the (4) 3/8" lag screws
through the air compressor feet,
washers, shims, and into the
anchors.
7. Torque 3/8" lag screws to
7 - 10 ft. Ibs.
Wiring Instructions
_Risk of Electrical
Shock. Improper
electrical grounding can result in
electrical shock. The wiring should
be done by a qualified electrician
A qualified electrician needs to knows
the following before wiring:
1. The amperage rating of the electri-
cal box should be adequate. Refer
to the Specification Chart for this
information.
2. The supply line should have the
same electrical characteristics
(voltage, cycle, phase) as the
motor. Refer to the motor name-
plate, on side of motor, for this
information.
NOTE: The wiring must be the same
as the motor nameplate voltage plus
or minus 10%. Refer to local codes for
recommended wire sizes, correct wire
size, and maximum wire run; undersize
wire causes high amp draw and over-
heating to the motor.
_Risk of Electrical
Shock. Electrical
wiring must be located away from
hot surfaces such as manifold
assembly, compressor outlet tubes,
heads, or cylinders.
GROUNDING iNSTRUCTIONS
This product should be connected to
a metallic, permanent wiring system,
of an equipment-grounding terminal
or lead on the product.
Voltage and Circuit Protection
Refer to the specification chart for the
voltage and minimum branch circuit
requirements.
Air Distribution System
_Risk of Bursting.
Plastic or PVC
pipe is not designed for use with
compressed air. Regardless of its
indicated pressure rating, plastic
pipe can burst from air pressure.
Use only metal pipe for air
distribution lines.
The next figure represents a typical
air distribution system. The following
are tips to remember when setting up
the air compressor's air distribution
system.
• Use pipe that is the same size as
the air tank outlet. Piping that is
too small will restrict the flow of
air.
• If piping is over 100 feet (30.5 m)
long, use the next larger size.
• Bury underground lines below
the frost line and avoid pockets
where condensation can gather
and freeze. Apply pressure before
underground lines are covered to
make sure all pipe joints are free
of leaks.
• A flexible coupling is recommend-
ed to be installed between the air
discharge outlet and main air dis-
tribution line to allow for vibration.
® A separate regulator is recom-
mended to control the air pres-
sure. Air pressure from the tank
is usually to high for individual air
driven tools.
11ENG 1000002023

TYPICAL COMPRESSED
AiR DiSTRiBUTiON SYSTEM
DRAIN COCK
VALVE
AIR
COMPRESSOR
1000002023 12 ENG

KNOW YOUR AIR COMPRESSOR
READ THIS OWNER'S MANUAL AND SAFETY RULES BEFORE OPERATING
YOUR UNIT. Compare the illustrations with your unit to familiarize yourself with
the location of various controls and adjustments. Save this manual for future ref-
erence.
DESCRiPTiON OF OPERATION
Become familiar with these controls
before operating the unit.
On/Auto/Off Lever: Turn this switch
"On/Auto" to provide automatic power
to the pressure switch and "Off" to
remove power at the end of each use.
Pressure Switch: The pressure switch
automatically starts the motor when
the air tank pressure drops below the
factory set "cut-in" pressure. It stops
the motor when the air tank pressure
reaches the factory set "cut-out" pres-
sure.
Safety Vamve: If the pressure switch
does not shut off the air compressor
at its "cut-out" pressure setting, the
safety valve will protect against high
pressure by "popping out" at its fac-
tory set pressure (slightly higher than
the pressure switch "cut-out" setting).
Tank Pressure Gauge: The tank
pressure gauge indicates the reserve
air pressure in the tank.
Globe Valve: Opens and closes air
discharge valve. Turn knob counter-
clockwise to open and clockwise to
close.
Regulator (sold separately, not
shown): An air pressure regulator or a
separate air transformer which com-
bines the functions of air regulation
and/or moisture and dirt removal is
recommended for most applications.
Cooling System (not shown): This
compressor contains an advanced
design cooling system. At the heart of
this cooling system is an engineered
fan. It is perfectly normal for this fan to
blow air through the vent holes in large
amounts. You know that the cooling
system is working when air is being
expelled.
Air Compressor Pump (not shown):
Compresses air into the air tank.
Working air is not available until the
compressor has raised the air tank
pressure above that required at the air
outlet.
to drain conden-
sation at the end of each use.
13 ENG 1000002023

Check Valve: When the air compres-
sor is operating, the check valve is
"open", allowing compressed air to
enter the air tank. When the air com-
pressor reaches "cut-out" pressure,
the check valve "closes", allowing air
pressure to remain inside the air tank.
Check Valve
Pressure Release Valve: The pres-
sure release valve located on the side
of the pressure switch, is designed to
automatically release compressed air
from the compressor head and the
outlet tube when the air compressor
reaches "cut-out" pressure or is shut
off. The pressure release valve allows
the motor to restart freely. When the
motor stops running, air will be heard
escaping from this valve for a few sec-
onds. No air should be heard leaking
when the motor is running or after the
unit reaches "cut-out" pressure.
Motor Overload Protector: This
motor has a manual thermal overload
protector. If the motor overheats for
any reason, the overload protector
will shut off the motor. The motor
must be allowed to cool down before
restarting. To restart:
1. Place the On/
Auto/Off
lever in the
"Off" posi-
tion.
2. Allow the
motor to
cool.
3. Depress the red reset button on
the motor.
4. Place the On/Auto/Off lever in the
"On/Auto" postion to restart the
motor.
Air Intake Filter (not shown): This
filter is designed to clean air com-
ing into the pump. This filter must
always be clean and ventilation
openings free from obstructions. See
"Maintenance".
HOW TO USE YOUR UNiT
How to Stop:
1 Set the On/Auto/Off lever to "Off"
Before Starting
_Do not operate this
unit until you read
and understand this instruction
manual for safety, operation and
maintenance instructions.
Break-in Procedure
_Risk of Property
Damage. Serious
damage may result if the following
break-in instructions are not
closely followed.
This procedure is required before the
air compressor is put into service and
when the check valve or a complete
compressor pump has been replaced.
1. Make sure the On/Auto/Off lever
is in the "Off" position.
2. Check oil level in pump. See "Oil"
paragraph in the Maintenance
section for instructions.
3. Recheck all wiring. Make sure
wires are secure at all terminals
connections. Make sure all con-
tacts move freely and are not
obstructed.
4. Open the globe valve fully to per-
mit air to escape and prevent air
pressure build up in the air tank
during the break-in period.
5. Move the On/Auto/Off lever to
"On/Auto" position. The compres-
sor will start.
6. Run the compressor for 20 min-
utes. Make sure the globe valve
is open and there is minimal air
pressure build-up in tank.
1000002023 14 ENG

7. Check all air line fittings and con-
nections/piping for air leaks by
applying a soap solution. Correct
if necessary. NOTE: Minor leaks
can cause the air compressor to
overwork, resulting in premature
breakdown or inadequate perfor-
mance.
8. Check for excessive vibration.
Readjust or shim air compressor
feet, if necessary.
9. After 20 minutes, close the globe
valve. The air receiver will fill to
"cut-out" pressure and the motor
will stop.
Before Each Start-Up:
1. Place On/Auto/Off lever to "Off".
2. Close the globe valve.
3. Attach hose and accessories.
_Risk of unsafe
operation. Firmly
grasp air hose in hand when
installing or disconnecting to
prevent hose whip.
Risk of unsafe
'"-- operation. Do not
use damaged or worn accessories.
NOTE: A regulator MUST be installed
when using accessories rated at less
than 175 PSI.
NOTE: The hose or accessory will
require a quick connect plug if the air
outlet is equipped with a quick con-
nect socket.
_Risk of Bursting.
-- Too much air
pressure causes a hazardous risk of
bursting. Check the manufacturer's
maximum pressure rating for air
tools and accessories. The regulator
outlet pressure must never exceed
the maximum pressure rating.
_Risk of unsafe
operation.
Compressed air from the unit may
contain water condensation and
oil mist. Do not spray unfiltered air
at an item that could be damaged
by moisture. Some air tools and
accessories may require filtered
air. Read the instructions for the air
tools and accessories.
How to Start:
1. Turn the On/Auto/Off lever to "On/
Auto" and allow tank pressure to
build. Motor will stop when tank
pressure reaches "cut-out" pres-
sure.
2. When the tank pressure reaches
"cut-out" pressure open the globe
valve.
iMPORTANT." When using regula-
tor and other accessories refer to the
manufacturers instructions.
if any unusual
_"__ noise or vibration
is noticed, stop the compressor
immediately and have it checked by
atrained service technician.
The compressor is ready for use.
15-ENG 1000002023

CUSTOMER RESPONSIBiLiTIES
Before Daily Every Every Every Every Yearly
each or 8 40 100 160
use after hours hours hours hours
each
use
Check Safety Valve •
Drain Tank
Oil Leaks
Check Pump Oil
Change Pump Oil
Unusual Noise and/or
Vibration
Air Filter
Drive Belt-Condition
Motor Pulley/Flywheel
alignment
Air compressor pump
intake and exhaust
valves
Inspect air lines and *
fittings for leaks
Head Bolts - Check the torques of the head bolts after the first five hours of operation.
1- more frequent in dusty or humid conditions
Risk of Unsafe
_ " '"__ Operation. Unit
cycles automatically when power
is on. When servicing, you may
be exposed to voltage sources,
compressed air, or moving parts.
Before servicing unit unplug or
disconnect electrical supply to
the air compressor, bleed tank
of pressure, and allow the air
compressor to cool.
To ensure efficient operation and lon-
ger life of the air compressor, a routine
maintenance schedule should be pre-
pared and followed. The above routine
maintenance schedule is geared to an
air compressor in a normal working
environment operating on a daily basis.
If necessary, the schedule should be
modified to suit the conditions under
which your air compressor is used.
The modifications will depend upon
the hours of operation and the work-
ing environment. Compressors in an
extremely dirty and/or hostile environ-
ment will require a greater frequency of
all maintenance checks.
1000002023 16 ENG
NOTE: See Operation section for the
location of controls.
TO CHECK SAFETY VALVE
_Bisk of Bursting.
__ If the safety valve
does not work properly, over-
pressurization may occur, causing
air tank rupture or an explosion.
_Risk from Flying
Objects. Always
wear certified safety equipment:
ANSI 2:87.1 eye protection (CAN/
CSA Z94.3) with side shields.
1. Before starting compressor, pull
the ring on the safety valve to
make sure that the safety valve
operates freely. If the valve
is stuck or does not operate
smoothly, it must be replaced
with the same type of valve.

TO DRAIN TANK
_Risk of Unsafe
Operation. Risk
from noise. Air tanks contain high
pressure air. Keep face and other
body parts away from outlet of
drain. Use ANSi Z87.1 eye protection
(CAN/CSA Z94.3) when draining as
debris can be kicked up into face.
Use ear protection (ANSi $12,6
(S3.19) hearing protection) as air flow
noise is loud when draining.
NOTE: Operation of the air compres-
sor will cause condensation to build up
in the air tank. Always drain tank on a
washable surface or in a suitable con-
tainer to prevent damaging or staining
surfaces.
1. Set the On/Auto/Off lever to "Off".
2. Close the globe valve.
3. Remove the air tool or accessory.
4. Open the globe valve and allow
the air to slowly bleed from the air
tank until tank pressure is approxi-
mately 20 PSI.
5. Close the globe valve.
6. Drain water from air tank by open-
ing drain valve on bottom of tank.
_Risk of Bursting.
Water will condense
in the air tank. if not drained, water
will corrode and weaken the air tank
causing a risk of air tank rupture.
_Risk of Property
Damage. Drain water
from air tank may contain oil and rust
which can cause stains.
7. After the water has been drained,
close the drain valve. The air com-
pressor can now be stored.
NOTE: If drain valve is plugged,
release all air pressure. The valve can
then be removed, cleaned, then rein-
stalled.
OIL
_Use air compressor
oil only. Multi-weight
automotive engine oils like 10W30
should not be use in air compressors.
They leave carbon deposits on
critical components, thus reducing
performance and compressor life.
NOTE: Use 30W compressor oil or a
heavy duty SAE 30W, non-detergent,
SF grade or better oil DO NOT use
multi-weight automotive engine oils,
they will reduce compressor life. Under
extreme winter condition use SAE-10
weight oil.
NOTE: Crankcase oil capacity is
approximately 48 fluid ounces (1.4 L).
Checking
1. The oil level should be to the
middle of the sight glass (C).
2. If needed remove oil fill plug (A)
and slowly add oil until it reaches
the middle of the sight glass.
Changing
1. Remove the oil fill plug (A).
2. Remove the oil drain plug (B) and
drain oil into a suitable container.
3. Replace the oil drain plug (B) and
tighten securely.
4. Slowly add compressor oil until
the oil level is in the middle of the
sightglass (C). NOTE: When filling
the crankcase, the oil flows very
slowly into the pump. If the oil is
added too quickly, it will overflow
and appear to be full.
_Risk of Unsafe
Operation. Overfilling
with oil will cause premature
compressor failure. Do not overfill.
5. Replace oil fill plug (A) and tighten
securely.
17 ENG 1000002023

AiR FILTER - iNSPECTiON AND
REPLACEMENT
_Hot surfaces.
Risk of burn.
Compressor heads are exposed
when filter cover is removed.
Allow compressor to cool prior to
servicing.
_Keep the air filter
clean at all times. Do
not operate the air compressor with
the air filter removed.
A dirty air filter will not allow the com-
pressor to operate at full capacity.
Keep the air filter clean at all times.
1. Remove air filter.
2. Remove the air filter cover.
3. Remove the air filter from filter
cover.
IMPORTANT: Do not operate the com-
pressor with the air filter removed.
4. Place new air filter into filter cover.
Refer to the Repair Parts for the
correct part number.
5. Replace air filter cover and reas-
semble air filter to pump.
BELT = REPLACEMENT
(Refer to the Parts List for
replacement belt part number.)
Serious injury or
""__ damage may occur
if parts of the body or loose items
get caught in moving parts. Never
operate the outfit with the belt guard
removed. The belt guard should
be removed only when the air
compressor power is disconnected.
1. Turn air compressor off, lock out
the power supply, and relieve all
air pressure from the air tank.
2. Remove the belt guard.
3. Mark pump position on saddle.
4. Loosen the motor mounting
screws and slide the motor
toward the air compressor.
5. Remove the belt and replace with
a new one.
Risk of moving
""__ parts. Use caution
when roiling belt onto flywheel,
fingers can get caught between the
belt and flywheel.
1000002023
6. See the "Adjust Belt Tension"
before tightening motor mounting
screws.
ADJUSTING BELT TENSION
1. Slide motor into original position,
line the motor up with the mark
made earlier on saddle.
2. Tighten two outside motor mount-
ing screws enough to hold the
motor in place for checking pulley
and flywheel alignment.
3. The belt should deflect 3/16"
(4.8 mm) at midway between the
pulley and the flywheel when a
5-10 pound weight is applied at
the midway point.
3. When proper belt tension is
achieved, tighten all four motor
mounting screws. See Parts list
for torque specifications.
NOTE: Once the engine pulley has
been moved from its factory set loca-
tion, the grooves of the flywheel and
pulley must be aligned to within 1/16"
(1.6 ram) to prevent excessive belt
wear. Verify the alignment by perform-
ing the following Pulley and Flywheel
- Alignment.
MOTOR PULLEY/FLYWHEEL
ALIGNMENT
NOTE: Once the motor pulley has
been moved from its factory set loca-
tion, the grooves of the flywheel and
pulley must be aligned to within 1/16"
(1.6 mm) to prevent excessive belt
wear.
The air compressor flywheel and motor
pulley must be in-line (in the same
plane) within 1/16" (1.6 mm) to assure
belt retention within flywheel belt
grooves. To check alignment, perform
the following steps:
18 ENG

1. Turn air compressor off, lock out
the power supply, and relieve all
air pressure from the air tank.
2. Remove belt guard.
3. Place a straightedge against the
outside of the flywheel and the
motor drive pulley.
4. Measure the distance between
the edge of the belt and the
straightedge at points A1 and A2
in figure. The difference between
measurements should be no more
than 1/16" (1.6 mm).
5. If the difference is greater than
1/16" (1.6 mm) loosen the set
screw holding the motor drive
pulley to the shaft and adjust the
pulley's position on the shaft until
the A1 and A2 measurements
are within 1/16" (1.6 mm) of each
other.
6. Tighten the motor drive pulley
set screw. See Parts manual for
torque specifications.
7. Visually inspect the motor drive
pulley to verify that it is perpen-
dicular to the drive motor shaft.
Points B1 and B2 of Figure
should appear to be equal. If
they are not, loosen the setscrew
of the motor drive pulley and
equalize B1 and B2, using care
not to disturb the belt alignment
performed in step 2.
8. Retighten the motor drive pulley
setscrew. See Parts manual for
torque specifications.
9. Reinstall belt guard.
AIR COMPRESSOR PUMP
iNTAKE AND EXHAUST VALVES
Once a year have a Trained Service
Technician check the air compressor
pump intake and exhaust valves.
iNSPECT AIR LINES AND
FITTINGS FOR LEAKS
1. Turn air compressor off, lock out
the power supply, and relieve all
air pressure from the air tank.
2. Apply a soap solution to all air line
fittings and connections/piping.
3. Correct any leaks found.
IMPORTANT: Even minor leaks can
cause the air compressor to overwork,
resulting in premature breakdown or
inadequate performance.
AIR COMPRESSOR HEAD
BOLTS =TORQUING
The air compressor pump head bolts
should be kept properly torqued.
Check the torques of the head bolts
after the first five hours of operation.
Retighten if necessary. See Parts List
for torque specifications.
ALL MAINTENANCE AND REPAIR OPERATIONS NOT LISTED MUST BE
PERFORMED BY TRAINED SERVICE TECHNICIAN.
_Risk of Unsafe
Operation. Unit
cycles automatically when power
is on. When servicing, you may
be exposed to voltage sources,
compressed air, or moving parts.
Before servicing unit unplug or
disconnect electrical supply to
the air compressor, bleed tank
of pressure, and allow the air
compressor to cool.
TO REPLACE OR CLEAN CHECK
VALVE
1. Release all air pressure from air
tank. See "To Drain Tank" in the
Maintenance section.
2. Turn air compressor off, lock out
the power supply, and relieve all
air pressure from the air tank.
3. Using an adjustable wrench loos-
en outlet tube nut at air tank and
pump. Carefully move outlet tube
away from check valve.
100000202319 ENG

4. Using an adjustable wrench
loosen pressure relief tube nut
at air tank and pressure switch.
Carefully move pressure relief tube
away from check valve.
5. Unscrew the check valve (turn
counterclockwise) using a 7/8"
open end wrench. NOTE the ori-
entation for reassembly.
6. Using a screwdriver, carefully
push the valve disc up and down.
NOTE: The valve disc should
move freely up and down on a
spring which holds the valve disc
in the closed position, if not the
check valve needs to be cleaned
or replaced.
position
nothing is
visible.
In closed position
disc is visible,
7. Clean or replace the check valve.
A solvent, such as paint or varnish
remover can be used to clean the
check valve.
8. Apply sealant to the check valve
threads. Reinstall the check valve
(turn clockwise).
9. Replace the pressure release tube.
Tighten nuts.
10. Replace the outlet tube and tight-
en nuts.
11. Perform the Break-in Procedure.
See "Break-in Procedure" in the
Operation section.
ADDiTiONAL SERVICE
Disassembly or service of the air
compressor beyond what is covered
in this manual is not recommended.
If additional service is required, con-
tact your nearest Authorized Warranty
Service Center.
Before you store the air compressor,
make sure you do the following:
1. Review the Maintenance section
on the preceding pages and per-
form scheduled maintenance as
necessary.
2. Set the On/Auto/Off lever to "Off".
3. Close the globe valve.
4. Remove the air tool or accessory.
5. Open the globe valve and allow
the air to slowly bleed from the air
tank until tank pressure is approxi-
mately 20 PSI.
6. Drain water from air tank by open-
ing drain valve on bottom of tank.
_ Water will condense
in the air tank. if
not drained, water will corrode and
weaken the air tank causing a risk
of air tank rupture.
7. After the water has been drained,
close the drain or drain valve.
NOTE: If drain valve is plugged,
release all air pressure. The valve can
then be removed, cleaned, then rein-
stalled.
8. Protect the air hose from damage
(such as being stepped on or run
over).
1000002023 20 ENG

_Risk of Unsafe Operation. Unit cycles automatically when
power is on. When servicing, you may be exposed to
voltage sources, compressed air, or moving parts. Before servicing unit
unplug or disconnect electrical supply to the air compressor, bleed tank of
pressure, and allow the air compressor to cool
PROBLEM
Excessive
tank pressure
- safety valve
pops off
Air leaks at
fittings
Air leaks at or
inside check
valve
Air leaks at
pressure switch
release valve
Air leaks in air
tank or at air
tank welds
Air leaks
between head
and valve plate
Pressure
reading on
the regulated
pressure gauge
(if equipped)
drops when an
accessory is
used
Air leak from
safety valve
CAUSE
Pressure switch does
not shut off motor when
compressor reaches "cut-
out" pressure.
Pressure switch "cut-out"
too high.
Tube fittings are not tight
enough.
Check valve seat
damaged.
Defective pressure switch
release valve.
Defective air tank.
Leaking seal.
It is normal for "some"
3ressure drop to occur.
CORRECTION
Move On/Auto/Off lever to the "Off"
position, if the unit does not shut off
contact a Trained Service Technician.
Contact a Trained Service Technician.
Tighten fittings where air can be
heard escaping. Check fittings with
soapy water solution. DO NOT OVER
TIGHTEN.
A defective check valve results in
a constant air leak at the pressure
release valve when there is pressure
in the tank and the compressor is
shut off. Replace check valve. Refer
the "To Replace or Clean Check
Valve" in the Service and Adjustments
section.
Contact a Trained Service Technician.
Air tank must be replaced. Do not
repair the leak.
_Risk of Bursting.
Be not drill into,
weld or otherwise modify air tank
or it will weaken. The tank can
rupture or explode.
Contact a Trained Service Technician.
If there is an excessive amount of
pressure drop when the accessory
is used, adjust the regulator as
instructed in the Operation section.
NOTE: Adjust the regulated pressure
under flow conditions (while
accessory is being used).
Possible defect in safety Operate safety valve manually by
valve, pulling on ring. If valve still leaks, it
should be replaced.
21ENG 1000002023

PROBLEM
Compressor is
not supplying
enough air
to operate
accessories
CAUSE
Prolonged excessive use
of air.
Compressor is not large
enough for air requirement.
Hole in hose.
Check valve restricted.
Air leaks.
Restricted air intake filter.
Loose belt.
Restricted air Dirty air filter.
intake
Motor will not Motor overload protection
run switch has tripped.
Tank pressure exceeds
)ressure switch "cut-in"
)ressure.
Check valve stuck open.
Loose electrical
connections.
Possible defective motor
or starting capacitor.
Paint spray on internal
motor parts.
Pressure release valve on
pressure switch has not
unloaded head pressure.
CORRECTION
Decrease amount of air usage.
Check the accessory air requirement.
If it is higher than the SCFM or
pressure supplied by your air
compressor, you need a larger
compressor.
Check and replace if required.
Remove and clean, or replace.
Tighten fittings.
Clean or replace air intake filter. Do
not operate the air compressor with
the filter removed. Refer to the "Air
Filter" paragraph in the Maintenance
section.
Check belt tension, see Adjusting
Belt Tension in the Maintenance
section.
Clean or replace. See Air Filter
paragraph in the Maintenance
section.
Refer to "Motor Overload Protection"
under Operation. If motor overload
protection trips frequently, contact a
Trained Service Technician
Motor will start automatically when
tank pressure drops below "cut-in"
)ressure of pressure switch.
Remove and clean, or replace.
Check wiring connection inside
pressure switch and terminal box
area.
Have checked by a Trained Service
Technician.
Have checked by a Trained Service
Technician. Do not operate the
compressor in the paint spray area.
See flammable vapor warning.
Bleed the line by pushing the lever
on the pressure switch to the "Off"
position; if the valve does not open,
replace switch.
1000002023 22 ENG

PROBLEM
Motor will not
run (continued)
CAUSE
Fuse blown, circuit breaker
tripped.
Safety Valve on
pump "pops"
out
Knocking Noise
Pressure switch, check
valve, or pump could be in
need of servicinq.
Possible defect in safety
valve.
Defective check valve.
Loose pulley.
Loose flywheel.
Compressor mounting
screws loose.
Loose belt.
Carbon build-up in pump.
Belt to tight.
Excessive belt Loose belt.
wear
Tight belt.
Loose pulley.
Pulley misalignment.
Squealing Compressor pump has
sound no oil.
Loose belt.
CORRECTION
1. Check fuse box for blown fuse
and replace as necessary. Reset
circuit breaker. Do not use a fuse
or circuit breaker with higher
rating than that specified for your
particular branch circuit.
2. Check for proper fuse. You
should use a time delay fuse.
3. Check for low voltage conditions
and/or proper extension cord.
4. Disconnect the other electrical
appliances from circuit or
operate the compressor on its
own branch circuit.
Have checked by a Trained Service
Technician.
Operate safety valve manually by
pulling on ring. If valve still leaks, it
should be replaced.
Remove and clean, or replace.
Tighten pulley set screw, see Parts
manual for torque specifications.
Tighten flywheel screw, see Parts
manual for torque specifications.
Tighten mounting screws,see Parts
manual for torque specifications.
Check belt tension, see "Adjusting
Belt Tension" in the Maintenance
section.
Have checked by a Trained Service
Technician.
Check belt tension, see "Adjusting
Belt Tension" in the Maintenance
section.
Check belt tension, see "Adjusting
Belt Tension" in the Maintenance
section.
Check belt tension, see "Adjusting
Belt Tension" in the Maintenance
section.
Have checked by a Trained Service
Technician.
See "Motor Pulley/Flywheel
Alignment" paragraph in the
Maintenance section.
See "Oil-Checking" paragraph in the
Maintenance section.
Check belt tension, see "Adjusting
Belt Tension" in the Maintenance
section.
23 ENG 1000002023

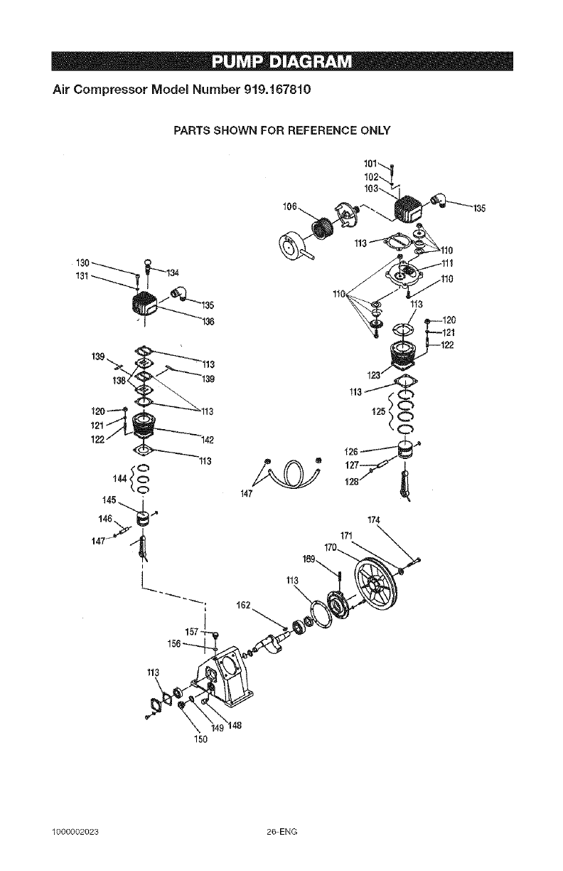
Air Compressor Model Number 919.167810
FARTS SHOWN FOR REFERENCE ONLY
2
31
2
11
12
51 20
31
16
17
47
48
_30
2_28
53
F
1000002023 Air Compressor - MODEL NUMBER 919.16781 05/07TS
1000002023 24 ENG

Air Compressor Model Number 919.167810
iTEM PART
NO. NO. DESCRIPTION QTY
1 BT-226 Belt 1
¢2 91895680 Screw 5
3 SSN-51 Washer 1
4 AC-0485 Bracket 1
5 SSP-6461 Elbow 1
6 A03163 Outlet Tube 1
7 SSPW824 Nut Sleeve Assembly (5/8) 1
¢8 A03164 Pulley
9 Z-D26719 Motor
¢10 SSF-3140-ZN Screw
11 SSF-8111-ZN Nut
12 AC-0557 Pressure Switch Cover
13 SUDL-9-1 Screw
¢14 SSN-613 Beltevitte Washer
15 Z-D20596 Pressure Switch
16 TIA-4200 Safety Valve
17 Z-GA-360 Gauge
18 AC-0764 Manifold
19 SSP-555 Nipple
20 AC-0763 Pressure Relief Tube
21 SSW-7482 Connector
23 SSP-7811 Nut Sleeve Assembly (1/4) 1
24 SS-8553 Connector Body
25 DAC-252 Check Valve
26 A03166 Cap
27 SSP-553 Nipple
¢28 A03157 Intake Filter
29 A03155 Pump
¢30 SSF-955 Screw
31 AC-0433 Inside Bettguard
32 SSF-8131 Speed Nut
33 SSF-953-ZN Screw
39 AC-0434 Outside Beltguard
40 D23194 Cord Warning Label
41 SS-00403 Flywheel Direction Label
43 LA-3352 Caution Label
44 LA-3115 Pressure Switch Label
46 LA-3105 Logo Label
47 D29069 Warning Label
48 LA-3027 Drain Tank Label
49 LA-3108 Hot Surface Label
50 LA-3266 Warning Label
51 A00771 Oit Notice Label
53 1000002020 Nameplate
56 LA-2876 Power Cord Label
57 A06891 Drain Valve
60 SSV-6-B Valve
63 SUDL-65 Key
¢ NOTES:
2 Torque to 7-10 inMbs.
8 Torque drive screw to 145-175 inMbs.
10 Torque to 20-25 ft.-Ibs.
14 Concave side down.
28 Orient inlet down= Hand tighten.
30 Torque to 18-24 ftMbs.
25 ENG 1000002023

Air Compressor Model Number 919.167810
PARTS SHOWN FOR REFERENCE ONLY
130__....... _"'_134
131
3
2
113
i
I
147
113
171
169-_
174
113
150
1000002023 26 ENG

Air Compressor Model Number 919.167810
ITEM PART
NO. NO. DESCRIPTION
9101 A04421 Bolt
102 A04422 Lock Washer
103 A04423 Pump Head
106 A03957 Filter Element
110 A03959 Valve Kit
111 A04023 Valve Plate
113 A03945 Gasket Kit
_)120 A04424 Nut
121 A04378 Lock Washer
122 A04426 Stud
123 A04427 Cylinder
125 5140030-51 Piston Ring Set
126 5140030-52 Piston
127 5140030-53 Piston Pin
128 5140030-54 Clip
129 5140047-05 Connecting Rod
9130 A14121 Bolt
131 D28188 Lock Washer
134 A04430 Safety Valve Head
135 A04431 Elbow
136 A04432 Pump Head
138 D28193 Valve Seat
139 D28195 Valve Plate
142 A04435 Cylinder
144 5140030-60 Piston Ring Set
145 5140030-55 Piston
146 5140030-56 Piston Pin
147 A03958 Tube
148 5140030-59 Oil Drain Plug
149 A04436 O-ring
150 A04437 Sightgtass
156 A04440 O-ring
157 D28207 Oil Fill Plug
162 5140030-58 Woodruff Key
169 A03955 Crankcase Vent
170 A03156 Flywheel
171 A03158 Washer
9174 A03159 Screw
¢ NOTES:
101,130 Torque to 12-17ft,qbs,
120 Torque to 10-15 ft.qbs,
174 Torque to 32-36 ft,qbs,
QTY
27 ENG 1000002023

GARANTIA ....................................................... 28
CUADRO DE ESPEClFICAClONES ................................... 28
DEFINICIONES DE NORMAS DE SEGURIDAD ......................... 29
IMPORTANTES INSTRUCClONES DE SEGURIDAD ................... 29-34
GLOSARiO ....................................................... 34
ClCLO DE SERVlClO .............................................. 34
ACCESORIOS ................................................... 35
ENSAMBLADO ................................................... 35
INSTALACION .................................................. 35-37
OPERACION ................................................... 38-40
MANTENIMiENTO ............................................... 41-44
SERVICIOS Y REGULAClONES ...................................... 45
ALMACENAJE .................................................... 48
GUIA DE DIAGNOSTICO DE PROBLEMAS .......................... 48-49
NOTES/NOTAS ................................................... 50
CONTRATOS DE PROTECClON PARA REPARACIONES ................. 51
LISTA DE PARTES .............................................. 24-27
COMO SOLiCITAR PIEZAS PARA REPARACION ................. contratapa
GARANTIA TOTAL DE UN ANO
Siesta unidad fallase debido a defectos de materiales o de fabricaci6n dentro
del ano de su fecha de compra, Sears, a su opci6n, Io repararb, o reemplazar_,
®
sin costo alguno. Comuniquese con Sears al 1-800-4-MY-HOME para coordi-
nar su reparaci6n, o devuelva la unidad al lugar donde Io compr6 para que Io
cambien.
Siesta unidad se usase con fines comerciales o para alquiler, esta garantfa se
aplica s61o durante los primeros noventa dfas a partir de su fecha de compra.
Esta garantia le otorga derechos especfficos y usted podrfa tener otros derechos
que varian de un estado a otto.
Sears, Roebuck and Co., Dept. 817WA, Hoffman Estates, IL 60179
Modele N°
Potencia de trabajo
Voltaje /Fases
Requerimientos minimos
por ramal de circuito
Tipo de fusible
Capacidad del tanque en galones
Presi6n aproximada de conexi6n
Presi6n aproximada de desconexi6n
SCFM @ 100 PSlG
SCFM @ 175 PSlG
* Probado segOn la norma ISO 1217
Refierase al glosario para descifrar las
919.167810
*5,3
240V/1 Fase
30 Amp
Fusible de retardo
80 ASME, Vertical (302,8 litros)
140 PSlG
175 PSlG
"13,3
"12,8
abreviaturas.
1000002023 28 SP

Este manual contiene informacbn que es importante que usted conozca y comprenda. Esta
informaci6n se relaciona con la proteccbn de SU SEGURIDAD y LA PREVENClON DE
PROBLEMAS A SU EQUIP& Para ayudarlo a reconocer esta informaci6n, usamos los
simbolos indicados mAs abajo. Sirvase leer el manual y prestar atencbn a estas secciones.
Indica una situaci6n de
riesgo inminente, que si
no se evita, causarA la muerte o lesiones
serias.
_ Indica una
situaci6n
potencialmente riesgosa, que si no se
evita, podria causar la muerte e lesiones
serias.
_ Indica una situaci6n
potencialmente
peligrosa, que si no se evita, puede causar
lesiones menores o moderadas.
Usado sin el simbolo
de seguridad de
alerta indica una situaci6n potencialmente
riesgosa la que, si no se evita, podria
causar da6os en la rprApiedad.
_ Algunas particulas originadas al lijar, aserrar, amolar, taladrar y realizar
otras actividades de construcci6n contienen productos qufmicos
reconocidos por el Estado de California como causantes de cancer, defectos de nacimiento u
otros problemas reproductivos. Algunos ejemplos de estos productos qdmicos son:
,, el plomo de las pinturas de base plomo
- la silice cristalina de ladrillos, cemento yotros productos de mamposteria,
, el ars_nico y cromo de madera con tratamiento quimico.
El riesgo derivado de estas exposiciones varia segQn la frecuencia con la que se
realice este tipo de trabajo. Para reducir la exposici6n a estos productos quimicos:
trabaje en &reas bien ventiladas y con equipes de seguridad aprobados, use siem-
pre masearilla facial o de respiracibn adecuada y aprebada per OSHA/MSHA/NIOSH
cuando use este tipo de herramientas.
Cuando se utilizan herramientas neum&ticas, siempre se deben respetar las precau-
cienes de seguridad para reducir el riesge de lesiones personales.
_Este produeto contiene sustancias quimicas, reconocidas per
el Estado de California come causantes de e_ncer, defectos de
nacimiento u otros preblemas reproductivos. LAvese las manes despu_s de utilizarle.
[3 operaci6n o el mantenimiento inadecuados de
este producto poddan ocasionar lesiones serias y
daSos a la prepiedad. Lea y comprenda todas las advertencias e
instrucciones de funcionamiento antes de utilizar este equipo.
CONSERVE ESTAS |NSTRUCCIONES
&QUa: PUEDE SUCEDER? .COMO EVITARLO
• Es normal que los contactos el6ctricos Opere siempre el compresor en un
dentro del motor y el interrupter de Area bien ventilada libre de materiales
presbn produzcan chispas, combustibles, gasolina o vapores de
solventes.
29 SP 1000002023

Si las chispas el_ctricas del compresor
entran en contacto con vapores
inflamables, pueden encenderse,
provocando un incendio o una explosi6n.
Restringir cualquiera de las aberturas
de ventilaci6n del compresor puede
producir un sobrecalentamiento grave y
podr[a provocar un incendio.
• El funcionamiento sin atenci6n de este
producto podr[a provocar lesiones
personales o da_os a la propiedad.
Para disminuir el riesgo de incendio, no
permita que el compresor funcione sin
que alguien Io controle.
Si se pulverizan materiales inflamables,
ubique el compresor al menos a 6,1 m
(20 pies) del Area de pulverizaci6n. Se
puede necesitar manguera adicional.
Guarde los materiales inflamables en
lugar seguro lejos del compresor.
Nunca coloque objetos contra o sobre el
compresor.
Opere el compresor en un lugar
abierto con una distancia de al menos
30,5 cm (12 pulg.) a cualquier pared u
obstrucci6n que pudiera restringir el
flujo de aire fresco alas aberturas de
ventilaci6n.
Opere el compresor en un Area limpia,
seca y bien ventilada. No opere la unidad
dentro de la casa o en un Area muy
cerrada.
Permanezca siempre controlando
el producto cuando estA en
funcionamiento.
Desconecte la fuente elSctrica cuando
no est8 en use.
O
__ RIESGO RESPIRATORIO (ASFIXIA}
_,QUE PUEDE SUCEDER?
El aire comprimido que sale de su
compresor no es seguro para respirarlo.
El flujo de aire puede contener mon6xido
de carbono, vapores t6xicos o particulas
s61idas del tanque de aire. Respirar estos
contaminantes puede provocar lesiones
graves o la muerte.
Los materiales pulverizados como
pintura, solventes para pinturas,
removedor de pintura, insecticidas y
herbicidas pueden contener vapores
da_inos y venenos.
COMO EVITARLO
El aire que se obtiene directamente del
compresor no se debe usar nunca para
consumo humano. Para poder utilizar el
aire producido por este compresor para
respirar, se deben instalar correctamente
filtros y equipos en I[nea adecuados.
Los filtros y los equipos de seguridad
en I[nea que se usan junto con el
compresor deben ser capaces de tratar
el aire segLin todos los c6digos locales
y federales antes de que sea consumido
por seres humanos.
Trabaje en un Area con buena ventilaci6n
cruzada. Lea y siga las instrucciones
de seguridad que se proveen en la
etiqueta o en la ficha tecnica de los
materiales que estA utilizando. Utilice
siempre equipo de seguridad certificado:
protecci6n respiratoria aprobada por
NIOSH/OSHA y dise5ada para usar para
los fines que usted requiere.
1000002023 30 SP

RIESGO DE LESION ODA_IO ALA PROPIEDAD AL
TRANSPORTAR O ALMACENAR LA UNIDAD
_,QUE PUEDE SUCEDER?
Se puede producir una p_rdida o
derrame de aceite, Io que podria
provocar peligro de incendio o
inhalaci6n, lesiones graves o la muerte.
Los derrames de aceite da_ar_n
alfombras, pintura u otras superficies de
vehiculos o remolques.
COMO EVITARLO
Coloque siempre el compresor en un
tapete protector cuando Io transporte,
para proteger al vehiculo de da_os
por p6rdidas. Retire inmediatamente
el compresor del vehiculo una vez
que haya Ilegado a destine. Mantenga
siempre el compresor nivelado y nunca
Io coloque de costado.
"O
_RIESGO DE EXPLOSION
Tanque de aire: El tanque de aire de su compresor de aire est_ dise_ado y puede tener
c6digo UM (para unidades con tanques de aire de m_s de 152 mm (6 pulgadas) de
di_metro) segOn las normas de la ASME, Secci6n VIII, Div. 1. Todos los recipientes de
presi6n se deben inspeccionar cada dos a_os. Para encontrar al inspector de recipientes
de presi6n de su estado, busque en la Divisi6n Trabajo e Industrias de la secci6n guber-
namental de la guia telef6nica para obtener ayuda.
Las siguientes condiciones podrian Ilevar a un debilitamiento del tanque de aire, y provo-
car una explosi6n violenta del tanque:
_,QUE PUEDE SUCEDER?
o No drenar correctamente el agua
condensada del tanque de aire, que
provoca 6xido y adelgazamiento del
tanque de aire de acero.
• Modificaciones o intento de reparaci6n
del tanque de aire.
Las modificaciones no autorizadas de
la v_lvula de seguridad o cualquier otro
componente que controle la presi6n del
tanque.
Las vibraciones excesivas pueden
debilitar el tanque de aire de un
compresor estacionario y causar una
explosi6n.
Elementos y accesorios:
• Exceder las indicaciones de presi6n
para las herramientas neum_ticas, las
pistolas pulverizadoras, los accesorios
neum_ticos, los neum_ticos y otros
artfculos inflables puede hacer que
exploten o revienten, y puede provocar
lesiones graves.
COMO EVITARLO
Drene el tanque diariamente o luego
de cada use. Si un tanque de aire
presenta una p_rdida, reemplacelo
inmediatamente con un tanque nuevo o
reemplace todo el compresor.
Nunca perfore, suelde o haga ninguna
modificaci6n al tanque de aire o a sus
elementos. Nunca intente reparar un
tanque de aire dadado o con perdidas.
Reemplacelo con un tanque de aire
nuevo.
El tanque est_ disedado para soportar
determinadas presiones de operaci6n.
Nunca realice ajustes ni sustituya piezas
para cambiar las presiones de operaci6n
fijadas en la f_brica.
El compresor debe estar debidamente
montado, Consulte las Instrucciones de
"Anclaje" en Instalaci6n.
• Siga la recomendaci6n del fabricante del
equipo y nunca exceda el nivel mAximo
de presi6n aceptable para los elementos.
Nunca utilice el compresor para inflar
objetos pequeSos de baja presi6n, tales
como juguetes de ni5os, pelotas de
fOtbol o de basquetbol, etc.
31 SP 1000002023

-i__ RIESGO DE DESCARGA ELECTRICA
_,QUE_ PUEDE SUCEDER?
" Su compresor de aire funciona
con electricidad. Come cualquier
otro mecanismo que funciona
con electricidad, si no se Io utiliza
correctamente puede provocar
descargas el6ctricas.
o Que personal no calificado intente
realizar reparaciones puede provocar
lesiones graves o muerte por
electrocuci6n.
Puesta a tierra: La no colocaci6n de
la puesta a tierra adecuada para este
producto puede provocar lesiones
graves o muerte por electrocuci6n.
"Consulte las Instrucciones de Conexi6n
a tierra" en "lnstalaci6n".
COMO EVITARLO
Nunca haga funcionar el compresor al
aire libre cuando est_ Iloviendo o en
condiciones de humedad.
Nunca haga funcionar el compresor sin
las cubiertas de protecci6n o si est_n
da_adas.
Cualquier cableado el_ctrico o las
reparaciones requeridas para este
producto deben ser realizadas por
un centro de servicio de un centre de
mantenimiento autorizado de acuerdo
con los c6digos el_ctricos nacionales y
locales.
AsegLirese de que el circuito el6ctrico al
que se conecta el compresor suministre
la conexi6n a tierra adecuada, el voltaje
adecuado y el fusible de protecci6n
adecuado.
" II
I_1__ RIESGO DE OBJETOS DESPEDIDOS
_,QUE_ PUEDE SUCEDER?
" La corriente de aire comprimido puede
provecar lesienes en los tejidos blandos
de la piel expuesta y puede impulsar
suciedad, astillas, particulas sueltas y
objetos peque_os a gran velocidad, que
pueden producir da_os en la propiedad y
lesiones personales.
COMO EVITARLO
Utilice siempre equipo de seguridad
certificado: anteojos de seguridad ANSI
Z87.1 (CAN/CSA Z94.3) con protecci6n
lateral al usar el compresor.
Nunca apunte ninguna boquilla ni
pulverizador a ninguna parte del cuerpo
o a otras personas o animales.
Apague siempre el compresor y drene
la presi6n de la manguera de aire y del
tanque de aire antes de intentar hacer
mantenimiento, conectar herramientas o
accesorios.
_1__ RIESGO DE SUPERFiCiES CALIENTES
_,QUE_ PUEDE SUCEDER?
Tocar metal e×puesto eomo el cabezal
del compresor, el cabezal del motor, el
escape del motor, o los tubes de salida
puede provocar quemaduras graves.
COMO EVITARLO
Nunca toque ninguna parte metalica
expuesta del compresor durante
o inmediatamente despu6s de su
funcionamiento. El compresor continuarA
caliente durante varies minutos despu_s
de su funcionamiento.
No toque las cubiertas protectoras ni
intente realizar mantenimiento hasta que
la unidad se haya enfriado.
1000002023 32 SP

_[_ _ RIESGO POR PIEZAS IVi6VILES
_,QUE_ PUEDE SUCEDER?
Las piezas m6viles como la polea, el
volante y la correa pueden provocar
lesiones graves si entran en contacto
con usted o con sus ropas.
,, Intentar hacer funcionar el compresor
con partes da_adas o faltantes, o
intentar reparar el compresor sin las
cubiertas protectoras puede exponerlo
a piezas m6viles Io que puede provocar
lesiones graves.
COMO EVITARLO
Nunca haga funcionar el compresor
sin los protectores o cubiertas o si los
mismos estAn da_ados.
Mantenga el cabello, la ropa y los
guantes alejados de las piezas en
movimiento. Las ropas holgadas, las
joyas o el cabello largo pueden quedar
atrapados en las piezas m6viles.
Los orificios de ventilaci6n pueden
cubrir piezas en movimiento, per Io que
tambi_n se deben evitar.
Cualquier reparaci6n requerida por
este producto debe ser realizada por
un centre de servicio de un centro de
servicio autorizado.
- ®
_,QUE_ PUEDE SUCEDER?
•La operaci6n insegura de su compresor
de mire podria producir lesiones graves
o la muerte, a usted mismo o a otras
personas.
RIESGO DE OPERACION INSEGURA
COMO EVITARLO
Revise y comprenda todas las
instrucciones y advertencias de este
manual.
Familiaricese con la operaci6n y los
controles del compresor de mire.
Mantenga el Area de operaciones libre
de personas, mascotas y obstAculos.
Mantenga a los ni_os alejados del
compresor de mireen todo momento.
No opere el producto cuando est6
cansado o bajo la influencia de alcohol
o drogas. Mant6ngase alerta en todo
momento.
Nunca anule las caracterfsticas de
seguridad de este producto.
Equipe el area de operaciones con
un extintor de incendios.
No opere la maquina si faltan
piezas, si estas estan rotas o si no
son las autorizadas.
33 SP 1000002023

_ RIESGO DE LESION POR LEVANTAR
MUCHO PESO
_,QUE PUEDE SUCEDER? I COMO EVITARLO
I
®El intento de levantar un objeto muy I" El compresor es demasiado pesado
pesado puede provocar lesiones graves, como para que Io levante una sola
persona. Consiga ayuda de otras
personas para evantar o.
RIESGO POR RUIDOS
_,QUE PUEDE SUCEDER? COMO EVITARLO
En determinadas condiciones y segL_n el ,, Utilice siempre equipo de seguridad
periodo de uso, el ruido provocado por certificado: protecci6n auditiva ANSI
este producto puede originar p_rdida de S12.6 (S3.19).
audici6n.
CONSERVE ESTAS INSTRUCCIONES
PAPA FUTUPAS CONSULTAS
Familiar[cese con los siguientes t_rminos,
antes de operar la unidad:
OFM: (Cubic feet per minute) Pies ctibicos
per minuto.
SOFM: (Stardard cubic feet per minute) Pies
ct]bicos est_ndar por minute; una unidad de
medida que permite medir la cantidad de
entrega de aire.
PSIG: (Pound per square inch) Libras per pul-
gada cuadrada.
06digo de certificaci6n: Los productos
que usan una o m_s de las siguientes
marcas: UL, CUL, ETL, CETL, han sido
evaluados per OSHA, laboratories inde-
pendientes certificados en seguridad, y
re0nen los estandares suscriptos por los
laboratorios dedicados a la certificaci6n de
la seguridad.
Presibn Apro×. de Cone×i6n: Cuando el
motor est_ apagado, la presi6n del tanque
de aire baja a medida que usted continL_a
usando su accesorio. Cuando la presi6n
del tanque baja al valor fijado en f_brica
como punto bajo, el motor volver_ a arran-
car autom_ticamente. La presi6n baja a la
cual el motor arranca autom_ticamente, se
llama presi6n "minima de corte".
Presi6n apro×, de desconexi6n: Cuando
un compresor de aire se enciende y
comienza a funcionar, la presi6n de aire en
el tanque comienza a aumentar. Aumenta
hasta un valor de presi6n alto fijado en
fabrica antes de que el motor autom_ti-
camente se apague protegiendo a su
tanque de aire de presiones m_s altas que
su capacidad. La presi6n alta a la cual el
motor se apaga se llama presi6n "m_xima
de corte".
Ramal: Circuito el6ctrico que transporta
electricidad desde el panel de control
hasta el tomacorriente.
Para blequear el acceso a la cerriente:
Coloque un candado en el interruptor de
circuito para que nadie pueda activar la
corriente.
Esta bomba compresora de aire es capaz
de funcionar continuamente, sin embargo
para prolongar la vida 0til de su compresor
de aire se recomienda mantener un ciclo
promedio de servicio que oscile entre el
50% y el 75%; ello significa que la bomba
compresora no deber[a trabajar m_s de 30
a 45 minutos per hera
1000002023 34 SP

Esta unidad es suficiente para abastecer de energia electrica a los siguientes accesorios. Estos se
encuentran disponibles a tray,s del catalogo para herramientas electricas y manuales, en cualqui-
era de los comercios que mantiene la linea completa de SEARS.
Accesorios
o Filtro en linea
* Entrada de aire a neum_ticos
Juegos de conectores rapidos (varios
tama_os)
* Reguladores de presi6n de aire
o Lubricadores de niebla de aceite
* Manguera de aire: 1/4 plug., 3/8 plug.
o 1/2 plug. D.I. en varias medidas
Refi6rase al grafico de selecci6n ubicado
sobre la unidad, para elegir el tipo de her-
ramienta que esta unidad es capaz de
hacer funcionar.
_Ei use de
aoceeorios nO
recomendados para utHizar col3 esta
herramienta puede resultar peligreso. Use
selamente acceserios con una capacidad
nominal igual e superior a la de la
cempreser de aire.
Contenido de la Caja
1 - Compresor de aire
1 - Bolsa de piezas conteniendo Io
siguiente:
1 - Manual del operador
4 - Arandelas de 5/8 pulg.
1 - Conector de conductos
Herramientas necesarias para el
ensamble
1 - Ilave de tube o de boca
de 14 mm (9/16 pulg.)
1 - Taladro el6ctrico
Desembalaje
1. Extraiga todo el embalaje
,... , Podr_ ser necesario
, _.7-.-__apuntalarosoportar
un lade del equipo al extraer la plataforma,
porque el compresor de aire tenderA a
inclinarse.
2. Extraiga y descarte los (4) tomillos y
arandelas que sujetan el compresor a
la plataforma.
3. Con la ayuda de otra persona, rem-
ueva cuidadosamente el compresor
de aire de su plataforma y col6quelo
sobre una plataforma nivelada.
_Este compresor
fue enviado con
aceite en la caja del motor de la bomba.
Controle el nivel de aceite antes de poner
en funcionamiento el compresor de aire,
consulte Control de aceite en la secci6n
Mantenimiento.
COMO PREPARAR LA UNIDAD * Instale el compresor de aire Io mAs
Ubicaci6n del compresor de aire
,_ Instale el compresor de aire en una
zona limpia, seca y bien ventilada.
o Instale el compresor de aire a una dis-
tancia no menor de 30,5 cm (12 pulg.)
de la pared u otras obstrucciones que
pudiesen interferir con el flujo del aire.
cerca posible del sitio de alimentaci6n
electrica, a fin de evitar el uso de lar-
gas extensiones de cableado el6ctrico.
NOTA: Las extensiones electricas
demasiado largas pueden causar una
caida de tensi6n perjudicial para la
alimentaci6n del motor.
El filtro de aire debe mantenerse libre
de obstrucciones que pudiesen reducir
el flujo del aire al compresor.
35 SP 1000002023

Anclaje del compresor de aire
_L_ vibraci6n
excesiva puede
debilitar ai tanque de aire y ca°sat su
explosi6n. Ei compresor debe eetar
montado adecuadamente.
El compresor de aire DEBE anclarse a una
superficie s61ida y nivelada.
Elementos necesarios:
4 -Tarugos para anclajes en cemento
(no suministrados)
4 -Tornillos tirafondo de 3/8 pulg.
capaces de Ilenar los tarugos
para anclaje en cemento (no
suministrados)
4 -Arandelas 5/8 pulg. (suministrada)
-Cur_as (en case de ser necesario)
1. Instale el compresor de aire sobre una
superficie s61ida y nivelada.
2. Marque la superficie utilizando come
plantilla, los orificios existentes en el
compresor de aire.
3. Perfore la superficie, a fin de penetrar
los tarugos para anclaje en el cemento.
Coloque los tarugos en el cemento.
4. Haga coincidir la alineaci6n de los
orificios de la superficie, con el de las
patas del compresor de aire.
5. Coloque las (4) arandelas (suminis-
tradas) entre el piso y las patas del
compresor. Si fuese necesario, pueden
colocarse cur_as s61idas entre las aran-
delas y el piso a fin de distribuir en
forma pareja el peso sobre las cuatro
patas. Vea la figura siguiente.
Arandea de 5/8 pug ......Tornillo
Cu_a_i: a-de_s: [er ficie
la arandela (no Tarugos para anclaje
suministrada) en cemento (no
suministrados)
6. Coloque los (4) tornillos tirafondo de
3/8 pulg. a trav6s de las patas del
compresor de aire; de las arandelas
y cutlas, hasta Ilegar a los tarugos de
anclaje.
7. Aplique un torque de 7-10 pies-lbs, al
los tomillos tirafondo de
3/8 pulg.
Instrucciones para la conexi6n
el_ctrica
Riesge de cheque
el_ctrico. Una conexi6n
a tierra inadecuada puede ocasionar
electrocuci6n. Las cone×Jones el_ctricas
deben ser efectuadas pot un electricista
calificado.
Antes de efectuar las conexiones, un elec-
tricista calificado debe conocer Io siguiente:
1. Que el valor promedio del amperaje
en la caja el6ctrica sea el adecuado.
Para obtener dicha informaci6n debera
referirse a la hoja de especificaciones.
2. Que la linea de suministro el6ctrico
tenga id6nticas caracteristicas el6ctri-
cas (voltaje, ciclos, fases) que las del
motor. Para obtener dicha informaci6n
debera referirse a la placa de identi-
ficaci6n del motor, ubicada sobre el
lateral del mismo.
NOTA: La conexi6n el6ctrica debe cor-
responder al mismo voltaje indicado sobre
la placa de identificaci6n del motor mas
o menos 10%. Para informarse acerca de
las extensiones y calibres de cable reco-
mendadas y m_xima extensi6n del circuito,
deber_ referirse a los c6digos locales; un
circuito subdimensionado origina una caida
elevada del amperaje y un recalentamiento
del motor.
Riesgo de cheque
el_ctrico. La conexi6n
el_ctrica debe estar ubicada fuera
de superficies calientee, tales come
silenciadores de escape, tubes de salida
de cempresores de aire, cabezales o
cilindres.
INSTRUCCIONES PARA
CONECTAR A TIERRA
Este artefacto debe conectarse al terminal
met_lico de un sistema de cableado perma-
nente a tierra para equipos o al terminal del
a_efacto.
Protecci6n del voltaje y del circuito
Consulter le tableau des sp6cifications pour
conna_tre les exigences minimums concer-
nant la tension et le circuit de d_rivation.
1000002023 36 SP

Sistema de distribuci6n de aire
_Riesgo de
Expiosi6n.
Los tubos de pi_stico o PVC no hart
sido dise_ados para usarlos con aire
comprimido. Independientemente de Io
que est_ indicado come especificaci6n
de presi6n, las ca_erias de pl_stico
pueden explotar debido a la presi6n del
aire. Utilice eolarnente ca_oe de metal
para los tamales de distribuci6n.
La siguiente imagen representa un sistema
tipico de distribuci6n de aire. Las siguientes
son pautas para tener presente al montar
el sistema de distribuci6n del compresor
de aire.
o Utilice ca_o de la misma medida que
el de la salida del tanque de aire. Una
ca_eria demasiado angosta restringir_
el paso del aire.
• Si la caderia tiene m_s de 30,5 m
(100 pies) de Iongitud, utilice la medida
inmediata superior.
• Entierre la caSerfa por debajo de la
Ifnea de congelamiento y evite huecos
en los que la condensaci6n se pudiese
acumular y congelar. EfectLie pruebas
de presi6n antes de cubrir la caderia, a
fin de asegurarse que todas las unio-
nes de la misma se encuentran libres
de fugas.
• Se recomienda la instalaci6n de un
acoplamiento flexible, entre la salida
de descarga del aire y la linea principal
de distribuci6n del mismo, a fin de
aliviar eventuales vibraciones.
o Se recomienda la instalaci6n de un
segundo regulador para el control
de la presi6n del aire. La presi6n de
salida del tanque es - usualmente -
demasiado alta para las herramientas
individuales de acci6n neum_tica.
PENDIENTEDELA TUBERIA
DEALIMENTA¢ION CON FLUJO
¢OLUMNADE
DE_EOHO5
S|STEMA T|P|CO DE
D|STR|BUC|ON DE AiRE
VALVULAESFERICA
VALVULA-GRIFODEPURGA
¢OMPRE_IbN
DEAIRE
37 SP 1000002023

CONOZCA SU COMPRESOR DE AIRE
LEA ESTE MANUAL DEL PROPIETARIO Y SUS NORMAS DE SEGURIDAD ANTES DE
OPERAR LA UNIDAD. Compare las ilustraciones contra su unidad a fin de familiarizarse
con la ubicaci6n de los distintos controles y regulaciones. Conserve este manual para ref-
erencias futuras.
Descripci6n de operaciones
Familiarfcese con estos controles antes de
operar la unidad.
Interrupter On/Auto/Off: Mueva este
interruptor a la posici6n "On/Auto" para
dar contacto autom_tico al interruptor de
presi6n, y "Off" para interrumpir la energ[a
elSctrica al t_rmino del uso.
Interruptor de presi6n: El interruptor de
presi6n permite el arranque automAtico del
motor cuando la presi6n del tanque dis-
minuye pot debajo del valor de la presi6n
de conexi6n regulada en fabric& El motor
se detendrA cuando la presi6n del tanque
alcance los valores de presi6n de corte,
regulado en fAbrica para su desconexi6n.
V_lvula de seguridad: Si el interruptor
de presi6n dejara de cortar el suministro
de presi6n del compresor conforme a los
valores prefijados para la presi6n de corte,
la vAIvula de seguridad proteger_ contra
la presi6n elevada, "saltando" de acuerdo
a los valores prefijados en fAbrica (ligera-
mente superiores a los de presi6n de corte
de la Ilave interruptora.)
Man6metro de la presi6n del tanque:
El man6metro que controla la presi6n del
tanque indica la reserva de presi6n del
tanque de aire.
V_lvula de glebo: Abre y cierra la v_lvula
de descarga de aire. Gire la perilla en
sentido antihorario para abrir, yen sentido
horario para cerrac
Regulador (vendido per separado, no
mostrado): Para la mayor[a de aplicacio-
nes se recomienda usar un regulador de
presi6n o un transformador de aire sepa-
rado que combine las funciones de regu-
laci6n de aire y/o eliminaci6n de humedad
y tierra.
Sistema de enfriamiento (no mostrado}:
Este compresor contiene un sistema de
enfriamiento de avanzada. El nQcleo de
este sistema de enfriamiento contiene un
ventilador diseSado espeoialmente. Resulta
perfectamente normal para este ventila-
dor, soplar aire a trav6s del cabezal de la
bomba, la camisa del pist6n y el carter
del cigQe_al. Usted sabra que el sistema
de enfriamiento funciona adecuadamente
cuando perciba que el aire esta siendo
expelido.
Bomba de compresibn del aire (no
mostrada): Comprime el aire dentro del
tanque. El aire de trabajo no se encuentra
disponible hasta que el compresor haya
aloanzado a Ilenar el tanque hasta un nivel
de presi6n por encima del requerido para
la salida del aire.
1000002023 38 SP

V_lvula de
drenaje: La
valvula de V_lvula
drenaje se de
encuentra _je
ubicada sobre la
base del tanque de aire y se usa para
drenar la condensaci6n al fin de cada uso
V_lvula reguladora: Cuando el compresor
de aire se encuentra funcionando, la val-
vula reguladora esta "abierta", permitiendo
la entrada del aire comprimido al tanque de
aire. Cuando el nivel de presi6n del tanque
alcanza el punto de "corte", la vAIvula reg-
uladora "se cierra", reteniendo la presi6n
del aire dentro del tanque.
V_ivuia reguiadora
V_lvula aliviadora de presibn: La v_lvula
aliviadora de presi6n se encuentra ubicada
en el costado del interruptor de presi6n;
ha sido dise_ada para liberar automAti-
camente el aire comprimido de la cabeza
compresora y el tubo de salida, cuando el
compresor de aire alcanza la presi6n de
"corte" o es apagado. La vAIvula aliviadora
de presi6n permite el arranque libre del
motor. Cuando el motor se detiene, deber[a
escucharse el escape del aire a trav_s de
dicha valvula durante unos segundos. No
debe escucharse escape alguno mientras
el motor est_ en marcha, ni pSrdidas con-
tinuas una vez que se alcanz6 la presi6n
"de corW'.
Protector de sobrecalentamiento del
motor: Este motor tiene un protector man-
ual de sobrecarga t6rmica. Si el motor se
sobrecalienta por cualquier motivo, el pro-
tector de sobrecarga apaga el motor. Debe
permitirse que el motor enfr[e antes de
volverlo a arrancar de la siguiente forma:
1. Mover la palanquita de On/Auto/Off a
la posici6n de "Off".
2. Permitir que el
motor se enfr[e.
3. Presionar el
bot6n rojo de
Reinicializaci6n
(Reset) que esta en
el motor.
4. Para arrancar el Bot6n Rojo de
motor mover la Reinieializaci6n
palanquita de On/ (Reset)
Auto/Off a la posici6n de "On/Auto".
Filtro para la entrada del aire (no
mostrado): Este filtro est_ diseSado para
limpiar el aire que entra a la bomba. Dicho
filtro debe estar siempre limpio y los orifi-
cios de ventilaci6n libres de obstrucciones.
Vea "Mantenimiento".
COMO UTILIZAR SU UNIDAD
C6mo detenerla:
1. Coloque la posici6n de la Ilave inter-
ruptora On/Auto/Off en la posici6n
"Off".
Antes de ponerlo en marcha
No opere esta
unidad hasta
que haya leido y comprendido este
manual de instrucciones de seguridad,
operacibn y mantenimiento.
Procedimiento de asentamiento
Riesgo dar_o a
la propiedad.
Si las siguientes instrucciones no fuesen
seguidas estrictamente, podrAn ocurrir
serios da5os.
Este procedimiento es necesario antes de
poner en servicio el compresor de aire y
cuando la vAIvula reguladora o la bomba
completa del compresor hayan sido reem-
plazadas.
1. Asegt_rese que la palanca On/Auto/Off
se encuentra en la posici6n "Off".
2. Verifique el nivel de aceite en la
bomba. Para recibir instrucciones,
lea al parrafo "Aceite" en la secci6n
Mantenimiento.
3. Vuelva a verificar todas las conexiones.
Asegurese de que todos los cables
se encuentren firmes en todos
los terminales de sus conexiones.
Asegt_rese de que todos los contactos
se muevan libremente, y que no existan
obstrucciones.
39 SP 1000002023

4. Abra completamente la vMvula de
asiento, a fin de permitir el escape
del mirey prevenir la acumulaci6n de
presi6n de mire dentro del tanque,
durante el periodo de asentamiento.
5. Mueva la palanca On/Auto/Off a la
posici6n "On/Auto". El compresor se
pondr_ en marcha.
6. Haga funcionar el compresor durante
20 minutes. AsegLirese que la valvula
de asiento se encuentre abierta y que
la presi6n del tanque sea minima.
7. Aplicando una soluci6n jabonosa,
verifique todas las conexiones /
ca_erfas, a fin detectar fugas de mire.
Corrija si fuese necesario. NOTA:
Perdidas menores pueden ocasionar
una carga adicional de trabajo al
compresor, dando come resultado su
rotura prematura o una performance
inadecuada.
8. Verifique la existencia de vibraci6n
excesiva. Reajuste o acufle el pie del
compresor, si ello fuese necesario.
9. Luego de 20 minutes, cierre la vMvula
de asiento. El mire recibido elevara la
presi6n hasta el punto de la "presi6n
de corte" y ello harmdetener el motor.
Antes de cada puesta en marcha
1. Coloque el interrupter On/Auto/Off en
la posiciSn "Off" y cierre el regulador
de mire.
2. Cierre la valvula de asiento.
3. Conecte la manguera y accesorios
insegura. Sestenga la manguera
firmemente con las manes al instalarla
edesconectaria para evitar la
desconexi6n repentina de la manguera
Riesgo.de
-- operation
insegura. No utilice los accesorioe
dal_adoe o ueados.
NOTA: Cuando se instalen accesorios espe-
cificados para menos de 175 PSI, DEBERA
instalarse un regulador.
NOTA: Tanto la manguera come los accesorios
requeriran un enchufe de conexi6n rapida si la
salida del mireesta equipada con un z6calo de
conexi6n rapida.
Riesgo de
-- Explosi6n.
Demasiada presibn de aire pedr& ser la
cauea de rieego de explosi6n. Verifique
lee valores de m_×ima presi6n dades
per ei fabricante de las herramientas
neum&ticas ylos accesorios. La presi6n
de salida del reguiador jam&s debe
exceder los vaiores de m_xima presi6n
especificados.
_Riesgo de
-- operacibn
insegura. El aire comprimido de la
unidad puede contener condensaci6n
de agua y ernanaci6n de aceite. No
puiverice mire no fiitrado sobre un
articulo que podria da_aree con la
humedad. AIgunos dispositivoe e
herramientas neum_ticas pueden
requerir mire filtrado. Lea las
instrucciones del diepoeitivo ola
herrarnienta neum_tica.
C6rno porter en marcha
1. Mueva la palanca On/Auto/Off a la
posici6n "On/Auto" y deje que se
incremente la presi6n del tanque. El
motor se detendr_ una vez alcanzado
el valor de presiSn "de corte" del
tanque.
2. Cuande la presi6n del tanque alcance el
valor de "presi6n de certe", se abrira la
vMvula de asiento.
IMPORTANTE: al utilizar un regulador y
otros accesorios, refi6rase alas instruccio-
nes del fabricante.
_Si observa algl3n
ruido ovibraci6n
inusuales, apague el compresor y
contacte a un t6cnice calificado en
servicio.
El compresor estar_ listo para ser usado.
1000002023 40 SP

RESPONSABlUDADES DELCUENTE
Verifique la v_lvula de
seguridad
Drenaje del tanque
Perdidas de aceite
Verifique el aceite de la
bomba
Cambie el aceite de la
bomba
Ruido inusual y/o vibraci6n
Filtro de aire
Estado de la correa
Alineado de la polea/volan-
te del motor
Wlvulas de entrada y
escape de la bomba del
compresor de aire
Inspecci6n de eventuales
fugas en las ca_erias de
aire y las conexiones.
Antes Diariamente Cada Cada Cada Cada
de o luego de 8 40 100 160
cada cada use horas horas horas horas
use
o
o
o
o
o
o
o
o
Anualmente
Pernos del Cabezal-Verificar el torque de los pernos del cabezal despuSs de las primeras
5 horas de operaci6n.
1- M_s frecuente en condiciones polvorientas o h0medas.
Riesge de
-- Operaci6n
Insegura, La unidad arranca
autom_ticamente cuando est_
enchufada. AI hacer el mantenimiento,
el operador puede quedar e×puesto
a fuentes de corriente y de aire
comprimido o a piezas movibles.
Antes de intentar hacer reparaciones,
desconectar el compresor del
tomacorriente, drenar la presi6n de aire
del tanque y esperar aque el compreser
se enfrie.
Para asegurar una operaci6n eficiente y
una vida 0til m_s prolongada del com-
presor de aire, debe prepararse y seguirse
un programa de mantenimiento rutinario.
El programa de mantenimiento rutinario
precedente est_ diser_ado para un equipo
que funciona diariamente en un ambiente
normal de trabajo. Si fuese necesario,
debe modificarse el programa para adap-
tarlo alas condiciones bajo las cuales se
usa su compresor. Las modificaciones
dependerain de las horas de operaci6n y
del ambiente de trabajo. Los compresores
41 SP
que funcionan en un ambiente sumamente
sucio y/u hostil requerir&n que hagan todas
las inspecciones de mantenimiento con
mayor frecuencia.
NOTA: Vea en la secci6n Operaci6n para
la ubicaci6n de los controles.
come VERIFICAR LA VALVULA DE
SEGURIDAD
Riesgo de
-- Explosibn, Si
la v_lvula de seguridad no trabaja
adecuadamente, erie podr_i determinar
la sobrepresi6n del tanque, creando el
riesgo de su ruptura o explosi6n.
Riesgo de
-- objetos
despedides. Utilice siempre equipo
de eeguridad eertificade: anteejoe de
seguridad ANSI Z87.1(CAN/CSA Z94.3}
con protecci6n lateral
1. Antes de poner en marcha el motor,
tire del anillo de la v_lvula de seguridad
para confirmar la seguridad de que la
misma opera libremente, si la valvula
quedase trabada o no trabajara
c6modamente, deber_ ser reemplazada
per el mismo tipo de v_lvula.
1000002023

COMe DRENAR EL TANQUE
Riesgo de
operaci6n
insegura. Riesgo per ruidos. Los tanques
de aire contienen aire de alta presi6n.
Mantenga la cara y otras partes del
cuerpo lejos de la salida del drenaje.
Utilice anteojoe de seguridad ANSi
Z87.1(CAN/CSA Z94.3}, ya que al drenar
se pueden desprender residues hacia
la cara. Utilice protecci6n auditiva ANSi
$12.6 ($3.19}, ya que el ruido del flujo de
aire es alto durante el drenaje.
NOTA: La operaci6n del compresor de
aire causa condensaci6n que se acumula
dentro del tanque de aire. Drene siempre
el tanque sobre una superficie lavable o
dentro de un contenedor apropiado, con el
objeto de prevenir da_os o el manchado de
superficies.
1. Coloque la palanca On/Auto/Off en la
posici6n "Off".
2. Cierre la valvula de asiento.
3. Remueva la herramienta neumAtica o
el accesorio.
4. Abra la valvula de asiento y lentamente
deje purgar el aire del tanque de aire,
hasta que la presi6n del mismo Ilegue
aproximadamente a 20 PSI.
5. Cierre la v_lvula de asiento.
6. Drene el agua contenida en el tanque
de aire, abriendo la vAIvula de drenaje
ubicada en la base del tanque.
_Riesgo de
Explosibn. El agua
ee condensa dentro del tanque de aire.
Si no ee la drena, Io corroer_ debilitando
eus paredes, poniende en riesgo la
ruptura del tanque de aire.
Riesgo de daSo a la
propiedad. Drene el
agua del tanque de aire puede contener
aceite y 6xido, Io que puede provocar
manchas.
7. Una vez drenada el agua, cierre la
v_lvula de drenaje. Ahora el compresor
de aire podr_ ser guardado.
NOTA: Si la v#_lvula de drenaje fuera del
tipo enchufe, elimine toda la presi6n de
aire. La v_lvula podr& entonces ser extrai-
da, limpiada y finalmente reinstalada.
ACEITE
, ,, . _ S61o utilice aceite
espec[fico para
compresores de aire. Los aceites para
autom6viles de diversos pesos come
10W30 no deben utilizarse para los
compresores de aire. Dejan dep6sitos
de carbono en componentes criticos,
disminuyendo de esa forma el rendimiento
y la vida LXildel compresor, life.
NOTA: Utilice aceite para compresor 30W
o 30W grade SAE para trabajo pesado, no
detergente, nivel SF o un aceite mejor. NO
utilice aceites para autom6viles de diversos
pesos, reducir_n la vida Litil del compresor.
En condiciones extremas de invierno utilice
aceite de peso 10, grade SAE.
NOTA: La capacidad de aceite del carter
del cigLledal es de aproximadamente 48
onzas fluidas (1,4 litros).
Verificaci6n
1. El nivel de aceite deber_ Ilegar a la
mitad del visor de vidrio (C).
2. En case de necesidad quite el tap6n
de Ilenado de aceite (A) y agregue
lentamente aceite hasta alcanzar la
mitad del visor de vidrio.
Cambio
1. Extraiga el tap6n del aceite (A).
2. Extraiga del tap6n de drenaje del
aceite (B) y drene el aceite en un
recipiente adecuado.
3. Reponga el tap6n de drenaje del
aceite (B) y ajListelo firmemente.
4. Agregueaceite lentamente al compresor
hasta que el nivelalcance la mitad del visor
de vidrio (C).NOTA:AI Ilenarel c&rter del
cigeeSal,el aceite fluye muy lentarnente
dentro de la bornba.Si el aceite fuese
agregado rapidamente rebalsar&y aparen-
tara haberseIlenado.
1000002023 42 SP

_ Riesgo de Operaci6n
insegura.Sobrepasar
el nivel de aceite causara la falla prematura del
compresor. No exceda su Ilenado.
5. Reponga el tap6n del aceite (A) y ajLiS-
telo firmemente.
FILTRO DE AIRE =INSPECClON Y
REEMPLAZO
_ Superficies
calientes. Riesgo
de quemaduras. Las cabezas del
compreser est_n expuestas ouando se
retira la cubierta del fiitro. Deje enfriar
al compresor antes de darle servicie.
_ Mantenga limpio el
filtro de aire en todo
memento. No haga funcionar el compresor
de aire sin su filtro de aire.
Un filtro de aire sucio no permitir_ que
el compresor opere a plena capacidad.
Mantenga el filtro de aire limpio en todo
memento.
1. Extraiga el filtro de aire.
2. Retire la tapa del filtro de aire.
3. Extraiga el filtro de aire de la cubieC_a.
IMPORTANTE: No opere el compresor sin
su filtro de aire.
4. Instale un nuevo filtro de aire dentro
la cubieCca del filtro. Para obtener el
nOmero de pieza correcto, refi6rase a
"Piezas de reparaci6n"
5. Reponga la cubierta del filtro del aire
y rearme el filtro de aire a la bomba.
CORREA- REEMPLAZO
(Referirse al manual de partes para
obtener el nQmero de parte de la
correa de repuesto.)
_ Pueden ocurrir
series da5os
personales si las piezas movibles
atrapan partes del cuerpo o articulos
sueltos. Nunca epere el equipo sin
el cobertor de la correa. S61o debe
quitarse el cobertor de la correa cuando
se descenecta el cempreser de aire,
1. Apagar el compresor de aire, desco-
nectar el suministro electrico, y lib-
erar toda presi6n de aire dentro del
tanque.
2. Extraiga la protecci6n de la correa.
3. Marque la posici6n de la bomba sobre
el montante.
4. Afloje los tomillos montantes del
motor y deslice 6ste hacia el com-
presor.
5. Retire la correa y reemplacela per una
nueva.
_Riesgo per
piezas m6viles.
Sea precavido cuando haga avanzar
la correa sobre el volante, ya que los
dedos podrian quedar atrapados entre
ambas partes.
6. Vea "Regulaci6n de la tensi6n de la
correa" antes de ajustar los tomillos
montantes del motor.
REGULACION DE LA TENSION DE
LA CORREA
1. Deslice el motor a su posici6n origi-
nal; alin6elo con la mama efectuada
antes sobre el montante.
2. Ajuste los dos tornillos exteriores del
motor, Io suficiente para sostener a
_ste en posici6n hasta verifioar la alin-
eaci6n de la polea y el velante.
3. La correa debe flexionarse 4,8 mm
(3/16 pulg.) en el punto medio de la
distancia entre la polea y el volante
cuando en ese punto se aplique una
fuerza de 2,3 a 4,5 Kg (5 a 10 libras).
4. Una vez Iograda la tensi6n adecuada,
ajuste los cuatro tornillos montantes.
Vea el Manual de partes para infor-
marse acerca de las especificaciones
de torque.
NOTA: Una vez que la polea del motor
ha side movida, a partir de su instalaci6n
original de f_brica, las ranuras del volante
y la polea deben alinearse dentro un range
de variaci6n de 1,6 mm (1/16 pulg.), para
prevenir un excesivo desgaste de la cor-
rea. Verifique la alineaci6n ejecutando el
siguiente procedimiento de alineaci6n
polea-volante.
Polea y volante - Alineaci6n
NOTA: Una vez que la polea del motor ha
sido movida, punto de su instalaci6n origi-
nal de fAbrica, las ranuras del volante y la
polea deben alinearse dentro un range de
variaci6n de 1,6 mm (1/16 pulg.), para pre-
venir un excesivo desgaste de la correa.
43 SP 1000002023

El volante del compresor de aire y la polea
del motor deben estar en linea (en el
mismo plane) dentro de una variaci6n de
1,6 mm (1/16 pulg.), para asegurar la reten-
ci6n de la correa dentro de las ranuras del
volante. Para verificar la alineaci6n ejecute
los siguientes pasos:
1. Apagar el compresor de aire, desco-
nectar el suministro el6ctrico, y lib-
erar toda presi6n de aire dentro del
tanque.
2. Remueva la defensa de la correa.
3. Coloque una regla contra el lado exte-
rior del volante y la polea de empuje
del motor.
COrnEA POLEA DEL _OTOR
j/
84 _ _W_UAL_ R_CTO
4. Mida la distancia entre el borde de la
correa y la regla, en el punto A1-A2
de la figura. La diferencia entre las
mediciones no debe ser mayor que
1,6 mm (1/16 pulg.).
Si la diferencia es mayor que
1,6 mm (1/16 pulg.), afloje el tomillo
de fijaci6n que sostiene la polea pro-
pulsora del motor al eje y regule la
posici6n de la polea en el eje hasta
que las medidas A1 y A2 se encuen-
tren a 1,6 mm (1/16 pulg.) entre sf.
Ajuste los tomillos de fijaci6n de la
polea del motor. Vea el Manual de
partes para informarse de las espe-
cificaciones de torque.
Verifique visualmente que la polea de
empuje del motor est6 perpendicular
al eje del mismo. Los puntos B1 y B2
de la figura deben parecer iguales. Si
as[ no fuera, afloje el juego de tornil-
los de fijaci6n de la polea de empuje
del motor e iguale B1 y B2, teniendo
cuidado de no alterar la alineaci6n de
la correa ejecutada en el paso 2.
8. Reajuste los tornillos de fijaci6n de
la polea de empuje del motor vea el
manual de piezas para informarse de
las especificaciones de torque.
9. Reinstale la defensa de la correa.
VALVULAS DE ENTRADA Y SALIDA
DE LA BOMBA DEL COMPRESOR
DE AIRE
Una vez al a_o haga que un t6cnico
capacitado de servicio inspeccione las vAI-
vulas de entrada y salida de la bomba del
compresor de aire.
INSPECCION DE LAS CAI_IERJAS
DE AIRE Y LAS CONEXIONES PARA
DETECTAR FUGAS
1. Ponga en marcha el compresor de aire
para permitir inspeccionar la existencia
de fugas de aire.
2. Aplique una soluci6n jabonosa a todos
los acoplamientos de aire y las con-
exiones /caSerfas.
3. Corrija cualquier p_rdida encontrada.
IMPORTANTE: Incluso p6rdidas menores,
pueden causar una carga adicional de tra-
bajo al compresor, dando como resultado
su rotura prematura o una performance
inadecuada.
TORNILLOS DEL CABEZAL DEL
COMPRESOR DE AIRE. -TORQUE
Los tornillos del cabezal del compresor de
aire deben mantenerse debidamente ajusta-
dos. Verifique el torque de los tomillos del
cabezal luego de las primeras cinco horas
de operaci6n. ReajOstelos si fuese necesa-
rio. Vea el Manual de partes para informarse
de las especificaciones de torque.
1000002023 44 SP

SERVICIO Y AJUSTETODO TIPO DE MANTENIMIENTO Y REPARACIONES NO
MENCIONADOS EN ESTE MANUAL, DEBERAN SER EFECTUADOS POR PERSONAL
TECNICO ESPECIALIZADO.
Riesgo de Operacibn Insegura. La unidad arranca
autom_ticamente cuando est_ enchufada. AI hacer el
mantenimiento, el operador puede quedar expuesto a fuentes de corriente y de aire
comprimido o a piezas movibles. Antes de intentar hacer reparaciones, desconectar
el compresor del tomacorriente, drenar la presi6n de aire del tanque y esperar a que
el compresor se enfrie.
PARA REEMPLAZAR OLIMPIAR LA
V_,LVULA DE RETENCION
1. Libere toda la presi6n del tanque de
aire. Vea "C6mo Drenar el Tanque"
en la secci6n Mantenimiento.
2. Desenchufe el equipo.
3. Utilizando una Ilave regulable, afloje la
tuerca del tubo de salida del tanque de
aire y la bomba. Retire cuidadosamente
la tuberia de salida de la valvula de
retenci6n.
4. Utilizando una Ilave regulable, afloje
la tuerca del tubo aliviador de presi6n
en el tanque de aire y el interruptor
de presi6n. Retire cuidadosamente la
tuberia de alivio de presi6n de la val-
vula de retenci6n.
5. Desenrosque la v_lvula de reten-
ci6n gir_ndola hacia la izquierda
usando una Ilave de boca de 22 mm
(7/8 pulg.). Tome nota de la orient-
aci6n para volverla a ensamblar.
6. Usando un destornillador, empuje
con cuidado el disco de la valvula
hacia arriba y hacia abajo. NOTA:
El disco de la v_lvula debe moverse
libremente hacia arriba y hacia abajo
sobre un resorte que detiene el disco
de la v_lvula en la posici6n cerrada.
Si no Io hace, la v&lvula de retenciOn
necesita ser limpiada o reemplazada.
7. Limpie o reemplace la v_lvula de
retenci6n. Un solvente, tal como un
removedor de pintura o de barniz
puede usarse para limpiar la v_lvula
de retenci6n.
8. Aplique sellador alas roscas de la
v&lvula de retenci6n. Vuelva a instalar
la v_lvula de retenciOn (gire a la dere-
cha).
9. Vuelva a instalar la tuberia de alivio de
presi6n. Ajuste las tuercas.
10. Vuelva a instalar la tuber[a de salida y
ajuste las tuercas.
11. Ejecute el procedimiento de puesta
en marcha. Vea Procedimiento de
Puesta en Marcha" en la secci6n
Operaci6n.
SERVIClO ADICIONAL
No se recomienda desarmar ni darle servi-
cio a este compresor de aire mas all_ de Io
tratado en este manual. Si se requiere de
servicios adicionales, contactarse con el
Centro de Servicios de Garantfa Autorizado
m_s cercano.
abierta
nada es
visible
En posici6n cerrada
el disco es visible
45 SP 1000002023

Antes de guardar su compresor de aire,
asegOrese de hacer Io siguiente:
1. Revise la secci6n Mantenimiento de
las p_ginas precedentes y ejecute el
mantenimiento programado de acu-
erdo a la necesidad.
2. Coloque la palanca On/Auto/Off en la
posiciSn "Off".
3. Cierre la valvula de asiento
4. Extraiga la herramienta neumAtica o el
accesorio.
5. Abra la v_lvula de asiento y lentamente
deje purgar el aire del tanque de aire,
hasta que la presi6n del mismo Ilegue
aproximadamente a 20 PSI.
6. Drene el agua del tanque de aire
abriendo la valvula de drenaje ubicada
en el fondo del tanque.
_EI agua se
condensa dentro
del tanque de aire. Si no se drena, ella
corroer_ debilitando las paredes del
tanque de aire, originande un riesge de
ruptura de sus paredes.
7. Una vez que el agua haya sido
drenada, cierre la v_lvula de drenaje.
NOTA: Si la v_lvula de drenaje estuviese
enchufada, libere toda la presi6n de aire. La
vAIvula podr_ ser extraida, limpiada y luego
reinstalada.
8. Proteja la manguera del aire de da5os
(tales como ser pisoteada o caminar
per encima).
Almacene el compresor de aire en un sitio
limpio y seco.
_ Riesgo de Operaci6n Insegura. La unidad arranca
autom_ticamente cuando est_ enchufada. AI hacer el
mantenimiento, el operador puede quedar expuesto a fuentes de corriente y de aire
cemprimido e a piezas movibles. Antes de intentar haeer reparaeienes, deseoneetar
el cempresor del temacerriente, drenar la presi6n de aire del tanque y esperar a que
el cempresor se enfrie.
PROBLEMA CAUSA CORREOOION
PresiSn excesiva del El interruptor de presi6n no Mueva la palanca On/Auto/Off a
tanque - la v_lvula de interrumpe al motor cuando la posici6n "Off", si el equipo no
seguridad se dispara el compresor alcanza la pre- corta, contacte a un tecnico califi-
siSn "de corte", cado para el servicio.
El interrupter de presi6n Contacte a un tecnico de servicio
"de corte" esta calibrado calificado.
demasiado alto.
has conexiones has conexiones de los
pierden aire tubos no est_n suficiente-
mente ajustadas
Compruebe si el asiento de
la vailvula est_ da_ado.
Hay fugas de aire en
la vAIvula de reten-
ci6n o dentro de ella
Ajuste las conexiones en las que el
aire puede ser escuchado escapAn-
dose. Verifique las conexiones
con soluciSn jabonosa y agua. NO
SOBREAJUSTE.
Una valvula de retenci6n defec-
tuosa causa una fuga constante
de aire en la vAIvula de alivio de
)resi6n cuando hay presi6n en el
tanque y se apaga el compresor.
Reemplace la v_lvula de retenci6n.
Consulte "c6mo reemplazar o lim-
)iar la v_lvula de retenci6n" en la
secci6n Operaci6n.
1000002023 46 SP

PROBLEMA
Perdida de presi6n
de aire en el inter-
ruptor de la valvula
aliviadora
P_rdida de aire en el
tanque de aire o en
las soldaduras del
tanque de aire
P6rdida de aire entre
el cabezal y el plato
de vAIvula
La lectura de la
presi6n sobre un
man6metro (si viene
equipado con 6ste)
desciende cuando se
utiliza un accesorio
Perdida de aire en la
valvula de seguridad
El compresor no
esta suministrando
suficiente cantidad
de aire para
operar los accesorios
PSrdida en el sellado.
CAUSA CORRECCION
Un interrupter de presi6n Contacte a un tecnico calificado en
defectuoso libera la vAIvula, servicio.
Tanque de aire defectuoso. El tanque de aire debe ser reem-
)lazado. No repare la perdida.
-- _xpIosIorL
No efectlJe perferaeibn alguna
sebre la soldadura o eosa
semejante sobre el tanque de
aire, ello Io debilitar_. El tanque
pedria romlperse o expIotar.
Contacte a un t6cnico calificado en
servicio.
Es normal que ocurra
"algLin" descenso en la
)resi6n.
Posible defecto en la
vAIvula de seguridad.
Excesivo y prolongado uso
del aire.
El compresor no tiene
suficiente capacidad para el
requerimiento de aire al que
estA sometido.
Orificio en la manguera
V_lvula reguladora
restringida.
Perdida de aire.
Filtro de entrada de aire
restringido
Correa suelta.
Toma de aire Filtro de aire sucio
restringida
Si hubiese una caida excesiva de
)resi6n durante el use del acceso-
rio, ajuste el regulador de acuerdo
alas instrucciones de la secci6n
Operaci6n. NOTA: Ajuste la presi6n
regulada bajo condiciones de flujo
mientras se est8 usando el acceso-
rio).
Opere manualmente la valvula de
seguridad, extrayendola per su
anillo. Si la v_lvula pierde, debera
ser reemplazada.
Disminuya la cantidad de use de
aire.
Verifique el requerimiento de aire
del accesorio. Si es mayor que
SCFM o la presi6n suministrada por
su compresor de aire, se necesita
un compresor de mayor capacidad.
Verifique y reemplace si fuese
necesario.
Extraiga, limpie o reemplace.
Ajuste las conexiones.
Limpie o reemplace el filtro de
entrada de aire. No opere el
compresor de aire sin el filtro.
Verifique la tensi6n de la corra, lea
Ajuste de la tensi6n de la correa, en
la secci6n Mantenimiento.
Limpie o reemplace. Ver el pArrafo
"filtro de aire" en la secci6n
Mantenimiento.
47 SP 1000002023

PROBLEMA
El motor no funciona
CAUSA
El interruptor de protecci6n
de sobrecarga del motor se
ha abierto.
El motor no funciona
Salta la vAIvula de
seguridad
La presi6n del tanque
excede la presi6n de "corte
mAximo" del interruptor de
)resi6n.
La vAIvula de retenci6n se
ha quedado abierta.
Conexiones el6ctricas
sueltas.
Posible motor o capacitor
de arranque defectuosos
Rociado de pintura en las
_artes internas del motor.
La vAIvula de liberaci6n de
presi6n en el interruptor de
presi6n no ha descargado la
carga de presi6n.
Fusible quemado, disyuntor
abierto.
El interrupter de presi6n,
la vAIvula de retenci6n o
la bomba pueden estar
necesitando mantenimiento.
CORRECCION
Consulte "Protector de sobreca-
lentamiento del motor" on la secci6n
Operaci6n. Si la protecci6n de la
sobrecarga del motor dispara con
frecuencia, comunfquese con un
t6cnico de servicio calificado.
El motor arrancarA automAticamente
cuando la presi6n del tanque caiga
per debajo de la presi6n de corte
maxima del interrupter de presi6n
Retire y limpie, o reemplace.
Compruebe la conexi6n de cableado
dentro del interruptor de presi6n y
del Area de la caja de terminales.
Haga inspeccionar por un t6cnico
capacitado de servicio.
Haga inspeccionar por un t6cnico
capacitado de servicio. No haga
funcionar el compresor en el Area de
pintura per rociado. Vea la advertencia
acerca de vapores inflamables
Purgue la linea empujando la palanca
en el interruptor de presi6n a la
_osici6n "OFF" [Apagado]; si la val-
vula no se abre, reemplace el inter-
ruptor.
Inspeccione la caja de fusibles
para determinar si hay fusibles
quemados y reemplAcelos
segOn sea necesario. Reajuste
el disyuntor. No use un fusible
o disyuntor con capacidad
mayor que la especificada para
su circuito especificado.
2. Compruebe si el fusible es el
correcto. Debe usar un fusible
de acci6n retardada.
3. Compruebe si existen
condiciones de bajo voltaje y/o
si el cord6n de extensi6n es el
correcto.
4. Desconecte todos los otros
artefactos el6ctricos del cir-
cuito u opere el compresor en
su propio circuito.
Contacte a un tecnico calificado en
servicio.
1000002023 48 SP

PROBLEMA
Golpeteo
Excesivo desgaste de
la correa
Sonido a chiflido
CAUSA
Posible defecto en la v_l-
vula de seguridad.
Posible defecto en la val-
vula de seguridad.
Polea floja
Volante flojo
Tornillos montantes del
compresor flojos
Correa floja
Acumulaci6n de carb6n en
la bomba.
Correa demasiado ajustada.
Correa suelta.
Correa demasiado ajustada.
Polea floja
Polea desalineada.
La bomba del compresor no
tiene aceite.
Correa suelta
CORRECCION
Opere la v_lvula de seguridad manu-
almente tirando de su anillo. Si la
v_lvula aun pierde, debera ser reem-
_lazada.
Extraiga y limpie o reemplace.
Ajuste el tornillo de la polea a ,Vea
el manual de piezas para conocer
las especificaciones de torque.
Ajuste el tornillo del volante, Vea el
manual de piezas para conocer las
especificaciones de torque.
Ajustar los tomillos de montaje a,
Vea el manual de piezas para con-
ocer las especificaciones de torque.
Verifique la tensi6n de la corra, lea
Ajuste de la tensi6n de la correa, en
la secci6n Mantenimiento.
H_gala verificar per un t_cnico
entrenado.
Verifique la tensi6n de la corra, lea
Ajuste de la tensi6n de la correa, en
la secci6n Mantenimiento.
Verifique la tensi6n de la corra, lea
Ajuste de la tensi6n de la correa, en
la secci6n Mantenimiento.
Verifique la tensi6n de la corra, lea
Ajuste de la tensi6n de la correa, en
la secci6n Mantenimiento.
H_gala verificar per un t_cnico
entrenado.
Ver el pArrafo "alineaci6n de polea/
volante del motor" en la secci6n
Mantenimiento.
Ver "verificacion del aceite" en la
secci6n Mantenimiento.
Verifique la tensi6n de la corra, lea
Ajuste de la tensi6n de la correa, en
la secci6n Mantenimiento.
49 SP 1000002023

1000002023 50

Repair Protection Agreements
Congratulations on making asmart pur-
chase. Your new Craftsman ® product
is designed and manufactured for years
of dependable operation. But like all
products, it may require repair from time
to time. That's when having a Repair
Protection Agreement can save you
money and aggravation.
Purchase aRepair Protection Agreement
now and protect yourself from unexpected
hassle and expense.
Here's what's included in the Agreement:
[] Expert service by our 12,000
professional repair specialists
[] Unliroited service and no charge for
parts and labor on all covered repairs
[] Product replacement if your covered
product can't be fixed
[] Discount of 10% from regular price
of service and service-related parts
not covered by the agreement; also,
10% off regular price of preventive
maintenance check
[] Fast help by phone - phone support
from a Sears technician on products
requiring in-home repair, plus
convenient repair scheduling
Once you purchase the Agreement, a
simple phone call is all that it takes for you
to schedule service. You can call anytime
day or night, or schedule a service appoint-
ment online.
Sears has over 12,000 professional repair
specialists, who have access to over 4.5
million quality parts and accessories. That's
the kind of professionalism you can count
on to help prolong the life of your new
purchase for years to come. Purchase your
Repair Protection Agreement today!
Some limitations and exclusions apply.
For prices and additional information
call 1-800-827-6655.
Sears installation Service
For Sears professional installation of home
appliances, garage door openers, water
heaters, and other major home items, in
the U.S.A. call f-800-4-MY-HOME ®
Contratos de Proteccidn para
Reparaciones
Felicitaciones pot hacer una compra
inteligente. Su nueva unidad Craftsman ®
est_ diseSada y fabricada para a5os de
operacidn confiable; pero como todos
los productos de calidad podrian requirir
reparaciones de vez en cuando. Ahi es
cuando el Contrato de Proteccidn para
Reparaciones le puede ahorrar dinero y
molestias.
Compre ahora un Contrato de Proteccidn
para Reparaciones y prot6jase contra apu-
rosy gastos inesperados.
El contrato incluye Io siguiente:
Servicio Experto por une de nuestros
12.000 profesionales especializados en
reparaciones.
Servicio ilirnitado sin cargos per
repuestos ni rnano de obra por todas las
reparaciones cubiertas,
Reemplazo de la unidad si su unidad
cubierta no puede repararse.
Descuento de110% en servicios y
repuestos no cubiertos por este contrato.
Tarnbi_n 10% de descuento del precio
regular por cualquier inspeccidn de
mantenimiento preventivo.
Asistencia telefdnica r&pida per personal
t_cnico de soporte de Sears para las
unidades que requieran repararse en su
domocilio en horarios convenientes
para usted.
Una vez que usted compre su Contrato,
sdlo necesita hacer una simple Ilamada
telefdnica para programar su servicio.
Puede Ilamar a cualquier hera, en el dia o
la noche, o hacerlo per linea via intemet.
Sears tiene mAs de 12.000 profesionales
especializados en reparaciones que tienen
acceso a mAs 4,5 millones de repuestos
y accesorios de calidad. Ese es el tipo de
profesionalismo con el cual usted puede
contar para ayudarle a prologar la vida
Litil de su unidad durante todos los ados
por venir, iCompre hoy su Contrato de
Proteccidn para Reparaciones!
Se aplican algunas liroitaciones y exclu-
siones. Para precios einforroacidn adi-
cional, Ilaroe al 1-800-827-6655.
Servicio de Instalaciones de Sears
Para instalaciones prefesienales pot Sears
de artefactos para el hogar, como abridores
de puertas de garajes calentadores de
agua y otros artefactos grandes del hogar,
en EE.UU. Ilame al f-800-4-MY-HOME®
51 1000002023

iiiiiiiiiiiiiii,,¸
iiiiiiiiiiiiii_
Your Home
For repair- in your home -of all major brand appliances,
lawn and garden equipment, or heating and cooling systems,
no matter who made it, no matter who sold it!
For the replacement parts, accessories and
owner's manuals that you need to do-it-yourself.
For Sears professional installation of home appliances
and items like garage door openers and water heaters.
1-800-4-MY-HOME ® Anytime, day or night
(1-800-469-4663) (U.S.A. and Canada)
www,sears.com www.sears.ca
Our Home
For repair of carry-in products like vacuums, lawn equipment,
and electronics, call or go on-line for the nearest
Sears Parts and Repair Center.
1-800-488-1222 Anytime, day or night (U.S.A. only)
www.sears,oem
To purchase a protection agreement (U.S.A.)
or maintenance agreement (Canada) on a product serviced by Sears:
1-800-827-6655 (U.S.A.) 1-800-361-6665 (Canada)
Para pedir servicio de reparaci6n
a domicilio, y para ordenar piezas:
1-888-SU-HOGAR sM
(1-888-784-6427)
Au Canada pour service en frangais:
1-800-LE-FOYER Mc
(1400-533-6937) iiiiiiiiiiiiii!i¸
© Sears, Roebuck and Co.
TM SM
¢) Registered Trademark /Trademark /Service Mark of Sears, Roebuck and Co.
© Marca Registrada / TMMarca de Fabrica /Marca de Servicio de Sears, Roebuck and Co.
MC MD
Marque de commerce /Marque d&pos6e de Sears, Roebuck and Co.