Craftsman 247 38824 Owners Manual
CRAFTSMAN Lawn Mower Walk Behind Manual 99030292 CRAFTSMAN Lawn Mower Walk Behind Owner's Manual, CRAFTSMAN Lawn Mower Walk Behind installation guides
!! Craftsman-34 Craftsman Lawn Mower Manuals - Lawn Mower Manuals – The Best Lawn Mower Manuals Collection
2473882401 290cf070-effe-485f-a2fc-68250e70e8d3 Craftsman Lawn Mower 247.388240 User Guide |
2015-01-05
: Craftsman Craftsman-247-38824-Owners-Manual-160477 craftsman-247-38824-owners-manual-160477 craftsman pdf
Open the PDF directly: View PDF
.
Page Count: 26

Owner's Manual
CRAFTSMRN
19" Mulching/Rear Discharge
PUSH LAWN MOWER
Model No.
247.388240
CAUTION: Before usingthisproduct,
read this manual and follow all Safety
Rules and Operating Instructions.
Sears, Roebuck & Co., Hoffman Estates, IL 60179, U.S.A.
Printed in U.S.A. 770-10185A
(1/99)

Content Page
Warranty Information ................................... 2
Safe Operation Practices........................... ,3
Slope Gauge ................................................ 6
Assembly ..................................................... 7
Operation ..................................................... 9
Maintenance .................................................. 12
Content Page
Service & Adjustment..................................... 15
Storage .......................................................... 17
Trouble-Shooting........................................... 19
Parts List........................................................ 20
Espan61.......................................................... 26
Two-Year Warranty on Craftsman Lawn Mower
For two years from the date of purchase, when this Craftsman lawn mower is maintained, lubricated, and tuned
up according to the instructions in the owner's manual, Sears will repair, free of charge, any defects in material or
workmanship. If this lawn mower is used for commercial or rental purposes, this warranty applies for only 90 days
from the date of purchase.
This warranty does notcover:
1. Expendable items which become worn dudng normal use, suchas rotarymower blades, blade adapters,
belts, air cleaners and spark plug.
2. Repairs necessary because of operator abuse or negligence, includingbent crankshafts and the failure to
maintain equipment according to the instructions contained inthe owner's manual.
WARRANTY SERVICE IS AVAILABLE BY RETURNING THE CRAFTSMAN LAWN MOWER TO THE
NEAREST SEARS SERVICE CENTER IN THE UNITED STATES. THIS WARRANTY APPLIES ONLY WHILE
THIS PRODUCT IS IN USE IN THE UNITED STATES.
This warranty gives you specific legal dghts, and you may also have other dghts whichvary from state to state.
Sears, Roebuck And Co., D/817WA, Hoffman Estates, IL 60179
These accessorieswere _ % kJ(_ _'°
availablewhenthe lawn
mowerwas purchased.They t_'_ j_
are also available at most
Sears retailoutlets,and SparkPlug Muffler -
Safety Wheels
servicecenters. MostSears _ _ {_ S
storescan orderrepairparts Glasses
for youwhenyouprovidethe
modelnumberof yourlawn
mower. EngineOil Stabilizer Gas Can Blade Grass Catcher
PRODUCT SPECIFICATIONS
Horsepower:
Engine Oil
Fuel Capacity:
Spark Plug
4.0
21 oz. SAE 30 oil
1.5 quarts
J19LM
Gap .030 inches
Please record model number, serial number, and
date of purchase here for future reference. You will
find this information on the model plate located on
the cuttingdeck of your mower.
Model Number .........................................................
Sedal Number...........................................................
Date of Pumhase ......................................................

This symbol points out important safety Instructions which,if notfollowed,couldendangerthe per-
sonal safetyand/or propertyof yourselfand others.Read and followellinstructionsinthismanuel before
attemptingto operateyour lawnmower. Failureto complywiththese instructionsmay resultin personal
injury.When you see thissymbol--heed Its warning.
1
_D Yourlawnmowerwas builtto be operatedaccording to the rules for safe operation In this
ANnER manual. As withany type of power equipment,carelessnessor erroronthe partof the operator
"'_ "': can resultin seriousinjury.If you violate any of these rules, you may cause serious injury to
yourse f or others.
This unitis equippedwithan internalcombustionengineandshouldnotbe usedonor nearany unimproved
forest-covered, brush-coveredorgrass-coveredland unlessthe engine'sexhaustsystemisequippedwithe
sparkarrestermeetingapplicablelocalorstatelaws (if any).If a sparkarresteris used,it shouldbe
maintainedineffectiveworkingorderby the operator.
inthe State of Californiathe aboveisrequiredby law (Section4442 ofthe CaliforniaPublicResources
Code). Otherstatesmay have similarlaws.Federallaws applyonfederallands.A sparkan'esterforthe
muffleris availablethroughyournearestSears AuthorizedServiceCenter (See the REPAIR PARTS section
of this manual.)
WARNING: The engineexhaustfrom thisproductcontainschemicalsknownto the State of Californiato
cause cancer,birthdefectsorotherreproductiveharm.
|
GENERAL OPERATION
Read thisowner'sguidecarefullyinitsentirety
before attemptingto assemblethismachine.
Read, understand,andfollowallinstructionson
the machine andinthe manual(s)before
operation.Be completelyfamiliarWiththe controls
and the properuse of thismachine before
operatingit. Keepthismanualina safeplacefor
future and regularreference,andfor ordering
replacementpads.
Your rotarymoweris a precisionpieceof power
equipment,nota plaything.Therefore,exercise
extreme cautionat elltimes.Your unithasbeen
designedto perform onejob:to mow grass.Do not
use it for any other purpose.
Never allow childrenunder14 years oldto operate
a power mower.Children14 yearsold andover
shouldonlyoperate mowerundercloseparental
supervision.Onlyresponsibleindividualswhoare
familiar withthese rulesof safe operationshould
be allowedto use yourmower.
Keep the area of operationclearof ellpersons,
particularly small childrenand pets.Stop engine
when they ere in the vicinity of your mower to help
prevent blade contact or thrown object injury.
Although the area of operation shouldbe
completely cleared of foreign objects, an object
may have been overlooked andcouldbe
accidentally thrown by the mower in any direction
and cause seriouspersonal injury to the operator
or any others allowed in the area.
Thoroughlyinspectthe area where the equipment
is to be used. Removeallstones,sticks,wire,
bones,toys andotherforeign objectswhichcould
be pickedupand thrownby the mowerin any
directionandcause seriouspersonalinjuryto the
operatoror anyothersellowed inthe area. Plan
yourmowingpatternto avoiddischargeof material
towardreads,sidewalks,bystandersend thelike.
To helpavoida thrownobject'sinjury,keep
children,bystandersandhelpersat least 75feet
from the mowerwhileit is inoperation.
Alwayswear safetyglassesor safetygoggles
duringoperationorwhileperformingan adjustment
orrepair,to protecteyesfromforeign objectsthat
may be thrownfromthe machinein any direction.
Wear sturdy,rough-soledworkshoesandclose-
tittingslacksandshirts.Shirtsand pantsthatcover
the armsand legsend steel-toedshoesare
recommended.Do notwear loosefittingclothesor
jewelry.They canbe caughtinmovingparts.Never
operatea unitin barefeet, sandals,slipperyorlight
weight(e.g. canvas)shoes.
Do notputhandsorfeet nearor underrotating
pads. Keep clearofdischargeopeningat ell times
as the rotatingblade cancause injury.
Manyinjuriesoccuras a resultof the mowerbeing
pulledoverthe foot duringa fall. Donot hangonto
the mowerifyouare fairing; releasethe handle
immediately.
Neverpullthe mowertowardyouwhile youare
walking.If youmustback the mowerawayfrom a
3

wallOrobstructionfirstlookdownandbehind,and-
thenfollowthesesteps:
a. Stepbackfrom the mowerto fully extandyour
arms,
b. Be sureyouare wellbalancodwithsure
footing.
c. Pullthe mower backslowly,no morethan half
waytowardyou.
d. Repeat thesesteps as needed.
Do notoperatethe mowerwhileunderthe
influenceof alcoholordrugs.
Do notengage the self-propenedmechanismon
unitsso equippedwhilestartingengine.
The bladecontrolhandleis asafetydevice.Never
attemptto bypassitsoperation.Doingso makes
the safetydeviceinoperativeand mayresultin
personalinjurythroughcontactwiththe rotating
blade.The bladecontrolhandlemustoperate
easilyin bothdirectionsand automaticallyreturn
to thedisengagedpositionwhenreleased.
Neveroperatethe mowerinwetgrass.Alwaysbe
sureofyour footing. A slipandfall can cause
sedouspersonalinjury. Keep a firm holdonthe
handleand walk,never run.Ifyoufeel you are
losingyourfooting,RELEASE THE BLADE
CONTROL HANDLE IMMEDIATLEY andthe
bladewill stoprotatingwithinthreeseconds.
Mowonlyindaylightor goodartificiallight.
Stoptheblade whencrossinggraveldrives,walks
or roads.
If the equipmentshouldstartto vibrate
abnormally,stopthe engineandcheck
immediatelyforthe cause.Vibrationisgenerallya
warningoftrouble.
Shutthe engineoffandwait untilthe bladecomes
to acompletestopbeforeremovingthe grass
catcheroruncloggingthe chute.The cutting
blade continues to rotateforafew seconds alter
the engineisshutoff.Never placeanypartofthe
bodyinthe bladearea untilyouare surethe blade
has stoppedrotating.
Neveroperatemowerwithoutproperguards,
grasscatcher,platesorothersafetyprotective
devicesin place.
Mufflerandenginebecomehotand can cause a
bum. Do not touch.
Donotadjustthe throttlecontrolwiththe engine
running.
Onlyuseaccessories approvedfor thismachine
bythe manufacturer.Read, understand,and
follow allinstructionsprovidedwiththe approved
acCessory.
If situationsoccurwhichare notcoveredinthis
manual,usecare and goodjudgment.Contact
yourdealer for assistance.
Slope Operation
Foryoursafety,usethe slopegaugeincludedaspart of
thismanualtomeasureslopesbeforeoperatingthisuniton
a slopeorhillyarea.Ifthe slopeisgreaterthan15 degrees
asshownontheelopegauge(page6), do notoperatethis
uniton thatareaorseriousinjurycouldresult.
DO:
Mowacrossthe face of slopes;neverupand
down.Exercise extremecaution whenchanging
directiononslopes.
Watchfor holes,ruts,hiddenobjects,or bumps.
Taggrasscan hideobstacles.
Alwaysbe sureof yourfooting. A slipandfall can
cause seriouspersonalinjury. (fyoufeel youare
losingyourbalance releasethe blade control
handleimmediatelyand the bladewill stopinless
than3 seconds.
ON MODELS WiTH CASTER WHEELS: Lock
bothfront wheelsso they donotpivotwhile
mowingon theface of slopes.To turnthe mower,
depressthe handleand raisethe front wheels
s(ightiy.
DO NOT:
Do notmownear drop-offs, ditchesor
embankments.The operatorcouldlosefootingor
balance.
Donotmow slopesgreaterthan 15degrees as
shownonthe slopegauge.
Do notmowonwet grass. Reducedfooting could
causeslipping.
ON MOWERS WITH CASTER WHEELS: Do Not
mow onslopeswithcasters unlockedsincethe
mowerhas a tendencyto driftdown hill.
Children
Tragicaccidentscan occurifthe operatoris notalerttothe
presenceofchildren.Children are oftenattractedto the
mowerandthe mowingactivity.Neverassumethat
childrenwillremainwhereyoulastsawthem.
•Keepchildrenoutof the mowingarea and under
the watchfulcare of a responsibleadultotherthan
the operator.
•Be alertand turnmoweroff ifa childentersthe
area.
Beforeandwhilemovingrpackwards,lookbehind
and downforsmallchildrenor otherobjects.
Neverallowchildrenunderage 14to operate the
mower. Children14years of age and above
shouldreadandunderstandthe operation
instructionsand safetyrules inthismanual.
Use extremecare whenapproachingblind
corners,shrubs,trees,or otherobjectsthat may
obssureyourvisionof a childorhazard.
Service
Use extremecare inhandlinggasolineand other
fuels.Theyare extremelyflammableandthe
vaporsare explosive.
Use onlyan approvedgasolinecontainer.
Neverremovegas cap or addfuelwhile the
engineis running. Allowengineto coolat least
two minutesbeforerefueling.

•Replace gasolinecap securelyand wipeoff any
spilledgasolinebeforestartingthe engineas it
may cause afire orexplosion.
Extinguish allcigarettes,cigars,pipesandother
sourcesof ignition.
• Never refuelmachineindoorsbecauseflammable
vaporswillaccumulateinthe area.
• Neverstorethe machineorfuel containerinside
wherethere is an open flame orsparksuchas a
gas water heater,space heater, orfurnace.
Never runan engineinsidea closedarea.
•To reducefire hazard,keep mowerfree of grass,
leaves, orother debrisbuild-up.Clean upoilor
fuel spillage•Allowmowerto coolat least5
minutesbefore storing.
•Beforecleaning,repairing,or inspecting,make
certainthe blade andall movingpartshave
stopped.Disconnectthe sparkplugwire,and
keep the wireawayfrom the sparkplugto prevent
accidentalstarting.
Checkthe blade andenginemountingboltsat
frequent intervalsforpropertightness.Also,
visuallyinspectbladefor damage(e.g., bent,
crackedorworn).Replace withbladewhich
meets originalequipmentspecificationslistedin
th_smanual.
•Keepall nuts,bolts,andscrewstightto be sure
the equipmentisin safeworkingcondition.
•Never tamperwithsafetydevices.Checktheir
properoperationregularly.
Afterstdkinga foreignobject,stopthe engine,
removethe wirefromthe sparkplug,and
thoroughlyinspectthe mowerfor anydamage.
Repairthe damagebefore startingandoperating
the mower.
Neverattemptto make a wheelorcuttingheight
adjustmentwhilethe engineis running.
Grass catchercomponents are subjectto wear,
damageand deterioration,whichcould expose
movingpartsor allowobjectsto be thrown.For
safetyprotection,frequentlycheckcomponents
and replacewithmanufacturer'srecommended
parts,whennecessary.
Mower bladesare sharpandcan cut.Wrapthe
blade(s) orwear gloves,anduse extracaution
whenservicingthem.
Donotchangethe enginegovernorsettingor
overspeedthe engine. Excessiveenginespeeds
are dangerous.
YOUR RESPONSIBILITY
Restrictthe use ofthispowermachineto
personswho read,understandandfollowthe
warningsand instructionsinthismanualand
onthe machine.
Following are representations of the safety labels on your lawn mower. Maintain safetywhile operatingthe mower.
Please have the part number ready when re-ordering safety labels.
DANGER
SAVE THESE INSTRUCTIONS FOR FUTURE REFERENCE.
5

' ; SI HTANOHOLO ISAVERTIC TREApo RPOLE
A CORNER OF A BUILDING
_" _- ... _. _. _'_ i_ OR A FENCE POST
|,
law _ _ , --_o_€_,_ '
J.
,<,,<
a. t_ Do not mow on inclines w th a slope in excess of 15 degrees (a rise of approximately 2-1/2 feet every 10 feet).
_--_- A r d ng mower could overturn and cause serious injury. If operating a walk-behind mower on such a slope, it
_ is extremely difficult to maintain your footing and you could slip, resulting in serious injury.
"1 '" Operate RIDING mowers up and down slopes, never across the face of slopes.
(/)o.
O Operate WALK-BEHIND mowers across the face of slopes, never up and down slopes.
cO

Removing Unit From Carton
Remove staples, break glue on top flaps, or cut
tape at carton end and peel along top flap to
open carton.
Remove loose parts if includedwithunit (i.e.,
owner'smanual, etc,).
Cut along dotted lines and lay carton down flat.
Remove packing material. Roll unit outof
carton. Check carton thoroughlyfor loose parts.
Note: Make sure not to crimp the cable while
removing loose parts or the unit fromthe carton.
IMPORTANT: This unit is shipped without gasoline
or oil In the engine. Be certainto service enginewith
gasoline and oil before operatingyour mower.
NOTE: Reference to rightor left hand side of the
mower and/or front or behind the mower is observed
from the operatingposition.
Loose Pads
a. Owner's Manual
b. A Bottleof Engine Oil
c. Parts for Grass Bag: Frame, Bag
d. Discharge Chute
Tools Required
a. Pairof Pliers
b. Funnel
Disconnecting Spark Plug
Before setting upyour lawn mower, disconnect
the spark plug wirefrom the spark plug, and
ground it against the engine. See Figure 1.
Attach rubber bootto a bolt on the engine to
groundas shown below.
Spark Plug
Wire
'Spark Plug
Figure 1
Assembling Handle
Raise lower handle indirectionAshown in
Figure 2. it shouldsnap intoplace.
Note: Make sure to route the cable inside the lower
handle. Also donot crimp the cable while liftingthe
handle up
B Upper Handle
Figure 2
For shippingpurposes, the hairpin clipis placed inthe
outer hole of the weld pin on the lower handle.
Remove the hairpinclip from the outer hole of
the weld pin. See Figure 3.
c%p' ,/ \ .on ;ire
WE'd P'm _0 "e_rHole on
Weld Pin
Figure 3
Using apair of pliers, insertthe hairpinclipinto
the inner hole in the weld pin. See Figure 3.
Repeat on other side.
Raise the upper handle in the direction B shown
in Figure 2. Tighten the wing nuts which are
already on the handle.
Attach control cable to the lower handle with the
cable tie already on the lower handle. Pull tight
the cable tie and cut off extra. See Figure 4.
CableTie
\
Figure 4
!

Attaching Starter Rope
The rope guide is already attached to the dght side of
the upper handle of your mower. See Figure 5.
•With the sparkplugwiredisconnectedand
grounded,holdthe bladecontrolhandleagainstthe
upperhandle,and pugstarterropeoutofthe engine.
•Slip the rope throughthe rope guide as shown in
Figure 5. Tighten the wing nutholdingthe rope
guideto the upper handle.
Recoil • Nut
Guide
Figure 5
Attaching Discharge Chute
• There is agroove 2"from the left end of the rod.
Bend and Snap off approximately 2" of the rod
with apair of vise gdps. See Figure 6.
• Insert push cap, providedwith the chute rod,
onto the end of the rod which you just snapped
off. Tap on with a hammer. See Figure 6.
I__ Rear Discharge
/Door
_Chute
_/Ro d
;u;,
\Discharge
Chute
Figure 6
To attach dlscharge chute: Liftthe discharge
door and place the ends of the chute rodinto
the sloton each handle bracket assembly.
Release the rear discharge door.
To remove discharge chute: Liftthe rear
discharge doorof the mower. Liftthe discharge
chute up and outwards and pull it out of the
slotson the handle bracket assemblies.
Release the rear discharge door.
Assembling Grass Catcher
NOTE: Make certain bag is turned right side out
before assembling (warning label will be on the
outside).
Place bag over frame (black plastic side is the
bottom of bag). Slip the openings in the side of
the plasticchannel on bag over the hooks on the
grass catcher frame.
Secure bag to frame by working the plastic
channels on bag over frame as shown in Figure
7. All of the plastic channels except center top of
bag attach from the outside of bag. Center top of
bag attaches from the inside of bag,
Hook
Frame Grass
Bag
Figure 7
Plastic
Channels
Attaching Grass Catcher to Mower
•Liftthe chute dooron the mower. Remove the
mulchingplugor the discharge chute. See
Figure 8.
Mulchlng-_,
Plug
Figure 8
Holdingthe grass bag firmly, place the bag on
the mower as shown in Figure 9.
Grass Catcher
J
Hook
_Slot
Figure 9
Place hooks, located on two sides of the grass
catcherframe, in the slotson the handle
brackets. See Figure 9. Release the -chute
door.
AWarning: Never operate the mower unless
the grasscatcher frame is firmly seated on
the chute doorpivot rod, and the rear
discharge door rests firmly on top of the
grass catcher.

Know Your Lawn Mower
Read thisowner's manual and safety rules before operatingyourlawn mower. Compare the illustrationsin Figure
10 with your lawn mower to familiarize yourselfwiththe locationof variouscontrolsand adjustments. Save this
manual for future reference.
,i_ WARNING: The operation of any lawnmower can resultinforeign objectsbeing throwninto the
operator's eyes and causing severe eye damage. Always wear safety glasses while operating the
mower, or while performing any adjustments or repairson it.
Recoil Starter Handle
OII Fill Ptug_
Front Height
Adjustment Lever
--...
Height Adjustment Lever
Spark Plug Wire
Primer
Throttle Control Lever
Figure 10
Reeon Starter
The recoil starter is attached to the handle. Stand
behind the unit and pull the recoil starter to start
the unit.
Primer
The primer is used to pump gas intothe carburetor.
Use it to starta cold engine, butdo notuse it to
restart a warm engine after short shutdown.
Blade Control Handle
The blade control handle is located on the upper
handle of the mower. The blade control handle must
be depressed in order to operate the unit.Release
blade control handle to stopengine and blade.
,_ WARNING: This blade controlmechanism
is a safety device. Never attempt to bypass
itsoperations.
Height Adjustment Lever
These levers are locatedon each wheel and are used
to adjustthe cuttingheight.All four levers have to be at
the same relativepositionto ensure uniformcut.
Meets CPSC Blade Safety Standards
Craftsman Walk-BehindLawn Mowers conformtothe safetystandardsof theAms_fcanNationalStandards Institute
and the U.S. ConsumerProductSafetyCommission.
9

Stopping Engine
•Release blade controlhandle to stopthe
engine and the blade.
•Disconnect sparkplug wire and move away
from spark plugto prevent accidental starting.
WARNING: Before usingyour lawn mower,
again refer to the safety rules on pages 3-5
of this manual. Always be careful.
Gas And Oil Fill-Up
Engine Oil
Only use high quality detergent oil rated withAPI
service classificationSF, SG or SH. Select the oil's
viscosity grade according to your expected operating
temperature. Follow the chart below.
Colder _ 3_:°F"_ Warmer
"_- 5W30 |l SAE30 ---
b.
C.
d.
e.
Oil Viscosity Grade Chart
Use SAE3O oU;donot use 10W40 oil.
Filloil sumpandcheckthe oillevelasfollows:
a. Positionthe mower onlevel ground.
Clean area around oil fill plug.
Remove oilfill plugand dipstick.
Wipe dipstickclean, insert it into oil fill hole
and tighten securely.
Remove dipstickand check oil level. If the
oil is not uptoFULL mark on the dipstick,
pour recommended oil throughthe oil fill
and check the level again.
Installoil fill plugand dipstick,tightensecurely.
NOTE: Although multi-viscosity oils (5W30, 10W30,
etc.) improve startingin cold weather, these
multiviscosity oils will resultin increased oil
consumption when usedabove 32°F. Check the oil
level more frequently to avoid possible engine
damage from runninglow on oil.
Gasoline
WARNING: Never fill fuel tank indoors, or
when engine is runningor hot. Do not
smoke when fillingfuel tank.
• Clean area around gas tank cap. For location,
see Figure 10. Remove cap.
• Use a funnel to prevent spillage.
• Pour approximately 1.5 quads of fresh, regular
grade, unleaded gasoline slowly to the fuel tank.
IMPORTANT: Never mix engine oil withgasoline.
Filltank to 1/2" below the bottom of the filler
neck. Wipe any fuel spillage. Do not fill fuel tank
completely. Provide space for fuel expansion.
Starting Engine
(Refer to Figure 11.)
WARNING: Be sure no one other than the
operator is standing near the lawn mower
while startingor operating.
Attach spark plug wire to spark plug. Make
certain the metal cap on the end of the spark
plug wire is fastened securely over the metal tip
on the spark plug.
&WARNING: Never run engine indoors or in
enclosed, poorly ventilated areas. Engine
exhaust contains carbon monoxide, an
ododass and deadly gas.
WARNING: Keep hands, feet, hair and
loose clothing away from any moving parts
on engine and lawn mower.
Push primer three times. Wait about two
seconds between each push. In cold weather
around 55° F or below, prime five times. Do not
prime to restart a warm engine after a short
shutdown.
Hold control handle against the upper handle.
Grasp recoilstarter and pull rope out slowly
untilengine reaches the start of compression
cycle (rope will pull slightlyharder at this point).
See Figure 11 inset. Let the rope rewind slowly.
Hold handles firmly
Check/fill_ Pull recoil starter
Fill gasoline
Attach s
plug wire 3 times
Figure 11
10

Pullropewitharapid,continuous,fullarm
stroke.Keepingafirmgdpontherecoilstarter,
lettheropereturntothestarterslowly.
Using Your Lawn Mower
Your mower is designed to operate as a mulching ora
side discharge unit.
•For convertingfrom a mulcherto a side
discharge unit,refer to instructions on page 8.
Do not operate mower without the mulching
deflector or the grass catcher properly
installed and tightly secured.
•Be sure that lawn is clear of stones, sticks,
wire, orother objects which coulddamage lawn
mower or engine. Such objects couldbe
accidentlythrown by the mowerin any direction
and cause serious personal injuryto the
operator and others.
•Forbestresults, donotcut wetgrassbecause
it tends to stick to the underside of the mower,
preventing proper discharge of grass clippings,
and couldcause you to slip and fall. New grass,
thick grass or wet grass may require a
narrower cut. Blade speed should be adjusted
to the condition of the lawn.
•Thebestmowingpattemisonethatallowsthe
clippingsto discharge towards the uncutpartof
the lawn. This permits rscuttingof the clippings
to further pulverize them. When cuttinghigh
weeds, discharge towards cut portion,then
recut at rightangles to first direction.
•For ahealthylawn, always cut offone-thirdor
less ofthe total length of the grass. Lawn should
be cut inthe fall as long as there is growth.
•This mower is designed to be operated at full
throttleto give you the bestcut and do the
most effective job of bagging the clippings.
AWARNING: Ifthe mower strikesa foreign
object, stop the engine. Remove sparkplug
wire from_park plug and thoroughlyinspect
the mower for any damage. Repair the
damage before restartingthe mower.
Extensive vibration dudng operation is an
indication of equipment damage.
Using Grass Catcher
You can use the grass catcher bag to collectclippings
while operatingthe mower.
• Attach the grass catcher to the mowerfollowing
instructionson page 8 of this manual.
Operate the mowertill the greyscatcher bag is
full,ortheiob has been completed whichever is
eadier.
Stop the enginecompletely by releasing the
blade controlhandle. Make sure that the unit
has come to a complete stop and the blade has
stopped rotating.Empty the grass catcher bag
as follows.
Liftthe discharge doorand pullthe grass bag
away from the mower as shown in Figure 12.
Holdingthe bag firmly, carry the bag away from
the mower. Disposeoff the clippings
appropriately.
Chute Door
Bag Handle
Hold bag with
Figure 12
Height Adjustment
Refer to heightadjustmentssection of this manual on
page 16 for instructionon howto adjust the cuffing
heightand the handle height.
For best results in mowing, keep the cuttingheight
positionhighuntilit is determined which height is best
foryour lawn.
11

General Recommendations
Always observe safety rules when performing
any maintenance.
The warrantyon thislawn mowerdoesnotcover
itemsthat havebeen subjectedtooperatorabuse
or negligence.To receivefull valuefrom the
warranty,operatormustmaintainthe lawnmower
as instructedinthismanual.
Changing of engine governed speed will void
engine warranty.
Some adjustmentswill have to be made
periodicallyto maintainyour unit properly.
All adjustmentsinthe Service and Adjustments
sectionof thismanual shouldbe checked at
least once each season.
Follow the maintenance schedule given below.
Periodicallycheck all fasteners and make sure
these are tight.
WARNING: Always stopthe engine and
disconnect the spark plug wire before
performingany maintenanceoradjustments.
Cleaning
The undersideof the mower deck shouldbe cleaned
after each use to prevent any buildupof grass clippings,
leaves, dirt, or otherdebris. Ifthis debdsis allowedto
accumulate,itwillresultinrustandcorrosion.
Disconnect spark plug wire.
Drain the gasoline from the lawn mower, or
place a piece of plastic under the gas cap.
Tip the mower so that it rests on the housing.
Keep the side with the air cleaner facing up.
Hold it firmly.
Scrape clean the underside of the deck witha
suitable tool.
Put the mower back on its wheels on the
ground. If you had put plastic under the gas
cap, make sure to remove it now.
&WARNING: Never tip the mower more
than 90 degrees and do not leave the
mower tipped for any length of time. Oil
can drain into the upper part of the engine
causing a starting problem.
NOTE: We do not recommend usinga garden hoseto
clean mower unless the muffler, air filterand
carburetor are covered to keep water out. Water in
engine can shorten engine life.
Engine Maintenance
&WARNING: Always stop englne,
disconnect spark plug wire, and move it
away from spark plug before performing any
adjustments or repairs.
.'ustomer Responsibilities
MAINTENANCE
SCHEDULE
Lubricatewheels
Lubricatecasters <_
0Lubricatebladecontrol
D. Cleandeck _/_
Bladecare <_
Changeoil _;_ <_
UJ Replaceair filter _:_
z
_z Cleanengine _/_
uJ Checksparkplug <_
Checksparkarrester(if any) <_
SERVICE
DATES
12

Engine OII
Only use highqualitydetergentoil rated with
API service classificationSF, SG or SH. Select
the oil's viscositygrade accordingto your
expected operating temperature. Refer to page
10 of this manual for viscositychad.
Stop engine and wait several minutesbefore
checkingoil level. With engineon levelground,
the oil must be to FULL mark on dipstick.
Change engine oil afterthe first five hoursof
operation, and every twenty-five hours
thereafter.
To Change Engine Oil
Change oil after first two operatinghotJrsand every
25 operating hoursthereafter. Drainoil while engine
is warm. Followthe instructionsgivenbelow.
Tip the mowerwith the spark plugfacingup.
Place acontainer underthe dipstick.Pull the
dipstickout of oil fill.
Drainthe oil sump empty, collectingoil inan
approved container.
Filloil sump with21 ounces of fresh SAE 30 oil.
Refer to page 10 of thismanual for oilfill-up
instructions.
Air Cleaner
The air cleaner prevents damagingdirt, dust,etc.,
from enteringthe carburetorand beingforced into the
engine and is importantto enginelife and
performance. Replace filter once a year or every 100
operatinghours, moreoften ifusedin extremelydusty
conditions.
To Service Air Cleaner:
Turn air filter cover counterclockwiseand
remove the cover and filter from the flange.
See Figure 13. Discardfilter.
Clean cover and flange thoroughly.
Insert the new filter into the cover.
Place the cover and the filter against flange
withtab on the cover inserted into lower left
cornerof slot inflange. See Figure 13.
Pushcover firmly against flange and turn it
clockwise as far as it will go. Make sure that the
retainers are locked around the flange. See
Figure 13.
,_ WARNING: Never run the engine without
air cleaner completely assembled.
Clean Engine
Clean engine periodically. Remove dirt and
debriswith a cloth or brush.
Frequently remove grass clippings, dirt and
debris from coolingfins, air intake screen and
levers and linkage. This will help ensure
adequate cooling and correct engine speed.
NOTE: Do not clean with a forceful spray of water as
water could contaminate the fuel system.
Spark Plug
Clean spark plugand reset gap to .030" at least
once a season or every 50 hours of operation.
See Figure 14. Spark plug replacement is
recommended at the start of each season. Refer
to engine parts listfor correct spark plug type.
NOTE: Do not sandblast spark plug. Spark p/ug
shouldbe cleaned by scraping or wire brushing and
washing witha commercial solvent.
Feeler gap .030"
Spark Plug
r Cleaner
Filter Retainer
Figure 13
Muffler
&
Figure 14
WARNING: Do notoperate the lawn
mower without a muffler, or tamper with
the exhaust system. Damaged mufflers or
spark arresters couldcreate afire hazard.
Temperature of muffler and nearby areas
may exceed 150° F(65°C).
13

Blade Care
Periodically inspectthe blade adapter for cracks,
especially if you strikea foreign object. Replace when
necessary.
WARNING: When inspectingthe cutting
_lk lade, protect hands by using heavy
gloves or a rag to grasp the cutting
blade.
Disconnect spark plugwire from spark plug.
Turn mower on its side making sure that the air
filter and the carburetorare upto check the
blade. If the blade needs to be serviced, refer
to the instructionson blade care inthe "Service
& Adjustments"section of this manual.
Lubrication
Wheels
Lubricate the wheels at least once a season
withlightoil or engine oil.Also, ifthe wheels are
removed for any reason, lubricatethe surface
of the axle bolt and the inner surfaceof the
wheel with lightoil.
Blade Control Handle
• Lubricate the pivot pointson the blade control
handle and the brake cable at least once a
season with lightoil. The blade control handle
must operate freely in both directions. For
complete lubricationchart, see Figure 15.
Chute Deflector
•Lubricate the torsion springand the pivot point
on each end of the chute deflector usinga light
oil.This will prevent rustingand ensure that the
deflector, which is a safety device, can always
work properly.
NOTE:Forsake ofctadty,illustrationsinthe insetsrepresentviewfromanotherperspectiveratherthanfromtheoperatingposition.
Figure 15: Lubrication Chart
14

Servicing Blade
To Remove Blade
Remove the bolt and blade bell supportwhich
holdthe blade and adapter to the engine
crankshaft. See Figure 16.
Remove the blade and adapter from the
crankshaft.
To Replace Blade:
Before reinstallingthe blade andthe blade
adapter to the unit, lubricatethe engine
crankshaftand the innersurface of the blade
adapter with lightoil.
Installthe blade adapter on the crankshaftwith
the "star" away from the engine. See Figure 16.
Blade Adapts, Crankshaft
Blade
To Sharpen Blade:
The bladecan be sharpened witha file oron a grinding
wheel. Do notaftempt tosharpen while on the mower,
Followthe original angle of grind as aguide.
Make sure that each cutting edge receives an
equal amount of grinding to prevent an
unbalanced blade.
NOTE: An unba/anced blade wi/I cause excessive
vibration when rotating at high speeds, may cause
damage to the mower and couldbreak, causing
personal injury.
Test the blade by balancing it on around shaft
screwdriver or a blade balancer. See Figure 17.
If the blade is not balanced, remove metal from
the heavy side until it balances evenly.
1. Insert screw driver through hole
O"
2. Blade should be parallel to ground
Screw
Driver _. Blade
Ground
Blade Bell
Hex Bolt Support
Figure 16
Place the new blade withthe side marked
bottom(or withpart number) facing away from
the adapter.
Place the bell support next. Make sure to align
the tabs in the holes of the blade with the hole in
the bell support.
Insert the hex bolt through the blade assembly.
Figure 16 showsthe correct order of assembly.
Use block of woodto hold blade again while you
tighten the bolt clockwise. Follow the
recommended torque for the bolt which is 450-
600 in.-Ibs.
IMPORTANT: The bolt, used to secure the blade to
the engine, is speciallyheat-treated. Do not
substitute. To order replacement bolt,refer to the
Repair Parts section of this manual.
WARNING: To ensure safe operationof
your unit,all nuts and bolts must be
checked periodicallyfor correcttightness.
Figure 17
Engine Adjustments
WARNING: Do not make unnecessary
adjustments on the engine. Factory settings
are satisfactory for most conditions.
If any adjustments are made to the engine
while the engine is running, keep clear of all
moving parts. Be careful of heated
surfaces and muffler. Keep your hands
away from these parts.
Carburetor
The carburetor has been pre-set at the factory and
shouldnot require adjustment,
If the engine on your mower does not operate
properlydue to suspected carburetor problems,
take your lawn mower to your nearest SEARS
service center.
Engine performance may be affected in altitudes
above 4000 feet. To improve engine
performance, install ahigh altitude adjustment
kit, available at the SEARS service center.
NOTE: Adirty air cleaner will cause an engine to run
rough. Be certain air cleaner is clean and attached to
the carburetor.
15

Engine Speed
WARNING: Overspeedlng engine above
the factory setting can be dangerous. Do not
attempt to increase engine speed or it may
resultin personal injury. Changing of engine
governed speed will void engine warranty.
If you believe the engine is running too fast or
too slow, take your lawn mower to the nearest
SEARS service center.
Adjusting Handle Height
Your mower is shipped with the handle in the higher
height position.To lower the handle height, proceed
as follows.
•Remove the starter rope from the rope guide.
•Remove the upper handle by removing the hand
knobs and cardage bolts. Lay the upper handle
outof the way, being careful not to bend or kink
the cable.
•Remove the hairpin clip from the weld pin on the
handlebracket on each side of the lower handle.
See Figure 18 inset. Press out on the legs of the
lower handle. Remove lower handle from the
mower.
•Turn the lower handle around so the notch on
the bottomof the lower handle is facing forward
as shown in Figure 18. Reassemble, placing the
bottom hole on the handle over the weld pin in
the handle mountingbracket.
•Reassemble the upper handle to the lower
handle.
• Place the hairpin clips in the inner holes inthe
weld pins and attach the starter rope as
instructed inthe Assembly section. See Figure
18 inset.
Notch
Handle
Hairpin
Clip Handle
Adjusting Cutting Height
IMPORTANT: All wheels must be placed inthe same
relative position.
•Raisethe mowerwheelsforlow cutand lowerthe
wheelsfor highcut. For roughor uneven lawns,
move the heightadjustment lever to a higher
position.This will help stop scalping ofthe
grass.
There is an adjustingplate and thumb lever at each
wheel positionto adjust the cuttingheight. Each
adjustingplate has nine heightpositions.Heightof cut
will change if you move the thumb leverfrom one hole
to another.
•Simply depress the lever towards wheel and
move the wheel and lever assembly to the
desired position.See Figure 19. Allwheels
must be placed inthe same relative positionfor
uniformcuttingheight.
•For rough or uneven lawns, move the height
adjustment handlesto positionswhichwill give
ahigher cuttingheight. Both front and rear
handles must be placed inthe same relative
position.
HeightAdjustment
Lever
/
Figure 19
Figure 18
16

Prepareyourlawnmowerforstorageattheendofthe
seasonorIftheunitwillnotbeusedfor30daysor
more. Storethe mower ina clean, dry area.
Mower
Clean undersideof the mower following
instructionsin the Maintenance section of this
manual.
Inspect and replace/sharpen blade, if required.
Refer tothe Maintenance section of thismanual
for blade care instructions.
Lubricate mowerfollowing the lubricationchart
on page 14 of this manual.
You can fold your mower's handle for convenient
storage as shown in Figure 20. Followthe steps
below to fold the handle.
Remove the starter rope from the rope guide.
Loosenthe two hand knobs on the sides of the
handle, and let the upper handle fold down to
the rear.
Move the hairpinclips to the outer hole in the
weld pins on the handle mountingbrackets.
Spread the sides of the lower handle, and push
it forward and down.
Upper Handle Lower
Handle
/
Figure 20
NOTE: When foldingthe handle forstorage or
transportation,be careful notto bend or kink the
cable.
Engine
IMPORTANT: It is importantto prevent gumdeposits
fromforming in essential fuel system partssuch as
carburetor,fuel filter, fuel hose, or tank during
storage.Also, experience indicatesthat alcohol
blended fuels (called gasohol or usingethanol or
methanol)can attract moisturewhich leadsto
separation and formation of acids duringstorage.
Acidicgas can damage the fuel system of an engine
while in storage.
Drainfuelsystem& carburetor
WARNING: Drain fuel into approved
container outdoors away from open flame,
Be sure engine is cool. Do not smoke.
Drain the fuel tank.
Start the engine and let it run untilthe fuel lines
and carburetor are empty.
Drain carburetor by removing bowl drain screw
which is located below the carburetor. See
Figure 21.
BowlreD_ln_carburet°r
Figure 21
Note: Do not drain carburetor ffusing fuel stabilizer.
WARNING: Never use engine or
carburetor cleaner products inthe fuel tank
or permanent damage may occur.
Use fresh fuel next season.
Use fuel stabilizer
NOTE: Fuel stabilizer is an acceptable alternative in
minimizing the formation of fuelgum deposits during
storage,
Add stabilizer to gasoline infuel tank orstorage
container.
Always follow the mix ratio found on stabilizer
container.
Run engine at least 10 minutes after adding
stabilizer to allow the stabilizer to reach the
carburetor.
Do not drain the gas tank and carburetor if
using fuel stabilizer. Drain all the oil from the
crankcase (This should be done after the
engine has been operated and is still warm)
and refill the crankcase with fresh oil.
17

011cylinderbore
Afteryouhavedrainedthefueltank,protectthe
insideoftheengineas follows:
•Remove spark plug, pour approximately one
ounce (30 ml) of engine oil into spark plughole,
and crank slowly to distdbute oil.
WARNING: Avoid spray from spark plug
hole when cranking the engine slowly.
• Replace sparkplug; do notconnectsparkplugwire.
Change oil
•Change oil if it has notbeen changed inthe last
three months. For instructionson howto
change oil refer to the Maintenance section of
this manual.
Clean engine
•Clean engine and remove any grassclippings,
dirt,or chaff fromthe exteriorof the engine.
•Remove any dirtordebris fromcoolingfins, air
intakescreen, levers, and linkage.
• OTHER
Do notstore gasolinefromone season to
another.
Replace your gasolinecan if it startsto rust.
Rustand/or dirtinthe gasolinewill cause
problems.Store unitina clean, dryarea. Do not
storenext to corrosivematerials,such as
fertilizer.
NOTE: ffstoringin an unventi/atador metal storage
shed, be certain torustproofthe equipmentby coating
witha lightoil or silicone.
18

PROBLEM
Engine failsto start
Engine runserratic
Engine overheats
Occasional skip
(hesitates) at high
speed
iIdles poorly
Excessive vibration
Mower will not
mulch grass
POSSIBLE CAUSE
1. Blade control handle disengaged
2. Spark plug wire disconnected
3. Throttle controllever not in starting position
4. Fuel tank empty, or stale fuel
5. Blockedfuel line
6. Faulty spark plug
1. Spark plugwire loose
2. Blockedfuel line or stale fuel
3. Vent in gas cap plugged
4.Water or dirt in fuel system
5. Dirty aircleaner
1. Engine oil level low
2. Air flow restricted
1. Spark plug gap too close
1. Spark plug fouled, faulty, or gap too wide
2. Dirty air cleaner
1. Cutting blade loose or unbalanced
2. Bent cutting blade
3. Bent engine crankshaft
1. Wet grass
2. Excessively high grass
3. Dull blade
Uneven cut 1. Wheels not insame height position
2. Dull blade
CORRECTIVE ACTION
1. Engage blade control handle.
2. Connect wire to spark plug.
3. Move throttlelever to startingposition.
4. Filltank with fresh, clean fuel.
5,Clean fuel line.
6, Clean, adjust gap or replace.
1, Connect and tightenspark plug wire.
2, Clean fuel line, fill tankwithclean,fresh
gasoline.
3, Clear vent.
4, Drain fuel tank. Refillwithfresh fuel.
5. Clean air cleaner. Refer to
Maintenance sectionof this manual.
1, Fillcrankcase withproper oil.
2. Clean lawn mower engine.
1. Adjust gap to .630 inches.
1. Reset gap to .030 inches or replace
spark plug.
2. Clean air cleaner followinginstructions
on page 13.
1. Tighten blade and adapter, balance
blade.
2. Replace blade.
3. Contact your SEARS Service Center.
1. Wait untillater to cut.
2. Mow once at a highcuttingheight, then
mow again at desired height. Make a
narrower cuttingswath (1/2) width. Do
not cut off more than 1/3 of the total
length.
3. Sharpen or replace blade,
1. Place all four wheels in same relative
height position.
2. Sharpen or replace blade.
For repairs beyond the minor adjustments listed above,
please contact your nearest SEARS Service Center.
19

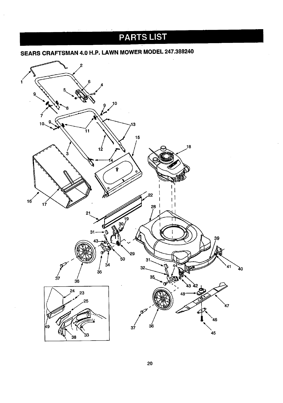
SEARS CRAFTSMAN 4.0 H.P. LAWN MOWER MODEL 247.388240
7
17
6/
21
34
35
9__2_. 4j23
0
,13
15
37
18
39
\45
_-0
2O

SEARS CRAFTSMAN 4.0 H.P. LAWN MOWER MODEL 247.388240
Key Part No.
No.
1, 747-0824
2. 749-0538D-
0637
3. 749-0928-
0637
4. 710-1270
5, 712-0324
6. 746-0883
7, 710-1205
8. 720-0241
9. 736-0451
10. 710-0450
11. 720-0279
12. 746-0737
13. 726-O24O
14. 714-0104
15. 782-7025
16. 764-0447
17, 764-O325
18.
19, 732-0678
20. 732-0677
21. 732-0712
22, 731-1261
23. 726-0201
24. 731-1405
25. Z82-5007A
Deecrlptlon
Blade Control Handle
Upper Handle
Lower Handle
Oval C-Sunk Scr. 1/4-20 x 1.3_
Hex Lock Nut 1/4-20
Cable Housing
Eye Bolt: Rope Guide
Wing Nut 5116-18
Saddle Washer
Carriage Bolt 5/16-18 x 3.0"
Handle Knob 1/4-20
Control Cable: 51"
Cable Tie
Hairpin Clip
Chute Door: RD
Grass Catcher
Grass Catcher Frame
Engine, Tecumseh model 143.994002
Torsion Spring, RH
Torsion Spring, LH
Wire: Trail Shield
Trail Shield
Speed Nut
SD Chute: Kit
Mulch Plug
Key
No.
28.
29,
30.
31.
32.
33.
34.
35.
36.
37.
38.
39.
40.
41.
42.
43.
44.
45.
46.
47.
48.
49.
50,
Part No.
782-0054A-
0689
682-0516
682-0515
710-1248
720-0190
732-0404
710-0654A
14765
738-0507B
734-1841
738-0102
782-5004
782-5025
736-0356
712-0798
15261A
736-0105
15262B
710-1044
736-0524A
742-0739
748-0376C
711-0996
732-0417A
Description
Cuffing Deck
Height Adj. Bracket Assy. RH
Height Adj. Bracket Assy. LH (not
shown)
Weld Pin
Height Adjustment Knob
Spring Lever: Front Wheel
Seres Screw TT 3/8-16 x 1.0"
Pivot Bar: 9 Position
Shoulder Screw
Wheel 8 x 1.7 Aero Gray
Shoulder Scr. 3/8-16 x 1.445"
Rear Baffle RH
Front Baffle
BegWasher
Hex Nut 3/8-16
Height Adj. Plate
Spring Washer
Pivot Bar: Front Wheel
Hex Bolt 3/8-24 x 1.5" Gr.8 Special
Blade Bell Support
Blade: Mulching
Blade Adapter
SD Chute Rod
Spring Lever: Rear Wheel
21

CRAFTSMAN ENGINE NO. 143.994002 FOR
CRAFTSMAN 4.0 H-P- LAWN MOWER MODEL 247.388240
O-37OK
298
300
4OO
130
416
135
120 119
125
370C 262'_
110_ ,285
126
182
185 /
,s-
178
7
46
22

CRAFTSMAN ENGINE NO, 143.994002 FOR
CRAFTSMAN 4.0 H.P. LAWN MOWER MODEL 247.388240
Key No,J Part No.
1 37280
2 26727
6 33734
7 36557
12 36775
12A 36558
12B 36694
14 28277
15 30589
16 34839A
17 31335
18 651018
19 36281
20 32600
30 36797
40 35544A
40 35545A
40 35546
41 35541
41 35542
41 35543
42 35547A
42 35548A
42 35549
43 20381
45 36777
46 32610A
48 27241
50 37032
52 29914
69 35261
70 34311E
72
75
80
81
82
83
86
89
90
92
93
100
101
103
110
119
120
125
126
* This en
36083
27897
30574A
30590A
30591
30588A
650488
611004
611112
650815
650816
34443B
610118
651007
37047
37028
36825
37288
37289
Descdption
Cylinder (IncL 2,20 & 150)
Dowel Pin
Breather Element
Breather Ass'y. (Incl. 6 & 12A)
Breather Tube
Breather Cover &Tubs (Incl. 12B)
Breather Tube Elbow
Washer
Governor Rod (Incl. 14)
Governor Lever
Governor Lever Clamp
Screw, Torx T-15, 8-32x 19/64"
Extension Spring
Oil Seal
Crankshaft
Piston, Pin & Ring Set (Std.)
Piston, Pin & RingSet (.010" OS)
Piston, Pin & Ring Set (.020' OS)
Piston & Pin Ass',/. (Std.) (Incl. 43)
Piston& Pin Ass'y. (.010" OS)
(Incl. 43)
Piston & Pin Ass'y. (.020" OS)
(IncL43)
Ring Set (Std,)
RingSet (.010' OS)
RingSet (.020 GS)
Piston Pin Retaining Ring
Connecting Rod Ass'y. (Incl. 46)
Connecting Rod Bolt
Vatve Lifter
Camshaft (NCR)
Oil Pump Ass'y.
Mounting Flange Gasket
Mounting Flange (Incl, 72 thru
83,306)
Oil Drain Plug
Oil Seal
Governor Shaft
Washer
Governor Gear Ass'y. (Incl, 81)
Governor Spool
Screw, 1/4-20 x 1-1/4"
Flywheel Key
Flywheel
Belleville Washer
Flywheel Nut
Solid State Ignition
Spark Plug Cover
Screw, Torx"1"-15,10-24 x 15/16"
Ground Wire
Cylinder Head Gasket
Cylinder Head
Exhaust Valve (Std.) (Inct. 151)
Intake Valve (Std.) (Incl. 151)
Key No, Part No,
130 6021A
135 35395
150 31672
151 31673
151A 40017
169 36783
172 36784
174 30200
178 29752
182 6201
184 26756
185 36785
186 32653
189 650839
191 36559A
195 610973
207 34336
216 33086
223 650461
224 36786
238 65O932
239 34338
241 35797
245 35066
250 35065
260 36980
261 30200
262 650831
275 36790A
277 650988
285 35000A
287 650926
290 29774
292 26460
298 28763
300 36916
301 36246
305 35647
306 36996
307 35499
309 650562
310 35648
313 34060
370A 36261
370C 37199
370K 36695
360 640173
390 59O737
400 37029A
416 36085
417 650821
900 0
9OO
Description
Screw, 5/16-18 x 1-1/2"
ResistorSpark Plug (RJ19LM)
Valve Spring
Valve SpdngCap
Intake Valve Seal
Valve Cover Gasket
Valve Cover
Screw, 10-24 x 9116'
Nut & Lock Washer, 1/4-28
Screw, 1/4-28 x 7/8"
Carburetor - Intake Pipe Gasket
Intake Pipe
Governor Link
Screw, 1/4-20 x 3/8"
S.E. Brake Bracket (Incl. 195)
Terminal
Throttle Link
R.P.M. AdjustingLever
Screw, 1/4-20 x 1"
Intake Pipe Gasket
Screw, 10-32 x 49/64"
Air Cleaner Gasket
Air Cleaner Collar
Air Cleaner Filter
Air Cleaner Cover
Blower Housing
Screw, 10-24 x 9/16"
Screw, 1/4-20 x 1/2"
Muffler
Screw, 1/4-20 x 2-5/16"
StarterCup
Screw, 8-32 x 21164"
Fuel Line
Fuel Line Clamp
Screw, 10-32 x 35/64"
Fuel Tank (incl. 292 & 301)
Fuel Cap
Oil FillTube
"O'-Ring
"O'-Ring
Screw, 10-32 x 1/2"
Dipstick
Spacer
LubricationDecal
Primer Decal
Starter Decal
Carburetor (Incl. 184)
Rewind Starter*
Gasket Set
Spark Arrestor Kit (Optional)
Screw, 10-32 x 1/2" (Optional)
Replacement Engine NONE, ordel
from 71-9990
Replacement Short Block 750836
inecouldhavebeenbuittwith590694starter
23

CRAFTSMAN ENGINE NO. 143.994002 FOR
CRAFTSMAN 4.05 H.P. LAWN MOWER MODEL 247.388240
Carburetor No. 640173
I
I
30
31
Kay
No.
1
2
4
5
6
7
16
25
27
28
29
3O
31
35
40
44
48
60
Part No. Description
631615
631767
631184
631183
631616
650506
631807
631700
631024
632019
631028
631021
631022
632047A
631937A
631334
631027
632760
ThrottleShaft & Lever Assembly
Throttle Retum Spring
Dust Seal Washer (Throttle)
Dust Seal (Throttle)
Throttle Shutter
Shutter Screw
Fuel Fitting
Float Bowl
Float Shaft
Float
Float Bowl 'O" Ring
Inlet Needle, Seat & Clip
(Incl. 31)
SpringClip
Primer Bulb/Retaining Ring
High Speed Bowl Nut
Bowl Nut Washer
Welch Plug, AtmosphericVent
Repair kit
6O
24

CRAFTSMAN ENGINE NO. 143.994002 FOR
CRAFTSMAN 4.0 H.P. LAWN MOWER MODEL 247.388240
Recoil Starter 590694
12
J
13
6
6
O_2
Key No. Pad No.
- 590694
1 590599A
2 590600
3 590696
4 590601
5 590697
6 590698
7 590699
8 590700
11 590695
12 590535
13 590701
Description
Recoil Stader
Spring Pin
Washer
Retainer
Washer
Brake Spdng
Starter Dog
Dog Spring
Pulley & Rewind Spring Ass'y.
Starter Housing Ass'y,
(40 degree grommet)
Starter Rope
96" x 9/64" dia.)
Starter Handle
Recoil Starter 590737
_-,,------ 14
13
_8
7-----_11 i1',---_- 7
3
Key No. Pad No.
-- 590737
3 590740
6 590616
7 590617
8 590618A
11 590567A
12 590535
13 590701
14 590760
Descdption
Rewind Stader
Retainer
Starter Dog
Dog Spring
Pulley & Rewind Spdng Ass'y.
Starter HousingA_'y
(40 Degree Grommet)
Starter Rope
( 98" X 9/e4")
StarterHandle
Spdng Clip
25

For in-home major brand repair service:
Call 24 hoursa day, 7 days a week
1-800-4-MY-HOME s" (1-800-469-4663)
Para pedir servicio de reparaci6n a domicillio -- 1-800-676-5811
In Canada for all your serviceand parts needs, call
Au Canada pour tout le service ou les pi_ces --1-800-665-4455
For the repair or replacement parts you need:
Call 7 am -- 7 pm, 7 days a week
1-800-366-PART (1-800-366-7278)
Para ordenar piezas con entrega a domicillio -- 1-800-659-7084
For the location of a Sears Parts and Repair Center in your area:
Call 24 hoursa day, 7 days a week
1-800-488-1222
For information on purchasing a Sears Maintenance Agreement
or to inquire about an existing Agreement:
Call 9 am -- 5 pm, Monday -- Saturday
1-800-827-6655
,SEARS
HomeCentralTM
•-.#
TheServiceSideof SearssM