Craftsman 247 77636 Operators Manual
247776360 247776360 CRAFTSMAN CHIPPER SHREDDER - Manuals and Guides L0607513 View the owners manual for your CRAFTSMAN CHIPPER SHREDDER #247776360. Home:Lawn & Garden Parts:Craftsman Parts:Craftsman CHIPPER SHREDDER Manual
CRAFTSMAN Chipper Shredder/Vacuum, Gas Manual L0607513 CRAFTSMAN Chipper Shredder/Vacuum, Gas Owner's Manual, CRAFTSMAN Chipper Shredder/Vacuum, Gas installation guides
2015-01-05
: Craftsman Craftsman-247-77636-Operators-Manual-160315 craftsman-247-77636-operators-manual-160315 craftsman pdf
Open the PDF directly: View PDF
.
Page Count: 40

Operator's Manuam
I:RRFTSMRN°
7.5 Horse Power
CHIPPER SHREDDER
Model No. 247.776360
CAUTmON: Before using
this product, read this
manual and foN_ow aim
safety fumes and operating
instructions,
o SAFETY
ASSEMBLY
OPERATION
MAINTENANCE
PARTS LIST
Scars, Roebuck and Co., Hoffman Estates, IL 60179, U.S.A.
Visit our web site swww, sears,com/craftsman FORMNO,769-02543
05/24/2006

WarrantyStatement..................................Page2
SafeOperationPractices.........................Pages3-4
Assembly..................................................Page6
Operation..................................................Pages7-9
Maintenance.............................................Pages10-11
Off-SeasonStorage..................................Page12
TroubleShooting......................................Page13
PartsList...................................................Page14-16
Espadol.....................................................Page17
ServiceNumbers......................................BackCover
One-YearWarrantyon CraftsmanChipperShredder
Foroneyearfromthe dateof purchase,whenthisCraftsmanChipperShredderis maintained,lubricatedandtunedupaccordingto the instruc-
tionsinthe owner'smanual,Searswill repair,free ofcharge,any defectin materialandworkmanship.If thisCraftsmanchippershredderis used
for commercialor rentalpurposes,thiswarrantyappliesfor only 30daysfromthe dateof purchase.
Thiswarrantydoesnot cover:
• Expendableitemswhichbecomewornduringnormaluse,suchas sparkplug, bladesandair cleaner.
• Repairsnecessarybecauseof operatorabuseor negligence,includingbentcrankshaftsandthe failureto maintainthe equipmentaccording
to the instructionscontainedinthe owner'smanual.
WARRANTYSERVICEIS AVAILABLEBYRETURNINGTHECRAFTSMANCHIPPERSHREDDERTO THENEAREST
SEARSPARTS& REPAIRCENTERINTHEUNITEDSTATES.
Thiswarrantyappliesonly whilethisproductis in use inthe UnitedStates.
TO LOCATETHENEARESTSEARSPARTS& REPAIRCENTERORTO SCHEDULESERVICE,
SIMPLYCONTACTSEARSAT1-800-4-MY-HOME®.
Thiswarrantygivesyou specificlegalrightsandyou mayalso haveotherrightswhichmayvaryfromstateto state.
SEARS,ROEBUCKANDCO., D/817WA,HOFFMANESTATES,IL 60179
Repair ProtectionAgreements
Congratulationson makinga smart purchase.YournewCraftsman@
productis designedand manufacturedfor yearsof dependableopera-
tion.But likeallproducts,it mayrequirerepairfromtimeto time.That's
whenhavinga RepairProtectionAgreementcansaveyoumoneyand
aggravation.
Here'swhat'sincludedin the Agreement:
• Expertserviceby our 12,000professionalrepairspecialists
• Unlimitedserviceand nochargefor partsand laboronall covered
repairs
• Productreplacementif yourcoveredproductcan'tbe fixed
• Discountof 10%fromregularpriceof serviceandservice-related
partsnotcoveredby theagreement;also,10%off regularprice of
preventivemaintenancecheck
• Fasthelpby phone- phonesupportfroma Searstechnicianon
productsrequiringin-homerepair,plus convenientrepair
scheduling
PurchaseaRepairProtectionAgreementnowandprotectyourself
fromunexpectedhassleandexpense.
Once youpurchasethe Agreement,a simplephonecall is allthat it
takesfor youto scheduleservice.Youcan call anytimeday ornight,or
schedulea serviceappointmentonline.
Searshasover12,000professionalrepairspecialists,who have
accessto over4.5millionqualitypartsandaccessories.That'sthe
kindof
professionalismyou cancountonto helpprolongthe life of yournew
purchasefor yearsto come.PurchaseyourRepairProtectionAgree-
menttoday!
Somelimitationsandexclusionsapply.For pricesandadditional
informationcall 1-800-827-6655.
Sears InstallationService
ForSearsprofessionalinstallationof homeappliances,garagedoor
openers,waterheaters,andother majorhomeitems,in the U.S.A.call
1-800-4-MY-HOME®
Horse Power:
Engine Oil:
Oil Capacity:
Fuel:
Spark Plug:
Engine:
7.5 Horse Power
SAE 30
20 Ounces
Unleaded Gasoline
Champion® RC-12YC
Briggs and Stratton 150112-0408
Model Number .............................................................
Serial Number ..............................................................
Date of Purchase ..........................................................
Record the model number, serial number
and date of purchase above

WARNING: Engine Exhaust,some of its constituents,and certain vehicle componentscontain or emit
chemicals known to State of California to cause cancer and birth defects or other reproductiveharm.
DANGER: This machine was built to be operatedaccordingto the rulesfor safe operation in this manual.As with any type
of power equipment, carelessness or error on the part of the operator can result in serious injury.This machine is capable
of amputating hands and feet and throwing objects. Failureto observe the following safety instructionscould result in
serious injury or death.
WARNING: This symbol pointsout important safetyinstructionswhich, if notfollowed,couldendangerthe
personalsafety and/or propertyof yourselfand others. Readandfollow ail instructionsin this manualbefore
attemptingto operatethis machine.Failureto complywiththese instructionsmay resultin personalinjury.
When you see this symbol.HEED ITS WARNING!
"1
Training
1. Read,understand,andfollowall instructionsonthe machineand in the 1.
manual(s)beforeattemptingto assembleandoperate.Keepthis manual
in a safeplaceforfuture and regularreferenceand for orderingreplace-
mentparts. 2.
2. Befamiliarwith allcontrolsandtheir properoperation.Knowhowto stop
the machineanddisengagethemquickly.
3. Neverallowchildrenunder 16years oldto operatethis machine.Children 3.
16yearsold and overshould readand understandthe operationinstruc-
tionsandsafety rulesin this manualand shouldbetrainedand supervised
by a parent.
4. Neverallow adultsto operatethis machinewithout properinstruction. 4.
5. Keepbystanders,helpers,pets,andchildrenat least75 feet fromthe
machinewhile itis in operation.Stop machineif anyoneentersthearea.
6. Neverrunan engineindoorsor in a poorlyventilatedarea.Engineexhaust 5.
containscarbonmonoxide,an odorlessand deadlygas. 6.
7. Do notputhands andfeet nearrotatingparts orin the feedingchambers
anddischargeopening.Contactwiththe rotatingimpellercan amputate
fingers,hands,and feet.
8. Neverattempt to unclogeither thefeed intakeor dischargeopening,
removeoremptyvacuumbag,or inspectand repairthe machinewhilethe
engineis running.Shutthe engine offandwait until all movingparts have
cometo a completestop. Disconnectthespark plugwire andground it
againsttheengine.
Thoroughlyinspectthe areawherethe equipmentisto beused. Remove
all rocks,bottles,cans, orotherforeignobjectswhichcould be pickedup
or thrownandcausepersonalinjuryor damageto the machine.
Alwayswearsafetyglassesor safetygogglesduringoperationor while
performingan adjustmentor repair,to protecteyes. Thrownobjectswhich
ricochetcan causeseriousinjuryto the eyes.
Wearsturdy,rough-soledworkshoesandclose-fittingslacksandshirts.
Loosefittingclothesorjewelry canbe caughtin movableparts.Never
operatethis machinein barefeet or sandals.Wearleatherworkgloves
whenfeedingmaterialinthe chipperchute.
Beforestarting,check all boltsandscrewsfor propertightnessto besure
the machineis in safeworkingcondition.Also,visuallyinspectmachinefor
any damageat frequentintervals.
Maintainor replacesafetyand instructionslabels,as necessary.
To avoidpersonalinjuryor propertydamageuseextremecare in handling
gasoline.Gasolineis extremelyflammableandthe vaporsareexplosive.
Seriouspersonalinjury canoccurwhen gasolineis spilled on yourself
or yourclotheswhichcan ignite.Washyour skin andchangeclothes
immediately.
a. Useonlyan approvedgasolinecontainer.
b. Extinguishall cigarettes,cigars,pipes,and othersourcesof ignition.
c. Neverfuel machineindoors.
d. Neverremovegas capor addfuelwhilethe engineishot or running.
e. Allowengineto cool at leasttwo minutesbefore refueling.
f. Neveroverfill fuel tank. Filltankto nomorethan 1/2inch below bottom
of filler neckto providespacefor fuel expansion.
g. Replacegasolinecapandtightensecurely.
h. If gasolineis spilled,wipe it off the engineandequipment.Move
machineto anotherarea. Wait5 minutesbeforestartingthe engine.
Neverstore the machineorfuelcontainer insidewherethere is an open
flame, spark,or pilot light (e.g.furnace, waterheater,spaceheater,
clothesdryer,etc.).
To reducea fire hazard,keep machinefreeof grass, leaves,or other
debrisbuild-up.Cleanup oil orfuelspillageand removeanyfuel
soakeddebris.
k. Allowmachineto cool at least 5 minutesbeforestoring.
3

Operation
t. Do notputbandsandfeet nearrotatingparts or inthe feedingchambers
and dischargeopening.Contactwiththe rotatingimpellercan amputate
fingers,hands,andfeet.
2. Beforestartingthe machine,makesurethe chipperchute,feed intake,and
cuttingchamberareemptyandfreeof alldebris.
3. Thoroughlyinspectall materialto beshreddedand removeanymetal,
rocks,bottles,cans,or otherforeignobjectswhichcouldcause personal
injuryor damageto the machine.
4. If the impellerstrikesaforeign objector if your machineshouldstart
makingan unusualnoiseorvibration,immediatelyshutthe engineoff.
Allowthe impellerto cometo a completestop. Disconnectthespark plug
wire,groundit againstthe engineand performthe followingsteps:
a. Inspectfor damage.
b. Repairor replaceanydamagedparts.
c. Checkfor any looseparts andtighten to assurecontinuedsafe opera-
tion.
5. Do notallowanaccumulationof processedmaterialto buildup in the
dischargearea.This canpreventproperdischargeand resultin kickback
of materialthroughthefeed opening.
6. Do notattemptto shredor chip materiallargerthan specifiedon the
machineor inthis manual.Personalinjuryor machinedamagecould
result.
7. Neverattemptto unclogeitherthefeed intakeor dischargeopeningwhile
theengineis running.Shuttheengineoff, waituntil all movingpartshave
stopped,disconnectthe sparkplugwire andground it againstthe engine
beforeclearingdebris.
8. Neveroperatewithoutvacuumbag anddischargechuteproperlyattached
to the machine.Neveremptyor changevacuumbagwhilethe engineis
running.Zipperedendof vacuum bagmustbe keptclosedat alltimes
duringoperation.
9. Neveroperatewithouteitherthe inlet nozzleoroptional hoseattachment
properlyattachedto the machine.Neverattemptto attach or changeeither
attachmentwhilethe engineis running.
10.Keepall guards,deflectorsandsafetydevicesin placeandoperating
properly.
11.Keepyour faceand bodybackandto the side of thechipperchute while
feedingmaterialintothe machineto avoidaccidentalkickbackinjuries.
12.Neveroperatethis machinewithoutgoodvisibilityor light. Alwaysbe sure
of yourfooting and keepa firm holdonthe handles.
13.Do notoperatethis machineon a gravelsurface.
14.Do notoperatethis machinewhile underthe influenceof alcoholordrugs.
15.Mufflerand enginebecomehotand cancausea burn. Donottouch.
16.Neverpickupor carry machinewhile theengineis running.
Maintenance & Storage
1. Nevertamperwith safetydevices.Checktheir properoperationregularly.
2. Check boltsandscrewsfor propertightnessat frequentintervalsto keep
the machinein safeworkingcondition.Also,visuallyinspectmachinefor
anydamageand repair,if needed.
3. Beforecleaning,repairing,or inspecting,stoptheengineand makecertain
the impellerand allmoving partshavestopped. Disconnectthespark plug
wire and groundit againstthe engineto preventunintendedstarting.
4. Donotchangetheenginegovernorsettingsoroverspeedthe engine.The
governorcontrolsthe maximumsafeoperatingspeedof the engine.
5. Maintainor replacesafetyand instructionlabels,as necessary.
6. Followthis manualfor safeloading,unloading,transporting,andstorage
of this machine.
7. Neverstorethe machineorfuelcontainerinsidewherethere is an open
flame, sparkor pilot light suchas a water heater,furnace,clothes dryer,
etc.
8. Alwaysreferto the operator'smanualfor properinstructionson off-season
storage.
9. Ifthe fuel tank hasto bedrained,do this outdoors.
10.Observeproperdisposallawsand regulationsfor gas, oil,etc.to protect
the environment.
Do not modify engine
Toavoidseriousinjuryor death,do notmodifyenginein anyway.Tampering
withthe governorsettingcanleadto a runawayengineandcauseit to operate
at unsafespeeds.Nevertamperwithfactorysettingof engine governor.
Notice regarding Emissions
Engineswhichare certifiedto complywith CaliforniaandfederalEPAemission
regulationsfor SORE(SmallOff RoadEquipment)are certifiedto operateon
regularunleadedgasoline,and mayincludethefollowingemissioncontrolsys-
tems:EngineModification(EM)andThreeWayCatalyst(TWC)if so equipped.
Your Responsibility
Restrictthe useof this powermachineto personswho read,understandand
followthe warningsandinstructionsinthis manualand onthemachine.

Look For Relevant Emissions E)urabiHty Period and
Air hde× mnformation On Your Engine Emissions Labe_
Engines that are certified to meet the California Air Resources Board (CARB) Tier 2 Emission Standards must
display information regarding the Emissions Durability Period and the Air index. Sears, Roebuck and Co., U.S.A.
makes this information available to the consumer on our emission labels.
The Emissions Durability Period describes the number of hours of actual running time for which the engine is
certified to be emissions compliant, assuming proper maintenance in accordance with the Operating & Mainte-
nance Instructions. The following categories are used:
Moderate: Engine is certified to be emission compliant for 125 hours of actual engine running time.
Intermediate: Engine is certified to be emission compliant for 250 hours of actual engine running time.
Extended: Engine is certified to be emission compliant for 500 hours of actual engine running time.
For example, a typical walk-behind lawn mower is used 20 to 25 hours per year. Therefore, the Emissions
Durability Period of an engine with an intermediate rating would equate to 10 to 12 years.
The Air Index is a calculated number describing the relative level of emissions for a specific engine family. The
lower the Air Index, the cleaner the engine. This information is displayed in graphical form on the emissions label.
After Ju_y 1,2000, Look For Emissions Compliance Period
On Engine Emissions Compliance Labe_
After July 1, 2000 certain Sears, Roebuck and Co., U.SoA. engines will be certified to meet the United States
Environmental Protection Agency (USEPA) Phase 2 emission standards. For Phase 2 certified engines, the Emis-
sions Compliance Period referred to on the Emissions Compliance label indicates the number of operating hours
for which the engine has been shown to meet Federal emission requirements.
For engines less than 225 cc displacement, Category C = 125 hours, B = 250 hours and A = 500 hours.
For engines of 225 cc or more, Category C = 250 hours, B = 500 hours and A = 1000 hours.
The displacement engines of Model Series 150112 is 249 cc.
This is a generic representation of the emission labeltypically found on a certified engine.
5

IMPORTANT," This unit is shipped without gasoline or
oil in the engine. After assembly, see OPERATION sec-
tion of this manual for proper fuel and engine oil tiff-up.
This Chipper Shredder has been completely assembled
at the factory, except for the debris collection bag,
which is stowed in the chipper chute for shipping.
Removing Unit From Carton
1. Remove staples, break glue on top flaps or cut tape
at carton end and peel along top flap to open carton.
2. Remove any loose parts.
3. Cut down along carton edges and lay carton down
flat.
4. Remove packing material, if present. Lift unit from
the rear and discard bottom pad, if present. Roll unit
out of carton. Check carton thoroughly for loose
parts.
Loose Parts Jn Carton
a. One Debris Collection Bag
b. One Pair of Safety Glasses
c. One 20 oz. Bottle of Engine Oil
d. One Operator's Manual
Attaching The Debris
Collection Bag
2. To attach the bag:
a. Place the opening of the bag completely over the
chute deflector.
b. Position the bag so that the wing knobs which
secure the chute deflector to the impeller housing
are completely covered.
c. Pull on the drawstrap until the bag is tight around
chute deflector opening. See Figure 1.
\
Figure 1
6

Hopper
Handle
ChipperChute
\
Chute
Deflector
ReductionChamber
Figure 2
J
Chipper Chute
Branches up to 2" in diameter may be fed into the chipper chute
for chipping= See Figure 4=
Hopper
Leaves, twigs and branches up to 1/2-inch in diameter may be
placed into the hopper for shredding= See Figure 4=
iMPORTANT: Never place branches with a diameter greater than
1/2dnch in the hopper, Doing so can result in serious damage to your
unit's shredder blade, flails or impeller,
HandJe
Use the handle when manually transporting the chipper shred-
der. See Figure 4=
Reduction Chamber
Debris is shredded and reduced with the reduction chamber. See
Figure 4.
Chute Deflector
Chipped and shredded debris is discharged out the chute deflec-
tor. The unit may be operated with or without the collection bag
attached to the chute deflector. See Figure 4.
_k ARNING: The operation of any chipper shredder
can result in foreign objects being thrown. Always
wear the safety glasses provided with this unit or
eye shields before chipping or shredding and while
pedorming any adjustments or repairs.
Engine Controls
See the Briggs & Stratton Owner/Operator manual packed with
your unit for the location and function of the controls on the
engine=

WARNING:The operation of any chipper shredder
can result inforeign objects being thrown intothe
eyes, which can damage your eyesseverely. Always
wear the safety glasses provided with this unit or
eye shields before chipping or shredding and while
performing any adjustments or repairs.
Gas and Oil Fi{FUp
Servicethe enginewithgasolineandoil as instructedin the separate
Briggs& Strattonenginemanualpackedwithyourchippershredder,
Readinstructionscarefully,
WARNING:Neverfill fuel tank indoorswith engine
running or until the engine has beenallowed to cool
for at least two minutes after running.
Starting Engine
1, Movechokecontrolleverto CHOKEposition,SeeFigure5,
NOTE:Awarmenginemaynotrequirechoking,
2, Movethrottlecontrolleverto FAST(rabbit)position,SeeFigure5,
3, Graspstarterhandleandpullropeout slowlyuntilenginereaches
startof compressioncycle(ropewill pullslightly harderat this
point),
NOTE:A "clanking"noisemaybeheardwhenpullingthe starter rope,
it is completelynormalanddoes NOTindicatea malfunctionof am
kind,
4, Pullropewitha rapid,continuous,full armstroke,Keepafirm grip
onstarterhandle,Let roperewindslowly,
5, Repeatthe previousstepsuntilenginestarts,Whenenginestarts,
movechokecontrolgraduallyto RUNpositionuntilthe engineis
runningsmoothly,
WARNING:Neverrun the engine indoorsor ina
poorly ventilated area. Engineexhaust contains
carbon monoxide, anodorless and deadly gas.
Stopping Engine
1, Movethrottlecontrolleverto STOPposition,SeeFigure6,
NOTE:Seeyourenginemanualpackedwithyour unitfor more
detailedinstructions,
CAUTION:Neverstopthe enginebymovingthe chokeleverintothe
CHOKEposition,Backfire,fire or enginedamagecould
result,
f
f
Figure 5
Figure 6
_J
8

Shredding
Yardwastesuchas leavesandpineneedlescan be placedinthe
hopperfor shredding,Aftermaterialhas beenprocessedby the shred-
derbladeandflails,it will beforcedoutof thechutedeflector,and,if
attached,intoa debriscollectionbag,
Observethe followingguidelineswhenshreddingyarddebris:
1, Neverattemptto shredmaterialotherthan normalyard debris
(leaves,twigs,pinecones,etc,),
2, Avoidshreddingfibrousplantssuchas tomatovinesuntiltheyare
thoroughlydriedout, Freshvinesdo not shredwell andtendto
wrapthemselvesaroundthe impellerandflails,
3, Race reasonableamountsof debrisintothe hopperat a time, Do
not overloadthe hopper,
4, Allowthe materialin the hopperto bedrawnintothe bladesand
shreddedbeforeaddingadditionaldebristo the hopper,Failureto
dueso mayresultin acloggedhopper,cloggedchutedeflectorora
stalledengine,
5, Avoidplacingtwigs longerthan24inchesintothe hopper,Twigs
longerthan 24inchesmayresultin a cloggedhopper,
6, Neverplacebrancheswitha diametergreaterthan 1/2-inchin
the hopper,Doingso can resultinseriousdamageto the unit's
shredderblade,flailsor impeller,
C_earing the Hopper
Shouldthe hopperbecomedogged withdebrisduringoperation,
proceedas follows:
1, Graspthe handlewith bothhandsandgentlyagitatethe chipper
shredderto helploosendebris,drawingit intothe impeller,
if thedog doesnot clear,proceedas follows:
1, Stopengine,
2, Useyourhandsto removeany debrisfoundnearthe top of the
hopper,
3, Useabranch(or otheravailabledevice,i,e,broomstick)to dislodge
debrislocatedtowardthe baseof the hopper,
4, Restartengine,
NOTE:if you'reunableto pullthe starterropeas a resultof accumu-
lateddebrisnearthe impeller,followinstructionsunderthe heading
Cleaning the Reduction Chamberin the "MaintainingYourChipper
Shredder"sectionof thismanual,
Chipping
WARNING:Never operate the chipper shredder
without chipper chute lowered into the operating
position.
Branchesupto 2" in diametercan befed intothe chipperchute,
Observethe followingguidelineswhenchippingbranches:
1, Keepbothhandsfirmlyonthe branchas youfeed it intothe chipper
chute,
2, Neverfeed morethanonebranchintothe chipperchuteat a time,
3, Neverfeed anythingotherthan branches(or wood)intothe chipper
chute,
4, Apply intermittentpressure(force,inshortpulses)while feeding
larger(2-inchdiameter)branchesintothe chipperchute,to avoid
boggingor stallingthe engine,
IMPORTANT:Neverfeed brancheswitha diametergreaterthan
two (2) inchesintothe chipperchute, Doingso can resultin serious
damagetoyour unit'schipperblades,flailsorimpeller,
NOTE:Forbestperformance,alwaysoperatethe unitwithsharp
chipperblades,If a noticeablelossin performanceis encountered
whilechippingbranches,the chipperbladesshouldbe replaced,
Emptying the Debris Collection Bag
1, Stopengine,
2, Squeezethe lockingbucklereleasethe bag'sdrawstrapbefore
looseningit fromthe chutedeflector,SeeFigure7,
3, Emptythe bagandreattachto the chutedeflectoropening,Referto
Figure2,
\
Figure 7

WARNING:Alwaysstopengine,disconnectspark
plug,andgroundagainstengine before cleaning,
lubricating or doing any kind of maintenanceon your
machine.
Lubrication
1, Lubricatethe chipperchutehingeawithNghtoilonce aseason,
2, Lubricatethe pivotpointsonthe chutedeflectorwithlightoil oncea
season,
3, Referto the Briggs& StrattonOwner/Operatormanualpackedwith
yourunit forenginelubricationinstructions,
Engine Care
Referto the Maintenancesectionof the Briggs& StrattonOwneUOp-
eratermanualpackedwithyourunit,Readandfollowinstructions
carefuNy.
1, Checkengine oil level beforeeach useas instructedinthe
separateenginemanual
2, Cleanair cleaner's preeleaner every25 hoursundernormal
conditions,Cleaneveryfewhoursunderextremelydustycondi-
tions,Replacetheair cleaner cartridge oncea season,To service
the aircleaner,referto theseparateenginemanual
3, Thespark plug shouldbe cleanedandthe gapresetonce a
season,Referto the separateenginemanualfor correctplugtype
andgapspecifications,
\
i s
4, Whenthe areais cleaned,pivotthe shredderscreendownwardand
re-securewiththeclevis pinandhairpinclip removedearner,
5, Reattachthe debriscollectionbagto the chutedeflector,if desired,
Chipper Shredder Care
Beforeeach use,visuallyinspectyour chippershredderfor loose(or
missing)nutsandbolts, Securelytighten(or replace)all hardware
beforeoperatingthe chippershredder,
Cleaning The Reduction Chamber
WARNING:The impelleFs shredder blade and chipper
blades are sharp. Wear leather work gloves to protect
your hands when cleaning out the reduction chamber.
If the reductionchamberbecomescloggedwithdebris,the shredder
screencan bepivotedupwardso thatyoucan cleanthe surrounding
area.Todo so,proceedas follows:
1, Stopengine,disconnectsparkplug,and makecertainthe chipper
shredderhascometo a completestop,
i_L WARNING:The muffler and surrounding area will be
hot if the engine has been running. Usecaution and
protest your hands if working nearthe muffler.
2, a, If attached,removedebrisbag,Removethetwo wingknobson
eithersideof the chutedeflectorandpivotthe chutedeflector
upward,SeeFigure8,
b, Removethe hairpinclip fromthe clevispinwhichextends
throughthe housingandshredderscreen,SeeFigure8,
Removeclevispin,
c, Pivotthe shredderscreenupwardandcleanthe surrounding
areaby scrapingawaydebris,
3, Confirmthatthe sparkplugwire is disconnectedandawayfrom
sparkplug, PuNon the starterropetwo-to-threetimesto purgeany
remainingdebrisfromthe reductionchamber
Sharpening Or Replacing Chipper Blades
WARNING:The impelleFs chipper blades are sharp.
Wearleather work gloves to protect your hands.
1, Stopengine,disconnectsparkplug,andmakecertainthe chipper
shredderhascometo acompletestop,
2, Pivottheshredderscreenupwardas instructedunderthe heading
Cleaningthe ReductionChamber,
3, a, Removethe chipperchuteby removingthreehex nutsand
washerswhichsecureit to the impellerhousing,SeeFigure9,
• Rotatethe impellerby handuntiloneof the twochipperbladesis
visiblethroughthe impellerhousingopening,
b, Removethe bladeby removingthe internalhexscrews,lock
washersand hexnutswhichsecureit to the impeller,
NOTE:Usea 3/16"hexkey(Allen)wrenchonthe outsideof the blade
anda 1/2" box(orsocket)wrenchon the insideof the impeller,Hold
the Allenwrenchstationaryandrotatethe box(orsocket)wrenchto
loosenthe nut.
4, Installa replacement(orsharpened)blade(PartNo,742:0544A)
withthe hardwareremovedearlier,
IMPORTANT:Ifsharpeningthe blade,protecthandsby usinggloves,
Followthe originalangleof grindandmakesureto removeanequal
amountfromeachblade,
5, To replacethe otherblade,rotatethe impellerto exposethe second
bladeandrepeatthe stepsabove,
10

f m
FlangeNut
Support
Figure 10
Figure 9
NOTE: Makecertainbladesare reassembledwiththe sharpedge
outward(towardthe chipperchute),Torquehardwareto between20
fblbs and 25fblbs,
Sharpening Or Replacing the Shredder Blade
WARNING:The shredder blade is sharp. Wear leather
work gloves to protect your bands.
1, Stopengine,disconnectsparkplug,andmakecertainthatall
movingpartshavecometo a completestop,
2, Removethetwo flange nuts(and hexbolts)which securethe hop-
persupportbracketto the impellerhousing,Retainthe hardware,
SeeFigure10,
3, Pivotthe shredderscreenupwardas instructedunderthe heading
Cleaning the Reduction Chamber,
4, a, Removesix flangenutswhichsecurehopperinletguideto
impellerhousing,SeeFigure11,
• Carefullyseparatethe hopperassemblyfromthe impeller
housingandset it aside,
, Inserta pieceof woodinto the chutedeflectoropeningto
stabilizethe impellerandpreventit fromrotatingwhenremoving
the shredderblade,
b, Removethe two internalhexscrews,hexlocknuts,and lock
washerswhichsecurethe shredderbladeto the impeller,See
Figure11,
NOTE:Usea3/16" hexkey(Allen)wrenchon theoutsideof the
shredderbladeanda 1/2" box(orsocket)wrenchon the insideof the
shredderblade,HoldtheAllenwrenchstationaryandrotatethe box
(orsocket)wrenchto loosenthe nut,
c, Removethe hexbolt,lockwasher,and flatwasherto completely
freeshredderblade,SeeFigure11,
Figure 11
IMPORTANT:Ifsharpeningthe bladefor reuse,followthe original
angleof grindas a guide,Makecertaineachcuttingedgereceivesan
equalamountof grindingto preventan unbalancedblade,Remove
metalfromthe heavysideuntil it is balancedevenly,
IMPORTANT:Whenreassemblingthe blade,tightencenterboltto
between45fblbs and60 fblbs andthe twoout boltsto between20
fblbs and25fblbs,
Storing Your Chipper Shredder
1, Cleanthe equipmentthoroughly,
2, Wipeequipmentwithan oiledragto preventrust,
3, Referto enginemanualfor correctenginestorageinstructions
4, Storeunitina clean,dry area,Do notstorenextto corrosive
materialssuchas fertilizer,
11

PrepareyourCraftsmanChipperShredderforstorageat the endof
the seasonor if the unitwill not beusedfor 30 daysor longer,A yearly
check-upbyyour localSearsParts&RepairCenteris a goodwayto
ensurethatthe unit runsproperlynextseason,
Chipper Shredder
, Cleantheequipmentthoroughly,
, Wipeequipmentwithanoiledragto preventrust, Usea light oilor
siliconeto wipe,
, Storeunit ina clean,dry area,Do not storenextto corrosive
materialssuchas fertilizer,
Engine
• Servicethe engineas instructedinthe separateBriggs& Stratton
enginemanualpackedwithyourchippershredder,
Other
• Do notstoregasolinefromoneseasonto another,
• Replacethe gasolinecan if it startsto rust, Rustand/ordirt in the
gasolinewill causeproblems,
• Storeunit ina clean,dry area,Do not storenextto corrosive
materials,suchas fertilizer,
NOTE:If storinginan unventilatedor metalstorageshed,becertainto
rustproofthe equipmentbycoatingwitha lightoilor silicone,
12

Problem Cause Remedy
Enginerunserratic
1. Throttleleverno[ tncorrec[startlnc 1. Movethrottle leverto FASTor
pos tion Iit equ_ppea,, STARTposmon
2. Sparkp_ugw_rea_sconnectea. 2. Connectwireto spa _tp_ug.
3. ChokenotinCHOKEsosmon it 3. Movechokebverto CHOKE
equppea).
4. Fueltankempt_or stalefuel.
5. Engineno[prlmea(if equipped).
6, Faultysparkplug.
position,
4. Filltankv,_thclean,freshgasoline.
5. Primeengineas mstruXed_n
EngineManua
6. Clean,adjust_ap,or replace.
7. Blocked fuel line. 7. Clean tue_Hne.
8, Engine flooded. 8, Wait a few minutes to restart, but
ao noi prime
1. Sparkplugwire loose. 1.
2. Unitrunningon CHOKE(if equipped). 2.
3. Blockedfuel lineorstab fuel 3.
Connectandtightenspark
plugwire.
Movechokeleverto OFFposition.
Cban fuel line;fill tankwith dean,
4. Ventin gas capplugged.
5. Wateror dirt in fuelsystem.
6. Dirtyaircbaner.
7. Carburetorout of adjustment.
freshgasoline.
4. Clearvent.
5. Drainfueltank. Refillwith
freshfuel
6. Referto enginemanual
7. Seeauthorizedservicedealer.
Occasionalskips
(hesitates)at
high speed
1. Sparkpluggaptoo dose.
2. Carburetoridlemixtureadiustment
improperlyset.
1. Adiustgapto .030".
2. Seeauthorizedservicedealer.
Unit does not
discharge
1. Chutedeflectordogged.
2. Foreignobjectlodgedinimpeller.
1. Stopengineimmediatelyand
disconnectsparkplugwire.Cban
flail screenandinsideof discharge
opening.
2. Stopengineanddisconnectspark
plugwire.Removelodgedobject.
3. LowengineRPM. 3. Alwaysrunengineat fullthrottle.
Rate of discharge !: Low engineBPMr !: A!waYsrunengineat fu!lthrott!e:
slows considerably 2. Chipperbiadedull 21 ReplaceChipperbladeorseeYour
changes
13

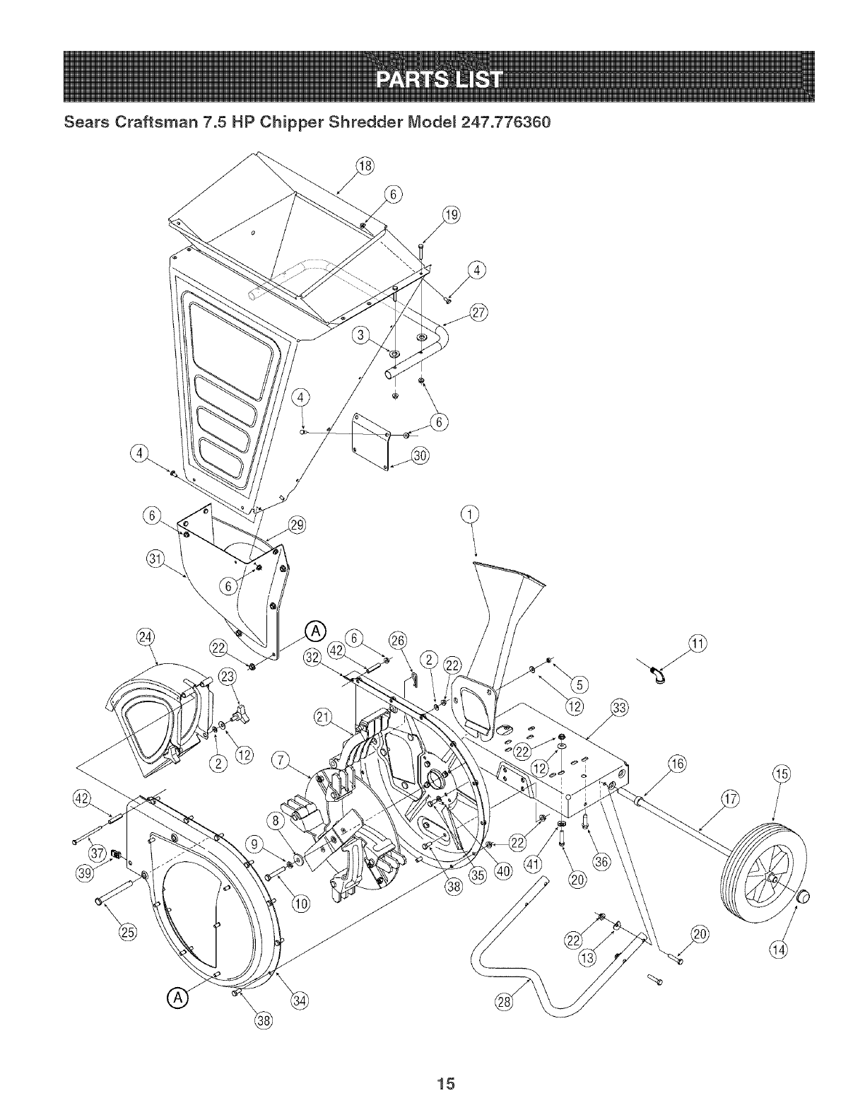
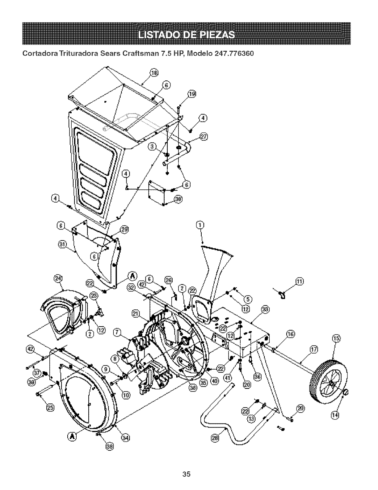
Sears Craftsman 7.5 HP Chipper Shredder Mode[ 247°776360
%
@
1 681-04009 ImpellerAssemblyComplete
2 710q054 MachineScrew,5/16_24x 1.0
3 711-0833B ClevisPin.496
4 712_0411 HexLockNut,5/16_24
5 715-0166 SpiralPin.156x 1.0
6 719-0329 Flail
7 736-0119 LockWasher,5/16
8 742_04050 ShredderBlade
9 742-0544A ChipperBlade
10 781-0735 RetainerClip
14

Sears Craftsman 7.5 HP Chipper Shredder Mode[ 247°776360
Y
@
15

Sears Craftsman 7.5 HP Chipper Shredder Mode[ 247°776360
1 681_0095 ChipperChuteAssembly
2 726_0201 SpeedNut,.31251D
3 736_0173 FlatWasher,.28x.74x.063
4 710_3013 HexCap Screw,1/4_20x.5
5 712_3010 HexNut, 5/16_18
6 712_3027 HexLockNutl/4_20
7 681_04009 ImpellerAssembly
(Seepage13for ImpellerParts)
8 736_0247 FlatWasher.406x 1.25
9 736_0217 LockWasher,3/8
10 710_1254 HexCap Screw,3/8_24x 2.2
11 737_0195 ElbowFitting
12 736_0242 BellWasher.340iD x.872OD
13 736_0451 Washer,.320[Dx.93OD
14 726_0214 PushCap,5/8
15 734q600 Wheel,10x 2.5
16 750_0786 Spacer,.64x .88 x .38
17 738_0813 Axle,22.47"
18 681_04011 ShredderHopperAssembly
19 710_0809 HexCap Screw,1/4_20x1.25
20 710_0805 HexCap Screw,5/16_18x 1.50
21 719_04070 ShredderScreen
22 712_3004A FlangeLockNut, 5/16q8
23 681_0048 KnobAssembly([ncLref.#12&61)
24 681_0094 ChuteDeflectorAssembly
25 711_0835 ClevisPin, .50x 4.62
26 714_0149B [nternaICotterPin
27 749_04103 HopperHandle
28 749_04104 TubeSupport
29 781_04007 ShredderPlate
30 781_04027 HopperSupportBracket
31 781_04033 InletGuide
32 681_0117 InnerFlailHousingAssembly
33 681_0184 FrameAssembly
34 681_04002 OuterFlaiIHousingAssembly
35 710_0157 HexCap Screw,5/16_24x.75
36 710_0502A HexSeresScrew,3/8_16x1.25
37 710_0825 HexCap Screw,1/4_20x 3.75
38 710_3025 HexCap Screw,5/16_18x.625
39 726_0211 U_Nut,5/16_18
40 736_0119 LockWasher,5/16
41 736_0170 SpecialLockWasher,5/16
42 750_0793 HingeSpacer.265x.380x 1.66
-- 664_04023 DebrisCollectionBag(NotShown)
-- 723_0400 SafetyGlasses
16

Sears Craftsman 7.5 HP Chipper Shredder Mode[ 247°776360
777S32604
777D10398
777S32282
777S30180
17

(Thispageapplicableinthe U,S,A,and Canadaonly,)
Sears, Roebuck and Co., U.S.A. (Sears}, the California Air Resources Board (CARB)
and the United States EnvironmentaJ Protection Agency (U.S. EPA}
Emission Control System Warranty Statement (Owner's Defect Warranty Rights and Obligations}
EMISSIONCONTROLWARRANTYCOVERAGEISAPPLICABLETOCERT!- YEAR1997ANDLATERENGINESWHICHARE PURCHASEDAND USED
FlEDENGINESPURCHASEDINCALIFORNIAIN1995ANDTHEREAF- ELSEWHEREINTHE UNITEDSTATES(ANDAFTERJANUARY1,2001 IN
TER,WHICHARE USEDINCALIFORNIA,ANDTOCERTIFIEDMODEL CANADA).
California and United States Emission Control Defects Warranty Statement
The CaliforniaAir ResourcesBoard(CARB),U.S.EPAandSearsare pleased
to explainthe EmissionControlSystemWarrantyonyour modelyear2000 and
latersmalloff-roadengine(SORE).In California,newsmall off-roadengines
mustbe designed,builtand equippedto meettheState'sstringentanti-smog
standards.Elsewhereinthe UnitedStates, newnon-road,spark-ignition
enginescertifiedfor modelyear 1997and latermustmeetsimilarstandardsset
forthbythe U.S.EPA.Searsmustwarranttheemissioncontrolsystemonyour
enginefor the periodsof timelistedbelow,providedtherehas beenno abuse,
neglector impropermaintenanceof your smalloff-roadengine.Youremis-
sion controlsystemincludespartssuch as thecarburetor,aircleaner,ignition
system,mufflerand catalyticconverter.Also includedmaybeconnectorsand
otheremissionrelatedassemblies.Wherea warrantableconditionexists,Sears
will repairyour smalloff-roadengine at nocost to youincludingdiagnosis,parts
and labor.
Sears Emission Control Defects Warranty Coverage
Smalloff-roadenginesarewarrantedrelativeto emissioncontrolpartsdefects
fora periodof oneyear,subjectto provisionsset forth below.Ifany covered
Owner's Warranty
Asthe smalloff-roadengineowner,you are responsiblefor theperformanceof
therequiredmaintenancelistedinyour Operatingand MaintenanceInstruc-
tions.Searsrecommendsthatyou retainallyour receiptscoveringmaintenance
on yoursmall off-roadengine,butSearscannotdenywarrantysolelyforthe
lackof receiptsorfor yourfailureto ensuretheperformanceof allscheduled
maintenance.Asthe smalloff-roadengineowner,you shouldhoweverbe
awarethat Sears maydenyyouwarrantycoverageifyour smalloff-roadengine
ora parthasfaileddueto abuse,neglect,impropermaintenanceor unap-
part onyour engineisdefective,the partwillbe repairedor replacedbySears.
Responsibilities
provedmodifications.Youare responsiblefor presentingyour smalloff-road
engineto an AuthorizedSearsService Dealeras soonas a problemexists.The
undisputedwarrantyrepairsshouldbecompletedina reasonableamountof
time,notto exceed30 days.Ifyouhaveany questionsregardingyourwarranty'
rightsand responsibilities,youshouldcontacta SearsServiceRepresentative
at 1--800--469--4663.Theemissionwarrantyis a defectswarranty.Defectsare
judgedon normalenginepedormance.Thewarrantyis notrelatedto anin-use
emissiontest.
Sears Emission Control Defects Warranty Provisions
ThefollowingarespecificprovisionsrelativetoyourEmissionControlDefectsWarrantyCoverage.Itisinadditionto theSearsenginewarrantyfornon-regulated
enginesfoundin theOperatingandMaintenanceInstructions.
1. WarrantedParts
Coverageunderthis warrantyextendsonly to the parts listed below(the
emissioncontrolsystemsparts)to the extentthese parts werepresenton
theenginepurchased.
a. FuelMeteringSystem
oColdstart enrichmentsystem
oCarburetorand internalparts
oFuelPump
b. Airlnduction System
oAir cleaner
oIntakemanifold
c. IgnitionSystem
oSparkplug(s)
oMagnetoignitionsystem
d. CatalystSystem
oCatalyticconverter
oExhaustmanifold
oAir injectionsystemor pulsevalve
e. MiscellaneousItemsUsed inAboveSystems
oVacuum,temperature,position,timesensitivevalves
andswitches
• Connectorsand assemblies
2. Lengthof Coverage
Searswarrantsto the initialownerand eachsubsequentpurchaserthat
theWarrantedParts shall befree from defectsin materialsandworkman-
ship whichcausedthe failureof the WarrantedPartsfor a periodof one
yearfromthe datethe engineis deliveredto a retailpurchaser.
3. NoCharge
Repairor replacementof anyWarrantedPartwill be performedat no
chargeto the owner,includingdiagnosticlabor whichleads to the
determinationthata WarrantedPartis defective,ifthe diagnosticworkis
performedat an AuthorizedSears ServiceDealer.For emissionswarranty
servicecontact your nearestAuthorizedSears Service Dealeras listed in
the "YellowPages"under"Engines,Gasoline,""GasolineEngines,""Lawn
Mowers,"or similarcategory.
4. Claimsand CoverageExclusions
Warrantyclaimsshall be filed in accordancewiththe provisionsofthe
SearsEngineWarrantyPolicy.Warrantycoverageshall beexcludedfor
failures of WarrantedPartswhichare not originalSears parts or because
of abuse,neglector impropermaintenanceas setforth in the Sears
EngineWarrantyPolicy.Searsis notliable to coverfailuresof Warranted
Partscausedby the useof add-on,non-original,or modifiedparts.
5. Maintenance
AnyWarrantedPartwhich is notscheduledfor replacementas required
maintenanceor which is scheduledonly for regularinspectionto the effect
of repair or replaceas necessary"shall be warrantedas to defectsfor the
warrantyperiod.Any WarrantedPartwhich is scheduledfor replacement
as requiredmaintenanceshallbe warrantedasto defectsonly for the
periodof time up to the first scheduledreplacementforthat part. Any
replacementpartthat is equivalentin performanceand durabilitymay'
be usedin theperformanceof any maintenanceor repairs.The owneris
responsibleforthe performanceof all requiredmaintenance,as definedin
the SearsOperatingandMaintenanceInstructions.
6. ConsequentialCoverage
Coveragehereundershallextend to thefailure of any enginecomponents
caused bythefailure of anyWarrantedPart still underwarranty.
Inthe USAand Canada,a 24 hourhotline, 1-800-469-4663,hasa menuof pre-recordedmessagesofferingyouenginemaintenanceinformation.
18

Congratulationson makingasmartpurchase,YournewCraftsman®
productis designedandmanufacturedfor yearsof dependableopera-
tion,But likeall products,it mayrequirerepairfromtimeto time,That's
whenhavinga RepairProtectionAgreementcansaveyou moneyand
aggravation,
Here'swhat'sincludedinthe Agreement:
• Expertserviceby our 12,000professionalrepairspecialists
• Unlimitedserviceand nochargefor partsandlaboronall covered
repairs
• Productreplacementif yourcoveredproductcan'tbe fixed
• Discountof 10%fromregularpriceof serviceandservice-related
partsnotcoveredby the agreement;also,10%off regularpriceof
preventivemaintenancecheck
• Fasthelpby phone- phonesupportfroma Searstechnicianon
productsrequiringimhomerepair,plus convenientrepair
scheduling
Purchasea RepairProtectionAgreementnowandprotectyourself
fromunexpectedhassleandexpense,
Onceyou purchasethe Agreement,a simplephonecall is all thatit
takesfor you toscheduleservice,Youcan call anytimeday ornight,or
schedulea serviceappointmentonline,
Searshas over12,000professionalrepairspecialists,who have
accesstoover 4,5millionqualitypartsandaccessories,That'sthe
kindof professionalismyoucan counton to helpprolongthe lifeof
your newpurchasefor yearsto come,Purchaseyour RepairProtection
Agreementtoday!
Some limitations and exclusions apply. For prices and additional
information call 1-800-827o8855.
Sears Installation Service
ForSearsprofessionalinstallationof homeappliances,garagedoor
openers,waterheaters,andothermaiorhomeitems,in the U,S,A,call
1-800-4-MY-HOME®
Look For ReJevant Emissions Durability Period and
Air index information On Your Engine Emissions Labe!
Enginesthatarecertifiedto meetthe CaliforniaAir ResourcesBoard(CARB)Tier2 EmissionStandardsmustdisplayinformationregardingthe
EmissionsDurabilityPeriodandtheAir index,Sears,RoebuckandCo,,U,S,A,makesthis informationavailableto the consumeron ouremission
labels,
The Emissions Durability Period describesthe numberof hoursof actualrunningtimefor whichthe engineis certifiedto beemissionscompli-
ant,assumingpropermaintenanceinaccordancewiththe Operating& Maintenanceinstructions,The followingcategoriesareused:
Moderate: Engineis certifiedto beemissioncompliantfor 125hoursof actualenginerunningtime,
kitermediate: Engineis certifiedto be emissioncompliantfor 250hoursof actualenginerunningtime,
Extended: Engineis certifiedto be emissioncompliantfor500 hoursof actualenginerunningtime,
Forexample,a typicalwalk-behindlawnmoweris used20 to 25 hoursperyear,Therefore,theEmissions Durability Period of anenginewith
an intermediate ratingwouldequateto 10to 12years,
The Air kldex is a calculatednumberdescribingthe relativelevelof emissionsfor a specificenginefamily,The lowerthe Air hdex, the cleaner
the engine,Thisinformationis displayedin graphicalformonthe emissionslabel,
After Juty 1, 2000, Look For Emissions Compliance Period On
Engine Emissions CompJiance Labet
AfterJuly1,2000certainSears,RoebuckandCo,,U,S,A,engineswill be certifiedto meetthe UnitedStatesEnvironmentalProtectionAgency
(USEPA)Phase2emissionstandards,ForPhase2certifiedengines,the EmissionsCompliancePeriodreferredto onthe EmissionsCompliance
labelindicatesthe numberof operatinghoursforwhichthe enginehas beenshownto meetFederalemissionrequirements,Forenginesless
than225cc displacement,CategoryC = 125hours,B= 250hoursandA = 500hours,Forenginesof 225cc or more,CategoryC = 250hours,B
= 500hoursandA = 1000hours,
The displacementenginesof ModelSeries210000is 344 cc, 280000is 465cc, 310000enginesis501cc,
19

20

Manuam dem operador
CRRFTSMRN
7.5 cabammosde fuerza
CORTADORA TRmTURADORA
NOmero de modelo 247.776360
PRECAUCION: antes de
uti_izar este producto, mea
este manual y siga todas
mas regmas de seguridad
y mas instrucciones de
o SEGURIDAD
ENSAMBLADO
OPERACJON
MANTENIMIENTO
MSTADO DE PIEZAS
Sears, Roebuck and Co., Hoffman Estates, IL 60179, U.S.A.
Visite nuestro sitio web: www, sears,com/craftsman N° DEFORMULARIO769-02543
05/24/2006

AHmacenamiento fuera de temporada ...... Pb_gina32
SoHuci6n de proMemas ............................. Pagina 33
Usta de piezas .................................................P_gina 34-37
NOmeros de servicio ...................... Cubierta posterior
Garanfia de dos aSos para la cortadora trituradora Craftsman
Durantedos ahosa partirde la fechade compra,siempreque a estacortadoratrituradorase le realiceel serviciodemantenimiento,
lubricaci6ny puestaapuntode acuerdoalas instruccionesdel manualdelpropietario,SearsrepararAsin cargocualquierdefecto
de materialeso manede obra.Siesta cortadoratrituradoraCraftsmanse utilizaparaprop6sitoscomercialeso dealquiler,esta
garanfiase aplicas61odurante30 diasa partirde lafechadecompra.
Estagaranfiano cubre:
. Elementosdesechablesquese desgastanporel usonormal,incluyendoentreotros,buiias,cuchillasy filtrosdeaire.
. Reparacionesnecesariasdebidoa abusoonegligenciadeloperador,incluyendoabolladuradelcig(]ehaly fallaper norealizar
mantenimientodel equipodeacuerdocon las instruccionescontenidasenel manualdelpropietario.
ELSERVlCIODE GARANT[AESTADISPONIBLEPARALOSUSUARIOSQUELLEVENLACORTADORATRITURADORAALCENTRO
DE PIEZASY REPARAClONESDESEARSMASCERCANODENTRODELOSESTADOSUNIDOS.
Estagarantiaes validaOnicamentemientraselppducto se ufilicedentrode los EstadosUnidos.
PARAUBICARALCENTRODE SERVlCIOTECNICOSEARSMASCERCANO0 PARAPROGRAMARELSERVlCIOTECNICO,
SIMPLEMENTECONTACTEA SEARSAL 1-800-4-MY-HOME®.
Estagarantialeotorgaderechoslegalesespecificos;ustedtambi6npuedetenerotrosderechos,los cualesvariande unestadoa otro.
SEARS,ROEBUCKANDCO., D/817WA,HOFFMANESTATES,IL 60179
Acuerdos de protecci6n sobre reparaciones
Felicitacionesperhaberrealizadounaadquisici6ninteligente.El
productoCraftsman®quehaadquiridoestadise_adoy fabricado
parabrindartouchesa_osdefuocionamientoconfiable.Perocome
todoslosproductosavecespuederequerirde reparaciones.Es en
esemementocuandoeldisponerde unAcuerdodeprotecci6npara
reparacioneslepuedeahorrardinero
YAProblemas.
continuaciOnsedetallanlospuntosinduidosenelAcuerdo:
•Servicioexpertoprestadopornuestros12.000especialistasen
reparacionesprofesionales
,Servicioilimitadosincargoparalaspiezasy la manedeobraen
todaslas reparacionescubiertas
•Reemplazodelproductosinoesposiblerepararelproductocubierto
•Descuentode 10%delprecionormaldelservicioy delaspiezas
relacionadasconelmismoquenoestencubiertaspore_
acuerdo;ademas10%dedescuentodelprecionormalde la
verificaciondemantenimientopreventive
,Ayudar@idaportelefono- asistenciatelefonicaacargodeun
tecrficodeSearsparalosproductosquerequierenreparaciOn
adomicilio,ademasdeunaprogramacionconvenienteparala
reparacion
Adquieraahoraunacuerdodeprotecci6nparareparacionesy
proteiasedeproblemasy gastosinesperados.
Unavezadquiridoelacuerdopuedeprogramarel serviciocon
tans61orealizarunaIlamadatelef6nica.PuedeIlamarencualquier
mementodeldiaode lanoche,o programarunservicioenlinea.
Searsdisponedemasde 12.000especialistasenreparaciones
profesionalesquetienenaccesoamasde4.5millonesdepiezasy
accesoriosdegrancalidad.Estees eltipode
profesionalismoenelquepuedeconfiarparaquele ayudea
prolongarlavidaOtildelproductorecientementeadquiridoen
losa_ospervenir,iAdquieraheysuacuerdodeprotecci6npara
reparaciones!
SeapHeandeterminadasJimitacionesy exc_usiones.Paraobtener
preeiose informaci6nadieiona_Hamea_1-800-827-6655,
Serviciode instaJaci6nde Sears
Paralainstalaci6nprofesionaldeSearsdeartefactosdomesticos,
dispositivosdeaperturadeportonesdegarage,calentadoresde
aguay otrosarticulosdelhogarenlos EstadosUnidos,Ilameal
1-800-4-MY-HOME®
Caballos de fuerza
Aceite del motor:
Capacidad de aceite:
Combustible:
Motor:
7.5 caballos de fuerza
SAE 30
20 Onzas
Gasoiina sin piomo
Champion® RC=12YC
Briggs and Stra#on 150112-0408
22

ADVERTENCIA:Elescapedelmotordeesteproducto,algunosdesuscomponentesy algunoscom-
ponentesdelvehiculocontienenoemitenproductosquimicosqueelestadodeCaliforniaconsideraque
puedenproducircancer,defectosdenacimientouotrosproblemasreproducfivos.
PELIGRO:Estamaquinaestadisefiadaparaserutilizadarespetandolasreglasdeseguridadcontenidasenestemanual.
AIigualqueconcualquiertipodeequipomotorizado,undescuidooerrorporpartedeloperadorpuedeproducirlesiones
graves.Estamaquinaescapazdeamputarmanosy piesy dearrojarobjetoscongranfuerza.Denorespetarlasinstruc-
cionesdeseguridadsiguientessepuedenprodudrlesionesgravesolamuerte.
ADVERTENCIA:Lapresenciadeestesimboloindicaquesetratadeinstruccionesimportantesde
seguridadquedeberespetarparaevitarponerenriesgosuseguridadpersonaly/omaterialy lade
otraspersonas.Leay sigatodaslasinstruccionesenestemanualantesdeiniciarlaoperaci6ndeesta
maquina.Encasedenoseguirestasinstruccionespodriaprovocarlesionespersonales.Cuandovea
estesimboloSIGALAADVERTENCIA.
m
Capacitaci6n
1. Lea,comprenday respetetodaslas instruccionesquefiguran en la
maquinao eneste(os) manual(es)antesde precederalensamblado
y operaciondel equipo.Guardeeste manualen un lugar seguropara
consultasfuturasy regulares,asi comoparasolicitarrepuestos.
2. Familiaricesecontodos loscontrolesy conel uso adecuadode losmis-
mos.Sepa comodetenerla maquinayc6mo desengranarloscontroles
r4pidamente.
3. Nuncapermitaque nifiosmenoresde16a[ios operenesta m_Jquina.Los
nif_osde 16a[iosy mayoresdebenleery comprenderlas instruccionesde
operaciony las reglasdeseguridadcontenidasenestemanual,ytambi_n
debensercapacitadosy estar supervisadosperuno de lospadres.
4. Nuncapermitaqueadultossin los conocimientosadecuadosacercadela
m_Jquinalaoperen.
5. Mantengaa losobservadores,ayudantes,mascotasy a losnif_ospor
Io menosa 22,9 m. (75pies)de la mb,quina mientrasla mismaest;Jen
funcionamiento.Detengala maquinasi alguienentraenla zona.
6. Nuncaenciendaun motorenespacioscerradoso en unazonacon poca
ventilaci6n.Elescapedel motorcontienemonoxidodecarbono,un gas
inodoroy letal.
7. No pongalas manoso los piescerca delas piezasrotatoriaso enlas
camarasdealimentaci6nni en laaberturade descarga.El contactoconel
motorrotatoriopuedeproducirla amputaciondededos,manoso pies.
8. Nuncatratede destaparlatomadealimentaci6no la aberturade
descarga,ni tratedesacar o vaciarla bolsadela aspiradora,nide revisar
y repararla maquinamientrasel motorestaen marcha.Apagueel motor
y esperehastaquetodas las piezasm6vilesse hayandetenidoper
completo.Desconecteel cablede la bujiay p6ngalode maneraquehaga
masacontrael motor.
Preparativos
1. Reviseminuciosamentelazonadondese utilizar_Jel equipo.Retiretodas
las piedras,botellas,latasu otrosobjetosextraflosquepuedanser levanta-
doso arrojadoscausandolesionespersonaleso dafiosa lamb,quina.
2. Paraprotegerselos ojosutilice siempreanteojoso antiparrasde
seguridadmientrasopera la maquinao mientrasla ajustao repara.Los
objetosarrojadosque rebotanpuedenlesionargravementelavista.
3. Utilicezapatosdetrabajo resistentes,de suelafuerte,y pantalonesy
camisasajustados.Las prendassueltaso lasalhajaspuedenquedar
atrapadasen las piezasm6viles.Nuncautilicela m_Jquinadescalzoocon
sandalias.Utiliceguantesdetrabajode cuerocuandoalimentematerial
por el canalde lacortadora.
4. Antesdeencenderla maquinacontrolequetodoslospernosy tornillosesten
bienajustadosparacomprobarquela maquinaseencuentraen condiciones
segurasdeoperaci6n.Ademas,realiceunainspeccionvisualde lamaquinaa
intervalosfrecuentesparacontrolarsila mismaestadaf_ada.
5. Mantengao reemplacelas etiquetasde seguridade instruccionessegOn
sea necesario.
6. Sea sumamentecuidadosoal manipularla gasolinaparaevitarlesiones
o daf_os.La gasolinaes altamenteinfiamabley susvaporespueden
causarexplosiones.Se puedelesionargravementesi derramagasolina
sobreustedo sobre laropaya que se puedeencender.Lavesela piely
cambiesederopadeinmediato.
a. Utilices61orecipientesparagasolinaautorizados.
b. Apaguetodos loscigarrillos,cigarros,pipasy otrasfuentesdecombustion.
c. Nuncacarguecombustibleen la m_Jquinaen unespaciocerrado.
d. Nuncasaque latapa de lagasolina niagreguecombustiblemientrasel
motoresta calienteo enmarcha.
e. Dejequeel motorse enfr[epor Io menos dosminutesantesde volvera
cargar combustible.
f. Nuncarecargueel tanquede combustibleenexceso.Lleneeltanque no
mas de 1/2 pulgadapordebajo de labasedel cuello del filtro paradejar
espaciopara la dilataciondel combustible.
g. Vuelvaa colocar latapa de lagasolinay ajOstelabien.
h. Limpielagasolinaderramadasobreel motory el equipo.Trasladela
maquinaa otra zona. Espere5 minutosantesdeencenderel motor.
Nuncaalmacenela maquinao el recipientedecombustibleenun espacio
cerradodondehayafuego,chispaso luz piloto(perejemplo,hornos,
calentadoresde agua,calefactores,secadoresde ropa,etc.)
Parareducirel riesgo deincendiomantengalamaquinalimpia depasto,
hojasy deacumulaci6ndeotros desechos.Limpielos derramesde aceite
o combustibley saquetodos losdesechosembebidosconcombustible.
K. Dejequela maquinase enfriepor Io menos5 minutosantesdeguardarla.
23

Funcionamiento
1. No pongalasmaneso los piescerca de las piezasrotatoriaso enlas
camarasdealimentacionni en laaberturadedescarga.Elcontactocon el
motorrotatoriopuedeproducirla amputaciondededos,manoso pies.
2. Antesdeencenderla maquinacompruebeque elcanal dela cortadora,la
tomade alimentaci6ny la cb,maradecorteestanvacias y sindesechos.
3. Inspeccioneminuciosamentetodo el materialque deseatriturary saque
los objetosmet_Jicos,piedras,botellas,latasuotros objetosextratios que
puedenocasionarlesioneso daFlarla maquina.
4. Siel motorgolpeaunobjetoextra[ioo si la m_Jquinaempiezaa producir
unsonido pococomLino unavibraci6n,apagueel motorde inmediato.
Dejeque el motorse detengaporcompleto. Desconecteel cabledela
bujfa,p6ngalode maneraquehaga masacontrael motory siga estos
pasos:
a. Inspeccionela maquinaparavet si estadaF_ada.
b. Repareo reemplacelaspiezasdaFladas.
c. Controlesi hay piezasfiojas y ajOstelasparaasegurarque la maquina
funcionede maneraseguray continua.
5. No permitaquese acumulematerialprocesadoen lazona dedescarga.
Elmismo puedeobstaculizarla descargaadecuaday provocarel retorno
del materialatraves de laaberturade alimentacion.
6. No intentetriturarni picarmaterialde mayortamaF_oal especificadoen la
maquinao en estemanual.Se podrian producirlesioneso da[ios.
7. Nuncatrate dedestaparla toma dealimentaci6no la aberturade
descargamientrasel motorestaenmarcha.Apagueel motory espere
hastaque todaslas piezasquese muevense hayandetenidopor
completo,desconecteel cablede labujfay pongalode maneraquehaga
masacontrael motorantesde sacarlos escombros.
8. Nuncaoperela maquinasin que la bolsade la aspiradoray el canalde
descargaestenconectadosa la maquinacomecorresponde.Nuncavac[e
ni cambiela bolsadela aspiradoramientrasel motorest,,enmarcha.El
extremoconcierrede labolsade laaspiradoradebe quedarcerradotodo
eltiempo mientrasla opera.
9. Nuncaoperela maquinasi el pico de ingresoo la uni6nopcionalparala
mangueranoestanconectadosa la maquinaadecuadamente.Nunca
intenteconectaro cambiarningunadeestas unionesmientrasel motor
estb,en marcha.
10.Mantengatodos losprotectores,desviadoresy dispositivosde seguridad
ensu lugary en buenascondiciones.
11.Mientrasalimentamaterialdentrode lam_.quinamantengasu rostroy
su cuerpodetr_Jsy hacia uncostadodel canalde la cortadorapara evitar
lesionesper retrocesosaccidentales.
12.Nuncaopereestamaquinasi notiene buenavisibilidad o iluminaci6n.
Siempredebeestar segurode queestabien afirmadoy sostengabienlas
manijas.
13.Noopere estamaquinaensuperficiescongrava.
14.Noopere esta m_.quinaestandobajo losefectos del alcoholo de drogas.
15.Elsilenciadory el motorse calientany puedenproducirquemaduras.No
lostoque.
16.Nuncalevanteotransportela maquinacuandoestaen movimiento.
Mantenimiento y aJmacenamiento
1. Nuncaalterelos dispositivosdeseguridad.Controleperi6dicamenteque
funcionendeforma adecuada.
2. Verifiquefrecuentementequelos pernosytornillos est6najustados
correctamenteparaasegurarsedeque la maquinaestetrabajandode
manerasegura.Ademas,realiceunainspecci6nvisualde lamb,quina
paracontrolarsila mismaestadaF_aday repareladeser necesario.
3. Antesde limpiar,repararo inspeccionarla maquina,detenga elmotor
y compruebequeel mismoy quetodas las piezasm6vilesse hallan
detenido.Desconecteel cablede labuj[ay p6ngalodemaneraquehaga
masa contrael motorparaevitarque seenciendade maneraaccidental.
4. Nocambiela configuraci6ndel reguladordel motorni aceleredemasiado
el mismo. Elreguladorcontrola lavelocidadmaximasegura deoperaci6n
del motor.
5. Mantengao reemplacelas etiquetasdeseguridade instruccionessegOn
sea necesario.
6. Siga lasinstruccionesde estemanualparaque la carga,descarga,
transportey almacenamientode estamaquinaseanseguros.
7. Nuncaalmacenela maquinao el recipientedecombustibleen unespacio
cerradodondehayafuego,chispaso luzpilotocomo perejemplo,
calentadoresde agua,hornos,secadoresde ropa,etc.
8. Consultesiempreel manualde operacionparalasinstrucciones
adecuadasparael almacenamientofueradetemporada.
9. Si es necesarioevacuarel tanquedecombustible,hagaloen exteriores.
10.Respetelas leyesy reglamentacionesreferentesa la disposici6ncorrecta
decombustible,aceite,etc. paraprotegerel medicambiente.
No modifique et motor
Paraevitar lesionesgraveso la muerte,nomodifiqueel motorbajoninguna
circunstancia.Sicambia laconfiguraci6ndel reguladorel motorpuede
descontrolarsey operara velocidadesinseguras.Nuncacambiela configura-
ci6n de fabricadel reguladordel motor.
Aviso referido a emisiones
Losmotoresqueestancertificadosycumplenconlas regulacionesde
emisionesfederalesEPAy de CaliforniaparaSORE (EquiposSmallOff Road
Equipment)estancertificadosparaoperarcon gasolinacomOnsin plomoy
puedenincluirlos siguientessistemasde controlde emisiones:Modificaci6n
de motor(EM)y catalizadorde tresv[as (TWC) siestaequipadode esa
manera.
Su responsabHidad
Restrinjael uso de estamaquinael6ctrica a personasque lean,comprendan
y respetenlas advertencias e instruccionesque aparecenenese manualy
en la maquina.
24

Busque el periodo de duraci6n de emisiones importantes yla informaci6n de dasificaci6n de aire en
maetiqueta de emisiones de su motor
Los motores cuyo cumplimiento con los est&ndares de emisiSn Tier 2 de la Comisi6n de Recursos Amb{entales de California (CARB)
est6 certificado deben exhibit la informaci6n relacionada con el periodo de duraci6n de las emisiones y la clasificaci6n de aire. Sears,
Roebuck and Co., de los Estados Unidos ponen esta informaci6n a disposici6n del consumidor en nuestras etiquetas de emisiones.
El Periodo de Duraci6n de las Emisiones describe el nQmero de horas de tiempo real de funcionamiento para el cual se certifica que
el motor cumple con las reglas de emisi6n, descontando el mantenimiento adecuado del mismo segQn las instrucciones de oper-
aci6n y mantenimiento. Se utilizan las siguientes categorias:
Moderado:Se certifica que el motor cumple con las reglas de emisi6n durante 125 horas de tiempo real de funcionamiento del motor.
lnmediato:Se certifica que el motor cumple con las reglas de emisi6n durante 250 horas de tiempo real de funcionamiento del motor.
Extendido:Se certifica que el motor cumple con las reglas de emisi6n durante 500 horas de tiempo real de funcionamiento del motor.
Por ejemplo, una cortadora de c6sped tipica que se empuja desde atr&s se usa entre 20 y 25 horas por a_o. Pot Io tanto, el Pedodo
de Duraci6n de Emisiones de un motor con una clasificacidn intermedia seria equivalente a entre 10y 12 a_os.
LacmasificaciSn de aire es un nOmero calculado para describir el nivel relativo de emisiones para un grupo de motores en particular.
Cuanto menor sea la clasificaci6n de aire, mayor es la limpieza del motor. La informaci6n se presenta de forma gr&fica en la etiqueta
de emisiones.
Despues dei 1 de julio de 2000, busque el periodo de cumplimiento de las reglas de
emisiones en la etiqueta de cumpiimiento de las reglas de emisiones del motor
Despu6s del 1 de julio de 2000 se certificar& que determinados motores Sears, Roebuck and Co., de los Estados Unidos
cumplen con los estb.ndares de emisiones de la fase 2 de la Agencia de Protecci6n Ambiental de los Estados Unidos (USE=
PA). Para los motores certificados para la etapa 2, el periodo de cumplimiento con las reglas de emisiones al cual se hace
referencia en la etiqueta de cumplimiento con las reglas de emisiones indica el n_mero de horas de funcionamiento para el
cual se ha demostrado que el motor cumpie con los requerimientos federales de emisi6n.
Para los motores con desplazamiento inferior a 225 cc, Categoda C = 125 horas, B = 250 horas y A = 500 horas.
Para los motores con desplazamiento de 225 cc o m&s, Categoria C = 250 horas, B = 500 horas y A = 1000 horas.
El desplazamiento de los motores de la serie modelo 150112 es 249 cc.
La presente es una representaciSn gen_rica de la etiqueta de emisiSn que se encuentra generalmente en un
motor certificado.
25

/MPORTANTE: Esta unidad es enviada sin gaso/ina
ni aceite en el motor. Despu6s de/montaje, consu/te
/a secci6n de FUNCIONAMIENTO para el correcfo
//enado de combustible y aceite de/motor.
Esta cortadora trituradora ha sido montada totalmente
en la fAbrica, excepto por la bolsa de recolecci6n de
desechos, la cual se guarda dentro del canal de la
cortadora para su envio.
Extracci6n de ta unidad de la caja
1. Saque las grapas, rompa el pegamento de las aletas
superiores o corte la cinta del extremo de la caja y
tire a Io largo de la aleta superior para abrir la caja.
2. Saque todas las piezas sueltas.
3. Corte a Io largo de los bordes de la caja y aplAnela.
4. Quite el material de empaque, en oaso de existir.
Levante la unidad de la parte posterior y deseche la
almohadilla de la base, si estA presente. Deslice la
unidad hasta sacarla de la caja de cart6n. Inspec-
cione minuciosamente la caja para detectar si hay
piezas sueltas.
Piezas suentas dentro de la caja
a. Una bolsa de recolecci6n de desechos
b. Un par de gafas de seguridad
c. Una botella de 20 oz. de aceite para motor
d. Un Manual del operador
Coiocaci6n de ia bolsa
de reconecci6n de desechos
2. Para adosar la bolsa:
a. Coloque la abertura de la bolsa completamente
sobre el deflector del canal.
b. Coloque la bolsa de manera que se cubran
completamente las perillas mariposa que asegu-
ran el deflector del canal a la caja del motor.
c. Tire de la tira de extracci6n basra que la bolsa
quede ajustada alrededor de la abertura del
deflector del canal. Vea la Figura 1.
Figura 1
26

Tolva
Manija
Canaldela
Canal
Deflector
de reduccion
Figura 2
J
Canam de ]a cortadora
Se puede permitir el ingreso de ramas de hasta 2" de diametro
en el canal de Ia cortadora para set cortadas. Vea Ia Figura 4.
To_va
Las hojas, ramas pequefias y ramas de hasta 1/2 pulgada de
didtmetro se pueden colocar dentro de la tolva para su trituraci6n.
Vea la Figura 4.
IMPORTANTE:No coloquenuncaen latolvaramascon un
dib,metrosuperiora 1/2 pulgadas.De hacerlose puededahar
gravementelahojade trituraci6n,el desgranadoo el motorde la
unidad.
Manija
Use Ia manija cuando transporte manualmente la cortadora
trituradora. Vea la Figura 4.
C_mara de redueci6n
Los desechos se trituran y reducen con la camara de reducci6n.
Vea Ia Figura 4.
Deflector del eanam
Los desechos cortados y triturados se descargan fuera del de-
flector dei canal. La unidad puede ser operada con o sin la bolsa
de recolecci6n adosada al deflector del canal Vea la Figura 4.
_1, DVERTENC[A: Como resultado de la operaci6n de
una cortadora trituradora se pueden arrojar objetos
extraSos. Ufiliee siempre los anteojos de seguridad
provistos con esta unidad o proteetores para ojos
antes de piear o triturar el material o mientras
realiza ajustes o reparaeiones.
Coatromes de_ motor
Consulte el manual de Propietario/Operador de Briggs & Stratton
empaquetado con su unidad para vet la ubicaci6n y funci6n de
los controles del motor.
27

ADVERTENCIA:Noperarunacortadoratrituradora
puedeset queobjetose×traSosscanarrojados a
los ojos Io cual puededaSadosgravemente.Ufilice
siemprelos anteojosdeseguddadprovistes con esta
unidado protectoresparaojos antesde picar o triturar
el materialo mientrasrealizaajueteso reparaciones.
Llenado de gasolina y aceite
Cargueel motorcon gasolinay aceitecomese indicaen el manualde
Briggs& Stratton,suministradoper separadoquevieneembaladocon
lacortadoratrituradora,Leacuidadosamentelas instrucciones,
ADVERTENCIA:Nuncacargueeltanquedecombustible
en espacios cerrados con el motor en marchao hasta
que hayadejado que el mismo se enfrie per Io menos
dos minutes despu_sde habereetado en marcha.
Encendido del motor
1, Muevalapalancade controldeobturaci6nala posici6nCHOKE
(obturaci6n),VealaFigura5,
NOTA:Si el motorestb_fibiola obturaci6npuedeno sernecesaria,
2, Muevalapalancade controldel reguladora la posid6n FAST
(r_pido,representadoper unaliebre),Veala Figura5,
3, Tomela maniiadelarrancadory tire dela cuerdahaciaafuera
lentamentehastaqueel motoralcanceel comiencedeldclo de
compresi6n(la cuerdatirar_ unpocom_sfuerteen estepunto),
NOTA:Es posiblequese escucheunruido"met_lico"cuandotire de
lacuerdade arranque,Es totalmentenormaly NOsignificaqueexista
algOntipo de problemade funcionamiento,
4,Tire de la cuerdaconungolpede brazer@ido, totaly continue,
Apdetebien lamaniiadel arrancador,Deieque lacuerdase enrolle
lentamente,
5, Repitalospasosanterioreshastaqueel motorse encienda,Una
vezencendidoel motormuevael controldeobturaci6ngradu=
almentehastala posid6n RUN(enmarcha)hastaqueel motor
funcionesin problemas,
ADVERTENCIA:Nuncaencienda el motor en espacios
cerrados o en una zona poco ventilada. El escape del
motor contiene mon6×ido de carbono un gas inodoro
y letal.
Detenci6n del motor
1, Muevalapalancade controldel reguladora laposlcl6nSTOP
(detenci6n),Yeala Figura6,
NOTA:Sideseainstruccionesm&sdetalladasconsulteel manualdel
motorembaladoiunto con launidad,
PRECAUCION:Nunca detenga el motor moviendo la
palanca de obturaci6n hasta la posici6n CHOKE(obtu-
raci6n).Sepuedenproducir e×plosionesalcarburador,
incendios o daSos al motor.
f
f
(
Figura 5
Figura 6
m
,,J
28

Trituraci6n
EIdesechoquese acumuiaen los patioscomoporeiempIolas hoias
y las aguiasdelos pinospuedesercoIocadoenla tolvaparatriturarIo.
DespuesdeprocesareI materialcon lacuchillade la trituradoray
dedesgranar,es empuiadofueradel deflectordelcanaly,si estb,
instalada,haciael interiorde labolsade recolecci6nde desechos.
Respetelas siguientespautascuandotrituredesechosquese
acumulanen lospatios:
1. S61outilicela m_quinaparatriturarelmaterialquese encuentraen
un pationormal(hoias,ramas,pihasde los pinos,etc.).
2. Evitelatrituraci6nde plantasfibrosascomo,poreiemplo,las de
tomateshastaqueestentotalmentesecas.Lasplantasde tomates
frescasnose trituranbieny tiendena enroscarsealrededordel
motory del desgranado.
3. Coloquecantidadesrazonablesde desechosenla tolvaporvez.No
sobrecarguela tolva.
4. Permitaque el materialquese encuentraen latolvaseaatraido
hastalascuchillasy trituradoantesdeagregarmAsdesechos
dentrode la misma.De nohacerlose puedetaparlatolva,el
deflectordelcanalo detenerel motor.
5. Evitecolocaren la tolvaramascuyaIongitudexcedalas24
pulgadas.Las ramasde mAsde 24pulgadasde largopueden
taparlatolva.
6. Nuncacoloqueenla tolvaramasconun digmetrosuperiora 1/2
pulgadas.De hacerlose puededahargravementelacuchillade
trituraci6nde la unidad,el desgranadoo el motordela unidad.
Lirnpieza de la to_va
Si setapa la tolvacon desechosduranteel funcionamiento,proceda
de lasiguientemanera:
1.Tomela maniiaconlas dos manosy agitesuavementela cortadora
trituradoraparaayudara quese sueltenlos desechos,atray6ndo=
los hastael interiordelmotor.
Si nose eliminael atascamientoprocedadela siguientemanera:
1. Detengael motor.
2. Uselas manosparasacarlos desechosquese encuentrancerca
de lapartesuperiordela tolva.
3. Useunarama(u otrodispositivodisponiNe,es decir,unaescoba)
parasacarlos desechosubicadoscercade labasede latolva.
4. Vuelvaa poneren marchael motor.
NOTA:Si nopuedetirar de lacuerdadearranqueporlos desechos
acumuladoscercadel motor,siga lasinstruccionesincluidasbajoel
fitulo Limpiezade la CAmarade Reducci6nen laseccbn "Mantem
imientodesu CortadoraTrituradora"de estemanual
Corte
ADVERTENCIA:No utilice nunea la cortadora triturao
dora sin haber bajado elcanal de la cortadora hasta la
posiciSn defuncionamiento.
Sepuedepermitirel ingresode ramasdehasta2" dedib,metroen el
canalde la cortadora.RespetelassiguientespautasparaeIcortede
las ramas:
1.Mantengaambasmanosfirmementeenla ramaa medidaque la
colocadentrodelcanalde lacortadora.
2. NoponganuncamAsdeunaramadentrodelcanaldelacortadoraporvez.
3. Enelcanalde lacortadoras61ose puedecolocarramas(demadera).
4. Apliquepresi6nintermitente(fuerza,enimpulsoscortos)cuando
coloqueramasmAslargas(de2 pulgadasdediAmetro)dentrodel
canalde lacortadoraparaevitarinundaro ahogarel motor.
IMPORTANTE:Nuncacoloqueramasconundib,metrosuperiora tres(2)
pulgadasdentrodelcanalde la cortador&De hacerlose puedendahar
gravementelascuchillasdecorte,eldesgranadoo elmotordelaunidad.
NOTA:Parameioresresultados,operesiemprelaunidadconcuchillas
de corte afiladas.Si se produceuna reducci6napreciableen el rein
dimientomientrasse cortan ramas,se debereemplazar las cuchillas
de lacortadora.
Vaciado de la bo_sa de reco_ecci6n de desechos
1.Detengael motor.
2. Oprimala hebilladeseguridadparasoltarlatira deextracci6ndela
bolsaantesdesoltarladel deflectordelcanal Veala Figura7.
3. Vacielabolsay vuelvaacolocarlaen laaberturadeldeflectordel
canal Consultela Figura2.
Figura 7
29

ADVERTENCIA: Detenga siempre el motor, descoo
necte la buj[a yhaga masa contra el motor antes de
limpiar, lubricar o hacer Ilevar a cabo cualquier clase
de mantenimiento en eu m_quina.
Lubricaci6n
1. Lubriquelabisagradel canalde lacortadoracon unaceite
ligerounavezpor temporada.
2. Lubriquelospuntosde pivotedeldeflectordel canalcon un
aceiteNgerounavezportemporada.
3. Consulteel manualdelpropietario/operadorde Briggs&
Strattonquevieneembaladoconsu unidadparaver las
instruccionesdelubricacidndel motor.
Cuidados para el motor
Consultelasecc[dnde Manten[m[entodelmanualdel prop[etado/op-
eradorde Bdggs& Strattonquev[eneembaladocon su un[dad.Leay
siga lasinstruccionescuidadosamente.
1. Verifiqueel niveldeaceitedelmotorantesdecadausocomose
indicaenel manualdelmotorquesesuministraporseparado.
2. Limpieelprefiltrodelfiltrodeairecada25horasencondiciones
normalesdeuso.Limpieaintervalosdepocashorascuandohaya
muchopolvo.Reemplaceelcartuchodelfiltrodea[reunavez
pottemporada.Pararealizarelmantenimientodelfiltrodeaire,
consulteelmanualdelmotorquesesum[n[strapotseparado.
3. LabujfadebeNmpiarsey se debereponerladistanciadisrup-
t[vaunavezportemporada.Consulteel manualdel motorque
se suministraporseparadoparaobtenerespecificaciones
sobreel tipode bujfay la distanciadisruptivaadecuada.
Cuidado de la cortadora trituradora
Antesdecadauso,inspecc[onevisualmentelacortadoratr[turadora
paradetectarsi haytuemaso pemossueltos(oquefalten).A]ustecon
firmeza(oreemplace)todosloselementosdeferreterfaantesdeoperar
lacortadoratrituradora.
Limpieza del canat de reducci6n
ADVERTENCIA:Las cuchillae de trituraci6n y de corte
del motor eet_in afiladas. Use guantee de trabajo de
cuero para protegerse lae manos cuando limpie la
e_marade reducciSn.
S[ la cgmara de reducc[6nse tapa con desechos,la cdba de des-
granado se puede girar hacia arriba para que pueda limpiar la
zonac[rcundante.Parahacerloprocedade la s[gu[entemanera:
1. Detengael motor,desconecte la bujfa y compruebeque la cor-
tadoratr[turadorase hayadeten[doporcompleto.
ADVEFITENCIA:El silenciador y la zona circundante
eet_incalientes si el motor haestado enfuncionamieno
to. Sea precavido y prot_jaee las manoe si trabaja
cerca del eilenciador.
2. a. S[estD.[nstalada,retirela bolsadedesechos.Saquelas
dos pedllasa madposade ambosladosdeldeflectordel
canaly gireel mismohaciaarriba.Veala Figura8.
b. Saqueel brochede horqu[llade lachavetaquese ext[endea
trav6sde la cajadel motory de lacr[bade la tr[turadora.
VealaFigura8. Saquela chavetadehorqu[lla.
c. Girelacriba dedesgranadohaciaarribay Nmpiela zonacir-
cundantesacandotodoslosdesechosmed[anteraspado.
3. Confirmequeelcabledeh bu]iaestedesconectadoy lejosdela
m[sma.Tiredelacuerdadelarrancadorentredosy tresvecespara
purgartodoslosdesechosrestantesdeh cbmaradereducci6n
f
\\
i s
\
Figuta 8
4. Cuandofazonaest_ Iimpia,girefacribade desgranadohacia
abajoy vuefvaa ajustarlacon lachavetade horquillay el
brochede horquillaquesac6anteriormente.
5. Vuelvaacolocarlabolsade recolecci6nde desechosenel
deflectordel canal,si Iodesea.
Afiladoorecambiodelasct_il!_ ® la®_®m
ADVEFITENCIA:Las euehillas de la eortadora del too:
tot est_n afiladae. Utilice guantee de trabajo de cuero
para protegerse las manoe.
1.Detengael motor,desconectela bujfay compruebequela
cortadoratrituradorase hayadetenidopot completo.
2. Girela cribade desgranadohaciaarribacomose indicabajo
el tftuloLimpiezade la C_marade Reducci6n.
3. a. Parasacarel canalde lacortadorasaquelastres tuercas
hexagonalesy las arandelasque Ioasegurana lacaja del
motor.Yeala Figura9.
. Gireel montajedel motormanualmentehastaqueunade
lasdos cuchillasde lacortadoraseavisibleatrav6sde la
aberturadela cajadef motor.
b. Parasacarfacuchillasaquelos tornilloshexagonales
intemos,lasarandelasdeseguridady lastuercashexago:
nalesque lasujetanal motor.
NOTA:UseunaIfavehexagonalde 3/16"(Allen)en elexterbrdela cuchilla
y una Ilavede tubode 1/2' (o cubo)en el interiordelmotor.Sostengala
IlaveAllenquietay girelaIfavedetubo(ocubo)paraaflojarlatuerca.
4.Coloqueunacuchilladerepuesto(oafifada)(NOmerodepieza742=
0544)conloselementosdeferreterfaqueextrajoanteriormente.
IMPORTANTE::Siafifala cuchiNa,prot6jasefasmanosutilizando
guantes.Sigael &ngulooriginalde molidoy asegOresede
extraerunacantidadigualdecadacuchilla.
5. Parareemplazarfaotra cuchiNa,gireel motorparaexponerla
segunacuchillay repitalos pasosanteriores.
3O

Figura 10
Figura 9
NOTA: Compruebeque las cuchillasest6n montadas nuevamente
con el horde afilado hacia afuera (hacia el canal de la cortadora),
Apriete los elementos de ferreteria con una presi6n de entre 20
pies/librasy 25pies/libras,
Afilado o cambio de la cuchitla de Jatrituradora
ADVERTENClA:La cucNIla de la cortadora trituradora
es files& Ufiliee guantes detrabajo de cuero parapro-
tegerse las manos.
1, Detengael motor,desconectelabuiiay verifiquequetodaslas
piezasm6vilesse hayandetenidoporcompleto,
2, Saquelas dos tuercascon reborde(y los pernoshexagonales)
quesuietanla m6nsuladesoportedela tolvaa la caiadel
motor,Guardelos elementosde ferreteria,Veala Figura10,
3, Girelacriba dedesgranadohaciaarribacomese indicabaio
elfituloLimpiezade laCAmarade Reducci6n,
4, a, Saquelas seistuercascon rebordequesuietanlaguh de
ingresode latolvaa la caiadel motor,Veala Figura11,
, Separeconcuidadoel montaiede la tolvade lacaja del
motory p6ngaloa un lade,
, Coloqueun trozode maderadentrode la aberturadel
deflectordelcanalparaestaNlizarel motory evitarqueel
mismogire cuandosaquelacuchilladela trituradora,
b, Saquelosdostornilloshexagonalesinternes,lastuercasde
seguridadhexagonalesy arandelasdeseguridadquesuietan
lacuchillade latrituradoraalmotor,VealaFigura11,
NOTA:UseunaIlavehexagonalde 3/16"(Allen)en el exteriorde
lacuchilladela trituradoray unaIlavede tubede 1/2"(o cube)
enel interiordela cuchilladela trituradora,SostengalaIlave
Allenquietay girela Ilavede tube (ocubo)paraafloiarlatuerca,
c, Saqueel pernohexagonal,laarandeladeseguridady la
arandelaplanaparaIiberartotalmentelacuchillade la
trituradora,Veala Figura11,
Figura 11
IMPORTANTE:Cuandoafilela cuchillaparavolvera usarla,siga el
b,ngulooriginalde molidocomogu[a,Compruebequecada extreme
de corteseadesbastadode igualmaneraparaevitarque lacuchilla
quededesequilibrada,Saqueel metaldel ladepesadohastaque
quedebienbalanceada,
I[_tPORTANTE:Cuandovuelvaa montarlacuchillaaiusteel bul6n
centralcon unpardetorsi6nde entre45y 60 piesqibrasy los dos
bulonesexteriorescon un parde torsi6nde entre20y 25 pies,qibras,
A_macer_amiento de _a cortadora trituradora
1,Limpieelequipopercompleto,
2, Limpieelequipoconuntrapoconaceiteparaevitarqueseoxide,
3, Consulteel manualdel motorparaconocerlas instruccionesparael
almacenamientocorrectodel mismo
4, AImacenelaunidadenunazonalimpiay seca,Nola almacenecerca
de materialescorrosivescomepereiemplofertilizantes,
31

Preparela cortadoratr[turadoraCraftsmanparasu almacenam[entoal
finalizarlatemporada,o s[ nova a utilizarla unidaddurante30dias o
mAs.Un buenmetodoparaasegurarquela un[dadfunc[oneadecua_
damentela s[gu[entetemporadaes Ilevarlaparaquesu centrolocal de
p[ezasy reparac[onesSearslereal[ceuna[nspecc[6nanual.
Cortadora trituradora
, L[mpieel equipoporcompleto.
, L[mpieel equipocon untrapo conaceiteparaevitarquese oxide
Utiliceunaceiteligeroo siliconaparalimpiar.
, Almacenela unidadenunazona limpiay seca.No laalmacene
cercade materialescorrosivoscomopore]emplofertilizantes.
Motor
, Realiceel mantenimientoal motorcomose [rid[caen el manualdel
motorde Br[ggs&Strattonsum[n[stradoporseparadoy quev[ene
embalado]untoconsu cortadoratr[turadora.
Otros
No almacenegasol[nade unatemporadaa la otra.
Reemplaceel recipientedegasolinas[com[enzaa oxidarse.La
presenciade6xidoo polvoen lagasolinacausaproblemas.
• AImacenela un[dadenunazona I[mp[ay seca.No laalmacene
cercade mater[alescorros[voscomopore]emplofert[l[zantes.
NOTA:S[ laalmacenaen ungalp6ndedep6s[torealvent[ladoo
metb,l[co,asegOresede real[zarleuntratam[entoanti- ox[danteal
equipocubri6ndolocon aceiteligeroosilicona.
32

Prob_ema Causa Remedio
El motorno arranca 1. La oatancaaecomroleel es[ranguaaorno 1. Muevala oa_ancaaeJreguJaaora
es[aera Doslclonee arranque( orrecta la posici6nFAST raeidol o START
s_weneequlpada m_cJo
2. Se hadesconec[adoel cabledela buja. 2. Conecteel cablea _a#uj a.
3. Obturaci6nno estb.en _Doslelon
OBTURACIOf',si vJeneequ_pada).
4 El_anaueae comDusIIDeesIavac_oo el
COmDUS[lDle es v_elo.
5. Elmozo[no se ceba s estaequJpado',
6. LaDuj_ano func_onacon'eczamen[e.
7. La _neadelcomeus[_bJees[a D_oqueaaa.
8. Motorinundado.
3. Cambie la oalanca se osturaclon a la
posicion CHOKE oD_uraclonL
4. Uene el ianque con gasoiJna tmpla y
I1ueva,
5, Utt]!ce el ceeaoor eel moior como se
explica en el manual det motor.
6, Llmple, aJuste la eis[ancla o can Dlela.
7. L_mple Jaimea aeJcombustible.
8, Es3ere unos mmu[os pare reenceneer
no tea!ice e_ceDaoo.
El motorfunciona de 1,
2.
3.
4.
5.
6.
7.
Se hadesconectadoel cablede labujia.
LaunidadfuncionaenOBTURAC!ON(si
viene equipada).
La lineadel combustibleesta bloqueadao
el combustibleesviejo.
La ventilacionen latapa del combustible
esta obstruida.
Ague o suciedaden elsistemade
combustible.
Elfiltrode aireesta sucio.
Esnecesarioajustarel carburador.
1.
2.
3.
4.
5.
6.
7.
Conectey ajusteelcable dela bujia
Cambiela palancade obturaci6nala
posici6nOFF(apagado).
Limpiela linea del combustible;Ilene
eltanque congasolinalimpiay nueva.
Destapela ventilaci6n.
Vacieeltanquede combustible.
Vuelvaa Ilenarconcombustiblenuevo.
Consulteel manualdel motor.
Consulteal distribuidorautorizado
parael mantenimiento.
Saltosocasionales a
alto velocidad
1. Ladistanciadisruptivede labujiaes muy
peque_a.
2. Ajustede la mezcladel carburadormal
realizada.
1. Ajustela distanciadisruptivea 0,76
mm (0,03pulg).
2. Consultealdistribuidorautorizado
parael mantenimiento.
La unidad no
descarga
1. Eldeflectordel canalesta atascado.
2. Hayunobjeto extrarloenel motor.
3. RPMdel motorbajas.
1. Detengael motorde inmediatoy
desconecteel cablede la bujia.Limpie
la cribade desgranadoy el interiorde
la aberturade descarga.
2.Detengaelmotorydesconecteelcabledela
bujia.Saqueelobjetoextrarlodelmotor.
3. Siempreaccioneel motorcon el
estranguladoral maximo.
eonsulteal distlibuid0[autodzadopa
33

Cortadora Trituradora Sears Craftsman 7.5 HP, Mode_o 247.776360
®
®
1 681_04009 ImpellerAssemblyComplete
2 710q054 MachineScrew,5/16_24x 1.0
3 711-0833B ClevisPin.496
4 712_0411 HexLockNut,5/16_24
5 715-0166 SpiralPin.156x 1.0
6 719-0329 Flail
7 736-0119 LockWasher,5/16
8 742_04050 ShredderBlade
9 742-0544A ChipperBlade
10 781-0735 RetainerClip
34

Cortadora Trituradora Sears Craftsman 7.5 HP, Mode_o 247.776360
@
/" ,,®
_.........
@
®
35

Cortadora Trituradora Sears Craftsman 7.5 HP, Mode_o 247.776360
1
2
3
4
5
6
7
681°0095
726-0201
736-0173
710-3013
712-3010
712-3027
681°04009
8 736-0247
9 736-0217
10 710-1254
11 737o0195
12 736-0242
13
14
15
16
17
18
19
20
736-0451
726-0214
734-1600
750-0786
21
22
Montaje deUcanaUde Ua
cortadora
Tuema de veUocidad, .3125UD
ArandeUa pUana,28 x.74 x.063
TomHUocon cabeza
hexagonaU, 1/4-20 x.5
Tuema hexagonaU, 5/16-18
Tuerca de seguridad
hexagonaU de 1/4-20
Montaje deUmotor
(ConsuUte Uapagina 13 para
Uaspiezas motor)
ArandeUa pUana.406 x 1.25
ArandeUa de seguridad, 3/8
TomHUocon cabeza
hexagonaU, 3/8-24 x 2.2
Accesorio deUcodo
ArandeUa de campana .340
UDx.872 OD
Arandela.320 ID x.93 OD
Tapa a presi6n, 5/8
Rueda 10 x 2.5
Separador, .64 x .88 x .38
738-0813 Eje, 22.47"
681o04011
710-0809
710-0805
719-04070
712-3004A
Montaje de toUvade
trituradora
TomHUocon cabeza
hexagonaU, 1/4-20 x 1.25
TomHUocon cabeza
hexagonaU, 5/16-18 x 1.50
PantaHa de Uatrituradora
Tuema de seguridad con
reborde, 5/16-18
23 681o0048
24 681o0094
25 711o0835
26 714-0149B
27 749 -04103
28 749 -04104
29 781o04007
30 781o04027
31 781-04033
32 681o0117
33 681o0184
34 681o04002
35 710o0157
36 710-0502A
37 710o0825
38 710o3025
39 726o0211
40 736-0119
41 736-0170
42 750-0793
-- 664-04023
-- 723-0400
Conjunto de perHla
(hcL ref.# 12 y 61)
Montaje de deflector de canaU
Chaveta de horquHla,
.50 x 4.62
Pasador de chaveta intemo
Manija de tolva
Soporte de tubo
Placa de trituradora
M6nsula de soporte de tolva
Guia de entrada
Montaje del alojamiento de
desgranado intemo
Montaje del marco
Montaje del alojamiento de
desgranado extemo
Tomillo con cabeza
hexagonal, 5/16-24 x .75
Tomillo Sems
TT 3/8-16 x 1.25
Tomillo con cabeza
hexagonal, 1/4-20 x 3.75
Hex Cap Screw,
5/16o18 x.625
Tuerca en U, 5/16-18
Arandela de seguridad, 5/16
Arandela de seguridad
especial, 5/16
Espaciador de bisagra,
.265 x.380 x 1.66
Bolsa de recolecci6n de
desechos (no se muestra)
Anteojos de seguridad
36

Cortadora Trituradora Sears Craftsman 7.5 HP,Modelo 247.776360
\\
37

(Estapb,ginase aplicas61oen EE,UU,y Canada),
Sears, Roebuck and Co., U.S.A. {Sears), el Consejo de Recursos ArnbientaJes de California (CARB)
y ta Agencia de Protecci6n Ambiental de Jos Estados Unidos (EPA)
Declaraci6n de garant_a det sistema de control de ernisiones
{derechos y obligaciones de la garant_a de defectos del propietario)
LA COBERTURA DE LA GARANTiA DE CONTROL DE EMISIONES ES
APLICABLE A LOS MOTORES CERTIFICADOS COMPRADOS EN CALIFOR-
NIA EN 1995Y POSTERIORMENTE, QUE SE UTILIZAN EN CALIFORNIA,
Declaraci6n de garant_a sobre defectos en el control
ElConsejode RecursosArnbientalesde California(CARB),la EPA(Agenciade
Protecci6nArnbientalde los EE,UU,)y Searstienenel gusto de explicarlagarantia
delsisternade controlde ernisionespararnotoresdel aSo2000y para el futuro
conrelaci6na motorespequeflostodoterreno(SORE).En California,los nuevos
motorespeque¢_ostodoterrenodebenestar diseflados,construidosy equipados
paracurnplircon lasrigurosasnorrnasanti-smogdelestado.En otroslugaresde
los EstadosUnidos,los rnotoresnuevos,todo terreno,de encendidoper chispa
certificadospara el modeloaflo 1997y posterioresdebencurnplirest&ndares
similaresestablecidasporla agenciaEPAde EstadosUnidos,Searsdebegaram
Y PARALOS MODELOS CERTIFICADOS DEL AFiO 1997 Y POSTERIORES,
QUE SE COMPREN Y UTILICEN EN CUALQUIER PARTE DE LOS ESTADOS
UNIDOS (YA PARTIR DEL 1 DE ENERO DE 2001 EN CANADA).
de emisiones para CaJifomia y los Estados Unidos
tizarel sisternade controlde ernisionesde su motor por losper[odosde tiernpo
enurneradosrn_sabajo, siernprey cuando no hayahabido abuso,descuidoo
mantenirnientoinadecuadode su pequef_omotor todoterreno.Su sisternade
control de ernisionespuede incluirpiezas tales comoelcarburador,el filtrode
aire, el sisternadeencendido,el silenciadory el conversorcatal[tico.Tarnbi_n
puedeincluirconectoresy otras unidadesrelacionadascon lasernisiones,Donde
existauna condicioncubierta per la garantia, Searsrepararasu pequeSomotor
todo terrenosin costoalguno incluyendodiagn6stico,piezasy manode obra
Cobertura de Ja garant_a Sears para defectos en e! control de emisiones
Losrnotorespeque¢_ostodo terrenoest_ngarantizadosen cuantoa los defectos sujeci6nalas disposicionesenurneradasa continuacibn,Si unaparte de su motor
de las piezaspara el controlde ernisionesperun per[odede dos afros,con cubierta perla garantiaesdefectuosa,Searsreparar_o sustituir_dicha parte.
ResponsabiHdades del propietario en relaci6n con Jagarant_a
Comepropietariodel motortodo terrenopequeflo,Ud. es responsablede la
realizaci6ndelmantenirnientorequeridoque se incluyeen las instruccionesde op-
eraci6ny rnantenimiento.Searsrecorniendaque se conserventodoslos recibos
relativosal rnantenirnientode su motortodoterrenopequeflo,pero no pude den-
egarla garantiasimplementeperla faltade losrnismos,o pot su incurnplirniento
delrnantenirnientoprograrnado.Come propietariodel motor pequeflotodoterreno
debesaberque, sinembargo,Searsle puedenegarla coberturade la garantiasi
su motortodoterrenopequef_oo unapieza delrnisrnohan falladodebido a abuse,
negligencia,mantenirnientoindebidoo a rnodificacionesno aprobadas.Ud.es
responsablede presentarsu motortodoterrenopequef_oa un distribuidorde ser-
viciosSearsautorizadotan prontocornoaparezcaun problema.Lasreparaciones
de lagarantiasinconflictodebencornpletarseen un plazode tiernporazon-
able,no superiora 30 dias. Si tiene algunapreguntarespectoa sus derechosy
responsabilidadesreferentesa la garantia,debe contactarcon un representante
de serviciosSearsal 1--800-o469--4663_Lagarantiaque cubreal sisternade
ernisioneses unagarantiapot defectos.Losddectos sejuzgande acuerdocon
el funcionarnientonormalde un motor.La garantiano est_ relacionadacon una
pruebade ernisionesen use.
Disposiciones de ta garant_a Sears para defectos en et control de emisiones
Lassiguientesson disposicionesespecificasrelacionadasconla coberturade la garantiaparadefectosen el controlde ernisiones.Es un af_adidoa lagarantiade motor
Searspara motoresno reguladosque seencuentraen lasinstruccionesde funcionarnientoy mantenimiento.
1_Piezascon garantia
La coberturade estagarantiaseextiendeunicamentealas piezasque aparecen
a continuaci6n(laspartes de los sisternasde controlde ernisiones),siernpre
que dichaspiezasestuvieranya en el motoren el mementode sucompra.
a,Sisternade rnedici6nde cornbustible
Sistemade enriquecirnientoparaarranqueen frio
Carburadory partesinternas
Bornbade combustible
b.Sistemade inducci6nde aire
Filtrode aire
Colectorde adrnisi6n
c,Sistemade encendido
* Bujia(s)de encendido
Sistemade encendidomagneto
d.Sisternadel catalizador
Convertidorcatalitico
*Oolectorde escape
, Sistemade inyecci6nde aire o valvulade impulsos
e.Elernentosvariadosusadosen los sistemasanteriores
V_lvulasdevacio,sensiblesa temperatura,posiciony tiernpoe interruptores
* Oonectoresy montajes
2. Alcancede la cobertura
Searsgarantizaal poseedorinicialy a loscornpradoressubsiguientesquelas
piezascongarantiano tendr_ndefectosen rnaterialesni rnanode obra que
provoquenJafalla de JasrnJsmasduranteun periodode dosafrosa partir de Ja
fecha en queel motor seentrega a un cornpradorparticular_
3. Sincargo
La reparaci6no reemplazode cualquierpartecongarantiase realizar_sin cargo
algunopara el poseedor,incluyendotareasde diagn6sticoque perrnitandeter-
rninar si una parte congarantia es defectuosa,siernprequedicho diagn6stico
se realiceen undistribuidorde serviciosSearsautorizado,Parael serviciode
la garantiade ernisiones,contacteal distribuidorde serviciosSearsautorizado
mAscercano incluidoen las 'P_ginasarnarillas"en las categorias"Motores,
gasolina","Motoresde gasolina",'Podadorasde c6sped', o similares.
4. Reclamacionesy exclusionesa la cobertura
Las reclarnacionesde la garantiadebenenviarsede acuerdoconlas disposicio-
nes de la politicade garantiapararnotoresSears.La coberturade la garantia
excluirAdefectosen piezascongarantiaque no seanpartesoriginalesSears,o
abuso,negligenciao rnantenimientoincorrecto,taly como seestableceen la
politica de garantiapara rnotoresSears_Searsno es responsablede las fallas
en piezascongarantiaprovocadasperel usode partes af_adidas,que no sean
originaleso que sehayanmodificado,
5. Mantenirniento
Cualquierparte con garantiaque no este prograrnadaparaser reernplazada
come mantenirnientorequerido,o que s61odeba inspeccionarseregularrnente
al efecto de "inspeccioneo reernplacesegOnseanecesario', estar&garantizada
contradefectosdurante el periodode la garantia_Todaslaspiezasgarantizadas
que est@nprograrnadasparasu reernplazopara curnplircon los requisitos
de rnantenimientoestar_ngarantizadassOloporel periodoanterior al prirner
reernplazoprogramadoparadicha pieza.Cualquierpiezade recarnbioque
sea equivalenteen funcionamientoy durabilidadpuede usarsepara realizar
mantenirnientoo reparaciones,Elpropietarioes responsablede realizartodo el
mantenirnientorequerido,tal y cornose defineen las instruccionesde funcio-
narnientoy mantenimientoSears
6. CoberturaJndJrecta
Porla presente,la coberturaseextiendea la fallade cualquiercornponente
de motorprovocadaper lafalla de una piezacon garantiaque est_todavh en
periodode garantia.
EnlosEstadosUnidosyCanadahayuna lineade atenci6nde24 horas,1-800-469-4663,
quetiene un men8conmensajespregrabadosque ofreceninformaci6nparael mantenimientode su motor.
38

Felic_tacionesporhaberrealizadounaadquisicioninteligente.El
productoCraftsman®quehaadquiridoestadisefiadoy fabricado
parabrindarmuchosa_osdefuncionamientoconfiable.Perocomo
todoslosproductosavecespuederequerirdereparaciones.Esen
esemomentocuandoeldisponerdeunAcuerdodeprotecci6npara
reparacioneslepuedeahorrardineroy problemas.
Acontinuaci6nsedetallanlospuntosinduidosenelAcuerdo:
o Servicioexpertoprestadopotnuestros12.000especialistasen
reparacionesprdesionales
o Servicioilimitadosincargoparalaspiezasy lamanodeobraen
todaslasreparacionescubiertas
o Reemplazodelproductosi noesposiblerepararelproducto
cubierto
Descuentode 10%del precio normaldelservicioy de las piezas
relacionadascon elmismo quenoest_ncubiertaspor el acuerdo;
ademas,10%de descuentodel precionormalde laverificacionde
mantenimientopreventivo
Ayudar_pidaportel6fono- asistenciatelef6nicaa cargode un
tecnicode Searsparalosproductosque requierenreparaci6n
a domicilio,ademasde unaprogramaci6nconvenientepara la
reparaci6n
Adquieraahora unacuerdode protecci6nparareparacionesy proteiase
de problemasy gastosinesperados.
Unavezadquiridoel acuerdo,puedeprogramarelserviciocon tan s61o
realizarunaIlamadatelef6nica.PuedeIlamaren cualquiermomentodel
aliao de la noche,o programarun servicioenlinea.
Searsdisponede masde 12.000especialistasen reparaciones
profesionalesquetienenaccesoa masde 4.5 millonesde piezasy
accesoriosde grancalidad.Estees el tipodeprofesionalismoenel que
puedeconfiarpara quele ayudea prolongarlavida Otildel producto
recientementeadquiridoen losafios potvenir, iAdquierahoysu
acuerdode protecci6npara reparaciones!
Se apHcandeterminadas Jimitacionesy exc_uciones.Paraobtener
preeios e informaei6n adiciona_I_ameal 1-800-827-6655.
Servicio de inctalaei6n de Sears
Parala instalaci6nprofesionalde Searsde artefactosdomesticos,
dispos_tivosdeapertura deportonesde garage,calentadoresde aguay
otros anticulosdel hogaren los EstadosUnidos,Ilameal
1-800-4-MY-HOME®
Busque el periodo de duraci6n de emisiones importantes y
La informaci6n de clasificaci6n de aire en ta etiqueta de emisiones de su motor
Los motorescuyocumplimientocon los estSndaresdeemisi6nTier 2de la Comisi6nde RecursosAmbientalesdeCalifornia(CARB)est6
certificadodebenexhibitla informaci6nrelacionadaconel periodode duraci6nde lasemisionesy laclasificaci6nde aire.Sears,Roebuckand
Co.,de losEstadosUnidosponenestainformaci6na disposici6ndelconsumidorennuestrasetiquetasdeemisiones.
El Periodode Duraci6nde Emisiones describeel nOmerode horasde fiemporealde funcionamientoparael cualse cerfificaqueel motor
cumplecon las reglasde emisi6n,descontandoelmantenimientoadecuadodel mismosegOnlas instruccionesdeoperaci6ny mantenimiento.
Seutilizanlassiguientescategorias:
Moderada: Secertificaqueel motorcumplecon las reglasdeemisi6ndurante125horasdetiemporealde funcionamientodel motor.
Intermedia: Secertificaqueel motorcumplecon las reglasde emisi6ndurante250horasdetiemporealde funcionamientodel motor.
Prolongada: Secertificaque el motorcumpleconlas reglasdeemisi6ndurante500horasdetiemporealde funcionamientodel motor.
Pot eiemplo,unacortadoradecespedtipicaquese empuiadesdearrasse usaentre20y 25horaspot afro.Pot Iotanto,el pedodo de
duraci6n de emisionee de unmotorcon unacalificaci6nintermedia dariacomoresultado10a 12ahos.
La claeificaci6n deairees unnOmerocalculadoparadescribirel nivelrelativodeemisionesparaungrupode motoresenparticular.Cuanto
menorsea la claeificaci6n de aire,mayores la limpiezadel motor.Lainformaci6nse presentadeformagrb,fica enla etiquetade emisiones.
Despu_s det 1 de juHo de 2000, busque eJ pedodo de cumpHmiento de las reglas de emisiones en ta etiqueta de
cumplirniento de tas regJas de emisiones deJ motor
Despuesdel 1deiulio de2000se certificar5quedeterminadosmotoresSears,RoebuckandCo.,de los EstadosUnidoscumplencon los
est_ndaresdeemisionesde lafase2 de laAgenciade Protecci6nAmbientalde los EstadosUnidos(USEPA).Paralos motorescertificados
paralaetapa2, el periodode cumplimientocon las reglasde emisionesal cualse hacereferenciaen la etiquetade cumplimientocon las reglas
deemisionesindicael nOmerode horasde funcionamientoparael cualse hademostradoque el motorcumplecon losrequerimientosfederales
deemisi6n.Paralos motorescondesplazamientoinferiora 225cc, CategorfaC = 125horas,B = 250horasy A = 500 horas.Paralos motores
con desplazamientode225cc o m_s,CategoriaC = 250horas,B = 500horasy A = 1000horas.
Eldesplazamientode losmotoresde laserie210000es 344cc, el de laserie280000es 465cc, y el dela serie310000es 501cc.
39

Your Home
For repair-in your home-of all major brand appliances,
lawn and garden equipment, or heating and cooling systems,
no matter who made it, no matter who sold it!
For the replacement parts, accessories and
owner's manuals that you need to do-it-yourself.
For Sears professional installation of home appliances
and items like garage door openers and water heaters.
1-800-4-MY-HOME ® (1-800-469-4663)
Call anytime, day or night (U.S.A. and Canada)
www.sears.com www.sears.ca
Our Home
For repair of carry-in items like vacuums, lawn equipment,
and electronics, call or go on-line for the location of your nearest
Sears Parts & Repair Center.
1-800-488-1222
Call anytime, day or night (U.S.A. only)
www.sears.com
To purchase aprotection agreement (U.S.A.)
or maintenance agreement (Canada) on a product serviced by Sears:
1-800-827-6655 (U.S.A.) 1-800-361-6665 (Canada)
Para pedir servicio de reparaci6n Au Canada pour service en frangais:
a domicilio, y para ordenar piezas. 1-800- LE- FOYER Mc
1-888-SU-HOGAR sM 1 800 533 6937
(- _ _ )
.... (1-888-784-6427) www.sears.ca
® Registered Trademark /TivlTrademark /SMService Mark of Sears, Roebuck and Co.
® Marca Registrada /TM Marca de F&brica /SMMarca de Servicio de Sears, Roebuck and Co.
MCMarque de commerce /MDMarque d_posCe de Sears, Roebuck and Co. ® Sears, Roebuck and Co.