Craftsman 917 253724 Owners Manual
917253724 917253724 CRAFTSMAN GARDEN TRACTOR - Manuals and Guides L0805318 View the owners manual for your CRAFTSMAN GARDEN TRACTOR #917253724. Home:Lawn & Garden Parts:Craftsman Parts:Craftsman GARDEN TRACTOR Manual
CRAFTSMAN Lawn, Tractor Manual L0805318 CRAFTSMAN Lawn, Tractor Owner's Manual, CRAFTSMAN Lawn, Tractor installation guides
2015-01-05
: Craftsman Craftsman-917-253724-Owners-Manual-160828 craftsman-917-253724-owners-manual-160828 craftsman pdf
Open the PDF directly: View PDF
.
Page Count: 36

Sears l
OWNERS
MANUAL
MODEL NO.
917,253724
Caution:
Read Rules for
Safe Operation
and Instructions
Carefully GARDEN
Assembly
Installation
Operation
Repair Parts
TRACTOR
Sears, Roebuck and Co., Chicago, III. 60684 U.S.A.

CONGRATULATIONS on your purchase of a Sears Varidrive
GTV 16 HP. Garden Tractor_ It has been designed, engineered
and manufactured to give you dependability and performance
Should you experience any problem you cannot easily rem-
edy, pfease contact your nearest Sears, Roebuck and Co. store
They have competent, well-trained technicians and the proper
tools and parts to service or repair this unit.
Please read and retain this manual, The instructions wilt enable
you to assemble, operate and manta n your Tractor properly.
Always observe the "RULES FOR SAFE OPERATION".
MODEL
NUMBER
SERIAL
NUMBER
THE MODEL AND SERIAL NUMBERS WILL
BE FOUND ON THE MODEL PLATE ATTACH-
ED TO THE TOP RIGHT SIDE OF DRAWBAR
{REFER TO PAGE 16).
YOU SHOULD RECORD BOTH MODEL AND
SERIAL NUMBERS AND KEEP IN A SAFE
PLACE FOR FUTURE REFERENCE,
YOUR NEW GTV IG
GARDEN TRACTOR
FEATURES ...
CRAFTSMAN 16 H,P° ENGINE-°cool-running performance
and long life w_th plenty of power to take on a variety of
yard, gardening or snow removal tasks.
INTERLOCK SWITCH SYSTEM-allows engine to start only
when tractor Clutch-Brake Pedal is depressed and Attachment
Clutch Lever is in "OFF" pos{tiono
ALL GEAR TRANSMISSION-three speeds forward, plus
reverse to let you select the proper match for the terra{n and
the job Automotive-type differential helps guard against turf
scuffing
VARIDR!VE SPEED CONTROL-is especially valuable when
load is not uniform When _ngineodriven attachments are
overloaded, such as with heavy lawn mowing or deep snow
throwing, the ground speed may be reduced with the Control
Lever to relieve the load wh_le the attachment continues to
operate at fun speed
CONTROL PANEL-with Throttle, Choke, Light Switch, Ig-
nition Switch, Ammeter and Parking Brake Lever-convenient-
ly grouped for ease of user
ATTACHMENT VERSATILITY-handles alarge variety of
Sears Yard and Garden Tractor Attachments including ..,
MANUAL OR ELECTRIC LIFT.
44 INCH MOWER with three "high-lift" blades to stand
grassup for level cuts.
SELF POWERED ROTO TILLER prepares soil for new
Eawnsand gardens with a 30 inch wide tilling path,,
OTHER SOIL TILLAGE ATTACHMENTS including Plow,
Disc Harrow, D rag Harrow and Cultivator_
CHEVRON TIRES for added t;action in loose soil, gravel
or snow,.
46 INCH DOZER BLADE levels or moves dirt and gravel or
removes snow.
42 INCH SNOW BLOWER handles wet, heavy powdery
snow with ease.
REAR GRADER AND LEVELER BLADE levels new
yards, grading lanes, drive ways and parking areas.,
FULL ONE YEAR WARRANTY
ON ELECTRnC START GARDEN TRACTOR
For one year from the date of purchase, when this Garden Tractor is used for personal household purposes, Sears will
repair any defect in material or workmanship in this Garden Tractor, except the battery, at no charge.
If this Garden Tractor is used for commercial or rent{_l purposes, this warranty applies for only 30 days from the date of
purchase°
FULL 90-DAY WARRANTY ON BATTERY
For 90 days from the date of purchase, if any battery included with the Garden Tractor proves defective in material or
workmanship and will not hold a charge, Searswill replace the battery, at no charge=
LOMgTED WARRANTY ON BATTERY
From the 91st day until one year from the date of purchase, if any battery inctuded with the Garden Tractor proves defec.,
rive in material or workmanship and will not hold acharge, Searsw_ll replace the battery, charging 1/12th of the price of
the new battery for each full month from the date of pumhase.
Warranty service is available at your home, at no charge, by simply contacting the nearest Sears store or Service Center
throughout the United States.
This warranty givesyou specific legal rights, and you may also have other rights which vary from state to state,
Sears, Roebuck and Cot
Sears Tower
BSC 4 t-3
Chicago, IL 60684

TABLE OF CONTENTS
RULES FOR SAFE OPERATION ........ BELOW MAINTENANCE INSTRUCTIONS .............. 6
ASSEMBLY INSTRUCTIONS ................. 2 TROUBLE SHOOTING ..................... 13
OPERATION INSTRUCTIONS ................ 4 REPAIR PARTS ........................... 15
RULES FOR SAFE OPERATmON
1_ Know the controls and how to stop quickly, READ THE
OWNER'S MANUAL
2o Do not allow children to operate the vehicle. Do not allow
adults to operate it without proper instruction or with-
out having read the owners manual,
3. Do not carry passengers, Keep children and pets a safe dis-
tance away,
4, Always wear substantial footwear, Do not wear loose fitting
clothing that could get caught in moving parts,
5, Keep your eyes and mind on your tractor, mower and the
area being cut, Don't let other interests distract you,
6o Do not attempt to operate your tractor or mower when
not in the drivers seat.
7. Always get on or off your tractor from the operators left
hand side,
8, Clear the work area of objects which might be picked up
and thrown.
9, Disengage ali attachment clutches and return speed control
lever to neutral before attempting to start the engine,
10, Disengage power to att#chments and stop the engine be-
fore leaving the operator's position°
1 t Disengage power to mower, stop the engine and disconnect
spark plug wire(s) from spark plug(s) before cleaning, mak-
ing an adjustment or repairs,
12, Disengage power to attachments when transporting or not
in use°
13. Take all possible precautions when leaving the vehlcte un-
attended, such as disengaging the power-take-off, lowering
the attachments, returning drive control lever to neutral,
sh_fting into neutral, setting the parking brake, stopping
the engine and removing the key,
14_ Do not stop or start suddenly when going uphill or down-
hilt. Mow up and down the face of slopes (not greater than
15°); never across the face,
15. Reduce speed on slopes and make turns gradually to pre-
vent tipping or loss of control, Exercise extreme caution
when changing dfrection on slopes,
16. While going up or down slopes choose Ist gear to negotiate
the slope without stopping To reduce speed, move Vad-
drive Control Lever rearward to slower position,,
17, Never mow in wet or slippery grass, when traction is un-
sure or at a speed which could cause a skid,
I8, Stay alert for holes in the terrain and other hidden hazards.
19. Do not drive too close to creeks, ditches and public high-
ways.
20_ Exercise special care when mowing around fixed objects
in order to prevent the blades from striking them. Never
deliberately run tractor or mower into or over any foreign
object,.
21, Never shift gears until tractor comes to a stop,
224 Never place hands or feet under the mower, in discharge
chute or near any moving parts while tractor or mower are
running. Always keep clear of discharge chute°
23. Use care when pulling loads or using heavy equipment
a, Use only approved drawbar hitch points,
b, Limit loads to those you can safety control.
c° Do not turn sharply, Use care when backing,,
d. Use counterweight or wheel weights when suggested in
the owner's manual.
24, Watch out for traffic when crossing or near roadways.
25, When using any attachments, never direct discharge of
material toward bystanders nor atlow anyone near the ve-
hicle while in operation.
26. Handte gasoline with care - it is highly flammable.
ao Use approved gasoline containers.
b, Never remove the cap of the fuel tank or add gasoline to
a running or hot engine, or fill the fuel tank indoors°
Wipe up spilled gasoline
c, Open doors if the engine is run in the garage - exhaust
fumes are dangerous, Do not run the engine indoors,
27, Keep the vehicle and attachments in good operating con-
dition, and keep safety devices in place_
28. Keep all nuts, bolts and screws tight to be sure the equip-
ment is in safe working condition,
29, Never store the equipment with gasoline in the tank inside
a building where fumes may reach an open flame or spark.
Allow the engine to cool before storing in any enclosure,
30. To reduce fire hazard, keep the engine free of grass, leaves
or excessive grease, Do not clean product while engine is
running.
31, Except for adjustment; DO NOT operate Engine if air
cleaner or cover directly over carburetor air intake is re-
moved. Removal of such part could create a fire hazard,
32° DO NOT OPERATE WITHOUT A MUFFLER OR TAM-
PER WITH THE EXHAUST SYSTEM Damaged mufflers
or spark arresters could create a fire hazard Inspect period-
ically and replace if necessary,
33, The vehicle and attachments should be stopped and in-
spected for damage after striking a foreign object, and the
damage should be repaired before restarting and operating
the equipment,
34 Do not change the engine governor settings or overspeed
the engine; severe damage or injury may result_
35 When using the vehicle with mower, proceed as follows:
a_,Mow only in daylight or in good artificial light,,
b, Never make a cutting height adjustment while the engine
is running if the operator must dismount to do so.
c_ Shut the engine off when removing the grass catcher or
unclogging chute.
do Check the blade mounting bolts for proper tightness at
frequent intervals.
36 Check the grass catcher bags frequently for wear or deterio-
ration, Replace with new bags for safety protection.
37_ Do not operate the mower without the entire grass catcher,
on mowers so equipped, or the deflector shield in place,
38 Disengage power to mower before backing up Do not mow
in reverse unless absolutely necessary and then only after
careful observation of the entire area behind the mower.
LOOK FOR THIS SYMBOL TO POINT OUT IMPORTANT
SAFETY PRECAUTION& IT MEANS -ATTENTION!
BECOME ALERT! YOUR SAFETY IS INVOLVED.
WARNING
This unit is equipped with an internal combustion engine and should not be used on or near any unimproved forest-covered, brush-
covered or grass-covered land unless the engine's exhaust system is equipped with a spark arrester meeting applicable 1ocaf or state
laws (if any), If a spark arrester is used, it should be maintained in effective worldng order by the operator
In the State of California the above is required by law (Section 4442 of the California Public Resources Code). Other states may
have similar laws., Federal laws apply on federat fands, See your AuthorSzed Service Center for spark arrester muffler part number
674A380.

CAUTION: DO NOT OPERATE VARIDRIVE CONTROL
(FIG. 11) UNLESS ENGINE IS RUNNING, DAMAGE MAY
OCCUR TO VARIDRIVE SYSTEM,
CUT AWAY VIEW
_._ VENT CAP
L_.-_J
BATTERY
TUBE
BATTERY
CELL
WING NUT _._I_ _'- FLAT WASHER
_._f"-,...,.----_ BATTERY
J/iT-, ROD
WING NUT__ _-i
FLATWASHER--/7_/f!/-_-_'r- k_
NEGATIVE
BLACK _._"7 _//, _'_
GROUND _ _,'_,a f,_\ _// :
CAR E..-..
F,GURE%.'& iI ¥ Xi /N ..........
To assemble and adjust your Tractor you will need:
one 3/4" socket, two 7/16" wrenches and one
11/16" wrench
NOTE: RIGHT HAND (R,H_) AND LEFT HAND (L°H.} ARE
DETERMINED FROM OPERATOR'S POSITION WHILE
SEATED ON TRACTOR,
ASSElVtIaLY
1, Remove Shipping Strap Banding, Bundling Wires, Battery,
Steering Wheel and Bagof Parts. Also there is aHold Down
Rod (shown below) hotding front end of tractor to wood
crate Remove Lag Screw from Hold Down Rod and wood
crate, Discard Rod and Screw,
_2"
2. Fill and charge Battery (before installing). NOTE: SEE
DETAILED INSTRUCTIONS PACKAGED WITH BAT-
TERY,
_!_ WEAR EYE AND FACE SHIELD" j
ao Fill Battery with electrolyte to bottoms of tubes in cells
(Fig. 1). NOTE: DO NOT OVERFILL. OVERFILLING
WILL RESULT IN DAMAGE TO TRACTOR.
ATELY IF ACCIDENTALLY IN CONTACT
WITH ELECTROLYTE,
b. Check level of electrolyte after 30 minutes. Add addi-
tional electrolyte if necessary, NOTE: TIGHTEN VENT
CAPS SECURELY°
c, Charge Battery at a rate not exceeding three amperes
for about two and one half hours,
I" _DO NOT SMOKE, FUMES FROM CHARG-
ED ELECTROLYTE ARE EXPLOSIVE.
d, Neutralize excess electrolyte for disposal by adding it
to four inches of water in a five gallon plastic contain-
er. Stir with a wooden or plastic paddle while adding
baking soda until the addition of more soda causes no
more foaming.
3. Install Battery using:
Battery Rod, two Wing Nuts, two Flat Washers, two Bah
tery Bolts,
two Flat Washers, two Lockwashers, two Hex Bolts and
two Hex Nuts found in Bag of Parts.
ao Lift Hood from rear sides (Fig, 2).
bo Remove tape from Plastic Tray_ Make sure Drain Tube
(Fig. 3) is fastened to Drain Hole in Battery Tray and
Battery Tray is positioned in hole of Battery Support.
co Piece Battery in Plastic Tray (Batten/Terminals to front
of Tractor) (Fig. 3)_
NOTE: TIGHTEN WING NUTS SECURELY USING
YOUR THUMB AND FOREFINGER. DO NOT USE
TOOLS -OVER TIGHTENING MAY OVERSTRESS OR
CRACK THE BATTERY CASE,

d. Insert Battery Bo_t into square hole on the left side of
Battery Support (Fig,, 3), Fasten Battery Rod to Battery
Bolt with a Flat Washer and Wing Nut.
e. Insert remaining Battery Bolt into square hole in Roll
side of Battery Support and fasten Battery Rod with a
Flat Washer and Wing Nut (Fig, 3). Tighten Wing Nuts
securely
fo Position Terminal Cover over RED Battery Cable {Fig,
4).
gConnect RED Battery Cable to Positive (+} Battery Ter-
minal with Hex Bolt, Flat Washer, Lockwasher and Hex
Nut (Fig. 4), Form Cable in an upward position (Fig, 4)
and tighten securely. Place Terminal Cover over Termi-
nal NOTE: PULL TERMINAL COVER FORWARD TO
ENCLOSE BATTERY TERMINAL (FIG, 4- INSET),
POSITIVE TERMINAL MUST BE CON-
NECTED FIRST TO PREVENT SPARKS
FROM ACCIDENTAL GROUNDING.
hr Connect BLACK Ground Cable to Negative (-) Bat-
tery Terminat with remaining Hex Bolt, Flat Washer,
Lockwasher and Hex Nut {Fig. 4) Tighten Nut secure-
ly,
4, C{ose Hood
5, install Steering Whee/ using Flat Washer, Hex Jam Nut
(shown full size below) and
Steering Wheel Insert found in Bag of Parts
a, Secure the Steerinq Wheel to Steering Shaft with Washer
and Hex Jam Nut (Fig, 5) Tighten securely
b Install the Steering Wheel Insert
NOTE: A SPARK ARRESTOR MUFFLER (PAGE 1) IS
AVAILABLE AS AN ACCESSORY PART FOR YOUR
TRACTOR CHECK LEGAL REQUIREMENTS INYOUR
AREA
BNITIAL ADJUSTMENTS
1. Reduce Tire pressure to 14 pounds in frontand 10 pounds
in rear T_res. (Tires were overinflated for shipping pur-
poses),
2, Seat position may be adjusted forward or backward by
_oosening Bolt in Seat Plate (Fig 6) NOTE: WHEN RE-
TiGHTENiNG BOLT AFTER ADJUSTMENT, MAKE
SURE SEAT PLATE HAS NOT TWISTED OUT OF
ALIGNMENT WITH SEAT SPRING
INITIAL SERVICE
NOTE: BE CAREFUL NOT TO ALLOW DIRT TO ENTER
THE ENGINE WHEN CHECKING OR ADDING OIL OR
FUEL,
1, Check Engine Oil Level with Tractor on level ground,
Wipe d{pstick (Fig 7) clean, push it in tight for a few sec_
onds, remove and read Oil Level If necessary, add Oil until
"FULL" mark is reached. In summer use S.A E, 30 (SC,
SD, SE or SF) Oil, In winter (below 32°F) use SA, E.
10W30 (SC, SD, SE or SF). In extreme cold (beJow D°F.)
use S,A.E. 5W20 (SC, SD, SE or SF) DO NOT USE 10W40
OIL. NOTE: DO NOT OVERFILL
2. Fil! Fuel Tank (Fig, 6) with fresh, clean regular grade lead-
ed or !ow-tead automotive gasoline only. Capacity is 3.1/2
gallons. NOTE: DO NOT SWITCH FROM LEADED TO
LEAD-FREE GASOLINE.
SEAT
ENGINE OIL
FILL DIPSTICK
WARNING: Do not use Gasoholo Gasohol type alcohols
react with water content in the fuel and tend to form
strong acids which can corrode metal parts, even eat rubber
and plastics°
FILL TO BOTTOM OF GAS TANK FILL-
ER NECK. DO NOT OVERFILL. WIPE
OFF ANY SPILLED OIL OR FUEL.
-3-

FIGURE 8
CLUTCH°BRAKE PEDAL
"DRIVE" POSITION FOOT , \|
PEDAL
1,,
2,
3,
4_
Keep aIl shields in place,.
Before leaving operator's position:
a Shift transmission to neutral
bSet Parking Brake.
c, Disengage Attachment Lever,
d Shut off engine,
e, Remove Ignition Key,
Wait fm all movement to stop before servicing machine,,
Keep peopie and pets a safe distance away from machine.
LEARN TO START, STOP AND REVERSE
YOUR TRACTOR tN A LARGE, OPEN
AREA.
THIS TRACTOR tS EQUIPPED WITH
INTERLOCK SWITCHES TO PREVENT
STARTING OF THE TRACTOR ENGINE
WHILE THE ATTACHMENT CLUTCH
LEVER IS IN THE ENGAGED POSITION
(FIG. 8) AND THE CLUTCH BRAKE
PEDAL IS IN DRIVE POSITION (FIG.
9),
IMMEDIATELY REPLACE SWITCHES
THAT ARE NOT IN PROPER WORKING
ORDER. DO NOT' ATTEMPT TO DEFEAT
THE PURPOSE OF THESE SWITCHES.
IGNITION
-_ KEY
PARKING BRAKE
GEAR
SHIFT
"DISENGAGED".
POSITION /
LEVER
FIGURE 10 _"-
VARIDRIVE
CONTROL LEVER
"SLOW" POSITION
I]"--- "FAST"
_t_ _ I_'(7 \_ '|, fPOSITION
FIGURE 11 _-"_,_-:" '_"-"i"-_'_
STARTUNG THE ENGINE
1. Place Attachment Clutch Lever in
position (Fig_ B),
2.
3,
4,
5Pull Choke out (Fig 10]
6.
7_
"DISENGAGED"
Push Clutch-Brake Pedal fully into brake posit{on (Fig.
9)_
Place Parking Brake Lever in "ENGAGED" position (Fig..
t0)
Place Gear Shift Control Lever in "NEUTRAL", start
position (Fig 8).
Move Throttle Control to middle position (Fig. 10L
Turn Ignition Key to "START" position until Engine starts
(Fig. 10). Release key into "ON" position°
NOTE: DO NOT RUN STARTER CONTINUOUSLY FOR
MORE THAN THIRTY SECONDS AT A TIMEo tf engine
does not start after several atl:empts, move Throttle Control
II II *, ,
to FAST pos_tlon, wmt a few minutes, and try again.
ALWAYS WEAR SUBSTANTIAL FDOT_
WEAR AND AVOID LOOSE FITTING
CLOTHING THAT COULD GET CAUGHT
IN MOVING PARTS.
-4-

WARMUNG UP THE ENGINE
Move Throttle Control to "SLOW" position. Push Choke in
as engine warms up. NOTE: ALLOW ENGINE TO WARM UP
FOR A FEW MINUTES BEFORE OPERATING.
When restartinq a warm engine move Throttle Control mid-
way between SLOW and FAST position,, Choke may not
have to be used.
TRACTOR OPERATION
I With engine running and warm place Throttle Control mid-
t II fl I_ *,
way between SLOW and FAST post on.
2o Push Clutch-Brake Pedal down flrmly to disengage Parking
Brake and hold Clutch-Brake Pedal in Brake position (Fig,
9)
3. Move Gear Shift Control Lever to desired gear (Fig. 10).
4, Release Clutch-Brake Pedal SLOWLY to start forward
or rearward movement
5. Move Varidrive Control Lever to desired speed (Fig. 11)
If ground travel is too slow advance Throttle Lever.
NOTE: ALWAYS SELECT A GROUND TRAVEL SPEED
THAT WILL SUIT THE TERRAIN AND THE ATTACH-
MENT BE{NG USED.
2o Move Shift Control Lever to "NEUTRAL" position.
3 Place Parking Brake in "ENGAGED" position:
CLUTCH-BRAKE PEDAL SHOULD RE-
MAIN COMPLETELY DEPRESSED WHEN
FOOT PRESSURE IS RELEASED.
DO NOT OPERATE VARIDRIVE CON-
TROL UNLESS ENGINE IS RUNNING.
DAMAGE MAY OCCUR TO VARIDRIVE
SYSTEM.
BRING TRACTOR TO COMPLETE STOP
BEFORE SHIFTING GEARS°
NEVER PLACE YOUR HANDS OR FEET
tN OR UNDER ANY POWERED ATTACH-
MENT OR NEAR ANY MOVING PART
WHILE TRACTOR OR ANY POWERED
ATTACHMENT IS RUNNING.
DO NOT OPERATE THE MOWER WITH-
OUT EITHER THE ENTIRE GRASS CAT-
CHER, ON MOWERS SO EQUIPPED, OR
THE DEFLECTOR SHIELD IN PLACE.
NOTE: ALWAYS OPERATE ENGINE AT FULL ENGINE
RPM WHEN MOWING TO ASSURE BETTER MOWING PER-
FORMANCE, LONG ENGINE LIFE AND PROPER DIS-
CHARGE OF CUT MATERIAL.
4, Place Attachment Clutch Lever in "DISENGAGED" posi-
tion and Iower attachment to the ground.
It rl
5. Move Throttle Control to SLOW position.
•I| I1 ,,
6. Move Var_drlve Control Lever to SLOW post ono
7o Turn Ignition Key to "OFF" position.
REMOVE KEY WHEN LEAVING TRAC- i
TOR TO PREVENT UNAUTHORIZED
USE.
TRANSPORTnNO YOUR TRACTOR
TOWING IS NOT RECOMMENDED Internal transexle
damage can result°
TRACTOR OPERATION ON HILLS
1 Choose one of the lowest gears BEFORE starting up or
down hills.
ATTACHMENT LIFT ADJUSTMENT
Due to different weights of Attachments, the Attachment
Lift Spring may require adjustment, The Adjustment Bolt
is located on rear of tractor top ieft side (Fig° 12),
1. Holding Spring Bushing with Wrench, loosen Jam Nut.
2 Turn Adjustment Bolt clockwise ((_) to extend Spring and
reduce lift effort (for heavier Attachments),
3, Turn Adjustment Bolt counterclockwise ( f-_ ) (for Hghter
Attachments),
4, Retighten Jam Nut against Spring Bushing
DO NOT ADJUST FOR MAXIMUM
SPRING EXTENSION WHEN USINGLIGHT ATTACHMENTS, SUCH AS
MOWER.
ADJUST LIFT SPRING TO AID tN LIFT-
ING ATTACHMENT, DON'T OVER
POWER SPRING.
STOPPIINO YOUR TRACTOR
1. Push Clutch-Brake Pedal completely into "BRAKE t' posi-
tion.
DO NOT DRIVE UP OR DOWN HILLS
WITH SLOPES GREATER THAN 15°,
AND DO NOT DRIVE ACROSS ANY
SLOPE.
2. AVOID STOPPING OR SHIFTING ON HILLS,,
a, If slowing is necessary, move Varidrive Control Lever
to slower position.
LEAVE ENOUGH ROOM WHEN STOP-
PING AND STARTING TO ALLOW
SLIGHT TRACTOR ROLL DOWNHILL AS
CLUTCH-BRAKE PEDAL MOVES
THROUGH CLUTCH POSITION.
b, If stopping is absolutely necessary, push Clutch-Brake
Pedal quickly to brake position and lock Parking Brake,
c, To restart your tractor, make sure tractor is in 1st
year and that you have allowed room to roll slightty
downhill,, Unlock Parking Brake and retease Clutch-
Brake Pedal SLOWLY to start tractor forward move-
ment, then move Varidrive Control Lever to desired
speed,
3 Make all turns gradually
-5-

DISCHARGING
FIGURE 13
CHARGING
-_•_. •
1,,Connect each end of the RED cable to the POSITIVE (+)
terminals of each battery (taking care not to shor_t against
chassis),
2, Connect one end of the BLACK cable to the NEGATIVE
(-) terminal of fully charged battery.
3. Connect the other end of the cable to ENGINE BLOCK
or good CHASSIS GROUND on tractor (away from Gas
Tank or Battery),
4,_Disconnect cables in reverse order':
a, Engine Block or chassis of tractor_
b_ Negative terminal of fully charged battery_
c. Positive terminals,,
1
DO NOT USE YOUR TRACTOR BAT- I
TERY TO START OTHER VEHICLES. I
MAINTENANCE
To keep your tractor running better, longer; perform nec-
essaryservice using the following Maintenance Schedule.
Each time you start your tractor, check your Ammeter (Fig.
13). The needle should move towards the + (charging) mark
indicating the battery is being charged as you operate the
tractor.
DISCONNECT SPARK PLUG WIRES TO
PREVENT ACCIDENTAL STARTING BE-
FORE MAKING ANY INSPECTION, AD-
JUSTMENT OR REPAIR (EXCEPT CAR-
BURETOR).
/
DIAGNOSTIC TERMINAL ADAPTEF
FIGURE 15
STARTING YOUR TRACTOR WITH
ALOW BATTERY
If your Battery is too tow to start the engine it should be
II II .
recharged. If Jumper Cables are used for emergency starting
foilow this procedure: NOTE: YOUR TRACTOR IS EQUIP-
PED WITH A12 VOLT NEGATIVE GROUNDED SYSTEM
THE OTHER VEHICLE MUST ALSO BE A 12 VOLT NEGA-
TIVE GROUNDED SYSTEM.
LEAD-ACID BATTERIES GENERATE EX-
PLOSIVE GASES. KEEP SPARKS, FLAME,
AND SMOKING MATERIALS AWAY
FROM BATTERIES, ALWAYS WEAR EYE
PROTECTION AROUND BATTERIES.
DAILY MAINTENANCE
Make sure all nuts on bolts are tight and cotter pins are secure.
Observe all safety precautions° Keep Tractor well lubricated
(refer to page 8)_
ELECTRICAL MAINTENANCE
DIAGNOSTIC TERMINAL BOX
Your Tractor is equipped with a Tractor Diagnostic Terminal
Box which is used to simplify electrical system diagnosis. The
Iocation of the Diagnostic Terminal Box is shown in Fig. 14.
The Diagnostic Terminal Box provides access to a number of
test points within the electrical system of the tractor.
WHEN USING THE DIAGNOSTIC TER-
MINAL BOX -ENGINE TO BE STOPPED
AND IGNITION OFF,
USE PROPER EQUIPMENT IN THE
CHECKING OF ELECTRICAL SYSTEM
THROUGH THE DIAGNOSTIC TERMIN-
AL BOX.
The Diagnostic Terminal Box is designed to accept the Diag-
nostic Terminal Adapter (optional) (Fig° t5), which is avail-
able from Sears (Part No. 677A823)_ If you order the Adap-
ter, also order the Test Procedure Manual (Manual Nor 8441J),
showing diagnostic procedures and components of electrical
circuits°
To perform the testing with the Diagnostic Terminal Box, a
quality multimeter or automotive analyzer is required.
_6-

FIRST HOURS
1_ CHECK BELT ADJUSTMENT
New Belts may stretch after the first few hours of operation
resulting in lossof power.
amWith engine running, transmission in neutral, place Vari-
drive Control Lever in "FAST" position (Fig. 11) and
check if Secondary Belt (Fig. 16 -Inset) ridesflush with
outside of Variator Sheave (DO NOT PUSH DOWN ON
CLUTCH PEDAL).
b, If Secondary Belt is riding down in groove of Variator
Sheave adjustment is required,
2. V-BELT ADJUSTMENT
a With engine running, Transmission in "NEUTRAL"
position, move Varidrive Control Lever to full "FAST"
position (Fig. 11)
b. Shut engine off and loosen Adjustment Nut on Bolt "A"
for Variator Stop Plate (Fig. 16).
c, Start engine and run at idle Speed
d Slowly move Vafidrive Control Lever (Fig. 11) forward
or backward until Secondary Belt is riding flush to
1/16" outside of Variator Sheave (Fig 16 -Inset).
NOTE: DO NOT PUSH DOWN ON CLUTCH PEDAL.
e., Shut engine off holding Varidrive Control Lever in posi-
tion as described in step d and tighten Adjustment Nut
on Bolt "A" (Fig. 16).,
f, Start engine and move Varidrive Control Lever to
SLOW posttlon (F_g. 11). Primary Belt should ride
flush to 1/16" out of Variator Sheave (Fig. 16 - Inset).
g Adjustment is complete when the Secondary Belt rides
in the same position on the Variator Sheave in full
"FAST" position, as the Primary Belt does in the
"SLOW" position,
h Re-adjust as needed thereafter
i f Be t cannot be adjusted as described in step greplace
V-Betts= Refer to Belt Replacement , page 12.
3. CHANGE ENGINE OIL
Changing Oil after the first two hours will help eliminate
break4n residue which might be damaging to your Engine,
NOTE: BE CAREFUL NOT TO ALLOW DIRT TO ENTER
THE ENGINE WHEN CHANGING OIL.
a Drain Oil with Engine warm, Unscrew Oil Drain Plug
(Fig. 18) and catch Oil in a suitable container, Replace
Plug,
bRefill Engine Oil (Fig° 17). In summer use S.AE. 30
(SC, SD, SE or SF) Oil. in winter (below 32°F) use
S,A.E_ 10W30 (SC, SD, SE or SF). In extreme cold
(below 0°F.) use S.A_E 5W20 (SC, SD, SE or SF). DO
NOT USE 10W40 OIL. Refill capacity is 3 pints_ NOTE:
DO NOT OVERFILL,
FREGUENTLY
1_ CHECK BATTERY
a Electrolyte solutlon teve] in each Battery Ceil should be
even with bottoms of tubes in cells (Fig. 19)o Add dis-
tilled water if necessary NOTE: DO NOT OVERFILL
b, Keep Battery and Terminals clean, Refer to page !2,
step 6.
co Keep Battery Bolts tight.
d. Keep Vent Caps tight and small vent holes in Caps open.
e_ Recharge SLOWLY at 3 amperes if necessary.
2, CHECK TIRE PRESSURE
Tire pressure in front should be t4 pounds and rear Tires
should be 10 pounds_
3, CLEAN AIR SCREEN
Air Screen (Fig,, 17) must be kept free of dirt and chaff to
prevent Engine damage from overheating.,
.7-
R,H. SIDE OF TRACTOR ENGINE _-_
CLUTCH PULLEy_
IDLER FLAT VARIATOR
IDLER STOP_ PLATE _-
tIVARIATOR
-- _""---_'=====_. CONTROL ARM_'_
_R _P_R_IM_AgYBELT
SECONDARY
..... BELT_ "-_ Wm_==_m,=,_m
\<VmWE6'--
_ _ <FROM REAR
_- I< -- - OF TRACTOR
ENGINE OIL
FILL DIPST'CK &I_ 7_._ L J
FIGU F_E 18
CUT-AWAY VIEW
-VENTCAP
t'............................................3
TUBE
BATTERY
CELL
FIGURE 19

EVERY HOURS
1. CHECK ENGINE OIL LEVEL
DO NOT CHECK ENGINE OiL LEVELWITH ENGINE RUNNING°
Several minutes after stopping Engine, check Engine Oil
Level with Tractor on level ground. Wipe dipstick (Fig, 17)
clean, push it down tight for a few seconds, remove and
read Oil Level. If necessary, add Oil until "FULL" mark is
reached.. In summer use S.A,E, 30 (SC, SD, SE or SF) Oil.
In winter (below 32°F.) use S,A.E 10W30 (SC, SD, SE or
SF). In extreme cold (below OAF.) use S.A.E. 5W20 (SC0
SD, SE or SF). DO NOT USE 10W40 OIL. NOTE: DO
NOT OVE RFI LL
KNOB
COVER
_-'-,m-- NUT
WASH ER
CARTRIDGE
PLATE
PAPER
CARTRIDGE
OIL FOAM
PRE.CLEANER
FIGURE_ BODY
fvE.v .o..s
(EVERY 15 HOURS IF OPERATING
IN VERY DUSTY CONDITIONS)
CLEAN FOAM PRE-CLEANER.
a_ Unscrew Knob (Fig. 21) to remove Cover.
bo Remove Nut and Washer to remove Cartridge Plate,
Paper Cartridge and Oil Foam Pro-Cleaner,.
c. Wash Foam Pre_31eanerin detergent and water..
d. Rinse, squeeze (rather than twist} and allow to dry
tboroughiy_
e., Coat w_th three tablespoons of S_A.E, 30 Engine Oil,
squeeze to distribute evenly, and squeeze out excess.
f. Check Paper Cartridge. Replace if excessively dirty°
g. Reassemble Paper Cartridge and re-position on Tractor,
NOTE: NEVER RUN ENGINE WITH AIR CLEANER RE-
MOVED.
2_ CLEAN AIR SCREEN
Air Screen (Fig, 22) must allow free-flow of air to prevent
Engine damage from overheating. Clean with a wire brush,
compressed air or water pressure to remove dirt, chaff,
stubborn dried gum and fibers,
3. CHANGE ENGINE OIL
The best time to change Engine Oil is at the end of a days
operation when all dirt and foreign material is suspended
in the hot Oil. Refer to page 7_
4, CLEAN FRONT GRILL SCREEN
The Front Grill Screen (Fig_ 2) must allow free flow of air
to prevent engine damage from overheating.
ao Remove Grill Screen by removing two screws.
b. Clean with a wire brush, compressed air or water pres_
sure to remove dirt, chaff, stubborn dried gum and
fibers
c. Replace Grill Screen and secure screws.
5. LUBRICATE STEERING AND FRONT WHEELS
There are seven Grease Fittings on your Tractor (Fig's. 20
and 24)., Using aGrease Gun, give each Grease Fitting two
shots of Extreme Pressure Lubricating Grease Amdex No, 1
or equivalent (available through your Sears Service Center).
-8-

6, OIL PIVOT POINTS
Place several drops of SAA.E. 30 Oil at points where parts
move against each other, especially:
a,, Front Axle Pivot (Fig. 20).
b, Hood Hinges.
c_ Foot Pedal Shaft (Fig_9),
d, Lift Shaft (Fig, 33).
e. Polyfoam Seat at Varlator Arm Assembly Pivot Shaft
(saturate with oil), see page !8, Key No's. 46, 51 and 53.
f. Clutch Link and Varidrlve Control Link, see page 18,
Key No's, 47 and 49,
g Varidrive Handle Pivot Bushing (Fig 33)
Ew.vB®.o..s
1o CLEAN ENGINE COOLING FINS
Remove any dust. dirt or oil from Engine Cooling Fins
to prevent Engine damage from overheating (Fig 23)
2. CHECK TRANSAXLE OIL LEVEL
a Remove Filler Plug (Fig, 25) from Transaxle, Oil Level
should be even with Filler P}ug threads Add S A,E 30
Motor Oil if necessary.
b Check Pressure Relief Vatve (Fig, 27 - Inset) located on
R,H side near top It should spring completely closed
when pulted out by hand and released
3. LUBRICATE STEERING U-JOINT
a Lift Hood (Fig 2).
b Rotate Steering Wheel so that U-Joint Grease Fitting
is exposed (Fig 24),
c Using a Grease Gun, give Fitting two shots of Extreme
Pressure Lubricating Grease Amdex No. 1 or equivalent
(available at your Sears Service Center)
4. MUFFLER
Do not operate the tractor without aMuffler (Fig. 22) or
tamper with the exhaust system Damaged Mufflers or
spark arresters could create a fire hazard, Inspect periodl-
cal{y and replace if necessary if your engine is equipped
with a spark arrester screen assembly, remove every 50
hours for cleaning and inspection Replace if damaged.
HEATSHIELD
HEAT SHIELD
,AIR
SCREEN VIEWED
FROM
FRONT FIGURE 22
TUBE
AND DEBRIS FIGURE 23
lvl.v ;]GO.o..s
1, REPLACE SPARK PLUGS & RESET GAP
Replace Spark Plugs at the beginning of each season or
every 100 hours, whichever comes first Gap should be set
at .030 inch (Fig. 26)
2o LUBRICATE BALL JOINTS
a Move Rubber Boots to expose Ball Joints on Tie Rods
and Steering Link (Fig 20)
b. Coat Bait Joints with Silicone Spray Lubricant.
c, Reposition Rubber Boots,
-9-

2o
REPLACE AIR CLEANER PAPER CARTRIDGE
Refer to page 8,_
REPLACE IN-LINE FUEL FILTER
If fuel filter is clogged, obstructing fuel flow to carburetor,
reptacement is required,
a, With Engine coot, remove and plug Fuel Line Sections as
removed from both ends of Fuel F_lter (Fig. 28).
b,_Place new Fuel Filter in position in Fuel Line (arrow
on side of Filter in direction of fuel flow)_
BE SURE THERE ARE NO FUEL LINE|
LEAKS AND THAT FUEL LINE IS IN J
PROPER POSITION IN HOSE CLAMPS.
=w.v 5®@.o..s
1_ CHANGE TRANSAXLE OIL
a_ Block up Rear Axle securely or use a T_to_r Jack_ Re_
move left Rear Wheel by removing Hub Bolts (Fig° 36L
b_ Drain Transa×te Oil by removing Drain Ptug (Fig. 27)
and catching Oil in suitable container. Replace Drain
Plug.
c_ Refill Transaxle with S,,AE_ 30 (SC, SD or SE) Motor
Oil, Capacity is 5 quar"_s_Pressure Relief Valve (R.H. side
of Transaxle)(Fig. 27 _ Inset) may be hefd open to allow
Transaxle to fit! more quick}y.
do Check Pressure Relief Valve.. It should spring completely
closed when pulled out by hand and released.
e, Reposition wheel Secure with Hub Bolts,
FIGURE 29
AS NEEDED
1. TOEJN ADJUSTMENT
If any parts in Front Axle or Steering Mechanism are being
replaced, Tie Rod adjustment is required.
a. Loosen Jam Nuts (Fig. 29) at each end of Tie Rod Ad*
justment Sleeves°
b_ Adjust both Tie Rods so that Tie Rod Joints measure
It
9 - 5/8 from center to center.
c, On front of front tires measure distance from center to
center (measurement No 1)_
d. On rear of front tires measure distance from center to
center (measurement No 2)..
eo Compare measurements -measurement No. 1 should be
t/8 -1/4 less than measurement No. 2,
f.. tf not adjust each Tie Rod equally to get correct mea-
surement.
g Tighten Jam Nuts making sure Tie Rod Joints are
parallel (180 °) to each other, This adjustment secures
proper front wheei Toe-In and Steering operation.
-10-

2. BRAKE ADJUSTMENT
IF TRACTOR REQUIRES MORE THAN
SIX FEET STOPPING DISTANCE IN
HIGHEST GEAR ON A LEVEL DRY
CONCRETE OR PAVED SURFACE THEN
BRAKE MUST BE ADJUSTED+
a Remove (4} Hex Washer Head Tapping Screws from
Shift Cover Plate (Fig, 30), located on top tractor frame+
Remove the Cover Plate,
b Loosen .Jam Nut (A) on Brake Rod (B) at Clevis (C)
(Fig, 31)
c Rotate Brake Rod (B) counterclockwise, (_¢-_) turning
Brake Rod out of Clevis (C) four to six turns (Fig., 31),
•, • rt I_ *
d, Start tractor w_th Transm+ss+on +n NEUTRAL pos-
tion,
eo Depress Brake-Clutch Pedal to the point where Secon-
dary Belt (Fig 16) stops moving, Hold Brake-Clutch
Pedal in position by engaging Parking Brake (Fig, 10)
If Secondary Belt begins to move after engaging Parking
Brake, depress Brake_CRJtch Pedal to next notch on
Parking Brake,
f, Shut engine off, Rotate Brake Rod (B) clockwise by
hand, turning Brake Rod into Clevis (C), until tight_
Tighten ,Jam Nut (A) on Brake Rod (B) at Clevis (C)
(Fig, 31)+
3. CARBURETOR ADJUSTMENT
Never attempt to change maximum engine speed This is
preset at the factory and should only be changed by a quali-
fied service technician who has the necessary equipment,
a_ Adjust Carburetor to suggested initial settings.
-- Turn Needle Valve clockwise ( _ ) closing finger
tight ONLY, and then turn counterclockwise ((_.)
1 - 1/2 turns (Fig 32).
-- Turn Idie Valve clockwise, (('_) closing finger tight
ONLY, and then turn counterclockwise (F_) 1 -I/2
turns,
CAUTION: Valves may be damaged if turned in too far.
"_ FIGURE 31
REFER TO "STARTING THE ENGINE"
PAGE 4+
b- Start Engine and allow to warm for five minutes. Make
final adjustments with Engine running.
,.+ With Throttle Control in "SLOW" position, hold
Throttle Lever against Idle Stop and set Idle Speed
Adjusting Screw to give an engine speed of 1400
RPM. Turn Idle Valve clockwise (('_) siowly until
engine begins to miss and then open 1/2 turn counter-
clockwise (f_)
-- Set Idle Speed Screw to give engine speed of 90U
RPM, When Throttle Lever is release from Idle
Stop, engine speed should be between 1000 and 1400
RPM, controlled by governor
NOTE: ALL ABOVE SPEED AND FUEL MIXTURE
ADJUSTMENTS MUST BE DONE WITH THE
THROTTLE LEVER HELD AGAINST THE IDLE
STOP AND AT SPEEDS NOTED,
-. With Throttte Contro_ in "FAST" position, turn
Needle Valve slowly clockwise ((_) until engine be+
gins to miss and then set 1/2 turn counterclockwise,
(t'_,)+ NOTE: IF ENGINE HESITATESWHEN MOV-
ING THROTTLE CONTROL FROM +'SLOW" TO
"FAST" POSITIONS, TURN NEEDLE VALVE
COUNTERCLOCKWISE ((%) I/8 TURN MORE
4+ ADJUSTMENT V+BELT
it may be occasionally necessary to re-adjust V+Belt_ (See
page 7).
l _ CHECKTOMAKESURETRACTORDOES]
NOT START WITHOUT FU LLY DEPRESS-
ING CLUTCH-BRAKE PEDAL 11-

ENGINE
PIVOT SHAFT SECONDARY
BELT (REARI
IATOR
S,BELT KEEPER
PRIMARY
IDL
V
FIGURE 34
WASH E R
WASHER
KLIP RiNG
FIGURE 35
BOLT
5o BELT REPLACEMENT
The belts on this tractor are special for this application,
when replacing Belts always replace with Sears belts.
a, Disconnect Negative Ground Battery Cable_
b. Set Parking Brake (F_g, 10).
c Pull Varidrive Control Lever to slow position (Fig. 11)
giving Primary Belt slack.
d Remove Primary Belt from Engine Putley (Fig. 34)_
e,, Remove 3 Bolts and Nuts holding Primary Idler Sheaves
to Frame (Fig. 33).
f_ Remove Klip Ring and Washer from Variator P_vot
Shaft (Fig° 34)_ Slide Pivot Arm inwards.
g, Remove Belt from Variator Sheave.
h_ Remove Idler Nuts and Idler Sheaves from Primary Idier
Sheaves (Fig, 34}.
LPrimary (Front) Belt can now be removed,
j. To replace Secondary (Rear) Belt move Varidrive Con-
trol Lever to fast position, Remove Variator Belt Keeper
(Fig. 34) and remove Secondary Belt from Variatoro
ko Remove Clutching Idler (Fig. 34).
I. Remove Transmission Pulley Belt Guard Belt can now
be removed from Transmission Pulley.
m_ Reverse the above procedures to install new Belts. Re-
place Primary Idler Package, Belt Keeper, Clutching
Idler and Transmission Pulley Belt Guard°
n, Connect Battery,
NOTE: WHEN A NEW BELT OR BELTS ARE INSTALL-
ED, YOU MUST CHECK BELT ADJUSTMENT'. REFER
TO "CHECK BELT ADJUSTMENTtI0 PAGE 7o
6. CLEAN BATTERY AND TERMINALS
Corrosion and dirt on the Battery and Terminals cause
the Battery to "leak *' power and hinders the operation of
the charger,,
a,, Remove the Battery from the Tractor and wash with
four tablespoons of baking soda to one gallon of water..
NOTE: BE CAREFUL NOT TO GET THE SODA
SOLUTION INTO THE CELLS, Rinse the Battery with
plain water, dry and reinstall on Tractor_
bo Clean terminals and cable ends with a wire brush until
bright Replace Battery Cables, Coat terminal connec-
tions with Vasoline.
7_ TIRE CARE
a,, Maintain tire pressure in front at 14 pounds and rear tires
at 10 pounds.
b Keep tlres free of gasoline, oil, or insect control chemi-
cals which can destroy rubber,,
c, Avoid stumps, stones, deep ruts and other hazards that
may cause tire damage,
d. Removing front wheel for tire repair (Fig= 35),,
-- Block up front axle securely or use aSears Tractor
Jack.
.- Remove Klip Ring and Washer to allow wheel re-
moval.
.- Repair tire and reassemble. Replace washer and snap
Klip Ring securely in axle groove.
e_ Removing rear wheel for tire repair (Fig. 36),
.- Block up rear axle securely or use aSears Tractor
Jack.
-- Remove (5) Hub Bolts to allow wheel removal.
-- Repair tire and reassemble. Replace and tighten Hub
Bolts securely_
WHEN MOUNTING TIRES, UNLESS
BEADS ARE SEATED, OVER INFLATION
CAN CAUSE AN EXPLOSION°
8. FINISH
Keep tractor finish and seat free of gasoline, oil, insect
chemicals or battery electrolyte,_ Protect painted surfaces
with automotive type wax.
:IGURE 36

TROUBLE SH{:)OT|NG
POSSIBLE CAUSE POSSIBLE REMEDY
WILL NOT START
Clutch-Brake Pedal in drive position
Attachment Clutch Lever in "ENGAGED" position
No gasoline in Fuel Tank or clogged Fuel
Line or Fuel Filter
BIown Fuse
Dead Battery
Defective ignition or loose Wiring
Push Peda nto brake position (Fig, 9)
Move Lever to "DISENGAGED" position (Fig_ 8)
Fill Tank with fresh Gasoline, Check Fuel Line (Fig.
28) and Carburetor (clean if necessary)
Check for fault and replace Fuse
Recharge or replace Battery
Check Wirlng and Spark Plug
HARD TO START i
Choked improperly, flooded Engine
Clogged Fuel Tank, Fuel Line, or Fue! Filter
Dirty Air Cleaner
Spark Plug dirty or improper gap
Defective Battery
Defective Ignition or loose wiring
Water in gasoline or otd fuel
Improper Carburetor adjustment
ENGINE MISSES OR LACKS POWER
Engine overload
Clogged Fuel Filter
Clogged Fuel Tank
Partially plugged Air Cleaner
]mproper Carburetor adjustment
Dirty Air Screen
Low oil level or dirty oil
Spark Plug dirty, improper gap or wrong type
Faulty ignition
Poor compression
Oit in gasoline
Place Throttle Control in fast position (Fig° t0) and
run starter several times to clear out gas
Remove and clean (Figo 28)
Remove and clean (Fig. 2t)
Replace Spark Plug and adjust gap (Fig_ 26)
Recharge or replace
Check the wiring and Spark Plug
Drain Fuel Tank and Carburetor, use fresh fuel and
replace Spark Plug
Make necessary adjustments (Fig, 32)
Shift to a lower gear or reduce load
Remove and reptace (Fig, 28)
Remove and clean
Remove and clean (Fig, 21 )
Make necessary adjustments (Fig. 32)
Clean Air Screen, Cylinder Fins (Fig,23) & Muffler area
Add or change oil (Fig, 7)
Replace Spark Plugs and adjust gap (Fig, 26}
Check Spark Plugs and for any loose wires
Major Engine overhauf
Drain and refit! Gas Tank and Carburetor
ENGINE OVERHEATS
Dirty Air Screen
Low oil levef or dirty oil
Dirty Engine
Partially plugged Muffler
Part{ally plugged Air Cleaner
Stele fuel or improper Carburetor adjustment
Clean Air Screen (Fig,. 17)
Add or change oil (Fig. 7)
Clean Cylinder Fins, rotating Screen and Muffler area
Remove and clean Muffler (Fig. 22)
Remove and clean (Fig. 21)
Use fresh fuel and adjust Carburetor (Fig. 32)
NO LIGHTS
No Headlight with Light Switch in "ON" position Check Wire Connectlons and Switch,
and engine running Replace Light Bulbs
WON'T CHARGE
Biown Fuse Check for fault and replace
Defective Battery Replace
STORAGE
1. ENGINE OIL
Drain (with engine warm) and replace with clean engine oil-
Refer to page 7.
2. FUEL SYSTEM
a Drain fuel tank and carburetor by allowing the engine to
run out of gasoline, NOTE: GASOLINE LEFT IN
YOUR ENGINE WILL LEAVE GUM DEPOSITS CLOG-
GING FUEL SYSTEM,
b. D_spose of gasoline if not to be used, NOTE: GASO-
LINE STORED FOR SEVERAL MONTHS LOSES
ITS VOLATILITY (ABILITY TO BURN EFFECT..
IVELY),
3, CYLINDERS
a. Remove Spark Plugs,
b, Pour one ounce of oil through spark plug holes intocy-
linderso
c,, Turn ignition Key to "START _t position for a few
seconds to distribute oito
4. BATTERY
a. Remove battery if tractor is not used regularly during
winter months° Store in cool, dry place (above 50°F).
NOTE: DO NOT STORE BATTERY DIRECTLY ON
CONCRETE SURFACE.
b. Re-charge each month [f necessary. NOTE: BATTERIES
NOT IN USE FOR SEVERAL MONTHS AND NOT
KEPT FULLY CHARGED, PRODUCE SULPHUR
DEPOSITS ON PLATES WHICH CANNOT BE RE.,
MOVED BY RECHARGING.
5, GENERAL CLEANING
Clean engine, battery, finish etc of all foreign matter,
6. STORE IN A CLEAN AND DRY AREA.
Sears, Roebuck and Co reserves the right to make any changes
in design or improvements without imposing any obligation
to install the same upon its items heretofore manufactured.
d. Replace with new Spark Plugs,, -13-

REPAIR PARTS
RED
SEARS GTV 16 TWIN--MODEL NUMBER 917,253724
RED ................... BLACK
-- i I
+ 12V -
ED
%
%%
WHITE
WHITE 0,1(
WHITE _r {iNTER LOCK SWITCH INTERLOCK SWITCH
OS BLACK MAGNET,
STARTER
SOLENOID
IGNITION
SWITCH
BLACK,
RED
30 a _,,
FUSE AMMETER _
LIGHTS WILL NOT REGISTER ON
AMMETE R
YOUR TRACTOR IS EQUIPPED WITH
A SPECIAL ALTERNATOR SYSTEM
THE LIGHTS ARE NOT CONNECTED
TO THE BATTERY, BUT HAVE THEIR
OWN ELECTRICAL SOURCE. BE-
CAUSE OF THIS, THE BRIGHTNESS
OF THE LIGHTS WILL CHANGE
WITH THE ENGINE SPEED. AT IDLE
SPEED THE LIGHTS WILL DIM. AS
THE ENGINE IS SPEEDED UP, THE
LIGHTS WILL BECOME THEIR
BRIGHTEST_
WIRING INSULATED CLIPS
If Insulated Clips were removed for seP
vicing of unit, they should be replaced
to properly secure your wiring. There
are four insulated Clips on your TractoL
BLACK €
BLACK PLUGS
0
GC _¸¸ BLACK
RED RED
LIFT MOTOR
CONNECTOR
RED RED
RECTIFIER CHARGING COIL
_ .....................
(DIODE)
ORANGE WHITE AC COIL
................. ¢_k._.....kJ
IGNITION SWITCH
STD365400
POSITION CIRCUIT
OF FM-G
ON B-L
START B-S
BROWN
_ LIGHT
SWITCH
YELLOW
BROWN _ BLACK
YELLOW
DIAGNOSTIC TERMINALS
- 14-
BLACK
7
CHA,' ;SiS
GROUND

REPASR PARTS
SEARS GTV 16 TWIN--MODEL NUMBER 917.253724
ELECTRICAL _- 19 19.
A C D E F
_:_5 11 22 _ 6 47
_:_23 (_ 48 D
,_4 F
7
31
3 4
tO
24
45 26
27
12
KEY
NO,
1
2
3
4
5
6
7
8
9
I0
11
12
13
14
15
16
17
18
19
20
21
22
23
24
PART DESCRIPTION KEY PART DESCRfPTION
NO. NO. NO.
719J Cover - Terminal 25
5115J Cable - Starter 26 7604J
2008J Solenoid 27 6999R
STD551125 *Lockwasher 1/4 28 1402P
STD541225 *Nut_ Hex Jam 1/4 - 20 UNC 29 6347R
5642P Screw - Hex Hd. Self Tapping 30 677A823
Seres 10 - 24 x 3/8 Type T
4!71R Clip -Insulated
51J Cover -Terminal 31 8441J
4799J Cable - Battery 32 9433R
8020J Harness - ignition & Diagnostic 33 6009J
5584P Screw - Hex Washer Hd, Cutting 34 6951J
1/4 - 20 UNC x 3/4 35 6953J
7603J Tray Battery 36 6952J
9138R Battery 37 4482J
72240460 Bott - Rd, Hd, Sq_ Nk. 38 7682R
1/4 - 20 UNC x 7 - 1/2 39 7320R
1507P Washer 9/32 x 3/4 x 16 Ga 40 7192J
STD541625 *Wing- Nut 1/4- 20 UNC 41 4406R
67187 Rod- Battery 42 1411P
7661J Harness Light 43 3258J
7662J Headlight Bulb 44 STD365410
4207J Cable -Battery 45 7755R
225J Cover- Terminal 46 1415P
STD522507 *Bolt -Hex Hd 1/4 - 20 UNC x 3/4 47 74760508
STD551025 *Washer 9/32 x 5/8 x 16 Ga 48 73680500
2751R Clip - Insulated --- 7193J
-- 8630J
STD541025 *Nut-Hexl/4-20UNC
-15_
Tube - Plastic
Clamp _ Hose
Lockwasher - 3/8 Ext, Tooth
Fuse
Diagnostic Terminal Adapter
(Optional) order Test Manual
Key No-31
Test Manual (Optional)
Ammeter
Bracket, Ammeter
Washer 7/32 x 1/2 x 18 Ga.
Nut, No. 10-32 UNF
Loekwasher No. 10
Switch - Light
Plate - On - Off
Nut- Hex Face
Tie - Cable
Switch - Ignition
Lockwasher 5/8
Nut- Fiat
Key
Switch -Interlock
Lockwasher t/4
Bolt - Hex Fin 5/16° 18 x 1/2
Nut- Crownlock 5/16- 18 UNC
Tag - Warning
Owners M anual
*STANDARD HARDWARE--PURCHASE LOCALLY

REPAIR PARTS
CHASSIS, FENDER AND DASHBOARD
G 79-
22
SEARS GTV 16 TWIN--MODEL NUMBER 917.253724
46
G 13
c_
MODEL
77
44
78
|2 30
27
51
17
37
26
8O
22
36
21
11
36

REPAIR PARTS
CHASSIS, FENDER AND DASHBOARD
SEARS GTV 16 TWIN--MODEL NUMBER 917.253724
KEY PART DESCRIPTION
NO, NO,
1 677A875
2 677A432
3 678H570
4 678H571
5 3600J
6 4110J
7 677H938
8 677H937
9 7091J
!0 677H993
11 677A876
12 678H266
13 678H108
14 7092J
15 4904J
16 7090J
t7 678H614
18 678H610
t9 678H742
20 678H33
21 678H447
22 678H340
23 8022J
24 7178J
25 5358J
26 678H643
27 80t7J
28 4182J
29 677H941
30 677H786
31 677H779
32 677H778
KEY PART DESCRIPTION
NO. NO.
KEY PART
NO. NO.
DESCRIPTION
Strap Assembly . Hinge 33 36t6J Tank - Fuel 63
Strap Assembly - Hinge 34 4609J Cap -Fuel
Bezel • L.H. 35 6431J Pad - Spacer 64
Bezel -R.H. 36 6999R Clamp - Hose
37 5277J Fuel Line 65
Lens - Headlamp 38 574P Nut * Crowntock 1/4 - 20 UNC
Logo - Grill 39 4910J Decal - Caution 66
Screen - Grill 40 677H787 Foot Rest- L.H. 67
Grill 41 678H624 Drawbar Assembly
Decal - Strip Hood Front 42 4903J Decal - Reflector R.H.
Bracket - Frame, Front 43 4902J Deca_-,Reflector L,H, 68
Strap Assembly - Hinge 44 1496J Seat
45 678H609 Rail •Frame L.H. 69
Brace - Grill -R.H. 46 678H611 Panel - Side L.H.
Hood 47 4900J Decal Clutch/Brake 70
Decal •Strip Hood R.H. 48 678H267 Brace - Grill L.H. 71
Decat -Strip Hood 49 5592J Guard Belt, Main Dr.
Decat -Strip Hood L.H. 50 1536P Washer 9/32 x 1/2 x 16 Ga. 72
Support. Battery 5t 8497J Decal - fnstruction
Panel - Side R.H. 52 7651J Decat -Control - Vandnve 73
Rail •Frame R.H. 53 5632P Screw - Cross Recess Pan Hd.
Foot Rest- R.H. No. 8 * 18 Hi -Lo x 1/2 74
Bracket Ass'y. - Hanger. 54 792IJ Fastener -Push On 75
Front 55 5638P Screw - Hax Slotted Hdo
Bracket Ass'v. -Hanger. Rear Parkerized Self Tapping Type 76
AB No. 12x 1/2
Plug - Dash 57 17490616 Screw - Hex Washer Hd. Thd_ 77
Decal, Caution Rolling 3/8 *16 UNC x 1 78
Decat -Feature 58 545P Nut - Crownlock 3/8 -I6 UNC 79
Bracket Lever, Control 59 STD523707 * Bolt - Hex, Finished 80
Dash 3/8 - t6 UNC x 3/4 81
Sleeve _Steering 60 STD551037 *Washer 13/32 x 13/16 x 16 Ga,
Cover. Shift - Gate 61 80t9J Washer 7/32 x 5/8 x 16 Ga. 82
Fender 62 563tP Screw - Finished Hex 83
Spring -Sea_t Washer Head No. 13 - 16 84
Bracket Ass y. - Fender Hi -Lo x 5/8 85
A B C DE F G HJ L M N PQ
67P Bolt .Round Hd. Square Neck
5/16 - 18 UNC x 3/4 Gr. 5
575P Nut - Crownlock
5/16 - 18 UNC
3419P Screw - Truss H d. Cross Recess
5/16 - 18 UNC x 3/4
7605J Boil - Shoulder 1/4 - 20 UNC
5627P Screw - Hex Washer Hdo
Type TT Thread Rolling
3/8 - 16 UNC x 3/4
STD533707 *Bolt - Rd, Hd, Sq, Nk.
3/8- 16 UNC x 3/4 Gr, 5
5514P Screw - Hex Washer Hd.
Tapping 1/4- 20 x 1/2
STD551143 * Lockwasher 7/16
3034P Bolt- Hex, Finished
7/16- 14 UNC x 1
73680700 Nut - Crownlock 7/16 -
!4 UNC
STD525010 * Bolt - Hex Finished
1/2-13UNCx 1Gr, 5
STD551150 * Lockwasher 1/2
1625P Washer 17/32 x t - 3/16 x
12 Ga,
3039P Bolt- Hex Finished
7/16- 14 UNC x 2- 1/2
5224J Safety Standard Sticker
8023J Labef -Feature, Product
678H729 Plate - Cover
6553J Keeper • Belt, Secondary
28P Bolt -Rd. Hal, Short Sq, Nk,
3/8- 16x 1Gr. 5
2751R Clip- Fuel Line
4171R Clip Insutated
5339J Decal - Shift Plate
19131614 Washer 13/32 x 1 x 14 Ga.
*STANDARD HARDWARE--PURCHASE LOCALLY
R S T
®50 @60 58
@ 75 70

REPAIR PARTS
VARIDRIVE SYSTEM
SEARS GTV 16 TWIN--MODEL NUMBER 917.253724
4
74
13
14
19
17 18
23
48
B
¥
69 68 67 25
65
64
14
63
13
66
26 27
33 28
26 t8 59
60 18
47
84
28
39
45
88
18 -

REPAIR PARTS
VARIDRIVE SYSTEM
SEARS GTV 16 TWIN--MODEL NUMBER 917253724
KEY PART
NO NO,
1
2
3
4
5
6
7
8
g
10
11
12
13
14
15
16
17
18
19
20
21
22
23
24
25
26
27
28
29
30
31
32
33
34
35
36
37
38
39
40
4t
42
43
44
45
46
47
48
DESC RtPTION
2895H
8016J
2876H
678H642
4551P
8330H
7596J
Grip -Handle
Plunger- Lever, Hand
Spring
Lever Assembly - H and
Set Screw - Hex Socket Forged
3/8 - 16 UNC x 3/8 Nylon Patch
Key - Woodruff 1/4 x 1
Link- Lift, LH.
STD541037 *Hex Nut3/8- 16 UNC
7594J
5024P
1615P
678H621
I616P
5142H
8488J
4939M
6533J
STD551037
7222J
2876H
STD541237
678H450
gO38R
678H612
7195J
545P
1637P
5315J
7021J
1624P
2263R
28P
678H744
7588J
8001J
4617J
674A271
1588P
5348J
5314J
5661J
1664P
5036P
STD522605
4860J
5986J
5324J
STD560907
Bracket- Lift, Loll,
Klip Ring
Washer 15/32 x 13/t6 x 16 Ga-
Shaft Assembly o Lift
Washer 29/32 x 1 - 1/4 x 16 Ga.
Pin _ Roll 3/16 x 1 - 1/4
Link - Lift, R.H,,
Pin - Spring, Retaining
Rod- Lift, Adjustment
*Washer 13/32 x 13/16 x 16 Gao
Spacer- Split, 7/t6 x 9/I6 x 3- 1/2
Spring
*Nut- Hex. Jam 3/8- t6 UNC
Trunnion -Adjust. Height
Bearing
Support Assembly - Dash, Steering
Bait Retainer
Nut - Crownlock 3/8 - 16 UNC
Washer 13/32 x t -1/4 x 12 Ga,
Disc- Friction
Plate - Stop, Variator
Washer 3/8 x I - 1/2 x 5 Ga,
Spring Washer
Bolt- Round HdoSq Neck
3/8- 16UNCx IGr. 5
Bracket - Stop, Variator
Grip - Handle
Lever - Control, Varidrive
Grip - Handle
Shaft Assembly - Lever, Control
Washer 17/32 x 3/4 x 16 Ga
Actuator, Interlock
Bushing- Control, Lever
Arm - Control, Variator
Washer 19/32 x 1 - 3/4 x 16 Ga.
Klip Ring
*Bolt - Hex Fin,, 1/4 - 20 x I/2
Idler- Flat
Seal - Dirt
Link - Control Variator
*Pin - Cotter 3/32 x 3/4
KEY PART DESCRIPT!ON
NO. NO.
49
5O
51
52
53
54
55
56
57
58
59
60
61
62
63
64
65
66
67
68
69
70
7t
72
73
74
75
76
77
78
79
8O
81
82
84
85
86
87
88
89
9O
91
92
93
94
5640J Link - Clutch
677H916 Arm Assembly -Variator
3445J Seat- Felt
1527P Washer 21/32 x 7/8 x 16 Ga,
5465J Seat - Dirt
206J Washer _Hardened
7930J Sheave - Variator
_ 52._62_ST-7-AS__ly - Idler Clutch
J _- V2elt Secon_
1637P Washer 13/32 x I - 1/4 x 12 Ga.
5031P Klip Ring
5641J Spring - Idler
V-Belt Pri m__l'._
5256J
5255J
677H917
5253J
4200J
5328J
678H445
678H641
7g01J
73900400
Guide - Belt, Flat Idler
Bracket- Fiat Idler
Bracket - "V" Idler
Guide- Belt, "V" Idler
Pulley _ "V" Idler
Bolt- Adjust, Spring, Assist
Bracket- Spring, Assist
Spring Assembly - Assist, Lift
Shoulder Bolt
Flanged Hex Locknut I/4 - 20
STD523710 * Bolt - Hex Finished 3/8 - 16 UNC x t
STD523707 *Bolt - Hex Finished 3/8 - 16 UNC x 3/4
STD533707 *Bolt- Round Hd. Sq. Neck
3/8- 16 UNC x 3/4 Gro 5
STD511010 *Screw - Hex Fin. No. 10 - 24 x 1
STD541410 *Nut- No. 10- 24
5627P Screw -Hex Washer Head Thd,
Rolling 3/8- 16 UNC x 3/4
72110614 Bolt - Rd. Hd. Short Sq, Nk.
3/8- I6UNCx1-3/4 Gr, 5
6855M Grease Fitting
STD533715 *Bolt- Rd Hd. Sq. Nk.
3/8-15UNCx !-1/2
STD533710 *Bolt- Rd. H& Sqo Neck Carriage
3/8- 16 x 1 Gr, 5
STD523107 *Bolt- Hex Finished
5/t6- 18 x 3/4
575P Nut - Crownlock 5/16 - t8 UNC
678H740 Bracket Assembly -Variator
5023P Klip Ring
5025P Ktip Ring
1676P Washer 13/32 x 13/16 x 20 Ga,
STD523717 *Bolt - Hex, Finished
3/8- 16 UNC x t -3/4
STD551 t25 * Lockwasher 1/4
674A232 Keeper -Belt Assembly
•STANDARD HARDWARE--PURCHASE LOCALLY
A
25
B C D E
@ 20@ 25e 79
FGH
@18@ 18@ 16
-19-
J K
@ 93
87

REPAIR PARTS
STEERING
SEARS GTV 16 TWIN--MODEL NUMBER 917.253724
39
46
37
12
\\\.=
48
26 26
21
43
45
-20-

REPA|R PARTS
SEARS GTV 16 TWIN--MODEL NUMBER 917_253724
STEERING
KEY PART DESCRIPTION
NO. NO,
15022P Klip Ring
2 1617P Washer 25/32 x 1 - 1/4x 16Ga
3 3641J Tire - 16 x 6.50
4 9541R Front Wheel (Inc. Key No 5 & 2 of Key No. 6)
5 8856M Grease Fitting
6 9040H Flanged Bearing
7 678H616 Spindle Assembly, L, Ho
8 9530R Pin - Groove, 3/16x I - 1/4
9 6266H Race- Thrust
10 6855M Fitting - Grease
t 1 674A244 Axle Assembly - Front (with Bearings)
12 5298J Tube - Pivot, Axle
13 3439P Bolt - Hex Fin. 5/8. 11 UNC x 2 - 3/4 Gr, 5
14 STD551 t62 * Lockwasher 5/8
15 STD54t062 * Nut - Hex 5/8 -t I UNC
16 678H615 Spindle Assembly, RH.
17 5292J Bushing, Bellcrank
18 STD523710 * Bolt - Hex, Finished 3/8 - 16 UNC x 1
19 545P Nut- Crownlock 3/8- 16 UNC
20 677H998 Bellcrank Assembly
21 1616P Washer 29/32 x 1 -I/4 x 16 Ga.
23 5293J Drag Link
24 STD551137 * Lockwasher 3/8
25 STD541137 *Nut- Hex 3/8- 24 UNF
26 7990J Tie Rod
•-_27 678H670 U-Joint Assembly _"
'_ *Screw- Set Hex Forged Socket 3/8 - 16 UNC x t/2
29 3945J Pinion *Steering
30 9858M1 Key - Woodruff 3/16 x 5/8
31 8839R Bracket - Support, Steering
32 6842M Fitting- Grease
33 677H997 Sector Assembly
34 STD523707 * Bolt .. Hex Finished 3/8 - 16 UNC x 3/4
35 8017P E - Ring Truarc 5133 - 87
37 6784J Wheel - Steering
38 STD541350 *Nut- Hex .Jam t/2 - 20 UNF
39 3649J Insert •Wheel, Steering
40 677H992 Bracket- Axle
41 8922R Tie Rod .Joint L.Ho Thread
42 547P Nut Hex Jam 3/8 - 24 UN F
43 7919J Tie Rod
44 STD541337 *Nut Hex Jam 3/8 -24 UNF
45 8921R Tie Rod Joint R.H. Thread
46 1545P Washer 17/32 x 1 x t6 Ga,
47 STD523720 *Bolt- Hex Fin, 3/8- 16 UNC x 2 Gr. 5
48 518P Nut- Keps 3/8- 16 UNC
49 1309H Bearing
•STANDARD HARDWARE.-PURCHASE LOCALLY
-21 -

REPAIR PARTS
SEARS GTV 16 TWIN--MODEL NUMBER 917.253724
2O °69
B
55
57
19
34
41
44 45
27
75 73
51
\5
T
33
71 74
T U VW

REPAIR PARTS
CLUTCH-BRAKE
SEARS GTV 16 TWIN--MODEL NUMBER 917.253724
t_
KEY PART
NO. NO,
2
3
4
5
6
7
10
11
12
13
14
15
16
17
18
19
20
21
22
23
24
25
26
27
28
29
30
DESCRIPTION
1660P Washer 13/32 x3/4 x 10 Ga.
7976J M uffl er
8545J Gasket - Muffler
9858M 1 Woodruff Key
61159 Knob -Throttle Control
74570412 Screw Hex Socket Hd. 1/4 - 20
x 3/4
678H607 Shield - Heat
STD533707 *Bolt- Round Hd. Short
Sq. Neck 3/8 - 16 UNC x 3/4
Gr. 5
545P Nut - Crowntock
3/8- 16 UNC
STD551143 * Lockwasher 7/16
STD522503 * Bolt - Hex Finished
1/4 - 20 UNC x 1/2
STD55t 125 * Lockwasher 1/4
574P Nut- Crownlock
1/4 _ 20 UNC
72140507 Bolt - Rd. Hd. Sq, Neck
5/16 - 18 UNC x 7/8 Gr. 5
STD551037 *Washer 13/32 x 13/16 x
16 Ga.
1402P Lockwasher 3/B Ext. Tooth
STD541137 *Nut- Fin. Hex 3/8 - 24 UNF
5142H Pin - Roll 3/16x t - 1/4
678H743 Shaft Assembfv- Pedal,
Foot
8883R Cover- Pedal. Foot
5304J Actuator - Switch, Interlock
STD511010 *Screw - Hex Fin. No.
t0-24 UNC x 1
STD541410 *Nut- Lock No. 10 - 24 UNC
STD533107 *Bolt - Rd. Hal. Short Sq. Neck
5/16 - t8 x 3/4 GR. 5
6894J Control -Choke
3640J Tire - Rear 23 x 8.50 - 12
795R Tire Valve
83t8J Bracket- Interlock Switch
5695J Control - Throttle
KEY PART DESCRIPTION
NO. NO. KEY PART
NO. NO.
44
45
46
47
48
49
5O
51
52
53
54
3t 5606P Screw - Hex Washer Hd. 63
Thrd. Forming 1/4 - 20 UNC 64
x 1/2
32 7171J Bracket - Interlock Switch 65
33 677H996 Bracket - Support, Steering 66
34 7970J Engine - 16 H.P, Twin 67
36 7975J Spacer 1 x I - 1/4 x 1.062 68
37 71673 Plunger - Cap
38 678H619 Rod - Brake, Parking 69
39 3034P Bolt- Fin. Hex 70
7/16 - t4 UNCx ! 71
40 1685H Centerlock Nut 5/16 - 18 72
41 7974J Pulley - Drive Attachment 73
42 9396E Key - 1/4 x 2 74
43 1624P Washer 3/8 x 1 - 1/2 x ;
5 Ga, 75
STD551137 * Lockwasher •3/8 76
3392P Bolt- Hex, Finished 77
3/8 - 24 UNF x 1 -3/4 78
STD5231 I2 *Bolt- Hex Finished 79
5/16- 18 UNC x 1 - 1/4 Gr. 5 80
STD551131 * Lockwasher 5/16 81
STD54t031 *Nut- Hex 5/16 - 18 UNC
677H918 Base- Engine 82
4033P Elbow - 1/4 NPT Street
4006P Nipple - 114 NPT x 2_- 1/2 83
4025P Elbow - t/4 NPT 90 u
4001P Plug- 1/4 NPT Square Head
STD523707 * Bolt- Hex Finished
3/8 - 16 UNC x 3/4
84
85
86
7956J Adapter - Pulley 87
STD523710 *Boll Hex Head 3/8 - 16 UNC 88
xlGr, 5
7955J Pulley -Ground Drive 89
9439M Knob - Control 90
633A109 GearShift ' 9t
Lever Ass V.
575P Nut - Crownlock 5/16 - 92
18 UNC 93
7952J Bracket Support, Transaxle
55
56
57
59
60
61
62
DESCRIPTION
8021J Clip - Insulated
73680700 Nut - Crownlock 7/16 -
14 UNC
5241J Pulley _Transaxle
9204H Locknut, 1/2 20 UNF
7424J Guard - Belt, Transaxle
STD523107 *Bolt -Hex0 Finished
5/16 - 18 UNC x 3/4 Gr. 5
1599P Washer 11/32 x 3/4 x 16 Ga.
9528R Wheel - Rear
634A692 Rear Wheel Hub & Bushing
1304H Bolt- Hub
7563R Washer. Thrust
5027P Klip Ring Truarc
No. 5304-75
633A110 Transaxie - 3 Speed
4t86J Spacer - Transaxle
214J Drum - Brake
STD560907 *Pin - Cotter 3/32 x 3/4
2228M Woodruff Key
7920J Brake Band
3!64P Screw- Machine Undercut
Fiat Hd. 3/8 - 16 UNC x 3/4
3022P Bolt -Hex, Finished
3/8 - 16 UNC x 7/8
11P Bolt -Rd. Hd. Sq. Neck
I/4 - 20 UNC x 5/8 Gr. 5
STD541025 *Nut. Hex 1/4 - 20 UNC
677A637 Bracket Assembly, Brake
5102J Pin - Clevis
7229J Guide - Rod, Brake
511P Nut - Hex Centeflock with
Nylon
724tj Spring - Compression
5308.1 Rod -Brake
5101J Clevis
100000K Clamp - Tube, 1 - 1/8
100001 L Tube - Exhaust
*STANDARD HARDWARE.-PURCHASE LOCALLY
OPTIONAL EQUIPMENT
SPARK ARRESTER MUFFLER 674A380

REPANR PARTS
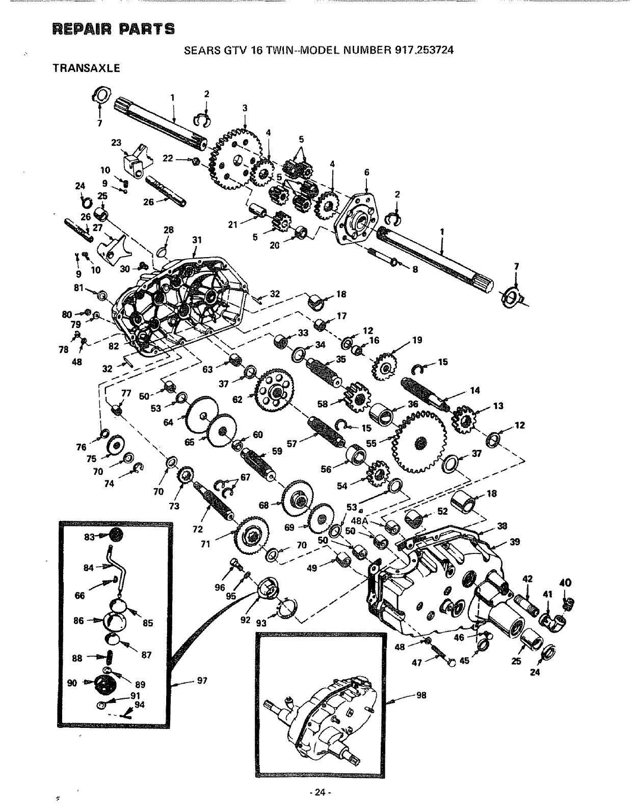
TRANSAXLE
SEARS GTV 16 TWIN-MODEL NUMBER 917.253724
1 2
23
3
4
46
78
48 32
\
7675
7O
74
64
70
73
65
92 93
70
49
14
7
13
39
42 40
97
45 25 24
- 24

REPAIR PARTS
TRANSAXLE
SEARS GTV 16 TWIN--MODEL NUMBER 917_253724
KEY PART
NO, NO,,
I, 4t97R
26845R
3 4199R
4 4216R
5 4215R
6 4217R
76256H
8 3056P
97392M
10 6272H
12 6266H
13 4212R
I4 4196R
15 6276H
16 216,1
17 8118M
18 8740H 1
19 5385,1
20 4218R
21 6252H1
22 7810H
23 4986R
24 7393R
25 992R 1
26 6216H
27 6262H
28 217J
30 5855H
31 633A65
32 6277H
33 4225R
34 7396H
35 4198R
36 4200R
37 7395H
38 6275H
39 633A64
40 4002P
41 4015P
42 4014P
45 6271H
46 4001P
47
48
48A
DESCR IPTtON
Axle Shaft
Retaining Ring
Final Drive Gear
Differential Gear
Differential Pinion
Differential Carrier
Axle Thrust Washer
Hex Bolt 3/8- 24 UNF x 3 - 1/4
(1"Thread Length}
Steel Ball
Spring-Shift Fork Detent
Thrust Bearing Race
4th Reduction Pinion
3rd Reduction Gear Shaft
Retaining Ring
3rd Reduction gear Spacer
Needle Bearing
Sintered Iron Bearing
3rd Reduction Gear
Differential Pinion Spacer
Differential Pinion Bushing
Gripco Centerlock Nut 3/B - 24 UNF
Shift Fork- L.H_
Oil Seal
Sintered Iron Bearing
Shift Fork Shaft
Shift Fork - R.Ho
Expansion Plug
Pressure Relief Valve
Gearcase and Bearings -R.H.
(Inc. Key No's. 17, 18, 25, 33,
50, 63, 76, 77, and 82)
Dowel Pin
Needle Bearing
Thrust Bearing Race
4th Reduction Gear Shaft
4th Reduction Gear Spacer
Thrust Bearing Race
Gearcase Gasket
Gearcaseand Bearings-LH,
(Inc. Key No's,, 18, 25, 49,
50 and, 52)
Pipe Plug 1/2 - 14 N.P,,To
Elbow 90 °, 1/2 -14 N.PoT.
Std. Pipe Nipple 112 - !4 N,P.To x 3
Oil Seal
Pipe Plug t/4- 18 N,PoT_
STD5231t5 "Hex Bolt 5/16.. 18x 1 - 1/2 Grade 5
1007P Lockwasher 5/16 Extra Heavy
t529R Needle Bearing
KEY PART
NO. NO.
49 4895H
50 4222R
52 8119M
53 4220R
54 4209R
55 4213R
56 5383J
57 4195R
58 42t4R
59 4194R
60 7528R
62 4207R
63 7398H
64 4203R
65 4204R
66 2898J
67 4926H
68 4205R
69 4206R
70 1370H
71 633A69
DESCRIPTION
4193R
4201R
Needle Bearing
Needle Bearing
Needle Bearing
Thrust Bearing Race
3rd Reduction Pinion
4th Reduction Gear
3rd Reduction Pinion Spacer
2nd Reduction Gear Shaft
Final Drive Pinion
1st Reduction Gear Shaft
1=t Reduction Shaft Spacer
2nd Reduction Gear
Needle Bearing
Low Speed Gear and 2nd Reduction
Pinion Cluster
Reverse Gear
Key Hi-Pro 1/8 x17/32
Retaining Ring
Intermediate Speed Gear
High Speed Gear
Thrust Bearing Race
Intermediate and High Speed
Cluster Pinion
input Shaft
Low Speed Pinion
72
73
74 STD581062 "E-Ring
75 1153R Reverse Idler Gear
76 7392H Reverse Idler Thrust Washer
77 5529H Needle Bearing
78 STD541031 °Hex Nut 5/16- !8 UNC
79 1167R Sealing Washer
80 54tP Hex Jam Nut 7/16- 20 UNF
81 6270H Oil Seal
82 7384H Reverse Idler Shaft
83 6354H Control Knob
54 5384J Gear Shift Lever
85 2978,1 Gear Shift Cap
86 633A65 Gear Shift Ball Cover and pin
87 8739H 1 Shift Lever Guide
88 4924H Spring
89 STD551043 "Washer t5/32 x 15/16 x 16Gao
90 8t05R Shift Mechanism Seal
91 1569P Washer 9/16 x 15/16 x11 Ga.
92 75J Gear Shift Gate
93 6274H Shift Ball Cover Gasket
94 2505P *Cotter 1/8 x 3/4
95 STD551131 °Lockwasher 5/16
96 STD52310B °Hex Bolt 5/16 ,,18 UNC x 7/8
97 633At09 Gear Shift Lever Ass'y,
98 633At 10 Transaxle Assembly LessBrake Drum
& Sh ft Lever Ass yo
"STANDARD HARDWARE,,-PURCHASE LOCALLY
-25 -

REPAIR PARTS
SEARS GTV 16 'TWIN--MODEL NUMBER 917_253724
ENGINE+-MODEL NUMBER 402417, TYPE NUMBER 0676_01
AIR CLEANER--CARBURETOR GROUP
31
10
51 65
50 64
- 26 -
34
6

REPAIR PARTS
SEARS GTV 16 TWIN-_MODEL NUMBER 917,253724
ENGINE--MODEL NUMBER 402417, TYPE NUMBER 0676-01
AIR CLEANER--CARBURETOR GROUP
KEY PART DESCRIPTION KEY PART DESCRIPTION
NO, NO. NOt NO,
1280185 Tube _ Breather 32 261444
2 280198 Tube- intake 33 261531
3 392970 Manifold Ass'y. -Intake 34 261446
4 271412 +*Gasket _Carb, Mtg. 35 261563
5 270884 *Gasket- Intake Manifold Mtg, 36 222807
6 93414 Screw- Carb. Mtg, Sere 37 222828
793208 Screw- Intake Manifold Mtg. Sam 38 394324
It
8 394338 Carburetor Ass y. (Inc_ Key No s. 9 39 393346
thin 25, 28, 44° 46 thru 51,61, 63,
64 and 65) 40 222289
9 393297 Body Ass'y. _Upper Carb, (Inc, Key 41 93868
No's. 10, 13, 18, 23 and 24) 42 221535
10 394505 Body- Upper Carb. 43 93893
11 231209 Bushing - Throttle Shaft 44 65978
12 292681 +Valve Ass y. - Carb. Idle 45 66432
!3 93499 Screw - Throttle and Choke Valve 46 280197
MtgoSam 47 261395
14 221939 Valve - Throttle 48 270988
15 392672 Shaft and Lever -Throttle 49 221377
16 91920 Screw _ Mach. Fil. Hd, 8 - 32 x 5/8 50 222615
17 26157 Spring- Throttle Adj. 51 93829
18 2710G8 +'Gasket. Carburetor Body 52 271271
19 298514 Float - Carburetor 53 271411
20 230896 +Pin °Float Hinge 54 271180
21 299096 +Valve -Fuel Inlet 55 93853
22 394352 Body _ Lower Carb. (Inc,. Key No_s. 56 92278
11, 13, 14, 15 and 63) 57 223001
23 222010 Valve- Choke 58 222835
24 392673 Shaft and Lever - Cl_oke 59 93496
25 93496 Screw- Hex Head Sam 60 392643
10/32 x5/8
27 93892 Screw - Sere 61 261358
28 394033 +Valve Assembly _ Needle (Inc. Key 62 394018
No. 44) 63 271013
29 222752 Body- Air Cleaner 64 270989
30 212292 Knob -Air Cleaner 65 27 t025
31 93715 Nut- Hex 67 93897
68 394358
69 299146
70 93053
71 394501
--- 393397
--- 394502
Link _,Governor
Link -Speed Control
Spring - Governor
Spring - Governed Idle
Bracket -Speed Control
Lever - Speed Control
Plate Ass'y_ Governor Control
Lever Ass'y. - Governor (Inc. Key
Noes. 40, 55 and 56)
Washer
Screw - Sam
Clamp -Casing
Screw - Sam
+Packing -Needle Valve
Washer - Plain
Body-. Pump
tSpring - Pump
t Diaphragm
1"Cap- Spring
Cover -Diaphragm
Screw - Diaphragm Cover
Element -Air Cleaner
+Gasket- Air Cleaner
Washer
Bolt- Governor Lever
Nut., Hex 10- 24
Cover - Air Cleaner .
Cartridge Plate., Air Cleaner
Screw- Sere
Mounting Strap Assay_-Air Cleaner
(Inc. Key No, 43)
¢Spring
Cartridge ..Air Cleaner
+Washer- (_oke Shaft
t Diaphragm -, Damping
1Gasket -Carb, Pump
Screw - Casing Clamp
FiJter. Fuel (In FueJ Pipe)
Line_ Fuel (28")
Clamp -Fuel Pipe
Gasket Set
Repair Kit - Pump
Carburetor Overhaul Kit
*INC. IN GASKET SET - 394501
+tNC. IN CARBURETOR OVERHAUL
KIT - 394502
1*INCLUDED tN CARBURETOR
OVERHAUL KIT- 394502 &
PUMP REPAIR KIT-393397
-27 -

REPAIR PARTS
SEARS G'TV 16 TWIN--MODEL NUMBER 917.253724
ENGINEJ=MODEL NUMBER 402417, TYPE NUMBER 0676-01
CYLINDER, CRANKSHAFT AND ENGINE BASE GROUP
69 21
44
16
56
17
59
31 29 27
- 28

REPAIR PARTS
SEARS GTV 16 TWIN--MODEL NUMBER 917.253724
ENGINE--MODEL NUMBER 402417, TYPE NUMBER 0676-01
CYLINDER, CRANKSHAFT AND ENGINE BASE GROUP
KEY PART DESCRIPTION KEY PART DESCRIPTION
NOo NQ NO NO.
1 394900
2 391086
3212461
4 212462
5270984
6 270983
7 393243
8 393153
9 27803
10 93394
11 270982
11 271145
11 271146
12 93113
13 93111
14 91084
15 392976
16 394420
17 291675
18 93847
19 394955
19 394956
19 394957
19 394958
20 394959
20 394960
20 394961
20 394962
21 394023
23 299691
23 391286
24 394306
25 222480
26 92909
27 390420
28 65906
29 26828
30 221596
31 292260
32 93630
33 261368
34 212337
Cylinder Assembly 35 271316
Sea!- Oil 36 393244
Head - Cylinder No. t 37 394348
Head _Cylinder No. 2 38 89838
*Gasket -Cylinder Head No. 1 39 220863
*Gasket - Cylinder Head No. 2 40 394539
Breather Assembly No. 1
Breather Assembly No. 2 4t 90576
*Gasket - Valve Cover 42 231174
Screw -Sere 43 280180
*Gasket - Crankcase Cover t/64" Thick 44 394014
*Gasket- Crankcase Cover .005" Thick 45 68838
*Gasket- Crankcase Cover .009" Thick 46 392782
Screw- Cylinder Head (2 .. 15/16'/, long) 47 93783
Screw ..Cylinder Head (1 - 15/16 long) 48 92268
Plug. Oil Drain 49 394391
Crankshaft 50 270981
Cover Assembly -Crankcase 51 222700
Seal ..Oil 52 93053
Screw -Crankcase Cover Mtg. Sem 53 93851
Piston Assembly - Standard 54 394396
(lnc,, Key No_s_,20 & 22) 55 66538
Piston Assembly- .0!0" O.So 56 91540
Piston Assembly- 020" O.S 57 61760
Piston Assembly-_030" O.& 58 220863
Ring Set - Piston * Standard 59 222773
Ring Set- Piston- ..010" O.rS. 60 261363
Ring Set- Piston - _020" O..So 61 393606
63 230655
Ring Set- Piston- _030" O.S. 64 210940
Dipstick and Tube Assembly 65 261463
(Inc. Key No s. 44.45 & 46) 66 261559
Pin Assembly - Piston -Standard 67 391115
(tnc. Key No. 22) 68 230318
Pin Assembly .. Piston -.005 '10.S 69 92791
Rod Assembly - Connecting 70 93722
Dipper -Connecting Rod 71 261528
Screw. Connecting Rod 72 261623
Valve - Exhaust
Spring. Intake Valve
Spring- Exhaust Valve
Retainer .. Intake Valve
Rotocoi! - Exhaust
Retainer .rExhaust Valve Rotocoil
Tappet- Valve
Gear - Cam
Foam Seat - Governor Shaft
Pipe - Fuel (Inc. Key No. 52)
Gear - Governor
Spark Pfug Wrench
Washer - Gov. Crank (inside)
Plug - Spark (Resistor) (2 - 3/8 High
60 M,M.)
Nut-Hex8-32
Terminal
Grommet- Insulator
Cap and Dipstick - Oil Filler
Seal - Filler Tube
Tube- Oil Filler
Screw- Hex Hd.
Washer
Base -.Engine
*Gasket. Engine Base
Baffle -Air
Clamp .. Fuel Pipe
Retainer- E-Ring
Crank - Governor
Elbow -Spark Plug
Key - Pulley
Key- Flywheel
Washer
Washer - Thrust
Gear -Timing
Seal Assay. and Retainer
+Guide -Exhaust Valve
+Seat - Exhaust Valve (Standard)
+Seat. Intake Valve (Standard)
Lower Bushing -Gov.
Wire - Ground
Connector- Fue! Pipe
Washer -Lock Shakeproof
Terminal -Spade
Valve -Intake
+Bearing - Cyclinder
*INC, IN GASKET SET- 394501
+SPECIAL TOOLS REQUIRED TO IN-
STALL
- 29 -

REPAIR PARTS
SEARS GTV 16 TWIN--MODEL NUMBER 917.253724
ENGINE--MODEL NUMBER 402417, TYPE NUMBER 0676-01
MUFFLER, AIR GUIDE AND HOUSING GROUP
KEY
NO,
t
2
3
4
5
6
7
8
PART
NO,
222848
222849
93163
392681
93158
222846
222847
93777
392934
DESCRIPTION
Cover- Air Guide
Cover - Air Guide
Screw - Sere
Housing - Blower
Screw - Sem
Shield - Cylinder
Shield - Cylinder
Screw- Hex Hd, (Back Plate
to Cyli nder)
Back Plate Assay,
_30-

REPAM PARTS
SEARS GTV 16 TWIN-MODEL NUMBER 917.253724
ENGINE-MODEL NUMBER 402417, TYPE NUMBER 0676-01
STARTER MOTOR GROUP
28
21
KEY PART DESCRIPTION
NO. NO.
394891
2 394970
3221798
4 93381
5394988
6393362
7 393456
893621
9 391362
10 393474
11 19203
12 390837
13 392744
14 93933
Armature Group (lnc- Key Nots,
2, 3, 4 and 5)
Trigger Coil Ass'y -Magnatron Ignition
Terminal - ignition Cable
Screw -Armature Mtgo Sere
Armature Assembly I
Alternator Harness Ass y_
•I
Dtode and Connector Ass y.
Screw - Sem
Gear - Flywheel Ring (Ine, Mtg,, Parts)
Stator - Alternator (Inc. Key No, 7)
Puller- Flywheel (Optional Equipment)
Armatu re Assembly
Housing Assembly
Thru Bolt
KEY PART DESCRIPTION
NO NO,
15 391705
16 394674
17 393017
18 394429
19 90366
20 91162
21 393254
22 93754
23 92674
24 212418
25 22906
26 223008
27 231247
28 93808
29 392956
30 280104
31 391135
Brush Set
Commutator End Cap Ass'y, (lnc,, Key
Noo 15)
Motor - Starting (Inc. Key No_s, 12
thru 15, 16, 18, t9, 20, 30 and 31)
Drive End Cap Assay. - Starter
Lockwasher
Screw- Hex Hd. 5/I6 +18 x I _ 1/2
Kit - Pinion Spring (Inc. Key No. 22)
Roll Pin
Screw- Hex Hd.
Fan - Booster
Lock - Flywheel Nut
Screw- Rotating
Nut- Hex
Screw- Sem
Flywheel and Ring Gear Ass=y. - Magneto
Gear -Starter
Clutch Ass'y, - Starter
-31 -

SERVICE NOTE8
32 -

SERVICE NOTES
8630J-1.1231
-33 - Printed in U,S°A.

OWNERS
MANUAL
MODEL NO.
917.253724
HOW TO ORDER
REPAIR PARTS
GTV 16 TWIN
VARIDRIVE
GARDEN TRACTOR
The Model Number wilt be found on the Model Plate attached
to the top right side of Drawbar. Always mention the Model
Number' when requesting service or parts for' your Garden
Tractor,
All parts listed herein may be ordered from any SEARS ROE-
BUCK AND CO_ retail or catalog store.
WHEN ORDERING REPAIR PARTS, ALWAYS GIVE THE
FOLLOWING INFORMATION:
• THE PART NUMBER
@ THE PART DESCRIPTION
® THE MODEL NUMBER
® THE NAME OF MERCHANDISE
If the pa_ts you need are not stocked locally, your order will
be electronically transmitted to a Sears Repair Parts Distribu-
tion Center for "expedited handling".
Sears, Roebuck and Co. Chicago, III. 60684 U,S.A,