Craftsman 917 259592 Users Manual
917259592 917259592 CRAFTSMAN TRACTOR - Manuals and Guides L0706375 View the owners manual for your CRAFTSMAN TRACTOR #917259592. Home:Lawn & Garden Parts:Craftsman Parts:Craftsman TRACTOR Manual
CRAFTSMAN Lawn, Tractor Manual L0706375 CRAFTSMAN Lawn, Tractor Owner's Manual, CRAFTSMAN Lawn, Tractor installation guides
917.259592 L0706375
2015-01-05
: Craftsman Craftsman-917-259592-Users-Manual-160816 craftsman-917-259592-users-manual-160816 craftsman pdf
Open the PDF directly: View PDF
.
Page Count: 60

[RR r+Zli4IIii+
MODEL NUMBER 917.259592 OWNER'S MANUAL
=Assembly
+Operation
+Customer Responsibilities
®Service and Adjustments
+Repair Parts
For answers to your questions
about this product, Call:
1-800-659-5917
Sears Craftsman He_p Line
5 am +5 pm, Mon+ Sat
CAUTION: Read and follow all safety rules and instructions before operating this equipment.
FOR CONSUMER ASSISTANCE HOT LINE, CALL THIS TOLL FREE NUMBER: 1-800+659-5917

SAFETY RULES
Safe Operation Practices for Ride-On Mowers &
IMPORTANT: THIS CUTTING MACHINE IS CAPABLE OF AMPUTATING HANDS AND FEET AND THROWING OBJECTS
FAILURE TO OBSERVE THE FOLLOWING SAFETY iNSTRUCTiONS COULD RESULT iN SERIOUS iNJURY OR DEATH.
I. GENERAL OPERATION
°Read, understand, and follow all instructions in the manual
and on the machine before starting
,, Only allow responsible adults, who are familiar with the
instructions, to operate the machine.
. Clear the area of objects such as rocks, toys, wire, etc.,
which could be p_cked up and thrown by the blade.
,* Be surethe areais clearof other peopfe before mowing Stop
machine if anyone enters the area°
• Never carry passengers.
- Do not mow in reverse unless absolutely necessary Afways
look down and behind before and while backing.
• Be aware of the mower discharge direction and do not point
it at anyone. Do not operate the mower without either the
entire grass catcher or the guard in place
= Slow down before turning.
oNever leave a running machine unattended.. Atways turn off
blades, set parking brake, stop engine, and remove keys
before dismounting.
,, Turn off blades when not mowing
•Stop engine before removing grass catcher or unclogging
chute.
• Mow only in daylight or good artificial light
• Do not operate the machine while under the influence of
alcohol or drugs
- Watch for traffic when operating near or crossing roadways.,
o Use extra care when loading or unloading the machine into
a trailer or truck
il. SLOPE OPERATION
Slopes are a major factor related to loss-of-control and
tipover accidents, which can result in severe injury or
death° All slopes require extra caution. If you cannot back
up the slope or if you feel uneasy on it, do not mow iL
DO:
oMow up and down slopes, not across.
• Remove obstacles such as rocks, tree {imbs, etc
• Watch for holes, ruts, or bumps. Uneven terrain could
overturn the machine. Tall grass can hide obstacles.
.Use slow speed. Choose a low gear so that you will not have
to stop or shift while on the slope..
° Follow the manufacturer's recommendations for wheel
weights or counterweights to improve stability..
• Use extra care with grass catchers or other attachments.
These can change the stability of the machine.
° Keep all movement on the slopes slow and gradual. Do not
make sudden changes in speed or direction.
• Avoid starting or stopping on a slope If tires lose traction,
disengage the blades and proceed slowly straight down the
slope.
DO NOT:
•Do not turn on slopes unfess necessary, and then, turn slowly
and gradually downhill, if possible.
•Do not mow near drop-offs, ditches, or embankments, The
mower could suddenly turn over if a wheel is over the edge
of a cliff or ditch, or if an edge caves in
•Do not mow on wet grass. Reduced traction could cause
sliding
•Do not try to stabilize the machine by putting your foot on the
ground
•Do not use grass catcher on steep slopes,
!11. CHILDREN
Tragic accidents can occur if the operator is not alert to the
presence of children Children are often attracted to the
machine and the mowing activity Never assume that
children wilt remain where you last saw them
. Keep children out of the mowing area and under the watchful
care of another responsible adult,,
•Be alert and turn machine off if children enter the area.,
• Before and when backing, look behind and down for small
children.
• Never carp:/children. They may fall off and be seriously
injured or interfere with safe machine operation
. Never allow children to operate the machine.
•Use extra care when approaching blind corners, shrubs,
trees, or other objects that may obscure vision.
IV. SERVICE
= Use extra care in handling gasoline and other fuets They are
flammable and vapors are expfosive,
Use only an approved container
Never remove gas cap or add fuel with the engine
running Allow engine to cool before refueling. Do not
smoke.
Never refuel the machine indoors
Never store the machine or fuel container inside where
there is an open flame, such as a water heater
o Never run a machine inside a closed area.
= Keep nuts and bolts, especially blade attachment bolts, tight
and keep equipment in good condition.
•Never tamper with safety devices_ Check their proper
operation regularly.
•Keep machine free of grass, leaves, or other debris buitd-up
CIean oil or fuel spiltage Allow machine to coo[ before
storing
• Stop and inspect the equipment if you strike an object
Repair, if necessary, before restarting
•Never make adjustments or repairs with the engine running°
° Grass catcher components are subject to wear, damage, and
deterioration, which could expose moving parts or aflow
objects to be thrown. Frequently check components and
replace with manufacturer s recommended parts, when nec-
essary,
• Mower blades are sharp and can cut Wrap the blade(s) or
wear gloves, and use extra caution when servicing them,
.Check brake operation frequently Adjust and service as
required.
Look for this symbol to point out important |
safety precautions. It means 1
CAUTION!!! BECOME ALERT!_I YOUR
SAFETY IS INVOLVED.
i iii 1,1,111 i, nml,rl
ilU ,lun !
CAUTION: Always disconnect spark plug I
wire and place wire where itcannot contact I-
spark plug in order to prevent accidental !
starting when setting up, transporting, I
adjusting or making repairs. I
If
mill III II Ulnl'n'
A WARNING A
The engine exhaust from this product contains
chemicals known to the State of California to
cause cancer, birth defects, or other reproduc-
tive harm.
, iiii i, i,u

CONGRATULATIONS on your purchase of a Sears
tractor, It has been designed, engineered and manufac-
tured to give you the best possible dependability and
performance°
Should you experience any problem you cannot easily
remedy, please contact your nearest Sears Service Cen-
ter/Department. We have competent, well-trained tech-
nicians and the proper tools to service or repair this trac-
tor.
Please read and retain this manual. The instructions will
enable you to assemble and maintain your tractor prop-
erly_ Always observe the "SAFETY RULES",
MODEL
NUMBER 917259592
SERIAL
NUMBER
DATE OF PURCHASE
THE MODEL AND SERIAL NUMBERS WiLL BE FOUND
ON A PLATE UNDER THE SEAT.
YOU SHOULD RECORD BOTH SERIAL NUMBER AND
DATE OF PURCHASE AND KEEP IN A SAFE PLACE
FOR FUTURE REFERENCE..
MAINTENANCE AGREEMENT
A Sears maintenance agreement is available on this prod-
uct. Contact your nearest Sears store for details=
CUSTOMER RESPONSIBILITIES
oRead and observe the safety rules.
• Follow a regular schedule in maintaining, caring for and
using your tractor
o Follow the instructions under "Customer Responsibili-
ties" and "Storage" sections of this owner's manual
PRODUCT SPECIFICATIONS
-IORSEPOWER: 15 5
GASOLINE CAPACITY 3,5 GALLONS
AND TYPE: UNLEADED REGULAR
O_LTYPE (API-SF/SG/SH): SAE IOW-30 (above 32°F)
SAE 5W-30 (below 32°F)
OIL CAPACITY: W/FILTER: 4,0 PINTS
W/O FILTER: 35 PINTS
SPARK PLUG: CHAMPION RC12YC
(GAP: 040")
VALVE CLEARANCE: NOT ADJUSTABLE
GROUND SPEED (MPH): FORWARD: 55
REVERSE: 24
TIRE PRESSURE: FRONT: 14 PSI
REAR: 10 PSI
CHARGING SYSTEM: 3 AMPS BATTERY
5 AMPS HEADLIGHTS
BATTERY: AMPtHR: 30
MIN CCA: 240
CASE SIZE: U1R
BLADE BOLT TORQUE: 30-35 FT LBS
WARNING: This tractor is equipped with an internal
combustion engine and should not be used on or near any
unimproved forest-covered, brush-covered or grass-cow
ered land un ess the engine's exhaust system is equipped
w th a spark arrester meet ng applicable local or state laws
(if any). If a spark arrester is used, it should be maintained
in effective working order by the operator.
tn the state of California the above is required by taw
(Section 4442 of the California Public Resources Code)
Other states may have s m ar laws. Federal laws apply on
federal lands. A spark arrester for the muffler is available
through your nearest Sears Authorized Service Center
(See REPAIR PARTS section of this manual).
i, ,,,,, ,n,,,,,nr i i, i, nl,,n,iHii
LIMITED TWO YEAR WARRANTY ON CRAFTSMAN RIDING EQUIPMENT
For two (2) years from the date of purchase, if this Craftsman Riding Equipment is maintained, lubricated and tuned up according
to the instructions in the owner's manual, Sears will repair or repiace, free of charge, any pads found to be defective in material
or workmanship
This Warranty does not cover:
• Expendable items which become worn during normal use, such as blades, spark plugs, air cleaners, belts, etc.
. Tire replacement or repair caused by punctures from outside objects, such as nails, thorns, stumps, or glass
• Repairs necessary because of operator abuse, negligence, improper storage or accident or the failure to maintain the
equipment according to the instructions contained in the owner's manual
. Riding equipment used for commercial or rental purposes
LIMITED 90 DAY WARRANTY ON BATTERY
For ninety (g0) days from date of purchase, if any batter,/included with this riding equipment proves defective in materiaE or
workmanship and our testing determines the battery wilt not hold a charge, Sears will replace the battery at no charge
IN-HOME WARRANTY SERVICE ON YOUR CRAFTSMAN R1DING EQUIPMENT tS AVAILABLE AT NO-CHARGE FOR 30
DAYS FROM THE DATE OF PURCHASE, PLEASE CONTACT YOUR NEAREST SERVICE CENTER., AFTER 30 DAYS
FROM THE DATE OF PURCHASE, WARRANTY SERVICE IS AVAILABLE BY TAKING YOUR CRAFTSMAN RIDING EQUIP-
MENT TO YOUR NEAREST SEARS SERVICE CENTER, (IN-HOME WARRANTY SERVICE WILL STILL BE AVAILABLE
AFTER 30 DAYS FROM THE DATE OF PURCHASE BUT A STANDARD TRIP CHARGE WILL APPLY) THIS WARRANTY
APPLIES ONLY WHILE THIS PRODUCT IS 1NTHE UNITED STATES
"['his Warranty gives you specific lega! rights, and you may also have other rights which may vary from state to state
SEARS, ROEBUCK AND CO.., D/8t7 WA, HOFFMAN ESTATES, tL 60179
,,,,,,J,u,,H i im' i 3

lU,, u,
TABLE OF CONTENTS
..... inlll i
SAFETY RULES .......................................... ;.................. 2
PRODUCT SPECIFICATIONS ...................................... 3
CUSTOMER RESPONSIBILITIES ..................... 3, 16-19
WARRANTY .................................................................. 3
TRACTOR ACCESSORIES .......................................... 5
ASSEMBLY .............................................................. 7-10
OPERATION ........................................................... 11-16
MAINTENANCE SCHEDULE ...................................... 17
SERVICE AND ADJUSTMENTS ............................ 21-27
STORAGE ................................................................... 28
TROUBLESHOOTING ................. ,;.......................... 29-30
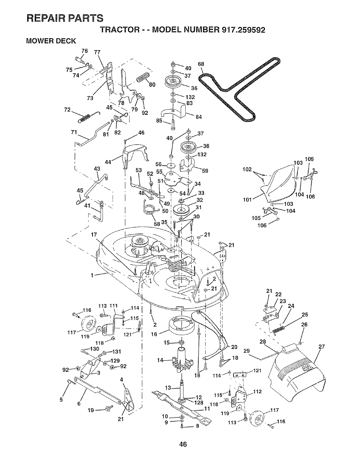
REPAIR PARTS -TRACTOR ................................. 32-49
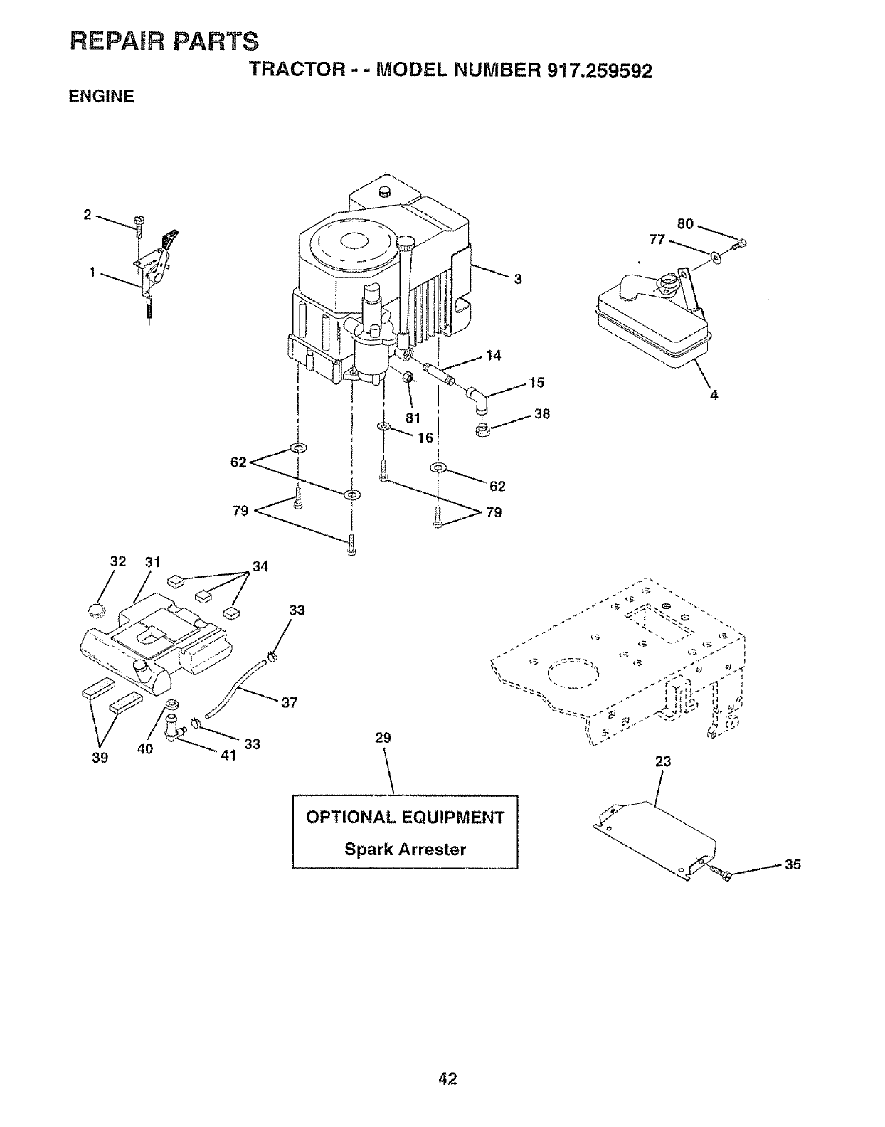
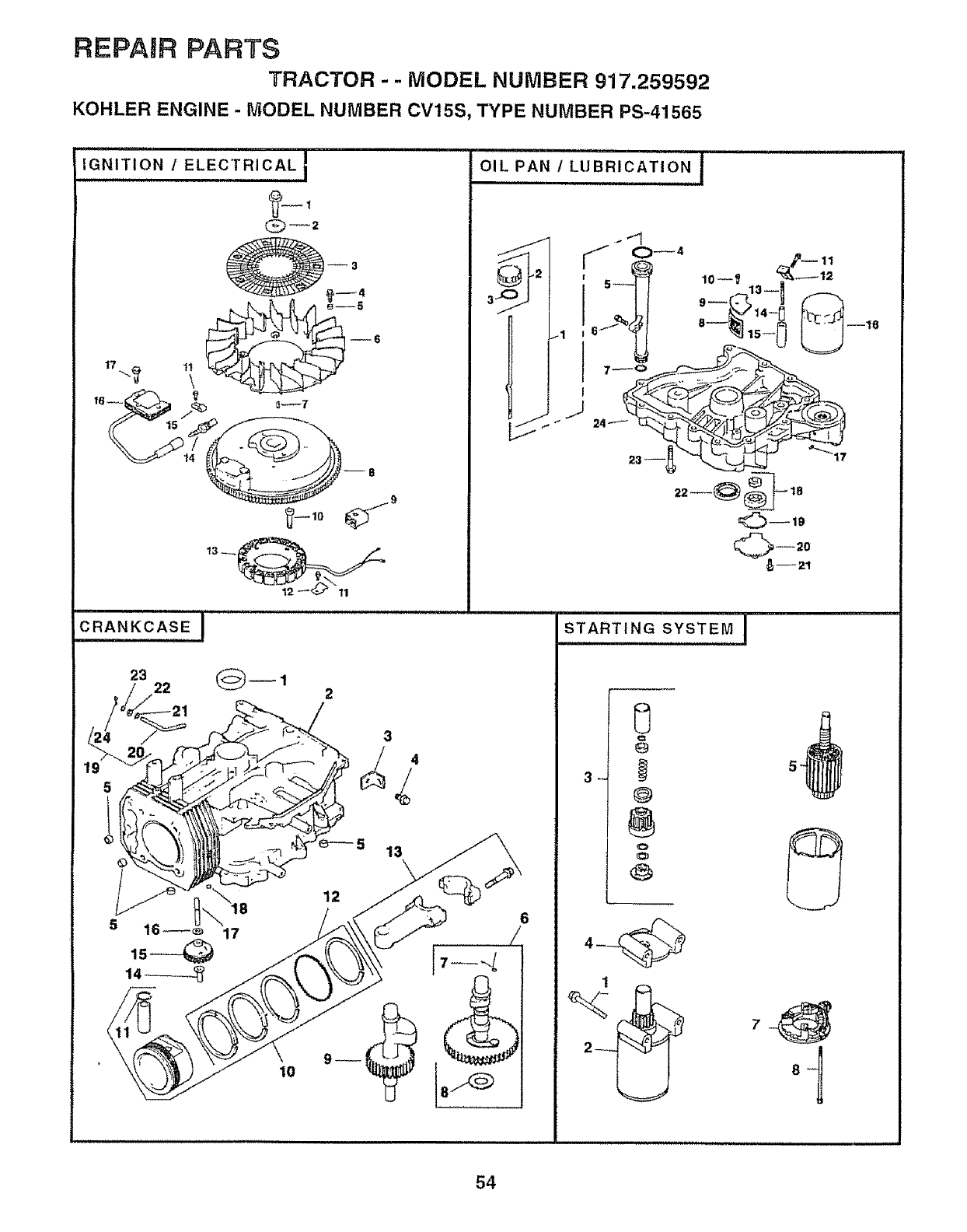
REPAIR PARTS -ENGINE .................................... 50-55
PARTS ORDERING/SERVICE ................ BACK COVER
iNDEX A
Accessories ......................................... 5
Adjustments:
Brake ......................................... 24
Carburetor ................................. 27
Mower
Front-To-Back ........................ 22
Side-To-Side ........................... 22
Throttle Control Cabte ............... 27
Air Filter, Engine .................................... 20
Air Screen, Engine ............................. 19
Assembly .................................. 7-10
B
Battery:
Charging ............................................ 8
Cleaning ......................................... 1 8
Starting with Weak Battery ........ 26
Storage ..................................... 28
Terminals ............................... 1 8
Belt:
Motion Drive
Removal/Replacement .......... 24
Mower Belt(s)
RemovaVReplacement ........... 23
Blade:
Sharpening ..................................... 18
Replacement .......................................18
Brake Adjustment ................................ 24
C
Carburetor Adjustment .............................27
Controls, Tractor .............................. 12
Customer Responsibilities ............. 17-20
Engine:
Air Filter ...................................... 20
Air Screen ......................................19
Cooling Fins ............................... 20
Engine Oil ......................... 15,19
Fuel Filter ........................................20
Spark Plug(s) .......................... 20
Tractor:
Battery ........................................ 18
Blade ...................................... 18
Lubrication Chart ........................ 17
Maintenance Schedule .................17
Tire Care ............................. 8,I8,25
Transaxle .................................... 19
Cutting Height, Mower ......................... 13
E
Electrical:
Interlocks and Relays ................. 26
Schematic ....................................... 31
Wiring Diagram .......................... 32
Engine:
Air Filter ......................................... 20
Air Screen ....................................... t9
Cooling Fins .............................. 20
Oil Change .............................. 19
Oil Level ..................................... 19
Oil Type .................................. 15,19
Preparation .................................. 15
Repair Parts ........................... 50-55
Starting ...................................... 1 5
Storage ............................................. 28
F
Fitter:
Air Filter ....................................... 20
Fuel ........................................ 20
Fuel:
Type .......................................... 15
Storage ................................. 28
Fuse ..................................................... 26
H
Hood Removal/Installation .................... 26
L
Leveling Mower Deck ..................... 22
Lubrication:
Chart ............................................. t 7
Engine ......................................... 19
M
Maintenance Schedule ...................... 17
Mower:
Adjustment, Front-to*Back ............ 22
Adjustment, Side4o-Side ............. 22
Blade Replacement ...................... 18
Blade Sharpening ....................... 18
Cutting Height ............................. 13
Installation .................................... 29
Operation ...................................... 14
Removal .......................................... 21
Mowing Tips .......................................... 16
Muffler ..................................................... 20
Spark Arrester ........................... 3,40
Oil:
O
Cold Weather Conditions ....... 15,19
Engine ........................................ 19
Storage ........................................ 28
Operation .......................................... 12-16
Operating Mower .............................. 14
Options:
Accessories ................................. 5
Spark Arrester .......................... 3,40
P
Parking Brake .................................... 12-13
Parts Bag ............................................... 6
Parts, Replacement/Repair ............ 32-49
Product Specifications ............................ 3
R
Repair Parts ................................ 32-55
Safety Rules ........................................... 2
Seat ............................................................ 8
Service and Adjustments ............... 21_27
Carburetor ........................................27
Fuse ............................................... 26
Hood Removal/Installation ........... 26
Motion Drive Belt
Removal/Replacement ...............24
Mower Belt(s)
Removal/Replacement ...............23
Mower Adjustment
Front4o-Back ........................ 22
Side-to-Side ........................... 22
Mower Removal/Installation ......... 21
Tire Care ...................................8,18,25
Slope Guide Sheet ................................. 59
Spark Plug(s) ......................................... 20
Specifications ........................................ 3
Starting the Engine .............................. 15
Steering Wheel ................................... 7,25
Stopping the Tractor ....................... t3
Storage .................................................... 28
T
Throttle Control Cable Adjustment ...... 27
Tires ........................................... 8,18,25
Trouble Shooting Chart .................. 29-30
Transaxle ............................................... 19
W
Warranty .................................................. 3
Wiring Diagram .........................................32
Wiring Schematic .......................................31

AND ATTACHMENTS
i,, ii ....
These accessories and attachments were available through most Sears retail outlets and service centers when the tractor was purchased.
Most Sears stores can order these items for you when you provide the model number of your tractor.
ENGINE MAINTENANCE
SPARK PLUG GAS CAN ENGINE OIL FUEL STABILIZER AIR FILTER BLADES BELTS
PERFORMANCE
Sears offers a wide variety of attachments that fit your tractor. Many of these are listedbelow with brief explanations of how they can help
you. This list was current at the time of publication; however, it may change in future years - more attachments may be added, changes
may be made in these attachments, or some may no longer be available or fit your model Contact your nearest Sears store for the
accessories and attachments that are available for your tractor°
Most of these attachments do not require additional hitches or conversion kits (those that do are indicated) and are designed for easy
attaching and detaching.
AERATOR promotes deep root growth for a healthy lawn. Ta-
pered 2 5-inch steel spikes mounted on 10-inch diameter discs
puncture holes in soil at close intervals to let moisture soak in_
Steel weight tray for increased penetration
BAGGER {ets you col{ect grass cllppings and leaves for a
healthier, nearer looking fawn Two Permanex containers hold
30-gallon piastic bags.
BUMPER protects front end of tractor from damage
CARTS make hauling easy. Variety of sizes avai]abfe, plus
accessories such as side panel kits, too[ caddy, cart cover,
protective mat and dolly_
CORING AERATOR takes stoat[ plugs out of soil to allow mois-
ture and nutrients to reach grass roots 36*inch swath. 24
hardened steel coring tips_ I50 fb. capacity weight tray.
EASY OIL DRAIN VALVE makes oil changes easier, faster.
FRONT NOSE ROLLER canters in front of mower deck to reduce
chances of "scalping" on uneven terrain.
GANG HITCH lets you tow 2 or 3 pufl-behind attachments atonce,
such as sweepers, dethatchers, aerators (not for use with rotlers,
carts or other heavy attachments).
GAUGE WHEELS on both sides of the mower deck reduce
chances of "scalping" on uneven terrain For mower decks not so
equipped.
MULCH RAKF_JDETHATCHER loosens soil and flips thatch and
matted leaves to lawn surface for easy pickup Twenty spring line
teeth.. Useful to prepare bare areas for seeding, Avail able for front
or rear mounting, HIGH PERFORMANCE REEL-ACTION
SPRING TINE DETHATCHER covers 36-inch wide path and
tosses thatch into large hopper. Mounts behind tractor
MULCHING CLOSE-OUT PLATE KIT, once installed, lets you
mutch discharge or bag clippings (bagger optional) without
changing blades. For models not equipped as 3-ira1 Convedib e
mowers See "MOWER" in the Repair Parts section of this
manual
RAMP TOPS AND FEET let you load and unload tractor from a
pickup truck Use with 2 x 8 or2 x 10 lumber
ROLLER for smoother lawn surface. 36-inch wide, 18-inch
diameter water-tight drum holds up to 390 Ibs. of weight. Rounded
edges prevent harm to turf Adjustable scraper automatically
cleans drum..
SNOW BLADE for snow removat only, 14-inch high, 48qnch wide
blade clears 42-inch path when angled left or right. Raises, lowers
with side lever. Adjustab{e skids; replaceable, reversible scraper
bar. (Use with tire chains and wheel weights and/or rear drawbar
weight..)
SNOWTHROWER has 40-inch swath. Drum-type augerhandtes
powdery and wettheavy snow. Mounts easily with simple pin
arrangement. Discharge chute adjusts from tractor seat, 6-inch
diameter spout discharges snow 10 to 50 feet.. Lift controlled at
tractor seat, (Use with chains and wheel weights and/or rear
drawbar weight.)
SPRAYERS use 12-volt DC electric motor that connects to the
tractor battery or other 12-volt source, includes booms for
automatic spraying and hand held wand for spot spraying. Wand
has adjustable spray pattern For applying herbicides, insecti-
cides, fungicides and liquid fertilizers.
SPREADER/SEEDERS make seeding, fertilizing, and weed kill-
ing easy, Broadcast spreaders are also useful for granular de-
icers and sand.
SWEEPERS let you collect grass clippings and leaves
TILLER has 5 hp engine and 36qnch swath to prepare seed beds,
cultivate and compost garden residue. Tiller has its own built-in
lift and depth control system and does NOT require a sleeve hitch
Fits any lawn, yard or garden tractor. Simply hook up to the tractor
drawbar and go! Optional accessories convert unit for
dethatching, aerating, hilling..without tools
TIRE CHAINS are heavy du_y; closely spaced extra-large cross
links give smooth ride, outstanding traction
TRACTOR CAB has heavy duty vinyl fabric over tubular steel
frame, ABS plastic top; clear plastic windshield offers 360 degree
visibility Hinged metal doors with catch. Keeps operator warm
and dry Remove vinyl sides and windshields for use as sun
protector in summer. Optional accessories include: tinted/
tempered solid safety glass windshiefd with hand operated wiper;
12-volt amber caution light for mounting on cab top.
VACS for powerful collection of heavy grass clippings and leaves.
Optional wand attachment to pick up debris in hard-to-reach
places VAC/CHIPPER includes a chipper-shredder.
WEIGHT BRACKET for drawbar for snow removal applications.
Uses (1) 55 fb weight
WHEEL WEIGHTS for rear wheels provide needed traction for
snow removal or dozing heavy materia]s

=1 ,= =,,=i= =n'ul ,'='="'
Parts Bag contents shown full size
CONTENTS OF HARDWARE PACK
= = ,,, , m
(1) Shoulder Bolt
5/16-18
(1) Knob
('1) Washer
17/32 x 1-3/16 x '12 Ga.
(2) Lock
Washers
#10
(2) Screws
#'t0 x 5/8
(2) Washers 3/16 x 3/4 x 16 Gauge
(2) Weld Nuts #10
@
(2) Hex Nuts 1/4-20
(2) Lock
Washers 1/4
m
,(2) Flex Bolts 1/4-20 x 3/4
(2) Washers
9/32 x 5/8
x 16Ga,
i,,u_,, ,r
Parts packed separately in carton
Seat
Mulcher
Steering Plate
Wheel
Video
Cassette
Manual
, ,,,, , t'itr It,'
Parts Bag
i n'lu"u , ;iq u,-,,,t,l_! i, '==
Parts bag contents not shown full size
i, ,,r_r =lrl , ©
&--_ (2) Center.-
(2) Shoulder lock Nuts
Bolts
Assemblies 2) Washers 3/8
x 7/8 x 14 Gauge
'_ Steering
Wheel
Insert (2) Keys
' i . .
Slope Sheet
Steering
Sleeve

ASSEMBLY
, u i1,11
Your new tractor has been assembled at the factory with exception of those parts left unassembled for shipping purposes
To ensure safe and proper operation of your tractor, all parts and hardware you assemble must be tightened securely, Use
the correct tools as necessary to insure proper tightness°
TOOLS REQUIRED FOR ASSEMBLY
A socket wrench set wilt make assembly easier. Standard
wrench sizes are listed
(2) 7/16" wrench Utility knife
(1) 3/4" socket w/drive ratchet Tire pressure gauge
Phillips screwdriver
When right and left hand is mentioned in this manual, it
means when you are in the operating position (seated
behind the steering wheel)
TO REMOVE TRACTOR FROM CARTON
UNPACK CARTON
°Remove all accessible loose parts and parts cartons
from carton (See page 6)°
•Cut, from top to bottom, along lines on all four corners
of carton, and lay panels flat.
- Remove mower and packing materials,,
. Check for any additional loose parts or cartons and
remove.
BEFORE ROLLING TRACTOR OFF SKID
ATTACH STEERING WHEEL (See Fig. 1)
. Remove locknut and large flat washer from steering
shaft.
-Position front wheels of the tractor so they are pointing
straight forward,
•Slide the steering sleeve over the steering shaft,.
.Position steering wheel so cross bars are horizontal
(left to right) and slide onto adapter.,
oSecure steering wheel to steering shaft with Iocknut
and large flat washer previously removed, Tighten
securely,
.Snap steering wheel insert into center of steering
wheel
•Remove protective materials from tractor hood and
grill
IMPORTANT: CHECK FOR AND REMOVE ANY STAPLES
IN SKID THAT MAY PUNCTURE TIRES WHERE TRACTOR
IS TO ROLL OFF SKID,
_ / STEERING
_,//_ WHEEL INSERT
_LOCKNUT
LARGE
WASHER
...... S EERING
STEERING _ '-_
WHEEL _"_j /STEERING SHAFT
ADAPTER _" _"
•_/ /STEERING
,..:" 1_t/ /SLEEVE .
/_ _." ,
//_ xt I"
t t 7/ t !
!!if I 1
FIG, I
TO ROLL TRACTOR OFF SKID (See Opera-
tion section for location and function of con-
trols)
, Press lift lever plunger and raise attachment lift lever to
its highest position_
= Release parking brake by depressing clutch/brake
pedal
= Place freewheel control in freewheeling position to
disengage transmission (See "TO TRANSPORT" in
the Operation sectior_ of this manual),,
= Roll tractor backwards off skid
7

i,i iii i, i,, ,iii ¸ii iii ,i ,i ,
ASSEMBLY
HOW TO SET UP YOUR TRACTOR INSTALL SEAT (See Fig, 3)
CONNECT BATTERY (See Fig. 2)
CAUTION: Do not short battery termi-
nals by allowing a wrench or any other
object to contact both terminals at the
same time. Before connecting battery,
remove metal bracelets, wristwatch
bands, rings, etc°
Positive terminal must be connected
first to prevent sparking from acciden-
tal grounding.
- Lift hood to raised position_
o Open terminal access doors, remove terminal protec-
tive caps and discard.
• If this battery is put into service after month and year
indicated on label (label located between terminals)
charge battery for minimum of one hour at 6-10 amps.
o First connect RED battery cable to positive (+) batter,/
terminal with hex bolt, flat washer, lock washer a'nd hex
nut as shown, Tighten securely_
o Connect BLACK grounding cable to negative (-) bat-
tery terminal with remaining hex bolt, flat washer, lock
washer and hex nut, Tighten securely,,
• Close terminal access doors.
Use terminal access doors for:
o Inspection for secure connections (to tighten hard-
ware)_
. Inspection for corrosion.
. Testing battery_
o Jumping (if required).
oPeriodic charging.
LOCK FLAT
HEX NUT WASHER WASHER
DISCARD TERMINAL _HEX
PROTECTIVE CAPS XBOLT
TERMINAL .....
ACCESS
DOOR ", POSITIVE
¢(RED)
._ CABLE
NEGATIVE
(BLACK}
CABLE
Adjust seat before tightening adjustment knob
.Remove cardboard packing on seat pan.
. Place seat on seat pan and assemble shoulder bolt,
Tighten shoulder bolt securely.
• Assemble adjustment knob and flat washer Ioosely_
Do not tighten
•Lower seat into operating position and sit on seat.
• Slide seat until a comfortable position is reached which
allows you to press clutch/brake pedal all the way
down.
. Get off seat without moving its adjusted position.
-Raise seat and tighten adjustment knob securely,.
SHOULDER \ _, \_'_ _ ' _\ \
BO LT l_" _ __
KNOB
FIG. 3
ASSEMBLE GAUGE WHEELS TO MOWER
DECK (See Fig. 4)
The gauge wheels are desigr_ed to keep the mower deck in
proper position when operating mowei" Be sure they are
properly adjusted to ensure optimum mower performance.
•Assemble gauge wheels with tractor on a flat level
surface.
• Adjust mower to desired cutting height (See 'q'O AD-
JUST MOWER CUTTING HEIGHT" in the Operation
section of this manual),,
. With mower in desired height of cut position, gauge
wheels should be assembled so they are slightly off the
ground. Instal[ gauge wheel in appropriate hole with
shouider bolt, 3/8 washer, and 3/8-16 Iocknut and
tighten securely.
. Repeat for opposite side installing gauge wheel in
same adjustment hole.
FIG. 2

WHEEL
BRACKET
3t8-16
LOCKNUT
318 _
GAUGE WHEE_
FIG. 4
_//SHOULDER BOLT
INSTALL MULCHER PLATE (See Figs. 5 and
6)
• JnstalJtwo _atch hooks to muncher pJate using screw,
washer, lock washer, and we{d nut as shown.
NOTE: Pre-assemble weld nut to latch hook by inserting
weld nut from the top with hook pointing down.
, Tighten hardware securely_
°Raise and hotd deflector shield in upright position.
o PIace front of mulcher plate over front of mower deck
opening and slide into ptace, as shown.
•Hook front latch into hole on front of mower deck.
° Hook rear latch into hole on back of mower deck..
ii ii i
CAUTION: Do not remove discharge
guard from mower. Raise and hold
guard when attaching mulcher plate
and allow it to rest on plate while in
operation.
u
TO CONVERT TO BAGGING OR
DISCHARGING
Simply remove mulcher plate and store in a safe piace,
Your mower is now ready for discharging or installation of
optionat grass catcher accessory,
NOTE: It {snot necessary to change blades, The mutcher
blades are designed for discharging and bagging also
WELD NUT
FROM THE TOP •
HOOK POINTS
DOWN
LOCK
WELD
NUT _ WASHER
SCREW
_ LATCH
HOOK
WASHER
MULCHER
PLATE
LOCK
WASHER
WASHER
_SCREW
FIG. 5
DEFLECTOR
SHIELD
WELD
NUT
LATCH
HOOKS
FIG. 6
9

ASSEMBLY
.......................... i, i , i
CHECK TIRE PRESSURE V CHECKLIST
The tires on your tractor were overinflated at the factory for
shipping purposes.. Correct tire pressure is important for
best cutting performance.
. Reduce tire pressure to PSI shown in "PRODUCT
SPECIFICATIONS" on page 3 of this manual.
CHECK DECK LEVELNESS
For best cutting results, mower housing should be properly
leveled.. See "TO LEVEL. MOWER HOUSING" in the
Service and Adjustments section of tHs manual
CHECK FOR PROPER POSITION OF ALL
BELTS
See the figures that are shown for replacing motion and
mower blade drive belts in the Sewice and Adjustments
section of this manual. Verify that the belts are routed
correctly
CHECK BRAKE SYSTEM
After you learn how to operate your tractor, check to see
that the brake is properly adjusted_ See "TO ADJUST
BRAKE" in the Service and Adjustments section of this
manual.
BEFORE YOU OPERATE AND ENJOY YOUR NEW
TRACTOR, WE WISH TO ASSURE THAT YOU RECEIVE
THE BEST PERFORMANCE AND SATISFACTION FROM
THIS QUALITY PRODUCT
PLEASE REVIEW THE FOLLOWING CHECKLIST:*
,/ AI} assembly instructions have been completed.
,/ No remaining loose parts in carton°
,/ Batteryis properly prepared and charged. (Minimum
t hour at 6 amps)
,/ Seat is adjusted comfortably and tightened securely.
,/ Alltires are properly inflated. (For slipping purposes,
the tires were overinflated at the factory)
,/ Be sure mower deck is properly leveled side-to-side/
front-to+rear for best cutting results. (Tires must be
properly inflated for leveling)
v" Check mower and drive belts, Be sure they are routed
properly around pulleys and inside all belt keepers.
v' Checkwiring. See that alt connections are still secure
and wires are properly clamped..
v_ Before driving tractor, be sure freewheel control is in
drive position,
WHILE LEARNING HOW TO USE YOUR TRA C TOR, PAY
EXTRA A TTENTION TO THE FOLLOWING IMPORTANT
ITEMS:
•/Engine oil is at proper level
,/ Fuel tank is filled with fresh, clean, regular unleaded
gasoline.
Z" Become familiar with all controls - their location and
function. Operate them before you start the engine
/Be sure brake system is in safe operating condition+
,/ it is important to purge the transmission before you
operate your new tractor for the first time+ Follow
proper starting and transmission purging instructions
(See "TO START ENGINE" and "PURGE TRANSMIS-
SION" in Operation section of this manual),
10

i ,i _ _,i.i : :-::- ............... ii n i" -'"_" iill,., r, i i i ,iu,nll,, ,,,i,irl i i ¸
OPERATION
i,u,,,,,.,, i., ,,Ul,p ,.,,,. i i, ,.n , ,,.,,,
These symbols may appear on your tractor or in litet:ature supplied with the product. Learn and understand their meaning.
BATI-E RY CAUTION OR REVERSE FORWARD FAST SLOW
WARNING
ENGINE ON ENGINE OFF OIL PRESSURE CLUTCH LIGHTS ON LIGHTS OFF
FUEL CHOKE MOWER HEIGHT UNLOCKED
@ 0
DIFFERENTIAL PARKING BRAKE
LOCK LOCKED
MOWER LIFT
REVERSE NEUTRAL
ATTACHMENT
CLUTCH ENGAGED
L
HIGH LOW
ATTACHMENT
CLUTCH DISENGAGED
-®Sl
PARKING BRAKE
IGNITION
DANGER, KEEP HANDS AND FEET AWAY HYDROSTATIC FREE WHEEL
(Hydro Models only)
11

i , i i,,, i,, i i ii , ..................
O ERATmON
, 1,1,,i, , ,, i,i i ,
KNOW YOUR TRACTOR
READ THIS OWNER'S MANUAL AND SAFETY RULES BEFORE OPERATING YOUR TRACTOR
Compare the illustrations with your tractor to familiarize yourself with the locations of various controls and adjustments, Save
this manual for future reference,
ATTACHMENT CLUTCH LEVER
THROTTL_CHOKE
CONTROL
CLUTCH/BRAKEPEDAL
IGNITION SWITCH LIGHT SWITCH
LIFT LEVER
PLUNGER
.ATTACHMENT LIFT
LEVER
PARKING BRAKE
LEVER
HEIGHT ADJUSTMENT KNOB MOTION CONTROL
LEVER
FREEWHEEL
CONTROL
APPROX
SPEED
3 MPH
2MPH
1MP I_,
FIG. 7
Our tractors conform to the safety standards of the American National Standards institute,
ATTACHMENT CLUTCH LEVER: Used to engage the
mower blades, or other attachments mounted to your
tractor
LIGHT SWITCH: Turns the headlights on and off
THROTTLE/CHOKE CONTROL: Used for starting and
controlling engine speed.
CLUTCH/BRAKE PEDAL: Used for dectutching and brak-
ing the tractor and starting the engine,
PARKING BRAKE LEVER: Locks clutch/b'rake pedal into
the brake position.
AMMETER - indicates charging (+) or discharging (-) of
battery.
HEIGHT ADJUSTMENT KNOB: Used to release attach-
ment lift lever when changing its position=
MOTION CONTROL LEVER: Selects the speed and
direction of tractor
LIFT LEVER PLUNGER: Used to release attachment lift
lever when changing its positio n.
ATTACHMENT LIFT LEVER: Used io raise and lower the
mower deck or other attachments mounted to your tractor.
IGNITION SWITCH: Used for starting and stopping the
engine,
FREEWHEEL CONTROL: Disengages transmission for
pushing or slowly towing the tractor with the engine off.
12

OPERATUON
ii ,r i1,1 , i IH_ILpU,L Irl_l_ ,i ,, _ i I,_1 ,
HOW TO USE YOUR TRACTOR
TO SET PARKING BRAKE (See Fig. 8)
Your tractor is equipped with an operator presence sensing
switch, When engine is running, any attempt by the
operator to leave the seat without first setting the parking
brake will shut off the engine°
.£z r%dutehibrakepeda intofo,"BRAKE"pos t oo
. Place parking brake lever in "ENGAGED" position and
release pressure from clutch/brake pedal Pedalshouid
remain in"BRAKE" position, Make sure parking brake
will hold tractor secure.
ATTACHMENT.ENGAGED,,POS1TIoNCLUTCHLEVER
IGNITION
KEY _ ATTACHMENT
THROTTLE/ CLUTCH LEVERDISENGAGED.
CHOKE POSITION
PARKING BRAKE
"ENGAGED" POSITION
_---'--_ MOTION CONTROL
LEVER
CLUTCH/BRAKE HEIGHT PARKING BRAKE
PEDAL "DRIVE" ADJUSTMENT "DISENGAGED" POSITION
POSITION KNOB
FIG. 8
STOPPING (See Fig. 8)
MOWER BLADES -
oMove attachment clutch lever to "DISENGAGED" po-
sition
GROUND DRIVE -
= Depress clutch/brake pedal into full "BRAKE" position.
. Move motion control lever to neutral (N) position°
IMPORTANT: THE MOTION CONTROL LEVER DOES
W EN
ENGINE -
. Move throttle control to stow position.
NOTE: Failure to move throttte control to slow position and
allowing engine to idle before stopping may cause engine
to "backfire"
* T_wrn_gsnri_r°nnokeYkte_"wOhFFn'p°siti°nleaving tractorandrem°Vetopreventkey'
unauthorized use
, Never use choke to stop engine.
NOTE: Under certain conditions when tractor is standing
idle with the engine running, hot engine exhaust gases may
cause "browning" of grass_ To eliminate this possibility,
always stop engine when stopping tractor on grass areas
i
TO USE THROTTLE CONTROL (See Fig. 8)
Always operate engine at full throttle
• Operating engine at less than full throttle reduces the
battery charging rate_
-Full throttle offers the best mower performance.
TO MOVE FORWARD AND BACKWARD
(See Fig. 8)
The direction and speed of movement is controlled by the
motion control lever.
,Start tractor with motion control lever in neutral (N)
position.
=Release parking brake and clutch/brake pedal..
=Slowly move motion control lever to desired position
TO ADJUST MOWER CUTTING HEIGHT
(See Fig. 8)
The cutting height is controlled by turning the height adjust _
merit knob in desired direction,
° Turn knob clockwise (f_) to raise cutting height.
. Turn knob countei'eiockwise (1'_,)to lower cutting
height.
The cutting height range is approximately 1-1t2" to 4" The
heights are measured from the ground to the blade tip with
the engine not running,, These heights are approximate
and may vary depending upon soil conditions, height of
grass and types of grass being mowed.
.The average lawn should be cut to approximately 2-1/2
inches during the cool season and to over 3 inches
during hot months, For healthier and better looking
lawns, mow often and after moderate growth.
o For best cutting performance, grass over 6 inches in
height should be mowed twice. Make the first cut
relatively high; the second to desired height.
13

iJi ii
OPERATION
TO OPERATE MOWER (See Fig. 9)
Your tractor isequipped with an operator presence sensing
switch Any attempt by the operator to leave the seat with
the engine running and the attachment clutch engaged wilt
shut off the engine,
.Select desired height of cut.
• Lower mower with attachment iift control
- Start mower blades by engaging attachment clutch
control
• TO STOP MOWER BLADES - disengage attachment
clutch control.
CAUTION: Do not operate the mower
without either the entire grass catcher,
on mowers so equipped, or the dis-
charge guard in place.
ATTACHMENT
CLUTCH LEVER
"ENGAGED'
Po,,T,oN
ATTACH_
CLUTCH LEVER __<
DISENGAGED" t" "_-'_
POSITION _._
ATTACHMENT
_J LIFTLEVER
HIGHPOSITION
_'l_ _.L.,..._.._ LOW
IMPORTANT: THE MOTION CONTROL LEVER DOES
NOT RETURN TO NEUTRAL (N) POSITION WHEN THE
CLUTCH/BRAKE PEDAL IS DEPRESSED.
° To restart movement, slowly release parking brake and
clutchlbrake pedal.
• Slowly move motion control lever to slowest setting
o Make all turns slowly.
TO TRANSPORT (See Figs. 7 and 10)
When pushing or towing your tractor, be sure to disengage
transmission by placing freewheel control in freewheeling
position° Free wheel control is located at the rear drawbar
of tractor
o Raise attachment tift to highest position with attach-
ment lift control.
= Pull freewheel control knob out and hotd in position by
inserting retainer spring into forward hole of control rod.
o Do not push or tow tractor at more than two (2) MPH.
o To reengage transmission, reverse above procedure.
NOTE: To protect hood from damage when transporting
your tractor on a truck or atrailer, be su re hood is closed and
secured to tractor Use an appropriate means of tying hood
to tractor (rope, cord, etc.)..
FIG. 9
TO OPERATE ON HILLS
i
I _ CAUTION: DO not drive up or down I
! _ hills with slopes greater than '15°and !
I_d° not dri ve across any S!°Pe_
° Choose the slowest speed before starting up or down
hitls
o Avoid stopping or changing speed on hills.
o If slowing is necessary, move throttle control lever to
slower position.
° If stopping is absolutely necessary, push clutch/brake
pedal quickly to brake position and engage parking
brake.
- Move motion control lever to neutral (N) position.
FIG. 10
BEFORE STARTING THE ENGINE
CHECK ENGINE OIL LEVEL (See Fig. 17)
° The engine in your tractor has been shipped, from the
factory, already filled with summer weight oil
o Check engine oil with tractor on level ground
°Unthread and remove oil fill cap/dipstick; wipe oil off.
Reinsert the dipstick into the tube and rest oil fil] cap on
the tube° Do not thread the cap onto the tube. Remove
and read oil level. If necessary, add oil until "FULL"
mark on dipstick is reached, De not overfill..
o For cold weather operation you should change oil for
easier starting (See "OlL VISCOSITY CHART" in the
Customer Responsibilities section of this manual)°
o To change engine oil, see the Customer Responsibili-
ties section in this manual.
14

OPERATION
....................... i,i ,,
ADD GASOLINE
oFill fuel tank.. Use fresh, clean, regular unleaded
gasoline with a minimum of 87 octane_ (Use of leaded
gasoline will increase carbon and lead oxide deposits
and reduce valve life).. Do not mix oil with gasoline.
Purchase fuel in quantities that can be used within 30
days to assure fuel freshness.
IMPORTANT: WHEN OPERATING tN TEMPERATURES
BELOW 32°F(0°C), USE FRESH, CLEAN WINTER GRADE
GASOLINE TO HELP iNSURE GOOD COLD WEATHER
STARTING
WARNING: Experience indicates that alcohol btended
fuels (called gasohol or using ethanol or methanol) can
attract moisture which leads to separation and formation of
acids during storage.. Acidic gas can damage the fuel
system of an engine while in storage. To avoid engine
problems, the fuel system should be emptied before stor _
age of 30 days or longer. Drain the gas tank, start the
engine and let it run until the fuel lines and carburetor are
empty. Use fresh fuel next season. See Storage Instruc-
tions for additional information,, [',lever use engine or
carburetor cleaner products in the fuel tank or permanent
damage may occur.
CAUTION: Fill to bottom of gas tank
filler neck. Do not overfill. Wipe off any
spilled oil or fuel. Do not store, spill or
use gasoline near an open frame,
TO START ENGINE (See Fig. 8)
When starting the engine for the first time or if the engine
has run out of fuel, it will take extra cranking time to move
fuel from the tank to the engine.
• Be sure freewheel control is in the transmission en-
gaged position.
o Sit on seat in operating position, depress clutch/brake
pedal and set parking brake_
- Place motion control lever in neutral (N) position.
= Move attachment clutch to "DISENGAGED" position.
- Move throttle control to choke position
Note: Before starting, read the warm and cold starting
procedures below.
o Insert key into ignition and turn key clockwise to"START"
position and release key as soon as engine starts. Do
not run starter continuously for more than fifteen sec-
onds per minute. If the engine does not start after
several attempts, move throttle control to fast position,
wait a few minutes and try again_ If engine still does not
start, move the throttle control back to the choke
position and retry
WARM WEATHER STARTING (50° F and above)
°When engine starts, move the throttle control to the fast
position°
- The attachments and ground drive can now be used. If
the engine does not accept the load, restart the engine
and allow it to warm up for one minute using the choke
as described above.
i i ,ll,l,ii i
COLD WEATHER STARTING ( 50° F and below)
oWhen engine starts, allow engine to run with the throttle
control in the choke position until the engine runs
roughly, then move throttle control to fast position.. This
may require an engine warm-up period from several
seconds to several minutes, depending on the tem-
perature.
HYDROSTATIC TRANSMISSION WARM UP
o Before driving the unit in cold weather, the transmis-
sion should be warmed up as follows:
. Be sure the tractor is on level ground..
. Place the motion control (ever in neutral..
Release the parking brake and let the clutch/brake
slowly return to operating position°
o Allow one minute for transmission to warm up.
This can be done during the engine warm up
period.
o The attachments can also be used during the engine
warm-up period after the transmission has been warmed
up.
NOTE: If at a high altitude (above 3000 feet) or in cold
temperatures (below 32 F) the carburetor fuel mixture may
need to be adjusted for best engine performance. See "TO
ADJUST CARBURETOR" in the Service and Adjustments
section of this manual
PURGE TRANSMISSION
I II
freewheel lever while the engine is run-
ning. . .................
To ensure proper operation and performance, it is recom-
mended that the transmission be purged before operating
tractor for the first time, This procedure will remove any
trapped air inside the transmission which may have devel-
oped during shipping of your tractor
IMPORTANT: SHOULD YOURTRANSMISSION REQUIRE
REMOVAL FOR SERVICE OR REPLACEMENT, IT
SHOULD BE PURGED AFTER REINSTALLATION
BEFORE OPERATING THE TRACTOR
o Place tractor safely on level surface with engine off and
parking brake set
° Disengage transmission by placing freewheel control
in freewheeling position (See "TO TRANSPORT" in
this section of manua!)o
o Sitting in the tractor seat, start engine. After the engine
is running, move throttle control to slow position With
motion control lever in neutral (N) position, slowly
disengage clutch/brake pedal
• Move motion control lever to full forward position and
hold for five (5) seconds., Move lever to full reverse
position and hold for five (5) seconds. Repeat this
procedure three (3) times.,
NOTE: During this procedure there will be no movement of
drive wheels_ The air is being removed from hydraulic drive
system.
15

OPERATION
oMove motion control lever to neutral (N) position. Shut-
off engine and set parking brake°
o Engage transmission by placing freewheel control in
driving position (See "TO TRANSPORT" in this section
of manual).
• Sitting in the tractor seat, start engine. After the engine
is running, move throttle control to half (1/2) speed
With motion control lever in neutral (N) position, slowly
disengage clutch/brake pedal.
• Slowly move motion control lever forward, after the
tractor moves approximately five (5) feet, slowly move
motion control lever to reverse position. After the
tractor moves approximately five (5) feet return the
motion control lever to the neutral (N) position. Repeat
this procedure with the motion control lever three (3)
times_
o Your tractor is now purged and now ready for normal
operation..
MOWING TiPS
o Tire chains cannot be used when the mower housing
is attached to tractor_
oMower should be properly leveled for best mowing
performance, See 'q'O LEVEL MOWER HOUSING" in
the Service and Adjustments section of this manual.
oThe left hand side of mower should be used for trim-
ming
o Drive so that clippings are discharged onto the area
that has been cut. Have the cut area to the right of the
machine. This will result in a more even distribution of
clippings and more uniform cutting.
° When mowing large areas, start by turning to the right
so that clippings will discharge away from shrubs,
fences, driveways, etc_ After one or two rounds, mow
in the opposite direction making left hand turns until
finished (See Fig.. 11).
o tf grass is extremely tall, it should be mowed twice to
reduce load and possible fire hazard from dried clip-
pings. Make first cut relatively high; the second to the
desired height.
•Do not mow grass when it is wet.. Wet grass will plug
mower and leave undesirable clumps. Allow grass to
dry before mowing
,Always operate engine at full throttle when mowing to
assure better mowing performance and proper dis-
charge of material. Regulate ground speed by select-
ing a low enough gear to give the mower cutting
performance as well as the quality of cut desire&
o When operating attachments, select a ground speed
that will suit the terrain and give best performance of
the attachment being used
f
T
....,,
FIG. 11
MULCHING MOWING TIPS
IMPORTANT: FOR BEST PERFORMANCE, KEEP
MOWER HOUSING FREE OF BUILT-UP GRASS AND
TRASH, CLEAN AFTER EACH USE,
= The special mulching blade will recut the grass clip-
pings many times and reduce them in size so that as
they fall onto the lawn they will disperse into the grass
and not be noticed, Also, the mulched grass will biode-
grade quicklyto provide nutrients for the lawn, Always
mulch with your highest engine (blade) speed as this
will provide the best recutting action of the blades..
o Avoid cutting your lawn when it is wet. Wet grass tends
to form clumps and interferes with the mulching action.
The best time to mow your lawn is the early afternoon..
At this time the grass has dried and the newly cut area
will not be exposed to the direct sun_
,, For best results, adjust the mowercutting height so that
the mower cuts off only the top one-third of the grass
blades (See Fig. 12). For extremely heavy mulching,
reduce your width of cut on each pass and mow slowly
• Certain types of grass and grass conditions may re-
quire that an area be mulched a second time to
completely hide the clippings. When doing a second
cut, mow across or perpendicular to the first cut path..
o Change your cutting pattern from week to week.. Mow
north to south one week then change to east to west the
next week. This will help prevent matting and graining
of the lawno
MAX 1/3
1
FIG. 12
16

, i ,.uu i1,,,, i =....... i'¸ ,,,-, I_=_"---
CUSTOMER RESPONSmlB LI TiES
u,,u,i u i,,,i ...... uu, lU, u ,, .11 , i,,,u, ........ ,,
MAINTENANCE SCHEDULE
FILL IN DATES
AS YOU COMPLETE
REGULAR SERVICE
Check Brake Operation
Check Tire Pressure
TCheck for Loose Fasteners
RSharper,tReplace .Mower Btades
_ Lubricati'o'n Chart
Check Battery LeveVRecharge
0Clean Battery andTerminats
B CheckTransaxle Cooling
Adjust Btade Belt(s) Tension
= i .........
Adjust Motion Drive Belt(s) Tension
Check Engine Oil Level
Change Engine Oil
Clean Air Filter
E .......
N Clean Air Screen
G Inspect Muffler/Spark Attester
!Replace Oil Filter (if equipped)
EN Ctean gine cooling Fins
En
Replace Spark Plug
' Replace Air Filter Paper Cartridge
Replace Fuel Filter
v'
tM#6
e/
ei
v',
BERVICE DATES
v'
v'
I - Changemere olten whenoperatingunder a heaw tend or in high arrlblenttemperatures
2 - Servicemoreoften when ope_ralingindirtyor dustyconditions
3 - If equipped withoil filter,changeell every 50 hours
4 - Replace bladesmore often when mow#_gin sandysoil
v'
5 _If equipped with adjustable system
6-Not required ifequipped with maintenance*free battery
7 - T_ghfen front axle pivot bolt le 35 ft -Ibs maximum
De not evertighten
GENERAL RECOMMENDATIONS
The warranty on this tractor does not cover items that have
been subjected to operator abuse or negligence, To
receive full value from the warranty, operato rmust maintain
tractor as instructed in this manual,,
Some adjustments will need to be made periodically to
properly maintain your tractor,,
All adjustments in the Service and Adjustments section of
this manual should be checked at least once each season,
• Once a year you should replace the spark plug, clean
or replace air filter, and check blades and belts for
wear, A new spark plug and clean air filter assure
proper air-fuel mixture and help your engine run better
and Iast longer,
BEFORE EACH USE
,, Check engine oil level.
,Check brake operation,
o Check tire pressure.
•Check for loose fasteners.
(2_SPINDLE
LUBRICATION CHART
',IDLE ZERK (_)
(_FRONT (_)
BEARING ZERK BEARING ZERK
®
I_ATTACHMENT _
CLUTCH PIVOT
_SAE 30 MOTOR OIL
®GENERAL PURPOSE GREASE
®REFER TO CUSTOMER RESPONSIBILITIES "ENGINE" SECTION
IMPORTANT; DO NOT OIL OR GREASE THE PIVOT POINTS,
WHICH HAVE SPECIAL NYLONBEAR{NGS VISCOUSLUBRJ-
CANTS WiLL ATTRACT DUST AND D!RT THAT WILL SHORTEN
THE LIFE OF THE SELF-LUBRICATING BEARINGS. IF YOU
FEEL THEY MUST BE LUBRICATED, USE ONLY A DRY, POW-
17 DERED GRAPHITE TYPE LUBRICANT SPARINGLY.

: ' .._!¸
i i ....................
CUSTOMER ESPON$1BRLITmE$
i,i,, ,i,,, i,. _ -
TRACTOR
Always observe safety rules when performing any mainte..
nance.
BRAKE OPERATION
If tractor requires more than six (6) feet stopping distance
at high speed in highest gear, then brake must be adjusted.
(See 'q'O ADJUST BRAKE" in the Service and Adjust-
ments section of this manual).
TIRES
o Maintain proper air pressure in all tires (See "PROD-
UCT SPECIFICATIONS" on page 3 of this manual).
o Keep tires free of gasoline, oil, or insect control chemi-
cals which can harm rubber..
o Avoid stumps, stones, deep ruts, sharp objects and
other hazards that may cause tire damage_
NOTE: To seal tire punctures and prevent flat tires due to
slow leaks, tire sealant may be purchased from your local
parts dealer° Tire sealant also prevents tire dry rot and
corrosion.
BLADE CARE
For best results mower blades must be kept sharp. Re-
place bent or damaged blades.
BLADE REMOVAL (See Fig. 13)
o Raise mower to highest position to allow access to
blades.
o Remove hex bolt, lock washer and flat washer securing
blade
, Install new or resharpened blade with trailing edge up
towards deck as shown,.
o Reassemble hex bolt, lock washer and flat washer in
exact order as shown.
o Tighten bolt securely (30-35 Ft Lbs., torque).
IMPORTANT: BLADE BOLT fS GRADE 8 HEATTREATED,
NOTE: We do not recommend sharpening blade -but if you
do, be sure the blade is balanced.
BLADE
MANDREL
ASSEMBLY
TRAILING
EDGE UP
FLAT WASHER
LOCK WASHE
-HEX BOLT (GRADE 8)*
*A GRADE 8 HEAT TREATED BOLT CAN BE
IDENTIFIED BY SIX LINES ON THE BOLT HEAD,
TO SHARPEN BLADE (See Fig. 14)
Care should be taken to keep the blade balanced. An
unbalanced blade will cause excessive vibration and even-
tual damage to mower and engine.
,The blade can be sharpened with a file or on a grinding
wheel Do not attempt to sharpen while on the mower..
•To check blade balance, you will need a 5/8" diameter
steel bolt, pin, or a cone balancer (When using a cone
balancer, follow the instructions supplied with bal-
ancer).
, Slide blade on to an unthreaded portion of the steel bolt
or pin and hold the bolt or pin parallel with the ground.
If blade is balanced, it should remain in a horizontal
position. If either end of the blade moves downward,
sharpen the heavy end until the blade is balanced.
NOTE: Do not use a nail for balancing blade. The lobes of
the center hole may appear to be centered, but are not,
CENTER HOLE /
ORPIN ,,'i..)/"
FIG. 14
BATTERY
Your tractor has a battery charging system which is suffi-
cient for normal use However, periodic charging of the
battery with an automotive charger will extend its life.
• Keep battery and terminals clean_
° Keep battery bolts tight.
. Keep small vent holes open.
• Recharge at 6_10 amperes for I hour_
TO CLEAN BATTERY AND TERMINALS
Corrosion and dirt on the battery and terminals can cause
the battery to "leak" power.
, Remove terminal guard.
,Disconnect BLACK batten./cable first then RED bat-
tery cable and remove battery from tractor.
° Rinse the battery with plain water and dry.
= Clean terminals and battery cable ends with wire brush
until bright.
o Coat terminals with grease or petroleum jelty.
. Reinstall battery (See "CONNECT BATTERY" in the
Assembly section of this manual).
FIG. 13
18

TRANSAXLE COOLING
The fan and cooling fins of transmission should be kept
clean to assure proper cooling
Do not attempt to clean fan or transmission while engine is
running or while the transmission is hot,
oInspect cooling fan to be sure fan blades are intact and
clean,,
o Inspect cooling fins for dirt, grass clipp!ngs and other
materials. To prevent damage to seals, do not use
compressed air or high pressure sprayer to clean
cooling fins,
TRANSAXLE PUMP FLUID
The transaxle was sealed at the factory and fluid mainte-
nance is not required for the life of the transaxle_ Shoutd the
transaxle ever leak or require servicing, contact your near-
est authorized service center/department
V-BELTS
Check V-belts for deterioration and wear after 100 hours of
operation and replace if necessary, The belts are not
adjustable° Replace belts if they begin to slip from wear,
ENGINE
LUBRICATION
Only use high quality detergent oil rated with API service
classification SF, SG or SH., Select the oil's SAE viscosity
grade according to your expected operating temperature.
SAE VISCOSITY GRADES
°F -20 _ 0_ 30 _ 32" 40* 60 _ 80 _ 100 _
°C -30 _ *_0" -_0" O* 1_3_ 20" 30' 4(} _
TEMPERATURE RANGE ANTICIPATED BEFORE NEXT OiL CHANGE
FIG. 15
TO CHANGE ENGINE OtL (See Figs,, 15 and I6)
Determine temperature range expected before oil change
All oil must meet API service classification SF, SG or SH.
- Be sure tractor is on level surfacer
• Oil will drain more freely when warm.
o Catch oil in a suitable container.
o Remove oil fill cap/dipstick, Be careful not to allow dirt
to enter the engine when changing oil,,
• Remove drain plug.
o After oil has drained completely, replace oil drain plug
and tighten securely,
• Refill engine with oil through oil fill dipstick tube. Pour
slowly. Do not overfill, For approximate capacity see
PRODUCT SPECIFICATIONS on page 3 of this
manual.
. Use gauge on oil fill cap/dipstick for checking level.
Insert dipstick into the tube and rest the oil fill cap on the
tube, Do not thread the cap onto the tube when taking
reading, Keep oil at"FULL line on dipstiok_ Tighten
cap onto the tube securely when finished,.
AIR CLEANER
COVER
FOAM
PRE-CLEANER
KNOB
WING NUT
RUBBER
GROMMET
AIR CLEANER
PAPER
CARTRIDGE
CLEANER
BASE
CAP/DIPSTICK
OIL DRAIN AIR SCREEN
NOTE: Although mufti-viscosity oils (5W30, 10W30 etc.)
improve starting in cold weather, these muttiwiscosity oils
will result in increased oil consumption when used above
32°F. Check your engine oil level more frequently to avoid
possible engine damage from running low on oil
Change the oil after every 50 hours of operation or at teast
once a year if the tractor is not used for 50 hours in one year.
Check the crankcase oil levei before starting the engine and
after each eight (8) hours of operation, Tighten oil fill cap/
dipstick securely each time you check the oil }evel.
FIG. 16
CLEAN AIR SCREEN (See Fig. '16)
Air screen must be kept free of dirt and chaff to prevent
engine damage from overheating, Clean with a wire brush
or compressed air to remove dirt and stubborn dried gum
fibers
19

CUSTO RESPONSIBILITIES
AIR FILTER (See Fig. 16)
Your engine wilt not run properly using a dirty air filter,.
Clean the foam pre-cleaner after every 25 hours of opera-
tion or every season, Service paper cartridge every t00
hours of operation or every season, whichever occurs first.
Service air cleaner more often under dusty conditions,
. Remove knob and cover_
o Remove wing nut and air cleaner from base.
TO SERVICE PRE-CLEANER
. Slide foam pre-cleaner off cartridge..
= Wash it in liquid detergent and water.
o Squeeze it dry in a clean cloth. Allow itto dry.
o Saturate it in engine oil, Wrap it in ctean, absorbent
cloth and squeeze to remove excess oil.
TO SERVICE CARTRIDGE
•Replace a dirty, bent, or damaged cartridge,
NOTE: Do not wash the paper cartridge or use pressurized
air, as this will damage the cartridge..
,, Reinstall the pre-cleaner (cleaned and oiled) over the
paper cartridge
. Reassemble air cleaner, wing nut, cover and tighten
knob securely
CLEAN AIR INTAKE/COOLING AREAS
To insure proper cooling, make sure the grass screen,
cooling fins, and other external surfaces of the engine are
kept clean at al! times.
Every 100 hours of operation (more often under extremely
dusty, dirty conditions), remove the blower housing and
other cooling shrouds.. Clean the cooling fins and external
surfaces as necessary. Make sure the cooling shrouds are
reinstalled.
NOTE: Operating the engine with a blocked grass screen,
dirty or plugged cooling fins, and/or cooling shrouds re-
moved will cause engine damage due to overheating,
ENGINE OIL FILTER (See Fig. 17)
Reptace the engine oil filter every season or every other oit
change if the tractor is used more than 100 hours in one
year
• Drain oil from engine crankcase (See "TO CHANGE
ENGINE OIL" in this section of this manual, through
step remove drain plug)o
- Remove oil filter and wipe off filter adapter.
. Apply a thin coating of new engine oil to the rubber
gasket on replacement oil filter.
= Install replacement oil filter on filter adapter. ]'urn oil
filter c_ockwise until rubber gasket contacts the filter
adapter, then tighten filter an additional 1/2 turn,
o Filt crankcase with new oil (See 'q_'O CHANGE EN-
_31NEOIL" in this section of this manual). For approxi-
mate capacity see"PRODUCT SPECIFICATIONS" on
page 3 of this manual.
o Start the engine and check for oi! leaks. Correct any
leaks before placing engine into full operation,
2O
OIL FILTER
FIG. t7
MUFFLER
Inspect and replace corroded muffler and spark arrester (if
equipped) as it could create a fire hazard and/or damage.
SPARK PLUGS
Replace spark plugs at the beginning of each mowing
season or after every 100 hours of use, whichever comes
first, Spark plug type and gap setting is shown in "PROD-
UCT SPECIFICATIONS" on page 3 of this manual.
IN-LINE FUEL FILTER (See Fig. 18)
The fuel filter should be replaced once each season_ if fuel
filter becomes clogged, obstructing fuel flow to carburetor,
replacement is required,
oWith engine coot, remove filter and plug fuel line
sections.
o Place new fuel filter in position in fuel line with arrow
pointing towards carburetor
o Be sure there are no fuel line leaks and clamps are
properly positioned,
o Immediately wipe up any spilled gasoline,
CLAMP
FILTER
FIG. 18
CLEANING
o Clean engine, battery, seat, finish, etc. of all foreign
matter.
- Keep finished surfaces and wheels free of all gasoline,
oil, etc,
-Protect painted surfaces with automotive type wax.,
We do not recommend using a garden hose to clean your
tractor unless the electrical system, muffler, air fitter and
carburetor are covered to keep water out. Water in engine
can result in a shortened engine life.

=u,_,l =it=,=, ............................... ....................
SERVUCE AND ADJUSTMENTS
= m , i, i i ,i mm hi, = 11 m, 11, =,,,pH,,_,ip,lp,,iqJi ......... =
1,1 , n, l= ,,,r uml i u nil, ,n, n'iurl'=_,l in ..................... =
CAUTION: BEFORE PERFORMING ANY SERVICE OR ADJUSTMENTS:
, Depress clutchlbrake pedal fully and set parking brake.
= Place motion control lever in neutral (N) position,
oPlace attachment clutch in "DISENGAGED" position.
= Turn ignition key "OFF" and remove key,
oMake sure the blades and all moving parts have completely stopped.
Disconnect spark plug wire from spark plug and place wire where it cannot come in contact with
plug.
,=,,,i,,r n, u,, HH mu '=H '1 ,................. H'H,,'= inn'= =llm=
TO REMOVE MOWER (See Fig. 19)
Mower witl be easier to remove from the right side of tractor
o Piace attachment clutch in "D_SENGAGED" position
o Move attachment lift lever forward to Iower mower to its
lowest position.
o Roll belt off engine pulley
• Disconnect clutch rod from clutch lever by removing
retainer spring°
• Disconnect anti-sway bar from chassis bracket by
removing retainer spring
o Disconnect suspension arms from rear deck brackets
by removing retainer springs
° Disconnect front links from deck by removing retainer
springs,
o Raise lift lever to raise suspension arms° Slide mower
out from under tractor_
IMPORTANT: IF AN ATTACHMENT OTHER THAN THE
MOWER DECK tS TO BE MOUNTED ON THE TRACTOR,
REMOVE THE FRONT LINKS
TO INSTALL MOWER (See Fig. 19)
. Raise attachment lift lever to its highest position,
° Slide mower under tractor with discharge guard to right
side of tractor.
.Lower lift lever to its lowest position.
° Install mower in reverse order of removal instructions,
RETAINER
SPRING
ANTI-SWAYBAR RETAINER
SPRINGS
(BOTH SIDES)
FIG. 19
qER
SPRING
ENGINE
_ULLEY
FRONT
LINK
'RETAINER
SPRINGS
(BOTH SIDES)
21

TO LEVEL MOWER HOUSING
Adjust the mower while tractor is parked on level ground or
driveway. Make sure tires are properly inflated (See
"PRODUCT SPECIFICATIONS" on page 3 of this manual).
Iftires are over or underinflated, you will not properly adjust
your mower.
SIDE-TO-SIDE ADJUSTMENT (See Figs. 20 and 21)
,, Raise mower to its highest position.
. At the midpoint of both sides of mower, measure height
from bottom edge of mower to ground. Distance "A" on
both sides of mower should be the same or within 1/4"
of each other.
o If adjustment is necessary, make adjustment on one
side of mower only.
-To raise one side of mower, tighten lift link adjustment
nut on that side.
o To lower one side of mower, loosen lift link adjustment
nut on that side.
NOTE: Each fult turn of adjustment nut wilt change mower
height about 1/8",
• Recheck measurements after adjusting.
BOTTOM EDGE BOTTOM EDGE
OF MOWER TO OF MOWER TO
GROUND GROUND
GROUND LINE
FIG. 20
FRONT-TO-BACK ADJUSTMENT (See Figs_ 22 and 23)
IMPORTANT: DECK MUST BE LEVEL SIDE-TO-SIDE IF
THE FOLLOWING FRONT-TO-BACK ADJUSTMENT IS
NECESSARY, BE SURE TO ADJUST BOTH FRONT LINKS
EQUALLY SO MOWER W1LL STAY LEVEL SIDE-TO-
SIDE.
To obtain the best cutting results, the mower housing
should be adjusted so that the front is approximately 1/8" to
1/2" lower than the rear when the mower is in its highest
position.
Check adjustment on right side of tractor, Measure dis-
tance"D" directly in front and behind the mandrel at bottom
edge of mower housing as shown.,
. Before making any necessary adjustments, check that
both front links are equal in length. Both links should be
approximately 10-3/8",
•ff links are not equal in length, adjust one iink to same
length as other link,
. To lower front of mower loosen nut "E" on both front
links an equal number of turns_
.When distance "D" is 1/8" to 1/2" lower at front than
rear, tighten nuts "F" against trunnion on both front
links.
o To raise front of mower, loosen nut"F" from trunnion on
both front links. Tighten nut "E" on both front links an
equal number of turns.
. When distance "D" is 1/8" to 1/2" lower at front than
rear, tighten nut "F" against trunnion on both front linkso
.Recheck side-to-side adjustment
_, % ;,J MANDREL
SUSPENSION
ARM
LIFT LtNK
ADJUSTMENT NUT
FIG. 21
22
FIG. 22
BOTH FRONT LINKS MUST BE EQUAL IN LENGTH
NUT "E"
FRONT LINKS TRUNNION
FIG. 23

...... :: ....... _._ u..it . iii u.i i, i iii JJut[ u. i.................. _ i,l.,qll u i ii ii. i. I
SERVICE AND ADJUSTMENTS
ii uu,,i i1.,i ui ii [HiluJll_lm:u,la II , ,i i,,'qt u,, I'll I I m,u .............
TO REPLACE MOWER BLADE DRIVE BELT TO ADJUST BRAKE (See Fig. 25)
(See Fig. 24) Your tractor isequipped with an adjustable brake system
The mower blade drive belt may be replaced without tool& which is mounted on the right side of the transaxle.
Park the tractor on revel surface,, Engage parking brake if tractor requires more than six (6) feet stopping distance
BELT REMOVAL - at high speed in highest gear, then brake must be adjusted,
. Remove mower from tractor (See "TO REMOVE . DepresscEutch/brakepedalandengageparkingbrake
MOWER" in this section of this manual)° . Measure distance between brake operating arm and
o Work beet off both mandrel pulleys and idler puIleys, nut "A" on brake rod.
*Ifdistance is other than 1-3f4", toosen jam nut and turn
, Pull belt away from mower, nut "A" until distance becomes I-3/4". Retighten jam
BELT INSTALLATION - nut against nut "A".
o Instalt new belt in reverse order of removal, oRoadtesttractorforproperstopping distance as stated
o Make sure bett is in all pulley grooves and inside all belt above. Readjust if necessary. If stopping distance is
guides., still greater than six (6) feet in highest gear, further
maintenance is necessary. Contact your nearest au-
, Install mower in reverse order of removal instructions thofized service center
WITH PARKING BRAKE
"ENGAGED"
MANDREL IDLER
PULLEY PULLEYS
MANDREL
PULLEY
FIG. 24
NUT "A"
JAM
NUT
OPERATING
_-_ ARM
DO NOT TOUCH THIS NUT. IF FURTHER BRAKE ADJUSTMENT IS
NECESSARY, CONTACT YOUR NEAREST AUTHORIZED SERVICE
CENTER/DEPARTMENT
FIG. 25
23

=,1 = i,i , , J_u_= , ,,,,, ,,,,, .......
SERVNCE AN ADJUSTMENTS
TO REPLACE MOTION DRIVE BELT
(See Fig. 26)
Park the tractor on level surface, Engage parking brake_
For assistance, there is a belt installation guide decal on
bottom side of left footrest,
•Remove mower (See 'q-O REMOVE MOWER" in this
section of this manuaL)
= Remove upper belt keeper,
° Remove belt from stationary idler and clutching idler°
• Pull belt slack toward rear of tractor, Carefully remove
belt upwards from transmission input pulley and over
cooling fan blades.
oPull belt toward front of tractor and remove downward
from around engine pulley
o Install new belt by reversing above procedure,
IMPORTANT: MAKE SURE UPPER BELT KEEPER IS
POSITIONED PROPERLY BETWEEN LOCATOR TAB,
TO ADJUST MOTION CONTROL LEVER
(See Fig. 27)
The motion control lever has been preset at the factory and
adjustment should not be necessary
If for any reason the motion control fever will not hold its
position while at a selected speed, itmay be adjusted at the
friction pack located on the right side of transmission°
= Park tractor on tevel surface. Stop tractor by turning
ignition key to "OFF" position, and engage parking
brake.
• Adjust motion control lever by tightening adjustment
iocknut one half (1/2) turn
NOTE: tf for any reason the effort to move the motion
control lever becomes too excessive, reverse the above
adjustment procedure by loosening locknut 1/4 to 1/2 turn.
Road test tractor after adjustment and repeat procedure if
necessary,
ENGINE"_.._
PULLEY _._
CLUTCHING ,----.., _--"_'_,,L 1\
IDLER _"_ J _,.
STATIONARY""..- _ J
IDLER
TRANSMISSION" _._f' "_
,,PUTP,,LLE¥r' -"-" /' }
FIG, 26
LOCATOR
TABS
UPPER BELT
KEEPER
FIG. 27
ADJUSTMENT
LOCKNUT
TRANSMISSION REMOVAL/REPLACEMENT
Should your transmission require removal for service or
replacement, it should be purged after reinstallation and
before operating the tractor, See "PURGE TRANSMIS-
SION" in Operation section of this manual.
24

,ll iii1,,,,__ _ ...........
SERVICE AN ADJUSTMENTS
.................. ,,, i i iii, i
TO ADJUST STEERING WHEEL ALIGNMENT
If steering wheel crossbars are not horizontal (left to right)
when wheels are positioned straight forward, remove steer-
ing wheel and reassemble per instructions in the Assembly
section of this manual
FRONT WHEEL TOE-INICAMBER
The front wheel toe-in and camber are not adjustable on
your tractor° If damage has occurred to affect the front
wheel toeqn or camber, contact your nearest authorized
service center/department.
TO REMOVE WHEEL FOR REPAIRS
(See Fig. 28)
•Block up axle securely
o Remove axle cover, retaining ring and washers to allow
wheel removal (rear wheel contains a square key - Do
not !ose),
o Repair tire and reassemble,
,On rear wheels only: align grooves in rear wheel hub
and axle Insert square key.
Replace washers and snap retaining ring securely in
axle groove.
oReplace axle cover
NOTE: To seat tire punctures and prevent flat tires due to
slow leaks, tire sealant may be purchased from your local
parts dealer° Tire sealant also prevents tire dry rot and
corrosion,,
WASHERS
RETAINING
AXLE COVER
f
_SQUARE KEY (REAR
WHEEL ONLY)
FIG. 28
25

SERVICE A ADJUSTMENTS
TO START ENGINE WITH A WEAK BATTERY
(See Fig. 29)
CAUTION: Lead-acid batteries gener-
ateexptosivegases. Keep sparks, flame
and smoking materials away from bat-
teries. Always wear eye protection
when around batteries.
If your battery is too weak to start the engine, it should be
rectlarged_ if "jumper cables" are used for emergency
starting, follow this procedure:
IMPORTANT: YOUR TRACTOR IS EQUIPPED WiTH A 12
VOLT NEGATIVE GROUNDED SYSTEM. THE OTHER
VEHICLE MUST ALSO BE A 12 VOLT NEGATIVE
GROUNDED SYSTEM. DO NOT USE YOUR TRACTOR
BATTERY TO START OTHER VEHICLES.
TO ATTACH JUMPER CABLES -
o Connect each end of the RED cable to the POSITIVE
(+) terminal of each battery, taking care not to short
against chassis,
•Connect one end of the BLACK cable to the NEGA-
TIVE (-) terminat of fully charged battery_
= Connect the other end of the BLACK cable to good
CHASSIS GROUND, away from fuel tankand battery.
TO REMOVE CABLES, REVERSE ORDER -
= BLACK cable first from chassis and then from the fully
charged battery
. RED cable last from both batteries,
"POSITIVE" (+) "NEGATIVE" (-)
TO REPLACE HEADLIGHT BULB
=Raise hood
•Pull bulb holder out of the hole in the backside of the
griiL
.Replace bulb in holder and push bulb holder securely
back into the hole in the backside of the grill
°Close hood.
INTERLOCKS AND RELAYS
Loose or damaged wiring may cause your tractor to run
poorty, stop running, or prevent it from starting
= Check wiring, See electrical wiring diagram in the
Repair Parts section of this manual
TO REPLACE FUSE
Replace with 30 amp automotive-type ptug-in fuse The
fuse holder is located behind the dash,
TO REMOVE HOOD AND GRILL ASSEMBLY
(See Fig. 30)
°Raise hood
o Unsnap headlight wire connector,
°Stand infront of tractor. Grasp hood at sides, tilt toward
engine and lift off of tractor,
. To replace, reverse above procedures
HOOD
FIG. 30
FIG. 29
26

...... i ,i,u ilUl,,.i i ,i i-ii ,,i,,ll ,,ll ,,ulu,ii
SERVUCE AN ADJUSTMENTS
ENGINE
TO ADJUST THROTTLE CONTROL CABLE
(See Fig. 31)
The throttle control has been preset at the factory and
adjustment should notbe necessary_ Checkadjustmentas
described below before loosening cable_ If adjustment is
necessary, proceed as follows:
.With engine not running, move throttle control lever
from slow to choke position. Slowly move lever from
choke to fast posit{on
. Check to see if hole in throttle {ever and hole in speed
control bracket are aligned°
•if ho{es are not aligned, {oosencabte clamp screw and
align the holes by inserting a pencil or a 1/4" ddll bit
through both holes.
• Putl throttle cab{e up to remove slack and tighten cable
clamp screw.. Remove alignment pencil or drill bit.
TO ADJUST CARBURETOR (See Fig, 32)
The carburetor has been preset at the factory and adjust-
ment should not be necessary_ However, minor adjust-
ment may be required to compensate for differences infuel,
temperature, altitude or load. If the carburetor does need
adjustment, proceed as follows:
tn general, turning the adjusting needles in (clockwise)
decreases the supply of fuel to the engine giving a leaner
fuel/air mixture° Turning the adjusting needles out (counter-
clockwise) increases the suppty of fuel to the engine giving
a richer fuel/air mixture
IMPORTANT: DAMAGE TO THE NEEDLES AND THE
SEATS iN CARBURETOR MAY RESULT IF NEEDLE iS
TURNED IN TOO TIGHT.
NOTE: The carburetor on this engine is low emission it is
equipped with an idle fuel adjusting needle with a [imiter
cap, which altows some adjustment within the timits allowed
by the cap. Do not attempt to remove the limiter cap. The
limiter cap cannot be removed without breaking the adjusting
needle
oBe sure you have a clean air filter and the throttle
control cable is adjusted properly (see above).
• Start engine and allow to warm for five minute& Make
adjustments with engine running and shift/motion control
lever in neutral (N) position.
. ldle speed setting - With throttle control lever in slow
position, engine should idle at 1750 RPMo If engine
idles too slow or fast, turn idle speed adjusting screw in
or out until correct idle is attained.
. Idle fuel needle setting - With throttle control lever in
slow position, turn idle fuel adjustment needle in (clock-
wise) until engine begins to die and then turn out
(counterclockwise) until engine runs rough..Turn needle
to a point midway between those two positions.
oRecheck idle speed. Readjust if necessary.
ACCELERATION TEST -
=Move throttle controlleverfrom slow to fast position, If
engine hesitates or dies, turn idle fuel adjusting needle
out (counterclockwise) 1/8 turn. Repeat test and
continue to adjust, if necessary, until engine acceler-
ates smoothly..
High speed stop is factory adjusted Do not adjust -
damage may result.
IMPORTANT: NEVER TAMPER WLTH THE ENGINE
GOVERNOR, WHICH IS FACTORY SET FOR PROPER
ENGINE SPEED. OVERSPEEDING THE ENGINE ABOVE
THE FACTORY HIGH SPEED SETTING CAN BE
DANGEROUS IF YOU THINK THE ENGtNE-GOVERNED
HIGH SPEED NEEDS ADJUSTING, CONTACT YOUR
NEAREST AUTHORIZED SERVICE CENTER/
DEPARTMENT, WHICH HAS PROPER EQUIPMENT AND
EXPERIENCE TO MAKE ANY NECESSARY
ADJUSTMENTS.
CABLE ',,,_,,,_
CLAMP
SC REW _..,,_
SPEED CONTROL"-_
BRACKET _-_._...
THROTTLE
LEVER
FIG. 31
IDLE SPEED
ADJUSTING
IDLE FUEL /
ADJUSTING
NEEDLE
FIG. 32
27

STORAGE
Immediately prepare your tractor for storage at the end of
the season or if the tractor wilf not be used for 30 days or
more,
-- i
I_ CAUTION: Never store the tractor with
!,_ _, gasoline in the tank inside a building
|,_ where fumes may reach an open flame
| _ or spark. Allow the engine to cool
_efore storing!
TRACTOR
Remove mower from tractor for winter storage.. When
mower is to be stored for a period of time, clean it thor-
oughly, remove all dirt, grease, leaves, etc.. Store in a
clean, dry area.
o Clean entire tractor (See"CLEANING" in the Customer
Responsibilities section of this manual).
• Inspect and replace belts, if necessary (See belt re-
placement instructions in the Service and Adjustments
section of this manual).
• Lubricate as shown in the Customer Responsibilities
section of this manual..
o Be sure that all nuts, bolts and screws are securely
fastened. Inspect moving parts for damage, breakage
and wear. Replace if necessary.
• Touch up all rusted or chipped paint surfaces; sand
lightly before painting.
BATTERY
o Fully charge the battery for storage.
oAfter a period of time in storage, battery may require
recharging.
-To help prevent corrosion and power leakage during
long periods of storage, battery cables should be
disconnected and battery cleaned thoroughly (see "TO
CLEAN BATTERY AND TERMINALS" in the Cus-
tomer Responsibilities section of this manual)
° After cleaning, leave cables disconnected and place
cables where they cannot come in contact with battery
terminals.
o Be sure battery drain tube is securely attached.
If battery is removed from tractor for storage, do not
store battery directly on concrete or damp surfaces.'
ENGINE
FUEL SYSTEM
IMPORTANT: IT IS IMPORTANT TO PREVENT GUM
DEPOSITS FROM FORMING IN ESSENTIAL FUEL
SYSTEM PARTS SUCH AS CARBURETOR, FUEL FILTER,
FUEL HOSE, OR TANK DURING STORAGE. ALSO,
EXPERIENCE INDICATES THAT ALCOHOL BLENDED
FUELS (CALLED GASOHOL OR USING ETHANOL OR
METHANOL) CAN ATTRACT MOISTURE WHICH LEADS
TO SEPARATION AND FORMATION OF ACIDS DURING
STORAGE ACIDIC GAS CAN DAMAGE THE FUEL
SYSTEM OF AN ENGINE WHILE IN STORAGE,
oDrain the fuel tank°
= Start the engine and let it run until the fuel lines and
carburetor are empty,
. Never use engine or carburetor cleaner products in the
fuel tank or permanent damage may occur,,
, Use fresh fuel next season
NOTE: Fuel stabilizer is an acceptable alternative in
minimizing the formation of fuel gum deposits during stor-
age.. Add stabilizer to gasoline in fuet tank or storage
container. Always follow the mix ratio found on stabilizer
container. Run engine at least 10 minutes after adding
stabilizer to allow the stabilizer to reach the carburetor. Do
not drain the gas tank and carburetor if using fuel stabitizer_
ENGINE OIL
Drain oil (with engine warm) and replace with clean engine
oil. (See "ENGINE" in the Customer Responsibilities
section of this manual).
CYLINDERS
o Remove spark plug(s).
o Pour one ounce of oil through spark plug hole(s) into
cytinder(s)o
o Turn ignition key to"START" position for a few seconds
to distribute oil
• Replace with new spark plug(s)
OTHER
. Do not store gasoline from one season to another,
° Replace your gasoline can if your can starts to rust,
Rust and/or dirt in your gasoline will cause problems,
•If possible, store your tractor indoors and cover it to
give protection from dust and dirt,
. Cover your tractor with a suitable protective cover that
does not retain moisture° Do not use plastic, Plastic
cannot breathe which allows condensation to form and
witl cause your tractor to rust,
IMPORTANT: NEVER COVER TRACTOR WHILE ENGINE
AND EXHAUST AREAS ARE STILL WARM
28

...................... in, UUl,
TROUBLESHOOTING POINTS
....................... i, i, u , ,,, i1_,,,,,_
CAUSE CORRECTION
lU_1111 i i
PROBLEM
Will not start
Hard to start
m i ,u ,,n,l,lrl,
Engine will not turn over
Engine clicks but will not
start
Excessive vibration
1 Out of fuel
2 Engine not "CHOKED" properly
3 Engine flooded
4 Bad spark plug
5 Dirty air filter
6 Dirty fuel filter,
7 Water in ft.tel
8 Loose ordamaged widng
gCarburetor out of adjustment
10 Engine valves out of adjustment
ii n, lnl,n i,
1 Dirty air filter
2 Bad spark plug
3_ Weak ordead battery
4 Dirty fuel filter.
5 Stale or dirty fuel ,
6 Loose or damaged wiring.
7 Carburetor out of adjustment
8 Engine valves out of adjustment
,i, i
! Clutch/brake pedal not depressed
2 Attachment dutch is engaged
3 Weak or dead battery
4., Blown fuse
5 Corroded battery terminals
6 Loose or damaged wiring
7 Faulty ignition switch
g Faulty solenoid or starter
9Fault,,' operator presence switch(es)
t, Weak or dead battery
2. Corroded battery terminals,
3, Loose or damaged wiring
4 Fault'/solenoid or starter,
i,i lU i,,u u,n,
l, Cutting too much grass/too fast
2, Throttie in "CHOKE" position,
3, Build-up of grass, leaves and trash under mower
4 Dirty air filter
5 Low oil level/dirty oil,
6 Faulty spark plug
7 Dirty fuel fiiter,
8 State or dirty fuel
g, Waterin fuel
10. Spark plug wire loose
1I. Dirty engine air screerdfins
12. Dirty/clogged muffler
13 Loose or damaged wiring
14 Carburetor out of adjustment,
15. Engine vaives out of adjustment
1 Worn, bent or loose blade
2 Bent blade mandret.
3 Loose/damaged part(s),
1, Fill fuel tank
2 See "rO START ENGINE" in Operation section
3 Wait several minutes before attempting to start
4 Replace spark plug
5 Clean/replace air fitter
6 Replace fuel filter
7 Drain fuel tank and carburetor, refill tank with fresh
gasoline and replace fuel filter
8 Check afl wiring
9 See "To Adjust Carburetor" in Service Adjustments
section
10 Contact an authorized service center/department
t Clean/replace air filter
2 Replace spark plug
3 Recharge or replace battery
4. Replace fuel filter
5 Drain fuel tank and refill with fresh gasoline
6. Check all wiring
7 See 'q'o Adjust Carbureto¢' in Service Adiustments
section
8 Contact an authorized service center/department
,i, Ul
=
t Depress clutch/brake pedal
2 Disengage attachment clutch
3 Recharge or replace batten/
4 Replace fuse
5 Clean battery terminals
6 Check a{l wiring
7. Check/replace ignition switch
8 Check/replace solenoid or starter
9 Contact an authorized service center/department
1 Recharge or replace battery
2 Clean battery terminals
3 Checkall wiring
4 Check/replace solenoid or starter
1,, Set in "Higher Cut" position/reduce speed
2 Adjust throttle control ,
3 Clean underside of mower housing
4, Clean/replace air fiIter
5, Check oil level/change oil
6 Clean and regap or change spark plug
7 Replace fuel filter,
8 Drain fuel tank and refiil with fresh gasoline
9 Drain fuel lank and carburetor, refill tank with fresh
gasoline and replace fuel filter
I0 Connect and tighten spark plug wire
1 t Clean engine air screen/fins
12 Cleanlreptace muffler
13 Check all wiring,,
14 See "To Adjust Carbureto¢' in Service Adjusfments
section
15 Contact an authorized service center/department
1 Replace blade Tighten blade boIt
2 Replace blade mandre_
3 Tighten loose part(s) Reptace damaged parts
29

,i,,=,, i1,1 i .... ii _, _ iii, i........ ,,,, _
TROUBLESHOOTING POINTS
PROBLEM
Engine continues to run
when operator leaves seat
with attachment clutch
engaged
Poorcut-uneven
Mower blades will not
rotate
Poor grass discharge
Headllght(e) not working
(if so equipped)
Battery will not charge
Loss of drive
, m
Engine "backfires"
when turning engine
"OFF"
CAUSE
1 Faulty operator-safety presence control system,
.... i, ,,i i,iii , ,,,_1 ....
1 Worn, bent or loose blade
2 Mowerdeck not level
3 Buildup of grass, leaves, and trash under mower
4 Rent btada mandret
5 Clogged mower deck vent hotes from butfdup of
grass, loaves, and trash around mandrels
1 Obstruction in clutch mechanism
2 Worn/damaged mower drive belt
3Frozen idler pulley
4 Frozen blade mandrel
CORRECTION
,,111,,,11, ii ,i , , ii ,i,i, i , ii
Check wiring, switches and connections tf not
correcled, contact an authorized service center/
depadment
1 Replace blade Tighten blade bolt.
2. Level mower deck.
3Glean underside of mower housing,
4 Replace blade mandrel
5, Clean around mandrels to open vent holes
1 Remove obstruction
2 Replace mower drive belt
3, Replace Idiot pulley
4 Replace blade mandrel
t, Engine speed too slow
2, Travel speed too fast
3 Wet grass
4 Mower deck not level
5 Low/uneven tire air pressure
6 Worn, bent or loose biade
7 Buildup of grass, leaves and trash under mower
8 Mower drive bett worn
9 Blades improperly installed
t0 Improper blades used
11 Clogged mower deck vent holes from buttdup of
grass, leaves, and trash around mandrels
1 Switch is "OFF"
2 Bulb(s) burned out
3 Faulty light switch
4 Loose or damaged wiring
5 Blown fuse
1 Bad battery cell(s)
2 Poor cable connections
3. Faulty regt_lator (if so equipped)
4. Faulty alternator
1 Freewheel control }n "disengaged" position
2 Motion drive belt worn, damaged, or broken
3 Air trapped in transmission during shipment
or servicing
----ram " II II1'11 II
1 Engine throttle controt not set at "St.OW"
position for 30 seconds before stopping engine
1 Place throttle conlrol in "FAST" position
2 Shift to slower speed
3 Allow grass to dry before mowing
4 Level mower deck
6. Check tires for proper air pressure
6 Replace/sharpen blade Tighten blade bolt.
7 Clean underside of mower housing
8 Replace mower drive belt
9 Reinstall blades sharp edge down
10 Replace with blades listed tn this manual
11 Clean around mandrels to open vent holes..
1 Turn switch "ON"
2 Replace bulb(s)
3 CheckJreplace light switch
4 Check wiring and connections
5 Replace fuse
1 Replace battery
2 Check/clean all connections.
3 Replace regulator
4 Replace alternator
t Place freewheel control in "engaged" position
2 Replace motion drive belt
3 Purge transmission
,11 ,i
1 Move throttle control to "SLOW" position and allow
to idle for 30 seconds before stopping engine
3O

SCHEMATIC
TRACTOR - - MODEL NUMBER 917.259592
"111
RE0 OIIIo
BATTERY
C_:)
FUSE 30 AMP
RED
SOLENOID
STARTER
SPARK PLUG {
IGNITION p--_f_) GAP
UNIT J "_ (2 PLUGS ON
TWIN CYL, ENGINES)
CHARGING SYSTEM OUTPUT
3AMP DC @ 3600 RPM
28 VOLTS AC MSN, @ 3800 RPM
(CHARGING SYSTEM DISCONNECTED)
(ECCB ECC]3 13CC_
DIODE I ALTERNATOR
LIGHTING SYSTEM OUTPUT&_ I ......... j
5 AMP AC @ 3800 RPM "_ 14 VOLTS AC M!N @ 3600 RPM (LIGHTS OFF)
IGNITION SWITCH
POSITION CIRCUIT "MAKE"
OFF G + M + L NONE
RUN/LIGHT B + L A + Y
L ......
RUN B + L NONE
START_;L;'S No.E1
]
NOTE
YOUR TRACTOR IS
EQUIPPED WITH A SPECIAL
ALTERNATOR SYSTEM
THE UGHTS ARE NOT
CONNECTED TO THE
BATTERY, BUT HAVE THEIR
OWN ELECTRICAL SOURCE
BECAUSE OF THIS, THE
BRIGHTNESS OF THE LIGHTS
WILL CHANGE WITH ENGINE
SPEED. AT IDLE THE LIGHTS
WiLL DIM. AS THE ENGINE 1S
SPEEDED UP, THE LIGHTS
BROWN
RELAY
HEADLIGHTS /,_
@ O
NON-REMOVABLE REMOVABLE
CONNECTIONS CONNECTIONS
WILL BECOME THEIR BRIGHTEST,
WIRING INSULATED CLIPS
NOTE: IF WIRING INSULATED CLIPS WERE REMOVED FOR
SERVICING OF UNIT, THEY SHOULD BE REPLACED TO
PROPERLY SECURE YOUR WIRING
31

REPAIR PARTS
TRACTOR - - MODEL NUMBER 917.259592
ELECTRICAL
19
20
31
I
I
I
I
25
26 0
52
29
16
I
I
I
i
t
f
/
/
/
\
I
/
!
I
32

REPAIR PARTS
TRACTOR - - MODEL NUMBER 917.259592
ELECTRICAL
KEY PART
NOo NO. DESCRIPTION
1 144926
2 74760412
3 STD55!025
4 STD551125
6 STD541025
7 7697J
8 7603J
9 109596X
t0 '145211
1! 150109
12 145769
16 161343
19 STD551125
20 73350400
21 136850
22 4152J
24 146136
25 146148
26 108824X
28 145491
29 160784
30 140301
31 124211X
32 141226
33 109310X
40 161438
4't 71110408
42 131563
43 145673
44 73640400
45 12t433X
55 17490508
70 142621
8! 109748X
88 161366
Battery 12 Volt 30 Amp
Bolt, Hex Head 1/4-20 unc x 3/4
Washer
Washer
Nut
Tube, Plastic, 46"
Tray, Battery
Clamp, Hose
Bolt BTR FRT 1-4-20 x 7.5
Holddown Battery
Nut, Push Nylon 1/4 Bat. FrL
Switch Interlock N. OPN. 1 N. OPN
Washer, Lock
Nut, Hex, Jam 1/4-20 UNC
Harness, Light Socket
(Includes 4152J)
Bulb, Light
Cable, Battery, 6 Gauge, Red, 24"
Cable, Battery, 6 Gauge, Red, W/
16 Wir 22"
Fuse, 30 Amp
Cable, Ground, 6 Gauge, Black, 2I"
Switch, Plunger Normal OP OIive
Switch, Ignition
Nut, Ignition
Cover, Key Switch
Key, Ignition
Harness, ignition
Bolt, Hex Head, Fin. 1/4-20 x 1/2
Cover, Terminal, Red
Solenoid
Nut Keps Blk Hex 1/4-20 UNC
Ammeter Rectangular 16 Amp
Screw, Thdrol 5/16-18 x 1/2
Harness Engine
Relay Assembly
Harness Engine
NOTE: All component dimensions given in U.S inches
1 inch = 25.4 mm
33

REPAIR PARTS
TRACTOR - -MODEL NUMBER 917.259592
CHASSIS AND ENCLOSURES
26 47
31
90
t25
71
66
115
26
33 t0
3O
\
6
\-V 36
36
25
26
121
122
44
117
114 64
17
123
140
1
26
28
86
114 117
3
34

REPAIR PARTS
TRACTOR - - MODEL NUMBER 917.259592
CHASSIS AND ENCLOSURES
KEY PART
NOo NO. DESCRIPTION
1 159530 Chassis
2 140356 Drawbar
3 I7490612 Screw, Thdrol. 3/8-16 x 3/4 Type TT
6 155923 Saddle
8 126471X Clip, Fuel Line
9 145203 Dash, Plastic
10 72140608 Bolt, Carriage 3/8-16 x I
ll 145218 Panel, Dash, LH
I3 145217 Panel, Dash; RH
17 136673X558 Hood Assembly
24 STD523710 Bolt
25 19131312 Washer 13/32 x 13/I6 x 12 Gauge
26 STD541437 Nut
28 136373X428 Grill
29 136374 Lens, Bar, Clear
30 140002X558 Fender
31 137113 Bracket Assembly, Fender
33 145244X558 Footrest, LH
34 145243X558 Footrest, RH
35 STD533707 Bolt
36 108067X Nut, Pal
37 17490508 Screw, Thdroi 5/16-18 TYT
38 139886 Bracket Assembly, Pivot, LH
39 t39887 Bracket Assembly, Pivot, RH
44 140675 Fender Strap
47 105531X Nut, Push, Nylon
50 137304 Rod, Support Hood
59 110436X Bushing, Snap, Split
64 150272 Dash, Lower
66 156276X012 Plate, Dash
73 17580408 Screw Tap Tite 1/4-20 x 1/2
86 136670X558 Panel Assembly, RH
87 136671X558 Panel AssembLy, LH
90 STD551025 Washer 17/64
114 145349 Bracket, Support, Dash
115 121794X Cover, Access
117 144283 Washer Serrated Disk 13/32 x 1
118 145595 Bracket, Clutch Mech SRS YT 95
119 19092016 Washer 9/32 x 1-1/4 x 16 Ga..
120 137271 Rivet, Ratchet, Female
!21 137269 Washer, Nylon
122 137270 Rivet, Rachet, Male
123 157105 Bracket Assembly, Pivot, Hood LH
124 157107 Bracket Assembly, Pivot, Hood RH
125 74180412 Screw, Machine 1/4-20 x 3/4
140 158418 Bracket SuspensionFront
145 156524 Rod Pivot Chassis/Hood
- _ 5479J Plug, Btn Blk 359 Diao
NOTE: All component dimensions given in U_S inches
1inch = 25.4 mm
35

FtEPARR PARTS
TRACTOR = - MODEL NUMBER 917.259592
DRIVE
81
10
87
2'i
61
4'I/%_
42---'_
4o---_
65
64
_42 I
97
/
19
98 30 61
?6 35
121
)/48
118
26
61
,/
53
16 84100
77
26
24 22
9
105
78 i00
27
106
55
36

REPAgR
DRIVE
PARTS
TRACTOR - - MODEL NUMBER 917.259592
KEY PART
NO. NO,
150071
2 142431
3 143995
8 141002
10 76020416
15 74490544
16 73800500
18 74780616
19 73800600
21 130564
22 145627
24 73350600
25 106888X
26 19131316
27 76020412
28 145204
29 124236X
30 130807
32 74760512
34 155071
35 120183X
36 19211616
37 1572H
38 123674X
39 74760644
40 4470J
41 154777
42 19131312
47 127783
48 154604
49 123205X
50 74760624
51 73680600
52 73680500
53 1057t0X
55 105709X
56 74760620
57 140294
59 140312
6I 17490612
62 8883R
KEY PART
DESCRIPTION NO, NO. DESCRIPTION
Transaxle (See Breakdown) Hydro 63 140186
Gr Model 310-0650 64 71170764
Spring, Return, Brake 65 STD551143
Pulley, Transaxle 66 154778
Rod Shift Hydro LT 69 142432
Pin Cotter 1/8 x I CAD 70 134683
Bolt Hex Flghd 5/16-18 Gr. 5 71 140158
Nut Lock Hex Wttns. 5/16-18 Unc 72 I91320'12
Bolt Fin Hex 3/8-16 Unc x 1 Gro5 73 156347
Nut Lock Hex Wt_Vsh 3/8-16 Unc 74 121199X
Knob, Deluxe 1/2-13 75 121749X
Rod, Brake Hydro 76 12000001
Nut, Hex Jam 3/8-16 Unc 77 123583X
Spring, Brake Rod 78 121748X
Washer 81 156046
Pin Cotter 1/8 x 3/4 CAD. 82 123782X
Rod, Parking Brake 83 19171216
Cap, Parking Brake 84 140548
Bracket, Transaxle 86 71208
BoltHexHd 5/16-18Uncx3/4 87 19212016
Shaft, Foot Pedal 88 12000008
Bearing, Nylon 89 151146
Washer 91 74780536
Pin, Roll 92 74780524
Pulley, Idler, Flat 93 142564
Bolt 94 140462
Spacer, Split 95 144643
Keeper, Belt Idler 96 4497H
Washer 13/32 x 13/16 x 12 Gauge 97 140469
Putley, Idler, V-Groove 98 73510600
Bellcrank Assembly 100 19111216
Retainer, Belt 102 141322
Bolt 103 73940800
Nut Crownlock 3/8-16 UNC 104 140156
Nut, Crownfock 5/16-18 Unc 105 71070516
Link, Clutch 106 74780520
Spring, Return, Clutch 116 72110610
Boft Hex 3/8-16 x 1-1/4 118 154774
V-Belt, Ground Drive 12t 154419
Keeper, Center Span
Screw ThdroL 3/8d6 x 3/4 Ty. TT
Cover, Pedal
Pulley, Engine
Bolt Hex
Washer
Keeper Belt Engine
Screw
Keeper Belt Engine ,,
Strap Torque Lh Hydro 18/20 T
Washer 13/32 x 1-1/4 x 12 Gauge
Strap Torque Rh Hydro 18/20" T
Spacer, Split
Washer 25/32 x 1-1/4 x 16 Gauge
E-Ring
Key, Square
Washer 25/32 x 1-5/8 x 16 Gauge
Shaft Asm Cross Hydro 20" Tires
Spring Torsion T/A
Washer 17/32 x 3/4 x 16 Ga.,
Rod, Tie Hydro 20" Tires
Bushing Rod Strig.. 629/632 ID
Washer 21/32 x 1-1/4 216 G&
Ring Klip #5304-62
Console, Shift
Bolt Fin Hex 5/16q8 x 2-1/4
Bolt Fin Hex 5/6-18 Unc x 1-1/2
Line Fuel Hydro 4"
Fan, Hydro 7"
Control Bypass Hydro 20" Tires
Retainer Spring !" Zinc/Cad
Keeper Bolt Rh Hydro 0750. 18/20"
Nut Keps Hex 3/8-16 Unc
Washer 11/32 x 3/4 x t6 Ga.
Washer Be/ivifle .501D x 1o50D
Nut Hex Jam Toplock l/4-20 Unf
Arm, Control Hydro
Screw Cap Hex 5/16 x 18 x 1
Bolt Fin Hex 5/16_18 Unc x 1-1/4
Bolt Rdhd Sq Neck 3/8-16 x 1,.25
Spacer BeIIcrank
Nyliner Clutching STL
NOTE: All component dimensions given in U.S inches
1 inch = 25,,4 mm
37

REPAmR PARTS
TRACTOR - - MODEL NUMBER 917.259592
STEERING ASSEMBLY
62
11
\
\
\
\
\\
53 J
49
4s_
3O
69
32
53
67
70
13
43
t/
l !
I1
38

REPAIR PARTS
TRACTOR - - MODEL NUMBER 917.259592
STEERING ASSEMBLY
KEY PART
NO, NO. DESCRIPTION
1 T21472X
2 154427
3 156483
4 157473
5 6266H
6 121748X
7 19272016
8 12000029
9 3366R
10 156436
11 STD551137
12 STD541350
13 154779
15 73901000
17 156543'
18 57079
19 I24035X
20 126684X
22 71200410
23 127501
25 154406
26 126847X
27 136874
28 19131416
29 17490612
30 STD561210
31 138171
32 130465
36 145207
37 152927
38 126805X
39 100712K
40 STD541537
41 100711L
42 140216
43 t21749X
45 106933X
46 12t232X
47 6855M
48 146841
49 131291
52 106451X
53 73680600
62 156595
65 154780
66 154404
67 74781044
68 154429
69 160367
70 74780636
Steering Wheel
Front Axle Assembly
Spindle Assembly, L.H.
Spindle Assembly, RH.
Bearing, Race, Thrust, Hardened
Washer 25/32 x 1-5/8 x 16 Gauge
Washer 27/32 x 1-1/4 x 16 Gauge
Ring, Klip
Bearing, Steering Column
Link, Drag
Washer, Lock
Nut Hex Jam Toplock l/2-20 UNF
Bearing, Axle
Nut, Lock, Flange 5/8-11 UNC
Shaft Assembly, Steering
Washer, Thrust .515 x 750 x .033
Support, Shaft
Washer, Shim 1/4 x 5/8 x .062
Screw Hex Socket 1/4-20 x 5/8
Pittman Shaft Assembly
Bracket, Steering
Bushing, Link, Drag
Gear, Sector
Washer 13/32 x 7/8 x 16 Gauge
Screw, Thd, Roll. 3/8-16 x 3/4
Pin
Bracket, PVT Man. CL LVR V2 Sears
Rod, Tie
Bushing, Steering
Screw
Insert, Steering Wheel
Washer 53 x 225 x .160
Nut Lock Center 3/8-24 UNF
Adaptor, Steering Wheel
Boot, Steering Dash P/L Mtl BIk
Washer 25/32 x 1.-1/4 x 16 Gauge
Knob, Rd
Cap, Spindle
Fitting Grease
Lever, Asm Clutc q MWR SRS
Link, Clutch, w!Nibs 5.688 Zinc
Bolt, Shoulder 3/8-16 UNC Gr.. 2
Nut, Crownlock 3/8-16 UNC
Kit, Steering Assembly, Service
Spacer Axle
Bearing Arm Pittman
Bolt Fin Hex 5/8-11 unc x 2-3/4
Brace Axle
Spacer, Brace, Axle
Bolt, Fin, Hex 3/8-16 UNC x 2-1/4
NOTE: All component dimensions given in U_S, inches
1 inch = 254 mm
39

REPAnR PARTS
TRACTOR -- MODEL NUMBER 917.259592
SEAT ASSEMBLY
KEY PART
NO, NO.
1 140123
2 140551
5 145006
6 STD541437
7 124181X
10 155925
11 120068X
12 121246X
13 121248X
14, 72050411
15 134300
16 121250X
10
KEY PART
DESCRIPTION NO. NO. DESCRIPTION
Seat
Bracket, Pivot, Seat
Clip, Push-in Hinged
Nut
Spring, Seat
Pan, Seat
Knob, Seat
Bracket, Switch Mounting
Bushing, Snap
Bolt, Carriage 1/4-20 x 1-3/8
Spacer, Split ,28 x _88
Spring
17 123976X
18 124238X
2I 153236
22 STD541431
24 19171912
25 127018X
27 17490608
28 150176
Locknut, Flange t/4 Grade 5
Cap, Spring Seat
Bolt, Shoulder 5/16-18 UNC
Nut
Washer 17/32 x 1-3/16 x 12 Gauge
Bolt, Shoulder 5/16-18 x .62
Screw, Thdrot 3/8-16 x t/2 TY-TT
Bolt 5/16-18 UNC x 3/4 w/Sems
NOTE: AIl component dimensions given in U.S. inches
1 inch = 25°4 mm
4O

REPAnR PARTS
TRACTOR - - MODEL NUMBER 917.259592
DECALS
I5
9
20 6 3 18 7 25 7 18 4 10
21
12
26
13
26
KEY PART 8 KEY PART
NO, NOo DESCRIPTION NOo NO,
1 140837 Decal, Saddle Parking Brake 18 151708
2 12-113-55 Decai, HP Engine 19 150333
3 160286 Decal, Hood, RH. 20 146710
4 160287 Decal, Hood, LH. 21 138047
5 142341 Decal, Drawbar Cntrl Mvt Hyd Lt 22 138048
6 133644 Decai, Customer Maintenance 23 149516
7 142241 Decal, Side Panel, Kohler 25 151400
8 156787 Decal, Mower, EZ3 26 106202X
9 146709 Decal, Fender, Craftsman 27 156835
10 156439 Decal, Caution, English __ 145246
11 4900J Decal, Clutch/Brake, English _- 145247
12 146046 Decal, V-Belt Drive Schematic - - 13831t
13 147138 Decal, Chassis, 42" -- 161423
14 160396 Decal, V-Belt Schematic - = 161424
15 149918 Decal, Fend Auto Trans
WHEELS & TIRES KEY PART
NO. NO,
DESCRIPTION
Decal, Ins. Hood
Decal, Cap Cnsmr Help Line Srs
Decal, Insert Strg Std Auto USA
Decal, Battery Diehard Sears
Decat, Panel Side Diehard Sears
Decai, Battery Dangr/Psn Srs. Eng
Decal, GrilleLT tPC Sears
Reflector, Tail, Light Red/Amber
Decal, Dash Inst Oper English
Pad Footrest Rbr Sq Craftsman
Fastener, Pop In Footrest
Decal, Lift Handle
Owners Manual, English
Owner's Manual, Spanish
41
DESCRIPTION
5 106732X427
6 278H
7 9040H
8 t06108X427
9 122082X
10 7152J
11 104757X
-- 144334
NOTE:
Valve Cap, Tire
Stem, Valve
Tire, Front
Tube, Front Tire
(Not Provided, Service Item Only)
Rim, Front
Fitting, Grease (Front Wheel Only)
Bearing, Flange (Front Wheel Only)
Rim, Rear
Tire, Rear
Tube, Rear Tire
(Not Provided, Service Item Oniy)
Cap, Axle
Sealant, Tire (10 oz. Tube)
All component dimensions given in U. S. inches
1 inch = 2&4 mm

REPAMR
ENGINE
PARTS
TRACTOR-- MODEL NUMBER 917.259592
#
32 31
40
39
33
37
41
14
79
29
OPTIONAL EQUIPMENT
Spark Arrester
80
4
23
42

REPAIR PARTS
TRACTOR - - MODEL NUMBER 917.259592
ENGINE
KEY PART
NO, NO. DESCRIP_ON
1
2134265
17720410
4 137350
14 13280328
15 13200300
16 STD551231
23 156123
29 137180
31 151346
32 152334
33 123487X
34 106082X
35 17490512
37 8543R
38 ......
39 109227X
40 3645J
41 139277
62 STD551131
77 19101216
79 M740108025
80 74760508
81 128861
Control, Throttle
Screw, Hex Head, Thread Cutting
1/4_20 x 5/8
Engine (See Breakdown) Koht Model
No. CV15S-PS 41565
Muffler
Nipple, Pipe 3/8 NPT x 3ol/2
Elbow, Standard 90°, 3/8q8 NPT
Washer
Shield, Browning
Arrestor, Spark
Tank, Fuel
Cap Assembly, Fuel Tank
Clamp, Hose
Pad, Spacer 1 x 1 x 1 Blk
Screw, Thdrol 5/16-18 x 3/4
Line, Fuel
Plug, Oil Drain
(Order From Engine Manufacturer)
Pad, Idler 1,75 x _75x ..06
Bushing
Stem, Tank Fuel
Washer, Lock
Washer 5/16 x 3/4 x 16 Ga,
Bolt Hex
Bolt Hex Hd 5/16_18 UNC x 1/2
Nut Flange 1/4-20 UNC Starter Nut
NOTE: All component dimensions given in US, inches
1inch = 25.4 mm
43

FIEPAJR PARTS
TRACTOR - - MODEL NUMBER 917.259592
MOWER LIFT
37
38
4O
41
5 49
6
12
6
7
5
4
19
13
32
'13
2O
15 2O
161718 20
\
15
44

REPAIR PARTS
TRACTOR - -MODEL NUMBER 917.259592
MOWER LIFT
KEY PART
NO. NO, DESCRIPTION
1 159461
2 159476
3 138284
4 12000002
5 19211621
6 120183X
7 125631X
8 122385X
11 139865
12 139866
13 STD624008
15 127218
16 73350800
17 130171
18 73800800
19 139868
20 STD824008
23 110807X
24 19131016
25 137150
26 76020308
27 137167
28 73350600
29 138057
30 150233
31 140302
32 73540500
36 155097
37 123935X
38 17490512
40 19112410
41 123934X
49 145212
50 110452X
Wire Asm,, inner w/plunger
Shaft Asm Lift
Pin Groove
ERing #5133-62
Washer 21/32 X t X 21 Ga
Bearing Nylon
Grip Handle Fluted
Button, Plunger
Link Lift Lh
Link Lift Rh
Retainer Spring
Link Front
Nut Jam Hex 1/2-13 Unc
Trunnion Blk Zinc
Nut Lock WiWsh 1/2-t3 Unc
Arm Suspension Rear
Spring Retainer
Nut Special
Washer 13/32 X 5/8 X 16 Ga
Spring"
Pin Cotter 3/32 x 1/2
Rod Adjust Lift
Nut Hex ,]am 3/8-16 Unc
Knob Infinite 3/8-16 Unc Black
Trunnion Inf Height
Bearing PvL Lift Spherical
Nut, Crownlock 3/8-24
Pointer, Height Indicator
Plug, Hole
Screw Thdrol 5/16-18 x 3/4
Washer 11/32 x 1-1/2 x10 Gauge
Scale, Height indicator
Nut Hex Flange Lock
Nut Push Phos & Oil
NOTE: All component dimensions given in U.S. inches
1 inch = 25.4 mm
45

REPAIR PARTS
TRACTOR - -MODEL NUMBER 917.259592
MOWER DECK
74
76 77
52
34
32
30
i -21
102
105
106
\
21
\2
22
23
16
24
25
26
27
46

REPAIR PARTS
TRACTOR - - MODEL NUMBER 917.259592
MOWER DECK
KEY PART KEY PART
NO, NO. DESCRIPTION NO. NO. DESCRIPTION
1 144393
2 STD533107
3 138017
4 13844O
5 STD624008
6 130832
8 850857
9 STD551137
10 140296
1t 134149
12 129895
13 137645
14 128774
15 110485X
16 140329
17 72110610
18 72140505
19 132827
20 136888
2I STD541431
22 134753
23 131267
24 105304X
25 123713X
26 110452X
27 130968
28 19111016
29 131491
30 138776
3t 129963
32 129861
33 137266
34 STD533717
35 133835
36 131494
37 19131316
40 STD541437
41 '133551
43 140083
44 140088
45 STD624003
46 137729
48 133944
49 133940
50 131340
51 STD541410
52 139888
53 131845X900
54 133943
55 140084
56 122052X
Mower Housing 58
Bott 59
Bracket Assembly,Sway Bar, Front 67
Bracket Assembly, Sway Bar 66
Retainer Spring 71
Arm, Suspension, Rear 72
Bolt, Hex 3/8-24 x 125 Grade 8 73
Washer, Lock 74
Washer, Hardened 75
Blade, Mulching 76
Bearing, Bali 77
Shaft Assembly, Mandrel, Vented 78
(Includes Key Number 6). 79
Housing, Mandrel, Vented 80
Bearing, Ball, Mandrel 81
Stripper, Vented Mower Deck 82
Bolt, Carriage 3/8.16 x 1-1/4 83
Bolt, Carriage 5/16-18 x 5/8 84
Bott, Shoulder 85
Baffle, Vortex 92
Nut Crowntock 5/16-18 UNC 101
Stiffener Bracket 102
Bracket, Deflector 103
Cap, Sleeve 104
Spring, Torsion, Deflector 105
Nut, Push 106
Shield, Deflector 111
Washer 11/32 x 5/8 x 16 Gauge 112
Rod, Hinge 113
Screw Thdrol Hex Head Zinc Mwr 114
Washer, Spacer 115
Putiey, Mandrel 116
Nut, Toplock, Flanged 117
Bolt 118
Fastner, Christmas Tree 119
Pulley, Idler, Flat 121
Washer 13/32 x 13/16 x 16 Gauge 128
Nut Crownlock 3/8-16 UNC 129
Rod, Pivot, wffh Nibs 130
Rod, Clutch, Secondary, with N;bs 13t
Guard, Mandrel, L..Ho 132
Retainer
Screw, Thd. Roll 1/4_20 x 5/8 - -
Washer, Hardened
Roller Assembly, Cam Follower - -
Bott, Shoulder #10-24 Grade 5
Locknut
Bolt, Shoulder 5/16-18 UNC
Arm Assembly, Pad, Brake
Washer, Hardened
Arm, Idler
Spacer, Retainer
140086
141043
149846
144200
142427
131870
127847
121748X
12000029
128903
127845
154809
127498
153701
73350600
142028
120958X
156084
72140618
STD541437
136420
71161010
19061216
STD551110
130758
2029J
155197
155198
17490512
73510500
72110504
137644
133957
73930600
19121414
143723
153390
19131312
STD523710
STD5337t0
19132203
130794
145411
Spring, Torsion Brakes
Guard, TUV tdier
Knob Custom Oval
V-Belt
Rod, Clutch, Primary, with Nibs
Spring, Return
Arm, Clutch, Secondary
Washer 25/32 x1-5/8 x 16 Gauge
Ring, Ktip
Bolt, Shoulder 3/8-16 UNC x 1_44
Keeper, Spring
Lever Asm Clutch Pri Ptm STLT
Bushing, Large, Brass
Spring, Mower Clutch
Nut, Hex Jam 3/8-16 Unc
Trunnion, Adj.
Washer Sintered
Keeper Belt Idler
Bolt Carriage 3/8o16 x 2-1/4
Nut
Mulcher Cover
Screw
Washer #10
Washer, Lock
Latch Assembfy, Bagger
Nut, Weld
Bracket, Gauge, Wheel L.H
Bracket, Gauge, Wheel RH..
Screw Thdrol 5/16-18 x 3/4
Nut, Hex, Keps 5/16-t8 UNC
Bolt, Carriage 5/16 UNC x 1/2
Bolt, Shoulder
Wheel, Gauge
Nut, Centerlock 3/8q6
Washer 3/8 x 7/8 x 14 Gauge
Bracket
Washer Felt
Washer 13/32 x 13/'16 x 12 Ga.
Bolt, Fin Hex 3/8-'16 UNC x t Gr. 5
Bolt, RDHD SQNK 3/8-16 UNC x 1
Spacer Washer 13/32 LD. x 1-3/8
O,D_ x 1/4
Martdrel Assembly (includes Key
Numbers 8-10, 12-15, 31 and 32)
Mower Deck, Complete (Standard
Deck, Order Separately Mulcher
Plate and Gauge Wheel
Components, Key Nos 101-106
and 111-121 )
NOTE: All component dimensions given in LJ.S..inches
1 inch = 25.4 mm
47

REPAIR PARTS
TRACTOR - - MODEL NUMBER 917.259592
HYDRO GEAR TRANSAXLE - MODEL NUMBER 310-0650
58
90
91
52
34 I39
26
23
44
29
59
28
91
17
52 53
14
15 62
4
5
90
35
113
48

REPAIR PARTS
TRACTOR - - MODEL NUMBER 917.259592
HYDRO GEAR TRANSAXLE -MODEL NUMBER 310-0650
KEY PART KEY PART
NO. NO. DESCRIPTION NO. NO. DESCRIPTION
! 142930 Housing, Lower 43 142884 Washer 7/16 x 7/8 x °060
2 142931 Assembly, Upper Housing 44 t50829 Differential Assembly
3 142932 Seal, Lip 52 142991 Washer 3/4 x 1o5x,I3
4 142928 Ring, Wire Retaining 53 142961 Seal ,75 x 125 x 4250
5 142933 Ring Retaining 56 142963 Shaft, Input
6 142934 Bearing, Shaft Bal 58 142964 Bolt 1/4-20 x 1.38
7 142935 Bearing, Cradle 59 142965 Pin .50D x.43 ID x.750
8 150771 Bearing, Thrust 30 x 52 x 13 62 142966 Arm, Control
9 142937 Swashplate, Variable 63 142967 Puck, Dampener
13 142938 Block, Cylinder Assembly 64 142920 Set Screw
14 142939 Arm, Trunnion 68 142969 Spring
15 142940 Seat, Lip 69 144610 Stud 5/'16-24
17 142941 Guide, Slot 83 142971 Jackshaft Assembly
18 150772 Shaft, Motor 85 150806 Jackshaft
19 150773 Bearing, Thrust 42 x 68 x 16 88 142973 Screw, Cap
23 142944 Block, Cylinder Assembly 89 142974 Washer 7/16 x 1 x 1/2
24 142945 Seal, Lip 10 x 25 x 7 90 142975 Sleeve Bearing
25 142946 Actuator, Bypass 91 142976 Seal, Wiper
26 150774 Center Section Assembly Kit 92 142977 Spring, Block
27 142948 Seal, Lip 26 x 42 x 8 93 142978 Washer, Block Thrust
28 142949 Ring, Retaining 113 142917 Cap, Vent Assembly
29 142950 Washer 28 x 35 x 1 t14 1429'18 Fitting, O-Ring Assembly
30 150787 Plate, Bypass 119 142980 Spacer
34 142951 Oil Filter Element 134 144607 Nut, Castle 5/16-24
35 142952 Arm, Bypass 135 144608 Pin, Cotter
36 142953 Ring, Retaining 139 150775 Spring, Compression
37 142954 Arm, Actuating 140 150776 Nut, Hex 5/16-24
38 142955 Pin, Actuating
39 I50777 Bolt 5/16-24 x 1-3/4 NOTE: All component dimensions given in UoS. inches
40 150778 Locknut, Hex 5/16-24 UNJC 1 inch = 25.4 mm
41 142958 Brake Rotor/Stator Kit
49

REPAIR PARTS
TRACTOR --MODEL NUMBER 917.259592
KOHLER ENGINE - MODEL NUMBER CV15S, TYPE NUMBER PS-41565
AIR iNTAKEj
@----6
__
10
O"A"_SHAFTI
14
8
E.G,.ECO.T.O.,S,I
2 3
/
EXHAUST I
_1 _4
5O

REPARR PARTS
TRACTOR -- MODEL NUMBER 917.259592
KOHLER ENGINE - MODEL NUMBER CV15S, TYPE NUMBER PS-41565
AIR INTAKE ENGINE CONTROLS
KEY PART KEY PART
NO. NO. DESCRIPTION NO. NO.
1 25-341_02
2 12-096-24
3 12-083-08
4 12-100-01
5 X-25-63
6 12-313-04
7 12-083-05
8 12-072-03
9 12-086-01
10 12-094-12
12-079-07
12-237-01
M-0664020
M-0545016
12-536-09
!1 !2-041-02
Knob, Air Cleaner Cover 1
Cover, Air Cleaner 2
Precleaner Element 3
Wing Nut 4
Washer, Ptain 1/4 5
Grommet
Element, Air Cleaner (Includes #6) 6 M-0443020
Stud, M6 X 1.0 X 75 7 SM-0443025
Screw, #10 Hi-Lo Thread Forming 8 12-089-11
Base, Air Cleaner 9 12-089-23
(includes Key Numbers 9 and 10) 10 12-089-24
Gasket, Air Cleaner 11 M-0641060
12 SM-0642025
NOT ILLUSTRATED
- - 12-113-53 Decal, Air Cleaner
CRANKSHAFT
KEY PART
NO. NO. DESCRIPTION
l 12-014-37 Crankshaft
2 12.139-01 Plug, Cup
BLOWER HOUSING AND BAFFLES
KEY PART
NO, NO. DESCRIPTION
Screw, Flex Flange
M5 x 0.8 x 10 (13)
Washer, Plain 1/4
Plate, Blower Housing
Screw, Hex Flange M6 x 1.0 x 20
Cover, Pinion
Housing, Blower
Cover
Ring, Retainer (2)
Clip, Mounting (3)
Screw, Hex Flange M5 x .8 x 20 (3)
Baffle, Intake Side
Screw, Hex flange M6 x 1_0x 16 (2)
Baffle, Cylinder Head
Baffle, Cylinder
M-0545010
2 24-468-10
3 12-146-07
4 M-0645020
6 24-096-05
7 12-027-32
8 12-096_28
9 12-141o01
I0 25-154-02
11 M-0545020
12 t2-063_05
'13 M-0645016
t4 12-063-08
15 12-063-01
DESCRIPTION
!3 12-090-05
14 25-'158-11
15 12-079-01
!6 25q58-08
NOT ILLUSTRATED
- - 12-113-55 Decal, Horsepower
Linkage, Choke
Clamp, Cable
Screw (2), Locked Socket
Screw, Hex Flange M5 x .8 x 16
Control, Speed Assembly (includes
Key Numbers 6 through 9)
Screw, Pan Head M4 x 0.7 x 20
Screw, Pan Head M4 x 0.7 x 25
Spring, Choke Adjust
Spring, Choke Return
Spring, Governor
Nut, Hex Flange M6 x 1.0
Screw, Hex Flange
M6 x 1.0 x 25
Lever, Governor'
Bushing, Throttle Linkage
Linkage, Throttle
Bushing, Linkage Retaining
EXHAUST
KEY PART
NO. NO.
1 M-0829033
2 t2-041-03
3 M-0841080
4 12-126-11
5 12-445-06
6 M-0645025
DESCRIPTION
Stud M8 x 1.25 x 33 (2)
Gasket, Exhaust Manlfo d
Nut, Hex Flange M8 x 1.25 (2)
Bracket, Muffler
Strap, Lifting
Screw, Hex Flange
M6 x 1.0 x 25 (2)
NOT ILLUSTRATED
KEY PART
NO. NO. DESCRIPTION
-- 12-522-18
-- 12-755-59 Short Block
Gasket Set
RPM Settings:
RPM Settings Low Speed: 1500-2000
High Speed: 3200-3400
NOTE: All component dimensions given in U.S. inches
1 inch = 25A mm
51

REPAIR PARTS
TRACTOR - - MODEL NUMBER 917.259592
KOHLER ENGINE - MODEL NUMBER CV15S, TYPE NUMBER PS-41565
"FUEL "STEMI
/9
21 \
11-- @
-- 20
11--
_--19
7
= = i, =n
CYLINDER HEAD, VALVE AND BREATHER I
24--
16
/4
25
/
lO
15--
3
#/#/.2
@---1
19
18
\?
13
5\
/
14
52

REPAIR PARTS
TRACTOR - - MODEL NUMBER 917.259592
KOHLER ENGINE -MODEL NUMBER CVt5S, TYPE NUMBER PS-41565
FUEL SYSTEM CYLINDER HEAD, VALVE AND BREATHER
KEY PART KEY PART
NO. NO, DESCRIPTION NO. NO° DESCRIPTION
1 M-0641060
2 X-25-63
3 X-22-11
4 M-0629122
5 12-853-68
6 12-041-02
7 12-053-68
8 !2-04'1-01
9 !2-265-04
10 47-,154-01
11 X_426-9
12 52-353-22
13 25_050-02
14 25-155-02
15 12-559-01
Nut, Hex Flange M6 x 1.0 (2) 1
Washer, Plain t/4 2
Washer, Lock 1/4 3
Stud, M6 x 1.0 x 122 (2) 4
Kit, Carburetor (Includes #6 thru 8) 5
Gasket, Air Cleaner
Carburetor Assembly 6
(For Information Only - Not
Available Separately) 7
Gasket, Carburetor (2) 8
Deflector, Heat 9
Clip, Cable 10
Clamp, Hose (6)
Line, Fuel, 12" 11
Filter, Fuel 12
Connector, Hose, 90° 13
Kit, Fuel Pump with Gaskets 14
(Includes Key Numbers !6 thru 18) 15
Spacer, Fuel Pump 16
Gasket, Fuel Pump
Screw, Hex Ftange M6 x 1 x 20 (2) 17
Connector, Straight Hose 18
Line, Fuel, 1-1/4" 19
Line, Fuel, Metal 20
Screw, Hex Flange M5 x0.8 x 10 2t
Clamp, Fuel Line 22
Sleeve, Insulating 23
Grommet, Fuel Line
Line, Fuel, 2-1/2"
16 '12-112_05
17 25-041-09
18 M-0645020
19 X-380d
20 12-353-01
21 12-123-19
22 M-0545010
23 12-154-01
24 12-431-01
25 12-313-01
26 12-353-10
NOTILLUSTRATED
-- 12_041-01
-- 12-518-05
12-757-27
12-757-28
12-757-30
12-757-31
Gasket, Carburetor
Lead, Solenoid, Black, 5", 14
Gauge, Uninsulated Push-On Tabs
Kit, Carburetor Overhaul
Kit, Solenoid Repair
Kit, Choke Repair
Kit, Gasket Replacement
12-351-01
12-755-60
12-4tl-01
12-041-10
12-017-01
12-017-02
12-016-01
12-016-02
t2-146-13
12-468-05
12-112-13
12-086-15
12-089-01
12-173-01
12-755-03
X-426-.9
12-326-03
M-0645020
12-096-07
235011
24-032-05
M-0640034
24-194-01
24-186-03
M-0545010
24 t2-018-0t
25 12-402-02
26 12-318-09
27 X-75_23
Lifter, Valve (2)
Kit, Cylinder Head
Rod, Push (2)
Gasket, Cylinder Head
Valve, Intake, Standard Size
Valve, intake, .25" Oversize
Valve, Exhaust, Standard
Valve, Exhaust, .25" Oversize
Plate, Guide
Washer, Plain 13/32
Spacer, Head Bolt Exhaust Port
Screw, Hex Flange
M10 x 145 x 81 (5)
Spring, Valve (2)
Cap, Valve Spring (2)
Kit, Retainer (2)
Clamp, Hose (2)
Hose, Breather
Screw, Hex Flange
M6 x 1..0x 20 (5)
Cover, Valve with Nipple
Retainer, Spring
Seal, Valve Stem (2)
Screw, Hex Flange M6 x 1 x 34 (2)
Pivot, Rocker Arm (2)
Arm, Rocker (2)
Screw, Hex Flange
M5x0.8xl0
Retainer, Breather Reed
Reed, Breather
Head, Cylinder
Plug, Pipe, Allen Head 1/8
NOTE: All component dimensions given in US. inches
1 inch = 25.4 mm
53

REPAIR PARTS
TRACTOR --MODEL NUMBER 917.259592
KOHLER ENGINE - MODEL NUMBER CV15S, TYPE NUMBER PS-41565
I
IGNITION /ELECTRICAL
i, ii i,llllll i i
_--4
i__ 8
CRANKCA_
23 22 (_---- 1
3
11........................... i
OIL PAN /LUBRICATION ]
J
S 2--" J-.
.1 6_ 8----_ 15 --10
O--19
$--=I
6
/
i iii iiiii
STA.TINGSYSTEMI
0
@
@
54

REPAaR PARTS
TRACTOR - - MODEL NUMBER 917.259592
KOHLER ENGINE -MODEL NUMBER CV15S, TYPE NUMBER PS-41565
IGNITION /ELECTRICAL CRANKCASE
KEY PART KEY PART
NO. NO. DESCRIPTION NO. NO. DESCRIPTION
1 12-086-14 Screw, Hex Flange t 12-032-03
Mt0 x 1.5 x 46 2 12-522-18
2 12-468-03 Washer, Hex Flange 3 12-445-02
3 24-162-03 Screen, Grass 4 M_0839025
4 M-0639016 Screw, Hex Flange M6 x 1 x 16 (4) 5 12-380-03
5 12-112-01 Spacer, Fan (4) 6 12-755-49
6 12_157_02 Fan 7 12-089-t8
7 X-42-15 Key 8 12-422-08
8 12-025-25 Flywheei Assembly 12-422-09
9 41-155-02 Connector (4 Contact) 12-422-10
I0 M-0548025 Screw, Hex Cap 12-422-11
M5 x 0.8 x 25 (2) 12-422-12
11 M_0545010 Screw, Hex Flange 12-422-13
M5 x 0.8 x 10 (2) 12-422-07
12 12-154-02 Clip, Stator Harness 9 12-144-27
13 12-085-03 Stator Assembly I0 12-874-07
14 12-132-02 Spark Plug 12-874-08
15 X-728-1 Clip, Cable 12-874-09
16 12-584-01 Module, Ignition 11 12-018-02
17 M-0545020 Screw, Hex Flange 12 t2-108-07
M5 x 0.8 x 20 (2) 12-108-08
12-108-09
NOT ILLUSTRATED 13 12-067-05
- - t2_518-01 Lead, White, Ground To Kit1 (19", 12-067-06
18 Gauge, Fully Insulated Push-on 14 12-380-01
Tab and Uninsulated Push-on Tab 15 12-043-05
Terminals) 16 M-0631005
17 12-144-02
OIL PAN/LUBRICATION 18 52-139-09
19 12-755-64
KEY PART
NO. NOo DESCRIPTION
1 12-038-01
2 25-755_13
3 12-153-03
4 12-153-02
5 12-123-04
6 M-0545020
7 12- t53-01
8 25-162-07
9 12-096-03
10 M-0545016
11 M-I039025
12 12-126-02
13 12-089-03
14 12-462-01
15 t2-208-01
!6 12-050_01
!7 X-75-I0
18 12-393-01
19 12-032-04
20 t2-096-02
21 M-0545016
22 12-032-03
23 SM-0839045
Dipstick Assembly
(Includes Key Numbers 2 and 3)
Kit, Oil Fill Cap (includes Key #3)
O-Ring, Dipstick
O-Ring, Upper Oil Fill Tube
Tube, Oil Fill
Screw, Hex Flange M5 x 0.8 x 20
O-Ring, Lower Oil Fill Tube
Screen, Oi! Pick-up
Cover, Oil Pick_up Screen
Screw, Hex Flange M5 x 08 x 16
Screw, Hex Flange M10 x 15 x 25
Bracket, Oil Pump Relief Valve
Spring, Oil Pump Relief Valve
Piston, Oil Pump Relief Valve
Body, Oil Pump Relief Valve
Filter, Oil
Plug, Square Head, Solid 3/8
Oil Pump Assembly
O-Ring, Oil Pump Cover
Cover, Oil Pump
Screw, Hex Flange
M5 x 0.8 x 16 (3)
Seat, Oil (P.T.O.. End)
Screw, Hex Flange
M8 x 1o25 x 45 (12)
Pan, Oil
55
24 12-199-30
20 12-144-24
21 X-25-102
22 12-032-01
23 SM-0631015
24 I2-154-05
Seal, Crankshaft
Block, Cylinder (Use Short Block)
Strap, Lifting
Screw, Hex Flange M8 x 1.25 x 25
Dowel, Locating (4)
Kit, Camshaft (Includes Key #7 & 8)
Spring, Actuating
Shim, Camshaft, Blue
Shim, Camshaft, Red (AR.)
Shim, Camshaft, Yellow (A..R)
Shim, Camshaft, Green (A.R.)
Shim, Camshaft, Grey (A.R.)
Shim, Camshaft, Black (A.R.)
Shim, Camshaft, White (A.R.)
Shaft, Balance
Piston w!Ring Set, Standard
Piston w/Ring Set .25" Oversize
Piston w/Ring Set .50" Oversize
Retainer, Piston Pin (2)
Ring Set, Standard
Ring Set .25" Oversize
Ring Set .50" Oversize
Connecting Rod, Standard
Connecting Rod 25" Oversize
Pin, Governor Regulating
Gear, Governor Assembty
Washer, Plain 6mm
Shaft, Governor Gear
Plug, Cup
Kit, Shaft, Governor Cross, with
Clip (Includes Key #20 and 24)
Shaft, Governor Cross
Washer, Plain 1/4
Seal, Governor Cross Shaft
Washer, Ptain 6mm
Clip, Hitch Pin
STARTING SYSTEM
KEY PART
NO. NO, DESCRIPTION
3
4
5
7
8
M-0839070
25_098-03
12-755-54
12-227_06
45-170-03
12-227-11
12-086-25
Screw, Hex Flange
M8 x 1.25 x 70 (2)
Starter Assembly
(Includes Key Numbers 3 thru 8)
Kit, Drive End
Cap, Drive End
Armature
End Cap, Commutator
Screw, Hex Flange
lt4-20 x 4-5/8 (2)
NOTE: All component dimensions given in U.S. inches
1 inch = 254 mm

m - , i,
SRVICE OTES
i1,,
56

57

i.,,llr,_iil,,
SE
i
CE NOTES
pl,llllUii ...... _,_ J_ L ,,_,1 I ,_ ,i /,i ,/j, I J_ II'II'IIU
58

SUGGESTED GUIDE FOR SiGHTiNG SLOPES FOR SAFE OPERATRON
SIGHTING
iiDE
ONLY RIDE UP AND DOWN HILL,
NOT ACROSS HILL
SIGHT AND HOLD THIS LEVEL WITH
SKY LINE OR TREE.
!
15 ° MAX.

OWNER'S
UAL
MODEL NO.
917.259592
IF YOU NEED
REPAIR SERVICE
OR PARTS:
FOR REPAIR SERVICE, CALL
THIS TOLL FREE NUMBER:
1-800-4-REPAIR
(1-800-473-7247)
FOR REPLACEMENT PARTS
INFORMATION AND
ORDERING,-CALL THIS
TOLL FREE NUMBER:
1-800-FON-PART
(1_800-366-7278)
FOR CONSUMER ASSISTANCE
HOT LINE, CALL THIS
TOLL FREE NUMBER:
1-800-659-5917
®
15.5 HP
ELECTRIC START
42" MOWER
AUTOMATIC (HYDROSTATIC)
LAWN TRACTOR
Each tractor has its own model number Each engine has
its own model number.
The model number for your tractor will be found on the
model plate Iocated under the seat.
The model number for your engine will be found on the
blower housing of the engine.
All parts listed herein may be ordered from any Sears,
Roebuck and Co. Service Center/Department and most Re-
tail Stores.
WHEN ORDERING REPAIR PARTS, ALWAYS GIVE THE
FOLLOWING INFORMATION:
o PRODUCT -.TRACTOR
,_ MODEL NUMBER -917.259592
oENGINE MODEL NO. -CV15S-41565
_, PART NUMBER
oPART DESCRIPTION
Your Sears merchandise has added value when you
consider Sears has service units nationwide staffed with
Sears trained technicians ..... professional technicians
specifically trained to insure that we meet our pledge to
you, we service what we setl.
161423 07o16..97 KFSW Printed in U.S.Ao
.-- ' ' I"'1'II'''''l - i_ 'll'l .................... IIl'l"l"l"l................... ,_