Craftsman 917 270831 Users Manual
917270831 917270831 CRAFTSMAN LAWN TRACTOR - Manuals and Guides L9060056 View the owners manual for your CRAFTSMAN LAWN TRACTOR #917270831. Home:Lawn & Garden Parts:Craftsman Parts:Craftsman LAWN TRACTOR Manual
CRAFTSMAN Lawn, Tractor Manual L9060056 CRAFTSMAN Lawn, Tractor Owner's Manual, CRAFTSMAN Lawn, Tractor installation guides
917.270831 L9060056
2015-01-05
: Craftsman Craftsman-917-270831-Users-Manual-160807 craftsman-917-270831-users-manual-160807 craftsman pdf
Open the PDF directly: View PDF
.
Page Count: 56

Owner's Manual
rRI:IFTSMI:IN
20.5HP
ELECTRIC START
42" MOWER
6 SPEED TRANSAXLE
LAWN TRACTOR
Model No
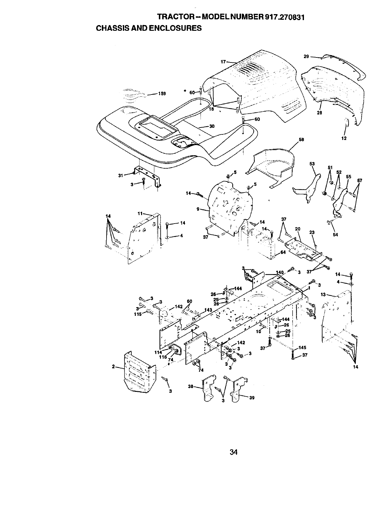
917.270831
• Safety
•Assembly
•Operation
• Maintenance
•Repair Parts
CAUTION:
Read and follow all Safety
Rules and Instructions before
operating this equipment
For answers to your questions
about this product, Call:
1-800-659-5917
Sears Craftsman Help Line
5 am - 5 pro,Mon - Sat
Sears, Roebuck and Co., Hoffman Estates, II 60179
Visit our Craftsman website:www.sears.com/craftsman

Warranty ............................................... 2
Safety Rules .......................................... 2
Product Specifications _......................... 5
Assembly ............................................... 8
Operation ............................ ................ 11
Maintenance Schedule ...................... 17
Maintenance ....................................... 17
Service and Adjustments .................... 21
Troubleshooting ................................. 28
Repair Parts ........................................ 32
Parts Ordering ..................... Back Cover
LIMITED TWO YEAR WARRANTY ON CRAFTSMAN RIDING EQUIPMENT
For two (2) years from the date of purchase, if this Craftsman Riding Equipment is
maintained, lubricated and tuned up'according to the instructions in the owner's
manual, Sears will repair or replace, free of charge, any parts found to be defective in
material or workmanship.
This Warranty does not cover:
•Expendable items which become worn during normal use, such as blades, spark
plugs, air cleaners, belts, etc.
•Tire replacement or repair caused by punctures from outside objects, such as nails,
thorns, stumps, or glass.
• Repairs necessary because of operator abuse, negligenpe, improper storage or acci-
dent or the failure to maintain the equipment according to the instructions contained
in the owner's manual.
• Riding equipment used for commercial or rental purposes.
LIMITED 90 DAY WARRANTY ON BATTERY
For ninety (90) days from date of purchase, if any battery included with this riding
equipment proves defective in material or workmanship and our testing determines the
battery will not hold a charge, Sears will replace the battery at no charge. In-home
warranty service on your Craftsman riding equipment is available at no charge for 30
days from the date of purchase. Please contact your nearest service center. After 30
days from the date of purchase, warranty service is available by taking your Craftsman
riding equipment to your nearest Sears Service Center. (In-home warranty service will
still be available after 30 days from the date of purchase but a standard trip charge will
apply). This warranty applies only while this product is in the United States. This
Warranty gives you specific legal rights, and you may also have other rights which may
vary from state to state.
Sears, Roebuck and Co., D/817 WA, Hoffman Estates, IL 60179
GENERAL OPERATleN
•Read, understand, and follow all in-
structions in the manual and on the
machine before starting.
•Only allow responsible adults, who are
familiar with the instructions, to operate
the machine.
•Clear the area of objects such as
rocks, toys, wire, etc., which could be
picked up and thrown by the blade.
•Be sure the area is clear of other
people before mowing. Stop machine if
anyone enters the area.
• Never carry passengers.
• Do not mow in reverse unless abso-
lutely necessary. Always look down and
behind before and while backing.
• Be aware of the mower discharge di-
rection and do not point it at anyone.
Do not operate the mower without ei-
ther the entire grass catcher or the
guard in place.
• Slow down before turning.
• Never leave a running machine unat-
tended. Always turn off blades, set
parking brake, stop engine, and re-
2 move keys before dismounting.

• Turnoff blades when not mowing.
•Stop engine before removing grass
catcher or unclogging chute.
•Mow only in daylight or good artificial
light.
•Do not operate the machine while un-
der the influence of alcohol or drugs.
•Watch for traffic when operating near
or crossing roadways.
•Use extra care when loading or un-
loading the machine into a trailer or
truck.
SLOPE OPERATION
Slopes are a major factor related to loss-
of-control and tipover accidents, which
can result in severe injury or death. All
slopes require extra caution. If you can-
not back up the slope or if you feel un-
easy on it, do not mow it.
DO:
•Mow up and down slopes, not across.
• Remove obstacles such as rocks, tree
limbs, etc.
•Watch for holes, ruts, or bumps. Un-
even terrain could overturn the ma-
chine. Tall grass can hide obstacles.
•Use slow speed. Choose a low gear so
that you will not have to stop or shift
while on the slope.
•Follow the manufacturer's recommen-
dations for wheel weights or counter-
weights to improve stability.
•Use extra care with grass catchers or
other attachments. These can change
the stability of the machine.
•Keep all movement on the slopes slow
and gradual. Do not make sudden
changes in speed or direction.
•Avoid starting or stopping on a slope. If
tires lose traction, disengage the
blades and proceed slowly straight
down the slope.
DO NOT: °
•Do notturn on slopes unless neces-
sary, and then, turn slowly and gradu-
ally downhill, if possible.
•Do not mow near drop-offs, ditches, or
embankments. The mower could sud-
denly turn over if a wheel is over the
edge of a cliff or ditch, or if an edge
caves in.
•Do not mow on wet grass. Reduced
traction could cause sliding.
•Do nottry to stabilize the machine by
putting your foot on the ground.
•Do not use grass catcher on steep
slopes.
CHILDREN
Tragic accidents can occur if the operator
is not alert to the presence of children.
Children are often attracted to the ma-
chine and the mowing activity. Neveras-
sume that children will remain where you
last saw them.
•Keep children out of the mowing area
and under the watchful care of another
responsible adult.
•Be alert and turn machine off if chil-
dren enter the area.
•Before and when backing, look behind
and down for small children.
•Never carry children. They may fall off
and be seriously injured or interfere
with safe machine operation.
•Never allow children to operate the ma-
chine.
•Use extra care when approaching blind
corners, shrubs, trees, or other objects
that may obscure vision.
SERVICE
•Use extra care in handling gasoline
and other fuels. They are flammable
and vapors are explosive.
Use only an approved container.
Never remove gas cap or add fuel
with the engine running. Allow en-
gine to cool before refueling. Do
not smoke.
Never refuel the machine indoors.
Never store the machine or fuel
container inside where there is an
open flame, such as a water heat-
er.
•Never run a machine inside a closed
3
area.
•Keep nuts and bolts, especially blade
attachment bolts, tight and keep equip-
ment in good condition.
•Never tamper with safety devices.
Check their proper operation regularly.
•Keep machine free of grass, leaves, or
other debris build-up. Clean oil or fuel
spillage. Allow machine to cool before
storing.
•Stop and inspect the equipment if you
strike an object. Repair, if necessary,
before restarting.

•Never make adjustments or repairs
with the engine running.
• Grass catcher components are subject
to wear, damage, and deterioration,
which could expose moving parts or al-
low objects to be thrown. Frequently
check components and replace with
manufacturer's recommended parts,
when necessary.
•Mower blades are sharp and can cut.
Wrap the blade(s) or wear gloves, and
use extra caution when servicing them.
•Check brake operation frequently. Ad-
just and service as required.
•Be sure the area is clear of other
people before mowing. Stop machine if
anyone enters the area.
•Never carry passengers. •
•Do not mow in reverse unless abso-
lutely necessary. Always look down and •
behind before and while backing.
• Never carry children. They may fall off
and be seriously injured or interfere •
with safe machine operation.
•Keep children out of the mowing area
and under the watchful care of another •
responsible adult.
•Be alert and turn machine off if chil-
dren enter the area.
•Before and when backing, look behind *
and down for small children.
•Mow up and down slopes (15 =Max),
not across.
Remove obstacles such as rocks, tree
limbs, etc.
Watch for holes, ruts, or bumps. Un-
even terrain could overturn the ma-
chine. 7_allgrass can hide obstacles.
Use slow speed. Choose a low gear so
that you will not have to stop or shift
while on the slope.
Avoid starting or stopping on a slope. If
tires lose traction, disengage the
blades and proceed slowly straight
down the slope.
Do not turn on slopes unless neces-
sary, and then, tum slowly and gradu-
ally downhill, if possible.
•1=Look for this symbol to point out im-
portant safety precautions. It means
CAUTION!!! BECOME AWAREt!! YOUR
SAFETY IS INVOLVED.
=OACAUTION: In order to prevent acci-
dental starting when setting up, trans-
porting, adjusting or making repairs al-
ways disconnect spark plug wire and
place wire where it cannot contact spark
plug.
WARNING: The engine exhaust from
this product contains chemicals known to
the State of California to cause cancer,
birth defects, or other reproductive harm.
4

PRODUCT SPECIFICATIONS
GASOLINE
CAPACITY
AND TYPE:
OILTYPE
API-SF/SG/SH):
3.5 GALLONS
UNLEADED
REGULAR
SAE 30(ABOVE 320F
SAE 5W-30
(BELOW 32°F)
OILCAPACITY: 3.0 PINTS
ISPARK PLUG: CHAMPION
SAP: .030") RJ19LM OR J19LM
rALVE INTAKE: .004"-.006"
;LEARANCE: EXHAUST:.007"-.O09"
3ROUND SPEED FORWARD:
MPH): 1ST 1.2
2ND 1.5
3RD 2.3
4TH 3.5
5TH 4.8
6TH 5.4
REVERSE: 1.5
TIRE FRONT: 14 PSI
PRESSURE: REAR: 10 PSI
CHARGING L3AMPS BATTERY
SYSTEM: 5 AMPS HEADLIGHTS
BA'FI-ERY: AMP/HR: 30
MIN. CCA: 240
CASE SIZE:U1R
27-35 FT. LBSBLADE BOLT
TORQUE:
CONGRATULATIONS on your purchase
of a Craftsman Tractor. It has been
designed, engineered and manufactured
to give you the best possible dependabil-
ity and performance.
Should you experience any problem you
cannot easily remedy, please contact
your nearest Sears Authorized Service
Center. We have competent, well-trained
technicians and the proper tools to
service or repair this ffactor.
Please read and retain this manual. The
instructions will enable you to assemble
and maintain your tractor properly.
Always observe the "SAFETY RULES".
MAINTENANCEAGREEMENT
ASears Maintenance Agreement is
available on this product. Contact your
nearest Sears store for details.
CUSTOMER RESPONSIBILITIES
• Read and observe the safety rules.
•Follow a regular schedule in maintain-
ing, caring for and using your tractor.
• Follow the instructions under "Mainte-
nance" and "Storage" sections of this
owner's manual.
A0&WARNING: This tractor is equipped
with an internal combustion engine and
should not be used on or near any
unimproved forest-covered, brush-
covered or grass-covered land unless th_
engine's exhaust system is equipped witl
a spark arrester meeting applicable local
or state laws (if any). If a spark arrester
is used, it should be maintained in
effective working order by the operator.
In the state of California the above is
required by law (Section 4442 of the
California Public Resources Code).
Other states may have similar laws.
Federal laws apply on federal lands. A
spark arrester for the muffler is available
through your nearest Sears Authorized
Service Center/Department (See
REPAIR PARTS section of this manual).
5

Parts Bag contents shown full size
(1) Hex Bolt
3/6-16 x I
(1) Large Flat Washer
Q
(1) Locknut 5/16-18
(1) Lockwasher 3/8
(1) Hex Bolt
5/16-18 x 1-114
(1) Knob
(1) Shoulder Bolt 5/16-18
(1) Washer
17/32 x 1-3/16 x 12 Gauge
©
(2) Screws #10 x 5/8
(2) Washers 3/16 x3/4 x 16 Gauge
6
(2) Lock Washers #10
(2) Weld Nuts #10 I----_ I

iParts packed separately in carton Parts Bag contents not shown full size
B b_l_li _-_ Video
Seat "
Mulcher r
Plate i; Q'-)
F
Steering
Wheel
I_Steering
I Boot
L
Manual
1i
_teering
Wheel
Insert
I
I
ql I
!t I i
Pa_s Bag
(2) __atch H,o.ok
AssemDiles
I
, I
Slope Sheet
Steering Wheel
Adapter
• Steering
Extension
,Shaft
¢I
7

Your new tractor has been assembled at the factory with exception of those parts left
unassembled for shipping purposes. To ensure safe and proper operation of your
tractor all parts and hardware you assemble must be tightened securely. Use the
correct tools as necessary to insure proper tightness. Review the video cassette before
you begin. t
TOOLS REQUIRED FOR ASSEMBLY
A socket wrench set will make,assembly
easier. Standard wrench sizes you need
are listed below.
(1) 9/16" wrench (1) Pliers
(1) 1/2" wrench (1) Utility knife
(1) 3/4" socket with
drive ratchet
(1) Tire pressure gauge
(1) Phillips screwdriver
When right or left hand is mentioned in
this manual, it means, from your point of
view, when you are in the operating
position (seated behind the steering
wheel).
TO REMOVE TRACTOR FROM
CARTON
UNPACK CARTON
•Remove all accessible loose parts and
parts boxes from shipping carton.
•Cut, from top to bottom, along lines on
all four corners of shipping carton, and
lay panels flat.
• Remove mower and packing materials.
•Check for any additional loose parts or
boxes and remove.
BEFORE ROLLING TRACTOR OFF
SKID
ATTACH STEERING WHEEL
ASSEMBLE EXTENSION SHAFT AND
BOOT
• Slide extension shaft onto lower
steering shaft. Align mounting holes
in extension and lower shafts and
install 5116 hex bolt and Iocknut.
Tighten securely.
IMPORTANT: Tighten bolt and nut
securely to 18-22 ft. Ibs. torque.
•Place tabs of steering boot over tab
slots in dash and push down to
secure.
INSTALL STEERING WHEEL
• Position front wheels of the tractor so
they are pointing straight forward.
• Slide steering wheel adapter onto
steedng shaft extension.
_Steering
%,,_ Wheel Insert
Hex Bolt
Lock Washer
_/_-_t _\_"_ Large Flat
_ Washer
:4 Boot
Steering Wheel
Extension
Shaft _ Adapter
_PI 5/16 Hex Bolt
5/1 6 Locknut
Lower Steering "-----.-L._1
Shaft ?....- _Tabs.
J
• Position steering wheel so cross bars
are horizontal (left to right) and slide
inside boot and onto adapter.
• Assemble large flat washer, 3/8 lock
washer, 3/8 hex bolt and tighten
securely.
•Snap steering wheel insert into center
of steering wheel.
•Remove protective materials from
tractor hood and grill.
IMPORTANT: Check for and remove any
staples in skid that may puncture tires
where tractor is to roll off skid.
HOW TO SET UP YOUR TRACTOR
CHECK BATTERY
Lift hood to raised position.
If this battery is put into service after
month and year indicated on label
(label located between terminals)
charge battery for minimum of one
hour at 6-10 amps. (See "BATTERY"
in Maintenance section of this manual
for charging instructions).

• o" •
i•
..'... ,*°
INSTALL SEAT
Adjust seat before tightening adjustment
knob.
•Remove cardboard packing on seat
pan.
•Place seat on seat pan and assemble
shoulder bolt. Tighten shoulder bolt
securely.
• Assemble adjustment knob and flat
washer loosely. Do not tighten.
• Lower seat into operating position and
sit on seat.
•Slide seat until a comfortable position
is reached which allows you to press
clutch/brake pedal ,all the way down.
•Get off seat without moving its
adjusted position.
•Raise seat and tighten adjustment
knob securely•
Seat
Shoulder Seat Pan
Bolt
Washer
Adjustment
Knob
TO ROLLTRACTOR OFF SKID (See
Operation section for location and
function of controls)
•Press lift lever plunger and raise
attachment lift lever to its highest
position•
• Release parking brake by depressing
clutch/brake pedal,
• Place freewheel control in freewheel-
ing position to disengage transmission
(See "TO TRANSPORT" in the Opera-
tion section of this manual).
•Roll tractor forward off skid.
•Remove banding holding discharge
guard up against tractor.
TO DRIVE TRACTOR OFF SKID
_1_WARNING: Before starting, read,
understand and follow all instructions in
the Operation section of this manual. Be
sure tractor is in a well-ventilated area.
Be sure the area in front of tractor is
clear of other people and objects.
• Be sure all the above assembly steps
have been completed.
• Check engine oil level and fill fuel tank
with gasoline.
• Sit on seat in operating position,
depress clutch/brake pedal and set the
parking brake.
• Place gear shift lever in neutral (N)
position.
•Press lift lever plunger and raise
attachment lift lever to its highest
position.
•Start the engine. After engine has
started, move throttle control to idle
position.
•Depress clutch/brake pedal into full
=BRAKE" position and hold. Move
gearshift lever to 1st gear•
• Slowly release clutch/brake pedal and
slowly drive tractor off skid.
•Apply brake to stop tractor, set parking
brake and place gearshift lever in
neutral position.
• Turn ignition key to "OFF" position,
Continue with the instructions that follow.
INSTALL MULCHER PLATE
• Install two latch hooks to mulcher plate
using screw, washer, lock washer, and
weld nut as shown•
NOTE: Pre-assembte weld nut to latch
hook by inserting weld nut from the top
with hook pointing down.
•Tighten hardware securely.
• Raise and hold deflector shield in
upright position.
•Place front of mulcher plate over front
of mower deck opening and slide into
place, as shown•
• Hook front latch into hole on front of
mower deck.
•Hook rear latch into hole on back of
mower deck.
_lb CAUTION: Do not remove discharge
guard from mower. Raise and hold guard
when attaching mulcher plate and allow it
to rest on plate while in operation.
9

Weld Nut
From The To
Lock
Washer
Weld Nut
X_. IScrew
Latch
Hook Points
Down
Latch
Hook
Washer
Washer
Mulcherplate '_fScrew
Nut
Latch Hooks
TO CONVERT TO BAGGING OR
DISCHARGING
Simply remove mulcher plate and store in
a safe place. Your mower is now ready for
discharging or installation of optional
grass catcher accessory.
NOTE: It is not necessary to change
blades. The mulcher blades are de-
signed for discharging and bagging also.
CHECK TIRE PRESSURE
The tires on your tractor were overin-
flated at the factory for shipping pur-
poses. Correct tire pressure is important
for best cutting performance.
• Reduce tire pressure to PSI shown in
"PRODUCT SPECIFICATIONS"
section of this manual*.
CHECK DECK LEVELNESS
For best cutting results, mower housing
should be propedy leveled. See "TO
LEVEL MOWER HOUSING" in the
Service and Adjustments section of this
manual.
CHECK FOR PROPER POSITION
OF ALL BELTS
See the figures that are shown for
replacing motion and mower blade drive
belts in the Service and Adjustments
section of this manual. Verify that the
belts are routed correctly.
CHECK BRAKE SYSTEM
After you learn how to operate your
tractor, check to see that the brake is
properly adjusted. See =TO ADJUST
BRAKE" in the Service and Adjustments
section of this manual.
/ CHECKLIST
BEFORE YOU OPERATE AND ENJOY
YOUR NEW TRACTOR, WE WISH TO
ASSURE THAT YOU RECEIVE THE
BEST PERFORMANCE AND
SATISFACTION FROM THIS QUALITY
PRODUCT.
10
PLEASE REVIEW THE FOLLOWING
CHECKLIST:
•/All assenlbly instructions have been
completed.
,/" No remaining loose parts in carton.
,/Battery is properly prepared and
charged. (Minimum 1 hour at 6
amps).
,/Seat is adjusted comfortably and
tightened securely.
•/All tires are prepedy inflated. (For
shipping purposes, the tires were
overinflated at the factory).
/Be sure mower deck is properly
leveled side-to-side/frent-to-rear for
best cutting results. (Tires must be
properly inflated for leveling).
•/ Check mower and drive belts. Be sure
they are routed properly around pulleys
and inside all belt keepers.
,/Check widng. See that all connections
are still secure and wires are properly
clamped.
WHILE LEARNING HOW TO USE YOUR
TRACTOR, PAY EXTRAATTENTION TO
THE FOLLOWING IMPORTANT ITEMS:
/Engine oil is at proper level.
•/Fuel tank is filled with fresh, clean,
regular unleaded gasoline.
,/Become familiar with all controls - their
location and function. Operate them
before you start the engine.
,/Be sure brake system is in safe
operating condition.

Thesesymbols may appear on your tractor or in literature supplied with the product.
Learn and understand their meaning.
BATTERY CAUTION OR
WARNING
ENGINE ON ENGINE OFF
REVERSE FORWARD FAST SLOW
OILPRESSURE LIGHTS ON OVER TEMP 4 _
!
LIGHT
FUEL CHOKE MOWER HEIGHT PARKING BRAKE UNLOCKED MOWER LIFT
LOCKED
r 'l R N H
ATTACHMENT REVERSE NEUTRAL HIGH
CLUTCH ENGAGED
L (®)SI
LOW PARKING BRAKE
ATTACHMENT KEEP AREA CLEAR SLOPE HAZARDS
IGNITION CLUTCH DISENGAGED (SEE SAFETY RULES SECTION)
Y
DANGER, KEEP HANDS AND FEET AWAY FREE WHEEL
(AutomaticModels only)
11

KNOW YOUR TRACTOR
READ THIS OWNER'S MANUAL AND SAFETY RULES BEFORE OPERATING
YOUR TRACTOR
Compare the illustrations with your tractor to familiarize yourself with the locations of
various controls and adjustments. Save this manual for future reference.
Switch
Attachment
Clutch Lever
• Ignition Switch
Ammeter ." __- "'-''" Lever
Plunger
Choke Control\ ©
Pedal
Attachment
LiftLever
Brake Lever
Height
Adjustment Gearshift Lev,
Knob
Our tractors conform to the safety standards of the American National Standards
Institute.
AMMETER - Indicates charging (+) or
discharging (-) of battery.
ATTACHMENT CLUTCH LEVER -Used
to engage the mower blades, or other
attachments mounted to your tractor.
ATTACHMENT LIFT LEVER -Used to
raise, lower, and adjust the mower deck
or other attachments mounted to your
tractor.
CHOKE CONTROL -Used when starting
a cold engine.
CLUTCH/BRAKE PEDAL -Used for
declutching and braking the tractor and
starting the engine.
GEARSHIFT LEVER -Selects the speed
and direction of tractor.
HEIGHT ADJUSTMENT KNOB -Used to
adjust the mower cuffing height.
IGNITION SWITCH -Used for starting
and stopping the engine.
LIFT LEVER PLUNGER -Used to
release attachment lift lever when
changing its position.
LIGHT SWITCH - Turns the headlights on
and off.
PARKING BRAKE LEVER - Locks
clutch/brake pedal into the brake position.
THROTTLE CONTROL - Used to control
engine speed.
12

The operation of any tractor can result in foreign objects thrown into
the eyes, which can result in severe eye damage. Always wear safety
glasses or eye shields while operating your tractor or performing any
adjustments or repairs. We recommend a wide vision safety mask
over spectacles or standard safety glasses.
HOW TO USE YOUR TRACTOR
TO SET PARKING BRAKE
Your tractor is equipped with an operator
presence sensing switch. When engine
is running, any attempt by the operator to
leave the seat without first setting the
parking brake will shut off the engine.
• Depress clutch/brake pedal into full
"BRAKE" position and hold.
•Place parking brake lever in "EI_-
GAGED" position and release pres-
sure from clutch/brake pedal. Pedal
should remain in "BRAKE" position.
Make sure parking brake will hold
tractor secure. Attachment Clutch Lever
Choke "Engaged" Position .
Control _--_--.Z /"Disengaged
._._ \ "_\"'..,Z,qiJ :'_] Position
Control"J "_-; "_i _e"
).uua'_..._.._ _.Parking Brake
: "Engaged"
Clutc_r---'_ake _''''_ _ °-_,// ....
Ped "- I-'OSltlOn
'_ _/ _...._.._j Gearshift
_. _" _Lever
"Disengaged" u _ _t'_,._.n
Position Height Position
Adjustment
Knob
STOPPING
MOWER BLADES -
• To stop mower blades,move attach-
ment clutch lever to "DISENGAGED"
position.
GROUND DRIVE -
•To stop ground drive, depress clutch/
brake pedal into full "BJ:IAKE" position.
•Move gearshift lever to neutral (N)
position.
ENGINE -
•Move throttle control to slow position.
NOTE: Failure to move throttle control to
slow position and allowing engine to idle
before stopping may cause engine to
"backfire".
• Turn ignition key to "OFF" position and
remove key. Always remove key when
leaving tractor to prevent unauthorized
use.
•Never use choke to stop engine.
IMPORTANT: Leaving the ignition
switch in any position other than "OFF"
will cause the battery to be discharged,
(dead).
NOTE: Under certain conditions when
tractor is standing idle with the engine
running, hot engine exhaust gases may
cause "browning" of grass. To eliminate
this possibility, always stop engine when
stopping tractor on grass areas.
CAUTION: Always stop tractor
completely, as described above, before
leaving the operator's position; to empty
grass catcher, etc.
TO USE THROTTLE CONTROL
13
Always operate engine at full throttle.
•Operating engine at less than full
throttle reduces the battery charging
rate.
•Full throttle offers the best bagging
and mower performance.
TO USE CHOKE CONTROL
Use choke conti'ol whenever you are
starting a cold engine. Do not use to start
a warm engine.
•To engage choke control, pull knob
out. Slowly push knob in to disen-
gage.
TO MOVE FORWARD AND
BACKWARD
The direction and speed of movement is
controlled by the gearshift lever.
• Start tractor with clutcWbrake pedal
depressed and gearshift lever in
neutral (N) position.
•Move gearshift lever to desired
position.
•Slowly release clutch/brake pedal to
start movement.
IMPORTANT: Bring tractor to a complete
stop before shifting or changing gears.
Failure to do so will shorten the useful
life of your transaxle.
TO ADJUST MOWER cu'n'ING
HEIGHT
The cutting height is controlled by
turning the height adjustment knob in
desired direction.
•Turn knob clockwise ( _) to raise
cutting height.

• Turn knob counterclockwise(P_)to
lowercutting height.
The cuttingheightrangeis approxi-
mately1-1/2"to 4". The heightsare
measuredfrom the ground to the blade
tip with the engine not running. These
heights are approximate and may vary
depending upon soil conditions, height
of grass and types of grass being
mowed.
•The average lawn should b_ cut to
approximately 2-1/2 inches during the
cool season and to over 3 inches
during hot months. For healthier and .
better looking lawns, mow often and
after moderate growth.
• For best cutting performance, grass
over 6 inches in height should be
mowed twice. Make the first cut
relatively high; the second to desired
height.
TO ADJUST GAUGE WHEELS
Gauge wheels are properly adjusted
when they are slightly off the ground
when mower is at the desired cutting
height in operating position. Gauge
wheels then keep the deck in proper
position to help prevent scalping in most
terrain conditions..
•Adjust gauge wheels with tractor on a
flat level surface.
•Adjust mower to desired cutting height
(See "TO ADJUST MOWER CUTTING
HEIGHT" in the Operation section of
this manual).
•With mower in desired height of cut
position, gauge wheels should be
assembled so they are slightly off the
ground. Install gauge wheel in
appropriate hole with shoulder bolt, 3/
8 washer, and 3/8-16 Iocknut and
tighten securely.
•Repeat for opposite side installing
gauge wheel in same adjustment hole.
3/8-16
L°cknut_ -_ .
Gauge _=\. /"
Wheel '_ _-, / ...-
Mounting "_-_3_,,_!_- /'
Bracket __ _.
318 Washer _ _ _. .: Shoulder
Gauge Wheel /--: _J Bolt
TO OPERATE MOWER
Your tractor is equipped with an operator
presence sensing switch. Any attempt by
the operator to leave the seat with the
engine running and the attachment
clutch engaged will shut off the engine.
• Select desired height of cut.
•Lower mower with attachment lift
control.
•Start mower blades by engaging
attachment clutch control.
•TO STOP MOWER BLADES -disen-
gage attachment clutch control.
_1_CAUTION: Do not operate the mower
without either the entire grass catcher, on
mowers so equipped, or the discharge
guard in place.
Attachment Clutch Lever "Engaged"
PositJon.._-_-_ j /Attachemnt Lift
/Lever High
°.__ _- Position
.. /_- _'" L°oWtion
'7 " "1 L2
"Dis engaged__" 7 _'_ __
Position _ \..._
TO OPERATE ON HILLS
_IL CAUTION: Do not drive up or down
hills with slopes greater than 15 ° and do
not drive across any slope.
•Choose the slowest speed before
starting up or down hills.
•Avoid stopping or changing speed on
hills.
•If slowing is necessary, move throttle
control lever to slower position.
•If stopping is absolutely necessary,
push clutch/brake pedal quickly to
brake position and engage parking
brake.
•Move gearshift lever to lstgear. Be
sure you have allowed room for tractor
to roll slightly as you restart movement.
•To restart movement, slowly release
parking brake and clutch/brake pedal.
•Make all turns slowly.
TO TRANSPORT
• Raise attachment lift to highest
position with attachment lift control.
• When pushing or towing your tractor,
be sure gearshift lever is in neutral (N)
position.
•Do not push or tow tractor at more than
five (5) MPH.
NOTE: To protect hood from damage
when transporting your tractor on a truck
or a trailer, be sure hood is closed and
secured to tractor. Use an appropriate
means of tying hood to tractor (rope,
cord, etc.).
14

TOWING CARTS AND OTHER
A'I'rACHMENTS
Tow only the attachments that are
recommended by and comply with
specifications of the manufacturer of your
tractor. Use common sense when towing.
Too heavy of a load, while on a slope, is
dangerous. Tires can lose traction with
the ground and cause you to lose control
of your tractor. o
BEFORE STARTING THE ENIGNE
CHECK ENGINE OIL LEVEL
•The engine in your tractor has been
shipped, from the factory, already filled
with summer weight oil.
•Check engine oil with tractor on level
ground.
•Remove oil fill cap/dipstick and wipe
clean, reinsart the dipstick and screw
cap tight, wait for a few seconds,
remove and read oil level. If neces-
sary, add oil until =FULL" mark on
dipstick is reached. Do not overfill.
•For c01d weather operation you should
change oil for easier starting (See "OIL
VISCOSITY CHART" in the Customer
Responsibilities section of this
manual).
•To change engine oil, see the Mainte-
nance section in this manual.
ADD GASOLINE
•Fill fuel tank. Use fresh, clean, regular
unleaded gasoline with a minimum of
87 octane. (Use of leaded gasoline
will increase carbon and lead oxide
deposits and reduce valve life). Do
not mix oil with gasoline. Purchase
fuel in quantities that can be used
within 30 days to assure fuel fresh-
ness.
IMPORTANT: When operating in
temperatures below 32°F(0°C), use
fresh, clean winter grade gasoline to
help insure good cold weather starting.
a_c WARNING: Experience indicates that
ohol blended fuels (called gasohol or
using ethanol or methanol) can attract
moisture which leads to separation and
formation of acids during storage. Acidic
gas can damage the fuel system of an
engine while in storage. To avoid engine
problems, the fuel system should be
emptied before storage of 30 days or
longer. Drain the gas tank, start the
engine and let it run until the fuel lines
and carburetor are empty..Use fresh fuel
next season. See Storage Instructions
for additional information. Never use
engine or carburetor cleaner products in
the fuel tank or permanent damage may
occur.
_eCAUTION: Fill to bottom of gas tank
r neck. Do not overfill. Wipe off any
spilled oil or fuel. Do not store, spill or
use gasoline near an open flame.
TO START ENGINE
When starting the engine for the first time
or if the engine has run out of fuel, it will
take extra cranking time to move fuel
from the tank to the engine.
• Sit on seat in operating position,
depress clutch/brake pedal and set
parking brake.
• Place gear shift lever in neutral (N)
position.
• Move attachment clutch to "DISEN-
GAGED" position.
• Move throttle control to fast position
•Pull choke control out for a cold
engine start attempt. For awarm
engine start attempt the choke control
may not be needed.
NOTE: Before starting, read the warm
and cold sthrting procedures below.
• Insert key into ignition and turn key
clockwise to "START" position and
release key as soon as engine starts.
Do not run starter continuously for
more than fifteen seconds per minute.
If the engine does not start after
several attempts, push choke control
in, wait a few minutes and try again. If
engine still does not start, pull the
choke control out and retry.
WARM WEATHER STARTING (50 °F and
above)
• When engine starts, slowly push
choke control in until the engine
begins to run smoothly. If the engine
starts to run roughly, pull the choke
control out slightly for a few seconds
and then continue to push the control
in slowly.
• The attachments and ground drive can
now be used. If the engine does not
accept the load, restart the engine and
allow it to warm up for one minute
using the choke as described above.
COLD WEATHER STARTING (50 °F and
below)
• When engine starts, slowly push
choke control in until the engine
begins to run smoothly. Continue to
push the choke control in small steps
allowing the engine to accept small
changes in speed and load, until the
choke control is fully in. If the engine
starts to run roughly, pull the choke
15

control out slightly for a few seconds
and then continue to push the control
in slowly. This may require an engine
warm-up period from several seconds
to several minutes, depending on the
temperature.
• The attachments can be used during
the engine warm-up period and may
require the choke control be pulled out
slightly. °
NOTE: If at a high altitude (above 3000
feet) or in cold temperatures (below 32
F) the carburetor fuel mixture may need-
to be adjusted for best engine perfor-
mance. See =TO ADJUST CARBURE-
TOR _ in the Service and Adjustments
section of this manual.
MOWING TIPS
•Tire chains cannot be used when the
mower housing is attached to tractor.
•Mower should be propedy leveled for
best mowing performance. See "TO
LEVEL MOWER HOUSING" in the
Service and Adj0stments section of
this manual.
•The left hand side of mower should be
used for trimming.
•Drive so that clippings are discharged
onto the area that has been cut. Have
the cut area to the right of the tractor.
This will result in a more even distribu-
tion of clippings and more uniform
cutting.
•When mowing large areas, start by
tuming to the right so that clippings will
discharge away from shrubs, fences,
driveways, etc. After one or two
rounds, mow in the opposite direction
making left hand turns until finished.
•If grass is extremely tall, it should be
mowed twice to reduce load and
possible fire hazard from dried
clippings. Make first cut relatively
high; the second to the desired height.
• Do not mow grass when it is wet. Wet
grass will plug mower and leave
undesirable clumps., Allow grass to
dry before mowing.
• Always operate engine at full throttle
when mowing to assure better mowing
performance and proper discharge of
material. Regulate ground speed by
selecting a low enough gear to give
the mower cutting performance as well
as the quality of cut desired.
• When operating attachments, select a
ground speed that will suit the terrain
and give best performance of the
attachment being used.
fJ_
MULCHING MOWING TIPS
IMPORTANT: For best performance,
keep mower housing free of built-up
grass and trash. Clean after each use.
•The special mulching blade will recut
the grass clippings many times and
reduce them in size so that as they fa
onto the lawn they will disperse into
the grass and not be noticed. Also, tt"
mulched grass wi!l biodegrade quickl
to provide nutdents for the lawn.
Always mulch with your highest
engine (blade) speed as this will
provide the best recutting action of th_
blades,
•Avoid cutting your lawn when it is wet
Wet grass tends to form clumps and
interferes with the mulching action.
The best time to mow your lawn is th_
early afternoon. At this time the grass
has dried and the newly cut area will
not be exposed to the direct sun.
• For best results, adjust the mower
cutting height so that the mower cuts
off only the top one-third of the grass
blades. For extremely heavy mulchinc
reduce your width of cut on each pas.,
and mow slowly.
•Certain types of grass and grass
conditions may require that an area b
mulched a second time to completely
hide the clippings. When doing a
second cut, mow across or perpen-
dicular to the first cut path.
•Change your cutting pattern from we_
to week, Mow north to south one we_
then change to east to west the next
week, This will help prevent matting
and graining of the lawn.
Max 113"
16

FILL IN DATES
AS YOU COMPLETE
REGULAR SERVICE __ ATES
Check Brake Opel_tion _ _
Check Tire Pressure
Check Operator Presence and
TInterlock Systems ll_
RCheck for Loose Fasteners I_ _7
A Sharpen/Replace Mower Blades _4
TLubriCation Chart I_
0 Check Battery Level
RClean Battery and Terminals ll_
Check Transaxle Cooling ll_
Adjust Blade Belt(s) Tension I_'s
v',Adjust Motion Ddve Belt(s) Tension
Check Engine Oil Level _
Change Engine Oil I_l_t,=
S Clean Air niter
NClean Air Screen
GI Inspect Muffler/Spark Armster
Replace Oil Filter (if equipped) 1_1,_
NClean Engine Cooling Fins _2
Replace Spark Plug
Replace Air Filter Paper Cartridge _2
Replace Fuel Filter
I * _ge more often when operating under a heavy load or in high ambient temperatures. 5 - If equ_oped with adjustab_ system.
2-Set/ice more often when operating in dirty or dt_;ty conditions, 6 -Not required if equipped with maintenance*free batlery,
3 * If equipped wi_ oit filter, change o_levery 50 hours, 7 -Tighten front oxte pk.ot bolt to 35 ft.-lt)s, n,_xJmum.
4-Pepkzce blades more often when mowing in _ndy soil, Do not overltghlen,
GENERAL RECOMMENDATIONS
The warranty on this tractor does not
cover items that have been subjected to Zerk
operator abuse or negligence. To
receive full value from the warranty,
operator must maintain tractor as
instructed in this manual. _Front Wheel
Some adjustments will need to be made Bearing
periodically to propedy maintain your Zerk
tractor.
All adjustments in the Service and
Adjustments section of this manual ®Engine'
should be checked at least once each _,
II
season. , ,
•Once a year you should replace the 't ,'
JI
spark plug, clean or replace air filter,
and check blades and belts for wear. '.. j
A new spark plug and clean air filter
assure proper air-fuel mixture and
help your engine run better and last
longer.
BEFORE EACH USE
•Check engine oil level.
•Check brake operation.
•Check tire pressure.
•Check operator presence and
interlock systems for proper operation.
•Check for loose fasteners.
LUBRICATION CHART
Zerk
Wheel
Bearing Zerk
_SAE 30 or 10w30 MOTOR OIL
_)GENERAL PURPOSE GREASE
@REFER TO Maintenance =ENGINE" SECTION
IMPORTANT: Do not oil or grease the pivot
points which have special nylon bearings.
Viscous lubricants will attract dust and dirt
that will shorten the life of the self-lubricat-
ing bearings. If you feel they must be
lubricated use only a dry, powdered
graphite type lubricant spar ng y.
17

TRACTOR
Alwaysobservesafety rules when
performingany maintenance.
BRAKE OPERATION
If tractor requires more than six (6) feet
stopping distance at high speed in
highest gear, then brake must be
adjusted. (See =TO ADJUST BRAKE" in
the Service and Adjustments section of
this manual). ,
TIRES
• Maintain proper air pressure in all tires
(See "PRODUCT SPECIFICATIONS" •
section of this manual)
•Keep tires free of gasoline, oil, or
insect control chemicals which can
harm rubber.
•Avoid stumps, stones, deep ruts, sharp
objects and other hazards that may
cause tire damage.
NOTE: To seal tire punctures and
prevent fiat tires due to slow leaks, tire
sealant may be purchased from your
local parts dealer. Tire sealant also
prevents tire dry rot and corrosion.
OPERATOR PRESENCE SYSTEM
Be sure operator presence and interlock
systems are working properly. If your
tractor does not function as described,
repair the problem immediately.
•The engine should not start unless the
clutch/brake pedal is fully depressed
and attachement clutch control is in
the disengaged position.
•When the engine is running, any
attempt by the operator to leave the
seat without first setting the parking
brake should shut off the engine.
•When the engine is running and the
attachment clutch is engaged, any
attempt by the operator to leave the
seat should shut off the engine.
•The attachment clutch should never
operate unless the operator is in the
seat.
BLADE CARE '
For best results mower blades must be
kept sharp. Replace bent or damaged
blades.
BLADE REMOVAL
• Raise mower to highest position to
allow access to blades.
•Remove hex bolt, lock washer and flat
washer securing blade.
•Install new or resharpened blade with
trailing edge up towards deck as
shown. 18
IMPORTANT: To ensure proper assem-
bly, center hole in blade must align with
star on mandrel assembly.
•Reassemble hex bolt, lock washer and
flat washer in exact order as shown.
•Tighten bolt securely (27-35 Ft. Lbs.
torque).
IMPORTANT: Blade bolt is Grade 8 heat
treated.
Trailing Edge Up Mandrel Assembly
Blade Center
Hole
Flat Washer,
Lock Washe_
/
_-_---Hex Bolt ,
*A Grade 8 heat treated bolt can be identified
by six lines on the bolt head.
TO SHARPEN BLADE
NOTE: We do not recommend sharpen-
ing blade - but if you do, be sure the
blade is balanced.
Care should be taken to keep the blade
balanced. "An unbalanced blade will
cause excessive vibration and eventual
damage to mower and engine.
•The blade can be sharpened with a
file or on a grinding wheel. Do not
attempt to sharpen while on the
mower.
•To check blade balance, you will need
a 5/8" diameter steel bolt, pin, or a
cone balancer. (When using a cone
balancer, follow the instructions
supplied with balancer.)
NOTE: Do not use a nail for balancing
blade. The lobes of the center hole may
appear to be centered, but are not.
•Slide blade on to an Unthreaded
portion of the steel bolt or pin and hold
the bolt or pin parallel with the ground.
If blade is balanced, it should remain
in a horizontal position. If either end of
the blade moves downward, sharpen
the heavy end until the blade is
balanced.
B_ecente r Hole
5/8"

BAI-FERY
Your tractor has a battery charging
system which is sufficient for normal use.
However, periodic charging of the battery
with an automotive charger will extend
its life.
• Keep battery and terminals clean.
•Keep battery bolts tight.
•Keep small vent holes open.
• Recharge at 6-10 amperes for 1 hour.
NOTE: The original equipment battery on
your tractor is maintenance free. Do not
attempt to open or remove caps or
covers. Adding or check{rig level of
electrolyte is not necessary.
TO CLEAN BATTERY AND TERMINALS
Corrosion and dirt on the battery and
terminals can cause the battery to "leak"
power.
• Remove terminal guard.
•Disconnect BLACK battery cable first
then RED battery cable and remove
battery from tractor.
•Rinse the battery with plain water and
dry.
•Clean terminals and battery cable
ends with wire brush until bright.
•Coat terminals with grease or petro-
leum jelly.
• Reinstall battery (See "REPLACING
BATTERY" in the SERVICE AND
ADJUSTMENTS section of this
manual).
V-BELTS
Check V-belts for deterioration and wear
after 100 hours of operation and replace
if necessary. The belts are not adjustable.
Replace belts if they begin to slip from
wear.
TRANSAXLE COOLING
Keep transaxle free from build-up of dirt
and chaff which can restrict cooling.
ENGINE
LUBRICATION
Only use high quality detergent oil rated
with API service classification SF, SG, or
SH. Select the oil's SAE viscosity grade
according to your expected operating
temperature.
SAE V_COSITY GRADES
NOTE: Although multi-viscosity oils
(5W30, 10W30 etc.) improve starting in
cold weather, these multi-viscosity oils
will result in increased oil consumption
when used above 32°F. Check your
engine oil level more frequently to
avoid possible engine damage from
running low on oil.
Change the oil after every 25 hours of
operation or at least once a year if the
tractor is not used for 25 hours in one
year.
Check the crankcase oil level before
starting the engine and after each eight
(8) hours of operation. Tighten oil fill
cap/dipstick securely each time you
check the oil level.
TO CHANGE ENGINE OIL
Determine temperature range expected
before oil change. All oil must meet API
service classification SF, SG or SH.
• Be sure tractor is on level surface.
• Oil will drain more freely when warm.
• Catch oil in a suitable container.
• Remove'oil fill cap/dipstick. Be carefu_
not to allow dirt to enter the engine
when changing oil.
•Remove drain plug.
• After oil has drained completely,
replace oil drain plug and tighten
securely.
•Refill engine with oil through oil fill
dipstick tube. Pour slowly. Do not
overfill. For approximate capacity see
"PRODUCT SPECIFICATIONS"
section of this manual.
•Use gauge on oil fill cap/dipstick for
checking level. Be sure dipstick cap is
tightened securely for accurate
reading. Keep oil at "FULL" line on
dipstick. Air Screen
Oil Drain Plug
Oil Fill Cap/ _ .-
Dipstick "
CLEAN AIR SCREEN
Air screen must be kept free of dirt and
chaff to prevent engine damage from
overheating. Clean with awire brush or
compressed air to remove dirt and
stubborn dried gum fibers.
,20" .10" O" IO" 20*
TEMPERATURE RANGE ANTICIPATED BEFORE NEXT OIL CHANGE _p.
-I

AIR FILTER
Your engine will not run properly using a
dirty air filter. Clean the foam pre-cleaner
after every 25 hours of operation or
every season. Service paper cartridge
every 100 hours of operation or every
season, whichever occurs first.
Service air cleaner more often under
dusty conditions.
• Remove knob(s) and cover'.
TO SERVICE PRE-CLEANER
• Slide foam pre-cleaner off cartridge.
•Wash it in liquid detergent and water.
• Squeeze it dry in a clean cloth.
• Saturate it in engine oil. Wrap it. in
clean, absorbent cloth and squeeze to
remove excess oil.
• If very dirty or damaged, replace pre-
cleaner.
• Reinstall pre-cleaner over cartridge.
• Reinstall cover and secure with
knob(s).
TO SERVICE CARTRIDGE
• Remove wing nuts and cartridge plate.
• Carefully remove cartridge to prevent
debris from entering carburetor.
• Clean cartridge by tapping gently on
flat surface. If very dirty or damaged,
replace cartddge.
• Reinstall cartridge plate, wing nuts,
precleaner, cover and secure with
knob(s).
IMPORTANT: Petroleum solvents, such
as kerosene, are not to be used to clean
the cartddge. They may cause detedora-
tion of the cartridge. Do not oil cartddge.
Do not use pressurized air to clean or
dry cartddge.
Knob
Wing
Pre-Cleaner
Air Scree_
ENGINE COOLING FINS
Remove any dust, dirt or oil from engine
cooling fins to prevent engine damage
from overheating. Air guide covers must
be removed. Remove side panels and
hood (See "TO REMOVE HOOD AND
GRILL ASSEMBLY" in the Service and
Adjustments section of this manual). 2O
Engine
Coolinq
Air GuideCover
(Both Sides) i
MUFFLER
Inspect and replace corroded muffler
and spark arrester (if equipped) as it
could create a fire hazard and/or
damage.
SPARK PLUGS
Replace spark plugs at the beginning of
each mowing season or after every 100
hours of operation, whichever occurs
first. Spark plug type and gap setting are
shown in "PRODUCT SPECIFICATIONS"
section of this manual.
IN-LINE FUEL FILTER
The fuel filter should be replaced once
each season, ff fuel filter becomes
clogged, obstructing fuel flow to carbure-
tor, replacement is required.
•With engine cool, remove filter and
plug fuel line sections.
•Place new fuel filter in position in fuel
line with arrow pointing towards
carburetor.
•Be sure there are no fuel line leaks
and clamps are propedy positioned.
•Immediately wipe up any spilled
gasoline.
Fuel Filter-."__J_
CLEANING
Clean engine, battery, seat, finish, etc.
iof all foreign matter.
Keep finished surfaces and wheels
free of all gasoline, oil, etc.
•Protect painted surfaces with automo-
tive type wax.
We do not recommend using a garden
hose to clean your tractor unless the
electrical system, muffler, air filter and
carburetor are covered to keep water out.
Water in engine can result in a short-
ened engine life.

_CAUTION: Before performing any service or adjustments:
• Depress clutch/brake pedal fully and set parking brake.
Place gearshift lever in neutral (N) position.
Place attachment clutch in "DISENGAGED" position.
Turn ignition key "OFF" and remove key.
Make sure the blades and all moving parts have completely stopped.
• Disconnect spark plug wire from spark plug and place wire where it cannot
come in contact with plu_
TRACTOR
TO REMOVE MOWER
Mower will be easier to remove from the
right side of tractor.
•Place attachment clutch in =DISEN-
GAGED" position,
•Move attachment lift lever forward to
lower mower to its lowest position.
•Roll belt off engine pulley,
•Remove small retainer spring, and lift
clutch spring off pulley bolt.
•Remove large retainer spring, slide
collar off and push housing guide out
of bracket.
•Disconnect anti-swaybar from chassis
bracket by removing retainer spring.
•Disconnect suspension arms from rear
deck brackets by removing retainer
springs.
• Disconnect front links from deck by re-
moving retainer springs.
• Raise lift lever to raise suspension
arms. Slide mower out from under trac-
tor.
Small Retainer Spring
IMPORTANT: If an attachment other than
the mower deck is to be mounted on the
tractor, remove the front links and hook
the clutch spring onto square hole in
frame.
TO INSTALL MOWER
•Raise attachment lift lever to its high-
est position.
•Slide mower under tractor with dis-
charge guard to right side of tractor.
•Lower lift lever to its lowest position.
•Install mower in reverse order of re-
moval instructions.
TO LEVEL MOWER HOUSING
Adjust the'mower while tractor is parked
on level ground or driveway. Make sure
tires are properly inflated (See "PROD-
UCT SPECIFICATIONS" on page 3 of
this manual). If tires are over or
underinflated, you will not properly
adjust your mower.
';';" "'% Square Hole
Suspension Arms "o.J_'_-, Engine Pulley
Retainer Spring
Anti-Sway
Collar,
Housing Large Retainer
Spring
Bracket
:TetainerSprings
(Both Sides)
\ "1 /_,
/
21

SIDE-TO-SIDE ADJUSTMENT
• Raise mower to its highest position.
• At the midpoint of both sides of mower,
measure height from bottom edge of
mower to ground. Distance "A" on
both sides of mower should be the
same or within 1/4" of each other.
•If adjustment is necessary, make
adjustment on one side of mower only.
•To raise one side of mower,.tighten lift
link adjustment nut on that side.
•To lower one side of mower, loosen lift
link adjustment nut on that side.
NOTE: Each full turn of adjustment nut
will change mower height about 1/8".
•Recheck measurements after adjust-
ing.
B_ Bottom edge of
or[om r
edge of _ _-_"/_-"-'_ mowe
mower t_ I_ k\{nl I l°roun d
ground_L---__----_l _
gV-!J rou . i.e
(_ Suspension
• Arm
©O
Lift Link Adjus_nent Nut_''7_'-_-
FRONT-TO-BACK ADJUSTMENT
IMPORTANT: Deck must be level side-to
side. If the following front-to-back
adjustment is necessary, be sure to
adjust both front links equally so mower
will stay level side-to-side.
To obtain the best cutting results, the
mower housing should be adjusted so
that the front is approximately 1/8" to 1/2"
lower than the rear when the mower is in
its highest position.
Check adjustment on right side of tractor.
Measure distance "D" directly in front
and behind the mandrel at bottom edge
of mower housing as shown.
• Before making any necessary adjust-
ments, check that both front links are
equal in length. Both links should be
approximately 10-3/8".
•If links are not equal in length, adjust
one link to same length as other link.
•To lower front of mower loosen nut "E"
on both front links an equal number of
turns.
•When distance "D" is 1/8" to 1/2" lower
at front than rear, tighten nuts =P
against trunnion on both front links.
• To raise front of mower, loosen nut "P
from trunnion on both front links.
Tighten nut "E" on both front links an
equal number of turns.
•When distance "D" is 1/8" to 1/2" lower
at front than rear, tighten nut "P
against trunnion on both front links.
•Recheck side-to-side adjustment.
.:./. Mandrel
Both Front Links Should be Equal in Length
Nut =p_Nut =E"
Trunni°n/v__
Front Links
TO REPLACE MOWER BLADE
DRIVE BELT
The mower blade drive belt may be
replaced without tools. Park the tractor
on level surface. Engage parking brake.
BELT REMOVAL -
•Remove mower from tractor (See "TO
REMOVE MOWER" in this section of
this manual).
•Work belt off both mandrel pulleys and
idler pulleys.
•Pull belt away from mower.
Mandrel
Pulley Idler
Pulle
22

BELT INSTALLATION -
• Install new belt in reverse order of
removal.
•Make sure belt is in all pulley grooves
and inside all belt guides.
•Install mower in reverse order of
removal instructions.
TO ADJUST BRAKE
Your tractor is equipped with an adjust-
able brake system which is _nounted on
the right side of the transaxle.
If tractor requires more than six (6) feet.
stopping distance at high speed in
highest gear, then brake must be
adjusted.
•Depress clutch/Drake pedal and
engage parking brake.
• Measure distance between brake
operating arm and nut "A" on brake
rod.
• If distance is other than 1-1/2", loosen
jam nut and turn nut "A" until distance
becomes 1-1/2". Retighten jam nut
against nut =A".
•Road test tractor for proper stopping
distance as stated above. Readjust if
necessary. If stopping distance is still
greater than six (6) feet in highest
gear, further maintenance is neces-
sary. Contact your nearest authorized
service center/department.
With Parking Brake "Engaged"
Nut =A"
Jam Nut
-Operating
Arm
TO REPLACE MOTION DRIVE BELT
Park the tractor on level surface. Engage
parking brake. For assistance, there is a
belt installation guide decal on bottom
side of left footrest.
•Remove mower (See "TO REMOVE
MOWER" in this section of this
manual.)
•Remove belt from stationary idler and
clutching idler.
•Pull belt slack toward rear of tractor,
Remove belt upwards from transaxle
pulley by deflecting belt keepers.
•Pull belt toward front of tractor and
remove downwards from around
engine pulley.
•Install new belt by reversing above
procedure.
Engine Pulley--
Clutchingldler j
StaUonary16_ler
Transaxle
Puney___ --
TRANSAXLE GEAR SHIFTLEVER
NEUTRAL ADJUSTMENT
The transaxle should be in neutral when
the gear shift lever is in neutral (N) (lock
gate) position. The adjustment is preset
at the factory; however, if adjustment is
needed, proceed as follows:
• Make sure transaxle is in neutral (N).
NOTE: When the tractor rear wheels
move freely, the transaxle is in neutral.
• Loosen adjustment bolt in front of the
right rear wheel.
• Position the gear shift lever in the
neutral (N) position.
• Tighten adjustment bolt securely.
NOTE: If additional clearance is needed
to get to adjustment bolt, move mower
deck height to the lowest position.
Gearshift Lever_ Neutral Lock Gate
[
23

TO ADJUST STEERING WHEEL
ALIGNMENT
If steering wheel crossbars are not
horizontal (left to right) when wheels are
positioned straight forward, remove
steering wheel and reassemble per
instructions in the Assembly section of
this manual.
FRONT WHEEL TOE-IN/CAMBER
The front wheel toe-in and camber are
not adjustable on your tractor. If damage
has occurred to affect the front wheel
toe-in or camber, contact your nearest
authorized service center/department.
TO REMOVE WHEEL FOR REPAIRS
•Block up axle securely.
•Remove axle cover, retaining ring and
washers to allow wheel removal (rear
wheel contains a square key - Do not
lose).
•Repair tire and reassemble.
•On rear wheels'only: align grooves in
rear wheel hub and axle. Insert
square key.
•Replace washers and snap retaining
ring securely in axle groove.
•Replace axle cover.
NOTE: To seal tire punctures and
prevent flat tires due to slow leaks, tire
sealant may be purchased from your
local parts dealer. Tire sealant also
prevents tire dry rot and corrosion.
Washer
Retaining
Ring
Axle
Cover
I
Square Key.-'_
(Rear Wheel Only)
TO START ENGINE WITH AWEAK
BA'I-FERY
_1= CAUTION: Lead-acid batteries
generate explosive gases. Keep sparks,
flame and smoking materials away from
batteries. Always wear eye protection
when around batteries.
If your battery is too weak to start the
engine, it should be recharged. (See
"BATTERY" in the MAINTENANCE
section of this manual).
If "jumper cables" are used for emer-
gency starting, follow this procedure:
IMPORTANT: Your tractor is equipped
with a 12 volt negative grounded system.
The other vehicle must also be a 12 volt
negative grounded system. Do not use
your tractor battery to start other vehicles.
TO ATTACH JUMPER CABLES -
•Connect each end of the RED cable to
the POSITIVE (+) terminal of each
battery, taking care not to short against
chassis.
•Connect one end of the BLACK cable
to the NEGATIVE (-) terminal of fully
charged battery.
•Connect the other end of the BLACK
cable to good CHASSIS GROUND,
away from fuel tank and battery.
TO REMOVE CABLES, REVERSE
ORDER -
• BLACK cable first from chassis and
then from the fully charged battery.
•RED cable last from both'battedes.
24
e(+) "Ne, (-)
REPLACING BA'I'FERY
CAUTION: Do not short battery
terminals by allowing a wrench or any
other object to contact both terminals at
the same time. Before connecting battery,
remove metal bracelets, wristwatch
bands,rings,etc.
•Lift hood to raised position.
•Remove terminal guard.
•Disconnect BLACK battery cable then
RED battery cable and carefully
remove battery from tractor.
•Install new battery with terminals in
same position as old battery.
•Reinstall terminal guard.
•First connect RED battery cable to
positive (+) battery terminal with hex
bolt and keps nut as shown. Tighten
securely.

•Connect BLACK grounding cable to
negative (-) battery terminal with
remaining hex bolt and keps nut.
Tighten securely
•Close terminal access doors.
•Close hood.
Terminal Keps Nut
Access ....
Ooor. iii}
Guard
Hex Bolt
_4_1_ Positive
(Red)
"t. Cable
_'L--Negative (Blacl_)
Cable
TO REPLACE HEADLIGHT BULB
•Raise hood.
•Pull bulb holder out of the hole in the
backside of the gdll.
•Replace bulb in holder and push bulb
holder securely back into the hole in
the backside of the grill.
•Close hood.
INTERLOCKS AND RELAYS
Loose or damaged wiring may cause
your tractor to run poorly, stop running,
or prevent it from starting.
• Check wiring. See electrical wiring
diagram in the Repair Parts section.
TO REPLACE FUSE
Replace with 15 amp automotive-type
plug-in fuse. The fuse holder is located
behind the dash.
TO REMOVE HOOD AND GRILL
ASSEMBLY
• Raise hood.
•Unsnap headlight wire connector.
•Stand in front of tractor. Grasp hood at
sides, tilt toward engine and lift off of
tractor.
•To replace, reverse above procedure.
Headlight Wire
Connector
ENGINE
Maintenance, repair, or replacement of
the emission control devices and
systems, which are being done at the
customers expense, may be performed
by any non-road engine repair establish-
ment or individual. Warranty repairs must
be performed by an authorized engine
manufacturer's service outlet.
TO ADJUST THROTTLE CONTROL
CABLE
The throttle control has been preset at
the factory and adjustment should not be
necessary. Check adjustment as
described below before loosening cable.
If adjustment is necessary, proceed as
follows:
•With engine not running, move throttle
control lever to fast position.
•Check that swivel is against side of
quarter circle. If it is not, loosen cable
clamp screw and pull cable back until
swivel is against quarter circle.
Tightencable clamp screw securely.
TO ADJUST CHOKE CONTROL
The choke control has been preset at the
factory and adjustment should not be
necessary. Check adjustment as
described below before loosening cable.
If adjustment is necessary, proceed as
follows:
•With engine not running, move choke
control (located on dash panel) to full
choke position.
•Remove air cleaner cover, filter and
cartridge plate to expose carburetor
choke (see =AIR FILTER" in the
Customer Responsibilities section of
this manual).
•Choke should be closed. If it is not,
loosen casing clamp screw and move
choke cable until choke is completely
closed. Tighten casing clamp screw
securely.
•Reassemble air cleaner.
Clamp
Quarter
Circle /
25 Swivel

Choke Closed _
4
I
Choke Lever
TO ADJUST CARBURETOR
The carburetor has been preset at the
factory and adjustment should not be
necessary. However, minor adjustment
may be required to compensate for
differences in fuel, temperature, altitude
or load. If the carburetor does need
adjustment, proceed as follows:
In general, turning the mixture screw in
(clockwise) decreases the supply of fuel
to the engine giving a leaner fuel/air
mixture. Turning the mixture screw out
(countemlockwise) increases the supply
of fuel to the engine giving a richer fuel/
air mixture.
IMPORTANT: Damage to the needles
and the seats in carburetor may reslut if
screw is turned in too tight.
PRELIMINARY S EI-I'ING -
•Be sure you have a clean air filter, and
the throttle control cable and choke
are adjusted properly (see above).
•With engine off turn idle mixture screw
in (clockwise) closing it finger tight and
then turn out (countemlockwise) 1-1/4
to 1-1/2 turns.
FINAL SETTING -
• Start engine and allow to warm for five
minutes. Make final adjustments with
engine running and s_ift/motion
control lever in neutral (N) position.
• With throttle control lever in slow
position, hold throttle lever against idle
speed screw and adjust idle speed
screw to obtain 1200 to 1400 RPM.
• While still holding throttle lever against
idle speed screw, turn idle mixture
screw in (clockwise) until engine
begins to die and then turn out
(counterclockwise) until engine runs
rough. Turn screw to a point midway
between those two positions.
•Continue to hold throttle lever against
idle speed screw and adjust idle
speed screw to obtain 900 to 1200
RPM. Release throttle lever.
ACCELERATION TEST -
•Move throttle control lever from slow to
fast position. If engine hesitates or
dies, turn idle mixture screw out
(counterclockwise) 1/8 turn. Repeat
test and continue to adjust, if neces-
sary, until engine accelerates
smoothly.
High speed stop is factory adjusted. Do
not adjust - damage may result.
IMPORTANT" Never tamper with the
engine governor, which is factory set for
proper engine speed, overspeeding the
engine above the factory high speed
setting can be dangerous, if you think
the engine-govemed high speed needs
adjusting, contact your nearest AUTHO-
RIZED service center/department, which
has proper equipment and experience to
make any necessary adjustments.
ldle Speed
i: crMix_ure
few
Throttle
Lever
Idle Speed
Screw
Throttle Lever Idle Mixture
Screw
26

Immediately prepare your tractor for
storage at the end of the season or if the
tractor will not be used for 30 days or
more.
_I_ CAUTION: Never store the tractor
w_th gasoline in the tank inside a
building where fumes may reach an
open flame or spark. Allow the engine to
cool before storing in any enclosure.
TRACTOR
Remove mower from tractor for winter
storable. When mower is to be stored for
apenod of time, clean it thoroughly,
remove all dirt, grease, leaves, etc, Store
in a clean, dry area.
•Clean entire tractor (See "CLEANING"
in the Customer Responsibilities
section of this manual).
•Inspect and replace belts, if necessary
(See belt replacement instructions in
the Service and Adjustments section of
this manual).
•Lubricate as shown in the Customer
Responsibilities section of this
manual.
• Be sure that all nuts, bolts and screws
are securely fastened. Inspect moving
parts for damage, breakage and wear.
Replace if necessary.
• Touch up all rusted or chipped paint
surfaces; sand lightly before painting.
BATTERY
• Fully charge the battery for storage.
•After a period of time in storage,
battery may require recharging.
•To help prevent corrosion and power
leakage during long periods of
storage, battery cables should be
disconnected and battery cleaned
thoroughly (see "1"O CLEAN BATTERY
AND TERMINALS" in the Customer
Responsibilities section of this
manual).
• After cleaning, leave cables discon-
nected and place cab4es where they
cannot come in contact with battery
terminals.
• If battery is removed from tractor for
storage, do not store battery directly on
concrete or damp surfaces.
ENGINE
FUELSYSTEM
IMPORTANT: It is important to prevent
gum deposits from forming in essential
fuel system parts such as carburetor, fuel
filter, fuel hose, or tank dudng storage.
Also, experi_tnce indicates that alcohol
blended fuels 9called gasohol or using
ethanol or methanol) can attract moisture
which leads to separation and formation
of acids during storage. Acidic gas can
damage the fuel system of an engine
while in storage.
• Drain the fuel tank.
• Start the engine and let it run until the
fuel lines and carburetor are empty.
• Never use engine or carburetor
cleaner products in the fuel tank or
permanent damage may occur.
•Use fresh fuel next season.
NOTE: Fuel stabilizer is an acceptable
alternative in minimizing the formation of
fuel gum deposits during storage. Add
stabilizer to gasoline in fuel tank or
storage container. Always follow the mix
ratio found on stabilizer container. Run
engine at least 10 minutes after adding
stabilizer to allow the stabilizer to reach
the carburdtor. Do not drain the gas tank
and carburetor if using fuel stabilizer.
ENGINE OIL
Drain oil (with engine warm) and replace
with clean engine oil. (See "ENGINE" in
the Customer Responsibilities section of
this manual).
CYLINDER(S)
•Remove spark plug(s).
•Pour one ounce of oil through spark
plug hole(s) into cylinder(s).
•Turn ignition key to =START" position
for a few seconds to distribute oil.
•Replace with new spark plug(s).
OTHER
•Do not store gasoline from one seasor
to another.
• Replace your gasoline can if your can
starts to rust. Rust and/or dirt in your
gasoline will cause problems.
•If possible, store your tractor indoors
and cover it to give protection from
dust and dirt.
•Cover your tractor with a suitable
protective cover that does not retain
moisture. Do not use plastic. Plastic
cannot breathe which allows conden-
sation to form and will cause your
tractor to rust.
IMPORTANT: Never cover tractor while
engine and exhaust areas are still
warm.
27

TROUBLESHOOTINGCHART
CAUSEPROBLEM
Willnot_art
Hard to start
Engine will not turn
over
Engine clicks but will
not start
•Out of fuel.
•Engine not "CHOKED"
properly.
• Engine flooded.
•Bad spark plug.
•Dirty air filter.
•Ditty fuel filter.
• Water in fuel.
• Loose or damaged
wiring.
• Carburetor out of
adjustment.
•Engine valves out of
adjustment.
•Dirty air filter.
•Bad spark plug.
•Weak or dead battery.
•Dirty fuel filter.
•Stale or dirty fuel.
•Loose or damaged
wiring.
•Carburetor out of
adjustment.
•Engine valves out of
adjustment.
•Clutch/brake pedal not
depressed.
•Attachment clutch is
engaged.
•Weak or dead battery.
•Blown fuse.
•Corroded battery
terminals,
•Loose or damaged
wiring.
•Faulty ignition switch.
•Faulty solenoid or
starter.
i• Faulty operator
presence switch(es).
•Weak or dead battery.
•Corroded battery
terminals.
CORRECTION
• Fill fuel tank.
•See =TO START ENGINE"
in Operation section.
•Wait several minutes
before attempting to start.
•Replace spark plug.
•Clean/replace air filter.
•Replace fuel filter.
•Drain fuel tank and
carburetor, refill tank with
fresh gasoline and replace
fuel filter.
•Check all wiring.
• See =To Adjust Carburetor"
in Service Adjustments
section.
•Contact an authorized
service center/department.
•Clean/replace air filter.
•Replace spark plug.
•Recharge or replace
battery.
•Replace fuel filter,
•Drain fuel tank and refill with
fresh gasoline.
•Check all wiring.
•See =To Adjust Carburetor"
in Service Adjustments
section.
•Contact an authorized
service centerldepartment.
•Depress clutch/brake pedal.
•Disengage attachment
clutch.
•Recharge or replace
battery.
•Replace fuse.
•Clean battery terminals.
•Check all wiring.
•Check/replace ignition
switch.
•Check/replace solenoid or
starter.
•Contact an authorized
service center/department.
•Recharge or replace
battery.
•Clean battery terminals.
28

TROUBLESHOOTINGCHART
PROBLEM CAUSE
=ngine clicks but will
lot start (Cont'd)
Loss of power
Excessive vibration
Engine continues
i to run when operator
leaves seat with
attachment clutch
engaged
Poor cut - uneven
•Loose or damaged
wiring.
•Faulty solenoid or
starter.
•Cutting too much
grass/too fast.
•Throttle in "CHOKE"
position.
•Build-up of grass,
leaves and trash
under mower. •
•Dirty air filter.
•Low oil level/dirty oil.
•Faulty spark plug.
•Dirty fuel filter.
• Stale or dirty fuel.
•Water in fuel.
•Spark plug wire loose.
•Dirty engine air screen/
fins.
•Dirty/clogged muffler.
•Loose or damaged
wiring.
•Carburetor out of
adjustment.
•Engine valves out of
adjustment.
•Worn, bent or loose
blade.
•Bent blade mandrel.
•Loose/damaged part(s).
•Faulty operator-safety
presence control
system.
•Worn, bent or loose
blade.
•Mower deck not level.
•Buildup of grass,
leaves, andtrash
under mower.
•Bent blade mandrel.
•Clogged mower deck
vent holes from buildup
of grass, leaves, and
trash around mandrels.
CORRECTION
• Check all wiring.
•Check/replace solenoid or
starter.
•Set in "Higher Cut" position/
reduce speed.
•Adjust throttle control.
• Clean underside of mower
housing.
• Clean/replace air filter.
• Check oil level/change oil.
•Clean and regap or change
spark plug.
•Replace fuel filter.
•Drain fuel tank and refill
with fresh gasoline.
•Drain fuel tank and carbura
tor, refill tank with fresh
gasoline and replace fuel
filter.
•Cpnnect and tighten spark
plug wire.
•Clean engine air screen/fins.
• Clean/replace muffler.
• Check all wiring.
•See =To Adjust Carburetor"
in Service Adjustments
section.
•Contact an authorized
service center/department.
•Replace blade. Tighten
blade bolt.
•Replace blade mandrel.
• Tighten loose part(s).
Replace damaged parts.
• Check wiring, switches and
connections. If not corrected
contact an authorized
service center/department.
• Replace blade. Tighten
blade bolt.
•Level mower deck.
• Clean underside of mower
housing.
•Replace blade mandrel.
• Clean around mandrels to
open vent holes.
29

TROUBLESHOOTING CHART
PROBLEM CAUSE
Mower blades will not • Obstruction in clutch
rotate mechanism.
Poor grass discharge
Headlight(s) not
working (if so
equipped)
Battery will not charge
Loss of Drive
Engine "backfires"
when turning engine
"OFF"
•Worn/damaged mower
drive belt.
•Frozen idler pulley.
•Frozen blade mandrel.
• Engine speed too slow.
•Travel speed too fast.
•Wet grass.
•Mower deck not level.
•Low/uneven tire air
pressuPe.
• Worn, bent or loose blade.
•Buildup of grass,
leaves and trash under
mower.
•Mower drive belt wom.
•Blades improperly
installed.
•Improper blades used.
• Clogged mower deck
vent holes from buildup
of grass, leaves, and
trash around mandrels.
•Switch is "OFF".
•Bulb(s) burned out.
•Faulty light switch.
•Loose or damaged
widng.
•Blown fuse.
• Bad battery cell(s).
•Poor cable connections.
•Faulty regulator (if so
equipped).
•Faulty altemator.
•Freewheel control in
=disengaged" position.
•Motion drive belt worn,
damaged or broken.
•Air trapped in transmiss-
ion dudng shipment or
servicing.
• Engine throttle control
not set at "SLOW"
position for 30 seconds
before stopping engine.
CORRECTION
_• Remove obstruction.
Replace mower drive belt.
Replace idler pulley.
• Replace blade mandrel.
• Place throttle control in
"FAST" position.
• Shift to slower speed.
• Allow grass to dry before
mowing.
• Level mower deck.
• Check tires for proper air
pressure.
• Replace/sharpen blade.
Tighten blade bolt.
• Clean underside of mower
housing.
•Replace mower ddve belt.
• Reinstall blades sharp edge
(_own.
•Replace with blades listed
in this manual.
•Clean around mandrels to
open vent holes.
•Turn switch "ON".
• Replace bulb(s).
I- Check/replace light switch.
•Check wiring and connec
tions.
Replace fuse.
Replace battery.
Check/clean all connec
tions.
• Replace regulator.
•Replace alternator.
• Place freewhee! control in
"engaged" position.
•Replace motion drive belt.
• Purge transmission.
•Move throttle control to
"SLOW" position and allow
to idle for 30 seconds before
stopping engine.
30

SCHEMATIC
TRACTOR --MODEL NUMBER 917.270831
BATTERY
RED
AMMETER
(OPTIONAL)
W_TE
REO /
*LL
"3
IGNITION SWITCH
PoSmON CIRCUIT "MAKE"
FUSE 15 AMP.
*! I
'© ,O-+-----
I
i I B
,'_--¢C2_2___-_
L ....... ,J
CLUTCH IBRAKE
(PEDAL UP)
BL/_K
BUICK
(OPTIONAL)
SOLENOID
STARTER
8LACK
W_TE
SEAT SWITCH
(NOT OCCUPIED)
•A_I f_E I....... i i .... 1
II
I_i "I i-
? 'o
_ _-_E_CUiaR ' "..........
[" aL*CK (CLUTCH _FF) I GROUNDING
CONNECTOR 4
ORANGE
NOTE
l•
mF SPARK •
PLUG
BLACK IGNITION
UNIT I (2 PLUGS ON
TWIN CYL ENGINES)
CHARGING SYSTEM OUTPUT _VQ4.TS AC M_N. 0 _ _PM
3 AMp DC @3600 RPM (CHARGINGSYSTEMI_SCONNECTEO)
RED t I
IUQm_GSVST_OUTPUT iALTERNATOR
=_MPACe_RPM DIODE
OP_WN
HEADLIGHTS
NON-REMOVABLE REMOVABLE
CONNECTIONS CONNECTIONS
YOUR TRACTOR IS
EQUIPPED WITH A SPECIAL
ALTERNATOR SYSTEM.
THE LIGHTS ARE NOT
CONNECTED TO THE
BATTERY, BUT HAVE THEIR
OWN ELECTRICAL SOURCE.
BECAUSE OF THIS, THE
BRIGHTNESS OF THE LIGHTS
WILL CHANGE WITH ENGINE
SPEED. AT IDLE THE LIGHTS
WILL DIM. AS THE ENGINE IS
SPEEDED UP, THE LIGHTS
WILL BECOME THEIR BRIGHTEST.
OFF G+M+L NONE
RUN/LIGHT B + L A + Y
RUN B + L NONE
START B+L+S NONE
WIRING INSULATED CLIPS
NOTE: IF WIRING INSULATED CLIPS WERE REMOVED FOR
SERVICING OF UNIT, THEY SHOULD BE REPLACED TO
PROPERLY SECURE YOUR WIRING,
31

TRACTOR - MODEL NUMBER 917.270831
ELECTRICAL
42
41
26
I i
I
25
16
29
I
32

ELECTRICAL
TRACTOR - MODEL NUMBER 917.270831
KEY PART
NO. NO. DESCRIPTION
1 163465 Battery 12 VOLT 28 AMP
2 74760412 Bolt Hex Hd 1/4-20unc x 3/4
8 7603J Case Battery
10 145211 Bolt,Btr Front 1/4-20 x 7.1/2
11 150109 HoiddownBattery FrontMount
12 145769 . Nut, Push Nylon Battery Front 1/4
16 153664 Switch, Intednck Pushdn
19 Std551125 Washer Lock 1/4
20 73350400 Nut Jam Hex 1/4-20 Unc
21 166182 Hamess LightSocket (W/4152j)
22 4152J BulbUght #1156
24 4799J Cable Battery
25 146148 Cable Battery
26 166180 Fuse
27 73510400 Nut Keps Hex 1/4-20 Unc
28 145491 Cable Ground
29 121305X SwitchSeat
30 140301 Switch Ign 4 Position "
31 124211X Nut Ignition
32 141226 Cover Ignition Switch
33 109310X Key MoldedCraftsman
40 169596 Harness Ign
41 71110408 Bolt Blk. Fin Flex 1/4-20 Unc x 1/2
42 131563 CoverTerminal
43 168327 Solenoid
44 73640400 Nut Keps BIk Hex 1/4-20 Unc
45 121433X Ammeter Rectangular6 Amp
52 141940 ProtectionWire Loop
55 17490508 Screw Thdrol 5/16-18 x 1/2
70 166658 Harness Engine B&S
NOTE: All component dimensionsgivenin U, S.
inches 1 inch = 25/4 mm
33

TRACTOR - MODEL NUMBER 917.270831
CHASSIS AND ENCLOSURES
28
58 12
14
31
53
55
6O
13
3
74 3 14
34

TRACTOR - MODEL NUMBER 917.270831
CHASSIS AND ENCLOSURES
I_'Y PART
NO. NO.
11B681_
2 140356
3 17060612
4 STD551(_5
5 155272
9 165454XO13
10 STD533710
11 155927 •
12 145660
13 169118
14 17490608
17 144983X558
18 126938X
20 156437
23 124028X
25 19131312
26 STD541437
28 156725X558
29 155217X599
30 154791X558
31 139976
37 17490508
38 139886
39 139887
51 73800400
52 19091416
53 145201
54 161464
55 145202
57 STD522507
58 140547
60 STD533707
64 154798
74 STD541437
114 158112
115 17060620
116 19131614
140 158418
142 165867
143 164_
144 154207
145 156524
159 155123X428
DESCRIPTION
Chassis Assembly
Drawhar
Screw 3/8-16 x 3/4
Washer 13/32 x 3/4 x 16 Gauge
BumperHood/Dash
Dash
Bolt,Carriage 3/8-16 x 1
Panel, Dash, L.H.
ClipTinnerman Grille P/L
Panel, Dash, R.H.
ScrewThdml 3/8-16 x1/2
HoodAssembly
BumperHood
Plate Mtg Battery Fuel Tank
Bushing,Snap, Nylon, Fuel Line
Washer 13/32 x 13/16 x 12 Gauge
Locknut, Hex, with Insert 3/8-16 Unc
Grillew/ClipsMS-558
Lens, Grille
Fend/Ftrast
Bracket, Fender Support
Screw Thdrol 5/16-18 x 1/2
Pivot Bracket Assembly, L.H.
Pivot Bracket Assembly, R.H.
Nut Lockw/Insert 1/4-20 UNC
Washer 9/32 x 7/8 x 16 Ga.
Bracket Grille Pickofl LH
Screw Hex Wshd 8-16 x 7/8
Bracket Grille Pickoff RH
Bolt, Fin Hex 1/4-20 UNC x .75
AirDuct P/L 18HP B&S Opp. Twin
Bolt Rdhd Sqnk 3/8-16 UNC x 3/4
Dash LowerSTLT
Nut Crownlock 3/8-16 UNC
Keeper Belt Rear Lh Stl
Screw 3/8-16 x 1-1/4
Washer 13/32 x 1 x 14 Ga.
Bracket Suspension Front
Plate Reinfomement STLT
Bracket Swaybar Chassis
Bracket Pnt FootrestSTLT
Rod Pivot Chassis/Hood
Cupholder
NOTE: All component dimensionsgiven in U. S.
inches 1 inch = 25/4 mm
35

TRACTOR - MODEL NUMBER 917.270831
GROUND DRIVE
57
,r_ 1 156
2 62
25
:36

TRACTOR - MODEL NUMBER 917.270831
GROUND DRIVE
KEY PARr KEY PART
NO. NO. OESCRIP'nON NO, NO. DESCRIP]ION
1........ Tmnsaxle (See Breakdown) 59 140312
Peedess 206-545C 61 17060612
2146682 Spring, Return, Brake 62 8883R
3 123666X Pulley,Transaxle 63 140186
4 12000028 Ring,Retainer 64 164975
5 121520)( Strap,Torque 65 STD551143
6 17060512 Screw 5/16-18x3/4 66 154778
8 165866 RodShifterFenderSTLT 70 134683
10 STD561210 Pin, Cotter 72 19132012
11 105701X Washer, Shift Plate 74 137057
13 74550412 Bolt 1/4-28UNFW/PatchGr. 8 75 121749)(
14 10040400 Washer Lock Hvy Helical 76 STD581075
18 STD523710 BoltFinHex3/8-16UNCxl Gr5 77 123583X
19 STD541437 Nut 78 121748)(
21 106933X Knob 79 S'rD580025
22 130804 Rod, Brake 80 145090
24 S'rD541237 Nut 81 165592
25 106888X Spring, BrakeRod 82 165711
26 S'rD551037 Washer 83 19171216
27 S'1"D561210 Pin 84 166231
28 145204 Rod, Parking Brake 85 150360
29 124236X Cap, Parking Brake, Red 89 158391X428
30 130807 Bracket, Transaxle 90 124346X
31 127275X Keeper, Belt, LH. 96 STD624003
32 STD523107 Bolt 112 19091210
34 155071 Shaft Assembly, Foot Pedal 113 127285X
35 120183X Beadng, Nylon 116 72110610
36 STD551062 Washer 145 74490540
37 STD571810 Roll Pin 150
38 131494 Pulley, Idler, Flat
39 STD523727 Bolt 151 19133210
40 4470J Spacer, Split ,395 x .59 156 166002
41 165838 Keeper, Belt, Idler 158 165589
42 19131312 Washer 13/32x13/16x12Ga. 159165494
47 127783 Pulley, Idler, V-Groove, Plastic 160 19292016
48 154407 BellcrankClutch Grad Dry Stl 161 72140406
49 123205X Retainer, Belt 162 73680400
50 STD523715 Bolt 163 74780416
51 STD541437 NutCrownLock3/8-16UNC 164 19091010
52 STD541431 NutCmwnLock5/16-18UNC 165 165623
53 105710X Link, Clutch 166 166880
55 105709X Spring,Clutch Return 168 165492
56 STD523712 Bolt Fin Hex 3/8-16 x 1-1/4 169 165580
57 130801 V-Belt, Ground Ddve
58 127274X Keeper, Belt, R.H.
Keeper, Bolt, Center Span
Screw 3/8-16 x3/4
Cover, Pedal
Pulley, Engine
Bolt, Hex 7/16-20 x4Grade 5
Washer
Keeper, Belt, Engine, Fool.Proof
Guide, Mower Ddve Belt, R.H.
Washer 13/32 x 1-1/4 x12 Ga.
Spacer, Axle
Washer 25/32 x 1-1/4 x 16 Ga.
E-Ring
Key, Square 2.0 x .1845/.1865
Washer 25/32 x 1-5/8 x 16 Ga
Key Woodruft
Arm, Shift
Shaft Asm Cross Tapered 650 20
Spring,Torsion
Washer 17132 x 3/4 x 16 Ga.
LinkTransaxle
Nut, Nylock
Console, Shift,STLT
Nut, Self-Thding, Wsh Hd 1/4
Retainer Spdng 1"
Washer 9/32 x 3/4 x 10 Gauge
Strap Torque 90 Degrees
Bolt Rdhd Sqneck 3/8-16 x 1.25
Bolt,Hex Flghd 5/16-18 Gr. 5
165850
BushingBellcrankGrcl.Drive
Washer 13/32 x2 x 10 Ga.
Washer Srrted 5/161Dx 1.125
Bracket Shift Mount
Hub Tapered Flange Shift Lt
Washer 29/32 x 1-1/4 x 16 Ga
Bolt Rdhd Sqnk 114-20 x 3/4 Gr.5
Nut Crownleek 1/4-20 Unc
Bolt Hex Fin l/4-2OUnc x 1 Gr 5
Washer 5/8 x .281 x 10 Ga
Bracket Pivot Lever
Screw 5/16-18 x 5/8
Bolt Shoulder 5/16-18 x .561
Plate Fastening Lt
NOTE: All componentdimensionsgiven inU. S.
inches 1 inch = 25/4 rnm
37

STEERING
TRACTOR - MODEL NUMBER 917.270831
! _ P"-_"- 38
_ i _ _\_ •
:...... _,-_ _°j
i
C,
i
i
__,F _
62 44
U
47
40
67
68
43
II
30 _tJ
38

J
TRACTOR- MODEL NUMBER 917.270831
STEERING
KEY PAR'r
NO. NO. DES_
1 1_9768
2 154427
3 156483
4 157473
5 6266H
6 121748X
7 19272016
8 12000029
9 3366R -
10 156438
11 STD551137
13 154779
15 73901000
17 156546
18 57079
19 160395
22 165857
23 165851
25 154406
26 126847X
27 136874
28 19131416
29 17060612
3O STD561210
32 130465
36 155099
37 152927
38 139769
39 19133812
40 STD541537
41 100711L
42 145054X428
43 121749X
44 153720
46 121232X
47 6855M
51 STD541431
54 74780520
62 167902
63 STD523710
65 154780
66 154404
67 74781044
68 154429
79 19132012
SteedngWheel
AxleAssembly STMP DroppedSTL
SpindleAssembly, LH.
SpindleAssembly, R.H.
Bearing,Race, Thrust, Hardened
Washer 25/32 x 1-5/8 x 16 Gauge
Washer 27/32 x 1-1/4 x 16 Gauge
Ring,Klip
Bearing,SteeringColumn
DraglinkExtendedStamped
Washer, Lack
Bea ringAxle STLT/GT
Nut, Lock, Range 5/8-11 UNC
Shaft Assembly, Steering
Washer, Thrust .515 x .750 x .033
Support,Shaft
Screw Hex Wshhd Torx
Pittman Shaft Assembly
Bracket, Steering
Bushing,Link, Drag,
Gear, Sector
Washer 13/32 x 718x 16 Gauge
Screw 3/8-16 x 3/4
Pin
Rod,Tie
Bushing,Steering
Screw
Insert,Steering Wheel
Washer 13/32 x 2-3/8 x 12 Gauge
GripcoNut
Adaptor,Steering Wheel
Boot, Steering Shaft
Washer 25/32 x 1-1/4 x 16 Gauge
Extension Shaft Steering LR.LT
Cap, Spindle
Fitting,Grease
Nut Lock Hex w/Ins. 5/16-18 UNC
Bolt Fin Hex 5/16-18 UNC x %1/4
Kit Steering Asm Service
Bolt,Fin Hex 3/8-16 UNC x 1 Gr 5
Spacer Axle
BearingArmPittman
Bolt, Rn Hex 5/8-11 UNC x 2-3/4
Axle, Brace
Washer 13/32 x 1-1/4 x 12 Ga
80 74950612 Bolt Hex Nylon 3/8-16 x3/4
NOTE: All component dimensions given in U. S.
inches 1 inch = 25/4 mm
39

ENGINE
TRACTOR - MODEL NUMBER 917.270831
31
39
_'_" 26
14
81
32 . 34
/
33
29
IOPTIONAL EQUIPMENT I
Spark Arrester
I
/4
4O

ENGINE
TRACTOR - MODE LNUM BER 917.270831
K]EY PART
NO. NO.
1 1&152
2 17720410
3......
4 149723
5 144069
6 144068
7 138129
8 150176-
10 145552
11 •STD551125
12 STD522507
13 165287
14 13280336
15 13200300
16 STD551237
17 17490624
23 159880
25 145996
26 73920600
27 152927
29 137180
31 157103
32 161696
33 123487X
34 106082)(
35 17060512
37 8543R
38 .......
39 109227X
81 128861
DESCRIPTION
Control, Throt Paddle 32 22
Screw, Hex Thd Cut 1/4-20 x 5/8
Engine, B&S, (See Breakdown)No. 461707-0145-E1
Muffler Exhaust
Exhaust Asm, Left
Exhaust Asm Right
Clamp TubeDouble Engine
Bolt 5/16-18unc x 3/4 W/Sems
Heat ShieldLt
Washer Lock Hvy. Helical 1/4
Bolt FinHex 1/4-20Unc x .75
Gasket, Muffler
Nipple, Pipe 4-1/2
Elbow, Standard 90°, 3/8-18 NPT
Washer Lock Ext Tooth 3/8
Screw Thdrol 3/8-16xl -1/2 Tytt
Shield, Bm/Dbr Guard
ControlChoke
Nut Keps 3/8-24 Unf
Screw 1"I"#10-32 x 5'x 3/8 Flange
Arrestor, Spark
Tank, Fuel
Cap Fuel Guage
Clamp, Hose
Spacer Pad
Screw 5/16-18 x 3/4
Line, Fuel
Plug, Oil Drain (See Engine Breakdown)
Pad idler
Nut Flange 1/4-20 Starter Nut
NOTE: All componentdimensions givenin U. S.
inches 1 inch = 25/4 mm
41

TRACTOR -- MODEL NUMBER 917.270831
SEAT ASSEMBLY
I
5
K]EY PART
NO. NO.
1140123
2 140551
3STD523710
4 19131610
5 145O06
6STD541437
7 124181X
8 17060616
9 19131614
10 155925
11 166369
12 121246X
DIESCRIFnON
Seat 3350 BIk/otk Craftsman
Bracket Pnt Pivot Seat (blk)
Bolt Fin Hex 3/8-16unc X 1
Washer 13/3:) X 3/4 X 10 Ga
Clip Push In Hinged
Nut Hex Lock w/Ins 3/8-16 Unc
Spring Seat Cprsn 2 250 BIk Zi
Screw 3/8-16 X 1-112
Washer 13/32 X 1 X 14 Ga
Pan Pnt Seat (blk)
Knob Seat
Bracket Pnt Mounting Switch
K]EY PART
NO. NO. DESCRIPTION
13 121248X
14 72050412
15 134300
16 121250X
17 123976)(
21 153236
22 STD541431
24 19171912
25 127018X
Bushing Snap BIk Nyt 50 Id
Bolt Rdhd Sht Nk 1/4-20x1-1/2
Spacer Split 28 X 96 Zinc
Spring Cprsn I 27 BIk Pnt
Nut Lock 1/4 Lge Fig Gr 5 Zinc
Bolt Shoulder 5/16-18 Unc-2A
Nut Hex Lock w/Ins 5/16-18
Washer 17/32 X 1-3/16 X 12 Ge,
Bolt Shoulder 5/16-18 X 62
NOTE: Allcomponent dimensions given in U. S.
inches 1 inch = 25/4 mm
42

DECALS
TRACTOR - MODEL NUM BER 917.270831
9
68
7
15
13
KL=YpART
NO. NO.
1 156439
3 163200
4 163202
5163207
6133644
7 166927
8 167180
9 163204
11 156368
13 146046
1<3EYPART
DESCRIP'nON NO. NO.
Decalj Fender Danger Sears 15 160396
Decal, Hood, R.H. Craftsman 19 138047
Decal, Hood, LH. Craftsman 20 166887
Decal, Fender 22 149516
Decal,Maintenance - - 138311
Decal, Panel Dash B&S - - 154515
DecaI, Rplcmnt - -154516
Decal, Fender, Craftsman Gold - - 169580
Decal, Fender STLT Oper Inst E/S -- 169581
Decal, V-Belt Dr Sch Tractor
DESCRIPTION
Decal, Mower DriveSchematic
Decal, Battery Diehard Sears
Decal, Deck Mower EZ3
Decal, Battery
Decal, LiftHandle
Pad FootrestLH STLT
Pad FootrestRH STLT
Owner's Manual, English
Owner's Manual,Spanish
WHEELS AND TIRES KL=Y PART
NO. NO. DESCRIPTION
1 59192 Valve Cap, Tire
2 65139 Stem, Valve
3 106222X Tire, Front
4 59904 Tube, FrontTire
(Not Provided, Service Item
Only)
5 106732X427 Rim, Front
6 278H Fitting,Grease (FrontWheel
Only)
7 90401-1 Beating, Flange (Front Wheel
Only)
8 106108X427 Rim, Rear
9122082X Tire,Rear
10 7152J Tube, RearTire
(Not Provided, Service Item
Only)
11 104757X Cap, Axle
- - 144334 Sealant, Tire 10 oz.
NOTE: All component dimensions given in U. S.
inches 1 inch = 25/4 mm
43

TRACTOR - MODEL NUMBER 917.270831
LIST ASSEMBLY
11
30
3
19
13
/
13
19
20 J_,_: 171e20
15 _ \ 16 \ \ \
_y 15
44

TRACTOR - MODEL NUMBER 917.270831
LIST ASSEMBLY
PART
NO. NO. DESCRIPTION
1 159460 Lift Lever Inner Wire Assembly
2 159471 Shaft Assembly, Lift
3 105767)( Pin, Groove
4 12O00002 E-Ring
5 19211621 Washer 21/32 x 1 x 21 Gauge
6 120183X Bearing,Nylon
7 125631X Grip, Handle, Ruted
8 122365X Sutton, Plunger. Red
11 139865 Link, Uft, L.H.
12 139866 Unk, Lift, R.H.
13 STD624008 RetainerSpring
15 127218 Link, Front
16 73350800 Nut, Hex, Jam 1/2-13UNC
17 130171 Trunnion
18 73680800 NutLock 1/2-13 UN(_
19 139868 Arm, Suspension,Rear
20 163552 RetainerSpdng
23 110807X Nut, Special
24 19131016 Washer 13/32 x 5/8 x 16 Gauge
25 2876H Spring
26 76020308 Pin, Cotter 3/32 x 1/2
27 126971X Rod, Adjust, Lift
28 73350600 Nut, Hex, Jam 3/8-16UNC
29 138057. Knob, inf. 3/8-16
30 150233 Trunnion, InfHeight
31 140302 Beadng, Pvt, Lift Special
32 73540600 Nut, Cmwnlook 3/8-24
36 155097 Pointer Height Indicator
37 123935X PlugHole
38 1_12 Screw 5/16-18x3/4
40 19112410 Washer 11/32 x 1-1/2
41 155098 IndicatorHeight
49 145212 Nut FlangeLock
50 110452X Nut Push Phos & Oil
NOTE: Allcomponent dimensionsgiven inU. S,
inches 1 inch =25/4 mm
45

TRACTOR -'- MODEL NUMBER 917.270831
MOWER DECK
21
\2
16
1
28
29
,18
22
123 24
26
27
46

TRACTOR- MODELNUMBER 917.270831
MOWER DECK
PARr _PART
NO. NO. DESCRIPTION NO. NO.
1 165892 Mower Deck Assembly,42" 56 165723
2 STD533107 Bolt 59 141043
3 138017 Bracket Assembly,Sway Bar, 67 149846
Front •68 144959
4 165460 Bracket Sway Bar 38/42" Deck 85 72140620
5 STD624008 RetainerSpdng 92 STD541437
6 130832 Arm, Suspension, Rear 101 136420
8 850857 Bolt,Hex 3/8-24 x 1.25 Gr. 8 102 71161010
9 STD551137 Washer, Lock 103 19061216
10 140296 Washer,Hardened 104 STD551110
11 134149 Blade, Mulching 105 160793
12 129895 Bearing, Ball 106 2029J
13 137645 Shaft Assembly, MandreI, Vented 111 155197
(Includes Key 112 155198
Number12) 113 17060512
14 128774 Housing, Mandrel, Vented 114 STD541431
15 110485X Beadng, BalI, Mandrel 115 72110504
16 140329 Stripper,Vented Mower Deck 116 4896H
18 72140505 Bolt, Carriage 5/16-18 x 5/8 117 165746
19 132827 Bolt,Shoulder 118 73930600
20 159770 Baffle, Vortex 119 STD551037
21 STD541431 NutCrownlocks/16-18UNC 121 143723
22 134753 Stiffener Bracket 128 153390
23 131267 Bracket, Deflector 129 19131312
24 105304X Cap, Sleeve 130 STD523710
25 123713X Spring, Torsion, Deflector
26 110452X Nut, Push 131 STD533710
27 130968 Shield, Deflector 142 165890
28 19111016 Washer 11/32 x 5/8 x 16 Ga. 143 157109
29 131491 Rnd, Hinge 144 158634
30 157722 ScrewThdrolWasherHead 145 165888
31 129963 Washer, Spacer 146 165891
32 153535 Pulley,Mandrel 147 131335
33 137266 Nut, Toplock, Flanged 148 169022
34 STD533717 Bolt 149 165896
35 133835 Fastner, ChdstmasTree 150 19091218
36 131494 Pulley, Idler, Rat 151 169670
37 STD551037 Washer 13/32 x13/16 x16 152 169676
Gauge 153 169674
40 STD541437 NutCrownlock3/8-16UNC 154 169675
44 140088 Guard, MandreI, L.H. 155 169671
45 STD624003 Retainer 156 169672
46 137729 Screw, Thd. Roll 1/4-20 x 5/5 157 169669
48 133944 Washer, Hardened 158 17720410
49 155066 RolterAssembly,CamFollower - - 130794
50 1313_) Bolt, Shoulder #10-24 Grade 5
51 STD541410 Locknut -- 169583
52 139888 Bolt,Shoulder 5/16÷18UNC
53 131845 Arm Assembly, Pad, Brake
54 133943 Washer, Hardened
55 155046 Arm, Idler 0
DESCRIPTION
Spacer, Retainer
Guard, TUV idler
Knob CustomOval
V-Belt
BoltCarriage 3/9-16 x2-1/2
Nut
MulcherCover
Screw
Washer #10
Washer, Lock
Latch Assembly, Bagger
Nut, Weld
Bracket, Gauge, Wheel LH.
Bracket, Gauge, Wheel R.H.
Screw 5/16-18 x 3/4
Nut, Hex, Keps 5/16-18 UNC
Bolt, Carriage 5/16 UNC x 1/2
Bolt, Shoulder
Wheel, Gauge
Nut, Centedock3/8-16
Washer 3/8 x 7/8 x 14 Gauge
Bracket
Washer Felt
Washer 13/32 x 13/16 x 12 Ga.
Bolt,Fin Hex 3/8-16 UNC x 1
Gr. 5
Bolt, Rdhd Sqnk 3/8-16UNC x 1
ArmSpringBrake Mower
Bracket Arm Idler 42"
Keeper Belt42" Clutch Cable
Pulley Idler Flat
Bolt Carriage Idler
SpringExtension
SpringReturn Idler
RetainerSpringYellowZinc
Washer 9/32 x 3/4 x 18 Ga.
Bracket Clutch
Cable Clutch 42 In
Washer Flat 3/8"Type B
Spring Retainer
SpdngRetentionLever
Spacer
Rod Clutch
Screw Hex Thd Cut 1/4-20 x 5/8
Mandrel Assembly(IncludesKey
Numbers 8-10, 12-15, 31 and 32)
Mower Deck, Complete (Standard
Deck, Order Separately Mulcher
Plate and Gauge Wheel
Components,Key Nos. 101-106
and 111-121)
NOTE: All componentdimensionsgiven inU. S.
inches 1 inch =25/4 mm
47

TRACTOR - MODEL NU MBER 917.270831
PEERLESS TRANSAXLE-MODEL NUMBER 206-545C
157
#
47
11
13
157
48

TRACTOR - MODEL NUMBER 917.270831
PEERLESS TRANSAXLE-MODEL NUMBER 206-545C
REF PART REF PART
NO. NO. DESCRIPTION NO. NO. DESCRIPTION
1 772147 Transaxle Cover 39 786026
2 780086A Needle Bearing ,5/8" 40 792076A
3 770128 Transaxle Case
4 776395 Countershaft 41A 790079
5 776409 Output Shaft 42 792073A
6 778364 Spur Gear (38 teeth) 42A 792085A
6A 778369 Spur Gear (t5 teeth) 43 792075
7 778330 Spur Gear (11 teeth) 44 790025
8 792180 Shift Key 45 786066
8A 792047 Woodruff Key #9 46 786086
9 784352 Shift Collar 47 774690
10 784378 Shift Rod & Fork 48 774691
11 778334 Bevel Gear (30 teeth) 49 778356
12 778309 Input Bevel Pinion (13 teeth) 50 778338
13 778368 Bevel Gear (13 teeth) 51 778354
(Include. 14) 52 778352
14 778368 Bevel Pinion (13 teeth) 53 778350
(Include. 13) 54 778346
15 778370 Ring Gear (43 teeth) 56 778355
17 786188 Drive Pin 57 778337
18 786102 Spacer 1.130 X ,695 58 778353
20 792077A Ball 5/16" dia 59 778351
21 792078 Set Screw 3/8 - 16 x 3/8" 60 778349
22 792079 Spring ,310 OD x .625 L 61 778345
25 792073A Screw 1/4 - 20 x 1-1/4" 65 780189
25A 792177 Screw 1/4-20 x 1-3/8"
26 792125 Retaining Ring (pkg of 2) 66 776422
27 792035 Retaining Ring 67 776396
28 788040 Retaining Ring 69 792170
29 780072 Thrust Washer 70 786187
.627 ID x .031W 71 788069
29A 780160 Thrust Washer 71B 788092
.762 ID x .031W 76 780090
29B 780051 Thrust Washer
.762 ID x .031W 77 788078A
29C 780199 Anti-Rotation Washer .632 79 792144
30 780108 Cup Washer 82 778333
1.127 ID x .032W
31 780001 Flat Washer 83 778338
.750 ID x .056W (Use As 85 792154
Needed) 87 788089A
31A 780195 Flat Washer 150 788093A
.750 ID x .062W 157 788088A
32 788083 Oil Seal 6/8" 180 730229A
34 780194 Bushing .563 900 794712
35 780193 Flanged Bushing 5 /8" ID
35A 780197 Flanged Bushing .751
36 790075 Brake Disk
37 790007 Brake Pad Plate
38 799021 Brake Pad (pkg of 2)
Dowel Pin
Flat Washer
.312 ID x .059W
Brake Lever
Screw 1/4 - 20 x 1-1 /4"
Screw 1/4 - 20 x 2 t/4"
Locknul 5 /16 -24
Brake Pad Holder
Spacer .2625 x 1.0
Brake Lever Bracket
Axle (11-15 /16" Long)
Axle (16 - 1 /2" long)
Spur Gear (29 teeth)
Spur Gear (27 teeth)
Spur Gear (23 teeth)
Spur Gear (19 teeth)
Spur Gear (16 teeth)
Spur Gear (15 teeth)
Spur Gear (11 teeth)
Spur Gear (13 teeth)
Spur Gear (17 teeth)
Spur Gear (21 teeth)
Spur Gear (24 teeth)
Spur Gear (25 teeth)
Fiat Washer
.563 ID x .062W
Input Shaft
Shifter & Brake Shaft
Retaining Ring
Spacer .890
Square Cut Ring
=O" Ring
Flat Washer
1.128 ID x .058W
tnverted Retaining Ring
Spring ,430 OD x .5000 L
Bevel & Spur Gear (30 & 13
teeth)
Spur Gear (27 teeth)
Oil Fill Pk_J
Oil Seal 9 /16"
Liquid Gasket RTV Silicone
Oil Seal 3/4"
Gear Oil 80W90
Replacement MST
206-545C Transaxle
NOTE: All component dimensions given in
U.S. inches 1 inch = 25,4 mm
49

TRACTOR - MODEL NUMBER 917.270831
BRIGGS & STRATTON ENGINE-MODEL NUMBER 461707, TYPE NUMBER 0145-E1
_8i I_O_LABELKITI
11o5eOWNER'S MANUAL I
tr REQUIRES SPECIAL TOOLS
15 _.<7 TOINSTALL.SEEREPAIR
INSTRUCTIONMANUAL
5O

TRACTOR - MODEL NUMBER 917.270831
BRIGGS & STRA'I-FON ENGINE-MODEL NUMBER 461707, TYPE NUMBER 0145-E1
51 _:_ 447_ 304 _ _
122 '51A 865d'_ _ _ -
51 _:_-: /-(" -_°'_ 305 "_
:"_, 205 _ r.,
.• _634A e " -:.....
202 _'_
50 -?212 ,'= --
:267 _203':'r: •306 "" .
3()7 |
1
53_ 54_- 51A 725 " 240 ._? 573 -_",. °.- _.J"7"_='=t
861 PUMP REPAIR KIT
392 _ 432 _%_ ,,_ ,_'-__
527
'1
121 CARBURETOR KIT |
/
432 _,__ 392'_ 104 .. 102_C_/|
959 433 386
258
222 11 6_ "
I _,._\_.¢_. I
/ -'%_:_-'_ 689 |
l-.- i__-_'_::_ 1211
"k REQUIRES SPECIAL TOOLS
TO INSTALL SEE REPAIR
INSTRUCTION MANUAL
2271::i' ::'=1
562 _':
278 ._
592
425 _-_....
._ ._ .... 356 " -- _;,
968 _ _ 297
643 _j-,/--,
235/_
423 _
"= 163
971
91 I 109
108 -
865A
30 A-_ .-
307
333_ 851 _
482 _'_
701 '"I._L
73 __ '
332
934 _75
ou6 _
0051 .: ,°,_-_.-,
.::.__,___ _:,._
79_ _..___'_-"" _, '_"--_
\-_,-._--:.;
726 ""_<_._-_::'
51

TRAC:I"OR - MODEL NUMB ER 917.270831
BRIGGS & STRAI"I'ON ENGINE-MODEL NUMBER 461707, TYPE NUMBER 0145-E1
783
310_ 803
513
797A
797
544 801
358 GASKET SET
177 O
163
51A_
634 _7
569 3@ 20@
52

TRACTOR- MODEL NUMBER 917.270831
BRIGGS & STRATI'ON ENGINE-MODEL NUMBER 461707t TYPE NUMBER 0145-E1
KEY PART KEY PART
NO. NO. DESCRIPTION NO. NO. DESCRIPTION
1 498583
2 399265
3 91086
4 493304
5 214517
5A 214518
7 271867 *"
7A 271868 _4
8 495754
9 27803 .4
10 94382
IOA 94380
11 280225
273390
271188
271189
13 94565
15 94239
16 690666
19 399264
20 291675
23 491180
24 222698
25 499180
499181
499182
499183
26 499184
499285
499186
499187
27 263129
28 498319
498320
29 498314
498541
32 95017
33 390420
494553
34 691302
35 65906
36 26828
40 221596
41 292260
42 494553
45 261368
46 214487
47 393415
Cyl_,nder Assembly 48
ushing/Seal Kit 50
Seal-Oil 51
Sump-Engine 51 A
Head-Cylinder #1 53
Head-Cylinde_ #2 54
Gasket-Cylinder Head #1 73
Gasket-Cylinder Head #2 75
Breather Assembly 78
_ylinder #1) 91
asket-Breathsr 95
Screw (Breather Assembly_ 97
Screw (Breather Cover) 98
Tube-Breather _102
Gasket-Crankcase (.015" 104
Thick, Std.) 105
Gasket-Crankcase (.005" 107 693482
Thick) 108 693505
Gasket-Crankcase (.009" 109 693498
Thick) 117 693538
Screw (Cylinder Head) 693500
Plug-Oil Drain 121 491539
Crankshaft 122 281411
Bushing 125 693479
Seal-Oil 130 693604
Flywheel 133 693512
Key-Flywheel 146 94196
Piston Assembly (Stan- 147 693508
dard) 161 496599
Piston Assembly (.010 163 271411
=O.S.) 177 271170
Piston Assembly (.020 =187 299146
O.S.)
Piston Assembly (.030" 197 95063
O.S.) 202 262683
Ring Set, Piston (Stan- 203 280997
dard) 205 93971
R_n_ Set, Piston (.010 209 262352
• . 211 261563
Ring Set, Piston (.020 212 693985
O.S.) 030 215 224816
RinQ Set, Piston (. 219 394348
=O._).. 220 222773
Lock-Piston Pin
Pin A_ssembly, Pistc_ (Bid.) 222 491282
Pin Assembly-Piston (.005" 227 491297
O.S.) 235 224995
Rod-Connecting (Stan- 240 394358
dard) 244 230318
Rod-Connecting (.020
U.S.) 258 94930
Screw (Connecting Rod) 267 93897
Valve-Exhaust (Include(s): 278 94942
Keeper-Valve (Ref. No. 42)) 297 94289
Valve-intake
Spring-Valve 0ntake) 304 691390
Spring-Valve (Exhaust) 305 690960
Retainer-Valve (Exhaust) 306 222846
Retainer-Valve (Exhaust) 306A 223734
Keeper-Valve 307 94930
Tappet-Valve 309 497596
Camshaft 310 94003
Slinger-Oil 311 497608
498542 Short Block
213290 Manifold-Intake
271412 -Jr• Gasket-Intake
270884 -k_. Gasket-Intake
93970 Screw (Carburetor)
93208 Screw (Intake Manifold)
691438 Screen-Rotating
222511 Washer (Flywheel)
691134 Screw (Flywheel Fan)
693483 Body Assembly-Upper
690718 Screw (ThrottleValve)
693485 Shaft-Throttle
807923 Kit-Idle Speed
693509 •Gasket-Carburetor Body
693506 •Pin-Float Hinge
692078 •Valve-Float Needle
Body Assembly-Lower
Valve-Choke
Shaft-Choke
Jet-Main
Jet-Main (High Altdude)
Carburetor Kit
Spacer
Carburetor
Valve-Throttle
Float-Carburetor
Key-Timing
Jet-Pilot
Base-Air Cleaner
"/r Gasket-Air Cleaner
"JrSeal-O-Ring
Line-Fuel (Cut to Requir_
Length)
Screw (Back plate)
Link-MechanicalGovernc
Crank-Bell
Screw (Bell Crank)
Spring-Governor
Spdng-Governor
Link-Throttis
Guide-Air
Gear-Governor
Washer-Thrust (Govemol
Gear)
Bracket-Contro|
Lever-Govemor
Shield-Fuel Spray
Filter-Fuel
Connector-Hose (Pulse
Line)
Screw (Engine Sump)
Screw (CasingClamp)
Washer (Governor Level
Nut-Wing(Air Filter
Retainer)
Housing-Blower
Screw (Blower Housing)
Shield-Cylinder
Shield-Cylinder
Screw (Cylinder Shie|d)
Motor-Starter
Bolt (Starter Motor)
Brush Set
53

TRACTOR- MODEL NUMBER 917.270831
BRIGGS & STRATTON ENGINE-MODEL NUMBER 461707, TYPE NUMBER 0145-E1
KEY PART KEY PART
NO. NO. DESCRIPTION NO. NO. DESCRIPTION
332 230674 Nut (Flywheel) 802 497607 Cap-End
333 394891 Armature-Magneto 803 497604 Housing-Starter
334 94731 Screw (Magneto Armature) 807 693511 Spacer
337 802592 Plug-Spark 822 693497 Washer-Seal (Throttle
356 494705 Wire-Stop . Shaft)
358 495868 Gasket Set 847 495715 Dipstick/'rube Assembly
383 89838 Wrench-Spark Plug 851 493880 Terminal-Cable
386 693490 O+ Gasket-Pump 859 693488 O+ Diaphragm-Fuel Pump
391 693487 Body-Pump " 861 393397 Kit-Fuel Pump
392 693491 O+ Spring-Pump Diaphragm 865 224774 Cover-Air Guide
404 223882 Washer (Governor Crank) 865A 224775 Cover-Air Guide
423 94674 Screw (Air Cleaner Base) 868 497656 Seal-Valve
425 94823 Screw (Air Cleaner.Cover) 868A 273312 Seal-Valve
432 693492 O+ Cap-Spring 869 261463 Seat-Valve (Intake)
433 693489 O+ Diaphragm-Fuel Pump 870 262924 Seat-Valve (Exhaust)
434 693493 Cover-Diaphragm 871 261961 Bushing-Guide (Exhaust)
435 693494 Screw (Diaphragm Cover) 231218 Bushing-Guide (Intake)
441 222875 Bracket-Oil Fill 877 393456 Wire-Alternator
445 394019 Filter-Air 881 495901 Plate-Cover
447 93343 Screw (Air Guide Cover) 918 393815 Hose-Vacuum (Cylinder-To-
449 94882 Screw (Oil Fill Bracket) Impulse Pump)(Cut to
474 93474 Alternator Required Length)
482 93621 Screw (Alternator) 934 94627 Screw (Fan Retainer)
510 497606 Drive-Starter 955 693513 Plug-Carburetor
513 398003 Clutch-Drive 968 225008 Cover-Air Cleaner
523 494947 Dipstick 971 805540 Screw (Upper Body To
525 495348 Tube-Oil Fill Lower Body)
527 223167 Clamp-Tube 1005 498157 Fan-Flywheel
535 272490 Filter-Air 1006 224901 Retainer-Fan
544 97603 Armature-Starter 1019 496726 Label Kit
552 262332 Bushing (Governor Crank) 1036 499382 Label Kit-Emission
552A 262331 Bushing (Governor Crank) 1051 263080 Ring-Retaining
562 93853 Bolt-Carriage (Governor 1058 273688 OwnerOs Manual
Lever) 1081 280860 *Seal-O-Ring
569 272645 4r Gasket-Base 1090 497605 Retainer-Brush
572 222892 Cover-Breather (Cylinder 1095 498047 Gasket Set-Valve Overhaul
#2) 1125 94724 Screw (Cover Plate)
573 491304 Plate-Back 1132 94675 Screw (Oil Slinger)
592 92278 Nut (Govemor Lever) 1136 94297 Screw (Governor, Control
601 95162 Clamp-Hose Rod)
615 94296 Retainer (Govemor Crank) 1137 220680 Washer (Governor, Control
615A 93898 Retainer-Governor Shaft Rod)
616 491530 Crank-Governor 1138 94298 Nut (Governor, Control Rod
634 491287 *Seal-Governor Shaft 460707°0145-E1
634A 271013 Washer-Foam Replacement Engine
635 66538 Boot-Spark Plug
637 693510 Washer-Seal
643 496700 Retainer-Air Filter _r Included in Gasket Set, Ref Number
689 262337 Spring-Fdction 358.
697 93585 Screw (Drive Cap) • Included in Carburetor Kit, Ref Number
725 280866 Shield-Heat 121.
726 91362 Gear-Ring •Included in Value Overhaul Kit, Ref
741 262989 Gear-Timing Number 1095.
783 693059 Gear-Starter + Included in Fuel Pump Kit, Ref Number
797 94010 Nut (Starter Terminal) 861
797A 693167 Nut (Starter Terminal) ,O<1,+
801 394860 Cap-Drive NOTE: All component dimensions given in U.S.
inches 1 inch = 25.4 mm
54

SUGGESTED GUIDE FOR SIGHTING SLOPES FOR SAFE OPERATION
I""
SIGHTING
GUIDE
ONLY RIDE UP AND DOWN HILL,
NOT ACROSS HILL
1_ Operate your Tractor up and down the face of slopes (not I
I
greater than 15°), never across the face. Make turns gradu- I
ally to prevent tipping or loss of control. Exercise extreme
caution when changing direction on slopes.
I

r i
For in-home major brand repair service:
Call 24 hours a day, 7 days a week
1-800-4-MY-HOME" (1-800-46_663)
Para pedir servicio de reparaci6n a _omicilio
•1-800-676-5811
In Canada for all your service and parts needs call
Au Canada pour tout le service ou les pi6ces
1-800-665-4455
For the repair or replacement parts you need:
Call 6 am - 11 pm CST, 7 days aweek
PartsDirect s"
1-800-366-PART (!-800-366-7278)
Para ordenar piezas con entrega a domicilio
1-800-659-7084
For the location of a Sears Parts and Repair Center
in your area:
Call 24 hours a day, 7 days a week
1-800-488-1222
For information on purchasing a Sears Maintenance
Agreement or to inquire about an existing Agreement:
Call 9 am -5pm, Monday - Saturday
1-800-827-6655
SEARS
HomeCentral s"
169580 4.27.99 TR Printed in U.S.A. i