Craftsman 921 1521 Users Manual
921152100 921152100 CRAFTSMAN AIR COMPRESSOR - Manuals and Guides L0211167 View the owners manual for your CRAFTSMAN AIR COMPRESSOR #921152100. Home:Tool Parts:Craftsman Parts:Craftsman AIR COMPRESSOR Manual
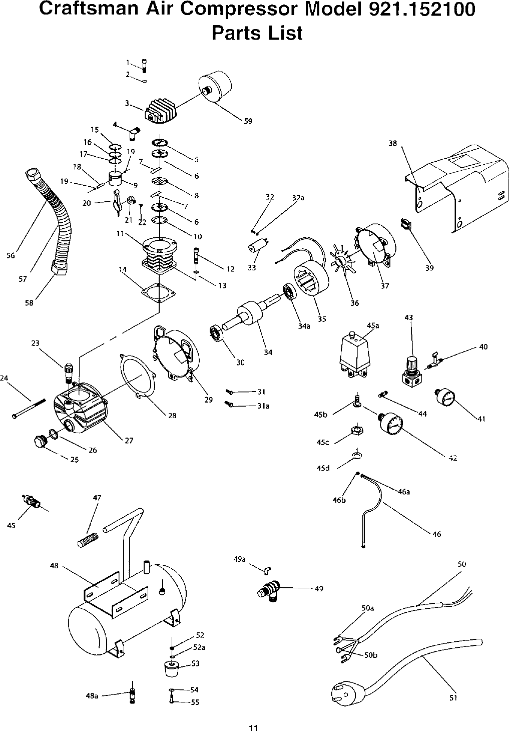
CRAFTSMAN Air compressor Manual L0211167 CRAFTSMAN Air compressor Owner's Manual, CRAFTSMAN Air compressor installation guides
74030ba9-0f79-4ada-80bc-048c50094a6e Craftsman Air Compressor 921.1521 User Guide |
2015-01-05
: Craftsman Craftsman-921-1521-Users-Manual-160166 craftsman-921-1521-users-manual-160166 craftsman pdf
Open the PDF directly: View PDF
.
Page Count: 11










