Craftsman 921 1521 Users Manual
921152100 921152100 CRAFTSMAN AIR COMPRESSOR - Manuals and Guides L0211167 View the owners manual for your CRAFTSMAN AIR COMPRESSOR #921152100. Home:Tool Parts:Craftsman Parts:Craftsman AIR COMPRESSOR Manual
CRAFTSMAN Air compressor Manual L0211167 CRAFTSMAN Air compressor Owner's Manual, CRAFTSMAN Air compressor installation guides
74030ba9-0f79-4ada-80bc-048c50094a6e Craftsman Air Compressor 921.1521 User Guide |
2015-01-05
: Craftsman Craftsman-921-1521-Users-Manual-160166 craftsman-921-1521-users-manual-160166 craftsman pdf
Open the PDF directly: View PDF
.
Page Count: 11

Owner's Manual
[CRRFTSMR 1
AIR COMPRESSOR
2-gallon
1.5 HP (peak)
Oil Lubricated
Model No. 921.152100
CAUTION:
Before using this product,
read this manual and follow
all its Safety Rules and
Operating Instructions.
•Safety Instructions
•Installation & Operation
•Maintenance & Storage
•Troubleshooting Guide
• Parts List
•Espa_ol, p. 12
Sears, Roebuck and Co., Hoffman Estates, IL 60179 U.S.A.
www.sears.com/crafts man
06/05/2002
Part NO. E100106

TABLE OF CONTENTS
Page
Warranty ................................................................................................................ 2
Safety Instructions ................................................................................................. 3
Important Safety Instructions & Guidelines ........................................................... 3
Specifications ......................................................................................................... 4
Glossary ................................................................................................................ 5
Duty Cycle ............................................................................................................. 5
Parts & Features ................................................................................................... 5
Installation & Assembly ......................................................................................... 6
Operating Procedures ........................................................................................... 7
Maintenance .......................................................................................................... 8
Storage .................................................................................................................. 8
Troubleshooting Guide .......................................................................................... 9
Parts List................................................................................................................. 10
EspaSolt .................................................................................................................. 12
FULL ONE YEAR WARRANTY ON CRAFTSMAN AIR COMPRESSOR
If this Craftsman Air Compressor fails due to manufacturer'sdefects in material or workmanship
within one year of the date of purchase, RETURN IT TO THE NEAREST SEARS STORE OR
SERVICE CENTER IN THE UNITED STATES and it will be replaced or repaired (at our option),
free of charge.
If this Air Compressor is used for commercial or rental purposes, this warranty applies for only
90 days from the date of purchase. This warranty gives you specific legal rights and you may
also have other rights which vary from state to state.
Sears, Roebuck and Co., Dept. 817WA,
Hoffman Estates, IL 60179

Safety Instructions
The information listed below should be read and
understood by the operator This information is given to
)rotect the user while operating and storing the air
compressor. We utilize the symbols below to allow the
reader to recognize important information about their
safety.
Indicates an imminently hazardous situation which, if
not avoided, will result in death or serious injury.
Indicates a potentially hazardous situation which, if not
avoided, could result in death or serious injury
Indicates a potentially hazardous situation which, if not
avoided, may result in minor or moderate injury.
When used without the safety alert symbol indicates a
potentially hazardous situation which, if not avoided,
may result in property damage.
Important Safety Instructions and Guidelines
•Save all instructions
Improper operation or maintenance of this product could result in serious injury and/or property damage. Read and
understand all of the warnings and safety instructions provided before using this equipment.
Risk of Moving Parts
Risk of Burns
I
Risk of Falling
The air compressor should be operated on a dedicated 15 amp circuit, if the circuit
does not have 15 free amps available, a larger circuit must be used. Always use more
air hose before utilizing extension cords. All extension cords used must be 12 gauge
with a maximum length of 25 ft. The circuit fuse type must be a time delay. Low volt-
age could cause damage to the motor.
If the air compressor is in operation, all guards and covers should be attached or
installed correctly. If any guard or cover has been damaged, do not operate the
equipment until the proper personnel has correctly repaired the equipment. The power
card £hould be free of any moving parts, twisting and/or crimping while in use and
while in storage.
There are surfaces on your air compressor that while in operation and thereafter can
cause serious burns if touched. The equipment should be allowed time to cool before
any maintenance is attempted. Items such as the compressor pump and the outlet
tube are normally hot during and after operation.
Operation of the air compressor should always be in a position that is stable. Never
use the air compressor on a rooftop or elevated position that could allow the unit to
fall or be tipped over. Use additional air hose for elevated jobs.
3

Important Safety Instructions & Guidelines
Risk from
Flying Objects
QI
Risk to Breathing
Risk of
Electrical Shock
Risk of
Explosion or Fire
Risk of Bursting
w
!
Always wear ANSI Z871 approved safety glasses with side shields when the air
compressor is in use. Turn off the air compressor and drain the air tank before
performing any type of maintenance or disassembly of the hoses or fittings. Never
point any nozzle or sprayer toward any part of the body or at other people or animals.
Avoid using the air compressor in confined areas. Always have adequate space
(12 inches) on all sides of the air compressor. Also keep children, pets, and others out
of the area of operation. This air compressor does not provide breathable air for any-
one or any auxiliary breathing device. Spraying material will always need to be in
another area away from the air compressor to not allow intake air to damage the air
compressor filter.
Never utilize the air compressor in the rain or wet conditions. Any electrical issues or
repairs should be performed by authorized personnel such as an electrician and
should comply with all national and local electrical codes. The air compressor should
also have the proper three prong grounding plug, correct voltage, and adequate fuse
protection.
Never operate the compressor near combustible materials, gasoline or solvent vapors.
If spraying flammable materials, locate the air compressor at least 20 feet away from
the spray area. Never operate the air compressor indoors or in a confined area.
Always araln the atr compressor tank aalty or atter each use. if the lank aeveiops a
leak, then replace the air compressor. Never use the air compressor after a leak has
been found or try to make any modifications to the tank. Never modify the air compres-
sor's factory settings which control the tank pressure or any other function.
Specifications
Pump Oil-lube direct drive
Motor Induction 1.5 HP Peak
Bore 1.65"
Stroke 1.26"
Voltage Single Phase 120 VAC
Minimum Circuit Requirement 15 Amps
Air Tank Capacity 2 Gallons
Cut-in Pressure 95 PSI
Cut-out Pressure 125 PSI
SCFM @ 90 PSI 2.4
4

Glossary
CFM: Cubic feet per minute
SCFM: Standard cubic feet per minute; a unit of measure
for air delivery.
PSlG: Pounds per square inch gauge; a unit of measure
for pressure.
ASME: American Society of Mechanical Engineers.
California Code: Unit may comply with California Code
462 (I) (2)/(M) (2).
Cut-In Pressure: The air compressor will automatically
start to refill the tank when the pressure drops
below the prescribed minimum.
Cut-Out Pressure: The point at which the motor stops
when the tank has reached maximum air
pressure.
Code Certification: Products that bear one or more of
the following marks: UL, CUL, ETL, CETL, have
been evaluated by OSHA-certified independent
safety laboratories and meet the applicable
Underwriters Laboratories Standards for Safety.
Duty Cycle
This is a 50% duty cycle air compressor. Do not run the air compressor more than 30 minutes of one hour. Doing so
could damage the air compressor.
Parts & Features
See figures below for reference.
Drain Valve: Used to drain condensation from the air tank.
Located at bottom of tank.
Motor Thermal Overload: The motor has an automatic
thermal overload protector. If the motor overheats, this
protector will shut off the motor. The motor must be
allowed 30 minutes to cool before restarting.
Quick Connect: Offers a quick release feature for
attaching and removing the air hose.
Pressure Switch: This controls the power to the motor
and also the cut-in/cut-out pressure settings. This switch
serves as the Auto-On/Off positions for the unit.
Air Intake Filter: Provides clean air to the pump and
must always be kept free of debris. Check on a daily basis
Air Compressor Pump: Oil lubricated direct driven pump
that compresses air which is distributed to the tank (not
shown).
Check Valve: When the pump is not in operation the
valve closes to retain air pressure inside the tank. An
internal component. Pressure Relief
Tube
-- -_ _
Pressure _
Switch
lii-_ _ Regulator
_ _ _Quick ConneCtsocket
Tank Gauge Regulator Gauge
Pressure Relief Valve; The pressure relief valve located
on the side of the pressure switch, is designed to
automatically release compressed air when the air
compressor reaches cut-out pressure. The released air
should only escape momentarily and the valve should then
close.
Tank Safety Valve: Used to allow excess tank pressure to
escape into the atmosphere. This valve should only open
when the tank pressure is above the maximum rated
pressure.
Outlet Pressure Gauge: Indicates the outgoing air
pressure to the tool and is controlled by the regulator.
Tank Pressure Gauge: Indicates the reserve air pressure
in the tank.
Regulator; The air pressure coming from the air tank is
controlled by the regulator. To increase the pressure turn
the knob clockwise and to decrease the pressure turn the
knob counterclockwise.
Oil Fill Cap
Oil Sight Glass
Outlet Tube
Valve
Check Valve

Installation & Assembly
The air compressor should be turned off and unplugged
from the power source before any maintenance is
performed as well as the air bled from the tank and the
unit allowed time to cool. Personal injuries could occur
from moving parts, electrical sources, compressed air or
hot surfaces. The regulator assembly must be attached
before use. Failure to assemble correctly could result in
leaks and possible injury. If unsure of assembly instructions
or you experience difficulty in the assembly please call
your local service department for further instruction.
Regulator Assembly
1. Before assembly remove the shipping plug and label
from the manifold adapter. Check to be sure that the
adapter has a sealant applied from the factory to
prevent leaks around the threads.
2. Attach the regulator assembly to the air compressor by
aligning the regulator to the threaded male adapter on
the manifold. Be certain to align the threads before
tightening to prevent thread damage.
3. The assembly should turn clockwise for approximately
6-7 revolutions. The tank and regulator gauge should
be facing in the same direction (see the figure below).
To prevent damage and leaks, do not over-tighten.
Tank Gauge Manifold Adapter
Turn Clockwise to Attach the
Regulator Gauge Assembly
Regulator Gauge
Assembly
To Install the Air Intake Filter
Remove the air intake filter from
the poly bag and thread
the head of the com f
shown.
Drain the tank to release al! tank air
pressure before removing the oil fill
cap. Be sure the air vent in the oil fill
cap (see figure to the right) is free from
debris. If air vent is blocked, pressure
can build in crankcase causing damage
to the compressor and possible per-
sonal injury.
Lubrication and Oil
Remove the oil fill cap by
turning it counter-clockwise by
hand. Fill the compressor
pump with an air compressor
oil such as SAE-30 non-
detergent (API CG/CD Heavy
Duty) oil at slow intervals until the oil reaches the center
of the red circle in the sight glass ( see figure above). Use
SAE-lO during extreme winter conditions.
Location of the Air Compressor
The air compressor should always be located in a clean,
dry, and well ventilated environment. The unit should have
at minimum, 12 inches of space on each side. The air filter
intake should be free of any debris or obstructions. Check
the air filter on a daily basis to be sure it is clean and in
working order.
Grounding Instructions
This product should be grounded. In the event of an
electrical short circuit, grounding reduces the risk of
electric shock by providing an escape wire for the electric
current. This product is equipped with a cord having a
grnL!ndin_ wir_ with an appropriate grounding phlg (.£_,
the figure below.) The plug must be plugged into an outlet
that is properly installed and grounded in accordance with
all local codes and ordinances. Check with a qualified
electrician or service personnel if these instructions are
not completely understood or if in doubt as to whether the
tool is properly grounded.
Do not attempt to start the air compressor without first
adding oil to the crankcase. Serious damage can result
unless filled with oil. The pump is shipped without oil from
the factory. Only use non-detergent oils since multi-
viscosity motor oils leave carbon deposits on pump
components, thus reducing performance and compressor
life.
Plug
Grounding Pin
_Grounded
Outlet
6

Improper installation of the grounding plug will result in a
risk of electric shock. If repair or replacement of the cord
or plug is necessary, do not connect the grounding wire to
either flat blade terminal. The wire with insulation having
an outer surface that is green with or without yellow
stripes is the grounding wire. Check with a qualified
electrician or serviceman if the grounding instructions are
not completely understood, or if in doubt as to whether the
product is properly grounded. Do not modify the plug
provided; if it will not fit the outlet, have the proper outlet
installed by a qualified electrician.
This product is for use on a circuit having a nominal rating
of 120 volts and is factory-equipped with a specific electric
cord and plug to permit connection to a proper electric
circuit. Make sure that the product is connected to an outlet
having the same configuration as the plug. No adapter
should be used with this product. If the product must be
reconnected for use on a different type of electric circuit,
qualified service personnel should make the reconnection.
Extension Cords
Use only a 3-wire extension cord that has a 3-blade
grounding plug, and a 3-slot receptacle that will accept
the plug on the product. Make sure your extension cord is
in good condition. When using an extension cord, be sure
to use one heavy enough to carry the current your prod-
uct will draw. Cords must not exceed 25 feet and No. 12
AWG size must be used. An undersized cord will cause a
drop in line voltage resulting in loss of power and over-
heating.
Break In Procedures
No break in procedure is required by the user. This
product is factory tested to ensure proper operation and
performance.
Operating Procedures
Daily Start-Up Procedures
1. Set the Auto-On/Off lever to the Off position.
2. Check the air compressor visually for any damage or
obstruction.
3. Close the drain valve,
4. Check the oil level of the pump.
5. Connect the air hose to the quick connect socket on
the regulator assembly by inserting the quick connect
plug on the air hose into the quick connect socket. The
quick connect socket collar will snap forward and lock
the plug into place providing an air tight seal between
the socket and plug. To leiease tile ah ilu_u push th_
collar back on the quick connect socket.
6. Plug the power cord into the proper receptacle.
7. Turn the Auto-On/Off lever to the On-Auto position and
the compressor will start and build air pressure in the
tank to cut-out pressure and then shut off automatically.
8. Adjust the regulator to a PSI setting that is needed for
your application and be sure it is within the safety
standards required to perform the task. If using a
pneumatic tool, the manufacturer should have recom-
mendations in the manual for that particular tool on
operating PSI settings.
9. The air compressor is now ready for use. The following
inflation and cleaning accessories packaged with this
unit should only be operated at maximum pressure of
20-30 PSI: blow gun, tapered nozzle, inflation needles,
wire brush adapter, blow gun adapter.
Daily Shut-Down Procedures
1. Set the Auto-On/Off lever to the Off position.
2. Unplug the power cord from the receptacle.
3. Set the outlet pressure to zero on the regulator.
4. Remove any air tools or accessories. When draining
the tank, always use ear and eye protection. Drain the
tank in a suitable location; condensation will be present
in most cases of draining.
5. Open the drain valve allowing air to bleed from the
tank. After all of the air has bled from the tank, close
the drain valve to prevent debris buildup in the valve.
When draining the tank, always use ear and eye protection.
Drain the tank in a suitable location; condensation will be
present in most cases of draining.
Water that remains in the tank during storage will corrode
and weaken the air tank which could cause the tank to
rupture. To avoid serious injury, be sure to drain the tank
after each use or daily.

Maintenance
NOTE: Any service procedure not covered in the maintenance schedule below should be performed by qualified
service personnel.
Before each After first Every
Items to Check/Change use or daily 10 hours 100 hours
Check Tank Safety Valve X
Overall Unit Visual Check X
Check Oil Level X
Change Oil X X
Check Air Filter (more frequently in dusty or humid environments) X
To ensure efficient operation and longer life of the air
compressor unit, a routine maintenance schedule should
be followed. The following schedule is geared toward a
consumer whose compressor is used in a normal working
environment on a daily basis. If necessary, the schedule
should be modified to suit the conditions under which your
compressor is used. The modifications will depend upon
the hours of operation and the working environment. Air
compressors used in an extremely dirty and/or hostile
environment will require a greater frequency of all
maintenance checks.
The air compressor should be turned off and unplugged
from the power source before any maintenance is
performed as well as the air bled from the tank and the
unit allowed time to cool. Personal injuries could occur
from moving parts, electrical sources, compressed air or
hot surfaces.
Oil Changing
For changing the pump oil, be sure to do the following:
1. Turn the unit off and unplug the power cord from the
receptacle.
2. Allow the compressor time to cool if it has been in
operation.
3. Open the drain valve to bleed all air from the tank.
4. Close the drain valve.
5. Remove the oil fill cap on the pump.
6. Remove the sight glass with a box end wrench or
socket. Drain the oil into a suitable container and
dispose of properly. The compressor may need to be
tipped slightly towards the drain hole to allow all of the
oil to drain.
7. Reattach the sight glass. Note: Torque the sight glass
10-12 inch Ibs. when re-assembling. Be sure the gasket
is between the sight glass and the pump crankcase.
8. Refill the compressor pump with an air compressor oil
such as SAE-30 non-detergent (API CG/CD Heavy
Duty) oil at slow intervals until the oil reaches the center
of the red circle in the sight glass. Use a SAE-10 during
extreme winter conditions.
Storage
For storing the air compressor, be sure to do the following:
1. Turn the unit off and unplug the power cord from the
receptacle.
2. Remove all air hoses, accessories, and air tools from
the air compressor.
3. Perform the daily maintenance schedule.
4. Open the drain valve to bleed all air from the tank.
5. Close the drain valve.
6. Store the air compressor in a clean and dry location.
8

Troubleshooting Guide
The air compressor should be turned off and unplugged from the power source before any
maintenance is performed as well as the air bled from the tank and the unit allowed time to cool,
Personal injuries could occur from moving parts, electrical sources, compressed air, or hot surfaces.
PROBLEM POSSIBLE CORRECTION
Air leaks at the check valve A defective check valve results in a constant air leak at the pressure release valve
or at the pressure relief valve, i when there is pressure in the tank and the compressor is shut off. Drain the tank,
then remove and clean or replace the check valve.
Air leaks between head and Be sure of proper torque on head bolts. If leak remains, contact a service
cylinder, technician.
Air leak from safety valve. Operate the safety valve manually by pulling on the ring. If the valve continues to
leak when in the closed position, it should be replaced.
Pressure reading on the
regulated pressure gauge
drops when an accessory is
used.
If there is an excessive amount of pressure drop when the accessory is used,
replace the regulator.
NOTE:
Adjust the regulated pressure under flow conditions (while accessory is being used).
It is normal for the gauge to show minimal pressure loss during initial use of the
tool.
Excessive tank pressure. Move the Auto-On/Off lever to the Off position. If the unit doesn't shut off,
unplug it from the power source and contact a service technician.
Motor will not start. Make sure power cord is plugged in and the switch is on. Inspect for the proper size
fuse in your circuit box. If the fuse was tripped, reset it and restart the unit. If
-rcpc_tcd tripping occurs, rep!ace the check va!v£ or contact a serv!ce technician.
Excessive moisture in the
discharge air.
Air leaks from the tank body
or tank welds.
Remove the water in the tank by draining after each use. High humidity
environments will cause excessive condensation. Utilize water filters on your air
line.
NOTE:
Water condensation is not caused by compressor malfunction. Be sure the
compressor's air output is greater than your tool's air consumption rate.
Never drill into, weld or otherwise modify the air tank or it will weaken. The tank can
rupture or explode. Compressor cannot be repaired. Discontinue use of the air
compressor.

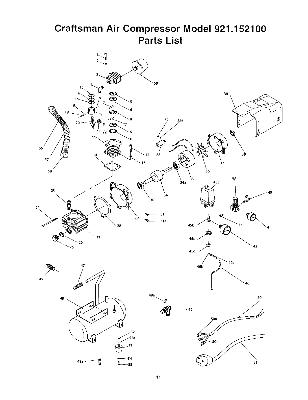
Craftsman Air Compressor Model 921.1521 00
Parts List
Reference Part Description Quantity Reference Part Description Quantity
Number Number Number Number
1 *E100084 HeadBolt
2 *E100084 Washer
3 CylinderHead
4 E100085 ExhaustElbow
5 *E100086 Gasket
6 ValvePlate
7 *E100086 ValveReed
8 *E100086 GasketInner
9 Piston
10 *E100086 GasketBottom
11 Cylinder
12 Bolt
13 Washer
14 *E100086 GasketCrankcase
15 RingCompression
16 RingScraper
17 RingOil
18 PistonPin
19 Clip Pin
20 RodConnecting
21 Eccentric
22 ScrewEccentric
23 E100087 OilFill Cap
24 Bolt
25 *E100088 OilSightGauge
26 *E100088 Seal,Oil SightGauge
28 O-Ring
29 CoverMotor
30 Bearing
31 *E100089 Bolt
31a *E100089 Bolt
32 *E100090 Screw
32a *El 00090 Washer
33 Capacitor
34 CrankMotor
34a Bearing
35 Rotor
36 Fan
37 CoverMotor
38 *E100090 ShroudMotor
39 CentrifugalSwitch
40 E100091 QuickConnect
41 E100093 GaugeRegulator
42 E100092 GaugeTank
4
4
1
1
1
2
2
1
1
1
1
4
4
1
1
1
1
1
1
1
1
1
1
3
1
1
43 E100059 Regulator
44 E100093 Adapter
45 E100094 SafetyValve
45a *El00095 PressureSwitch
45b *El 00095 Bolt
45c *E100095 Nut
45d *El00095 Washer
46 *E100096 PressureReliefTube
46a *El00096 Sleeve
46b *E100096 Nut
47 E100097 Grip,Handle
48 Tank
48a E100098 DrainValve
49 E100099 CheckValve
49a E100100 Elbow
50 MotorCord
50a Terminal
50b TerminalClosed
51 E100101 PowerCord
52 *El 00102 Nut
52a *E100102 Washer
53 *E100102 Isolator
54 *El 00102 Washer
55 *El 00102 Bolt
56 *E100103 OutletTube
57 *E100103 AluminumFins
!
1
1
1
2
2
4
4
1
1
1
1
1
1
1
1
t
1
1
5£ *Ft notO_ NlJ!£k,_,v_,A££emhly
59 E100104 Air Intakew/ElementFilter
59a E100105 ElementFilter
Note:Anypart numberfieldwithouta partnumberis not offered.
Descriptionsareprovidedforreferenceonly.
* Thissymbolrepresentsthatthe partbeingofferedis available
onlyin akit. Oneof eachpartperkitwillbeoffered.
Kit numberandpartsthatare includedareas lollows:
Part # Reference#
E100084 (1, 2)
E100086 (5-8,10,14)
E100103 (56-58)
E100088 (25,26)
E100089 (31, 31a)
E100090 (32,32a, 38)
E100095 (45a- 45d)
E100096 (46, 46a, 46b)
E100102 (52-55)
E100104 (59,59a)
10
1
1
1
1
1
1
1
1
2
2
1
1
1
1
1
1
2
1
1
4
4
4
4
4
1
1
2
1
1

Craftsman Air Compressor Model 921.152100
Parts List
/
45
47 46b
46
48 49a 5O
51
11