Cub Cadet 19A70001000 Operators Manual
19A70001000 to the manual 0705fab3-cc5b-4cc2-8d10-83f475511076
2015-01-05
: Cub-Cadet Cub-Cadet-19A70001000-Operators-Manual-163707 cub-cadet-19a70001000-operators-manual-163707 cub-cadet pdf
Open the PDF directly: View PDF
.
Page Count: 12

To The Owner • Carton Contents • Assembly • Parts Lists • Warranty
PRINTED IN U.S.A.
READ SAFETY RULES AND INSTRUCTIONS CAREFULLY BEFORE OPERATION
IMPORTANT
OPERATOR’S MANUAL
CUB CADET LLC, P.O. BOX 361131 CLEVELAND, OHIO 44136-0019 4/10/2008
FORM NO. 769-03805A
Model 19A70001000
Twin Rear Bagger Kit
For i1000 Series Lawn Tractors
with a 42” Timed Deck

2
Finding and Recording Model Number
BEFORE YOU START ASSEMBLING YOUR NEW EQUIPMENT,
please locate the model plate and copy the information from it in this Operator’s Manual for future reference. The information on
the model plate is very important if you need help from our Customer Support Department or your authorized dealer.
You can locate it by looking on the front, left portion of the plastic grass catcher cover as seen below:
This Operator’s Manual is an important part of your new grass collector. It will help you assemble,
prepare and maintain the unit for best performance. Please read and understand what it says.
Please do
NOT
return the unit to the retailer from which it was
purchased, without rst contacting Customer Support.
Customer Support
If you have difficulty assembling this product or have any questions regarding the controls, operation, or maintenance of this
unit, you can seek help from the experts. Choose from the options below:
*Locate the model plate on your bagger and copy the information from it in the space provided above for future reference.
To The Owner
The Model 19A70001000 Twin Bag Grass Collector is a grass collection
system specifically designed for use on Cub Cadet I-1000 Series lawn
tractors equipped with a 42-inch timed mowing deck.
Carefully read all sections and study the illustrations to ensure proper in-
stallation and usage of this attachment. Read and observe all WARNING
and CAUTION statements. They are included to provide for the protection
of the equipment installer and user, and to ensure the prolonged service
life of the equipment.
www.cubcadet.com
CUB CADET LLC
P. O. BOX
361131
CLEVELAND, OH 44136
DEALER LOCATOR PHONE NUMBER:
877-282-8684
• Visitwww.cubcadet.com for many useful suggestions. Click on the Customer Service link and you will get several options
to help in answering your questions. Click on the appropriate button and help is immediately available.
• PhoneourCustomer Dealer Referral Line, to find a dealer nearest you, at 1(877) 282-8684.
Model Number Serial Number
NOTE: References to LEFT and RIGHT indicate the left and right sides
of the tractor when facing forward in the operator’s position. Reference
to the FRONT indicates the grille end; to the REAR, the rear end of the
tractor.

3
NOTES
Use this page to make notes and write down important information.

4
Chute Tube
Support Tube
Grass Bag Assemblies
Grass Bag
Cover Assembly
Discharge Chute
Assembly
Mounting Bracket
Cross Support
Bracket
Bracket Support
Catcher Support
One Chute Tube
One Discharge Chute Assembly
Two Grass Bag Assemblies
One Support Tube
One Grass Catcher Cover Assembly
Two Mounting Brackets
One Cross-Support Bracket
Two Bracket Supports
One Catcher Support
2
Carton
Contents
Figure 2-1
If you are missing any
parts, call the Customer
Dealer Referral Line at
1-877-282-8684,
or visit
www.cubcadet.com to
find the nearest Cub
Cadet service dealer in
your area.
CONTENTS OF CARTON
Before beginning installation, remove all parts from the carton to make sure everything is present. Carton
contents are listed below and shown in Figure 2-1.

5
2
CONTENTS OF HARDWARE PACK
This grass collector kit is shipped with a hardware pack enclosed. Please check your hardware pack against
the illustration below.
Carton
Contents
Figure 2-2
If you are missing any
parts, call the Cus-
tomer Dealer Referral
Line at 1-877-282-8684,
or visit
www.cubcadet.com to
find the nearest Cub
Cadet service dealer in
your area.
Hex Bolt
5/16-18 x .750 (6)
Hex Bolt
1/4-20 x .620 (8)
Flange Lock Nut
5/16-18 (6)
Flange Lock Nut
1/4-20 (8)
Clevis Pin (1)
Hairpin Clip (1)
Group A
Assembling and Attaching Mounting Bracket

6
3
Assembling
and
Attaching
Mounting
Bracket
IMPORTANT:
Before assembly, place
the tractor on a firm,
level surface, disengage
the PTO, stop the tractor
engine and set the park-
ing brake.
NOTE:
There are two holes in
the clevis pin. Be sure
to insert the hairpin
clip in the upper hole
to properly secure the
bracket assembly to the
hitch plate.
Assembling and Attaching
The Bracket Assembly
(Hardware Group A)
IMPORTANT: Before assembly, place the tractor on
a firm, level surface, disengage the PTO, stop the
tractor engine and set the parking brake.
1. Assemble the mounting bracket assembly as shown
in Figure 3-1.
NOTE: The mounting bracket assembly may have been
preassembled at the factory, if this is the case, skip Step
1 and proceed to Step 2.
2. For convenience, pivot the seat forward and leave
it in that position until the grass collector is fully
mounted and assembled.
3. Position the bracket assembly to the outside of the
hitch plate. See Figure 3-2.
4. Push the hooked ends of the bracket assembly in (A)
and under the shoulder bolts (B) and swing in the
bottom down over the hitch plate aligning with the
hole on the hitch plate (C). See Figure 3-3.
5. Insert the clevis pin through the aligned holes in both
the bracket assembly and the hitch plate and secure
with the hairpin clip. Refer to Figure 3-4.
NOTE: There are two holes in the clevis pin. Be sure
to insert the hairpin clip in the upper hole to properly
secure the bracket assembly to the hitch plate.
Figure 3-2
Figure 3-4
Upper Hole
Figure 3-3
A
B
C
Figure 3-1

7
Attaching Grass Bags &
Grass Bag Cover
1. Place the support tube in position on the rear of unit
by sliding the support tube down through the holes in
the left side of the bracket assembly. Use the inside
hole on the bracket assembly. Refer to Figure 4-1.
2. Attach the grass bags by hooking them onto the grass
bag bracket using the slots in the grass bag and the
tabs on the grass bag bracket as shown in Figure 4-2.
3. Remove the clevis pins, belleville washers, and
hairpin clips, from the hinge brackets on the grass bag
cover.
4. Place the grass bag cover on top of the grass bags
and align the holes on the hinges of the grass bag
cover with the corresponding holes on the support
tube assembly. See Figure 4-3.
5. Insert the clevis pin through the hinge on the support
tube assembly and then through the grass bag cover.
See Figure 4-4.
6. Secure with belleville washer and hairpin clip with the
crown side of the washer going against the hairpin
clip. See inset images in Figure 4-4.
7. Repeat with the second set of hardware through the
second hinge of the grass bag and the tube assembly
from the opposite direction.
NOTE: Insert the clevis pins from the outside in as
shown in the inset images of Figure 4-4. It is very
important to maintain this order and direction while
installing these hardware pieces. After installation, make
sure that the grass bag cover pivots on the support tube
and opens.
Figure 4-2
Figure 4-3 Figure 4-4
Figure 4-1
4
NOTE:
Insert the clevis pins
from the outside in as
shown in the inset
images of Figure 4-4.
NOTE:
It is very important to
maintain this order and
direction while installing
these hardware pieces.
After installation, make
sure that the grass bag
cover pivots on the sup-
port tube and opens.
Attaching
Grass Bags
& Grass Bag
Cover

8
5
Figure 5-2
Attaching
Discharge
Chute
&
Bagger
Usage
Figure 5-1
Attaching Discharge Chute
1. Lower the deck to its lowest position.
2. Raise the chute deflector on the deck (A) and hold it
while you position the discharge chute over the chute
opening. See Fig. 5-1.
3. Insert the pin (B) on the discharge chute into the hole
on the deck as indicated by the arrow in Fig. 5-1.
4. Push down on the discharge chute so that it covers
the opening of the deck completely.
5. Lock the discharge chute in position by stretching the
retainer strap over the front deck wheel bracket and
hooking onto the bottom of the bracket as seen in the
inset (D) in Fig. 5-1.
6. Insert the curved end of chute tube into the hole in
the grass bag cover. See Fig. 5-2.
7. Place the lower end of the chute tube over the
discharge chute so that the tabs on the discharge
chute fits into the pockets on the chute tube. See Fig.
5-3.
8. Secure by hooking the two retainer straps of the
discharge chute to the pins on the chute tube. See
Fig. 5-3.
Bagger Usage
NOTE: When both grass bags are full, place the tractor
on a firm, level surface, disengage the PTO, turn the
tractor engine off and set the parking brake.
1. Flip Seat up.
2. Lift up grass bag cover. Do not remove the chute
tube assembly from the tractor.
3. Remove the grass bags by lifting these up and mov-
ing the bags away from the support tube assembly.
4. Empty the grass clippings at a proper disposal sight,
use the handle at the bottom of each grass bag.
Holding the bag firmly, empty the contents
5. Replace grass bags, close lid, flip down seat, restart
your tractor and resume cutting your grass.
Figure 5-3
Tab
Pocket
A
B
D
C

9
6
Use this page to take
notes and write down
important information.
NOTES

10
1
2
11
12
10
7
8
13
13
14
6
15
22
4
30
32
20
20
29
14
7
17
17
14
20
13
14
9
21
9
26
24
27
25
18
12
19
16 14
17 31
23
3
28

11
8
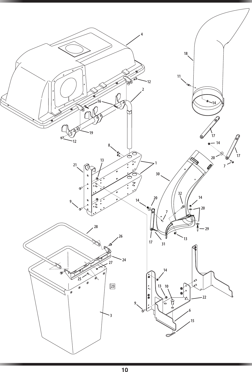
REF
NO.
PART
NUMBER
DESCRIPTION
116587D Bracket Support
216592 Support Tube Assembly
3764-0221 Catcher Bag
4664-04017 Grass catcher Cover Assembly
5683-04348 Mounting Bracket - RH
6683-04350 Mounting Bracket - LH
7710-0597 Screw 1/4-20 x 1”
8710-0751 Hex Screw 1/4-20 x0.620
9710-3008 Hex Screw 5/16-18 x 0.75”
10 711- 0 30 9A Clevis Pin
11 711-04069 Grass catcher Pin
12 711-1421 Clevis Pin
13 712-04063 Flange Lock Nut, 5/16-18
14 712-04064 Flange Lock Nut, 1/4-20
15 714 - 0117 Hairpin Clip
16 714- 0145 Click Pin
17 723-04008A Chute Strap - 6”
18 731-0899E Catcher Tube
19 736-0331 Bell Washer
20 736-3092 Flat Washer
21 783-0601 Catcher Support Bracket
22 783-0765 Cross Support Bracket
23 864-0221 Grass Bag Assy.
24 16591A Bag Hanger Bracket
25 710-0473 Machine Screw, #10-24 x .5
26 710-0604A Self-Tapping Screw 5/16-18
27 712-0272 Hex Sems Nut, #10-24
28 749- 0701A Grass Bag Frame
29 711-05008 Belt Pin Guard, 1/4 x 1.43
30 731-06099 Chute Elbow, 42” Timing Deck
31 732-04510 Spring Hook
32 738-0754 Shoulder Screw, .437 x .54
Illustrated
Parts List
To order replacement
parts, call the Customer
Dealer Referral Line at
1-877-282-8684,
or visit
www.cubcadet.com to
find the nearest Cub
Cadet service dealer in
your area.
G
E
N
U
I
N
E
F
A
C
T
O
R
Y
P
A
R
T
S

IMPORTANT: To obtain warranty coverage owner may be required
to present an original proof of purchase and applicable maintenance
records to the servicing dealer. Please see the operator’s manual for
information on required maintenance and service intervals.
The limited warranty set forth below is given by Cub Cadet LLC with
respect to new merchandise purchased or leased and used in the United
States and/or its territories and possessions, and by MTD Products
Limited with respect to new merchandise purchased or leased and
used in Canada and/or its territories and possessions (either entity
respectively, “Cub Cadet”).
Cub Cadet warrants this product (excluding its Normal Wear Parts,
as described below) against defects in material and workmanship for
a period of three (2) years commencing on the date of original retail
purchase or lease and will, at its option, repair or replace, free of charge,
any part found to be defective in materials or workmanship.
Normal Wear Parts are warranted to be free from defects in material and
workmanship for a period of thirty (30) days from the date of original
purchase or lease. Normal wear parts include, but are not limited to
items such as: belts, blades, blade adapters, grass bags, rider deck
wheels, seats, and tires.
This limited warranty shall only apply if this product has been operated
and maintained in accordance with the Operator’s Manual furnished
with the product, and has not been subject to misuse, abuse, neglect,
accident, improper maintenance, alteration, vandalism, theft, fire, water,
or damage because of other peril or natural disaster. Damage resulting
from the installation or use of any part, accessory or attachment not
approved by Cub Cadet for use with the product(s) covered by this
manual will void your warranty as to any resulting damage. In addition,
Cub Cadet may deny warranty coverage if the hour meter, or any part
thereof, is altered, modified, disconnected or otherwise tampered with.
HOW TO OBTAIN SERVICE: Warranty service is available, WITH PROOF
OF PURCHASE AND APPLICABLE MAINTENANCE RECORDS, through
your local authorized service dealer. To locate the dealer in your area:
In the U.S.A.:
Check your Yellow Pages, or contact Cub Cadet LLC at P.O. Box 361131,
Cleveland, Ohio 44136-0019, call 1-877-282- 8684
or log on to our website at www.cubcadet.com.
In Canada:
Contact MTD Products Limited, Kitchener, ON N2G 4J1, call 1-800-668-
1238 or log on to our website at www.mtdcanada.com.
Without limiting the foregoing, this limited warranty does not provide
coverage in the following cases:
a. Routine maintenance items such as lubricants, filters, blade
sharpening, tune-ups, brake adjustments, clutch adjustments, deck
adjustments, and normal deterioration of the exterior finish due to
use or exposure.
b. Service completed by someone other than an authorized service
dealer.
c. Cub Cadet does not extend any warranty for products sold or
exported outside of the United States and/or Canada, and their
respective possessions and territories, except those sold through
Cub Cadet’s authorized channels of export distribution.
d. Replacement parts and\or accessories that are not genuine Cub
Cadet parts.
e. Transportation charges and service calls.
f. Commercial or Institutional Use.
There are no implied warranties, including without limitation any
implied warranty of merchantability or fitness for a particular
purpose. No warranties shall apply after the applicable period of
express written warranty above. No other express warranties beyond
those mentioned above, given by any person or entity, including a
dealer or retailer, with respect to any product, shall bind Cub Cadet.
The exclusive remedy is repair or replacement of the product as
set forth above. The terms of this warranty provide the sole and
exclusive remedy arising from the sale and/or lease of the products
covered hereby. Cub Cadet shall not be liable for any incidental or
consequential loss or damage including, without limitation, expenses
incurred for substitute or replacement lawn care services or for
rental expenses to temporarily replace a warranted product.
Some jurisdictions do not allow the exclusion or limitation of incidental
or consequential damages, or limitations on how long an implied
warranty lasts, so the above exclusions or limitations may not apply to
you.
In no event shall recovery of any kind be greater than the amount of the
purchase price of the product sold. Alteration of safety features of the
product shall void this warranty. You assume the risk and liability for
loss, damage, or injury to you and your property and/or to others and
their property arising out of the misuse or inability to use the product.
This limited warranty shall not extend to anyone other than the original
purchaser or to the person for whom it was purchased as a gift.
HOW LOCAL LAWS RELATE TO THIS WARRANTY: This limited warranty
gives you specific legal rights, and you may also have other rights that
vary in different jurisdictions.
CUB CADET LLC
MANUFACTURER’S LIMITED WARRANTY
FOR SEPARATELY SOLD ATTACHMENTS AND ACCESSORIES
Cub Cadet LLC, P.O. BOX 361131 CLEVELAND, OHIO 44136-0019, Phone: 1-877-282-8684
MTD Products Limited, Kitchener, ON N2G 4J1, Phone: 1-800-668-1238
GDOC-100177 REV. A