Delta Asda B Series Users Manual USER MANUAL(DELTA)CURVE
Delta-Electronics-Asda-B-Series-Users-Manual-338856 delta-electronics-asda-b-series-users-manual-338856
ASDA-B Series to the manual ee428bfa-74a0-454b-97ef-ebd68ff15fe0
2015-01-21
: Delta Delta-Asda-B-Series-Users-Manual-244565 delta-asda-b-series-users-manual-244565 delta pdf
Open the PDF directly: View PDF .
Page Count: 321 [warning: Documents this large are best viewed by clicking the View PDF Link!]
- Cover
- Preface
- Safety Precautions
- Table of Contents
- Chapter 1 Unpacking Check and Model Explanation
- Chapter 2 Installation and Storage
- Chapter 3 Connections and Wiring
- Chapter 4 Display and Operation
- Chapter 5 Trial Run and Tuning Procedure
- Chapter 6 Control Modes of Operation
- Chapter 7 Servo Parameters
- Chapter 8 MODBUS Communications
- Chapter 9 Maintenance and Inspection
- Chapter 10 Troubleshooting
- Chapter 11 Specifications
- Chapter 12 Application Examples
- Appendix A Accessories


Revision January, 2009 i
Preface
Thank you very much for purchasing DELTA’s AC servo products.
This manual will be helpful in the installation, wiring, inspection, and operation of Delta AC servo drive and
motor. Before using the product, please read this user manual to ensure correct use.
You should thoroughly understand all safety precautions (DANGERS, WARNINGS and STOPS) before
proceeding with the installation, wiring and operation. If you do not understand please contact your local
Delta sales representative. Place this user manual in a safe location for future reference.
Using This Manual
Contents of this manual
This manual is a user guide that provides the information on how to install, operate and maintain
ASDA-B series AC servo drives and ECMA series AC servo motors. The contents of this manual
are including the following topics:
z Installation of AC servo drives and motors
z Configuration and wiring
z Trial run steps
z Control functions and adjusting methods of AC servo drives
z Parameter settings
z Communication protocol
z Inspection and maintenance
z Troubleshooting
z Application examples
Who should use this manual
This user manual is intended for the following users:
z Those who are responsible for designing.
z Those who are responsible for installing or wiring.
z Those who are responsible for operating or programming.
z Those who are responsible for maintaining or troubleshooting.
Important precautions
Before using the product, please read this user manual thoroughly to ensure correct use and store
this manual in a safe and handy place for quick reference whenever necessary. Besides, please
observe the following precautions:
z Do not use the product in a potentially explosive environment.
z Install the product in a clean and dry location free from corrosive and inflammable gases or
liquids.

Preface|ASDA-B Series
ii Revision January, 2009
z Do not connect a commercial power supply to the U, V, W terminals of motor. Failure to
observe this precaution will damage either the Servo motor or drive.
z Ensure that the motor and drive are correctly connected to a ground. The grounding method
must comply with the electrical standard of the country (Please refer to NFPA 70: National
Electrical Code, 2005 Ed.).
z Do not disconnect the AC servo drive and motor while the power is ON.
z Do not attach, modify and remove wiring when power is applied to the AC servo drive and
motor.
z Before starting the operation with a mechanical system connected, make sure the
emergency stop equipment can be energized and work at any time.
z Do not touch the drive heat sink or the servo motor during operation. Otherwise, it may result
in serious personnel injury.
PLEASE READ PRIOR TO INSTALLATION FOR SAFETY.
ASDA-B series drives are open type servo drives and must be installed in an NEMA enclosure such as a
protection control panel during operation to comply with the requirements of the international safety
standards. They are provided with precise feedback control and high-speed calculation function
incorporating DSP (Digital Signal Processor) technology, and intended to drive three-phase permanent
magnet synchronous motors (PMSM) to achieve precise positioning by means of accurate current output
generated by IGBT (Insulated Gate Bipolar Transistor).
ASDA-B series drives can be used in industrial applications and for installation in an end-use enclosure that
do not exceed the specifications defined in the ASDA-B series user manual (Drives, cables and motors are
for use in a suitable enclosure with a minimum of a UL50 type 1 or NEMA 250 Type 1 rating).
Carefully notice and observe the following safety precautions when receiving, inspecting, installing, operating,
maintaining and troubleshooting. The following words, DANGER, WARNING and STOP are used to mark
safety precautions when using the Delta’s servo product. Failure to observe these precautions may void the
warranty!
The words, DANGER, WARNING and STOP, have the following meaning:
Indicates a potentially hazardous situation and if not avoided, may result in serious injury or
death.
Indicates a potentially hazardous situation and if not avoided, may result in minor to moderate
injury or serious damage to the product.
Indicates an improper action that it is not recommended to do and if doing it may cause
damage, malfunction and inability.

Preface|ASDA-B Series
Revision January, 2009 iii
Unpacking Check
¾ Please ensure that both the servo drive and motor are correctly matched for size (power rating). Failure to
observe this precaution may cause fire, seriously damage the drive / motor or cause personal injury.
Installation
¾ Do not install the product in a location that is outside the stated specification for the drive and motor. Failure to
observe this caution may result in electric shock, fire, or personal injury.
Wiring
¾ Connect the ground terminals to a class-3 ground (Ground resistance should not exceed 100Ω). Improper
grounding may result in electric shock or fire.
¾ Do not connect any power supplies to the U, V, W terminals. Failure to observe this precaution may result in
serious injury, damage to the drive or fire.
¾ Ensure that all screws, connectors and wire terminations are secure on the power supply, servo drive and motor.
Failure to observe this caution may result in damage, fire or personal injury.
Operation
¾ Before starting the operation with a mechanical system connected, change the drive parameters to match the user-
defined parameters of the mechanical system. Starting the operation without matching the correct parameters may
result in servo drive or motor damage, or damage to the mechanical system.
¾ Ensure that the emergency stop equipment or device is connected and working correctly before operating the
motor that is connected to a mechanical system.
¾ Do not approach or touch any rotating parts (e.g. shaft) while the motor is running. Failure to observe this
precaution may cause serious personal injury.
¾ In order to prevent accidents, the initial trial run for servo motor should be conducted under no load conditions
(separate the motor from its couplings and belts).
¾ For the initial trial run, do not operate the servo motor while it is connected to its mechanical system. Connecting
the motor to its mechanical system may cause damage or result in personal injury during the trail run. Connect the
servo motor once it has successfully completed a trail run.
¾ Caution: Please perform trial run without load first and then perform trial run with load connected. After the
servo motor is running normally and regularly without load, then run servo motor with load connected. Ensure to
perform trial run in this order to prevent unnecessary danger.
¾ Do not touch either the drive heat sink or the motor during operation as they may become hot and personal injury
may result.
Maintenance and Inspection
¾ Do not touch any internal or exposed parts of servo drive and servo motor as electrical shock may result.
¾ Do not remove the operation panel while the drive is connected to an electrical power source otherwise electrical
shock may result.
¾ Wait at least 10 minutes after power has been removed before touching any drive or motor terminals or
performing any wiring and/or inspection as an electrical charge may still remain in the servo drive and servo
motor with hazardous voltages even after power has been removed.
¾ Do not disassemble the servo drive or motor as electric shock may result.
¾ Do not connect or disconnect wires or connectors while power is applied to the drive and motor.
¾ Only qualified personnel who have electrical knowledge should conduct maintenance and inspection.
Main Circuit Wiring
¾ Install the encoder cables in a separate conduit from the motor power cables to avoid signal noise. Separate the
conduits by 30cm (11.8inches) above.
¾ Use multi-stranded twisted-pair wires or multi-core shielded-pair wires for signal, encoder (PG) feedback cables.
The maximum length of command input cable is 3m (9.84ft.) and the maximum length of encoder (PG) feedback
cables is 20m (65.62ft.).
¾ As a charge may still remain in the drive with hazardous voltages even after power has been removed, be sure to
wait at least 10 minutes after power has been removed before performing any wiring and/or inspection.

Preface|ASDA-B Series
iv Revision January, 2009
¾ It is not recommended to frequently power the drive on and off. Do not turn the drive off and on more than once
per minute as high charging currents within the internal capacitors may cause damage.
Main Circuit Terminal Wiring
¾ Insert only one wire into one terminal on the terminal block.
¾ When inserting wires, please ensure that the conductors are not shorted to adjacent terminals or wires.
¾ Please use Y-type terminals to tighten the ends of wires.
¾ Ensure to double check the wiring before applying power to the drive.
NOTE
1) In this manual, actual measured values are in metric units. Dimensions in (imperial
units) are for reference only. Please use metric for precise measurements.
2) The content of this manual may be revised without prior notice. Please consult our
distributors or download the most updated version at
http://www.delta.com.tw/industrialautomation.

Revision January, 2009
Table of Contents
Chapter 1 Unpacking Check and Model Explanation............................................................. 1-1
1.1 Unpacking Check ........................................................................................................................ 1-1
1.2 Model Explanation....................................................................................................................... 1-3
1.2.1 Nameplate Information .....................................................................................................1-3
1.2.2 Model Name Explanation ................................................................................................. 1-4
1.3 Servo Drive and Servo Motor Combinations............................................................................... 1-6
1.4 Servo Drive Features................................................................................................................... 1-7
1.5 Control Modes of Servo Drive ..................................................................................................... 1-8
Chapter 2 Installation and Storage......................................................................................... 2-1
2.1 Installation Notes ......................................................................................................................... 2-1
2.2 Storage Conditions...................................................................................................................... 2-1
2.3 Installation Conditions ................................................................................................................. 2-2
2.4 Installation Procedure and Minimum Clearances........................................................................ 2-3
Chapter 3 Connections and Wiring ........................................................................................ 3-1
3.1 Connections................................................................................................................................. 3-1
3.1.1 Connecting to Peripheral Devices .................................................................................... 3-1
3.1.2 Servo Drive Connectors and Terminals ........................................................................... 3-2
3.1.3 Wiring Methods................................................................................................................. 3-4
3.1.4 Motor Power Cable Connector Specifications.................................................................. 3-5
3.1.5 Encoder Connector Specifications ................................................................................... 3-7
3.1.6 Cable Specifications for Servo Drive and Servo Motor .................................................... 3-8
Table of Contents|ASDA-B Series
Revision January, 2009
3.2 Basic Wiring................................................................................................................................. 3-9
3.3 Input / Output Interface Connector -CN1..................................................................................... 3-12
3.3.1 CN1 Terminal Identification .............................................................................................. 3-12
3.3.2 Signals Explanation of Connector CN1 ............................................................................ 3-13
3.3.3 User-defined DI and DO signals....................................................................................... 3-18
3.3.4 Wiring Diagrams of I/O Signals (CN1).............................................................................. 3-20
3.4 Encoder Connector CN2 ............................................................................................................. 3-24
3.5 Serial Communication Connector CN3 ....................................................................................... 3-25
3.5.1 CN3 Terminal Layout and Identification ........................................................................... 3-25
3.5.2 Connection between PC/Keypad and Connector CN3 .................................................... 3-26
3.6 Standard Connection Example.................................................................................................... 3-27
3.6.1 Position Control Mode ...................................................................................................... 3-27
3.6.2 Speed Control Mode......................................................................................................... 3-28
3.6.3 Torque Control Mode........................................................................................................ 3-29
Chapter 4 Display and Operation........................................................................................... 4-1
4.1 ASD-PU-01A ............................................................................................................................... 4-1
4.1.1 Description of Digital Keypad ASD-PU-01A ..................................................................... 4-1
4.1.2 Display Flowchart ............................................................................................................. 4-3
4.1.3 Status Display................................................................................................................... 4-8
4.1.4 Fault Code Display Operation .......................................................................................... 4-11
4.1.5 JOG Operation.................................................................................................................. 4-12
4.1.6 DO Force Output Diagnosis Operation ............................................................................ 4-14
4.1.7 DI Diagnosis Operation .................................................................................................... 4-15
4.1.8 DO Diagnosis Operation................................................................................................... 4-15
4.1.9 Parameters Read and Write ............................................................................................. 4-16
Table of Contents|ASDA-B Series
Revision January, 2009
4.2 ASD-PU-01B ............................................................................................................................... 4-18
4.2.1 Description of Digital Keypad ASD-PU-01B ..................................................................... 4-18
4.2.2 Display Flowchart ............................................................................................................. 4-19
4.2.3 Status Display................................................................................................................... 4-28
4.2.4 Fault Code Display Operation .......................................................................................... 4-31
4.2.5 JOG Operation.................................................................................................................. 4-31
4.2.6 DO Force Output Diagnosis Operation ............................................................................ 4-33
4.2.7 DI Diagnosis Operation .................................................................................................... 4-34
4.2.8 DO Diagnosis Operation................................................................................................... 4-35
4.2.9 Parameters Read and Write ............................................................................................. 4-36
Chapter 5 Trial Run and Tuning Procedure ........................................................................... 5-1
5.1 Inspection without Load............................................................................................................... 5-1
5.2 Applying Power to the Drive ........................................................................................................ 5-3
5.3 JOG Trial Run without Load ........................................................................................................ 5-7
5.3.1 ASD-PU-01A Tuning Flowchart........................................................................................ 5-7
5.3.2 ASD-PU-01B Tuning Flowchart........................................................................................ 5-8
5.4 Speed Trial Run without Load ..................................................................................................... 5-9
5.5 Tuning Procedure........................................................................................................................ 5-11
5.5.1 Tuning Flowchart .............................................................................................................. 5-13
5.5.2 Load Inertia Estimation Flowchart .................................................................................... 5-14
5.5.3 AutoMode (PI) Tuning Flowchart...................................................................................... 5-15
5.5.4 AutoMode (PDFF) Tuning Flowchart................................................................................ 5-17
5.5.5 Limit of Load Inertia Estimation ........................................................................................ 5-18
5.5.6 Relationship between Tuning Modes and Parameters .................................................... 5-19
5.5.7 Gain Adjustment in Manual Mode .................................................................................... 5-20
Table of Contents|ASDA-B Series
Revision January, 2009
Chapter 6 Control Modes of Operation .................................................................................. 6-1
6.1 Control Modes of Operation ........................................................................................................ 6-1
6.2 Position Control Mode ................................................................................................................. 6-2
6.2.1 Command Source of Position Control Mode .................................................................... 6-2
6.2.2 Structure of Position Control Mode .................................................................................. 6-3
6.2.3 Pulse Inhibit Input Function (INHIBIT).............................................................................. 6-4
6.2.4 Electronic Gear Ratio ....................................................................................................... 6-4
6.2.5 Low-pass Filter ................................................................................................................. 6-6
6.2.6 Position Loop Gain Adjustment ........................................................................................ 6-6
6.3 Speed Control Mode.................................................................................................................... 6-9
6.3.1 Command Source of Speed Control Mode ...................................................................... 6-9
6.3.2 Structure of Speed Control Mode..................................................................................... 6-10
6.3.3 Smoothing Strategy of Speed Control Mode.................................................................... 6-11
6.3.4 Analog Speed Input Scaling ............................................................................................. 6-14
6.3.5 Timing Chart of Speed Control Mode............................................................................... 6-15
6.3.6 Speed Loop Gain Adjustment........................................................................................... 6-15
6.3.7 Resonance Suppression .................................................................................................. 6-23
6.4 Torque Control Mode................................................................................................................... 6-25
6.4.1 Command Source of Torque Control Mode ..................................................................... 6-25
6.4.2 Structure of Torque Control Mode.................................................................................... 6-26
6.4.3 Smoothing Strategy of Torque Control Mode................................................................... 6-27
6.4.4 Analog Torque Input Scaling ............................................................................................ 6-27
6.4.5 Timing Chart of Speed Control Mode............................................................................... 6-28
6.5 Control Modes Selection ............................................................................................................. 6-29
6.5.1 Speed / Position Control Mode Selection......................................................................... 6-29
Table of Contents|ASDA-B Series
Revision January, 2009
6.5.2 Speed / Torque Control Mode Selection .......................................................................... 6-30
6.5.3 Torque / Position Control Mode Selection........................................................................ 6-30
6.6 Others.......................................................................................................................................... 6-31
6.6.1 Speed Limit....................................................................................................................... 6-31
6.6.2 Torque Limit...................................................................................................................... 6-31
6.6.3 Regenerative Resistor ...................................................................................................... 6-32
6.6.4 Electromagnetic Brake ..................................................................................................... 6-36
Chapter 7 Servo Parameters ................................................................................................. 7-1
7.1 Definition...................................................................................................................................... 7-1
7.2 Parameter Summary ................................................................................................................... 7-2
7.2.1 Parameters List by Group................................................................................................. 7-2
7.2.2 Parameters List by Function............................................................................................. 7-10
7.3 Detailed Parameter Listings ........................................................................................................ 7-19
Chapter 8 MODBUS Communications................................................................................... 8-1
8.1 Communication Hardware Interface............................................................................................8-1
8.2 Communication Parameter Settings............................................................................................8-4
8.3 MODBUS Communication Protocol ............................................................................................ 8-8
Chapter 9 Maintenance and Inspection ................................................................................. 9-1
9.1 Basic Inspection .......................................................................................................................... 9-1
9.2 Maintenance ................................................................................................................................ 9-2
9.3 Life of Replacement Components ............................................................................................... 9-2
Chapter 10 Troubleshooting..................................................................................................... 10-1
10.1 Fault Messages Table ................................................................................................................. 10-1
10.2 Potential Cause and Corrective Actions...................................................................................... 10-3
10.3 Clearing Faults ............................................................................................................................ 10-12
Table of Contents|ASDA-B Series
Revision January, 2009
Chapter 11 Specifications ........................................................................................................ 11-1
11.1 Specifications of Servo Drive (ASDA-B Series) .......................................................................... 11-1
11.2 Specifications of Servo Motor (ECMA Series) ............................................................................ 11-4
11.3 Dimensions of Servo Drive.......................................................................................................... 11-7
11.4 Servo Motor Speed-Torque Curves (T-N Curve) ........................................................................ 11-10
11.5 Overload Characteristics ............................................................................................................. 11-11
11.6 Dimensions of Servo Motor ......................................................................................................... 11-18
11.7 EMI Filters Selection.................................................................................................................... 11-22
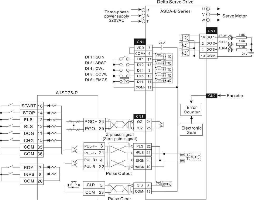
Chapter 12 Application Examples ............................................................................................ 12-1
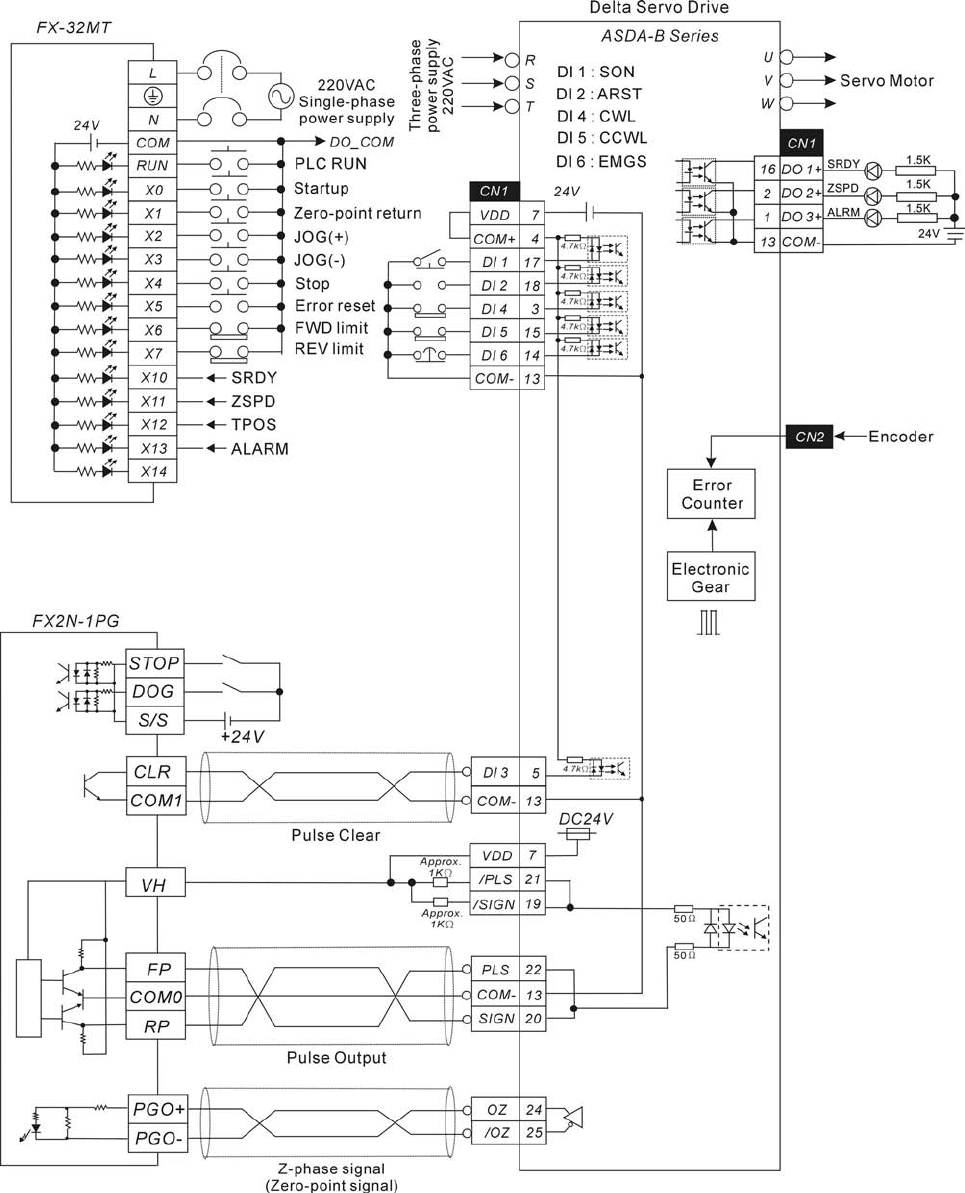
12.1 Connecting to DVP-EH PLC and DOP-A HMI ............................................................................ 12-1
12.2 Connecting to DVP-EH PLC and Delta TP04 Series .................................................................. 12-12
12.3 External Controller Connection Examples................................................................................... 12-15
Appendix A Accessories ........................................................................................................... A-1
Table of Contents|ASDA-B Series
Revision January, 2009
About this Manual…
User Information
Be sure to store this manual in a safe place.
Due to constantly growing product range, technical improvement and alteration or changed texts, figures and
diagrams, we reserve the right of this manual contained information change without prior notice.
Coping or reproducing any part of this manual, without written consent of Delta Electronics Inc. is prohibited.
Technical Support and Service
Welcome to contact us or visit our web site (http://www.delta.com.tw/industrialautomation/) if you need any
technical support, service and information, or, if you have any question in using the product. We are looking
forward to serve you needs and willing to offer our best support and service to you. Reach us by the
following ways.
ASIA
DELTA ELECTRONICS, INC.
Taoyuan Plant 1
31-1, XINGBANG ROAD,
GUISHAN INDUSTRIAL ZONE,
TAOYUAN COUNTY 33370, TAIWAN, R.O.C.
TEL: 886-3-362-6301
FAX: 886-3-362-7267
NORTH/SOUTH AMERICA
DELTA PRODUCTS CORPORATION (USA)
Raleigh Office
P.O. BOX 12173
5101 DAVIS DRIVE,
RESEARCH TRIANGLE PARK, NC 27709, U.S.A.
TEL: 1-919-767-3813
FAX: 1-919-767-3969
JAPAN
DELTA ELECTRONICS (JAPAN), INC.
Tokyo Office
DELTA SHIBADAIMON BUILDING
2-1-14 SHIBADAIMON, MINATO-KU,
TOKYO, 105-0012, JAPAN
TEL: 81-3-5733-1111
FAX: 81-3-5733-1211
EUROPE
DELTRONICS (THE NETHERLANDS) B.V.
Eindhoven Office
DE WITBOGT 15, 5652 AG EINDHOVEN,
THE NETHERLANDS
TEL: 31-40-259-2850
FAX: 31-40-259-2851
Table of Contents|ASDA-B Series
Revision January, 2009
This page intentionally left blank

Revision January 2009 1-1
Chapter 1 Unpacking Check and Model Explanation
1.1 Unpacking Check
After receiving the AC servo drive, please check for the following:
Ensure that the product is what you have ordered.
Verify the part number indicated on the nameplate corresponds with the part number of your order
(Please refer to Section 1.2 for details about the model explanation).
Ensure that the servo motor shaft rotates freely.
Rotate the motor shaft by hand; a smooth rotation will indicate a good motor. However, a servo motor
with an electromagnetic brake can not be rotated manually.
Check for damage.
Inspect the unit to insure it was not damaged during shipment.
Check for loose screws.
Ensure that all necessary screws are tight and secure.
If any items are damaged or incorrect, please inform the distributor whom you purchased the product from or
your local Delta sales representative.
A complete and workable AC servo system should be including the following parts:
Part I : Delta standard supplied parts
(1) Servo drive
(2) Servo motor
(3) Quick Start
Part II : Optional parts, not Delta standard supplied part (Refer to Appendix A)
(1) One power cable, which is used to connect servo motor and U, V, W terminals of servo drive. This
power cable is with one green grounding cable. Please connect the green grounding cable to the
ground terminal of the servo drive.
(2) One encoder cable, which is used to connect the encoder of servo motor and CN2 terminal of servo
drive.
(3) CN1 Connector: 25 PIN Connector (D-sub Connector)
(4) CN2 Connector: 9 PIN Connector (D-sub Connector)
(5) CN3 Connector: 8 PIN Connector (DIN Cable Mount Male)

Chapter 1 Unpacking Check and Model Explanation|ASDA-B Series
1-2 Revision January 2009
Delta AC Servo Drive and Motor

Chapter 1 Unpacking Check and Model Explanation|ASDA-B Series
Revision January 2009 1-3
1.2 Model Explanation
1.2.1 Nameplate Information
ASDA-B Series Servo Drive
Nameplate Explanation
Serial Number Explanation
ECMA Series Servo Motor
Nameplate Explanation
Serial Number Explanation

Chapter 1 Unpacking Check and Model Explanation|ASDA-B Series
1-4 Revision January 2009
1.2.2 Model Name Explanation
ASDA-B Series Servo Drive

Chapter 1 Unpacking Check and Model Explanation|ASDA-B Series
Revision January 2009 1-5
ECMA Series Servo Motor

Chapter 1 Unpacking Check and Model Explanation|ASDA-B Series
1-6 Revision January 2009
1.3 Servo Drive and Servo Motor Combinations
The table below shows the possible combination of Delta ASDA-B series servo drives and ECMA series
servo motors. The boxes () in the model names are for optional configurations. (Please refer to Section 1.2
for model explanation)
Servo Drive Servo Motor
100W ASD-B0121-A
ECMA-C30401S (S=8mm)
200W ASD-B0221-A
ECMA-C30602S (S=14mm)
400W ASD-B0421-A
ECMA-C30604S (S=14mm)
ECMA-C308047 (7=14mm)
ECMA-E31305S (S=22mm)
ECMA-G31303S (S=22mm)
750W ASD-B0721-A
ECMA-C30807S (S=19mm)
ECMA-G31306S (S=22mm)
1000W ASD-B1021-A
ECMA-C31010S (S=22mm)
ECMA-E31310S (S=22mm)
ECMA-G31309S (S=22mm)
1500W ASD-B1521-A
ECMA-E31315S (S=22mm)
2000W ASD-B2023-A
ECMA-C31020S (S=22mm)
ECMA-E31320S (S=22mm)
ECMA-E31820S (S=35mm)
The drives shown in the above table are designed for use in combination with the specific servo motors.
Check the specifications of the drives and motors you want to use.
Also, please ensure that both the servo drive and motor are correctly matched for size (power rating). If the
power of motor and drive is not within the specifications, the drive and motor may overheat and servo alarm
would be activated. For the detail specifications of servo drives and motors, please refer to Chapter 11
“Specifications”.
The drives shown in the above table are designed according to the three multiple of rated current of motors
shown in the above table. If the drives which are designed according to the six multiple of rated current of
motors are needed, please contact our distributors or your local Delta sales representative.

Chapter 1 Unpacking Check and Model Explanation|ASDA-B Series
Revision January 2009 1-7
1.4 Servo Drive Features
NOTE
1) Only 750W and above servo drives are provided with built-in regenerative resistors. The servo drives
below 400W are not.
2) CMD LED: A lit CMD LED indicates that the servo drive is ON (Servo On) or the motor speed is equal to
or higher than the setting value of P1-38 (>=P1-38 (ZSPD)).

Chapter 1 Unpacking Check and Model Explanation|ASDA-B Series
1-8 Revision January 2009
1.5 Control Modes of Servo Drive
The Delta Servo can be programmed to provide five single and three dual modes of operation.
Their operation and description is listed in the following table.
Mode Code Description
External Position Control P Position control for the servo motor is achieved via an
external pulse command.
Speed Control S
Speed control for the servo motor can be achieved via
parameters set within the servo drive or from an external
analog -10 ~ +10 Vdc command. Control of the internal
speed parameters is via the Digital Inputs (DI). (A
maximum of three speeds can be stored internally).
Internal Speed Control Sz
Speed control for the servo motor is only achieved via
parameters set within the servo drive. Control of the
internal speed parameters is via the Digital Inputs (DI). (A
maximum of three speeds can be stored internally).
Torque Control T
Torque control for the servo motor can be achieved via
parameters set within the servo drive or from an external
analog -10 ~ +10 Vdc command. Control of the internal
torque parameters is via the Digital Inputs (DI). (A
maximum of three torque levels can be stored internally).
Single
Mode
Internal Torque Control Tz
Torque control for the servo motor is only achieved via
parameters set within the servo drive. Control of the
internal torque parameters is via the Digital Inputs (DI). (A
maximum of three torque levels can be stored internally).
S-P
Either S or P control mode can be selected via the Digital
Inputs (DI). (Please refer to Chapter 7 for more detailed DI
setting.)
T-P
Either T or P control mode can be selected via the Digital
Inputs (DI). (Please refer to Chapter 7 for more detailed DI
setting.)
Dual Mode
S-T
Either S or T control mode can be selected via the Digital
Inputs (DI). (Please refer to Chapter 7 for more detailed DI
setting.)
The above control modes can be accessed and changed via by parameter P1-01. If the control mode is
changed, switch the drive off and on after the new control mode has been entered. The new control mode
will only be valid after drive off/on action. Please see safety precautions on page iii (switching drive off/on
multiple times).

Revision January 2009 2-1
Chapter 2 Installation and Storage
2.1 Installation Notes
Pay close attention on the following installation notes:
Do not bend or strain the connection cables between servo drive and motor.
When mounting servo drive, make sure to tighten screws to secure the drive in place.
If the servo motor shaft is coupled directly to a rotating device ensure that the alignment specifications of
the servo motor, coupling, and device are followed. Failure to do so may cause unnecessary loads or
premature failure to the servo motor.
If the length of cable connected between servo drive and motor is more than 20m (65.62ft.), please
increase the wire gauge of the encoder cable and motor connection cable (connected to U, V, W
terminals).
Make sure to tighten the screws for securing motor.
2.2 Storage Conditions
The product should be kept in the shipping carton before installation. In order to retain the warranty coverage,
the AC servo drive should be stored properly when it is not to be used for an extended period of time. Some
storage suggestions are:
Store in a clean and dry location free from direct sunlight.
Store within an ambient temperature range of -20°C to +65°C (-4°F to 149°F).
Store within a relative humidity range of 0% to 90% and non-condensing.
Do not store in a place subjected to corrosive gases and liquids.
Correctly packaged and placed on a solid surface.
Chapter 2 Installation and Storage|ASDA-B Series
2-2 Revision January 2009
2.3 Installation Conditions
Operating Temperature
ASDA-B Series Servo Drive : 0°C to 45°C (32°F to 113°F)
ECMA Series Servo Motor : 0°C to 40°C (32°F to 104°F)
The ambient temperature of servo drive for long-term reliability should be under 45°C (113°F).
If the ambient temperature of servo drive is greater than 45°C (113°F), please install the drive in a well-
ventilated location and do not obstruct the airflow for the cooling fan.
Caution
The servo drive and motor will generate heat. If they are installed in a control panel, please ensure sufficient
space around the units for heat dissipation.
Pay particular attention to vibration of the units and check if the vibration has impacted the electric devices in
the control panel. Please observe the following precautions when selecting a mounting location. Failure to
observe the following precautions may void the warranty!
Do not mount the servo drive or motor adjacent to heat-radiating elements or in direct sunlight.
Do not mount the servo drive or motor in a location subjected to corrosive gases, liquids, or airborne
dust or metallic particles.
Do not mount the servo drive or motor in a location where temperatures and humidity will exceed
specification.
Do not mount the servo drive or motor in a location where vibration and shock will exceed specification.
Do not mount the servo drive or motor in a location where it will be subjected to high levels of
electromagnetic radiation.

Chapter 2 Installation and Storage|ASDA-B Series
Revision January 2009 2-3
2.4 Installation Procedure and Minimum Clearances
Installation Procedure
Incorrect installation may result in a drive malfunction or premature failure of the drive and or motor. Please
follow the guidelines in this manual when installing the servo drive and motor.
The ASDA-B servo drive should be mounted perpendicular to the wall or in the control panel. In order to
ensure the drive is well ventilated, ensure that the all ventilation holes are not obstructed and sufficient free
space is given to the servo drive. Do not install the drive in a horizontal position or malfunction and damage
will occur.
Drive Mounting
The ASDA-B Servo drives must be back mounted vertically on a dry and solid surface such as a NEMA
enclosure. A minimum spacing of two inches must be maintained above and below the drive for ventilation
and heat dissipation. Additional space may be necessary for wiring and cable connections. Also, as the drive
conducts heat away via the mounting, the mounting plane or surface should be conductor away and not
conduct heat into the drive from external sources
Motor Mounting
The ECMA Servo motors should be mounted firmly to a dry and solid mounting surface to ensure maximum
heat transfer for maximum power output and to provide a good ground.
For the dimensions and weights specifications of servo drive or motor, please refer to Chapter 11
“Specifications".
Minimum Clearances
Install a fan to increase ventilation to avoid ambient temperatures that exceed the specification. When
installing two or more drive adjacent to each other please follow the clearances as shown in the following
diagram.

Chapter 2 Installation and Storage|ASDA-B Series
2-4 Revision January 2009
Minimum Clearances
2.0in
50mm()
min.
2.0in
50mm()
min.
0.8in
20mm()
min.
0.8in
20mm()
min.
Side by Side Installation
FAN FAN
4.0in
100mm
()
min.
4.0in
100mm
()
min.
4.0in
100mm
()
min.
4.0in
100mm
()
min.
1.6in
40mm()
min.
1.6in
40mm()
min.
0.4in
10mm()
min.
0.4in
10mm()
min.
0.4in
10mm()
min.
A
ir flowAir flow

Revision January 2009 3-1
Chapter 3 Connections and Wiring
This chapter provides information on wiring ASDA-B series products, the descriptions of I/O signals and
gives typical examples of wiring diagrams.
3.1 Connections
3.1.1 Connecting to Peripheral Devices
In Figure 3.1, it briefly explains how to connect each peripheral device.
Figure 3.1

Chapter 3 Connections and Wiring|ASDA-B Series
3-2 Revision January 2009
3.1.2 Servo Drive Connectors and Terminals
Terminal
Identification
Terminal
Description Notes
R, S, T Main circuit terminal
The Main Circuit Terminal is used to supply the servo with
line power. If a single-phase supply, is used connect the R
and S terminals to power. If 3-phase, connect all three R, S,
& T terminals.
Used to connect servo motor
Terminal Symbol Wire Color
U Red
V White
W Black
U, V, W
FG Servo motor output
FG Green
Internal resistor
Ensure the circuit is closed between P
and D, and the circuit is open between
P and C.
External resistor
Connect regenerative resistor to P and
C, and ensure an open circuit between
P and D.
P, D, C Regenerative
resistor terminal
Only 750W and above servo drives are provided with built-
in regenerative resistors. Ensure to leave the circuit closed
between P and D when using a built-in (internal)
regenerative resistor.
two places Ground terminal Used to connect grounding wire of power supply and servo
motor.
CN1 I/O connector Used to connect external controllers. Please refer to section
3.3 for details.
Used to connect encoder of servo motor. Please refer to
section 3.4 for details.
Terminal Symbol Wire Color
A Black
/A Black/Red
B White
/B White/Red
Z Orange
/Z Orange/Red
+5V Brown & Brown/White
CN2 Encoder connector
GND Blue & Blue/White
CN3 Communication
connector
Used to connect PC or keypad. Please refer to section 3.5
for details.
NOTE
1) U, V ,W , CN1, CN2, CN3 terminals provide short circuit protection.

Chapter 3 Connections and Wiring|ASDA-B Series
Revision January 2009 3-3
Wiring Notes
Please observe the following wiring notes while performing wiring and touching any electrical
connections on the servo drive or servo motor.
1. Ensure to check if the power supply and wiring of the "power" terminals (R, S, T, U, V, & W) is
correct.
2. Please use shielded twisted-pair cables for wiring to prevent voltage coupling and eliminate
electrical noise and interference.
3. As a residual hazardous voltage may remain inside the drive, please do not immediately touch
any of the "power" terminals (R, S, T, U, V, & W) and/or the cables connected to them after the
power has been turned off and the charge LED is lit. (Please refer to the Safety Precautions on
page iii).
4. The cables connected to R, S, T and U, V, W terminals should be placed in separate conduits
from the encoder or other signal cables. Separate them by at least 30cm (11.8inches).
5. If the encoder cable is too short, please use a twisted-shield signal wire with grounding
conductor. The wire length should be 20m (65.62ft.) or less. For lengths greater than 20m
(65.62ft.), the wire gauge should be doubled in order to lessen any signal attenuation.
6. As for motor cable selection, please use the 600V PTFE wire and the wire length should be less
than 30m (98.4ft.). If the wiring distance is longer than 30m (98.4ft.), please choose the
adequate wire size according to the voltage.
7. The shield of shielded twisted-pair cables should be connected to the SHIELD end (terminal
marked ) of the servo drive.
8. For the connectors and cables specifications, please refer to section 3.1.6 for details.
9. In this manual, actual measured values are in metric units. The recommended wire lengths in
(imperial units) are for reference only. Please use metric for precise measurements.

Chapter 3 Connections and Wiring|ASDA-B Series
3-4 Revision January 2009
3.1.3 Wiring Methods
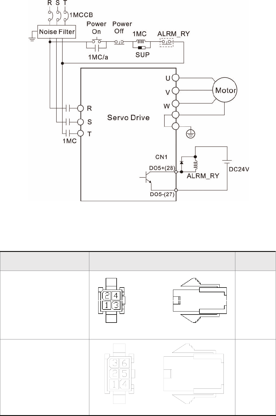
For servo drives 1.5kW and below the input power can be either single or three-phase. For drives 2kW
and above only three-phase connections are available.
In the wiring diagram figures 3.2 & 3.3:
Power ON : contact “a” (normally open)
Power OFF or Alarm Processing : contact “b” (normally closed)
1MC/x : coil of electromagnetic contactor
1MC/a : self-holding power
1MC : contact of main circuit power
Figure 3.2 Single-Phase Power Supply Connection

Chapter 3 Connections and Wiring|ASDA-B Series
Revision January 2009 3-5
Figure 3.3 Three-Phase Power Supply Connection
3.1.4 Motor Power Cable Connector Specifications
The boxes () in the model names are for optional configurations. (Please refer to section 1.2 for model
explanation.)
Motor Model Name U, V, W / Electromagnetic Brake Connector Terminal
Identification
ECMA-C30401S (100W)
ECMA-C30602S (200W)
ECMA-C30604S (400W)
ECMA-C308047 (400W)
ECMA-C30807S (750W)
HOUSING: JOWLE (C4201H00-2*2PA)
A
ECMA-C30602S (200W)
ECMA-C30604S (400W)
ECMA-C308047 (400W)
ECMA-C30807S (750W)
HOUSING: JOWLE (C4201H00-2*3PA)
B

Chapter 3 Connections and Wiring|ASDA-B Series
3-6 Revision January 2009
Motor Model Name U, V, W / Electromagnetic Brake Connector Terminal
Identification
ECMA-G31303S (300W)
ECMA-E31305S (500W)
ECMA-G31306S (600W)
ECMA-G31309S (900W)
ECMA-C31010S (1000W)
ECMA-E31310S (1000W)
ECMA-E31315S (1500W)
ECMA-C31020S (2000W)
ECMA-E31320S (2000W)
3106A-20-18S
C
ECMA-E31820S (2000W)
3106A-24-11S
D
Terminal
Identification
U
(Red)
V
(White)
W
(Black)
CASE GROUND
(Green) BRAKE1 BRAKE2
A 1 2 3 4 - -
B 1 2 4 5 3 6
C F I B E G H
D D E F G A B
NOTE
1) The coil of brake has no polarity. The names of terminal identification are BRAKE1 and BRAKE2.
2) The power supply for brake is DC24V. Never use it for VDD, the +24V source voltage.

Chapter 3 Connections and Wiring|ASDA-B Series
Revision January 2009 3-7
3.1.5 Encoder Connector Specifications
The boxes () in the model names are for optional configurations. (Please refer to section 1.2 for model
explanation.)
Motor Model Name Encoder Connector Terminal
Identification
ECMA-C30401S (100W)
ECMA-C30602S (200W)
ECMA-C30604S (400W)
ECMA-C308047 (400W)
ECMA-C30807S (750W)
HOUSING: AMP (1-172161-9)
A
ECMA-G31303S (300W)
ECMA-E31305S (500W)
ECMA-G31306S (600W)
ECMA-G31309S (900W)
ECMA-C31010S (1000W)
ECMA-E31310S (1000W)
ECMA-E31315S (1500W)
ECMA-C31020S (2000W)
ECMA-E31320S (2000W)
ECMA-E31820S (2000W)
3106A-20-29S
B
Terminal
Identification
AMP (1-
172161-9)
A
(Black)
/A
(Black
/Red)
B
(White)
/B
(White
/Red)
Z
(Orange)
/Z
(Orange
/Red)
+5V
(Brown &
Brown/White)
GND
(Blue &
Blue/White)
BRAID
SHELD
A 1 4 2 5 3 6 7 8 9
Terminal
Identification
3106A-20-
29S
A
(Blue)
/A
(Blue
/Black)
B
(Green)
/B
(Green
/Black)
Z
(Yellow)
/Z
(Yellow
/Black)
+5V
(Red & Red
/White)
GND
(Black &
Black
/White)
BRAID
SHELD
B A B C D F G S R L

Chapter 3 Connections and Wiring|ASDA-B Series
3-8 Revision January 2009
3.1.6 Cable Specifications for Servo Drive and Servo Motor
Power Cable - Wire Gauge mm2 (AWG)
Servo Drive and Servo Motor R,S,T U,V,W P,C
ASD-B0121-A ECMA-C30401S 2.1 (AWG14) 0.82 (AWG18) 2.1 (AWG14)
ASD-B0221-A ECMA-C30602S 2.1 (AWG14) 0.82 (AWG18) 2.1 (AWG14)
ECMA-C30604S 2.1 (AWG14) 0.82 (AWG18) 2.1 (AWG14)
ECMA-C308047 2.1 (AWG14) 0.82 (AWG18) 2.1 (AWG14)
ECMA-E31305S 2.1 (AWG14) 0.82 (AWG18) 2.1 (AWG14)
ASD-B0421-A
ECMA-G31303S 2.1 (AWG14) 0.82 (AWG18) 2.1 (AWG14)
ECMA-C30807S 2.1 (AWG14) 0.82 (AWG18) 2.1 (AWG14)
ASD-B0721-A ECMA-G31306S 2.1 (AWG14) 0.82 (AWG18) 2.1 (AWG14)
ECMA-C31010S 2.1 (AWG14) 1.3 (AWG16) 2.1 (AWG14)
ECMA-E31310S 2.1 (AWG14) 1.3 (AWG16) 2.1 (AWG14)
ASD-B1021-A
ECMA-G31309S 2.1 (AWG14) 1.3 (AWG16) 2.1 (AWG14)
ASD-B1521-A ECMA-E31315S 2.1 (AWG14) 1.3 (AWG16) 2.1 (AWG14)
ECMA-C31020S 2.1 (AWG14) 2.1 (AWG14) 2.1 (AWG14)
ECMA-E31320S 2.1 (AWG14) 2.1 (AWG14) 2.1 (AWG14)
ASD-B2023-A
ECMA-E31820S 2.1 (AWG14) 3.3 (AWG12) 2.1 (AWG14)
Encoder Cable - Wire Gauge mm2 (AWG)
Servo Drive and Servo Motor Wire Size Core Number UL Rating Standard
Wire Length
ASD-B0121-A ECMA-C30401S 0.13 (AWG26) 10 core (4 pair) UL2464 3m (9.84ft.)
ASD-B0221-A ECMA-C30602S 0.13 (AWG26) 10 core (4 pair) UL2464 3m (9.84ft.)
ECMA-C30604S 0.13 (AWG26) 10 core (4 pair) UL2464 3m (9.84ft.)
ECMA-C308047 0.13 (AWG26) 10 core (4 pair) UL2464 3m (9.84ft.)
ECMA-E31305S 0.13 (AWG26) 10 core (4 pair) UL2464 3m (9.84ft.)
ASD-B0421-A
ECMA-G31303S 0.13 (AWG26) 10 core (4 pair) UL2464 3m (9.84ft.)
ECMA-C30807S 0.13 (AWG26) 10 core (4 pair) UL2464 3m (9.84ft.)
ASD-B0721-A ECMA-G31306S 0.13 (AWG26) 10 core (4 pair) UL2464 3m (9.84ft.)
ECMA-C31010S 0.13 (AWG26) 10 core (4 pair) UL2464 3m (9.84ft.)
ASD-B1021-A ECMA-E31310S 0.13 (AWG26) 10 core (4 pair) UL2464 3m (9.84ft.)
ASD-B1021-A ECMA-G31309S 0.13 (AWG26) 10 core (4 pair) UL2464 3m (9.84ft.)
ASD-B1521-A ECMA-E31315S 0.13 (AWG26) 10 core (4 pair) UL2464 3m (9.84ft.)
ECMA-C31020S 0.13 (AWG26) 10 core (4 pair) UL2464 3m (9.84ft.)
ECMA-E31320S 0.13 (AWG26) 10 core (4 pair) UL2464 3m (9.84ft.)
ASD-B2023-A
ECMA-E31820S 0.13 (AWG26) 10 core (4 pair) UL2464 3m (9.84ft.)
(Please refer to Section 1.2 for model explanation)
NOTE
1) Please use shielded twisted-pair cables for wiring to prevent voltage coupling and eliminate
electrical noise and interference.
2) The shield of shielded twisted-pair cables should be connected to the SHIELD end (terminal
marked ) of the servo drive.

Chapter 3 Connections and Wiring|ASDA-B Series
Revision January 2009 3-9
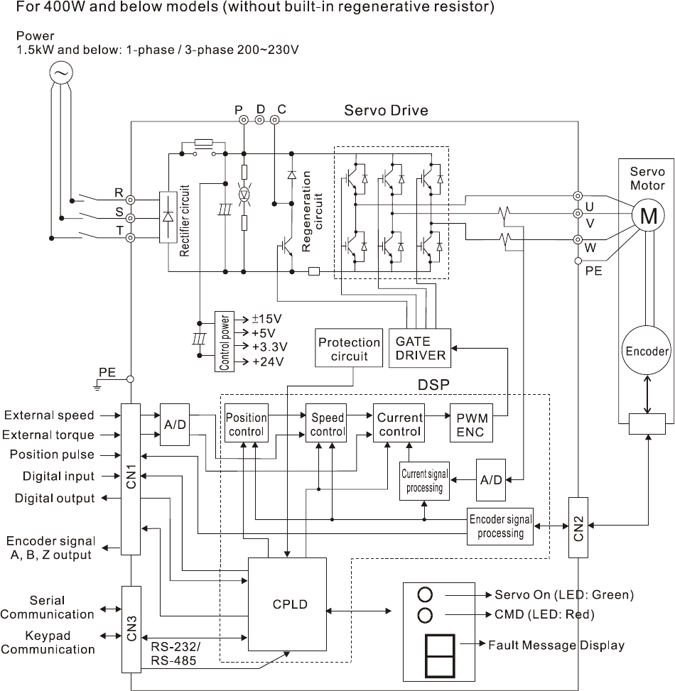
3.2 Basic Wiring
Figure 3.4 Basic Wiring Schematic of 400W and below models

Chapter 3 Connections and Wiring|ASDA-B Series
3-10 Revision January 2009
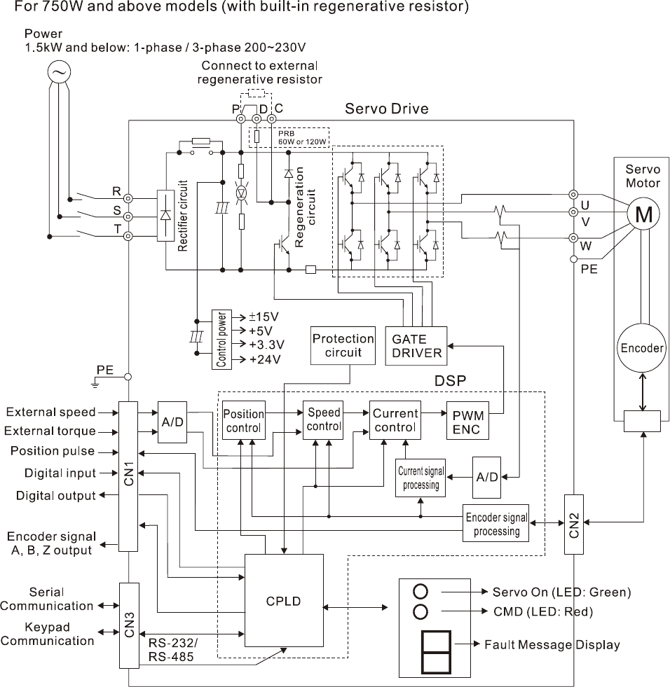
Figure 3.5 Basic Wiring Schematic of 750W models

Chapter 3 Connections and Wiring|ASDA-B Series
Revision January 2009 3-11
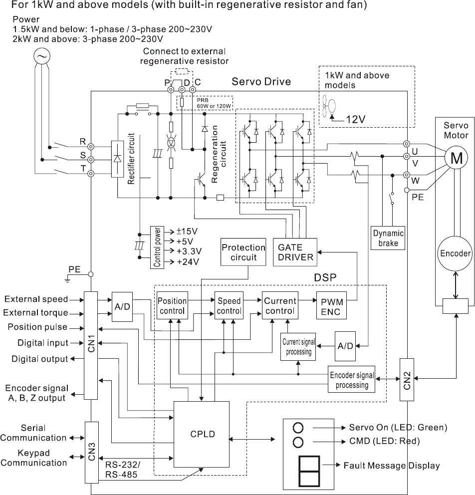
Figure 3.6 Basic Wiring Schematic of 1kW and above models

Chapter 3 Connections and Wiring|ASDA-B Series
3-12 Revision January 2009
3.3 Input / Output Interface Connector -CN1
The CN1 Interface Connector provides access to three signal groups:
i General interface for the analog speed and torque control, encoder reference signal from the motor,
open collector and line driver inputs, and reference voltages.
ii 6 programmable Digital Inputs (DI), can be set via parameters P2-10 ~ P2-15
iii 3 programmable Digital Outputs (DO), can be set via parameters P2-18 ~ P2-20
A detailed explanation of each group is available in Section 3.3.2, Tables 3.A, 3.B & 3.C.
3.3.1 CN1 Terminal Identification
Figure 3.7 The Layout of CN1 Drive Connector:
1
14
13
25
CN1 Terminal Signal Identification
1 D03+ Digital output
14 DI6- Digital input
2 DO2+ Digital output
15 DI5- Digital input
3 DI4- Digital input
16 DO1+ Digital output
4 COM+ DI input common voltage rail
17 DI1- Digital input
5 DI3- Digital input
18 DI2- Digital input
6 T-REF Analog torque input (+)
19 /SIGN Position sign (-)
7 VDD +24Vpower output (for external I/O)
20 SIGN Position sign (+)
8 GND Analog input signal ground
21 /PULSE Pulse input (-)
9 V-REF Analog speed input (+)
22 PULSE Pulse input (+)
10 OA Encoder A pulse output
23 /OA Encoder /A pulse output
11 /OB Encoder /B pulse output
24 OZ Encoder Z pulse output
12 OB Encoder B pulse output
25 /OZ Encoder /Z pulse output
13 COM- VDD(24V) power ground

Chapter 3 Connections and Wiring|ASDA-B Series
Revision January 2009 3-13
NOTE
1) GND (Pin 8) and COM- (Pin 13) of CN1 connector are independent respectively and do not have
connection with the ground terminal outside the servo drive.
3.3.2 Signals Explanation of Connector CN1
The Tables 3.A, 3.B, & 3.C detail the three groups of signals of the CN1 interface. Table 3.A details the
general signals. Table 3.B details the Digital Output (DO) signals and Table 3.C details the Digital Input
(DI) signals. The General Signals are set by the factory and can not be changed, reprogrammed or
adjusted. Both the Digital Input and Digital Output signals can be programmed by the users.
Table 3.A General Signals
Signal Pin No Details Wiring Diagram
(Refer to 3.3.3)
V_REF 9
Motor speed command: -10V to +10V, corresponds to
the maximum speed programmed P1-55 Maximum
Speed Limit (Factory default 3000 RPM).
C1
Analog
Signal
Input T_REF 6
Motor torque command: -10V to +10V, corresponds
to -100% to +100% rated torque command. C1
Position
Pulse
Input
PULSE
/PULSE
SIGN
/SIGN
22
21
20
19
The drive can accept two different types of pulse
inputs: Open Collector and Line Driver.
Three different pulse commands can be selected via
parameter P1-00. Quadrature, CW + CCW pulse &
Pulse / Direction.
C2/C3
OA
/OA
10
23
OB
/OB
12
11
Position
Pulse
Output
OZ
/OZ
24
25
The motor encoder signals are available through
these terminals. The A, B, Z output signals can be
Line Driver type. The Z output signal can be Open
Collector type also, but the output maximum voltage
is 5V and the maximum permissible current is
200mA.
C10/C11
VDD 7
VDD is the +24V source voltage provided by the
drive. Maximum permissible current is 500mA.
Power COM+
COM-
4
13
COM+ is the common voltage rail of the Digital Input
and Digital Output signals. Connect VDD to COM+ for
source mode. For external applied power sink mode
(+12V to +24V), the positive terminal should be
connected to COM+ and the negative to COM-.
-
Ground GND 8 Analog input signal ground. -
The Digital Input (DI) and Digital Output (DO) have factory default settings which correspond to the
various servo drive control modes. (See section 1.5). However, both the DI's and DO's can be
programmed independently to meet the requirements of the users.
Detailed in Tables 3.B and 3.C are the DO and DI functions with their corresponding signal name and
wiring schematic. The factory default settings of the DI and DO signals are detailed in Table 3.F.

Chapter 3 Connections and Wiring|ASDA-B Series
3-14 Revision January 2009
All of the DI's and DO's and their corresponding pin numbers are factory set and nonchangeable,
however, all of the assigned signals and control modes are user changeable. For Example, the factory
default setting of DO1 (pin 16) is SRDY (servo ready) signal, but it can be assigned to SON (Servo On)
signal and vise versa.
The following Tables 3.B and 3.C detail the functions, applicable operational modes, signal name and
relevant wiring schematic of the default DI and DO signals.
Table 3.B DO Signals
Pin No.
DO
Signal
Assigned
Control Mode +
Details (*1) Wiring Diagram
(Refer to 3.3.3)
SRDY ALL 16
(DO1)
SRDY is activated when the servo drive is
ready to run. All fault and alarm conditions, if
present, have been cleared.
SON ALL -
SON is activated when control power is
applied to the servo drive. The drive may or
may not be ready to run as a fault / alarm
condition may exist.
Servo ON (SON) is "ON" with control power
applied to the servo drive, there may be a fault
condition or not. The servo is not ready to run.
Servo ready (SRDY) is "ON" where the servo
is ready to run, NO fault / alarm exists.
ZSPD ALL 2
(DO2)
ZSPD is activated when the drive senses the
motor is equal to or below the Zero Speed
Range setting as defined in parameter P1-38.
For Example, at default ZSPD will be activated
when the drive detects the motor rotating at
speed at or below 10 rpm. ZSPD will remain
activated until the motor speed increases
above 10 RPM.
TSPD ALL -
TSPD is activated once the drive has detected
the motor has reached the Target Rotation
Speed setting as defined in parameter P1-39.
TSPD will remain activated until the motor
speed drops below the Target Rotation Speed.
TPOS P -
When the drive is in P mode, TPOS will be
activated when the position error is equal and
below the setting value of P1-54.
TQL ALL -
TQL is activated when the drive has detected
that the motor has reached the torques limits
set by either the parameters P1-12 ~ P1-14.
ALRM ALL 1
(DO3)
ALRM is activated when the drive has
detected a fault condition. (However, when
Reverse limit error, Forward limit error,
Emergency stop, Serial communication error,
and Undervoltage these fault occur, WARN is
activated first.)
BRKR ALL - BRKR is activated actuation of motor brake.
OLW ALL -
OLW is activated when the servo drive has
detected that the motor has reached the
output overload level set by parameter P2-37.
C4/C5/C6/C7

Chapter 3 Connections and Wiring|ASDA-B Series
Revision January 2009 3-15
Pin No.
DO
Signal
Assigned
Control Mode +
Details (*1) Wiring Diagram
(Refer to 3.3.3)
WARN ALL -
Servo warning output. WARN is activated
when the drive has detected Reverse limit
error, Forward limit error, Emergency stop,
Serial communication error, and Undervoltage
these fault conditions.
Footnote *1: The "state" of the output function may be turned ON or OFF as it will be dependant on the
settings of P2-10~P2-15.
Table 3.C DI Signals
DI
Signal
Assigned
Control Mode Pin No. Details (*2) Wiring Diagram
(Refer to 3.3.3)
SON ALL 17 Servo On. Switch servo to "Servo Ready".
ARST ALL 18
A number of Faults (Alarms) can be cleared by
activating ARST. Please see section 10.3 for
applicable faults that can be cleared with the
ARST command. However, please investigate
Fault or Alarm if it does not clear or the fault
description warrants closer inspection of the
drive system.
GAINUP ALL - Gain switching in speed and position mode
CCLR P 5
When CCLR is activated the setting is
parameter P2-48 Pulse Clear Mode is
executed.
ZCLAMP S , T -
When this signal is On and the motor speed
value is lower than the setting value of P1-38,
it is used to lock the motor in the instant
position while ZCLAMP is On.
The parameter P2-38 should be enabled first if
the users want to set the speed command that
has been accelerated and decelerated more
smoothly.
CMDINV ALL -
When this signal is On, the motor is in reverse
rotation.
INHP P -
Pulse inhibit input. When the drive is in
position mode, if INHP is activated, the
external pulse input command is not valid.
TRQLM P , S , Sz - ON indicates the torque limit command is
valid.
SPDLM T , Tz - ON indicates the speed limit command is
valid.
GNUM0 P - Electronic gear ratio (Numerator) selection 0
SPD0
SPD1
ALL -
Select the source of speed command:
See Table 3.D.
C8/C9

Chapter 3 Connections and Wiring|ASDA-B Series
3-16 Revision January 2009
DI
Signal
Assigned
Control Mode Pin No. Details (*2) Wiring Diagram
(Refer to 3.3.3)
TCM0
TCM1
ALL -
Select the source of torque command:
See Table 3.E.
S-P Sz , S , P - Speed / Position mode switching
OFF: Speed, ON: Position
S-T Sz , S , Tz - Speed / Torque mode switching
OFF: Speed, ON: Torque
T-P T , Tz , P - Torque / Position mode switching
OFF: Torque, ON: Position
EMGS ALL 14
It should be contact “b” and normally ON or a
fault (ALE13) will display.
CWL ALL 3
Reverse inhibit limit. It should be contact “b”
and normally ON or a fault (ALE14) will
display.
CCWL ALL 15
Forward inhibit limit. It should be contact “b”
and normally ON or a fault (ALE15) will
display.
TLLM P , S - Torque limit - Reverse operation (Torque limit
function is valid only when P1-02 is enabled)
TRLM P , S - Torque limit - Forward operation (Torque limit
function is valid only when P1-02 is enabled)
C8/C9
Footnote *2: The "state" of the input function may be turned ON or OFF as it will be dependant on the
settings of P2-18~P2-20.
Table 3.D Source of Speed Command Table 3.E Source of Torque Command
SPD1 SPD0 Parameter TCM1 TCM0 Parameter
OFF OFF
S mode: analog input
Sz mode: 0
OFF OFF
T mode: analog input
Tz mode: 0
OFF ON P1-09 OFF ON P1-12
ON OFF P1-10 ON OFF P1-13
ON ON P1-11 ON ON P1-14
The user-defined DI and DO signals are defined via parameters P2-10 to P2-15 and P2-18 to P2-20.
Please refer to the following Table 3.F for the settings. Although the content of the Table 3.F does not
provide more information than the Table 3.B and Table 3.C above, as each control mode is separated
and listed in different row, it is easy for the users to view and can avoid confusion. However, the Pin
number of each signal can not be displayed in the Table 3.F.

Chapter 3 Connections and Wiring|ASDA-B Series
Revision January 2009 3-17
Table 3.F Default DI Signals and DO Signals
The factory default settings of DI signals
Signal DI Code Function Default Settings
SON 01 Servo On DI1
ARST 02 Alarm Reset DI2
GAINUP 03 Gain switching in speed and position mode
CCLR 04 Pulse clear DI3
ZCLAMP 05 Zero speed CLAMP
CMDINV 06 Command input reverse control
INHP 07 Pulse inhibit input
TRQLM 09 Torque limit enabled
SPDLM 10 Speed limit enabled
GNUM0 11 Electronic gear ratio (Numerator) selection 0
SPD0 14 Speed command selection 0
SPD1 15 Speed command selection 1
TCM0 16 Torque command selection 0
TCM1 17 Torque command selection 1
S-P 18
Position / Speed mode switching (OFF: Speed, ON:
Position)
S-T 19
Speed / Torque mode switching (OFF: Speed, ON:
Torque)
T-P 20
Torque / Position mode switching (OFF: Torque,
ON: Position)
EMGS 21 Emergency stop (contact b) DI6
CWL 22 Reverse inhibit limit (contact b) DI4
CCWL 23 Forward inhibit limit (contact b) DI5
TLLM 25 Torque limit - Reverse operation
TRLM 26 Torque limit - Forward operation
The factory default settings of DO signals
Signal DO Code Function Default Settings
SRDY 01 Servo ready DO1
SON 02 Servo On
ZSPD 03 At Zero speed DO2
TSPD 04 At Speed reached
TPOS 05 At Positioning completed
TQL 06 At Torques limit
ALRM 07 Servo alarm (Servo fault) activated DO3
BRKR 08 Electromagnetic brake control
OLW 09 Output overload warning
WARN 10 Servo warning activated

Chapter 3 Connections and Wiring|ASDA-B Series
3-18 Revision January 2009
3.3.3 User-defined DI and DO signals
If the default DI and DO signals could not be able to fulfill the users’ requirements, there are still user-
defined DI and DO signals. The setting method is easy and they are all defined via parameters. The
user-defined DI and DO signals are defined via parameters P2-10 to P2-15 and P2-18 to P2-20.
Please refer to the following Table 3.G for the settings.
Table 3.G User-defined DI and DO signals
Signal Name Default Pin
No. Parameter Signal Name Default Pin
No. Parameter
DI1- 17 P2-10 DO1+ 16 P2-18
DI2- 18 P2-11 DO2+ 2 P2-19
DI3- 5 P2-12
DO
DO3+ 1 P2-20
DI4- 3 P2-13
DI5- 15 P2-14
DI
DI6- 14 P2-15
DI signal:
For example: If the users want to set DI1 to be servo on, it only needs to set the value of parameter P2-
10 to 101 (refer to chapter 7).
NOTE
1) 14~17: Single control mode;18~20: Dual control mode; 0: Input function disabled
Setting of parameter P2-10 to P2-15:
DI Code Signal Description
01 SON Servo On
02 ARST Alarm Reset
03 GAINUP Gain switching in speed and position mode
04 CCLR Pulse clear
05 ZCLAMP Zero speed CLAMP
06 CMDINV Command input reverse control
07 INHP Pulse inhibit input
09 TRQLM Torque limit enabled
10 SPDLM Speed limit enabled
11 GNUM0 Electronic gear ratio (Numerator) selection 0
14 SPD0 Speed command selection 0
15 SPD1 Speed command selection 1
16 TCM0 Torque command selection 0
17 TCM1 Torque command selection 1
18 S-P Position / Speed mode switching (OFF: Speed, ON: Position)

Chapter 3 Connections and Wiring|ASDA-B Series
Revision January 2009 3-19
Setting of parameter P2-10 to P2-15:
DI Code Signal Description
19 S-T Speed / Torque mode switching (OFF: Speed, ON: Torque)
20 T-P Torque / Position mode switching (OFF: Torque, ON: Position)
21 EMGS Emergency stop (contact b)
22 CWL Reverse inhibit limit (contact b)
23 CCWL Forward inhibit limit (contact b)
25 TLLM Torque limit - Reverse operation
26 TRLM Torque limit - Forward operation
DO signal:
For example: If the users want to set DO1 to be servo ready, it only needs to set the value of parameter
P2-18 to 101 (refer to chapter 7).
NOTE
1) 0: Output function disabled
Setting of parameter P2-18 to P2-20:
DO Code Signal Description
01 SRDY Servo ready
02 SON Servo On
03 ZSPD At Zero speed
04 TSPD At Speed reached
05 TPOS At Positioning completed
06 TQL At Torques limit
07 ALRM Servo alarm (Servo fault) activated
08 BRKR Electromagnetic brake control
09 OLW Output overload warning
10 WARN Servo warning activated

Chapter 3 Connections and Wiring|ASDA-B Series
3-20 Revision January 2009
3.3.4 Wiring Diagrams of I/O Signals (CN1)
The valid voltage range of analog input command in speed and torque mode is -10V ~+10V.
The command value can be set via relevant parameters.
C1: Speed / Torque analog signal input
There are two kinds of pulse inputs, Line driver input and Open-collector input. Max. input pulse
frequency of Line driver input is 500kpps and max. input pulse frequency of Open-collector input is
200kpps.
NOTE
1) In order to protect the internal circuit, when using open collector input, please
ensure to connect one 1 ~ 2 KΩ current limit resistor before Pin 19(/SIGN) and
Pin 21(/PULSE) respectively (Please refer to the wiring diagram on next page).
2) For the specifications of connected current limit resistor, please refer to the
table below:
Vdc Specifications
24V 1KΩ
12V 500Ω
Equation: mA
R20
100
2Vdc ≅
+
−

Chapter 3 Connections and Wiring|ASDA-B Series
Revision January 2009 3-21
C2-1: Pulse input (Open collector – internal power)
7
VDD
19 /SIGN
20 SIGN
COM-
22 PULSE
13
21 /PULSE
DC24V
Max. input pulse
frequency is 200kpps
S
ervo Drive
Approx.
1K
Approx.
1K
50
50
50
50
C2-2: Pulse input (Open collector – external power)
7
VDD
19 /SIGN
20 SIGN
COM-
22 PULSE
13
21 /PULSE
Vdc
DC24V
Max. input pulse
frequency is 200kpps
S
ervo Drive
Approx.
1K
Approx.
1K
50
50
50
50
Please ensure to
connect the resistor
or the photocoupler
may be damaged due
to excessive current.
Please ensure to
connect the resistor
or the photocoupler
may be damaged
due to excessive
current.

Chapter 3 Connections and Wiring|ASDA-B Series
3-22 Revision January 2009
C3: Pulse input (Line Driver)
Be sure to connect a diode when the drive is applied to inductive load.
(Continuous maximum current: 40mA, Instantaneous peak current: max. 100mA)
C4: Wiring of DO signal, for the use of internal power supply, general load
C5: Wiring of DO signal, for the use of internal power supply, inductive load
Because this
photocoupler is a
unidirectional
optocoupler, please pay
close attention on the
current direction of input
pulse command.

Chapter 3 Connections and Wiring|ASDA-B Series
Revision January 2009 3-23
C6: Wiring of DO signal, for the use of external
power supply, general load
C7: Wiring of DO signal, for the use of external
power supply, inductive load
Use a relay or open-collector transistor to input signal.
C8: Wiring of DI signal, for the use of internal
power supply
C9: Wiring of DI signal, for the use of internal
power supply
C10: Encoder output signal (Line driver) C11: Encoder output signal (Photocoupler)

Chapter 3 Connections and Wiring|ASDA-B Series
3-24 Revision January 2009
3.4 Encoder Connector CN2
Integrated within the servo motor is an incremental encoder with 2,500PPR and commutation signal.
When power is first applied to the servo drive, control algorithms detect the motor's rotor position through
imbedded sensors in the motor within 500msec approximately.
Feedback to the amplifier of the UVW signals for commutation is via the ABZ encoder signal wires. Following
rotor position sensing the amplifier automatically switches to encoding for commutation control.
The 2500PPR encoder is automatically multiplied to 10000PPR by X4 logic for increased control accuracy.
Figure 3.8 The layout of CN2 Drive Connector:
1
6
5
9
CN2 Terminal Signal Identification
Pin No Signal Name Terminal
Identification Description Military
Connector
Fast
Connector Wire Color
4 A phase input A Encoder A phase
output A A1 Black
5 /A phase input /A Encoder /A phase
output B A4 Black / Red
3 B phase input B Encoder B phase
output C A2 White
2 /B phase input /B Encoder /B phase
output D A5 White / Red
9 Z phase input Z Encoder Z phase
output F A3 Orange
1 /Z phase input /Z Encoder /Z phase
output G A6
Orange / Red
8 Encoder power +5V Encoder 5V power S A7 Brown &
Brown / White
6, 7 Encoder power GND Grounding R A8 Blue &
Blue / White
Shielding Shielding Shielding L A9 Shielding

Chapter 3 Connections and Wiring|ASDA-B Series
Revision January 2009 3-25
3.5 Serial Communication Connector CN3
3.5.1 CN3 Terminal Layout and Identification
The servo drive can be connected to a PC or controller via a serial communication connector. The users
can operate the servo drive through PC software supplied by Delta (contact to the dealer/distributor).
The communication connector/port of Delta servo drive can provide two common serial communication
interfaces: RS-232, and RS-485 connection. RS-232 is mostly be used but is somewhat limited. The
maximum cable length for an RS-232 connection is 15 meters (50 feet). Using RS-485 interface can
allow longer distance for transmission and support multiple drives to be connected simultaneously.
Figure 3.9 The layout of CN3 Drive Connector:
12
3
4
5
6
7
8
CN3 Drive Connector
CN3 Terminal Signal Identification
Pin No Signal Name Terminal
Identification Description
1 RS-485- RS-485- For data transmission of the servo drive.
Connected to the RS-485- interface of PC.
2 Signal power +5VD
3 RS-485+ RS-485+ For data transmission of the servo drive.
Connected to the RS-485+ interface of PC.
4 RS-232 data
receiving RS-232-RX For data receiving of the servo drive.
Connected to the RS-232 interface of PC.
5 RS-232 data
transmission RS-232-TX
For data transmission of the servo drive.
Connected to the RS-232 interface of PC.
Please refer to section 3.5.2.
6
RS-232 / RS-485
data format
selection
SEL232 / 485
RS-232 & RS-485 data format selection
For RS-485 connection, connect SEL232/485(Pin6)
to GND(Pin8). For RS-232 connection, do not
connect SEL232/485(Pin6) to GND(Pin8).
7 Re-flash
selection Boot_Load Boot_Load terminal for DSP Reflash burn-in
selection (Do not connect this terminal).
8 Grounding GND
NOTE
1) In order to avoid the communication error, if the users use their own communication connector,
ensure the circuit between the connector case and all pins is not closed.

Chapter 3 Connections and Wiring|ASDA-B Series
3-26 Revision January 2009
2) When using RS-232 communication, the user can use the communication cable provided by Delta
PLC directly. (The PLC communication cable is compatible with all Delta Servo systems for the
users’ convenience)
3.5.2 Connection between PC/Keypad and Connector CN3
Connection between PC and CN3
2
3
5
5
4
8
PC or
Notebook
12
3
4
5
6
7
8
CN3 Drive Connector
Connection between Keypad and CN3
5
8
2
3
8
2
5
4
KEYPAD
12
3
4
5
6
7
8
1
3
5
7
9
2
4
6
8
10
CN3 Drive Connector

Chapter 3 Connections and Wiring|ASDA-B Series
Revision January 2009 3-27
3.6 Standard Connection Example
3.6.1 Position Control Mode

Chapter 3 Connections and Wiring|ASDA-B Series
3-28 Revision January 2009
3.6.2 Speed Control Mode

Chapter 3 Connections and Wiring|ASDA-B Series
Revision January 2009 3-29
3.6.3 Torque Control Mode
Chapter 3 Connections and Wiring|ASDA-B Series
3-30 Revision January 2009
This page intentionally left blank.

Revision January 2009 4-1
Chapter 4 Display and Operation
This chapter describes the basic operation of the digital keypad and the features it offers.
There are several modes of operation:
Monitor, Parameter, Parameter Setting, Save, Write and Fast Edit Mode.
In Monitor mode, users can display the monitor status. In Parameter mode, users can display and view the
parameter name, unit and setting value, and also can navigate in parameter groups. In Parameter Setting
mode, users can edit and change the parameter setting value. In Save mode, it allows users to save the
parameters stored in PC or the servo drive into the digital keypad. In Write mode, it allows users to write the
parameters out of the digital keypad and restored in the servo drive. Please note that the status monitor
function of the servo drive is disabled and the LED indicators on the digital keypad are invalid at this time
when in Save mode and Write mode. In Fast Edit mode, users can edit the parameters more quickly. Also,
static and dynamic auto-tuning is also provided in this mode.
If users desire to upgrade the firmware version of the digital keypad, please open the rear case of the keypad
and turn the switch to BOOTLOAD. Then, execute the PC program and the firmware will be upgraded.
For the keypad parameters and fault messages (Alarm codes), please refer to Chapter 7 and Chapter 10.
4.1 ASD-PU-01A
4.1.1 Description of Digital Keypad ASD-PU-01A
The digital keypad includes the ASD-PU-01A display panel and function keys. The Figure 4.1 shows all
of the features of the ASD-PU-01A digital keypad and an overview of their functions.
Figure 4.1
LCD Display
Status Display
(LED Indication)
MODE Key
SHIFT Key
UP and DOWN Key
SET Key
JOG Key
RESET Key
WRITE Key
Fast Edit Key
SAVE Key

Chapter 4 Display and Operation|ASDA-B Series
4-2 Revision January 2009
Name Function
LCD Display 2 line × 16 character LCD display shows the monitor codes, parameter settings and
operation values of the AC servo drive.
Status Display
(LED Indication)
SON LED (Servo On Indicator). A lit LED illuminates to indicate that the servo drive is
enabled.
ALRM LED (Alarm Output Indicator). A lit ALRM LED illuminates to indicates that a
alarm output is activated.
JOG LED (JOG Operation Indicator). A lit JOG LED illuminates to indicates that JOG
operation is enabled.
TSPD LED (Speed reached Indicator). A lit TSPD LED illuminates to indicates that the
target speed is reached and TSPD signal is activated.
TPOS LED (Positioning completed Indicator). A lit TPOS LED illuminates to indicates
that the target position is reached and TPOS signal is activated.
MODE
MODE Key. Pressing MODE key can enter or exit different parameter groups, and
switch between Parameter mode and Parameter Setting mode, SAVE mode and
WRITE mode.
SHIFT
SHIFT Key. In Parameter mode, pressing SHIFT key can scrolls through parameter
groups. In Parameter Setting mode and SAVE mode, after a parameter is selected and
its value displayed, pressing SHIFT key can move the cursor to the left and then
change parameter settings (blinking digits) by using arrow keys.
UP and DOWN arrow Key. Pressing the UP and DOWN arrow key can scroll through
and change monitor codes, parameter groups and various parameter settings.
In SAVE and WRITE mode, pressing UP and DOWN arrow key can scroll through and
change the memory blocks. In SAVE mode, pressing UP and DOWN arrow key can
select and change the memory file name also.
SET
SET Key. Pressing Set key can enter into the Parameter Setting mode, then display,
select and save parameter groups and various parameter settings. During diagnosis
operation, pressing SET key can execute the function in the last step.
(The parameter settings changes are not effective until the SET key is pressed.)
JOG
JOG Key. Pressing JOG key can enable JOG operation immediately. 1st pressing:
enter JOG operation. 2nd pressing: exit JOG operation. Please refer to Section 4.4.3
for operation.
ARST
Reset Key. Pressing ARST key can Used to clear a fault (Alarm).
This key is available in any modes.
SAVE
SAVE Key. Pressing SAVE key can save parameter settings to the digital keypad.
Please refer to Section 4.2.2 for operation.
WRITE
WRITE Key. Pressing WRITE key can write out the parameter settings in the digital
keypad and send to the servo drive. Please refer to Section 4.2.3 for operation.
Fast Edit
Fast Edit Key. Pressing Fast Edit key can use three special functions:
Fast Editing, Static Auto-tuning and Dynamic Auto-tuning.
Fast editing function:
1) 1st pressing: Enable the Fast Editing function. When Fast Editing function is
enabled, using UP and DOWN arrow key can browse, search and edit the
parameters that have been edited before directly and quickly. The parameter
setting method is the same as usual.
2) 2nd pressing: Disable the Fast Editing function.
Static Auto-tuning and Dynamic Auto-tuning function: Please refer to Section 4.2.4
for operation.
NOTE
1) The functions of MODE, SHIFT, UP and DOWN, and SET keys are the same as the function keys of
ASDA-A series servo drive.

Chapter 4 Display and Operation|ASDA-B Series
Revision January 2009 4-3
4.1.2 Display Flowchart
Monitor Mode, Parameter Mode and Parameter Setting Mode
1. When the power is applied to the AC servo drive, the digital keypad will execute communication
initial setup for approximately two seconds (9600bps & 7,N,2 Modbus ASCII) first, and then enter
into the monitor mode.
2. In monitor mode, pressing UP or DOWN arrow key can switch monitor parameter code.
3. In monitor mode, pressing MODE key can enter into parameter mode, pressing the SHIFT key
can switch parameter group and pressing UP or DOWN arrow key can change parameter group
code.
4. In parameter mode, system will enter into the parameter setting mode immediately after the SET
key is pressed. The LCD display will display the corresponding setting value of this parameter
simultaneously. Then, users can use UP or DOWN arrow key to change parameter value or press
MODE key to exit and return back to the parameter mode.
5. In parameter setting mode, users can move the cursor to left by pressing the SHIFT key and
change the parameter settings (blinking digits) by pressing the UP or DOWN arrow key.
6. After the setting value change is completed, press SET key to save parameter settings or execute
command.
7. When the parameter setting is completed, LCD display will show the end code “-SET END-“ and
automatically return back to parameter mode.
Figure 4.2
STS01:Fb REV
0 rev
STS02:CMD PULSE
0 pulse
STS15:IGBT temp
33 degC
P0-00:VER
0.005
P0-01:ALE
0
P0-02:STS
0
P1-00:PTT
2
P1-01:CTL
0
P1-02:PSTL
0
P2-00:KPP
70 rad/s
P2-01:PPR
100 %
P2-02:PFG
50 %
P3-00:ADR
1
P3-01:BRT
3 bps
P3-02:PTL
0
P4-00:ASH1
1
P4-01:ASH2
1
P4-02:ASH3
1
P8-00:VERSION
1.001
P8-01:MISC FUN
1
P8-05:KPD ID
255
10000
10001
SET END
SET
GROUP0
STS00:Fb PULSE
0 pulse
GROUP1
GROUP2
GROUP3
GROUP4
GROUP8
SET
Edit Setting Values
MODE
SHIFT
SHIFT
SHIFT
SHIFT
SHIFT
Save Setting Values
Parameter Mode
Monitor Mode
Parameter
Setting Mode

Chapter 4 Display and Operation|ASDA-B Series
4-4 Revision January 2009
SAVE Mode (Save parameter settings from the Drive to the Keypad)
1. When the power is applied to the AC servo drive, the digital keypad will enter into the monitor
mode first.
2. In monitor mode, pressing SAVE key can switch to SAVE mode.
3. In SAVE mode, pressing SAVE key can execute the function the users select and save the new
parameter settings.
4. In SAVE mode, pressing UP and DOWN key can save the desired memory block that the users
want to save.
5. If the desired memory block has not been used, the LCD display will show the message
“xxxxxxxx”. If the desired memory block has been used and there are parameters data saved in
it, the LCD display will show the MCU version of the servo drive and the preset file name, such
as “BL001-XX”. The last two words “XX” can be modified by the users and its range is within 0 ~
9 or A ~Z. The users can select the words by using UP and DOWN keys and change the words
by using SHIFT key.
6. In SAVE mode, pressing MODE key once can return to the previous display and finally exit the
SAVE mode. However, if the users have pressed the SAVE key, i.e. the SAVE operation has
been executed, the MODE key will become disabled, the users cannot return to previous
display and only can move to the next step.
7. The users can save the parameters in some memory block repeatedly on the condition that the
version, inertia and models of the servo drives should be the same. If one of the parameters is
set by the servo drive in different condition, it cannot be saved into the same memory block with
other parameters and must be saved to other memory blocks. Before re-using the same
memory block, please perform the “Memory Block Clear” function first (Please see the
description of parameter P8-11).
Figure 4.3
KPD SAVE 0.000
ROM24:********
YES
KPD SAVE 0.000
ROM00:saving
NO
KPD SAVE 0.000
ROM01:********
KPD SAVE 0.000
ROM00:********
KPD SAVE
yes?
KPD SAVE 0.000
ROM00:********?
SAVE
SAVE
SAVE
MODE
SAVE
KPD SAVE 0.006
ROM00:BL003-00
SAVE
Press key to return to previous display
MODE

Chapter 4 Display and Operation|ASDA-B Series
Revision January 2009 4-5
WRITE Mode (Parameter settings written out from Keypad to the Drive)
1. When the power is applied to the AC servo drive, the digital keypad will enter into the monitor
mode first.
2. In monitor mode, pressing WRITE key can switch to WRITE mode.
3. In WRITE mode, pressing WRITE key can execute the function the users select and save the
new parameter settings.
4. In WRITE mode, pressing UP and DOWN key can write out the desired memory block that the
users want to write out.
5. If the desired memory block has not been used, the LCD display will show the message
“xxxxxxxx”. If the desired memory block has been used and there are parameters data saved in
it, the LCD display will show the MCU version of the servo drive and the preset file name, such
as “BL001-XX”. The last two words “XX” can be modified by the users and its range is within 0 ~
9 or A ~Z. The users can select the words by using UP and DOWN keys and change the words
by using SHIFT key.
6. In WRITE mode, pressing MODE key once can return to the previous display and finally exit the
WRITE mode.
7. Only the parameters of the same version, the same inertia and the same model type of the
servo drives can be written out. If the servo drive version stored in the keypad is different than
the actual servo drive version, the users can make them the same via Delta Servo Drive PC
software, ASDAB_SW.
Figure 4.4
Press key to return to previous display
MODE
KPD WRITE
yes?
KPD WRITE 0.006
ROM00:BL003-00
KPD WRITE 0.006
ROM01:BL003-01
KPD WRITE 0.006
ROM24:BL003-24
ALARM 47
MODEL MATCH ERR
KPD WRITE 0.006
ROM00:writing
KPD WRITE 0.006
ROM00:BL003-00?
WRITE
WRITE
MODE
WRITE
WRITE
YES
NO

Chapter 4 Display and Operation|ASDA-B Series
4-6 Revision January 2009
Fast Edit Mode (Fast Editing, Static & Dynamic Auto-tuning)
1. When the power is applied to the AC servo drive, the digital keypad will enter into the monitor
mode first.
2. In monitor mode, pressing Fast Edit key can switch to Fast Edit mode.
3. In Fast Edit mode, pressing Fast Edit key can execute the function the users select and save
the new parameter settings.
4. In Fast Edit mode, pressing UP and DOWN key can scroll through the functions freely.
5. In Fast Edit mode, the users can enable or disable the Fast Editing function and browse through
the parameters that have been edited before.
6. In Fast Edit mode, when Static Auto-tuning function is enabled, the users can input the value of
responsiveness (frequency width), motor load inertia and stiffness directly.
7. In Fast Edit mode, when Dynamic Auto-tuning function is enabled, the users can input the value
of motor rotation number, motor rotation frequency, motor rotation time and responsiveness
directly.
8. Static Auto-tuning function only can be enabled in Manual mode (P2-32 is set to 0). If it is
enabled in AutoMode, an error message may display.
9. Dynamic Auto-tuning function only can be enabled in AutoMode (P2-32 is set to 1 or 2). If the
users want to use the Dynamic Auto-tuning function in Manual mode, please press MODE key
to skip
FEDIT:AUTO D -L
6
this step (Please see Figure 4.5 on next page).
10. In Fast Edit mode, pressing MODE key once can return to the previous display and finally exit
the Fast Edit mode (Please see Figure 4.5 on next page).

Chapter 4 Display and Operation|ASDA-B Series
Revision January 2009 4-7
Figure 4.5
STS00:Fb PULSE
0 pulse
FEDIT:PR EDIT
FEDIT:PR EDIT
PR ENABLE
FEDIT:PR EDIT
PR DISABLE
FEDIT:AUTO S
FEDIT:AUTO S -BW
100 HZ
FEDIT:AUTO S -JR
1.0 HZ
FEDIT:AUTO S -RH
1.000 HZ
FEDIT:AUTO S -RH
PR Dload
FEDIT:AUTO D -R
2 rev
FEDIT:AUTO D -R
3 HZ
FEDIT:AUTO D -F
1.0 HZ
FEDIT:AUTO D -F
1.1 HZ
FEDIT:AUTO D -T
15 s
FEDIT:AUTO D -L
PR Dload
FEDIT:AUTO D
FEDIT:AUTO D -L
6
FEDIT:AUTO D -L
7
FEDIT:AUTO D -T
16 s
Fast Edit
MODE
Fast Edit
Fast Edit
Fast Edit
Fast Edit
Fast Edit
MODE
FEDIT:AUTO S
MODE
FEDIT:AUTO S -BW
101 HZ
FEDIT:AUTO S -JR
1.1 HZ
FEDIT:AUTO S -RH
1.001 HZ
Fast Edit
MODE
Fast Edit
Fast Edit
Fast Edit
Fast Edit
MODE
Fast Editing
Dynamic Auto-tuning
靜態自動增益
Static Auto-tuning

Chapter 4 Display and Operation|ASDA-B Series
4-8 Revision January 2009
4.1.3 Status Display
Save Setting Display
After the SET key is pressed, LCD display will show the following display messages for approx. one
second according to different status.
Display Message Description
T D
TT
P:
01 -0
SEEN
P
The setting value is saved correctly.
A L
EVP :
0
-0
REON
0R
DY
This parameter is read only. Write-protected. (cannot be changed)
P W
OSP :
1
-1
NOSS
4F
AO
1
R D
Invalid password or no password was input.
T R
SPP :
0
-2
DAER
1T
A
L
The setting value is error or input reserve setting value.
T R
CP :
0
-1
SEER
1T
A
L
T N
SO
The servo module is enabled and this parameter cannot be
changed.
Abort Setting Display
Display Message Description
O
EVP :
0
-0
ABT
0R
R
In parameter mode, pressing MODE key can abort parameter
setting change and return to monitor mode. In parameter setting
mode, pressing MODE key can return back to parameter mode.
After returning back to parameter mode, pressing MODE key
again can abort parameter setting change.
Fault Message Display
Display Message Description
E U
1A0RAM
OVC
L
RRRE N T
When the AC servo drive has a fault, LCD display will display
“ALARMnn”. “ALARM” indicates the alarm and “nn” indicates the
drive fault code. The display range of alarm code “nn” is 1 to 48.
For the list of drive fault code, please refer to parameter P0-01 or
refer to Chapter 10 (Troubleshooting).
Polarity Setting Display
Display Message Description
PSP :
01 -91
1000 mpr
Positive value display. When entering into parameter setting
mode, pressing UP or DOWN arrow key can increase or decrease
the display value. SHIFT key is used to change the selected digit
(The selected digit will blink).
PSP :
01 -91
1000 mpr-
Negative value display. When the parameter setting is greater
than five digits, after the display value is set, continuously press
SHIFT key for six times and then the negative sign will show up to
indicate a negative value.

Chapter 4 Display and Operation|ASDA-B Series
Revision January 2009 4-9
Monitor Setting Display
In monitor mode, in order to change the monitor status, the users can press UP or DOWN arrow key or
change parameter P0-02 directly to specify the monitor status. When the power is applied, the monitor
status depends on the setting value of P0-02. For example, if the setting value of P0-02 is 2 when the
power is applied, the C.P monitor symbol will first display and then show the “Pulse counts of pulse
command [pulse]” monitor status.
P0-02
Setting Display Message Description Unit
0
bFS :
0T S0
0
L
PUS
E
l
puse
Motor feedback pulse number pulse
1
bFS :
0T S1
0
V
RE
v
re
Motor feedback rotation number rev
2
MCS :
0T S2
0
L
PUS
E
l
puse
D
Pulse counts of pulse command pulse
3
MCS :
0T S3
0
DV
RE
v
re
Rotation number of pulse command rev
4
RES :
0T S4
0
L
PUS
E
l
puse
R
Position error counts pulse
5
ER
S:
0T S5
0
d
CmPF
zkH
Q
Input frequency of pulse command kHz
6
pr
S:
0T S6
0
ESP ED
m
Motor rotation speed rpm
7
lo
S:
0T S7
0
DCM D1
t
SP
v
Speed input command volt
8
pr
S:
0T S8
0
DCM D2
m
SP
Speed input command rpm
9
S:
0T S9
0
DCM L 1
TQ
00. lotv
Torque input command volt
10
S:
0
TS1
0
DCM L2
TQ
m
-
tN
Torque input command Nt-m
11
S:
TS1
0
GAV ADLO
%
1
Average load %

Chapter 4 Display and Operation|ASDA-B Series
4-10 Revision January 2009
P0-02
Setting Display Message Description Unit
12
S:K
TS1
0
APE AD
LO
%
2
Peak load %
13
S:s
TS1
0
uVb3
l
otv
Main circuit voltage volt
14
S:
TS1
0
JL4
m
iet
Ratio of load inertia to Motor inertia time
15
S:TTS1
0
BIG mpTe5
g
eCd
IGBT Temperature of power supply
module degC(°C)
The following table lists the display examples of monitor value:
Display Message Description
pr
S:
0T S6
0
ESP ED
m
003
Positive value display.
Display value: +3000.
pr
S:
0T S6
0
ESP ED
m
003-
Negative value display.
Display value: -3000。
lo
S:
0T S7
0
DCM D1
t
SP
v
0.5
Decimal point display.
Display value: 5.00.

Chapter 4 Display and Operation|ASDA-B Series
Revision January 2009 4-11
4.1.4 Fault Code Display Operation
After entering the parameter mode P4-00 to P4-04 (Fault Record), press SET key to display the
corresponding fault code history for the parameter or press UP arrow key to display the fault code of
ASH1 to ASH5 in order. ASH1 indicates the most recent occurred fault code, ASH2 is the previous
occurred fault code before ASH1 and so on.
Figure 4.8
SA
P:
04 -0H
1
0
SAP :
04 -1H
2
0
SAP :
04 -2H
3
0
SAP :
04 -3H
4
0
SA
P:
04 -4H
5
0
S
A
P:
04 -0H
1
0
S
A
P:
04 -1H
2
0
S
A
P:
04 -2H
3
0
S
A
P:
04 -3H
4
0
S
A
P:
04 -4H
5
0
Fault Code History Current Display Fault Code History
Status Display
SET
SET
SET
SET
SET

Chapter 4 Display and Operation|ASDA-B Series
4-12 Revision January 2009
4.1.5 JOG Operation
After entering parameter mode P4-05, the users can follow the following steps to perform JOG operation
or press JOG key on the digital keypad to enter into parameter setting mode of P4-05 directly.
Step 1. Press the SET key to display the JOG rpm speed. (The default value is 20 rpm).
Step 2. Press the UP or DOWN arrow keys to increase or decrease the desired JOG speed. (This also
can be undertaken by using the SHIFT key to move the cursor to the desired unit column (the
effected number will flash) then changed using the UP and DOWN arrow keys. The example
display in Figure 4.8 is adjusted as 100rpm.)
Step 3. Press the SET key when the desired JOG speed is set. The Servo Drive will display "JOG" and
JOG LED will light up.
Step 4. Press the UP or DOWN arrow keys to jog the motor either CCW or CW. The motor will only
rotate while the arrow key is activated.
Step 5. To change JOG speed again, press the MODE key. After JOG speed is changed, press the
SET key and the JOG operation will run again. Refer back to #2 and #3 to change speed.
NOTE
1) JOG operation is effective only when Servo On (when the servo drive is enabled).
2) Before pressing JOG key, please ensure to confirm that P2-10 (DI1) is set to 101 (Servo On).
Otherwise, the JOG operation cannot be enabled even if the JOG key has been pressed.
3) The users can set the acceleration and deceleration time in advance (the settings of parameter P1-
34, P1-35 and P1-36).

Chapter 4 Display and Operation|ASDA-B Series
Revision January 2009 4-13
Figure 4.9
OJ
P:
04 -5G
r
0
SET
SET
MODE
CCW CW
Counterclockwise
Clockwise
2pm
OJ
P:
04 -5G
r
02 pm
OJ
P:
04 -5G
r12pm
OJ
P:
04 -5G
r
00 pm
OJ
P:
04 -5G
rpm
OJ G
1

Chapter 4 Display and Operation|ASDA-B Series
4-14 Revision January 2009
4.1.6 DO Force Output Diagnosis Operation
For testing, the digital outputs can be forced to be activated (ON) or inactivated (OFF) by using
parameter P4-06. Follow the setting method in Figure 4.10 to enter into DO force output diagnosis
operation (OP x) mode (“x” indicates the parameter range from 0 to 7). Pressing UP or DOWN arrow
key can change “x” value from 0 to 7 (hexadecimal format) and force digital outputs DO1 to DO3 to be
activated (ON) or inactivated (OFF). The DO function and status is determined by P2-18 to P2-20. This
function is enabled only when Servo Off (the servo drive is disabled).
Figure 4.10
OF
P:
04 -6T
0
SET
P4 -
0
P4 -
1
P4 -
OP
OF
:
06 T
OF
:
06 T
OF
:
06 T
OP
2OP
Force DO1 to be activated
Force DO2 to be activated
Force DO3 to be activated

Chapter 4 Display and Operation|ASDA-B Series
Revision January 2009 4-15
4.1.7 DI Diagnosis Operation
Following the setting method in Figure 4.11 can perform DI diagnosis operation (parameter P4-07).
According to the ON and OFF status of the digital inputs DI1 to DI6, the corresponding status will
display on the servo drive LCD display. When the segment lit and display on the screen, it means that
the corresponding digital input signal is ON.
Figure 4.11
T
I
P:
04 -7S
7
SET
DI
T
5
TIP :
04 -7ST
DI6: ON
DI5: ON
DI4: ON
DI3: OFF
DI2: OFF
DI1: ON
4.1.8 DO Diagnosis Operation
Following the setting method in Figure 4.12 can perform DO diagnosis operation (parameter P4-09).
According to the ON and OFF status of the digital outputs DO1 to DO3, the corresponding status will
display on the servo drive LCD display. When the segment lit and display on the screen, it means that
the corresponding digital input signal is ON.
Figure 4.12
O
M
P:
04 -9
H
DO
T
6
P:
04 -9
DI3: ON
DI2: ON
DI1: OFF
O
MT
SET

Chapter 4 Display and Operation|ASDA-B Series
4-16 Revision January 2009
4.1.9 Parameters Read and Write
Digital keypad provides the servo parameters read and write function not only for the servo drive but
also for PC side. The function of parameter read and write must be set via the PC software (Please see
Figure 4.6 & Figure 4.7). The users can use this software to read, write and manage all parameters.
When using this software to read and write parameters, the communication method of keypad
parameter P8-01 must be set to 0.
Figure 4.6

Chapter 4 Display and Operation|ASDA-B Series
Revision January 2009 4-17
Figure 4.7

Chapter 4 Display and Operation|ASDA-B Series
4-18 Revision January 2009
4.2 ASD-PU-01B
4.2.1 Description of Digital Keypad ASD-PU-01B
The digital keypad includes the ASD-PU-01B display panel and function keys. The Figure 4.8 shows all
of the features of the ASD-PU-01B digital keypad and an overview of their functions.
Figure 4.8
Name Function
LED Display 5-digit LED display shows the monitor codes, parameter settings and operation values
of the AC servo drive.
Status Display
(LED Indication)
SON LED (Servo On Indicator). A lit LED illuminates to indicate that the servo drive is
enabled.
ALRM LED (Alarm Output Indicator). A lit ALRM LED illuminates to indicates that a
alarm output is activated.
JOG LED (JOG Operation Indicator). A lit JOG LED illuminates to indicates that JOG
operation is enabled.
TSPD LED (Speed reached Indicator). A lit TSPD LED illuminates to indicates that the
target speed is reached and TSPD signal is activated.
MODE Key. Pressing MODE key can enter or exit different parameter groups, and
switch between Parameter mode and Parameter Setting mode, SAVE ( )
mode and WRITE ( ) mode.
SHIFT Key. In Parameter mode, pressing SHIFT key can scrolls through parameter
groups. In Parameter Setting mode and SAVE ( ) mode, after a parameter is
selected and its value displayed, pressing SHIFT key can move the cursor to the left
and then change parameter settings (blinking digits) by using arrow keys.

Chapter 4 Display and Operation|ASDA-B Series
Revision January 2009 4-19
Name Function
UP and DOWN arrow Key. Pressing the UP and DOWN arrow key can scroll through
and change monitor codes, parameter groups and various parameter settings.
In SAVE ( ) mode and WRITE ( ) mode, pressing UP and DOWN
arrow key can scroll through and change the memory blocks. In SAVE mode, pressing
UP and DOWN arrow key can select and change the memory file name also.
SET Key. Pressing SET key can enter into the Parameter Setting mode, then display,
select and save parameter groups and various parameter settings. During diagnosis
operation, pressing SET key can execute the function in the last step.
(The parameter settings changes are not effective until the SET key is pressed.)
Function Key. Pressing Function key can enable JOG, Reset, Parameter Read &
Write, Fast Editing, Static Auto-tuning and Dynamic Auto-tuning these functions.
4.2.2 Display Flowchart
Monitor Mode, Parameter Mode and Parameter Setting Mode
1. When the power is applied to the AC servo drive, the digital keypad will execute communication
initial setup for approximately two seconds (9600bps & 7,N,2 Modbus ASCII) first, and then enter
into the monitor mode.
2. In monitor mode, pressing UP or DOWN arrow key can switch monitor parameter code.
3. In monitor mode, pressing MODE key can enter into parameter mode, pressing the SHIFT key
can switch parameter group and pressing UP or DOWN arrow key can change parameter group
code.
4. In parameter mode, system will enter into the parameter setting mode immediately after the SET
key is pressed. The LED display will display the corresponding setting value of this parameter
simultaneously. Then, users can use UP or DOWN arrow key to change parameter value or press
MODE key to exit and return back to the parameter mode.
5. In parameter setting mode, users can move the cursor to left by pressing the SHIFT key and
change the parameter settings (blinking digits) by pressing the UP or DOWN arrow key.
6. After the setting value change is completed, press SET key to save parameter settings or execute
command.
7. When the parameter setting is completed, LED display will show the end code “-END-“ and
automatically return back to parameter mode.

Chapter 4 Display and Operation|ASDA-B Series
4-20 Revision January 2009
Figure 4.9

Chapter 4 Display and Operation|ASDA-B Series
Revision January 2009 4-21
SAVE Mode ( Save parameter settings from the Drive to the Keypad)
1. When the power is applied to the AC servo drive, the digital keypad will enter into the monitor
mode first.
2. In monitor mode, pressing FUNC key first. Then, pressing UP key four times or DOWN key
three times can switch to SAVE mode.
3. In SAVE mode, pressing UP and DOWN key can save the desired memory block that the users
want to save.
4. If the desired memory block has not been used, the LED display will show the message “00000”
or “10000” or “20000” or “30000”, etc. If the desired memory block has been used and there are
parameters data saved in it, the LED display will show the MCU version of the servo drive and
the preset file name. For example, if the MCU version is 1.014, the message “01014” or “11014”
or “21014” or “31014”, etc. will show on the LED display. The users can change the save
address (memory block) by using UP and DOWN keys.
5. After the save address (memory block) is selected, press FUNC key, the LED display will show
. At this time, pressing MODE key once can return to the previous display, pressing
FUNC key can record the address and save the data. When recording the address, the LED
display will show . After the address is saved to the keypad, the LED display will
show “0XXXX” (such as “01012” shown in Figure 4.10 on next page).
6. In SAVE mode, pressing MODE key once can return to the previous display and finally exit the
SAVE mode. However, if the users have pressed the FUNC key and enter into SAVE mode, i.e.
the SAVE operation has been executed, the MODE key will become disabled, and the users
cannot return to previous display and only can move to the next step.
7. The users can save the parameters in some memory block repeatedly on the condition that the
version, inertia and models of the servo drives should be the same. If one of the parameters is
set by the servo drive in different condition, it cannot be saved into the same memory block with
other parameters and must be saved to other memory blocks. Before re-using the same
memory block, please perform the “Memory Block Clear” function first (Please see the
description of parameter P8-11).

Chapter 4 Display and Operation|ASDA-B Series
4-22 Revision January 2009
Figure 4.10

Chapter 4 Display and Operation|ASDA-B Series
Revision January 2009 4-23
WRITE Mode ( Parameter settings written out from Keypad to the Drive)
1. When the power is applied to the AC servo drive, the digital keypad will enter into the monitor
mode first.
2. In monitor mode, pressing FUNC key first. Then, pressing UP key five times or DOWN key two
times can switch to WRITE mode.
3. In WRITE mode, pressing UP and DOWN key can write out the desired memory block that the
users want to write out.
4. If the desired memory block has not been used, the LED display will show the message “00000”
or “10000” or “20000” or “30000”, etc. If the desired memory block has been used, the LED
display will show the MCU version of the servo drive and the preset file name. For example, if
the MCU version is 1.014, the message “01014” or “11014” or “21014” or “31014”, etc. will show
on the LED display. The users can change the write address (memory block) by using UP and
DOWN keys.
5. After the write address (memory block) is selected, press FUNC key, the LED display will show
. At this time, pressing MODE key once can return to the previous display, pressing
FUNC key can record the address and write out the data. When recording the address, the LED
display will show . After the address is written, the LED display will show “0XXXX”
(such as “01012” shown in Figure 4.11 on next page).
6. In WRITE mode, pressing MODE key once can return to the previous display and finally exit the
WRITE mode.
7. Only the parameters of the same version, the same inertia and the same model type of the
servo drives can be written out. If the servo drive version stored in the keypad is different than
the actual servo drive version, the users can make them the same via Delta Servo Drive PC
software, ASDAB_SW.

Chapter 4 Display and Operation|ASDA-B Series
4-24 Revision January 2009
Figure 4.11

Chapter 4 Display and Operation|ASDA-B Series
Revision January 2009 4-25
Fast Edit Mode ( Fast Editing Function)
1. When the power is applied to the AC servo drive, the digital keypad will enter into the monitor
mode first.
2. In monitor mode, pressing FUNC key once can switch to Fast Edit mode.
3. In Fast Edit mode, pressing FUNC key can enable and disable Fast Editing function. When
display on the LED display, it indicates Fast Editing function is enabled. When
display on the LED display, it indicates Fast Editing function is disabled.
4. In Fast Edit mode, the users can enable or disable the Fast Editing function and browse through
the parameters that have been edited before.
5. In Fast Edit mode, when Static Auto-tuning function is enabled, the users can input the value of
responsiveness (frequency width), motor load inertia and stiffness directly.
6. In Fast Edit mode, when Dynamic Auto-tuning function is enabled, the users can input the value
of motor rotation number, motor rotation frequency, motor rotation time and responsiveness
directly.
7. Static Auto-tuning function only can be enabled in Manual mode (P2-32 is set to 0). If it is
enabled in AutoMode, an error message may display.
8. Dynamic Auto-tuning function only can be enabled in AutoMode (P2-32 is set to 1 or 2). If the
users want to use the Dynamic Auto-tuning function in Manual mode, please press MODE key
to skip the fourth step, which is the step used to specify the responsiveness.
9. In Fast Edit mode, pressing MODE key once can return to the previous display and finally exit
the Fast Edit mode (Please see Figure 4.12 below).
Figure 4.12

Chapter 4 Display and Operation|ASDA-B Series
4-26 Revision January 2009
Dynamic Auto-tuning Mode ( Dynamic Auto-tuning Function)
1. When the power is applied to the AC servo drive, the digital keypad will enter into the monitor
mode first.
2. In monitor mode, pressing FUNC key first. Then, pressing UP key two times or DOWN key five
times can switch to Dynamic Auto-tuning mode.
3. In Dynamic Auto-tuning mode, the users can input the value of motor rotation number, motor
rotation frequency, motor rotation time and responsiveness directly.
4. Dynamic Auto-tuning function only can be enabled in AutoMode (P2-32 is set to 1 or 2). If the
users want to use the Dynamic Auto-tuning function in Manual mode, please press MODE key
to skip the fourth step, which is the step used to specify the responsiveness.
5. In Fast Edit mode, pressing MODE key once can return to the previous display and finally exit
the Fast Edit mode (Please see Figure 4.13 below).
Figure 4.13

Chapter 4 Display and Operation|ASDA-B Series
Revision January 2009 4-27
Static Auto-tuning Mode ( Static Auto-tuning Function)
1. When the power is applied to the AC servo drive, the digital keypad will enter into the monitor
mode first.
2. In monitor mode, pressing FUNC key first. Then, pressing UP key two times or DOWN key five
times can switch to Static Auto-tuning mode.
3. In Static Auto-tuning mode, the users can input the value of responsiveness (frequency width),
motor load inertia and stiffness directly.
4. Static Auto-tuning function only can be enabled in Manual mode (P2-32 is set to 0). If it is
enabled in AutoMode, an error message may display.
5. In Fast Edit mode, pressing MODE key once can return to the previous display and finally exit
the Fast Edit mode (Please see Figure 4.14 below).
Figure 4.14

Chapter 4 Display and Operation|ASDA-B Series
4-28 Revision January 2009
4.2.3 Status Display
Save Setting Display
After the SET key is pressed, LED display will show the following display messages for approx. one
second according to different status.
Display Message Description
The setting value is saved correctly.
This parameter is read only. Write-protected. (cannot be changed)
Invalid password or no password was input.
The setting value is error or input reserve setting value.
The servo module is enabled and this parameter cannot be
changed.
Abort Setting Display
Display Message Description
In parameter mode, pressing MODE key can abort parameter
setting change and return to monitor mode. In parameter setting
mode, pressing MODE key can return back to parameter mode.
After returning back to parameter mode, pressing MODE key
again can abort parameter setting change.
Fault Message Display
Display Message Description
When the AC servo drive has a fault, LED display will display
“ALEnn”. “ALE” indicates the alarm and “nn” indicates the drive
fault code. The display range of alarm code “nn” is 1 to 48. For the
list of drive fault code, please refer to parameter P0-01 or refer to
Chapter 10 (Troubleshooting).
Polarity Setting Display
Display Message Description
Positive value display. When entering into parameter setting
mode, pressing UP or DOWN arrow key can increase or decrease
the display value. SHIFT key is used to change the selected digit
(The selected digit will blink).
Negative value display. When the parameter setting is greater
than five digits, after the display value is set, continuously press
SHIFT key for six times and then the negative sign will show up to
indicate a negative value.

Chapter 4 Display and Operation|ASDA-B Series
Revision January 2009 4-29
Monitor Setting Display
In monitor mode, in order to change the monitor status, the users can press UP or DOWN arrow key or
change parameter P0-02 directly to specify the monitor status. When the power is applied, the monitor
status depends on the setting value of P0-02. For example, if the setting value of P0-02 is 2 when the
power is applied, the monitor function will be “Pulse counts of pulse command”, the C.P monitor codes
will first display and then the pulse number will display after.
P0-02
Setting Display Message Description Unit
0
Motor feedback pulse number pulse
1
Motor feedback rotation number rev
2
Pulse counts of pulse command pulse
3
Rotation number of pulse command rev
4
Position error counts pulse
5
Input frequency of pulse command kHz
6
Motor rotation speed rpm
7
Speed input command volt
8
Speed input command rpm
9
Torque input command volt
10
Torque input command Nt-m
11
Average load %
12
Peak load %
13
Main circuit voltage volt

Chapter 4 Display and Operation|ASDA-B Series
4-30 Revision January 2009
P0-02
Setting Display Message Description Unit
14
Ratio of load inertia to Motor inertia time
15
IGBT Temperature of power supply
module degC(°C)
The following table lists the display examples of monitor value:
Display Message Description
Positive value display.
Display value: +3000.
Negative value display.
Display value: -3000。
Decimal point display.
Display value: 5.00.

Chapter 4 Display and Operation|ASDA-B Series
Revision January 2009 4-31
4.2.4 Fault Code Display Operation
After entering the parameter mode P4-00 to P4-04 (Fault Record), press SET key to display the
corresponding fault code history for the parameter or press UP arrow key to display the fault code of H1
to H5 in order. H1 indicates the most recent occurred fault code, H2 is the previous occurred fault code
before H1 and so on.
Figure 4.15
4.2.5 JOG Operation
After entering parameter mode P4-05, the users can follow the following steps to perform JOG operation
or press FUNC key on the digital keypad to enter into JOG mode (parameter setting mode of P4-05)
directly.
Step 1 Press the FUNC key to display the JOG rpm speed. (The default value is 20 rpm).
Step 2 Press the UP or DOWN arrow keys to increase or decrease the desired JOG speed. (This also
can be undertaken by using the SHIFT key to move the cursor to the desired unit column (the
effected number will flash) then changed using the UP and DOWN arrow keys. The example
display in Figure 4.16 is adjusted as 21rpm.)
Step 3 Press the SET key when the desired JOG speed is set. The Servo Drive will display
and JOG LED will light up.
Step 4 Press the UP or DOWN arrow keys to jog the motor either CCW or CW. The motor will only
rotate while the arrow key is activated.
Step 5 To change JOG speed again, press the MODE key. After JOG speed is changed, press the
SET key and the JOG operation will run again. Refer back to #2 and #3 to change speed.

Chapter 4 Display and Operation|ASDA-B Series
4-32 Revision January 2009
NOTE
1) JOG operation is effective only when Servo On (when the servo drive is enabled).
2) Before using JOG function, please ensure to confirm that P2-10 (DI1) is set to 101 (Servo On).
Otherwise, the JOG operation cannot be enabled even if the FUNC key has been pressed.
3) The users can set the acceleration and deceleration time in advance (the settings of parameter P1-
34, P1-35 and P1-36).
Figure 4.16

Chapter 4 Display and Operation|ASDA-B Series
Revision January 2009 4-33
4.2.6 DO Force Output Diagnosis Operation
For testing, the digital outputs can be forced to be activated (ON) or inactivated (OFF) by using
parameter P4-06. Follow the setting method in Figure 4.17 to enter into DO force output diagnosis
operation (OP x) mode (“x” indicates the parameter range from 0 to 7). Pressing UP or DOWN arrow
key can change “x” value from 0 to 7 (hexadecimal format) and force digital outputs DO1 to DO3 to be
activated (ON) or inactivated (OFF). The DO function and status is determined by P2-18 to P2-20. This
function is enabled only when Servo Off (the servo drive is disabled).
Figure 4.17

Chapter 4 Display and Operation|ASDA-B Series
4-34 Revision January 2009
4.2.7 DI Diagnosis Operation
Following the setting method in Figure 4.18 can perform DI diagnosis operation (parameter P4-07).
According to the ON and OFF status of the digital inputs DI1 to DI6, the corresponding status will
display on the servo drive LED display. When the segment lit and display on the screen, it means that
the corresponding digital input signal is ON.
Figure 4.18

Chapter 4 Display and Operation|ASDA-B Series
Revision January 2009 4-35
4.2.8 DO Diagnosis Operation
Following the setting method in Figure 4.19 can perform DO diagnosis operation (parameter P4-09).
According to the ON and OFF status of the digital outputs DO1 to DO3, the corresponding status will
display on the servo drive LED display. When the segment lit and display on the screen, it means that
the corresponding digital input signal is ON.
Figure 4.19

Chapter 4 Display and Operation|ASDA-B Series
4-36 Revision January 2009
4.2.9 Parameters Read and Write
Digital keypad provides the servo parameters read and write function not only for the servo drive but
also for PC side. The function of parameter read and write must be set via the PC software (Please see
Figure 4.20 & Figure 4.21). The users can use this software to read, write and manage all parameters.
When using this software to read and write parameters, the communication method of keypad
parameter P8-01 must be set to 0.
Figure 4.20

Chapter 4 Display and Operation|ASDA-B Series
Revision January 2009 4-37
Figure 4.21
Chapter 4 Display and Operation|ASDA-B Series
4-38 Revision January 2009
This page intentionally left blank.

Revision January 2009 5-1
Chapter 5 Trial Run and Tuning Procedure
This chapter describes trial run and tuning procedure for servo drive and motor. Trial run, which is divided
into two parts, one part is to introduce the trial run without load, and the other part is to introduce trial run with
load. Ensure to complete the trial run without load first before performing the trial run with load. Tuning
procedure includes the tuning process, flowchart, and the relevant parameters of AutoMode (PI & PDFF)
mode and Manual mode
5.1 Inspection without Load
In order to prevent accidents and avoid damaging the servo drive and mechanical system, the trial run
should be performed under no load condition (no load connected, including disconnecting all couplings and
belts). Do not run servo motor while it is connected to load or mechanical system because the unassembled
parts on motor shaft may easily disassemble during running and it may damage mechanical system or even
result in personnel injury. After removing the load or mechanical system from the servo motor, if the servo
motor can runs normally following up the normal operation procedure (when trial run without load is
completed), then user can connect to the load and mechanical system to run the servo motor.
¾ In order to prevent accidents, the initial trial run for servo motor should be conducted under no load conditions
(separate the motor from its couplings and belts).
¾ Caution: Please perform trial run without load first and then perform trial run with load connected. After the
servo motor is running normally and regularly without load, then run servo motor with load connected. Ensure
to perform trial run in this order to prevent unnecessary danger.
After power in connected to AC servo drive, the charge LED will light and it indicates that AC servo drive is
ready. Please check the followings before trial run in order to find the problem and correct it in advance.
Doing this can avoid the damage to the servo drive and servo motor.
Item Content
Inspection before
operation
(Control power is not
applied)
z Inspect the servo drive and servo motor to insure they were not damaged.
z To avoid an electric shock, be sure to connect the ground terminal of servo drive
to the ground terminal of control panel.
z Before making any connection, wait 10 minutes for capacitors to discharge after
the power is disconnected, alternatively, use an appropriate discharge device to
discharge.
z Ensure that all wiring terminals are correctly insulated.
z Ensure that all wiring is correct or damage and or malfunction may result.
z Visually check to ensure that there are not any unused screws, metal strips, or
any conductive or inflammable materials inside the drive.
z Never put inflammable objects on servo drive or close to the external
regenerative resistor.
z Make sure control switch is OFF.
z If the electromagnetic brake is being used, ensure that it is correctly wired.
z If required, use an appropriate electrical filter to eliminate noise to the servo drive.
z Ensure that the external applied voltage to the drive is correct and matched to the
controller.

Chapter 5 Trial Run and Tuning Procedure|ASDA-B Series
5-2 Revision January 2009
Item Content
Inspection during
operation
(Control power is
applied))
z Ensure that the cables are not damaged, stressed excessively or loaded heavily.
When the motor is running, pay close attention on the connection of the cables
and notice that if they are damaged, frayed or over extended.
z Check for abnormal vibrations and sounds during operation. If the servo motor is
vibrating or there are unusual noises while the motor is running, please contact
the dealer or manufacturer for assistance.
z Ensure that all user-defined parameters are set correctly. Since the
characteristics of various machinery are different, in order to avoid accident or
cause damage, do not adjust the parameter abnormally and ensure the
parameter setting is not an excessive value.
z Ensure to reset some parameters when the servo drive is off (Please refer to
Chapter 7). Otherwise, it may result in malfunction.
z If there is no contact sound or there be any unusual noises when the relay of the
servo drive is operating, please contact your distributor for assistance or contact
with Delta.
z Check for abnormal conditions of the power indicators and LED display. If there is
any abnormal condition of the power indicators and LED display, please contact
your distributor for assistance or contact with Delta.

Chapter 5 Trial Run and Tuning Procedure|ASDA-B Series
Revision January 2009 5-3
5.2 Applying Power to the Drive
Users please observe the following steps when applying power supply to the servo drive.
1. Please check and confirm the wiring connection between the drive and motor is correct.
1) Terminal U, V, W and FG (frame ground) must connect to Red, White, Black and Green cables
separately (U: Red, V: White, W: Black, FG: Green). If not connect to the specified cable and
terminal, then the drive cannot control motor. The motor grounding lead, FG must connect to
grounding terminal. For more information of cables, please refer to section 3.1.
2) Ensure to connect encoder cable to CN2 connector correctly. If users only desire to execute JOG
operation, it is not necessary to make any connection to CN1 and CN3 connector. For more
information of the connection of CN2 connector, please refer to Section 3.1 and 3.4.
¾ Do not connect the AC input power (R, S, T) to the (U, V, W) output terminals. This will damage the AC servo
drive.
2. Main circuit wiring
Connect power to the AC servo. For three-phase input power connection and single-phase input power
connection, please refer to Section 3.1.3.
3. Turn the Power On
The servo power is main circuit power (R, S, T). When the power is on, the AC servo drive will start many
items of self-test. After the test, if displays and blinks on the LCD display, it indicates that the testing
result is normal. If there is any text or value displayed on the display, please refer to parameter P0-01
(Drive Fault Code) to know the fault message and refer to Chapter 10 (Troubleshooting) to clear or
remove the fault.
1) When display shows:
Over voltage:
The main circuit voltage has exceeded its maximum allowable value or input power is error (Incorrect
power input).
Corrective Actions:
Use voltmeter to check whether the input voltage falls within the rated input voltage.
Use voltmeter to check whether the input voltage is within the specified limit.

Chapter 5 Trial Run and Tuning Procedure|ASDA-B Series
5-4 Revision January 2009
2) When display shows:
Encoder error:
Check if the wiring is correct. Check if the encoder wiring (CN2) of servo motor is loose or incorrect.
Corrective Actions:
Check if the user performs wiring recommended in the user manual.
Examine the encoder connector and cable.
Inspect whether wire is loose or not.
Check if the encoder is damaged.
3) When display shows:
Emergency stop activated:
Please check if any of digital inputs DI1~DI6 signal is set to “Emergency Stop” (EMGS).
Corrective Actions:
If it does not need to use “Emergency Stop (EMGS)” as input signal, the users only need to
confirm that if all of the digital inputs DI1~DI6 are not set to “Emergency Stop (EMGS)”. (The
setting value of parameter P2-10 to P2-15 is not set to 21.)
If it is necessary to use “Emergency Stop (EMGS)” as input signal, the users only need to
confirm that which of digital inputs DI1~DI6 is set to “Emergency Stop (EMGS)” and check if
the digital input signal is ON (It should be activated).
4) When display shows:
Reverse limit switch error:
Please check if any of digital inputs DI1~DI6 signal is set to “Reverse inhibit limit (CWL)” and check if
the signal is ON or not.
Corrective Actions:
If it does not need to use “Reverse inhibit limit (CWL)” as input signal, the users only need to
confirm that if all of the digital inputs DI1~DI6 are not set to “Reverse inhibit limit (CWL)”. (The
setting value of parameter P2-10 to P2-15 is not set to 22.)
If it is necessary to use “Reverse inhibit limit (CWL)” as input signal, the users only need to
confirm that which of digital inputs DI1~DI6 is set to “Reverse inhibit limit (CWL)” and check if
the digital input signal is ON (It should be activated).

Chapter 5 Trial Run and Tuning Procedure|ASDA-B Series
Revision January 2009 5-5
5) When display shows:
Forward limit switch error:
Please check if any of digital inputs DI1~DI6 signal is set to “Forward inhibit limit (CCWL)” and check if
the signal is ON or not.
Corrective Actions:
If it is no need to use “Forward inhibit limit (CCWL)” as input signal, the users only need to
confirm that if all of the digital inputs DI1~DI8 are not set to “Forward inhibit limit (CCWL)”. (The
setting value of parameter P2-10 to P2-15 is not set to 23.)
If it is necessary to use “Forward inhibit limit (CCWL)” as input signal, the users only need to
confirm that which of digital inputs DI1~DI6 is set to “Forward inhibit limit (CCWL)” and check if
the digital input signal is ON (It should be activated).
When “Digital Input 1 (DI1)” is set to Servo On (SON), if DI1 is set to ON (it indicates that Servo On
(SON) function is enabled) and the following fault message shows on the display:
6) When display shows:
Overcurrent:
Corrective Actions:
Check the wiring connections between the servo drive and motor.
Check if the circuit of the wiring is closed.
Remove the short-circuited condition and avoid metal conductor being exposed.
7) When display shows:
Undervoltage:
Corrective Actions:
Check whether the wiring of main circuit input voltage is normal.
Use voltmeter to check whether input voltage of main circuit is normal.
Use voltmeter to check whether the input voltage is within the specified specification.
8) When display shows:

Chapter 5 Trial Run and Tuning Procedure|ASDA-B Series
5-6 Revision January 2009
Magnetic field error:
Corrective Actions:
Check if the encoder is abnormal.
Verify the encoder connector.
9) When display shows:
Input power phase loss:
Corrective Actions:
Verify the main circuit power R, S, T. Check for possible poor connection on the power cable.
Check if one phase of the input power is lost.
NOTE
1) If there are any unknown fault codes and abnormal display when applying power to the drive or servo on
is activated (without giving any command), please inform the distributor or contact with Delta for
assistance.

Chapter 5 Trial Run and Tuning Procedure|ASDA-B Series
Revision January 2009 5-7
5.3 JOG Trial Run without Load
It is very convenient to use JOG trial run without load to test the servo drive and motor as it can save the
wiring. The external wiring is not necessary and the users only need to connect the digital keypad (ASD-PU-
01A or ASD-PU-01B) to the servo drive. For safety, it is recommended to set JOG speed at low speed.
Please refer to the following steps to perform JOG trial run without load.
5.3.1 ASD-PU-01A Tuning Flowchart
STEP 1: Turn the drive ON through software. Ensure that there is no fault message display on the LCD
display and the servo drive is normal.
STEP 2: Press JOG key on the keypad and the drive will enter into JOG operation mode automatically.
(At this time, the servo drive is enabled (Servo On).)
STEP 3: The users can press UP and DOWN key to change JOG speed and press SHIFT key to adjust
the digit number of the displayed value.
STEP 4: Pressing SET key can determine the speed of JOG operation.
STEP 5: Pressing UP key and the servo motor will run in CCW direction. After releasing UP key, the
motor will stop running.
STEP 6: Pressing DOWN key and the servo motor will run in CW direction. After releasing DOWN key,
the motor will stop running.
CW and CCW Definition:
CCW (Counterclockwise): when facing the servo motor shaft, CCW is reverse running.
CW (Clockwise): when facing the servo motor shaft, CW is forward running.
STEP 7: When pressing MODE key, it can exit JOG operation mode.
NOTE
Please note that JOG operation cannot be used when EMGS occurs (ALE13, Emergency stop activated).
However, if CWL (ALE14, Reverse inhibit limit) or CCWL (ALE15, Forward inhibit limit) occurs during
JOG operation, the users can still use JOG operation without problem.
Please refer to the description of Section 4.1.5 in Chapter 4.

Chapter 5 Trial Run and Tuning Procedure|ASDA-B Series
5-8 Revision January 2009
5.3.2 ASD-PU-01B Tuning Flowchart
STEP 1: Turn the drive ON through software. Ensure that there is no fault message display on the LED
display and the servo drive is normal.
STEP 2: Press FUNC key on the keypad first. Then, press UP key three times or DOWN key four times
can enter into JOG operation mode automatically. (At this time, the servo drive is enabled
(Servo On).)
STEP 3: Pressing FUNC key can enter into change JOG speed mode.
STEP 4: The users can press UP and DOWN key to change JOG speed and press SHIFT key to adjust
the digit number of the displayed value.
STEP 5: Pressing SET key can determine the speed of JOG operation. After the JOG speed is
determined, will show on the LED display.
STEP 5: Pressing UP key and the servo motor will run in CCW direction. After releasing UP key, the
motor will stop running.
STEP 6: Pressing DOWN key and the servo motor will run in CW direction. After releasing DOWN key,
the motor will stop running.
CW and CCW Definition:
CCW (Counterclockwise): when facing the servo motor shaft, CCW is reverse running.
CW (Clockwise): when facing the servo motor shaft, CW is forward running.
STEP 7: When pressing MODE key, it can exit JOG operation mode. ( will show on the LED
display after exiting JOG operation mode. At this time, if the users press MODE key once, the
servo drive will enter into monitor mode again.)
NOTE
1) Please note that JOG operation cannot be used when EMGS occurs (ALE13, Emergency stop activated).
However, if CWL (ALE14, Reverse inhibit limit) or CCWL (ALE15, Forward inhibit limit) occurs during
JOG operation, the users can still use JOG operation without problem.
2) Please refer to the description of Section 4.2.5 in Chapter 4.

Chapter 5 Trial Run and Tuning Procedure|ASDA-B Series
Revision January 2009 5-9
5.4 Speed Trial Run without Load
Before speed trial run, fix and secure the motor as possible to avoid the danger from the reacting
force when motor speed changes.
STEP 1:
Set the value of parameter P1-01 to 4 and it is speed (Sz) control mode. Please ensure to set P1-01 when
the servo drive is Off (Servo Off). After selecting the operation mode as speed (Sz) control mode, please
restart the drive as P1-01 is effective only after the servo drive is restarted (after switching power off and on).
STEP 2:
In speed control mode, the necessary Digital Inputs are listed as follows:
Digital Input Parameter Setting
Value Sign Function Description CN1 PIN No.
DI1 P2-10=101 SON Servo On DI1-=17
DI2 P2-11=109 TRQLM Torque limit enabled DI2-=18
DI3 P2-12=114 SPD0 Speed command selection 0 DI3-=5
DI4 P2-13=115 SPD1 Speed command selection 1 DI4-=3
DI5 P2-14=102 ARST Alarm Reset DI5-=15
DI6 P2-15=0 Disabled This DI function is disabled DI6-=14
By default, DI4 is the function of reverse inhibit limit, DI5 is the function of forward inhibit limit and DI6 is the
function of emergency stop (DI6), if the users do not set the setting value of parameters P2-13 to P2-15 to 0
(Disabled), the faults (ALE13, 14 and 15) will occur (For the information of fault messages, please refer to
Chapter 10). Therefore, if the users do not need to use these three digit inputs, please set the setting value
of parameters P2-13 to P2-15 to 0 (Disabled) in advance. Now, we need to use DI4 and D5 (please refer to
the above table), so it only needs to disable the DI6, i.e. set the setting value of parameter P2-15 to 0.
All the digital inputs of Delta ASDA-B series are user-defined, and the user can set the DI signals freely.
Ensure to refer to the definitions of DI signals before defining them (For the description of DI signals, please
refer to Table 7.A in Chapter 7).
The speed command is selected by SPD0, SPD1. Please refer to the following table:
DI signal of CN1
Speed
Command No. SPD1 SPD0
Command Source Content Range
S1 0 0 N/A Speed command is
0(zero) N/A
S2 0 1 P1-09 -5000 ~ 5000rpm
S3 1 0 P1-10 -5000 ~ 5000rpm
S4 1 1
Internal parameter
P1-11 -5000 ~ 5000rpm
0: indicates OFF (Normally Open); 1: indicates ON (Normally Closed)
If any alarm code displays after the setting is completed, the users can restart the drive or set DI5 to be
activated to clear the fault. Please refer to section 5.2.

Chapter 5 Trial Run and Tuning Procedure|ASDA-B Series
5-10 Revision January 2009
The settings of speed command:
P1-09 is set to 3000 Input value command Rotation direction
P1-10 is set to 100 + CCW
P1-11 is set to -3000 - CW
STEP 3:
1. The users can use DI1 to enable the servo drive (Servo ON).
2. If DI3 (SPD0) and DI4 (SPD1) are OFF both, it indicates S1 command is selected. At this time, the
motor speed command is 0(zero).
3. If only DI3 is ON (SPD0), it indicates S2 command (P1-09 is set to 3000) is selected, and the motor
speed should be 3000rpm at this time.
4. If only DI4 is ON (SPD1), it indicates S3 command (P1-10 is set to 100) is selected, and the motor
speed should be 100rpm at this time.
5. If DI3 (SPD0) and DI4 (SPD1) are ON both, it indicates S4 command (P1-11 is set to -3000) is
selected, and the motor speed should be -3000rpm at this time.
6. Repeat the action of (3), (4), (5) freely.
7. When the users want to stop the speed trial run, use DI1 to disable the servo drive (Servo OFF).

Chapter 5 Trial Run and Tuning Procedure|ASDA-B Series
Revision January 2009 5-11
5.5 Tuning Procedure
ASD-PU-01A
Estimate the ratio of Load Inertia to Servo Motor Inertia (J_load /J_motor): JOG Mode
Tuning Procedure Display Message
1. After wiring is completed, when power in connected to the AC servo
drive, the right side display will show on the LCD display.
W M
FARAM
CCL
L
IT R E R I
2. Press MODE key to enter into parameter mode.
1
EVP :
0
-0
0
0R
.08
3. Press SHIFT key twice to select parameter group.
PKP :
0
-02P
50 / sadr
4. Press UP key to view each parameter and select parameter P2-13.
IDP :
1
-324
22
5. Use UP and DOWN key to cycle through the available settings.
Then, press SET key to set the setting value of parameter P2-13 as
shown on the right side display (Set DI Enabled Status to “Normally
open” status).
IDP :
1
-324
221
6. Repeat the action of item 4 and 5. Set the setting value of parameter
P2-14 as shown on the right side display.
IDP :
1
-425
231
7. Repeat the action of item 4 and 5. Set the setting value of parameter
P2-15 as shown on the right side display.
IDP :
1
-526
211
8. Press MODE key to enter into Monitor mode.
bFS :
0T S0
0
L
PUS
E
l
puse
9. Press DOWN key twice to select the ratio of Load Inertia to Servo
Motor Inertia (J_load /J_motor).
S:
TS1
0
JL4
m
iet.3
10. Press JOG key on the keypad and the right side display will show on
the LCD display (The default JOG speed value is 20rpm.)
OJP :
0
-54G
20 pmr
11. Press UP and DOWN key to increase and decrease JOG speed.
Press SHIFT key one time can add one digit number. Adjust JOG
speed as 200rpm shown on the right side display.
OJP :
0
-54G
00 pmr2
12. After select desired JOG speed, press SET key and the right side
display show on the LCD display.
OJP :
0
-54G
pmr
OJG

Chapter 5 Trial Run and Tuning Procedure|ASDA-B Series
5-12 Revision January 2009
Tuning Procedure
13. Pressing UP key is forward rotation and pressing DOWN key is reverse rotation.
14. Execute JOG operation in low speed first. After the machine is running smoothly, then execute JOG
operation in high speed.
15. The ratio of Load Inertia to Servo Motor Inertia (J_load /J_motor) cannot be shown in the display of
JOG parameter P4-05 operation. Please press MODE key twice continuously and the users can see
the ratio of Load Inertia to Servo Motor Inertia (J_load /J_motor). Then, execute JOG operation again,
press MODE key once and press SET key twice to view the display on the keypad. Check if the value
of J_load /J_motor is adjusted to a fixed value and displayed on the keypad after acceleration and
deceleration repeatedly.
ASD-PU-01B
Estimate the ratio of Load Inertia to Servo Motor Inertia (J_load /J_motor): JOG Mode
Tuning Procedure Display Message
1. After wiring is completed, when power in connected to the AC servo
drive, the right side display will show on the LED display.
2. Press MODE key to enter into parameter mode.
3. Press SHIFT key twice to select parameter group.
4. Press UP key to view each parameter and select parameter P2-13.
5. Use UP and DOWN key to cycle through the available settings.
Then, press SET key to set the setting value of parameter P2-13 as
shown on the right side display (Set DI Enabled Status to “Normally
open” status).
6. Repeat the action of 4 and 5. Set the setting value of parameter P2-
14 as shown on the right side display.
7. Repeat the action of 4 and 5. Set the setting value of parameter P2-
15 as shown on the right side display.
8. Press MODE key to enter into Monitor mode.
9. Press DOWN key twice to select the ratio of Load Inertia to Servo
Motor Inertia (J_load /J_motor).
10. Press FUNC key on the keypad to enter into JOG mode, and the
right side display will show on the LED display
11. The default JOG speed value is 20rpm. The users can press UP and
DOWN key to increase and decrease JOG speed. Press SHIFT key
one time can add one digit number. Adjust JOG speed as 200rpm
shown on the right side display.
12. After select desired JOG speed, press SET key and the right side
display show on the LCD display.

Chapter 5 Trial Run and Tuning Procedure|ASDA-B Series
Revision January 2009 5-13
Tuning Procedure
13. Pressing UP key is forward rotation and pressing DOWN key is reverse rotation.
14. Execute JOG operation in low speed first. After the machine is running smoothly, then execute JOG
operation in high speed.
15. The ratio of Load Inertia to Servo Motor Inertia (J_load /J_motor) cannot be shown in the display of
JOG parameter P4-05 operation. Please press MODE key twice continuously and the users can see
the ratio of Load Inertia to Servo Motor Inertia (J_load /J_motor). Then, execute JOG operation again,
press MODE key once and press SET key twice to view the display on the keypad. Check if the value
of J_load /J_motor is adjusted to a fixed value and displayed on the keypad after acceleration and
deceleration repeatedly.
5.5.1 Tuning Flowchart

Chapter 5 Trial Run and Tuning Procedure|ASDA-B Series
5-14 Revision January 2009
5.5.2 Load Inertia Estimation Flowchart

Chapter 5 Trial Run and Tuning Procedure|ASDA-B Series
Revision January 2009 5-15
5.5.3 AutoMode (PI) Tuning Flowchart
P2-31 Auto Stiffness and Responsiveness Level (Default setting: 6)
Function:
This parameter allows user to set the stiffness and responsiveness level automatically. Users can
control the stiffness and responsiveness according to application condition. When the setting value is
higher, the stiffness and responsiveness is higher.
Adjust P2-31: Increase the setting value of P2-31 to speed the responsiveness or reduce the noise.
Continuously adjust until the satisfactory performance is achieved, and then the tuning is completed.

Chapter 5 Trial Run and Tuning Procedure|ASDA-B Series
5-16 Revision January 2009
Table 5.A P2-31 Value in AutoMode(PI) and the setting of Speed Loop Responsiveness and P2-25.
Setting Value of P2-31 Speed Loop Responsiveness Low-pass Filter Time Constant of
Resonance Suppression (P2-25)
0 10 Hz 125
1 15 Hz 83
2 20 Hz 62
3 25 Hz 50
4 30 Hz 41
5 35 Hz 35
6 45 Hz 27
7 55 Hz 22
8 65 Hz 19
9 80 Hz 15
A 100 Hz 12
B 120 Hz 10
C 145 Hz 8
D 170 Hz 7
E 205 Hz 6
F 250 Hz 5

Chapter 5 Trial Run and Tuning Procedure|ASDA-B Series
Revision January 2009 5-17
5.5.4 AutoMode (PDFF) Tuning Flowchart
P2-31 Auto Stiffness and Responsiveness Level (Default setting: 6)
Function:
This parameter allows user to set the stiffness and responsiveness level automatically. Users can
control the stiffness and responsiveness according to application condition. When the setting value is
higher, the stiffness and responsiveness is higher.
Adjust P2-31: Increase the setting value of P2-31 to speed the responsiveness or reduce the noise.
Adjust P2-26: Increase and adjust the setting value of P2-26 according to the setting value of P2-31.
Continuously adjust until the satisfactory performance is achieved, and then the tuning is completed.

Chapter 5 Trial Run and Tuning Procedure|ASDA-B Series
5-18 Revision January 2009
Table 5.B P2-31 Value in AutoMode(PDFF) and the setting of Speed Loop Responsiveness.
Setting Value of
P2-31 Speed Loop Responsiveness Setting Value of
P2-31 Speed Loop Responsiveness
0 10 Hz 8 65 Hz
1 15 Hz 9 80 Hz
2 20 Hz A 100 Hz
3 25 Hz B 120 Hz
4 30 Hz C 145 Hz
5 35 Hz D 170 Hz
6 45 Hz E 260 Hz
7 55 Hz F 300 Hz
5.5.5 Limit of Load Inertia Estimation
1. The accel. / decel. time for reaching 2000RPM must be below 1 second. The rotation speed must
be above 200RPM. The load inertia must be 100 multiple or less of motor inertia. The change of
external force and the inertia ratio can not be too much.
2. The measured load inertia value will not be saved when the power is cut off. When re-apply the
power to the drive every time, the setting value of P1-37 is equal to the initial value of load inertia
value. But, when the Tuning Mode Settings of P2-32 is set from AutoMode #1 to AutoMode #2, the
measured inertia value will be memorized in P1-37 automatically.

Chapter 5 Trial Run and Tuning Procedure|ASDA-B Series
Revision January 2009 5-19
5.5.6 Relationship between Tuning Modes and Parameters
Tuning Mode P2-32 AutoSet
Parameter User-defined Parameter Gain Value
Manual Mode 0(Default
setting) None
P2-00 (Proportional Position Loop Gain)
P2-04 (Proportional Speed Loop Gain)
P2-06 (Speed Integral Compensation)
P2-25 (Low-pass Filter Time Constant
(Resonance Suppression))
P2-26 (External Anti-Interference Gain)
Fixed
AutoMode (PI)
[Continuous] 11
P2-00
P2-04
P2-06
P2-25
P2-31 (Auto Stiffness and Responsiveness
Level)
P2-26 (External Anti-Interference Gain)
Continuous
Adjusting
AutoMode (PI)
[Fixed Inertia]
(The inertia ratio
is determined by
P1-37)
12
P2-00
P2-04
P2-06
P2-25
P1-37 (Ratio of Load Inertia to Servo Motor
Inertia [J_load / J_motor])
P2-31 (Auto Stiffness and Responsiveness
Level)
P2-26 (External Anti-Interference Gain)
Fixed
A
utoMode (PDFF)
[Continuous] 1
P2-00
P2-02
P2-04
P2-06
P2-25
P2-26
P2-31 (Auto Stiffness and Responsiveness
Level)
Continuous
Adjusting
AutoMode (PDFF)
[Fixed Inertia]
(The inertia ratio
is determined by
P1-37)
2
P2-00
P2-02
P2-04
P2-06
P2-25
P2-26
P1-37 (Ratio of Load Inertia to Servo Motor
Inertia [J_load / J_motor])
P2-31 (Auto Stiffness and Responsiveness
Level)
Fixed

Chapter 5 Trial Run and Tuning Procedure|ASDA-B Series
5-20 Revision January 2009
5.5.7 Gain Adjustment in Manual Mode
The position and speed responsiveness selection is depending on and determined by the the control
stiffness of machinery and conditions of applications. Generally, high reponsiveness is essential for the
high frequency positioning control of mechanical facilities and the applications of high precision process
system. However, the higher responsiveness may easily result in the resonance of machinery system.
Therefore, for the applications of high responsiveness, the machinery system with control stiffness is
needed to avoid the resonance. Especially when adjusting the responsiveness of unfamiliar machinery
system, the users can gradually increase the gain setting value to improve responsiveness untill the
resonance occurs, and then decrease the gain setting value. The relevant parameters and gain
adjusting methods are described as follows:
KPP, Parameter P2-00 Proportional Position Loop Gain
This parameter is used to determine the responsiveness of position loop (position loop gain). It
could be used to increase stiffness, expedite position loop response and reduce position error.
When the setting value of KPP is higher, the response to the position command is quicker, the
position error is less and the settling time is also shorter. However, if the setting value is over high,
the machinery system may generate vibration or noise, or even overshoot during positioning. The
position loop responsiveness is calculated as follows:
Position Loop Responsiveness (Hz)= KPP
2
KVP, Parameter P2-04 Proportional Speed Loop Gain
This parameter is used to determine the responsiveness of speed loop (speed loop gain). It could
be used to expedite speed loop response. When the setting value of KVP is higher, the response
to the speed command is quicker. However, if the setting value is over high, it may result in the
resonance of machinery system. The responsiveness of speed loop must be higher than the 4~6
times of the responsiveness of position loop. If responsiveness of position loop is higher than the
responsiveness of speed loop, the machinery system may generate vibration or noise, or even
overshoot during positioning. The speed loop responsiveness is calculated as follows:
Speed Loop Responsiveness v(Hz) =fKV
P
2
(1 + P1-37 / 10)
(1 + (J L / J M)) x 2
( ) x [ ] JM: Motor inertia
JL: Load inertia
P1-37: 0. 1 t imes
KVI, Parameter P2-06 Speed Integral Compensation
If the setting value of KVI is higher, the capability of decreasing the speed control deviation is
better. However, if the setting value is over high, it may easily result in the vibration of machinery
system. The recommended setting value is as follows:
KVI (Parameter P2-06) 1.5 x Speed Loop Responsiveness

Chapter 5 Trial Run and Tuning Procedure|ASDA-B Series
Revision January 2009 5-21
NLP, Parameter P2-25 Low-pass Filter Time Constant (Resonance Suppression)
When the value of (J_load / J_motor) is high, the responsiveness of speed loop may decrease. At
this time, the users can increase the setting value of KVP (P2-04) to keep the responsiveness of
speed loop. However, when increasing the setting value of KVP (P2-04), it may easily result in the
vibration of machinery system. Please use this parameter to suppress or eliminate the noise of
resonance. If the setting value of NLP is higher, the capability of improving the noise of resonance
is better. However, if the setting value is over high, it may easily lead to the instability of speed
loop and overshoot of machinery system.
The recommended setting value is as follows:
1000
NLP (Parameter P2-25) 4 x Speed Loop Responsiveness (Hz)
DST, Parameter P2-26 External Anti-Interference Gain
This parameter is used to enhance the anti-interference capability and reduce the occurrence of
overshoot. The default setting is 0 (Disabled). It is not recommended to use it in manual mode
only when performing a few tuning in AutoMode (Please refer to P2-32).
PFG, Parameter P2-02 Position Feed Forward Gain
This parameter is used to reduce position error and shorten the positioning settling time. However,
if the setting value is over high, it may easily lead to the overshoot of machinery system. If the
value of electronic gear ratio (1-44 /1-45) is over than 10, the machinery system may also easily
generate vibration or noise.
Chapter 5 Trial Run and Tuning Procedure|ASDA-B Series
5-22 Revision January 2009
This page intentionally left blank.

Revision January, 2009 6-1
Chapter 6 Control Modes of Operation
6.1 Control Modes of Operation
The Delta ASDA-B series Servo can be programmed to provide five single and three dual modes of
operation. Their operation and description is listed in the following Table 6.A.
Mode Code Description
External Position
Control P 00
Position control for the servo motor is achieved via an external
pulse command.
Speed Control S 02
Speed control for the servo motor can be achieved via
parameters set within the controller or from an external analog -
10 ~ +10 Vdc command. Control of the internal speed
parameters is via the Digital Inputs (DI). (A maximum of three
speeds can be stored internally).
Internal Speed
Control Sz 04
Speed control for the servo motor is only achieved via
parameters set within the controller. Control of the internal
speed parameters is via the Digital Inputs (DI). (A maximum of
three speeds can be stored internally).
Torque Control T 03
Torque control for the servo motor can be achieved via
parameters set within the controller or from an external analog -
10 ~ +10 Vdc command. Control of the internal torque
parameters is via the Digital Inputs (DI). (A maximum of three
torque levels can be stored internally).
Single
Mode
Internal Torque
Control Tz 05
Torque control for the servo motor is only achieved via
parameters set within the controller. Control of the internal
torque parameters is via the Digital Inputs (DI). (A maximum of
three torque levels can be stored internally).
S-P 06
Either S or P control mode can be selected via the Digital Inputs
(DI). (Please refer to Chapter 7 for more detailed DI setting.)
T-P 07
Either T or P control mode can be selected via the Digital Inputs
(DI). (Please refer to Chapter 7 for more detailed DI setting.)
Dual Mode
S-T 10
Either S or T control mode can be selected via the Digital Inputs
(DI). (Please refer to Chapter 7 for more detailed DI setting.)
Table 6.A
The steps of changing mode:
(1) Switching the servo drive to Servo Off status. Turning SON signal of Digit input to be off can complete
this action.
(2) Using parameter P1-01. (Refer to chapter 7).
(3) After the setting is completed, cut the power off and restart the drive again.

Chapter 6 Control Modes of Operation|ASDA-B Series
6-2 Revision January, 2009
The following sections describe the operation of each control mode, including control structure, command
source and loop gain adjustment, etc.
6.2 Position Control Mode
The position control mode (P mode) is usually used for the applications requiring precision positioning, such
as industry positioning machine, indexing table etc. Delta ASDA-B series servo drive supports one kind of
command source in position control mode. That is external pulse train with direction which can control the
rotation angle of servo motor. The max. input frequency for the external pulse command is 500Kpps (Line
Driver) or 200Kpps (Open Collector) and it is equal to rotation speed of 3000rpm.
For the closed-loop positioning, speed control loop is the principal part and the auxiliary parameters are
position loop gain and feed forward compensation. The users can also select two kinds of tuning mode
(Manual/Auto modes) to perform gain adjustment. This Section 6.2 mainly describes the applicability of loop
gain adjustment and feed forward compensation of Delta servo system.
6.2.1 Command Source of Position Control Mode
The command source of P mode is external pulse train input form terminals. There are three types of
pulse input and each pulse type is with·logic type (positive (+), negative (-)). They all can be set in
parameter P1-00. Please refer to the following:
Position pulse can be input from these terminals, PULSE (22), /PULSE (21) and SIGN (20), /SIGN (19).
It can be an open-collector circuit or line driver circuit. For the detail wiring, please refer to section 3.6.1.
Relevant parameters:
P1 - 00▲ PTT External Pulse Input Type Communication Addr.: 0100H
Default: 2 Related Section:
Applicable Control Mode: P Section 3.3.3, Section 3.6.1,
Unit: N/A Section 6.2.1
Range: 0 ~ 142
Settings:
ASD-PU-01A ASD-PU-01B
P
P:
0
-0
2
1TT
Pulse type
Reserved
Logic type
Not used
• Pulse type
0: AB phase pulse (4x)
1: CW + CCW pulse
2: Pulse + Direction

Chapter 6 Control Modes of Operation|ASDA-B Series
Revision January, 2009 6-3
Other setting: Reversed
Input pulse interface Max. input pulse frequency
Line driver 500kpps
Open collector 200kpps
• Logic type
0=Positive Logic 1=Negative Logic
Pulse Type Forward Reverse Forward Reverse
AB phase pulse
CW + CCW pulse
Pulse + Direction
6.2.2 Structure of Position Control Mode
Basic Structure:
Position Command
Position Command
Processing
Position Control
Block Diagram
Speed
Loop Current
Loop Output Position
In order to pursue the goal of perfection in position control, the pulse signal should be modified through
position command processing and the structure is shown as the figure below:
INHIBIT GNUM0
Electronic
gear ratio (1)
P1-44, P1-45
Low-pass
Filter P1-08
Pulse
Signal
Pulse type
selection
P1-00
Electronic
gear ratio (2)
P1-15, P1-45

Chapter 6 Control Modes of Operation|ASDA-B Series
6-4 Revision January, 2009
6.2.3 Pulse Inhibit Input Function (INHP)
INHP is activated via digital inputs (Please refer to parameter P2-10 ~ P2-15 and DI INHP(07) in Table
7.A).When the drive is in position mode, if INHP is activated, the external pulse input command is not
valid and the motor will stop.
Pulse
command
INHP ON OFF ON
6.2.4 Electronic Gear Ratio
Relevant parameters:
P1 - 15▲ GR4 Electronic Gear Ratio (2nd Numerator) (N2) Communication Addr.: 010FH
Default: 1 Related Section:
Applicable Control Mode: P Section 6.2.4, P1-44, P1-45
Unit: pulse DI GNUM0(11) in Table 7.A
Range: 1 ~ 32767
Settings:
The electronic gear numerator value can be set via external DI signal (refer to Table 7.A).
DI Name DI Status Selected Electronic Gear
Not select (Note 1) P1-44, P1-45
0 P1-44, P1-45
GNUM0
1 P1-44, P1-45
NOTE
1) DI signal can be selected by parameter P2-10 to P2-15 and Table 7.A. If uses only need to
use one group of electronic gear, it allows users not to select GNUM0.
P1 - 44▲ GR1 Electronic Gear Ratio (1st Numerator) (N1) Communication Addr.: 012CH
Default: 1 Related Section:
Applicable Control Mode: P Section 6.2.4, P1-15, P1-45
Unit: pulse DI GNUM0(11) in Table 7.A
Range: 1 ~ 32767
Settings:
The electronic gear numerator value can be set via external DI signal (refer to Table 7.A).

Chapter 6 Control Modes of Operation|ASDA-B Series
Revision January, 2009 6-5
DI Name DI Status Selected Electronic Gear
Not select (Note 1) P1-44, P1-45
0 P1-44, P1-45
GNUM0
1 P1-44, P1-45
NOTE
1) DI signal can be selected by parameter P2-10 to P2-15 and Table 7.A. If uses only need to
use one group of electronic gear, it allows users not to select GNUM0.
P1 - 45▲ GR2 Electronic Gear Ratio (Denominator) Communication Addr.: 012DH
Default: 1 Related Section:
Applicable Control Mode: P Section 6.2.4, P1-15, P1-44
Unit: pulse DI GNUM0(11) in Table 7.A
Range: 1 ~ 32767
Settings:
Please set electronic gear ratio when the servo drive is Off (Servo Off). As the wrong setting can
cause motor to run chaotically (out of control) and it may lead to personnel injury, therefore,
ensure to observe the following rule when setting P1-44, P1-45.
The electronic gear ratio settings:
f1 f2 = f1 x N
M
N
M
Pulse input Position
command
The electronic gear ratio setting range must be within: 1/50<N/M<200.
In terms of the servo drive which the firmware version is V1.018 or above, the electronic gear
ratio can be set when the servo drive is On (Servo On).
The electronic gear function provides easy travel distance ratio change. However, the over high
electronic gear ratio will command the motor to move not smoothly. At this time, the users can use low-
pass filter parameter to improve this kind of situation. For example, assume that the electronic gear ratio
is equal to 1 and the encoder pulse per revolution is 10000ppr, if the electronic gear ratio is changed to
0.5, then the motor will rotate one pulse when the command from external controller is two pulses.
For example, after the proper electronic gear ratio is set, the reference travel distance is 1 μm/pulse, the
machinery will become easier to be used.
Travel distance per pulse = T
Motor (encoder signal output: A/B, Z)
Encoder PPR: 2500 pulse
Ball Screw Pitch: 3mm
Workpiece (Table or Load
)
f1: Pulse input f2: Position command
N: Numerator, the setting value of P1-15 or P1-44
M: Denominator, the setting value of P1-45

Chapter 6 Control Modes of Operation|ASDA-B Series
6-6 Revision January, 2009
Electronic Gear Ratio Corresponding travel distance per pulse
When the electronic
gear ratio is not used
=1
1
=3x1000
4x2500 =3000
10000 m
When the electronic
gear ratio is not used
=10000
3000
=1 m
Table 6.B
6.2.5 Low-pass Filter
Relevant parameters:
P1 - 08 PFLT Smooth Constant of Position Command (Low-
pass Filter) Communication Addr.: 0108H
Default: 0 Related Section:
Applicable Control Mode: P Section 6.2.5
Unit: 10ms
Range: 0 ~ 1000 (0: Disabled)
PFL
T
Target position
Position
Time (ms)
6.2.6 Position Loop Gain Adjustment
Before performing position control (setting position control block diagram), the users should complete
the speed control setting by using Manual mode (parameter P-32) since the position loop contains
speed loop. Then, adjust the Proportional Position Loop Gain, KPP (parameter P2-00) and Position
Feed Forward Gain, PFG (parameter P2-02). Or use Auto mode to adjust the gain of speed and position
control block diagram automatically.
1) Proportional Position Loop Gain: To increase this gain can enhance the position loop
responsiveness.
2) Position Feed Forward Gain: To increase this gain can reduce the position track error during
operation.
The position loop responsiveness cannot exceed the speed loop responsiveness, and it is
recommended that the speed loop responsiveness should be at least four times faster than the position
loop responsiveness. This also means that the setting value of Proportional Speed Loop Gain, KVP
should be at least four times faster than Proportional Position Loop Gain, KPP.

Chapter 6 Control Modes of Operation|ASDA-B Series
Revision January, 2009 6-7
The equation is shown as follows:
fp < fv
4
, fv : Speed Loop Responsiveness (Hz), fp : Position Loop Responsiveness (Hz)
KPP = 2 × π × fp.
For example, the desired position loop responsiveness is equal to 20 Hz.
Then, KPP = 2 × π × 20= 125 rad/s.
Relevant parameters:
P2 - 00 KPP Proportional Position Loop Gain Communication Addr.: 0200H
Default: 50 Related Section:
Applicable Control Mode: P Section 6.2.6, P2-27
Unit: rad/s
Range: 0 ~ 1023
Settings:
This parameter is used to set the position loop gain. It can increase stiffness, expedite position
loop response and reduce position error. However, if the setting value is over high, it may
generate vibration or noise. In AutoMode, the value of this parameter will be changed in
accordance with the setting value of parameter P2-31 automatically (Please refer Table 6.D &
6.E in Chapter 6).
P2 - 01 PPR Position Loop Gain Switching Rate Communication Addr.: 0201H
Default: 100 Related Section:
Applicable Control Mode: P Section 6.2.6, P2-27, P2-29
Unit: %
Range: 10 ~ 500
Settings:
This parameter is used to set the position gain switching rate when the gain switching condition
is satisfied. Please refer to P2-27 for gain switching control selection settings and refer to P2-29
for gain switching condition settings.
P2 - 02 PFG Position Feed Forward Gain Communication Addr.: 0202H
Default: 0 Related Section:
Applicable Control Mode: P Section 6.2.6, P2-03
Unit: %
Range: 0 ~ 100
This parameter is used to set the feed forward gain when executing position control command.
When using position smooth command, increase gain can improve position track deviation.
When not using position smooth command, decrease gain can improve the resonance condition

Chapter 6 Control Modes of Operation|ASDA-B Series
6-8 Revision January, 2009
of mechanical system. In PDFF control AutoMode, the value of this parameter will be changed in
accordance with the setting value of parameter P2-31 automatically (Please refer Table 6.D &
6.E in Chapter 6).
P2 - 03 PFF Smooth Constant of Position Feed Forward Gain Communication Addr.: 0203H
Default: 5 Related Section:
Applicable Control Mode: P Section 6.2.6, P2-02
Unit: ms
Range: 2 ~ 100
Settings:
When using position smooth command, increase gain can improve position track deviation.
When not using position smooth command, decrease gain can improve the resonance condition
of mechanical system.
Differentiator
Position Control Block Diagram
Encoder
Position
Counter
Position Feed
Forward Gain
P2-02
Proportional
Position Loop
Gain P2-00
Position
Command +
Smooth Constant of
Position Feed
Forward Gain P2-03
Position Loop
Gain Switching
RateP2-01
Maximum Speed
Limit P1-55
Gain Switching
Control Selection
P2-27
Speed Command
+
+
When the value of Proportional Position Loop Gain, KPP is too great, the position loop responsiveness
will be increased and it will result in small phase margin. If this happens, the rotor of motor will oscillate.
At this time, the users have to decrease the value of KPP until the rotor of motor stop oscillating. When
there is an external torque command interrupted, over low KPP value will let the motor cannot overcome
the external strength and fail to meet the requirement of reasonable position track error demand. Adjust
feed forward gain, KPF (P2-02) to efficiently reduce the dynamic position track error.
Position
Time
KPP
(1)
(3)
Position
Command
Actual position curve
will change from (1)
to (3) following the
increasing KPP value
KPF
Position
Time

Chapter 6 Control Modes of Operation|ASDA-B Series
Revision January, 2009 6-9
6.3 Speed Control Mode
The speed control mode (S or Sz) is usually used on the applications of precision speed control, such as
CNC machine, etc. ASDA-B series servo drive supports two kinds of command sources in speed control
mode. One is external analog signal and the other is internal parameter. The external analog signal is from
external voltage input and it can control the speed of servo motor. There are two usage of internal parameter,
one is set different speed command in three speed control parameters before operation and then using SP0
and SP1 of CN1 DI signal perform switching. The other usage is using serial communication to change the
setting value of parameter.
Beside, in order to make the speed command switch more smoothly, ASDA-B series servo drive also
provides complete S-curve profile for speed control mode. For the closed-loop speed control, ASDA-B series
servo drive provides gain adjustment function and an integrated PI or PDFF controller. Besides, two modes
of tuning technology (Manual/Auto) are also provided for the users to select (parameter P2-32).
6.3.1 Command Source of Speed Control Mode
Speed command Sources:
1) External analog signal: External analog voltage input, -10V to +10V
2) Internal parameter: P1-09 to P1-11
CN1 DI signal
Speed
Command SPD1 SPD0
Command Source Content Range
S External analog
signal
Voltage between V-
REF-GND +/-10 V
S1 0 0 Mode
Sz N/A Speed command is
0 0
S2 0 1 P1-09 +/-5000 rpm
S3 1 0 P1-10 +/-5000 rpm
S4 1 1
Internal parameter
P1-11 +/-5000 rpm
Table 6.C
State of SPD0~1: 0: indicates OFF (Normally Open); 1: indicates ON (Normally Closed)
When SPD0 and SPD1 are both = 0 (OFF), if the control mode of operation is Sz, then the
speed command is 0. Therefore, if the users do not use analog voltage as speed command, the
users can choose Sz mode and avoid the zero point drift problem(Note1) of analog voltage signal.
If the speed control mode is S mode, then the command is the analog voltage between V-REF
and GND. The setting range of the input voltage is from -10V to +10V and the corresponding
motor speed is adjustable (Please see parameter P1-40).
When at least one of SPD0 and SPD1 is not 0 (OFF), the speed command is internal parameter
(P1-09 to P1-11). The command is valid (enabled) after either SPD0 or SPD1 is changed.
The speed command that is described in this section not only can be taken as speed command in
speed control mode (S or Sz mode) but also can be the speed limit input command in torque control
mode (T or Tz mode).

Chapter 6 Control Modes of Operation|ASDA-B Series
6-10 Revision January, 2009
NOTE
1) In speed control mode, if the users want to adjust analog speed input offset value, please refer to
parameter 4-22 for the operation.
6.3.2 Structure of Speed Control Mode
Basic Structure:
Speed Command
Speed Command
Processing
To r qu e Li mi t e r
Current Loop
Speed Control
Block Diagram
Speed
Estimator
Resonant Suppression
Block Diagram
In the figure above, the speed command processing is used to select the command source of speed
control according to chapter 6.3.1, including proportional gain (P1-40) and S-curve filter smoothing
strategy of speed control. The speed control block diagram is used to manage the gain parameters of
the servo drive and calculate the current input provided to motor instantaneously. The resonance
suppression block diagram is used to suppress the resonance of mechanical system.
The function and structure of speed command processing is shown as the figure below:
Internal
Parameter
P1-09
1-10
P1-11
P
Low-pass
Filter P1-06
Analog
Command
S-curve
Filter
P1-34
P1-35
P1-36
SPD0,
SPD1
Proportional
Gain P1-40
A/D
Converter
Control Mode Selection:
S mode / Sz mode P1-01
Speed Control Block Diagram

Chapter 6 Control Modes of Operation|ASDA-B Series
Revision January, 2009 6-11
The command source is selected according to the state of SPD0, SPD1 and parameter P1-01 (S or Sz).
Whenever the command signal needs to be more smoothly, we recommend the users to use S-curve
and low-pass filter.
6.3.3 Smoothing Strategy of Speed Control Mode
S-curve Filter
The S-curve filter is a speed smoothing command which provides 3 steps accel / decel S-curve to
smooth the speed command change of the motor during acceleration and deceleration. Using S-curve
filter can let the servo motor run more smoothly in response to a sudden speed command change.
Since the speed and acceleration curve are both continuous, in order to avoid the mechanical
resonance and noise may occur due to a sudden speed command (differentiation of acceleration), using
S-curve filter not only can improve the performance when servo motor accelerate or decelerate but also
can make the motor run more smoothly. S-curve filter parameters include P1-34 Acceleration Time
(TACC), P1-35 Deceleration Time (TDEC) and Accel /Decel S-curve (TSL), and the users can use these
three parameters to improve the motor performance during acceleration, deceleration and operation.
ASDA-B series servo drives also support the time calculation of completing speed command. T (ms) is
the operation (running) time. S (rpm) is absolute speed command, i.e. the absolute value (the result)
after starting speed subtracts the final speed.
0
TSL/2 TDEC TSL/2
TSL/2 TACC TSL/2
0
S-curve characteristics and Time relationship
Speed
Rated Speed
To r qu e
Acceleration Deceleration
Relevant parameters:
P1 - 34 TACC Acceleration Time Communication Addr.: 0122H
Default: 200 Related Section:
Applicable Control Mode: S P1-35, P1-36, Section 6.3.3
Unit: ms
Range: 1 ~ 20000

Chapter 6 Control Modes of Operation|ASDA-B Series
6-12 Revision January, 2009
Settings:
It is used to determine the acceleration time to accelerate from 0 to its rated rotation speed.
(When P1-36 is set to 0: Accel/Decel function is disabled, i.e. P1-34, P1-35 is disabled)
P1 - 35 TDEC Deceleration Time Communication Addr.: 0123H
Default: 200 Related Section:
Applicable Control Mode: S P1-34, P1-36, Section 6.3.3
Unit: ms
Range: 1 ~ 20000
Settings:
It is used to determine the deceleration time to decelerate from its rated rotation speed to 0.
(When P1-36 is set to 0: Accel/Decel function is disabled, i.e. P1-34, P1-35 is disabled)
P1 - 36 TSL Accel /Decel S-curve Communication Addr.: 0124H
Default: 0 Related Section:
Applicable Control Mode: S P1-34, P1-35, Section 6.3.3
Unit: ms
Range: 0 ~ 10000 (0: Disabled)
Settings:
This parameter is used to make the motor run more smoothly when startup and windup.
Using this parameter can improve the motor running stability.
Time
(ms)
Speed
TSL/2 TAC
C
TSL/2 TSL/2 TDE
C
TSL/2
TSL: P1-36, Accel /Decel S-curve Total acceleration time = TACC + TSL
TACC: P1-34, Acceleration time Total deceleration time = TDEC + TSL
TDEC: P1-35, Deceleration time
NOTE
1) If the setting value of parameter P1-36 is set to 0, it indicates Accel / Decel S-curve function
is disabled and the command is just By-Pass.

Chapter 6 Control Modes of Operation|ASDA-B Series
Revision January, 2009 6-13
Analog Speed Command S-curve Filter
ASDA-B series servo drives also provide Analog Speed Command S-curve Filter for the smoothing in
response to a sudden analog input signal.
Speed (rpm)
3000
-3000
0
132465798Time (sec)
Motor Torque
Analog speed command
The analog speed command S-curve filter is for the smoothing of analog input signal and its function is
the same as the S-curve filter. The speed and acceleration curve of analog speed command S-curve
filter are both continuous. The above figure shows the curve of analog speed command S-curve filter
and the users can see the ramp of speed command is different during acceleration and deceleration.
Also, the users can see the difference of input command tracking and can adjust time setting by using
parameter P1-34, P1-35, P1-36 to improve the actual motor performance according to actual condition.
Analog Speed Command Low-pass Filter
Analog Speed Command Low-pass Filter is used to eliminate high frequency response and electrical
interference from an analog speed command and it is also with smoothing function.
Relevant parameters:
P1 - 06 SFLT Accel / Decel Smooth Constant of Analog Speed
Command (Low-pass Filter) Communication Addr.: 0106H
Default: 0 Related Section:
Applicable Control Mode: S Section 6.3.3
Unit: ms
Range: 0 ~ 1000 (0: Disabled)
NOTE
1) If the setting value of parameter P1-06 is set to 0, it indicates the function of this parameter
is disabled and the command is just By-Pass.
SFLT
Ta r ge t S p e e d

Chapter 6 Control Modes of Operation|ASDA-B Series
6-14 Revision January, 2009
6.3.4 Analog Speed Input Scaling
The analog voltage between V_REF and GND determines the motor speed command. Using with
parameter P1-40 (Max. Analog Speed Command) can adjust the speed control ramp and its range.
510
-5-10
3000rpm
5000rpm
-3000rpm
-5000rpm
Analog Input Voltage (V)
The speed control ramp is
determined by parameter P1-40
Relevant parameters:
P1 - 40▲ VCM Max. Analog Speed Command or Limit Communication Addr.: 0128H
Default: rated speed Related Section:
Applicable Control Mode: S/T Section 6.3.4, P1-55
Unit: rpm
Range: 0 ~ 5000
Settings:
In Speed mode, this parameter is used to set the speed at the maximum input voltage (10V) of
the analog speed command.
In Torque mode, this parameter is used to set the speed at the maximum input voltage (10V) of
the analog speed limit.
For example, in speed mode, if P1-40 is set to 3000 and the input voltage is 10V, it indicates that
the speed command is 3000rpm. If P1-40 is set to 3000, but the input voltage is changed to 5V,
then the speed command is changed to 1500rpm.
Speed command / limit = Input voltage x setting/10

Chapter 6 Control Modes of Operation|ASDA-B Series
Revision January, 2009 6-15
6.3.5 Timing Chart of Speed Control Mode
S4 (P1-11)
S3 (P1-10)
S2 (P1-09)
S1
SPD0
SPD1
SON
OFF
ON
OFF ON
ON
OFF
ON
Internal speed
command
External analog
voltage or zero (0)
External I/O signal
NOTE
1) OFF indicates normally open and ON indicates normally closed.
2) When speed control mode is Sz, the speed command S1=0; when speed control mode is S, the
speed command S1 is external analog voltage input (Please refer to P1-01).
3) After Servo ON, the users can select command according to the state of SPD0~1.
6.3.6 Speed Loop Gain Adjustment
The function and structure of speed control mode is shown as the figure shown below:
Feed Forward
Gain P2-07
Proportional
Gain P2-04
+-
Switching
Rate P2-05
J_load /J_motor
P1-37
Gain Switching
Control Selection
P2-27
+
+
Differentiator
++
P2-27
+
+
System inertia J
(1+P1-37)*JM
Torque constant
reciprocal 1/KT
Motor
Inertia JM
To rque
Command
Current
Command
Low-pass
Filter P2-49
Speed Control Block Diagram
Encoder
Speed Estimator
Proportional
Gain P2-04
Integrator

Chapter 6 Control Modes of Operation|ASDA-B Series
6-16 Revision January, 2009
There are two turning modes of gain adjustment: Manual and Auto modes. The gain of ASDA-B series
servo drives can be adjusted by using any one of two tuning modes.
Manual Mode:
User-defined loop gain adjustment. When using this mode, all auto and auxiliary function will be
disabled.
Auto Mode:
Continuous adjustment of loop gains according to measured inertia automatically.
In Auto mode, if the users change the setting value of P2-31, the setting value of the parameters listed
in the Table 6.4 and 6.5 will also be changed.
PI Structure (P2-32)
Stiffness
Setting
P2-31
Speed Loop
Responsive-
ness (Hz)
Proportional
Position Loop
Gain P2-00
Proportional
Speed Loop
Gain P2-04
Speed Integral
Compensation
P2-06
Low-pass
Filter Time
Constant
(Resonance
Suppression)
P2-25
External Anti-
Interference
Gain P2-26
0 10 10 62 10 125 0
1 5 15 94 15 83 0
2 20 20 125 20 62 0
3 25 25 157 25 50 0
4 30 30 188 30 41 0
5 35 35 219 35 35 0
6 45 45 282 45 27 0
7 55 55 345 55 22 0
8 65 65 408 65 19 0
9 80 80 502 80 15 0
A 100 100 628 100 12 0
B 120 120 753 120 10 0
C 145 145 911 145 8 0
D 170 170 1068 170 7 0
E 205 205 1288 205 6 0
F 250 250 1570 250 5 0
Table 6.D

Chapter 6 Control Modes of Operation|ASDA-B Series
Revision January, 2009 6-17
PDFF Structure (P2-32)
Stiffness
Setting
P2-31
Speed Loop
Responsive-
ness (Hz)
Proportional
Position
Loop Gain
P2-00
Position
Feed
Forward
Gain (%)
P2-02
Proportional
Speed Loop
Gain P2-04
Speed
Integral
Compensation
P2-06
Low-pass
Filter Time
Constant
(Resonance
Suppression)
P2-25
External
Anti-
Interference
Gain P2-26
0 10 15 50 62 10 166 10
1 5 23 50 94 15 111 15
2 20 31 50 125 20 83 20
3 25 39 50 157 25 66 25
4 30 47 50 188 30 55 30
5 35 54 50 219 35 47 35
6 45 70 50 282 45 37 45
7 55 86 50 345 55 30 55
8 65 102 50 408 65 25 65
9 80 125 50 502 80 20 80
A 100 157 50 628 100 16 100
B 120 188 50 753 120 13 120
C 145 227 50 911 145 11 145
D 170 267 50 1068 170 9 170
E 205 322 50 1288 205 8 205
F 250 392 50 1570 250 6 250
Table 6.E
The mode of gain adjustment can be selected by parameter P2-32:
P2 - 32▲ AUT2 Tuning Mode Selection Communication Addr.: 0220H
Default: 0 Related Section:
Applicable Control Mode: P/S/T Section 6.3.6, P2-31
Unit: N/A
Range: 0 ~ 12
Settings:
ASD-PU-01A ASD-PU-01B

Chapter 6 Control Modes of Operation|ASDA-B Series
6-18 Revision January, 2009
• Tuning Mode Settings:
0: Manual mode
1: AutoMode (Continuous adjustment)
The ratio of Load Inertia to servo motor inertia can be continuously adjusted.
The level of stiffness and responsiveness are adjusted by parameter P2-31.
2: AutoMode (The ratio of Load Inertia to servo motor inertia is fixed)
The ratio of Load Inertia to servo motor inertia is set by parameter P1-37.
The level of stiffness and responsiveness are adjusted by parameter P2-31.
• Control Loop Structure Settings:
0: PDFF Control. PDFF : Pseudo-Derivative Feedback and Feedforward
1: PI Control. PI : Proportional - Integral control
Explanation of Auto-tuning:
1. When switching mode #1 to #2 or #0, the system will save the measured load inertia value
automatically and memorized in P1-37 and related gain parameters.
2. In AutoMode #1, the system will save the measured load inertia value every 30 minutes
automatically and memorized in P1-37.
3. In AutoMode #2, if the setting value of P2-31 changes, the related gain parameters will also
change. However, the setting value of P1-37 will retain its value.
4. When switching mode #2 to #0, it indicates the setting of P1-37 and all settings of related
gain parameters will be returned to original setting value in #0 manual mode.
5. No matter in Manual mode #0 or in AutoMode #2, the users should enter the appropriate
load inertia value in P1-37.
6. If the users use the servo dynamic auto-tuning function of ASDA-B software (Tools Æ Servo
Tuning Æ Dynamic Auto tuning), it will save the measured load inertia value and memorized
in P1-37 and related gain parameters.
Manual Mode
When·Tuning Mode Settings of P2-32 is set to 0, the users can define the proportional speed loop gain
(P2-04), speed integral gain (P2-06) feed forward gain (P2-07) and ratio of load inertia to servo motor
Inertia (1-37). Please refer to the following description:
Proportional gain: Adjust this gain can increase the position loop responsiveness.
Integral gain: Adjust this gain can enhance the low-frequency stiffness of speed loop and
eliminate the steady error. Also, reduce the value of phase margin. Over high integral gain will
result in the unstable servo system.
Feed forward gain: Adjust this gain can decrease the phase delay error
NOTE
1) Before adjusting the gain manually, ensure to set P1-37 in advance. If the setting value of P1-37 is
quite different than the actual load inertia ratio, the responsiveness that represented by P2-04 has
no meaning.

Chapter 6 Control Modes of Operation|ASDA-B Series
Revision January, 2009 6-19
Relevant parameters:
P1 - 37 GDR Ratio of Load Inertia to Servo Motor Inertia Communication Addr.: 0125H
Default: 10 Related Section:
Applicable Control Mode: P/S/T P2-31, P2-32, Section 6.3.6
Unit: 0.1times
Range: 0 ~ 2000
Settings:
Ratio of load inertia to servo motor inertia: (J_load /J_motor)
P2 - 04 KVP Proportional Speed Loop Gain Communication Addr.: 0204H
Default: 300 Related Section:
Applicable Control Mode: P/S Section 6.3.6, P2-27
Unit: rad/s
Range: 0 ~ 4095
Settings:
This parameter is used to set the speed loop gain. When the value of proportional speed loop
gain is increased, it can expedite speed loop response. However, if the setting value is over high,
it may generate vibration or noise. In AutoMode, the value of this parameter will be changed in
accordance with the setting value of parameter P2-31 automatically (Please refer Table 6.D &
6.E in Chapter 6).
Speed Loop Responsiveness =( )X[ ]Hz
KVP
2
(1+P1-37/10)
(1+JL/JM) JM: Motor inertia
JL: Load inertia
P1-37: 0.1 times
When the setting value of P1-37(no matter it is a measured value or set by
the users) is equal to the actual ratio of load inertia to servo motor inertia,
then the actual responsiveness will be equal to: = Hz
KVP
2
For example, assume that the desired speed loop responsiveness is 60 Hz =>
KVP (P2-04, Proportional Speed Loop Gain) = 2 × π × 60 = 376 rad/s
P2 - 06 KVI Speed Integral Compensation Communication Addr.: 0206H
Default: 50 Related Section:
Applicable Control Mode: P/S Section 6.3.6
Unit: rad/s
Range: 0 ~ 1023
Settings:
This parameter is used to set the integral time of speed loop. When the value of speed integral
compensation is increased, it can improve the speed response ability and decrease the speed
control deviation. However, if the setting value is over high, it may generate vibration or noise. In

Chapter 6 Control Modes of Operation|ASDA-B Series
6-20 Revision January, 2009
AutoMode, the value of this parameter will be changed in accordance with the setting value of
parameter P2-31 automatically (Please refer Table 6.D & 6.E in Chapter 6).
Time constant of speed integral compensation: (1000/KVI) ms
P2 - 07 SFG Speed Feed Forward Gain Communication Addr.: 0207H
Default: 0 Related Section:
Applicable Control Mode: S Section 6.3.6
Unit: %
Range: 0 ~ 100
Settings:
This parameter is used to set the feed forward gain when executing speed control command.
When using speed smooth command, increase gain can improve speed track deviation.
When not using speed smooth command, decrease gain can improve the resonance condition of
mechanical system.
In theory, stepping response can be used to explain proportional gain (KVP), integral gain (KVI) and
feed forward gain (SFG). Now we use frequency area and time area respectively to explain the logic.
Frequency Domain
KVP
KVI
KVP
KVI
STEP 1: Set the value of KVI=0,
KVF=0 and adjust the value of KVP.
the value of STEP 2 Fix the value of KVP and adjust the
value of KVI.
:
Gain Gain
Frequency Frequency
Frequency Frequency
Phase Phase

Chapter 6 Control Modes of Operation|ASDA-B Series
Revision January, 2009 6-21
STEP 3 Select the value of KVI, if the value of
phase margin is too small, re-adjust
the value of KVP again to obtain the
:
value, 45deg of phase margin.
Gain
Frequency
Phase
Frequency
Time Domain
KVP
When the value of KVP is greater , the value of the
responsiveness is also greater and the raising time
is shorter.
However, when the value of phase margin is over low,
it is not helpful to steady error.
But it is helpful to dynamic tracking error.
Speed
Time
KVI When the value of KVI is greater, the value of
low-frequency gain is also greater and the value
of steady error is nearly zero (0).
However, the value of phase margin will reduce
quite substantially.
It is helpful to steady error. But it is not helpful to
dynamic tracking error.
Speed
Time

Chapter 6 Control Modes of Operation|ASDA-B Series
6-22 Revision January, 2009
SFG
When the value of SFG is nearly to 1and
the forward c
the value of dynamic tracking error will
become very small. However, when the value
of SFG is too great, it may cause vibration.
ompensation is more complete,
then
Speed
Time
Auto Mode (Continuous adjustment))
When Tuning Mode Settings of P2-32 is set to 1, the ratio of Load Inertia to servo motor inertia can be
continuously adjusted. This Auto Mode provides continuous adjustment of loop gains according to
measured inertia automatically. It is suitable when the load inertia is fixed or the load inertia change is
small and is not suitable for wide range of load inertia change. The period of adjustment time is different
depending on the acceleration and deceleration of servo motor. To change the stiffness and
responsiveness, please use parameter P2-31.
W
J
Motor Speed
Inertia Measurement
Auto Mode (The ratio of Load Inertia to servo motor inertia is fixed)
When Tuning Mode Settings of P2-32 is changed from 1 to 2, the measured load inertia value will be
saved and memorized in P1-37 automatically. Otherwise, the users should set the ratio of load inertia to
servo motor inertia via parameter P1-37 in advance. To change the stiffness and responsiveness,
please use parameter P2-31.

Chapter 6 Control Modes of Operation|ASDA-B Series
Revision January, 2009 6-23
6.3.7 Resonance Suppression
The resonance of mechanical system may occur due to excessive system stiffness or frequency
response. However, this kind of resonance condition can be improved, suppressed, even can be
eliminated by using low-pass filter (parameter P2-25) and notch filter (parameter P2-23, P2-24) without
changing control parameter.
Low-pass
Filter P1-06
Notch Filter
Torque Control
Block Diagram
P1-40
Control Mode
Selection P1-01
Speed Control
Block Diagram
P2-23, P2-24
Resonance Suppression Block Diagram
Relevant parameters:
P2 - 23 NCF Notch Filter (Resonance Suppression) Communication Addr.: 0217H
Default: 1000 Related Section:
Applicable Control Mode: P/S/T Section 6.3.7, P2-24
Unit: Hz
Range: 50 ~ 1000
Settings:
This parameter is used to set resonance frequency of mechanical system. It can be used to
suppress the resonance of mechanical system. If P2-24 is set to 0, this parameter is disabled.
P2-24
P2-23
Gain (db)
Frequency (Hz)
P2 - 24 DPH Notch Filter Attenuation Rate
(Resonance Suppression) Communication Addr.: 0218H
Default: 0 Related Section:
Applicable Control Mode: P/S/T Section 6.3.7, P2-23
Unit: dB
Unit: Hz
Range: 0 ~ 32
Settings:
0: Disabled

Chapter 6 Control Modes of Operation|ASDA-B Series
6-24 Revision January, 2009
P2 - 25 NLP Low-pass Filter Time Constant
(Resonance Suppression) Communication Addr.: 0219H
Default: 20 Related Section:
Applicable Control Mode: P/S/T Section 6.3.7, P2-32
Unit: 0.1ms
Range: 0 ~ 10000
Settings:
This parameter is used to set low-pass filter time constant of resonance suppression.
0: Disabled
Use Notch Filter to suppress resonance
0db
Notch Filter
Attenuation
Rate P2-24
Resonance
Frequency .
Resonance
Point
Gain
Frequency
.
Gain
Frequency
Gain
Frequency
Low-pass
Frequency
Low-pass
Frequency
Resonance
Frequency
P2-23
Resonance
conditions
is suppressed
Resonance
Frequency
Use Low-pass Filter to suppress resonance
Low-pass Filter
Cut-off Frequency
of Low-pass Filter
= 10000 / P2-25 Hz
-
0db
Resonance
conditions
is suppressed
.
.
Gain
Frequency
Gain
Frequency
Gain
Frequency
Low-pass
Frequency
Low-pass
Frequency
Resonance
Frequency
Attenuation
Rate -3db
Resonance
Point
Resonance
Frequency
When the low-pass filter (parameter P2-25) is adjusted from 0 to high value, the value of Low-pass
frequency will become smaller (see the figures above). The resonant condition is improved but the
frequency response and phase margin will also decrease and the system may become unstable.
Therefore, if the users know the resonance frequency, the users can eliminate the resonance conditions
directly by using notch filter (parameter P2-23, P2-24). Usually, if the resonant frequency can be
recognized, we recommend the users can directly use notch filter (parameter P2-23, P2-24) to eliminate
the resonance. However, if the resonant frequency will drift or drift out of the notch filter range, we
recommend the users not to use notch filter and use low-pass filter to improve resonant conditions.

Chapter 6 Control Modes of Operation|ASDA-B Series
Revision January, 2009 6-25
6.4 Torque Control Mode
The torque control mode (T or Tz) is usually used on the applications of torque control, such as printing
machine, spinning machine, twister, etc. Delta ASDA-B series servo drive supports two kinds of command
sources in torque control mode. One is external analog signal and the other is internal parameter. The
external analog signal is from external voltage input and it can control the torque of servo motor. The internal
parameters are from P1-12 to P1-14 which are used to be the torque command in torque control mode.
6.4.1 Command Source of Torque Control Mode
Torque command Sources:
1) External analog signal: External analog voltage input, -10V to +10V
2) Internal parameter: P1-12 to P1-14
The command source selection is determined by the DI signal of CN1 connector. Please refer to the
Table 6.F below:
DI signal of CN1
Torque
Command TCM1 TCM0 Command Source Content Range
T External analog signal Voltage between T-
REF-GND +/- 10 V
T1 0 0 Mode
Tz None Torque command is 0 0
T2 0 1 P1-12 +/- 300 %
T3 1 0 P1-13 +/- 300 %
T4 1 1
Internal parameter
P1-14 +/- 300 %
Table 6.F
State of TCM0~1: 0: indicates OFF (Normally Open); 1: indicates ON (Normally Closed)
When TCM0 and TCM1 are both 0 (OFF), if the control mode of operation is Tz, then the
command is 0. Therefore, if the users do not use analog voltage as torque command, the users
can choose Tz mode to operation torque control to avoid the zero point drift problem(Note1) of
analog voltage. If the control mode of operation is T, then the command is the analog voltage
between T-REF and GND. The setting range of the input voltage is from -10V to +10V and the
corresponding torque is adjustable (see parameter P1-41).
When at least one of TCM0 and TCM1 is not 0 (OFF), the torque command is internal
parameter. The command is valid (enabled) after either TCM0 or TCM1 is changed.
The torque command that is described in this section not only can be taken as torque command in
torque control mode (T or Tz mode) but also can be the torque limit input command in position mode (P
mode) and speed control mode (S or Sz mode).
NOTE
1) In torque control mode, if the users want to adjust analog torque input offset value, please refer to
parameter 4-23 for the operation.

Chapter 6 Control Modes of Operation|ASDA-B Series
6-26 Revision January, 2009
6.4.2 Structure of Torque Control Mode
Basic Structure:
To r qu e
command
To rqu e C om m an d
Processing
Resonant Suppression
Block Diagram
Current Sensor
Current Control
Block Diagram
Output Torque
+
-
In the above figure, the toque command processing is used to select the command source of torque
control according to chapter 6.4.1, including max. analog torque command (parameter P1-41) and
smoothing strategy of torque control mode. The current control block diagram is used to manage the
gain parameters of the servo drive and calculate the current input provided to motor instantaneously. As
current control block diagram is too complicated, setting the parameters of current control block diagram
is not allowed. The function and structure of torque command processing is shown as the figure below:
Internal
Parameter
P1-12
1-13
P1-14
P
Low-pass
Filter P1-07
Analog
Command
TCM0,
TCM1
Proportional
Gain P1-41
A/D
Converter
Control Mode Selection:
T mode / Tz mode P1-01
Torque Control Block Diagram
The command source is selected according to the state of TCM0, TCM1 and parameter P1-01 (T or Tz).
Whenever the command signal needs to be more smoothly, we recommend the users to use
proportional gain (scalar) and low-pass filter to adjust torque.

Chapter 6 Control Modes of Operation|ASDA-B Series
Revision January, 2009 6-27
6.4.3 Smoothing Strategy of Torque Control Mode
Relevant parameters:
P1 - 07 TFLT Smooth Constant of Analog Torque Command
(Low-pass Filter) Communication Addr.: 0107H
Default: 0 Related Section:
Applicable Control Mode: T Section 6.4.3
Unit: ms
Range: 0 ~ 1000 (0: Disabled)
NOTE
1) If the setting value of parameter P1-07 is set to 0, it indicates the function of this parameter
is disabled and the command is just By-Pass.
TFLT
Ta rge t S p ee d
6.4.4 Analog Torque Input Scaling
The analog voltage between T_REF and GND controls the motor torque command. Using with
parameter P1-41 can adjust the torque control ramp and its range.
510
-5-10
100%
300%
-100%
-300%
Analog Input Voltage (V)
The torque control ramp is
determined by parameter P1-41
To rq u e comm a nd

Chapter 6 Control Modes of Operation|ASDA-B Series
6-28 Revision January, 2009
Relevant parameters:
P1 - 41▲ TCM Max. Analog Torque Command or Limit Communication Addr.: 0129H
Default: 100 Related Section:
Applicable Control Mode: T / S, P Section 6.4.4, P1-55
Unit: %
Range: 0 ~ 300
Settings:
In Torque mode, this parameter is used to set the output torque at maximum input voltage (10V)
of analog torque command.
In Position and Speed mode, this parameter is used to set output torque at maximum input
voltage (10V) of analog torque limit
For example, in torque mode, if P1-41 is set to 100 and the input voltage is 10V, it indicates that
the torque command is 100% rated torque. If P1-41 is set to 100, but the input voltage is
changed to 5V, then the torque command is changed to 50% rated torque.
Torque command / limit = Input voltage x setting/10 (%)
6.4.5 Timing Chart of Speed Control Mode
T4 (P1-14)
T3 (P1-13)
T2 (P1-12)
T1
TCM0
TCM1
SON
OFF
ON
OFF ON
ON
OFF
ON
Internal speed
command
External analog
voltage or zero (0)
External I/O signal
NOTE
1) OFF indicates normally open and ON indicates normally closed.
2) When torque control mode is Tz, the torque command T1=0; when torque control mode is T, the
speed command T1 is external analog voltage input (Please refer to P1-01).
3) After Servo ON, the users can select command according to the state of TCM0~1.

Chapter 6 Control Modes of Operation|ASDA-B Series
Revision January, 2009 6-29
6.5 Control Modes Selection
Except signal control mode operation, ASDA-B series AC drive also provide S-P, S-T, T-P these three
multiple modes for the users to select.
1) Speed / Position mode selection: S-P
2) Speed / Torque mode selection: S-T
3) Torque / Position mode selection: T-P
Mode Name Code Description
S-P 06 Either S or P control mode can be selected via the Digital Inputs (DI)
S-T 10 Either S or T control mode can be selected via the Digital Inputs (DI)
Dual Mode
T-P 07 Either T or P control mode can be selected via the Digital Inputs (DI)
Table 6.G
Sz and Tz mode selection is not provided. In order to avoid using too much DI inputs, we recommend that
the users can use external analog signal as input command in speed and torque mode to reduce the use of
DI inputs (SPD0~1 or TCM0~1).
Please refer to table 3.B and table 3.C in section 3.3.2 to see the default pin number of DI/DO signal.
6.5.1 Speed / Position Control Mode Selection
S-P Mode:
The command source of S-P mode is from external input pulse. The speed command can be the
external analog voltage or internal parameters (P1-09 to P1-11). The speed and position mode
switching is controlled by the S-P signal.
The timing chart of speed / position control mode selection is shown as the figure below:
ON
NOT CARE Speed source is determined
by SPD0~1
Counting Pulse
Position Mode
NOT CARE
OFF ON
S-
P
Speed Mode Position Mode
Counting Pulse
Stop Counting Pulse
In position mode (when S-P is ON), the motor will start to count pulse and operate following the external
pulse command. When switching to the speed mode (when S-P is OFF), it will stop counting pulse even
if the pulse command is continuously sent out. The speed command is determined by SPD0~1 and the
motor will rotate following the command. After S-P is ON again, it will immediately return to position
mode.

Chapter 6 Control Modes of Operation|ASDA-B Series
6-30 Revision January, 2009
6.5.2 Speed / Torque Control Mode Selection
S-T Mode:
The speed command can be the external analog voltage or internal parameters (P1-09 to P1-11) and
SPD0~1 is used to select speed command. The same as speed command, the torque command can be
the external analog voltage or internal parameters (P1-12 to P1-14) and TCM0~1 is used to select
torque command. The speed and torque mode switching is controlled by the S-T signal.
The timing chart of speed / torque control mode selection is shown as the figure below:
ON
NOT CARE NOT CARE
OFF ON
S-T
NOT CARE
Speed source is determined
by SPD0~1
Torque source is determined
by TCM0~1
Speed ModeTorque Mode Torque Mode
Torque source is determined
by TCM0~1
In torque mode (when S-T is ON), torque command is selected by TCM0~1. When switching to the
speed mode (when S-T is OFF), the speed command is selected by SPD0~1, and then the motor will
immediately rotate following the command. After S-T is ON again, it will immediately return to torque
mode.
6.5.3 Torque / Position Control Mode Selection
T-P Mode:
The command source of T-P mode is from external input pulse. The torque command can be the
external analog voltage or internal parameters (P1-12 to P1-14). The torque and position mode
switching is controlled by the T-P signal.
The timing chart of speed / position control mode selection is shown as the figure below:
ON
NOT CARE Torque source is determined
by TCM0~1
Counting Pulse
Position Mode
NOT CARE
OFF ON
T-
P
Torque Mode Position Mode
Counting Pulse
Stop Counting Pulse
In position mode (when T-P is ON), the motor will start to count pulse and operate following the external
pulse command. When switching to the torque mode (when T-P is OFF), it will stop counting pulse even
if the pulse command is continuously sent out. The torque command is determined by TCM0~1 and the
motor will rotate following the command. After T-P is ON again, it will immediately return to position
mode.

Chapter 6 Control Modes of Operation|ASDA-B Series
Revision January, 2009 6-31
6.6 Others
6.6.1 Speed Limit
The max. servo motor speed can be limited by using parameter P1-55 no matter in position, speed or
torque control mode.
The command source of speed limit command is the same as speed command. It can be the external
analog voltage but also can be internal parameters (P1-09 to P1-11). For more information of speed
command source, please refer to chapter 6.3.1.
The speed limit only can be used in torque mode (T mode) to limit the servo motor speed. When the
torque command is the external analog voltage, there should be surplus DI signal that can be treated as
SPD0~1 and be used to select speed limit command (internal parameter). If there is not enough DI
signal, the external voltage input can be used as speed limit command. When the Disable / Enable
Speed Limit Function Settings in parameter P1-02 is set to 1, the speed limit function is activated.
The timing chart of speed limit is shown as the figure below:
Disable / Enable Speed Limit Function
Settings in parameter P1-02 is set to 1
SPD0~1 INVALID SPD0~1 VALID
Disable / Enable Speed Limit Function
Settings in parameter P1-02 is set to 0
Command Source Selection of Speed Limit
6.6.2 Torque Limit
The command source of torque limit command is the same as torque command. It can be the external
analog voltage but also can be internal parameters (P1-12 to P1-14). For more information of torque
command source, please refer to chapter 6.4.1.
The torque limit only can be used in position mode (P mode) and speed mode (S mode) to limit the
output torque of servo motor. When the position command is the external pulse and speed command is
the external analog voltage, there should be surplus DI signal that can be treated as TCM0~1 used to
select torque limit command (internal parameter). If there is not enough DI signal, the external voltage
input can be used as torque limit command. When the Disable / Enable Torque Limit Function Settings
in parameter P1-02 is set to 1, the torque limit function is activated.
The timing chart of torque limit is shown as the figure below:
TCM0~1 INVALID TCM0~1 VALID
Disable / Enable Torque Limit Functio
n
Settings in parameter P1-02 is set to 1
Disable / Enable Torque Limit Function
Settings in parameter P1-02 is set to 0
Command Source Selection of Torque Limit

Chapter 6 Control Modes of Operation|ASDA-B Series
6-32 Revision January, 2009
6.6.3 Regenerative Resistor
Built-in Regenerative Resistor
When the output torque of servo motor in reverse direction of motor rotation speed, it indicates that
there is a regenerative power returned from the load to the servo drive. This power will be transmitted
into the capacitance of DC Bus and result in rising voltage. When the voltage has risen to some high
voltage, the servo system need to dissipate the extra energy by using a regenerative resistor. ASDA-B
series servo drive provides a built-in regenerative resistor and the users also can connect to external
regenerative resistor if more regenerative capacity is needed.
The following table 6.H shows the specifications of the servo drive’s built-in regenerative resistor and
the amount of regenerative power (average value) that it can process.
Built-in Regenerative Resistor Specifications
Servo Drive
(kW)
Resistance (Ohm)
(parameter P1-52)
Capacity (Watt)
(parameter P1-53)
Regenerative Power
processed by built-in
regenerative resistor (Watt) *1
Min. Allowable
Resistance (Ohm)
0.1 No built-in regenerative resistor - 40
0.2 No built-in regenerative resistor - 40
0.4 No built-in regenerative resistor - 20
0.75 40 60 30 20
1.0 40 60 30 20
1.5 40 60 30 20
2.0 40 60 30 10
*1: Regenerative power calculation: The amount of regenerative power (average value) that can be
processed is rated at 50% of the capacity of the servo drive’s built-in regenerative resistor. The
regenerative power calculation method of external regenerative resistor is the same.
Table 6.H
When the regenerative power exceeds the processing capacity of the servo drive, install an external
regenerative resistor. Please pay close attention on the following notes when using a regenerative
resistor.
1. Make sure that the settings of resistance (parameter P1-52) and capacity (parameter P1-53) is set
correctly.
2. When the users want to install an external regenerative resistor, ensure that its resistance value is
the same as the resistance of built-in regenerative resistor. If combining multiple small-capacity
regenerative resistors in parallel to increase the regenerative resistor capacity, make sure that the
resistance value of the regenerative resistor should comply with the specifications listed in the
above table.
3. In general, when the amount of regenerative power (average value) that can be processed is used
at or below the rated load ratio, the resistance temperature will increase to 120°C or higher (on
condition that when the regeneration continuously occurred). For safety reasons, forced air cooling
is good way that can be used to reduce the temperature of the regenerative resistors. We also

Chapter 6 Control Modes of Operation|ASDA-B Series
Revision January, 2009 6-33
recommend the users to use the regenerative resistors with thermal switches. As for the load
characteristics of the regenerative resistors, please check with the manufacturer.
External Regenerative Resistor
When using external regenerative resistor, connect it to P and C, and make sure the circuit between P
and D is open. We recommend the users should use the external regenerative resistor that the
resistance value following the above table 6.H. We ignore the dissipative power of IGBT in order to let
the users easily calculate the capacity of regenerative resistor. In the following sections, we will describe
Regenerative Power Calculation Method and Simple Calculation Method for calculating the regenerative
power capacity of external regenerative resistors.
Regenerative Power Calculation Method
(1) Without Load
When there is no external load torque, if the servo motor repeats operation, the returned regenerative
power generated when braking will transmitted into the capacitance of DC bus. After the capacitance
voltage exceeds some high value, regenerative resistor can dissipate the remained regenerative power.
Use the table and procedure described below to calculate the regenerative power.
Servo Drive
(kW)
Servo Motor (kW)
(Frame Size)
Rotor Inertia
J (kg. m2)
Regenerative power from
empty load 3000rpm to stop
Eo (joule)
Max. regenerative
power of capacitance
Ec (joule)
0.1 0.1 0.037 E-4 0.179 3.11
0.2 0.2 0.169 E-4 0.818 4.5
0.3 8.17 E-4 39.5
0.4 (60 mm) 0.277 E-4 1.34
0.4 ( 80 mm) 0.68 E-4 3.29
6.22
0.4
0.5 8.17 E-4 39.5
0.6 8.41 E-4 40.7
0.75 0.75 1.13 E-4 5.47
11.07
0.9 11.18 E-4 54.1
1 (100 mm) 2.578 E-4 12.5
1.0
1 (130 mm) 8.41 E-4 40.7
13.5
1.5 1.5 11.18 E-4 54.1 18.18
2 (100 mm) 4.239 E-4 20.5
2 (130 mm) 14.59 E-4 70.6
2.0
2 (180 mm) 34.68 E-4 168
22.5
Table 6.I
Eo= J * wr2/182 (joule) , wr : rpm

Chapter 6 Control Modes of Operation|ASDA-B Series
6-34 Revision January, 2009
If the load inertia is N × motor inertia, the regenerative power will be (N+1) × E0 when servo motor
brakes from 3000rpm to 0. Then, the regenerative resistor can dissipate: (N+1) × E0 - Ec (joule). If the
time of repeat operation cycle is T sec, then the regenerative power = 2 × ((N+1) × E0 - Ec) / T. The
calculating procedure is as follows:
Step Procedure Equation and Setting Method
1 Set the capacity of regenerative
resistor to the maximum Change the value of P1-53 to maximum
2 Set the operation cycle T Input by the users
3 Set motor speed wr Input by the users or read via P0-02 Drive State Display
4 Set load/motor inertia ratio N Input by the users or read via P0-02 Drive State Display
5 Calculate the max. regenerative
power Eo Eo= J * wr2/182
6 Set the regenerative power Ec that
can be absorbed Refer to the table 6.I above
7 Calculate the required regenerative
power capacity 2 × (N+1) × Eo-Ec)/ T
Table 6.J
For example:
If we use 750W servo drive, the time of repeat operation cycle is T = 0.4 sec, max. motor speed is
3000rpm, the load inertia = 4 × motor inertia, then the necessary the power of regenerative resistor = 2
× ( (4+1) × 5.36 – 11.07) / 0.75 = 41.9W. If the calculation result is smaller than regenerative power, we
recommend the users to use the built-in 60W regenerative resistor. Usually the built-in regenerative
resistor provided by ASDA-B series can meet the requirement of general application when the external
load inertia is not excessive.
The users can see when the capacity of regenerative resistor is too small, the accumulated power will
be larger and the temperature will also increase. The fault, ALE05 may occur if the temperature is over
high. The figure on next page shows the actual operation of regenerative resistor.
(2) With Load
When there is an external load torque, servo motor is in reverse rotation when external load greater
than motor torque. Servo motor is usually in forward rotation and the motor torque output direction is the
same as the rotation direction. However, there is still some special condition. If the motor output torque
is in the reverse direction of rotation, the servo motor is also in the reverse direction of rotation. The
external power is input into the servo drive through servo motor. The figure on next page is an example.
The users can see the motor is in forward rotation at constant speed when a sudden external load
torque change and great power is transmitted to regenerative resistor rapidly.

Chapter 6 Control Modes of Operation|ASDA-B Series
Revision January, 2009 6-35
Motor Rotation Speed
External Load Torque
Motor Output Torque
Reverse
Rotation
Reverse
Rotation
Forward
Rotation
Forward
Rotation
External load torque in reverse direction: TL* Wr TL : External load torque
For the safety, we strongly recommend the users should select the proper resistance value according to
the load.
For example, when external load torque is a +70% rated torque and rotation speed reaches 3000 rpm, if
using 400W servo drive (rated torque: 1.27Nt-m), then the users need to connect a external
regenerative resistor which power is 2 × (0.7 × 1.27) × (3000 × 2 × π/ 60) = 560W, 40Ω.
Simple Calculation Method
The users can select the adequate regenerative resistors according to the allowable frequency required
by actual operation and the allowable frequency when the servo motor run without load. The allowable
frequency when the servo motor run without load is the maximum frequency that can be operated during
continuous operation when servo motor accelerate from 0rpm to rated speed and decelerate from rated
speed down to 0rpm. The allowable frequencies when the servo motor run without load are summarized
in the following table.
Allowable frequency when the servo motor run without load (times/min)
100W 200W 300W 400W
(60mm)
400W
(80mm) 500W 600W 750W
ECMA Series Power
Range
(Frame Size) 01 02 03 04 04 05 06 07
Allowable Frequency
(times/min) - - - 1275 519 43 41 319
900W 1.0kW
(100mm)
1.0KW
(130mm) 1.5KW 2.0kW
(100mm)
2.0KW
(130mm)
2.0KW
(180mm)
ECMA Series Power
Range
(Frame Size) 09 10 10 15 20 20 20
Allowable Frequency
(times/min) 31 137 42 31 82 24 10
Table 6.K

Chapter 6 Control Modes of Operation|ASDA-B Series
6-36 Revision January, 2009
When the servo motor runs with load, the allowable frequencies will change according to the changes of
the load inertia and rotation speed. Use the following equation to calculate the allowable frequency.
Allowable f r equency = Allowable frequency when servo motor run without load
m + 1 xRated s peed
Operating speed
times
min.
2
m = load/motor inertia ratio
The users can select the adequate regenerative resistors according to the allowable frequencies by
referring to the table below:
Allowable frequency when the servo motor run without load (times/min)
100W 200W 300W 400W
(60mm)
400W
(80mm)
ECMA Series
Regenerative
Resistors 01 02 03 04 04
BR400W040 - - - 8608 3279
BR1K0W020 - - - 21517 8765
500W 600W 750W 900W 1.0kW
(100 mm)
ECMA Series
Regenerative
Resistors 05 06 07 09 10
BR400W040 291 283 2128 213 925
BR1K0W020 729 708 5274 533 2312
1.0KW
(130mm) 1.5KW 2.0kW
(100mm)
2.0KW
(130mm)
2.0KW
(180mm)
ECMA Series
Regenerative
Resistors 10 15 20 20 20
BR400W040 283 213 562 163 68
BR1K0W020 708 533 1363 408 171
( ) : motor frame size, unit is in millimeters.
Table 6.L
6.6.4 Electromagnetic Brake
When the servo drive is operating, if the digital output BRKR is set to Off, it indicates the
electromagnetic brake is disabled and motor is stop running and locked. If the digital output BRKR is set
to ON, it indicates electromagnetic brake is enabled and motor can run freely.
There are two parameters that affect the electromagnetic brake. One is parameter P1-42 (MBT1) and
the other is parameter P1-43 (MBT2). The users can use these two parameters to set the On and Off
delay time of electromagnetic brake. The electromagnetic brake is usually used in perpendicular axis (Z-
axis) direction to reduce the large energy generated from servo motor. Using electromagnetic brake can
avoid the load may slip since there is no motor holding torque when power is off. Without using
electromagnetic brake may reduce the life of servo motor. To avoid malfunction, the electromagnetic
brake should be activated after servo system is off (Servo Off).

Chapter 6 Control Modes of Operation|ASDA-B Series
Revision January, 2009 6-37
If the users desire to control electromagnetic brake via external controller, not by the servo drive, the
users must execute the function of electromagnetic brake during the period of time when servo motor is
braking. The braking strength of motor and electromagnetic brake must be in the same direction when
servo motor is braking. Then, the servo drive will operate normally. However, the servo drive may
generate larger current during acceleration or at constant speed and it may the cause of overload (servo
fault).
Timing chart for using servo motor with electromagnetic brake:
1. When the setting value of P1-43 is greater than or equal to 0 (zero)
SON
(Digital Input)
ON
OFF
MBT1
(P1-42)
BRKR
(Digital Output)
OFF
ON
OFF OFF
MBT2
(P1-43)
When SERVO OFF (when DI SON is not activated), the BRKR output goes Off (electromagnetic
brake is locked) after the delay time set by P1-43 is reached.
2. When the setting value of P1-43 is greater than or equal to 0 (zero)
ON
OFF
MBT1(P1-42)
OFF
ON
OFF OFF
MBT2(P1-43)
OFF
ON
OFF
SON
(Digital Input)
BRKR
(Digital Output)
SON
(Digital Output)
When SERVO OFF (when DI SON is not activated), if the BRKR output goes Off
(electromagnetic brake is locked), the servo motor goes Off after the delay time set by P1-43 is
reached.

Chapter 6 Control Modes of Operation|ASDA-B Series
6-38 Revision January, 2009
Electromagnetic Brake Wiring Diagram
NOTE
1) Please refer to Chapter 3 Connections and Wiring for more wiring information.
2) Please note that the coil of brake has no polarity.
3) The power supply for brake is DC24V. Never use it for VDD, the +24V source voltage.

Revision January, 2009 7-1
Chapter 7 Servo Parameters
7.1 Definition
There are following five groups for drive parameters:
Group 0: Monitor parameter (example: P0-xx)
Group 1: Basic parameter (example: P1-xx)
Group 2: Extension parameter (example: P2-xx)
Group 3: Communication parameter (example: P3-xx)
Group 4: Diagnosis parameter (example: P4-xx)
There is following one group for keypad parameters:
Group 8: Keypad parameter (example: P8-xx)
Abbreviation of control modes:
P : Position control mode
S : Speed control mode
T : Torque control mode
Explanation of symbols (marked after parameter)
(★) Read-only register, such as P0-00, P0-01, P4-00.
(▲) Parameter cannot be set when Servo On (when the servo drive is enabled).
(●) Parameter is effective only after the servo drive is restarted (after switching power off and on), such
as P1-01.
(■) Parameter setting values are not retained when power is off.

Chapter 7 Servo Parameters|ASDA-B Series
7-2 Revision January, 2009
7.2 Parameters Summary
7.2.1 Parameters List by Group
Group 0: P0-xx
Monitor Parameters
Control
Mode
Parameter Name Function Default Unit
P S T
P0-00★ VER Firmware Version Factory
setting N/A { { {
P0-01★ ALE Drive Fault Code N/A N/A { { {
P0-02 STS Drive Status 0 N/A
{ { {
P0-03 Reserved
P0-04 CM1 Status Monitor 1 0 N/A { { {
P0-05 CM2 Status Monitor 2 0 N/A { { {
P0-06 CM3 Status Monitor 3 0 N/A { { {
P0-07 Reserved
P0-08 Reserved
P0-09★ SVSTS Servo Output Status Display N/A N/A { { {
Explanation of symbols (marked after parameter)
(★) Read-only register.
(▲) Parameter cannot be set when Servo On (when the servo drive is enabled).
(●) Parameter is effective only after the servo drive is restarted (after switching power off and on).
(■) Parameter setting values are not retained when power is off.

Chapter 7 Servo Parameters|ASDA-B Series
Revision January, 2009 7-3
Group 1: P1-xx
Basic Parameters
Control
Mode
Parameter Name Function Default Unit
P S T
P1-00▲ PTT External Pulse Input Type 2 N/A {
P1-01● CTL Control Mode and Output Direction 0
pulse
Rpm
N.M
{ { {
P1-02▲ PSTL Speed and Torque Limit 0 N/A { { {
P1-03 AOUT Pulse Output Polarity Setting 0 N/A { { {
P1-04 Reserved
P1-05 Reserved
P1-06 SFLT
Accel / Decel Smooth Constant of
Analog Speed Command (Low-pass
Filter)
0 ms
{
P1-07 TFLT
Smooth Constant of Analog Torque
Command (Low-pass Filter) 0 ms
{
P1-08 PFLT
Smooth Constant of Position Command
(Low-pass Filter) 0 10ms
{
P1-09
~ P1-11 SPD1 ~ 3 1st ~ 3rd Speed Command or Limit 100 ~ 300 rpm { {
P1-12
~ P1-14 TQ1 ~ 3 1st ~ 3rd Torque Command or Limit 100 % { { {
P1-15▲ GR4 Electronic Gear Ratio (2nd Numerator)
(N2) 1 pulse
{
P1-16
~ P1-31 Reserved
P1-32 LSTP Motor Stop Mode Selection 0 N/A { { {
P1-33 Reserved
P1-34 TACC Acceleration Time 200 ms {
P1-35 TDEC Deceleration Time 200 ms {
P1-36 TSL Accel / Decel S-curve 0 ms {
P1-37 GDR
Ratio of Load Inertia to Servo Motor
Inertia 10 0.1
times { { {
P1-38 ZSPD Zero Speed Range Setting 10 rpm { { {
P1-39 SSPD Target Rotation Speed 3000 rpm { { {
P1-40▲ VCM Max. Analog Speed Command or Limit rated speed rpm { {
P1-41▲ TCM Max. Analog Torque Command or Limit 100 % { { {
P1-42 MBT1
On Delay Time of Electromagnetic
Brake 100 ms
{ { {
P1-43 MBT2
OFF Delay Time of Electromagnetic
Brake 100 ms
{ { {

Chapter 7 Servo Parameters|ASDA-B Series
7-4 Revision January, 2009
Basic Parameters
Control
Mode
Parameter Name Function Default Unit
P S T
P1-44▲ GR1 Electronic Gear Ratio (1st Numerator)
(N1) 1 pulse
{
P1-45▲ GR2 Electronic Gear Ratio (Denominator) 1 pulse {
P1-46▲ GR3 Encoder Output Pulse Number 2500 pulse { { {
P1-47
~ P1-51 Reserved
P1-52 RES1 Regenerative Resistor Value 40 Ohm { { {
P1-53 RES2 Regenerative Resistor Capacity 60 Watt
{ { {
P1-54 PER Positioning Completed Width 100 pulse
{
P1-55 MSPD Maximum Speed Limit rated speed rpm { { {
Explanation of symbols (marked after parameter)
(★) Read-only register.
(▲) Parameter cannot be set when Servo On (when the servo drive is enabled).
(●) Parameter is effective only after the servo drive is restarted (after switching power off and on).
(■) Parameter setting values are not retained when power is off.

Chapter 7 Servo Parameters|ASDA-B Series
Revision January, 2009 7-5
Group 2: P2-xx
Extension Parameters
Control
Mode
Parameter Name Function Default Unit
P S T
P2-00 KPP Proportional Position Loop Gain 50 rad/s {
P2-01 PPR Position Loop Gain Switching Rate 100 % {
P2-02 PFG Position Feed Forward Gain 0 % {
P2-03 PFF
Smooth Constant of Position Feed
Forward Gain 5 ms
{
P2-04 KVP Proportional Speed Loop Gain 300 rad/s { {
P2-05 SPR Speed Loop Gain Switching Rate 100 % { {
P2-06 KVI Speed Integral Compensation 50 rad/s { {
P2-07 SFG Speed Feed Forward Gain 0 % {
P2-08■ PCTL Special Factory Setting 0 N/A
{ { {
P2-09 DRT Bounce Filter 2 2ms
{ { {
P2-10 DI1 Digital Input Terminal 1 (DI1) 101 N/A { { {
P2-11 DI2 Digital Input Terminal 2 (DI2) 102 N/A { { {
P2-12 DI3 Digital Input Terminal 3 (DI3) 104 N/A { { {
P2-13 DI4 Digital Input Terminal 4 (DI4) 22 N/A { { {
P2-14 DI5 Digital Input Terminal 5 (DI5) 23 N/A { { {
P2-15 DI6 Digital Input Terminal 6 (DI6) 21 N/A { { {
P2-16
~ P2-17 Reserved
P2-18 DO1 Digital Output Terminal 1 (DO1) 101 N/A { { {
P2-19 DO2 Digital Output Terminal 2 (DO2) 103 N/A { { {
P2-20 DO3 Digital Output Terminal 3 (DO3) 7 N/A { { {
P2-21
~ P2-22 Reserved
P2-23 NCF Notch Filter (Resonance Suppression) 1000 Hz { { {
P2-24 DPH
Notch Filter Attenuation Rate
(Resonance Suppression) 0 dB
{ { {
P2-25 NLP
Low-pass Filter Time Constant
(Resonance Suppression) 20 0.1ms
{ { {
P2-26 DST External Anti-Interference Gain 0 N/A { { {
P2-27 GCC Gain Switching Control Selection 0 N/A { {
P2-28 GUT Gain Switching Time Constant 10 10ms { {
P2-29 GPE Gain Switching Condition 10000
pulse
Kpps
rpm
{ {
P2-30■ INH Auxiliary Function 0 N/A
{ { {

Chapter 7 Servo Parameters|ASDA-B Series
7-6 Revision January, 2009
Extension Parameters
Control
Mode
Parameter Name Function Default Unit
P S T
P2-31■ AUT1 Auto Stiffness and Responsiveness
Level 6 N/A
{ { {
P2-32▲ AUT2 Tuning Mode Selection 0 N/A
{ { {
P2-33 Reserved
P2-34 SDEV Overspeed Warning Condition 5000 rpm {
P2-35 PDEV Excessive Error Warning Condition 3000 10pls {
P2-36 OVL Overload Protection Level 100 % { { {
P2-37 OVW Output Overload Warning Level 50% N/A { { {
P2-38 GBIT Special Function 0 N/A
{ { {
P2-39
~ P2-43 Reserved
P2-44 ATUR Motor Rotation Number 2 turn { { {
P2-45 AFRQ Motor Rotation Frequency 10 0.1Hz { { {
P2-46 ATME Motor Rotation Time 15 sec { { {
P2-47■ ASTR Auto-Tuning Start Function 0 N/A
{ { {
P2-48 CLRT Pulse Deviation Clear Mode 0 N/A {
P2-49 SJIT
Speed Detection Filter and Jitter
Suppression 110 N/A
{ {
Explanation of symbols (marked after parameter)
(★) Read-only register.
(▲) Parameter cannot be set when Servo On (when the servo drive is enabled).
(●) Parameter is effective only after the servo drive is restarted (after switching power off and on).
(■) Parameter setting values are not retained when power is off.

Chapter 7 Servo Parameters|ASDA-B Series
Revision January, 2009 7-7
Group 3: P3-xx
Communication Parameters
Control
Mode
Parameter Name Function Default Unit
P S T
P3-00 ADR Communication Address Setting 1 N/A { { {
P3-01 BRT Transmission Speed 3 bps
{ { {
P3-02 PTL Communication Protocol 0 N/A
{ { {
P3-03 FLT Transmission Fault Treatment 0 N/A { { {
P3-04 CWD Communication Time Out Detection 0 sec { { {
P3-05 Reserved
P3-06■ SDI Digital Input Communication Function 0 N/A
{ { {
P3-07 CDT Communication Response Delay Time 0 ms { { {
Explanation of symbols (marked after parameter)
(★) Read-only register.
(▲) Parameter cannot be set when Servo On (when the servo drive is enabled).
(●) Parameter is effective only after the servo drive is restarted (after switching power off and on).
(■) Parameter setting values are not retained when power is off.

Chapter 7 Servo Parameters|ASDA-B Series
7-8 Revision January, 2009
Group 4: P4-xx
Diagnosis Parameters
Control
Mode
Parameter Name Function Default Unit
P S T
P4-00★ ASH1 Fault Record (N) 0 N/A { { {
P4-01★ ASH2 Fault Record (N-1) 0 N/A { { {
P4-02★ ASH3 Fault Record (N-2) 0 N/A { { {
P4-03★ ASH4 Fault Record (N-3) 0 N/A { { {
P4-04★ ASH5 Fault Record (N-4) 0 N/A { { {
P4-05 JOG JOG Operation 20 rpm
{ { {
P4-06▲■ FOT Force Output Control 0 N/A { { {
P4-07■ ITST Input Status or Force Input Control N/A N/A { { {
P4-08 Reserved
P4-09★ MOT Output Status Display N/A N/A { { {
P4-10▲ CEN Adjustment Function 0 N/A
{ { {
P4-11 SOF1 Analog Speed Input Drift Adjustment 1 Factory
setting N/A { { {
P4-12 SOF2 Analog Speed Input Drift Adjustment 2 Factory
setting N/A { { {
P4-13 TOF1 Analog Torque Drift Adjustment 1 Factory
setting N/A { { {
P4-14 Reserved
P4-15 COF1
Current Detector Drift Adjustment (V1
phase)
Factory
setting N/A { { {
P4-16 COF2
Current Detector Drift Adjustment (V2
phase)
Factory
setting N/A { { {
P4-17 COF3
Current Detector Drift Adjustment (W1
phase)
Factory
setting N/A { { {
P4-18 COF4
Current Detector Drift Adjustment (W2
phase)
Factory
setting N/A { { {
P4-19 TIGB IGBT NTC Calibration Factory
setting N/A { { {
P4-20 Reserved
P4-21 Reserved
P4-22 SAO Analog Speed Input Offset 0 mV {
P4-23 TAO Analog Torque Input Offset 0 mV {
Explanation of symbols (marked after parameter)
(★) Read-only register.
(▲) Parameter cannot be set when Servo On (when the servo drive is enabled).
(●) Parameter is effective only after the servo drive is restarted (after switching power off and on).
(■) Parameter setting values are not retained when power is off.

Chapter 7 Servo Parameters|ASDA-B Series
Revision January, 2009 7-9
Group 8: P8-xx
Keypad Parameters
Control
Mode
Parameter Name Function Default Unit
P S T
P8-00★ KVER Keypad Firmware Version Factory
setting N/A { { {
P8-01 KFUN
Keypad Communication and Reset
Setting 1 N/A
{ { {
P8-02 Reserved
P8-03 Reserved
P8-04 Reserved
P8-05 KADR Communication Address Setting (Drive) 255 N/A { { {
P8-06 KBRT Transmission Speed (Keypad) 1 bps { { {
P8-07 KPTL Communication Protocol (Keypad) 0 N/A { { {
P8-08 KCMM Communication Selection (Keypad) 0 N/A { { {
P8-09 KTST Keypad Hardware Testing 0 N/A { { {
P8-10 KBLT LCD Backlight Display 0 N/A { { {
P8-11 KCLR Memory Block Clear 0 N/A { { {
P8-12 KRNO
Memory Block Position Number
(ROMx) 0 N/A
{ { {
P8-13★ KBL0 Status of Memory Block (ROMx) 0 N/A
{ { {
P8-14★ KBL1 Firmware Version of Memory Block
(ROMx) 0 N/A
{ { {
Explanation of symbols (marked after parameter)
(★) Read-only register.
(▲) Parameter cannot be set when Servo On (when the servo drive is enabled).
(●) Parameter is effective only after the servo drive is restarted (after switching power off and on).
(■) Parameter setting values are not retained when power is off.

Chapter 7 Servo Parameters|ASDA-B Series
7-10 Revision January, 2009
7.2.2 Parameters List by Function
Monitor and General Use
Control
Mode
Parameter Name Function Default Unit
P S T
P0-00★ VER Firmware Version Factory
setting N/A { { {
P0-01★ ALE Drive Fault Code N/A N/A { { {
P0-02 STS Drive Status 0 N/A { { {
P0-04 CM1 Status Monitor 1 0 N/A { { {
P0-05 CM2 Status Monitor 2 0 N/A { { {
P0-06 CM3 Status Monitor 3 0 N/A { { {
P1-03 AOUT Pulse Output Polarity Setting 0 N/A { { {
Smooth Filter and Resonance Suppression
Control
Mode
Parameter Name Function Default Unit
P S T
P1-06 SFLT
Accel / Decel Smooth Constant of
Analog Speed Command (Low-pass
Filter)
0 ms {
P1-07 TFLT
Smooth Constant of Analog Torque
Command (Low-pass Filter) 0 ms
{
P1-08 PFLT
Smooth Constant of Position Command
(Low-pass Filter) 0 10ms {
P1-34 TACC Acceleration Time 200 ms {
P1-35 TDEC Deceleration Time 200 ms {
P1-36 TSL Accel / Decel S-curve 0 ms {
P2-23 NCF Notch Filter (Resonance Suppression) 1000 Hz { { {
P2-24 DPH
Notch Filter Attenuation Rate
(Resonance Suppression) 0 dB
{ { {
P2-25 NLP
Low-pass Filter Time Constant
(Resonance Suppression) 20 0.1ms
{ { {
P2-49 SJIT
Speed Detection Filter and Jitter
Suppression 110 N/A
{ {
Explanation of symbols (marked after parameter)
(★) Read-only register.
(▲) Parameter cannot be set when Servo On (when the servo drive is enabled).
(●) Parameter is effective only after the servo drive is restarted (after switching power off and on).
(■) Parameter setting values are not retained when power is off.

Chapter 7 Servo Parameters|ASDA-B Series
Revision January, 2009 7-11
Gain and Switch
Control
Mode
Parameter Name Function Default Unit
P S T
P2-00 KPP Proportional Position Loop Gain 50 rad/s {
P2-01 PPR Position Loop Gain Switching Rate 100 % {
P2-02 PFG Position Feed Forward Gain 0 % {
P2-03 PFF
Smooth Constant of Position Feed
Forward Gain 5 ms
{
P2-04 KVP Proportional Speed Loop Gain 300 rad/s { {
P2-05 SPR Speed Loop Gain Switching Rate 100 % { {
P2-06 KVI Speed Integral Compensation 50 rad/s { {
P2-07 SFG Speed Feed Forward Gain 0 % {
P2-26 DST External Anti-Interference Gain 0 N/A { { {
P2-27 GCC Gain Switching Control Selection 0 N/A { {
P2-28 GUT Gain Switching Time Constant 10 10ms { {
P2-29 GPE Gain Switching Condition 10000
pulse
Kpps
rpm
{ {
P2-31■ AUT1 Auto Stiffness and Responsiveness
Level 6 N/A
{ { {
P2-32▲ AUT2 Tuning Mode Selection 0 N/A
{ { {
Explanation of symbols (marked after parameter)
(★) Read-only register.
(▲) Parameter cannot be set when Servo On (when the servo drive is enabled).
(●) Parameter is effective only after the servo drive is restarted (after switching power off and on).
(■) Parameter setting values are not retained when power is off.

Chapter 7 Servo Parameters|ASDA-B Series
7-12 Revision January, 2009
Position Control
Control
Mode
Parameter Name Function Default Unit
P S T
P1-01● CTL Control Mode and Output Direction 0
pulse
rpm
N.M
{ { {
P1-02▲ PSTL Speed and Torque Limit 0 N/A { { {
P1-55 MSPD Maximum Speed Limit rated speed rpm { { {
P1-12
~ P1-14 TQ1 ~ 3 1st ~ 3rd Torque Limit 100 % { { {
P1-46▲ GR3 Encoder Output Pulse Number 2500 pulse { { {
External pulse control command (P mode)
P1-00▲ PTT External Pulse Input Type 2 --- {
P1-41▲ TCM Max. Analog Torque Limit 100 % { {
P1-44▲ GR1 Electronic Gear Ratio (1st Numerator)
(N1) 1 pulse {
P1-45▲ GR2 Electronic Gear Ratio (Denominator) 1 pulse {
P1-15▲ GR4 Electronic Gear Ratio (2nd Numerator)
(N2) 1 pulse {
Explanation of symbols (marked after parameter)
(★) Read-only register.
(▲) Parameter cannot be set when Servo On (when the servo drive is enabled).
(●) Parameter is effective only after the servo drive is restarted (after switching power off and on).
(■) Parameter setting values are not retained when power is off.

Chapter 7 Servo Parameters|ASDA-B Series
Revision January, 2009 7-13
Speed Control
Control
Mode
Parameter Name Function Default Unit
P S T
P1-01● CTL Control Mode and Output Direction 0
pulse
rpm
N.M
{ { {
P1-02▲ PSTL Speed and Torque Limit 0 N/A { { {
P1-46▲ GR3 Encoder Output Pulse Number 2500 pulse { { {
P1-55 MSPD Maximum Speed Limit rated speed rpm { { {
P1-09
~ P1-11 SPD1 ~ 3 1st ~ 3rd Speed Command 100 ~300 rpm { {
P1-12
~ P1-14 TQ1 ~ 3 1st ~ 3rd Torque Limit 100 % { { {
P1-40▲ VCM Max. Analog Speed Command rated speed rpm {
P1-41▲ TCM Max. Analog Torque Limit 100 % { {
Torque Control
Control
Mode
Parameter Name Function Default Unit
P S T
P1-01● CTL Control Mode and Output Direction 0
pulse
rpm
N.M
{ { {
P1-02▲ PSTL Speed and Torque Limit 0 N/A { { {
P1-55 MSPD Maximum Speed Limit rated speed rpm { { {
P1-09
~ P1-11 SPD1 ~ 3 1st ~ 3rd Speed Limit 100 ~ 300 rpm { {
P1-12
~ P1-14 TQ1 ~ 3 1st ~ 3rd Torque Command 100 % { { {
P1-40▲ VCM Max. Analog Speed Limit rated speed rpm {
P1-41▲ TCM Max. Analog Torque Command 100 %
{
Explanation of symbols (marked after parameter)
(★) Read-only register.
(▲) Parameter cannot be set when Servo On (when the servo drive is enabled).
(●) Parameter is effective only after the servo drive is restarted (after switching power off and on).
(■) Parameter setting values are not retained when power is off.

Chapter 7 Servo Parameters|ASDA-B Series
7-14 Revision January, 2009
Digital I/O and relative input output setting
Digital I/O
Control
Mode
Parameter Name Function Default Unit
P S T
P2-09 DRT Bounce Filter 2 2ms
{ { {
P2-10 DI1 Digital Input Terminal 1 (DI1) 101 N/A { { {
P2-11 DI2 Digital Input Terminal 2 (DI2) 102 N/A { { {
P2-12 DI3 Digital Input Terminal 3 (DI3) 104 N/A { { {
P2-13 DI4 Digital Input Terminal 4 (DI4) 22 N/A { { {
P2-14 DI5 Digital Input Terminal 5 (DI5) 23 N/A { { {
P2-15 DI6 Digital Input Terminal 6 (DI6) 21 N/A { { {
P2-18 DO1 Digital Output Terminal 1 (DO1) 101 N/A { { {
P2-19 DO2 Digital Output Terminal 2 (DO2) 103 N/A { { {
P2-20 DO3 Digital Output Terminal 3 (DO3) 7 N/A { { {
P1-38 ZSPD Zero Speed Range Setting 10 rpm { { {
P1-39 SSPD Target Rotation Speed 3000 rpm { { {
P1-42 MBT1
On Delay Time of Electromagnetic
Brake 100 ms
{ { {
P1-43 MBT2
OFF Delay Time of Electromagnetic
Brake 100 ms
{ { {
P1-54 PER Positioning Completed Width 100 pulse
{
Explanation of symbols (marked after parameter)
(★) Read-only register.
(▲) Parameter cannot be set when Servo On (when the servo drive is enabled).
(●) Parameter is effective only after the servo drive is restarted (after switching power off and on).
(■) Parameter setting values are not retained when power is off.

Chapter 7 Servo Parameters|ASDA-B Series
Revision January, 2009 7-15
Communication
Control
Mode
Parameter Name Function Default Unit
P S T
P3-00 ADR Communication Address Setting 1 N/A { { {
P3-01 BRT Transmission Speed 3 bps
{ { {
P3-02 PTL Communication Protocol 0 N/A
{ { {
P3-03 FLT Transmission Fault Treatment 0 N/A { { {
P3-04 CWD Communication Time Out Detection 0 sec { { {
P3-06■ SDI Digital Input Communication Function 0 N/A
{ { {
P3-07 CDT Communication Response Delay Time 0 ms { { {
Explanation of symbols (marked after parameter)
(★) Read-only register.
(▲) Parameter cannot be set when Servo On (when the servo drive is enabled).
(●) Parameter is effective only after the servo drive is restarted (after switching power off and on).
(■) Parameter setting values are not retained when power is off.

Chapter 7 Servo Parameters|ASDA-B Series
7-16 Revision January, 2009
Diagnosis Parameters
Control
Mode
Parameter Name Function Default Unit
P S T
P4-00★ ASH1 Fault Record (N) 0 N/A { { {
P4-01★ ASH2 Fault Record (N-1) 0 N/A { { {
P4-02★ ASH3 Fault Record (N-2) 0 N/A { { {
P4-03★ ASH4 Fault Record (N-3) 0 N/A { { {
P4-04★ ASH5 Fault Record (N-4) 0 N/A { { {
P4-05 JOG JOG Operation 20 rpm
{ { {
P4-06▲■ FOT Force Output Control 0 N/A { { {
P4-07■ ITST Input Status or Force Input Control N/A N/A { { {
P4-09★ MOT Output Status Display N/A N/A { { {
P4-10▲ CEN Adjustment Function 0 N/A
{ { {
P4-11 SOF1 Analog Speed Input Drift Adjustment 1 Factory
setting N/A { { {
P4-12 SOF2 Analog Speed Input Drift Adjustment 2 Factory
setting N/A { { {
P4-13 TOF1 Analog Torque Drift Adjustment 1 Factory
setting N/A { { {
P4-15 COF1
Current Detector Drift Adjustment (V1
phase)
Factory
setting N/A { { {
P4-16 COF2
Current Detector Drift Adjustment (V2
phase)
Factory
setting N/A { { {
P4-17 COF3
Current Detector Drift Adjustment (W1
phase)
Factory
setting N/A { { {
P4-18 COF4
Current Detector Drift Adjustment (W2
phase)
Factory
setting N/A { { {
P4-19 TIGB IGBT NTC Calibration Factory
setting N/A { { {
P4-22 SAO Analog Speed Input Offset 0 mV {
P4-23 TAO Analog Torque Input Offset 0 mV {
Explanation of symbols (marked after parameter)
(★) Read-only register.
(▲) Parameter cannot be set when Servo On (when the servo drive is enabled).
(●) Parameter is effective only after the servo drive is restarted (after switching power off and on).
(■) Parameter setting values are not retained when power is off.

Chapter 7 Servo Parameters|ASDA-B Series
Revision January, 2009 7-17
Others
Control
Mode
Parameter Name Function Default Unit
P S T
P1-32 LSTP Motor Stop Mode Selection 0 N/A { { {
P1-37 GDR
Ratio of Load Inertia to Servo Motor
Inertia 10 0.1
times { { {
P1-52 RES1 Regenerative Resistor Value 40 Ohm { { {
P1-53 RES2 Regenerative Resistor Capacity 60 Watt
{ { {
P2-08■ PCTL Special Factory Setting 0 N/A
{ { {
P2-30■ INH Auxiliary Function 0 N/A
{ { {
P2-34 SDEV Overspeed Warning Condition 5000 rpm {
P2-35 PDEV Excessive Error Warning Condition 3000 10pls {
P2-36 OVL Overload Protection Level 100 % { { {
P2-37 OVW Output Overload Warning Level 50% N/A { { {
P2-38 GBIT Special Function 0 N/A
{ { {
Explanation of symbols (marked after parameter)
(★) Read-only register.
(▲) Parameter cannot be set when Servo On (when the servo drive is enabled).
(●) Parameter is effective only after the servo drive is restarted (after switching power off and on).
(■) Parameter setting values are not retained when power is off.

Chapter 7 Servo Parameters|ASDA-B Series
7-18 Revision January, 2009
Keypad Parameters
Control
Mode
Parameter Name Function Default Unit
P S T
P8-00★ KVER Keypad Firmware Version Factory
setting N/A { { {
P8-01 KFUN
Keypad Communication and Reset
Setting 1 N/A
{ { {
P8-05 KADR Communication Address Setting (Drive) 255 N/A { { {
P8-06 KBRT Transmission Speed (Keypad) 1 bps { { {
P8-07 KPTL Communication Protocol (Keypad) 0 N/A { { {
P8-08 KCMM Communication Selection (Keypad) 0 N/A { { {
P8-09 KTST Keypad Hardware Testing 0 N/A { { {
P8-10 KBLT LCD Backlight Display 0 N/A { { {
P8-11 KCLR Memory Block Clear 0 N/A { { {
P8-12 KRNO
Memory Block Position Number
(ROMx) 0 N/A
{ { {
P8-13★ KBL0 Status of Memory Block (ROMx) 0 N/A
{ { {
P8-14★ KBL1 Firmware Version of Memory Block
(ROMx) 0 N/A
{ { {
Explanation of symbols (marked after parameter)
(★) Read-only register.
(▲) Parameter cannot be set when Servo On (when the servo drive is enabled).
(●) Parameter is effective only after the servo drive is restarted (after switching power off and on).
(■) Parameter setting values are not retained when power is off.

Chapter 7 Servo Parameters|ASDA-B Series
Revision January, 2009 7-19
7.3 Detailed Parameter Listings
Group 0: P0-xx Monitor Parameters
P0 - 00★ VER Firmware Version Communication Addr.: 0000H
Default: Factory setting Related Section: N/A
Applicable Control Mode: P/S/T
Unit: N/A
Range: N/A
P0 - 01★ ALE Drive Fault Code Communication Addr.: 0001H
Default: Factory setting Related Section:
Applicable Control Mode: P/S/T Chapter 10
Unit: N/A
Range: 1 ~ 20
Settings:
: Overcurrent (Note 1)
: Overvoltage (Note 2)
: Undervoltage (Note 2)
: Z Pulse shift (Note 3)
: Regeneration error (Note 1)
: Overload (Note 1)
: Overspeed (Note 1)
: Abnormal pulse control command (Note 1)
: Excessive deviation (Note 1)
: Serial communication error (Note 2)
: Encoder error (Position detector fault) (Note 3)
: Adjustment error (Note 1)
: Emergency stop (Note 2)
: Reverse (CWL) limit error (Note 2)
: Forward (CCWL) limit error (Note 2)
: IGBT temperature error (Note 2)
: Memory error (Note 4)
: Serial communication time out (Note 2)
: Motor type error (Note 2)
: Input power phase loss (Note 2)

Chapter 7 Servo Parameters|ASDA-B Series
7-20 Revision January, 2009
NOTE
1) When this fault occurs, users can use ARST signal to clear the fault message.
2) This fault can be cleared automatically when users eliminate the error source. Using ARST
signal can not clear this fault message.
3) This fault can not be cleared even if users eliminate the error source. Users must restart the
servo drive (after switching power off and on) and then the fault can be cleared.
4) When this fault occurs, it indicates the internal EEPROM may be damaged and using ARST
signal can not clear this fault message.
The fault display shown on PC-Based communication software and Keypad:
Settings:
1 : Overcurrent
2 : Overvoltage
3 : Undervoltage
4 : Z Pulse shift
5 : Regeneration error
6 : Overload
7 : Overspeed
8 : Abnormal pulse control command
9 : Excessive deviation
10 : Serial communication error
11 : Encoder error (Position detector fault)
12 : Adjustment error
13 : Emergency stop
14 : Reverse (CWL) limit error
15 : Forward (CCWL) limit error
16 : IGBT temperature error
17 : Memory error
18 : Serial communication time out
19 : Motor type error
20 : Input power phase loss

Chapter 7 Servo Parameters|ASDA-B Series
Revision January, 2009 7-21
P0 - 02 STS Drive Status Communication Addr.: 0002H
Default: 0 Related Section:
Applicable Control Mode: P/S/T Section 4.3.5
Unit: N/A
Range: 0 ~ 15
Settings:
0 : Motor feedback pulse number [pulse]
1 : Motor feedback rotation number [rev]
2 : Pulse counts of pulse command [pulse]
3 : Rotation number of pulse command [rev]
4 : Position error counts [pulse]
5 : Input frequency of pulse command [kHz]
6 : Motor rotation speed [rpm]
7 : Speed input command [volt]
8 : Speed input command [rpm]
9 : Torque input command [volt]
10 : Torque input command [Nt-M]
11 : Average load [%]
12 : Peak load [%]
13 : Main circuit voltage [volt]
14 : Ratio of load inertia to Motor inertia [time]
15 : IGBT Temperature of power supply module [°C]
P0 - 03 Reserved Communication Addr.: 0003H
P0 - 04 CM1 Status Monitor 1 Communication Addr.: 0004H
Default: 0 Related Section:
Applicable Control Mode: P/S/T P0-02
Unit: N/A
Range: Write: 0 ~ 15, Read: N/A
Settings:
Select the desired drive status through communication setting or the keypad (please refer to P0-
02). The drive status can be read from the communication address of this parameter via
communication port.
For example:
Set P0-04 to 1 and then all consequent reads of P0-04 will return the motor feedback rotation
number in turn.

Chapter 7 Servo Parameters|ASDA-B Series
7-22 Revision January, 2009
P0 - 05 CM2 Status Monitor 2 Communication Addr.: 0005H
Default: 0 Related Section:
Applicable Control Mode: P/S/T P0-02
Unit: N/A
Range: 0 ~ 15
Settings:
See P0-04 for explanation.
P0 - 06 CM3 Status Monitor 3 Communication Addr.: 0006H
Default: 0 Related Section:
Applicable Control Mode: P/S/T P0-02
Unit: N/A
Range: 0 ~ 15
Settings:
See P0-04 for explanation.
P0 - 07 Reserved Communication Addr.: 0007H
P0 - 08 Reserved Communication Addr.: 0008H
P0 - 09★ SVSTS Servo Output Status Display Communication Addr.: 0009H
Default: 0 Related Section:
Applicable Control Mode: P/S/T Table 7.B
Unit: N/A
Range: N/A
Settings:
Bit0: SRDY (Servo ready)
Bit1: SON (Servo On)
Bit2: ZSPD (Zero speed)
Bit3: TSPD (Speed reached)
Bit4: TPOS (Positioning completed)
Bit5: TQL (Reached torques limits)
Bit6: OLW (Overload warning)
Bit7: ALRM (Servo alarm output)
Bit8: BRKR (Electromagnetic brake)
Chapter 7 Servo Parameters|ASDA-B Series
Revision January, 2009 7-23
Bit9: WARN (Servo warning output. WARN is activated when the drive has detected Reverse
limit error, Forward limit error, Emergency stop, Serial communication error, and Undervoltage
these fault conditions.)
Bit10 ~ 15 : Reserved

Chapter 7 Servo Parameters|ASDA-B Series
7-24 Revision January, 2009
Group 1: P1-xx Basic Parameters
P1 - 00▲ PTT External Pulse Input Type Communication Addr.: 0100H
Default: 2 Related Section:
Applicable Control Mode: P Section 3.3.3, Section 3.6.1,
Unit: N/A Section 6.2.1
Range: 0 ~ 142
Settings:
ASD-PU-01A ASD-PU-01B
P
P:
0
-0
2
1TT
Pulse type
Reserved
Logic type
Not used
• Pulse type
0: AB phase pulse (4x)
1: CW + CCW pulse
2: Pulse + Direction
Other setting: Reversed
Input pulse interface Max. input pulse frequency
Line driver 500kpps
Open collector 200kpps
• Logic type
0=Positive Logic 1=Negative Logic
Pulse Type Forward Reverse Forward Reverse
AB phase pulse
CW + CCW pulse
Pulse + Direction

Chapter 7 Servo Parameters|ASDA-B Series
Revision January, 2009 7-25
P1 - 01● CTL Control Mode and Output Direction Communication Addr.: 0101H
Default: 0 Related Section:
Applicable Control Mode: P/S/T P mode: See Section 6.2.1
Unit: pulse (P mode), rpm (S mode), N.M (T mode) S, Sz mode: See Section 6.3.1
Range: 0 ~ 110 T, Tz mode: See Section 6.4.1
Settings:
ASD-PU-01A ASD-PU-01B
• Control Mode Settings:
P S T Sz Tz
00 ▲
02 ▲
03 ▲
04 ▲
05 ▲
06 ▲ ▲
07 ▲ ▲
10 ▲ ▲
• Torque Output Direction Settings:
0 1
Forward
Reverse
P: Position control mode (command from external signal)
S: Speed control mode (external command / internal command)
T: Torque control mode (external command / internal command)
Sz: Zero speed control mode (internal speed command)
Tz: Zero torque control mode (internal torque command)
P1 - 02▲ PSTL Speed and Torque Limit Communication Addr.: 0102H
Default: 0 Related Section:
Applicable Control Mode: P/S/T Section 6.1.1, Section 6.6.2
Unit: N/A Table 7.A
Range: 0 ~ 11

Chapter 7 Servo Parameters|ASDA-B Series
7-26 Revision January, 2009
Settings:
ASD-PU-01A
ASD-PU-01B
• Disable / Enable Speed Limit Function Settings
0: Disable Speed Limit Function
1: Enable Speed Limit Function (It is valid only in Torque mode)
The source of speed limit is determined by the speed command (SPD1, SPD0) of DI signal.
DI Name DI Status Command Source
Not select (Note 1)
00
External analog
command
01 P1-09
10 P1-10
SPD1, SPD0
11 P1-11
• Disable / Enable Torque Limit Function Settings
0: Disable Torque Limit Function
1: Enable Torque Limit Function (It is valid only in Position and Speed mode)
The source of torque limit is determined by the torque command (TCM1, TCM0) of DI signal.
DI Name DI Status Command Source
Not select (Note 1)
00
External analog
command
01 P1-09
10 P1-10
TCM1, TCM0
11 P1-11
NOTE
1) DI signal can be selected by parameter P2-11 to P2-15 and Table 7.A.

Chapter 7 Servo Parameters|ASDA-B Series
Revision January, 2009 7-27
P1 - 03 AOUT Pulse Output Polarity Setting Communication Addr.: 0103H
Default: 0 Related Section:
Applicable Control Mode: P/S/T P1-46
Unit: N/A
Range: 0 ~ 1
Settings:
• Pulse Output Polarity Settings (A/B phase deviation from 90 degrees (Quadrature))
0: Forward output
1: Reverser output
P1 - 04 Reserved Communication Addr.: 0104H
P1 - 05 Reserved Communication Addr.: 0105H
P1 - 06 SFLT Accel / Decel Smooth Constant of Analog Speed
Command (Low-pass Filter) Communication Addr.: 0106H
Default: 0 Related Section:
Applicable Control Mode: S Section 6.3.3
Unit: ms
Range: 0 ~ 1000 (0: Disabled)
P1 - 07 TFLT Smooth Constant of Analog Torque Command
(Low-pass Filter) Communication Addr.: 0107H
Default: 0 Related Section:
Applicable Control Mode: T Section 6.4.3
Unit: ms
Range: 0 ~ 1000 (0: Disabled)
P1 - 08 PFLT Smooth Constant of Position Command (Low-
pass Filter) Communication Addr.: 0108H
Default: 0 Related Section:
Applicable Control Mode: P Section 6.2.5
Unit: 10ms
Range: 0 ~ 1000 (0: Disabled)

Chapter 7 Servo Parameters|ASDA-B Series
7-28 Revision January, 2009
P1 - 09 SPD1 1st Speed Command or Limit Communication Addr.: 0109H
Default: 100 Related Section:
Applicable Control Mode: S/T S mode: Section 6.3.5
Unit: rpm T mode: P1-02
Range: -5000 ~ +5000
Settings:
1st Speed Command
In Speed mode, this parameter is used to set speed 1 of internal speed command.
1st Speed Limit
In Torque mode, this parameter is used to set speed limit 1 of internal speed command.
P1 - 10 SPD2 2nd Speed Command or Limit Communication Addr.: 010AH
Default: 200 Related Section:
Applicable Control Mode: S/T S mode: Section 6.3.5
Unit: rpm T mode: P1-02
Range: -5000 ~ +5000
Settings:
2nd Speed Command
In Speed mode, this parameter is used to set speed 2 of internal speed command.
2nd Speed Limit
In Torque mode, this parameter is used to set speed limit 2 of internal speed command.
P1 - 11 SPD3 3rd Speed Command or Limit Communication Addr.: 010BH
Default: 300 Related Section:
Applicable Control Mode: S/T S mode: Section 6.3.5
Unit: rpm T mode: P1-02
Range: -5000 ~ +5000
Settings:
3rd Speed Command
In Speed mode, this parameter is used to set speed 3 of internal speed command.
3rd Speed Limit
In Torque mode, this parameter is used to set speed limit 3 of internal speed command.

Chapter 7 Servo Parameters|ASDA-B Series
Revision January, 2009 7-29
P1 - 12 TQ1 1st Torque Command or Limit Communication Addr.: 010CH
Default: 100 Related Section:
Applicable Control Mode: T / P, S T mode: Section 6.4.5
Unit: % P, S mode: P1-02
Range: -300 ~ +300
Settings:
1st Torque Command
In Torque mode, this parameter is used to set torque 1 of internal torque command.
1st Torque Limit
In Position and Speed mode, this parameter is used to set torque limit 1 of internal torque
command.
P1 - 13 TQ2 2nd Torque Command or Limit Communication Addr.: 010DH
Default: 100 Related Section:
Applicable Control Mode: T / P, S T mode: Section 6.4.5
Unit: % P, S mode: P1-02
Range: -300 ~ +300
Settings:
2nd Torque Command
In Torque mode, this parameter is used to set torque 2 of internal torque command.
2nd Torque Limit
In Position and Speed mode, this parameter is used to set torque limit 2 of internal torque
command.
P1 - 14 SPD3 3rd Torque Command or Limit Communication Addr.: 010EH
Default: 100 Related Section:
Applicable Control Mode: T / P, S T mode: Section 6.4.5
Unit: rpm P, S mode: P1-02
Range: -300 ~ +300
Settings:
3rd Speed Command
In Torque mode, this parameter is used to set torque 3 of internal torque command.
3rd Speed Limit
In Position and Speed mode, this parameter is used to set torque limit 3 of internal torque
command.

Chapter 7 Servo Parameters|ASDA-B Series
7-30 Revision January, 2009
P1 - 15▲ GR4 Electronic Gear Ratio (2nd Numerator) (N2) Communication Addr.: 010FH
Default: 1 Related Section:
Applicable Control Mode: P Section 6.2.4, P1-44, P1-45
Unit: pulse DI GNUM0(11) in Table 7.A
Range: 1 ~ 32767
Settings:
The electronic gear numerator value can be set via external DI signal (refer to Table 7.A).
DI Name DI Status Selected Electronic Gear
Not select (Note 1) P1-44, P1-45
0 P1-44, P1-45
GNUM0
1 P1-44, P1-45
NOTE
1) DI signal can be selected by parameter P2-10 to P2-15 and Table 7.A. If uses only need to
use one group of electronic gear, it allows users not to select GNUM0.
P1 - 16 Reserved Communication Addr.: 0110H
P1 - 17 Reserved Communication Addr.: 0111H
P1 - 18 Reserved Communication Addr.: 0112H
P1 - 19 Reserved Communication Addr.: 0113H
P1 - 20 Reserved Communication Addr.: 0114H
P1 - 21 Reserved Communication Addr.: 0115H
P1 - 22 Reserved Communication Addr.: 0116H
P1 - 23 Reserved Communication Addr.: 0117H
P1 - 24 Reserved Communication Addr.: 0118H
P1 - 25 Reserved Communication Addr.: 0119H

Chapter 7 Servo Parameters|ASDA-B Series
Revision January, 2009 7-31
P1 - 26 Reserved Communication Addr.: 011AH
P1 - 27 Reserved Communication Addr.: 011BH
P1 - 28 Reserved Communication Addr.: 011CH
P1 - 29 Reserved Communication Addr.: 011DH
P1 - 30 Reserved Communication Addr.: 011EH
P1 - 31 Reserved Communication Addr.: 011FH
P1 - 32 LSTP Motor Stop Mode Selection Communication Addr.: 0120H
Default: 0 Related Section: N/A
Applicable Control Mode: P/S/T
Unit: N/A
Range: 0 ~ 11
Settings: This parameter is used to select servo motor stop mode.
ASD-PU-01A ASD-PU-01B
• Fault Stop Function Settings:
When a fault occurs (except for CWL, CCWL, EMGS and serial communication error), it is
used to set servo motor stop mode.
0: Stop instantly
1: Decelerate to stop
• Dynamic Brake Activation Settings:
When a fault occurs (except for CWL, CCWL, EMGS and serial communication error), the
servo drive will turn on (Servo On) and then off (Servo Off) automatically.
0: Use dynamic brake when Servo Off (the servo drive is disabled).
1: Allow servo motor to coast to stop when Servo Off (the servo drive is disabled).

Chapter 7 Servo Parameters|ASDA-B Series
7-32 Revision January, 2009
P1 - 33 Reserved Communication Addr.: 0121H
P1 - 34 TACC Acceleration Time Communication Addr.: 0122H
Default: 200 Related Section:
Applicable Control Mode: S P1-35, P1-36, Section 6.3.3
Unit: ms
Range: 1 ~ 20000
Settings:
It is used to determine the acceleration time to accelerate from 0 to its rated rotation speed.
(When P1-36 is set to 0: Accel/Decel function is disabled, i.e. P1-34, P1-35 is disabled)
P1 - 35 TDEC Deceleration Time Communication Addr.: 0123H
Default: 200 Related Section:
Applicable Control Mode: S P1-34, P1-36, Section 6.3.3
Unit: ms
Range: 1 ~ 20000
Settings:
It is used to determine the deceleration time to decelerate from its rated rotation speed to 0.
(When P1-36 is set to 0: Accel/Decel function is disabled, i.e. P1-34, P1-35 is disabled)
P1 - 36 TSL Accel /Decel S-curve Communication Addr.: 0124H
Default: 0 Related Section:
Applicable Control Mode: S P1-34, P1-35, Section 6.3.3
Unit: ms
Range: 0 ~ 10000 (0: Disabled)
Settings:
This parameter is used to make the motor run more smoothly when startup and windup.
Using this parameter can improve the motor running stability.
Time
(ms)
Speed
TSL/2 TAC
C
TSL/2 TSL/2 TDE
C
TSL/2
TSL: P1-36, Accel /Decel S-curve Total acceleration time = TACC + TSL
TACC: P1-34, Acceleration time Total deceleration time = TDEC + TSL
TDEC: P1-35, Deceleration time

Chapter 7 Servo Parameters|ASDA-B Series
Revision January, 2009 7-33
P1 - 37 GDR Ratio of Load Inertia to Servo Motor Inertia Communication Addr.: 0125H
Default: 10 Related Section:
Applicable Control Mode: P/S/T P2-31, P2-32, Section 6.3.6
Unit: 0.1times
Range: 0 ~ 2000
Settings:
Ratio of load inertia to servo motor inertia: (J_load /J_motor)
P1 - 38 ZSPD Zero Speed Range Setting Communication Addr.: 0126H
Default: 10 Related Section:
Applicable Control Mode: P/S/T DO ZSPD(03) in Table 7.B
Unit: rpm
Range: 0 ~ 200
Settings:
This parameter is used to set output range of zero speed signal (ZSPD).
ZSPD is activated when the drive senses the motor is equal to or below the Zero Speed Range
setting as defined in parameter P1-38.
For Example, at default ZSPD will be activated when the drive detects the motor rotating at
speed at or below 10 rpm. ZSPD will remain activated until the motor speed increases above 10
RPM.
P1 - 39 SSPD Target Rotation Speed Communication Addr.: 0127H
Default: 3000 Related Section:
Applicable Control Mode: P/S/T DO TSPD(04) in Table 7.B
Unit: rpm
Range: 0 ~ 5000
Settings:
When target rotation speed reaches its preset value, digital output (TSPD) is enabled. When the
forward and reverse speed of servo motor is equal and higher than the setting value, the motor
will reach the target rotation speed, and then TSPD signal will output.
TSPD is activated once the drive has detected the motor has reached the Target Rotation Speed
setting as defined in parameter P1-39. TSPD will remain activated until the motor speed drops
below the Target Rotation Speed.

Chapter 7 Servo Parameters|ASDA-B Series
7-34 Revision January, 2009
P1 - 40▲ VCM Max. Analog Speed Command or Limit Communication Addr.: 0128H
Default: rated speed Related Section:
Applicable Control Mode: S/T Section 6.3.4, P1-55
Unit: rpm
Range: 0 ~ 5000
Settings:
In Speed mode, this parameter is used to set the speed at the maximum input voltage (10V) of
the analog speed command.
In Torque mode, this parameter is used to set the speed at the maximum input voltage (10V) of
the analog speed limit.
For example, in speed mode, if P1-40 is set to 3000 and the input voltage is 10V, it indicates that
the speed command is 3000rpm. If P1-40 is set to 3000, but the input voltage is changed to 5V,
then the speed command is changed to 1500rpm.
Speed command / limit = Input voltage x setting/10
P1 - 41▲ TCM Max. Analog Torque Command or Limit Communication Addr.: 0129H
Default: 100 Related Section:
Applicable Control Mode: T / S, P Section 6.4.4, P1-55
Unit: %
Range: 0 ~ 300
Settings:
In Torque mode, this parameter is used to set the output torque at maximum input voltage (10V)
of analog torque command.
In Position and Speed mode, this parameter is used to set output torque at maximum input
voltage (10V) of analog torque limit
For example, in torque mode, if P1-41 is set to 100 and the input voltage is 10V, it indicates that
the torque command is 100% rated torque. If P1-41 is set to 100, but the input voltage is
changed to 5V, then the torque command is changed to 50% rated torque.
Torque command / limit = Input voltage x setting/10 (%)
P1 - 42 MBT1 On Delay Time of Electromagnetic Brake Communication Addr.: 012AH
Default: 100 Related Section:
Applicable Control Mode: P/S/T DO BRKR(08) in Table 7.B
Unit: ms P1-43, Section 6.6.4
Range: 0 ~ 1000
Settings:
Used to set the period of time between when the servo drive is On (Servo On) and when
electromagnetic brake output signal (BRKR) is activated.

Chapter 7 Servo Parameters|ASDA-B Series
Revision January, 2009 7-35
P1 - 43 MBT2 OFF Delay Time of Electromagnetic Brake Communication Addr.: 012BH
Default: 100 Related Section:
Applicable Control Mode: P/S/T DO BRKR(08) in Table 7.B
Unit: ms P1-42, Section 6.6.4
Range: -1000 ~ 1000
Settings:
Used to set the period of time between when the servo drive is Off (Servo Off) and when
electromagnetic brake output signal (BRKR) is unactivated.
NOTE
1) When the setting value of P1-43 is higher than or equal to 0(zero)
SON
(DI Input)
ON
OFF
MBT1
(P1-42)
BRKR
(DO Output)
OFF
ON
OFF OFF
MBT2
(P1-43)
When Servo Off (the servo motor is disabled), the BRKR output will be Off after the Off delay
time set by P1-43.
2) When the setting value of P1-43 is lower than 0(zero)
SON
(DI Input)
ON
OFF
MBT1(P1-42)
BRKR
(DO Output)
OFF
ON
OFF OFF
MBT2(P1-43)
SON
(DO Output)
OFF
ON
OFF
When Servo Off (the servo motor is disabled) and the BRKR output is also Off, the servo
drive will be Off after the Off delay time set by P1-43.

Chapter 7 Servo Parameters|ASDA-B Series
7-36 Revision January, 2009
P1 - 44▲ GR1 Electronic Gear Ratio (1st Numerator) (N1) Communication Addr.: 012CH
Default: 1 Related Section:
Applicable Control Mode: P Section 6.2.4, P1-15, P1-45
Unit: pulse DI GNUM0(11) in Table 7.A
Range: 1 ~ 32767
Settings:
The electronic gear numerator value can be set via external DI signal (refer to Table 7.A).
DI Name DI Status Selected Electronic Gear
Not select (Note 1) P1-44, P1-45
0 P1-44, P1-45
GNUM0
1 P1-44, P1-45
NOTE
1) DI signal can be selected by parameter P2-10 to P2-15 and Table 7.A. If uses only need to
use one group of electronic gear, it allows users not to select GNUM0.
P1 - 45▲ GR2 Electronic Gear Ratio (Denominator) Communication Addr.: 012DH
Default: 1 Related Section:
Applicable Control Mode: P Section 6.2.4, P1-15, P1-44
Unit: pulse DI GNUM0(11) in Table 7.A
Range: 1 ~ 32767
Settings:
Please set electronic gear ratio when the servo drive is Off (Servo Off). As the wrong setting can
cause motor to run chaotically (out of control) and it may lead to personnel injury, therefore,
ensure to observe the following rule when setting P1-44, P1-45.
The electronic gear ratio settings:
f1 f2 = f1 x N
M
N
M
Pulse input Position
command
The electronic gear ratio setting range must be within: 1/50<N/M<200.
In terms of the servo drive which the firmware version is V1.018 or above, the electronic gear
ratio can be set when the servo drive is On (Servo On).
f1: Pulse input f2: Position command
N: Numerator, the setting value of P1-15 or P1-44
M: Denominator, the setting value of P1-45

Chapter 7 Servo Parameters|ASDA-B Series
Revision January, 2009 7-37
P1 - 46▲ GR3 Encoder Output Pulse Number Communication Addr.: 012EH
Default: 2500 Related Section:
Applicable Control Mode: P/S/T P1-03
Unit: pulse
Range: 1 ~ 2500 (0 = By pass)
Settings:
This parameter is used to set the pulse number of encoder outputs.
Encoder output pulse number (A/B phase deviation from 90 degrees (Quadrature))
=
2500ppr
2500 x setting value of P1-46
P1 - 47 Reserved Communication Addr.: 012FH
P1 - 48 Reserved Communication Addr.: 0130H
P1 - 49 Reserved Communication Addr.: 0131H
P1 - 50 Reserved Communication Addr.: 0132H
P1 - 51 Reserved Communication Addr.: 0133H
P1 - 52 RES1 Regenerative Resistor Value Communication Addr.: 0134H
Default: 40 Related Section:
Applicable Control Mode: P/S/T Section 6.6.3
Unit: Ohm
Range: 10 ~ 750
P1 - 53 RES2 Regenerative Resistor Capacity Communication Addr.: 0135H
Default: 60 Related Section:
Applicable Control Mode: P/S/T Section 6.6.3
Unit: Watt
Range: 30 ~ 1000

Chapter 7 Servo Parameters|ASDA-B Series
7-38 Revision January, 2009
P1 - 54 PER Positioning Completed Width Communication Addr.: 0136H
Default: 100 Related Section:
Applicable Control Mode: P DO TPOS(05) in Table 7.B
Unit: pulse
Range: 0 ~ 10000
Settings:
This parameter is used to set the width of pulse output range in which TPOS (positioning
completed signal) will activate. TPOS will be activated when the position error is below the
setting value of P1-54.
P1 - 55 MSPD Maximum Speed Limit Communication Addr.: 0137H
Default: rated speed Related Section:
Applicable Control Mode: P/S/T Section 6.2.6
Unit: rpm
Range: 0 ~ Max. speed
Settings:
This parameter is used to set maximum motor speed. The default setting is rated speed.

Chapter 7 Servo Parameters|ASDA-B Series
Revision January, 2009 7-39
Group 2: P2-xx Extension Parameters
P2 - 00 KPP Proportional Position Loop Gain Communication Addr.: 0200H
Default: 50 Related Section:
Applicable Control Mode: P Section 6.2.6, P2-27
Unit: rad/s
Range: 0 ~ 1023
Settings:
This parameter is used to set the position loop gain. It can increase stiffness, expedite position
loop response and reduce position error. However, if the setting value is over high, it may
generate vibration or noise. In AutoMode, the value of this parameter will be changed in
accordance with the setting value of parameter P2-31 automatically (Please refer Table 6.D &
6.E in Chapter 6).
P2 - 01 PPR Position Loop Gain Switching Rate Communication Addr.: 0201H
Default: 100 Related Section:
Applicable Control Mode: P Section 6.2.6, P2-27, P2-29
Unit: %
Range: 10 ~ 500
Settings:
This parameter is used to set the position gain switching rate when the gain switching condition
is satisfied. Please refer to P2-27 for gain switching control selection settings and refer to P2-29
for gain switching condition settings.
P2 - 02 PFG Position Feed Forward Gain Communication Addr.: 0202H
Default: 0 Related Section:
Applicable Control Mode: P Section 6.2.6, P2-03
Unit: %
Range: 0 ~ 100
This parameter is used to set the feed forward gain when executing position control command.
When using position smooth command, increase gain can improve position track deviation.
When not using position smooth command, decrease gain can improve the resonance condition
of mechanical system. In PDFF control AutoMode, the value of this parameter will be changed in
accordance with the setting value of parameter P2-31 automatically (Please refer Table 6.D &
6.E in Chapter 6).

Chapter 7 Servo Parameters|ASDA-B Series
7-40 Revision January, 2009
P2 - 03 PFF Smooth Constant of Position Feed Forward Gain Communication Addr.: 0203H
Default: 5 Related Section:
Applicable Control Mode: P Section 6.2.6, P2-02
Unit: ms
Range: 2 ~ 100
Settings:
When using position smooth command, increase gain can improve position track deviation.
When not using position smooth command, decrease gain can improve the resonance condition
of mechanical system.
P2 - 04 KVP Proportional Speed Loop Gain Communication Addr.: 0204H
Default: 300 Related Section:
Applicable Control Mode: P/S Section 6.3.6, P2-27
Unit: rad/s
Range: 0 ~ 4095
Settings:
This parameter is used to set the speed loop gain. When the value of proportional speed loop
gain is increased, it can expedite speed loop response. However, if the setting value is over high,
it may generate vibration or noise. In AutoMode, the value of this parameter will be changed in
accordance with the setting value of parameter P2-31 automatically (Please refer Table 6.D &
6.E in Chapter 6).
P2 - 05 SPR Speed Loop Gain Switching Rate Communication Addr.: 0205H
Default: 100 Related Section:
Applicable Control Mode: P/S Section 6.3.6, P2-27, P2-29
Unit: %
Range: 10 ~ 500
Settings:
This parameter is used to set the speed gain switching rate when the gain switching condition is
satisfied. Please refer to P2-27 for gain switching control selection settings and refer to P2-29 for
gain switching condition settings.
P2 - 06 KVI Speed Integral Compensation Communication Addr.: 0206H
Default: 50 Related Section:
Applicable Control Mode: P/S Section 6.3.6
Unit: rad/s
Range: 0 ~ 1023

Chapter 7 Servo Parameters|ASDA-B Series
Revision January, 2009 7-41
Settings:
This parameter is used to set the integral time of speed loop. When the value of speed integral
compensation is increased, it can improve the speed response ability and decrease the speed
control deviation. However, if the setting value is over high, it may generate vibration or noise. In
AutoMode, the value of this parameter will be changed in accordance with the setting value of
parameter P2-31 automatically (Please refer Table 6.D & 6.E in Chapter 6).
Time constant of speed integral compensation: (1000/KVI) ms
P2 - 07 SFG Speed Feed Forward Gain Communication Addr.: 0207H
Default: 0 Related Section:
Applicable Control Mode: S Section 6.3.6
Unit: %
Range: 0 ~ 100
Settings:
This parameter is used to set the feed forward gain when executing speed control command.
When using speed smooth command, increase gain can improve speed track deviation.
When not using speed smooth command, decrease gain can improve the resonance condition of
mechanical system.
P2 - 08■ PCTLC Special Factory Setting Communication Addr.: 0208H
Default: 0 Related Section: N/A
Applicable Control Mode: P/S/T
Unit: N/A
Range: 0 ~ 32767
Settings:
This parameter can be used to reset all parameters to their original factory settings and enable
some parameters functions.
• Reset parameters settings:
10: Users can reset all parameter values to factory defaults. All parameter values will be
reset after re-power the servo drive.
• Enable parameters functions:
20: If P2-08 is set to 20, then the parameter P4-10 is enabled.
22: If P2-08 is set to 22, then the parameters P4-11 ~ P4-19 are enabled.
26: If P2-08 is set to 26, then the parameter P2-27 is enabled.

Chapter 7 Servo Parameters|ASDA-B Series
7-42 Revision January, 2009
P2 - 09 DRT Bounce Filter Communication Addr.: 0209H
Default: 2 Related Section:
Applicable Control Mode: P/S/T Section 6.3.6
Unit: 2ms
Range: 0 ~ 20
Settings:
For example, if P2-09 is set to 5, the bounce filter time is 5 x 2ms=10ms.
When there are too much vibration or noises around environment, increasing this setting value
(bounce filter time) can improve reliability. However, if the time is too long, it may affect the
response time.
P2 - 10 DI1 Digital Input Terminal 1 (DI1) Communication Addr.: 020AH
Default: 101 Related Section:
Applicable Control Mode: P/S/T Section 3.3.4, Table 7.A
Unit: N/A
Range: 0 ~ 126
Settings:
ASD-PU-01A ASD-PU-01B
This parameter is used to determine the function and status of DI1.
• DI Function Settings:
For the setting value of P2-10 ~ P2-15, please refer to Table 7.A.
• DI Enabled Status Settings:
0: Normally closed (contact b)
1: Normally open (contact a)
Please re-start the servo drive after parameters have been changed.

Chapter 7 Servo Parameters|ASDA-B Series
Revision January, 2009 7-43
P2 - 11 DI2 Digital Input Terminal 2 (DI2) Communication Addr.: 020BH
Default: 102 Related Section:
Applicable Control Mode: P/S/T Section 3.3.4, Table 7.A
Unit: N/A
Range: 0 ~ 126
Settings:
See P2-10 for explanation.
P2 - 12 DI3 Digital Input Terminal 3 (DI3) Communication Addr.: 020CH
Default: 104 Related Section:
Applicable Control Mode: P/S/T Section 3.3.4, Table 7.A
Unit: N/A
Range: 0 ~ 126
Settings:
See P2-10 for explanation.
P2 - 13 DI4 Digital Input Terminal 4 (DI4) Communication Addr.: 020DH
Default: 22 Related Section:
Applicable Control Mode: P/S/T Section 3.3.4, Table 7.A
Unit: N/A
Range: 0 ~ 126
Settings:
See P2-10 for explanation.
P2 - 14 DI5 Digital Input Terminal 5 (DI5) Communication Addr.: 020EH
Default: 23 Related Section:
Applicable Control Mode: P/S/T Section 3.3.4, Table 7.A
Unit: N/A
Range: 0 ~ 126
Settings:
See P2-10 for explanation.

Chapter 7 Servo Parameters|ASDA-B Series
7-44 Revision January, 2009
P2 - 15 DI6 Digital Input Terminal 6 (DI6) Communication Addr.: 020EH
Default: 21 Related Section:
Applicable Control Mode: P/S/T Section 3.3.4, Table 7.A
Unit: N/A
Range: 0 ~ 126
Settings:
See P2-10 for explanation.
P2 - 16 Reserved Communication Addr.: 0210H
P2 - 17 Reserved Communication Addr.: 0211H
P2 - 18 DO1 Digital Output Terminal 1 (DO1) Communication Addr.: 0212H
Default: 101 Related Section:
Applicable Control Mode: P/S/T Section 3.3.4, Table 7.B
Unit: N/A
Range: 0 ~ 110
Settings:
ASD-PU-01A ASD-PU-01B
This parameter is used to determine the function and status of DO1.
• DO Function Settings:
For the setting value of P2-18 ~ P2-20, please refer to Table 7.B.
• DO Enabled Status Settings:
0: Normally closed (contact b)
1: Normally open (contact a)
Please re-start the servo drive after parameters have been changed.

Chapter 7 Servo Parameters|ASDA-B Series
Revision January, 2009 7-45
P2 - 19 DO2 Digital Output Terminal 2 (DO2) Communication Addr.: 0213H
Default: 103 Related Section:
Applicable Control Mode: P/S/T Section 3.3.4, Table 7.B
Unit: N/A
Range: 0 ~ 110
Settings:
See P2-18 for explanation.
P2 - 20 DO3 Digital Output Terminal 3 (DO3) Communication Addr.: 0214H
Default: 7 Related Section:
Applicable Control Mode: P/S/T Section 3.3.4, Table 7.B
Unit: N/A
Range: 0 ~ 110
Settings:
See P2-18 for explanation.
P2 - 21 Reserved Communication Addr.: 0215H
P2 - 22 Reserved Communication Addr.: 0216H
P2 - 23 NCF Notch Filter (Resonance Suppression) Communication Addr.: 0217H
Default: 1000 Related Section:
Applicable Control Mode: P/S/T Section 6.3.7, P2-24
Unit: Hz
Range: 50 ~ 1000
Settings:
This parameter is used to set resonance frequency of mechanical system. It can be used to
suppress the resonance of mechanical system. If P2-24 is set to 0, this parameter is disabled.
P2-24
P2-23
Gain (db)
Frequency (Hz)

Chapter 7 Servo Parameters|ASDA-B Series
7-46 Revision January, 2009
P2 - 24 DPH Notch Filter Attenuation Rate
(Resonance Suppression) Communication Addr.: 0218H
Default: 0 Related Section:
Applicable Control Mode: P/S/T Section 6.3.7, P2-23
Unit: dB
Unit: Hz
Range: 0 ~ 32
Settings:
0: Disabled
P2 - 25 NLP Low-pass Filter Time Constant
(Resonance Suppression) Communication Addr.: 0219H
Default: 20 Related Section:
Applicable Control Mode: P/S/T Section 6.3.7, P2-32
Unit: 0.1ms
Range: 0 ~ 10000
Settings:
This parameter is used to set low-pass filter time constant of resonance suppression.
0: Disabled
P2 - 26 DST External Anti-Interference Gain Communication Addr.: 021AH
Default: 0 Related Section:
Applicable Control Mode: P/S/T Section 6.3.7, P2-32
Unit: N/A
Range: 0 ~ 511
Settings:
0: Disabled

Chapter 7 Servo Parameters|ASDA-B Series
Revision January, 2009 7-47
P2 - 27 GCC Gain Switching Control Selection Communication Addr.: 021BH
Default: 0 Related Section:
Applicable Control Mode: P/S P2-01, P2-05, P2-28, P2-29
Unit: N/A
Range: 0 ~ 14
Settings:
ASD-PU-01A ASD-PU-01B
• Gain Switching Condition Settings:
0: Disabled
1: Gain switching DI signal (GAINUP) is On. (see Table 7.A)
2: In position mode, position deviation is higher than the setting value of P2-29.
3: Position command frequency is higher than the setting value of P2-29.
4: Servo motor speed is higher than the setting value of P2-29.
• Gain Switching Control Settings:
0: Gain multiple switching
1: P Æ PI switching
Setting P mode P, S mode Status
P2-00 x 100% P2-04 x 100% Before switching
0 P2-00 x P2-01 P2-04 x P2-05 After switching
P2-06 x 0% Before switching
1 P2-06 x 100% After switching
P2 - 28 GUT Gain Switching Time Constant Communication Addr.: 021CH
Default: 10 Related Section:
Applicable Control Mode: P/S P2-27, P2-29
Unit: 10ms
Range: 0 ~ 1000
Settings:
0: Disabled
This parameter is used to set the time constant when switching the smooth gain.

Chapter 7 Servo Parameters|ASDA-B Series
7-48 Revision January, 2009
P2 - 29 GPE Gain Switching Condition Communication Addr.: 021DH
Default: 10000 Related Section:
Applicable Control Mode: P/S P2-27, P2-28
Unit: pulse, Kpps, rpm
Range: 0 ~ 30000
Settings:
0: Disabled
This parameter is used to set the value of gain switching condition (pulse error, Kpps, rpm)
selected in P2-27. The setting value will be different depending on the different gain switching
condition.
P2 - 30■ INH Auxiliary Function Communication Addr.: 021EH
Default: 0 Related Section: N/A
Applicable Control Mode: P/S/T
Unit: N/A
Range: 0 ~ 5
Settings:
0: Normal operation of Digital Inputs SON, CW, and CCW.
1: Force the servo drive to be Servo On (ignore CW and CCW signal)
2: Ignore CW digital input signal
3: Ignore CCW digital input signal
4: Reserved
5: After setting P2-30 to 5, the setting values of all parameters will lost (not remain in memory) at
power-down. When the parameters data are no more needed, using this mode can allows users
not to save parameters data into memory without damaging the EEPROM.
NOTE
1) Please set P2-30 to 0 during normal operation. The setting value of P2-30 will return to 0
automatically after re-power the servo drive.
P2 - 31■ AUT1 Auto Stiffness and Responsiveness Level Communication Addr.: 021FH
Default: 6 Related Section:
Applicable Control Mode: P/S/T Section 6.3.6, P1-37, P2-32
Unit: N/A
Range: 0 ~ F
Settings:
This parameter allows user to set the stiffness and responsiveness level automatically.
Users can control the stiffness and responsiveness according to application condition.

Chapter 7 Servo Parameters|ASDA-B Series
Revision January, 2009 7-49
When the setting value is higher, the stiffness and responsiveness is higher.
Setting Value
of P2-31 Speed Loop Responsiveness (Hz) Stiffness and Responsiveness
0 10 Low Stiffness
1 15 Low Responsiveness
2 20
3 25
4 30
5 35
6 45
7 55 Medium Stiffness
8 65 Medium Responsiveness
9 80
A 100
B 120
C 145
D 170
E 205 High Stiffness
F 250 High Responsiveness
NOTE
1) This parameter is activated by P2-32.
P2 - 32▲ AUT2 Tuning Mode Selection Communication Addr.: 0220H
Default: 0 Related Section:
Applicable Control Mode: P/S/T Section 6.3.6, P2-31
Unit: N/A
Range: 0 ~ 12
Settings:
ASD-PU-01A ASD-PU-01B
• Tuning Mode Settings:
0: Manual mode
1: AutoMode (Continuous adjustment)
The ratio of Load Inertia to servo motor inertia can be continuously adjusted.
The level of stiffness and responsiveness are adjusted by parameter P2-31.

Chapter 7 Servo Parameters|ASDA-B Series
7-50 Revision January, 2009
2: AutoMode (The ratio of Load Inertia to servo motor inertia is fixed)
The ratio of Load Inertia to servo motor inertia is set by parameter P1-37.
The level of stiffness and responsiveness are adjusted by parameter P2-31.
• Control Loop Structure Settings:
0: PDFF Control. PDFF : Pseudo-Derivative Feedback and Feedforward
1: PI Control. PI : Proportional - Integral control
Explanation of Auto-tuning:
1. When switching mode #1 to #2 or #0, the system will save the measured load inertia value
automatically and memorized in P1-37 and related gain parameters.
2. In AutoMode #1, the system will save the measured load inertia value every 30 minutes
automatically and memorized in P1-37.
3. In AutoMode #2, if the setting value of P2-31 changes, the related gain parameters will also
change. However, the setting value of P1-37 will retain its value.
4. When switching mode #2 to #0, it indicates the setting of P1-37 and all settings of related
gain parameters will be returned to original setting value in #0 manual mode.
5. No matter in Manual mode #0 or in AutoMode #2, the users should enter the appropriate
load inertia value in P1-37.
6. If the users use the servo dynamic auto-tuning function of ASDA-B software (Tools Æ Servo
Tuning Æ Dynamic Auto tuning), it will save the measured load inertia value and memorized
in P1-37 and related gain parameters.
P2 - 33 Reserved Communication Addr.: 0221H
P2 - 34 SDEV Overspeed Warning Condition Communication Addr.: 0222H
Default: 5000 Related Section:
Applicable Control Mode: S Fault Code 07 in P0-01
Unit: rpm
Range: 1 ~ 6000
Settings:
This parameter is used to set the over speed condition of the drive fault code. (See P0-01)
P2 - 35 PDEV Excessive Error Warning Condition Communication Addr.: 0223H
Default: 3000 Related Section:
Applicable Control Mode: P Fault Code 09 in P0-01
Unit: 10 pulse (10pls)
Range: 1 ~ 30000
Settings:
This parameter is used to set the excessive error condition of the drive fault code. (See P0-01)

Chapter 7 Servo Parameters|ASDA-B Series
Revision January, 2009 7-51
P2 - 36 OVL Overload Protection Level Communication Addr.: 0224H
Default: 100 Related Section:
Applicable Control Mode: P/S/T Fault Code 06 in P0-01, P2-37
Unit: %
Range: 70 ~ 100
Settings:
100: The overload time will not be extended.
70: The overload time will be extended. The extended overload time is equal to the original
overload time multiply by P2-37/70.
This parameter is used to set the overload protection level that is used to determine the overload
fault condition (ALE06). However, when using this parameter, the operating temperature of the
servo motor should be lower, the ventilation should be adequate for heat dissipation or the motor
should be provided with fans to ensure the surface temperature of the motor will not exceed the
specification.
For example, suppose that ECMA-C30807S servo motor is used, the normal current is 200%
and the overload time is 8 seconds, if P2-36 is set to 100% and P2-37 is set 100% also, the
servo fault message, overload (ALE06) will occur when the overload time, 8 x (100%/100%) = 8
seconds has been reached. However, if P2-36 is set to 70% and P2-37 is set to 100%, the servo
fault message, overload (ALE06) will occur when the overload time, 8 x (100%/70%) = 11.43
seconds has been reached.
P2 - 37 OVW Output Overload Warning Level Communication Addr.: 0225H
Default: 50% Related Section:
Applicable Control Mode: P/S/T P2-36
Unit: N/A DO OLW(09) in Table 7.B
Range: 0 ~ 100%
Settings:
This parameter is used to set the output overload warning level that is used to activate the DO
signal OLW. (See Table 7.B). When the motor has reached the output overload level set by
parameter P2-37, the motor will send a warning to the drive. After the drive has detected the
warning, the DI signal OLW will be activated.
For example, suppose that ECMA-C30807S servo motor is used, when the normal current is
200%, and the overload time is 8 seconds, if P2-36 is set to 100% and P2-37 is set 100% also,
the servo fault message, overload (ALE06) will be detected and show on the LED display when
the overload time, 8 x (100%/100%) = 8 seconds has been reached. However, if P2-36 is set to
100% and P2-37 is set to 50%, the servo fault message, overload (ALE06) will be detected and
show on the LED display when the overload time, 8 x (50%/100%) = 4 seconds has been
reached.

Chapter 7 Servo Parameters|ASDA-B Series
7-52 Revision January, 2009
P2 - 38 GBIT Special Function Communication Addr.: 0226H
Default: 0 Related Section:
Applicable Control Mode: P/S/T P1-34, P1-35, P1-36
Unit: N/A
Range: 0H ~ FFFFH
Settings:
0 0 0 0 0 Bit10 0 0 0 0 0 0 0 0 0 0
Bit0 ~ Bit9 and Bit11 ~ Bit15: Reserved. Must be set to 0.
Bit10: DI ZCLAMP function selection (The users should set Bit10 to 400H directly.)
When the following conditions are all met, ZCLAMP function will be activated.
Condition1: Speed mode
Condition2: DI ZCLAMP is activated.
Condition3: External analog speed command or internal registers speed command is less than
parameter P1-38.
Bit10 = 0: Locked at the position when ZCLAMP conditions are satisfied.
Bit10 = 1: Speed command is forced to 0 RPM when ZCLAMP conditions are satisfied.
How to select these two functions?
If the users want to use the edge of a D1 signal to stop the motor at the desired position and do
not care the speed deceleration curve, then set Bit10 of P2-38 to 0.
If the users want to eliminate the analog voltage offset to stop the motor at low voltage and they
want to keep the acceleration and deceleration speed curve, then set Bit10 of P2-38 to 1.
P2 - 39 Reserved Communication Addr.: 0227H
P2 - 40 Reserved Communication Addr.: 0228H
P2 - 41 Reserved Communication Addr.: 0229H
P2 - 42 Reserved Communication Addr.: 022AH
P2 - 43 Reserved Communication Addr.: 022BH

Chapter 7 Servo Parameters|ASDA-B Series
Revision January, 2009 7-53
P2 - 44 ATUR Motor Rotation Number Communication Addr.: 022CH
Default: 2 Related Section:
Applicable Control Mode: P/S/T P2-45, P2-46, P2-47
Unit: turn
Range: 1 ~ 3
Settings:
This parameter is used to set the motor rotation number when auto-tuning parameters.
P2 - 45 AFRQ Motor Rotation Frequency Communication Addr.: 022DH
Default: 10 Related Section:
Applicable Control Mode: P/S/T P2-44, P2-46, P2-47
Unit: 0.1Hz
Range: 1 ~ 100
Settings:
This parameter is used to set the motor rotation frequency when auto-tuning parameters.
P2 - 46 ATME Motor Rotation Time Communication Addr.: 022EH
Default: 15 Related Section:
Applicable Control Mode: P/S/T P2-44, P2-45, P2-47
Unit: sec
Range: 1 ~ 60
Settings:
This parameter is used to set the motor rotation time when auto-tuning parameters.
P2 - 47■ ASTR Auto-Tuning Start Function Communication Addr.: 022FH
Default: 0 Related Section:
Applicable Control Mode: P/S/T P2-44, P2-45, P2-46
Unit: N/A
Range: 0 ~ 11
Settings:
This parameter is used to set the motor startup operation when auto-tuning parameters.

Chapter 7 Servo Parameters|ASDA-B Series
7-54 Revision January, 2009
ASD-PU-01A ASD-PU-01B
• Motor Startup Operation Settings:
0: No operation. The motor does not run.
1: Motor startup operation. The motor starts to run.
• Responsiveness Selection Settings:
0: Auto-select the appropriate responsiveness according to the measured load inertia value
1: Select the responsiveness set by parameter P2-31
P2 - 48 CCLR Pulse Deviation Clear Mode Communication Addr.: 0230H
Default: 0 Related Section:
Applicable Control Mode: P DI CCLR(04) in Table 7.A
Unit: N/A
Range: 0 ~ 1
Settings:
When the servo drive is set to CCLR mode, the pulse deviation clear function is enabled.
0: When the input terminal is rising-edge triggered, the position accumulated pulse number will
be cleared.
CCLR
1: After CCLR is activated (ON), the position accumulated pulse number will be cleared
continuously.
The position accumulated pulse number
will be cleared continuously after CCLR
is activated (ON).
CCLR

Chapter 7 Servo Parameters|ASDA-B Series
Revision January, 2009 7-55
P2 - 49 SJIT Speed Detection Filter and Jitter Suppression Communication Addr.: 0231H
Default: 10 Related Section:
Applicable Control Mode: P/S Section 6.3.6
Unit: N/A
Range: 0 ~ 119
Settings:
ASD-PU-01A
ASD-PU-01B
• Speed Detection Filter Constant Settings:
Setting Value Speed Detection Frequency of Low-pass Filter (Hz) Filter Time (ms)
0 500 2.0
1 450 2.2
2 400 2.5
3 350 2.8
4 300 3.3
5 250 4.0
6 200 5.0
7 150 6.6
8 100 10.0
9 80 12.5
• Enable Jitter Suppression Function Settings:
0: Disable Jitter Suppression function
1: Enable Jitter Suppression function
• Enable Speed Estimation Smooth Function:
0: Disable Speed Estimation Smooth function
1: Enable Speed Estimation Smooth function

Chapter 7 Servo Parameters|ASDA-B Series
7-56 Revision January, 2009
Group 3: P3-xx Communication Parameters
P3 - 00 ADR Communication Address Setting Communication Addr.: 0300H
Default: 1 Related Section:
Applicable Control Mode: P/S/T Section 3.5.1, Section 8.2
Unit: N/A
Range: 1 ~ 254
Settings:
If the AC servo drive is controlled by RS-232/485 communication, each drive (or device) must be
uniquely identified and addressed between 1 and 254. Access to program this number is via
parameter P3-00.
One servo drive only can set one address. If the address is duplicate, there will be a
communication fault.
NOTE
1) When the address of host (external) controller is set to 0, it is with broadcast function. Then,
the servo drive will receive from host (external) controller only and will not respond to host
(external) controller no matter the address is matching or not.
2) When the address of host (external) controller is set to 255, it is with auto-respond function.
Then, the servo drive will receive from and respond to host (external) controller both no
matter the address is matching or not.
P3 - 01 BRT Transmission Speed Communication Addr.: 0301H
Default: 1 Related Section:
Applicable Control Mode: P/S/T Section 8.2
Unit: bps
Range: 0 ~ 5
Settings:
0: Baud rate 4800 (data transmission speed: bits / second)
1: Baud rate 9600 (data transmission speed: bits / second)
2: Baud rate 19200 (data transmission speed: bits / second)
3: Baud rate 38400 (data transmission speed: bits / second)
4: Baud rate 57600 (data transmission speed: bits / second)
5: Baud rate 115200 (data transmission speed: bits / second)
This parameter is used to set the desired transmission speed between the computer and AC
servo drive. Users can set this parameter and control transmission speed to reach the maximum
baud rate of 115200 bps.

Chapter 7 Servo Parameters|ASDA-B Series
Revision January, 2009 7-57
P3 - 02 PTL Communication Protocol Communication Addr.: 0302H
Default: 0 Related Section:
Applicable Control Mode: P/S/T Section 8.2
Unit: N/A
Range: 0 ~ 8
Settings:
0: Modbus ASCII mode, <7,N,2>
1: Modbus ASCII mode, <7,E,1 >
2: Modbus ASCII mode, <7,O,1>
3: Modbus ASCII mode, <8,N,2 >
4: Modbus ASCII mode, <8,E,1>
5: Modbus ASCII mode, <8,O,1>
6: Modbus RTU mode, <8,N,2>
7: Modbus RTU mode, <8,E,1>
8: Modbus RTU mode, <8,O,1>
This parameter is used to set the communication protocol. The alphanumeric characters
represent the following: 7 or 8 is the number of data bits; N, E or O refer to the parity bit, Non,
Even or Odd; the 1 or 2 is the numbers of stop bits.
P3 - 03 FLT Transmission Fault Treatment Communication Addr.: 0303H
Default: 0 Related Section:
Applicable Control Mode: P/S/T Section 8.2
Unit: N/A
Range: 0 ~ 1
Settings:
0: Display fault and continue operating
1: Display fault and stop operating
This parameter is used to determine the operating sequence once a communication fault has
been detected. If '1' is selected the drive will stop operating upon detection the communication
fault. The mode of stopping is set by parameter P1-32.
P3 - 04 CWD Communication Time Out Detection Communication Addr.: 0304H
Default: 0 Related Section:
Applicable Control Mode: P/S/T Section 8.2
Unit: N/A
Range: 0 ~ 20

Chapter 7 Servo Parameters|ASDA-B Series
7-58 Revision January, 2009
Settings:
0: Disabled
This parameter is used to set the maximum permissible time before detecting a fault due to
communication time out. When this parameter is set to a value over than 0, it indicates this
function is enabled. However, if not communicating with the servo in this period of time, the
servo drive will assume the communication has failed and show the communication error fault
message.
P3 - 05 Reserved Communication Addr.: 0305H
P3 - 06■ SDI Digital Input Communication Function Communication Addr.: 0306H
Default: 0 Related Section:
Applicable Control Mode: P/S/T P4-07, Section 8.2
Unit: N/A
Range: 0 ~ 3F
Settings:
The setting of this parameter determines how the Digital Inputs (DI) accept commands and
signals.
If the Digital Input Contact Control parameter for the DI 1 ~ DI 6 is set to "0", command is
external, and via CN1; if it is set to "1" the DI signal is via communication.
The Digital Input Control Contact parameter, P3-06 also works in conjunction with the Multi
Function Digital Input parameter P4-07 which has several functions. Please see section 8.2 for
details.
For example, when P3-06 is set to 3, it indicates that DI 1 and DI 2 are both ON and they can be
controlled via P4-07. Then, DI 3 ~ DI 6 are activated via external command, i.e. through CN1.
P3 - 07 CDT Communication Response Delay Time Communication Addr.: 0307H
Default: 0 Related Section: N/A
Applicable Control Mode: P/S/T
Unit: ms
Range: 0 ~ 255
Settings:
This parameter is used to delay the communication time that servo drive respond to host
controller (external controller).
NOTE
1) When the communication address of the host (external) controller is set to 255, the
communication response delay time will be 0 (zero) no matter what the setting value of P3-
07 is.

Chapter 7 Servo Parameters|ASDA-B Series
Revision January, 2009 7-59
Group 4: P4-xx Diagnosis Parameters
P4 - 00★ ASH1 Fault Record (N) Communication Addr.: 0400H
Default: 0 Related Section: N/A
Applicable Control Mode: P/S/T
Unit: N/A
Range: N/A
Settings:
The latest fault record.
P4 - 01★ ASH2 Fault Record (N-1) Communication Addr.: 0401H
Default: 0 Related Section: N/A
Applicable Control Mode: P/S/T
Unit: N/A
Range: N/A
P4 - 02★ ASH3 Fault Record (N-2) Communication Addr.: 0402H
Default: 0 Related Section: N/A
Applicable Control Mode: P/S/T
Unit: N/A
Range: N/A
P4 - 03★ ASH4 Fault Record (N-3) Communication Addr.: 0403H
Default: 0 Related Section: N/A
Applicable Control Mode: P/S/T
Unit: N/A
Range: N/A
P4 - 04★ ASH5 Fault Record (N-4) Communication Addr.: 0404H
Default: 0 Related Section: N/A
Applicable Control Mode: P/S/T
Unit: N/A
Range: N/A

Chapter 7 Servo Parameters|ASDA-B Series
7-60 Revision January, 2009
P4 - 05 JOG JOG Operation Communication Addr.: 0405H
Default: 20 Related Section:
Applicable Control Mode: P/S/T Section 4.4.3
Unit: rpm
Range: 0 ~ 5000
Settings:
JOG operation command:
To perform a JOG Operation via communication command, use communication address 0405H
Enter 0 ~ 4997 for the desired JOG rpm. The setting value will be written into P4-05.
If the setting value exceeds the motor rated speed, this parameter is not be effective and the
motor will stop.
Enter 4998 to JOG in the CCW direction
Enter 4999 to JOG in the CW direction
Enter 5000 to stop the JOG operation
If change the speed during JOG operation, the new setting value is effective only after the servo
drive is restarted (after switching power off and on).
NOTE
1) If the communication write-in frequency is too high, please set P2-30 to 5.
P4 - 06
▲ ■ FOT Force Output Control Communication Addr.: 0406H
Default: 0 Related Section:
Applicable Control Mode: P/S/T Section 4.4.4
Unit: N/A
Range: 0 ~ 7
Settings:
0: Disabled
This parameter is used to check if there is any damage DO terminal. This parameter is not
effective when the servo drive is enabled (Servo ON).
When the value of P4-06 is a non-zero value, it indicates this function is enabled.
For example:
When P4-06 is set to 3, it indicates that DI 1 and DI 2 are both ON.
NOTE
1) When users select P4-06 and press the Set key, the display will show “OP x”. “x” stands for
the parameter range from 0 to 7 (For the example display, refer to Section 4.4.4).

Chapter 7 Servo Parameters|ASDA-B Series
Revision January, 2009 7-61
P4 - 07■ ITST Input Status or Force Input Control Communication Addr.: 0407H
Default: 0 Related Section:
Applicable Control Mode: P/S/T P3-06, Section 4.4.5,
Unit: N/A Section 8.2
Range: 0 ~ 63
Settings:
Please see P3-06 and Section 8.2 for setting method.
External Control: Display the status of DI input signal
Communication Control: Read the status of input signal (upon software)
For the status of DI input signal, please refer to P2-10 ~ P2-15.
The contents of P4-07 is "read only" via the drive keypad or the communication software and will
display the state on or off of the six Digital Inputs which have been set in accordance to P3-06.
The least significant bit (Bit 0) stands for Digital Inputs 1 (DI 1) and the most significant bit (Bit5)
stands for Digital Inputs 1 (DI 6).
For example:
If the content of P4-07 is being read as 3, it indicates that the Digital Inputs 1, 2 are "ON" and
Digital Inputs 3, 4, 5, & 6 are "OFF".
If P3-06 has been set to 1 and the written value of Bit 0 of P4-07 is 1, it indicates the status of DI
1 is “ON”. On the contrary, if the written value of Bit 0 of P4-07 is 0, then the status of DI 1 is
“OFF”.
NOTE
1) When the written value of Bit is 1, the corresponding DI is activated (ON). When the written
value of Bit is 0, the corresponding DI is inactivated (OFF).
2) Please pay close attention on the property of Digital Inputs. When the Digital Input is a
contact “a”, if the input signal is ON, it indicates that this is a conductive circuit. When the
Digital Input is a contact “b”, even if the input signal is ON, it indicates that this is a non-
conductive circuit.
P4 - 08 Reserved Communication Addr.: 0408H
P4 - 09 MOT Output Status Display Communication Addr.: 0409H
Default: 0 Related Section:
Applicable Control Mode: P/S/T Section 4.4.6
Unit: N/A
Range: 0 ~ 7
Settings:
External Control: Display the status of DO output signal
Communication Control: Read the status of output signal

Chapter 7 Servo Parameters|ASDA-B Series
7-62 Revision January, 2009
The status of DO signal, please refer to P2-18 ~ P2-20.
For example:
If P4-09 is set to 3, it indicates that the Digital Outputs 1, 2 are "ON" and Digital Output 3 is
"OFF".
NOTE
1) Please pay close attention on the property of Digital Outputs. When the Digital Output is a
contact “a”, if the output signal is ON, it indicates that this is a conductive circuit. When the
Digital Output is a contact “b”, even if the output signal is ON, it indicates that this is a non-
conductive circuit.
P4 - 10▲ CEN Adjustment Function Communication Addr.: 040AH
Default: 0 Related Section:
Applicable Control Mode: P/S/T P2-08, P4-11, P4-15, P4-19
Unit: N/A P4-22, P4-23
Range: 0 ~ 8
Settings:
0: Reserved
1: Execute analog speed input drift adjustment
2: Execute analog torque input drift adjustment
3: Execute current detector (V phase) drift adjustment
4: Execute current detector (W phase) drift adjustment
5: Execute drift adjustment of the above 1 ~ 4
6: Execute IGBT NTC calibration
7: Auto-adjust P4-22 (Analog Speed Input Offset)
8: Auto-adjust P4-23 (Analog Torque Input Offset)
This adjustment function is enabled after parameter P2-08 is set to 20.
When setting P4-10 to 1 (executing analog speed input drift adjustment), please refer to P4-11
and P4-12. When setting P4-10 to 2 (executing analog torque input drift adjustment), please
refer to P4-13 and vise versa.
When executing any adjustment, the external wiring connected to analog speed or torque must
be removed and the servo system should be off (Servo off).
NOTE
1) When using this parameter, the setting value of the display will not be written (not retained).
After the adjustment is done, the setting value on the display will return to the default (0).

Chapter 7 Servo Parameters|ASDA-B Series
Revision January, 2009 7-63
P4 - 11 SOF1 Analog Speed Input Drift Adjustment 1 Communication Addr.: 040BH
Default: Factory setting Related Section:
Applicable Control Mode: P/S/T P4-10
Unit: N/A
Range: 0 ~ 32767
Settings:
Manual Adjustment Operation:
Set parameter P2-08 to 22 and then change this parameter. This is an auxiliary adjusting
function, although this parameter allows the users can execute manual adjustment, we still do
not recommend users to change the default setting manually.
Auto Adjustment Operation:
Set parameter P2-08 to 20 first and then set parameter P4-10 to 1.
When executing this auto adjustment, ensure that the external wiring connected to analog speed
must be removed or an external zero voltage power is applied to the servo drive from the host
controller and the servo system should be off (Servo off).
NOTE
1) When P2-08 is set to 10, users cannot reset this parameter.
P4 - 12 SOF2 Analog Speed Input Drift Adjustment 2 Communication Addr.: 040CH
Default: Factory setting Related Section:
Applicable Control Mode: P/S/T P4-10
Unit: N/A
Range: 0 ~ 32767
Settings:
Please see P4-11 for explanation.
NOTE
1) When P2-08 is set to 10, users cannot reset this parameter.
P4 - 13 TOF1 Analog Torque Drift Adjustment 1 Communication Addr.: 040DH
Default: Factory setting Related Section:
Applicable Control Mode: P/S/T P4-10
Unit: N/A
Range: 0 ~ 32767
Settings:
Manual Adjustment Operation:
Set parameter P2-08 to 22 and then change this parameter. This is an auxiliary adjusting

Chapter 7 Servo Parameters|ASDA-B Series
7-64 Revision January, 2009
function, although this parameter allows the users can execute manual adjustment, we still do
not recommend users to change the default setting manually.
Auto Adjustment Operation:
Set parameter P2-08 to 20 first and then set parameter P4-10 to 2.
When executing this auto adjustment, ensure that the external wiring connected to analog speed
must be removed or an external zero voltage power is applied to the servo drive from the host
controller and the servo system should be off (Servo off).
NOTE
1) When P2-08 is set to 10, users cannot reset this parameter.
P4 - 14 Reserved Communication Addr.: 040EH
P4 - 15 COF1 Current Detector Drift Adjustment (V1 phase) Communication Addr.: 040FH
Default: Factory setting Related Section:
Applicable Control Mode: P/S/T P4-10
Unit: N/A
Range: 0 ~ 32767
Settings:
Manual Adjustment Operation:
Set parameter P2-08 to 22 and then change this parameter. This is an auxiliary adjusting
function, although this parameter allows the users can execute manual adjustment, we still do
not recommend users to change the default setting manually.
Auto Adjustment Operation:
Set parameter P2-08 to 20 first and then set parameter P4-10 to 3.
When executing this auto adjustment, ensure that the servo system should be off (Servo off) and
the servo motor has stopped.
NOTE
1) When P2-08 is set to 10, users can not reset this parameter.
P4 - 16 COF2 Current Detector Drift Adjustment (V2 phase) Communication Addr.: 0410H
Default: Factory setting Related Section:
Applicable Control Mode: P/S/T P4-10
Unit: N/A
Range: 0 ~ 32767
Settings:
Please see P4-15 for explanation.

Chapter 7 Servo Parameters|ASDA-B Series
Revision January, 2009 7-65
NOTE
1) When P2-08 is set to 10, users cannot reset this parameter.
P4 - 17 COF3 Current Detector Drift Adjustment (W1 phase) Communication Addr.: 0411H
Default: Factory setting Related Section:
Applicable Control Mode: P/S/T P4-10
Unit: N/A
Range: 0 ~ 32767
Settings:
Manual Adjustment Operation:
Set parameter P2-08 to 22 and then change this parameter. This is an auxiliary adjusting
function, although this parameter allows the users can execute manual adjustment, we still do
not recommend users to change the default setting manually.
Auto Adjustment Operation:
Set parameter P2-08 to 20 first and then set parameter P4-10 to 4.
When executing this auto adjustment, ensure that the servo system should be off (Servo off) and
the servo motor has stopped.
NOTE
1) When P2-08 is set to 10, users cannot reset this parameter.
P4 - 18 COF4 Current Detector Drift Adjustment (W2 phase) Communication Addr.: 0412H
Default: Factory setting Related Section:
Applicable Control Mode: P/S/T P4-10
Unit: N/A
Range: 0 ~ 32767
Settings:
Please see P4-17 for explanation.
NOTE
1) When P2-08 is set to 10, users cannot reset this parameter.
P4 - 19 TIGB IGBT NTC Calibration Communication Addr.: 0413H
Default: Factory setting Related Section:
Applicable Control Mode: P/S/T Parameter P4-10
Unit: N/A
Range: 1 ~ 3

Chapter 7 Servo Parameters|ASDA-B Series
7-66 Revision January, 2009
Settings:
Manual Adjustment Operation:
Set parameter P2-08 to 22 and then change this parameter. This is an auxiliary adjusting
function, although this parameter allows the users can execute manual adjustment, we still do
not recommend users to change the default setting manually.
Auto Adjustment Operation:
Set parameter P2-08 to 20 first and then set parameter P4-10 to 6.
When executing this auto adjustment, ensure to cool the servo drive to 25oC.
NOTE
1) When P2-08 is set to 10, users cannot reset this parameter.
P4 - 20 Reserved Communication Addr.: 0414H
P4 - 21 Reserved Communication Addr.: 0415H
P4 - 22 SAO Analog Speed Input Offset Communication Addr.: 0416H
Default: 0 Related Section:
Applicable Control Mode: S Parameter P4-10
Unit: mV
Range: -5000 ~ 5000
Settings:
Users can use this parameter to adjust analog speed input offset value manually.
NOTE
1) Before using this function, please short the internal circuit first or connecting to a 0V output
of the external controller in advance (Please refer to the figure below).
Internal Connection External Connection
V-REF
GND
9
8
CN1
V-REF 9
CN1
Controller
0 volt.
P4 - 23 TAO Analog Torque Input Offset Communication Addr.: 0417H
Default: 0 Related Section:
Applicable Control Mode: T Parameter P4-10
Unit: mV
Range: -5000 ~ 5000
Settings:

Chapter 7 Servo Parameters|ASDA-B Series
Revision January, 2009 7-67
Users can use this parameter to adjust analog torque input offset value manually.
NOTE
1) Before using this function, please short the internal circuit first or connecting to a 0V output
of the external controller in advance (Please refer to the figure below).
Internal Connection External Connection
V-REF
GND
9
8
CN1
V-REF 9
CN1
Controller
0 volt.

Chapter 7 Servo Parameters|ASDA-B Series
7-68 Revision January, 2009
Group 8: P8-xx Keypad Parameters
NOTE
All the keypad parameters cannot be download to PC or the servo drive via communication. Users only can
edit and change the keypad parameters through the keypad.
P8 - 00★ KVER Keypad Firmware Version Communication Addr.: 0800H
Default: Factory setting Related Section: N/A
Applicable Control Mode: P/S/T
Unit: N/A
Range: N/A
P8 - 01 KFUN Keypad Communication and Reset Setting Communication Addr.: 0801H
Default: 1 Related Section: N/A
Applicable Control Mode: P/S/T
Unit: N/A
Range: 0 ~ 011
Settings:
ASD-PU-01A
ASD-PU-01B
• Communication Method Settings:
0: If 0 is set, it indicates the keypad is the slave side during communication. 0 must be set
when communicating with PC, or there will be a communication fault.

Chapter 7 Servo Parameters|ASDA-B Series
Revision January, 2009 7-69
1: If 1 is set, it indicates the keypad is the master side during communication. 1 must be set
when communicating with servo drive, or there will be a communication fault.
• Keypad Parameter Reset Function Settings:
0: Disable keypad parameter reset function.
1: Enable keypad parameter reset function. All keypad parameter settings will be reset to
default setting if this function is selected. (All keypad parameter settings will be cleared after
this function is executing.)
After parameter P8-01 is set, users must restart the servo drive (switching power off and on).
P8 - 02 Reserved Communication Addr.: 0802H
P8 - 03 Reserved Communication Addr.: 0803H
P8 - 04 Reserved Communication Addr.: 0804H
P8 - 05 KADR Communication Address Setting (Drive) Communication Addr.: 0805H
Default: 255 Related Section: N/A
Applicable Control Mode: P/S/T
Unit: N/A
Range: 1 ~ 255
Settings:
If the AC servo drive is controlled by RS-232/485 communication, each drive (or device) must be
uniquely identified and addressed between 1 and 255.
One servo drive only can set one communication address.
If the address is duplicated, there will be a communication fault.
When the address is set to 255, it is with auto communication function.
P8 - 06 KBRT Transmission Speed (Keypad) Communication Addr.: 0806H
Default: 1 Related Section: N/A
Applicable Control Mode: P/S/T
Unit: bps
Range: 0 ~ 5
Settings:
0: Baud rate 4800 (data transmission speed: bits / second)
1: Baud rate 9600 (data transmission speed: bits / second)
2: Baud rate 19200 (data transmission speed: bits / second)
3: Baud rate 38400 (data transmission speed: bits / second)

Chapter 7 Servo Parameters|ASDA-B Series
7-70 Revision January, 2009
4: Baud rate 57600 (data transmission speed: bits / second)
5: Baud rate 115200 (data transmission speed: bits / second)
P8 - 07 KPTL Communication Protocol (Keypad) Communication Addr.: 0807H
Default: 0 Related Section: N/A
Applicable Control Mode: P/S/T
Unit: N/A
Range: 0 ~ 8
Settings:
0: Modbus ASCII mode, <7,N,2>
1: Modbus ASCII mode, <7,E,1 >
2: Modbus ASCII mode, <7,O,1>
3: Modbus ASCII mode, <8,N,2 >
4: Modbus ASCII mode, <8,E,1>
5: Modbus ASCII mode, <8,O,1>
6: Modbus RTU mode, <8,N,2>
7: Modbus RTU mode, <8,E,1>
8: Modbus RTU mode, <8,O,1>
P8 - 08 KCMM Communication Selection (Keypad) Communication Addr.: 0808H
Default: 0 Related Section: N/A
Applicable Control Mode: P/S/T
Unit: N/A
Range: 0 ~ 1
Settings:
0: RS-232
1: RS-485
Multiple communication modes RS-232, RS-485 cannot be used within one communication ring.
P8 - 09 KTST Keypad Hardware Testing Communication Addr.: 0809H
Default: 0 Related Section: N/A
Applicable Control Mode: P/S/T
Unit: N/A
Range: 0 ~ 4
Settings:
0: Disabled.
1: Function key testing. Pressing MODE key can exit this testing mode.

Chapter 7 Servo Parameters|ASDA-B Series
Revision January, 2009 7-71
2: LED testing.
3: Dynamical memory testing (RAM). The testing time is approx. 18 seconds.
4: Data memory testing (EEPROM). The testing time is approx. 140 seconds.
This parameter is used to test the hardware of the keypad. Since the life of the data memory is
limited and using this parameter will consumed the life of data memory, it is not recommended to
use this parameter and change the factory default setting if not necessary.
P8 - 10 KBLT LCD Backlight Display Communication Addr.: 080AH
Default: 0 Related Section: N/A
Applicable Control Mode: P/S/T
Unit: N/A
Range: 0 ~ 1
Settings:
0: OFF. LCD backlight is going off.
1: ON. LCD backlight is going on.
P8 - 11 KCLR Memory Block Clear Communication Addr.: 080BH
Default: 0 Related Section: N/A
Applicable Control Mode: P/S/T
Unit: N/A
Range: 0 ~ 124
Settings:
ASD-PU-01A
ASD-PU-01B

Chapter 7 Servo Parameters|ASDA-B Series
7-72 Revision January, 2009
• Reserve / Clear Memory Block Function Settings
0: Reserve memory block
1: Clear memory block
When the clear memory block function is selected, the memory block will be cleared.
This parameter setting will return to its default setting after clear function is executed successfully.
P8 - 12 KRNO Memory Block Position Number (ROMx) Communication Addr.: 080CH
Default: 0 Related Section: N/A
Applicable Control Mode: P/S/T
Unit: N/A
Range: 0 ~ 24
This parameter is used to determine the memory block number (ROMx) shown on the keypad
display.
P8 - 13★ KBL0 Status of Memory Block (ROMx) Communication Addr.: 080DH
Default: 0 Related Section: N/A
Applicable Control Mode: P/S/T
Unit: N/A
Range: 0 ~ 23999
Settings:
ASD-PU-01A ASD-PU-01B
• Drive Rated Power Settings:
002: 200W
003: 400W (F604)
004: 750W
005: 1kW
006: 1.5kW
007: 2kW
103: 400W(F804)
• Motor Inertia Settings:
1: Low inertia
2: Medium inertia
3: High inertia
• Drive Series Settings:
1: ASDA-A series
2: ASDA-B series
This parameter displays the status of memory block number (ROMx) by referring the setting of
parameter P8-12.

Chapter 7 Servo Parameters|ASDA-B Series
Revision January, 2009 7-73
P8 - 14★ KBL1 Firmware Version of Memory Block (ROMx) Communication Addr.: 080EH
Default: 0 Related Section: N/A
Applicable Control Mode: P/S/T
Unit: N/A
Range: N/A
This parameter displays the firmware version of parameter memory number (ROMx) by referring
the setting of parameter P8-12.

Chapter 7 Servo Parameters|ASDA-B Series
7-74 Revision January, 2009
Table 7.A Input Function Definition
Setting value of P2-10 ~ P2-15: 01
DI Name DI Function Description Trigger Method Control
Mode
SON Servo On. When this DI is activated, it indicates the servo
drive is enabled.
Level
Triggered P, S, T
Setting value of P2-10 ~ P2-15: 02
DI Name DI Function Description Trigger Method Control
Mode
ARST Alarm Reset. A number of Faults (Alarms) can be cleared by
activating ARST.
Rising-edge
Triggered P, S, T
Setting value of P2-10 ~ P2-15: 03
DI Name DI Function Description Trigger Method Control
Mode
GAINUP
Gain switching in speed and position mode. When GAINUP
is activated (P2-27 is set to 1), the gain is switched to the
gain multiplied by gain switching rate.
Level Triggered P, S, T
Setting value of P2-10 ~ P2-15: 04
DI Name DI Function Description Trigger Method Control
Mode
CCLR
Pulse clear (see P2-48). When CCLR is activated, the
setting is parameter P2-48 Pulse Deviation Clear Mode is
executed and the position accumulated pulse deviation
number will be cleared to 0.
0: When the input terminal is rising-edge triggered, the
position accumulated pulse number will be cleared.
1: After CCLR is activated (ON), the position accumulated
pulse number will be cleared continuously.
Rising-edge
Triggered,
Level Triggered
P

Chapter 7 Servo Parameters|ASDA-B Series
Revision January, 2009 7-75
Setting value of P2-10 ~ P2-15: 05
DI Name DI Function Description Trigger Method Control
Mode
ZCLAMP
Zero speed CLAMP. When ZCLAMP is activated (ON) and
the motor speed value is below the setting value of P1-38, it
is used to lock the motor in the instant position.
Time
Setting value of
P1-38 (Zero speed)
OFF
ZCLAMP
input signal
Motor Speed
ON
Speed
Command
Setting value of
P1-38 (Zero speed)
Level Triggered S
Setting value of P2-10 ~ P2-15: 06
DI Name DI Function Description Trigger Method Control
Mode
CMDINV
Command input reverse control. When the drive is in the
Position, Speed and Torque mode, and CMDINV is
activated, the motor is in reverse rotation.
Level
Triggered S, T
Setting value of P2-10 ~ P2-15: 07
DI Name DI Function Description Trigger Method Control
Mode
INHP
Pulse inhibit input. When the drive is in position mode, if
INHP is activated, the external pulse input command is not
valid.
Level
Triggered P
Setting value of P2-10 ~ P2-15: 08
DI Name DI Function Description Trigger Method Control
Mode
Reserved
Setting value of P2-10 ~ P2-15: 09
DI Name DI Function Description Trigger Method Control
Mode
TRQLM
Torque limit enabled. When the drive is in speed and
position mode, and TRQLM is activated, it indicates the
torque limit command is valid. The torque limit command
source is internal parameter or analog voltage.
Level
Triggered P, S

Chapter 7 Servo Parameters|ASDA-B Series
7-76 Revision January, 2009
Setting value of P2-10 ~ P2-15: 10
DI Name DI Function Description Trigger Method Control
Mode
SPDLM
Speed limit enabled. When the drive is in torque mode and
SPDLM is activated, it indicates the speed limit command is
valid. The speed limit command source is internal parameter
or analog voltage.
Level
Triggered T
Setting value of P2-10 ~ P2-15: 11
DI Name DI Function Description Trigger Method Control
Mode
GNUM0
Electronic gear ratio (Numerator) selection. When users use
two groups of electronic gear ratio, this DI signal can be
used to switch the Numerator. When GNUM0 is not
activated, it indicates the first Numerator (N1, see P1-44) is
used. When GNUM0 is activated, it indicates the second
Numerator (N2, see P1-15) is used.
Level
Triggered P
Setting value of P2-10 ~ P2-15: 12 ~ 13
DI Name DI Function Description Trigger Method Control
Mode
Reserved
Setting value of P2-10 ~ P2-15: 14 ~ 15
DI Name DI Function Description Trigger Method Control
Mode
SPD0
SPD1
Speed command selection (1 ~ 4)
Speed command number: S1
CN1 DI signal
SPD1 SPD0
Command Source Content Range
S
External
analog
command
Voltage between
V-REF and GND +/-10 V
0 0
Mode
Sz None Speed command
is 0 (zero) 0
Speed command number: S2
CN1 DI signal
SPD1 SPD0 Command Source Content Range
Level
Triggered S

Chapter 7 Servo Parameters|ASDA-B Series
Revision January, 2009 7-77
DI Name DI Function Description Trigger Method Control
Mode
SPD0
SPD1
Speed command number: S3
CN1 DI signal
SPD1 SPD0 Command Source Content Range
1 0 Internal parameter P1-10
+/-
5000
rpm
Speed command number: S4
CN1 DI signal
SPD1 SPD0
Command Source Content Range
1 1 Internal parameter P1-11
+/-
5000
rpm
Level
Triggered S
Setting value of P2-10 ~ P2-15: 16 ~ 17
DI Name DI Function Description Trigger Method Control
Mode
TCM0
TCM1
Torque command selection (1 ~ 4)
Torque command number: T1
CN1 DI signal
TCM1 TCM0
Command Source Content Range
T
External
analog
command
Voltage between
V-REF and GND
+/-
300%
0 0
Mode
Tz None
Torque
command is 0
(zero)
0
Torque command number: T2
CN1 DI signal
TCM1 TCM0
Command Source Content Range
0 1 Internal parameter P1-12 +/-
300%
Torque command number: T3
CN1 DI signal
TCM1 TCM0
Command Source Content Range
1 0 Internal parameter P1-13 +/-
300%
Torque command number: T4
CN1 DI signal
TCM1 TCM0
Command Source Content Range
1 1 Internal parameter P1-14 +/-
300%
Level
Triggered T

Chapter 7 Servo Parameters|ASDA-B Series
7-78 Revision January, 2009
Setting value of P2-10 ~ P2-15: 18
DI Name DI Function Description Trigger Method Control
Mode
S-P Speed / Position mode switching.
OFF: Speed mode, ON: Position mode
Level
Triggered P, S
Setting value of P2-10 ~ P2-15: 19
DI Name DI Function Description Trigger Method Control
Mode
S-T Speed / Torque mode switching.
OFF: Speed mode, ON: Torque mode
Level
Triggered S, T
Setting value of P2-10 ~ P2-15: 20
DI Name DI Function Description Trigger Method Control
Mode
T-P Torque / Position mode switching.
OFF: Torque mode, ON: Position mode
Level
Triggered P, T
Setting value of P2-10 ~ P2-15: 21
DI Name DI Function Description Trigger Method Control
Mode
EMGS Emergency stop. It should be contact “b” and normally ON
or a fault (ALE13) will display.
Level
Triggered P, S, T
Setting value of P2-10 ~ P2-15: 22
DI Name DI Function Description Trigger Method Control
Mode
CWL Reverse inhibit limit. It should be contact “b” and normally
ON or a fault (ALE14) will display.
Level
Triggered P, S, T
Setting value of P2-10 ~ P2-15: 23
DI Name DI Function Description Trigger Method Control
Mode
CCWL Forward inhibit limit. It should be contact “b” and normally
ON or a fault (ALE15) will display.
Level
Triggered P, S, T

Chapter 7 Servo Parameters|ASDA-B Series
Revision January, 2009 7-79
Setting value of P2-10 ~ P2-15: 24
DI Name DI Function Description Trigger Method Control
Mode
Reserved
Setting value of P2-10 ~ P2-15: 25
DI Name DI Function Description Trigger Method Control
Mode
TLLM Torque limit - Reverse operation (Torque limit function is
valid only when P1-02 is enabled)
Level
Triggered P, S
Setting value of P2-10 ~ P2-15: 26
DI Name DI Function Description Trigger Method Control
Mode
TRLM Torque limit - Forward operation (Torque limit function is
valid only when P1-02 is enabled)
Level
Triggered P, S
NOTE
1) 14 ~ 17: Single control mode, 18 ~ 20: Dual control mode
2) When P2-10 to P2-15 is set to 0, it indicates output function is disabled.

Chapter 7 Servo Parameters|ASDA-B Series
7-80 Revision January, 2009
Table 7.B Output Function Definition
Setting value of P2-18 ~ P2-20: 01
DO Name DO Function Description Control Mode
SRDY Servo ready. SRDY is activated when the servo drive is ready to run. All
fault and alarm conditions, if present, have been cleared. P, S, T
Setting value of P2-18 ~ P2-20: 02
DO Name DO Function Description Control Mode
SON
Servo On. SON is activated when control power is applied to the servo
drive. The drive may or may not be ready to run as a fault / alarm
condition may exist. Servo ON (SON) is "ON" with control power applied
to the servo drive, there may be a fault condition or not. The servo is not
ready to run. Servo ready (SRDY) is "ON" where the servo is ready to
run, NO fault / alarm exists. (P2-51 should turn servo ready SRDY off /
on)
P, S, T
Setting value of P2-18 ~ P2-20: 03
DO Name DO Function Description Control Mode
ZSPD
At Zero speed. ZSPD is activated when the drive senses the motor is
equal to or below the Zero Speed Range setting as defined in parameter
P1-38. For Example, at default ZSPD will be activated when the drive
detects the motor rotating at speed at or below 10 rpm. ZSPD will
remain activated until the motor speed increases above 10 RPM.
P, S, T
Setting value of P2-18 ~ P2-20: 04
DO Name DO Function Description Control Mode
TSPD
At Speed reached. TSPD is activated once the drive has detected the
motor has reached the Target Rotation Speed setting as defined in
parameter P1-39. TSPD will remain activated until the motor speed
drops below the Target Rotation Speed.
S
Setting value of P2-18 ~ P2-20: 05
DO Name DO Function Description Control Mode
TPOS
At Positioning completed. When the drive is in position mode, TPOS will
be activated when the position error is equal and below the setting value
of P1-54.
P

Chapter 7 Servo Parameters|ASDA-B Series
Revision January, 2009 7-81
Setting value of P2-18 ~ P2-20: 06
DO Name DO Function Description Control Mode
TQL
At Torques limit. TQL is activated when the drive has detected that the
motor has reached the torques limits set by either the parameters P1-12
~ P1-14.
P, S
Setting value of P2-18 ~ P2-20: 07
DO Name DO Function Description Control Mode
ALRM Servo alarm (Servo fault) activated. ALRM is activated when the drive
has detected a fault condition. P, S, T
Setting value of P2-18 ~ P2-20: 08
DO Name DO Function Description Control Mode
BRKR
Electromagnetic brake control. BRKR is activated actuation of motor
brake. (Please refer to parameters P1-42 ~ P1-43)
SON
OFF
BRKR
OFF
Motor
Speed
O
N
ON
OFF
OFF
MBT1(P1-42)
ZSPD
(P1-38)
MBT2(P1-43)
P, S, T
Setting value of P2-18 ~ P2-20: 09
DO Name DO Function Description Control Mode
OLW
Output overload warning. OLW is activated when the servo drive has
detected that the motor has reached the output overload level set by
parameter P2-37.
This parameter is used to set output overload level. When the motor has
reached the output overload level set by parameter P2-37, the motor will
send a warning to the drive. After the drive has detected the warning,
the DI signal OLW will be activated.
tOL = Permissible Time for Overload x setting value of P2-37
When overload accumulated time (continuously overload time) exceeds
the value of tOL, the overload warning signal will output, i.e. DO signal,
OLW will be ON. However, if the overload accumulated time
(continuously overload time) exceeds the permissible time for overload,
the overload alarm (ALE06) will output.
For example:
If the setting value of parameter P2-37 (Overload Warning Level) is
60%, when the permissible time for overload exceeds 8 seconds at
200% rated output, the overload fault (ALE06) will be detected and
shown on the LED display.
At this time, tOL = 8 x 60% = 4.8 seconds
P, S, T

Chapter 7 Servo Parameters|ASDA-B Series
7-82 Revision January, 2009
DO Name DO Function Description Control Mode
OLW
Result:
When the drive output is at 200% rated output and the drive is
continuously overloaded for 4.8 seconds, and the overload warning
signal will be ON (DO code is 10, i.e. DO signal OLW will be activated).
If the drive is continuously overloaded for 8 seconds, the overload alarm
will be detected and shown on the LED display (ALE06). Then, Servo
Fault signal will be ON (DO signal ALRM will be activated)
P, S, T
Setting value of P2-18 ~ P2-20: 10
DO Name DO Function Description Control Mode
WARN
Servo warning activated. WARN is activated when the drive has
detected Reverse limit error, Forward limit error, Emergency stop, Serial
communication error, and Undervoltage these fault conditions.
P, S, T
NOTE
1) When P2-18 to P2-20 is set to 0, it indicates output function is disabled.

Revision January 2009 8-1
Chapter 8 MODBUS Communications
8.1 Communication Hardware Interface
The ASDA-B series servo drive has two modes of communication: RS-232, and RS-485. All aspects of
control, operation and monitoring as well as programming of the controller can be achieved via
communication. However, only one communication mode can be used at a time. Users can select the
desired communication mode via SEL232/485 (pin6) of CN3 connector (Refer to Section 3.5.1).
Please refer to the following sections for connections and limitations.
RS-232
Configuration
Cable Connection

Chapter 8 MODBUS Communications|ASDA-B Series
8-2 Revision January 2009
NOTE
1) For RS-232 connection, the recommended maximum cable length is 15m (50ft.). Please note, RFI / EME
noise should be kept to a minimum, communication cable should kept apart from high voltage wires. If a
transmission speed of 38400 bps or greater is required, the maximum length of the communication cable
is 3m (9.84ft.) which will ensure the correct and desired baud rate.
2) The number shown in the pervious figure indicates the terminal number of each connector.
RS-485, RS-422
Configuration
Cable Connection

Chapter 8 MODBUS Communications|ASDA-B Series
Revision January 2009 8-3
NOTE
1) For RS-485 and RS-422 connections, the recommended maximum cable length is 100m (300ft.). Please
note, RFI / EME noise should be kept to a minimum, communication cable should kept apart from high
voltage wires. If a transmission speed of 38400 bps or greater is required the maximum length of the
communication cable is 15m (50ft.) which will ensure the correct and desired baud rate.
2) The number shown in the pervious figure indicates the terminal number of each connector.
3) The power supply should provide a +12V and higher DC voltage.
4) Please use a REPEATER if more than 32 synchronous axes are required.
5) For the terminal identification of CN3, please refer to Section 3.5.

Chapter 8 MODBUS Communications|ASDA-B Series
8-4 Revision January 2009
8.2 Communication Parameter Settings
The following describes the communication addresses for the communication parameters.
For communication parameters, please refer to the Chapter 7.
0300H
Address Setting
Default: 1
Range: 1 ~ 254
If the AC servo drive is controlled by RS-485 communication, each drive (or device) must be uniquely
identified and addressed between 1 and 254. Access to program this number is via parameter P3-00.
0301H
Transmission Speed
Default: 3
Settings:
0: Baud rate 4800 (data transmission speed: bits / second)
1: Baud rate 9600 (data transmission speed: bits / second)
2: Baud rate 19200 (data transmission speed: bits / second)
3: Baud rate 38400 (data transmission speed: bits / second)
4: Baud rate 57600 (data transmission speed: bits / second)
5: Baud rate 115200 (data transmission speed: bits / second)
This parameter is used to set the desired transmission speed between the computer and AC servo drive.
Users can set this parameter and control transmission speed to reach the maximum baud rate of
115200 bps.

Chapter 8 MODBUS Communications|ASDA-B Series
Revision January 2009 8-5
0302H
Communication
Protocol
Default: 0
Settings:
0: Modbus ASCII mode, <7,N,2>
1: Modbus ASCII mode, <7,E,1 >
2: Modbus ASCII mode, <7,O,1>
3: Modbus ASCII mode, <8,N,2 >
4: Modbus ASCII mode, <8,E,1>
5: Modbus ASCII mode, <8,O,1>
6: Modbus RTU mode, <8,N,2>
7: Modbus RTU mode, <8,E,1>
8: Modbus RTU mode, <8,O,1>
This parameter is used to set the communication protocol. The alphanumeric characters represent the
following: 7 or 8 is the number of data bits; N, E or O refer to the parity bit, Non, Even or Odd; the 1 or 2
is the numbers of stop bits.
0303H
Transmission Fault
Treatment
Default: 0
Settings:
0: Display fault and continue operating
1: Display fault and stop operating
This parameter is used to determine the operating sequence once a communication fault has been
detected. If '1' is selected the drive will stop operating upon detection the communication fault. The
mode of stopping is set by parameter P1-32.
0304H
Communication Time
Out Detection
Watch Dog Timer (It is not recommended to change the factory default setting if
not necessary)
Default: 0
Range: 0 ~ 20 sec.
The factory default setting is set to 0 and it indicates this function is disabled.
When this parameter is set to any value over 0, it indicates that the timer is enabled. The value set in
this parameter is the communication time and the communication time out detection should be
completed within the time. Otherwise, a communication error will occur. For example, if the value set in
this parameter is 5, it indicates that the communication time out detection will be activated once in five
seconds or a communication error will occur.
0306H
Digital Input
Communication
Function
Digital Input Contact Control:
Default: 0
Settings: 0 ~ 3F (hexadecimal number)
The setting of this parameter determines how the Digital Inputs (DI) accept commands and signals.
Input commands or signals through the DI can be either from an external source, through the CN 1
interface connector, or via communication, (RS-232, RS-485). If the Digital Input Contact Control
parameter for the DI 1 ~ 6 is set to "0", command is external, and via CN1; if it is set to "1" (decimal
number) the DI signal is via communication. Each of the six Digital Inputs are accessed individually and
can be set independently of each other. They can be programmed either via the drive's keypad or via
Chapter 8 MODBUS Communications|ASDA-B Series
8-6 Revision January 2009
communication and computer UI. If they are programmed via the keypad a hexadecimal number is
entered; if programmed via communication or UI a decimal or hexadecimal number can be used. In both
methods of programming, a single number is used for all six Digital Inputs. The following example
shows how each DI is addressed and converted to a single decimal or hexadecimal number.
The six Digital Inputs are noted from the right, DI 1 to left, DI 6 with their desired input command or
signal method, 0 or 1. Once all six Digital Inputs have been noted this binary number is converted to a
decimal or hexadecimal number and entered into P3-06.
Bit 5 4 3 2 1 0
Decimal value 32 16 8 4 2 1
Input DI6 DI5 DI4 DI3 DI2 DI1
State 0 1 0 1 0 1 = D6 Hex
(Keypad, Communication or UI)
(External CN1
Communication)
or = 63 Dec (Communication or UI only)
Please see Chapter 4.4.5 DI Signal Display Diagnosis Operation for display layout of the Digital Signal
selection.
The Digital Input Control Contact parameter, P3-06 also works in conjunction with the Multi Function
Digital Input parameter P4-07 which has several functions.
The contents of P4-07 is "read only" via the drive keypad and will display the state on or off ("blank" or
"|") of the six Digital Inputs which have been set in accordance to P3-06. For example; if P3-06 has
been set to 0 (All DI is external and via the CN 1 interface) and the P4-07 display is indicating the
following:
_ | | _ _ | (for the manual this picture should be similar to the one shown on page 4-8
(Ch 4.4.5))
The Digital Inputs 1, 4, & 5 are "on" (high) and Digital Inputs 2, 3, & 6 are "off" (low).
If the contents of P4-07 is being read via communication the output will be a decimal number that will
represent the "binary" display. Therefore in the previous example the decimal number being read would
be 25.
However, in the communication mode the user can write to P4-07 to turn the Digital Inputs either "on" or
"off". Again this achieved by sending a decimal or hexadecimal number that corresponds to the binary
representation of the Digital Inputs being addressed. Therefore in the previous example 25 or 19 hex
would be sent to 407H to switch on Digital Inputs 1, 4, & 5. Remember, previous to this P3-06 would
have been set to either 63 / 3F or 25 / 19 (This sets the Digital Inputs 1, 4, & 5 to communication).

Chapter 8 MODBUS Communications|ASDA-B Series
Revision January 2009 8-7
0307H
Communication
Response Delay
Time
Default: 0
Range: 0~255
This parameter is used to delay the communication time that servo drive respond to host controller
(external controller)
When the communication address is set to 255, the communication response delay time will be 0 (zero)
no matter what the setting value of P3-07 is.

Chapter 8 MODBUS Communications|ASDA-B Series
8-8 Revision January 2009
8.3 MODBUS Communication Protocol
When using RS-232/485 serial communication interface, each ASDA-B series AC servo drive has a pre-
assigned communication address specified by parameter “P3-00”. The computer then controls each AC
servo drive according to its communication address. ASDA-B series AC servo drive can be set up to
communicate on a MODBUS networks using on of the following modes: ASCII (American Standard Code for
Information Interchange) or RTU (Remote Terminal Unit). Users can select the desired mode along with the
serial port communication protocol in parameter “P3-02”.
Code Description:
ASCII Mode:
Each 8-bit data is the combination of two ASCII characters. For example, a 1-byte data: 64 Hex, shown as
‘64’ in ASCII, consists of ‘6’ (36Hex) and ‘4’ (34Hex).
The following table shows the available hexadecimal characters and their corresponding ASCII codes.
Character ‘0’ ‘1’ ‘2’ ‘3’ ‘4’ ‘5’ ‘6’ ‘7’
ASCII code 30H 31H 32H 33H 34H 35H 36H 37H
Character ‘8’ ‘9’ ‘A’ ‘B’ ‘C’ ‘D’ ‘E’ ‘F’
ASCII code 38H 39H 41H 42H 43H 44H 45H 46H
RTU Mode:
Each 8-bit data is the combination of two 4-bit hexadecimal characters. For example, a 1-byte data: 64 Hex.
Data Format:
10-bit character frame (For 7-bit character)
7N2
Start
bit 0123456 Stop
bit
7-data bits
10-bits character frame
Stop
bit
7E1
Even
parity
Start
bit 0123456 Stop
bit
7-data bits
10-bits character frame
7O1
Odd
parity
Start
bit 0123456 Stop
bit
7-data bits
10-bits character frame

Chapter 8 MODBUS Communications|ASDA-B Series
Revision January 2009 8-9
11-bit character frame (For 8-bit character)
8N2
Start
bit 0123456 Stop
bit
8-data bits
11-bits character frame
Stop
bit
7
8E1
Start
bit 0123456 Stop
bit
8-data bits
11-bits character frame
7Even
parity
8O1
Start
bit 0123456 Stop
bit
8-data bits
11-bits character frame
7Odd
parity
Communication Protocol:
ASCII Mode:
STX Start character’: ’ (3AH)
ADR Communication address: 1-byte consists of 2 ASCII codes
CMD Command code: 1-byte consists of 2 ASCII codes
DATA(n-1)
…….
DATA(0)
Contents of data: n word = n x 2-byte consists of n x 4 ASCII codes, n≤12
LRC Command code: 1-byte consists of 2 ASCII codes
End 1 End code 1: (0DH)(CR)
End 0 End code 0: (0AH)(LF)
RTU Mode:
STX A silent interval of more than 10ms
ADR Communication address: 1-byte
CMD Command code: 1-byte
DATA(n-1)
…….
DATA(0)
Contents of data: n word = n x 2-byte, n≤12
CRC Command code: 1-byte
End 1 A silent interval of more than 10ms

Chapter 8 MODBUS Communications|ASDA-B Series
8-10 Revision January 2009
STX (Communication Start)
ASCII Mode: ’:’ character
RTU Mode: A silent interval of more than 10ms
ADR (Communication Address)
The valid communication addresses are in the range of 1 to 254.
For example, communication to AC servo drive with address 16 decimal:
ASCII Mode: ADR=’1’,’0’ => ‘1’=31H,’0’=30H
RTU Mode: ADR = 10H
CMD (Command Codes) and DATA (Data Characters)
The format of data characters depends on the command code. The available command codes and examples
for AC servo drive are described as follows:
Command code: 03H, read N words. The maximum value of N is 10.
For example, reading continuous 2 words from starting address 0200H of AC servo drive with address 01H.
ASCII Mode:
Command message: Response message:
STX ‘:’ STX ‘:’
‘0’ ‘0’
ADR ‘1’
ADR ‘1’
‘0’ ‘0’
CMD ‘3’
CMD ‘3’
‘0’ ‘0’
‘2’
Number of data
(Count by byte) ‘4'
‘0’ ‘0’
Starting data
address
‘0’ ‘0’
‘0’ ‘B’
‘0’
Contents of starting
data address
0200H
‘1’
‘0’ ‘1’
Number of data
‘2’ ‘F’
‘F’ ‘4’
LRC Check ‘8’
Contents of second
data address
0201H
‘0’
End 1 (0DH)(CR) ‘E’
End 0 (0AH)(LF) LRC Check ‘8’
End 1 (0DH)(CR)
End 0 (0AH)(LF)

Chapter 8 MODBUS Communications|ASDA-B Series
Revision January 2009 8-11
RTU Mode:
Command message: Response message:
ADR 01H ADR 01H
CMD 03H CMD 03H
02H (Upper bytes)
Starting data
address 00H (Lower bytes)
Number of data
(Count by byte) 04H
00H 00H (Upper bytes)
Number of data
(Count by word) 02H
Contents of starting
data address
0200H B1H (Lower bytes)
CRC Check Low C5H (Lower bytes) 1FH (Upper bytes)
CRC Check High B3H (Upper bytes)
Contents of second
data address
0201H 40H (Lower bytes)
CRC Check Low A3H (Lower bytes)
CRC Check High D4H (Upper bytes)
Command code: 06H, write 1 word
For example, writing 100 (0064H) to starting data address 0200H of ASDA-B series with address 01H.
ASCII Mode:
Command message: Response message:
STX ‘:’ STX ‘:’
‘0’ ‘0’
ADR ‘1’
ADR ‘1’
‘0’ ‘0’
CMD ‘6’
CMD ‘6’
‘0’ ‘0’
‘2’ ‘2'
‘0’ ‘0’
Starting data
address
‘0’
Starting data
address
‘0’
‘0’ ‘0’
‘0’ ‘0’
‘6’ ‘6’
Content of data
‘4’
Content of data
‘4’
‘9’ ‘9’
LRC Check ‘3’
LRC Check ‘3’
End 1 (0DH)(CR) End 1 (0DH)(CR)
End 0 (0AH)(LF) End 0 (0AH)(LF)

Chapter 8 MODBUS Communications|ASDA-B Series
8-12 Revision January 2009
RTU Mode:
Command message: Response message:
ADR 01H ADR 01H
CMD 06H CMD 06H
02H (Upper bytes) 02H (Upper bytes)
Starting data
address 00H (Lower bytes)
Starting data
address 00H (Lower bytes)
00H (Upper bytes) 00H (Upper bytes)
Content of data 64H (Lower bytes) Content of data 64H (Lower bytes)
CRC Check Low 89H (Lower bytes) CRC Check Low 89H (Lower bytes)
CRC Check High 99H (Upper bytes) CRC Check High 99H (Upper bytes)
LRC (ASCII Mode):
LRC (Longitudinal Redundancy Check) is calculated by summing up, module 256, the values of the bytes
from ADR to last data character then calculating the hexadecimal representation of the 2’s-complement
negation of the sum.
For example, reading 1 word from address 0201H of the ASDA-B series AC servo drive with address 01H.
STX ‘:’
‘0’
ADR ‘1’
‘0’
CMD ‘3’
‘0’
‘2’
‘0’
Starting data address
‘1’
‘0’
‘0’
‘0’
Number of data
‘1’
‘F’
LRC Check ‘8’
End 1 (0DH)(CR)
End 0 (0AH)(LF)
01H+03H+02H+01H+00H+01H = 08H, the 2’s complement negation of 08H is F8H.
Hence, we can know that LRC CHK is ’F’,’8’.

Chapter 8 MODBUS Communications|ASDA-B Series
Revision January 2009 8-13
CRC (RTU Mode):
CRC (Cyclical Redundancy Check) is calculated by the following steps:
Step 1: Load a 16-bit register (called CRC register) with FFFFH.
Step 2: Exclusive OR the first 8-bit byte of the command message with the low order byte of the 16-bit CRC
register, putting the result in the CRC register.
Step 3: Extract and examine the LSB. If the LSB of CRC register is 0, shift the CRC register one bit to the
right. If the LSB of CRC register is 1, shift the CRC register one bit to the right, then Exclusive OR
the CRC register with the polynomial value A001H.
Step 4: Repeat step 3 until eight shifts have been performed. When this is done, a complete 8-bit byte will
have been processed, then perform step 5.
Step 5: Repeat step 2 to step 4 for the next 8-bit byte of the command message.
Continue doing this until all bytes have been processed. The final contents of the CRC register are
the CRC value.
NOTE
1) When transmitting the CRC value in the message, the upper and lower bytes of the CRC value must be
swapped, i.e. the lower order byte will be transmitted first.
2) For example, reading 2 words from address 0101H of the AC servo drive with address 01H. The final
content of the CRC register from ADR to last data character is 3794H, then the command message is
shown as follows. What should be noticed is that 94H have to be transmitted before 37H.
Command Message
ADR 01H
CMD 03H
01H (Upper byte)
Starting data address 01H (Lower bytes)
00H (Upper bytes)
Number of data
(Count by word) 02H (Lower bytes)
CRC Check Low 94H (Lower bytes)
CRC Check High 37H (Upper bytes)
End1, End0 (Communication End)
ASCII Mode:
In ASCII mode, (0DH) stands for character ’\r’ (carriage return) and (0AH) stands for character ’\n’ (new
line), they indicate communication end.
RTU Mode:
In RTU mode, a silent interval of more than 10ms indicates communication end.

Chapter 8 MODBUS Communications|ASDA-B Series
8-14 Revision January 2009
Communication Related Error Code
If one communication error occurs during communication, the AC servo drive will respond the corresponding
error value and command code plus 80H back to the external controller.
For example,
ASCII Mode RTU Mode
STX ‘:’ ADR 01H
‘0’ CMD 86H
ADR ‘1’ Error Code 02H
‘8’ CRC Check Low C3H
CMD ‘6’ CRC Check High A1H
‘0’
Error Code
‘2’
‘7’
LRC Check ‘7’
End 1 CR
End 0 LF
Error Code
Error Code Error Code Description
0x01 GRP_ERR Group Error: Read/Write unexisted parameter group
0x02 IDX_ERR Parameter Error: Read/Write unexisted parameter
0x03 VAL_ERR
Value Error: Setting value is not within the setting range.
(Higher than the maximum setting value or lower than the
minimum setting value)
0x04 OV_PT
Numbers of Data Error: Numbers of read and write data
exceed the maximum. (9 numbers)
0x05 ZO_PT 0 Number Error: Number of read and write data is 0.
0x06 WRITE_ERR Write Error: Write the read-only and reserved parameters.
0x27 OUT_OF_RANGE
Illegal Value: Although the setting value is within the setting
range, it is not a legal value for this parameter.
0x28 PASSWORD_FAIL
Password error: For security, password is needed for
reading and writing some parameters. For example, before
enabling P4-10, users have to set P2-08 to 20 first.
0x29 SRVON_WR_DISABLE
SON Protection: Some parameters cannot be enabled
when Servo On. (SON signal is activated.)
Chapter 8 MODBUS Communications|ASDA-B Series
Revision January 2009 8-15
The following is an example of CRC generation using C language. The function takes two arguments:
unsigned char* data;
unsigned char length
The function returns the CRC value as a type of unsigned integer.
unsigned int crc_chk(unsigned char* data, unsigned char length) {
int j;
unsigned int reg_crc=0xFFFF;
while( length-- ) {
reg_crc^= *data++;
for (j=0; j<8; j++ ) {
if( reg_crc & 0x01 ) { /*LSB(bit 0 ) = 1 */
reg_crc = (reg_crc >> 1)^0xA001;
} else {
reg_crc = (reg_crc>>1);
}
}
}
return reg_crc;
}
PC communication program example:
#include<stdio.h>
#include<dos.h>
#include<conio.h>
#include<process.h>
#define PORT 0x03F8 /* the address of COM 1 */
#define THR 0x0000
#define RDR 0x0000
#define BRDL 0x0000
#define IER 0x0001
#define BRDH 0x0001
#define LCR 0x0003
#define MCR 0x0004
#define LSR 0x0005
#define MSR 0x0006
unsigned char rdat[60];
/* read 2 data from address 0200H of ASD with address 1 */
unsigned char tdat[60]={‘:’,’0’,’1’,’0’,’3’,’0’,’2’,’0’,’0’,’0’,’0’,’0’,’2’,’F’,’8’,’\r’,’\n’};
void main() {
Chapter 8 MODBUS Communications|ASDA-B Series
8-16 Revision January 2009
int I;
outportb(PORT+MCR,0x08); /* interrupt enable */
outportb(PORT+IER,0x01); /* interrupt as data in */
outportb(PORT+LCR,( inportb(PORT+LCR) | 0x80 ) );
/* the BRDL/BRDH can be access as LCR.b7 == 1 */
outportb(PORT+BRDL,12);
outportb(PORT+BRDH,0x00);
outportb(PORT+LCR,0x06); /* set prorocol
<7,E,1> = 1AH, <7,O,1> = 0AH
<8,N,2> = 07H <8,E,1> = 1BH
<8,O,1> = 0BH */
for( I = 0; I<=16; I++ ) {
while( !(inportb(PORT+LSR) & 0x20) ); /* wait until THR empty */
outportb(PORT+THR,tdat[I]); /* send data to THR */
}
I = 0;
while( !kbhit() ) {
if( inportb(PORT+LSR)&0x01 ) { /* b0==1, read data ready */
rdat[I++] = inportb(PORT+RDR); /* read data from RDR */
}
}
}

Revision January 2009 9-1
Chapter 9 Maintenance and Inspection
Delta AC servo drives are based on solid state electronics technology. Preventive maintenance is required to
operate this AC servo drives in its optimal condition, and to ensure a long life. It is recommended to perform
a periodic maintenance and inspection of the AC servo drive by a qualified technician. Before any
maintenance and inspection, always turn off the AC input power to the unit.
¾ Be sure to disconnect AC power and ensure that the internal capacitors have fully discharged before performing
the maintenance and inspection!
9.1 Basic Inspection
After power is in connected to the AC servo drive, the charge LED will be lit which indicates that the AC
servo drive is ready.
Item Content
General Inspection
z Periodically inspect the screws of the servo drive, motor shaft, terminal block
and the connection to mechanical system. Tighten screws as necessary as they
may loosen due to vibration and varying temperatures.
z Ensure that oil, water, metallic particles or any foreign objects do not fall inside
the servo drive, motor, control panel or ventilation slots and holes. As these will
cause damage.
z Ensure the correct installation and the control panel. It should be free from
airborne dust, harmful gases or liquids.
z Ensure that all wiring instructions and recommendations are followed; otherwise
damage to the drive and or motor may result.
Inspection before
operation
(Control power is not
applied)
z Inspect the servo drive and servo motor to insure they were not damaged.
z To avoid an electric shock, be sure to connect the ground terminal of servo
drive to the ground terminal of control panel.
z Before making any connection, wait 10 minutes for capacitors to discharge after
the power is disconnected, alternatively, use an appropriate discharge device to
discharge.
z Ensure that all wiring terminals are correctly insulated.
z Ensure that all wiring is correct or damage and or malfunction may result.
z Visually check to ensure that there are not any unused screws, metal strips, or
any conductive or inflammable materials inside the drive.
z Never put inflammable objects on servo drive or close to the external
regenerative resistor.
z Make sure control switch is OFF.
z If the electromagnetic brake is being used, ensure that it is correctly wired.
z If required, use an appropriate electrical filter to eliminate noise to the servo
drive.
z Ensure that the external applied voltage to the drive is correct and matched to
the controller.

Chapter 9 Maintenance and Inspection|ASDA-B Series
9-2 Revision January 2009
Item Content
Inspection during
operation
(Control power is
applied))
z Ensure that the cables are not damaged, stressed excessively or loaded
heavily. When the motor is running, pay close attention on the connection of the
cables and notice that if they are damaged, frayed or over extended.
z Check for abnormal vibrations and sounds during operation. If the servo motor
is vibrating or there are unusual noises while the motor is running, please
contact the dealer or manufacturer for assistance.
z Ensure that all user-defined parameters are set correctly. Since the
characteristics of various machinery are different, in order to avoid accident or
cause damage, do not adjust the parameter abnormally and ensure the
parameter setting is not an excessive value.
z Ensure to reset some parameters when the servo drive is off (Please refer to
Chapter 7). Otherwise, it may result in malfunction.
z If there is no contact sound or there be any unusual noises when the relay of
the servo drive is operating, please contact your distributor for assistance or
contact with Delta.
z Check for abnormal conditions of the power indicators and LED display. If there
is any abnormal condition of the power indicators and LED display, please
contact your distributor for assistance or contact with Delta.
9.2 Maintenance
Use and store the product in a proper and normal environment.
Periodically clean the surface and panel of servo drive and motor.
Make sure the conductors or insulators are corroded and/or damaged.
Do not disassemble or damage any mechanical part when performing maintenance.
Clean off any dust and dirt with a vacuum cleaner. Place special emphasis on cleaning the ventilation
ports and PCBs. Always keep these areas clean, as accumulation of dust and dirt can cause unforeseen
failures.
9.3 Life of Replacement Components
Smooth capacitor
The characteristics of smooth capacitor would be deteriorated by ripple current affection. The life of
smooth capacitor varies according to ambient temperature and operating conditions. The common
guaranteed life of smooth capacitor is ten years when it is properly used in normal air-conditioned
environment.
Relay
The contacts will wear and result in malfunction due to switching current. The life of relay varies
according to power supply capacity. Therefore, the common guaranteed life of relay is cumulative
100,000 times of power on and power off.
Chapter 9 Maintenance and Inspection|ASDA-B Series
Revision January 2009 9-3
Cooling fan
The cooling fan life is limited and should be changed periodically. The cooling fan will reach the end of
its life in 2~3 years when it is in continuous operation. However, it also must be replaced if the cooling
fan is vibrating or there are unusual noises.
Chapter 9 Maintenance and Inspection|ASDA-B Series
9-4 Revision January 2009
This page intentionally left blank.

Revision January 2009 10-1
Chapter 10 Troubleshooting
If a fault is detected on the servo drive or motor, a corresponding alarm will be activated and the fault
message will be displayed on the LCD display of the digital keypad and the fault code will be shown on the
1-digit 7-segment LED display of the servo drive.
10.1 Fault Messages Table
Servo Drive Fault Messages
Fault Messages
Display Fault Name Fault Description
ALE Overcurrent Main circuit current is higher than 1.5 multiple of motor’s
instantaneous maximum current value.
ALE Overvoltage Main circuit voltage has exceeded its maximum allowable
value.
ALE Undervoltage Main circuit voltage is below its minimum specified value.
ALE Z Pulse shift The corresponding angle of magnetic field of Z phase is error.
ALE Regeneration error Regeneration control operation is in error.
ALE Overload Servo motor and drive is overload.
ALE Overspeed Motor’s control speed exceeds the limit of normal speed.
ALE Abnormal pulse control
command
Input frequency of pulse command exceeds the limit of its
allowable setting value.
ALE Excessive deviation Position control deviation value exceeds the limit of its
allowable setting value.
ALE 10/ALE Serial communication
error RS-232/485 serial communication is in error.
ALE 11/ALE Encoder error (Position
detector fault) Pulse signal is in error.
ALE 12/ALE Adjustment error Adjusted value exceeds the limit of its allowable setting value
when perform electrical adjustment.
ALE 13/ALE Emergency stop
activated Emergency stop is activated.
ALE 14/ALE Reverse limit switch
error Reverse limit switch is activated.
ALE 15/ALE Forward limit switch
error Forward limit switch is activated.
ALE 16/ALE IGBT temperature
error The temperature of IGBT is over high.
ALE 17/ALE Memory error EE-PROM write-in and read-out is in error.
ALE 18/ALE Serial communication
time out RS-232/485 serial communication time out
ALE 19/ALE Motor type error The motor capacity does not match the servo drive setting

Chapter 10 Troubleshooting|ASDA-B Series
10-2 Revision January 2009
Fault Messages
Display Fault Name Fault Description
ALE 20/ALE Input power phase loss One phase of the input power is loss.
Keypad Fault Messages
Fault Messages
Display Fault Name Fault Description
ALE 30 LCM hardware error The character display on LCM is in error.
ALE 31 LED hardware error When parameter P8-09 is enabled, LED indicator is
abnormal.
ALE 32 KEY hardware error When parameter P8-09 is enabled, the function key is
disabled.
ALE 33 RAM hardware error When parameter P8-09 is enabled, the dynamical memory
(RAM) is abnormal.
ALE 34 EEPROM hardware
error The data memory (EEPROM) is abnormal.
ALE 35 COMM hardware error Communication is in error during communication initial setup.
ALE 36 Reserved
ALE 37 Reserved
ALE 38 Reserved
ALE 39 Reserved
ALE 40 Initial setup error Communication initial setup has not completed yet.
ALE 41 Communication
receive time out
Communication time out when receiving data (continuously
communicate over three times)
ALE 42 Communication
receive error Checksum error when receiving data during communication.
ALE 43 Error communication
response address Respond the error communication address.
ALE 44 Error communication
response command Respond the error communication command.
ALE 45
Communication
parameter address
error
Respond the error parameter communication address.
ALE 46
Communication
parameter content
error
Respond the error parameter content.
ALE 47 Drive specification
error
The servo drive specification does not match when save and
write out parameter.
ALE 48 Fast editing function
error The function of static and dynamic auto-tuning is in error.

Chapter 10 Troubleshooting|ASDA-B Series
Revision January 2009 10-3
10.2 Potential Cause and Corrective Actions
Servo Drive Fault Messages
ALE 1 / ALE : Overcurrent
When SERVO OFF, but the power is on:
Potential Cause Checking Method Corrective Actions
Short-circuit at drive
output (U, V, W).
1. Check the wiring connections between
drive and motor.
2. Check if the wire is short-circuited.
Repair the short-circuited and
avoid metal conductor being
exposed.
When SERVO ON and the cable connected to U, V, W terminal is removed:
Potential Cause Checking Method Corrective Actions
Motor wiring error. Check if the wiring steps are all correct when
connecting motor to drive.
Follow the wiring steps in the user
manual to reconnect wiring.
When SERVO ON and the cable connected to U, V, W terminal is not removed or the servo motor is
running:
Potential Cause Checking Method Corrective Actions
Short-circuit at drive
output (U, V, W).
1. Check the wiring connections between
drive and motor.
2. Check if the wire is short-circuited.
Repair the short-circuited and
avoid metal conductor being
exposed.
Motor wiring error. Check if the wiring steps are all correct when
connecting motor to drive.
Follow the wiring steps in the user
manual to reconnect wiring.
IGBT error or servo
hardware is damaged. Heat sink overheated. Please contact your distributor for
assistance or contact with Delta.
ALE 2 / ALE : Overvoltage
When SERVO OFF, but the power is on:
When SERVO ON:
Potential Cause Checking Method Corrective Actions
The main circuit voltage
has exceeded its
maximum allowable
value.
Use voltmeter to check whether the input
voltage falls within the rated input voltage. (For
voltage specification, please refer to section
11.1 in Chapter 11).
Use correct power supply or
stabilizing power.
Power input error.
(Incorrect power input)
Use voltmeter to check whether the input
voltage is within the specified limit.
Use correct power supply or
stabilizing power.
Servo drive hardware
may be damaged.
The servo drive hardware may be damaged
after the users have used voltmeter to check
the input voltage falls within the rated input
voltage.
Please contact your distributor for
assistance or contact with Delta.

Chapter 10 Troubleshooting|ASDA-B Series
10-4 Revision January 2009
ALE 3 / ALE : Undervoltage
Potential Cause Checking Method Corrective Actions
The main circuit voltage
is below its minimum
specified value.
Check whether the wiring of main circuit input
voltage is correct.
Reconfirm voltage wiring. Correct
input wiring is needed.
No input voltage at
main circuit.
Use voltmeter to check whether input voltage at
main circuit is normal.
Reconfirm power supply, including
switches.
Power input error.
(Incorrect power input)
Use voltmeter to check whether the input
voltage is within the specified limit.
Use correct power supply or
stabilizing power.
Servo drive hardware is
damaged.
The servo drive hardware is damaged after the
users have used voltmeter to check the input
voltage falls within the rated input voltage.
Please contact your distributor for
assistance or contact with Delta.
ALE 4 / ALE : Z Pulse shift
Potential Cause Checking Method Corrective Actions
Encoder is damage. Check Encoder for the damage. Repair or replace the motor.
Encoder is loose. Examine the Encoder connector. Install the motor again.
ALE 5 / ALE : Regeneration error
When the power is on:
Potential Cause Checking Method Corrective Actions
Servo drive hardware is
damaged. Please contact your distributor for assistance or contact with Delta.
When the motor is running:
Potential Cause Checking Method Corrective Actions
Regenerative resistor is
not connected.
Check the wiring connection of regenerative
resistor. Reconnect regenerative resistor.
The transistor for
regeneration is
disabled.
Check if the transistor for regeneration is short-
circuited.
Please contact your distributor for
assistance or contact with Delta.
Parameter setting is in
error.
Confirm the parameter setting and
specifications of regenerative resistor. Correctly reset parameter again.
Servo drive hardware is
damaged. Please contact your distributor for assistance or contact with Delta.

Chapter 10 Troubleshooting|ASDA-B Series
Revision January 2009 10-5
ALE 6 / ALE : Overload
When the motor is started within 30 minutes:
Potential Cause Checking Method Corrective Actions
The drive has exceeded
its rated load during
continuous operation.
Check if the drive is overloaded. Increase motor capacity or reduce
load.
Check if there is mechanical vibration Adjust gain value of control circuit.Control system
parameter setting is
incorrect. Accel/Decel time setting is too fast. Decrease Accel/Decel time setting.
The wiring of drive and
encoder is in error. Check the wiring of U, V, W and encoder. Ensure all wiring is correct.
The encoder of the
motor is damaged. Please contact your distributor for assistance or contact with Delta.
The connection of U, V,
W is incorrect.
Ensure the U, V, W of the motor is connected
to the U, V, W of the drive correctly. Ensure all wiring is correct.
When the motor start running for 3 minutes above:
Potential Cause Checking Method Corrective Actions
The drive has exceeded
its rated load during
continuous operation.
Check if the drive is overloaded. Increase motor capacity or reduce
load.
Check if there is mechanical vibration Adjust gain value of control circuit.Control system
parameter setting is
incorrect. Accel/Decel time setting is too fast. Decrease Accel/Decel time setting.
The wiring of drive and
encoder is in error. Check the wiring of U, V, W and encoder. Ensure all wiring is correct.
ALE 7 / ALE : Overspeed
When SERVO ON:
Potential Cause Checking Method Corrective Actions
The wiring of motor is
incorrect. Check the wiring of U, V, W and encoder. Ensure all wiring is correct.
The encoder of the
motor is damaged. Please contact your distributor for assistance or contact with Delta.
When the motor Accel/Decel in high-speed:
Potential Cause Checking Method Corrective Actions
Speed input command
is not stable (too much
fluctuation).
Use signal detector to detect if input signal is
abnormal.
Ensure that input command
frequency is stable (not fluctuate
too much) and activate filter
function (P1-06, P1-07 and P1-08).
Over-speed parameter
setting is defective.
Check if over-speed parameter setting value is
too low.
Correctly set over-speed parameter
setting (P2-34).

Chapter 10 Troubleshooting|ASDA-B Series
10-6 Revision January 2009
ALE 8 / ALE : Abnormal pulse control command
Potential Cause Checking Method Corrective Actions
Pulse command
frequency is higher
than rated input
frequency.
Use pulse frequency detector to measure input
frequency.
Correctly set the input pulse
frequency.
ALE 9 / ALE : Excessive deviation
When the motor is running:
Potential Cause Checking Method Corrective Actions
Maximum deviation
parameter setting is too
small.
Check the maximum deviation parameter
setting and observe the position error value
when the motor is running.
Increases the parameter setting
value of P2-35.
Torque limit is too low. Check torque limit value. Correctly adjust torque limit value.
There is an overload. Check for overload condition. Reduce external applied load or re-
estimate the motor capacity.
When pulse command is input but the motor does not run or the moving is very slow:
Potential Cause Checking Method Corrective Actions
Gain value is too small. Check for proper gain value. Correctly adjust gain value.
Torque limit is too low. Check torque limit value. Correctly adjust torque limit value.
There is an overload. Check for overload condition. Reduce external applied load or re-
estimate the motor capacity.
The excessive deviation fault occurs immediately when the pulse command is given:
Potential Cause Checking Method Corrective Actions
Maximum deviation
parameter setting is too
small.
Check the maximum deviation parameter
setting and observe the position error value
when the motor is running.
Increases the parameter setting
value of P2-35.
Too much fluctuation of
pulse command. Check the pulse frequency.
Adjust pulse frequency and
activate filter function (P1-06, P1-
07 and P1-08).
ALE 10 / ALE : Serial communication error
Please refer to section 8.3.4 in Chapter 8 for the related error codes.
Potential Cause Checking Method Corrective Actions
Communication
parameter setting is
defective.
Check the communication parameter setting. Correctly set parameter setting.
Communication
address is incorrect. Check the communication address. Correctly set communication
address.
Communication value is
incorrect. Check the communication value. Correctly set communication value.

Chapter 10 Troubleshooting|ASDA-B Series
Revision January 2009 10-7
ALE 11 / ALE : Encoder error (Position detector fault)
Potential Cause Checking Method Corrective Actions
The wiring of encoder is
in error.
1. Check if all wiring is correct.
2. Check if the users conduct the wiring by
the wiring information in the user manual.
Ensure all wiring is correct.
Encoder is loose Examine the encoder connector. Install the motor again.
The wiring of encoder is
defective. Check if all connections are tight. Conduct the wiring again.
Encoder is damage Check the encoder for the damage. Repair or replace the motor.
ALE 12 / ALE : Adjustment error
Potential Cause Checking Method Corrective Actions
The motor is running. Check if the motor is running. Turn off the motor.
Analog input contact
does not correctly
return to zero.
Measure and check if the voltage level of
analog input contact is the same as the
electrical potential of grounding.
Correctly ground analog input
contact.
Detection device may
be damaged. Check and reset the power supply. Please contact your distributor for
assistance or contact with Delta.
ALE 13 / ALE : Emergency stop activated
Potential Cause Checking Method Corrective Actions
Emergency stop switch
is activated. Check if emergency stop switch is On or Off. Activate emergency stop switch.
ALE 14 / ALE : Reverse (CWL) limit switch error
Potential Cause Checking Method Corrective Actions
Reverse limit switch is
activated. Check if reverse limit switch is On or Off. Activate reverse limit switch.
Servo system is not
stable.
Check the value of control parameter setting
and load inertia.
Modify parameter setting and re-
estimate motor capacity.
ALE 15 / ALE : Forward (CCWL) limit switch error
Potential Cause Checking Method Corrective Actions
Forward limit switch is
activated. Check if forward limit switch is On or Off. Activate forward limit switch.
Servo system is not
stable.
Check the value of control parameter setting
and load inertia.
Modify parameter setting and re-
estimate motor capacity.

Chapter 10 Troubleshooting|ASDA-B Series
10-8 Revision January 2009
ALE 16 / ALE : IGBT temperature error
Potential Cause Checking Method Corrective Actions
The drive has
exceeded its rated load
during continuous
operation.
Check if there is overload or the motor current
is too high.
Increase motor capacity or reduce
load.
Short-circuit at drive
output. Check the drive input wiring. Ensure all wiring is correct.
ALE 17 / ALE : Memory error
Potential Cause Checking Method Corrective Actions
Data error in Memory
read-out / write-in. Reset parameter or power supply. Please contact your distributor for
assistance or contact with Delta.
ALE 18 / ALE : Serial communication time out
Potential Cause Checking Method Corrective Actions
Setting value in time
out parameter is not
correct.
Check communication time out parameter
setting. Correctly set P3-07.
Not receiving
communication
command for a long
time.
Check whether communication cable is loose
or broken.
Tighten the communication cable,
make sure the communication
cable is not damaged and ensure
all wiring is correct.
ALE 19 / ALE : Motor type error
Potential Cause Checking Method Corrective Actions
Servo drive and servo
motor do not match.
Check the type of servo drive and servo motor
and their combination.
Replace the servo drive or replace
the servo motor.
ALE 20 / ALE : Input power phase loss
Potential Cause Checking Method Corrective Actions
Control power supply is
in error.
Check the power cable and connections of R,
S, T. Check whether the power cable is loose
or the possible loss of phase on input power.
If the fault does not clear even
when the three-phase power is
connected correctly, please contact
your distributor for assistance or
contact with Delta.

Chapter 10 Troubleshooting|ASDA-B Series
Revision January 2009 10-9
Keypad Fault Messages
ALE 30 : LCM hardware error
Potential Cause Checking Method Corrective Actions
No display Check if the 4th Pin of LCM is normal. Please contact your distributor for
assistance or contact with Delta.
Error characters
display.
Check if the related Pins is short-circuited and
check if IC operation is normal.
Please contact your distributor for
assistance or contact with Delta.
ALE 31 : LED hardware error
Potential Cause Checking Method Corrective Actions
Check if LED is normal. Please contact your distributor for
assistance or contact with Delta.
LED indicator is
abnormal. Check if the transistor is abnormal and check if
IC operation is normal by setting P8-09 to 2.
Please contact your distributor for
assistance or contact with Delta.
ALE 32 : KEY hardware error
Potential Cause Checking Method Corrective Actions
The function key is
disabled.
Check if IC operation is normal by setting P8-
09 to 1.
1. Activate P8-09 to perform the
testing.
2. Please contact your distributor
for assistance or contact with
Delta.
ALE 33 : RAM hardware error
Potential Cause Checking Method Corrective Actions
LCM display is
abnormal.
In regular condition, disorganized display or
abnormal display shows on LCM. Please check
if the working voltage of RAM is normal.
1. Activate P8-09 to perform the
testing.
2. Please contact your distributor
for assistance or contact with
Delta.
Function key is
abnormal.
Check if the transistor is abnormal and check if
IC operation is normal by setting P8-09 to 3.
1. Activate P8-09 to perform the
testing.
2. Please contact your distributor
for assistance or contact with
Delta.
ALE 34 : EEPROM hardware error
Potential Cause Checking Method Corrective Actions
Store data error Check if the operation of MCU or EEPROM is
normal by setting P8-09 to 4.
1. Activate P8-09 to perform the
testing.
2. Please contact your distributor
for assistance or contact with
Delta.

Chapter 10 Troubleshooting|ASDA-B Series
10-10 Revision January 2009
ALE 35 : COMM hardware error
Potential Cause Checking Method Corrective Actions
Hardware error Check if the serial communication signal is
normal.
1. Activate P8-09 to perform the
testing.
2. Please contact your distributor
for assistance or contact with
Delta.
Communication
parameter setting is
defective.
Check the communication parameter setting. Correctly set parameter setting.
ALE 40 : Initial setup error
Potential Cause Checking Method Corrective Actions
Communication error
occurs when initial
setup.
Communication initial setup has not completed
yet. Please check if the communication serial
signal is normal.
1. Correctly set communication
parameter setting.
2. Please contact your distributor
for assistance or contact with
Delta.
Parameter read error
when initial setup.
EEPROM cannot read normally. Set P8-09 to 4
to test EEPROM and check if EEPROM is
normal.
1. Activate P8-09 to perform the
testing.
2. Please contact your distributor
for assistance or contact with
Delta.
Communication mode
is error. Check if using ASDA series servo drive. Please use ASDA series servo
drive.
ALE 41 : Communication receive time out
Potential Cause Checking Method Corrective Actions
Not receiving
communication data for
a long time.
Check if the communication cable is loose or
broken.
Ensure all wiring is correct.
Please contact your distributor for
assistance or contact with Delta.
Data receiving is not
completed.
Check if the serial communication signal is
normal.
Please contact your distributor for
assistance or contact with Delta.
ALE 42 : Communication receive error
Potential Cause Checking Method Corrective Actions
Checksum error Check if the checksum of the receiving data is
correct.
Verify the sending and receiving
data format.
Please contact your distributor for
assistance or contact with Delta.
Checksum error Check the communication quality. Please contact your distributor for
assistance or contact with Delta.

Chapter 10 Troubleshooting|ASDA-B Series
Revision January 2009 10-11
ALE 43 : Error communication response address
Potential Cause Checking Method Corrective Actions
Receive the error
communication
response address
Check if the sending and receiving
communication address are the same.
Check if the communication setting
is correct by using P8-05.
Verify the sending and receiving
data format.
ALE 44 : Error communication response command
Potential Cause Checking Method Corrective Actions
Respond the error
communication
command.
Respond the error Modbus command Verify the sending and receiving
data format.
ALE 45 : Communication parameter address error
Potential Cause Checking Method Corrective Actions
Respond the error
parameter address
Check if the sending and receiving
communication code are the same.
Verify the sending and receiving
data format.
ALE 46 : Communication parameter content error
Potential Cause Checking Method Corrective Actions
Respond error
parameter content
when reading
parameter.
The data length of the content is error. Verify the sending and receiving
data format.
Respond error
parameter content
when writing
parameter.
The data content is in error. Verify the sending and receiving
data format.
ALE 47 : Drive specification error
Potential Cause Checking Method Corrective Actions
Parameter SAVE
operation is in error.
Use P8-13 to check if the specification stored in
the memory block match the actual servo drive
specification when executing SAVE function
(Save parameter settings to the Keypad).
1. Select the unused memory
block to save the parameter.
2. Delete the memory block.
Parameter WRITE
operation is in error.
Use P8-13 to check if the specification stored in
the memory block match the actual servo drive
specification when executing WRITE function
(Parameter settings written out to the Drive).
Select the correct memory block.
ALE 48 : Fast editing function error
Potential Cause Checking Method Corrective Actions
The function of static
and auto-tuning is in
error.
The setting of P2-32 is incorrect. Set P2-32 to Manual mode.
The function of dynamic
auto-tuning is in error.
Execution time out or the function is not
executed completely.
Please contact your distributor for
assistance or contact with Delta.

Chapter 10 Troubleshooting|ASDA-B Series
10-12 Revision January 2009
10.3 Clearing Servo Drive Faults
Display Fault Name Clearing Method
ALE Overcurrent Turn ARST (DI signal) ON to clear the fault or
restart the servo drive.
ALE Overvoltage Turn ARST (DI signal) ON to clear the fault or
restart the servo drive.
ALE Undervoltage
This fault message can be removed automatically
after the voltage has returned within its
specification.
ALE Z Pulse shift Restart the servo drive.
ALE Regeneration error Turn ARST (DI signal) ON to clear the fault or
restart the servo drive.
ALE Overload Turn ARST (DI signal) ON to clear the fault or
restart the servo drive.
ALE Overspeed Turn ARST (DI signal) ON to clear the fault or
restart the servo drive.
ALE Abnormal pulse control
command
Turn ARST (DI signal) ON to clear the fault or
restart the servo drive.
ALE Excessive deviation Turn ARST (DI signal) ON to clear the fault or
restart the servo drive.
ALE 10/ALE Serial communication error
Turn ARST (DI signal) ON to clear the fault. This
fault message can also be removed automatically
after the communication is normal.
ALE 11/ALE Encoder error (Position
detector fault)
Restart the servo drive.
ALE 12/ALE
Adjustment error
This fault message can be removed after the
wiring of CN1 connector (I/O signal connector) is
removed and auto adjustment function is
executed.
ALE 13/ALE Emergency stop activated Turn ARST (DI signal) ON to clear the fault or
restart the servo drive.
ALE 14/ALE Reverse limit switch error Turn ARST (DI signal) ON to clear the fault or
restart the servo drive.
ALE 15/ALE Forward limit switch error Turn ARST (DI signal) ON to clear the fault or
restart the servo drive.
ALE 16/ALE IGBT temperature error Turn ARST (DI signal) ON to clear the fault or
restart the servo drive.
ALE 17/ALE Memory error Turn ARST (DI signal) ON to clear the fault or
restart the servo drive.
ALE 18/ALE Serial communication time
out
Turn ARST (DI signal) ON to clear the fault. This
fault message can also be removed automatically
after the communication is normal.
ALE 19/ALE Motor type error Restart the servo drive.
ALE 20/ALE Input power phase loss This fault message can be removed automatically
after input power phase lost problem is solved.

Revision January 2009 11-1
Chapter 11 Specifications
11.1 Specifications of Servo Drive (ASDA-B Series)
100W 200W 400W 750W 1kW 1.5kW 2kW
Model: ASDA-B Series 01 02 04 07 10 15 20
Voltage / Frequency Three-phase or Single-phase 220VAC Three-phase
220VAC
Permissible Voltage Range 170 ~ 252VAC
Power Supply
Permissible Frequency
Range 50/60Hz ±5%
Cooling System Natural Air Circulation Fan Cooling
Encoder Resolution /
Feedback Resolution 2500ppr/10000ppr
Control of Main Circuit SVPWM Control
Tuning Modes Auto / Manual
Regenerative Resistor None Built-in
Max. Input Pulse Frequency Max. 500KPPS (Line driver) /
Max. 200KPPS (Open collector)
Pulse Type Pulse + Direction, A phase + B phase, CCW pulse + CW pulse
Command Source External pulse train
Smoothing Strategy Low-pass smoothing filter
Electronic Gear Electronic gear N/M multiple
N: 1~32767, M: 1:32767(1/50<N/M<200)
Torque Limit Operation Set by parameters
Position Control Mode
Feed Forward
Compensation Set by parameters
Voltage
Range 0 ~ ±10 VDC
Input
Resistance 10KΩ
Analog Input
Command
Time
Constant 2.2 μs
Speed Control Range (Note 1) 1:5000
Command Source External analog signal / Internal parameters
Smoothing Strategy Low-pass and S-curve filter
Torque Limit Operation Set by parameters
Responsiveness
Characteristic Maximum 250Hz
0.01% or less at load fluctuation 0 to 100% (at rated rotation speed)
0.01% or less at power fluctuation ±10% (at rated rotation speed)
Speed Control Mode
Speed Fluctuation Rate (Note
2) 0.01% or less at ambient temperature fluctuation 0 to 50oC (at rated
rotation speed)

Chapter 11 Specifications|ASDA-B Series
11-2 Revision January 2009
100W 200W 400W 750W 1kW 1.5kW 2kW
Model: ASDA-B Series 01 02 04 07 10 15 20
Voltage
Range 0 ~ ±10 VDC
Input
Resistance 10KΩ
Analog Input
Command
Time
Constant 2.2 us
Command Source External analog signal / Internal parameters
Smoothing Strategy Low-pass smoothing filter
Torque Control Mode
Speed Limit Operation Set by parameters
Servo On, Reset, Gain switching, Pulse clear, Emergency stop,
Forward / Reverse inhibit limit
Input Torque limit activation, Speed limit activation, Internal parameter
selection, Torque limit activation, Speed limit activation, Control mode
selection (Position / Speed mode selection, Speed / Torque mode
selection, Position / Torque mode selection)
Encoder signal output (A, B, Z Line Driver / Z Open collector)
Digital Input/Output
Output Servo ready, Servo On, Zero speed, Speed reached, Positioning
completed, At torque limit, Servo alarm output (Servo fault),
Electromagnetic brake, Home completed
Protective Functions
Overcurrent, Overvoltage, Undervoltage, Z Pulse shift, Regeneration
error, Overload, Overspeed, Excessive deviation, Encoder error,
Emergency stop activated, Memory error, Serial communication error
Communication Interface RS-232 / RS-485
Installation Site Indoor location (free from direct sunlight), no corrosive liquid and gas
(far away from oil mist, flammable gas, dust)
Altitude Altitude 1000m or lower above sea level
Atmospheric pressure 86kPa to 106kPa
Operating Temperature 0o
C to 45 oC (If operating temperature is above specified range, forced
cooling will be required)
Storage Temperature -20 oC to 65 oC (-4°F to 149°F)
Humidity 0 to 90% (non-condensing)
Vibration 10Hz ≦ F ≦ 57Hz 0.075mm
57Hz < F ≦ 150Hz 1G
IP rating IP20
Power System TN / TT System (Note 3)
Environment
Approvals

Chapter 11 Specifications|ASDA-B Series
Revision January 2009 11-3
NOTE
1) Rated rotation speed: When full load, speed ratio is defined as the minimum
speed (the motor will not pause).
2) When command is rated rotation speed, the speed fluctuation rate is defined as:
(Empty load rotation speed – Full load rotation speed) / Rated rotation speed
3) TN system: A power distribution system having one point directly earthed, the
exposed conductive parts of the installation being connected to that points by
protective earth conductor.
TT system: A power distribution system having one point directly earthed, the
exposed conductive parts of the installation being connected to earth independent
of the power system.
4) Please refer to “Chart of load and operating time” in section 11.5 “Overload
Characteristics”.

Chapter 11 Specifications|ASDA-B Series
11-4 Revision January 2009
11.2 Specifications of Servo Motor (ECMA Series)
Low Inertia Servo Motor
C304 C306 C308 C310
100W 200W 400W 400W 750W 1kW 2kW
Model: ECMA Series
01 02 04 04 07 10 20
Rated output power (kW) 0.1 0.2 0.4 0.4 0.75 1.0 2.0
Rated torque (N-m) 0.32 0.64 1.27 1.27 2.39 3.18 6.37
Maximum torque (N-m) 0.96 1.92 3.82 3.82 7.16 9.54 19.11
Rated speed (rpm) 3000
Maximum speed (rpm) 5000
Rated current (A) 0.9 1.55 2.6 2.6 5.1 7.3 12.05
Maximum current (A) 2.7 4.65 7.8 7.8 15.3 21.9 36.15
Power rating (kW/s)
(without brake) 27.7 22.4 57.6 24.0 50.4 38.1 90.6
Rotor moment of inertia
(Kg.m2) (without brake) 0.037E-4 0.177E-4 0.277E-4 0.68E-4 1.13E-4 2.65E-4 4.45E-4
Mechanical time constant
(ms) (without brake) 0.75 0.80 0.53 0.74 0.63 0.74 0.61
Torque constant-KT (N-m/A) 0.36 0.41 0.49 0.49 0.47 0.43 0.53
Voltage constant-KE
(mV/rpm) 13.6 16 17.4 18.5 17.2 16.8 19.2
Armature resistance (Ohm) 9.3 2.79 1.55 0.93 0.42 0.20 0.13
Armature inductance (mH) 24 12.07 6.71 7.39 3.53 1.81 1.50
Electrical time constant (ms) 2.58 4.3 4.3 7.96 8.37 9.3 11.4
Insulation class Class A (UL), Class B (CE)
Insulation resistance >100MΩ, DC 500V
Insulation strength 1500V AC, 60 seconds
Weight (kg) (without brake) 0.5 1.2 1.6 2.1 3.0 4.3 6.2
Weight (kg) (with brake) - 1.5 2.0 2.9 3.8 4.7 7.2
Max. radial shaft load (N) 78.4 196 196 245 245 490 490
Max. thrust shaft load (N) 39.2 68 68 98 98 98 98
Power rating (kW/s)
(with brake) - 21.3 53.8 22.1 48.4 30.4 82
Rotor moment of inertia
(Kg.m2) (with brake) - 0.192E-4 0.30E-4 0.73E-4 1.18E-4 3.33E-4 4.953E-4
Mechanical time constant
(ms) (with brake) - 0.85 0.57 0.78 0.65 0.93 0.66
Brake holding torque [Nt-m
(min)] - 1.3 1.3 2.5 2.5 12 12
Brake power consumption (at
20 o
C) [W] - 7.2 7.2 8.5 8.5 19.4 19.4
Brake release time [ms (Max)] - 10 10 10 10 10 10
Brake pull-in time [ms (Max)] - 70 70 70 70 70 70

Chapter 11 Specifications|ASDA-B Series
Revision January 2009 11-5
C304 C306 C308 C310
100W 200W 400W 400W 750W 1kW 2kW
Model: ECMA Series
01 02 04 04 07 10 20
Vibration grade (um) 15
Operating temperature 0 oC to 40o
C (32 oF to 104o
F)
Storage temperature -10 oC to 80 o
C (-14 oF to 176o
F)
Operating humidity 20% to 90% RH (non-condensing)
Storage humidity 20% to 90% RH (non-condensing)
Vibration capacity 2.5G
IP rating
IP65 (when both waterproof connectors and shaft seal installation (or
selecting oil seal models, an oil seal is used to be fitted to the rotating shaft,
making the connectors waterproof (IP65 applicable)) are used.
Approvals
Medium / High Inertia Servo Motor
E313 E318 G313
500W 1kW 1.5kW 2kW 2kW 300W 600W 900W
Model: ECMA Series
05 10 15 20 20 03 06 09
Rated output power (kW) 0.5 1.0 1.5 2.0 2.0 0.3 0.6 0.9
Rated torque (N-m) 2.39 4.77 7.16 9.55 9.55 2.86 5.73 8.59
Maximum torque (N-m) 7.16 14.3 21.48 28.65 28.65 8.59 17.19 21.48
Rated speed (rpm) 2000 1000
Maximum speed (rpm) 3000 2000
Rated current (A) 2.9 5.6 8.3 11.01 11.22 2.5 4.8 7.5
Maximum current (A) 8.7 16.8 24.9 33.03 33.66 7.5 14.4 22.5
Power rating (kW/s)
(without brake) 7 27.1 45.9 62.5 26.3 10.0 39.0 66.0
Rotor moment of inertia
(Kg.m2) (without brake) 8.17E-4 8.41E-4 11.18E-4 14.59E-4 34.68E-4 8.17E-4 8.41E-4 11.18E-4
Mechanical time constant
(ms) (without brake) 1.91 1.51 1.10 0.96 1.62 1.84 1.40 1.06
Torque constant-KT (N-m/A) 0.83 0.85 0.87 0.87 0.85 1.15 1.19 1.15
Voltage constant-KE
(mV/rpm) 30.9 31.9 31.8 31.8 31.4 42.5 43.8 41.6
Armature resistance (Ohm) 0.57 0.47 0.26 0.174 0.119 1.06 0.82 0.43
Armature inductance (mH) 7.39 5.99 4.01 2.76 2.84 14.29 11.12 6.97
Electrical time constant (ms) 12.96 12.88 15.31 15.86 23.87 13.55 13.50 16.06
Insulation class Class A (UL), Class B (CE)
Insulation resistance >100MΩ, DC 500V
Insulation strength 1500V AC, 60 seconds
Weight (kg) (without brake) 6.8 7 7.5 7.8 13.5 6.8 7 7.5

Chapter 11 Specifications|ASDA-B Series
11-6 Revision January 2009
E313 E318 G313
500W 1kW 1.5kW 2kW 2kW 300W 600W 900W
Model: ECMA Series
05 10 15 20 20 03 06 09
Weight (kg) (with brake) 8.2 8.4 8.9 9.2 17.5 8.2 8.4 8.9
Max. radial shaft load (N) 490 490 490 490 1176 490 490 490
Max. thrust shaft load (N) 98 98 98 98 490 98 98 98
Power rating (kW/s)
(with brake) 6.4 24.9 43.1 59.7 24.1 9.2 35.9 62.1
Rotor moment of inertia
(Kg.m2) (with brake) 8.94E-4 9.14E-4 11.90E-4 15.88E-4 37.86E-4 8.94E-4 9.14E-4 11.9E-4
Mechanical time constant
(ms) (with brake) 2.07 1.64 1.19 1.05 1.77 2.0 1.51 1.13
Brake holding torque [Nt-m
(min)] 16.5 16.5 16.5 16.5 25 16.5 16.5 16.5
Brake power consumption (at
20 o
C) [W] 21.0 21.0 21.0 21.0 31.1 21.0 21.0 21.0
Brake release time [ms (Max)] 5.0 5.0 5.0 5.0 5.0 5.0 5.0 5.0
Brake pull-in time [ms (Max)] 25.0 25.0 25.0 25.0 25.0 25.0 25.0 25.0
Vibration grade (um) 15
Operating temperature 0 oC to 40o
C (32 oF to 104o
F)
Storage temperature -10 oC to 80o
C (-14 oF to 176o
F)
Operating humidity 20% to 90% RH (non-condensing)
Storage humidity 20% to 90% RH (non-condensing)
Vibration capacity 2.5G
IP rating
IP65 (when both waterproof connectors and shaft seal installation (or
selecting oil seal models, an oil seal is used to be fitted to the rotating shaft,
making the connectors waterproof (IP65 applicable)) are used.
Approvals
NOTE
1) Please refer to Section 1.2 for details about the model explanation.

Chapter 11 Specifications|ASDA-B Series
Revision January 2009 11-7
11.3 Dimensions of Servo Drive
Order P/N: ASD-B0121-A, ASD-B0221-A, ASD-B0421-A (100W to 400W)
WEIGHT 1.2 (2.64)
NOTE
1) Dimensions are in millimeters (inches).
2) Weights are in kilograms (kg) and (pounds (lbs))
3) In this manual, actual measured values are in metric units. Dimensions in (imperial
units) are for reference only. Please use metric for precise measurements.

Chapter 11 Specifications|ASDA-B Series
11-8 Revision January 2009
Order P/N: ASD-B0721-A (750W)
WEIGHT 1.5 (3.3)
NOTE
1) Dimensions are in millimeters (inches).
2) Weights are in kilograms (kg) and (pounds (lbs))
3) In this manual, actual measured values are in metric units. Dimensions in (imperial
units) are for reference only. Please use metric for precise measurements.

Chapter 11 Specifications|ASDA-B Series
Revision January 2009 11-9
Order P/N: ASD-B1021-A, ASD-B1521-A, ASD-B2023-A (1kW to 2kW)
WEIGHT 2.0 (4.4)
NOTE
1) Dimensions are in millimeters (inches).
2) Weights are in kilograms (kg) and (pounds (lbs))
3) In this manual, actual measured values are in metric units. Dimensions in (imperial
units) are for reference only. Please use metric for precise measurements.

Chapter 11 Specifications|ASDA-B Series
11-10 Revision January 2009
11.4 Servo Motor Speed-Torque Curves (T-N Curve)

Chapter 11 Specifications|ASDA-B Series
Revision January 2009 11-11
11.5 Overload Characteristics
Overload Protection Function
Overload protection is a built-in protective function to prevent a motor from overheating.
Occasion of Overload
1. Motor was operated for several seconds under a torque exceeding 100% torque.
2. Motor had driven high inertia machine and had accelerated and decelerated at high frequency.
3. Motor UVW cable or encoder cable was not connected correctly.
4. Servo gain was not set properly and caused motor hunting.
5. Motor holding brake was not released.
Chart of load and operating time (ECMAC30401S)
0.1
1
10
100
1000
0 50 100 150 200 250 300
Load (%) rated torque
Operating Time (seconds)
Load Operating
Time
120% 139.335s
140% 27.585s
160% 14.235s
180% 8.9625s
200% 6s
220% 4.4925s
240% 3.2925s
260% 2.58s
280% 2.07s
300% 1.6125s

Chapter 11 Specifications|ASDA-B Series
11-12 Revision January 2009
Chart of load and operating time (ECMAC30602S)
0.1
1
10
100
1000
10000
0 50 100 150 200 250 300
Load (% rated torque)
Operating Time (seconds)
Load Operating
Time
120% 213.6s
140% 42.3s
160% 21.8s
180% 13.7s
200% 9.2s
220% 6.9s
240% 5.0s
260% 3.9s
280% 3.2s
300% 2.5s
Chart of load and operating time (ECMAC30604S)
0.1
1
10
100
1000
0 50 100 150 200 250 300
Load (% rated torque)
Operating Time (seconds)
Load Operating
Time
120% 65.0s
140% 12.9s
160% 6.6s
180% 4.2s
200% 2.8s
220% 2.1s
240% 1.5s
260% 1.2s
280% 1.0s
300% 0.8s

Chapter 11 Specifications|ASDA-B Series
Revision January 2009 11-13
Chart of load and operating time (ECMAC308047)
0.1
1
10
100
1000
10000
0 50 100 150 200 250 300
Load (% rated torque)
Operating Time (seconds)
Load Operating
Time
120% 254.5s
140% 50.4s
160% 26.0s
180% 16.4s
200% 11.0s
220% 8.2s
240% 6.0s
260% 4.7s
280% 3.8s
300% 2.9s
Chart of load and operating time (ECMAC30807S)
0.1
1
10
100
1000
0 50 100 150 200 250 300
Load (% rated torque)
Operating Time (seconds)
Load Operating
Time
120% 185.8s
140% 36.8s
160% 19.0s
180% 12.0s
200% 8.0s
220% 6.0s
240% 4.4s
260% 3.4s
280% 2.8s
300% 2.2s

Chapter 11 Specifications|ASDA-B Series
11-14 Revision January 2009
Chart of load and operating time (ECMAC31010S)
0.1
1
10
100
1000
0 50 100 150 200 250 300
Load (% rated torque)
Operating Time (seconds)
Load Operating
Time
120% 185.8s
140% 36.8s
160% 19.0s
180% 12.0s
200% 8.0s
220% 6.0s
240% 4.4s
260% 3.4s
280% 2.8s
300% 2.2s
Chart of load and operating time (ECMAC31020S)
0.1
1
10
100
1000
0 50 100 150 200 250 300
Load (% rated torque)
Operating Time (seconds)
Load Operating
Time
120% 185.8s
140% 36.8s
160% 19.0s
180% 12.0s
200% 8.0s
220% 6.0s
240% 4.4s
260% 3.4s
280% 2.8s
300% 2.2s

Chapter 11 Specifications|ASDA-B Series
Revision January 2009 11-15
Chart of load and operating time (ECMAC31303S)
0.1
1
10
100
1000
10000
0 50 100 150 200 250 300
Load (% rated torque)
Operating Time (seconds)
Load Operating
Time
120% 613.1s
140% 121.4s
160% 62.6s
180% 39.4s
200% 26.4s
220% 19.8s
240% 14.5s
260% 11.4s
280% 9.1s
300% 7.1s
Chart of load and operating time (ECMAC31305S)
0.1
1
10
100
1000
0 50 100 150 200 250 300
Load (% rated torque)
Operating Time (seconds)
Load Operating
Time
120% 185.8s
140% 36.8s
160% 19.0s
180% 12.0s
200% 8.0s
220% 6.0s
240% 4.4s
260% 3.4s
280% 2.8s
300% 2.2s

Chapter 11 Specifications|ASDA-B Series
11-16 Revision January 2009
Chart of load and operating time (ECMAC31306S)
0.1
1
10
100
1000
0 50 100 150 200 250 300
Load (% rated torque)
Operating Time (seconds)
Load Operating
Time
120% 167.2s
140% 33.1s
160% 17.1s
180% 10.8s
200% 7.2s
220% 5.4s
240% 4.0s
260% 3.1s
280% 2.5s
300% 1.9s
Chart of load and operating time (ECMAC31309S)
0.1
1
10
100
1000
0 50 100 150 200 250 300
Load (% rated torque)
Operating Time (seconds)
Load Operating
Time
120% 185.8s
140% 36.8s
160% 19.0s
180% 12.0s
200% 8.0s
220% 6.0s
240% 4.4s
260% 3.4s
280% 2.8s
300% 2.2s

Chapter 11 Specifications|ASDA-B Series
Revision January 2009 11-17
Chart of load and operating time (ECMAC31310S)
0.1
1
10
100
1000
0 50 100 150 200 250 300
Load (% rated torque)
Operating Time (seconds)
Load Operating
Time
120% 130.0s
140% 25.7s
160% 13.3s
180% 8.4s
200% 5.6s
220% 4.2s
240% 3.1s
260% 2.4s
280% 1.9s
300% 1.5s
Chart of load and operating time (ECMAC31315S)
0.1
1
10
100
1000
0 50 100 150 200 250 300
Load (% rated torque)
Operating Time (seconds)
Load Operating
Time
120% 167.2s
140% 33.1s
160% 17.1s
180% 10.8s
200% 7.2s
220% 5.4s
240% 4.0s
260% 3.1s
280% 2.5s
300% 1.9s

Chapter 11 Specifications|ASDA-B Series
11-18 Revision January 2009
Chart of load and operating time (ECMAC31320S)
0.1
1
10
100
1000
0 50 100 150 200 250 300
Load (%) rated torque
Operating Time (seconds)
Load Operating
Time
120% 185.78s
140% 36.78s
160% 18.98s
180% 11.95s
200% 8s
220% 5.99s
240% 4.39s
260% 3.44s
280% 2.76s
300% 2.15s
Chart of load and operating time (ECMAC31820S)
0.1
1
10
100
1000
10000
0 50 100 150 200 250 300
Load (%) rated torque
Operating Time (seconds)
Load Operating
Time
120% 278.67s
140% 55.17s
160% 28.47s
180% 17.925s
200% 12s
220% 8.985s
240% 6.585s
260% 5.16s
280% 4.14s
300% 3.225s

Chapter 11 Specifications|ASDA-B Series
Revision January 2009 11-19
11.6 Dimensions of Servo Motor
Motor Frame Size: 80mm Models
Model C30401S C30602S C30604S C308047 C30807S
LC 40 60 60 80 80
LZ 4.5 5.5 5.5 6.6 6.6
LA 46 70 70 90 90
S 8 14 14 14 19
LB 30 50 50 70 70
LL (without brake) 100.6 105.5 130.7 112.3 138.3
LL (with brake) - 141.6 166.8 152.8 178
LR 25 30 30 30 35
LE 2.5 3 3 3 3
LG 5 7.5 7.5 8 8
LW 16 20 20 20 25
RH 6.2 11 11 11 15.5
kW 3 5 5 5 6
NOTE
1) Dimensions are in millimeters. Actual measured values are in metric units.
Please use metric for precise measurements.
2) The boxes () in the model names are for optional configurations. (Please refer
to Section 1.2 for model explanation)

Chapter 11 Specifications|ASDA-B Series
11-20 Revision January 2009
Motor Frame Size: 100mm Models
Model G31303S E31305S G31306S G31309S C31010S
LC 130 130 130 130 100
LZ 9 9 9 9 9
LA 145 145 145 145 115
S 22 22 22 22 22
LB 110 110 110 110 95
LL (without brake) 147.5 147.5 147.5 163.5 153.5
LL (with brake) 183.5 183.5 183.5 198 192.5
LR 55 55 55 55 45
LE 6 6 6 6 5
LG 11.5 11.5 11.5 11.5 12
LW 36 36 36 36 32
RH 18 18 18 18 18
kW 8 8 8 8 8
NOTE
1) Dimensions are in millimeters. Actual measured values are in metric units.
Please use metric for precise measurements.
2) The boxes () in the model names are for optional configurations. (Please
refer to Section 1.2 for model explanation)

Chapter 11 Specifications|ASDA-B Series
Revision January 2009 11-21
Motor Frame Size: 100mm Models
Model E31310S E31315S C31020S G31320S E31820S
LC 130 130 100 130 180
LZ 9 9 9 9 13.5
LA 145 145 115 145 200
S 22 22 22 22 35
LB 110 110 95 110 114.3
LL (without brake) 147.5 167.5 199 187.5 169
LL (with brake) 183.5 202 226 216 203.1
LR 55 55 45 55 79
LE 6 6 5 6 4
LG 11.5 11.5 12 11.5 20
LW 36 36 32 36 63
RH 18 18 18 18 30
kW 8 8 8 8 10
NOTE
1) Dimensions are in millimeters. Actual measured values are in metric units.
Please use metric for precise measurements.
2) The boxes () in the model names are for optional configurations. (Please
refer to Section 1.2 for model explanation)

Chapter 11 Specifications|ASDA-B Series
11-22 Revision January 2009
11.7 EMI Filters Selection
Item Power Servo Drive Model EMI Filter Model
16DRT1W3S (1-phase)
1 200W ASD-B0221-A
10TDT1W4C (3-phase)
16DRT1W3S (1-phase)
2 400W ASD-B0421-A
10TDT1W4C (3-phase)
16DRT1W3S (1-phase)
3 750W ASD-B0721-A
10TDT1W4C (3-phase)
16DRT1W3S (1-phase)
4 1000W ASD-B1021-A
10TDT1W4C (3-phase)
16DRT1W3S (1-phase)
5 1500W ASD-B1521-A
10TDT1W4C (3-phase)
6 2000W ASD-B2023-A 26TDT1W4C (3-phase)

Revision January 2009 12-1
Chapter 12 Application Examples
12.1 Connecting to DVP-EH PLC and DOP-A HMI
Application Example: Dual Mode (S-P Mode)
Purpose
Use Delta DVP-EH series PLC to output pulse command (Homing operation, JOG operation, forward and
reverse operation, and speed control mode switching) and enable ASDA-B servo drive. Also, use Delta
DOP-A series HMI to control ASDA-B servo drive and let the servo drive follow the commands from PLC to
complete the positioning.
Explanation:
Programmable Logic Controller (hereinafter “PLC”)
1. Delta DVP-EH series PLC is “Transistor Output” Model. The definition of output contacts is as follows:
Y0: Pulse
Y1: SIGN
Y2: In speed control mode, parameter P1-09 is used to set speed 1 of internal speed command.
Y3: In speed control mode, parameter P1-10 is used to set speed 2 of internal speed command.
Y4: S-P dual mode: When S-P signal is Off, it is speed mode. When S-P signal is On, it is position mode.
Y5: Servo ON
2. Pulse command is open-collector signal.

Chapter 12 Application Examples|ASDA-B Series
12-2 Revision January 2009
PLC Program

Chapter 12 Application Examples |ASDA-B Series
Revision January 2009 12-3

Chapter 12 Application Examples|ASDA-B Series
12-4 Revision January 2009

Chapter 12 Application Examples |ASDA-B Series
Revision January 2009 12-5
ASDA-B series Servo Drive
1. When using open-collector input, the max. allowable input pulse frequency is 200Kpps.
2. Parameter Settings:
Set P1-01=06 (S-T dual mode)
Set P1-09 ~ P1-11 (Internal speed command)
Set P1-36=1 (Accel /Decel S-curve)
Set P2-10=101 (DI1=Servo On)
Set P2-11=104 (DI2=CCLR)
Set P2-12=114 (DI3=SPD0)
Set P2-13=115 (DI4=SPD1)
Set P2-14=118 (DI5=S-P dual mode switching)
Set P2-32=1 (PDFF, the ratio of load inertia to servo motor inertia can be continuously adjusted.)
3. Communication format: Both DVP-EH series PLC and ASDA-B series servo drive have to use the
same communication protocol setting.

Chapter 12 Application Examples|ASDA-B Series
12-6 Revision January 2009
Connections between DVP-EH series PLC and ASDA-B series Servo Drive
Y0 Y1 Y2 Y3 Y4 Y5 Y6 Y7
C0 C1 C2 C3 C4 C5 C6 C7
DVP-EH
12 34 56 7 8 9 10 11 12 13
14 15 16 17 18 19 20 21 22 23 24 25
ASDA-B
CN1
Y2
Y3
Y4 Y5 Y0
Y1
1k 1k
Connections:
DVP-EH
Y0
Y1
Y2
Y3
Y4
Y5
ASDA-B CN1
22
20
5
3
15
17

Chapter 12 Application Examples |ASDA-B Series
Revision January 2009 12-7
HMI DOP-A HMI
Program Screen (Homing Operation)

Chapter 12 Application Examples|ASDA-B Series
12-8 Revision January 2009
(Position Control 1)

Chapter 12 Application Examples |ASDA-B Series
Revision January 2009 12-9
(Position Control 2)

Chapter 12 Application Examples|ASDA-B Series
12-10 Revision January 2009
(JOG Operation)

Chapter 12 Application Examples |ASDA-B Series
Revision January 2009 12-11
(Speed Control)
Operation
Ensure all wiring is connected correctly.
Restart the servo drive (Apply the power to servo drive again).
At this time, the SON LED (Servo On Indicator) will be lit to indicate that the servo drive is enabled, and
normal display will show on the LCD display. If ALRM LED (Alarm Output Indicator) is lit or any fault
message show on the LCD display, please refer to Chapter 10 “Troubleshooting” to remove the fault
code and fault message.
If there is no fault, press “Servo On” key on HMI screen and CMD LED will be red to indicate that the
servo drive is enabled (Servo On status).
Then, the users can use various functions on different HMI screens to control the servo drive and
execute the functions of servo drive.
Before operating in speed mode, the users need to switch to speed control mode on the first HMI
screen.

Chapter 12 Application Examples|ASDA-B Series
12-12 Revision January 2009
12.2 Connecting to DVP-EH PLC and Delta TP04 Series
Application Example: Homing Operation
Purpose
Use Delta TP04 series operation panel interface as host (external) controller to control ASDA-B servo drive
and let the servo drive follow the commands from PLC to complete the positioning.
Delta TP04 Series
The editing screens by using TPEditor software is shown as follows:
Download the editing screens to TP04 series by using TP communication cable
Communication format: Both TP04 series operation panel interface and ASDA-B series servo drive have to
adopt the same communication protocol setting.
Please notice that the users still have to use PLC ZRN (Zero-point return) command when executing this
homing operation.

Chapter 12 Application Examples |ASDA-B Series
Revision January 2009 12-13
Chapter 12 Application Examples|ASDA-B Series
12-14 Revision January 2009
ASDA-B series Servo Drive
Parameter Settings:
P1-00 =0 (Position mode)
P2-10 =101 (SON Servo ON, the default is DI1)
P2-12 =104 (CCLR)
P2-32 =1 (PDFF, the ratio of load inertia to servo motor inertia can be continuously adjusted.)
Communication Settings:
Use RS-485 communication
Operation
Ensure all wiring is connected correctly.
Restart the servo drive (Apply the power to servo drive again).
At this time, the SON LED (Servo On Indicator) will be lit to indicate that the servo drive is enabled, and
normal display will show on the LCD display. If ALRM LED (Alarm Output Indicator) is lit or any fault
message show on the LCD display, please refer to Chapter 10 “Troubleshooting” to remove the fault
code and fault message.
If there is no fault, set the speed of homing operation and the setting value of speed 2 on the first TP04
screen.
Press “Servo On” key on the second TP04 screen and CMD LED will be red to indicate that the servo
drive is enabled (Servo On status).
Then, the users can use homing function on the third TP04 screen to control the servo drive.
Finally, the users can observe the servo operation on the forth TP04 screen.

Chapter 12 Application Examples |ASDA-B Series
Revision January 2009 12-15
12.3 External Controller Connection Examples
Connecting to Delta DVP-EH PLC

Chapter 12 Application Examples|ASDA-B Series
12-16 Revision January 2009
Connecting to Delta DVP-01PU

Chapter 12 Application Examples |ASDA-B Series
Revision January 2009 12-17
Connecting to Mitsubishi FX1PG

Chapter 12 Application Examples|ASDA-B Series
12-18 Revision January 2009
Connecting to Mitsubishi FX2N1PG

Chapter 12 Application Examples |ASDA-B Series
Revision January 2009 12-19
Connecting to Mitsubishi AD75
Chapter 12 Application Examples|ASDA-B Series
12-20 Revision January 2009
This page intentionally left blank.

Revision January 2009 A-1
Appendix A Accessories
Power Connectors
Delta Part Number: ASDBCAPW0000
Title Part No. Manufacturer
Housing C4201H00-2*2PA JOWLE
Terminal C4201TOP-2 JOWLE
Delta Part Number: ASDBCAPW0100
Title Part No. Manufacturer
Housing C4201H00-2*3PA JOWLE
Terminal C4201TOP-2 JOWLE
Delta Part Number: ASD-CAPW1000
Delta Part Number: ASD-CAPW2000

Appendix A Accessories|ASDA-B Series
A-2 Revision January 2009
Power Cables
Delta Part Number: ASDBCAPW0203/0205
Title Part No. Manufacturer
Housing C4201H00-2*2PA JOWLE
Terminal C4201TOP-2 JOWLE
L
Title Part No.
mm inch
1 ASDBCAPW0203
3000 ± 50 118 ± 2
2 ASDBCAPW0205
5000 ± 50 197 ± 2
Delta Part Number: ASDBCAPW0303/0305
Title Part No. Manufacturer
Housing C4201H00-2*3PA JOWLE
Terminal C4201TOP-2 JOWLE
L
Title Part No.
mm inch
1 ASDBCAPW0303
3000 ± 50 118 ± 2
2 ASDBCAPW0305
5000 ± 50 197 ± 2

Appendix A Accessories|ASDA-B Series
Revision January 2009 A-3
Power Cables, cont.
Delta Part Number: ASD-CAPW1203/1205
L
Title Part No. Straight
mm inch
1 ASD-CAPW1203 3106A-20-18S 3000 ± 50 118 ± 2
2 ASD-CAPW1205 3106A-20-18S 5000 ± 50 197 ± 2
Delta Part Number: ASD-CAPW2203/2205
L
Title Part No. Straight
mm inch
1 ASD-CAPW2203 3106A-24-18S 3000 ± 50 118 ± 2
2 ASD-CAPW2205 3106A-24-18S 5000 ± 50 197 ± 2
Delta Part Number: ASD-CAPW2303/2305
L(100 mm)
(3.15 inch)
(3.94 inch)
(80mm)
L
Title Part No. Straight
mm inch
1 ASD-CAPW2303 3106A-24-11S 3000 ± 50 118 ± 2
2 ASD-CAPW2305 3106A-24-11S 5000 ± 50 197 ± 2

Appendix A Accessories|ASDA-B Series
A-4 Revision January 2009
Encoder Connectors
Delta Part Number: ASDBCAEN0000
Title Part No. Manufacturer
Housing AMP (1-172161-9) AMP
Terminal AMP (170359-3) AMP
CLAMP DELTA (34703237XX) DELTA
Delta Part Number: ASDBCAEN1000
Encoder Cables
Delta Part Number: ASDBCAEN0003/0005
Title Part No. Manufacturer
Housing AMP (1-172161-9) AMP
Terminal AMP (170359-3) AMP
CLAMP DELTA (34703237XX) DELTA
L
Title Part No.
mm inch
1 ASDBCAEN0003
3000 ± 50 118 ± 2
2 ASDBCAEN0005
5000 ± 50 197 ± 2

Appendix A Accessories|ASDA-B Series
Revision January 2009 A-5
Encoder Cables, cont.
Delta Part Number: ASDBCAEN1003/1005
L
Title Part No. Straight
mm inch
1 ASDBCAEN1003 3106A-20-29S 3000 ± 50 118 ± 2
2 ASDBCAEN1005 3106A-20-29S 5000 ± 50 197 ± 2
I/O Signal Connector
Delta Part Number: ASDBCNDS0025
Communication Cables
Delta Part Number: ASDBCADK0001 (for Keypad, connecting a ASDA-B servo drive to a Keypad)
Title Part No. Manufacturer
Box Header 3071420300 DELTA
Cover 3140311100 DELTA
Housing 2541-K-14PD JAWS
Terminal 2541-T-G JAWS

Appendix A Accessories|ASDA-B Series
A-6 Revision January 2009
Communication Cables, cont.
Delta Part Number: DVPACAB2A30 (for PC, connecting a ASDA-B servo drive to a PC)
Delta Part Number: ASDBCACK0001 (for Keypad, connecting a PC to a Keypad)
Title Part No. Manufacturer
Box Header 3071420300 DELTA
Cover 3140311100 DELTA
Housing 2541-K-14PD JAWS
Terminal 2541-T-G JAWS
Keypad
Delta Part Number: ASD-PU-01A (including communication cable)

Appendix A Accessories|ASDA-B Series
Revision January 2009 A-7
Delta Part Number: ASD-PU-01B (including communication cable)
Title Part No. Manufacturer
Box Header 3071420300 DELTA
Cover 3140311100 DELTA
Housing 2541-K-14PD JAWS
Terminal 2541-T-G JAWS

Appendix A Accessories|ASDA-B Series
A-8 Revision January 2009
Servo Drive, Servo Motor and Accessories Combinations
100W Servo Drive and 100W Low Inertia Servo Motor
Servo Drive ASD-A0121-AB
Low inertia
Servo Motor ECMA-C30401S
Without Brake With Brake
3M 5M 3M 5M
Motor Power Cable
ASDBCAPW0203
Motor Power Cable
ASDBCAPW0205 - -
Cable
Encoder Cable
ASDBCAEN0003
Encoder Cable
ASDBCAEN0005 - -
Power Connector ASDBCAPW0000
Connector
Encoder Connector ASDCAEN0000
200W Servo Drive and 200W Low Inertia Servo Motor
Servo Drive ASD-B0221-A
Low inertia
Servo Motor ECMA-C30602S
Without Brake With Brake
3M 5M 3M 5M
Motor Power Cable
ASDBCAPW0203
Motor Power Cable
ASDBCAPW0205
Motor Power Cable
ASDBCAPW0303
Motor Power Cable
ASDBCAPW0305
Cable
Encoder Cable
ASDBCAEN0003
Encoder Cable
ASDBCAEN0005
Encoder Cable
ASDBCAEN0003
Encoder Cable
ASDBCAEN0005
Power Connector ASDBCAPW0000 Power Connector ASDBCAPW0100
Connector
Encoder Connector ASDBCAEN0000
400W Servo Drive and 400W Low Inertia Servo Motor
Servo Drive ASD-B0421-A
Low inertia
Servo Motor
ECMA-C30604S
ECMA-C308047
Without Brake With Brake
3M 5M 3M 5M
Motor Power Cable
ASDBCAPW0203
Motor Power Cable
ASDBCAPW0205
Motor Power Cable
ASDBCAPW0303
Motor Power Cable
ASDBCAPW0305
Cable
Encoder Cable
ASDBCAEN0003
Encoder Cable
ASDBCAEN0005
Encoder Cable
ASDBCAEN0003
Encoder Cable
ASDBCAEN0005
Power Connector ASDBCAPW0000 Power Connector ASDBCAPW0100
Connector Encoder Connector ASDBCAEN0000

Appendix A Accessories|ASDA-B Series
Revision January 2009 A-9
400W Servo Drive and 500W Medium Inertia Servo Motor
Medium inertia
Servo Motor ECMA-E31305S
Without Brake With Brake
3M 5M 3M 5M
Motor Power Cable
ASD-CAPW1203
Motor Power Cable
ASD-CAPW1205
Motor Power Cable
ASD-CAPW1303
Motor Power Cable
ASD-CAPW1305
Cable
Encoder Cable
ASDBCAEN1003
Encoder Cable
ASDBCAEN1005
Encoder Cable
ASDBCAEN1003
Encoder Cable
ASDBCAEN1005
Power Connector ASD-CAPW1000
Connector
Encoder Connector ASDBCAEN1000
400W Servo Drive and 300W High Inertia Servo Motor
Servo Drive ASD-B0421-A
High inertia
Servo Motor ECMA-G31303S
Without Brake With Brake
3M 5M 3M 5M
Motor Power Cable
ASD-CAPW1203
Motor Power Cable
ASD-CAPW1205
Motor Power Cable
ASD-CAPW1303
Motor Power Cable
ASD-CAPW1305
Cable
Encoder Cable
ASDBCAEN1003
Encoder Cable
ASDBCAEN1005
Encoder Cable
ASDBCAEN1003
Encoder Cable
ASDBCAEN1005
Power Connector ASD-CAPW1000
Connector
Encoder Connector ASDBCAEN1000
750W Servo Drive and 750W Low Inertia Servo Motor
Servo Drive ASD-B0721-A
Low inertia
Servo Motor ECMA-C30807S
Without Brake With Brake
3M 5M 3M 5M
Motor Power Cable
ASDBCAPW0203
Motor Power Cable
ASDBCAPW0205
Motor Power Cable
ASDBCAPW0303
Motor Power Cable
ASDBCAPW0305
Cable
Encoder Cable
ASDBCAEN0003
Encoder Cable
ASDBCAEN0005
Encoder Cable
ASDBCAEN0003
Encoder Cable
ASDBCAEN0005
Power Connector ASDBCAPW0000 Power Connector ASDBCAPW0100
Connector Encoder Connector ASDBCAEN0000

Appendix A Accessories|ASDA-B Series
A-10 Revision January 2009
750W Servo Drive and 600W High Inertia Servo Motor
Servo Drive ASD-B0721-A
High inertia
Servo Motor ECMA-G31306S
Without Brake With Brake
3M 5M 3M 5M
Motor Power Cable
ASD-CAPW1203
Motor Power Cable
ASD-CAPW1205
Motor Power Cable
ASD-CAPW1303
Motor Power Cable
ASD-CAPW1305
Cable
Encoder Cable
ASDBCAEN1003
Encoder Cable
ASDBCAEN1005
Encoder Cable
ASDBCAEN1003
Encoder Cable
ASDBCAEN1005
Power Connector ASD-CAPW1000
Connector
Encoder Connector ASDBCAEN1000
1kW Servo Drive and 1kW Low Inertia Servo Motor
Servo Drive ASD-B1021-A
Low inertia
Servo Motor ECMA-C31010S
Without Brake With Brake
3M 5M 3M 5M
Motor Power Cable
ASD-CAPW1203
Motor Power Cable
ASD-CAPW1205
Motor Power Cable
ASD-CAPW1303
Motor Power Cable
ASD-CAPW1305
Cable
Encoder Cable
ASDBCAEN1003
Encoder Cable
ASDBCAEN1005
Encoder Cable
ASDBCAEN1003
Encoder Cable
ASDBCAEN1005
Power Connector ASDBCAPW0000
Connector Encoder Connector ASDBCAEN0000
1kW Servo Drive and 1kW Medium Inertia Servo Motor
Servo Drive ASD-B1021-A
Medium inertia
Servo Motor ECMA-E31310S
Without Brake With Brake
3M 5M 3M 5M
Motor Power Cable
ASD-CAPW1203
Motor Power Cable
ASD-CAPW1205
Motor Power Cable
ASD-CAPW1303
Motor Power Cable
ASD-CAPW1305
Cable
Encoder Cable
ASDBCAEN1003
Encoder Cable
ASDBCAEN1005
Encoder Cable
ASDBCAEN1003
Encoder Cable
ASDBCAEN1005
Power Connector ASD-CAPW1000
Connector
Encoder Connector ASDBCAEN1000

Appendix A Accessories|ASDA-B Series
Revision January 2009 A-11
1kW Servo Drive and 900W High Inertia Servo Motor
Servo Drive ASD-B1021-A
High inertia
Servo Motor ECMA-G31309S
Without Brake With Brake
3M 5M 3M 5M
Motor Power Cable
ASD-CAPW1203
Motor Power Cable
ASD-CAPW1205
Motor Power Cable
ASD-CAPW1303
Motor Power Cable
ASD-CAPW1305
Cable
Encoder Cable
ASDBCAEN1003
Encoder Cable
ASDBCAEN1005
Encoder Cable
ASDBCAEN1003
Encoder Cable
ASDBCAEN1005
Power Connector ASD-CAPW1000
Connector
Encoder Connector ASDBCAEN1000
1.5kW Servo Drive and 1.5kW Medium Inertia Servo Motor
Servo Drive ASD-B1521-A
Medium inertia
Servo Motor ECMA-E31315S
Without Brake With Brake
3M 5M 3M 5M
Motor Power Cable
ASD-CAPW1203
Motor Power Cable
ASD-CAPW1205
Motor Power Cable
ASD-CAPW1303
Motor Power Cable
ASD-CAPW1305
Cable
Encoder Cable
ASDBCAEN1003
Encoder Cable
ASDBCAEN1005
Encoder Cable
ASDBCAEN1003
Encoder Cable
ASDBCAEN1005
Power Connector ASD-CAPW1000
Connector
Encoder Connector ASDBCAEN1000
2kW Servo Drive and 2kW Low Inertia Servo Motor
Servo Drive ASD-B2023-A
Low inertia
Servo Motor ECMA-C31020S
Without Brake With Brake
3M 5M 3M 5M
Motor Power Cable
ASD-CAPW1203
Motor Power Cable
ASD-CAPW1205
Motor Power Cable
ASD-CAPW1303
Motor Power Cable
ASD-CAPW1305
Cable
Encoder Cable
ASDBCAEN1003
Encoder Cable
ASDBCAEN1005
Encoder Cable
ASDBCAEN1003
Encoder Cable
ASDBCAEN1005
Power Connector ASD-CAPW1000
Connector
Encoder Connector ASDBCAEN1000

Appendix A Accessories|ASDA-B Series
A-12 Revision January 2009
2kW Servo Drive and 2kW Medium Inertia Servo Motor
Servo Drive ASD-B2023-A
Medium inertia
Servo Motor ECMA-E31320S
Without Brake With Brake
3M 5M 3M 5M
Motor Power Cable
ASD-CAPW1203
Motor Power Cable
ASD-CAPW1205
Motor Power Cable
ASD-CAPW1303
Motor Power Cable
ASD-CAPW1305
Cable
Encoder Cable
ASDBCAEN1003
Encoder Cable
ASDBCAEN1005
Encoder Cable
ASDBCAEN1003
Encoder Cable
ASDBCAEN1005
Power Connector ASD-CAPW1000
Connector
Encoder Connector ASDBCAEN1000
2kW Servo Drive and 2kW Medium Inertia Servo Motor
Servo Drive ASD-B2023-A
Medium inertia
Servo Motor ECMA-E31820S
Without Brake With Brake
3M 5M 3M 5M
Motor Power Cable
ASD-CAPW2203
Motor Power Cable
ASD-CAPW2205
Motor Power Cable
ASD-CAPW2303
Motor Power Cable
ASD-CAPW2305
Cable
Encoder Cable
ASDBCAEN1003
Encoder Cable
ASDBCAEN1005
Encoder Cable
ASDBCAEN1003
Encoder Cable
ASDBCAEN1005
Power Connector ASD-CAPW2000
Connector
Encoder Connector ASDBCAEN1000
Other Accessories (Applicable for ASDA-B series all models)
Description Model Name
25Pin I/O signal connector (CN1) ASDBCNDS0025
Communication cable, for Keypad, connecting a
ASDA-B servo drive to a Keypad ASDBCADK0001
Communication cable, for PC, connecting a
ASDA-B servo drive to a PC DVPACAB2A30
Communication cable, for Keypad, connecting a
PC to a Keypad ASDBCACK0001
Keypad ASD-PU-01A
ASD-PU-01B