Deltanode Solutions DDH002 Distributed Antenna System User Manual Fiber Distributed Antenna System DAS
Deltanode Solutions AB Distributed Antenna System Fiber Distributed Antenna System DAS
User Manual

Fiber Distributed Antenna System
(Fiber DAS)
Operation Manual
©
Copyright 2017
by Bird Technologies, Inc.
Instruction Book Part Number 920-Fiber-DAS Rev. P3
Delta Node® is a registered trademark of Delta Node Solutions Ltd. and Bird Technologies, Inc.

i
Safety Precautions
Thefollowingaregeneralsafetyprecautionsthatarenotnecessarilyrelatedtoanyspecificpartorprocedure,and
donotnecessarilyappearelsewhereinthispublication.Theseprecautionsmustbethoroughlyunderstoodand
applytoallphasesofoperationandmaintenance.
WARNING
KeepAwayFromLiveCircuits
OperatingPersonnelmustatalltimesobservegeneralsafetyprecautions.Donotreplacecomponentsormake
adjustmentstotheinsideofthetestequipmentwiththehighvoltagesupplyturnedon.Toavoidcasualties,
alwaysremovepower.
WARNING
ShockHazard
DonotattempttoremovetheRFtransmissionlinewhileRFpowerispresent.
WARNING
DoNotServiceOrAdjustAlone
Undernocircumstancesshouldanypersonreachintoanenclosureforthepurposeofserviceoradjustmentof
equipmentexceptinthepresenceofsomeonewhoiscapableofrenderingaid.
WARNING
SafetyEarthGround
Anuninterruptibleearthsafetygroundmustbesuppliedfromthemainpowersourcetotestinstruments.
Groundingoneconductorofatwoconductorpowercableisnotsufficientprotection.Seriousinjuryordeathcan
occurifthisgroundingisnotproperlysupplied.
WARNING
Resuscitation
Personnelworkingwithornearhighvoltagesshouldbefamiliarwithmodernmethodsofresuscitation.
WARNING
RemovePower
Observegeneralsafetyprecautions.Donotopentheinstrumentwiththepowerapplied.

SafetyPrecautions
ii
Safety Symbols
Note:
ThelaserusedinthissystemisaClass3blaserthatproducesinvisibleinfra‐redcoherent
light.Avoidlookingintoconnectedfibersandreceptacles.Notsafetoviewwithoptical
instruments.Alwaysputtheprotectioncapsonunusedfibersandreceptacles.
Callsattentiontosupplementalinformation.
WARNING
Warningnotescallattentiontoaprocedure,whichifnotcorrectlyperformed,couldresultinpersonalinjury.
CAUTION
Cautionnotescallattentiontoaprocedure,whichifnotcorrectlyperformed,couldresultindamagetothe
instrument.

FiberDistributedAntennaSystem(FiberDAS)
iii
Warning Statements
Thefollowingsafetywarningsappearinthetextwherethereisdangertooperatingandmaintenancepersonneland
arerepeatedhereforemphasis.
See
page40
ForCMRS817‐824MHzApplicationsandAmericanCellularApplications:
See
page40
See
page40
See
page15
WARNING
ThisisNOTaconsumerdevice.
ItisdesignforinstallationbyFCCLICENSEESandQUALIFIEDINSTALLERS.YouMUSThaveanFCCLICENSEor
expressconsentofanFCClicenseetooperatethisdevice.YouMUSTregisterClassBsignalboosters(asdefinedin
47CFR90.219)onlineatwww.fcc.gov/signal‐boosters/registration.Unauthorizedusemayresultin
significantforfeiturepenalties,includingpenaltiesinexcessof$100,000foreachcontinuingviolation.
WARNING
ThisisNOTaconsumerdevice.
ItisdesignforinstallationbyFCCLICENSEESandQUALIFIEDINSTALLERS.YouMUSThaveanFCCLICENSEor
expressconsentofanFCClicenseetooperatethisdevice.Unauthorizedusemayresultinsignificantforfeiture
penalties,includingpenaltiesinexcessof$100,000foreachcontinuingviolation.
WARNING
ThisisNOTaconsumerdevice.
ItisdesignedforinstallationbyaninstallerapprovedbyanISEDlicensee.
YouMUSThaveanISEDLICENCEortheexpressconsentofanISEDlicenseetooperatethisdevice.
WARNING
Avoidlookingintoconnectedfibersandreceptacles.
ThelaserusedinthissystemisaClass3blaserthatproducesinvisibleinfra‐redcoherentlight.Notsafetoview
withopticalinstruments.Alwaysputtheprotectioncapsonunusedfibersandreceptacles.

SafetyPrecautions
iv
Caution Statements
Thefollowingequipmentcautionsappearinthetextandarerepeatedhereforemphasis.
See
page114
See
page41
.
See
page47
CAUTION
TurnOffTestTone
Donotforgettoturnoffthetesttonewhenyouaredonewithyouruplink.Bettercheckoneextratime.Theywill
otherwiseinterferewiththenormaloperationofthesystembycausingnoisetothebasestation.
CAUTION
Unauthorizedantennas,cables,and/orcouplingdevicesmaycausenon‐conformitywithnationalorinternational
regulations,couldcausedamage,ornon‐conformingERP/EIRP.
CAUTION
WhenmatingRFconnectors,ensurethattheyareproperlyalignedandnotcrossthreaded.
TightenSMAconnectorsto8in.‐lbs.
DoovertorqueRFconnectors,thiscouldresultindamagetotheUnit.
DonotundertorqueRFconnectors,thiscouldresultinpoorsignaltransmission.

FiberDistributedAntennaSystem(FiberDAS)
v
Safety Statements
USAGE
ANY USE OF THIS INSTRUMENT IN A MANNER NOT SPECIFIED BY THE MANUFACTURER MAY
IMPAIR THE INSTRUMENT’S SAFETY PROTECTION.
USO
EL USO DE ESTE INSTRUMENTO DE MANERA NO ESPECIFICADA POR EL FABRICANTE, PUEDE
ANULAR LA PROTECCIÓN DE SEGURIDAD DEL INSTRUMENTO.
BENUTZUNG
WIRD DAS GERÄT AUF ANDERE WEISE VERWENDET ALS VOM HERSTELLER BESCHRIEBEN,
KANN DIE GERÄTESICHERHEIT BEEINTRÄCHTIGT WERDEN.
UTILISATION
TOUTE UTILISATION DE CET INSTRUMENT QUI N’EST PAS EXPLICITEMENT PRÉVUE PAR LE
FABRICANT PEUT ENDOMMAGER LE DISPOSITIF DE PROTECTION DE L’INSTRUMENT.
IMPIEGO
QUALORA QUESTO STRUMENTO VENISSE UTILIZZATO IN MODO DIVERSO DA COME
SPECIFICATO DAL PRODUTTORE LA PROZIONE DI SICUREZZA POTREBBE VENIRNE
COMPROMESSA.

SafetyPrecautions
vi
SERVICE
SERVICING INSTRUCTIONS ARE FOR USE BY SERVICE - TRAINED PERSONNEL ONLY. TO AVOID
DANGEROUS ELECTRIC SHOCK, DO NOT PERFORM ANY SERVICING UNLESS QUALIFIED TO DO
SO.
SERVICIO
LAS INSTRUCCIONES DE SERVICIO SON PARA USO EXCLUSIVO DEL PERSONAL DE SERVICIO
CAPACITADO. PARA EVITAR EL PELIGRO DE DESCARGAS ELÉCTRICAS, NO REALICE NINGÚN
SERVICIO A MENOS QUE ESTÉ CAPACITADO PARA HACERIO.
WARTUNG
ANWEISUNGEN FÜR DIE WARTUNG DES GERÄTES GELTEN NUR FÜR GESCHULTES
FACHPERSONAL.
ZUR VERMEIDUNG GEFÄHRLICHE, ELEKTRISCHE SCHOCKS, SIND WARTUNGSARBEITEN
AUSSCHLIEßLICH VON QUALIFIZIERTEM SERVICEPERSONAL DURCHZUFÜHREN.
ENTRENTIEN
L’EMPLOI DES INSTRUCTIONS D’ENTRETIEN DOIT ÊTRE RÉSERVÉ AU PERSONNEL FORMÉ AUX
OPÉRATIONS D’ENTRETIEN. POUR PRÉVENIR UN CHOC ÉLECTRIQUE DANGEREUX, NE PAS
EFFECTUER D’ENTRETIEN SI L’ON N’A PAS ÉTÉ QUALIFIÉ POUR CE FAIRE.
ASSISTENZA TECNICA
LE ISTRUZIONI RELATIVE ALL’ASSISTENZA SONO PREVISTE ESCLUSIVAMENTE PER IL
PERSONALE OPPORTUNAMENTE ADDESTRATO. PER EVITARE PERICOLOSE SCOSSE
ELETTRICHE NON EFFETTUARRE ALCUNA RIPARAZIONE A MENO CHE QUALIFICATI A FARLA.

FiberDistributedAntennaSystem(FiberDAS)
vii
About This Manual
Thismanualcoverstheoperating&maintenanceinstructionsforthefollowingmodels:
Changes to this Manual
Wehavemadeeveryefforttoensurethismanualisaccurate.Ifyoudiscoveranyerrors,orifyouhavesuggestions
forimprovingthismanual,pleasesendyourcommentstoourSolon,Ohiofactory.Thismanualmaybeperiodically
updated.Wheninquiringaboutupdatestothismanualrefertothepartnumber:920‐Fiber‐DAS;andrevision:P3.
Chapter Layout
Introduction — DescribesthefundamentalsoftheBirdFiber‐DASandprovidesalistofcommonlyused
abbreviationsandacronyms.
System Description — DescribestheMajorcomponentsthatmakeupaBirdFiber‐DASsystem.
Installation Guidelines — ProvidesFCCrequirementsandsafetyconsiderationswheninstallingaBirdFiber‐DAS.
Commissioning — ListsthepreparationsandequipmentrequiredtosuccessfullyinstallandcommissiontheBird
Fiber‐DAS.
RF Commissioning — Chaptercontainsusefuladviceonhowtodesignawellworkingsystemaswellas
examplesforfinetuninglinkabudgetandcontrollingnoiseinaBirdFiber‐DAS.
Model Identification — ProvidesabreakdownoftheBirdpartnumbersfortheFiber‐DASsystems.Atableof
partnumbersusedforRemoteUnitsisalsoprovided.
Fiber‐DAS
viii
Table of Contents
SafetySymbols................................................................................ii
WarningStatements...........................................................................iii
CautionStatements............................................................................iv
SafetyStatements..............................................................................v
ChangestothisManual........................................................................vii
ChapterLayout...............................................................................vii
Chapter 1 Introduction . . . . . . . . . . . . . . . . . . . . . . . . . . . . . . . . . . . . . . . . . . . . . . . . . . . . . . . . . . . . . . . 1
RFonfiber....................................................................................1
Definitions....................................................................................2
Chapter 2 System Description. . . . . . . . . . . . . . . . . . . . . . . . . . . . . . . . . . . . . . . . . . . . . . . . . . . . . . . . . 4
Gateways.....................................................................................4
CentralGateway(CGW)......................................................................4
BaseStationGateway(BGW).................................................................4
RemoteGateway(RGW).....................................................................6
Headend.....................................................................................6
DCS‐NetworkSwitch........................................................................6
MasterFrameUnit(MFU)....................................................................7
BaseStationInterfaceUnit(BIU)...............................................................8
InterconnectUnit(ICU).....................................................................1
3
FiberOpticInterface(FOI)unit...............................................................1
5
PSU–therackpowersupply.................................................................2
0
RemoteUnit(RU).............................................................................2
1
DDR.....................................................................................2
2
DDS.....................................................................................2
6
DDH.....................................................................................2
8
DDU.....................................................................................3
1
RemoteUnitFrequencySummary............................................................3
2
DMU–Remoteheadend...................................................................3
3
Repeaters...................................................................................3
4
DMR400SeriesRackMountRepeater.........................................................3
4
DLR600SeriesLowPowerRepeater..........................................................3
6
DMR600SeriesMediumPowerRepeater......................................................37
DHR800SeriesHighPowerRepeater..........................................................3
8
BirdRepeaterFrequencySummary...........................................................3
9
Chapter 3 Installation guidelines . . . . . . . . . . . . . . . . . . . . . . . . . . . . . . . . . . . . . . . . . . . . . . . . . . . . . 40
HealthandSafety.............................................................................4
0
CableRouting/AntennaSelection................................................................4
1
AntennaInstallation........................................................................4
1
SafetyandCareforFibers......................................................................41
ToolsandMaterialRequirements................................................................4
2
FiberOptics...............................................................................4
2
Tools....................................................................................4
2
MiscellaneousMaterial.....................................................................4
2
InstallingHeadendEquipment..................................................................4
3
BGW.....................................................................................4
3
EthernetSwitch...........................................................................4
3
MasterUnit...............................................................................4
4

FiberDistributedAntennaSystem(FiberDAS)
ix
PowerSupplyUnit.........................................................................4
5
BIU......................................................................................4
7
ICU......................................................................................4
8
FOI......................................................................................4
8
RFU.....................................................................................4
9
PoweringUptheHeadEnd.....................................................................4
9
InstallingRemoteUnits........................................................................5
0
SingleRemoteUnitWallMounting...........................................................5
0
DoubleRemoteUnitWallMounting..........................................................5
1
RemoteUnitPoleMounting.................................................................5
1
SolarShield...............................................................................5
2
Cabling...................................................................................5
2
RemoteUnitVerification....................................................................5
5
InstallingtheDHRRepeater....................................................................5
6
SingleRepeaterWallMounting..............................................................5
6
DoubleRepeaterWallMounting.............................................................5
7
RepeaterPoleMounting....................................................................5
7
SolarShield...............................................................................5
8
Cabling...................................................................................5
8
Chapter 4 DAS Software Configuration . . . . . . . . . . . . . . . . . . . . . . . . . . . . . . . . . . . . . . . . . . . . . . . . 62
EthernetConnection..........................................................................6
2
BGWConfiguration............................................................................6
3
BGWNaming..............................................................................6
3
EXTEthernet..............................................................................6
3
VPNSettings..............................................................................6
4
TimeZone................................................................................6
4
NTPServers...............................................................................6
5
EmailServer..............................................................................6
6
BIUConfiguration.............................................................................6
7
BIURF1Status.............................................................................6
7
BIURF1Settings...........................................................................6
9
BIUHardwareTestPoints...................................................................7
0
BIUAlarmList.............................................................................7
0
BIUChangeHistory.........................................................................7
1
BIUAlarmconfigurationRF1.................................................................7
1
BIUAdvancedNetworkSetup................................................................7
2
BIUAdvancedMenus.......................................................................7
2
BIUApplicationHandling....................................................................7
3
BIUResettoFactoryDefault.................................................................7
3
FOIConfiguration.............................................................................7
4
FOIOptoStatus............................................................................7
5
FOIOptoandAttenuatorSettings.............................................................7
7
FOIFiberNetworkSubunits..................................................................7
9
FOINetworkSetup.........................................................................8
0
FOIResettoFactoryDefault.................................................................8
1
FOR........................................................................................8
1
RFStrip1XXXMHzStatus...................................................................8
2
RFStrip1XXXMHzConfiguration.............................................................83
FOROptoStatus...........................................................................8
5
FOROptoGainandAttenuationSettings.......................................................8
7
FORFiberNetworkSettings..................................................................88

TableofContents
x
FORApplicationHandling...................................................................8
9
SlaveFOR.................................................................................8
9
NamingComponents..........................................................................9
0
MovingRemotestoDifferentFOIPort............................................................9
2
ReplacingMasterUnitCards....................................................................9
2
MovingMasterUnitCards......................................................................9
2
Chapter 5 Commissioning . . . . . . . . . . . . . . . . . . . . . . . . . . . . . . . . . . . . . . . . . . . . . . . . . . . . . . . . . . 94
Preparations.................................................................................9
4
Necessarytools............................................................................9
4
Software.................................................................................9
4
SystemCommissioning........................................................................9
5
Pre‐requisites.............................................................................9
5
CommissioningProcess.....................................................................9
5
BirdVPNAccess..............................................................................9
8
VPNSettings..............................................................................9
8
WirelessModemSetup.......................................................................1
02
ModemDHCP............................................................................1
02
ModemVPNTunnels......................................................................1
02
ModemPortForwarding...................................................................1
02
BGWConfiguration........................................................................1
02
RollingBackModemConfiguration..........................................................1
05
SetuplocalNetworkUDPPortsforCGWAccess...................................................1
06
LocalConnectiontoRemoteUnit...............................................................1
06
LocalConnectiontoRemoteUnitwithTwoFOR's..............................................1
07
ConnectiontoBGWfromRemoteUnit..........................................................1
08
Chapter 6 RF Commissioning . . . . . . . . . . . . . . . . . . . . . . . . . . . . . . . . . . . . . . . . . . . . . . . . . . . . . . . 109
Settinguptheuplink.........................................................................1
09
NoiseloadonRadioBaseStation............................................................1
10
Practicalapproach........................................................................1
12
Chapter 7 Model Identification . . . . . . . . . . . . . . . . . . . . . . . . . . . . . . . . . . . . . . . . . . . . . . . . . . . . . . 115
SystemModelNumbers.......................................................................1
15
RemoteEndUnitPartNumbers................................................................1
16
PublicSafetyDDRModuleNumbers.........................................................1
16
CellularDDRModuleNumbers..............................................................116

1
Chapter 1 Introduction
TheBirdfiberdistributedantennasystem(Fiber‐DAS)wasdevelopedfromthestartwithfiber‐opticcableasthe
distributionmedium.Thisallowsforexcellentradioperformanceandbestinclasssystemnoisefigureoflessthan
3dB,fromtheremoteunitantennaporttothebasestationinterfaceport.
TheBirdFiber‐DASsystemisaflexibleandscalablesolution,meaningthesystemcanbetailoredforalmostany
requirement.Thisflexibilityprovidestheusertheabilitytoadjustmanyofthesystemsparameterstofittheir
specificneeds.
Thismanualcontainsdesign,installation,andcommissioningguidelines,aswellassystemmaintenancepractices.It
alsocontainsinformationregardinggeneralpracticeswithinintheindustryaswell.
Fiber-DAS calculator — Inadditiontothismanual,theFiber‐DAScalculatorisanindispensabletool,thisExcel
spreadsheetincludesthefollowingfeatures,providinginsighttohowwellthesystemwillperform:
SystemNoiseFigurecalculator
Intermodulationperformancecalculator
Uplink/DownlinkBalance
Dynamicheadroom
RF on fiber
Afiberdistributedantennasystem(Fiber‐DAS)isanefficientmethodoftransmittingradiosignalsoverlarge
distances.OurFiber‐DAScanprovideasmuchas30kmoffiberbetweenthehead‐endandtheremoteunit,
providingthattheradioaccesstechnologyusedintheRadioAccessNetwork(RAN)doesnotsuffertimingissuesand
thatthefiberlossiswithinthespecification.
TheFiber‐DASusesaninfra‐redlightsource,modulatedwiththecombinedradiosignalsthatneedtobe
propagated.Thefiberchannelsystemisultrawide‐band,rangingfrom88MHzupto2600MHz,thuscoveringmost
typesofradiocommunicationsystemsincludingasFMbroadcast,VHFcommunicationradios,LTE,TETRA,GSM,
CDMA,WCDMAandmanyotherradioaccesstechnologies.
MostlandmobileradioandcellularsystemsuseFrequencyDivisionDuplex(FDD)whichmeans:
Twoseparatefibers,onefortheuplink(signalsfromtheterminaltowardsthebasestation)andoneforthe
downlink(signalsfromtheradiobasestationtowardstheterminal)
Orasinglefiberandthesignalsmustbemultiplexedusingdifferentwavelengths.
Bird’sFiber‐DASuseswave‐lengthdivisionmultiplexing(WDM)asthestandardconfigurationfeaturingthe
following:.
Singlemodefiber
Angledconnectors
Upto15dBopticalloss
Note: SeparateUL/DLfiberscanbeusedifitisnecessaryordesired.
Thedynamicofthefiberisgoodenoughtotoleratemulti‐carrier,multi‐bandandmulti‐operatorsolutions,butthey
sharetheavailabledynamicsandifthereisalargenumberofcarriersthefiberattenuationneedstobeconsidered.
Becausethemodulationisanalogthesystemrequiresthefiberstobeofsinglemodetype.Allconnectorsusedin
Bird’sFiber‐DASequipmentareSC‐APCtypewitha7°angle.Itisimportantthatallconnectors(i.e.patches)
betweentheMasterUnit(MU)andtheRemoteUnits(RU)beangled,otherwisereflectionscouldresultcausing
problemswiththequalityofthesignalsthroughthesystem.

Introduction
2
Definitions
Thefollowingabbreviations,industrystandardlingoandacronymsareusedinthisdocument.
BGW BasestationGateway,see
"BaseStationGateway(BGW)"onpage4
BIU
Basestationinterface.AlsoknownastheDIU.ItistheelectricalinterfacebetweentheMaster
FrameUnit(MFU)andtheoperatorradiobasestationoranothersourcefortheradiosignals,
suchasaoff‐airrepeater.See
"BaseStationInterfaceUnit(BIU)"onpage8
BTS SeeRBS.
DAS Adistributedantennasystem.Severalantennasconnectedtogetherinacoaxialnetworksothat
severalantennascanbefedasignalfromacentrallocation.
DL See“Downlink”
Downlink Thesignalsthataretransmittedfromabasestationtowardsaterminal(phone).
Fiber
Inthisdocumentitreferstothetelecommunicationfibersusedtotransmitmodulatedlightas
pulsesoranalogvariationsonaglassfiber.TheBirdFiber‐DASsystemshouldusesingle‐mode
fiberalways.
Fiber‐DAS
Ageneralnamefordistributionsystemsusingradiofrequencyonfiber(RFonFiber)technology.
DASmeans“DistributedAntennaSystem”whichreferstothepracticeofbuilding“spreading
nets”withcoaxialcables,splittersandantennastocoverlargerstructures.
FOI Fiber‐opticinterface.See
"FiberOpticInterface(FOI)unit"onpage15
FOR Fiber‐opticremoteinterface,partoftheRemoteUnitconnectingtothefiber.
GSM GlobalSystemforMobileCommunications
iDEN IntegratedDigitalEnhancedNetwork
LTE LongTermEvolution
MFU
MasterFrameUnit.Thisisarackthatcontainsallthemodulesthatbuildsuptotheheadendin
thesystem.ThisiswheretheradiobasestationsinterfacetotheFiber‐DASsystem.Thisisalso
wherethedownlinksignalsfromthebasestationsareconvertedintolaserlightandsentoverthe
fiber‐opticstotheRemoteUnit(RU)andtheuplinksignalsfromtheRUareconvertedtoradio
frequencysignalsandtransmittedtotheradiobasestation(RBS,BTS).
ICU InterconnectUnit,RFsplitter/combinerunit,see
"InterconnectUnit(ICU)"onpage13
QMA Quickconnect/disconnecttypeofRFConnector.ReplacementforSMARFConnectors.SeeSMA
RBS RadioBaseStation.Theinfrastructureunitnormallyconnectedtotheantennasintheradio
accessnetwork(RAN)andsometimescalledjustBaseStationorBaseTransceiverStation(BTS).
RGW RemoteGatewayUnit,see
"RemoteGateway(RGW)"onpage6
RU
RemoteUnit.Thisistheunitclosesttotheantennathatconvertsthedownlinksignalfromthe
fibertoradiofrequenciesanddistributesitovertheantennasystem.Inthereverse,theuplink
radiofrequenciesareconvertedtomodulatedlaserlightandtransmittedbacktotheMFU.
SC‐APC
ThetypeofconnectorusedforallBirdopticalequipment.Itisrecommendedthatallconnectors
betweentheMFUandtheRUareofthistype.SC‐APcanalsobeacceptedinpatchpanels.All
connectorsMUSTBEANGLEDtoavoidsignalreflectionsthataredetrimentaltothesignalquality.
Fibersneedtobeofsingle‐modetype.
Singlemode
fiber
Afiberwherethelightataspecifiedrangeofwavelengthsonlyhaveasinglepaththrough.Thisis
requiredforanaloguemodulatedsystemssuchastheBirdFiber‐DASsystem
SMA Sub‐miniatureversionA.ATypeofRFConnector.
Switch Anetworkswitchisacomputernetworkingdevicethatconnectsdevicestogetheronacomputer
network.

FiberDistributedAntennaSystem(FiberDAS)
3
TETRA TerrestrialTrunkedRadio.TETRAusesTimeDivisionMultipleAccess(TDMA)withfouruser
channelsononeradiocarrierand25kHzspacingbetweencarriers.
UL See“Uplink”
UMTS
UniversalMobileTelecommunicationsSystemisasystemwherebroadbandsignalingand
packeteddataareused.Thestandardsarehandledinthe3GPPgroupandthemostcommon
typeofmodulationisWCDMA.
UplinkThesignalsthataretransmittedfromtheterminal(phone)towardsthebasestation.
SC‐PC Atypeoffiber‐opticconnectorwhichisnotangledandshouldnotbeusedwithBirdFiber‐DAS
SC‐UPC Ultra‐polishedfiber‐opticconnector.NotrecommendedwithBirdFiber‐DAS
RF
RadioFrequencies,denominatestherangeoftransversalelectromagneticwaveswitha
frequencyfrom3kHzto300GHz.Theupperendofthespectrumisoftenreferredtoas
microwavefrequencies.
WCDMA
W‐CDMA
WidebandCodeDivisionMultipleAccessisatechnologyemployedbybasestation
manufacturerswhomakeUMTSbasestations.Thistechnologyiscommonlyusedin3Gnetworks
andthemainmodulationemployedinEurope.

4
Chapter 2 System Description
TheFiber‐DASsystemtypicallyconsistsofthreemainsegments:
Gateway — TheGatewayactsasafirewallensuringinternaltrafficonthesystemremainsinternalandatthesame
timeallowingawebinterfaceformonitoringandsupervision.ThegatewayalsohandlesSNMPtraps.
Headend — TheHeadendservesastheinterfacewiththeoperator’sbasestation,housingtheunitsrequiredto
transmitandreceivecommunicationsbetweentheoperator’sbasestationandtheremoteunitsoftheFiber‐DAS
system.
Remote Units — theremoteunitsarelocatednearthedistributedantennasandhousetheequipmentnecessary
totransmitandreceivecommunicationsbetweentheantennaandtheheadend.
Figure 1
Remote
Unit
Remote
Unit
Remote
Unit
Head End
Gateway
Central
Gateway
Ethernet
Switch
Master
Frame
Unit
Master
Frame
Unit
Master
Frame
Unit
(BGW/RGW)
Fiber-DAS System
Gateways
ThegatewaysofferedincludetheCentralGateway(CGW),BaseStationGateway(BGW)andRemoteGateway
(RGW).
ForremotesupervisionofaFiber‐DASagateway(RGWorBGW)isinstalled.BGWsandRGWsaretypicallylocated
withtheheadendequipment,theRGWisasmallercompactembeddedsolutionwhiletheBGWisafullfeatured
Linuxserverthatcanbesetupinmanydifferentways.
CGWsareusedformonitoringmultipleFiber‐DASsystems,communicatingwiththeBGWsandRGWs.
Central Gateway (CGW)
TheCGWisusedtoprovideasingleremoteaccesspointandtocompilealarmsfrommultipleBGW/RGWnetworks.
Theunitisaself‐poweredLinuxbasedserver.
Base Station Gateway (BGW)
TheBGWassignsIPaddressestoallthemodulesintheFiber‐DASsystem,includingtheHeadendandRemoteUnits
aswellastheircomponents.
TheBGWisaself‐poweredLinuxbasedserver.
FeaturesoftheBGW:
Webinterfaceconfiguration
Automaticdetectionofmodules
AutomaticdetectionofRemoteUnits
Capableofhandlinglargesystems
Functionsforstatistics

FiberDistributedAntennaSystem(FiberDAS)
5
NorthboundcommunicationtoCGW
Includesfirewalltoprotectlocalnet
PortaltoyourMasterUnit
User‐providedcertificatebasedsecurityviaHTTPS
Figure 2 Base Station Gateway
TheBGWhastwoEthernetports‐INTandEXT.
TheINTportisconnectedtotheinternalnetworkintheheadend’sMasterUnittoprovidethelocal
networkforallthemodulesandtheRemoteUnits.Italsoprovides,viathebuilt‐inswitchintheMaster
Unit,awayoflocallyconfiguringthenetwork.Itprovidesthewebinterfaceforallthesettingsofthe
systemaswellasmanyotherfunctions.
TheEXTportisa“northbound”EthernetportthatallowstheBGWtoconnecttotheInternet,oraWAN/
MANtypeoflargernetwork.Thismeansthatthesystemcanbemonitoredandmanagedremotely.
TheBGWistheunitresponsibleforalarmhandlingandremoteforwardofalarmseitherbySMTPmailforwardingor
bySNMPtraps.AMIBfileforyourSNMPsystemisavailablefromBirduponrequestaswellasdocumentation
regardingSNMP.
IftheBGWisreplacedtheRemoteUnitsmaynotshowupimmediately.Thisisduetotheleasetimeontheaddress
theyhave.Eventuallytheywillrequestanewaddressandwhenthisisdonetheywillshowup.
TheBGWcanalsolaunchVPNtunnelstoaremotesupervisioncenter,theCGW.TheCGWmakesitpossibleto
managemultiplesystemsfromasinglelocation.TheCGWcanhandlealargenumberofsuchtunnels,providinga
centralpointforsupervisingalltheinstallationsandcollectingalarmsandstatisticsfromallthesystemsaswellas
centralizedalarmmanagement.TheBGWcansupportasecondVPNtunneltotheBirdmanagementcenter
providingsupervisionandmanagementassistance,ifneeded.
Table 1
Parameter Value
Inputpowervoltage 100‐240VAC
Inputpowerfrequency 50/60Hz
Operatingtemperature 10to30°C(50to100°F)
Powerrating,Typical <100W
Height 1U
Width 19”(48.26cm)
Depth 14.2”(36cm
Weight <11lbs.(5kg)
BGW Specifications

SystemDescription
6
Remote Gateway (RGW)
TheRGWisasmallunitsimilartotheBGWbutintendedforsmallsystemswherethereareonlyafewremotesor
wherethereisnoheadend.TheRGWhasaformfactorthatallowsittobemountedinsidearepeatercasing.
TheRGWcanbeusedtorunupto4RemoteUnitsfromasingleRepeateronasingleFiber.TheRGWhasthe
capabilitytoconnectnorthboundtoaCGW,justliketheBGW,anditcanalsoforwardalarmsthroughaVPNtunnel
toaCGW.
ThememorycapacityandfeaturesarereducedcomparedtotheBGWbutforasmallsystemwithasinglefiberthis
isanoption.
InremotelocationswithoutEthernet,theRGWcanbeequippedwithamodemtoallowremoteaccesstothe
system.Typicallya3GmodemisusedallowingaVPNtunnelfromtheRGWtoaCGW,enablingsupervision,
monitoringandcontrolofthesystem.
Headend
Theheadendconsistsofa19‐inchrackwithmodulesthatareselecteddependingonthesystemdesign.Generallyall
headendUnitscontain:
Networkswitch‐connectscommunicationpathsbetweenthemodules
InterconnectUnit(ICU)‐RFsplitter/combiner(rack‐mountunitormoduleintheMFU)
MasterFrameUnit(MFU),maycontainsomeorallofthefollowing:
Powersupply
BaseStationInterfaceUnit(BIU)
Fiber‐OpticInterfacecard(FOI)
Repeater
ICU
ADHCPserverbuiltintotheRGWandBGWwillassignIPaddressestoalltheheadendsubunitsintherackandthe
RemoteUnitswhentheyareconnectedtothesystem.Theconfigurationisautomaticandcreatesaprotectedsub‐
netforthesystem.
DCS - Network Switch
ThenetworkswitchisanACpowered,24‐portswitchwithSpanningTreeProtocol(STP).Thenetworkswitch
providesanEthernetlinkbetweentheMFUandtheBGW.EachcardslotintheMFUhasadedicatedEthernetport,
eachportisconnectedtothenetworkswitchandthenetworkswitchisconnectedtotheBGW.
ADCpoweredoptionisalsoavailable.
Actualnetworkswitchmaybe
differentfromtheimage.

FiberDistributedAntennaSystem(FiberDAS)
7
Master Frame Unit (MFU)
TheMasterFrameUnit(MFU)housesthePowerSupplies,BaseStationInterfaceUnits(BIU),InterconnectionUnits
(ICU),andFiber‐OpticInterface(FOI)cards.
Figure3
showsanMFUequippedwith3BIUs,6FOIsandonePower
Supply.
Figure 3 Master Frame Unit
Functional description
OneMFUsupportsseveralmodules,orcombinationofmoduletypes.Themodulescanbeplacedanywhereinthe
frame.Thereare16singleslotcardpositionsineachMFU,howevermodulewidthsvary(seeeachmodule’s
specifications)sothenumberofmodulethatwillfitinanMFUdependsonthemoduletype.OneMFUcanhouseup
to4powersupplies,8ICUs,8wideBIUs,16slimBIUs,16FOIs,orcombinationofmodules.See
Table2
.
EachMFUrequiresatleastonepowersupply,althoughthepowersupplydoesnotneedtobehousedwithinthe
MFU.QuiteoftenasystemhasmorethanonepowersupplyandtheyareusuallyplacedtogetherinoneMFUfor
easyaccess.EachMFUhastwopowerinputconnectors,oneprimaryandoneredundant.Aredundantpowersupply
connectedtoanMFUensurescontinuedoperationifoneofthepowersuppliesshouldfail.
TheMFUcontainstwoventilationfanscirculatingambientairthroughtheunitshousedintheframe.Thesearehigh
qualityfanswithahighmeantimebetweenfailure(MTBF).
EachModuleintheMFUareassignedanIPaddressesviaDHCPleases,modulesinherittheMACaddressfromthe
backplane,thisensuresthatanewmoduleinsertedintherackreceivesthesameIPaddressastheoneitis
replacing,withouttheneedofmanualconfiguration.
Table 2 MFU Specifications
Parameter Value
Powerconnector Molex,10Pin
Ethernetconnector RJ45
Weight(withoutmodules) 5.5lbs(2.5kg)
Temperaturerange,Operational 0to45°C(32to113°F)
Width 19”(48.3cm)
Height3U,5.25”(13.34cm)
Depth 11.8”(30cm)
Maximumnumberofeachtypeofmodulessupported
PSU 4
BIU(DBI3xx,DBI3xxC(compact)) 8,16
FOI(DOI401,DOI30x) 8,16
ICU 8

SystemDescription
8
Base Station Interface Unit (BIU)
TheBaseStationInterfaceUnit(BIU)istheinterfacebetweentheoperator’sbasestationandtheFiber‐DASsystem.
TheprimarypurposeoftheBIUistoadjustuplinkanddownlinksignallevels.TheBIUispoweredfromtheMFU
backplaneandcommunicatesviaEthernetwiththeBGW.
Figure 4 BIU Signal Flow
Base
Station
Base Station
Interface
Interconnect
Unit
Fiber-Optic
Interface Units
Fiber-Optic
Cables
to
Remote
Units
(Antenna)
Master Frame Unit
FOI
FOI
FOI
FOI
ICU BIU
TheBIUhasuplinkanddownlinkRFconnectorsonthefrontpanelandisavailableintwovariants,onecontaining
duplexfiltersoronewithseparateuplink/downlinkpaths,dependingontheneedsfortheconnectiontothebase
station.InmostcasestheduplexedversionwithacombinedDL/ULportsisused.
Inadditiontoduplexingoptions,thereisasingleslotandadualversionoftheBIU:
TheDBI3xx(wideversion)includesanexternalalarmconnector(DB9)andrequirestwoMFUslots.
TheDBI3xxC(compactversion)doesnothaveanexternalalarmconnector(DB9),andusesonlyoneMFU
slot.
Figure 5
BIU
ALM
ON
DL/UL BTS 1
TP UL 1
TP UL 2
DL OUT 1
UL IN 1
DL OUT 2
UL IN 2
DL/UL BTS 2
BIU
ALM
ON
DL/UL BTS 1
TP UL 1
EXTERNAL
ALARM
TP UL 2
DL OUT 1
UL IN 1
DL OUT 2
UL IN 2
DL/UL BTS 2
DBI3xxC DBI3xx
Base Station Interface Unit (BIU)
Functional description
TheBIUhasfourSMAports(femaletype)toconnecttheRBS/BTS.
DuplexedversionshavecombinedDL/ULconnectorsusedtoconnecttotheRBS,andthereareULtest(TP)
connectorsthatcanbeusedtomonitorthesignaloutfromtheBIU.
Non‐duplexed(simplex)versionshavethetestconnectorsreplacedbyULconnectorsandthenormally
combinedUL/DLconnectorsarereplacedbyDLonlyconnectors.

FiberDistributedAntennaSystem(FiberDAS)
9
TheBIUhasfourQMAports(femaletype)thatarenormallyusedtoconnectittoanICU.
Therearetwouplink(input)portsandtwodownlink(output,TX)ports.
Thesearetwoseparatepaths,theisolationbetweenDL1andDL2portsandtheisolationbetweentheUL
1andUL2portsis>50dB.
TherearetwoseparateRFpathsintheBIU.TheBIUisconfiguredforthespecificfrequencybanditwillserve.The
twopathsintheBIUcannothavedifferentfrequencies;aGSM900BIUwillhavetwoGSM900pathsandcannotbe
combinedwithan1800path.SeparatefrequenciesrequiretheuseofanadditionalBIU.
RFpatchcablesareusedtopatchtheDLandULpaths(QMA)totheICU.
TheDBI3xx(dualslot)BIUhasanalarmoutputport(DB9femaleconnector)ontheBIUwhichcanbeusedto
connectexternalalarms.
Table 3 Alarm Port Pinout
TheBIUistechnologyneutralandthedownlinkpathcontainssettableattenuatorsthatcanbeusedtoadjustthe
signalstrengthtoproperlevelsbeforefeedingthemintotheICU.Intheuplinkthereisanamplifierfollowedbya
settableattenuatorusedtoadjustthesignalandthenoiselevelintothebasestationuplink.
AllRFconnectionsaremadeonthefrontoftheBIU.ThemaximumrecommendedinputpowertotheBIUis30dBm.
Ahighpoweralarmisactivatedat>30dBmandalowpoweralarmat<10dBminputpower.
Inputpowerabovetherecommendedlevelcancausepermanentunitfailure.Forhighpowerbasestations,an
attenuatorshouldbeusedtoensurethattheinputpowertotheBIUcanneverexceedspecifications.
Thereisa0dBminputversionoftheBIUavailableonrequest.
Pin Signal (A) Signal (B)
1 RS485+ RS485+
2Alarmout1Alarmout1
3 Ground Ground
4Notconnected Alarmin2
5Notconnected Alarmin4
6 RS485+ RS485+
7Alarmout2Alarmout2
8G Alarmin3
9Notconnected Alarmin1
CAUTION
OverdrivingtheRFsourceinputintotheBIUwillcausepermanentequipmentfailureand
willvoidthewarranty.Theinstallermustensurethatinputlevelsarenotexceeded.
PlanformaximumpoweroutoftheRFsourceandattenuateaccordinglywithexternal
attenuatorsifneeded.
BIU Type Minimum DL Input Maximum DL Input
LowLevel ‐7dBm +7dBm
HighLevel +20dBm +33dBm
CAUTION
TheULfromtheFOIcardiscapableofdamagingtheULportontheBIU.
MaximuminputtotheBIUULshouldbenohigherthan+13dBm.
UsecaretoproperlysetFOIlevelspriortoenablingRF.

SystemDescription
10
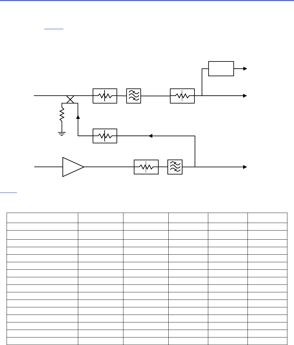
Theschematicin
Figure6
showsoneofthechannelsintheBIU.Thesignaldetectorforthedownlinklevelalarmsis
showninthetoprightcorner.
TheUL1andUL2uplinktestportsare3dBlowerthanthesignalonthecorrespondingDL/ULBTSport.
Figure 6 Schematic of One BIU RF Path
Table4
listsstandardcellularBIU’s.Otherconfigurationsareavailableuponrequestaswellasunitswithoutinternal
duplexfiltering.
Table 4 Standard Variants of the BIU
Configuration UL MHz DL MHz RF Input High Level P/N Low Level P/N
2xVHF 136‐174 136‐174 Duplex DBI312 DBI412
2xTETRA390MHz†
†Severaloptionsexistsfor5MHzstandardbandsforTETRA
380‐385 390‐395 Duplex DBI301 DBI401
2xUHF 450‐470 450‐470 Duplex DBI313 DBI413
2x700MHZABC‐band 698‐716 728‐746 Duplex DBI307 DBI407
2x700UpperC777‐756 746‐756 Duplex DBI304 DBI404
2x700PublicSafety 799‐805 769‐775 Duplex DBI314 DBI414
2xSMR800 806‐824 851‐869 Duplex DBI303 DBI403
2x850MHz 824‐849 869‐894 Duplex DBI308 DBI408
2x800 832‐862 791‐821 Simplex DBI305 DBI405
2xGSM‐R900 876‐880 921‐925 Duplex DBI310 ‐
2x900MHz 880‐915 925‐960 Duplex DBI309 DBI409
2x1800MHz 1710‐1785 1805‐1880 Duplex DBI318 DBI408
2x1900MHz 1850‐1915 1930‐1995 Duplex DBI319 DBI419
2xUMTS2100MHz 1920‐1980 2110‐2170 Duplex DBI320 DBI420
2xAWS2100MHz 1710‐1755 2110‐2155 Duplex DBI321 DBI421
2xLTE2600 2500‐2570 2620‐2690 Duplex DBI326 DBI426

FiberDistributedAntennaSystem(FiberDAS)
11
Table 5 RF and Electrical Performance of the BIU
Table 6 BIU Mechanical Specifications
BIU Indicator Operation
TherearetwoLEDslocatedontheBIUfrontpanel.OneisthepowerLED(green),theotheristhealarmLED(red).
BothLEDsindicateanumberofstatesbydifferentflashingsequences,see
Table7
.
InanerrorstatethewebinterfaceshouldbeusedtochecktheactualconditionoftheBIUbuttheLEDscangivea
quickindicationonthestateoftheunit.TheLEDsarealsousefulforlocatingthephysicalunitifseveralBIUsare
installedinthesamerack.
Table 7
State ON LED ALM LED Note
Booting 2Hz Off Normalboot
Bootingstandalonemode 2Hz 2Hz Notattachedtorack
BootingreadofMACaddressfailed 2Hz On Error
Starting 0,1Hz90% 0,1Hz90% Kernelstartup
Operation 0,5Hz10% OffNormaloperation
Operation 0,5Hz10% 1Hz10% Minoralarmstate
Operation 0,5Hz10% 2Hz25% Majoralarmstate
Operation 0,5Hz10% On Criticalalarmstate
Indicator Behavior
Parameter Value Unit
Downlinkattenuation Settable 10‐30±3dB
UplinkGainformodules<1000MHz Settable 10to20±3dB
UplinkGainformodules>1000MHz Settable ‐10to10±3dB
IM3performance >55 dB
Maxinputnon‐destructive >36 dBm
Highinputalarmthresholdlevel 33 dBm
Lowinputalarmthresholdlevel 10 dBm
Inputreturnloss >20 dB
ImpedanceforallRFports 50 Ω
Isolationbetweenports >60 dB
Powerconsumption <15 W
Tempe raturerange 0‐45 °C
Parameter Value
BasestationRFports SMA,Female
Testportsuplink(ifpresent) SMA,Female
InterconnectingRFportstoICU QMA,Female
Alarmconnector(optional) DB9,Female
ModuleWidth
DBI3xx
DBI3xxC(compact)
2Slots
1slot

SystemDescription
12
Figure 7 BIU Interfaces
BIU
ALM
ON
DL/UL BTS 1
TP UL 1
EXTERNAL
ALARM
TP UL 2
DL OUT 1
UL IN 1
DL OUT 2
UL IN 2
DL/UL BTS 2
BIU
ALM
ON
DL/UL BTS 1
TP UL 1
TP UL 2
DL OUT 1
UL IN 1
DL OUT 2
UL IN 2
DL/UL BTS 2
Item Description
Connectionfromtheradiobasestation(RBS).
TestportfortheuplinkoftheDL/ULBTSport‐6dB.Thesignalwillbe3dBm
belowtheDL/ULBTSport.PortisnotvalidonthesimplexBIU.
SimplexdownlinkfeedtotheFOI.
SimplexuplinkfromtheFOI.TheBIUwillattenuateand/oramplifythesignal
andthenroutetotheDL/ULBTSport.
Usedforexternalalarmmonitoring(DBI3xx,twoslotversiononly).
TheLEDsindicatevariousstates,see
Table7
.
DL/ULBTS1/2
TPUL1/2
DLOUT1/
2
ULIN1/2
EXTERNALALARMS
ON/ALMLED

FiberDistributedAntennaSystem(FiberDAS)
13
Interconnect Unit (ICU)
Interconnectunits(ICU)areusedtocouplesignalsbetweentheBIUsandtheFOIs.
ThefunctionalpurposeoftheICUis:
Downlink‐SplitthesignalfromtheBIUandroutethebalancedsignals(minusinsertionloss)totheFOIs.
Uplink‐CombinethesignalsfromtheFOIsandroutethesumofthesignals(minusinsertionloss)tothe
BIU.
TheRFportsontheICUareQMA.
Figure 8 Interconnect Unit Signal Flow
Base
Station
Base Station
Interface
Interconnect
Unit
Fiber-Optic
Interface Units
Fiber-Optic
Cables
to
Remote
Units
(Antenna)
Master Frame Unit
FOI
FOI
FOI
FOI
ICU BIU
MFU ICU
TheMFUICUsareavailableinseveraldifferentconfigurationstosupportavarietyofsystemconfigurations.
TheseunitsareinsertedintotheMFUandprovidesignalroutingtoandfromtheBIUsandFOIs.
Figure 9 MFU ICU

SystemDescription
14
Rack-mount ICU (DIU301, DIU302)
TheRack‐mountICUisa1Uunitthatcontainsfourfieldscontainingsplitters/combiners.Eachfieldiscapableof
splittingoneinputintoeightoutputsorcombiningeightinputsintooneoutput.
Figure 10 Rack-mount ICU
Eachofthe4fieldshasaCOMMONportandports1‐8.
Whenusedasacombiner,thesignalstocombineareconnectedtoinputports1‐8,thesumofthesignals
(minusinsertionloss)willbeoutputontheCOMMONport.
Whenusedasasplitter,thecombinedsignalisinputontheCOMMONportandoutputonports1‐8,with
theoutputportshavingbalancedsignals(minusinsertionloss).
Table 8 Rack-mount ICU Specifications
QMA cable kit
AQMAcablekit(BirdpartnumberDCC320)isavailableforusewiththeICU.Thekitcontains32QMAtoQMAcables
(see
Table9
)thatcanbeusedtopatchbetweentheBIUtotheICU,BIUtotheFOIorICUtoFOI.
Table 9 QMA Cable Kit
Parameter Value
Insertionloss(nominal)‐DIU301 37dB
Insertionloss(nominal)‐DIU302 21dB
Bandwidth‐DIU301 88‐2700MHz
Bandwidth‐DIU302 88‐2700MHz
OperatingTe mperatu re ‐25to+55C(‐13to+131F)
Impedance 50Ohm
IM3performance >50dB
Returnlossperformance >20dB
Maximumcommonportpower 20dBm
Isolationbetweenportsinsamestrip >15dB
Isolationbetweenportsindifferentstrips >50dB
Length Quantity
250mm(9.8”) 13
350mm(13.8”) 13
500mm(19.7”) 6

FiberDistributedAntennaSystem(FiberDAS)
15
Fiber Optic Interface (FOI) unit
TheFOIconvertstheRFsignalsinthedownlinktofiber‐opticallaseroutputthatistransmittedonthefibertothe
remoteunit.ItalsoreceivesthelaserlighttransmittedbytheRemoteUnitandconvertsitbacktoRFsignalsthatare
thenroutedtotheICUand/orBIU.
Figure 11
Base
Station
Base Station
Interface
Interconnect
Unit
Fiber-Optic
Interface Units
Fiber-Optic
Cables
to
Remote
Units
(Antenna)
Master Frame Unit
FOI
FOI
FOI
FOI
ICU BIU
FOI Signal Flow
TheFOIispoweredfromtheMFUbackplaneandcommunicatesviaEthernetwiththeBGW.
Figure 12 Fiber Optic Interface (FOI) Unit
ThisinterfaceisdesignedtoworkwithSC‐APCconnectors(8°angledphysicalconnector)andsinglemodefibers
only.AllconnectorsbetweenthemasterunitandtheremoteunitmustbeAPC,otherwiseproblemswithreflections
willarise,whichcouldcausesevereproblemsinthesystem.
TheEthernetcommunicationbetweentheHeadendandtheRemoteUnitstakesplaceontwosub‐carriersintheFOI
wheretheEthernetsignalsaresuperimposedontheRFsignals.
Asshownin
Table10
,BirdofferstwostylesofFOIcards.The
"DOI300SeriesFOI"onpage16
andthe
"DOI401SeriesFOI"
onpage19
.
Table 10 FOI Variants
WARNING
Avoidlookingintoconnectedfibersandreceptacles.
ThelaserusedinthissystemisaClass3blaserthatproducesinvisibleinfra‐redcoherentlight.Notsafetoview
withopticalinstruments.Alwaysputtheprotectioncapsonunusedfibersandreceptacles.
Parameter Fiber Ports Wavelength
DOI301 2 1310nm
DOI302(WDM) 1 1310nm
DOI308x 1 variouswavelengthsavailable
DOI401 4 1550nm

SystemDescription
16
DOI300 Series FOI
TheDOI300seriessupportsasinglefiberopticlink.Thefiber‐opticinterfacecaneitherbeaWDM(DOI302)whichis
mostcommonlyusedoranoptionalduplexfeedwithseparateULandDLfibers(DOI301).BirdalsooffersaWDM
option(DOI380x).TheWDMutilizestheduplexfeedstylecardbutthewavelengthforthedownlinkaredefinedby
the"x"intheDOI380xpartnumber.NotethattheRemoteUnitwillneedtobeorderedwiththecorrectWDM
uplinkwavelength.RefertothechartfortheWDMwavelengthsoffered.
DOI300 Series Serving Multiple Remotes
TheDOI300SeriesFOIcanserveupto4RemoteUnitsonasinglefiberrunwhenusinganopticalsplitterinthefirst
RemoteUnit.WhenutilizingtheDOI302WDMmoduleeachRemoteUnitintheseriesmusthavedifferentoptical
wavelengthsintheuplinkpathtoavoidinterference.
Whenutilizingopticalsplitters,theopticallossofthesplittermustbeaccountedforintheopticallinkbudget.The
DOI300seriesFOIhasamaximumlinkbudgetof15dBo.
Figure13
showstheallowedFOItoFOR/Remoteconfigurations.BirdoffersvarioussplitteroptionsfortheFOR/
Remotetohelpaccountforopticallosses.Thestandardopticalsplitterwillhavebalancedoutputsforeachpath.
ConsultwithBirdengineeringforspecialapplications.
Figure 13 FOI to Remote Unit Configurations
DeltaNode
Wireless Technology
TM
FOI
ALM
ON
UL OUT 1
OPTO IN/OUT
TP DL
RES
TP UL
DL IN 1
DL IN 2
UL OUT 2
DeltaNode
Wireless Technology
TM
FOI
ALM
ON
UL OUT 1
OPTO IN/OUT
TP DL
RES
TP UL
DL IN 1
DL IN 2
UL OUT 2
Point-to-Point Daisy-Chained Remotes
Hybrid Split
DeltaNode
Wireless Technology
TM
FOI
ALM
ON
UL OUT 1
OPTO IN/OUT
TP DL
RES
TP UL
DL IN 1
DL IN 2
UL OUT 2
Point-to-Multipoint
DeltaNode
Wireless Technology
TM
FOI
ALM
ON
UL OUT 1
OPTO IN/OUT
TP DL
RES
TP UL
DL IN 1
DL IN 2
UL OUT 2
Functional description
TheFOIhasanominalgainof35dBandthelasertransmittershouldseeamaximumcompositeinputpowerof
0dBm.Thismeansthatfor0dBattenuationinthedownlinkamaximuminputof‐35dBmcompositepoweris
recommended(whenattenuatorsaresetto0dBm).Ifthedownlinkattenuatorissettoahighervaluethemaximum
recommendedinputisadjustedaccordingly.
Theoutputpowerofthelaseriscalibratedto3000µW.Thiscanbeusedtocheckthelossoverfiberintheremote
becausetheremotereportsthereceivedopticallevels.Thelossmaybedifferentintheuplinkcomparedtothe
downlinkbecauseofdifferentwavelengthsonthelaser.
TheFOIcontainsseveraladjustableattenuatorswhichareusedtocompensateforlossbeforetheFOI(e.g.inthe
ICU)andforlossonthefiberintheuplink.TherearetwosetsofRFportsontheFOIthatcanbeusedtoconnect
signalsfromtwodifferentstripsintherack‐mountICU,ortwodifferentMFUICUs.
Figure14
isablockdiagramshowingthedownlinkpathintheFOIandhowthetestportisconnected.Therearetwo
attenuatorsthatcanbesetinthedownlinkpath.Thisallowsforbalancingtheinputsignalsfromtwodifferentsignal
sourcessothattheycansharethedynamicsofthelaserproperly.

FiberDistributedAntennaSystem(FiberDAS)
17
Figure 14
DETECTOR
LASER
DRIVER
ETHERNET
MODEM
OPTO OUT
DETECTOR
MONITOR
TX-LVL
DL IN 1
DL IN 2
TP DL
STEP ATT
Attenuator 1
Downlink 1
Attenuator 1
Downlink 2
Attenuator 2
Downlink 1
Attenuator 2
Downlink 2
STEP ATT
STEP ATT
STEP ATT
FOI Downlink Block Diagram
TheRFdrivelevelsaremeasuredandaccessibleinthewebinterface.
TPDLisatestpointmeasurementportforthedownlinkpath.TheRFlevelatTPDLwillbethesameastheinputto
theDLportsminustheGUIattenuatorsettings.
TPDL=“DLIN1"minus“Att.1Downlink1"minus“Att.2Downlink1".
TPDL=“DLIN2"minus“Att.1Downlink2"minus“Att.2Downlink2".
Example:InputintoDLis‐25dBmwiththeGUIsettingfor“Att.1Downlink1"of10andaGUIsettingfor“Att2
Downlink1"of0.Thetestpointmeasurementwillbe:‐25dB(input)minus10dB(attenuator#1)minus0dB
(attenuator#2)=‐35dBm.
Figure15
isablockdiagramshowingtheuplinkpathintheFOIandhowthetestportisconnected.Therearetwo
commonattenuators,andtwouplinkattenuatorsthatcanbesetintheuplinkpath.
Figure 15 FOI Uplink Block Diagram
DETECTOR
DETECTOR
CURRENT
SENSOR
ETHERNET
MODEM
OPTO IN
RX-LVL
UL OUT 2
UL OUT 1
TP UL
Attenuator
Common 1
PHOTO
DETECTOR
Attenuator
Common 2
Attenuator
Uplink 1
Attenuator
Uplink 2
STEP ATT STEP ATT
STEP ATT
STEP ATT
RX POWER 1
RX POWER 2
TheULtestportontheFOIistappedbeforetheindividualuplinkpathattenuators.TheoutputlevelofTPULwillbe:
TP/UL[dB]=“Att.Uplink1"setting‐20dB
TP/UL[dB]=“Att.Uplink2"setting‐20dB
Example:IftheFOIGUIsettingfor“Att.Uplink1"is0,thetestportuplinkpath1signalswillbe20dBlowerthanthe
uplinksignalonthe“ULOut1"port.
Example:IftheFOIGUIsettingfor“Att.Uplink2"is20,thetestportuplinkpath2signalswillbeequaltotheuplink
signalson“ULOut2"port.

SystemDescription
18
Figure 16 DOI301/302
FOI
ALM
ON
UL OUT 1
OPTO IN/OUT
TP DL
RES
TP UL
DL IN 1
DL IN 2
UL OUT 2
DOI302
With WDM
DOI301
Without WDM
FOI
ALM
ON
UL OUT 1
OPTO OUT
OPTO IN
TP DL
RES
TP UL
DL IN 1
DL IN 2
UL OUT 2
Interfaces
ThetwoLEDsontheunitprovideFOIstatusasshownin
Table11
.
Table 11 FOI LED Indicators
Table 12 DOI302 Specifications
Item Description
OPTOIN/OUT
SC‐APCconnectionfortheopticalfiber.
DOI302modulewithbuiltinWDMhasasingleconnector(combinedRX/TX).
DOI301modulewithoutWDMhastwoconnectors,oneforTXandoneforRX.
ULOUT1/2 Uplinkports(QMA)totheICU.
DLIN1/2 Downlinkports(QMA)totheICU.
TPUL/DL Testports(QMA)usedtocheckthesignallevelsornoiseinthesystem.
State ON LED ALARM LED Note
Booting 2Hz Off Normalboot
Bootingstandalonemode 2Hz 2Hz Notattachedtorack
BootingreadofMACaddressfailed 2Hz On Error
Starting 0,1Hz90% 0,1Hz90% Kernelstartup
Operation 0,5Hz10% Off Normaloperation
Operation 0,5Hz10% 1Hz10% Minoralarmstate
Operation 0,5Hz10% 2Hz25% Majoralarmstate
Operation 0,5Hz10% On Criticalalarmstate
Parameter Value
MaximumfiberlossfromMUtoRU,Optical, 15dBo
Opticaloutputpower,Calibrated 3000µW
MaximumnumberofRUsupportedonsinglefiber 4
InputRFpowerrecommended,Composite ‐50to‐35dBm
Powerconsumption <15W
OperationalTe mperaturerange 0to45°C(32to133°F)
ModuleWidth 1cardslot
Opticalconnectortype SC‐APC
RFconnectortype QMAFemale

FiberDistributedAntennaSystem(FiberDAS)
19
DOI401Series FOI
TheDOI401fourportFOIisverysimilartoDOI302expectthatithasfourWDMopticalportsinsteadofone.This
allowstheusertoinstalldedicatedfiberstoeachRemoteUnitwithouthavingtobalanceopticalsplitterlinkbudgets
foreachremoteinagroup.Thebalancedsplitterlossisaccountedforinthe7dBolinkbudgetoftheDOI401.Unlike
theDOI302,theDOI401doesnotrequiretheULopticalsignalstobeondifferentwavelengths.
Figure 17 DOI401 Interfaces
OPTO IN/OUT 1
OPTO IN/OUT 2
OPTO IN/OUT 3
OPTO IN/OUT 4
FOI
ALM
ON
UL OUT 1
TP DL
RES
TP UL
DL IN 1
DL IN 2
UL OUT 2
Table 13 DOI401 Specifications
Item Description
OPTOIN/OUT SC‐APCconnectionsfortheopticalfiber.
ULOUT1/2 UplinkportstotheICU/BIU.
DLIN1/2 DownlinkportstotheICU/BIU.
TPUL/DL Testportsusedtocheckthesignallevelsornoiseinthesystem.
Parameter Value
MaximumfiberlossfromMUtoRU,Optical, 7dBo
Opticaloutputpower,Calibrated 3000µW
MaximumnumberofRUsupportedonsinglefiber 1
InputRFpowerrecommended,Composite ‐50to‐35dBm
Powerconsumption <20W
OperationalTe mperaturerange 0to45°C(32to133°F)
ModuleWidth 2cardslot
Opticalconnectortype SC‐APC
RFconnectortype QMAFemale

SystemDescription
20
PSU – the rack power supply
ThePowerSupplyUnitprovidesDCpowertotheMasterUnitbackplane.Theunitisshippedas240VACor115VAC
unitsdependingonthecountry.A‐48VDCinputisofferedasanoption.
Figure 18 PSU
ACPowerSupply DCPowerSupply
Functional description
TheACpowersupplycanhandleupto16cardsoronechassisfullofcards.TheDCpowersupplyiscapableof
handling11cardsoronefullchassisthatincludestheDCpowersupply.
Allconnectorsareonthefrontsideofthepowersupply.
Figure18
showsthePSUequippedwithEuropeanpower
inlet.
ThePSUoutputsaretwo10‐pinMolexconnectors,theseareconnectedtothechassistosupplypower.One
connectorshouldalwaysbeconnectedtothechassisholdingthePSU(fordrivingthefans).
Onechassiscanholdupto4powersupplies.TwoPSU’smaybeconnectedtoachassistoprovideredundancy.
Table 14 PSU Specifications
Parameter Value
Inputpowervoltage,Mains 86‐264VAC
Inputpowerfrequency,Mains 50/60Hz
Operatingtemperature 0to45°C(32to113°F)
Powerrating 240W
Width 4cardslots

FiberDistributedAntennaSystem(FiberDAS)
21
Remote Unit (RU)
Remoteunitsareavailableinawiderangeoffrequencies,gainandoutputpowertocatertosupportavarietyof
requirements.Remoteunitsarealsocapableofsupportingmorethanonefrequencybandinasingleunit.
Chassis types
Remoteunits(RUs)areavailableintwochassis,asinglecompactchassisfor1‐2bandsandadualchassisforupto4
bands(
Figure19
).Therearemultipleconfigurationsthatallowforvariouspowerlevelofamplifierstobeplacedinto
thechassis.
Table15
showshowthechassismaybeconfigured:
Table 15
Chassis type Low Medium High
Singlechassis 1‐2 1‐2 1
Dualchassis 3‐4 3‐4 2
Chassis Types
Itispossibletohavecombinationsoftheabove.Forexampleitispossibletobuildadualchassiswith2medium
powerbandsand1highpowerbandinthesameremote.Eachsideofadualchassisisvirtuallyidenticaltoasingle
chassisremoteunit.Thisensuresunparalleledflexibilitywhenbuildingmultipleoperator/multiplebandsolutions.
Adualchassismayhave1‐2fiberopticalremoteunits(FOR).Thisallowsforredundantfiberfeeds,multiple‐input
andmultiple‐output(MIMO)applications,anddedicatedamplifiers.
Figure 19
Single Chassis
Remote Unit
Dual Chassis
Remote Unit
Remote Unit Chassis Types
AllRemoteUnitshaveanexcellentnoisefigure,contributingtoanoverallnoisefigureforthewholesystemfrom
remotetohead‐endintothebasestationof<3dBfortheRFlink.
BothchassiscomplywithIP65protectionforuseinanyenvironment.Thedurablecoatingassistsinconvection
cooling.NofansareusedfortheRemoteUnits.
Note: TheheatgeneratedbytheRemoteUnitswhenpoweredupisusedtopreventwateringressinto
units.Remoteunitsmustremainpoweredonwhenmountedoutdoors.
Bothwallorpolemountingkitsareavailableforchassismounting.
Table16
containsalistofthemostcommonremoteunitsthatareusedwiththeBirdFiber‐DASsystem.Variantsare
availableuponrequest.
Table 16 Remote Comparison Table
Product code Pout (ETSI)†
†Actualpowerdeterminedbyfrequencybandandspectrumdemands.
Pout (FCC) Bands
DDR(mediumpower).See
"DDR"onpage22
.26‐30 361‐4
DDS(Highpowerquadband).See
"DDS"onpage26
.41 1‐4
DDH(highpower).See
"DDH"onpage28
.32‐43 43 1‐2
DDU(highpower).See
"DDU"onpage31
.46 1‐2

SystemDescription
22
DDR
ETSI standard
Bird’sDistributedRadioheadisahighperformingwidebandradioheadequippedwithalinearpoweramplifier
supportingallmodulations.Thelightweight,convectioncooledIP65chassissecurestheperformanceinalmostany
environment.
Table 17 General Specifications
Table 18 Specifications DDR100 (Single Band) & DDR200 (Dual band)
Table 19 Specifications DDR300(Triple Band) & DDR400(Quad Band)
Cellular Products
Table 20 Available Products, ETSL
NoiseFigure,Typical 3dB
Delayexcludingopticalfiber <0.5µs
PowerSupply
Standard
Optional
85to264VAC
‐32to‐100VDC
OperatingTe mperatu re ‐25to55°C(32to113°F)
Casing IP65
PowerConsumption,max,DDR100(200) 90(180)W
Dimensions,WxDxH11.8x5.1x27.6in.
30x13x70cm
Weight <26.4lbs(12kg)
PowerConsumption,max,DDR300(400) 270(360)W
Dimensions,WxDxH11.8x8.7x27.6in.
30x22x70cm
Weight <52.9lbs(24kg)
System UL Frequency
MHz
DL Frequency
MHz
Pout (DL)
dBm/c,
1 Carrier
Pout (DL)
dBm/c,
2 Carriers
Standard
TETRA,PublicSafety 380‐385 390‐395 26 23 ETSI
TETRA,Commercial 410‐415 420‐425 26 23 ETSI
TETRA,Commercial 415‐420 425‐430 26 23 ETSI
CDMA450 452.5‐457.5 462.5‐467.53328FCC
GSM‐R876‐880 921‐925 26 23 ETSI
EGSM900 880‐915 925‐960 26 23 ETSI
GSM1800 1710‐1785 1805‐1880 28 25 ETSI
UMTS 1920‐1980 2110‐2170 30 25 3GPP

FiberDistributedAntennaSystem(FiberDAS)
23
FCC/IC standard
Bird’sDistributedRadioheadisahighperformingwidebandradioheadequippedwithalinearpoweramplifier
supportingallmodulations.Thelightweight,convectioncooledIP65chassissecurestheperformanceinalmostany
environment.
Table 21 General Specifications
Table 22 Specifications DDR100 (Single Band) & DDR200 (Dual band)
Table 23 Specifications DDR300 (Triple Band) & DDR400 (Quad Band)
Cellular Products
Table 24 Available Products, FCC/IC
Class B Industrial Booster — ThisequipmentisaClassBIndustrialBoosterandisrestrictedtoinstallationas
anIn‐buildingDistributedAntennaSystem(DAS).
FCC RF Exposure — ThisequipmentcomplieswiththeFCCRFradiationexposurelimitssetforthforan
uncontrolledenvironment.Thisequipmentshouldbeinstalledandoperatedwiththefollowingminimumdistances
betweentheradiatorandyourbody:
Ifsystemwilloperateonmultiplebands,theseparationdistancerequiredshallbeequalto,orgreaterthan,the
bandwiththelargestseparationdistance.
NoiseFigure,Typical 3dB
Delayexcludingopticalfiber <0.5µs
PowerSupply
Standard
Optional
85–264VAC
‐32to‐100VDC
OperatingTe mperatu re ‐25to55°C(32to113°F)
Casing IP65
PowerConsumption,max,DDR100(200) 90(180)W
Dimensions,WxDxH11.8x5.1x27.6in.
30x13x70cm
Weight <26.4lbs(12kg)
PowerConsumption,max,DDR300(400) 270(360)W
Dimensions,WxDxH11.8x8.7x27.6in.
30x22x70cm
Weight <52.9lbs(24kg)
System UL Frequency MHz DL Frequency MHz Pout, DL,
dBm (Composite) Standard
LTELB 698‐716 728‐746 33 FCC/IC
LTEUB 746‐776† 776–806†
†Sub‐bandsavailable
33 FCC/IC
iDEN 806‐824 851‐869 33 FCC/IC
Cellular 824‐849 869‐894 33 FCC/IC
PCS1900 1850‐1915 1930‐1995 33 FCC/IC
AWS 1710‐1780 2110‐2180 33 FCC/IC
IMT‐E2500‐2570 2620‐2690 33 FCC/IC
LTE700MHz(DDR700) 204.7cm
iDEN800MHz(DDR850) 173.0cm
PCS1900MHz(DDR1900) 142.9cm
AWS‐12100MHz(DDR2100) 134.9cm
AWS‐32155MHz(DDRAWS3) 97.7cm

SystemDescription
24
IC RF Exposure — EquipmentoperatingintheCellularbandshouldbeinstalledandoperatedwiththefollowing
minimumdistanceofbetweentheradiatorandyourbody:
Ifsystemwilloperateonmultiplebands,theseparationdistancerequiredshallbeequalto,orgreaterthan,the
bandwiththelargestseparationdistance.
TheManufacturer'sratedoutputpowerofthisequipmentisforsinglecarrieroperation.Forsituationswhen
multiplecarriersignalsarepresent,theratingwouldhavetobereducedby3.5dB,especiallywheretheoutput
signalisre‐radiatedandcancauseinterferencetoadjacentbandusers.Thispowerreductionistobebymeansof
inputpowerorgainreductionandnotbyanattenuatorattheoutputofthedevice.
IC RF exposition — FL'équipementfonctionnantdanslabandecellulairedoitêtreinstalléetutiliséavecla
distanceminimalesuivanteentreleradiateuretvotrecorps:
Silesystèmefonctionnesurplusieursbandes,ladistancedeséparationrequiseestégaleousupérieureàlabande
aveclaplusgrandedistancedeséparation.
Nominaledepuissancedesortiedufabricantdecetéquipementestpourunfonctionnementàuneseuleporteuse.
Pourdessituationsoùlessignauxporteursmultiplessontprésents,lacotedevraitêtreréduitede3,5dB,en
particulierlorsquelesignaldesortieestre‐rayonnéeetpeutprovoquerdesinterférencesaveclesutilisateursde
bandesadjacentes.Cetteréductiondepuissanceesteffectuéeaumoyend'unepuissanced'entréeoularéduction
degain,etnonparunatténuateuràlasortiedudispositif.
Public Safety Products
Table 25 Available Products, FCC/IC
Class B Industrial Booster — ThisequipmentisaClassBIndustrialBoosterandisrestrictedtoinstallationas
anIn‐buildingDistributedAntennaSystem(DAS).
FCC RF Exposure — ThisequipmentcomplieswiththeFCCRFradiationexposurelimitssetforthforan
uncontrolledenvironment.Thisequipmentshouldbeinstalledandoperatedwiththefollowingminimumdistances
betweentheradiatorandyourbody.
LTE700MHz(DDR700) 269.0cm
iDEN800MHz(DDR850) 269.7cm
PCS1900MHz(DDR1900) 197.3cm
AWS‐12100MHz(DDR2100) 171.4cm
AWS‐32155MHz(DDRAWS3) 138.6cm
IMT‐E2600MHz(DDR2600) 166.1cm
LTE700MHz(DDR700) 269.0cm
iDEN800MHz(DDR850) 269.7cm
PCS1900MHz(DDR1900) 197.3cm
AWS‐12100MHz(DDR2100) 171.4cm
AWS‐32155MHz(DDRAWS3) 138.6cm
IMT‐E2600MHz(DDR2600) 166.1cm
System UL Frequency
MHz
DL Frequency
MHz
Pout, DL,
dBm
(Composite)
Nominal Bandwidth
MHz
Nominal
Passband
Gain
dB
Input/ Output
Impedance
Ohms
Standard
VHF 138‐174 138‐174 33 24(FCC);36(IC)†
†2MHzwithrequiredexternalduplexers
70 50 FCC/IC
UHF 450‐512 450‐512 33 62††
††3MHztor1.5MHzwithrequiredexternalduplexers
70 50 FCC/IC
700 793‐805 763‐775 33 12 70 50 FCC/IC
800 806‐824 851‐869 33 18 70 50 FCC/IC
VHFpublicsafetyband69.1cm‐Thisdistancemustbemaintainedwhena10.5dBiantennaisused.
UHFpublicsafetyband20.0cm
700MHzpublicsafetyband36.2cm‐Thisdistancemustbemaintainedwhena5.5dBiantennaisused.
800MHzpublicsafetyband20.0cm

FiberDistributedAntennaSystem(FiberDAS)
25
Ifsystemwilloperateonmultiplebands,theseparationdistancerequiredshallbeequalto,orgreaterthan,the
bandwiththelargestseparationdistance.
IC RF Exposure — Equipmentoperatinginthepublicsafetybandshouldbeinstalledandoperatedwiththe
followingminimumdistanceofbetweentheradiatorandyourbody:
Ifsystemwilloperateonmultiplebands,theseparationdistancerequiredshallbeequalto,orgreaterthan,the
bandwiththelargestseparationdistance.
TheManufacturer'sratedoutputpowerofthisequipmentisforsinglecarrieroperation.Forsituationswhen
multiplecarriersignalsarepresent,theratingwouldhavetobereducedby3.5dB,especiallywheretheoutput
signalisre‐radiatedandcancauseinterferencetoadjacentbandusers.Thispowerreductionistobebymeansof
inputpowerorgainreductionandnotbyanattenuatorattheoutputofthedevice.
IC RF exposition — L'équipementfonctionnantdanslabandedesécuritépubliquedoitêtreinstalléetutilisé
avecladistanceminimalesuivanteentreleradiateuretvotrecorps:
Silesystèmefonctionnesurplusieursbandes,ladistancedeséparationrequiseestégaleousupérieureàlabande
aveclaplusgrandedistancedeséparation.
Nominaledepuissancedesortiedufabricantdecetéquipementestpourunfonctionnementàuneseuleporteuse.
Pourdessituationsoùlessignauxporteursmultiplessontprésents,lacotedevraitêtreréduitede3,5dB,en
particulierlorsquelesignaldesortieestre‐rayonnéeetpeutprovoquerdesinterférencesaveclesutilisateursde
bandesadjacentes.Cetteréductiondepuissanceesteffectuéeaumoyend'unepuissanced'entréeoularéduction
degain,etnonparunatténuateuràlasortiedudispositif.
VHFpublicsafetyband(DDR‐V) 261.5cm‐Thisdistancemustbemaintainedwhena10.5dBiantennaisused.
UHFpublicsafetyband(DDR‐U) 224.0cm
700MHzpublicsafetyband(DDR‐F) 187.0cm‐Thisdistancemustbemaintainedwhena5.5dBiantennaisused.
800MHzpublicsafetyband(DDR‐S) 181.0cm
VHFbandedesécuritépublique(DDR‐V) 261.5cm‐Sadistancedoitêtremaintenuelorsqu'uneantennede10,5dBiestutilisée.
UHFbandedesécuritépublique(DDR‐U) 224.0cm
700MHzbandedesécuritépublique(DDR‐F) 187.0cm‐Sadistancedoitêtremaintenuelorsqu'uneantennede10,5dBiestutilisée.
800MHzbandedesécuritépublique(DDR‐S) 181.0cm

SystemDescription
26
DDS
Bird'sDDSseriesdistributedhighpowerradioheadisahighperformingwidebandradioheadequippedwithaPre
Distortionpoweramplifierthatsupportsallmodulations.Thelightweight,convectioncooledIP65chassissecures
theperformanceinalmostanyenvironment.
FCC/IC Standard
Table 26 General Specifications
Table 27 Specifications DDS100 (Single Band) & DDS200 (Dual band)
Table 28 Specifications DDS300 (Triple Band) & DDS400(Quad Band)
Cellular Products
Table 29 Available Products, FCC/IC
Class B Industrial Booster — ThisequipmentisaClassBIndustrialBoosterandisrestrictedtoinstallationas
anIn‐buildingDistributedAntennaSystem(DAS).
FCC RF Exposure — ThisequipmentcomplieswiththeFCCRFradiationexposurelimitssetforthforan
uncontrolledenvironment.Thisequipmentshouldbeinstalledandoperatedwiththefollowingminimumdistances
betweentheradiatorandyourbody:
Ifsystemwilloperateonmultiplebands,theseparationdistancerequiredshallbeequalto,orgreaterthan,the
bandwiththelargestseparationdistance.
NoiseFigure,Typical 3dB
Delayexcludingopticalfiber <0.5µs
InstantaneousBandWidth,Max 15MHz
PowerSupply
Standard
Optional
85–264VAC
‐32to‐100VDC
OperatingTe mperatu re ‐25to55°C(32to113°F)
Casing IP65
PowerConsumption,max,DDS100(200) 90(180)W
Dimensions,WxDxH11.8x5.1x27.6in.
30x13x70cm
Weight <26.4lbs(12kg)
PowerConsumption,max,DDS300(400) 270(360)W
Dimensions,WxDxH11.8x8.7x27.6in.
30x22x70cm
Weight <52.9lbs(24kg)
System UL Frequency MHz DL Frequency MHz Downlink Power RMS Standard
LTELB 698‐716 728‐746 41 FCC/IC
LTEUB 746‐776†
†Sub‐bandsavailable
776–806† 41 FCC/IC
850 824‐849 869‐894 41 FCC/IC
PCS1900 1850‐1915 1930‐1995 41 FCC/IC
AWS 1710‐1755 2110‐2155 41 FCC/IC
LTE700MHz 349cm
850MHz 323cm
PCS1900MHz246cm
AWS2100MHz 246cm

FiberDistributedAntennaSystem(FiberDAS)
27
IC RF Exposure — EquipmentoperatingintheCellularbandshouldbeinstalledandoperatedwiththefollowing
minimumdistanceofbetweentheradiatorandyourbody:
Ifsystemwilloperateonmultiplebands,theseparationdistancerequiredshallbeequalto,orgreaterthan,the
bandwiththelargestseparationdistance.
TheManufacturer'sratedoutputpowerofthisequipmentisforsinglecarrieroperation.Forsituationswhen
multiplecarriersignalsarepresent,theratingwouldhavetobereducedby3.5dB,especiallywheretheoutput
signalisre‐radiatedandcancauseinterferencetoadjacentbandusers.Thispowerreductionistobebymeansof
inputpowerorgainreductionandnotbyanattenuatorattheoutputofthedevice.
IC RF exposition — FL'équipementfonctionnantdanslabandecellulairedoitêtreinstalléetutiliséavecla
distanceminimalesuivanteentreleradiateuretvotrecorps:
Silesystèmefonctionnesurplusieursbandes,ladistancedeséparationrequiseestégaleousupérieureàlabande
aveclaplusgrandedistancedeséparation.
Nominaledepuissancedesortiedufabricantdecetéquipementestpourunfonctionnementàuneseuleporteuse.
Pourdessituationsoùlessignauxporteursmultiplessontprésents,lacotedevraitêtreréduitede3,5dB,en
particulierlorsquelesignaldesortieestre‐rayonnéeetpeutprovoquerdesinterférencesaveclesutilisateursde
bandesadjacentes.Cetteréductiondepuissanceesteffectuéeaumoyend'unepuissanced'entréeoularéduction
degain,etnonparunatténuateuràlasortiedudispositif.
LTE700MHz501cm
850MHz 475cm
PCS1900MHz362cm
AWS2100MHz351cm
LTE700MHz501cm
850MHz 475cm
PCS1900MHz362cm
AWS2100MHz351cm

SystemDescription
28
DDH
Bird'sDistributedHighpowerradioheadisahighperformingwidebandradioheadequippedwithafeedforward
multicarrierpoweramplifierthatsupportsallmodulations.Thelightweight,convectioncooledIP65chassissecures
theperformanceinalmostanyenvironment.
ETSI standard
Table 30 General Specifications
Table 31 Specifications DDH100 (Single Band)
Table 32 Specifications DDH200 (Dual Band)
Cellular Products
Table 33 Available Products, ETSI
NoiseFigure,Typical 3dB
Delayexcludingopticalfiber <0.5µs
PowerSupply
Standard
Optional
85–264VAC
‐32to‐100VDC
OperatingTe mperatu re ‐25to55°C(32to113°F)
Casing IP65
PowerConsumption,max,DDH100210W
Dimensions,WxDxH11.8x5.1x27.6in.
30x13x70cm
Weight <30.8lbs(14kg)
PowerConsumption,max,DDS200 420W
Dimensions,WxDxH11.8x8.7x27.6in.
30x22x70cm
Weight <61.7lbs(28kg)
SYSTEM
Number of carriers
248
Composite
Power
Power per
carrier
Composite
Power
Power per
carrier
Composite
Power
Power per
carrier
TETRA 32 29 33 27
CDMA45032293327
GSM‐R37344034
DD80037343327
EGSM900403440344031
GSM1800403740344031
UMTS 43 40 43 37 43 34
2600434043374334

FiberDistributedAntennaSystem(FiberDAS)
29
FCC standards
Table 34 General Specifications
Table 35 Specifications DDH100 (Single Band)
Table 36 Specifications DDH200 (Dual Band)
Cellular Products
Table 37 Available Products, FCC/IC
Note: Allspecificationssubjecttochangewithoutnotice.
Class B Industrial Booster — ThisequipmentisaClassBIndustrialBoosterandisrestrictedtoinstallationas
anIn‐buildingDistributedAntennaSystem(DAS).
Note: RFexposuredistancesarecalculatedusinga17dBiantenna
FCC RF Exposure — ThisequipmentcomplieswiththeFCCRFradiationexposurelimitssetforthforan
uncontrolledenvironment.Thisequipmentshouldbeinstalledandoperatedwiththefollowingminimumdistances
betweentheradiatorandyourbody:
Ifsystemwilloperateonmultiplebands,theseparationdistancerequiredshallbeequalto,orgreaterthan,the
bandwiththelargestseparationdistance.
NoiseFigure,Typical 3dB
Delayexcludingopticalfiber <0.5µs
InstantaneousBandWidth,Max 15MHz
PowerSupply
Standard
Optional
85–264VAC
‐32to‐100VDC
OperatingTe mperatu re ‐25to55°C(32to113°F)
Casing IP65
PowerConsumption,max,DDH100210W
Dimensions,WxDxH11.8x5.1x27.6in.
30x13x70cm
Weight <30.8lbs(14kg)
PowerConsumption,max,DDS200 420W
Dimensions,WxDxH11.8x8.7x27.6in.
30x22x70cm
Weight <61.7lbs(28kg)
System UL Frequency MHz DL Frequency MHz Pout, DL,
dBm (RMS) Standard
LTELB 698‐716 728‐746 43 FCC/IC
LTEUB 746‐776†
†Sub‐bandsavailable
776–806† 43 FCC/IC
iDEN 806‐824 851‐869 40 FCC/IC
Cellular 824‐849 869‐894 43 FCC/IC
PCS1900 1850‐1915 1930‐1995 43 FCC/IC
AWS 1710‐1780 2110‐2180 43 FCC/IC
2600LTE 2620‐2690 2500‐2570 43 FCC/IC
2600LTE(DDH2600) 309cm
AWS3(DDHAWS3) 309cm

SystemDescription
30
IC RF Exposure — EquipmentoperatingintheCellularbandshouldbeinstalledandoperatedwiththefollowing
minimumdistanceofbetweentheradiatorandyourbody:
Ifsystemwilloperateonmultiplebands,theseparationdistancerequiredshallbeequalto,orgreaterthan,the
bandwiththelargestseparationdistance.
TheManufacturer'sratedoutputpowerofthisequipmentisforsinglecarrieroperation.Forsituationswhen
multiplecarriersignalsarepresent,theratingwouldhavetobereducedby3.5dB,especiallywheretheoutput
signalisre‐radiatedandcancauseinterferencetoadjacentbandusers.Thispowerreductionistobebymeansof
inputpowerorgainreductionandnotbyanattenuatorattheoutputofthedevice.
IC RF exposition — FL'équipementfonctionnantdanslabandecellulairedoitêtreinstalléetutiliséavecla
distanceminimalesuivanteentreleradiateuretvotrecorps:
Silesystèmefonctionnesurplusieursbandes,ladistancedeséparationrequiseestégaleousupérieureàlabande
aveclaplusgrandedistancedeséparation.
Nominaledepuissancedesortiedufabricantdecetéquipementestpourunfonctionnementàuneseuleporteuse.
Pourdessituationsoùlessignauxporteursmultiplessontprésents,lacotedevraitêtreréduitede3,5dB,en
particulierlorsquelesignaldesortieestre‐rayonnéeetpeutprovoquerdesinterférencesaveclesutilisateursde
bandesadjacentes.Cetteréductiondepuissanceesteffectuéeaumoyend'unepuissanced'entréeoularéduction
degain,etnonparunatténuateuràlasortiedudispositif.
2600LTE(DDH2600) 410.1cm
AWS3(DDHAWS3) 438.4cm
2600LTE(DDH2600) 410.1cm
AWS3(DDHAWS3) 438.4cm

FiberDistributedAntennaSystem(FiberDAS)
31
DDU
Bird'sDistributedHighpowerradioheadisahighperformingwidebandradioheadequippedwithafeedforward
multicarrierpoweramplifierthatsupportsallmodulations.Thelightweight,convectioncooledIP65chassissecures
theperformanceinalmostanyenvironment.
FCC standards
Table 38 General Specifications
Table 39 Specifications DDU100 (Single Band)
Table 40 Specifications DDU200 (Dual Band)
Cellular Products
Table 41 Available Products, FCC/IC
Note: Allspecificationssubjecttochangewithoutnotice.
Class B Industrial Booster — ThisequipmentisaClassBIndustrialBoosterandisrestrictedtoinstallationas
anIn‐buildingDistributedAntennaSystem(DAS).
NoiseFigure,Typical 3dB
Delayexcludingopticalfiber <0.5µs
InstantaneousBandWidth,Max 15MHz
PowerSupply
Standard
Optional
85–264VAC
‐32to‐100VDC
OperatingTe mperatu re ‐25to55°C(32to113°F)
Casing IP65
PowerConsumption,max,typical225W
Dimensions,WxDxH11.8x5.1x27.6in.
30x13x70cm
Weight 31lbs(14kg)
PowerConsumption,max,typical 450W
Dimensions,WxDxH11.8x8.7x27.6in.
30x22x70cm
Weight 62lbs(28kg)
System UL Frequency MHz DL Frequency MHz Pout, DL,
dBm (RMS) Standard
LTELB 698‐716 728‐746 46 FCC/IC
LTEUB 777‐787 746‐756 46 FCC/IC
LTEFB 690‐716/777‐787 728‐756 46 FCC/IC
Cellular 824‐849 869‐894 46 FCC/IC
PCS1900 1850‐1915 1930‐1995 46 FCC/IC
AWS 1710‐1780 2110‐2180 46 FCC/IC

SystemDescription
32
Remote Unit Frequency Summary
Table 42 ETSI Bands
Table 43 FCC/IC Bands
Band 3GPP Band UL Frequency DL Frequency DDR Max
Composite
DDH Max
Composite
TETRA,PublicSafety 380‐385 390‐395 26 33
TETRA,Commercial 410‐415 420‐425 26 33
TETRA,Commercial 415‐420 425‐430 26 40
CDMA450 Band31 452.5‐457.5 462.5‐467.5 33 40
DD800 Band20 832‐862 791‐821 26 40
E‐GSM900 Band8 880‐915 925‐960 26 40
GSM1800 Band31710‐1785 1805‐1880 28 40
UMTS Band11920‐1980 2110‐2170 30 43
LTE2600 Band72500‐2570 2620‐2690 30 43
Band 3GPP Band UL Frequency DL
Frequency
DDR Max
Composite
DDS Max
Composite
(15MHz)
DDH Max
Composite
DDU Max
Composite
VHF 136‐174 136‐174 33 N/A N/A N/A
UHF 450‐470 450‐470 33 N/A N/A N/A
700Lower Band12 698‐716 728‐746 33 N/A 43 46
700UpperBand13&14 776‐806 746‐756 33 N/A 43 46
700Combined Band12,13&14 698‐716
776‐806 728‐75633414346
700PublicSafety 769‐775 799‐805 33 ‐‐N/A
800iDEN Band27 806‐824 851‐869334140N/A
850Cellular Band5824‐849 869‐89433414346
1900PCS Band25 1850‐1915 1930‐1995 33 41 43 46
AWS Band41710‐1755 2110‐2155 33 41 43 46
2600LTE Band72500‐2570 2620‐2690 33 N/A 43 N/A

FiberDistributedAntennaSystem(FiberDAS)
33
DMU – Remote head end
Bird'sDMU100seriesisacompactheadendthatcanfunctionasalowpowerrepeaterorBTSinterface.Theunitcan
directlysupportupto4remotesorcanfiberfeedaHeadendMasterUnit.Remoteaccessisprovidedbyeitherthe
BirdRGWorviaEthernetconnection.Theunitisaruggedconvectioncooled,IP65chassisdesignedforoutdoor
locations.
ItispossibletobuildtheDMUtosupportmorethanoneband,however,thetypesofbandsandthenecessary
duplexersforaconfigurationmustbeverifiedtoensurecompatibilitywiththeRGW.
Figure 20 DMU – Remote Head End
In
Figure21
,theDMUisusedtopickupthesignalataremotelocationandthenitistransmittedonthefiberto
fourdifferentlocationsthatneedcoverage.TheRUcanbeconnectedtocoaxialspreadingnetworksifneeded.
Figure 21
DMU Feeding Remote Units
In
Figure22
,theDMUisfeedingaHeadendMasterUnitwhichinturnfeedstheRemoteUnits(RU).Thisisafar
moreflexiblesolutionandwouldbepreferredwhenpossible.
Figure 22
D
M
UHead
end R
UR
UR
UR
U
Fiber-Optic Cable
DMU Feeding BMU
TheDMUisequippedwithalowpoweruplinkamplifier.Theunitshouldbeusedinalocationthathasadequate
signalsothatpowerlevelofamobilephonewillsuffice.

SystemDescription
34
Repeaters
BirdTech no lo giesoffersawidevarietyofrepeaterstoboostoffairsignals.Therepeatedsignalscanfeedpassive
DASorcanbeusedasaninputintotheactiveDAS.
DMR 400 Series Rack Mount Repeater
TheDMR400isdesignedtofitintheHeadendMasterFramealongwiththeBIUandFOIcards.Thesystemwas
originallydesignedtobeusedinmovingcoverageareassuchasshipsandtrainsthatrequireactivecontroloverthe
downlinkgain(linksymmetry)tocompensateforwidevariationsintheoff‐airsignals,butthesystemcaneasilybe
implementedintraditionalfixedlocationssuchasofficesandhospitals.
Figure 23 DMR 400 Rack Mount Repeater
AlthoughtheDMRrepeatersarerackmountedwiththeactiveDAScomponents,theDMRrepeatercanfunctionas
astandaloneunittoprovidecoveragetoapassiveDAS.
TheDMRrepeaterfamilyofferslinksymmetrysettings.Thisfunctionisusedtoautomaticallyadjusttheuplinkgain
basedonthedownlinksignal.Wheninstalledinmovingcoverageareassuchastrains,thefeaturepreventsthe
repeaterfromdesensitizingthedonorsitebyautomaticallycontrollinguplinklevels.
TheDMRrepeateralsooffersself‐oscillationprotection.Thisfunctionisusedtodetectproblemswithisolation
betweenthedonorandserviceantenna.Therepeaterwillinterveneandlowerthegaintoalevelequaltothe
isolationminusthestabilitymargin.ThesettingsareseparateforULandDL.
On/Off
Stabilitymargin:Valuesettingofhowmuchlowerthegainshouldbethanthecalculatedisolation.Rangeof
0.0to20.0dBm.
Recoverytime:Timethatshouldpassbeforetherepeaterresetthegaintothevaluespecifiedlevelin“RF
Config”(setgain).Rangeof30to86,400seconds.
Recoverymargin:Setvalueofgainlevelabovethegainspecifiedin“RFConfig”(setgain)thatisusedwhen
therepeaterrecoversafterthe“RecoveryTime”.Rangeof0.0to20.0dBm.
TheDMR400offersvariablebandwidthsupto35Mhz,dependingontheconfiguration.
RemoteaccesscanbeprovidedviaanEthernetconnectionorthroughtheBirdRemoteGateway.SNMPisa
standardontheunits.Noproprietarysoftwareisrequired.Operationalparametersaresetviaawebbrowser.

FiberDistributedAntennaSystem(FiberDAS)
35
Table 44 DMR400 Specifications
Table 45 Available Products, Cellular, FCC
Table 46 Available Products, Cellular, ETSI
Gain 50‐80dBmin1dBsteps
NoiseFigure‐Typical <5dB
Delay <6s
Dimensions 2cardslots
Weight(module) 0.7kg(1.5lbs)
OperatingTe mperatu re ‐25to55°C(13to131°F)
Band Uplink Downlink Pout, DL & UL Standard
DMR407 iDEN 806‐824 851‐869 28dBm FCC
DMR408 Cellular 824‐849 869‐894 28dBm FCC
DMR419 PCS1900 1850‐1915 1930‐1995 28dBm FCC
DMR420 AWS 1710‐1755 2110‐2155 28dBm FCC
Band Uplink Downlink Pout, DL & UL Standard
DMR401 TETRA,PublicSafety 380‐385 390‐395 20dBm ETSI
DMR402 TETRA,Commercial 410‐415 420‐425 20dBm ETSI
DMR403 TETRA,Commercial 415‐420 425‐430 20dBm ETSI
DMR404 CDMA450 453‐457.5 463‐467.5 25dBm FCC
DMR406 GSM‐R876‐880 921‐960 25dBm ETSI
DMR409 EGSM900 880‐915 925‐960 19dBm ETSI
DMR418 GSM1800 1710‐1785 1805‐1880 21dBm ETSI
DMR421 UMTS2100 1920‐1980 2110‐2170 23(DL)/20(UL) 3GPP

SystemDescription
36
DLR 600 Series Low Power Repeater
TheDLR600lowpowerrepeaterisdesignedforenvironmentswherelowsignallevelsarerequired.Althoughsmall,
theunitstilloffersBird’sfeaturerichfunctionssuchasself‐oscillationprotection,fastAGC,linksymmetry
functionality,SNMPandremoteaccessviaEthernetortheBirdRemoteGateway.
Figure 24 DLR 600 Low Power Repeater
Table 47 DLR600 Specifications
Table 48 Available Products, Cellular, FCC
Table 49 Available Products, Cellular, ETSI
Gain 40‐70dBmin1dBsteps
NoiseFigure <5dB
Delay <6s
PowerSupply
Standard
optional
100to240VAC
12to28VDC
Dimension(WxDxH) 30x5x21cm(11.8x2x8.3inches)
Weight <1.4Kg(3.1lbs)
OperatingTe mp(DC) ‐25to55°C(13to131°F)
OperatingTe mp(AC) 0to+40°C(+32to+104°F)
Casing IP42
Bandwidth 0‐15MHz
Connectors SMAorN‐type
Band Uplink Downlink Pout, DL & UL Standard
DLR607 iDEN 806‐824 851‐869 16dBm FCC
DLR608 Cellular 824‐849 869‐894 16dBm FCC
DLR619 PCS1900 1850‐1915 1930‐1995 16dBm FCC
DLR620 AWS 1710‐1755 2110‐2155 16dBm FCC
Band Uplink Downlink Pout, DL & UL Standard
DLR609 EGSM900 880‐915 925‐960 13dBm ETSI
DLR618 GSM1800 1710‐1785 1805‐1880 23dBm ETSI
DLR621 UMTS2100 1920‐1980 2110‐2170 15dBm 3GPP

FiberDistributedAntennaSystem(FiberDAS)
37
DMR600 Series Medium Power Repeater
TheDMR600isamediumpowerrepeaterwithbandselectivecapabilities.Althoughsmall,theunitstilloffers
Bird'sfeaturerichfunctionssuchasself‐oscillationprotection,fastAGC,linksymmetryfunctionality,SNMPand
remoteaccessviaEthernetortheBirdRemoteGateway
Figure 25 DMR 600 Low Power Repeater
Table 50 DMR600 Specifications
Table 51 Available Products, Cellular, FCC
Table 52 Available Products, Cellular, ETSI
Gain 50‐80dBmin1dBsteps
NoiseFigure <5dB
Delay <6s
PowerSupply
Standard
optional
100to240VAC
12to30VDC
Dimension(WxDxH) 30x5x21cm(11.8x2x8.3inches)
Weight <1.4Kg(3.1lbs)
OperatingTe mp(DC) ‐25to55°C(13to131°F)
OperatingTe mp(AC) 0to+40°C(+32to+104°F)
Casing IP42
Bandwidth 35MHz
Connectors SMAorN‐type
Band Uplink Downlink Pout, DL & UL Standard
DMR607 iDEN 806‐824 851‐869 16dBm FCC
DMR608 Cellular 824‐849 869‐894 16dBm FCC
DMR619 PCS1900 1850‐1915 1930‐1995 16dBm FCC
DMR620 AWS 1710‐1755 2110‐2155 16dBm FCC
Band Uplink Downlink Pout, DL & UL Standard
DMR604 CDM450 453‐457.5 463‐467.5 25dBm FCC
DMR606 GSM‐R876‐880 921‐925 19dBm ETSI
DMR609 EGSM900 880‐915 925‐960 19dBm ETSI
DMR618 GSM1800 1710‐1785 1805‐1880 29dBm ETSI
DMR621 UMTS2100 1920‐1980 2110‐2170 23(DL)/20(UL) 3GPP

SystemDescription
38
DHR 800 Series High Power Repeater
TheDHR800offersahighpowersolutioninalightweight,convectioncooledIP65chassis.TheunitoffersBird's
featurerichfunctionssuchasself‐oscillationprotection,fastAGC,linksymmetryfunctionality,SNMPandremote
accessviaEthernetortheBirdRemoteGatewayallinaruggedIP65chassis.
Figure 26 DHR 800 Series High Power Repeater
TheDHRrepeaterfamilyofferslinksymmetrysettings.Thisfunctionisusedtoautomaticallyadjusttheuplinkgain
basedonthedownlinksignal.Wheninstalledinmovingcoverageareassuchastrains,thefeaturepreventsthe
repeaterfromdesensitizingthedonorsitebyautomaticallycontrollinguplinklevels.
TheDHRrepeateralsooffersself‐oscillationprotection.Thisfunctionisusedtodetectproblemswithisolation
betweenthedonorandserviceantenna.Therepeaterwillinterveneandlowerthegaintoalevelequaltothe
isolationminusthestabilitymargin.ThesettingsareseparateforULandDL.
On/Off
Stabilitymargin:Valuesettingofhowmuchlowerthegainshouldbethanthecalculatedisolation.Rangeof
0.0to20.0dBm.
Recoverytime:Timethatshouldpassbeforetherepeaterresetthegaintothevaluespecifiedlevelin“RF
Config”(setgain).Rangeof30to86,400seconds.
Recoverymargin:Setvalueofgainlevelabovethegainspecifiedin“RFConfig”(setgain)thatisusedwhen
therepeaterrecoversafterthe“RecoveryTime”.Rangeof0.0to20.0dBm.
Table 53 DHR800 Specifications
Gain 50‐88dBmin1dBsteps
NoiseFigure <5dB
Delay <6s
PowerSupply 85to264VAC
PowerConsumption <130W
Dimension(WxDxH) 30x13x70cm(11.8x5.1x27.6inches)
Weight <12kg(26.4lbs)
OperatingTe mp ‐25to55°C(13to131°F)
Casing IP65
Bandwidth 35MHz
Connectors N‐typeorDIN7/1 6

FiberDistributedAntennaSystem(FiberDAS)
39
Table 54 Available Products, Cellular, FCC
Table 55 Available Products, Cellular, ETSI
Bird Repeater Frequency Summary
Table 56 ETSI Bands
Table 57 FCC Bands
Band Uplink Downlink Pout, DL & UL Standard
DHR807 iDEN 806‐824 851‐869 33(DL)/25(UL) FCC
DHR808 Cellular 824‐849 869‐894 33(DL)/25(UL) FCC
DHR819 PCS1900 1850‐1915 1930‐1995 33(DL)/25(UL) FCC
DHR820 AWS 1710‐1755 2110‐2155 33(DL)/25(UL) FCC
Band Uplink Downlink Pout, DL & UL Standard
DHR801 TETRA,PublicSafety 380‐385 390‐395 26(DL)/20(UL) ETSI
DHR802 TETRA,Commercial 410‐415 420‐425 26(DL)/20(UL) ETSI
DHR803 TETRA,Commercial 415‐420 425‐430 26(DL)/20(UL) ETSI
DHR804 CDMA450 453‐457.5 463‐467.5 33(DL)/25(UL) FCC
DHR806 GSM‐R876‐880 921‐960 26(DL)/19(UL) ETSI
DHR809 EGSM900 880‐915 925‐960 26(DL)/19(UL) ETSI
DHR818 GSM1800 1710‐1785 1805‐1880 28(DL)/21(UL) ETSI
DHR821 UMTS2100 1920‐1980 2110‐2170 30(DL)/21(UL) 3GPP
DL Frequency UL Frequency DMR
400
DLR
600
DMR
600
DHR
800
TETRAPublicSafety390‐395380‐385
TETRA,Commercial420‐425410‐415
TETRA,Commercial425‐430415‐420
CDMA450463‐467.5453‐457.5
GSM‐R921‐925876‐880
EGSM900925‐960 880‐915
GSM18001805‐18801710‐1785
UMTS2110‐21701920‐1980
DL Frequency UL Frequency DMR
400
DLR
600
DMR
600
DHR
800
PublicSafety800851‐869806‐824
Cellular850869‐894824‐849
PCS19001930‐1995 1850‐1915
AWS2110‐21551710‐1755

40
Chapter 3 Installation guidelines
ForCMRS817‐824MHzApplicationsandAmericanCellularApplications:
Thisdevicecomplieswithpart15oftheFCCrules.Operationissubjecttothefollowingtwoconditions:(1)This
devicemaynotcauseharmfulinterferenceand(2)thisdevicemustacceptanyinterferencereceived,including
interferencethatmaycauseundesiredoperation.
ForinstallationssubjecttoIndustryCanadacertification:
Health and Safety
BirdDASsystemisanadvancedsystemandshouldbehandledbyskilledstaff.Birdishappytooffertrainingof
installationserviceprovidersinthecasethisisnecessary.
Readallavailabledocumentationandwarningsbeforehandlingtheequipment.Equipmentfailuresduetoimproper
handlingarenormallynotcoveredbytheproductwarranty.
Respectallwarningsignsontheequipmentandinthedocumentation.Makesuretoonlyoperatetheequipmenton
frequenciesallowedtouse.Donotmodifytheequipment.
TheequipmentcontainsaClass3BlaserandtheequipmentisClass1.DoneverlookintotheLaserbeamdirectlyor
indirectly,itisstronginvisiblelightandmaycauseseriousdamagetohumaneyes.
Alwaysuseprotectivecapsonfiberandconnectorendswhenfiberisremovedfromsocket.Alwayscleansocketand
connectorafterafiberhasbeenremovedbeforeitisreconnected.
Makesuretokeeppasswordsandotheroperationalinformationawayfromunauthorizedpersonnel.
WARNING
ThisisNOTaconsumerdevice.
ItisdesignedforinstallationbyFCCLICENSEESandQUALIFIEDINSTALLERS.YouMUSThaveanFCCLICENSEor
expressconsentofanFCClicenseetooperatethisdevice.YouMUSTregisterClassBsignalboosters(asdefinedin
47CFR90.219)onlineatwww.fcc.gov/signal‐boosters/registration.Unauthorizedusemayresultin
significantforfeiturepenalties,includingpenaltiesinexcessof$100,000foreachcontinuingviolation.
WARNING
ThisisNOTaconsumerdevice.
ItisdesignedforinstallationbyFCCLICENSEESandQUALIFIEDINSTALLERS.YouMUSThaveanFCCLICENSEor
expressconsentofanFCClicenseetooperatethisdevice.Unauthorizedusemayresultinsignificantforfeiture
penalties,includingpenaltiesinexcessof$100,000foreachcontinuingviolation.
WARNING
ThisisNOTaconsumerdevice.
ItisdesignedforinstallationbyaninstallerapprovedbyanISEDlicensee.
YouMUSThaveanISEDLICENCEortheexpressconsentofanISEDlicenseetooperatethisdevice.
WARNING
Avoidlookingintoconnectedfibersandreceptacles.
ThelaserusedinthissystemisaClass3blaserthatproducesinvisibleinfra‐redcoherentlight.Notsafetoview
withopticalinstruments.Alwaysputtheprotectioncapsonunusedfibersandreceptacles.

FiberDistributedAntennaSystem(FiberDAS)
41
Cable Routing/Antenna Selection
Ensureallcables,e.g.powercable,fiber‐opticcable,Antennacablesareroutedandsecuredinaccordancewith
local/nationalrequirementswhileavoidingdamagetothecables.
AntennasandcoaxcablesareselectedaspartoftheDASsystemdesignandmayvarywithlocation,frequency,and
powerlevelrequirements.
Useonlyauthorizedandapprovedantennas,cablesand/orcouplingdevices.Theuseofunapprovedantennas,
cablesorcouplingdevicescouldcausedamageandmaybeofviolationofFCCregulations.
EachindividualantennausedwiththeDASmustbeinstalledtoprovidetheseparationdistanceasspecifiedinthe
RFexposurerequirements(refertospecificRemoteUnitRFExposurelimitsinthesystemdescriptionsection).
Antenna Installation
TheBirdFiberDASsystemsdonotincluderemoteorheadendantenna.Theremoteendantennamustbeselected
duringsystemdesign,theantennamanufacturer’sdatawillberequiredwhencalculatinglinkbudgets.
Antennainstallationinstructionsareprovidedbytheantennamanufacturer.
ExternaldonorantennasthataremostcommonlyusedincombinationwithDDRorDDHRemoteUnitfamilyfor
outdoorenvironmentare17dBigainantennas.
Safety and Care for Fibers
Everytimeafiberisdisconnectedandre‐connectedcareshouldbetakentoavoidgettingdustontheconnectoror
inthereceptacle.Cleanwithadryfibercleaningtoolbeforereconnectingthefiberatalltimes.Asinglespeckof
dustcanseverelyimpactthetransmission.Donottouchthefiberendswithyourfingers.Thatwillleavegreaseon
theconnectorsandmaycausesevereproblems.
CAUTION
Unauthorizedantennas,cables,and/orcouplingdevicesmaycausenon‐conformitywithnationalorinternational
regulations,couldcausedamage,ornon‐conformingERP/EIRP.
WARNING
Avoidlookingintoconnectedfibersandreceptacles.
ThelaserusedinthissystemisaClass3blaserthatproducesinvisibleinfra‐redcoherentlight.Notsafetoview
withopticalinstruments.Alwaysputtheprotectioncapsonunusedfibersandreceptacles.

Installationguidelines
42
Tools and Material Requirements
Fiber Optics
Allfiberopticcables,includingpatchcords,mustbeSINGLEMODE.Multi‐modefiberisnotsupported.
BirdequipmentisdesignedtobeusedwithonlySC/APCfiberconnectors.Allconnectionpointsinthefibermust
eitherbefusionsplicedorequippedwithAPCconnectors.UPCconnectorsanywhereinthefiberpathwillcause
degradationintheperformanceoftheequipment.APCconnectorscanbeidentifiedbytheirgreenjacket.
Tota lopticallossmustbe<15dBo.
Opticalreturnloss‐60dBorgreater.
Fiberpanelinserts/couplingsmustbeAPC.
Tools
FiberOpticcleanerforSC/APCconnectors
T8Torxbitforcardcagemodules
Appropriatebitforrackscrews
SpectrumanalyzerwithRFpowermeter
AppropriatejumpercablestoconnectspectrumanalyzertoBirdequipment
OTDR
Opticalpowermeter
Opticalvisualfaultfinder
Fibersplicer
SMAtorquewrenchcalibrateto0.9N‐m
ESDStrap‐(ElectrostaticDischarge):TheBIU,FOIandPowerSuppliescontainhighlysensitivecomponents
thatcanbedestroyedbystatic.
NEVERopencards,BGW,CGW,repeatersorremotes!
Miscellaneous Material
ACpowercord(s)ifusingtheDPU‐301powersupply[ACtoDCpowersupply]
18AWGpowerwireifusingtheDPU‐302powersupply[DCtoDCpowersupply]
FerritebeadfilterfortheDCsupplycabletotheDPU‐302.Theferritebeadfiltermustbeinstalledcloseto
theDPU‐302.Followmanufacturerrecommendationsforproperinstallationoftheferritebeadfilter.

FiberDistributedAntennaSystem(FiberDAS)
43
Installing Headend Equipment
Allequipmentmustbeproperlygrounded.Groundpeginthemainconnectorforbothhead‐endgear(MasterUnit)
andremotegear(RemoteUnits)mustbeconnectedtoPhase,NeutralandGroundinaproperwaybeforepoweris
connected.
Thechassisoftheremoteandtherackofthemasterunitshouldbegroundedtoapotentialbarorsafetygrounding
barwhenoperated.Allelectricalinstallationsshouldbedonebyacertifiedelectricianonly.
BGW
TheBGWisdesignedtobeinstalledina19"rack.
TheBGWistypicallymountednearthetopoftherack.
ConnectpowertoanavailableNEMA5‐15Rreceptacle.
UsinginstallerprovidedEthernetcable,connectthe“Ext”porttotheappropriateback‐haulconnection.
Theback‐haulconnectioncanbeDSL,offairmodem,LAN,WAN.SeeBGWsetupinstructions.
Figure 27
Back-haul Connection
(LAN, WAN, ETC)
Connect to Head end
Ethernet Switch, Port 25
BGW Installation, Ethernet Connections
Ethernet Switch
TheEthernetswitch,ETH,isdesignedtobeinstalledina19"rack.
PlacementistypicallybetweentheBGWandtheMasterFrameUnit.Placementconsiderationshould
includeproperroutingofEthernetcablesandtheinstallationofadditionalcablesaftertheinitial
installationiscomplete.MountingmaywithEthernetportstothefrontorrearoftherack.
ConnectpowertoanavailableNEMA5‐15Rreceptacle.
UsinginstallerprovidedEthernetcable,connectport25oftheEthernetswitchtothe“INT”portonthe
BGW.
Figure 28 Ethernet Switch

Installationguidelines
44
Master Unit
TheMasterUnitisdesignedtobeinstalledina19"rack.
Beforeinstalling,considercableroutingforallcardstobeinstalledintheMasterUnit.Theinstallermay
wanttoconsiderhorizontalcablemanagerstobemountedaboveandbelowtheMasterUnittoaidinthe
installationandongoingmaintenanceofthesystem.
EachcardintheMasterUnitwillrequireanEthernetconnectiontotheBGWinordertobeprogrammed
andmonitored.InstallcontractorprovidedEthernetcablebetweentheappropriateEthernetportandthe
Ethernetswitch.
Note: TheportnumberontheMasterUnitisinreverseorderonthebackoftheMasterUnit.
Figure 29 Ethernet Port Numbering, Front and Rear Views
1
1
2
2
3
3
4
4
5
5
6
6
7
7
8
8
9
9
10
10
11
11
12
12
13
13
14
14
15
15
16
16
OnlytheactiveportontheMasterUnitrequiresanEthernetconnection.
Example:TheBIUwillconsumetwoslotsintheMasterUnit.Ifinstalledinslots#1and#2,only
slot#1willmakephysicalconnectiontothebackplane.InstallanEthernetcableonthebackof
theMasterUnitinport#1toprovidetheBIUwithBGWconnectivity.
AllopenslotsontheMasterUnitrequireablankcoverplatetoallowforproperaircirculation.Blank
platesmustbeorderedseparately.
Table 58 Available Blank Cover Plates
Part Number Slots Covered
DB101 1Slot
DB102 2Slots
DB103 3Slots
DB104 4Slots

FiberDistributedAntennaSystem(FiberDAS)
45
Power Supply Unit
BirdTech no lo giesofferstwodifferentpowersuppliesfortheMasterUnit:AC(DPU‐301)andDC(DPU‐302).The
powersupplycanbelocatedinaMasterUnitotherthantheoneitispowering.Eachpowersupplyisshippedwith
oneMolexpowersupplyjumper.Ifredundantpowersuppliesarerequiredadditionalpowersupplyjumper(s)will
needtobeordered.
ThepowersupplyusesfourslotsontheMasterUnit.
PriortoinstallingthePSUintheMasterUnitchassistheredsliderailsmustbecarefullyremovedfromthe
slotsthatthePSUwilloccupy.
Figure 30 Slide Rail Removal
PSU DPU-301
TheACDPU‐301powersupplyhasastandardC13receptacle.
TheACDPU‐301hasaninputrangefrom86‐264VACwith50or60Hz.
Duetosite‐specificneedsonlengthandvaryingstandardsofACplugtypes,theACpowercorddoesnot
shipwiththeequipment.TheinstallationcontractormustprovidetheACpowercord.
TheDPU‐301cansupportasingle,fullyloadedMasterFrameUnitwithupto16cards(BIU,FOI,ICU).Thecards
maybeallofonetypeoramixtureoftypes.
Figure 31
DPU-301 DPU-302
Power Supply Units

Installationguidelines
46
PSU DPU-302
TheDPU‐302usesaHANfourprongHeavyDutyPowerConnector.
TheDCtoDCDPU‐302powersupplyhasininputratingof‐36VDCto‐72VDC.
TheDPU‐302requirestheinstallertoprovide18AWGwirefortheHAN3Aplugkit(HartingP/N1020003
0002)thatisprovidedwiththepowersupply.See
Table59
forconnectorpinout.
TheDCpowersupplycansupportasingleMasterFrameUnitwithupto12cards(BIU,FOI,ICU).Thecardsmaybe
allofonetypeoramixtureofcards.
Table 59 DPU-302 Connector Pinout
Primary Power Configuration
ConnecttheoutputofthepowersupplytotheinputoftheMasterUnit.
UseP101ontheMasterUnitasthemainpowersupplyfeed.See
Figure32
.
Note: NotethatalthoughtherearetwooutputconnectionsonthefrontofthePSU,thePSUcanonly
poweroneMasterFrameatatime.
Figure 32 Primary Power Configuration
Primary Power for One Master Unit
Backup Power Configuration
Itisnotrequiredtouseabackup/redundantpowersupply,butiftheprimaryPSUfailsabackupPSUwillallowthe
unittocontinueoperatingwithoutcausinganoutage.
Thesystemdesignermayelecttohaveasingle,redundantPSUactasabackuptotwodifferentMasterUnits
simultaneouslywiththeunderstandingthatifthemainPSUforeachMasterUnitfailsduringthesametimeperiod
thatthebackup/redundantPSUcan'tsupportbothMasterUnits.
UseP102ontheMasterUnitforabackup/redundantpowersupply.See
Figure33onpage46
.
Figure 33 Backup Power Configuration
Backup Power for Two Master Units
Han 3A Pinout
Pin#1 (+)Positive
Pin#2 Notconnected
Pin#3 (‐)Negative
Pin#4 Earth/Ground

FiberDistributedAntennaSystem(FiberDAS)
47
BIU
TheBIUservesastheRFinterfacebetweentheRFsourceandtheICU/FOI.EachBIUispre‐settoafrequencyband
andisnotfieldtunable.
TheBIUhastwosetsofRFsourceconnections.Theunitscanaccepttwoindependentfeeds(withinthesameband).
ThefeedscanbefromseparatesourcesorAandBpathsinaMIMOconfiguration.
DuetothehighlevelofRFcomingintoBIU,useonlyqualityRFcables.
Figure 34 BIU Connections
RF
Source ICU
or
FOI
InstalltheBIUintheMasterUnit.TheBIUusestwoslotsintheMasterUnit.
Note: TheUL1andUL2uplinktestportsare3dBlowerthanthesignalonthecorrespondingDL/UL
BTSport.
ConnectSMAtotheRFsource.Tightento8in‐pounds(0.9N‐m)withacalibratedtorquewrench.
ConnectQMAtotheICU/FOI.
CAUTION
OverdrivingtheRFsourceinputintotheBIUwillcausepermanentequipmentfailureandwillvoidthewarranty.
Theinstallermustensurethatinputlevelsarenotexceeded.PlanformaximumpoweroutoftheRFsourceand
attenuateaccordinglywithexternalattenuatorsifneeded.
BIU Type Minimum DL Input Maximum DL Input
LowLevel ‐7dBm +7dBm
HighLevel +20dBm +33dBm
CAUTION
WhenmatingRFconnectors,ensurethattheyareproperlyalignedandnotcrossthreaded.
TightenSMAconnectorsto8in.‐lbs(0.9N‐m).
DoovertorqueRFconnectors,thiscouldresultindamagetotheUnit.
DonotundertorqueRFconnectors,thiscouldresultinpoorsignaltransmission.
CAUTION
ExcesstensiononthecableorconnectorsmaycausePIMissues.
Cablesmustbesecuredintherackwithoutapplyingtensiontotheconnectors.

Installationguidelines
48
ICU
TheICUisdesignedtobeinstalledina19"rack.
TheICUistypicallyinstalleddirectlyaboveorbelowtheMasterUnitchassis.Considerpostinstallation
changesandtestingwhenselectingaslottoinstalltheICU.
Figure 35 ICU
TheICUhasQMAconnectors.QMAcablekit‐BirdpartnumberDCC320isavailableforusewiththeICU.Thekit
contains32QMAtoQMAcables(see
Table60
)thatcanbeusedtopatchbetweentheBIUtotheICU,BIUtothe
FOIorICUtoFOI.
Table 60 QMA Cable Kit
TheICUisconfiguredwithtwoidenticalpaths‐uplinkanddownlink.Thetypicalconfiguration[DIU301(88MHzto
2700MHz)]isfour1:8splitters/combiners(twoforULandtwoforDL).NotethatthetheoreticallossforeachDIU301
is35dBm.
FOI
TheFOIismountedintheMasterUnitchassis.TheFOIusesoneslotintheMasterUnit.
TheRFconnectionsareQMA.
ThefiberconnectionsareSC/APC.
TheFOIcanbeorderedwithanoptionalDCC330jumperkit.ThekitcontainstwoSC/APCjumpersthatare5meters
(16.4feet)inlength.
Figure 36 FOI Connections
OPTO IN/OUT
for
Remote Units
Uplink
Downlink
Length Quantity
250mm(9.8”) 13
350mm(13.8”) 13
500mm(19.7”) 6

FiberDistributedAntennaSystem(FiberDAS)
49
RFU
Theintegratedrepeaterunit,RFU,DMR400ismountedintheMasterUnitchassis.TheDMR400usestwoslotsinthe
MasterUnit.
Figure 37
Rebroadcast
Uplink/
Downlink
RF
Source
RFU Connections
Powering Up the Head End
1. ApplypowertotheBGWbypressingthepowerbuttonontheleftsideoftheunit.
TheBGWrequiresapproximately5minutestocompletelybootup.DuringtheBGWbootprocess,themodules
intheMasterUnitwillflashRedandGreen.
2. ApplypowertotheEthernetSwitchandtheMasterUnit.
3. VerifyBGWbootcycleiscomplete,
Note: TheBGWwillhavegreenLED'slitevenwhenpoweredoff.ThisispartoftheLANwakeupfea‐
ture.WhentheBGWisrunningtherewillbethreeLED'slitandtheharddriveiconshowingactivity.
4. See
Table61
fortheLEDalarmcodesforthemodulesintheMasterUnit.
AftertheBGWbootprocessiscomplete,allmodulesintheMasterUnitshouldhavesomeLEDindication.Ifnot,
see
Table62
.
Table 61 Master Unit Module LED Indicators
Table 62 Master Unit Troubleshooting
Status LED Indication
Normal Green‐slowflash
IncomingAlarm SolidRed‐Limitedto5seconds
Warning RedLEDflashes1Hz1/8dutycycle
Error RedLEDflashes2Hz¼dutycycle
Critical RedLEDremainssolid
Malfunction Corrective Action
If no modules have LED indications
CheckPowercabletoPSU.
CheckpowersourceforMasterUnit.
CheckconnectionfromPSUtoChassis.
If a module does not have LED ON
Indicator
Verifythemoduleisproperlyseatedinto
thechassis.
Moveamoduletoanotherslotonthe
MasterUnitchassis.
Replacemodule.

Installationguidelines
50
Installing Remote Units
Theremoteunitsarefactoryconfiguredandshouldnotbeopenedinthefield.
Theremotesmustbemountedinaverticalposition.TherearetworecommendedmethodsforRemoteUnit
installation,wallmountingorpolemounting.Regardlessofthemountingstyleselected,theremotesmustbe
mountedsothatairflowovertheexternalheatsinkisnotobstructed.
Single Remote Unit Wall Mounting
Theremotesareshippedwithstandardwallmountingbrackets.Thesebracketscanbeusedindoorsandoutdoors.
Mountthebracket(p/nDMB301)withouttheremoteattached.
Note: Alwayschecklocalbuildingcodesforpropermountingtechniques!
Oncethebracketisproperlymounted,theremoteeasilyslidesintothemount.See
Figure38
.
Note:
Figure 38
Tighten bolts
(4 places)
After Remote
is Attached
Remote Wall Mount
Oncetheremoteisattachedtothewallmount,theremotemustbeproperlysecuredtothemountby
tighteningboltsateachmountingpoint.
WARNING
TheRemoteUnitsareheavy,usecareandalwaysproperlysupportunitsduringinstallation.Ifallowedtofall
RemoteUnitscancauseinjuryordeath.
CAUTION
EnsurethesurfacesbeingusedtomountRemoteUnitscansafelysupportthefullweightoftheremote.

FiberDistributedAntennaSystem(FiberDAS)
51
Double Remote Unit Wall Mounting
BirdTech no lo giesoffersabracketthatallowstwowallmountrackstobemountedbacktoback.Thisreducesthe
amountofwallspacerequiredwhentworemotesarelocatedtogether.Thebracketisstainlesssteelandcanbe
usedindoorsoroutdoors.
Figure 39
Double Wall
Mount Bracket
Mount to Wall
Standard Wall
Mount Brackets
Double Wall Mounting Bracket
Remote Unit Pole Mounting
BirdTech no lo giesalsooffersapolemountingoption.Thepolemountbracketsaredesignedtobeusedwiththe
DoubleRemoteWallMountbracket.
Figure 40 Remote Unit Pole Mounting Option

Installationguidelines
52
Solar Shield
Directexposuretosunlightcancausetemperaturesoftheremotetoexceedthe55°C(131°F)rating.Asimple
solutionofferedbyBirdistoattachanoptionalsolarshieldtotheaffectedremotes.Thesolarshields(p/n
DMA301)aresoldseparately.
Figure 41 Remote Unit Solar Shield
Cabling
TherearemanyoptionsfortheBirdremoteswhichcanaffectthenumberofconnectionsonthebottomofeach
remote.Thestandardconnectionsare:
Ethernetport
RFPort(N,miniDINor7/1 6 DIN,SimplexorDuplex)‐Numberofportsvaries
Power(AC)
Externalalarmport
Grounding
FiberOptic
Figure 42 Remote Unit Cabling Connectors
RF Port
Fiber-Optic
Port
Ethernet
Port
External Alarms
Connector
Input Power
Connector
Chassis
Breather
Port

FiberDistributedAntennaSystem(FiberDAS)
53
Ethernet Port
TheRJ45Ethernetportislocatedonthebottompaneloftheremoteunit.ConnectionoftheEthernetportisnot
requiredfornormaloperationoftheDAS.TheportoffersconvenientaccesstothesystemGUIduringinstallation,
commissioningandtroubleshootingoftheDAS.EnsuretheprovidedIP67ratedprotectivecapisreplacedwhenthe
Ethernetportisnotinuse.
IftheEthernetconnectionistobelongtermorpermanent,ensurethattheappropriateEthernetpatchcableis
utilizedtopreventtheingressofmoisterintotheport.
TheEthernetportwillallowsfortwotypesofconnections.
1. RemoteunitisnotconnectedtotheFOIintheMasterUnit
AccesswillbelimitedtotheRemoteUnit.UsermaychangesettingontheRemoteUnit.
StaticIPaddressforlocalaccessishttps://169.254.48.1
Username:"extended"
Password:"admin"
2. RemoteUnitisactivelyconnectedtotheFOIintheMasterUnit
FullaccesstoallGUIfeatureswillbeallowed
AccesswillrequiretheMasterUnitIPaddress:https://172.22.0.1
Username:"extended"
Password:"admin"
Fiber Optic Connection
ThefiberconnectiononthebottomoftheremotehasanIP67ratedprotectivecap.Theprotectivecapmustremain
inplaceuntilthefiberistobeinserted.Thiswillhelppreventforeignparticlesfromdegradingperformanceofthe
fiber.
ThefiberconnectionhasakeyedslotSC/APCconnection.Caremustbetakentoensurethefiberisinstalled
correctly.Itispossibletoforcetheconnectionsothatthefiberisinstalledata180degreerotationcausing
performanceissues.
Note: TheSC/APCkeyisatthetopandbottomontheconnectionontheremote.
Figure 43 Remote Fiber-Optic Connector
Keyed
Connector
ItishighlyrecommendedthatonlytheSCRJfibercablesbeusedwiththeremotes.NotonlydoestheSCRJcable
preventtheingressofmoistureanddustintotothefiberportbutthecablealsoinsuresthefibersarecorrectly
alignedintheconnector.SCRJfibercablesareorderedseparatelyfromBirdTechnologies.
Figure 44 SCRJ Connector

Installationguidelines
54
AC Power Input
TheBirdremoteonlycomeswithanACinputoption.Thevoltagerangewillsupport120VACor240VAC,50or60Hz.
TheremoteshipswithaweatherproofC13connectorandweatherproofstrainreliefhousing.Theunitdoesnot
shipwithapowercord‐onlythepowerconnector.Theinstallationcontractorwillneedtoprovideapowercableof
atleast14AWG,3conductorcable.
Figure 45 Weatherproof AC Input Connector
Live
Neutral
Ground
External Alarm Connection
TheexternalalarmportontheBirdremoterequiresanIP67D‐subconnector(notsuppliedbyBird).
Table 63 Alarm Definitions
Alarm Input Level Alarm Text
Error Batteryvoltagelow
Critical LossofmainACpower
Warning Externalalarm3
Error Externalalarm4
Figure 46 External Alarm Connector
WARNING
Electricalinstallationshouldonlybeperformedbyalicensedelectrician.
1 (Pin 9)
2 (Pin 4)
3 (Pin 8)
4 (Pin 3)

FiberDistributedAntennaSystem(FiberDAS)
55
Table 64
Pin Function
AlarmrelayoutputNC
AlarmrelayoutputNO
Alarminput4
Alarminput2
Alarminputground
AlarmrelayoutputNC
AlarmrelayoutputNO
Alarminput3
Alarminput1
External Alarm Connector Pinout
Grounding
Theremotesarefurnishedwithagroundlugtobeusedifchassisgroundingisrequiredtomeetlocalcodeor
installationrequirements.Theexternalgroundinglugmustbeusedwhentheremoteisinstalledinapplications
whereitissusceptibletolighteningstrikes.
IftheremoteismountedinareaswithhighEMFsuchasnearhighamperagetransformers,turbinesorbroadcast
antennas,properlygroundingthechassiswillprovidereducethelikelihoodinterference.
Figure 47 Remote Ground Connection
Remote Unit Verification
Oncetheremotehasbeenproperlyinstalledandallconnectionsmadetheunitmaybepoweredup.Theunitis
automaticallypowereduponcepowerisappliedtotheACplugonthebottomoftheunit.
Thetypicalpowercycleoftheremoteisapproximately90seconds.TheredandgreenLEDonthebottomofthe
remotewillflashduringthebootcycle.
Oncethebootcycleiscomplete,asolidredLEDindicatesthereisnofiberconnectionorcommunicationto
theDASheadend.
1
2
3
4
5
6
7
8
9

Installationguidelines
56
Installing the DHR Repeater
Therepeatersunitsarefactoryconfiguredandshouldnotbeopenedinthefield.
Theremotesmustbemountedinaverticalposition.TherearetworecommendedmethodsforRemoteUnit
installation,wallmountingorpolemounting.Regardlessofthemountingstyleselected,theremotesmustbe
mountedsothatairflowovertheexternalheatsinkisnotobstructed.
Single Repeater Wall Mounting
Therepeatersareshippedwithstandardwallmountingbrackets.Thesebracketscanbeusedindoorsandoutdoors.
Mountthebracketwithouttherepeaterattached.
Note: Alwayschecklocalbuildingcodesforpropermountingtechniques.
Oncethebracketisproperlymounted,therepeatereasilyslidesintothemount.See
Figure48
.
Figure 48
Tighten Bolts
(4 places)
after Repeater
is Attached
Repeater Wall Mount
Oncetherepeaterisattachedtothewallmount,therepeatermustbeproperlysecuredtothemountby
tighteningboltsateachmountingpoint.
WARNING
TheRepeatersareheavy,usecareandalwaysproperlysupportunitsduringinstallation.Ifallowedtofalla
Repeatercancauseinjuryordeath.
CAUTION
EnsurethesurfacesbeingusedtomounttheRepeatercansafelysupportthefullweightoftheRepeater.

FiberDistributedAntennaSystem(FiberDAS)
57
Double Repeater Wall Mounting
BirdTech no lo giesoffersabracketthatallowstwowallmountrackstobemountedbacktoback.Thisreducesthe
amountofwallspacerequiredwhentworepeatersarelocatedtogether.Thebracketisstainlesssteelandcanbe
usedindoorsoroutdoors.
Figure 49
Double Wall
Mount Bracket
Mount to Wall
Standard Wall
Mount Brackets
Double Wall Mounting Bracket
Repeater Pole Mounting
BirdTech no lo giesalsooffersapolemountingoption.Thepolemountbracketsaredesignedtobeusedwiththe
DoubleWallMountbracket.
Figure 50 Repeater Pole Mounting Option

Installationguidelines
58
Solar Shield
Directexposuretosunlightcancausetemperaturesoftherepeatertoexceedthe55°C(131°F)rating.Asimple
solutionofferedbyBirdistoattachanoptionalsolarshieldtotheaffectedrepeaters.Thesolarshieldsaresold
separately.
Figure 51 Remote Unit Solar Shield
Cabling
TherearemanyoptionsfortheBirdrepeaterswhichcanaffectthenumberofconnectionsonthebottomofeach
repeater.Thestandardconnectionsare:
Ethernetport
RFPorts(N‐Typestandard)
InputPower
Externalalarmport
Grounding
FiberOptic(optional)
Figure 52 Repeater Cabling Connectors
Fiber-Optic
Ports (Optional)
Ethernet
Port
Chassis
Ground
External Alarms
Connector
Input Power
Connector
Chassis
Breather
Port
Service Antenna
Connector
Donor Antenna
Connector
LED Indicators

FiberDistributedAntennaSystem(FiberDAS)
59
Ethernet Port
TheRJ45Ethernetportislocatedonthebottompaneloftherepeaterunit.ConnectionoftheEthernetportisnot
requiredfornormaloperationoftherepeater.TheportoffersconvenientaccesstothesystemGUIduring
installation,commissioningandtroubleshooting.EnsuretheprovidedIP67ratedprotectivecapisreplacedwhen
theEthernetportisnotinuse.
IftheEthernetconnectionistobelongtermorpermanent,ensurethattheappropriateEthernetpatchcableis
utilizedtopreventtheingressofmoisterintotheport.
Fiber Optic Connection
Ifthefiberopticoptionisordered,thefiberconnectiononthebottomoftherepeaterhasanIP67ratedprotective
cap.Theprotectivecapmustremaininplaceuntilthefiberistobeinserted.Thiswillhelppreventforeignparticles
fromdegradingperformanceofthefiber.
ThefiberconnectionhasakeyedslotSC/APCconnection.Caremustbetakentoensurethefiberisinstalled
correctly.Itispossibletoforcetheconnectionsothatthefiberisinstalledata180degreerotationcausing
performanceissues.
Note: TheSC/APCkeyisatthetopandbottomontheconnectionontherepeater.
Figure 53 Remote Fiber-Optic Connector
Keyed
Connector
ItishighlyrecommendedthatonlytheSCRJfibercablesbeusedwiththerepeaters.NotonlydoestheSCRJcable
preventtheingressofmoistureanddustintotothefiberportbutthecablealsoinsuresthefibersarecorrectly
alignedintheconnector.SCRJfibercablesareorderedseparatelyfromBirdTechnologies.
Figure 54 SCRJ Connector

Installationguidelines
60
AC Power Input
TheBirdrepeateronlycomeswithanACinputoption.Thevoltagerangewillsupport120VACor240VAC,50or60
Hz.TheremoteshipswithaweatherproofC13connectorandweatherproofstrainreliefhousing.Theunitdoesnot
shipwithapowercord‐onlythepowerconnector.Theinstallationcontractorwillneedtoprovideapowercableof
atleast14AWG,3conductorcable.
Figure 55 Weatherproof AC Input Connector
Live
Neutral
Ground
External Alarm Connection
TheexternalalarmportontherepeaterrequiresanIP67D‐subconnector(notsuppliedbyBird).
Table 65 Alarm Definitions
Alarm Input Level Alarm Text
Error Batteryvoltagelow
Critical LossofmainACpower
Warning Externalalarm3
Error Externalalarm4
Figure 56 External Alarm Connector
WARNING
Electricalinstallationshouldonlybeperformedbyalicensedelectrician.
1 (Pin 9)
2 (Pin 4)
3 (Pin 8)
4 (Pin 3)

FiberDistributedAntennaSystem(FiberDAS)
61
Table 66
Pin Function
AlarmrelayoutputNC
AlarmrelayoutputNO
Alarminput4
Alarminput2
Alarminputground
AlarmrelayoutputNC
AlarmrelayoutputNO
Alarminput3
Alarminput1
External Alarm Connector Pinout
Grounding
Therepeatersarefurnishedwithagroundlugtobeusedifchassisgroundingisrequiredtomeetlocalcodeor
installationrequirements.
Figure 57 Remote Ground Connection
1
2
3
4
5
6
7
8
9

62
Chapter 4 DAS Software Configuration
ThissectionisfocusedontheGUIinterfaceandinitialsoftwaresettingoftheDAS.Nospecialsoftwareisrequireto
accesstheBirdDAS.AccessisprovidedviamostwebbrowserssuchasMozillaFirefoxorGoogleChrome.
TheBGWshouldbepoweredupandallowedabout5minutestofullybootpriortoapplyingpowertotheMaster
Unit.TheBGWwillassignIPaddressestotheMasterUnitcomponents.IftheMasterUnitispowereduppriortothe
BGWthenitcouldtakeupto30minutesfortheMasterUnitcomponentstogetassignedanIPaddress.MasterUnit
cardswillshowaquickflashofthegreenLEDwhenanIPaddresshasbeenassigned.
SpecialNote:Thefollowingisbasedonversion3.5software.
Ethernet Connection
1. ConnectalaptoptoanyopenportontheHeadendEthernetswitch.
2. EnsurethelaptopnetworksettingshaveDHCPenabledandthe“ObtainanIPaddressautomatically”radio
buttonchecked.
Figure 58 Windows TCP/IP Settings
3. UsinganInternetbrowsergotohttps://172.22.0.1toaccesstheBGW.Asuccessfulentrywillshowaccesstothe
loginpage.
4. LogintotheBGW.
Username:"extended"
Password:"admin"
Figure 59 BGW Login page

FiberDistributedAntennaSystem(FiberDAS)
63
BGW Configuration
BGW Naming
1. SelectConfigurationintoprightcorner.See
Figure60
.
2. SelectExternalComminleftmenu.
3. SelectBGWNametabintopmenu.
4. Entersitename:
a. Youmayuseanycombinationofalphanumericcharactersandthespecialcharacterofdash"‐".Donot
useanyotherspecialcharactersorspace.
0through9
athroughz
AthroughZ
‐
Limitof56characters
b. UseasitenamethatisdescriptiveenoughtodistinguishtheBGWfromothersites.Genericnamesmay
delaytroubleshootingefforts.
5. ClickSubmit.
Note: Afterthenewhostnameisentered,theunitmustberestarted.Thisistheonlychangethat
requiresarestart.SelectthephysicalrestartbuttonontheleftsideoftheBGW.
Figure 60 BGW Site Name
1
54
3
2
EXT Ethernet
InorderfortheBGWtobeabletocommunicateoutward,theExtEthernetconnectionhastobeprogrammed.
ConsultwithyourInternetserviceproviderorITdepartmentfortheIPaddress,NetmaskandGatewayIPaddress
settings.
Figure 61 BGW External Communications

DASSoftwareConfiguration
64
VPN Settings
Onoccasions,theBGWwillbesetupbehindafirewall.TobeabletoaccesstheBGWfromexternallocationsthe
PrimaryBGWsettingswillneedtobeconfiguredtoallowaccess.ConsultwithyourITdepartmentforthese
parameters.
BirdTech no lo g iesoffersmonitoringservices.Whentheseservicesarecontracted,entertheBirdparametersinthe
SecondaryBGWsettingssothatsystemalarmsarecorrectlyforwardedtotheBirdNOC.
Figure 62 BGW VPN Settings
Time Zone
ToensurethatalarmsarecorrectlylabeledwiththelocaltimethetimezonefortheBGWwillneedtobeset.
1. SelectConfiguration.See
Figure63
.
2. ClickTimeserv/zone.
3. SelecttheTimeandTimezoneTab.
4. Selectthelocaltimezonefromthedrop‐downmenu.
5. ClickSubmit.
Figure 63
1
54
3
2
BGW Time Zone Settings

FiberDistributedAntennaSystem(FiberDAS)
65
NTP Servers
NTPserversprovideaccurateclocksfortheBGW.Utilizingmultiplesourcespreventsclockissuesasaresultofone
serverbecomingcorruptordroppingoutofcontact.TheBGWiscompatiblewithNTPversion4servers.TheNTP
settingsintheimagebelowarethedefaultforRedhatservers.
1. SelectConfiguration.
2. ClickTimeserv/zone.
3. SelecttheNTPServersTab.
4. EntertheNTPServerinformation.TheFQDNsettingsarereservedfordeploymentsutilizingtheCGW.
5. ClickSubmit.
IfnoInternetaccessisavailable,theBGWwillcreateitsownclocktogivethesub‐nodesofthesystemavalidNTP
service.
Figure 64
1
5
4
3
2
NTP Server Settings

DASSoftwareConfiguration
66
Email Server
TheBGWiscapableofemailingalarmsdirectlytoselectemailaddresses.Accessthesetupfunctionvia
Configuration,AlarmReceiversandServerProp.
ConsultwithyourITdepartmentforconfigurationsettings.
1. SelectConfiguration.
2. ClickAlarmReceivers.
3. SelecttheServerProp.Tab.
4. EntertheEmailServerinformation.ConsultwithyourITdepartmentforconfigurationsettings.
5. ClickSaveandApply.
Figure 65
1
5
4
3
2
Email Server Settings

FiberDistributedAntennaSystem(FiberDAS)
67
BIU Configuration
TheinitialscreenfortheBIUprovidesbasicinformationsuchasname,serialnumber,partnumberandactive
alarms.TheLocateme!buttoncausesanLEDtoflashontheunitsothatthemodulecanbeidentifiedinthechassis.
Intheleftmenu,noticetheRF1andRF2.TheBIUhastwoRFpathsorstripsthatarecorrelatedtothetwoRFinputs
ontheBIUcard.EachRFpathhasindependentsettingsthatcanbeaccessedviatheappropriateselection.
Figure 66 BIU Welcome Screen
BIU RF1 Status
ThispageshowsthecurrentstatusandconfigurationoftheBIU.
Figure 67
12
3
4
5
6
7
8
9
10
11
12
13
14
15
BIU RF1 Status

DASSoftwareConfiguration
68
Item Description
1DownlinkRMSvalueleavingtheBIUcardtotheICU/FOI.Goodfor
measuringGSMandUMTSlevels.
2DownlinklogdetectorsignalleavingtheBIUcardtotheICU/FOI.
3PeakdownlinkRFvalueexitingtheBIUcardontheselectpath.
4
0=RFissettoOff(attenuationissettomaximum).
1=RFissettoOn.
Note:ThisisonlyinreferencetooneofthetwoBIURFpaths/strips.
5TemperatureoftheBIUcard.
6
ThismeasurementistheactuallossofthedownlinkRFsignalintheBIU
takingintoaccountraworinherentlossofthecardplustheadjustable
attenuator.
7
ThismeasurementistheactualgainorlossontheuplinkRFsignalintheBIU
takingintoaccountraworinherentgainofthecardplustheuplink
adjustableattenuator.
8
AdjustabledownlinkattenuatorsettingfortheselectedRFpath.
Note:Ifthedownlinkpathisturnedoff(see#4)theattenuatorvalueis
automaticallysettomaximumattenuation.WhenRFisturnedon,the
settingoftheadjustableattenuatorwillbeshown.
9
AdjustableuplinkattenuatorsettingfortheselectedRFpath.
Note:Ifthedownlinkpathisturnedoff(see#4)theattenuatorvalueis
automaticallysettomaximumattenuation.WhenRFisturnedon,the
settingoftheadjustableattenuatorwillbeshown.
10
CalculateddownlinkRMSvalueenteringtheBIUcardfromtheBTS.
Note:ThisisthedownlinkintotheBIUcardandnotanuplinkvalue.
11
CalculateddownlinkvalueenteringtheBIUcardfromtheBTS.
Note:ThisisthedownlinkintotheBIUcardandnotanuplinkvalue.
12
PeakdownlinkRFvalueenteringtheBIUcardontheselectpath.
Note:ThisisthedownlinkintotheBIUcardandnotanuplinkvalue.
13 0=DownlinkalarmissettoOff.
1=UplinkalarmissettoOn.
14 BandwidthoftheBIUcard
15 PressingReloadwillrefreshthepage

FiberDistributedAntennaSystem(FiberDAS)
69
BIU RF1 Settings
ThispagewillallowtheusertochangetheattenuatorvaluesintheBIUforthepathselected.
Figure 68 BIU RF1 Settings
1
2
3
Item Description
1
Attenuatorsettingforthedownlinkpath.Enteravaluefrom‐14to‐44
(rangevariesdependingoffrequencyband).
Note:ClickSubmitafterenteringvalue.
2
Attenuator/Gainsettingfortheuplinkpath.
Enteravaluefrom‐17to12(rangevariesdependingoffrequencyband).
NotethattheBIUhasrawgainintheuplinkpathoncertainBIUtypes(gain
canbedeterminedbypositivevalueinthesettingrange.
Aselectionof12indicatesfullgainof12dBintheBIU.
Aselectionof9willdecreasetheBIUuplinkoutputby3dB.
Aselectionof0willdecreasetheBIUuplinkoutputby12dB.
Aselectionof‐17willdecreasetheBIUuplinkoutputby29dB.
Note:ClickSubmitafterenteringvalue.
3ThisselectionturnstheuplinkpathOnorOff(maximumattenuation
setting).

DASSoftwareConfiguration
70
BIU Hardware Test Points
Thispageshowsvarioustestpointmeasurementsusedforstatusandtroubleshootingpurposes.
Figure 69 BIU Hardware Test Points
BIU Alarm List
Thispageshowallcurrentandpastalarms.
Greenindicatesthatthealarmhascleared.
Yellowindicatesawarningalarm.
Redindicatesaserviceaffectingalarm.
Figure 70 BIU Alarm List

FiberDistributedAntennaSystem(FiberDAS)
71
BIU Change History
Thispageshowsahistoryofallsettingchanges.
Figure 71 BIU Change History
BIU Alarm configuration RF1
ThispageallowsforcertainalarmthresholdsoftheBIUtobechanged.
Figure 72 BIU Alarm configuration
1
2
3
4
5
6
Item Description
1SetthevalueindBmthattheBIUdownlinkoutputhastoexceedinorderto
createanalarm
2SetthevalueinsecondsfortheamountoftimethattheBIUdownlink
outputhastobeabovethethresholdlevelinordertocreateanalarm.
3 EnablesordisablesBIUthreshold/highpoweralarm.
4SetthevalueindBmthattheBIUdownlinkoutputhastodropbelowin
ordertocreateanalarm.
5 EnablesordisablesBIUsupervision/lowlevelalarm.
6ClickSubmitafterenteringvalue(s).

DASSoftwareConfiguration
72
BIU Advanced Network Setup
Thispageallowsformanualoverrideofnetworksettings.
DefaultconfigurationsshouldbeusedwithDHCPsettoYes.
Note: ChangingDHCPto“No”cancauselossofcommunicationstotheBIUandshouldonlybeusedin
veryspecificsituations.
Figure 73 BIU Network Setup
BIU Advanced Menus
ThesemenusprovideinformationonlystatusandsettingsoftheBIUthataretypicallyusedbythemanufacturer.
BIU>Advanced>HWconfig
BIU>Advanced>AD‐valuesRF1
BIU>Advanced>AD‐valuesRF2
BIU>Advanced>ADCraw
BIU>Advanced>Softwarestatus
BIU>Advanced>Processstatus
BIU>Advanced>Systemstatus

FiberDistributedAntennaSystem(FiberDAS)
73
BIU Application Handling
Theapplicationhandlingpageallowsforstoppingsoftwarefunctionsandrebootingsoftwareprograms.
AlarmHandler:SelectingReboot(circularicon)willclearallthealarmsinthehistoryforthecardselected.Thisis
helpfulafterturningasystemupandwantingtoclearalarmlogcreatedduringtheinstallationandturnup.
Note: OnlytheRebootcommandshouldbeusedbythetechnician.Allotherfunctionsshouldonlybe
usedundersupervisionofBirdengineeringastheymaycausedatacorruptionifnotinitiatedproperly.
TheradiobuttonwillstopaprocessandcanhavenegativeaffectsonthefunctionoftheDAS.
Figure 74 BIU Application Handling
BIU Reset to Factory Default
ToresettheBIUtofactorydefault,carefullypressthe“Reset”button[locatedbelowtheULIn1QMAconnector]for
10seconds.ThisishelpfulwhenacardfailstoappearintheConfigurationmenu.
Figure 75 BIU Reset
Reset

DASSoftwareConfiguration
74
FOI Configuration
TheinitialscreenfortheFOIprovidesbasicinformationsuchasname,serialnumber,partnumberandactive
alarms.TheLocateme!buttoncausesanLEDtoflashontheunitsothatthemodulecanbeidentifiedinthechassis.
Figure 76 FOI Welcome Screen
Figure 77 FOI Welcome Screen SW Version 3.9, DOI401

FiberDistributedAntennaSystem(FiberDAS)
75
FOI Opto Status
ThispagewillshowthecurrentstatusandconfigurationoftheFOI.
Figure 78 FOI Opto Status
1
2
3
4
5
6
7
8
9
10
11
12
13
14
16
15
Item Description
1Fiberopticreceivedopticalpowerfromtheremoteunit.Seeitem1in
Figure79
formeasurementlocation.
2
RFdownlinkpowertotheremote.Seeitem2in
Figure80
forlocationontheFOIcircuitry.NotethatwithnoRF
powerintotheBIUtheFORwillstillshowsignalinthedownlink.Thisisthesub‐carrierthatistypically10dBbelow
theanticipatedRFlevel.
3RFpath1inputpowerfromtheremote.Seeitem3in
Figure79
forlocationontheFOIcircuitry.
4RFpath2inputpowerformtheremote.Seeitem4in
Figure79
forlocationontheFOIcircuitry.
5TemperatureoftheFOIcard
6Downlinkpath1attenuator#1setting.Seeitem6in
Figure80
forlocationontheFOIcircuitry.Valuemaybe
slightlydifferentthanthevalueinSettingsduetochangesintemperaturecompensation.
7Downlinkpath1attenuator#2setting.Seeitem7in
Figure80
forlocationontheFOIcircuitry.Valuemaybe
slightlydifferentthanthevalueinSettingsduetochangesintemperaturecompensation.
8Downlinkpath2attenuator#1setting.Seeitem8in
Figure80
forlocationontheFOIcircuitry.Valuemaybe
slightlydifferentthanthevalueinSettingsduetochangesintemperaturecompensation.
9Downlinkpath2attenuator#2setting.Seeitem9in
Figure80
forlocationontheFOIcircuitry.Valuemaybe
slightlydifferentthanthevalueinSettingsduetochangesintemperaturecompensation.
10 Uplinkcommonpathattenuator#1setting.Seeitem10in
Figure79
forlocationontheFOIcircuitry.Valuemay
beslightlydifferentthanthevalueinSettingsduetochangesintemperaturecompensation.
11 Uplinkcommonpathattenuator#2setting.Seeitem11in
Figure79
forlocationontheFOIcircuitry.Valuemay
beslightlydifferentthanthevalueinSettingsduetochangesintemperaturecompensation.
12 Uplinkpath#1attenuatorsetting.Seeitem12in
Figure79
forlocationontheFOIcircuitry.Valuemaybeslightly
differentthanthevalueinSettingsduetochangesintemperaturecompensation.
13 Uplinkpath#2attenuatorsetting.Seeitem13in
Figure79
forlocationontheFOIcircuitry.Valuemaybeslightly
differentthanthevalueinSettingsduetochangesintemperaturecompensation.
14 Calculateduplinkopticalinputfromtheremoteunit.Seeitem14in
Figure79
forlocationontheFOIcircuitry.
15 Calculateddownlinkopticaloutput.Seeitem9in
Figure80
forlocationontheFOIcircuitry.
16 PressingReloadwillrefreshthepage

DASSoftwareConfiguration
76
Figure 79 FOI Uplink Measurement Locations
DETECTOR
DETECTOR
CURRENT
SENSOR
ETHERNET
MODEM
OPTO IN
RX-LVL
UL OUT 2
UL OUT 1
TP UL
Attenuator
Common 1
PHOTO
DETECTOR
Attenuator
Common 2
Attenuator
Uplink 1
Attenuator
Uplink 2
STEP ATT STEP ATT
STEP ATT
STEP ATT
RX POWER 1
RX POWER 2
1
3
4
10 11
12
13
14
Figure 80 FOI Downlink Measurement Locations
DETECTOR
LASER
DRIVER
ETHERNET
MODEM
OPTO OUT
DETECTOR
MONITOR
TX-LVL
DL IN 1
DL IN 2
TP DL
STEP ATT
Attenuator 1
Downlink 1
Attenuator 1
Downlink 2
Attenuator 2
Downlink 1
Attenuator 2
Downlink 2
STEP ATT
STEP ATT
STEP ATT
2
67
8 9
15

FiberDistributedAntennaSystem(FiberDAS)
77
Figure 81 FOI Opto Status DOI401
FOI Opto and Attenuator Settings
ThispagewillallowchangestobemadetotheFOIvalues
Figure 82
1
2
3
4
5
6
7
8
9
10
FOI Opto and Attenuator Settings
Item Description
1Downlinkpath1attenuator#1.Seeitem1in
Figure83
formeasurementlocation.
2Downlinkpath1attenuator#2.Seeitem2in
Figure83
forlocationontheFOIcircuitry.
3Downlinkpath2attenuator#1.Seeitem3in
Figure83
forlocationontheFOIcircuitry.
4Downlinkpath2attenuator#2.Seeitem4in
Figure83
forlocationontheFOIcircuitry.
5Uplinkcommonpathattenuator#1.Seeitem5in
Figure84
forlocationontheFOIcircuitry.
6Uplinkcommonpathattenuator#2.Seeitem6in
Figure84
forlocationontheFOIcircuitry.
7Uplinkpath1attenuator.Seeitem7in
Figure84
forlocationontheFOIcircuitry.

DASSoftwareConfiguration
78
Figure 83 Downlink Opto and Attenuator Settings
DETECTOR
LASER
DRIVER
ETHERNET
MODEM
OPTO OUT
DETECTOR
MONITOR
TX-LVL
DL IN 1
DL IN 2
TP DL
STEP ATT
Attenuator 1
Downlink 1
Attenuator 1
Downlink 2
Attenuator 2
Downlink 1
Attenuator 2
Downlink 2
STEP ATT
STEP ATT
STEP ATT
12
34
Figure 84 Uplink Opto and Attenuator Settings
DETECTOR
DETECTOR
CURRENT
SENSOR
ETHERNET
MODEM
OPTO IN
RX-LVL
UL OUT 2
UL OUT 1
TP UL
Attenuator
Common 1
PHOTO
DETECTOR
Attenuator
Common 2
Attenuator
Uplink 1
Attenuator
Uplink 2
STEP ATT STEP ATT
STEP ATT
STEP ATT
RX POWER 1
RX POWER 2
6
57
8
8Uplinkpath2attenuator.Seeitem8in
Figure84
forlocationontheFOIcircuitry.
9RFONYessettheULvaluesasselectedabove.RFNoturnsofflaser.
Note: Settingto“No”willdisconnectconnectivitytotheremote(s)
10
SubcarrierTXPowerisusedforthecommunicationsandcontrolsignalingoftheDAS.
Defaultsettingis‐10dBmforsingleportFOIcardsand0dBmforthe4‐portFOIcard.
Thevaluemayneedtobechangedinsituationswherefiberlossisnearthemaximum
andcommunicationsissuesarise.UnnecessarilyincreasingthesubcarrierTXpower
mayaffectRFperformanceoftheDAS.
Item Description

FiberDistributedAntennaSystem(FiberDAS)
79
Figure 85 DOI401 FOI Opto and Attenuator Settings
FOI Fiber Network Subunits
ThispageprovidesavisualindicationonthefiberlinkstatusforeachconnectiontotheFOI.
Figure 86
123456 7 8
FOI Fiber Network Subunits
Item Description
1SelectingtheremotelinkwilldirectthebrowsertotheRemoteUnitpage.
2NetworkIPaddressoftheFOIcard.
3OpticalwavelengthofthetransmitlaserintheFOIcard.
4 SubcarrieropticallossbetweentheFOIandFORinthedownlinkpath.
5 SubcarrieropticallossbetweentheFORandFOIintheuplinkpath.
6
SubcarrierpowertothemodeminthedownlinkpathoftheFOR‐Range
shouldbe‐30to‐60.Ifthelevelistoohighortoolowcommunicationand
othersystemproblemsmayoccur.
7
SubcarrierpowertothemodemintheuplinkpathoftheFOI‐Rangeshould
be‐30to‐60.Ifthelevelistoohighortoolowcommunicationandother
systemproblemsmayoccur.
8MACaddressoftheFOIcard

DASSoftwareConfiguration
80
Figure 87 DOI401 FOI Fiber Network Subunits
FOI Network Setup
Thispageallowsformanualoverrideofnetworksettings.DefaultconfigurationsshouldbeusedwithDHCPsetto
Yes.
Note: ChangingDHCPto“No”cancauselossofcommunicationstotheBIUandshouldonlybeusedin
veryspecificsituations.DonotenterIPconfigurationdatainotherassociatedsettings.
Figure 88 FOI Network Settings

FiberDistributedAntennaSystem(FiberDAS)
81
FOI Reset to Factory Default
ToresettheFOItofactorydefault,carefullypressthe“Reset”button(see
Figure89
)for10seconds.Thisishelpful
whenacardfailstoappearintheConfigurationmenu.
Figure 89 FOI Reset Button
Reset
FOR
TheinitialscreenfortheFORprovidesbasicinformationsuchasname,serialnumber,partnumberandactive
alarms.TheLocateme!buttoncausesanLEDtoflashonthechassissothattheunitcanbeidentifiedinthefield.
Note: IfthefiberisjustnowconnectedtotheFOIcard,itcouldtakeupto30minutesfortheFOIto
assignanIPaddresstotheFOR.Seesectionfor
"MovingRemotestoDifferentFOIPort"onpage92
for
detailsonhowtoquickentheIPassignment.
Figure 90 FOR Welcome Screen

DASSoftwareConfiguration
82
Figure 91 FOR Welcome Screen
RF Strip 1 XXX MHz Status
Figure 92 FOR RF 1 Status
1
2
3
4
5
6
7
8
9
10
11
12
13
17
14
18
16
15
19
Item Description
1DownlinkfrequencybandfortheRFpath/stripselected
2RFlinksettingforthedownlinkpath:OnorOff.
3SettingofthedownlinkALCthreshold.
4DownlinklowpoweralarmturnedOnorOff.
5GainsettingfortheRFpathunderreview.
6Maximumallowedgainwillalwaysbethesameasthesetgainexceptin
specialbuilds.

FiberDistributedAntennaSystem(FiberDAS)
83
RF Strip 1 XXX MHz Configuration
Figure 93 FOR RF 1 Configuration
1
2
3
4
5
6
7
8
9
10
11
7
Theamountofactualgainusedbythesystem.Mightnotachievemaxgain
settingifALCisinoperation.Ifthesetgainis56asitisabove,RFisturned
onandtheactualgaininline7islessthan56thenthesystemisbeing
overdrivenandALCiskickingin.Reducegain.Suggeststartingwiththe
valuedisplayedinline7sincethisisthemostgainthatisbeingused.
8 Outputpoweroftheamplifierforthepathunderreview.
9UplinkfrequencybandfortheRFpath/stripselected
10 RFlinksettingfortheuplinkpath:OnorOff.
11 Statusofuplinktesttonesignal.Testtoneautomaticallyturnsoffafter60
minutes.
12 Uplinktesttonefrequencysetting.
13 Uplinktesttonelevel.Notadjustable.Accountsforlossesininternal
duplexers,ifany.
14 UplinkALCthresholdsetting.
15 Gainsettingintheuplinkpath.
16 Maximumallowedgainsetbythesystem.
17 Actualgainbeingusedintheuplinkpath.Thefiguremightnotmatchgain
settingifALCisinoperation.
18
UplinkoutputtotheFOI.
Note: IftheuplinkpathissettoOffareadingof“<“is
returned.
19 Periodicenablesaconstantupdateofthestatusscreen.
Item Description
1DownlinkgainsettingforRFpathunderreview.
2
DownlinkALCsettingforRFpathunderreview.Thefactorydefaultissetat
theratedpoweroftheremoteunit(i.e.DDHissetto43dB).Thelevelcould
besetlowerforspecificsituations.Notethatthefactorylevelissetatthe
antennaport.Ifremoteisshuttingdownduetobeingoverdrivenitis
suggestedtoreducetheALClevelbyoneortwodBtoreducethenumberof
alarms.
3 TurnsdownlinkRFonoroff.
Item Description

DASSoftwareConfiguration
84
RF Strip 1 XXX MHz Configuration Software Version 3.9
Softwarerelease3.9introducessettableReturnLossmeasurementsandcontroloveralarms.Thedefaultinterval
settingis“0”indicatingthereturnlossalarmfeatureisturnedoff.Returnlossalarmsareoftendisabledwhenthere
isapassiveantennanetworkinstalledbeyondtheremote.
Figure 94 FOR RF 1 Configuration, Software Version 3.9
4 Turnsdownlinklowpoweralarmonoroff.
5UplinkgainsettingforRFpathunderreview.
6
UplinkALCsettingforRFpathunderreview.Thisisthethresholdatwhich
thesystemwillstartreducingfurthergaintopreventincreasesinuplinkRF
totheFOI.After10dBdecreaseingainanuplinkalarmwillbetriggered
Note: Shouldbeleftafactorydefault.OnlychangeifFOR
uplinkgainischanged.IfgainisincreasedonFORuplink
thenthesamevalueshouldbedecreasedontheALC.
Example:ChangingtheULFORgainfrom12to17wouldrequireALCtobe
changedfrom‐13to‐18.
7
HardwareALCoffsetmeasuredintenthsofadB.Defaultsettingof60
(6dBm)shouldbeusedformostapplications.Shouldthesoftwarenotbe
abletoreduceuplinkgainfastenoughaftertheALCthresholdhasbeen
exceed,hardwareattenuationwillbeaddedtoprotecttheuplinkpath.In
theexampleabove,thehardwareattenuationwilltriggerat‐7dBm(‐13dBm
ALCthresholdminus6dBmHWALCoffset=‐7dBm)
8 TurnsuplinkRFonoroff.
9Setsuplinktesttonefrequency.Mustbewithinuplinkfrequencylimitsof
theRFmodule.
10 Turnsonuplinktesttone.Testtonetimesoutafter60minutes.
11 RetrievescurrentFORsettingsfromsystem.
Item Description

FiberDistributedAntennaSystem(FiberDAS)
85
FOR Opto Status
Figure 95 FOR Opto Status
1
2
3
4
5
6
7
8
Figure 96 FOR Downlink Schematic
CURRENT
SENSOR
ETHERNET
MODEM
OPTO IN
RX-LVL
RF OUT 1
RF OUT 2
PHOTO
DETECTOR
STEP ATT STEP ATT
1
Item Description
1OpticalpowerreceivedfromtheFOI.Seeitem1in
Figure96
for
measurementlocation.
2UplinksignalbeingfedintotheFORuplinklasercircuit.Seeitem2in
Figure97
formeasurementlocation.
3LasercurrentfortheRemoteUnitFOR.Shouldbelessthan50mA.
4TemperatureoftheRemoteUnitFORboard.
5
TotalgainoftheFORinthedownlink.NotethatRFOut1and2arewide
band(FMto2600MHz)thatfeedbandspecificRFamplifiersinthefollowing
VGAstage.
6
TotalgainoftheFORintheuplinkpath.NotethatRFIn1andIn2arewide
band(FMto2600MHz)thataresignalsfromtheuplinkfrequencyspecific
amplifiers.
7
CalculateddownlinksignalbeingreceivedfromtheFOI.Seeitem1in
Figure96
formeasurementlocation.Takesintoconsiderationoptical
wavelengthandtemperaturecompensation.
8
CalculateduplinksignalbeingtransmittedtotheFOI(FORinputfromVGA+
FORuplinkgain/attenuation).Seeitem3in
Figure97
formeasurement
location.

DASSoftwareConfiguration
86
Figure 97 FOR Uplink Schematic
LOG
DETECTOR
VOLTAGE
INVERTER
LASER
DRIVER
ETHERNET
MODEM
OPTO OUT
TX-CURR
MONITOR
DIODE
LASER
DIODE
TX POW
TO
PHOTO DIODE
TX-LVL
+5 V -5 V
RF IN 1
RF IN 2 STEP ATT
2
3

FiberDistributedAntennaSystem(FiberDAS)
87
FOR Opto Gain and Attenuation Settings
Figure 98
1
2
FOR Opto Gain Settings
Asettingof+20indicatesnoattenuationsoFORwillhave+20dBgain(+20dBgainminus0dB
attenuation).
Asettingof+10willhave10ofattenuationsothisstagewillhave10dBmofgain(+20dBgainminus
10dBofattenuation).
Asettingof0willhave20dBofattenuationsothisstagewillhaveunitygain(+20dBgainminus
20dBofattenuation).
Asettingof‐10willhave30dBofattenuationsothisstagewillhave10dBofloss(+20dBgainminus
30dBofattenuation).
Asettingof‐20willhave40dBofattenuationsothisstagewillhave20dBofloss(+20dBgainminus
40dBofattenuation).
Asettingof+20willhavefullgainof+20dBm.
Asettingof+10willhave+10dBgain.
Asettingof0willhavenogain.
Factorydefaultshouldbeusedunlesshighlossinfiber.NotethatchangesinGainuplinkwill
requirechangesintheFORULALClevel.
Item Description
1
FORgaininthedownlinkpath.Rangeistypicallyfrom‐20to+20.FORdownlinkpathhasinherent/rawgainof
+20dB(FMto2600MHz).
2
FORgainintheuplinkpath.Rangeistypicallyfrom0to+20dBm(FMto2600MHz).

DASSoftwareConfiguration
88
FOR Fiber Network Settings
Thispageallowsformanualoverrideofnetworksettings.DefaultconfigurationsshouldbeusedwithDHCPsetto
Yes.
Note: ChangingDHCPto“No”cancauselossofcommunicationstotheBIUandshouldonlybeusedin
veryspecificsituations.DonotenterIPconfigurationdatainotherassociatedsettings.
Figure 99 FOR Network Settings
1
2
Figure 100 More FOR Network Settings
ITem Description
1
SubcarrierTxPowerisusedforthecommunicationsandcontrolsignalingof
theDAS.Defaultsettingis‐10.Thevaluemayneedtobechangedin
situationswherefiberlossisnearthemaximumandcommunicationsissues
arise.UnnecessarilyincreasingthesubcarrierTXpowermayaffectRF
performanceoftheDAS.
2D
efaultseeingofYesshouldbeusedexceptforspecialapplications.

FiberDistributedAntennaSystem(FiberDAS)
89
FOR Application Handling
Theapplicationhandlingpageallowsforsoftwareresetandrebootingfunctions.
Note: OnlytheRebootcommandshouldbeusedbythetechnician.Allotherfunctionsshouldonlybe
usedundersupervisionofBirdengineeringastheymaycausedatacorruptionifnotinitiatedproperly.
Figure 101 FOR Application Handling
Slave FOR
ASlaveFORiswhenaremotehasasecondFORinstalled.TheSlaveFORismostlikelytobeusedwhentheremoteis
configuredforMIMOorhasmultipleamplifiersinthesamebandorhasredundantfiber.
SettingsfortheSlaveFORisthesameasthemainFORexcept,“CalcipforETH0issetto“No”.
Figure 102 Slave FOR Network Settings

DASSoftwareConfiguration
90
Naming Components
PropernamingofindividualcomponentsintheDASiscriticaltotroubleshooting.Arecommendationistostartall
componentnameswiththeirfunctionsuchas"BIU","FOI"or"FOR".Forexample:"BIU‐850Sector1".
Youmayuseanycombinationofalphanumericcharactersandthespecialcharacterofdash"‐".Donotuseany
otherspecialcharactersorspace.
0through9
athroughz
AthroughZ
‐
Componentnamesarelimitedto56characters.
1. SelectthecomponenttobenamedfromtheConfigurationmenu.
Figure 103 Component Selection
2. UsetheLocateMebuttontoverifywhichcardsisbeingaccessed.
Figure 104 Locate Me Button
3. GotoAdvanced>NetwSetup
4. EnterthenewcardnameintheHostNamefield.See
Figure105
.
5. Selectsubmit.

FiberDistributedAntennaSystem(FiberDAS)
91
Figure 105 Unit Naming
6. GotoAdvanced>Applrestart.
7. SelecttheRebooticonatthebottomofthemenu.See
Figure106
.
8. Select"YES‐RestartProcess"
Note: Afterrebooting,itcantakeupto5minutesbeforetheunitshowsupintheGUI.
Figure 106 Naming Reboot
9. Afteralltheunitshavebeenrenamed,gototheConfigurationmenuandselectthecorrectcardtype.
10. Highlightallthecardsintherightcolumnthathadnamechangesandthenselect“<<“.Select“Submit”
ThiswillremovetheoldnamesfromtheDASConfiguration.
11. Highlightallthecardsintheleftcolumnwiththenewnamesandthenselect“>>”.Select“Submit”.
ThiswillmovethenewcardnamesintotheDASconfiguration.
Table 67 Submit Newly Named Units
12. SelectNetworkViews>Alltoconfirmthatallcardsarenowpartoftheconfiguration.

DASSoftwareConfiguration
92
Moving Remotes to Different FOI Port
AllDAScomponentsareassignedIPaddressesbytheBGW.TheFORintheRemoteistheassignedanIPaddressasa
subunitoftheFOItowhichitisconnected.WhentheRemoteismovedtoadifferentFOIoneofseveralactionsmust
takeplace:
1. TheleaseontheRemoteIPaddressmustbegiventimetoexpire.Thiscouldtakeupto30minutes.Oncethe
currentIPleaseexpires,thenewFOIwillthenassignthecorrectIPaddresstotheRemote.
2. ManuallypowercycletheRemote.Duringtherebootprocess,theRemotewillreleasetheoldIPaddressand
havethecorrectIPaddressassignedbythenewFOI.
3. CommunicationstotheremotecanonlyoccurwhentheremotehasthecorrectIPaddress.Beforemovingthe
fiber,accesstheFORviatheGUI.Intheadvancedsettings,reboottheFOR.Assoonasthereboothasbeen
initiated,quicklymovetheheadendfibertothenewFOIport.WhentheRemotefinishestherebooting
process,thenewFOIwillassignthecorrectIPaddress.
Replacing Master Unit Cards
AllDAScomponentsareassignedIPaddressesbytheBGW.Whenacardisreplaced,thecardmustbeassigneda
newIPaddressbytheBGW.Onrareoccasions,theBGWmayhavenotbeabletoassignanIPaddresstothenew
card.ThisiseasilycorrectedbyremovingthecardfromtheMasterUnitchassis(withESDstrapattached)andthen
re‐installthecard.TheBGWwillthenassignthecorrectIPaddress.
Moving Master Unit Cards
Occasionally,cardsneedtobemovedtodifferentslotsintheMasterUnit.
1. Movethecardtothenewslot.
2. EnsurethereisanEthernetconnectionforthenewcardlocationonthebackplaneoftheMasterUnit.
3. Waitforthecardtocompletethebootprocess.Ifthecardremainsinthebootprocess(GreenLEDremainson
forapproximately2secondsandthenoffforonesecond)thentheIPaddressmaynothavebeenassigned.
CheckEthernetconnection.
4. LogintotheGUItoconfirmsoftwareconnectivity.Onoccasionsthecardwillnotshowupafterbeingmoved.
a. GototheConfigurationmenuandremovethecard(movefromrighttoleft)andthenSubmit.See
Figure107onpage93
.
b. Selectthecardfromtheleftmenuandthenadditbacktothesystemontherightandthensubmit.
c. GototheHomemenu.LogoutoftheBGWandthenlogbackin.
d. GotoNetworkViewsandlogintothecardtoverifyGUIconnection.
CAUTION
AlwaysuseanESDstrapwheninstallationandremovingcards.Failuretocomplymayresult
inpermanentdisablingdamagetothemodule.

FiberDistributedAntennaSystem(FiberDAS)
93
Figure 107 Manage System Modules

94
Chapter 5 Commissioning
Preparations
Theminimumofpreparationsnecessaryaretohavethesystemdocumentationwhichshouldincludethefollowing
itemsatleast:
Thesystemlayoutandblockschematic
Aconnectiondiagramforthehead‐endMasterUnit
Thetypeofconnectorsandtappersusedtointerfacetothebasestationports
ThenumberofcarriersforeachoftheBIUthatthebasestationsconnectsvia
Maximumoutputpowerforeachservicefromthebasestations
Fiberlossesshouldbedocumentedbeforehandsothatyoucancomparewhatthesystemactually
measures
Sectorizationinformation,whichsectorsshouldgotowhichremotes
DAScalculatorsheetsshowingtheexpectedsettingsforeachoftheRFchainsinuplinkanddownlink.
InformationaboutEthernetconnectionifthesystemshouldbemonitoredbyremote.Howtoconnectitto
theInternetforremoteviewingunlessyouareusingamodem.
Necessary tools
Thetoolsnecessarytocommissionthesystemincludes:
Onelaptopforchangingthesystemsettings,checkinganyalarmsandstatus.Onlysoftwareneededisa
webbrowser.OperatingsystemcanbeWindows,LinuxorMacasyouprefer.
Spectrumanalyzertomeasuretheuplink.Thesystemreliesontesttonemeasurementsintheuplinkand
thereforeitisimportanttohaveequipmenttomeasurethem.
SMAtooltobeabletoconnectordisconnectBTScablesfromtheBIU.
QMAadaptersoyoucanmeasuresignalsdirectlyonthehead‐endunitssuchastheFOI,BIU,ICUandso
on.
Software
Noparticularsoftwareisnecessaryexceptamoderngraphicalbasedwebbrowser.

FiberDistributedAntennaSystem(FiberDAS)
95
System Commissioning
Pre-requisites
EstablishEthernetconnectionbetweentheBGWandallcards
Powerupallequipment
EnsureIPaddresseshavebeenassigned
Cardswillbrieflyflashgreen.SolidgreenindicateswaitingforIPassignment
VerifyremoteunitfibersareconnectedtocorrectFOIports
Setnamesforallcomponentsandaddcomponentstothesystem‐See“NamingComponents”section
ConnectBTStotheBIUensuringproperattenuationfortheBIUcardbeingused
Commissioning Process
1. Oncethefiberisconnectedandverified,turnFOIRFpoweron.
Connectonlyonefiberportatatimeandcompletenamingofremote.Otherwise,asecondpersonwillbe
neededattheremotestoidentifytheremotewhen“LocateMe”isenabled.Thiscanbeeliminatedwithgood
projectmanagementandlabelingduringtheinstallationprocess.
Figure 108
FOI
RF
Control
FOI RF On
2. Enabletheappropriateopticalportsonthe4‐portFOI
Onlyenabletheopticalportsthatarebeingused.Otherwise,thesystemwillalarmwithlowopticallevelson
theunusedports.

Commissioning
96
Figure 109
Enable
FOI
Optical
Ports
Enable FOI Optical Ports
3. GotoFOIstatusandnoteRXOptopowerUL.
Thelasertransmitsat5000uW.Thedifferencebetweenthe5000uWtransmitlevelandthereceivelevelisthe
lossonthefiber.
Figure 110 RX Optical Power
RX
Optical
Power
a. Startingwithsoftwarerelease3.9,thereisanoptiontohavetheGUIcalculatethefiberloss.
Figure 111 Calculated Optical Loss, Software version 3.9
DL and UL
Optical
Loss

FiberDistributedAntennaSystem(FiberDAS)
97
Uplink
1. Setallvaluesatdefault(factorsettingmayvaryduetoindividualtestingbeforeshipping)forallbands
a. BIU:‐10dB
b. FOI:‐6,‐6,‐6
c. FOR:+12
d. Amp:+35forlowlossfiber,+45forhighlossfiber
2. Startwithadjustingthehighfrequencyband.
3. TurnRFonattheBIU.EnsurethatonlytheRFstripsbeingusedhaveRFturnedon.
4. GototheFORandturntheULtesttoneon.Notethelevelbeingtransmittedandthefrequency.Thelevelisset
atthefactorytocompensateforlossesbetweentheRUoutputportandtheamplifier.Levelswillvaryunitby
unit.
5. ConnectspectrumanalyzertotheBIUBTSportandtunetotheULtesttonefrequency.
6. Measurethetesttonelevel.InitialgoalshouldbetosettheULtesttoneattheBIUBTSporttothesamelevel
asbeingtransmittedattheRU(zerodBsystemgain).
a. Toreducegain,itisrecommendedtoadjusttheattenuatorsintheBIUULpath.Thiswillfurther
reduceULnoise.
b. Toincreasegain,itisrecommendedtoadjustthegainintheRUULpath.
Note: DonotdrivetheFORULlaserwithmorethan0dBmRFinput.RecommendedFORULinputlevel
isapproximately‐5dBm.
c. TheBIUULinputwillbepermanentlydamagedwithsignalsstrongerthan+13dBm.
7. RecordULtesttonelevelreceivedinthespectrumanalyzer.AfterallremoteunitsonthesectorhaveULlevels
set,theremoteswillneedtobebalancedagainsteachother(allarehittingtheBTSULatthesamelevel).
Levelsshouldbewithinabout1dBofeachother.
Downlink
1. Setallvaluesatdefault(factorsettingmayvaryduetoindividualtestingbeforeshipping)
a. BIU:‐15dB
b. FOI:‐3,‐3
c. FOR:+10
d. Amp:Tobesetbasedonactualinput
2. Suggestion:SetFORDLALCleveltoonedBlessthanampratingifunitalarmsonDL.
a. A43dBamplifierwouldhaveanALClevelsetto+42.
3. SetBIUDLleveltocompensateforICUinterconnectionloss.Donotexceed+10dBoutputoftheBIUintheDL
path(willcauseIM).
a. Suggestsettingatmaximumof+5dBoutputoftheBUI.
b. Notethereis13dBofinherentlossintheBIU.With0dBsettingsintheBIUDLattenuatorsa30dB
inputsignalwillhaveanoutputof+17dB(30dBinputminus13dBinherentloss=17dB).Adjust
attenuatorssothatBIUisapproximately+5dBasastart.
c. VariationsintheBTSinputlevelsforloadingmustbetakingintoconsideration.Fullloadandnoload
powerlevelsdiffergreatly.DonotallowtheBTStooverdrivetheBIU.
4. AdjustFOIattenuatorlevelsintheDLpathsothattheRFinputintotheDLlaserisapproximately‐5dB.
a. Notethatthe0dBmaxintothelaserisacompositelevelforallbands.Bysettingeachbandat‐5dB
thentotalcompositeshouldnotexceed0dB.
b. TakeintoconsiderationthateachBIUhastwoRFstrips/paths.Thesemustbetakenintoconsideration
whensettingtheFOIlevels.
c. CalculatefullloadconditionsforallbandsbeingfedintotheFOI.Incorrectlysettingthelevelswill
impactthesystemduringtimesofmostusage.
5. Setthedesiredgainintheremote.

Commissioning
98
6. ApplyRFsignaltotheBIUBTSport.
7. CheckRemoteUnitFORstatus"SetGain","Gain"and"OutputPower".
8. Adjust"SetGain"sothatdesiredoutputpowerisachieved.
d. If"Gain"levelislowerthan"SetGain"levelinthestatusscreenthenthesystemisbeingoverdriven
andALCislimitingthegainofthesystem.Reducegainsettingtotheleveldisplayedin"SetGain".
Submitchangeandthereviewstatusscreen."SetGain"and"Gain"levelsshouldnowbeidentical.
Bird VPN Access
EstablishingsecureVPNaccessforBird/DeltaNodewillallowforremotemonitoringandadvancedtechnical
support.TheBGWisdesignedtocommunicatedirectlywiththeBird/DeltaNodeNOCviacloudaccess.
VPN Settings
1. ConnectlaptoptoanopenportontheDASswitch.DonotconnecttotheConsoleport.
2. LogintotheBGWat172.22.0.1.
LoginName:“extend”
Password:“admin”
3. Click“Configuration,”see
Figure112
.
4. Click“ExternalComm.”
Figure 112
3
4
5
6
Certificate Entry
5. Click“CertificateHandling.”
6. Click“Browse”nexttouploadCertificateforSecondaryCGW.
OnlymakesettingchangestotheSecondaryCGW.ThePrimaryCGWisreservedforcustomerCGWaccess.

FiberDistributedAntennaSystem(FiberDAS)
99
7. Selectthecheckboxnexttothe10##.crtfile.See
Figure113
.
8. Click"Insert"
Figure 113
8
7
Certificate Selection
9. Select"Browse"fortheFilenameforcertificatekey.See
Figure114
.
Figure 114 Key Entry
9
10. Selectthecheckboxnexttothe"10##.key"file.See
Figure115
.
11. Select"Insert"
Figure 115 Key Selection
11
10

Commissioning
100
12. SelectExt.EthernetTab
13. Selectthecheckboxfor“Useeth0forInternet(WAN).”
ThisensuresexternalEthernetconnectionsareallowed.
Figure 116
12
13
External Ethernet
14. SelectDNSForwarderstab.
15. Selectradiobuttonfor“Dynamic,assignedbyeth0.”
Note: TheBirdmaintainedCGWisnotabletohostnamecheckaDNS2IPaddressof8.8.2.2,4.2.2.4or
4.2.25.PleasechangetosomethinglikeGoogle's8.8.4.4or8.8.8.8
Figure 117
14
15
DNS Forwarders
16. SelectVPNSettingstabtoverifythattheVPNsettingsarecorrectlyset.
17. Selectcheckbox“LogVPNConnections”
18. Type“nemo3.deltanode.com”intotheSecondaryCGWsettingforFQONorIPaddress.
19. Selectcheckbox“ActivateaVPNservicetunnel.”Thisselectionisonlyonavailableonoldersoftwareversions.
Figure 118 VPN Settings
17
18
19
16
nemo3.deltanode.com

FiberDistributedAntennaSystem(FiberDAS)
101
20. Clickon“Status/Statistics.”
21. Selectthe“CommunicationControl”tab.
22. Selectthecheckboxnextto“VPNRestart.”
23. Click“Restart.”
Figure 119
21
22
23
20
VPN Restart
24. Afterabout10minutes,theBGWshouldstartcommunicatingwiththeBird/DeltaNodeCGW.
25. ClickonStatus/Statistics
26. SelecttheEthernetStatustab.
Both"eth0"and"eth1"shouldshowconnectivity.
Figure120
showsgoodcommunicationsin"eth0"between
theBGWanda3Gmodem."eth1"showsgoodcommunicationsbetweenthe3GmodemandtheBird/
DeltaNodeCGW.
Figure 120 Ethernet Status

Commissioning
102
Wireless Modem Setup
Duetovarianceswithdifferentwirelessmodemmanufacturers,settingsmayvaryfrommodemtomodem.A
generalunderstandingofnetworksettingsisrequired.Belowareafewtypicalsettingsthatwillneedtobe
configured.
Modem DHCP
DHCPwillneedtobeenabledsothatthewirelessmodemcanassignanIPaddresstotheBGW.Besuretoenterthe
stopandendIPaddressasseenintheimage.
Figure 121 Modem DHCP Configuration
Modem VPN Tunnels
TheBGWcommunicatesbacktotheCGWviaaVPNtunnel.ThewirelessmodemmustenableVPNpassthrough.
Figure 122 Modem VPN Settings
Modem Port Forwarding
SetupthemodemsothatitforwardsTCPport443.
BGW Configuration
1. ConnectIPmodemtotheExternalWANportontheBGW.
2. ClickConfiguration.See
Figure123
.
3. ClickExternalComm.
4. Select3G‐Modemtab.
5. Selectthe“Use3GModem”checkbox.

FiberDistributedAntennaSystem(FiberDAS)
103
Figure 123
2
3
4
5
BGW Configuration - 3G Modem Setup
6. SelecttheVPNSettingstab.
7. Selectthe“ActivateaVPNservicetunnel”checkbox,ifnotalreadyselected.
Note: OldersoftwareversionsoftheBGWdonotofferVPNservicetunnels.ContactBirdtoordera
replacementBGW.
Figure 124
6
7
BGW Configuration - VPN Setting
8. SelecttheDNSForwarderstab.See
Figure125onpage104
.
9. Selecteither:
"Dynamic,assignedbyeth0"or
"Staticaddresses".Enter8.8.8.8intheForwardingto(DNS1).

Commissioning
104
Figure 125
8
9
BGW Configuration - DNS Forwarders Setting
10. SelecttheExt.Ethernettab
11. Select"Useeth0forinternet"and"StaticIPaddress"checkboxes.
12. RecordtheexistingIPsettingincaserollingbacktooriginalsettingsisrequired.
13. EntertheIPaddressesinformation:
IPAddress:192.168.0.10
Netmask:255.255.255.0
GatewayIPAddress:192.168.0.1
Figure 126
10
11
13
BGW Configuration - External Ethernet Setting
14. Afterallthesettinghavebeenconfigured,powercyclethewirelessmodem.
15. Clickon"Status/Statistics."See
Figure127onpage105
.
16. Selectthe"EthernetStatus"tab.
Verifiythat"etho"hasbeenassignedavalidIPaddress.

FiberDistributedAntennaSystem(FiberDAS)
105
Figure 127
1516
BGW Configuration - Ethernet Status
Rolling Back Modem Configuration
Iftheexternalmodemisnolongerrequiredtheconfigurationcanquicklyberolledback.
1. ClickonConfiguration.See
Figure128
.
2. ClickonExternalComm.
3. SelecttheExtEthernettab.
4. EnteroriginalIPaddressesthatusedpriortoinstallingthemodem.
Figure 128 Rollback Modem IP Addresses
4
12 3
5. SelecttheDNSForwarderstab.See
Figure129onpage105
.
6. Selectthe"No"radiobutton.
Figure 129 Stop DNS Forwarding
5
6

Commissioning
106
Setup local Network UDP Ports for CGW Access
InorderfortheBird/DeltaNodeCGWtobeabletomakecontactwiththeBGWensurethatthecustomerIT
departmenthasOpenVPNwithUPDports1194to1199.ThisallowsBird/DeltaNodestaticIPaddresstoaccessthe
BGW.
Local Connection to Remote Unit
Atechniciancandirectlyconnectalaptoptotheremoteunit.Thisisusefulwhenthetechnicianisattheremote
unittroubleshooting.Thedirectconnectionisalsoveryusefulwhenthereisnofiberconnectivitytotheremote
unitandtheinstallerneedstotestandprogramtheremoteunitduringtheinstallationprocess.
Note: Bydirectlyloggingintheremoteunitandprogrammingthenameoftheremotethereisless
chanceofconfusionwhenalltheremotesareconnectingtotheMasterUnit.
1. SetlaptoptoastaticIPaddress;somethingalongthelinesof
IPaddress169.254.48.11
SubnetMask255.255.0.0
Gateway169.254.0.1
2. ConnectRJ45EthernetcabletothelaptopandtheEthernetportontheremote.
Figure 130 Remote Unit Ethernet Port
Ethernet
Port
3. Useanywebbrowsertoconnecttotheremoteunitstartingwithhttp://169.254.48.1.
TheremoteunithasadefaultIPaddressof169.254.48.1to.10.Iftheloginmenudoesnotappeartrythenext
sequentialIPaddress(http://169.254.48.2).ContinuetryingthenextIPaddressuntiltheloginmenuappears.
Figure 131 Remote Unit Login Screen
4. Whentheloginmenuappearstypeinthedefaultcredentials:
Username:“extended”
Password:“admin”
5. TheGUImenuswillbethesameaswhenconnectingtotheremotethroughtheBGW.

FiberDistributedAntennaSystem(FiberDAS)
107
Local Connection to Remote Unit with Two FOR's
Someremoteunitsarebuiltwith2FORboards.Thiswouldoccurinapplicationswhereonechassiscontains:MIMO
paths,multipleamplifiersofthesameband,amplifiersfedfromdifferentFOIcardsorotherspecialapplications.The
2FORboardssharetheoneEthernetconnectorontheremoteunit.AstandardEthernetcablewillonlyaccessFOR
[0].AcustomcableisrequiredtoaccessFOR[1]board.
TobuildacabletoaccessbothFORunitsyouwillneedthefollowingitems.
Wirecutters
Wirestrippers
Electricaltape
TwoEthernetcableswithRJ‐45Connectors
Build a Custom Cable
1. CutbothEthernetcablesinhalf.
Threesectionswillbeneeded.
2. Stripbacktheinsulationoneachwireabout0.5inch/13mm.
3. Twistthecolorpairstogetherasshownin
Figure132onpage108
.
4. Useelectricaltapetocovertheconnectionssobarewiredonottouch.
Unusedcablestrandscanbecut.
5. Securethesplicewithelectricaltapesothatstressdoesnotpullthewirepairsapart.
6. Clearlymarkeachconnectortodistinguishwhichconnectorisattachedtotheremoteandwhichconnector
plugsintothelaptopforFOR[0]andFOR[1].

Commissioning
108
Figure 132
123457
68
12345
78
6
Top:
Front:
Custom Cable for Connecting to two FOR systems
Connection to BGW from Remote Unit
ThetechnicianhastheabilitytoconnecttotheBGWfromtheremoteunit.Thiseasestroubleshootingand
programmingbynothavingtoreturntotheBGWlocationfordirectaccess.
1. EnablethelaptopDHCPsettings.
2. ConnectRJ45EthernetcabletotheEthernetportontheremote.
TheFOIwilldetectthatadevicehasconnectedtotheFORandwillassignanIPaddresstothe
thelaptopintherangeof172.22.108.49‐62.
Note: Itmaytakeupto15minutesfortheFOItoassignanIPaddresstothelaptop.
3. UsinganInternetbrowserconnectto172.22.0.1
4. Whentheloginmenuappearstypeinthedefaultcredentials:
Username:"extended"
Password:"admin".

109
Chapter 6 RF Commissioning
Inordertomaketheprocessmoreclearforthispartofthemanualwewillconsidersettingupafictitioussystem,
butbasedonastandardapproachatdoingFiber‐DAS.Thesystemthatweareconsideringwillhavetwofrequency
bands,let’sassumeGSM900MHzandUMTS2100MHz.Theexamplewillhave2sectorswithtworemotesineach
sector.Ofcourseyoursystemmaylookdifferent,bemoreorlesscomplexbutinordertomakeitclearhowthe
systemissetupthisshouldprovideyouwithastartingpoint.
Setting up the uplink
SettinguptheuplinkmeanstoadjustthesystemforanoptimalworkingpointfromtheantennaportoftheRemote
UnittotheactualinputontheRadioBaseStation.Thiscanbedoneindifferentwaysdependingonhowthesystem
isdesigned.Wewillherediscussastandardset‐upstartingwithasmallblockschematicshowinghowthesystemis
connected.
Figure 133
System Interconnect Diagram
Themainparameterthatwewillbediscussingisthe”netgain”ofthesystem.Thismeansthetotalchangeinsignal
fromtheRemoteUnitantennaporttothereceiverportonthebasestation.Therearedifferentwaysofsettingthis
systemupbutwewilllookata0dBnetgainsystemwhichisagoodstartingpointformostsystems.
ThesystemgaincanbecalculatedasthegainintheRemoteUnit–Lossonfiber+FOIgain–ICUloss+BIUgain–
couplerloss.Basicallythistakesformofalinkbudgetandhereisanexample:
Table 68
Unit/Component Gain/Loss (dB) Accumulated Gain/Loss (dB)
RemoteUnit(RU)
Fiber‐OpticCable
FOI
ICU
BIU
Coupler
Example Link Budget
BasicallythismeansthatwhateverisinputattheantennawillalsobeseenatthesamelevelfortheRadioBase
Stationreceiver.Thisisnotabadstartingpointbutdoesnottakeintoaccountthenoiseloadonthebasestation
whichwillincreasesomewhatwiththissetup.
40 40
-10 30
20 50
-35 15
015
-15 0

RFCommissioning
110
Noise load on Radio Base Station
Thesystemwillinevitablyaddsomenoisetothereceiver.Whenproperlysetupthenoisefigureinasystemlikethis
willbebetterthan3dB.However,ifthegainisimproperlysetup(i.e.notenoughgainintheremote,toomuchgain
inthehead‐end)itispossibletocreateaverybadnoisefigure.InordertoavoidthistheFiber‐DASCalculatorshould
beusedtocalculatethenoisefigureofthesystemintheuplink.
IfyouhavenotfamiliarizedyourselfwiththeFiber‐DASCalculator,dosobeforemovingoninthismanual.The
figuresintheFiber‐DAScalculatorrelatetothesettingsofallstepsinthechain.Byusingthecalculator,youcan
determinethepropersettingsonceyouknowthefiberlossbetweentheRemoteUnitandtheheadend.
LetusassumeyourhavearrivedataNoiseFigure(NF)of3dBforthischain.Howeveryoursystemmaycontain
moreremotes,perhapsconnectedlikethesystemin
Figure134
.
Figure 134
!
Multiple RU Connection Diagram
Nowthenoiseloadcanbecalculatedbyaddingthenoisecontributionfromeachstepofthechain.Belowisan
exampleofnoisefiguresfromeachoftheremotes:
Table 69
Chain NF Gain Noise Load
RU1
RU2
RU3
RU4
BaseStation
Fiber‐DASNoiseLoad
Tota lNoiseintoBTS
Noise Load
AddyourfigurestothesheetintheFiber‐DAScalculatoranditwillcalculateitforyou.
2.8 0.0 2.8
3.2 1.0 4.2
3.8 -2.0 1.8
2.6 -1.0 1.6
Sum of Noise Load 8.7
4.0
8.0
9.5
Desensitization -5.5

FiberDistributedAntennaSystem(FiberDAS)
111
Whatweseehereisthatifwesetthesystemupinthisfashionwewilldesensitizethebasestationwithabout5,5
dB.ThiscanbeokayifthebasestationcoverageisonlythroughtheFiber‐DASsystembutifthebasestationisalso
beingusedforoutdoorcoverageitisnotgood.Weneedtochangethenetgaintoreflectthis.Ingeneralweshould
lowerthegainsothatwedesensitizetheBTSonlyabout3dB.Thisvalueisagoodcompromiseandsimilartoadding
asecondantennatothesamereceiverport(whichiskindofwhatwearedoingwiththeFiber‐DAS).
Herearethenewvalues:
Table 70
Chain NF Gain Noise Load
RU1
RU2
RU3
RU4
BaseStation
Fiber‐DASNoiseLoad
Tota lNoiseintoBTS
Adjusted Noise Load
Asyoucanseeweshouldsetthesystemupwithanetgainofabout‐5dB.Goingbacktothesettingswehadbefore
whichwas:
Table 71 Example Link Budget
Unit/Component Gain/Loss (dB) Accumulated Gain/Loss (dB)
RemoteUnit(RU)
Fiber‐OpticCable
FOI
ICU
BIU
Coupler
WeonlyneedtochangetheBIUsettingusingtheattenuatorsintheBIUtolowerthegainwith5dB.Thiswill
accomplishwhatweneedtodoandtheuplinkshouldthenbecommissioned.
2.8 -5.5 -2.2
3.2 -5.5 -1.8
3.8 -5.5 -1.2
2.6 -5.5 -2.4
Sum of Noise Load 4.1
4.0
4.1
7.1
Desensitization -3.1
40 40
-10 30
20 50
-35 15
015
-15 0

RFCommissioning
112
Practical approach
Nowthatweknowwhatweshouldhavewecaneasilysetthesystemup.Youneedaspectrumanalyzertodothis
anditiseasiesttoconnectitintotheBIUport.Rememberthatwhenyoumeasurehere,thesignalshouldalsogo
throughtheBTScouplerbeforeitreachesthebasestationreceiverport.Thereforeyoushouldexpecttoreada
valuethatis
Yourexpectedgain+thelossinyourcoupler
Ifyouwantanetgainof‐5dBandyouhavea15dBcoupler,youshouldreadanetgainof+10ontheBIUport.This
isnowwhatwearegoingtouseinthefollowingexample.
!
"#
Turn on the RF
ConnecttotheBIUandturnontheRF.Settheattenuatorinthemediumrangefortheuplinkthatyouare
measuring.Thisallowsyoulatertoadjustitupanddownasnecessarytogetthecorrectgainfortheuplinkchain.
Settingthemto10dBisagoodidea.DLsupervisioncanbeleftasisfornowandalsoDLattenuationwhichwewill
setuplater.
ConnecttotheFOIcardandselectOptoandRF–RFConfigandsetitupaccordingtoyourFiber‐DAScalculator
settings.DonotforgettoturnRFon.

FiberDistributedAntennaSystem(FiberDAS)
113
Nextstepistoconnecttotheremoteunitandsetitupfortestmeasurementintheuplink.
InthisscreenyoushouldalsoturnRFon,setthegaintoabout35dBasastartingpointandthenturnontheuplink
testtone.Notethefrequencyofthetesttone,thisisthefrequencyyoushouldbemeasuringonyourspectrum
analyzer.

RFCommissioning
114
Turnonthespectrumanalyzer,makesureitisconnectedtotherightportontherightBIUandthenfindthe
frequency.Areasonablespanis1MHzandthereceiverbandwidthcanbesetto30kHzorsimilar.Usethemarkerto
measurethepeakofthesignal.Thengotothenextscreenontheremoteunit,theRFStatusscreen.
WhatwearelookingforhereistheTesttoneLevel.Notethisdownaswell,nexttothefrequencyofthetesttone
younotedearlier.
Thencheckyourspectrumanalyzer.Assumingyourtesttonelevelis‐62,6dBmasinthisexampleyourspectrum
analyzermayshow‐58,2dBm.CalculatingthenetgainbetweentheRUandtheBIUwillthenyield‐58,2‐‐62,5=4,3
dB.SubtractthecouplerbetweentheBIUandtheradiobasestationwhichinthisexamplewas15dBandweget‐
19,3dBasournetgain.
Wewanted‐10dBsowehave9,3dBtoolowgain.Weshouldthenincreasethegainandthebestplacetodothis
wouldbeintheremoteunitbysettingthegainat35+9,3=44,3whichwewillroundto44dB.
Thatuplinkisnowfinishedandwewillrepeatthesettingsforallofouruplink,oneatatime.
CAUTION
TurnOffTestTone
Donotforgettoturnoffthetesttonewhenyouaredonewithyouruplink.Bettercheckoneextratime.Theywill
otherwiseinterferewiththenormaloperationofthesystembycausingnoisetothebasestation.

115
Chapter 7 Model Identification
System Model Numbers
Examples:
DDR4-GC0-PA1-AD — 4band,33dBmpoweroutputperband,Fullband700combinedwithCell850non
duplexed,PCScombinedwithAWSduplexed,ACpowered,7/1 6 DIN,1310nmuplink
DDR4-GC0-PA1-AD-B12-C34-WUBCS — 4band,33dBmpoweroutputperband,Fullband700combined
withCell850nonduplexed,PCScombinedwithAWSduplexed,ACpowered,7/1 6 DIN,Bands1and2(700and850)
1290nmuplink,Bands2and3(PCS&AWS)1310nmuplink,CWDM,fibersplit(3dB)fordaisychainedremotes
CWDM
Optical Split
Wavelength FOR 1
B
Voltage
A
FOR 1 Band 1
1
Connectors
D
WDM
W
Frequency
G
Frequency
C
Duplexed
0
Duplexed
0
Sub-family
R
Product Family
DD
Number of Bands
4
Frequency
G
Frequency
C
Duplexed
0
Duplexed
0
FOR 1 Band 2
2W B
UCS
C
Wavelength FOR 2
3
FOR 2 Band 1
H
Wavelength FOR 3
3
FOR 3 Band 1
Family:
DDU - 46 dBm Full Band
DDH - 43 dBm Full Band
DDS - 41 dBm Single Carrier
DDR - 33 dBm Full Band
DDL - 23 dBm Full Band
DDX - Mixed Power Levels
Frequency:
R - FM Radio
V - VHF (136-174)
T - Tetra (380-400)
M - Gov (406-420)
B - Tetra (410-415/420-425)
O - Tetra (415-420/425-430)
X - CDMA450 (453-457.5/463-467.5)
U - UHF (450-470)
Q - 500MHz T-Band (470-512)
L - Lower 700
H - Higher 700
G - 700 Full Band
F - PS 700 (793-805) FirstNet & NB
S - 800 SMR
J - DD 800
C - Cell 850
N - 900 PS
Y - GSMR
Z - EGSM900
D - DCS (1800)
P - PCS
I - UMTS (1900/2100)
A - AWS (1700/2100)
K - AWS & AWS3
E - IMT-E (2600)
Duplexed or DDX Pwr Lvl:
0 - Non-duplexed
1 - Duplexed
For DDX use:
For DDX Pwr Lvl 0 - 9:
0 - Non-duplexed (DDU)
1 - Duplexed (DDU)
2 - Non-duplexed (DDL)
3 - Duplexed (DDL)
4 - Non-Duplexed (DDH)
5 - Duplexed (DDH)
6 - Non-duplexed (DDS)
7 - Duplexed (DDS)
8 - Non-duplexed (DDR)
9 - Duplexed (DDR)
Number of Bands:
1
2
3
4
Voltage:
A - Universal AC
(86-264 AC/DC)
D - 48 VDC
CWDM (option):
WUxxxx - combine multiple
uplink fiber interfaces onto one
fiber - each x denotes a
wavelength (absence of xxxx
implies all UL wavelengths)
WDxxxx - split to multiple
downlink fiber interfaces from
one fiber - each x denotes a
wavelength (absence of xxxx
implies all DL wavelengths)
Connectors:
N - N-type Connectors
D - 7/16 DIN
M - Mini DIN
WDM:
W - Duplexed (UL and DL on
the same fiber)
Wavelength of Uplink:
(FOR2 and FOR3 are optional to
support multiple fiber links)
A - 1270
B - 1290
C - 1310 (default C if omitted)
D - 1330
E - 1350
F - 1370
G - 1390
H - 1410
I - 1430
J - 1450
K - 1470
L - 1490
M - 1510
N - 1530
O - 1550
P - 1570
FOR Bands:
(if omitted than all bands on one
FOR)
Bands for that fiber link (in order
as appear in model #)
i.e. C123 would be standard FOI
driving bands 1, 2, and 3
1
2
3
4
Optical Split (option):
Sx - split the fiber at entry - to
daisy chain other remotes - x is
dB split (3dB equal split if absent)

ModelIdentification
116
Remote End Unit Part Numbers
Note: Theremoteendunitsarecompletelyintegratedatthefactory,thereisnofieldassemblyother
thanmountingandcableconnection.Modulesshouldnotbealteredoncedeployed.
Public Safety DDR Module Numbers
Part Number Frequency Band IC Certification Number
MOD‐DDR‐VVHF‐136‐174MHz 110141A‐DDR1V
MOD‐DDR‐UUHF‐450‐470MHz 110141A‐DDR1U
MOD‐DDR‐QT‐Band‐470‐512MHz 110141A‐DDR1Q
MOD‐DDR‐F700MhzPS 110141A‐DDR1F
MOD‐DDR‐S800MHzPS 110141A‐DDR1S
Cellular DDR Module Numbers
Part Number Frequency Band IC Certification Number
MOD‐DDR‐G700cellfullband 110141A‐DDR700FB
MOD‐DDR‐C850cellband 110141A‐DDR850
MOD‐DDR‐P1900PCS 110141A‐DDR1900
MOD‐DDR‐A2100AWS 110141A‐DDR2100
MOD‐DDR‐E2600 110141A‐DDR2600

FiberDistributedAntennaSystem(FiberDAS)
117