Desa Tech Tc109 Owners Manual
Desa-Tech-Tc108-Owners-Manual desa-tech-tc108-owners-manual
Desa-Tech-Tt30G-Owners-Manual desa-tech-tt30g-owners-manual
Desa-Tech-Spc-30Rg-Owners-Manual desa-tech-spc-30rg-owners-manual
Desa-Tech-Spc-15Rgsp-Owners-Manual desa-tech-spc-15rgsp-owners-manual
Desa-Tech-Spc-15Rg-Owners-Manual desa-tech-spc-15rg-owners-manual
2014-07-19
: Desa-Tech Desa-Tech-Tc109-Owners-Manual desa-tech-tc109-owners-manual desa-tech pdf
Open the PDF directly: View PDF
.
Page Count: 36
- Specifications
- Safety
- Assembly
- Operation
- Maintenance and Storage
- Servicing
- Replacement Parts
- Technical Service
- Parts
- Warranty
- Calentador infrarrojo montable en tanque Manual del propietario
- Especificaciones
- Seguridad
- Ensamblaje
- Funcionamiento
- Mantenimiento y almacenamiento
- Reparaciones
- Piezas de repuesto
- Servicio técnico
- Piezas
- Garantía
- Appareil de chauffage à infrarouge à monter sur réservoir Manuel d’utilisation
- Spécifications
- Sécurité
- D’assemblage
- Fonctionnement
- Entretien et entreposage
- Réparation
- Pièces de rechange
- Service technique
- Pièces
- Garantie

Infra-Red Heater Tank Top Heater
Owner’s Manual
SINGLE BURNER MODELS
10,000-15,000 BTU
DUAL BURNER MODELS
10,000-30,000 BTU
FOR YOUR SAFETY
If you smell gas:
1. Shut off gas to appli-
ance.
2. Extinguish any open
ame.
FOR YOUR SAFETY
Do not store or use gaso-
line or other ammable
vapors and liquids in the
vicinity of this or any other
appliance.
DANGER CARBON MONOXIDE HAZARD
This appliance can produce carbon mon-
oxide which has no odor.
Using it in an enclosed space can kill you.
Never use this appliance in an enclosed
space such as a camper, tent, car, or home.
Save this manual for future reference.
For more information, visit www.desatech.com
klsuiejlb oeklhi kokle ,,;log;e ;;pdl;l klsuiejlb
kfds fgh fghfdg hlkrjty reti4m fifjeoc mazn
klsuiejlb oeklhi kokle ,,;log;e ;;pdl;l klsuiejlb
kfdfgs dfgh yurrtllcvb j erg mazn bwsjdsg g
;
e
klsu
iejlb oeklhi kokle ,,;log;e ;;pdl;l klsuiejlb
kfdsfgh hlkrjty reti4m fifjeoc mazn
klsuiejlb oeklhi kokle ,,;log;e ;;pdl;l klsuiejlb
kfdsfgh fghfdg hlkrjty reti4m fifjeoc mazn
kfdsfgh fghfdg hlkrjty reti4m fifjeoc mazn
klsuiejlb oeklh
i
kokle ,,;log;e ;;pdl;l k
l
suiejl
b
kfdsfgh fghfdg hlkrjty reti4m fifjeoc mazn
klsuiejlb oeklhi kokle ,,;log;e ;;pdl;l klsuiejlb
kfdsfgh fghfdg hlkrjty reti4m fifjeoc mazn
klsuiejlb oeklhi kokfdfgs dfgh yurrtllcvb j erg
klsuiejlb oeklhi kokle ,,;log;e ;;pdl;l klsuiejlb
kfdsfgh fghfdg hlkrjty reti4m fifjeoc mazn
klsuiejlb oeklhi kokle ,,;log;e ;;pdl;l klsuiejlb
kfdsfgh fghfdg hlkrjty reti4m fifjeoc mazn
klsuiejlbkfdfgs dfgh yurrtllcvb j erg mazn
Two burner
Tank Top
shown

www.desatech.com 117240-01D2
IMPORTANT: Read and understand this manual before
assembling, starting or servicing heater. Improper use
of heater can cause serious injury. Keep this manual for
future reference.
GENERAL HAZARD WARNING:
Failure to comply with the precautions and instructions
provided with this heater, can result in death, serious
bodily injury and property loss or damage from hazards
of re, explosion, burn, asphyxiation, carbon monoxide
poisoning, and/or electrical shock.
Only persons who can understand and follow the instruc-
tions should use or service this heater.
If you need assistance or heater information such as an in-
structions manual, labels, etc. contact the manufacturer.
SPECIFICATIONS
15,000 BTU/HR MODELS
•
Rating: 10,000 - 15,000 Btu/hr (3.0 - 4.4 kW)
• Type of Gas: Propane/LP Only
• Ignition: Match Light
• Gas Supply Pressure to regulator:
Max - Tank Pressure, Min - 20 psi (1.37 bar)
• Regulator Outlet Pressure: 10 - 18 psi (0.68
bar - 1.2 bar)
• Minimum Ambient Temp. Rating:
0° F (-17.8° C)
• Fuel Consumption per 20 lb. Cylinder:
36 hours
30,000 BTU/HR MODELS
•
Rating: 10,000 - 30,000 Btu/hr (3.0 - 8.8 kW)
• Type of Gas: Propane/LP Only
• Ignition: Piezo
• Gas Supply Pressure to regulator:
Max - Tank Pressure, Min - 20 psi (1.37 bar)
• Regulator Outlet Pressure: 10 - 18 psi (0.68
bar - 1.2 bar)
• Minimum Ambient Temp. Rating:
0° F (-17.8° C)
• Fuel Consumption per 20 lb. Cylinder:
18 hours
TABLE OF CONTENTS
Specications ...................................................... 2
Safety .................................................................. 3
Assembly ............................................................. 4
Operation ............................................................. 5
Maintenance and Storage ................................... 6
Servicing .............................................................. 7
Replacement Parts .............................................. 7
Technical Service................................................. 7
Parts .................................................................... 8
Warranty ............................................................ 10

www.desatech.com
117240-01D 3
SAFETY
1. Keep children and animals away from
heater.
2. Never operate heater while sleeping or
unattended.
3. Check the heater thoroughly for damage.
Do not operate a damaged heater.
4. Do not modify the heater or operate a
heater which has been modied from its
original condition.
5. Use only propane/LP gas.
6. Use only vapor withdrawal propane/LP
supply. If there is any question about
vapor withdrawal, ask your propane/LP
dealer.
7. For outdoor use only. Area must be well
ventilated. Provide minimum openings of
1 sq ft (0.093 m²) near the oor and 1 sq ft.
(0.093 m²) near the ceiling. Do not use
inside house, camper, tent, vehicle, or any
type of unvented or enclosed area.
8. Do not use heater in basement or below
ground level.
9. Before connecting heater to the propane/LP
tank, make sure the heater regulator knob
is in the OFF position. Always connect and
light heater in areas free of open ames.
10. Mount the propane/LP cylinders vertically
(shutoff valve up). Secure them from fall-
ing or being knocked over and protect
them from damage.
11. IMPORTANT: Use only hose and regulator
assembly provided with the dual burner
tank top heater. Inspect hose assembly
before each use. If there is excessive
abrasion or wear, or hose is cut, replace
with hose assembly listed on parts list
before using heater. Hose and regulator
must be protected from damage.
12. The heater burner must be at least 2 ft.
(0.61 m) above the oor. Always attach
to propane/LP tank in an upright position.
Never operate a heater on its side or at-
tach to propane/LP tank in a horizontal
position. This could lead to dangerous
are-ups or re. Do not direct heat toward
propane/LP cylinders.
13. Maintain minimum clearance from normal
combustible materials (like paper) as fol-
lows: Sides - 3 ft. (0.91 m); Top and Front
- 5 ft. (1.5 m). Locate 10 ft. (3 m) from
canvas or plastic tarpaulins or similar cov-
erings and secure them to prevent apping
or movement due to wind action.
WARNING: This product
contains and/or generates
chemicals known to the State
of California to cause cancer or
birth defects, or other reproduc-
tive harm.
WARNING: Not for home or
recreational vehicle use.
WARNING: Fire, burn, inhala-
tion, and explosion hazard. Keep
solid combustibles, such as build-
ing materials, paper or cardboard,
a safe distance away from the
heater as recommended by the
instructions. Never use the heater
in spaces which do or may contain
volatile or airborne combustibles,
or products such as gasoline, sol-
vents, paint thinner, dust particles
or unknown chemicals.
ASPHYXIATION HAZARD
• Do not use this heater for heating human
living quarters.
• Do not use in unventilated areas.
• The ow of combustion and ventilation
air must not be obstructed.
• Proper ventilation air must be provided
to support the combustion air require-
ments of the heater being used.
• Refer to the specification section of
the heater’s manual, heater data plate,
or contact DESA Heating Products to
determine combustion air ventilation
requirements of the heater.
• Lack of proper ventilation air will lead
to improper combustion.
• Improper combustion can lead to car-
bon monoxide poisoning leading to
serious injury or death. Symptom of
carbon monoxide poisoning can include
headaches dizziness and difculty in
breathing.

www.desatech.com 117240-01D4
Figure 1 - Attaching Burner Head
Assembly to Support Arm
14. If at any time gas odor is detected, IM-
MEDIATELY DISCONTINUE operation
until the source of gas has been located
and corrected.
15. Install the heater such that it is not directly
exposed to water spray, rain, dripping
water and/or wind.
16. Operate only on a stable, level surface.
17. Due to the high surface and exhaust
temperatures, adults and children must
observe clearances to avoid burns or
clothing ignition.
18. Do not move, handle or service while hot
or burning. Do not attach or remove a hot
or operating heater from the propane/LP
tank.
SAFETY
Continued
Burner Head
Assembly
Support
Arm
Burner Head
Mounting Bracket
Screw
Slot
Air Hole
Figure 2 - Attaching Electrode Wires to
Piezo Ignitor
Piezo Ignitor
Electrode Wires
19. Before each use, check heater for leaks.
Never use an open ame to check for
leaks. Apply a mixture of liquid soap and
water to all joints. Bubbles forming show
a leak. Correct all leaks.
20. Keep all connections and ttings clean.
Make sure propane/LP tank valve is clean.
Check "O" ring on heater inlet fuel valve
connector for damage before each use.
Replace if worn or damaged.
21. Use only in accordance with local codes
or, in the absence of local codes, with the
Standard for the Storage and Handling of
Liqueed Petroleum Gases ANSI/NFPA
58 and CSA B149.1, Natural Gas and
Propane Installation Code.
ASSEMBLY
Estimated assembly time: 10 minutes
Tools required:
• Flat head screwdriver
• 7/8" wrench
Hardware packet provided with heater may
contain more parts than needed for heater
assembly. Hardware packet contains the fol-
lowing parts shown on page 8 (quantity used
in parenthesis):
Description Part No.
Burner Head Mounting Bracket (2) 114099-01
Screw (2) 114145-01
Support Arm Bracket (1) 114096-01
Wing Nut (2) 115063-01
Screw, 5/6"-18 x 1.25 (2) 115062-01
30,000 BTU MODELS ONLY
1. Inspect heater components for possible
shipping damage. If any is found, imme-
diately notify dealer. Check to make sure
that all components are included with your
heater (see pages 8 and 9).
2. Mount burner assembly onto support arm
using burner head mounting brackets and
screws as shown in Figure 1. Place side
of bracket into the slot on support arm.
Secure with screw. Make certain that the
air holes on the sides of the burner tube
are not blocked. Securely tighten the
burners into place.
3. Attach the electrode wires to the piezo
ignitor as shown in Figure 2.

www.desatech.com
117240-01D 5
OPERATION
Figure 3 - Attaching Support Arm and
Regulator to Propane/LP Tank
Regulator
Support
Arm
Bolt
Support Arm
Bracket
Red Button
on Safety
Valve
TO START HEATER
WARNING: When lighting
the heater DO NOT look over
top of heater (reector). Stand
to the side of the heater during
ignition. Do not stand or have
any part of your body in front
of the heater.
WARNING: MAKE SURE
THERE IS NO OPEN FLAME IN
THE AREA. Fully open the valve
on the propane/LP cylinder.
Read all lighting instructions before attempting
to ignite heater.
1. Turn the heater regulator knob counter-
clockwise to the HI position.
2. Repeatedly push and release the piezo
ignitor (dual burner), or place a lighted
match near the face of the heating ele-
ment (mesh screen) of the burner you are
lighting, using the hole located on the side
of the reector. See Figure 4.
CAUTION: Do not light at
the orice.
3. Press red button on safety valve admitting
gas to burner (see Figure 4).
WARNING: Do not press red
valve button before repeatedly
activating the piezo or inserting
match.
Figure 4 - Lighting Heater With a Match
1. Check heater for damage. If heater is
damaged, promptly inform dealer where
you bought heater.
2. Follow all of the safety and operating
precautions.
3. Check the "O" ring on the POL before
each use. Replace "O" ring if there is any
sign of wear or damage.
4. Make sure heater regulator knob is in the
OFF position.
5. 30,000 Btu Models Only Attach the
heater to the guard on the propane/LP
cylinder with support arm on the inside
of guard and bolts through two holes in
guard (see Figure 3). Tighten support arm
bracket into place using provided wing
nuts.
6. For All Models Connect POL tting at
regulator to propane/LP cylinder by rotat-
ing POL nut counter clockwise into the
propane/LP cylinder's valve outlet and
securely tighten with a wrench.
WARNING: Attach heater in
upright position. Never attach
heater in a horizontal position.
This could lead to dangerous
are-ups or re.
7. Securely tighten all gas connections.
8. Open the cylinder's gas valve and check
all connections for leaks. Apply a noncor-
rosive leak detection uid to gas joints.
Bubbles forming show a leak that must
be corrected. DO NOT USE A FLAME.
Manual
Lighting
Hole

www.desatech.com 117240-01D6
4. When the gas on the face of mesh screen
lights, continue to hold valve button
pressed for 30 seconds, then release.
5. If ame goes out, wait 5 minutes and
repeat lighting procedure.
6. If heater will not light after repeated tries,
do not attempt to repair heater. Return
heater to nearest authorized service cen-
ter or to manufacturer of this product.
7. For dual burner models, repeat steps 1
through 4 to ignite the other burner.
8. After both burners or single burner, are lit,
turn heater regulator knob to the desired
heat setting (LOW, MED, HI).
6 heat setting combinations:
Burner #1 Burner #2
LOW OFF
MED OFF
HI OFF
LOW LOW
MED MED
HI HI
OPERATION
Continued
MAINTENANCE AND STORAGE
TO STOP HEATER
1. Securely close valve on propane/LP cyl-
inder.
2. Turn heater regulator knob to the OFF
position. Wait 15 minutes for heater to
cool down before handling heater.
3. Always remove heater from propane/LP
tank after each use. Do not store heater
while attached to propane/LP tank. Re-
move heater from propane/LP tank by
turning fuel connector nut clockwise.
Always store propane/LP tank outdoors.
Never store propane/LP tank in an en-
closed area.
TO RESTART HEATER
1. Securely close valve at propane/LP
cylinder.
2. Wait 5 minutes.
3. Restart following To Start Heater proce-
dure, page 5.
1. Inspect heater before each use. Check
connections for leaks. Apply a noncor-
rosive leak detection uid to connections.
Bubbles forming show a leak that must be
corrected. Correct all leaks at once. Have
heater inspected at least annually by a
qualied service person.
2. Before each use, check the soft "O" ring
seat at the bullnose of the POL tting. If
"O" ring is cut, scuffed, or otherwise dam-
aged, replace it with part number 6681.
3. Inspect hose/regulator assembly before
each use. If hose is highly worn or cut,
replace.
3. Turn off gas at propane/LP gas supply
cylinder when heater is not in use.
4. When heater is to be stored, connection
between propane/LP gas supply cylinder
and heater must be disconnected and
cylinder removed from heater and stored
out of doors and in accordance with
Chapter 5 of the standard for Storage and
Handling of Liqueed Petroleum Gases
ANSI/NFPA 58.

www.desatech.com
117240-01D 7
SERVICING
WARNING: Use only original
replacement parts. This heater
must use design-specic parts.
Do not substitute or use generic
parts. Improper replacement
parts could cause serious or fa-
tal injuries. This will also protect
your warranty coverage for parts
replaced under warranty.
PARTS UNDER WARRANTY
Contact authorized dealers of this product. If
they can’t supply original replacement part(s),
either contact your nearest Parts Central or
call DESA Heating Products’ Technical Ser-
vice Department at 1-866-672-6040.
A hazardous condition may result if a heater
is used that has been modied or is not func-
tioning properly. When the heater is working
properly:
• Emitter screen is glowing bright orange-
red.
• There are no ames above burner.
• Flame is burning on surface of screen and
not inside burner (ashback).
• There is no strong disagreeable odor, eye
burning or other physical discomfort.
• There is no smoke or soot internal or ex-
ternal to heater.
• There are no unplanned or unexplained
shut downs of heater.
The parts lists and exploded view show
heater as it was constructed. Do not use a
heater which is different from that shown.
In this regard, use only the hose, regulator
and cylinder connection tting (called a POL
tting) supplied with heater. IMPORTANT:
For this heater, regulator must be set as
shown in Specications, page 2. If there is
any uncertainty about regulator setting, have
it checked.
REPLACEMENT PARTS
When calling DESA Heating Products, have
ready
• your name
• your address
• model number of your heater
• how heater was malfunctioning
• purchase date
PARTS NOT UNDER WARRANTY
Contact authorized dealers of this product.
If they can’t supply original replacement
part(s), either contact your nearest Parts
Central (listed in Authorized Service Center
booklet) or call DESA Heating Products at
1-866-672-6040 for referral information.
When calling DESA Heating Products, have
ready
• model number of your heater
• the replacement part number
TECHNICAL SERVICE
A heater which is not working right must be
repaired, but only by a trained, experienced
service person. To nd the service center
closest to you, or if you have further ques-
tions about this heater, contact DESA Heat-
ing Products’ Technical Service Department
at 1-866-672-6040. When calling, please
have your model and serial numbers of your
heater ready.
You can also visit DESA Heating Products’
Technical Service web site at
www.desatech.com.
You may also obtain in-warranty or out-of-
warranty service by taking the product to your
local service center.

www.desatech.com 117240-01D8
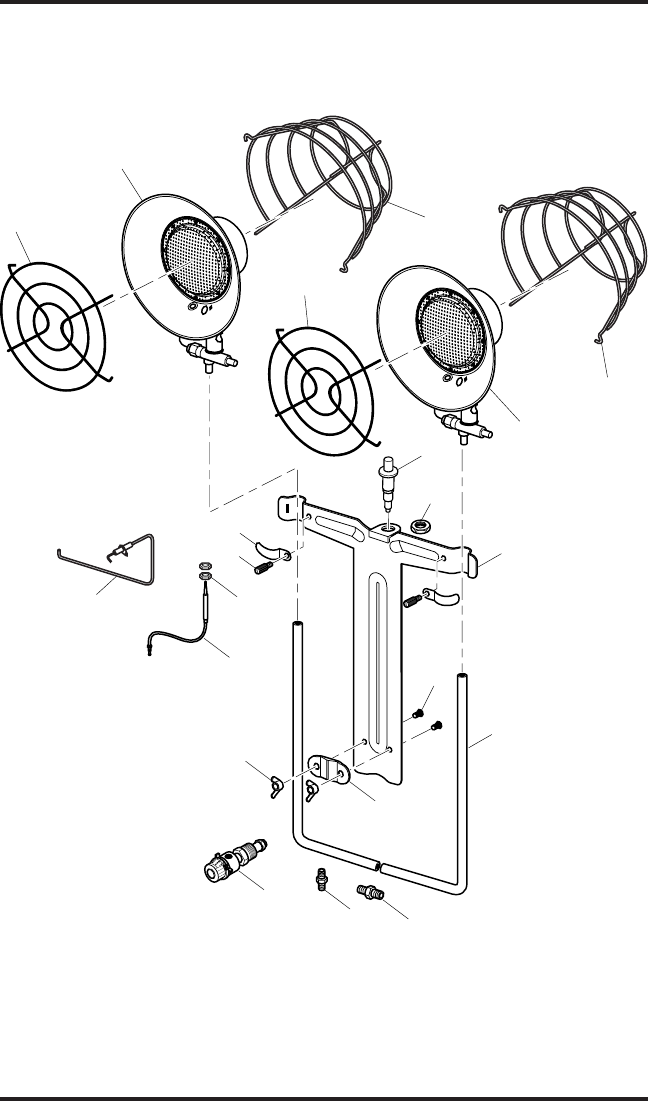
PARTS
MODELS SPC-30RG, HD30G, TT30G
2
1
2
3
4
6
75
8
18
9
10
11
12
17
13
14
15
1
16
16

www.desatech.com
117240-01D 9
PARTS
MODELS SPC-15RG, HD15G, TC108, TC109, TT15G
This list contains replaceable parts used in your heater. When ordering parts, follow the
instructions listed under Replacement Parts on page 7 of this manual.
KEY
NO. PART NO. DESCRIPTION QTY.
1 114092-01 Burner Head Assembly • • 1-2
2 100911-01 Grille • • 1-2
3 097159-05 Piezo Ignitor • 1
4 102334-01 Nut, Piezo • 1
5 114095-01 Support Arm • 1
6 114099-01 Burner Head Mounting Bracket • 2
7 114145-01 Screw • 2
8 114093-01 Hose Assembly • 2
9 114096-01 Support Arm Bracket • 1
10 114098-01 Fitting • 1
11 114097-01 Fitting • 1
12 LPA2025 POL Excess Flow/Regulator • • 2-1
13 114100-01 Thermocouple • • 1-2
14 100898-01 Thermocouple Nut • • 2-4
15 114094-01 Electrode Assembly (Round) • 1
114094-02 Electrode Assembly (Flat) • 1
16 116995-01 Rear Guard • • 1-2
17 115063-01 Wing Nut • • 2
18 115062-01 Screw 5/16-18 x 1.25 • • 2
PARTS AVAILABLE - NOT SHOWN
114091-07 Instruction Hang Tag (English) • 1
114091-10 Instruction Hang Tag (English) • 1
114091-08 Instruction Hang Tag (Spanish) • 1
114091-11 Instruction Hang Tag (Spanish) • 1
114091-09 Instruction Hang Tag (French) • 1
114091-12 Instruction Hang Tag (French) • 1
LPA5050 Replacement Screen Assembly • • 1-2
2
12
13
14
1
16
30,000 Btu
15,000 Btu

LIMITED WARRANTIES FOR NEW AND FACTORY
RECONDITIONED PRODUCTS
New Products: DESA Heating, LLC warrants this heater and any parts thereof, to be free of defects
in materials and workmanship for one (1) year from the date of rst purchase, when operated and
maintained in accordance with the manufacturer's instructions. These warranties are extended only to
the original retail purchaser, when proof of purchase is provided.
Factory Reconditioned Heaters: DESA Heating, LLC warrants this factory reconditioned heater and
any parts thereof, to be free of defects in materials and workmanship for thirty (30) days from the date of
rst purchase, when operated and maintained in accordance with the manufacturer's instructions. These
warranties are extended only to the original retail purchaser, when proof of purchase is provided.
This warranty is extended only to the original retail purchaser. This warranty covers only the cost of
parts required to restore this heater to proper operating condition. Warranty parts must be obtained
through authorized dealers of this product and/or DESA Heating, LLC who will provide original factory
replacement parts. Failure to use original factory replacement parts voids this warranty. The heater must
be used in accordance with all local codes and instructions furnished with the unit.
This warranty does not apply to parts that are not in original condition because of normal wear and
tear, or parts that fail or become damaged as a result of misuse, accidents, lack of proper maintenance,
alteration, tampering, contaminated fuels, or defects caused by improper installation. Travel, transporta-
tion and incidental costs associated with warranty repair are not reimbursable under this warranty and
are the responsibility of the owner.
To the full extent allowed by the law of the jurisdiction that governs the sale of the product: This express
warranty excludes any and all other expressed warranties of merchantability and tness for a particular
purpose to ONE YEAR from the date of rst purchase: and DESA Heating, LLC’s liability is hereby
limited to the purchase price of the product and DESA Heating, LLC shall not be liable for any other
damages whatsoever including indirect, incidental or consequential damages.
Some states do not allow a limitation on how long an implied warranty lasts or an exclusion or limitation
of incidental or consequential damages, so the above limitation on implied warranties, or exclusion or
limitation on damages may not apply to you.
This warranty provides the original retail purchaser with specic legal rights. For specic information
regarding those rights, please consult the applicable state laws.
WARRANTY
KEEP THIS WARRANTY
Model __________________________________
Serial No. _______________________________
Date of Purchase _________________________
117240-01
Rev. D
04/07
DESA Heating, LLC
2701 Industrial Drive
P.O. Box 90004
Bowling Green, KY 42102-9004
www.desatech.com
1-866-672-6040

klsuiejlb oeklhi kokle ,,;log;e ;;pdl;l klsuiejlb
kfds fgh fghfdg hlkrjty reti4m fifjeoc mazn
klsuiejlb oeklhi kokle ,,;log;e ;;pdl;l klsuiejlb
kfdfgs dfgh yurrtllcvb j erg mazn bwsjdsg g;e
klsuiejlb oeklhi kokle ,,;log;e ;;pdl;l klsuiejlb
kfdsfgh hlkrjty reti4m fifjeoc mazn
klsuiejlb oeklhi kokle ,,;log;e ;;pdl;l klsuiejlb
kfdsfgh fghfdg hlkrjty reti4m fifjeoc mazn
kfdsfgh fghfdg hlkrjty reti4m fifjeoc mazn
klsuiejlb oeklh
i kokle ,,;log;e ;;pdl;l klsuiejlb
k
fdsfgh fghfdg hlkrjty reti4m fifjeoc mazn
klsuiejlb oeklhi kokle ,,;log;e ;;pdl;l klsuiejlb
kfdsfgh fghfdg hlkrjty reti4m fifjeoc mazn
klsuiejlb oeklhi kokfdfgs dfgh yurrtllcvb j erg
klsuiejlb oeklhi kokle ,,;log;e ;;pdl;l klsuiejlb
kfdsfgh fghfdg hlkrjty reti4m fifjeoc mazn
klsuiejlb oeklhi kokle ,,;log;e ;;pdl;l klsuiejlb
kfdsfgh fghfdg hlkrjty reti4m fifjeoc mazn
klsuiejlbkfdfgs dfgh yurrtllcvb j erg mazn
PELIGRO DE MONÓXIDO DE CARBONO
Este aparato puede producir monóxido de
carbono que no tiene olor.
Su uso en un espacio cerrado puede matarlo.
Nunca utilice este aparato en un espacio cerra-
do tal como una casa rodante, una tienda de
campaña, un automóvil o una casa.
Calentador infrarrojo montable en tanque
Manual del propietario
MODELOS CON UN SOLO QUEMADOR
10,000-15,000 BTU
MODELOS CON DOBLE QUEMADOR
10,000-30,000 BTU
PARA SU SEGURIDAD
Si percibe olor a gas:
1. Cierre el suministro de
gas al aparato.
2. Extinga las llamas al
descubierto.
PELIGRO
Guarde este manual para futuras referencias.
Para obtener mayor información, visite el sitio www.desatech.com
Se muestra el calenta-
dor de dos quemadores
montable en tanque
PARA SU SEGURIDAD
No guarde ni utilice ga-
solina u otros vapores y
líquidos inamables cer-
ca de este aparato ni de
cualquier otro.

www.desatech.com 117240-01D2
IMPORTANTE: Lea y comprenda este manual antes de
ensamblar, encender o dar servicio al calentador. El uso
inadecuado del calentador puede causar lesiones gra-
ves. Conserve este manual para referencias futuras.
ADVERTENCIA GENERAL DE PELIGRO:
No cumplir con las precauciones e instrucciones
proporcionadas con este calentador puede causar la
muerte, lesiones físicas graves y pérdidas o daños a
la propiedad debido al peligro de incendio, explosión,
quemaduras, asxia, intoxicación con monóxido de
carbono y/o choques eléctricos.
Únicamente las personas que puedan entender y seguir
las instrucciones deberán usar o dar servicio a este
calentador.
Si necesita ayuda o información sobre el calentador,
como manuales de instrucciones, etiquetas, etc., co-
muníquese con el fabricante.
ESPECIFICACIONES
15,000 BTU/HR MODELOS
• Clasicación:10,000-15,000BTU/h
(3.0 - 4.4 kW)
• Tipodegas:SólopropanoogasLP
• Encendido:Confósforo
• Presióndelsuministrodegasalregulador:
Máx - presión del tanque, Mín - 20 psi
(1.37bar)
• Presióndesalidadelregulador: 10a18
PSI(0.68bara1.2bar)
• Clasificación de temperatura ambiente
mínima:-17.8°C(0°F)
• Consumodecombustiblepor cilindro de
9.07kg(20lb):36horas
30,000 BTU/HR MODELOS
• Clasicación:10,000-30,000BTU/h
(3.0-8.8kW)
• Tipodegas:SólopropanoogasLP
• Encendido:piezoeléctrico
• Presióndelsuministrodegasalregulador:
Máx - presión del tanque, Mín - 20 psi
(1.37bar)
• Presióndesalidadelregulador: 10a18
PSI(0.68bara1.2bar)
• Clasificación de temperatura ambiente
mínima:-17.8°C(0°F)
• Consumodecombustiblepor cilindro de
9.07kg(20lb):18horas
TABLA DE CONTENIDO
Especicaciones .................................................. 2
Seguridad ............................................................ 3
Ensamblaje .......................................................... 5
Funcionamiento ................................................... 6
Mantenimientoyalmacenamiento ....................... 8
Reparaciones ...................................................... 8
Piezasderepuesto .............................................. 9
Serviciotécnico ................................................... 9
Piezas ................................................................ 10
Garantía............................................................. 12

www.desatech.com
117240-01D 3
• La combustión incorrecta puede gene-
rar intoxicaciones por monóxido de car-
bono que pueden resultar en lesiones
graves o en la muerte. Los síntomas de
la intoxicación con monóxido de car-
bono pueden incluir dolores de cabeza,
mareos y dicultad para respirar.
1. Evite que los niños y los animales se
acerquenalcalentador.
2. Nunca deje funcionando el calentador
desatendidoomientrasduerme.
3. Reviseelcalentadorcompletamentepara
versipresentadaños.Nohagafuncionar
uncalentadordañado.
4. Nomodiqueelcalentadornihagafuncio-
naruncalentadorquehasidosometidoa
modicacionesdesucondiciónoriginal.
5. UtiliceúnicamentegaspropanooLP.
6. Utiliceúnicamentesuministrosdepropa-
noogasLPconextraccióndevapores.
Si tiene alguna pregunta acerca de la
extraccióndevapores,preguntealdistri-
buidordepropanoogasLP.
7. Parausoenexterioressolamente.Elárea
debeestarbienventilada.Procureporlo
menosaberturasde0.093m2(1pie2)cerca
delpisoyde0.093m2(1pie2)cercadel
techo.Noloutilicedentrodeunacasa,
casarodante,tiendadecampaña,vehí-
culo,nidecualquiertipodeáreacerrada
sinventilación.
8. No use el calentador en un sótano ni
debajodelniveldelsuelo.
9. Antesdeconectarelcalentadoraltanque
depropanoogasLP,asegúresedeque
laperilladelreguladordelcalentadoresté
enlaposiciónde“APAGADO”.Siempre
conecteyenciendaelcalentadorenáreas
dondenohayallamasaldescubierto.
10.ColoqueloscilindrosdepropanoogasLP
deformavertical(conlaválvuladecierre
haciaarriba).Asegúrelosparaquenose
caigannilospuedanvolcaryprotéjalos
dedaños.
SEGURIDAD
ADVERTENCIA: Este pro-
ducto contiene y/o genera quími-
cos que el Estado de California
reconoce que causan cáncer,
defectos de nacimiento u otros
daños relacionados con la re-
producción.
ADVERTENCIA: No usar
en residencias ni en vehículos
recreativos.
ADVERTENCIA: Peligro de in-
cendio, quemaduras, inhalación y
explosión. Mantenga los combus-
tibles sólidos, como materiales
de construcción, papel o cartón
a una distancia segura del calen-
tador según se recomienda en las
instrucciones. Nunca use el calen-
tador en espacios que contengan
o podrían contener combustibles
volátiles o transportados por
aire o productos como gasolina,
solventes, diluyente de pintura,
partículas de polvo o químicos
desconocidos.
PELIGRO DE ASFIXIA
• No utilice este calentador para la ca-
lefacción de lugares de alojamiento
humano.
• No lo utilice en áreas sin ventilación.
• No se debe obstruir el ujo de aire para
combustión y ventilación.
• Se debe procurar el aire necesario para
ventilación a n de que se cumplan los
requisitos de aire para combustión del
calentador que se está usando.
• Consulte la sección de especicaciones
del manual del calentador, la placa de
datos del mismo o comuníquese con
DESA Heating Products para determinar
los requisitos de ventilación de aire para
combustión del calentador.
• La falta de aire para una ventilación
adecuada producirá una combustión
incorrecta.

www.desatech.com 117240-01D4
11. IMPORTANTE: utilice únicamente el
ensamblaje de manguera y regulador
queseincluyeconelcalentadordedos
quemadoresmontable entanque. Ins-
peccioneelensamblajedelamanguera
antesdecadauso.Sihayrozaduraso
desgaste excesivos, o si la manguera
tienecortaduras,reemplácelaconelen-
samblajedemanqueraqueapareceenla
listadepiezasantesdeusarelcalentador.
Lamanguerayelreguladordebenestar
protegidoscontradaños.
12.Elquemadordelcalentadordebequedar
almenosa61cm(2pies)porencimadel
piso.Siempreconécteloaltanquedepro-
panoogasLPenposiciónvertical.Nunca
haga funcionar el calentador colocado
sobreunodesusladosniloconecteal
tanquedepropanoogasLPenposición
horizontal.Estopuedeproducirllamaradas
peligrosasoincendios.Nodirijaelcalor
hacialoscilindrosdepropanoogasLP.
13.Mantenga las distancias mínimas con
respectoalosmaterialescomunescom-
bustibles(comoelpapel)comoseindica
acontinuación:laterales,91cm(3pies);
partessuperioryanterior,1.5m(5pies).
Sitúeelaparatoa3m(10pies)delonas,
toldoso cubiertassimilares yasegure
éstas para evitar que se sacudan o se
muevanconlaaccióndelviento.
14.Siencualquiermomentopercibeolora
gas, DETENGA INMEDIATAMENTE el
funcionamientodelaparatohastaquela
fuentededondeprovieneelgashayasido
localizadayreparada.
SEGURIDAD
Continuación
15.Instaleelcalentadordemaneraqueno
esté expuesto a rocío de agua, lluvia,
goterasoviento.
16.Hágalofuncionarúnicamentesobreuna
supercieestableynivelada.
17.Los adultosylos niños debenrespetar
lasdistanciasmínimaspara evitarque-
madurasyquelaropaseencienda,pues
la supercie y los conductos de salida
alcanzantemperaturaselevadas.
18.Nolomueva,manipulenireparemientras
estácalienteoencendido.Noinstaleni
retireuncalentadordeltanquedepropa-
noogasLPmientrasestácalienteoen
operación.
19.Antesdecadauso,veriquesielcalen-
tadortienealgunafuga.Nuncauseuna
llamaaldescubiertoparabuscarfugas.
Aplique una mezcla de jabón líquido y
aguaentodaslasuniones.Laformación
de burbujas indicará una fuga. Repare
todaslasfugas.
20.Mantengalimpiastodaslasconexionesy
losniples.Asegúresedequelaválvuladel
tanquedepropanoogasLPestélimpia.
Antesdecadauso, veriquesilajunta
tóricadehuledelconectordelaválvula
decombustibledeentradadelcalentador
ha sufrido algún daño. Reemplácelo si
estágastadoodañado.
21.Utilícelosólosegúnloscódigoslocaleso,
afaltadeéstos,deacuerdoalaNorma
para almacenamiento y manejo de gases
licuados de petróleo ANSI/NFPA 58 y la
norma CSA B149.1, Código de instalación
de gas natural y propano.

www.desatech.com
117240-01D 5
Figura 1 - Conexión del ensamblaje de la
cabeza del quemador al brazo de apoyo
Ensamblajede
lacabezadel
quemador
Brazode
apoyo
Soportedemontajede
lacabezadelquemador
Tornillo
Ranura
Oricio
deaire
Figura 2 - Conexión de los cables del
electrodo al encendedor piezoeléctrico
Encendedorpiezoeléctrico
Cablesdelelectrodo
ENSAMBLAJE
Tiempocalculadodeensamble:10minutos
Herramientasnecesarias:
• Destornilladordecabezaplana
• Llavede7/8"
Elpaquetedetornilleríaqueseincluyecon
elcalentadorpodríaincluirmáspiezasque
lasnecesariasparaensamblarelcalentador.
Elpaquetedetornilleríacontienelaspartes
quesemuestranenlapágina8(semuestra
lacantidadenparéntesis):
Descripción N° de pieza
Soportedemontajedela
cabezadelquemador(2) 114099-01
Tornillo(2) 114145-01
Abrazaderadelbrazodesoporte
(1)114096-01
Tuercamariposa(2) 115063-01
Tornillo,5/6"18x1.25(2) 115062-01
SÓLO PARA MODELOS DE 30,000 BTU
1. Inspeccioneloscomponentesdelcalen-
tadorpara encontrardaños quepueda
habersufrido duranteel transporte.Si
seencuentraalgúndaño,informeinme-
diatamentealdistribuidor.Revíselopara
asegurarsequetodosloscomponentes
estén incluidos con el calentador (con-
sultelaspáginas10y11).
2. Monte el ensamblaje del quemador en
el brazo de apoyo con los soportes de
montajedelacabezadelquemadorylos
tornillos,comosemuestraenlagura1.
Coloqueelladodelsoporteenlaranura
delbrazo deapoyo.Asegúrelocon un
tornillo.Compruebequelosoricios de
aireenloslateralesdeltubodelquemador
noesténbloqueados.Aprietelosquema-
doresrmementeensusitio.
3. Conecteloscablesdelelectrodoalencen-
dedorpiezoeléctricocomosemuestraen
lagura2.

www.desatech.com 117240-01D6
Soportedel
brazodeapoyo
FUNCIONAMIENTO
Figura 3 - Instalación del brazo de apoyo
y el regulador en el tanque de propano
o gas lp
Regulador
Brazode
apoyo
Perno
7. Aprietermementetodaslasconexiones
degas.
8. Abralaválvuladegasdelcilindroyrevise
todaslasconexionesenbuscadefugas.
Apliquelíquidonocorrosivoparadetectar
fugasentodaslasunionesdegas.Lafor-
macióndeburbujasindicaunafugaque
sedebecorregir.NOUSEUNALLAMA.
PARA ENCENDER EL CALENTADOR
ADVERTENCIA: Cuando
encienda el calentador NO lo
vea desde la parte superior del
mismo (el reector). Manténgase
a un lado del calentador durante
el encendido. No se coloque
ni ponga ninguna parte de su
cuerpo frente al calentador.
ADVERTENCIA: ASEGÚRESE
DE QUE NO HAYA LLAMAS AL
DESCUBIERTO EN EL ÁREA.
Abra completamente la válvula del
cilindro de propano o gas LP.
Leatodas lasinstrucciones deencendido
antesdetratardeencenderelcalentador.
1. Girelaperilladelreguladordelcalentador
ensentidocontrarioaldelasmanecillas
delrelojalaposiciónde“ALTO”.
2. Presionevariasveceselencendedorpie-
zoeléctricoysuéltelo(dosquemadores),
obien,acerqueunfósforoencendidoa
lacarátuladelelementodecalefacción
(rejillade alambre)del calentadorque
está encendiendo, a través del oricio
ubicadoenlapartelateraldelreector.
Consultelagura4.
1. Reviseelcalentadorenbuscadedaños.Si
elcalentadorestádañado,informedein-
mediatoaldistribuidoraquienlocompró.
2. Sigatodaslasprecaucionesdeseguridad
yoperación.
3.
Reviselajuntatóricaenlaroscainvertida
antesdecadauso.Reemplacelajuntatórica
sipresentaseñalesdedesgasteodaños.
4. Asegúresedequelaperilladelregulador
del calentador esté en la posición de
“APAGADO”.
5. Sólo en los modelos de 30,000 BTUFije
elcalentadoralresguardodelcilindrode
propanoogasLPconelbrazodeapoyo
enelinteriordelresguardoylospernosen
losdosoriciosdelresguardo(consulte
lagura3).Aprieteelsoportedelbrazo
deapoyoensusitioutilizandolastuercas
mariposaqueseincluyen.
6. Para todos los modelos Conecte el
niplederoscainvertida enelregulador
alcilindrodepropanoogasLPgirando
latuercaderoscainvertidaenelsentido
delasmanecillasdelrelojhaciaelinterior
delasalidadelaválvuladelcilindrode
propanoogasLPyapriételarmemente
conunallave.
ADVERTENCIA: Instale el
calentador en posición vertical.
Nunca instale el calentador en
posición horizontal. Esto puede
producir llamaradas peligrosas
o incendios.
Botónrojoen
laválvulade
seguridad
Figura 4 - Encendido del calentador con
un fósforo
Oriciode
encendido
manual

www.desatech.com
117240-01D 7
PRECAUCIÓN: No lo encien-
da desde el oricio.
3. Oprima el botón rojo en la válvula de
seguridadparaquesepermitalaentrada
degasalquemador(consultelagura4,
página6).
ADVERTENCIA: No oprima
el botón rojo de la válvula an-
tes de activar repetidamente el
encendedor piezoeléctrico o de
introducir un fósforo.
4. Cuandoseenciendaelgasenlarejillade
alambre,mantengapresionadoelbotón
delaválvuladurante30segundosyluego
suéltelo.
5. Silallamaseapaga,espere5minutosy
repitaelprocedimientodeencendido.
6. Sielcalentadornoenciendedespuésde
variosintentos,nointenterepararelca-
lentador.Devuelvaelcalentadoralcentro
deservicioautorizadomáscercanooal
fabricantedelproducto.
7. Para los modelos de dos quemadores,
repitalospasos1a4paraencenderel
otroquemador.
8. Unavezqueambosquemadoresoque
unquemadoresténencendidos,girela
perilladelreguladordel calentadorala
conguracióndecalordeseada (BAJO,
MEDIO,ALTO).
6 combinaciones de intensidad de calor:
Quemadorn°1 Quemadorn°2
BAJO APAGADO
MED APAGADO
ALTO APAGADO
BAJO BAJO
MED MED
ALTO ALTO
FUNCIONAMIENTO
Continuación
PARA APAGAR EL CALENTADOR
1. Cierrermementelaválvuladelcilindro
depropanoogasLP.
2. Girelaperilladelreguladordelcalentador
hacialaposiciónde“APAGADO”.Espere
15minutosaqueseenfríeelcalentador
antesdemanipularlo.
3. Siempre desmonte el calentador del
tanque de propano o gas LP después
decada uso.No guarde el calentador
mientrasestáinstaladoeneltanquede
propanoo gasLP. Retireel calentador
deltanquedepropanoogasLPgirando
la tuerca del conector de combustible
enelsentidodelasmanecillasdelreloj.
Siempreguardelostanquesdepropano
ogasLPenelexterior.Nuncaguardeel
tanquedepropanoogasLPenunárea
cerrada.
PARA VOLVER A ENCENDER EL
CALENTADOR
1. Cierrermementelaválvuladelcilindro
depropanoogasLP.
2. Espere5minutos.
3. Vuelvaaencendersiguiendoelprocedi-
mientoPara encender el calentadordela
página6.

www.desatech.com 117240-01D8
1. Inspeccionealcalentadorantesdecada
uso.Reviselasconexionesenbuscade
fugas.Apliquelíquidonocorrosivopara
detectarfugasentodaslasunionesde
gas. La formación de burbujas indica
unafugaquesedebecorregir.Repare
todaslasfugasinmediatamente.Haga
queunapersonacapacitadadeservicio
inspeccioneelcalentadoralmenosuna
vezcadaaño.
2. Antesdecadauso,veriqueelapoyode
lajuntatóricaenlaesquinaredondeada
del niple de rosca invertida. Si la junta
tóricapresenta cortaduras,rasguños u
otrotipo dedaño, reemplácelacon el
repuestonúmero6681.
3. Inspeccioneelensamblajede mangue-
ra-regulador antes de cada uso. Si la
mangueraestá muydesgastada ocon
roturas,reemplácela.
3. Cierreelgasenelcilindrodesuministro
propanoogasLPcuandoelcalentador
noestéenuso.
4. Cuandoelcalentadorsevaaguardar,se
debedesconectarlaconexiónentreelci-
lindrodesuministrodegaspropanooLP
yelcalentador,yelcilindrosedeberetirar
delcalentadoryguardarseenelexterior,
segúnloestipuladoenelcapítulo5dela
Norma de almacenamiento y manejo de
gas licuado de petróleo ANSI/NFPA 58.
MANTENIMIENTO Y ALMACENAMIENTO
REPARACIONES
Siseutilizauncalentadorquehasidomodica-
dooquenofuncionacorrectamente,sepuede
generarunacondicióndepeligro.Cuandoel
calentadorfuncionacorrectamente:
• La rejilla emisora brilla en color rojo o
naranjaintenso.
• Nohayllamasporencimadelquemador.
• La llama se quema en la supercie de
larejillaynoenelinteriordelquemador
(retornosdellama).
• Noseexperimentanoloresdesagradables
eintensos,ardordeojosniotrasmolestias
físicas.
• Nohayhumonihollíndentroofueradel
calentador.
• El calentador no se apaga repentina e
inexplicablemente.
Laslistasdepiezasylavistaesquemática
muestranlaformaenlaqueelcalentadorestá
construido.Noutiliceuncalentadorquesea
diferentedelquesemuestra.Aesterespecto,
utilicesólolamanguera,elreguladoryelniple
deconexiónalcilindro(conocidocomoniple
deroscainvertida)incluidosconelcalenta-
dor.IMPORTANTE:paraestecalentador,el
reguladorsedebeinstalarcomosemuestra
en las Especicaciones en la página 2. Si
tiene dudas acerca de la conguración del
regulador,hagaquelarevisen.

www.desatech.com
117240-01D 9
PIEZAS DE REPUESTO
ADVERTENCIA: Use sólo
piezas de repuesto originales.
Este calentador debe usar pie-
zas diseñadas especícamente.
No las sustituya ni use piezas
genéricas. El uso de piezas de
repuesto inadecuadas puede
ocasionar lesiones graves o
fatales. Esto también protege-
rá la cobertura de su garantía
para piezas reemplazadas con
garantía.
PIEZAS CON GARANTÍA
Comuníquese con los distribuidores autori-
zadosdeesteproducto.Siellosnopueden
suministrar piezas de repuesto originales,
comuníqueseconlaCentraldepiezasmás
cercanaollameal Departamento deservi-
ciostécnicosdeDESAHeatingProductsal
1-866-672-6040.
SERVICIO TÉCNICO
Siuncalentadornofuncionacorrectamente
debeserreparado,perosólopuedehacerlo
unapersonacapacitadadeservicioyconex-
periencia.Paraencontrarelcentrodeservicio
máscercano,ositienemáspreguntasacerca
delcalentador,comuníqueseconeldeparta-
mentodeserviciotécnicodeDESAHeating
Products,al1-866-672-6040.Alllamar,tenga
alamanolosnúmerosdemodeloyseriede
sucalentador.
Cuandollame aDESA Heating Products,
tengalisto:
• sunombre
• sudirección
• elnúmerodemodelodesucalentador
• lafalladelcalentador
• lafechadecompra
PIEZAS SIN GARANTÍA
Comuníquese con los distribuidores autori-
zadosdeesteproducto.Siellosnopueden
suministrar piezas de repuesto originales,
comuníqueseconlaCentraldepiezasmás
cercana(listadaenelfolletodeCentrosde
servicioautorizados),obien,llameaDESA
Heating Products al 1-866-672-6040 para
obtenerinformacióndereferencia.
Cuandollame aDESA Heating Products,
tengalisto:
• elnúmerodemodelodesucalentador
• elnúmerodelapiezaderepuesto
Tambiénpuedevisitarelsitiowebdeser-
viciotécnicodeDESAHeatingProductsen
www.desatech.com.
Tambiénpuederecibirservicio,cubiertoono
cubiertoporlagarantía,sillevaelproductoal
centrodeserviciolocal.

www.desatech.com 117240-01D10
PIEZAS
MODELOS SPC-30RG, HD30G, TT30G
2
1
2
3
4
6
75
8
18
9
10
11
12
17
13
14
15
1
16
16

www.desatech.com
117240-01D 11
PIEZAS
MODELOS SPC-15RG, HD15G, TC108, TC109, TT15G
Estalistacontienelaspartesreemplazablesutilizadasenelcalentador.Alhacerunpedidode
piezas,sigalasinstruccioneslistadasenPiezas de repuestoenlapágina9deestemanual.
2
12
13
14
1
16
N°
N° DE
PARTE DESCRIPCIÓN CANT
1 114092-01 Ensamblajedelacabezadelquemador • • 1-2
2 100911-01 Parrilla • • 1-2
3097159-05 Encendedorpiezoeléctrico • 1
4 102334-01 Tuerca,piezoeléctrico • 1
5 114095-01 Brazodeapoyo • 1
6114099-01 Soportedemontajedelacabezadelquemador • 2
7114145-01 Tornillo • 2
8114093-01 Ensamblajedelamanguera • 2
9114096-01 Soportedelbrazodeapoyo • 1
10 114098-01 Niple • 1
11 114097-01 Niple • 1
12 LPA2025 Reguladordeexcesodeujoconroscainvertida • • 2-1
13 114100-01 Termopar • • 1-2
14 100898-01 Tuercadeltermopar • • 2-4
15 114094-01 Ensamblajedelelectrodo(Redondo) • 1
114094-02 Ensamblajedelelectrodo(Plano) • 1
16 116995-01 Protectorposterior • • 1-2
17 115063-01 Tuercademariposa • • 2
18 115062-01 Tornillo,5/16",18x1.25 • • 2
PIEZAS DISPONIBLES - (NO SE MUESTRAN)
114091-07 Etiquetacolgantedeinstrucciones(eninglés) • 1
114091-10 Etiquetacolgantedeinstrucciones(eninglés) • 1
114091-08 Etiquetacolgantedeinstrucciones(enespañol) • 1
114091-11 Etiquetacolgantedeinstrucciones(enespañol) • 1
114091-09 Etiquetacolgantedeinstrucciones(enfrancés) • 1
114091-12 Etiquetacolgantedeinstrucciones(enfrancés) • 1
LPA5050 Ensamblajedemalladerepuesto • • 1-2
30,000 Btu
15,000 Btu

GARANTÍA LIMITADA PARA PRODUCTOS NUEVOS
Y REACONDICIONADOS DE FÁBRICA
Productos nuevos:DESAHeating,LLCgarantizaestecalentadorycualquieradelaspiezasinclui-
dascontracualquierdefectodematerialesymanodeobraduranteun(1)añoapartirdelafechade
compra,siempreycuandosehayaoperadoyhayarecibidomantenimientosegúnlasinstruccionesdel
fabricante.Estasgarantíasseextiendensolamentealcompradorminoristaoriginal,cuandosetiene
uncomprobantedecompra.
Calentadores reacondicionados de fábrica:DESAHeating,LLCgarantizaestecalentadorreacondi-
cionadodefábricaycualquieradelaspiezasincluidascontracualquierdefectodematerialesymano
deobradurantetreinta(30)díasapartirdelafechadecompra,siempreycuandosehayaoperado
yhayarecibidomantenimientosegúnlasinstruccionesdelfabricante.Estasgarantíasseextienden
solamentealcompradorminoristaoriginal,cuandosetieneuncomprobantedecompra.
Estagarantíase extiende únicamenteafavordel comprador minoristaoriginal.Estagarantíasólo
cubreelcostodelaspiezasrequeridaspararestablecerestecalentadorasucondicióndeoperación
adecuada.Laspiezasdebenadquirirsepormediodelosdistribuidoresautorizadosdeesteproductoy
pormediodeDESAHeating,LLC,quienesproveeránlaspiezasderepuestooriginalesdefábrica.Si
noseutilizanpiezasderepuestooriginalesdefábrica,estagarantíaquedaráanulada.Elcalentadorse
debeusardeacuerdocontodosloscódigoslocaleseinstruccionesincluidasconlaunidad.
Estagarantíanocubrelaspiezasquenoesténensucondiciónoriginalacausadeldesgasteyroturas
normales,nilaspiezasquefallenosedañencomoresultadodelusoincorrecto,accidentes,faltade
mantenimientoadecuado,alteraciones,manipulaciones,combustiblescontaminadosodefectosoca-
sionadosporunainstalaciónincorrecta.Loscostosdeviaje,transporteeincidentalesrelacionadoscon
lareparaciónbajolagarantíanosonreembolsablesalamparodeestagarantíaysonresponsabilidad
delpropietario.
Hastadondelopermitaleleydelajurisdicciónqueregulalaventadelproducto,estagarantíaexplícita
excluyelasdemásgarantíasexplícitasdeaprovechamientoeidoneidadparaunpropósitoparticular
aUNAÑOapartirdelafechadelaprimeracompra,ylaresponsabilidaddeDESAHeating,LLCse
limitaalpreciodecompradelproductoyDESAHeating,LLCnoseráresponsabledeningúnotrodaño
enabsoluto,inclusodañosindirectos,incidentalesoconsiguientes.
Enalgunosestadosnosepermitenlaslimitacionesencuantoaladuracióndelasgarantíasimplícitas
olasexclusionesolimitacionesdelosdañosincidentalesoconsiguientes,demaneraqueesposible
quelalimitaciónanteriorreferentealasgarantíasimplícitasolaexclusiónolimitacióndedañosno
seapliqueausted.
Estagarantíaotorgaderechoslegalesespecícosalcompradorminoristaoriginal.Paraobtenerinfor-
maciónreferenteaesosderechos,consultelasleyesestatalescorrespondientes.
GARANTÍA
GUARDE ESTA GARANTÍA
Modelo _________________________________
N°deserie ______________________________
Fechadecompra _________________________
117240-01
Rev.D
05/07
DESAHeating,LLC
2701IndustrialDrive
P.O.Box90004
BowlingGreen,KY42102-9004,EE.UU.
www.desatech.com
1-866-672-6040

klsuiejlb oeklhi kokle ,,;log;e ;;pdl;l klsuiejlb
kfds fgh fghfdg hlkrjty reti4m fifjeoc mazn
klsuiejlb oeklhi kokle ,,;log;e ;;pdl;l klsuiejl
b
kfdfgs dfgh yurrtllcvb j erg mazn bwsjdsg
g
;
e
klsu
iejlb oeklhi kokle ,,;log;e ;;pdl;l klsuiejlb
kfdsfgh hlkrjty reti4m fifjeoc mazn
klsuiejlb oeklhi kokle ,,;log;e ;;pdl;l klsuiejlb
kfdsfgh fghfdg hlkrjty reti4m fifjeoc mazn
kfdsfgh fghfdg hlkrjty reti4m fifjeoc mazn
klsuiejlb oeklh
i
kokle ,,;log;e ;;pdl;l k
l
suiejl
b
kfdsfgh fghfdg hlkrjty reti4m fifjeoc mazn
klsuiejlb oeklhi kokle ,,;log;e ;;pdl;l klsuiejlb
kfdsfgh fghfdg hlkrjty reti4m fifjeoc mazn
klsuiejlb oeklhi kokfdfgs dfgh yurrtllcvb j erg
klsuiejlb oeklhi kokle ,,;log;e ;;pdl;l klsuiejlb
kfdsfgh fghfdg hlkrjty reti4m fifjeoc mazn
klsuiejlb oeklhi kokle ,,;log;e ;;pdl;l klsuiejlb
kfdsfgh fghfdg hlkrjty reti4m fifjeoc mazn
klsuiejlbkfdfgs dfgh yurrtllcvb j erg mazn
Appareil de chauffage à infrarouge à monter sur réservoir
Manuel d’utilisation
MODÈLES Á UN BRÛLEUR
10 000-15 000 BTU
MODÈLES Á DEUX BRÛLEURS
10 000-30 000 BTU
DANGER
Conservez ce mode d’emploi pour consultation future.
Pour plus de détails, visitez le site www.desatech.com.
Illustration de deux
brûleurs à monter
sur réservoir
POUR VOTRE PROTECTION
Si vous sentez une odeur
de gaz :
1. Coupez l’arrivée de gaz
de l’appareil.
2. Éteignezlesammesnues.
POUR VOTRE PROTECTION
N’entreposez pas et n’uti-
lisez pas d’essence, ni de
vapeurs ou de liquides
inammables près de cet
appareil ou de tout autre
appareil.
RISQUE D’EMPOISONNEMENT AU MO-
NOXYDE DE CARBONE
Cet appareil peut produire du monoxyde de
carbone, lequel n’a pas d’odeur.
Vous risquez la mort si vous l’utilisez dans un
espace fermé.
N’utilisez jamais cet appareil dans un espace
fermé, comme un véhicule de camping, une
tente, une voiture ou une maison.

www.desatech.com 117240-01D2
IMPORTANT : Lisez et comprenez ce guide avant d’as-
sembler, d’allumer ou de réparer l’appareil de chauffage.
Une mauvaise utilisation de l’appareil de chauffage peut
causer des blessures graves. Conservez ce guide pour
référence future.
AVERTISSEMENT DE RISQUE GÉNÉRAL :
Tout manquement aux précautions et aux instructions four-
nies avec cet appareil de chauffage peut causer la mort, des
blessures corporelles graves ainsi que la perte de biens et
des dommages causés par les risques associés au feu, à une
explosion, aux brûlures, à l’asphyxie, à l’empoisonnement
par le monoxyde de carbone et aux chocs électriques.
Seuls les individus qui comprennent et qui respectent
ces instructions peuvent utiliser ou réparer cet appareil
de chauffage.
Si vous avez besoin d’assistance ou de renseignements
concernant l’appareil de chauffage tels que le guide d’instruc-
tions, les étiquettes, etc., communiquez avec le fabricant.
SPÉCIFICATIONS
15 000 BTU/HR MODÈLES
• Rendement: 10 000 à 15 000 Btu/h (3,0 à
4,4 kW)
• Type de gaz: Propane ou GPL uniquement
• Allumage: Allumette
• Pression du gaz à l’entrée du détendeur:
Max - Pression du réservoir, Min - 1,37 bar
(20 lb/po2)
• Pression de la sortie du détendeur: de 0,68
à 1,2 bar (de 10 à 18 lb/po2)
• Température ambiante minimale: -17,8° C
(0° F)
• Consommation de carburant par bouteille
de 9 kg (20 po): 36 heures
30 000 BTU/HR MODÈLES
• Rendement: 10,000 à 30,000 Btu/hr (3,0 à
8,8 kW)
• Type de gaz: Propane ou GPL uniquement
• Allumage: Allumage piézo-électrique
• Pression du gaz à l’entrée du détendeur:
Max - Pression du réservoir, Min - 1,37 bar
(20 lb/po2)
• Pression de la sortie du détendeur: de 0,68
à 1,2 bar (de 10 à 18 lb/po2)
• Température ambiante minimale: -17,8° C
(0° F)
• Consommation de carburant par bouteille
de 9 kg (20 po): 18 heures
TABLE DES MATIÈRES
Spécications ...................................................... 2
Sécurité ............................................................... 3
D’assemblage ...................................................... 5
Fonctionnement ................................................... 6
Entretien et entreposage ..................................... 8
Réparation ........................................................... 8
Pièces de rechange ............................................. 9
Service technique ................................................ 9
Pièces ................................................................ 10
Garantie ...........................................................Dos

www.desatech.com
117240-01D 3
SÉCURITÉ
AVERTISSEMENT : Cet ap-
pareil contient ou produit des
produits chimiques déterminés
par l’État de Californie comme
cancérigènesetpouvantcauser
des malformations congénitales
etd’autresproblèmesreliésàla
reproduction.
AVERTISSEMENT : Cet
appareil n’est pas conçu pour
usage domestique ou dans les
véhicules de camping.
AVERTISSEMENT : Danger
d’incendie, de brûlure, d’inha-
lation et d’explosion. Gardez
les produits combustibles so-
lides comme les matériaux de
construction, le papier et les car-
tons, à une distance sécuritaire
de l’appareil de chauffage tel que
recommandé dans les instruc-
tions. N’utilisez jamais l’appareil
de chauffage dans des espaces
susceptibles de contenir des
combustibles volatils ou atmos-
phériques, ou des produits tels
que de l’essence, des diluants, du
solvant à peinture, des particules
depoussièresoudesproduits
chimiques inconnus.
RISQUE D’ASPHYXIE
• N’utilisez pas cet appareil de chauffage
pour chauffer des habitations.
• Ne l’utilisez pas dans les endroits qui
ne sont pas ventilés.
• La circulation d’air de combustion et de
ventilation ne doit pas être bloquée.
• La ventilation d’air doit être adéquate
pour les besoins en combustion de
l’appareil de chauffage utilisé.
• Reportez-vous à la section sur les spéci-
cations,danslemanueldel’appareilde
chauffage et sur la plaque signalétique
de l’appareil de chauffage, ou communi-
quez avec DESA Heating Products pour
déterminer les besoins en ventilation
d’air de l’appareil de chauffage.
• Uneventilation d’airinsufsante pro-
duira une mauvaise combustion.
• Une mauvaise combustion peut engen-
drer un empoisonnement au monoxyde
de carbone et causer des troubles de
santé graves ou mortels. Les symptômes
possibles de l’empoisonnement au mo-
noxyde de carbone sont les maux de tête,
le vertige et les troubles respiratoires.
1. Ne laissez pas les enfants et les animaux
s’approcher de l’appareil de chauffage.
2. N’utilisez jamais l’appareil de chauffage
s’il est laissé sans surveillance ou pendant
que vous dormez.
3. Examinez soigneusement l’appareil de
chauffage pour vérifier qu’il n’est pas
endommagé. N’utilisez pas d’appareil de
chauffage endommagé.
4. Nemodiezpasl’appareildechauffage
et ne faites pas fonctionner un appareil
de chauffage dont la condition d’origine
aétémodiée.
5. N’utilisez que du gaz propane ou du
GPL.
6. N’utilisez qu’une alimentation en propane
ou en GPL composé pour le retrait de
vapeur. Si vous avez des questions sur le
retrait de vapeur, communiquez avec vo-
tre fournisseur de propane ou de GPL.
7. Pour usage à l’extérieur uniquement.
L’endroit où se trouve l’appareil doit être
bien ventilé. Prévoyez des ouvertures
d’au moins 0,093 m2 (1 pi2) près du sol et
de 0,093 m2 (1 pi2) près du plafond. N’uti-
lisez pas l’appareil dans une maison, un
véhicule de camping ou autre, une tente,
ou autre endroit clos ou sans ventilation.
8. N’utilisez pas l’appareil de chauffage dans
les sous-sols ou sous le niveau du sol.
9. Avant de raccorder l’appareil de chauffage
au réservoir de propane ou de GPL, véri-
ezqueleboutonderéglagedel’appareil
de chauffage est sur « OFF » (ARRÊT).
Raccordez et allumez toujours l’appareil
de chauffage dans un endroit où il n’y a
pasdeammenue.
10. Montez les bouteilles de propane ou de
GPL à la verticale (avec la vanne d’arrêt
au-dessus). Assurez-vous qu’elles ne
risquent pas de tomber, de se renverser
ou d’être endommagées.

www.desatech.com 117240-01D4
11. IMPORTANT : N’utilisez que l’assemblage
de tuyau et de détendeur fourni avec
l’appareil de chauffage à deux brûleurs à
monter sur réservoir. Inspectez l’assem-
blage du tuyau et du détendeur avant
chaque utilisation. Si le tuyau montre
des signes d’usure excessive ou s’il est
fendu, remplacez-le avec l’assemblage
de tuyau indiqué sur la liste des pièces
avant d’utiliser l’appareil de chauffage.
Il faut protéger le tuyau et le détendeur
contre les dommages éventuels.
12. Le brûleur de l’appareil de chauffage doit
être au moins à 61 cm (2 pi) au-dessus
du sol. Raccordez toujours le réservoir
de propane ou de GPL verticalement. Ne
faites jamais fonctionner un appareil de
chauffage reposant sur son côté et ne
raccordez jamais un réservoir de propane
ou de GPL à l’horizontale. Il y aurait des ris-
quesderetoursdeammedangereuxou
d’incendie. Ne dirigez pas la chaleur vers
les bouteilles de propane ou de GPL.
13. Maintenez les distances minimales sui-
vantes entre l’appareil et les matériaux
combustibles (comme le papier) : Côtés
- 0,91 m (3 pi); Dessus et avant - 1,5 m
(5 pi). Placez à 3 m (10 pi) des bâches de
protection en plastique ou en tissus, ou
descouverturesdecetypeetxezces
dernières pour qu’elles ne risquent pas
de battre ou de bouger dans le vent.
14. Si jamais vous détectez une odeur de gaz,
ARRÊTEZ IMMÉDIATEMENT l’appareil
jusqu’à ce que la source du gaz soit dé-
tectée et que la fuite soit réparée.
SÉCURITÉ
Suite
15. Installez l’appareil de chauffage de sorte
qu’il soit protégé des éclaboussures, de
la pluie, de l’eau ruisselante et du vent.
16. Ne faites fonctionner l’appareil que sur
une surface stable et de niveau.
17. À cause des températures élevées des
surfaces et de la sortie d’air, les adultes
et les enfants doivent rester aux distances
spéciéespouréviterlesbrûluresetque
leurs vêtements prennent feu.
18. Ne déplacez pas, ne manipulez pas et ne
réparez pas l’appareil s’il est brûlant ou en
marche. Ne raccordez pas et ne détachez
pas un appareil de chauffage brûlant ou
en marche d’un réservoir de propane ou
de GPL.
19. Avant chaque utilisation, vérifiez que
l’appareil de chauffage n’a pas de fuites.
N’utilisezjamaisdeammenuepourre-
chercher une fuite. Appliquez un mélange
de savon liquide et d’eau à tous les joints.
La présence de bulles indique une fuite.
Réparez toutes les fuites.
20. Maintenez tous les branchements et les
raccords propres. Assurez-vous que le ro-
binet du réservoir de propane est propre.
Vériezquelejointtoriqueencaoutchouc
du raccord d’admission du carburant de
l’appareil de chauffage n’est pas endom-
magé avant chaque utilisation. Rempla-
cez-le s’il est usé ou endommagé.
21. Utilisez uniquement en conformité avec
les codes locaux ou, en l’absence de
ceux-ci, avec la norme pour l’emma-
gasinage et la manipulation du gaz de
pétrole liquéé ANSI/NFPA 58 et le code
d’installation du gaz naturel et du propane,
CSA B149.1.

www.desatech.com
117240-01D 5
Figure 1 - Fixation de l’assemblage de la
tête du brûleur au bras du montant
Assemblage de
tête de brûleur
Bras du
montant
Support de montage
de la tête du brûleur
Vis
Fente
Orice
d’aération
Figure 2 - Fixation des ls de l’électrode
à l’allumeur piézo-électrique
Allumeur piézo-électrique
Fils de l’électrode
D’ASSEMBLAGE
Pour un appareil de chauffage avec réservoir :
Durée d’assemblage estimée : 10 minutes.
Outils nécessaires :
• Tournevis à tête plate
• Clé de 2,2 cm (7/8 po)
Le sac de quincaillerie fourni avec l’appareil
de chauffage peut contenir plus de pièces que
nécessaire pour l’assemblage de l’appareil
de chauffage. Le sac de quincaillerie contient
les pièces illustrées à la page 8 (la quantité à
utiliser est entre parenthèses) :
Description Nºdepièce
Support de montage de la
tête du brûleur (2) 114099-01
Vis (2) 114145-01
Équerredexationdubras
support (1) 114096-01
Écrou à oreilles (2) 115063-01
Vis, 2 mm (5/6 po) -18 x 1,25 (2) 115062-01
MODÈLES À 30 000 BTU
UNIQUEMENT
1. Inspectez les éléments de l’appareil de
chauffagepourvériezqu’ilsn’ontpasété
endommagés durant le transport. S’ils sont
endommagés, informez-en au plus vite le
revendeur.Vériezquetousleséléments
sont présents (voir pages 10 et 11).
2. Montez l’assemblage du brûleur sur le
bras du montant en utilisant les supports
de montage de la tête du brûleur et les vis
commel’illustrelagure3.Insérezlebout
du support dans la fente du bras. Fixez
avec une vis. Vériez que les orices
d’aération sur les côtés de la tubulure
du brûleur ne sont pas bouchés. Serrez
fermement les brûleurs en place.
3. Attachez les ls de l’électrode à l’allu-
meur piézo-électrique comme l’illustre
lagure2.

www.desatech.com 117240-01D6
FONCTIONNEMENT
Figure 3 - Fixation du montant et du
détendeur au réservoir de propane ou de GPL
Détendeur
Montant
Boulon
Support du
montant
Bouton rouge
de la vanne
de sûreté
7. Fixez fermement tous les raccords de
gaz.
8. Ouvrezlavannedelabouteilleetvériez
tous les raccords pour voir s’il y a des
fuites. Appliquez un liquide de détection
de fuite non corrosif aux raccords de gaz.
L’apparition de bulles indique la présence
d’une fuite qui doit être réparée. N’UTILI-
SEZ PAS DE FLAMME.
POUR ALLUMER L’APPAREIL DE
CHAUFFAGE
AVERTISSEMENT : Lors-
que vous allumez l’appareil de
chauffage, NE regardez PAS par-
dessusl’appareil(leréecteur).
Mettez-vous de côté pendant
l’allumage de l’appareil de chauf-
fage. Ne placez aucune partie de
votre corps devant l’appareil de
chauffage.
AVERTISSEMENT : ASSU-
REZ-VOUS QU’IL N’Y A PAS DE
FLAMME NUE À PROXIMITÉ.
Ouvrezcomplètementlerobinet
de la bouteille de propane ou
de GPL.
Lisez toutes les instructions d’allumage avant
d’essayer d’allumer l’appareil de chauffage.
1. Tournez le bouton de réglage de l’appareil
de chauffage dans le sens inverse des
aiguilles d’une montre pour le régler sur
« HI » (HAUT).
Figure 4 - Allumage de l’appareil de
chauffage avec une allumette
1. Vériezquel’appareildechauffagen’est
pas endommagé. Si l’appareil de chauf-
fage est endommagé, informez-en au plus
vite le revendeur où vous l’avez acheté.
2. Respectez toutes les consignes de sécu-
rité et les précautions d’utilisation.
3. Examinez le joint torique sur le PHE avant
chaque utilisation. Remplacez le joint
torique s’il porte des signes d’usure ou
d’endommagement.
4. Vérifiez que le bouton de réglage de
l’appareil de chauffage est sur « OFF »
(ARRÊT).
5. Modèlesà30000Btuuniquement Fixez
l’appareil de chauffage à la plaque de
protection de la bouteille de propane ou
de GPL en plaçant le montant à l’intérieur
de la plaque et en passant les boulons
dans les deux trous de la plaque (voir
gure3).Serrezlesupportdumontanten
place avec les écrous à oreilles fournis.
6. Pourtouslesmodèles Connectez le rac-
cord PHE au détendeur à la bouteille de
propane ou de GPL en le faisant tourner
dans le sens inverse des aiguilles d’une
montre dans la sortie du robinet de la
bouteille de propane ou de GPL, et serrez
bien la connexion avec une clé.
AVERTISSEMENT : Rac-
cordez l’appareil de chauffage
debout. Ne le raccordez jamais
couché sur son côté. Il y aurait
desrisquesderetoursdeamme
dangereux ou d’incendie.
Trou
d’allumage
manuel

www.desatech.com
117240-01D 7
2. Poussez et relâchez en succession rapide
l’allumeur piézo-électrique (deux brûleurs)
ou placez une allumette allumée près de
l’avant de l’élément de chauffage (l’écran
grillagé) du brûleur que vous allumez en
utilisantletrousituésurlecôteduréec-
teur.Voirgure4,page6.
ATTENTION : N’allumez pas
àl’orice.
3. Appuyez sur le bouton rouge de la sou-
pape de sécurité qui laisse entrer le gaz
aubrûleur(voirgure4,page6).
AVERTISSEMENT : Avant
d’appuyer sur le bouton rouge,
il faut activer l’allumeur piézo-
électrique à plusieurs reprises
ou insérer une allumette.
4. Lorsque le gaz s’allume à l’avant de
l’écran grillagé, continuez à appuyer
sur le bouton de la soupape pendant 30
secondes, puis relâchez-le.
5. Silaammes’éteint,attendez5minutes
puis recommencez la procédure d’allu-
mage.
6. Si l’appareil de chauffage ne s’allume
pas après plusieurs tentatives, n’essayez
pas de le réparer. Retournez l’appareil de
chauffage au centre de service autorisé
le plus près ou au fabricant.
7. Pour les modèles à deux brûleurs, répé-
tez les étapes 1 à 4 pour allumer l’autre
brûleur.
8. Une fois que le ou les brûleurs sont
allumés, tournez le bouton de réglage
de l’appareil de chauffage pour le mettre
au réglage désiré (LOW, MED, HI [BAS,
MOYEN, HAUT]).
FONCTIONNEMENT
Suite
6combinaisonsdexationthermique:
Brûleur no 1 Brûleur no 2
BAS ARRÊT
MOYEN ARRÊT
HAUT ARRÊT
BAS BAS
MOYEN MOYEN
HAUT HAUT
POUR ARRÊTER L’APPAREIL DE
CHAUFFAGE
1. Fermez complètement le robinet de la
bouteille de propane ou de GPL.
2. Tournez le bouton de réglage de l’appareil
de chauffage pour le mettre sur « OFF »
(ARRÊT). Attendez 15 minutes pour que
l’appareil de chauffage refroidisse avant
de le manipuler.
3. Retirez toujours l’appareil de chauffage
du réservoir de propane ou de GPL quand
vous ne l’utilisez plus. N’entreposez ja-
mais l’appareil de chauffage raccordé à
une bouteille de propane ou de GPL. Re-
tirez l’appareil de chauffage du réservoir
de propane ou de GPL en faisant tourner
l’écrou du connecteur de carburant dans
le sens des aiguilles d’une montre. Entre-
posez toujours la bouteille de propane ou
de GPL à l’extérieur. N’entreposez jamais
de réservoir de propane ou de GPL dans
un endroit fermé.
POUR REDÉMARRER L’APPAREIL
DE CHAUFFAGE
1. Fermez complètement le robinet de la
bouteille de propane ou de GPL.
2. Attendez 5 minutes.
3. Rallumez en suivant la procédure de la
section Pour allumer l’appareil de chauf-
fage, page 6.

www.desatech.com 117240-01D8
ENTRETIEN ET ENTREPOSAGE
1. Inspectez l’appareil de chauffage avant
chaqueutilisation.Vériezquelesbran-
chements ne fuient pas. Appliquez un
liquide de détection de fuite non corrosif
aux raccords de gaz. L’apparition de
bulles indique la présence d’une fuite
qui doit être réparée. Répare toutes les
fuites immédiatement. Faites inspecter
l’appareil de chauffage une fois l’an par
untechniciendeservicequalié.
2. Avant chaque utilisation, examinez le
siège du joint torique de l’embout du
raccord PHE. Si le joint torique est fendu,
usé ou endommagé, remplacez-le par la
pièce n° 6681.
3. Inspectez l’assemblage du tuyau et du
détendeur avant chaque utilisation. Si
le tuyau est très usé ou fendu, rempla-
cez-le.
3. Coupez le gaz à la bouteille de propane
ou de GPL quand l’appareil de chauffage
n’est pas utilisé.
4. Pour entreposer l’appareil de chauffage, la
bouteille de propane ou de GPL doit être
déconnectée de l’appareil de chauffage
et retirée de ce dernier; elle doit être en-
treposée à l’extérieur conformément aux
directives du chapitre 5 de la norme pour
l’emmagasinage et la manipulation des
gaz de pétrole liquéés ANSI/NFPA 58.
RÉPARATION
Il est dangereux d’utiliser un appareil de
chauffagequiaétémodiéouquinefonction-
ne pas normalement. L’appareil de chauffage
fonctionne normalement si :
• L’écran rayonnant est rouge orangé.
• Il n’y a pas de ammes au-dessus du
brûleur.
• Laamme brûleà lasurface del’écran
plutôt qu’à l’intérieur du brûleur (retour de
amme).
• Vous n’éprouvez aucun malaise physique,
vos yeux ne sont pas irrités et vous ne
détectez pas de forte odeur déplaisante.
• Il n’y a pas de fumée ou de suie à l’intérieur
ou à l’extérieur de l’appareil de chauffage.
• L’appareil de chauffage ne s’éteint pas de
façon soudaine et inattendue.
Les listes des pièces et la vue éclatée illus-
trent l’appareil de chauffage tel qu’il a été
conçu. N’utilisez pas un appareil de chauffage
s’il diffère de celui illustré. En outre, n’utilisez
que le tuyau, le détendeur et le raccord de
bouteille (appelé aussi raccord PHE) fourni
avec l’appareil de chauffage. IMPORTANT :
Pour cet appareil de chauffage, le détendeur
doit être réglé comme indiqué dans la section
Spécications, page 2. Si vous n’êtes pas sûr
duréglagedudétendeur,faites-levérier.

www.desatech.com
117240-01D 9
PIÈCES DE RECHANGE
AVERTISSEMENT : N’utilisez
que des pièces de rechange
DESA. Cet appareil de chauffage
utilisedespiècesconçuesspé-
ciquementpourlui.N’utilisez
pasdesubstitutsoudepièces
génériques. L’utilisation de
pièces de rechange inadéqua-
tes peut causer des blessures
graves ou fatales. Ceci protégera
égalementlagarantiedespièces
remplacées sous garantie.
PIÈCES SOUS GARANTIE
Prenez contact avec les revendeurs auto-
risés de ce produit. S’ils ne peuvent pas
vous fournir de pièces de rechange DESA
d’origine, prenez contact avec le dépôt de
pièces le plus proche ou appelez le service
technique de DESA Heating Products au
1-866-672-6040.
Lorsque vous appelez DESA Heating Pro-
ducts, ayez sous la main :
• votre nom
• votre adresse
• le numéro du modèle de l’appareil de
chauffage
• le type de panne de l’appareil de chauffage
• la date de l’achat
PIÈCES QUI NE SONT PAS SOUS
GARANTIE
Prenez contact avec les revendeurs autorisés
de ce produit. S’ils ne peuvent vous fournir de
pièces de rechange d’origine, communiquez
avec le dépôt de pièces le plus proche (liste
dans la brochure distincte des centres de
service autorisés) ou appelez DESA Heating
Products au 1-866-672-6040 pour obtenir
une référence.
Lorsque vous appelez DESA Heating Pro-
ducts, ayez sous la main :
• le numéro du modèle de l’appareil de
chauffage
• le numéro de la pièce de rechange
SERVICE TECHNIQUE
Un appareil de chauffage qui ne fonctionne
pas correctement doit être réparé par un
techniciendeservicequalié.Pourtrouverle
centre de service le plus près de chez vous,
ou si vous avez d’autres questions au sujet
de cet appareil de chauffage, communiquez
avec le service technique de DESA Heating
Products au 1-866-672-6040. Lorsque vous
appelez, ayez sous la main les numéros
de modèle et de série de votre appareil de
chauffage.
Vous pouvez aussi visiter le site Web du ser-
vice technique de DESA Heating Products à
www.desatech.com.
Vous pouvez aussi obtenir un entretien sous
garantie ou hors garantie en amenant le
produit au centre de service local.

www.desatech.com 117240-01D10
PIÈCES
MODÈLES SPC-30RG, HD30G ET TT30G
2
1
2
3
4
6
75
8
18
9
10
11
12
17
13
14
15
1
16
16

www.desatech.com
117240-01D 11
PIÈCES
MODÈLES SPC-15RG, HD15G, TC108, TC109 ET TT15G
Cette liste contient les pièces de rechange utilisées dans votre appareil de chauffage. Quand
vous commandez des pièces, reportez-vous aux instructions de la section Pièces de rechange,
à la page 9. de ce mode d’emploi.
2
12
13
14
1
16
N°
NUMÉRO
DE PIÈCE DESCRIPTION QTÉ
1 114092-01 Assemblage de tête de brûleur • • 1-2
2 100911-01 Grille • • 1-2
3 097159-05 Allumeur piézo-électrique • 1
4 102334-01 Écrou, allumeur piézo-électrique • 1
5 114095-01 Montant • 1
6 114099-01 Support de montage de la tête du brûleur • 2
7 114145-01 Vis • 2
8 114093-01 Assemblage de tuyau • 2
9 114096-01 Support du montant • 1
10 114098-01 Raccord • 1
11 114097-01 Raccord • 1
12 LPA2025 PHE contre excès de remplissage/Détendeur • • 2-1
13 114100-01 Thermocouple • • 1-2
14 100898-01 Écrou du thermocouple • • 2-4
15 114094-01 Assemblage d’électrode (cylindrique)) • 1
114094-02 Assemblage d’électrode (plate) • 1
16 116995-01 Grille de protection arrière • • 1-2
17 115063-01 Écrou à oreilles • • 2
18 115062-01 Vis 5/16-18 x 1,25 • • 2
PIÈCES DISPONIBLES — PAS ILLUSTRÉES
114091-07 Étiquetteàld’instructions(enanglais) • 1
114091-10 Étiquetteàld’instructions(enanglais) • 1
114091-08 Étiquetteàld’instructions(enespagnol) • 1
114091-11 Étiquetteàld’instructions(enespagnol) • 1
114091-09 Étiquetteàld’instructions(enfrançais) • 1
114091-12 Étiquetteàld’instructions(enfrançais) • 1
LPA5050 Remplacement pour l’assemblage d’écran • • 1-2
30 000 Btu
15 000 Btu

www.desatech.com 117240-01D12
_____________________________________________________
______________________________________________________
______________________________________________________
______________________________________________________
______________________________________________________
______________________________________________________
______________________________________________________
______________________________________________________
______________________________________________________
______________________________________________________
______________________________________________________
______________________________________________________
______________________________________________________
_____________________________________________________
______________________________________________________
______________________________________________________
______________________________________________________
______________________________________________________
______________________________________________________
______________________________________________________
______________________________________________________
______________________________________________________
______________________________________________________
______________________________________________________
______________________________________________________
______________________________________________________
_____________________________________________________
______________________________________________________
______________________________________________________
______________________________________________________
______________________________________________________
______________________________________________________
______________________________________________________
______________________________________________________
______________________________________________________
NOTES

www.desatech.com
117240-01D 13
_____________________________________________________
______________________________________________________
______________________________________________________
______________________________________________________
______________________________________________________
______________________________________________________
______________________________________________________
______________________________________________________
______________________________________________________
______________________________________________________
______________________________________________________
______________________________________________________
______________________________________________________
_____________________________________________________
______________________________________________________
______________________________________________________
______________________________________________________
______________________________________________________
______________________________________________________
______________________________________________________
______________________________________________________
______________________________________________________
______________________________________________________
______________________________________________________
______________________________________________________
______________________________________________________
_____________________________________________________
______________________________________________________
______________________________________________________
______________________________________________________
______________________________________________________
______________________________________________________
______________________________________________________
______________________________________________________
______________________________________________________
NOTES

GARANTIES LIMITÉES POUR LES PRODUITS NEUFS
ET LES PRODUITS REMIS EN ÉTAT
Nouveaux produits : DESA Heating, LLC garantit que cet appareil de chauffage et ses pièces sont
exempts de défauts de matériaux et de fabrication et ceci pour une durée d'un (1) an à partir de la
date du premier achat, lorsque l'appareil de chauffage est utilisé et entretenu en conformité avec les
instructions du fabricant. Ces garanties ne protègent que l'acheteur au détail d'origine, lorsqu'une
preuve d'achat est fournie.
Appareils de chauffage remis en état : DESA Heating, LLC garantit que cet appareil de chauffage
remis en état en usine et ses pièces sont exempts de défauts de matériaux et de fabrication et ceci
pour une durée de trente (30) jours à partir de la date du premier achat, lorsque l'appareil de chauffage
est utilisé et entretenu en conformité avec les instructions du fabricant. Ces garanties ne protègent que
l'acheteur au détail d'origine, lorsqu'une preuve d'achat est fournie.
Cette garantie n’est valide que pour l’acheteur au détail d’origine. Cette garantie ne couvre que le coût
des pièces nécessaires pour restaurer le produit à son état de fonctionnement normal. Vous pouvez
obtenir les pièces de rechange d’origine sous garantie auprès des revendeurs autorisés de ce produit
ou directement auprès de DESA Heating, LLC. La garantie est annulée si vous n’utilisez pas des pièces
de rechange d’origine. L’appareil de chauffage doit être utilisé en conformité aux codes locaux et aux
instructions fournies avec l’appareil.
Cette garantie ne couvre pas les pièces qui ne sont pas dans leur état d’origine suite à une usure nor-
male, les pièces qui sont défaillantes ou endommagées suite à une mauvaise utilisation, un accident,
unmanqued’entretienadéquat,unemodication,unealtération,ducarburantcontaminé,ainsique
les défauts découlant d’une mauvaise installation. Les frais de voyage et de transport, ainsi que les
frais incidents associés aux réparations sous garantie ne sont pas remboursables sous cette garantie
et incombent au propriétaire.
Dans la pleine mesure de la loi de la localité qui gouverne la vente de ce produit : Cette garantie expresse
exclut toute autre garantie expresse de commercialité et d’adéquation à un usage particulier pour une
période d’UN AN à compter de la date de l’achat d’origine, et la responsibilité de DESA Heating, LLC
est limitée par la présente au prix d’achat du produit et DESA Heating, LLC ne sera pas responsable
pour tout autre dommage, y compris les dommages indirects, incidents ou induits.
Dans les provinces qui ne permettent pas la restriction de la durée de la garantie implicite ou l’exclusion
et la limitation des dommages incidents ou induits, les restrictions mentionnées précédemment peuvent
ne pas s’appliquer à votre cas.
Cettegarantieoctroieàl’acheteuraudétaild’originedesdroitsjuridiquesspéciques.Pourobtenirdes
informationsspéciquessurcesdroits,reportez-vousauxloisdevotreprovince.
GARANTIE
CONSERVEZ CETTE GARANTIE
Modèle _________________________________
Numéro de série __________________________
Date de l’achat ___________________________
117240-01
Rev. D
05/07
NOT A UPC
DESA Heating, LLC
2701 Industrial Drive
P.O. Box 90004
Bowling Green, KY 42102-9004, USA
www.desatech.com
1-866-672-6040