Digianswer A S 13192-EVB WPAN Transceiver User Manual Manual
Digianswer A/S WPAN Transceiver Manual
UserManual.wiki
>
Digianswer A S
>
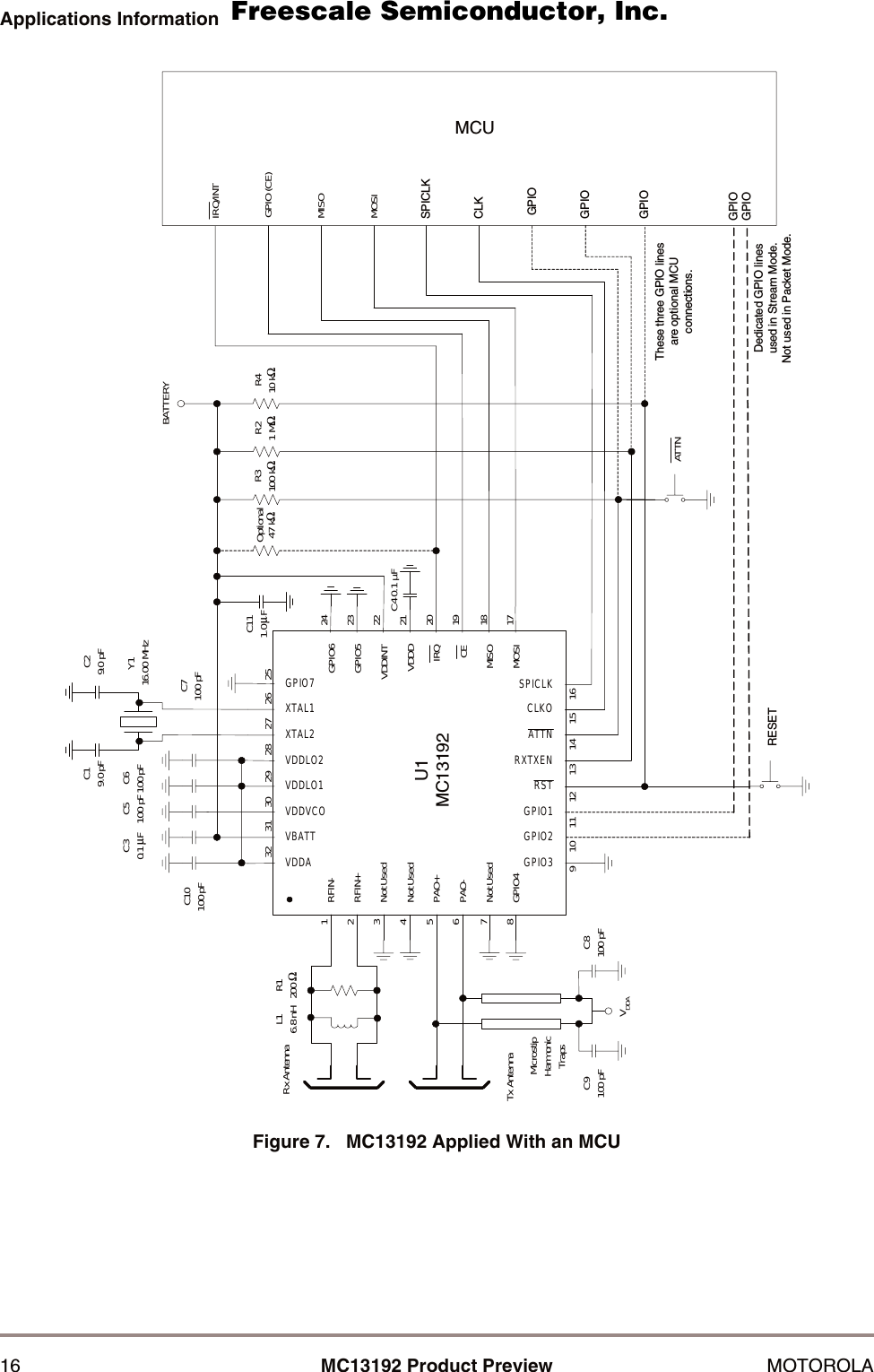
13192-EVB User Manual
>
Manual
Contents
1.
Quick start guide
2.
Manual
Manual
Navigation menu
Upload a User Manual
Namespaces
Wiki Guide
HTML
PDF
Info
Views
User Manual
Discussion / Help
Navigation