Digianswer A S BTDVK110 Bluetooth Developer Kit User Manual dev userguide

Digianswer A/S Bluetooth Developer Kit dev userguide

Users Manual

94001620000Rev. 1.2 TR special, 2002-12-06  72000 Bluetooth Development KitUser’s Guide
Motorola reserves the right to make changes without further notice to any products herein. Motorola makes no warranty,representation or guarantee regarding the suitability of its products for any particular purpose, nor does Motorola assume any liabilityarising out of the application or use of any product or circuit, and specifically disclaims any and all liability, including without limitationconsequential or incidental damages. “Typical” parameters which may be provided in Motorola data sheets and/or specifications canand do vary in different applications and actual performance may vary over time. All operating parameters, including “Typicals” mustbe validated for each customer application by customer’s technical experts. Motorola does not convey any license under its patentrights nor the rights of others. Motorola products are not designed, intended, or authorized for use as components in systemsintended for surgical implant into the body, or other applications intended to support life, or for any other application in which thefailure of the Motorola product could create a situation where personal injury or death may occur. Should Buyer purchase or useMotorola products for any such unintended or unauthorized application, Buyer shall indemnify and hold Motorola and its officers,employees, subsidiaries, affiliates, and distributors harmless against all claims, costs, damages, and expenses, and reasonableattorney fees arising out of, directly or indirectly, any claim of personal injury or death associated with such unintended orunauthorized use, even if such claim alleges that Motorola was negligent regarding the design or manufacture of the part. TheBluetooth trademarks are owned by their proprietor and used by Motorola, Inc., under license. All other product or service names arethe property of their respective owners.  © Motorola, Inc. 2002.Motorola and   are registered trademarks of Motorola, Inc. Motorola, Inc. is an Equal Opportunity/Affirmative Action Employer. How to reach us:USA/EUROPE/Locations Not Listed:  Motorola Literature Distribution; P.O. Box 5405, Denver, Colorado, 80217.1–303–675–2140 or 1–800–441–2447JAPAN:  Motorola Japan Ltd.; SPS, Technical Information Center, 3–20–1, Minami–Azabu, Minato–ku, Tokyo 106–8573 Japan. 81–3–3440–3569ASIA/PACIFIC: Motorola Semiconductors H.K. Ltd., Silicon Harbour Centre, 2 Dai King Street, Tai Po Industrial Estate, Tai Po, N.T., Hong Kong. 852–26668334Technical Information Center: 1–800–521–6274HOME PAGE: http://www.motorola.com/semiconductors/ © Copyright Motorola, Inc., 2002
MOTOROLA Contents iiiPreliminaryChapter 1Introduction1.1 About This Guide . . . . . . . . . . . . . . . . . . . . . . . . . . . . . . . . . . . . . . . . . . . . . . . . . . . . . . 1-11.2 Additional Documents  . . . . . . . . . . . . . . . . . . . . . . . . . . . . . . . . . . . . . . . . . . . . . . . . . .  1-21.3 Downloads and Support . . . . . . . . . . . . . . . . . . . . . . . . . . . . . . . . . . . . . . . . . . . . . . . . .  1-31.4 System Requirements . . . . . . . . . . . . . . . . . . . . . . . . . . . . . . . . . . . . . . . . . . . . . . . . . . .  1-31.5 Acronyms and Abbreviations . . . . . . . . . . . . . . . . . . . . . . . . . . . . . . . . . . . . . . . . . . . . .  1-4Chapter 2Product Overview2.1 Block Diagram . . . . . . . . . . . . . . . . . . . . . . . . . . . . . . . . . . . . . . . . . . . . . . . . . . . . . . . . 2-52.2 Interfaces. . . . . . . . . . . . . . . . . . . . . . . . . . . . . . . . . . . . . . . . . . . . . . . . . . . . . . . . . . . . .  2-62.3 ICs. . . . . . . . . . . . . . . . . . . . . . . . . . . . . . . . . . . . . . . . . . . . . . . . . . . . . . . . . . . . . . . . . .  2-62.4 Software Tools . . . . . . . . . . . . . . . . . . . . . . . . . . . . . . . . . . . . . . . . . . . . . . . . . . . . . . . .  2-62.4.1 Bluetooth HCI Terminal . . . . . . . . . . . . . . . . . . . . . . . . . . . . . . . . . . . . . . . . . . . . . .  2-62.4.2 Configuration Manager. . . . . . . . . . . . . . . . . . . . . . . . . . . . . . . . . . . . . . . . . . . . . . .  2-62.4.3 DemoBench  . . . . . . . . . . . . . . . . . . . . . . . . . . . . . . . . . . . . . . . . . . . . . . . . . . . . . . .  2-72.4.4 RadioTest . . . . . . . . . . . . . . . . . . . . . . . . . . . . . . . . . . . . . . . . . . . . . . . . . . . . . . . . . 2-7Chapter 3SetupChapter 4Hardware4.1 Signal and Connection Descriptions. . . . . . . . . . . . . . . . . . . . . . . . . . . . . . . . . . . . . . .  4-114.2 Environmental. . . . . . . . . . . . . . . . . . . . . . . . . . . . . . . . . . . . . . . . . . . . . . . . . . . . . . . . 4-124.3 Mechanical . . . . . . . . . . . . . . . . . . . . . . . . . . . . . . . . . . . . . . . . . . . . . . . . . . . . . . . . . .  4-124.4 Electrical . . . . . . . . . . . . . . . . . . . . . . . . . . . . . . . . . . . . . . . . . . . . . . . . . . . . . . . . . . . .  4-124.4.1 Power Supply . . . . . . . . . . . . . . . . . . . . . . . . . . . . . . . . . . . . . . . . . . . . . . . . . . . . .  4-134.4.2 Reset Circuit . . . . . . . . . . . . . . . . . . . . . . . . . . . . . . . . . . . . . . . . . . . . . . . . . . . . . .  4-134.4.3 Clocks . . . . . . . . . . . . . . . . . . . . . . . . . . . . . . . . . . . . . . . . . . . . . . . . . . . . . . . . . . . 4-134.4.4 Memory. . . . . . . . . . . . . . . . . . . . . . . . . . . . . . . . . . . . . . . . . . . . . . . . . . . . . . . . . .  4-144.4.5 UART Interface  . . . . . . . . . . . . . . . . . . . . . . . . . . . . . . . . . . . . . . . . . . . . . . . . . . .  4-144.4.6 CODEC Interface . . . . . . . . . . . . . . . . . . . . . . . . . . . . . . . . . . . . . . . . . . . . . . . . . .  4-144.4.7 Antenna. . . . . . . . . . . . . . . . . . . . . . . . . . . . . . . . . . . . . . . . . . . . . . . . . . . . . . . . . . 4-154.4.8 100 mm² Module. . . . . . . . . . . . . . . . . . . . . . . . . . . . . . . . . . . . . . . . . . . . . . . . . . .  4-15Chapter 5RegulatoryContents
MOTOROLA Contents ivPreliminary5.1 Regulatory Statements  . . . . . . . . . . . . . . . . . . . . . . . . . . . . . . . . . . . . . . . . . . . . . . . . .  5-175.1.1 General . . . . . . . . . . . . . . . . . . . . . . . . . . . . . . . . . . . . . . . . . . . . . . . . . . . . . . . . . . 5-175.1.2 European Union (EU) and EFTA . . . . . . . . . . . . . . . . . . . . . . . . . . . . . . . . . . . . . .  5-175.1.3 France . . . . . . . . . . . . . . . . . . . . . . . . . . . . . . . . . . . . . . . . . . . . . . . . . . . . . . . . . . .  5-175.1.4 United States of America and Canada  . . . . . . . . . . . . . . . . . . . . . . . . . . . . . . . . . .  5-185.1.5 Canada Compliance (Industry Canada)  . . . . . . . . . . . . . . . . . . . . . . . . . . . . . . . . .  5-185.1.6 Taiwan  . . . . . . . . . . . . . . . . . . . . . . . . . . . . . . . . . . . . . . . . . . . . . . . . . . . . . . . . . . 5-195.2 Development Kit Approval. . . . . . . . . . . . . . . . . . . . . . . . . . . . . . . . . . . . . . . . . . . . . .  5-195.2.1 Type Approval  . . . . . . . . . . . . . . . . . . . . . . . . . . . . . . . . . . . . . . . . . . . . . . . . . . . .  5-195.2.2 Prototype Shipment. . . . . . . . . . . . . . . . . . . . . . . . . . . . . . . . . . . . . . . . . . . . . . . . .  5-205.3 Obtaining Type Approval . . . . . . . . . . . . . . . . . . . . . . . . . . . . . . . . . . . . . . . . . . . . . . .  5-205.3.1 Requirements for Bluetooth Qualification . . . . . . . . . . . . . . . . . . . . . . . . . . . . . . .  5-205.3.2 Requirements for Regulatory Type Approval  . . . . . . . . . . . . . . . . . . . . . . . . . . . .  5-21Appendix A Board DiagramsAppendix B Bill of MaterialAppendix C 100 mm² Module Diagram
MOTOROLA Introduction 1-1PreliminaryChapter 1IntroductionNOTE:You must not make changes or modify the device in any way.The 72000 Development Kit for the Bluetooth Platform Solution from Motorola is a unique demonstration and development tool. This product contains all of the hardware, software, and documentation needed to evaluate the functionality of the following Motorola Bluetooth platform solution IC’s:• MC72000 Bluetooth Baseband Controller and Transceiver IC• MC13181 Wireless Power Management ICAlso, you can develop software and hardware solutions around the platform chipset. The 72000 Development Kit makes it possible to easily and quickly set up and start demonstrating a Class 2 Bluetooth solution, and it provides an efficient layout for the baseband and RF on an FR4 PCB substrate.The primary applications of the 72000 Development Kit are:• Evaluation of the platform chipset and its features• Porting of a user Bluetooth stack to the Motorola Bluetooth hardware• Prototyping of a Bluetooth-enabled host device• Reference design for quick layout of a Bluetooth solution based on the MC71000 and MC13180 chipsetThe 72000 Development Kit is Bluetooth 1.1 qualified and type approved in a great number of countries. See Chapter 5, “Regulatory”.For detailed information on the MC72000 and MC13181 IC’s, please refer to the technical brief for each. These are included on the Development Kit CD.1.1 About This GuideThis user’s guide will help you get started with the 72000 Development Kit. The guide covers a large number of aspects of using the 72000 Development Kit, including:• Overview of the 72000 Development Kit and accompanying documentation • Instructions on setting up the hardware and software • Descriptions of the various elements making up the 72000 Development Kit
1-2 72000 Development Kit User’s Guide MOTOROLAPreliminaryIntroductionThe following is an overview of the various sections of this user’s guide and a brief description of each section:•Chapter 1, “Introduction” contains an overview of the user’s guide and additional documents available from the CD. The introduction is also where to find information on support, system requirements, and a list of the acronyms used in this guide. •Chapter 2, “Product Overview” provides an overview of the 72000 Development Kit with brief descriptions of the various elements making up the product. •Chapter 3, “Setup” explains how to set up the hardware and software to get the 72000 Development Kit running.•Chapter 4, “Hardware” describes the various aspects of the 72000 Development Kit hardware•Chapter 5, “Regulatory” contains regulatory statements, a list of the countries where the 72000 Development Kit has obtained type approval or may be shipped as a prototype, and information on what is needed to obtain type approval for new products.•Appendix A, “Board Diagrams“, contains 72000 development board schematic and component placement.•Appendix B, “Bill of Material“, shows the BOM for the current 72000 development board.•Appendix C, “100 mm² Module Diagram“ contains schematic of the module that serves as a demonstration of the space efficiency of the MC72000 Bluetooth solution.1.2 Additional DocumentsIn addition to this user’s guide, the documentation for the 72000 Development Kit includes the following documents. These are all accessible from the document overview on the CD.• User’s Guides for various elements of the 72000 Development Kit:— Bluetooth HCI Terminal — Configuration Manager — DemoBench — RadioTest— Bluetooth Platform Solution Embedded System• System Overview of the Bluetooth Platform Solution from Motorola providing a detailed overview of the platform.• Technical briefs for the various elements of Motorola’s Bluetooth platform solution:— 72000 Bluetooth Development Kit— MRFIC2408 External Power Amplifier IC— MC13180 Bluetooth Low Power Wireless Data Transceiver IC— MC13181 Wireless Power Management IC— MC71000 Bluetooth Baseband Controller IC— MC72000 Bluetooth Baseband Controller and Transceiver IC— 71000 Bluetooth Development Kit
Downloads and SupportMOTOROLA Introduction 1-3Preliminary• Application notes for the following:— Bluetooth Audio Signal Processor (BTASP) for High-Quality Audio Performance— Motorola’s Bluetooth Solution to Interference Rejection and Coexistence with 802.11— Enhancing ISM Band Performance Using Adaptive Frequency Hopping• Data sheets and information for components on the 72000 Development Kit:— CODEC — UART Level Converter— EEPROMs— Crystals• Bluetooth Core Specification v1.11.3 Downloads and SupportFor Development Kit software and documentation downloads, up-to-date information, support questions, FAQs, etc., go to the following website: http://www.btpo.netIn addition, you may find useful information on the following websites: http://www.motorola.com and http://www.motorola.com/semiconductor/bluetoothFor additional support on your Development Kit, if necessary, please contact your local FAE.  1.4 System RequirementsTo install and use the 72000 Development Kit, you will need the following:• A PC equipped with Windows® 98/98 SE/2000• A 600 MHz  processor (or higher)
1-4 72000 Development Kit User’s Guide MOTOROLAPreliminaryIntroduction1.5 Acronyms and AbbreviationsThroughout this guide, the following acronyms and abbreviations are used:EEPROM Electrically Erasable/Programmable Read Only MemoryRx Receive(r)SEEPROM Serial Electrically Erasable/Programmable Read Only MemorySPI Serial Peripheral InterfaceThe SPI Bus made by Motorola handles all serial communication with a number of different RF front ends and SEEPROMs.SSI Synchronous Serial InterfaceTx Transmit(ter)UART Universal Asynchronous Receiver Transmitter
MOTOROLA Product Overview 2-5PreliminaryChapter 2Product OverviewThis section contains a brief overview of the 72000 Development Kit. More detailed information on the various elements is included in later sections and in the separate user’s guides included on the CD.2.1 Block DiagramThe following figure shows the 72000 Development Kit block diagram:Figure 2-1.   Block DiagramRS232DCPowerInputUARTRS232LevelShifterCODECModular JackMC72000MC13181 Status LEDs Reset SwitchEEPROMAntennaConnectorRxTx13 MHz32 KHzRx/TxSwitchBandPassFilter
2-6 72000 Development Kit User’s Guide MOTOROLAPreliminaryProduct Overview2.2 InterfacesThe 72000 Development Kit features the following interfaces:• RS232 interface: Programmable baud rate from 1200 to 921 Kbit.• UART interface: 5-pin header with RxD, CTS, RTS, and GND, 3.3 V signaling, programmable baud rate from 1200 to 921 Kbit, HCI UART transport layer.NOTE:The UART and RS232 interfaces cannot operate simultaneously. • Audio connections, with audio routed to the CODEC.2.3 ICsThe 72000 Development Kit is supplied with the following Bluetooth ICs from Motorola:• MC72000 Bluetooth Baseband Controller and Transceiver IC• MC13181 Wireless Power Management IC The 72000 Development Kit uses an Atmel SEEPROM (AT25HP512).2.4 Software ToolsThe 72000 Development Kit is accompanied by the following software tools:• Bluetooth HCI Terminal• Configuration manager• DemoBench• RadioTestThe following sections describe briefly each of the software tools. A separate user’s guide for each tool is included on the Development Kit CD.2.4.1 Bluetooth HCI TerminalWith the Bluetooth HCI Terminal you can interact with your Bluetooth hardware. The interface is similar to that of an AT Terminal application when communicating with a modem. The Bluetooth HCI Terminal makes it easy to send HCI commands from a computer to a Bluetooth device. Likewise, it is easy to receive HCI responses from a Bluetooth device. Consequently, you can get hands-on experience with the HCI. Or you can test your own Bluetooth hardware.2.4.2 Configuration ManagerThe Configuration Manager is an application that allows you to handle the Development Kit file system. With this tool, you can download firmware patches and set up a number of baseband and radio parameters to exercise the board. All parameters are restorable and default settings are stored automatically.
Software ToolsMOTOROLA Product Overview 2-7Preliminary2.4.3 DemoBenchThe DemoBench is a demonstration tool that can be used for a number of purposes. You can send a file to another Bluetooth device, “chat” with another Bluetooth device, and view link and packet statistics in a real-time application.2.4.4 RadioTestThe RadioTest application allows you to test all aspects of your Bluetooth hardware. This application lets you control your hardware so as to carry out any test required for development purposes and when preparing for production. Testing is both fast and simple; you can do all your testing with one and the same program. In addition, you can create your own test system as desired without losing any of the benefits of the Radio Test application. Finally, the application allows for simultaneous testing of several units using the same equipment.
2-8 72000 Development Kit User’s Guide MOTOROLAPreliminaryProduct Overview
MOTOROLA Setup 3-9PreliminaryChapter 3SetupThis section explains how to set up the 72000 Development Kit hardware and software. Do the following:1. Attach external antenna to the 50 ohm connector on the development board. 2. Attach the development board to your computer using the UART (RS232) cable.3. Attach power supply to DC connector on board and connect to main electricity supply.4. Insert the CD in the CD-ROM drive of your computer and follow the onscreen instructions to install the software and documentation.5. Launch the Configuration Manager and make sure it is the only Development Kit application running.6. Select the "72000 - UART Application - Audio through Codec" configuration in the Configuration Manager and click the Make Active button. You can now use UART or RS232, however not simultaneously. NOTE:The first time the Configuration Manager is attached to a board, it willadvise you to make a backup of the configuration on the board. A backupis necessary to save the board’s original settings. The backup will be calledFactory Settings for device XXXXXXXXXXXX.
3-10 72000 Development Kit User’s Guide MOTOROLAPreliminarySetup
MOTOROLA Hardware 4-11PreliminaryChapter 4HardwareThis section provides information on various aspects of the 72000 Development Kit hardware. In addition, Appendix A, “Board Diagrams“, contains the development board schematic and component placement, and Appendix B, “Bill of Material“, contains the BOM.4.1 Signal and Connection DescriptionsThe 72000 Development Kit contains the following connections, switches, and indicators:• Power supply input• Modular jack 4/4 connector for mono-audio speaker and microphone (headset application)• RS232 interface• UART interface• Antenna connector• JTAG allowing interface to MC72000 production test• Reset button• Three control buttons for future applications• On/off switch• Status LEDs• Software download switchThe power supplied for the 72000 Development Kit is DC with the ratings stated in the specifications.An analog audio signal to be transmitted over the Bluetooth connection can be fed into the 72000 Development Kit via the modular jack or as streaming audio through the host interface. It will be converted to digital data and transmitted through the Bluetooth link. A digital audio signal received from a connected Bluetooth device will be converted to an analog audio signal and available at the modular jack or as streaming audio through the host interface (UART, SSI, SPI). The MC72000 has a Bluetooth Audio Signal Processor (BTASP) for superior audio performance.The RS232/UART interfaces can be used to transfer data and audio between a host and the Bluetooth device. The firmware of the 72000 Development Kit can be upgraded through the RS232/UART interface.The CODEC is attached to the MC72000 via SSI interface.The antenna connector is an SMA 50 ohm connection. The reset button can be activated to re-initialize the entire system.
4-12 72000 Development Kit User’s Guide MOTOROLAPreliminaryHardwareThree buttons are provided for future embedded applications.Four status LEDs are provided:• One application-specific LED• 24 MHz/32 kHz•RX/TX•Power on4.2 EnvironmentalThis section contains system level environmental information about the development board::• Storage temperature (degrees centigrade): —Min. -40—Max +125• Operating temperature (degrees centigrade): —Min. 0—Max +854.3 MechanicalThis section contains system level mechanical information:• Length: 75mm• Width: 50 mm• Height (PCB with components): — Excluding legs: 18 mm— Including legs: 25 mm• Layout, FR4, 4 layer: 1 mm4.4 ElectricalThis section contains electrical information:• Input power supply requirements: 3.5-6.5 VDC• Audio input: 65m Vpp• Audio output: 1.6 Vpp, modular jack 4/4 connector
ElectricalMOTOROLA Hardware 4-13PreliminaryThe following table shows the current consumption measurements of the circuits of the MC72000 Bluetooth Baseband Controller and Transceiver IC. Note that the table contains typical values.4.4.1 Power SupplyThe board is fed with power from on-board standard regulators. The on-board power supply regulators should be fed with the supply provided, which generates the following voltages for the board:    •1.85 V  •2.65 V •3.0V   4.4.2 Reset CircuitThe board includes a push button for full system reset of the MC72000 and all peripherals.4.4.3 ClocksThe clocks in the system are as follows:• External crystal: 13 MHz• Sleep mode clock: 32.768 kHz• Active mode clock: 24 MHz The MC72000 includes an internal oscillator circuit for the 32.768 kHz sleep mode clock and the 24 MHz active mode clock. Only two external crystals and a few other components are needed.Table 1: Current Consumption Measurements of MC72000Type Average Current DescriptionDH5 asymmetric RX 57 mA TX rate 57.6 kbits RX rate 723.2 kbitsDH5 asymmetric TX 55.5 mA TX rate 723.2 kbits RX rate 57.6 kbitsDH5 symmetric 57.5 mA TX rate 433.9 kbits RX rate 433.9 kbitsHV1 54.8 mAHV3 TDBTotal system in low-power mode TDB
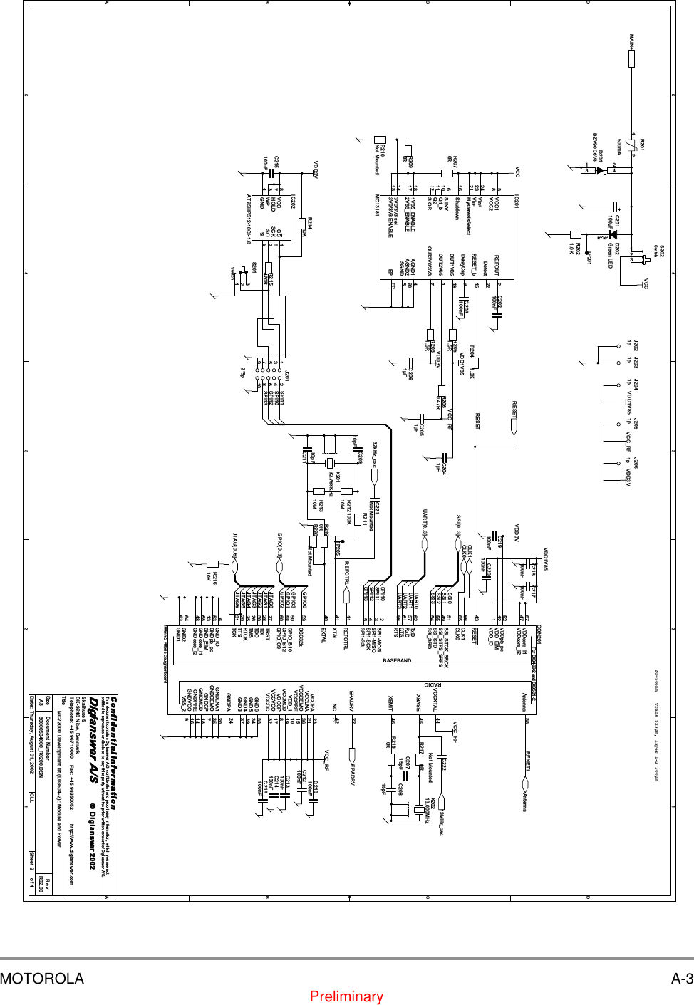
4-14 72000 Development Kit User’s Guide MOTOROLAPreliminaryHardware4.4.4 MemoryThe MC72000 has embedded memory of 256 Kbytes of ROM and 64 K of RAM. The file system and application can be uploaded from a host system, or a low-cost serial EEPROM (four-wire connection). For more information on the contents and structure of the MC72000 memory, please refer to the Bluetooth Platform Solution Embedded System User’s Guide. This is accessible from the document overview on the Development Kit CD.4.4.5 UART InterfaceThe UART interface is embedded in the MC72000. However, an external level converter is needed. For this purpose, the MAX3237 1.0 Mbit level converter is used. The level converter is connected to the MC72000 and a female 9-pin D-sub. The connection between the level converter and the MC72000 is passed through a jumper block in order to aid debugging, and, if ever needed, to use a different type of level converter. 4.4.6 CODEC InterfaceThe audio interface consists of the Motorola MC145483 CODEC, a 4-pin header and a 4/4p amp connector. Sampling rate is configured at 7.8125 kHz.4.4.6.1 Codec Setup and ConfigurationIn the current (Motorola CODEC) configuration for the 72000 Development Kit, the CODEC can only be configured as a slave, which is done by the application at startup.  Therefore, the MC72000 IC will be configured as the SSI master, meaning that the MC72000 IC generates all SSI control signals. In practice, the CODEC bit clock is tied electrically to the master clock.There are certain constraints on the available clock frequencies; specifically, the frequency can only be integer factors of the baseband’s master clock, which is 24 MHz. The Motorola CODEC expects a 2.048 MHz master clock, but due to these limitations, none of the available integral frequencies fit the CODEC exactly.  Therefore, a slight mismatch in the order of two per cent exists. To be exact, the CODEC expects a 2.048 MHz master clock, but gets 2.000 MHz.The frame sync generated by the MC72000 IC can only by an integer factor of the master clock (bit clock), and is selected as 1/256th, resulting in: • Frame sync: 2000 kHz / 256 = 7.8125 kHzThis slight mismatch does not cause any audio degredation.  Interpolation copes with the synchronization seamlessly. The degradation of the frequency characteristic of the system from runnning on a slightly lower sample frequency is not significant. (The pass-band upper frequency is 3.9 kHz instead of 4.0 kHz).Figure 4-1.   SSI Signals from Baseband to CODECSTXDSRXDSTCKSTFSMotorola CODEC
ElectricalMOTOROLA Hardware 4-15Preliminary4.4.7 AntennaThe 72000 Development Kit contains an SMA 50 ohm antenna connector.4.4.8 100 mm² ModuleA six-layer HDI PCB with an area of 100mm² has been populated with an MC72000 IC and all the necessary external components for a host-based solution, where the reference oscillator signals are provided by the host. This serves as a demonstration of the space efficiency of the MC72000 Bluetooth solution. This PCB has been fitted with pads to resemble a QFN package and has been mounted on the motherboard. For a diagram of this module, see Appendix C, “100 mm² Module Diagram“.
4-16 72000 Development Kit User’s Guide MOTOROLAPreliminaryHardware
MOTOROLA Regulatory 5-17PreliminaryChapter 5RegulatoryThis section contains regulatory statements, a list of the countries where the 72000 Development Kit has obtained type approval or may be shipped as a prototype, and information on what is needed by developers to obtain type approval for their products.NOTE:This device is intended for evaluation and development purposes byprofessionals only and is NOT for re-sale.5.1 Regulatory StatementsThis section contains the regulatory statements that apply to the 72000 Development Kit.NOTE:Users are not permitted to make changes or modify the system in any way.Changes or modifications not expressly approved by the party responsiblefor compliance could void the user’s authority to operate the equipment.5.1.1 GeneralThis product complies with any mandatory product specification in any country where the product is sold. 5.1.2 European Union (EU) and EFTAThis equipment complies with the R&TTE directive 1999/5/EC and has been provided with the CE mark accordingly.5.1.3 France This equipment may only be used as a Class 2 device, not as a Class 1 device. Note also that only indoor use is allowed.
5-18 72000 Development Kit User’s Guide MOTOROLAPreliminaryRegulatory5.1.4 United States of America and CanadaTested to comply with FCC Standards FOR HOME OR OFFICE USE. See FCC 47CFR part 15.19(b)(2)This device complies with part 15 of the FCC rules and with RSS-210 / RSS-139 of the Industry Canada. Operation is subject to the following two conditions: (1) This device may not cause harmful interference, and (2) this device must accept any interference received, including interference that may cause undesired operation. See FCC regulation CFR47 sec. 15.19(3).This equipment has been tested and found to comply with the limits for a Class B digital device, pursuant to part 15 of the FCC Rules. These limits are designed to provide reasonable protection against harmful interference in a residential installation. This equipment generates, uses and can radiate radio frequency energy and, if not installed and used in accordance with the instructions, may cause harmful interference to radio communications. However, there is no guarantee that interference will not occur in a particular installation. If this equipment does cause harmful interference to radio or television reception, which can be determined by turning the equipment off and on, the user is encouraged to try to correct the interference by one or more of the following measures:• Reorient or relocate the receiving antenna• Increase the separation between the equipment and receiver• Connect the equipment into an outlet on a circuit different from that to which the receiver is connected• Consult the dealer or an experienced radio/TV technician for helpIn order to comply with FCC RF Exposure requirements, a minimum separation distance of 20 cm must always be maintained between the transmitter antenna and all persons during normal operation.Note that any changes or modifications to this equipment not expressly approved by the manufacturer may void the FCC authorization to operate this equipment. See FCC regulation CFR47 sec. 15.21.5.1.5 Canada Compliance (Industry Canada)To prevent radio interference to the licensed service, this device is intended to be operated indoors and away from windows to provide maximum shielding. Equipment that is installed outdoors is subject to licensing.In French: Pour empêcher un brouillage radioélectrique au service faisant l'objet d'une licence, cet appareil doit être utilisé à l'interieur et loin des fenêtres afin de founir un écran de blindage maximal. Au cas aù un installation en plain air, le materiel doit faire l'objet d'une licence.This device has been designed to operate with an antenna having a maximum gain of 5.00 dBi. Antenna having a higher gain is strictly prohibited per regulations of Industry Canada. The required antenna impedance is 50 ohms.To reduce potential radio interference to other users, the antenna type and its gain should be so chosen that the equivalent isotropically radiated power (EIRP) is not more than that required for successful communication.The term "IC:" before the radio certification number only signifies that Industry Canada technical specifications were met.
Development Kit ApprovalMOTOROLA Regulatory 5-19Preliminary5.1.6 Taiwan5.2 Development Kit Approval5.2.1 Type ApprovalIn the following countries, the 72000 Development Kit has obtained type approval:• Europe (EU and EFTA countries)•USA• Canada• Japan** The equipment will be tested at accredited in-country test house. However, actual application will not be submitted as the 72000 development board has no enclosure, which is requested for approval in Japan.
5-20 72000 Development Kit User’s Guide MOTOROLAPreliminaryRegulatory5.2.2 Prototype ShipmentIn the following countries, the 72000 Development Kit has not been typed approved but prototypes may be shipped:• China•Taiwan• Israel**• Hong Kong• Korea (South)• Singapore•Brazil•Mexico**** Awaiting new regulations.5.3 Obtaining Type ApprovalCustomers of Motorola Bluetooth chipsets will face some Bluetooth qualification and regulatory requirements for their products. The following lists the requirements for the major markets as defined by Motorola as tier 1 countries: Australia, Canada, Europe (15 + 4 EFTA countries), Japan, New Zealand and the US. A number of other countries worldwide will accept the test reports made for Europe and/or US approval; for more information, please go to: http://www.bluetooth.org/member/regulatory. Motorola chipsets (radio/baseband) are pre-qualified as Bluetooth components; for more information, please go to: http://qualweb.opengroup.org/Template2.cfm?LinkQualified=QualifiedProducts. Also any variants of Motorola software stacks will be pre-qualified. The assumption of pre-qualification provides that customers will implement the radio module (radio chip including surrounding components and print layout) without any changes.5.3.1 Requirements for Bluetooth QualificationBaseband chipset will be used as a pre-qualified component and do not require re-testing.Any incorporated variant of Motorola software stack will be used as a pre-qualified component and do not require re-testing.Radio will need to be re-tested in the product layout for the 8 (of 16) test cases listed in the following table. (For more information, see “The Bluetooth Qualification Program Reference Document (BQ PRD)” on the Bluetooth Qualification Program Website: http://qualweb.bluetooth.org/Template2.cfm.)
Obtaining Type ApprovalMOTOROLA Regulatory 5-21PreliminaryIf changes are made to the 72000 Development Kit radio module BOM or layout, all 16 Bluetooth test cases will be required to be re-tested. Depending on the nature of changes to the radio, re-testing might only be necessary in normal temperature. This has to be decided by the BQB in each case.5.3.2 Requirements for Regulatory Type ApprovalThe following regulatory testing needs to be made:• For CE-marking: EN 300 328-2 (emission), EN 301 489-17 (EMC), EN 60950 (safety)• For Japan approval: ARIB T-66.• For FCC grant: CFR47 part 15.205, 15.209 and 15.247 (except 15.247e: processing gain)NOTE:As Motorola radios will be approved by FCC as radio modules and theFCC testing can be avoided for regulatory purposes for radio modules,provided no changes are made to the radio module BOM or layout, it willstill be necessary to perform the Out-of-Band SpuriousEmissions-radiated-test of part 15.209.The product might be subject to additional product specific regulations, such as PSTN regulations and other.Type approval applications have to be filed to the national authorities for each product. Documentation submitted for type approval can vary from country to country, but will in general include: test reports, pictures, BOM, schematics, PCB layouts, product descriptions (block diagrams), antenna information, SAR statements (see below), label/manual information (legal text) and manufacturer information.Both in Europe and US regulators are currently working on new sets of rules for combined radio equipment as well as rules for SAR. Test requirements for SAR (including combined radio) will most likely be topical within the next year.Table 5-1.   TRM/CA/04/E TX Output Spectrum-Frequency rangeTRM/CA/08/E Initial Carrier Frequency ToleranceTRM/CA/09/E Carrier Frequency DriftTTRC/CA/01/E Out-of-Band Spurious Emissions-radiatedRCV/CA/02/E Sensitivity-multi-slot packetsRCV/CA/03/E C/I performanceRCV/CA/04E Blocking performanceTP/PHYS/TRX/BV-05-C Symbol rate
5-22 72000 Development Kit User’s Guide MOTOROLAPreliminaryRegulatory
MOTOROLA A-1PreliminaryAppendix ABoard DiagramsThe following pages show the 72000 development board schematic and component placement.
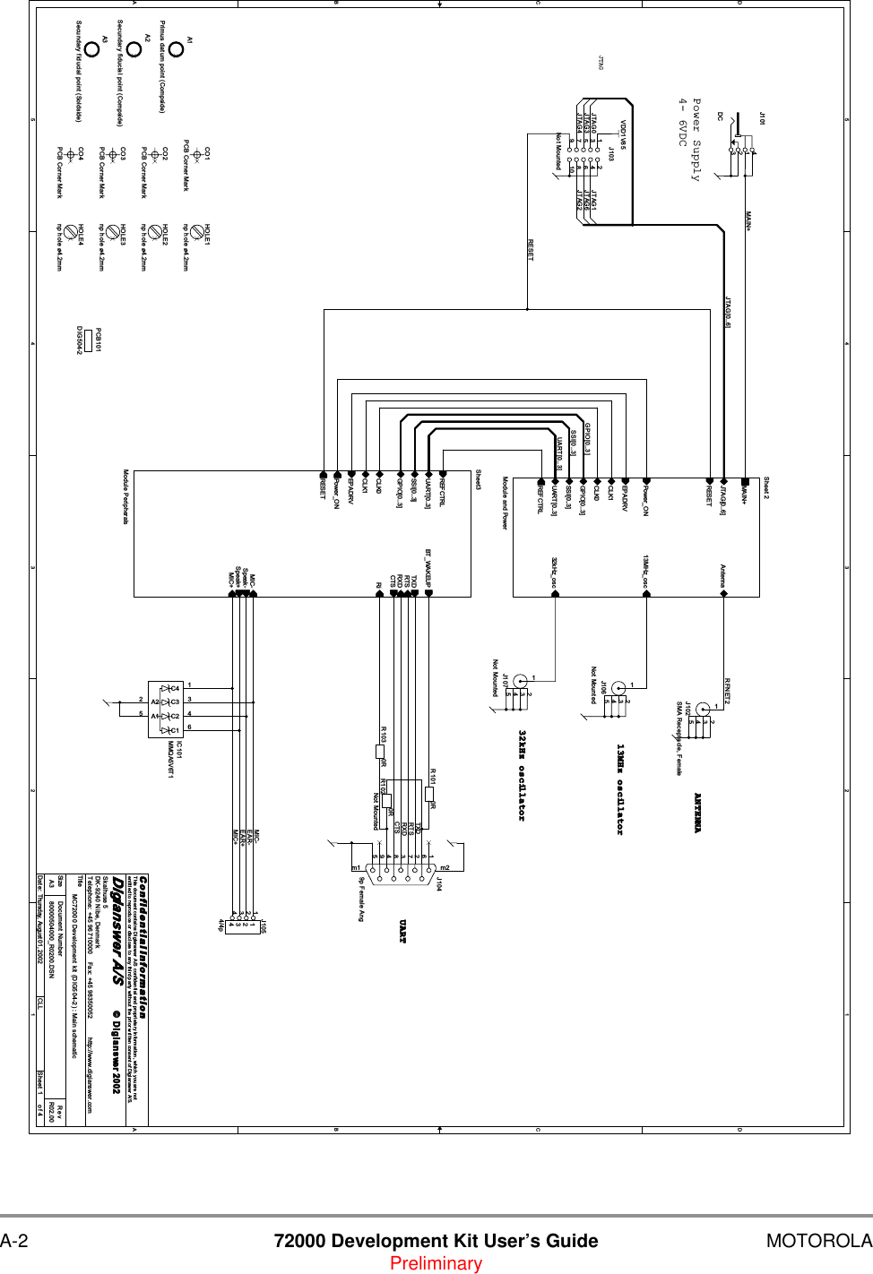
A-2 72000 Development Kit User’s Guide MOTOROLAPreliminary5544332211D DC CB BA AMAIN+RTSTXDRXDCTSMIC-RFNET2EAR-EAR+MIC+UART[0..3]RESETSSI[0..3]GPIO[0..3]JTAG[0..6]JTAG0JTAG3JTAG4 JTAG2JTAG6JTAG1VDD1V85TitleSize Document Number RevDate: Sheet ofC o n f i d e n t i a l  I n fo r ma t i o nThis document contains Digianswer A/S confidential and proprietary information, which you are notentitled to reproduce or disclose to any third party without the prior written consent of Digianswer A/S.© Digianswer80000504000_R0200.DSN R02.00MC72000 Development kit (DIG504-2) : Main schematicDigianswer A/SSkalhuse 5DK-9240 Nibe, DenmarkTelephone: +45 96710000    Fax: +45 98350052          http://www.digianswer.comA314Thursday, August 01, 2002 CLL20024- 6VDCPower SupplyUAR TANT E NNAJTAG13M H z   oscillat or32k H z   oscillat orJ107Not Mounted12534CO3PCB Corner MarkJ106Not Mounted12534R101 0RJ101DC3214A1Primus datum point (Compside)HOLE1np hole ø4.2mmJ1049p Female Ang594837261m1 m2Sheet3Module PeripheralsREFCTRLTXDCTSRTSRXDUART[0..3] BT_WAKEUPRiSSI[0..3]Speak+Speak-MIC+MIC-GPIO[0..3]CLK0CLK1EPADRVRESETPower_ONA2Secundary fiducial point (Compside)HOLE2np hole ø4.2mmJ102SMA Receptacle, Female12534CO4PCB Corner MarkIC101MMQA5V6T1C1 6A15C2 4C3 3A22C4 1R1020RNot MountedA3Secundary fiducial point (Soldside)HOLE3np hole ø4.2mmCO2PCB Corner MarkJ1054/4p11223344PCB101DIG504-2HOLE4np hole ø4.2mmJ103Not Mounted1 23 45 67 8109CO1PCB Corner MarkR103 0RSheet 2Module and PowerMAIN+UART[0..3]SSI[0..3]JTAG[0..6] AntennaGPIO[0..3]CLK0CLK1EPADRVREFCTRLRESETPower_ON 13MHz_osc32kHz_osc
MOTOROLA A-3Preliminary5544332211D DC CB BA ASPI13SPI12SPI11SPI10UART1UART2UART0UART3SSI0SSI1SSI2SSI3JTAG0JTAG1JTAG2JTAG3JTAG4JTAG6GPIO0GPIO1GPIO2RFNET1RESETGPIO3JTAG5SPI11SPI10SPI12SPI13MAIN+UART[0..3]SSI[0..3]JTAG[0..6]AntennaGPIO[0..3]EPADRVREFCTRLRESETCLK0CLK113MHz_osc32kHz_oscVCCVCC_RFVDD1V85VDD3VVCCVDD1V85VDD3VVCC_RFVDD3VVCC_RFVDD1V85 VCC_RF VDD3VTitleSize Document Number RevDate: Sheet ofC o n f i d e n t i a l  I n fo r ma t i o nThis document contains Digianswer A/S confidential and proprietary information, which you are notentitled to reproduce or disclose to any third party without the prior written consent of Digianswer A/S.© Digianswer80000504000_R0200.DSN R02.00MC72000 Development kit (DIG504-2) : Module and PowerDigianswer A/SSkalhuse 5DK-9240 Nibe, DenmarkTelephone: +45 96710000    Fax: +45 98350052          http://www.digianswer.comA324Thursday, August 01, 2002 CLL2002Z0=50ohm Track 523µm, layer 1-2 300µmC2041µFJ2012*5p1 23 45 67 8109IC202AT25HP512-10CI-1.8 CS 1SO 2WP3GND4SI 5SCK 6HOLD7VCC8C219100nFR2081.5RR21310MR2021.0KR2180RR2090RC214100nFC215100nFX20213.000MHzD201BZV90C6V83241J2031pIC201MC13181VCC13Vin+24Vin-23HysteresisSelect21DelayCap 9Q1_b10 S INV6Q211S OR122V65_ENABLE17 1V85_ENABLE183V0/3V3 sel143V0/3V3 ENABLE13AGND1 4OUT3V0/3V3 7OUT2V65 1OUT1V85 19RESET_b 15Detect 22REFOUT 2VCC28Shutdown16AGND2 20SGND 5EP EPR215470RR204 1.0KX20132.768KHzTP201R2060.47RC201100µFR2190RR2070RTP205C222Not MountedC216100nFR21610KR201500mA1 2J2021pC20815pFC220100nFR217 0RBASEBANDRADIOFor DIG499-2 and DIG501-2CON201100mm2 Pillaris Daughter boardRESET43SSI_STCK_SRCK51SSI_STFS_SRFS49SSI_STD55SSI_SRD54TxD62RxD57CTS61RTS56SPI1-MOSI2SPI1-MISO3SPI1-SCK4SPI1-SS5GPIO_C960XBASE 45XEMIT 46OSC32k59GPIO_B1050GPIO_B1258GND264GND163Antenna 38XTAL41 NC 42EXTAL40GND3 37GND6 33EPADRV 22GND5 34GND4 39GNDPA 24GNDDEMO 35GNDLNA1 20GNDCP 7GNDMOD 18GNDPRE 14GNDVCO 16REFCTRL11TRST27TDI28TDO30TMS26RTCK25TTS29TCK31VSS_2 9CLK065GND_IO6GNDpb_pc53GND_EIM13GNDcore_I168GNDcore_I248VDDcore_I167VDDcore_I247VCCXTAL 44CLK166VDDpb_pc52VDD_EIM12VDD_IO1VCCPA 23VCCLNA 21VCCDEMO 36VCCPRE 15VDD_1 10VCCMOD 19VCCCP 8VCCVCO 17VCCDC 32C2051µFR21410KR211100KD202Green LEDJ2061pR2051.5RC210100nFC21110pFC212100nFC217100nFR21210MC20715pFC218100nFJ2051pS202Switch123C2061µFC203100nFR210Not MountedC202100nFR220Not MountedC213100nFC20910pFC221Not MountedS201Switch123J2041p
A-4 72000 Development Kit User’s Guide MOTOROLAPreliminary5544332211D DC CB BA AGPIO1GPIO2GPIO0UART3UART2UART0UART1UART[0..3]SSI0SSI1SSI2SSI3GPIO3SSI[0..3]GPIO[0..3]CLK1REFCTRLEPADRVTXDCTSRTSRXDSpeak+Speak-UART[0..3]BT_WAKEUPRiMIC+MIC-CLK0RESETGPIO[0..3]VAGVDD3VVAGVCCVDD3VVDD3VVDD3VVDD3VTitleSize Document Number RevDate: Sheet ofC o n f i d e n t i a l  I n fo r ma t i o nThis document contains Digianswer A/S confidential and proprietary information, which you are notentitled to reproduce or disclose to any third party without the prior written consent of Digianswer A/S.© Digianswer80000504000_R0200.DSN R02.00MC72000 Development kit (DIG504-2) : Module peripheralsDigianswer A/SSkalhuse 5DK-9240 Nibe, DenmarkTelephone: +45 96710000    Fax: +45 98350052          http://www.digianswer.comA334Thursday, August 01, 2002 CLL2002Keys24MHz / 32kHzLevel shifterVol +Vol - BTR320270KR3010RJ3022*6p1 23 45 67 891011 12C313100nFTR301ABC847BS261C301100nFR3252.2KR303470RC316100nFTP317R30710KR305470RTP304C303100nFR313100RS303SPSTR324270KC314330nFR31810KC3171µFS301SPSTTP309R306470RTP316R31210KC305100nFR3270RGRD303Red/Green LED SMD14 32R30810KTR301BBC847BS534TP318C312150pFTP305C30722nFIC302MC145483SDVAG-Ref 1RO- 2PI 3PO- 4PO+ 5VDD6FSR7DR8BCLKR9PDI10DT13FST14VSS15HB16 TG 17TI- 18TI+ 19VAG 20BCLKT12MCLK11D302Green LEDTR302ABC847BS261R3261.0KR31743KR3310RC302100nFR30910KR304470RC309150pFTP307R31110KTP302C3101µFC3061.0nFR31643KJ3012*6p1 23 45 67 891011 12R3020RR328Not MountedIC303LM4878-IN1+IN7Bypass3Shutdown5VDD 6OUT 1 8OUT 2 4GND 2TP306TP315R322220RS302SPSTR3300RTP310C315100nFC308100nFC304100nFS304SPSTR3211.0KIC301MAX3237EAIC1+28C1-25C2+1C2-3T1IN24T2IN23R1OUT21R2OUT20VCC 26V+ 27V- 4GND 2T1OUT 5T2OUT 6R1IN 8R2IN 9T3IN22T4IN19T5IN17T3OUT 7T4OUT 10T5OUT 12R1OUTB16R3OUT18 R3IN 11MBAUD 15SHDN 14EN13C311330nFR31910KD301Red LEDR3232.2KTP303R31010KTP308
MOTOROLA A-5PreliminaryPhysical Layer 1
A-6 72000 Development Kit User’s Guide MOTOROLAPreliminaryPhysical Layer 2
MOTOROLA B-1PreliminaryAppendix BBill of MaterialThis appendix shows the Bill of Material for the 72000 Development Kit PIN 80000504000 Rev. R02.00. Table B-1.   Item Value Rating Tolerance Manufacturer Manufacturer's Part Number Part Reference1 100µF 10V 20% AVX TPSD107MOlOR0150 C2012 100nF 6.3V 10% X513 Murata GRP155R60J104KA01E C2023 100nF 6.3V 10% X513 Murata GRP155R60J104KA01E C2034 100nF 6.3V 10% X513 Murata GRP155R60J104KA01E C2105 100nF 6.3V 10% X513 Murata GRP155R60J104KA01E C2126 100nF 6.3V 10% X513 Murata GRP155R60J104KA01E C2137 100nF 6.3V 10% X513 Murata GRP155R60J104KA01E C2148 100nF 6.3V 10% X513 Murata GRP155R60J104KA01E C2159 100nF 6.3V 10% X513 Murata GRP155R60J104KA01E C21610 100nF 6.3V 10% X513 Murata GRP155R60J104KA01E C21711 100nF 6.3V 10% X513 Murata GRP155R60J104KA01E C21812 100nF 6.3V 10% X513 Murata GRP155R60J104KA01E C21913 100nF 6.3V 10% X513 Murata GRP155R60J104KA01E C22014 100nF 6.3V 10% X513 Murata GRP155R60J104KA01E C30115 100nF 6.3V 10% X513 Murata GRP155R60J104KA01E C30216 100nF 6.3V 10% X513 Murata GRP155R60J104KA01E C30317 100nF 6.3V 10% X513 Murata GRP155R60J104KA01E C30418 100nF 6.3V 10% X513 Murata GRP155R60J104KA01E C30519 100nF 6.3V 10% X513 Murata GRP155R60J104KA01E C30820 100nF 6.3V 10% X513 Murata GRP155R60J104KA01E C31321 100nF 6.3V 10% X513 Murata GRP155R60J104KA01E C315
B-2 72000 Development Kit User’s Guide MOTOROLAPreliminary22 100nF 6.3V 10% X513 Murata GRP155R60J104KA01E C31623 1µF 6.3V 10% X513 Murata GRM188R60J105K C20424 1µF 6.3V 10% X513 Murata GRM188R60J105K C20525 1µF 6.3V 10% X513 Murata GRM188R60J105K C20626 1uF 6.3V 10% X513 Murata GRM188R60J105K C31027 1uF 6.3V 10% X513 Murata GRM188R60J105K C31728 15pF 50V 5% NPO Murata GRM36COG15OJ50PT C20729 15pF 50V 5% NPO Murata GRM36COG15OJ50PT C20830 10pF 50V 5% NPO Murata GRM36COGlOOD50PT C20931 10pF 50V 5% NPO Murata GRM36COGlOOD50PT C21132 1.0nF 50V 5% X713 Murata GRM36X7R102K50PT263 C30633 22nF 16V 10% X713 AVX-Kyocera 0402YC223KAT2A C30734 150pF 50V 5% X713 Murata GRM36COG151J50PT263 C30935 150pF 50V 5% X713 Murata GRM36COG151J50PT263 C31236 330nF 6.3V 10% X513 AVX-Kyocera 06036D334KAT2A C31137 330nF 6.3V 10% X513 AVX-Kyocera 06036D334KAT2A C31438 100mm2  daughter boardDigianswer 80000501000 CON20139 BZV90C6V8 Philips BZV90C6V8 D201 40 Green LED Citizen CL-170G-CD-T D20241 Green LED Citizen CL-170G-CD-T D30242 Red LED Citizen CL-170R-CD-T D30143 Red/Green LED SMD Kingsbright Electronic KPB-3025ESGC D30344 MMQA5V6T1 5.6V/24W Motorola MMQA5V6T1 IC10145 MC13181 Motorola PC13181 IC20146 AT25HP512-10CI-1.8 ATMEL AT25HP512-10CI-1.8 IC20247 MAX3237EAI MAXIM MAX3237EAI IC301Table B-1.   Item Value Rating Tolerance Manufacturer Manufacturer's Part Number Part Reference
MOTOROLA B-3Preliminary48 MC145483SDMotorola MC145483SD IC30249 LM4878 NATIONAL LM48781BP IC30350 DC Roka 5202550 110151 SMA Recep-tacle, Female Telegärtner J01151AO931 J10252 9p Female Ang AMP 747844-5 J10453 4/4p AMP 215875-1 J10554 2*5p AMP 826632-5 J20155 1p AMP 826629-1 J20256 1p AMP 826629-1 J20357 1p AMP 826629-1 J20458 1p AMP 826629-1 J20559 1p AMP 826629-1 J20660 2*6p AMP 1-826632-2 J30161 2*6p AMP 1-826632-2 J30262 DIG504-2 PCB10163 OR 62.5mW/50V 5 % Phycomp 2322 705 91001 R10164 OR 62.5mW/50V 5 % Phycomp 2322 705 91001 R10365 OR 62.5mW/50V 5 % Phycomp 2322 705 91001 R20766 OR 62.5mW/50V 5 % Phycomp 2322 705 91001 R20967 OR 62.5mW/50V 5 % Phycomp 2322 705 91001 R21768 OR 62.5mW/50V 5 % Phycomp 2322 705 91001 R21869 OR 62.5mW/50V 5 % Phycomp 2322 705 91001 R21970 OR 62.5mW/50V 5 % Phycomp 2322 705 91001 R301Table B-1.   Item Value Rating Tolerance Manufacturer Manufacturer's Part Number Part Reference
B-4 72000 Development Kit User’s Guide MOTOROLAPreliminary71 OR 62.5mW/50V 5 % Phycomp 2322 705 91001 R30272 OR 62.5mW/50V 5 % Phycomp 2322 705 91001 R32773 OR 62.5mW/50V 5 % Phycomp 2322 705 91001 R33074 OR 62.5mW/50V 5 % Phycomp 2322 705 91001 R33175 500mA Raychem microSMD050-2 R20176 1.0K 62.5mW/50V 1 % ROHM MCR01MZSF1001 1320277 1.0K 62.5mW/50V 1 % ROHM MCR01MZSF1001 1320478 1.0K 62.5mW/50V 1 % ROHM MCR01MZSF1001 1332179 1.0K 62.5mW/50V 1 % ROHM MCR01MZSF1001 1332680 1.513 100mW/50V 1% Phycomp 2322 704 61508 1320581 1.513 100mW/50V 1% Phycomp 2322 704 61508 1320882 0.4713 100mW/150V 5 % KOA Speer Electronics Inc. SR73K2ATDJ OE47 1320683 100K 62.5mW/25V 5% YAGEO RC02104JR 1321184 10M 100mW/50V 5% YAGEO RC0603JRF0710M 1321285 10M 100mW/50V 5% YAGEO RC0603JRF0710M 1321386 10K 62.5mW/25V 5% YAGEO RC02103JR 1321487 10K 62.5mW/25V 5% YAGEO RC02103JR 1321688 10K 62.5mW/25V 5% YAGEO RC02103JR 1330789 10K 62.5mW/25V 5% YAGEO RC02103JR 13308Table B-1.   Item Value Rating Tolerance Manufacturer Manufacturer's Part Number Part Reference
MOTOROLA B-5Preliminary90 10K 62.5mW/25V 5% YAGEO RC02103JR 1330991 10K 62.5mW/25V 5% YAGEO RC02103JR 1331092 10K 62.5mW/25V 5% YAGEO RC02103JR 1331193 10K 62.5mW/25V 5% YAGEO RC02103JR 1331294 10K 62.5mW/25V 5% YAGEO RC02103JR 1331895 10K 62.5mW/25V 5% YAGEO RC02103JR 1331996 47013 63mW/50V5 % KOA Speer Electronics Inc. RK73B1 ETP470J 1321597 47013 63mW/50V5 % KOA Speer Electronics Inc. RK73B1 ETP470J 1330398 47013 63mW/50V5 % KOA Speer Electronics Inc. RK73B1 ETP470J 1330499 47013 63mW/50V5 % KOA Speer Electronics Inc. RK73B1 ETP470J 13305100 47013 63mW/50V5 % KOA Speer Electronics Inc. RK73B1 ETP470J 13306101 10013 62.5mW/25V 5% YAGEO RC02101JR 13313102 43K 62.5mW/50V 1 % ROHM MCR01MZSF4302 13316103 43K 62.5mW/50V 1 % ROHM MCR01MZSF4302 13317104 270K 62.5mW/50V 1 % ROHM MCR01MZSF2703 13320105 270K 62.5mW/50V 1 % ROHM MCR01MZSF2703 13324106 22013 62.5mW/25V 5% YAGEO RC02221JR 13322107 2.2K 62.5mW/50V 1 % ROHM MCR01MZSF2201 13323108 2.2K 62.5mW/50V 1 % ROHM MCR01MZSF2201 13325Table B-1.   Item Value Rating Tolerance Manufacturer Manufacturer's Part Number Part Reference
B-6 72000 Development Kit User’s Guide MOTOROLAPreliminary109 Switch ALPS SSSS210800 S201110 Switch ALPS SSSS210800 S202111 SPST Alps Electronic Co., LTD. SKHUAD S301112 SPST Alps Electronic Co., LTD. SKHUAD S302113 SPST Alps Electronic Co., LTD. SKHUAD S303114 SPST Alps Electronic Co., LTD. SKHUAD S304115 BC847BS Philips 9340 425 20115 TR301116 BC847BS Philips 9340 425 20115 TR302117 32.768KHz Epson MC-14632.7680K-A5 X201118 13.000MHz 10ppm NDK-NIHON DEMPA KOGYO CO., LTDIW-168-179 X202Table B-1.   Item Value Rating Tolerance Manufacturer Manufacturer's Part Number Part Reference
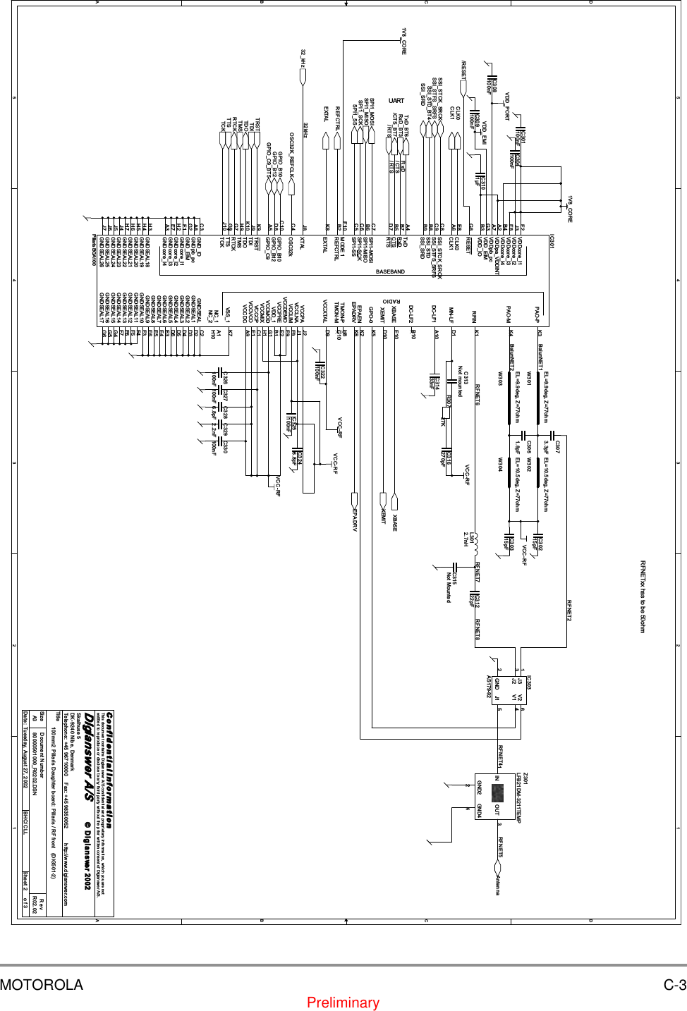
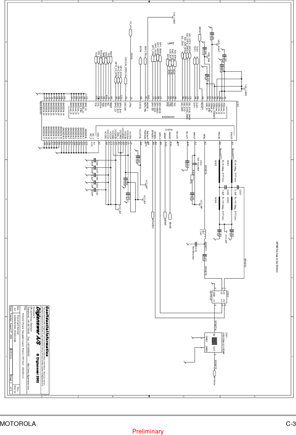
MOTOROLA C-1PreliminaryAppendix C100 mm² Module DiagramThe following pages show the 72000 100 mm² module schematic. This module serves as a demonstration of the space efficiency of the MC72000 Bluetooth solution.
C-2 72000 Development Kit User’s Guide MOTOROLAPreliminary5544332211D DC CB BA AN7749718N7749724N7752426N7749738N7750240N7749728N7752350N7749736N7750260N7750256N7750244N7750236N7624266N7750248N7749832N7749824N7749720N7749732N7750228N7750224N7752504N7750252N7749722N7749726N7749734N7749740N7749730VCC-RFVDD_PORT 1V8_COREVDD_EMITitleSize Document Number RevDate: Sheet ofC o n f i d e n t i a l  I n f o r m a t i o nThis document contains Digianswer A/S confidential and proprietary information, which you are notentitled to reproduce or disclose to any third party without the prior written consent of Digianswer A/S.© Digians wer80000501000_R0202.DSN R02.02100mm2 Pillaris Daughter board: Main Schematic   (DIG501-2)Digianswer A/SSkalhuse 5DK-9240 Nibe, DenmarkTelephone: +45 96710000    Fax: +45 98350052          http://www.digianswer.comA313Tuesday, August 27, 2002 BHC/CLL2002BASEBANDRADIOCON10168pin_mlf_conn_daughterboardRESET43SSI_STCK_SRCK51SSI_STFS_SRFS49SSI_STD55SSI_SRD54TxD62RxD57CTS61RTS56SPI1-MOSI2SPI1-MISO3SPI1-SCK4SPI1-SS5GPIO_C960XEMIT 46OSC32k59GPIO_B1050GPIO_B1258GND264GND163Antenna 38XTALIN 45VCCXTAL 44EXTAL40GND3 37GND6 33EPADRV 22GND5 34GND4 39GNDPA 24GNDDEMO 35GNDLNA1 20GNDCP 7GNDMOD 18GNDPRE 14GNDVCO 16REFCTRL11TRST27TDI28TDO30TMS26RTCK25TTS29TCK31VSS_2 9CLK065GND_IO6GNDpb_pc53GND_EIM13GNDcore_I168GNDcore_I248VDDcore_I167VDDcore_I247CLK166VDDpb_pc52VDD_EIM12VDD_IO1VCCPA 23VCCLNA 21VCCDEMO 36VCCPRE 15VDD_1 10VCCMOD 19VCCCP 8VCCVCO 17VCCDC 32XTAL41 NC 42A104Fiducial Point 300myCO101PCB Corner MarkCO103PCB Corner MarkA101Primus datum point (Compside)A105Fiducial Point 300mysheet 2Gillaris + RFREFCTRLRxD_BT3/RTSOSC32K_REFCLKTxD_BT6/CTS_BT7/RESETSPI1_MOSISPI1_SCKSPI1_SSSPI1_MISOXBASETRSTTDITMSTDOTCKRTCKSSI_STD_BT4AntennaGPIO_C9_BT5GPIO_B12GPIO_B1032_kHzSSI_STCK_SRCKSSI_STFS_SRFSSSI_SRDEXTALTTSCLK1CLK0XEMITEPADRVA102Secundary fiducial point (Compside)A106Fiducial Point 300myA103Secundary fiducial point (Soldside) CO104PCB Corner MarkPCB101DIG501-2 CO102PCB Corner Mark
MOTOROLA C-3Preliminary5544332211D DC CB BA ARFNET8RFNET4 RFNET532kHzBalunNET2RFNET6/RTS/CTSRxDRFNET7BalunNET1RFNET2REFCTRLRxD_BT3/RTSOSC32K_REFCLKTxD_BT6/CTS_BT7/RESETSPI1_MOSISPI1_SCKSPI1_SSSPI1_MISOXBASETRSTTDITMSTDOTCKRTCKSSI_STD_BT4AntennaGPIO_C9_BT5GPIO_B12GPIO_B1032_kHzSSI_STCK_SRCKSSI_STFS_SRFSSSI_SRDEXTALTTSCLK1CLK0XEMITEPADRVVCC-RFVCC-RF1V8_COREVCC-RFVDD_EMI1V8_COREVCC-RFVDD_PORTVCC-RFTitleSize Document Number RevDate: Sheet ofC o n f i d e n t i a l  I n f o r m a t i o nThis document contains Digianswer A/S confidential and proprietary information, which you are notentitled to reproduce or disclose to any third party without the prior written consent of Digianswer A/S.© Digians wer80000501000_R0202.DSN R02.02100mm2 Pillaris Daughter board: Pillaris / RF front   (DIG501-2)Digianswer A/SSkalhuse 5DK-9240 Nibe, DenmarkTelephone: +45 96710000    Fax: +45 98350052          http://www.digianswer.comA323Tuesday, August 27, 2002 BHC/CLL2002UARTRFNETxx has to be 50ohmC315Not MountedL3012.7nHC30215pFR30727KC3101µFC327100nFC3286.8pFC330100nFC304100nFW301EL=9.9deg, Z=77ohmC3073.3pFW303EL=9.9deg, Z=77ohmC308100nFC31222pFC326100nFC325100nFC313Not mountedIC303AS179-92V2 6V1 4J1 5J31J23GND2C3292.2nFC30315pFC31433nFW304EL=10.5deg, Z=77ohmC316270pFBASEBANDRADIOIC301Pillaris BGA100RESETG8CLK0E8SSI_STCK_SRCKC8SSI_STFS_SRFSC9SSI_STDB8SSI_SRDB9TxDA4RxDB7CTSB5RTSD7SPI1-MOSIC7SPI1-MISOB6SPI1-SCKC6SPI1-SSC5GPIO_C9A5GND_IOC3VDD_IOB3MODE 1F10VDD_EIMG3VDDcore_I1F2VDDcore_I2J3VDDcore_I3F8VDDcore_I4B4VDDpa_VDDINTA2VDDpb_pcA7EXTALK8XTALJ8OSC32kC4GPIO_B10C10GPIO_B12D8GNDpb_pcA8GND_EIMG2GNDcore_I1F1GNDcore_I2H2GNDcore_I3E7GNDcore_I4A3PAO-P K3PAO-M K4EPAEN K2RFIN K1MN-LF D1DC-LF1 A10DC-LF2 B10XBASE E10XEMIT D10GPO-0 K5TMON-P H8TMON-M G10VCCXTAL D9VCCPA J2VCCLNA J1VCCLIM F9VCCDEMO E9VCCPRE E2VDD_1 B1VCCMOD G1VCCMIX H1VCCCP C1VCCVCO E1GNDSEAL C2GNDSEAL1 D2GNDSEAL2 D3GNDSEAL3 D4GNDSEAL4 D5GNDSEAL5 D6GNDSEAL6 E3GNDSEAL7 E4GNDSEAL8 E5GNDSEAL9 E6GNDSEAL10 F3GNDSEAL11 F4GNDSEAL15 G4REFCTRLB2GNDSEAL14 F7GNDSEAL12 F5GNDSEAL13 F6CLK1A6TRSTK9TDIJ9TDOK10TMSH9RTCKG7TTSG9TCKJ10VCCDC A9VSS_1 K7NC_1 A1EPADRV K6NC_2 H10GNDSEAL16 G5GNDSEAL17 G6GNDSEAL18H3GNDSEAL19H4GNDSEAL20H5GNDSEAL21H6GNDSEAL22H7GNDSEAL23J4GNDSEAL24J5GNDSEAL25J6GNDSEAL26J7W302EL=10.5deg, Z=77ohmC322100nFC3061.8pFC301100nFC3246.8pFZ301LFB21DM-3211TEMPGND44IN1OUT 3GND22C309100nF
C-4 72000 Development Kit User’s Guide MOTOROLAPreliminary

Navigation menu