Digigram ES8AESV2 Audio Equipment User Manual ES881v2 1241v2 16161v2
Digigram Audio Equipment ES881v2 1241v2 16161v2
Digigram >
Manual

ES 881V2
ES1241V2
ES16161V2
User’s Manual
Manuel Utilisateur

EtherSound ES881v2, ES1241v2 & ES16161v2
Ethernet Audio Bridges
network ca
modificatio
Alimentation
rdial de connecter
u
ire les risques de feu ou de choc,
, mise en place
ment correct et de
une installation dans des endroits très
iquement avec un chiffon doux et sec.
n sec.
areil a été endommagé quelle qu'en
Important Safety Information
read carefully before using this equipment!
Follow these instructions and keep them in a safe place! Keep in mind that damages due to failure to
observe the instructions contained in this manual are not covered by warranty.
Instructions importantes de sécurité
lire soigneusement avant d'utiliser l'équipement!
Lisez et suivez ces instructions. Conservez les pour consultation ultérieure! Les dommages dus au
non-respect des instructions contenues dans ce manuel ne sont pas couverts par la garantie.
Wichtige Sicherheitshinweise
vor Inbetriebnahme des Gerätes sorgfältig lesen!
Befolgen Sie die Anweisungen und bewahren Sie sie für spätere Fragen auf! Bei Schäden, die durch
Nichtbeachten dieser Bedienungsanleitung verursacht werden, erlischt der Garantieanspruch!
Throughout this manual,
the lightning bolt triangle is
used to alert the user to the
risk of electric shock.
The exclamation point
triangle is used to alert the
user to important operating
or maintenance instructions.
Do Not Open the Cabinet
There are no user-serviceable
components inside this product.
Opening the cabinet may present a shock hazard,
and any modification to the product will void
your warranty. If it is necessary to open the device
for maintenance or advanced configuration
purposes, this is to be done by qualified personnel
only after disconnecting the power cord and
bles!
Power supply
The device is to be connected only to a
power supply as specified in this
manual and marked on the equipment. This
equipment must be earthed!
ma
Do not block any of the ventilation openings!
Humidity
To reduce the risk of fire or shock, do not expose
this device to rain or moisture. Do not place
objects filled with liquid on this device.
Installation Location
To ensure proper operation and to avoid safety
hazards, the device must be installed in a 19“ rack
mount chassis. If this is not possible, place it on a
firm and level surface. Avoid installation in
extremely hot or cold locations, or in an area that
is exposed to direct sunlight or heating
equipment. Avoid moist or humid locations.
Cleaning
Clean only with a soft, dry cloth. If necessary,
after disconnecting the unit’s cables, wipe it with a
soft cloth dampened with mild soapy water, then
with a fresh cloth with clean water. Wipe dry
immediately with a dry cloth. NEVER use
benzene, aerosol cleaners, thinner, alcohol or any
other volatile cleaning agent. Do not use abrasive
cleaners, which may damage the finish of metal or
other parts.
Refer all servicing to qualified service
personnel.
Servicing is required when the apparatus has been
damaged in any way, such as power supply cord
or plug is damaged, liquid has been spilled, the
apparatus has been exposed to rain or moisture,
does not operate normally, or has been dropped.
Moving the device
Before moving the unit, be certain to disconnect
any cables that connect with other components.
Ne pas ouvrir l’appareil
L'ouverture du coffret peut produire
un risque de choc électrique, et toute
n du produit annule votre garantie. S'il
est nécessaire d'ouvrir l'appareil pour l'entretien
ou la configuration avancée, cela doit être fait par
du personnel qualifié, après avoir débranché le
cordon d'alimentation et les câbles réseaux !
Il est primo
l'appareil à une alimentation
électrique telle que spécifiée dans ce
tilisateur et sur le matériel même.
Cet équipement doit être raccordé à la terre !
N'obstruer aucune ouverture de ventilation !
nuel d´
Humidité
Afin de rédu
n'exposez pas cet appareil à la pluie ou l'humidité.
Ne placez pas d´objet contenant un liquide sur
l'appareil.
Installation
Afin d'assurer le fonctionne
minimiser les risques potentiels liés à la sécurité,
l'appareil doit être installé dans une baie de
montage de type 19 pouces. Si cela ne vous est
pas possible, placez le sur une surface solide et
plane.
Evitez
chauds ou très froids ainsi que dans des lieux
exposés directement au soleil. Evitez les lieux
présentant un excès d'humidité.
Nettoyage
Nettoyez un
Si nécessaire, après avoir débranché le cordon
d´alimentation, essuyez-le avec un chiffon doux
humidifié avec de l´eau savonneuse puis rincez le
á l´aide d un chiffon propre et d´eau claire.
Séchez-le immédiatement avec un chiffo
N'utilisez JAMAIS d´essence, de nettoyants en
aérosols, d´alcool ou tout autre agent nettoyant
volatile. N'utilisez pas de produits nettoyants
abrasifs qui pourraient endommager les finitions
métalliques ou d´autres pièces.
Réparation
Lorsque l'app
soit la cause ou qu'il ne fonctionne pas
normalement, toute réparation doit être effectuée
par du personnel qualifié. Avant de transporter
l´unité, assurez-vous d´avoir bien déconnecté le
cordon d'alimentation ainsi que tous les câbles la
reliant à d´autres appareils.
Gerät nicht öffnen
Öffnen des Geräts kann eine
Gefährdung durch Stromschlag und
Erlöschen der Garantie zur Folge haben.
Reparaturarbeiten und Änderungen der
Hardwarekonfiguration dürfen nur von
qualifiziertem Personal nach entfernen der Strom-
und Netzwerkkabel durchgeführt werden.
Stromversorgung
Das Gerät darf nur mit der in dieser
Bedienungsanleitung und auf dem
Gerät angegebenen Stromversorgung
betrieben werden. Erdung ist zu gewährleisten!
Belüftungsschlitze nicht verdecken!
Wasser und Feuchtigkeit
Um Brand- oder Stromschlagrisiken zu
vermeiden, darf das Gerät nicht mit Feuchtigkeit
in Berührung kommen.
Aufbau des Geräts
Um den einwandfreien Betrieb zu gewährleisten
und Sicherheitsrisiken zu vermeiden, muss das
Gerät in einem 19-Zoll Baugruppenrahmen
montiert werden. Nur wenn dies nicht möglich
ist, stellen Sie das Gerät auf einen festen,
waagerechten Untergrund. Meiden Sie Standorten
in den Nähe von Wärme- oder
Feuchtigkeitsquellen sowie direkte
Sonneneinstrahlung.
Reinigen des Geräts
Säubern Sie das Gerät nur mit einem weichen,
trockenen Tuch. Bei Bedarf verwenden Sie ein mit
mildem Seifenwasser befeuchtetes Tuch, nachdem
Sie die Netzanschlusskabel aus der Steckdose
gezogen haben, anschliessend ein weiches, mit
klarem Wasser befeuchtetes Tuch. Trocken Sie
das Gerät sofort im Anschluss. Keinesfalls Benzol,
Verdünner oder sonstige starke Lösungsmittel
oder Scheuerreiniger verwenden, da hierdurch
das Gehäuse beschädigt werden könnte.
Lassen Sie etwaige Reparaturen nur von
qualifizierten Fachleuten durchführen!
Sollten das Netzkabel oder der Netzstecker
beschädigt sein, oder sollte das Gerät selbst
beschädigt worden sein (z. B. durch Eindringen
von Feuchtigkeit durch Fall auf den Boden), oder
sollte es nicht ordnungsgemäss funktionieren oder
eine deutliche Funktionsabweichung aufweisen,
so ist es von qualifizierten Fachleuten zu
reparieren.

EtherSound ES881v2, ES1241v2 & ES16161v2
Ethernet Audio Bridges
2
TABLE OF CONTENTS
INFORMATION FOR THE USER
............................................................................................................................................................. 3
KEY FEATURES
........................................................................................................................................................................................................ 5
OVERVIEW
.................................................................................................................................................................................................................... 5
Contents of this package ...........................................................................................................................................................................................5
The ES881v2, ES1241v2, and ES16161v2 front panels.................................................................................................................................6
ES881v2, ES1241v2, and ES16161v2 back panels .........................................................................................................................................7
INSTALLATION
....................................................................................................................................................................................................... 9
Before mounting devices in a rack… .....................................................................................................................................................................9
Internal settings.....................................................................................................................................................................................................9
Connecting your EtherSound device........................................................................................................................................................................9
Power supply..........................................................................................................................................................................................................9
Network ..................................................................................................................................................................................................................9
Example 1: bi-directional point-to-point transmission of eight audio channels............................................................................9
Example 2: more complex architectures................................................................................................................................................9
Synchronization.................................................................................................................................................................................................. 10
Connecting a computer to manage the EtherSound network............................................................................................................... 10
Audio ..................................................................................................................................................................................................................... 10
GPIO...................................................................................................................................................................................................................... 10
Serial port (RS232 on DB9)........................................................................................................................................................................... 11
Remote set-up by means of configuration software ................................................................................................................................11
Firmware update....................................................................................................................................................................................................... 11
SPECIFICATIONS
.................................................................................................................................................................................................12
Configuration .............................................................................................................................................................................................................. 12
Inputs/outputs ............................................................................................................................................................................................................ 12
Connectivity................................................................................................................................................................................................................. 12
Synchronization.......................................................................................................................................................................................................... 12
APPENDIX A: GPIO CONNECTORS
.................................................................................................................................................13
General Purpose Inputs (GPIs)............................................................................................................................................................................... 13
GPI #1 .................................................................................................................................................................................................................. 13
GPI #1 .................................................................................................................................................................................................................. 13
GPI #3 & GPI #4 .............................................................................................................................................................................................. 13
GPI optocoupler specifications ....................................................................................................................................................................... 14
General Purpose Outputs (GPOs)......................................................................................................................................................................... 14
GPO relay specifications................................................................................................................................................................................... 14
APPENDIX B: SETTING THE INTERNAL JUMPER
............................................................................................................15
Jumper location on the main board ..................................................................................................................................................................... 15
Select sampling frequency............................................................................................................................................................................... 16
APPENDIX C: ES16161V2 WIRING OF THE DIGITAL INPUTS AND OUTPUTS
..................................17
The double Sub-D connectors................................................................................................................................................................................ 17
Default pinout............................................................................................................................................................................................................ 17
Default I/O assignment.................................................................................................................................................................................... 18
Modify I/O group assignment ................................................................................................................................................................................ 18
Distribution of the signals ....................................................................................................................................................................................... 18
Connector localization on motherboard and connector board ............................................................................................................. 18
Ribbon cables linking motherboard and connector board...................................................................................................................... 19
Signals................................................................................................................................................................................................................... 19
Signal routing towards the external connectors ........................................................................................................................................ 19
APPENDIX D: GLOSSARY
..........................................................................................................................................................................20

EtherSound ES881v2, ES1241v2 & ES16161v2
Ethernet Audio Bridges
3
INFORMATION FOR THE USER
T
Ele
his equipment has been tested and found to comply with the limits for a CLASS B digital device, pursuant to Part 15 of the FCC
Rules and with the following European and international Standards for:
ctrical safety: Electromagnetic Compatibility:
Eur
Inte
ope : EN60950, 3rd edition Europe: EN55022:1998 + A1:2000, Class B / EN55024 : 1998 + A1:2001
European Directive 73/23/CEE “Low Voltage Directive“ European Directive 89/336/CEE on electromagnetic compatibility
rnational: IEC 60950, 3rd edition International: CISPR22:1997 + A1:2000 CLASS B
United states: FCC rules-Part 15 Class B ( digital device )
In o
·
·
The limits s
installation.
the inst
occur in
If this e
off and
* reorie
* increa
* conne
* co
Co
No
photocop
While e
or chang
Digigram
their res
rder to guarantee compliance with the above standards in an installation, the following must be done:
the provided cables must not be modified.
additional cables used must have their respective shield connected to each extremity.
pecified in the standards are designed to provide reasonable protection against harmful interference in a residential
This equipment generates, uses and can radiate radio frequency energy and, if not installed and used in accordance with
ruction, may cause harmful interference to radio communications. However, there is no guarantee that interference will not
a particular installation.
quipment does cause harmful interference to radio or television reception, which can be determined by turning the equipment
on, the user is encouraged to try to correct the interference by one or more of the following measures:
nt or relocate the receiving antenna.
se the separation between the equipment and the receiver.
ct the equipment into an outlet on a circuit different from that to which the receiver is connected.
nsult the dealer or an experienced audio/television technician for help.
Note: Connecting this device to peripheral devices that do not comply with CLASS B requirements or using an unshielded peripheral data
cable could also result in harmful interference to radio or television reception. The user is cautioned that any changes or modifications
not expressly approved by the party responsible for compliance could void the user’s authority to operate this equipment. To ensure
that the use of this product does not contribute to interference, it is necessary to use shielded I/O cables.
French version / version française p. 22
pyright 2007 Digigram. All rights reserved.
portion of this manual may be reproduced without prior written consent from Digigram. The copyright protection claimed here includes
ying, translation and/or reformatting of the information contained in this manual.
very effort has been made to ensure accuracy, Digigram is not responsible for errors and omissions, and reserves the right to make improvements
es in the products and programs described without notice.
, EtherSound, ES881v2, ES1241v2, and ES16161v2 are registered trademarks or trademarks of Digigram S.A.. All other trademarks are property of
pective holders.

D i g i g r a m
4
Sound audio bridge
are equipped with AES/EBU interfaces including
ple rate converters (SRC). They xible and powerful EtherSound
stalla e, please
tation provided in it
For more information on EtherSound networks and wiring ument
r web site.
You have just acquired a Digigram Ether
and we congratulate you!
Digigram EtherSound ES881v2 / ES1241v2 / ES16161v2
hardware sam allow the realization of fle
networks.
The manual at hand will guide through in tion and operation. For any software related issu
refer to the specific documen s on-line help.
recommendations please consult the doc
‘Creating EtherSound Networks’ (English), available on the enclosed CD-ROM or on ou
KEY FEATURES
ES881v2:
• 4 AES/EBU digital stereo inputs with hardware sample rate converters, inserted into 8 EtherSound channels
puts, extracted from 8 EtherSound channels
into 4 EtherSound channels
ES1616
• into 16 EtherSound channels
• 8 AES/EBU digital stereo outputs, extracted from 16 EtherSound channels
1 Word Clock input
1 Word Clock output
1 RJ45 port for control and management
19“ 1 RU enclosure
• Remote control and
XLR connectors (ES16161v2: 4 Sub-D 25-pin connectors)
VERVIEW
• 4 AES/EBU digital stereo out
ES1241v2:
• rate converters, inserted 2 AES/EBU digital stereo inputs with hardware sample
• 6 AES/EBU digital stereo outputs, extracted from 12 EtherSound channels
1v2:
8 AES/EBU digital stereo inputs with hardware sample rate converters, inserted
•
•
•
•
management via ‘EScontrol’ software
•
O
Contents of this package
he package consists of the following components:
S16161v2 1U 19 inch rack device
iguration and control software
T
• one ES881v2, ES1241v2 or E
• a power cord
• counterparts for the GPIO terminal blocks
• the User’s Manual at hand
• a CD-Rom with conf

EtherSound ES881v2, ES1241v2 & ES16161v2
Ethernet Audio Bridges
5
he ES881v2, ES1241v2, and ES16161v2 front panels
T
1. Device status group (two yellow LEDs):
e Source
rSound for more details on
the ‘Clock Source’ concept)
lled “EXT SYNC”, indicating that the device synchronizes its clock on an external
nected to the EtherSound network; as soon as a
tivity on the two Ethernet ports (“IN” and
“OUT”); RX flashing means that data are received while TX flashing means that data are transmitted.
This LED simply shows that the device is up and running!
ES CLOCK
’ of the EtherSound
Th first LED is called “ES CLOCK”. It shines when the device is the ‘Clock
network and provides the clock for the entire network (see document on Ethe
EXT SYNC
The second diode is ca
one.
2. Network status group
These four green diodes light up when the devices are con
network activity is detected, they start to flash indicating an ac
3. Power

D i g i g r a m
6
ES881v2, ES1241v2, and ES16161v2 back panels
1. Audio connectors
On
stereo out
channels.
On ES1241v2, six male XLR-3 connectors are used to output twelve EtherSound channels on six stereo
male XLR-3 connectors to input two AES/EBU stereo inputs onto four
Eth
On
eigh tereo
puts onto sixteen EtherSound channels.
2.
The dy and reliable connection to the EtherSound
network. The “IN” port receives the descending EtherSound stream (‘downstream’, coming from the ‘Clock
Source’) while the “OUT” port receives the ascending EtherSound stream (‘upstream’) and transmits it to the
“IN” port; for more details on the concepts of ‘upstream’ and ‘downstream’ please refer to the document
‘EtherSound Overview’, available on the enclosed CD-ROM and on our web site.
ES881v2, four male XLR-3 connectors are used to output eight EtherSound channels on four AES/EBU
puts, four female XLR-3 connectors to input four AES/EBU stereo inputs onto eight EtherSound
AES/EBU stereo outputs, two fe
erSound channels.
ES16161v2, two female Sub-D 25-pin connectors are used to output sixteen EtherSound channels on
t stereo AES/EBU stereo outputs, two female Sub-D 25-pin connectors to input eight AES/EBU s
in
Network connectors
se two NeutrikTM EtherConTM RJ45 connectors allow of a stea

EtherSound ES881v2, ES1241v2 & ES16161v2
Ethernet Audio Bridges
7
3.
These terminal blocks allow setup of external control and monitoring devices through configurable and
protected General Purpose Inputs and Outputs. See dedicated GPIO chapter for details.
Note: the GPIO port is managed by configuration software only.
4. Serial port
RS232 interface on DB9.
Note: The RS232 serial port management requires specific software.
5. Word clock synchronization
Two female BNC connectors, ‘Word Clock In’ and ‘Word Clock Out’, allow synchronization with an
external clock. For more details see the corresponding chapter.
6. RJ45 ES control port
This port allows remote control and management of your network via an EtherSound management
software such as EScontrol.
7. Ground
Connect this ground bolt to the chassis of the mounting rack for a better grounding of the electronics, thus
ensuring immunity to electromagnetic interference.
8. Power supply
Power plug MUST be earthed properly.
GPIO connectors

D i g i g r a m
8
D i g i g r a m
8
ION INSTALLAT
Before mounting devices in a rack…
Inter al settings n
ES1241v2, and ES16161v2 the local sampling frequency is switchable by means of a jumper
kHz.
d
In case you need to change the default setting, please refer to appendix B of this manual.
blish all connections before powering up the device.
, make sure that:
e power cord is not damaged
ividual devices up following the audio path and power
site direction.
w e. Keep the power cable away from where people could trip
ver it.
Network
The cable type most commonly used today is CAT5e. For more detailed information, please refer to the
document “Building ES Networks”, available on the enclosed CD-ROM and on our web site.
The network connections are established via two NeutrikTM EtherConTM RJ45
receptacles. Connection is very easy: use the connector labeled “IN” to connect the
descending EtherSound stream (downstream, coming from the ‘Clock Source’), the
connector labeled “OUT” to connect the ascending EtherSound stream (‘upstream’).
The NeutrikTM EtherConTM RJ45 provide secure connection through a latching
system. To disconnect the cable from the device, press the latch, then withdraw the
cable while maintaining the latch pushed.
Example 1: bi-directional point-to-point transmission of eight audio channels
This application is very easy with EtherSound ES881v2, ES1241v2, and ES16161v2.
Connect a standard Ethernet cable between the “OUT” port of the first Ethernet bridge to the “IN” port of the
second Ethernet bridge. Bring into line the EtherSound channels on the two devices (see the on-line help of
the configuration software).
Example 2: more complex architectures
System topology may be daisy chain, star, ring, or a combination of star and daisy chain. By default, the first
device in a network, such as an EtherSound ES881v2, provides the master clock for the entire network. This
device is called ‘Clock Source’. Note that in a ring configuration you must configure a device as Clock Source
(this is done by software, the device is then called ‘Preferred Clock Source’). Nevertheless, you have the
possibility to synchronize the ‘Clock Source’ device on an external clock by using the ‘Word Clock In’ input
and by then providing this clock to the EtherSound bridges downstream from the ‘Clock Source’ passing
through the ‘Word Clock Out’ outputs.
Connect the “OUT” port with the “IN” port of the following EtherSound device.
Repeat this step for each device in the network. The maximum distance between two devices is 100 meters
(≈330 feet). Intermediate switches or fiber optic links may be used to considerably increase this distance.
On ES881v2,
between 44.1 kHz and 48
Preset efault value is 48 kHz.
Note: These operations require opening of the cabinet and shall be done by qualified personnel only.
Connecting your EtherSound device
It is recommended to esta
Power supply
Before plugging the power cord
• th
• the AC outlet used is properly earthed.
Just like for any other audio system, power the ind
down in the oppo
Do not allow anything to rest on the po er cabl
o

EtherSound ES881v2, ES1241v2 & ES16161v2
Ethernet Audio Bridges
9
onization modes.
cept in ‘Clock Source’ mode)
e Word Clock input.
lon software, if
Word Clock. Likewise, enabling the SRC is obligatory
coming from the network:
lock Out’ output allows synchronizing the devices connected on the ‘AES In 1’ inputs. In
C stage.
AES/EBU inputs are not synchronized on the network, sample rate
to manage the EtherSound network
thernet cable to connect the network card to the RJ45 ‘Ethernet’ port of the Clock Source device.
ell access the Clock Source through a regular Ethernet network via the device’s RJ45 Ethernet
T e
(“hot”, +) and pin 3 carri
GPIO
ES881v2, ES1241v2, and
counterparts are supplied
Synchronization
ES881v2, ES1241v2, and ES16161v2 support several synchr
Synchronization via:
• the network (ex
• the ‘AES In 1’ input
• the Word clock input
If the equipment is the Clock Source, it provides the clock for the network. It can be synchronized on the
internal clock, on the signal connected to the “AES In 1”, or on the signal connected to th
In the ast case, make sure to activate a frequency conversion stage (SRC) from the configurati
the AES/EBU input signals are not synchronized on the
in the case of synchronization on the internal clock.
When the device is not in ‘Clock Source’ mode, it is synchronized on the signal
• the ‘Word C
this case it is not necessary to insert an SR
• If the devices connected to the
conversion (SRC) is required.
Use the configuration software provided to set these parameters.
Connecting a computer
To connect a PC directly to an ES881v2, ES1241v2, or ES16161v2, it must be equipped with a network card.
Use an E
You can as w
control port.
Audio
XLRs is standard: pin 1 carries the signal ground, pin 2 carries the positive signal
es the negative signal (“cold”, -).
ES16161v2 are shipped with four GPIs and four GPOs on terminal blocks,
. For details see Appendix A.
he pinout used on th

D i g i g r a m
10
Serial port (RS232 on DB9)
ES881v S232 male port on the rear panel. Use this port to
con t
Note: nt requires specific software.
EtherSound network; for
the
ES881v2, ES1241v2, and ES16161v2 may also be managed through configuration software edited by
development partners.
he Windows Control Panel.
ay then become necessary to upgrade your devices. In
this case please refer to the respective documentation provided with the firmware upgrade tool.
2, ES1241v2, and ES16161v2 dispose of a serial R
nec any compatible device. For pinout allocation details, please refer to the figure and table above.
The RS232 serial port manageme
Remote set-up by means of configuration software
Use of the configuration software allows for the management of all devices on the
software details, please refer to the on-line help file.
ES881v2, ES1241v2, and ES16161v2 are shipped with a CD-ROM containing the EtherSound driver and
Digigram configuration software, EScontrol. To install this software, please refer to the CD-ROM delivered
with your EtherSound device.
Digigram
To uninstall the software go to Add/Remove programs in t
Firmware update
Digigram may decide to publish firmware updates. It m
Pin # Description
1 not connected
2 RxD (received data)
3 TxD (transmitted data)
4 not connected
5 signal ground
6 not connected
7 RTS (request to send)
8 CTS (clear to send)
9 not connected

EtherSound ES881v2, ES1241v2 & ES16161v2
Ethernet Audio Bridges
11
SPECIFICATIONS
Configuration
Size : 43.9 x 482.6 x 297.1 mm 1U 19” rack
Power supply VAC, 47-63 Hz
tic voltage detection
ARNING module t contains hazardous
voltages.
no user-serviceable parts inside
100 - 240
switching-mode, automa
: Do not open the power supply W. I
There are
Temp / humidity
on-condensing)
perating:
torage:
C / 0% - 95%
0°C / 0% - 95%
(n
O 0°C - 50°
-5°C – 7
S
Power consumption ES881v2 ES1241v2: ES16161v2:
at 240 V
at 100 V
0.06 A
0.12 A
0.06 A
0.12 A
0.07 A
0.14 A
:
Net weight ∼3,1 kg (∼6.85 lbs)
Inputs/outputs
EtherSound ES881v2 EtherSound ES1241v2 EtherSound ES16161v2
Digital audio 4 stereo inputs
2 stereo inputs 8 stereo inputs
AES/EBU 3 4 stereo outputs 6 stereo outputs 8 stereo outputs
With one hw sample rate converter per input,
conversion ratio 1:3 to 3:1, up to 96 kHz
Impedance 110 Ω
Sampling frequencies
available 48 kHz or 44.1 kHz
Frequency response
10 Hz-21 kHz +/- 0,1 dB
10 Hz-23 kHz +/- 0,1 dB
at 44.1 kHz
at 48 kHz
Connectivity
EtherSound ES881v2 EtherSound ES1241v2 EtherSound ES16161v2
Digital audio 4 female XLR-3 and
4 male XLR-3
2 female XLR-3 and
6 male XLR-3 4 female Sub-D 25
EtherSound 2 female EtherCon RJ45 compatible (connections “IN”/“OUT”)
Control 1 RJ45
GPIO 4 optocoupled inputs and 4 relay outputs on 8-point terminal blocks
Serial ports 1 RS232 on DB9
Synchronization
Clock source If ‘Clock Source’ in an EtherSound network:
Internal, Word Clock or on ‘AES IN 1’ input
If not ‘Clock Source’: EtherSound network, Word Clock or on ‘AES IN 1’ input
(synchronized on the ‘Clock Source’ clock)

D i g i g r a m
12
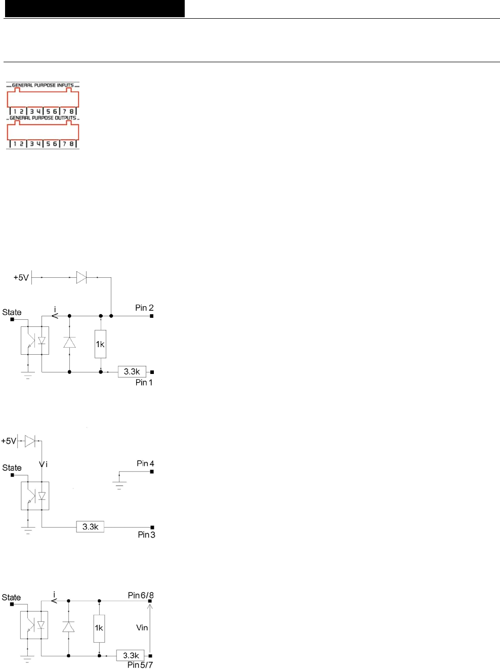
APPENDIX A: GPIO CONNECTORS
ES881v2, ES1241v2, and ES161 four relay GPOs.
GPIs allow sending commands to th GPOs can be
used by the EtherSound configuration so vices.
The GPIO p abel
General Purpose Inputs (
show the particular design for each GPI. The GPI status can be either “1” or “0”. It is read
stem connected to the GPI creates the current lab led “i” on the scheme. Otherwise it is
erent GPI designs allow for multiple ways to e offering utmost flexibility
figuration to best meet your needs.
g +5 V electric d pin 4 being ground may the
of other GPIs.
GPI #1 uses pins 1 & 2
current flow for GPI #3 and GPI #4.
tate to 0:
Pin 1 is to be ically by
connecting it to
GPI #3 uses pins 1 & 4
Switching the GPI state to
Pin 3 is to be connected to ground to establish the “i” current, typically by
& GPI #4
GPI #3 uses pins 5 & 6, GP .
Switching the GPI state to 0:
A current flow r from pin 8 to
pin 7 (GPI #4)
GPI optocoupler specif
61v2 feature four optocoupled GPIs and
e EtherSound configuration software,
ftware for remote control of external de
ins are l ed 1 through 8 on the rear panel as illustrated.
GPIs)
Schematic diagrams
“0” as soon as the sy
read “1”. Diff
in system con
e
stablish this current, thus
Note: Pin 2 deliverin
configuration
GPI #1
potential an connected to also be used in
Pin 2 delivers +5 V electric potential. This pin may serve as a source to create a
Switching the GPI s
connected to ground to establish the “i” current, typ
pin 4.
GPI #1
0:
connecting it to pin 4.
GPI #3
I #4 uses pins 7 & 8
is to be established from pin 6 to pin 5 (GPI #3) o
.
ications

EtherSound ES881v2, ES1241v2 & ES16161v2
Ethernet Audio Bridges
13
minimum current imin to switch GPI 0,5 mA
Maximum current max supported 50 mA
i
i calculation rule (GPi #3 & #4) i (mA) = 3,3
1,2 - Vin
Maximum voltage in dc
V supported 50 V
Maximum reverse voltage V supported 6 V
in
General Purpose Outputs (GPOs)
The ES8 GPOs are relay outputs. They feature two pins each and are all configured the same way. Pins 1 & 2
belong to GPO #1, 3 & 4 to GPO #2, 5 & 6 to GPO #3, and 7 & 8 to GPO #4.
It responds to commands of configuration and management software sent via the Clock Source. If written at
O closes the linked open collector. If written at “0”, the GPO opens the linked open collector.
10 W
“1”, the GP
GPO relay specifications
Maximum power switching capability
Maximum switching current 500 mAdc
Maximum carrying current 1 Adc
Maximum switching voltage 100 Vdc
expectancy (switching max power) 106 operations Typical life

D i g i g r a m
14
A X ING THE INTERNAL JUMPER PPENDI B: SETT
These settings shall be executed by qualified perso !
a #1 Pozidriv screwdriver
• an ESD-preventive wrist strap
rewdriver
Electrostatic discharge (ESD) can damage several components on the board. To avoid such damage in
andling the board, take the following precautions:
ground potential by providing a conductive surface and
utions:
• Ground any tools that will contact the device.
• head Pozidriv screws (four on top-side,
-side) counterclockwise and open the cabinet.
Jumper location on the main board
nnel only
Tools required:
•
• a small flat blade sc
h
Bring the device and everything that contacts it to
discharge paths. As a minimum, observe these preca
• Disconnect all power and signal sources.
• Place the device on a grounded conductive work surface.
• Ground yourself via a grounding wrist strap or by holding a grounded object.
Unscrew the eight flat-
four on bottom
Back panel
Front panel

EtherSound ES881v2, ES1241v2 & ES16161v2
Ethernet Audio Bridges
15
Select sampling frequency
This jumper allows for modification of the ES881v2, ES1241v2, and ES16161v2 sampling frequency. The
default value is preset to 48 kHz. It can be set to 44.1 kHz. Note that this setting is effective only if the device
is the Clock Source of the EtherSound network. In all other cases the sampling frequency is determined by the
incoming EtherSound stream (synchronized on the Clock Source clock). Modifications on devices other than
the Clock Source will be ignored.

D i g i g r a m
16
61V2
IRING OF THE DIGITAL INPUTS AND OUTPUTS
APPENDIX C: ES161
W
The double Sub-D connectors
The audio signals on the inputs and outputs are available on the 25-pin Sub-D connectors on the back panel
of the device. Every connector is composed of two banks, each of those receiving four digital AES/EBU stereo
input or output signals. The ‘hot’ signals (+) are located on the upper pins of the Sub-D, the ‘cold’ signals (-)
on the lower pins. The diagram and the tables underneath show the default wiring:
Default pinout
Port 1 Port 2
Pin # Signal Pin # Signal Pin # Signal Pin # Signal
1 AES/EBU IN 1+ 14 AES/EBU IN 1- 1 AES/EBU IN 5+ 14 AES/EBU IN 5-
2 AES/EBU IN 2+ 15 AES/EBU IN 2- 2 AES/EBU IN 6+ 15 AES/EBU IN 6-
3 AES/EBU IN 3+ 16 AES/EBU IN 3- 3 AES/EBU IN 7+ 16 AES/EBU IN 7-
4 AES/EBU IN 4+ 17 AES/EBU IN 4- 4 AES/EBU IN 8+ 17 AES/EBU IN 8-
5 NC 18 NC 5 NC 18 NC
6 NC 19 NC 6 NC 19 NC
7 NC 20 NC 7 NC 20 NC
8 NC 21 NC 8 NC 21 NC
9 NC 22 GND 9 NC 22 GND
10 GND 23 NC 10 GND 23 NC
11 NC 24 GND 11 NC 24 GND
12 NC 25 GND 12 NC 25 GND
13 NC NC 13 NC NC
Port 3 Port 4
Pin # Signal Pin # Signal Pin # Signal Pin # Signal
1 NC 14 NC 1 NC 14 NC
2 NC 15 NC 2 NC 15 NC
3 NC 16 NC 3 NC 16 NC
4 NC 17 NC 4 NC 17 NC
5 AES/EBU OUT 1+ 18 AES/EBU OUT 1- 5 AES/EBU OUT 5+ 18 AES/EBU OUT 5-
6 AES/EBU OUT 2+ 19 AES/EBU OUT 2- 6 AES/EBU OUT 6+ 19 AES/EBU OUT 6-
7 AES/EBU OUT 3+ 20 AES/EBU OUT 3- 7 AES/EBU OUT 7+ 20 AES/EBU OUT 7-
8 AES/EBU OUT 4+ 21 AES/EBU OUT 4- 8 AES/EBU OUT 8+ 21 AES/EBU OUT 8-
9 NC 22 GND 9 NC 22 GND
10 GND 23 NC 10 GND 23 NC
11 NC 24 GND 11 NC 24 GND
12 NC 25 GND 12 NC 25 GND
13 NC NC 13 NC NC

EtherSound ES881v2, ES1241v2 & ES16161v2
Ethernet Audio Bridges
17
Default I/O assignment
Digital AES/EBU stereo inputs Port
Inputs 1 to 4 Port 1 Bank A
Inputs 5 to 8 Port 2 Bank A
Outputs 1 to 4 Port 3 Bank B
Outputs 5 to 8 Port 4 Bank B
Modify I/O group assignment
Distribution of the signals
Within each group of four AES/EBU stereo inputs or outputs the signals are allotted as follows:
Digital AES/EBU Bank A Bank B
stereo I/Os + signal - signal + signal - signal
Inputs/outputs 1 or 5 1 14 5 18
Inputs/outputs 2 or 6 2 15 19 6
Inputs/outpu r 16 ts 3 o 7 3 7 20
In ts 8 pu /outputs 4 or 8 4 17 21
G n 2, 2rou d 10, 2 4, 25
C n zat boa a or on ector locali ion on mother rd nd connect board

D i g i g r a m
18
therboard and connector board Ribbon cables linking mo
The diagram shows the default configuration
Signals
Digital AES/EBU stereo inputs Port
Inputs 1 to 4 J11 on connector board
Inputs 5 to 8 J4 on motherboard
Outputs 1 to 4 J71 on connector board
Outputs 5 to 8 J10 on motherboard
To change the assignment of any group of four inputs or four outputs, just reposition the ribbon cables of the
HE connectors on the connector board.
Signal routing towards the external connectors
Internal connector (connector board) External Sub-D 25 Connector
J1R Port 1 Bank A
J1L Port 1 Bank B
J2R Port 2 Bank A
J2L Port 2 Bank B
J3R Port 3 Bank A
J3L Port 3 Bank B
J4R Port 4 Bank A
J4L Port 4 Bank B

EtherSound ES881v2, ES1241v2 & ES16161v2
Ethernet Audio Bridges
19
APPENDIX D: GLOSSARY
AUDIO CHANNEL
An audio channel is a single mono audio signal. By extension, an audio channel is one of the 64 slots of an
EtherSound frame, i.e. a signal sampled at 48 kHz or 44.1 kHz with a 24-bit resolution.
CLOCK SOURCE
The first EtherSound device in the network is called the Clock Source. As well as being a source of audio for
the network, the Clock Source provides the commands and the clock for audio channel synchronization.
The Clock Source may also serve as the link between the EtherSound network and configuration software
running on an external computer, connected to its Ethernet IN port.
DAISY CHAIN
The daisy chain is a network topology where all devices are linked “serially”.
Clock
Source
GPIO
can be used to receive commands from external devices.
General Purpose Inputs Outputs. Each ES8 device has four GPIs and four GPOs. GPOs can be fully
configured to remotely control external devices. GPIs

D i g i g r a m
20
he redundancy that this architecture provides and thus to
This topology is to be considered an extension of the daisy-chain topology, where
lly connected back to the first.
RING
A ring topology may be opted for to benefit from t
further increase reliability.
the last device is physica
The ‘Preferred Clock Source’ is designated by the network administrator.
Preferred C
Source
lock
• In case of a cable failure, the first device after this failure automatically switches to Clock Source
operation. The network remains completely functional, there is no audio channel loss.
• In case of a device failure, the same recovery mechanism applies, but - obviously - audio connected to
the failing device is missing.
STAR
Star is a network topology where all devices are connected to a same unit (a switch in the following picture)
that is handling all the communications.
Switch 1
Switch 2
Switch 1Switch 1
Switch 2Switch 2
Clock
Source
SWITCH
Device to connect two segments of a Local Area Network. Seeking greater filtering and forwarding speeds,
efforts were made to decrease the amount of time required to determine if a packet should be filtered or
forwarded (’latency’) by only examining the address information contained at the start of the Ethernet frame.
The term ‘Ethernet Switch’ now is used for multiple-port-devices, which are able to filter and forward packets
at nearly the speed of Ethernet (‘wire speed’) regardless of the technique.

EtherSound ES881v2, ES1241v2 & ES16161v2
Ethernet Audio Bridges
21
Your notes:

EtherSound ES881v2, ES1241v2 & ES16161v2
Passerelles Audio Ethernet
22
TABLE DES MATIERES
3
INFORMATION IMPORTANTE
..............................................................................................................................................................23
CARACTERISTIQUES PRINCIPALES
................................................................................................................................................24
PRESENTATION
...................................................................................................................................................................................................24
Contenu........................................................................................................................................................................................................................ 24
Faces avant d’ES881v2 et d’ES1241v2 ............................................................................................................................................................. 25
Faces arrière d'ES881v2, ES1241v2et ES16161v2....................................................................................................................................... 26
INSTALLATION
.....................................................................................................................................................................................................28
Avant de monter les appareils dans une baie................................................................................................................................................... 28
Paramétrages internes ..................................................................................................................................................................................... 28
Connexion de votre rack EtherSound.................................................................................................................................................................. 28
Alimentation........................................................................................................................................................................................................ 28
Réseau.................................................................................................................................................................................................................. 28
Exemple 1 : transmission point à point bi-directionnelle de huit canaux audio ....................................................................... 28
Exemple 2 : architectures plus complexes.......................................................................................................................................... 28
Synchronisation................................................................................................................................................................................................... 29
Connexion d’un ordinateur pour la gestion d’un réseau EtherSound.................................................................................................. 29
Audio ..................................................................................................................................................................................................................... 29
GPIO (entrées/sorties Tout Ou Rien)............................................................................................................................................................ 29
Port série (RS232 sur DB9)............................................................................................................................................................................ 30
Réglage à distance au moyen du logiciel de configuration..................................................................................................................... 30
Mise à jour du micrologiciel.................................................................................................................................................................................... 30
SPECIFICATIONS
.................................................................................................................................................................................................31
Configuration .............................................................................................................................................................................................................. 31
Entrées/sorties............................................................................................................................................................................................................ 31
Connectivité................................................................................................................................................................................................................. 31
Synchronisation .......................................................................................................................................................................................................... 31
ANNEXE A : CONNECTEURS GPIO (TOUT OU RIEN)
..................................................................................................32
General Purpose Inputs (GPIs)............................................................................................................................................................................... 32
GPI n°1................................................................................................................................................................................................................. 32
GPI n°2................................................................................................................................................................................................................. 32
GPIs n°3 & n°4.................................................................................................................................................................................................. 32
Caractéristiques des optocoupleurs des GPIs............................................................................................................................................. 33
General Purpose Outputs (GPOs)......................................................................................................................................................................... 33
Caractéristiques des relais des GPOs........................................................................................................................................................... 33
ANNEXE B : PARAMETRAGE DES CAVALIERS INTERNES
....................................................................................34
Localisation des cavaliers sur la carte principale.............................................................................................................................................. 34
Fréquence d’échantillonnage .......................................................................................................................................................................... 35
ANNEXE C : ES16161V2 CABLAGE DES ENTREES ET SORTIES NUMERIQUES
..................................36
Les double-connecteurs Sub-D............................................................................................................................................................................... 36
Brochage par défaut................................................................................................................................................................................................. 36
Assignation des E/S par défaut...................................................................................................................................................................... 37
Changer l'assignation des groupes d’E/S ............................................................................................................................................................ 37
Répartition des signaux ........................................................................................................................................................................................... 37
Localisation des connecteurs sur la carte mère et la carte connecteurs............................................................................................ 37
Nappes de connexion entre carte mère et carte connecteurs.............................................................................................................. 38
Signaux................................................................................................................................................................................................................. 38
Transfert des signaux vers les connecteurs externes............................................................................................................................... 38
ANNEXE D : GLOSSAIRE
.............................................................................................................................................................................39

EtherSound ES881v2, ES1241v2 & ES16161v2
Passerelles Audio Ethernet
23
INFORMATION IMPORTANTE
C
Séc
et appareil a été testé et est conforme aux normes suivantes :
urité électrique: Compatibilité électromagnétique:
Eur
Eur
ope : EN60950, 3rd edition Europe: EN55022:1998 + A1:2000, Class B / EN55024 : 1998 + A1:2001
opean Directive 73/23/CEE “Low Voltage Directive” European Directive 89/336/CEE on electromagnetic compatibility
International: IEC 60950, 3rd edition International: CISPR22:1997 + A1:2000 CLASS B
United states: FCC rules-Part 15 Class B
Pou
- les câb
Copyrig
Aucu
en
Digigram ne peu
préavis.
Digigram
S.A.. Tou
La techn
WO 03
r assurer une conformité aux standards énumérés ci-dessus, les règles suivantes doivent être observées :
les utilisés doivent avoir leur blindage respectif relié à chaque extrémité.
ht 2005 Digigram. Tous droits réservés.
ne partie de ce manuel ne peut être reproduite sans l’accord préalable de Digigram. Cette réserve inclut la photocopie, la traduction et/ou la remise
forme de l’information contenue dans ce manuel.
t être tenu responsable pour toute erreur ou omission et se réserve le droit d’apporter des modifications et des améliorations sans
and the Digigram logo, EtherSound, ES881v2, ES1241v2 et ES16161v2 sont des marques déposées ou des marques commerciales de Digigram
tes les autres marques sont la propriété des sociétés respectives.
ologie EtherSound est protégée par des brevets et des demandes de brevets internationaux, y compris, mais pas limitée à :
/023759, FR 2 829 655, USA 2003/0050989

D i g i g r a m
24
/ ES16161v2 sont équipés d’interfaces AES/EBU avec
ion de réseaux EtherSound souples et
guidera dans les étap au
ntati
s réseaux EtherSou onsulter le document
‘Creating EtherSound Networks’ (anglais), dispon site web.
LES
Vous venez d’acquérir une passerelle audio Digigram EtherSound et nous
vous en félicitons !
Digigram EtherSound ES881v2 / ES1241v2
onvertisseur de fréquences matériels (SRC). Ils permettent la réalisatc
puissants.
Le manuel présent vous es d’installation et de l’opération. Pour tout aspect lié
logiciel, veuillez vous rapporter à la docume on spécifique fournie dans son aide en ligne.
Pour plus d’information sur le nd et les conseils de câblage, veuillez c
ible sur le CD-ROM ou sur notre
CARACTERISTIQUES PRINCIPA
ES881v2 :
• 4 entrées AES/EBU stéréo numériques avec convertisseurs matériels de fréquence d’échantillonnage
(8 canaux EtherSound)
• 4 sorties AES/EBU stéréo numériques (8 canaux EtherSound)
S1241v2 :
• 2 entrées AES/EBU stéréo numériques avec convertisseurs matériels de fréquence d’échantillonnage
(4 canaux EtherSound)
• 6 sorties AES/EBU stéréo numériques (12 canaux EtherSound)
S16161v2 :
• 8 entrées AES/EBU stéréo numériques avec convertisseurs matériels de fréquence d’échantillonnage
(16 canaux EtherSound)
• 8 sorties AES/EBU stéréo numériques (16 canaux EtherSound)
1 entrée Word Clock
1 sortie Word Clock
1 port RJ45
Boîtier 19“ 1 RU
Gestion à distance par logiciel ‘ESControl’
Connecteurs XLR (ES16161v2 : 4 Sub-D 25)
RESENTATION
E
E
•
•
•
•
•
•
P
Contenu
i
• d’un CDROM qui contient le logiciel de configuration et de gestion
Dans l’emballage vous disposez:
• d’un appareil ES881v2, ES1241v2 ou ES16161v2 au format rack 1U 19 pouces
• d’un cordon d’alimentat on
• de contre-fiches pour borniers GPIO
• de ce manuel d’utilisateur

EtherSound ES881v2, ES1241v2 & ES16161v2
Passerelles Audio Ethernet
25
Faces avant d’ES881v2 et d’ES1241v2
1. Statut de l’appareil (deux diodes électroluminescentes jaunes):
p
e nd (voir le document sur EtherSound,
de ‘Source d’Horloge’).
EXT SYNC
ppelle “ EXT SYNC”, elle indique que l’horloge de l’appareil est synchronisée sur une
vertes s’allument quand les appareils sont branchés au réseau EtherSound; dès qu’une
t à clignoter indiquant une activité sur les deux ports Ethernet
données sont reçues tandis que TX clignotant signale que
des données sont transmises.
ES CLOCK
La remière diode s’appelle “ ES CLOCK”. Elle s’allume quand l’appareil est la ‘Source d’Horloge’ du réseau
Eth rSound et qu’il fournit l’horloge pour tout le réseau EtherSou
disponible en anglais sur notre site web, pour plus de détails sur le concept
La deuxième diode s’a
horloge externe.
2. Activité réseau
Ces quatre diodes
activité réseau est constatée, elles se metten
(“IN” et “OUT”); RX clignotant signale que des
3. Alimentation
Cette diode montre simplement que l’appareil est en service !

D i g i g r a m
26
S16161v2 Faces arrière d'ES881v2, ES1241v2et E
1.
, quatre connecteurs XLR-3 mâles sont utilisés pour restituer huit canaux EtherSound sur
uatre entrées au format AES/EBU.
Sur ES1241v2, six connecteurs XLR-3 mâles sont utilisés pour restituer douze canaux EtherSound sur six
rmat AES/EBU, deux connecteurs XLR-3 femelles pour insérer quatre canaux
. Connecteurs réseau
ecteurs NeutrikTM EtherConTM RJ45 permettent un raccordement fiable au réseau
nstream” tandis que le port “OUT” reçoit le flux
EtherSound “upstream” pour le transférer au port “IN”; voir le document ’EtherSound Overview’ (disponible
en anglais uniquement) pour plus de détails sur les concepts d’amont (“upstream”) et d’aval
(“downstream”).
Connecteurs audio
Sur ES881v2
quatre sorties stéréo au format AES/EBU, quatre connecteurs XLR-3 femelles pour insérer huit canaux
EtherSound sur q
sorties stéréo au fo
EtherSound sur deux entrées au format AES/EBU.
Sur ES16161v2, deux connecteurs Sub-D 25 femelles sont utilisés pour restituer seize canaux EtherSound
sur huit sorties stéréo au format AES/EBU, deux connecteurs Sub-D 25 femelles pour insérer seize canaux
EtherSound sur huit entrées au format AES/EBU
2
Ces deux conn
EtherSound. Le port “IN” reçoit le flux EtherSound “dow

EtherSound ES881v2, ES1241v2 & ES16161v2
Passerelles Audio Ethernet
27
Ces borniers permettent l’installation de dispositifs externes de contrôle par des entrées/sorties Tout Ou
Rien configurables et protégées. Voir le chapitre consacré aux entrées/sorties Tout Ou Rien pour plus de
détails.
Note : les ports Tout Ou Rien sont utilisables uniquement via le logiciel de configuration.
4. Port série
Interface RS232 sur DB9.
Note : Un logiciel spécifique est requis pour utiliser le port RS232.
5. Sélecteur des canaux EtherSound
Ces deux roues codeuses décimales déterminent si l’attribution des canaux EtherSound aux entrées ou aux
sorties d’ES8 est faite localement ou à distance par logiciel de configuration.
6. RJ45 port de control ES
Ce port permet le contrôle et la gestion de votre réseau à l’aide d’un logiciel de gestion d’EtherSound tel
que EScontrol.
7. Mise à la masse
Connectez cette vis de masse au châssis de la baie de montage pour une meilleure mise à la masse de
l’électronique, assurant ainsi une bonne immunité aux interférences électromagnétiques.
Alimentation
La prise de courant DOIT être mise à la terre correctement.
3. Connecteurs GPIO (Tout Ou Rien)
8.

D i g i g r a m
28
D i g i g r a m
28
INSTALLATION
Av
Pa
S1241v2 et ES16161v2, la fréquence d’échantillonnage locale est commutable par cavalier
La vale
Si vous souh B de ce manuel.
co et et doivent être effectuées par du personnel qualifié uniquement.
Co
raccordements avant de mettre l’appareil sous tension.
Ali
Avant de brancher le cordon d’alimentation, assurez-vous que:
Comme dans tout autre système audio, il est recommandé de mettre sous tension les différents appareils selon
hemin du signal audio et de les mettre hors tension dans l’ordre inverse.
Ne cordon d’alimentation à l’écart de zones de
assage.
Réseau
Le type de câble plus couramment utilisé de nos jours est le CAT5e. Pour plus d’information, veuillez vous
reporter au document “Building ES Networks”, disponible sur notre site web (en anglais).
Les connexions réseau sont réalisées via deux embases NeutrikTM EtherConTM RJ45. La
connexion est très simple : utilisez l’embase marquée “IN” pour connecter le flux
EtherSound descendant (downstream, provenant de la ‘Source d’Horloge’), l’embase
marquée “OUT” pour connecter le flux EtherSound ascendant (upstream).
Les NeutrikTM EtherConTM RJ45 permettent une connexion sure grâce à un système de
verrouillage. Pour déconnecter le câble du dispositif, appuyer sur le cliquet et tirer
simultanément le câble.
Exemple 1 : transmission point à point bi-directionnelle de huit canaux audio
Cette application est très simple avec deux EtherSound ES881v2, ES1241v2 ou ES16161v2.
Connectez un câble Ethernet standard entre le port “OUT” de la première passerelle EtherSound et le port
“IN” de la deuxième passerelle EtherSound. Mettez en concordance les canaux EtherSound sur les deux
appareils (voir l’aide en ligne du logiciel de configuration).
Exemple 2 : architectures plus complexes
La topologie du système peut être en série (daisy chain), en étoile, en anneau, ou une combinaison d’étoile et
de série. Par défaut, le premier dispositif dans un réseau, tel qu’un EtherSound ES881v2, fournit l’horloge
maître pour le réseau entier. Cet appareil est appelé ‘Source d’Horloge’. Vous avez tout de même la possibilité
de synchroniser la Source d’Horloge sur une horloge externe en utilisant l’entrée ‘Word Clock In’ et d’ensuite
fournir cette horloge aux passerelles en aval de la Source d’Horloge en passant par les sorties ‘Word Clock Out’.
Connecter le port “OUT” avec le port “IN” de l’équipement EtherSound suivant.
Répéter cette étape autant de fois que nécessaire. La distance maximale entre deux équipements est de 100 m.
Des commutateurs interconnectés ou des fibres optiques peuvent considérablement augmenter cette distance.
ant de monter les appareils dans une baie
ramétrages internes
Sur ES881v2, E
entre 44.1 kHz et 48 kHz.
ur par défaut est de 48 kHz.
aitez modifier ce valeur, veuillez vous référer à l’annexe
Note : ces opérations requièrent l’ouverture du ffr
nnexion de votre rack EtherSound
Il est recommandé d’établir tous les
mentation
• le cordon d’alimentation n’est pas endommagé
• la prise de courant utilisée est convenablement mise à la terre.
l’ordre défini par le c
rien laisser reposer sur le cordon d’alimentation. Tenez le
p

EtherSound ES881v2, ES1241v2 & ES16161v2
Passerelles Audio Ethernet
29
Plusieurs modes de synchronisation sont possibles avec l’ES881v2/ES1241v2/ES16161v2.
rce d’Horloge’)
e’, il fournit l‘horloge au réseau. Il peut être synchronisé sur l‘horloge
sur l’entrée Word Clock.
ériel (SRC) par le logiciel
n sur l’horloge interne.
loge’, il est synchronisé sur le signal provenant du
ord Clock Out’ permet de synchroniser les équipements connectés en entrée ‘AES In 1’.
e conversion de fréquence (SRC) n’est alors pas nécessaire.
isés sur le réseau, l’insertion du
Ces r ni.
r relier la carte réseau au port “IN” de la ‘Source d’Horloge’.
z aussi accéder à la ‘Source d’Horloge’ à travers un réseau Ethernet conventionnel.
Le brochage utilisé su
p
GPIO (entrées/s
ES881v2, ES1241v2 e s dont les
contreparties sont fou
Synchronisation
Synchronisation par :
• le réseau (hors mode ‘Sou
• l’entrée ‘AES In 1’
• l’entrée Word Clock
Si l’équipement est ‘Source d’Horlog
interne, ou sur le signal connecté sur l’entrée “AES In 1”, ou sur le signal connecté
Dans ce dernier cas, il est nécessaire d’activer l’étage de conversion de fréquence mat
de configuration si les signaux AES/EBU d’entrée ne sont pas synchrones de l’horloge Word Clock. De même,
l’insertion du SRC est obligatoire en cas de synchronisatio
Lorsque l’équipement n’est pas en mode ‘Source d’Hor
réseau :
• la sortie ‘W
L’insertion d
• si les équipements connectés en entrée AES/EBU ne sont pas synchron
SRC est requise.
pa amètres sont configurés à l’aide du logiciel de configuration four
Connexion d’un ordinateur pour la gestion d’un réseau EtherSound
Pour connecter un PC directement à un ES881v2, ce PC doit être équipé d’une carte réseau. Utiliser un câble
Ethernet pou
Vous pouve
Audio
r les XLR est standard : le point 1 est connecté à la masse, le point 2 au signal positif
oint 3 au signal négatif (“point froid”).
orties Tout Ou Rien)
t ES16161v2 sont livrés avec quatre GPIs et quatre GPOs sur prises bornier
(“point chaud”), et le
rnies. Voir annexe A pour plus de détails.

D i g i g r a m
30
Port série (RS232 sur DB9)
ES8 v
Utilisez veuillez vous référer au dessin
et a ab
Note : ue est requis pour utiliser le port RS232.
Réglage à distance au moyen du logiciel de configuration
es dispositifs et
ant le pilote EtherSound et le logiciel
d’ajouter d’abord
le pilote EtherSound à votre système. Une fenêtre affiche les instructions que vous devez suivre pour réaliser
.
nt être contrôlés par un logiciel de configuration édité par
de configuration pour désinstaller le logiciel.
Mise à jour du micrologiciel
Digigram peut être amené à publier des mises à jour du microcode embarqué. Il peut alors être nécessaire de
mettre à jour vos appareils. Dans ce cas, veuillez vous référer à la documentation respective livrée avec l’outil
de mise à jour du micrologiciel.
Point Description
1 non connecté
2 RxD (received data)
3 TxD (transmitted data)
4 non connecté
5 masse des signaux
6 non connecté
7 RTS (request to send)
8 CTS (clear to send)
9 non connecté
81 2, ES1241v2 et ES16161v2 disposent d’un port série RS232 sur DB9 mâle sur le panneau arrière.
ce port pour relier tout dispositif compatible. Pour le brochage détaillé,
u t leau ci-dessus.
Un logiciel spécifiq
L’utilisation du logiciel de configuration permet la gestion de toutes les fonctionnalités d
réseaux EtherSound; pour plus de détails sur le logiciel, veuillez vous référer à son aide en ligne.
ES881v2, ES1241v2 et ES16161v2 sont livrés avec un CD-ROM conten
de configuration de Digigram, EScontrol. Pour procéder à l’installation, il est indispensable
cette étape
Ensuite, lancez setup.exe sur un ordinateur relié à un réseau EtherSound. Un assistant InstallShield vous
guidera lors de la procédure d’installation.
ES881v2, ES1241v2 et ES16161v2 peuvent égaleme
des partenaires de développement de Digigram.
Aller dans Ajout/Suppression de programmes dans le panneau

EtherSound ES881v2, ES1241v2 & ES16161v2
Passerelles Audio Ethernet
31
SPECIFICATIONS
Configuration
Dimensions k: 43.9 x 482.6 x 297.1 mm 1U 19“ rac
Alimentation VAC, 47-63 Hz
, détection automatique de tension
AV TIS ouvrir ation. Tensions dangereuses
l’in t aucune pièce que l’utilis réparer
100 – 240
alimentation à découpage
ER
à
SEMENT: Ne pas
térieur. Ne contien
le bloc d’aliment
ateur puisse
Température/humidité
ans condensation)
n fonctionnement :
tockage :
°C / 0% - 95%
0 °C / 0% - 95%
(s
E 0 °C – 50
-5 °C – 7
S
Consommation
240 V
ES881v2
0.06 A
ES1241v2:
0.06 A
ES16161v2:
0.07 A
:
à
à 100 V 0.12 A 0.12 A 0.14 A
Poids net ∼3,1 kg (∼6.85 lbs)
Entrées/sorties
EtherSound ES881v2 EtherSound ES1241v2 EtherSound ES16161v2
es stéréo
Audio numérique
AES/EBU 3
4 entrées stéréo
4 sorties stéréo
2 entrées stéréo
6 sorties stéréo
8 entrées stéréo
8 sorti
avec un convertisseur matériel de fréquence d’échantillonnage par entrée,
rapport de conversion 1:3 à 3:1, jusqu’à 96 kHz
Impédance 110 Ω
Fréquence
d’échantillonnage 48 kHz ou 44.1 kHz
Bande passante
à 44.1 kHz
à 48 kHz
10 Hz-21 kHz +/- 0,1 dB
10 Hz-23 kHz +/- 0,1 dB
Connectivité
EtherSound ES881v2 EtherSound ES1241v2 EtherSound ES16161v2
femelles et 2 XLR-3 femelles et
Audio numérique 4 XLR-3
4 XLR-3 mâles 6 XLR-3 mâles 4 Sub-D 25 femelles
EtherSound 2 EtherCon femelles compatibles RJ45 (connexions “IN”/“OUT”)
Control 14 RJ45
GPIO (entrées/sorties
Tout Ou Rien) 4 entrées optocouplées et 4 sorties relais sur borniers 8 points
Port série 1 RS232 sur DB9
Synchronisation
Source d’horloge Si ‘Source d’Horloge’ dans un réseau EtherSound :
Interne, horloge Word Clock ou sur l’entrée ‘AES IN 1’
Si pas ‘Source d’Horloge’ : réseau EtherSound, horloge Word Clock ou sur
l’entrée AES IN 1 (synchrone avec l’horloge de la ‘Source d’Horloge’)

D i g i g r a m
32
ANNEXE A : CONNECTEURS GPIO (TOUT OU RIEN)
ES881v2, ES1241v2 et ES1616 s et quatre relais
GPOs. Les GPIs permettent d’envoy de configuration
EtherSound, les GPOs peuvent êt Sound
pour la télécommande de dis
Les bornes des GPIOs
Inputs (GPIs)
crivent la conception de chaque G être soit à “1”, soit à “0” .
système relié au GPI crée le cour a. Sinon, le GPI est lu à
érentes conceptions des GPIs permettent d’ét es multiples, offrant une
ns la configuration afin de satisfai os besoins.
a borne 2 délivrant un potentie ue de +5 V et la b tant mise à la mas
alement être employées dans l ation d’autres GP
GPI n°1
1 utilise les bornes 1 & 2
e un poten 5 V. Cette borne peut servir de
PI n°4.
Il suffit de relier la borne 1 à la masse pour établir le courant “i”, par exemple
en la reliant à la borne 4.
2 utilise les bor
Commutation du GPI à l’état 0:
Il suffit de relier la borne 3 à la masse pour établir le courant “i”, par exemple
Le GPI n°3 utilise les bornes e les bornes 7 & 8
du GPI à l’état 0:
rant PI n°3) ou de
la borne
1v2 possèdent quatre GPIs optocouplé
er des commandes au logiciel
re utilisés par le logiciel de configuration Ether
positifs externes.
sont marquées 1 à 8 sur le panneau arrière comme illustré.
General Purpose
Les schémas suivants dé
Il est lu à “0” dès que le
“1”. Les diff
PI. Le statut d’un GPI peut
ant marqué “i” sur le schém
ablir ce courant de manièr
grande flexibilité da
Note: L
ég
du système
l électriq
a configur
re au mieux v
orne 4 é
Is.
se, elles peuvent
Le GPI n°
La borne 2 délivr tiel électrique de +
source pour créer un courant
pour les GPI n°3 et G
Commutation du GPI à l’état 0:
GPI n°2
nes 3 & 4 Le GPI n°
en la reliant à la borne 4.
GPIs n°3 & n°4
5 & 6, le GPI n°4 utilis
Commutation
Un cou électrique doit être établi de la borne 6 à la borne 5 (G
8 à la borne 7 (GPI n°4).

EtherSound ES881v2, ES1241v2 & ES16161v2
Passerelles Audio Ethernet
33
Courant minimum
Caractéristiques des optocoupleurs des GPIs
imin de commutation 0,5 mA
Courant maximum imax supporté 50 mA
Règle de calcul de i pour les GPIs n°3 et n°4 i (mA) = 3,3
in
1 - V ,2
Tension maximale Vin supportée 50 Vdc
Tension inverse maximale Vin supportée 6 V
General Purpose Outputs (GPOs)
s des ES8 sont des sorties relais. Ils comportent deux borneLes GPO s chacun et sont tous configurés de la
re. Les bornes 1 & 2 appartiennent au GPO n°1, 3 & 4 au GPO n°2, 5 & 6 au GPO n°3, et 7 & 8
.
Il répond aux commandes du logic envoyés par la Source d’Horloge. S’il est
écrit à “1”, le GPO ferme le relais associé. S’il est écrit à “0”, le GPO ouvre le relais associé.
Caractéristiques des relais des GPOs
Puissance maximale commutable
même maniè
au GPO n°4
iel de configuration EtherSound
10 W
Courant maximum commutable 500 mAdc
Courant traversant maximum 1 Adc
Tension maximale commutable 100 Vdc
Durée de vie type
(en commutant la puissance maxima
6
le)
10 opérations

D i g i g r a m
34
ANNEXE B : PARAMETRAGE DES CAVALIERS INTERNES
Ces paramétrages doivent être effectués uniquement par du personnel qualifié !
n ozidriv n°1
• let antistatique
trostatique (ESD ger plusieurs composants sur la carte. Pour
éviter de tels dommages en manipulant la carte, prenez les précautions suivantes:
ce qui en contact avec lui au potentiel de masse en présentant
une surface conductrice et des chemins de décharge. Au minimum, observez
précautions:
’alimentation et de signal.
mis à la masse.
quatre sur le dessous) dans le sens contraire des aiguilles
t.
ocalisation des cavaliers sur la carte principale
Outils requis:
• u tournevis P
un brace
• un petit tournevis plat
Une décharge élec ) peut endomma
Mettez le dispositif et tout entre
ces
• Débranchez toutes les sources d
• Placez l’équipement sur une surface de travail conductrice mise à la masse.
• Mettez-vous au potentiel de masse à l’aide d’un bracelet antistatique ou en tenant un objet
• Mettez à la masse tous les outils qui entreront en contact avec l’équipement.
• Dévissez les huit vis à tête Pozidriv (quatre sur le dessus,
d’une montre et ouvrez le coffre
L
Face arrière
Face avant

EtherSound ES881v2, ES1241v2 & ES16161v2
Passerelles Audio Ethernet
35
Fréquence d’échantillonnage
Ce cavalier permet la sélection de la fréquence d’échantillonnage d’ES881v2, d’ES1241v2 et d’ES16161v2. La
valeur par défaut est réglée sur 48 kHz. Elle peut être ajustée à 44.1 kHz. Notez que ce réglage est effectif
seulement si l’unité EtherSound est la Source d’Horloge du réseau EtherSound. Dans tout autre cas la fréquence
d’échantillonnage est déterminée par le flux EtherSound entrant (synchronisé sur l’horloge de la Source
d’Horloge) ou synchronisé sur l’horloge Word Clock externe. Des modifications sur des dispositifs autres que
la Source d’Horloge seront ignorées.

D i g i g r a m
36
V2
CABLAGE DES ENTREES ET SORTIES NUMERIQUES
ANNEXE C : ES16161
Les double-connecteurs Sub-D
Les signaux audio sur les entrées sorties sont disponibles sur les connecteurs Sub-D 25 broches à l'arrière des
équipements. Chaque connecteur est composé de deux banques, chacune d’entre elle recevant quatre signaux
numériques stéréo AES/EBU d’entrée ou de sortie. Les signaux ‘chauds’ (+) sont situés sur les broches
supérieures d’un Sub-D, les ‘froids’ (-) sur les broches inférieures. Le schéma et les tableaux ci-dessous
montrent le câblage par défaut :
Brochage par défaut
Port 1 Port 2
Pin # Signal Pin # Signal Pin # Signal Pin # Signal
1 AES/EBU IN 1+ 14 AES/EBU IN 1- 1 AES/EBU IN 5+ 14 AES/EBU IN 5-
2 AES/EBU IN 2+ 15 AES/EBU IN 2- 2 AES/EBU IN 6+ 15 AES/EBU IN 6-
3 AES/EBU IN 3+ 16 AES/EBU IN 3- 3 AES/EBU IN 7+ 16 AES/EBU IN 7-
4 AES/EBU IN 4+ 17 AES/EBU IN 4- 4 AES/EBU IN 8+ 17 AES/EBU IN 8-
5 NC 18 NC 5 NC 18 NC
6 NC 19 NC 6 NC 19 NC
7 NC 20 NC 7 NC 20 NC
8 NC 21 NC 8 NC 21 NC
9 NC 22 GND 9 NC 22 GND
10 GND 23 NC 10 GND 23 NC
11 NC 24 GND 11 NC 24 GND
12 NC 25 GND 12 NC 25 GND
13 NC NC 13 NC NC
Port 3 Port 4
Pin # Signal Pin # Signal Pin # Signal Pin # Signal
1 NC 14 NC 1 NC 14 NC
2 NC 15 NC 2 NC 15 NC
3 NC 16 NC 3 NC 16 NC
4 NC 17 NC 4 NC 17 NC
5 AES/EBU OUT 1+ 18 AES/EBU OUT 1- 5 AES/EBU OUT 5+ 18 AES/EBU OUT 5-
6 AES/EBU OUT 2+ 19 AES/EBU OUT 2- 6 AES/EBU OUT 6+ 19 AES/EBU OUT 6-
7 AES/EBU OUT 3+ 20 AES/EBU OUT 3- 7 AES/EBU OUT 7+ 20 AES/EBU OUT 7-
8 AES/EBU OUT 4+ 21 AES/EBU OUT 4- 8 AES/EBU OUT 8+ 21 AES/EBU OUT 8-
9 NC 22 GND 9 NC 22 GND
10 GND 23 NC 10 GND 23 NC
11 NC 24 GND 11 NC 24 GND
12 NC 25 GND 12 NC 25 GND
13 NC NC 13 NC NC

EtherSound ES881v2, ES1241v2 & ES16161v2
Passerelles Audio Ethernet
37
Assignation des E/S par défaut
E/S numériques AES/EBU stéréo Port
Entrées 1 à 4 Port 1 Banque A
Entrées 5 à 8 Port 2 Banque A
Sorties 1 à 4 Port 3 Banque B
Sorties 5 à 8 Port 4 Banque B
Changer l'assignation des groupes d’E/S
Répartition des signaux
Au sein de chaque groupe de quatre entrées ou sorties AES/EBU stéréo les signaux sont attribués comme suit :
E/S numériques Banque A Banque B
AES/EBU stéréo Signal + Signal - Signal + Signal -
Entrées/sorties 1 ou 5 1 14 5 18
Entrées/sorties 2 ou 6 2 15 6 19
Entrées/sorties 3 ou 7 3 16 7 20
Entrées/sorties 4 ou 4 17 8 21 8
Masse , 22, 10 24, 25
L a con c ca ar oc lisation des ne teurs sur la rte mère et la c te connecteurs

D i g i g r a m
38
te mère et carte connecteurs Nappes de connexion entre car
Le schéma représente la configuration par défaut
Signaux
E/S numériques AES/EBU stéréo Port
Entrées 1 à 4 J11 sur carte connecteurs
Entrées 5 à 8 J4 sur carte mère
Sorties 1 à 4 J71 sur carte connecteurs
Sorties 5 à 8 J10 sur carte mère
Transfert des signaux vers les connecteurs externes
Pour changer l’assignation des groupes de quatre entrées ou quatre sorties, il suffit de changer les connexions
des connecteurs HE sur la carte connecteurs.
Connecteur interne Connecteur externe
(carte connecteurs) Sub-D 25
J1R Port 1 Banque A
J1L Port 1 Banque B
J2R Port 2 Banque A
J2L Port 2 Banque B
J3R Port 3 Banque A
J3L Port 3 Banque B
J4R Port 4 Banque A
J4L Port 4 Banque B

EtherSound ES881v2, ES1241v2 & ES16161v2
Passerelles Audio Ethernet
39
ANNEXE D : GLOSSAIRE
CANAL AUDIO (AUDIO CHANNEL)
Un canal audio est un signal audio mono simple. Par extension, un canal audio est un des 64 emplacements
de la trame EtherSound, c.à.d. un signal échantillonné à 48 kHz avec une résolution de 24 bits.
COMMUTATEUR (SWITCH)
Elément d’interconnexion de deux segments de réseaux locaux. En recherchant de plus grandes vitesses de
filtrage et de transmission, des efforts ont été faits pour réduire le temps requis pour déterminer si un paquet
doit être filtré ou expédié (’latence’) en examinant seulement l’information d’adresse au début de la trame
Ethernet. Le terme “commutateur Ethernet” est maintenant employé pour les appareils à ports multiples qui
peuvent filtrer et transmettre des paquets quasiment à la vitesse de l’Ethernet (“vitesse du câble”)
indépendamment de la technique utilisée.
DAISY CHAIN (branchement en série)
Se dit d’une topologie de réseau où tous les équipements sont reliés en série.
Source
d’Horloge
G Ou Rien)
GPIs et quatre GPOs
ce des dispositifs externes. Les GPIs
S
L ans un réseau Eth lé la ‘Source d’Horloge’, typiquement un ES881v2.
Tout en pouvant être une source audio p Source d’Horloge envoie les commandes et fournit
l’horloge maître pour la synchronisation des can
En tant que Source d’Horloge, l’équipement rvir de lien entre le réseau EtherSound et le
logiciel de configuration sur un ordinateur ort Ethernet IN.
PIO (entrées/sorties Tout
General Purpose Inputs Outputs. ES881v2, ES1241v2 et ES16161v2 possèdent quatre
chacun. Les GPOs peuvent être configurés pour commander à distan
peuvent être utilisés pour recevoir des commandes de dispositifs externes.
OURCE D’HORLOGE
e premier dispositif d erSound est appe
our le réseau, la
aux audio.
peut également se
externe relié au p

D i g i g r a m
40
profiter de la redondance et donc d’augmenter la fiabilité.
Cette topologie doit être considérée comme une extension de la topologie en série, où le dernier appareil est
urce d’Horloge prioritaire est désignée par l’administrateur du réseau via
RING (ANNEAU)
Une topologie en anneau peut être utilisée afin de
physiquement relié au premier. La So
le logiciel de contrôle EtherSound.
Preferred Clock
Source
• En cas de dysfonctionnement d’un câble, le premier équipement suivant cette défaillance est alors
automatiquement élu Source d’Horloge prioritaire. Le réseau demeure entièrement fonctionnel, il n’y
aucune perte de canal audio.
• En cas de dysfonctionnement d’un appareil, le même mécanisme de récupération s’applique, mais -
évidemment – l’audio reliée à l’appareil défectueux est manquant.
STAR (étoile)
L’étoile est une topologie de réseau où tous les dispositifs sont reliés à une même unité (un commutateur dans
l’image suivante) qui gère toutes les communications.
Switch 1
Switch 2
Switch 1Switch 1
Switch 2Switch 2
Source
d’Horloge

Digigram SA
(Serving Europe, Africa, Middle East, Latin America)
Parc de Pré Milliet
38330 Montbonnot-FRANCE
Tel: +33 (0)4 76 52 55 01
Fax: +33 (0)4 76 52 53 07
E-mail: sales@digigram.com
Digigram Inc.
(Serving North America)
2101 Wilson Boulevard, Suite 1004,
Arlington, VA 22201-USA
Tel: +1 703 875 9100
Fax: +1 703 875 9161
E-mail: input@digigram.com
Digigram Asia Pte Ltd.
(Serving Asia and Australia/Oceania)
350 Orchard Road
#19-07 Shaw House Singapore
238868-SINGAPORE
Tel: +65 6291 2234 - Fax: +65 6291 3433
E-mail: info_asia@digigram.com