Formula TRE 04 041
User Manual: Formula TRE
Open the PDF directly: View PDF .
Page Count: 204 [warning: Documents this large are best viewed by clicking the View PDF Link!]

Formula™ TRE Powered Seating
TDX®
Power Wheelchairs
Parts Catalog Issued: Feb 19, 2018

The information contained in this document is subject to change without notice. This catalog contains
service parts for Form No. 04-041. If you have any questions regarding this catalog, please contact one
of our Customer Service Representatives.
For Customer Service Support Call:
1-800-333-6900
For Faxed In Orders Call:
1-800-678-4682 or
1-440-366-0709
For Technical Service Call:
1-800-832-4707
Literature Can Be Found at:
www.invacare.com or
1-800-828-6272
SYMBOL DEFINITION
Throughout this catalog you will notice letters to draw your attention to specific footnotes which are located at the
bottom of the page or below specified charts.
HARDWARE MEASUREMENTS
Examples:
= Special Comments
= General information pertaining to that specific page
= No Longer Available
NOTE:
NLA
The measurements for the hardware will be listed as follows:
Screws, Bolts
Washers
Spacers
For your convenience, we have supplied an area for you to list your Invacare Representatives.
A,B,C etc.
Diameter X Thread Count/Pitch X Length
Inside Diameter X Outside Diameter X Thickness
Inside Diameter X Outside Diameter X Length
Name Phone Numbers
© 2018 Invacare Corporation. Elyria, Ohio. Invacare, Yes, you can., the Blue Medallion Design, SureStep, Storm Series, TDX are registered trademarks and
Formula, Contoura, Personal Back 10, DualFlex, MKIV, MK5, EX, and TCD are trademarks of Invacare Corporation.
Otto Bock is a registered trademark owned by Otto Bock Orthopaedische Industrie GMBH & Co.. JAY Back is a registered trademark of Sunrise Medical
HHG, Inc. Corporation.
Parts Catalog Usage Guide
1
Form No. 04-041
To order call toll free 1-800-333-6900, or www.invacare.com

A: READ THIS FIRST (THIS CATALOG IS DIFFERENT!) ...................................................... 7
Accessories - Arm Pads - Otto Bock ........................................................................................ 154
Accessories - Back Cane Push Handle Attachments - Contoura Seating ............................... 158
Accessories - Back Cane Push Handle Attachments - Conventional Tilt & Tilt w/ BPO Option
156
Accessories - Headrest Support Assembly - Matrx Elan MEHSP-10,14 .................................. 164
Accessories - Headrest Support Assembly - Stealth CP175/CP275/CP180/CP280 ................ 162
Accessories - Headrest Supports - Tarsys ............................................................................... 160
Accessories - Lateral Supports - Stealth - Contoura Seating TWB-CPR/TWB-CPRL ............. 175
Accessories - Lateral Supports - Stealth - Conventional Recline - T/R & Recline w/ BPO Option
TWB-TPR/TWB-TPRL
171
Accessories - Lateral Supports - Stealth - Conventional Tilt & Tilt w/ BPO Option
TWB-RPR/TWB-RPRL
168
Accessories - Lateral Supports - Tarsys - Contoura Seating CSLM/CSLL .............................. 172
Accessories - Lateral Supports - Tarsys - Conventional Recline - T/R & Recline w/ BPO Option
TMSLM/TMSLL
169
Accessories - Lateral Supports - Tarsys - Conventional Tilt & Tilt w/ BPO Option
TMSLM/TMSLL
165
Accessories - Miscellaneous .................................................................................................... 202
Accessories - Personal Back10 (TALL Regular/TALL Plus) Mtg. Hdwr. - Conventional Recline
w/ BPO Option
198
Accessories - Power Wheelchair Tool Kit ................................................................................ 200
Accessories - Seat & Chest Positioning Strap Mounting Hardware ......................................... 196
Accessories - Seat & Chest Positioning Straps without Mounting Hardware ........................... 194
Accessories - Vent Tray Assembly without Mounting Hardware .............................................. 186
Accessories - Vent Tray Kits .................................................................................................... 177
Accessories - Vent Tray Mounting Hardware - Conventional & Contoura Recline Only .......... 190
TABLE of CONTENTS
Description
Page
Number
2
To order call toll free 1-800-333-6900, or www.invacare.com
Form No. 04-041

Accessories - Vent Tray Mounting Hardware - Conventional Tilt & BPO Option ..................... 188
Accessories - Vent Tray Mounting Hdwr. - Conventional Tilt/Recline - (Contoura Tilt & T/R) &
All T/R w/ BPO Option
192
Actuator Module - Elevate Integrated (EIAM) - For Elevate Actuator Motor w/ MK6i Electronics 57
Actuator Module - Recline Integrated Actuator Module (RIAM) For Recline & Tilt/Recline ...... 59
Actuator Motor - Elevate & Mounting Hardware ....................................................................... 55
Actuator Motor - Recline & Mounting Hardware ....................................................................... 53
Actuator Motor - Tilt & Mounting Hardware .............................................................................. 51
Arms - Mounting Hardware - Conventional & Contoura - Recline & Tilt/Recline Seating ........ 135
Arms - Mounting Hardware - Conventional & Contoura Tilt Seating ........................................ 138
Arms - Mounting Swingaway Hardware - Elevate Only For ASBA/ADJASBA Seating ............ 131
Arms - Mtg. Front/Rear Arm Socket Asbly. & Hdwr. - Elevate Only For ADJASBA Seat (16" -
22" W) (After 7/4/05)
133
Arms - w/o Mounting Hardware - Adjustable Height - Elevate Only or Tilt Seating .................. 126
Arms - w/o Mounting Hardware - Fixed Height - Elevate Only or Tilt Seating .......................... 122
Arms - w/o Mounting Hardware - Recline & Tilt/Recline .......................................................... 129
Backs - Contoura without Mounting Hardware - Before 5/15/09 .............................................. 74
Backs - Conventional without Mounting Hardware ................................................................... 69
Backs - Curve Contoura without Mounting Hardware - After 5/14/09 ...................................... 78
Backs - Mounting Hardware - Contoura - ADJASBA Only - Before 5/15/09 ............................ 89
Backs - Mounting Hardware - Contoura Recline & Tilt/Recline - Before 5/15/09 ..................... 91
Backs - Mounting Hardware - Contoura Tilt - Before 5/15/09 .................................................. 87
Backs - Mounting Hardware - Conventional Recline & Tilt/Recline - Before 5/15/09 ............... 85
TABLE of CONTENTS
Description
Page
Number
3
To order call toll free 1-800-333-6900, or www.invacare.com
Form No. 04-041

Backs - Mounting Hardware - Conventional Tilt - Before 5/15/09 ............................................ 83
Backs - Mounting Hardware - Curve Contoura - After 5/14/09 ................................................. 93
Backs - Prop Rod Assembly - Contoura Tilt ............................................................................. 95
Backs - Recline Shear Link Assemblies ................................................................................... 97
Battery Box Hdwr. - Door Asbly. - Elevate Actuator Motor - Elevate For ASBA/ADJASBA -
Conv. & Contoura Seating
18
Battery Box Hdwr. & Door Asbly. - Non-Elevate Conv. & Contoura Seating ............................ 15
Battery Support Bracket Assembly TRBKTS Option ................................................................ 20
Battery Tray Asbly. & Wire Harnesses For Vent Tray (3) 22NF Batteries ................................ 22
Battery Wire Harnesses - Sensor Proximity Switch - Extension Cables & Energy Chain - All
Elevate Systems
24
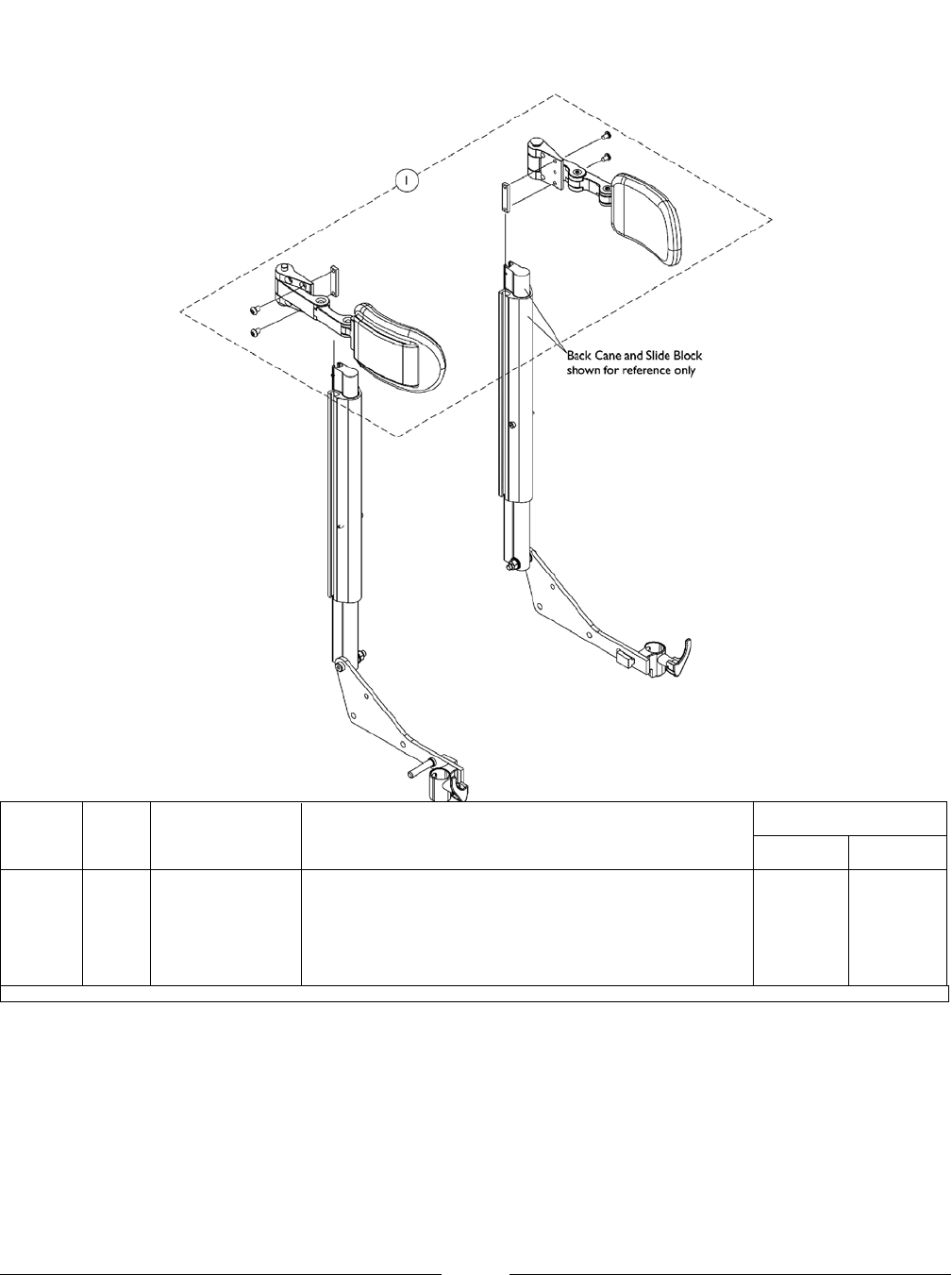
Canes - Back - Back Frame - Slide Blocks & Sleeves - Contoura Seating .............................. 111
Canes - Back - Slide Blocks & Sleeves - Conventional Recline - BPO Recline & Tilt/Recline . 109
Canes - Back - Solid Straight w/o Push Handle & Mtg. Hdwr. - Conventional Tilt & Tilt w/ BPO
Option
107
Canes - Back - Spreader Bars & Hdwr. (16" - 22" W) - Elevate Only For ASBA Seating (Before
7/5/05)
99
Canes - Back & Spreader Bars (16" - 22" W) - Elevate Only For ADJASBA Seating (After
7/4/05)
102
Canes - Back Att. Hdwr. (16" - 22" W) Elevate Only For ADJASBA Seating (After 7/4/05) ..... 105
Cushions - Seat - Contoura Seating ......................................................................................... 64
Electronics - MK5 ~PLEASE READ THIS FIRST~ .................................................................. 152
Electronics - MK6i ~PLEASE READ THIS PAGE~ .................................................................. 151
Frame - Tilt & Mounting Hardware ........................................................................................... 47
Frame Finishes - Touch-Up Paints & Upholstery Options ........................................................ 8
Frames - Seat & Hardware (16" - 22" W) - Elevate Only For ASBA Seating (Before 7/5/05) .. 27
TABLE of CONTENTS
Description
Page
Number
4
To order call toll free 1-800-333-6900, or www.invacare.com
Form No. 04-041

Frames - Seat & Seat Pan w/ Hdwr. (16" - 20" W x 16" - 22" D Conventional) & (16", 18", 20"
W x 16" - 22" D Contoura) Stg.
33
Frames - Seat & Seat Pan w/ Hdwr. (16" - 20" W x 16" - 22" D) - Elevate Only For ADJASBA
Seating (After 7/4/05)
29
Frames - Seat & Seat Pan w/ Hdwr. (20" - 22" W x 16" - 22" D) - Elevate Only For ADJASBA
Seating (After 7/4/05)
31
Frames - Seat & Seat Pan w/ Hdwr. (20" - 24" W x 16" - 22" D Conventional) & (20", 22", 24"
W x 16" - 22" D Contoura) Stg.
35
Frames - Seat Mounting Hardware - Elevate Only For ADJASBA Seating (After 7/4/05) ........ 39
Frames - Seat Mounting Hardware - Elevate Only For ADJASBA Seating with TRBKTS Option 41
Frames - Seat Mounting Hardware - Elevate Only For ASBA Seating (Before 7/5/05) ........... 37
Frames - Seat Mounting Hardware - Recline Only For Conventional & Contoura Seating ...... 43
Frames - Seat Mounting Hardware - Tilt or Tilt/Recline For Conventional & Contoura Seating 45
Front Riggings ~PLEASE READ THIS FIRST~ ....................................................................... 153
Label Locations For TRBKTS Option ....................................................................................... 12
Packaging & Literature ............................................................................................................. 10
RETROFIT KITS FOR FORMULA TRE POWERED SEATING ............................................... 14
Seat Pans & Mounting Hardware - Elevate Only For ASBA Seating (Before 7/5/05) .............. 61
Shroud Cover - Conventional Seating ...................................................................................... 142
Shroud Cover - Conventional Tilt, Tilt w/ BPO or Tilt-Elevate w/ MK6i Electronics (After
2/28/07)
147
Shroud Covers - Contoura Seating .......................................................................................... 140
Shroud Covers - Conventional Tilt, Tilt w/ BPO or Tilt-Elevate w/ MK6i Electronics (Before
3/1/07)
144
Shroud Covers - Recline & Tilt/Recline Conventional or Contoura Seating w/ MK6i Electronics 149
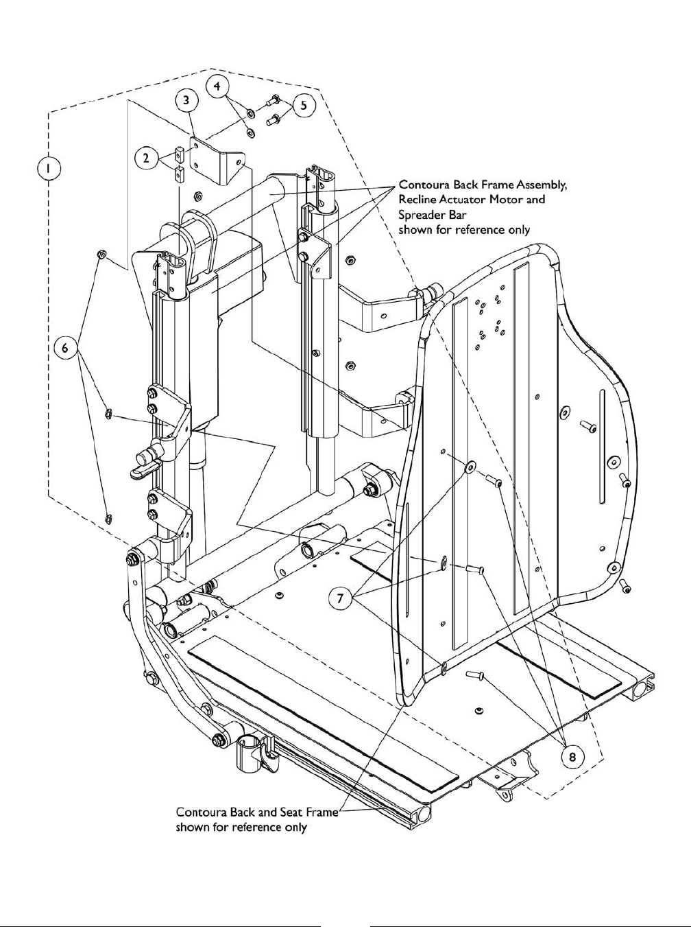
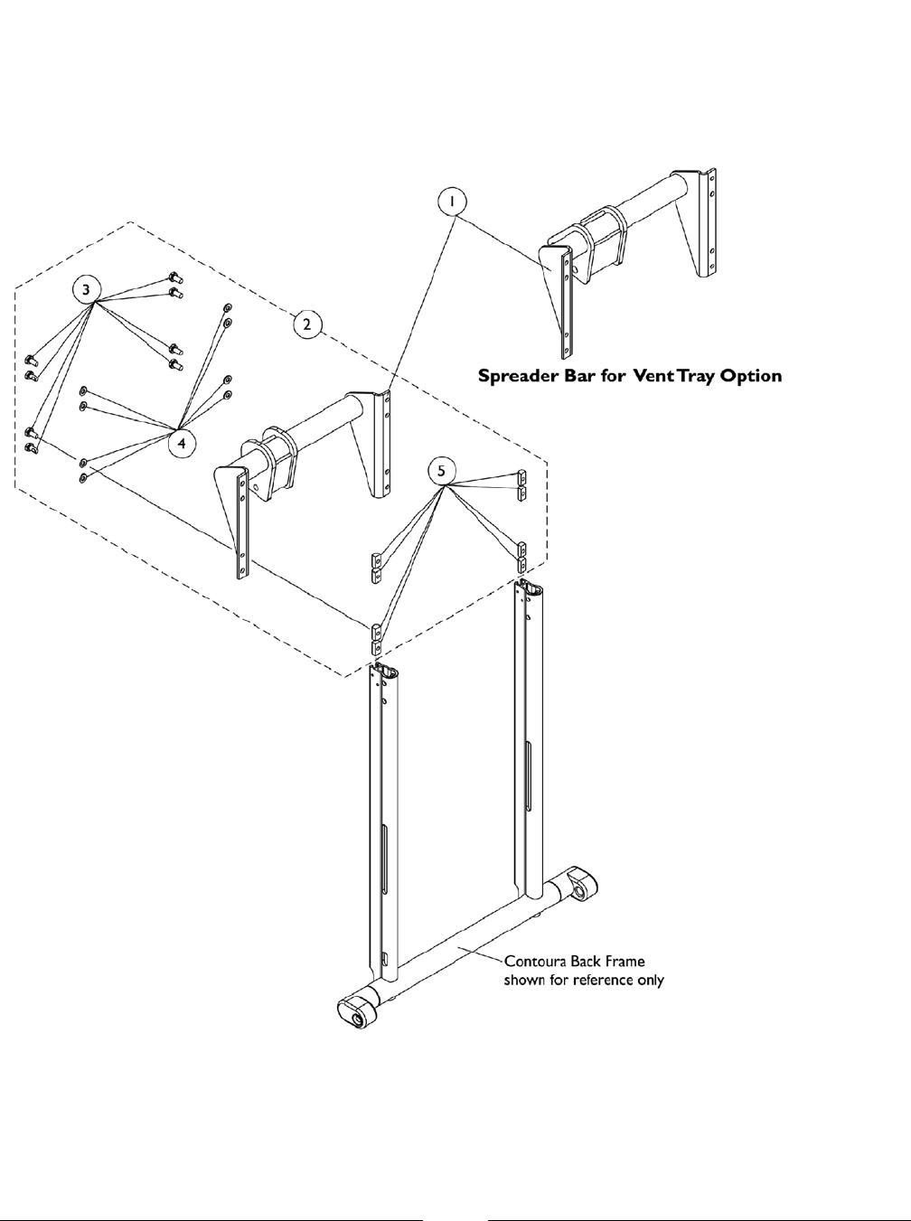
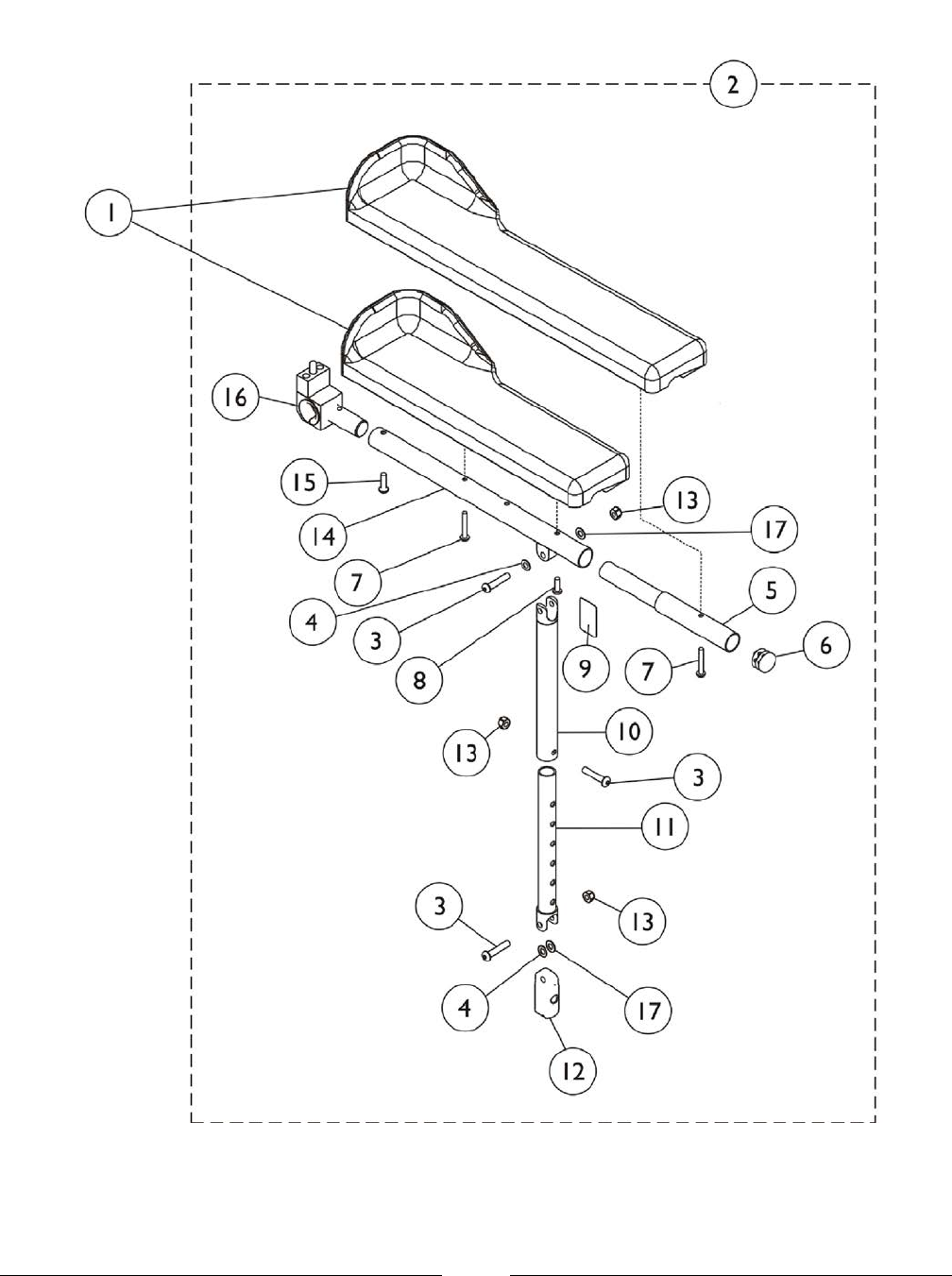
Spreader Bar Assembly - Contoura Tilt - Recline & Tilt/Recline .............................................. 117
Spreader Bar Assembly - Conventional Recline & Tilt/Recline ................................................ 119
TABLE of CONTENTS
Description
Page
Number
5
To order call toll free 1-800-333-6900, or www.invacare.com
Form No. 04-041

Spreader Bar Assembly - Conventional Tilt w/o Vent .............................................................. 115
Spreader Bar Assembly - Double For Conventional Tilt w/ Vent & Tilt w/ BPO Option ............ 113
Spring - Seat Frame Balance & Tilt Spring Assist Assemblies For Tilt & Tilt/Recline .............. 49
TRBKTS Option Clarification Reference .................................................................................. 13
Upholstery - Back Nylon - Elevate Only For ASBA/ADJASBA Seating .................................... 67
TABLE of CONTENTS
Description
Page
Number
6
To order call toll free 1-800-333-6900, or www.invacare.com
Form No. 04-041

A: READ THIS FIRST (THIS CATALOG IS DIFFERENT!)
7
To order call toll free 1-800-333-6900, or www.invacare.com
Form No. 04-041

Frame Finishes, Touch-Up Paints and Upholstery Options
Frame Finishes and Touch-Up Paint
Color Number Part Number Bottle Size Frame Finish
Deep Purple.6 oz.1031456-NLA08P
Cobalt Blue.6 oz.1046319-NLA17P
Anthracite.6 oz.1033376-NLA22P
Wet Black.6 oz.1031450-NLA24P
Red.6 oz.1031455-NLA33P
Flat Black.6 oz.1046327-NLA34P
Electric Red.6 oz.1046321-NLA61P
Electric Blue.6 oz.1046320-NLA62P
Electric Purple.6 oz.1046322-NLA66P
Teflon Black.6 oz.1101320-NLA69P
Silver VeinN/AN/A71P
Lavender.6 oz.1073896-NLA84P
Jeweled Green.6 oz.1101325-NLA101P
Denim Blue.6 oz.1101327-NLA102P
Electric Teal.6 oz.1101316-NLA104P
MIdnight Blue.6 oz.1101326-NLA105P
Black PrismN/AN/A115P
Sunkissed OrangeN/AN/A116P
Tangerine RedN/AN/A117P
Fruit FusionN/AN/A118P
Bubblegum PinkN/AN/A119P
Grape MadnessN/AN/A120P
Lolly Pop BlueN/AN/A121P
Cosmic BlueN/AN/A122P
Celestial PurpleN/AN/A123P
Vivid VioletN/AN/A124P
Emerald GreenN/AN/A125P
Shamrock GreenN/AN/A126P
Grasshopper GreenN/AN/A127P
8
To order call toll free 1-800-333-6900, or www.invacare.com
Form No. 04-041

Frame Finishes, Touch-Up Paints and Upholstery Options
Sparkle Frame Finishes
Color Number Frame Finish
Wet Black with Twilight Sparkle88P
Upholstery Options For A.S.B.A. Seating
Nylon Color
U240 Black
9
To order call toll free 1-800-333-6900, or www.invacare.com
Form No. 04-041

Packaging and Literature
10
To order call toll free 1-800-333-6900, or www.invacare.com
Form No. 04-041

Packaging and Literature
Item
Number Part Number DescriptionNote
Quantity Per
Package Assembly
1036028 Carton, Cover 1 11
40131X161 Insert, Plain Pad 1 22
40131X011 Carton, Front Riggings 1 13
1015592 Bag, Poly (72" L x 35" W x 19" D) 1 14
1043198-NLA NLA - Tube, Paper 1 15
1012001-NLA NLA - Carton, Joystick 1 16 C
1036027 Carton, Tray 1 27
1129590-NLA Carton, Corner Reinforcement 1 48
00077X031-NLA NLA - Warranty Card 1 1A
1114809-NLA NLA - Owner's Manual, TDX w/ MK5 Electronics 1 1A
1122170-NLA NLA - Owner's Manual, Formula TRE w/ MK6i
Electronics 1 1A,B
A - Not Shown
B - Item is no longer available from the Invacare Service Parts Department. Refer to the Invacare Website under "Product
Literature Search". Enter the part number in the "Keywords" field and download a free PDF version copy.
C - Order part #40131X011 to use as a replacement Joystick Carton also.
When
adjusting or replacing parts, please refer to your Owner's Manual for assistance.
NOTE:
11
To order call toll free 1-800-333-6900, or www.invacare.com
Form No. 04-041

Label Locations For TRBKTS Option
12
To order call toll free 1-800-333-6900, or www.invacare.com
Form No. 04-041

TRBKTS Option Clarification Reference
TRBKTS Option was introduced 12/19/05 as an On-Chair option only.
13
To order call toll free 1-800-333-6900, or www.invacare.com
Form No. 04-041

RETROFIT KITS FOR FORMULA TRE POWERED SEATING
14
To order call toll free 1-800-333-6900, or www.invacare.com
Form No. 04-041

Battery Box Hardware and Door Assembly
Non-Elevate
For Formula Conventional and Contoura Seating
The Battery Boxes are non-serviceable parts in the field. Wheelchair must be returned to Invacare for
repair. Call Technical Services for assistance (1-800-832-4707)
15
To order call toll free 1-800-333-6900, or www.invacare.com
Form No. 04-041

Battery Box Hardware and Door Assembly
Non-Elevate
For Formula Conventional and Contoura Seating
The Battery Boxes are non-serviceable parts in the field. Wheelchair must be returned to Invacare for
repair. Call Technical Services for assistance (1-800-832-4707)
Item
Number Part Number DescriptionNote
Quantity Per
Package Assembly
1128731 Bracket, Frame Stiffener, Black 1 11 E
1124725 Shroud, Battery Box Isolation 1 12 F
1125639 Block, Side Support 1 13
1124668-NLA NLA - Shroud, Front Battery Box 1 14
1128729-NLA NLA - Bracket, Seat Frame Mounting, Black
LOW 0° = 18" STF; 5° = (19-3/4" STF For 16-19"
Deep) or (21-1/4" STF For 20-22" Deep)
1 15 E
1128730 Bracket, Seat Frame Mounting, Black
TALL 0° = 19-1/4" STF; 5° = (21" STF For 16-19"
Deep) or (21-1/4" STF For 20-22" Deep)
1 15 E
1125738 NLA - Kit, Non-Elevate Battery Box Assembly
Hardware 1 16 A
Tie Wrap (5-5/8" L) 1 47
Locknut (5/16-18) 1 48
Washer, Steel (5/16 x 3/4 x 1/16") 1 99
Bolt, Hex Head Cap (1/4-20 x 3/4") 1 210
Washer (1/4 x 1/2 x 1/16") 1 211
NLA - Screw, Hex Head w/ Patch (5/16-18 x 7/8") 1 912
Locknut (1/4-20) 1 213
Screw, Phillips Pan Head Tap (#10-32 x 1/2") 1 214
1113357 NLA - Kit, Battery Box Door Assembly, 22NF Short 1 115 B,D,G
NLA - Label, 22NF Terminal Configuration Warning 1 116
NLA - Decal, Blank Logo 1 118
NLA - Decal, Invacare Medallion - Large 1 119
Locknut (1/4-20) 1 220
NLA - Sleeve, Door Pivot 1 221
NLA - Label, 22NF Battery Install/Remove 1 122
1113127-NLA NLA - Kit, Battery Box Door Assembly, GP24 Short 1 115 B,D
NLA - Label, Terminal Configuration Warning, GP24 1 116
NLA - Decal, Blank Logo 1 118
NLA - Decal, Invacare Medallion - Large 1 119
Locknut (1/4-20) 1 220
NLA - Sleeve, Door Pivot 1 221
Label, Battery Install/Remove, GP24 1 122
1121072-NLA Kit, Battery Box Door Assembly, 22NF Long (For
Vent) 1 115 C,D
NLA - Label, 22NF Terminal Configuration Warning 1 116
NLA - Label, 3 Battery Configuration Warning 1 117
NLA - Decal, Blank Logo 1 118
NLA - Decal, Invacare Medallion - Large 1 119
Locknut (1/4-20) 1 220
16
To order call toll free 1-800-333-6900, or www.invacare.com
Form No. 04-041

Battery Box Hardware and Door Assembly
Non-Elevate
For Formula Conventional and Contoura Seating
The Battery Boxes are non-serviceable parts in the field. Wheelchair must be returned to Invacare for
repair. Call Technical Services for assistance (1-800-832-4707)
Item
Number Part Number DescriptionNote
Quantity Per
Package Assembly
NLA - Sleeve, Door Pivot 1 221
A - Includes Battery Box Door along w/ Items 7-14.
B - Includes Battery Box Door along w/ Items 16 and 18-22.
C - Includes Battery Box Door along w/ Items 16-21.
D - Blank Logo Decal is no longer available and no longer required for item number 19 Invacare Medallion Decal.
E - Chairs manufactured before 8/30/04 must have items 1 and 5 ordered together in order for the mounting holes to line up
properly
F - No longer available as a service part.
G - Item is no longer available from the Invacare Service Parts Department. Refer to the Invacare Website under "Product
Literature Search". Enter the part number in the "Keywords" field and download a free PDF version copy.
NOTE:
17
To order call toll free 1-800-333-6900, or www.invacare.com
Form No. 04-041

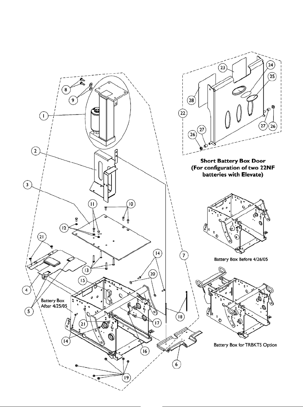
Battery Box Hardware, Door Assembly, Elevate Actuator
Motor
Elevate
For ASBA/ADJASBA, Conventional and Contoura Seating
The Battery Boxes are non-serviceable parts in the field. Wheelchair must be returned to Invacare for
repair. Call Technical Services for assistance (1-800-832-4707)
18
To order call toll free 1-800-333-6900, or www.invacare.com
Form No. 04-041

Battery Box Hardware, Door Assembly, Elevate Actuator
Motor
Elevate
For ASBA/ADJASBA, Conventional and Contoura Seating
The Battery Boxes are non-serviceable parts in the field. Wheelchair must be returned to Invacare for
repair. Call Technical Services for assistance (1-800-832-4707)
Item
Number Part Number DescriptionNote
Quantity Per
Package Assembly
1122258-NLA NLA - Elevating Actuator Assembly 1 11
1124653-NLA NLA - Bracket, Elevate, Black 1 12
1124670 Plate, Battery Box Bottom 1 13
1124721-NLA NLA - Shroud w/ Decals, Elevate, Battery Box 1 14
1079203 Decal, Warning Pinch Point 1 25
1124668-NLA NLA - Shroud, Front Battery Box 1 16
1125739 NLA - Kit, Battery Box Assembly Hardware Elevate 1 17 A
NLA - Screw, Hex Head w/ Patch (5/16-18 x 7/8") 1 28
Washer, Flat (21/64 x 53/64 x 7/64") 1 29
Screw, Socket Flat Head (1/4-20 x 3/4") 1 310
Bolt, Hex Head Cap (1/4-20 x 3/4") 1 311
Washer (1/4 x 1/2 x 1/16") 1 312
Screw, Hex Head (1/4-20 x 1-5/8") 1 413
Screw, Phillips Pan Head (#10-32 x 5/8") 1 414
NLA - Bracket, Upper Seat, Front, Black 1 115
NLA - Bracket, Lower Seat, Front, Black 1 116
Screw, Hex Head w/ Patch (5/16-18 x 3/4") 1 217
Package, Tie Wrap (5-5/8" L) 1 218
Locknut (1/4-20) 1 619
Washer, Flat (3/16 x 5/8 x 1/16") 1 420
Screw, Phillips Pan Head Tap (#10-32 x 1/2") 1 221
1125776 Kit, Battery Box Door Elevate Assembly, 22NF
Short 1 122 B,C
NLA - Label, 22NF Terminal Configuration Warning 1 123
NLA - Decal, Blank Logo 1 124
NLA - Decal, Invacare Medallion - Large 1 125
Locknut (1/4-20) 1 226
NLA - Sleeve, Door Pivot 1 227
NLA - Decal, Warning, Battery Install 1 128
A - Includes items 8-21
B - Includes items 23-28
C - Blank Logo Decal is no longer available and no longer required for item number 25 Invacare Medallion Decal.
NOTE:
19
To order call toll free 1-800-333-6900, or www.invacare.com
Form No. 04-041

Battery Support Bracket Assembly
For TRBKTS Option
20
To order call toll free 1-800-333-6900, or www.invacare.com
Form No. 04-041

Battery Support Bracket Assembly
For TRBKTS Option
Item
Number Part Number DescriptionNote
Quantity Per
Package Assembly
1139537-NLA NLA - Kit, Battery Support Bracket Assembly - For
22NF Batteries 1 11 A
Screw, Hex Head w/ Patch (1/4-20 x 1/2") 1 42
Locknut (1/4-20) 1 43
Bracket, Battery Support, Black 1 14
1139538-NLA NLA - Kit, Battery Support Bracket Assembly - For
GP24 Batteries 1 11 A
Screw, Hex Head w/ Patch (1/4-20 x 1/2") 1 42
Locknut (1/4-20) 1 43
Bracket, Battery Support, Black 1 14
1139539-NLA NLA - Kit, Battery Support Bracket Assembly - For
Invisible Super Low Tilt System w/ 22NF Batteries 1 11 B
Bracket, Battery Support, Black 1 14
Screw, Hex Head w/ Patch (1/4-20 x 1/2") 1 45
1139540-NLA Kit, Battery Support Bracket Assembly - For Vent
"Ready" System w/ 22NF Batteries 1 11 A
Screw, Hex Head w/ Patch (1/4-20 x 5/8") 1 42
Locknut (1/4-20) 1 43
Bracket, Battery Support, Black 1 14
1139541 NLA - Kit, Battery Support Bracket Assembly - For
Vent "Option" System w/ 22NF Batteries 1 11 B
Bracket, Battery Support, Black 1 14
Screw, Hex Head w/ Patch (1/4-20 x 1/2") 1 45
1139867-NLA Kit, Battery Support Bracket Assembly - For Elevate
"Option" System w/ 22NF Batteries 1 11 B
Bracket, Battery Support, Black 1 14
Screw, Hex Head w/ Patch (1/4-20 x 1/2") 1 45
A - Includes items 2-4
B - Includes items 4 and 5
NOTE:
21
To order call toll free 1-800-333-6900, or www.invacare.com
Form No. 04-041

Battery Tray Assembly and Wire Harnesses For Vent Tray
(3) 22NF Batteries
22
To order call toll free 1-800-333-6900, or www.invacare.com
Form No. 04-041

Battery Tray Assembly and Wire Harnesses For Vent Tray
(3) 22NF Batteries
Item
Number Part Number DescriptionNote
Quantity Per
Package Assembly
1120363 Battery Wire Harness with Terminal Hardware,
22NF - Rear 1 11 A,B
1120362 Battery Wire Harness with Terminal Hardware,
22NF - Front 1 12 A,B
1121143 Harness, Battery Wire with Terminal Hardware,
22NF Vent 1 13 A,B
16721X000 Locknut (1/4-20) 1 64
1095502-NLA NLA - Package, Tie Wrap (11-1/2" L) 10 15
1096799-NLA NLA - Screw, Hex Flange Whiz Lock (1/4-20 x 7/8") 1 46
1121124-NLA NLA - Battery Strap Assembly, 22NF and GP24 1 27
1121125-NLA NLA - Battery Strap Assembly For Vent, 22NF 1 18
1117186-NLA NLA - Bracket, Battery Tray Stop, Black 1 19
90017X000 Screw, Phillips Pan Head (#10-32 x 5/16") 1 210
1121142-NLA NLA - Battery Tray Assembly, TDX 22NF For Vent 1 111 C
1121029-NLA NLA - Kit, Vent Battery Harness Assembly with
Hardware 1 112 D
Harness, Vent Battery 1 113
NLA - Harness, Vent Battery Extension 1 114
Screw, Phillips Pan Head (#8-16 x 5/8") 1 215
Tie Wrap (5-5/8" L) 1 416
NLA - Grommet, Rubber 1 117
1139531 Kit, Vent Battery Harness Assembly with Hardware
For TRBKTS Option 1 112 D
Harness, Vent Battery 1 113
Harness, Vent Battery Extension, TRBKTS Option 1 114
Screw, Phillips Pan Head (#8-16 x 5/8") 1 215
Tie Wrap (5-5/8" L) 1 416
NLA - Grommet, Rubber For TRBKTS Option 1 117
1095503 Package, Tie Wrap (5-5/8" L) 10 116
1055747-NLA NLA - Grommet, Rubber 1 117
1137236-NLA NLA - Grommet, Rubber For TRBKTS Option 1 117
A - Individual components are not available for the battery wire harnesses
B - Includes items 4-6
C - Includes items 7-10
D - Includes items 13-17
NOTE:
23
To order call toll free 1-800-333-6900, or www.invacare.com
Form No. 04-041

Battery Wire Harnesses, Sensor Proximity Switch,
Extension Cables and Energy Chain
For All Elevate Systems
24
To order call toll free 1-800-333-6900, or www.invacare.com
Form No. 04-041

Battery Wire Harnesses, Sensor Proximity Switch,
Extension Cables and Energy Chain
For All Elevate Systems
Item
Number Part Number DescriptionNote
Quantity Per
Package Assembly
1124657-NLA NLA - Bracket, Wire Harness Mounting, Black 1 11
1114308 Screw, Phillips Pan Head Tap (#10-32 x 1/2") 1 42
1124654-NLA NLA - Bracket, Upper Energy Chain Mounting,
Black 1 13
1124655-NLA NLA - Bracket, Lower Energy Chain Mounting,
Black 1 14
1122586 Sensor, Proximity Switch (30 1/4" L) 1 15
1125742 NLA - Kit, Sensor Proximity/Actuator Switch
Mounting Hardware 1 16 A
Nut, Hex Keps (#4-40) 1 27
NLA - Washer, Plain (1/8 x 5/16 x 1/32") 1 28
NLA - Screw, Phillips Pan Head (#4-40 x 3/8") 1 29
1125745 Kit, Energy Chain with Mounting Hardware 1 110 F
Screw, Phillips Pan Head Tap (#10-32 x 1/2") 1 211
1024001 Sensor, Actuator Switch 1 112
1123277-NLA NLA - Cable, Joystick Extension (48") 1 113
1125743-NLA Kit, Battery Harness with Mounting Hardware,
Elevate 1 114 B
Nut, Keps (#6-32) 1 615
NLA - Screw, Phillips Pan Head (#6-32 x 7/8") 1 616
Tie Wrap (5-5/8" L) 1 318
Washer (1/4 x 1/2 x 1/16") 1 419
1141968 NLA - Kit, Battery Harness with Mounting Hardware,
Elevate with TRBKTS option 1 114 C
Nut, Keps (#6-32) 1 615
NLA - Screw, Phillips Pan Head (#6-32 x 7/8") 1 416
Screw, Phillips Pan Head (#6-32 x 1-1/8") 1 217
Tie Wrap (5-5/8" L) 1 318
Washer (1/4 x 1/2 x 1/16") 1 419
Spacer (1/4 x 5/8 x 3/8") 1 220
See Note See Footnote 1 121 D
16721X000 Locknut (1/4-20) 1 222
1095502-NLA NLA - Package, Tie Wrap (11-1/2" L) 10 123
1096799-NLA NLA - Screw, Hex Flange Whiz Lock (1/4-20 x 7/8") 1 124
1125741-NLA NLA - Kit, Front Battery Harness with Terminal
Hardware 1 125 E
Locknut (1/4-20) 1 226
Tie Wrap (11-1/2" L) 1 427
NLA - Screw, Hex Flange Whiz Lock (1/4-20 x 7/8") 1 228
1126173 Harness, Elevate Actuator Extension 1 129
25
To order call toll free 1-800-333-6900, or www.invacare.com
Form No. 04-041

Battery Wire Harnesses, Sensor Proximity Switch,
Extension Cables and Energy Chain
For All Elevate Systems
A - Includes items 7-9
B - Includes the Battery Harness and items 15, 16, 18 and 19
C - Includes the Battery harness and items 15-20
D - Rear Battery Harness Kit that included the Rear Battery Harness is no longer available as a service part.
E - Includes the Front Battery Harness and items 26-28
F - Includes the Energy Chain and item 11
NOTE:
26
To order call toll free 1-800-333-6900, or www.invacare.com
Form No. 04-041

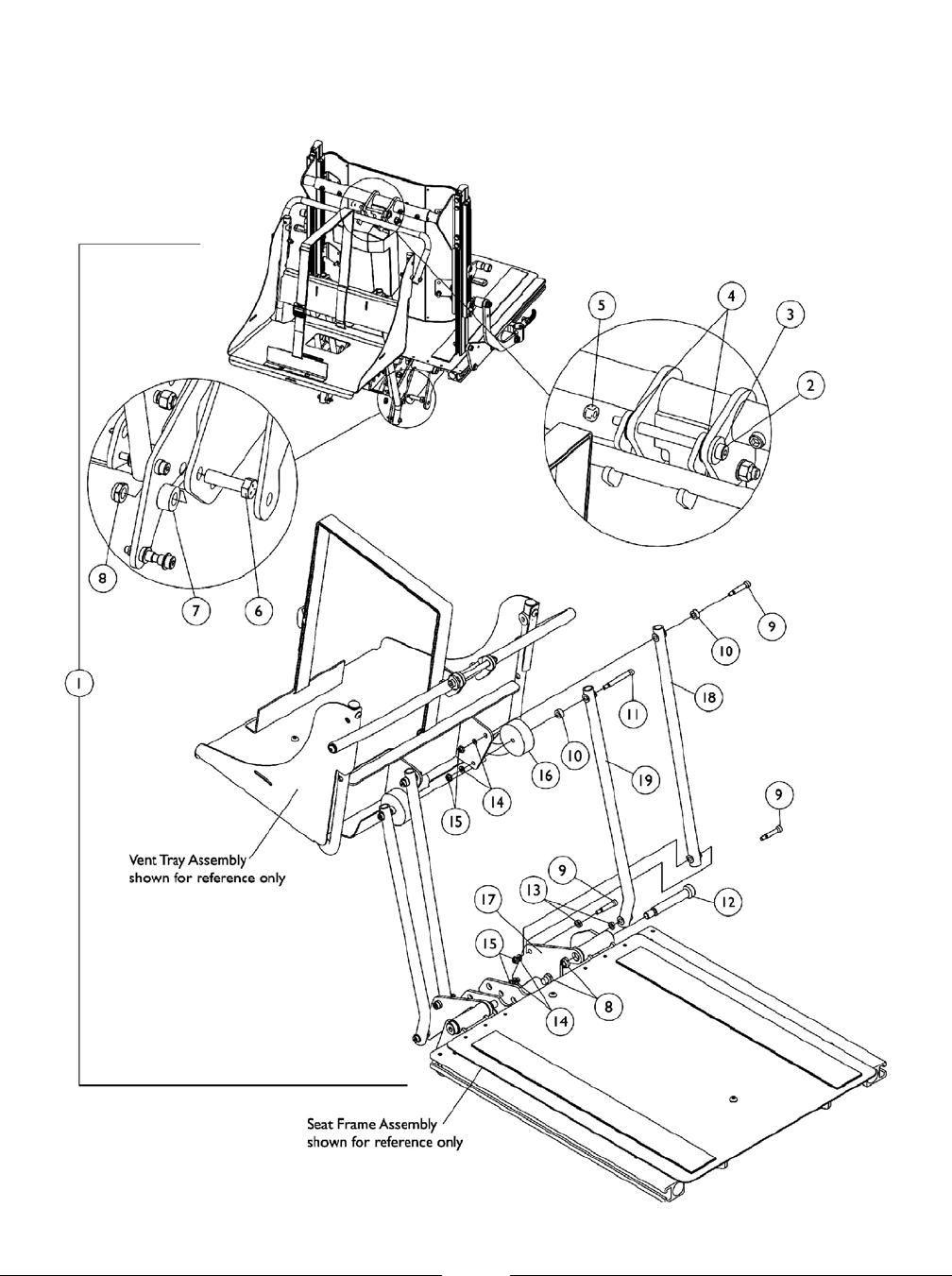
Seat Frame and Hardware
(16"-22" Wide)
Elevate Only For ASBA Seating (Before 7/5/05)
#1 Seat Frame with Hardware
Chair Width 16"-17" Deep 18" - 19" Deep 20" - 21" Deep 22" Deep
1118340-NLA1118331-NLA1118322-NLA1118313-NLA16" Wide
1118341-NLA1118332-NLA1118323-NLA1118314-NLA17" Wide
1118342-NLA1118333-NLA1118324-NLA1118315-NLA18" Wide
1118343-NLA1118334-NLA1118325-NLA1118316-NLA19" Wide
1118344-NLA1118335-NLA1118326-NLA1118317-NLA20" Wide
1118345-NLA1118336-NLA1118327-NLA1118318-NLA21" Wide
1118346-NLA1118337-NLA1118328-NLA1118319-NLA22" Wide
NOTE: Seat frame includes items 2-5
27
To order call toll free 1-800-333-6900, or www.invacare.com
Form No. 04-041

Seat Frame and Hardware
(16"-22" Wide)
Elevate Only For ASBA Seating (Before 7/5/05)
Item
Number Part Number DescriptionNote
Quantity Per
Package Assembly
See Chart #1 Seat Frame with Hardware 1 11
1029501 Plug Button, Black (1") 1 22
1090768 Kit, Lock Handle w/Rivets (Pair) 2 13
47471X074 Spring, Arm Lock 1 24
1028594 Pin, Arm Lock, Black 1 25
28
To order call toll free 1-800-333-6900, or www.invacare.com
Form No. 04-041

ADJASBA Seat Frame, Seat Pan and Hardware
(16"-20" Wide) x (16"-22" Deep) After 7/4/05
29
To order call toll free 1-800-333-6900, or www.invacare.com
Form No. 04-041

ADJASBA Seat Frame, Seat Pan and Hardware
(16"-20" Wide) x (16"-22" Deep) After 7/4/05
Item
Number Part Number DescriptionNote
Quantity Per
Package Assembly
1120288 Frame, Center Seat, Black 1 11 D
1122475 Crossbar, Seat Frame (16" - 20" W) 1 42
1122647 Rail, Seat Frame (16 - 20" D For Formula TRE and
16 - 19" D For ADJASBA) 1 23
1122677 Rail, Seat Frame (20 - 22" D Formula TRE) (19 -
22" D ADJASBA) 1 23
1124386 Pan, Seat with Hook and Loop Fasteners (16 - 20"
W) x (16 - 20" D For Formula TRE) & (16 - 19" D
For ADJASBA)
1 14
1124666 Pan, Seat, with Hook and Loop Fasteners (16 - 20"
W) x (20 - 22" D For Formula TRE) & (19 - 22" D
For ADJASBA)
1 14
1043082 Hook Fastener with Adhesive Back (2" W x 18" L) 1 25 A
1044580 Loop Fastener with Adhesive Back (2" W x 18" L) 1 25 A
1043084 Hook Fastener with Adhesive back (2" W x 22" L) 1 25 B
1044584 Loop Fastener with Adhesive back (2" W x 22" L) 1 25 B
1135501 Kit, Seat Frame Assembly Hardware 1 16 C
Screw, Hex Head w/ Patch (1/4-20 x 3/4") 1 87
Washer (1/4 x 1/2 x 1/16") 1 28
Spacer, Coved (1/4 x 11/16 x 1/2") 1 49
Screw, Socket Button (1/4-20 x 3/4") 1 210
Pin, Roll (3/16 x 1") 1 211
1114823 Decal, Seat Adjustment Warning 1 212
A - For 16"-19" deep seats
B - For 19"-22" deep seats
C - Includes items 7-11
D - When ordering Center Seat Frame (item 1), also order 2 ea. Seat Adjustment Warning Decal (item 12).
NOTE:
30
To order call toll free 1-800-333-6900, or www.invacare.com
Form No. 04-041

ADJASBA Seat Frame, Seat Pan and Hardware
(20"-22" Wide) x (16"-22" Deep) After 7/4/05
31
To order call toll free 1-800-333-6900, or www.invacare.com
Form No. 04-041

ADJASBA Seat Frame, Seat Pan and Hardware
(20"-22" Wide) x (16"-22" Deep) After 7/4/05
Item
Number Part Number DescriptionNote
Quantity Per
Package Assembly
1120288 Frame, Center Seat, Black 1 11 D
1120283 Crossbar, Seat Frame (20" - 24" W) 1 42
1122647 Rail, Seat Frame (16 - 20" D For Formula TRE and
16 - 19" D For ADJASBA) 1 23
1122677 Rail, Seat Frame (20 - 22" D Formula TRE) (19 -
22" D ADJASBA) 1 23
1124388 Pan, Seat, with Hook and Loop Fasteners (20 - 24"
W) x (16 - 20" D For Formula TRE) & (16 - 19" D
For ADJASBA)
1 14
1124667 Pan, Seat with Hook and Loop Fasteners (20 - 24"
W) x (20 - 22" D For Formula TRE) & (19 - 22" D
For ADJASBA)
1 14
1043082 Hook Fastener with Adhesive Back (2" W x 18" L) 1 25 A
1044580 Loop Fastener with Adhesive Back (2" W x 18" L) 1 25 A
1043084 Hook Fastener with Adhesive back (2" W x 22" L) 1 25 B
1044584 Loop Fastener with Adhesive back (2" W x 22" L) 1 25 B
1135501 Kit, Seat Frame Assembly Hardware 1 16 C
Screw, Hex Head w/ Patch (1/4-20 x 3/4") 1 87
Washer (1/4 x 1/2 x 1/16") 1 28
Spacer, Coved (1/4 x 11/16 x 1/2") 1 49
Screw, Socket Button (1/4-20 x 3/4") 1 210
Pin, Roll (3/16 x 1") 1 211
1114823 Decal, Seat Adjustment Warning 1 212
A - For 16"-19" deep seats
B - For 19"-22" deep seats
C - Includes items 7-11
D - When ordering Center Seat Frame (item 1), also order 2 ea. Seat Adjustment Warning Decal (item 12).
NOTE:
32
To order call toll free 1-800-333-6900, or www.invacare.com
Form No. 04-041

Seat Frame, Seat Pan and Hardware
(16"-20" Wide x 16"-22" Deep Conventional)
and (16", 18", 20" Wide x 16"-22" Deep Contoura) Seating
33
To order call toll free 1-800-333-6900, or www.invacare.com
Form No. 04-041

Seat Frame, Seat Pan and Hardware
(16"-20" Wide x 16"-22" Deep Conventional)
and (16", 18", 20" Wide x 16"-22" Deep Contoura) Seating
Item
Number Part Number DescriptionNote
Quantity Per
Package Assembly
1122676 Frame, Center Seat, Black
For Conventional and Contoura Seating 1 11
1122475 Crossbar, Seat Frame (16" - 20" W) 1 42
1122647 Rail, Seat Frame (16 - 20" D For Formula TRE and
16 - 19" D For ADJASBA) 1 23 A
1122677 Rail, Seat Frame (20 - 22" D Formula TRE) (19 -
22" D ADJASBA) 1 23 B
1124386 Pan, Seat with Hook and Loop Fasteners (16 - 20"
W) x (16 - 20" D For Formula TRE) & (16 - 19" D
For ADJASBA)
1 14 A
1124666 Pan, Seat, with Hook and Loop Fasteners (16 - 20"
W) x (20 - 22" D For Formula TRE) & (19 - 22" D
For ADJASBA)
1 14 B
1043082 Hook Fastener with Adhesive Back (2" W x 18" L) 1 25 A
1044580 Loop Fastener with Adhesive Back (2" W x 18" L) 1 25 A
1043084 Hook Fastener with Adhesive back (2" W x 22" L) 1 25 B
1044584 Loop Fastener with Adhesive back (2" W x 22" L) 1 25 B
1125737 Kit, Seat Frame Assembly Hardware 1 16 D,E
Screw, Hex Head w/ Patch (1/4-20 x 3/4") 1 87
Washer (1/4 x 1/2 x 1/16") 1 48
Pin, Roll (3/16 x 1") 1 29
Spacer, Coved (1/4 x 11/16 x 1/2") 1 610
Locknut (1/4-20) 1 211
Screw, Socket Button Head (1/4-20 x 1-1/2") 1 212
Screw, Socket Button (1/4-20 x 3/4") 1 212
A - For 16"-20" deep Conventional and 16"-18" deep Contoura Seating
B - For 20"-22" deep Conventional and 19"-21" deep Contoura Seating
D - Includes items 7-12
E - After 7/4/05 Threaded Inserts were added to the Center Seat Frame. Items 10 and 11 were no longer needed for item 12
screw. Item 12 was shortened to 3/4" long.
NOTE:
34
To order call toll free 1-800-333-6900, or www.invacare.com
Form No. 04-041

Seat Frame, Seat Pan and Hardware
(20"-24" Wide x 16"-22" Deep Conventional)
and (20", 22", 24" Wide x 16"-22" Deep Contoura) Seating
35
To order call toll free 1-800-333-6900, or www.invacare.com
Form No. 04-041

Seat Frame, Seat Pan and Hardware
(20"-24" Wide x 16"-22" Deep Conventional)
and (20", 22", 24" Wide x 16"-22" Deep Contoura) Seating
Item
Number Part Number DescriptionNote
Quantity Per
Package Assembly
1122676 Frame, Center Seat, Black
For Conventional and Contoura Seating 1 11
1120283 Crossbar, Seat Frame (20" - 24" W) 1 42
1122647 Rail, Seat Frame (16 - 20" D For Formula TRE and
16 - 19" D For ADJASBA) 1 23 A
1122677 Rail, Seat Frame (20 - 22" D Formula TRE) (19 -
22" D ADJASBA) 1 23 B
1131445-NLA NLA - Rail, Seat Frame (22" D) 1 23 C
1124388 Pan, Seat, with Hook and Loop Fasteners (20 - 24"
W) x (16 - 20" D For Formula TRE) & (16 - 19" D
For ADJASBA)
1 14 A
1124667 Pan, Seat with Hook and Loop Fasteners (20 - 24"
W) x (20 - 22" D For Formula TRE) & (19 - 22" D
For ADJASBA)
1 14 B
1131448-NLA NLA - Pan, Seat, with Hook and Loop Fasteners (20
- 24" W x 22" D) 1 14 C
1043082 Hook Fastener with Adhesive Back (2" W x 18" L) 1 25 A
1044580 Loop Fastener with Adhesive Back (2" W x 18" L) 1 25 A
1043084 Hook Fastener with Adhesive back (2" W x 22" L) 1 25 B,C
1044584 Loop Fastener with Adhesive back (2" W x 22" L) 1 25 B,C
1125737 Kit, Seat Frame Assembly Hardware 1 16 D,E
Screw, Hex Head w/ Patch (1/4-20 x 3/4") 1 87
Washer (1/4 x 1/2 x 1/16") 1 48
Pin, Roll (3/16 x 1") 1 29
Spacer, Coved (1/4 x 11/16 x 1/2") 1 610
Locknut (1/4-20) 1 211
Screw, Socket Button Head (1/4-20 x 1-1/2") 1 212
Screw, Socket Button (1/4-20 x 3/4") 1 212
A - For 16"-20" deep Conventional and 16"-18" deep Contoura Seating
B - For 20"-22" deep Conventional and 19"-21" deep Contoura Seating
C - 22" deep Contoura Seating
D - Includes items 7-12
E - After 7/4/05 Threaded Inserts were added to the Center Seat Frame. Items 10 and 11 were no longer needed for item 12
screw. Item 12 was shortened to 3/4" long.
NOTE:
36
To order call toll free 1-800-333-6900, or www.invacare.com
Form No. 04-041

Seat Frame Mounting Hardware
Elevate Only For ASBA Seating (Before 7/5/05)
37
To order call toll free 1-800-333-6900, or www.invacare.com
Form No. 04-041

Seat Frame Mounting Hardware
Elevate Only For ASBA Seating (Before 7/5/05)
Item
Number Part Number DescriptionNote
Quantity Per
Package Assembly
1125777-NLA Kit, A.S.B.A. Seat Frame Mounting Hardware 1 11 A
NLA - Screw, Hex Head w/ Patch (5/16-18 x 1-1/2") 1 42
NLA - Screw, Hex Head w/ Patch (5/16-18 x 7/8") 1 63
Washer, Flat (21/64 x 53/64 x 7/64") 1 64
NLA - Bracket, Seat Frame Mounting, Black - Right 1 15
NLA - Bracket, Seat Frame Mounting, Black - Left 1 15
Locknut (5/16-18) 1 106
Screw, Hex Head w/ Patch (5/16-18 x 1-1/4") 1 47
NLA - Plate, A.S.B.A. Seat Frame Mounting 1 18
NLA - Nut, Strap 1 29
Decal, Seat Adjustment Warning 1 210
A - Includes items 2-10
NOTE:
38
To order call toll free 1-800-333-6900, or www.invacare.com
Form No. 04-041

Seat Frame Mounting Hardware
Elevate Only For ADJASBA Seating (After 7/4/05)
39
To order call toll free 1-800-333-6900, or www.invacare.com
Form No. 04-041

Seat Frame Mounting Hardware
Elevate Only For ADJASBA Seating (After 7/4/05)
Item
Number Part Number DescriptionNote
Quantity Per
Package Assembly
1133804-NLA Kit, ADJASBA Seat Frame Mounting Hardware 1 11 A
NLA - Screw, Socket Head (5/16-18 x 3/4") 1 42
NLA - Screw, Hex Head w/ Patch (5/16-18 x 7/8") 1 63
Washer, Flat (21/64 x 53/64 x 7/64") 1 64
NLA - Bracket, Seat Frame Mounting, Black - Right 1 15
NLA - Bracket, Seat Frame Mounting, Black - Left 1 15
Locknut (5/16-18) 1 106
Screw, Hex Head w/ Patch (5/16-18 x 1-1/4") 1 47
NLA - Plate, A.S.B.A. Seat Frame Mounting 1 18
NLA - Nut, Strap 1 29
Decal, Seat Adjustment Warning 1 210
A - Includes items 2-10
NOTE:
40
To order call toll free 1-800-333-6900, or www.invacare.com
Form No. 04-041

Seat Frame Mounting Hardware
Elevate Only For ADJASBA Seating with TRBKTS Option
41
To order call toll free 1-800-333-6900, or www.invacare.com
Form No. 04-041

Seat Frame Mounting Hardware
Elevate Only For ADJASBA Seating with TRBKTS Option
Item
Number Part Number DescriptionNote
Quantity Per
Package Assembly
1134945-NLA Kit, ADJASBA Seat Frame Mounting Hardware For
TRBKTS Option 1 11 A
Screw, Socket Head w/ Patch (5/16-18 x 7/8") 1 62
NLA - Screw, Hex Head w/ Patch (5/16-18 x 7/8") 1 63
Washer, Flat (21/64 x 53/64 x 7/64") 1 64
NLA - Bracket, Seat Frame Mounting, Black - Right 1 15
NLA - Bracket, Seat Frame Mounting, Black - Left 1 15
Locknut (5/16-18) 1 86
Screw, Hex Head w/ Patch (5/16-18 x 1-1/4") 1 47
NLA - Plate, A.S.B.A. Seat Frame Mounting 1 18
NLA - Nut, Strap 1 29
Decal, Seat Adjustment Warning 1 210
Plate, Nut (5/16-18) 1 211
NLA - Washer, Ground (11/32 x 13/16 x 1/8") 1 612
A - Includes items 2-12
NOTE:
42
To order call toll free 1-800-333-6900, or www.invacare.com
Form No. 04-041

Seat Frame Mounting Hardware
Recline Only
For Conventional and Contoura Seating
43
To order call toll free 1-800-333-6900, or www.invacare.com
Form No. 04-041

Seat Frame Mounting Hardware
Recline Only
For Conventional and Contoura Seating
Item
Number Part Number DescriptionNote
Quantity Per
Package Assembly
1125646-NLA NLA - Plate, Recline Only Seat Frame Mounting 1 11
1125751 Kit, Seat Frame Mounting Hardware, Recline Only
Non-Elevate 1 12 A
Screw, Hex Head (5/16-18 x 1") 1 43
Screw, Hex Head w/ Patch (5/16-18 x 1-1/4") 1 44
Spacer (5/16 x 7/16 x 3/8") 1 25
Locknut (5/16-18) 1 86
A - Includes items 3-6
NOTE:
44
To order call toll free 1-800-333-6900, or www.invacare.com
Form No. 04-041

Seat Frame Mounting Hardware
Tilt or Tilt/Recline For Conventional & Contoura Seating
45
To order call toll free 1-800-333-6900, or www.invacare.com
Form No. 04-041

Seat Frame Mounting Hardware
Tilt or Tilt/Recline For Conventional & Contoura Seating
Item
Number Part Number DescriptionNote
Quantity Per
Package Assembly
1125749 NLA - Kit, Seat Frame Mounting Hardware 1 11 A
NLA - Screw, Shoulder Hex Socket Head (1/2 x
3-1/4", 3/8-16) 1 22
Washer, Flat (3/8 x 11/16 x 1/16") 1 23
Locknut, Low Profile (3/8-16) 1 24
A - Includes items 2-4
NOTE:
46
To order call toll free 1-800-333-6900, or www.invacare.com
Form No. 04-041

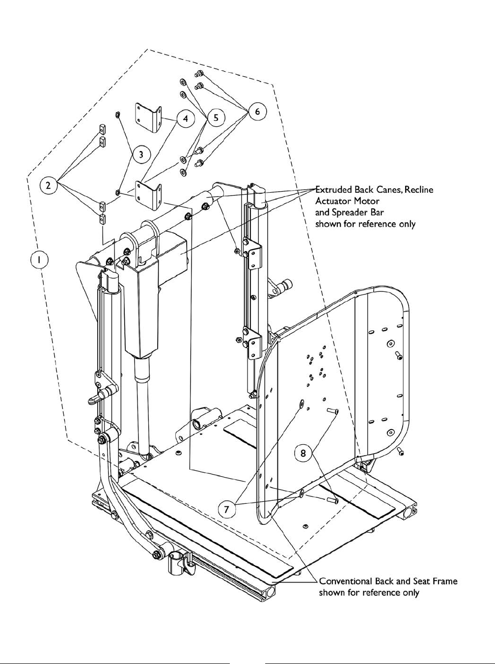
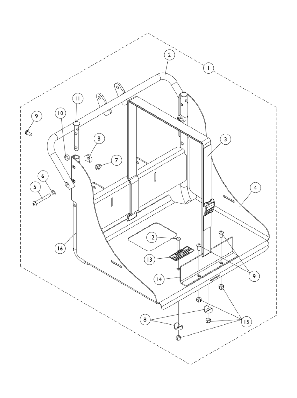
Tilt Frame and Mounting Hardware
47
To order call toll free 1-800-333-6900, or www.invacare.com
Form No. 04-041

Tilt Frame and Mounting Hardware
Item
Number Part Number DescriptionNote
Quantity Per
Package Assembly
1122656 Frame with Warning Decals, Tilt, Black 1 11
1122598-NLA NLA - Decal, Warning Actuator/Spring Assist
Hardware 1 12
1079203 Decal, Warning Pinch Point 1 23
1125748-NLA NLA - Kit, Bumper Assembly 2 14
1125747 NLA - Kit, Tilt Frame Mounting Hardware 1 15 A
Screw, Hex Head w/ Patch (5/16-18 x 1-1/4") 1 46
Locknut (5/16-18) 1 47
A - Includes items 6-7
NOTE:
48
To order call toll free 1-800-333-6900, or www.invacare.com
Form No. 04-041

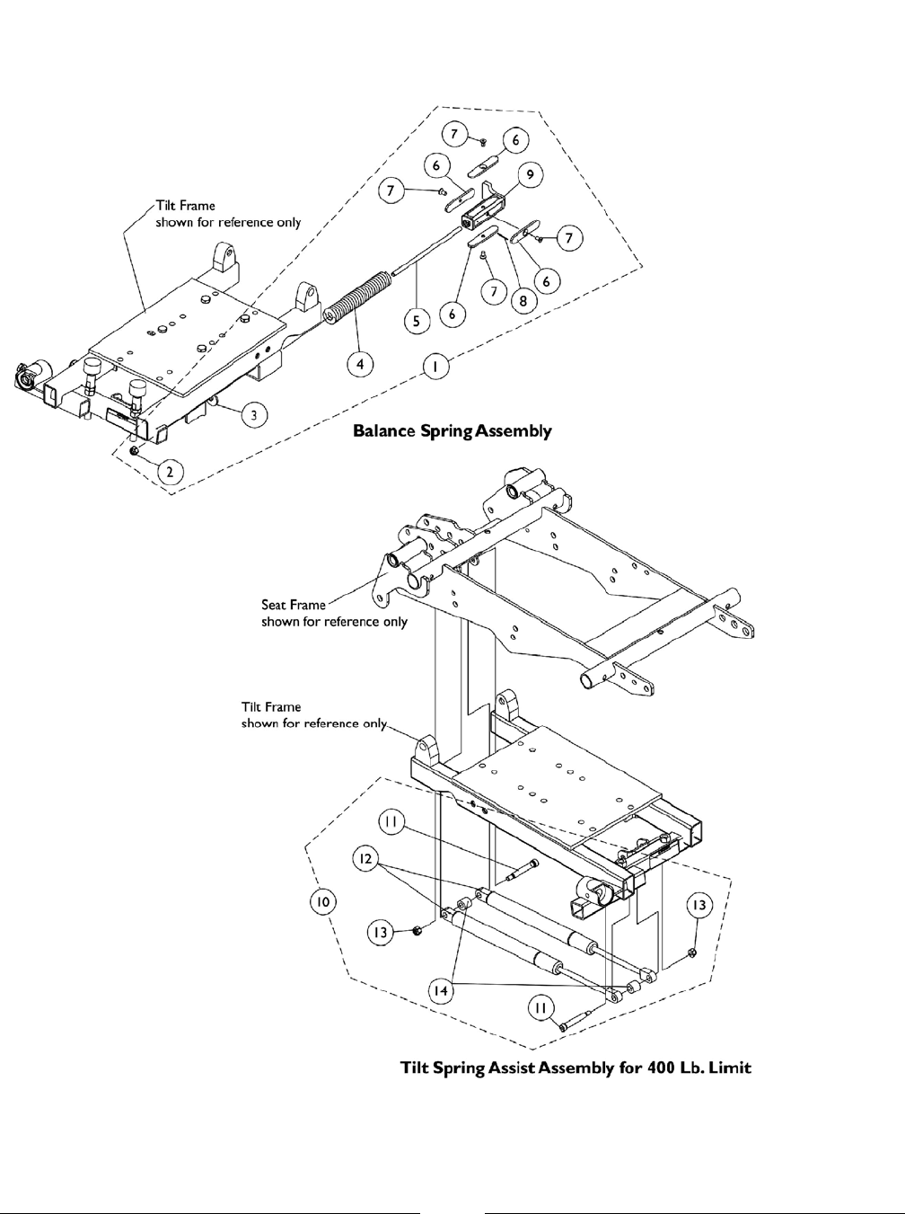
Balance Spring and Tilt Spring Assist Assemblies
For Tilt and Tilt/Recline
49
To order call toll free 1-800-333-6900, or www.invacare.com
Form No. 04-041

Balance Spring and Tilt Spring Assist Assemblies
For Tilt and Tilt/Recline
Item
Number Part Number DescriptionNote
Quantity Per
Package Assembly
1125750 NLA - Kit, Balance Spring Assembly 1 11 A
Locknut (1/4-20) 1 12
NLA - Guide, Rod 1 13
NLA - Spring, Compression (1 x 5-1/2 x 1/4") 1 14
NLA - Rod, Balance Spring 1 15
NLA - Plate, Slide Support 1 46
NLA - Screw, Socket Flat Head w/ Patch (#10-32 x
3/8") 1 47
Pin, Roll (1/8 x 3/4") 1 18
NLA - Bracket, Balance Spring, Black 1 19
1124673 Kit, Spring Assist Hardware 400 Lb. Limit
Non-Elevate 1 110 B
NLA - Screw, Shoulder Hex Socket Head (5/16" x
1-3/4", 1/4-20) 1 211
Spring, Cylinder Assist 1 212
Locknut (1/4-20) 1 213
Spacer, Spring Assist (5/16 x 5/8 x 9/16") 1 214
A - Includes items 2-9
B - Includes items 11-14
NOTE:
50
To order call toll free 1-800-333-6900, or www.invacare.com
Form No. 04-041

Tilt Actuator Motor and Mounting Hardware
51
To order call toll free 1-800-333-6900, or www.invacare.com
Form No. 04-041

Tilt Actuator Motor and Mounting Hardware
Item
Number Part Number DescriptionNote
Quantity Per
Package Assembly
1122691 Motor, Tilt Actuator without Mounting Hardware -
MK5 1 11 C
1146351 Motor, Tilt Actuator without Mounting Hardware -
MK6i 1 11 B
1125746 Kit, Tilt Actuator Motor Mounting Hardware 1 12 A
NLA - Ring, Retaining 1 23
Rod, Reinforcing 1 14
Stand-Off, Actuator Motor 1 15
Screw, Shoulder Hex Socket Head (3/8 x 1-3/4",
5/16-18) 1 16
NLA - Bracket, Adjustable Clevis, Black 1 17
Washer, Steel (5/16 x 3/4 x 1/16") 1 18
Locknut (5/16-18) 1 19
Screw, Hex Head w/ Patch (5/16-18 x 5/8") 1 110
Washer, Flat (5/16 x 5/8 x 1/16") 1 111
NLA - Nut, Hex Jam (1/2-20) 1 212
Locknut (1/2-20) 1 113
A - Includes items 3-13
B - For MK6i Electronics only. Includes the Actuator Motor, Bushings and the Integrated Actuator Module (IAM) attached to
the motor. The IAM is not available separately. NOTE: Part # 1140033 referenced on the motor is not available, refer to
part # 1146351.
C - Includes the Actuator Motor and Bushings. NOTE: Part # 1134695 referenced on the motor is not available, refer to part #
1122691.
NOTE:
52
To order call toll free 1-800-333-6900, or www.invacare.com
Form No. 04-041

Recline Actuator Motor and Mounting Hardware
53
To order call toll free 1-800-333-6900, or www.invacare.com
Form No. 04-041

Recline Actuator Motor and Mounting Hardware
Item
Number Part Number DescriptionNote
Quantity Per
Package Assembly
1125635-NLA NLA - Motor, Recline Actuator - MK5 1 11 D
1146350-NLA NLA - Motor, Recline Actuator - MK6i 1 11 C
1125752 Kit, Recline Actuator Motor Mounting Hardware
Conventional 1 12 A
NLA - Screw, Shoulder Hex Socket Head (3/8 x
2-3/4", 5/16-18) 1 13
Washer, Flat (5/16 x 5/8 x 1/16") 1 14
Locknut (5/16-18) 1 25
Spacer (3/8 x 1 x 1/2") 1 26
NLA - Bushing, Actuator Motor (3/8 x 3/4 x 5/32") 1 27
Screw, Shoulder Hex Socket Head (3/8 x 1-3/4",
5/16-18) 1 18
1125753 NLA - Kit, Recline Actuator Motor Mounting
Hardware Contoura 1 19 B
Screw, Shoulder Hex Socket (3/8 x 2", 5/16-18) 1 110
Washer, Flat (5/16 x 5/8 x 1/16") 1 111
Locknut (5/16-18) 1 212
NLA - Bushing, Actuator Motor (3/8 x 3/4 x 5/32") 1 213
Screw, Shoulder Hex Socket Head (3/8 x 1-3/4",
5/16-18) 1 114
A - Includes items 3-8
B - Includes items 10-14
C - Used with MK6i Electronics only. Includes the Actuator Motor and Bushings. NOTE: Part # 1136915 referenced on the
motor is not available, refer to part # 1146350.
D - Includes the Actuator Motor and Bushings. NOTE: Part # 1122257 referenced on the motor is not available, refer to part #
1125635.
NOTE:
54
To order call toll free 1-800-333-6900, or www.invacare.com
Form No. 04-041

Elevate Actuator Motor and Mounting Hardware
Elevate
For ASBA/ADJASBA, Conventional and Contoura Seating
55
To order call toll free 1-800-333-6900, or www.invacare.com
Form No. 04-041

Elevate Actuator Motor and Mounting Hardware
Elevate
For ASBA/ADJASBA, Conventional and Contoura Seating
Item
Number Part Number DescriptionNote
Quantity Per
Package Assembly
1122258-NLA NLA - Elevating Actuator Assembly 1 11 F
1124653-NLA NLA - Bracket, Elevate, Black 1 12
1124670 Plate, Battery Box Bottom 1 13
1124721-NLA NLA - Shroud w/ Decals, Elevate, Battery Box 1 14
1079203 Decal, Warning Pinch Point 1 25
1124668-NLA NLA - Shroud, Front Battery Box 1 16
1125739 NLA - Kit, Battery Box Assembly Hardware Elevate 1 17 A
NLA - Screw, Hex Head w/ Patch (5/16-18 x 7/8") 1 28
Washer, Flat (21/64 x 53/64 x 7/64") 1 29
Screw, Socket Flat Head (1/4-20 x 3/4") 1 310
Bolt, Hex Head Cap (1/4-20 x 3/4") 1 311
Washer (1/4 x 1/2 x 1/16") 1 312
Screw, Hex Head (1/4-20 x 1-5/8") 1 413
Screw, Phillips Pan Head (#10-32 x 5/8") 1 414
NLA - Bracket, Upper Seat, Front, Black 1 115
NLA - Bracket, Lower Seat, Front, Black 1 116
Screw, Hex Head w/ Patch (5/16-18 x 3/4") 1 217
Package, Tie Wrap (5-5/8" L) 1 218
Locknut (1/4-20) 1 619
Washer, Flat (3/16 x 5/8 x 1/16") 1 420
Screw, Phillips Pan Head Tap (#10-32 x 1/2") 1 221
1125776 Kit, Battery Box Door Elevate Assembly, 22NF
Short 1 122 B,C
NLA - Label, 22NF Terminal Configuration Warning 1 123
NLA - Decal, Blank Logo 1 124
NLA - Decal, Invacare Medallion - Large 1 125
Locknut (1/4-20) 1 226
NLA - Sleeve, Door Pivot 1 227
NLA - Decal, Warning, Battery Install 1 128
A - Includes items 8-21
B - Includes items 23-28
C - Blank Logo Decal is no longer available and no longer required for item number 25 Invacare Medallion Decal.
F - Elevate Actuator Motor uses the Elevate Integrated Actuator Module (EIAM) when MK6i Electronics are used
NOTE:
56
To order call toll free 1-800-333-6900, or www.invacare.com
Form No. 04-041

Elevate Integrated Actuator Module (EIAM)
For Elevate Actuator Motor w/ MK6i Electronics
57
To order call toll free 1-800-333-6900, or www.invacare.com
Form No. 04-041

Elevate Integrated Actuator Module (EIAM)
For Elevate Actuator Motor w/ MK6i Electronics
Item
Number Part Number DescriptionNote
Quantity Per
Package Assembly
1140036 Module, Elevate Integrated Actuator (EIAM) - MK6i
(54" L) 1 11
1125685 Kit, MK5 SAC-E/ MK6i EIAM Mounting Hardware 1 12 A
Screw, Phillips Pan Head Tap (#10-32 x 1/2") 1 23
NLA - Bracket, Mounting, Black 1 14
Stud Plate, Quad Link 1 25
A - Includes items 3-5
NOTE:
58
To order call toll free 1-800-333-6900, or www.invacare.com
Form No. 04-041

Recline Integrated Actuator Module (RIAM)
For Formula Recline and Tilt/Recline
59
To order call toll free 1-800-333-6900, or www.invacare.com
Form No. 04-041

Recline Integrated Actuator Module (RIAM)
For Formula Recline and Tilt/Recline
Item
Number Part Number DescriptionNote
Quantity Per
Package Assembly
1145415-NLA NLA - Kit, MK6i Recline Integrated Actuator Module
(RIAM) w/ Mtg. Hardware 1 11 A
Module, Recline Integrated Actuator (RIAM) - MK6i
(36" L) 1 12
NLA - Bracket, MK6i Recline Integrated Actuator
Module, Black (RIAM) 1 13
Screw, Phillips Pan Head (#4-40 x 1/2") 1 44
Locknut (1/4-20) 1 25
Bracket, MK6i Connector, Black 1 16
Screw, Socket Button (1/4-20 x 3/4") 1 27
1140034 Module, Recline Integrated Actuator (RIAM) - MK6i
(36" L) 1 12
1145403-NLA NLA - Bracket, MK6i Recline Integrated Actuator
Module, Black (RIAM) 1 13
1021742 Screw, Phillips Pan Head (#4-40 x 1/2") 1 14
1025195 Locknut (1/4-20) 1 25
1160374 Bracket, MK6i Connector, Black 1 16
1009838 Screw, Socket Button (1/4-20 x 3/4") 1 27
A - Includes items 2-7. Kit is used for Conventional and Contoura Seating
NOTE:
60
To order call toll free 1-800-333-6900, or www.invacare.com
Form No. 04-041

Seat Pan and Mounting Hardware
Elevate Only For ASBA Seating (Before 7/5/05)
61
To order call toll free 1-800-333-6900, or www.invacare.com
Form No. 04-041

Seat Pan and Mounting Hardware
Elevate Only For ASBA Seating (Before 7/5/05)
#1 Seat Pan
16" Deep - 18" Deep
Chair Width 16" Deep 17" Deep 18" Deep
106603510660241066013-NLA16" W
10660361066025-NLA106601417" W
10660371066026106601518" W
10660381066027-NLA1066016-NLA19" W
10660391066028-NLA106601720" W
10660401066029-NLA1066018-NLA21" W
10660411066030-NLA1066019-NLA22" W
#1 Seat Pan
19" Deep - 22" Deep
Chair Width 19" Deep 20" Deep 21" Deep 22" Deep
1066079-NLA1066068-NLA1066057-NLA106604616" W
1066080-NLA10660691066058-NLA106604717" W
1066081-NLA10660701066059-NLA106604818" W
1066082-NLA106607110660601066049-NLA19" W
106608310660721066061-NLA106605020" W
1066084-NLA1066073-NLA1066062-NLA106605121" W
1066085-NLA1066074-NLA1066063106605222" W
62
To order call toll free 1-800-333-6900, or www.invacare.com
Form No. 04-041

Seat Pan and Mounting Hardware
Elevate Only For ASBA Seating (Before 7/5/05)
Item
Number Part Number DescriptionNote
Quantity Per
Package Assembly
See Chart #1 Seat Pan 16"-18" Depth 1 11
See Chart #1 Seat Pan 19"-22" Depth 1 11
1070459 Kit, Seat Pan Mounting Hardware 1 16
Screw, Hex Head (1/4-20 x 1-5/8") 1 22
Screw, Hex Head (1/4-20 x 1-1/2") 1 43
Spacer (1/4 x 3/8 x 3/16") 1 44
Locknut (1/4-20) 1 65
63
To order call toll free 1-800-333-6900, or www.invacare.com
Form No. 04-041

Seat Cushion Assembly
Contoura Seating
#1 Contoura Seat Cushion Assembly
NOTE: To order a Mesh Contoura Seat Cushion Assembly, please use quote # SM-100908010838 when
placing your order.
Chair Width 21" Deep 22" Deep16" Deep 17" Deep 18" Deep 19" Deep 20" Deep
N/AN/A
1132986
1132985
1132984
1132983
1132982
16" Wide See Note(s) A See Note(s) A See Note(s) A See Note(s) A See Note(s) A
N/AN/A
1132991
1132990
1132989
1132988
1132987
18" Wide See Note(s) A See Note(s) A See Note(s) A See Note(s) A See Note(s) A 1132998
1132997
1132996
1132995
1132994
1132993
1132992
20" Wide See Note(s) A See Note(s) A See Note(s) A See Note(s) A See Note(s) A See Note(s) A See Note(s) A
1133003
1133002
1133001
1133000
1132999
N/AN/A22" Wide See Note(s) A See Note(s) A See Note(s) A See Note(s) A See Note(s) A
1133008
1133007
1133006
1133005
1133004
N/AN/A24" Wide See Note(s) A See Note(s) A See Note(s) A See Note(s) A See Note(s) A
A - Cushion Foam is not available separately. NOTE:
64
To order call toll free 1-800-333-6900, or www.invacare.com
Form No. 04-041

Seat Cushion Assembly
Contoura Seating
#2 Contoura Seat Cushion Cover Before 12/16/10
Chair Width 21" Deep 22" Deep16" Deep 17" Deep 18" Deep 19" Deep 20" Deep
N/AN/A1132957-NLA1132956-NLA1132955-NLA1132954-NLA1132953-NLA16" Wide
N/AN/A1132962-NLA1132961-NLA1132960-NLA1132959-NLA1132958-NLA18" Wide
1132969-NLA1132968-NLA1132967-NLA1132966-NLA1132965-NLA1132964-NLA1132963-NLA20" Wide
1132974-NLA1132973-NLA1132972-NLA1132971-NLA1132970-NLAN/AN/A22" Wide
1132979-NLA1132978-NLA1132977-NLA1132976-NLA1132975-NLAN/AN/A24" Wide
Contoura Seat Cushion Covers listed on this chart are No Longer Available. Refer to the Contoura Seat Cushion Covers dated after 12/15/10
as a direct replacement.
65
To order call toll free 1-800-333-6900, or www.invacare.com
Form No. 04-041

Seat Cushion Assembly
Contoura Seating
#2 Contoura Seat Cushion Cover After 12/15/10
Chair Width 21" Deep 22" Deep16" Deep 17" Deep 18" Deep 19" Deep 20" Deep
N/AN/A1167376116737511673741167373116737216" Wide
N/AN/A1167381116738011673791167378116737718" Wide
116738811673871167386116738511673841167383116738220" Wide
11673931167392116739111673901167389N/AN/A22" Wide
11673981167397116739611673951167394N/AN/A24" Wide
#2 Contoura Seat Cushion Cover, Mesh (CTBMSH)
Chair Width 21" Deep 22" Deep16" Deep 17" Deep 18" Deep 19" Deep 20" Deep
N/AN/A1164212116421111642101164209116420816" Wide
N/AN/A1164217116421611642151164214116421318" Wide
116422411642231164222116422111642201164219116421820" Wide
11642291164228116422711642261164225N/AN/A22" Wide
11642341164233116423211642311164230N/AN/A24" Wide
66
To order call toll free 1-800-333-6900, or www.invacare.com
Form No. 04-041

Back Upholstery, Nylon
Elevate Only For ASBA/ADJASBA Seating
Single Liners
Width 16"-17"
High 18"-19"
High 20"
High 21"-22"
High 23"-24"
High
1054529104515910689471045207104517516" W
1054530104516010689481045208104517617" W
1054531104516110689491045209104517718" W
67
To order call toll free 1-800-333-6900, or www.invacare.com
Form No. 04-041

Back Upholstery, Nylon
Elevate Only For ASBA/ADJASBA Seating
Dual Liners
Width 16"-17"
High 18" - 19"
High 20"
High 21" - 22"
High 23" - 24"
High
1054534104516410689521045212104518016" W
1054535104516510689531045213104518117" W
1054536104516610689541045214104518218" W
1054537104516710689551045215104518319" W
1054538104516810689561045216104518420" W
1054539104516910689571045217104518521" W
1054540104517010689581045218104518622" W
NOTE: Dual liner back upholstery is used with chairs that have a seat deeper than 17" or back wider than 18".
Back Upholstery Hardware
Item
Number Part Number DescriptionNote
Quantity Per
Package Assembly
See Chart Single Liners 1 1A
See Chart Dual Liners - Nylon 1 1A
1026298 Package, Screw with Washer (#10 x 7/8") (Pair) 2 1A
A - Not Shown
NOTE:
68
To order call toll free 1-800-333-6900, or www.invacare.com
Form No. 04-041

Conventional Back without Mounting Hardware
NOTE: Extruded back canes come in one back height only. Back cane material height for extruded back
canes measure approximately 20-1/2". Overall back height from the seat pan to top of the extruded back
cane is approximately 22-1/2". Only the Back Assembly needs to be replaced when changing back
heights.
NOTE: Hook Fastener Adhesive Kit must be ordered when a Back Pan or Back Assembly is requested.
This will allow the Loop Fastener Adhesive on the Back Cover to attach properly.
69
To order call toll free 1-800-333-6900, or www.invacare.com
Form No. 04-041

Conventional Back without Mounting Hardware
NOTE: Extruded back canes come in one back height only. Back cane material height for extruded back
canes measure approximately 20-1/2". Overall back height from the seat pan to top of the extruded back
cane is approximately 22-1/2". Only the Back Assembly needs to be replaced when changing back
heights.
NOTE: Hook Fastener Adhesive Kit must be ordered when a Back Pan or Back Assembly is requested.
This will allow the Loop Fastener Adhesive on the Back Cover to attach properly.
Item
Number Part Number DescriptionNote
Quantity Per
Package Assembly
See Chart #1 Back Assembly without Hardware 16"-20" Wide 1 11
See Chart #1 Back Assembly without Hardware 21"-24" Wide 1 11
See Chart #2 Back Pan with Vinyl Edge Trim 16"-20" Wide 1 12
See Chart #2 Back Pan with Vinyl Edge Trim 21"-24" Wide 1 12
See Chart #3 Back Cushion Assembly 16"-20" Wide 1 13
See Chart #3 Back Cushion Assembly 21"-24" Wide 1 13
1125723 Kit, Hook Fastener w/ Adhesive Back 1 14 A
1125724-NLA NLA - Trim, Edge, Cut-To-Length, Vinyl Black (96"
L) 1 15
A - Hook Fastener Adhesive kit is used to attach the Back Cover to the Back Pan and must be ordered when a new Back Pan
or Back Assembly is requested.
NOTE:
#1 Back Assembly without Hardware 16"-20" Wide
Overall
Back
Height 20" Wide
Material
Back
Height 16" Wide 17" Wide 18" Wide 19" Wide
1125568112556711255661125565112556415"20"
1125577112557611255751125574112557316"21"
1125586112558511255841125583112558217"22"
1125595112559411255931125592112559118"23"
1125604112560311256021125601112560019"24"
1125613112561211256111125610112560920"25"
1125622112562111256201125619112561821"26"
#1 Back Assembly without Hardware 21"-24" Wide
Overall
Back
Height
Material
Back
Height 21" Wide 22" Wide 23" Wide 24" Wide
112557211255711125570112556915"20"
112558111255801125579112557816"21"
112559011255891125588112558717"22"
70
To order call toll free 1-800-333-6900, or www.invacare.com
Form No. 04-041

Conventional Back without Mounting Hardware
NOTE: Extruded back canes come in one back height only. Back cane material height for extruded back
canes measure approximately 20-1/2". Overall back height from the seat pan to top of the extruded back
cane is approximately 22-1/2". Only the Back Assembly needs to be replaced when changing back
heights.
NOTE: Hook Fastener Adhesive Kit must be ordered when a Back Pan or Back Assembly is requested.
This will allow the Loop Fastener Adhesive on the Back Cover to attach properly.
#1 Back Assembly without Hardware 21"-24" Wide
Overall
Back
Height
Material
Back
Height 21" Wide 22" Wide 23" Wide 24" Wide
112559911255981125597112559618"23"
112560811256071125606112560519"24"
112561711256161125615112561420"25"
112562611256251125624112562321"26"
71
To order call toll free 1-800-333-6900, or www.invacare.com
Form No. 04-041

Conventional Back without Mounting Hardware
NOTE: Extruded back canes come in one back height only. Back cane material height for extruded back
canes measure approximately 20-1/2". Overall back height from the seat pan to top of the extruded back
cane is approximately 22-1/2". Only the Back Assembly needs to be replaced when changing back
heights.
NOTE: Hook Fastener Adhesive Kit must be ordered when a Back Pan or Back Assembly is requested.
This will allow the Loop Fastener Adhesive on the Back Cover to attach properly.
#2 Back Pan with Vinyl Edge Trim 16"-20" Wide
Overall
Back
Height 20" Wide
Material
Back
Height 16" Wide 17" Wide 18" Wide 19" Wide
1124606112459911245921124585112457815"20"
1124607112460011245931124586112457916"21"
1124608112460111245941124587112458017"22"
1124609112460211245951124588112458118"23"
1124610112460311245961124589112458219"24"
1124611112460411245971124590112458320"25"
1124612112460511245981124591112458421"26"
#2 Back Pan with Vinyl Edge Trim 21"-24" Wide
Overall
Back
Height
Material
Back
Height 21" Wide 22" Wide 23" Wide 24" Wide
112463411246271124620112461315"20"
112463511246281124621112461416"21"
112463611246291124622112461517"22"
112463711246301124623112461618"23"
112463811246311124624112461719"24"
112463911246321124625112461820"25"
112464011246331124626112461921"26"
Hook Adhesive is not included with the Back Pan
72
To order call toll free 1-800-333-6900, or www.invacare.com
Form No. 04-041

Conventional Back without Mounting Hardware
NOTE: Extruded back canes come in one back height only. Back cane material height for extruded back
canes measure approximately 20-1/2". Overall back height from the seat pan to top of the extruded back
cane is approximately 22-1/2". Only the Back Assembly needs to be replaced when changing back
heights.
NOTE: Hook Fastener Adhesive Kit must be ordered when a Back Pan or Back Assembly is requested.
This will allow the Loop Fastener Adhesive on the Back Cover to attach properly.
#3 Back Cushion Assembly 16"-20" Wide
Overall
Back
Height 20" Wide
Material
Back
Height 16" Wide 17" Wide 18" Wide 19" Wide
1097401109740010973991097398109739715"20"
1097408109740710974061097405109740416"21"
1097415109741410974131097412109741117"22"
1097422109742110974201097419109741818"23"
1097429109742810974271097426109742519"24"
1097436109743510974341097433109743220"25"
1097443109744210974411097440109743921"26"
Back cover and foam are sold as a back cushion assembly only. Chart reflects chair width and the actual back cushion width will be 1" wider
than the chair width.
#3 Back Cushion Assembly 21"-24" Wide
Overall
Back
Height
Material
Back
Height 21" Wide 22" Wide 23" Wide 24" Wide
112554511255441125543109740215"20"
112554811255471125546109740916"21"
112555111255501125549109741617"22"
112555411255531125552109742318"23"
112555711255561125555109743019"24"
112556011255591125558109743720"25"
112556311255621125561109744421"26"
Back cover and foam are sold as a back cushion assembly only. Chart reflects chair width and the actual back cushion width will be 1" wider
than the chair width.
73
To order call toll free 1-800-333-6900, or www.invacare.com
Form No. 04-041

Contoura Back without Mounting Hardware - Before
5/15/09
NOTE: When changing seat width on any system that has Recline and Contoura Seating (Tilt/Recline,
Tilt/Recline/Elevate or Recline Only) you must First look up special quote # C-100628042246 for directions
on how to order the Back and all additional components that may be required for changing seat width
through the Equipment Configurator.
NOTE: Extruded back canes come in one back height only. Back cane material height for the contoura
extruded back canes measure approximately 20-1/2". Overall back height from the seat pan to top of the
extruded back cane is approximately 23". Only the Back Assembly needs to be replaced when changing
back heights. Contoura Backs for ADJASBA Seating do not use the 24" wide selection
74
To order call toll free 1-800-333-6900, or www.invacare.com
Form No. 04-041

Contoura Back without Mounting Hardware - Before
5/15/09
NOTE: When changing seat width on any system that has Recline and Contoura Seating (Tilt/Recline,
Tilt/Recline/Elevate or Recline Only) you must First look up special quote # C-100628042246 for directions
on how to order the Back and all additional components that may be required for changing seat width
through the Equipment Configurator.
NOTE: Extruded back canes come in one back height only. Back cane material height for the contoura
extruded back canes measure approximately 20-1/2". Overall back height from the seat pan to top of the
extruded back cane is approximately 23". Only the Back Assembly needs to be replaced when changing
back heights. Contoura Backs for ADJASBA Seating do not use the 24" wide selection
75
To order call toll free 1-800-333-6900, or www.invacare.com
Form No. 04-041

Contoura Back without Mounting Hardware - Before
5/15/09
NOTE: When changing seat width on any system that has Recline and Contoura Seating (Tilt/Recline,
Tilt/Recline/Elevate or Recline Only) you must First look up special quote # C-100628042246 for directions
on how to order the Back and all additional components that may be required for changing seat width
through the Equipment Configurator.
NOTE: Extruded back canes come in one back height only. Back cane material height for the contoura
extruded back canes measure approximately 20-1/2". Overall back height from the seat pan to top of the
extruded back cane is approximately 23". Only the Back Assembly needs to be replaced when changing
back heights. Contoura Backs for ADJASBA Seating do not use the 24" wide selection
Item
Number Part Number DescriptionNote
Quantity Per
Package Assembly
See Chart #1 Back Assembly without Hardware 16", 18", 20",
22", 24" Wide 1 11
See Chart #2 Back Pan with Vinyl Edge Trim 16", 18", 20", 22",
24" Wide 1 12
See Chart #3 Back Cushion Assembly 16", 18", 20", 22", 24"
Wide 1 13
1125725-NLA NLA - Hook Fastener w/ Adhesive Back (1" W x 48"
L) 1 14
1125724-NLA NLA - Trim, Edge, Cut-To-Length, Vinyl Black (96"
L) 1 15
76
To order call toll free 1-800-333-6900, or www.invacare.com
Form No. 04-041

Contoura Back without Mounting Hardware - Before
5/15/09
NOTE: When changing seat width on any system that has Recline and Contoura Seating (Tilt/Recline,
Tilt/Recline/Elevate or Recline Only) you must First look up special quote # C-100628042246 for directions
on how to order the Back and all additional components that may be required for changing seat width
through the Equipment Configurator.
NOTE: Extruded back canes come in one back height only. Back cane material height for the contoura
extruded back canes measure approximately 20-1/2". Overall back height from the seat pan to top of the
extruded back cane is approximately 23". Only the Back Assembly needs to be replaced when changing
back heights. Contoura Backs for ADJASBA Seating do not use the 24" wide selection
#1 Back Assembly without Hardware 16", 18", 20", 22", 24" Wide
Overall
Back
Height 24" Wide
Material
Back
Height 16" Wide 18" Wide 20" Wide 22" Wide
1132832-NLA1132831-NLA1132830-NLA1132829-NLA1132828-NLA20"25"
1132827-NLA1132826-NLA112473411247331132825-NLA24"29"
NOTE: When changing seat width on any system that has Recline and Contoura Seating (Tilt/Recline, Tilt/Recline/Elevate or Recline Only)
you must First look up special quote # C-100628042246 for directions on how to order the Back and all additional components that may be
required for changing seat width through the Equipment Configurator.
#2 Back Pan with Vinyl Edge Trim 16", 18", 20", 22", 24" Wide
Overall
Back
Height 24" Wide
Material
Back
Height 16" Wide 18" Wide 20" Wide 22" Wide
1131409-NLA
1131408-NLA
1131407-NLA1131406-NLA1131405-NLA20"25" See Note(s) A
1131412-NLA1131411-NLA1122453-NLA1122454-NLA1131410-NLA24"29"
A - Item is No Longer Available. Back Assembly, part # 1132831 must be purchased for replacement. NOTE:
#3 Back Cushion Assembly 16", 18", 20", 22", 24" Wide
Overall
Back
Height 24" Wide
Material
Back
Height 16" Wide 18" Wide 20" Wide 22" Wide
1132824-NLA
1132823-NLA1132822-NLA1132821-NLA1132820-NLA20"25" See Note(s) B
1132819-NLA
1132818-NLA112564211256411132817-NLA24"29" See Note(s) A
A - Item is No Longer Available. Back Assembly, part # 1132827 must be purchased for replacement.
B - Item is No Longer Available. Back Assembly, part # 1132832 must be purchased for replacement.
NOTE:
77
To order call toll free 1-800-333-6900, or www.invacare.com
Form No. 04-041

Curve Contoura Back w/o Mounting Hardware - After
5/14/09
NOTE: When changing seat width on any system that has Recline and Curve Contoura Seating
(Tilt/Recline, Tilt/Recline/Elevate or Recline Only) you must First look up special quote # C-100628042246
for directions on how to order the Back and all additional components that may be required for changing
seat width through the Equipment Configurator.
NOTE: Extruded back canes come in one back height only. Back cane material height for the contoura
extruded back canes measure approximately 20-1/2". Overall back height from the seat pan to top of the
extruded back cane is approximately 23". Only the Back Assembly needs to be replaced when changing
back heights.
78
To order call toll free 1-800-333-6900, or www.invacare.com
Form No. 04-041

Curve Contoura Back w/o Mounting Hardware - After
5/14/09
NOTE: When changing seat width on any system that has Recline and Curve Contoura Seating
(Tilt/Recline, Tilt/Recline/Elevate or Recline Only) you must First look up special quote # C-100628042246
for directions on how to order the Back and all additional components that may be required for changing
seat width through the Equipment Configurator.
NOTE: Extruded back canes come in one back height only. Back cane material height for the contoura
extruded back canes measure approximately 20-1/2". Overall back height from the seat pan to top of the
extruded back cane is approximately 23". Only the Back Assembly needs to be replaced when changing
back heights.
79
To order call toll free 1-800-333-6900, or www.invacare.com
Form No. 04-041

Curve Contoura Back w/o Mounting Hardware - After
5/14/09
NOTE: When changing seat width on any system that has Recline and Curve Contoura Seating
(Tilt/Recline, Tilt/Recline/Elevate or Recline Only) you must First look up special quote # C-100628042246
for directions on how to order the Back and all additional components that may be required for changing
seat width through the Equipment Configurator.
NOTE: Extruded back canes come in one back height only. Back cane material height for the contoura
extruded back canes measure approximately 20-1/2". Overall back height from the seat pan to top of the
extruded back cane is approximately 23". Only the Back Assembly needs to be replaced when changing
back heights.
Item
Number Part Number DescriptionNote
Quantity Per
Package Assembly
See Chart #1 Curved Contoura Back Kit 1 11 A
See Chart #1 Mesh Curved Contoura Back Kit (CTBMSH) 1 11 A
See Chart #3 Curve Contoura Back Cushion Assembly 1 13 B
See Chart #3 Mesh Curve Contoura Back Cushion Assembly
(CTBMSH) 1 13 B
1166151 Kit, Lateral Support, Contoura Back (22" H) (Pair) 1 16 C
Screw, Socket, Button (1/4-20 x 3/8") 1 4
Support, Lateral (22" H) 1 2
1163130 Kit, Lateral Support, Contoura Back (25" H) (Pair) 1 16 C
Screw, Socket, Button (1/4-20 x 3/8") 1 47
Support, Lateral (25" H) 1 28
1163131 Kit, Lateral Support, Contoura Back (28" H) (Pair) 1 16 C
Screw, Socket, Button (1/4-20 x 3/8") 1 47
Support, Lateral (28" H) 1 28
1084410-NLA NLA - Support, Lumbar - Large 1 19
A - Includes Items 2 thru 9.
B - Includes Items 4 and 5. Back Cover and Foam are sold as a Back Cushion Assembly only.
C - Included Items 7 and 8.
Item
#2 is a non-saleable part. Refer to item #1 Kit when ordering.
NOTE:
#1 Curved Contoura Back Kit
Overall
Back
Height 24" Wide
Material
Back
Height 16" Wide 18" Wide 20" Wide 22" Wide
1165850
1165849
1165848
1165847
1165846
17" High22" High See Note(s) A See Note(s) A See Note(s) A See Note(s) A See Note(s) A
1161488
1161486
1161484
1161482
1161480
20" High25" High See Note(s) A See Note(s) A See Note(s) A See Note(s) A See Note(s) A
1161489
1161487
1161485
1161483
1161481
23" High28" High See Note(s) A See Note(s) A See Note(s) A See Note(s) A See Note(s) A
A - Includes items 2-9 NOTE:
NOTE: When changing seat width on any system that has Recline and Curve Contoura Seating (Tilt/Recline, Tilt/Recline/Elevate or Recline
Only) you must First look up special quote # C-100628042246 for directions on how to order the Back and all additional components that may
be required for changing seat width through the Equipment Configurator.
Overall Back Height includes the spacing gap dimension from the bottom of the Back Assembly to the Seat Pan
80
To order call toll free 1-800-333-6900, or www.invacare.com
Form No. 04-041

Curve Contoura Back w/o Mounting Hardware - After
5/14/09
NOTE: When changing seat width on any system that has Recline and Curve Contoura Seating
(Tilt/Recline, Tilt/Recline/Elevate or Recline Only) you must First look up special quote # C-100628042246
for directions on how to order the Back and all additional components that may be required for changing
seat width through the Equipment Configurator.
NOTE: Extruded back canes come in one back height only. Back cane material height for the contoura
extruded back canes measure approximately 20-1/2". Overall back height from the seat pan to top of the
extruded back cane is approximately 23". Only the Back Assembly needs to be replaced when changing
back heights.
#1 Mesh Curved Contoura Back Kit (CTBMSH)
Overall
Back
Height 24" Wide
Material
Back
Height 16" Wide 18" Wide 20" Wide 22" Wide
1165845
1165844
1165843
1165842
1165837
17" High22" High See Note(s) A See Note(s) A See Note(s) A See Note(s) A See Note(s) A
1164243
1164241
1164239
1164237
1164235
20" High25" High See Note(s) A See Note(s) A See Note(s) A See Note(s) A See Note(s) A
1164244
1164242
1164240
1164238
1164236
23" High28" High See Note(s) A See Note(s) A See Note(s) A See Note(s) A See Note(s) A
A - Includes items 2-9 NOTE:
NOTE: When changing seat width on any system that has Recline and Curve Contoura Seating (Tilt/Recline, Tilt/Recline/Elevate or Recline
Only) you must First look up special quote # C-100628042246 for directions on how to order the Back and all additional components that may
be required for changing seat width through the Equipment Configurator.
81
To order call toll free 1-800-333-6900, or www.invacare.com
Form No. 04-041

Curve Contoura Back w/o Mounting Hardware - After
5/14/09
NOTE: When changing seat width on any system that has Recline and Curve Contoura Seating
(Tilt/Recline, Tilt/Recline/Elevate or Recline Only) you must First look up special quote # C-100628042246
for directions on how to order the Back and all additional components that may be required for changing
seat width through the Equipment Configurator.
NOTE: Extruded back canes come in one back height only. Back cane material height for the contoura
extruded back canes measure approximately 20-1/2". Overall back height from the seat pan to top of the
extruded back cane is approximately 23". Only the Back Assembly needs to be replaced when changing
back heights.
#3 Curve Contoura Back Cushion Assembly
Overall
Back
Height 24" Wide
Material
Back
Height 16" Wide 18" Wide 20" Wide 22" Wide
1166150
1166149
1166148
1166147
1166146
17" High22" High See Note(s) B See Note(s) B See Note(s) B See Note(s) B See Note(s) B
1163256
1163254
1163252
1163250
1163248
20" High25" High See Note(s) B See Note(s) B See Note(s) B See Note(s) B See Note(s) B
1163257
1163255
1163253
1163251
1163249
23" High28" High See Note(s) B See Note(s) B See Note(s) B See Note(s) B See Note(s) B
B - Includes items 4 and 5. Back Cover and Foam are sold as a Back Cushion Assembly only. NOTE:
Overall Back Height includes the spacing gap dimension from the bottom of the Back Assembly to the Seat Pan
#3 Mesh Curve Contoura Back Cushion Assembly (CTBMSH)
Dimensions 16" Wide 18" Wide 20" Wide 22" Wide 24" Wide
1166145
1166144
1166143
1166142
1166141
22" High See Note(s) B See Note(s) B See Note(s) B See Note(s) B See Note(s) B
1171650
1171648
1171646
1171644
1171642
25" High See Note(s) B See Note(s) B See Note(s) B See Note(s) B See Note(s) B
1171651
1171649
1171647
1171645
1171643
28" High See Note(s) B See Note(s) B See Note(s) B See Note(s) B See Note(s) B
B - Includes items 4 and 5. Back Cover and Foam are sold as a Back Cushion Assembly only. NOTE:
Overall Back Height includes the spacing gap dimension from the bottom of the Back Assembly to the Seat Pan
82
To order call toll free 1-800-333-6900, or www.invacare.com
Form No. 04-041

Back Mounting Hardware
Conventional Tilt - Before 5/15/09
83
To order call toll free 1-800-333-6900, or www.invacare.com
Form No. 04-041

Back Mounting Hardware
Conventional Tilt - Before 5/15/09
Item
Number Part Number DescriptionNote
Quantity Per
Package Assembly
1125757 Kit, Back Mounting Hardware For Conventional Tilt 1 11 A
Locknut (1/4-20) 1 42
Washer (1/4 x 23/32 x 1/16") 1 83
Spacer, Coved (1/4 x 7/8 x 7/16") 1 44
Spacer (1/4 x 5/8 x 3/8") 1 45
Screw, Socket Button Head (1/4-20 x 2") 1 46
A - Includes items 2-6
NOTE:
84
To order call toll free 1-800-333-6900, or www.invacare.com
Form No. 04-041

Back Mounting Hardware
Conventional Recline and Tilt/Recline - Before 5/15/09
85
To order call toll free 1-800-333-6900, or www.invacare.com
Form No. 04-041

Back Mounting Hardware
Conventional Recline and Tilt/Recline - Before 5/15/09
Item
Number Part Number DescriptionNote
Quantity Per
Package Assembly
1125756 Kit, Back Mounting Hardware For Conventional
Recline and Tilt/Recline 1 11 A
T-Nut (1/4-20) 1 82
Locknut (1/4-20) 1 43
NLA - Bracket, Angled Back, Black 1 44
Washer (1/4 x 1/2 x 1/16") 1 85
Screw, Hex Head w/ Patch (1/4-20 x 1/2") 1 86
Washer (1/4 x 23/32 x 1/16") 1 47
Screw, Socket Button (1/4-20 x 3/4") 1 48
A - Includes items 2-8
NOTE:
86
To order call toll free 1-800-333-6900, or www.invacare.com
Form No. 04-041

Back Mounting Hardware
Contoura Tilt - Before 5/15/09
87
To order call toll free 1-800-333-6900, or www.invacare.com
Form No. 04-041

Back Mounting Hardware
Contoura Tilt - Before 5/15/09
Item
Number Part Number DescriptionNote
Quantity Per
Package Assembly
1125755 Kit, Back Mounting Hardware For Contoura Tilt 1 11 A
T-Nut (1/4-20) 1 162
Locknut (1/4-20) 1 43
Washer (1/4 x 1/2 x 1/16") 1 164
NLA - Bracket, Back Mounting, Black 1 45
Screw, Hex Head w/ Patch (1/4-20 x 1/2") 1 166
Washer (1/4 x 23/32 x 1/16") 1 47
Screw, Socket Button (1/4-20 x 3/4") 1 48
NLA - Bracket, Contoura Shear Lock Out, Black 1 29
A - Includes items 2-9
NOTE:
88
To order call toll free 1-800-333-6900, or www.invacare.com
Form No. 04-041

Contoura Back Mounting Hardware
ADJASBA Only - Before 5/15/09
89
To order call toll free 1-800-333-6900, or www.invacare.com
Form No. 04-041

Contoura Back Mounting Hardware
ADJASBA Only - Before 5/15/09
Item
Number Part Number DescriptionNote
Quantity Per
Package Assembly
1140945 Kit, Contoura Back Mounting Hdwr. - Round Canes 1 11 A
Bracket, Back Mounting, Front, Black 1 42
Screw, Phillips Oval Head (#10-16 x 7/8") 1 23
Screw, Socket Button (1/4-20 x 3/4") 1 84
Washer (1/4 x 23/32 x 1/16") 1 85
Locknut (1/4-20) 1 86
Bracket, Back Mounting, Rear, Black 1 47
A - Includes items 2-7
NOTE:
90
To order call toll free 1-800-333-6900, or www.invacare.com
Form No. 04-041

Back Mounting Hardware
Contoura Recline and Tilt/Recline - Before 5/15/09
91
To order call toll free 1-800-333-6900, or www.invacare.com
Form No. 04-041

Back Mounting Hardware
Contoura Recline and Tilt/Recline - Before 5/15/09
Item
Number Part Number DescriptionNote
Quantity Per
Package Assembly
1125754 Kit, Back Mounting Hardware For Contoura Recline
and Tilt/Recline 1 11 A
T-Nut (1/4-20) 1 42
NLA - Bracket, Back Mounting, Black 1 23
Washer (1/4 x 1/2 x 1/16") 1 44
Screw, Hex Head w/ Patch (1/4-20 x 1/2") 1 45
Locknut (1/4-20) 1 66
Washer (1/4 x 23/32 x 1/16") 1 67
Screw, Socket Button (1/4-20 x 3/4") 1 68
A - Includes items 2-8
NOTE:
92
To order call toll free 1-800-333-6900, or www.invacare.com
Form No. 04-041

Curve Contoura Mounting Back Hardware - After 5/14/09
93
To order call toll free 1-800-333-6900, or www.invacare.com
Form No. 04-041

Curve Contoura Mounting Back Hardware - After 5/14/09
Item
Number Part Number DescriptionNote
Quantity Per
Package Assembly
1157925 Kit, Metal Curved and Curve Contoura Back
Mounting Hardware 1 11 A
Spacer, Back Pan, Black 1 42
Hook, Back Assembly Mounting 1 43
Screw, Socket Button Head (1/4-20 x 1") 1 44
Washer (1/4 x 23/32 x 1/16") 1 85
Screw, Phillips Oval Head (#10-16 x 7/8") 1 26
Locknut (1/4-20) 1 47
A - Includes Items 2 thru 7.
NOTE:
94
To order call toll free 1-800-333-6900, or www.invacare.com
Form No. 04-041

Prop Rod Assembly
Contoura Tilt
95
To order call toll free 1-800-333-6900, or www.invacare.com
Form No. 04-041

Prop Rod Assembly
Contoura Tilt
Item
Number Part Number DescriptionNote
Quantity Per
Package Assembly
1125764 Kit, Prop Rod Assembly Contoura Tilt 1 11 B,C,A
Screw, Shoulder Hex Socket (3/8 x 2", 5/16-18) 1 12
Washer, Flat (5/16 x 5/8 x 1/16") 1 13
Locknut (5/16-18) 1 24
NLA - Kit, Top Prop Rod with Bushings 1 15
NLA - Tube, Middle Prop Rod, Black 1 16
NLA - Kit, Bottom Prop Rod Tube with Bushings 1 17
Screw, Socket Head w/ Patch (3/8-16 x 1-1/2") 1 28
Locknut, Low Profile (3/8-16) 1 29
Screw, Shoulder Hex Socket Head (3/8 x 1-3/4",
5/16-18) 1 110
NLA - Bushing, Actuator Motor (3/8 x 3/4 x 5/32") 1 211
Spacer (3/8 x 1 x 1/2") 1 112
A - Includes items 2-12
B - When a vent tray is present, item 11 located on the top side of the prop rod is replaced with item 12
C - Relocation of holes were made 7/5/05 for items 5, 6 and 7. Item 1 must be ordered for chairs manufactured before 7/5/05.
NOTE:
96
To order call toll free 1-800-333-6900, or www.invacare.com
Form No. 04-041

Back Recline Shear Link Assemblies
97
To order call toll free 1-800-333-6900, or www.invacare.com
Form No. 04-041

Back Recline Shear Link Assemblies
Item
Number Part Number DescriptionNote
Quantity Per
Package Assembly
1125758 Kit, Recline Shear Link Assembly Conventional
(Pair) 1 11 A
Screw, Hex Head w/ Patch (1/4-20 x 5/8") 1 42
Washer (1/4 x 1/2 x 1/16") 1 43
Plate, Shear Adapter 1 24
T-Nut (1/4-20) 1 45
Locknut, Low Profile (3/8-16) 1 46
Washer, Flat (3/8 x 11/16 x 1/16") 1 47
Link, Recline Shear, Black - Right 1 18
Link, Recline Shear, Black - Left 1 18
Stand-Off, Recline Shear Link 1 49
1168997 Kit, Recline Shear Link Assembly, Contoura/Curve
Contoura (Pair) 1 110 B
Screw, Hex Head w/ Patch (1/4-20 x 5/8") 1 411
Washer (1/4 x 1/2 x 1/16") 1 412
T-Nut (1/4-20) 1 413
Locknut, Low Profile (3/8-16) 1 414
Washer, Flat (3/8 x 11/16 x 1/16") 1 415
Link, Recline Shear, Black - Right 1 116
Link, Recline Shear, Black - Left 1 116
Stand-Off, Recline Shear Link 1 417
1131413 Adapter, Recline Shear Contoura (16" W) 1 218 C
1122580 Adapter, Recline Shear Contoura (18" W) 1 218 C
1122623 Adapter, Recline Shear Contoura (20" W) 1 218 C
1131414 Adapter, Recline Shear Contoura (22" W) 1 218 C
1131415 Adapter, Recline Shear Contoura (24" W) 1 218 C
1161800 Adapter, Recline Shear, Curve Contoura (16" W) 1 218 D
1161653 Adapter, Recline Shear, Curve Contoura (18" W) 1 218 D
1161658 Adapter, Recline Shear, Curve Contoura (20" W) 1 218 D
1161959 Adapter, Recline Shear, Curve Contoura (22" W) 1 218 D
1161823 Adapter, Recline Shear, Curve Contoura (24" W) 1 218 D
A - Includes items 2-9. The Recline Shear Link and Recline Shear Link Stand-Off were revised as of 6/28/10. The Shear Link
is now made of thicker material and the Stand-Off is thinner. The kit is backward compatible to all chairs in the field.
B - Includes items 11-17. The Recline Shear Link and Recline Shear Link Stand-Off were revised as of 6/28/10. The Shear
Link is now made of thicker material and the Stand-Off is thinner. The kit is backward compatible to all chairs in the field.
C - Not used for Curve Contoura. For use on Contoura only.
D - Not used for Contoura. For use on Curve Contoura only.
NOTE:
98
To order call toll free 1-800-333-6900, or www.invacare.com
Form No. 04-041

Back Canes, Spreader Bars and Attaching Hardware
Elevate Only For ASBA Seating (Before 7/5/05)
NOTE: Chairs manufactured with a seat width, seat depth or back height of 20" and greater including all
heavy duty packages will be equipped with a spreader bar standard.
99
To order call toll free 1-800-333-6900, or www.invacare.com
Form No. 04-041

Back Canes, Spreader Bars and Attaching Hardware
Elevate Only For ASBA Seating (Before 7/5/05)
NOTE: Chairs manufactured with a seat width, seat depth or back height of 20" and greater including all
heavy duty packages will be equipped with a spreader bar standard.
Item
Number Part Number DescriptionNote
Quantity Per
Package Assembly
See Chart #1 Back Cane Assemblies -- --1
See Chart #2 Spreader Bar 1 12
1135506 Package, Foam Hand Grip (9" L) 10 13
1134426 Package, Plug Button, Black (3/4") 10 14
1070457 Kit, Back Cane Attaching Hardware 2 15 A
Locknut (5/16-24) 1 26
Screw w/ Lug (5/16-24 x 1-3/8") 1 27
Insert, Non-Threaded Back Cane
(For Back Heights 20" and Lower) 1 28
Screw, Hex Head (1/4-20 x 1-5/8") 1 49
Washer (1/4 x 23/32 x 1/16") 1 410
Locknut (1/4-20) 1 411
Spacer, Coved (1/4 x 11/16 x 1/2") 1 412
1070458 Kit, Back Cane Attaching Hardware 2 15 B
Locknut (5/16-24) 1 26
Screw w/ Lug (5/16-24 x 1-3/8") 1 27
NLA - Insert, Non-Threaded Back Cane
(For Back Heights 21" and Higher) 1 28
Screw, Hex Head (1/4-20 x 1-5/8") 1 49
Washer (1/4 x 23/32 x 1/16") 1 410
Locknut (1/4-20) 1 411
Spacer, Coved (1/4 x 11/16 x 1/2") 1 412
A - Includes items 6-12 and used for 16"-20" High Back canes
B - Includes items 6-12 and used for 21"-24" High Back canes
NOTE:
100
To order call toll free 1-800-333-6900, or www.invacare.com
Form No. 04-041

Back Canes, Spreader Bars and Attaching Hardware
Elevate Only For ASBA Seating (Before 7/5/05)
NOTE: Chairs manufactured with a seat width, seat depth or back height of 20" and greater including all
heavy duty packages will be equipped with a spreader bar standard.
#1 Back Cane Assemblies
Back
Height
Back Cane-
No Push Handle
10 Deg. Bend
Back Cane-
Push Handle
Straight
Back Cane-
Push Handle
10 Deg. Bend
104557510485581048992-NLA16"
104557610485591048993-NLA17"
104557710485601048994-NLA18"
104557810485611048995-NLA19"
1045579-NLA10485621048996-NLA20"
1052227-NLAN/AN/A21"
1052230N/AN/A22"
1054521N/AN/A23"
1054524N/AN/A24"
NOTE: Back Cane Assemblies include Foam Grips and Plug Buttons where shown
#2 Spreader Bar
Chair Width Part Number
104387316"
104387417"
104387518"
104387619"
104387720"
104387821"
104387922"
101
To order call toll free 1-800-333-6900, or www.invacare.com
Form No. 04-041

Back Canes and Spreader Bars
For ADJASBA Seat (16"-22" Wide) After 7/4/05
Contoura, Curve Contoura, Conventional Backs 16"-22" Wide for ADJASBA Seating do not utilize a
Spreader Bar Assembly.
102
To order call toll free 1-800-333-6900, or www.invacare.com
Form No. 04-041

Back Canes and Spreader Bars
For ADJASBA Seat (16"-22" Wide) After 7/4/05
Contoura, Curve Contoura, Conventional Backs 16"-22" Wide for ADJASBA Seating do not utilize a
Spreader Bar Assembly.
Item
Number Part Number DescriptionNote
Quantity Per
Package Assembly
See Chart #1 Back Cane Assemblies 1 11
1135506 Package, Foam Hand Grip (9" L) 10 12
1134426 Package, Plug Button, Black (3/4") 10 13
1125709 Kit, Spreader Bar Assembly (16"-20" Wide) 1 14 A
NLA - Handle, Spreader Bar, Black 1 25
Screw, Hex Head (1/4-20 x 1-1/2") 1 26
Spacer, Coved (1/4 x 11/16 x 1/2") 1 47
Anti-Rattle (1") 1 28
Tube, Spreader Bar, Adjustable, Black (16 - 20" W) 1 19
Locknut (1/4-20) 1 210
1125710 Kit, Spreader Bar Assembly 20"-24" Wide 1 14 A
NLA - Handle, Spreader Bar, Black 1 25
Screw, Hex Head (1/4-20 x 1-1/2") 1 26
Spacer, Coved (1/4 x 11/16 x 1/2") 1 47
Anti-Rattle (1") 1 28
Tube, Spreader Bar, Adjustable, Black (20 - 24" W) 1 19
Locknut (1/4-20) 1 210
1025730 Locknut (5/16-24) 1 211
1031026 Screw w/ Lug (5/16-24 x 1-3/8") 1 212
A - Includes items 5-10
NOTE:
#1 Back Cane Assemblies
Back
Height
Back Cane-
Push Handle
10 Deg. Bend
Left
Back Cane-
No Push
Handle
10 Deg. Bend
Right
Back Cane-
No Push
Handle
10 Deg. Bend
Left
Back Cane-
Push Handle
Straight
Right
Back Cane-
Push Handle
Straight
Left
Back Cane-
Push Handle
10 Deg. Bend
Right
11338231133822113379411337931134067113406616"
11338251133824113379611337951134069113406817"
11338271133826
1143335
1143334
1134071113407018" See Note(s) B See Note(s) B
11338291133828113380011337991134073113407219"
11338311133830
1133802
1133801
1134075113407420" See Note(s) C See Note(s) C
11338331133832
1136012
1136011
1134077113407621" See Note(s) A See Note(s) A
11338351133834
1136014
1136013
1134079113407822" See Note(s) A See Note(s) A
11338381133837
1136016
1136015
1134081113408023" See Note(s) A See Note(s) A
103
To order call toll free 1-800-333-6900, or www.invacare.com
Form No. 04-041

Back Canes and Spreader Bars
For ADJASBA Seat (16"-22" Wide) After 7/4/05
Contoura, Curve Contoura, Conventional Backs 16"-22" Wide for ADJASBA Seating do not utilize a
Spreader Bar Assembly.
#1 Back Cane Assemblies
Back
Height
Back Cane-
Push Handle
10 Deg. Bend
Left
Back Cane-
No Push
Handle
10 Deg. Bend
Right
Back Cane-
No Push
Handle
10 Deg. Bend
Left
Back Cane-
Push Handle
Straight
Right
Back Cane-
Push Handle
Straight
Left
Back Cane-
Push Handle
10 Deg. Bend
Right
11338401133839
1136018
1136017
1134083113408224" See Note(s) A See Note(s) A
A - 21"-24" High Straight Back Canes with Push Handles are only offered On-Chair when the Back Upholstery is omitted
B - Wheelchairs manufactured before 5/15/09 with a Contoura Back 25" or 29" high and wheelchairs manufactured after 5/14/09
with a Curve Contoura Back 22" high will use the 18" high Straight Back Cane w/ Push Handle.
C - Wheelchairs manufactured after 5/14/09 with a Curve Contoura Back 25" or 28" high will use the 20" high Straight Cane w/
Push Handle.
NOTE:
NOTE: Back Cane Assemblies include Foam Grips and Plug Buttons where shown
104
To order call toll free 1-800-333-6900, or www.invacare.com
Form No. 04-041

Back Cane Attaching Hardware
For ADJASBA Seat (16"-22" Wide) After 7/4/05
105
To order call toll free 1-800-333-6900, or www.invacare.com
Form No. 04-041

Back Cane Attaching Hardware
For ADJASBA Seat (16"-22" Wide) After 7/4/05
Item
Number Part Number DescriptionNote
Quantity Per
Package Assembly
1133755 Kit, Back Cane Mounting Hardware (Pair) 2 11 A
Screw, Hex Head (5/16-18 x 1") 1 42
Washer, Flat (21/64 x 53/64 x 7/64") 1 43
Locknut (5/16-18) 1 44
Locknut (5/16-24) 1 25
Screw w/ Lug (5/16-24 x 1-3/8") 1 26
A - Includes items 2-6
NOTE:
106
To order call toll free 1-800-333-6900, or www.invacare.com
Form No. 04-041

Solid Straight Back Canes w/o Push Handles and
Mounting Hardware
Conventional Tilt and Tilt w/ BPO Option
107
To order call toll free 1-800-333-6900, or www.invacare.com
Form No. 04-041

Solid Straight Back Canes w/o Push Handles and
Mounting Hardware
Conventional Tilt and Tilt w/ BPO Option
Item
Number Part Number DescriptionNote
Quantity Per
Package Assembly
1128394-NLA NLA - Kit, Back Cane w/o Push Handle, Solid
Straight w/ Plug Button - Right 1 11 A,B
1128395-NLA NLA - Kit, Back Cane w/o Push Handle, Solid
Straight w/ Plug Button - Left 1 11 A,B
1128396-NLA NLA - Kit, Back Canes w/o Push Handle, Solid
Straight w/ Plug Button (Pair) 1 11 A
1027097 Plug Button, Black (3/4") 1 12
1125733 Kit, Solid Straight Back Cane w/o Push Handle,
Mounting Hardware 1 13 C
Washer, Flat (21/64 x 53/64 x 7/64") 1 24
Screw, Hex Head (5/16-18 x 1") 1 25
Locknut (5/16-18) 1 26
1079247 Washer, Flat (21/64 x 53/64 x 7/64") 1 24
1028478 Screw, Hex Head (5/16-18 x 1-1/4") 1 25
1026158 Locknut (5/16-18) 1 26
A - Back height from the seat pan to the top of the back cane will measure approximately 20-1/2" high.
B - After 4/3/05 ALL Solid Straight Back Canes have a hole bored out to accommodate a Push Handle Attachment Option. For
chairs manufactured before 4/4/05 it is recommended to order back canes in pairs to match.
C - Includes items 4-6
NOTE:
108
To order call toll free 1-800-333-6900, or www.invacare.com
Form No. 04-041

Back Canes, Slide Blocks and Sleeves
For Conventional Recline, BPO Recline & Tilt/Recline
Extruded Back Cane material comes in one height only and measures approximately 20-1/2" and the
overall back height from the seat pan to the top of the extruded cane measures approximately 22-1/2"
high. Only the Back Assembly needs to be replaced when changing back heights.
109
To order call toll free 1-800-333-6900, or www.invacare.com
Form No. 04-041

Back Canes, Slide Blocks and Sleeves
For Conventional Recline, BPO Recline & Tilt/Recline
Extruded Back Cane material comes in one height only and measures approximately 20-1/2" and the
overall back height from the seat pan to the top of the extruded cane measures approximately 22-1/2"
high. Only the Back Assembly needs to be replaced when changing back heights.
Item
Number Part Number DescriptionNote
Quantity Per
Package Assembly
1122263 Block, Slide Back - Left 1 11
1124693 Block, Slide Back - Right 1 11
1000212 Screw, Shoulder Hex Socket (1/4 x 1-1/4", #10-24) 1 22
1122464 Sleeve, Back Slide (15-1/4" L) 1 23
1119847 Pin, Roll (1/8 x 1") 1 24
1122560 Cane, Back, Extruded Conventional, Black -
Right/Left 1 25
1062604 Screw, Shoulder Hex Socket (3/8 x 1-1/4", 5/16-18) 1 26
1025704 Washer, Flat (5/16 x 5/8 x 1/16") 1 27
1026158 Locknut (5/16-18) 1 28
110
To order call toll free 1-800-333-6900, or www.invacare.com
Form No. 04-041

Back Frame, Slide Blocks and Sleeves
For Contoura Seating
Back Cane material height measures approximately 20-1/2" and the overall back height from the seat pan
to the top of the extruded cane measures approximately 23" high. Only the Back Assembly needs to be
replaced when changing back heights.
111
To order call toll free 1-800-333-6900, or www.invacare.com
Form No. 04-041

Back Frame, Slide Blocks and Sleeves
For Contoura Seating
Back Cane material height measures approximately 20-1/2" and the overall back height from the seat pan
to the top of the extruded cane measures approximately 23" high. Only the Back Assembly needs to be
replaced when changing back heights.
Item
Number Part Number DescriptionNote
Quantity Per
Package Assembly
1122263 Block, Slide Back - Left 1 11
1124693 Block, Slide Back - Right 1 11
1000212 Screw, Shoulder Hex Socket (1/4 x 1-1/4", #10-24) 1 22
1122464 Sleeve, Back Slide (15-1/4" L) 1 23
1119847 Pin, Roll (1/8 x 1") 1 24
1131422 Frame, Back, Contoura, Black (16" W) 1 15
1122459 Frame, Back, Contoura, Black (18" W) 1 15
1122463 Frame, Back, Contoura, Black (20" W) 1 15
1131423 Frame, Back, Contoura, Black (22" W) 1 15
1131424 Frame, Back, Contoura, Black (24" W) 1 15
1062604 Screw, Shoulder Hex Socket (3/8 x 1-1/4", 5/16-18) 1 26
1025704 Washer, Flat (5/16 x 5/8 x 1/16") 1 27
1026158 Locknut (5/16-18) 1 28
112
To order call toll free 1-800-333-6900, or www.invacare.com
Form No. 04-041

Spreader Bar Assembly, Double
For Conventional Tilt w/ Vent and Tilt w/ BPO Option
113
To order call toll free 1-800-333-6900, or www.invacare.com
Form No. 04-041

Spreader Bar Assembly, Double
For Conventional Tilt w/ Vent and Tilt w/ BPO Option
Item
Number Part Number DescriptionNote
Quantity Per
Package Assembly
0013602 Bar, Push, Black (16" W) 1 11
0013702 Bar, Push, Black (17" W) 1 11
0013802 Bar, Push, Black (18" W) 1 11
0013902 Bar, Push, Black (19" W) 1 11
0014002 Bar, Push, Black (20" W) 1 11
0014102 Bar, Push, Black (21" W) 1 11
0014202 Bar, Push, Black (22" W) 1 11
0284202-NLA NLA - Bar, Push, Black (23" W) 1 11
0284302-NLA NLA - Bar, Push, Black (24" W) 1 11
1125761 Kit, Double Spreader Bar Mounting Hardware 1 12
Screw, Socket Head (1/4-20 x 5/8") 1 63
Half Clamp, Threaded Holes
(7/8" Dia. Back Canes) 1 24
Half Clamp, Un-Threaded Holes
(7/8" Dia. Back Canes) 1 25
114
To order call toll free 1-800-333-6900, or www.invacare.com
Form No. 04-041

Spreader Bar Assembly
Conventional Tilt without Vent
115
To order call toll free 1-800-333-6900, or www.invacare.com
Form No. 04-041

Spreader Bar Assembly
Conventional Tilt without Vent
Item
Number Part Number DescriptionNote
Quantity Per
Package Assembly
1125709 Kit, Spreader Bar Assembly (16"-20" Wide) 1 11 A
NLA - Handle, Spreader Bar, Black 1 22
Screw, Hex Head (1/4-20 x 1-1/2") 1 23
Spacer, Coved (1/4 x 11/16 x 1/2") 1 44
Anti-Rattle (1") 1 25
Tube, Spreader Bar, Adjustable, Black (16 - 20" W) 1 16
Locknut (1/4-20) 1 27
1125710 Kit, Spreader Bar Assembly 20"-24" Wide 1 11 A
NLA - Handle, Spreader Bar, Black 1 22
Screw, Hex Head (1/4-20 x 1-1/2") 1 23
Spacer, Coved (1/4 x 11/16 x 1/2") 1 44
Anti-Rattle (1") 1 25
Tube, Spreader Bar, Adjustable, Black (20 - 24" W) 1 16
Locknut (1/4-20) 1 27
1025730 Locknut (5/16-24) 1 28
1031026 Screw w/ Lug (5/16-24 x 1-3/8") 1 29
A - Includes items 2-7
NOTE:
116
To order call toll free 1-800-333-6900, or www.invacare.com
Form No. 04-041

Spreader Bar Assembly
Contoura Tilt, Recline and Tilt/Recline
117
To order call toll free 1-800-333-6900, or www.invacare.com
Form No. 04-041

Spreader Bar Assembly
Contoura Tilt, Recline and Tilt/Recline
Item
Number Part Number DescriptionNote
Quantity Per
Package Assembly
1122469 Spreader Bar Assembly, Contoura w/o Vent 1 11
1125788-NLA NLA - Spreader Bar Assembly, Contoura w/ Vent 1 11
1125765 Kit, Spreader Bar Mounting Hardware For Extruded
Back Canes 1 12 A
Screw, Hex Head w/ Patch (1/4-20 x 1/2") 1 83
Washer (1/4 x 1/2 x 1/16") 1 84
T-Nut (1/4-20) 1 85
A - Includes items 3-5
NOTE:
118
To order call toll free 1-800-333-6900, or www.invacare.com
Form No. 04-041

Spreader Bar Assembly
Conventional Recline and Tilt/Recline
119
To order call toll free 1-800-333-6900, or www.invacare.com
Form No. 04-041

Spreader Bar Assembly
Conventional Recline and Tilt/Recline
Item
Number Part Number DescriptionNote
Quantity Per
Package Assembly
1125765 Kit, Spreader Bar Mounting Hardware For Extruded
Back Canes 1 11 A
Screw, Hex Head w/ Patch (1/4-20 x 1/2") 1 82
Washer (1/4 x 1/2 x 1/16") 1 83
T-Nut (1/4-20) 1 84
1125766 Kit, Spreader Bar Assembly
For Conventional Recline, T/R, 16"-20" Wide w/o
Vent
1 15 B
NLA - Center Spreader Bar Assembly w/o Vent (16 -
20" W) 1 16
Screw, Socket Head (5/16-18 x 1-1/2") 1 47
Washer, Flat (5/16 x 5/8 x 1/16") 1 48
Locknut (5/16-18) 1 49
NLA - Bracket, Straight Outer Spreader Bar - Right
For 16"-20" Wide 1 110
NLA - Bracket, Straight Outer Spreader Bar, Black -
Left (16-20" W) 1 110
1125767-NLA Kit, Spreader Bar Assembly
For Conventional Recline, T/R, 16"-20" Wide w/
Vent
1 15 B
NLA - Center Spreader Bar Assembly w/ Vent (16 -
20" W) 1 16
Screw, Socket Head (5/16-18 x 1-1/2") 1 47
Washer, Flat (5/16 x 5/8 x 1/16") 1 48
Locknut (5/16-18) 1 49
NLA - Bracket, Straight Outer Spreader Bar - Right
For 16"-20" Wide 1 110
NLA - Bracket, Straight Outer Spreader Bar, Black -
Left (16-20" W) 1 110
1125768 NLA - Kit, Spreader Bar Assembly
For Conventional Recline, T/R, 20"-24" Wide w/o
Vent
1 15 B
NLA - Center Spreader Bar Assembly w/o Vent (20 -
24" W) 1 16
Screw, Socket Head (5/16-18 x 1-1/2") 1 47
Washer, Flat (5/16 x 5/8 x 1/16") 1 48
Locknut (5/16-18) 1 49
NLA - Bracket, Straight Outer Spreader Bar, Black -
Right (20-24" W) 1 110
NLA - Bracket, Straight Outer Spreader Bar, Black -
Left (20-24" W) 1 110
1125769-NLA Kit, Spreader Bar Assembly
For Conventional Recline, T/R, 20"-24" Wide w/
Vent
1 15 B
NLA - Center Spreader Bar Assembly w/ Vent (20 -
24" W) 1 16
Screw, Socket Head (5/16-18 x 1-1/2") 1 47
120
To order call toll free 1-800-333-6900, or www.invacare.com
Form No. 04-041

Spreader Bar Assembly
Conventional Recline and Tilt/Recline
Item
Number Part Number DescriptionNote
Quantity Per
Package Assembly
Washer, Flat (5/16 x 5/8 x 1/16") 1 48
Locknut (5/16-18) 1 49
NLA - Bracket, Straight Outer Spreader Bar, Black -
Right (20-24" W) 1 110
NLA - Bracket, Straight Outer Spreader Bar, Black -
Left (20-24" W) 1 110
A - Includes items 2-4
B - Includes items 6-10
NOTE:
121
To order call toll free 1-800-333-6900, or www.invacare.com
Form No. 04-041

Fixed Height Arms without Mounting Hardware
Elevate Only or Tilt Seating
122
To order call toll free 1-800-333-6900, or www.invacare.com
Form No. 04-041

Fixed Height Arms without Mounting Hardware
Elevate Only or Tilt Seating
#1 Arms Less Pad
16-19" Deep Seat Frames
Arm Style Right Left
1068567-NLA1068566-NLADesk Length
1068560-NLA1068559-NLAFull Length
#1 Arms Less Pad
20" and Deeper Seat Frames
Arm Style Right Left
1068541-NLA1068540-NLADesk Length
1068529-NLA1068528-NLAFull Length
123
To order call toll free 1-800-333-6900, or www.invacare.com
Form No. 04-041

Fixed Height Arms without Mounting Hardware
Elevate Only or Tilt Seating
Item
Number Part Number DescriptionNote
Quantity Per
Package Assembly
See Chart Arms Less Pad, 16-19" Deep Seat Frames 1 11
See Chart Arms Less Pad, 20" and Deeper Seat Frames 1 11 A
1117328 Kit, Arm Pad w/ Screws, Full Length, Urethane
Waterfall, Black
(13" L x 2-5/8" W)
1 12 C
1110818 Kit, Arm Pad w/ Screws, Full Length, Urethane
Waterfall, Black (13" L x 2-5/8" W) (Pair) 2 12
1117327 Kit, Arm Pad w/ Screws, Desk Length, Urethane
Waterfall, Black
(9" L x 2-5/8" W)
1 12 C
1110817 Kit, Arm Pad w/ Screws, Desk Length, Urethane
Waterfall, Black (9" L x 2-5/8" W) (Pair) 2 12
1082910 Pad, Arm w/ Elbow Stop, Desk Length, Urethane,
Black - Right (13" L x 3" W) 1 12 B
1082911 Pad, Arm w/ Elbow Stop, Desk Length, Urethane,
Black - Left (13" L x 3" W) 1 12 B
1090190 Kit, Arm Pad w/ Screws and Elbow Stop, Desk
Length, Urethane, Black (13" L x 3" W) (Pair) 2 12 B
1082912 Pad, Arm w/ Elbow Stop, Full Length, Urethane,
Black - Right (17" L x 3" W) 1 12 B
1082913 Pad, Arm w/ Elbow Stop, Full Length, Urethane,
Black - Left (17" L x 3" W) 1 12 B
1090191 Kit, Arm Pad w/ Screws and Elbow Stop, Full
Length, Urethane, Black (17" L x 3" W) (Pair) 2 12 B
1068564 Tube, Arm, Desk Length, Black - Right (16-19" D) 1 13
1068565-NLA NLA - Tube, Arm, Desk Length, Black - Left (16-19"
D) 1 13
1068414-NLA NLA - Tube, Arm, Desk Length, Long, Black - Right
(20" and Deeper) 1 13 A
1068415-NLA NLA - Tube, Arm, Desk Length, Long, Black - Left
(20" and Deeper) 1 13 A
1068490 Tube, Arm, Full Length, Black - Right (16-19"D) 1 13
1068491-NLA NLA - Tube, Arm, Full Length, Black - Left (16 -
19"D) 1 13
1068473-NLA NLA - Tube, Arm, Full Length, Long, Black - Right
(20" and Deeper) 1 13 A
1068474-NLA NLA - Tube, Arm, Full Length, Long, Black - Left
(20" and Deeper) 1 13 A
1032244 Grip, Foam Hand (9" L) 1 14
1025729 Screw, Phillips Pan Head Tap (#8-32 x 3/8") 1 45
1035472-NLA NLA - Guard, Clothing, Desk Length 1 16
1044572-NLA NLA - Guard, Clothing, Full Length (16 - 19" D) 1 16
1044005-NLA NLA - Guard, Clothing, Full Length (20" and
Deeper) 1 16 A
1035065 Cover, Clothing Guard w/ Pocket, FXDESK &
ADJFULL/ADJDESK 1 17
124
To order call toll free 1-800-333-6900, or www.invacare.com
Form No. 04-041

Fixed Height Arms without Mounting Hardware
Elevate Only or Tilt Seating
Item
Number Part Number DescriptionNote
Quantity Per
Package Assembly
1044588 Cover, Clothing Guard with Pocket Fixed Height Full
Length (20" and Deeper) 1 17 A
1094270 Package, Screw, Phillips Pan Head (#10-32 x
1-1/4") 2 18
1065936 Plug, Pivot 1 29
1067734 Plug Button, Black (5/8") 1 210
A - The ADJASBA seat frame for 19-22" depths including the Tilt Only System must use the 16-19" deep arms only.
B - Arm Pads w/ Elbow Stop is used for Formula Tilt Only systems
C - After 7/9/07 Invacare recommends ordering armpads in pairs to assure uniform appearance on chair
NOTE:
125
To order call toll free 1-800-333-6900, or www.invacare.com
Form No. 04-041

Adjustable Height Arms without Mounting Hardware
Elevate Only or Tilt Seating
126
To order call toll free 1-800-333-6900, or www.invacare.com
Form No. 04-041

Adjustable Height Arms without Mounting Hardware
Elevate Only or Tilt Seating
Item
Number Part Number DescriptionNote
Quantity Per
Package Assembly
1117328 Kit, Arm Pad w/ Screws, Full Length, Urethane
Waterfall, Black
(13" L x 2-5/8" W)
1 11
1110818 Kit, Arm Pad w/ Screws, Full Length, Urethane
Waterfall, Black (13" L x 2-5/8" W) (Pair) 2 11
1117327 Kit, Arm Pad w/ Screws, Desk Length, Urethane
Waterfall, Black
(9" L x 2-5/8" W)
1 11
1110817 Kit, Arm Pad w/ Screws, Desk Length, Urethane
Waterfall, Black (9" L x 2-5/8" W) (Pair) 2 11
1082910 Pad, Arm w/ Elbow Stop, Desk Length, Urethane,
Black - Right (13" L x 3" W) 1 11 B
1082911 Pad, Arm w/ Elbow Stop, Desk Length, Urethane,
Black - Left (13" L x 3" W) 1 11 B
1090190 Kit, Arm Pad w/ Screws and Elbow Stop, Desk
Length, Urethane, Black (13" L x 3" W) (Pair) 2 11 B
1082912 Pad, Arm w/ Elbow Stop, Full Length, Urethane,
Black - Right (17" L x 3" W) 1 11 B
1082913 Pad, Arm w/ Elbow Stop, Full Length, Urethane,
Black - Left (17" L x 3" W) 1 11 B
1090191 Kit, Arm Pad w/ Screws and Elbow Stop, Full
Length, Urethane, Black (17" L x 3" W) (Pair) 2 11 B
1071253 Arm Tube Assembly w/ Plug Buttons, Full Length,
Black - Right/Left 1 12
1070859 Arm Tube Assembly w/ Plug Buttons, Desk Length,
Black - Right/Left 1 12
1027095 Plug Button, Black (7/8") 1 23
1094270 Package, Screw, Phillips Pan Head (#10-32 x
1-1/4") 2 14
1064130 Guard, Clothing 1 15
47471X074 Spring, Arm Lock 1 16
1028594 Pin, Arm Lock, Black 1 17
1032244 Grip, Foam Hand (9" L) 1 18
1090768 Kit, Lock Handle w/Rivets (Pair) 2 19
1028645 Rivet 1 610
1065936 Plug, Pivot 1 211
1067734 Plug Button, Black (5/8") 1 212
1068416 Arm Base Assembly, Black - Right (16-19" D) 1 113
1068417 Arm Base Assembly, Black - Left (16-19" D) 1 113
1068418 Arm Base Assembly, Black - Right (20" and Deeper) 1 113 A
1068419 Arm Base Assembly, Black - Left (20" and Deeper) 1 113 A
1067761 Arm Base Assembly, 1" Lower, Black - Right
(16-19" D) 1 113
1067762 Arm Base Assembly, 1" Lower, Black - Left (16-19"
D) 1 113
127
To order call toll free 1-800-333-6900, or www.invacare.com
Form No. 04-041

Adjustable Height Arms without Mounting Hardware
Elevate Only or Tilt Seating
Item
Number Part Number DescriptionNote
Quantity Per
Package Assembly
1067755 Arm Base Assembly, 1" Lower, Black - Right (20"
and Deeper) 1 113 A
1067756 Arm Base Assembly, 1" Lower, Black - Left (20" and
Deeper) 1 113 A
1035065 Cover, Clothing Guard w/ Pocket, FXDESK &
ADJFULL/ADJDESK 1 114
A - The ADJASBA seat frame for 19-22" depths including the Tilt Only System must use the 16-19" deep arms only.
B - Arm Pads w/ Elbow Stop is used for Formula Tilt Only systems
NOTE:
128
To order call toll free 1-800-333-6900, or www.invacare.com
Form No. 04-041

Recline and Tilt/Recline Arms without Mounting Hardware
129
To order call toll free 1-800-333-6900, or www.invacare.com
Form No. 04-041

Recline and Tilt/Recline Arms without Mounting Hardware
Item
Number Part Number DescriptionNote
Quantity Per
Package Assembly
1082910 Pad, Arm w/ Elbow Stop, Desk Length, Urethane,
Black - Right (13" L x 3" W) 1 11
1082911 Pad, Arm w/ Elbow Stop, Desk Length, Urethane,
Black - Left (13" L x 3" W) 1 11
1090190 Kit, Arm Pad w/ Screws and Elbow Stop, Desk
Length, Urethane, Black (13" L x 3" W) (Pair) 2 11
1082912 Pad, Arm w/ Elbow Stop, Full Length, Urethane,
Black - Right (17" L x 3" W) 1 11
1082913 Pad, Arm w/ Elbow Stop, Full Length, Urethane,
Black - Left (17" L x 3" W) 1 11
1090191 Kit, Arm Pad w/ Screws and Elbow Stop, Full
Length, Urethane, Black (17" L x 3" W) (Pair) 2 11
1086992 Arm Assembly w/o Arm Pad, Desk Length, Black -
Right 1 12 A,F
1086993 Arm Assembly w/o Arm Pad, Desk Length, Black -
Left 1 12 A,F
1087012 Arm Assembly w/o Arm Pad, Full Length, Black -
Right 1 12 B,F
1087013 Arm Assembly w/o Arm Pad, Full Length, Black -
Left 1 12 B,F
1008432 Screw, Socket Button Head (1/4-20 x 1-1/4") 1 33
1026103 Washer, Nylon (1/4 x 1/2 x 1/32") 1 24
0028202 Tube, Extension, Full Length 1 15
1027095 Plug Button, Black (7/8") 1 16
1107155 Screw, Phillips Pan Head Tap (#10-32 x 1-1/4") 1 27
1028755 Screw, Phillips Pan Head (#10-32 x 5/8") 1 18 C
1107155 Screw, Phillips Pan Head Tap (#10-32 x 1-1/4") 1 18 D
1079203 Decal, Warning Pinch Point 1 19
1115392 Tube, Arm, Support, Black 1 110
1115393-NLA NLA - Tube, Slide, Adjustable, Black 1 111
1082842 Plug, Arm, Black 1 112
7930333 Locknut (1/4-20) 25 313
1082927 Tube, Arm, Black 1 114
1091870 Screw, Socket Button Head w/ Patch (1/4-20 x 3/4") 1 115
1095437 Arm Pivot Assembly 1 116 G
1165484-NLA NLA - Washer, Nylon (1/4 x 1/2 x 1/32") 1 217
1119268-NLA NLA - Kit, Slide Tube w/ Arm Support (Pair) 2 1E
A - Includes Items 3,4,6, and 9-17.
B - Includes Items 3-6 and 8-17.
C - Used for full length arms only
D - Used for desk length arms only
E - Not Shown. Assembly includes 2 ea. of item numbers 9, 10 and 11
F - When placing an order for item 2, you must specify as a note "For Tarsys 2GTR seating" or "For Formula TRE seating".
G - The Arm Pivot Assembly Pin faces down for Tarsys 2GTR and faces up for the Formula TRE powered seating
NOTE:
130
To order call toll free 1-800-333-6900, or www.invacare.com
Form No. 04-041

Arm Mounting Swingaway Hardware
Elevate Only For ASBA/ADJASBA Seating
131
To order call toll free 1-800-333-6900, or www.invacare.com
Form No. 04-041

Arm Mounting Swingaway Hardware
Elevate Only For ASBA/ADJASBA Seating
Item
Number Part Number DescriptionNote
Quantity Per
Package Assembly
1068488 Kit, Swingaway Armrest Mounting Hardware 1 11 A
1019590 Screw, Socket Button Head (1/4-20 x 1-5/8") 1 12
1068025 Clevis, Pivot 1 13
1025195 Locknut (1/4-20) 1 14
1068039 Pin, Pull 1 15
A - Includes items 2-5
NOTE:
132
To order call toll free 1-800-333-6900, or www.invacare.com
Form No. 04-041

Front/Rear Arm Socket Assembly and Hardware
Elevate Only For ADJASBA Seat (16"-22" Wide) (After 7/4/05)
133
To order call toll free 1-800-333-6900, or www.invacare.com
Form No. 04-041

Front/Rear Arm Socket Assembly and Hardware
Elevate Only For ADJASBA Seat (16"-22" Wide) (After 7/4/05)
Item
Number Part Number DescriptionNote
Quantity Per
Package Assembly
1125734 Kit, Front/Rear Arm Socket Assembly Mounting
Hardware 1 11 A
Screw, Hex Head w/ Patch (5/16-18 x 3/4") 1 22
Washer, Steel (5/16 x 3/4 x 1/16") 1 43
T-Nut (5/16-18) 1 44
Screw, Hex Head w/ Patch (5/16-18 x 5/8") 1 25
1122619 Socket, Arm, Front - Right 1 16
1122620 Socket, Arm, Front - Left 1 16
1125478 Bracket, Arm Socket/Cane, Rear - Right 1 17
1125479 Bracket, Arm Socket/Cane, Rear - Left 1 17
A - Includes items 2-5
NOTE:
134
To order call toll free 1-800-333-6900, or www.invacare.com
Form No. 04-041

Arm Mounting Hardware
Conventional and Contoura
Recline and Tilt/Recline Seating
135
To order call toll free 1-800-333-6900, or www.invacare.com
Form No. 04-041

Arm Mounting Hardware
Conventional and Contoura
Recline and Tilt/Recline Seating
#1 Adapter, Contoura Recline Upper Arm - Before 5/15/09
Adapter Side 16" Wide 18" Wide 20" Wide 22" Wide 24" Wide
11314201131418112262511225821131416Contoura - Right
11314211131419112580811258071131417Contoura - Left
#1 Adapter, Curve Contoura Recline Upper Arm - After 5/14/09
Adapter Side 16" Wide 18" Wide 20" Wide 22" Wide 24" Wide
11618201161796116166011616551161802
Curve Contoura -
Right
11618211161797116166111616561161803
Curve Contoura -
Left
136
To order call toll free 1-800-333-6900, or www.invacare.com
Form No. 04-041

Arm Mounting Hardware
Conventional and Contoura
Recline and Tilt/Recline Seating
Item
Number Part Number DescriptionNote
Quantity Per
Package Assembly
See Chart #1 Adapter, Contoura Recline Upper Arm - Before
5/15/09 1 11
See Chart #1 Adapter, Curve Contoura Recline Upper Arm -
After 5/14/09 1 11
1122595 Adapter, Conventional Recline Upper Arm - Right 1 11
1125809 Adapter, Conventional Recline Upper Arm - Left 1 11
1006490 Tip, Plastic, Black 1 12
1124682 Recline Arm Socket Bracket Assembly, Black -
Right 1 13 A
1124683 Recline Arm Socket Bracket Assembly, Black - Left 1 13 A
1028594 Pin, Arm Lock, Black 1 14
47471X074 Spring, Arm Lock 1 15
1090768 Kit, Lock Handle w/Rivets (Pair) 2 16
1125735 Kit, Recline Arm Socket Assembly and Upper Arm
Adapter Mounting Hardware 1 17 B
Screw, Hex Head w/ Patch (1/4-20 x 5/8") 1 28
Washer (1/4 x 1/2 x 1/16") 1 29
T-Nut (1/4-20) 1 210
T-Nut (5/16-18) 1 111
T-Nut (5/16-18) 1 112
Screw, Hex Head w/ Patch (5/16-18 x 3/4") 1 213
Washer, Steel (5/16 x 3/4 x 1/16") 1 214
NLA - Screw, Socket Flat Head w/ Patch
(1/4-20X1/2") 1 215
A - Includes Recline Arm Socket Bracket and items 4-6.
B - Includes items 8-15.
NOTE:
137
To order call toll free 1-800-333-6900, or www.invacare.com
Form No. 04-041

Arm Mounting Hardware
Conventional and Contoura Tilt Seating
138
To order call toll free 1-800-333-6900, or www.invacare.com
Form No. 04-041

Arm Mounting Hardware
Conventional and Contoura Tilt Seating
Item
Number Part Number DescriptionNote
Quantity Per
Package Assembly
1125478 Bracket, Arm Socket/Cane, Rear - Right 1 11
1125479 Bracket, Arm Socket/Cane, Rear - Left 1 11
1125734 Kit, Front/Rear Arm Socket Assembly Mounting
Hardware 1 12 A
Screw, Hex Head w/ Patch (5/16-18 x 3/4") 1 23
Washer, Steel (5/16 x 3/4 x 1/16") 1 44
T-Nut (5/16-18) 1 45
Screw, Hex Head w/ Patch (5/16-18 x 5/8") 1 26
1122619 Socket, Arm, Front - Right 1 17 B
1122620 Socket, Arm, Front - Left 1 17 B
1028594 Pin, Arm Lock, Black 1 18
47471X074 Spring, Arm Lock 1 19
1090768 Kit, Lock Handle w/Rivets (Pair) 2 110
1125736 Kit, Swingaway Armrest Mounting Hardware 1 111 C
Pin, Pull 1 112
Screw, Hex Head w/ Patch (1/4-20 x 3/4") 1 113
Locknut (1/4-20) 1 214
Screw, Socket Button Head (1/4-20 x 1-5/8") 1 115
Clevis, Pivot 1 116
Washer (1/4 x 1/2 x 1/16") 1 117
A - Includes items 3-6
B - Includes Front Arm Socket and items 8-10
C - Includes items 12-17
NOTE:
139
To order call toll free 1-800-333-6900, or www.invacare.com
Form No. 04-041

Contoura Seating Shroud Covers
140
To order call toll free 1-800-333-6900, or www.invacare.com
Form No. 04-041

Contoura Seating Shroud Covers
Item
Number Part Number DescriptionNote
Quantity Per
Package Assembly
1125705 NLA - Kit, Controller and Seat Frame Shroud
Covers with Hardware 1 11 A
NLA - Cover, Back, Controller Shroud 1 12
Screw, Button Head w/ Patch (1/4-20 x 1/2") 1 44
T-Nut (1/4-20) 1 25
Screw, Phillips Pan Head (#6-32 x 1-1/8") 1 26
Nut, Hex Lock (#6-32) 1 27
NLA - Bracket, Shroud, Black - Right 1 18
NLA - Bracket, Shroud, Black - Left 1 18
Fastener, Dual Lock (1/2" W x 7/8" L) 1 89
NLA - Cover Assembly, Seat Frame Shroud 1 110
1125728-NLA Kit, Controller Shroud Mounting Hardware 1 13 B
Screw, Button Head w/ Patch (1/4-20 x 1/2") 1 44
T-Nut (1/4-20) 1 25
Screw, Phillips Pan Head (#6-32 x 1-1/8") 1 26
Nut, Hex Lock (#6-32) 1 27
NLA - Bracket, Shroud, Black - Right 1 18
NLA - Bracket, Shroud, Black - Left 1 18
Fastener, Dual Lock (1/2" W x 7/8" L) 1 49
1125704-NLA NLA - Cover Assembly, Seat Frame Shroud 1 110 C
1090197 Fastener, Dual Lock (1/2" W x 7/8" L) 1 49
1114308 Screw, Phillips Pan Head Tap (#10-32 x 1/2") 1 211
A - Includes items 2, 4-10
B - Includes items 4-9
C - Includes Shroud Cover, items 9 and 11
NOTE:
141
To order call toll free 1-800-333-6900, or www.invacare.com
Form No. 04-041

Conventional Shroud Cover
142
To order call toll free 1-800-333-6900, or www.invacare.com
Form No. 04-041

Conventional Shroud Cover
Item
Number Part Number DescriptionNote
Quantity Per
Package Assembly
1125704-NLA NLA - Cover Assembly, Seat Frame Shroud 1 11 A
1114308 Screw, Phillips Pan Head Tap (#10-32 x 1/2") 1 22
1090197 Fastener, Dual Lock (1/2" W x 7/8" L) 1 83
A - Includes the Shroud Cover and items 2-3
NOTE:
143
To order call toll free 1-800-333-6900, or www.invacare.com
Form No. 04-041

Shroud Covers Before 3/1/07
Conventional Tilt, Tilt w/ BPO or Tilt-Elevate w/ MK6i Electronics
NOTE: MK6i connectors are bundled and cable-tied to the MK6i Connector Shroud Mounting Tray
Assembly item #11
144
To order call toll free 1-800-333-6900, or www.invacare.com
Form No. 04-041

Shroud Covers Before 3/1/07
Conventional Tilt, Tilt w/ BPO or Tilt-Elevate w/ MK6i Electronics
NOTE: MK6i connectors are bundled and cable-tied to the MK6i Connector Shroud Mounting Tray
Assembly item #11
Item
Number Part Number DescriptionNote
Quantity Per
Package Assembly
1140266-NLA NLA - Kit, TRECM/TAC/MK6i Connector Shroud
Mtg. Hdwr. 16-20" Wide For Conventional Tilt Only 1 11 A
Bracket, Spreader Bar, Black - Right 1 12
Bracket, Spreader Bar, Black - Left 1 12
Screw, Hex Head (1/4-20 x 1-1/2") 1 23
Spacer, Coved (1/4 x 11/16 x 1/2") 1 44
Tube, Spreader Bar, Black (16 - 20" W) 1 16
Collar, Anti-Rattle (7/8") 1 27
Screw, Hex Head (1/4-20 x 5/8") 1 28
Locknut (1/4-20) 1 49
Plate, Mounting 1 110
NLA - TRECM/SAC/TAC/MK6i Connector Shroud
Mounting Tray Assembly 1 111
1140267-NLA NLA - Kit, TRECM/TAC/MK6i Connector Shroud
Mtg. Hdwr. 20-24" Wide For Conventional Tilt Only 1 11 B
Bracket, Spreader Bar, Black - Right 1 12
Bracket, Spreader Bar, Black - Left 1 12
Screw, Hex Head (1/4-20 x 1-1/2") 1 43
Spacer, Coved (1/4 x 11/16 x 1/2") 1 84
Locknut (1/4-20) 1 25
Tube, Spreader Bar, Black (20 - 24" W) 1 16
Collar, Anti-Rattle (7/8") 1 27
Screw, Hex Head (1/4-20 x 5/8") 1 28
Locknut (1/4-20) 1 49
Plate, Mounting 1 110
NLA - TRECM/SAC/TAC/MK6i Connector Shroud
Mounting Tray Assembly 1 111
1140268 NLA - Kit, TRECM/TAC/MK6i Connector Shrouds
and Mtg. Hdwr. 16-20" Wide For Conventional Tilt
Only
1 112 C
NLA - Screw, Phillips Pan Head w/ Patch (#10-32 x
3/8") 1 2
Bracket, Spreader Bar, Black - Right 1 12
Bracket, Spreader Bar, Black - Left 1 12
Screw, Hex Head (1/4-20 x 1-1/2") 1 23
Spacer, Coved (1/4 x 11/16 x 1/2") 1 44
Tube, Spreader Bar, Black (16 - 20" W) 1 16
Collar, Anti-Rattle (7/8") 1 27
Screw, Hex Head (1/4-20 x 5/8") 1 28
Locknut (1/4-20) 1 49
Plate, Mounting 1 110
NLA - TRECM/SAC/TAC/MK6i Connector Shroud
Mounting Tray Assembly 1 111
145
To order call toll free 1-800-333-6900, or www.invacare.com
Form No. 04-041

Shroud Covers Before 3/1/07
Conventional Tilt, Tilt w/ BPO or Tilt-Elevate w/ MK6i Electronics
NOTE: MK6i connectors are bundled and cable-tied to the MK6i Connector Shroud Mounting Tray
Assembly item #11
Item
Number Part Number DescriptionNote
Quantity Per
Package Assembly
Screw, Thumb (#10-32 x 1/2") 1 113
NLA - Shroud, Cover 1 114
Shroud, Back 1 115
Screw, Phillips Pan Head Tap (#10-32 x 1/2") 1 416
1140269 NLA - Kit, TRECM/TAC/MK6i Connector Shrouds
and Mtg. Hdwr. 20-24" Wide For Conventional Tilt
Only
1 112 D
NLA - Screw, Phillips Pan Head w/ Patch (#10-32 x
3/8") 1 2
Bracket, Spreader Bar, Black - Right 1 12
Bracket, Spreader Bar, Black - Left 1 12
Screw, Hex Head (1/4-20 x 1-1/2") 1 43
Spacer, Coved (1/4 x 11/16 x 1/2") 1 84
Locknut (1/4-20) 1 25
Tube, Spreader Bar, Black (20 - 24" W) 1 16
Collar, Anti-Rattle (7/8") 1 27
Screw, Hex Head (1/4-20 x 5/8") 1 28
Locknut (1/4-20) 1 49
Plate, Mounting 1 110
NLA - TRECM/SAC/TAC/MK6i Connector Shroud
Mounting Tray Assembly 1 111
Screw, Thumb (#10-32 x 1/2") 1 113
NLA - Shroud, Cover 1 114
Shroud, Back 1 115
Screw, Phillips Pan Head Tap (#10-32 x 1/2") 1 416
1095502-NLA NLA - Package, Tie Wrap (11-1/2" L) 10 1E
A - Includes items 2-4 and 6-11
B - Includes items 2-12
C - Includes (part #1079316 Screw - Not Shown and not used for MK6i application) and items 2-4, 6-11 and 13-16
D - Includes (part #1079316 Screw - Not Shown and not used for MK6i application) and items 2-11 and 13-16
E - Not Shown
NOTE:
146
To order call toll free 1-800-333-6900, or www.invacare.com
Form No. 04-041

Shroud Cover After 2/28/07
Conventional Tilt, Tilt w/ BPO or Tilt-Elevate w/ MK6i Electronics
147
To order call toll free 1-800-333-6900, or www.invacare.com
Form No. 04-041

Shroud Cover After 2/28/07
Conventional Tilt, Tilt w/ BPO or Tilt-Elevate w/ MK6i Electronics
Item
Number Part Number DescriptionNote
Quantity Per
Package Assembly
1148231 Kit, MK6i Connector Shroud Mtg. Hdwr. 16-20"
Wide For Conventional Tilt Only 1 11 C,A
Bracket, Spreader Bar, Black - Right 1 12
Bracket, Spreader Bar, Black - Left 1 12
Screw, Hex Head (1/4-20 x 1-1/2") 1 23
Spacer, Coved (1/4 x 11/16 x 1/2") 1 44
Tube, Spreader Bar, Black (16 - 20" W) 1 16
Collar, Anti-Rattle (7/8") 1 27
Screw, Hex Head (1/4-20 x 5/8") 1 48
Locknut (1/4-20) 1 69
Plate, Mounting 1 110
Tray, MK6i Connector Shroud Mounting 1 111
Bracket, MK6i Connector, Black 1 112
1148232 Kit, MK6i Connector Shroud Mtg. Hdwr. 20-24"
Wide For Conventional Tilt Only 1 11 C,B
Bracket, Spreader Bar, Black - Right 1 12
Bracket, Spreader Bar, Black - Left 1 12
Screw, Hex Head (1/4-20 x 1-1/2") 1 43
Spacer, Coved (1/4 x 11/16 x 1/2") 1 84
Locknut (1/4-20) 1 25
Tube, Spreader Bar, Black (20 - 24" W) 1 16
Collar, Anti-Rattle (7/8") 1 27
Screw, Hex Head (1/4-20 x 5/8") 1 48
Locknut (1/4-20) 1 69
Plate, Mounting 1 110
Tray, MK6i Connector Shroud Mounting 1 111
Bracket, MK6i Connector, Black 1 112
1154125 Kit, MK6i Connector Bracket and Threaded Insert 1 112 C
1117240 Screw, Thumb (#10-32 x 1/2") 1 113
1148151 Shroud, MK6i Connector 1 114
1095502-NLA NLA - Package, Tie Wrap (11-1/2" L) 10 115
A - Includes items 2-4 and 6-12
B - Includes items 2-12
C - Item 12 MK6i Connector Bracket was revised 4/28/08 and is backward compatible. When a new MK6i Connector Bracket
is requested, order service part # 1154125.
NOTE:
148
To order call toll free 1-800-333-6900, or www.invacare.com
Form No. 04-041

Shroud Covers
Recline & Tilt/Recline Conventional or Contoura Seating w/ MK6i
Electronics
149
To order call toll free 1-800-333-6900, or www.invacare.com
Form No. 04-041

Shroud Covers
Recline & Tilt/Recline Conventional or Contoura Seating w/ MK6i
Electronics
Item
Number Part Number DescriptionNote
Quantity Per
Package Assembly
1146501-NLA NLA - Cover with Decal, Contoura (16 - 24" W) 1 11
1146502-NLA NLA - Cover with Decal, Conventional (16 - 20" W) 1 11
1146503-NLA NLA - Cover with Decal, Conventional (20 - 24" W) 1 11
1090147-NLA NLA - Decal, Invacare Medallion - Large 1 12
1117240 Screw, Thumb (#10-32 x 1/2") 1 13
150
To order call toll free 1-800-333-6900, or www.invacare.com
Form No. 04-041

MK6i Electronics
151
To order call toll free 1-800-333-6900, or www.invacare.com
Form No. 04-041

MK5 Electronics
152
To order call toll free 1-800-333-6900, or www.invacare.com
Form No. 04-041

Front Riggings
153
To order call toll free 1-800-333-6900, or www.invacare.com
Form No. 04-041

Arm Pads
Otto Bock
Channel Forearm Pads include all hardware and Instructions for attaching to a wheelchair or Elevating
Swivel Unit. Hardware to attach a Hand Pad to the Channel Forearm Pad comes with the Channel Forearm
Pad only. The Channel Forearm Pad hardware is not sold separately.
154
To order call toll free 1-800-333-6900, or www.invacare.com
Form No. 04-041

Arm Pads
Otto Bock
Channel Forearm Pads include all hardware and Instructions for attaching to a wheelchair or Elevating
Swivel Unit. Hardware to attach a Hand Pad to the Channel Forearm Pad comes with the Channel Forearm
Pad only. The Channel Forearm Pad hardware is not sold separately.
Item
Number Part Number DescriptionNote
Quantity Per
Package Assembly
0020700 Pad, Small Channel Forearm 1 11
0023000 Pad, Flat Hand - Large 1 12
0021700 Kit, Hand/ Forearm Pad Strap 1 13
0020600 Pad, Medium Channel Forearm 1 14
0023300 Pad, Flat Hand - Medium 1 15
0020500 Pad, Large Channel Forearm 1 16
0021600 Pad, Palm Extensor Hand - Right 1 17
0021500 Pad, Palm Extensor Hand - Left 1 17
1166835 Unit, Elevating Swivel - Right/Left (7/8") 1 18 A
0020400 Pad, One Piece Channel Forearm 1 19
0164900 Pad, Cone Hand - Right 1 110
0164800 Pad, Cone Hand - Left 1 110
A - 0021400 Unit, Elevating Swivel - Right (7/8") and 0021300 Unit, Elevating Swivel - Left (7/8") are replaced with part
number 1166835. The new Unit can be used on the right or left side of the wheelchair.
NOTE:
155
To order call toll free 1-800-333-6900, or www.invacare.com
Form No. 04-041

Back Cane Push Handle Attachments
Conventional Tilt and Tilt w/ BPO Option
156
To order call toll free 1-800-333-6900, or www.invacare.com
Form No. 04-041

Back Cane Push Handle Attachments
Conventional Tilt and Tilt w/ BPO Option
Item
Number Part Number DescriptionNote
Quantity Per
Package Assembly
1133259 Kit, Back Cane Push Handle Attachments (Pair) 1 11 A
Grip, Foam, Hand (4-1/2" L) 1 22
Plug Button, Black (7/8") 1 23
Attachment, Back Cane Push Handle 1 24
Screw, Hex Head (1/4-20 x 1-1/4") 1 45
Spacer (1/4 x 3/8 x 3/16") 1 46
Locknut (1/4-20) 1 47
A - Includes items 2-7. For chairs manufactured before 4/4/05, new back canes may be required. See page titled "Back
Canes, Solid Straight and Mounting Hardware, Conventional Tilt and Tilt w/ BPO Option"
NOTE:
157
To order call toll free 1-800-333-6900, or www.invacare.com
Form No. 04-041

Back Cane Push Handle Attachments
Contoura Seating
158
To order call toll free 1-800-333-6900, or www.invacare.com
Form No. 04-041

Back Cane Push Handle Attachments
Contoura Seating
Item
Number Part Number DescriptionNote
Quantity Per
Package Assembly
1125706 Kit, Back Cane Push Handle Attachments (Pair) 1 11 A
Attachment, Back Cane Push Handle 1 22
Locknut (1/4-20) 1 43
Spacer (1/4 x 3/8 x 3/16") 1 44
Screw, Hex Head (1/4-20 x 1-1/4") 1 45
A - Includes items 2-5
NOTE:
159
To order call toll free 1-800-333-6900, or www.invacare.com
Form No. 04-041

Headrest Support Assembly, Tarsys
160
To order call toll free 1-800-333-6900, or www.invacare.com
Form No. 04-041

Headrest Support Assembly, Tarsys
Item
Number Part Number DescriptionNote
Quantity Per
Package Assembly
0127700 Headrest, Curved (6" W x 7" H) 1 11
0128000-NLA NLA - Headrest, Two-Step (8-1/2" W x 5-1/2" H) 1 11
0022600 Kit, Headrest w/ Screws, Adjustable, Small, Otto
Bock
(9" W x 3-1/2" H)
1 11
0022400 Kit, Headrest w/ Screws, Adjustable, Large, Otto
Bock (12" W x 6" H) 1 11
0197024 Fixture Assembly, Offset Support 1 12 A
0271524-NLA NLA - Tube, Offset Fixture, Black 1 13
1077076-NLA NLA - Plug Button, Square (1/2") 1 24
0271124-NLA NLA - Collar, Offset Fixture Tube 1 15
0288606 Screw, Set Socket Cup Point (#10-24 x 3/16") 1 16
0271224 Half Clamp, Non-Threaded Holes 1 17
0271324 Half Clamp, Threaded Holes 1 18
1027268 Screw, Allen Head (1/4-20 x 1") 1 39
0271424-NLA NLA - Tube, Fixture Adjustment 1 110
0283724 Ring, Fixture Clamp 1 111
0067006-NLA NLA - Screw, Cap, Socket Head (#10-32 x 1/2") 1 312
1124686 Kit, Headrest Mounting Hardware 1 113 B
0273100 Kit, Headrest Clamp, Lever Style 1 114 C,E
0237422-NLA NLA - Clamp, Small Bottom Half 1 115 D
0237522-NLA NLA - Clamp, Small Top Half 1 116 D
1072439-NLA NLA - Knob, Adjustment, Black (3/4" L Threads) 1 117
0288706 Screw, Socket, Flat Head (1/4-20 x 1") 1 218
1025736 Locknut (1/4-20) 1 219
A - Includes items 3-12
B - Individual components are not available. The Headrest Mounting Hardware Kit was revised to include a Wire Guard
Bracket and is used for Conventional and Contoura Backs. The Headrest Mounting Hardware Kit is also backward
compatible in the field.
C - Includes items 15-19. Item 17 Adjustment Knob was replaced with an Adjustment Lever. The Lever is not available as a
separate part. The knob Part # 1072439 is interchangeable with the Lever.
D - Clamp is no longer available individually. See item 14 Clamp Assembly part number 0273100.
E - Hardware can also be used with an Invacare Personal Back.
NOTE:
161
To order call toll free 1-800-333-6900, or www.invacare.com
Form No. 04-041

Headrest Support Assembly, Stealth
CP175/CP275/CP180/CP280
162
To order call toll free 1-800-333-6900, or www.invacare.com
Form No. 04-041

Headrest Support Assembly, Stealth
CP175/CP275/CP180/CP280
Item
Number Part Number DescriptionNote
Quantity Per
Package Assembly
1127408-NLA NLA - Kit, Headrest 10" TWB Comfort Plus Stealth
(CP280) 1 11 A,H
1127409-NLA NLA - Kit, Headrest 14" TWB Comfort Plus Stealth
(CP180) 1 11 A,H
1127410-NLA NLA - Kit, Headrest 10" Multi-Axis Comfort Plus
Stealth (CP275) 1 11 A,H
1127411-NLA NLA - Kit, Headrest 14" Multi-Axis Comfort Plus
Stealth (CP175) 1 11 A
1124686 Kit, Headrest Mounting Hardware 1 12 B
1127414 Kit, Link Extension Stealth 1 13 B,C
0273100 Kit, Headrest Clamp, Lever Style 1 14 D,F,G
0237422-NLA NLA - Clamp, Small Bottom Half 1 15 E
0237522-NLA NLA - Clamp, Small Top Half 1 16 E
1072439-NLA NLA - Knob, Adjustment, Black (3/4" L Threads) 1 17
0288706 Screw, Socket, Flat Head (1/4-20 x 1") 1 28
1025736 Locknut (1/4-20) 1 29
A - The mounting hardware will contain a lever and star knob tightening device. Disregard the lever that is provided standard
by stealth and use the star knob designed for the Formula TRE systems.
B - Individual components are not available. The Headrest Mounting Hardware Kit was revised to include a Wire Guard
Bracket and is used for Conventional and Contoura Backs. The Headrest Mounting Hardware Kit is also backward
compatible in the field.
C - The Stealth Link Extension used on the Stealth Comfort Plus TWB models only
D - Includes items 5-9. Item 7 Adjustment Knob was replaced with an Adjustment Lever. The Lever is not available as a
separate part. The knob Part # 1072439 is interchangeable with the Lever.
E - Clamp is no longer available individually. See item 4 Clamp Assembly part number 0273100.
F - Hardware can also be used with an Invacare/Matrx Personal Back, Matrx PB Posture Back and Matrx Elite Backs.
G - For Matrx Elite Backs, item #4 Headrest Clamp Kit attaches to an Adapter Plate that is only included with the Adapter
Plate Kit model numbers EHRA-S, EHRA-M or EHRA-L. Refer to the Matrx Rehab Seating and Postioning Pricelist for
additional information.
H - Stealth Headrest No Longer Available. See page titled "Headrest Support Assembly - Matrx Elan MEHSP-10, 14" for
replacement.
NOTE:
163
To order call toll free 1-800-333-6900, or www.invacare.com
Form No. 04-041

Item
Number Part Number DescriptionNote
Quantity Per
Package Assembly
60102830 Kit, Matrx Elan Standard Headrest Pad (10" W) 1 11 A
60102833 Kit, Matrx Elan Standard Headrest Pad (14" W) 1 11 B
60102826 Kit, Elan Multi-Axis Articulating Headrest Mounting
Hardware 1 12 C
A - For model MEHSP-10
B - For model MEHSP-14
C - For model MEMAH
NOTE:
Headrest Support Assembly - Matrx Elan
(MEHSP-10,14)
164
To order call toll free 1-800-333-6900, or www.invacare.com
Form No. 04-041

Lateral Support Assembly, Tarsys TMSLM/TMSLL
Conventional Tilt and Tilt w/ BPO Option
165
To order call toll free 1-800-333-6900, or www.invacare.com
Form No. 04-041

Lateral Support Assembly, Tarsys TMSLM/TMSLL
Conventional Tilt and Tilt w/ BPO Option
Item
Number Part Number DescriptionNote
Quantity Per
Package Assembly
1107298 Kit, Swingaway Lateral Support Assemblies w/
Medium Pads (Pair) 1 11 A
Bracket, Extension Offset, Black (2") 1 23
Bracket, Extension Offset, Black (1") 1 24
Bracket, Extension Offset, Black (1/2") 1 25
Bracket, Flush Mount, Black 1 26
Bracket, Swingaway, Cane Clamp, Black - Right 1 17
Bracket, Swingaway, Cane Clamp, Black - Left 1 17
Screw, Socket Flat Head (#10-32 x 1/2") 1 128
Bracket, Mounting, Black 1 29
NLA - Screw, Hex Head (1/4-20 x 1-1/8") 1 611
Half Clamp, Non-Threaded Holes 1 212
NLA - Half Clamp, Threaded Holes 1 213
Screw, Socket Flat Head (1/4-20 x 1/2") 1 414
Pad, Lateral Support - Medium (6" W x 4" H) 1 215
1107299 Kit, Swingaway Lateral Support Assembies w/ Large
Pads (Pair) 1 11 A
Bracket, Extension Offset, Black (2") 1 23
Bracket, Extension Offset, Black (1") 1 24
Bracket, Extension Offset, Black (1/2") 1 25
Bracket, Flush Mount, Black 1 26
Bracket, Swingaway, Cane Clamp, Black - Right 1 17
Bracket, Swingaway, Cane Clamp, Black - Left 1 17
Screw, Socket Flat Head (#10-32 x 1/2") 1 128
Bracket, Mounting, Black 1 29
NLA - Screw, Hex Head (1/4-20 x 1-1/8") 1 611
Half Clamp, Non-Threaded Holes 1 212
NLA - Half Clamp, Threaded Holes 1 213
Screw, Socket Flat Head (1/4-20 x 1/2") 1 414
Pad, Lateral Support - Large (6" W x 5" H) 1 215
1107245 Kit, Swingaway Bracket Assembly with Offset
Brackets, Cane Clamp - Right 1 12 B
Bracket, Extension Offset, Black (2") 1 13
Bracket, Extension Offset, Black (1") 1 14
Bracket, Extension Offset, Black (1/2") 1 15
Bracket, Flush Mount, Black 1 16
Bracket, Swingaway, Cane Clamp, Black - Right 1 17
Screw, Socket Flat Head (#10-32 x 1/2") 1 68
Bracket, Mounting, Black 1 19
NLA - Screw, Hex Head (1/4-20 x 1-1/8") 1 311
Half Clamp, Non-Threaded Holes 1 112
NLA - Half Clamp, Threaded Holes 1 113
1107246 Kit, Swingaway Bracket Assembly with Offset
Brackets, Cane Clamp - Left 1 12 B
166
To order call toll free 1-800-333-6900, or www.invacare.com
Form No. 04-041

Lateral Support Assembly, Tarsys TMSLM/TMSLL
Conventional Tilt and Tilt w/ BPO Option
Item
Number Part Number DescriptionNote
Quantity Per
Package Assembly
Bracket, Extension Offset, Black (2") 1 13
Bracket, Extension Offset, Black (1") 1 14
Bracket, Extension Offset, Black (1/2") 1 15
Bracket, Flush Mount, Black 1 16
Bracket, Swingaway, Cane Clamp, Black - Left 1 17
Screw, Socket Flat Head (#10-32 x 1/2") 1 68
Bracket, Mounting, Black 1 19
NLA - Screw, Hex Head (1/4-20 x 1-1/8") 1 311
Half Clamp, Non-Threaded Holes 1 112
NLA - Half Clamp, Threaded Holes 1 113
1107117 Kit, Lateral Support Mounting Hardware 1 110 C
NLA - Screw, Hex Head (1/4-20 x 1-1/8") 1 311
Half Clamp, Non-Threaded Holes 1 112
NLA - Half Clamp, Threaded Holes 1 113
A - Includes items 3-9 and 11-15
B - Includes items 3-9 and 11-13
C - Includes items 11-13
NOTE:
167
To order call toll free 1-800-333-6900, or www.invacare.com
Form No. 04-041

Item
Number Part Number DescriptionNote
Quantity Per
Package Assembly
1125826 Kit, Swingaway Lateral Support Assemblies w/
Medium Pads (5" W x 3" H), Stealth (TWB-RPR)
(Pair)
1 11 A
1125823 Kit, Swingaway Lateral Support Assemblies w/
Large Pads (6" W x 4" H), Stealth (TWB-RPRL)
(Pair)
1 11 A
A - Individual components are not available
NOTE:
Lateral Support Assembly, Stealth TWB-RPR/TWB-RPRL
Conventional Tilt & Tilt w/ BPO Option
168
To order call toll free 1-800-333-6900, or www.invacare.com
Form No. 04-041

Lateral Support Assembly, Tarsys TMSLM/TMSLL
For Conventional Recline, Tilt/Recline & Recline w/ BPO Option
169
To order call toll free 1-800-333-6900, or www.invacare.com
Form No. 04-041

Lateral Support Assembly, Tarsys TMSLM/TMSLL
For Conventional Recline, Tilt/Recline & Recline w/ BPO Option
Item
Number Part Number DescriptionNote
Quantity Per
Package Assembly
1090200 Kit, Swingaway Lateral Support Assembly w/
Medium Pads (Pair) 2 11 A
Pad, Lateral Support - Medium (6" W x 4" H) 1 22
T-Nut (1/4-20) 1 43
Screw, Socket Flat Head (1/4-20 x 1/2") 1 84
Bracket, Extension Offset, Black (1/2") 1 26
Bracket, Extension Offset, Black (1") 1 27
Bracket, Extension Offset, Black (2") 1 28
Bracket, Flush Mount, Black 1 49
Bracket, Swingaway - Right 1 110
NLA - Bracket, Swingaway - Left 1 110
Screw, Socket Flat Head (#10-32 x 1/2") 1 811
1090201 Kit, Swingaway Lateral Support Assembly w/ Large
Pads (Pair) 2 11 A
Pad, Lateral Support - Large (6" W x 5" H) 1 22
T-Nut (1/4-20) 1 43
Screw, Socket Flat Head (1/4-20 x 1/2") 1 84
Bracket, Extension Offset, Black (1/2") 1 26
Bracket, Extension Offset, Black (1") 1 27
Bracket, Extension Offset, Black (2") 1 28
Bracket, Flush Mount, Black 1 49
Bracket, Swingaway - Right 1 110
NLA - Bracket, Swingaway - Left 1 110
Screw, Socket Flat Head (#10-32 x 1/2") 1 811
1090198 Kit, Swingaway Bracket Assembly w/ Offset
Brackets - Right 1 15 B
Bracket, Extension Offset, Black (1/2") 1 16
Bracket, Extension Offset, Black (1") 1 17
Bracket, Extension Offset, Black (2") 1 18
Bracket, Flush Mount, Black 1 29
Bracket, Swingaway - Right 1 110
Screw, Socket Flat Head (#10-32 x 1/2") 1 411
1090199 Kit, Swingaway Bracket Assembly w/ Offset
Brackets - Left 1 15 B
Bracket, Extension Offset, Black (1/2") 1 16
Bracket, Extension Offset, Black (1") 1 17
Bracket, Extension Offset, Black (2") 1 18
Bracket, Flush Mount, Black 1 29
NLA - Bracket, Swingaway - Left 1 110
Screw, Socket Flat Head (#10-32 x 1/2") 1 411
A - Includes items 2-4 and 6-11
B - Includes items 6-11
NOTE:
170
To order call toll free 1-800-333-6900, or www.invacare.com
Form No. 04-041

Item
Number Part Number DescriptionNote
Quantity Per
Package Assembly
1125825 Kit, Swingaway Lateral Support Assembly w/
Medium Pads (5" W x 3" H), Stealth (TWB-TPR)
(Pair)
2 11 A
1125821 Kit, Swingaway Lateral Support Assembly w/ Large
Pads (6" W x 4" H), Stealth (TWB-TPRL) (Pair) 2 11 A
A - Individual components are not available
NOTE:
Lateral Support Assembly, Stealth TWB-TPR/TWB-TPRL
Conventional Recline, Tilt/Recline & Recline w/ BPO Option
171
To order call toll free 1-800-333-6900, or www.invacare.com
Form No. 04-041

Lateral Support Assembly, Tarsys CSLM/CSLL
Contoura Seating
172
To order call toll free 1-800-333-6900, or www.invacare.com
Form No. 04-041

Lateral Support Assembly, Tarsys CSLM/CSLL
Contoura Seating
Item
Number Part Number DescriptionNote
Quantity Per
Package Assembly
1128353 Kit, Lateral Support Assemblies w/ Medium Pads
(Pair) 1 11 A
Pad, Lateral Support - Medium (6" W x 4" H) 1 22
Screw, Socket Button (1/4-20 x 3/4") 1 44
Washer (1/4 x 1/2 x 1/16") 1 45
Locknut (#10-32) 1 46
Bracket, Positioning Strap, Black 1 27
Locknut (1/4-20) 1 48
Screw, Socket Flat Head (#10-32 x 1/2") 1 49
Bracket, Mounting, Black 1 210
Screw, Socket Flat Head (#10-32 x 1/2") 1 412
Bracket, Swingaway - Right 1 113
NLA - Bracket, Swingaway - Left 1 113
Bracket, Flush Mount, Black 1 214
Bracket, Extension Offset, Black (1/2") 1 215
Bracket, Extension Offset, Black (1") 1 216
Bracket, Extension Offset, Black (2") 1 217
Screw, Socket Flat Head (1/4-20 x 1/2") 1 418
1128354 Kit, Lateral Support Assemblies w/ Large Pads
(Pair) 1 11 A
Pad, Lateral Support - Large (6" W x 5" H) 1 22
Screw, Socket Button (1/4-20 x 3/4") 1 44
Washer (1/4 x 1/2 x 1/16") 1 45
Locknut (#10-32) 1 46
Bracket, Positioning Strap, Black 1 27
Locknut (1/4-20) 1 48
Screw, Socket Flat Head (#10-32 x 1/2") 1 49
Bracket, Mounting, Black 1 210
Screw, Socket Flat Head (#10-32 x 1/2") 1 412
Bracket, Swingaway - Right 1 113
NLA - Bracket, Swingaway - Left 1 113
Bracket, Flush Mount, Black 1 214
Bracket, Extension Offset, Black (1/2") 1 215
Bracket, Extension Offset, Black (1") 1 216
Bracket, Extension Offset, Black (2") 1 217
Screw, Socket Flat Head (1/4-20 x 1/2") 1 418
1125780 Kit, Lateral Support Mounting Hardware (Pair) 1 13 B
Screw, Socket Button (1/4-20 x 3/4") 1 44
Washer (1/4 x 1/2 x 1/16") 1 45
Locknut (#10-32) 1 46
Bracket, Positioning Strap, Black 1 27
Locknut (1/4-20) 1 48
Screw, Socket Flat Head (#10-32 x 1/2") 1 49
173
To order call toll free 1-800-333-6900, or www.invacare.com
Form No. 04-041

Lateral Support Assembly, Tarsys CSLM/CSLL
Contoura Seating
Item
Number Part Number DescriptionNote
Quantity Per
Package Assembly
Bracket, Mounting, Black 1 210
Screw, Socket Flat Head (#10-32 x 1/2") 1 412
Bracket, Swingaway - Right 1 113
NLA - Bracket, Swingaway - Left 1 113
Bracket, Flush Mount, Black 1 214
Bracket, Extension Offset, Black (1/2") 1 215
Bracket, Extension Offset, Black (1") 1 216
Bracket, Extension Offset, Black (2") 1 217
Screw, Socket Flat Head (1/4-20 x 1/2") 1 418
1090198 Kit, Swingaway Bracket Assembly w/ Offset
Brackets - Right 1 111 C
Screw, Socket Flat Head (#10-32 x 1/2") 1 412
Bracket, Swingaway - Right 1 113
Bracket, Flush Mount, Black 1 214
Bracket, Extension Offset, Black (1/2") 1 115
Bracket, Extension Offset, Black (1") 1 116
Bracket, Extension Offset, Black (2") 1 117
1090199 Kit, Swingaway Bracket Assembly w/ Offset
Brackets - Left 1 111 C
Screw, Socket Flat Head (#10-32 x 1/2") 1 412
NLA - Bracket, Swingaway - Left 1 113
Bracket, Flush Mount, Black 1 214
Bracket, Extension Offset, Black (1/2") 1 115
Bracket, Extension Offset, Black (1") 1 116
Bracket, Extension Offset, Black (2") 1 117
A - Includes items 2, 4-10 and 12-18
B - Includes items 4-10 and 12-18
C - Includes items 12-17
NOTE:
174
To order call toll free 1-800-333-6900, or www.invacare.com
Form No. 04-041

Lateral Support Assembly, Stealth TWB-CPR/TWB-CPRL
Contoura Seating
175
To order call toll free 1-800-333-6900, or www.invacare.com
Form No. 04-041

Lateral Support Assembly, Stealth TWB-CPR/TWB-CPRL
Contoura Seating
Item
Number Part Number DescriptionNote
Quantity Per
Package Assembly
1128734 Kit, Swingaway Lateral Support Assemblies w/
Medium Pads (5" W x 3" H), Stealth (Pair) 1 11 A
Support, Swingaway Lateral w/ Medium Pads (5" W
x 3" H), Stealth (TWB-CPR) 2 12
Screw, Socket Button (1/4-20 x 3/4") 1 44
Locknut (1/4-20) 1 85
Bracket, Positioning Strap, Black 1 26
Washer (1/4 x 1/2 x 1/16") 1 47
Screw, Socket Button Head (1/4-20 x 1/2") 1 48
1128735 Kit, Swingaway Lateral Support Assemblies w/
Large Pads (6" W x 4" H), Stealth (Pair) 1 11 A
Support, Swingaway Lateral w/ Large Pads (6" W x
4" H), Stealth (TWB-CPRL) 2 12
Screw, Socket Button (1/4-20 x 3/4") 1 44
Locknut (1/4-20) 1 85
Bracket, Positioning Strap, Black 1 26
Washer (1/4 x 1/2 x 1/16") 1 47
Screw, Socket Button Head (1/4-20 x 1/2") 1 48
1128733 Kit, Swingaway Lateral Support Mounting Hardware,
Stealth (Pair) 1 13 B
Screw, Socket Button (1/4-20 x 3/4") 1 44
Locknut (1/4-20) 1 85
Bracket, Positioning Strap, Black 1 26
Washer (1/4 x 1/2 x 1/16") 1 47
Screw, Socket Button Head (1/4-20 x 1/2") 1 48
A - Includes items 2 and 4-8
B - Includes items 4-8
NOTE:
176
To order call toll free 1-800-333-6900, or www.invacare.com
Form No. 04-041

Vent Tray Kits
NOTE: Vent Tray Kits are not available for chairs with Elevate Option
177
To order call toll free 1-800-333-6900, or www.invacare.com
Form No. 04-041

Vent Tray Kits
NOTE: Vent Tray Kits are not available for chairs with Elevate Option
Conventional Tilt w/ Conventional Back 16, 17, 18, 19, 20" Wide
Item # Conv. Tilt w/
Conv. Back
20" Wide
Qty. Per
Asbly.
Description Conv. Tilt w/
Conv. Back
16" Wide
Conv. Tilt w/
Conv. Back
17" Wide
Conv. Tilt w/
Conv. Back
18" Wide
Conv. Tilt w/
Conv. Back
19" Wide
1
1142998-NLA
1142997-NLA
1142996-NLA
1142995-NLA
1142994-NLA
Vent Tray Kit
& Service
Manual
1.
See Note(s) A See Note(s) A See Note(s) A See Note(s) A See Note(s) A
111257081125708112570811257081125708
Kit, Vent Tray
Assembly
without
Mounting
Hardware
2.
111258051125805112580511258051125805
Kit, Vent Tray
Mounting
Hardware
3.
100140020013902001380200137020013602
Spreader Bar
Assembly
4.
111257611125761112576111257611125761
Spreader Bar
Mounting
Hardware
5.
111203631120363112036311203631120363
Battery Wire
Harness with
Terminal
Hardware,
22NF Rear
6.
111203621120362112036211203621120362
Battery Wire
Harness with
Terminal
Hardware,
22NF Front
7.
111211431121143112114311211431121143
Battery Wire
Harness with
Terminal
Hardware,
22NF Vent
8.
11121142-NLA1121142-NLA1121142-NLA1121142-NLA1121142-NLA
Battery Tray
Assembly,
TDX 22NF
For Vent
9.
11121029-NLA1121029-NLA1121029-NLA1121029-NLA1121029-NLA
Kit, Vent
Battery
Harness
Assembly
with
Hardware
10.
178
To order call toll free 1-800-333-6900, or www.invacare.com
Form No. 04-041

Vent Tray Kits
NOTE: Vent Tray Kits are not available for chairs with Elevate Option
Conventional Tilt w/ Conventional Back 16, 17, 18, 19, 20" Wide
Item # Conv. Tilt w/
Conv. Back
20" Wide
Qty. Per
Asbly.
Description Conv. Tilt w/
Conv. Back
16" Wide
Conv. Tilt w/
Conv. Back
17" Wide
Conv. Tilt w/
Conv. Back
18" Wide
Conv. Tilt w/
Conv. Back
19" Wide
111395311139531113953111395311139531
Kit, Vent
Battery
Harness
Assembly
with
Hardware For
TRBKTS
Option
11.
11139541-NLA1139541-NLA1139541-NLA1139541-NLA1139541-NLA
Kit, Battery
Support
Bracket
Assembly -
For Vent
"Option"
System w/
22NF
Batteries
12.
See Note(s) B
11121072-NLA1121072-NLA1121072-NLA1121072-NLA1121072-NLA
Kit, Battery
Box Door
Assembly,
22NF Long
(For Vent)
13.
See Note(s) B
2
1125645
1125645
1125645
1125645
1125645
Spring, Dark
Yellow;
EXTRA
Heavy Duty
14.
See Note(s) C See Note(s) C See Note(s) C See Note(s) C See Note(s) C
11143185-NLA1143185-NLA1143185-NLA1143185-NLA1143185-NLA
Instruction
Sheet,
Formula TRE
Vent Tray Kit
15.
A - Vent Tray Kit includes items 2-15.
B - Includes Battery Box Door.
C - Spring color changed from Sunny Yellow to Dark Yellow 3/22/10. It is recommended to order springs in pairs to match color and
maintain equal spring tension on both sides of the wheelchair
NOTE:
179
To order call toll free 1-800-333-6900, or www.invacare.com
Form No. 04-041

Vent Tray Kits
NOTE: Vent Tray Kits are not available for chairs with Elevate Option
(Conventional Tilt w/ Conventional Back 21, 22, 23, 24" Wide) & (Conventional Tilt w/ BPO Option)
Item # Conv. Tilt w/
BPO Option Qty. Per
Asbly.
Description Conv. Tilt w/
Conv. Back
21" Wide
Conv. Tilt w/
Conv. Back
22" Wide
Conv. Tilt w/
Conv. Back
23" Wide
Conv. Tilt w/
Conv. Back
24" Wide
1
1143003-NLA
1143002-NLA
1143001-NLA
1143000-NLA
1142999-NLA
Vent Tray Kit
& Service
Manual
1.
See Note(s) A See Note(s) A See Note(s) A See Note(s) A See Note(s) A
111257081125708112570811257081125708
Kit, Vent Tray
Assembly
without
Mounting
Hardware
2.
111258051125805112580511258051125805
Kit, Vent Tray
Mounting
Hardware
3.
1N/A0284302-NLA0284202-NLA00142020014102
Spreader Bar
Assembly
4.
1N/A1125761112576111257611125761
Spreader Bar
Mounting
Hardware
5.
111203631120363112036311203631120363
Battery Wire
Harness with
Terminal
Hardware,
22NF Rear
6.
111203621120362112036211203621120362
Battery Wire
Harness with
Terminal
Hardware,
22NF Front
7.
111211431121143112114311211431121143
Battery Wire
Harness with
Terminal
Hardware,
22NF Vent
8.
11121142-NLA1121142-NLA1121142-NLA1121142-NLA1121142-NLA
Battery Tray
Assembly,
TDX 22NF
For Vent
9.
111210291121029112102911210291121029
Kit, Vent
Battery
Harness
Assembly
with
Hardware
10.
180
To order call toll free 1-800-333-6900, or www.invacare.com
Form No. 04-041

Vent Tray Kits
NOTE: Vent Tray Kits are not available for chairs with Elevate Option
(Conventional Tilt w/ Conventional Back 21, 22, 23, 24" Wide) & (Conventional Tilt w/ BPO Option)
Item # Conv. Tilt w/
BPO Option Qty. Per
Asbly.
Description Conv. Tilt w/
Conv. Back
21" Wide
Conv. Tilt w/
Conv. Back
22" Wide
Conv. Tilt w/
Conv. Back
23" Wide
Conv. Tilt w/
Conv. Back
24" Wide
111395311139531113953111395311139531
Kit, Vent
Battery
Harness
Assembly
with
Hardware For
TRBKTS
Option
11.
11139541-NLA1139541-NLA1139541-NLA1139541-NLA1139541-NLA
Kit, Battery
Support
Bracket
Assembly -
For Vent
"Option"
System w/
22NF
Batteries
12.
See Note(s) B
11121072-NLA1121072-NLA1121072-NLA1121072-NLA1121072-NLA
Kit, Battery
Box Door
Assembly,
22NF Long
(For Vent)
13.
See Note(s) B
2
1125645
1125645
1125645
1125645
1125645
Spring, Dark
Yellow;
EXTRA
Heavy Duty
14.
See Note(s) C See Note(s) C See Note(s) C See Note(s) C See Note(s) C
11143185-NLA1143185-NLA1143185-NLA1143185-NLA1143185-NLA
Instruction
Sheet,
Formula TRE
Vent Tray Kit
15.
A - Vent Tray Kit includes items 2-15. The Conventional Tilt w/ BPO Option omits items 2 and 3.
B - Includes Battery Box Door.
C - Spring color changed from Sunny Yellow to Dark Yellow 3/22/10. It is recommended to order springs in pairs to match color and
maintain equal spring tension on both sides of the wheelchair
NOTE:
181
To order call toll free 1-800-333-6900, or www.invacare.com
Form No. 04-041

Vent Tray Kits
NOTE: Vent Tray Kits are not available for chairs with Elevate Option
Conventional Recline, Tilt/Recline 16-24" Wide
Item # Qty. Per Asbly.Description Conv. Recline
16-20" Wide Conv. Recline
20-24" Wide
Conv.
Tilt/Recline
16-20" Wide
Conv.
Tilt/Recline
20-24" Wide
1
1143007-NLA
1143006-NLA
1143005-NLA
1143004-NLA
Vent Tray Kit &
Service Manual
1. See Note(s) A See Note(s) A See Note(s) A See Note(s) A
11125708112570811257081125708
Kit, Vent Tray
Assembly
without
Mounting
Hardware
2.
1112580011258001125819-NLA1125819-NLA
Kit, Vent Tray
Mounting
Hardware
3.
11125769-NLA1125767-NLA1125769-NLA1125767-NLA
Spreader Bar
Assembly
4.
11125765112576511257651125765
Spreader Bar
Mounting
Hardware
5.
11120363112036311203631120363
Battery Wire
Harness with
Terminal
Hardware,
22NF Rear
6.
11120362112036211203621120362
Battery Wire
Harness with
Terminal
Hardware,
22NF Front
7.
11121143112114311211431121143
Battery Wire
Harness with
Terminal
Hardware,
22NF Vent
8.
11121142-NLA1121142-NLA1121142-NLA1121142-NLA
Battery Tray
Assembly, TDX
22NF For Vent
9.
11121029112102911210291121029
Kit, Vent
Battery Harness
Assembly with
Hardware
10.
11139531113953111395311139531
Kit, Vent
Battery Harness
Assembly with
Hardware For
TRBKTS Option
11.
182
To order call toll free 1-800-333-6900, or www.invacare.com
Form No. 04-041

Vent Tray Kits
NOTE: Vent Tray Kits are not available for chairs with Elevate Option
Conventional Recline, Tilt/Recline 16-24" Wide
Item # Qty. Per Asbly.Description Conv. Recline
16-20" Wide Conv. Recline
20-24" Wide
Conv.
Tilt/Recline
16-20" Wide
Conv.
Tilt/Recline
20-24" Wide
11139541-NLA1139541-NLA1139541-NLA1139541-NLA
Kit, Battery
Support Bracket
Assembly - For
Vent "Option"
System w/
22NF Batteries
12.
See Note(s) B
11121072-NLA1121072-NLA1121072-NLA1121072-NLA
Kit, Battery Box
Door Assembly,
22NF Long (For
Vent)
13.
See Note(s) B
2
1125645
1125645
1125645
1125645
Spring, Dark
Yellow; EXTRA
Heavy Duty
14.
See Note(s) C See Note(s) C See Note(s) C See Note(s) C
11143185-NLA1143185-NLA1143185-NLA1143185-NLA
Instruction
Sheet, Formula
TRE Vent Tray
Kit
15.
A - Vent Tray Kit includes items 2-15
B - Includes Battery Box Door.
C - Spring color changed from Sunny Yellow to Dark Yellow 3/22/10. It is recommended to order springs in pairs to match color and
maintain equal spring tension on both sides of the wheelchair
NOTE:
183
To order call toll free 1-800-333-6900, or www.invacare.com
Form No. 04-041

Vent Tray Kits
NOTE: Vent Tray Kits are not available for chairs with Elevate Option
Contoura Tilt, Tilt/Recline and Recline
Item # Description Contoura Tilt & T/R Contoura Recline Qty. Per Asbly.
1
1143009-NLA
1143008-NLA
Vent Tray Kit &
Service Manual
1. See Note(s) A See Note(s) A
111257081125708
Kit, Vent Tray
Assembly without
Mounting Hardware
2.
11125819-NLA1125800-NLA
Kit, Vent Tray
Mounting Hardware
3.
11125788-NLA1125788-NLA
Spreader Bar
Assembly
4.
111257651125765
Spreader Bar
Mounting Hardware
5.
111203631120363
Battery Wire Harness
with Terminal
Hardware, 22NF Rear
6.
111203621120362
Battery Wire Harness
with Terminal
Hardware, 22NF Front
7.
111211431121143
Battery Wire Harness
with Terminal
Hardware, 22NF Vent
8.
11121142-NLA1121142-NLA
Battery Tray
Assembly, TDX 22NF
For Vent
9.
111210291121029
Kit, Vent Battery
Harness Assembly
with Hardware
10.
111395311139531
Kit, Vent Battery
Harness Assembly
with Hardware For
TRBKTS Option
11.
11139541-NLA1139541-NLA
Kit, Battery Support
Bracket Assembly -
For Vent "Option"
System w/ 22NF
Batteries
12.
See Note(s) B
11121072-NLA1121072-NLA
Kit, Battery Box Door
Assembly, 22NF Long
(For Vent)
13.
See Note(s) B
2
1125645
1125645
Spring, Dark Yellow;
EXTRA Heavy Duty
14. See Note(s) C See Note(s) C
11143185-NLA1143185-NLA
Instruction sheet,
Formula TRE Vent
Tray Kit
15.
184
To order call toll free 1-800-333-6900, or www.invacare.com
Form No. 04-041

Vent Tray Kits
NOTE: Vent Tray Kits are not available for chairs with Elevate Option
A - Vent Tray Kit includes items 2-15
B - Includes Battery Box Door.
C - Spring color changed from Sunny Yellow to Dark Yellow 3/22/10. It is recommended to order springs in pairs to match color and
maintain equal spring tension on both sides of the wheelchair
NOTE:
185
To order call toll free 1-800-333-6900, or www.invacare.com
Form No. 04-041

Vent Tray Assembly without Mounting Hardware
NOTE: When adding a Vent Tray Assembly in the field for the first time, refer to page titled "Accessories,
Vent Tray Kits"
186
To order call toll free 1-800-333-6900, or www.invacare.com
Form No. 04-041

Vent Tray Assembly without Mounting Hardware
NOTE: When adding a Vent Tray Assembly in the field for the first time, refer to page titled "Accessories,
Vent Tray Kits"
Item
Number Part Number DescriptionNote
Quantity Per
Package Assembly
1125708 Vent Tray Assembly 1 11 A
NLA - Vent Tray Hanger Assembly 1 12
NLA - Strap and Buckle Assembly 1 13
NLA - Tray, Vent 1 14
Screw, Socket Button Head (1/4-20 x 2") 1 25
Lockwasher, Split (1/4") 1 26
Nut, Hex with Nylon Cap (1/4-20) 1 27
Spacer, Coved (1/4 x 3/4 x 11/32") 1 48
Screw, Socket Button Head (1/4-20 x 1/2") 1 49
NLA - Spacer 1 210
NLA - Plug, Slide Tube 1 211
Screw, Socket Button Head (1/4-20 x 1-1/4") 1 212
NLA - Decal, Warning, Approved Charger and
Harness 1 113
NLA - Bracket, Vent Tray, Black 1 114
Locknut (1/4-20) 1 415
Frame, Vent Tray, Upper Support, Black 1 116
A - Includes items 2-16. When adding a Vent Tray Assembly in the field for the first time, refer to page titled "Accessories,
Vent Tray Kits"
NOTE:
187
To order call toll free 1-800-333-6900, or www.invacare.com
Form No. 04-041

Vent Tray Mounting Hardware
Conventional Tilt and BPO Option
NOTE: When adding a Vent Tray Assembly in the field for the first time, refer to page titled "Accessories,
Vent Tray Kits"
188
To order call toll free 1-800-333-6900, or www.invacare.com
Form No. 04-041

Vent Tray Mounting Hardware
Conventional Tilt and BPO Option
NOTE: When adding a Vent Tray Assembly in the field for the first time, refer to page titled "Accessories,
Vent Tray Kits"
Item
Number Part Number DescriptionNote
Quantity Per
Package Assembly
1125805-NLA Kit, Vent Tray Mounting Hardware For Conventional
Tilt & Conventional Tilt w/ BPO Option 1 11 A,A1
NLA - Locknut (#10-24) 1 82
NLA - Washer, Steel (7/8 x 3/8 x 1/16") 1 83
Vent Pivot Tube Assembly, Bent 1 24
NLA - Vent Pivot Tube Assembly, Lower 1 25
Spacer, Nylon (1/4 x 2 x 3/4") 1 26
NLA - Spacer 1 47
NLA - Screw, Shoulder Hex Socket Head (1/4 x 1",
#10-24) 1 68
NLA - Screw, Shoulder Hex Socket Head (1/4 x
1-3/4", #10-24) 1 29
NLA - Spacer (1/4 x 1/2 x 5/32") 1 410
Screw, Hex Head w/ Patch (1/4-20 x 3/4") 1 211
Washer (1/4 x 1/2 x 1/16") 1 612
NLA - Bracket, Lower Vent Pivot, Black - Right 1 113
NLA - Bracket, Lower Vent Pivot, Black - Left 1 113
Washer, Nylon (25/64 x 7/8 x 1/32") 1 214
Screw, Socket Button (1/4-20 x 3/4") 1 415
Locknut (1/4-20) 1 516
NLA - Bracket, Vent Tray Hanger, Black 1 117
Washer, Flat (21/64 x 53/64 x 7/64") 1 118
Screw, Shoulder Hex Socket Head (5/16" x 3",
1/4-20) 1 119
A - Includes items 2-19. Vent Tray Mounting Hardware was revised after 4/2/06 and replaces all hardware used before 4/3/06
also. Sold as a hardware kit only.
A1 - To know when the hardware kit has been replaced, one of the hardware components (item 4) was revised from a Straight
Pivot Tube to a Bent Pivot Tube assembly.
NOTE:
189
To order call toll free 1-800-333-6900, or www.invacare.com
Form No. 04-041

Vent Tray Mounting Hardware
Conventional & Contoura Recline Only
NOTE: When adding a Vent Tray Assembly in the field for the first time, refer to page titled "Accessories,
Vent Tray Kits"
190
To order call toll free 1-800-333-6900, or www.invacare.com
Form No. 04-041

Vent Tray Mounting Hardware
Conventional & Contoura Recline Only
NOTE: When adding a Vent Tray Assembly in the field for the first time, refer to page titled "Accessories,
Vent Tray Kits"
Item
Number Part Number DescriptionNote
Quantity Per
Package Assembly
1125819-NLA NLA - Kit, Vent Tray Mounting Hardware For
Conventional & Contoura Recline Only 1 11 A,A1
Screw, Shoulder Hex Socket Head (5/16" x 3",
1/4-20) 1 12
Washer, Flat (21/64 x 53/64 x 7/64") 1 13
Washer, Nylon (25/64 x 7/8 x 1/32") 1 24
Locknut (1/4-20) 1 15
NLA - Screw, Hex Head (3/8-16 x 1-1/4") 1 26
NLA - Spacer (3/8 x 3/4 x 3/8") 1 27
Locknut, Low Profile (3/8-16) 1 48
NLA - Screw, Shoulder Hex Socket Head (1/4 x 1",
#10-24) 1 69
NLA - Spacer 1 410
NLA - Screw, Shoulder Hex Socket Head (1/4 x
1-3/4", #10-24) 1 211
NLA - Screw, Shoulder Hex Socket Head (1/2 x
2-3/4", 3/8-16) 1 212
Spacer, Nylon (1/4 x 7/16 x 1/8") 1 413
NLA - Washer, Steel (7/8 x 3/8 x 1/16") 1 814
NLA - Locknut (#10-24) 1 815
Spacer, Nylon (1/4 x 2 x 3/4") 1 216
NLA - Bracket, Lower Vent Mounting, Black 1 217
NLA - Vent Pivot Tube Assembly, Lower 1 218
Vent Pivot Tube Assembly, Bent 1 219
A - Includes items 2-19. Vent Tray Mounting Hardware was revised after 4/2/06 and replaces all hardware used before 4/3/06
also. Sold as a hardware kit only.
A1 - To know when the hardware kit has been replaced, one of the hardware components (item 19) was revised from a
Straight Pivot Tube to a Bent Pivot Tube assembly.
NOTE:
191
To order call toll free 1-800-333-6900, or www.invacare.com
Form No. 04-041

Vent Tray Mounting Hardware
Conventional Tilt/Recline, (Contoura Tilt & T/R) & All T/R w/ BPO Option
NOTE: When adding a Vent Tray Assembly in the field for the first time, refer to page titled "Accessories,
Vent Tray Kits"
192
To order call toll free 1-800-333-6900, or www.invacare.com
Form No. 04-041

Vent Tray Mounting Hardware
Conventional Tilt/Recline, (Contoura Tilt & T/R) & All T/R w/ BPO Option
NOTE: When adding a Vent Tray Assembly in the field for the first time, refer to page titled "Accessories,
Vent Tray Kits"
Item
Number Part Number DescriptionNote
Quantity Per
Package Assembly
1125800-NLA Kit, Vent Tray Mounting Hardware For Conventional
T/R, (Contoura Tilt & T/R) & All T/R w/ BPO Option 1 11 A,A1
Screw, Shoulder Hex Socket Head (5/16" x 3",
1/4-20) 1 12
Washer, Flat (21/64 x 53/64 x 7/64") 1 13
Washer, Nylon (25/64 x 7/8 x 1/32") 1 24
Locknut (1/4-20) 1 15
NLA - Screw, Shoulder Hex Socket Head (1/4 x 1",
#10-24) 1 66
NLA - Screw, Shoulder Hex Socket Head (1/4 x
1-3/4", #10-24) 1 27
NLA - Spacer 1 48
NLA - Spacer (1/4 x 1/2 x 5/32") 1 49
Spacer, Nylon (1/4 x 2 x 3/4") 1 210
NLA - Washer, Steel (7/8 x 3/8 x 1/16") 1 811
NLA - Locknut (#10-24) 1 812
Washer (1/4 x 1/2 x 1/16") 1 213
Screw, Hex Head w/ Patch (1/4-20 x 3/4") 1 215
NLA - Bracket, Lower Vent Pivot, Black - Right 1 115
NLA - Bracket, Lower Vent Pivot, Black - Left 1 116
Vent Pivot Tube Assembly, Bent 1 217
NLA - Vent Pivot Tube Assembly, Lower 1 218
A - Includes items 2-17. Vent Tray Mounting Hardware was revised after 4/2/06 and replaces all hardware used before 4/3/06
also. Sold as a hardware kit only.
A1 - To know when the hardware kit has been replaced, one of the hardware components (item 15) was revised from a
Straight Pivot Tube to a Bent Pivot Tube assembly.
NOTE:
193
To order call toll free 1-800-333-6900, or www.invacare.com
Form No. 04-041

Seat and Chest Positioning Straps
without Mounting Hardware
194
To order call toll free 1-800-333-6900, or www.invacare.com
Form No. 04-041

Seat and Chest Positioning Straps
without Mounting Hardware
Positioning Straps
Description 16"-19" Wide 20"-22" Wide 23"-24" Wide
1034622-NLA
NLA - Strap, Positioning,
Seat/Chest w/ Auto Style
Push Button Buckle (Eyelet
to Eyelet Length 69")
1034625
Strap, Positioning,
Seat/Chest w/ Auto Style
Push Button Buckle (Eyelet
to Eyelet Length 61")
1004310
Strap, Positioning,
Seat/Chest w/ Auto Style
Push Button Buckle (Eyelet
to Eyelet Length 48")
Auto Style
Push Button
See Note(s) B
1034753
Strap, Positioning,
Seat/Chest w/Airline Style
Buckle
(Eyelet to Eyelet Length
70")
1034752
Strap, Positioning,
Seat/Chest w/ Airline Style
Buckle (Eyelet to Eyelet
Length 61")
1034751
Strap, Positioning,
Seat/Chest w/ Airline Style
Buckle (Eyelet to Eyelet
Length 46")
Airline Style
1034745
Strap, Positioning,
Seat/Chest w/ Hook and
Loop Style Buckle (Eyelet to
Eyelet Length 61")
1034745
Strap, Positioning,
Seat/Chest w/ Hook and
Loop Style Buckle (Eyelet to
Eyelet Length 61")
1034745
Strap, Positioning,
Seat/Chest w/ Hook and
Loop Style Buckle (Eyelet to
Eyelet Length 61")
Hook and Loop
See Note(s) A See Note(s) A See Note(s) A
A - Hook and Loop style positioning strap for power chairs is used for chest positioning only
B - For replacement contact The Aftermarket Group (TAG).
NOTE:
195
To order call toll free 1-800-333-6900, or www.invacare.com
Form No. 04-041

Seat and Chest Positioning Straps
Mounting Hardware
196
To order call toll free 1-800-333-6900, or www.invacare.com
Form No. 04-041

Seat and Chest Positioning Straps
Mounting Hardware
Item
Number Part Number DescriptionNote
Quantity Per
Package Assembly
1124385 Kit, Seat Positioning Strap Mounting Hardware (both
LT & RT sides) 1 11 A
Screw, Hex Head w/ Patch (1/4-20 x 3/4") 1 22
Washer (1/4 x 1/2 x 1/16") 1 23
Locknut (1/4-20) 1 24
1037610 Screw, Hex Head (1/4-20 x 1-5/8") 1 25
1025736 Locknut (1/4-20) 1 26
1090212 Kit, Chest Positioning Strap Mounting Hardware For
Conventional Seating 1 17 B
T-Nut (1/4-20) 1 28
Washer (1/4 x 23/32 x 1/16") 1 29
Screw, Hex Head w/ Patch (1/4-20 x 1/2") 1 210
1026298 Package, Screw with Washer (#10 x 7/8") (Pair) 2 111 C
1125798 Kit, Chest Positioning Strap's Mounting Hardware
For Contoura Seating (both LT & RT sides) 1 112 D
Screw, Socket Button (1/4-20 x 3/4") 1 613
Washer (1/4 x 1/2 x 1/16") 1 614
Bracket, Positioning Strap, Black 1 215
Locknut (1/4-20) 1 616
1128732 Package, Screw, Socket Button Head (1/4-20 x 2")
(Pair) 2 117 E
A - Includes items 2-4
B - Includes items 8-10
C - The back upholstery and chest positioning strap share the same mounting hardware
D - Includes items 13-16
E - Used for mounting chest positioning straps to solid straight back canes
NOTE:
197
To order call toll free 1-800-333-6900, or www.invacare.com
Form No. 04-041

Personal Back10 (TALL Regular/TALL Plus) Mounting
Hardware
Conventional Recline w/ BPO Option
198
To order call toll free 1-800-333-6900, or www.invacare.com
Form No. 04-041

Personal Back10 (TALL Regular/TALL Plus) Mounting
Hardware
Conventional Recline w/ BPO Option
Item
Number Part Number DescriptionNote
Quantity Per
Package Assembly
1132748 Kit, Personal Back10 Tall Back Mounting Hardware
For Conventional Recline 16-20" Wide 2 11 A
Washer (1/4 x 1/2 x 1/16") 1 42
Screw, Hex Head w/ Patch (1/4-20 x 1/2") 1 43
Bracket, Personal Back10 Tall, For Conventional
Recline, Black (16 - 20" W) 1 24
T-Nut (1/4-20) 1 45
1133122 Kit, Personal Back10 Tall Back Mounting Hardware
For Conventional Recline 20-24" Wide 2 11 A
Washer (1/4 x 1/2 x 1/16") 1 42
Screw, Hex Head w/ Patch (1/4-20 x 1/2") 1 43
Bracket, Personal Back10 Tall, For Conventional
Recline, Black (20 - 24" W) 1 24
T-Nut (1/4-20) 1 45
A - Includes items 2-5 and is used for a Personal Back10 Tall (Regular or Plus) model only
NOTE:
199
To order call toll free 1-800-333-6900, or www.invacare.com
Form No. 04-041

Power Wheelchair Tool Kit
200
To order call toll free 1-800-333-6900, or www.invacare.com
Form No. 04-041

Power Wheelchair Tool Kit
Item
Number Part Number DescriptionNote
Quantity Per
Package Assembly
1125222-NLA NLA - Kit, Power Wheelchair Tool
Includes:
1 ea. Multimeter with Leads
1 ea. Locator, Protractor/Angle Magnetic Base
1 ea. Instructions, MKIV Programmer
1 ea. Wire, Grounding with Hand Strap and Clip
1 ea. Leads, 1" Test
1 ea. Light, Pen with Invacare Logo
1 ea. Tape Measure, Compact with Invacare Logo
1 ea. Screwdriver, Pen-Size Phillips/Flat Head
1 ea. Cable, Virtual Service Charger/Modem
1 11
201
To order call toll free 1-800-333-6900, or www.invacare.com
Form No. 04-041

Item
Number Part Number DescriptionNote
Quantity Per
Package Assembly
40176X010 Pump, Tire 1 1A
A - Not Shown
NOTE:
Miscellaneous Accessories
202
To order call toll free 1-800-333-6900, or www.invacare.com
Form No. 04-041

Invacare Corporation www.invacare.com
One Invacare Way
Elyria, Oh USA
44036-2125
800-333-6900
Technical Support
800-832-4707
Florida Technical Support
407-321-5630
Customer Service
800-333-6900
Form No.
04-041
© 2018 Invacare Corporation. All rights
reserved. Republication, duplication or
modification in whole or in part is prohibited
without prior written permission from
Invacare. Trademarks are identified by ™
and ®. All trademarks are owned by or
licensed to Invacare Corporation or its
subsidiaries unless otherwise noted.
(Revised 2/16/18)