DsPIC33EPXXX(GP/MC/MU)806/810/814 And PIC24EPXXX(GP/GU)810/814 Data Sheet RP80 1669518
User Manual: RP80
Open the PDF directly: View PDF
.
Page Count: 622 [warning: Documents this large are best viewed by clicking the View PDF Link!]
- Operating Conditions
- Core: 16-Bit dsPIC33E/PIC24E CPU
- Clock Management
- Power Management
- High-Speed PWM
- Advanced Analog Features
- Timers/Output Compare/Input Capture
- Communication Interfaces
- Direct Memory Access (DMA)
- Input/Output
- Qualification and Class B Support
- Debugger Development Support
- dsPIC33EPXXX(GP/MC/MU)806/810/814 and PIC24EPXXX(GP/GU)810/814 Product Families
- TABLE 1: dsPIC33EPXXX(GP/MC/MU)806/810/814 and PIC24EPXXX(GP/GU)810/814 Controller Families
- Pin Diagrams
- Pin Diagrams
- Pin Diagrams
- Pin Diagrams (Continued)
- Pin Diagrams (Continued)
- Pin Diagrams (Continued)
- Pin Diagrams (Continued)
- Pin Diagrams (Continued)
- Pin Diagrams (Continued)
- Pin Diagrams (Continued)
- Pin Diagrams (Continued)
- Pin Diagrams (Continued)
- Table of Contents
- Most Current Data Sheet
- Errata
- Customer Notification System
- Referenced Sources
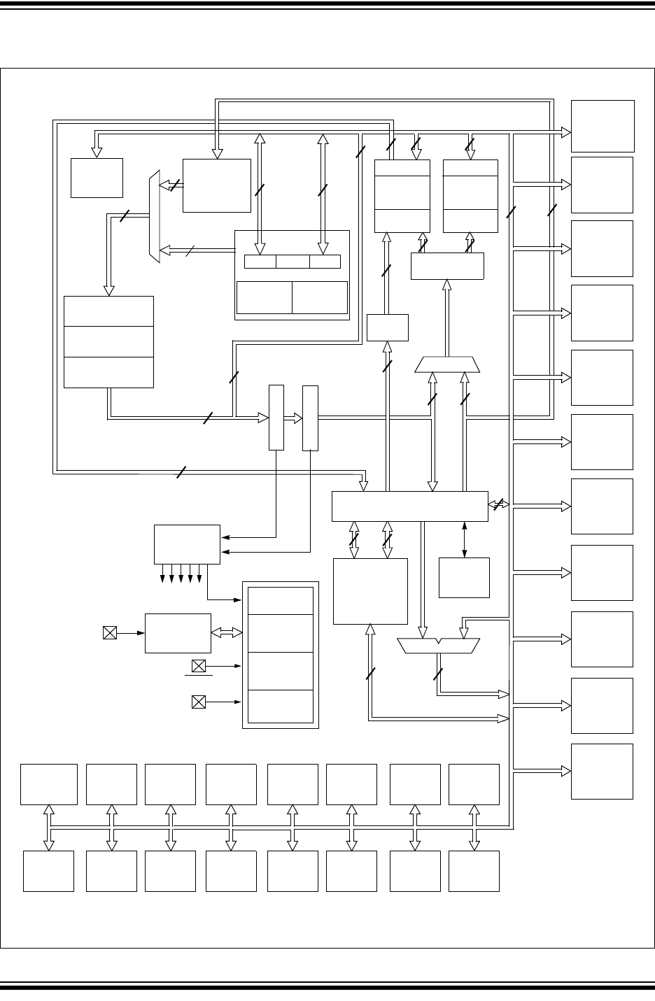
- 1.0 Device Overview
- 2.0 Guidelines for Getting Started with 16-Bit Digital Signal Controllers and Microcontrollers
- 3.0 CPU
- 4.0 Memory Organization
- 4.1 Program Address Space
- 4.2 Data Address Space
- 4.2.1 Data Space Width
- 4.2.2 Data Memory Organization and Alignment
- 4.2.3 SFR Space
- 4.2.4 Near Data Space
- FIGURE 4-3: Data Memory Map for dsPIC33EP512(GP/MC/MU)806/810/814 Devices with 52-Kbyte RAM
- FIGURE 4-4: Data Memory Map for PIC24EP512(GP/GU)806/810/814 Devices with 52-Kbyte RAM
- FIGURE 4-5: Data Memory Map for dsPIC33EP256MU806/810/814 Devices with 28-Kbyte RAM
- FIGURE 4-6: Data Memory Map for PIC24EP256GU810/814 Devices with 28-Kbyte RAM
- 4.2.5 X and Y Data Spaces
- 4.2.6 DMA RAM
- 4.3 Program Memory Resources
- 4.4 Special Function Register Maps
- TABLE 4-1: CPU Core Register Map for dsPIC33EPXXX(GP/MC/MU)806/810/814 Devices Only
- TABLE 4-2: CPU Core Register Map for PIC24EPXXX(GP/GU)810/814 Devices Only
- TABLE 4-3: Interrupt Controller Register Map for dsPIC33EPXXXMU814 Devices Only
- TABLE 4-4: Interrupt Controller Register Map for dsPIC33EPXXXMU810 Devices Only
- TABLE 4-5: Interrupt Controller Register Map for dsPIC33EPXXXMU806 Devices Only
- TABLE 4-6: Interrupt Controller Register Map for dsPIC33EPXXXMC806 Devices Only
- TABLE 4-7: Interrupt Controller Register Map for dsPIC33EPXXXGP806 and PIC24EPXXXGP806 Devices Only
- TABLE 4-8: Interrupt Controller Register Map for PIC24EPXXXGU810/814 Devices Only
- TABLE 4-9: Timer1 through Timer9 Register Map
- TABLE 4-10: Input Capture 1 through Input Capture 16 Register Map
- TABLE 4-11: Output Compare 1 through Output Compare 16 Register Map
- TABLE 4-12: PWM Register Map for dsPIC33EPXXX(MC/MU)806/810/814 Devices Only
- TABLE 4-13: PWM Generator 1 Register Map for dsPIC33EPXXX(MC/MU)806/810/814 Devices Only
- TABLE 4-14: PWM Generator 2 Register Map for dsPIC33EPXXX(MC/MU)806/810/814 Devices Only
- TABLE 4-15: PWM Generator 3 Register Map for dsPIC33EPXXX(MC/MU)806/810/814 Devices Only
- TABLE 4-16: PWM Generator 4 Register Map for dsPIC33EPXXX(MC/MU)806/810/814 Devices Only
- TABLE 4-17: PWM Generator 5 Register Map for dsPIC33EPXXX(MC/MU)810/814 Devices Only
- TABLE 4-18: PWM Generator 6 Register Map for dsPIC33EPXXX(MC/MU)810/814 Devices Only
- TABLE 4-19: PWM Generator 7 Register Map for dsPIC33EPXXX(MC/MU)814 Devices Only
- TABLE 4-20: QEI1 Register Map for dsPIC33EPXXX(MC/MU)806/810/814 Devices Only
- TABLE 4-21: QEI2 Register Map for dsPIC33EPXXX(MC/MU)806/810/814 Devices Only
- TABLE 4-22: I2C1 and I2C2 Register Map
- TABLE 4-23: UART1, UART2, UART3 and UART4 Register Map
- TABLE 4-24: SPI1, SPI2, SPI3 and SPI4 Register Map
- TABLE 4-25: ADC1 and ADC2 Register Map
- TABLE 4-26: DCI Register Map
- TABLE 4-27: USB OTG Register Map for dsPIC33EPMU806/810/814 and PIC24EPGU806/10/814) Devices Only
- TABLE 4-28: ECAN1 Register Map When WIN (C1CTRL<0>) = 0 or 1
- TABLE 4-29: ECAN1 Register Map When WIN (C1CTRL<0>) = 0
- TABLE 4-30: ECAN1 Register Map When WIN (C1CTRL<0>) = 1
- TABLE 4-31: ECAN2 Register Map When WIN (C2CTRL<0>) = 0 or 1
- TABLE 4-32: ECAN2 Register Map When WIN (C2CTRL<0>) = 0
- TABLE 4-33: ECAN2 Register Map When WIN (C2CTRL<0>) = 1
- TABLE 4-34: Parallel Master/Slave Port Register Map
- TABLE 4-35: CRC Register Map
- TABLE 4-36: Real-Time Clock and Calendar Register Map
- TABLE 4-37: Peripheral Pin Select Output Register Map for dsPIC33EPXXXMU810/814 and PIC24EPXXXGU810/814 Devices Only
- TABLE 4-38: Peripheral Pin Select Output Register Map for dsPIC33EPXXXMU806 Devices Only
- TABLE 4-39: Peripheral Pin Select Output Register Map for dsPIC33EPXXX(GP/MC/MU)806 and PIC24EPXXXGP806 Devices Only
- TABLE 4-40: Peripheral Pin Select Input Register Map for dsPIC33EPXXXMU814 Devices Only
- TABLE 4-41: Peripheral Pin Select Input Register Map for dsPIC33EPXXXMU810 Devices Only
- TABLE 4-42: Peripheral Pin Select Input Register Map for dsPIC33EPXXX(MC/MU)806 Devices Only
- TABLE 4-43: Peripheral Pin Select Input Register Map for PIC24EPXXXGU810/814 Devices Only
- TABLE 4-44: Reference Clock Register Map
- TABLE 4-45: NVM Register Map
- TABLE 4-46: System Control Register Map
- TABLE 4-47: PMD Register Map for dsPIC33EPXXXMU814 Devices Only
- TABLE 4-48: PMD Register Map for dsPIC33EPXXXMU810 Devices Only
- TABLE 4-49: PMD Register Map for dsPIC33EPXXXMU806 Devices Only
- TABLE 4-50: PMD Register Map for dsPIC33EPXXXMC806 Devices Only
- TABLE 4-51: PMD Register Map for dsPIC33EPXXXGP8XX and PIC24EPXXXGP8XX Devices Only
- TABLE 4-52: PMD Register Map for PIC24EPXXXGU810/814 Devices Only
- TABLE 4-53: Comparator Register Map
- TABLE 4-54: DMAC Register Map
- TABLE 4-55: PORTA Register Map for dsPIC33EPXXXMU810/814 and PIC24EPXXXGU810/814 Devices Only
- TABLE 4-56: PORTB Register Map
- TABLE 4-57: PORTC Register Map for dsPIC33EPXXXMU810/814 and PIC24EPXXXGU810/814 Devices Only
- TABLE 4-58: PORTC Register Map for dsPIC33EPXXX(GP/MC/MU)806 and PIC24EPXXXGP806 Devices Only
- TABLE 4-59: PORTD Register Map for dsPIC33EPXXXMU810/814 and PIC24EPXXXGU810/814 Devices Only
- TABLE 4-60: PORTD Register Map for dsPIC33EPXXX(GP/MC/MU)806 and PIC24EPXXXGP806 Devices Only
- TABLE 4-61: PORTE Register Map for dsPIC33EPXXXMU810/814 and PIC24EPXXXGU810/814 Devices Only
- TABLE 4-62: PORTE Register Map for dsPIC33EPXXX(GP/MC/MU)806 and PIC24EPXXXGP806 Devices Only
- TABLE 4-63: PORTF Register Map for dsPIC33EPXXXMU810/814 and PIC24EPXXXGU810/814 Devices Only
- TABLE 4-64: PORTF Register Map for dsPIC33EPXXX(GP/MC)806 and PIC24EPXXXGP806 Devices Only
- TABLE 4-65: PORTF Register Map for dsPIC33EPXXXMU806 Devices Only
- TABLE 4-66: PORTG Register Map for dsPIC33EPXXXMU810/814 and PIC24EPXXXGU810/814 Devices Only
- TABLE 4-67: PORTG Register Map for dsPIC33EPXXX(GP/MC)806 and PIC24EPXXXGP806 Devices Only
- TABLE 4-68: PORTG Register Map for dsPIC33EPXXXMU806 Devices Only
- TABLE 4-69: PORTH Register Map for dsPIC33EPXXXMU814 and PIC24EPXXXGU814 Devices Only
- TABLE 4-70: PORTJ Register Map for dsPIC33EPXXXMU814 and PIC24EPXXXGU814 Devices Only
- TABLE 4-71: PORTK Register Map for dsPIC33EPXXXMU814 and PIC24EPXXXGU814 Devices Only
- TABLE 4-72: Pad Configuration Register Map
- 4.4.1 Paged Memory Scheme
- 4.4.2 Extended X Data Space
- 4.4.3 EDS Arbitration and Bus Master Priority
- 4.4.4 Software Stack
- 4.5 Instruction Addressing Modes
- 4.6 Modulo Addressing (dsPIC33EPXXXMU806/810/814 Devices Only)
- 4.7 Bit-Reversed Addressing (dsPIC33EPXXXMU806/810/814 Devices Only)
- 4.8 Interfacing Program and Data Memory Spaces
- 5.0 Flash Program Memory
- 6.0 Resets
- 7.0 Interrupt Controller
- 7.1 Interrupt Vector Table
- 7.2 Auxiliary Interrupt Vector
- 7.3 Reset Sequence
- 7.4 Interrupt Resources
- 7.5 Interrupt Control and Status Registers
- 7.5.1 INTCON1 through INTCON4
- 7.5.2 IFSx
- 7.5.3 IECx
- 7.5.4 IPCx
- 7.5.5 INTTREG
- 7.5.6 status/Control registers
- Register 7-1: SR: CPU Status Register(1)
- Register 7-2: CORCON: Core Control Register(1)
- Register 7-3: INTCON1: Interrupt Control Register 1
- Register 7-4: INTCON2: Interrupt Control Register 2
- Register 7-5: INTCON3: Interrupt Control Register 3
- Register 7-6: INTCON4: Interrupt Control Register 4
- Register 7-7: INTTREG: Interrupt Control and Status Register
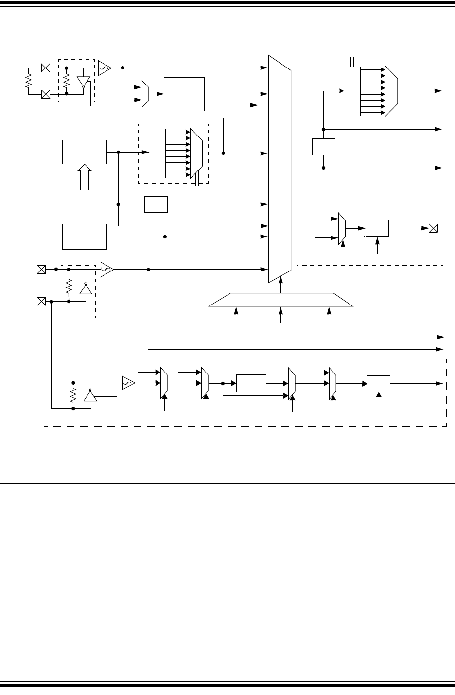
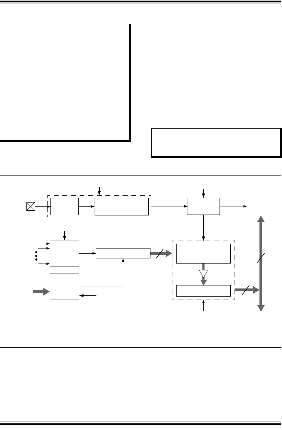
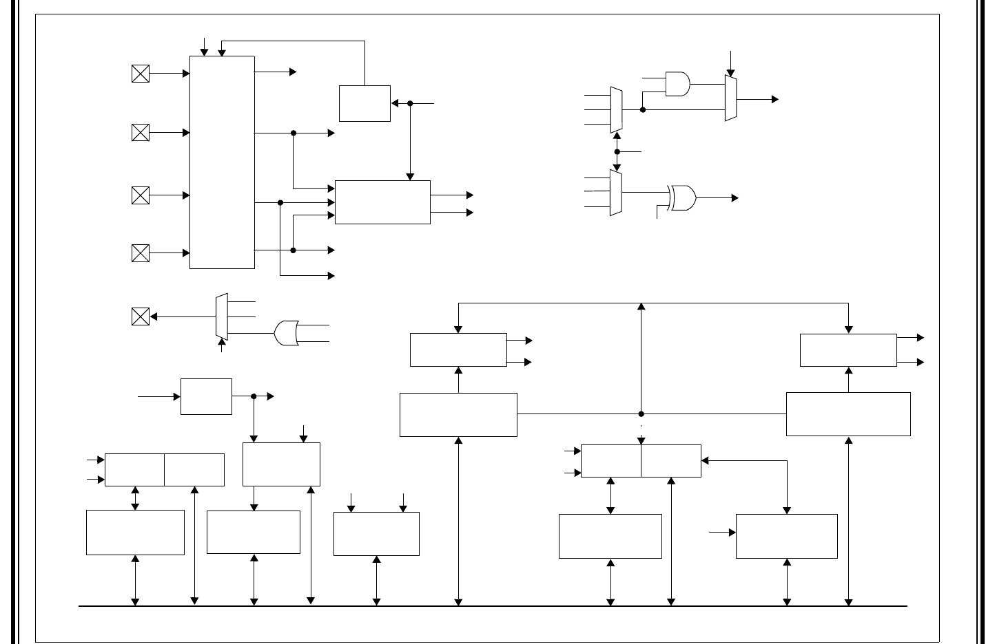
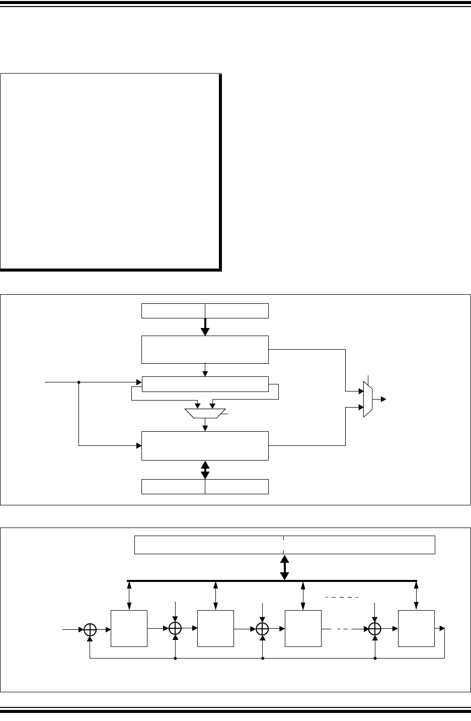
- 8.0 Direct Memory Access (DMA)
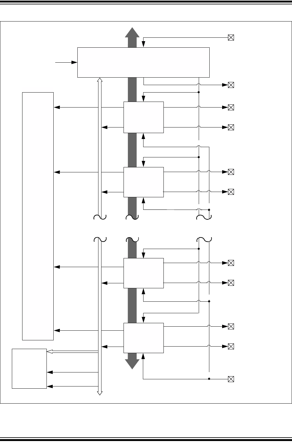
- FIGURE 8-1: DMA Controller
- TABLE 8-1: DMA Channel to Peripheral Associations
- FIGURE 8-2: DMA Controller to Peripheral Associations Block Diagram
- 8.1 DMA Resources
- 8.2 DMA Control Registers
- Register 8-1: DMAxCON: DMA Channel x Control Register
- Register 8-2: DMAxREQ: DMA Channel x IRQ Select Register
- Register 8-3: DMAxSTAH: DMA Channel x Start Address Register A (High)
- Register 8-4: DMAxSTAL: DMA Channel x Start Address Register A (Low)
- Register 8-5: DMAxSTBH: DMA Channel x Start Address Register B (High)
- Register 8-6: DMAxSTBL: DMA Channel x Start Address Register B (Low)
- Register 8-7: DMAxPAD: DMA Channel x Peripheral Address Register(1)
- Register 8-8: DMAxCNT: DMA Channel x Transfer Count Register(1)
- Register 8-9: DSADRH: Most Recent DMA Data Space High Address Register
- Register 8-10: DSADRL: Most Recent DMA Data Space Low Address Register
- Register 8-11: DMAPWC: DMA Peripheral Write Collision Status Register
- Register 8-12: DMARQC: DMA Request Collision Status Register
- Register 8-13: DMALCA: DMA Last Channel Active Status Register
- Register 8-14: DMAPPS: DMA Ping-Pong Status Register
- 9.0 Oscillator Configuration
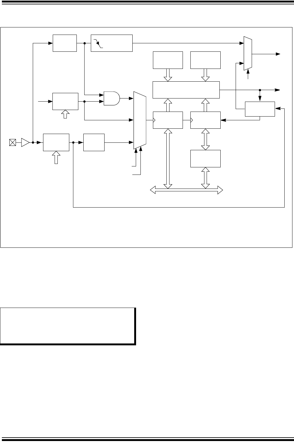
- FIGURE 9-1: Oscillator System Diagram
- 9.1 CPU Clocking System
- 9.2 Oscillator Resources
- 9.3 Oscillator Control Registers
- Register 9-1: OSCCON: Oscillator Control Register(1,3)
- Register 9-2: CLKDIV: Clock Divisor Register(2)
- Register 9-3: PLLFBD: PLL Feedback Divisor Register(1)
- Register 9-4: OSCTUN: FRC Oscillator Tuning Register(1)
- Register 9-5: ACLKCON3: Auxiliary Clock Control Register 3(1,2)
- Register 9-6: ACLKDIV3: Auxiliary Clock Divisor Register 3(1,2)
- Register 9-7: REFOCON: Reference Oscillator Control Register
- 10.0 Power-Saving Features
- 10.1 Clock Frequency and Clock Switching
- 10.2 Instruction-Based Power-Saving Modes
- 10.3 Doze Mode
- 10.4 Peripheral Module Disable
- 10.5 Power-Saving Resources
- 10.6 Special Function Registers
- Register 10-1: PMD1: Peripheral Module Disable Control Register 1
- Register 10-2: PMD2: Peripheral Module Disable Control Register 2
- Register 10-3: PMD3: Peripheral Module Disable Control Register 3
- Register 10-4: PMD4: Peripheral Module Disable Control Register 4
- Register 10-5: PMD5: Peripheral Module Disable Control Register 5
- Register 10-6: PMD6: Peripheral Module Disable Control Register 6
- Register 10-7: PMD7: Peripheral Module Disable Control Register 7
- 11.0 I/O Ports
- 11.1 Parallel I/O (PIO) Ports
- 11.2 Configuring Analog and Digital Port Pins
- 11.3 Input Change Notification
- 11.4 Peripheral Pin Select
- 11.4.1 Available Pins
- 11.4.2 Available Peripherals
- 11.4.3 Controlling Peripheral Pin Select
- 11.4.4 Input Mapping
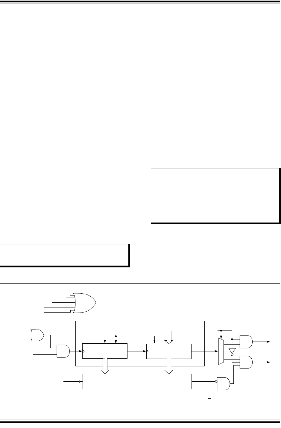
- FIGURE 11-2: U1RX Remappable Input
- TABLE 11-1: Selectable Input Sources (Maps Input to Function)
- TABLE 11-2: Input Pin Selection for Selectable Input Sources
- FIGURE 11-3: Multiplexing of Remappable Output for RPn
- TABLE 11-3: Output Selection for Remappable Pins (RPn)
- EXAMPLE 11-2: Connecting IC1 to HOME1 Digital Filter Input on Pin 3 of the dsPIC33EP512MU810 Device
- 11.5 I/O Helpful Tips
- 11.6 I/O Resources
- 11.7 Peripheral Pin Select Control Registers
- Register 11-1: RPINR0: Peripheral Pin Select Input Register 0
- Register 11-2: RPINR1: Peripheral Pin Select Input Register 1
- Register 11-3: RPINR2: Peripheral Pin Select Input Register 2
- Register 11-4: RPINR3: Peripheral Pin Select Input Register 3
- Register 11-5: RPINR4: Peripheral Pin Select Input Register 4
- Register 11-6: RPINR5: Peripheral Pin Select Input Register 5
- Register 11-7: RPINR6: Peripheral Pin Select Input Register 6
- Register 11-8: RPINR7: Peripheral Pin Select Input Register 7
- Register 11-9: RPINR8: Peripheral Pin Select Input Register 8
- Register 11-10: RPINR9: Peripheral Pin Select Input Register 9
- Register 11-11: RPINR10: Peripheral Pin Select Input Register 10
- Register 11-12: RPINR11: Peripheral Pin Select Input Register 11
- Register 11-13: RPINR12: Peripheral Pin Select Input Register 12 (dsPIC33EPXXXMU806/810/814 dEVICES oNLY)
- Register 11-14: RPINR13: Peripheral Pin Select Input Register 13 (dsPIC33EPXXXMU806/810/814 dEVICES oNLY)
- Register 11-15: RPINR14: Peripheral Pin Select Input Register 14 (dsPIC33EPXXXMU806/810/814 dEVICES oNLY)
- Register 11-16: RPINR15: Peripheral Pin Select Input Register 15 (dsPIC33EPXXXMU806/810/814 dEVICES oNLY)
- Register 11-17: RPINR16: Peripheral Pin Select Input Register 16 (dsPIC33EPXXXMU806/810/814 dEVICES oNLY)
- Register 11-18: RPINR17: Peripheral Pin Select Input Register 17 (dsPIC33EPXXXMU806/810/814 dEVICES oNLY)
- Register 11-19: RPINR18: Peripheral Pin Select Input Register 18
- Register 11-20: RPINR19: Peripheral Pin Select Input Register 19
- Register 11-21: RPINR20: Peripheral Pin Select Input Register 20
- Register 11-22: RPINR21: Peripheral Pin Select Input Register 21
- Register 11-23: RPINR23: Peripheral Pin Select Input Register 23
- Register 11-24: RPINR24: Peripheral Pin Select Input Register 24
- Register 11-25: RPINR25: Peripheral Pin Select Input Register 25
- Register 11-26: RPINR26: Peripheral Pin Select Input Register 26
- Register 11-27: RPINR27: Peripheral Pin Select Input Register 27
- Register 11-28: RPINR28: Peripheral Pin Select Input Register 28
- Register 11-29: RPINR29: Peripheral Pin Select Input Register 29
- Register 11-30: RPINR30: Peripheral Pin Select Input Register 30
- Register 11-31: RPINR31: Peripheral Pin Select Input Register 31
- Register 11-32: RPINR32: Peripheral Pin Select Input Register 32
- Register 11-33: RPINR33: Peripheral Pin Select Input Register 33
- Register 11-34: RPINR34: Peripheral Pin Select Input Register 34
- Register 11-35: RPINR35: Peripheral Pin Select Input Register 35
- Register 11-36: RPINR36: Peripheral Pin Select Input Register 36
- Register 11-37: RPINR37: Peripheral Pin Select Input Register 37
- Register 11-38: RPINR38: Peripheral Pin Select Input Register 38
- Register 11-39: RPINR39: Peripheral Pin Select Input Register 39
- Register 11-40: RPINR40: Peripheral Pin Select Input Register 40
- Register 11-41: RPINR41: Peripheral Pin Select Input Register 41
- Register 11-42: RPINR42: Peripheral Pin Select Input Register 42
- Register 11-43: RPINR43: Peripheral Pin Select Input Register 43
- Register 11-44: RPOR0: Peripheral Pin Select Output Register 0
- Register 11-45: RPOR1: Peripheral Pin Select Output Register 1
- Register 11-46: RPOR2: Peripheral Pin Select Output Register 2
- Register 11-47: RPOR3: Peripheral Pin Select Output Register 3
- Register 11-48: RPOR4: Peripheral Pin Select Output Register 4
- Register 11-49: RPOR5: Peripheral Pin Select Output Register 5
- Register 11-50: RPOR6: Peripheral Pin Select Output Register 6
- Register 11-51: RPOR7: Peripheral Pin Select Output Register 7
- Register 11-52: RPOR8: Peripheral Pin Select Output Register 8
- Register 11-53: RPOR9: Peripheral Pin Select Output Register 9
- Register 11-54: RPOR10: Peripheral Pin Select Output Register 10
- Register 11-55: RPOR11: Peripheral Pin Select Output Register 11
- Register 11-56: RPOR12: Peripheral Pin Select Output Register 12
- Register 11-57: RPOR13: Peripheral Pin Select Output Register 13
- Register 11-58: RPOR14: Peripheral Pin Select Output Register 14
- Register 11-59: RPOR15: Peripheral Pin Select Output Register 15
- 12.0 Timer1
- 13.0 Timer2/3, Timer4/5, Timer6/7 and Timer8/9
- 14.0 Input Capture
- 15.0 Output Compare
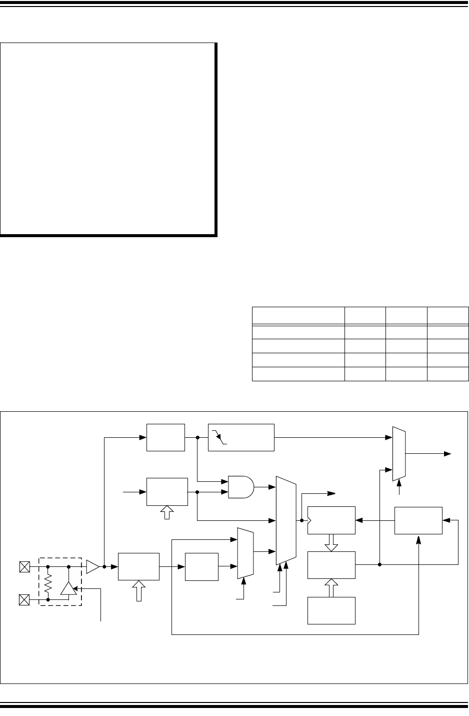
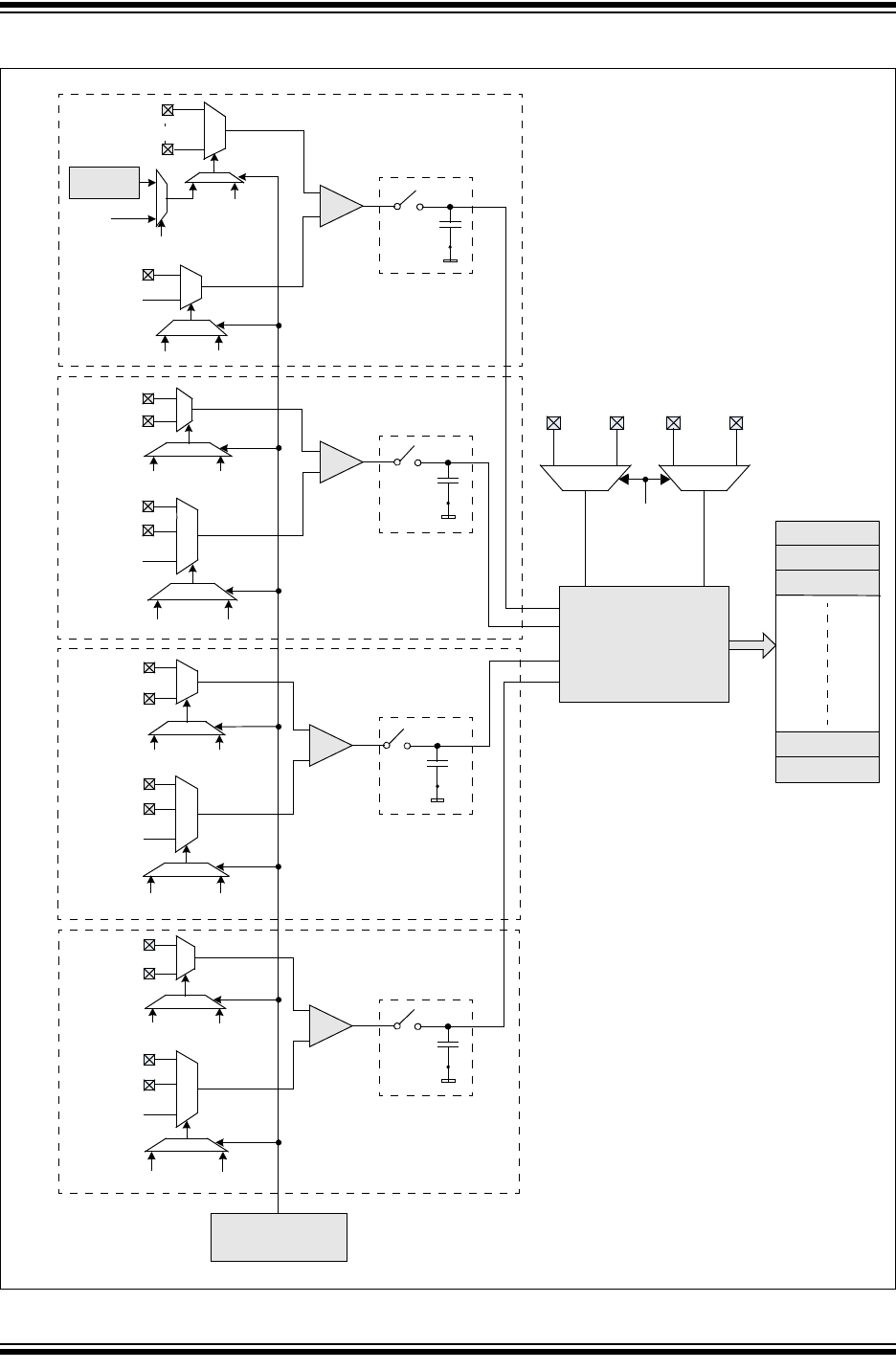
- 16.0 High-Speed PWM Module (dsPIC33EPXXX(MC/MU)8XX Devices Only)
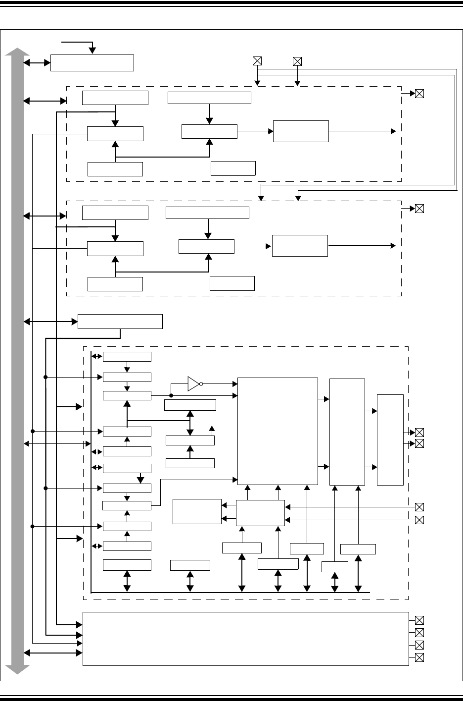
- FIGURE 16-1: High-Speed PWM Module Architectural Overview
- FIGURE 16-2: High-Speed PWM MOdule Register Interconnection Diagram
- 16.1 PWM Resources
- 16.2 PWM Control Registers
- Register 16-1: PTCON: PWM Time Base Control Register
- Register 16-2: PTCON2: PWM Primary Master Clock Divider Select Register 2
- Register 16-3: PTPER: Primary Master Time Base Period Register
- Register 16-4: SEVTCMP: PWM Primary Special Event Compare Register
- Register 16-5: STCON: PWM Secondary Master Time Base Control Register
- Register 16-6: STCON2: PWM Secondary Clock Divider Select Register 2
- Register 16-7: STPER: Secondary Master Time Base Period Register(1)
- Register 16-8: SSEVTCMP: PWM Secondary Special Event Compare Register
- Register 16-9: CHOP: PWM Chop Clock Generator Register
- Register 16-10: MDC: PWM Master Duty Cycle Register
- Register 16-11: PWMCONx: PWMx Control Register
- Register 16-12: PDCx: PWMx Generator Duty Cycle Register(1)
- Register 16-13: SDCx: PWMx Secondary Duty Cycle Register(1)
- Register 16-14: PHASEx: PWMx Primary Phase Shift Register(1,2)
- Register 16-15: SPHASEx: PWMx Secondary Phase Shift Register(1,2)
- Register 16-16: DTRx: PWMx Dead-Time Register
- Register 16-17: ALTDTRx: PWMx Alternate Dead-Time Register
- Register 16-18: TRGCONx: PWMx Trigger Control Register
- Register 16-19: IOCONx: PWMx I/O Control Register
- Register 16-20: TRIGx: PWMx Primary Trigger Compare Value Register
- Register 16-21: FCLCONx: PWMx Fault Current-Limit Control Register
- Register 16-22: LEBCONx: Leading-Edge Blanking Control Register x
- Register 16-23: LEBDLYx: Leading-Edge Blanking Delay Register x
- Register 16-24: AUXCONx: PWM Auxiliary Control Register x
- Register 16-25: PWMCAPx: Primary PWMx Time Base Capture Register
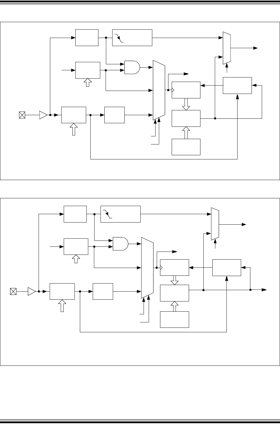
- 17.0 Quadrature Encoder Interface (QEI) Module (dsPIC33EPXXX(MC/MU)8XX Devices Only)
- FIGURE 17-1: QEI Block Diagram
- 17.1 QEI Resources
- 17.2 QEI Control Registers
- Register 17-1: QEIxCON: QEIx Control Register
- Register 17-2: QEIxIOC: QEIx I/O Control Register
- Register 17-3: QEIxSTAT: QEIx Status register
- Register 17-4: POSxCNTH: Position Counter x High Word Register
- Register 17-5: POSxCNTL: Position Counter x Low Word Register
- Register 17-6: POSxHLD: Position Counter x Hold Register
- Register 17-7: VELxCNT: Velocity Counter x Register
- Register 17-8: INDXxCNTH: Index Counter x High Word Register
- Register 17-9: INDXxCNTL: Index Counter x Low Word Register
- Register 17-10: INDXxHLD: Index Counter x Hold Register
- Register 17-11: QEIxICH: QEIx Initialization/Capture High Word Register
- Register 17-12: QEIxICL: QEIx Initialization/Capture Low Word Register
- Register 17-13: QEIxLECH: QEIx Less Than or Equal Compare High Word Register
- Register 17-14: QEIxLECL: QEIx Less Than or Equal Compare Low Word Register
- Register 17-15: QEIxGECH: QEIx Greater Than or Equal Compare High Word Register
- Register 17-16: QEIxGECL: QEIx Greater Than or Equal Compare Low Word Register
- Register 17-17: INTxTMRH: Interval Timer x High Word Register
- Register 17-18: INTxTMRL: INterval Timer x Low Word Register
- Register 17-19: INTxHLDH: Interval Timer x Hold High Word Register
- Register 17-20: INTxHLDL: Interval Timer x Hold Low Word Register
- 18.0 Serial Peripheral Interface (SPI)
- 19.0 Inter-Integrated Circuit™ (I2C™)
- 20.0 Universal Asynchronous Receiver Transmitter (UART)
- 21.0 Enhanced CAN (ECAN™) Module
- 21.1 Overview
- 21.2 Modes of Operation
- 21.3 ECAN Resources
- 21.4 ECANx Control Registers
- Register 21-1: CxCTRL1: ECANx CONTROL REGISTER 1
- Register 21-2: CxCTRL2: ECANx Control Register 2
- Register 21-3: CxVEC: ECANx Interrupt Code Register
- Register 21-4: CxFCTRL: ECANx FIFO Control Register
- Register 21-5: CxFIFO: ECANx FIFO Status Register
- Register 21-6: CxINTF: ECANx Interrupt Flag Register
- Register 21-7: CxINTE: ECANx Interrupt Enable Register
- Register 21-8: CxEC: ECANx Transmit/Receive Error Count Register
- Register 21-9: CxCFG1: ECANx Baud Rate Configuration Register 1
- Register 21-10: CxCFG2: ECANx Baud Rate Configuration Register 2
- Register 21-11: CxFEN1: ECANx Acceptance Filter Enable Register 1
- Register 21-12: CxBUFPNT1: ECANx Filter 0-3 Buffer Pointer Register 1
- Register 21-13: CxBUFPNT2: ECANx Filter 4-7 Buffer Pointer Register 2
- Register 21-14: CxBUFPNT3: ECANx Filter 8-11 Buffer Pointer Register 3
- Register 21-15: CxBUFPNT4: ECANx Filter 12-15 Buffer Pointer Register 4
- Register 21-16: CxRXFnSID: ECANx Acceptance Filter n Standard Identifier Register n (n = 0-15)
- Register 21-17: CxRXFnEID: ECANx Acceptance Filter n Extended Identifier Register n (n = 0-15)
- Register 21-18: CxFMSKSEL1: ECANx Filter 7-0 Mask Selection Register
- Register 21-19: CxFMSKSEL2: ECANx Filter 15-8 Mask Selection Register
- Register 21-20: CxRXMnSID: ECANx Acceptance Filter Mask n Standard Identifier Register n (n = 0-2)
- Register 21-21: CxRXMnEID: ECANx Acceptance Filter Mask n Extended Identifier Register n (n = 0-2)
- Register 21-22: CxRXFUL1: ECANx Receive Buffer Full Register 1
- Register 21-23: CxRXFUL2: ECANx Receive Buffer Full Register 2
- Register 21-24: CxRXOVF1: ECANx Receive Buffer Overflow Register 1
- Register 21-25: CxRXOVF2: ECANx Receive Buffer Overflow Register 2
- Register 21-26: CxTRmnCON: ECANx TX/RX Buffer m Control Register (m = 0, 2, 4, 6; n = 1, 3, 5, 7)
- 21.5 ECAN Message Buffers
- 22.0 USB On-The-Go (OTG) Module (dsPIC33EPXXXMU8XX and PIC24EPGU8XX Devices Only)
- 22.1 Overview
- 22.2 Clearing USB OTG Interrupts
- 22.3 USB OTG Resources
- 22.4 USB Control Registers
- Register 22-1: UxOTGSTAT: USB OTG Status Register
- Register 22-2: UxOTGCON: USB On-The-Go Control Register
- Register 22-3: UxPWRC: USB Power Control Register
- Register 22-4: UxSTAT: USB Status Register
- Register 22-5: UxCON: USB Control Register (Device mode)
- Register 22-6: UxCON: USB Control Register (Host mode)
- Register 22-7: UxADDR: USB Address Register
- Register 22-8: UxTOK: USB Token Register (Host mode only)
- Register 22-9: UxSOF: USB OTG Start-Of-Token Threshold Register (Host mode only)
- Register 22-10: UxCNFG1: USB Configuration Register 1
- Register 22-11: UxCNFG2: USB Configuration Register 2
- Register 22-12: UxOTGIR: USB OTG Interrupt Status Register (Host mode only)
- Register 22-13: UxOTGIE: USB OTG Interrupt Enable Register (Host mode only)
- Register 22-14: UxIR: USB Interrupt Status Register (Device mode only)
- Register 22-15: UxIR: USB Interrupt Status Register (Host mode only)
- Register 22-16: UxIE: USB Interrupt Enable Register (Device mode)
- Register 22-17: UxIE: USB Interrupt Enable Register (Host mode)
- Register 22-18: UxEIR: USB Error Interrupt Status Register (Device mode)
- Register 22-19: UxEIR: USB Error Interrupt Status Register (Host mode)
- Register 22-20: UxEIE: USB Error Interrupt Enable Register (Device mode)
- Register 22-21: UxEIE: USB Error Interrupt Enable Register (Host mode)
- Register 22-22: UxEPn: USB Endpoint n Control Registers (n = 0 to 15)
- Register 22-23: UxBDTP1: USB Buffer Description Table Register 1
- Register 22-24: UxBDTP2: USB Buffer Description Table Register 2
- Register 22-25: UxBDTP3: USB Buffer Description Table Register 3
- Register 22-26: UxPWMCON: USB Vbus PWM Generator Control Register
- Register 22-27: UxPWMRRS: Duty Cycle and PWM Period Register
- Register 22-28: UxFRMH: USB Frame Number High Register
- Register 22-29: UxFRML: USB Frame Number Low Register
- 23.0 10-Bit/12-Bit Analog-to- Digital Converter (ADC)
- 23.1 Key Features
- 23.2 ADC Helpful Tips
- 23.3 ADC Resources
- 23.4 ADC Control Registers
- Register 23-1: ADxCON1: ADCx Control Register 1
- Register 23-2: AD1CON2: ADC1 Control Register 2
- Register 23-3: AD2CON2: ADC2 Control Register 2
- Register 23-4: ADxCON3: ADCx Control Register 3
- Register 23-5: ADxCON4: ADCx Control Register 4
- Register 23-6: ADxCHS123: ADCx Input Channel 1, 2, 3 Select Register
- Register 23-7: ADxCHS0: ADCx Input Channel 0 Select Register
- Register 23-8: AD1CSSH: ADC1 Input Scan Select Register High(1,2,3)
- Register 23-9: ADxCSSL: ADCx Input Scan Select Register Low(1,2)
- 24.0 Data Converter Interface (DCI) Module
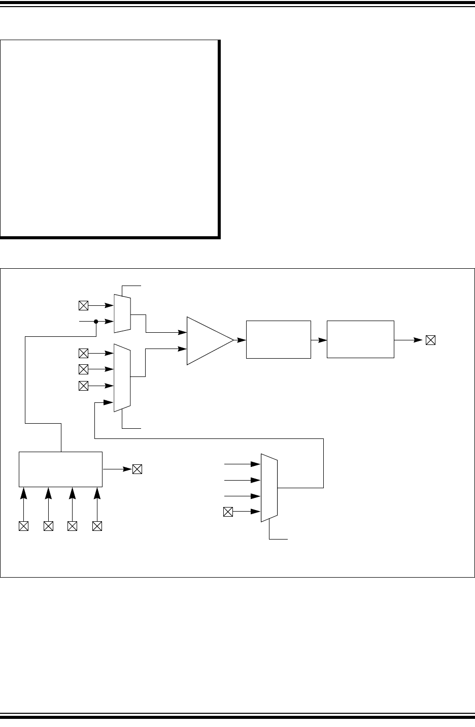
- 25.0 Comparator Module
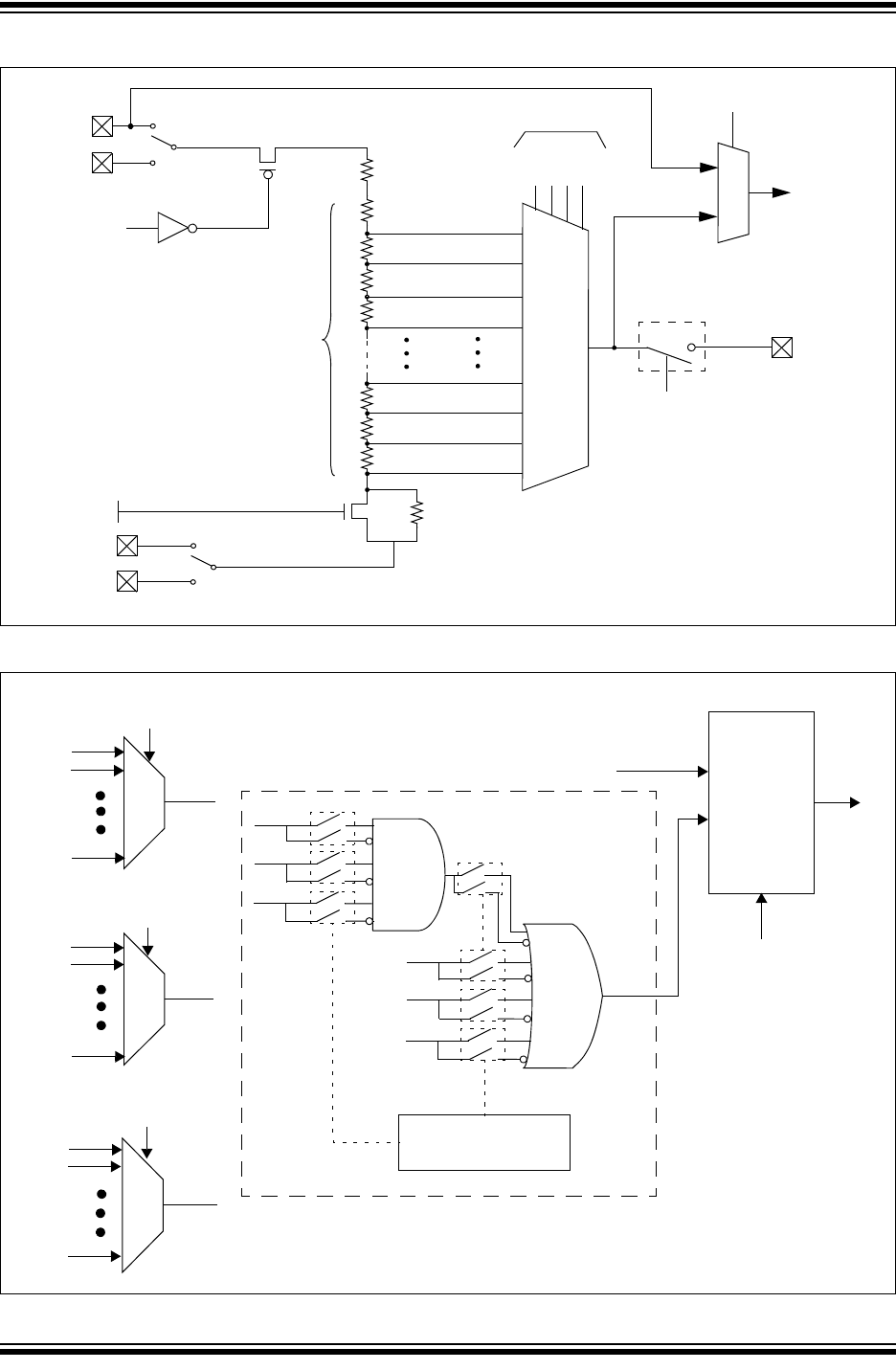
- FIGURE 25-1: Comparator I/O Operating Modes
- FIGURE 25-2: Comparator Voltage Reference Block Diagram
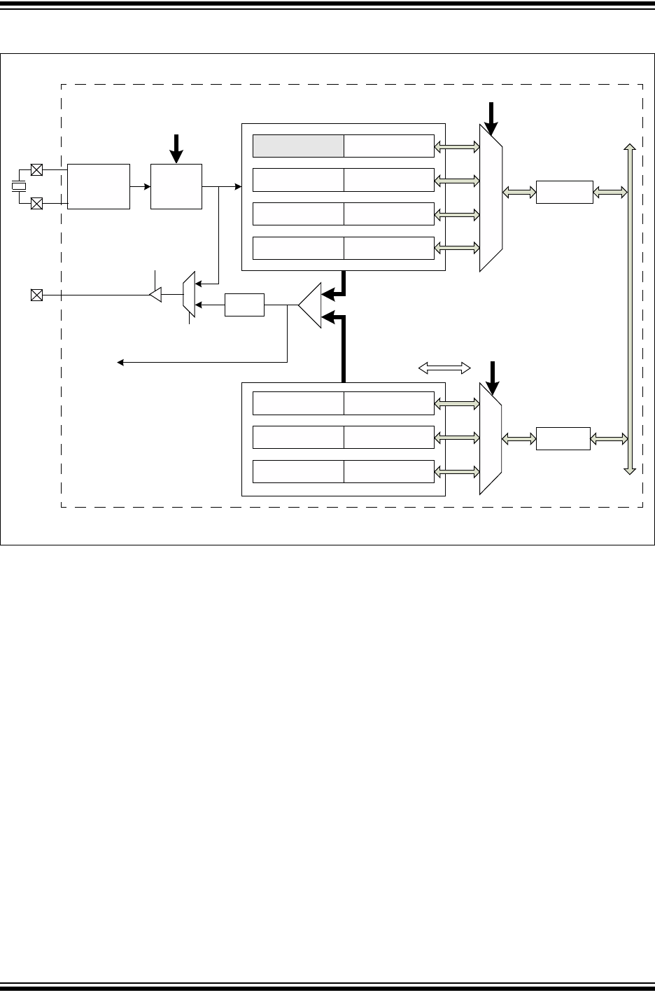
- FIGURE 25-3: User-Programmable Blanking Function Block Diagram
- FIGURE 25-4: Digital Filter Interconnect Block Diagram
- 25.1 Comparator Resources
- 25.2 Comparator Control Registers
- Register 25-1: CMSTAT: Comparator Status Register
- Register 25-2: CMxCON: Comparator x Control Register
- Register 25-3: CMxMSKSRC: Comparator x Mask Source Select Control Register
- Register 25-4: CMxMSKCON: Comparator x Mask Gating Control Register
- Register 25-5: CMxFLTR: Comparator x Filter Control Register
- Register 25-6: CVRCON: Comparator Voltage Reference Control Register
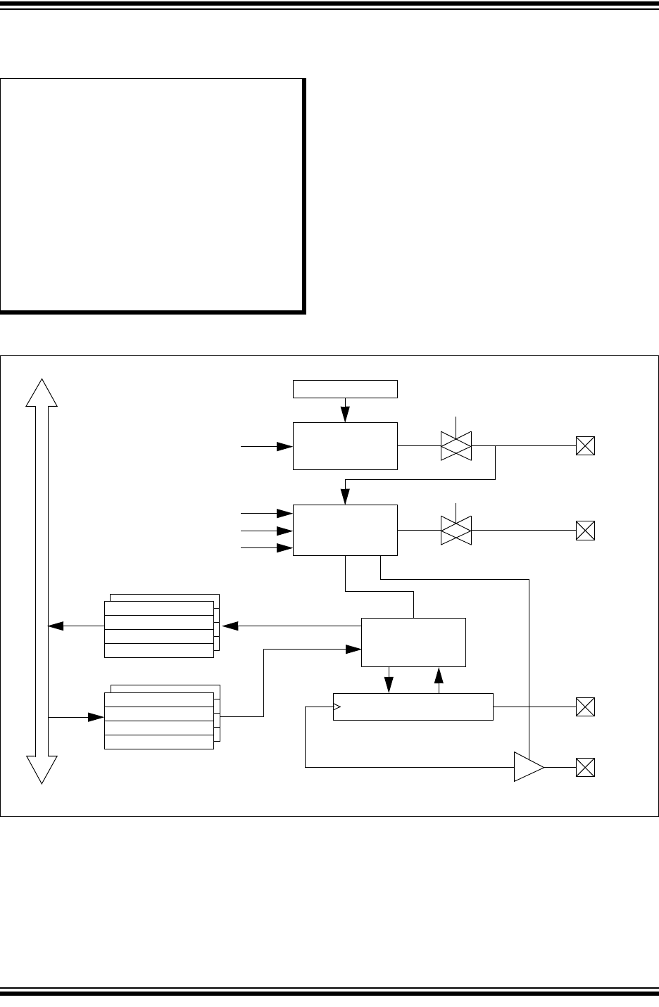
- 26.0 Real-Time Clock and Calendar (RTCC)
- FIGURE 26-1: RTCC Block Diagram
- 26.1 Writing to the RTCC Timer
- 26.2 RTCC Resources
- 26.3 RTCC Registers
- Register 26-1: RCFGCAL: RTCC Calibration and Configuration Register(1)
- Register 26-2: PADCFG1: Pad Configuration Control Register
- Register 26-3: ALCFGRPT: Alarm Configuration Register
- Register 26-4: RTCVAL (when RTCPTR<1:0> = 11): YEAR VALUE Register(1)
- Register 26-5: RTCVAL (when RTCPTR<1:0> = 10): MONTH AND DAY VALUE Register(1)
- Register 26-6: RTCVAL (when RTCPTR<1:0> = 01): Weekday and Hours Value Register(1)
- Register 26-7: RTCVAL (when RTCPTR<1:0> = 00): Minutes and Seconds Value Register
- Register 26-8: ALRMVAL (when ALRMPTR<1:0> = 10): Alarm Month and Day Value Register(1)
- Register 26-9: ALRMVAL (when ALRMPTR<1:0> = 01): Alarm Weekday and Hours Value Register(1)
- Register 26-10: ALRMVAL (when ALRMPTR<1:0> = 00): Alarm Minutes and Seconds Value Register
- 27.0 Programmable Cyclic Redundancy Check (CRC) Generator
- 28.0 Parallel Master Port (PMP)
- FIGURE 28-1: PMP Module Pinout and Connections to External Devices
- 28.1 PMP Resources
- 28.2 PMP Control Registers
- Register 28-1: PMCON: Parallel Master Port Control Register
- Register 28-2: PMMODE: Parallel Master Port Mode Register
- Register 28-3: PMADDR: Parallel Master Port Address Register (Master modes only)(1)
- Register 28-4: PMAEN: Parallel Master Port Address Enable Register
- Register 28-5: PMSTAT: Parallel Master Port Status Register (Slave mode only)
- Register 28-6: PADCFG1: Pad Configuration Control Register
- 29.0 Special Features
- 30.0 Instruction Set Summary
- 31.0 Development Support
- 31.1 MPLAB Integrated Development Environment Software
- 31.2 MPLAB C Compilers for Various Device Families
- 31.3 HI-TECH C for Various Device Families
- 31.4 MPASM Assembler
- 31.5 MPLINK Object Linker/ MPLIB Object Librarian
- 31.6 MPLAB Assembler, Linker and Librarian for Various Device Families
- 31.7 MPLAB SIM Software Simulator
- 31.8 MPLAB REAL ICE In-Circuit Emulator System
- 31.9 MPLAB ICD 3 In-Circuit Debugger System
- 31.10 PICkit 3 In-Circuit Debugger/ Programmer and PICkit 3 Debug Express
- 31.11 PICkit 2 Development Programmer/Debugger and PICkit 2 Debug Express
- 31.12 MPLAB PM3 Device Programmer
- 31.13 Demonstration/Development Boards, Evaluation Kits, and Starter Kits
- 32.0 Electrical Characteristics
- Absolute Maximum Ratings
- 32.1 DC Characteristics
- TABLE 32-1: Operating MIPS vs. Voltage
- TABLE 32-2: Thermal Operating Conditions
- TABLE 32-3: Thermal Packaging Characteristics
- TABLE 32-4: DC Temperature and Voltage specifications
- TABLE 32-5: DC Characteristics: Operating Current (Idd)
- TABLE 32-6: DC Characteristics: Idle Current (iidle)
- TABLE 32-7: DC Characteristics: Power-Down Current (Ipd)
- TABLE 32-8: DC Characteristics: doze Current (Idoze)(1)
- TABLE 32-9: DC Characteristics: I/O Pin Input Specifications
- TABLE 32-10: DC Characteristics: I/O Pin Output Specifications
- TABLE 32-11: Electrical Characteristics: BOR
- TABLE 32-12: DC Characteristics: Program Memory
- TABLE 32-13: Internal Voltage Regulator Specifications
- 32.2 AC Characteristics and Timing Parameters
- TABLE 32-14: Temperature and Voltage Specifications – AC
- FIGURE 32-1: Load Conditions for Device Timing Specifications
- TABLE 32-15: Capacitive Loading Requirements on Output Pins
- FIGURE 32-2: External Clock Timing
- TABLE 32-16: External Clock Timing Requirements
- TABLE 32-17: PLL Clock Timing Specifications
- TABLE 32-18: Auxiliary PLL Clock Timing SpecificationS (dsPIC33EPXXXMU8XX and PIC24EPXXXGU8XX Devices Only)
- TABLE 32-19: Internal FRC Accuracy
- TABLE 32-20: Internal LPRC accuracy
- FIGURE 32-3: I/O Timing Characteristics
- TABLE 32-21: I/O Timing Requirements
- FIGURE 32-4: Power-On Reset Timing Characteristics
- FIGURE 32-5: BOR and Master Clear Reset Timing Characteristics
- TABLE 32-22: Reset, Watchdog Timer, Oscillator Start-up Timer, Power-up Timer Timing Requirements
- FIGURE 32-6: Timer1-Timer9 External Clock Timing Characteristics
- TABLE 32-23: Timer1 External Clock Timing Requirements(1)
- TABLE 32-24: Timer2, Timer4, Timer6, Timer8 (TYPe B Timer) External Clock Timing Requirements
- TABLE 32-25: Timer3, Timer5, Timer7, Timer9 (Type C Timer) External Clock Timing Requirements
- FIGURE 32-7: TimerQ (QEI Module) External Clock Timing Characteristics
- TABLE 32-26: QEI module External Clock Timing Requirements
- FIGURE 32-8: INPUT CAPTURE (ICx) TIMING Characteristics
- Table 32-27: Input Capture Module (ICx) Timing Requirements
- FIGURE 32-9: Output Compare Module (OCx) Timing Characteristics
- TABLE 32-28: Output Compare Module (OCx) timing requirements
- FIGURE 32-10: OCx/PWMx Module Timing Characteristics
- TABLE 32-29: OCx/PWMx MODE Timing Requirements
- FIGURE 32-11: High-Speed PWMx Module fault Timing Characteristics (dsPIC33EPXXX(MC/MU)806/810/814 Devices Only)
- FIGURE 32-12: High-Speed PWMx Module Timing Characteristics (dsPIC33EPXXX(MC/MU)806/810/814 Devices Only)
- TABLE 32-30: High-Speed PWMx Module Timing Requirements (dsPIC33EPXXX(MC/MU)806/810/814 Devices Only)
- FIGURE 32-13: QEA/QEB Input Characteristics (dsPIC33EPXXX(MC/MU)806/810/814 Devices Only)
- TABLE 32-31: Quadrature Decoder Timing Requirements (dsPIC33EPXXX(MC/MU)806/810/814 Devices Only)
- FIGURE 32-14: QEI Module Index Pulse Timing Characteristics (dsPIC33EPXXX(MC/MU)806/810/814 Devices Only)
- TABLE 32-32: QEI INDEX PULSE Timing Requirements (dsPIC33EPXXX(MC/MU)MU806/810/814 Devices Only)
- TABLE 32-33: SPI1, SPI3 and SPI4 Maximum Data/CLock Rate Summary
- FIGURE 32-15: SPI1, SPI3 and SPI4 MASTER MODE (Half-Duplex, Transmit Only, CKE = 0) TIMING CHARACTERISTICS
- FIGURE 32-16: SPI1, SPI3 and SPI4 MASTER MODE (Half-Duplex, Transmit Only, CKE = 1) TIMING CHARACTERISTICS
- TABLE 32-34: SPI1, SPI3 and SPI4 Master Mode (Half-Duplex, Transmit Only) Timing Requirements
- FIGURE 32-17: SPI1, SPI3 and SPI4 MASTER MODE (Full-Duplex, CKE = 1, CKP = x, SMP = 1) TIMING CHARACTERISTICS
- TABLE 32-35: SPI1, SPI3 and SPI4 Master Mode (Full-Duplex, CKE = 1, CKP = x, SMP = 1) Timing Requirements
- FIGURE 32-18: SPI1, SPI3 and SPI4 MASTER MODE (Full-Duplex, CKE = 0, CKP = x, SMP = 1) TIMING CHARACTERISTICS
- TABLE 32-36: SPI1, SPI3 and SPI4 Master Mode (Full-Duplex, CKE = 0, CKP = x, SMP = 1) Timing Requirements
- FIGURE 32-19: SPI1, SPI3 and SPI4 SLAVE MODE (Full-Duplex, CKE = 1, CKP = 0, SMP = 0) TIMING CHARACTERISTICS
- TABLE 32-37: SPI1, SPI3 and SPI4 Slave Mode (Full-Duplex, CKE = 1, CKP = 0, SMP = 0) Timing Requirements
- FIGURE 32-20: SPI1, SPI3 and SPI4 SLAVE MODE (Full-Duplex, CKE = 1, CKP = 1, SMP = 0) TIMING CHARACTERISTICS
- TABLE 32-38: SPI1, SPI3 and SPI4 Slave Mode (Full-Duplex, CKE = 1, CKP = 1, SMP = 0) Timing Requirements
- FIGURE 32-21: SPI1, SPI3 and SPI4 SLAVE MODE (Full-Duplex, CKE = 0, CKP = 1, SMP = 0) TIMING CHARACTERISTICS
- TABLE 32-39: SPI1, SPI3 and SPI4 Slave Mode (Full-Duplex, CKE = 0, CKP = 1, SMP = 0) Timing Requirements
- FIGURE 32-22: SPI1, SPI3 and SPI4 SLAVE MODE (Full-Duplex, CKE = 0, CKP = 0, SMP = 0) TIMING CHARACTERISTICS
- TABLE 32-40: SPI1, SPI3 and SPI4 Slave Mode (Full-Duplex, CKE = 0, CKP = 0, SMP = 0) Timing Requirements
- TABLE 32-41: SPI2 Maximum Data/CLock Rate Summary
- FIGURE 32-23: SPI2 MASTER MODE (Half-Duplex, Transmit Only, CKE = 0) TIMING CHARACTERISTICS
- FIGURE 32-24: SPI2 MASTER MODE (Half-Duplex, Transmit Only, CKE = 1) TIMING CHARACTERISTICS
- TABLE 32-42: SPI2 Master Mode (Half-Duplex, Transmit Only) Timing Requirements
- FIGURE 32-25: SPI2 MASTER MODE (Full-Duplex, CKE = 1, CKP = x, SMP = 1) TIMING CHARACTERISTICS
- TABLE 32-43: SPI2 Master Mode (Full-Duplex, CKE = 1, CKP = x, SMP = 1) Timing Requirements
- FIGURE 32-26: SPI2 MASTER MODE (Full-Duplex, CKE = 0, CKP = X, SMP = 1) TIMING CHARACTERISTICS
- TABLE 32-44: SPI2 Master Mode (Full-Duplex, CKE = 0, CKP = x, SMP = 1) Timing Requirements
- FIGURE 32-27: SPI2 SLAVE MODE (Full-Duplex, CKE = 1, CKP = 0, SMP = 0) TIMING CHARACTERISTICS
- TABLE 32-45: SPI2 Slave Mode (Full-Duplex, CKE = 1, CKP = 0, SMP = 0) Timing Requirements
- FIGURE 32-28: SPI2 SLAVE MODE (Full-Duplex, CKE = 1, CKP = 1, SMP = 0) TIMING CHARACTERISTICS
- TABLE 32-46: SPI2 Slave Mode (Full-Duplex, CKE = 1, CKP = 1, SMP = 0) Timing Requirements
- FIGURE 32-29: SPI2 SLAVE MODE (Full-Duplex, CKE = 0, CKP = 1, SMP = 0) TIMING CHARACTERISTICS
- TABLE 32-47: SPI2 Slave Mode (Full-Duplex, CKE = 0, CKP = 1, SMP = 0) Timing Requirements
- FIGURE 32-30: SPI2 SLAVE MODE (Full-Duplex, CKE = 0, CKP = 0, SMP = 0) TIMING CHARACTERISTICS
- TABLE 32-48: SPI2 Slave Mode (Full-Duplex, CKE = 0, CKP = 0, SMP = 0) Timing Requirements
- FIGURE 32-31: I2Cx Bus Start/Stop Bits Timing Characteristics (Master Mode)
- FIGURE 32-32: I2Cx Bus Data Timing Characteristics (Master mode)
- TABLE 32-49: I2Cx Bus Data Timing Requirements (Master Mode)
- FIGURE 32-33: I2Cx Bus Start/Stop Bits Timing Characteristics (slave mode)
- FIGURE 32-34: I2Cx Bus Data Timing Characteristics (slave mode)
- TABLE 32-50: I2Cx Bus Data Timing Requirements (Slave Mode)
- FIGURE 32-35: ECAN™ Module I/O Timing Characteristics
- TABLE 32-51: ECAN™ Module I/O Timing Requirements
- FIGURE 32-36: UARTx Module I/O Timing Characteristics
- TABLE 32-52: UARTx Module I/O Timing Requirements
- TABLE 32-53: USB OTG Module Specifications (dsPIC33EPXXXMU8XX and PIC24EPXXXGU8XX Devices Only)
- TABLE 32-54: ADC Module Specifications
- TABLE 32-55: ADC Module Specifications (12-Bit Mode)
- TABLE 32-56: ADC Module Specifications (10-Bit Mode)
- FIGURE 32-37: ADC Conversion (12-Bit mode) Timing Characteristics (asam = 0, ssrc<2:0> = 000, SSRCG = 0)
- TABLE 32-57: ADC Conversion (12-Bit Mode) TiminG rEQUIREMENTS
- FIGURE 32-38: ADC Conversion (10-bit mode) Timing Characteristics (chps<1:0> = 01, SIMSAM = 0, asam = 0, ssrc<2:0> = 000, SSRCG = 0)
- FIGURE 32-39: ADC Conversion (10-bit mode) Timing cHARACTERISTICS (chps<1:0> = 01, SIMSAM = 0, asam = 1, ssrc<2:0> = 111, SSRCG = 0, SAMC<4:0> = 00010)
- TABLE 32-58: ADC CONVERSION (10-bit mode) TIMING rEQUIREMENTS
- FIGURE 32-40: DCI Module (Multi-channel, I2S modes) Timing Characteristics
- TABLE 32-59: DCI Module (Multi-channel, I2S modes) Timing Requirements
- FIGURE 32-41: DCI Module (AC-link mode) Timing Characteristics
- TABLE 32-60: DCI Module (AC-Link Mode) Timing Requirements
- TABLE 32-61: Comparator Timing Specifications
- TABLE 32-62: Comparator Module Specifications
- TABLE 32-63: Comparator Reference Voltage Settling Time Specifications
- TABLE 32-64: Comparator Reference Voltage Specifications
- Figure 32-42: Parallel Slave Port Timing
- TABLE 32-65: Parallel Slave Port Timing Specifications
- FIGURE 32-43: Parallel Master Port Read Timing DiAgram
- TABLE 32-66: Parallel Master Port Read Timing Requirements
- FIGURE 32-44: Parallel Master Port Write Timing Diagram
- TABLE 32-67: Parallel Master Port Write Timing Requirements
- TABLE 32-68: DMA Module Timing Requirements
- 33.0 DC and AC Device Characteristics Graphs
- FIGURE 33-1: Voh – 4x Driver Pins @ +85ºC
- FIGURE 33-2: Voh – 8x Driver Pins @ +85ºC
- FIGURE 33-3: Vol – 4x Driver Pins @ +85ºC
- FIGURE 33-4: Vol – 8x Driver Pins @ +85ºC
- FIGURE 33-5: Typical Ipd Current @ Vdd = 3.3V
- FIGURE 33-6: Typical Idd Current – Vdd = 3.3V @ +85ºC
- FIGURE 33-7: Typical Idoze Current @ Vdd = 3.3V
- FIGURE 33-8: Typical Iidle Current – Vdd = 3.3V @ +85ºC
- FIGURE 33-9: Typical FRC Frequency @ Vdd = 3.3V
- FIGURE 33-10: Typical LPRC Frequency @ Vdd = 3.3V
- 34.0 Packaging Information
- Appendix A: Revision History
- INDEX
- The Microchip Web Site
- Customer Change Notification Service
- Customer Support
- Reader Response
- Product Identification System
- Worldwide Sales and Service

2009-2012 Microchip Technology Inc. DS70616G-page 1
dsPIC33EPXXX(GP/MC/MU)806/810/814
and PIC24EPXXX(GP/GU)810/814
Operating Conditions
• 3.0V to 3.6V, -40ºC to +125ºC, DC to 60 MIPS
•3.0V to 3.6V, -40ºC to +85ºC, DC to 70 MIPS
Core: 16-Bit dsPIC33E/PIC24E CPU
• Code-Efficient (C and Assembly) architecture
• Two 40-Bit Wide Accumulators
• Single-Cycle (MAC/MPY) with Dual Data Fetch
• Single-Cycle Mixed-Sign MUL Plus Hardware Divide
• 32-Bit Multiply Support
Clock Management
• 2% Internal Oscillator
• Programmable PLLs and Oscillator Clock Sources
• Fail-Safe Clock Monitor (FSCM)
• Independent Watchdog Timer
• Fast Wake-up and Start-up
Power Management
• Low-Power Management modes (Sleep, Idle, Doze)
• Integrated Power-on Reset and Brown-out Reset
• 1.0 mA/MHz Dynamic Current (typical)
•60 µA I
PD Current (typical)
High-Speed PWM
• Up to Seven PWM Pairs with Independent Timing
• Dead Time for Rising and Falling Edges
• 8.32 ns PWM Resolution
• PWM Support for:
- DC/DC, AC/DC, Inverters, PFC, Lighting
- BLDC, PMSM, ACIM, SRM
• Programmable Fault Inputs
• Flexible Trigger Configurations for ADC Conversions
Advanced Analog Features
• Two Independent ADC modules:
- One ADC configurable as 10-bit, 1.1 Msps with four
S&H or 12-bit, 500 ksps with one S&H
- One 10-bit ADC, 1.1 Msps with four S&H
- Eight S&H using both ADC 10-bit modules
- 24 analog channels (64-pin devices) up to 32 analog
channels (100/121/144-pin devices)
• Flexible and Independent ADC Trigger Sources
• Comparators:
- Up to three Analog Comparator modules
- Programmable references with 32 voltage points
Timers/Output Compare/Input Capture
• 27 General Purpose Timers:
- Nine 16-bit and up to four 32-bit Timers/Counters
- 16 OC modules configurable as Timers/Counters
- Two 32-bit Quadrature Encoder Interface (QEI)
modules configurable as Timers/Counters
• 16 IC modules
• Peripheral Pin Select (PPS) to allow Function Remap
• Real-Time Clock and Calendar (RTCC) module
Communication Interfaces
• USB 2.0 OTG-Compliant Full-Speed Interface
• Four UART modules (15 Mbps)
- Supports LIN/J2602 protocols and IrDA®
• Four 4-Wire SPI modules (15 Mbps)
• Two ECAN™ modules (1 Mbaud) CAN 2.0B Support
•Two I
2C modules (up to 1 Mbaud) with SMBus Support
• Data Converter Interface (DCI) module with Support for
I2S and Audio Codecs
• PPS to allow Function Remap
• Parallel Master Port (PMP)
• Programmable Cyclic Redundancy Check (CRC)
Direct Memory Access (DMA)
• 15-Channel DMA with User-Selectable
Priority Arbitration
• UART, USB, SPI, ADC, ECAN™, IC, OC, Timers,
DCI/I2S, PMP
Input/Output
• Sink/Source 10 mA on All Pins
• 5V Tolerant Pins
• Selectable Open-Drain, Pull-ups and Pull-Downs
• Up to 5 mA Overvoltage Clamp Current
• External Interrupts on All I/O pins
Qualification and Class B Support
• AEC-Q100 REVG (Grade 1 -40ºC to +125ºC) Planned
• AEC-Q100 REVG (Grade 0 -40ºC to +150ºC) Planned
• Class B Safety Library, IEC 60730
Debugger Development Support
• In-Circuit and In-Application Programming
• Five Program and Three Complex Data Breakpoints
• IEEE 1149.2 Compatible (JTAG) Boundary Scan
• Trace and Run-Time Watch
16-Bit Microcontrollers and Digital Signal Controllers with
High-Speed PWM, USB and Advanced Analog

dsPIC33EPXXX(GP/MC/MU)806/810/814 and PIC24EPXXX(GP/GU)810/814
DS70616G-page 2 2009-2012 Microchip Technology Inc.
dsPIC33EPXXX(GP/MC/MU)806/810/814
and PIC24EPXXX(GP/GU)810/814
PRODUCT FAMILIES
The device names, pin counts, memory sizes and
peripheral availability of each device are listed in
Table 1. Their pinout diagrams appear on the following
pages.
TABLE 1: dsPIC33EPXXX(GP/MC/MU)806/810/814 and PIC24EPXXX(GP/GU)810/814
CONTROLLER FAMILIES
Device
Pins
Packages
Program Flash Memory
(Kbyte)(1)
RAM (Kbyte)(2)
Remappable Peripherals
RTCC
I2C™
CRC Generator
10-Bit/12-Bit ADC(8)
USB
I/O Pins
16-Bit Timer(3,4)
Input Capture
Output Compare (with PWM)
Motor Control PWM
(Channels)(5)
QEI
UART with IrDA®
SPI
ECAN™
External Interrupts(6)
DMA Controller (Channels)
DCI
Analog Comparators/
Inputs Per Comparator(7)
Parallel Master Port
dsPIC33EP256MU806 64 QFN,
TQFP 280 28 9 16 16 8 2 4 4 2 5 15 1 3/4 1 2 1 2 ADC,
24 ch 1Y51
dsPIC33EP256MU810 100 TQFP 280 28 9 16 16 12 2 4 4 2 5 15 1 3/4 1 2 1 2 ADC,
32 ch 1Y83
121 TFBGA
dsPIC33EP256MU814 144 TQFP,
LQFP 280 28 9 16 16 14 2 4 4 2 5 15 1 3/4 1 2 1 2 ADC,
32 ch 1Y122
dsPIC33EP512GP806 64 QFN,
TQFP 536 52 9 16 16 — — 4 4 2 5 15 1 3/4 1 2 1 2 ADC,
24 ch —Y53
dsPIC33EP512MC806 64 QFN,
TQFP 536 52 9 16 16 8 2 4 4 2 5 15 1 3/4 1 2 1 2 ADC,
24 ch —Y53
dsPIC33EP512MU810 100 TQFP 536 52 9 16 16 12 2 4 4 2 5 15 1 3/4 1 2 1 2 ADC,
32 ch 1Y83
121 TFBGA
dsPIC33EP512MU814 144 TQFP,
LQFP 536 52 9 16 16 14 2 4 4 2 5 15 1 3/4 1 2 1 2 ADC,
32 ch 1Y122
PIC24EP256GU810 100 TQFP 280 28 9 16 16 0 0 4 4 2 5 15 1 3/4 1 2 1 2 ADC,
32 ch 1Y83
121 TFBGA
PIC24EP256GU814 144 TQFP,
LQFP 280 28 9 16 16 0 0 4 4 2 5 15 1 3/4 1 2 1 2 ADC,
32 ch 1Y122
PIC24EP512GP806 64 QFN,
TQFP 586 52 9 16 16 — — 4 4 2 5 15 1 3/4 1 2 1 2 ADC,
24 ch —Y53
PIC24EP512GU810 100 TQFP 536 52 9 16 16 0 0 4 4 2 5 15 1 3/4 1 2 1 2 ADC,
32 ch 1Y83
121 TFBGA
PIC24EP512GU814 144 TQFP,L
QFP 536 52 9 16 16 0 0 4 4 2 5 15 1 3/4 1 2 1 2 ADC,
32 ch 1Y122
Note 1: Flash size is inclusive of 24 Kbytes of auxiliary Flash. Auxiliary Flash supports simultaneous code execution and self-erase/programming.
Refer to Section 5. “Flash Programming” (DS70609) in the “dsPIC33E/PIC24E Family Reference Manual”.
2: RAM size is inclusive of 4 Kbytes of DMA RAM (DPSRAM) for all devices.
3: Up to eight of these timers can be combined into four 32-bit timers.
4: Eight out of nine timers are remappable.
5: PWM Faults and Sync signals are remappable.
6: Four out of five interrupts are remappable.
7: Comparator output is remappable.
8: The ADC2 module supports 10-bit mode only.

2009-2012 Microchip Technology Inc. DS70616G-page 3
dsPIC33EPXXX(GP/MC/MU)806/810/814 and PIC24EPXXX(GP/GU)810/814
Pin Diagrams
64-Pin QFN
Note 1: The RPn/RPIn pins can be used by any remappable peripheral with some limitation. See
Section 11.4 “Peripheral Pin Select” for available peripherals and for information on limitations.
2: Every I/O port pin (RAx-RGx) can be used as change notification (CNAx-CNGx). See Section 11.0
“I/O Ports” for more information.
3: The availability of I2C™ interfaces varies by device. Selection (SDAx/SCLx or ASDAx/ASCLx) is
made using the device Configuration bits, ALTI2C1 and ALTI2C2 (FPOR<5:4>). See Section 29.0
“Special Features” for more information.
= Pins are up to 5V tolerant
48
49
1
dsPIC33EP256MU806
32
2
3
4
5
6
7
8
9
10
11
12
13
14
15
16
50
51
52
53
54
55
56
57
58
59
60
61
62
63
64
47
46
45
44
43
42
41
40
39
38
37
36
35
34
33
31
30
29
28
27
26
25
24
23
22
21
20
19
18
17
AN29/PWM3H/PMD5/RP85/RE5
AN31/PWM4H/PMD7/RP87/RE7
C1IN3-/SCK2/PMA5/RP118/RG6
C1IN1-/SDI2/PMA4/RPI119/RG7
C2IN3-/SDO2/PMA3/RP120/RG8
MCLR
C2IN1-/PMA2/RPI121/RG9
V
DD
PGEC3/AN1/V
REF
-/RPI33/RB1
PGED3/AN0/V
REF
+/RPI32/RB0
V
SS
AN30/PWM4L/PMD6/RPI86/RE6
PGEC2/SOSCO/C3IN1-/T1CK/RPI62/RC14
PGED2/SOSCI/C3IN3-/RPI61/RC13
INT0/DMH/RP64/RD0
PMCS1/RPI75/RD11
ASCL1/PMCS2/RPI74/RD10
ASDA1/DPLN/RPI73/RD9
RTCC/DMLN/RPI72/RD8
V
SS
OSC2/CLKO/RC15
OSC1/RPI60/RC12
V
DD
USBID/RP99/RF3
AN28/PWM3L/PMD4/RP84/RE4
AN27/PWM2H/PMD3/RPI83/RE3
AN26/PWM2L/PMD2/RP82/RE2
AN25/PWM1H/PMD1/RPI81/RE1
AN24/PWM1L/PMD0/RP80/RE0
VCMPST2/
RP97/RF1
V
CMPST
1/RP96/RF0
V
DD
VCAP
C3IN1+/V
CMPST
3/RP71/RD7
C3IN2-/RP70/RD6
PMRD/RP69/RD5
PMWR/RP68/RD4
PMBE/RP67/RD3
DPH/RP66/RD2
VCPCON/RP65/RD1
PGEC1/AN6/RPI38/RB6
PGED1/AN7/RCV/RPI39/RB7
AV
DD
AV
SS
AN8/PMA6/RPI40/RB8
AN9/PMA7//RPI41/RB9
TMS/AN10/CV
REF
/PMA13/RPI42/RB10
TDO/AN11/PMA12/RPI43/RB11
V
SS
VDD
TCK/AN12/PMA11/RPI44/RB12
TDI/AN13/PMA10/RPI45/RB13
AN14/PMA1/RPI46/RB14
AN15/PMA0/RPI47/RB15
SDA2/PMA9/RP100/RF4
SCL2/PMA8/RP101/RF5
D+/RG2
D-/RG3
V
USB
3
V
3
V
BUS
AN4/C1IN2-/USBOEN/RPI36/RB4
AN3/C2IN1+/VPIO/RPI35/RB3
AN2/C2IN2-/VMIO/RPI34/RB2
AN5/C1IN1+/VBUSON/VBUSST/RPI37/RB5

dsPIC33EPXXX(GP/MC/MU)806/810/814 and PIC24EPXXX(GP/GU)810/814
DS70616G-page 4 2009-2012 Microchip Technology Inc.
Pin Diagrams
64-Pin QFN
Note 1: The RPn/RPIn pins can be used by any remappable peripheral with some limitation. See
Section 11.4 “Peripheral Pin Select” for available peripherals and for information on limitations.
2: Every I/O port pin (RAx-RGx) can be used as change notification (CNAx-CNGx). See Section 11.0
“I/O Ports” for more information.
3: The availability of I2C™ interfaces varies by device. Selection (SDAx/SCLx or ASDAx/ASCLx) is
made using the device Configuration bits, ALTI2C1 and ALTI2C2 (FPOR<5:4>). See Section 29.0
“Special Features” for more information.
= Pins are up to 5V tolerant
48
49
1
dsPIC33EP512MC806
32
2
3
4
5
6
7
8
9
10
11
12
13
14
15
16
50
51
52
53
54
55
56
57
58
59
60
61
62
63
64
47
46
45
44
43
42
41
40
39
38
37
36
35
34
33
31
30
29
28
27
26
25
24
23
22
21
20
19
18
17
AN29/PWM3H/PMD5/RP85/RE5
AN31/PWM4H/PMD7/RP87/RE7
C1IN3-/SCK2/PMA5/RP118/RG6
C1IN1-/SDI2/PMA4/RPI119/RG7
C2IN3-/SDO2/PMA3/RP120/RG8
MCLR
C2IN1-/PMA2/RPI121/RG9
V
DD
PGEC3/AN1/V
REF
-/RPI33/RB1
PGED3/AN0/V
REF
+/RPI32/RB0
V
SS
AN30/PWM4L/PMD6/RPI86/RE6
PGEC2/SOSCO/C3IN1-/T1CK/RPI62/RC14
PGED2/SOSCI/C3IN3-/RPI61/RC13
INT0/RP64/RD0
PMCS1/RPI75/RD11
ASCL1/PMCS2/RPI74/RD10
ASDA1/RPI73/RD9
RTCC/RPI72/RD8
V
SS
OSC2/CLKO/RC15
OSC1/RPI60/RC12
V
DD
RP99/RF3
AN28/PWM3L/PMD4/RP84/RE4
AN27/PWM2H/PMD3/RPI83/RE3
AN26/PWM2L/PMD2/RP82/RE2
AN25/PWM1H/PMD1/RPI81/RE1
AN24/PWM1L/PMD0/RP80/RE0
RP97/RF1
RP96/RF0
V
DD
VCAP
C3IN1+/RP71/RD7
C3IN2-/RP70/RD6
PMRD/RP69/RD5
PMWR/RP68/RD4
PMBE/RP67/RD3
RP66/RD2
RP65/RD1
PGEC1/AN6/RPI38/RB6
PGED1/AN7/RPI39/RB7
AV
DD
AV
SS
AN8/PMA6/RPI40/RB8
AN9/PMA7//RPI41/RB9
TMS/AN10/CV
REF
/PMA13/RPI42/RB10
TDO/AN11/PMA12/RPI43/RB11
V
SS
VDD
TCK/AN12/PMA11/RPI44/RB12
TDI/AN13/PMA10/RPI45/RB13
AN14/PMA1/RPI46/RB14
AN15/PMA0/RPI47/RB15
SDA2/PMA9/RP100/RF4
SCL2/PMA8/RP101/RF5
SCLI/RG2
SDA1/RG3
RP102/RF6
RP98/RF2
AN5/C1IN1+/RPI37/RB5
AN4/C1IN2-/RPI36/RB4
AN3/C2IN1+/RPI35/RB3
AN2/C2IN2-/RPI34/RB2

2009-2012 Microchip Technology Inc. DS70616G-page 5
dsPIC33EPXXX(GP/MC/MU)806/810/814 and PIC24EPXXX(GP/GU)810/814
Pin Diagrams
64-Pin QFN
Note 1: The RPn/RPIn pins can be used by any remappable peripheral with some limitation. See
Section 11.4 “Peripheral Pin Select” for available peripherals and for information on limitations.
2: Every I/O port pin (RAx-RGx) can be used as change notification (CNAx-CNGx). See Section 11.0
“I/O Ports” for more information.
3: The availability of I2C™ interfaces varies by device. Selection (SDAx/SCLx or ASDAx/ASCLx) is
made using the device Configuration bits, ALTI2C1 and ALTI2C2 (FPOR<5:4>). See Section 29.0
“Special Features” for more information.
= Pins are up to 5V tolerant
48
49
1
dsPIC33EP512GP806
32
2
3
4
5
6
7
8
9
10
11
12
13
14
15
16
50
51
52
53
54
55
56
57
58
59
60
61
62
63
64
47
46
45
44
43
42
41
40
39
38
37
36
35
34
33
31
30
29
28
27
26
25
24
23
22
21
20
19
18
17
AN29/PMD5/RP85/RE5
AN31/PMD7/RP87/RE7
C1IN3-/SCK2/PMA5/RP118/RG6
C1IN1-/SDI2/PMA4/RPI119/RG7
C2IN3-/SDO2/PMA3/RP120/RG8
MCLR
C2IN1-/PMA2/RPI121/RG9
V
DD
PGEC3/AN1/V
REF
-/RPI33/RB1
PGED3/AN0/V
REF
+/RPI32/RB0
V
SS
AN30/PMD6/RPI86/RE6
PGEC2/SOSCO/C3IN1-/T1CK/RPI62/RC14
PGED2/SOSCI/C3IN3-/RPI61/RC13
INT0/RP64/RD0
PMCS1/RPI75/RD11
ASCL1/PMCS2/RPI74/RD10
ASDA1/RPI73/RD9
RTCC/RPI72/RD8
V
SS
OSC2/CLKO/RC15
OSC1/RPI60/RC12
V
DD
RP99/RF3
AN28/PMD4/RP84/RE4
AN27/PMD3/RPI83/RE3
AN26/PMD2/RP82/RE2
AN25/PMD1/RPI81/RE1
AN24/PMD0/RP80/RE0
RP97/RF1
RP96/RF0
V
DD
VCAP
C3IN1+/RP71/RD7
C3IN2-/RP70/RD6
PMRD/RP69/RD5
PMWR/RP68/RD4
PMBE/RP67/RD3
RP66/RD2
RP65/RD1
PGEC1/AN6/RPI38/RB6
PGED1/AN7/RPI39/RB7
AV
DD
AV
SS
AN8/PMA6/RPI40/RB8
AN9/PMA7//RPI41/RB9
TMS/AN10/CV
REF
/PMA13/RPI42/RB10
TDO/AN11/PMA12/RPI43/RB11
V
SS
VDD
TCK/AN12/PMA11/RPI44/RB12
TDI/AN13/PMA10/RPI45/RB13
AN14/PMA1/RPI46/RB14
AN15/PMA0/RPI47/RB15
SDA2/PMA9/RP100/RF4
SCL2/PMA8/RP101/RF5
SCLI/RG2
SDA1/RG3
RP102/RF6
RP98/RF2
AN5/C1IN1+/RPI37/RB5
AN4/C1IN2-/RPI36/RB4
AN3/C2IN1+/RPI35/RB3
AN2/C2IN2-/RPI34/RB2
PIC24EP512GP806

dsPIC33EPXXX(GP/MC/MU)806/810/814 and PIC24EPXXX(GP/GU)810/814
DS70616G-page 6 2009-2012 Microchip Technology Inc.
Pin Diagrams (Continued)
64-Pin TQFP
Note 1: The RPn/RPIn pins can be used by any remappable peripheral with some limitation. See
Section 11.4 “Peripheral Pin Select” for available peripherals and for information on limitations.
2: Every I/O port pin (RAx-RGx) can be used as change notification (CNAx-CNGx). See Section 11.0
“I/O Ports” for more information.
3: The availability of I2C™ interfaces varies by device. Selection (SDAx/SCLx or ASDAx/ASCLx) is
made using the device Configuration bits, ALTI2C1 and ALTI2C2 (FPOR<5:4>). See Section 29.0
“Special Features” for more information.
= Pins are up to 5V tolerant
48
47
46
45
44
43
42
41
49
50
51
52
53
54
55
56
57
58
59
60
61
62
63
64
40
39
38
37
36
35
34
33
1
2
3
4
5
6
7
8
9
10
11
12
13
14
15
16
31
30
29
28
27
26
25
24
23
22
21
20
19
18
17
dsPIC33EP256MU806
32
AN29/PWM3H/PMD5/RP85/RE5
AN31/PWM4H/PMD7/RP87/RE7
C1IN3-/SCK2/PMA5/RP118/RG6
C1IN1-/SDI2/PMA4/RPI119/RG7
C2IN3-/SDO2/PMA3/RP120/RG8
MCLR
C2IN1-/PMA2/RPI121/RG9
V
DD
AN5/C1IN1+/V
BUSON
/V
BUSST
/RPI37/RB5
AN4/C1IN2-/USBOEN/RPI36/RB4
AN3/C2IN1+/VPIO/RPI35/RB3
AN2/C2IN2-/VMIO/RPI34/RB2
PGEC3/AN1/V
REF
-/RPI33/RB1
PGED3/AN0/V
REF
+/RPI32/RB0
V
SS
AN30/PWM4L/PMD6/RPI86/RE6
PGEC2/SOSCO/C3IN1-/T1CK/RPI62/RC14
PGED2/SOSCI/C3IN3-/RPI61/RC13
INT0/DMH/RP64/RD0
PMCS1/RPI75/RD11
ASCL1/PMCS2/RPI74/RD10
ASDA1/DPLN/RPI73/RD9
RTCC/DMLN/RPI72/RD8
V
SS
OSC2/CLKO/RC15
OSC1/RPI60/RC12
V
DD
USBID/RP99/RF3
AN28/PWM3L/PMD4/RP84/RE4
AN27/PWM2H/PMD3/RPI83/RE3
AN26/PWM2L/PMD2/RP82/RE2
AN25/PWM1H/PMD1/RPI81/RE1
AN24/PWM1L/PMD0/RP80/RE0
V
CMPST
2/RP97/RF1
V
CMPST
1/RP96/RF0
V
DD
V
CAP
C3IN1+/V
CMPST
3/RP71/RD7
C3IN2-/RP70/RD6
PMRD/RP69/RD5
PMWR/RP68/RD4
PMBE/RP67/RD3
DPH/RP66/RD2
V
CPCON
/RP65/RD1
PGEC1/AN6/RPI38/RB6
PGED1/AN7/RCV/RPI39/RB7
AV
DD
AV
SS
AN8/PMA6/RPI40/RB8
AN9/PMA7//RPI41/RB9
TMS/AN10/CV
REF
/PMA13/RPI42/RB10
TDO/AN11/PMA12/RPI43/RB11
V
SS
V
DD
TCK/AN12/PMA11/RPI44/RB12
TDI/AN13/PMA10/RPI45/RB13
AN14/PMA1/RPI46/RB14
AN15/PMA0/RPI47/RB15
SDA2/PMA9/RP100/RF4
SCL2/PMA8/RP101/RF5
D+/RG2
D-/RG3
V
USB
3
V
3
V
BUS

2009-2012 Microchip Technology Inc. DS70616G-page 7
dsPIC33EPXXX(GP/MC/MU)806/810/814 and PIC24EPXXX(GP/GU)810/814
Pin Diagrams (Continued)
64-Pin TQFP
Note 1: The RPn/RPIn pins can be used by any remappable peripheral with some limitation. See
Section 11.4 “Peripheral Pin Select” for available peripherals and for information on limitations.
2: Every I/O port pin (RAx-RGx) can be used as change notification (CNAx-CNGx). See Section 11.0
“I/O Ports” for more information.
3: The availability of I2C™ interfaces varies by device. Selection (SDAx/SCLx or ASDAx/ASCLx) is
made using the device Configuration bits, ALTI2C1 and ALTI2C2 (FPOR<5:4>). See Section 29.0
“Special Features” for more information.
= Pins are up to 5V tolerant
48
47
46
45
44
43
42
41
49
50
51
52
53
54
55
56
57
58
59
60
61
62
63
64
40
39
38
37
36
35
34
33
1
2
3
4
5
6
7
8
9
10
11
12
13
14
15
16
31
30
29
28
27
26
25
24
23
22
21
20
19
18
17
dsPIC33EP512GP806
32
AN29/PMD5/RP85/RE5
AN31/PMD7/RP87/RE7
C1IN3-/SCK2/PMA5/RP118/RG6
C1IN1-/SDI2/PMA4/RPI119/RG7
C2IN3-/SDO2/PMA3/RP120/RG8
MCLR
C2IN1-/PMA2/RPI121/RG9
V
DD
AN5/C1IN1+/RPI37/RB5
AN4/C1IN2-/RPI36/RB4
AN3/C2IN1+/RPI35/RB3
AN2/C2IN2-/RPI34/RB2
PGEC3/AN1/V
REF
-/RPI33/RB1
PGED3/AN0/V
REF
+/RPI32/RB0
V
SS
AN30/PMD6/RPI86/RE6
PGEC2/SOSCO/C3IN1-/T1CK/RPI62/RC14
PGED2/SOSCI/C3IN3-/RPI61/RC13
INT0/RP64/RD0
PMCS1/RPI75/RD11
ASCL1/PMCS2/RPI74/RD10
ASDA1/RPI73/RD9
RTCC/RPI72/RD8
V
SS
OSC2/CLKO/RC15
OSC1/RPI60/RC12
V
DD
RP99/RF3
AN28/PMD4/RP84/RE4
AN27/PMD3/RPI83/RE3
AN26/PMD2/RP82/RE2
AN25/PMD1/RPI81/RE1
AN24/PMD0/RP80/RE0
RP97/RF1
RP96/RF0
V
DD
V
CAP
C3IN1+/RP71/RD7
C3IN2-/RP70/RD6
PMRD/RP69/RD5
PMWR/RP68/RD4
PMBE/RP67/RD3
RP66/RD2
RP65/RD1
PGEC1/AN6/RPI38/RB6
PGED1/AN7/RPI39/RB7
AV
DD
AV
SS
AN8/PMA6/RPI40/RB8
AN9/PMA7//RPI41/RB9
TMS/AN10/CV
REF
/PMA13/RPI42/RB10
TDO/AN11/PMA12/RPI43/RB11
V
SS
V
DD
TCK/AN12/PMA11/RPI44/RB12
TDI/AN13/PMA10/RPI45/RB13
AN14/PMA1/RPI46/RB14
AN15/PMA0/RPI47/RB15
SDA2/PMA9/RP100/RF4
SCL2/PMA8/RP101/RF5
SCL1/RG2
SDA1/RG3
RP102/RF6
RP98/RF2
PIC24EP512GP806

dsPIC33EPXXX(GP/MC/MU)806/810/814 and PIC24EPXXX(GP/GU)810/814
DS70616G-page 8 2009-2012 Microchip Technology Inc.
Pin Diagrams (Continued)
64-Pin TQFP
Note 1: The RPn/RPIn pins can be used by any remappable peripheral with some limitation. See
Section 11.4 “Peripheral Pin Select” for available peripherals and for information on limitations.
2: Every I/O port pin (RAx-RGx) can be used as change notification (CNAx-CNGx). See Section 11.0
“I/O Ports” for more information.
3: The availability of I2C™ interfaces varies by device. Selection (SDAx/SCLx or ASDAx/ASCLx) is
made using the device Configuration bits, ALTI2C1 and ALTI2C2 (FPOR<5:4>). See Section 29.0
“Special Features” for more information.
= Pins are up to 5V tolerant
48
47
46
45
44
43
42
41
49
50
51
52
53
54
55
56
57
58
59
60
61
62
63
64
40
39
38
37
36
35
34
33
1
2
3
4
5
6
7
8
9
10
11
12
13
14
15
16
31
30
29
28
27
26
25
24
23
22
21
20
19
18
17
dsPIC33EP512MC806
32
AN29/PWM3H/PMD5/RP85/RE5
AN31/PWM4H/PMD7/RP87/RE7
C1IN3-/SCK2/PMA5/RP118/RG6
C1IN1-/SDI2/PMA4/RPI119/RG7
C2IN3-/SDO2/PMA3/RP120/RG8
MCLR
C2IN1-/PMA2/RPI121/RG9
V
DD
AN5/C1IN1+/RPI37/RB5
AN4/C1IN2-/RPI36/RB4
AN3/C2IN1+/RPI35/RB3
AN2/C2IN2-/RPI34/RB2
PGEC3/AN1/V
REF
-/RPI33/RB1
PGED3/AN0/V
REF
+/RPI32/RB0
V
SS
AN30/PWM4L/PMD6/RPI86/RE6
PGEC2/SOSCO/C3IN1-/T1CK/RPI62/RC14
PGED2/SOSCI/C3IN3-/RPI61/RC13
INT0/RP64/RD0
PMCS1/RPI75/RD11
ASCL1/PMCS2/RPI74/RD10
ASDA1/RPI73/RD9
RTCC/RPI72/RD8
V
SS
OSC2/CLKO/RC15
OSC1/RPI60/RC12
V
DD
RP99/RF3
AN28/PWM3L/PMD4/RP84/RE4
AN27/PWM2H/PMD3/RPI83/RE3
AN26/PWM2L/PMD2/RP82/RE2
AN25/PWM1H/PMD1/RPI81/RE1
AN24/PWM1L/PMD0/RP80/RE0
RP97/RF1
RP96/RF0
V
DD
V
CAP
C3IN1+/RP71/RD7
C3IN2-/RP70/RD6
PMRD/RP69/RD5
PMWR/RP68/RD4
PMBE/RP67/RD3
RP66/RD2
RP65/RD1
PGEC1/AN6/RPI38/RB6
PGED1/AN7/RPI39/RB7
AV
DD
AV
SS
AN8/PMA6/RPI40/RB8
AN9/PMA7//RPI41/RB9
TMS/AN10/CV
REF
/PMA13/RPI42/RB10
TDO/AN11/PMA12/RPI43/RB11
V
SS
V
DD
TCK/AN12/PMA11/RPI44/RB12
TDI/AN13/PMA10/RPI45/RB13
AN14/PMA1/RPI46/RB14
AN15/PMA0/RPI47/RB15
SDA2/PMA9/RP100/RF4
SCL2/PMA8/RP101/RF5
SCL1/RG2
SDA1/RG3
RP102/RF6
RP98/RF2

2009-2012 Microchip Technology Inc. DS70616G-page 9
dsPIC33EPXXX(GP/MC/MU)806/810/814 and PIC24EPXXX(GP/GU)810/814
Pin Diagrams (Continued)
100-Pin TQFP
Note 1: The RPn/RPIn pins can be used by any remappable peripheral with some limitation. See
Section 11.4 “Peripheral Pin Select” for available peripherals and for information on limitations.
2: Every I/O port pin (RAx-RGx) can be used as change notification (CNAx-CNGx). See Section 11.0
“I/O Ports” for more information.
3: The availability of I2C™ interfaces varies by device. Selection (SDAx/SCLx or ASDAx/ASCLx) is
made using the device Configuration bits, ALTI2C1 and ALTI2C2 (FPOR<5:4>). See Section 29.0
“Special Features” for more information.
= Pins are up to 5V tolerant
75
100
26
dsPIC33EP512MU810
27
28
29
30
31
32
33
34
35
36
37
38
39
40
41
42
43
44
45
46
47
48
49
50
74
73
72
71
70
69
68
67
66
65
64
63
62
61
60
59
58
57
56
55
54
53
52
51
99
98
97
96
95
94
93
92
91
90
89
88
87
86
85
84
83
82
81
80
79
78
77
76
PGEC1/AN6/RPI38/RB6
PGED1/AN7/RCV/RPI39/RB7
V
REF
-/RA9
V
REF
+/RA10
AV
DD
AV
SS
AN8/PMA6/RPI40/RB8
AN9/PMA7//RPI41/RB9
AN10/CV
REF
/PMA13/RPI42/RB10
AN11/PMA12/RPI43/RB11
V
SS
V
DD
TCK/RPI17/RA1
RP109/RF13
RP108/RF12
AN12/PMA11/RPI44/RB12
AN13/PMA10/RPI45/RB13
AN14/PMA1/RPI46/RB14
AN15/PMA0/RPI47/RB15
V
SS
V
DD
RPI78/RD14
RP79/RD15
SDA2/PMA9/RP100/RF4
SCL2/PMA8/RP101/RF5
PGEC2/SOSCO/C3IN1-/T1CK/RPI62/RC14
PGED2/SOSCI/C3IN3-/RPI61/RC13
INT0/DMH/RP64/RD0
PMCS1/RPI75/RD11
ASCL1/PMCS2/RPI74/RD10
ASDA1/DPLN/RPI73/RD9
RTCC/DMLN/RPI72/RD8
RPI31/RA15
RPI30/RA14
V
SS
OSC2/CLKO/RC15
OSC1/RPI60/RC12
V
DD
TDO/RPI21/RA5
TDI/RPI20/RA4
ASDA2/RPI19/RA3
ASCL2/RPI18/RA2
RP98/RF2
USBID/RP99/RF3
AN28/PWM3L/PMD4/RP84/RE4
AN27/PWM2H/PMD3/RPI83/RE3
AN26/PWM2L/PMD2/RP82/RE2
RP125/RG13
RPI124/RG12
RP126/RG14
AN25/PWM1H/PMD1/RPI81/RE1
AN24/PWM1L/PMD0/RP80/RE0
AN23/RPI23/RA7
AN22/RPI22/RA6
RP112/RG0
RP113/RG1
V
CMPST
2/RP97/RF1
V
CMPST
1/RP96/RF0
V
DD
V
CAP
C3IN1+/V
CMPST
3/RP71/RD7
C3IN2-/RP70/RD6
PMRD/RP69/RD5
PMWR/RP68/RD4
RPI77/RD13
RPI76/RD12
PMBE/RP67/RD3
DPH/RP66/RD2
V
CPCON
/RP65/RD1
D+/RG2
D-/RG3
V
USB
3
V
3
V
BUS
dsPIC33EP256MU810
V
SS
1
2
3
4
5
6
7
8
9
10
11
12
13
14
15
16
17
18
19
20
21
22
23
24
25
AN29/PWM3H/PMD5/RP85/RE5
AN31/PWM4H/PMD7/RP87/RE7
C1IN3-/SCK2/PMA5/RP118/RG6
C1IN1-/SDI2/PMA4/RPI119/RG7
C2IN3-/SDO2/PMA3/RP120/RG8
MCLR
C2IN1-/PMA2/RPI121/RG9
V
DD
AN2/C2IN2-/VMIO/RPI34/RB2
PGEC3/AN1/RPI33/RB1
PGED3/AN0/RPI32/RB0
V
SS
AN30/PWM4L/PMD6/RPI86/RE6
V
DD
TMS/RPI16/RA0
AN20/RPI88/RE8
AN21/RPI89/RE9
RP127/RG15
AN16/PWM5L/RPI49/RC1
AN17/PWM5H/RPI50/RC2
AN18/PWM6L/RPI51/RC3
AN19/PWM6H/RPI52/RC4
RP104/RF8
AN5/C1IN1+/VBUSON//VBUSST/RPI37/RB5
AN4/C1IN2-/USBOEN/RPI36/RB4
AN3/C2IN1+/VPIO/RPI35/RB3

dsPIC33EPXXX(GP/MC/MU)806/810/814 and PIC24EPXXX(GP/GU)810/814
DS70616G-page 10 2009-2012 Microchip Technology Inc.
Pin Diagrams (Continued)
100-Pin TQFP
Note 1: The RPn/RPIn pins can be used by any remappable peripheral with some limitation. See
Section 11.4 “Peripheral Pin Select” for available peripherals and for information on limitations.
2: Every I/O port pin (RAx-RGx) can be used as change notification (CNAx-CNGx). See Section 11.0
“I/O Ports” for more information.
3: The availability of I2C™ interfaces varies by device. Selection (SDAx/SCLx or ASDAx/ASCLx) is
made using the device Configuration bits, ALTI2C1 and ALTI2C2 (FPOR<5:4>). See Section 29.0
“Special Features” for more information.
= Pins are up to 5V tolerant
75
100
26
27
28
29
30
31
32
33
34
35
36
37
38
39
40
41
42
43
44
45
46
47
48
49
50
74
73
72
71
70
69
68
67
66
65
64
63
62
61
60
59
58
57
56
55
54
53
52
51
99
98
97
96
95
94
93
92
91
90
89
88
87
86
85
84
83
82
81
80
79
78
77
76
PGEC1/AN6/RPI38/RB6
PGED1/AN7/RCV/RPI39/RB7
V
REF
-/RA9
V
REF
+/RA10
AV
DD
AV
SS
AN8/PMA6/RPI40/RB8
AN9/PMA7//RPI41/RB9
AN10/CV
REF
/PMA13/RPI42/RB10
AN11/PMA12/RPI43/RB11
V
SS
V
DD
TCK/RPI17/RA1
RP109/RF13
RP108/RF12
AN12/PMA11/RPI44/RB12
AN13/PMA10/RPI45/RB13
AN14/PMA1/RPI46/RB14
AN15/PMA0/RPI47/RB15
V
SS
V
DD
RPI78/RD14
RP79/RD15
SDA2/PMA9/RP100/RF4
SCL2/PMA8/RP101/RF5
PGEC2/SOSCO/C3IN1-/T1CK/RPI62/RC14
PGED2/SOSCI/C3IN3-/RPI61/RC13
INT0/DMH/RP64/RD0
PMCS1/RPI75/RD11
ASCL1/PMCS2/RPI74/RD10
ASDA1/DPLN/RPI73/RD9
RTCC/DMLN/RPI72/RD8
RPI31/RA15
RPI30/RA14
V
SS
OSC2/CLKO/RC15
OSC1/RPI60/RC12
V
DD
TDO/RPI21/RA5
TDI/RPI20/RA4
ASDA2/RPI19/RA3
ASCL2/RPI18/RA2
RP98/RF2
USBID/RP99/RF3
AN28/PMD4/RP84/RE4
AN27/PMD3/RPI83/RE3
AN26/PMD2/RP82/RE2
RP125/RG13
RPI124/RG12
RP126/RG14
AN25/PMD1/RPI81/RE1
AN24/PMD0/RP80/RE0
AN23/RPI23/RA7
AN22/RPI22/RA6
RP112/RG0
RP113/RG1
V
CMPST
2/RP97/RF1
V
CMPST
1/RP96/RF0
V
DD
V
CAP
C3IN1+/V
CMPST
3/RP71/RD7
C3IN2-/RP70/RD6
PMRD/RP69/RD5
PMWR/RP68/RD4
RPI77/RD13
RPI76/RD12
PMBE/RP67/RD3
DPH/RP66/RD2
V
CPCON
/RP65/RD1
D+/RG2
D-/RG3
V
USB
3
V
3
V
BUS
V
SS
1
2
3
4
5
6
7
8
9
10
11
12
13
14
15
16
17
18
19
20
21
22
23
24
25
AN29/PMD5/RP85/RE5
AN31/PMD7/RP87/RE7
C1IN3-/SCK2/PMA5/RP118/RG6
C1IN1-/SDI2/PMA4/RPI119/RG7
C2IN3-/SDO2/PMA3/RP120/RG8
MCLR
C2IN1-/PMA2/RPI121/RG9
V
DD
AN5/C1IN1+/
V
BUSON
/V
BUSST
/RPI37/RB5
AN4/C1IN2-/USBOEN/RPI36/RB4
AN3/C2IN1+/VPIO/RPI35/RB3
AN2/C2IN2-/VMIO/RPI34/RB2
PGEC3/AN1/RPI33/RB1
PGED3/AN0/RPI32/RB0
V
SS
AN30/PMD6/RPI86/RE6
V
DD
TMS/RPI16/RA0
AN20/RPI88/RE8
AN21/RPI89/RE9
RP127/RG15
AN16/RPI49/RC1
AN17/RPI50/RC2
AN18/RPI51/RC3
AN19/RPI52/RC4
PIC24EP512GU810
PIC24EP256GU810
RP104/RF8

2009-2012 Microchip Technology Inc. DS70616G-page 11
dsPIC33EPXXX(GP/MC/MU)806/810/814 and PIC24EPXXX(GP/GU)810/814
Pin Diagrams (Continued)
121-Pin TFBGA(1)
1234567891011
A
RE4 RE3 RG13 RE0 RG0 RF1 VDD NC RD12 RD2 RD1
BNC RG15 RE2 RE1 RA7 RF0 VCAP RD5 RD3 VSS RC14
C
RE6 VDD RG12 RG14 RA6 NC RD7 RD4 NC RC13 RD11
D
RC1 RE7 RE5 NC NC NC RD6 RD13 RD0 NC RD10
E
RC4 RC3 RG6 RC2 NC RG1 NC RA15 RD8 RD9 RA14
F
MCLR RG8 RG9 RG7 VSS NC NC VDD RC12 VSS RC15
G
RE8 RE9 RA0 NC VDD VSS VSS NC RA5 RA3 RA4
H
RB5 RB4 NC NC NC VDD NC VBUS VUSB3V3 RG2 RA2
J
RB3 RB2 RB7 AVDD RB11 RA1 RB12 NC NC RF8 RG3
K
RB1 RB0 RA10 RB8 NC RF12 RB14 VDD RD15 RF3 RF2
L
RB6 RA9 AVSS RB9 RB10 RF13 RB13 RB15 RD14 RF4 RF5
dsPIC33EP256MU810
Note 1: Refer to Table 2 for full pin names.
= Pins are up to 5V tolerant
dsPIC33EP512MU810

dsPIC33EPXXX(GP/MC/MU)806/810/814 and PIC24EPXXX(GP/GU)810/814
DS70616G-page 12 2009-2012 Microchip Technology Inc.
TABLE 2: PIN NAMES: dsPIC33EP256MU810 AND dsPIC33EP512MU810
DEVICES(1,2)
Pin
Number Full Pin Name Pin
Number Full Pin Name
A1 AN28/PWM3L/PMD4/RP84/RE4 E8 RPI31/RA15
A2 AN27/PWM2H/PMD3/RPI83/RE3 E9 RTCC/DMLN/RPI72/RD8
A3 RP125/RG13 E10 ASDA1(3)/DPLN/RPI73/RD9
A4 AN24/PWM1L/PMD0/RP80/RE0 E11 RPI30/RA14
A5 RP112/RG0 F1 MCLR
A6 VCMPST2/RP97/RF1 F2 C2IN3-/SDO2/PMA3/RP120/RG8
A7 VDD F3 C2IN1-/PMA2/RPI121/RG9
A8 No Connect F4 C1IN1-/SDI2/PMA4/RPI119/RG7
A9 RPI76/RD12 F5 VSS
A10 DPH/RP66/RD2 F6 No Connect
A11 VCPCON/RP65/RD1 F7 No Connect
B1 No Connect F8 VDD
B2 RP127/RG15 F9 OSC1/RPI60/RC12
B3 AN26/PWM2L/PMD2/RP82/RE2 F10 VSS
B4 AN25/PWM1H/PMD1/RPI81/RE1 F11 OSC2/CLKO/RC15
B5 AN23/RPI23/RA7 G1 AN20/RPI88/RE8
B6 VCMPST1/RP96/RF0 G2 AN21/RPI89/RE9
B7 VCAP G3 TMS/RPI16/RA0
B8 PMRD/RP69/RD5 G4 No Connect
B9 PMBE/RP67/RD3 G5 VDD
B10 VSS G6 VSS
B11 PGEC2/SOSCO/C3IN1-/T1CK/RPI62/RC14 G7 VSS
C1 AN30/PWM4L/PMD6/RPI86/RE6 G8 No Connect
C2 VDD G9 TDO/RPI21/RA5
C3 RPI124/RG12 G10 ASDA2(3)/RPI19/RA3
C4 RP126/RG14 G11 TDI/RPI20/RA4
C5 AN22/RPI22/RA6 H1 AN5/C1IN1+/VBUSON/VBUSST/RPI37/RB5
C6 No Connect H2 AN4/C1IN2-/USBOEN/RPI36/RB4
C7 C3IN1+/VCMPST3/RP71/RD7 H3 No Connect
C8 PMWR/RP68/RD4 H4 No Connect
C9 No Connect H5 No Connect
C10 PGED2/SOSCI/C3IN3-/RPI61/RC13 H6 VDD
C11 PMCS1/RPI75/RD11 H7 No Connect
D1 AN16/PWM5L/RPI49/RC1 H8 VBUS
D2 AN31/PWM4H/PMD7/RP87/RE7 H9 VUSB3V3
D3 AN29/PWM3H/PMD5/RP85/RE5 H10 D+/RG2(4)
D4 No Connect H11 ASCL2(3)/RPI18/RA2
D5 No Connect J1 AN3/C2IN1+/VPIO/RPI35/RB3
D6 No Connect J2 AN2/C2IN2-/VMIO/RPI34/RB2
D7 C3IN2-/RP70/RD6 J3 PGED1/AN7/RCV/RPI39/RB7
D8 RPI77/RD13 J4 AVDD
D9 INT0/DMH/RP64/RD0 J5 AN11/PMA12/RPI43/RB11
D10 No Connect J6 TCK/RPI17/RA1
D11 ASCL1(3)/PMCS2/RPI74/RD10 J7 AN12/PMA11/RPI44/RB12
Note 1: The RPn/RPIn pins can be used by any remappable peripheral with some limitation. See Section 11.4 “Peripheral Pin Select” for
available peripherals and for information on limitations.
2: Every I/O port pin (RAx-RGx) can be used as change notification (CNAx-CNGx). See Section 11.0 “I/O Ports” for more information.
3: The availability of I2C™ interfaces varies by device. Selection (SDAx/SCLx or ASDAx/ASCLx) is made using the device Configuration bits,
ALTI2C1 and ALTI2C2 (FPOR<5:4>). See Section 29.0 “Special Features” for more information.
4: The pin name is SCL1/RG2 for the dsPIC33EP512(GP/MC)806 and PIC24EP512GP806 devices.
5: The pin name is SDA1/RG3 for the dsPIC33EP512(GP/MC)806 and PIC24EP512GP806 devices.

2009-2012 Microchip Technology Inc. DS70616G-page 13
dsPIC33EPXXX(GP/MC/MU)806/810/814 and PIC24EPXXX(GP/GU)810/814
E1 AN19/PWM6H/RPI52/RC4 J8 No Connect
E2 AN18/PWM6L/RPI51/RC3 J9 No Connect
E3 C1IN3-/SCK2/PMA5/RP118/RG6 J10 RP104/RF8
E4 AN17/PWM5H/RPI50/RC2 J11 D-/RG3(5)
E5 No Connect K1 PGEC3/AN1/RPI33/RB1
E6 RP113/RG1 K2 PGED3/AN0/RPI32/RB0
E7 No Connect K3 VREF+/RA10
K4 AN8/PMA6/RPI40/RB8 L3 AVSS
K5 No Connect L4 AN9/PMA7//RPI41/RB9
K6 RP108/RF12 L5 AN10/CVREF/PMA13/RPI42/RB10
K7 AN14/PMA1/RPI46/RB14 L6 RP109/RF13
K8 VDD L7 AN13/PMA10/RPI45/RB13
K9 RP79/RD15 L8 AN15/PMA0/RPI47/RB15
K10 USBID/RP99/RF3 L9 RPI78/RD14
K11 RP98/RF2 L10 SDA2(3)/PMA9/RP100/RF4
L1 PGEC1/AN6/RPI38/RB6 L11 SCL2(3)/PMA8/RP101/RF5
L2 VREF-/RA9
TABLE 2: PIN NAMES: dsPIC33EP256MU810 AND dsPIC33EP512MU810
DEVICES(1,2) (CONTINUED)
Pin
Number Full Pin Name Pin
Number Full Pin Name
Note 1: The RPn/RPIn pins can be used by any remappable peripheral with some limitation. See Section 11.4 “Peripheral Pin Select” for
available peripherals and for information on limitations.
2: Every I/O port pin (RAx-RGx) can be used as change notification (CNAx-CNGx). See Section 11.0 “I/O Ports” for more information.
3: The availability of I2C™ interfaces varies by device. Selection (SDAx/SCLx or ASDAx/ASCLx) is made using the device Configuration bits,
ALTI2C1 and ALTI2C2 (FPOR<5:4>). See Section 29.0 “Special Features” for more information.
4: The pin name is SCL1/RG2 for the dsPIC33EP512(GP/MC)806 and PIC24EP512GP806 devices.
5: The pin name is SDA1/RG3 for the dsPIC33EP512(GP/MC)806 and PIC24EP512GP806 devices.

dsPIC33EPXXX(GP/MC/MU)806/810/814 and PIC24EPXXX(GP/GU)810/814
DS70616G-page 14 2009-2012 Microchip Technology Inc.
Pin Diagrams (Continued)
121-Pin TFBGA(1)
1234567891011
A
RE4 RE3 RG13 RE0 RG0 RF1 VDD NC RD12 RD2 RD1
BNC RG15 RE2 RE1 RA7 RF0 VCAP RD5 RD3 VSS RC14
C
RE6 VDD RG12 RG14 RA6 NC RD7 RD4 NC RC13 RD11
D
RC1 RE7 RE5 NC NC NC RD6 RD13 RD0 NC RD10
E
RC4 RC3 RG6 RC2 NC RG1 NC RA15 RD8 RD9 RA14
F
MCLR RG8 RG9 RG7 VSS NC NC VDD RC12 VSS RC15
G
RE8 RE9 RA0 NC VDD VSS VSS NC RA5 RA3 RA4
H
RB5 RB4 NC NC NC VDD NC VBUS VUSB3V3 RG2 RA2
J
RB3 RB2 RB7 AVDD RB11 RA1 RB12 NC NC RF8 RG3
K
RB1 RB0 RA10 RB8 NC RF12 RB14 VDD RD15 RF3 RF2
L
RB6 RA9 AVSS RB9 RB10 RF13 RB13 RB15 RD14 RF4 RF5
Note 1: Refer to Table 3 for full pin names.
= Pins are up to 5V tolerant
PIC24EP512GU810
PIC24EP256GU810

2009-2012 Microchip Technology Inc. DS70616G-page 15
dsPIC33EPXXX(GP/MC/MU)806/810/814 and PIC24EPXXX(GP/GU)810/814
TABLE 3: PIN NAMES: PIC24EP256GU810 AND PIC24EP512GU810
DEVICES(1,2)
Pin
Number Full Pin Name Pin
Number Full Pin Name
A1 AN28/PMD4/RP84/RE4 E8 RPI31/RA15
A2 AN27/PMD3/RPI83/RE3 E9 RTCC/DMLN/RPI72/RD8
A3 RP125/RG13 E10 ASDA1(3)/DPLN/RPI73/RD9
A4 AN24/PMD0/RP80/RE0 E11 RPI30/RA14
A5 RP112/RG0 F1 MCLR
A6 VCMPST2/RP97/RF1 F2 C2IN3-/SDO2/PMA3/RP120/RG8
A7 VDD F3 C2IN1-/PMA2/RPI121/RG9
A8 No Connect F4 C1IN1-/SDI2/PMA4/RPI119/RG7
A9 RPI76/RD12 F5 VSS
A10 DPH/RP66/RD2 F6 No Connect
A11 VCPCON/RP65/RD1 F7 No Connect
B1 No Connect F8 VDD
B2 RP127/RG15 F9 OSC1/RPI60/RC12
B3 AN26/PMD2/RP82/RE2 F10 VSS
B4 AN25/PMD1/RPI81/RE1 F11 OSC2/CLKO/RC15
B5 AN23/RPI23/RA7 G1 AN20/RPI88/RE8
B6 VCMPST1/RP96/RF0 G2 AN21/RPI89/RE9
B7 VCAP G3 TMS/RPI16/RA0
B8 PMRD/RP69/RD5 G4 No Connect
B9 PMBE/RP67/RD3 G5 VDD
B10 VSS G6 VSS
B11 PGEC2/SOSCO/C3IN1-/T1CK/RPI62/RC14 G7 VSS
C1 AN30/PMD6/RPI86/RE6 G8 No Connect
C2 VDD G9 TDO/RPI21/RA5
C3 RPI124/RG12 G10 ASDA2(3)/RPI19/RA3
C4 RP126/RG14 G11 TDI/RPI20/RA4
C5 AN22/RPI22/RA6 H1 AN5/C1IN1+/VBUSON/VBUSST/RPI37/RB5
C6 No Connect H2 AN4/C1IN2-/USBOEN/RPI36/RB4
C7 C3IN1+/VCMPST3/RP71/RD7 H3 No Connect
C8 PMWR/RP68/RD4 H4 No Connect
C9 No Connect H5 No Connect
C10 PGED2/SOSCI/C3IN3-/RPI61/RC13 H6 VDD
C11 PMCS1/RPI75/RD11 H7 No Connect
D1 AN16/RPI49/RC1 H8 VBUS
D2 AN31/PMD7/RP87/RE7 H9 VUSB3V3
D3 AN29/PMD5/RP85/RE5 H10 D+/RG2(4)
D4 No Connect H11 ASCL2(3)/RPI18/RA2
D5 No Connect J1 AN3/C2IN1+/VPIO/RPI35/RB3
D6 No Connect J2 AN2/C2IN2-/VMIO/RPI34/RB2
D7 C3IN2-/RP70/RD6 J3 PGED1/AN7/RCV/RPI39/RB7
D8 RPI77/RD13 J4 AVDD
D9 INT0/DMH/RP64/RD0 J5 AN11/PMA12/RPI43/RB11
D10 No Connect J6 TCK/RPI17/RA1
D11 ASCL1(3)/PMCS2/RPI74/RD10 J7 AN12/PMA11/RPI44/RB12
Note 1: The RPn/RPIn pins can be used by any remappable peripheral with some limitation. See Section 11.4 “Peripheral Pin Select” for
available peripherals and for information on limitations.
2: Every I/O port pin (RAx-RGx) can be used as change notification (CNAx-CNGx). See Section 11.0 “I/O Ports” for more information.
3: The availability of I2C™ interfaces varies by device. Selection (SDAx/SCLx or ASDAx/ASCLx) is made using the device Configuration bits,
ALTI2C1 and ALTI2C2 (FPOR<5:4>). See Section 29.0 “Special Features” for more information.
4: The pin name is SCL1/RG2 for the dsPIC33EP512(GP/MC)806 and PIC24EP512GP806 devices.
5: The pin name is SDA1/RG3 for the dsPIC33EP512(GP/MC)806 and PIC24EP512GP806 devices.

dsPIC33EPXXX(GP/MC/MU)806/810/814 and PIC24EPXXX(GP/GU)810/814
DS70616G-page 16 2009-2012 Microchip Technology Inc.
E1 AN19/RPI52/RC4 J8 No Connect
E2 AN18/RPI51/RC3 J9 No Connect
E3 C1IN3-/SCK2/PMA5/RP118/RG6 J10 RP104/RF8
E4 AN17/RPI50/RC2 J11 D-/RG3(5)
E5 No Connect K1 PGEC3/AN1/RPI33/RB1
E6 RP113/RG1 K2 PGED3/AN0/RPI32/RB0
E7 No Connect K3 VREF+/RA10
K4 AN8/PMA6/RPI40/RB8 L3 AVSS
K5 No Connect L4 AN9/PMA7/RPI41/RB9
K6 RP108/RF12 L5 AN10/CVREF/PMA13/RPI42/RB10
K7 AN14/PMA1/RPI46/RB14 L6 RP109/RF13
K8 VDD L7 AN13/PMA10/RPI45/RB13
K9 RP79/RD15 L8 AN15/PMA0/RPI47/RB15
K10 USBID/RP99/RF3 L9 RPI78/RD14
K11 RP98/RF2 L10 SDA2(3)/PMA9/RP100/RF4
L1 PGEC1/AN6/RPI38/RB6 L11 SCL2(3)/PMA8/RP101/RF5
L2 VREF-/RA9
TABLE 3: PIN NAMES: PIC24EP256GU810 AND PIC24EP512GU810
DEVICES(1,2) (CONTINUED)
Pin
Number Full Pin Name Pin
Number Full Pin Name
Note 1: The RPn/RPIn pins can be used by any remappable peripheral with some limitation. See Section 11.4 “Peripheral Pin Select” for
available peripherals and for information on limitations.
2: Every I/O port pin (RAx-RGx) can be used as change notification (CNAx-CNGx). See Section 11.0 “I/O Ports” for more information.
3: The availability of I2C™ interfaces varies by device. Selection (SDAx/SCLx or ASDAx/ASCLx) is made using the device Configuration bits,
ALTI2C1 and ALTI2C2 (FPOR<5:4>). See Section 29.0 “Special Features” for more information.
4: The pin name is SCL1/RG2 for the dsPIC33EP512(GP/MC)806 and PIC24EP512GP806 devices.
5: The pin name is SDA1/RG3 for the dsPIC33EP512(GP/MC)806 and PIC24EP512GP806 devices.

2009-2012 Microchip Technology Inc. DS70616G-page 17
dsPIC33EPXXX(GP/MC/MU)806/810/814 and PIC24EPXXX(GP/GU)810/814
Pin Diagrams (Continued)
144-Pin TQFP, 144-pin LQFP
Note 1: The RPn/RPIn pins can be used by any remappable peripheral with some limitation. See
Section 11.4 “Peripheral Pin Select” for available peripherals and for information on limitations.
2: Every I/O port pin (RAx-RKx) can be used as change notification (CNAx-CNKx). See Section 11.0
“I/O Ports” for more information.
3: The availability of I2C interfaces varies by device. Selection (SDAx/SCLx or ASDAx/ASCLx) is made
using the device Configuration bits, ALTI2C1 and ALTI2C2 (FPOR<5:4>). See Section 29.0
“Special Features” for more information.
= Pins are up to 5V tolerant
108
139
1
37
dsPIC33EP512MU814
2
3
4
5
6
7
8
9
10
11
12
13
14
15
16
17
18
19
20
21
22
23
24
25
38
39
40
41
42
43
44
45
46
47
48
49
50
51
52
53
54
55
56
57
58
59
60
61
107
106
105
104
103
102
101
100
99
98
97
96
95
94
93
92
91
90
89
88
87
86
85
84
138
137
136
135
134
133
132
131
130
129
128
127
126
125
124
123
122
121
120
119
118
117
116
115
144
143
142
141
140
26
27
28
29
30
31
32
33
34
35
36
114
113
112
111
110
109
83
82
81
80
79
78
77
76
75
74
73
62
63
64
65
66
67
68
69
70
71
72
AN29/PWM3H/RP85/RE5
AN31/PWM4H/RP87/RE7
C1IN3-/SCK2/RP118/RG6
C1IN1-/SDI2/RPI119/RG7
C2IN3-/SDO2/RP120/RG8
MCLR
C2IN1-/RPI121/RG9
V
DD
AN5/C1IN1+/V
BUSON
/V
BUSST
/RPI37/RB5
AN4/C1IN2-/USBOEN/RPI36/RB4
AN3/C2IN1+/VPIO/RPI35/RB3
AN2/C2IN2-/VMIO/RPI34/RB2
PGEC3/AN1/RPI33/RB1
PGED3/AN0/RPI32/RB0
V
SS
AN30/PWM4L/RPI86/RE6
V
DD
V
SS
TMS/RPI16/RA0
AN20/RPI88/RE8
AN21/RPI89/RE9
RK0
RK1
RJ14
RJ15
RP127/RG15
PWM7L/PMA8/RJ8
PWM7H/PMA9/RJ9
PMA10/RJ10
PMA11/RJ11
AN16/PWM5L/RPI49/RC1
AN17/PWM5H/RPI50/RC2
AN18/PWM6L/RPI51/RC3
AN19/PWM6H/RPI52/RC4
PMA12/RJ12
PMA13/RJ13
AN28/PWM3L/RP84/RE4
AN27/PWM2H/RPI83/RE3
AN26/PWM2L/RP82/RE2
V
SS
RP125/RG13
RPI124/RG12
RP126/RG14
AN25/PWM1H/RPI81/RE1
AN24/PWM1L/RP80/RE0
PMA7/RJ7
PMA6/RJ6
PMA5/RJ5
PMA4/RJ4
AN23/RPI23/RA7
AN22/RPI22/RA6
RP112/RG0
RP113/RG1
V
CMPST
2/RP97/RF1
V
CMPST
1/RP96/RF0
V
SS
V
DD
V
CAP
C3IN1+/V
CMPST
3/RP71/RD7
C3IN2-/RP70/RD6
RP69/RD5
RP68/RD4
PMA3/RJ3
PMA2/RJ2
PMA1/RJ1
PMA0/RJ0
RPI77/RD13
RPI76/RD12
V
DD
RP67/RD3
DPH/RP66/RD2
V
CPCON
/RP65/RD1
V
SS
PGEC2/SOSCO/C3IN1-/T1CK/RPI62/RC14
PGED2/SOSCI/C3IN3-/RPI61/RC13
INT0/DMH/RP64/RD0
RH15
RH14
RH13
RH12
RPI75/RD11
ASCL1/RPI74/RD10
ASDA1/DPLN/RPI73/RD9
RTCC/DMLN/RPI72/RD8
RPI31/RA15
RPI30/RA14
PMCS1/RK11
PMCS2/RK12
V
SS
OSC2/CLKO/RC15
OSC1/RPI60/RC12
V
DD
TDO/RPI21/RA5
TDI/RPI20/RA4
ASDA2/RPI19/RA3
ASCL2/RPI18/RA2
RH11
RH10
RH9
RH8
RP104/RF8
RP98/RF2
USBID/RP99/RF3
V
SS
PGEC1/AN6/RPI38/RB6
PGED1/AN7/RCV/RPI39/RB7
V
REF
-/RA9
V
REF
+/RA10
AV
DD
AV
SS
PMD0/RH0
PMD1/RH1
PMD2/RH2
PMD3/RH3
AN8/RPI40/RB8
AN9/RPI41/RB9
AN10/CV
REF
/RPI42/RB10
AN11/RPI43/RB11
V
SS
V
DD
PMRD/RK15
PMWR/RK14
PMBE/RK13
TCK/RPI17/RA1
RP109/RF13
RP108/RF12
AN12/RPI44/RB12
AN13/RPI45/RB13
AN14/RPI46/RB14
AN15/RPI47/RB15
V
SS
V
DD
PMD4/RH4
PMD5/RH5
PMD6/RH6
PMD7/RH7
RPI78/RD14
RP79/RD15
SDA2/RP100/RF4
SCL2/RP101/RF5
D+/RG2
D-/RG3
V
USB
3
V
3
V
BUS
dsPIC33EP256MU814

dsPIC33EPXXX(GP/MC/MU)806/810/814 and PIC24EPXXX(GP/GU)810/814
DS70616G-page 18 2009-2012 Microchip Technology Inc.
Pin Diagrams (Continued)
144-Pin TQFP, 144-pin LQFP
Note 1: The RPn/RPIn pins can be used by any remappable peripheral with some limitation. See Section 11.4
“Peripheral Pin Select” for available peripherals and for information on limitations.
2: Every I/O port pin (RAx-RKx) can be used as change notification (CNAx-CNKx). See Section 11.0 “I/O
Ports” for more information.
3: The availability of I2C interfaces varies by device. Selection (SDAx/SCLx or ASDAx/ASCLx) is made
using the device Configuration bits, ALTI2C1 and ALTI2C2 (FPOR<5:4>). See Section 29.0 “Special
Features” for more information.
= Pins are up to 5V tolerant
108
139
1
37
2
3
4
5
6
7
8
9
10
11
12
13
14
15
16
17
18
19
20
21
22
23
24
25
38
39
40
41
42
43
44
45
46
47
48
49
50
51
52
53
54
55
56
57
58
59
60
61
107
106
105
104
103
102
101
100
99
98
97
96
95
94
93
92
91
90
89
88
87
86
85
84
138
137
136
135
134
133
132
131
130
129
128
127
126
125
124
123
122
121
120
119
118
117
116
115
144
143
142
141
140
26
27
28
29
30
31
32
33
34
35
36
114
113
112
111
110
109
83
82
81
80
79
78
77
76
75
74
73
62
63
64
65
66
67
68
69
70
71
72
AN29/RP85/RE5
AN31/RP87/RE7
C1IN3-/SCK2/RP118/RG6
C1IN1-/SDI2/RPI119/RG7
C2IN3-/SDO2/RP120/RG8
MCLR
C2IN1-/RPI121/RG9
V
DD
AN5/C1IN1+/V
BUSON
/V
BUSST
/RPI37/RB5
AN4/C1IN2-/USBOEN/RPI36/RB4
AN3/C2IN1+/VPIO/RPI35/RB3
AN2/C2IN2-/VMIO/RPI34/RB2
PGEC3/AN1/RPI33/RB1
PGED3/AN0/RPI32/RB0
V
SS
AN30/RPI86/RE6
V
DD
V
SS
TMS/RPI16/RA0
AN20/RPI88/RE8
AN21/RPI89/RE9
RK0
RK1
RJ14
RJ15
RP127/RG15
PMA8/RJ8
PMA9/RJ9
PMA10/RJ10
PMA11/RJ11
AN16/RPI49/RC1
AN17/RPI50/RC2
AN18/RPI51/RC3
AN19/RPI52/RC4
PMA12/RJ12
PMA13/RJ13
AN28/RP84/RE4
AN27/RPI83/RE3
AN26/RP82/RE2
V
SS
RP125/RG13
RPI124/RG12
RP126/RG14
AN25/RPI81/RE1
AN24/RP80/RE0
PMA7/RJ7
PMA6/RJ6
PMA5/RJ5
PMA4/RJ4
AN23/RPI23/RA7
AN22/RPI22/RA6
RP112/RG0
RP113/RG1
V
CMPST
2/RP97/RF1
V
CMPST
1/RP96/RF0
V
SS
V
DD
V
CAP
C3IN1+/V
CMPST
3/RP71/RD7
C3IN2-/RP70/RD6
RP69/RD5
RP68/RD4
PMA3/RJ3
PMA2/RJ2
PMA1/RJ1
PMA0/RJ0
RPI77/RD13
RPI76/RD12
V
DD
RP67/RD3
DPH/RP66/RD2
V
CPCON
/RP65/RD1
V
SS
PGEC2/SOSCO/C3IN1-/T1CK/RPI62/RC14
PGED2/SOSCI/C3IN3-/RPI61/RC13
INT0/DMH/RP64/RD0
RH15
RH14
RH13
RH12
RPI75/RD11
ASCL1/RPI74/RD10
ASDA1/DPLN/RPI73/RD9
RTCC/DMLN/RPI72/RD8
RPI31/RA15
RPI30/RA14
PMCS1/RK11
PMCS2/RK12
V
SS
OSC2/CLKO/RC15
OSC1/RPI60/RC12
V
DD
TDO/RPI21/RA5
TDI/RPI20/RA4
ASDA2/RPI19/RA3
ASCL2/RPI18/RA2
RH11
RH10
RH9
RH8
RP104/RF8
RP98/RF2
USBID/RP99/RF3
V
SS
PGEC1/AN6/RPI38/RB6
PGED1/AN7/RCV/RPI39/RB7
V
REF
-/RA9
V
REF
+/RA10
AV
DD
AV
SS
PMD0/RH0
PMD1/RH1
PMD2/RH2
PMD3/RH3
AN8/RPI40/RB8
AN9/RPI41/RB9
AN10/CV
REF
/RPI42/RB10
AN11/RPI43/RB11
V
SS
V
DD
PMRD/RK15
PMWR/RK14
PMBE/RK13
TCK/RPI17/RA1
RP109/RF13
RP108/RF12
AN12/RPI44/RB12
AN13/RPI45/RB13
AN14/RPI46/RB14
AN15/RPI47/RB15
V
SS
V
DD
PMD4/RH4
PMD5/RH5
PMD6/RH6
PMD7/RH7
RPI78/RD14
RP79/RD15
SDA2/RP100/RF4
SCL2/RP101/RF5
D+/RG2
D-/RG3
V
USB
3
V
3
V
BUS
PIC24EP512GU814
PIC24EP256GU814

2009-2012 Microchip Technology Inc. DS70616G-page 19
dsPIC33EPXXX(GP/MC/MU)806/810/814 and PIC24EPXXX(GP/GU)810/814
Table of Contents
1.0 Device Overview ........................................................................................................................................................................ 23
2.0 Guidelines for Getting Started with 16-Bit Digital Signal Controllers and Microcontrollers ........................................................ 31
3.0 CPU............................................................................................................................................................................................ 37
4.0 Memory Organization................................................................................................................................................................. 47
5.0 Flash Program Memory............................................................................................................................................................ 135
6.0 Resets ..................................................................................................................................................................................... 141
7.0 Interrupt Controller ................................................................................................................................................................... 145
8.0 Direct Memory Access (DMA).................................................................................................................................................. 159
9.0 Oscillator Configuration............................................................................................................................................................ 177
10.0 Power-Saving Features............................................................................................................................................................ 191
11.0 I/O Ports ................................................................................................................................................................................... 207
12.0 Timer1 ...................................................................................................................................................................................... 271
13.0 Timer2/3, Timer4/5, Timer6/7 and Timer8/9 ............................................................................................................................ 275
14.0 Input Capture............................................................................................................................................................................ 281
15.0 Output Compare....................................................................................................................................................................... 287
16.0 High-Speed PWM Module (dsPIC33EPXXX(MC/MU)8XX Devices Only) ............................................................................... 293
17.0 Quadrature Encoder Interface (QEI) Module (dsPIC33EPXXX(MC/MU)8XX Devices Only)................................................... 321
18.0 Serial Peripheral Interface (SPI)............................................................................................................................................... 337
19.0 Inter-Integrated Circuit™ (I2C™).............................................................................................................................................. 345
20.0 Universal Asynchronous Receiver Transmitter (UART) ........................................................................................................... 353
21.0 Enhanced CAN (ECAN™) Module........................................................................................................................................... 359
22.0 USB On-The-Go (OTG) Module (dsPIC33EPXXXMU8XX and PIC24EPGU8XX Devices Only) ............................................ 385
23.0 10-Bit/12-Bit Analog-to-Digital Converter (ADC) ...................................................................................................................... 413
24.0 Data Converter Interface (DCI) Module.................................................................................................................................... 429
25.0 Comparator Module.................................................................................................................................................................. 437
26.0 Real-Time Clock and Calendar (RTCC) .................................................................................................................................. 449
27.0 Programmable Cyclic Redundancy Check (CRC) Generator .................................................................................................. 461
28.0 Parallel Master Port (PMP)....................................................................................................................................................... 467
29.0 Special Features ...................................................................................................................................................................... 477
30.0 Instruction Set Summary .......................................................................................................................................................... 485
31.0 Development Support............................................................................................................................................................... 495
32.0 Electrical Characteristics .......................................................................................................................................................... 499
33.0 DC and AC Device Characteristics Graphs.............................................................................................................................. 573
34.0 Packaging Information.............................................................................................................................................................. 577
Appendix A: Revision History............................................................................................................................................................. 597

dsPIC33EPXXX(GP/MC/MU)806/810/814 and PIC24EPXXX(GP/GU)810/814
DS70616G-page 20 2009-2012 Microchip Technology Inc.
TO OUR VALUED CUSTOMERS
It is our intention to provide our valued customers with the best documentation possible to ensure successful use of your Microchip
products. To this end, we will continue to improve our publications to better suit your needs. Our publications will be refined and
enhanced as new volumes and updates are introduced.
If you have any questions or comments regarding this publication, please contact the Marketing Communications Department via
E-mail at docerrors@microchip.com or fax the Reader Response Form in the back of this data sheet to (480) 792-4150. We
welcome your feedback.
Most Current Data Sheet
To obtain the most up-to-date version of this data sheet, please register at our Worldwide Web site at:
http://www.microchip.com
You can determine the version of a data sheet by examining its literature number found on the bottom outside corner of any page.
The last character of the literature number is the version number, (e.g., DS30000A is version A of document DS30000).
Errata
An errata sheet, describing minor operational differences from the data sheet and recommended workarounds, may exist for current
devices. As device/documentation issues become known to us, we will publish an errata sheet. The errata will specify the revision of
silicon and revision of document to which it applies.
To determine if an errata sheet exists for a particular device, please check with one of the following:
• Microchip’s Worldwide Web site; http://www.microchip.com
• Your local Microchip sales office (see last page)
When contacting a sales office, please specify which device, revision of silicon and data sheet (include literature number) you are
using.
Customer Notification System
Register on our web site at www.microchip.com to receive the most current information on all of our products.

2009-2012 Microchip Technology Inc. DS70616G-page 21
dsPIC33EPXXX(GP/MC/MU)806/810/814 and PIC24EPXXX(GP/GU)810/814
Referenced Sources
This device data sheet is based on the following
individual chapters of the “dsPIC33E/PIC24E Family
Reference Manual”. These documents should be
considered as the general reference for the operation
of a particular module or device feature.
• Section 1. “Introduction” (DS70573)
• Section 2. “CPU” (DS70359)
• Section 3. “Data Memory” (DS70595)
• Section 4. “Program Memory” (DS70613)
• Section 5. “Flash Programming” (DS70609)
• Section 6. “Interrupts” (DS70600)
• Section 7. “Oscillator” (DS70580)
• Section 8. “Reset” (DS70602)
• Section 9. “Watchdog Timer and Power-Saving Modes” (DS70615)
• Section 10. “I/O Ports” (DS70598)
• Section 11. “Timers” (DS70362)
• Section 12. “Input Capture” (DS70352)
• Section 13. “Output Compare” (DS70358)
• Section 14. “High-Speed PWM” (DS70645)
• Section 15. “Quadrature Encoder Interface (QEI)” (DS70601)
• Section 16. “Analog-to-Digital Converter (ADC)” (DS70621)
• Section 17. “UART” (DS70582)
• Section 18. “Serial Peripheral Interface (SPI)” (DS70569)
• Section 19. “Inter-Integrated Circuit™ (I2C™)” (DS70330)
• Section 20. “Data Converter Interface (DCI)” (DS70356)
• Section 21. “Enhanced Controller Area Network (ECAN™)” (DS70353)
• Section 22. “Direct Memory Access (DMA)” (DS70348)
• Section 23. “CodeGuard™ Security” (DS70634)
• Section 24. “Programming and Diagnostics” (DS70608)
• Section 25. “USB On-The-Go (OTG)” (DS70571)
• Section 26. “Op Amp/Comparator” (DS70357)
• Section 27. “Programmable Cyclic Redundancy Check (CRC)” (DS70346)
• Section 28. “Parallel Master Port (PMP)” (DS70576)
• Section 29. “Real-Time Clock and Calendar (RTCC)” (DS70584)
• Section 30. “Device Configuration” (DS70618)
Note: To access the documents listed below,
browse to the documentation section
of the dsPIC33EP512MU814 product
page on the Microchip web site
(www.microchip.com).
In the event you are not able to access
the product page using the link above,
enter this URL in your browser:
http://www.microchip.com/wwwproducts/
Devices.aspx?dDocName=en554310#1

dsPIC33EPXXX(GP/MC/MU)806/810/814 and PIC24EPXXX(GP/GU)810/814
DS70616G-page 22 2009-2012 Microchip Technology Inc.
NOTES:

2009-2012 Microchip Technology Inc. DS70616G-page 23
dsPIC33EPXXX(GP/MC/MU)806/810/814 and PIC24EPXXX(GP/GU)810/814
1.0 DEVICE OVERVIEW This document contains device-specific information
for the dsPIC33EPXXX(GP/MC/MU)806/810/814
and PIC24EPXXX(GP/GU)810/814 Digital Signal
Controller (DSC) and Microcontroller (MCU) devices.
The dsPIC33EPXXX(GP/MC/MU)806/810/814 devices
contain extensive Digital Signal Processor (DSP)
functionality with a high-performance 16-bit MCU
architecture.
Figure 1-1 illustrates a general block diagram
of the core and peripheral modules in
the dsPIC33EPXXX(GP/MC/MU)806/810/814 and
PIC24EPXXX(GP/GU)810/814 families of devices.
Table 1-1 lists the functions of the various pins shown
in the pinout diagrams.
Note 1: This data sheet summarizes the features
of the dsPIC33EPXXX(GP/MC/MU)806/
810/814 and PIC24EPXXX(GP/GU)810/
814 families of devices. It is not intended
to be a comprehensive resource. To com-
plement the information in this data
sheet, refer to the related section of the
“dsPIC33E/PIC24E Family Reference
Manual”, which is available from the
Microchip web site (www.microchip.com)
2: Some registers and associated bits
described in this section may not be
available on all devices. Refer to
Section 4.0 “Memory Organization” in
this data sheet for device-specific register
and bit information.

dsPIC33EPXXX(GP/MC/MU)806/810/814 and PIC24EPXXX(GP/GU)810/814
DS70616G-page 24 2009-2012 Microchip Technology Inc.
FIGURE 1-1: dsPIC33EPXXX(GP/MC/MU)806/810/814 and PIC24EPXXX(GP/GU)810/814
BLOCK DIAGRAM
PORTA
PORTB
PORTD
PORTC
Power-up
Timer
Oscillator
Start-up Timer
Instruction
Decode and
Control
OSC1/CLKI
MCLR
VDD, VSS
UART1-
Timing
Generation
ECAN1,
16
PCH
16
Program Counter
16-Bit ALU
24
24
24
24
X Data Bus
IR
I2C1,
DCI
PCU
ADC1,
Timers
Input
Capture
Output
Compare
16
16 16
Divide
Support
Engine(1)
DSP
ROM Latch
16
Y Data Bus(1)
EA MUX
X RAGU
X WAGU
Y AGU
(1)
AVDD, AVSS
UART4
SPI4
16
24
16
16
16
16
16
16
16
8
Interrupt
Controller PSV and Table
Data Access
Control Block
Stack
Control
Logic
Loop
Control
Logic
Data LatchData Latch
Y Data
RAM(1) X Data
RAM
Address
Latch
Address
Latch
Control Signals
to Various Blocks
16
SPI1-
Data Latch
16
16
16
X Address Bus
Y Address Bus
24
Literal Data
ADC2
Program Memory
Watchdog
Timer
POR/BOR
Address Latch
PMP
Comparator
CRC
RTCC
USB
I2C2
ECAN2
QEI1(1),
PWM(1)
QEI2(1)
(3-Channel)
PORTE
PORTF
PORTG
PORTH
PORTJ
PORTK
Remappable
Pins
Note 1: This feature or peripheral is only available on dsPIC33EPXXX(MC/MU)806/810/814 devices.
2: This feature or peripheral is only available on dsPIC33EPXXXMU806/810/814 and PIC24EPXXXGU806/810/814 devices.
OTG(2)
PCL
16 x 16
W Reg Array

2009-2012 Microchip Technology Inc. DS70616G-page 25
dsPIC33EPXXX(GP/MC/MU)806/810/814 and PIC24EPXXX(GP/GU)810/814
TABLE 1-1: PINOUT I/O DESCRIPTIONS
Pin Name Pin
Type
Buffer
Type PPS Description
AN0-AN31 I Analog No Analog input channels.
CLKI
CLKO
I
O
ST/
CMOS
—
No
No
External clock source input. Always associated with OSC1 pin function.
Oscillator crystal output. Connects to crystal or resonator in Crystal
Oscillator mode. Optionally functions as CLKO in RC and EC modes.
Always associated with OSC2 pin function.
OSC1
OSC2
I
I/O
ST/
CMOS
—
No
No
Oscillator crystal input. ST buffer when configured in RC mode; CMOS
otherwise.
Oscillator crystal output. Connects to crystal or resonator in Crystal
Oscillator mode. Optionally functions as CLKO in RC and EC modes.
SOSCI
SOSCO
I
O
ST/
CMOS
—
No
No
32.768 kHz low-power oscillator crystal input; CMOS otherwise.
32.768 kHz low-power oscillator crystal output.
IC1-IC16 I ST Yes Capture Inputs 1 through 16.
OCFA
OCFB
OCFC
OC1-OC16
I
I
I
O
ST
ST
ST
—
Yes
Yes
Yes
Yes
Compare Fault A input (for Compare channels).
Compare Fault B input (for Compare channels).
Compare Fault C input (for Compare channels).
Compare Outputs 1 through 16.
INT0
INT1
INT2
INT3
INT4
I
I
I
I
I
ST
ST
ST
ST
ST
No
Yes
Yes
Yes
Yes
External Interrupt 0.
External Interrupt 1.
External Interrupt 2.
External Interrupt 3.
External Interrupt 4.
RA0-RA7, RA9,
RA10, RA14, RA15
I/O ST No PORTA is a bidirectional I/O port.
RB0-RB15 I/O ST No PORTB is a bidirectional I/O port.
RC1-RC4,
RC12-RC15
I/O ST No PORTC is a bidirectional I/O port.
RD0-RD15 I/O ST No PORTD is a bidirectional I/O port.
RE0-RE9 I/O ST No PORTE is a bidirectional I/O port.
RF0-RF6, RF8
RF12, RF13
I/O ST No PORTF is a bidirectional I/O port.
RG0, RG1
RG2, RG3(3)
RG6-RG9,
RG12-RG15
I/O
I/O
I/O
ST
ST
ST
No
No
No
PORTG is a bidirectional I/O port.
PORTG is a bidirectional I/O port.
PORTG is a bidirectional I/O port.
RH0-RH15 I/O ST No PORTH is a bidirectional I/O port.
RJ0-RJ15 I/O ST No PORTJ is a bidirectional I/O port.
RK0-RK1,
RK11-RK15
I/O ST No PORTK is a bidirectional I/O port.
Legend: CMOS = CMOS compatible input or output Analog = Analog input P = Power
ST = Schmitt Trigger input with CMOS levels O = Output I = Input
PPS = Peripheral Pin Select TTL = TTL input buffer
Note 1: This pin is available on dsPIC33EPXXX(MC/MU)806/810/814 devices only.
2: AVDD must be connected at all times.
3: These pins are input only on dsPIC33EPXXXMU8XX and PIC24EPXXXGU8XX devices.
4: These pins are only available on dsPIC33EPXXXMU8XX and PIC24EPXXXGU8XX devices.
5: The availability of I2C™ interfaces varies by device. Refer to the “Pin Diagrams” section for availability.
Selection (SDAx/SCLx or ASDAx/ASCLx) is made using the device Configuration bits, ALTI2C1 and
ALTI2C2 (FPOR<5:4>). See Section 29.0 “Special Features” for more information.
6: Analog functionality is activated by enabling the USB module and is not controlled by the ANSEL register.

dsPIC33EPXXX(GP/MC/MU)806/810/814 and PIC24EPXXX(GP/GU)810/814
DS70616G-page 26 2009-2012 Microchip Technology Inc.
T1CK
T2CK
T3CK
T4CK
T5CK
T6CK
T7CK
T8CK
T9CK
I
I
I
I
I
I
I
I
I
ST
ST
ST
ST
ST
ST
ST
ST
ST
No
Yes
Yes
Yes
Yes
Yes
Yes
Yes
Yes
Timer1 external clock input.
Timer2 external clock input.
Timer3 external clock input.
Timer4 external clock input.
Timer5 external clock input.
Timer6 external clock input.
Timer7 external clock input.
Timer8 external clock input.
Timer9 external clock input.
U1CTS
U1RTS
U1RX
U1TX
I
O
I
O
ST
—
ST
—
Yes
Yes
Yes
Yes
UART1 Clear-to-Send.
UART1 Ready-to-Send.
UART1 receive.
UART1 transmit.
U2CTS
U2RTS
U2RX
U2TX
I
O
I
O
ST
—
ST
—
Yes
Yes
Yes
Yes
UART2 Clear-to-Send.
UART2 Ready-to-Send.
UART2 receive.
UART2 transmit.
U3CTS
U3RTS
U3RX
U3TX
I
O
I
O
ST
—
ST
—
Yes
Yes
Yes
Yes
UART3 Clear-to-Send.
UART3 Ready-to-Send.
UART3 receive.
UART3 transmit.
U4CTS
U4RTS
U4RX
U4TX
I
O
I
O
ST
—
ST
—
Yes
Yes
Yes
Yes
UART4 Clear-to-Send.
UART4 Ready-to-Send.
UART4 receive.
UART4 transmit.
SCK1
SDI1
SDO1
SS1
I/O
I
O
I/O
ST
ST
—
ST
Yes
Yes
Yes
Yes
Synchronous serial clock input/output for SPI1.
SPI1 data in.
SPI1 data out.
SPI1 slave synchronization or frame pulse I/O.
SCK2
SDI2
SDO2
SS2
I/O
I
O
I/O
ST
ST
—
ST
No
No
No
Yes
Synchronous serial clock input/output for SPI2.
SPI2 data in.
SPI2 data out.
SPI2 slave synchronization or frame pulse I/O.
SCK3
SDI3
SDO3
SS3
I/O
I
O
I/O
ST
ST
—
ST
Yes
Yes
Yes
Yes
Synchronous serial clock input/output for SPI3.
SPI3 data in.
SPI3 data out.
SPI3 slave synchronization or frame pulse I/O.
SCK4
SDI4
SDO4
SS4
I/O
I
O
I/O
ST
ST
—
ST
Yes
Yes
Yes
Yes
Synchronous serial clock input/output for SPI4.
SPI4 data in.
SPI4 data out.
SPI4 slave synchronization or frame pulse I/O.
TABLE 1-1: PINOUT I/O DESCRIPTIONS (CONTINUED)
Pin Name Pin
Type
Buffer
Type PPS Description
Legend: CMOS = CMOS compatible input or output Analog = Analog input P = Power
ST = Schmitt Trigger input with CMOS levels O = Output I = Input
PPS = Peripheral Pin Select TTL = TTL input buffer
Note 1: This pin is available on dsPIC33EPXXX(MC/MU)806/810/814 devices only.
2: AVDD must be connected at all times.
3: These pins are input only on dsPIC33EPXXXMU8XX and PIC24EPXXXGU8XX devices.
4: These pins are only available on dsPIC33EPXXXMU8XX and PIC24EPXXXGU8XX devices.
5: The availability of I2C™ interfaces varies by device. Refer to the “Pin Diagrams” section for availability.
Selection (SDAx/SCLx or ASDAx/ASCLx) is made using the device Configuration bits, ALTI2C1 and
ALTI2C2 (FPOR<5:4>). See Section 29.0 “Special Features” for more information.
6: Analog functionality is activated by enabling the USB module and is not controlled by the ANSEL register.

2009-2012 Microchip Technology Inc. DS70616G-page 27
dsPIC33EPXXX(GP/MC/MU)806/810/814 and PIC24EPXXX(GP/GU)810/814
SCL1(5)
SDA1(5)
ASCL1(5)
ASDA1(5)
I/O
I/O
I/O
I/O
ST
ST
ST
ST
No
No
No
No
Synchronous serial clock input/output for I2C1.
Synchronous serial data input/output for I2C1.
Alternate synchronous serial clock input/output for I2C1.
Alternate synchronous serial data input/output for I2C1.
SCL2(5)
SDA2(5)
ASCL2(5)
ASDA2(5)
I/O
I/O
I/O
I/O
ST
ST
ST
ST
No
No
No
No
Synchronous serial clock input/output for I2C2.
Synchronous serial data input/output for I2C2.
Alternate synchronous serial clock input/output for I2C2.
Alternate synchronous serial data input/output for I2C2.
TMS
TCK
TDI
TDO
I
I
I
O
ST
ST
ST
—
No
No
No
No
JTAG Test mode select pin.
JTAG test clock input pin.
JTAG test data input pin.
JTAG test data output pin.
INDX1(1)
HOME1(1)
QEA1(1)
QEB1(1)
CNTCMP1(1)
I
I
I
I
O
ST
ST
ST
ST
—
Yes
Yes
Yes
Yes
Yes
Quadrature Encoder Index1 pulse input.
Quadrature Encoder Home1 pulse input.
Quadrature Encoder Phase A input in QEI1 mode. Auxiliary timer
external clock input in Timer mode.
Quadrature Encoder Phase A input in QEI1 mode. Auxiliary timer
external gate input in Timer mode.
Quadrature Encoder Compare Output 1.
INDX2(1)
HOME2(1)
QEA2(1)
QEB2(1)
CNTCMP2(1)
I
I
I
I
O
ST
ST
ST
ST
—
Yes
Yes
Yes
Yes
Yes
Quadrature Encoder Index2 pulse input.
Quadrature Encoder Home2 pulse input.
Quadrature Encoder Phase A input in QEI2 mode. Auxiliary timer
external clock input in Timer mode.
Quadrature Encoder Phase B input in QEI2 mode. Auxiliary timer
external gate input in Timer mode.
Quadrature Encoder Compare Output 2.
COFS
CSCK
CSDI
CSDO
I/O
I/O
I
O
ST
ST
ST
—
Yes
Yes
Yes
Yes
Data Converter Interface frame synchronization pin.
Data Converter Interface serial clock input/output pin.
Data Converter Interface serial data input pin.
Data Converter Interface serial data output pin.
C1RX
C1TX
I
O
ST
—
Yes
Yes
ECAN1 bus receive pin.
ECAN1 bus transmit pin.
C2RX
C2TX
I
O
ST
—
Yes
Yes
ECAN2 bus receive pin.
ECAN2 bus transmit pin.
RTCC O — No Real-Time Clock alarm output.
CVREF O Analog No Comparator voltage reference output.
C1IN1+, C1IN2-,
C1IN1-, C1IN3-
C1OUT
I
O
Analog
—
No
Yes
Comparator 1 inputs
Comparator 1 output.
TABLE 1-1: PINOUT I/O DESCRIPTIONS (CONTINUED)
Pin Name Pin
Type
Buffer
Type PPS Description
Legend: CMOS = CMOS compatible input or output Analog = Analog input P = Power
ST = Schmitt Trigger input with CMOS levels O = Output I = Input
PPS = Peripheral Pin Select TTL = TTL input buffer
Note 1: This pin is available on dsPIC33EPXXX(MC/MU)806/810/814 devices only.
2: AVDD must be connected at all times.
3: These pins are input only on dsPIC33EPXXXMU8XX and PIC24EPXXXGU8XX devices.
4: These pins are only available on dsPIC33EPXXXMU8XX and PIC24EPXXXGU8XX devices.
5: The availability of I2C™ interfaces varies by device. Refer to the “Pin Diagrams” section for availability.
Selection (SDAx/SCLx or ASDAx/ASCLx) is made using the device Configuration bits, ALTI2C1 and
ALTI2C2 (FPOR<5:4>). See Section 29.0 “Special Features” for more information.
6: Analog functionality is activated by enabling the USB module and is not controlled by the ANSEL register.

dsPIC33EPXXX(GP/MC/MU)806/810/814 and PIC24EPXXX(GP/GU)810/814
DS70616G-page 28 2009-2012 Microchip Technology Inc.
C2IN1+, C2IN2-,
C2IN1-, C2IN3-
C2OUT
I
O
Analog
—
No
Yes
Comparator 2 inputs.
Comparator 2 output.
C3IN1+, C3IN2-,
C2IN1-, C3IN3-
C3OUT
I
O
Analog
—
No
Yes
Comparator 3 inputs.
Comparator 3 output.
PMA0
PMA1
PMA2 -PMA13
PMBE
PMCS1, PMCS2
PMD0-PMD7
PMRD
PMWR
I/O
I/O
O
O
O
I/O
O
O
TTL/ST
TTL/ST
—
—
—
TTL/ST
—
—
No
No
No
No
No
No
No
No
Parallel Master Port Address Bit 0 input (Buffered Slave modes) and
output (Master modes).
Parallel Master Port Address Bit 1 input (Buffered Slave modes) and
output (Master modes).
Parallel Master Port Address Bits 2-13 (Demultiplexed Master modes).
Parallel Master Port byte enable strobe.
Parallel Master Port Chip Select 1 and 2 strobe.
Parallel Master Port data (Demultiplexed Master mode) or address/data
(Multiplexed Master modes).
Parallel Master Port read strobe.
Parallel Master Port write strobe.
FLT1-FLT7(1)
DTCMP1-DTCMP7(1)
PWM1L-PWM7L(1)
PWM1H-PWM7H(1)
SYNCI1, SYNCI2(1)
SYNCO1, SYNCO2(1)
I
I
O
O
I
O
ST
ST
—
—
ST
—
Yes
Yes
No
No
Yes
Yes
PWM Fault Input 1 through 7.
PWM dead-time compensation input.
PWM Low Output 1 through 7.
PWM High Output 1 through 7.
PWM Synchronization Inputs 1 and 2.
PWM Synchronization Outputs 1 and 2.
TABLE 1-1: PINOUT I/O DESCRIPTIONS (CONTINUED)
Pin Name Pin
Type
Buffer
Type PPS Description
Legend: CMOS = CMOS compatible input or output Analog = Analog input P = Power
ST = Schmitt Trigger input with CMOS levels O = Output I = Input
PPS = Peripheral Pin Select TTL = TTL input buffer
Note 1: This pin is available on dsPIC33EPXXX(MC/MU)806/810/814 devices only.
2: AVDD must be connected at all times.
3: These pins are input only on dsPIC33EPXXXMU8XX and PIC24EPXXXGU8XX devices.
4: These pins are only available on dsPIC33EPXXXMU8XX and PIC24EPXXXGU8XX devices.
5: The availability of I2C™ interfaces varies by device. Refer to the “Pin Diagrams” section for availability.
Selection (SDAx/SCLx or ASDAx/ASCLx) is made using the device Configuration bits, ALTI2C1 and
ALTI2C2 (FPOR<5:4>). See Section 29.0 “Special Features” for more information.
6: Analog functionality is activated by enabling the USB module and is not controlled by the ANSEL register.

2009-2012 Microchip Technology Inc. DS70616G-page 29
dsPIC33EPXXX(GP/MC/MU)806/810/814 and PIC24EPXXX(GP/GU)810/814
VBUS(4,6)
VUSB3V3(4)
VBUSON(4)
D+(4,6)
D-(4,6)
USBID(4)
USBOEN(4)
VBUSST(4)
VCPCON(4)
VCMPST1(4)
VCMPST2(4)
VCMPST3(4)
VMIO(4)
VPIO(4)
DMH(4)
DPH(4)
DMLN(4)
DPLN(4)
RCV(4)
I
P
O
I/O
I/O
I
O
I
O
I
I
I
I/O
I/O
O
O
O
O
I
Analog
—
—
Analog
Analog
ST
—
ST
—
ST
ST
ST
ST
ST
—
—
—
—
ST
No
No
No
No
No
No
No
No
No
No
No
No
No
No
No
No
No
No
No
USB bus power monitor.
USB internal transceiver supply. If the USB module is not being used,
this pin must be connected to VDD.
USB host and On-The-Go (OTG) bus power control output.
D+ pin of internal USB transceiver.
D- pin of internal USB transceiver.
USB OTG ID detect.
USB output enabled control (for external transceiver).
USB boost controller overcurrent detection.
USB boost controller PWM signal.
USB External Comparator 1 input.
USB External Comparator 2 input.
USB External Comparator 3 input.
USB differential minus input/output (external transceiver).
USB differential plus input/output (external transceiver).
D- external pull-up control output.
D+ external pull-up control output.
D- external pull-down control output.
D+ External Pull-down Control Output.
USB receive input (from external transceiver).
PGED1
PGEC1
PGED2
PGEC2
PGED3
PGEC3
I/O
I
I/O
I
I/O
I
ST
ST
ST
ST
ST
ST
No
No
No
No
No
No
Data I/O pin for Programming/Debugging Communication Channel 1.
Clock input pin for Programming/Debugging Communication Channel 1.
Data I/O pin for Programming/Debugging Communication Channel 2.
Clock input pin for Programming/Debugging Communication Channel 2.
Data I/O pin for Programming/Debugging Communication Channel 3.
Clock input pin for Programming/Debugging Communication Channel 3.
MCLR I/P ST No Master Clear (Reset) input. This pin is an active-low Reset to the
device.
AVDD(2)P P No Positive supply for analog modules. This pin must be connected at all
times.
AVSS P P No Ground reference for analog modules.
VDD P — No Positive supply for peripheral logic and I/O pins.
VCAP P — No CPU logic filter capacitor connection.
VSS P — No Ground reference for logic and I/O pins.
VREF+ I Analog No Analog voltage reference (high) input.
VREF- I Analog No Analog voltage reference (low) input.
TABLE 1-1: PINOUT I/O DESCRIPTIONS (CONTINUED)
Pin Name Pin
Type
Buffer
Type PPS Description
Legend: CMOS = CMOS compatible input or output Analog = Analog input P = Power
ST = Schmitt Trigger input with CMOS levels O = Output I = Input
PPS = Peripheral Pin Select TTL = TTL input buffer
Note 1: This pin is available on dsPIC33EPXXX(MC/MU)806/810/814 devices only.
2: AVDD must be connected at all times.
3: These pins are input only on dsPIC33EPXXXMU8XX and PIC24EPXXXGU8XX devices.
4: These pins are only available on dsPIC33EPXXXMU8XX and PIC24EPXXXGU8XX devices.
5: The availability of I2C™ interfaces varies by device. Refer to the “Pin Diagrams” section for availability.
Selection (SDAx/SCLx or ASDAx/ASCLx) is made using the device Configuration bits, ALTI2C1 and
ALTI2C2 (FPOR<5:4>). See Section 29.0 “Special Features” for more information.
6: Analog functionality is activated by enabling the USB module and is not controlled by the ANSEL register.

dsPIC33EPXXX(GP/MC/MU)806/810/814 and PIC24EPXXX(GP/GU)810/814
DS70616G-page 30 2009-2012 Microchip Technology Inc.
NOTES:

2009-2012 Microchip Technology Inc. DS70616G-page 31
dsPIC33EPXXX(GP/MC/MU)806/810/814 and PIC24EPXXX(GP/GU)810/814
2.0 GUIDELINES FOR GETTING
STARTED WITH 16-BIT DIGITAL
SIGNAL CONTROLLERS AND
MICROCONTROLLERS
2.1 Basic Connection Requirements
Getting started with the 16-bit DSCs and microcontrollers
requires attention to a minimal set of device pin
connections before proceeding with development. The
following is a list of pin names, which must always be
connected:
• All VDD and VSS pins (see Section 2.2
“Decoupling Capacitors”)
• All AVDD and AVSS pins (regardless if ADC module
is not used) (see Section 2.2 “Decoupling
Capacitors”)
•V
CAP (see Section 2.3 “CPU Logic Filter
Capacitor Connection (VCAP)”)
•MCLR
pin (see Section 2.4 “Master Clear (MCLR)
Pin”)
• PGECx/PGEDx pins used for In-Circuit Serial
Programming™ (ICSP™) and debugging purposes
(see Section 2.5 “ICSP Pins”)
• OSC1 and OSC2 pins when external oscillator
source is used (see Section 2.6 “External
Oscillator Pins”)
Additionally, the following pins may be required:
•V
USB3V3 pin is used when utilizing the USB
module. If the USB module is not used, VUSB3V3
must be connected to VDD.
•V
REF+/VREF- pin is used when external voltage
reference for ADC module is implemented
2.2 Decoupling Capacitors
The use of decoupling capacitors on every pair of
power supply pins, such as VDD, VSS, VUSB3V3,
AVDD and AVSS is required.
Consider the following criteria when using decoupling
capacitors:
•Value and type of capacitor: Recommendation of
0.1 µF (100 nF), 10-20V. This capacitor should be a
low-ESR and have resonance frequency in the
range of 20 MHz and higher. It is recommended to
use ceramic capacitors.
•Placement on the printed circuit board: The
decoupling capacitors should be placed as close to
the pins as possible. It is recommended to place the
capacitors on the same side of the board as the
device. If space is constricted, the capacitor can be
placed on another layer on the PCB using a via;
however, ensure that the trace length from the pin to
the capacitor is within one-quarter inch (6 mm) in
length.
•Handling high frequency noise: If the board is
experiencing high frequency noise, above tens of
MHz, add a second ceramic-type capacitor in
parallel to the above described decoupling capaci-
tor. The value of the second capacitor can be in the
range of 0.01 µF to 0.001 µF. Place this second
capacitor next to the primary decoupling capacitor.
In high-speed circuit designs, consider implement-
ing a decade pair of capacitances as close to the
power and ground pins as possible. For example,
0.1 µF in parallel with 0.001 µF.
•Maximizing performance: On the board layout
from the power supply circuit, run the power and
return traces to the decoupling capacitors first, and
then to the device pins. This ensures that the
decoupling capacitors are first in the power chain.
Equally important is to keep the trace length
between the capacitor and the power pins to a
minimum, thereby reducing PCB track inductance.
Note 1: This data sheet summarizes
the features of the
dsPIC33EPXXX(GP/MC/MU)806/810/814
and PIC24EPXXX(GP/GU)810/814 fami-
lies of devices. It is not intended to be a
comprehensive reference source. To
complement the information in this data
sheet, refer to the related section of the
“dsPIC33E/PIC24E Family Reference
Manual”, which is available from the
Microchip web site (www.microchip.com)
2: Some registers and associated bits
described in this section may not be
available on all devices. Refer to
Section 4.0 “Memory Organization” in
this data sheet for device-specific register
and bit information.
Note: The AVDD and AVSS pins must be
connected independent of the ADC
voltage reference source. The voltage
difference between AVDD and VDD cannot
exceed 300 mV at any time during
operation or start-up.

dsPIC33EPXXX(GP/MC/MU)806/810/814 and PIC24EPXXX(GP/GU)810/814
DS70616G-page 32 2009-2012 Microchip Technology Inc.
FIGURE 2-1: RECOMMENDED
MINIMUM CONNECTION
2.2.1 TANK CAPACITORS
On boards with power traces running longer than six
inches in length, it is suggested to use a tank capacitor
for integrated circuits including DSCs to supply a local
power source. The value of the tank capacitor should
be determined based on the trace resistance that con-
nects the power supply source to the device and the
maximum current drawn by the device in the applica-
tion. In other words, select the tank capacitor so that it
meets the acceptable voltage sag at the device. Typical
values range from 4.7 µF to 47 µF.
2.3 CPU Logic Filter Capacitor
Connection (VCAP)
A low-ESR (< 1 Ohms) capacitor is required on the
VCAP pin, which is used to stabilize the voltage
regulator output voltage. The VCAP pin must not be
connected to VDD and must have a capacitor greater
than 4.7 µF (10 µF is recommended), 16V connected
to ground. The type can be ceramic or tantalum. See
Section 32.0 “Electrical Characteristics” for
additional information.
The placement of this capacitor should be close to the
VCAP. It is recommended that the trace length not
exceeds one-quarter inch (6 mm). See Section 29.2
“On-Chip Voltage Regulator” for details.
2.4 Master Clear (MCLR) Pin
The MCLR pin provides two specific device
functions:
• Device Reset
• Device Programming and Debugging
During device programming and debugging, the
resistance and capacitance that can be added to the
pin must be considered. Device programmers and
debuggers drive the MCLR pin. Consequently,
specific voltage levels (VIH and VIL) and fast signal
transitions must not be adversely affected. Therefore,
specific values of R and C will need to be adjusted
based on the application and PCB requirements.
For example, as shown in Figure 2-2, it is
recommended that the capacitor C, be isolated from
the MCLR pin during programming and debugging
operations.
Place the components as shown in Figure 2-2 within
one-quarter inch (6 mm) from the MCLR pin.
FIGURE 2-2: EXAMPLE OF MCLR PIN
CONNECTIONS
dsPIC33EP/
VDD
VSS
VDD
VSS
VSS
VDD
AVDD
AVSS
VDD
VSS
0.1 µF
Ceramic
0.1 µF
Ceramic
0.1 µF
Ceramic
0.1 µF
Ceramic
C
R
VDD
MCLR
0.1 µF
Ceramic
VCAP
L1(2)
R1
10 µF
Tantalum
Note 1: If the USB module is not used, VUSB3V3 must be
connected to VDD, as shown.
2: As an option, instead of a hard-wired connection, an
inductor (L1) can be substituted between VDD and
AVDD to improve ADC noise rejection. The inductor
impedance should be less than 1 and the inductor
capacity greater than 10 mA.
Where:
fFCNV
2
--------------=
f1
2LC
-----------------------=
L1
2fC
----------------------
2
=
(i.e., ADC conversion rate/2)
VUSB3V3(1)
PIC24EP
Note 1: R 10 k is recommended. A suggested
starting value is 10 k. Ensure that the
MCLR pin VIH and VIL specifications are met.
2: R1 470 will limit any current flowing into
MCLR from the external capacitor C, in the
event of MCLR pin breakdown, due to
Electrostatic Discharge (ESD) or Electrical
Overstress (EOS). Ensure that the MCLR pin
VIH and VIL specifications are met.
C
R1(2)
R(1)
VDD
MCLR
dsPIC33EP
JP

2009-2012 Microchip Technology Inc. DS70616G-page 33
dsPIC33EPXXX(GP/MC/MU)806/810/814 and PIC24EPXXX(GP/GU)810/814
2.5 ICSP Pins
The PGECx and PGEDx pins are used for ICSP and
debugging purposes. It is recommended to keep the
trace length between the ICSP connector and the ICSP
pins on the device as short as possible. If the ICSP con-
nector is expected to experience an ESD event, a
series resistor is recommended, with the value in the
range of a few tens of Ohms, not to exceed 100 Ohms.
Pull-up resistors, series diodes and capacitors on the
PGECx and PGEDx pins are not recommended as they
will interfere with the programmer/debugger communi-
cations to the device. If such discrete components are
an application requirement, they should be removed
from the circuit during programming and debugging.
Alternatively, refer to the AC/DC characteristics and
timing requirements information in the respective
device Flash programming specification for information
on capacitive loading limits and pin input voltage high
(VIH) and input low (VIL) requirements.
Ensure that the “Communication Channel Select” (i.e.,
PGECx/PGEDx pins) programmed into the device
matches the physical connections for the ICSP to
MPLAB® PICkit™ 3, MPLAB ICD 3, or MPLAB REAL
ICE™.
For more information on MPLAB ICD 3 and MPLAB
REAL ICE connection requirements, refer to the
following documents that are available on the
Microchip web site.
•“Using MPLAB® ICD 3” (poster) DS51765
•“MPLAB® ICD 3 Design Advisory” DS51764
•“MPLAB® REAL ICE™ In-Circuit Emulator User’s
Guide” DS51616
•“Using MPLAB® REAL ICE™ In-Circuit Emulator”
(poster) DS51749
2.6 External Oscillator Pins
Many DSCs have options for at least two oscillators: a
high-frequency primary oscillator and a low-frequency
secondary oscillator. For details, see Section 9.0
“Oscillator Configuration” for details.
The oscillator circuit should be placed on the same
side of the board as the device. Also, place the
oscillator circuit close to the respective oscillator pins,
not exceeding one-half inch (12 mm) distance
between them. The load capacitors should be placed
next to the oscillator itself, on the same side of the
board. Use a grounded copper pour around the
oscillator circuit to isolate them from surrounding
circuits. The grounded copper pour should be routed
directly to the MCU ground. Do not run any signal
traces or power traces inside the ground pour. Also, if
using a two-sided board, avoid any traces on the
other side of the board where the crystal is placed. A
suggested layout is shown in Figure 2-3.
FIGURE 2-3: SUGGESTED PLACEMENT
OF THE OSCILLATOR
CIRCUIT
2.7 Oscillator Value Conditions on
Device Start-up
If the PLL of the target device is enabled and
configured for the device start-up oscillator, the
maximum oscillator source frequency must be limited
to 3 MHz < FIN < 5.5 MHz to comply with device PLL
start-up conditions. This means that if the external
oscillator frequency is outside this range, the
application must start-up in the FRC mode first. The
default PLL settings after a POR with an oscillator
frequency outside this range will violate the device
operating speed.
Once the device powers up, the application firmware
can initialize the PLL SFRs, CLKDIV and PLLDBF to a
suitable value, and then perform a clock switch to the
Oscillator + PLL clock source. Note that clock switching
must be enabled in the device Configuration Word.
2.8 Unused I/Os
Unused I/O pins should be configured as outputs and
driven to a logic-low state.
Alternatively, connect a 1k to 10k resistor between VSS
and unused pins and drive the output to logic low.
13
Main Oscillator
Guard Ring
Guard Trace
Secondary
Oscillator
14
15
16
17
18
19
20

dsPIC33EPXXX(GP/MC/MU)806/810/814 and PIC24EPXXX(GP/GU)810/814
DS70616G-page 34 2009-2012 Microchip Technology Inc.
2.9 Application Examples
• Induction heating
• Uninterruptable Power Supplies (UPS)
• DC/AC inverters
• Compressor motor control
• Washing machine 3-phase motor control
• BLDC motor control
• Automotive HVAC, cooling fans, fuel pumps
• Stepper motor control
• Audio and fluid sensor monitoring
• Camera lens focus and stability control
• Speech (playback, hands-free kits, answering
machines, VoIP)
• Consumer audio
• Industrial and building control (security systems
and access control)
• Barcode reading
• Networking: LAN switches, gateways
• Data storage device management
• Smart cards and smart card readers
Examples of typical application connections are shown
in Figure 2-4 through Figure 2-8.
FIGURE 2-4: BOOST CONVERTER IMPLEMENTATION
IPFC
VOUTPUT
ADC Channel ADC Channel
PWM
k1
k2
k3
FET
dsPIC33EP
VINPUT
Comparator
Output
Driver

2009-2012 Microchip Technology Inc. DS70616G-page 35
dsPIC33EPXXX(GP/MC/MU)806/810/814 and PIC24EPXXX(GP/GU)810/814
FIGURE 2-5: SINGLE-PHASE SYNCHRONOUS BUCK CONVERTER
FIGURE 2-6: MULTI-PHASE SYNCHRONOUS BUCK CONVERTER
k1
Comparator
k2
k7
PWM
PWM
ADC
Channel
ADC
Channel
5V Output
I5V
12V Input
FET
Driver
dsPIC33EP
k5
k4
k3
k6
k7
Comparator
Comparator
ADC Channel
Comparator
ADC
Channel
PWM
PWM
PWM
PWM
PWM
PWM
3.3V Output
12V Input
FET
Driver
FET
Driver
FET
Driver
dsPIC33EP

dsPIC33EPXXX(GP/MC/MU)806/810/814 and PIC24EPXXX(GP/GU)810/814
DS70616G-page 36 2009-2012 Microchip Technology Inc.
FIGURE 2-7: INTERLEAVED PFC
FIGURE 2-8: BEMF VOLTAGE MEASURED USING THE ADC MODULE
VAC
VOUT+
Comparator
PWM
ADC
PWM
|VAC|
k4k3
FET
dsPIC33EP
Driver
VOUT-
ADC Channel
FET
Driver
k1k2
Comparator
Channel
Comparator
3-Phase
Inverter
PWM3H
PWM3L
PWM2H
PWM2L
PWM1H
PWM1L
FLTx Fault
BLDC
dsPIC33EP/PIC24EP
AN3
AN4
AN5
AN2
Demand
Phase Terminal Voltage Feedback
R49 R41 R34 R36
R44
R52

2009-2012 Microchip Technology Inc. DS70616G-page 37
dsPIC33EPXXX(GP/MC/MU)806/810/814 and PIC24EPXXX(GP/GU)810/814
3.0 CPU
The CPU has a 16-bit (data) modified Harvard
architecture with an enhanced instruction set, including
significant support for digital signal processing. The
CPU has a 24-bit instruction word, with a variable
length opcode field. The Program Counter (PC) is
24 bits wide and addresses up to 4M x 24 bits of user
program memory space.
An instruction prefetch mechanism helps maintain
throughput and provides predictable execution. Most
instructions execute in a single-cycle effective execu-
tion rate, with the exception of instructions that change
the program flow, the double-word move (MOV.D)
instruction, PSV accesses and the table instructions.
Overhead free program loop constructs are supported
using the DO and REPEAT instructions, both of which
are interruptible at any point.
3.1 Registers
Devices have sixteen 16-bit working registers in the
programmer’s model. Each of the working registers
can act as a Data, Address or Address Offset register.
The 16th working register (W15) operates as a Soft-
ware Stack Pointer for interrupts and calls. The working
registers, W0 through W3, and selected bits from the
STATUS register, have shadow registers for fast
context saves and restores using a single POP.S or
PUSH.S instruction.
3.2 Instruction Set
The dsPIC33EPXXXMU806/810/814 instruction set
has two classes of instructions: the MCU class of
instructions and the DSP class of instructions. The
PIC24EPXXX(GP/GU)810/814 instruction set has the
MCU class of instructions and does not support DSP
instructions. These two instruction classes are seam-
lessly integrated into the architecture and execute from
a single execution unit. The instruction set includes
many addressing modes and was designed for
optimum C compiler efficiency.
3.3 Data Space Addressing
The Base Data Space can be addressed as 32K words
or 64 Kbytes and is split into two blocks, referred to as
X and Y data memory. Each memory block has its own
independent Address Generation Unit (AGU). The
MCU class of instructions operate solely through the X
memory AGU, which accesses the entire memory map
as one linear data space. On dsPIC33EPXXX(GP/MC/
MU)806/810/814 devices, certain DSP instructions
operate through the X and Y AGUs to support dual
operand reads, which splits the data address space
into two parts. The X and Y data space boundary is
device-specific.
The upper 32 Kbytes of the data space memory map
can optionally be mapped into Program Space at any
16K program word boundary. The program-to-data
space mapping feature, known as Program Space
Visibility (PSV), lets any instruction access Program
Space as if it were data space. Moreover, the Base
Data Space address is used in conjunction with a read
or write page register (DSRPAG or DSWPAG) to form
an Extended Data Space (EDS) address. The EDS can
be addressed as 8M words or 16 Mbytes. Refer to
Section 3. “Data Memory” (DS70595) and Section 4.
“Program Memory” (DS70613) in the “dsPIC33E/
PIC24E Family Reference Manual” for more details on
EDS, PSV and table accesses.
On dsPIC33EPXXX(GP/MC/MU)806/810/814 devices,
overhead-free circular buffers (Modulo Addressing) are
supported in both X and Y address spaces. The
Modulo Addressing removes the software boundary
checking overhead for DSP algorithms. The X AGU
circular addressing can be used with any of the MCU
class of instructions. The X AGU also supports Bit-
Reversed Addressing to greatly simplify input or output
data reordering for radix-2 FFT algorithms.
PIC24EPXXX(GP/GU)810/814 devices do not support
Modulo and Bit-Reversed Addressing.
3.4 Addressing Modes
The CPU supports these addressing modes:
• Inherent (no operand)
• Relative
•Literal
• Memory Direct
• Register Direct
• Register Indirect
Each instruction is associated with a predefined
addressing mode group, depending upon its functional
requirements. As many as six addressing modes are
supported for each instruction.
Note 1: This data sheet summarizes the features
of the dsPIC33EPXXX(GP/MC/MU)806/
810/814 and PIC24EPXXX(GP/GU)810/
814 families of devices. It is not intended
to be a comprehensive reference source.
To complement the information in this
data sheet, refer to Section 2. “CPU”
(DS70359) in the “dsPIC33E/PIC24E
Family Reference Manual”, which is
available from the Microchip web site
(www.microchip.com).
2: Some registers and associated bits
described in this section may not be
available on all devices. Refer to
Section 4.0 “Memory Organization” in
this data sheet for device-specific register
and bit information.

dsPIC33EPXXX(GP/MC/MU)806/810/814 and PIC24EPXXX(GP/GU)810/814
DS70616G-page 38 2009-2012 Microchip Technology Inc.
FIGURE 3-1: dsPIC33EPXXX(GP/MC/MU)806/810/814 and PIC24EPXXX(GP/GU)810/814 CPU
BLOCK DIAGRAM
Note 1: This feature or peripheral is only available on dsPIC33EPXXX(MC/MU)806/810/814 devices.
2:
This feature or peripheral is only available on dsPIC33EPXXXMU806/810/814 and PIC24EPXXXGU806/810/814 devices.
PORTA
PORTB
PORTD
PORTC
Power-up
Timer
Oscillator
Start-up Timer
Instruction
Decode and
Control
OSC1/CLKI
MCLR
VDD, VSS
UART1-
Timing
Generation
ECAN1,
16
PCH
16
Program Counter
16-Bit ALU
24
24
24
24
X Data Bus
IR
I2C1,
DCI
PCU
ADC1,
Timers
Input
Capture
Output
Compare
16
16 16
Divide
Support
Engine(1)
DSP
ROM Latch
16
Y Data Bus(1)
EA MUX
X RAGU
X WAGU
Y AGU
(1)
AVDD, AVSS
UART4
SPI4
16
24
16
16
16
16
16
16
16
8
Interrupt
Controller PSV and Table
Data Access
Control Block
Stack
Control
Logic
Loop
Control
Logic
Data LatchData Latch
Y Data
RAM(1) X Data
RAM
Address
Latch
Address
Latch
Control Signals
to Various Blocks
16
SPI1-
Data Latch
16
16
16
X Address Bus
Y Address Bus
24
Literal Data
ADC2
Program Memory
Watchdog
Timer
POR/BOR
Address Latch
PMP
Comparator
CRC
RTCC
USB
I2C2
ECAN2
QEI1(1),
PWM(1)
QEI2(1)
(3-Channel)
PORTE
PORTF
PORTG
PORTH
PORTJ
PORTK
Remappable
Pins
OTG(2)
PCL
16 x 16
W Reg Array

2009-2012 Microchip Technology Inc. DS70616G-page 39
dsPIC33EPXXX(GP/MC/MU)806/810/814 and PIC24EPXXX(GP/GU)810/814
3.5 Programmer’s Model
The programmer’s model is shown in Figure 3-2. All
registers in the programmer’s model are memory
mapped and can be manipulated directly by
instructions. Table 3-1 lists a description of each
register.
In addition to the registers contained in the
programmer’s model, all devices in this family
contain control registers for interrupts, while
the dsPIC33EPXXX(GP/MC/MU)806/810/814 devices
contain control registers for Modulo and Bit-reversed
Addressing. These registers are described in
subsequent sections of this document.
All registers associated with the programmer’s model
are memory mapped, as shown in Table 4-1.
TABLE 3-1: PROGRAMMER’S MODEL REGISTER DESCRIPTIONS
Register(s) Name Description
W0 through W15 Working Register Array
ACCA, ACCB 40-Bit DSP Accumulators
PC 23-Bit Program Counter
SR ALU and DSP Engine Status register
SPLIM Stack Pointer Limit Value register
TBLPAG Table Memory Page Address register
DSRPAG Extended Data Space (EDS) Read Page register
DSWPAG Extended Data Space (EDS) Write Page register
RCOUNT REPEAT Loop Count register
DCOUNT(1)DO Loop Count register
DOSTARTH(1,2), DOSTARTL(1,2)DO Loop Start Address register (High and Low)
DOENDH(1), DOENDL(1)DO Loop End Address register (High and Low)
CORCON Contains DSP Engine, DO Loop Control and Trap Status bits
Note 1: This register is available on dsPIC33EPXXX(GP/MC/MU)806/810/814 devices only.
2: The DOSTARTH and DOSTARTL registers are read-only.

dsPIC33EPXXX(GP/MC/MU)806/810/814 and PIC24EPXXX(GP/GU)810/814
DS70616G-page 40 2009-2012 Microchip Technology Inc.
FIGURE 3-2: PROGRAMMER’S MODEL
NOVZ C
TBLPAG
PC23 PC0
70
D0D15
Program Counter
Data Table Page Address
Status Register
Working/Address
Registers
DSP Operand
Registers
W0 (WREG)
W1
W2
W3
W4
W5
W6
W7
W8
W9
W10
W11
W12
W13
Frame Pointer/W14
Stack Pointer/W15*
DSP Address
Registers
AD39 AD0
AD31
DSP
Accumulators(1) ACCA
ACCB
DSRPAG
90
RA
0
OA(1) OB(1) SA(1) SB(1)
RCOUNT
15 0
Repeat Loop Counter
DCOUNT
15 0
DO Loop Counter and Stack(1)
DOSTART
23 0
DO Loop Start Address and Stack(1)
0
DOEND DO Loop End Address and Stack(1)
IPL2 IPL1
SPLIM* Stack Pointer Limit
AD15
23 0
SRL
IPL0
PUSH.s and POP.s shadows
Nested DO Stack
0
0
OAB(1) SAB(1)
X Data Space Read Page Address
DA(1) DC
0
0
0
0
DSWPAG X Data Space Write Page Address
80
Note 1: This feature or bit is available on dsPIC33EPXXX(GP/MC/MU)806/810/814 devices only.
CORCON
15 0
CPU Core Control Register

2009-2012 Microchip Technology Inc. DS70616G-page 41
dsPIC33EPXXX(GP/MC/MU)806/810/814 and PIC24EPXXX(GP/GU)810/814
3.6 CPU Resources
Many useful resources related to the CPU are provided
on the main product page of the Microchip web site for
the devices listed in this data sheet. This product page,
which can be accessed using this link, contains the
latest updates and additional information.
3.6.1 KEY RESOURCES
•See Section 16. “CPU” (DS70359) in the
“dsPIC33E/PIC24E Family Reference Manual”
• Code Samples
• Application Notes
• Software Libraries
• Webinars
• All related “dsPIC33E/PIC24E Family Reference
Manual” Sections
• Development Tools
Note: In the event you are not able to access the
product page using the link above, enter
this URL in your browser:
http://www.microchip.com/wwwproducts/
Devices.aspx?dDocName=en554310

dsPIC33EPXXX(GP/MC/MU)806/810/814 and PIC24EPXXX(GP/GU)810/814
DS70616G-page 42 2009-2012 Microchip Technology Inc.
3.7 CPU Control Registers
REGISTER 3-1: SR: CPU STATUS REGISTER
R/W-0 R/W-0 R/W-0 R/W-0 R/C-0 R/C-0 R -0 R/W-0
OA(1)OB(1)SA(1,4)SB(1,4)OAB(1)SAB(1)DA(1)DC
bit 15 bit 8
R/W-0(2,3)R/W-0(2,3)R/W-0(2,3)R-0 R/W-0 R/W-0 R/W-0 R/W-0
IPL<2:0> RA N OV Z C
bit 7 bit 0
Legend: U = Unimplemented bit, read as ‘0’
R = Readable bit W = Writable bit C = Clearable bit
-n = Value at POR ‘1’= Bit is set ‘0’ = Bit is cleared x = Bit is unknown
bit 15 OA: Accumulator A Overflow Status bit(1)
1 = Accumulator A has overflowed
0 = Accumulator A has not overflowed
bit 14 OB: Accumulator B Overflow Status bit(1)
1 = Accumulator B has overflowed
0 = Accumulator B has not overflowed
bit 13 SA: Accumulator A Saturation ‘Sticky’ Status bit(1,4)
1 = Accumulator A is saturated or has been saturated at some time
0 = Accumulator A is not saturated
bit 12 SB: Accumulator B Saturation ‘Sticky’ Status bit(1,4)
1 = Accumulator B is saturated or has been saturated at some time
0 = Accumulator B is not saturated
bit 11 OAB: OA || OB Combined Accumulator Overflow Status bit(1)
1 = Accumulators A or B have overflowed
0 = Neither Accumulators A or B have overflowed
bit 10 SAB: SA || SB Combined Accumulator ‘Sticky’ Status bit(1)
1 = Accumulators A or B are saturated or have been saturated at some time
0 = Neither Accumulator A or B are saturated
bit 9 DA: DO Loop Active bit(1)
1 = DO loop in progress
0 = DO loop not in progress
bit 8 DC: MCU ALU Half Carry/Borrow bit
1 = A carry-out from the 4th low order bit (for byte-sized data) or 8th low order bit (for word-sized data)
of the result occurred
0 = No carry-out from the 4th low order bit (for byte-sized data) or 8th low order bit (for word-sized
data) of the result occurred
Note 1: This bit is available on dsPIC33EPXXX(GP/MC/MU)806/810/814 devices only.
2: The IPL<2:0> bits are concatenated with the IPL<3> bit (CORCON<3>) to form the CPU Interrupt Priority
Level. The value in parentheses indicates the IPL, if IPL<3> = 1.
3: The IPL<2:0> bits are read-only when NSTDIS = 1 (INTCON1<15>).
4: A data write to the SR register can modify the SA and SB bits by either a data write to SA and SB or by
clearing the SAB bit. To avoid a possible SA or SB bit write race condition, the SA and SB bits should not
be modified using bit operations.

2009-2012 Microchip Technology Inc. DS70616G-page 43
dsPIC33EPXXX(GP/MC/MU)806/810/814 and PIC24EPXXX(GP/GU)810/814
bit 7-5 IPL<2:0>: CPU Interrupt Priority Level Status bits(2,3)
111 = CPU Interrupt Priority Level is 7 (15, user interrupts are disabled)
110 = CPU Interrupt Priority Level is 6 (14)
101 = CPU Interrupt Priority Level is 5 (13)
100 = CPU Interrupt Priority Level is 4 (12)
011 = CPU Interrupt Priority Level is 3 (11)
010 = CPU Interrupt Priority Level is 2 (10)
001 = CPU Interrupt Priority Level is 1 (9)
000 = CPU Interrupt Priority Level is 0 (8)
bit 4 RA: REPEAT Loop Active bit
1 = REPEAT loop in progress
0 = REPEAT loop not in progress
bit 3 N: MCU ALU Negative bit
1 = Result was negative
0 = Result was non-negative (zero or positive)
bit 2 OV: MCU ALU Overflow bit
This bit is used for signed arithmetic (2’s complement). It indicates an overflow of the magnitude that
causes the sign bit to change state.
1 = Overflow occurred for signed arithmetic (in this arithmetic operation)
0 = No overflow occurred
bit 1 Z: MCU ALU Zero bit
1 = An operation that affects the Z bit has set it at some time in the past
0 = The most recent operation that affects the Z bit has cleared it (i.e., a non-zero result)
bit 0 C: MCU ALU Carry/Borrow bit
1 = A carry-out from the Most Significant bit of the result occurred
0 = No carry-out from the Most Significant bit of the result occurred
REGISTER 3-1: SR: CPU STATUS REGISTER (CONTINUED)
Note 1: This bit is available on dsPIC33EPXXX(GP/MC/MU)806/810/814 devices only.
2: The IPL<2:0> bits are concatenated with the IPL<3> bit (CORCON<3>) to form the CPU Interrupt Priority
Level. The value in parentheses indicates the IPL, if IPL<3> = 1.
3: The IPL<2:0> bits are read-only when NSTDIS = 1 (INTCON1<15>).
4: A data write to the SR register can modify the SA and SB bits by either a data write to SA and SB or by
clearing the SAB bit. To avoid a possible SA or SB bit write race condition, the SA and SB bits should not
be modified using bit operations.

dsPIC33EPXXX(GP/MC/MU)806/810/814 and PIC24EPXXX(GP/GU)810/814
DS70616G-page 44 2009-2012 Microchip Technology Inc.
REGISTER 3-2: CORCON: CORE CONTROL REGISTER
R/W-0 U-0 R/W-0 R/W-0 R/W-0 R-0 R-0 R-0
VAR — US<1:0>(1)EDT(1,2)DL<2:0>(1)
bit 15 bit 8
R/W-0 R/W-0 R/W-1 R/W-0 R/C-0 R-0 R/W-0 R/W-0
SATA(1)SATB(1)SATDW(1)ACCSAT(1)IPL3(3)SFA RND(1)IF(1)
bit 7 bit 0
Legend:
R = Readable bit W = Writable bit U = Unimplemented bit, read as ‘0’
-n = Value at POR ‘1’ = Bit is set ‘0’ = Bit is cleared x = Bit is unknown
bit 15 VAR: Variable Exception Processing Latency Control bit
1 = Variable exception processing is enabled
0 = Fixed exception processing is enabled
bit 14 Unimplemented: Read as ‘0’
bit 13-12 US<1:0>: DSP Multiply Unsigned/Signed Control bits(1)
11 = Reserved
10 = DSP engine multiplies are mixed-sign
01 = DSP engine multiplies are unsigned
00 = DSP engine multiplies are signed
bit 11 EDT: Early DO Loop Termination Control bit(1,2)
1 = Terminates executing DO loop at end of current loop iteration
0 = No effect
bit 10-8 DL<2:0>: DO Loop Nesting Level Status bits(1)
111 = 7 DO loops are active
•
•
•
001 = 1 DO loop is active
000 = 0 DO loops are active
bit 7 SATA: ACCA Saturation Enable bit(1)
1 = Accumulator A saturation is enabled
0 = Accumulator A saturation is disabled
bit 6 SATB: ACCB Saturation Enable bit(1)
1 = Accumulator B saturation is enabled
0 = Accumulator B saturation is disabled
bit 5 SATDW: Data Space Write from DSP Engine Saturation Enable bit(1)
1 = Data space write saturation is enabled
0 = Data space write saturation is disabled
bit 4 ACCSAT: Accumulator Saturation Mode Select bit(1)
1 = 9.31 saturation (super saturation)
0 = 1.31 saturation (normal saturation)
bit 3 IPL3: CPU Interrupt Priority Level Status bit 3(3)
1 = CPU Interrupt Priority Level is greater than 7
0 = CPU Interrupt Priority Level is 7 or less
Note 1: This bit is available on dsPIC33EPXXX(GP/MC/MU)806/810/814 devices only.
2: This bit is always read as ‘0’.
3: The IPL3 bit is concatenated with the IPL<2:0> bits (SR<7:5>) to form the CPU Interrupt Priority Level.

2009-2012 Microchip Technology Inc. DS70616G-page 45
dsPIC33EPXXX(GP/MC/MU)806/810/814 and PIC24EPXXX(GP/GU)810/814
bit 2 SFA: Stack Frame Active Status bit
1 = Stack frame is active; W14 and W15 address 0x0000 to 0xFFFF, regardless of DSRPAG and
DSWPAG values
0 = Stack frame is not active; W14 and W15 address of EDS or Base Data Space
bit 1 RND: Rounding Mode Select bit(1)
1 = Biased (conventional) rounding is enabled
0 = Unbiased (convergent) rounding is enabled
bit 0 IF: Integer or Fractional Multiplier Mode Select bit(1)
1 = Integer mode is enabled for DSP multiply
0 = Fractional mode is enabled for DSP multiply
REGISTER 3-2: CORCON: CORE CONTROL REGISTER (CONTINUED)
Note 1: This bit is available on dsPIC33EPXXX(GP/MC/MU)806/810/814 devices only.
2: This bit is always read as ‘0’.
3: The IPL3 bit is concatenated with the IPL<2:0> bits (SR<7:5>) to form the CPU Interrupt Priority Level.

dsPIC33EPXXX(GP/MC/MU)806/810/814 and PIC24EPXXX(GP/GU)810/814
DS70616G-page 46 2009-2012 Microchip Technology Inc.
3.8 Arithmetic Logic Unit (ALU)
The ALU is 16 bits wide and is capable of addition,
subtraction, bit shifts and logic operations. Unless
otherwise mentioned, arithmetic operations are two’s
complement in nature. Depending on the operation, the
ALU can affect the values of the Carry (C), Zero (Z),
Negative (N), Overflow (OV) and Digit Carry (DC)
Status bits in the SR register. The C and DC Status bits
operate as Borrow and Digit Borrow bits, respectively,
for subtraction operations.
The ALU can perform 8-bit or 16-bit operations,
depending on the mode of the instruction that is used.
Data for the ALU operation can come from the W
register array or data memory, depending on the
addressing mode of the instruction. Likewise, output
data from the ALU can be written to the W register array
or a data memory location.
Refer to the “16-bit MCU and DSC Programmer’s
Reference Manual” (DS70157) for information on the
SR bits affected by each instruction.
The core CPU incorporates hardware support for both
multiplication and division. This includes a dedicated
hardware multiplier and support hardware for 16-bit
divisor division.
3.8.1 MULTIPLIER
Using the high-speed 17-bit x 17-bit multiplier, the ALU
supports unsigned, signed, or mixed-sign operation in
several MCU multiplication modes:
• 16-bit x 16-bit signed
• 16-bit x 16-bit unsigned
• 16-bit signed x 5-bit (literal) unsigned
• 16-bit signed x 16-bit unsigned
• 16-bit unsigned x 5-bit (literal) unsigned
• 16-bit unsigned x 16-bit signed
• 8-bit unsigned x 8-bit unsigned
3.8.2 DIVIDER
The divide block supports 32-bit/16-bit and 16-bit/16-bit
signed and unsigned integer divide operations with the
following data sizes:
1. 32-bit signed/16-bit signed divide
2. 32-bit unsigned/16-bit unsigned divide
3. 16-bit signed/16-bit signed divide
4. 16-bit unsigned/16-bit unsigned divide
The quotient for all divide instructions ends up in W0
and the remainder in W1. The 16-bit signed and
unsigned DIV instructions can specify any W register
for both the 16-bit divisor (Wn) and any W register
(aligned) pair (W(m + 1):Wm) for the 32-bit dividend.
The divide algorithm takes one cycle per bit of divisor,
so both 32-bit/16-bit and 16-bit/16-bit instructions take
the same number of cycles to execute.
3.9 DSP Engine (dsPIC33EPXXX(GP/
MC/MU)806/810/814 Devices Only)
The DSP engine consists of a high-speed 17-bit x
17-bit multiplier, a 40-bit barrel shifter and a 40-bit
adder/subtracter (with two target accumulators, round
and saturation logic).
The DSP engine can also perform inherent accumula-
tor-to-accumulator operations that require no additional
data. These instructions are: ADD, SUB and NEG.
The DSP engine has options selected through bits in
the CPU Core Control register (CORCON), as listed
below:
• Fractional or integer DSP multiply (IF)
• Signed, unsigned or mixed-sign DSP multiply (US)
• Conventional or convergent rounding (RND)
• Automatic saturation on/off for ACCA (SATA)
• Automatic saturation on/off for ACCB (SATB)
• Automatic saturation on/off for writes to data
memory (SATDW)
• Accumulator Saturation mode selection
(ACCSAT)
TABLE 3-2: DSP INSTRUCTIONS
SUMMARY
Instruction Algebraic
Operation
ACC Write
Back
CLR A = 0 Yes
ED A = (x – y)2No
EDAC A = A + (x – y)2No
MAC A = A + (x • y) Yes
MAC A = A + x2No
MOVSAC No change in A Yes
MPY A = x • y No
MPY A = x2No
MPY.N A = – x • y No
MSC A = A – x • y Yes

2009-2012 Microchip Technology Inc. DS70616G-page 47
dsPIC33EPXXX(GP/MC/MU)806/810/814 and PIC24EPXXX(GP/GU)810/814
4.0 MEMORY ORGANIZATION
The device architecture features separate program and
data memory spaces and buses. This architecture also
allows the direct access of program memory from the
data space during code execution.
4.1 Program Address Space
The device program address memory space is 4M
instructions. The space is addressable by a 24-bit
value derived either from the 23-bit PC during program
execution, or from table operation or data space
remapping as described in Section 4.8 “Interfacing
Program and Data Memory Spaces”.
User application access to the program memory space
is restricted to the lower half of the address range
(0x000000 to 0x7FFFFF). The exception is the use of
TBLRD/TBLWT operations, which use TBLPAG<7> to
permit access to the Configuration bits and Device ID
sections of the configuration memory space.
The device program memory map is shown in
Figure 4-1.
FIGURE 4-1: PROGRAM MEMORY MAP FOR dsPIC33EPXXX(GP/MC/MU)806/810/814 and
PIC24EPXXX(GP/GU)810/814 DEVICES(1)
Note: This data sheet summarizes the features
of the dsPIC33EPXXX(GP/MC/MU)806/
810/814 and PIC24EPXXX(GP/GU)810/
814 families of devices. It is not intended
to be a comprehensive reference source.
To complement the information in this data
sheet, refer to Section 4. “Program
Memory” (DS70613) of the “dsPIC33E/
PIC24E Family Reference Manual”, which
is available from the Microchip web site
(www.microchip.com).
0x000000
0x000002
0x7FFFFE
0xF80000
0xF80012
0xF80014
0xFEFFFE
0xFF0000
0xFF0002
0xF7FFFE
0x000004
0x7FFFFC
0x000200
0x0001FE
Configuration Memory Space User Memory Space
Note 1: Memory areas are not shown to scale.
2: The Reset location is controlled by the Reset Target Vector Select bit, RSTPRI (FICD<2>). See Section 29.0 “Special Features”
for more information.
Reset Address
(2)
Device Configuration
User Program
Flash Memory
(87552 instructions)
Registers
DEVID (2 Words)
Unimplemented
(Read ‘
0
’s)
GOTO
Instruction
(2)
Reserved
Reserved
Interrupt Vector Table
dsPIC33EP256MU806/810/814 and
Reset Address
(2)
Device Configuration
User Program
Flash Memory
(175104 instructions)
Registers
DEVID (2 Words)
Unimplemented
(Read ‘
0
’s)
GOTO
Instruction
(2)
Reserved
Reserved
Interrupt Vector Table
dsPIC33EP512(GP/MC/MU)806/810/814 and
0x055800
0x0557FE
0x02AC00
0x02ABFE
Reserved Reserved
0xFFFFFE
0x7FFFFA
0x7FC000
Flash Memory
Auxiliary Program
PIC24EP256GU810/814 PIC24EP512(GP/GU)806/810/814
GOTO
Instruction
(2)
Flash Memory
0x800000
Auxiliary Program
Reset Address
(2)
GOTO
Instruction
(2)
Reset Address
(2)
Reserved Reserved
Write Latch Write Latch
0xF9FFFE
0xFA0000
0xFA00FE
0xFA0100
Vector
Auxiliary Interrupt Vector
Auxiliary Interrupt
0x7FFFF8
0x7FBFFE
General SegmentAuxiliary Segment

dsPIC33EPXXX(GP/MC/MU)806/810/814 and PIC24EPXXX(GP/GU)810/814
DS70616G-page 48 2009-2012 Microchip Technology Inc.
4.1.1 PROGRAM MEMORY
ORGANIZATION
The program memory space is organized in word-
addressable blocks. Although it is treated as 24 bits
wide, it is more appropriate to think of each address of
the program memory as a lower and upper word, with
the upper byte of the upper word being unimplemented.
The lower word always has an even address, while the
upper word has an odd address (Figure 4-2).
Program memory addresses are always word-aligned
on the lower word and addresses are incremented or
decremented by two during code execution. This
arrangement provides compatibility with data memory
space addressing and makes data in the program
memory space accessible.
4.1.2 INTERRUPT AND TRAP VECTORS
All devices reserve the addresses between 0x00000
and 0x000200 for hard-coded program execution vec-
tors. A hardware Reset vector is provided to redirect
code execution from the default value of the PC on
device Reset to the actual start of code. A GOTO
instruction is programmed by the user application at
address 0x000000 of the primary Flash memory or at
address 0x7FFFFC of the auxiliary Flash memory, with
the actual address for the start of code at address
0x000002 of the primary Flash memory or at address
0x7FFFFE of the auxiliary Flash memory. Reset Target
Vector Select bit (RSTPRI) in the FPOR Configuration
register controls whether primary or auxiliary Flash
Reset location is used.
A more detailed discussion of the interrupt vector
tables is provided in Section 7.1 “Interrupt Vector
Table”.
FIGURE 4-2: PROGRAM MEMORY ORGANIZATION
0816
PC Address
0x000000
0x000002
0x000004
0x000006
23
00000000
00000000
00000000
00000000
Program Memory
‘Phantom’ Byte
(read as ‘0’)
least significant word
most significant word
Instruction Width
0x000001
0x000003
0x000005
0x000007
msw
Address (lsw Address)

2009-2012 Microchip Technology Inc. DS70616G-page 49
dsPIC33EPXXX(GP/MC/MU)806/810/814 and PIC24EPXXX(GP/GU)810/814
4.2 Data Address Space
The CPU has a separate 16-bit wide data memory
space. The data space is accessed using separate
Address Generation Units (AGUs) for read and write
operations. The data memory maps are shown in
Figure 4-3, Figure 4-4, Figure 4-5 and Figure 4-6.
All Effective Addresses (EAs) in the data memory space
are 16 bits wide and point to bytes within the data space.
This arrangement gives a Base Data Space address
range of 64 Kbytes or 32K words.
The Base Data Space address is used in conjunction
with a Read or Write Page register (DSRPAG or
DSWPAG) to form an Extended Data Space, which has
a total address range of 16 MBytes.
dsPIC33EPXXX(GP/MC/MU)806/810/814 and
PIC24EPXXX(GP/GU)810/814 devices implement up
to 56 Kbytes of data memory. If an EA point to a loca-
tion outside of this area, an all-zero word or byte is
returned.
4.2.1 DATA SPACE WIDTH
The data memory space is organized in byte-
addressable, 16-bit wide blocks. Data is aligned in
data memory and registers as 16-bit words, but all data
space EAs resolve to bytes. The Least Significant
Bytes (LSBs) of each word have even addresses, while
the Most Significant Bytes (MSBs) have odd
addresses.
4.2.2 DATA MEMORY ORGANIZATION
AND ALIGNMENT
To maintain backward compatibility with PIC® MCU
devices and improve data space memory usage
efficiency, the device instruction set supports both word
and byte operations. As a consequence of byte
accessibility, all Effective Address calculations are
internally scaled to step through word-aligned memory.
For example, the core recognizes that Post-Modified
Register Indirect Addressing mode [Ws++] results in a
value of Ws + 1 for byte operations and Ws + 2 for word
operations.
A data byte read, reads the complete word that
contains the byte, using the LSb of any EA to determine
which byte to select. The selected byte is placed onto
the LSB of the data path. That is, data memory and
registers are organized as two parallel byte-wide
entities with shared (word) address decode but
separate write lines. Data byte writes only write to the
corresponding side of the array or register that matches
the byte address.
All word accesses must be aligned to an even address.
Misaligned word data fetches are not supported, so
care must be taken when mixing byte and word
operations, or translating from 8-bit MCU code. If a
misaligned read or write is attempted, an address error
trap is generated. If the error occurred on a read, the
instruction underway is completed. If the error occurred
on a write, the instruction is executed but the write does
not occur. In either case, a trap is then executed,
allowing the system and/or user application to examine
the machine state prior to execution of the address
Fault.
All byte loads into any W register are loaded into the
LSB. The MSB is not modified.
A Sign-Extend instruction (SE) is provided to allow user
applications to translate 8-bit signed data to 16-bit
signed values. Alternatively, for 16-bit unsigned data,
user applications can clear the MSB of any W register
by executing a Zero-Extend (ZE) instruction on the
appropriate address.
4.2.3 SFR SPACE
The first 4 Kbytes of the Near Data Space, from 0x0000
to 0x0FFF, is primarily occupied by Special Function
Registers (SFRs). These are used by the core and
peripheral modules for controlling the operation of the
device.
SFRs are distributed among the modules that they
control and are generally grouped together by module.
Much of the SFR space contains unused addresses;
these are read as ‘0’.
4.2.4 NEAR DATA SPACE
The 8-Kbyte area between 0x0000 and 0x1FFF is
referred to as the Near Data Space. Locations in this
space are directly addressable through a 13-bit abso-
lute address field within all memory direct instructions.
Additionally, the whole data space is addressable using
MOV instructions, which support Memory Direct
Addressing mode with a 16-bit address field, or by
using Indirect Addressing mode using a working
register as an Address Pointer.
Note: The actual set of peripheral features and
interrupts varies by the device. Refer to
the corresponding device tables and
pinout diagrams for device-specific
information.

dsPIC33EPXXX(GP/MC/MU)806/810/814 and PIC24EPXXX(GP/GU)810/814
DS70616G-page 50 2009-2012 Microchip Technology Inc.
FIGURE 4-3: DATA MEMORY MAP FOR dsPIC33EP512(GP/MC/MU)806/810/814 DEVICES
WITH 52-KBYTE RAM
0x0000
0x0FFE
SFR Space
0xFFFE
16 Bits
LSBMSB
0xFFFF
X Data
Optionally
Mapped
into Program
Memory
Unimplemented (X)
0x1000
4-Kbyte
SFR Space
0x9000
0x8FFE
0xDFFE
0xE000
52-Kbyte
SRAM Space
Near Data
Space
8-Kbyte
0xCFFE
0xD000
LSB
Address
MSB
Address
0x0000
0x0FFF
0x1001
0x9001
0x8FFF
0xDFFF
0xE001
0xCFFF
0xD001
0x8001 0x8000
0x1FFE
0x2000
0x1FFF
0x2001
0x7FFE
0x7FFF
DPSRAM (Y)
Y Data RAM (Y)
X Data RAM (X)
Far
Data
Space

2009-2012 Microchip Technology Inc. DS70616G-page 51
dsPIC33EPXXX(GP/MC/MU)806/810/814 and PIC24EPXXX(GP/GU)810/814
FIGURE 4-4: DATA MEMORY MAP FOR PIC24EP512(GP/GU)806/810/814 DEVICES
WITH 52-KBYTE RAM
0x0000
0x0FFE
SFR Space
0xFFFE
16 Bits
LSBMSB
0xFFFF
X Data
Optionally
Mapped
into Program
Memory
Unimplemented (X)
0x1000
4-Kbyte
SFR Space
0xDFFE
0xE000
52-Kbyte
SRAM Space
Near Data
Space
8-Kbyte
0xCFFE
0xD000
LSB
Address
MSB
Address
0x0000
0x0FFF
0x1001
0xDFFF
0xE001
0xCFFF
0xD001
0x8001 0x8000
0x1FFE
0x2000
0x1FFF
0x2001
0x7FFE
0x7FFF
DMA Dual Port RAM (X)
X Data RAM (X)
Far
Data
Space

dsPIC33EPXXX(GP/MC/MU)806/810/814 and PIC24EPXXX(GP/GU)810/814
DS70616G-page 52 2009-2012 Microchip Technology Inc.
FIGURE 4-5: DATA MEMORY MAP FOR dsPIC33EP256MU806/810/814 DEVICES
WITH 28-KBYTE RAM
0x0000
0x0FFE
0x4FFE
0xFFFE
LSB
Address
16 Bits
LSBMSB
MSB
Address
0x0001
0x0FFF
0x4FFF
0xFFFF
Optionally
Mapped
into Program
Memory
0x7FFF 0x7FFE
0x1001 0x1000
0x5001 0x5000
4-Kbyte
SFR Space
28-Kbyte
SRAM Space
0x80000x8001
0x6FFE
0x7000
0x6FFF
0x7001
Space
Near Data
8-Kbyte
SFR Space
X Data RAM (X)
X Data
Unimplemented (X)
DMA Dual Port RAM (Y)
Y Data RAM (Y)
0x1FFE
0x2000
0x1FFF
0x2001
Far
Data
Space

2009-2012 Microchip Technology Inc. DS70616G-page 53
dsPIC33EPXXX(GP/MC/MU)806/810/814 and PIC24EPXXX(GP/GU)810/814
FIGURE 4-6: DATA MEMORY MAP FOR PIC24EP256GU810/814 DEVICES
WITH 28-KBYTE RAM
0x0000
0x0FFE
0xFFFE
LSB
Address
16 Bits
LSBMSB
MSB
Address
0x0001
0x0FFF
0xFFFF
Optionally
Mapped
into Program
Memory
0x7FFF 0x7FFE
0x1001 0x1000
4-Kbyte
SFR Space
28-Kbyte
SRAM Space
0x80000x8001
0x6FFE
0x7000
0x6FFF
0x7001
Space
Near Data
8-Kbyte
SFR Space
X Data RAM (X)
X Data
Unimplemented (X)
DMA Dual Port RAM
0x1FFE
0x2000
0x1FFF
0x2001
Far
Data
Space

dsPIC33EPXXX(GP/MC/MU)806/810/814 and PIC24EPXXX(GP/GU)810/814
DS70616G-page 54 2009-2012 Microchip Technology Inc.
4.2.5 X AND Y DATA SPACES
The dsPIC33EPXXX(GP/MC/MU)806/810/814 core
has two data spaces, X and Y. These data spaces can
be considered either separate (for some DSP
instructions), or as one unified linear address range (for
MCU instructions). The data spaces are accessed
using two Address Generation Units (AGUs) and
separate data paths. This feature allows certain
instructions to concurrently fetch two words from RAM,
thereby enabling efficient execution of DSP algorithms
such as Finite Impulse Response (FIR) filtering and
Fast Fourier Transform (FFT).
The PIC24EPXXX(GP/GU)806/810/814 devices do not
have a Y data space and a Y AGU. For these devices,
the entire data space is treated as X data space.
The X data space is used by all instructions and
supports all addressing modes. X data space has
separate read and write data buses. The X read data
bus is the read data path for all instructions that view
data space as combined X and Y address space. It is
also the X data prefetch path for the dual operand DSP
instructions (MAC class).
The Y data space is used in concert with the X data
space by the MAC class of instructions (CLR, ED,
EDAC, MAC, MOVSAC, MPY, MPY.N and MSC) to provide
two concurrent data read paths.
Both the X and Y data spaces support Modulo
Addressing mode for all instructions, subject to
addressing mode restrictions. Bit-Reversed
Addressing mode is only supported for writes to X data
space. Modulo Addressing and Bit-Reversed
Addressing are not present in PIC24EPXXX(GP/
GU)806/810/814 devices.
All data memory writes, including in DSP instructions,
view data space as combined X and Y address space.
The boundary between the X and Y data spaces is
device-dependent and is not user-programmable.
4.2.6 DMA RAM
Each dsPIC33EPXXX(GP/MC/MU)806/810/814 and
PIC24EPXXX(GP/GU)810/814 device contains
4 Kbytes of dual ported DMA RAM located at the end
of Y data RAM and is part of Y data space. Memory
locations in the DMA RAM space are accessible simul-
taneously by the CPU and the DMA Controller module.
DMA RAM is utilized by the DMA controller to store
data to be transferred to various peripherals using
DMA, as well as data transferred from various periph-
erals using DMA. The DMA RAM can be accessed by
the DMA controller without having to steal cycles from
the CPU.
When the CPU and the DMA controller attempt to
concurrently write to the same DMA RAM location, the
hardware ensures that the CPU is given precedence in
accessing the DMA RAM location. Therefore, the DMA
RAM provides a reliable means of transferring DMA
data without ever having to stall the CPU.
4.3 Program Memory Resources
Many useful resources related to the Program Memory
are provided on the main product page of the Microchip
web site for the devices listed in this data sheet. This
product page, which can be accessed using this link,
contains the latest updates and additional information.
4.3.1 KEY RESOURCES
• Section 4. “Program Memory” (DS70612) in the
“dsPIC33E/PIC24E Family Reference Manual”
• Code Samples
• Application Notes
• Software Libraries
• Webinars
• All related “dsPIC33E/PIC24E Family Reference
Manual” Sections
• Development Tools
4.4 Special Function Register Maps
Table 4-1 through Ta bl e 4 -72 provide mapping tables
for all Special Function Registers (SFRs).
Note 1: DMA RAM can be used for general
purpose data storage if the DMA function
is not required in an application.
2: On PIC24EPXXX(GP/GU)806/810/814
devices, DMA RAM is located at the end
of X data RAM and is part of X data
space.
Note: In the event you are not able to access the
product page using the link above, enter
this URL in your browser:
http://www.microchip.com/wwwproducts/
Devices.aspx?dDocName=en554310

2009-2012 Microchip Technology Inc. DS70616G-page 55
dsPIC33EPXXX(GP/MC/MU)806/810/814 and PIC24EPXXX(GP/GU)810/814
TABLE 4-1: CPU CORE REGISTER MAP FOR dsPIC33EPXXX(GP/MC/MU)806/810/814 DEVICES ONLY
File Name Addr. Bit 15 Bit 14 Bit 13 Bit 12 Bit 11 Bit 10 Bit 9 Bit 8 Bit 7 Bit 6 Bit 5 Bit 4 Bit 3 Bit 2 Bit 1 Bit 0 All
Resets
W0 0000 W0 (WREG) 0000
W1 0002 W1 0000
W2 0004 W2 0000
W3 0006 W3 0000
W4 0008 W4 0000
W5 000A W5 0000
W6 000C W6 0000
W7 000E W7 0000
W8 0010 W8 0000
W9 0012 W9 0000
W10 0014 W10 0000
W11 0016 W11 0000
W12 0018 W12 0000
W13 001A W13 0000
W14 001C W14 0000
W15 001E W15 1000
SPLIM 0020 SPLIM 0000
ACCAL 0022 ACCAL 0000
ACCAH 0024 ACCAH 0000
ACCAU 0026 Sign-Extension of ACCA<39> ACCAU 0000
ACCBL 0028 ACCBL 0000
ACCBH 002A ACCBH 0000
ACCBU 002C Sign-Extension of ACCB<39> ACCBU 0000
PCL 002E PCL —0000
PCH 0030 —————————PCH0000
DSRPAG 0032 ——————DSRPAG0001
DSWPAG 0034 ———————DSWPAG0001
RCOUNT 0036 RCOUNT 0000
DCOUNT 0038 DCOUNT 0000
DOSTARTL 003A DOSTARTL —0000
DOSTARTH 003C ——————————DOSTARTH0000
DOENDL 003E DOENDL —0000
DOENDH 0040 —————————— DOENDH 0000
Legend: — = unimplemented, read as ‘0’. Reset values are shown in hexadecimal.

dsPIC33EPXXX(GP/MC/MU)806/810/814 and PIC24EPXXX(GP/GU)810/814
DS70616G-page 56 2009-2012 Microchip Technology Inc.
SR 0042 OA OB SA SB OAB SAB DA DC IPL2 IPL1 IPL0 RA N OV Z C 0000
CORCON 0044 VAR — US<1:0> EDT DL<2:0> SATA SATB SATDW ACCSAT IPL3 SFA RND IF 0020
MODCON 0046 XMODEN YMODEN —— BWM<3:0> YWM<3:0> XWM<3:0> 0000
XMODSRT 0048 XMODSRT<15:1> 00000
XMODEND 004A XMODEND<15:1> 10001
YMODSRT 004C YMODSRT<15:1> 00000
YMODEND 004E YMODEND<15:1> 10001
XBREV 0050 BREN XBREV<14:0> 0000
DISICNT 0052 — — DISICNT<13:0> 0000
TBLPAG 0054 ———————— TBLPAG<7:0> 0000
MSTRPR 0058 MSTRPR<15:0> 0000
TABLE 4-1: CPU CORE REGISTER MAP FOR dsPIC33EPXXX(GP/MC/MU)806/810/814 DEVICES ONLY (CONTINUED)
File Name Addr. Bit 15 Bit 14 Bit 13 Bit 12 Bit 11 Bit 10 Bit 9 Bit 8 Bit 7 Bit 6 Bit 5 Bit 4 Bit 3 Bit 2 Bit 1 Bit 0 All
Resets
Legend: — = unimplemented, read as ‘0’. Reset values are shown in hexadecimal.

2009-2012 Microchip Technology Inc. DS70616G-page 57
dsPIC33EPXXX(GP/MC/MU)806/810/814 and PIC24EPXXX(GP/GU)810/814
TABLE 4-2: CPU CORE REGISTER MAP FOR PIC24EPXXX(GP/GU)810/814 DEVICES ONLY
File
Name Addr. Bit 15 Bit 14 Bit 13 Bit 12 Bit 11 Bit 10 Bit 9 Bit 8 Bit 7 Bit 6 Bit 5 Bit 4 Bit 3 Bit 2 Bit 1 Bit 0 All
Resets
W0 0000 W0 (WREG) 0000
W1 0002 W1 0000
W2 0004 W2 0000
W3 0006 W3 0000
W4 0008 W4 0000
W5 000A W5 0000
W6 000C W6 0000
W7 000E W7 0000
W8 0010 W8 0000
W9 0012 W9 0000
W10 0014 W10 0000
W11 0016 W11 0000
W12 0018 W12 0000
W13 001A W13 0000
W14 001C W14 0000
W15 001E W15 1000
SPLIM 0020 SPLIM 0000
PCL 002E PCL —0000
PCH 0030 — — — — — — — — —PCH0000
DSRPAG 0032 — — — — — — DSRPAG<9:0> 0001
DSWPAG 0034 — — — — — — — DSWPAG<8:0> 0001
RCOUNT 0036 RCOUNT<15:0> 0000
SR 0042 — — — — — — — DC IPL2 IPL1 IPL0 RA N OV Z C 0000
CORCON 0044 VAR — — — — — — — — — — —IPL3SFA— — 0020
DISICNT 0052 — — DISICNT<13:0> 0000
TBLPAG 0054 — — — — — — — — TBLPAG<7:0> 0000
MSTRPR 0058 MSTRPR<15:0> 0000
Legend: — = unimplemented, read as ‘0’. Reset values are shown in hexadecimal.

dsPIC33EPXXX(GP/MC/MU)806/810/814 and PIC24EPXXX(GP/GU)810/814
DS70616G-page 58 2009-2012 Microchip Technology Inc.
TABLE 4-3: INTERRUPT CONTROLLER REGISTER MAP FOR dsPIC33EPXXXMU814 DEVICES ONLY
File
Name Addr. Bit 15 Bit 14 Bit 13 Bit 12 Bit 11 Bit 10 Bit 9 Bit 8 Bit 7 Bit 6 Bit 5 Bit 4 Bit 3 Bit 2 Bit 1 Bit 0 All
Resets
IFS0 0800 NVMIF DMA1IF AD1IF U1TXIF U1RXIF SPI1IF SPI1EIF T3IF T2IF OC2IF IC2IF DMA0IF T1IF OC1IF IC1IF INT0IF
0000
IFS1 0802 U2TXIF U2RXIF INT2IF T5IF T4IF OC4IF OC3IF DMA2IF IC8IF IC7IF AD2IF INT1IF CNIF CMIF MI2C1IF SI2C1IF
0000
IFS2 0804 T6IF DMA4IF PMPIF OC8IF OC7IF OC6IF OC5IF IC6IF IC5IF IC4IF IC3IF DMA3IF C1IF C1RXIF SPI2IF SPI2EIF
0000
IFS3 0806 — RTCIF DMA5IF DCIIF DCIEIF QEI1IF PSEMIF C2IF C2RXIF INT4IF INT3IF T9IF T8IF MI2C2IF SI2C2IF T7IF
0000
IFS4 0808 — — — —QEI2IF— PSESMIF — C2TXIF C1TXIF DMA7IF DMA6IF CRCIF U2EIF U1EIF —
0000
IFS5 080A PWM2IF PWM1IF IC9IF OC9IF SPI3IF SPI3EIF U4TXIF U4RXIF U4EIF USB1IF —— U3TXIF U3RXIF U3EIF —
0000
IFS6 080C — — — — — — — — — — — PWM7IF PWM6IF PWM5IF PWM4IF PWM3IF
0000
IFS7 080E IC11IF OC11IF IC10IF OC10IF SPI4IF SPI4EIF DMA11IF DMA10IF DMA9IF DMA8IF — — — — — —
0000
IFS8 0810 — ICDIF IC16IF OC16IF IC15IF OC15IF IC14IF OC14IF IC13IF OC13IF — DMA14IF DMA13IF DMA12IF IC12IF OC12IF
0000
IEC0 0820 NVMIE DMA1IE AD1IE U1TXIE U1RXIE SPI1IE SPI1EIE T3IE T2IE OC2IE IC2IE DMA0IE T1IE OC1IE IC1IE INT0IE
0000
IEC1 0822 U2TXIE U2RXIE INT2IE T5IE T4IE OC4IE OC3IE DMA2IE IC8IE IC7IE AD2IE INT1IE CNIE CMIE MI2C1IE SI2C1IE
0000
IEC2 0824 T6IE DMA4IE PMPIE OC8IE OC7IE OC6IE OC5IE IC6IE IC5IE IC4IE IC3IE DMA3IE C1IE C1RXIE SPI2IE SPI2EIE
0000
IEC3 0826 — RTCIE DMA5IE DCIIE DCIEIE QEI1IE PSEMIE C2IE C2RXIE INT4IE INT3IE T9IE T8IE MI2C2IE SI2C2IE T7IE
0000
IEC4 0828 — — — —QEI2IE— PSESMIE — C2TXIE C1TXIE DMA7IE DMA6IE CRCIE U2EIE U1EIE —
0000
IEC5 082A PWM2IE PWM1IE IC9IE OC9IE SPI3IE SPI3EIE U4TXIE U4RXIE U4EIE USB1IE —— U3TXIE U3RXIE U3EIE —
0000
IEC6 082C — — — — — — — — — — — PWM7IE PWM6IE PWM5IE PWM4IE PWM3IE
0000
IEC7 082E IC11IE OC11IE IC10IE OC10IE SPI4IE SPI4EIE DMA11IE DMA10IE DMA9IE DMA8IE — — — — — —
0000
IEC8 0830 — ICDIE IC16IE OC16IE IC15IE OC15IE IC14IE OC14IE IC13IE OC13IE — DMA14IE DMA13IE DMA12IE IC12IE OC12IE
0000
IPC0 0840 — T1IP<2:0> —OC1IP<2:0> —IC1IP<2:0>—INT0IP<2:0>
4444
IPC1 0842 — T2IP<2:0> —OC2IP<2:0> —IC2IP<2:0>— DMA0IP<2:0>
4444
IPC2 0844 — U1RXIP<2:0> — SPI1IP<2:0> —SPI1EIP<2:0>—T3IP<2:0>
4444
IPC3 0846 — NVMIP<2:0> — DMA1IP<2:0> —AD1IP<2:0>— U1TXIP<2:0>
4444
IPC4 0848 —CNIP<2:0> —CMIP<2:0> — MI2C1IP<2:0> — SI2C1IP<2:0>
4444
IPC5 084A — IC8IP<2:0> — IC7IP<2:0> —AD2IP<2:0>—INT1IP<2:0>
4444
IPC6 084C — T4IP<2:0> —OC4IP<2:0> —OC3IP<2:0>— DMA2IP<2:0>
4444
IPC7 084E — U2TXIP<2:0> — U2RXIP<2:0> — INT2IP<2:0> —T5IP<2:0>
4444
IPC8 0850 — C1IP<2:0> — C1RXIP<2:0> — SPI2IP<2:0> —SPI2EIP<2:0>
4444
IPC9 0852 — IC5IP<2:0> — IC4IP<2:0> —IC3IP<2:0>— DMA3IP<2:0>
4444
IPC10 0854 —OC7IP<2:0> —OC6IP<2:0> —OC5IP<2:0>—IC6IP<2:0>
4444
IPC11 0856 — T6IP<2:0> — DMA4IP<2:0> — PMPIP<2:0> — OC8IP<2:0>
4444
IPC12 0858 — T8IP<2:0> — MI2C2IP<2:0> — SI2C2IP<2:0> —T7IP<2:0>
4444
IPC13 085A C2RXIP<2:0> — INT4IP<2:0> — INT3IP<2:0> —T9IP<2:0>
4444
IPC14 085C —DCIEIP<2:0> — QEI1IP<2:0> — PSEMIP<2:0> — C2IP<2:0>
4444
IPC15 085E — — — — —RTCIP<2:0> — DMA5IP<2:0> — DCIIP<2:0>
0444
Legend:
— = unimplemented, read as ‘
0
’. Reset values are shown in hexadecimal.

2009-2012 Microchip Technology Inc. DS70616G-page 59
dsPIC33EPXXX(GP/MC/MU)806/810/814 and PIC24EPXXX(GP/GU)810/814
IPC16 0860 —CRCIP<2:0> — U2EIP<2:0> —U1EIP<2:0>— — — —
4440
IPC17 0862 — C2TXIP<2:0> — C1TXIP<2:0> — DMA7IP<2:0> — DMA6IP<2:0>
4444
IPC18 0864 — QEI2IP<2:0> — — — — — PSESMIP<2:0> — — — —
4040
IPC20 0868 — U3TXIP<2:0> — U3RXIP<2:0> —U3EIP<2:0>— — — —
4440
IPC21 086A —U4EIP<2:0> — USB1IP<2:0> — — — — — — — —
4400
IPC22 086C — SPI3IP<2:0> —SPI3EIP<2:0> — U4TXIP<2:0> — U4RXIP<2:0>
4444
IPC23 086E — PWM2IP<2:0> — PWM1IP<2:0> —IC9IP<2:0>— OC9IP<2:0>
4444
IPC24 0870 — PWM6IP<2:0> — PWM5IP<2:0> — PWM4IP<2:0> —PWM3IP<2:0>
4444
IPC25 0872 — — — — — — — — — — — — —PWM7IP<2:0>
0004
IPC29 087A — DMA9IP<2:0> — DMA8IP<2:0> — — — — — — — —
4400
IPC30 087C — SPI4IP<2:0> —SPI4EIP<2:0> — DMA11IP<2:0> — DMA10IP<2:0>
4444
IPC31 087E — IC11IP<2:0> — OC11IP<2:0> — IC10IP<2:0> — OC10IP<2:0>
4444
IPC32 0880 — DMA13IP<2:0> — DMA12IP<2:0> — IC12IP<2:0> — OC12IP<2:0>
4444
IPC33 0882 — IC13IP<2:0> — OC13IP<2:0> — — — — — DMA14IP<2:0>
4404
IPC34 0884 — IC15IP<2:0> — OC15IP<2:0> — IC14IP<2:0> — OC14IP<2:0>
4444
IPC35 0886 — — — — —ICDIP<2:0> — IC16IP<2:0> — OC16IP<2:0>
0444
INTCON1 08C0 NSTDIS OVAERR OVBERR COVAERR COVBERR OVATE OVBTE COVTE SFTACERR DIV0ERR DMACERR MATHERR ADDRERR STKERR OSCFAIL —
0000
INTCON2 08C2 GIE DISI SWTRAP — — — — — — — — INT4EP INT3EP INT2EP INT1EP INT0EP
8000
INTCON3 08C4 — — — — — — — — — UAE DAE DOOVR — — — —
0000
INTCON4 08C6 — — — — — — — — — — — — — — —SGHT
0000
INTTREG 08C8 — — — — ILR<3:0> VECNUM<7:0>
0000
TABLE 4-3: INTERRUPT CONTROLLER REGISTER MAP FOR dsPIC33EPXXXMU814 DEVICES ONLY (CONTINUED)
File
Name Addr. Bit 15 Bit 14 Bit 13 Bit 12 Bit 11 Bit 10 Bit 9 Bit 8 Bit 7 Bit 6 Bit 5 Bit 4 Bit 3 Bit 2 Bit 1 Bit 0 All
Resets
Legend:
— = unimplemented, read as ‘
0
’. Reset values are shown in hexadecimal.

dsPIC33EPXXX(GP/MC/MU)806/810/814 and PIC24EPXXX(GP/GU)810/814
DS70616G-page 60 2009-2012 Microchip Technology Inc.
TABLE 4-4: INTERRUPT CONTROLLER REGISTER MAP FOR dsPIC33EPXXXMU810 DEVICES ONLY
File
Name Addr. Bit 15 Bit 14 Bit 13 Bit 12 Bit 11 Bit 10 Bit 9 Bit 8 Bit 7 Bit 6 Bit 5 Bit 4 Bit 3 Bit 2 Bit 1 Bit 0 All
Resets
IFS0 0800 NVMIF DMA1IF AD1IF U1TXIF U1RXIF SPI1IF SPI1EIF T3IF T2IF OC2IF IC2IF DMA0IF T1IF OC1IF IC1IF INT0IF
0000
IFS1 0802 U2TXIF U2RXIF INT2IF T5IF T4IF OC4IF OC3IF DMA2IF IC8IF IC7IF AD2IF INT1IF CNIF CMIF MI2C1IF SI2C1IF
0000
IFS2 0804 T6IF DMA4IF PMPIF OC8IF OC7IF OC6IF OC5IF IC6IF IC5IF IC4IF IC3IF DMA3IF C1IF C1RXIF SPI2IF SPI2EIF
0000
IFS3 0806 — RTCIF DMA5IF DCIIF DCIEIF QEI1IF PSEMIF C2IF C2RXIF INT4IF INT3IF T9IF T8IF MI2C2IF SI2C2IF T7IF
0000
IFS4 0808 — — — —QEI2IF— PSESMIF — C2TXIF C1TXIF DMA7IF DMA6IF CRCIF U2EIF U1EIF —
0000
IFS5 080A PWM2IF PWM1IF IC9IF OC9IF SPI3IF SPI3EIF U4TXIF U4RXIF U4EIF USB1IF —— U3TXIF U3RXIF U3EIF —
0000
IFS6 080C — — — — — — — — — — — — PWM6IF PWM5IF PWM4IF PWM3IF
0000
IFS7 080E IC11IF OC11IF IC10IF OC10IF SPI4IF SPI4EIF DMA11IF DMA10IF DMA9IF DMA8IF — — — — — —
0000
IFS8 0810 — ICDIF IC16IF OC16IF IC15IF OC15IF IC14IF OC14IF IC13IF OC13IF — DMA14IF DMA13IF DMA12IF IC12IF OC12IF
0000
IEC0 0820 NVMIE DMA1IE AD1IE U1TXIE U1RXIE SPI1IE SPI1EIE T3IE T2IE OC2IE IC2IE DMA0IE T1IE OC1IE IC1IE INT0IE
0000
IEC1 0822 U2TXIE U2RXIE INT2IE T5IE T4IE OC4IE OC3IE DMA2IE IC8IE IC7IE AD2IE INT1IE CNIE CMIE MI2C1IE SI2C1IE
0000
IEC2 0824 T6IE DMA4IE PMPIE OC8IE OC7IE OC6IE OC5IE IC6IE IC5IE IC4IE IC3IE DMA3IE C1IE C1RXIE SPI2IE SPI2EIE
0000
IEC3 0826 — RTCIE DMA5IE DCIIE DCIEIE QEI1IE PSEMIE C2IE C2RXIE INT4IE INT3IE T9IE T8IE MI2C2IE SI2C2IE T7IE
0000
IEC4 0828 — — — —QEI2IE— PSESMIE — C2TXIE C1TXIE DMA7IE DMA6IE CRCIE U2EIE U1EIE —
0000
IEC5 082A PWM2IE PWM1IE IC9IE OC9IE SPI3IE SPI3EIE U4TXIE U4RXIE U4EIE USB1IE —— U3TXIE U3RXIE U3EIE —
0000
IEC6 082C — — — — — — — — — — — — PWM6IE PWM5IE PWM4IE PWM3IE
0000
IEC7 082E IC11IE OC11IE IC10IE OC10IE SPI4IE SPI4EIE DMA11IE DMA10IE DMA9IE DMA8IE — — — — — —
0000
IEC8 0830 — ICDIE IC16IE OC16IE IC15IE OC15IE IC14IE OC14IE IC13IE OC13IE — DMA14IE DMA13IE DMA12IE IC12IE OC12IE
0000
IPC0 0840 — T1IP<2:0> —OC1IP<2:0> — IC1IP<2:0> — INT0IP<2:0>
4444
IPC1 0842 — T2IP<2:0> —OC2IP<2:0> — IC2IP<2:0> — DMA0IP<2:0>
4444
IPC2 0844 — U1RXIP<2:0> — SPI1IP<2:0> — SPI1EIP<2:0> — T3IP<2:0>
4444
IPC3 0846 —NVMIP<2:0> — DMA1IP<2:0> —AD1IP<2:0>— U1TXIP<2:0>
4444
IPC4 0848 — CNIP<2:0> — CMIP<2:0> — MI2C1IP<2:0> — SI2C1IP<2:0>
4444
IPC5 084A —IC8IP<2:0> —IC7IP<2:0> —AD2IP<2:0>— INT1IP<2:0>
4444
IPC6 084C — T4IP<2:0> —OC4IP<2:0> —OC3IP<2:0>— DMA2IP<2:0>
4444
IPC7 084E — U2TXIP<2:0> — U2RXIP<2:0> — INT2IP<2:0> — T5IP<2:0>
4444
IPC8 0850 — C1IP<2:0> — C1RXIP<2:0> — SPI2IP<2:0> —SPI2EIP<2:0>
4444
IPC9 0852 —IC5IP<2:0> —IC4IP<2:0> — IC3IP<2:0> — DMA3IP<2:0>
4444
IPC10 0854 — OC7IP<2:0> —OC6IP<2:0> —OC5IP<2:0>—IC6IP<2:0>
4444
IPC11 0856 — T6IP<2:0> — DMA4IP<2:0> — PMPIP<2:0> — OC8IP<2:0>
4444
IPC12 0858 — T8IP<2:0> — MI2C2IP<2:0> — SI2C2IP<2:0> — T7IP<2:0>
4444
IPC13 085A C2RXIP<2:0> — INT4IP<2:0> — INT3IP<2:0> — T9IP<2:0>
4444
IPC14 085C — DCIEIP<2:0> — QEI1IP<2:0> —PSEMIP<2:0>—C2IP<2:0>
4444
IPC15 085E — — — — —RTCIP<2:0> — DMA5IP<2:0> — DCIIP<2:0>
0444
Legend:
— = unimplemented, read as ‘
0
’. Reset values are shown in hexadecimal.

2009-2012 Microchip Technology Inc. DS70616G-page 61
dsPIC33EPXXX(GP/MC/MU)806/810/814 and PIC24EPXXX(GP/GU)810/814
IPC16 0860 —CRCIP<2:0> —U2EIP<2:0> —U1EIP<2:0>— — — —
4440
IPC17 0862 — C2TXIP<2:0> — C1TXIP<2:0> — DMA7IP<2:0> — DMA6IP<2:0>
4444
IPC18 0864 — QEI2IP<2:0> — — — — — PSESMIP<2:0> — — — —
4040
IPC20 0868 — U3TXIP<2:0> — U3RXIP<2:0> —U3EIP<2:0>— — — —
4440
IPC21 086A —U4EIP<2:0> — USB1IP<2:0> — — — — — — — —
4400
IPC22 086C — SPI3IP<2:0> —SPI3EIP<2:0> — U4TXIP<2:0> — U4RXIP<2:0>
4444
IPC23 086E — PWM2IP<2:0> — PWM1IP<2:0> — IC9IP<2:0> — OC9IP<2:0>
4444
IPC24 0870 — PWM6IP<2:0> — PWM5IP<2:0> — PWM4IP<2:0> —PWM3IP<2:0>
4444
IPC29 087A — DMA9IP<2:0> — DMA8IP<2:0> — — — — — — — —
4400
IPC30 087C — SPI4IP<2:0> —SPI4EIP<2:0> — DMA11IP<2:0> — DMA10IP<2:0>
4444
IPC31 087E — IC11IP<2:0> — OC11IP<2:0> — IC10IP<2:0> — OC10IP<2:0>
4444
IPC32 0880 — DMA13IP<2:0> —DMA12IP<2:0> — IC12IP<2:0> — OC12IP<2:0>
4444
IPC33 0882 — IC13IP<2:0> — OC13IP<2:0> — — — — — DMA14IP<2:0>
4404
IPC34 0884 — IC15IP<2:0> — OC15IP<2:0> — IC14IP<2:0> — OC14IP<2:0>
4444
IPC35 0886 — — — — —ICDIP<2:0> — IC16IP<2:0> — OC16IP<2:0>
0444
INTCON1 08C0 NSTDIS OVAERR OVBERR COVAERR COVBERR OVATE OVBTE COVTE SFTACERR DIV0ERR DMACERR MATHERR ADDRERR STKERR OSCFAIL —
0000
INTCON2 08C2 GIE DISI SWTRAP — — — — — — — — INT4EP INT3EP INT2EP INT1EP INT0EP
8000
INTCON3 08C4 — — — — — — — — — UAE DAE DOOVR — — — —
0000
INTCON4 08C6 — — — — — — — — — — — — — — —SGHT
0000
INTTREG 08C8 — — — — — ILR<3:0> VECNUM<7:0>
0000
TABLE 4-4: INTERRUPT CONTROLLER REGISTER MAP FOR dsPIC33EPXXXMU810 DEVICES ONLY (CONTINUED)
File
Name Addr. Bit 15 Bit 14 Bit 13 Bit 12 Bit 11 Bit 10 Bit 9 Bit 8 Bit 7 Bit 6 Bit 5 Bit 4 Bit 3 Bit 2 Bit 1 Bit 0 All
Resets
Legend:
— = unimplemented, read as ‘
0
’. Reset values are shown in hexadecimal.

dsPIC33EPXXX(GP/MC/MU)806/810/814 and PIC24EPXXX(GP/GU)810/814
DS70616G-page 62 2009-2012 Microchip Technology Inc.
TABLE 4-5: INTERRUPT CONTROLLER REGISTER MAP FOR dsPIC33EPXXXMU806 DEVICES ONLY
File
Name Addr. Bit 15 Bit 14 Bit 13 Bit 12 Bit 11 Bit 10 Bit 9 Bit 8 Bit 7 Bit 6 Bit 5 Bit 4 Bit 3 Bit 2 Bit 1 Bit 0 All
Resets
IFS0 0800 NVMIF DMA1IF AD1IF U1TXIF U1RXIF SPI1IF SPI1EIF T3IF T2IF OC2IF IC2IF DMA0IF T1IF OC1IF IC1IF INT0IF
0000
IFS1 0802 U2TXIF U2RXIF INT2IF T5IF T4IF OC4IF OC3IF DMA2IF IC8IF IC7IF AD2IF INT1IF CNIF CMIF MI2C1IF SI2C1IF
0000
IFS2 0804 T6IF DMA4IF PMPIF OC8IF OC7IF OC6IF OC5IF IC6IF IC5IF IC4IF IC3IF DMA3IF C1IF C1RXIF SPI2IF SPI2EIF
0000
IFS3 0806 — RTCIF DMA5IF DCIIF DCIEIF QEI1IF PSEMIF C2IF C2RXIF INT4IF INT3IF T9IF T8IF MI2C2IF SI2C2IF T7IF
0000
IFS4 0808 — — — —QEI2IF— PSESMIF — C2TXIF C1TXIF DMA7IF DMA6IF CRCIF U2EIF U1EIF —
0000
IFS5 080A PWM2IF PWM1IF IC9IF OC9IF SPI3IF SPI3EIF U4TXIF U4RXIF U4EIF USB1IF —— U3TXIF U3RXIF U3EIF —
0000
IFS6 080C — — — — — — — — — — — — — — PWM4IF PWM3IF
0000
IFS7 080E IC11IF OC11IF IC10IF OC10IF SPI4IF SPI4EIF DMA11IF DMA10IF DMA9IF DMA8IF — — — — — —
0000
IFS8 0810 — ICDIF IC16IF OC16IF IC15IF OC15IF IC14IF OC14IF IC13IF OC13IF — DMA14IF DMA13IF DMA12IF IC12IF OC12IF
0000
IEC0 0820 NVMIE DMA1IE AD1IE U1TXIE U1RXIE SPI1IE SPI1EIE T3IE T2IE OC2IE IC2IE DMA0IE T1IE OC1IE IC1IE INT0IE
0000
IEC1 0822 U2TXIE U2RXIE INT2IE T5IE T4IE OC4IE OC3IE DMA2IE IC8IE IC7IE AD2IE INT1IE CNIE CMIE MI2C1IE SI2C1IE
0000
IEC2 0824 T6IE DMA4IE PMPIE OC8IE OC7IE OC6IE OC5IE IC6IE IC5IE IC4IE IC3IE DMA3IE C1IE C1RXIE SPI2IE SPI2EIE
0000
IEC3 0826 — RTCIE DMA5IE DCIIE DCIEIE QEI1IE PSEMIE C2IE C2RXIE INT4IE INT3IE T9IE T8IE MI2C2IE SI2C2IE T7IE
0000
IEC4 0828 — — — —QEI2IE— PSESMIE — C2TXIE C1TXIE DMA7IE DMA6IE CRCIE U2EIE U1EIE —
0000
IEC5 082A PWM2IE PWM1IE IC9IE OC9IE SPI3IE SPI3EIE U4TXIE U4RXIE U4EIE USB1IE —— U3TXIE U3RXIE U3EIE —
0000
IEC6 082C — — — — — — — — — — — — — —PWM4IEPWM3IE
0000
IEC7 082E IC11IE OC11IE IC10IE OC10IE SPI4IE SPI4EIE DMA11IE DMA10IE DMA9IE DMA8IE — — — — — —
0000
IEC8 0830 — ICDIE IC16IE OC16IE IC15IE OC15IE IC14IE OC14IE IC13IE OC13IE — DMA14IE DMA13IE DMA12IE IC12IE OC12IE
0000
IPC0 0840 — T1IP<2:0> —OC1IP<2:0> —IC1IP<2:0>— INT0IP<2:0>
4444
IPC1 0842 — T2IP<2:0> —OC2IP<2:0> —IC2IP<2:0>— DMA0IP<2:0>
4444
IPC2 0844 — U1RXIP<2:0> — SPI1IP<2:0> — SPI1EIP<2:0> — T3IP<2:0>
4444
IPC3 0846 — NVMIP<2:0> — DMA1IP<2:0> —AD1IP<2:0>— U1TXIP<2:0>
4444
IPC4 0848 —CNIP<2:0> — CMIP<2:0> — MI2C1IP<2:0> — SI2C1IP<2:0>
4444
IPC5 084A — IC8IP<2:0> —IC7IP<2:0> —AD2IP<2:0>— INT1IP<2:0>
4444
IPC6 084C — T4IP<2:0> —OC4IP<2:0> —OC3IP<2:0>— DMA2IP<2:0>
4444
IPC7 084E — U2TXIP<2:0> —U2RXIP<2:0> — INT2IP<2:0> — T5IP<2:0>
4444
IPC8 0850 — C1IP<2:0> —C1RXIP<2:0> — SPI2IP<2:0> —SPI2EIP<2:0>
4444
IPC9 0852 — IC5IP<2:0> —IC4IP<2:0> —IC3IP<2:0>— DMA3IP<2:0>
4444
IPC10 0854 —OC7IP<2:0> —OC6IP<2:0> —OC5IP<2:0>—IC6IP<2:0>
4444
IPC11 0856 — T6IP<2:0> — DMA4IP<2:0> —PMPIP<2:0>— OC8IP<2:0>
4444
IPC12 0858 — T8IP<2:0> — MI2C2IP<2:0> — SI2C2IP<2:0> — T7IP<2:0>
4444
IPC13 085A C2RXIP<2:0> — INT4IP<2:0> — INT3IP<2:0> — T9IP<2:0>
4444
IPC14 085C — DCIEIP<2:0> — QEI1IP<2:0> — PSEMIP<2:0> — C2IP<2:0>
4444
IPC15 085E — — — — —RTCIP<2:0> — DMA5IP<2:0> — DCIIP<2:0>
0444
Legend:
— = unimplemented, read as ‘
0
’. Reset values are shown in hexadecimal.

2009-2012 Microchip Technology Inc. DS70616G-page 63
dsPIC33EPXXX(GP/MC/MU)806/810/814 and PIC24EPXXX(GP/GU)810/814
IPC16 0860 —CRCIP<2:0> —U2EIP<2:0> —U1EIP<2:0>— — — —
4440
IPC17 0862 — C2TXIP<2:0> — C1TXIP<2:0> — DMA7IP<2:0> — DMA6IP<2:0>
4444
IPC18 0864 — QEI2IP<2:0> — — — — — PSESMIP<2:0> — — — —
4040
IPC20 0868 — U3TXIP<2:0> —U3RXIP<2:0> —U3EIP<2:0>— — — —
4440
IPC21 086A —U4EIP<2:0> — USB1IP<2:0> — — — — — — — —
4400
IPC22 086C — SPI3IP<2:0> —SPI3EIP<2:0> — U4TXIP<2:0> — U4RXIP<2:0>
4444
IPC23 086E — PWM2IP<2:0> — PWM1IP<2:0> —IC9IP<2:0>— OC9IP<2:0>
4444
IPC24 0870 — — — — — — — — — PWM4IP<2:0> — PWM3IP<2:0>
0044
IPC29 087A — DMA9IP<2:0> — DMA8IP<2:0> — — — — — — — —
4400
IPC30 087C — SPI4IP<2:0> —SPI4EIP<2:0> —DMA11IP<2:0>— DMA10IP<2:0>
4444
IPC31 087E — IC11IP<2:0> — OC11IP<2:0> — IC10IP<2:0> — OC10IP<2:0>
4444
IPC32 0880 — DMA13IP<2:0> — DMA12IP<2:0> — IC12IP<2:0> — OC12IP<2:0>
4444
IPC33 0882 — IC13IP<2:0> — OC13IP<2:0> — — — — — DMA14IP<2:0>
4404
IPC34 0884 — IC15IP<2:0> — OC15IP<2:0> — IC14IP<2:0> — OC14IP<2:0>
4444
IPC35 0886 — — — — — ICDIP<2:0> — IC16IP<2:0> — OC16IP<2:0>
0444
INTCON1 08C0 NSTDIS OVAERR OVBERR COVAERR COVBERR OVATE OVBTE COVTE SFTACERR DIV0ERR DMACERR MATHERR ADDRERR STKERR OSCFAIL —
0000
INTCON2 08C2 GIE DISI SWTRAP — — — — — — — — INT4EP INT3EP INT2EP INT1EP INT0EP
8000
INTCON3 08C4 — — — — — — — — — UAE DAE DOOVR — — — —
0000
INTCON4 08C6 — — — — — — — — — — — — — — —SGHT
0000
INTTREG 08C8 — — — — — ILR<3:0> VECNUM<7:0>
0000
TABLE 4-5: INTERRUPT CONTROLLER REGISTER MAP FOR dsPIC33EPXXXMU806 DEVICES ONLY (CONTINUED)
File
Name Addr. Bit 15 Bit 14 Bit 13 Bit 12 Bit 11 Bit 10 Bit 9 Bit 8 Bit 7 Bit 6 Bit 5 Bit 4 Bit 3 Bit 2 Bit 1 Bit 0 All
Resets
Legend:
— = unimplemented, read as ‘
0
’. Reset values are shown in hexadecimal.

dsPIC33EPXXX(GP/MC/MU)806/810/814 and PIC24EPXXX(GP/GU)810/814
DS70616G-page 64 2009-2012 Microchip Technology Inc.
TABLE 4-6: INTERRUPT CONTROLLER REGISTER MAP FOR dsPIC33EPXXXMC806 DEVICES ONLY
File
Name Addr. Bit 15 Bit 14 Bit 13 Bit 12 Bit 11 Bit 10 Bit 9 Bit 8 Bit 7 Bit 6 Bit 5 Bit 4 Bit 3 Bit 2 Bit 1 Bit 0 All
Resets
IFS0 0800 NVMIF DMA1IF AD1IF U1TXIF U1RXIF SPI1IF SPI1EIF T3IF T2IF OC2IF IC2IF DMA0IF T1IF OC1IF IC1IF INT0IF
0000
IFS1 0802 U2TXIF U2RXIF INT2IF T5IF T4IF OC4IF OC3IF DMA2IF IC8IF IC7IF AD2IF INT1IF CNIF CMIF MI2C1IF SI2C1IF
0000
IFS2 0804 T6IF DMA4IF PMPIF OC8IF OC7IF OC6IF OC5IF IC6IF IC5IF IC4IF IC3IF DMA3IF C1IF C1RXIF SPI2IF SPI2EIF
0000
IFS3 0806 — RTCIF DMA5IF DCIIF DCIEIF QEI1IF PSEMIF C2IF C2RXIF INT4IF INT3IF T9IF T8IF MI2C2IF SI2C2IF T7IF
0000
IFS4 0808 — — — —QEI2IF— PSESMIF — C2TXIF C1TXIF DMA7IF DMA6IF CRCIF U2EIF U1EIF —
0000
IFS5 080A PWM2IF PWM1IF IC9IF OC9IF SPI3IF SPI3EIF U4TXIF U4RXIF U4EIF — — — U3TXIF U3RXIF U3EIF —
0000
IFS6 080C — — — — — — — — — — — — — — PWM4IF PWM3IF
0000
IFS7 080E IC11IF OC11IF IC10IF OC10IF SPI4IF SPI4EIF DMA11IF DMA10IF DMA9IF DMA8IF — — — — — —
0000
IFS8 0810 — ICDIF IC16IF OC16IF IC15IF OC15IF IC14IF OC14IF IC13IF OC13IF — DMA14IF DMA13IF DMA12IF IC12IF OC12IF
0000
IEC0 0820 NVMIE DMA1IE AD1IE U1TXIE U1RXIE SPI1IE SPI1EIE T3IE T2IE OC2IE IC2IE DMA0IE T1IE OC1IE IC1IE INT0IE
0000
IEC1 0822 U2TXIE U2RXIE INT2IE T5IE T4IE OC4IE OC3IE DMA2IE IC8IE IC7IE AD2IE INT1IE CNIE CMIE MI2C1IE SI2C1IE
0000
IEC2 0824 T6IE DMA4IE PMPIE OC8IE OC7IE OC6IE OC5IE IC6IE IC5IE IC4IE IC3IE DMA3IE C1IE C1RXIE SPI2IE SPI2EIE
0000
IEC3 0826 — RTCIE DMA5IE DCIIE DCIEIE QEI1IE PSEMIE C2IE C2RXIE INT4IE INT3IE T9IE T8IE MI2C2IE SI2C2IE T7IE
0000
IEC4 0828 — — — —QEI2IE— PSESMIE — C2TXIE C1TXIE DMA7IE DMA6IE CRCIE U2EIE U1EIE —
0000
IEC5 082A PWM2IE PWM1IE IC9IE OC9IE SPI3IE SPI3EIE U4TXIE U4RXIE U4EIE — — — U3TXIE U3RXIE U3EIE —
0000
IEC6 082C — — — — — — — — — — — — — —PWM4IEPWM3IE
0000
IEC7 082E IC11IE OC11IE IC10IE OC10IE SPI4IE SPI4EIE DMA11IE DMA10IE DMA9IE DMA8IE — — — — — —
0000
IEC8 0830 — ICDIE IC16IE OC16IE IC15IE OC15IE IC14IE OC14IE IC13IE OC13IE — DMA14IE DMA13IE DMA12IE IC12IE OC12IE
0000
IPC0 0840 — T1IP<2:0> —OC1IP<2:0> —IC1IP<2:0>— INT0IP<2:0>
4444
IPC1 0842 — T2IP<2:0> —OC2IP<2:0> —IC2IP<2:0>— DMA0IP<2:0>
4444
IPC2 0844 — U1RXIP<2:0> — SPI1IP<2:0> — SPI1EIP<2:0> — T3IP<2:0>
4444
IPC3 0846 — NVMIP<2:0> — DMA1IP<2:0> —AD1IP<2:0>— U1TXIP<2:0>
4444
IPC4 0848 —CNIP<2:0> — CMIP<2:0> — MI2C1IP<2:0> — SI2C1IP<2:0>
4444
IPC5 084A — IC8IP<2:0> —IC7IP<2:0> —AD2IP<2:0>— INT1IP<2:0>
4444
IPC6 084C — T4IP<2:0> —OC4IP<2:0> —OC3IP<2:0>— DMA2IP<2:0>
4444
IPC7 084E — U2TXIP<2:0> —U2RXIP<2:0> — INT2IP<2:0> — T5IP<2:0>
4444
IPC8 0850 — C1IP<2:0> —C1RXIP<2:0> — SPI2IP<2:0> —SPI2EIP<2:0>
4444
IPC9 0852 — IC5IP<2:0> —IC4IP<2:0> —IC3IP<2:0>— DMA3IP<2:0>
4444
IPC10 0854 —OC7IP<2:0> —OC6IP<2:0> —OC5IP<2:0>—IC6IP<2:0>
4444
IPC11 0856 — T6IP<2:0> — DMA4IP<2:0> —PMPIP<2:0>— OC8IP<2:0>
4444
IPC12 0858 — T8IP<2:0> — MI2C2IP<2:0> — SI2C2IP<2:0> — T7IP<2:0>
4444
IPC13 085A C2RXIP<2:0> — INT4IP<2:0> — INT3IP<2:0> — T9IP<2:0>
4444
IPC14 085C — DCIEIP<2:0> — QEI1IP<2:0> — PSEMIP<2:0> — C2IP<2:0>
4444
IPC15 085E — — — — —RTCIP<2:0> — DMA5IP<2:0> — DCIIP<2:0>
0444
Legend:
— = unimplemented, read as ‘
0
’. Reset values are shown in hexadecimal.

2009-2012 Microchip Technology Inc. DS70616G-page 65
dsPIC33EPXXX(GP/MC/MU)806/810/814 and PIC24EPXXX(GP/GU)810/814
IPC16 0860 —CRCIP<2:0> —U2EIP<2:0> —U1EIP<2:0>— — — —
4440
IPC17 0862 — C2TXIP<2:0> — C1TXIP<2:0> — DMA7IP<2:0> — DMA6IP<2:0>
4444
IPC18 0864 — QEI2IP<2:0> — — — — — PSESMIP<2:0> — — — —
4040
IPC20 0868 — U3TXIP<2:0> —U3RXIP<2:0> —U3EIP<2:0>— — — —
4440
IPC21 086A —U4EIP<2:0> — — — — — — — — — — — —
4400
IPC22 086C — SPI3IP<2:0> —SPI3EIP<2:0> — U4TXIP<2:0> — U4RXIP<2:0>
4444
IPC23 086E — PWM2IP<2:0> — PWM1IP<2:0> —IC9IP<2:0>— OC9IP<2:0>
4444
IPC24 0870 — — — — — — — — — PWM4IP<2:0> — PWM3IP<2:0>
0044
IPC29 087A — DMA9IP<2:0> — DMA8IP<2:0> — — — — — — — —
4400
IPC30 087C — SPI4IP<2:0> —SPI4EIP<2:0> —DMA11IP<2:0>— DMA10IP<2:0>
4444
IPC31 087E — IC11IP<2:0> — OC11IP<2:0> — IC10IP<2:0> — OC10IP<2:0>
4444
IPC32 0880 — DMA13IP<2:0> — DMA12IP<2:0> — IC12IP<2:0> — OC12IP<2:0>
4444
IPC33 0882 — IC13IP<2:0> — OC13IP<2:0> — — — — — DMA14IP<2:0>
4404
IPC34 0884 — IC15IP<2:0> — OC15IP<2:0> — IC14IP<2:0> — OC14IP<2:0>
4444
IPC35 0886 — — — — — ICDIP<2:0> — IC16IP<2:0> — OC16IP<2:0>
0444
INTCON1 08C0 NSTDIS OVAERR OVBERR COVAERR COVBERR OVATE OVBTE COVTE SFTACERR DIV0ERR DMACERR MATHERR ADDRERR STKERR OSCFAIL —
0000
INTCON2 08C2 GIE DISI SWTRAP — — — — — — — — INT4EP INT3EP INT2EP INT1EP INT0EP
8000
INTCON3 08C4 — — — — — — — — — UAE DAE DOOVR — — — —
0000
INTCON4 08C6 — — — — — — — — — — — — — — —SGHT
0000
INTTREG 08C8 — — — — — ILR<3:0> VECNUM<7:0>
0000
TABLE 4-6: INTERRUPT CONTROLLER REGISTER MAP FOR dsPIC33EPXXXMC806 DEVICES ONLY (CONTINUED)
File
Name Addr. Bit 15 Bit 14 Bit 13 Bit 12 Bit 11 Bit 10 Bit 9 Bit 8 Bit 7 Bit 6 Bit 5 Bit 4 Bit 3 Bit 2 Bit 1 Bit 0 All
Resets
Legend:
— = unimplemented, read as ‘
0
’. Reset values are shown in hexadecimal.

dsPIC33EPXXX(GP/MC/MU)806/810/814 and PIC24EPXXX(GP/GU)810/814
DS70616G-page 66 2009-2012 Microchip Technology Inc.
TABLE 4-7: INTERRUPT CONTROLLER REGISTER MAP FOR dsPIC33EPXXXGP806 AND PIC24EPXXXGP806 DEVICES ONLY
File
Name Addr. Bit 15 Bit 14 Bit 13 Bit 12 Bit 11 Bit 10 Bit 9 Bit 8 Bit 7 Bit 6 Bit 5 Bit 4 Bit 3 Bit 2 Bit 1 Bit 0 All
Resets
IFS0 0800 NVMIF DMA1IF AD1IF U1TXIF U1RXIF SPI1IF SPI1EIF T3IF T2IF OC2IF IC2IF DMA0IF T1IF OC1IF IC1IF INT0IF 0000
IFS1 0802 U2TXIF U2RXIF INT2IF T5IF T4IF OC4IF OC3IF DMA2IF IC8IF IC7IF AD2IF INT1IF CNIF CMIF MI2C1IF SI2C1IF 0000
IFS2 0804 T6IF DMA4IF PMPIF OC8IF OC7IF OC6IF OC5IF IC6IF IC5IF IC4IF IC3IF DMA3IF C1IF C1RXIF SPI2IF SPI2EIF 0000
IFS3 0806 — RTCIF DMA5IF DCIIF DCIEIF — PSEMIF C2IF C2RXIF INT4IF INT3IF T9IF T8IF MI2C2IF SI2C2IF T7IF 0000
IFS4 0808 — — — — — — PSESMIF — C2TXIF C1TXIF DMA7IF DMA6IF CRCIF U2EIF U1EIF —0000
IFS5 080A — — IC9IF OC9IF SPI3IF SPI3EIF U4TXIF U4RXIF U4EIF — — — U3TXIF U3RXIF U3EIF —0000
IFS6 080C — — — — — — — — — — — — — — — — 0000
IFS7 080E IC11IF OC11IF IC10IF OC10IF SPI4IF SPI4EIF DMA11IF DMA10IF DMA9IF DMA8IF — — — — — — 0000
IFS8 0810 — ICDIF IC16IF OC16IF IC15IF OC15IF IC14IF OC14IF IC13IF OC13IF — DMA14IF DMA13IF DMA12IF IC12IF OC12IF 0000
IEC0 0820 NVMIE DMA1IE AD1IE U1TXIE U1RXIE SPI1IE SPI1EIE T3IE T2IE OC2IE IC2IE DMA0IE T1IE OC1IE IC1IE INT0IE 0000
IEC1 0822 U2TXIE U2RXIE INT2IE T5IE T4IE OC4IE OC3IE DMA2IE IC8IE IC7IE AD2IE INT1IE CNIE CMIE MI2C1IE SI2C1IE 0000
IEC2 0824 T6IE DMA4IE PMPIE OC8IE OC7IE OC6IE OC5IE IC6IE IC5IE IC4IE IC3IE DMA3IE C1IE C1RXIE SPI2IE SPI2EIE 0000
IEC3 0826 — RTCIE DMA5IE DCIIE DCIEIE — PSEMIE C2IE C2RXIE INT4IE INT3IE T9IE T8IE MI2C2IE SI2C2IE T7IE 0000
IEC4 0828 — — — — — — PSESMIE — C2TXIE C1TXIE DMA7IE DMA6IE CRCIE U2EIE U1EIE —0000
IEC5 082A —— IC9IE OC9IE SPI3IE SPI3EIE U4TXIE U4RXIE U4EIE — — — U3TXIE U3RXIE U3EIE —0000
IEC6 082C — — — — — — — — — — — — — — — — 0000
IEC7 082E IC11IE OC11IE IC10IE OC10IE SPI4IE SPI4EIE DMA11IE DMA10IE DMA9IE DMA8IE — — — — — — 0000
IEC8 0830 — ICDIE IC16IE OC16IE IC15IE OC15IE IC14IE OC14IE IC13IE OC13IE — DMA14IE DMA13IE DMA12IE IC12IE OC12IE 0000
IPC0 0840 — T1IP<2:0> — OC1IP<2:0> — IC1IP<2:0> — INT0IP<2:0> 4444
IPC1 0842 — T2IP<2:0> — OC2IP<2:0> — IC2IP<2:0> — DMA0IP<2:0> 4444
IPC2 0844 — U1RXIP<2:0> — SPI1IP<2:0> — SPI1EIP<2:0> — T3IP<2:0> 4444
IPC3 0846 —NVMIP<2:0> — DMA1IP<2:0> —AD1IP<2:0>— U1TXIP<2:0> 4444
IPC4 0848 — CNIP<2:0> — CMIP<2:0> — MI2C1IP<2:0> — SI2C1IP<2:0> 4444
IPC5 084A — IC8IP<2:0> — IC7IP<2:0> —AD2IP<2:0>— INT1IP<2:0> 4444
IPC6 084C — T4IP<2:0> — OC4IP<2:0> — OC3IP<2:0> — DMA2IP<2:0> 4444
IPC7 084E — U2TXIP<2:0> — U2RXIP<2:0> — INT2IP<2:0> — T5IP<2:0> 4444
IPC8 0850 — C1IP<2:0> — C1RXIP<2:0> — SPI2IP<2:0> — SPI2EIP<2:0> 4444
IPC9 0852 — IC5IP<2:0> — IC4IP<2:0> — IC3IP<2:0> — DMA3IP<2:0> 4444
IPC10 0854 —OC7IP<2:0> — OC6IP<2:0> — OC5IP<2:0> — IC6IP<2:0> 4444
IPC11 0856 — T6IP<2:0> — DMA4IP<2:0> —PMPIP<2:0>—OC8IP<2:0>4444
IPC12 0858 — T8IP<2:0> — MI2C2IP<2:0> — SI2C2IP<2:0> — T7IP<2:0> 4444
IPC13 085A C2RXIP<2:0> — INT4IP<2:0> — INT3IP<2:0> — T9IP<2:0> 4444
IPC14 085C — DCIEIP<2:0> — — — — — PSEMIP<2:0> — C2IP<2:0> 4444
IPC15 085E — — — — — RTCIP<2:0> — DMA5IP<2:0> — DCIIP<2:0> 0444
Legend: — = unimplemented, read as ‘0’. Reset values are shown in hexadecimal.

2009-2012 Microchip Technology Inc. DS70616G-page 67
dsPIC33EPXXX(GP/MC/MU)806/810/814 and PIC24EPXXX(GP/GU)810/814
IPC16 0860 — CRCIP<2:0> —U2EIP<2:0>—U1EIP<2:0>— — — — 4440
IPC17 0862 — C2TXIP<2:0> — C1TXIP<2:0> — DMA7IP<2:0> — DMA6IP<2:0> 4444
IPC18 0864 — — — — — — — — — PSESMIP<2:0> — — — — 4040
IPC20 0868 — U3TXIP<2:0> — U3RXIP<2:0> —U3EIP<2:0>— — — — 4440
IPC21 086A — U4EIP<2:0> — — — — — — — — — — — — 4400
IPC22 086C — SPI3IP<2:0> — SPI3EIP<2:0> — U4TXIP<2:0> — U4RXIP<2:0> 4444
IPC23 086E — — — — — — — — — IC9IP<2:0> —OC9IP<2:0>4444
IPC24 0870 — — — — — — — — — — — — — — — — 0044
IPC29 087A — DMA9IP<2:0> — DMA8IP<2:0> — — — — — — — — 4400
IPC30 087C — SPI4IP<2:0> — SPI4EIP<2:0> —DMA11IP<2:0>— DMA10IP<2:0> 4444
IPC31 087E — IC11IP<2:0> — OC11IP<2:0> — IC10IP<2:0> — OC10IP<2:0> 4444
IPC32 0880 — DMA13IP<2:0> — DMA12IP<2:0> — IC12IP<2:0> — OC12IP<2:0> 4444
IPC33 0882 — IC13IP<2:0> — OC13IP<2:0> — — — — — DMA14IP<2:0> 4404
IPC34 0884 — IC15IP<2:0> — OC15IP<2:0> — IC14IP<2:0> — OC14IP<2:0> 4444
IPC35 0886 — — — — —ICDIP<2:0>— IC16IP<2:0> — OC16IP<2:0> 0444
INTCON1 08C0 NSTDIS OVAERR OVBERR COVAERR COVBERR OVATE OVBTE COVTE SFTACERR DIV0ERR DMACERR MATHERR ADDRERR STKERR OSCFAIL —0000
INTCON2 08C2 GIE DISI SWTRAP — — — — — — — — INT4EP INT3EP INT2EP INT1EP INT0EP 8000
INTCON3 08C4 — — — — — — — — —UAEDAEDOOVR— — — — 0000
INTCON4 08C6 — — — — — — — — — — — — — — —SGHT0000
INTTREG 08C8 — — — — — ILR<3:0> VECNUM<7:0> 0000
TABLE 4-7: INTERRUPT CONTROLLER REGISTER MAP FOR dsPIC33EPXXXGP806 AND PIC24EPXXXGP806 DEVICES ONLY (CONTINUED)
File
Name Addr. Bit 15 Bit 14 Bit 13 Bit 12 Bit 11 Bit 10 Bit 9 Bit 8 Bit 7 Bit 6 Bit 5 Bit 4 Bit 3 Bit 2 Bit 1 Bit 0 All
Resets
Legend: — = unimplemented, read as ‘0’. Reset values are shown in hexadecimal.

dsPIC33EPXXX(GP/MC/MU)806/810/814 and PIC24EPXXX(GP/GU)810/814
DS70616G-page 68 2009-2012 Microchip Technology Inc.
TABLE 4-8: INTERRUPT CONTROLLER REGISTER MAP FOR PIC24EPXXXGU810/814 DEVICES ONLY
File
Name Addr. Bit 15 Bit 14 Bit 13 Bit 12 Bit 11 Bit 10 Bit 9 Bit 8 Bit 7 Bit 6 Bit 5 Bit 4 Bit 3 Bit 2 Bit 1 Bit 0 All
Resets
IFS0 0800 NVMIF DMA1IF AD1IF U1TXIF U1RXIF SPI1IF SPI1EIF T3IF T2IF OC2IF IC2IF DMA0IF T1IF OC1IF IC1IF INT0IF
0000
IFS1 0802 U2TXIF U2RXIF INT2IF T5IF T4IF OC4IF OC3IF DMA2IF IC8IF IC7IF AD2IF INT1IF CNIF CMIF MI2C1IF SI2C1IF
0000
IFS2 0804 T6IF DMA4IF PMPIF OC8IF OC7IF OC6IF OC5IF IC6IF IC5IF IC4IF IC3IF DMA3IF C1IF C1RXIF SPI2IF SPI2EIF
0000
IFS3 0806 — RTCIF DMA5IF DCIIF DCIEIF —— C2IF C2RXIF INT4IF INT3IF T9IF T8IF MI2C2IF SI2C2IF T7IF
0000
IFS4 0808 — — — — — — — — C2TXIF C1TXIF DMA7IF DMA6IF CRCIF U2EIF U1EIF —
0000
IFS5 080A —— IC9IF OC9IF SPI3IF SPI3EIF U4TXIF U4RXIF U4EIF USB1IF —— U3TXIF U3RXIF U3EIF —
0000
IFS7 080E IC11IF OC11IF IC10IF OC10IF SPI4IF SPI4EIF DMA11IF DMA10IF DMA9IF DMA8IF — — — — — —
0000
IFS8 0810 — ICDIF IC16IF OC16IF IC15IF OC15IF IC14IF OC14IF IC13IF OC13IF — DMA14IF DMA13IF DMA12IF IC12IF OC12IF
0000
IEC0 0820 NVMIE DMA1IE AD1IE U1TXIE U1RXIE SPI1IE SPI1EIE T3IE T2IE OC2IE IC2IE DMA0IE T1IE OC1IE IC1IE INT0IE
0000
IEC1 0822 U2TXIE U2RXIE INT2IE T5IE T4IE OC4IE OC3IE DMA2IE IC8IE IC7IE AD2IE INT1IE CNIE CMIE MI2C1IE SI2C1IE
0000
IEC2 0824 T6IE DMA4IE PMPIE OC8IE OC7IE OC6IE OC5IE IC6IE IC5IE IC4IE IC3IE DMA3IE C1IE C1RXIE SPI2IE SPI2EIE
0000
IEC3 0826 — RTCIE DMA5IE DCIIE DCIEIE —— C2IE C2RXIE INT4IE INT3IE T9IE T8IE MI2C2IE SI2C2IE T7IE
0000
IEC4 0828 — — — — — — — — C2TXIE C1TXIE DMA7IE DMA6IE CRCIE U2EIE U1EIE —
0000
IEC5 082A —— IC9IE OC9IE SPI3IE SPI3EIE U4TXIE U4RXIE U4EIE USB1IE —— U3TXIE U3RXIE U3EIE —
0000
IEC7 082E IC11IE OC11IE IC10IE OC10IE SPI4IE SPI4EIE DMA11IE DMA10IE DMA9IE DMA8IE — — — — — —
0000
IEC8 0830 — ICDIE IC16IE OC16IE IC15IE OC15IE IC14IE OC14IE IC13IE OC13IE — DMA14IE DMA13IE DMA12IE IC12IE OC12IE
0000
IPC0 0840 — T1IP<2:0> — OC1IP<2:0> — IC1IP<2:0> — INT0IP<2:0>
4444
IPC1 0842 — T2IP<2:0> — OC2IP<2:0> — IC2IP<2:0> — DMA0IP<2:0>
4444
IPC2 0844 — U1RXIP<2:0> — SPI1IP<2:0> — SPI1EIP<2:0> — T3IP<2:0>
4444
IPC3 0846 — NVMIP<2:0> — DMA1IP<2:0> —AD1IP<2:0>— U1TXIP<2:0>
4444
IPC4 0848 —CNIP<2:0> —CMIP<2:0> — MI2C1IP<2:0> — SI2C1IP<2:0>
4444
IPC5 084A — IC8IP<2:0> — IC7IP<2:0> —AD2IP<2:0>— INT1IP<2:0>
4444
IPC6 084C — T4IP<2:0> — OC4IP<2:0> — OC3IP<2:0> — DMA2IP<2:0>
4444
IPC7 084E — U2TXIP<2:0> — U2RXIP<2:0> — INT2IP<2:0> — T5IP<2:0>
4444
IPC8 0850 — C1IP<2:0> — C1RXIP<2:0> — SPI2IP<2:0> — SPI2EIP<2:0>
4444
IPC9 0852 — IC5IP<2:0> — IC4IP<2:0> — IC3IP<2:0> — DMA3IP<2:0>
4444
IPC10 0854 —OC7IP<2:0> — OC6IP<2:0> — OC5IP<2:0> — IC6IP<2:0>
4444
IPC11 0856 — T6IP<2:0> — DMA4IP<2:0> — PMPIP<2:0> — OC8IP<2:0>
4444
IPC12 0858 — T8IP<2:0> — MI2C2IP<2:0> — SI2C2IP<2:0> — T7IP<2:0>
4444
IPC13 085A C2RXIP<2:0> — INT4IP<2:0> — INT3IP<2:0> — T9IP<2:0>
4444
IPC14 085C — DCIEIP<2:0> — — — — — — — — — C2IP<2:0>
4004
IPC15 085E — — — — — RTCIP<2:0> — DMA5IP<2:0> —DCIIP<2:0>
0444
IPC16 0860 — CRCIP<2:0> —U2EIP<2:0> —U1EIP<2:0>— — — —
4440
IPC17 0862 — C2TXIP<2:0> — C1TXIP<2:0> — DMA7IP<2:0> — DMA6IP<2:0>
4444
Legend:
— = unimplemented, read as ‘
0
’. Reset values are shown in hexadecimal.

2009-2012 Microchip Technology Inc. DS70616G-page 69
dsPIC33EPXXX(GP/MC/MU)806/810/814 and PIC24EPXXX(GP/GU)810/814
IPC20 0868 — U3TXIP<2:0> — U3RXIP<2:0> —U3EIP<2:0>— — — —
4440
IPC21 086A — U4EIP<2:0> — USB1IP<2:0> — — — — — — — —
4400
IPC22 086C — SPI3IP<2:0> — SPI3EIP<2:0> — U4TXIP<2:0> — U4RXIP<2:0>
4444
IPC23 086E — — — — — — — — — IC9IP<2:0> — OC9IP<2:0>
0044
IPC29 087A — DMA9IP<2:0> — DMA8IP<2:0> — — — — — — — —
4400
IPC30 087C — SPI4IP<2:0> — SPI4EIP<2:0> —DMA11IP<2:0>— DMA10IP<2:0>
4444
IPC31 087E — IC11IP<2:0> — OC11IP<2:0> — IC10IP<2:0> — OC10IP<2:0>
4444
IPC32 0880 — DMA13IP<2:0> — DMA12IP<2:0> — IC12IP<2:0> — OC12IP<2:0>
4444
IPC33 0882 — IC13IP<2:0> — OC13IP<2:0> — — — — — DMA14IP<2:0>
4404
IPC34 0884 — IC15IP<2:0> — OC15IP<2:0> — IC14IP<2:0> — OC14IP<2:0>
4444
IPC35 0886 — — — — — ICDIP<2:0> — IC16IP<2:0> — OC16IP<2:0>
4444
INTCON1
08C0 NSTDIS — — — — — — — —
DIV0ERR DMACERR MATHERR ADDRERR STKERR OSCFAIL
—
0000
INTCON2
08C2 GIE DISI
SWTRAP
— — — — — — — — INT4EP INT3EP INT2EP INT1EP INT0EP
8000
INTCON3
08C4 — — — — — — — — — UAE DAE DOOVR — — — —
0000
INTCON4
08C6 — — — — — — — — — — — — — — —SGHT
0000
INTTREG
08C8 — — — — — ILR<3:0> VECNUM<7:0>
0000
TABLE 4-8: INTERRUPT CONTROLLER REGISTER MAP FOR PIC24EPXXXGU810/814 DEVICES ONLY (CONTINUED)
File
Name Addr. Bit 15 Bit 14 Bit 13 Bit 12 Bit 11 Bit 10 Bit 9 Bit 8 Bit 7 Bit 6 Bit 5 Bit 4 Bit 3 Bit 2 Bit 1 Bit 0 All
Resets
Legend:
— = unimplemented, read as ‘
0
’. Reset values are shown in hexadecimal.

dsPIC33EPXXX(GP/MC/MU)806/810/814 and PIC24EPXXX(GP/GU)810/814
DS70616G-page 70 2009-2012 Microchip Technology Inc.
TABLE 4-9: TIMER1 THROUGH TIMER9 REGISTER MAP
File Name Addr. Bit 15 Bit 14 Bit 13 Bit 12 Bit 11 Bit 10 Bit 9 Bit 8 Bit 7 Bit 6 Bit 5 Bit 4 Bit 3 Bit 2 Bit 1 Bit 0 All
Resets
TMR1 0100 Timer1 Register xxxx
PR1 0102 Period Register 1 FFFF
T1CON 0104 TON —TSIDL—————— TGATE TCKPS<1:0> —TSYNCTCS —0000
TMR2 0106 Timer2 Register xxxx
TMR3HLD 0108 Timer3 Holding Register (for 32-bit timer operations only) xxxx
TMR3 010A Timer3 Register xxxx
PR2 010C Period Register 2 FFFF
PR3 010E Period Register 3 FFFF
T2CON 0110 TON —TSIDL—————— TGATE TCKPS<1:0> T32 —TCS—0000
T3CON 0112 TON —TSIDL—————— TGATE TCKPS<1:0> ——TCS—0000
TMR4 0114 Timer4 Register xxxx
TMR5HLD 0116 Timer5 Holding Register (for 32-bit operations only) xxxx
TMR5 0118 Timer5 Register xxxx
PR4 011A Period Register 4 FFFF
PR5 011C Period Register 5 FFFF
T4CON 011E TON —TSIDL—————— TGATE TCKPS<1:0> T32 —TCS—0000
T5CON 0120 TON —TSIDL—————— TGATE TCKPS<1:0> ——TCS—0000
TMR6 0122 Timer6 Register xxxx
TMR7HLD 0124 Timer7 Holding Register (for 32-bit operations only) xxxx
TMR7 0126 Timer7 Register xxxx
PR6 0128 Period Register 6 FFFF
PR7 012A Period Register 7 FFFF
T6CON 012C TON —TSIDL—————— TGATE TCKPS<1:0> T32 —TCS—0000
T7CON 012E TON —TSIDL—————— TGATE TCKPS<1:0> ——TCS—0000
TMR8 0130 Timer8 Register xxxx
TMR9HLD 0132 Timer9 Holding Register (for 32-bit operations only) xxxx
TMR9 0134 Timer9 Register xxxx
PR8 0136 Period Register 8 FFFF
PR9 0138 Period Register 9 FFFF
T8CON 013A TON —TSIDL—————— TGATE TCKPS<1:0> T32 —TCS—0000
T9CON 013C TON —TSIDL—————— TGATE TCKPS<1:0> ——TCS—0000
Legend: x = unknown value on Reset, — = unimplemented, read as ‘0’. Reset values are shown in hexadecimal.

2009-2012 Microchip Technology Inc. DS70616G-page 71
dsPIC33EPXXX(GP/MC/MU)806/810/814 and PIC24EPXXX(GP/GU)810/814
TABLE 4-10: INPUT CAPTURE 1 THROUGH INPUT CAPTURE 16 REGISTER MAP
File Name Addr. Bit 15 Bit 14 Bit 13 Bit 12 Bit 11 Bit 10 Bit 9 Bit 8 Bit 7 Bit 6 Bit 5 Bit 4 Bit 3 Bit 2 Bit 1 Bit 0 All
Resets
IC1CON1 0140 —— ICSIDL ICTSEL<2:0> — — — ICI<1:0> ICOV ICBNE ICM<2:0> 0000
IC1CON2 0142 ——————— IC32 ICTRIG TRIGSTAT — SYNCSEL<4:0> 000D
IC1BUF 0144 Input Capture 1 Buffer Register xxxx
IC1TMR 0146 Input Capture 1 Timer 0000
IC2CON1 0148 —— ICSIDL ICTSEL<2:0> — — — ICI<1:0> ICOV ICBNE ICM<2:0> 0000
IC2CON2 014A ——————— IC32 ICTRIG TRIGSTAT — SYNCSEL<4:0> 000D
IC2BUF 014C Input Capture 2 Buffer Register xxxx
IC2TMR 014E Input Capture 2 Timer 0000
IC3CON1 0150 —— ICSIDL ICTSEL<2:0> — — — ICI<1:0> ICOV ICBNE ICM<2:0> 0000
IC3CON2 0152 ——————— IC32 ICTRIG TRIGSTAT — SYNCSEL<4:0> 000D
IC3BUF 0154 Input Capture 3 Buffer Register xxxx
IC3TMR 0156 Input Capture 3 Timer 0000
IC4CON1 0158 —— ICSIDL ICTSEL<2:0> — — — ICI<1:0> ICOV ICBNE ICM<2:0> 0000
IC4CON2 015A ——————— IC32 ICTRIG TRIGSTAT — SYNCSEL<4:0> 000D
IC4BUF 015C Input Capture 4 Buffer Register xxxx
IC4TMR 015E Input Capture 4 Timer 0000
IC5CON1 0160 —— ICSIDL ICTSEL<2:0> — — — ICI<1:0> ICOV ICBNE ICM<2:0> 0000
IC5CON2 0162 ——————— IC32 ICTRIG TRIGSTAT — SYNCSEL<4:0> 000D
IC5BUF 0164 Input Capture 5 Buffer Register xxxx
IC5TMR 0166 Input Capture 5 Timer 0000
IC6CON1 0168 —— ICSIDL ICTSEL<2:0> — — — ICI<1:0> ICOV ICBNE ICM<2:0> 0000
IC6CON2 016A ——————— IC32 ICTRIG TRIGSTAT — SYNCSEL<4:0> 000D
IC6BUF 016C Input Capture 6 Buffer Register xxxx
IC6TMR 016E Input Capture 6 Timer 0000
IC7CON1 0170 —— ICSIDL ICTSEL<2:0> — — — ICI<1:0> ICOV ICBNE ICM<2:0> 0000
IC7CON2 0172 ——————— IC32 ICTRIG TRIGSTAT — SYNCSEL<4:0> 000D
IC7BUF 0174 Input Capture 7 Buffer Register xxxx
IC7TMR 0176 Input Capture 7 Timer 0000
IC8CON1 0178 —— ICSIDL ICTSEL<2:0> — — — ICI<1:0> ICOV ICBNE ICM<2:0> 0000
IC8CON2 017A ——————— IC32 ICTRIG TRIGSTAT — SYNCSEL<4:0> 000D
IC8BUF 017C Input Capture 8 Buffer Register xxxx
IC8TMR 017E Input Capture 8 Timer 0000

dsPIC33EPXXX(GP/MC/MU)806/810/814 and PIC24EPXXX(GP/GU)810/814
DS70616G-page 72 2009-2012 Microchip Technology Inc.
IC9CON1 0180 —— ICSIDL ICTSEL<2:0> — — — ICI<1:0> ICOV ICBNE ICM<2:0> 0000
IC9CON2 0182 ——————— IC32 ICTRIG TRIGSTAT — SYNCSEL<4:0> 000D
IC9BUF 0184 Input Capture 9 Buffer Register xxxx
IC9TMR 0186 Input Capture 9 Timer 0000
IC10CON1 0188 —— ICSIDL ICTSEL<2:0> — — — ICI<1:0> ICOV ICBNE ICM<2:0> 0000
IC10CON2 018A ——————— IC32 ICTRIG TRIGSTAT — SYNCSEL<4:0> 000D
IC10BUF 018C Input Capture 10 Buffer Register xxxx
IC10TMR 018E Input Capture 10 Timer 0000
IC11CON1 0190 —— ICSIDL ICTSEL<2:0> — — — ICI<1:0> ICOV ICBNE ICM<2:0> 0000
IC11CON2 0192 ——————— IC32 ICTRIG TRIGSTAT — SYNCSEL<4:0> 000D
IC11BUF 0194 Input Capture 11 Buffer Register xxxx
IC11TMR 0196 Input Capture 11 Timer 0000
IC12CON1 0198 —— ICSIDL ICTSEL<2:0> — — — ICI<1:0> ICOV ICBNE ICM<2:0> 0000
IC12CON2 019A ——————— IC32 ICTRIG TRIGSTAT — SYNCSEL<4:0> 000D
IC12BUF 019C Input Capture 12 Buffer Register xxxx
IC12TMR 019E Input Capture 12 Timer 0000
IC13CON1 01A0 —— ICSIDL ICTSEL<2:0> — — — ICI<1:0> ICOV ICBNE ICM<2:0> 0000
IC13CON2 01A2 ——————— IC32 ICTRIG TRIGSTAT — SYNCSEL<4:0> 000D
IC13BUF 01A4 Input Capture 13 Buffer Register xxxx
IC13TMR 01A6 Input Capture 13 Timer 0000
IC14CON1 01A8 —— ICSIDL ICTSEL<2:0> — — — ICI<1:0> ICOV ICBNE ICM<2:0> 0000
IC14CON2 01AA ——————— IC32 ICTRIG TRIGSTAT — SYNCSEL<4:0> 000D
IC14BUF 01AC Input Capture 14 Buffer Register xxxx
IC14TMR 01AE Input Capture 14 Timer 0000
IC15CON1 01B0 —— ICSIDL ICTSEL<2:0> — — — ICI<1:0> ICOV ICBNE ICM<2:0> 0000
IC15CON2 01B2 ——————— IC32 ICTRIG TRIGSTAT — SYNCSEL<4:0> 000D
IC15BUF 01B4 Input Capture 15 Buffer Register xxxx
IC15TMR 01B6 Input Capture 15 Timer 0000
IC16CON1 01B8 —— ICSIDL ICTSEL<2:0> — — — ICI<1:0> ICOV ICBNE ICM<2:0> 0000
IC16CON2 01BA ——————— IC32 ICTRIG TRIGSTAT — SYNCSEL<4:0> 000D
IC16BUF 01BC Input Capture 16 Buffer Register xxxx
IC16TMR 01BE Input Capture 16 Timer 0000
Legend: x = unknown value on Reset, — = unimplemented, read as ‘0’. Reset values are shown in hexadecimal.
TABLE 4-10: INPUT CAPTURE 1 THROUGH INPUT CAPTURE 16 REGISTER MAP (CONTINUED)
File Name Addr. Bit 15 Bit 14 Bit 13 Bit 12 Bit 11 Bit 10 Bit 9 Bit 8 Bit 7 Bit 6 Bit 5 Bit 4 Bit 3 Bit 2 Bit 1 Bit 0 All
Resets

2009-2012 Microchip Technology Inc. DS70616G-page 73
dsPIC33EPXXX(GP/MC/MU)806/810/814 and PIC24EPXXX(GP/GU)810/814
TABLE 4-11: OUTPUT COMPARE 1 THROUGH OUTPUT COMPARE 16 REGISTER MAP
File Name Addr. Bit 15 Bit 14 Bit 13 Bit 12 Bit 11 Bit 10 Bit 9 Bit 8 Bit 7 Bit 6 Bit 5 Bit 4 Bit 3 Bit 2 Bit 1 Bit 0 All
Resets
OC1CON1 0900 —— OCSIDL OCTSEL<2:0> ENFLTC ENFLTB ENFLTA OCFLTC OCFLTB OCFLTA TRIGMODE OCM<2:0>
0000
OC1CON2 0902 FLTMD FLTOUT FLTTRIEN OCINV — — — OC32 OCTRIG TRIGSTAT OCTRIS SYNCSEL<4:0>
000C
OC1RS 0904 Output Compare 1 Secondary Register
xxxx
OC1R 0906 Output Compare 1 Register
xxxx
OC1TMR 0908 Timer Value 1 Register
xxxx
OC2CON1 090A —— OCSIDL OCTSEL<2:0> ENFLTC ENFLTB ENFLTA OCFLTC OCFLTB OCFLTA TRIGMODE OCM<2:0>
0000
OC2CON2 090C FLTMD FLTOUT FLTTRIEN OCINV — — — OC32 OCTRIG TRIGSTAT OCTRIS SYNCSEL<4:0>
000C
OC2RS 090E Output Compare 2 Secondary Register
xxxx
OC2R 0910 Output Compare 2 Register
xxxx
OC2TMR 0912 Timer Value 2 Register
xxxx
OC3CON1 0914 —— OCSIDL OCTSEL<2:0> ENFLTC ENFLTB ENFLTA OCFLTC OCFLTB OCFLTA TRIGMODE OCM<2:0>
0000
OC3CON2 0916 FLTMD FLTOUT FLTTRIEN OCINV — — — OC32 OCTRIG TRIGSTAT OCTRIS SYNCSEL<4:0>
000C
OC3RS 0918 Output Compare 3 Secondary Register
xxxx
OC3R 091A Output Compare 3 Register
xxxx
OC3TMR 091C Timer Value 3 Register
xxxx
OC4CON1 091E —— OCSIDL OCTSEL<2:0> ENFLTC ENFLTB ENFLTA OCFLTC OCFLTB OCFLTA TRIGMODE OCM<2:0>
0000
OC4CON2 0920 FLTMD FLTOUT FLTTRIEN OCINV — — — OC32 OCTRIG TRIGSTAT OCTRIS SYNCSEL<4:0>
000C
OC4RS 0922 Output Compare 4 Secondary Register
xxxx
OC4R 0924 Output Compare 4 Register
xxxx
OC4TMR 0926 Timer Value 4 Register
xxxx
OC5CON1 0928 —— OCSIDL OCTSEL<2:0> ENFLTC ENFLTB ENFLTA OCFLTC OCFLTB OCFLTA TRIGMODE OCM<2:0>
0000
OC5CON2 092A FLTMD FLTOUT FLTTRIEN OCINV — — — OC32 OCTRIG TRIGSTAT OCTRIS SYNCSEL<4:0>
000C
OC5RS 092C Output Compare 5 Secondary Register
xxxx
OC5R 092D Output Compare 5 Register
xxxx
OC5TMR 0930 Timer Value 5 Register
xxxx
OC6CON1 0932 —— OCSIDL OCTSEL<2:0> ENFLTC ENFLTB ENFLTA OCFLTC OCFLTB OCFLTA TRIGMODE OCM<2:0>
0000
OC6CON2 0934 FLTMD FLTOUT FLTTRIEN OCINV — — — OC32 OCTRIG TRIGSTAT OCTRIS SYNCSEL<4:0>
000C
OC6RS 0936 Output Compare 6 Secondary Register
xxxx
OC6R 0938 Output Compare 6 Register
xxxx
OC6TMR 093A Timer Value 6 Register
xxxx
OC7CON1 093C —— OCSIDL OCTSEL<2:0> ENFLTC ENFLTB ENFLTA OCFLTC OCFLTB OCFLTA TRIGMODE OCM<2:0>
0000
OC7CON2 093E FLTMD FLTOUT FLTTRIEN OCINV — — — OC32 OCTRIG TRIGSTAT OCTRIS SYNCSEL<4:0>
000C
OC7RS 0940 Output Compare 7 Secondary Register
xxxx
OC7R 0942 Output Compare 7 Register
xxxx
OC7TMR 0944 Timer Value 7 Register
xxxx
Legend:
— = unimplemented, read as ‘
0
’. Reset values are shown in hexadecimal.

dsPIC33EPXXX(GP/MC/MU)806/810/814 and PIC24EPXXX(GP/GU)810/814
DS70616G-page 74 2009-2012 Microchip Technology Inc.
OC8CON1 0946 —— OCSIDL OCTSEL<2:0> ENFLTC ENFLTB ENFLTA OCFLTC OCFLTB OCFLTA TRIGMODE OCM<2:0>
0000
OC8CON2 0948 FLTMD FLTOUT FLTTRIEN OCINV — — — OC32 OCTRIG TRIGSTAT OCTRIS SYNCSEL<4:0>
000C
OC8RS 094A Output Compare 8 Secondary Register
xxxx
OC8R 094C Output Compare 8 Register
xxxx
OC8TMR 094E Timer Value 8 Register
xxxx
OC9CON1 0950 —— OCSIDL OCTSEL<2:0> ENFLTC ENFLTB ENFLTA OCFLTC OCFLTB OCFLTA TRIGMODE OCM<2:0>
0000
OC9CON2 0952 FLTMD FLTOUT FLTTRIEN OCINV — — — OC32 OCTRIG TRIGSTAT OCTRIS SYNCSEL<4:0>
000C
OC9RS 0954 Output Compare 9 Secondary Register
xxxx
OC9R 0956 Output Compare 9 Register
xxxx
OC9TMR 0958 Timer Value 9 Register
xxxx
OC10CON1 095A —— OCSIDL OCTSEL<2:0> ENFLTC ENFLTB ENFLTA OCFLTC OCFLTB OCFLTA TRIGMODE OCM<2:0>
0000
OC10CON2 095C FLTMD FLTOUT FLTTRIEN OCINV — — — OC32 OCTRIG TRIGSTAT OCTRIS SYNCSEL<4:0>
000C
OC10RS 095E Output Compare 10 Secondary Register
xxxx
OC10R 0960 Output Compare 10 Register
xxxx
OC10TMR 0962 Timer Value 10 Register
xxxx
OC11CON1 0964 —— OCSIDL OCTSEL<2:0> ENFLTC ENFLTB ENFLTA OCFLTC OCFLTB OCFLTA TRIGMODE OCM<2:0>
0000
OC11CON2 0966 FLTMD FLTOUT FLTTRIEN OCINV — — — OC32 OCTRIG TRIGSTAT OCTRIS SYNCSEL<4:0>
000C
OC11RS 0968 Output Compare 11 Secondary Register
xxxx
OC11R 096A Output Compare 11 Register
xxxx
OC11TMR 096C Timer Value 11 Register
xxxx
OC12CON1 096E —— OCSIDL OCTSEL<2:0> ENFLTC ENFLTB ENFLTA OCFLTC OCFLTB OCFLTA TRIGMODE OCM<2:0>
0000
OC12CON2 0970 FLTMD FLTOUT FLTTRIEN OCINV — — — OC32 OCTRIG TRIGSTAT OCTRIS SYNCSEL<4:0>
000C
OC12RS 0972 Output Compare 12 Secondary Register
xxxx
OC12R 0974 Output Compare 12 Register
xxxx
OC12TMR 0976 Timer Value 12 Register
xxxx
OC13CON1 0978 —— OCSIDL OCTSEL<2:0> ENFLTC ENFLTB ENFLTA OCFLTC OCFLTB OCFLTA TRIGMODE OCM<2:0>
0000
OC13CON2 097A FLTMD FLTOUT FLTTRIEN OCINV — — — OC32 OCTRIG TRIGSTAT OCTRIS SYNCSEL<4:0>
000C
OC13RS 097C Output Compare 13 Secondary Register
xxxx
OC13R 097E Output Compare 13 Register
xxxx
OC13TMR 0980 Timer Value 13 Register
xxxx
OC14CON1 0982 —— OCSIDL OCTSEL<2:0> ENFLTC ENFLTB ENFLTA OCFLTC OCFLTB OCFLTA TRIGMODE OCM<2:0>
0000
OC14CON2 0984 FLTMD FLTOUT FLTTRIEN OCINV — — — OC32 OCTRIG TRIGSTAT OCTRIS SYNCSEL<4:0>
000C
OC14RS 0986 Output Compare 14 Secondary Register
xxxx
OC14R 0988 Output Compare 14 Register
xxxx
OC14TMR 098A Timer Value 14 Register
xxxx
TABLE 4-11: OUTPUT COMPARE 1 THROUGH OUTPUT COMPARE 16 REGISTER MAP (CONTINUED)
File Name Addr. Bit 15 Bit 14 Bit 13 Bit 12 Bit 11 Bit 10 Bit 9 Bit 8 Bit 7 Bit 6 Bit 5 Bit 4 Bit 3 Bit 2 Bit 1 Bit 0 All
Resets
Legend:
— = unimplemented, read as ‘
0
’. Reset values are shown in hexadecimal.

2009-2012 Microchip Technology Inc. DS70616G-page 75
dsPIC33EPXXX(GP/MC/MU)806/810/814 and PIC24EPXXX(GP/GU)810/814
OC15CON1 098C —— OCSIDL OCTSEL<2:0> ENFLTC ENFLTB ENFLTA OCFLTC OCFLTB OCFLTA TRIGMODE OCM<2:0>
0000
OC15CON2 098E FLTMD FLTOUT FLTTRIEN OCINV — — — OC32 OCTRIG TRIGSTAT OCTRIS SYNCSEL<4:0>
000C
OC15RS 0990 Output Compare 15 Secondary Register
xxxx
OC15R 0992 Output Compare 15 Register
xxxx
OC15TMR 0994 Timer Value 15 Register
xxxx
OC16CON1 0996 —— OCSIDL OCTSEL<2:0> ENFLTC ENFLTB ENFLTA OCFLTC OCFLTB OCFLTA TRIGMODE OCM<2:0>
0000
OC16CON2 0998 FLTMD FLTOUT FLTTRIEN OCINV — — — OC32 OCTRIG TRIGSTAT OCTRIS SYNCSEL<4:0>
000C
OC16RS 099A Output Compare 16 Secondary Register
xxxx
OC16R 099C Output Compare 16 Register
xxxx
OC16TMR 099E Timer Value 16 Register
xxxx
TABLE 4-11: OUTPUT COMPARE 1 THROUGH OUTPUT COMPARE 16 REGISTER MAP (CONTINUED)
File Name Addr. Bit 15 Bit 14 Bit 13 Bit 12 Bit 11 Bit 10 Bit 9 Bit 8 Bit 7 Bit 6 Bit 5 Bit 4 Bit 3 Bit 2 Bit 1 Bit 0 All
Resets
Legend:
— = unimplemented, read as ‘
0
’. Reset values are shown in hexadecimal.

dsPIC33EPXXX(GP/MC/MU)806/810/814 and PIC24EPXXX(GP/GU)810/814
DS70616G-page 76 2009-2012 Microchip Technology Inc.
TABLE 4-12: PWM REGISTER MAP FOR dsPIC33EPXXX(MC/MU)806/810/814 DEVICES ONLY
File Name Addr. Bit 15 Bit 14 Bit 13 Bit 12 Bit 11 Bit 10 Bit 9 Bit 8 Bit 7 Bit 6 Bit 5 Bit 4 Bit 3 Bit 2 Bit 1 Bit 0 All
Resets
PTCON 0C00 PTEN — PTSIDL SESTAT SEIEN EIPU SYNCPOL SYNCOEN SYNCEN SYNCSRC<2:0> SEVTPS<3:0> 0000
PTCON2 0C02 — — — — — — — — — — — — — PCLKDIV<2:0> 0000
PTPER 0C04 PTPER<15:0> FFF8
SEVTCMP 0C06 SEVTCMP<15:0> 0000
MDC 0C0A MDC<15:0> 0000
STCON 0C0E — — — SESTAT SEIEN EIPU SYNCPOL SYNCOEN SYNCEN SYNCSRC<2:0> SEVTPS<3:0> 0000
STCON2 0C10 — — — — — — — — — — — — — PCLKDIV<2:0> 0000
STPER 0C12 STPER<15:0> FFF8
SSEVTCMP 0C14 SSEVTCMP<15:0> 0000
CHOP 0C1A CHPCLKEN — — — — — CHOPCLK<9:0> 0000
Legend: x = unknown value on Reset, — = unimplemented, read as ‘0’. Reset values are shown in hexadecimal.
TABLE 4-13: PWM GENERATOR 1 REGISTER MAP FOR dsPIC33EPXXX(MC/MU)806/810/814 DEVICES ONLY
File Name Addr. Bit 15 Bit 14 Bit 13 Bit 12 Bit 11 Bit 10 Bit 9 Bit 8 Bit 7 Bit 6 Bit 5 Bit 4 Bit 3 Bit 2 Bit 1 Bit 0 All
Resets
PWMCON1 0C20 FLTSTAT CLSTAT TRGSTAT FLTIEN CLIEN TRGIEN ITB MDCS DTC<1:0> DTCP — MTBS CAM XPRES IUE 0000
IOCON1 0C22 PENH PENL POLH POLL PMOD<1:0> OVRENH OVRENL OVRDAT<1:0> FLTDAT<1:0> CLDAT<1:0> SWAP OSYNC 0000
FCLCON1 0C24 IFLTMOD CLSRC<4:0> CLPOL CLMOD FLTSRC<4:0> FLTPOL FLTMOD<1:0> 0000
PDC1 0C26 PDC1<15:0> 0000
PHASE1 0C28 PHASE1<15:0> 0000
DTR1 0C2A — — DTR1<13:0> 0000
ALTDTR1 0C2C — — ALTDTR1<13:0> 0000
SDC1 0C2E SDC1<15:0> 0000
SPHASE1 0C30 SPHASE1<15:0> 0000
TRIG1 0C32 TRGCMP<15:0> 0000
TRGCON1 0C34 TRGDIV<3:0> — — — — — —TRGSTRT<5:0>0000
PWMCAP1 0C38 PWMCAP1<15:0> 0000
LEBCON1 0C3A PHR PHF PLR PLF FLTLEBEN CLLEBEN — — — — BCH BCL BPHH BPHL BPLH BPLL 0000
LEBDLY1 0C3C — — — — LEB<11:0> 0000
AUXCON1 0C3E — — — — BLANKSEL<3:0> —— CHOPSEL<3:0> CHOPHEN CHOPLEN 0000
Legend: x = unknown value on Reset, — = unimplemented, read as ‘0’. Reset values are shown in hexadecimal.

2009-2012 Microchip Technology Inc. DS70616G-page 77
dsPIC33EPXXX(GP/MC/MU)806/810/814 and PIC24EPXXX(GP/GU)810/814
TABLE 4-14: PWM GENERATOR 2 REGISTER MAP FOR dsPIC33EPXXX(MC/MU)806/810/814 DEVICES ONLY
File Name Addr. Bit 15 Bit 14 Bit 13 Bit 12 Bit 11 Bit 10 Bit 9 Bit 8 Bit 7 Bit 6 Bit 5 Bit 4 Bit 3 Bit 2 Bit 1 Bit 0 All
Resets
PWMCON2 0C40 FLTSTAT CLSTAT TRGSTAT FLTIEN CLIEN TRGIEN ITB MDCS DTC<1:0> DTCP — MTBS CAM XPRES IUE 0000
IOCON2 0C42 PENH PENL POLH POLL PMOD<1:0> OVRENH OVRENL OVRDAT<1:0> FLTDAT<1:0> CLDAT<1:0> SWAP OSYNC 0000
FCLCON2 0C44 IFLTMOD CLSRC<4:0> CLPOL CLMOD FLTSRC<4:0> FLTPOL FLTMOD<1:0> 0000
PDC2 0C46 PDC2<15:0> 0000
PHASE2 0C48 PHASE2<15:0> 0000
DTR2 0C4A — — DTR2<13:0> 0000
ALTDTR2 0C4C — — ALTDTR2<13:0> 0000
SDC2 0C4E SDC2<15:0> 0000
SPHASE2 0C50 SPHASE2<15:0> 0000
TRIG2 0C52 TRGCMP<15:0> 0000
TRGCON2 0C54 TRGDIV<3:0> — — — — — —TRGSTRT<5:0>0000
PWMCAP2 0C58 PWMCAP2<15:0> 0000
LEBCON2 0C5A PHR PHF PLR PLF FLTLEBEN CLLEBEN — — — — BCH BCL BPHH BPHL BPLH BPLL 0000
LEBDLY2 0C5C — — — — LEB<11:0> 0000
AUXCON2 0C5E — — — — BLANKSEL<3:0> —— CHOPSEL<3:0> CHOPHEN CHOPLEN 0000
Legend: x = unknown value on Reset, — = unimplemented, read as ‘0’. Reset values are shown in hexadecimal.
TABLE 4-15: PWM GENERATOR 3 REGISTER MAP FOR dsPIC33EPXXX(MC/MU)806/810/814 DEVICES ONLY
File Name Addr. Bit 15 Bit 14 Bit 13 Bit 12 Bit 11 Bit 10 Bit 9 Bit 8 Bit 7 Bit 6 Bit 5 Bit 4 Bit 3 Bit 2 Bit 1 Bit 0 All
Resets
PWMCON3 0C60 FLTSTAT CLSTAT TRGSTAT FLTIEN CLIEN TRGIEN ITB MDCS DTC<1:0> DTCP — MTBS CAM XPRES IUE 0000
IOCON3 0C62 PENH PENL POLH POLL PMOD<1:0> OVRENH OVRENL OVRDAT<1:0> FLTDAT<1:0> CLDAT<1:0> SWAP OSYNC 0000
FCLCON3 0C64 IFLTMOD CLSRC<4:0> CLPOL CLMOD FLTSRC<4:0> FLTPOL FLTMOD<1:0> 0000
PDC3 0C66 PDC3<15:0> 0000
PHASE3 0C68 PHASE3<15:0> 0000
DTR3 0C6A — — DTR3<13:0> 0000
ALTDTR3 0C6C — — ALTDTR3<13:0> 0000
SDC3 0C6E SDC3<15:0> 0000
SPHASE3 0C70 SPHASE3<15:0> 0000
TRIG3 0C72 TRGCMP<15:0> 0000
TRGCON3 0C74 TRGDIV<3:0> — — — — — —TRGSTRT<5:0>0000
PWMCAP3 0C78 PWMCAP3<15:0> 0000
LEBCON3 0C7A PHR PHF PLR PLF FLTLEBEN CLLEBEN — — — — BCH BCL BPHH BPHL BPLH BPLL 0000
LEBDLY3 0C7C — — — — LEB<11:0> 0000
AUXCON3 0C7E — — — — BLANKSEL<3:0> —— CHOPSEL<3:0> CHOPHEN CHOPLEN 0000
Legend: x = unknown value on Reset, — = unimplemented, read as ‘0’. Reset values are shown in hexadecimal.

dsPIC33EPXXX(GP/MC/MU)806/810/814 and PIC24EPXXX(GP/GU)810/814
DS70616G-page 78 2009-2012 Microchip Technology Inc.
TABLE 4-16: PWM GENERATOR 4 REGISTER MAP FOR dsPIC33EPXXX(MC/MU)806/810/814 DEVICES ONLY
File Name Addr. Bit 15 Bit 14 Bit 13 Bit 12 Bit 11 Bit 10 Bit 9 Bit 8 Bit 7 Bit 6 Bit 5 Bit 4 Bit 3 Bit 2 Bit 1 Bit 0 All
Resets
PWMCON4 0C80 FLTSTAT CLSTAT TRGSTAT FLTIEN CLIEN TRGIEN ITB MDCS DTC<1:0> DTCP — MTBS CAM XPRES IUE 0000
IOCON4 0C82 PENH PENL POLH POLL PMOD<1:0> OVRENH OVRENL OVRDAT<1:0> FLTDAT<1:0> CLDAT<1:0> SWAP OSYNC 0000
FCLCON4 0C84 IFLTMOD CLSRC<4:0> CLPOL CLMOD FLTSRC<4:0> FLTPOL FLTMOD<1:0> 0000
PDC4 0C86 PDC4<15:0> 0000
PHASE4 0C88 PHASE4<15:0> 0000
DTR4 0C8A — — DTR4<13:0> 0000
ALTDTR4 0C8C — — ALTDTR4<13:0> 0000
SDC4 0C8E SDC4<15:0> 0000
SPHASE4 0C90 SPHASE4<15:0> 0000
TRIG4 0C92 TRGCMP<15:0> 0000
TRGCON4 0C94 TRGDIV<3:0> — — — — — —TRGSTRT<5:0>0000
PWMCAP4 0C98 PWMCAP4<15:0> 0000
LEBCON4 0C9A PHR PHF PLR PLF FLTLEBEN CLLEBEN ———— BCH BCL BPHH BPHL BPLH BPLL 0000
LEBDLY4 0C9C — — — — LEB<11:0> 0000
AUXCON4 0C9E — — — — BLANKSEL<3:0> —— CHOPSEL<3:0> CHOPHEN CHOPLEN 0000
Legend: x = unknown value on Reset, — = unimplemented, read as ‘0’. Reset values are shown in hexadecimal.
TABLE 4-17: PWM GENERATOR 5 REGISTER MAP FOR dsPIC33EPXXX(MC/MU)810/814 DEVICES ONLY
File Name Addr. Bit 15 Bit 14 Bit 13 Bit 12 Bit 11 Bit 10 Bit 9 Bit 8 Bit 7 Bit 6 Bit 5 Bit 4 Bit 3 Bit 2 Bit 1 Bit 0 All
Resets
PWMCON5 0CA0 FLTSTAT CLSTAT TRGSTAT FLTIEN CLIEN TRGIEN ITB MDCS DTC<1:0> DTCP — MTBS CAM XPRES IUE 0000
IOCON5 0CA2 PENH PENL POLH POLL PMOD<1:0> OVRENH OVRENL OVRDAT<1:0> FLTDAT<1:0> CLDAT<1:0> SWAP OSYNC 0000
FCLCON5 0CA4 IFLTMOD CLSRC<4:0> CLPOL CLMOD FLTSRC<4:0> FLTPOL FLTMOD<1:0> 0000
PDC5 0CA6 PDC5<15:0> 0000
PHASE5 0CA8 PHASE5<15:0> 0000
DTR5 0CAA — — DTR5<13:0> 0000
ALTDTR5 0CAC — — ALTDTR5<13:0> 0000
SDC5 0CAE SDC5<15:0> 0000
SPHASE5 0CB0 SPHASE5<15:0> 0000
TRIG5 0CB2 TRGCMP<15:0> 0000
TRGCON5 0CB4 TRGDIV<3:0> — — — — — —TRGSTRT<5:0>0000
PWMCAP5 0CB8 PWM Capture<15:0> 0000
LEBCON5 0CBA PHR PHF PLR PLF FLTLEBEN CLLEBEN — — — — BCH BCL BPHH BPHL BPLH BPLL 0000
LEBDLY5 0CBC —— —— LEB<11:0> 0000
AUXCON5 0CBE —— —— BLANKSEL<3:0> —— CHOPSEL<3:0> CHOPHEN CHOPLEN 0000
Legend: x = unknown value on Reset, — = unimplemented, read as ‘0’. Reset values are shown in hexadecimal.

2009-2012 Microchip Technology Inc. DS70616G-page 79
dsPIC33EPXXX(GP/MC/MU)806/810/814 and PIC24EPXXX(GP/GU)810/814
TABLE 4-18: PWM GENERATOR 6 REGISTER MAP FOR dsPIC33EPXXX(MC/MU)810/814 DEVICES ONLY
File Name Addr. Bit 15 Bit 14 Bit 13 Bit 12 Bit 11 Bit 10 Bit 9 Bit 8 Bit 7 Bit 6 Bit 5 Bit 4 Bit 3 Bit 2 Bit 1 Bit 0 All
Resets
PWMCON6 0CC0 FLTSTAT CLSTAT TRGSTAT FLTIEN CLIEN TRGIEN ITB MDCS DTC<1:0> DTCP — MTBS CAM XPRES IUE 0000
IOCON6 0CC2 PENH PENL POLH POLL PMOD<1:0> OVRENH OVRENL OVRDAT<1:0> FLTDAT<1:0> CLDAT<1:0> SWAP OSYNC 0000
FCLCON6 0CC4 IFLTMOD CLSRC<4:0> CLPOL CLMOD FLTSRC<4:0> FLTPOL FLTMOD<1:0> 0000
PDC6 0CC6 PDC6<15:0> 0000
PHASE6 0CC8 PHASE6<15:0> 0000
DTR6 0CCA — — DTR6<13:0> 0000
ALTDTR6 0CCC — — ALTDTR6<13:0> 0000
SDC6 0CCE SDC6<15:0> 0000
SPHASE6 0CD0 SPHASE6<15:0> 0000
TRIG6 0CD2 TRGCMP<15:0> 0000
TRGCON6 0CD4 TRGDIV<3:0> — — — — — —TRGSTRT<5:0>0000
PWMCAP6 0CD8 PWMCAP6<15:0> 0000
LEBCON6 0CDA PHR PHF PLR PLF FLTLEBEN CLLEBEN — — — — BCH BCL BPHH BPHL BPLH BPLL 0000
LEBDLY6 0CDC — — — — LEB<11:0> 0000
AUXCON6 0CDE — — — — BLANKSEL<3:0> —— CHOPSEL<3:0> CHOPHEN CHOPLEN 0000
Legend: x = unknown value on Reset, — = unimplemented, read as ‘0’. Reset values are shown in hexadecimal.
TABLE 4-19: PWM GENERATOR 7 REGISTER MAP FOR dsPIC33EPXXX(MC/MU)814 DEVICES ONLY
File Name Addr. Bit 15 Bit 14 Bit 13 Bit 12 Bit 11 Bit 10 Bit 9 Bit 8 Bit 7 Bit 6 Bit 5 Bit 4 Bit 3 Bit 2 Bit 1 Bit 0 All
Resets
PWMCON7 0CE0 FLTSTAT CLSTAT TRGSTAT FLTIEN CLIEN TRGIEN ITB MDCS DTC<1:0> DTCP — MTBS CAM XPRES IUE 0000
IOCON7 0CE2 PENH PENL POLH POLL PMOD<1:0> OVRENH OVRENL OVRDAT<1:0> FLTDAT<1:0> CLDAT<1:0> SWAP OSYNC 0000
FCLCON7 0CE4 IFLTMOD CLSRC<4:0> CLPOL CLMOD FLTSRC<4:0> FLTPOL FLTMOD<1:0> 0000
PDC7 0CE6 PDC7<15:0> 0000
PHASE7 0CE8 PHASE7<15:0> 0000
DTR7 0CEA — — DTR7<13:0> 0000
ALTDTR7 0CEC — — ALTDTR7<13:0> 0000
SDC7 0CEE SDC7<15:0> 0000
SPHASE7 0CF0 SPHASE7<15:0> 0000
TRIG7 0CF2 TRGCMP<15:0> 0000
TRGCON7 0CF4 TRGDIV<3:0> — — — — — —TRGSTRT<5:0>0000
PWMCAP7 0CF8 PWMCAP7<15:0> 0000
LEBCON7 0CFA PHR PHF PLR PLF FLTLEBEN CLLEBEN — — — — BCH BCL BPHH BPHL BPLH BPLL 0000
LEBDLY7 0CFC — — — — LEB<11:0> 0000
AUXCON7 0CFE — — — — BLANKSEL<3:0> —— CHOPSEL<3:0> CHOPHEN CHOPLEN 0000
Legend: x = unknown value on Reset, — = unimplemented, read as ‘0’. Reset values are shown in hexadecimal.

dsPIC33EPXXX(GP/MC/MU)806/810/814 and PIC24EPXXX(GP/GU)810/814
DS70616G-page 80 2009-2012 Microchip Technology Inc.
TABLE 4-20: QEI1 REGISTER MAP FOR dsPIC33EPXXX(MC/MU)806/810/814 DEVICES ONLY
File Name Addr. Bit 15 Bit 14 Bit 13 Bit 12 Bit 11 Bit 10 Bit 9 Bit 8 Bit 7 Bit 6 Bit 5 Bit 4 Bit 3 Bit 2 Bit 1 Bit 0 All
Resets
QEI1CON 01C0 QEIEN — QEISIDL PIMOD<2:0> IMV<1:0> — INTDIV<2:0> CNTPOL GATEN CCM<1:0>
0000
QEI1IOC 01C2 QCAPEN FLTREN QFDIV<2:0> OUTFNC<1:0> SWPAB HOMPOL IDXPOL QEBPOL QEAPOL HOME INDEX QEB QEA
000x
QEI1STAT 01C4 —— PCHEQIRQ PCHEQIEN PCLEQIRQ PCLEQIEN POSOVIRQ POSOVIEN PCIIRQ PCIIEN VELOVIRQ VELOVIEN HOMIRQ HOMIEN IDXIRQ IDXIEN
0000
POS1CNTL 01C6 POSCNT<15:0>
0000
POS1CNTH 01C8 POSCNT<31:16>
0000
POS1HLD 01CA POSHLD<15:0>
0000
VEL1CNT 01CC VELCNT<15:0>
0000
INT1TMRL 01CE INTTMR<15:0>
0000
INT1TMRH 01D0 INTTMR<31:16>
0000
INT1HLDL 01D2 INTHLD<15:0>
0000
INT1HLDH 01D4 INTHLD<31:16>
0000
INDX1CNTL 01D6 INDXCNT<15:0>
0000
INDX1CNTH 01D8 INDXCNT<31:16>
0000
INDX1HLD 01DA INDXHLD<15:0>
0000
QEI1GECL 01DC QEIGEC<15:0>
0000
QEI1ICL 01DC QEIIC<15:0>
0000
QEI1GECH 01DE QEIGEC<31:16>
0000
QEI1ICH 01DE QEIIC<31:16>
0000
QEI1LECL 01E0 QEILEC<15:0>
0000
QEI1LECH 01E2 QEILEC<31:16>
0000
Legend:
x
= unknown value on Reset, — = unimplemented, read as ‘
0
’. Reset values are shown in hexadecimal.

2009-2012 Microchip Technology Inc. DS70616G-page 81
dsPIC33EPXXX(GP/MC/MU)806/810/814 and PIC24EPXXX(GP/GU)810/814
TABLE 4-21: QEI2 REGISTER MAP FOR dsPIC33EPXXX(MC/MU)806/810/814 DEVICES ONLY
File Name Addr. Bit 15 Bit 14 Bit 13 Bit 12 Bit 11 Bit 10 Bit 9 Bit 8 Bit 7 Bit 6 Bit 5 Bit 4 Bit 3 Bit 2 Bit 1 Bit 0 All
Resets
QEI2CON 05C0 QEIEN — QEISIDL PIMOD<2:0> IMV<1:0> — INTDIV<2:0> CNTPOL GATEN CCM<1:0>
0000
QEI2IOC 05C2 QCAPEN FLTREN QFDIV<2:0> OUTFNC<1:0> SWPAB HOMPOL IDXPOL QEBPOL QEAPOL HOME INDEX QEB QEA
000x
QEI2STAT 05C4 —— PCHEQIRQ PCHEQIEN PCLEQIRQ PCLEQIEN POSOVIRQ POSOVIEN PCIIRQ PCIIEN VELOVIRQ VELOVIEN HOMIRQ HOMIEN IDXIRQ IDXIEN
0000
POS2CNTL 05C6 POSCNT<15:0>
0000
POS2CNTH 05C8 POSCNT<31:16>
0000
POS2HLD 05CA POSHLD<15:0>
0000
VEL2CNT 05CC VELCNT<15:0>
0000
INT2TMRL 05CE INTTMR<15:0>
0000
INT2TMRH 05D0 INTTMR<31:16>
0000
INT2HLDL 05D2 INTHLD<15:0>
0000
INT2HLDH 05D4 INTHLD<31:16>
0000
INDX2CNTL 05D6 INDXCNT<15:0>
0000
INDX2CNTH 05D8 INDXCNT<31:16>
0000
INDX2HLD 05DA INDXHLD<15:0>
0000
QEI2GECL 05DC QEIGEC<15:0>
0000
QEI2ICL 05DC QEIIC<15:0>
0000
QEI2GECH 05DE QEIGEC<31:16>
0000
QEI2ICH 05DE QEIIC<31:16>
0000
QEI2LECL 05E0 QEILEC<15:0>
0000
QEI2LECH 05E2 QEILEC<31:16>
0000
Legend:
x
= unknown value on Reset, — = unimplemented, read as ‘
0
’. Reset values are shown in hexadecimal.

dsPIC33EPXXX(GP/MC/MU)806/810/814 and PIC24EPXXX(GP/GU)810/814
DS70616G-page 82 2009-2012 Microchip Technology Inc.
TABLE 4-22: I2C1 and I2C2 REGISTER MAP
File
Name Addr. Bit 15 Bit 14 Bit 13 Bit 12 Bit 11 Bit 10 Bit 9 Bit 8 Bit 7 Bit 6 Bit 5 Bit 4 Bit 3 Bit 2 Bit 1 Bit 0 All
Resets
I2C1RCV 0200 — — — — — — — — I2Cx Receive Register 0000
I2C1TRN 0202 — — — — — — — — I2Cx Transmit Register 00FF
I2C1BRG 0204 — — — — — — — Baud Rate Generator 0000
I2C1CON 0206 I2CEN — I2CSIDL SCLREL IPMIEN A10M DISSLW SMEN GCEN STREN ACKDT ACKEN RCEN PEN RSEN SEN 1000
I2C1STAT 0208 ACKSTAT TRSTAT — — — BCL GCSTAT ADD10 IWCOL I2COV D_A P S R_W RBF TBF 0000
I2C1ADD 020A — — — — — — I2Cx Address Register 0000
I2C1MSK 020C — — — — — — I2Cx Address Mask 0000
I2C2RCV 0210 — — — — — — — — I2Cx Receive Register 0000
I2C2TRN 0212 — — — — — — — — I2Cx Transmit Register 00FF
I2C2BRG 0214 — — — — — — — Baud Rate Generator 0000
I2C2CON 0216 I2CEN — I2CSIDL SCLREL IPMIEN A10M DISSLW SMEN GCEN STREN ACKDT ACKEN RCEN PEN RSEN SEN 1000
I2C2STAT 0218 ACKSTAT TRSTAT — — — BCL GCSTAT ADD10 IWCOL I2COV D_A P S R_W RBF TBF 0000
I2C2ADD 021A — — — — — — I2Cx Address Register 0000
I2C2MSK 021C — — — — — — I2Cx Address Mask 0000
Legend: — = unimplemented, read as ‘0’. Reset values are shown in hexadecimal.

2009-2012 Microchip Technology Inc. DS70616G-page 83
dsPIC33EPXXX(GP/MC/MU)806/810/814 and PIC24EPXXX(GP/GU)810/814
TABLE 4-23: UART1, UART2, UART3 and UART4 REGISTER MAP
File Name Addr. Bit 15 Bit 14 Bit 13 Bit 12 Bit 11 Bit 10 Bit 9 Bit 8 Bit 7 Bit 6 Bit 5 Bit 4 Bit 3 Bit 2 Bit 1 Bit 0 All
Resets
U1MODE 0220 UARTEN — USIDL IREN RTSMD — UEN<1:0> WAKE LPBACK ABAUD URXINV BRGH PDSEL<1:0> STSEL 0000
U1STA 0222 UTXISEL1 UTXINV UTXISEL0 — UTXBRK UTXEN UTXBF TRMT URXISEL<1:0> ADDEN RIDLE PERR FERR OERR URXDA 0110
U1TXREG 0224 — — — — — — — UARTx Transmit Register xxxx
U1RXREG 0226 — — — — — — — UARTxReceive Register 0000
U1BRG 0228 Baud Rate Generator Prescaler 0000
U2MODE 0230 UARTEN — USIDL IREN RTSMD — UEN<1:0> WAKE LPBACK ABAUD URXINV BRGH PDSEL<1:0> STSEL 0000
U2STA 0232 UTXISEL1 UTXINV UTXISEL0 — UTXBRK UTXEN UTXBF TRMT URXISEL<1:0> ADDEN RIDLE PERR FERR OERR URXDA 0110
U2TXREG 0234 — — — — — — — UARTx Transmit Register xxxx
U2RXREG 0236 — — — — — — — UARTx Receive Register 0000
U2BRG 0238 Baud Rate Generator Prescaler 0000
U3MODE 0250 UARTEN — USIDL IREN RTSMD — UEN<1:0> WAKE LPBACK ABAUD URXINV BRGH PDSEL<1:0> STSEL 0000
U3STA 0252 UTXISEL1 UTXINV UTXISEL0 — UTXBRK UTXEN UTXBF TRMT URXISEL<1:0> ADDEN RIDLE PERR FERR OERR URXDA 0110
U3TXREG 0254 — — — — — — — UARTx Transmit Register xxxx
U3RXREG 0256 — — — — — — — UARTx Receive Register 0000
U3BRG 0258 Baud Rate Generator Prescaler 0000
U4MODE 02B0 UARTEN — USIDL IREN RTSMD — UEN<1:0> WAKE LPBACK ABAUD URXINV BRGH PDSEL<1:0> STSEL 0000
U4STA 02B2 UTXISEL1 UTXINV UTXISEL0 — UTXBRK UTXEN UTXBF TRMT URXISEL<1:0> ADDEN RIDLE PERR FERR OERR URXDA 0110
U4TXREG 02B4 — — — — — — — UARTx Transmit Register xxxx
U4RXREG 02B6 — — — — — — — UARTx Receive Register 0000
U4BRG 02B8 Baud Rate Generator Prescaler 0000
Legend: x = unknown value on Reset, — = unimplemented, read as ‘0’. Reset values are shown in hexadecimal.

dsPIC33EPXXX(GP/MC/MU)806/810/814 and PIC24EPXXX(GP/GU)810/814
DS70616G-page 84 2009-2012 Microchip Technology Inc.
TABLE 4-24: SPI1, SPI2, SPI3 and SPI4 REGISTER MAP
File Name Addr. Bit 15 Bit 14 Bit 13 Bit 12 Bit 11 Bit 10 Bit 9 Bit 8 Bit 7 Bit 6 Bit 5 Bit 4 Bit 3 Bit 2 Bit 1 Bit 0 All
Resets
SPI1STAT 0240 SPIEN —SPISIDL—— SPIBEC<2:0> SRMPT SPIROV SRXMPT SISEL<2:0> SPITBF SPIRBF 0000
SPI1CON1 0242 — — — DISSCK DISSDO MODE16 SMP CKE SSEN CKP MSTEN SPRE<2:0> PPRE<1:0> 0000
SPI1CON2 0244 FRMEN SPIFSD FRMPOL — — — — — — — — — — — FRMDLY SPIBEN 0000
SPI1BUF 0248 SPIx Transmit and Receive Buffer Register 0000
SPI2STAT 0260 SPIEN —SPISIDL—— SPIBEC<2:0> SRMPT SPIROV SRXMPT SISEL<2:0> SPITBF SPIRBF 0000
SPI2CON1 0262 — — — DISSCK DISSDO MODE16 SMP CKE SSEN CKP MSTEN SPRE<2:0> PPRE<1:0> 0000
SPI2CON2 0264 FRMEN SPIFSD FRMPOL — — — — — — — — — — — FRMDLY SPIBEN 0000
SPI2BUF 0268 SPIx Transmit and Receive Buffer Register 0000
SPI3STAT 02A0 SPIEN —SPISIDL—— SPIBEC<2:0> SRMPT SPIROV SRXMPT SISEL<2:0> SPITBF SPIRBF 0000
SPI3CON1 02A2 — — — DISSCK DISSDO MODE16 SMP CKE SSEN CKP MSTEN SPRE<2:0> PPRE<1:0> 0000
SPI3CON2 02A4 FRMEN SPIFSD FRMPOL — — — — — — — — — — — FRMDLY SPIBEN 0000
SPI3BUF 02A8 SPIx Transmit and Receive Buffer Register 0000
SPI4STAT 02C0 SPIEN —SPISIDL—— SPIBEC<2:0> SRMPT SPIROV SRXMPT SISEL<2:0> SPITBF SPIRBF 0000
SPI4CON1 02C2 — — — DISSCK DISSDO MODE16 SMP CKE SSEN CKP MSTEN SPRE<2:0> PPRE<1:0> 0000
SPI4CON2 02C4 FRMEN SPIFSD FRMPOL — — — — — — — — — — — FRMDLY SPIBEN 0000
SPI4BUF 02C8 SPIx Transmit and Receive Buffer Register 0000
Legend: x = unknown value on Reset, — = unimplemented, read as ‘0’. Reset values are shown in hexadecimal.

2009-2012 Microchip Technology Inc. DS70616G-page 85
dsPIC33EPXXX(GP/MC/MU)806/810/814 and PIC24EPXXX(GP/GU)810/814
TABLE 4-25: ADC1 and ADC2 REGISTER MAP
File Name Addr. Bit 15 Bit 14 Bit 13 Bit 12 Bit 11 Bit 10 Bit 9 Bit 8 Bit 7 Bit 6 Bit 5 Bit 4 Bit 3 Bit 2 Bit 1 Bit 0 All
Resets
ADC1BUF0 0300 ADCx Data Buffer 0 xxxx
ADC1BUF1 0302 ADCx Data Buffer 1 xxxx
ADC1BUF2 0304 ADCx Data Buffer 2 xxxx
ADC1BUF3 0306 ADCx Data Buffer 3 xxxx
ADC1BUF4 0308 ADCx Data Buffer 4 xxxx
ADC1BUF5 030A ADCx Data Buffer 5 xxxx
ADC1BUF6 030C ADCx Data Buffer 6 xxxx
ADC1BUF7 030E ADCx Data Buffer 7 xxxx
ADC1BUF8 0310 ADCx Data Buffer 8 xxxx
ADC1BUF9 0312 ADCx Data Buffer 9 xxxx
ADC1BUFA 0314 ADCx Data Buffer 10 xxxx
ADC1BUFB 0316 ADCx Data Buffer 11 xxxx
ADC1BUFC 0318 ADCx Data Buffer 12 xxxx
ADC1BUFD 031A ADCx Data Buffer 13 xxxx
ADC1BUFE 031C ADCx Data Buffer 14 xxxx
ADC1BUFF 031E ADCx Data Buffer 15 xxxx
AD1CON1 0320 ADON — ADSIDL ADDMABM — AD12B FORM<1:0> SSRC<2:0> SSRCG SIMSAM ASAM SAMP DONE 0000
AD1CON2 0322 VCFG<2:0> —— CSCNA CHPS<1:0> BUFS SMPI<4:0> BUFM ALTS 0000
AD1CON3 0324 ADRC —— SAMC<4:0> ADCS<7:0> 0000
AD1CHS123 0326 — — — — — CH123NB<1:0> CH123SB — — — — — CH123NA<1:0> CH123SA 0000
AD1CHS0 0328 CH0NB —— CH0SB<4:0> CH0NA ——CH0SA<4:0>0000
AD1CSSH 032E CSS31 CSS30 CSS29 CSS28 CSS27 CSS26 CSS25 CSS24 CSS23(1)CSS22(1)CSS21(1)CSS20(1)CSS19(1)CSS18(1)CSS17(1)CSS16(1)0000
AD1CSSL 0330 CSS15 CSS14 CSS13 CSS12 CSS11 CSS10 CSS9 CSS8 CSS7 CSS6 CSS5 CSS4 CSS3 CSS2 CSS1 CSS0 0000
AD1CON4 0332 — — — — — — — ADDMAEN — — — — — DMABL<2:0> 0000
ADC2BUF0 0340 ADCx Data Buffer 0 xxxx
ADC2BUF1 0342 ADCx Data Buffer 1 xxxx
ADC2BUF2 0344 ADCx Data Buffer 2 xxxx
ADC2BUF3 0346 ADCx Data Buffer 3 xxxx
ADC2BUF4 0348 ADCx Data Buffer 4 xxxx
ADC2BUF5 034A ADCx Data Buffer 5 xxxx
ADC2BUF6 034C ADCx Data Buffer 6 xxxx
ADC2BUF7 034E ADCx Data Buffer 7 xxxx
ADC2BUF8 0350 ADCx Data Buffer 8 xxxx
Legend: x = unknown value on Reset, — = unimplemented, read as ‘0’. Reset values are shown in hexadecimal.
Note 1: These bits are not available on dsPIC33EP256MU806 devices.

dsPIC33EPXXX(GP/MC/MU)806/810/814 and PIC24EPXXX(GP/GU)810/814
DS70616G-page 86 2009-2012 Microchip Technology Inc.
ADC2BUF9 0352 ADCx Data Buffer 9 xxxx
ADC2BUFA 0354 ADCx Data Buffer 10 xxxx
ADC2BUFB 0356 ADCx Data Buffer 11 xxxx
ADC2BUFC 0358 ADCx Data Buffer 12 xxxx
ADC2BUFD 035A ADCx Data Buffer 13 xxxx
ADC2BUFE 035C ADCx Data Buffer 14 xxxx
ADC2BUFF 035E ADCx Data Buffer 15 xxxx
AD2CON1 0360 ADON — ADSIDL ADDMABM —— FORM<1:0> SSRC<2:0> SSRCG SIMSAM ASAM SAMP DONE 0000
AD2CON2 0362 VCFG<2:0> —— CSCNA CHPS<1:0> BUFS — SMPI<3:0> BUFM ALTS 0000
AD2CON3 0364 ADRC —— SAMC<4:0> ADCS<7:0> 0000
AD2CHS123 0366 — — — — — CH123NB<1:0> CH123SB — — — — — CH123NA<1:0> CH123SA 0000
AD2CHS0 0368 CH0NB —— CH0SB<4:0> CH0NA ——CH0SA<4:0>0000
AD2CSSL 0270 CSS15 CSS14 CSS13 CSS12 CSS11 CSS10 CSS9 CSS8 CSS7 CSS6 CSS5 CSS4 CSS3 CSS2 CSS1 CSS0 0000
AD2CON4 0272 — — — — — — — ADDMAEN — — — — — DMABL<2:0> 0000
TABLE 4-25: ADC1 and ADC2 REGISTER MAP (CONTINUED)
File Name Addr. Bit 15 Bit 14 Bit 13 Bit 12 Bit 11 Bit 10 Bit 9 Bit 8 Bit 7 Bit 6 Bit 5 Bit 4 Bit 3 Bit 2 Bit 1 Bit 0 All
Resets
Legend: x = unknown value on Reset, — = unimplemented, read as ‘0’. Reset values are shown in hexadecimal.
Note 1: These bits are not available on dsPIC33EP256MU806 devices.

2009-2012 Microchip Technology Inc. DS70616G-page 87
dsPIC33EPXXX(GP/MC/MU)806/810/814 and PIC24EPXXX(GP/GU)810/814
TABLE 4-26: DCI REGISTER MAP
File
Name Addr. Bit 15 Bit 14 Bit 13 Bit 12 Bit 11 Bit 10 Bit 9 Bit 8 Bit 7 Bit 6 Bit 5 Bit 4 Bit 3 Bit 2 Bit 1 Bit 0 All
Resets
DCICON1 0280 DCIEN — DCISIDL — DLOOP CSCKD CSCKE COFSD UNFM CSDOM DJST — — — COFSM<1:0> 0000
DCICON2 0282 ———— BLEN<1:0> — COFSG<3:0> — WS<3:0> 0000
DCICON3 0284 ———— BCG<11:0> 0000
DCISTAT 0286 ———— SLOT<3:0> ———— ROV RFUL TUNF TMPTY 0000
TSCON 0288 TSE15 TSE14 TSE13 TSE12 TSE11 TSE10 TSE9 TSE8 TSE7 TSE6 TSE5 TSE4 TSE3 TSE2 TSE1 TSE0 0000
RSCON 028C RSE15 RSE14 RSE13 RSE12 RSE11 RSE10 RSE9 RSE8 RSE7 RSE6 RSE5 RSE4 RSE3 RSE2 RSE1 RSE0 0000
RXBUF0 0290 DCI Receive 0 Data Register uuuu
RXBUF1 0292 DCI Receive 1 Data Register uuuu
RXBUF2 0294 DCI Receive 2 Data Register uuuu
RXBUF3 0296 DCI Receive 3 Data Register uuuu
TXBUF0 0298 DCI Transmit 0 Data Register 0000
TXBUF1 029A DCI Transmit 1 Data Register 0000
TXBUF2 029C DCI Transmit 2 Data Register 0000
TXBUF3 029E DCI Transmit 3 Data Register 0000
Legend: x = unknown value on Reset, u = unchanged, — = unimplemented, read as ‘0’. Reset values are shown in hexadecimal. Shaded locations indicate reserved space in the SFR map for future module
expansion. Read reserved locations as ‘0’s.

dsPIC33EPXXX(GP/MC/MU)806/810/814 and PIC24EPXXX(GP/GU)810/814
DS70616G-page 88 2009-2012 Microchip Technology Inc.
TABLE 4-27: USB OTG REGISTER MAP FOR dsPIC33EPMU806/810/814 AND PIC24EPGU806/10/814) DEVICES ONLY
File Name Addr. Bit 15 Bit 14 Bit 13 Bit 12 Bit 11 Bit 10 Bit 9 Bit 8 Bit 7 Bit 6 Bit 5 Bit 4 Bit 3 Bit 2 Bit 1 Bit 0 All
Resets
U1OTGIR 0488 — — — — — — — — IDIF T1MSECIF LSTATEIF ACTVIF SESVDIF SESENDIF —VBUSVDIF
0000
U1OTGIE 048A — — — — — — — — IDIE T1MSECIE LSTATEIE ACTVIE SESVDIE SESENDIE —VBUSVDIE
0000
U1OTGSTAT 048C — — — — — — — —ID —LSTATE— SESVD SESEND — VBUSVD
0000
U1OTGCON 048E — — — — — — — — DPPULUP DMPULUP DPPULDWN DMPULDWN VBUSON OTGEN VBUSCHG VBUSDIS
0000
U1PWRC 0490 — — — — — — — —UACTPND
(4)
——USLPGRD—— USUSPND USBPWR
0000
U1IR
(1)
04C0 — — — — — — — — STALLIF — RESUMEIF IDLEIF TRNIF SOFIF UERRIF URSTIF
0000
U1IR
(2)
04C0 — — — — — — — — STALLIF ATTACHIF RESUMEIF IDLEIF TRNIF SOFIF UERRIF DETACHIF
0000
U1IE
(1)
04C2 — — — — — — — — STALLIE — RESUMEIE IDLEIE TRNIE SOFIE UERRIE URSTIE
0000
U1IE
(2)
04C2 — — — — — — — — STALLIE ATTACHIE RESUMEIE IDLEIE TRNIE SOFIE UERRIE DETACHIE
0000
U1EIR
(1)
04C4 — — — — — — — — BTSEF BUSACCEF DMAEF BTOEF DFN8EF CRC16EF CRC5EF PIDEF
0000
U1EIR
(2)
04C4 — — — — — — — — BTSEF BUSACCEF DMAEF BTOEF DFN8EF CRC16EF EOFEF PIDEF
0000
U1EIE
(1)
04C6 — — — — — — — — BTSEE BUSACCEE DMAEE BTOEE DFN8EE CRC16EE CRC5EE PIDEE
0000
U1EIE
(2)
04C6 — — — — — — — — BTSEE BUSACCEE DMAEE BTOEE DFN8EE CRC16EE EOFEE PIDEE
0000
U1STAT 04C8 — — — — — — — —ENDPT<3:0>
(3)
DIR PPBI — —
0000
U1CON
(1)
04CA — — — — — — — — — SE0 PKTDIS — HOSTEN RESUME PPBRST USBEN
0000
U1CON
(2)
04CA — — — — — — — — JSTATE SE0 TOKBUSY USBRST HOSTEN RESUME PPBRST SOFEN
0000
U1ADDR 04CC — — — — — — — —LSPDEN
(1)
USB Device Address (DEVADDR)
0000
U1BDTP1 04CE — — — — — — — — BDTPTRL<15:9> —
0000
U1FRML 04D0 — — — — — — — — FRML<7:0>
0000
U1FRMH 04D2 — — — — — — — — — — — — — FRMH<2:0>
0000
U1TOK
(3)
04D4 — — — — — — — — PID<3:0> EP<3:0>
0000
U1SOF
(3)
04D6 — — — — — — — — CNT<7:0>
0000
U1BDTP2 04D8 — — — — — — — — BDTPTRH<23:16>
0000
U1BDTP3 04DA — — — — — — — — BDTPTRU<31:24>
0000
U1CNFG1 04DC — — — — — — — — UTEYE UOEMON — USBSIDL — — — —
0000
U1CNFG2 O4DE — — — — — — — — — — UVCMPSEL PUVBUS EXTI2CEN UVBUSDIS UVCMPDIS UTRDIS
0000
U1EP0 04E0 — — — — — — — —LSPDRETRYDIS — EPCONDIS EPRXEN EPTXEN EPSTALL EPHSHK
0000
U1EP1 04E2 — — — — — — — — — — — EPCONDIS EPRXEN EPTXEN EPSTALL EPHSHK
0000
U1EP2 04E4 — — — — — — — — — — — EPCONDIS EPRXEN EPTXEN EPSTALL EPHSHK
0000
U1EP3 04E6 — — — — — — — — — — — EPCONDIS EPRXEN EPTXEN EPSTALL EPHSHK
0000
U1EP4 04E8 — — — — — — — — — — — EPCONDIS EPRXEN EPTXEN EPSTALL EPHSHK
0000
Legend:
— = unimplemented, read as ‘
0
’. Reset values are shown in hexadecimal.
Note 1:
This bit is available when the module is operating in Device mode.
2:
This bit is available when the module is operating in Host mode
3:
Device mode only. These bits are always read as ‘
0
’ in Host mode.
4:
The Reset value for this bit is undefined.

2009-2012 Microchip Technology Inc. DS70616G-page 89
dsPIC33EPXXX(GP/MC/MU)806/810/814 and PIC24EPXXX(GP/GU)810/814
U1EP5 04EA — — — — — — — — — — — EPCONDIS EPRXEN EPTXEN EPSTALL EPHSHK
0000
U1EP6 04EC — — — — — — — — — — — EPCONDIS EPRXEN EPTXEN EPSTALL EPHSHK
0000
U1EP7 04EE — — — — — — — — — — — EPCONDIS EPRXEN EPTXEN EPSTALL EPHSHK
0000
U1EP8 04F0 — — — — — — — — — — — EPCONDIS EPRXEN EPTXEN EPSTALL EPHSHK
0000
U1EP9 04F2 — — — — — — — — — — — EPCONDIS EPRXEN EPTXEN EPSTALL EPHSHK
0000
U1EP10 04F4 — — — — — — — — — — — EPCONDIS EPRXEN EPTXEN EPSTALL EPHSHK
0000
U1EP11 04F6 — — — — — — — — — — — EPCONDIS EPRXEN EPTXEN EPSTALL EPHSHK
0000
U1EP12 04F8 — — — — — — — — — — — EPCONDIS EPRXEN EPTXEN EPSTALL EPHSHK
0000
U1EP13 04FA — — — — — — — — — — — EPCONDIS EPRXEN EPTXEN EPSTALL EPHSHK
0000
U1EP14 04FC — — — — — — — — — — — EPCONDIS EPRXEN EPTXEN EPSTALL EPHSHK
0000
U1EP15 04FE — — — — — — — — — — — EPCONDIS EPRXEN EPTXEN EPSTALL EPHSHK
0000
U1PWMRRS 0580 DC<7:0> PER<7:0>
0000
U1PWMCON 0582 PWMEN — — — — — PWMPOL CNTEN — — — — — — — —
0000
TABLE 4-27: USB OTG REGISTER MAP FOR dsPIC33EPMU806/810/814 AND PIC24EPGU806/10/814) DEVICES ONLY (CONTINUED)
File Name Addr. Bit 15 Bit 14 Bit 13 Bit 12 Bit 11 Bit 10 Bit 9 Bit 8 Bit 7 Bit 6 Bit 5 Bit 4 Bit 3 Bit 2 Bit 1 Bit 0 All
Resets
Legend:
— = unimplemented, read as ‘
0
’. Reset values are shown in hexadecimal.
Note 1:
This bit is available when the module is operating in Device mode.
2:
This bit is available when the module is operating in Host mode
3:
Device mode only. These bits are always read as ‘
0
’ in Host mode.
4:
The Reset value for this bit is undefined.

dsPIC33EPXXX(GP/MC/MU)806/810/814 and PIC24EPXXX(GP/GU)810/814
DS70616G-page 90 2009-2012 Microchip Technology Inc.
TABLE 4-28: ECAN1 REGISTER MAP WHEN WIN (C1CTRL<0>) = 0 OR 1
File Name Addr. Bit 15 Bit 14 Bit 13 Bit 12 Bit 11 Bit 10 Bit 9 Bit 8 Bit 7 Bit 6 Bit 5 Bit 4 Bit 3 Bit 2 Bit 1 Bit 0 All
Resets
C1CTRL1 0400 —— CSIDL ABAT CANCKS REQOP<2:0> OPMODE<2:0> — CANCAP ——WIN
0480
C1CTRL2 0402 — — — — — — — — — — — DNCNT<4:0>
0000
C1VEC 0404 ——— FILHIT<4:0> — ICODE<6:0>
0040
C1FCTRL 0406 DMABS<2:0> — — — — — — — —FSA<4:0>
0000
C1FIFO 0408 ——FBP<5:0> —— FNRB<5:0>
0000
C1INTF 040A —— TXBO TXBP RXBP TXWAR RXWAR EWARN IVRIF WAKIF ERRIF — FIFOIF RBOVIF RBIF TBIF
0000
C1INTE 040C — — — — — — — — IVRIE WAKIE ERRIE — FIFOIE RBOVIE RBIE TBIE
0000
C1EC 040E TERRCNT<7:0> RERRCNT<7:0>
0000
C1CFG1 0410 — — — — — — — — SJW<1:0> BRP<5:0>
0000
C1CFG2 0412 —WAKFIL— — — SEG2PH<2:0> SEG2PHTS SAM SEG1PH<2:0> PRSEG<2:0>
0000
C1FEN1 0414 FLTEN15 FLTEN14 FLTEN13 FLTEN12 FLTEN11 FLTEN10 FLTEN9 FLTEN8 FLTEN7 FLTEN6 FLTEN5 FLTEN4 FLTEN3 FLTEN2 FLTEN1 FLTEN0
FFFF
C1FMSKSEL1 0418 F7MSK<1:0> F6MSK<1:0> F5MSK<1:0> F4MSK<1:0> F3MSK<1:0> F2MSK<1:0> F1MSK<1:0> F0MSK<1:0>
0000
C1FMSKSEL2 041A F15MSK<1:0> F14MSK<1:0> F13MSK<1:0> F12MSK<1:0> F11MSK<1:0> F10MSK<1:0> F9MSK<1:0> F8MSK<1:0>
0000
Legend:
— = unimplemented, read as ‘
0
’. Reset values are shown in hexadecimal.
TABLE 4-29: ECAN1 REGISTER MAP WHEN WIN (C1CTRL<0>) = 0
File Name Addr Bit 15 Bit 14 Bit 13 Bit 12 Bit 11 Bit 10 Bit 9 Bit 8 Bit 7 Bit 6 Bit 5 Bit 4 Bit 3 Bit 2 Bit 1 Bit 0 All
Resets
— 0400-
041E
See Table 4-28 —
C1RXFUL1 0420 RXFUL15 RXFUL14 RXFUL13 RXFUL12 RXFUL11 RXFUL10 RXFUL9 RXFUL8 RXFUL7 RXFUL6 RXFUL5 RXFUL4 RXFUL3 RXFUL2 RXFUL1 RXFUL0
0000
C1RXFUL2 0422 RXFUL31 RXFUL30 RXFUL29 RXFUL28 RXFUL27 RXFUL26 RXFUL25 RXFUL24 RXFUL23 RXFUL22 RXFUL21 RXFUL20 RXFUL19 RXFUL18 RXFUL17 RXFUL16
0000
C1RXOVF1 0428 RXOVF15 RXOVF14 RXOVF13 RXOVF12 RXOVF11 RXOVF10 RXOVF9 RXOVF8 RXOVF7 RXOVF6 RXOVF5 RXOVF4 RXOVF3 RXOVF2 RXOVF1 RXOVF0
0000
C1RXOVF2 042A RXOVF31 RXOVF30 RXOVF29 RXOVF28 RXOVF27 RXOVF26 RXOVF25 RXOVF24 RXOVF23 RXOVF22 RXOVF21 RXOVF20 RXOVF19 RXOVF18 RXOVF17 RXOVF16
0000
C1TR01CON 0430 TXEN1 TXABT1 TXLARB1 TXERR1 TXREQ1 RTREN1 TX1PRI<1:0> TXEN0 TXABAT0 TXLARB0 TXERR0 TXREQ0 RTREN0 TX0PRI<1:0>
0000
C1TR23CON 0432 TXEN3 TXABT3 TXLARB3 TXERR3 TXREQ3 RTREN3 TX3PRI<1:0> TXEN2 TXABAT2 TXLARB2 TXERR2 TXREQ2 RTREN2 TX2PRI<1:0>
0000
C1TR45CON 0434 TXEN5 TXABT5 TXLARB5 TXERR5 TXREQ5 RTREN5 TX5PRI<1:0> TXEN4 TXABAT4 TXLARB4 TXERR4 TXREQ4 RTREN4 TX4PRI<1:0>
0000
C1TR67CON 0436 TXEN7 TXABT7 TXLARB7 TXERR7 TXREQ7 RTREN7 TX7PRI<1:0> TXEN6 TXABAT6 TXLARB6 TXERR6 TXREQ6 RTREN6 TX6PRI<1:0>
xxxx
C1RXD 0440 Received Data Word
xxxx
C1TXD 0442 Transmit Data Word
xxxx
Legend:
x
= unknown value on Reset, — = unimplemented, read as ‘
0
’. Reset values are shown in hexadecimal.

2009-2012 Microchip Technology Inc. DS70616G-page 91
dsPIC33EPXXX(GP/MC/MU)806/810/814 and PIC24EPXXX(GP/GU)810/814
TABLE 4-30: ECAN1 REGISTER MAP WHEN WIN (C1CTRL<0>) = 1
File Name Addr Bit 15 Bit 14 Bit 13 Bit 12 Bit 11 Bit 10 Bit 9 Bit 8 Bit 7 Bit 6 Bit 5 Bit 4 Bit 3 Bit 2 Bit 1 Bit 0 All
Resets
— 0400-
041E
See Table 4-28 —
C1BUFPNT1 0420 F3BP<3:0> F2BP<3:0> F1BP<3:0> F0BP<3:0>
0000
C1BUFPNT2 0422 F7BP<3:0> F6BP<3:0> F5BP<3:0> F4BP<3:0>
0000
C1BUFPNT3 0424 F11BP<3:0> F10BP<3:0> F9BP<3:0> F8BP<3:0>
0000
C1BUFPNT4 0426 F15BP<3:0> F14BP<3:0> F13BP<3:0> F12BP<3:0>
0000
C1RXM0SID 0430 SID<10:3> SID<2:0> —MIDE— EID<17:16>
xxxx
C1RXM0EID 0432 EID<15:8> EID<7:0>
xxxx
C1RXM1SID 0434 SID<10:3> SID<2:0> —MIDE— EID<17:16>
xxxx
C1RXM1EID 0436 EID<15:8> EID<7:0>
xxxx
C1RXM2SID 0438 SID<10:3> SID<2:0> —MIDE— EID<17:16>
xxxx
C1RXM2EID 043A EID<15:8> EID<7:0>
xxxx
C1RXF0SID 0440 SID<10:3> SID<2:0> —EXIDE— EID<17:16>
xxxx
C1RXF0EID 0442 EID<15:8> EID<7:0>
xxxx
C1RXF1SID 0444 SID<10:3> SID<2:0> —EXIDE— EID<17:16>
xxxx
C1RXF1EID 0446 EID<15:8> EID<7:0>
xxxx
C1RXF2SID 0448 SID<10:3> SID<2:0> —EXIDE— EID<17:16>
xxxx
C1RXF2EID 044A EID<15:8> EID<7:0>
xxxx
C1RXF3SID 044C SID<10:3> SID<2:0> —EXIDE— EID<17:16>
xxxx
C1RXF3EID 044E EID<15:8> EID<7:0>
xxxx
C1RXF4SID 0450 SID<10:3> SID<2:0> —EXIDE— EID<17:16>
xxxx
C1RXF4EID 0452 EID<15:8> EID<7:0>
xxxx
C1RXF5SID 0454 SID<10:3> SID<2:0> —EXIDE— EID<17:16>
xxxx
C1RXF5EID 0456 EID<15:8> EID<7:0>
xxxx
C1RXF6SID 0458 SID<10:3> SID<2:0> —EXIDE— EID<17:16>
xxxx
C1RXF6EID 045A EID<15:8> EID<7:0>
xxxx
C1RXF7SID 045C SID<10:3> SID<2:0> —EXIDE— EID<17:16>
xxxx
C1RXF7EID 045E EID<15:8> EID<7:0>
xxxx
C1RXF8SID 0460 SID<10:3> SID<2:0> —EXIDE— EID<17:16>
xxxx
C1RXF8EID 0462 EID<15:8> EID<7:0>
xxxx
C1RXF9SID 0464 SID<10:3> SID<2:0> —EXIDE— EID<17:16>
xxxx
C1RXF9EID 0466 EID<15:8> EID<7:0>
xxxx
C1RXF10SID 0468 SID<10:3> SID<2:0> —EXIDE— EID<17:16>
xxxx
C1RXF10EID 046A EID<15:8> EID<7:0>
xxxx
C1RXF11SID 046C SID<10:3> SID<2:0> —EXIDE— EID<17:16>
xxxx
Legend:
x
= unknown value on Reset, — = unimplemented, read as ‘
0
’. Reset values are shown in hexadecimal.

dsPIC33EPXXX(GP/MC/MU)806/810/814 and PIC24EPXXX(GP/GU)810/814
DS70616G-page 92 2009-2012 Microchip Technology Inc.
C1RXF11EID 046E EID<15:8> EID<7:0>
xxxx
C1RXF12SID 0470 SID<10:3> SID<2:0> —EXIDE— EID<17:16>
xxxx
C1RXF12EID 0472 EID<15:8> EID<7:0>
xxxx
C1RXF13SID 0474 SID<10:3> SID<2:0> —EXIDE— EID<17:16>
xxxx
C1RXF13EID 0476 EID<15:8> EID<7:0>
xxxx
C1RXF14SID 0478 SID<10:3> SID<2:0> —EXIDE— EID<17:16>
xxxx
C1RXF14EID 047A EID<15:8> EID<7:0>
xxxx
C1RXF15SID 047C SID<10:3> SID<2:0> —EXIDE— EID<17:16>
xxxx
C1RXF15EID 047E EID<15:8> EID<7:0>
xxxx
TABLE 4-30: ECAN1 REGISTER MAP WHEN WIN (C1CTRL<0>) = 1 (CONTINUED)
File Name Addr Bit 15 Bit 14 Bit 13 Bit 12 Bit 11 Bit 10 Bit 9 Bit 8 Bit 7 Bit 6 Bit 5 Bit 4 Bit 3 Bit 2 Bit 1 Bit 0 All
Resets
Legend:
x
= unknown value on Reset, — = unimplemented, read as ‘
0
’. Reset values are shown in hexadecimal.

2009-2012 Microchip Technology Inc. DS70616G-page 93
dsPIC33EPXXX(GP/MC/MU)806/810/814 and PIC24EPXXX(GP/GU)810/814
TABLE 4-31: ECAN2 REGISTER MAP WHEN WIN (C2CTRL<0>) = 0 OR 1
File Name Addr. Bit 15 Bit 14 Bit 13 Bit 12 Bit 11 Bit 10 Bit 9 Bit 8 Bit 7 Bit 6 Bit 5 Bit 4 Bit 3 Bit 2 Bit 1 Bit 0 All
Resets
C2CTRL1 0500 —— CSIDL ABAT CANCKS REQOP<2:0> OPMODE<2:0> —CANCAP——WIN
0480
C2CTRL2 0502 — — — — — — — — — — — DNCNT<4:0>
0000
C2VEC 0504 ———FILHIT<4:0> —ICODE<6:0>
0040
C2FCTRL 0506 DMABS<2:0> — — — — — — — — FSA<4:0>
0000
C2FIFO 0508 ——FBP<5:0> ——FNRB<5:0>
0000
C2INTF 050A —— TXBO TXBP RXBP TXWAR RXWAR EWARN IVRIF WAKIF ERRIF — FIFOIF RBOVIF RBIF TBIF
0000
C2INTE 050C — — — — — — — — IVRIE WAKIE ERRIE — FIFOIE RBOVIE RBIE TBIE
0000
C2EC 050E TERRCNT<7:0> RERRCNT<7:0>
0000
C2CFG1 0510 — — — — — — — — SJW<1:0> BRP<5:0>
0000
C2CFG2 0512 —WAKFIL— — — SEG2PH<2:0> SEG2PHTS SAM SEG1PH<2:0> PRSEG<2:0>
0000
C2FEN1 0514 FLTEN15 FLTEN14 FLTEN13 FLTEN12 FLTEN11 FLTEN10 FLTEN9 FLTEN8 FLTEN7 FLTEN6 FLTEN5 FLTEN4 FLTEN3 FLTEN2 FLTEN1 FLTEN0
FFFF
C2FMSKSEL1 0518 F7MSK<1:0> F6MSK<1:0> F5MSK<1:0> F4MSK<1:0> F3MSK<1:0> F2MSK<1:0> F1MSK<1:0> F0MSK<1:0>
0000
C2FMSKSEL2 051A F15MSK<1:0> F14MSK<1:0> F13MSK<1:0> F12MSK<1:0> F11MSK<1:0> F10MSK<1:0> F9MSK<1:0> F8MSK<1:0>
0000
Legend:
— = unimplemented, read as ‘
0
’. Reset values are shown in hexadecimal.
TABLE 4-32: ECAN2 REGISTER MAP WHEN WIN (C2CTRL<0>) = 0
File Name Addr. Bit 15 Bit 14 Bit 13 Bit 12 Bit 11 Bit 10 Bit 9 Bit 8 Bit 7 Bit 6 Bit 5 Bit 4 Bit 3 Bit 2 Bit 1 Bit 0 All
Resets
— 0500-
051E
See Table 4-31 —
C2RXFUL1 0520 RXFUL15 RXFUL14 RXFUL13 RXFUL12 RXFUL11 RXFUL10 RXFUL9 RXFUL8 RXFUL7 RXFUL6 RXFUL5 RXFUL4 RXFUL3 RXFUL2 RXFUL1 RXFUL0
0000
C2RXFUL2 0522 RXFUL31 RXFUL30 RXFUL29 RXFUL28 RXFUL27 RXFUL26 RXFUL25 RXFUL24 RXFUL23 RXFUL22 RXFUL21 RXFUL20 RXFUL19 RXFUL18 RXFUL17 RXFUL16
0000
C2RXOVF1 0528 RXOVF15 RXOVF14 RXOVF13 RXOVF12 RXOVF11 RXOVF10 RXOVF09 RXOVF08 RXOVF7 RXOVF6 RXOVF5 RXOVF4 RXOVF3 RXOVF2 RXOVF1 RXOVF0
0000
C2RXOVF2 052A RXOVF31 RXOVF30 RXOVF29 RXOVF28 RXOVF27 RXOVF26 RXOVF25 RXOVF24 RXOVF23 RXOVF22 RXOVF21 RXOVF20 RXOVF19 RXOVF18 RXOVF17 RXOVF16
0000
C2TR01CON 0530 TXEN1 TXABAT1 TXLARB1 TXERR1 TXREQ1 RTREN1 TX1PRI<1:0> TXEN0 TXABAT0 TXLARB0 TXERR0 TXREQ0 RTREN0 TX0PRI<1:0>
0000
C2TR23CON 0532 TXEN3 TXABAT3 TXLARB3 TXERR3 TXREQ3 RTREN3 TX3PRI<1:0> TXEN2 TXABAT2 TXLARB2 TXERR2 TXREQ2 RTREN2 TX2PRI<1:0>
0000
C2TR45CON 0534 TXEN5 TXABAT5 TXLARB5 TXERR5 TXREQ5 RTREN5 TX5PRI<1:0> TXEN4 TXABAT4 TXLARB4 TXERR4 TXREQ4 RTREN4 TX4PRI<1:0>
0000
C2TR67CON 0536 TXEN7 TXABAT7 TXLARB7 TXERR7 TXREQ7 RTREN7 TX7PRI<1:0> TXEN6 TXABAT6 TXLARB6 TXERR6 TXREQ6 RTREN6 TX6PRI<1:0>
xxxx
C2RXD 0540 ECAN2 Received Data Word
xxxx
C2TXD 0542 ECAN2 Transmit Data Word
xxxx
Legend:
x
= unknown value on Reset, — = unimplemented, read as ‘
0
’. Reset values are shown in hexadecimal.

dsPIC33EPXXX(GP/MC/MU)806/810/814 and PIC24EPXXX(GP/GU)810/814
DS70616G-page 94 2009-2012 Microchip Technology Inc.
TABLE 4-33: ECAN2 REGISTER MAP WHEN WIN (C2CTRL<0>) = 1
File Name Addr. Bit 15 Bit 14 Bit 13 Bit 12 Bit 11 Bit 10 Bit 9 Bit 8 Bit 7 Bit 6 Bit 5 Bit 4 Bit 3 Bit 2 Bit 1 Bit 0 All
Resets
— 0500-
051E
See Table 4-31 —
C2BUFPNT1 0520 F3BP<3:0> F2BP<3:0> F1BP<3:0> F0BP<3:0> 0000
C2BUFPNT2 0522 F7BP<3:0> F6BP<3:0> F5BP<3:0> F4BP<3:0> 0000
C2BUFPNT3 0524 F11BP<3:0> F10BP<3:0> F9BP<3:0> F8BP<3:0> 0000
C2BUFPNT4 0526 F15BP<3:0> F14BP<3:0> F13BP<3:0> F12BP<3:0> 0000
C2RXM0SID 0530 SID<10:3> SID<2:0> —MIDE— EID<17:16> xxxx
C2RXM0EID 0532 EID<15:8> EID<7:0> xxxx
C2RXM1SID 0534 SID<10:3> SID<2:0> —MIDE— EID<17:16> xxxx
C2RXM1EID 0536 EID<15:8> EID<7:0> xxxx
C2RXM2SID 0538 SID<10:3> SID<2:0> —MIDE— EID<17:16> xxxx
C2RXM2EID 053A EID<15:8> EID<7:0> xxxx
C2RXF0SID 0540 SID<10:3> SID<2:0> — EXIDE — EID<17:16> xxxx
C2RXF0EID 0542 EID<15:8> EID<7:0> xxxx
C2RXF1SID 0544 SID<10:3> SID<2:0> — EXIDE — EID<17:16> xxxx
C2RXF1EID 0546 EID<15:8> EID<7:0> xxxx
C2RXF2SID 0548 SID<10:3> SID<2:0> — EXIDE — EID<17:16> xxxx
C2RXF2EID 054A EID<15:8> EID<7:0> xxxx
C2RXF3SID 054C SID<10:3> SID<2:0> — EXIDE — EID<17:16> xxxx
C2RXF3EID 054E EID<15:8> EID<7:0> xxxx
C2RXF4SID 0550 SID<10:3> SID<2:0> — EXIDE — EID<17:16> xxxx
C2RXF4EID 0552 EID<15:8> EID<7:0> xxxx
C2RXF5SID 0554 SID<10:3> SID<2:0> — EXIDE — EID<17:16> xxxx
C2RXF5EID 0556 EID<15:8> EID<7:0> xxxx
C2RXF6SID 0558 SID<10:3> SID<2:0> — EXIDE — EID<17:16> xxxx
C2RXF6EID 055A EID<15:8> EID<7:0> xxxx
C2RXF7SID 055C SID<10:3> SID<2:0> — EXIDE — EID<17:16> xxxx
C2RXF7EID 055E EID<15:8> EID<7:0> xxxx
C2RXF8SID 0560 SID<10:3> SID<2:0> — EXIDE — EID<17:16> xxxx
C2RXF8EID 0562 EID<15:8> EID<7:0> xxxx
C2RXF9SID 0564 SID<10:3> SID<2:0> — EXIDE — EID<17:16> xxxx
C2RXF9EID 0566 EID<15:8> EID<7:0> xxxx
C2RXF10SID 0568 SID<10:3> SID<2:0> — EXIDE — EID<17:16> xxxx
C2RXF10EID 056A EID<15:8> EID<7:0> xxxx
C2RXF11SID 056C SID<10:3> SID<2:0> — EXIDE — EID<17:16> xxxx
Legend: x = unknown value on Reset, — = unimplemented, read as ‘0’. Reset values are shown in hexadecimal.

2009-2012 Microchip Technology Inc. DS70616G-page 95
dsPIC33EPXXX(GP/MC/MU)806/810/814 and PIC24EPXXX(GP/GU)810/814
C2RXF11EID 056E EID<15:8> EID<7:0> xxxx
C2RXF12SID 0570 SID<10:3> SID<2:0> — EXIDE — EID<17:16> xxxx
C2RXF12EID 0572 EID<15:8> EID<7:0> xxxx
C2RXF13SID 0574 SID<10:3> SID<2:0> — EXIDE — EID<17:16> xxxx
C2RXF13EID 0576 EID<15:8> EID<7:0> xxxx
C2RXF14SID 0578 SID<10:3> SID<2:0> — EXIDE — EID<17:16> xxxx
C2RXF14EID 057A EID<15:8> EID<7:0> xxxx
C2RXF15SID 057C SID<10:3> SID<2:0> — EXIDE — EID<17:16> xxxx
C2RXF15EID 057E EID<15:8> EID<7:0> xxxx
TABLE 4-33: ECAN2 REGISTER MAP WHEN WIN (C2CTRL<0>) = 1 (CONTINUED)
File Name Addr. Bit 15 Bit 14 Bit 13 Bit 12 Bit 11 Bit 10 Bit 9 Bit 8 Bit 7 Bit 6 Bit 5 Bit 4 Bit 3 Bit 2 Bit 1 Bit 0 All
Resets
Legend: x = unknown value on Reset, — = unimplemented, read as ‘0’. Reset values are shown in hexadecimal.

dsPIC33EPXXX(GP/MC/MU)806/810/814 and PIC24EPXXX(GP/GU)810/814
DS70616G-page 96 2009-2012 Microchip Technology Inc.
TABLE 4-35: CRC REGISTER MAP
TABLE 4-34: PARALLEL MASTER/SLAVE PORT REGISTER MAP
File Name Addr. Bit 15 Bit 14 Bit 13 Bit 12 Bit 11 Bit 10 Bit 9 Bit 8 Bit 7 Bit 6 Bit 5 Bit 4 Bit 3 Bit 2 Bit 1 Bit 0 All
Resets
PMCON 0600 PMPEN — PSIDL ADRMUX<1:0> PTBEEN PTWREN PTRDEN CSF<1:0> ALP CS2P CS1P BEP WRSP RDSP
0000
PMMODE 0602 BUSY IRQM<1:0> INCM<1:0> MODE16 MODE<1:0> WAITB<1:0> WAITM<3:0> WAITE<1:0>
0000
PMADDR
(1)
0604 CS2 CS1 Parallel Port Address (ADDR<13:0>)
0000
PMDOUT1
(1)
0604 Parallel Port Data Out Register 1 (Buffers Level 0 and 1)
0000
PMDOUT2 0606 Parallel Port Data Out Register 2 (Buffers Level 2 and 3)
0000
PMDIN1 0608 Parallel Port Data In Register 1 (Buffers Level 0 and 1)
0000
PMDIN2 060A Parallel Port Data In Register 2 (Buffers Level 2 and 3)
0000
PMAEN 060C PTEN15 PTEN14 PTEN13 PTEN12 PTEN11 PTEN10 PTEN9 PTEN8 PTEN7 PTEN6 PTEN5 PTEN4 PTEN3 PTEN2 PTEN1 PTEN0
0000
PMSTAT 060E IBF IBOV —— IB3F IB2F IB1F IB0F OBE OBUF —— OB3E OB2E OB1E OB0E
008F
Legend:
— = unimplemented, read as ‘
0
’. Shaded bits are not used in the operation of the PMP module.
Note 1:
PMADDR and PMDOUT1 are the same physical register, but are defined differently depending on the module’s operating mode.
File Name Addr. Bit 15 Bit 14 Bit 13 Bit 12 Bit 11 Bit 10 Bit 9 Bit 8 Bit 7 Bit 6 Bit 5 Bit 4 Bit 3 Bit 2 Bit 1 Bit 0 All
Resets
CRCCON1 0640 CRCEN — CSIDL VWORD<4:0> CRCFUL CRCMPT CRCISEL CRCGO LENDIAN — — — 0000
CRCCON2 0642 — — — DWIDTH<4:0> — — — PLEN<4:0> 0000
CRCXORL 0644 X<15:1> —0000
CRCXORH 0646 X<31:16> 0000
CRCDATL 0648 CRC Data Input Low Word 0000
CRCDATH 064A CRC Data Input High Word 0000
CRCWDATL 064C CRC Result Low Word 0000
CRCWDATH 064E CRC Result High Word 0000
Legend: — = unimplemented, read as ‘0’. Shaded bits are not used in the operation of the programmable CRC module.
TABLE 4-36: REAL-TIME CLOCK AND CALENDAR REGISTER MAP
File Name Addr. Bit 15 Bit 14 Bit 13 Bit 12 Bit 11 Bit 10 Bit 9 Bit 8 Bit 7 Bit 6 Bit 5 Bit 4 Bit 3 Bit 2 Bit 1 Bit 0 All
Resets
ALRMVAL 0620 Alarm Value Register Window based on ALRMPTR<1:0>
xxxx
ALCFGRPT 0622 ALRMEN CHIME AMASK<3:0> ALRMPTR<1:0> ARPT<7:0>
0000
RTCVAL 0624 RTCC Value Register Window based on RTCPTR<1:0>
xxxx
RCFGCAL 0626 RTCEN — RTCWREN RTCSYNC HALFSEC RTCOE RTCPTR<1:0> CAL<7:0>
0000
Legend:
x
= unknown value on Reset, — = unimplemented, read as ‘
0
’. Reset values are shown in hexadecimal.

2009-2012 Microchip Technology Inc. DS70616G-page 97
dsPIC33EPXXX(GP/MC/MU)806/810/814 and PIC24EPXXX(GP/GU)810/814
TABLE 4-37: PERIPHERAL PIN SELECT OUTPUT REGISTER MAP FOR dsPIC33EPXXXMU810/814 AND PIC24EPXXXGU810/814
DEVICES ONLY
File
Name Addr. Bit 15 Bit 14 Bit 13 Bit 12 Bit 11 Bit 10 Bit 9 Bit 8 Bit 7 Bit 6 Bit 5 Bit 4 Bit 3 Bit 2 Bit 1 Bit 0 All
Resets
RPOR0 0680 —— RP65R<5:0> ——RP64R<5:0>0000
RPOR1 0682 —— RP67R<5:0> ——RP66R<5:0>0000
RPOR2 0684 —— RP69R<5:0> ——RP68R<5:0>0000
RPOR3 0686 —— RP71R<5:0> ——RP70R<5:0>0000
RPOR4 0688 —— RP80R<5:0> ——RP79R<5:0>0000
RPOR5 068A —— RP84R<5:0> ——RP82R<5:0>0000
RPOR6 068C —— RP87R<5:0> ——RP85R<5:0>0000
RPOR7 068E —— RP97R<5:0> ——RP96R<5:0>0000
RPOR8 0690 —— RP99R<5:0> ——RP98R<5:0>0000
RPOR9 0692 —— RP101R<5:0> —— RP100R<5:0> 0000
RPOR11 0696 —— RP108R<5:0> —— RP104R<5:0> 0000
RPOR12 0698 —— RP112R<5:0> —— RP109R<5:0> 0000
RPOR13 069A —— RP118R<5:0> —— RP113R<5:0> 0000
RPOR14 069C —— RP125R<5:0> —— RP120R<5:0> 0000
RPOR15 069E —— RP127R<5:0> —— RP126R<5:0> 0000
Legend: x = unknown value on Reset, — = unimplemented, read as ‘0’. Reset values are shown in hexadecimal.

dsPIC33EPXXX(GP/MC/MU)806/810/814 and PIC24EPXXX(GP/GU)810/814
DS70616G-page 98 2009-2012 Microchip Technology Inc.
TABLE 4-38: PERIPHERAL PIN SELECT OUTPUT REGISTER MAP FOR dsPIC33EPXXXMU806 DEVICES ONLY
TABLE 4-39: PERIPHERAL PIN SELECT OUTPUT REGISTER MAP FOR dsPIC33EPXXX(GP/MC/MU)806 AND PIC24EPXXXGP806
DEVICES ONLY
File
Name Addr. Bit 15 Bit 14 Bit 13 Bit 12 Bit 11 Bit 10 Bit 9 Bit 8 Bit 7 Bit 6 Bit 5 Bit 4 Bit 3 Bit 2 Bit 1 Bit 0 All
Resets
RPOR0 0680 ——RP65R<5:0>—— RP64R<5:0> 0000
RPOR1 0682 ——RP67R<5:0>—— RP66R<5:0> 0000
RPOR2 0684 ——RP69R<5:0>—— RP68R<5:0> 0000
RPOR3 0686 ——RP71R<5:0>—— RP70R<5:0> 0000
RPOR4 0688 ——RP80R<5:0>— — — — — — — — 0000
RPOR5 068A ——RP84R<5:0>—— RP82R<5:0> 0000
RPOR6 068C ——RP87R<5:0>—— RP85R<5:0> 0000
RPOR7 068E ——RP97R<5:0>—— RP96R<5:0> 0000
RPOR8 0690 ——RP99R<5:0>— — — — — — — — 0000
RPOR9 0692 —— RP101R<5:0> —— RP100R<5:0> 0000
RPOR13 069A —— RP118R<5:0> — — — — — — — — 0000
RPOR14 069C —————————— RP120R<5:0> 0000
Legend: x = unknown value on Reset, — = unimplemented, read as ‘0’. Reset values are shown in hexadecimal.
File
Name Addr. Bit 15 Bit 14 Bit 13 Bit 12 Bit 11 Bit 10 Bit 9 Bit 8 Bit 7 Bit 6 Bit 5 Bit 4 Bit 3 Bit 2 Bit 1 Bit 0 All
Resets
RPOR0 0680 ——RP65R<5:0>—— RP64R<5:0> 0000
RPOR1 0682 ——RP67R<5:0>—— RP66R<5:0> 0000
RPOR2 0684 ——RP69R<5:0>—— RP68R<5:0> 0000
RPOR3 0686 ——RP71R<5:0>—— RP70R<5:0> 0000
RPOR4 0688 ——RP80R<5:0>— — — — — — — — 0000
RPOR5 068A ——RP84R<5:0>—— RP82R<5:0> 0000
RPOR6 068C ——RP87R<5:0>—— RP85R<5:0> 0000
RPOR7 068E ——RP97R<5:0>—— RP96R<5:0> 0000
RPOR8 0690 ——RP99R<5:0>—— RP98R<5:0> 0000
RPOR9 0692 —— RP101R<5:0> —— RP100R<5:0> 0000
RPOR10 0694 —————————— RP102R<5:0> 0000
RPOR13 069A —— RP118R<5:0> — — — — — — — — 0000
RPOR14 069C —————————— RP120R<5:0> 0000
Legend: x = unknown value on Reset, — = unimplemented, read as ‘0’. Reset values are shown in hexadecimal.

2009-2012 Microchip Technology Inc. DS70616G-page 99
dsPIC33EPXXX(GP/MC/MU)806/810/814 and PIC24EPXXX(GP/GU)810/814
TABLE 4-40: PERIPHERAL PIN SELECT INPUT REGISTER MAP FOR dsPIC33EPXXXMU814 DEVICES ONLY
File
Name Addr. Bit 15 Bit 14 Bit 13 Bit 12 Bit 11 Bit 10 Bit 9 Bit 8 Bit 7 Bit 6 Bit 5 Bit 4 Bit 3 Bit 2 Bit 1 Bit 0 All
Resets
RPINR0 06A0 —INT1R<6:0> — — — — — — — — 0000
RPINR1 06A2 —INT3R<6:0> —INT2R<6:0>0000
RPINR2 06A4 — — — — — — — — —INT4R<6:0>0000
RPINR3 06A6 —T3CKR<6:0> —T2CKR<6:0>0000
RPINR4 06A8 —T5CKR<6:0> —T4CKR<6:0>0000
RPINR5 06AA —T7CKR<6:0> —T6CKR<6:0>0000
RPINR6 06AC —T9CKR<6:0> —T8CKR<6:0>0000
RPINR7 06AE —IC2R<6:0> —IC1R<6:0>0000
RPINR8 06B0 —IC4R<6:0> —IC3R<6:0>0000
RPINR9 06B2 —IC6R<6:0> —IC5R<6:0>0000
RPINR10 06B4 —IC8R<6:0> —IC7R<6:0>0000
RPINR11 06B6 —OCFBR<6:0> —OCFAR<6:0>0000
RPINR12 06B8 —FLT2R<6:0> —FLT1R<6:0>0000
RPINR13 06BA —FLT4R<6:0> —FLT3R<6:0>0000
RPINR14 06BC —QEB1R<6:0> —QEA1R<6:0>0000
RPINR15 06BE —HOME1R<6:0> — INDX1R<6:0> 0000
RPINR16 06C0 —QEB2R<6:0> —QEA2R<6:0>0000
RPINR17 06C2 —HOME2R<6:0> — INDX2R<6:0> 0000
RPINR18 06C4 — U1CTSR<6:0> —U1RXR<6:0>0000
RPINR19 06C6 — U2CTSR<6:0> —U2RXR<6:0>0000
RPINR20 06C8 —SCK1R<6:0> —SDI1R<6:0>0000
RPINR21 06CA — — — — — — — — —SS1R<6:0>0000
RPINR23 06CE — — — — — — — — —SS2R<6:0>0000
RPINR24 06D0 — CSCKR<6:0> — CSDIR<6:0> 0000
RPINR25 06D2 — — — — — — — — —COFSR<6:0>0000
RPINR26 06D4 —C2RXR<6:0> —C1RXR<6:0>0000
RPINR27 06D6 — U3CTSR<6:0> —U3RXR<6:0>0000
RPINR28 06D8 — U4CTSR<6:0> —U4RXR<6:0>0000
RPINR29 06DA —SCK3R<6:0> —SDI3R<6:0>0000
RPINR30 06DC — — — — — — — — —SS3R<6:0>0000
RPINR31 06DE —SCK4R<6:0> —SDI4R<6:0>0000
RPINR32 06E0 — — — — — — — — —SS4R<6:0>0000
RPINR33 06E2 —IC10R<6:0> —IC9R<6:0>0000
RPINR34 06E4 —IC12R<6:0> —IC11R<6:0>0000
Legend: x = unknown value on Reset, — = unimplemented, read as ‘0’. Reset values are shown in hexadecimal.

dsPIC33EPXXX(GP/MC/MU)806/810/814 and PIC24EPXXX(GP/GU)810/814
DS70616G-page 100 2009-2012 Microchip Technology Inc.
RPINR35 06E6 —IC14R<6:0> — IC13R<6:0> 0000
RPINR36 06E8 —IC16R<6:0> — IC15R<6:0> 0000
RPINR37 06EA —SYNCI1R<6:0> —OCFCR<6:0>0000
RPINR38 06EC —DTCMP1R<6:0> — SYNCI2R<6:0> 0000
RPINR39 06EE —DTCMP3R<6:0> —DTCMP2R<6:0>0000
RPINR40 06F0 —DTCMP5R<6:0> —DTCMP4R<6:0>0000
RPINR41 06F2 —DTCMP7R<6:0> —DTCMP6R<6:0>0000
RPINR42 06F4 —FLT6R<6:0> —FLT5R<6:0>0000
RPINR43 06F6 — — — — — — — — —FLT7R<6:0>0000
TABLE 4-40: PERIPHERAL PIN SELECT INPUT REGISTER MAP FOR dsPIC33EPXXXMU814 DEVICES ONLY (CONTINUED)
File
Name Addr. Bit 15 Bit 14 Bit 13 Bit 12 Bit 11 Bit 10 Bit 9 Bit 8 Bit 7 Bit 6 Bit 5 Bit 4 Bit 3 Bit 2 Bit 1 Bit 0 All
Resets
Legend: x = unknown value on Reset, — = unimplemented, read as ‘0’. Reset values are shown in hexadecimal.

2009-2012 Microchip Technology Inc. DS70616G-page 101
dsPIC33EPXXX(GP/MC/MU)806/810/814 and PIC24EPXXX(GP/GU)810/814
TABLE 4-41: PERIPHERAL PIN SELECT INPUT REGISTER MAP FOR dsPIC33EPXXXMU810 DEVICES ONLY
File
Name Addr. Bit 15 Bit 14 Bit 13 Bit 12 Bit 11 Bit 10 Bit 9 Bit 8 Bit 7 Bit 6 Bit 5 Bit 4 Bit 3 Bit 2 Bit 1 Bit 0 All
Resets
RPINR0 06A0 —INT1R<6:0> ————————0000
RPINR1 06A2 —INT3R<6:0> —INT2R<6:0>0000
RPINR2 06A4 — — — — — — — — —INT4R<6:0>0000
RPINR3 06A6 —T3CKR<6:0> —T2CKR<6:0>0000
RPINR4 06A8 —T5CKR<6:0> —T4CKR<6:0>0000
RPINR5 06AA —T7CKR<6:0> —T6CKR<6:0>0000
RPINR6 06AC —T9CKR<6:0> —T8CKR<6:0>0000
RPINR7 06AE —IC2R<6:0> — IC1R<6:0> 0000
RPINR8 06B0 —IC4R<6:0> — IC3R<6:0> 0000
RPINR9 06B2 —IC6R<6:0> — IC5R<6:0> 0000
RPINR10 06B4 —IC8R<6:0> — IC7R<6:0> 0000
RPINR11 06B6 —OCFBR<6:0> —OCFAR<6:0>0000
RPINR12 06B8 —FLT2R<6:0> —FLT1R<6:0>0000
RPINR13 06BA —FLT4R<6:0> —FLT3R<6:0>0000
RPINR14 06BC —QEB1R<6:0> —QEA1R<6:0>0000
RPINR15 06BE — HOME1R<6:0> — INDX1R<6:0> 0000
RPINR16 06C0 —QEB2R<6:0> —QEA2R<6:0>0000
RPINR17 06C2 — HOME2R<6:0> — INDX2R<6:0> 0000
RPINR18 06C4 — U1CTSR<6:0> —U1RXR<6:0>0000
RPINR19 06C6 — U2CTSR<6:0> —U2RXR<6:0>0000
RPINR20 06C8 —SCK1R<6:0> —SDI1R<6:0>0000
RPINR21 06CA — — — — — — — — — SS1R<6:0> 0000
RPINR23 06CE — — — — — — — — — SS2R<6:0> 0000
RPINR24 06D0 —CSCKR<6:0> —CSDIR<6:0>0000
RPINR25 06D2 — — — — — — — — — COFSINR<6:0> 0000
RPINR26 06D4 —C2RXR<6:0> —C1RXR<6:0>0000
RPINR27 06D6 — U3CTSR<6:0> —U3RXR<6:0>0000
RPINR28 06D8 — U4CTSR<6:0> —U4RXR<6:0>0000
RPINR29 06DA —SCK3R<6:0> —SDI3R<6:0>0000
RPINR30 06DC — — — — — — — — — SS3R<6:0> 0000
RPINR31 06DE —SCK4R<6:0> —SDI4R<6:0>0000
RPINR32 06E0 — — — — — — — — — SS4R<6:0> 0000
RPINR33 06E2 —IC10R<6:0> — IC9R<6:0> 0000
RPINR34 06E4 —IC12R<6:0> —IC11R<6:0>0000
Legend: x = unknown value on Reset, — = unimplemented, read as ‘0’. Reset values are shown in hexadecimal.

dsPIC33EPXXX(GP/MC/MU)806/810/814 and PIC24EPXXX(GP/GU)810/814
DS70616G-page 102 2009-2012 Microchip Technology Inc.
RPINR35 06E6 —IC14R<6:0> —IC13R<6:0>0000
RPINR36 06E8 —IC16R<6:0> —IC15R<6:0>0000
RPINR37 06EA —SYNCI1R<6:0> — OCFCR<6:0> 0000
RPINR38 06EC —DTCMP1R<6:0> —SYNCI2R<6:0>0000
RPINR39 06EE —DTCMP3R<6:0> —DTCMP2R<6:0>0000
RPINR40 06F0 —DTCMP5R<6:0> —DTCMP4R<6:0>0000
RPINR41 06F2 — — — — — — — — —DTCMP6R<6:0>0000
RPINR42 06F4 —FLT6R<6:0> —FLT5R<6:0>0000
RPINR43 06F6 — — — — — — — — —FLT7R<6:0>0000
TABLE 4-41: PERIPHERAL PIN SELECT INPUT REGISTER MAP FOR dsPIC33EPXXXMU810 DEVICES ONLY (CONTINUED)
File
Name Addr. Bit 15 Bit 14 Bit 13 Bit 12 Bit 11 Bit 10 Bit 9 Bit 8 Bit 7 Bit 6 Bit 5 Bit 4 Bit 3 Bit 2 Bit 1 Bit 0 All
Resets
Legend: x = unknown value on Reset, — = unimplemented, read as ‘0’. Reset values are shown in hexadecimal.

2009-2012 Microchip Technology Inc. DS70616G-page 103
dsPIC33EPXXX(GP/MC/MU)806/810/814 and PIC24EPXXX(GP/GU)810/814
TABLE 4-42: PERIPHERAL PIN SELECT INPUT REGISTER MAP FOR dsPIC33EPXXX(MC/MU)806 DEVICES ONLY
File
Name Addr. Bit 15 Bit 14 Bit 13 Bit 12 Bit 11 Bit 10 Bit 9 Bit 8 Bit 7 Bit 6 Bit 5 Bit 4 Bit 3 Bit 2 Bit 1 Bit 0 All
Resets
RPINR0 06A0 —INT1R<6:0> — — — — — — — — 0000
RPINR1 06A2 —INT3R<6:0> —INT2R<6:0>0000
RPINR2 06A4 — — — — — — — — —INT4R<6:0>0000
RPINR3 06A6 —T3CKR<6:0> —T2CKR<6:0>0000
RPINR4 06A8 —T5CKR<6:0> —T4CKR<6:0>0000
RPINR5 06AA —T7CKR<6:0> —T6CKR<6:0>0000
RPINR6 06AC —T9CKR<6:0> —T8CKR<6:0>0000
RPINR7 06AE —IC2R<6:0> — IC1R<6:0> 0000
RPINR8 06B0 —IC4R<6:0> — IC3R<6:0> 0000
RPINR9 06B2 —IC6R<6:0> — IC5R<6:0> 0000
RPINR10 06B4 —IC8R<6:0> — IC7R<6:0> 0000
RPINR11 06B6 —OCFBR<6:0> —OCFAR<6:0>0000
RPINR12 06B8 —FLT2R<6:0> —FLT1R<6:0>0000
RPINR13 06BA —FLT4R<6:0> —FLT3R<6:0>0000
RPINR14 06BC — QEB1R<6:0> —QEA1R<6:0>0000
RPINR15 06BE —HOME1R<6:0> — INDX1R<6:0> 0000
RPINR16 06C0 — QEB2R<6:0> —QEA2R<6:0>0000
RPINR17 06C2 —HOME2R<6:0> — INDX2R<6:0> 0000
RPINR18 06C4 —U1CTSR<6:0> —U1RXR<6:0>0000
RPINR19 06C6 —U2CTSR<6:0> —U2RXR<6:0>0000
RPINR20 06C8 —SCK1R<6:0> —SDI1R<6:0>0000
RPINR21 06CA — — — — — — — — — SS1R<6:0> 0000
RPINR23 06CE — — — — — — — — — SS2R<6:0> 0000
RPINR24 06D0 —CSCKR<6:0> —CSDIR<6:0>0000
RPINR25 06D2 — — — — — — — — — COFSINR<6:0> 0000
RPINR26 06D4 —C2RXR<6:0> —C1RXR<6:0>0000
RPINR27 06D6 —U3CTSR<6:0> —U3RXR<6:0>0000
RPINR28 06D8 —U4CTSR<6:0> —U4RXR<6:0>0000
RPINR29 06DA —SCK3R<6:0> —SDI3R<6:0>0000
RPINR30 06DC — — — — — — — — — SS3R<6:0> 0000
RPINR31 06DE —SCK4R<6:0> —SDI4R<6:0>0000
RPINR32 06E0 — — — — — — — — — SS4R<6:0> 0000
RPINR33 06E2 —IC10R<6:0> — IC9R<6:0> 0000
RPINR34 06E4 —IC12R<6:0> —IC11R<6:0>0000
Legend: x = unknown value on Reset, — = unimplemented, read as ‘0’. Reset values are shown in hexadecimal.

dsPIC33EPXXX(GP/MC/MU)806/810/814 and PIC24EPXXX(GP/GU)810/814
DS70616G-page 104 2009-2012 Microchip Technology Inc.
RPINR35 06E6 —IC14R<6:0> —IC13R<6:0>0000
RPINR36 06E8 —IC16R<6:0> —IC15R<6:0>0000
RPINR37 06EA — SYNCI1R<6:0> — OCFCR<6:0> 0000
RPINR38 06EC —DTCMP1R<6:0> — SYNCI2R<6:0> 0000
RPINR39 06EE —DTCMP3R<6:0> —DTCMP2R<6:0>0000
RPINR40 06F0 — — — — — — — — —DTCMP4R<6:0>0000
RPINR42 06F4 —FLT6R<6:0> —FLT5R<6:0>0000
RPINR43 06F6 — — — — — — — — —FLT7R<6:0>0000
TABLE 4-42: PERIPHERAL PIN SELECT INPUT REGISTER MAP FOR dsPIC33EPXXX(MC/MU)806 DEVICES ONLY (CONTINUED)
File
Name Addr. Bit 15 Bit 14 Bit 13 Bit 12 Bit 11 Bit 10 Bit 9 Bit 8 Bit 7 Bit 6 Bit 5 Bit 4 Bit 3 Bit 2 Bit 1 Bit 0 All
Resets
Legend: x = unknown value on Reset, — = unimplemented, read as ‘0’. Reset values are shown in hexadecimal.

2009-2012 Microchip Technology Inc. DS70616G-page 105
dsPIC33EPXXX(GP/MC/MU)806/810/814 and PIC24EPXXX(GP/GU)810/814
TABLE 4-43: PERIPHERAL PIN SELECT INPUT REGISTER MAP FOR PIC24EPXXXGU810/814 DEVICES ONLY
File
Name Addr. Bit 15 Bit 14 Bit 13 Bit 12 Bit 11 Bit 10 Bit 9 Bit 8 Bit 7 Bit 6 Bit 5 Bit 4 Bit 3 Bit 2 Bit 1 Bit 0
All
Reset
s
RPINR0 06A0 —INT1R<6:0> — ———————0000
RPINR1 06A2 —INT3R<6:0> —INT2R<6:0>0000
RPINR2 06A4 — — — — — — — — —INT4R<6:0>0000
RPINR3 06A6 —T3CKR<6:0> —T2CKR<6:0>0000
RPINR4 06A8 —T5CKR<6:0> —T4CKR<6:0>0000
RPINR5 06AA —T7CKR<6:0> —T6CKR<6:0>0000
RPINR6 06AC —T9CKR<6:0> —T8CKR<6:0>0000
RPINR7 06AE — IC2R<6:0> — IC1R<6:0> 0000
RPINR8 06B0 — IC4R<6:0> — IC3R<6:0> 0000
RPINR9 06B2 — IC6R<6:0> — IC5R<6:0> 0000
RPINR10 06B4 — IC8R<6:0> — IC7R<6:0> 0000
RPINR11 06B6 —OCFBR<6:0> —OCFAR<6:0>0000
RPINR18 06C4 — U1CTSR<6:0> —U1RXR<6:0>0000
RPINR19 06C6 — U2CTSR<6:0> —U2RXR<6:0>0000
RPINR20 06C8 —SCK1R<6:0> —SDI1R<6:0>0000
RPINR21 06CA — — — — — — — — — SS1R<6:0> 0000
RPINR23 06CE — — — — — — — — — SS2R<6:0> 0000
RPINR26 06D4 —C2RXR<6:0> —C1RXR<6:0>0000
RPINR27 06D6 — U3CTSR<6:0> —U3RXR<6:0>0000
RPINR28 06D8 — U4CTSR<6:0> —U4RXR<6:0>0000
RPINR29 06DA —SCK3R<6:0> —SDI3R<6:0>0000
RPINR30 06DC — — — — — — — — — SS3R<6:0> 0000
RPINR31 06DE —SCK4R<6:0> —SDI4R<6:0>0000
RPINR32 06E0 — — — — — — — — — SS4R<6:0> 0000
RPINR33 06E2 —IC10R<6:0> — IC9R<6:0> 0000
RPINR34 06E4 —IC12R<6:0> —IC11R<6:0>0000
RPINR35 06E6 —IC14R<6:0> —IC13R<6:0>0000
RPINR36 06E8 —IC16R<6:0> —IC15R<6:0>0000
RPINR37 06EA — — — — — — — — — OCFCR<6:0> 0000
Legend: x = unknown value on Reset, — = unimplemented, read as ‘0’. Reset values are shown in hexadecimal.

dsPIC33EPXXX(GP/MC/MU)806/810/814 and PIC24EPXXX(GP/GU)810/814
DS70616G-page 106 2009-2012 Microchip Technology Inc.
TABLE 4-44: REFERENCE CLOCK REGISTER MAP
TABLE 4-45: NVM REGISTER MAP
TABLE 4-46: SYSTEM CONTROL REGISTER MAP
File Name Addr. Bit 15 Bit 14 Bit 13 Bit 12 Bit 11 Bit 10 Bit 9 Bit 8 Bit 7 Bit 6 Bit 5 Bit 4 Bit 3 Bit 2 Bit 1 Bit 0 All
Resets
REFOCON 074E ROON — ROSSLP ROSEL RODIV<3:0> — — — — — — — — 0000
Legend: x = unknown value on Reset, — = unimplemented, read as ‘0’. Reset values are shown in hexadecimal.
File Name Addr. Bit 15 Bit 14 Bit 13 Bit 12 Bit 11 Bit 10 Bit 9 Bit 8 Bit 7 Bit 6 Bit 5 Bit 4 Bit 3 Bit 2 Bit 1 Bit 0 All
Resets
NVMCON 0728 WR WREN WRERR NVMSIDL — — — — — — — — NVMOP<3:0> 0000
NVMADR 072A NVMADR<15:0> 0000
NVMADRU 072C — — — — — — — — NVMADR<23:16> 0000
NVMKEY 072E — — — — — — — — NVMKEY<7:0> 0000
Legend: x = unknown value on Reset, — = unimplemented, read as ‘0’. Reset values are shown in hexadecimal.
File Name Addr. Bit 15 Bit 14 Bit 13 Bit 12 Bit 11 Bit 10 Bit 9 Bit 8 Bit 7 Bit 6 Bit 5 Bit 4 Bit 3 Bit 2 Bit 1 Bit 0 All
Resets
RCON 0740 TRAPR IOPUWR ——VREGSF — CM VREGS EXTR SWR SWDTEN WDTO SLEEP IDLE BOR POR Note 1
OSCCON 0742 — COSC<2:0> — NOSC<2:0> CLKLOCK IOLOCK LOCK —CF— LPOSCEN OSWEN Note 2
CLKDIV 0744 ROI DOZE<2:0> DOZEN FRCDIV<2:0> PLLPOST<1:0> — PLLPRE<4:0> 3040
PLLFBD 0746 — — — — — — — PLLDIV<8:0> 0030
OSCTUN 0748 — — — — — — — — — — TUN<5:0> 0000
ACLKCON3 0758 ENAPLL — SELACLK AOSCMD<1:0> ASRCSEL FRCSEL — APLLPOST2<2:0> —— APLLPRE<2:0> 0000
ACLKDIV3 075A — — — — — — — — — — — — — APLLDIV<2:0> 0000
Legend: x = unknown value on Reset, — = unimplemented, read as ‘0’. Reset values are shown in hexadecimal.
Note 1: RCON register Reset values are dependent on the type of Reset.
2: OSCCON register Reset values are dependent on the Configuration Fuses and by the type of Reset.

2009-2012 Microchip Technology Inc. DS70616G-page 107
dsPIC33EPXXX(GP/MC/MU)806/810/814 and PIC24EPXXX(GP/GU)810/814
TABLE 4-47: PMD REGISTER MAP FOR dsPIC33EPXXXMU814 DEVICES ONLY
TABLE 4-48: PMD REGISTER MAP FOR dsPIC33EPXXXMU810 DEVICES ONLY
File
Name Addr. Bit 15 Bit 14 Bit 13 Bit 12 Bit 11 Bit 10 Bit 9 Bit 8 Bit 7 Bit 6 Bit 5 Bit 4 Bit 3 Bit 2 Bit 1 Bit 0 All
Resets
PMD1 0760 T5MD T4MD T3MD T2MD T1MD QEI1MD PWMMD DCIMD I2C1MD U2MD U1MD SPI2MD SPI1MD C2MD C1MD AD1MD 0000
PMD2 0762 IC8MD IC7MD IC6MD IC5MD IC4MD IC3MD IC2MD IC1MD OC8MD OC7MD OC6MD OC5MD OC4MD OC3MD OC2MD OC1MD 0000
PMD3 0764 T9MD T8MD T7MD T6MD — CMPMD RTCCMD PMPMD CRCMD —QEI2MD—U3MD—I2C2MDAD2MD0000
PMD4 0766 — — — — — — — — — —U4MD—REFOMD—— USB1MD 0000
PMD5 0768 IC16MD IC15MD IC14MD IC13MD IC12MD IC11MD IC10MD IC9MD OC16MD OC15MD OC14MD OC13MD OC12MD OC11MD OC10MD OC9MD 0000
PMD6 076A — PWM7MD PWM6MD PWM5MD PWM4MD PWM3MD PWM2MD PWM1MD — — — — — — SPI4MD SPI3MD 0000
PMD7 076C
————— — —— DMA12MD DMA8MD DMA4MD DMA0MD — — — — 0000
————— — —— DMA13MD DMA9MD DMA5MD DMA1MD — — — — 0000
————— — —— DMA14MD DMA10MD DMA6MD DMA2MD — — — — 0000
— — — — — — — — — DMA11MD DMA7MD DMA3MD — — — — 0000
Legend: x = unknown value on Reset, — = unimplemented, read as ‘0’. Reset values are shown in hexadecimal.
File
Name Addr. Bit 15 Bit 14 Bit 13 Bit 12 Bit 11 Bit 10 Bit 9 Bit 8 Bit 7 Bit 6 Bit 5 Bit 4 Bit 3 Bit 2 Bit 1 Bit 0 All
Resets
PMD1 0760 T5MD T4MD T3MD T2MD T1MD QEI1MD PWMMD DCIMD I2C1MD U2MD U1MD SPI2MD SPI1MD C2MD C1MD AD1MD 0000
PMD2 0762 IC8MD IC7MD IC6MD IC5MD IC4MD IC3MD IC2MD IC1MD OC8MD OC7MD OC6MD OC5MD OC4MD OC3MD OC2MD OC1MD 0000
PMD3 0764 T9MD T8MD T7MD T6MD — CMPMD RTCCMD PMPMD CRCMD —QEI2MD—U3MD— I2C2MD AD2MD 0000
PMD4 0766 — — — — — — — — — —U4MD—REFOMD——USB1MD0000
PMD5 0768 IC16MD IC15MD IC14MD IC13MD IC12MD IC11MD IC10MD IC9MD OC16MD OC15MD OC14MD OC13MD OC12MD OC11MD OC10MD OC9MD 0000
PMD6 076A —— PWM6MD PWM5MD PWM4MD PWM3MD PWM2MD PWM1MD — — — — — — SPI4MD SPI3MD 0000
PMD7 076C
— — — — — — — — DMA12MD DMA8MD DMA4MD DMA0MD — — — — 0000
— — — — — — — — DMA13MD DMA9MD DMA5MD DMA1MD — — — — 0000
— — — — — — — — DMA14MD DMA10MD DMA6MD DMA2MD — — — — 0000
— — — — — — — — — DMA11MD DMA7MD DMA3MD — — — — 0000
Legend: x = unknown value on Reset, — = unimplemented, read as ‘0’. Reset values are shown in hexadecimal.

dsPIC33EPXXX(GP/MC/MU)806/810/814 and PIC24EPXXX(GP/GU)810/814
DS70616G-page 108 2009-2012 Microchip Technology Inc.
TABLE 4-49: PMD REGISTER MAP FOR dsPIC33EPXXXMU806 DEVICES ONLY
TABLE 4-50: PMD REGISTER MAP FOR dsPIC33EPXXXMC806 DEVICES ONLY
File
Name Addr. Bit 15 Bit 14 Bit 13 Bit 12 Bit 11 Bit 10 Bit 9 Bit 8 Bit 7 Bit 6 Bit 5 Bit 4 Bit 3 Bit 2 Bit 1 Bit 0 All
Resets
PMD1 0760 T5MD T4MD T3MD T2MD T1MD QEI1MD PWMMD DCIMD I2C1MD U2MD U1MD SPI2MD SPI1MD C2MD C1MD AD1MD 0000
PMD2 0762 IC8MD IC7MD IC6MD IC5MD IC4MD IC3MD IC2MD IC1MD OC8MD OC7MD OC6MD OC5MD OC4MD OC3MD OC2MD OC1MD 0000
PMD3 0764 T9MD T8MD T7MD T6MD — CMPMD RTCCMD PMPMD CRCMD —QEI2MD—U3MD—I2C2MDAD2MD0000
PMD4 0766 — — — — — — — — — —U4MD—REFOMD——USB1MD0000
PMD5 0768 IC16MD IC15MD IC14MD IC13MD IC12MD IC11MD IC10MD IC9MD OC16MD OC15MD OC14MD OC13MD OC12MD OC11MD OC10MD OC9MD 0000
PMD6 076A ———— PWM4MD PWM3MD PWM2MD PWM1MD — — ———— SPI4MD SPI3MD 0000
PMD7 076C
— — — — — — — — DMA12MD DMA8MD DMA4MD DMA0MD — — — — 0000
— — — — — — — — DMA13MD DMA9MD DMA5MD DMA1MD — — — — 0000
— — — — — — — — DMA14MD DMA10MD DMA6MD DMA2MD — — — — 0000
— — — — — — — — — DMA11MD DMA7MD DMA3MD — — — — 0000
Legend: x = unknown value on Reset, — = unimplemented, read as ‘0’. Reset values are shown in hexadecimal.
File
Name Addr. Bit 15 Bit 14 Bit 13 Bit 12 Bit 11 Bit 10 Bit 9 Bit 8 Bit 7 Bit 6 Bit 5 Bit 4 Bit 3 Bit 2 Bit 1 Bit 0 All
Resets
PMD1 0760 T5MD T4MD T3MD T2MD T1MD QEI1MD PWMMD DCIMD I2C1MD U2MD U1MD SPI2MD SPI1MD C2MD C1MD AD1MD 0000
PMD2 0762 IC8MD IC7MD IC6MD IC5MD IC4MD IC3MD IC2MD IC1MD OC8MD OC7MD OC6MD OC5MD OC4MD OC3MD OC2MD OC1MD 0000
PMD3 0764 T9MD T8MD T7MD T6MD — CMPMD RTCCMD PMPMD CRCMD —QEI2MD—U3MD—I2C2MDAD2MD0000
PMD4 0766 — — — — — — — — — —U4MD—REFOMD— — — 0000
PMD5 0768 IC16MD IC15MD IC14MD IC13MD IC12MD IC11MD IC10MD IC9MD OC16MD OC15MD OC14MD OC13MD OC12MD OC11MD OC10MD OC9MD 0000
PMD6 076A ———— PWM4MD PWM3MD PWM2MD PWM1MD — — ———— SPI4MD SPI3MD 0000
PMD7 076C
— — — — — — — — DMA12MD DMA8MD DMA4MD DMA0MD — — — — 0000
— — — — — — — — DMA13MD DMA9MD DMA5MD DMA1MD — — — — 0000
— — — — — — — — DMA14MD DMA10MD DMA6MD DMA2MD — — — — 0000
— — — — — — — — — DMA11MD DMA7MD DMA3MD — — — — 0000
Legend: x = unknown value on Reset, — = unimplemented, read as ‘0’. Reset values are shown in hexadecimal.

2009-2012 Microchip Technology Inc. DS70616G-page 109
dsPIC33EPXXX(GP/MC/MU)806/810/814 and PIC24EPXXX(GP/GU)810/814
TABLE 4-51: PMD REGISTER MAP FOR dsPIC33EPXXXGP8XX AND PIC24EPXXXGP8XX DEVICES ONLY
TABLE 4-52: PMD REGISTER MAP FOR PIC24EPXXXGU810/814 DEVICES ONLY
File
Name Addr. Bit 15 Bit 14 Bit 13 Bit 12 Bit 11 Bit 10 Bit 9 Bit 8 Bit 7 Bit 6 Bit 5 Bit 4 Bit 3 Bit 2 Bit 1 Bit 0 All
Resets
PMD1 0760 T5MD T4MD T3MD T2MD T1MD —— DCIMD I2C1MD U2MD U1MD SPI2MD SPI1MD C2MD C1MD AD1MD 0000
PMD2 0762 IC8MD IC7MD IC6MD IC5MD IC4MD IC3MD IC2MD IC1MD OC8MD OC7MD OC6MD OC5MD OC4MD OC3MD OC2MD OC1MD 0000
PMD3 0764 T9MD T8MD T7MD T6MD — CMPMD RTCCMD PMPMD CRCMD — — —U3MD— I2C2MD AD2MD 0000
PMD4 0766 — — — — — — — — — —U4MD—REFOMD— — — 0000
PMD5 0768 IC16MD IC15MD IC14MD IC13MD IC12MD IC11MD IC10MD IC9MD OC16MD OC15MD OC14MD OC13MD OC12MD OC11MD OC10MD OC9MD 0000
PMD6 076A — — — — — — — — — — — — — — SPI4MD SPI3MD 0000
PMD7 076C
— — — — — — — — DMA12MD DMA8MD DMA4MD DMA0MD — — — — 0000
— — — — — — — — DMA13MD DMA9MD DMA5MD DMA1MD — — — — 0000
— — — — — — — — DMA14MD DMA10MD DMA6MD DMA2MD — — — — 0000
— — — — — — — — — DMA11MD DMA7MD DMA3MD — — — — 0000
Legend: x = unknown value on Reset, — = unimplemented, read as ‘0’. Reset values are shown in hexadecimal.
File
Name Addr. Bit 15 Bit 14 Bit 13 Bit 12 Bit 11 Bit 10 Bit 9 Bit 8 Bit 7 Bit 6 Bit 5 Bit 4 Bit 3 Bit 2 Bit 1 Bit 0 All
Resets
PMD1 0760 T5MD T4MD T3MD T2MD T1MD —— DCIMD I2C1MD U2MD U1MD SPI2MD SPI1MD C2MD C1MD AD1MD 0000
PMD2 0762 IC8MD IC7MD IC6MD IC5MD IC4MD IC3MD IC2MD IC1MD OC8MD OC7MD OC6MD OC5MD OC4MD OC3MD OC2MD OC1MD 0000
PMD3 0764 T9MD T8MD T7MD T6MD — CMPMD RTCCMD PMPMD CRCMD — — —U3MD— I2C2MD AD2MD 0000
PMD4 0766 — — — — — — — — — —U4MD—REFOMD——USB1MD0000
PMD5 0768 IC16MD IC15MD IC14MD IC13MD IC12MD IC11MD IC10MD IC9MD OC16MD OC15MD OC14MD OC13MD OC12MD OC11MD OC10MD OC9MD 0000
PMD6 076A — — — — — — — — — — — — — — SPI4MD SPI3MD 0000
PMD7 076C
— — — — — — — — DMA12MD DMA8MD DMA4MD DMA0MD — — — — 0000
— — — — — — — — DMA13MD DMA9MD DMA5MD DMA1MD — — — — 0000
— — — — — — — — DMA14MD DMA10MD DMA6MD DMA2MD — — — — 0000
— — — — — — — — — DMA11MD DMA7MD DMA3MD — — — — 0000
Legend: x = unknown value on Reset, — = unimplemented, read as ‘0’. Reset values are shown in hexadecimal.

dsPIC33EPXXX(GP/MC/MU)806/810/814 and PIC24EPXXX(GP/GU)810/814
DS70616G-page 110 2009-2012 Microchip Technology Inc.
TABLE 4-53: COMPARATOR REGISTER MAP
File Name Addr. Bit 15 Bit 14 Bit 13 Bit 12 Bit 11 Bit 10 Bit 9 Bit 8 Bit 7 Bit 6 Bit 5 Bit 4 Bit 3 Bit 2 Bit 1 Bit 0 All
Resets
CMSTAT 0A80 CMSIDL — — — — C3EVT C2EVT C1EVT — — — — — C3OUT C2OUT C1OUT 0000
CVRCON 0A82 — — — — — VREFSEL BGSEL<1:0> CVREN CVROE CVRR CVRSS CVR<3:0> 0000
CM1CON 0A84 CON COE CPOL — — — CEVT COUT EVPOL<1:0> — CREF —— CCH<1:0> 0000
CM1MSKSRC 0A86 — — — — SELSRCC<3:0> SELSRCB<3:0> SELSRCA<3:0> 0000
CM1MSKCON 0A88 HLMS — OCEN OCNEN OBEN OBNEN OAEN OANEN NAGS PAGS ACEN ACNEN ABEN ABNEN AAEN AANEN 0000
CM1FLTR 0A8A — — — — — — — — — CFSEL<2:0> CFLTREN CFDIV<2:0> 0000
CM2CON 0A8C CON COE CPOL — — — CEVT COUT EVPOL<1:0> — CREF —— CCH<1:0> 0000
CM2MSKSRC 0A8E — — — — SELSRCC<3:0> SELSRCB<3:0> SELSRCA<3:0> 0000
CM2MSKCON 0A90 HLMS — OCEN OCNEN OBEN OBNEN OAEN OANEN NAGS PAGS ACEN ACNEN ABEN ABNEN AAEN AANEN 0000
CM2FLTR 0A92 — — — — — — — — — CFSEL<2:0> CFLTREN CFDIV<2:0> 0000
CM3CON 0A94 CON COE CPOL — — — CEVT COUT EVPOL<1:0> — CREF —— CCH<1:0> 0000
CM3MSKSRC 0A96 — — — — SELSRCC<3:0> SELSRCB<3:0> SELSRCA<3:0> 0000
CM3MSKCON 0A98 HLMS — OCEN OCNEN OBEN OBNEN OAEN OANEN NAGS PAGS ACEN ACNEN ABEN ABNEN AAEN AANEN 0000
CM3FLTR 0A9A — — — — — — — — — CFSEL<2:0> CFLTREN CFDIV<2:0> 0000
Legend: x = unknown value on Reset, — = unimplemented, read as ‘0’. Reset values are shown in hexadecimal.

2009-2012 Microchip Technology Inc. DS70616G-page 111
dsPIC33EPXXX(GP/MC/MU)806/810/814 and PIC24EPXXX(GP/GU)810/814
TABLE 4-54: DMAC REGISTER MAP
File Name Addr. Bit 15 Bit 14 Bit 13 Bit 12 Bit 11 Bit 10 Bit 9 Bit 8 Bit 7 Bit 6 Bit 5 Bit 4 Bit 3 Bit 2 Bit 1 Bit 0 All
Resets
DMA0CON 0B00 CHEN SIZE DIR HALF NULLW — — — — —AMODE<1:0>——MODE<1:0>0000
DMA0REQ 0B02 FORCE — — — — — — — IRQSEL<7:0> 00FF
DMA0STAL 0B04 STA<15:0> 0000
DMA0STAH 0B06 — — — — — — — —STA<23:16>0000
DMA0STBL 0B08 STB<15:0> 0000
DMA0STBH 0B0A — — — — — — — — STB<23:16> 0000
DMA0PAD 0B0C PAD<15:0> 0000
DMA0CNT 0B0E — — CNT<13:0> 0000
DMA1CON 0B10 CHEN SIZE DIR HALF NULLW — — — — —AMODE<1:0>——MODE<1:0>0000
DMA1REQ 0B12 FORCE — — — — — — — IRQSEL<7:0> 00FF
DMA1STAL 0B14 STA<15:0> 0000
DMA1STAH 0B16 — — — — — — — —STA<23:16>0000
DMA1STBL 0B18 STB<15:0> 0000
DMA1STBH 0B1A — — — — — — — — STB<23:16> 0000
DMA1PAD 0B1C PAD<15:0> 0000
DMA1CNT 0B1E — — CNT<13:0> 0000
DMA2CON 0B20 CHEN SIZE DIR HALF NULLW — — — — —AMODE<1:0>——MODE<1:0>0000
DMA2REQ 0B22 FORCE — — — — — — — IRQSEL<7:0> 00FF
DMA2STAL 0B24 STA<15:0> 0000
DMA2STAH 0B26 — — — — — — — —STA<23:16>0000
DMA2STBL 0B28 STB<15:0> 0000
DMA2STBH 0B2A — — — — — — — — STB<23:16> 0000
DMA2PAD 0B2C PAD<15:0> 0000
DMA2CNT 0B2E — — CNT<13:0> 0000
DMA2CON 0B30 CHEN SIZE DIR HALF NULLW — — — — —AMODE<1:0>——MODE<1:0>0000
DMA3REQ 0B32 FORCE — — — — — — — IRQSEL<7:0> 00FF
DMA3STAL 0B34 STA<15:0> 0000
DMA3STAH 0B36 — — — — — — — —STA<23:16>0000
DMA3STBL 0B38 STB<15:0> 0000
DMA3STBH 0B3A — — — — — — — — STB<23:16> 0000
DMA3PAD 0B3C PAD<15:0> 0000
DMA3CNT 0B3E — — CNT<13:0> 0000
DMA4CON 0B40 CHEN SIZE DIR HALF NULLW — — — — —AMODE<1:0>——MODE<1:0>0000
DMA4REQ 0B42 FORCE — — — — — — — IRQSEL<7:0> 00FF
Legend: x = unknown value on Reset, — = unimplemented, read as ‘0’. Reset values are shown in hexadecimal.

dsPIC33EPXXX(GP/MC/MU)806/810/814 and PIC24EPXXX(GP/GU)810/814
DS70616G-page 112 2009-2012 Microchip Technology Inc.
DMA4STAL 0B44 STA<15:0> 0000
DMA4STAH 0B46 — — — — — — — —STA<23:16>0000
DMA4STBL 0B48 STB<15:0> 0000
DMA4STBH 0B4A — — — — — — — — STB<23:16> 0000
DMA4PAD 0B4C PAD<15:0> 0000
DMA4CNT 0B4E — — CNT<13:0> 0000
DMA5CON 0B50 CHEN SIZE DIR HALF NULLW — — — — —AMODE<1:0>——MODE<1:0>0000
DMA5REQ 0B52 FORCE — — — — — — — IRQSEL<7:0> 00FF
DMA5STAL 0B54 STA<15:0> 0000
DMA5STAH 0B56 — — — — — — — —STA<23:16>0000
DMA5STBL 0B58 STB<15:0> 0000
DMA5STBH 0B5A — — — — — — — — STB<23:16> 0000
DMA5PAD 0B5C PAD<15:0> 0000
DMA5CNT 0B5E — — CNT<13:0> 0000
DMA6CON 0B60 CHEN SIZE DIR HALF NULLW — — — — —AMODE<1:0>——MODE<1:0>0000
DMA6REQ 0B62 FORCE — — — — — — — IRQSEL<7:0> 00FF
DMA6STAL 0B64 STA<15:0> 0000
DMA6STAH 0B66 — — — — — — — —STA<23:16>0000
DMA6STBL 0B68 STB<15:0> 0000
DMA6STBH 0B6A — — — — — — — — STB<23:16> 0000
DMA6PAD 0B6C PAD<15:0> 0000
DMA6CNT 0B6E — — CNT<13:0> 0000
DMA7CON 0B70 CHEN SIZE DIR HALF NULLW — — — — —AMODE<1:0>——MODE<1:0>0000
DMA7REQ 0B72 FORCE — — — — — — — IRQSEL<7:0> 00FF
DMA7STAL 0B74 STA<15:0> 0000
DMA7STAH 0B76 — — — — — — — —STA<23:16>0000
DMA7STBL 0B78 STB<15:0> 0000
DMA7STBH 0B7A — — — — — — — — STB<23:16> 0000
DMA7PAD 0B7C PAD<15:0> 0000
DMA7CNT 0B7E — — CNT<13:0> 0000
DMA8CON 0B80 CHEN SIZE DIR HALF NULLW — — — — —AMODE<1:0>——MODE<1:0>0000
DMA8REQ 0B82 FORCE — — — — — — — IRQSEL<7:0> 00FF
DMA8STAL 0B84 STA<15:0> 0000
DMA8STAH 0B86 — — — — — — — —STA<23:16>0000
DMA8STBL 0B88 STB<15:0> 0000
TABLE 4-54: DMAC REGISTER MAP (CONTINUED)
File Name Addr. Bit 15 Bit 14 Bit 13 Bit 12 Bit 11 Bit 10 Bit 9 Bit 8 Bit 7 Bit 6 Bit 5 Bit 4 Bit 3 Bit 2 Bit 1 Bit 0 All
Resets
Legend: x = unknown value on Reset, — = unimplemented, read as ‘0’. Reset values are shown in hexadecimal.

2009-2012 Microchip Technology Inc. DS70616G-page 113
dsPIC33EPXXX(GP/MC/MU)806/810/814 and PIC24EPXXX(GP/GU)810/814
DMA8STBH 0B8A — — — — — — — — STB<23:16> 0000
DMA8PAD 0B8C PAD<15:0> 0000
DMA8CNT 0B8E — — CNT<13:0> 0000
DMA9CON 0B90 CHEN SIZE DIR HALF NULLW — — — — —AMODE<1:0>——MODE<1:0>0000
DMA9REQ 0B92 FORCE — — — — — — — IRQSEL<7:0> 00FF
DMA9STAL 0B94 STA<15:0> 0000
DMA9STAH 0B96 — — — — — — — —STA<23:16>0000
DMA9STBL 0B98 STB<15:0> 0000
DMA9STBH 0B9A — — — — — — — — STB<23:16> 0000
DMA9PAD 0B9C PAD<15:0> 0000
DMA9CNT 0B9E — — CNT<13:0> 0000
DMA10CON 0BA0 CHEN SIZE DIR HALF NULLW — — — — —AMODE<1:0>——MODE<1:0>0000
DMA10REQ 0BA2 FORCE — — — — — — — IRQSEL<7:0> 00FF
DMA10STAL 0BA4 STA<15:0> 0000
DMA10STAH 0BA6 — — — — — — — —STA<23:16>0000
DMA10STBL 0BA8 STB<15:0> 0000
DMA10STBH 0BAA — — — — — — — — STB<23:16> 0000
DMA10PAD 0BAC PAD<15:0> 0000
DMA10CNT 0BAE — — CNT<13:0> 0000
DMA11CON 0BB0 CHEN SIZE DIR HALF NULLW — — — — —AMODE<1:0>——MODE<1:0>0000
DM11AREQ 0BB2 FORCE — — — — — — — IRQSEL<7:0> 00FF
DMA11STAL 0BB4 STA<15:0> 0000
DMA11STAH 0BB6 — — — — — — — —STA<23:16>0000
DMA11STBL 0BB8 STB<15:0> 0000
DMA11STBH 0BBA — — — — — — — — STB<23:16> 0000
DMA11PAD 0BBC PAD<15:0> 0000
DMA11CNT 0BBE — — CNT<13:0> 0000
DMA12CON 0BC0 CHEN SIZE DIR HALF NULLW — — — — —AMODE<1:0>——MODE<1:0>0000
DMA12REQ 0BC2 FORCE — — — — — — — IRQSEL<7:0> 00FF
DMA12STAL 0BC4 STA<15:0> 0000
DMA12STAH 0BC6 — — — — — — — —STA<23:16>0000
DMA12STBL 0BC8 STB<15:0> 0000
DMA12STBH 0BCA — — — — — — — — STB<23:16> 0000
DMA12PAD 0BCC PAD<15:0> 0000
DMA12CNT 0BCE — — CNT<13:0> 0000
TABLE 4-54: DMAC REGISTER MAP (CONTINUED)
File Name Addr. Bit 15 Bit 14 Bit 13 Bit 12 Bit 11 Bit 10 Bit 9 Bit 8 Bit 7 Bit 6 Bit 5 Bit 4 Bit 3 Bit 2 Bit 1 Bit 0 All
Resets
Legend: x = unknown value on Reset, — = unimplemented, read as ‘0’. Reset values are shown in hexadecimal.

dsPIC33EPXXX(GP/MC/MU)806/810/814 and PIC24EPXXX(GP/GU)810/814
DS70616G-page 114 2009-2012 Microchip Technology Inc.
DMA13CON 0BD0 CHEN SIZE DIR HALF NULLW — — — — —AMODE<1:0>——MODE<1:0>0000
DMA13REQ 0BD2 FORCE — — — — — — — IRQSEL<7:0> 00FF
DMA13STAL 0BD4 STA<15:0> 0000
DMA13STAH 0BD6 — — — — — — — —STA<23:16>0000
DMA13STBL 0BD8 STB<15:0> 0000
DMA13STBH 0BDA — — — — — — — — STB<23:16> 0000
DMA13PAD 0BDC PAD<15:0> 0000
DMA13CNT 0BDE — — CNT<13:0> 0000
DMA14CON 0BE0 CHEN SIZE DIR HALF NULLW — — — — —AMODE<1:0>——MODE<1:0>0000
DMA14REQ 0BE2 FORCE — — — — — — — IRQSEL<7:0> 00FF
DMA14STAL 0BE4 STA<15:0> 0000
DMA14STAH 0BE6 — — — — — — — —STA<23:16>0000
DMA14STBL 0BE8 STB<15:0> 0000
DMA14STBH 0BEA — — — — — — — — STB<23:16> 0000
DMA14PAD 0BEC PAD<15:0> 0000
DMA14CNT 0BEE — — CNT<13:0> 0000
DMAPWC 0BF0 — PWCOL14 PWCOL13 PWCOL12 PWCOL11 PWCOL10 PWCOL9 PWCOL8 PWCOL7 PWCOL6 PWCOL5 PWCOL4 PWCOL3 PWCOL2 PWCOL1 PWCOL0 0000
DMARQC 0BF2 — RQCOL14 RQCOL13 RQCOL12 RQCOL11 RQCOL10 RQCOL9 RQCOL8 RQCOL7 RQCOL6 RQCOL5 RQCOL4 RQCOL3 RQCOL2 RQCOL1 RQCOL0 0000
DMAPPS 0BF4 — PPST14 PPST13 PPST12 PPST11 PPST10 PPST9 PPST8 PPST7 PPST6 PPST5 PPST4 PPST3 PPST2 PPST1 PPST0 0000
DMALCA 0BF6 — — — — — — — — — — — —LSTCH<3:0>000F
DSADRL 0BF8 DSADR<15:0> 0000
DSADRH 0BFA — — — — — — — — DSADR<23:16> 0000
TABLE 4-54: DMAC REGISTER MAP (CONTINUED)
File Name Addr. Bit 15 Bit 14 Bit 13 Bit 12 Bit 11 Bit 10 Bit 9 Bit 8 Bit 7 Bit 6 Bit 5 Bit 4 Bit 3 Bit 2 Bit 1 Bit 0 All
Resets
Legend: x = unknown value on Reset, — = unimplemented, read as ‘0’. Reset values are shown in hexadecimal.

2009-2012 Microchip Technology Inc. DS70616G-page 115
dsPIC33EPXXX(GP/MC/MU)806/810/814 and PIC24EPXXX(GP/GU)810/814
TABLE 4-55: PORTA REGISTER MAP FOR dsPIC33EPXXXMU810/814 AND PIC24EPXXXGU810/814 DEVICES ONLY
TABLE 4-56: PORTB REGISTER MAP
TABLE 4-57: PORTC REGISTER MAP FOR dsPIC33EPXXXMU810/814 AND PIC24EPXXXGU810/814 DEVICES ONLY
File
Name Addr. Bit 15 Bit 14 Bit 13 Bit 12 Bit 11 Bit 10 Bit 9 Bit 8 Bit 7 Bit 6 Bit 5 Bit 4 Bit 3 Bit 2 Bit 1 Bit 0 All
Resets
TRISA 0E00 TRISA15 TRISA14 — — — TRISA10 TRISA9 — TRISA7 TRISA6 TRISA5 TRISA4 TRISA3 TRISA2 TRISA1 TRISA0 C6FF
PORTA 0E02 RA15 RA14 — — —RA10RA9— RA7 RA6 RA5 RA4 RA3 RA2 RA1 RA0 xxxx
LATA 0E04 LATA15 LATA14 — — — LATA10 LATA9 — LATA7 LATA6 LATA5 LATA4 LATA3 LATA2 LATA1 LATA0 xxxx
ODCA 0E06 ODCA15 ODCA14 — — — — — — — — ODCA5 ODCA4 ODCA3 ODCA2 ODCA1 ODCA0 0000
CNENA 0E08 CNIEA15 CNIEA14 — — — CNIEA10 CNIEA9 — CNIEA7 CNIEA6 CNIEA5 CNIEA4 CNIEA3 CNIEA2 CNIEA1 CNIEA0 0000
CNPUA 0E0A CNPUA15 CNPUA14 — — — CNPUA10 CNPUA9 — CNPUA7 CNPUA6 CNPUA5 CNPUA4 CNPUA3 CNPUA2 CNPUA1 CNPUA0 0000
CNPDA 0E0C CNPDA15 CNPDA14 — — — CNPDA10 CNPDA9 — CNPDA7 CNPDA6 CNPDA5 CNPDA4 CNPDA3 CNPDA2 CNPDA1 CNPDA0 0000
ANSELA 0E0E — — — — — ANSA10 ANSA9 — ANSA7 ANSA6 — — — — — — 06C0
Legend: x = unknown value on Reset, — = unimplemented, read as ‘0’. Reset values are shown in hexadecimal.
File
Name Addr. Bit 15 Bit 14 Bit 13 Bit 12 Bit 11 Bit 10 Bit 9 Bit 8 Bit 7 Bit 6 Bit 5 Bit 4 Bit 3 Bit 2 Bit 1 Bit 0 All
Resets
TRISB 0E10 TRISB15 TRISB14 TRISB13 TRISB12 TRISB11 TRISB10 TRISB9 TRISB8 TRISB7 TRISB6 TRISB5 TRISB4 TRISB3 TRISB2 TRISB1 TRISB0 FFFF
PORTB 0E12 RB15 RB14 RB13 RB12 RB11 RB10 RB9 RB8 RB7 RB6 RB5 RB4 RB3 RB2 RB1 RB0 xxxx
LATB 0E14 LATB15 LATB14 LATB13 LATB12 LATB11 LATB10 LATB9 LATB8 LATB7 LATB6 LATB5 LATB4 LATB3 LATB2 LATB1 LATB0 xxxx
ODCB 0E16 — — — — — — — — — — — — — — — — 0000
CNENB 0E18 CNIEB15 CNIEB14 CNIEB13 CNIEB12 CNIEB11 CNIEB10 CNIEB9 CNIEB8 CNIEB7 CNIEB6 CNIEB5 CNIEB4 CNIEB3 CNIEB2 CNIEB1 CNIEB0 0000
CNPUB 0E1A CNPUB15 CNPUB14 CNPUB13 CNPUB12 CNPUB11 CNPUB10 CNPUB9 CNPUB8 CNPUB7 CNPUB6 CNPUB5 CNPUB4 CNPUB3 CNPUB2 CNPUB1 CNPUB0 0000
CNPDB 0E1C CNPDB15 CNPDB14 CNPDB13 CNPDB12 CNPDB11 CNPDB10 CNPDB9 CNPDB8 CNPDB7 CNPDB6 CNPDB5 CNPDB4 CNPDB3 CNPDB2 CNPDB1 CNPDB0 0000
ANSELB 0E1E ANSB15 ANSB14 ANSB13 ANSB12 ANSB11 ANSB10 ANSB9 ANSB8 ANSB7 ANSB6 ANSB5 ANSB4 ANSB3 ANSB2 ANSB1 ANSB0 FFFF
Legend: x = unknown value on Reset, — = unimplemented, read as ‘0’. Reset values are shown in hexadecimal.
File
Name Addr. Bit 15 Bit 14 Bit 13 Bit 12 Bit 11 Bit 10 Bit 9 Bit 8 Bit 7 Bit 6 Bit 5 Bit 4 Bit 3 Bit 2 Bit 1 Bit 0 All
Resets
TRISC 0E20 TRISC15 TRISC14 TRISC13 TRISC12 — — — — — — — TRISC4 TRISC3 TRISC2 TRISC1 —F01E
PORTC 0E22 RC15 RC14 RC13 RC12 — — — — — — — RC4 RC3 RC2 RC1 —xxxx
LATC 0E24 LATC15 LATC14 LATC13 LATC12 — — — — — — — LATC4 LATC3 LATC2 LATC1 —xxxx
ODCC 0E26 — — — — — — — — — — — — — — — — 0000
CNENC 0E28 CNIEC15 CNIEC14 CNIEC13 CNIEC12 — — — — — — — CNIEC4 CNIEC3 CNIEC2 CNIEC1 —0000
CNPUC 0E2A CNPUC15 CNPUC14 CNPUC13 CNPUC12 — — — — — — — CNPUC4 CNPUC3 CNPUC2 CNPUC1 —0000
CNPDC 0E2C CNPDC15 CNPDC14 CNPDC13 CNPDC12 — — — — — — — CNPDC4 CNPDC3 CNPDC2 CNPDC1 —0000
ANSELC 0E2E — ANSC14 ANSC13 — — — — — — — — ANSC4 ANSC3 ANSC2 ANSC1 —601E
Legend: x = unknown value on Reset, — = unimplemented, read as ‘0’. Reset values are shown in hexadecimal.

dsPIC33EPXXX(GP/MC/MU)806/810/814 and PIC24EPXXX(GP/GU)810/814
DS70616G-page 116 2009-2012 Microchip Technology Inc.
TABLE 4-58: PORTC REGISTER MAP FOR dsPIC33EPXXX(GP/MC/MU)806 AND PIC24EPXXXGP806 DEVICES ONLY
TABLE 4-59: PORTD REGISTER MAP FOR dsPIC33EPXXXMU810/814 AND PIC24EPXXXGU810/814 DEVICES ONLY
TABLE 4-60: PORTD REGISTER MAP FOR dsPIC33EPXXX(GP/MC/MU)806 AND PIC24EPXXXGP806 DEVICES ONLY
File
Name Addr, Bit 15 Bit 14 Bit 13 Bit 12 Bit 11 Bit 10 Bit 9 Bit 8 Bit 7 Bit 6 Bit 5 Bit 4 Bit 3 Bit 2 Bit 1 Bit 0 All
Resets
TRISC 0E20 TRISC15 TRISC14 TRISC13 TRISC12 — — — — — — — — — — — — F000
PORTC 0E22 RC15 RC14 RC13 RC12 — — — — — — — — — — — — xxxx
LATC 0E24 LATC15 LATC14 LATC13 LATC12 — — — — — — — — — — — — xxxx
ODCC 0E26 — — — — — — — — — — — — — — — — 0000
CNENC 0E28 CNIEC15 CNIEC14 CNIEC13 CNIEC12 — — — — — — — — — — — — 0000
CNPUC 0E2A CNPUC15 CNPUC14 CNPUC13 CNPUC12 — — — — — — — — — — — — 0000
CNPDC 0E2C CNPDC15 CNPDC14 CNPDC13 CNPDC12 — — — — — — — — — — — — 0000
ANSELC 0E2E — ANSC14 ANSC13 — — — — — — — — — — — — — 6000
Legend: x = unknown value on Reset, — = unimplemented, read as ‘0’. Reset values are shown in hexadecimal.
File
Name Addr. Bit 15 Bit 14 Bit 13 Bit 12 Bit 11 Bit 10 Bit 9 Bit 8 Bit 7 Bit 6 Bit 5 Bit 4 Bit 3 Bit 2 Bit 1 Bit 0 All
Resets
TRISD 0E30 TRISD15 TRISD14 TRISD13 TRISD12 TRISD11 TRISD10 TRISD9 TRISD8 TRISD7 TRISD6 TRISD5 TRISD4 TRISD3 TRISD2 TRISD1 TRISD0 FFFF
PORTD 0E32 RD15 RD14 RD13 RD12 RD11 RD10 RD9 RD8 RD7 RD6 RD5 RD4 RD3 RD2 RD1 RD0 xxxx
LATD 0E34 LATD15 LATD14 LATD13 LATD12 LATD11 LATD10 LATD9 LATD8 LATD7 LATD6 LATD5 LATD4 LATD3 LATD2 LATD1 LATD0 xxxx
ODCD 0E36 ODCD15 ODCD14 ODCD13 ODCD12 ODCD11 ODCD10 ODCD9 ODCD8 —— ODCD5 ODCD4 ODCD3 ODCD2 ODCD1 ODCD0 0000
CNEND 0E38 CNIED15 CNIED14 CNIED13 CNIED12 CNIED11 CNIED10 CNIED9 CNIED8 CNIED7 CNIED6 CNIED5 CNIED4 CNIED3 CNIED2 CNIED1 CNIED0 0000
CNPUD 0E3A CNPUD15 CNPUD14 CNPUD13 CNPUD12 CNPUD11 CNPUD10 CNPUD9 CNPUD8 CNPUD7 CNPUD6 CNPUD5 CNPUD4 CNPUD3 CNPUD2 CNPUD1 CNPUD0 0000
CNPDD 0E3C CNPDD15 CNPDD14 CNPDD13 CNPDD12 CNPDD11 CNPDD10 CNPDD9 CNPDD8 CNPDD7 CNPDD6 CNPDD5 CNPDD4 CNPDD3 CNPDD2 CNPDD1 CNPDD0 0000
ANSELD 0E3E ———————— ANSD7 ANSD6 — — — — — — 00C0
Legend: x = unknown value on Reset, — = unimplemented, read as ‘0’. Reset values are shown in hexadecimal.
File
Name Addr. Bit 15 Bit 14 Bit 13 Bit 12 Bit 11 Bit 10 Bit 9 Bit 8 Bit 7 Bit 6 Bit 5 Bit 4 Bit 3 Bit 2 Bit 1 Bit 0 All
Resets
TRISD 0E30 ———— TRISD11 TRISD10 TRISD9 TRISD8 TRISD7 TRISD6 TRISD5 TRISD4 TRISD3 TRISD2 TRISD1 TRISD0 0FFF
PORTD 0E32 ———— RD11 RD10 RD9 RD8 RD7 RD6 RD5 RD4 RD3 RD2 RD1 RD0 xxxx
LATD 0E34 ———— LATD11 LATD10 LATD9 LATD8 LATD7 LATD6 LATD5 LATD4 LATD3 LATD2 LATD1 LATD0 xxxx
ODCD 0E36 ———— ODCD11 ODCD10 ODCD9 ODCD8 —— ODCD5 ODCD4 ODCD3 ODCD2 ODCD1 ODCD0 0000
CNEND 0E38 ———— CNIED11 CNIED10 CNIED9 CNIED8 CNIED7 CNIED6 CNIED5 CNIED4 CNIED3 CNIED2 CNIED1 CNIED0 0000
CNPUD 0E3A ———— CNPUD11 CNPUD10 CNPUD9 CNPUD8 CNPUD7 CNPUD6 CNPUD5 CNPUD4 CNPUD3 CNPUD2 CNPUD1 CNPUD0 0000
CNPDD 0E3C ———— CNPDD11 CNPDD10 CNPDD9 CNPDD8 CNPDD7 CNPDD6 CNPDD5 CNPDD4 CNPDD3 CNPDD2 CNPDD1 CNPDD0 0000
ANSELD 0E3E ———————— ANSD7 ANSD6 — — — — — — 00C0
Legend: x = unknown value on Reset, — = unimplemented, read as ‘0’. Reset values are shown in hexadecimal.

2009-2012 Microchip Technology Inc. DS70616G-page 117
dsPIC33EPXXX(GP/MC/MU)806/810/814 and PIC24EPXXX(GP/GU)810/814
TABLE 4-61: PORTE REGISTER MAP FOR dsPIC33EPXXXMU810/814 AND PIC24EPXXXGU810/814 DEVICES ONLY
TABLE 4-62: PORTE REGISTER MAP FOR dsPIC33EPXXX(GP/MC/MU)806 AND PIC24EPXXXGP806 DEVICES ONLY
TABLE 4-63: PORTF REGISTER MAP FOR dsPIC33EPXXXMU810/814 AND PIC24EPXXXGU810/814 DEVICES ONLY
File
Name Addr.Bit 15Bit 14Bit 13Bit 12Bit 11Bit 10Bit 9Bit 8Bit 7Bit 6Bit 5Bit 4Bit 3Bit 2Bit 1Bit 0All
Resets
TRISE 0E40 — — — — — — TRISE9 TRISE8 TRISE7 TRISE6 TRISE5 TRISE4 TRISE3 TRISE2 TRISE1 TRISE0 03FF
PORTE 0E42 — — — — — — RE9 RE8 RE7 RE6 RE5 RE4 RE3 RE2 RE1 RE0 xxxx
LATE 0E44 — — — — — — LATE9 LATE8 LATE7 LATE6 LATE5 LATE4 LATE3 LATE2 LATE1 LATE0 xxxx
ODCE 0E46 — — — — — — — — — — — — — — — — 0000
CNENE 0E48 — — — — — — CNIEE9 CNIEE8 CNIEE7 CNIEE6 CNIEE5 CNIEE4 CNIEE3 CNIEE2 CNIEE1 CNIEE0 0000
CNPUE 0E4A — — — — — — CNPUE9 CNPUE8 CNPUE7 CNPUE6 CNPUE5 CNPUE4 CNPUE3 CNPUE2 CNPUE1 CNPUE0 0000
CNPDE 0E4C — — — — — — CNPDE9 CNPDE8 CNPDE7 CNPDE6 CNPDE5 CNPDE4 CNPDE3 CNPDE2 CNPDE1 CNPDE0 0000
ANSELE 0E4E — — — — — — ANSE9 ANSE8 ANSE7 ANSE6 ANSE5 ANSE4 ANSE3 ANSE2 ANSE1 ANSE0 03FF
Legend: x = unknown value on Reset, — = unimplemented, read as ‘0’. Reset values are shown in hexadecimal.
File
Name Addr. Bit 15 Bit 14 Bit 13 Bit 12 Bit 11 Bit 10 Bit 9 Bit 8 Bit 7 Bit 6 Bit 5 Bit 4 Bit 3 Bit 2 Bit 1 Bit 0 All
Resets
TRISE 0E40 — — — — — — — — TRISE7 TRISE6 TRISE5 TRISE4 TRISE3 TRISE2 TRISE1 TRISE0 00FF
PORTE 0E42 — — — — — — — — RE7 RE6 RE5 RE4 RE3 RE2 RE1 RE0 xxxx
LATE 0E44 — — — — — — — — LATE7LATE6LATE5LATE4LATE3LATE2LATE1LATE0xxxx
ODCE 0E46 — — — — — — — — — — — — — — — — 0000
CNENE 0E48 — — — — — — — — CNIEE7 CNIEE6 CNIEE5 CNIEE4 CNIEE3 CNIEE2 CNIEE1 CNIEE0 0000
CNPUE 0E4A — — — — — — — — CNPUE7 CNPUE6 CNPUE5 CNPUE4 CNPUE3 CNPUE2 CNPUE1 CNPUE0 0000
CNPDE 0E4C — — — — — — — — CNPDE7 CNPDE6 CNPDE5 CNPDE4 CNPDE3 CNPDE2 CNPDE1 CNPDE0 0000
ANSELE 0E4E — — — — — — — — ANSE7 ANSE6 ANSE5 ANSE4 ANSE3 ANSE2 ANSE1 ANSE0 00FF
Legend: x = unknown value on Reset, — = unimplemented, read as ‘0’. Reset values are shown in hexadecimal.
File
Name Addr. Bit 15 Bit 14 Bit 13 Bit 12 Bit 11 Bit 10 Bit 9 Bit 8 Bit 7 Bit 6 Bit 5 Bit 4 Bit 3 Bit 2 Bit 1 Bit 0 All
Resets
TRISF 0E50 —— TRISF13 TRISF12 — — —TRISF8 —— TRISF5 TRISF4 TRISF3 TRISF2 TRISF1 TRISF0 313F
PORTF 0E52 —— RF13 RF12 — — —RF8 —— RF5 RF4 RF3 RF2 RF1 RF0 xxxx
LATF 0E54 —— LATF13 LATF12 — — — LATF8 —— LATF5 LATF4 LATF3 LATF2 LATF1 LATF0 xxxx
ODCF 0E56 —— ODCF13 ODCF12 — — —ODCF8 —— ODCF5 ODCF4 ODCF3 ODCF2 ODCF1 ODCF0 0000
CNENF 0E58 —— CNIEF13 CNIEF12 — — — CNIEF8 —— CNIEF5 CNIEF4 CNIEF3 CNIEF2 CNIEF1 CNIEF0 0000
CNPUF 0E5A —— CNPUF13 CNPUF12 — — — CNPUF8 —— CNPUF5 CNPUF4 CNPUF3 CNPUF2 CNPUF1 CNPUF0 0000
CNPDF 0E5C —— CNPDF13 CNPDF12 — — — CNPDF8 —— CNPDF5 CNPDF4 CNPDF3 CNPDF2 CNPDF1 CNPDF0 0000
ANSELF 0E5E — — — — — — — — — — — — — — — — 0000
Legend: x = unknown value on Reset, — = unimplemented, read as ‘0’. Reset values are shown in hexadecimal.

dsPIC33EPXXX(GP/MC/MU)806/810/814 and PIC24EPXXX(GP/GU)810/814
DS70616G-page 118 2009-2012 Microchip Technology Inc.
TABLE 4-64: PORTF REGISTER MAP FOR dsPIC33EPXXX(GP/MC)806 AND PIC24EPXXXGP806 DEVICES ONLY
TABLE 4-65: PORTF REGISTER MAP FOR dsPIC33EPXXXMU806 DEVICES ONLY
TABLE 4-66: PORTG REGISTER MAP FOR dsPIC33EPXXXMU810/814 AND PIC24EPXXXGU810/814 DEVICES ONLY
File
Name Addr. Bit 15 Bit 14 Bit 13 Bit 12 Bit 11 Bit 10 Bit 9 Bit 8 Bit 7 Bit 6 Bit 5 Bit 4 Bit 3 Bit 2 Bit 1 Bit 0 All
Resets
TRISF 0E50 — — — — — — — — — TRISG6 TRISF5 TRISF4 TRISF3TRISF2TRISF1TRISF0 003B
PORTF 0E52 — — — — — — — — — RG6 RF5 RF4 RF3 RF2 RF1 RF0 xxxx
LATF 0E54 — — — — — — — — — LATG6 LATF5 LATF4 LATF3 LATF2 LATF1 LATF0 xxxx
ODCF 0E56 — — — — — — — — — ODCF6 ODCF5 ODCF4 ODCF3 ODCF2 ODCF1 ODCF0 0000
CNENF 0E58 — — — — — — — — — CNIEG6 CNIEF5 CNIEF4 CNIEF3 CNIEF2 CNIEF1 CNIEF0 0000
CNPUF 0E5A — — — — — — — — — CNPUG6 CNPUF5 CNPUF4 CNPUF3 CNPUF2 CNPUF1 CNPUF0 0000
CNPDF 0E5C — — — — — — — — — CNPDG6 CNPDF5 CNPDF4 CNPDF3 CNPDF2 CNPDF1 CNPDF0 0000
ANSELF 0E5E — — — — — — — — — — — — — — — — 0000
Legend: x = unknown value on Reset, — = unimplemented, read as ‘0’. Reset values are shown in hexadecimal.
File
Name Addr. Bit 15 Bit 14 Bit 13 Bit 12 Bit 11 Bit 10 Bit 9 Bit 8 Bit 7 Bit 6 Bit 5 Bit 4 Bit 3 Bit 2 Bit 1 Bit 0 All
Resets
TRISF 0E50 — — — — — — — — — — TRISF5 TRISF4 TRISF3 — TRISF1 TRISF0 003B
PORTF 0E52 — — — — — — — — — —RF5RF4RF3—RF1RF0xxxx
LATF 0E54 — — — — — — — — — — LATF5 LATF4 LATF3 — LATF1 LATF0 xxxx
ODCF 0E56 — — — — — — — — — — ODCF5 ODCF4 ODCF3 — ODCF1 ODCF0 0000
CNENF 0E58 — — — — — — — — — — CNIEF5 CNIEF4 CNIEF3 — CNIEF1 CNIEF0 0000
CNPUF 0E5A — — — — — — — — — — CNPUF5 CNPUF4 CNPUF3 — CNPUF1 CNPUF0 0000
CNPDF 0E5C — — — — — — — — — — CNPDF5 CNPDF4 CNPDF3 — CNPDF1 CNPDF0 0000
ANSELF 0E5E — — — — — — — — — — — — — — — — 0000
Legend: x = unknown value on Reset, — = unimplemented, read as ‘0’. Reset values are shown in hexadecimal.
File
Name Addr. Bit 15 Bit 14 Bit 13 Bit 12 Bit 11 Bit 10 Bit 9 Bit 8 Bit 7 Bit 6 Bit 5 Bit 4 Bit 3 Bit 2 Bit 1 Bit 0 All
Resets
TRISG 0E60 TRISG15 TRISG14 TRISG13 TRISG12 —— TRISG9 TRISG8 TRISG7 TRISG6 — — — — TRISG1 TRISG0 F3C3
PORTG 0E62 RG15 RG14 RG13 RG12 —— RG9 RG8 RG7 RG6 ——RG3
(1)RG2(1)RG1 RG0 xxxx
LATG 0E64 LATG15 LATG14 LATG13 LATG12 —— LATG9 LATG8 LATG7 LATG6 — — — —LATG1LATG0xxxx
ODCG 0E66 ODCG15 ODCG14 ODCG13 ODCG12 — — — — — — — — — — ODCG1 ODCG0 0000
CNENG 0E68 CNIEG15 CNIEG14 CNIEG13 CNIEG12 —— CNIEG9 CNIEG8 CNIEG7 CNIEG6 ——CNIEG3
(1)CNIEG2(1)CNIEG1 CNIEG0 0000
CNPUG 0E6A CNPUG15 CNPUG14 CNPUG13 CNPUG12 —— CNPUG9 CNPUG8 CNPUG7 CNPUG6 — — — — CNPUG1 CNPUG0 0000
CNPDG 0E6C CNPDG15 CNPDG14 CNPDG13 CNPDG12 —— CNPDG9 CNPDG8 CNPDG7 CNPDG6 — — — — CNPDG1 CNPDG0 0000
ANSELG 0E6E — — — — — — ANSG9 ANSG8 ANSG7 ANSG6 — — — — — — 03C0
Legend: x = unknown value on Reset, — = unimplemented, read as ‘0’. Reset values are shown in hexadecimal.
Note 1: If RG2 and RG3 are used as general purpose inputs, the VUSB3V3 pin must be connected to VDD.

2009-2012 Microchip Technology Inc. DS70616G-page 119
dsPIC33EPXXX(GP/MC/MU)806/810/814 and PIC24EPXXX(GP/GU)810/814
TABLE 4-67: PORTG REGISTER MAP FOR dsPIC33EPXXX(GP/MC)806 AND PIC24EPXXXGP806 DEVICES ONLY
TABLE 4-68: PORTG REGISTER MAP FOR dsPIC33EPXXXMU806 DEVICES ONLY
File
Name Addr. Bit 15 Bit 14 Bit 13 Bit 12 Bit 11 Bit 10 Bit 9 Bit 8 Bit 7 Bit 6 Bit 5 Bit 4 Bit 3 Bit 2 Bit 1 Bit 0 All
Resets
TRISG 0E60 — — — — — — TRISG9 TRISG8 TRISG7 TRISG6 —— TRISG3 TRISG2 — — 03C0
PORTG 0E62 — — — — — — RG9 RG8 RG7 RG6 ——RG3
(1)RG2(1)— — xxxx
LATG 0E64 — — — — — — LATG9 LATG8 LATG7 LATG6 ——LATG3LATG2 — — xxxx
ODCG 0E66 — — — — — — — — — — — — ODCG3 ODCG2 — — 0000
CNENG 0E68 — — — — — — CNIEG9 CNIEG8 CNIEG7 CNIEG6 —— CNIEG3(1)CNIEG2(1)— — 0000
CNPUG 0E6A — — — — — — CNPUG9 CNPUG8 CNPUG7 CNPUG6 —— CNPUG3 CNPUG2 — — 0000
CNPDG 0E6C — — — — — — CNPDG9 CNPDG8 CNPDG7 CNPDG6 —— CNPDG3 CNPDG2 — — 0000
ANSELG 0E6E — — — — — — ANSG9 ANSG8 ANSG7 ANSG6 — — — — — — 03C0
Legend: x = unknown value on Reset, — = unimplemented, read as ‘0’. Reset values are shown in hexadecimal.
Note 1: If RG2 and RG3 are used as general purpose inputs, the VUSB3V3 pin must be connected to VDD.
File
Name Addr. Bit 15 Bit 14 Bit 13 Bit 12 Bit 11 Bit 10 Bit 9 Bit 8 Bit 7 Bit 6 Bit 5 Bit 4 Bit 3 Bit 2 Bit 1 Bit 0 All
Resets
TRISG 0E60 — — — — — — TRISG9 TRISG8 TRISG7 TRISG6 — — — — — — 03C0
PORTG 0E62 — — — — — — RG9 RG8 RG7 RG6 ——RG3
(1)RG2(1)— — xxxx
LATG 0E64 — — — — — — LATG9 LATG8 LATG7 LATG6 — — — — — — xxxx
ODCG 0E66 — — — — — — — — — — — — — — — — 0000
CNENG 0E68 — — — — — — CNIEG9 CNIEG8 CNIEG7 CNIEG6 —— CNIEG3(1)CNIEG2(1)— — 0000
CNPUG 0E6A — — — — — — CNPUG9 CNPUG8 CNPUG7 CNPUG6 — — — — — — 0000
CNPDG 0E6C — — — — — — CNPDG9 CNPDG8 CNPDG7 CNPDG6 — — — — — — 0000
ANSELG 0E6E — — — — — — ANSG9 ANSG8 ANSG7 ANSG6 — — — — — — 03C0
Legend: x = unknown value on Reset, — = unimplemented, read as ‘0’. Reset values are shown in hexadecimal.
Note 1: If RG2 and RG3 are used as general purpose inputs, the VUSB3V3 pin must be connected to VDD.

dsPIC33EPXXX(GP/MC/MU)806/810/814 and PIC24EPXXX(GP/GU)810/814
DS70616G-page 120 2009-2012 Microchip Technology Inc.
TABLE 4-69: PORTH REGISTER MAP FOR dsPIC33EPXXXMU814 AND PIC24EPXXXGU814 DEVICES ONLY
TABLE 4-70: PORTJ REGISTER MAP FOR dsPIC33EPXXXMU814 AND PIC24EPXXXGU814 DEVICES ONLY
File
Name Addr. Bit 15 Bit 14 Bit 13 Bit 12 Bit 11 Bit 10 Bit 9 Bit 8 Bit 7 Bit 6 Bit 5 Bit 4 Bit 3 Bit 2 Bit 1 Bit 0 All
Resets
TRISH 0E70 TRISH15 TRISH14 TRISH13 TRISH12 TRISH11 TRISH10 TRISH9 TRISH8 TRISH7 TRISH6 TRISH5 TRISH4 TRISH3 TRISH2 TRISH1 TRISH0 FFFF
PORTH 0E72 RH15 RH14 RH13 RH12 RH11 RH10 RH9 RH8 RH7 RH6 RH5 RH4 RH3 RH2 RH1 RH0 xxxx
LATH 0E74 LATH15 LATH14 LATH13 LATH12 LATH11 LATH10 LATH9 LATH8 LATH7 LATH6 LATH5 LATH4 LATH3 LATH2 LATH1 LATH0 xxxx
ODCH 0E76 ODCH15 ODCH14 ODCH13 ODCH12 ODCH11 ODCH10 ODCH9 ODCH8 ODCH7 ODCH6 ODCH5 ODCH4 ODCH3 ODCH2 ODCH1 ODCH0 0000
CNENH 0E78 CNIEH15 CNIEH14 CNIEH13 CNIEH12 CNIEH11 CNIEH10 CNIEH9 CNIEH8 CNIEH7 CNIEH6 CNIEH5 CNIEH4 CNIEH3 CNIEH2 CNIEH1 CNIEH0 0000
CNPUH 0E7A CNPUH15 CNPUH14 CNPUH13 CNPUH12 CNPUH11 CNPUH10 CNPUH9 CNPUH8 CNPUH7 CNPUH6 CNPUH5 CNPUH4 CNPUH3 CNPUH2 CNPUH1 CNPUH0 0000
CNPDH 0E7C CNPDH15 CNPDH14 CNPDH13 CNPDH12 CNPDH11 CNPDH10 CNPDH9 CNPDH8 CNPDH7 CNPDH6 CNPDH5 CNPDH4 CNPDH3 CNPDH2 CNPDH1 CNPDH0 0000
ANSELH 0E7E — — — — — — — — — — — — — — — — 0000
Legend: x = unknown value on Reset, — = unimplemented, read as ‘0’. Reset values are shown in hexadecimal.
File
Name Addr. Bit 15 Bit 14 Bit 13 Bit 12 Bit 11 Bit 10 Bit 9 Bit 8 Bit 7 Bit 6 Bit 5 Bit 4 Bit 3 Bit 2 Bit 1 Bit 0 All
Resets
TRISJ 0E80 TRISJ15 TRISJ14 TRISJ13 TRISJ12 TRISJ11 TRISJ10 TRISJ9TRISJ8TRISJ7TRISJ6TRISJ5TRISJ4TRISJ3TRISJ2TRISJ1TRISJ0 FFFF
PORTJ 0E82 RJ15 RJ14 RJ13 RJ12 RJ12 RJ10 RJ9 RJ8 RJ7 RJ6 RJ5 RJ4 RJ3 RJ2 RJ1 RJ0 xxxx
LATJ 0E84 LATJ15 LATJ14 LATJ13 LATJ12 LATJ11 LATJ10 LATJ9 LATJ8 LATJ7 LATJ6 LATJ5 LATJ4 LATJ3 LATJ2 LATJ1 LATJ0 xxxx
ODCJ 0E86 ODCJ15 ODCJ14 ODCJ13 ODCJ12 ODCJ11 ODCJ10 ODCJ9 ODCJ8 ODCJ7 ODCJ6 ODCJ5 ODCJ4 ODCJ3 ODCJ2 ODCJ1 ODCJ0 0000
CNENJ 0E88 CNIEJ15 CNIEJ14 CNIEJ13 CNIEJ12 CNIEJ11 CNIEJ10 CNIEJ9 CNIEJ8 CNIEJ7 CNIEJ6 CNIEJ5 CNIEJ4 CNIEJ3 CNIEJ2 CNIEJ1 CNIEJ0 0000
CNPUJ 0E8A CNPUJ15 CNPUJ14 CNPUJ13 CNPUJ12 CNPUJ11 CNPUJ10 CNPUJ9 CNPUJ8 CNPUJ7 CNPUJ6 CNPUJ5 CNPUJ4 CNPUJ3 CNPUJ2 CNPUJ1 CNPUJ0 0000
CNPDJ 0E8C CNPDJ15 CNPDJ14 CNPDJ13 CNPDJ12 CNPDJ11 CNPDJ10 CNPDJ9 CNPDJ8 CNPDJ7 CNPDJ6 CNPDJ5 CNPDJ4 CNPDJ3 CNPDJ2 CNPDJ1 CNPDJ0 0000
ANSELJ 0E8E — — — — — — — — — — — — — — — — 0000
Legend: x = unknown value on Reset, — = unimplemented, read as ‘0’. Reset values are shown in hexadecimal.

2009-2012 Microchip Technology Inc. DS70616G-page 121
dsPIC33EPXXX(GP/MC/MU)806/810/814 and PIC24EPXXX(GP/GU)810/814
TABLE 4-71: PORTK REGISTER MAP FOR dsPIC33EPXXXMU814 AND PIC24EPXXXGU814 DEVICES ONLY
TABLE 4-72: PAD CONFIGURATION REGISTER MAP
File
Name Addr. Bit 15 Bit 14 Bit 13 Bit 12 Bit 11 Bit 10 Bit 9 Bit 8 Bit 7 Bit 6 Bit 5 Bit 4 Bit 3 Bit 2 Bit 1 Bit 0 All
Resets
TRISK 0E90 TRISK15 TRISK14 TRISK13 TRISK12 TRISK11 ————————— TRISK1 TRISK0 F803
PORTK 0E92 RK15 RK14 RK13 RK12 RK11 —————————RK1RK0xxxx
LATK 0E94 LATK15 LATK14 LATK13 LATK12 LATK11 —————————LATK1LATK0xxxx
ODCK 0E96 ODCK15 ODCK14 ODCK13 ODCK12 ODCK11 ————————— ODCK1 ODCK0 0000
CNENK 0E98 CNIEK15 CNIEK14 CNIEK13 CNIEK12 CNIEK11 ————————— CNIEK1 CNIEK0 0000
CNPUK 0E9A CNPUK15 CNPUK14 CNPUK13 CNPUK12 CNPUK11 ————————— CNPUK1 CNPUK0 0000
CNPDK 0E9C CNPDK15 CNPDK14 CNPDK13 CNPDK12 CNPDK11 ————————— CNPDK1 CNPDK0 0000
ANSELK 0E9E — — — — — — — — — — — — — — — — 0000
Legend: x = unknown value on Reset, — = unimplemented, read as ‘0’. Reset values are shown in hexadecimal.
File Name Addr. Bit 15 Bit 14 Bit 13 Bit 12 Bit 11 Bit 10 Bit 9 Bit 8 Bit 7 Bit 6 Bit 5 Bit 4 Bit 3 Bit 2 Bit 1 Bit 0 All
Resets
PADCFG1 0EFE — — — — — — — — — — — — — — RTSECSEL PMPTTL 0000
Legend: x = unknown value on Reset, — = unimplemented, read as ‘0’. Reset values are shown in hexadecimal.

dsPIC33EPXXX(GP/MC/MU)806/810/814 and PIC24EPXXX(GP/GU)810/814
DS70616G-page 122 2009-2012 Microchip Technology Inc.
4.4.1 PAGED MEMORY SCHEME
The dsPIC33EPXXX(GP/MC/MU)806/810/814 and
PIC24EPXXX(GP/GU)810/814 architecture extends
the available data space through a paging scheme,
which allows the available data space to be accessed
using MOV instructions in a linear fashion for pre- and
post-modified Effective Addresses (EA). The upper half
of Base Data Space address is used in conjunction with
the Data Space Page registers, the 10-Bit Read Page
register (DSRPAG) or the 9-Bit Write Page register
(DSWPAG), to form an Extended Data Space (EDS)
address or Program Space Visibility (PSV) address.
The Data Space Page registers are located in the SFR
space.
Construction of the EDS address is shown in Figure 4-1.
When DSRPAG<9> = 0 and the base address bit,
EA<15> = 1, DSRPAG<8:0> is concatenated onto
EA<14:0> to form the 24-bit EDS read address.
Similarly, when the base address bit, EA<15> = 1,
DSWPAG<8:0> is concatenated onto EA<14:0> to form
the 24-bit EDS write address.
EXAMPLE 4-1: EXTENDED DATA SPACE (EDS) READ ADDRESS GENERATION
1
DSRPAG<8:0>
9 Bits
EA
15 Bits
Select
Byte
24-Bit EDS EA Select
EA
(DSRPAG = Don't Care) No EDS Access
Select
16-Bit DS EA Byte
EA<15> = 0
DSRPAG
0
EA<15>
Note: DS read access when DSRPAG = 0x000 will force an address error trap.
=
1
?
DSRPAG<9>
Y
N
Generate
PSV Address
0

2009-2012 Microchip Technology Inc. DS70616G-page 123
dsPIC33EPXXX(GP/MC/MU)806/810/814 and PIC24EPXXX(GP/GU)810/814
EXAMPLE 4-2: EXTENDED DATA SPACE (EDS) WRITE ADDRESS GENERATION
The paged memory scheme provides access to
multiple 32-Kbyte windows in the EDS and PSV
memory. The Data Space Page registers DSxPAG, in
combination with the upper half of data space address
can provide up to 16 Mbytes of additional address
space in the EDS and 12 Mbytes (DSRPAG only) of
PSV address space. The paged data memory space is
shown in Example 4-3.
The Program Space (PS) can be accessed with
DSRPAG of 0x200 or greater. Only reads from PS are
supported using the DSRPAG. Writes to PS are not
supported, so DSWPAG is dedicated to DS, including
EDS, only. The data space and EDS can be read from
and written to using DSRPAG and DSWPAG,
respectively.
1
DSWPAG<8:0>
9 Bits
EA
15 Bits
Byte
24-Bit EDS EA Select
EA
(DSWPAG = Don’t Care)
No EDS Access
Select
16-Bit DS EA Byte
EA<15> = 0
Note: DS read access when DSRPAG = 0x000 will force an address error trap.
Generate
PSV Address
0
EA<15>

dsPIC33EPXXX(GP/MC/MU)806/810/814 and PIC24EPXXX(GP/GU)810/814
DS70616G-page 124 2009-2012 Microchip Technology Inc.
EXAMPLE 4-3: PAGED DATA MEMORY SPACE
0x0000
Program Memory
0x0000
0x7FFF
0x7FFF
EDS Page 0x001
0x0000
SFR Registers
0x0FFF
0x1000
Up to 28 Kbytes
0x7FFF
Local Data Space EDS
(DSRPAG<9:0>/DSWPAG<8:0>)
Reserved
(Will produce an
address error trap)
32 Kbytes
EDS Window
0xFFFF
0x8000
Page 0
Program Space
0x00_0000
0x7F_FFFF
(lsw – <15:0>)
0x0000
(DSRPAG = 0x001)
(DSWPAG = 0x001)
EDS Page 0x1FF
(DSRPAG = 0x1FF)
(DSWPAG = 0x1FF)
EDS Page 0x200
(DSRPAG = 0x200)
PSV
Program
Memory
EDS Page 0x2FF
(DSRPAG = 0x2FF)
EDS Page 0x300
(DSRPAG = 0x300)
EDS Page 0x3FF
(DSRPAG = 0x3FF)
0x0000
0x7FFF
0x0000
0x7FFF
0x0000
0x7FFF
0x7FFF
DS_Addr<14:0>
DS_Addr<15:0>
(lsw)
PSV
Program
Memory
(MSB)
Table Address Space
(TBLPAG<7:0>)
Program Memory
0x00_0000
0x7F_FFFF
(MSB – <23:16>)
(TBLPAG = 0x00)
0xFFFF
DS_Addr<15:0>
lsw using
TBLRDL/TBLWTL
MSB using
TBLRDH/TBLWTH
0x0000 (TBLPAG = 0x7F)
0xFFFF
lsw using
TBLRDL/TBLWTL
MSB using
TBLRDH/TBLWTH
(Instruction and Data)
No Writes Allowed
No Writes Allowed
No Writes Allowed
No Writes Allowed
RAM
0x0000
0x7FFF
0x0000

2009-2012 Microchip Technology Inc. DS70616G-page 125
dsPIC33EPXXX(GP/MC/MU)806/810/814 and PIC24EPXXX(GP/GU)810/814
Allocating different Page registers for read and write
access allows the architecture to support data
movement between different pages in data memory.
This is accomplished by setting the DSRPAG register
value to the page from which you want to read and
configuring the DSWPAG register to the page to which
it needs to be written. Data can also be moved from
different PSV to EDS pages, by configuring the
DSRPAG and DSWPAG registers to address PSV and
EDS space, respectively. The data can be moved
between pages by a single instruction.
When an EDS or PSV page overflow or underflow
occurs, EA<15> is cleared as a result of the register
indirect EA calculation. An overflow or underflow of the
EA in the EDS or PSV pages can occur at the page
boundaries when:
• The initial address, prior to modification,
addresses an EDS or PSV page.
• The EA calculation uses Pre- or Post-Modified
Register Indirect Addressing. However, this does
not include Register Offset Addressing.
In general, when an overflow is detected, the DSxPAG
register is incremented and the EA<15> bit is set to
keep the base address within the EDS or PSV window.
When an underflow is detected, the DSxPAG register is
decremented and the EA<15> bit is set to keep the
base address within the EDS or PSV window. This
creates a linear EDS and PSV address space, but only
when using Register Indirect Addressing modes.
Exceptions to the operation described above arise
when entering and exiting the boundaries of Page 0,
EDS and PSV spaces. Table 4 - 7 3 lists the effects of
overflow and underflow scenarios at different
boundaries.
In the following cases, when overflow or underflow
occurs, the EA<15> bit is set and the DSxPAG is not
modified; therefore, the EA will wrap to the beginning of
the current page:
• Register Indirect with Register Offset Addressing
• Modulo Addressing
• Bit-Reversed Addressing
TABLE 4-73: OVERFLOW AND UNDERFLOW SCENARIOS AT PAGE 0, EDS and
PSV SPACE BOUNDARIES(2,3,4)
O/U,
R/W Operation
Before After
DSxPAG DS
EA<15>
Page
Description DSxPAG DS
EA<15>
Page
Description
O,
Read
[++Wn]
or
[Wn++]
DSRPAG = 0x1FF 1EDS: Last page DSRPAG = 0x1FF 0See Note 1
O,
Read
DSRPAG = 0x2FF 1PSV: Last lsw
page
DSRPAG = 0x300 1PSV: First MSB
page
O,
Read
DSRPAG = 0x3FF 1PSV: Last MSB
page
DSRPAG = 0x3FF 0See Note 1
O,
Write
DSWPAG = 0x1FF 1EDS: Last page DSWPAG = 0x1FF 0See Note 1
U,
Read
[--Wn]
or
[Wn--]
DSRPAG = 0x001 1EDS page DSRPAG = 0x001 0See Note 1
U,
Read
DSRPAG = 0x200 1PSV: First lsw
page
DSRPAG = 0x200 0See Note 1
U,
Read
DSRPAG = 0x300 1PSV: First MSB
page
DSRPAG = 0x2FF 1PSV: Last lsw
page
Legend: O = Overflow, U = Underflow, R = Read, W = Write
Note 1: Register Indirect Addressing now addresses a location in the Base Data Space (0x0000-0x8000).
2: An EDS access with DSxPAG = 0x000 will generate an address error trap.
3: Only reads from PS are supported using DSRPAG. An attempt to write to PS using DSWPAG will generate
an address error trap.
4: Pseudo-Linear Addressing is not supported for large offsets.

dsPIC33EPXXX(GP/MC/MU)806/810/814 and PIC24EPXXX(GP/GU)810/814
DS70616G-page 126 2009-2012 Microchip Technology Inc.
4.4.2 EXTENDED X DATA SPACE
The lower half of the base address space range, between
0x0000 and 0x7FFF, is always accessible regardless of
the contents of the Data Space Page registers. It is
indirectly addressable through the register indirect
instructions. It can be regarded as being located in the
default EDS Page 0 (i.e., EDS address range of
0x000000 to 0x007FFF with the base address bit,
EA<15> = 0, for this address range). However, Page 0
cannot be accessed through the upper 32 Kbytes
(0x8000 to 0xFFFF) of Base Data Space, in combination
with DSRPAG = 0x00 or DSWPAG = 0x00.
Consequently, DSRPAG and DSWPAG are initialized to
0x001 at Reset.
The remaining pages including both EDS and PSV
pages are only accessible using the DSRPAG or
DSWPAG registers in combination with the upper
32 Kbytes, 0x8000 to 0xFFFF, of the base address,
where base address bit, EA<15> = 1.
For example, when DSRPAG = 0x01 or
DSWPAG = 0x01, accesses to the upper 32 Kbytes,
0x8000 to 0xFFFF, of the data space will map to the
EDS address range of 0x008000 to 0x00FFFF.
When DSRPAG = 0x02 or DSWPAG = 0x02,
accesses to the upper 32 Kbytes of the data space
will map to the EDS address range of 0x010000 to
0x017FFF and so on, as shown in the EDS memory
map in Figure 4-7.
For more information of the PSV page access using
Data Space Page registers refer to Section 4.5
“Program Space Visibility from Data Space” in
Section 4. “Program Memory” (DS70613) of the
“dsPIC33E/PIC24E Family Reference Manual”.
FIGURE 4-7: EDS MEMORY MAP
Note 1: DSxPAG should not be used to access
Page 0. An EDS access with DSxPAG
set to 0x000 will generate an address
error trap.
2: Clearing DSxPAG in software has no
effect.
0x008000
0x010000
0x018000
0xFE8000
0xFF0000
0xFF8000
SFR/DS
0x0000
0xFFFF
EDS EA Address (24 bits)
DS
Conventional
EA<15:0>
0x8000
(PAGE 0)
(DSWPAG<8:0>, EA<14:0>)
DSRPAG<9> = 0
DS Address
Page 1FD
Page 1FE
Page 1FF
Page 1
Page 2
Page 3
(DSRPAG<8:0>, EA<14:0>)

2009-2012 Microchip Technology Inc. DS70616G-page 127
dsPIC33EPXXX(GP/MC/MU)806/810/814 and PIC24EPXXX(GP/GU)810/814
4.4.3 EDS ARBITRATION AND BUS
MASTER PRIORITY
EDS accesses from bus masters in the system are
arbitrated.
The arbiter for data memory (including EDS) arbitrates
between the CPU, the DMA, the USB module and the
ICD module. In the event of coincidental access to a
bus by the bus masters, the arbiter determines which
bus master access has the highest priority. The other
bus masters are suspended and processed after the
access of the bus by the bus master with the highest
priority.
By default, the CPU is Bus Master 0 (M0) with the
highest priority and the ICD is Bus Master 4 (M4) with
the lowest priority. The remaining bus masters (USB
and DMA Controllers) are allocated to M2 and M3,
respectively (M1 is reserved and cannot be used). The
user application may raise or lower the priority of the
masters to be above that of the CPU by setting the
appropriate bits in the EDS Bus Master Priority Control
(MSTRPR) register. All bus masters with raised
priorities will maintain the same priority relationship
relative to each other (i.e., M1 being highest and M3
being lowest, with M2 in between). Also, all the bus
masters with priorities below that of the CPU maintain
the same priority relationship relative to each other.
The priority schemes for bus masters with different
MSTRPR values are tabulated in Table 4-74.
This bus master priority control allows the user
application to manipulate the real-time response of the
system, either statically during initialization, or
dynamically in response to real-time events.
TABLE 4-74: EDS BUS ARBITER PRIORITY
FIGURE 4-8: EDS ARBITER ARCHITECTURE
Priority
MSTRPR<15:0> Bit Setting(1)
0x0000 0x0008 0x0020 0x0028
M0 (highest) CPU USB DMA USB
M1 Reserved CPU CPU DMA
M2 USB Reserved Reserved CPU
M3 DMA DMA USB Reserved
M4 (lowest) ICD ICD ICD ICD
Note 1: All other values of MSTRPR<15:0> are reserved.
DPSRAM ICD
USB
EDS Arbiter
M0 M1 M2 M3 M4
Reserved
MSTRPR<15:0>
DMA CPU
SRAM

dsPIC33EPXXX(GP/MC/MU)806/810/814 and PIC24EPXXX(GP/GU)810/814
DS70616G-page 128 2009-2012 Microchip Technology Inc.
4.4.4 SOFTWARE STACK
The W15 register serves as a dedicated software Stack
Pointer (SP) and is automatically modified by exception
processing, subroutine calls and returns; however,
W15 can be referenced by any instruction in the same
manner as all other W registers. This simplifies
reading, writing and manipulating of the Stack Pointer
(for example, creating stack frames).
W15 is initialized to 0x1000 during all Resets. This
address ensures that the SP points to valid RAM in
all dsPIC33EPXXX(GP/MC/MU)806/810/814 and
PIC24EPXXX(GP/GU)810/814 devices and permits
stack availability for non-maskable trap exceptions.
These can occur before the SP is initialized by the user
software. You can reprogram the SP during
initialization to any location within data space.
The Stack Pointer always points to the first available
free word and fills the software stack working from
lower toward higher addresses. Figure 4-9 illustrates
how it pre-decrements for a stack pop (read) and
post-increments for a stack push (writes).
When the PC is pushed onto the stack, PC<15:0> is
pushed onto the first available stack word, then
PC<22:16> is pushed into the second available stack
location. For a PC push during any CALL instruction,
the MSB of the PC is zero-extended before the push,
as shown in Figure 4-9. During exception processing,
the MSB of the PC is concatenated with the lower 8 bits
of the CPU STATUS Register, SR. This allows the
contents of SRL to be preserved automatically during
interrupt processing.
FIGURE 4-9: CALL STACK FRAME
4.5 Instruction Addressing Modes
The addressing modes, shown in Table 4-75, form the
basis of the addressing modes optimized to support the
specific features of individual instructions. The
addressing modes provided in the MAC class of
instructions differ from those in the other instruction
types.
4.5.1 FILE REGISTER INSTRUCTIONS
Most file register instructions use a 13-bit address field
(f) to directly address data present in the first
8192 bytes of data memory (Near Data Space). Most
file register instructions employ a working register, W0,
which is denoted as WREG in these instructions. The
destination is typically either the same file register or
WREG (with the exception of the MUL instruction),
which writes the result to a register or register pair. The
MOV instruction allows additional flexibility and can
access the entire data space.
4.5.2 MCU INSTRUCTIONS
The three-operand MCU instructions are of the form:
Operand 3 = Operand 1 <function> Operand 2
where Operand 1 is always a working register (that is,
the addressing mode can only be Register Direct),
which is referred to as Wb. Operand 2 can be a W reg-
ister, fetched from data memory, or a 5-bit literal. The
result location can be either a W register or a data
memory location. The following addressing modes are
supported by MCU instructions:
• Register Direct
• Register Indirect
• Register Indirect Post-Modified
• Register Indirect Pre-Modified
• 5-bit or 10-bit Literal
Note: To protect against misaligned stack
accesses, W15<0> is fixed to ‘0’ by the
hardware.
Note 1: For main system Stack Pointer (W15)
coherency, W15 is never subject to
(EDS) paging and is therefore,
restricted to the address range of
0x0000 to 0xFFFF. The same applies to
W14 when used as a Stack Frame
Pointer (SFA = 1).
2: As the stack can be placed in and
across X, Y and DMA RAM spaces,
care must be exercised regarding its
use, particularly with regard to local
automatic variables in a C development
environment.
Note: Not all instructions support all of the
addressing modes given above. Individ-
ual instructions can support different
subsets of these addressing modes.
<Free Word>
PC<15:1>
b‘000000000’
015
W15 (before CALL)
W15 (after CALL)
Stack Grows Toward
Higher Address
0x0000
PC<22:16>
CALL SUBR

2009-2012 Microchip Technology Inc. DS70616G-page 129
dsPIC33EPXXX(GP/MC/MU)806/810/814 and PIC24EPXXX(GP/GU)810/814
TABLE 4-75: FUNDAMENTAL ADDRESSING MODES SUPPORTED
4.5.3 MOVE AND ACCUMULATOR
INSTRUCTIONS
Move instructions (dsPIC33EPXXXMU806/810/814
and PIC24EPXXXGU810/814) and the DSP accumula-
tor class of instructions (dsPIC33EPXXXMU806/810/
814 only) provide a greater degree of addressing
flexibility than other instructions. In addition to the
addressing modes supported by most MCU
instructions, move and accumulator instructions also
support Register Indirect with Register Offset
Addressing mode, also referred to as Register Indexed
mode.
In summary, the following addressing modes are
supported by move and accumulator instructions:
• Register Direct
• Register Indirect
• Register Indirect Post-modified
• Register Indirect Pre-modified
• Register Indirect with Register Offset (Indexed)
• Register Indirect with Literal Offset
• 8-Bit Literal
• 16-Bit Literal
4.5.4 MAC INSTRUCTIONS
(dsPIC33EPXXXMU806/810/814
DEVICES ONLY)
The dual source operand DSP instructions (CLR, ED,
EDAC, MAC, MPY, MPY.N, MOVSAC and MSC), also referred
to as MAC instructions, use a simplified set of addressing
modes to allow the user application to effectively
manipulate the Data Pointers through register indirect
tables.
The two-source operand prefetch registers must be
members of the set {W8, W9, W10, W11}. For data
reads, W8 and W9 are always directed to the X RAGU,
and W10 and W11 are always directed to the Y AGU.
The Effective Addresses generated (before and after
modification) must, therefore, be valid addresses within
X data space for W8 and W9 and Y data space for W10
and W11.
In summary, the following addressing modes are
supported by the MAC class of instructions:
• Register Indirect
• Register Indirect Post-Modified by 2
• Register Indirect Post-Modified by 4
• Register Indirect Post-Modified by 6
• Register Indirect with Register Offset (Indexed)
4.5.5 OTHER INSTRUCTIONS
Besides the addressing modes outlined previously, some
instructions use literal constants of various sizes. For
example, BRA (branch) instructions use 16-bit signed
literals to specify the branch destination directly, whereas
the DISI instruction uses a 14-bit unsigned literal field. In
some instructions, such as ULNK, the source of an
operand or result is implied by the opcode itself. Certain
operations, such as NOP, do not have any operands.
Addressing Mode Description
File Register Direct The address of the file register is specified explicitly.
Register Direct The contents of a register are accessed directly.
Register Indirect The contents of Wn forms the Effective Address (EA).
Register Indirect Post-Modified The contents of Wn forms the EA. Wn is post-modified (incremented
or decremented) by a constant value.
Register Indirect Pre-Modified Wn is pre-modified (incremented or decremented) by a signed constant value
to form the EA.
Register Indirect with Register Offset
(Register Indexed)
The sum of Wn and Wb forms the EA.
Register Indirect with Literal Offset The sum of Wn and a literal forms the EA.
Note: For the MOV instructions, the addressing
mode specified in the instruction can differ
for the source and destination EA.
However, the 4-bit Wb (Register Offset)
field is shared by both source and
destination (but typically only used by
one).
Note: Not all instructions support all the
addressing modes given above. Individual
instructions may support different subsets
of these addressing modes.
Note: Register Indirect with Register Offset
Addressing mode is available only for W9
(in X space) and W11 (in Y space).

dsPIC33EPXXX(GP/MC/MU)806/810/814 and PIC24EPXXX(GP/GU)810/814
DS70616G-page 130 2009-2012 Microchip Technology Inc.
4.6 Modulo Addressing
(dsPIC33EPXXXMU806/810/814
Devices Only)
Modulo Addressing mode is a method of providing an
automated means to support circular data buffers using
hardware. The objective is to remove the need for
software to perform data address boundary checks
when executing tightly looped code, as is typical in
many DSP algorithms.
Modulo Addressing can operate in either data or
Program Space (since the Data Pointer mechanism is
essentially the same for both). One circular buffer can be
supported in each of the X (which also provides the point-
ers into Program Space) and Y data spaces. Modulo
Addressing can operate on any W Register Pointer. How-
ever, it is not advisable to use W14 or W15 for Modulo
Addressing since these two registers are used as the
Stack Frame Pointer and Stack Pointer, respectively.
In general, any particular circular buffer can be config-
ured to operate in only one direction as there are
certain restrictions on the buffer start address (for incre-
menting buffers), or end address (for decrementing
buffers), based upon the direction of the buffer.
The only exception to the usage restrictions is for
buffers that have a power-of-two length. As these
buffers satisfy the start and end address criteria, they
can operate in a bidirectional mode (that is, address
boundary checks are performed on both the lower and
upper address boundaries).
4.6.1 START AND END ADDRESS
The Modulo Addressing scheme requires that a
starting and ending address be specified and loaded
into the 16-bit Modulo Buffer Address registers:
XMODSRT, XMODEND, YMODSRT and YMODEND
(see Ta bl e 4 -1 ).
The length of a circular buffer is not directly specified. It
is determined by the difference between the
corresponding start and end addresses. The maximum
possible length of the circular buffer is 32K words
(64 Kbytes).
4.6.2 W ADDRESS REGISTER
SELECTION
The Modulo and Bit-Reversed Addressing Control
register, MODCON<15:0>, contains enable flags as well
as a W register field to specify the W Address registers.
The XWM and YWM fields select the registers that
operate with Modulo Addressing:
•If XWM = 1111, X RAGU and X WAGU Modulo
Addressing is disabled.
•If YWM = 1111, Y AGU Modulo Addressing is
disabled.
The X Address Space Pointer W register (XWM), to
which Modulo Addressing is to be applied, is stored in
MODCON<3:0> (see Table 4-1). Modulo Addressing is
enabled for X data space when XWM is set to any value
other than ‘1111’ and the XMODEN bit is set at
MODCON<15>.
The Y Address Space Pointer W register (YWM) to
which Modulo Addressing is to be applied is stored in
MODCON<7:4>. Modulo Addressing is enabled for Y
data space when YWM is set to any value other than
‘1111’ and the YMODEN bit is set at MODCON<14>.
FIGURE 4-10: MODULO ADDRESSING OPERATION EXAMPLE
Note: Y space Modulo Addressing EA calcula-
tions assume word-sized data (LSb of
every EA is always clear).
0x1100
0x1163
Start Addr = 0x1100
End Addr = 0x1163
Length = 0x0032 words
Byte
Address
MOV #0x1100, W0
MOV W0, XMODSRT ;set modulo start address
MOV #0x1163, W0
MOV W0, MODEND ;set modulo end address
MOV #0x8001, W0
MOV W0, MODCON ;enable W1, X AGU for modulo
MOV #0x0000, W0 ;W0 holds buffer fill value
MOV #0x1110, W1 ;point W1 to buffer
DO AGAIN, #0x31 ;fill the 50 buffer locations
MOV W0, [W1++] ;fill the next location
AGAIN: INC W0, W0 ;increment the fill value

2009-2012 Microchip Technology Inc. DS70616G-page 131
dsPIC33EPXXX(GP/MC/MU)806/810/814 and PIC24EPXXX(GP/GU)810/814
4.6.3 MODULO ADDRESSING
APPLICABILITY
Modulo Addressing can be applied to the Effective
Address (EA) calculation associated with any W
register. Address boundaries check for addresses
equal to:
• The upper boundary addresses for incrementing
buffers
• The lower boundary addresses for decrementing
buffers
It is important to realize that the address boundaries
check for addresses less than or greater than the upper
(for incrementing buffers) and lower (for decrementing
buffers) boundary addresses (not just equal to).
Address changes can, therefore, jump beyond
boundaries and still be adjusted correctly.
4.7 Bit-Reversed Addressing
(dsPIC33EPXXXMU806/810/814
Devices Only)
Bit-Reversed Addressing mode is intended to simplify
data reordering for radix-2 FFT algorithms. It is
supported by the X AGU for data writes only.
The modifier, which can be a constant value or register
contents, is regarded as having its bit order reversed.
The address source and destination are kept in normal
order. Thus, the only operand requiring reversal is the
modifier.
4.7.1 BIT-REVERSED ADDRESSING
IMPLEMENTATION
Bit-Reversed Addressing mode is enabled in any of
these situations:
• BWMx bits (W register selection) in the MODCON
register are any value other than ‘1111’ (the stack
cannot be accessed using Bit-Reversed
Addressing)
• The BREN bit is set in the XBREV register
• The addressing mode used is Register Indirect
with Pre-Increment or Post-Increment
If the length of a bit-reversed buffer is M = 2N bytes,
the last ‘N’ bits of the data buffer start address must
be zeros.
XB<14:0> is the Bit-Reversed Address modifier, or
‘pivot point,’ which is typically a constant. In the case of
an FFT computation, its value is equal to half of the FFT
data buffer size.
When enabled, Bit-Reversed Addressing is executed
only for Register Indirect with Pre-Increment or Post-
Increment Addressing and word-sized data writes. It
does not function for any other addressing mode or for
byte-sized data and normal addresses are generated
instead. When Bit-Reversed Addressing is active, the
W Address Pointer is always added to the address
modifier (XB) and the offset associated with the
Register Indirect Addressing mode is ignored. In
addition, as word-sized data is a requirement, the LSb
of the EA is ignored (and always clear).
If Bit-Reversed Addressing has already been enabled
by setting the BREN (XBREV<15>) bit, a write to the
XBREV register should not be immediately followed by
an indirect read operation using the W register that has
been designated as the Bit-Reversed Pointer.
Note: The modulo corrected Effective Address
is written back to the register only when
Pre-Modify or Post-Modify Addressing
mode is used to compute the Effective
Address. When an address offset (such
as [W7 + W2]) is used, Modulo
Addressing correction is performed but
the contents of the register remain
unchanged.
Note: All bit-reversed EA calculations assume
word-sized data (LSb of every EA is
always clear). The XB value is scaled
accordingly to generate compatible (byte)
addresses.
Note: Modulo Addressing and Bit-Reversed
Addressing can be enabled simultaneously
using the same W register, but Bit-
Reversed Addressing operation will always
take precedence for data writes when
enabled.

dsPIC33EPXXX(GP/MC/MU)806/810/814 and PIC24EPXXX(GP/GU)810/814
DS70616G-page 132 2009-2012 Microchip Technology Inc.
FIGURE 4-11: BIT-REVERSED ADDRESS EXAMPLE
TABLE 4-76: BIT-REVERSED ADDRESS SEQUENCE (16-ENTRY)
Normal Address Bit-Reversed Address
A3 A2 A1 A0 Decimal A3 A2 A1 A0 Decimal
0000 00000 0
0001 11000 8
0010 20100 4
0011 31100 12
0100 40010 2
0101 51010 10
0110 60110 6
0111 71110 14
1000 80001 1
1001 91001 9
1010 10 0101 5
1011 11 1101 13
1100 12 0011 3
1101 13 1011 11
1110 14 0111 7
1111 15 1111 15
b3 b2 b1 0
b2 b3 b4 0
Bit Locations Swapped Left-to-Right
Around Center of Binary Value
Bit-Reversed Address
XB = 0x0008 for a 16-Word Bit-Reversed Buffer
b7 b6 b5 b1
b7 b6 b5 b4
b11 b10 b9 b8
b11 b10 b9 b8
b15 b14 b13 b12
b15 b14 b13 b12
Sequential Address
Pivot Point

2009-2012 Microchip Technology Inc. DS70616G-page 133
dsPIC33EPXXX(GP/MC/MU)806/810/814 and PIC24EPXXX(GP/GU)810/814
4.8 Interfacing Program and Data
Memory Spaces
The dsPIC33EPXXX(GP/MC/MU)806/810/814 and
PIC24EPXXX(GP/GU)810/814 architecture uses a
24-bit wide Program Space and a 16-bit wide data
space. The architecture is also a modified Harvard
scheme, meaning that data can also be present in the
Program Space. To use this data successfully, it must
be accessed in a way that preserves the alignment of
information in both spaces.
Aside from normal execution, the
dsPIC33EPXXX(GP/MC/MU)806/810/814 and
PIC24EPXXX(GP/GU)810/814 architecture provides
two methods by which Program Space can be
accessed during operation:
• Using table instructions to access individual bytes
or words anywhere in the Program Space
• Remapping a portion of the Program Space into
the data space (Program Space Visibility)
Table instructions allow an application to read or write
to small areas of the program memory. This capability
makes the method ideal for accessing data tables that
need to be updated periodically. It also allows access
to all bytes of the program word. The remapping
method allows an application to access a large block of
data on a read-only basis, which is ideal for look-ups
from a large table of static data. The application can
only access the least significant word of the program
word.
TABLE 4-77: PROGRAM SPACE ADDRESS CONSTRUCTION
FIGURE 4-12: DATA ACCESS FROM PROGRAM SPACE ADDRESS GENERATION
Access Type Access
Space
Program Space Address
<23> <22:16> <15> <14:1> <0>
Instruction Access
(Code Execution)
User 0PC<22:1> 0
0xx xxxx xxxx xxxx xxxx xxx0
TBLRD/TBLWT
(Byte/Word Read/Write)
User TBLPAG<7:0> Data EA<15:0>
0xxx xxxx xxxx xxxx xxxx xxxx
Configuration TBLPAG<7:0> Data EA<15:0>
1xxx xxxx xxxx xxxx xxxx xxxx
0Program Counter
23 Bits
Program Counter(1)
TBLPAG
8 Bits
EA
16 Bits
Byte Select
0
1/0
User/Configuration Space Select
Table Operations(2)
24 Bits
1/0
Note 1: The Least Significant bit (LSb) of Program Space addresses is always fixed as ‘0’ to maintain word
alignment of data in the program and data spaces.
2: Table operations are not required to be word-aligned. Table read operations are permitted in the
configuration memory space.

dsPIC33EPXXX(GP/MC/MU)806/810/814 and PIC24EPXXX(GP/GU)810/814
DS70616G-page 134 2009-2012 Microchip Technology Inc.
4.8.1 DATA ACCESS FROM PROGRAM
MEMORY USING TABLE
INSTRUCTIONS
The TBLRDL and TBLWTL instructions offer a direct
method of reading or writing the lower word of any
address within the Program Space without going
through data space. The TBLRDH and TBLWTH
instructions are the only method to read or write the
upper 8 bits of a Program Space word as data.
The PC is incremented by two for each successive
24-bit program word. This allows program memory
addresses to directly map to data space addresses.
Program memory can thus be regarded as two 16-bit
wide word address spaces, residing side by side, each
with the same address range. TBLRDL and TBLWTL
access the space that contains the least significant
data word. TBLRDH and TBLWTH access the space that
contains the upper data byte.
Two table instructions are provided to move byte or
word-sized (16-bit) data to and from Program Space.
Both function as either byte or word operations.
•TBLRDL (Table Read Low):
- In Word mode, this instruction maps the
lower word of the Program Space
location (P<15:0>) to a data address
(D<15:0>).
- In Byte mode, either the upper or lower byte
of the lower program word is mapped to the
lower byte of a data address. The upper byte
is selected when Byte Select is ‘1’; the lower
byte is selected when it is ‘0’.
•TBLRDH (Table Read High):
- In Word mode, this instruction maps the entire
upper word of a program address (P<23:16>)
to a data address. The ‘phantom’ byte
(D<15:8>), is always ‘0’.
- In Byte mode, this instruction maps the upper
or lower byte of the program word to D<7:0>
of the data address, in the TBLRDL instruc-
tion. The data is always ‘0’ when the upper
‘phantom’ byte is selected (Byte Select = 1).
In a similar fashion, two table instructions, TBLWTH
and TBLWTL, are used to write individual bytes or
words to a Program Space address. The details of
their operation are explained in Section 5.0 “Flash
Program Memory”.
For all table operations, the area of program memory
space to be accessed is determined by the Table Page
register (TBLPAG). TBLPAG covers the entire program
memory space of the device, including user application
and configuration spaces. When TBLPAG<7> = 0, the
table page is located in the user memory space. When
TBLPAG<7> = 1, the page is located in configuration
space.
FIGURE 4-13: ACCESSING PROGRAM MEMORY WITH TABLE INSTRUCTIONS
081623
00000000
00000000
00000000
00000000
‘Phantom’ Byte
TBLRDH.B (Wn<0> = 0)
TBLRDL.W
TBLRDL.B (Wn<0> = 1)
TBLRDL.B (Wn<0> = 0)
23 15 0
TBLPAG
02
0x000000
0x800000
0x020000
0x030000
Program Space
The address for the table operation is determined by the data EA
within the page defined by the TBLPAG register.
Only read operations are shown; write operations are also valid in
the user memory area.

2009-2012 Microchip Technology Inc. DS70616G-page 135
dsPIC33EPXXX(GP/MC/MU)806/810/814 and PIC24EPXXX(GP/GU)810/814
5.0 FLASH PROGRAM MEMORY
The dsPIC33EPXXX(GP/MC/MU)806/810/814 and
PIC24EPXXX(GP/GU)810/814 devices contain
internal Flash program memory for storing and
executing application code. The memory is readable,
writable and erasable during normal operation over the
entire VDD range.
Flash memory can be programmed in two ways:
• In-Circuit Serial Programming™ (ICSP™)
programming capability
• Run-Time Self-Programming (RTSP)
ICSP allows a dsPIC33EPXXX(GP/MC/MU)806/810/
814 and PIC24EPXXX(GP/GU)810/814 device to be
serially programmed while in the end application circuit.
This is done with two lines for programming clock and
programming data (one of the alternate programming
pin pairs: PGECx/PGEDx), and three other lines for
power (VDD), ground (VSS) and Master Clear (MCLR).
This allows customers to manufacture boards with
unprogrammed devices and then program the device
just before shipping the product. This also allows the
most recent firmware or a custom firmware to be
programmed.
RTSP is accomplished using TBLRD (table read) and
TBLWT (table write) instructions. With RTSP, the user
application can write program memory data either in
blocks or ‘rows’ of 128 instructions (384 bytes) at a time
or a single program memory word, and erase program
memory in blocks or ‘pages’ of 1024 instructions
(3072 bytes) at a time.
5.1 Table Instructions and Flash
Programming
Regardless of the method used, all programming of
Flash memory is done with the table read and table
write instructions. These allow direct read and write
access to the program memory space from the data
memory while the device is in normal operating mode.
The 24-bit target address in the program memory is
formed using bits<7:0> of the TBLPAG register and the
Effective Address (EA) from a W register, specified in
the table instruction, as shown in Figure 5-1.
The TBLRDL and the TBLWTL instructions are used to
read or write to bits<15:0> of program memory.
TBLRDL and TBLWTL can access program memory in
both Word and Byte modes.
The TBLRDH and TBLWTH instructions are used to read
or write to bits<23:16> of program memory. TBLRDH
and TBLWTH can also access program memory in Word
or Byte mode.
FIGURE 5-1: ADDRESSING FOR TABLE REGISTERS
Note 1: This data sheet summarizes the features
of the dsPIC33EPXXX(GP/MC/MU)806/
810/814 and PIC24EPXXX(GP/GU)810/
814 families of devices. It is not intended
to be a comprehensive reference source.
To complement the information in this data
sheet, refer to Section 5. “Flash Pro-
gramming” (DS70609) of the “dsPIC33E/
PIC24E Family Reference Manual”, which
is available from the Microchip web site
(www.microchip.com).
2: Some registers and associated bits
described in this section may not be
available on all devices. Refer to
Section 4.0 “Memory Organization” in
this data sheet for device-specific register
and bit information.
0Program Counter
24 Bits
Program Counter
TBLPAG Reg
8 Bits
Working Reg EA
16 Bits
Byte
24-Bit EA
0
1/0
Select
Using
Table Instruction
Using
User/Configuration
Space Select

dsPIC33EPXXX(GP/MC/MU)806/810/814 and PIC24EPXXX(GP/GU)810/814
DS70616G-page 136 2009-2012 Microchip Technology Inc.
5.2 RTSP Operation
The dsPIC33EPXXX(GP/MC/MU)806/810/814 and
PIC24EPXXX(GP/GU)810/814 Flash program memory
array is organized into rows of 128 instructions or
384 bytes. RTSP allows the user application to erase a
page of memory, which consists of eight rows
(1024 instructions) at a time, and to program one row
or one word at a time. Table 32-12 lists typical erase and
programming times. The 8-row erase pages and single
row write rows are edge-aligned from the beginning of
program memory, on boundaries of 3072 bytes and
384 bytes, respectively.
The program memory implements holding buffers,
which are located in the write latch area, that can con-
tain 128 instructions of programming data. Prior to the
actual programming operation, the write data must be
loaded into the buffers sequentially. The instruction
words loaded must always be from a group of
64 boundary.
The basic sequence for RTSP programming is to set up
a Table Pointer, then do a series of TBLWT instructions
to load the buffers. Programming is performed by
setting the control bits in the NVMCON register. A total
of 128 TBLWTL and TBLWTH instructions are required
to load the instructions.
All of the table write operations are single-word writes
(two instruction cycles) because only the buffers are
written. A programming cycle is required for program-
ming each row. For more information on erasing and
programming Flash memory, refer to Section 5.
“Flash Programming” (DS70609) in the “dsPIC33E/
PIC24E Family Reference Manual”.
5.3 Programming Operations
A complete programming sequence is necessary for
programming or erasing the internal Flash in RTSP
mode. The processor stalls (waits) until the
programming operation is finished.
The programming time depends on the FRC accuracy
(see Table 32-19) and the value of the FRC Oscillator
Tuning register (see Register 9-4). Use the following
formula to calculate the minimum and maximum values
for the Row Write Time, Page Erase Time and Word
Write Cycle Time parameters (see Table 32-12).
EQUATION 5-1: PROGRAMMING TIME
For example, if the device is operating at +125°C, the
FRC accuracy will be ±5%. If the TUN<5:0> bits (see
Register 9-4) are set to ‘b111111, the minimum row
write time is equal to Equation 5-2.
EQUATION 5-2: MINIMUM ROW WRITE
TIME
The maximum row write time is equal to Equation 5-3.
EQUATION 5-3: MAXIMUM ROW WRITE
TIME
Setting the WR bit (NVMCON<15>) starts the
operation and the WR bit is automatically cleared
when the operation is finished.
T
7.37 MHz FRC Accuracy%FRC Tuning%
--------------------------------------------------------------------------------------------------------------------------
TRW
11064 Cycles
7.37 MHz 10.05+1 0.00375–
---------------------------------------------------------------------------------------------- 1.435ms==
TRW
11064 Cycles
7.37 MHz 10.05–1 0.00375–
----------------------------------------------------------------------------------------------1.586ms==

2009-2012 Microchip Technology Inc. DS70616G-page 137
dsPIC33EPXXX(GP/MC/MU)806/810/814 and PIC24EPXXX(GP/GU)810/814
5.4 Flash Program Memory
Resources
Many useful resources related to Flash program
memory are provided on the main product page of the
Microchip web site for the devices listed in this data
sheet. This product page, which can be accessed using
this link, contains the latest updates and additional
information.
5.4.1 KEY RESOURCES
• Section 5. “Flash Programming” (DS70609) in
the “dsPIC33E/PIC24E Family Reference
Manual”
• Code Samples
• Application Notes
• Software Libraries
• Webinars
• All related “dsPIC33E/PIC24E Family Reference
Manual” Sections
• Development Tools
5.5 Control Registers
Four SFRs are used to read and write the program
Flash memory: NVMCON, NVMKEY, NVMADRU and
NVMADR.
The NVMCON register (Register 5-1) controls which
blocks are to be erased, which memory type is to be
programmed and the start of the programming cycle.
NVMKEY (Register 5-4) is a write-only register that is
used for write protection. To start a programming or
erase sequence, the user application must
consecutively write 0x55 and 0xAA to the NVMKEY
register.
There are two NVM Address registers: NVMADRU and
NVMADR. These two registers, when concatenated,
form the 24-bit Effective Address (EA) of the selected
row or word for programming operations, or the
selected page for erase operations.
The NVMADRU register is used to hold the upper 8 bits
of the EA, while the NVMADR register is used to hold
the lower 16 bits of the EA.
Note: In the event you are not able to access the
product page using the link above, enter
this URL in your browser:
http://www.microchip.com/wwwproducts/
Devices.aspx?dDocName=en554310

dsPIC33EPXXX(GP/MC/MU)806/810/814 and PIC24EPXXX(GP/GU)810/814
DS70616G-page 138 2009-2012 Microchip Technology Inc.
REGISTER 5-1: NVMCON: NON-VOLATILE MEMORY (NVM) CONTROL REGISTER
R/SO-0(1)R/W-0(1)R/W-0(1)R/W-0 U-0 U-0 U-0 U-0
WR WREN WRERR NVMSIDL(2)— — — —
bit 15 bit 8
U-0 U-0 U-0 U-0 R/W-0(1)R/W-0(1)R/W-0(1)R/W-0(1)
— — — —NVMOP<3:0>
(3,4)
bit 7 bit 0
Legend: SO = Settable Only bit
R = Readable bit W = Writable bit U = Unimplemented bit, read as ‘0’
-n = Value at POR ‘1’ = Bit is set ‘0’ = Bit is cleared x = Bit is unknown
bit 15 WR: Write Control bit(1)
1 = Initiates a Flash memory program or erase operation; the operation is self-timed and the bit is
cleared by hardware once operation is complete
0 = Program or erase operation is complete and inactive
bit 14 WREN: Write Enable bit(1)
1 = Enables Flash program/erase operations
0 = Inhibits Flash program/erase operations
bit 13 WRERR: Write Sequence Error Flag bit(1)
1 = An improper program or erase sequence attempt or termination has occurred (bit is set automatically
on any set attempt of the WR bit)
0 = The program or erase operation completed normally
bit 12 NVMSIDL: NVM Stop-in-Idle Control bit(2)
1 = Flash voltage regulator goes into Stand-by mode during Idle mode
0 = Flash voltage regulator is active during Idle mode
bit 11-4 Unimplemented: Read as ‘0’
bit 3-0 NVMOP<3:0>: NVM Operation Select bits(1,3,4)
1111 = Reserved
1110 = Reserved
1101 = Bulk erase primary program Flash memory
1100 = Reserved
1011 = Reserved
1010 = Bulk erase auxiliary program Flash memory
0011 = Memory page erase operation
0010 = Memory row program operation
0001 = Memory word program operation(5)
0000 = Program a single Configuration register byte
Note 1: These bits can only be reset on a POR.
2: If this bit is set, upon exiting Idle mode, there is a delay (TVREG) before Flash memory becomes
operational.
3: All other combinations of NVMOP<3:0> are unimplemented.
4: Execution of the PWRSAV instruction is ignored while any of the NVM operations are in progress.
5: Two adjacent words are programmed during execution of this operation.

2009-2012 Microchip Technology Inc. DS70616G-page 139
dsPIC33EPXXX(GP/MC/MU)806/810/814 and PIC24EPXXX(GP/GU)810/814
REGISTER 5-4: NVMKEY: NONVOLATILE MEMORY KEY REGISTER
REGISTER 5-2: NVMADRU: NONVOLATILE MEMORY UPPER ADDRESS REGISTER
U-0 U-0 U-0 U-0 U-0 U-0 U-0 U-0
— — — — — — — —
bit 15 bit 8
R/W-x R/W-x R/W-x R/W-x R/W-x R/W-x R/W-x R/W-x
NVMADRU<7:0>
bit 7 bit 0
Legend:
R = Readable bit W = Writable bit U = Unimplemented bit, read as ‘0’
-n = Value at POR ‘1’ = Bit is set ‘0’ = Bit is cleared x = Bit is unknown
bit 15-8 Unimplemented: Read as ‘0’
bit 7-0 NVMADRU<7:0>: Nonvolatile Memory Upper Write Address bits
Selects the upper 8 bits of the location to program or erase in program Flash memory. This register
may be read or written by the user application.
REGISTER 5-3: NVMADR: NONVOLATILE MEMORY ADDRESS REGISTER
R/W-x R/W-x R/W-x R/W-x R/W-x R/W-x R/W-x R/W-x
NVMADR<15:8>
bit 15 bit 8
R/W-x R/W-x R/W-x R/W-x R/W-x R/W-x R/W-x R/W-x
NVMADR<7:0>
bit 7 bit 0
Legend:
R = Readable bit W = Writable bit U = Unimplemented bit, read as ‘0’
-n = Value at POR ‘1’ = Bit is set ‘0’ = Bit is cleared x = Bit is unknown
bit 15-0 NVMADR<15:0>: Nonvolatile Memory Write Address bits
Selects the lower 16 bits of the location to program or erase in program Flash memory. This register
may be read or written by the user application.
U-0 U-0 U-0 U-0 U-0 U-0 U-0 U-0
— — — — — — — —
bit 15 bit 8
W-0 W-0 W-0 W-0 W-0 W-0 W-0 W-0
NVMKEY<7:0>
bit 7 bit 0
Legend:
R = Readable bit W = Writable bit U = Unimplemented bit, read as ‘0’
-n = Value at POR ‘1’ = Bit is set ‘0’ = Bit is cleared x = Bit is unknown
bit 15-8 Unimplemented: Read as ‘0’
bit 7-0 NVMKEY<7:0>: Key Register (write-only) bits

dsPIC33EPXXX(GP/MC/MU)806/810/814 and PIC24EPXXX(GP/GU)810/814
DS70616G-page 140 2009-2012 Microchip Technology Inc.
NOTES:

2009-2012 Microchip Technology Inc. DS70616G-page 141
dsPIC33EPXXX(GP/MC/MU)806/810/814 and PIC24EPXXX(GP/GU)810/814
6.0 RESETS The Reset module combines all Reset sources and
controls the device Master Reset Signal, SYSRST. The
following is a list of device Reset sources:
• POR: Power-on Reset
• BOR: Brown-out Reset
•MCLR: Master Clear Pin Reset
•SWR: RESET Instruction
• WDTO: Watchdog Timer Reset
• CM: Configuration Mismatch Reset
• TRAPR: Trap Conflict Reset
• IOPUWR: Illegal Condition Device Reset
- Illegal Opcode Reset
- Uninitialized W Register Reset
- Security Reset
A simplified block diagram of the Reset module is
shown in Figure 6-1.
Any active source of Reset will make the SYSRST sig-
nal active. On system Reset, some of the registers
associated with the CPU and peripherals are forced to
a known Reset state and some are unaffected.
FIGURE 6-1: RESET SYSTEM BLOCK DIAGRAM
Note 1: This data sheet summarizes the features
of the dsPIC33EPXXX(GP/MC/MU)806/
810/814 and PIC24EPXXX(GP/GU)810/
814 families of devices. It is not intended
to be a comprehensive reference source.
To complement the information in this
data sheet, refer to Section 8. “Reset”
(DS70602) of the “dsPIC33E/PIC24E
Family Reference Manual”, which is
available from the Microchip web site
(www.microchip.com).
2: Some registers and associated bits
described in this section may not be
available on all devices. Refer to
Section 4.0 “Memory Organization” in
this data sheet for device-specific register
and bit information.
Note: Refer to the specific peripheral section or
Section 4.0 “Memory Organization” of
this manual for register Reset states.
MCLR
VDD
Internal
Regulator
BOR
Sleep or Idle
RESET Instruction
WDT
Module
Glitch Filter
Trap Conflict
Illegal Opcode
Uninitialized W Register
SYSRST
VDD Rise
Detect
POR
Configuration Mismatch
Security Reset

dsPIC33EPXXX(GP/MC/MU)806/810/814 and PIC24EPXXX(GP/GU)810/814
DS70616G-page 142 2009-2012 Microchip Technology Inc.
6.1 Resets Resources
Many useful resources related to Resets are provided
on the main product page of the Microchip web site for
the devices listed in this data sheet. This product page,
which can be accessed using this link, contains the
latest updates and additional information.
6.1.1 KEY RESOURCES
• Section 8. “Reset” (DS70602) in the “dsPIC33E/
PIC24E Family Reference Manual”
• Code Samples
• Application Notes
• Software Libraries
• Webinars
• All related “dsPIC33E/PIC24E Family Reference
Manual” Sections
• Development Tools
6.2 RCON Control Register
All types of device Resets set a corresponding status
bit in the RCON register to indicate the type of Reset
(see Register 6-1).
A POR clears all the bits, except for the POR and BOR
bits (RCON<1:0>), that are set. The user application
can set or clear any bit at any time during code
execution. The RCON bits only serve as status bits.
Setting a particular Reset status bit in software does
not cause a device Reset to occur.
The RCON register also has other bits associated with
the Watchdog Timer and device power-saving states.
The function of these bits is discussed in other sections
of this manual.
Note: In the event you are not able to access the
product page using the link above, enter
this URL in your browser:
http://www.microchip.com/wwwproducts/
Devices.aspx?dDocName=en554310
Note: The status bits in the RCON register
should be cleared after they are read so
that the next RCON register value after a
device Reset is meaningful.

2009-2012 Microchip Technology Inc. DS70616G-page 143
dsPIC33EPXXX(GP/MC/MU)806/810/814 and PIC24EPXXX(GP/GU)810/814
REGISTER 6-1: RCON: RESET CONTROL REGISTER(1)
R/W-0 R/W-0 U-0 U-0 R/W-0 U-0 R/W-0 R/W-0
TRAPR IOPUWR ——VREGSF —CMVREGS
bit 15 bit 8
R/W-0 R/W-0 R/W-0 R/W-0 R/W-0 R/W-0 R/W-1 R/W-1
EXTR SWR SWDTEN(2)WDTO SLEEP IDLE BOR POR
bit 7 bit 0
Legend:
R = Readable bit W = Writable bit U = Unimplemented bit, read as ‘0’
-n = Value at POR ‘1’ = Bit is set ‘0’ = Bit is cleared x = Bit is unknown
bit 15 TRAPR: Trap Reset Flag bit
1 = A Trap Conflict Reset has occurred
0 = A Trap Conflict Reset has not occurred
bit 14 IOPUWR: Illegal Opcode or Uninitialized W Access Reset Flag bit
1 = An illegal opcode detection, an illegal address mode or uninitialized W register used as an
Address Pointer caused a Reset
0 = An illegal opcode or uninitialized W Reset has not occurred
bit 13-12 Unimplemented: Read as ‘0’
bit 11 VREGSF: Flash Voltage Regulator Standby During Sleep bit
1 = Flash voltage regulator is active during Sleep
0 = Flash voltage regulator goes into Standby mode during Sleep
bit 10 Unimplemented: Read as ‘0’
bit 9 CM: Configuration Mismatch Flag bit
1 = A Configuration Mismatch Reset has occurred.
0 = A Configuration Mismatch Reset has NOT occurred
bit 8 VREGS: Voltage Regulator Standby During Sleep bit
1 = Voltage regulator is active during Sleep
0 = Voltage regulator goes into Standby mode during Sleep
bit 7 EXTR: External Reset (MCLR) Pin bit
1 = A Master Clear (pin) Reset has occurred
0 = A Master Clear (pin) Reset has not occurred
bit 6 SWR: Software Reset (Instruction) Flag bit
1 = A RESET instruction has been executed
0 = A RESET instruction has not been executed
bit 5 SWDTEN: Software Enable/Disable of WDT bit(2)
1 = WDT is enabled
0 = WDT is disabled
bit 4 WDTO: Watchdog Timer Time-out Flag bit
1 = WDT time-out has occurred
0 = WDT time-out has not occurred
Note 1: All of the Reset status bits can be set or cleared in software. Setting one of these bits in software does not
cause a device Reset.
2: If the FWDTEN Configuration bit is ‘1’ (unprogrammed), the WDT is always enabled, regardless of the
SWDTEN bit setting.

dsPIC33EPXXX(GP/MC/MU)806/810/814 and PIC24EPXXX(GP/GU)810/814
DS70616G-page 144 2009-2012 Microchip Technology Inc.
bit 3 SLEEP: Wake-up from Sleep Flag bit
1 = Device has been in Sleep mode
0 = Device has not been in Sleep mode
bit 2 IDLE: Wake-up from Idle Flag bit
1 = Device was in Idle mode
0 = Device was not in Idle mode
bit 1 BOR: Brown-out Reset Flag bit
1 = A Brown-out Reset has occurred
0 = A Brown-out Reset has not occurred
bit 0 POR: Power-on Reset Flag bit
1 = A Power-on Reset has occurred
0 = A Power-on Reset has not occurred
REGISTER 6-1: RCON: RESET CONTROL REGISTER(1) (CONTINUED)
Note 1: All of the Reset status bits can be set or cleared in software. Setting one of these bits in software does not
cause a device Reset.
2: If the FWDTEN Configuration bit is ‘1’ (unprogrammed), the WDT is always enabled, regardless of the
SWDTEN bit setting.

2009-2012 Microchip Technology Inc. DS70616G-page 145
dsPIC33EPXXX(GP/MC/MU)806/810/814 and PIC24EPXXX(GP/GU)810/814
7.0 INTERRUPT CONTROLLER
The dsPIC33EPXXX(GP/MC/MU)806/810/814 and
PIC24EPXXX(GP/GU)810/814 interrupt controller
reduces the numerous peripheral interrupt request
signals to a single interrupt request signal to
the dsPIC33EPXXX(GP/MC/MU)806/810/814 and
PIC24EPXXX(GP/GU)810/814 CPU.
The interrupt controller has the following features:
• Up to eight processor exceptions and software
traps
• Eight user-selectable priority levels
• Interrupt Vector Table (IVT) with a unique vector
for each interrupt or exception source
• Fixed priority within a specified user priority level
• Fixed interrupt entry and return latencies
7.1 Interrupt Vector Table
The dsPIC33EPXXX(GP/MC/MU)806/810/814 and
PIC24EPXXX(GP/GU)810/814 Interrupt Vector Table
(IVT), shown in Figure 7-1, resides in the General
Segment of program memory, starting at location,
0x000004, and is used when executing code from the
General Segment. The IVT contains seven non-
maskable trap vectors and up to 114 sources of
interrupt. In general, each interrupt source has its own
vector. Each interrupt vector contains a 24-bit wide
address. The value programmed into each interrupt
vector location is the starting address of the associated
Interrupt Service Routine (ISR).
Interrupt vectors are prioritized in terms of their natural
priority. This priority is linked to their position in the
vector table. Lower addresses generally have a higher
natural priority. For example, the interrupt associated
with vector 0 takes priority over interrupts at any other
vector address.
7.2 Auxiliary Interrupt Vector
When code is being executed in the Auxiliary Segment,
a special single interrupt vector, located at address,
0x7FFFFA, is used for all interrupt sources and traps.
Once vectored to this single routine, the
VECNUM<7:0> bits (INTTREG<7:0>, Register 7-7)
can be examined to determine the source of the
interrupt or trap so that it can be properly processed.
7.3 Reset Sequence
A device Reset is not a true exception because the
interrupt controller is not involved in the Reset process.
The dsPIC33EPXXX(GP/MC/MU)806/810/814 and
PIC24EPXXX(GP/GU)810/814 devices clear their
registers in response to a Reset, which forces the PC
to zero. The digital signal controller then begins
program execution at location, 0x000000. A GOTO
instruction at the Reset address can redirect program
execution to the appropriate start-up routine.
Note 1: This data sheet summarizes the features
of the dsPIC33EPXXX(GP/MC/MU)806/
810/814 and PIC24EPXXX(GP/GU)810/
814 families of devices. It is not intended
to be a comprehensive reference source.
To complement the information in this
data sheet, refer to Section 6. “Inter-
rupts” (DS70600) of the “dsPIC33E/
PIC24E Family Reference Manual”,
which is available from the Microchip web
site (www.microchip.com).
2: Some registers and associated bits
described in this section may not be
available on all devices. Refer to
Section 4.0 “Memory Organization” in
this data sheet for device-specific register
and bit information.
Note: Any unimplemented or unused vector
locations in the IVT should be
programmed with the address of a default
interrupt handler routine that contains a
RESET instruction.
Note: Reset locations are also located in the
Auxiliary Segment at the addresses
0x7FFFFC and 0x7FFFFE. The Reset
Target Vector Select bit, RSTPRI
(FICD<2>) controls whether the primary
(General Segment) or Auxiliary Segment
Reset location is used.

dsPIC33EPXXX(GP/MC/MU)806/810/814 and PIC24EPXXX(GP/GU)810/814
DS70616G-page 146 2009-2012 Microchip Technology Inc.
FIGURE 7-1: dsPIC33EPXXX(GP/MC/MU)806/810/814 and PIC24EPXXX(GP/GU)810/814
INTERRUPT VECTOR TABLE
IVT
Decreasing Natural Order Priority
Reset – GOTO Instruction(1)0x000000
Reset – GOTO Address(1)0x000002
Oscillator Fail Trap Vector 0x000004
Address Error Trap Vector 0x000006
Generic Hard Trap Vector 0x000008
Stack Error Trap Vector 0x00000A
Math Error Trap Vector 0x00000C
DMAC Error Trap Vector 0x00000E
Generic Soft Trap Vector 0x000010
Reserved 0x000012
Interrupt Vector 0 0x000014
Interrupt Vector 1 0x000016
::
::
::
Interrupt Vector 52 0x00007C
Interrupt Vector 53 0x00007E
Interrupt Vector 54 0x000080
::
::
::
Interrupt Vector 116 0x0000FC
Interrupt Vector 117 0x0000FE
Interrupt Vector 118 0x000100
Interrupt Vector 119 0x000102
Interrupt Vector 120 0x000104
::
::
::
Interrupt Vector 244 0x0001FC
Interrupt Vector 245 0x0001FE
START OF CODE 0x000200
See Tab l e 7- 1 for
Interrupt Vector Details
Note 1: Reset locations are also located in the Auxiliary Segment at the addresses 0x7FFFFC and
0x7FFFFE. The Reset Target Vector Select bit, RSTPRI (FICD<2>) controls whether the
primary (General Segment) or Auxiliary Segment Reset location is used.

2009-2012 Microchip Technology Inc. DS70616G-page 147
dsPIC33EPXXX(GP/MC/MU)806/810/814 and PIC24EPXXX(GP/GU)810/814
TABLE 7-1: INTERRUPT VECTOR DETAILS
Interrupt Source Vector
#IRQ # IVT
Address
Interrupt Bit Location
Flag Enable Priority
Highest Natural Order Priority
INT0 – External Interrupt 0 8 0 0x000014 IFS0<0> IEC0<0> IPC0<2:0>
IC1 – Input Capture 1 9 1 0x000016 IFS0<1> IEC0<1> IPC0<6:4>
OC1 – Output Compare 1 10 2 0x000018 IFS0<2> IEC0<2> IPC0<10:8>
T1 – Timer1 11 3 0x00001A IFS0<3> IEC0<3> IPC0<14:12>
DMA0 – DMA Channel 0 12 4 0x00001C IFS0<4> IEC0<4> IPC1<2:0>
IC2 – Input Capture 2 13 5 0x00001E IFS0<5> IEC0<5> IPC1<6:4>
OC2 – Output Compare 2 14 6 0x000020 IFS0<6> IEC0<6> IPC1<10:8>
T2 – Timer2 15 7 0x000022 IFS0<7> IEC0<7> IPC1<14:12>
T3 – Timer3 16 8 0x000024 IFS0<8> IEC0<8> IPC2<2:0>
SPI1E – SPI1 Error 17 9 0x000026 IFS0<9> IEC0<9> IPC2<6:4>
SPI1 – SPI1 Transfer Done 18 10 0x000028 IFS0<10> IEC0<10> IPC2<10:8>
U1RX – UART1 Receiver 19 11 0x00002A IFS0<11> IEC0<11> IPC2<14:12>
U1TX – UART1 Transmitter 20 12 0x00002C IFS0<12> IEC0<12> IPC3<2:0>
AD1 – ADC1 Convert Done 21 13 0x00002E IFS0<13> IEC0<13> IPC3<6:4>
DMA1 – DMA Channel 1 22 14 0x000030 IFS0<14> IEC0<14> IPC3<10:8>
NVM – NVM Write Complete 23 15 0x000032 IFS0<15> IEC0<15> IPC3<14:12>
SI2C1 – I2C1 Slave Event 24 16 0x000034 IFS1<0> IEC1<0> IPC4<2:0>
MI2C1 – I2C1 Master Event 25 17 0x000036 IFS1<1> IEC1<1> IPC4<6:4>
CM – Comparator Combined Event 26 18 0x000038 IFS1<2> IEC1<2> IPC4<10:8>
CN – Input Change Interrupt 27 19 0x00003A IFS1<3> IEC1<3> IPC4<14:12>
INT1 – External Interrupt 1 28 20 0x00003C IFS1<4> IEC1<4> IPC5<2:0>
AD2 – ADC2 Convert Done 29 21 0x00003E IFS1<5> IEC1<5> IPC5<6:4>
IC7 – Input Capture 7 30 22 0x000040 IFS1<6> IEC1<6> IPC5<10:8>
IC8 – Input Capture 8 31 23 0x000042 IFS1<7> IEC1<7> IPC5<14:12>
DMA2 – DMA Channel 2 32 24 0x000044 IFS1<8> IEC1<8> IPC6<2:0>
OC3 – Output Compare 3 33 25 0x000046 IFS1<9> IEC1<9> IPC6<6:4>
OC4 – Output Compare 4 34 26 0x000048 IFS1<10> IEC1<10> IPC6<10:8>
T4 – Timer4 35 27 0x00004A IFS1<11> IEC1<11> IPC6<14:12>
T5 – Timer5 36 28 0x00004C IFS1<12> IEC1<12> IPC7<2:0>
INT2 – External Interrupt 2 37 29 0x00004E IFS1<13> IEC1<13> IPC7<6:4>
U2RX – UART2 Receiver 38 30 0x000050 IFS1<14> IEC1<14> IPC7<10:8>
U2TX – UART2 Transmitter 39 31 0x000052 IFS1<15> IEC1<15> IPC7<14:12>
SPI2E – SPI2 Error 40 32 0x000054 IFS2<0> IEC2<0> IPC8<2:0>
SPI2 – SPI2 Transfer Done 41 33 0x000056 IFS2<1> IEC2<1> IPC8<6:4>
C1RX – CAN1 RX Data Ready 42 34 0x000058 IFS2<2> IEC2<2> IPC8<10:8>
C1 – CAN1 Event 43 35 0x00005A IFS2<3> IEC2<3> IPC8<14:12>
DMA3 – DMA Channel 3 44 36 0x00005C IFS2<4> IEC2<4> IPC9<2:0>
IC3 – Input Capture 3 45 37 0x00005E IFS2<5> IEC2<5> IPC9<6:4>
IC4 – Input Capture 4 46 38 0x000060 IFS2<6> IEC2<6> IPC9<10:8>
IC5 – Input Capture 5 47 39 0x000062 IFS2<7> IEC2<7> IPC9<14:12>
IC6 – Input Capture 6 48 40 0x000064 IFS2<8> IEC2<8> IPC10<2:0>
Note 1: This interrupt source is available on dsPIC33EPXXX(MC/MU)806/810/814 devices only.
2: This interrupt source is available on dsPIC33EPXXXMU8XX and PIC24EPXXXGU8XX devices only.

dsPIC33EPXXX(GP/MC/MU)806/810/814 and PIC24EPXXX(GP/GU)810/814
DS70616G-page 148 2009-2012 Microchip Technology Inc.
OC5 – Output Compare 5 49 41 0x000066 IFS2<9> IEC2<9> IPC10<6:4>
OC6 – Output Compare 6 50 42 0x000068 IFS2<10> IEC2<10> IPC10<10:8>
OC7 – Output Compare 7 51 43 0x00006A IFS2<11> IEC2<11> IPC10<14:12>
OC8 – Output Compare 8 52 44 0x00006C IFS2<12> IEC2<12> IPC11<2:0>
PMP – Parallel Master Port 53 45 0x00006E IFS2<13> IEC2<13> IPC11<6:4>
DMA4 – DMA Channel 4 54 46 0x000070 IFS2<14> IEC2<14> IPC11<10:8>
T6 – Timer6 55 47 0x000072 IFS2<15> IEC2<15> IPC11<14:12>
T7 – Timer7 56 48 0x000074 IFS3<0> IEC3<0> IPC12<2:0>
SI2C2 – I2C2 Slave Event 57 49 0x000076 IFS3<1> IEC3<1> IPC12<6:4>
MI2C2 – I2C2 Master Event 58 50 0x000078 IFS3<2> IEC3<2> IPC12<10:8>
T8 – Timer8 59 51 0x00007A IFS3<3> IEC3<3> IPC12<14:12>
T9 – Timer9 60 52 0x00007C IFS3<4> IEC3<4> IPC13<2:0>
INT3 – External Interrupt 3 61 53 0x00007E IFS3<5> IEC3<5> IPC13<6:4>
INT4 – External Interrupt 4 62 54 0x000080 IFS3<6> IEC3<6> IPC13<10:8>
C2RX – CAN2 RX Data Ready 63 55 0x000082 IFS3<7> IEC3<7> IPC13<14:12>
C2 – CAN2 Event 64 56 0x000084 IFS3<8> IEC3<8> IPC14<2:0>
PSEM – PWM Special Event Match(1)65 57 0x000086 IFS3<9> IEC3<9> IPC14<6:4>
QEI1 – QEI1 Position Counter
Compare(1)
66 58 0x000088 IFS3<10> IEC3<10> IPC14<10:8>
DCIE – DCI Fault Interrupt 67 59 0x00008A IFS3<11> IEC3<11> IPC14<14:12>
DCI – DCI Transfer Done 68 60 0x00008C IFS3<12> IEC3<12> IPC15<2:0>
DMA5 – DMA Channel 5 69 61 0x00008E IFS3<13> IEC3<13> IPC15<6:4>
RTC – Real-Time Clock and Calendar 70 62 0x000090 IFS3<14> IEC3<14> IPC15<10:8>
Reserved 71-72 63-64 0x000092-0x000094 — — —
U1E – UART1 Error Interrupt 73 65 0x000096 IFS4<1> IEC4<1> IPC16<6:4>
U2E – UART2 Error Interrupt 74 66 0x000098 IFS4<2> IEC4<2> IPC16<10:8>
CRC – CRC Generator Interrupt 75 67 0x00009A IFS4<3> IEC4<3> IPC16<14:12>
DMA6 – DMA Channel 6 76 68 0x00009C IFS4<4> IEC4<4> IPC17<2:0>
DMA7 – DMA Channel 7 77 69 0x00009E IFS4<5> IEC4<5> IPC17<6:4>
C1TX – CAN1 TX Data Request 78 70 0x0000A0 IFS4<6> IEC4<6> IPC17<10:8>
C2TX – CAN2 TX Data Request 79 71 0x0000A2 IFS4<7> IEC4<7> IPC17<14:12>
Reserved 80 72 0x0000A4 — — —
PSESM – PWM Secondary Special
Event Match(1)
81 73 0x0000A6 IFS4<9> IEC4<9> IPC18<6:4>
Reserved 82 74 0x0000A8 — — —
QEI2 – QEI2 Position Counter
Compare(1)
83 75 0x0000AA IFS4<11> IEC4<11> IPC18<14:12>
Reserved 84-88 76-80 0x0000AC-0x0000B4 — — —
U3E – UART3 Error Interrupt 89 81 0x0000B6 IFS5<1> IEC5<1> IPC20<6:4>
U3RX – UART3 Receiver 90 82 0x0000B8 IFS5<2> IEC5<2> IPC20<10:8>
U3TX – UART3 Transmitter 91 83 0x0000BA IFS5<3> IEC5<3> IPC20<14:12>
Reserved 9293 84-85 0x0000BC-0x0000BE — — —
TABLE 7-1: INTERRUPT VECTOR DETAILS (CONTINUED)
Interrupt Source Vector
#IRQ # IVT
Address
Interrupt Bit Location
Flag Enable Priority
Note 1: This interrupt source is available on dsPIC33EPXXX(MC/MU)806/810/814 devices only.
2: This interrupt source is available on dsPIC33EPXXXMU8XX and PIC24EPXXXGU8XX devices only.

2009-2012 Microchip Technology Inc. DS70616G-page 149
dsPIC33EPXXX(GP/MC/MU)806/810/814 and PIC24EPXXX(GP/GU)810/814
USB1 – USB OTG Interrupt(2)94 86 0x0000C0 IFS5<6> IEC5<6> IPC21<10:8>
U4E – UART4 Error Interrupt 95 87 0x0000C2 IFS5<7> IEC5<7> IPC21<14:12>
U4RX – UART4 Receiver 96 88 0x0000C4 IFS5<8> IEC5<8> IPC22<2:0>
U4TX – UART4 Transmitter 97 89 0x0000C6 IFS5<9> IEC5<9> IPC22<6:4>
SPI3E – SPI3 Error 98 90 0x0000C8 IFS5<10> IEC5<10> IPC22<10:8>
SPI3 – SPI3 Transfer Done 99 91 0x0000CA IFS5<11> IEC5<11> IPC22<14:12>
OC9 – Output Compare 9 100 92 0x0000CC IFS5<12> IEC5<12> IPC23<2:0>
IC9 – Input Capture 9 101 93 0x0000CE IFS5<13> IEC5<13> IPC23<6:4>
PWM1 – PWM Generator 1(1)102 94 0x0000D0 IFS5<14> IEC5<14> IPC23<10:8>
PWM2 – PWM Generator 2(1)103 95 0x0000D2 IFS5<15> IEC5<15> IPC23<14:12>
PWM3 – PWM Generator 3(1)104 96 0x0000D4 IFS6<0> IEC6<0> IPC24<2:0>
PWM4 – PWM Generator 4(1)105 97 0x0000D6 IFS6<1> IEC6<1> IPC24<6:4>
PWM5 – PWM Generator 5(1)106 98 0x0000D8 IFS6<2> IEC6<2> IPC24<10:8>
PWM6 – PWM Generator 6(1)107 99 0x0000DA IFS6<3> IEC6<3> IPC24<14:12>
PWM7 – PWM Generator 7(1)108 100 0x0000DC IFS6<4> IEC6<4> IPC25<2:0>
Reserved 109-125 101-117 0x0000DE-0x0000FC — — —
DMA8 – DMA Channel 8 126 118 0x000100 IFS7<6> IEC7<6> IPC29<10:8>
DMA9 – DMA Channel 9 127 119 0x000102 IFS7<7> IEC7<7> IPC29<14:12>
DMA10 – DMA Channel 10 128 120 0x000104 IFS7<8> IEC7<8> IPC30<2:0>
DMA11 – DMA Channel 11 129 121 0x000106 IFS7<9> IEC7<9> IPC30<6:4>
SPI4E – SPI4 Error 130 122 0x000108 IFS7<10> IEC7<10> IPC30<10:8>
SPI4 – SPI4 Transfer Done 131 123 0x00010A IFS7<11> IEC7<11> IPC30<14:12>
OC10 – Output Compare 10 132 124 0x00010C IFS7<12> IEC7<12> IPC31<2:0>
IC10 – Input Capture 10 133 125 0x00010E IFS7<13> IEC7<13> IPC31<6:4>
OC11 – Output Compare11 134 126 0x000110 IFS7<14> IEC7<14> IPC31<10:8>
IC11 – Input Capture 11 135 127 0x000112 IFS7<15> IEC7<15> IPC31<14:12>
OC12 – Output Compare 12 136 128 0x000114 IFS8<0> IEC8<0> IPC32<2:0>
IC12 – Input Capture 12 137 129 0x000116 IFS8<1> IEC8<1> IPC32<6:4>
DMA12 – DMA Channel 12 138 130 0x000118 IFS8<2> IEC8<2> IPC32<10:8>
DMA13– DMA Channel 13 139 131 0x00011A IFS8<3> IEC8<3> IPC32<14:12>
DMA14 – DMA Channel 14 140 132 0x00011C IFS8<4> IEC8<4> IPC33<2:0>
Reserved 141 133 0x00011E — — —
OC13 – Output Compare 13 142 134 0x000120 IFS8<6> IEC8<6> IPC33<10:8>
IC13 – Input Capture 13 143 135 0x000122 IFS8<7> IEC8<7> IPC33<14:12>
OC14 – Output Compare14 144 136 0x000124 IFS8<8> IEC8<8> IPC34<2:0>
IC14 – Input Capture 14 145 137 0x000126 IFS8<9> IEC8<9> IPC34<6:4>
OC15 – Output Compare 15 146 138 0x000128 IFS8<10> IEC8<10> IPC34<10:8>
IC15 – Input Capture 15 147 139 0x00012A IFS8<11> IEC8<11> IPC34<14:12>
OC16 – Output Compare 16 148 140 0x00012C IFS8<12> IEC8<12> IPC35<2:0>
IC16 – Input Capture 16 149 141 0x00012E IFS8<13> IEC8<13> IPC35<6:4>
ICD – ICD Application 150 142 0x000130 IFS8<14> IEC8<14> IPC35<10:8>
Reserved 151-245 142-237 0x000130-0x0001FE — — —
Lowest Natural Order Priority
TABLE 7-1: INTERRUPT VECTOR DETAILS (CONTINUED)
Interrupt Source Vector
#IRQ # IVT
Address
Interrupt Bit Location
Flag Enable Priority
Note 1: This interrupt source is available on dsPIC33EPXXX(MC/MU)806/810/814 devices only.
2: This interrupt source is available on dsPIC33EPXXXMU8XX and PIC24EPXXXGU8XX devices only.

dsPIC33EPXXX(GP/MC/MU)806/810/814 and PIC24EPXXX(GP/GU)810/814
DS70616G-page 150 2009-2012 Microchip Technology Inc.
7.4 Interrupt Resources
Many useful resources related to Interrupts are pro-
vided on the main product page of the Microchip web
site for the devices listed in this data sheet. This
product page, which can be accessed using this link,
contains the latest updates and additional information.
7.4.1 KEY RESOURCES
• Section 6. “Interrupts” (DS70600) in the
“dsPIC33E/PIC24E Family Reference Manual”
• Code Samples
• Application Notes
• Software Libraries
• Webinars
• All related “dsPIC33E/PIC24E Family Reference
Manual” Sections
• Development Tools
7.5 Interrupt Control and Status
Registers
dsPIC33EPXXX(GP/MC/MU)806/810/814 and
PIC24EPXXX(GP/GU)810/814 devices implement
the following registers for the interrupt controller:
• INTCON1-INTCON4
•INTTREG
7.5.1 INTCON1 THROUGH INTCON4
Global interrupt control functions are controlled from
INTCON1, INTCON2, INTCON3 and INTCON4.
INTCON1 contains the Interrupt Nesting Disable bit
(NSTDIS) as well as the control and status flags for the
processor trap sources.
The INTCON2 register controls external interrupt
request signal behavior and software trap enable. This
register also contains the Global Interrupt Enable bit
(GIE).
INTCON3 contains the status flags for the USB, DMA
and DO stack overflow status trap sources.
The INTCON4 register contains the software
generated Hard Trap Status bit (SGHT).
7.5.2 IFSx
The IFS registers maintain all of the interrupt request
flags. Each source of interrupt has a status bit, which is
set by the respective peripherals or external signal and
is cleared via software.
7.5.3 IECx
The IEC registers maintain all of the interrupt enable
bits. These control bits are used to individually enable
interrupts from the peripherals or external signals.
7.5.4 IPCx
The IPC registers are used to set the Interrupt Priority
Level for each source of interrupt. Each user interrupt
source can be assigned to one of eight priority levels.
7.5.5 INTTREG
The INTTREG register contains the associated
interrupt vector number and the new CPU Interrupt
Priority Level, which are latched into the vector number
(VECNUM<7:0>) and Interrupt level bit (ILR<3:0>)
fields in the INTTREG register. The new Interrupt
Priority Level is the priority of the pending interrupt.
The interrupt sources are assigned to the IFSx, IECx
and IPCx registers in the same sequence as they are
listed in Tab l e 7 - 1. For example, the INT0 (External
Interrupt 0) is shown as having Vector Number 8 and a
natural order priority of 0. Thus, the INT0IF bit is found
in IFS0<0>, the INT0IE bit in IEC0<0> and the INT0IP
bits in the first position of IPC0 (IPC0<2:0>).
7.5.6 STATUS/CONTROL REGISTERS
Although these registers are not specifically part of the
interrupt control hardware, two of the CPU Control
registers contain bits that control interrupt functionality.
For more information on these registers refer to
Section 2. “CPU” (DS70359) in the “dsPIC33E/
PIC24E Family Reference Manual”.
• The CPU STATUS register, SR, contains the
IPL<2:0> bits (SR<7:5>). These bits indicate the
current CPU Interrupt Priority Level. The user
software can change the current CPU priority
level by writing to the IPL bits.
• The CORCON register contains the IPL3 bit
which, together with IPL<2:0>, also indicates the
current CPU priority level. IPL3 is a read-only bit
so that trap events cannot be masked by the user
software.
All Interrupt registers are described in Register 7-3
through Register 7-7 in the following pages.
Note: In the event you are not able to access the
product page using the link above, enter
this URL in your browser:
http://www.microchip.com/wwwproducts/
Devices.aspx?dDocName=en554310

2009-2012 Microchip Technology Inc. DS70616G-page 151
dsPIC33EPXXX(GP/MC/MU)806/810/814 and PIC24EPXXX(GP/GU)810/814
REGISTER 7-1: SR: CPU STATUS REGISTER(1)
R/W-0 R/W-0 R/W-0 R/W-0 R/C-0 R/C-0 R-0 R/W-0
OA OB SA SB OAB SAB DA DC
bit 15 bit 8
R/W-0(3)R/W-0(3)R/W-0(3)R-0 R/W-0 R/W-0 R/W-0 R/W-0
IPL<2:0>(2)RA NOV Z C
bit 7 bit 0
Legend: C = Clearable bit
R = Readable bit W = Writable bit U = Unimplemented bit, read as ‘0’
-n = Value at POR ‘1’ = Bit is set ‘0’ = Bit is cleared x = Bit is unknown
bit 7-5 IPL<2:0>: CPU Interrupt Priority Level Status bits(2,3)
111 = CPU Interrupt Priority Level is 7 (15, user interrupts are disabled)
110 = CPU Interrupt Priority Level is 6 (14)
101 = CPU Interrupt Priority Level is 5 (13)
100 = CPU Interrupt Priority Level is 4 (12)
011 = CPU Interrupt Priority Level is 3 (11)
010 = CPU Interrupt Priority Level is 2 (10)
001 = CPU Interrupt Priority Level is 1 (9)
000 = CPU Interrupt Priority Level is 0 (8)
Note 1: For complete register details, see Register 3-1: “SR: CPU Status Register”.
2: The IPL<2:0> bits are concatenated with the IPL<3> bit (CORCON<3>) to form the CPU Interrupt Priority
Level. The value in parentheses indicates the IPL, if IPL<3> = 1.
3: The IPL<2:0> Status bits are read-only when NSTDIS (INTCON1<15>) = 1.

dsPIC33EPXXX(GP/MC/MU)806/810/814 and PIC24EPXXX(GP/GU)810/814
DS70616G-page 152 2009-2012 Microchip Technology Inc.
REGISTER 7-2: CORCON: CORE CONTROL REGISTER(1)
R/W-0 U-0 R/W-0 R/W-0 R/W-0 R-0 R-0 R-0
VAR —US<1:0> EDT DL<2:0>
bit 15 bit 8
R/W-0 R/W-0 R/W-1 R/W-0 R/C-0 R-0 R/W-0 R/W-0
SATA SATB SATDW ACCSAT IPL3(2)SFA RND IF
bit 7 bit 0
Legend: C = Clearable bit
R = Readable bit W = Writable bit U = Unimplemented bit, read as ‘0’
-n = Value at POR ‘1’ = Bit is set ‘0’ = Bit is cleared x = Bit is unknown
bit 15 VAR: Variable Exception Processing Latency Control bit
1 = Variable exception processing is enabled
0 = Fixed exception processing is enabled
bit 3 IPL3: CPU Interrupt Priority Level Status bit 3(2)
1 = CPU Interrupt Priority Level is greater than 7
0 = CPU Interrupt Priority Level is 7 or less
Note 1: For complete register details, see Register 3-2: “CORCON: Core Control Register”.
2: The IPL3 bit is concatenated with the IPL<2:0> bits (SR<7:5>) to form the CPU Interrupt Priority Level.

2009-2012 Microchip Technology Inc. DS70616G-page 153
dsPIC33EPXXX(GP/MC/MU)806/810/814 and PIC24EPXXX(GP/GU)810/814
REGISTER 7-3: INTCON1: INTERRUPT CONTROL REGISTER 1
R/W-0 R/W-0 R/W-0 R/W-0 R/W-0 R/W-0 R/W-0 R/W-0
NSTDIS OVAERR(1)OVBERR(1)COVAERR(1)COVBERR(1)OVATE(1)OVBTE(1)COVTE(1)
bit 15 bit 8
R/W-0 R/W-0 R/W-0 R/W-0 R/W-0 R/W-0 R/W-0 U-0
SFTACERR(1)DIV0ERR DMACERR MATHERR ADDRERR STKERR OSCFAIL —
bit 7 bit 0
Legend:
R = Readable bit W = Writable bit U = Unimplemented bit, read as ‘0’
-n = Value at POR ‘1’ = Bit is set ‘0’ = Bit is cleared x = Bit is unknown
bit 15 NSTDIS: Interrupt Nesting Disable bit
1 = Interrupt nesting is disabled
0 = Interrupt nesting is enabled
bit 14 OVAERR: Accumulator A Overflow Trap Flag bit(1)
1 = Trap was caused by overflow of Accumulator A
0 = Trap was not caused by overflow of Accumulator A
bit 13 OVBERR: Accumulator B Overflow Trap Flag bit(1)
1 = Trap was caused by overflow of Accumulator B
0 = Trap was not caused by overflow of Accumulator B
bit 12 COVAERR: Accumulator A Catastrophic Overflow Trap Flag bit(1)
1 = Trap was caused by catastrophic overflow of Accumulator A
0 = Trap was not caused by catastrophic overflow of Accumulator A
bit 11 COVBERR: Accumulator B Catastrophic Overflow Trap Flag bit(1)
1 = Trap was caused by catastrophic overflow of Accumulator B
0 = Trap was not caused by catastrophic overflow of Accumulator B
bit 10 OVATE: Accumulator A Overflow Trap Enable bit(1)
1 = Trap overflow of Accumulator A
0 = Trap is disabled
bit 9 OVBTE: Accumulator B Overflow Trap Enable bit(1)
1 = Trap overflow of Accumulator B
0 = Trap is disabled
bit 8 COVTE: Catastrophic Overflow Trap Enable bit(1)
1 = Trap on catastrophic overflow of Accumulator A or B is enabled
0 = Trap is disabled
bit 7 SFTACERR: Shift Accumulator Error Status bit(1)
1 = Math error trap was caused by an invalid accumulator shift
0 = Math error trap was not caused by an invalid accumulator shift
bit 6 DIV0ERR: Divide-by-Zero Error Status bit
1 = Math error trap was caused by a divide-by-zero
0 = Math error trap was not caused by a divide-by-zero
bit 5 DMACERR: DMAC Trap Flag bit
1 = DMAC trap has occurred
0 = DMAC trap has not occurred
Note 1: This bit is available on dsPIC33EPXXX(GP/MC/MU)806/810/814 devices only.

dsPIC33EPXXX(GP/MC/MU)806/810/814 and PIC24EPXXX(GP/GU)810/814
DS70616G-page 154 2009-2012 Microchip Technology Inc.
bit 4 MATHERR: Math Error Status bit
1 = Math error trap has occurred
0 = Math error trap has not occurred
bit 3 ADDRERR: Address Error Trap Status bit
1 = Address error trap has occurred
0 = Address error trap has not occurred
bit 2 STKERR: Stack Error Trap Status bit
1 = Stack error trap has occurred
0 = Stack error trap has not occurred
bit 1 OSCFAIL: Oscillator Failure Trap Status bit
1 = Oscillator failure trap has occurred
0 = Oscillator failure trap has not occurred
bit 0 Unimplemented: Read as ‘0’
REGISTER 7-3: INTCON1: INTERRUPT CONTROL REGISTER 1 (CONTINUED)
Note 1: This bit is available on dsPIC33EPXXX(GP/MC/MU)806/810/814 devices only.

2009-2012 Microchip Technology Inc. DS70616G-page 155
dsPIC33EPXXX(GP/MC/MU)806/810/814 and PIC24EPXXX(GP/GU)810/814
REGISTER 7-4: INTCON2: INTERRUPT CONTROL REGISTER 2
R/W-1 R/W-0 R/W-0 U-0 U-0 U-0 U-0 U-0
GIE DISI SWTRAP — — — — —
bit 15 bit 8
U-0 U-0 U-0 R/W-0 R/W-0 R/W-0 R/W-0 R/W-0
— — — INT4EP INT3EP INT2EP INT1EP INT0EP
bit 7 bit 0
Legend:
R = Readable bit W = Writable bit U = Unimplemented bit, read as ‘0’
-n = Value at POR ‘1’ = Bit is set ‘0’ = Bit is cleared x = Bit is unknown
bit 15 GIE: Global Interrupt Enable bit
1 = Interrupts and associated IE bits are enabled
0 = Interrupts are disabled, but traps are still enabled
bit 14 DISI: DISI Instruction Status bit
1 = DISI instruction is active
0 = DISI instruction is not active
bit 13 SWTRAP: Software Trap Status bit
1 = Software trap is enabled
0 = Software trap is disabled
bit 12-5 Unimplemented: Read as ‘0’
bit 4 INT4EP: External Interrupt 4 Edge Detect Polarity Select bit
1 = Interrupt on negative edge
0 = Interrupt on positive edge
bit 3 INT3EP: External Interrupt 3 Edge Detect Polarity Select bit
1 = Interrupt on negative edge
0 = Interrupt on positive edge
bit 2 INT2EP: External Interrupt 2 Edge Detect Polarity Select bit
1 = Interrupt on negative edge
0 = Interrupt on positive edge
bit 1 INT1EP: External Interrupt 1 Edge Detect Polarity Select bit
1 = Interrupt on negative edge
0 = Interrupt on positive edge
bit 0 INT0EP: External Interrupt 0 Edge Detect Polarity Select bit
1 = Interrupt on negative edge
0 = Interrupt on positive edge

dsPIC33EPXXX(GP/MC/MU)806/810/814 and PIC24EPXXX(GP/GU)810/814
DS70616G-page 156 2009-2012 Microchip Technology Inc.
REGISTER 7-5: INTCON3: INTERRUPT CONTROL REGISTER 3
U-0 U-0 U-0 U-0 U-0 U-0 U-0 U-0
— — — — — — — —
bit 15 bit 8
U-0 R/W-0 R/W-0 R/W-0 U-0 U-0 U-0 U-0
— UAE DAE DOOVR — — — —
bit 7 bit 0
Legend:
R = Readable bit W = Writable bit U = Unimplemented bit, read as ‘0’
-n = Value at POR ‘1’ = Bit is set ‘0’ = Bit is cleared x = Bit is unknown
bit 15-7 Unimplemented: Read as ‘0’
bit 6 UAE: USB Address Error Soft Trap Status bit
1 = USB address error (soft) trap has occurred
0 = USB address error (soft) trap has not occurred
bit 5 DAE: DMA Address Error Soft Trap Status bit
1 = DMA address error soft trap has occurred
0 = DMA address error soft trap has not occurred
bit 4 DOOVR: Do Stack Overflow Soft Trap Status bit
1 = Do stack overflow soft trap has occurred
0 = Do stack overflow soft trap has not occurred
bit 3-0 Unimplemented: Read as ‘0’
REGISTER 7-6: INTCON4: INTERRUPT CONTROL REGISTER 4
U-0 U-0 U-0 U-0 U-0 U-0 U-0 U-0
— — — — — — — —
bit 15 bit 8
U-0 U-0 U-0 U-0 U-0 U-0 U-0 R/W-0
— — — — — — —SGHT
bit 7 bit 0
Legend:
R = Readable bit W = Writable bit U = Unimplemented bit, read as ‘0’
-n = Value at POR ‘1’ = Bit is set ‘0’ = Bit is cleared x = Bit is unknown
bit 15-1 Unimplemented: Read as ‘0’
bit 0 SGHT: Software Generated Hard Trap Status bit
1 = Software generated hard trap has occurred
0 = Software generated hard trap has not occurred

2009-2012 Microchip Technology Inc. DS70616G-page 157
dsPIC33EPXXX(GP/MC/MU)806/810/814 and PIC24EPXXX(GP/GU)810/814
REGISTER 7-7: INTTREG: INTERRUPT CONTROL AND STATUS REGISTER
U-0 U-0 U-0 U-0 R-0 R-0 R-0 R-0
— — — —ILR<3:0>
bit 15 bit 8
R-0 R-0 R-0 R-0 R-0 R-0 R-0 R-0
VECNUM<7:0>(1)
bit 7 bit 0
Legend:
R = Readable bit W = Writable bit U = Unimplemented bit, read as ‘0’
-n = Value at POR ‘1’ = Bit is set ‘0’ = Bit is cleared x = Bit is unknown
bit 15-12 Unimplemented: Read as ‘0’
bit 11-8 ILR<3:0>: New CPU Interrupt Priority Level bits
1111 = CPU Interrupt Priority Level is 15
•
•
•
0001 = CPU Interrupt Priority Level is 1
0000 = CPU Interrupt Priority Level is 0
bit 7-0 VECNUM<7:0>: Vector Number of Pending Interrupt bits(1)
11111111 = 255, Reserved
•
•
•
00001001 = 9, IC1 – Input Capture 1
00001000 = 8, INT0 – External Interrupt 0
00000111 = 7, Reserved
00000110 = 6, Generic soft error trap
00000101 = 5, DMAC error trap
00000100 = 4, Math error trap
00000011 = 3, Stack error trap
00000010 = 2, Generic hard trap
00000001 = 1, Address error trap
00000000 = 0, Oscillator fail trap
Note 1: See Table 7-1 for the complete list of interrupt vector numbers.

dsPIC33EPXXX(GP/MC/MU)806/810/814 and PIC24EPXXX(GP/GU)810/814
DS70616G-page 158 2009-2012 Microchip Technology Inc.
NOTES:

2009-2012 Microchip Technology Inc. DS70616G-page 159
dsPIC33EPXXX(GP/MC/MU)806/810/814 and PIC24EPXXX(GP/GU)810/814
8.0 DIRECT MEMORY ACCESS
(DMA)
The DMA controller transfers data between
peripheral data registers and data space SRAM.
The dsPIC33EPXXX(GP/MC/MU)806/810/814 and
PIC24EPXXX(GP/GU)810/814 DMA subsystem uses
dual-ported SRAM memory (DPSRAM) and register
structures that allow the DMA to operate across its
own, independent address and data buses with no
impact on CPU operation. This architecture eliminates
the need for cycle stealing, which halts the CPU when
a higher priority DMA transfer is requested. Both the
CPU and DMA controller can write and read to/from
addresses within data space without interference, such
as CPU stalls, resulting in maximized, real-time
performance. Alternatively, DMA operation and data
transfer to/from the memory and peripherals are not
impacted by CPU processing. For example, when a
Run-Time Self-Programming (RTSP) operation is
performed, the CPU does not execute any instructions
until RTSP is finished. This condition, however, does
not impact data transfer to/from memory and the
peripherals.
In addition, DMA can access entire data memory space
(SRAM and DPSRAM). The Data Memory Bus Arbiter
is utilized when either the CPU or DMA attempts to
access non-dual ported SRAM, resulting in potential
DMA or CPU stalls.
The DMA controller supports up to 15 independent
channels. Each channel can be configured for transfers
to or from selected peripherals. Some of the
peripherals supported by the DMA controller include:
• ECAN™
• Data Converter Interface (DCI)
• Analog-to-Digital Converter (ADC)
• Serial Peripheral Interface (SPI)
•UART
• Input Capture
• Output Compare
• Parallel Master Port (PMP)
Refer to Tab l e 8 -1 for a complete list of supported
peripherals.
FIGURE 8-1: DMA CONTROLLER
Note 1: This data sheet summarizes the features
of the dsPIC33EPXXX(GP/MC/MU)806/
810/814 and PIC24EPXXX(GP/GU)810/
814 families of devices. It is not intended
to be a comprehensive reference source.
To complement the information in this
data sheet, refer to Section 22. “Direct
Memory Access (DMA)” (DS70348)
of the “dsPIC33E/PIC24E Family
Reference Manual”, which is available
from the Microchip web site
(www.microchip.com).
2: Some registers and associated bits
described in this section may not be
available on all devices. Refer to
Section 4.0 “Memory Organization” in
this data sheet for device-specific register
and bit information.
DMA
DPSRAM
PERIPHERAL
Arbiter
SRAM

dsPIC33EPXXX(GP/MC/MU)806/810/814 and PIC24EPXXX(GP/GU)810/814
DS70616G-page 160 2009-2012 Microchip Technology Inc.
In addition, DMA transfers can be triggered by timers
as well as external interrupts. Each DMA channel is
unidirectional. Two DMA channels must be allocated to
read and write to a peripheral. If more than one channel
receive a request to transfer data, a simple fixed priority
scheme, based on channel number, dictates which
channel completes the transfer and which channel, or
channels, are left pending. Each DMA channel moves
a block of data, after which it generates an interrupt to
the CPU to indicate that the block is available for
processing.
The DMA controller provides these functional
capabilities:
• Up to 15 DMA Channels
• Register Indirect With Post-Increment Addressing
mode
• Register Indirect Without Post-Increment
Addressing mode
• Peripheral Indirect Addressing mode (peripheral
generates destination address)
• CPU Interrupt after Half or Full Block Transfer
Complete
• Byte or Word Transfers
• Fixed Priority Channel Arbitration
• Manual (software) or Automatic (peripheral DMA
requests) Transfer Initiation
• One-Shot or Auto-Repeat Block Transfer modes
• Ping-Pong mode (automatic switch between two
DPSRAM start addresses after each block
transfer complete)
• DMA Request for Each Channel can be Selected
from Any Supported Interrupt Source
• Debug Support Features
The peripherals that can utilize DMA are listed in
Table 8-1.
TABLE 8-1: DMA CHANNEL TO PERIPHERAL ASSOCIATIONS
Peripheral to DMA Association DMAxREQ Register
IRQSEL<7:0> Bits
DMAxPAD Register
(Values to Read from
Peripheral)
DMAxPAD Register
(Values to Write to
Peripheral)
INT0 – External Interrupt 0 00000000 ——
IC1 – Input Capture 1 00000001 0x0144 (IC1BUF) —
IC2 – Input Capture 2 00000101 0x014C (IC2BUF) —
IC3 – Input Capture 3 00100101 0x0154 (IC3BUF) —
IC4 – Input Capture 4 00100110 0x015C (IC4BUF) —
OC1 – Output Compare 1 00000010 — 0x0906 (OC1R)
0x0904 (OC1RS)
OC2 – Output Compare 2 00000110 — 0x0910 (OC2R)
0x090E (OC2RS)
OC3 – Output Compare 3 00011001 — 0x091A (OC3R)
0x0918 (OC3RS)
OC4 – Output Compare 4 00011010 — 0x0924 (OC4R)
0x0922 (OC4RS)
TMR2 – Timer2 00000111 ——
TMR3 – Timer3 00001000 ——
TMR4 – Timer4 00011011 ——
TMR5 – Timer5 00011100 ——
SPI1 Transfer Done 00001010 0x0248 (SPI1BUF) 0x0248 (SPI1BUF)
SPI2 Transfer Done 00100001 0x0268 (SPI2BUF) 0x0268 (SPI2BUF)
SPI3 Transfer Done 01011011 0x02A8 (SPI3BUF) 0x02A8 (SPI3BUF)
SPI4 Transfer Done 01111011 0x02C8 (SPI4BUF) 0x02C8 (SPI4BUF)
UART1RX – UART1 Receiver 00001011 0x0226 (U1RXREG) —
UART1TX – UART1 Transmitter 00001100 — 0x0224 (U1TXREG)
UART2RX – UART2 Receiver 00011110 0x0236 (U2RXREG) —
UART2TX – UART2 Transmitter 00011111 — 0x0234 (U2TXREG)
UART3RX – UART3 Receiver 01010010 0x0256 (U3RXREG) —
UART3TX – UART3 Transmitter 01010011 — 0x0254 (U3TXREG)

2009-2012 Microchip Technology Inc. DS70616G-page 161
dsPIC33EPXXX(GP/MC/MU)806/810/814 and PIC24EPXXX(GP/GU)810/814
FIGURE 8-2: DMA CONTROLLER TO PERIPHERAL ASSOCIATIONS BLOCK DIAGRAM
UART4RX – UART4 Receiver 01011000 0x02B6 (U4RXREG) —
UART4TX – UART4 Transmitter 01011001 — 0x02B4 (U4TXREG)
ECAN1 – RX Data Ready 00100010 0x0440 (C1RXD) —
ECAN1 – TX Data Request 01000110 — 0x0442 (C1TXD)
ECAN2 – RX Data Ready 00110111 0x0540 (C2RXD) —
ECAN2 – TX Data Request 01000111 — 0x0542 (C2TXD)
DCI – DCI Transfer Done 00111100 0x0290 (RXBUF0) 0x0298 (TXBUF0)
ADC1 – ADC1 Convert Done 00001101 0x0300 (ADC1BUF0) —
ADC2 – ADC2 Convert Done 00010101 0x0340 (ADC2BUF0) —
PMP – PMP Data Move 00101101 0x0608 (PMDIN1) 0x0608 (PMDIN1)
TABLE 8-1: DMA CHANNEL TO PERIPHERAL ASSOCIATIONS (CONTINUED)
Peripheral to DMA Association DMAxREQ Register
IRQSEL<7:0> Bits
DMAxPAD Register
(Values to Read from
Peripheral)
DMAxPAD Register
(Values to Write to
Peripheral)
CPU
Arbiter
DPSRAM Peripheral 1
DMA
Peripheral
Non-DMA
PORT 2PORT 1
Peripheral 2
DMA
Ready
Peripheral 3
DMA
Ready
Ready
DMA X-Bus
CPU
CPU CPU
Peripheral Indirect Address
Note: CPU and DMA address buses are not shown for clarity.
DMA
Control
DMA Controller
DMA
CPU Peripheral X-Bus
IRQ to DMA
and Interrupt
Controller
Modules
SRAM X-Bus
IRQ to DMA and
Interrupt Controller
Modules
IRQ to DMA and
Interrupt Controller
Modules
0123 N
SRAM
4··
Channels
DMA DMA
DMA

dsPIC33EPXXX(GP/MC/MU)806/810/814 and PIC24EPXXX(GP/GU)810/814
DS70616G-page 162 2009-2012 Microchip Technology Inc.
8.1 DMA Resources
Many useful resources related to DMA are provided on
the main product page of the Microchip web site for the
devices listed in this data sheet. This product page,
which can be accessed using this link, contains the
latest updates and additional information.
8.1.1 KEY RESOURCES
•Section 22. “Direct Memory Access (DMA)”
(DS70348) in the “dsPIC33E/PIC24E Family
Reference Manual”
• Code Samples
• Application Notes
• Software Libraries
• Webinars
• All related “dsPIC33E/PIC24E Family Reference
Manual” Sections
• Development Tools
8.2 DMA Control Registers
Each DMAC Channel x (where x = 0 through 14)
contains the following registers:
• 16-Bit DMA Channel Control register (DMAxCON)
• 16-Bit DMA Channel IRQ Select register
(DMAxREQ)
• 32-Bit DMA RAM Primary Start Address register
(DMAxSTA)
• 32-Bit DMA RAM Secondary Start Address
register (DMAxSTB)
• 16-Bit DMA Peripheral Address register (DMAxPAD)
• 14-Bit DMA Transfer Count register (DMAxCNT)
Additional status registers (DMAPWC, DMARQC,
DMAPPS, DMALCA and DSADR) are common to all
DMAC channels. These status registers provide infor-
mation on write and request collisions, as well as on
last address and channel access information.
The DMA Interrupt Flags (DMAxIF) are located in an
IFSx register in the interrupt controller. The
corresponding interrupt enable control bits (DMAxIE)
are located in an IECx register in the interrupt
controller, and the corresponding interrupt priority
control bits (DMAxIP) are located in an IPCx register in
the interrupt controller.
Note: In the event you are not able to access the
product page using the link above, enter
this URL in your browser:
http://www.microchip.com/wwwproducts/
Devices.aspx?dDocName=en554310

2009-2012 Microchip Technology Inc. DS70616G-page 163
dsPIC33EPXXX(GP/MC/MU)806/810/814 and PIC24EPXXX(GP/GU)810/814
REGISTER 8-1: DMAXCON: DMA CHANNEL X CONTROL REGISTER
R/W-0 R/W-0 R/W-0 R/W-0 R/W-0 U-0 U-0 U-0
CHEN SIZE DIR HALF NULLW — — —
bit 15 bit 8
U-0 U-0 R/W-0 R/W-0 U-0 U-0 R/W-0 R/W-0
——AMODE<1:0>—— MODE<1:0>
bit 7 bit 0
Legend:
R = Readable bit W = Writable bit U = Unimplemented bit, read as ‘0’
-n = Value at POR ‘1’ = Bit is set ‘0’ = Bit is cleared x = Bit is unknown
bit 15 CHEN: Channel Enable bit
1 = Channel is enabled
0 = Channel is disabled
bit 14 SIZE: Data Transfer Size bit
1 = Byte
0 =Word
bit 13 DIR: Transfer Direction bit (source/destination bus select)
1 = Reads from DPSRAM (or RAM) address, writes to peripheral address
0 = Reads from peripheral address, writes to DPSRAM (or RAM) address
bit 12 HALF: Block Transfer Interrupt Select bit
1 = Initiates interrupt when half of the data has been moved
0 = Initiates interrupt when all of the data has been moved
bit 11 NULLW: Null Data Peripheral Write Mode Select bit
1 = Null data write to peripheral in addition to DPSRAM (or RAM) write (DIR bit must also be clear)
0 = Normal operation
bit 10-6 Unimplemented: Read as ‘0’
bit 5-4 AMODE<1:0>: DMA Channel Addressing Mode Select bits
11 = Reserved
10 = Peripheral Indirect Addressing mode
01 = Register Indirect without Post-Increment mode
00 = Register Indirect with Post-Increment mode
bit 3-2 Unimplemented: Read as ‘0’
bit 1-0 MODE<1:0>: DMA Channel Operating Mode Select bits
11 = One-Shot, Ping-Pong modes are enabled (one block transfer from/to each DMA buffer)
10 = Continuous, Ping-Pong modes are enabled
01 = One-Shot, Ping-Pong modes are disabled
00 = Continuous, Ping-Pong modes are disabled

dsPIC33EPXXX(GP/MC/MU)806/810/814 and PIC24EPXXX(GP/GU)810/814
DS70616G-page 164 2009-2012 Microchip Technology Inc.
REGISTER 8-2: DMAXREQ: DMA CHANNEL X IRQ SELECT REGISTER
R/S-0 U-0 U-0 U-0 U-0 U-0 U-0 U-0
FORCE(1)— — — — — — —
bit 15 bit 8
R/W-0 R/W-0 R/W-0 R/W-0 R/W-0 R/W-0 R/W-0 R/W-0
IRQSEL<7:0>
bit 7 bit 0
Legend: S = Settable bit
R = Readable bit W = Writable bit U = Unimplemented bit, read as ‘0’
-n = Value at POR ‘1’ = Bit is set ‘0’ = Bit is cleared x = Bit is unknown
bit 15 FORCE: Force DMA Transfer bit(1)
1 = Forces a single DMA transfer (Manual mode)
0 = Automatic DMA transfer initiation by DMA request
bit 14-8 Unimplemented: Read as ‘0’
bit 7-0 IRQSEL<7:0>: DMA Peripheral IRQ Number Select bits
00000000 = INT0 – External Interrupt 0
00000001 = IC1 – Input Capture 1
00000010 = OC1 – Output Compare 1
00000101 = IC2 – Input Capture 2
00000110 = OC2 – Output Compare 2
00000111 = TMR2 – Timer2
00001000 = TMR3 – Timer3
00001010 = SPI1 – Transfer done
00001011 = UART1RX – UART1 Receiver
00001100 = UART1TX – UART1 Transmitter
00001101 = ADC1 – ADC1 convert done
00010101 = ADC2 – ADC2 convert done
00011001 = OC3 – Output Compare 3
00011010 = OC4 – Output Compare 4
00011011 = TMR4 – Timer4
00011100 = TMR5 – Timer5
00011110 = UART2RX – UART2 Receiver
00011111 = UART2TX – UART2 Transmitter
00100001 = SPI2 – Transfer done
00100010 = ECAN1 – RX data ready
00100101 = IC3 – Input Capture 3
00100110 = IC4 – Input Capture 4
00101101 = PMP Data mode
00110111 = ECAN2 – RX data ready
00111100 = DCI – DCI transfer done
01000110 = ECAN1 – TX data request
01000111 = ECAN2 – TX data request
01010010 = UART3RX – UART3 Receiver
01010011 = UART3TX – UART3 Transmitter
01011000 = UART4RX – UART4 Receiver
01011001 = UART4TX – UART4 Transmitter
01011011 = SPI3 – Transfer done
01111011 = SPI4 – Transfer done
Note 1: The FORCE bit cannot be cleared by user software. The FORCE bit is cleared by hardware when the
forced DMA transfer is complete or the channel is disabled (CHEN = 0).

2009-2012 Microchip Technology Inc. DS70616G-page 165
dsPIC33EPXXX(GP/MC/MU)806/810/814 and PIC24EPXXX(GP/GU)810/814
REGISTER 8-3: DMAXSTAH: DMA CHANNEL X START ADDRESS REGISTER A (HIGH)
U-0 U-0 U-0 U-0 U-0 U-0 U-0 U-0
— — — — — — — —
bit 15 bit 8
R/W-0 R/W-0 R/W-0 R/W-0 R/W-0 R/W-0 R/W-0 R/W-0
STA<23:16>
bit 7 bit 0
Legend:
R = Readable bit W = Writable bit U = Unimplemented bit, read as ‘0’
-n = Value at POR ‘1’ = Bit is set ‘0’ = Bit is cleared x = Bit is unknown
bit 15-8 Unimplemented: Read as ‘0’
bit 7-0 STA<23:16>: Primary Start Address bits (source or destination)
REGISTER 8-4: DMAXSTAL: DMA CHANNEL X START ADDRESS REGISTER A (LOW)
R/W-0 R/W-0 R/W-0 R/W-0 R/W-0 R/W-0 R/W-0 R/W-0
STA<15:8>
bit 15 bit 8
R/W-0 R/W-0 R/W-0 R/W-0 R/W-0 R/W-0 R/W-0 R/W-0
STA<7:0>
bit 7 bit 0
Legend:
R = Readable bit W = Writable bit U = Unimplemented bit, read as ‘0’
-n = Value at POR ‘1’ = Bit is set ‘0’ = Bit is cleared x = Bit is unknown
bit 15-0 STA<15:0>: Primary Start Address bits (source or destination)

dsPIC33EPXXX(GP/MC/MU)806/810/814 and PIC24EPXXX(GP/GU)810/814
DS70616G-page 166 2009-2012 Microchip Technology Inc.
REGISTER 8-5: DMAXSTBH: DMA CHANNEL X START ADDRESS REGISTER B (HIGH)
U-0 U-0 U-0 U-0 R/W-0 U-0 U-0 U-0
— — — — — — — —
bit 15 bit 8
R/W-0 R/W-0 R/W-0 R/W-0 R/W-0 R/W-0 R/W-0 R/W-0
STB<23:16>
bit 7 bit 0
Legend:
R = Readable bit W = Writable bit U = Unimplemented bit, read as ‘0’
-n = Value at POR ‘1’ = Bit is set ‘0’ = Bit is cleared x = Bit is unknown
bit 15-8 Unimplemented: Read as ‘0’
bit 7-0 STB<23:16>: Secondary Start Address bits (source or destination)
REGISTER 8-6: DMAXSTBL: DMA CHANNEL X START ADDRESS REGISTER B (LOW)
R/W-0 R/W-0 R/W-0 R/W-0 R/W-0 R/W-0 R/W-0 R/W-0
STB<15:8>
bit 15 bit 8
R/W-0 R/W-0 R/W-0 R/W-0 R/W-0 R/W-0 R/W-0 R/W-0
STB<7:0>
bit 7 bit 0
Legend:
R = Readable bit W = Writable bit U = Unimplemented bit, read as ‘0’
-n = Value at POR ‘1’ = Bit is set ‘0’ = Bit is cleared x = Bit is unknown
bit 15-0 STB<15:0>: Secondary Start Address bits (source or destination)

2009-2012 Microchip Technology Inc. DS70616G-page 167
dsPIC33EPXXX(GP/MC/MU)806/810/814 and PIC24EPXXX(GP/GU)810/814
REGISTER 8-7: DMAXPAD: DMA CHANNEL X PERIPHERAL ADDRESS REGISTER(1)
R/W-0 R/W-0 R/W-0 R/W-0 R/W-0 R/W-0 R/W-0 R/W-0
PAD<15:8>
bit 15 bit 8
R/W-0 R/W-0 R/W-0 R/W-0 R/W-0 R/W-0 R/W-0 R/W-0
PAD<7:0>
bit 7 bit 0
Legend:
R = Readable bit W = Writable bit U = Unimplemented bit, read as ‘0’
-n = Value at POR ‘1’ = Bit is set ‘0’ = Bit is cleared x = Bit is unknown
bit 15-0 PAD<15:0>: Peripheral Address Register bits
Note 1: If the channel is enabled (i.e., active), writes to this register may result in unpredictable behavior of the
DMA channel and should be avoided.
REGISTER 8-8: DMAXCNT: DMA CHANNEL X TRANSFER COUNT REGISTER(1)
U-0 U-0 R/W-0 R/W-0 R/W-0 R/W-0 R/W-0 R/W-0
—— CNT<13:8>(2)
bit 15 bit 8
R/W-0 R/W-0 R/W-0 R/W-0 R/W-0 R/W-0 R/W-0 R/W-0
CNT<7:0>(2)
bit 7 bit 0
Legend:
R = Readable bit W = Writable bit U = Unimplemented bit, read as ‘0’
-n = Value at POR ‘1’ = Bit is set ‘0’ = Bit is cleared x = Bit is unknown
bit 15-14 Unimplemented: Read as ‘0’
bit 13-0 CNT<13:0>: DMA Transfer Count Register bits(2)
Note 1: If the channel is enabled (i.e., active), writes to this register may result in unpredictable behavior of the
DMA channel and should be avoided.
2: The number of DMA transfers = CNT<13:0> + 1.

dsPIC33EPXXX(GP/MC/MU)806/810/814 and PIC24EPXXX(GP/GU)810/814
DS70616G-page 168 2009-2012 Microchip Technology Inc.
REGISTER 8-9: DSADRH: MOST RECENT DMA DATA SPACE HIGH ADDRESS REGISTER
U-0 U-0 U-0 U-0 U-0 U-0 U-0 U-0
— — — — — — — —
bit 15 bit 8
R-0 R-0 R-0 R-0 R-0 R-0 R-0 R-0
DSADR<23:16>
bit 7 bit 0
Legend:
R = Readable bit W = Writable bit U = Unimplemented bit, read as ‘0’
-n = Value at POR ‘1’ = Bit is set ‘0’ = Bit is cleared x = Bit is unknown
bit 15-8 Unimplemented: Read as ‘0’
bit 7-0 DSADR<23:16>: Most Recent DMA Address Accessed by DMA bits
REGISTER 8-10: DSADRL: MOST RECENT DMA DATA SPACE LOW ADDRESS REGISTER
R-0 R-0 R-0 R-0 R-0 R-0 R-0 R-0
DSADR<15:8>
bit 15 bit 8
R-0 R-0 R-0 R-0 R-0 R-0 R-0 R-0
DSADR<7:0>
bit 7 bit 0
Legend:
R = Readable bit W = Writable bit U = Unimplemented bit, read as ‘0’
-n = Value at POR ‘1’ = Bit is set ‘0’ = Bit is cleared x = Bit is unknown
bit 15-0 DSADR<15:0>: Most Recent DMA Address Accessed by DMA bits

2009-2012 Microchip Technology Inc. DS70616G-page 169
dsPIC33EPXXX(GP/MC/MU)806/810/814 and PIC24EPXXX(GP/GU)810/814
REGISTER 8-11: DMAPWC: DMA PERIPHERAL WRITE COLLISION STATUS
REGISTER
U-0 R-0 R-0 R-0 R-0 R-0 R-0 R-0
— PWCOL14 PWCOL13 PWCOL12 PWCOL11 PWCOL10 PWCOL9 PWCOL8
bit 15 bit 8
R-0 R-0 R-0 R-0 R-0 R-0 R-0 R-0
PWCOL7 PWCOL6 PWCOL5 PWCOL4 PWCOL3 PWCOL2 PWCOL1 PWCOL0
bit 7 bit 0
Legend:
R = Readable bit W = Writable bit U = Unimplemented bit, read as ‘0’
-n = Value at POR ‘1’ = Bit is set ‘0’ = Bit is cleared x = Bit is unknown
bit 15 Unimplemented: Read as ‘0’
bit 14 PWCOL14: Channel 14 Peripheral Write Collision Flag bit
1 = Write collision detected
0 = No write collision detected
bit 13 PWCOL13: Channel 13 Peripheral Write Collision Flag bit
1 = Write collision detected
0 = No write collision detected
bit 12 PWCOL12: Channel 12 Peripheral Write Collision Flag bit
1 = Write collision detected
0 = No write collision detected
bit 11 PWCOL11: Channel 11 Peripheral Write Collision Flag bit
1 = Write collision detected
0 = No write collision detected
bit 10 PWCOL10: Channel 10 Peripheral Write Collision Flag bit
1 = Write collision detected
0 = No write collision detected
bit 9 PWCOL9: Channel 9 Peripheral Write Collision Flag bit
1 = Write collision detected
0 = No write collision detected
bit 8 PWCOL8: Channel 8 Peripheral Write Collision Flag bit
1 = Write collision detected
0 = No write collision detected
bit 7 PWCOL7: Channel 7 Peripheral Write Collision Flag bit
1 = Write collision detected
0 = No write collision detected
bit 6 PWCOL6: Channel 6 Peripheral Write Collision Flag bit
1 = Write collision detected
0 = No write collision detected
bit 5 PWCOL5: Channel 5 Peripheral Write Collision Flag bit
1 = Write collision detected
0 = No write collision detected
bit 4 PWCOL4: Channel 4 Peripheral Write Collision Flag bit
1 = Write collision detected
0 = No write collision detected
bit 3 PWCOL3: Channel 3 Peripheral Write Collision Flag bit
1 = Write collision detected
0 = No write collision detected

dsPIC33EPXXX(GP/MC/MU)806/810/814 and PIC24EPXXX(GP/GU)810/814
DS70616G-page 170 2009-2012 Microchip Technology Inc.
bit 2 PWCOL2: Channel 2 Peripheral Write Collision Flag bit
1 = Write collision detected
0 = No write collision detected
bit 1 PWCOL1: Channel 1 Peripheral Write Collision Flag bit
1 = Write collision detected
0 = No write collision detected
bit 0 PWCOL0: Channel 0 Peripheral Write Collision Flag bit
1 = Write collision detected
0 = No write collision detected
REGISTER 8-11: DMAPWC: DMA PERIPHERAL WRITE COLLISION STATUS
REGISTER (CONTINUED)

2009-2012 Microchip Technology Inc. DS70616G-page 171
dsPIC33EPXXX(GP/MC/MU)806/810/814 and PIC24EPXXX(GP/GU)810/814
REGISTER 8-12: DMARQC: DMA REQUEST COLLISION STATUS REGISTER
U-0 R-0 R-0 R-0 R-0 R-0 R-0 R-0
— RQCOL14 RQCOL13 RQCOL12 RQCOL11 RQCOL10 RQCOL9 RQCOL8
bit 15 bit 8
R-0 R-0 R-0 R-0 R-0 R-0 R-0 R-0
RQCOL7 RQCOL6 RQCOL5 RQCOL4 RQCOL3 RQCOL2 RQCOL1 RQCOL0
bit 7 bit 0
Legend:
R = Readable bit W = Writable bit U = Unimplemented bit, read as ‘0’
-n = Value at POR ‘1’ = Bit is set ‘0’ = Bit is cleared x = Bit is unknown
bit 15 Unimplemented: Read as ‘0’
bit 14 RQCOL14: Channel 14 Transfer Request Collision Flag bit
1 = User FORCE and interrupt-based request collision detected
0 = No request collision detected
bit 13 RQCOL13: Channel 13 Transfer Request Collision Flag bit
1 = User FORCE and interrupt-based request collision detected
0 = No request collision detected
bit 12 RQCOL12: Channel 12 Transfer Request Collision Flag bit
1 = User FORCE and interrupt-based request collision detected
0 = No request collision detected
bit 11 RQCOL11: Channel 11 Transfer Request Collision Flag bit
1 = User FORCE and interrupt-based request collision detected
0 = No request collision detected
bit 10 RQCOL10: Channel 10 Transfer Request Collision Flag bit
1 = User FORCE and interrupt-based request collision detected
0 = No request collision detected
bit 9 RQCOL9: Channel 9 Transfer Request Collision Flag bit
1 = User FORCE and interrupt-based request collision detected
0 = No request collision detected
bit 8 RQCOL8: Channel 8 Transfer Request Collision Flag bit
1 = User FORCE and interrupt-based request collision detected
0 = No request collision detected
bit 7 RQCOL7: Channel 7 Transfer Request Collision Flag bit
1 = User FORCE and interrupt-based request collision detected
0 = No request collision detected
bit 6 RQCOL6: Channel 6 Transfer Request Collision Flag bit
1 = User FORCE and interrupt-based request collision detected
0 = No request collision detected
bit 5 RQCOL5: Channel 5 Transfer Request Collision Flag bit
1 = User FORCE and interrupt-based request collision detected
0 = No request collision detected
bit 4 RQCOL4: Channel 4 Transfer Request Collision Flag bit
1 = User FORCE and interrupt-based request collision detected
0 = No request collision detected
bit 3 RQCOL3: Channel 3 Transfer Request Collision Flag bit
1 = User FORCE and interrupt-based request collision detected
0 = No request collision detected

dsPIC33EPXXX(GP/MC/MU)806/810/814 and PIC24EPXXX(GP/GU)810/814
DS70616G-page 172 2009-2012 Microchip Technology Inc.
bit 2 RQCOL2: Channel 2 Transfer Request Collision Flag bit
1 = User FORCE and interrupt-based request collision detected
0 = No request collision detected
bit 1 RQCOL1: Channel 1 Transfer Request Collision Flag bit
1 = User FORCE and interrupt-based request collision detected
0 = No request collision detected
bit 0 RQCOL0: Channel 0 Transfer Request Collision Flag bit
1 = User FORCE and interrupt-based request collision detected
0 = No request collision detected
REGISTER 8-12: DMARQC: DMA REQUEST COLLISION STATUS REGISTER (CONTINUED)

2009-2012 Microchip Technology Inc. DS70616G-page 173
dsPIC33EPXXX(GP/MC/MU)806/810/814 and PIC24EPXXX(GP/GU)810/814
REGISTER 8-13: DMALCA: DMA LAST CHANNEL ACTIVE STATUS REGISTER
U-0 U-0 U-0 U-0 U-0 U-0 U-0 U-0
— — — — — — — —
bit 15 bit 8
U-0 U-0 U-0 U-0 R-1 R-1 R-1 R-1
— — — — LSTCH<3:0>
bit 7 bit 0
Legend:
R = Readable bit W = Writable bit U = Unimplemented bit, read as ‘0’
-n = Value at POR ‘1’ = Bit is set ‘0’ = Bit is cleared x = Bit is unknown
bit 15-4 Unimplemented: Read as ‘0’
bit 3-0 LSTCH<3:0>: Last DMAC Channel Active Status bits
1111 = No DMA transfer has occurred since system Reset
1110 = Last data transfer was handled by Channel 14
1101 = Last data transfer was handled by Channel 13
1100 = Last data transfer was handled by Channel 12
1011 = Last data transfer was handled by Channel 11
1010 = Last data transfer was handled by Channel 10
1001 = Last data transfer was handled by Channel 9
1000 = Last data transfer was handled by Channel 8
0111 = Last data transfer was handled by Channel 7
0110 = Last data transfer was handled by Channel 6
0101 = Last data transfer was handled by Channel 5
0100 = Last data transfer was handled by Channel 4
0011 = Last data transfer was handled by Channel 3
0010 = Last data transfer was handled by Channel 2
0001 = Last data transfer was handled by Channel 1
0000 = Last data transfer was handled by Channel 0

dsPIC33EPXXX(GP/MC/MU)806/810/814 and PIC24EPXXX(GP/GU)810/814
DS70616G-page 174 2009-2012 Microchip Technology Inc.
REGISTER 8-14: DMAPPS: DMA PING-PONG STATUS REGISTER
U-0 R-0 R-0 R-0 R-0 R-0 R-0 R-0
— PPST14 PPST13 PPST12 PPST11 PPST10 PPST9 PPST8
bit 15 bit 8
R-0 R-0 R-0 R-0 R-0 R-0 R-0 R-0
PPST7 PPST6 PPST5 PPST4 PPST3 PPST2 PPST1 PPST0
bit 7 bit 0
Legend:
R = Readable bit W = Writable bit U = Unimplemented bit, read as ‘0’
-n = Value at POR ‘1’ = Bit is set ‘0’ = Bit is cleared x = Bit is unknown
bit 15 Unimplemented: Read as ‘0’
bit 14 PPST14: Channel 14 Ping-Pong Mode Status Flag bit
1 = DMASTB14 register selected
0 = DMASTA14 register selected
bit 13 PPST13: Channel 13 Ping-Pong Mode Status Flag bit
1 = DMASTB13 register selected
0 = DMASTA13 register selected
bit 12 PPST12: Channel 12 Ping-Pong Mode Status Flag bit
1 = DMASTB12 register selected
0 = DMASTA12 register selected
bit 11 PPST11: Channel 11 Ping-Pong Mode Status Flag bit
1 = DMASTB11 register selected
0 = DMASTA11 register selected
bit 10 PPST10: Channel 10 Ping-Pong Mode Status Flag bit
1 = DMASTB10 register selected
0 = DMASTA10 register selected
bit 9 PPST9: Channel 9 Ping-Pong Mode Status Flag bit
1 = DMASTB9 register selected
0 = DMASTA9 register selected
bit 8 PPST8: Channel 8 Ping-Pong Mode Status Flag bit
1 = DMASTB8 register selected
0 = DMASTA8 register selected
bit 7 PPST7: Channel 7 Ping-Pong Mode Status Flag bit
1 = DMASTB7 register selected
0 = DMASTA7 register selected
bit 6 PPST6: Channel 6 Ping-Pong Mode Status Flag bit
1 = DMASTB6 register selected
0 = DMASTA6 register selected
bit 5 PPST5: Channel 5 Ping-Pong Mode Status Flag bit
1 = DMASTB5 register selected
0 = DMASTA5 register selected
bit 4 PPST4: Channel 4 Ping-Pong Mode Status Flag bit
1 = DMASTB4 register selected
0 = DMASTA4 register selected
bit 3 PPST3: Channel 3 Ping-Pong Mode Status Flag bit
1 = DMASTB3 register selected
0 = DMASTA3 register selected

2009-2012 Microchip Technology Inc. DS70616G-page 175
dsPIC33EPXXX(GP/MC/MU)806/810/814 and PIC24EPXXX(GP/GU)810/814
bit 2 PPST2: Channel 2 Ping-Pong Mode Status Flag bit
1 = DMASTB2 register selected
0 = DMASTA2 register selected
bit 1 PPST1: Channel 1 Ping-Pong Mode Status Flag bit
1 = DMASTB1 register selected
0 = DMASTA1 register selected
bit 0 PPST0: Channel 0 Ping-Pong Mode Status Flag bit
1 = DMASTB0 register selected
0 = DMASTA0 register selected
REGISTER 8-14: DMAPPS: DMA PING-PONG STATUS REGISTER (CONTINUED)

dsPIC33EPXXX(GP/MC/MU)806/810/814 and PIC24EPXXX(GP/GU)810/814
DS70616G-page 176 2009-2012 Microchip Technology Inc.
NOTES:

2009-2012 Microchip Technology Inc. DS70616G-page 177
dsPIC33EPXXX(GP/MC/MU)806/810/814 and PIC24EPXXX(GP/GU)810/814
9.0 OSCILLATOR CONFIGURATION The oscillator system provides:
• Four external and internal oscillator options
• Auxiliary oscillator that provides clock source to
the USB module (if available)
• On-chip Phase-Locked Loop (PLL) to boost
internal operating frequency on select internal and
external oscillator sources
• On-the-fly clock switching between various clock
sources
• Doze mode for system power savings
• Fail-Safe Clock Monitor (FSCM) that detects clock
failure and permits safe application recovery or
shutdown
• Nonvolatile Configuration bits for clock source
selection
A simplified diagram of the oscillator system is shown
in Figure 9-1.
Note 1: This data sheet summarizes the features
of the dsPIC33EPXXX(GP/MC/MU)806/
810/814 and PIC24EPXXX(GP/GU)810/
814 families of devices. It is not intended
to be a comprehensive reference source.
To complement the information in this
data sheet, refer to Section 7. “Oscil-
lator” (DS70580) of the “dsPIC33E/
PIC24E Family Reference Manual”,
which is available from the Microchip web
site (www.microchip.com).
2: Some registers and associated bits
described in this section may not be
available on all devices. Refer to
Section 4.0 “Memory Organization” in
this data sheet for device-specific register
and bit information.

dsPIC33EPXXX(GP/MC/MU)806/810/814 and PIC24EPXXX(GP/GU)810/814
DS70616G-page 178 2009-2012 Microchip Technology Inc.
FIGURE 9-1: OSCILLATOR SYSTEM DIAGRAM
Note 1: See Figure 9-2 for PLL and FVCO details.
2: If the oscillator is used with XT or HS modes, an external parallel resistor with the value of 1 Mmust be connected.
3: See Figure 9-3 for APLL details.
Secondary Oscillator (SOSC)
LPOSCEN
SOSCO
SOSCI
Timer1
XTPLL, HSPLL,
XT, HS, EC
FRCDIV<2:0>
WDT, PWRT,
FRCDIVN
SOSC
FRCDIV16
ECPLL, FRCPLL
NOSC<2:0> FNOSC<2:0>
Reset
FRC
Oscillator
LPRC
Oscillator
DOZE<2:0>
S3
S1
S2
S1/S3
S7
S6
FRC
LPRC S0
S5
S4
÷ 16
Clock Switch
S7
Clock Fail
÷ 2
TUN<5:0>
PLL(1) FCY
FOSC
FRCDIV
DOZE
FSCM
ACLK
POSCCLK
Auxiliary Oscillator
SELACLK
USB
FVCO(1)
ENAPLL
ASRCSEL ENAPLL
APLL(3)
POSCCLK
FRCCLK
FVCO(1)
÷N
APLLPOST<2:0>
FRCCLK
FRCSEL
OSC2
OSC1
Primary Oscillator (POSC)
R(2)
POSCMD<1:0>
FP
FAVCO
ROSEL RODIV<3:0>
REFCLKO
POSCCLK
RPn
FOSC
Reference Clock Generation
Auxiliary Clock Generation
(dsPIC33EPXXMU8XX and
PIC24EPXXXGU8XX Devices Only)
÷ N

2009-2012 Microchip Technology Inc. DS70616G-page 179
dsPIC33EPXXX(GP/MC/MU)806/810/814 and PIC24EPXXX(GP/GU)810/814
9.1 CPU Clocking System
The dsPIC33EPXXX(GP/MC/MU)806/810/814 and
PIC24EPXXX(GP/GU)810/814 family of devices
provides seven system clock options:
• Fast RC (FRC) Oscillator
• FRC Oscillator with Phase-Locked Loop (PLL)
• Primary (XT, HS or EC) Oscillator
• Primary Oscillator with PLL
• Secondary (LP) Oscillator
• Low-Power RC (LPRC) Oscillator
• FRC Oscillator with postscaler
Instruction execution speed or device operating
frequency, FCY, is given by Equation 9-1.
EQUATION 9-1: DEVICE OPERATING
FREQUENCY
Figure 9-2 is a block diagram of the PLL module.
Equation 9-2 provides the relation between input
frequency (FIN) and output frequency (FOSC).
Equation 9-3 provides the relation between input
frequency (FIN) and VCO frequency (FVCO).
FIGURE 9-2: PLL BLOCK DIAGRAM
EQUATION 9-2: FOSC CALCULATION
EQUATION 9-3: FVCO CALCULATION
FCY = FOSC/2
÷ N1
÷ M
÷ N2
PFD VCO
PLLPRE<4:0>
PLLDIV<8:0>
PLLPOST<2:0>
0.8 MHz < FREF < 8.0 MHz
120 MHZ < FVCO < 340 MHZFOSC < 120 MHz @ +125ºC
FIN FREF FVCO FOSC
FOSC < 140 MHz @ +85ºC
FOSC FIN M
N1N2
---------------------
FIN PLLDIV 2+
PLLPRE 2+2PLLPOST 1+
----------------------------------------------------------------------------------------
==
Where,
N1 = PLLPRE + 2
N2 = 2 x (PLLPOST + 1)
M = PLLDIV + 2
FVCO FIN M
N1
-------
FIN PLLDIV 2+
PLLPRE 2+
-------------------------------------
==

dsPIC33EPXXX(GP/MC/MU)806/810/814 and PIC24EPXXX(GP/GU)810/814
DS70616G-page 180 2009-2012 Microchip Technology Inc.
Figure 9-3 illustrates a block diagram of the auxiliary
PLL module.
FIGURE 9-3: APLL BLOCK DIAGRAM
Equation 9-4 shows the relationship between the
auxiliary PLL input clock frequency (FAIN) and the
AVCO frequency (FAVCO).
EQUATION 9-4: FAVCO CALCULATION
Note: The auxiliary PLL module is only avail-
able on dsPIC33EPXXXMU8XX and
PIC24EPXXXGU8XX devices.
÷ N1
÷ M
PFD VCO
APLLPRE<2:0>
APLLDIV
<2:0>
3 MHz < FAREF < 5.5 MHz
60 MHZ < FAVCO < 120 MHZ
FAIN FAREF FAVCO
FAVCO FAIN M
N1
-------
=

2009-2012 Microchip Technology Inc. DS70616G-page 181
dsPIC33EPXXX(GP/MC/MU)806/810/814 and PIC24EPXXX(GP/GU)810/814
TABLE 9-1: CONFIGURATION BIT VALUES FOR CLOCK SELECTION
9.2 Oscillator Resources
Many useful resources related to the Oscillator are
provided on the main product page of the Microchip
web site for the devices listed in this data sheet. This
product page, which can be accessed using this link,
contains the latest updates and additional information.
9.2.1 KEY RESOURCES
•Section 7. “Oscillator” (DS70580) in the
“dsPIC33E/PIC24E Family Reference Manual”
• Code Samples
• Application Notes
• Software Libraries
• Webinars
• All related “dsPIC33E/PIC24E Family Reference
Manual” Sections
• Development Tools
Oscillator Mode Oscillator
Source POSCMD<1:0> FNOSC<2:0> See
Notes
Fast RC Oscillator with Divide-by-N (FRCDIVN) Internal xx 111 1, 2
Fast RC Oscillator with Divide-by-16 (FRCDIV16) Internal xx 110 1
Low-Power RC Oscillator (LPRC) Internal xx 101 1
Secondary (Timer1) Oscillator (SOSC) Secondary xx 100 1
Primary Oscillator (HS) with PLL (HSPLL) Primary 10 011 —
Primary Oscillator (XT) with PLL (XTPLL) Primary 01 011 —
Primary Oscillator (EC) with PLL (ECPLL) Primary 00 011 1
Primary Oscillator (HS) Primary 10 010 —
Primary Oscillator (XT) Primary 01 010 —
Primary Oscillator (EC) Primary 00 010 1
Fast RC Oscillator (FRC) with Divide-by-N and PLL
(FRCPLL)
Internal xx 001 1
Fast RC Oscillator (FRC) Internal xx 000 1
Note 1: OSC2 pin function is determined by the OSCIOFNC Configuration bit.
2: This is the default oscillator mode for an unprogrammed (erased) device.
Note: In the event you are not able to access the
product page using the link above, enter
this URL in your browser:
http://www.microchip.com/wwwproducts/
Devices.aspx?dDocName=en554310

dsPIC33EPXXX(GP/MC/MU)806/810/814 and PIC24EPXXX(GP/GU)810/814
DS70616G-page 182 2009-2012 Microchip Technology Inc.
9.3 Oscillator Control Registers
REGISTER 9-1: OSCCON: OSCILLATOR CONTROL REGISTER(1,3)
U-0 R-0 R-0 R-0 U-0 R/W-y R/W-y R/W-y
— COSC<2:0> — NOSC<2:0>(2)
bit 15 bit 8
R/W-0 R/W-0 R-0 U-0 R/C-0 U-0 R/W-0 R/W-0
CLKLOCK IOLOCK LOCK —CF — LPOSCEN OSWEN
bit 7 bit 0
Legend: y = Value Set from Configuration bits on POR C = Clearable bit
R = Readable bit W = Writable bit U = Unimplemented bit, read as ‘0’
-n = Value at POR ‘1’ = Bit is set ‘0’ = Bit is cleared x = Bit is unknown
bit 15 Unimplemented: Read as ‘0’
bit 14-12 COSC<2:0>: Current Oscillator Selection bits (read-only)
111 = Fast RC Oscillator (FRC) with Divide-by-N
110 = Fast RC Oscillator (FRC) with Divide-by-16
101 = Low-Power RC Oscillator (LPRC)
100 = Secondary Oscillator (SOSC)
011 = Primary Oscillator (XT, HS, EC) with PLL
010 = Primary Oscillator (XT, HS, EC)
001 = Fast RC Oscillator (FRC) with Divide-by-N and PLL
000 = Fast RC Oscillator (FRC)
bit 11 Unimplemented: Read as ‘0’
bit 10-8 NOSC<2:0>: New Oscillator Selection bits(2)
111 = Fast RC Oscillator (FRC) with Divide-by-N
110 = Fast RC Oscillator (FRC) with Divide-by-16
101 = Low-Power RC Oscillator (LPRC)
100 = Secondary Oscillator (SOSC)
011 = Primary Oscillator (XT, HS, EC) with PLL
010 = Primary Oscillator (XT, HS, EC)
001 = Fast RC Oscillator (FRC) with Divide-by-N and PLL
000 = Fast RC Oscillator (FRC)
bit 7 CLKLOCK: Clock Lock Enable bit
1 = If (FCKSM0 = 1), then clock and PLL configurations are locked
If (FCKSM0 = 0), then clock and PLL configurations may be modified
0 = Clock and PLL selections are not locked, configurations may be modified
bit 6 IOLOCK: I/O Lock Enable bit
1 = I/O lock is active
0 = I/O lock is not active
bit 5 LOCK: PLL Lock Status bit (read-only)
1 = Indicates that PLL is in lock or PLL start-up timer is satisfied
0 = Indicates that PLL is out of lock, start-up timer is in progress or PLL is disabled
bit 4 Unimplemented: Read as ‘0’
Note 1: Writes to this register require an unlock sequence. Refer to Section 7. “Oscillator” (DS70580) in the
“dsPIC33E/PIC24E Family Reference Manual” (available from the Microchip web site) for details.
2: Direct clock switches between any Primary Oscillator mode with PLL and FRCPLL mode are not permit-
ted. This applies to clock switches in either direction. In these instances, the application must switch to
FRC mode as a transition clock source between the two PLL modes.
3: This register resets only on a Power-on Reset (POR).

2009-2012 Microchip Technology Inc. DS70616G-page 183
dsPIC33EPXXX(GP/MC/MU)806/810/814 and PIC24EPXXX(GP/GU)810/814
bit 3 CF: Clock Fail Detect bit (read/clear by application)
1 = FSCM has detected clock failure
0 = FSCM has not detected clock failure
bit 2 Unimplemented: Read as ‘0’
bit 1 LPOSCEN: Secondary (LP) Oscillator Enable bit
1 = Enables Secondary Oscillator
0 = Disables Secondary Oscillator
bit 0 OSWEN: Oscillator Switch Enable bit
1 = Requests oscillator switch to selection specified by NOSC<2:0> bits
0 = Oscillator switch is complete
REGISTER 9-1: OSCCON: OSCILLATOR CONTROL REGISTER(1,3) (CONTINUED)
Note 1: Writes to this register require an unlock sequence. Refer to Section 7. “Oscillator” (DS70580) in the
“dsPIC33E/PIC24E Family Reference Manual” (available from the Microchip web site) for details.
2: Direct clock switches between any Primary Oscillator mode with PLL and FRCPLL mode are not permit-
ted. This applies to clock switches in either direction. In these instances, the application must switch to
FRC mode as a transition clock source between the two PLL modes.
3: This register resets only on a Power-on Reset (POR).

dsPIC33EPXXX(GP/MC/MU)806/810/814 and PIC24EPXXX(GP/GU)810/814
DS70616G-page 184 2009-2012 Microchip Technology Inc.
REGISTER 9-2: CLKDIV: CLOCK DIVISOR REGISTER(2)
R/W-0 R/W-0 R/W-1 R/W-1 R/W-0 R/W-0 R/W-0 R/W-0
ROI DOZE<2:0>(3)DOZEN(1,4)FRCDIV<2:0>
bit 15 bit 8
R/W-0 R/W-1 U-0 R/W-0 R/W-0 R/W-0 R/W-0 R/W-0
PLLPOST<1:0> — PLLPRE<4:0>
bit 7 bit 0
Legend: y = Value set from Configuration bits on POR
R = Readable bit W = Writable bit U = Unimplemented bit, read as ‘0’
-n = Value at POR ‘1’ = Bit is set ‘0’ = Bit is cleared x = Bit is unknown
bit 15 ROI: Recover on Interrupt bit
1 = Interrupts will clear the DOZEN bit and the processor clock and peripheral clock ratio is set to 1:1
0 = Interrupts have no effect on the DOZEN bit
bit 14-12 DOZE<2:0>: Processor Clock Reduction Select bits(3)
111 = FCY divided by 128
110 = FCY divided by 64
101 = FCY divided by 32
100 = FCY divided by 16
011 = FCY divided by 8 (default)
010 = FCY divided by 4
001 = FCY divided by 2
000 = FCY divided by 1
bit 11 DOZEN: Doze Mode Enable bit(1,4)
1 = DOZE<2:0> field specifies the ratio between the peripheral clocks and the processor clocks
0 = Processor clock and peripheral clock ratio forced to 1:1
bit 10-8 FRCDIV<2:0>: Internal Fast RC Oscillator Postscaler bits
111 = FRC divided by 256
110 = FRC divided by 64
101 = FRC divided by 32
100 = FRC divided by 16
011 = FRC divided by 8
010 = FRC divided by 4
001 = FRC divided by 2
000 = FRC divided by 1 (default)
bit 7-6 PLLPOST<1:0>: PLL VCO Output Divider Select bits (also denoted as ‘N2’, PLL postscaler)
11 = Output divided by 8
10 = Reserved
01 = Output divided by 4 (default)
00 = Output divided by 2
bit 5 Unimplemented: Read as ‘0’
Note 1: This bit is cleared when the ROI bit is set and an interrupt occurs.
2: This register resets only on a Power-on Reset (POR).
3: DOZE<2:0> bits can only be written to when the DOZEN bit is clear. If DOZEN = 1, any writes to
DOZE<2:0> are ignored.
4: The DOZEN bit cannot be set if DOZE<2:0> = 000. If DOZE<2:0> = 000, any attempt by user software to
set the DOZEN bit is ignored.

2009-2012 Microchip Technology Inc. DS70616G-page 185
dsPIC33EPXXX(GP/MC/MU)806/810/814 and PIC24EPXXX(GP/GU)810/814
bit 4-0 PLLPRE<4:0>: PLL Phase Detector Input Divider Select bits (also denoted as ‘N1’, PLL prescaler)
11111 = Input divided by 33
•
•
•
00001 = Input divided by 3
00000 = Input divided by 2 (default)
REGISTER 9-2: CLKDIV: CLOCK DIVISOR REGISTER(2) (CONTINUED)
Note 1: This bit is cleared when the ROI bit is set and an interrupt occurs.
2: This register resets only on a Power-on Reset (POR).
3: DOZE<2:0> bits can only be written to when the DOZEN bit is clear. If DOZEN = 1, any writes to
DOZE<2:0> are ignored.
4: The DOZEN bit cannot be set if DOZE<2:0> = 000. If DOZE<2:0> = 000, any attempt by user software to
set the DOZEN bit is ignored.

dsPIC33EPXXX(GP/MC/MU)806/810/814 and PIC24EPXXX(GP/GU)810/814
DS70616G-page 186 2009-2012 Microchip Technology Inc.
REGISTER 9-3: PLLFBD: PLL FEEDBACK DIVISOR REGISTER(1)
U-0 U-0 U-0 U-0 U-0 U-0 U-0 R/W-0
— — — — — — —PLLDIV<8>
bit 15 bit 8
R/W-0 R/W-0 R/W-1 R/W-1 R/W-0 R/W-0 R/W-0 R/W-0
PLLDIV<7:0>
bit 7 bit 0
Legend:
R = Readable bit W = Writable bit U = Unimplemented bit, read as ‘0’
-n = Value at POR ‘1’ = Bit is set ‘0’ = Bit is cleared x = Bit is unknown
bit 15-9 Unimplemented: Read as ‘0’
bit 8-0 PLLDIV<8:0>: PLL Feedback Divisor bits (also denoted as ‘M’, PLL multiplier)
111111111 = 513
•
•
•
000110000 = 50 (default)
•
•
•
000000010 = 4
000000001 = 3
000000000 = 2
Note 1: This register is reset only on a Power-on Reset (POR).

2009-2012 Microchip Technology Inc. DS70616G-page 187
dsPIC33EPXXX(GP/MC/MU)806/810/814 and PIC24EPXXX(GP/GU)810/814
REGISTER 9-4: OSCTUN: FRC OSCILLATOR TUNING REGISTER(1)
U-0 U-0 U-0 U-0 U-0 U-0 U-0 U-0
— — — — — — — —
bit 15 bit 8
U-0 U-0 R/W-0 R/W-0 R/W-0 R/W-0 R/W-0 R/W-0
—— TUN<5:0>
bit 7 bit 0
Legend:
R = Readable bit W = Writable bit U = Unimplemented bit, read as ‘0’
-n = Value at POR ‘1’ = Bit is set ‘0’ = Bit is cleared x = Bit is unknown
bit 15-6 Unimplemented: Read as ‘0’
bit 5-0 TUN<5:0>: FRC Oscillator Tuning bits
011111 = Center frequency + 11.625% (8.23 MHz)
011110 = Center frequency + 11.25% (8.20 MHz)
•
•
•
000001 = Center frequency + 0.375% (7.40 MHz)
000000 = Center frequency (7.37 MHz nominal)
111111 = Center frequency – 0.375% (7.345 MHz)
•
•
•
100001 = Center frequency – 11.625% (6.52 MHz)
100000 = Center frequency – 12% (6.49 MHz)
Note 1: This register resets only on a Power-on Reset (POR).

dsPIC33EPXXX(GP/MC/MU)806/810/814 and PIC24EPXXX(GP/GU)810/814
DS70616G-page 188 2009-2012 Microchip Technology Inc.
REGISTER 9-5: ACLKCON3: AUXILIARY CLOCK CONTROL REGISTER 3(1,2)
R/W-0 U-0 R/W-0 R/W-0 R/W-0 R/W-0 R/W-0 U-0
ENAPLL — SELACLK AOSCMD<1:0> ASRCSEL FRCSEL —
bit 15 bit 8
R/W-0 R/W-0 R/W-0 U-0 U-0 R/W-0 R/W-0 R/W-0
APLLPOST<2:0> —— APLLPRE<2:0>
bit 7 bit 0
Legend:
R = Readable bit W = Writable bit U = Unimplemented bit, read as ‘0’
-n = Value at POR ‘1’ = Bit is set ‘0’ = Bit is cleared x = Bit is unknown
bit 15 ENAPLL: Enable Auxiliary PLL (APLL) and Select APLL as USB Clock Source bit
1 = APLL is enabled, the USB clock source is the APLL output
0 = APLL is disabled, the USB clock source is the input clock to the APLL
bit 14 Unimplemented: Read as ‘0’
bit 13 SELACLK: Select Auxiliary Clock Source for Auxiliary Clock Divider bit
1 = Auxiliary PLL or oscillator provides the source clock for auxiliary clock divider
0 = Primary PLL provides the source clock for auxiliary clock divider
bit 12-11 AOSCMD<1:0>: Auxiliary Oscillator Mode bits
11 = EC (External Clock) Oscillator mode select
10 = XT (Crystal) Oscillator mode select
01 = HS (High-Speed) Oscillator mode select
00 = Auxiliary Oscillator disabled (default)
bit 10 ASRCSEL: Select Reference Clock Source for APLL bit
1 = Primary Oscillator is the clock source for APLL
0 = Auxiliary Oscillator is the clock source for APLL
bit 9 FRCSEL: Select FRC as Reference Clock Source for APLL bit
1 = FRC is the clock source for APLL
0 = Auxiliary Oscillator or Primary Oscillator is the clock source for APLL (determined by ASRCSEL bit)
bit 8 Unimplemented: Read as ‘0’
bit 7-5 APLLPOST<2:0>: Select PLL VCO Output Divider bits
111 = Divided by 1
110 = Divided by 2
101 = Divided by 4
100 = Divided by 8
011 = Divided by 16
010 = Divided by 32
001 = Divided by 64
000 = Divided by 256 (default)
bit 4-3 Unimplemented: Read as ‘0’
bit 2-0 APLLPRE<2:0>: PLL Phase Detector Input Divider bits
111 = Divided by 12
110 = Divided by 10
101 = Divided by 6
100 = Divided by 5
011 = Divided by 4
010 = Divided by 3
001 = Divided by 2
000 = Divided by 1 (default)
Note 1: This register resets only on a Power-on Reset (POR).
2: This register is only available on dsPIC33EPXXXMU8XX and PIC24EPXXXGU8XX devices.

2009-2012 Microchip Technology Inc. DS70616G-page 189
dsPIC33EPXXX(GP/MC/MU)806/810/814 and PIC24EPXXX(GP/GU)810/814
REGISTER 9-6: ACLKDIV3: AUXILIARY CLOCK DIVISOR REGISTER 3(1,2)
U-0 U-0 U-0 U-0 U-0 U-0 U-0 U-0
— — — — — — — —
bit 15 bit 8
U-0 U-0 U-0 U-0 U-0 R/W-0 R/W-0 R/W-0
— — — — — APLLDIV<2:0>
bit 7 bit 0
Legend:
R = Readable bit W = Writable bit U = Unimplemented bit, read as ‘0’
-n = Value at POR ‘1’ = Bit is set ‘0’ = Bit is cleared x = Bit is unknown
bit 15-3 Unimplemented: Read as ‘0’
bit 2-0 APLLDIV<2:0>: PLL Feedback Divisor bits (PLL Multiplier Ratio)
111 = 24
110 = 21
101 = 20
100 = 19
011 = 18
010 = 17
001 = 16
000 = 15 (default)
Note 1: This register resets only on a Power-on Reset (POR).
2: This register is only available on dsPIC33EPXXXMU8XX and PIC24EPXXXGU8XX devices.

dsPIC33EPXXX(GP/MC/MU)806/810/814 and PIC24EPXXX(GP/GU)810/814
DS70616G-page 190 2009-2012 Microchip Technology Inc.
REGISTER 9-7: REFOCON: REFERENCE OSCILLATOR CONTROL REGISTER
R/W-0 U-0 R/W-0 R/W-0 R/W-0 R/W-0 R/W-0 R/W-0
ROON — ROSSLP ROSEL RODIV<3:0>(1)
bit 15 bit 8
U-0 U-0 U-0 U-0 U-0 U-0 U-0 U-0
— — — — — — — —
bit 7 bit 0
Legend:
R = Readable bit W = Writable bit U = Unimplemented bit, read as ‘0’
-n = Value at POR ‘1’ = Bit is set ‘0’ = Bit is cleared x = Bit is unknown
bit 15 ROON: Reference Oscillator Output Enable bit
1 = Reference oscillator output is enabled on REFCLK pin(2)
0 = Reference oscillator output is disabled
bit 14 Unimplemented: Read as ‘0’
bit 13 ROSSLP: Reference Oscillator Run in Sleep bit
1 = Reference oscillator output continues to run in Sleep
0 = Reference oscillator output is disabled in Sleep
bit 12 ROSEL: Reference Oscillator Source Select bit
1 = Oscillator crystal used as the reference clock
0 = System clock used as the reference clock
bit 11-8 RODIV<3:0>: Reference Oscillator Divider bits(1)
1111 = Reference clock divided by 32,768
1110 = Reference clock divided by 16,384
1101 = Reference clock divided by 8,192
1100 = Reference clock divided by 4,096
1011 = Reference clock divided by 2,048
1010 = Reference clock divided by 1,024
1001 = Reference clock divided by 512
1000 = Reference clock divided by 256
0111 = Reference clock divided by 128
0110 = Reference clock divided by 64
0101 = Reference clock divided by 32
0100 = Reference clock divided by 16
0011 = Reference clock divided by 8
0010 = Reference clock divided by 4
0001 = Reference clock divided by 2
0000 = Reference clock
bit 7-0 Unimplemented: Read as ‘0’
Note 1: The reference oscillator output must be disabled (ROON = 0) before writing to these bits.
2: This pin is remappable. See Section 11.4 “Peripheral Pin Select” for more information.

2009-2012 Microchip Technology Inc. DS70616G-page 191
dsPIC33EPXXX(GP/MC/MU)806/810/814 and PIC24EPXXX(GP/GU)810/814
10.0 POWER-SAVING FEATURES
The dsPIC33EPXXX(GP/MC/MU)806/810/814 and
PIC24EPXXX(GP/GU)810/814 devices provide the
ability to manage power consumption by selectively
managing clocking to the CPU and the peripherals.
In general, a lower clock frequency and a reduction
in the number of circuits being clocked constitutes
lower consumed power.
dsPIC33EPXXX(GP/MC/MU)806/810/814 and
PIC24EPXXX(GP/GU)810/814 devices can
manage power consumption in four ways:
• Clock frequency
• Instruction-based Sleep and Idle modes
• Software-controlled Doze mode
• Selective peripheral control in software
Combinations of these methods can be used to selec-
tively tailor an application’s power consumption while
still maintaining critical application features, such as
timing-sensitive communications.
10.1 Clock Frequency and Clock
Switching
The dsPIC33EPXXX(GP/MC/MU)806/810/814 and
PIC24EPXXX(GP/GU)810/814 devices allow a wide
range of clock frequencies to be selected under
application control. If the system clock configuration is
not locked, users can choose low-power or high-
precision oscillators by simply changing the NOSCx
bits (OSCCON<10:8>). The process of changing a
system clock during operation, as well as limitations to
the process, are discussed in more detail in
Section 9.0 “Oscillator Configuration”.
10.2 Instruction-Based Power-Saving
Modes
The dsPIC33EPXXX(GP/MC/MU)806/810/814 and
PIC24EPXXX(GP/GU)810/814 devices have two
special power-saving modes that are entered
through the execution of a special PWRSAV
instruction. Sleep mode stops clock operation and
halts all code execution. Idle mode halts the CPU
and code execution, but allows peripheral modules
to continue operation. The assembler syntax of the
PWRSAV instruction is shown in Example 10-1.
Sleep and Idle modes can be exited as a result of an
enabled interrupt, WDT time-out or a device Reset. When
the device exits these modes, it is said to wake up.
10.2.1 SLEEP MODE
The following occur in Sleep mode:
• The system clock source is shut down. If an
on-chip oscillator is used, it is turned off.
• The device current consumption is reduced to a
minimum, provided that no I/O pin is sourcing
current.
• The Fail-Safe Clock Monitor does not operate,
since the system clock source is disabled.
• The LPRC clock continues to run in Sleep mode if
the WDT is enabled.
• The WDT, if enabled, is automatically cleared
prior to entering Sleep mode.
• Some device features or peripherals can continue
to operate. This includes items such as the input
change notification on the I/O ports, or peripherals
that use an external clock input.
• Any peripheral that requires the system clock
source for its operation is disabled.
The device wakes up from Sleep mode on any of the
these events:
• Any interrupt source that is individually enabled
• Any form of device Reset
• A WDT time-out
On wake-up from Sleep mode, the processor restarts
with the same clock source that was active when Sleep
mode was entered.
EXAMPLE 10-1: PWRSAV INSTRUCTION SYNTAX
Note 1: This data sheet summarizes the features
of the dsPIC33EPXXX(GP/MC/MU)806/
810/814 and PIC24EPXXX(GP/GU)810/
814 families of devices. It is not intended
to be a comprehensive reference source.
To complement the information in this
data sheet, refer to Section 9. “Watch-
dog Timer and Power-Saving Modes”
(DS70615) of the “dsPIC33E/PIC24E
Family Reference Manual”, which is
available from the Microchip web site
(www.microchip.com).
2: Some registers and associated bits
described in this section may not be
available on all devices. Refer to
Section 4.0 “Memory Organization” in
this data sheet for device-specific register
and bit information.
Note: SLEEP_MODE and IDLE_MODE are con-
stants defined in the assembler include
file for the selected device.
PWRSAV #SLEEP_MODE ; Put the device into SLEEP mode
PWRSAV #IDLE_MODE ; Put the device into IDLE mode

dsPIC33EPXXX(GP/MC/MU)806/810/814 and PIC24EPXXX(GP/GU)810/814
DS70616G-page 192 2009-2012 Microchip Technology Inc.
10.2.2 IDLE MODE
The following occur in Idle mode:
• The CPU stops executing instructions.
• The WDT is automatically cleared.
• The system clock source remains active. By
default, all peripheral modules continue to operate
normally from the system clock source, but can
also be selectively disabled (see Section 10.4
“Peripheral Module Disable”).
• If the WDT or FSCM is enabled, the LPRC also
remains active.
The device wakes from Idle mode on any of these
events:
• Any interrupt that is individually enabled
• Any device Reset
• A WDT time-out
On wake-up from Idle mode, the clock is reapplied to
the CPU and instruction execution will begin (2-4 clock
cycles later), starting with the instruction following the
PWRSAV instruction, or the first instruction in the ISR.
10.2.3 INTERRUPTS COINCIDENT WITH
POWER SAVE INSTRUCTIONS
Any interrupt that coincides with the execution of a
PWRSAV instruction is held off until entry into Sleep or
Idle mode has completed. The device then wakes up
from Sleep or Idle mode.
10.3 Doze Mode
The preferred strategies for reducing power
consumption are changing clock speed and invoking
one of the power-saving modes. In some
circumstances, this cannot be practical. For example, it
may be necessary for an application to maintain
uninterrupted synchronous communication, even while
it is doing nothing else. Reducing system clock speed
can introduce communication errors, while using a
power-saving mode can stop communications
completely.
Doze mode is a simple and effective alternative method
to reduce power consumption while the device is still
executing code. In this mode, the system clock
continues to operate from the same source and at the
same speed. Peripheral modules continue to be
clocked at the same speed, while the CPU clock speed
is reduced. Synchronization between the two clock
domains is maintained, allowing the peripherals to
access the SFRs while the CPU executes code at a
slower rate.
Doze mode is enabled by setting the DOZEN bit
(CLKDIV<11>). The ratio between peripheral and core
clock speed is determined by the DOZE<2:0> bits
(CLKDIV<14:12>). There are eight possible configu-
rations, from 1:1 to 1:128, with 1:1 being the default
setting.
Programs can use Doze mode to selectively reduce
power consumption in event-driven applications. This
allows clock-sensitive functions, such as synchronous
communications, to continue without interruption while
the CPU idles, waiting for something to invoke an
interrupt routine. An automatic return to full-speed CPU
operation on interrupts can be enabled by setting the
ROI bit (CLKDIV<15>). By default, interrupt events
have no effect on Doze mode operation.
For example, suppose the device is operating at
20 MIPS and the ECAN module has been configured
for 500 kbps based on this device operating speed. If
the device is placed in Doze mode with a clock
frequency ratio of 1:4, the ECAN module continues to
communicate at the required bit rate of 500 kbps, but
the CPU now starts executing instructions at a
frequency of 5 MIPS.
10.4 Peripheral Module Disable
The Peripheral Module Disable (PMD) registers
provide a method to disable a peripheral module by
stopping all clock sources supplied to that module.
When a peripheral is disabled using the appropriate
PMD control bit, the peripheral is in a minimum power
consumption state. The control and status registers
associated with the peripheral are also disabled, so
writes to those registers do not have effect and read
values are invalid.
A peripheral module is enabled only if both the
associated bit in the PMD register is cleared and the
peripheral is supported by the specific dsPIC® DSC
variant. If the peripheral is present in the device, it is
enabled in the PMD register by default.
Note: If a PMD bit is set, the corresponding
module is disabled after a delay of one
instruction cycle. Similarly, if a PMD bit is
cleared, the corresponding module is
enabled after a delay of one instruction
cycle (assuming the module control regis-
ters are already configured to enable
module operation).

2009-2012 Microchip Technology Inc. DS70616G-page 193
dsPIC33EPXXX(GP/MC/MU)806/810/814 and PIC24EPXXX(GP/GU)810/814
10.5 Power-Saving Resources
Many useful resources related to Power-Saving
features are provided on the main product page of the
Microchip web site for the devices listed in this data
sheet. This product page, which can be accessed using
this link, contains the latest updates and additional
information.
10.5.1 KEY RESOURCES
•Section 9. “Watchdog Timer and
Power-Saving Modes” (DS70615) in the
“dsPIC33E/PIC24E Family Reference Manual”
• Code Samples
• Application Notes
• Software Libraries
• Webinars
• All related “dsPIC33E/PIC24E Family Reference
Manual” Sections
• Development Tools
10.6 Special Function Registers
Seven registers, PMD1: Peripheral Module Disable
Control Register 1 through PMD7: Peripheral Module
Disable Control Register 7, are provided for peripheral
module control.
Note: In the event you are not able to access the
product page using the link above, enter
this URL in your browser:
http://www.microchip.com/wwwproducts/
Devices.aspx?dDocName=en554310

dsPIC33EPXXX(GP/MC/MU)806/810/814 and PIC24EPXXX(GP/GU)810/814
DS70616G-page 194 2009-2012 Microchip Technology Inc.
REGISTER 10-1: PMD1: PERIPHERAL MODULE DISABLE CONTROL REGISTER 1
R/W-0 R/W-0 R/W-0 R/W-0 R/W-0 R/W-0 R/W-0 R/W-0
T5MD T4MD T3MD T2MD T1MD QEI1MD(1)PWMMD(1)DCIMD
bit 15 bit 8
R/W-0 R/W-0 R/W-0 R/W-0 R/W-0 R/W-0 R/W-0 R/W-0
I2C1MD U2MD U1MD SPI2MD SPI1MD C2MD C1MD AD1MD
bit 7 bit 0
Legend:
R = Readable bit W = Writable bit U = Unimplemented bit, read as ‘0’
-n = Value at POR ‘1’ = Bit is set ‘0’ = Bit is cleared x = Bit is unknown
bit 15 T5MD: Timer5 Module Disable bit
1 = Timer5 module is disabled
0 = Timer5 module is enabled
bit 14 T4MD: Timer4 Module Disable bit
1 = Timer4 module is disabled
0 = Timer4 module is enabled
bit 13 T3MD: Timer3 Module Disable bit
1 = Timer3 module is disabled
0 = Timer3 module is enabled
bit 12 T2MD: Timer2 Module Disable bit
1 = Timer2 module is disabled
0 = Timer2 module is enabled
bit 11 T1MD: Timer1 Module Disable bit
1 = Timer1 module is disabled
0 = Timer1 module is enabled
bit 10 QEI1MD: QEI1 Module Disable bit(1)
1 = QEI1 module is disabled
0 = QEI1 module is enabled
bit 9 PWMMD: PWM Module Disable bit(1)
1 = PWM module is disabled
0 = PWM module is enabled
bit 8 DCIMD: DCI Module Disable bit
1 = DCI module is disabled
0 = DCI module is enabled
bit 7 I2C1MD: I2C1 Module Disable bit
1 = I2C1 module is disabled
0 = I2C1 module is enabled
bit 6 U2MD: UART2 Module Disable bit
1 = UART2 module is disabled
0 = UART2 module is enabled
bit 5 U1MD: UART1 Module Disable bit
1 = UART1 module is disabled
0 = UART1 module is enabled
bit 4 SPI2MD: SPI2 Module Disable bit
1 = SPI2 module is disabled
0 = SPI2 module is enabled
Note 1: This bit is available on dsPIC33EPXXX(MC/MU)806/810/814 devices only.

2009-2012 Microchip Technology Inc. DS70616G-page 195
dsPIC33EPXXX(GP/MC/MU)806/810/814 and PIC24EPXXX(GP/GU)810/814
bit 3 SPI1MD: SPI1 Module Disable bit
1 = SPI1 module is disabled
0 = SPI1 module is enabled
bit 2 C2MD: ECAN2 Module Disable bit
1 = ECAN2 module is disabled
0 = ECAN2 module is enabled
bit 1 C1MD: ECAN1 Module Disable bit
1 = ECAN1 module is disabled
0 = ECAN1 module is enabled
bit 0 AD1MD: ADC1 Module Disable bit
1 = ADC1 module is disabled
0 = ADC1 module is enabled
REGISTER 10-1: PMD1: PERIPHERAL MODULE DISABLE CONTROL REGISTER 1 (CONTINUED)
Note 1: This bit is available on dsPIC33EPXXX(MC/MU)806/810/814 devices only.

dsPIC33EPXXX(GP/MC/MU)806/810/814 and PIC24EPXXX(GP/GU)810/814
DS70616G-page 196 2009-2012 Microchip Technology Inc.
REGISTER 10-2: PMD2: PERIPHERAL MODULE DISABLE CONTROL REGISTER 2
R/W-0 R/W-0 R/W-0 R/W-0 R/W-0 R/W-0 R/W-0 R/W-0
IC8MD IC7MD IC6MD IC5MD IC4MD IC3MD IC2MD IC1MD
bit 15 bit 8
R/W-0 R/W-0 R/W-0 R/W-0 R/W-0 R/W-0 R/W-0 R/W-0
OC8MD OC7MD OC6MD OC5MD OC4MD OC3MD OC2MD OC1MD
bit 7 bit 0
Legend:
R = Readable bit W = Writable bit U = Unimplemented bit, read as ‘0’
-n = Value at POR ‘1’ = Bit is set ‘0’ = Bit is cleared x = Bit is unknown
bit 15 IC8MD: Input Capture 8 Module Disable bit
1 = Input Capture 8 module is disabled
0 = Input Capture 8 module is enabled
bit 14 IC7MD: Input Capture 2 Module Disable bit
1 = Input Capture 7 module is disabled
0 = Input Capture 7 module is enabled
bit 13 IC6MD: Input Capture 6 Module Disable bit
1 = Input Capture 6 module is disabled
0 = Input Capture 6 module is enabled
bit 12 IC5MD: Input Capture 5 Module Disable bit
1 = Input Capture 5 module is disabled
0 = Input Capture 5 module is enabled
bit 11 IC4MD: Input Capture 4 Module Disable bit
1 = Input Capture 4 module is disabled
0 = Input Capture 4 module is enabled
bit 10 IC3MD: Input Capture 3 Module Disable bit
1 = Input Capture 3 module is disabled
0 = Input Capture 3 module is enabled
bit 9 IC2MD: Input Capture 2 Module Disable bit
1 = Input Capture 2 module is disabled
0 = Input Capture 2 module is enabled
bit 8 IC1MD: Input Capture 1 Module Disable bit
1 = Input Capture 1 module is disabled
0 = Input Capture 1 module is enabled
bit 7 OC8MD: Output Compare 8 Module Disable bit
1 = Output Compare 8 module is disabled
0 = Output Compare 8 module is enabled
bit 6 OC7MD: Output Compare 7 Module Disable bit
1 = Output Compare 7 module is disabled
0 = Output Compare 7 module is enabled
bit 5 OC6MD: Output Compare 6 Module Disable bit
1 = Output Compare 6 module is disabled
0 = Output Compare 6 module is enabled
bit 4 OC5MD: Output Compare 5 Module Disable bit
1 = Output Compare 5 module is disabled
0 = Output Compare 5 module is enabled

2009-2012 Microchip Technology Inc. DS70616G-page 197
dsPIC33EPXXX(GP/MC/MU)806/810/814 and PIC24EPXXX(GP/GU)810/814
bit 3 OC4MD: Output Compare 4 Module Disable bit
1 = Output Compare 4 module is disabled
0 = Output Compare 4 module is enabled
bit 2 OC3MD: Output Compare 3 Module Disable bit
1 = Output Compare 3 module is disabled
0 = Output Compare 3 module is enabled
bit 1 OC2MD: Output Compare 2 Module Disable bit
1 = Output Compare 2 module is disabled
0 = Output Compare 2 module is enabled
bit 0 OC1MD: Output Compare 1 Module Disable bit
1 = Output Compare 1 module is disabled
0 = Output Compare 1 module is enabled
REGISTER 10-2: PMD2: PERIPHERAL MODULE DISABLE CONTROL REGISTER 2 (CONTINUED)

dsPIC33EPXXX(GP/MC/MU)806/810/814 and PIC24EPXXX(GP/GU)810/814
DS70616G-page 198 2009-2012 Microchip Technology Inc.
REGISTER 10-3: PMD3: PERIPHERAL MODULE DISABLE CONTROL REGISTER 3
R/W-0 R/W-0 R/W-0 R/W-0 U-0 R/W-0 R/W-0 R/W-0
T9MD T8MD T7MD T6MD — CMPMD RTCCMD PMPMD
bit 15 bit 8
R/W-0 U-0 R/W-0 U-0 R/W-0 U-0 R/W-0 R/W-0
CRCMD —QEI2MD
(1)—U3MD— I2C2MD AD2MD
bit 7 bit 0
Legend:
R = Readable bit W = Writable bit U = Unimplemented bit, read as ‘0’
-n = Value at POR ‘1’ = Bit is set ‘0’ = Bit is cleared x = Bit is unknown
bit 15 T9MD: Timer9 Module Disable bit
1 = Timer9 module is disabled
0 = Timer9 module is enabled
bit 14 T8MD: Timer8 Module Disable bit
1 = Timer8 module is disabled
0 = Timer8 module is enabled
bit 13 T7MD: Timer7 Module Disable bit
1 = Timer7 module is disabled
0 = Timer7 module is enabled
bit 12 T6MD: Timer6 Module Disable bit
1 = Timer6 module is disabled
0 = Timer6 module is enabled
bit 11 Unimplemented: Read as ‘0’
bit 10 CMPMD: Comparator Module Disable bit
1 = Comparator module is disabled
0 = Comparator module is enabled
bit 9 RTCCMD: RTCC Module Disable bit
1 = RTCC module is disabled
0 = RTCC module is enabled
bit 8 PMPMD: PMP Module Disable bit
1 = PMP module is disabled
0 = PMP module is enabled
bit 7 CRCMD: CRC Module Disable bit
1 = CRC module is disabled
0 = CRC module is enabled
bit 6 Unimplemented: Read as ‘0’
bit 5 QEI2MD: QEI2 Module Disable bit(1)
1 = QEI2 module is disabled
0 = QEI2 module is enabled
bit 4 Unimplemented: Read as ‘0’
bit 3 U3MD: UART3 Module Disable bit
1 = UART3 module is disabled
0 = UART3 module is enabled
bit 2 Unimplemented: Read as ‘0’
Note 1: This bit is available in dsPIC33EPXXX(MC/MU)806/810/814 devices only.

2009-2012 Microchip Technology Inc. DS70616G-page 199
dsPIC33EPXXX(GP/MC/MU)806/810/814 and PIC24EPXXX(GP/GU)810/814
bit 1 I2C2MD: I2C2 Module Disable bit
1 = I2C2 module is disabled
0 = I2C2 module is enabled
bit 0 AD2MD: ADC2 Module Disable bit
1 = ADC2 module is disabled
0 = ADC2 module is enabled
Note 1: This bit is available in dsPIC33EPXXX(MC/MU)806/810/814 devices only.

dsPIC33EPXXX(GP/MC/MU)806/810/814 and PIC24EPXXX(GP/GU)810/814
DS70616G-page 200 2009-2012 Microchip Technology Inc.
REGISTER 10-4: PMD4: PERIPHERAL MODULE DISABLE CONTROL REGISTER 4
U-0 U-0 U-0 U-0 U-0 U-0 U-0 U-0
————————
bit 15 bit 8
U-0 U-0 R/W-0 U-0 R/W-0 U-0 U-0 R/W-0
——U4MD—REFOMD—— USB1MD(1)
bit 7 bit 0
Legend:
R = Readable bit W = Writable bit U = Unimplemented bit, read as ‘0’
-n = Value at POR ‘1’ = Bit is set ‘0’ = Bit is cleared x = Bit is unknown
bit 15-6 Unimplemented: Read as ‘0’
bit 5 U4MD: UART4 Module Disable bit
1 = UART4 module is disabled
0 = UART4 module is enabled
bit 4 Unimplemented: Read as ‘0’
bit 3 REFOMD: Reference Clock Module Disable bit
1 = Reference clock module is disabled
0 = Reference clock module is enabled
bit 2-1 Unimplemented: Read as ‘0’
bit 0 USB1MD: USB Module Disable bit(1)
1 = USB module is disabled
0 = USB module is enabled
Note 1: This bit is only available on dsPIC33EPXXXMU8XXX and PIC24EPXXXGU8XX devices.

2009-2012 Microchip Technology Inc. DS70616G-page 201
dsPIC33EPXXX(GP/MC/MU)806/810/814 and PIC24EPXXX(GP/GU)810/814
REGISTER 10-5: PMD5: PERIPHERAL MODULE DISABLE CONTROL REGISTER 5
R/W-0 R/W-0 R/W-0 R/W-0 R/W-0 R/W-0 R/W-0 R/W-0
IC16MD IC15MD IC14MD IC13MD IC12MD IC11MD IC10MD IC9MD
bit 15 bit 8
R/W-0 R/W-0 R/W-0 R/W-0 R/W-0 R/W-0 R/W-0 R/W-0
OC16MD OC15MD OC14MD OC13MD OC12MD OC11MD OC10MD OC9MD
bit 7 bit 0
Legend:
R = Readable bit W = Writable bit U = Unimplemented bit, read as ‘0’
-n = Value at POR ‘1’ = Bit is set ‘0’ = Bit is cleared x = Bit is unknown
bit 15 IC16MD: IC16 Module Disable bit
1 = IC16 module is disabled
0 = IC16 module is enabled
bit 14 IC15MD: IC15 Module Disable bit
1 = IC15 module is disabled
0 = IC15 module is enabled
bit 13 IC14MD: IC14 Module Disable bit
1 = IC14 module is disabled
0 = IC14 module is enabled
bit 12 IC13MD: IC13 Module Disable bit
1 = IC13 module is disabled
0 = IC13 module is enabled
bit 11 IC12MD: IC12 Module Disable bit
1 = IC12 module is disabled
0 = IC12 module is enabled
bit 10 IC11MD: IC11 Module Disable bit
1 = IC11 module is disabled
0 = IC11 module is enabled
bit 9 IC10MD: IC10 Module Disable bit
1 = IC10 module is disabled
0 = IC10 module is enabled
bit 8 IC9MD: IC9 Module Disable bit
1 = IC9 module is disabled
0 = IC9 module is enabled
bit 7 OC16MD: OC16 Module Disable bit
1 = OC16 module is disabled
0 = OC16 module is enabled
bit 6 OC15MD: OC15 Module Disable bit
1 = OC15 module is disabled
0 = OC15 module is enabled
bit 5 OC14MD: OC14 Module Disable bit
1 = OC14 module is disabled
0 = OC14 module is enabled
bit 4 OC13MD: OC13 Module Disable bit
1 = OC13 module is disabled
0 = OC13 module is enabled

dsPIC33EPXXX(GP/MC/MU)806/810/814 and PIC24EPXXX(GP/GU)810/814
DS70616G-page 202 2009-2012 Microchip Technology Inc.
bit 3 OC12MD: OC12 Module Disable bit
1 = OC12 module is disabled
0 = OC12 module is enabled
bit 2 OC11MD: OC11 Module Disable bit
1 = OC11 module is disabled
0 = OC11 module is enabled
bit 1 OC10MD: OC10 Module Disable bit
1 = OC10 module is disabled
0 = OC10 module is enabled
bit 0 OC9MD: OC9 Module Disable bit
1 = OC9 module is disabled
0 = OC9 module is enabled
REGISTER 10-5: PMD5: PERIPHERAL MODULE DISABLE CONTROL REGISTER 5 (CONTINUED)

2009-2012 Microchip Technology Inc. DS70616G-page 203
dsPIC33EPXXX(GP/MC/MU)806/810/814 and PIC24EPXXX(GP/GU)810/814
REGISTER 10-6: PMD6: PERIPHERAL MODULE DISABLE CONTROL REGISTER 6
U-0 R/W-0 R/W-0 R/W-0 R/W-0 R/W-0 R/W-0 R/W-0
—PWM7MD
(1)PWM6MD(1)PWM5MD(1)PWM4MD(1)PWM3MD(1)PWM2MD(1)PWM1MD(1)
bit 15 bit 8
U-0 U-0 U-0 U-0 U-0 U-0 R/W-0 R/W-0
—————— SPI4MD SPI3MD
bit 7 bit 0
Legend:
R = Readable bit W = Writable bit U = Unimplemented bit, read as ‘0’
-n = Value at POR ‘1’ = Bit is set ‘0’ = Bit is cleared x = Bit is unknown
bit 15 Unimplemented: Read as ‘0’
bit 14 PWM7MD: PWM7 Module Disable bit(1)
1 = PWM7 module is disabled
0 = PWM7 module is enabled
bit 13 PWM6MD: PWM6 Module Disable bit(1)
1 = PWM6 module is disabled
0 = PWM6 module is enabled
bit 12 PWM5MD: PWM5 Module Disable bit(1)
1 = PWM5 module is disabled
0 = PWM5 module is enabled
bit 11 PWM4MD: PWM4 Module Disable bit(1)
1 = PWM4 module is disabled
0 = PWM4 module is enabled
bit 10 PWM3MD: PWM3 Module Disable bit(1)
1 = PWM3 module is disabled
0 = PWM3 module is enabled
bit 9 PWM2MD: PWM2 Module Disable bit(1)
1 = PWM2 module is disabled
0 = PWM2 module is enabled
bit 8 PWM1MD: PWM1 Module Disable bit(1)
1 = PWM1 module is disabled
0 = PWM1 module is enabled
bit 7-2 Unimplemented: Read as ‘0’
bit 1 SPI4MD: SPI4 Module Disable bit
1 = SPI4 module is disabled
0 = SPI4 module is enabled
bit 0 SPI3MD: SPI3 Module Disable bit
1 = SPI3 module is disabled
0 = SPI3 module is enabled
Note 1: This bit is available in dsPIC33EPXXX(MC/MU)806/810/814 devices only.

dsPIC33EPXXX(GP/MC/MU)806/810/814 and PIC24EPXXX(GP/GU)810/814
DS70616G-page 204 2009-2012 Microchip Technology Inc.
REGISTER 10-7: PMD7: PERIPHERAL MODULE DISABLE CONTROL REGISTER 7
U-0 U-0 U-0 U-0 U-0 U-0 U-0 U-0
————————
bit 15 bit 8
R/W-0 R/W-0 R/W-0 R/W-0 U-0 U-0 U-0 U-0
DMA12MD DMA8MD DMA4MD DMA0MD
————
DMA13MD DMA9MD DMA5MD DMA1MD
DMA14MD DMA10MD DMA6MD DMA2MD
— DMA11MD DMA7MD DMA3MD
bit 7 bit 0
Legend:
R = Readable bit W = Writable bit U = Unimplemented bit, read as ‘0’
-n = Value at POR ‘1’ = Bit is set ‘0’ = Bit is cleared x = Bit is unknown
bit 15-8 Unimplemented: Read as ‘0’
bit 7 DMA12MD: DMA12 Module Disable bit
1 = DMA12 module is disabled
0 = DMA12 module is enabled
DMA13MD: DMA13 Module Disable bit
1 = DMA13 module is disabled
0 = DMA13 module is enabled
DMA14MD: DMA14 Module Disable bit
1 = DMA14 module is disabled
0 = DMA14 module is enabled
bit 6 DMA8MD: DMA3 Module Disable bit
1 = DMA8 module is disabled
0 = DMA8 module is enabled
DMA9MD: DMA2 Module Disable bit
1 = DMA9 module is disabled
0 = DMA9 module is enabled
DMA10MD: DMA10 Module Disable bit
1 = DMA10 module is disabled
0 = DMA10 module is enabled
DMA11MD: DMA11 Module Disable bit
1 = DMA11 module is disabled
0 = DMA11 module is enabled
bit 5 DMA4MD: DMA4 Module Disable bit
1 = DMA4 module is disabled
0 = DMA4 module is enabled
DMA5MD: DMA5 Module Disable bit
1 = DMA5 module is disabled
0 = DMA5 module is enabled
DMA6MD: DMA6 Module Disable bit
1 = DMA6 module is disabled
0 = DMA6 module is enabled
DMA7MD: DMA7 Module Disable bit
1 = DMA7 module is disabled
0 = DMA7 module is enabled

2009-2012 Microchip Technology Inc. DS70616G-page 205
dsPIC33EPXXX(GP/MC/MU)806/810/814 and PIC24EPXXX(GP/GU)810/814
bit 4 DMA0MD: DMA0 Module Disable bit
1 = DMA0 module is disabled
0 = DMA0 module is enabled
DMA1MD: DMA1 Module Disable bit
1 = DMA1 module is disabled
0 = DMA1 module is enabled
DMA2MD: DMA2 Module Disable bit
1 = DMA2 module is disabled
0 = DMA2 module is enabled
DMA3MD: DMA3 Module Disable bit
1 = DMA3 module is disabled
0 = DMA3 module is enabled
bit 3-0 Unimplemented: Read as ‘0’
REGISTER 10-7: PMD7: PERIPHERAL MODULE DISABLE CONTROL REGISTER 7 (CONTINUED)

dsPIC33EPXXX(GP/MC/MU)806/810/814 and PIC24EPXXX(GP/GU)810/814
DS70616G-page 206 2009-2012 Microchip Technology Inc.
NOTES:

2009-2012 Microchip Technology Inc. DS70616G-page 207
dsPIC33EPXXX(GP/MC/MU)806/810/814 and PIC24EPXXX(GP/GU)810/814
11.0 I/O PORTS
All of the device pins (except VDD, VSS, MCLR and
OSC1/CLKI) are shared among the peripherals and the
parallel I/O ports. All I/O input ports feature Schmitt
Trigger inputs for improved noise immunity.
11.1 Parallel I/O (PIO) Ports
Generally, a parallel I/O port that shares a pin with a
peripheral is subservient to the peripheral. The
peripheral’s output buffer data and control signals are
provided to a pair of multiplexers. The multiplexers
select whether the peripheral or the associated port
has ownership of the output data and control signals of
the I/O pin. The logic also prevents “loop through,” in
which a port’s digital output can drive the input of a
peripheral that shares the same pin. Figure 11-1 illus-
trates how ports are shared with other peripherals and
the associated I/O pin to which they are connected.
When a peripheral is enabled and the peripheral is
actively driving an associated pin, the use of the pin as
a general purpose output pin is disabled. The I/O pin
can be read, but the output driver for the parallel port bit
is disabled. If a peripheral is enabled, but the peripheral
is not actively driving a pin, that pin can be driven by a
port.
All port pins have eight registers directly associated
with their operation as digital I/O. The Data Direction
register (TRISx) determines whether the pin is an input
or an output. If the data direction bit is a ‘1’, then the pin
is an input. All port pins are defined as inputs after a
Reset. Reads from the latch (LATx) read the latch.
Writes to the latch write the latch. Reads from the port
(PORTx) read the port pins, while writes to the port pins
write the latch.
Any bit and its associated data and control registers
that are not valid for a particular device is disabled. This
means the corresponding LATx and TRISx registers
and the port pin are read as zeros.
When a pin is shared with another peripheral or
function that is defined as an input only, it is
nevertheless regarded as a dedicated port because
there is no other competing source of outputs.
Note 1: This data sheet summarizes the features
of the dsPIC33EPXXX(GP/MC/MU)806/
810/814 and PIC24EPXXX(GP/GU)810/
814 families of devices. It is not intended
to be a comprehensive reference source.
To complement the information in this
data sheet, refer to Section 10. “I/O
Ports” (DS70598) of the “dsPIC33E/
PIC24E Family Reference Manual”,
which is available from the Microchip web
site (www.microchip.com).
2: Some registers and associated bits
described in this section may not be
available on all devices. Refer to
Section 4.0 “Memory Organization” in
this data sheet for device-specific register
and bit information.

dsPIC33EPXXX(GP/MC/MU)806/810/814 and PIC24EPXXX(GP/GU)810/814
DS70616G-page 208 2009-2012 Microchip Technology Inc.
FIGURE 11-1: BLOCK DIAGRAM OF A TYPICAL SHARED PORT STRUCTURE
QD
CK
WR LAT +
TRIS Latch
I/O Pin
WR Port
Data Bus
QD
CK
Data Latch
Read Port
Read TRIS
1
0
1
0
WR TRIS
Peripheral Output Data
Output Enable
Peripheral Input Data
I/O
Peripheral Module
Peripheral Output Enable
PIO Module
Output Multiplexers
Output Data
Input Data
Peripheral Module Enable
Read LAT

2009-2012 Microchip Technology Inc. DS70616G-page 209
dsPIC33EPXXX(GP/MC/MU)806/810/814 and PIC24EPXXX(GP/GU)810/814
11.1.1 OPEN-DRAIN CONFIGURATION
In addition to the PORT, LAT and TRIS registers for
data control, some port pins can also be individually
configured for either digital or open-drain output. This
is controlled by the Open-Drain Control register,
ODCx, associated with each port. Setting any of the
bits configures the corresponding pin to act as an
open-drain output.
The open-drain feature allows the generation of
outputs higher than VDD (e.g., 5V on a 5V tolerant pin)
by using external pull-up resistors. The maximum
open-drain voltage allowed is the same as the
maximum VIH specification for that pin.
See the “Pin Diagrams” section for the available pins
and their functionality.
11.2 Configuring Analog and Digital
Port Pins
The ANSELx register controls the operation of the
analog port pins. The port pins that are to function as
analog inputs or outputs must have their corresponding
ANSELx and TRISx bits set. In order to use port pins for
I/O functionality with digital modules, such as Timers,
UARTs, etc., the corresponding ANSELx bit must be
cleared.
The ANSELx register has a default value of 0xFFFF;
therefore, all pins that share analog functions are
analog (not digital) by default. Refer to the Pinout I/O
Descriptions (Table 1-1 in Section 1.0 “Device
Overview”) for the complete list of analog pins.
If the TRISx bit is cleared (output) while the ANSELx bit
is set, the digital output level (VOH or VOL) is converted
by an analog peripheral, such as the ADC module or
Comparator module.
When the PORT register is read, all pins configured as
analog input channels are read as cleared (a low level).
Pins configured as digital inputs do not convert an
analog input. Analog levels on any pin defined as a
digital input (including the pins defined as Analog in
Table 1-1 in Section 1.0 “Device Overview”) can
cause the input buffer to consume current that
exceeds the device specifications.
11.2.1 I/O PORT WRITE/READ TIMING
One instruction cycle is required between a port
direction change or port write operation and a read
operation of the same port. Typically this instruction
would be an NOP, as shown in Example 11-1.
11.3 Input Change Notification
The input change notification function of the I/O ports
allows the dsPIC33EPXXX(GP/MC/MU)806/810/814
and PIC24EPXXX(GP/GU)810/814 devices to
generate interrupt requests to the processor in
response to a Change-of-State (COS) on selected input
pins. This feature can detect input Change-of-States
even in Sleep mode, when the clocks are disabled.
Every I/O port pin can be selected (enabled) for
generating an interrupt request on a Change-of-State.
Three control registers are associated with the CN
functionality of each I/O port. The CNENx registers
contain the CN interrupt enable control bits for each of
the input pins. Setting any of these bits enables a CN
interrupt for the corresponding pins.
Each I/O pin also has a weak pull-up and a weak
pull-down connected to it. The pull-ups act as a
current source or sink source connected to the pin,
and eliminate the need for external resistors when
push-button or keypad devices are connected. The
pull-ups and pull-downs are enabled separately using
the CNPUx and the CNPDx registers, which contain
the control bits for each of the pins. Setting any of
the control bits enables the weak pull-ups and/or
pull-downs for the corresponding pins.
EXAMPLE 11-1: PORT WRITE/READ
EXAMPLE
Note: Pull-ups and pull-downs on change notifi-
cation pins should always be disabled
when the port pin is configured as a digital
output.
MOV 0xFF00, W0 ; Configure PORTB<15:8>
; as inputs
MOV W0, TRISB ; and PORTB<7:0>
; as outputs
NOP ; Delay 1 cycle
BTSS PORTB, #13 ; Next Instruction

dsPIC33EPXXX(GP/MC/MU)806/810/814 and PIC24EPXXX(GP/GU)810/814
DS70616G-page 210 2009-2012 Microchip Technology Inc.
11.4 Peripheral Pin Select
A major challenge in general purpose devices is provid-
ing the largest possible set of peripheral features while
minimizing the conflict of features on I/O pins. The chal-
lenge is even greater on low pin-count devices. In an
application where more than one peripheral needs to
be assigned to a single pin, inconvenient workarounds
in application code or a complete redesign may be the
only option.
Peripheral Pin Select configuration provides an
alternative to these choices by enabling peripheral set
selection and their placement on a wide range of I/O
pins. By increasing the pinout options available on a
particular device, users can better tailor the device to
their entire application, rather than trimming the
application to fit the device.
The Peripheral Pin Select configuration feature oper-
ates over a fixed subset of digital I/O pins. Users may
independently map the input and/or output of most dig-
ital peripherals to any one of these I/O pins. Peripheral
Pin Select is performed in software and generally does
not require the device to be reprogrammed. Hardware
safeguards are included that prevent accidental or
spurious changes to the peripheral mapping once it has
been established.
11.4.1 AVAILABLE PINS
The number of available pins is dependent on the
particular device and its pin count. Pins that support the
Peripheral Pin Select feature include the designation
“RPn” or “RPIn” in their full pin designation, where “RP”
designates a remappable function for input or output
and “RPI” designates a remappable functions for input
only, and “n” is the remappable pin number.
11.4.2 AVAILABLE PERIPHERALS
The peripherals managed by the Peripheral Pin Select
are all digital only peripherals. These include general
serial communications (UART and SPI), general pur-
pose timer clock inputs, timer-related peripherals (input
capture and output compare) and interrupt-on-change
inputs.
In comparison, some digital-only peripheral modules are
never included in the Peripheral Pin Select feature. This
is because the peripheral’s function requires special I/O
circuitry on a specific port and cannot be easily con-
nected to multiple pins. These modules include I2C and
the PWM. A similar requirement excludes all modules
with analog inputs, such as the ADC Converter.
A key difference between remappable and non-
remappable peripherals is that remappable peripherals
are not associated with a default I/O pin. The peripheral
must always be assigned to a specific I/O pin before it
can be used. In contrast, non-remappable peripherals
are always available on a default pin, assuming that the
peripheral is active and not conflicting with another
peripheral.
When a remappable peripheral is active on a given I/O
pin, it takes priority over all other digital I/O and digital
communication peripherals associated with the pin.
Priority is given regardless of the type of peripheral that
is mapped. Remappable peripherals never take priority
over any analog functions associated with the pin.
11.4.3 CONTROLLING PERIPHERAL PIN
SELECT
Peripheral Pin Select features are controlled through
two sets of SFRs: one to map peripheral inputs and one
to map outputs. Because they are separately con-
trolled, a particular peripheral’s input and output (if the
peripheral has both) can be placed on any selectable
function pin without constraint.
The association of a peripheral to a peripheral-selectable
pin is handled in two different ways, depending on
whether an input or output is being mapped.
11.4.4 INPUT MAPPING
The inputs of the Peripheral Pin Select options are
mapped on the basis of the peripheral. That is, a control
register associated with a peripheral dictates the pin it
will be mapped to. The RPINRx registers are used to
configure peripheral input mapping (see Register 11-1
through Register 11-22). Each register contains sets of
7-bit fields, with each set associated with one of the
remappable peripherals (see Table 11-1). Programming
a given peripheral’s bit field with an appropriate 7-bit
value maps the RPn/RPIn pin with the corresponding
value to that peripheral (see Table 11-2). For any given
device, the valid range of values for any bit field corre-
sponds to the maximum number of Peripheral Pin
Selections supported by the device.
For example, Figure 11-2 illustrates remappable pin
selection for the U1RX input.
FIGURE 11-2: U1RX REMAPPABLE INPUT
RP0
RP1
RP3
0
1
2U1RX Input
U1RXR<6:0>
to Peripheral
RPn/RPIn
n
Note: For input only, Peripheral Pin Select functionality
does not have priority over TRISx settings.
Therefore, when configuring RPn/RPIn pin for
input, the corresponding bit in the TRISx register
must also be configured for input (set to ‘1’).

2009-2012 Microchip Technology Inc. DS70616G-page 211
dsPIC33EPXXX(GP/MC/MU)806/810/814 and PIC24EPXXX(GP/GU)810/814
TABLE 11-1: SELECTABLE INPUT SOURCES (MAPS INPUT TO FUNCTION)
Input Name(1)Function Name Register Configuration Bits
External Interrupt 1 INT1 RPINR0 INT1R<6:0>
External Interrupt 2 INT2 RPINR1 INT2R<6:0>
External Interrupt 3 INT3 RPINR1 INT3R<6:0>
External Interrupt 4 INT4 RPINR2 INT4R<6:0>
Timer2 External Clock T2CK RPINR3 T2CKR<6:0>
Timer3 External Clock T3CK RPINR3 T3CKR<6:0>
Timer4 External Clock T4CK RPINR4 T4CKR<6:0>
Timer5 External Clock T5CK RPINR4 T5CKR<6:0>
Timer6 External Clock T6CK RPINR5 T6CKR<6:0>
Timer7 External Clock T7CK RPINR5 T7CKR<6:0>
Timer8 External Clock T8CK RPINR6 T8CKR<6:0>
Timer9 External Clock T9CK RPINR6 T9CKR<6:0>
Input Capture 1 IC1 RPINR7 IC1R<6:0>
Input Capture 2 IC2 RPINR7 IC2R<6:0>
Input Capture 3 IC3 RPINR8 IC3R<6:0>
Input Capture 4 IC4 RPINR8 IC4R<6:0>
Input Capture 5 IC5 RPINR9 IC5R<6:0>
Input Capture 6 IC6 RPINR9 IC6R<6:0>
Input Capture 7 IC7 RPINR10 IC7R<6:0>
Input Capture 8 IC8 RPINR10 IC8R<6:0>
Output Compare Fault A OCFA RPINR11 OCFAR<6:0>
Output Compare Fault B OCFB RPINR11 OCFBR<6:0>
PMW Fault 1(2) FLT1 RPINR12 FLT1R<6:0>
PMW Fault 2(2) FLT2 RPINR12 FLT2R<6:0>
PMW Fault 3(2) FLT3 RPINR13 FLT3R<6:0>
PMW Fault 4(2) FLT4 RPINR13 FLT4R<6:0>
QEI1 Phase A(2) QEA1 RPINR14 QEA1R<6:0>
QEI1 Phase A(2) QEB1 RPINR14 QEB1R<6:0>
QEI1 Index(2) INDX1 RPINR15 INDX1R<6:0>
QEI1 Home(2) HOME1 RPINR15 HOM1R<6:0>
QEI2 Phase A(2) QEA2 RPINR16 QEA2R<6:0>
QEI2 Phase A(2) QEB2 RPINR16 QEB2R<6:0>
QEI2 Index(2) INDX2 RPINR17 INDX2R<6:0>
QEI2 Home(2) HOME2 RPINR17 HOM2R<6:0>
UART1 Receive U1RX RPINR18 U1RXR<6:0>
UART1 Clear-to-Send U1CTS RPINR18 U1CTSR<6:0>
UART2 Receive U2RX RPINR19 U2RXR<6:0>
UART2 Clear-to-Send U2CTS RPINR19 U2CTSR<6:0>
SPI1 Data Input SDI1 RPINR20 SDI1R<6:0>
SPI1 Clock Input SCK1 RPINR20 SCK1R<6:0>
SPI1 Slave Select SS1 RPINR21 SS1R<6:0>
SPI2 Slave Select SS2 RPINR23 SS2R<6:0>
Note 1: Unless otherwise noted, all inputs use the Schmitt Trigger input buffers.
2: This input source is available on dsPIC33EPXXX(MC/MU)806/810/814 devices only.

dsPIC33EPXXX(GP/MC/MU)806/810/814 and PIC24EPXXX(GP/GU)810/814
DS70616G-page 212 2009-2012 Microchip Technology Inc.
DCI Data Input CSDI RPINR24 CSDIR<6:0>
DCI Clock Input CSCKIN RPINR24 CSCKR<6:0>
DCI FSYNC Input COFSIN RPINR25 COFSR<6:0>
CAN1 Receive C1RX RPINR26 C1RXR<6:0>
CAN2 Receive C2RX RPINR26 C2RXR<6:0>
UART3 Receive U3RX RPINR27 U3RXR<6:0>
UART3 Clear-to-Send U3CTS RPINR27 U3CTSR<6:0>
UART4 Receive U4RX RPINR28 U4RXR<6:0>
UART4 Clear-to-Send U4CTS RPINR28 U4CTSR<6:0>
SPI3 Data Input SDI3 RPINR29 SDI3R<6:0>
SPI3 Clock Input SCK3 RPINR29 SCK3R<6:0>
SPI3 Slave Select SS3 RPINR30 SS3R<6:0>
SPI4 Data Input SDI4 RPINR31 SDI4R<6:0>
SPI4 Clock Input SCK4 RPINR31 SCK4R<6:0>
SPI4 Slave Select SS4 RPINR32 SS4R<6:0>
Input Capture 9 IC9 RPINR33 IC9R<6:0>
Input Capture 10 IC10 RPINR33 IC10R<6:0>
Input Capture 11 IC11 RPINR34 IC11R<6:0>
Input Capture 12 IC12 RPINR34 IC12R<6:0>
Input Capture 13 IC13 RPINR35 IC13R<6:0>
Input Capture 14 IC14 RPINR35 IC14R<6:0>
Input Capture 15 IC15 RPINR36 IC15R<6:0>
Input Capture 16 IC16 RPINR36 IC16R<6:0>
Output Compare Fault C OCFC RPINR37 OCFCR<6:0>
PWM Fault 5(2)FLT5 RPINR42 FLT5R<6:0>
PWM Fault 6(2)FLT6 RPINR42 FLT6R<6:0>
PWM Fault 7(2)FLT7 RPINR43 FLT7R<6:0>
PWM Dead-Time
Compensation 1(2)
DTCMP1 RPINR38 DTCMP1R<6:0>
PWM Dead-Time
Compensation 2(2)
DTCMP2 RPINR39 DTCMP2R<6:0>
PWM Dead-Time
Compensation 3(2)
DTCMP3 RPINR39 DTCMP3R<6:0>
PWM Dead-Time
Compensation 4(2)
DTCMP4 RPINR40 DTCMP4R<6:0>
PWM Dead-Time
Compensation 5(2)
DTCMP5 RPINR40 DTCMP5R<6:0>
PWM Dead-Time
Compensation 6(2)
DTCMP6 RPINR41 DTCMP6R<6:0>
PWM Dead-Time
Compensation 7(2)
DTCMP7 RPINR41 DTCMP7R<6:0>
PWM Synch Input 1(2)SYNCI1 RPINR37 SYNCI1R<6:0>
PWM Synch Input 2(2)SYNCI2 RPINR38 SYNCI2R<6:0>
TABLE 11-1: SELECTABLE INPUT SOURCES (MAPS INPUT TO FUNCTION) (CONTINUED)
Input Name(1)Function Name Register Configuration Bits
Note 1: Unless otherwise noted, all inputs use the Schmitt Trigger input buffers.
2: This input source is available on dsPIC33EPXXX(MC/MU)806/810/814 devices only.

2009-2012 Microchip Technology Inc. DS70616G-page 213
dsPIC33EPXXX(GP/MC/MU)806/810/814 and PIC24EPXXX(GP/GU)810/814
TABLE 11-2: INPUT PIN SELECTION FOR SELECTABLE INPUT SOURCES
Peripheral Pin Select
Input Register Value
Input/
Output Pin Assignment Peripheral Pin Select
Input Register Value
Input/
Output Pin Assignment
000 0000 IV
SS 010 1101 IRPI45
000 0001 IC1OUT
(1) 010 1110 IRPI46
000 0010 IC2OUT
(1)010 1111 IRPI47
000 0011 IC3OUT
(1)011 0000 —Reserved
000 0100 —Reserved 011 0001 IRPI49
000 0101 —Reserved 011 0010 IRPI50
000 0110 —Reserved 011 0011 IRPI51
000 0111 —Reserved 011 0100 IRPI52
000 1000 IFINDX1
(1) 011 0101 —Reserved
000 1001 IFHOME1
(1) 011 0110 —Reserved
000 1010 IFINDX2
(1) 011 0111 —Reserved
000 1011 IFHOME2
(1) 011 1000 —Reserved
000 1100 —Reserved 011 1001 —Reserved
000 1101 —Reserved 011 1010 —Reserved
000 1110 —Reserved 011 1011 —Reserved
000 1111 —Reserved 011 1100 IRPI60
001 0000 IRPI16 011 1101 IRPI61
001 0001 IRPI17 011 1110 IRPI62
001 0010 IRPI18 011 1111 —Reserved
001 0011 IRPI19 100 0000 I/O RP64
001 0100 IRPI20 100 0001 I/O RP65
001 0101 IRPI21 100 0010 I/O RP66
001 0110 IRPI22 100 0011 I/O RP67
001 0111 IRPI23 100 0100 I/O RP68
001 1000 —Reserved 100 0101 I/O RP69
001 1001 —Reserved 100 0110 I/O RP70
001 1010 —Reserved 100 0111 I/O RP71
001 1011 —Reserved 100 1000 IRPI72
001 1100 —Reserved 100 1001 IRPI73
001 1101 —Reserved 100 1010 IRPI74
001 1110 IRPI30 100 1011 IRPI75
001 1111 IRPI31 100 1100 IRPI76
010 0000 IRPI32 100 1101 IRPI77
010 0001 IRPI33 100 1110 IRPI78
010 0010 IRPI34 100 1111 I/O RP79
010 0011 IRPI35 101 0000 I/O RP80
010 0100 IRPI36 101 0001 IRPI81
010 0101 IRPI37 101 0010 I/O RP82
010 0110 IRPI38 101 0011 IRPI83
010 0111 IRPI39 101 0100 I/O RP84
010 1000 IRPI40 101 0101 I/O RP85
010 1001 IRPI41 101 0110 IRPI86
010 1010 IRPI42 101 0111 I/O RP87
Note 1: See Section 11.4.4.2 “Virtual Connections” for more information on selecting this pin assignment.

dsPIC33EPXXX(GP/MC/MU)806/810/814 and PIC24EPXXX(GP/GU)810/814
DS70616G-page 214 2009-2012 Microchip Technology Inc.
010 1011 IRPI43 101 1000 IRPI88
010 1100 IRPI44 101 1001 IRPI89
101 1010 —Reserved 110 1101 I/O RP109
101 1011 —Reserved 110 1110 —Reserved
101 1100 —Reserved 110 1111 —Reserved
101 1101 —Reserved 111 0000 I/O RP112
101 1110 —Reserved 111 0001 I/O RP113
101 1111 —Reserved 111 0010 —Reserved
110 0000 I/O RP96 111 0011 —Reserved
110 0001 I/O RP97 111 0100 —Reserved
110 0010 I/O RP98 111 0101 —Reserved
110 0011 I/O RP99 111 0110 I/O RP118
110 0100 I/O RP100 111 0111 IRPI119
110 0101 I/O RP101 111 1000 I/O RP120
110 0110 I/O RP102 111 1001 IRPI121
110 0111 —Reserved 111 1010 —Reserved
110 1000 I/O RP104 111 1011 —Reserved
110 1001 —Reserved 111 1100 IRPI124
110 1010 —Reserved 111 1101 I/O RP125
110 1011 —Reserved 111 1110 I/O RP126
110 1100 I/O RP108 111 1111 I/O RP127
TABLE 11-2: INPUT PIN SELECTION FOR SELECTABLE INPUT SOURCES (CONTINUED)
Peripheral Pin Select
Input Register Value
Input/
Output Pin Assignment Peripheral Pin Select
Input Register Value
Input/
Output Pin Assignment
Note 1: See Section 11.4.4.2 “Virtual Connections” for more information on selecting this pin assignment.

2009-2012 Microchip Technology Inc. DS70616G-page 215
dsPIC33EPXXX(GP/MC/MU)806/810/814 and PIC24EPXXX(GP/GU)810/814
11.4.4.1 Output Mapping
In contrast to inputs, the outputs of the Peripheral Pin
Select options are mapped on the basis of the pin. In
this case, a control register associated with a particular
pin dictates the peripheral output to be mapped. The
RPORx registers are used to control output mapping.
Like the RPINRx registers, each register contains sets
of 6 bit fields, with each set associated with one RPn
pin (see Register 11-44 through Register 11-51). The
value of the bit field corresponds to one of the periph-
erals and that peripheral’s output is mapped to the pin
(see Table 11-3 and Figure 11-3).
A null output is associated with the Output Register
Reset value of ‘0’. This is done to ensure that remap-
pable outputs remain disconnected from all output pins
by default.
FIGURE 11-3: MULTIPLEXING OF
REMAPPABLE OUTPUT
FOR RPn
RPnR<5:0>
0
49
1
Default
U1TX Output
U1RTS Output 2
REFCLK Output
48
QEI2CCMP Output
Output Data RPn
TABLE 11-3: OUTPUT SELECTION FOR REMAPPABLE PINS (RPn)
Function RPnR<5:0> Output Name
DEFAULT PORT 000000 RPn tied to Default Pin
U1TX 000001 RPn tied to UART1 Transmit
U1RTS 000010 RPn tied to UART1 Ready-to-Send
U2TX 000011 RPn tied to UART2 Transmit
U2RTS 000100 RPn tied to UART2 Ready-to-Send
SDO1 000101 RPn tied to SPI1 Data Output
SCK1 000110 RPn tied to SPI1 Clock Output
SS1 000111 RPn tied to SPI1 Slave Select
SS2 001010 RPn tied to SPI2 Slave Select
CSDO 001011 RPn tied to DCI Data Output
CSCK 001100 RPn tied to DCI Clock Output
COFS 001101 RPn tied to DCI FSYNC Output
C1TX 001110 RPn tied to CAN1 Transmit
C2TX 001111 RPn tied to CAN2 Transmit
OC1 010000 RPn tied to Output Compare 1 Output
OC2 010001 RPn tied to Output Compare 2 Output
OC3 010010 RPn tied to Output Compare 3 Output
OC4 010011 RPn tied to Output Compare 4 Output
OC5 010100 RPn tied to Output Compare 5 Output
OC6 010101 RPn tied to Output Compare 6 Output
OC7 010110 RPn tied to Output Compare 7 Output
OC8 010111 RPn tied to Output Compare 8 Output
C1OUT 011000 RPn tied to Comparator Output 1
C2OUT 011001 RPn tied to Comparator Output 2
C3OUT 011010 RPn tied to Comparator Output 3
U3TX 011011 RPn tied to UART3 Transmit
U3RTS 011100 RPn tied to UART3 Ready-to-Send
Note 1: This function is available in dsPIC33EPXXX(MC/MU)806/810/814 devices only.

dsPIC33EPXXX(GP/MC/MU)806/810/814 and PIC24EPXXX(GP/GU)810/814
DS70616G-page 216 2009-2012 Microchip Technology Inc.
U4TX 011101 RPn tied to UART4 Transmit
U4RTS 011110 RPn tied to UART4 Ready-to-Send
SDO3 011111 RPn tied to SPI3 Data Output
SCK3 100000 RPn tied to SPI3 Clock Output
SS3 100001 RPn tied to SPI3 Slave Select
SDO4 100010 RPn tied to SPI4 Data Output
SCK4 100011 RPn tied to SPI4 Clock Output
SS4 100100 RPn tied to SPI4 Slave Select
OC9 100101 RPn tied to Output Compare 9 Output
OC10 100110 RPn tied to Output Compare 10 Output
OC11 100111 RPn tied to Output Compare 11 Output
OC12 101000 RPn tied to Output Compare 12 Output
OC13 101001 RPn tied to Output Compare 13 Output
OC14 101010 RPn tied to Output Compare 14 Output
OC15 101011 RPn tied to Output Compare 15 Output
OC16 101100 RPn tied to Output Compare 16 Output
SYNCO1(1)101101 RPn tied to PWM Primary Time Base Sync Output
SYNCO2(1)101110 RPn tied to PWM Secondary Time Base Sync Output
QEI1CCMP(1)101111 RPn tied to QEI 1 Counter Comparator Output
QEI2CCMP(1)110000 RPn tied to QEI 2 Counter Comparator Output
REFCLK 110001 RPn tied to Reference Clock Output
TABLE 11-3: OUTPUT SELECTION FOR REMAPPABLE PINS (RPn) (CONTINUED)
Function RPnR<5:0> Output Name
Note 1: This function is available in dsPIC33EPXXX(MC/MU)806/810/814 devices only.

2009-2012 Microchip Technology Inc. DS70616G-page 217
dsPIC33EPXXX(GP/MC/MU)806/810/814 and PIC24EPXXX(GP/GU)810/814
11.4.4.2 Virtual Connections
The dsPIC33EPXXX(GP/MC/MU)806/810/814 and
PIC24EPXXX(GP/GU)810/814 devices support virtual
(internal) connections to the output of the comparator
modules, CMP1OUT, CMP2OUT and CMP3OUT (see
Figure 25-1 in Section 25.0 “Comparator Module”).
In addition, dsPIC33EPXXXMU806/810/814 devices
support virtual connections to the filtered QEI module
inputs, FINDX1, FHOME1, FINDX2 and FHOME2 (see
Figure 17-1 in Section 17.0 “Quadrature Encoder
Interface (QEI) Module (dsPIC33EPXXX(MC/
MU)8XX Devices Only)”.
Virtual connections provide a simple way of inter-
peripheral connection without utilizing a physical pin.
For example, by setting the FLT1R<6:0> bits of the
RPINR12 register to the value of ‘b0000001, the
output of the analog comparator, CMP1OUT, will be
connected to the PWM Fault 1 input, which allows the
analog comparator to trigger PWM Faults without the
use of an actual physical pin on the device.
Virtual connection to the QEI module allows
peripherals to be connected to the QEI digital filter
input. To utilize this filter, the QEI module must be
enabled, and its inputs must be connected to a physical
RPn/RPIn pin. Example 11-2 illustrates how the input
capture module can be connected to the QEI digital
filter.
11.4.4.3 Mapping Limitations
The control schema of the peripheral select pins is not
limited to a small range of fixed peripheral
configurations. There are no mutual or hardware
enforced lockouts between any of the peripheral
mapping SFRs. Literally any combination of peripheral
mappings across any or all of the RPn/RPIn pins is
possible. This includes both many-to-one and one-to-
many mappings of peripheral inputs and outputs to
pins. While such mappings may be technically possible
from a configuration point of view, they may not be
supportable from an electrical point of view.
EXAMPLE 11-2: CONNECTING IC1 TO HOME1 DIGITAL FILTER INPUT ON PIN 3 OF THE
dsPIC33EP512MU810 DEVICE
RPINR15 = 0x5600; /* Connect the QEI1 HOME1 input to RP86 (pin 3) */
RPINR7 = 0x009; /* Connect the IC1 input to the digital filter on the FHOME1 input */
QEI1IOC = 0x4000; /* Enable the QEI digital filter */
QEI1CON = 0x8000; /* Enable the QEI module */

dsPIC33EPXXX(GP/MC/MU)806/810/814 and PIC24EPXXX(GP/GU)810/814
DS70616G-page 218 2009-2012 Microchip Technology Inc.
11.5 I/O Helpful Tips
1. In some cases, certain pins, as defined in
Table 32-9 in Section 32.0 “Electrical Charac-
teristics” under “Injection Current”, have internal
protection diodes to VDD and VSS; the term
“Injection Current” is also referred to as “Clamp
Current”. On designated pins, with sufficient exter-
nal current-limiting precautions by the user, I/O pin
input voltages are allowed to be greater or less
than the data sheet absolute maximum ratings
with respect to the VSS and VDD supplies. Note
that when the user application forward biases
either of the high or low side internal input clamp
diodes, that the resulting current being injected
into the device that is clamped internally by the
VDD and VSS power rails, may affect the ADC
accuracy by four to six counts.
2. I/O pins that are shared with any analog input pin,
(i.e., ANx, see Tab l e 1 - 1 in Section 1.0 “Device
Overview”), are always analog pins by default
after any Reset. Consequently, configuring a pin
as an analog input pin, automatically disables the
digital input pin buffer and any attempt to read the
digital input level by reading PORTx or LATx will
always return a ‘0’, regardless of the digital logic
level on the pin. To use a pin as a digital I/O pin on
a shared analog pin (see Table 1-1 in Section 1.0
“Device Overview”), the user application needs
to configure the Analog Pin Configuration registers
in the I/O ports module (i.e., ANSELx) by setting
the appropriate bit that corresponds to that I/O port
pin to a ‘0’.
3. Most I/O pins have multiple functions. Referring to
the device pin diagrams in the data sheet, the
priorities of the functions allocated to any pins are
indicated by reading the pin name from left to right.
The left most function name takes precedence
over any function to its right in the naming conven-
tion. For example: AN16/T2CK/T7CK/RC1; this
indicates that AN16 is the highest priority in this
example and will supersede all other functions to
its right in the list. Those other functions to its right,
even if enabled, would not work as long as any
other function to its left was enabled. This rule
applies to all of the functions listed for a given pin.
Dedicated peripheral functions are always higher
priority than remappable functions. I/O pins are
always the lowest priority.
4. Each pin has an internal weak pull-up resistor and
pull-down resistor that can be configured using the
CNPUx and CNPDx registers, respectively. These
resistors eliminate the need for external resistors
in certain applications. The internal pull-up is up to
~(VDD-0.8), not VDD. This value is still above the
minimum VIH of CMOS and TTL devices.
5. When driving LEDs directly, the I/O pin can source
or sink more current than what is specified in the
VOH/IOH and VOL/IOL DC characteristic specifica-
tion. The respective IOH and IOL current rating only
applies to maintaining the corresponding output at
or above the VOH and at or below the VOL levels.
However, for LEDs, unlike digital inputs of an
externally connected device, they are not gov-
erned by the same minimum VIH/VIL levels. An I/O
pin output can safely sink or source any current
less than that listed in the absolute maximum
rating section of the data sheet. For example:
VOH = 2.4v @ IOH = -8 mA and VDD = 3.3V
The maximum output current sourced by any 8 mA
I/O pin = 12 mA.
LED source current < 12 mA is technically
permitted. Refer to the VOH/IOH graphs in
Section 32.0 “Electrical Characteristics” for
additional information.
6. The Peripheral Pin Select (PPS) pin mapping rules
are as follows:
a) Only one “output” function can be active on a
given pin at any time regardless if it is a dedi-
cated or remappable function (one pin, one
output).
b) It is possible to assign a “remappable output”
function to multiple pins and externally short or
tie them together for increased current drive.
c) If any “dedicated output” function is enabled
on a pin, it will take precedence over any
remappable “output” function.
d) If any “dedicated digital” (input or output)
function is enabled on a pin, any number of
“input” remappable functions can be mapped
to the same pin.
e) If any “dedicated analog” function(s) are
enabled on a given pin, “digital input(s)” of any
kind will all be disabled, although a single “dig-
ital output”, at the user’s cautionary discretion,
can be enabled and active as long as there is
no signal contention with an external analog
input signal. For example, it is possible for the
ADC to convert the digital output logic level, or
to toggle a digital output on a comparator or
ADC input, provided there is no external
analog input, such as for a built-in self test.
f) Any number of “input” remappable functions
can be mapped to the same pin(s) at the
same time, including any pin with a single out-
put from either a dedicated or remappable
“output”.
Note: Although it is not possible to use a digital
input pin when its analog function is
enabled, it is possible to use the digital I/O
output function, TRISx = 0x0, while the
analog function is also enabled. However,
this is not recommended, particularly if the
analog input is connected to an external
analog voltage source, which would
create signal contention between the
analog signal and the output pin driver.

2009-2012 Microchip Technology Inc. DS70616G-page 219
dsPIC33EPXXX(GP/MC/MU)806/810/814 and PIC24EPXXX(GP/GU)810/814
g) The TRIS registers control only the digital I/O
output buffer. Any other dedicated or remap-
pable active “output” will automatically over-
ride the TRIS setting. The TRIS register does
not control the digital logic “input” buffer.
Remappable digital “inputs” do not automati-
cally override TRIS settings, which means
that the TRIS bit must be set to input for pins
with only remappable input function(s)
assigned.
h) All analog pins are enabled by default after
any Reset and the corresponding digital input
buffer on the pin is disabled. Only the Analog
Pin Select registers control the digital input
buffer, not the TRIS register. The user must
disable the analog function on a pin using the
Analog Pin Select registers in order to use any
“digital input(s)” on a corresponding pin, no
exceptions.
11.6 I/O Resources
Many useful resources related to I/O are provided on
the main product page of the Microchip web site for the
devices listed in this data sheet. This product page,
which can be accessed using this link, contains the
latest updates and additional information.
11.6.1 KEY RESOURCES
•Section 10. “I/O Ports” (DS70598) in the
“dsPIC33E/PIC24E Family Reference Manual”
• Code Samples
• Application Notes
• Software Libraries
• Webinars
• All related “dsPIC33E/PIC24E Family Reference
Manual” Sections
• Development Tools
Note: In the event you are not able to access the
product page using the link above, enter
this URL in your browser:
http://www.microchip.com/wwwproducts/
Devices.aspx?dDocName=en554301

dsPIC33EPXXX(GP/MC/MU)806/810/814 and PIC24EPXXX(GP/GU)810/814
DS70616G-page 220 2009-2012 Microchip Technology Inc.
11.7 Peripheral Pin Select Control
Registers
REGISTER 11-1: RPINR0: PERIPHERAL PIN SELECT INPUT REGISTER 0
U-0 R/W-0 R/W-0 R/W-0 R/W-0 R/W-0 R/W-0 R/W-0
—INT1R<6:0>
bit 15 bit 8
U-0 U-0 U-0 U-0 U-0 U-0 U-0 U-0
— — — — — — — —
bit 7 bit 0
Legend:
R = Readable bit W = Writable bit U = Unimplemented bit, read as ‘0’
-n = Value at POR ‘1’ = Bit is set ‘0’ = Bit is cleared x = Bit is unknown
bit 15 Unimplemented: Read as ‘0’
bit 14-8 INT1R<6:0>: Assign External Interrupt 1 (INT1) to the Corresponding RPn/RPIn Pin bits
(see Tab l e 11 -2 for input pin selection numbers)
1111111 = Input tied to RP127
.
.
.
0000001 = Input tied to CMP1
0000000 = Input tied to VSS
bit 7-0 Unimplemented: Read as ‘0’

2009-2012 Microchip Technology Inc. DS70616G-page 221
dsPIC33EPXXX(GP/MC/MU)806/810/814 and PIC24EPXXX(GP/GU)810/814
REGISTER 11-2: RPINR1: PERIPHERAL PIN SELECT INPUT REGISTER 1
U-0 R/W-0 R/W-0 R/W-0 R/W-0 R/W-0 R/W-0 R/W-0
—INT3R<6:0>
bit 15 bit 8
U-0 R/W-0 R/W-0 R/W-0 R/W-0 R/W-0 R/W-0 R/W-0
—INT2R<6:0>
bit 7 bit 0
Legend:
R = Readable bit W = Writable bit U = Unimplemented bit, read as ‘0’
-n = Value at POR ‘1’ = Bit is set ‘0’ = Bit is cleared x = Bit is unknown
bit 15 Unimplemented: Read as ‘0’
bit 14-8 INT3R<6:0>: Assign External Interrupt 3 (INT3) to the Corresponding RPn/RPIn Pin bits
(see Tab l e 11 -2 for input pin selection numbers)
1111111 = Input tied to RP127
.
.
.
0000001 = Input tied to CMP1
0000000 = Input tied to VSS
bit 7 Unimplemented: Read as ‘0’
bit 6-0 INT2R<6:0>: Assign External Interrupt 2 (INT2) to the Corresponding RPn/RPIn Pin bits
(see Tab l e 11 -2 for input pin selection numbers)
1111111 = Input tied to RP127
.
.
.
0000001 = Input tied to CMP1
0000000 = Input tied to VSS

dsPIC33EPXXX(GP/MC/MU)806/810/814 and PIC24EPXXX(GP/GU)810/814
DS70616G-page 222 2009-2012 Microchip Technology Inc.
REGISTER 11-3: RPINR2: PERIPHERAL PIN SELECT INPUT REGISTER 2
U-0 U-0 U-0 U-0 U-0 U-0 U-0 U-0
— — — — — — — —
bit 15 bit 8
U-0 R/W-0 R/W-0 R/W-0 R/W-0 R/W-0 R/W-0 R/W-0
—INT4R<6:0>
bit 7 bit 0
Legend:
R = Readable bit W = Writable bit U = Unimplemented bit, read as ‘0’
-n = Value at POR ‘1’ = Bit is set ‘0’ = Bit is cleared x = Bit is unknown
bit 15-7 Unimplemented: Read as ‘0’
bit 6-0 INT4R<6:0>: Assign External Interrupt 4 (INT4) to the Corresponding RPn/RPIn Pin bits
(see Tab l e 11 -2 for input pin selection numbers)
1111111 = Input tied to RP127
.
.
.
0000001 = Input tied to CMP1
0000000 = Input tied to VSS

2009-2012 Microchip Technology Inc. DS70616G-page 223
dsPIC33EPXXX(GP/MC/MU)806/810/814 and PIC24EPXXX(GP/GU)810/814
REGISTER 11-4: RPINR3: PERIPHERAL PIN SELECT INPUT REGISTER 3
U-0 R/W-0 R/W-0 R/W-0 R/W-0 R/W-0 R/W-0 R/W-0
—T3CKR<6:0>
bit 15 bit 8
U-0 R/W-0 R/W-0 R/W-0 R/W-0 R/W-0 R/W-0 R/W-0
—T2CKR<6:0>
bit 7 bit 0
Legend:
R = Readable bit W = Writable bit U = Unimplemented bit, read as ‘0’
-n = Value at POR ‘1’ = Bit is set ‘0’ = Bit is cleared x = Bit is unknown
bit 15 Unimplemented: Read as ‘0’
bit 14-8 T3CKR<6:0>: Assign Timer3 External Clock (T3CK) to the Corresponding RPn/RPIn Pin bits
(see Tab l e 11 -2 for input pin selection numbers)
1111111 = Input tied to RP127
.
.
.
0000001 = Input tied to CMP1
0000000 = Input tied to VSS
bit 7 Unimplemented: Read as ‘0’
bit 6-0 T2CKR<6:0>: Assign Timer2 External Clock (T2CK) to the Corresponding RPn/RPIn Pin bits
(see Tab l e 11 -2 for input pin selection numbers)
1111111 = Input tied to RP127
.
.
.
0000001 = Input tied to CMP1
0000000 = Input tied to VSS

dsPIC33EPXXX(GP/MC/MU)806/810/814 and PIC24EPXXX(GP/GU)810/814
DS70616G-page 224 2009-2012 Microchip Technology Inc.
REGISTER 11-5: RPINR4: PERIPHERAL PIN SELECT INPUT REGISTER 4
U-0 R/W-0 R/W-0 R/W-0 R/W-0 R/W-0 R/W-0 R/W-0
—T5CKR<6:0>
bit 15 bit 8
U-0 R/W-0 R/W-0 R/W-0 R/W-0 R/W-0 R/W-0 R/W-0
—T4CKR<6:0>
bit 7 bit 0
Legend:
R = Readable bit W = Writable bit U = Unimplemented bit, read as ‘0’
-n = Value at POR ‘1’ = Bit is set ‘0’ = Bit is cleared x = Bit is unknown
bit 15 Unimplemented: Read as ‘0’
bit 14-8 T5CKR<6:0>: Assign Timer5 External Clock (T5CK) to the Corresponding RPn/RPIn Pin bits
(see Tab l e 11 -2 for input pin selection numbers)
1111111 = Input tied to RP127
.
.
.
0000001 = Input tied to CMP1
0000000 = Input tied to VSS
bit 7 Unimplemented: Read as ‘0’
bit 6-0 T4CKR<6:0>: Assign Timer4 External Clock (T4CK) to the Corresponding RPn/RPIn Pin bits
(see Tab l e 11 -2 for input pin selection numbers)
1111111 = Input tied to RP127
.
.
.
0000001 = Input tied to CMP1
0000000 = Input tied to VSS

2009-2012 Microchip Technology Inc. DS70616G-page 225
dsPIC33EPXXX(GP/MC/MU)806/810/814 and PIC24EPXXX(GP/GU)810/814
REGISTER 11-6: RPINR5: PERIPHERAL PIN SELECT INPUT REGISTER 5
U-0 R/W-0 R/W-0 R/W-0 R/W-0 R/W-0 R/W-0 R/W-0
—T7CKR<6:0>
bit 15 bit 8
U-0 R/W-0 R/W-0 R/W-0 R/W-0 R/W-0 R/W-0 R/W-0
—T6CKR<6:0>
bit 7 bit 0
Legend:
R = Readable bit W = Writable bit U = Unimplemented bit, read as ‘0’
-n = Value at POR ‘1’ = Bit is set ‘0’ = Bit is cleared x = Bit is unknown
bit 15 Unimplemented: Read as ‘0’
bit 14-8 T7CKR<6:0>: Assign Timer7 External Clock (T7CK) to the Corresponding RPn/RPIn Pin bits
(see Tab l e 11 -2 for input pin selection numbers)
1111111 = Input tied to RP127
.
.
.
0000001 = Input tied to CMP1
0000000 = Input tied to VSS
bit 7 Unimplemented: Read as ‘0’
bit 6-0 T6CKR<6:0>: Assign Timer6 External Clock (T6CK) to the Corresponding RPn/RPIn Pin bits
(see Tab l e 11 -2 for input pin selection numbers)
1111111 = Input tied to RP127
.
.
.
0000001 = Input tied to CMP1
0000000 = Input tied to VSS

dsPIC33EPXXX(GP/MC/MU)806/810/814 and PIC24EPXXX(GP/GU)810/814
DS70616G-page 226 2009-2012 Microchip Technology Inc.
REGISTER 11-7: RPINR6: PERIPHERAL PIN SELECT INPUT REGISTER 6
U-0 R/W-0 R/W-0 R/W-0 R/W-0 R/W-0 R/W-0 R/W-0
—T9CKR<6:0>
bit 15 bit 8
U-0 R/W-0 R/W-0 R/W-0 R/W-0 R/W-0 R/W-0 R/W-0
—T8CKR<6:0>
bit 7 bit 0
Legend:
R = Readable bit W = Writable bit U = Unimplemented bit, read as ‘0’
-n = Value at POR ‘1’ = Bit is set ‘0’ = Bit is cleared x = Bit is unknown
bit 15 Unimplemented: Read as ‘0’
bit 14-8 T9CKR<6:0>: Assign Timer9 External Clock (T9CK) to the Corresponding RPn/RPIn Pin bits
(see Tab l e 11 -2 for input pin selection numbers)
1111111 = Input tied to RP127
.
.
.
0000001 = Input tied to CMP1
0000000 = Input tied to VSS
bit 7 Unimplemented: Read as ‘0’
bit 6-0 T8CKR<6:0>: Assign Timer8 External Clock (T8CK) to the Corresponding RPn/RPIn Pin bits
(see Tab l e 11 -2 for input pin selection numbers)
1111111 = Input tied to RP127
.
.
.
0000001 = Input tied to CMP1
0000000 = Input tied to VSS

2009-2012 Microchip Technology Inc. DS70616G-page 227
dsPIC33EPXXX(GP/MC/MU)806/810/814 and PIC24EPXXX(GP/GU)810/814
REGISTER 11-8: RPINR7: PERIPHERAL PIN SELECT INPUT REGISTER 7
U-0 R/W-0 R/W-0 R/W-0 R/W-0 R/W-0 R/W-0 R/W-0
— IC2R<6:0>
bit 15 bit 8
U-0 R/W-0 R/W-0 R/W-0 R/W-0 R/W-0 R/W-0 R/W-0
— IC1R<6:0>
bit 7 bit 0
Legend:
R = Readable bit W = Writable bit U = Unimplemented bit, read as ‘0’
-n = Value at POR ‘1’ = Bit is set ‘0’ = Bit is cleared x = Bit is unknown
bit 15 Unimplemented: Read as ‘0’
bit 14-8 IC2R<6:0>: Assign Input Capture 2 (IC2) to the Corresponding RPn/RPIn Pin bits
(see Tab l e 11 -2 for input pin selection numbers)
1111111 = Input tied to RP127
.
.
.
0000001 = Input tied to CMP1
0000000 = Input tied to VSS
bit 7 Unimplemented: Read as ‘0’
bit 6-0 IC1R<6:0>: Assign Input Capture 1 (IC1) to the Corresponding RPn/RPIn Pin bits
(see Tab l e 11 -2 for input pin selection numbers)
1111111 = Input tied to RP127
.
.
.
0000001 = Input tied to CMP1
0000000 = Input tied to VSS

dsPIC33EPXXX(GP/MC/MU)806/810/814 and PIC24EPXXX(GP/GU)810/814
DS70616G-page 228 2009-2012 Microchip Technology Inc.
REGISTER 11-9: RPINR8: PERIPHERAL PIN SELECT INPUT REGISTER 8
U-0 R/W-0 R/W-0 R/W-0 R/W-0 R/W-0 R/W-0 R/W-0
— IC4R<6:0>
bit 15 bit 8
U-0 R/W-0 R/W-0 R/W-0 R/W-0 R/W-0 R/W-0 R/W-0
— IC3R<6:0>
bit 7 bit 0
Legend:
R = Readable bit W = Writable bit U = Unimplemented bit, read as ‘0’
-n = Value at POR ‘1’ = Bit is set ‘0’ = Bit is cleared x = Bit is unknown
bit 15 Unimplemented: Read as ‘0’
bit 14-8 IC4R<6:0>: Assign Input Capture 4 (IC4) to the Corresponding RPn/RPIn Pin bits
(see Tab l e 11 -2 for input pin selection numbers)
1111111 = Input tied to RP127
.
.
.
0000001 = Input tied to CMP1
0000000 = Input tied to VSS
bit 7 Unimplemented: Read as ‘0’
bit 6-0 IC3R<6:0>: Assign Input Capture 3 (IC3) to the Corresponding RPn/RPIn Pin bits
(see Tab l e 11 -2 for input pin selection numbers)
1111111 = Input tied to RP127
.
.
.
0000001 = Input tied to CMP1
0000000 = Input tied to VSS

2009-2012 Microchip Technology Inc. DS70616G-page 229
dsPIC33EPXXX(GP/MC/MU)806/810/814 and PIC24EPXXX(GP/GU)810/814
REGISTER 11-10: RPINR9: PERIPHERAL PIN SELECT INPUT REGISTER 9
U-0 R/W-0 R/W-0 R/W-0 R/W-0 R/W-0 R/W-0 R/W-0
— IC6R<6:0>
bit 15 bit 8
U-0 R/W-0 R/W-0 R/W-0 R/W-0 R/W-0 R/W-0 R/W-0
— IC5R<6:0>
bit 7 bit 0
Legend:
R = Readable bit W = Writable bit U = Unimplemented bit, read as ‘0’
-n = Value at POR ‘1’ = Bit is set ‘0’ = Bit is cleared x = Bit is unknown
bit 15 Unimplemented: Read as ‘0’
bit 14-8 IC6R<6:0>: Assign Input Capture 6 (IC6) to the Corresponding RPn/RPIn Pin bits
(see Tab l e 11 -2 for input pin selection numbers)
1111111 = Input tied to RP127
.
.
.
0000001 = Input tied to CMP1
0000000 = Input tied to VSS
bit 7 Unimplemented: Read as ‘0’
bit 6-0 IC5R<6:0>: Assign Input Capture 5 (IC5) to the Corresponding RPn/RPIn Pin bits
(see Tab l e 11 -2 for input pin selection numbers)
1111111 = Input tied to RP127
.
.
.
0000001 = Input tied to CMP1
0000000 = Input tied to VSS

dsPIC33EPXXX(GP/MC/MU)806/810/814 and PIC24EPXXX(GP/GU)810/814
DS70616G-page 230 2009-2012 Microchip Technology Inc.
REGISTER 11-11: RPINR10: PERIPHERAL PIN SELECT INPUT REGISTER 10
U-0 R/W-0 R/W-0 R/W-0 R/W-0 R/W-0 R/W-0 R/W-0
— IC8R<6:0>
bit 15 bit 8
U-0 R/W-0 R/W-0 R/W-0 R/W-0 R/W-0 R/W-0 R/W-0
— IC7R<6:0>
bit 7 bit 0
Legend:
R = Readable bit W = Writable bit U = Unimplemented bit, read as ‘0’
-n = Value at POR ‘1’ = Bit is set ‘0’ = Bit is cleared x = Bit is unknown
bit 15 Unimplemented: Read as ‘0’
bit 14-8 IC8R<6:0>: Assign Input Capture 8 (IC8) to the Corresponding RPn/RPIn Pin bits
(see Tab l e 11 -2 for input pin selection numbers)
1111111 = Input tied to RP127
.
.
.
0000001 = Input tied to CMP1
0000000 = Input tied to VSS
bit 7 Unimplemented: Read as ‘0’
bit 6-0 IC7R<6:0>: Assign Input Capture 7 (IC7) to the Corresponding RPn/RPIn Pin bits
(see Tab l e 11 -2 for input pin selection numbers)
1111111 = Input tied to RP127
.
.
.
0000001 = Input tied to CMP1
0000000 = Input tied to VSS

2009-2012 Microchip Technology Inc. DS70616G-page 231
dsPIC33EPXXX(GP/MC/MU)806/810/814 and PIC24EPXXX(GP/GU)810/814
REGISTER 11-12: RPINR11: PERIPHERAL PIN SELECT INPUT REGISTER 11
U-0 R/W-0 R/W-0 R/W-0 R/W-0 R/W-0 R/W-0 R/W-0
—OCFBR<6:0>
bit 15 bit 8
U-0 R/W-0 R/W-0 R/W-0 R/W-0 R/W-0 R/W-0 R/W-0
—OCFAR<6:0>
bit 7 bit 0
Legend:
R = Readable bit W = Writable bit U = Unimplemented bit, read as ‘0’
-n = Value at POR ‘1’ = Bit is set ‘0’ = Bit is cleared x = Bit is unknown
bit 15 Unimplemented: Read as ‘0’
bit 14-8 OCFBR<6:0>: Assign Output Compare Fault B (OCFB) to the Corresponding RPn/RPIn Pin bits
(see Tab l e 11 -2 for input pin selection numbers)
1111111 = Input tied to RP127
.
.
.
0000001 = Input tied to CMP1
0000000 = Input tied to VSS
bit 7 Unimplemented: Read as ‘0’
bit 6-0 OCFAR<6:0>: Assign Output Compare Fault A (OCFA) to the Corresponding RPn/RPIn Pin bits
(see Tab l e 11 -2 for input pin selection numbers)
1111111 = Input tied to RP127
.
.
.
0000001 = Input tied to CMP1
0000000 = Input tied to VSS

dsPIC33EPXXX(GP/MC/MU)806/810/814 and PIC24EPXXX(GP/GU)810/814
DS70616G-page 232 2009-2012 Microchip Technology Inc.
REGISTER 11-13: RPINR12: PERIPHERAL PIN SELECT INPUT REGISTER 12
(dsPIC33EPXXXMU806/810/814 DEVICES ONLY)
U-0 R/W-0 R/W-0 R/W-0 R/W-0 R/W-0 R/W-0 R/W-0
—FLT2R<6:0>
(1)
bit 15 bit 8
U-0 R/W-0 R/W-0 R/W-0 R/W-0 R/W-0 R/W-0 R/W-0
—FLT1R<6:0>
(1)
bit 7 bit 0
Legend:
R = Readable bit W = Writable bit U = Unimplemented bit, read as ‘0’
-n = Value at POR ‘1’ = Bit is set ‘0’ = Bit is cleared x = Bit is unknown
bit 15 Unimplemented: Read as ‘0’
bit 14-8 FLT2R<6:0>: Assign PWM Fault 2 (FLT2) to the Corresponding RPn/RPIn Pin bits(1)
(see Tab l e 11 -2 for input pin selection numbers)
1111111 = Input tied to RP127
.
.
.
0000001 = Input tied to CMP1
0000000 = Input tied to VSS
bit 7 Unimplemented: Read as ‘0’
bit 6-0 FLT1R<6:0>: Assign PWM Fault 1 (FLT1) to the Corresponding RPn/RPIn Pin bits(1)
(see Tab l e 11 -2 for input pin selection numbers)
1111111 = Input tied to RP127
.
.
.
0000001 = Input tied to CMP1
0000000 = Input tied to VSS
Note 1: These pins are available on dsPIC33EPXXX(MC/MU)806/810/814 devices only.

2009-2012 Microchip Technology Inc. DS70616G-page 233
dsPIC33EPXXX(GP/MC/MU)806/810/814 and PIC24EPXXX(GP/GU)810/814
REGISTER 11-14: RPINR13: PERIPHERAL PIN SELECT INPUT REGISTER 13
(dsPIC33EPXXXMU806/810/814 DEVICES ONLY)
U-0 R/W-0 R/W-0 R/W-0 R/W-0 R/W-0 R/W-0 R/W-0
—FLT4R<6:0>
(1)
bit 15 bit 8
U-0 R/W-0 R/W-0 R/W-0 R/W-0 R/W-0 R/W-0 R/W-0
—FLT3R<6:0>
(1)
bit 7 bit 0
Legend:
R = Readable bit W = Writable bit U = Unimplemented bit, read as ‘0’
-n = Value at POR ‘1’ = Bit is set ‘0’ = Bit is cleared x = Bit is unknown
bit 15 Unimplemented: Read as ‘0’
bit 14-8 FLT4R<6:0>: Assign PWM Fault 4 (FLT4) to the Corresponding RPn/RPIn Pin bits(1)
(see Tab l e 11 -2 for input pin selection numbers)
1111111 = Input tied to RP127
.
.
.
0000001 = Input tied to CMP1
0000000 = Input tied to VSS
bit 7 Unimplemented: Read as ‘0’
bit 6-0 FLT3R<4:0>: Assign PWM Fault 3 (FLT3) to the Corresponding RPn/RPIn Pin bits(1)
(see Tab l e 11 -2 for input pin selection numbers)
1111111 = Input tied to RP127
.
.
.
0000001 = Input tied to CMP1
0000000 = Input tied to VSS
Note 1: These pins are available on dsPIC33EPXXX(MC/MU)806/810/814 devices only.

dsPIC33EPXXX(GP/MC/MU)806/810/814 and PIC24EPXXX(GP/GU)810/814
DS70616G-page 234 2009-2012 Microchip Technology Inc.
REGISTER 11-15: RPINR14: PERIPHERAL PIN SELECT INPUT REGISTER 14
(dsPIC33EPXXXMU806/810/814 DEVICES ONLY)
U-0 R/W-0 R/W-0 R/W-0 R/W-0 R/W-0 R/W-0 R/W-0
— QEB1R<6:0>
bit 15 bit 8
U-0 R/W-0 R/W-0 R/W-0 R/W-0 R/W-0 R/W-0 R/W-0
— QEA1R<6:0>
bit 7 bit 0
Legend:
R = Readable bit W = Writable bit U = Unimplemented bit, read as ‘0’
-n = Value at POR ‘1’ = Bit is set ‘0’ = Bit is cleared x = Bit is unknown
bit 15 Unimplemented: Read as ‘0’
bit 14-8 QEB1R<6:0>: Assign B (QEB) to the Corresponding RPn/RPIn Pin bits
(see Tab l e 11 -2 for input pin selection numbers)
1111111 = Input tied to RP127
.
.
.
0000001 = Input tied to CMP1
0000000 = Input tied to VSS
bit 7 Unimplemented: Read as ‘0’
bit 6-0 QEA1R<6:0>: Assign A (QEA) to the Corresponding RPn/RPIn Pin bits
(see Tab l e 11 -2 for input pin selection numbers)
1111111 = Input tied to RP127
.
.
.
0000001 = Input tied to CMP1
0000000 = Input tied to VSS

2009-2012 Microchip Technology Inc. DS70616G-page 235
dsPIC33EPXXX(GP/MC/MU)806/810/814 and PIC24EPXXX(GP/GU)810/814
REGISTER 11-16: RPINR15: PERIPHERAL PIN SELECT INPUT REGISTER 15
(dsPIC33EPXXXMU806/810/814 DEVICES ONLY)
U-0 R/W-0 R/W-0 R/W-0 R/W-0 R/W-0 R/W-0 R/W-0
— HOME1R<6:0>(1)
bit 15 bit 8
U-0 R/W-0 R/W-0 R/W-0 R/W-0 R/W-0 R/W-0 R/W-0
— INDX1R<6:0>(1)
bit 7 bit 0
Legend:
R = Readable bit W = Writable bit U = Unimplemented bit, read as ‘0’
-n = Value at POR ‘1’ = Bit is set ‘0’ = Bit is cleared x = Bit is unknown
bit 15 Unimplemented: Read as ‘0’
bit 14-8 HOME1R<6:0>: Assign QEI1 HOME1 (HOME1) to the Corresponding RPn/RPIn Pin bits(1)
(see Tab l e 11 -2 for input pin selection numbers)
1111111 = Input tied to RP127
.
.
.
0000001 = Input tied to CMP1
0000000 = Input tied to VSS
bit 7 Unimplemented: Read as ‘0’
bit 6-0 IND1XR<6:0>: Assign QEI1 INDEX1 (INDX1) to the Corresponding RPn/RPIn Pin bits(1)
(see Tab l e 11 -2 for input pin selection numbers)
1111111 = Input tied to RP127
.
.
.
0000001 = Input tied to CMP1
0000000 = Input tied to VSS
Note 1: These bits are available on dsPIC33EPXXX(MC/MU)806/810/814 devices only.

dsPIC33EPXXX(GP/MC/MU)806/810/814 and PIC24EPXXX(GP/GU)810/814
DS70616G-page 236 2009-2012 Microchip Technology Inc.
REGISTER 11-17: RPINR16: PERIPHERAL PIN SELECT INPUT REGISTER 16
(dsPIC33EPXXXMU806/810/814 DEVICES ONLY)
U-0 R/W-0 R/W-0 R/W-0 R/W-0 R/W-0 R/W-0 R/W-0
— QEB2R<6:0>(1)
bit 15 bit 8
U-0 R/W-0 R/W-0 R/W-0 R/W-0 R/W-0 R/W-0 R/W-0
— QEA2R<6:0>(1)
bit 7 bit 0
Legend:
R = Readable bit W = Writable bit U = Unimplemented bit, read as ‘0’
-n = Value at POR ‘1’ = Bit is set ‘0’ = Bit is cleared x = Bit is unknown
bit 15 Unimplemented: Read as ‘0’
bit 14-8 QEB2R<6:0>: Assign B (QEI2) to the Corresponding RPn/RPIn Pin bits(1)
(see Tab l e 11 -2 for input pin selection numbers)
1111111 = Input tied to RP127
.
.
.
0000001 = Input tied to CMP1
0000000 = Input tied to VSS
bit 7 Unimplemented: Read as ‘0’
bit 6-0 QEA2R<6:0>: Assign A (QEI2) to the Corresponding RPn/RPIn Pin bits(1)
(see Tab l e 11 -2 for input pin selection numbers)
1111111 = Input tied to RP127
.
.
.
0000001 = Input tied to CMP1
0000000 = Input tied to VSS
Note 1: These bits are available on dsPIC33EPXXX(MC/MU)806/810/814 devices only.

2009-2012 Microchip Technology Inc. DS70616G-page 237
dsPIC33EPXXX(GP/MC/MU)806/810/814 and PIC24EPXXX(GP/GU)810/814
REGISTER 11-18: RPINR17: PERIPHERAL PIN SELECT INPUT REGISTER 17
(dsPIC33EPXXXMU806/810/814 DEVICES ONLY)
U-0 R/W-0 R/W-0 R/W-0 R/W-0 R/W-0 R/W-0 R/W-0
— HOME2R<6:0>(1)
bit 15 bit 8
U-0 R/W-0 R/W-0 R/W-0 R/W-0 R/W-0 R/W-0 R/W-0
— INDX2R<6:0>(1)
bit 7 bit 0
Legend:
R = Readable bit W = Writable bit U = Unimplemented bit, read as ‘0’
-n = Value at POR ‘1’ = Bit is set ‘0’ = Bit is cleared x = Bit is unknown
bit 15 Unimplemented: Read as ‘0’
bit 14-8 HOME2R<6:0>: Assign QEI2 HOME2 (HOME2) to the Corresponding RPn/RPIn Pin bits(1)
(see Tab l e 11 -2 for input pin selection numbers)
1111111 = Input tied to RP127
.
.
.
0000001 = Input tied to CMP1
0000000 = Input tied to VSS
bit 7 Unimplemented: Read as ‘0’
bit 6-0 INDX2R<6:0>: Assign QEI2 INDEX2 (INDX2) to the Corresponding RPn/RPIn Pin bits(1)
(see Tab l e 11 -2 for input pin selection numbers)
1111111 = Input tied to RP127
.
.
.
0000001 = Input tied to CMP1
0000000 = Input tied to VSS
Note 1: These bits are available on dsPIC33EPXXX(MC/MU)806/810/814 devices only.

dsPIC33EPXXX(GP/MC/MU)806/810/814 and PIC24EPXXX(GP/GU)810/814
DS70616G-page 238 2009-2012 Microchip Technology Inc.
REGISTER 11-19: RPINR18: PERIPHERAL PIN SELECT INPUT REGISTER 18
U-0 R/W-0 R/W-0 R/W-0 R/W-0 R/W-0 R/W-0 R/W-0
— U1CTSR<6:0>
bit 15 bit 8
U-0 R/W-0 R/W-0 R/W-0 R/W-0 R/W-0 R/W-0 R/W-0
—U1RXR<6:0>
bit 7 bit 0
Legend:
R = Readable bit W = Writable bit U = Unimplemented bit, read as ‘0’
-n = Value at POR ‘1’ = Bit is set ‘0’ = Bit is cleared x = Bit is unknown
bit 15 Unimplemented: Read as ‘0’
bit 14-8 U1CTSR<6:0>: Assign UART1 Clear-to-Send (U1CTS) to the Corresponding RPn/RPIn Pin bits
(see Tab l e 11 -2 for input pin selection numbers)
1111111 = Input tied to RP127
.
.
.
0000001 = Input tied to CMP1
0000000 = Input tied to VSS
bit 7 Unimplemented: Read as ‘0’
bit 6-0 U1RXR<6:0>: Assign UART1 Receive (U1RX) to the Corresponding RPn/RPIn Pin bits
(see Tab l e 11 -2 for input pin selection numbers)
1111111 = Input tied to RP127
.
.
.
0000001 = Input tied to CMP1
0000000 = Input tied to VSS

2009-2012 Microchip Technology Inc. DS70616G-page 239
dsPIC33EPXXX(GP/MC/MU)806/810/814 and PIC24EPXXX(GP/GU)810/814
REGISTER 11-20: RPINR19: PERIPHERAL PIN SELECT INPUT REGISTER 19
U-0 R/W-0 R/W-0 R/W-0 R/W-0 R/W-0 R/W-0 R/W-0
— U2CTSR<6:0>
bit 15 bit 8
U-0 R/W-0 R/W-0 R/W-0 R/W-0 R/W-0 R/W-0 R/W-0
—U2RXR<6:0>
bit 7 bit 0
Legend:
R = Readable bit W = Writable bit U = Unimplemented bit, read as ‘0’
-n = Value at POR ‘1’ = Bit is set ‘0’ = Bit is cleared x = Bit is unknown
bit 15 Unimplemented: Read as ‘0’
bit 14-8 U2CTSR<6:0>: Assign UART2 Clear-to-Send (U2CTS) to the Corresponding RPn/RPIn Pin bits
(see Tab l e 11 -2 for input pin selection numbers)
1111111 = Input tied to RP127
.
.
.
0000001 = Input tied to CMP1
0000000 = Input tied to VSS
bit 7 Unimplemented: Read as ‘0’
bit 6-0 U2RXR<6:0>: Assign UART2 Receive (U2RX) to the Corresponding RPn/RPIn Pin bits
(see Tab l e 11 -2 for input pin selection numbers)
1111111 = Input tied to RP127
.
.
.
0000001 = Input tied to CMP1
0000000 = Input tied to VSS

dsPIC33EPXXX(GP/MC/MU)806/810/814 and PIC24EPXXX(GP/GU)810/814
DS70616G-page 240 2009-2012 Microchip Technology Inc.
REGISTER 11-21: RPINR20: PERIPHERAL PIN SELECT INPUT REGISTER 20
U-0 R/W-0 R/W-0 R/W-0 R/W-0 R/W-0 R/W-0 R/W-0
—SCK1R<6:0>
bit 15 bit 8
U-0 R/W-0 R/W-0 R/W-0 R/W-0 R/W-0 R/W-0 R/W-0
—SDI1R<6:0>
bit 7 bit 0
Legend:
R = Readable bit W = Writable bit U = Unimplemented bit, read as ‘0’
-n = Value at POR ‘1’ = Bit is set ‘0’ = Bit is cleared x = Bit is unknown
bit 15 Unimplemented: Read as ‘0’
bit 14-8 SCK1R<6:0>: Assign SPI1 Clock Input (SCK1) to the Corresponding RPn/RPIn Pin bits
(see Tab l e 11 -2 for input pin selection numbers)
1111111 = Input tied to RP127
.
.
.
0000001 = Input tied to CMP1
0000000 = Input tied to VSS
bit 7 Unimplemented: Read as ‘0’
bit 6-0 SDI1R<6:0>: Assign SPI1 Data Input (SDI1) to the Corresponding RPn/RPIn Pin bits
(see Tab l e 11 -2 for input pin selection numbers)
1111111 = Input tied to RP127
.
.
.
0000001 = Input tied to CMP1
0000000 = Input tied to VSS

2009-2012 Microchip Technology Inc. DS70616G-page 241
dsPIC33EPXXX(GP/MC/MU)806/810/814 and PIC24EPXXX(GP/GU)810/814
REGISTER 11-22: RPINR21: PERIPHERAL PIN SELECT INPUT REGISTER 21
U-0 U-0 U-0 U-0 U-0 U-0 U-0 U-0
— — — — — — — —
bit 15 bit 8
U-0 R/W-0 R/W-0 R/W-0 R/W-0 R/W-0 R/W-0 R/W-0
— SS1R<6:0>
bit 7 bit 0
Legend:
R = Readable bit W = Writable bit U = Unimplemented bit, read as ‘0’
-n = Value at POR ‘1’ = Bit is set ‘0’ = Bit is cleared x = Bit is unknown
bit 15-7 Unimplemented: Read as ‘0’
bit 6-0 SS1R<6:0>: Assign SPI1 Slave Select Input (SS1) to the Corresponding RPn/RPIn Pin bits
(see Tab l e 11 -2 for input pin selection numbers)
1111111 = Input tied to RP127
.
.
.
0000001 = Input tied to CMP1
0000000 = Input tied to VSS
REGISTER 11-23: RPINR23: PERIPHERAL PIN SELECT INPUT REGISTER 23
U-0 U-0 U-0 U-0 U-0 U-0 U-0 U-0
— — — — — — — —
bit 15 bit 8
U-0 R/W-0 R/W-0 R/W-0 R/W-0 R/W-0 R/W-0 R/W-0
— SS2R<6:0>
bit 7 bit 0
Legend:
R = Readable bit W = Writable bit U = Unimplemented bit, read as ‘0’
-n = Value at POR ‘1’ = Bit is set ‘0’ = Bit is cleared x = Bit is unknown
bit 15-7 Unimplemented: Read as ‘0’
bit 6-0 SS2R<6:0>: Assign SPI2 Slave Select Input (SS2) to the Corresponding RPn/RPIn Pin bits
(see Tab l e 11 -2 for input pin selection numbers)
1111111 = Input tied to RP127
.
.
.
0000001 = Input tied to CMP1
0000000 = Input tied to VSS

dsPIC33EPXXX(GP/MC/MU)806/810/814 and PIC24EPXXX(GP/GU)810/814
DS70616G-page 242 2009-2012 Microchip Technology Inc.
REGISTER 11-24: RPINR24: PERIPHERAL PIN SELECT INPUT REGISTER 24
U-0 R/W-0 R/W-0 R/W-0 R/W-0 R/W-0 R/W-0 R/W-0
— CSCKR<6:0>
bit 15 bit 8
U-0 R/W-0 R/W-0 R/W-0 R/W-0 R/W-0 R/W-0 R/W-0
—CSDIR<6:0>
bit 7 bit 0
Legend:
R = Readable bit W = Writable bit U = Unimplemented bit, read as ‘0’
-n = Value at POR ‘1’ = Bit is set ‘0’ = Bit is cleared x = Bit is unknown
bit 15 Unimplemented: Read as ‘0’
bit 14-8 CSCKR<6:0>: Assign DCI Clock Input (CSCK) to the Corresponding RPn/RPIn Pin bits
(see Tab l e 11 -2 for input pin selection numbers)
1111111 = Input tied to RP127
.
.
.
0000001 = Input tied to CMP1
0000000 = Input tied to VSS
bit 7 Unimplemented: Read as ‘0’
bit 6-0 CSDIR<6:0>: Assign DCI Data Input (CSDI) to the Corresponding RPn/RPIn Pin bits
(see Tab l e 11 -2 for input pin selection numbers)
1111111 = Input tied to RP127
.
.
.
0000001 = Input tied to CMP1
0000000 = Input tied to VSS

2009-2012 Microchip Technology Inc. DS70616G-page 243
dsPIC33EPXXX(GP/MC/MU)806/810/814 and PIC24EPXXX(GP/GU)810/814
REGISTER 11-25: RPINR25: PERIPHERAL PIN SELECT INPUT REGISTER 25
U-0 U-0 U-0 U-0 U-0 U-0 U-0 U-0
— — — — — — — —
bit 15 bit 8
U-0 R/W-0 R/W-0 R/W-0 R/W-0 R/W-0 R/W-0 R/W-0
— COFSR<6:0>
bit 7 bit 0
Legend:
R = Readable bit W = Writable bit U = Unimplemented bit, read as ‘0’
-n = Value at POR ‘1’ = Bit is set ‘0’ = Bit is cleared x = Bit is unknown
bit 15-7 Unimplemented: Read as ‘0’
bit 6-0 COFSR<6:0>: Assign DCI FSYNC Input (COFS) to the Corresponding RPn/RPIn Pin bits
(see Tab l e 11 -2 for input pin selection numbers)
1111111 = Input tied to RP127
.
.
.
0000001 = Input tied to CMP1
0000000 = Input tied to VSS

dsPIC33EPXXX(GP/MC/MU)806/810/814 and PIC24EPXXX(GP/GU)810/814
DS70616G-page 244 2009-2012 Microchip Technology Inc.
REGISTER 11-26: RPINR26: PERIPHERAL PIN SELECT INPUT REGISTER 26
U-0 R/W-0 R/W-0 R/W-0 R/W-0 R/W-0 R/W-0 R/W-0
—C2RXR<6:0>
bit 15 bit 8
U-0 R/W-0 R/W-0 R/W-0 R/W-0 R/W-0 R/W-0 R/W-0
—C1RXR<6:0>
bit 7 bit 0
Legend:
R = Readable bit W = Writable bit U = Unimplemented bit, read as ‘0’
-n = Value at POR ‘1’ = Bit is set ‘0’ = Bit is cleared x = Bit is unknown
bit 15 Unimplemented: Read as ‘0’
bit 14-8 C2RXR<6:0>: Assign CAN2 RX Input (CRX2) to the Corresponding RPn/RPIn Pin bits
(see Tab l e 11 -2 for input pin selection numbers)
1111111 = Input tied to RP127
.
.
.
0000001 = Input tied to CMP1
0000000 = Input tied to VSS
bit 7 Unimplemented: Read as ‘0’
bit 6-0 C1RXR<6:0>: Assign CAN1 RX Input (CRX1) to the Corresponding RPn/RPIn Pin bits
(see Tab l e 11 -2 for input pin selection numbers)
1111111 = Input tied to RP127
.
.
.
0000001 = Input tied to CMP1
0000000 = Input tied to VSS

2009-2012 Microchip Technology Inc. DS70616G-page 245
dsPIC33EPXXX(GP/MC/MU)806/810/814 and PIC24EPXXX(GP/GU)810/814
REGISTER 11-27: RPINR27: PERIPHERAL PIN SELECT INPUT REGISTER 27
U-0 R/W-0 R/W-0 R/W-0 R/W-0 R/W-0 R/W-0 R/W-0
— U3CTSR<6:0>
bit 15 bit 8
U-0 R/W-0 R/W-0 R/W-0 R/W-0 R/W-0 R/W-0 R/W-0
—U3RXR<6:0>
bit 7 bit 0
Legend:
R = Readable bit W = Writable bit U = Unimplemented bit, read as ‘0’
-n = Value at POR ‘1’ = Bit is set ‘0’ = Bit is cleared x = Bit is unknown
bit 15 Unimplemented: Read as ‘0’
bit 14-8 U3CTSR<6:0>: Assign UART3 Clear-to-Send (U3CTS) to the Corresponding RPn/RPIn Pin bits
(see Tab l e 11 -2 for input pin selection numbers)
1111111 = Input tied to RP127
.
.
.
0000001 = Input tied to CMP1
0000000 = Input tied to VSS
bit 7 Unimplemented: Read as ‘0’
bit 6-0 U3RXR<6:0>: Assign UART3 Receive (U3RX) to the Corresponding RPn/RPIn Pin bits
(see Tab l e 11 -2 for input pin selection numbers)
1111111 = Input tied to RP127
.
.
.
0000001 = Input tied to CMP1
0000000 = Input tied to VSS

dsPIC33EPXXX(GP/MC/MU)806/810/814 and PIC24EPXXX(GP/GU)810/814
DS70616G-page 246 2009-2012 Microchip Technology Inc.
REGISTER 11-28: RPINR28: PERIPHERAL PIN SELECT INPUT REGISTER 28
U-0 R/W-0 R/W-0 R/W-0 R/W-0 R/W-0 R/W-0 R/W-0
— U4CTSR<6:0>
bit 15 bit 8
U-0 R/W-0 R/W-0 R/W-0 R/W-0 R/W-0 R/W-0 R/W-0
—U4RXR<6:0>
bit 7 bit 0
Legend:
R = Readable bit W = Writable bit U = Unimplemented bit, read as ‘0’
-n = Value at POR ‘1’ = Bit is set ‘0’ = Bit is cleared x = Bit is unknown
bit 15 Unimplemented: Read as ‘0’
bit 14-8 U4CTSR<6:0>: Assign UART4 Clear-to-Send (U4CTS) to the Corresponding RPn/RPIn Pin bits
(see Tab l e 11 -2 for input pin selection numbers)
1111111 = Input tied to RP127
.
.
.
0000001 = Input tied to CMP1
0000000 = Input tied to VSS
bit 7 Unimplemented: Read as ‘0’
bit 6-0 U4RXR<6:0>: Assign UART4 Receive (U4RX) to the Corresponding RPn/RPIn Pin bits
(see Tab l e 11 -2 for input pin selection numbers)
1111111 = Input tied to RP127
.
.
.
0000001 = Input tied to CMP1
0000000 = Input tied to VSS

2009-2012 Microchip Technology Inc. DS70616G-page 247
dsPIC33EPXXX(GP/MC/MU)806/810/814 and PIC24EPXXX(GP/GU)810/814
REGISTER 11-29: RPINR29: PERIPHERAL PIN SELECT INPUT REGISTER 29
U-0 R/W-0 R/W-0 R/W-0 R/W-0 R/W-0 R/W-0 R/W-0
—SCK3R<6:0>
bit 15 bit 8
U-0 R/W-0 R/W-0 R/W-0 R/W-0 R/W-0 R/W-0 R/W-0
—SDI3R<6:0>
bit 7 bit 0
Legend:
R = Readable bit W = Writable bit U = Unimplemented bit, read as ‘0’
-n = Value at POR ‘1’ = Bit is set ‘0’ = Bit is cleared x = Bit is unknown
bit 15 Unimplemented: Read as ‘0’
bit 14-8 SCK3R<6:0>: Assign SPI3 Clock Input (SCK3) to the Corresponding RPn/RPIn Pin bits
(see Tab l e 11 -2 for input pin selection numbers)
1111111 = Input tied to RP127
.
.
.
0000001 = Input tied to CMP1
0000000 = Input tied to VSS
bit 7 Unimplemented: Read as ‘0’
bit 6-0 SDI3R<6:0>: Assign SPI3 Data Input (SDI3) to the Corresponding RPn/RPIn Pin bits
(see Tab l e 11 -2 for input pin selection numbers)
1111111 = Input tied to RP127
.
.
.
0000001 = Input tied to CMP1
0000000 = Input tied to VSS

dsPIC33EPXXX(GP/MC/MU)806/810/814 and PIC24EPXXX(GP/GU)810/814
DS70616G-page 248 2009-2012 Microchip Technology Inc.
REGISTER 11-30: RPINR30: PERIPHERAL PIN SELECT INPUT REGISTER 30
U-0 U-0 U-0 U-0 U-0 U-0 U-0 U-0
— — — — — — — —
bit 15 bit 8
U-0 R/W-0 R/W-0 R/W-0 R/W-0 R/W-0 R/W-0 R/W-0
— SS3R<6:0>
bit 7 bit 0
Legend:
R = Readable bit W = Writable bit U = Unimplemented bit, read as ‘0’
-n = Value at POR ‘1’ = Bit is set ‘0’ = Bit is cleared x = Bit is unknown
bit 15-7 Unimplemented: Read as ‘0’
bit 6-0 SS3R<6:0>: Assign SPI3 Slave Select Input (SS3) to the Corresponding RPn/RPIn Pin bits
(see Tab l e 11 -2 for input pin selection numbers)
1111111 = Input tied to RP127
.
.
.
0000001 = Input tied to CMP1
0000000 = Input tied to VSS

2009-2012 Microchip Technology Inc. DS70616G-page 249
dsPIC33EPXXX(GP/MC/MU)806/810/814 and PIC24EPXXX(GP/GU)810/814
REGISTER 11-31: RPINR31: PERIPHERAL PIN SELECT INPUT REGISTER 31
U-0 R/W-0 R/W-0 R/W-0 R/W-0 R/W-0 R/W-0 R/W-0
—SCK4R<6:0>
bit 15 bit 8
U-0 R/W-0 R/W-0 R/W-0 R/W-0 R/W-0 R/W-0 R/W-0
—SDI4R<6:0>
bit 7 bit 0
Legend:
R = Readable bit W = Writable bit U = Unimplemented bit, read as ‘0’
-n = Value at POR ‘1’ = Bit is set ‘0’ = Bit is cleared x = Bit is unknown
bit 15 Unimplemented: Read as ‘0’
bit 14-8 SCK4R<6:0>: Assign SPI4 Clock Input (SCK4) to the Corresponding RPn/RPIn Pin bits
(see Tab l e 11 -2 for input pin selection numbers)
1111111 = Input tied to RP127
.
.
.
0000001 = Input tied to CMP1
0000000 = Input tied to VSS
bit 7 Unimplemented: Read as ‘0’
bit 6-0 SDI4R<6:0>: Assign SPI4 Data Input (SDI4) to the Corresponding RPn/RPIn Pin bits
(see Tab l e 11 -2 for input pin selection numbers)
1111111 = Input tied to RP127
.
.
.
0000001 = Input tied to CMP1
0000000 = Input tied to VSS

dsPIC33EPXXX(GP/MC/MU)806/810/814 and PIC24EPXXX(GP/GU)810/814
DS70616G-page 250 2009-2012 Microchip Technology Inc.
REGISTER 11-32: RPINR32: PERIPHERAL PIN SELECT INPUT REGISTER 32
U-0 U-0 U-0 U-0 U-0 U-0 U-0 U-0
— — — — — — — —
bit 15 bit 8
U-0 R/W-0 R/W-0 R/W-0 R/W-0 R/W-0 R/W-0 R/W-0
— SS4R<6:0>
bit 7 bit 0
Legend:
R = Readable bit W = Writable bit U = Unimplemented bit, read as ‘0’
-n = Value at POR ‘1’ = Bit is set ‘0’ = Bit is cleared x = Bit is unknown
bit 15-7 Unimplemented: Read as ‘0’
bit 6-0 SS4R<6:0>: Assign SPI4 Slave Select Input (SS4) to the Corresponding RPn/RPIn Pin bits
(see Tab l e 11 -2 for input pin selection numbers)
1111111 = Input tied to RP127
.
.
.
0000001 = Input tied to CMP1
0000000 = Input tied to VSS

2009-2012 Microchip Technology Inc. DS70616G-page 251
dsPIC33EPXXX(GP/MC/MU)806/810/814 and PIC24EPXXX(GP/GU)810/814
REGISTER 11-33: RPINR33: PERIPHERAL PIN SELECT INPUT REGISTER 33
U-0 R/W-0 R/W-0 R/W-0 R/W-0 R/W-0 R/W-0 R/W-0
— IC10R<6:0>
bit 15 bit 8
U-0 R/W-0 R/W-0 R/W-0 R/W-0 R/W-0 R/W-0 R/W-0
— IC9R<6:0>
bit 7 bit 0
Legend:
R = Readable bit W = Writable bit U = Unimplemented bit, read as ‘0’
-n = Value at POR ‘1’ = Bit is set ‘0’ = Bit is cleared x = Bit is unknown
bit 15 Unimplemented: Read as ‘0’
bit 14-8 IC10R<6:0>: Assign Input Capture 10 (IC10) to the Corresponding RPn/RPIn Pin bits
(see Tab l e 11 -2 for input pin selection numbers)
1111111 = Input tied to RP127
.
.
.
0000001 = Input tied to CMP1
0000000 = Input tied to VSS
bit 7 Unimplemented: Read as ‘0’
bit 6-0 IC9R<6:0>: Assign Input Capture 9 (IC9) to the Corresponding RPn/RPIn Pin bits
(see Tab l e 11 -2 for input pin selection numbers)
1111111 = Input tied to RP127
.
.
.
0000001 = Input tied to CMP1
0000000 = Input tied to VSS

dsPIC33EPXXX(GP/MC/MU)806/810/814 and PIC24EPXXX(GP/GU)810/814
DS70616G-page 252 2009-2012 Microchip Technology Inc.
REGISTER 11-34: RPINR34: PERIPHERAL PIN SELECT INPUT REGISTER 34
U-0 R/W-0 R/W-0 R/W-0 R/W-0 R/W-0 R/W-0 R/W-0
— IC12R<6:0>
bit 15 bit 8
U-0 R/W-0 R/W-0 R/W-0 R/W-0 R/W-0 R/W-0 R/W-0
—IC11R<6:0>
bit 7 bit 0
Legend:
R = Readable bit W = Writable bit U = Unimplemented bit, read as ‘0’
-n = Value at POR ‘1’ = Bit is set ‘0’ = Bit is cleared x = Bit is unknown
bit 15 Unimplemented: Read as ‘0’
bit 14-8 IC12R<6:0>: Assign Input Capture 12 (IC12) to the Corresponding RPn/RPIn Pin bits
(see Tab l e 11 -2 for input pin selection numbers)
1111111 = Input tied to RP127
.
.
.
0000001 = Input tied to CMP1
0000000 = Input tied to VSS
bit 7 Unimplemented: Read as ‘0’
bit 6-0 IC11R<6:0>: Assign Input Capture 11 (IC11) to the Corresponding RPn/RPIn Pin bits
(see Tab l e 11 -2 for input pin selection numbers)
1111111 = Input tied to RP127
.
.
.
0000001 = Input tied to CMP1
0000000 = Input tied to VSS

2009-2012 Microchip Technology Inc. DS70616G-page 253
dsPIC33EPXXX(GP/MC/MU)806/810/814 and PIC24EPXXX(GP/GU)810/814
REGISTER 11-35: RPINR35: PERIPHERAL PIN SELECT INPUT REGISTER 35
U-0 R/W-0 R/W-0 R/W-0 R/W-0 R/W-0 R/W-0 R/W-0
— IC14R<6:0>
bit 15 bit 8
U-0 R/W-0 R/W-0 R/W-0 R/W-0 R/W-0 R/W-0 R/W-0
— IC13R<6:0>
bit 7 bit 0
Legend:
R = Readable bit W = Writable bit U = Unimplemented bit, read as ‘0’
-n = Value at POR ‘1’ = Bit is set ‘0’ = Bit is cleared x = Bit is unknown
bit 15 Unimplemented: Read as ‘0’
bit 14-8 IC14R<6:0>: Assign Input Capture 14 (IC14) to the Corresponding RPn/RPIn Pin bits
(see Tab l e 11 -2 for input pin selection numbers)
1111111 = Input tied to RP127
.
.
.
0000001 = Input tied to CMP1
0000000 = Input tied to VSS
bit 7 Unimplemented: Read as ‘0’
bit 6-0 IC13R<6:0>: Assign Input Capture 13 (IC13) to the Corresponding RPn/RPIn Pin bits
(see Tab l e 11 -2 for input pin selection numbers)
1111111 = Input tied to RP127
.
.
.
0000001 = Input tied to CMP1
0000000 = Input tied to VSS

dsPIC33EPXXX(GP/MC/MU)806/810/814 and PIC24EPXXX(GP/GU)810/814
DS70616G-page 254 2009-2012 Microchip Technology Inc.
REGISTER 11-36: RPINR36: PERIPHERAL PIN SELECT INPUT REGISTER 36
U-0 R/W-0 R/W-0 R/W-0 R/W-0 R/W-0 R/W-0 R/W-0
— IC16R<6:0>
bit 15 bit 8
U-0 R/W-0 R/W-0 R/W-0 R/W-0 R/W-0 R/W-0 R/W-0
— IC15R<6:0>
bit 7 bit 0
Legend:
R = Readable bit W = Writable bit U = Unimplemented bit, read as ‘0’
-n = Value at POR ‘1’ = Bit is set ‘0’ = Bit is cleared x = Bit is unknown
bit 15 Unimplemented: Read as ‘0’
bit 14-8 IC16R<6:0>: Assign Input Capture 16 (IC16) to the Corresponding RPn/RPIn Pin bits
(see Tab l e 11 -2 for input pin selection numbers)
1111111 = Input tied to RP127
.
.
.
0000001 = Input tied to CMP1
0000000 = Input tied to VSS
bit 7 Unimplemented: Read as ‘0’
bit 6-0 IC15R<6:0>: Assign Input Capture 15 (IC15) to the Corresponding RPn/RPIn Pin bits
(see Tab l e 11 -2 for input pin selection numbers)
1111111 = Input tied to RP127
.
.
.
0000001 = Input tied to CMP1
0000000 = Input tied to VSS

2009-2012 Microchip Technology Inc. DS70616G-page 255
dsPIC33EPXXX(GP/MC/MU)806/810/814 and PIC24EPXXX(GP/GU)810/814
REGISTER 11-37: RPINR37: PERIPHERAL PIN SELECT INPUT REGISTER 37
U-0 R/W-0 R/W-0 R/W-0 R/W-0 R/W-0 R/W-0 R/W-0
— SYNCI1R<6:0>
bit 15 bit 8
U-0 R/W-0 R/W-0 R/W-0 R/W-0 R/W-0 R/W-0 R/W-0
— OCFCR<6:0>
bit 7 bit 0
Legend:
R = Readable bit W = Writable bit U = Unimplemented bit, read as ‘0’
-n = Value at POR ‘1’ = Bit is set ‘0’ = Bit is cleared x = Bit is unknown
bit 15 Unimplemented: Read as ‘0’
bit 14-8 SYNCI1R<6:0>: Assign PWM Synchronization Input 1 to the Corresponding RPn/RPIn Pin bits.
(see Tab l e 11 -2 for input pin selection numbers)
1111111 = Input tied to RP127
.
.
.
0000001 = Input tied to CMP1
0000000 = Input tied to VSS
bit 7 Unimplemented: Read as ‘0’
bit 6-0 OCFCR<6:0>: Assign Output Fault C (OCFC) to the Corresponding RPn/RPIn Pin bits
(see Tab l e 11 -2 for input pin selection numbers)
1111111 = Input tied to RP127
.
.
.
0000001 = Input tied to CMP1
0000000 = Input tied to VSS

dsPIC33EPXXX(GP/MC/MU)806/810/814 and PIC24EPXXX(GP/GU)810/814
DS70616G-page 256 2009-2012 Microchip Technology Inc.
REGISTER 11-38: RPINR38: PERIPHERAL PIN SELECT INPUT REGISTER 38
U-0 R/W-0 R/W-0 R/W-0 R/W-0 R/W-0 R/W-0 R/W-0
—DTCMP1R<6:0>
bit 15 bit 8
U-0 R/W-0 R/W-0 R/W-0 R/W-0 R/W-0 R/W-0 R/W-0
— SYNCI2R<6:0>
bit 7 bit 0
Legend:
R = Readable bit W = Writable bit U = Unimplemented bit, read as ‘0’
-n = Value at POR ‘1’ = Bit is set ‘0’ = Bit is cleared x = Bit is unknown
bit 15 Unimplemented: Read as ‘0’
bit 14-8 DTCMP1R<6:0>: Assign PWM Dead-Time Compensation Input 1 to the Corresponding RPn/RPIn Pin bits
(see Tab l e 11 -2 for input pin selection numbers)
1111111 = Input tied to RP127
.
.
.
0000001 = Input tied to CMP1
0000000 = Input tied to VSS
bit 7 Unimplemented: Read as ‘0’
bit 6-0 SYNCI2R<6:0>: Assign PWM Synchronization Input 2 to the Corresponding RPn/RPIn Pin bits
(see Tab l e 11 -2 for input pin selection numbers)
1111111 = Input tied to RP127
.
.
.
0000001 = Input tied to CMP1
0000000 = Input tied to VSS

2009-2012 Microchip Technology Inc. DS70616G-page 257
dsPIC33EPXXX(GP/MC/MU)806/810/814 and PIC24EPXXX(GP/GU)810/814
REGISTER 11-39: RPINR39: PERIPHERAL PIN SELECT INPUT REGISTER 39
U-0 R/W-0 R/W-0 R/W-0 R/W-0 R/W-0 R/W-0 R/W-0
—DTCMP3R<6:0>
bit 15 bit 8
U-0 R/W-0 R/W-0 R/W-0 R/W-0 R/W-0 R/W-0 R/W-0
—DTCMP2R<6:0>
bit 7 bit 0
Legend:
R = Readable bit W = Writable bit U = Unimplemented bit, read as ‘0’
-n = Value at POR ‘1’ = Bit is set ‘0’ = Bit is cleared x = Bit is unknown
bit 15 Unimplemented: Read as ‘0’
bit 14-8 DTCMP3R<6:0>: Assign PWM Dead-Time Compensation Input 3 to the Corresponding RPn/RPIn Pin bits
(see Tab l e 11 -2 for input pin selection numbers)
1111111 = Input tied to RP127
.
.
.
0000001 = Input tied to CMP1
0000000 = Input tied to VSS
bit 7 Unimplemented: Read as ‘0’
bit 6-0 DTCMP2R<6:0>: Assign PWM Dead-Time Compensation Input 2 to the Corresponding RPn/RPIn Pin bits
(see Tab l e 11 -2 for input pin selection numbers)
1111111 = Input tied to RP127
.
.
.
0000001 = Input tied to CMP1
0000000 = Input tied to VSS

dsPIC33EPXXX(GP/MC/MU)806/810/814 and PIC24EPXXX(GP/GU)810/814
DS70616G-page 258 2009-2012 Microchip Technology Inc.
REGISTER 11-40: RPINR40: PERIPHERAL PIN SELECT INPUT REGISTER 40
U-0 R/W-0 R/W-0 R/W-0 R/W-0 R/W-0 R/W-0 R/W-0
—DTCMP5R<6:0>
bit 15 bit 8
U-0 R/W-0 R/W-0 R/W-0 R/W-0 R/W-0 R/W-0 R/W-0
—DTCMP4R<6:0>
bit 7 bit 0
Legend:
R = Readable bit W = Writable bit U = Unimplemented bit, read as ‘0’
-n = Value at POR ‘1’ = Bit is set ‘0’ = Bit is cleared x = Bit is unknown
bit 15 Unimplemented: Read as ‘0’
bit 14-8 DTCMP5R<6:0>: Assign PWM Dead-Time Compensation Input 5 to the Corresponding RPn/RPIn Pin bits
(see Tab l e 11 -2 for input pin selection numbers)
1111111 = Input tied to RP127
.
.
.
0000001 = Input tied to CMP1
0000000 = Input tied to VSS
bit 7 Unimplemented: Read as ‘0’
bit 6-0 DTCMP4R<6:0>: Assign PWM Dead-Time Compensation Input 4 to the Corresponding RPn/RPIn Pin bits
(see Tab l e 11 -2 for input pin selection numbers)
1111111 = Input tied to RP127
.
.
.
0000001 = Input tied to CMP1
0000000 = Input tied to VSS

2009-2012 Microchip Technology Inc. DS70616G-page 259
dsPIC33EPXXX(GP/MC/MU)806/810/814 and PIC24EPXXX(GP/GU)810/814
REGISTER 11-41: RPINR41: PERIPHERAL PIN SELECT INPUT REGISTER 41
U-0 R/W-0 R/W-0 R/W-0 R/W-0 R/W-0 R/W-0 R/W-0
—DTCMP7R<6:0>
bit 15 bit 8
U-0 R/W-0 R/W-0 R/W-0 R/W-0 R/W-0 R/W-0 R/W-0
—DTCMP6R<6:0>
bit 7 bit 0
Legend:
R = Readable bit W = Writable bit U = Unimplemented bit, read as ‘0’
-n = Value at POR ‘1’ = Bit is set ‘0’ = Bit is cleared x = Bit is unknown
bit 15 Unimplemented: Read as ‘0’
bit 14-8 DTCMP7R<6:0>: Assign PWM Dead-Time Compensation Input 7 to the Corresponding RPn/RPIn Pin bits
(see Tab l e 11 -2 for input pin selection numbers)
1111111 = Input tied to RP127
.
.
.
0000001 = Input tied to CMP1
0000000 = Input tied to VSS
bit 7 Unimplemented: Read as ‘0’
bit 6-0 DTCMP6R<6:0>: Assign PWM Dead-Time Compensation Input 6 to the Corresponding RPn/RPIn Pin bits
(see Tab l e 11 -2 for input pin selection numbers)
1111111 = Input tied to RP127
.
.
.
0000001 = Input tied to CMP1
0000000 = Input tied to VSS

dsPIC33EPXXX(GP/MC/MU)806/810/814 and PIC24EPXXX(GP/GU)810/814
DS70616G-page 260 2009-2012 Microchip Technology Inc.
REGISTER 11-42: RPINR42: PERIPHERAL PIN SELECT INPUT REGISTER 42
U-0 R/W-0 R/W-0 R/W-0 R/W-0 R/W-0 R/W-0 R/W-0
—FLT6R<6:0>
bit 15 bit 8
U-0 R/W-0 R/W-0 R/W-0 R/W-0 R/W-0 R/W-0 R/W-0
—FLT5R<6:0>
bit 7 bit 0
Legend:
R = Readable bit W = Writable bit U = Unimplemented bit, read as ‘0’
-n = Value at POR ‘1’ = Bit is set ‘0’ = Bit is cleared x = Bit is unknown
bit 15 Unimplemented: Read as ‘0’
bit 14-8 FLT6R<6:0>: Assign PWM Fault 6 to the Corresponding RPn/RPIn Pin bits
(see Tab l e 11 -2 for input pin selection numbers)
1111111 = Input tied to RP127
.
.
.
0000001 = Input tied to CMP1
0000000 = Input tied to VSS
bit 7 Unimplemented: Read as ‘0’
bit 6-0 FLT5R<6:0>: Assign PWM Fault 5 to the Corresponding RPn/RPIn Pin bits
(see Tab l e 11 -2 for input pin selection numbers)
1111111 = Input tied to RP127
.
.
.
0000001 = Input tied to CMP1
0000000 = Input tied to VSS

2009-2012 Microchip Technology Inc. DS70616G-page 261
dsPIC33EPXXX(GP/MC/MU)806/810/814 and PIC24EPXXX(GP/GU)810/814
REGISTER 11-43: RPINR43: PERIPHERAL PIN SELECT INPUT REGISTER 43
U-0 U-0 U-0 U-0 U-0 U-0 U-0 U-0
— — — — — — — —
bit 15 bit 8
U-0 R/W-0 R/W-0 R/W-0 R/W-0 R/W-0 R/W-0 R/W-0
—FLT7R<6:0>
bit 7 bit 0
Legend:
R = Readable bit W = Writable bit U = Unimplemented bit, read as ‘0’
-n = Value at POR ‘1’ = Bit is set ‘0’ = Bit is cleared x = Bit is unknown
bit 15-7 Unimplemented: Read as ‘0’
bit 6-0 FLT7R<6:0>: Assign PWM Fault 7 to the Corresponding RPn/RPIn Pin bits
(see Tab l e 11 -2 for input pin selection numbers)
1111111 = Input tied to RP127
.
.
.
0000001 = Input tied to CMP1
0000000 = Input tied to VSS
REGISTER 11-44: RPOR0: PERIPHERAL PIN SELECT OUTPUT REGISTER 0
U-0 U-0 R/W-0 R/W-0 R/W-0 R/W-0 R/W-0 R/W-0
—— RP65R<5:0>
bit 15 bit 8
U-0 U-0 R/W-0 R/W-0 R/W-0 R/W-0 R/W-0 R/W-0
—— RP64R<5:0>
bit 7 bit 0
Legend:
R = Readable bit W = Writable bit U = Unimplemented bit, read as ‘0’
-n = Value at POR ‘1’ = Bit is set ‘0’ = Bit is cleared x = Bit is unknown
bit 15-14 Unimplemented: Read as ‘0’
bit 13-8 RP65R<5:0>: Peripheral Output Function is Assigned to RP65 Output Pin bits
(see Tab l e 11 -3 for peripheral function numbers)
bit 7-6 Unimplemented: Read as ‘0’
bit 5-0 RP64R<5:0>: Peripheral Output Function is Assigned to RP64 Output Pin bits
(see Tab l e 11 -3 for peripheral function numbers)

dsPIC33EPXXX(GP/MC/MU)806/810/814 and PIC24EPXXX(GP/GU)810/814
DS70616G-page 262 2009-2012 Microchip Technology Inc.
REGISTER 11-45: RPOR1: PERIPHERAL PIN SELECT OUTPUT REGISTER 1
U-0 U-0 R/W-0 R/W-0 R/W-0 R/W-0 R/W-0 R/W-0
—— RP67R<5:0>
bit 15 bit 8
U-0 U-0 R/W-0 R/W-0 R/W-0 R/W-0 R/W-0 R/W-0
—— RP66R<5:0>
bit 7 bit 0
Legend:
R = Readable bit W = Writable bit U = Unimplemented bit, read as ‘0’
-n = Value at POR ‘1’ = Bit is set ‘0’ = Bit is cleared x = Bit is unknown
bit 15-14 Unimplemented: Read as ‘0’
bit 13-8 RP67R<5:0>: Peripheral Output Function is Assigned to RP67 Output Pin bits
(see Tab l e 11 -3 for peripheral function numbers)
bit 7-6 Unimplemented: Read as ‘0’
bit 5-0 RP66R<5:0>: Peripheral Output Function is Assigned to RP66 Output Pin bits
(see Tab l e 11 -3 for peripheral function numbers)
REGISTER 11-46: RPOR2: PERIPHERAL PIN SELECT OUTPUT REGISTER 2
U-0 U-0 R/W-0 R/W-0 R/W-0 R/W-0 R/W-0 R/W-0
—— RP69R<5:0>
bit 15 bit 8
U-0 U-0 R/W-0 R/W-0 R/W-0 R/W-0 R/W-0 R/W-0
—— RP68R<5:0>
bit 7 bit 0
Legend:
R = Readable bit W = Writable bit U = Unimplemented bit, read as ‘0’
-n = Value at POR ‘1’ = Bit is set ‘0’ = Bit is cleared x = Bit is unknown
bit 15-14 Unimplemented: Read as ‘0’
bit 13-8 RP69R<5:0>: Peripheral Output Function is Assigned to RP69 Output Pin bits
(see Tab l e 11 -3 for peripheral function numbers)
bit 7-6 Unimplemented: Read as ‘0’
bit 5-0 RP68R<5:0>: Peripheral Output Function is Assigned to RP68 Output Pin bits
(see Tab l e 11 -3 for peripheral function numbers)

2009-2012 Microchip Technology Inc. DS70616G-page 263
dsPIC33EPXXX(GP/MC/MU)806/810/814 and PIC24EPXXX(GP/GU)810/814
REGISTER 11-47: RPOR3: PERIPHERAL PIN SELECT OUTPUT REGISTER 3
U-0 U-0 R/W-0 R/W-0 R/W-0 R/W-0 R/W-0 R/W-0
—— RP71R<5:0>
bit 15 bit 8
U-0 U-0 R/W-0 R/W-0 R/W-0 R/W-0 R/W-0 R/W-0
—— RP70R<5:0>
bit 7 bit 0
Legend:
R = Readable bit W = Writable bit U = Unimplemented bit, read as ‘0’
-n = Value at POR ‘1’ = Bit is set ‘0’ = Bit is cleared x = Bit is unknown
bit 15-14 Unimplemented: Read as ‘0’
bit 13-8 RP71R<5:0>: Peripheral Output Function is Assigned to RP71 Output Pin bits
(see Tab l e 11 -3 for peripheral function numbers)
bit 7-6 Unimplemented: Read as ‘0’
bit 5-0 RP70R<5:0>: Peripheral Output Function is Assigned to RP70 Output Pin bits
(see Tab l e 11 -3 for peripheral function numbers)
REGISTER 11-48: RPOR4: PERIPHERAL PIN SELECT OUTPUT REGISTER 4
U-0 U-0 R/W-0 R/W-0 R/W-0 R/W-0 R/W-0 R/W-0
—— RP80R<5:0>
bit 15 bit 8
U-0 U-0 R/W-0 R/W-0 R/W-0 R/W-0 R/W-0 R/W-0
—— RP79R<5:0>
bit 7 bit 0
Legend:
R = Readable bit W = Writable bit U = Unimplemented bit, read as ‘0’
-n = Value at POR ‘1’ = Bit is set ‘0’ = Bit is cleared x = Bit is unknown
bit 15-14 Unimplemented: Read as ‘0’
bit 13-8 RP80R<5:0>: Peripheral Output Function is Assigned to RP80 Output Pin bits
(see Tab l e 11 -3 for peripheral function numbers)
bit 7-6 Unimplemented: Read as ‘0’
bit 5-0 RP79R<5:0>: Peripheral Output Function is Assigned to RP79 Output Pin bits
(see Tab l e 11 -3 for peripheral function numbers)

dsPIC33EPXXX(GP/MC/MU)806/810/814 and PIC24EPXXX(GP/GU)810/814
DS70616G-page 264 2009-2012 Microchip Technology Inc.
REGISTER 11-49: RPOR5: PERIPHERAL PIN SELECT OUTPUT REGISTER 5
U-0 U-0 R/W-0 R/W-0 R/W-0 R/W-0 R/W-0 R/W-0
—— RP84R<5:0>
bit 15 bit 8
U-0 U-0 R/W-0 R/W-0 R/W-0 R/W-0 R/W-0 R/W-0
—— RP82R<5:0>
bit 7 bit 0
Legend:
R = Readable bit W = Writable bit U = Unimplemented bit, read as ‘0’
-n = Value at POR ‘1’ = Bit is set ‘0’ = Bit is cleared x = Bit is unknown
bit 15-14 Unimplemented: Read as ‘0’
bit 13-8 RP84R<5:0>: Peripheral Output Function is Assigned to RP84 Output Pin bits
(see Tab l e 11 -3 for peripheral function numbers)
bit 7-6 Unimplemented: Read as ‘0’
bit 5-0 RP82R<5:0>: Peripheral Output Function is Assigned to RP82 Output Pin bits
(see Tab l e 11 -3 for peripheral function numbers)
REGISTER 11-50: RPOR6: PERIPHERAL PIN SELECT OUTPUT REGISTER 6
U-0 U-0 R/W-0 R/W-0 R/W-0 R/W-0 R/W-0 R/W-0
—— RP87R<5:0>
bit 15 bit 8
U-0 U-0 R/W-0 R/W-0 R/W-0 R/W-0 R/W-0 R/W-0
—— RP85R<5:0>
bit 7 bit 0
Legend:
R = Readable bit W = Writable bit U = Unimplemented bit, read as ‘0’
-n = Value at POR ‘1’ = Bit is set ‘0’ = Bit is cleared x = Bit is unknown
bit 15-14 Unimplemented: Read as ‘0’
bit 13-8 RP87R<5:0>: Peripheral Output Function is Assigned to RP87 Output Pin bits
(see Tab l e 11 -3 for peripheral function numbers)
bit 7-6 Unimplemented: Read as ‘0’
bit 5-0 RP85R<5:0>: Peripheral Output Function is Assigned to RP85 Output Pin bits
(see Tab l e 11 -3 for peripheral function numbers)

2009-2012 Microchip Technology Inc. DS70616G-page 265
dsPIC33EPXXX(GP/MC/MU)806/810/814 and PIC24EPXXX(GP/GU)810/814
REGISTER 11-51: RPOR7: PERIPHERAL PIN SELECT OUTPUT REGISTER 7
U-0 U-0 R/W-0 R/W-0 R/W-0 R/W-0 R/W-0 R/W-0
—— RP97R<5:0>
bit 15 bit 8
U-0 U-0 R/W-0 R/W-0 R/W-0 R/W-0 R/W-0 R/W-0
—— RP96R<5:0>
bit 7 bit 0
Legend:
R = Readable bit W = Writable bit U = Unimplemented bit, read as ‘0’
-n = Value at POR ‘1’ = Bit is set ‘0’ = Bit is cleared x = Bit is unknown
bit 15-14 Unimplemented: Read as ‘0’
bit 13-8 RP97R<5:0>: Peripheral Output Function is Assigned to RP97 Output Pin bits
(see Tab l e 11 -3 for peripheral function numbers)
bit 7-6 Unimplemented: Read as ‘0’
bit 5-0 RP96R<5:0>: Peripheral Output Function is Assigned to RP96 Output Pin bits
(see Tab l e 11 -3 for peripheral function numbers)
REGISTER 11-52: RPOR8: PERIPHERAL PIN SELECT OUTPUT REGISTER 8
U-0 U-0 R/W-0 R/W-0 R/W-0 R/W-0 R/W-0 R/W-0
—— RP99R<5:0>
bit 15 bit 8
U-0 U-0 R/W-0 R/W-0 R/W-0 R/W-0 R/W-0 R/W-0
—— RP98R<5:0>
bit 7 bit 0
Legend:
R = Readable bit W = Writable bit U = Unimplemented bit, read as ‘0’
-n = Value at POR ‘1’ = Bit is set ‘0’ = Bit is cleared x = Bit is unknown
bit 15-14 Unimplemented: Read as ‘0’
bit 13-8 RP99R<5:0>: Peripheral Output Function is Assigned to RP99 Output Pin bits
(see Tab l e 11 -3 for peripheral function numbers)
bit 7-6 Unimplemented: Read as ‘0’
bit 5-0 RP98R<5:0>: Peripheral Output Function is Assigned to RP98 Output Pin bits
(see Tab l e 11 -3 for peripheral function numbers)

dsPIC33EPXXX(GP/MC/MU)806/810/814 and PIC24EPXXX(GP/GU)810/814
DS70616G-page 266 2009-2012 Microchip Technology Inc.
REGISTER 11-53: RPOR9: PERIPHERAL PIN SELECT OUTPUT REGISTER 9
U-0 U-0 R/W-0 R/W-0 R/W-0 R/W-0 R/W-0 R/W-0
—— RP101R<5:0>
bit 15 bit 8
U-0 U-0 R/W-0 R/W-0 R/W-0 R/W-0 R/W-0 R/W-0
—— RP100R<5:0>
bit 7 bit 0
Legend:
R = Readable bit W = Writable bit U = Unimplemented bit, read as ‘0’
-n = Value at POR ‘1’ = Bit is set ‘0’ = Bit is cleared x = Bit is unknown
bit 15-14 Unimplemented: Read as ‘0’
bit 13-8 RP101R<5:0>: Peripheral Output Function is Assigned to RP101Output Pin bits
(see Tab l e 11 -3 for peripheral function numbers)
bit 7-6 Unimplemented: Read as ‘0’
bit 5-0 RP100R<5:0>: Peripheral Output Function is Assigned to RP100 Output Pin bits
(see Tab l e 11 -3 for peripheral function numbers)
REGISTER 11-54: RPOR10: PERIPHERAL PIN SELECT OUTPUT REGISTER 10
U-0 U-0 U-0 U-0 U-0 U-0 U-0 U-0
— — — — — — — —
bit 15 bit 8
U-0 U-0 R/W-0 R/W-0 R/W-0 R/W-0 R/W-0 R/W-0
—— RP102R<5:0>
bit 7 bit 0
Legend:
R = Readable bit W = Writable bit U = Unimplemented bit, read as ‘0’
-n = Value at POR ‘1’ = Bit is set ‘0’ = Bit is cleared x = Bit is unknown
bit 15-6 Unimplemented: Read as ‘0’
bit 5-0 RP102R<5:0>: Peripheral Output Function is Assigned to RP102 Output Pin bits
(see Tab l e 11 -3 for peripheral function numbers)

2009-2012 Microchip Technology Inc. DS70616G-page 267
dsPIC33EPXXX(GP/MC/MU)806/810/814 and PIC24EPXXX(GP/GU)810/814
REGISTER 11-55: RPOR11: PERIPHERAL PIN SELECT OUTPUT REGISTER 11
U-0 U-0 R/W-0 R/W-0 R/W-0 R/W-0 R/W-0 R/W-0
—— RP108R<5:0>
bit 15 bit 8
U-0 U-0 R/W-0 R/W-0 R/W-0 R/W-0 R/W-0 R/W-0
—— RP104R<5:0>
bit 7 bit 0
Legend:
R = Readable bit W = Writable bit U = Unimplemented bit, read as ‘0’
-n = Value at POR ‘1’ = Bit is set ‘0’ = Bit is cleared x = Bit is unknown
bit 15-14 Unimplemented: Read as ‘0’
bit 13-8 RP108R<5:0>: Peripheral Output Function is Assigned to RP108 Output Pin bits
(see Tab l e 11 -3 for peripheral function numbers)
bit 7-6 Unimplemented: Read as ‘0’
bit 5-0 RP104R<5:0>: Peripheral Output Function is Assigned to RP104 Output Pin bits
(see Tab l e 11 -3 for peripheral function numbers)
REGISTER 11-56: RPOR12: PERIPHERAL PIN SELECT OUTPUT REGISTER 12
U-0 U-0 R/W-0 R/W-0 R/W-0 R/W-0 R/W-0 R/W-0
—— RP112R<5:0>
bit 15 bit 8
U-0 U-0 R/W-0 R/W-0 R/W-0 R/W-0 R/W-0 R/W-0
—— RP109R<5:0>
bit 7 bit 0
Legend:
R = Readable bit W = Writable bit U = Unimplemented bit, read as ‘0’
-n = Value at POR ‘1’ = Bit is set ‘0’ = Bit is cleared x = Bit is unknown
bit 15-14 Unimplemented: Read as ‘0’
bit 13-8 RP112R<5:0>: Peripheral Output Function is Assigned to RP112 Output Pin bits
(see Tab l e 11 -3 for peripheral function numbers)
bit 7-6 Unimplemented: Read as ‘0’
bit 5-0 RP109R<5:0>: Peripheral Output Function is Assigned to RP109 Output Pin bits
(see Tab l e 11 -3 for peripheral function numbers)

dsPIC33EPXXX(GP/MC/MU)806/810/814 and PIC24EPXXX(GP/GU)810/814
DS70616G-page 268 2009-2012 Microchip Technology Inc.
REGISTER 11-57: RPOR13: PERIPHERAL PIN SELECT OUTPUT REGISTER 13
U-0 U-0 R/W-0 R/W-0 R/W-0 R/W-0 R/W-0 R/W-0
—— RP118R<5:0>
bit 15 bit 8
U-0 U-0 R/W-0 R/W-0 R/W-0 R/W-0 R/W-0 R/W-0
—— RP113R<5:0>
bit 7 bit 0
Legend:
R = Readable bit W = Writable bit U = Unimplemented bit, read as ‘0’
-n = Value at POR ‘1’ = Bit is set ‘0’ = Bit is cleared x = Bit is unknown
bit 15-14 Unimplemented: Read as ‘0’
bit 13-8 RP118R<5:0>: Peripheral Output Function is Assigned to RP118 Output Pin bits
(see Tab l e 11 -3 for peripheral function numbers)
bit 7-6 Unimplemented: Read as ‘0’
bit 5-0 RP113R<5:0>: Peripheral Output Function is Assigned to RP113 Output Pin bits
(see Tab l e 11 -3 for peripheral function numbers)
REGISTER 11-58: RPOR14: PERIPHERAL PIN SELECT OUTPUT REGISTER 14
U-0 U-0 R/W-0 R/W-0 R/W-0 R/W-0 R/W-0 R/W-0
—— RP125R<5:0>
bit 15 bit 8
U-0 U-0 R/W-0 R/W-0 R/W-0 R/W-0 R/W-0 R/W-0
—— RP120R<5:0>
bit 7 bit 0
Legend:
R = Readable bit W = Writable bit U = Unimplemented bit, read as ‘0’
-n = Value at POR ‘1’ = Bit is set ‘0’ = Bit is cleared x = Bit is unknown
bit 15-14 Unimplemented: Read as ‘0’
bit 13-8 RP125R<5:0>: Peripheral Output Function is Assigned to RP125 Output Pin bits
(see Tab l e 11 -3 for peripheral function numbers)
bit 7-6 Unimplemented: Read as ‘0’
bit 5-0 RP120R<5:0>: Peripheral Output Function is Assigned to RP120 Output Pin bits
(see Tab l e 11 -3 for peripheral function numbers)

2009-2012 Microchip Technology Inc. DS70616G-page 269
dsPIC33EPXXX(GP/MC/MU)806/810/814 and PIC24EPXXX(GP/GU)810/814
REGISTER 11-59: RPOR15: PERIPHERAL PIN SELECT OUTPUT REGISTER 15
U-0 U-0 R/W-0 R/W-0 R/W-0 R/W-0 R/W-0 R/W-0
—— RP127R<5:0>
bit 15 bit 8
U-0 U-0 R/W-0 R/W-0 R/W-0 R/W-0 R/W-0 R/W-0
—— RP126R<5:0>
bit 7 bit 0
Legend:
R = Readable bit W = Writable bit U = Unimplemented bit, read as ‘0’
-n = Value at POR ‘1’ = Bit is set ‘0’ = Bit is cleared x = Bit is unknown
bit 15-14 Unimplemented: Read as ‘0’
bit 13-8 RP127R<5:0>: Peripheral Output Function is Assigned to RP127 Output Pin bits
(see Tab l e 11 -3 for peripheral function numbers)
bit 7-6 Unimplemented: Read as ‘0’
bit 5-0 RP126R<5:0>: Peripheral Output Function is Assigned to RP126 Output Pin bits
(see Tab l e 11 -3 for peripheral function numbers)

dsPIC33EPXXX(GP/MC/MU)806/810/814 and PIC24EPXXX(GP/GU)810/814
DS70616G-page 270 2009-2012 Microchip Technology Inc.
NOTES:

2009-2012 Microchip Technology Inc. DS70616G-page 271
dsPIC33EPXXX(GP/MC/MU)806/810/814 and PIC24EPXXX(GP/GU)810/814
12.0 TIMER1
The Timer1 module is a 16-bit timer, which can serve
as the time counter for the real-time clock, or operate
as a free-running interval timer/counter.
The Timer1 module has the following unique features
over other timers:
• Can be operated from the low-power 32 kHz
crystal oscillator available on the device.
• Can be operated in Asynchronous Counter mode
from an external clock source.
• The external clock input (T1CK) can optionally be
synchronized to the internal device clock and clock
synchronization is performed after the prescaler.
The unique features of Timer1 allow it to be used for
Real-Time Clock (RTC) applications. A block diagram
of Timer1 is shown in Figure 12-1.
The Timer1 module can operate in one of the following
modes:
• Timer mode
• Gated Timer mode
• Synchronous Counter mode
• Asynchronous Counter mode
In Timer and Gated Timer modes, the input clock is
derived from the internal instruction cycle clock (FCY).
In Synchronous and Asynchronous Counter modes,
the input clock is derived from the external clock input
at the T1CK pin.
The Timer modes are determined by the following bits:
• Timer Clock Source Control bit (TCS): T1CON<1>
• Timer Synchronization Control bit (TSYNC):
T1CON<2>
• Timer Gate Control bit (TGATE): T1CON<6>
Timer control bit setting for different operating modes
are given in the Table 12-1.
TABLE 12-1: TIMER MODE SETTINGS
FIGURE 12-1: 16-BIT TIMER1 MODULE BLOCK DIAGRAM
Note 1: This data sheet summarizes the features
of the dsPIC33EPXXX(GP/MC/MU)806/
810/814 and PIC24EPXXX(GP/GU)810/
814 families of devices. It is not intended
to be a comprehensive reference source.
To complement the information in this
data sheet, refer to Section 11. “Timers”
(DS70362) of the “dsPIC33E/PIC24E
Family Reference Manual”, which is
available from the Microchip web site
(www.microchip.com).
2: Some registers and associated bits
described in this section may not be
available on all devices. Refer to
Section 4.0 “Memory Organization” in
this data sheet for device-specific register
and bit information.
Mode TCS TGATE TSYNC
Timer 00x
Gated Timer 01x
Synchronous Counter 1x1
Asynchronous Counter 1x0
TGATE
TCS
00
10
x1
Comparator
TGATE
Set T1IF Flag
0
1
TSYNC
1
0
Sync
Equal
Reset
SOSCI
SOSCO/
T1CK
Prescaler
(/n)
TCKPS<1:0>
Gate
Sync
FP(1)
Falling Edge
Detect
Prescaler
(/n)
TCKPS<1:0>
LPOSCEN(2)
Note 1: FP is the peripheral clock.
2: See Section 9.0 “Oscillator Configuration” for information on enabling the Secondary Oscillator (SOSC).
Latch
Data
CLK
T1CLK
TMR1
PR1

dsPIC33EPXXX(GP/MC/MU)806/810/814 and PIC24EPXXX(GP/GU)810/814
DS70616G-page 272 2009-2012 Microchip Technology Inc.
12.1 Timer Resources
Many useful resources related to Timers are provided
on the main product page of the Microchip web site for
the devices listed in this data sheet. This product page,
which can be accessed using this link, contains the
latest updates and additional information.
12.1.1 KEY RESOURCES
•Section 11. “Timers” (DS70362) in the
“dsPIC33E/PIC24E Family Reference Manual”
• Code Samples
• Application Notes
• Software Libraries
• Webinars
• All related “dsPIC33E/PIC24E Family Reference
Manual” Sections
• Development Tools
Note: In the event you are not able to access the
product page using the link above, enter
this URL in your browser:
http://www.microchip.com/wwwproducts/
Devices.aspx?dDocName=en554310

2009-2012 Microchip Technology Inc. DS70616G-page 273
dsPIC33EPXXX(GP/MC/MU)806/810/814 and PIC24EPXXX(GP/GU)810/814
12.2 Timer1 Control Register
REGISTER 12-1: T1CON: TIMER1 CONTROL REGISTER
R/W-0 U-0 R/W-0 U-0 U-0 U-0 U-0 U-0
TON(1)—TSIDL— — — — —
bit 15 bit 8
U-0 R/W-0 R/W-0 R/W-0 U-0 R/W-0 R/W-0 U-0
— TGATE TCKPS<1:0> — TSYNC(1)TCS(1)—
bit 7 bit 0
Legend:
R = Readable bit W = Writable bit U = Unimplemented bit, read as ‘0’
-n = Value at POR ‘1’ = Bit is set ‘0’ = Bit is cleared x = Bit is unknown
bit 15 TON: Timer1 On bit(1)
1 = Starts 16-bit Timer1
0 = Stops 16-bit Timer1
bit 14 Unimplemented: Read as ‘0’
bit 13 TSIDL: Timer1 Stop in Idle Mode bit
1 = Discontinues module operation when device enters Idle mode
0 = Continues module operation in Idle mode
bit 12-7 Unimplemented: Read as ‘0’
bit 6 TGATE: Timer1 Gated Time Accumulation Enable bit
When TCS = 1:
This bit is ignored.
When TCS = 0:
1 = Gated time accumulation is enabled
0 = Gated time accumulation is disabled
bit 5-4 TCKPS<1:0> Timer1 Input Clock Prescale Select bits
11 = 1:256
10 = 1:64
01 = 1:8
00 = 1:1
bit 3 Unimplemented: Read as ‘0’
bit 2 TSYNC: Timer1 External Clock Input Synchronization Select bit(1)
When TCS = 1:
1 = Synchronizes external clock input
0 = Does not synchronize external clock input
When TCS = 0:
This bit is ignored.
bit 1 TCS: Timer1 Clock Source Select bit(1)
1 = External clock from T1CK pin (on the rising edge)
0 = Internal clock (FP)
bit 0 Unimplemented: Read as ‘0’
Note 1: When Timer1 is enabled in External Synchronous Counter mode (TCS = 1, TSYNC = 1, TON = 1), any
attempts by user software to write to the TMR1 register are ignored.

dsPIC33EPXXX(GP/MC/MU)806/810/814 and PIC24EPXXX(GP/GU)810/814
DS70616G-page 274 2009-2012 Microchip Technology Inc.
NOTES:

2009-2012 Microchip Technology Inc. DS70616G-page 275
dsPIC33EPXXX(GP/MC/MU)806/810/814 and PIC24EPXXX(GP/GU)810/814
13.0 TIMER2/3, TIMER4/5, TIMER6/7
AND TIMER8/9
The Timer2/3, Timer4/5, Timer6/7 and Timer8/9
modules are 32-bit timers, which can also be
configured as four independent 16-bit timers with
selectable operating modes.
As a 32-bit timer, Timer2/3, Timer4/5, Timer6/7 and
Timer8/9 operate in three modes:
• Two Independent 16-Bit Timers (e.g., Timer2 and
Timer3) with all 16-Bit Operating modes (except
Asynchronous Counter mode)
• Single 32-Bit Timer
• Single 32-Bit Synchronous Counter
They also support these features:
• Timer Gate Operation
• Selectable Prescaler Settings
• Timer Operation during Idle and Sleep modes
• Interrupt on a 32-Bit Period Register Match
• Time Base for Input Capture and Output Compare
Modules (Timer2 and Timer3 only)
• ADC1 Event Trigger (Timer2/3 only)
• ADC2 Event Trigger (Timer4/5 only)
Individually, all eight of the 16-bit timers can function as
synchronous timers or counters. They also offer the
features listed above, except for the event trigger; this
is implemented only with Timer2/3. The operating
modes and enabled features are determined by setting
the appropriate bit(s) in the T2CON, T3CON, T4CON,
T5CON, T6CON, T7CON, T8CON and T9CON
registers. T2CON, T4CON, T6CON and T8CON are
shown in generic form in Register 13-1. T3CON,
T5CON, T7CON and T9CON are shown in
Register 13-2.
For 32-bit timer/counter operation, Timer2, Timer4,
Timer6 or Timer8 is the least significant word; Timer3,
Timer5, Timer7 or Timer9 is the most significant word
of the 32-bit timers.
A block diagram for an example 32-bit timer pair is
shown Figure 13-3.
Note 1: This data sheet summarizes
the features of the
dsPIC33EPXXX(GP/MC/MU)806/810/814
and PIC24EPXXX(GP/GU)810/814 family
of devices. It is not intended to be a
comprehensive reference source. To
complement the information in this data
sheet, refer to Section 11. “Timers”
(DS70362) of the “dsPIC33E/PIC24E
Family Reference Manual”, which is
available from the Microchip web site
(www.microchip.com).
2: Some registers and associated bits
described in this section may not be
available on all devices. Refer to
Section 4.0 “Memory Organization” in
this data sheet for device-specific register
and bit information.
Note: For 32-bit operation, T3CON, T5CON,
T7CON and T9CON control bits are
ignored. Only T2CON, T4CON, T6CON
and T8CON control bits are used for setup
and control. Timer2, Timer4, Timer6 and
Timer8 clock and gate inputs are utilized
for the 32-bit timer modules, but an
interrupt is generated with the Timer3,
Timer5, Ttimer7 and Timer9 interrupt
flags.
Note: Only Timer2, 3, 4 and 5 can trigger a DMA
data transfer.

dsPIC33EPXXX(GP/MC/MU)806/810/814 and PIC24EPXXX(GP/GU)810/814
DS70616G-page 276 2009-2012 Microchip Technology Inc.
FIGURE 13-1: TYPE B TIMERx BLOCK DIAGRAM (x = 2, 4, 6 AND 8)
FIGURE 13-2: TYPE C TIMERx BLOCK DIAGRAM (x = 3, 5, 7 AND 9)
TGATE
TCS
00
10
x1
TMRx
PRx
TGATE
Set TxIF Flag
0
1
Equal
Reset
TxCK
TCKPS<1:0>
FP(1) Prescaler
(/n)
TCKPS<1:0>
Note 1: FP is the peripheral clock.
Latch
Data
CLK
TxCLK
Gate
Sync
Falling Edge
Detect
Sync
Prescaler
(/n) Comparator
TGATE
TCS
00
10
x1 Comparator
TGATE
Set TxIF Flag
0
1
Equal
Reset
TxCK
TCKPS<1:0>
Gate
Sync
FP(1)
Falling Edge
Detect
Prescaler
(/n)
TCKPS<1:0>
Note 1: FP is the peripheral clock.
2: The ADC trigger is available on TMR3 and TMR5 only.
Latch
Data
CLK
TxCLK
ADC Start of
Conversion Trigger(2)
Prescaler
(/n) Sync
TMRx
PRx

2009-2012 Microchip Technology Inc. DS70616G-page 277
dsPIC33EPXXX(GP/MC/MU)806/810/814 and PIC24EPXXX(GP/GU)810/814
FIGURE 13-3: TYPE B/TYPE C TIMER PAIR BLOCK DIAGRAM (32-BIT TIMER)
13.1 Timer Resources
Many useful resources related to timers are provided
on the main product page of the Microchip web site for
the devices listed in this data sheet. This product page,
which can be accessed using this link, contains the
latest updates and additional information.
13.1.1 KEY RESOURCES
•Section 11. “Timers” (DS70362) in the
“dsPIC33E/PIC24E Family Reference Manual”
• Code Samples
• Application Notes
• Software Libraries
• Webinars
• All related “dsPIC33E/PIC24E Family Reference
Manual” Sections
• Development Tools
TGATE
TCS
00
10
x1
Comparator
TGATE
Set TyIF Flag
0
1
Equal
Reset
TxCK
TCKPS<1:0>
Gate
Sync
FP(1) Prescaler
(/n)
TCKPS<1:0>
Note 1: The ADC trigger is available only on the TMR3:TMR2 andTMR5:TMR4 32-bit timer pairs.
2: Timerx is a Type B timer (x = 2, 4, 6 and 8).
3: Timery is a Type C timer (x = 3, 5, 7 and 9).
Latch
Data
CLK
ADC
PRx
TMRyHLD
Data Bus<15:0>
mswlsw
Prescaler
(/n) Sync
Falling Edge
Detect
TMRyTMRx
PRy
Note: In the event you are not able to access the
product page using the link above, enter
this URL in your browser:
http://www.microchip.com/wwwproducts/
Devices.aspx?dDocName=en554310

dsPIC33EPXXX(GP/MC/MU)806/810/814 and PIC24EPXXX(GP/GU)810/814
DS70616G-page 278 2009-2012 Microchip Technology Inc.
13.2 Timerx/y Control Registers
REGISTER 13-1: TxCON: (T2CON, T4CON, T6CON OR T8CON) CONTROL REGISTER
R/W-0 U-0 R/W-0 U-0 U-0 U-0 U-0 U-0
TON —TSIDL— — — — —
bit 15 bit 8
U-0 R/W-0 R/W-0 R/W-0 R/W-0 U-0 R/W-0 U-0
— TGATE TCKPS<1:0> T32 —TCS
(1)—
bit 7 bit 0
Legend:
R = Readable bit W = Writable bit U = Unimplemented bit, read as ‘0’
-n = Value at POR ‘1’ = Bit is set ‘0’ = Bit is cleared x = Bit is unknown
bit 15 TON: Timerx On bit
When T32 = 1:
1 = Starts 32-bit Timerx/y
0 = Stops 32-bit Timerx/y
When T32 = 0:
1 = Starts 16-bit Timerx
0 = Stops 16-bit Timerx
bit 14 Unimplemented: Read as ‘0’
bit 13 TSIDL: Timerx Stop in Idle Mode bit
1 = Discontinues module operation when device enters Idle mode
0 = Continues module operation in Idle mode
bit 12-7 Unimplemented: Read as ‘0’
bit 6 TGATE: Timerx Gated Time Accumulation Enable bit
When TCS = 1:
This bit is ignored.
When TCS = 0:
1 = Gated time accumulation is enabled
0 = Gated time accumulation is disabled
bit 5-4 TCKPS<1:0>: Timerx Input Clock Prescale Select bits
11 = 1:256
10 = 1:64
01 = 1:8
00 = 1:1
bit 3 T32: 32-Bit Timer Mode Select bit
1 = Timerx and Timery form a single 32-bit timer
0 = Timerx and Timery act as two 16-bit timers
bit 2 Unimplemented: Read as ‘0’
bit 1 TCS: Timerx Clock Source Select bit(1)
1 = External clock from TxCK pin (on the rising edge)
0 = Internal clock (FP)
bit 0 Unimplemented: Read as ‘0’
Note 1: The TxCK pin is not available on all timers. Refer to the “Pin Diagrams” section for the available pins.

2009-2012 Microchip Technology Inc. DS70616G-page 279
dsPIC33EPXXX(GP/MC/MU)806/810/814 and PIC24EPXXX(GP/GU)810/814
REGISTER 13-2: TyCON: (T3CON, T5CON, T7CON OR T9CON) CONTROL REGISTER
R/W-0 U-0 R/W-0 U-0 U-0 U-0 U-0 U-0
TON(1)—TSIDL
(2)— — — — —
bit 15 bit 8
U-0 R/W-0 R/W-0 R/W-0 U-0 U-0 R/W-0 U-0
—TGATE
(1)TCKPS<1:0>(1)——TCS
(1,3)—
bit 7 bit 0
Legend:
R = Readable bit W = Writable bit U = Unimplemented bit, read as ‘0’
-n = Value at POR ‘1’ = Bit is set ‘0’ = Bit is cleared x = Bit is unknown
bit 15 TON: Timery On bit(1)
1 = Starts 16-bit Timery
0 = Stops 16-bit Timery
bit 14 Unimplemented: Read as ‘0’
bit 13 TSIDL: Timery Stop in Idle Mode bit(2)
1 = Discontinues module operation when device enters Idle mode
0 = Continues module operation in Idle mode
bit 12-7 Unimplemented: Read as ‘0’
bit 6 TGATE: Timery Gated Time Accumulation Enable bit(1)
When TCS = 1:
This bit is ignored.
When TCS = 0:
1 = Gated time accumulation is enabled
0 = Gated time accumulation is disabled
bit 5-4 TCKPS<1:0>: Timery Input Clock Prescale Select bits(1)
11 = 1:256
10 = 1:64
01 = 1:8
00 = 1:1
bit 3-2 Unimplemented: Read as ‘0’
bit 1 TCS: Timery Clock Source Select bit(1,3)
1 = External clock from TyCK pin (on the rising edge)
0 = Internal clock (FP)
bit 0 Unimplemented: Read as ‘0’
Note 1: When 32-bit operation is enabled (T2CON<3> = 1), these bits have no effect on Timery operation; all timer
functions are set through TxCON.
2: When 32-bit timer operation is enabled (T32 = 1) in the Timer Control register (TxCON<3>), the TSIDL bit
must be cleared to operate the 32-bit timer in Idle mode.
3: The TyCK pin is not available on all timers. Refer to the “Pin Diagrams” section for the available pins.

dsPIC33EPXXX(GP/MC/MU)806/810/814 and PIC24EPXXX(GP/GU)810/814
DS70616G-page 280 2009-2012 Microchip Technology Inc.
NOTES:

2009-2012 Microchip Technology Inc. DS70616G-page 281
dsPIC33EPXXX(GP/MC/MU)806/810/814 and PIC24EPXXX(GP/GU)810/814
14.0 INPUT CAPTURE The input capture module is useful in applications
requiring frequency (period) and pulse measurement.
The dsPIC33EPXXX(GP/MC/MU)806/810/814 and
PIC24EPXXX(GP/GU)810/814 devices support up to
16 input capture channels.
Key features of the input capture module include:
• Hardware-configurable for 32-bit operation in all
modes by cascading two adjacent modules
• Synchronous and Trigger modes of output
compare operation, with up to 30 user-selectable
Trigger/Sync sources available
• A 4-level FIFO buffer for capturing and holding
timer values for several events
• Configurable interrupt generation
• Up to six clock sources available for each module,
driving a separate internal 16-bit counter
FIGURE 14-1: INPUT CAPTURE MODULE BLOCK DIAGRAM
Note 1: This data sheet summarizes the features
of the dsPIC33EPXXX(GP/MC/MU)806/
810/814 and PIC24EPXXX(GP/GU)810/
814 families of devices. It is not intended
to be a comprehensive reference source.
To complement the information in this
data sheet, refer to Section 12. “Input
Capture” (DS70352) of the “dsPIC33E/
PIC24E Family Reference Manual”,
which is available from the Microchip web
site (www.microchip.com).
2: Some registers and associated bits
described in this section may not be
available on all devices. Refer to
Section 4.0 “Memory Organization” in
this data sheet for device-specific register
and bit information. Note: Only IC1, IC2, IC3 and IC4 can trigger a
DMA data transfer. If DMA data transfers
are required, the FIFO buffer size must be
set to ‘1’ (ICI<1:0> = 00).
ICxBUF
4-Level FIFO Buffer
ICx Pin
ICM<2:0>
Set ICxIF
Edge Detect Logic
ICI<1:0>
ICOV, ICBNE
Interrupt
Logic
System Bus
Prescaler
Counter
1:1/4/16
and
Clock Synchronizer
Event and
Trigger and
Sync Logic
Clock
Select
Trigger and
Sync Sources
ICTSEL<2:0>
SYNCSEL<4:0>
Trigger(1)
16
16
16
ICxTMR
Increment
Reset
Note 1: The Trigger/Sync source is enabled by default and is set to Timer3 as a source. This timer must be enabled for
proper ICx module operation or the Trigger/Sync source must be changed to another source option.
FP
T1CLK
T5CLK

dsPIC33EPXXX(GP/MC/MU)806/810/814 and PIC24EPXXX(GP/GU)810/814
DS70616G-page 282 2009-2012 Microchip Technology Inc.
14.1 Input Capture Resources
Many useful resources related to input capture are pro-
vided on the main product page of the Microchip web
site for the devices listed in this data sheet. This product
page, which can be accessed using this link, contains
the latest updates and additional information.
14.1.1 KEY RESOURCES
•Section 12. “Input Capture” (DS70352) in the
“dsPIC33E/PIC24E Family Reference Manual”
• Code Samples
• Application Notes
• Software Libraries
• Webinars
• All related “dsPIC33E/PIC24E Family Reference
Manual” Sections
• Development Tools
Note: In the event you are not able to access the
product page using the link above, enter
this URL in your browser:
http://www.microchip.com/wwwproducts/
Devices.aspx?dDocName=en554310

2009-2012 Microchip Technology Inc. DS70616G-page 283
dsPIC33EPXXX(GP/MC/MU)806/810/814 and PIC24EPXXX(GP/GU)810/814
14.2 Input Capture Control Registers
REGISTER 14-1: ICxCON1: INPUT CAPTURE x CONTROL REGISTER 1
U-0 U-0 R/W-0 R/W-0 R/W-0 R/W-0 U-0 U-0
—— ICSIDL ICTSEL<2:0> — —
bit 15 bit 8
U-0 R/W-0 R/W-0 R/HC/HS-0 R/HC/HS-0 R/W-0 R/W-0 R/W-0
— ICI<1:0> ICOV ICBNE ICM<2:0>
bit 7 bit 0
Legend:
R = Readable bit HC = Hardware Clearable bit HS = Hardware Settable bit ‘0’ = Bit is cleared
-n = Value at POR W = Writable bit U = Unimplemented bit, read as ‘0’
bit 15-14 Unimplemented: Read as ‘0’
bit 13 ICSIDL: Input Capture Stop in Idle Control bit
1 = Input capture will Halt in CPU Idle mode
0 = Input capture will continue to operate in CPU Idle mode
bit 12-10 ICTSEL<12:10>: Input Capture Timer Select bits
111 = Peripheral clock (FP) is the clock source of the ICx
110 = Reserved
101 = Reserved
100 = Clock source of T1CLK is the clock source of the ICx (only the synchronous clock is supported)
011 = Clock source of T5CLK is the clock source of the ICx
010 = Clock source of T4CLK is the clock source of the ICx
001 = Clock source of T2CLK is the clock source of the ICx
000 = Clock source of T3CLK is the clock source of the ICx
bit 9-7 Unimplemented: Read as ‘0’
bit 6-5 ICI<1:0>: Number of Captures per Interrupt Select bits (this field is not used if ICM<2:0> = 001 or 111)
11 = Interrupt on every fourth capture event
10 = Interrupt on every third capture event
01 = Interrupt on every second capture event
00 = Interrupt on every capture event
bit 4 ICOV: Input Capture Overflow Status Flag bit (read-only)
1 = Input capture buffer overflow occurred
0 = No input capture buffer overflow occurred
bit 3 ICBNE: Input Capture Buffer Not Empty Status bit (read-only)
1 = Input capture buffer is not empty, at least one more capture value can be read
0 = Input capture buffer is empty
bit 2-0 ICM<2:0>: Input Capture Mode Select bits
111 = Input capture functions as interrupt pin only in CPU Sleep and Idle modes (rising edge detect
only, all other control bits are not applicable)
110 = Unused (module disabled)
101 = Capture mode, every 16th rising edge (Prescaler Capture mode)
100 = Capture mode, every 4th rising edge (Prescaler Capture mode)
011 = Capture mode, every rising edge (Simple Capture mode)
010 = Capture mode, every falling edge (Simple Capture mode)
001 = Capture mode, every edge rising and falling (Edge Detect mode (ICI<1:0>) is not used in this mode)
000 = Input capture module is turned off

dsPIC33EPXXX(GP/MC/MU)806/810/814 and PIC24EPXXX(GP/GU)810/814
DS70616G-page 284 2009-2012 Microchip Technology Inc.
REGISTER 14-2: ICxCON2: INPUT CAPTURE x CONTROL REGISTER 2
U-0 U-0 U-0 U-0 U-0 U-0 U-0 R/W-0
— — — — — — —IC32
bit 15 bit 8
R/W-0 R/W/HS-0 U-0 R/W-0 R/W-1 R/W-1 R/W-0 R/W-1
ICTRIG(2)TRIGSTAT(3)— SYNCSEL<4:0>(4)
bit 7 bit 0
Legend:
R = Readable bit HS = Set by Hardware ‘0’ = Bit is cleared
-n = Value at POR W = Writable bit U = Unimplemented bit, read as ‘0’
bit 15-9 Unimplemented: Read as ‘0’
bit 8 IC32: 32-Bit Timer Mode Select bit (Cascade mode)
1 = ODD IC and EVEN IC form a single 32-bit input capture module(1)
0 = Cascade module operation is disabled
bit 7
ICTRIG:
Trigger Operation Select bit(2)
1
= Input source is used to trigger the input capture timer (Trigger mode)
0 = Input source is used to synchronize the input capture timer to a timer of another module
(Synchronization mode)
bit 6 TRIGSTAT: Timer Trigger Status bit(3)
1 = ICxTMR has been triggered and is running
0 = ICxTMR has not been triggered and is being held clear
bit 5 Unimplemented: Read as ‘0’
Note 1: The IC32 bit in both the ODD and EVEN IC must be set to enable Cascade mode.
2: The input source is selected by the SYNCSEL<4:0> bits of the ICxCON2 register.
3: This bit is set by the selected input source (selected by the SYNCSEL<4:0> bits); it can be read, set and
cleared in software.
4: Do not use the ICx module as its own Sync or Trigger source.
5: This option should only be selected as a trigger source and not as a synchronization source.

2009-2012 Microchip Technology Inc. DS70616G-page 285
dsPIC33EPXXX(GP/MC/MU)806/810/814 and PIC24EPXXX(GP/GU)810/814
bit 4-0 SYNCSEL<4:0>: Input Source Select for Synchronization and Trigger Operation bits(4)
11111 = No Sync or Trigger source for ICx
11110 = No Sync or Trigger source for ICx
11101 = No Sync or Trigger source for ICx
11100 = Reserved
11011 = ADC1 module synchronizes or triggers ICx(5)
11010 = CMP3 module synchronizes or triggers ICx(5)
11001 = CMP2 module synchronizes or triggers ICx(5)
11000 = CMP1 module synchronizes or triggers ICx(5)
10111 = IC8 module synchronizes or triggers ICx
10110 = IC7 module synchronizes or triggers ICx
10101 = IC6 module synchronizes or triggers ICx
10100 = IC5 module synchronizes or triggers ICx
10011 = IC4 module synchronizes or triggers ICx
10010 = IC3 module synchronizes or triggers ICx
10001 = IC2 module synchronizes or triggers ICx
10000 = IC1 module synchronizes or triggers ICx
01111 = Timer5 synchronizes or triggers ICx
01110 = Timer4 synchronizes or triggers ICx
01101 = Timer3 synchronizes or triggers ICx (default)
01100 = Timer2 synchronizes or triggers ICx
01011 = Timer1 synchronizes or triggers ICx
01010 = No Sync or Trigger source for ICx
01001 = OC9 module synchronizes or triggers ICx
01000 = OC8 module synchronizes or triggers ICx
00111 = OC7 module synchronizes or triggers ICx
00110 = OC6 module synchronizes or triggers ICx
00101 = OC5 module synchronizes or triggers ICx
00100 = OC4 module synchronizes or triggers ICx
00011 = OC3 module synchronizes or triggers ICx
00010 = OC2 module synchronizes or triggers ICx
00001 = OC1 module synchronizes or triggers ICx
00000 = No Sync or Trigger source for ICx
REGISTER 14-2: ICxCON2: INPUT CAPTURE x CONTROL REGISTER 2 (CONTINUED)
Note 1: The IC32 bit in both the ODD and EVEN IC must be set to enable Cascade mode.
2: The input source is selected by the SYNCSEL<4:0> bits of the ICxCON2 register.
3: This bit is set by the selected input source (selected by the SYNCSEL<4:0> bits); it can be read, set and
cleared in software.
4: Do not use the ICx module as its own Sync or Trigger source.
5: This option should only be selected as a trigger source and not as a synchronization source.

dsPIC33EPXXX(GP/MC/MU)806/810/814 and PIC24EPXXX(GP/GU)810/814
DS70616G-page 286 2009-2012 Microchip Technology Inc.
NOTES:

2009-2012 Microchip Technology Inc. DS70616G-page 287
dsPIC33EPXXX(GP/MC/MU)806/810/814 and PIC24EPXXX(GP/GU)810/814
15.0 OUTPUT COMPARE The output compare module can select one of eight
available clock sources for its time base. The module
compares the value of the timer with the value of one or
two Compare registers, depending on the operating
mode selected. The state of the output pin changes
when the timer value matches the Compare register
value. The output compare module generates either a
single output pulse, or a sequence of output pulses, by
changing the state of the output pin on the compare
match events. The output compare module can also
generate interrupts on compare match events.
FIGURE 15-1: OUTPUT COMPARE MODULE BLOCK DIAGRAM
Note 1: This data sheet summarizes the features
of the dsPIC33EPXXX(GP/MC/MU)806/
810/814 and PIC24EPXXX(GP/GU)810/
814 families of devices. It is not intended
to be a comprehensive reference source.
To complement the information in this
data sheet, refer to Section 13. “Output
Compare” (DS70358) of the “dsPIC33E/
PIC24E Family Reference Manual”,
which is available from the Microchip web
site (www.microchip.com).
2: Some registers and associated bits
described in this section may not be
available on all devices. Refer to
Section 4.0 “Memory Organization” in
this data sheet for device-specific register
and bit information.
Note 1: Only OC1, OC2, OC3 and OC4 can trigger
a DMA data transfer.
2: See Section 13. “Output Compare”
(DS70358) in the “dsPIC33E/PIC24E
Family Reference Manual” for OCxR and
OCxRS register restrictions.
OCxR Buffer
Comparator
OCxTMR
OCxCON1
OCxCON2
OC Output and
OCx Interrupt
OCx Pin
OCxRS Buffer
Comparator
Fault Logic
Match
Match
Trigger and
Sync Logic
Clock
Select
Increment
Reset
Trigger and
Sync Sources
Reset
Match Event OCFA
OCxR
OCxRS
Event
Event
Rollover
Rollover/Reset
Rollover/Reset
OCx Synchronization/Trigger Event
OCFB
OCFC
SYNCSEL<4:0>
Trigger
(1)
Note 1: The Trigger/Sync source is enabled by default and is set to Timer2 as a source. This timer must be enabled for
proper OCx module operation or the Trigger/Sync source must be changed to another source option.
FP
T1CLK
T5CLK

dsPIC33EPXXX(GP/MC/MU)806/810/814 and PIC24EPXXX(GP/GU)810/814
DS70616G-page 288 2009-2012 Microchip Technology Inc.
15.1 Output Compare Resources
Many useful resources related to output compare are
provided on the main product page of the Microchip
web site for the devices listed in this data sheet. This
product page, which can be accessed using this link,
contains the latest updates and additional information.
15.1.1 KEY RESOURCES
•Section 13. “Output Compare” (DS70358) in
the “dsPIC33E/PIC24E Family Reference
Manual”
• Code Samples
• Application Notes
• Software Libraries
• Webinars
• All related “dsPIC33E/PIC24E Family Reference
Manual” Sections
• Development Tools
Note: In the event you are not able to access the
product page using the link above, enter
this URL in your browser:
http://www.microchip.com/wwwproducts/
Devices.aspx?dDocName=en554310

2009-2012 Microchip Technology Inc. DS70616G-page 289
dsPIC33EPXXX(GP/MC/MU)806/810/814 and PIC24EPXXX(GP/GU)810/814
15.2 Output Compare Control Registers
REGISTER 15-1: OCxCON1: OUTPUT COMPARE x CONTROL REGISTER 1
U-0 U-0 R/W-0 R/W-0 R/W-0 R/W-0 R/W-0 R/W-0
—— OCSIDL OCTSEL<2:0> ENFLTC ENFLTB
bit 15 bit 8
R/W-0 R/W-0, HSC R/W-0, HSC R/W-0, HSC R/W-0 R/W-0 R/W-0 R/W-0
ENFLTA OCFLTC OCFLTB OCFLTA TRIGMODE OCM<2:0>
bit 7 bit 0
Legend: HCS = Hardware Settable/Clearable bit
R = Readable bit W = Writable bit U = Unimplemented bit, read as ‘0’
-n = Value at POR ‘1’ = Bit is set ‘0’ = Bit is cleared x = Bit is unknown
bit 15-14 Unimplemented: Read as ‘0’
bit 13 OCSIDL: Stop Output Compare x in Idle Mode Control bit
1 = Output Compare x Halts in CPU Idle mode
0 = Output Compare x continues to operate in CPU Idle mode
bit 12-10 OCTSEL<2:0>: Output Compare x Clock Select bits
111 = Peripheral clock (FP)
110 = Reserved
101 = Reserved
100 = Clock source of T1CLK is the clock source of OCx (only the synchronous clock is supported)
011 = Clock source of T5CLK is the clock source of OCx
010 = Clock source of T4CLK is the clock source of OCx
001 = Clock source of T3CLK is the clock source of OCx
000 = Clock source of T2CLK is the clock source of OCx
bit 9 ENFLTC: Fault C Input Enable bit
1 = Output Compare Fault C input (OCFC) is enabled
0 = Output Compare Fault C input (OCFC) is disabled
bit 8 ENFLTB: Fault B Input Enable bit
1 = Output Compare Fault B input (OCFB) is enabled
0 = Output Compare Fault B input (OCFB) is disabled
bit 7 ENFLTA: Fault A Input Enable bit
1 = Output Compare Fault A input (OCFA) is enabled
0 = Output Compare Fault A input (OCFA) is disabled
bit 6 OCFLTC: PWM Fault C Condition Status bit
1 = PWM Fault C condition on OCFC pin has occurred
0 = No PWM Fault C condition on OCFC pin has occurred
bit 5 OCFLTB: PWM Fault B Condition Status bit
1 = PWM Fault B condition on OCFB pin has occurred
0 = No PWM Fault B condition on OCFB pin has occurred
bit 4 OCFLTA: PWM Fault A Condition Status bit
1 = PWM Fault A condition on OCFA pin has occurred
0 = No PWM Fault A condition on OCFA pin has occurred
bit 3 TRIGMODE: Trigger Status Mode Select bit
1 = TRIGSTAT (OCxCON2<6>) is cleared when OCxRS = OCxTMR or in software
0 = TRIGSTAT is cleared only by software
Note 1: OCxR and OCxRS are double-buffered in PWM mode only.

dsPIC33EPXXX(GP/MC/MU)806/810/814 and PIC24EPXXX(GP/GU)810/814
DS70616G-page 290 2009-2012 Microchip Technology Inc.
bit 2-0 OCM<2:0>: Output Compare Mode Select bits
111 = Center-Aligned PWM mode: Output set high when OCxTMR = OCxR and set low when
OCxTMR = OCxRS(1)
110 = Edge-Aligned PWM mode: Output set high when OCxTMR = 0 and set low when
OCxTMR = OCxR(1)
101 = Double Compare Continuous Pulse mode: Initializes OCx pin low, toggles OCx state continuously
on alternate matches of OCxR and OCxRS
100 = Double Compare Single-Shot mode: Initializes OCx pin low, toggles OCx state on matches of
OCxR and OCxRS for one cycle
011 = Single Compare mode: Compares events with OCxR, continuously toggles OCx pin
010 = Single Compare Single-Shot mode: Initializes OCx pin high, compares event with OCxR, forces
OCx pin low
001 = Single Compare Single-Shot mode: Initializes OCx pin low, compares event with OCxR, forces
OCx pin high
000 = Output compare channel is disabled
REGISTER 15-1: OCxCON1: OUTPUT COMPARE x CONTROL REGISTER 1 (CONTINUED)
Note 1: OCxR and OCxRS are double-buffered in PWM mode only.

2009-2012 Microchip Technology Inc. DS70616G-page 291
dsPIC33EPXXX(GP/MC/MU)806/810/814 and PIC24EPXXX(GP/GU)810/814
REGISTER 15-2: OCxCON2: OUTPUT COMPARE x CONTROL REGISTER 2
R/W-0 R/W-0 R/W-0 R/W-0 U-0 U-0 U-0 R/W-0
FLTMD FLTOUT FLTTRIEN OCINV — — —OC32
bit 15 bit 8
R/W-0 R/W-0 HS R/W-0 R/W-0 R/W-1 R/W-1 R/W-0 R/W-0
OCTRIG TRIGSTAT OCTRIS SYNCSEL<4:0>
bit 7 bit 0
Legend: HS = Hardware Settable bit
R = Readable bit W = Writable bit U = Unimplemented bit, read as ‘0’
-n = Value at POR ‘1’ = Bit is set ‘0’ = Bit is cleared x = Bit is unknown
bit 15 FLTMD: Fault Mode Select bit
1 = Fault mode is maintained until the Fault source is removed; the corresponding OCFLTx bit is
cleared in software and a new PWM period starts
0 = Fault mode is maintained until the Fault source is removed and a new PWM period starts
bit 14 FLTOUT: Fault Out bit
1 = PWM output is driven high on a Fault
0 = PWM output is driven low on a Fault
bit 13 FLTTRIEN: Fault Output State Select bit
1 = OCx pin is tri-stated on Fault condition
0 = OCx pin I/O state defined by FLTOUT bit on Fault condition
bit 12 OCINV: OCMP Invert bit
1 = OCx output is inverted
0 = OCx output is not inverted
bit 11-9 Unimplemented: Read as ‘0’
bit 8 OC32: Cascade Two OCx Modules Enable bit (32-bit operation)
1 = Cascade module operation is enabled
0 = Cascade module operation is disabled
bit 7 OCTRIG: OCx Trigger/Sync Select bit
1 = Triggers OCx from source designated by SYNCSELx bits
0 = Synchronizes OCx with source designated by SYNCSELx bits
bit 6 TRIGSTAT: Timer Trigger Status bit
1 = Timer source has been triggered and is running
0 = Timer source has not been triggered and is being held clear
bit 5 OCTRIS: OCx Output Pin Direction Select bit
1 = OCx is tri-stated
0 = Output compare module drives the OCx pin
Note 1: Do not use the OCx module as its own Sync or Trigger source.
2: When the OCy module is turned OFF, it sends a trigger out signal. If the OCx module uses the OCy module
as a Trigger source, the OCy module must be unselected as a Trigger source prior to disabling it.

dsPIC33EPXXX(GP/MC/MU)806/810/814 and PIC24EPXXX(GP/GU)810/814
DS70616G-page 292 2009-2012 Microchip Technology Inc.
bit 4-0 SYNCSEL<4:0>: Trigger/Synchronization Source Selection bits
11111 = No Sync or Trigger source for OCx
11110 = INT2 pin synchronizes or triggers OCx
11101 = INT1 pin synchronizes or triggers OCx
11100 = Reserved
11011 = ADC1 module synchronizes or triggers OCx
11010 = CMP3 module synchronizes or triggers OCx
11001 = CMP2 module synchronizes or triggers OCx
11000 = CMP1 module synchronizes or triggers OCx
10111 = IC8 module synchronizes or triggers OCx
10110 = IC7 module synchronizes or triggers OCx
10101 = IC6 module synchronizes or triggers OCx
10100 = IC5 module synchronizes or triggers OCx
10011 = IC4 module synchronizes or triggers OCx
10010 = IC3 module synchronizes or triggers OCx
10001 = IC2 module synchronizes or triggers OCx
10000 = IC1 module synchronizes or triggers OCx
01111 = Timer5 synchronizes or triggers OCx
01110 = Timer4 synchronizes or triggers OCx
01101 = Timer3 synchronizes or triggers OCx
01100 = Timer2 synchronizes or triggers OCx (default)
01011 = Timer1 synchronizes or triggers OCx
01010 = No Sync or Trigger source for OCx
01001 = OC9 module synchronizes or triggers OCx(1,2)
01000 = OC8 module synchronizes or triggers OCx(1,2)
00111 = OC7 module synchronizes or triggers OCx(1,2)
00110 = OC6 module synchronizes or triggers OCx(1,2)
00101 = OC5 module synchronizes or triggers OCx(1,2)
00100 = OC4 module synchronizes or triggers OCx(1,2)
00011 = OC3 module synchronizes or triggers OCx(1,2)
00010 = OC2 module synchronizes or triggers OCx(1,2)
00001 = OC1 module synchronizes or triggers OCx(1,2)
00000 = No Sync or Trigger source for OCx
REGISTER 15-2: OCxCON2: OUTPUT COMPARE x CONTROL REGISTER 2 (CONTINUED)
Note 1: Do not use the OCx module as its own Sync or Trigger source.
2: When the OCy module is turned OFF, it sends a trigger out signal. If the OCx module uses the OCy module
as a Trigger source, the OCy module must be unselected as a Trigger source prior to disabling it.

2009-2012 Microchip Technology Inc. DS70616G-page 293
dsPIC33EPXXX(GP/MC/MU)806/810/814 and PIC24EPXXX(GP/GU)810/814
16.0 HIGH-SPEED PWM MODULE
(dsPIC33EPXXX(MC/MU)8XX
DEVICES ONLY)
The dsPIC33EPXXX(MC/MU)806/810/814 devices
support a dedicated Pulse-Width Modulation (PWM)
module with up to 14 outputs.
The high-speed PWM module consists of the following
major features:
• Two master time base modules with Special
Event Triggers
• PWM module input clock prescaler
• Two synchronization inputs
• Two synchronization outputs
• Up to seven PWM generators
• Two PWM outputs per generator (PWMxH and
PWMxL)
• Individual period, duty cycle and phase shift for
each PWM output
• Period, duty cycle, phase shift and dead-time
resolution of 8.32 ns
• Immediate update mode for PWM period, duty
cycle and phase shift
• Independent Fault and current-limited inputs for
each PWM
• Cycle-by-Cycle and Latched Fault modes
• PWM time-base capture upon current limit
• Seven Fault inputs and three comparator outputs
available for Faults and current limits
• Programmable ADC trigger with interrupt for each
PWM pair
• Complementary PWM outputs
• Push-Pull PWM outputs
• Redundant PWM outputs
• Edge-Aligned PWM mode
• Center-Aligned PWM mode
• Variable Phase PWM mode
• Multi-Phase PWM mode
• Fixed Off Time PWM mode
• Current-Limit PWM mode
• Current Reset PWM mode
• PWMxH and PWMxL output override control
• PWMxH and PWMxL output pin swapping
• Chopping mode (also known as Gated mode)
• Dead-time insertion
• Dead-time compensation
• Enhanced Leading-Edge Blanking (LEB)
• 8 mA PWM pin output drive
The high-speed PWM module contains up to seven
PWM generators. Each PWM generator provides two
PWM outputs: PWMxH and PWMxL. Two master time
base generators provide a synchronous signal as a
common time base to synchronize the various PWM
outputs. Each generator can operate independently or
in synchronization with either of the two master time
bases. The individual PWM outputs are available on
the output pins of the device. The input Fault signals
and current-limited signals, when enabled, can monitor
and protect the system by placing the PWM outputs
into a known “safe” state.
Each PWM can generate a trigger to the ADC module
to sample the analog signal at a specific instance dur-
ing the PWM period. In addition, the high-speed PWM
module also generates two Special Event Triggers to
the ADC module based on the two master time bases.
The high-speed PWM module can synchronize itself
with an external signal or can act as a synchronizing
source to any external device. The SYNCI1 and
SYNCI2 pins are the input pins, which can synchronize
the high-speed PWM module with an external signal.
The SYNCO1 and SYNCO2 pins are output pins that
provides a synchronous signal to an external device.
Figure 16-1 illustrates an architectural overview of the
high-speed PWM module and its interconnection with
the CPU and other peripherals.
Note 1: This data sheet summarizes the features
of the dsPIC33EPXXX(GP/MC/MU)806/
810/814 and PIC24EPXXX(GP/GU)810/
814 families of devices. It is not
intended to be a comprehensive
reference source. To complement the
information in this data sheet, refer to
Section 14. “High-Speed PWM”
(DS70645) of the “dsPIC33E/PIC24E
Family Reference Manual”, which is
available from the Microchip web site
(www.microchip.com).
2: Some registers and associated bits
described in this section may not be
available on all devices. Refer to
Section 4.0 “Memory Organization” in
this data sheet for device-specific register
and bit information.
Note: Duty cycle, dead time, phase shift and
frequency resolution is 16.64 ns in
Center-Aligned PWM mode.

dsPIC33EPXXX(GP/MC/MU)806/810/814 and PIC24EPXXX(GP/GU)810/814
DS70616G-page 294 2009-2012 Microchip Technology Inc.
FIGURE 16-1: HIGH-SPEED PWM MODULE ARCHITECTURAL OVERVIEW
CPU
Primary and Secondary
PWM
Generator 1
PWM
Generator 2
PWM
Generator 6
PWM
Generator 7
SYNCI1/SYNCI2
SYNCO1/SYNCO2
PWM1H
PWM1L
PWM1 Interrupt
PWM2H
PWM2L
PWM2 Interrupt
PWM6H
PWM6L
PWM6 Interrupt
PWM7H
PWM7L
PWM7 Interrupt
Synchronization Signal
Data Bus
ADC Module
FLT1-FLT7 and
Synchronization Signal
Synchronization Signal
Synchronization Signal
Primary Trigger
Primary Special
DTCMP1-DTCMP7
Fault, Current-Limit
and Dead-Time Compensation
PWM3 through PWM5
Secondary Special
Event Trigger
Event Trigger Fault, Current-Limit
and Dead-Time Compensation
Master Time Base
Fault, Current-Limit
and Dead-Time Compensation
Fault, Current-Limit
and Dead-Time Compensation
FOSC

2009-2012 Microchip Technology Inc. DS70616G-page 295
dsPIC33EPXXX(GP/MC/MU)806/810/814 and PIC24EPXXX(GP/GU)810/814
FIGURE 16-2: HIGH-SPEED PWM MODULE REGISTER INTERCONNECTION DIAGRAM
MUX
PTMRx
PDCx
PWMCONx TRGCONx
PTCON, PTCON2
IOCONx
DTRx
PWMxL
PWMxH
FLT1
PWM1L
PWM1H
FCLCONx
PHASEx
LEBCONx
MUX
STMRx
SDCx
SPHASEx ALTDTRx
PWMCAPx
User Override Logic
Current-Limit
PWM Output Mode
Control Logic
Fault and
Current-Limit
Logic
PWM Generator 1
FLTx
PWM Generator 2 – PWM Generator 7
Interrupt
Logic
ADC Trigger
Module Control and Timing
Duty Cycle Register
Synchronization Synchronization
Master PeriodMaster Period
Master Duty CycleMaster Duty Cycle
Secondary PWM
SYNCI2
SYNCI1
SYNCO1
SEVTCMP
Comparator Special Event Trigger
Special Event
Postscaler
PTPER
PMTMR Primary Master Time Base
Master Time Base Counter
Special Event Compare Trigger
Clock
Prescaler
Comparator
Comparator
Comparator
16-Bit Data Bus
TRIGx Fault Override Logic
Override Logic
SYNCO2
SEVTCMP
Comparator Special Event Trigger
Special Event
Postscaler
PTPER
PMTMR Secondary Master Time Base
Master Time Base Counter
Special Event Compare Trigger
Comparator
Clock
Prescaler
DTCMPx
DTCMP1
FOSC
MDC
Dead-Time
Logic
Pin
Control
Logic
Comparator

dsPIC33EPXXX(GP/MC/MU)806/810/814 and PIC24EPXXX(GP/GU)810/814
DS70616G-page 296 2009-2012 Microchip Technology Inc.
16.1 PWM Resources
Many useful resources related to the high-speed PWM
are provided on the main product page of the Microchip
web site for the devices listed in this data sheet. This
product page, which can be accessed using this link,
contains the latest updates and additional information.
16.1.1 KEY RESOURCES
•Section 11. “High-Speed PWM” (DS70645) in
the “dsPIC33E/PIC24E Family Reference
Manual”
• Code Samples
• Application Notes
• Software Libraries
• Webinars
• All related “dsPIC33E/PIC24E Family Reference
Manual” Sections
• Development Tools
Note: In the event you are not able to access the
product page using the link above, enter
this URL in your browser:
http://www.microchip.com/wwwproducts/
Devices.aspx?dDocName=en554310

2009-2012 Microchip Technology Inc. DS70616G-page 297
dsPIC33EPXXX(GP/MC/MU)806/810/814 and PIC24EPXXX(GP/GU)810/814
16.2 PWM Control Registers
REGISTER 16-1: PTCON: PWM TIME BASE CONTROL REGISTER
R/W-0 U-0 R/W-0 HSC-0 R/W-0 R/W-0 R/W-0 R/W-0
PTEN — PTSIDL SESTAT SEIEN EIPU(1)SYNCPOL(1)SYNCOEN(1)
bit 15 bit 8
R/W-0 R/W-0 R/W-0 R/W-0 R/W-0 R/W-0 R/W-0 R/W-0
SYNCEN(1)SYNCSRC<2:0>(1)SEVTPS<3:0>(1)
bit 7 bit 0
Legend: HSC = Hardware Settable/Clearable bit
R = Readable bit W = Writable bit U = Unimplemented bit, read as ‘0’
-n = Value at POR ‘1’ = Bit is set ‘0’ = Bit is cleared x = Bit is unknown
bit 15 PTEN: PWM Module Enable bit
1 = PWM module is enabled
0 = PWM module is disabled
bit 14 Unimplemented: Read as ‘0’
bit 13 PTSIDL: PWM Time Base Stop in Idle Mode bit
1 = PWM time base halts in CPU Idle mode
0 = PWM time base runs in CPU Idle mode
bit 12 SESTAT: Special Event Interrupt Status bit
1 = Special event interrupt is pending
0 = Special event interrupt is not pending
bit 11 SEIEN: Special Event Interrupt Enable bit
1 = Special event interrupt is enabled
0 = Special event interrupt is disabled
bit 10 EIPU: Enable Immediate Period Updates bit(1)
1 = Active Period register is updated immediately
0 = Active Period register updates occur on PWM cycle boundaries
bit 9 SYNCPOL: Synchronize Input and Output Polarity bit(1)
1 = SYNCIx/SYNCO polarity is inverted (active-low)
0 = SYNCIx/SYNCO is active-high
bit 8 SYNCOEN: Primary Time Base Sync Enable bit(1)
1 = SYNCO output is enabled
0 = SYNCO output is disabled
bit 7 SYNCEN: External Time Base Synchronization Enable bit(1)
1 = External synchronization of primary time base is enabled
0 = External synchronization of primary time base is disabled
Note 1: These bits should be changed only when PTEN = 0. In addition, when using the SYNCIx feature, the user
application must program the Period register with a value that is slightly larger than the expected period of
the external synchronization input signal.

dsPIC33EPXXX(GP/MC/MU)806/810/814 and PIC24EPXXX(GP/GU)810/814
DS70616G-page 298 2009-2012 Microchip Technology Inc.
bit 6-4 SYNCSRC<2:0>: Synchronous Source Selection bits(1)
111 = Reserved
•
•
•
010 = Reserved
001 = SYNCI2
000 = SYNCI1
bit 3-0 SEVTPS<3:0>: PWM Special Event Trigger Output Postscaler Select bits(1)
1111 = 1:16 Postscaler generates Special Event Trigger on every sixteenth compare match event
•
•
•
0001 = 1:2 Postscaler generates Special Event Trigger on every second compare match event
0000 = 1:1 Postscaler generates Special Event Trigger on every compare match event
REGISTER 16-1: PTCON: PWM TIME BASE CONTROL REGISTER (CONTINUED)
Note 1: These bits should be changed only when PTEN = 0. In addition, when using the SYNCIx feature, the user
application must program the Period register with a value that is slightly larger than the expected period of
the external synchronization input signal.

2009-2012 Microchip Technology Inc. DS70616G-page 299
dsPIC33EPXXX(GP/MC/MU)806/810/814 and PIC24EPXXX(GP/GU)810/814
REGISTER 16-2: PTCON2: PWM PRIMARY MASTER CLOCK DIVIDER SELECT REGISTER 2
U-0 U-0 U-0 U-0 U-0 U-0 U-0 U-0
— — — — — — — —
bit 15 bit 8
U-0 U-0 U-0 U-0 U-0 R/W-0 R/W-0 R/W-0
— — — — — PCLKDIV<2:0>(1)
bit 7 bit 0
Legend:
R = Readable bit W = Writable bit U = Unimplemented bit, read as ‘0’
-n = Value at POR ‘1’ = Bit is set ‘0’ = Bit is cleared x = Bit is unknown
bit 15-3 Unimplemented: Read as ‘0’
bit 2-0 PCLKDIV<2:0>: PWM Input Clock Prescaler (Divider) Select bits(1)
111 = Reserved
110 = Divide-by-64
101 = Divide-by-32
100 = Divide-by-16
011 = Divide-by-8
010 = Divide-by-4
001 = Divide-by-2
000 = Divide-by-1, maximum PWM timing resolution (power-on default)
Note 1: These bits should be changed only when PTEN = 0. Changing the clock selection during operation will
yield unpredictable results.
REGISTER 16-3: PTPER: PRIMARY MASTER TIME BASE PERIOD REGISTER
R/W-1 R/W-1 R/W-1 R/W-1 R/W-1 R/W-1 R/W-1 R/W-1
PTPER<15:8>
bit 15 bit 8
R/W-1 R/W-1 R/W-1 R/W-1 R/W-1 R/W-0 R/W-0 R/W-0
PTPER<7:0>
bit 7 bit 0
Legend:
R = Readable bit W = Writable bit U = Unimplemented bit, read as ‘0’
-n = Value at POR ‘1’ = Bit is set ‘0’ = Bit is cleared x = Bit is unknown
bit 15-0 PTPER<15:0>: Primary Master Time Base (PMTMR) Period Value bits

dsPIC33EPXXX(GP/MC/MU)806/810/814 and PIC24EPXXX(GP/GU)810/814
DS70616G-page 300 2009-2012 Microchip Technology Inc.
REGISTER 16-4: SEVTCMP: PWM PRIMARY SPECIAL EVENT COMPARE REGISTER
R/W-0 R/W-0 R/W-0 R/W-0 R/W-0 R/W-0 R/W-0 R/W-0
SEVTCMP<15:8>
bit 15 bit 8
R/W-0 R/W-0 R/W-0 R/W-0 R/W-0 R/W-0 R/W-0 R/W-0
SEVTCMP<7:0>
bit 7 bit 0
Legend:
R = Readable bit W = Writable bit U = Unimplemented bit, read as ‘0’
-n = Value at POR ‘1’ = Bit is set ‘0’ = Bit is cleared x = Bit is unknown
bit 15-0 SEVTCMP<15:0>: Special Event Compare Count Value bits

2009-2012 Microchip Technology Inc. DS70616G-page 301
dsPIC33EPXXX(GP/MC/MU)806/810/814 and PIC24EPXXX(GP/GU)810/814
REGISTER 16-5: STCON: PWM SECONDARY MASTER TIME BASE CONTROL REGISTER
U-0 U-0 U-0 HSC-0 R/W-0 R/W-0 R/W-0 R/W-0
— — — SESTAT SEIEN EIPU(1)SYNCPOL SYNCOEN
bit 15 bit 8
R/W-0 R/W-0 R/W-0 R/W-0 R/W-0 R/W-0 R/W-0 R/W-0
SYNCEN SYNCSRC<2:0> SEVTPS<3:0>
bit 7 bit 0
Legend: HSC = Set or Cleared in Hardware
R = Readable bit W = Writable bit U = Unimplemented bit, read as ‘0’
-n = Value at POR ‘1’ = Bit is set ‘0’ = Bit is cleared x = Bit is unknown
bit 15-13 Unimplemented: Read as ‘0’
bit 12 SESTAT: Special Event Interrupt Status bit
1 = Secondary special event interrupt is pending
0 = Secondary special event interrupt is not pending
bit 11 SEIEN: Special Event Interrupt Enable bit
1 = Secondary special event interrupt is enabled
0 = Secondary special event interrupt is disabled
bit 10 EIPU: Enable Immediate Period Updates bit(1)
1 = Active Secondary Period register is updated immediately
0 = Active Secondary Period register updates occur on PWM cycle boundaries
bit 9 SYNCPOL: Synchronize Input and Output Polarity bit
1 = The falling edge of SYNCIN resets the SMTMR; SYNCO2 output is active-low
0 = The rising edge of SYNCIN resets the SMTMR; SYNCO2 output is active-high
bit 8 SYNCOEN: Secondary Master Time Base Synchronization Enable bit
1 = SYNCO2 output is enabled
0 = SYNCO2 output is disabled
bit 7 SYNCEN: External Secondary Master Time Base Synchronization Enable bit
1 = External synchronization of secondary time base is enabled
0 = External synchronization of secondary time base is disabled
bit 6-4 SYNCSRC<2:0>: Secondary Time Base Synchronization Source Selection bits
111 = Reserved
•
•
•
010 = Reserved
001 = SYNCI2
000 = SYNCI1
bit 3-0 SEVTPS<3:0>: PWM Secondary Special Event Trigger Output Postscaler Select bits
1111 = 1:16 Postcale
•
•
•
0001 = 1:2 Postcale
0000 = 1:1 Postscale
Note 1: This bit only applies to the secondary master time base period.

dsPIC33EPXXX(GP/MC/MU)806/810/814 and PIC24EPXXX(GP/GU)810/814
DS70616G-page 302 2009-2012 Microchip Technology Inc.
REGISTER 16-6: STCON2: PWM SECONDARY CLOCK DIVIDER SELECT REGISTER 2
U-0 U-0 U-0 U-0 U-0 U-0 U-0 U-0
— — — — — — — —
bit 15 bit 8
U-0 U-0 U-0 U-0 U-0 R/W-0 R/W-0 R/W-0
— — — — — PCLKDIV<2:0>(1)
bit 7 bit 0
Legend:
R = Readable bit W = Writable bit U = Unimplemented bit, read as ‘0’
-n = Value at POR ‘1’ = Bit is set ‘0’ = Bit is cleared x = Bit is unknown
bit 15-3 Unimplemented: Read as ‘0’
bit 2-0 PCLKDIV<2:0>: PWM Input Clock Prescaler (Divider) Select bits(1)
111 = Reserved
110 = Divide-by-64
101 = Divide-by-32
100 = Divide-by-16
011 = Divide-by-8
010 = Divide-by-4
001 = Divide-by-2
000 = Divide-by-1, maximum PWM timing resolution (power-on default)
Note 1: These bits should be changed only when PTEN = 0. Changing the clock selection during operation will
yield unpredictable results.
REGISTER 16-7: STPER: SECONDARY MASTER TIME BASE PERIOD REGISTER(1)
R/W-1 R/W-1 R/W-1 R/W-1 R/W-1 R/W-1 R/W-1 R/W-1
STPER<15:8>
bit 15 bit 8
R/W-1 R/W-1 R/W-1 R/W-1 R/W-1 R/W-0 R/W-0 R/W-0
STPER<7:0>
bit 7 bit 0
Legend:
R = Readable bit W = Writable bit U = Unimplemented bit, read as ‘0’
-n = Value at POR ‘1’ = Bit is set ‘0’ = Bit is cleared x = Bit is unknown
bit 15-0 STPER<15:0>: Secondary Master Time Base (PMTMR) Period Value bits

2009-2012 Microchip Technology Inc. DS70616G-page 303
dsPIC33EPXXX(GP/MC/MU)806/810/814 and PIC24EPXXX(GP/GU)810/814
REGISTER 16-8: SSEVTCMP: PWM SECONDARY SPECIAL EVENT COMPARE REGISTER
R/W-0 R/W-0 R/W-0 R/W-0 R/W-0 R/W-0 R/W-0 R/W-0
SSEVTCMP<15:8>
bit 15 bit 8
R/W-0 R/W-0 R/W-0 R/W-0 R/W-0 R/W-0 R/W-0 R/W-0
SSEVTCMP<7:0>
bit 7 bit 0
Legend:
R = Readable bit W = Writable bit U = Unimplemented bit, read as ‘0’
-n = Value at POR ‘1’ = Bit is set ‘0’ = Bit is cleared x = Bit is unknown
bit 15-0 SSEVTCMP<15:0>: Special Event Compare Count Value bits
REGISTER 16-9: CHOP: PWM CHOP CLOCK GENERATOR REGISTER
R/W-0 U-0 U-0 U-0 U-0 U-0 R/W-0 R/W-0
CHPCLKEN — — — — —CHOPCLK<9:8>
bit 15 bit 8
R/W-0 R/W-0 R/W-0 R/W-0 R/W-0 R/W-0 R/W-0 R/W-0
CHOPCLK<7:0>
bit 7 bit 0
Legend:
R = Readable bit W = Writable bit U = Unimplemented bit, read as ‘0’
-n = Value at POR ‘1’ = Bit is set ‘0’ = Bit is cleared x = Bit is unknown
bit 15 CHPCLKEN: Enable Chop Clock Generator bit
1 = Chop clock generator is enabled
0 = Chop clock generator is disabled
bit 14-10 Unimplemented: Read as ‘0’
bit 9-0 CHOPCLK<9:0>: Chop Clock Divider bits
The frequency of the chop clock signal is given by the following expression:
Chop Frequency = FPWM/(CHOP<9:0> + 1)
Where, FPWM is FP divided by the value based on the PCLKDIV settings.

dsPIC33EPXXX(GP/MC/MU)806/810/814 and PIC24EPXXX(GP/GU)810/814
DS70616G-page 304 2009-2012 Microchip Technology Inc.
REGISTER 16-10: MDC: PWM MASTER DUTY CYCLE REGISTER
R/W-0 R/W-0 R/W-0 R/W-0 R/W-0 R/W-0 R/W-0 R/W-0
MDC<15:8>
bit 15 bit 8
R/W-0 R/W-0 R/W-0 R/W-0 R/W-0 R/W-0 R/W-0 R/W-0
MDC<7:0>
bit 7 bit 0
Legend:
R = Readable bit W = Writable bit U = Unimplemented bit, read as ‘0’
-n = Value at POR ‘1’ = Bit is set ‘0’ = Bit is cleared x = Bit is unknown
bit 15-0 MDC<15:0>: Master PWM Duty Cycle Value bits

2009-2012 Microchip Technology Inc. DS70616G-page 305
dsPIC33EPXXX(GP/MC/MU)806/810/814 and PIC24EPXXX(GP/GU)810/814
REGISTER 16-11: PWMCONx: PWMx CONTROL REGISTER
HSC-0 HSC-0 HSC-0 R/W-0 R/W-0 R/W-0 R/W-0 R/W-0
FLTSTAT(1)CLSTAT(1)TRGSTAT FLTIEN CLIEN TRGIEN ITB(2)MDCS(2)
bit 15 bit 8
R/W-0 R/W-0 R/W-0 U-0 R/W-0 R/W-0 R/W-0 R/W-0
DTC<1:0> DTCP(3)—MTBSCAM
(2,4)XPRES(5)IUE(2)
bit 7 bit 0
Legend: HSC = Set or Cleared in Hardware
R = Readable bit W = Writable bit U = Unimplemented bit, read as ‘0’
-n = Value at POR ‘1’ = Bit is set ‘0’ = Bit is cleared x = Bit is unknown
bit 15 FLTSTAT: Fault Interrupt Status bit(1)
1 = Fault interrupt is pending
0 = No Fault interrupt is pending
This bit is cleared by setting FLTIEN = 0.
bit 14 CLSTAT: Current-Limit Interrupt Status bit(1)
1 = Current-limit interrupt is pending
0 = No current-limit interrupt is pending
This bit is cleared by setting CLIEN = 0.
bit 13 TRGSTAT: Trigger Interrupt Status bit
1 = Trigger interrupt is pending
0 = No trigger interrupt is pending
This bit is cleared by setting TRGIEN = 0.
bit 12 FLTIEN: Fault Interrupt Enable bit
1 = Fault interrupt is enabled
0 = Fault interrupt is disabled and FLTSTAT bit is cleared
bit 11 CLIEN: Current-Limit Interrupt Enable bit
1 = Current-limit interrupt is enabled
0 = Current-limit interrupt is disabled and CLSTAT bit is cleared
bit 10 TRGIEN: Trigger Interrupt Enable bit
1 = A trigger event generates an interrupt request
0 = Trigger event interrupts are disabled and TRGSTAT bit is cleared
bit 9 ITB: Independent Time Base Mode bit(2)
1 = PHASEx/SPHASEx registers provide time base period for this PWM generator
0 = PTPER register provides timing for this PWM generator
bit 8 MDCS: Master Duty Cycle Register Select bit(2)
1 = MDC register provides duty cycle information for this PWM generator
0 = PDCx and SDCx registers provide duty cycle information for this PWM generator
Note 1: Software must clear the interrupt status here and in the corresponding IFS bit in the interrupt controller.
2: These bits should not be changed after the PWM is enabled (PTEN = 1).
3: DTC<1:0> = 11 for DTCP to be effective; otherwise, DTCP is ignored.
4: The Independent Time Base (ITB = 1) mode must be enabled to use Center-Aligned mode. If ITB = 0, the
CAM bit is ignored.
5: To operate in External Period Reset mode, the ITB bit must be ‘1’ and the CLMOD bit in the FCLCONx
register must be ‘0’.

dsPIC33EPXXX(GP/MC/MU)806/810/814 and PIC24EPXXX(GP/GU)810/814
DS70616G-page 306 2009-2012 Microchip Technology Inc.
bit 7-6 DTC<1:0>: Dead-Time Control bits
11 = Dead-Time Compensation mode
10 = Dead-time function is disabled
01 = Negative dead time actively applied for Complementary Output mode
00 = Positive dead time actively applied for all output modes
bit 5 DTCP: Dead-Time Compensation Polarity bit(3)
When set to ‘1’:
If DTCMPx = 0, PWMxL is shortened and PWMxH is lengthened.
If DTCMPx = 1, PWMxH is shortened and PWMxL is lengthened.
When set to ‘0’:
If DTCMPx = 0, PWMxH is shortened and PWMxL is lengthened.
If DTCMPx = 1, PWMxL is shortened and PWMxH is lengthened.
bit 4 Unimplemented: Read as ‘0’
bit 3 MTBS: Master Time Base Select bit
1 = PWM generator uses the secondary master time base for synchronization and as the clock source
for the PWM generation logic (if secondary time base is available)
0 = PWM generator uses the primary master time base for synchronization and as the clock source
for the PWM generation logic
bit 2 CAM: Center-Aligned Mode Enable bit(2,4)
1 = Center-Aligned mode is enabled
0 = Edge-Aligned mode is enabled
bit 1 XPRES: External PWM Reset Control bit(5)
1 = Current-limit source resets the time base for this PWM generator if it is in Independent Time Base
mode
0 = External pins do not affect PWM time base
bit 0 IUE: Immediate Update Enable bit(2)
1 = Updates to the active MDC/PDCx/SDCx registers are immediate
0 = Updates to the active PDCx registers are synchronized to the PWM time base
REGISTER 16-11: PWMCONx: PWMx CONTROL REGISTER (CONTINUED)
Note 1: Software must clear the interrupt status here and in the corresponding IFS bit in the interrupt controller.
2: These bits should not be changed after the PWM is enabled (PTEN = 1).
3: DTC<1:0> = 11 for DTCP to be effective; otherwise, DTCP is ignored.
4: The Independent Time Base (ITB = 1) mode must be enabled to use Center-Aligned mode. If ITB = 0, the
CAM bit is ignored.
5: To operate in External Period Reset mode, the ITB bit must be ‘1’ and the CLMOD bit in the FCLCONx
register must be ‘0’.

2009-2012 Microchip Technology Inc. DS70616G-page 307
dsPIC33EPXXX(GP/MC/MU)806/810/814 and PIC24EPXXX(GP/GU)810/814
REGISTER 16-12: PDCx: PWMx GENERATOR DUTY CYCLE REGISTER(1)
R/W-0 R/W-0 R/W-0 R/W-0 R/W-0 R/W-0 R/W-0 R/W-0
PDCx<15:8>
bit 15 bit 8
R/W-0 R/W-0 R/W-0 R/W-0 R/W-0 R/W-0 R/W-0 R/W-0
PDCx<7:0>
bit 7 bit 0
Legend:
R = Readable bit W = Writable bit U = Unimplemented bit, read as ‘0’
-n = Value at POR ‘1’ = Bit is set ‘0’ = Bit is cleared x = Bit is unknown
bit 15-0 PDCx<15:0>: PWM Generator # Duty Cycle Value bits
Note 1: In Independent PWM mode, the PDCx register controls the PWMxH duty cycle only. In
the Complementary, Redundant and Push-Pull PWM modes, the PDCx register controls the duty cycle of
both the PWMxH and PWMxL.
REGISTER 16-13: SDCx: PWMx SECONDARY DUTY CYCLE REGISTER(1)
R/W-0 R/W-0 R/W-0 R/W-0 R/W-0 R/W-0 R/W-0 R/W-0
SDCx<15:8>
bit 15 bit 8
R/W-0 R/W-0 R/W-0 R/W-0 R/W-0 R/W-0 R/W-0 R/W-0
SDCx<7:0>
bit 7 bit 0
Legend:
R = Readable bit W = Writable bit U = Unimplemented bit, read as ‘0’
-n = Value at POR ‘1’ = Bit is set ‘0’ = Bit is cleared x = Bit is unknown
bit 15-0 SDCx<15:0>: Secondary Duty Cycle bits for PWMxL Output Pin bits
Note 1: The SDCx register is used in Independent PWM mode only. When used in Independent PWM mode, the
SDCx register controls the PWMxL duty cycle.

dsPIC33EPXXX(GP/MC/MU)806/810/814 and PIC24EPXXX(GP/GU)810/814
DS70616G-page 308 2009-2012 Microchip Technology Inc.
REGISTER 16-14: PHASEx: PWMx PRIMARY PHASE SHIFT REGISTER(1,2)
R/W-0 R/W-0 R/W-0 R/W-0 R/W-0 R/W-0 R/W-0 R/W-0
PHASEx<15:8>
bit 15 bit 8
R/W-0 R/W-0 R/W-0 R/W-0 R/W-0 R/W-0 R/W-0 R/W-0
PHASEx<7:0>
bit 7 bit 0
Legend:
R = Readable bit W = Writable bit U = Unimplemented bit, read as ‘0’
-n = Value at POR ‘1’ = Bit is set ‘0’ = Bit is cleared x = Bit is unknown
bit 15-0 PHASEx<15:0>: PWM Phase Shift Value or Independent Time Base Period for the PWM Generator bits
Note 1: If ITB (PWMCONx<9>) = 0, the following applies based on the mode of operation:
• Complementary, Redundant and Push-Pull Output mode (PMOD<1:0> (IOCON<11:10>) = 00, 01 or
10), PHASEx<15:0> = Phase shift value for PWMxH and PWMxL outputs.
• True Independent Output mode (PMOD<1:0> (IOCONx<11:10>) = 11), PHASEx<15:0> = Phase
shift value for PWMxH only.
2: If ITB (PWMCONx<9>) = 1, the following applies based on the mode of operation:
• Complementary, Redundant and Push-Pull Output mode (PMOD<1:0> (IOCONx<11:10>) = 00, 01
or 10), PHASEx<15:0> = Independent time base period value for PWMxH and PWMxL.
• True Independent Output mode (PMOD<1:0> (IOCONx<11:10>) = 11),
PHASEx<15:0> = Independent time base period value for PWMxH only.

2009-2012 Microchip Technology Inc. DS70616G-page 309
dsPIC33EPXXX(GP/MC/MU)806/810/814 and PIC24EPXXX(GP/GU)810/814
REGISTER 16-15: SPHASEx: PWMx SECONDARY PHASE SHIFT REGISTER(1,2)
R/W-0 R/W-0 R/W-0 R/W-0 R/W-0 R/W-0 R/W-0 R/W-0
SPHASEx<15:8>
bit 15 bit 8
R/W-0 R/W-0 R/W-0 R/W-0 R/W-0 R/W-0 R/W-0 R/W-0
SPHASEx<7:0>
bit 7 bit 0
Legend:
R = Readable bit W = Writable bit U = Unimplemented bit, read as ‘0’
-n = Value at POR ‘1’ = Bit is set ‘0’ = Bit is cleared x = Bit is unknown
bit 15-0 SPHASEx<15:0>: Secondary Phase Offset bits for PWMxL Output Pin
(used in Independent PWM mode only)
Note 1: If ITB (PWMCONx<9>) = 0, the following applies based on the mode of operation:
• Complementary, Redundant and Push-Pull Output mode (PMOD<1:0> (IOCON<11:10>) = 00, 01 or
10), SPHASEx<15:0> = Not used.
• True Independent Output mode (PMOD<1:0> (IOCON<11:10>) = 11), SPHASEx<15:0> = Phase
shift value for PWMxL only.
2: If ITB (PWMCONx<9>) = 1, the following applies based on the mode of operation:
• Complementary, Redundant and Push-Pull Output mode (PMOD<1:0> (IOCON<11:10>) = 00, 01 or
10), SPHASEx<15:0> = Not used.
• True Independent Output mode (PMOD<1:0> (IOCON<11:10>) = 11),
SPHASEx<15:0> = Independent time base period value for PWMxL only.

dsPIC33EPXXX(GP/MC/MU)806/810/814 and PIC24EPXXX(GP/GU)810/814
DS70616G-page 310 2009-2012 Microchip Technology Inc.
REGISTER 16-16: DTRx: PWMx DEAD-TIME REGISTER
U-0 U-0 R/W-0 R/W-0 R/W-0 R/W-0 R/W-0 R/W-0
—— DTRx<13:8>
bit 15 bit 8
R/W-0 R/W-0 R/W-0 R/W-0 R/W-0 R/W-0 R/W-0 R/W-0
DTRx<7:0>
bit 7 bit 0
Legend:
R = Readable bit W = Writable bit U = Unimplemented bit, read as ‘0’
-n = Value at POR ‘1’ = Bit is set ‘0’ = Bit is cleared x = Bit is unknown
bit 15-14 Unimplemented: Read as ‘0’
bit 13-0 DTRx<13:0>: Unsigned 14-Bit Dead-Time Value for PWMx Dead-Time Unit bits
REGISTER 16-17: ALTDTRx: PWMx ALTERNATE DEAD-TIME REGISTER
U-0 U-0 R/W-0 R/W-0 R/W-0 R/W-0 R/W-0 R/W-0
—— ALTDTRx<13:8>
bit 15 bit 8
R/W-0 R/W-0 R/W-0 R/W-0 R/W-0 R/W-0 R/W-0 R/W-0
ALTDTRx<7:0>
bit 7 bit 0
Legend:
R = Readable bit W = Writable bit U = Unimplemented bit, read as ‘0’
-n = Value at POR ‘1’ = Bit is set ‘0’ = Bit is cleared x = Bit is unknown
bit 15-14 Unimplemented: Read as ‘0’
bit 13-0 ALTDTRx<13:0>: Unsigned 14-Bit Dead-Time Value for PWMx Dead-Time Unit bits

2009-2012 Microchip Technology Inc. DS70616G-page 311
dsPIC33EPXXX(GP/MC/MU)806/810/814 and PIC24EPXXX(GP/GU)810/814
REGISTER 16-18: TRGCONx: PWMx TRIGGER CONTROL REGISTER
R/W-0 R/W-0 R/W-0 R/W-0 U-0 U-0 U-0 U-0
TRGDIV<3:0> — — — —
bit 15 bit 8
U-0 U-0 R/W-0 R/W-0 R/W-0 R/W-0 R/W-0 R/W-0
——TRGSTRT<5:0>
(1)
bit 7 bit 0
Legend:
R = Readable bit W = Writable bit U = Unimplemented bit, read as ‘0’
-n = Value at POR ‘1’ = Bit is set ‘0’ = Bit is cleared x = Bit is unknown
bit 15-12 TRGDIV<3:0>: Trigger # Output Divider bits
1111 = Trigger output for every 16th trigger event
1110 = Trigger output for every 15th trigger event
1101 = Trigger output for every 14th trigger event
1100 = Trigger output for every 13th trigger event
1011 = Trigger output for every 12th trigger event
1010 = Trigger output for every 11th trigger event
1001 = Trigger output for every 10th trigger event
1000 = Trigger output for every 9th trigger event
0111 = Trigger output for every 8th trigger event
0110 = Trigger output for every 7th trigger event
0101 = Trigger output for every 6th trigger event
0100 = Trigger output for every 5th trigger event
0011 = Trigger output for every 4th trigger event
0010 = Trigger output for every 3rd trigger event
0001 = Trigger output for every 2nd trigger event
0000 = Trigger output for every trigger event
bit 11-6 Unimplemented: Read as ‘0’
bit 5-0 TRGSTRT<5:0>: Trigger Postscaler Start Enable Select bits(1)
111111 = Wait 63 PWM cycles before generating the first trigger event after the module is enabled
•
•
•
000010 = Wait 2 PWM cycles before generating the first trigger event after the module is enabled
000001 = Wait 1 PWM cycle before generating the first trigger event after the module is enabled
000000 = Wait 0 PWM cycles before generating the first trigger event after the module is enabled
Note 1: The secondary PWM generator cannot generate PWM trigger interrupts.

dsPIC33EPXXX(GP/MC/MU)806/810/814 and PIC24EPXXX(GP/GU)810/814
DS70616G-page 312 2009-2012 Microchip Technology Inc.
REGISTER 16-19: IOCONx: PWMx I/O CONTROL REGISTER
R/W-0 R/W-0 R/W-0 R/W-0 R/W-0 R/W-0 R/W-0 R/W-0
PENH PENL POLH POLL PMOD<1:0>(1)OVRENH OVRENL
bit 15 bit 8
R/W-0 R/W-0 R/W-0 R/W-0 R/W-0 R/W-0 R/W-0 R/W-0
OVRDAT<1:0> FLTDAT<1:0> CLDAT<1:0> SWAP OSYNC
bit 7 bit 0
Legend:
R = Readable bit W = Writable bit U = Unimplemented bit, read as ‘0’
-n = Value at POR ‘1’ = Bit is set ‘0’ = Bit is cleared x = Bit is unknown
bit 15 PENH: PWMxH Output Pin Ownership bit
1 = PWM module controls PWMxH pin
0 = GPIO module controls PWMxH pin
bit 14 PENL: PWMxL Output Pin Ownership bit
1 = PWM module controls PWMxL pin
0 = GPIO module controls PWMxL pin
bit 13 POLH: PWMxH Output Pin Polarity bit
1 = PWMxH pin is active-low
0 = PWMxH pin is active-high
bit 12 POLL: PWMxL Output Pin Polarity bit
1 = PWMxL pin is active-low
0 = PWMxL pin is active-high
bit 11-10 PMOD<1:0>: PWM # I/O Pin Mode bits(1)
11 = PWM I/O pin pair is in the True Independent Output mode
10 = PWM I/O pin pair is in the Push-Pull Output mode
01 = PWM I/O pin pair is in the Redundant Output mode
00 = PWM I/O pin pair is in the Complementary Output mode
bit 9 OVRENH: Override Enable for PWMxH Pin bit
1 = OVRDAT<1> controls output on PWMxH pin
0 = PWM generator controls PWMxH pin
bit 8 OVRENL: Override Enable for PWMxL Pin bit
1 = OVRDAT<0> controls output on PWMxL pin
0 = PWM generator controls PWMxL pin
bit 7-6 OVRDAT<1:0>: Data for PWMxH, PWMxL Pins if Override is Enabled bits
If OVERENH = 1, PWMxH is driven to the state specified by OVRDAT<1>.
If OVERENL = 1, PWMxL is driven to the state specified by OVRDAT<0>.
bit 5-4 FLTDAT<1:0>: Data for PWMxH and PWMxL Pins if FLTMOD is Enabled bits
IFLTMOD (FCLCONx<15>) = 0: Normal Fault mode:
If Fault is active, PWMxH is driven to the state specified by FLTDAT<1>.
If Fault is active, PWMxL is driven to the state specified by FLTDAT<0>.
IFLTMOD (FCLCONx<15>) = 1: Independent Fault mode:
If current limit is active, PWMxH is driven to the state specified by FLTDAT<1>.
If Fault is active, PWMxL is driven to the state specified by FLTDAT<0>.
Note 1: These bits should not be changed after the PWM module is enabled (PTEN = 1).

2009-2012 Microchip Technology Inc. DS70616G-page 313
dsPIC33EPXXX(GP/MC/MU)806/810/814 and PIC24EPXXX(GP/GU)810/814
bit 3-2 CLDAT<1:0>: Data for PWMxH and PWMxL Pins if CLMOD is Enabled bits
IFLTMOD (FCLCONx<15>) = 0: Normal Fault mode:
If current limit is active, PWMxH is driven to the state specified by CLDAT<1>.
If current limit is active, PWMxL is driven to the state specified by CLDAT<0>.
IFLTMOD (FCLCONx<15>) = 1: Independent Fault mode:
The CLDAT<1:0> bits are ignored.
bit 1 SWAP: Swap PWMxH and PWMxL Pins bit
1 = PWMxH output signal is connected to PWMxL pins; PWMxL output signal is connected to
PWMxH pins
0 = PWMxH and PWMxL pins are mapped to their respective pins
bit 0 OSYNC: Output Override Synchronization bit
1 = Output overrides via the OVRDAT<1:0> bits are synchronized to the PWM time base
0 = Output overrides via the OVDDAT<1:0> bits occur on the next CPU clock boundary
REGISTER 16-19: IOCONx: PWMx I/O CONTROL REGISTER (CONTINUED)
Note 1: These bits should not be changed after the PWM module is enabled (PTEN = 1).

dsPIC33EPXXX(GP/MC/MU)806/810/814 and PIC24EPXXX(GP/GU)810/814
DS70616G-page 314 2009-2012 Microchip Technology Inc.
REGISTER 16-20: TRIGx: PWMx PRIMARY TRIGGER COMPARE VALUE REGISTER
R/W-0 R/W-0 R/W-0 R/W-0 R/W-0 R/W-0 R/W-0 R/W-0
TRGCMP<15:8>
bit 15 bit 8
R/W-0 R/W-0 R/W-0 R/W-0 R/W-0 R/W-0 R/W-0 R/W-0
TRGCMP<7:0>
bit 7 bit 0
Legend:
R = Readable bit W = Writable bit U = Unimplemented bit, read as ‘0’
-n = Value at POR ‘1’ = Bit is set ‘0’ = Bit is cleared x = Bit is unknown
bit 15-0 TRGCMP<15:0>: PWM Primary Trigger Control Value bits
When the primary PWM functions in local time base, this register contains the compare values that
can trigger the ADC module.

2009-2012 Microchip Technology Inc. DS70616G-page 315
dsPIC33EPXXX(GP/MC/MU)806/810/814 and PIC24EPXXX(GP/GU)810/814
REGISTER 16-21: FCLCONx: PWMx FAULT CURRENT-LIMIT CONTROL REGISTER
R/W-0 R/W-0 R/W-0 R/W-0 R/W-0 R/W-0 R/W-0 R/W-0
IFLTMOD CLSRC<4:0>(2,3)CLPOL(1)CLMOD
bit 15 bit 8
R/W-0 R/W-0 R/W-0 R/W-0 R/W-0 R/W-0 R/W-0 R/W-0
FLTSRC<4:0>(2,3)FLTPOL(1)FLTMOD<1:0>
bit 7 bit 0
Legend:
R = Readable bit W = Writable bit U = Unimplemented bit, read as ‘0’
-n = Value at POR ‘1’ = Bit is set ‘0’ = Bit is cleared x = Bit is unknown
bit 15 IFLTMOD: Independent Fault Mode Enable bit
1 = Independent Fault mode: Current-limit input maps FLTDAT<1> to PWMxH output and Fault input
maps FLTDAT<0> to PWMxL output; the CLDAT<1:0> bits are not used for override functions
0 = Normal Fault mode: Current-Limit mode maps CLDAT<1:0> bits to the PWMxH and PWMxL
outputs; the PWM Fault mode maps FLTDAT<1:0> to the PWMxH and PWMxL outputs.
bit 14-10 CLSRC<4:0>: Current-Limit Control Signal Source Select for PWM Generator # bits(2,3)
11111 = Reserved
•
•
•
01001 = Reserved
01010 = Comparator 3
01001 = Comparator 2
01000 = Comparator 1
00111 = Reserved
00110 = Fault 7
00101 = Fault 6
00100 = Fault 5
00011 = Fault 4
00010 = Fault 3
00001 = Fault 2
00000 = Fault 1
bit 9 CLPOL: Current-Limit Polarity bit for PWM Generator #(1)
1 = The selected current-limit source is active-low
0 = The selected current-limit source is active-high
bit 8 CLMOD: Current-Limit Mode Enable bit for PWM Generator #
1 = Current-Limit mode is enabled
0 = Current-Limit mode is disabled
Note 1: These bits should be changed only when PTEN = 0. Changing the clock selection during operation will
yield unpredictable results.
2: When Independent Fault mode is enabled (IFLTMOD = 1) and Fault 1 is used for Fault mode
(FLTSRC<4:0> = 01000), the Current-Limit Control Source Select bits (CLSRC<4:0>) should be set to an
unused current-limit source to prevent the current-limit source from disabling both the PWMxH and
PWMxL outputs.
3: When Independent Fault mode is enabled (IFLTMOD = 1) and Fault 1 is used for Current-Limit mode
(CLSRC<4:0> = 01000), the Fault Control Source Select bits (FLTSRC<4:0>) should be set to an unused
Fault source to prevent Fault 1 from disabling both the PWMxL and PWMxH outputs.

dsPIC33EPXXX(GP/MC/MU)806/810/814 and PIC24EPXXX(GP/GU)810/814
DS70616G-page 316 2009-2012 Microchip Technology Inc.
bit 7-3 FLTSRC<4:0>: Fault Control Signal Source Select bits for PWM Generator #(2,3)
11111 = Reserved
•
•
•
01011 = Reserved
01010 = Comparator 3
01001 = Comparator 2
01000 = Comparator 1
00111 = Reserved
00110 = Fault 7
00101 = Fault 6
00100 = Fault 5
00011 = Fault 4
00010 = Fault 3
00001 = Fault 2
00000 = Fault 1
bit 2 FLTPOL: Fault Polarity bit for PWM Generator #(1)
1 = The selected Fault source is active-low
0 = The selected Fault source is active-high
bit 1-0 FLTMOD<1:0>: Fault Mode bits for PWM Generator #
11 = Fault input is disabled
10 = Reserved
01 = The selected Fault source forces PWMxH, PWMxL pins to FLTDAT values (cycle)
00 = The selected Fault source forces PWMxH, PWMxL pins to FLTDAT values (latched condition)
REGISTER 16-21: FCLCONx: PWMx FAULT CURRENT-LIMIT CONTROL REGISTER (CONTINUED)
Note 1: These bits should be changed only when PTEN = 0. Changing the clock selection during operation will
yield unpredictable results.
2: When Independent Fault mode is enabled (IFLTMOD = 1) and Fault 1 is used for Fault mode
(FLTSRC<4:0> = 01000), the Current-Limit Control Source Select bits (CLSRC<4:0>) should be set to an
unused current-limit source to prevent the current-limit source from disabling both the PWMxH and
PWMxL outputs.
3: When Independent Fault mode is enabled (IFLTMOD = 1) and Fault 1 is used for Current-Limit mode
(CLSRC<4:0> = 01000), the Fault Control Source Select bits (FLTSRC<4:0>) should be set to an unused
Fault source to prevent Fault 1 from disabling both the PWMxL and PWMxH outputs.

2009-2012 Microchip Technology Inc. DS70616G-page 317
dsPIC33EPXXX(GP/MC/MU)806/810/814 and PIC24EPXXX(GP/GU)810/814
REGISTER 16-22: LEBCONx: LEADING-EDGE BLANKING CONTROL REGISTER x
R/W-0 R/W-0 R/W-0 R/W-0 R/W-0 R/W-0 U-0 U-0
PHR PHF PLR PLF FLTLEBEN CLLEBEN — —
bit 15 bit 8
U-0 U-0 R/W-0 R/W-0 R/W-0 R/W-0 R/W-0 R/W-0
——BCH
(1)BCL(1)BPHH BPHL BPLH BPLL
bit 7 bit 0
Legend:
R = Readable bit W = Writable bit U = Unimplemented bit, read as ‘0’
-n = Value at POR ‘1’ = Bit is set ‘0’ = Bit is cleared x = Bit is unknown
bit 15 PHR: PWMxH Rising Edge Trigger Enable bit
1 = Rising edge of PWMxH will trigger Leading-Edge Blanking counter
0 = Leading-Edge Blanking ignores rising edge of PWMxH
bit 14 PHF: PWMxH Falling Edge Trigger Enable bit
1 = Falling edge of PWMxH will trigger Leading-Edge Blanking counter
0 = Leading-Edge Blanking ignores falling edge of PWMxH
bit 13 PLR: PWMxL Rising Edge Trigger Enable bit
1 = Rising edge of PWMxL will trigger Leading-Edge Blanking counter
0 = Leading-Edge Blanking ignores rising edge of PWMxL
bit 12 PLF: PWMxL Falling Edge Trigger Enable bit
1 = Falling edge of PWMxL will trigger Leading-Edge Blanking counter
0 = Leading-Edge Blanking ignores falling edge of PWMxL
bit 11 FLTLEBEN: Fault Input Leading-Edge Blanking Enable bit
1 = Leading-Edge Blanking is applied to selected Fault input
0 = Leading-Edge Blanking is not applied to selected Fault input
bit 10 CLLEBEN: Current-Limit Leading-Edge Blanking Enable bit
1 = Leading-Edge Blanking is applied to selected current-limit input
0 = Leading-Edge Blanking is not applied to selected current-limit input
bit 9-6 Unimplemented: Read as ‘0’
bit 5 BCH: Blanking in Selected Blanking Signal High Enable bit(1)
1 = State blanking (of current-limit and/or Fault input signals) when selected blanking signal is high
0 = No blanking when selected blanking signal is high
bit 4 BCL: Blanking in Selected Blanking Signal Low Enable bit(1)
1 = State blanking (of current-limit and/or Fault input signals) when selected blanking signal is low
0 = No blanking when selected blanking signal is low
bit 3 BPHH: Blanking in PWMxH High Enable bit
1 = State blanking (of current-limit and/or Fault input signals) when PWMxH output is high
0 = No blanking when PWMxH output is high
bit 2 BPHL: Blanking in PWMxH Low Enable bit
1 = State blanking (of current-limit and/or Fault input signals) when PWMxH output is low
0 = No blanking when PWMxH output is low
bit 1 BPLH: Blanking in PWMxL High Enable bit
1 = State blanking (of current-limit and/or Fault input signals) when PWMxL output is high
0 = No blanking when PWMxL output is high
bit 0 BPLL: Blanking in PWMxL Low Enable bit
1 = State blanking (of current-limit and/or Fault input signals) when PWMxL output is low
0 = No blanking when PWMxL output is low
Note 1: The blanking signal is selected via the BLANKSELx bits in the AUXCONx register.

dsPIC33EPXXX(GP/MC/MU)806/810/814 and PIC24EPXXX(GP/GU)810/814
DS70616G-page 318 2009-2012 Microchip Technology Inc.
REGISTER 16-23: LEBDLYx: LEADING-EDGE BLANKING DELAY REGISTER x
U-0 U-0 U-0 U-0 R/W-0 R/W-0 R/W-0 R/W-0
— — — — LEB<11:8>
bit 15 bit 8
R/W-0 R/W-0 R/W-0 R/W-0 R/W-0 R/W-0 R/W-0 R/W-0
LEB<7:0>
bit 7 bit 0
Legend:
R = Readable bit W = Writable bit U = Unimplemented bit, read as ‘0’
-n = Value at POR ‘1’ = Bit is set ‘0’ = Bit is cleared x = Bit is unknown
bit 15-12 Unimplemented: Read as ‘0’
bit 11-0 LEB<11:0>: Leading-Edge Blanking Delay for Current-Limit and Fault Inputs bits

2009-2012 Microchip Technology Inc. DS70616G-page 319
dsPIC33EPXXX(GP/MC/MU)806/810/814 and PIC24EPXXX(GP/GU)810/814
REGISTER 16-24: AUXCONx: PWM AUXILIARY CONTROL REGISTER x
U-0 U-0 U-0 U-0 R/W-0 R/W-0 R/W-0 R/W-0
— — — — BLANKSEL<3:0>
bit 15 bit 8
U-0 U-0 R/W-0 R/W-0 R/W-0 R/W-0 R/W-0 R/W-0
—— CHOPSEL<3:0> CHOPHEN CHOPLEN
bit 7 bit 0
Legend:
R = Readable bit W = Writable bit U = Unimplemented bit, read as ‘0’
-n = Value at POR ‘1’ = Bit is set ‘0’ = Bit is cleared x = Bit is unknown
bit 15-12 Unimplemented: Read as ‘0’
bit 11-8 BLANKSEL<3:0>: PWM State Blank Source Select bits
The selected state blank signal will block the current-limit and/or Fault input signals (if enabled via the
BCH and BCL bits in the LEBCONx register).
1001 = Reserved
1000 = Reserved
0111 = PWM7H selected as state blank source
0110 = PWM6H selected as state blank source
0101 = PWM5H selected as state blank source
0100 = PWM4H selected as state blank source
0011 = PWM3H selected as state blank source
0010 = PWM2H selected as state blank source
0001 = PWM1H selected as state blank source
0000 = No state blanking
bit 7-6 Unimplemented: Read as ‘0’
bit 5-2 CHOPSEL<3:0>: PWM Chop Clock Source Select bits
The selected signal will enable and disable (CHOP) the selected PWM outputs.
1001 = Reserved
1000 = Reserved
0111 = PWM7H selected as CHOP clock source
0110 = PWM6H selected as CHOP clock source
0101 = PWM5H selected as CHOP clock source
0100 = PWM4H selected as CHOP clock source
0011 = PWM3H selected as CHOP clock source
0010 = PWM2H selected as CHOP clock source
0001 = PWM1H selected as CHOP clock source
0000 = Chop clock generator selected as CHOP clock source
bit 1 CHOPHEN: PWMxH Output Chopping Enable bit
1 = PWMxH chopping function is enabled
0 = PWMxH chopping function is disabled
bit 0 CHOPLEN: PWMxL Output Chopping Enable bit
1 = PWMxL chopping function is enabled
0 = PWMxL chopping function is disabled

dsPIC33EPXXX(GP/MC/MU)806/810/814 and PIC24EPXXX(GP/GU)810/814
DS70616G-page 320 2009-2012 Microchip Technology Inc.
REGISTER 16-25: PWMCAPx: PRIMARY PWMx TIME BASE CAPTURE REGISTER
R-0 R-0 R-0 R-0 R-0 R-0 R-0 R-0
PWMCAP<15:8>(1,2)
bit 15 bit 8
R-0 R-0 R-0 R-0 R-0 R-0 R-0 R-0
PWMCAP<7:0>(1,2)
bit 7 bit 0
Legend:
R = Readable bit W = Writable bit U = Unimplemented bit, read as ‘0’
-n = Value at POR ‘1’ = Bit is set ‘0’ = Bit is cleared x = Bit is unknown
bit 15-0 PWMCAP<15:0>: Captured PWM Time Base Value bits(1,2)
The value in this register represents the captured PWM time base value when a leading edge is
detected on the current-limit input.
Note 1: The capture feature is only available on primary output (PWMxH).
2: This feature is active only after LEB processing on the current-limit input signal is complete.

2009-2012 Microchip Technology Inc. DS70616G-page 321
dsPIC33EPXXX(GP/MC/MU)806/810/814 and PIC24EPXXX(GP/GU)810/814
17.0 QUADRATURE ENCODER
INTERFACE (QEI) MODULE
(dsPIC33EPXXX(MC/MU)8XX
DEVICES ONLY)
This chapter describes the Quadrature Encoder Inter-
face (QEI) module and associated operational modes.
The QEI module provides the interface to incremental
encoders for obtaining mechanical position data.
The operational features of the QEI module include:
• 32-Bit Position Counter
• 32-Bit Index Pulse Counter
• 32-Bit Interval Timer
• 16-Bit Velocity Counter
• 32-Bit Position Initialization/Capture/Compare
High Register
• 32-Bit Position Compare Low Register
• x4 Quadrature Count mode
• External Up/Down Count mode
• External Gated Count mode
• External Gated Timer mode
• Internal Timer mode
Figure 17-1 illustrates the QEI block diagram.
Note 1: This data sheet summarizes the features
of the dsPIC33EPXXX(GP/MC/MU)806/
810/814 and PIC24EPXXX(GP/GU)810/
814 families of devices. It is not intended
to be a comprehensive reference source.
To complement the information in this
data sheet, refer to Section 15.
“Quadrature Encoder Interface (QEI)”
(DS70601) of the “dsPIC33E/PIC24E
Family Reference Manual”, which is
available from the Microchip web site
(www.microchip.com).
2: Some registers and associated bits
described in this section may not be
available on all devices. Refer to
Section 4.0 “Memory Organization” in
this data sheet for device-specific register
and bit information.
Note: An ‘x’ used in the names of pins, control/
status bits and registers denotes a
particular Quadrature Encoder Interface
(QEI) module number (x = 1 or 2).

dsPIC33EPXXX(GP/MC/MU)806/810/814 and PIC24EPXXX(GP/GU)810/814
DS70616G-page 322 2009-2012 Microchip Technology Inc.
FIGURE 17-1: QEI BLOCK DIAGRAM
Quadrature
Decoder
Logic
CNTCMPx
QEBx
QEAx
INDXx
COUNT
DIR
FP COUNT
COUNT_EN
32-Bit Greater Than or Equal
Compare Register
32-Bit Index Counter Register
Digital
Filter
HOMEx FHOMEx
Data Bus Data Bus
COUNT_EN
CNT_DIR
CNT_DIR
FINDXx
FINDXx
PCHEQ
32-Bit Interval Timer
16-Bit Index Counter
Hold Register
32-Bit Interval
Timer Register
Hold Register
COUNT_EN
FP
PCHGE
EXTCNT
EXTCNT
DIR_GATE
16-Bit Velocity
COUNT_ENCNT_DIR
Counter Register
PCLLE
PCHGE
DIVCLK
DIR
CNT_DIR
DIR_GATE
1’b0
PCLLE
CNTPOL
DIR_GATE
GATEN
0
1
DIVCLK
32-Bit Less Than
PCLLE
or Equal Comparator
PCLEQ
PCHGE
CCM
INTDIV
(VELxCNT)
(INTxTMR)
(INTxHLD)
(INDXxCNT)
(INDXxHLD)
INDXxCNTL
INDXxCNTH POSxCNTLPOSxCNTH
(QEIxGEC)(1)
32-Bit Less Than or Equal
Compare Register
(QEIxLEC)
16-Bit Position Counter
Hold Register
(POSxHLD)
32-Bit Initialization and
Capture Register
(QEIxIC)(1)
QCAPEN
Note 1: These registers map to the same memory location.
OUTFNC
FLTREN
(POSxCNT)
32-Bit Position Counter Register
QFDIV
32-Bit Greater Than
or Equal Comparator

2009-2012 Microchip Technology Inc. DS70616G-page 323
dsPIC33EPXXX(GP/MC/MU)806/810/814 and PIC24EPXXX(GP/GU)810/814
17.1 QEI Resources
Many useful resources related to QEI are provided on
the main product page of the Microchip web site for the
devices listed in this data sheet. This product page,
which can be accessed using this link, contains the
latest updates and additional information.
17.1.1 KEY RESOURCES
•Section 15. “Quadrature Encoder Interface
(QEI)” (DS70601) in the “dsPIC33E/PIC24E
Family Reference Manual”
• Code Samples
• Application Notes
• Software Libraries
• Webinars
• All related “dsPIC33E/PIC24E Family Reference
Manual” Sections
• Development Tools
Note: In the event you are not able to access the
product page using the link above, enter
this URL in your browser:
http://www.microchip.com/wwwproducts/
Devices.aspx?dDocName=en554310

dsPIC33EPXXX(GP/MC/MU)806/810/814 and PIC24EPXXX(GP/GU)810/814
DS70616G-page 324 2009-2012 Microchip Technology Inc.
17.2 QEI Control Registers
REGISTER 17-1: QEIxCON: QEIx CONTROL REGISTER
R/W-0 U-0 R/W-0 R/W-0 R/W-0 R/W-0 R/W-0 R/W-0
QEIEN — QEISIDL PIMOD<2:0>(1)IMV<1:0>(2)
bit 15 bit 8
U-0 R/W-0 R/W-0 R/W-0 R/W-0 R/W-0 R/W-0 R/W-0
— INTDIV<2:0>(3)CNTPOL GATEN CCM<1:0>
bit 7 bit 0
Legend:
R = Readable bit W = Writable bit U = Unimplemented bit, read as ‘0’
-n = Value at POR ‘1’ = Bit is set ‘0’ = Bit is cleared x = Bit is unknown
bit 15 QEIEN: Quadrature Encoder Interface Module Counter Enable bit
1 = Module counters are enabled
0 = Module counters are disabled, but SFRs can be read or written to
bit 14 Unimplemented: Read as ‘0’
bit 13 QEISIDL: QEI Stop in Idle Mode bit
1 = Discontinues module operation when device enters Idle mode
0 = Continues module operation in Idle mode
bit 12-10 PIMOD<2:0>: Position Counter Initialization Mode Select bits(1)
111 = Reserved
110 = Modulo Count mode for position counter
101 = Resets the position counter when the position counter equals the QEIxGEC register
100 = Second index event after home event initializes position counter with contents of the QEIxIC
register
011 = First index event after home event initializes position counter with contents of the QEIxIC
register
010 = Next index input event initializes the position counter with contents of the QEIxIC register
001 = Every index input event resets the position counter
000 = Index input event does not affect position counter
bit 9-8 IMV<1:0>: Index Match Value bits(2)
11 = Index match occurs when QEB = 1 and QEA = 1
10 = Index match occurs when QEB = 1 and QEA = 0
01 = Index match occurs when QEB = 0 and QEA = 1
00 = Index input event does not affect position counter
bit 7 Unimplemented: Read as ‘0’
Note 1: When CCM = 10 or CCM = 11, all of the QEI counters operate as timers and the PIMOD<2:0> bits are
ignored.
2: When CCM = 00, and QEA and QEB values match Index Match Value (IMV), the POSCNTH and
POSCNTL registers are reset.
3: The selected clock rate should be at least twice the expected maximum quadrature count rate.

2009-2012 Microchip Technology Inc. DS70616G-page 325
dsPIC33EPXXX(GP/MC/MU)806/810/814 and PIC24EPXXX(GP/GU)810/814
bit 6-4 INTDIV<2:0>: Timer Input Clock Prescale Select bits (interval timer, main timer (position counter),
velocity counter and index counter internal clock divider select)(3)
111 = 1:128 prescale value
110 = 1:64 prescale value
101 = 1:32 prescale value
100 = 1:16 prescale value
011 = 1:8 prescale value
010 = 1:4 prescale value
001 = 1:2 prescale value
000 = 1:1 prescale value
bit 3 CNTPOL: Position and Index Counter/Timer Direction Select bit
1 = Counter direction is negative unless modified by external up/down signal
0 = Counter direction is positive unless modified by external up/down signal
bit 2 GATEN: External Count Gate Enable bit
1 = External gate signal controls position counter operation
0 = External gate signal does not affect position counter/timer operation
bit 1-0 CCM<1:0>: Counter Control Mode Selection bits
11 = Internal Timer mode with optional external count is selected
10 = External clock count with optional external count is selected
01 = External clock count with external up/down direction is selected
00 = Quadrature Encoder Interface (x4 mode) Count mode is selected
REGISTER 17-1: QEIxCON: QEIx CONTROL REGISTER (CONTINUED)
Note 1: When CCM = 10 or CCM = 11, all of the QEI counters operate as timers and the PIMOD<2:0> bits are
ignored.
2: When CCM = 00, and QEA and QEB values match Index Match Value (IMV), the POSCNTH and
POSCNTL registers are reset.
3: The selected clock rate should be at least twice the expected maximum quadrature count rate.

dsPIC33EPXXX(GP/MC/MU)806/810/814 and PIC24EPXXX(GP/GU)810/814
DS70616G-page 326 2009-2012 Microchip Technology Inc.
REGISTER 17-2: QEIxIOC: QEIx I/O CONTROL REGISTER
R/W-0 R/W-0 R/W-0 R/W-0 R/W-0 R/W-0 R/W-0 R/W-0
QCAPEN FLTREN QFDIV<2:0> OUTFNC<1:0> SWPAB
bit 15 bit 8
R/W-0 R/W-0 R/W-0 R/W-0 R-x R-x R-x R-x
HOMPOL IDXPOL QEBPOL QEAPOL HOME INDEX QEB QEA
bit 7 bit 0
Legend:
R = Readable bit W = Writable bit U = Unimplemented bit, read as ‘0’
-n = Value at POR ‘1’ = Bit is set ‘0’ = Bit is cleared x = Bit is unknown
bit 15 QCAPEN: Position Counter Input Capture Enable bit
1 = Positive edge detect of home input triggers position capture function
0 = HOMEx input event (positive edge) does not trigger a capture event
bit 14 FLTREN: QEAx/QEBx/INDXx/HOMEx Digital Filter Enable bit
1 = Input pin digital filter is enabled
0 = Input pin digital filter is disabled (bypassed)
bit 13-11 QFDIV<2:0>: QEAx/QEBx/INDXx/HOMEx Digital Input Filter Clock Divide Select bits
111 = 1:256 clock divide
110 = 1:64 clock divide
101 = 1:32 clock divide
100 = 1:16 clock divide
011 = 1:8 clock divide
010 = 1:4 clock divide
001 = 1:2 clock divide
000 = 1:1 clock divide
bit 10-9 OUTFNC<1:0>: QEI Module Output Function Mode Select bits
11 = The CTNCMPx pin goes high when QEIxLEC POSxCNT QEIxGEC
10 = The CTNCMPx pin goes high when POSxCNT QEIxLEC
01 = The CTNCMPx pin goes high when POSxCNT QEIxGEC
00 = Output is disabled
bit 8 SWPAB: Swap QEA and QEB Inputs bit
1 = QEAx and QEBx are swapped prior to quadrature decoder logic
0 = QEAx and QEBx are not swapped
bit 7 HOMPOL: HOMEx Input Polarity Select bit
1 = Input is inverted
0 = Input is not inverted
bit 6 IDXPOL: HOMEx Input Polarity Select bit
1 = Input is inverted
0 = Input is not inverted
bit 5 QEBPOL: QEBx Input Polarity Select bit
1 = Input is inverted
0 = Input is not inverted
bit 4 QEAPOL: QEAx Input Polarity Select bit
1 = Input is inverted
0 = Input is not inverted
bit 3 HOME: Status of HOMEx Input Pin After Polarity Control bit
1 = Pin is at logic ‘1’
0 = Pin is at logic ‘0’

2009-2012 Microchip Technology Inc. DS70616G-page 327
dsPIC33EPXXX(GP/MC/MU)806/810/814 and PIC24EPXXX(GP/GU)810/814
bit 2 INDEX: Status of INDXx Input Pin After Polarity Control bit
1 = Pin is at logic ‘1’
0 = Pin is at logic ‘0’
bit 1 QEB: Status of QEBx Input Pin After Polarity Control And SWPAB Pin Swapping bit
1 = Pin is at logic ‘1’
0 = Pin is at logic ‘0’
bit 0 QEA: Status of QEAx Input Pin After Polarity Control And SWPAB Pin Swapping bit
1 = Pin is at logic ‘1’
0 = Pin is at logic ‘0’
REGISTER 17-2: QEIxIOC: QEIx I/O CONTROL REGISTER (CONTINUED)

dsPIC33EPXXX(GP/MC/MU)806/810/814 and PIC24EPXXX(GP/GU)810/814
DS70616G-page 328 2009-2012 Microchip Technology Inc.
REGISTER 17-3: QEIxSTAT: QEIx STATUS REGISTER
U-0 U-0 HS, R/C-0 R/W-0 HS, R/C-0 R/W-0 HS, R/C-0 R/W-0
—— PCHEQIRQ PCHEQIEN PCLEQIRQ PCLEQIEN POSOVIRQ POSOVIEN
bit 15 bit 8
HS, R/C-0 R/W-0 HS, R/C-0 R/W-0 HS, R/C-0 R/W-0 HS, R/C-0 R/W-0
PCIIRQ(1)PCIIEN VELOVIRQ VELOVIEN HOMIRQ HOMIEN IDXIRQ IDXIEN
bit 7 bit 0
Legend: HS = Hardware Settable bit C = Clearable bit
R = Readable bit W = Writable bit U = Unimplemented bit, read as ‘0’
-n = Value at POR ‘1’ = Bit is set ‘0’ = Bit is cleared x = Bit is unknown
bit 15-14 Unimplemented: Read as ‘0’
bit 13 PCHEQIRQ: Position Counter Greater Than or Equal Compare Status bit
1 = POSxCNT ≥ QEIxGEC
0 = POSxCNT < QEIxGEC
bit 12 PCHEQIEN: Position Counter Greater Than or Equal Compare Interrupt Enable bit
1 = Interrupt is enabled
0 = Interrupt is disabled
bit 11 PCLEQIRQ: Position Counter Less Than or Equal Compare Status bit
1 = POSxCNT ≤ QEIxLEC
0 = POSxCNT > QEIxLEC
bit 10 PCLEQIEN: Position Counter Less Than or Equal Compare Interrupt Enable bit
1 = Interrupt is enabled
0 = Interrupt is disabled
bit 9 POSOVIRQ: Position Counter Overflow Status bit
1 = Overflow has occurred
0 = No overflow has occurred
bit 8 POSOVIEN: Position Counter Overflow Interrupt Enable bit
1 = Interrupt is enabled
0 = Interrupt is disabled
bit 7 PCIIRQ: Position Counter (Homing) Initialization Process Complete Status bit(1)
1 = POSxCNT was reinitialized
0 = POSxCNT was not reinitialized
bit 6 PCIIEN: Position Counter (Homing) Initialization Process Complete interrupt Enable bit
1 = Interrupt is enabled
0 = Interrupt is disabled
bit 5 VELOVIRQ: Velocity Counter Overflow Status bit
1 = Overflow has occurred
0 = No overflow has not occurred
bit 4 VELOVIEN: Velocity Counter Overflow Interrupt Enable bit
1 = Interrupt is enabled
0 = Interrupt is disabled
bit 3 HOMIRQ: Status Flag for Home Event Status bit
1 = Home event has occurred
0 = No Home event has occurred
Note 1: This status bit is only applicable to PIMOD<2:0> modes ‘011’ and ‘100’.

2009-2012 Microchip Technology Inc. DS70616G-page 329
dsPIC33EPXXX(GP/MC/MU)806/810/814 and PIC24EPXXX(GP/GU)810/814
bit 2 HOMIEN: Home Input Event Interrupt Enable bit
1 = Interrupt is enabled
0 = Interrupt is disabled
bit 1 IDXIRQ: Status Flag for Index Event Status bit
1 = Index event has occurred
0 = No Index event has occurred
bit 0 IDXIEN: Index Input Event Interrupt Enable bit
1 = Interrupt is enabled
0 = Interrupt is disabled
REGISTER 17-3: QEIxSTAT: QEIx STATUS REGISTER (CONTINUED)
Note 1: This status bit is only applicable to PIMOD<2:0> modes ‘011’ and ‘100’.

dsPIC33EPXXX(GP/MC/MU)806/810/814 and PIC24EPXXX(GP/GU)810/814
DS70616G-page 330 2009-2012 Microchip Technology Inc.
REGISTER 17-4: POSxCNTH: POSITION COUNTER x HIGH WORD REGISTER
R/W-0 R/W-0 R/W-0 R/W-0 R/W-0 R/W-0 R/W-0 R/W-0
POSCNT<31:24>
bit 15 bit 8
R/W-0 R/W-0 R/W-0 R/W-0 R/W-0 R/W-0 R/W-0 R/W-0
POSCNT<23:16>
bit 7 bit 0
Legend:
R = Readable bit W = Writable bit U = Unimplemented bit, read as ‘0’
-n = Value at POR ‘1’ = Bit is set ‘0’ = Bit is cleared x = Bit is unknown
bit 15-0 POSCNT<31:16>: High Word Used to Form 32-Bit Position Counter Register (POSxCNT) bits
REGISTER 17-5: POSxCNTL: POSITION COUNTER x LOW WORD REGISTER
R/W-0 R/W-0 R/W-0 R/W-0 R/W-0 R/W-0 R/W-0 R/W-0
POSCNT<15:8>
bit 15 bit 8
R/W-0 R/W-0 R/W-0 R/W-0 R/W-0 R/W-0 R/W-0 R/W-0
POSCNT<7:0>
bit 7 bit 0
Legend:
R = Readable bit W = Writable bit U = Unimplemented bit, read as ‘0’
-n = Value at POR ‘1’ = Bit is set ‘0’ = Bit is cleared x = Bit is unknown
bit 15-0 POSCNT<15:0>: Low Word Used to Form 32-Bit Position Counter Register (POSxCNT) bits
REGISTER 17-6: POSxHLD: POSITION COUNTER x HOLD REGISTER
R/W-0 R/W-0 R/W-0 R/W-0 R/W-0 R/W-0 R/W-0 R/W-0
POSHLD<15:8>
bit 15 bit 8
R/W-0 R/W-0 R/W-0 R/W-0 R/W-0 R/W-0 R/W-0 R/W-0
POSHLD<7:0>
bit 7 bit 0
Legend:
R = Readable bit W = Writable bit U = Unimplemented bit, read as ‘0’
-n = Value at POR ‘1’ = Bit is set ‘0’ = Bit is cleared x = Bit is unknown
bit 15-0 POSHLD<15:0>: Hold Register for Reading and Writing POSxCNTH bits

2009-2012 Microchip Technology Inc. DS70616G-page 331
dsPIC33EPXXX(GP/MC/MU)806/810/814 and PIC24EPXXX(GP/GU)810/814
REGISTER 17-7: VELxCNT: VELOCITY COUNTER x REGISTER
R/W-0 R/W-0 R/W-0 R/W-0 R/W-0 R/W-0 R/W-0 R/W-0
VELCNT<15:8>
bit 15 bit 8
R/W-0 R/W-0 R/W-0 R/W-0 R/W-0 R/W-0 R/W-0 R/W-0
VELCNT<7:0>
bit 7 bit 0
Legend:
R = Readable bit W = Writable bit U = Unimplemented bit, read as ‘0’
-n = Value at POR ‘1’ = Bit is set ‘0’ = Bit is cleared x = Bit is unknown
bit 15-0 VELCNT<15:0>: Velocity Counter bits
REGISTER 17-8: INDXxCNTH: INDEX COUNTER x HIGH WORD REGISTER
R/W-0 R/W-0 R/W-0 R/W-0 R/W-0 R/W-0 R/W-0 R/W-0
INDXCNT<31:24>
bit 15 bit 8
R/W-0 R/W-0 R/W-0 R/W-0 R/W-0 R/W-0 R/W-0 R/W-0
INDXCNT<23:16>
bit 7 bit 0
Legend:
R = Readable bit W = Writable bit U = Unimplemented bit, read as ‘0’
-n = Value at POR ‘1’ = Bit is set ‘0’ = Bit is cleared x = Bit is unknown
bit 15-0 INDXCNT<31:16>: High Word Used to Form 32-Bit Index Counter Register (INDXxCNT) bits
REGISTER 17-9: INDXxCNTL: INDEX COUNTER x LOW WORD REGISTER
R/W-0 R/W-0 R/W-0 R/W-0 R/W-0 R/W-0 R/W-0 R/W-0
INDXCNT<15:8>
bit 15 bit 8
R/W-0 R/W-0 R/W-0 R/W-0 R/W-0 R/W-0 R/W-0 R/W-0
INDXCNT<7:0>
bit 7 bit 0
Legend:
R = Readable bit W = Writable bit U = Unimplemented bit, read as ‘0’
-n = Value at POR ‘1’ = Bit is set ‘0’ = Bit is cleared x = Bit is unknown
bit 15-0 INDXCNT<15:0>: Low Word Used to Form 32-Bit Index Counter Register (INDXxCNT) bits

dsPIC33EPXXX(GP/MC/MU)806/810/814 and PIC24EPXXX(GP/GU)810/814
DS70616G-page 332 2009-2012 Microchip Technology Inc.
REGISTER 17-10: INDXxHLD: INDEX COUNTER x HOLD REGISTER
R/W-0 R/W-0 R/W-0 R/W-0 R/W-0 R/W-0 R/W-0 R/W-0
INDXHLD<15:8>
bit 15 bit 8
R/W-0 R/W-0 R/W-0 R/W-0 R/W-0 R/W-0 R/W-0 R/W-0
INDXHLD<7:0>
bit 7 bit 0
Legend:
R = Readable bit W = Writable bit U = Unimplemented bit, read as ‘0’
-n = Value at POR ‘1’ = Bit is set ‘0’ = Bit is cleared x = Bit is unknown
bit 15-0 INDXHLD<15:0>: Hold Register for Reading and Writing INDXxCNTH bits
REGISTER 17-11: QEIxICH: QEIx INITIALIZATION/CAPTURE HIGH WORD REGISTER
R/W-0 R/W-0 R/W-0 R/W-0 R/W-0 R/W-0 R/W-0 R/W-0
QEIIC<31:24>
bit 15 bit 8
R/W-0 R/W-0 R/W-0 R/W-0 R/W-0 R/W-0 R/W-0 R/W-0
QEIIC<23:16>
bit 7 bit 0
Legend:
R = Readable bit W = Writable bit U = Unimplemented bit, read as ‘0’
-n = Value at POR ‘1’ = Bit is set ‘0’ = Bit is cleared x = Bit is unknown
bit 15-0 QEIIC<31:16>: QEIx High Word Used to Form 32-Bit Initialization/Capture Register (QEIxIC) bits
REGISTER 17-12: QEIxICL: QEIx INITIALIZATION/CAPTURE LOW WORD REGISTER
R/W-0 R/W-0 R/W-0 R/W-0 R/W-0 R/W-0 R/W-0 R/W-0
QEIIC<15:8>
bit 15 bit 8
R/W-0 R/W-0 R/W-0 R/W-0 R/W-0 R/W-0 R/W-0 R/W-0
QEIIC<7:0>
bit 7 bit 0
Legend:
R = Readable bit W = Writable bit U = Unimplemented bit, read as ‘0’
-n = Value at POR ‘1’ = Bit is set ‘0’ = Bit is cleared x = Bit is unknown
bit 15-0 QEIIC<15:0>: QEIx Low Word Used to Form 32-Bit Initialization/Capture Register (QEIxIC) bits

2009-2012 Microchip Technology Inc. DS70616G-page 333
dsPIC33EPXXX(GP/MC/MU)806/810/814 and PIC24EPXXX(GP/GU)810/814
REGISTER 17-13: QEIxLECH: QEIx LESS THAN OR EQUAL COMPARE HIGH WORD REGISTER
R/W-0 R/W-0 R/W-0 R/W-0 R/W-0 R/W-0 R/W-0 R/W-0
QEILEC<31:24>
bit 15 bit 8
R/W-0 R/W-0 R/W-0 R/W-0 R/W-0 R/W-0 R/W-0 R/W-0
QEILEC<23:16>
bit 7 bit 0
Legend:
R = Readable bit W = Writable bit U = Unimplemented bit, read as ‘0’
-n = Value at POR ‘1’ = Bit is set ‘0’ = Bit is cleared x = Bit is unknown
bit 15-0 QEILEC<31:16>: QEIx High Word Used to Form 32-Bit Less Than or Equal Compare Register (QEIxLEC) bits
REGISTER 17-14: QEIxLECL: QEIx LESS THAN OR EQUAL COMPARE LOW WORD REGISTER
R/W-0 R/W-0 R/W-0 R/W-0 R/W-0 R/W-0 R/W-0 R/W-0
QEILEC<15:8>
bit 15 bit 8
R/W-0 R/W-0 R/W-0 R/W-0 R/W-0 R/W-0 R/W-0 R/W-0
QEILEC<7:0>
bit 7 bit 0
Legend:
R = Readable bit W = Writable bit U = Unimplemented bit, read as ‘0’
-n = Value at POR ‘1’ = Bit is set ‘0’ = Bit is cleared x = Bit is unknown
bit 15-0 QEILEC<15:0>: QEIx Low Word Used to Form 32-Bit Less Than or Equal Compare Register (QEIxLEC) bits

dsPIC33EPXXX(GP/MC/MU)806/810/814 and PIC24EPXXX(GP/GU)810/814
DS70616G-page 334 2009-2012 Microchip Technology Inc.
REGISTER 17-15: QEIxGECH: QEIx GREATER THAN OR EQUAL COMPARE HIGH WORD REGISTER
R/W-0 R/W-0 R/W-0 R/W-0 R/W-0 R/W-0 R/W-0 R/W-0
QEIGEC<31:24>
bit 15 bit 8
R/W-0 R/W-0 R/W-0 R/W-0 R/W-0 R/W-0 R/W-0 R/W-0
QEIGEC<23:16>
bit 7 bit 0
Legend:
R = Readable bit W = Writable bit U = Unimplemented bit, read as ‘0’
-n = Value at POR ‘1’ = Bit is set ‘0’ = Bit is cleared x = Bit is unknown
bit 15-0 QEIGEC<31:16>: QEIx High Word Used to Form 32-Bit Greater Than or Equal Compare Register
(QEIxGEC) bits
REGISTER 17-16: QEIxGECL: QEIx GREATER THAN OR EQUAL COMPARE LOW WORD REGISTER
R/W-0 R/W-0 R/W-0 R/W-0 R/W-0 R/W-0 R/W-0 R/W-0
QEIGEC<15:8>
bit 15 bit 8
R/W-0 R/W-0 R/W-0 R/W-0 R/W-0 R/W-0 R/W-0 R/W-0
QEIGEC<7:0>
bit 7 bit 0
Legend:
R = Readable bit W = Writable bit U = Unimplemented bit, read as ‘0’
-n = Value at POR ‘1’ = Bit is set ‘0’ = Bit is cleared x = Bit is unknown
bit 15-0 QEIGEC<15:0>: QEIx Low Word Used to Form 32-Bit Greater Than or Equal Compare Register
(QEIxGEC) bits
REGISTER 17-17: INTxTMRH: INTERVAL TIMER x HIGH WORD REGISTER
R/W-0 R/W-0 R/W-0 R/W-0 R/W-0 R/W-0 R/W-0 R/W-0
INTTMR<31:24>
bit 15 bit 8
R/W-0 R/W-0 R/W-0 R/W-0 R/W-0 R/W-0 R/W-0 R/W-0
INTTMR<23:16>
bit 7 bit 0
Legend:
R = Readable bit W = Writable bit U = Unimplemented bit, read as ‘0’
-n = Value at POR ‘1’ = Bit is set ‘0’ = Bit is cleared x = Bit is unknown
bit 15-0 INTTMR<31:16>: High Word Used to Form 32-Bit Interval Timer Register (INTxTMR) bits

2009-2012 Microchip Technology Inc. DS70616G-page 335
dsPIC33EPXXX(GP/MC/MU)806/810/814 and PIC24EPXXX(GP/GU)810/814
REGISTER 17-18: INTxTMRL: INTERVAL TIMER x LOW WORD REGISTER
R/W-0 R/W-0 R/W-0 R/W-0 R/W-0 R/W-0 R/W-0 R/W-0
INTTMR<15:8>
bit 15 bit 8
R/W-0 R/W-0 R/W-0 R/W-0 R/W-0 R/W-0 R/W-0 R/W-0
INTTMR<7:0>
bit 7 bit 0
Legend:
R = Readable bit W = Writable bit U = Unimplemented bit, read as ‘0’
-n = Value at POR ‘1’ = Bit is set ‘0’ = Bit is cleared x = Bit is unknown
bit 15-0 INTTMR<15:0>: Low Word Used to Form 32-Bit Interval Timer Register (INTxTMR) bits
REGISTER 17-19: INTxHLDH: INTERVAL TIMER x HOLD HIGH WORD REGISTER
R/W-0 R/W-0 R/W-0 R/W-0 R/W-0 R/W-0 R/W-0 R/W-0
INTHLD<31:24>
bit 15 bit 8
R/W-0 R/W-0 R/W-0 R/W-0 R/W-0 R/W-0 R/W-0 R/W-0
INTHLD<23:16>
bit 7 bit 0
Legend:
R = Readable bit W = Writable bit U = Unimplemented bit, read as ‘0’
-n = Value at POR ‘1’ = Bit is set ‘0’ = Bit is cleared x = Bit is unknown
bit 15-0 INTHLD<31:16>: Hold Register for Reading and Writing INTxTMRH bits
REGISTER 17-20: INTxHLDL: INTERVAL TIMER x HOLD LOW WORD REGISTER
R/W-0 R/W-0 R/W-0 R/W-0 R/W-0 R/W-0 R/W-0 R/W-0
INTHLD<15:8>
bit 15 bit 8
R/W-0 R/W-0 R/W-0 R/W-0 R/W-0 R/W-0 R/W-0 R/W-0
INTHLD<7:0>
bit 7 bit 0
Legend:
R = Readable bit W = Writable bit U = Unimplemented bit, read as ‘0’
-n = Value at POR ‘1’ = Bit is set ‘0’ = Bit is cleared x = Bit is unknown
bit 15-0 INTHLD<15:0>: Hold Register for Reading and Writing INTxTMRL bits

dsPIC33EPXXX(GP/MC/MU)806/810/814 and PIC24EPXXX(GP/GU)810/814
DS70616G-page 336 2009-2012 Microchip Technology Inc.
NOTES:

2009-2012 Microchip Technology Inc. DS70616G-page 337
dsPIC33EPXXX(GP/MC/MU)806/810/814 and PIC24EPXXX(GP/GU)810/814
18.0 SERIAL PERIPHERAL
INTERFACE (SPI)
The SPI module is a synchronous serial interface use-
ful for communicating with other peripheral or micro-
controller devices. These peripheral devices can be
serial EEPROMs, shift registers, display drivers, ADC
Converters, etc. The SPI module is compatible with the
Motorola® SPI and SIOP interfaces.
Four SPI modules are provided on a single device.
These modules, which are designated as SPI1, SPI2,
SPI3 and SPI4, are functionally identical with the excep-
tion that SPI2 is not remappable. The dedicated SDI2,
SDO2 and SCK2 connections provide improved perfor-
mance over SPI1, SPI3 and SPI4 (see Section 32.0
“Electrical Characteristics”). Each SPI module
includes an eight-word FIFO buffer and allows DMA bus
connections. When using the SPI module with DMA,
FIFO operation can be disabled.
The SPIx serial interface consists of four pins, as
follows:
• SDIx: Serial Data Input
• SDOx: Serial Data Output
• SCKx: Shift Clock Input or Output
• SSx/FSYNCx: Active-Low Slave Select or Frame
Synchronization I/O Pulse
The SPIx module can be configured to operate with
two, three or four pins. In 3-pin mode, SSx is not used.
In 2-pin mode, neither SDOx nor SSx is used.
Figure 18-1 illustrates the block diagram of the SPI
module in Standard and Enhanced modes.
FIGURE 18-1: SPIx MODULE BLOCK DIAGRAM
Note 1: This data sheet summarizes the features
of the dsPIC33EPXXX(GP/MC/MU)806/
810/814 and PIC24EPXXX(GP/GU)810/
814 families of devices. It is not intended
to be a comprehensive reference source.
To complement the information in this
data sheet, refer to Section 18. “Serial
Peripheral Interface (SPI)” (DS70569)
of the “dsPIC33E/PIC24E Family
Reference Manual”, which is available
from the Microchip web site
(www.microchip.com).
2: Some registers and associated bits
described in this section may not be
available on all devices. Refer to
Section 4.0 “Memory Organization” in
this data sheet for device-specific register
and bit information.
Note: In this section, the SPI modules are
referred to together as SPIx, or separately
as SPI1, SPI2, SPI3 and SPI4. Special
Function Registers follow a similar nota-
tion. For example, SPIxCON refers to the
control register for the SPI1, SPI2, SPI3
or SPI4 module.
Internal Data Bus
SDIx
SDOx
SSx/FSYNCx
SCKx
bit 0
Shift Control
Edge
Select
FP
Enable
Sync
Control
Transfer
Transfer
Write SPIxBUF
Read SPIxBUF
16
SPIxCON1<1:0>
SPIxCON1<4:2>
Master Clock
Note 1: In Standard mode, the FIFO is only one level deep.
Clock
Control
SPIxSR
8-Level FIFO
Transmit Buffer(1)
8-Level FIFO
Receive Buffer(1)
SPIxBUF
Primary
1:1/4/16/64
Prescaler
Secondary
Prescaler
1:1 to 1:8

dsPIC33EPXXX(GP/MC/MU)806/810/814 and PIC24EPXXX(GP/GU)810/814
DS70616G-page 338 2009-2012 Microchip Technology Inc.
18.1 SPI Helpful Tips
1. In Frame mode, if there is a possibility that the
master may not be initialized before the slave:
a) If FRMPOL (SPIxCON2<13>) = 1, use a
pull-down resistor on SSx.
b) If FRMPOL = 0, use a pull-up resistor on
SSx.
2. In Non-Framed 3-Wire mode, (i.e., not using
SSx from a master):
a) If CKP (SPIxCON1<6>) = 1, always place a
pull-up resistor on SSx.
b) If CKP = 0, always place a pull-down
resistor on SSx.
3. FRMEN (SPIxCON2<15>) = 1 and SSEN
(SPIxCON1<7>) = 1 are exclusive and invalid.
In Frame mode, SCKx is continuous and the
Frame Sync pulse is active on the SSx pin,
which indicates the start of a data frame.
4. In Master mode only, set the SMP bit
(SPIxCON1<9>) to a ‘1’ for the fastest SPI data
rate possible. The SMP bit can only be set at the
same time or after the MSTEN bit
(SPIxCON1<5>) is set.
To avoid invalid slave read data to the master, the
user’s master software must ensure enough time for
slave software to fill its write buffer before the user
application initiates a master write/read cycle. It is
always advisable to preload the SPIxBUF Transmit
register in advance of the next master transaction
cycle. SPIxBUF is transferred to the SPIx Shift register
and is empty once the data transmission begins.
18.2 SPI Resources
Many useful resources related to SPI are provided on
the main product page of the Microchip web site for the
devices listed in this data sheet. This product page,
which can be accessed using this link, contains the
latest updates and additional information.
18.2.1 KEY RESOURCES
•Section 18. “Serial Peripheral Interface (SPI)”
(DS70569) in the “dsPIC33E/PIC24E Family
Reference Manual”
• Code Samples
• Application Notes
• Software Libraries
• Webinars
• All related “dsPIC33E/PIC24E Family Reference
Manual” Sections
• Development Tools
Note: This insures that the first frame
transmission after initialization is not
shifted or corrupted.
Note: This will insure that during power-up and
initialization, the master/slave will not lose
synchronization due to an errant SCKx
transition that would cause the slave to
accumulate data shift errors, for both
transmit and receive, appearing as
corrupted data.
Note: Not all third-party devices support Frame
mode timing. Refer to the SPIx electrical
characteristics for details.
Note: In the event you are not able to access the
product page using the link above, enter
this URL in your browser:
http://www.microchip.com/wwwproducts/
Devices.aspx?dDocName=en554301

2009-2012 Microchip Technology Inc. DS70616G-page 339
dsPIC33EPXXX(GP/MC/MU)806/810/814 and PIC24EPXXX(GP/GU)810/814
18.3 SPI Control Registers
REGISTER 18-1: SPIxSTAT: SPIx STATUS AND CONTROL REGISTER
R/W-0 U-0 R/W-0 U-0 U-0 R/W-0 R/W-0 R/W-0
SPIEN —SPISIDL —— SPIBEC<2:0>
bit 15 bit 8
R/W-0 R/C-0, HS R/W-0 R/W-0 R/W-0 R/W-0 R-0, HS, HC R-0, HS, HC
SRMPT SPIROV SRXMPT SISEL<2:0> SPITBF SPIRBF
bit 7 bit 0
Legend: C = Clearable bit
R = Readable bit W = Writable bit U = Unimplemented bit, read as ‘0’
-n = Value at POR ‘1’ = Bit is set ‘0’ = Bit is cleared x = Bit is unknown
HS = Hardware Settable bit HC = Hardware Clearable bit U = Unimplemented bit, read as ‘0’
bit 15 SPIEN: SPIx Enable bit
1 = Enables the module and configures SCKx, SDOx, SDIx and SSx as serial port pins
0 = Disables the module
bit 14 Unimplemented: Read as ‘0’
bit 13 SPISIDL: SPIx Stop in Idle Mode bit
1 = Discontinues the module operation when device enters Idle mode
0 = Continues the module operation in Idle mode
bit 12-11 Unimplemented: Read as ‘0’
bit 10-8 SPIBEC<2:0>: SPIx Buffer Element Count bits (valid in Enhanced Buffer mode)
Master mode:
Number of SPIx transfers that are pending.
Slave mode:
Number of SPIx transfers that are unread.
bit 7 SRMPT: SPIx Shift Register (SPIxSR) Empty bit (valid in Enhanced Buffer mode)
1 = SPIx Shift register is empty and Ready-to-Send or receive the data
0 = SPIx Shift register is not empty
bit 6 SPIROV: SPIx Receive Overflow Flag bit
1 = A new byte/word is completely received and discarded; the user application has not read the
previous data in the SPIxBUF register
0 = No overflow has occurred
bit 5 SRXMPT: SPIx Receive FIFO Empty bit (valid in Enhanced Buffer mode)
1 = RX FIFO is empty
0 = RX FIFO is not empty
bit 4-2 SISEL<2:0>: SPIx Buffer Interrupt Mode bits (valid in Enhanced Buffer mode)
111 = Interrupt when the SPIx transmit buffer is full
110 = Interrupt when last bit is shifted into SPIxSR, and as a result, the TX FIFO is empty
101 = Interrupt when the last bit is shifted out of SPIxSR and the transmit is complete
100 = Interrupt when one data is shifted into the SPIxSR, and as a result, the TX FIFO has one open
memory location
011 = Interrupt when the SPIx receive buffer is full
010 = Interrupt when the SPIx receive buffer is 3/4 or more full
001 = Interrupt when data is available in the receive buffer (SRMPT bit is set)
000 = Interrupt when the last data in the receive buffer is read, and as a result, the buffer is empty
(SRXMPT bit is set)

dsPIC33EPXXX(GP/MC/MU)806/810/814 and PIC24EPXXX(GP/GU)810/814
DS70616G-page 340 2009-2012 Microchip Technology Inc.
bit 1 SPITBF: SPIx Transmit Buffer Full Status bit
1 = Transmit has not yet started, SPIx transmit buffer is full
0 = Transmit has started, SPIx transmit buffer is empty
Standard Buffer Mode:
Automatically set in hardware when the core writes to the SPIxBUF location, loading the SPIx transmit
buffer. Automatically cleared in hardware when the SPIx module transfers data from the SPIx transmit
buffer to SPIxSR.
Enhanced Buffer Mode:
Automatically set in hardware when CPU writes to the SPIxBUF location, loading the last available
buffer location. Automatically cleared in hardware when a buffer location is available for a CPU write
operation.
bit 0 SPIRBF: SPIx Receive Buffer Full Status bit
1 = Receive complete, SPIx receive buffer is full
0 = Receive is incomplete, SPIx receive buffer is empty
Standard Buffer Mode:
Automatically set in hardware when SPIx transfers data from SPIxSR to the SPIx receive buffer.
Automatically cleared in hardware when the core reads the SPIxBUF location, reading the SPIx
receive buffer.
Enhanced Buffer Mode:
Automatically set in hardware when SPIx transfers data from SPIxSR to the buffer, filling the last
unread buffer location. Automatically cleared in hardware when a buffer location is available for a
transfer from SPIxSR.
REGISTER 18-1: SPIxSTAT: SPIx STATUS AND CONTROL REGISTER (CONTINUED)

2009-2012 Microchip Technology Inc. DS70616G-page 341
dsPIC33EPXXX(GP/MC/MU)806/810/814 and PIC24EPXXX(GP/GU)810/814
REGISTER 18-2: SPIXCON1: SPIX CONTROL REGISTER 1
U-0 U-0 U-0 R/W-0 R/W-0 R/W-0 R/W-0 R/W-0
— — — DISSCK DISSDO MODE16 SMP(4)CKE(1)
bit 15 bit 8
R/W-0 R/W-0 R/W-0 R/W-0 R/W-0 R/W-0 R/W-0 R/W-0
SSEN(2)CKP MSTEN SPRE<2:0>(3)PPRE<1:0>(3)
bit 7 bit 0
Legend:
R = Readable bit W = Writable bit U = Unimplemented bit, read as ‘0’
-n = Value at POR ‘1’ = Bit is set ‘0’ = Bit is cleared x = Bit is unknown
bit 15-13 Unimplemented: Read as ‘0’
bit 12 DISSCK: Disable SCKx Pin bit (SPIx Master modes only)
1 = Internal SPIx clock is disabled, pin functions as I/O
0 = Internal SPIx clock is enabled
bit 11 DISSDO: Disable SDOx Pin bit
1 = SDOx pin is not used by the module; pin functions as I/O
0 = SDOx pin is controlled by the module
bit 10 MODE16: Word/Byte Communication Select bit
1 = Communication is word-wide (16 bits)
0 = Communication is byte-wide (8 bits)
bit 9 SMP: SPIx Data Input Sample Phase bit(4)
Master mode:
1 = Input data is sampled at end of data output time
0 = Input data is sampled at middle of data output time
Slave mode:
The SMP bit must be cleared when SPIx module is used in Slave mode.
bit 8 CKE: SPIx Clock Edge Select bit(1)
1 = Serial output data changes on transition from active clock state to Idle clock state (refer to bit 6)
0 = Serial output data changes on transition from Idle clock state to active clock state (refer to bit 6)
bit 7 SSEN: Slave Select Enable bit (Slave mode)(2)
1 = SSx pin is used for Slave mode
0 = SSx pin is not used by module, pin is controlled by port function
bit 6 CKP: Clock Polarity Select bit
1 = Idle state for clock is a high level; active state is a low level
0 = Idle state for clock is a low level; active state is a high level
bit 5 MSTEN: Master Mode Enable bit
1 = Master mode
0 = Slave mode
Note 1: The CKE bit is not used in the Framed SPIx modes. Program this bit to ‘0’ for Framed SPIx modes
(FRMEN = 1).
2: This bit must be cleared when FRMEN = 1.
3: Do not set both primary and secondary prescalers to a value of 1:1.
4: The SMP bit must be set only after setting the MSTEN bit. The SMP bit remains cleared if MSTEN = 0.

dsPIC33EPXXX(GP/MC/MU)806/810/814 and PIC24EPXXX(GP/GU)810/814
DS70616G-page 342 2009-2012 Microchip Technology Inc.
bit 4-2 SPRE<2:0>: Secondary Prescale bits (Master mode)(3)
111 = Secondary prescale 1:1
110 = Secondary prescale 2:1
•
•
•
000 = Secondary prescale 8:1
bit 1-0 PPRE<1:0>: Primary Prescale bits (Master mode)(3)
11 = Primary prescale 1:1
10 = Primary prescale 4:1
01 = Primary prescale 16:1
00 = Primary prescale 64:1
REGISTER 18-2: SPIXCON1: SPIX CONTROL REGISTER 1 (CONTINUED)
Note 1: The CKE bit is not used in the Framed SPIx modes. Program this bit to ‘0’ for Framed SPIx modes
(FRMEN = 1).
2: This bit must be cleared when FRMEN = 1.
3: Do not set both primary and secondary prescalers to a value of 1:1.
4: The SMP bit must be set only after setting the MSTEN bit. The SMP bit remains cleared if MSTEN = 0.

2009-2012 Microchip Technology Inc. DS70616G-page 343
dsPIC33EPXXX(GP/MC/MU)806/810/814 and PIC24EPXXX(GP/GU)810/814
REGISTER 18-3: SPIXCON2: SPIX CONTROL REGISTER 2
R/W-0 R/W-0 R/W-0 U-0 U-0 U-0 U-0 U-0
FRMEN SPIFSD FRMPOL — — — — —
bit 15 bit 8
U-0 U-0 U-0 U-0 U-0 U-0 R/W-0 R/W-0
— — — — — — FRMDLY SPIBEN
bit 7 bit 0
Legend:
R = Readable bit W = Writable bit U = Unimplemented bit, read as ‘0’
-n = Value at POR ‘1’ = Bit is set ‘0’ = Bit is cleared x = Bit is unknown
bit 15 FRMEN: Framed SPIx Support bit
1 = Framed SPIx support is enabled (SSx pin is used as a Frame Sync pulse input/output)
0 = Framed SPIx support is disabled
bit 14 SPIFSD: Frame Sync Pulse Direction Control bit
1 = Frame Sync pulse input (slave)
0 = Frame Sync pulse output (master)
bit 13 FRMPOL: Frame Sync Pulse Polarity bit
1 = Frame Sync pulse is active-high
0 = Frame Sync pulse is active-low
bit 12-2 Unimplemented: Read as ‘0’
bit 1 FRMDLY: Frame Sync Pulse Edge Select bit
1 = Frame Sync pulse coincides with the first bit clock
0 = Frame Sync pulse precedes the first bit clock
bit 0 SPIBEN: Enhanced Buffer Enable bit
1 = Enhanced Buffer is enabled
0 = Enhanced Buffer is disabled (Standard mode)

dsPIC33EPXXX(GP/MC/MU)806/810/814 and PIC24EPXXX(GP/GU)810/814
DS70616G-page 344 2009-2012 Microchip Technology Inc.
NOTES:

2009-2012 Microchip Technology Inc. DS70616G-page 345
dsPIC33EPXXX(GP/MC/MU)806/810/814 and PIC24EPXXX(GP/GU)810/814
19.0 INTER-INTEGRATED
CIRCUIT™ (I2C™)
The dsPIC33EPXXX(GP/MC/MU)806/810/814 and
PIC24EPXXX(GP/GU)810/814 family of devices con-
tain two Inter-Integrated Circuit (I2C) modules: I2C1
and I2C2.
The I2C module provides complete hardware support
for both Slave and Multi-Master modes of the I2C serial
communication standard, with a 16-bit interface.
The I2C module has a 2-pin interface:
• The SCLx pin is the clock.
• The SDAx pin is the data.
The I2C module offers the following key features:
•I
2C interface supporting both Master and Slave
modes of operation.
•I
2C Slave mode supports 7 and 10-bit addressing.
•I
2C Master mode supports 7 and 10-bit addressing.
•I
2C port allows bidirectional transfers between
master and slaves.
• Serial clock synchronization for I2C port can be
used as a handshake mechanism to suspend and
resume serial transfer (SCLREL control).
•I
2C supports multi-master operation, detects bus
collision and arbitrates accordingly.
• IPMI support
• SMBus support
Note 1: This data sheet summarizes the features
of the dsPIC33EPXXX(GP/MC/MU)806/
810/814 and PIC24EPXXX(GP/GU)810/
814 families of devices. It is not intended
to be a comprehensive reference source.
To complement the information in this
data sheet, refer to Section 19. “Inter-
Integrated Circuit™ (I2C™)”
(DS70330) of the “dsPIC33E/PIC24E
Family Reference Manual”, which is
available from the Microchip web site
(www.microchip.com).
2: Some registers and associated bits
described in this section may not be
available on all devices. Refer to
Section 4.0 “Memory Organization” in
this data sheet for device-specific register
and bit information.

dsPIC33EPXXX(GP/MC/MU)806/810/814 and PIC24EPXXX(GP/GU)810/814
DS70616G-page 346 2009-2012 Microchip Technology Inc.
FIGURE 19-1: I2C™ BLOCK DIAGRAM (X = 1 OR 2)
Internal
Data Bus
SCLx/
SDAx/
Shift
Match Detect
I2CxADD
Start and Stop
Bit Detect
Clock
Address Match
Clock
Stretching
I2CxTRN
LSb
Shift Clock
BRG Down Counter
FP
Start and Stop
Bit Generation
Acknowledge
Generation
Collision
Detect
I2CxCON
I2CxSTAT
Control Logic
Read
LSb
Write
Read
I2CxBRG
I2CxRSR
Write
Read
Write
Read
Write
Read
Write
Read
Write
Read
I2CxRCV
ASDAx(1)
ASDLx(1)
Note 1: The availability of I2C interfaces varies by device. Refer to the “Pin Diagrams” section for availability.
Selection (SDAx/SCLx or ASDAx/ASCLx) is made using the device Configuration bits, ALTI2C1 and
ALTI2C2 (FPOR<5:4>). See Section 29.0 “Special Features” for more information.
Reload
Control
I2CxMSK

2009-2012 Microchip Technology Inc. DS70616G-page 347
dsPIC33EPXXX(GP/MC/MU)806/810/814 and PIC24EPXXX(GP/GU)810/814
19.1 I2C Resources
Many useful resources related to I2C are provided on
the main product page of the Microchip web site for the
devices listed in this data sheet. This product page,
which can be accessed using this link, contains the
latest updates and additional information.
19.1.1 KEY RESOURCES
•Section 19. “Inter-Integrated Circuit™ (I2C™)”
(DS70330) in the “dsPIC33E/PIC24E Family
Reference Manual”
• Code Samples
• Application Notes
• Software Libraries
• Webinars
• All related “dsPIC33E/PIC24E Family Reference
Manual” Sections
• Development Tools
Note: In the event you are not able to access the
product page using the link above, enter
this URL in your browser:
http://www.microchip.com/wwwproducts/
Devices.aspx?dDocName=en554310

dsPIC33EPXXX(GP/MC/MU)806/810/814 and PIC24EPXXX(GP/GU)810/814
DS70616G-page 348 2009-2012 Microchip Technology Inc.
19.2 I2C Control Registers
REGISTER 19-1: I2CxCON: I2Cx CONTROL REGISTER
R/W-0 U-0 R/W-0 R/W-1, HC R/W-0 R/W-0 R/W-0 R/W-0
I2CEN — I2CSIDL SCLREL IPMIEN(1)A10M DISSLW SMEN
bit 15 bit 8
R/W-0 R/W-0 R/W-0 R/W-0, HC R/W-0, HC R/W-0, HC R/W-0, HC R/W-0, HC
GCEN STREN ACKDT ACKEN RCEN PEN RSEN SEN
bit 7 bit 0
Legend: HC = Hardware Clearable bit
R = Readable bit W = Writable bit U = Unimplemented bit, read as ‘0’
-n = Value at POR ‘1’ = Bit is set ‘0’ = Bit is cleared x = Bit is unknown
bit 15 I2CEN: I2Cx Enable bit
1 = Enables the I2Cx module and configures the SDAx and SCLx pins as serial port pins
0 = Disables the I2Cx module; all I2C™ pins are controlled by port functions
bit 14 Unimplemented: Read as ‘0’
bit 13 I2CSIDL: I2Cx Stop in Idle Mode bit
1 = Discontinues module operation when device enters an Idle mode
0 = Continues module operation in Idle mode
bit 12 SCLREL: SCLx Release Control bit (when operating as I2C slave)
1 = Releases SCLx clock
0 = Holds SCLx clock low (clock stretch)
If STREN = 1:
The bit is R/W (i.e., software can write ‘0’ to initiate stretch and write ‘1’ to release clock). Hardware is clear
at beginning of every slave data byte transmission. Hardware is clear at the end of every slave address
byte reception. Hardware is clear at end of every slave data byte reception.
If STREN = 0:
The bit is R/S (i.e., software can only write ‘1’ to release clock). Hardware is clear at beginning of every
slave data byte transmission. Hardware is clear at the end of every slave address byte reception.
bit 11 IPMIEN: Intelligent Peripheral Management Interface (IPMI) Enable bit(1)
1 = IPMI mode is enabled; all addresses Acknowledged
0 = IPMI mode is disabled
bit 10 A10M: 10-Bit Slave Address bit
1 = I2CxADD is a 10-bit slave address
0 = I2CxADD is a 7-bit slave address
bit 9 DISSLW: Disable Slew Rate Control bit
1 = Slew rate control is disabled
0 = Slew rate control is enabled
bit 8 SMEN: SMBus Input Levels bit
1 = Enables I/O pin thresholds compliant with the SMBus specification
0 = Disables SMBus input thresholds
bit 7 GCEN: General Call Enable bit (when operating as I2C slave)
1 = Enables interrupt when a general call address is received in the I2CxRSR (module is enabled for reception)
0 = General call address is disabled
Note 1: When performing master operations, ensure that the IPMIEN bit is ‘0’.

2009-2012 Microchip Technology Inc. DS70616G-page 349
dsPIC33EPXXX(GP/MC/MU)806/810/814 and PIC24EPXXX(GP/GU)810/814
bit 6 STREN: SCLx Clock Stretch Enable bit (when operating as I2C slave)
Used in conjunction with the SCLREL bit.
1 = Enables software or receives clock stretching
0 = Disables software or receives clock stretching
bit 5 ACKDT: Acknowledge Data bit (when operating as I2C master, applicable during master receive)
Value that is transmitted when the software initiates an Acknowledge sequence.
1 = Sends NACK during Acknowledge
0 = Sends ACK during Acknowledge
bit 4
ACKEN:
Acknowledge Sequence Enable bit (when operating as I
2
C master, applicable during master receive)
1 = Initiates Acknowledge sequence on SDAx and SCLx pins and transmits the ACKDT data bit. Hardware
is clear at the end of a master Acknowledge sequence.
0 = Acknowledge sequence is not in progress
bit 3 RCEN: Receive Enable bit (when operating as I2C master)
1 = Enables Receive mode for I2C. Hardware is clear at the end of the eighth bit of a master receive data byte.
0 = Receive sequence is not in progress
bit 2 PEN: Stop Condition Enable bit (when operating as I2C master)
1 = Initiates Stop condition on SDAx and SCLx pins. Hardware is clear at the end of a master Stop sequence.
0 = Stop condition is not in progress
bit 1 RSEN: Repeated Start Condition Enable bit (when operating as I2C master)
1 = Initiates Repeated Start condition on SDAx and SCLx pins. Hardware is clear at the end of a master
Repeated Start sequence.
0 = Repeated Start condition is not in progress
bit 0 SEN: Start Condition Enable bit (when operating as I2C master)
1 = Initiates Start condition on SDAx and SCLx pins. Hardware is clear at the end of a master Start sequence.
0 = Start condition is not in progress
REGISTER 19-1: I2CxCON: I2Cx CONTROL REGISTER (CONTINUED)
Note 1: When performing master operations, ensure that the IPMIEN bit is ‘0’.

dsPIC33EPXXX(GP/MC/MU)806/810/814 and PIC24EPXXX(GP/GU)810/814
DS70616G-page 350 2009-2012 Microchip Technology Inc.
REGISTER 19-2: I2CxSTAT: I2Cx STATUS REGISTER
R-0, HSC R-0, HSC U-0 U-0 U-0 R/C-0, HS R-0, HSC R-0, HSC
ACKSTAT TRSTAT — — — BCL GCSTAT ADD10
bit 15 bit 8
R/C-0, HS R/C-0, HS R-0, HSC R/C-0, HSC R/C-0, HSC R-0, HSC R-0, HSC R-0, HSC
IWCOL I2COV D_A P S R_W RBF TBF
bit 7 bit 0
Legend: C = Clearable bit U = Unimplemented bit, read as ‘0’
R = Readable bit W = Writable bit HS = Hardware Settable bit HSC = Hardware Settable/Clearable bit
-n = Value at POR ‘1’ = Bit is set ‘0’ = Bit is cleared x = Bit is unknown
bit 15 ACKSTAT: Acknowledge Status bit
(when operating as I2C™ master, applicable to master transmit operation)
1 = NACK received from slave
0 = ACK received from slave
Hardware is set or clear at the end of a slave Acknowledge.
bit 14 TRSTAT: Transmit Status bit (when operating as I2C master, applicable to master transmit operation)
1 = Master transmit is in progress (8 bits + ACK)
0 = Master transmit is not in progress
Hardware is set at the beginning of a master transmission. Hardware is clear at the end of a slave
Acknowledge.
bit 13-11 Unimplemented: Read as ‘0’
bit 10 BCL: Master Bus Collision Detect bit
1 = A bus collision has been detected during a master operation
0 = No collision
Hardware is set at detection of a bus collision.
bit 9 GCSTAT: General Call Status bit
1 = General call address was received
0 = General call address was not received
Hardware is set when an address matches the general call address. Hardware is clear at a Stop detection.
bit 8 ADD10: 10-Bit Address Status bit
1 = 10-bit address was matched
0 = 10-bit address was not matched
Hardware is set at a match of the 2nd byte of a matched 10-bit address. Hardware is clear at a Stop detection.
bit 7 IWCOL: Write Collision Detect bit
1 = An attempt to write to the I2CxTRN register failed because the I2C module is busy
0 = No collision
Hardware is set at an occurrence of a write to I2CxTRN while busy (cleared by software).
bit 6 I2COV: I2Cx Receive Overflow Flag bit
1 = A byte was received while the I2CxRCV register is still holding the previous byte
0 = No overflow
Hardware is set at an attempt to transfer I2CxRSR to I2CxRCV (cleared by software).
bit 5 D_A: Data/Address bit (when operating as I2C slave)
1 = Indicates that the last byte received was data
0 = Indicates that the last byte received was a device address
Hardware is clear at a device address match. Hardware is set by reception of a slave byte.
bit 4 P: Stop bit
1 = Indicates that a Stop bit has been detected last
0 = Stop bit was not detected last
Hardware is set or clear when a Start, Repeated Start or Stop is detected.

2009-2012 Microchip Technology Inc. DS70616G-page 351
dsPIC33EPXXX(GP/MC/MU)806/810/814 and PIC24EPXXX(GP/GU)810/814
bit 3 S: Start bit
1 = Indicates that a Start (or Repeated Start) bit has been detected last
0 = Start bit was not detected last
Hardware is set or clear when a Start, Repeated Start or Stop is detected.
bit 2 R_W: Read/Write Information bit (when operating as I2C slave)
1 = Read – indicates data transfer is output from a slave
0 = Write – indicates data transfer is input to a slave
Hardware is set or clear after reception of an I2C device address byte.
bit 1 RBF: Receive Buffer Full Status bit
1 = Receive is complete, I2CxRCV is full
0 = Receive is not complete, I2CxRCV is empty
Hardware is set when I2CxRCV is written with a received byte. Hardware is clear when software reads
I2CxRCV.
bit 0 TBF: Transmit Buffer Full Status bit
1 = Transmit is in progress, I2CxTRN is full
0 = Transmit is complete, I2CxTRN is empty
Hardware is set when software writes to I2CxTRN. Hardware is clear at completion of a data transmission.
REGISTER 19-2: I2CxSTAT: I2Cx STATUS REGISTER (CONTINUED)

dsPIC33EPXXX(GP/MC/MU)806/810/814 and PIC24EPXXX(GP/GU)810/814
DS70616G-page 352 2009-2012 Microchip Technology Inc.
REGISTER 19-3: I2CxMSK: I2Cx SLAVE MODE ADDRESS MASK REGISTER
U-0 U-0 U-0 U-0 U-0 U-0 R/W-0 R/W-0
— — — — — — AMSK9 AMSK8
bit 15 bit 8
R/W-0 R/W-0 R/W-0 R/W-0 R/W-0 R/W-0 R/W-0 R/W-0
AMSK7 AMSK6 AMSK5 AMSK4 AMSK3 AMSK2 AMSK1 AMSK0
bit 7 bit 0
Legend:
R = Readable bit W = Writable bit U = Unimplemented bit, read as ‘0’
-n = Value at POR ‘1’ = Bit is set ‘0’ = Bit is cleared x = Bit is unknown
bit 15-10 Unimplemented: Read as ‘0’
bit 9-0 AMSKx: Mask for Address bit x Select bit
For 10-Bit Address:
1 = Enables masking for bit Ax of incoming message address; bit match is not required in this position
0 = Disables masking for bit Ax; bit match is required in this position
For 7-Bit Address (I2CxMSK<6:0> only):
1 = Enables masking for bit Ax + 1 of incoming message address; bit match is not required in this position
0 = Disable masking for bit Ax + 1; bit match is required in this position

2009-2012 Microchip Technology Inc. DS70616G-page 353
dsPIC33EPXXX(GP/MC/MU)806/810/814 and PIC24EPXXX(GP/GU)810/814
20.0 UNIVERSAL ASYNCHRONOUS
RECEIVER TRANSMITTER
(UART)
The dsPIC33EPXXX(GP/MC/MU)806/810/814 and
PIC24EPXXX(GP/GU)810/814 family of devices
contains four UART modules.
The Universal Asynchronous Receiver Transmitter
(UART) module is one of the serial I/O modules
available in the dsPIC33EPXXX(GP/MC/MU)806/810/
814 and PIC24EPXXX(GP/GU)810/814 device family.
The UART is a full-duplex, asynchronous system that
can communicate with peripheral devices, such as
personal computers, LIN/J2602, RS-232 and RS-485
interfaces. The module also supports a hardware flow
control option with the UxCTS and UxRTS pins, and
also includes an IrDA® encoder and decoder.
The primary features of the UARTx module are:
• Full-Duplex, 8 or 9-Bit Data Transmission through
the UxTX and UxRX Pins
• Even, Odd or No Parity Options (for 8-bit data)
• One or Two Stop bits
• Hardware Flow Control Option with UxCTS and
UxRTS Pins
• Fully Integrated Baud Rate Generator with 16-Bit
Prescaler
• Baud Rates Ranging from 4.375 Mbps to 67 bps at
16x mode at 70 MIPS
• Baud Rates Ranging from 17.5 Mbps to 267 bps at
4x mode at 70 MIPS
• 4-Deep First-In First-Out (FIFO) Transmit Data
Buffer
• 4-Deep FIFO Receive Data Buffer
• Parity, Framing and Buffer Overrun Error Detection
• Support for 9-bit mode with Address Detect
(9th bit = 1)
• Transmit and Receive Interrupts
• A Separate Interrupt for All UARTx Error Conditions
• Loopback mode for Diagnostic Support
• Support for Sync and Break Characters
• Support for Automatic Baud Rate Detection
•IrDA
® Encoder and Decoder Logic
• 16x Baud Clock Output for IrDA Support
A simplified block diagram of the UARTx module is
shown in Figure 20-1. The UARTx module consists of
these key hardware elements:
• Baud Rate Generator
• Asynchronous Transmitter
• Asynchronous Receiver
FIGURE 20-1: UARTx SIMPLIFIED BLOCK DIAGRAM
Note 1: This data sheet summarizes the features
of the dsPIC33EPXXX(GP/MC/MU)806/
810/814 and PIC24EPXXX(GP/GU)810/
814 families of devices. It is not intended
to be a comprehensive reference source.
To complement the information in this
data sheet, refer to Section 17. “UART”
(DS70582) of the “dsPIC33E/PIC24E
Family Reference Manual”, which is
available from the Microchip web site
(www.microchip.com).
2: Some registers and associated bits
described in this section may not be
available on all devices. Refer to
Section 4.0 “Memory Organization” in
this data sheet for device-specific register
and bit information.
UxRX
Hardware Flow Control
UARTx Receiver
UARTx Transmitter UxTX
Baud Rate Generator
UxRTS
UxCTS
IrDA®

dsPIC33EPXXX(GP/MC/MU)806/810/814 and PIC24EPXXX(GP/GU)810/814
DS70616G-page 354 2009-2012 Microchip Technology Inc.
20.1 UARTx Helpful Tips
1. In multi-node direct-connect UARTx networks,
UARTx receive inputs react to the complemen-
tary logic level defined by the URXINV bit
(UxMODE<4>), which defines the Idle state, the
default of which is logic high (i.e., URXINV = 0).
Because remote devices do not initialize at the
same time, it is likely that one of the devices,
because the RX line is floating, will trigger a
Start bit detection and will cause the first byte
received, after the device has been initialized, to
be invalid. To avoid this situation, the user
should use a pull-up or pull-down resistor on the
RX pin depending on the value of the URXINV
bit.
a) If URXINV = 0, use a pull-up resistor on the
RX pin.
b) If URXINV = 1, use a pull-down resistor on
the RX pin.
2. The first character received on a wake-up from
Sleep mode, caused by activity on the UxRX pin
of the UARTx module, will be invalid. In Sleep
mode, peripheral clocks are disabled. By the
time the oscillator system has restarted and
stabilized from Sleep mode, the baud rate bit
sampling clock, relative to the incoming UxRX
bit timing, is no longer synchronized resulting in
the first character being invalid. This is to be
expected.
20.2 UARTx Resources
Many useful resources related to the UARTx are
provided on the main product page of the Microchip
web site for the devices listed in this data sheet. This
product page, which can be accessed using this link,
contains the latest updates and additional information.
20.2.1 KEY RESOURCES
•Section 17. “UART” (DS70582) in the
“dsPIC33E/PIC24E Family Reference Manual”
• Code Samples
• Application Notes
• Software Libraries
• Webinars
• All related “dsPIC33E/PIC24E Family Reference
Manual” Sections
• Development Tools
Note: In the event you are not able to access the
product page using the link above, enter
this URL in your browser:
http://www.microchip.com/wwwproducts/
Devices.aspx?dDocName=en554310

2009-2012 Microchip Technology Inc. DS70616G-page 355
dsPIC33EPXXX(GP/MC/MU)806/810/814 and PIC24EPXXX(GP/GU)810/814
20.3 UARTx Registers
REGISTER 20-1: UxMODE: UARTx MODE REGISTER
R/W-0 U-0 R/W-0 R/W-0 R/W-0 U-0 R/W-0 R/W-0
UARTEN(1)— USIDL IREN(2)RTSMD —UEN<1:0>
bit 15 bit 8
R/W-0, HC R/W-0 R/W-0, HC R/W-0 R/W-0 R/W-0 R/W-0 R/W-0
WAKE LPBACK ABAUD URXINV BRGH PDSEL<1:0> STSEL
bit 7 bit 0
Legend: HC = Hardware Clearable bit
R = Readable bit W = Writable bit U = Unimplemented bit, read as ‘0’
-n = Value at POR ‘1’ = Bit is set ‘0’ = Bit is cleared x = Bit is unknown
bit 15 UARTEN: UARTx Enable bit(1)
1 = UARTx is enabled; all UARTx pins are controlled by UARTx as defined by UEN<1:0>
0 = UARTx is disabled; all UARTx pins are controlled by port latches; UARTx power consumption is
minimal
bit 14 Unimplemented: Read as ‘0’
bit 13 USIDL: UARTx Stop in Idle Mode bit
1 = Discontinues module operation when device enters Idle mode
0 = Continues module operation in Idle mode
bit 12 IREN: IrDA® Encoder and Decoder Enable bit(2)
1 = IrDA encoder and decoder are enabled
0 = IrDA encoder and decoder are disabled
bit 11 RTSMD: Mode Selection for UxRTS Pin bit
1 =UxRTS pin in Simplex mode
0 =UxRTS
pin in Flow Control mode
bit 10 Unimplemented: Read as ‘0’
bit 9-8 UEN<1:0>: UARTx Pin Enable bits
11 = UxTX, UxRX and BCLK pins are enabled and used; UxCTS pin is controlled by port latches
10 = UxTX, UxRX, UxCTS and UxRTS pins are enabled and used
01 = UxTX, UxRX and UxRTS pins are enabled and used; UxCTS pin is controlled by port latches
00 = UxTX and UxRX pins are enabled and used; UxCTS and UxRTS/BCLK pins are controlled by
port latches
bit 7 WAKE: Wake-up on Start Bit Detect During Sleep Mode Enable bit
1 = UARTx continues to sample the UxRX pin; interrupt is generated on falling edge; bit is cleared in
hardware on following rising edge
0 = No wake-up is enabled
bit 6 LPBACK: UARTx Loopback Mode Select bit
1 = Enables Loopback mode
0 = Loopback mode is disabled
bit 5 ABAUD: Auto-Baud Enable bit
1 = Enables baud rate measurement on the next character – requires reception of a Sync field (55h)
before other data; cleared in hardware upon completion
0 = Baud rate measurement is disabled or has completed
Note 1: Refer to Section 17. “UART” (DS70582) in the “dsPIC33E/PIC24E Family Reference Manual” for
information on enabling the UARTx module for receive or transmit operation.
2: This feature is only available for the 16x BRG mode (BRGH = 0).

dsPIC33EPXXX(GP/MC/MU)806/810/814 and PIC24EPXXX(GP/GU)810/814
DS70616G-page 356 2009-2012 Microchip Technology Inc.
bit 4 URXINV: Receive Polarity Inversion bit
1 = UxRX Idle state is ‘0’
0 = UxRX Idle state is ‘1’
bit 3 BRGH: High Baud Rate Enable bit
1 = BRG generates 4 clocks per bit period (4x baud clock, High-Speed mode)
0 = BRG generates 16 clocks per bit period (16x baud clock, Standard mode)
bit 2-1 PDSEL<1:0>: Parity and Data Selection bits
11 = 9-bit data, no parity
10 = 8-bit data, odd parity
01 = 8-bit data, even parity
00 = 8-bit data, no parity
bit 0 STSEL: Stop Bit Selection bit
1 = Two Stop bits
0 = One Stop bit
REGISTER 20-1: UxMODE: UARTx MODE REGISTER (CONTINUED)
Note 1: Refer to Section 17. “UART” (DS70582) in the “dsPIC33E/PIC24E Family Reference Manual” for
information on enabling the UARTx module for receive or transmit operation.
2: This feature is only available for the 16x BRG mode (BRGH = 0).

2009-2012 Microchip Technology Inc. DS70616G-page 357
dsPIC33EPXXX(GP/MC/MU)806/810/814 and PIC24EPXXX(GP/GU)810/814
REGISTER 20-2: UxSTA: UARTx STATUS AND CONTROL REGISTER
R/W-0 R/W-0 R/W-0 U-0 R/W-0, HC R/W-0 R-0 R-1
UTXISEL1 UTXINV UTXISEL0 — UTXBRK UTXEN(1)UTXBF TRMT
bit 15 bit 8
R/W-0 R/W-0 R/W-0 R-1 R-0 R-0 R/C-0 R-0
URXISEL<1:0> ADDEN RIDLE PERR FERR OERR URXDA
bit 7 bit 0
Legend: HC = Hardware Clearable bit C = Clearable bit
R = Readable bit W = Writable bit U = Unimplemented bit, read as ‘0’
-n = Value at POR ‘1’ = Bit is set ‘0’ = Bit is cleared x = Bit is unknown
bit 15,13 UTXISEL<1:0>: UARTx Transmission Interrupt Mode Selection bits
11 = Reserved; do not use
10 = Interrupt when a character is transferred to the Transmit Shift Register (TSR) and as a result, the
transmit buffer becomes empty
01 = Interrupt when the last character is shifted out of the Transmit Shift Register; all transmit
operations are completed
00 = Interrupt when a character is transferred to the Transmit Shift Register (this implies there is at
least one character open in the transmit buffer)
bit 14 UTXINV: UARTx Transmit Polarity Inversion bit
If IREN = 0:
1 = UxTX Idle state is ‘0’
0 = UxTX Idle state is ‘1’
If IREN = 1:
1 = IrDA encoded, UxTX Idle state is ‘1’
0 = IrDA encoded, UxTX Idle state is ‘0’
bit 12 Unimplemented: Read as ‘0’
bit 11 UTXBRK: UARTx Transmit Break bit
1 = Sends Sync Break on next transmission – Start bit, followed by twelve ‘0’ bits, followed by Stop bit;
cleared by hardware upon completion
0 = Sync Break transmission is disabled or completed
bit 10 UTXEN: UARTx Transmit Enable bit(1)
1 = Transmit is enabled, UxTX pin is controlled by UARTx
0 = Transmit is disabled, any pending transmission is aborted and the buffer is reset; UxTX pin
controlled by port
bit 9 UTXBF: UARTx Transmit Buffer Full Status bit (read-only)
1 = Transmit buffer is full
0 = Transmit buffer is not full, at least one more character can be written
bit 8 TRMT: Transmit Shift Register Empty bit (read-only)
1 = Transmit Shift Register is empty and transmit buffer is empty (the last transmission has completed)
0 = Transmit Shift Register is not empty, a transmission is in progress or queued
bit 7-6 URXISEL<1:0>: UARTx Receive Interrupt Mode Selection bits
11 = Interrupt is set on UxRSR transfer making the receive buffer full (i.e., has 4 data characters)
10 = Interrupt is set on UxRSR transfer making the receive buffer 3/4 full (i.e., has 3 data characters)
0x = Interrupt is set when any character is received and transferred from the UxRSR to the receive
buffer; receive buffer has one or more characters
Note 1: Refer to Section 17. “UART” (DS70582) in the “dsPIC33E/PIC24E Family Reference Manual” for
information on enabling the UARTx module for transmit operation.

dsPIC33EPXXX(GP/MC/MU)806/810/814 and PIC24EPXXX(GP/GU)810/814
DS70616G-page 358 2009-2012 Microchip Technology Inc.
bit 5 ADDEN: Address Character Detect bit (bit 8 of received data = 1)
1 = Address Detect mode is enabled; if 9-bit mode is not selected, this does not take effect
0 = Address Detect mode is disabled
bit 4 RIDLE: Receiver Idle bit (read-only)
1 =Receiver is Idle
0 = Receiver is active
bit 3 PERR: Parity Error Status bit (read-only)
1 = Parity error has been detected for the current character (character at the top of the receive FIFO)
0 = Parity error has not been detected
bit 2 FERR: Framing Error Status bit (read-only)
1 = Framing error has been detected for the current character (character at the top of the receive
FIFO)
0 = Framing error has not been detected
bit 1 OERR: Receive Buffer Overrun Error Status bit (read/clear only)
1 = Receive buffer has overflowed
0 = Receive buffer has not overflowed; clearing a previously set OERR bit (10 transition) resets
the receiver buffer and the UxRSR to the empty state
bit 0 URXDA: Receive Buffer Data Available bit (read-only)
1 = Receive buffer has data, at least one more character can be read
0 = Receive buffer is empty
REGISTER 20-2: UxSTA: UARTx STATUS AND CONTROL REGISTER (CONTINUED)
Note 1: Refer to Section 17. “UART” (DS70582) in the “dsPIC33E/PIC24E Family Reference Manual” for
information on enabling the UARTx module for transmit operation.

2009-2012 Microchip Technology Inc. DS70616G-page 359
dsPIC33EPXXX(GP/MC/MU)806/810/814 and PIC24EPXXX(GP/GU)810/814
21.0 ENHANCED CAN (ECAN™)
MODULE
21.1 Overview
The Enhanced Controller Area Network (ECAN)
module is a serial interface, useful for communicat-
ing with other CAN modules or microcontroller
devices. This interface/protocol was designed to
allow communications within noisy environments.
The dsPIC33EPXXX(GP/MC/MU)806/810/814 and
PIC24EPXXX(GP/GU)810/814 devices contain two
ECAN modules.
The ECANx module is a communication controller
implementing the CAN 2.0 A/B protocol, as defined in
the BOSCH CAN Specification. The module supports
CAN 1.2, CAN 2.0A, CAN 2.0B Passive and CAN 2.0B
Active versions of the protocol. The module implemen-
tation is a full CAN system. The CAN Specification is
not covered within this data sheet. The reader can refer
to the BOSCH CAN specification for further details.
The ECANx module features are as follows:
• Implementation of the CAN Protocol, CAN 1.2,
CAN 2.0A and CAN 2.0B
• Standard and Extended Data Frames
• 0-8 Bytes Data Length
• Programmable Bit Rate up to 1 Mbit/sec
• Automatic Response to Remote Transmission
Requests
• Up to 8 Transmit Buffers with Application-Specific
Prioritization and Abort Capability (each buffer
can contain up to 8 bytes of data)
• Up to 32 Receive Buffers (each buffer can contain
up to 8 bytes of data)
• Up to 16 Full (standard/extended identifier)
Acceptance Filters
• Three Full Acceptance Filter Masks
• DeviceNet™ Addressing Support
• Programmable Wake-up Functionality with
Integrated Low-Pass Filter
• Programmable Loopback mode Supports
Self-Test Operation
• Signaling via Interrupt Capabilities for all CAN
Receiver and Transmitter Error States
• Programmable Clock Source
• Programmable Link to Input Capture Module (IC2
for the ECAN1 and ECAN2 modules) for
Time-Stamping and Network Synchronization
• Low-Power Sleep and Idle mode
The CAN bus module consists of a protocol engine and
message buffering/control. The CAN protocol engine
handles all functions for receiving and transmitting
messages on the CAN bus. Messages are transmitted
by first loading the appropriate data registers. Status
and errors can be checked by reading the appropriate
registers. Any message detected on the CAN bus is
checked for errors and then matched against filters to
see if it should be received and stored in one of the
receive registers.
Note 1: This data sheet summarizes the features
of the dsPIC33EPXXX(GP/MC/MU)806/
810/814 and PIC24EPXXX(GP/GU)810/
814 families of devices. It is not intended
to be a comprehensive reference source.
To complement the information in this
data sheet, refer to Section 21.
“Enhanced Controller Area Network
(ECAN™)” (DS70353) of the “dsPIC33E/
PIC24E Family Reference Manual”,
which is available from the Microchip web
site (www.microchip.com).
2: Some registers and associated bits
described in this section may not be
available on all devices. Refer to
Section 4.0 “Memory Organization” in
this data sheet for device-specific register
and bit information.

dsPIC33EPXXX(GP/MC/MU)806/810/814 and PIC24EPXXX(GP/GU)810/814
DS70616G-page 360 2009-2012 Microchip Technology Inc.
FIGURE 21-1: ECANx MODULE BLOCK DIAGRAM
CAN Protocol
Engine
CxTX CxRX
RxF14 Filter
RxF13 Filter
RxF12 Filter
RxF11 Filter
RxF10 Filter
RxF9 Filter
RxF8 Filter
RxF7 Filter
RxF6 Filter
RxF5 Filter
RxF4 Filter
RxF3 Filter
RxF2 Filter
RxF1 Filter
RxF0 Filter
RxM1 Mask
RxM0 Mask
Control
Configuration
Logic
CPU
Bus
Interrupts
TRB0 TX/RX Buffer Control Register
DMA Controller
RxF15 Filter
RxM2 Mask
TRB7 TX/RX Buffer Control Register
TRB6 TX/RX Buffer Control Register
TRB5 TX/RX Buffer Control Register
TRB4 TX/RX Buffer Control Register
TRB3 TX/RX Buffer Control Register
TRB2 TX/RX Buffer Control Register
TRB1 TX/RX Buffer Control Register
Transmit Byte
Sequencer
Message Assembly
Buffer
Note: x = 1 or 2.

2009-2012 Microchip Technology Inc. DS70616G-page 361
dsPIC33EPXXX(GP/MC/MU)806/810/814 and PIC24EPXXX(GP/GU)810/814
21.2 Modes of Operation
The ECANx module can operate in one of several
operation modes selected by the user. These modes
include:
• Initialization mode
• Disable mode
• Normal Operation mode
• Listen Only mode
• Listen All Messages mode
• Loopback mode
Modes are requested by setting the REQOP<2:0> bits
(CxCTRL1<10:8>). Entry into a mode is Acknowledged
by monitoring the OPMODE<2:0> bits (CxCTRL1<7:5>).
The module does not change the mode and the
OPMODE bits until a change in mode is acceptable,
generally during bus Idle time, which is defined as at least
11 consecutive recessive bits.
21.3 ECAN Resources
Many useful resources related to ECAN are provided
on the main product page of the Microchip web site for
the devices listed in this data sheet. This product page,
which can be accessed using this link, contains the
latest updates and additional information.
21.3.1 KEY RESOURCES
•Section 21. “Enhanced Controller Area
Network (ECAN™)” (DS70353) in the
“dsPIC33E/PIC24E Family Reference Manual”
• Code Samples
• Application Notes
• Software Libraries
• Webinars
• All related “dsPIC33E/PIC24E Family Reference
Manual” Sections
• Development Tools
Note: In the event you are not able to access the
product page using the link above, enter
this URL in your browser:
http://www.microchip.com/wwwproducts/
Devices.aspx?dDocName=en554310

dsPIC33EPXXX(GP/MC/MU)806/810/814 and PIC24EPXXX(GP/GU)810/814
DS70616G-page 362 2009-2012 Microchip Technology Inc.
21.4 ECANx Control Registers
REGISTER 21-1: CxCTRL1: ECANx CONTROL REGISTER 1
U-0 U-0 R/W-0 R/W-0 R/W-0 R/W-1 R/W-0 R/W-0
—— CSIDL ABAT CANCKS REQOP<2:0>
bit 15 bit 8
R-1 R-0 R-0 U-0 R/W-0 U-0 U-0 R/W-0
OPMODE<2:0> —CANCAP ——WIN
bit 7 bit 0
Legend:
R = Readable bit W = Writable bit U = Unimplemented bit, read as ‘0’
-n = Value at POR ‘1’ = Bit is set ‘0’ = Bit is cleared x = Bit is unknown
bit 15-14 Unimplemented: Read as ‘0’
bit 13 CSIDL: ECANx Stop in Idle Mode bit
1 = Discontinues module operation when device enters Idle mode
0 = Continues module operation in Idle mode
bit 12 ABAT: Abort All Pending Transmissions bit
1 = Signals all transmit buffers to abort transmission
0 = Module will clear this bit when all transmissions are aborted
bit 11 CANCKS: ECANx Module Clock (FCAN) Source Select bit
1 = FCAN is equal to twice FP
0 = FCAN is equal to FP
bit 10-8 REQOP<2:0>: Request Operation Mode bits
111 = Set Listen All Messages mode
110 = Reserved
101 = Reserved
100 = Set Configuration mode
011 = Set Listen Only Mode
010 = Set Loopback mode
001 = Set Disable mode
000 = Set Normal Operation mode
bit 7-5 OPMODE<2:0>: Operation Mode bits
111 = Module is in Listen All Messages mode
110 = Reserved
101 = Reserved
100 = Module is in Configuration mode
011 = Module is in Listen Only mode
010 = Module is in Loopback mode
001 = Module is in Disable mode
000 = Module is in Normal Operation mode
bit 4 Unimplemented: Read as ‘0’
bit 3 CANCAP: CAN Message Receive Timer Capture Event Enable bit
1 = Enables input capture based on CAN message receive
0 = Disables CAN capture
bit 2-1 Unimplemented: Read as ‘0’
bit 0 WIN: SFR Map Window Select bit
1 = Uses filter window
0 = Uses buffer window

2009-2012 Microchip Technology Inc. DS70616G-page 363
dsPIC33EPXXX(GP/MC/MU)806/810/814 and PIC24EPXXX(GP/GU)810/814
REGISTER 21-2: CxCTRL2: ECANx CONTROL REGISTER 2
U-0 U-0 U-0 U-0 U-0 U-0 U-0 U-0
— — — — — — — —
bit 15 bit 8
U-0 U-0 U-0 R-0 R-0 R-0 R-0 R-0
— — — DNCNT<4:0>
bit 7 bit 0
Legend:
R = Readable bit W = Writable bit U = Unimplemented bit, read as ‘0’
-n = Value at POR ‘1’ = Bit is set ‘0’ = Bit is cleared x = Bit is unknown
bit 15-5 Unimplemented: Read as ‘0’
bit 4-0 DNCNT<4:0>: DeviceNet™ Filter Bit Number bits
10010-11111 = Invalid selection
10001 = Compares up to Data Byte 3, bit 6 with EID<17>
•
•
•
00001 = Compares up to Data Byte 1, bit 7 with EID<0>
00000 = Does not compare data bytes

dsPIC33EPXXX(GP/MC/MU)806/810/814 and PIC24EPXXX(GP/GU)810/814
DS70616G-page 364 2009-2012 Microchip Technology Inc.
REGISTER 21-3: CxVEC: ECANx INTERRUPT CODE REGISTER
U-0 U-0 U-0 R-0 R-0 R-0 R-0 R-0
— — — FILHIT<4:0>
bit 15 bit 8
U-0 R-1 R-0 R-0 R-0 R-0 R-0 R-0
—ICODE<6:0>
bit 7 bit 0
Legend:
R = Readable bit W = Writable bit U = Unimplemented bit, read as ‘0’
-n = Value at POR ‘1’ = Bit is set ‘0’ = Bit is cleared x = Bit is unknown
bit 15-13 Unimplemented: Read as ‘0’
bit 12-8 FILHIT<4:0>: Filter Hit Number bits
10000-11111 = Reserved
01111 = Filter 15
•
•
•
00001 = Filter 1
00000 = Filter 0
bit 7 Unimplemented: Read as ‘0’
bit 6-0 ICODE<6:0>: Interrupt Flag Code bits
1000101-1111111 = Reserved
1000100 = FIFO almost full interrupt
1000011 = Receiver overflow interrupt
1000010 = Wake-up interrupt
1000001 = Error interrupt
1000000 = No interrupt
•
•
•
0010000-0111111 = Reserved
0001111 = RB15 buffer interrupt
•
•
•
0001001 = RB9 buffer interrupt
0001000 = RB8 buffer interrupt
0000111 = TRB7 buffer interrupt
0000110 = TRB6 buffer interrupt
0000101 = TRB5 buffer interrupt
0000100 = TRB4 buffer interrupt
0000011 = TRB3 buffer interrupt
0000010 = TRB2 buffer interrupt
0000001 = TRB1 buffer interrupt
0000000 = TRB0 Buffer interrupt

2009-2012 Microchip Technology Inc. DS70616G-page 365
dsPIC33EPXXX(GP/MC/MU)806/810/814 and PIC24EPXXX(GP/GU)810/814
REGISTER 21-4: CxFCTRL: ECANx FIFO CONTROL REGISTER
R/W-0 R/W-0 R/W-0 U-0 U-0 U-0 U-0 U-0
DMABS<2:0> — — — — —
bit 15 bit 8
U-0 U-0 U-0 R/W-0 R/W-0 R/W-0 R/W-0 R/W-0
— — — FSA<4:0>
bit 7 bit 0
Legend:
R = Readable bit W = Writable bit U = Unimplemented bit, read as ‘0’
-n = Value at POR ‘1’ = Bit is set ‘0’ = Bit is cleared x = Bit is unknown
bit 15-13 DMABS<2:0>: DMA Buffer Size bits
111 = Reserved
110 = 32 buffers in DMA RAM
101 = 24 buffers in DMA RAM
100 = 16 buffers in DMA RAM
011 = 12 buffers in DMA RAM
010 = 8 buffers in DMA RAM
001 = 6 buffers in DMA RAM
000 = 4 buffers in DMA RAM
bit 12-5 Unimplemented: Read as ‘0’
bit 4-0 FSA<4:0>: FIFO Area Starts with Buffer bits
11111 = Read Buffer RB31
11110 = Read Buffer RB30
•
•
•
00001 = TX/RX Buffer TRB1
00000 = TX/RX Buffer TRB0

dsPIC33EPXXX(GP/MC/MU)806/810/814 and PIC24EPXXX(GP/GU)810/814
DS70616G-page 366 2009-2012 Microchip Technology Inc.
REGISTER 21-5: CxFIFO: ECANx FIFO STATUS REGISTER
U-0 U-0 R-0 R-0 R-0 R-0 R-0 R-0
—— FBP<5:0>
bit 15 bit 8
U-0 U-0 R-0 R-0 R-0 R-0 R-0 R-0
—— FNRB<5:0>
bit 7 bit 0
Legend:
R = Readable bit W = Writable bit U = Unimplemented bit, read as ‘0’
-n = Value at POR ‘1’ = Bit is set ‘0’ = Bit is cleared x = Bit is unknown
bit 15-14 Unimplemented: Read as ‘0’
bit 13-8 FBP<5:0>: FIFO Buffer Pointer bits
011111 = RB31 buffer
011110 = RB30 buffer
•
•
•
000001 = TRB1 buffer
000000 = TRB0 buffer
bit 7-6 Unimplemented: Read as ‘0’
bit 5-0 FNRB<5:0>: FIFO Next Read Buffer Pointer bits
011111 = RB31 buffer
011110 = RB30 buffer
•
•
•
000001 = TRB1 buffer
000000 = TRB0 buffer

2009-2012 Microchip Technology Inc. DS70616G-page 367
dsPIC33EPXXX(GP/MC/MU)806/810/814 and PIC24EPXXX(GP/GU)810/814
REGISTER 21-6: CxINTF: ECANx INTERRUPT FLAG REGISTER
U-0 U-0 R-0 R-0 R-0 R-0 R-0 R-0
—— TXBO TXBP RXBP TXWAR RXWAR EWARN
bit 15 bit 8
R/C-0 R/C-0 R/C-0 U-0 R/C-0 R/C-0 R/C-0 R/C-0
IVRIF WAKIF ERRIF — FIFOIF RBOVIF RBIF TBIF
bit 7 bit 0
Legend: C = Writable bit, but only ‘0’ can be written to clear the bit
R = Readable bit W = Writable bit U = Unimplemented bit, read as ‘0’
-n = Value at POR ‘1’ = Bit is set ‘0’ = Bit is cleared x = Bit is unknown
bit 15-14 Unimplemented: Read as ‘0’
bit 13 TXBO: Transmitter in Error State Bus Off bit
1 = Transmitter is in Bus Off state
0 = Transmitter is not in Bus Off state
bit 12 TXBP: Transmitter in Error State Bus Passive bit
1 = Transmitter is in Bus Passive state
0 = Transmitter is not in Bus Passive state
bit 11 RXBP: Receiver in Error State Bus Passive bit
1 = Receiver is in Bus Passive state
0 = Receiver is not in Bus Passive state
bit 10 TXWAR: Transmitter in Error State Warning bit
1 = Transmitter is in Error Warning state
0 = Transmitter is not in Error Warning state
bit 9 RXWAR: Receiver in Error State Warning bit
1 = Receiver is in Error Warning state
0 = Receiver is not in Error Warning state
bit 8 EWARN: Transmitter or Receiver in Error State Warning bit
1 = Transmitter or Receiver is in Error State Warning state
0 = Transmitter or Receiver is not in Error State Warning state
bit 7 IVRIF: Invalid Message Interrupt Flag bit
1 = Interrupt Request has occurred
0 = Interrupt Request has not occurred
bit 6 WAKIF: Bus Wake-up Activity Interrupt Flag bit
1 = Interrupt Request has occurred
0 = Interrupt Request has not occurred
bit 5 ERRIF: Error Interrupt Flag bit (multiple sources in CxINTF<13:8> register)
1 = Interrupt Request has occurred
0 = Interrupt Request has not occurred
bit 4 Unimplemented: Read as ‘0’
bit 3 FIFOIF: FIFO Almost Full Interrupt Flag bit
1 = Interrupt Request has occurred
0 = Interrupt Request has not occurred
bit 2 RBOVIF: RX Buffer Overflow Interrupt Flag bit
1 = Interrupt Request has occurred
0 = Interrupt Request has not occurred
bit 1 RBIF: RX Buffer Interrupt Flag bit
1 = Interrupt Request has occurred
0 = Interrupt Request has not occurred
bit 0 TBIF: TX Buffer Interrupt Flag bit
1 = Interrupt Request has occurred
0 = Interrupt Request has not occurred

dsPIC33EPXXX(GP/MC/MU)806/810/814 and PIC24EPXXX(GP/GU)810/814
DS70616G-page 368 2009-2012 Microchip Technology Inc.
REGISTER 21-7: CxINTE: ECANx INTERRUPT ENABLE REGISTER
U-0 U-0 U-0 U-0 U-0 U-0 U-0 U-0
— — — — — — — —
bit 15 bit 8
R/W-0 R/W-0 R/W-0 U-0 R/W-0 R/W-0 R/W-0 R/W-0
IVRIE WAKIE ERRIE — FIFOIE RBOVIE RBIE TBIE
bit 7 bit 0
Legend:
R = Readable bit W = Writable bit U = Unimplemented bit, read as ‘0’
-n = Value at POR ‘1’ = Bit is set ‘0’ = Bit is cleared x = Bit is unknown
bit 15-8 Unimplemented: Read as ‘0’
bit 7 IVRIE: Invalid Message Interrupt Enable bit
1 = Interrupt request is enabled
0 = Interrupt request is not enabled
bit 6 WAKIE: Bus Wake-up Activity Interrupt Enable bit
1 = Interrupt request is enabled
0 = Interrupt request is not enabled
bit 5 ERRIE: Error Interrupt Enable bit
1 = Interrupt request is enabled
0 = Interrupt request is not enabled
bit 4 Unimplemented: Read as ‘0’
bit 3 FIFOIE: FIFO Almost Full Interrupt Enable bit
1 = Interrupt request is enabled
0 = Interrupt request is not enabled
bit 2 RBOVIE: RX Buffer Overflow Interrupt Enable bit
1 = Interrupt request is enabled
0 = Interrupt request is not enabled
bit 1 RBIE: RX Buffer Interrupt Enable bit
1 = Interrupt request is enabled
0 = Interrupt request is not enabled
bit 0 TBIE: TX Buffer Interrupt Enable bit
1 = Interrupt request is enabled
0 = Interrupt request is not enabled

2009-2012 Microchip Technology Inc. DS70616G-page 369
dsPIC33EPXXX(GP/MC/MU)806/810/814 and PIC24EPXXX(GP/GU)810/814
REGISTER 21-8: CxEC: ECANx TRANSMIT/RECEIVE ERROR COUNT REGISTER
R-0 R-0 R-0 R-0 R-0 R-0 R-0 R-0
TERRCNT<7:0>
bit 15 bit 8
R-0 R-0 R-0 R-0 R-0 R-0 R-0 R-0
RERRCNT<7:0>
bit 7 bit 0
Legend:
R = Readable bit W = Writable bit U = Unimplemented bit, read as ‘0’
-n = Value at POR ‘1’ = Bit is set ‘0’ = Bit is cleared x = Bit is unknown
bit 15-8 TERRCNT<7:0>: Transmit Error Count bits
bit 7-0 RERRCNT<7:0>: Receive Error Count bits
REGISTER 21-9: CxCFG1: ECANx BAUD RATE CONFIGURATION REGISTER 1
U-0 U-0 U-0 U-0 U-0 U-0 U-0 U-0
— — — — — — — —
bit 15 bit 8
R/W-0 R/W-0 R/W-0 R/W-0 R/W-0 R/W-0 R/W-0 R/W-0
SJW<1:0> BRP<5:0>
bit 7 bit 0
Legend:
R = Readable bit W = Writable bit U = Unimplemented bit, read as ‘0’
-n = Value at POR ‘1’ = Bit is set ‘0’ = Bit is cleared x = Bit is unknown
bit 15-8 Unimplemented: Read as ‘0’
bit 7-6 SJW<1:0>: Synchronization Jump Width bits
11 = Length is 4 x TQ
10 = Length is 3 x TQ
01 = Length is 2 x TQ
00 = Length is 1 x TQ
bit 5-0 BRP<5:0>: Baud Rate Prescaler bits
11 1111 = TQ = 2 x 64 x 1/FCAN
•
•
•
00 0010 = TQ = 2 x 3 x 1/FCAN
00 0001 = TQ = 2 x 2 x 1/FCAN
00 0000 = TQ = 2 x 1 x 1/FCAN

dsPIC33EPXXX(GP/MC/MU)806/810/814 and PIC24EPXXX(GP/GU)810/814
DS70616G-page 370 2009-2012 Microchip Technology Inc.
REGISTER 21-10: CxCFG2: ECANx BAUD RATE CONFIGURATION REGISTER 2
U-0 R/W-x U-0 U-0 U-0 R/W-x R/W-x R/W-x
— WAKFIL — — — SEG2PH<2:0>
bit 15 bit 8
R/W-x R/W-x R/W-x R/W-x R/W-x R/W-x R/W-x R/W-x
SEG2PHTS SAM SEG1PH<2:0> PRSEG<2:0>
bit 7 bit 0
Legend:
R = Readable bit W = Writable bit U = Unimplemented bit, read as ‘0’
-n = Value at POR ‘1’ = Bit is set ‘0’ = Bit is cleared x = Bit is unknown
bit 15 Unimplemented: Read as ‘0’
bit 14 WAKFIL: Select CAN Bus Line Filter for Wake-up bit
1 = Uses CAN bus line filter for wake-up
0 = CAN bus line filter is not used for wake-up
bit 13-11 Unimplemented: Read as ‘0’
bit 10-8 SEG2PH<2:0>: Phase Segment 2 bits
111 = Length is 8 x TQ
•
•
•
000 = Length is 1 x TQ
bit 7 SEG2PHTS: Phase Segment 2 Time Select bit
1 = Freely programmable
0 = Maximum of SEG1PH bits or Information Processing Time (IPT), whichever is greater
bit 6 SAM: Sample of the CAN Bus Line bit
1 = Bus line is sampled three times at the sample point
0 = Bus line is sampled once at the sample point
bit 5-3 SEG1PH<2:0>: Phase Segment 1 bits
111 = Length is 8 x TQ
•
•
•
000 = Length is 1 x TQ
bit 2-0 PRSEG<2:0>: Propagation Time Segment bits
111 = Length is 8 x TQ
•
•
•
000 = Length is 1 x TQ

2009-2012 Microchip Technology Inc. DS70616G-page 371
dsPIC33EPXXX(GP/MC/MU)806/810/814 and PIC24EPXXX(GP/GU)810/814
REGISTER 21-11: CxFEN1: ECANx ACCEPTANCE FILTER ENABLE REGISTER 1
R/W-1 R/W-1 R/W-1 R/W-1 R/W-1 R/W-1 R/W-1 R/W-1
FLTEN15 FLTEN14 FLTEN13 FLTEN12 FLTEN11 FLTEN10 FLTEN9 FLTEN8
bit 15 bit 8
R/W-1 R/W-1 R/W-1 R/W-1 R/W-1 R/W-1 R/W-1 R/W-1
FLTEN7 FLTEN6 FLTEN5 FLTEN4 FLTEN3 FLTEN2 FLTEN1 FLTEN0
bit 7 bit 0
Legend:
R = Readable bit W = Writable bit U = Unimplemented bit, read as ‘0’
-n = Value at POR ‘1’ = Bit is set ‘0’ = Bit is cleared x = Bit is unknown
bit 15-0 FLTENn: Enable Filter n to Accept Messages bits
1 = Enables Filter n
0 = Disables Filter n
REGISTER 21-12: CxBUFPNT1: ECANx FILTER 0-3 BUFFER POINTER REGISTER 1
R/W-0 R/W-0 R/W-0 R/W-0 R/W-0 R/W-0 R/W-0 R/W-0
F3BP<3:0> F2BP<3:0>
bit 15 bit 8
R/W-0 R/W-0 R/W-0 R/W-0 R/W-0 R/W-0 R/W-0 R/W-0
F1BP<3:0> F0BP<3:0>
bit 7 bit 0
Legend:
R = Readable bit W = Writable bit U = Unimplemented bit, read as ‘0’
-n = Value at POR ‘1’ = Bit is set ‘0’ = Bit is cleared x = Bit is unknown
bit 15-12 F3BP<3:0>: RX Buffer Mask for Filter 3 bits
1111 = Filter hits received in RX FIFO buffer
1110 = Filter hits received in RX Buffer 14
•
•
•
0001 = Filter hits received in RX Buffer 1
0000 = Filter hits received in RX Buffer 0
bit 11-8 F2BP<3:0>: RX Buffer Mask for Filter 2 bits (same values as bit 15-12)
bit 7-4 F1BP<3:0>: RX Buffer Mask for Filter 1 bits (same values as bit 15-12)
bit 3-0 F0BP<3:0>: RX Buffer Mask for Filter 0 bits (same values as bit 15-12)

dsPIC33EPXXX(GP/MC/MU)806/810/814 and PIC24EPXXX(GP/GU)810/814
DS70616G-page 372 2009-2012 Microchip Technology Inc.
REGISTER 21-13: CxBUFPNT2: ECANx FILTER 4-7 BUFFER POINTER REGISTER 2
R/W-0 R/W-0 R/W-0 R/W-0 R/W-0 R/W-0 R/W-0 R/W-0
F7BP<3:0> F6BP<3:0>
bit 15 bit 8
R/W-0 R/W-0 R/W-0 R/W-0 R/W-0 R/W-0 R/W-0 R/W-0
F5BP<3:0> F4BP<3:0>
bit 7 bit 0
Legend:
R = Readable bit W = Writable bit U = Unimplemented bit, read as ‘0’
-n = Value at POR ‘1’ = Bit is set ‘0’ = Bit is cleared x = Bit is unknown
bit 15-12 F7BP<3:0>: RX Buffer Mask for Filter 7 bits
1111 = Filter hits received in RX FIFO buffer
1110 = Filter hits received in RX Buffer 14
•
•
•
0001 = Filter hits received in RX Buffer 1
0000 = Filter hits received in RX Buffer 0
bit 11-8 F6BP<3:0>: RX Buffer Mask for Filter 6 bits (same values as bit 15-12)
bit 7-4 F5BP<3:0>: RX Buffer Mask for Filter 5 bits (same values as bit 15-12)
bit 3-0 F4BP<3:0>: RX Buffer Mask for Filter 4 bits (same values as bit 15-12)
REGISTER 21-14: CxBUFPNT3: ECANx FILTER 8-11 BUFFER POINTER REGISTER 3
R/W-0 R/W-0 R/W-0 R/W-0 R/W-0 R/W-0 R/W-0 R/W-0
F11BP<3:0> F10BP<3:0>
bit 15 bit 8
R/W-0 R/W-0 R/W-0 R/W-0 R/W-0 R/W-0 R/W-0 R/W-0
F9BP<3:0> F8BP<3:0>
bit 7 bit 0
Legend:
R = Readable bit W = Writable bit U = Unimplemented bit, read as ‘0’
-n = Value at POR ‘1’ = Bit is set ‘0’ = Bit is cleared x = Bit is unknown
bit 15-12 F11BP<3:0>: RX Buffer Mask for Filter 11 bits
1111 = Filter hits received in RX FIFO buffer
1110 = Filter hits received in RX Buffer 14
•
•
•
0001 = Filter hits received in RX Buffer 1
0000 = Filter hits received in RX Buffer 0
bit 11-8 F10BP<3:0>: RX Buffer Mask for Filter 10 bits (same values as bit 15-12)
bit 7-4 F9BP<3:0>: RX Buffer Mask for Filter 9 bits (same values as bit 15-12)
bit 3-0 F8BP<3:0>: RX Buffer Mask for Filter 8 bits (same values as bit 15-12)

2009-2012 Microchip Technology Inc. DS70616G-page 373
dsPIC33EPXXX(GP/MC/MU)806/810/814 and PIC24EPXXX(GP/GU)810/814
REGISTER 21-15: CxBUFPNT4: ECANx FILTER 12-15 BUFFER POINTER REGISTER 4
R/W-0 R/W-0 R/W-0 R/W-0 R/W-0 R/W-0 R/W-0 R/W-0
F15BP<3:0> F14BP<3:0>
bit 15 bit 8
R/W-0 R/W-0 R/W-0 R/W-0 R/W-0 R/W-0 R/W-0 R/W-0
F13BP<3:0> F12BP<3:0>
bit 7 bit 0
Legend:
R = Readable bit W = Writable bit U = Unimplemented bit, read as ‘0’
-n = Value at POR ‘1’ = Bit is set ‘0’ = Bit is cleared x = Bit is unknown
bit 15-12 F15BP<3:0>: RX Buffer Mask for Filter 15 bits
1111 = Filter hits received in RX FIFO buffer
1110 = Filter hits received in RX Buffer 14
•
•
•
0001 = Filter hits received in RX Buffer 1
0000 = Filter hits received in RX Buffer 0
bit 11-8 F14BP<3:0>: RX Buffer Mask for Filter 14 bits (same values as bit 15-12)
bit 7-4 F13BP<3:0>: RX Buffer Mask for Filter 13 bits (same values as bit 15-12)
bit 3-0 F12BP<3:0>: RX Buffer Mask for Filter 12 bits (same values as bit 15-12)

dsPIC33EPXXX(GP/MC/MU)806/810/814 and PIC24EPXXX(GP/GU)810/814
DS70616G-page 374 2009-2012 Microchip Technology Inc.
REGISTER 21-16: CxRXFnSID: ECANx ACCEPTANCE FILTER n STANDARD IDENTIFIER
REGISTER n (n = 0-15)
R/W-x R/W-x R/W-x R/W-x R/W-x R/W-x R/W-x R/W-x
SID10 SID9 SID8 SID7 SID6 SID5 SID4 SID3
bit 15 bit 8
R/W-x R/W-x R/W-x U-0 R/W-x U-0 R/W-x R/W-x
SID2 SID1 SID0 —EXIDE —EID17EID16
bit 7 bit 0
Legend:
R = Readable bit W = Writable bit U = Unimplemented bit, read as ‘0’
-n = Value at POR ‘1’ = Bit is set ‘0’ = Bit is cleared x = Bit is unknown
bit 15-5 SID<10:0>: Standard Identifier bits
1 = Message address bit, SIDx, must be ‘1’ to match filter
0 = Message address bit, SIDx, must be ‘0’ to match filter
bit 4 Unimplemented: Read as ‘0’
bit 3 EXIDE: Extended Identifier Enable bit
If MIDE = 1:
1 = Matches only messages with extended identifier addresses
0 = Matches only messages with standard identifier addresses
If MIDE = 0:
Ignores EXIDE bit.
bit 2 Unimplemented: Read as ‘0’
bit 1-0 EID<17:16>: Extended Identifier bits
1 = Message address bit, EIDx, must be ‘1’ to match filter
0 = Message address bit, EIDx, must be ‘0’ to match filter

2009-2012 Microchip Technology Inc. DS70616G-page 375
dsPIC33EPXXX(GP/MC/MU)806/810/814 and PIC24EPXXX(GP/GU)810/814
REGISTER 21-17: CxRXFnEID: ECANx ACCEPTANCE FILTER n EXTENDED IDENTIFIER
REGISTER n (n = 0-15)
R/W-x R/W-x R/W-x R/W-x R/W-x R/W-x R/W-x R/W-x
EID15 EID14 EID13 EID12 EID11 EID10 EID9 EID8
bit 15 bit 8
R/W-x R/W-x R/W-x R/W-x R/W-x R/W-x R/W-x R/W-x
EID7 EID6 EID5 EID4 EID3 EID2 EID1 EID0
bit 7 bit 0
Legend:
R = Readable bit W = Writable bit U = Unimplemented bit, read as ‘0’
-n = Value at POR ‘1’ = Bit is set ‘0’ = Bit is cleared x = Bit is unknown
bit 15-0 EID<15:0>: Extended Identifier bits
1 = Message address bit, EIDx, must be ‘1’ to match filter
0 = Message address bit, EIDx, must be ‘0’ to match filter
REGISTER 21-18: CxFMSKSEL1:
ECAN
x
FILTER 7-0 MASK SELECTION REGISTER
R/W-0 R/W-0 R/W-0 R/W-0 R/W-0 R/W-0 R/W-0 R/W-0
F7MSK<1:0> F6MSK<1:0> F5MSK<1:0> F4MSK<1:0>
bit 15 bit 8
R/W-0 R/W-0 R/W-0 R/W-0 R/W-0 R/W-0 R/W-0 R/W-0
F3MSK<1:0> F2MSK<1:0> F1MSK<1:0> F0MSK<1:0>
bit 7 bit 0
Legend: C = Writable bit, but only ‘0’ can be written to clear the bit
R = Readable bit W = Writable bit U = Unimplemented bit, read as ‘0’
-n = Value at POR ‘1’ = Bit is set ‘0’ = Bit is cleared x = Bit is unknown
bit 15-14 F7MSK<1:0>: Mask Source for Filter 7 bit
11 = Reserved
10 = Acceptance Mask 2 registers contain mask
01 = Acceptance Mask 1 registers contain mask
00 = Acceptance Mask 0 registers contain mask
bit 13-12 F6MSK<1:0>: Mask Source for Filter 6 bit (same values as bit 15-14)
bit 11-10 F5MSK<1:0>: Mask Source for Filter 5 bit (same values as bit 15-14)
bit 9-8 F4MSK<1:0>: Mask Source for Filter 4 bit (same values as bit 15-14)
bit 7-6 F3MSK<1:0>: Mask Source for Filter 3 bit (same values as bit 15-14)
bit 5-4 F2MSK<1:0>: Mask Source for Filter 2 bit (same values as bit 15-14)
bit 3-2 F1MSK<1:0>: Mask Source for Filter 1 bit (same values as bit 15-14)
bit 1-0 F0MSK<1:0>: Mask Source for Filter 0 bit (same values as bit 15-14)

dsPIC33EPXXX(GP/MC/MU)806/810/814 and PIC24EPXXX(GP/GU)810/814
DS70616G-page 376 2009-2012 Microchip Technology Inc.
REGISTER 21-19: CxFMSKSEL2:
ECAN
x
FILTER 15-8 MASK SELECTION REGISTER
R/W-0 R/W-0 R/W-0 R/W-0 R/W-0 R/W-0 R/W-0 R/W-0
F15MSK<1:0> F14MSK<1:0> F13MSK<1:0> F12MSK<1:0>
bit 15 bit 8
R/W-0 R/W-0 R/W-0 R/W-0 R/W-0 R/W-0 R/W-0 R/W-0
F11MSK<1:0> F10MSK<1:0> F9MSK<1:0> F8MSK<1:0>
bit 7 bit 0
Legend:
R = Readable bit W = Writable bit U = Unimplemented bit, read as ‘0’
-n = Value at POR ‘1’ = Bit is set ‘0’ = Bit is cleared x = Bit is unknown
bit 15-14 F15MSK<1:0>: Mask Source for Filter 15 bit
11 = Reserved
10 = Acceptance Mask 2 registers contain mask
01 = Acceptance Mask 1 registers contain mask
00 = Acceptance Mask 0 registers contain mask
bit 13-12 F14MSK<1:0>: Mask Source for Filter 14 bit (same values as bit 15-14)
bit 11-10 F13MSK<1:0>: Mask Source for Filter 13 bit (same values as bit 15-14)
bit 9-8 F12MSK<1:0>: Mask Source for Filter 12 bit (same values as bit 15-14)
bit 7-6 F11MSK<1:0>: Mask Source for Filter 11 bit (same values as bit 15-14)
bit 5-4 F10MSK<1:0>: Mask Source for Filter 10 bit (same values as bit 15-14)
bit 3-2 F9MSK<1:0>: Mask Source for Filter 9 bit (same values as bit 15-14)
bit 1-0 F8MSK<1:0>: Mask Source for Filter 8 bit (same values as bit 15-14)

2009-2012 Microchip Technology Inc. DS70616G-page 377
dsPIC33EPXXX(GP/MC/MU)806/810/814 and PIC24EPXXX(GP/GU)810/814
REGISTER 21-20: CxRXMnSID:
ECAN
x
ACCEPTANCE FILTER MASK n STANDARD IDENTIFIER
REGISTER n (n = 0-2)
R/W-x R/W-x R/W-x R/W-x R/W-x R/W-x R/W-x R/W-x
SID10 SID9 SID8 SID7 SID6 SID5 SID4 SID3
bit 15 bit 8
R/W-x R/W-x R/W-x U-0 R/W-x U-0 R/W-x R/W-x
SID2 SID1 SID0 —MIDE —EID17EID16
bit 7 bit 0
Legend:
R = Readable bit W = Writable bit U = Unimplemented bit, read as ‘0’
-n = Value at POR ‘1’ = Bit is set ‘0’ = Bit is cleared x = Bit is unknown
bit 15-5 SID<10:0>: Standard Identifier bits
1 = Includes bit, SIDx, in filter comparison
0 = Bit, SIDx, is a don’t care in filter comparison
bit 4 Unimplemented: Read as ‘0’
bit 3 MIDE: Identifier Receive Mode bit
1 = Matches only message types (standard or extended address) that correspond to EXIDE bit in filter
0 = Matches either standard or extended address message if filters match
(i.e., if (Filter SID) = (Message SID) or if (Filter SID/EID) = (Message SID/EID))
bit 2 Unimplemented: Read as ‘0’
bit 1-0 EID<17:16>: Extended Identifier bits
1 = Includes bit, EIDx, in filter comparison
0 = Bit, EIDx, is a don’t care in filter comparison
REGISTER 21-21: CxRXMnEID:
ECAN
x
ACCEPTANCE FILTER MASK n EXTENDED IDENTIFIER
REGISTER n (n = 0-2)
R/W-x R/W-x R/W-x R/W-x R/W-x R/W-x R/W-x R/W-x
EID15 EID14 EID13 EID12 EID11 EID10 EID9 EID8
bit 15 bit 8
R/W-x R/W-x R/W-x R/W-x R/W-x R/W-x R/W-x R/W-x
EID7 EID6 EID5 EID4 EID3 EID2 EID1 EID0
bit 7 bit 0
Legend:
R = Readable bit W = Writable bit U = Unimplemented bit, read as ‘0’
-n = Value at POR ‘1’ = Bit is set ‘0’ = Bit is cleared x = Bit is unknown
bit 15-0 EID<15:0>: Extended Identifier bits
1 = Includes bit, EIDx, in filter comparison
0 = Bit, EIDx, is a don’t care in filter comparison

dsPIC33EPXXX(GP/MC/MU)806/810/814 and PIC24EPXXX(GP/GU)810/814
DS70616G-page 378 2009-2012 Microchip Technology Inc.
REGISTER 21-22: CxRXFUL1: ECANx RECEIVE BUFFER FULL REGISTER 1
R/C-0 R/C-0 R/C-0 R/C-0 R/C-0 R/C-0 R/C-0 R/C-0
RXFUL15 RXFUL14 RXFUL13 RXFUL12 RXFUL11 RXFUL10 RXFUL9 RXFUL8
bit 15 bit 8
R/C-0 R/C-0 R/C-0 R/C-0 R/C-0 R/C-0 R/C-0 R/C-0
RXFUL7 RXFUL6 RXFUL5 RXFUL4 RXFUL3 RXFUL2 RXFUL1 RXFUL0
bit 7 bit 0
Legend: C = Writable bit, but only ‘0’ can be written to clear the bit
R = Readable bit W = Writable bit U = Unimplemented bit, read as ‘0’
-n = Value at POR ‘1’ = Bit is set ‘0’ = Bit is cleared x = Bit is unknown
bit 15-0 RXFUL<15:0>: Receive Buffer n Full bits
1 = Buffer is full (set by module)
0 = Buffer is empty (cleared by user software)
REGISTER 21-23: CxRXFUL2: ECANx RECEIVE BUFFER FULL REGISTER 2
R/C-0 R/C-0 R/C-0 R/C-0 R/C-0 R/C-0 R/C-0 R/C-0
RXFUL31 RXFUL30 RXFUL29 RXFUL28 RXFUL27 RXFUL26 RXFUL25 RXFUL24
bit 15 bit 8
R/C-0 R/C-0 R/C-0 R/C-0 R/C-0 R/C-0 R/C-0 R/C-0
RXFUL23 RXFUL22 RXFUL21 RXFUL20 RXFUL19 RXFUL18 RXFUL17 RXFUL16
bit 7 bit 0
Legend: C = Writable bit, but only ‘0’ can be written to clear the bit
R = Readable bit W = Writable bit U = Unimplemented bit, read as ‘0’
-n = Value at POR ‘1’ = Bit is set ‘0’ = Bit is cleared x = Bit is unknown
bit 15-0 RXFUL<31:16>: Receive Buffer n Full bits
1 = Buffer is full (set by module)
0 = Buffer is empty (cleared by user software)

2009-2012 Microchip Technology Inc. DS70616G-page 379
dsPIC33EPXXX(GP/MC/MU)806/810/814 and PIC24EPXXX(GP/GU)810/814
REGISTER 21-24: CxRXOVF1: ECANx RECEIVE BUFFER OVERFLOW REGISTER 1
R/C-0 R/C-0 R/C-0 R/C-0 R/C-0 R/C-0 R/C-0 R/C-0
RXOVF15 RXOVF14 RXOVF13 RXOVF12 RXOVF11 RXOVF10 RXOVF9 RXOVF8
bit 15 bit 8
R/C-0 R/C-0 R/C-0 R/C-0 R/C-0 R/C-0 R/C-0 R/C-0
RXOVF7 RXOVF6 RXOVF5 RXOVF4 RXOVF3 RXOVF2 RXOVF1 RXOVF0
bit 7 bit 0
Legend: C = Writable bit, but only ‘0’ can be written to clear the bit
R = Readable bit W = Writable bit U = Unimplemented bit, read as ‘0’
-n = Value at POR ‘1’ = Bit is set ‘0’ = Bit is cleared x = Bit is unknown
bit 15-0 RXOVF<15:0>: Receive Buffer n Overflow bits
1 = Module attempted to write to a full buffer (set by module)
0 = No overflow condition (cleared by user software)
REGISTER 21-25: CxRXOVF2: ECANx RECEIVE BUFFER OVERFLOW REGISTER 2
R/C-0 R/C-0 R/C-0 R/C-0 R/C-0 R/C-0 R/C-0 R/C-0
RXOVF31 RXOVF30 RXOVF29 RXOVF28 RXOVF27 RXOVF26 RXOVF25 RXOVF24
bit 15 bit 8
R/C-0 R/C-0 R/C-0 R/C-0 R/C-0 R/C-0 R/C-0 R/C-0
RXOVF23 RXOVF22 RXOVF21 RXOVF20 RXOVF19 RXOVF18 RXOVF17 RXOVF16
bit 7 bit 0
Legend: C = Writable bit, but only ‘0’ can be written to clear the bit
R = Readable bit W = Writable bit U = Unimplemented bit, read as ‘0’
-n = Value at POR ‘1’ = Bit is set ‘0’ = Bit is cleared x = Bit is unknown
bit 15-0 RXOVF<31:16>: Receive Buffer n Overflow bits
1 = Module attempted to write to a full buffer (set by module)
0 = No overflow condition (cleared by user software)

dsPIC33EPXXX(GP/MC/MU)806/810/814 and PIC24EPXXX(GP/GU)810/814
DS70616G-page 380 2009-2012 Microchip Technology Inc.
REGISTER 21-26: CxTRmnCON: ECANx TX/RX BUFFER m CONTROL REGISTER
(m = 0, 2, 4, 6; n = 1, 3, 5, 7)
R/W-0 R-0 R-0 R-0 R/W-0 R/W-0 R/W-0 R/W-0
TXENn TXABTn TXLARBn TXERRn TXREQn RTRENn TXnPRI<1:0>
bit 15 bit 8
R/W-0 R-0 R-0 R-0 R/W-0 R/W-0 R/W-0 R/W-0
TXENm TXABTm(1)TXLARBm(1)TXERRm(1)TXREQm RTRENm TXmPRI<1:0>
bit 7 bit 0
Legend:
R = Readable bit W = Writable bit U = Unimplemented bit, read as ‘0’
-n = Value at POR ‘1’ = Bit is set ‘0’ = Bit is cleared x = Bit is unknown
bit 15-8 See definition for bits 7-0, controls Buffer n
bit 7 TXENm: TX/RX Buffer Selection bit
1 = Buffer TRBn is a transmit buffer
0 = Buffer TRBn is a receive buffer
bit 6 TXABTm: Message Aborted bit(1)
1 = Message was aborted
0 = Message completed transmission successfully
bit 5 TXLARBm: Message Lost Arbitration bit(1)
1 = Message lost arbitration while being sent
0 = Message did not lose arbitration while being sent
bit 4 TXERRm: Error Detected During Transmission bit(1)
1 = A bus error occurred while the message was being sent
0 = A bus error did not occur while the message was being sent
bit 3 TXREQm: Message Send Request bit
1 = Requests that a message be sent; the bit automatically clears when the message is successfully sent
0 = Clearing the bit to ‘0’ while set requests a message abort
bit 2 RTRENm: Auto-Remote Transmit Enable bit
1 = When a remote transmit is received, TXREQm will be set
0 = When a remote transmit is received, TXREQm will be unaffected
bit 1-0 TXmPRI<1:0>: Message Transmission Priority bits
11 = Highest message priority
10 = High intermediate message priority
01 = Low intermediate message priority
00 = Lowest message priority
Note 1: This bit is cleared when TXREQm is set.
Note: The buffers, SID, EID, DLC, Data Field and Receive Status registers are located in DMA RAM.

2009-2012 Microchip Technology Inc. DS70616G-page 381
dsPIC33EPXXX(GP/MC/MU)806/810/814 and PIC24EPXXX(GP/GU)810/814
21.5 ECAN Message Buffers
ECAN Message Buffers are part of DMA RAM memory.
They are not ECAN Special Function Registers. The
user application must directly write into the DMA RAM
area that is configured for ECAN Message Buffers. The
location and size of the buffer area is defined by the
user application.
BUFFER 21-1:
ECAN™
MESSAGE BUFFER WORD 0
U-0 U-0 U-0 R/W-x R/W-x R/W-x R/W-x R/W-x
— — — SID10 SID9 SID8 SID7 SID6
bit 15 bit 8
R/W-x R/W-x R/W-x R/W-x R/W-x R/W-x R/W-x R/W-x
SID5 SID4 SID3 SID2 SID1 SID0 SRR IDE
bit 7 bit 0
Legend:
R = Readable bit W = Writable bit U = Unimplemented bit, read as ‘0’
-n = Value at POR ‘1’ = Bit is set ‘0’ = Bit is cleared x = Bit is unknown
bit 15-13 Unimplemented: Read as ‘0’
bit 12-2 SID<10:0>: Standard Identifier bits
bit 1 SRR: Substitute Remote Request bit
When TXIDE = 0:
1 = Message will request remote transmission
0 = Normal message
When TXIDE = 1:
The SRR bit must be set to ‘1’.
bit 0 IDE: Extended Identifier bit
1 = Message will transmit extended identifier
0 = Message will transmit standard identifier
BUFFER 21-2:
ECAN™
MESSAGE BUFFER WORD 1
U-0 U-0 U-0 U-0 R/W-x R/W-x R/W-x R/W-x
— — — —EID17EID16EID15EID14
bit 15 bit 8
R/W-x R/W-x R/W-x R/W-x R/W-x R/W-x R/W-x R/W-x
EID13 EID12 EID11 EID10 EID9 EID8 EID7 EID6
bit 7 bit 0
Legend:
R = Readable bit W = Writable bit U = Unimplemented bit, read as ‘0’
-n = Value at POR ‘1’ = Bit is set ‘0’ = Bit is cleared x = Bit is unknown
bit 15-12 Unimplemented: Read as ‘0’
bit 11-0 EID<17:6>: Extended Identifier bits

dsPIC33EPXXX(GP/MC/MU)806/810/814 and PIC24EPXXX(GP/GU)810/814
DS70616G-page 382 2009-2012 Microchip Technology Inc.
(
BUFFER 21-3:
ECAN™
MESSAGE BUFFER WORD 2
R/W-x R/W-x R/W-x R/W-x R/W-x R/W-x R/W-x R/W-x
EID5 EID4 EID3 EID2 EID1 EID0 RTR RB1
bit 15 bit 8
U-x U-x U-x R/W-x R/W-x R/W-x R/W-x R/W-x
— — — RB0 DLC3 DLC2 DLC1 DLC0
bit 7 bit 0
Legend:
R = Readable bit W = Writable bit U = Unimplemented bit, read as ‘0’
-n = Value at POR ‘1’ = Bit is set ‘0’ = Bit is cleared x = Bit is unknown
bit 15-10 EID<5:0>: Extended Identifier bits
bit 9 RTR: Remote Transmission Request bit
When TXIDE = 1:
1 = Message will request remote transmission
0 = Normal message
When TXIDE = 0:
The RTR bit is ignored.
bit 8 RB1: Reserved Bit 1
User must set this bit to ‘0’ per CAN protocol.
bit 7-5 Unimplemented: Read as ‘0’
bit 4 RB0: Reserved Bit 0
User must set this bit to ‘0’ per CAN protocol.
bit 3-0 DLC<3:0>: Data Length Code bits
BUFFER 21-4: ECAN
™
MESSAGE BUFFER WORD 3
R/W-x R/W-x R/W-x R/W-x R/W-x R/W-x R/W-x R/W-x
Byte 1
bit 15 bit 8
R/W-x R/W-x R/W-x R/W-x R/W-x R/W-x R/W-x R/W-x
Byte 0
bit 7 bit 0
Legend:
R = Readable bit W = Writable bit U = Unimplemented bit, read as ‘0’
-n = Value at POR ‘1’ = Bit is set ‘0’ = Bit is cleared x = Bit is unknown
bit 15-8 Byte 1<15:8>: ECAN Message Byte 0
bit 7-0 Byte 0<7:0>: ECAN Message Byte 1

2009-2012 Microchip Technology Inc. DS70616G-page 383
dsPIC33EPXXX(GP/MC/MU)806/810/814 and PIC24EPXXX(GP/GU)810/814
BUFFER 21-5: ECAN
™
MESSAGE BUFFER WORD 4
R/W-x R/W-x R/W-x R/W-x R/W-x R/W-x R/W-x R/W-x
Byte 3
bit 15 bit 8
R/W-x R/W-x R/W-x R/W-x R/W-x R/W-x R/W-x R/W-x
Byte 2
bit 7 bit 0
Legend:
R = Readable bit W = Writable bit U = Unimplemented bit, read as ‘0’
-n = Value at POR ‘1’ = Bit is set ‘0’ = Bit is cleared x = Bit is unknown
bit 15-8 Byte 3<15:8>: ECAN Message Byte 3
bit 7-0 Byte 2<7:0>: ECAN Message Byte 2
BUFFER 21-6: ECAN
™
MESSAGE BUFFER WORD 5
R/W-x R/W-x R/W-x R/W-x R/W-x R/W-x R/W-x R/W-x
Byte 5
bit 15 bit 8
R/W-x R/W-x R/W-x R/W-x R/W-x R/W-x R/W-x R/W-x
Byte 4
bit 7 bit 0
Legend:
R = Readable bit W = Writable bit U = Unimplemented bit, read as ‘0’
-n = Value at POR ‘1’ = Bit is set ‘0’ = Bit is cleared x = Bit is unknown
bit 15-8 Byte 5<15:8>: ECAN Message Byte 5
bit 7-0 Byte 4<7:0>: ECAN Message Byte 4

dsPIC33EPXXX(GP/MC/MU)806/810/814 and PIC24EPXXX(GP/GU)810/814
DS70616G-page 384 2009-2012 Microchip Technology Inc.
BUFFER 21-7: ECAN
™
MESSAGE BUFFER WORD 6
R/W-x R/W-x R/W-x R/W-x R/W-x R/W-x R/W-x R/W-x
Byte 7
bit 15 bit 8
R/W-x R/W-x R/W-x R/W-x R/W-x R/W-x R/W-x R/W-x
Byte 6
bit 7 bit 0
Legend:
R = Readable bit W = Writable bit U = Unimplemented bit, read as ‘0’
-n = Value at POR ‘1’ = Bit is set ‘0’ = Bit is cleared x = Bit is unknown
bit 15-8 Byte 7<15:8>: ECAN Message Byte 7
bit 7-0 Byte 6<7:0>: ECAN Message Byte 6
BUFFER 21-8:
ECAN™
MESSAGE BUFFER WORD 7
U-0 U-0 U-0 R/W-x R/W-x R/W-x R/W-x R/W-x
— — — FILHIT<4:0>(1)
bit 15 bit 8
U-0 U-0 U-0 U-0 U-0 U-0 U-0 U-0
— — — — — — — —
bit 7 bit 0
Legend:
R = Readable bit W = Writable bit U = Unimplemented bit, read as ‘0’
-n = Value at POR ‘1’ = Bit is set ‘0’ = Bit is cleared x = Bit is unknown
bit 15-13 Unimplemented: Read as ‘0’
bit 12-8 FILHIT<4:0>: Filter Hit Code bits(1)
Encodes the number of the filter that resulted in writing this buffer.
bit 7-0 Unimplemented: Read as ‘0’
Note 1: Only written by the module for receive buffers, unused for transmit buffers.

2009-2012 Microchip Technology Inc. DS70616G-page 385
dsPIC33EPXXX(GP/MC/MU)806/810/814 and PIC24EPXXX(GP/GU)810/814
22.0 USB ON-THE-GO (OTG)
MODULE (dsPIC33EPXXXMU8XX
AND PIC24EPGU8XX DEVICES
ONLY)
22.1 Overview
The Universal Serial Bus (USB) On-The-Go (OTG)
module includes the following features:
• USB Full-Speed Support for Host and Device
• Low-Speed Host Support
• USB On-The-Go Support
• Integrated Signaling Resistors
• Integrated Analog Comparators for VBUS
Monitoring
• Integrated USB Transceiver
• Hardware Performs Transaction Handshaking
• Endpoint Buffering Anywhere in System RAM
• Integrated DMA Controller to Access System
RAM
• Support for all four transfer types:
- Control
- Interrupt
-Bulk Data
- Isochronous
• Queueing of up to Four Endpoint Transfers
without Servicing
• USB 5V Charge Pump Controller
The USB module contains the analog and digital
components to provide a USB 2.0 full-speed and low-
speed embedded host, full-speed device or OTG
implementation with a minimum of external
components.
The USB module consists of the clock generator, the
USB voltage comparators, the transceiver, the Serial
Interface Engine (SIE), pull-up and pull-down resistors,
and the register interface. Figure 22-1 illustrates the
block diagram of the USB OTG module.
The device auxiliary clock generator provides the
48 MHz clock required for USB communication. The
voltage comparators monitor the voltage on the VBUS
pin to determine the state of the bus. The transceiver
provides the analog translation between the USB bus
and the digital logic. The SIE is a state machine that
transfers data to and from the endpoint buffers and
generates the protocol for data transfers. The
integrated pull-up and pull-down resistors eliminate the
need for external signaling components. The register
interface allows the CPU to configure and
communicate with the module.
22.2 Clearing USB OTG Interrupts
Unlike device level interrupts, the USB OTG interrupt
status flags are not freely writable in software. All USB
OTG flag bits are implemented as hardware set-only
bits. Additionally, these bits can only be cleared in
software by writing a ‘1’ to their locations (i.e.,
performing a BSET instruction). Writing a ‘0’ to a flag bit
(i.e., a BCLR instruction) has no effect.
Note 1: This data sheet is not intended to be a
comprehensive reference source. To com-
plement the information in this data sheet,
refer to Section 25. “USB On-The-Go
(OTG)” (DS70571) of the “dsPIC33E/
PIC24E Family Reference Manual”, which
is available from the Microchip web site
(www.microchip.com).
2: Some registers and associated bits
described in this section may not be
available on all devices. Refer to
Section 4.0 “Memory Organization” in
this data sheet for device-specific register
and bit information. Note: The implementation and use of the USB
specifications and other third party
specifications or technology may require a
license from various entities, including,
but not limited to USB Implementers
Forum, Inc. (also referred to as USB-IF). It
is your responsibility to obtain more
information regarding any applicable
licensing obligations.
Note: Throughout this section, a bit that can only
be cleared by writing a ‘1’ to its location is
referred to as “Write ‘1’ to clear bit”. In reg-
ister descriptions, this function is indicated
by the descriptor, “K”.

dsPIC33EPXXX(GP/MC/MU)806/810/814 and PIC24EPXXX(GP/GU)810/814
DS70616G-page 386 2009-2012 Microchip Technology Inc.
FIGURE 22-1: USB INTERFACE DIAGRAM
48 MHz USB Clock
VUSB3V3
D+
D-
VBUS
VBUSON
SRP Charge
SRP Discharge
Registers
and
Control
Interface
System
RAM
Full-Speed Pull-up
Host Pull-down
Host Pull-Down
USBID
VMIO
VCPCON
from Auxiliary PLL
Low-Speed Pull-up
VBUSST
VPIO
DMH
DPH
DMLN
DPLN
RCV
USBOEN
External Transceiver Interface
VCMPST3
VCMPST2
VCMPST1
External
VBUS
Comparator
Interface
SIE
USB
USB
Transceiver
Comparators
USB
Voltage
VBUS Boost
Controller

2009-2012 Microchip Technology Inc. DS70616G-page 387
dsPIC33EPXXX(GP/MC/MU)806/810/814 and PIC24EPXXX(GP/GU)810/814
22.3 USB OTG Resources
Many useful resources related to USB OTG are
provided on the main product page of the Microchip
web site for the devices listed in this data sheet. This
product page, which can be accessed using this link,
contains the latest updates and additional information.
22.3.1 KEY RESOURCES
•Section 11. “USB On-The-Go (OTG)”
(DS70571) in the “dsPIC33E/PIC24E Family
Reference Manual”
• Code Samples
• Application Notes
• Software Libraries
• Webinars
• All related “dsPIC33E/PIC24E Family Reference
Manual” Sections
• Development Tools
Note: In the event you are not able to access the
product page using the link above, enter
this URL in your browser:
http://www.microchip.com/wwwproducts/
Devices.aspx?dDocName=en554310

dsPIC33EPXXX(GP/MC/MU)806/810/814 and PIC24EPXXX(GP/GU)810/814
DS70616G-page 388 2009-2012 Microchip Technology Inc.
22.4 USB Control Registers
REGISTER 22-1: UxOTGSTAT: USB OTG STATUS REGISTER
U-0 U-0 U-0 U-0 U-0 U-0 U-0 U-0
— — — — — — — —
bit 15 bit 8
R-0, HSC U-0 R-0, HSC U-0 R-0, HSC R-0, HSC U-0 R-0, HSC
ID —LSTATE— SESVD SESEND — VBUSVD
bit 7 bit 0
Legend: U = Unimplemented bit, read as ‘0’
R = Readable bit W = Writable bit HSC = Hardware Settable/Clearable bit
-n = Value at POR ‘1’ = Bit is set ‘0’ = Bit is cleared x = Bit is unknown
bit 15-8 Unimplemented: Read as ‘0’
bit 7 ID: ID Pin State Indicator bit
1 = No cable is attached or a Type B plug has been plugged into the USB receptacle
0 = A Type A plug has been plugged into the USB receptacle
bit 6 Unimplemented: Read as ‘0’
bit 5 LSTATE: Line State Stable Indicator bit
1 = The USB line state (as defined by SE0 and JSTATE) has been stable for the previous 1 ms
0 = The USB line state has NOT been stable for the previous 1 ms
bit 4 Unimplemented: Read as ‘0’
bit 3 SESVD: Session Valid Indicator bit
1 = The VBUS voltage is above VA_SESS_VLD (as defined in the USB OTG Specification) on the A or B
device
0 = The VBUS voltage is below VA_SESS_VLD on the A or B device
bit 2 SESEND: B-Session End Indicator bit
1 = The VBUS voltage is below VB_SESS_END (as defined in the USB OTG Specification) on the B device
0 = The VBUS voltage is above VB_SESS_END on the B device
bit 1 Unimplemented: Read as ‘0’
bit 0 VBUSVD: A-VBUS Valid Indicator bit
1 = The VBUS voltage is above VA_VBUS_VLD (as defined in the USB OTG Specification) on the A device
0 = The VBUS voltage is below VA_VBUS_VLD on the A device

2009-2012 Microchip Technology Inc. DS70616G-page 389
dsPIC33EPXXX(GP/MC/MU)806/810/814 and PIC24EPXXX(GP/GU)810/814
REGISTER 22-2: UxOTGCON: USB ON-THE-GO CONTROL REGISTER
U-0 U-0 U-0 U-0 U-0 U-0 U-0 U-0
— — — — — — — —
bit 15 bit 8
R/W-0 R/W-0 R/W-0 R/W-0 R/W-0 R/W-0 R/W-0 R/W-0
DPPULUP DMPULUP DPPULDWN
(1)
DMPULDWN
(1)
VBUSON
(
1
)
OTGEN
(
1
)
VBUSCHG
(
1
)
VBUSDIS
(
1
)
bit 7 bit 0
Legend:
R = Readable bit W = Writable bit U = Unimplemented bit, read as ‘0’
-n = Value at POR ‘1’ = Bit is set ‘0’ = Bit is cleared x = Bit is unknown
bit 15-8 Unimplemented: Read as ‘0’
bit 7 DPPULUP: D+ Pull-Up Enable bit
1 = D+ data line pull-up resistor is enabled
0 = D+ data line pull-up resistor is disabled
bit 6 DMPULUP: D- Pull-Up Enable bit
1 = D- data line pull-up resistor is enabled
0 = D- data line pull-up resistor is disabled
bit 5 DPPULDWN: D+ Pull-Down Enable bit
(
1
)
1 = D+ data line pull-down resistor is enabled
0 = D+ data line pull-down resistor is disabled
bit 4 DMPULDWN: D- Pull-Down Enable bit
(
1
)
1 = D- data line pull-down resistor is enabled
0 = D- data line pull-down resistor is disabled
bit 3 VBUSON: VBUS Power-on bit
(
1
)
1 =VBUS line is powered
0 =V
BUS line is not powered
bit 2 OTGEN: OTG Features Enable bit
(
1
)
1 = USB OTG is enabled; all D+/D- pull-ups and pull-downs are enabled
0 = USB OTG is disabled; D+/D- pull-ups and pull-downs are controlled in hardware by the settings of
the HOSTEN and USBEN bits (UxCON<3,0>)
bit 1 VBUSCHG: VBUS Charge Selection bit
(
1
)
1 =VBUS line is set to charge to 3.3V
0 =V
BUS line is set to charge to 5V
bit 0 VBUSDIS: VBUS Discharge Enable bit
(
1
)
1 =VBUS line is discharged through a resistor
0 =V
BUS line is not discharged
Note 1: These bits are only used in Host mode; do not use in Device mode.

dsPIC33EPXXX(GP/MC/MU)806/810/814 and PIC24EPXXX(GP/GU)810/814
DS70616G-page 390 2009-2012 Microchip Technology Inc.
REGISTER 22-3: UxPWRC: USB POWER CONTROL REGISTER
U-0 U-0 U-0 U-0 U-0 U-0 U-0 U-0
— — — — — — — —
bit 15 bit 8
HS, HC U-0 U-0 R/W U-0 U-0 R/W-0, HC R/W-0
UACTPND — — USLPGRD — — USUSPND USBPWR(1)
bit 7 bit 0
Legend: HS = Hardware Settable bit HC = Hardware Clearable bit
R = Readable bit W = Writable bit U = Unimplemented bit, read as ‘0’
-n = Value at POR ‘1’ = Bit is set ‘0’ = Bit is cleared x = Bit is unknown
bit 15-8 Unimplemented: Read as ‘0’
bit 7 UACTPND: USB Activity Pending bit
1 = Module should not be suspended at the moment (requires the USLPGRD bit to be set)
0 = Module may be suspended or powered down
bit 6-5 Unimplemented: Read as ‘0’
bit 4 USLPGRD: USB Sleep Guard bit
1 = Indicates to the USB module that it is about to be suspended or powered down
0 = No suspend
bit 3-2 Unimplemented: Read as ‘0’
bit 1 USUSPND: USB Suspend Mode Enable bit
1 = USB OTG module is in Suspend mode
0 = Normal USB OTG operation
bit 0 USBPWR: USB Operation Enable bit(1)
1 = USB OTG module is enabled
0 = USB OTG module is disabled
Note 1: Do not clear this bit unless the HOSTEN, USBEN and OTGEN bits (UxCON<3,0> and UxOTGCON<2>)
are also cleared.

2009-2012 Microchip Technology Inc. DS70616G-page 391
dsPIC33EPXXX(GP/MC/MU)806/810/814 and PIC24EPXXX(GP/GU)810/814
REGISTER 22-4: UxSTAT: USB STATUS REGISTER
U-0 U-0 U-0 U-0 U-0 U-0 U-0 U-0
— — — — — — — —
bit 15 bit 8
R-0, HSC R-0, HSC R-0, HSC R-0, HSC R-0, HSC R-0, HSC U-0 U-0
ENDPT<3:0>(2)DIR PPBI(1)— —
bit 7 bit 0
Legend: U = Unimplemented bit, read as ‘0’
R = Readable bit W = Writable bit HSC = Hardware Settable/Clearable bit
-n = Value at POR ‘1’ = Bit is set ‘0’ = Bit is cleared x = Bit is unknown
bit 15-8 Unimplemented: Read as ‘0’
bit 7-4 ENDPT<3:0>: Last Endpoint Activity Number bits
(represents the number of the endpoint BDT updated by the last USB transfer)(2)
1111 = Endpoint 15
1110 = Endpoint 14
•
•
•
0001 = Endpoint 1
0000 = Endpoint 0
bit 3 DIR: Last Buffer Descriptor Direction Indicator bit
1 = The last transaction was a transmit transfer (TX)
0 = The last transaction was a receive transfer (RX)
bit 2 PPBI: Ping-Pong Buffer Descriptor Pointer Indicator bit(1)
1 = The last transaction was to the ODD buffer descriptor bank
0 = The last transaction was to the EVEN buffer descriptor bank
bit 1-0 Unimplemented: Read as ‘0’
Note 1: This bit is only valid for endpoints with available EVEN and ODD buffer descriptor registers.
2: In Host mode, all transactions are processed through Endpoint 0 and the Endpoint 0 BDTs. Therefore,
ENDPT<3:0> will always read as ‘0000’.

dsPIC33EPXXX(GP/MC/MU)806/810/814 and PIC24EPXXX(GP/GU)810/814
DS70616G-page 392 2009-2012 Microchip Technology Inc.
REGISTER 22-5: UxCON: USB CONTROL REGISTER (DEVICE MODE)
U-0 U-0 U-0 U-0 U-0 U-0 U-0 U-0
— — — — — — — —
bit 15 bit 8
U-0 R-x, HSC R/W-0 U-0 R/W-0 R/W-0 R/W-0 R/W-0
— SE0 PKTDIS —HOSTEN
(1)RESUME PPBRST USBEN
bit 7 bit 0
Legend: U = Unimplemented bit, read as ‘0’
R = Readable bit W = Writable bit HSC = Hardware Settable/Clearable bit
-n = Value at POR ‘1’ = Bit is set ‘0’ = Bit is cleared x = Bit is unknown
bit 15-7 Unimplemented: Read as ‘0’
bit 6 SE0: Live Single-Ended Zero Flag bit
1 = Single-ended zero is active on the USB bus
0 = No single-ended zero is detected
bit 5 PKTDIS: Packet Transfer Disable bit
1 = SIE token and packet processing are disabled; automatically set when a SETUP token is received
0 = SIE token and packet processing are enabled
bit 4 Unimplemented: Read as ‘0’
bit 3 HOSTEN: USB Host Mode Enable bit(1)
1 = USB host capability is enabled; pull-downs on D+ and D- are activated in hardware
0 = USB host capability is disabled
bit 2 RESUME: USB Resume Signaling Enable bit
1 = Resume signaling is activated
0 = Resume signaling is disabled
bit 1 PPBRST: Ping-Pong Buffers Reset bit
1 = Resets all Ping-Pong Buffer Pointers to the EVEN buffer descriptor banks
0 = Ping-Pong Buffer Pointers are not reset
bit 0 USBEN: USB Module Enable bit
1 = USB module and supporting circuitry are enabled (device attached); D+ pull-up is activated in hardware
0 = USB module and supporting circuitry are disabled (device detached)
Note 1: This bit should be ‘0’ in Device mode.

2009-2012 Microchip Technology Inc. DS70616G-page 393
dsPIC33EPXXX(GP/MC/MU)806/810/814 and PIC24EPXXX(GP/GU)810/814
REGISTER 22-6: UxCON: USB CONTROL REGISTER (HOST MODE)
U-0 U-0 U-0 U-0 U-0 U-0 U-0 U-0
— — — — — — — —
bit 15 bit 8
R-x, HSC
R-x, HSC
R/W-0 R/W-0 R/W-0 R/W-0 R/W-0 R/W-0
JSTATE SE0 TOKBUSY USBRST HOSTEN RESUME PPBRST SOFEN
bit 7 bit 0
Legend: U = Unimplemented bit, read as ‘0’
R = Readable bit W = Writable bit HSC = Hardware Settable/Clearable bit
-n = Value at POR ‘1’ = Bit is set ‘0’ = Bit is cleared x = Bit is unknown
bit 15-8 Unimplemented: Read as ‘0’
bit 7 JSTATE: Live Differential Receiver J State Flag bit
1 = J state (differential ‘0’ in low-speed, differential ‘1’ in full-speed) is detected on the USB
0 = No J state is detected
bit 6 SE0: Live Single-Ended Zero Flag bit
1 = Single-ended zero is active on the USB bus
0 = No single-ended zero is detected
bit 5 TOKBUSY: Token Busy Status bit
1 = Token is being executed by the USB module in On-The-Go state
0 = No token is being executed
bit 4 USBRST: USB Reset bit
1 = USB Reset has been generated; for Software Reset, application must set this bit for 50 ms and
then clear it
0 = USB Reset is terminated
bit 3 HOSTEN: USB Host Mode Enable bit
1 = USB host capability is enabled; pull-downs on D+ and D- are activated in hardware
0 = USB host capability is disabled
bit 2 RESUME: USB Resume Signaling Enable bit
1 = Resume signaling is activated; software must set the bit for 10 ms and then clear to enable remote
wake-up
0 = Resume signaling is disabled
bit 1 PPBRST: Ping-Pong Buffers Reset bit
1 = Resets all Ping-Pong Buffer Pointers to the EVEN buffer descriptor banks
0 = Ping-Pong Buffer Pointers are not reset
bit 0 SOFEN: USB Start-of-Frame (SOF) Enable bit
1 = Start-of-Frame token is sent every one 1 ms
0 = Start-of-Frame token is disabled

dsPIC33EPXXX(GP/MC/MU)806/810/814 and PIC24EPXXX(GP/GU)810/814
DS70616G-page 394 2009-2012 Microchip Technology Inc.
REGISTER 22-7: UxADDR: USB ADDRESS REGISTER
U-0 U-0 U-0 U-0 U-0 U-0 U-0 U-0
— ———————
bit 15 bit 8
R/W-0 R/W-0 R/W-0 R/W-0 R/W-0 R/W-0 R/W-0 R/W-0
LSPDEN
(1)
DEVADDR<6:0>
bit 7 bit 0
Legend:
R = Readable bit W = Writable bit U = Unimplemented bit, read as ‘0’
-n = Value at POR ‘1’ = Bit is set ‘0’ = Bit is cleared x = Bit is unknown
bit 15-8 Unimplemented: Read as ‘0’
bit 7 LSPDEN: USB Low-Speed Enable Indicator bit(
1
)
1 = USB module operates at low-speed
0 = USB module operates at full-speed
bit 6-0 DEVADDR<6:0>: USB Device Address bits
Note 1: Host mode only. In Device mode, this bit is unimplemented.
REGISTER 22-8: UxTOK: USB TOKEN REGISTER (HOST MODE ONLY)
U-0 U-0 U-0 U-0 U-0 U-0 U-0 U-0
— — — — — — — —
bit 15 bit 8
R/W-0 R/W-0 R/W-0 R/W-0 R/W-0 R/W-0 R/W-0 R/W-0
PID<3:0>(1)EP<3:0>
bit 7 bit 0
Legend:
R = Readable bit W = Writable bit U = Unimplemented bit, read as ‘0’
-n = Value at POR ‘1’ = Bit is set ‘0’ = Bit is cleared x = Bit is unknown
bit 15-8 Unimplemented: Read as ‘0’
bit 7-4 PID<3:0>: Token Type Identifier bits(1)
1101 = SETUP (TX) token type transaction
1001 = IN (RX) token type transaction
0001 = OUT (TX) token type transaction
bit 3-0 EP<3:0>: Token Command Endpoint Address bits
This value must specify a valid endpoint on the attached device.
Note 1: All other combinations are reserved and are not to be used.

2009-2012 Microchip Technology Inc. DS70616G-page 395
dsPIC33EPXXX(GP/MC/MU)806/810/814 and PIC24EPXXX(GP/GU)810/814
REGISTER 22-9: UxSOF: USB OTG START-OF-TOKEN THRESHOLD REGISTER
(HOST MODE ONLY)
U-0 U-0 U-0 U-0 U-0 U-0 U-0 U-0
— — — — — — — —
bit 15 bit 8
R/W-0 R/W-0 R/W-0 R/W-0 R/W-0 R/W-0 R/W-0 R/W-0
CNT<7:0>
bit 7 bit 0
Legend:
R = Readable bit W = Writable bit U = Unimplemented bit, read as ‘0’
-n = Value at POR ‘1’ = Bit is set ‘0’ = Bit is cleared x = Bit is unknown
bit 15-8 Unimplemented: Read as ‘0’
bit 7-0 CNT<7:0>: Start-of-Frame Count bits
Value represents 10 + (packet size of n bytes); for example:
0100 1010 = 64-byte packet
0010 1010 = 32-byte packet
0001 0010 = 8-byte packet
REGISTER 22-10: UxCNFG1: USB CONFIGURATION REGISTER 1
U-0 U-0 U-0 U-0 U-0 U-0 U-0 U-0
— — — — — — — —
bit 15 bit 8
R/W-0 R/W-0 U-0 R/W-0 U-0 U-0 U-0 U-0
UTEYE UOEMON(1)— USBSIDL — — — —
bit 7 bit 0
Legend:
R = Readable bit W = Writable bit U = Unimplemented bit, read as ‘0’
-n = Value at POR ‘1’ = Bit is set ‘0’ = Bit is cleared x = Bit is unknown
bit 15-8 Unimplemented: Read as ‘0’
bit 7 UTEYE: USB Eye Pattern Test Enable bit
1 = Eye pattern test is enabled
0 = Eye pattern test is disabled
bit 6 UOEMON: USB OE Monitor Enable bit(1)
1 =OE signal is active;
it indicates intervals during which the D+/D- lines are driving
0 =
OE
signal is inactive
(1)
bit 5 Unimplemented: Read as ‘0’
bit 4 USBSIDL: USB OTG Stop in Idle Mode bit
1 = Discontinues module operation when device enters Idle mode
0 = Continues module operation in Idle mode
bit 3-0 Unimplemented: Read as ‘0’
Note 1: When the UTRIS (UxCNFG2<0>) bit is set, the OE signal is active regardless of the setting of UOEMON.

dsPIC33EPXXX(GP/MC/MU)806/810/814 and PIC24EPXXX(GP/GU)810/814
DS70616G-page 396 2009-2012 Microchip Technology Inc.
REGISTER 22-11: UxCNFG2: USB CONFIGURATION REGISTER 2
U-0 U-0 U-0 U-0 U-0 U-0 U-0 U-0
— — — — — — — —
bit 15 bit 8
U-0 U-0 R/W-0 R/W-0 R/W-0 R/W-0 R/W-0 R/W-0
— — UVCMPSEL PUVBUS EXTI2CEN
UVBUSDIS
(1)
UVCMPDIS
(1)
UTRDIS(
1
)
bit 7 bit 0
Legend:
R = Readable bit W = Writable bit U = Unimplemented bit, read as ‘0’
-n = Value at POR ‘1’ = Bit is set ‘0’ = Bit is cleared x = Bit is unknown
bit 15-6 Unimplemented: Read as ‘0’
bit 5 UVCMPSEL: USB External Comparator Input Mode Select bit
When UVCMPDIS is Set:
1 = Use 3-pin input for external comparators
0 = Use 2-pin input for external comparators
bit 4 PUVBUS: VBUS Pull-up Enable bit
1 = Pull-up on VBUS pin is enabled
0 = Pull-up on VBUS pin is disabled
bit 3 EXTI2CEN: I2C™ Interface for External Module Control Enable bit
1 = External module(s) controlled via I2C interface
0 = External module(s) controlled via dedicated pins
bit 2 UVBUSDIS: USB On-Chip 5V Boost Regulator Builder Disable bit(
1
)
1 = On-chip boost regulator builder is disabled; digital output control interface is enabled
0 = On-chip boost regulator builder is active
bit 1 UVCMPDIS: USB On-Chip VBUS Comparator Disable bit(
1
)
1 = On-chip charge VBUS comparator is disabled; digital input status interface is enabled
0 = On-chip charge VBUS comparator is active
bit 0 UTRDIS: USB On-Chip Transceiver Disable bit(
1
)
1 = On-chip transceiver is disabled; digital transceiver interface is enabled
0 = On-chip transceiver is active
Note 1: Do not change this bit while the USBPWR bit is set (UxPWRC<0> = 1).

2009-2012 Microchip Technology Inc. DS70616G-page 397
dsPIC33EPXXX(GP/MC/MU)806/810/814 and PIC24EPXXX(GP/GU)810/814
REGISTER 22-12: UxOTGIR: USB OTG INTERRUPT STATUS REGISTER (HOST MODE ONLY)
U-0 U-0 U-0 U-0 U-0 U-0 U-0 U-0
— — — — — — — —
bit 15 bit 8
R/K-0, HS R/K-0, HS R/K-0, HS R/K-0, HS R/K-0, HS R/K-0, HS U-0 R/K-0, HS
IDIF T1MSECIF LSTATEIF ACTVIF SESVDIF SESENDIF — VBUSVDIF
bit 7 bit 0
Legend: U = Unimplemented bit, read as ‘0’
R = Readable bit K = Write ‘1’ to clear bit HS = Hardware Settable bit
-n = Value at POR ‘1’ = Bit is set ‘0’ = Bit is cleared x = Bit is unknown
bit 15-8 Unimplemented: Read as ‘0’
bit 7 IDIF: ID State Change Indicator bit
1 = Change in ID state is detected
0 = No ID state change
bit 6 T1MSECIF: 1 Millisecond Timer bit
1 = The 1 millisecond timer has expired
0 = The 1 millisecond timer has not expired
bit 5 LSTATEIF: Line State Stable Indicator bit
1 = USB line state (as defined by the SE0 and JSTATE bits) has been stable for 1 ms, but different from
last time
0 = USB line state has not been stable for 1 ms
bit 4 ACTVIF: Bus Activity Indicator bit
1 = Activity on the D+/D- lines or VBUS is detected
0 = No activity on the D+/D- lines or VBUS is detected
bit 3 SESVDIF: Session Valid Change Indicator bit
1 =VBUS has crossed VA_SESS_VLD (as defined in the USB OTG Specification)(1)
0 =VBUS has not crossed VA_SESS_VLD
bit 2 SESENDIF: B-Device VBUS Change Indicator bit
1 =VBUS change on B-device is detected; VBUS has crossed VB_SESS_END (as defined in the USB
OTG Specification)(1)
0 =VBUS has not crossed VA_SESS_END
bit 1 Unimplemented: Read as ‘0’
bit 0 VBUSVDIF: A-Device VBUS Change Indicator bit
1 =VBUS change on A-device is detected; VBUS has crossed VA_VBUS_VLD (as defined in the USB
OTG Specification)(1)
0 =No VBUS change on A-device is detected
Note 1: VBUS threshold crossings may be either rising or falling.

dsPIC33EPXXX(GP/MC/MU)806/810/814 and PIC24EPXXX(GP/GU)810/814
DS70616G-page 398 2009-2012 Microchip Technology Inc.
REGISTER 22-13: UxOTGIE: USB OTG INTERRUPT ENABLE REGISTER (HOST MODE ONLY)
U-0 U-0 U-0 U-0 U-0 U-0 U-0 U-0
— — — — — — — —
bit 15 bit 8
R/W-0 R/W-0 R/W-0 R/W-0 R/W-0 R/W-0 U-0 R/W-0
IDIE T1MSECIE LSTATEIE ACTVIE SESVDIE SESENDIE — VBUSVDIE
bit 7 bit 0
Legend:
R = Readable bit W = Writable bit U = Unimplemented bit, read as ‘0’
-n = Value at POR ‘1’ = Bit is set ‘0’ = Bit is cleared x = Bit is unknown
bit 15-8 Unimplemented: Read as ‘0’
bit 7 IDIE: ID Interrupt Enable bit
1 = Interrupt is enabled
0 = Interrupt is disabled
bit 6 T1MSECIE: 1 Millisecond Timer Interrupt Enable bit
1 = Interrupt is enabled
0 = Interrupt is disabled
bit 5 LSTATEIE: Line State Stable Interrupt Enable bit
1 = Interrupt is enabled
0 = Interrupt is disabled
bit 4 ACTVIE: Bus Activity Interrupt Enable bit
1 = Interrupt is enabled
0 = Interrupt is disabled
bit 3 SESVDIE: Session Valid Interrupt Enable bit
1 = Interrupt is enabled
0 = Interrupt is disabled
bit 2 SESENDIE: B-Device Session End Interrupt Enable bit
1 = Interrupt is enabled
0 = Interrupt is disabled
bit 1 Unimplemented: Read as ‘0’
bit 0 VBUSVDIE: A-Device VBUS Valid Interrupt Enable bit
1 = Interrupt is enabled
0 = Interrupt is disabled

2009-2012 Microchip Technology Inc. DS70616G-page 399
dsPIC33EPXXX(GP/MC/MU)806/810/814 and PIC24EPXXX(GP/GU)810/814
REGISTER 22-14: UxIR: USB INTERRUPT STATUS REGISTER (DEVICE MODE ONLY)
U-0 U-0 U-0 U-0 U-0 U-0 U-0 U-0
— — — — — — — —
bit 15 bit 8
R/K-0, HS U-0 R/K-0, HS R/K-0, HS R/K-0, HS R/K-0, HS R-0 R/K-0, HS
STALLIF — RESUMEIF IDLEIF TRNIF SOFIF UERRIF URSTIF
bit 7 bit 0
Legend: U = Unimplemented bit, read as ‘0’
R = Readable bit K = Write ‘1’ to clear bit HS = Hardware Settable bit
-n = Value at POR ‘1’ = Bit is set ‘0’ = Bit is cleared x = Bit is unknown
bit 15-8 Unimplemented: Read as ‘0’
bit 7 STALLIF: STALL Handshake Interrupt bit
1 = A STALL handshake was sent by the peripheral during the handshake phase of the transaction in
Device mode
0 = A STALL handshake has not been sent
bit 6 Unimplemented: Read as ‘0’
bit 5 RESUMEIF: Resume Interrupt bit
1 = A K-State is observed on the D+ or D- pin for 2.5 s (differential ‘1’ for low speed, differential ‘0’ for
full speed)
0 = No K-State is observed
bit 4 IDLEIF: Idle Detect Interrupt bit
1 = Idle condition is detected (constant Idle state of 3 ms or more)
0 = No Idle condition is detected
bit 3 TRNIF: Token Processing Complete Interrupt bit
1 = Processing of current token is complete; read UxSTAT register for endpoint BDT information
0 = Processing of current token is not complete; clear UxSTAT register or load next token from STAT
(clearing this bit causes the the STAT FIFO to advance)
bit 2 SOFIF: Start-of-Frame Token Interrupt bit
1 = A Start-of-Frame token was received by the peripheral
0 = A Start-of-Frame token has not been received by the peripheral
bit 1 UERRIF: USB Error Condition Interrupt bit (read-only)
1 = An unmasked error condition has occurred; only error states enabled in the UxEIE register can set
this bit
0 = No unmasked error condition has occurred
bit 0 URSTIF: USB Reset Interrupt bit
1 = Valid USB Reset has occurred for at least 2.5 s; Reset state must be cleared before this bit can
be reasserted
0 = No USB Reset has occurred

dsPIC33EPXXX(GP/MC/MU)806/810/814 and PIC24EPXXX(GP/GU)810/814
DS70616G-page 400 2009-2012 Microchip Technology Inc.
REGISTER 22-15: UxIR: USB INTERRUPT STATUS REGISTER (HOST MODE ONLY)
U-0 U-0 U-0 U-0 U-0 U-0 U-0 U-0
————————
bit 15 bit 8
R/K-0, HS R/K-0, HS R/K-0, HS R/K-0, HS R/K-0, HS R/K-0, HS R-0 R/K-0, HS
STALLIF ATTACHIF RESUMEIF IDLEIF TRNIF SOFIF UERRIF DETACHIF
bit 7 bit 0
Legend: U = Unimplemented bit, read as ‘0’
R = Readable bit K = Write ‘1’ to clear bit HS = Hardware Settable bit
-n = Value at POR ‘1’ = Bit is set ‘0’ = Bit is cleared x = Bit is unknown
bit 15-8 Unimplemented: Read as ‘0’
bit 7 STALLIF: STALL Handshake Interrupt bit
1 = A STALL handshake was sent by the peripheral device during the handshake phase of the
transaction in Device mode
0 = A STALL handshake has not been sent
bit 6 ATTACHIF: Peripheral Attach Interrupt bit
1 = A peripheral attachment has been detected by the module; set if the bus state is not SE0 and there
has been no bus activity for 2.5 s
0 = No peripheral attachment is detected
bit 5 RESUMEIF: Resume Interrupt bit
1 = A K-State is observed on the D+ or D- pin for 2.5 s (differential ‘1’ for low speed, differential ‘0’ for
full speed)
0 = No K-State is observed
bit 4 IDLEIF: Idle Detect Interrupt bit
1 = Idle condition is detected (constant Idle state of 3 ms or more)
0 = No Idle condition is detected
bit 3 TRNIF: Token Processing Complete Interrupt bit
1 = Processing of current token is complete; read USTAT register for endpoint BDT information
0 = Processing of current token is not complete; clear USTAT register or load next token from STAT
bit 2 SOFIF: Start-of-Frame Token Interrupt bit
1 = Start-of-Frame threshold is reached by the host
0 = No Start-of-Frame token threshold is reached
bit 1 UERRIF: USB Error Condition Interrupt bit
1 = An unmasked error condition has occurred; only error states enabled in the UxEIE register can set
this bit
0 = No unmasked error condition has occurred
bit 0 DETACHIF: Detach Interrupt bit
1 = A peripheral detachment has been detected by the module
0 = No peripheral detachment has been detected

2009-2012 Microchip Technology Inc. DS70616G-page 401
dsPIC33EPXXX(GP/MC/MU)806/810/814 and PIC24EPXXX(GP/GU)810/814
REGISTER 22-16: UxIE: USB INTERRUPT ENABLE REGISTER (DEVICE MODE)
U-0 U-0 U-0 U-0 U-0 U-0 U-0 U-0
— — — — — — — —
bit 15 bit 8
R/W-0 U-0 R/W-0 R/W-0 R/W-0 R/W-0 R/W-0 R/W-0
STALLIE — RESUMEIE IDLEIE TRNIE SOFIE UERRIE URSTIE
bit 7 bit 0
Legend:
R = Readable bit W = Writable bit U = Unimplemented bit, read as ‘0’
-n = Value at POR ‘1’ = Bit is set ‘0’ = Bit is cleared x = Bit is unknown
bit 15-8 Unimplemented: Read as ‘0’
bit 7 STALLIE: STALL Handshake Interrupt Enable bit
1 = Interrupt is enabled
0 = Interrupt is disabled
bit 6 Unimplemented: Read as ‘0’
bit 5 RESUMEIE: Resume Interrupt bit
1 = Interrupt is enabled
0 = Interrupt is disabled
bit 4 IDLEIE: Idle Detect Interrupt bit
1 = Interrupt is enabled
0 = Interrupt is disabled
bit 3 TRNIE: Token Processing Complete Interrupt bit
1 = Interrupt is enabled
0 = Interrupt is disabled
bit 2 SOFIE: Start-of-Frame Token Interrupt bit
1 = Interrupt is enabled
0 = Interrupt is disabled
bit 1 UERRIE: USB Error Condition Interrupt bit
1 = Interrupt is enabled
0 = Interrupt is disabled
bit 0 URSTIE: USB Reset Interrupt Enable bit
1 = Interrupt is enabled
0 = Interrupt is disabled

dsPIC33EPXXX(GP/MC/MU)806/810/814 and PIC24EPXXX(GP/GU)810/814
DS70616G-page 402 2009-2012 Microchip Technology Inc.
REGISTER 22-17: UxIE: USB INTERRUPT ENABLE REGISTER (HOST MODE)
U-0 U-0 U-0 U-0 U-0 U-0 U-0 U-0
— — — — — — — —
bit 15 bit 8
R/W-0 R/W-0 R/W-0 R/W-0 R/W-0 R/W-0 R/W-0 R/W-0
STALLIE ATTACHIE(1)RESUMEIE IDLEIE TRNIE SOFIE UERRIE DETACHIE
bit 7 bit 0
Legend:
R = Readable bit W = Writable bit U = Unimplemented bit, read as ‘0’
-n = Value at POR ‘1’ = Bit is set ‘0’ = Bit is cleared x = Bit is unknown
bit 15-8 Unimplemented: Read as ‘0’
bit 7 STALLIE: STALL Handshake Interrupt Enable bit
1 = Interrupt is enabled
0 = Interrupt is disabled
bit 6 ATTACHIE: Peripheral Attach Interrupt bit(1)
1 = Interrupt is enabled
0 = Interrupt is disabled
bit 5 RESUMEIE: Resume Interrupt bit
1 = Interrupt is enabled
0 = Interrupt is disabled
bit 4 IDLEIE: Idle Detect Interrupt bit
1 = Interrupt is enabled
0 = Interrupt is disabled
bit 3 TRNIE: Token Processing Complete Interrupt bit
1 = Interrupt is enabled
0 = Interrupt is disabled
bit 2 SOFIE: Start-of-Frame Token Interrupt bit
1 = Interrupt is enabled
0 = Interrupt is disabled
bit 1 UERRIE: USB Error Condition Interrupt bit
1 = Interrupt is enabled
0 = Interrupt is disabled
bit 0 DETACHIE: USB Detach Interrupt Enable bit
1 = Interrupt is enabled
0 = Interrupt is disabled
Note 1: Unimplemented in OTG mode, read as ‘0’.

2009-2012 Microchip Technology Inc. DS70616G-page 403
dsPIC33EPXXX(GP/MC/MU)806/810/814 and PIC24EPXXX(GP/GU)810/814
REGISTER 22-18: UxEIR: USB ERROR INTERRUPT STATUS REGISTER (DEVICE MODE)
U-0 U-0 U-0 U-0 U-0 U-0 U-0 U-0
— — — — — — — —
bit 15 bit 8
R/K-0, HS R/K-0,HS R/K-0, HS R/K-0, HS R/K-0, HS R/K-0, HS R/K-0, HS R/K-0, HS
BTSEF BUSACCEF DMAEF BTOEF DFN8EF CRC16EF CRC5EF PIDEF
bit 7 bit 0
Legend: U = Unimplemented bit, read as ‘0’
R = Readable bit K = Write ‘1’ to clear bit HS = Hardware Settable bit
-n = Value at POR ‘1’ = Bit is set ‘0’ = Bit is cleared x = Bit is unknown
bit 15-8 Unimplemented: Read as ‘0’
bit 7 BTSEF: Bit Stuff Error Flag bit
1 = Bit stuff error has been detected
0 = No bit stuff error has been detected
bit 6 BUSACCEF: Bus Access Error Flag bit
1 = Peripheral tried to access an unimplemented RAM location
0 = RAM location access was successful
bit 5 DMAEF: DMA Error Flag bit
1 = A USB DMA error condition is detected; the data size indicated by the buffer descriptor byte count
field is less than the number of received bytes; the received data is truncated
0 = No DMA error
bit 4 BTOEF: Bus Turnaround Time-out Error Flag bit
1 = Bus turnaround time-out has occurred
0 = No bus turnaround time-out has occurred
bit 3 DFN8EF: Data Field Size Error Flag bit
1 = Data field was not an integral number of bytes
0 = Data field was an integral number of bytes
bit 2 CRC16EF: CRC16 Failure Flag bit
1 = CRC16 failed
0 = CRC16 passed
bit 1 CRC5EF: CRC5 Host Error Flag bit
1 = Token packet rejected due to CRC5 error
0 = Token packet accepted (no CRC5 error)
bit 0 PIDEF: PID Check Failure Flag bit
1 = PID check failed
0 = PID check passed

dsPIC33EPXXX(GP/MC/MU)806/810/814 and PIC24EPXXX(GP/GU)810/814
DS70616G-page 404 2009-2012 Microchip Technology Inc.
REGISTER 22-19: UxEIR: USB ERROR INTERRUPT STATUS REGISTER (HOST MODE)
U-0 U-0 U-0 U-0 U-0 U-0 U-0 U-0
— — — — — — — —
bit 15 bit 8
R/K-0, HS R/K-0,HS R/K-0, HS R/K-0, HS R/K-0, HS R/K-0, HS R/K-0, HS R/K-0, HS
BTSEF BUSACCEF DMAEF BTOEF DFN8EF CRC16EF EOFEF PIDEF
bit 7 bit 0
Legend: U = Unimplemented bit, read as ‘0’
R = Readable bit K = Write ‘1’ to clear bit HS = Hardware Settable bit
-n = Value at POR ‘1’ = Bit is set ‘0’ = Bit is cleared x = Bit is unknown
bit 15-8 Unimplemented: Read as ‘0’
bit 7 BTSEF: Bit Stuff Error Flag bit
1 = Bit stuff error has been detected
0 = No bit stuff error has been detected
bit 6 BUSACCEF: Bus Access Error Flag bit
1 = Peripheral tried to access an unimplemented RAM location
0 = RAM location access was successful
bit 5 DMAEF: DMA Error Flag bit
1 = A USB DMA error condition is detected; the data size indicated by the buffer descriptor byte count
field is less than the number of received bytes, the received data is truncated
0 = No DMA error
bit 4 BTOEF: Bus Turnaround Time-out Error Flag bit
1 = Bus turnaround time-out has occurred
0 = No bus turnaround time-out has occurred
bit 3 DFN8EF: Data Field Size Error Flag bit
1 = Data field was not an integral number of bytes
0 = Data field was an integral number of bytes
bit 2 CRC16EF: CRC16 Failure Flag bit
1 = CRC16 failed
0 = CRC16 passed
bit 1 EOFEF: End-of-Frame (EOF) Error Flag bit
1 = End-of-Frame error has occurred
0 = End-of-Frame interrupt is disabled
bit 0 PIDEF: PID Check Failure Flag bit
1 = PID check failed
0 = PID check passed

2009-2012 Microchip Technology Inc. DS70616G-page 405
dsPIC33EPXXX(GP/MC/MU)806/810/814 and PIC24EPXXX(GP/GU)810/814
REGISTER 22-20: UxEIE: USB ERROR INTERRUPT ENABLE REGISTER (DEVICE MODE)
U-0 U-0 U-0 U-0 U-0 U-0 U-0 U-0
— — — — — — — —
bit 15 bit 8
R/W-0 R/W-0 R/W-0 R/W-0 R/W-0 R/W-0 R/W-0 R/W-0
BTSEE BUSACCEE DMAEE BTOEE DFN8EE CRC16EE CRC5EE PIDEE
bit 7 bit 0
Legend:
R = Readable bit W = Writable bit U = Unimplemented bit, read as ‘0’
-n = Value at POR ‘1’ = Bit is set ‘0’ = Bit is cleared x = Bit is unknown
bit 15-8 Unimplemented: Read as ‘0’
bit 7 BTSEE: Bit Stuff Error Interrupt Enable bit
1 = Interrupt is enabled
0 = Interrupt is disabled
bit 6 BUSACCEE: Bus Access Error Interrupt Enable bit
1 = Interrupt is enabled
0 = Interrupt is disabled
bit 5 DMAEE: DMA Error Interrupt Enable bit
1 = Interrupt is enabled
0 = Interrupt is disabled
bit 4 BTOEE: Bus Turnaround Time-out Error Interrupt Enable bit
1 = Interrupt is enabled
0 = Interrupt is disabled
bit 3 DFN8EE: Data Field Size Error Interrupt Enable bit
1 = Interrupt is enabled
0 = Interrupt is disabled
bit 2 CRC16EE: CRC16 Failure Interrupt Enable bit
1 = Interrupt is enabled
0 = Interrupt is disabled
bit 1 CRC5EE: CRC5 Host Error Interrupt Enable bit
1 = Interrupt is enabled
0 = Interrupt is disabled
bit 0 PIDEE: PID Check Failure Interrupt Enable bit
1 = Interrupt is enabled
0 = Interrupt is disabled

dsPIC33EPXXX(GP/MC/MU)806/810/814 and PIC24EPXXX(GP/GU)810/814
DS70616G-page 406 2009-2012 Microchip Technology Inc.
REGISTER 22-21: UxEIE: USB ERROR INTERRUPT ENABLE REGISTER (HOST MODE)
U-0 U-0 U-0 U-0 U-0 U-0 U-0 U-0
— — — — — — — —
bit 15 bit 8
R/W-0 R/W-0 R/W-0 R/W-0 R/W-0 R/W-0 R/W-0 R/W-0
BTSEE BUSACCEE DMAEE BTOEE DFN8EE CRC16EE EOFEE PIDEE
bit 7 bit 0
Legend:
R = Readable bit W = Writable bit U = Unimplemented bit, read as ‘0’
-n = Value at POR ‘1’ = Bit is set ‘0’ = Bit is cleared x = Bit is unknown
bit 15-8 Unimplemented: Read as ‘0’
bit 7 BTSEE: Bit Stuff Error Interrupt Enable bit
1 = Interrupt is enabled
0 = Interrupt is disabled
bit 6 BUSACCEE: Bus Access Error Interrupt Enable bit
1 = Interrupt is enabled
0 = Interrupt is disabled
bit 5 DMAEE: DMA Error Interrupt Enable bit
1 = Interrupt is enabled
0 = Interrupt is disabled
bit 4 BTOEE: Bus Turnaround Time-out Error Interrupt Enable bit
1 = Interrupt is enabled
0 = Interrupt is disabled
bit 3 DFN8EE: Data Field Size Error Interrupt Enable bit
1 = Interrupt is enabled
0 = Interrupt is disabled
bit 2 CRC16EE: CRC16 Failure Interrupt Enable bit
1 = Interrupt is enabled
0 = Interrupt is disabled
bit 1 EOFEE: End-of-Frame Error interrupt Enable bit
1 = Interrupt is enabled
0 = Interrupt is disabled
bit 0 PIDEE: PID Check Failure Interrupt Enable bit
1 = Interrupt is enabled
0 = Interrupt is disabled

2009-2012 Microchip Technology Inc. DS70616G-page 407
dsPIC33EPXXX(GP/MC/MU)806/810/814 and PIC24EPXXX(GP/GU)810/814
REGISTER 22-22: UxEPn: USB ENDPOINT n CONTROL REGISTERS (n = 0 TO 15)
U-0 U-0 U-0 U-0 U-0 U-0 U-0 U-0
— — — — — — — —
bit 15 bit 8
R/W-0 R/W-0 U-0 R/W-0 R/W-0 R/W-0 R/W-0 R/W-0
LSPD(1)RETRYDIS(1)— EPCONDIS EPRXEN EPTXEN EPSTALL EPHSHK
bit 7 bit 0
Legend:
R = Readable bit W = Writable bit U = Unimplemented bit, read as ‘0’
-n = Value at POR ‘1’ = Bit is set ‘0’ = Bit is cleared x = Bit is unknown
bit 15-8 Unimplemented: Read as ‘0’
bit 7 LSPD: Low-Speed Direct Connection Enable bit (UEP0 only)(1)
1 = Direct connection to a low-speed device is enabled
0 = Direct connection to a low-speed device is disabled
bit 6 RETRYDIS: Retry Disable bit (UEP0 only)(1)
1 = Retry NAK transactions is disabled
0 = Retry NAK transactions is enabled; retry done in hardware
bit 5 Unimplemented: Read as ‘0’
bit 4 EPCONDIS: Bidirectional Endpoint Control bit
If EPTXEN and EPRXEN = 1:
1 = Disable Endpoint n from control transfers; only TX and RX transfers are allowed
0 = Enable Endpoint n for control (SETUP) transfers; TX and RX transfers are also allowed
For all other combinations of EPTXEN and EPRXEN:
This bit is ignored.
bit 3 EPRXEN: Endpoint Receive Enable bit
1 = Endpoint n receive is enabled
0 = Endpoint n receive is disabled
bit 2 EPTXEN: Endpoint Transmit Enable bit
1 = Endpoint n transmit is enabled
0 = Endpoint n transmit is disabled
bit 1 EPSTALL: Endpoint Stall Status bit
1 = Endpoint n was stalled
0 = Endpoint n was not stalled
bit 0 EPHSHK: Endpoint Handshake Enable bit
1 = Endpoint handshake is enabled
0 = Endpoint handshake is disabled (typically used for isochronous endpoints)
Note 1: These bits are available only for UxEP0 and only in Host mode. For all other UxEPn registers, these bits
are always unimplemented and read as ‘0’.

dsPIC33EPXXX(GP/MC/MU)806/810/814 and PIC24EPXXX(GP/GU)810/814
DS70616G-page 408 2009-2012 Microchip Technology Inc.
REGISTER 22-23: UxBDTP1: USB BUFFER DESCRIPTION TABLE REGISTER 1
U-0 U-0 U-0 U-0 U-0 U-0 U-0 U-0
— — — — — — — —
bit 15 bit 8
R/W-0 R/W-0 R/W-0 R/W-0 R/W-0 R/W-0 R/W-0 U-0
BDTPTRL<15:9> —
bit 7 bit 0
Legend:
R = Readable bit W =Writable bit U = Unimplemented bit, read as ‘0’
-n = Value at POR ‘1’ = Bit is set ‘0’ = Bit is cleared x = Bit is unknown
bit 15-8 Unimplemented: Read as ‘0’
bit 7-1 BDTPTRL<15:9>: Endpoint BDT Start Address bits
Defines bits 15-9 of the 32-bit endpoint buffer descriptor table start address.
bit 0 Unimplemented: Read as ‘0’
REGISTER 22-24: UxBDTP2: USB BUFFER DESCRIPTION TABLE REGISTER 2
U-0 U-0 U-0 U-0 U-0 U-0 U-0 U-0
— — — — — — — —
bit 15 bit 8
R/W-0 R/W-0 R/W-0 R/W-0 R/W-0 R/W-0 R/W-0 R/W-0
BDTPTRH<23:16>
bit 7 bit 0
Legend:
R = Readable bit W = Writable bit U = Unimplemented bit, read as ‘0’
-n = Value at POR ‘1’ = Bit is set ‘0’ = Bit is cleared x = Bit is unknown
bit 15-8 Unimplemented: Read as ‘0’
bit 7-0 BDTPTRH<23:16>: Endpoint BDT Start Address bits
Defines bits 23-16 of the 32-bit endpoint buffer descriptor table start address.

2009-2012 Microchip Technology Inc. DS70616G-page 409
dsPIC33EPXXX(GP/MC/MU)806/810/814 and PIC24EPXXX(GP/GU)810/814
REGISTER 22-25: UxBDTP3: USB BUFFER DESCRIPTION TABLE REGISTER 3
U-0 U-0 U-0 U-0 U-0 U-0 U-0 U-0
— — — — — — — —
bit 15 bit 8
R/W-0 R/W-0 R/W-0 R/W-0 R/W-0 R/W-0 R/W-0 R/W-0
BDTPTRU<31:24>
bit 7 bit 0
Legend:
R = Readable bit W = Writable bit U = Unimplemented bit, read as ‘0’
-n = Value at POR ‘1’ = Bit is set ‘0’ = Bit is cleared x = Bit is unknown
bit 15-8 Unimplemented: Read as ‘0’
bit 7-0 BDTPTRU<31:24>: Endpoint BDT Start Address bits
Defines bits 31-24 of the 32-bit endpoint buffer descriptor table start address.
REGISTER 22-26: UxPWMCON: USB VBUS PWM GENERATOR CONTROL REGISTER
R/W-0 U-0 U-0 U-0 U-0 U-0 R/W-0 R/W-0
PWMEN — — — — — PWMPOL CNTEN
bit 15 bit 8
U-0 U-0 U-0 U-0 U-0 U-0 U-0 U-0
— — — — — — — —
bit 7 bit 0
Legend:
R = Readable bit W = Writable bit U = Unimplemented bit, read as ‘0’
-n = Value at POR ‘1’ = Bit is set ‘0’ = Bit is cleared x = Bit is unknown
bit 15 PWMEN: PWM Enable bit
1 = PWM generator is enabled
0 = PWM generator is disabled; output is held in the Reset state specified by PWMPOL
bit 14-10
Unimplemented: Read as ‘0’
bit 9 PWMPOL: PWM Polarity bit
1 = PWM output is active-low and resets high
0 = PWM output is active-high and resets low
bit 8 CNTEN: PWM Counter Enable bit
1 = Counter is enabled
0 = Counter is disabled
bit 7-0 Unimplemented: Read as ‘0’

dsPIC33EPXXX(GP/MC/MU)806/810/814 and PIC24EPXXX(GP/GU)810/814
DS70616G-page 410 2009-2012 Microchip Technology Inc.
REGISTER 22-27: UxPWMRRS: DUTY CYCLE AND PWM PERIOD REGISTER
R/W-0 R/W-0 R/W-0 R/W-0 R/W-0 R/W-0 R/W-0 R/W-0
DC<7:0>
bit 15 bit 8
R/W-0 R/W-0 R/W-0 R/W-0 R/W-0 R/W-0 R/W-0 R/W-0
PER<7:0>
bit 7 bit 0
Legend:
R = Readable bit W = Writable bit U = Unimplemented bit, read as ‘0’
-n = Value at POR ‘1’ = Bit is set ‘0’ = Bit is cleared x = Bit is unknown
bit 15-8 DC<7:0>: Duty Cycle bits
These bits select the PWM duty cycle.
bit 7-0 PER<7:0>: PWM Period bits
These bits select the PWM period.
REGISTER 22-28: UxFRMH: USB FRAME NUMBER HIGH REGISTER
U-0 U-0 U-0 U-0 U-0 U-0 U-0 U-0
— — — — — — —
bit 15 bit 8
U-0 U-0 U-0 U-0 U-0 R-0 R-0 R-0
— — — — — FRM<10:8>
bit 7 bit 0
Legend:
R = Readable bit W = Writable bit U = Unimplemented bit, read as ‘0’
-n = Value at POR ‘1’ = Bit is set ‘0’ = Bit is cleared x = Bit is unknown
bit 15-3 Unimplemented: Read as ‘0’
bit 2-0 FRM<10:8>: 11-Bit Frame Number Upper 3 bits
These register bits are updated with the current frame number whenever a SOF token is received.

2009-2012 Microchip Technology Inc. DS70616G-page 411
dsPIC33EPXXX(GP/MC/MU)806/810/814 and PIC24EPXXX(GP/GU)810/814
REGISTER 22-29: UxFRML: USB FRAME NUMBER LOW REGISTER
U-0 U-0 U-0 U-0 U-0 U-0 U-0 U-0
— — — — — — —
bit 15 bit 8
R-0 R-0 R-0 R-0 R-0 R-0 R-0 R-0
FRM<7:0>
bit 7 bit 0
Legend:
R = Readable bit W = Writable bit U = Unimplemented bit, read as ‘0’
-n = Value at POR ‘1’ = Bit is set ‘0’ = Bit is cleared x = Bit is unknown
bit 15-8 Unimplemented: Read as ‘0’
bit 7-0 FRM<7:0>: 11-Bit Frame Number Lower 8 bits
These register bits are updated with the current frame number whenever a SOF token is received.

dsPIC33EPXXX(GP/MC/MU)806/810/814 and PIC24EPXXX(GP/GU)810/814
DS70616G-page 412 2009-2012 Microchip Technology Inc.
NOTES:

2009-2012 Microchip Technology Inc. DS70616G-page 413
dsPIC33EPXXX(GP/MC/MU)806/810/814 and PIC24EPXXX(GP/GU)810/814
23.0 10-BIT/12-BIT ANALOG-TO-
DIGITAL CONVERTER (ADC)
The dsPIC33EPXXX(GP/MC/MU)806/810/814 and
PIC24EPXXX(GP/GU)810/814 devices have two ADC
modules, ADC1 and ADC2. The ADC1 module
supports up to 32 analog input channels. The ADC2
module supports up to 16 analog input channels.
On ADC1, the AD12B bit (AD1CON1<10>) allows each
of the ADC modules to be configured by the user as
either a 10-bit, 4 Sample-and-Hold (S&H) ADC (default
configuration) or a 12-bit, 1 S&H ADC.
The ADC2 module only supports 10-bit operation with
4 S&H.
23.1 Key Features
The 10-bit ADC configuration has the following key
features:
• Successive Approximation (SAR) Conversion
• Conversion Speeds of up to 1.1 Msps
• Up to 32 Analog Input Pins
• External Voltage Reference Input Pins
• Simultaneous Sampling of up to Four Analog
Input Pins
• Automatic Channel Scan mode
• Selectable Conversion Trigger Source
• Selectable Buffer Fill modes
• Four Result Alignment Options (signed/unsigned,
fractional/integer)
• Operation during CPU Sleep and Idle modes
The 12-bit ADC configuration supports all the above
features, except:
• In the 12-bit configuration, conversion speeds of
up to 500 ksps are supported
• There is only one S&H amplifier in the 12-bit
configuration, so simultaneous sampling of
multiple channels is not supported.
Depending on the particular device pinout, the ADC
can have up to 32 analog input pins, designated AN0
through AN31. In addition, there are two analog input
pins for external voltage reference connections. These
voltage reference inputs can be shared with other ana-
log input pins. The actual number of analog input pins
and external voltage reference input configuration
depends on the specific device.
A block diagram of the ADC module is shown in
Figure 23-1. Figure 23-2 provides a diagram of the
ADC conversion clock period.
Note 1: This data sheet summarizes the features
of the dsPIC33EPXXX(GP/MC/MU)806/
810/814 and PIC24EPXXX(GP/GU)810/
814 families of devices. It is not intended
to be a comprehensive reference source.
To complement the information in this
data sheet, refer to Section 16. “Analog-
to-Digital Converter (ADC)” (DS70621)
of the “dsPIC33E/PIC24E Family Refer-
ence Manual”, which is available from the
Microchip web site (www.microchip.com).
2: Some registers and associated bits
described in this section may not be
available on all devices. Refer to
Section 4.0 “Memory Organization” in
this data sheet for device-specific register
and bit information.
Note: The ADC1 module needs to be disabled
before modifying the AD12B bit.

dsPIC33EPXXX(GP/MC/MU)806/810/814 and PIC24EPXXX(GP/GU)810/814
DS70616G-page 414 2009-2012 Microchip Technology Inc.
FIGURE 23-1: ADCx MODULE BLOCK DIAGRAM
S&H0
S&H1
AN0
ANy(3)
AN1
VREFL
CH0SB<4:0>
CH0NA CH0NB
+
-
AN0
AN3
CH123SA
AN9
VREFL
CH123SB
CH123NA CH123NB
AN6
+
-
S&H2
AN1
AN4
CH123SA
AN10
VREFL
CH123SB
CH123NA CH123NB
AN7
+
-
S&H3
AN2
AN5
CH123SA
AN11
VREFL
CH123SB
CH123NA CH123NB
AN8
+
-
CH1(2)
CH0
CH2(2)
CH3(2)
CH0SA<4:0>
Channel
Scan
CSCNA
Alternate
Note 1: VREF+, VREF- inputs can be multiplexed
with other analog inputs.
2: Channels 1, 2 and 3 are not applicable
for the 12-bit mode of operation.
3: For dsPIC33EPXXX(GP/MC/MU)806 and
PIC24EPXXXGP806 devices, y = 0-15
and 24-31; for ADC2, y = 15; for all others,
y = 32.
4: When ADDMAEN (ADxCON4<8>) = 1,
enabling DMA, only ADCxBUF0 is used.
Input Selection
V
REF
+
(1)
AV
DD
AV
SS
V
REF
-
(1)
VCFG<2:0>
ADCxBUF0(4)
ADCxBUF1(4)
ADCxBUF2(4)
ADCxBUFF(4)
ADCxBUFE(4)
SAR ADC
VREFH VREFL

2009-2012 Microchip Technology Inc. DS70616G-page 415
dsPIC33EPXXX(GP/MC/MU)806/810/814 and PIC24EPXXX(GP/GU)810/814
FIGURE 23-2: ADCx CONVERSION CLOCK PERIOD BLOCK DIAGRAM
1
0
ADCx Internal
RC Clock(1)
ADCx Conversion
Clock Multiplier
1, 2, 3, 4, 5,..., 64
ADxCON3<15>
TP(2)
TAD
6
ADxCON3<7:0>
Note 1: See the ADC electrical characteristics in Section 32.0 “Electrical Characteristics” for the exact RC clock value.
2: TP = 1/FP.

dsPIC33EPXXX(GP/MC/MU)806/810/814 and PIC24EPXXX(GP/GU)810/814
DS70616G-page 416 2009-2012 Microchip Technology Inc.
23.2 ADC Helpful Tips
1. The SMPIx control bits in the ADxCON2 registers:
a) Determine when the ADC interrupt flag is set
and an interrupt is generated, if enabled.
b) When the CSCNA bit in the ADxCON2 reg-
ister is set to ‘1’, this determines when the
ADC analog scan channel list, defined in
the AD1CSSL/AD1CSSH registers, starts
over from the beginning.
c) When the DMA peripheral is not used
(ADDMAEN = 0), this determines when the
ADC Result Buffer Pointer to ADC1BUF0-
ADC1BUFF gets reset back to the
beginning at ADC1BUF0.
d) When the DMA peripheral is used
(ADDMAEN = 1), this determines when the
DMA Address Pointer is incremented after a
sample/conversion operation. ADC1BUF0 is
the only ADC buffer used in this mode. The
ADC Result Buffer Pointer to ADC1BUF0-
ADC1BUFF gets reset back to the beginning
at ADC1BUF0. The DMA address is incre-
mented after completion of every 32nd
sample/conversion operation. Conversion
results are stored in the ADC1BUF0 register
for transfer to RAM using DMA.
2. When the DMA module is disabled
(ADDMAEN = 0), the ADC has 16 result buffers.
ADC conversion results are stored sequentially
in ADC1BUF0-ADC1BUFF, regardless of which
analog inputs are being used subject to the
SMPIx bits and the condition described in 1c)
above. There is no relationship between the
ANx input being measured and which ADC
buffer (ADC1BUF0-ADC1BUFF) that the
conversion results will be placed in.
3. When the DMA module is disabled
(ADDMAEN = 1), the ADC module has only
1 ADC result buffer (i.e., ADC1BUF0) per ADC
peripheral and the ADC conversion result must
be read, either by the CPU or DMA controller,
before the next ADC conversion is complete to
avoid overwriting the previous value.
4. The DONE bit (ADxCON1<0>) is only cleared at
the start of each conversion and is set at the
completion of the conversion, but remains set
indefinitely, even through the next sample phase
until the next conversion begins. If application
code is monitoring the DONE bit in any kind of
software loop, the user must consider this
behavior because the CPU code execution is
faster than the ADC. As a result, in Manual
Sample mode, particularly where the user’s
code is setting the SAMP bit (ADxCON1<1>),
the DONE bit should also be cleared by the user
application just before setting the SAMP bit.
23.3 ADC Resources
Many useful resources related to Analog-to-Digital
conversion are provided on the main product page of
the Microchip web site for the devices listed in this data
sheet. This product page, which can be accessed using
this link, contains the latest updates and additional
information.
23.3.1 KEY RESOURCES
•Section 16. “Analog-to-Digital Converter
(ADC)” (DS70621) in the “dsPIC33E/PIC24E
Family Reference Manual”
• Code Samples
• Application Notes
• Software Libraries
• Webinars
• All related “dsPIC33E/PIC24E Family Reference
Manual” Sections
• Development Tools
Note: In the event you are not able to access the
product page using the link above, enter
this URL in your browser:
http://www.microchip.com/wwwproducts/
Devices.aspx?dDocName=en554310

2009-2012 Microchip Technology Inc. DS70616G-page 417
dsPIC33EPXXX(GP/MC/MU)806/810/814 and PIC24EPXXX(GP/GU)810/814
23.4 ADC Control Registers
REGISTER 23-1: ADxCON1: ADCx CONTROL REGISTER 1
R/W-0 U-0 R/W-0 R/W-0 U-0 R/W-0 R/W-0 R/W-0
ADON —ADSIDLADDMABM—AD12B
(1)FORM<1:0>
bit 15 bit 8
R/W-0 R/W-0 R/W-0 R/W-0 R/W-0 R/W-0 R/W-0, HSC R/C-0, HSC
SSRC<2:0> SSRCG SIMSAM ASAM(3)SAMP DONE(3)
bit 7 bit 0
Legend: C = Clearable bit HSC = Hardware Settable/Clearable bit
R = Readable bit W = Writable bit U = Unimplemented bit, read as ‘0’
-n = Value at POR ‘1’ = Bit is set ‘0’ = Bit is cleared x = Bit is unknown
bit 15 ADON: ADC Operating Mode bit
1 = ADC module is operating
0 = ADC is off
bit 14 Unimplemented: Read as ‘0’
bit 13 ADSIDL: ADC Stop in Idle Mode bit
1 = Discontinues module operation when device enters Idle mode
0 = Continues module operation in Idle mode
bit 12 ADDMABM: DMA Buffer Build Mode bit
1 = DMA buffers are written in the order of conversion; the module provides an address to the DMA
channel that is the same as the address used for the non-DMA stand-alone buffer
0 = DMA buffers are written in Scatter/Gather mode; the module provides a Scatter/Gather address
to the DMA channel, based on the index of the analog input and the size of the DMA buffer
bit 11 Unimplemented: Read as ‘0’
bit 10 AD12B: ADC 10-Bit or 12-Bit Operation Mode bit(1)
1 = 12-bit, 1-channel ADC operation
0 = 10-bit, 4-channel ADC operation
bit 9-8 FORM<1:0>: Data Output Format bits
For 10-Bit Operation:
11 = Signed fractional (DOUT = sddd dddd dd00 0000, where s = .NOT.d<9>)
10 = Fractional (DOUT = dddd dddd dd00 0000)
01 = Signed integer (DOUT = ssss sssd dddd dddd, where s = .NOT.d<9>)
00 = Integer (DOUT = 0000 00dd dddd dddd)
For 12-Bit Operation:
11 = Signed fractional (DOUT = sddd dddd dddd 0000, where s = .NOT.d<11>)
10 = Fractional (DOUT = dddd dddd dddd 0000)
01 = Signed Integer (DOUT = ssss sddd dddd dddd, where s = .NOT.d<11>)
00 = Integer (DOUT = 0000 dddd dddd dddd)
Note 1: This bit is only available in the ADC1 module. In the ADC2 module, this bit is unimplemented and is read
as ‘0’.
2: This setting is available in dsPIC33EPXXX(MC/MU)806/810/814 devices only.
3: Do not clear the DONE bit in software if ADC Sample Auto-Start is enabled (ASAM = 1).

dsPIC33EPXXX(GP/MC/MU)806/810/814 and PIC24EPXXX(GP/GU)810/814
DS70616G-page 418 2009-2012 Microchip Technology Inc.
bit 7-5 SSRC<2:0>: Sample Clock Source Select bits
If SSRCG = 1:
111 = Reserved
110 = PWM Generator 7 primary trigger compare ends sampling and starts conversion(2)
101 = PWM Generator 6 primary trigger compare ends sampling and starts conversion(2)
100 = PWM Generator 5 primary trigger compare ends sampling and starts conversion(2)
011 = PWM Generator 4 primary trigger compare ends sampling and starts conversion(2)
010 = PWM Generator 3 primary trigger compare ends sampling and starts conversion(2)
001 = PWM Generator 2 primary trigger compare ends sampling and starts conversion(2)
000 = PWM Generator 1 primary trigger compare ends sampling and starts conversion(2)
If SSRCG = 0:
111 = Internal counter ends sampling and starts conversion (auto-convert)
110 = Reserved
101 = PWM secondary Special Event Trigger ends sampling and starts conversion(2)
100 = Timer5 compare ends sampling and starts conversion
011 = PWM primary Special Event Trigger ends sampling and starts conversion(2)
010 = Timer3 compare ends sampling and starts conversion
001 = Active transition on the INT0 pin ends sampling and starts conversion
000 = Clearing the Sample bit (SAMP) ends sampling and starts conversion (Manual mode)
bit 4 SSRCG: Sample Clock Source Group bit
(See bits<7-5> for details.)
bit 3 SIMSAM: Simultaneous Sample Select bit (only applicable when CHPS<1:0> = 01 or 1x)
When AD12B = 1, SIMSAM is: U-0, Unimplemented, Read as ‘0’
1 = Samples CH0, CH1, CH2, CH3 simultaneously (when CHPS<1:0> = 1x); or samples CH0 and
CH1 simultaneously (when CHPS<1:0> = 01)
0 = Samples multiple channels individually in sequence
bit 2 ASAM: ADC Sample Auto-Start bit(3)
1 = Sampling begins immediately after the last conversion; SAMP bit is auto-set
0 = Sampling begins when the SAMP bit is set
bit 1 SAMP: ADC Sample Enable bit
1 = ADC S&H amplifiers are sampling
0 = ADC S&H amplifiers are holding
If ASAM = 0, software can write ‘1’ to begin sampling. Automatically set by hardware if ASAM = 1.
If SSRC = 000, software can write ‘0’ to end sampling and start conversion. If SSRC 000, automatically
cleared by hardware to end sampling and start conversion.
bit 0 DONE: ADC Conversion Status bit(3)
1 = ADC conversion cycle is completed.
0 = ADC conversion has not started or is in progress
Automatically set by hardware when ADC conversion is complete. Software can write ‘0’ to clear the
DONE status (software not allowed to write ‘1’). Clearing this bit does NOT affect any operation in
progress. Automatically cleared by hardware at the start of a new conversion.
REGISTER 23-1: ADxCON1: ADCx CONTROL REGISTER 1 (CONTINUED)
Note 1: This bit is only available in the ADC1 module. In the ADC2 module, this bit is unimplemented and is read
as ‘0’.
2: This setting is available in dsPIC33EPXXX(MC/MU)806/810/814 devices only.
3: Do not clear the DONE bit in software if ADC Sample Auto-Start is enabled (ASAM = 1).

2009-2012 Microchip Technology Inc. DS70616G-page 419
dsPIC33EPXXX(GP/MC/MU)806/810/814 and PIC24EPXXX(GP/GU)810/814
REGISTER 23-2: AD1CON2: ADC1 CONTROL REGISTER 2
R/W-0 R/W-0 R/W-0 U-0 U-0 R/W-0 R/W-0 R/W-0
VCFG<2:0> —— CSCNA CHPS<1:0>
bit 15 bit 8
R-0 R/W-0 R/W-0 R/W-0 R/W-0 R/W-0 R/W-0 R/W-0
BUFS SMPI<4:0> BUFM ALTS
bit 7 bit 0
Legend:
R = Readable bit W = Writable bit U = Unimplemented bit, read as ‘0’
-n = Value at POR ‘1’ = Bit is set ‘0’ = Bit is cleared x = Bit is unknown
bit 15-13 VCFG<2:0>: Converter Voltage Reference Configuration bits
bit 12-11 Unimplemented: Read as ‘0’
bit 10 CSCNA: Input Scan Select bit
1 = Scans inputs for CH0+ during Sample A bit
0 = Does not scan inputs
bit 9-8 CHPS<1:0>: Channel Select bits
When AD12B = 1, CHPS<1:0> is: U-0, Unimplemented, Read as ‘0’:
1x = Converts CH0, CH1, CH2 and CH3
01 = Converts CH0 and CH1
00 = Converts CH0
bit 7 BUFS: Buffer Fill Status bit (only valid when BUFM = 1)
1 = ADC is currently filling the second half of the buffer; the user application should access data in the
first half of the buffer
0 = ADC is currently filling the first half of the buffer; the user application should access data in the
second half of the buffer
bit 6-2 SMPI<4:0>: Increment Rate bits
When ADDMAEN = 0:
01111 = Generates interrupt after completion of every 16th sample/conversion operation
01110 = Generates interrupt after completion of every 15th sample/conversion operation
•
•
•
00001 = Generates interrupt after completion of every 2nd sample/conversion operation
00000 = Generates interrupt after completion of every sample/conversion operation
When ADDMAEN = 1:
11111 = Increments the DMA address after completion of every 32nd sample/conversion operation
11110 = Increments the DMA address after completion of every 31st sample/conversion operation
•
•
•
00001 = Increments the DMA address after completion of every 2nd sample/conversion operation
00000 = Increments the DMA address after completion of every sample/conversion operation
VREFH VREFL
000 AVDD Avss
001 External VREF+ Avss
010 AVDD External VREF-
011 External VREF+ External VREF-
1xx AVDD Avss

dsPIC33EPXXX(GP/MC/MU)806/810/814 and PIC24EPXXX(GP/GU)810/814
DS70616G-page 420 2009-2012 Microchip Technology Inc.
bit 1 BUFM: Buffer Fill Mode Select bit
1 = Starts filling the first half of the buffer on the first interrupt and the second half of the buffer on the
next interrupt
0 = Always starts filling the buffer from the Start address.
bit 0 ALTS: Alternate Input Sample Mode Select bit
1 = Uses channel input selects for Sample A on the first sample and Sample B on the next sample
0 = Always uses channel input selects for Sample A
REGISTER 23-2: AD1CON2: ADC1 CONTROL REGISTER 2 (CONTINUED)

2009-2012 Microchip Technology Inc. DS70616G-page 421
dsPIC33EPXXX(GP/MC/MU)806/810/814 and PIC24EPXXX(GP/GU)810/814
REGISTER 23-3: AD2CON2: ADC2 CONTROL REGISTER 2
R/W-0 R/W-0 R/W-0 U-0 U-0 R/W-0 R/W-0 R/W-0
VCFG<2:0> —— CSCNA CHPS<1:0>
bit 15 bit 8
R-0 U-0 R/W-0 R/W-0 R/W-0 R/W-0 R/W-0 R/W-0
BUFS — SMPI<3:0> BUFM ALTS
bit 7 bit 0
Legend:
R = Readable bit W = Writable bit U = Unimplemented bit, read as ‘0’
-n = Value at POR ‘1’ = Bit is set ‘0’ = Bit is cleared x = Bit is unknown
bit 15-13 VCFG<2:0>: Converter Voltage Reference Configuration bits
bit 12-11 Unimplemented: Read as ‘0’
bit 10 CSCNA: Input Scan Select bit
1 = Scans inputs for CH0+ during Sample A bit
0 = Does not scan inputs
bit 9-8 CHPS<1:0>: Channel Select bits
When AD12B = 1, CHPS<1:0> is: U-0, Unimplemented, Read as ‘0’:
1x = Converts CH0, CH1, CH2 and CH3
01 = Converts CH0 and CH1
00 = Converts CH0
bit 7 BUFS: Buffer Fill Status bit (only valid when BUFM = 1)
1 = ADC is currently filling the second half of the buffer; the user application should access data in the
first half of the buffer
0 = ADC is currently filling the first half of the buffer; the user application should access data in the
second half of the buffer
bit 6-2 SMPI<3:0>: Increment Rate bits
When ADDMAEN = 0:
1111 = Generates interrupt after completion of every 16th sample/conversion operation
1110 = Generates interrupt after completion of every 15th sample/conversion operation
•
•
•
0001 = Generates interrupt after completion of every 2nd sample/conversion operation
0000 = Generates interrupt after completion of every sample/conversion operation
When ADDMAEN = 1:
1111 = Increments the DMA address after completion of every 16th sample/conversion operation
1110 = Increments the DMA address after completion of every 15th sample/conversion operation
•
•
•
0001 = Increments the DMA address after completion of every 2nd sample/conversion operation
0000 = Increments the DMA address after completion of every sample/conversion operation
VREFH VREFL
000 AVDD Avss
001 External VREF+ Avss
010 AVDD External VREF-
011 External VREF+ External VREF-
1xx AVDD Avss

dsPIC33EPXXX(GP/MC/MU)806/810/814 and PIC24EPXXX(GP/GU)810/814
DS70616G-page 422 2009-2012 Microchip Technology Inc.
bit 1 BUFM: Buffer Fill Mode Select bit
1 = Starts buffer filling the first half of the buffer on the first interrupt and the second half of the buffer
on the next interrupt
0 = Always starts filling the buffer from the Start address
bit 0 ALTS: Alternate Input Sample Mode Select bit
1 = Uses channel input selects for Sample A on first sample and Sample B on next sample
0 = Always uses channel input selects for Sample A
REGISTER 23-3: AD2CON2: ADC2 CONTROL REGISTER 2 (CONTINUED)

2009-2012 Microchip Technology Inc. DS70616G-page 423
dsPIC33EPXXX(GP/MC/MU)806/810/814 and PIC24EPXXX(GP/GU)810/814
REGISTER 23-4: ADxCON3: ADCx CONTROL REGISTER 3
R/W-0 U-0 U-0 R/W-0 R/W-0 R/W-0 R/W-0 R/W-0
ADRC —— SAMC<4:0>(1)
bit 15 bit 8
R/W-0 R/W-0 R/W-0 R/W-0 R/W-0 R/W-0 R/W-0 R/W-0
ADCS<7:0>(2,3)
bit 7 bit 0
Legend:
R = Readable bit W = Writable bit U = Unimplemented bit, read as ‘0’
-n = Value at POR ‘1’ = Bit is set ‘0’ = Bit is cleared x = Bit is unknown
bit 15 ADRC: ADC Conversion Clock Source bit
1 = ADC internal RC clock
0 = Clock Derived From System Clock
bit 14-13 Unimplemented: Read as ‘0’
bit 12-8 SAMC<4:0>: Auto-Sample Time bits(1)
11111 = 31 TAD
•
•
•
00001 = 1 TAD
00000 = 0 TAD
bit 7-0 ADCS<7:0>: ADC Conversion Clock Select bits(2,3)
11111111 = TP • (ADCS<7:0> + 1) = 256 • TCY = TAD
•
•
•
00000010 = TP • (ADCS<7:0> + 1) = 3 • TCY = TAD
00000001 = TP • (ADCS<7:0> + 1) = 2 • TCY = TAD
00000000 = TP • (ADCS<7:0> + 1) = 1 • TCY = TAD
Note 1: This bit is only used if ADxCON1<7:5> (SSRC<2:0>) = 111 and ADxCON1<4> (SSRCG) = 0.
2: This bit is not used if ADxCON3<15> (ADRC) = 1.
3: TP = 1/FP.

dsPIC33EPXXX(GP/MC/MU)806/810/814 and PIC24EPXXX(GP/GU)810/814
DS70616G-page 424 2009-2012 Microchip Technology Inc.
REGISTER 23-5: ADxCON4: ADCx CONTROL REGISTER 4
U-0 U-0 U-0 U-0 U-0 U-0 U-0 R/W-0
— — — — — — — ADDMAEN
bit 15 bit 8
U-0 U-0 U-0 U-0 U-0 R/W-0 R/W-0 R/W-0
— — — — — DMABL<2:0>
bit 7 bit 0
Legend:
R = Readable bit W = Writable bit U = Unimplemented bit, read as ‘0’
-n = Value at POR ‘1’ = Bit is set ‘0’ = Bit is cleared x = Bit is unknown
bit 15-9 Unimplemented: Read as ‘0’
bit 8 ADDMAEN: ADC DMA Enable bit
1 = Conversion results are stored in ADCxBUF0 register for transferring to RAM using DMA
0 = Conversion results are stored in ADCxBUF0 through ADCxBUFF registers; DMA will not be used
bit 7-3 Unimplemented: Read as ‘0’
bit 2-0 DMABL<2:0>: Selects Number of DMA Buffer Locations per Analog Input bits
111 = Allocates 128 words of buffer to each analog input
110 = Allocates 64 words of buffer to each analog input
101 = Allocates 32 words of buffer to each analog input
100 = Allocates 16 words of buffer to each analog input
011 = Allocates 8 words of buffer to each analog input
010 = Allocates 4 words of buffer to each analog input
001 = Allocates 2 words of buffer to each analog input
000 = Allocates 1 word of buffer to each analog input

2009-2012 Microchip Technology Inc. DS70616G-page 425
dsPIC33EPXXX(GP/MC/MU)806/810/814 and PIC24EPXXX(GP/GU)810/814
REGISTER 23-6: ADxCHS123: ADCx INPUT CHANNEL 1, 2, 3 SELECT REGISTER
U-0 U-0 U-0 U-0 U-0 R/W-0 R/W-0 R/W-0
— — — — — CH123NB<1:0> CH123SB
bit 15 bit 8
U-0 U-0 U-0 U-0 U-0 R/W-0 R/W-0 R/W-0
— — — — — CH123NA<1:0> CH123SA
bit 7 bit 0
Legend:
R = Readable bit W = Writable bit U = Unimplemented bit, read as ‘0’
-n = Value at POR ‘1’ = Bit is set ‘0’ = Bit is cleared x = Bit is unknown
bit 15-11 Unimplemented: Read as ‘0’
bit 10-9 CH123NB<1:0>: Channel 1, 2, 3 Negative Input Select for Sample B bits
When AD12B = 1, CHxNB is: U-0, Unimplemented, Read as ‘0’:
11 = CH1 negative input is AN9, CH2 negative input is AN10, CH3 negative input is AN11
10 = CH1 negative input is AN6, CH2 negative input is AN7, CH3 negative input is AN8
0x = CH1, CH2, CH3 negative input is VREFL
bit 8 CH123SB: Channel 1, 2, 3 Positive Input Select for Sample B bit
When AD12B = 1, CHxSA is: U-0, Unimplemented, Read as ‘0’:
1 = CH1 positive input is AN3, CH2 positive input is AN4, CH3 positive input is AN5
0 = CH1 positive input is AN0, CH2 positive input is AN1, CH3 positive input is AN2
bit 7-3 Unimplemented: Read as ‘0’
bit 2-1 CH123NA<1:0>: Channel 1, 2, 3 Negative Input Select for Sample A bits
When AD12B = 1, CHxNA is: U-0, Unimplemented, Read as ‘0’:
11 = CH1 negative input is AN9, CH2 negative input is AN10, CH3 negative input is AN11
10 = CH1 negative input is AN6, CH2 negative input is AN7, CH3 negative input is AN8
0x = CH1, CH2, CH3 negative input is VREFL
bit 0 CH123SA: Channel 1, 2, 3 Positive Input Select for Sample A bit
When AD12B = 1, CHxSA is: U-0, Unimplemented, Read as ‘0’:
1 = CH1 positive input is AN3, CH2 positive input is AN4, CH3 positive input is AN5
0 = CH1 positive input is AN0, CH2 positive input is AN1, CH3 positive input is AN2

dsPIC33EPXXX(GP/MC/MU)806/810/814 and PIC24EPXXX(GP/GU)810/814
DS70616G-page 426 2009-2012 Microchip Technology Inc.
REGISTER 23-7: ADxCHS0: ADCx INPUT CHANNEL 0 SELECT REGISTER
R/W-0 U-0 U-0 R/W-0 R/W-0 R/W-0 R/W-0 R/W-0
CH0NB —— CH0SB<4:0>(1)
bit 15 bit 8
R/W-0 U-0 U-0 R/W-0 R/W-0 R/W-0 R/W-0 R/W-0
CH0NA —— CH0SA<4:0>(1)
bit 7 bit 0
Legend:
R = Readable bit W = Writable bit U = Unimplemented bit, read as ‘0’
-n = Value at POR ‘1’ = Bit is set ‘0’ = Bit is cleared x = Bit is unknown
bit 15 CH0NB: Channel 0 Negative Input Select for Sample B bit
Same definition as bit 7.
bit 14-13 Unimplemented: Read as ‘0’
bit 12-8 CH0SB<4:0>: Channel 0 Positive Input Select for Sample B bits(1)
Same definition as bits<4:0>.
bit 7 CH0NA: Channel 0 Negative Input Select for Sample A bit
1 = Channel 0 negative input is AN1
0 = Channel 0 negative input is VREFL
bit 6-5 Unimplemented: Read as ‘0’
bit 4-0 CH0SA<4:0>: Channel 0 Positive Input Select for Sample A bits(1)
11111 = Channel 0 positive input is AN31
11110 = Channel 0 positive input is AN30
•
•
•
00010 = Channel 0 positive input is AN2
00001 = Channel 0 positive input is AN1
00000 = Channel 0 positive input is AN0
Note 1: The AN16 through AN31 pins are not available for the ADC2 module. The AN16 through AN23 pins are
not available for dsPIC33EP256MU806 (64-pin) devices.

2009-2012 Microchip Technology Inc. DS70616G-page 427
dsPIC33EPXXX(GP/MC/MU)806/810/814 and PIC24EPXXX(GP/GU)810/814
REGISTER 23-8: AD1CSSH: ADC1 INPUT SCAN SELECT REGISTER HIGH(1,2,3)
R/W-0 R/W-0 R/W-0 R/W-0 R/W-0 R/W-0 R/W-0 R/W-0
CSS31 CSS30 CSS29 CSS28 CSS27 CSS26 CSS25 CSS24
bit 15 bit 8
R/W-0 R/W-0 R/W-0 R/W-0 R/W-0 R/W-0 R/W-0 R/W-0
CSS23 CSS22 CSS21 CSS20 CSS19 CSS18 CSS17 CSS16
bit 7 bit 0
Legend:
R = Readable bit W = Writable bit U = Unimplemented bit, read as ‘0’
-n = Value at POR ‘1’ = Bit is set ‘0’ = Bit is cleared x = Bit is unknown
bit 15-0 CSS<31:16>: ADC1 Input Scan Selection bits
1 = Selects ANx for input scan
0 = Skips ANx for input scan
Note 1: On devices with less than 32 analog inputs, all ADxCSSH bits can be selected by user software. However,
inputs selected for scan without a corresponding input on the device converts to VREFL.
2: CSSx = ANx, where x = 16-31.
3: ADC2 only supports analog inputs, AN0-AN15; therefore, no ADC2 Input Scan Select register exists.
REGISTER 23-9: ADxCSSL: ADCx INPUT SCAN SELECT REGISTER LOW(1,2)
R/W-0 R/W-0 R/W-0 R/W-0 R/W-0 R/W-0 R/W-0 R/W-0
CSS15 CSS14 CSS13 CSS12 CSS11 CSS10 CSS9 CSS8
bit 15 bit 8
R/W-0 R/W-0 R/W-0 R/W-0 R/W-0 R/W-0 R/W-0 R/W-0
CSS7 CSS6 CSS5 CSS4 CSS3 CSS2 CSS1 CSS0
bit 7 bit 0
Legend:
R = Readable bit W = Writable bit U = Unimplemented bit, read as ‘0’
-n = Value at POR ‘1’ = Bit is set ‘0’ = Bit is cleared x = Bit is unknown
bit 15-0 CSS<15:0>: ADC Input Scan Selection bits
1 = Selects ANx for input scan
0 = Skips ANx for input scan
Note 1: On devices with less than 16 analog inputs, all ADxCSSL bits can be selected by the user. However,
inputs selected for scan without a corresponding input on the device converts to VREFL.
2: CSSx = ANx, where x = 0-15.

dsPIC33EPXXX(GP/MC/MU)806/810/814 and PIC24EPXXX(GP/GU)810/814
DS70616G-page 428 2009-2012 Microchip Technology Inc.
NOTES:

2009-2012 Microchip Technology Inc. DS70616G-page 429
dsPIC33EPXXX(GP/MC/MU)806/810/814 and PIC24EPXXX(GP/GU)810/814
24.0 DATA CONVERTER
INTERFACE (DCI) MODULE
24.1 Module Introduction
The Data Converter Interface (DCI) module allows
simple interfacing of devices, such as audio coder/
decoders (Codecs), ADC and D/A Converters. The
following interfaces are supported:
• Framed Synchronous Serial Transfer (Single or
Multi-Channel)
• Inter-IC Sound (I2S) Interface
• AC-Link Compliant mode
General features include:
• Programmable word size up to 16 bits
• Supports up to 16 time slots, for a maximum
frame size of 256 bits
• Data buffering for up to 4 samples without CPU
overhead
FIGURE 24-1: DCI MODULE BLOCK DIAGRAM
Note 1: This data sheet is not intended to be a
comprehensive reference source. To
complement the information in this data
sheet, refer to “Section 20. Data
Converter Interface (DCI)” (DS70356)
of the “dsPIC33E/PIC24E Family
Reference Manual”, which is available
from the Microchip web site
(www.microchip.com).
2: Some registers and associated bits
described in this section may not be
available on all devices. Refer to
Section 4.0 “Memory Organization” in
this data sheet for device-specific register
and bit information.
BCG Control Bits
16-Bit Data Bus
Sample Rate
Generator
SCKD
FSD
DCI Buffer
Frame
Synchronization
Generator
Control Unit
DCI Shift Register
Receive Buffer
Registers w/Shadow
FP
Word Size Selection bits
Frame Length Selection bits
DCI Mode Selection bits
CSCK
COFS
CSDI
CSDO
15 0
Transmit Buffer
Registers w/Shadow

dsPIC33EPXXX(GP/MC/MU)806/810/814 and PIC24EPXXX(GP/GU)810/814
DS70616G-page 430 2009-2012 Microchip Technology Inc.
24.2 DCI Resources
Many useful resources related to DCI are provided on
the main product page of the Microchip web site for the
devices listed in this data sheet. This product page,
which can be accessed using this link, contains the
latest updates and additional information.
24.2.1 KEY RESOURCES
•Section 20. “Data Converter Interface (DCI)”
(DS70356) in the “dsPIC33E/PIC24E Family
Reference Manual”
• Code Samples
• Application Notes
• Software Libraries
• Webinars
• All related “dsPIC33E/PIC24E Family Reference
Manual” Sections
• Development Tools
Note: In the event you are not able to access the
product page using the link above, enter
this URL in your browser:
http://www.microchip.com/wwwproducts/
Devices.aspx?dDocName=en554310

2009-2012 Microchip Technology Inc. DS70616G-page 431
dsPIC33EPXXX(GP/MC/MU)806/810/814 and PIC24EPXXX(GP/GU)810/814
24.3 DCI Control Registers
REGISTER 24-1: DCICON1: DCI CONTROL REGISTER 1
R/W-0 U-0 R/W-0 U-0 R/W-0 R/W-0 R/W-0 R/W-0
DCIEN rDCISIDLr DLOOP CSCKD CSCKE COFSD
bit 15 bit 8
R/W-0 R/W-0 R/W-0 U-0 U-0 U-0 R/W-0 R/W-0
UNFM CSDOM DJST r r rCOFSM<1:0>
bit 7 bit 0
Legend: r = Reserved bit
R = Readable bit W = Writable bit U = Unimplemented bit, read as ‘0’
-n = Value at POR ‘1’ = Bit is set ‘0’ = Bit is cleared x = Bit is unknown
bit 15 DCIEN: DCI Module Enable bit
1 = Module is enabled
0 = Module is disabled
bit 14 Reserved: Read as ‘0’
bit 13 DCISIDL: DCI Stop in Idle Control bit
1 = Module will halt in CPU Idle mode
0 = Module will continue to operate in CPU Idle mode
bit 12 Reserved: Read as ‘0’
bit 11 DLOOP: Digital Loopback Mode Control bit
1 = Digital Loopback mode is enabled; CSDI and CSDO pins are internally connected
0 = Digital Loopback mode is disabled
bit 10 CSCKD: Sample Clock Direction Control bit
1 = CSCK pin is an input when DCI module is enabled
0 = CSCK pin is an output when DCI module is enabled
bit 9 CSCKE: Sample Clock Edge Control bit
1 = Data changes on serial clock falling edge, sampled on serial clock rising edge
0 = Data changes on serial clock rising edge, sampled on serial clock falling edge
bit 8 COFSD: Frame Synchronization Direction Control bit
1 = COFS pin is an input when DCI module is enabled
0 = COFS pin is an output when DCI module is enabled
bit 7 UNFM: Underflow Mode bit
1 = Transmits last value written to the Transmit registers on a transmit underflow
0 = Transmits ‘0’s on a transmit underflow
bit 6 CSDOM: Serial Data Output Mode bit
1 = CSDO pin will be tri-stated during disabled transmit time slots
0 = CSDO pin drives ‘0’s during disabled transmit time slots
bit 5 DJST: DCI Data Justification Control bit
1 = Data transmission/reception begins during the same serial clock cycle as the frame synchronization
pulse
0 = Data transmission/reception begins one serial clock cycle after the frame synchronization pulse
bit 4-2 Reserved: Read as ‘0’
bit 1-0 COFSM<1:0>: Frame Sync Mode bits
11 = 20-Bit AC-Link mode
10 = 16-Bit AC-Link mode
01 = I2S Frame Sync mode
00 = Multi-Channel Frame Sync mode

dsPIC33EPXXX(GP/MC/MU)806/810/814 and PIC24EPXXX(GP/GU)810/814
DS70616G-page 432 2009-2012 Microchip Technology Inc.
REGISTER 24-2: DCICON2: DCI CONTROL REGISTER 2
U-0 U-0 U-0 U-0 R/W-0 R/W-0 U-0 R/W-0
r r r r BLEN<1:0> rCOFSG3
bit 15 bit 8
R/W-0 R/W-0 R/W-0 U-0 R/W-0 R/W-0 R/W-0 R/W-0
COFSG<2:0> r WS<3:0>
bit 7 bit 0
Legend: r = Reserved bit
R = Readable bit W = Writable bit U = Unimplemented bit, read as ‘0’
-n = Value at POR ‘1’ = Bit is set ‘0’ = Bit is cleared x = Bit is unknown
bit 15-12 Reserved: Read as ‘0’
bit 11-10 BLEN<1:0>: Buffer Length Control bits
11 = Four data words will be buffered between interrupts
10 = Three data words will be buffered between interrupts
01 = Two data words will be buffered between interrupts
00 = One data word will be buffered between interrupts
bit 9 Reserved: Read as ‘0’
bit 8-5 COFSG<3:0>: Frame Sync Generator Control bits
1111 = Data frame has 16 words
•
•
•
0010 = Data frame has 3 words
0001 = Data frame has 2 words
0000 = Data frame has 1 word
bit 4 Reserved: Read as ‘0’
bit 3-0 WS<3:0>: DCI Data Word Size bits
1111 = Data word size is 16 bits
•
•
•
0100 = Data word size is 5 bits
0011 = Data word size is 4 bits
0010 = Invalid Selection. Do not use. Unexpected results may occur.
0001 = Invalid Selection. Do not use. Unexpected results may occur.
0000 = Invalid Selection. Do not use. Unexpected results may occur.

2009-2012 Microchip Technology Inc. DS70616G-page 433
dsPIC33EPXXX(GP/MC/MU)806/810/814 and PIC24EPXXX(GP/GU)810/814
REGISTER 24-3: DCICON3: DCI CONTROL REGISTER 3
U-0 U-0 U-0 U-0 R/W-0 R/W-0 R/W-0 R/W-0
r r r rBCG<11:8>
bit 15 bit 8
R/W-0 R/W-0 R/W-0 R/W-0 R/W-0 R/W-0 R/W-0 R/W-0
BCG<7:0>
bit 7 bit 0
Legend: r = Reserved bit
R = Readable bit W = Writable bit U = Unimplemented bit, read as ‘0’
-n = Value at POR ‘1’ = Bit is set ‘0’ = Bit is cleared x = Bit is unknown
bit 15-12 Reserved: Read as ‘0’
bit 11-0 BCG<11:0>: DCI Clock Generator Control bits

dsPIC33EPXXX(GP/MC/MU)806/810/814 and PIC24EPXXX(GP/GU)810/814
DS70616G-page 434 2009-2012 Microchip Technology Inc.
REGISTER 24-4: DCISTAT: DCI STATUS REGISTER
U-0 U-0 U-0 U-0 R-0 R-0 R-0 R-0
r r r r SLOT<3:0>
bit 15 bit 8
U-0 U-0 U-0 U-0 R-0 R-0 R-0 R-0
r r r r ROV RFUL TUNF TMPTY
bit 7 bit 0
Legend: r = Reserved bit
R = Readable bit W = Writable bit U = Unimplemented bit, read as ‘0’
-n = Value at POR ‘1’ = Bit is set ‘0’ = Bit is cleared x = Bit is unknown
bit 15-12 Reserved: Read as ‘0’
bit 11-8 SLOT<3:0>: DCI Slot Status bits
1111 = Slot 15 is currently active
•
•
•
0010 = Slot 2 is currently active
0001 = Slot 1 is currently active
0000 = Slot 0 is currently active
bit 7-4 Reserved: Read as ‘0’
bit 3 ROV: Receive Overflow Status bit
1 = A receive overflow has occurred for at least one Receive register
0 = A receive overflow has not occurred
bit 2 RFUL: Receive Buffer Full Status bit
1 = New data is available in the Receive registers
0 = The Receive registers have old data
bit 1 TUNF: Transmit Buffer Underflow Status bit
1 = A transmit underflow has occurred for at least one Transmit register
0 = A transmit underflow has not occurred
bit 0 TMPTY: Transmit Buffer Empty Status bit
1 = The Transmit registers are empty
0 = The Transmit registers are not empty

2009-2012 Microchip Technology Inc. DS70616G-page 435
dsPIC33EPXXX(GP/MC/MU)806/810/814 and PIC24EPXXX(GP/GU)810/814
REGISTER 24-5: RSCON: DCI RECEIVE SLOT CONTROL REGISTER
R/W-0 R/W-0 R/W-0 R/W-0 R/W-0 R/W-0 R/W-0 R/W-0
RSE15 RSE14 RSE13 RSE12 RSE11 RSE10 RSE9 RSE8
bit 15 bit 8
R/W-0 R/W-0 R/W-0 R/W-0 R/W-0 R/W-0 R/W-0 R/W-0
RSE7 RSE6 RSE5 RSE4 RSE3 RSE2 RSE1 RSE0
bit 7 bit 0
Legend:
R = Readable bit W = Writable bit U = Unimplemented bit, read as ‘0’
-n = Value at POR ‘1’ = Bit is set ‘0’ = Bit is cleared x = Bit is unknown
bit 15-0 RSE<15:0>: Receive Slot Enable bits
1 = CSDI data is received during the individual time slot n
0 = CSDI data is ignored during the individual time slot n
REGISTER 24-6: TSCON: DCI TRANSMIT SLOT CONTROL REGISTER
R/W-0 R/W-0 R/W-0 R/W-0 R/W-0 R/W-0 R/W-0 R/W-0
TSE15 TSE14 TSE13 TSE12 TSE11 TSE10 TSE9 TSE8
bit 15 bit 8
R/W-0 R/W-0 R/W-0 R/W-0 R/W-0 R/W-0 R/W-0 R/W-0
TSE7 TSE6 TSE5 TSE4 TSE3 TSE2 TSE1 TSE0
bit 7 bit 0
Legend:
R = Readable bit W = Writable bit U = Unimplemented bit, read as ‘0’
-n = Value at POR ‘1’ = Bit is set ‘0’ = Bit is cleared x = Bit is unknown
bit 15-0 TSE<15:0>: Transmit Slot Enable Control bits
1 = Transmit buffer contents are sent during the individual time slot n
0 = CSDO pin is tri-stated or driven to logic ‘0’ during the individual time slot, depending on the state
of the CSDOM bit

dsPIC33EPXXX(GP/MC/MU)806/810/814 and PIC24EPXXX(GP/GU)810/814
DS70616G-page 436 2009-2012 Microchip Technology Inc.
NOTES:

2009-2012 Microchip Technology Inc. DS70616G-page 437
dsPIC33EPXXX(GP/MC/MU)806/810/814 and PIC24EPXXX(GP/GU)810/814
25.0 COMPARATOR MODULE The comparator module provides three comparators
that can be configured in different ways. As shown in
Figure 25-1, individual comparator options are
specified by the comparator module’s Special Function
Register (SFR) control bits.
These options allow users to:
• Select the edge for trigger and interrupt generation
• Configure the comparator voltage reference and
band gap
• Configure output blanking and masking
The comparator operating mode is determined by the
input selections (i.e., whether the input voltage is
compared to a second input voltage or to an internal
voltage reference).
FIGURE 25-1: COMPARATOR I/O OPERATING MODES
Note 1: This data sheet summarizes the features
of the dsPIC33EPXXX(GP/MC/MU)806/
810/814 and PIC24EPXXX(GP/GU)810/
814 families of devices. It is not intended
to be a comprehensive reference source.
To complement the information in this data
sheet, refer to Section 26. “Op Amp/
Comparator” (DS70357) of the
“dsPIC33E/PIC24E Family Reference
Manual”, which is available from the
Microchip web site (www.microchip.com).
2: Some registers and associated bits
described in this section may not be
available on all devices. Refer to
Section 4.0 “Memory Organization” in
this data sheet for device-specific register
and bit information.
IVREF
Comparator Voltage
CMPx(1)
Blanking
Function
Digital
Filter
Output Data/Control
CxOUT
(1)
Reference
CxIN2-(1)
CxIN1-(1)
CxIN3-(1)
(see Figure 25-2)CVREF
(see Figure 25-3)(see Figure 25-4)
+
–
VIN+
VIN-
BGSEL<1:0>
V
REF
+V
REF
-AV
DD
AV
SS
2.20V
0.20V
0.60V
Note 1: An ‘x’ is a pin, bit or register name and denotes Comparator 1, 2 or 3.
00
01
10
11
00
01
10
11
VREF+
0
1
CREF
CxIN1+(1)
CVREFIN
CCH<1:0>

dsPIC33EPXXX(GP/MC/MU)806/810/814 and PIC24EPXXX(GP/GU)810/814
DS70616G-page 438 2009-2012 Microchip Technology Inc.
FIGURE 25-2: COMPARATOR VOLTAGE REFERENCE BLOCK DIAGRAM
FIGURE 25-3: USER-PROGRAMMABLE BLANKING FUNCTION BLOCK DIAGRAM
16-to-1 MUX
8R
R
CVREN
CVRSS = 0
AVDD
VREF+CVRSS = 1
8R
CVRSS = 0
VREF–CVRSS = 1
R
R
R
R
R
R
16 Steps
CVRR
CVREF
CVR3
CVR2
CVR1
CVR0
CVRCON<3:0>
AVSS
CVRSRC
CVRCON<CVROE>
CVREFIN
VREFSEL
SELSRCA<3:0>
SELSRCB<3:0>
SELSRCC<3:0>
AND
CMxMSKCON
MUX A
MAI
MBI
MCI
Comparator Output To Di g ita l
Signals
Filter
OR
Blanking
Blanking
Blanking
Signals
Signals
ANDI
MASK
“AND-OR” Function
HLMS
MUX BMUX C
Blanking
Logic
(CMxMSKCON<15)
(CMxMSKSRC<11:8)
(CMxMSKSRC<7:4)
(CMxMSKSRC<3:0>)
MBI
MCI
MAI
MBI
MCI
MAI

2009-2012 Microchip Technology Inc. DS70616G-page 439
dsPIC33EPXXX(GP/MC/MU)806/810/814 and PIC24EPXXX(GP/GU)810/814
FIGURE 25-4: DIGITAL FILTER INTERCONNECT BLOCK DIAGRAM
25.1 Comparator Resources
Many useful resources related to the Comparator are
provided on the main product page of the Microchip
web site for the devices listed in this data sheet. This
product page, which can be accessed using this link,
contains the latest updates and additional information.
25.1.1 KEY RESOURCES
•Section 26. “Op Amp/Comparator” (DS70357)
in the “dsPIC33E/PIC24E Family Reference
Manual”
• Code Samples
• Application Notes
• Software Libraries
• Webinars
• All related “dsPIC33E/PIC24E Family Reference
Manual” Sections
• Development Tools
CXOUT
CFLTREN
Digital Filter
TxCLK(1,2)
SYNCOx(3)
FP(4)
FOSC(4)
CFSEL<2:0>
CFDIV
Note 1: See the Type C Timer Block Diagram (Figure 13-2).
2: See the Type B Timer Block Diagram (Figure 13-1).
3: See the PWM Module Register Interconnect Diagram (Figure 16-2).
4: See the Oscillator System Diagram (Figure 9-1).
Note: In the event you are not able to access the
product page using the link above, enter
this URL in your browser:
http://www.microchip.com/wwwproducts/
Devices.aspx?dDocName=en554310

dsPIC33EPXXX(GP/MC/MU)806/810/814 and PIC24EPXXX(GP/GU)810/814
DS70616G-page 440 2009-2012 Microchip Technology Inc.
25.2 Comparator Control Registers
REGISTER 25-1: CMSTAT: COMPARATOR STATUS REGISTER
R/W-0 U-0 U-0 U-0 U-0 R-0 R-0 R-0
CMSIDL — — — — C3EVT C2EVT C1EVT
bit 15 bit 8
U-0 U-0 U-0 U-0 U-0 R-0 R-0 R-0
— — — — — C3OUT C2OUT C1OUT
bit 7 bit 0
Legend:
R = Readable bit W = Writable bit U = Unimplemented bit, read as ‘0’
-n = Value at POR ‘1’ = Bit is set ‘0’ = Bit is cleared x = Bit is unknown
bit 15 CMSIDL: Comparator Stop in Idle Mode bit
1 = Discontinues operation of all comparators when device enters Idle mode
0 = Continues operation of all comparators in Idle mode
bit 14-11 Unimplemented: Read as ‘0’
bit 10 C3EVT: Comparator 3 Event Status bit
1 = Comparator event occurred
0 = Comparator event did not occur
bit 9 C2EVT: Comparator 2 Event Status bit
1 = Comparator event occurred
0 = Comparator event did not occur
bit 8 C1EVT: Comparator 1 Event Status bit
1 = Comparator event occurred
0 = Comparator event did not occur
bit 7-3 Unimplemented: Read as ‘0’
bit 2 C3OUT: Comparator 3 Output Status bit
When CPOL = 0:
1 = VIN+ > VIN-
0 = VIN+ < VIN-
When CPOL = 1:
1 = VIN+ < VIN-
0 = VIN+ > VIN-
bit 1 C2OUT: Comparator 2 Output Status bit
When CPOL = 0:
1 = VIN+ > VIN-
0 = VIN+ < VIN-
When CPOL = 1:
1 = VIN+ < VIN-
0 = VIN+ > VIN-
bit 0 C1OUT: Comparator 1 Output Status bit
When CPOL = 0:
1 = VIN+ > VIN-
0 = VIN+ < VIN-
When CPOL = 1:
1 = VIN+ < VIN-
0 = VIN+ > VIN-

2009-2012 Microchip Technology Inc. DS70616G-page 441
dsPIC33EPXXX(GP/MC/MU)806/810/814 and PIC24EPXXX(GP/GU)810/814
REGISTER 25-2: CMxCON: COMPARATOR x CONTROL REGISTER
R/W-0 R/W-0 R/W-0 U-0 U-0 U-0 R/W-0 R/W-0
CON COE CPOL — — — CEVT COUT
bit 15 bit 8
R/W-0 R/W-0 U-0 R/W-0 U-0 U-0 R/W-0 R/W-0
EVPOL<1:0> —CREF—— CCH<1:0>
bit 7 bit 0
Legend:
R = Readable bit W = Writable bit U = Unimplemented bit, read as ‘0’
-n = Value at POR ‘1’ = Bit is set ‘0’ = Bit is cleared x = Bit is unknown
bit 15 CON: Comparator Enable bit
1 = Comparator is enabled
0 = Comparator is disabled
bit 14 COE: Comparator Output Enable bit
1 = Comparator output is present on the CxOUT pin
0 = Comparator output is internal only
bit 13 CPOL: Comparator Output Polarity Select bit
1 = Comparator output is inverted
0 = Comparator output is not inverted
bit 12-10 Unimplemented: Read as ‘0’
bit 9 CEVT: Comparator Event bit
1 = Comparator event according to EVPOL<1:0> settings occurred; disables future triggers and
interrupts until the bit is cleared
0 = Comparator event did not occur
bit 8 COUT: Comparator Output bit
When CPOL = 0 (non-inverted polarity):
1 = VIN+ > VIN-
0 = VIN+ < VIN-
When CPOL = 1 (inverted polarity):
1 = VIN+ < VIN-
0 = VIN+ > VIN-
bit 7-6 EVPOL<1:0>: Trigger/Event/Interrupt Polarity Select bits
11 = Trigger/Event/Interrupt generated on any change of the comparator output (while CEVT = 0)
10 = Trigger/Event/Interrupt generated only on high-to-low transition of the polarity selected comparator
output (while CEVT = 0)
If CPOL = 1 (inverted polarity):
Low-to-high transition of the comparator output.
If CPOL = 0 (non-inverted polarity):
High-to-low transition of the comparator output.
01 = Trigger/Event/Interrupt generated only on low-to-high transition of the polarity selected comparator
output (while CEVT = 0)
If CPOL = 1 (inverted polarity):
High-to-low transition of the comparator output.
If CPOL = 0 (non-inverted polarity):
Low-to-high transition of the comparator output.
00 = Trigger/Event/Interrupt generation is disabled
bit 5 Unimplemented: Read as ‘0’

dsPIC33EPXXX(GP/MC/MU)806/810/814 and PIC24EPXXX(GP/GU)810/814
DS70616G-page 442 2009-2012 Microchip Technology Inc.
bit 4 CREF: Comparator Reference Select bit (VIN+ input)
1 = VIN+ input connects to internal CVREFIN voltage
0 = VIN+ input connects to CxIN1+ pin
bit 3-2 Unimplemented: Read as ‘0’
bit 1-0 CCH<1:0>: Comparator Channel Select bits
11 =VIN- input of comparator connects to IVREF
10 =VIN- input of comparator connects to CXIN3- pin
01 =V
IN- input of comparator connects to CXIN1- pin
00 =VIN- input of comparator connects to CXIN2- pin
REGISTER 25-2: CMxCON: COMPARATOR x CONTROL REGISTER (CONTINUED)

2009-2012 Microchip Technology Inc. DS70616G-page 443
dsPIC33EPXXX(GP/MC/MU)806/810/814 and PIC24EPXXX(GP/GU)810/814
REGISTER 25-3: CMxMSKSRC: COMPARATOR x MASK SOURCE SELECT
CONTROL REGISTER
U-0 U-0 U-0 U-0 R/W-0 R/W-0 R/W-0 RW-0
— — — — SELSRCC<3:0>
bit 15 bit 8
R/W-0 R/W-0 R/W-0 R/W-0 R/W-0 R/W-0 R/W-0 R/W-0
SELSRCB<3:0> SELSRCA<3:0>
bit 7 bit 0
Legend:
R = Readable bit W = Writable bit U = Unimplemented bit, read as ‘0’
-n = Value at POR ‘1’ = Bit is set ‘0’ = Bit is cleared x = Bit is unknown
bit 15-12 Unimplemented: Read as ‘0’
bit 11-8 SELSRCC<3:0>: Mask C Input Select bits
1111 = FLT4
1110 = FLT2
1101 = PWM7H
1100 = PWM7L
1011 = PWM6H
1010 = PWM6L
1001 = PWM5H
1000 = PWM5L
0111 = PWM4H
0110 = PWM4L
0101 = PWM3H
0100 = PWM3L
0011 = PWM2H
0010 = PWM2L
0001 = PWM1H
0000 = PWM1L
bit 7-4 SELSRCB<3:0>: Mask B Input Select bits
1111 = FLT4
1110 = FLT2
1101 = PWM7H
1100 = PWM7L
1011 = PWM6H
1010 = PWM6L
1001 = PWM5H
1000 = PWM5L
0111 = PWM4H
0110 = PWM4L
0101 = PWM3H
0100 = PWM3L
0011 = PWM2H
0010 = PWM2L
0001 = PWM1H
0000 = PWM1L

dsPIC33EPXXX(GP/MC/MU)806/810/814 and PIC24EPXXX(GP/GU)810/814
DS70616G-page 444 2009-2012 Microchip Technology Inc.
bit 3-0 SELSRCA<3:0>: Mask A Input Select bits
1111 = FLT4
1110 = FLT2
1101 = PWM7H
1100 = PWM7L
1011 = PWM6H
1010 = PWM6L
1001 = PWM5H
1000 = PWM5L
0111 = PWM4H
0110 = PWM4L
0101 = PWM3H
0100 = PWM3L
0011 = PWM2H
0010 = PWM2L
0001 = PWM1H
0000 = PWM1L
REGISTER 25-3: CMxMSKSRC: COMPARATOR x MASK SOURCE SELECT
CONTROL REGISTER (CONTINUED)

2009-2012 Microchip Technology Inc. DS70616G-page 445
dsPIC33EPXXX(GP/MC/MU)806/810/814 and PIC24EPXXX(GP/GU)810/814
REGISTER 25-4: CMxMSKCON: COMPARATOR x MASK GATING
CONTROL REGISTER
R/W-0 U-0 R/W-0 R/W-0 R/W-0 R/W-0 R/W-0 R/W-0
HLMS — OCEN OCNEN OBEN OBNEN OAEN OANEN
bit 15 bit 8
R/W-0 R/W-0 R/W-0 R/W-0 R/W-0 R/W-0 R/W-0 R/W-0
NAGS PAGS ACEN ACNEN ABEN ABNEN AAEN AANEN
bit 7 bit 0
Legend:
R = Readable bit W = Writable bit U = Unimplemented bit, read as ‘0’
-n = Value at POR ‘1’ = Bit is set ‘0’ = Bit is cleared x = Bit is unknown
bit 15 HLMS: High or Low-Level Masking Select bits
1 = The masking (blanking) function will prevent any asserted (‘0’) comparator signal from propagating
0 = The masking (blanking) function will prevent any asserted (‘1’) comparator signal from propagating
bit 14 Unimplemented: Read as '0'
bit 13 OCEN: OR Gate C Input Enable bit
1 = MCI is connected to OR gate
0 = MCI is not connected to OR gate
bit 12 OCNEN: OR Gate C Input Inverted Enable bit
1 = Inverted MCI is connected to OR gate
0 = Inverted MCI is not connected to OR gate
bit 11 OBEN: OR Gate B Input Enable bit
1 = MBI is connected to OR gate
0 = MBI is not connected to OR gate
bit 10 OBNEN: OR Gate B Input Inverted Enable bit
1 = Inverted MBI is connected to OR gate
0 = Inverted MBI is not connected to OR gate
bit 9 OAEN: OR Gate A Input Enable bit
1 = MAI is connected to OR gate
0 = MAI is not connected to OR gate
bit 8 OANEN: OR Gate A Input Inverted Enable bit
1 = Inverted MAI is connected to OR gate
0 = Inverted MAI is not connected to OR gate
bit 7 NAGS: AND Gate Output Inverted Enable bit
1 = Inverted ANDI is connected to OR gate
0 = Inverted ANDI is not connected to OR gate
bit 6 PAGS: AND Gate Output Enable bit
1 = ANDI is connected to OR gate
0 = ANDI is not connected to OR gate
bit 5 ACEN: AND Gate C Input Enable bit
1 = MCI is connected to AND gate
0 = MCI is not connected to AND gate
bit 4 ACNEN: AND Gate C Input Inverted Enable bit
1 = Inverted MCI is connected to AND gate
0 = Inverted MCI is not connected to AND gate

dsPIC33EPXXX(GP/MC/MU)806/810/814 and PIC24EPXXX(GP/GU)810/814
DS70616G-page 446 2009-2012 Microchip Technology Inc.
bit 3 ABEN: AND Gate B Input Enable bit
1 = MBI is connected to AND gate
0 = MBI is not connected to AND gate
bit 2 ABNEN: AND Gate B Input Inverted Enable bit
1 = Inverted MBI is connected to AND gate
0 = Inverted MBI is not connected to AND gate
bit 1 AAEN: AND Gate A Input Enable bit
1 = MAI is connected to AND gate
0 = MAI is not connected to AND gate
bit 0 AANEN: AND Gate A Input Inverted Enable bit
1 = Inverted MAI is connected to AND gate
0 = Inverted MAI is not connected to AND gate
REGISTER 25-4: CMxMSKCON: COMPARATOR x MASK GATING
CONTROL REGISTER (CONTINUED)

2009-2012 Microchip Technology Inc. DS70616G-page 447
dsPIC33EPXXX(GP/MC/MU)806/810/814 and PIC24EPXXX(GP/GU)810/814
REGISTER 25-5: CMxFLTR: COMPARATOR x FILTER CONTROL REGISTER
U-0 U-0 U-0 U-0 U-0 U-0 U-0 I-0
— — — — — — — —
bit 15 bit 8
U-0 R/W-0 R/W-0 R/W-0 R/W-0 R/W-0 R/W-0 R/W-0
— CFSEL<2:0> CFLTREN CFDIV<2:0>
bit 7 bit 0
Legend:
R = Readable bit W = Writable bit U = Unimplemented bit, read as ‘0’
-n = Value at POR ‘1’ = Bit is set ‘0’ = Bit is cleared x = Bit is unknown
bit 15-7 Unimplemented: Read as ‘0’
bit 6-4 CFSEL<2:0>: Comparator Filter Input Clock Select bits
111 = T5CLK(1)
110 = T4CLK(2)
101 = T3CLK(1)
100 = T2CLK(2)
011 = SYNCO2(3)
010 = SYNCO1(3)
001 = FOSC(4)
000 = FP(4)
bit 3 CFLTREN: Comparator Filter Enable bit
1 = Digital filter is enabled
0 = Digital filter is disabled
bit 2-0 CFDIV<2:0>: Comparator Filter Clock Divide Select bits
111 = Clock Divide 1:128
110 = Clock Divide 1:64
101 = Clock Divide 1:32
100 = Clock Divide 1:16
011 = Clock Divide 1:8
010 = Clock Divide 1:4
001 = Clock Divide 1:2
000 = Clock Divide 1:1
Note 1: See the Type C Timer Block Diagram (Figure 13-2).
2: See the Type B Timer Block Diagram (Figure 13-1).
3: See the PWM Module Register Interconnect Diagram (Figure 16-2).
4: See the Oscillator System Diagram (Figure 9-1).

dsPIC33EPXXX(GP/MC/MU)806/810/814 and PIC24EPXXX(GP/GU)810/814
DS70616G-page 448 2009-2012 Microchip Technology Inc.
REGISTER 25-6: CVRCON: COMPARATOR VOLTAGE REFERENCE CONTROL REGISTER
U-0 U-0 U-0 U-0 U-0 R/W-0 R/W-0 R/W-0
— — — — — VREFSEL BGSEL<1:0>
bit 15 bit 8
R/W-0 R/W-0 R/W-0 R/W-0 R/W-0 R/W-0 R/W-0 R/W-0
CVREN CVROE(1)CVRR CVRSS CVR<3:0>
bit 7 bit 0
Legend:
R = Readable bit W = Writable bit U = Unimplemented bit, read as ‘0’
-n = Value at POR ‘1’ = Bit is set ‘0’ = Bit is cleared x = Bit is unknown
bit 15-11 Unimplemented: Read as ‘0’
bit 10 VREFSEL: Voltage Reference Select bit
1 = CVREFIN = VREF+
0 = CVREFIN is generated by the resistor network
bit 9-8 BGSEL<1:0>: Band Gap Reference Source Select bits
11 = IVREF = VREF+(2)
10 = IVREF = 0.20V (nominal)
01 = IVREF = 0.60V (nominal)
00 = IVREF = 2.20V (nominal)
bit 7 CVREN: Comparator Voltage Reference Enable bit
1 = Comparator voltage reference circuit powered on
0 = Comparator voltage reference circuit powered down
bit 6 CVROE: Comparator Voltage Reference Output Enable bit(1)
1 = Voltage level is output on CVREF pin
0 = Voltage level is disconnected from CVREF pin
bit 5 CVRR: Comparator Voltage Reference Range Selection bit
1 = CVRSRC/24 step-size
0 = CVRSRC/32 step-size
bit 4 CVRSS: Comparator Voltage Reference Source Selection bit
1 = Comparator voltage reference source, CVRSRC = (VREF+) – (VREF-)(2)
0 = Comparator voltage reference source, CVRSRC = AVDD – AVSS
bit 3-0 CVR<3:0> Comparator Voltage Reference Value Selection 0 CVR<3:0> 15 bits
When CVRR = 1:
CVREFIN = (CVR<3:0>/24) • (CVRSRC)
When CVRR = 0:
CVREFIN = 1/4 • (CVRSRC) + (CVR<3:0>/32) • (CVRSRC)
Note 1: CVROE overrides the TRIS bit setting.
2: Selecting BGSEL<1:0> = 11 and CVRSS = 1 is invalid and will produce unpredictable results.

2009-2012 Microchip Technology Inc. DS70616G-page 449
dsPIC33EPXXX(GP/MC/MU)806/810/814 and PIC24EPXXX(GP/GU)810/814
26.0 REAL-TIME CLOCK AND
CALENDAR (RTCC)
This chapter discusses the Real-Time Clock and
Calendar (RTCC) module and its operation.
Some of the key features of this module are:
• Time: Hours, Minutes and Seconds
• 24-Hour Format (military time)
• Calendar: Weekday, Date, Month and Year
• Alarm Configurable
• Year Range: 2000 to 2099
• Leap Year Correction
• BCD Format for Compact Firmware
• Optimized for Low-Power Operation
• User Calibration with Auto-Adjust
• Calibration Range: ±2.64 Seconds Error per Month
• Requirements: External 32.768 kHz Clock Crystal
• Alarm Pulse or Seconds Clock Output on RTCC Pin
The RTCC module is intended for applications where
accurate time must be maintained for extended periods
with minimum to no intervention from the CPU. The
RTCC module is optimized for low-power usage to pro-
vide extended battery lifetime while keeping track of
time.
The RTCC module is a 100-year clock and calendar
with automatic leap year detection. The range of the
clock is from 00:00:00 (midnight) on January 1, 2000 to
23:59:59 on December 31, 2099.
The hours are available in 24-hour (military time)
format. The clock provides a granularity of one second
with half-second visibility to the user.
Note 1: This data sheet summarizes the features
of the dsPIC33EPXXX(GP/MC/MU)806/
810/814 and PIC24EPXXX(GP/GU)810/
814 families of devices. It is not intended
to be a comprehensive reference source.
To complement the information in this
data sheet, refer to Section 29. “Real-
Time Clock and Calendar (RTCC)”
(DS70584) of the “dsPIC33E/PIC24E
Family Reference Manual”, which is
available from the Microchip web site
(www.microchip.com).
2: Some registers and associated bits
described in this section may not be
available on all devices. Refer to
Section 4.0 “Memory Organization” in
this data sheet for device-specific register
and bit information.

dsPIC33EPXXX(GP/MC/MU)806/810/814 and PIC24EPXXX(GP/GU)810/814
DS70616G-page 450 2009-2012 Microchip Technology Inc.
FIGURE 26-1: RTCC BLOCK DIAGRAM
SOSCO
SOSCI
1Hz
SECONDS
MINUTES
HOUR
WEEKDAY
DATEMONTH
YEAR
SECONDS
MINUTES
HOUR
WEEKDAY
DATE
MONTH
RTCC Timer
RTCC Alarm
00
01
10
11
00
01
10
RTCPTR<1:0>
ALRMPTR<1:0>
RTCOE
RTCC
0
1
Set RTCIF Flag
RTSECSEL
RTCVAL
ALRMVAL
CAL<7:0>
32.768 kHz
Oscillator Prescaler
dsPIC33E/PIC24E
—
Pin
To g g l e

2009-2012 Microchip Technology Inc. DS70616G-page 451
dsPIC33EPXXX(GP/MC/MU)806/810/814 and PIC24EPXXX(GP/GU)810/814
26.1 Writing to the RTCC Timer
The user application can configure the time and
calendar by writing the desired seconds, minutes,
hours, weekday, date, month and year to the RTCC
registers. Under normal operation, writes to the RTCC
Timer registers are not allowed. Attempted writes will
appear to execute normally, but the contents of the
registers will remain unchanged. To write to the RTCC
register, the RTCWREN bit (RCFGCAL<13>) must be
set. Setting the RTCWREN bit allows writes to the
RTCC registers. Conversely, clearing the RTCWREN
bit prevents writes.
To set the RTCWREN bit, the following procedure must
be executed. The RTCWREN bit can be cleared at any
time:
1. Write 0x55 to NVMKEY.
2. Write 0xAA to NVMKEY.
3. Set the RTCWREN bit using a single-cycle
instruction.
The RTCC module is enabled by setting the RTCEN bit
(RCFGCAL<15>). To set or clear the RTCEN bit, the
RTCWREN bit (RCFGCAL<13>) must be set.
If the entire clock (hours, minutes and seconds) needs
to be corrected, it is recommended that the RTCC
module should be disabled to avoid coincidental write
operation when the timer increments. Therefore, it
stops the clock from counting while writing to the RTCC
Timer register.
26.2 RTCC Resources
Many useful resources related to RTCC are provided
on the main product page of the Microchip web site for
the devices listed in this data sheet. This product page,
which can be accessed using this link, contains the
latest updates and additional information.
26.2.1 KEY RESOURCES
•Section 29. “Real-Time Clock and Calendar
(RTCC)” (DS70584) in the “dsPIC33E/PIC24E
Family Reference Manual”
• Code Samples
• Application Notes
• Software Libraries
• Webinars
• All related “dsPIC33E/PIC24E Family Reference
Manual” Sections
• Development Tools
Note: To allow the RTCC module to be clocked by
the secondary crystal oscillator, the Sec-
ondary Oscillator Enable (LPOSCEN) bit in
the Oscillator Control (OSCCON<1>) regis-
ter must be set. For further details, refer to
Section 7. “Oscillator” (DS70580) in the
“dsPIC33E/PIC24E Family Reference
Manual”.
Note: In the event you are not able to access the
product page using the link above, enter
this URL in your browser:
http://www.microchip.com/wwwproducts/
Devices.aspx?dDocName=en554310

dsPIC33EPXXX(GP/MC/MU)806/810/814 and PIC24EPXXX(GP/GU)810/814
DS70616G-page 452 2009-2012 Microchip Technology Inc.
26.3 RTCC Registers
REGISTER 26-1: RCFGCAL: RTCC CALIBRATION AND CONFIGURATION
REGISTER(1)
R/W-0 U-0 R/W-0 R-0 R-0 R/W-0 R/W-0 R/W-0
RTCEN(2)— RTCWREN RTCSYNC HALFSEC(3)RTCOE RTCPTR<1:0>
bit 15 bit 8
R/W-0 R/W-0 R/W-0 R/W-0 R/W-0 R/W-0 R/W-0 R/W-0
CAL<7:0>
bit 7 bit 0
Legend:
R = Readable bit W = Writable bit U = Unimplemented bit, read as ‘0’
-n = Value at POR ‘1’ = Bit is set ‘0’ = Bit is cleared x = Bit is unknown
bit 15 RTCEN: RTCC Enable bit(2)
1 = RTCC module is enabled
0 = RTCC module is disabled
bit 14 Unimplemented: Read as ‘0’
bit 13 RTCWREN: RTCC Value Registers Write Enable bit
1 = RTCVAL register can be written to by the user application
0 = RTCVAL register is locked out from being written to by the user application
bit 12 RTCSYNC: RTCC Value Registers Read Synchronization bit
1 = A rollover is about to occur in 32 clock edges (approximately 1 ms)
0 = A rollover will not occur
bit 11 HALFSEC: Half-Second Status bit(3)
1 = Second half period of a second
0 = First half period of a second
bit 10 RTCOE: RTCC Output Enable bit
1 = RTCC output is enabled
0 = RTCC output is disabled
bit 9-8 RTCPTR<1:0>: RTCC Value Register Pointer bits
Points to the corresponding RTCC Value register when reading the RTCVAL register; the
RTCPTR<1:0> value decrements on every access of the RTCVAL register until it reaches ‘00’.
Note 1: The RCFGCAL register is only affected by a POR.
2: A write to the RTCEN bit is only allowed when RTCWREN = 1.
3: This bit is read-only. It is cleared when the lower half of the MINSEC register is written.

2009-2012 Microchip Technology Inc. DS70616G-page 453
dsPIC33EPXXX(GP/MC/MU)806/810/814 and PIC24EPXXX(GP/GU)810/814
bit 7-0 CAL<7:0>: RTCC Drift Calibration bits
01111111 = Maximum positive adjustment; adds 508 RTCC clock pulses every one minute
•
•
•
00000001 = Minimum positive adjustment; adds four RTCC clock pulses every one minute
00000000 = No adjustment
11111111 = Minimum negative adjustment; subtracts four RTCC clock pulses every one minute
•
•
•
10000000 = Maximum negative adjustment; subtracts 512 RTCC clock pulses every one minute
REGISTER 26-1: RCFGCAL: RTCC CALIBRATION AND CONFIGURATION
REGISTER(1) (CONTINUED)
Note 1: The RCFGCAL register is only affected by a POR.
2: A write to the RTCEN bit is only allowed when RTCWREN = 1.
3: This bit is read-only. It is cleared when the lower half of the MINSEC register is written.

dsPIC33EPXXX(GP/MC/MU)806/810/814 and PIC24EPXXX(GP/GU)810/814
DS70616G-page 454 2009-2012 Microchip Technology Inc.
REGISTER 26-2: PADCFG1: PAD CONFIGURATION CONTROL REGISTER
U-0 U-0 U-0 U-0 U-0 U-0 U-0 U-0
— — — — — — — —
bit 15 bit 8
U-0 U-0 U-0 U-0 U-0 U-0 R/W-0 R/W-0
— — — — — — RTSECSEL(1)PMPTTL
bit 7 bit 0
Legend:
R = Readable bit W = Writable bit U = Unimplemented bit, read as ‘0’
-n = Value at POR ‘1’ = Bit is set ‘0’ = Bit is cleared x = Bit is unknown
bit 15-2 Unimplemented: Read as ‘0’
bit 1 RTSECSEL: RTCC Seconds Clock Output Select bit(1)
1 = RTCC seconds clock is selected for the RTCC pin
0 = RTCC alarm pulse is selected for the RTCC pin
bit 0 Not used by the RTCC module.
Note 1: To enable the actual RTCC output, the RTCOE bit (RCFGCAL<10>) must be set.

2009-2012 Microchip Technology Inc. DS70616G-page 455
dsPIC33EPXXX(GP/MC/MU)806/810/814 and PIC24EPXXX(GP/GU)810/814
REGISTER 26-3: ALCFGRPT: ALARM CONFIGURATION REGISTER
R/W-0 R/W-0 R/W-0 R/W-0 R/W-0 R/W-0 R/W-0 R/W-0
ALRMEN CHIME AMASK<3:0> ALRMPTR<1:0>
bit 15 bit 8
R/W-0 R/W-0 R/W-0 R/W-0 R/W-0 R/W-0 R/W-0 R/W-0
ARPT<7:0>
bit 7 bit 0
Legend:
R = Readable bit W = Writable bit U = Unimplemented bit, read as ‘0’
-n = Value at POR ‘1’ = Bit is set ‘0’ = Bit is cleared x = Bit is unknown
bit 15 ALRMEN: Alarm Enable bit
1 = Alarm is enabled (cleared automatically after an alarm event whenever ARPT<7:0> = 0x00 and
CHIME = 0)
0 = Alarm is disabled
bit 14 CHIME: Chime Enable bit
1 = Chime is enabled; ARPT<7:0> bits are allowed to roll over from 0x00 to 0xFF
0 = Chime is disabled; ARPT<7:0> bits stop once they reach 0x00
bit 13-10 AMASK<3:0>: Alarm Mask Configuration bits
0000 = Every half second
0001 = Every second
0010 = Every 10 seconds
0011 = Every minute
0100 = Every 10 minutes
0101 = Every hour
0110 = Once a day
0111 = Once a week
1000 = Once a month
1001 = Once a year (except when configured for February 29th, once every 4 years)
101x = Reserved – do not use
11xx = Reserved – do not use
bit 9-8 ALRMPTR<1:0>: Alarm Value Register Window Pointer bits
Points to the corresponding Alarm Value registers when reading the ALRMVAL register. The
ALRMPTR<1:0> value decrements on every read or write of ALRMVAL until it reaches ‘00’.
bit 7-0 ARPT<7:0>: Alarm Repeat Counter Value bits
11111111 = Alarm will repeat 255 more times
•
•
•
00000000 = Alarm will not repeat
The counter decrements on any alarm event. The counter is prevented from rolling over from 0x00 to
0xFF unless CHIME = 1.

dsPIC33EPXXX(GP/MC/MU)806/810/814 and PIC24EPXXX(GP/GU)810/814
DS70616G-page 456 2009-2012 Microchip Technology Inc.
REGISTER 26-4: RTCVAL (WHEN RTCPTR<1:0> = 11): YEAR VALUE REGISTER(1)
U-0 U-0 U-0 U-0 U-0 U-0 U-0 U-0
— — — — — — — —
bit 15 bit 8
R/W-x R/W-x R/W-x R/W-x R/W-x R/W-x R/W-x R/W-x
YRTEN<3:0> YRONE<3:0>
bit 7 bit 0
Legend:
R = Readable bit W = Writable bit U = Unimplemented bit, read as ‘0’
-n = Value at POR ‘1’ = Bit is set ‘0’ = Bit is cleared x = Bit is unknown
bit 15-8 Unimplemented: Read as ‘0’
bit 7-4 YRTEN<3:0>: Binary Coded Decimal Value of Year’s Tens Digit bits
Contains a value from 0 to 9.
bit 3-0 YRONE<3:0>: Binary Coded Decimal Value of Year’s Ones Digit bits
Contains a value from 0 to 9.
Note 1: A write to the YEAR register is only allowed when RTCWREN = 1.
REGISTER 26-5: RTCVAL (WHEN RTCPTR<1:0> = 10): MONTH AND DAY VALUE REGISTER(1)
U-0 U-0 U-0 R-x R-x R-x R-x R-x
— — —
MTHTEN0 MTHONE<3:0>
bit 15 bit 8
U-0 U-0 R/W-x R/W-x R/W-x R/W-x R/W-x R/W-x
— —
DAYTEN<1:0> DAYONE<3:0>
bit 7 bit 0
Legend:
R = Readable bit W = Writable bit U = Unimplemented bit, read as ‘0’
-n = Value at POR ‘1’ = Bit is set ‘0’ = Bit is cleared x = Bit is unknown
bit 15-13 Unimplemented: Read as ‘0’
bit 12 MTHTEN0: Binary Coded Decimal Value of Month’s Tens Digit bit
Contains a value of 0 or 1.
bit 11-8 MTHONE<3:0>: Binary Coded Decimal Value of Month’s Ones Digit bits
Contains a value from 0 to 9.
bit 7-6 Unimplemented: Read as ‘0’
bit 5-4 DAYTEN<1:0>: Binary Coded Decimal Value of Day’s Tens Digit bits
Contains a value from 0 to 3.
bit 3-0 DAYONE<3:0>: Binary Coded Decimal Value of Day’s Ones Digit bits
Contains a value from 0 to 9.
Note 1: A write to this register is only allowed when RTCWREN = 1.

2009-2012 Microchip Technology Inc. DS70616G-page 457
dsPIC33EPXXX(GP/MC/MU)806/810/814 and PIC24EPXXX(GP/GU)810/814
REGISTER 26-6: RTCVAL (WHEN RTCPTR<1:0> = 01): WEEKDAY AND HOURS VALUE REGISTER(1)
U-0 U-0 U-0 U-0 U-0 R/W-x R/W-x R/W-x
— — — — — WDAY<2:0>
bit 15 bit 8
U-0 U-0 R/W-x R/W-x R/W-x R/W-x R/W-x R/W-x
—— HRTEN<1:0> HRONE<3:0>
bit 7 bit 0
Legend:
R = Readable bit W = Writable bit U = Unimplemented bit, read as ‘0’
-n = Value at POR ‘1’ = Bit is set ‘0’ = Bit is cleared x = Bit is unknown
bit 15-11 Unimplemented: Read as ‘0’
bit 10-8 WDAY<2:0>: Binary Coded Decimal Value of Weekday Digit bits
Contains a value from 0 to 6.
bit 7-6 Unimplemented: Read as ‘0’
bit 5-4 HRTEN<1:0>: Binary Coded Decimal Value of Hour’s Tens Digit bits
Contains a value from 0 to 2.
bit 3-0 HRONE<3:0>: Binary Coded Decimal Value of Hour’s Ones Digit bits
Contains a value from 0 to 9.
Note 1: A write to this register is only allowed when RTCWREN = 1.
REGISTER 26-7: RTCVAL (WHEN RTCPTR<1:0> = 00): MINUTES AND SECONDS VALUE REGISTER
U-0 R/W-x R/W-x R/W-x R/W-x R/W-x R/W-x R/W-x
— MINTEN<2:0> MINONE<3:0>
bit 15 bit 8
U-0 R/W-x R/W-x R/W-x R/W-x R/W-x R/W-x R/W-x
— SECTEN<2:0> SECONE<3:0>
bit 7 bit 0
Legend:
R = Readable bit W = Writable bit U = Unimplemented bit, read as ‘0’
-n = Value at POR ‘1’ = Bit is set ‘0’ = Bit is cleared x = Bit is unknown
bit 15 Unimplemented: Read as ‘0’
bit 14-12 MINTEN<2:0>: Binary Coded Decimal Value of Minute’s Tens Digit bits
Contains a value from 0 to 5.
bit 11-8 MINONE<3:0>: Binary Coded Decimal Value of Minute’s Ones Digit bits
Contains a value from 0 to 9.
bit 7 Unimplemented: Read as ‘0’
bit 6-4 SECTEN<2:0>: Binary Coded Decimal Value of Second’s Tens Digit bits
Contains a value from 0 to 5.
bit 3-0 SECONE<3:0>: Binary Coded Decimal Value of Second’s Ones Digit bits
Contains a value from 0 to 9.

dsPIC33EPXXX(GP/MC/MU)806/810/814 and PIC24EPXXX(GP/GU)810/814
DS70616G-page 458 2009-2012 Microchip Technology Inc.
REGISTER 26-8: ALRMVAL (WHEN ALRMPTR<1:0> = 10): ALARM MONTH AND DAY VALUE
REGISTER(1)
U-0 U-0 U-0 R/W-x R/W-x R/W-x R/W-x R/W-x
— — —
MTHTEN0 MTHONE<3:0>
bit 15 bit 8
U-0 U-0 R/W-x R/W-x R/W-x R/W-x R/W-x R/W-x
— —
DAYTEN<1:0> DAYONE<3:0>
bit 7 bit 0
Legend:
R = Readable bit W = Writable bit U = Unimplemented bit, read as ‘0’
-n = Value at POR ‘1’ = Bit is set ‘0’ = Bit is cleared x = Bit is unknown
bit 15-13 Unimplemented: Read as ‘0’
bit 12 MTHTEN0: Binary Coded Decimal Value of Month’s Tens Digit bit
Contains a value of 0 or 1.
bit 11-8 MTHONE<3:0>: Binary Coded Decimal Value of Month’s Ones Digit bits
Contains a value from 0 to 9.
bit 7-6 Unimplemented: Read as ‘0’
bit 5-4 DAYTEN<1:0>: Binary Coded Decimal Value of Day’s Tens Digit bits
Contains a value from 0 to 3.
bit 3-0 DAYONE<3:0>: Binary Coded Decimal Value of Day’s Ones Digit bits
Contains a value from 0 to 9.
Note 1: A write to this register is only allowed when RTCWREN = 1.

2009-2012 Microchip Technology Inc. DS70616G-page 459
dsPIC33EPXXX(GP/MC/MU)806/810/814 and PIC24EPXXX(GP/GU)810/814
REGISTER 26-9: ALRMVAL (WHEN ALRMPTR<1:0> = 01): ALARM WEEKDAY AND HOURS
VALUE REGISTER(1)
U-0 U-0 U-0 U-0 U-0 R/W-x R/W-x R/W-x
— — — — — WDAY2 WDAY1 WDAY0
bit 15 bit 8
U-0 U-0 R/W-x R/W-x R/W-x R/W-x R/W-x R/W-x
—— HRTEN<1:0> HRONE<3:0>
bit 7 bit 0
Legend:
R = Readable bit W = Writable bit U = Unimplemented bit, read as ‘0’
-n = Value at POR ‘1’ = Bit is set ‘0’ = Bit is cleared x = Bit is unknown
bit 15-11 Unimplemented: Read as ‘0’
bit 10-8 WDAY<2:0>: Binary Coded Decimal Value of Weekday Digit bits
Contains a value from 0 to 6.
bit 7-6 Unimplemented: Read as ‘0’
bit 5-4 HRTEN<1:0>: Binary Coded Decimal Value of Hour’s Tens Digit bits
Contains a value from 0 to 2.
bit 3-0 HRONE<3:0>: Binary Coded Decimal Value of Hour’s Ones Digit bits
Contains a value from 0 to 9.
Note 1: A write to this register is only allowed when RTCWREN = 1.

dsPIC33EPXXX(GP/MC/MU)806/810/814 and PIC24EPXXX(GP/GU)810/814
DS70616G-page 460 2009-2012 Microchip Technology Inc.
REGISTER 26-10: ALRMVAL (WHEN ALRMPTR<1:0> = 00): ALARM MINUTES AND SECONDS
VALUE REGISTER
U-0 R/W-x R/W-x R/W-x R/W-x R/W-x R/W-x R/W-x
— MINTEN<2:0> MINONE<3:0>
bit 15 bit 8
U-0 R/W-x R/W-x R/W-x R/W-x R/W-x R/W-x R/W-x
— SECTEN<2:0> SECONE<3:0>
bit 7 bit 0
Legend:
R = Readable bit W = Writable bit U = Unimplemented bit, read as ‘0’
-n = Value at POR ‘1’ = Bit is set ‘0’ = Bit is cleared x = Bit is unknown
bit 15 Unimplemented: Read as ‘0’
bit 14-12 MINTEN<2:0>: Binary Coded Decimal Value of Minute’s Tens Digit bits
Contains a value from 0 to 5.
bit 11-8 MINONE<3:0>: Binary Coded Decimal Value of Minute’s Ones Digit bits
Contains a value from 0 to 9.
bit 7 Unimplemented: Read as ‘0’
bit 6-4 SECTEN<2:0>: Binary Coded Decimal Value of Second’s Tens Digit bits
Contains a value from 0 to 5.
bit 3-0 SECONE<3:0>: Binary Coded Decimal Value of Second’s Ones Digit bits
Contains a value from 0 to 9.

2009-2012 Microchip Technology Inc. DS70616G-page 461
dsPIC33EPXXX(GP/MC/MU)806/810/814 and PIC24EPXXX(GP/GU)810/814
27.0 PROGRAMMABLE CYCLIC
REDUNDANCY CHECK (CRC)
GENERATOR
The programmable CRC generator offers the following
features:
• User-Programmable (up to 32nd order)
Polynomial CRC Equation
• Interrupt Output
• Data FIFO
The programmable CRC generator provides a
hardware implemented method of quickly generating
checksums for various networking and security
applications. It offers the following features:
• User-Programmable CRC Polynomial Equation,
up to 32 bits
• Programmable Shift Direction (little or big-endian)
• Independent Data and Polynomial Lengths
• Configurable Interrupt Output
• Data FIFO
A simplified block diagram of the CRC generator is
shown in Figure 27-1. A simple version of the CRC shift
engine is shown in Figure 27-2.
FIGURE 27-1: PROGRAMMABLE CRC BLOCK DIAGRAM
FIGURE 27-2: CRC SHIFT ENGINE DETAIL
Note 1: This data sheet summarizes the features of
the dsPIC33EPXXX(GP/MC/MU)806/810/
814 and PIC24EPXXX(GP/GU)810/814
families of devices. It is not intended to be
a comprehensive reference source. To
complement the information in this data
sheet, refer to Section 27. “Programma-
ble Cyclic Redundancy Check (CRC)”
(DS70346) of the “dsPIC33E/PIC24E
Family Reference Manual”, which is
available from the Microchip web site
(www.microchip.com).
2: Some registers and associated bits
described in this section may not be available
on all devices. Refer to Section 4.0 “Mem-
ory Organization” in this data sheet for
device-specific register and bit information.
Variable FIFO
(4x32, 8x16 or 16x8)
CRCDATH CRCDATL
Shift Buffer
CRC Shift Engine
CRCWDATH CRCWDATL
LENDIAN
10
CRCISEL
1
0
FIFO Empty Event
Shift Complete Event
Set CRCIF
2 * FP Shift Clock
CRCWDATH CRCWDATL
Bit 0 Bit 1 Bit n(2)
X(1)(1)
Read/Write Bus
Shift Buffer
Data Bit 2
X(2)(1) X(n)(1)
Note 1: Each XOR stage of the shift engine is programmable. See text for details.
2: Polynomial Length n is determined by ([PLEN<4:0>] + 1).

dsPIC33EPXXX(GP/MC/MU)806/810/814 and PIC24EPXXX(GP/GU)810/814
DS70616G-page 462 2009-2012 Microchip Technology Inc.
27.1 Overview
The CRC module can be programmed for CRC
polynomials of up to the 32nd order, using up to 32 bits.
Polynomial length, which reflects the highest exponent
in the equation, is selected by the PLEN<4:0> bits
(CRCCON2<4:0>).
The CRCXORL and CRCXORH registers control which
exponent terms are included in the equation. Setting a
particular bit includes that exponent term in the
equation; functionally, this includes an XOR operation
on the corresponding bit in the CRC engine. Clearing
the bit disables the XOR.
For example, consider two CRC polynomials, one a
16-bit equation and the other a 32-bit equation:
To program these polynomials into the CRC generator,
set the register bits as shown in Tab le 2 7 - 1.
Note that the appropriate positions are set to ‘1’ to indicate
that they are used in the equation (for example, X26 and
X23). The 0 bit required by the equation is always XORed;
thus, X0 is a don’t care. For a polynomial of length, N, it is
assumed that the Nth bit will always be used, regardless
of the bit setting. Therefore, for a polynomial length of 32,
there is no 32nd bit in the CRCxOR register.
TABLE 27-1: CRC SETUP EXAMPLES FOR
16 AND 32-BIT POLYNOMIAL
27.2 Programmable CRC Resources
Many useful resources related to Programmable CRC
are provided on the main product page of the Microchip
web site for the devices listed in this data sheet. This
product page, which can be accessed using this link,
contains the latest updates and additional information.
27.2.1 KEY RESOURCES
•Section 27. “Programmable Cyclic Redundancy
Check (CRC)” (DS70346) in the “dsPIC33E/
PIC24E Family Reference Manual”
• Code Samples
• Application Notes
• Software Libraries
• Webinars
• All related “dsPIC33E/PIC24E Family Reference
Manual” Sections
• Development Tools
x16 + x12 + x5 + 1
and
x32 + x26 + x23 + x22 + x16 + x12 + x11 + x10 + x8 + x7
+ x5 + x4 + x2 + x + 1
CRC
Control Bits
Bit Values
16-Bit
Polynomial
32-Bit
Polynomial
PLEN<4:0> 01111 11111
X<31:16> 0000 0000
0000 000x
0000 0100
1100 0001
X<15:0> 0001 0000
0010 000x
0001 1101
1011 011x
Note: In the event you are not able to access the
product page using the link above, enter
this URL in your browser:
http://www.microchip.com/wwwproducts/
Devices.aspx?dDocName=en554310

2009-2012 Microchip Technology Inc. DS70616G-page 463
dsPIC33EPXXX(GP/MC/MU)806/810/814 and PIC24EPXXX(GP/GU)810/814
27.3 Programmable CRC Registers
REGISTER 27-1: CRCCON1: CRC CONTROL REGISTER 1
R/W-0 U-0 R/W-0 R-0 R-0 R-0 R-0 R-0
CRCEN — CSIDL VWORD<4:0>
bit 15 bit 8
R-0 R-1 R/W-0 R/W-0 R/W-0 U-0 U-0 U-0
CRCFUL CRCMPT CRCISEL CRCGO LENDIAN — — —
bit 7 bit 0
Legend:
R = Readable bit W = Writable bit U = Unimplemented bit, read as ‘0’
-n = Value at POR ‘1’ = Bit is set ‘0’ = Bit is cleared x = Bit is unknown
bit 15 CRCEN: CRC Enable bit
1 = CRC module is enabled
0 = CRC module is disabled, all state machines, pointers and CRCWDAT/CRCDAT are reset; other
SFRs are not reset
bit 14 Unimplemented: Read as ‘0’
bit 13 CSIDL: CRC Stop in Idle Mode bit
1 = Discontinues module operation when device enters Idle mode
0 = Continues module operation in Idle mode
bit 12-8 VWORD<4:0>: Pointer Value bits
Indicates the number of valid words in the FIFO. Has a maximum value of 8 when PLEN<4:0> > 7 or
16 when PLEN<4:0> 7.
bit 7 CRCFUL: FIFO Full bit
1 = FIFO is full
0 = FIFO is not full
bit 6 CRCMPT: FIFO Empty Bit
1 = FIFO is empty
0 = FIFO is not empty
bit 5 CRCISEL: CRC Interrupt Selection bit
1 = Interrupt on FIFO is empty; final word of data is still shifting through CRC
0 = Interrupt on shift is complete and CRCWDAT results are ready
bit 4 CRCGO: Start CRC bit
1 = Starts CRC serial shifter
0 = CRC serial shifter is turned off
bit 3 LENDIAN: Data Word Little-Endian Configuration bit
1 = Data word is shifted into the CRC starting with the LSb (little endian)
0 = Data word is shifted into the CRC starting with the MSb (big endian)
bit 2-0 Unimplemented: Read as ‘0’

dsPIC33EPXXX(GP/MC/MU)806/810/814 and PIC24EPXXX(GP/GU)810/814
DS70616G-page 464 2009-2012 Microchip Technology Inc.
REGISTER 27-2: CRCCON2: CRC CONTROL REGISTER 2
U-0 U-0 U-0 R/W-0 R/W-0 R/W-0 R/W-0 R/W-0
— — — DWIDTH<4:0>
bit 15 bit 8
U-0 U-0 U-0 R/W-0 R/W-0 R/W-0 R/W-0 R/W-0
— — — PLEN<4:0>
bit 7 bit 0
Legend:
R = Readable bit W = Writable bit U = Unimplemented bit, read as ‘0’
-n = Value at POR ‘1’ = Bit is set ‘0’ = Bit is cleared x = Bit is unknown
bit 15-13 Unimplemented: Read as ‘0’
bit 12-8 DWIDTH<4:0>: Data Width Select bits
These bits set the width of the data word (DWIDTH<4:0> + 1).
bit 7-5 Unimplemented: Read as ‘0’
bit 4-0 PLEN<4:0>: Polynomial Length Select bits
These bits set the length of the polynomial (Polynomial Length = PLEN<4:0> + 1).

2009-2012 Microchip Technology Inc. DS70616G-page 465
dsPIC33EPXXX(GP/MC/MU)806/810/814 and PIC24EPXXX(GP/GU)810/814
REGISTER 27-3: CRCXORH: CRC XOR POLYNOMIAL HIGH REGISTER
R/W-0 R/W-0 R/W-0 R/W-0 R/W-0 R/W-0 R/W-0 R/W-0
X<31:24>
bit 15 bit 8
R/W-0 R/W-0 R/W-0 R/W-0 R/W-0 R/W-0 R/W-0 R/W-0
X<23:16>
bit 7 bit 0
Legend:
R = Readable bit W = Writable bit U = Unimplemented bit, read as ‘0’
-n = Value at POR ‘1’ = Bit is set ‘0’ = Bit is cleared x = Bit is unknown
bit 15-0 X<31:16>: XOR of Polynomial Term Xn Enable bits
REGISTER 27-4: CRCXORL: CRC XOR POLYNOMIAL LOW REGISTER
R/W-0 R/W-0 R/W-0 R/W-0 R/W-0 R/W-0 R/W-0 R/W-0
X<15:8>
bit 15 bit 8
R/W-0 R/W-0 R/W-0 R/W-0 R/W-0 R/W-0 R/W-0 U-0
X<7:1> —
bit 7 bit 0
Legend:
R = Readable bit W = Writable bit U = Unimplemented bit, read as ‘0’
-n = Value at POR ‘1’ = Bit is set ‘0’ = Bit is cleared x = Bit is unknown
bit 15-1 X<15:1>: XOR of Polynomial Term Xn Enable bits
bit 0 Unimplemented: Read as ‘0’

dsPIC33EPXXX(GP/MC/MU)806/810/814 and PIC24EPXXX(GP/GU)810/814
DS70616G-page 466 2009-2012 Microchip Technology Inc.
NOTES:

2009-2012 Microchip Technology Inc. DS70616G-page 467
dsPIC33EPXXX(GP/MC/MU)806/810/814 and PIC24EPXXX(GP/GU)810/814
28.0 PARALLEL MASTER PORT
(PMP)
The Parallel Master Port (PMP) module is a parallel
8-bit I/O module, specifically designed to communi-
cate with a wide variety of parallel devices, such as
communication peripherals, LCDs, external memory
devices and microcontrollers. Because the interface
to parallel peripherals varies significantly, the PMP is
highly configurable.
Key features of the PMP module include:
• Eight Data Lines
• Up to 16 Programmable Address Lines
• Up to 2 Chip Select Lines
• Programmable Strobe Options:
- Individual read and write strobes, or
- Read/Write strobe with enable strobe
• Address Auto-Increment/Auto-Decrement
• Programmable Address/Data Multiplexing
• Programmable Polarity on Control Signals
• Legacy Parallel Slave Port (PSP) Support
• Enhanced Parallel Slave Support:
- Address support
- 4-byte deep auto-incrementing buffer
• Programmable Wait States
FIGURE 28-1: PMP MODULE PINOUT AND CONNECTIONS TO EXTERNAL DEVICES
Note 1: This data sheet summarizes the features
of the dsPIC33EPXXX(GP/MC/MU)806/
810/814 and PIC24EPXXX(GP/GU)810/
814 families of devices. It is not intended
to be a comprehensive reference source.
To complement the information in this data
sheet, refer to Section 28. “Parallel Mas-
ter Port (PMP)” (DS70576) of the
“dsPIC33E/PIC24E Family Reference
Manual”, which is available from the
Microchip web site (www.microchip.com).
2: Some registers and associated bits
described in this section may not be
available on all devices. Refer to
Section 4.0 “Memory Organization” in
this data sheet for device-specific register
and bit information.
PMA<0>
PMA<14>
PMA<15>
PMBE
PMRD
PMWR
PMD<7:0>
PMENB
PMRD/PMWR
PMCS1
PMA<1>
PMA<13:2>
PMALL
PMALH
PMA<7:0>
PMA<15:8>
PMCS2
EEPROM
Address Bus
Data Bus
Control Lines
dsPIC33E/PIC24E
LCD FIFO
Microcontroller
8-Bit Data (with or without multiplexed addressing)
Up to 16-Bit Address
Parallel Master Port
Buffer

dsPIC33EPXXX(GP/MC/MU)806/810/814 and PIC24EPXXX(GP/GU)810/814
DS70616G-page 468 2009-2012 Microchip Technology Inc.
28.1 PMP Resources
Many useful resources related to PMP are provided on
the main product page of the Microchip web site for the
devices listed in this data sheet. This product page,
which can be accessed using this link, contains the
latest updates and additional information.
28.1.1 KEY RESOURCES
•Section 28. “Parallel Master Port (PMP)”
(DS70576) in the “dsPIC33E/PIC24E Family
Reference Manual”
• Code Samples
• Application Notes
• Software Libraries
• Webinars
• All related “dsPIC33E/PIC24E Family Reference
Manual” Sections
• Development Tools
Note: In the event you are not able to access the
product page using the link above, enter
this URL in your browser:
http://www.microchip.com/wwwproducts/
Devices.aspx?dDocName=en554310

2009-2012 Microchip Technology Inc. DS70616G-page 469
dsPIC33EPXXX(GP/MC/MU)806/810/814 and PIC24EPXXX(GP/GU)810/814
28.2 PMP Control Registers
REGISTER 28-1: PMCON: PARALLEL MASTER PORT CONTROL REGISTER
R/W-0 U-0 R/W-0 R/W-0 R/W-0 R/W-0 R/W-0 R/W-0
PMPEN — PSIDL ADRMUX<1:0> PTBEEN PTWREN PTRDEN
bit 15 bit 8
R/W-0 R/W-0 R/W-0(1)R/W-0(1)R/W-0(1)R/W-0 R/W-0 R/W-0
CSF<1:0> ALP CS2P CS1P BEP WRSP RDSP
bit 7 bit 0
Legend:
R = Readable bit W = Writable bit U = Unimplemented bit, read as ‘0’
-n = Value at Reset ‘1’ = Bit is set ‘0’ = Bit is cleared x = Bit is unknown
bit 15 PMPEN: Parallel Master Port Enable bit
1 = PMP module is enabled
0 = PMP module is disabled, no off-chip access is performed
bit 14 Unimplemented: Read as ‘0’
bit 13 PSIDL: PMP Stop in Idle Mode bit
1 = Discontinues module operation when device enters Idle mode
0 = Continues module operation in Idle mode
bit 12-11 ADRMUX<1:0>: Address/Data Multiplexing Selection bits
11 = Reserved
10 = All 16 bits of address are multiplexed on PMD<7:0> pins
01 = Lower eight bits of address are multiplexed on PMD<7:0> pins, upper eight bits are on PMA<15:8>
00 = Address and data appear on separate pins
bit 10 PTBEEN: Byte Enable Port Enable bit (16-Bit Master mode)
1 = PMBE port is enabled
0 = PMBE port is disabled
bit 9 PTWREN: Write Enable Strobe Port Enable bit
1 = PMWR/PMENB port is enabled
0 = PMWR/PMENB port is disabled
bit 8 PTRDEN: Read/Write Strobe Port Enable bit
1 = PMRD/PMWR port is enabled
0 = PMRD/PMWR port is disabled
bit 7-6 CSF<1:0>: Chip Select Function bits
11 = Reserved
10 = PMCS1 and PMCS2 function as Chip Select
01 = PMCS2 functions as Chip Select, PMCS1 functions as Address Bit 14
00 = PMCS1 and PMCS2 function as Address Bits 15 and 14
bit 5 ALP: Address Latch Polarity bit(1)
1 = Active-high (PMALL and PMALH)
0 = Active-low (PMALL and PMALH)
bit 4 CS2P: Chip Select 1 Polarity bit(1)
1 = Active-high (PMCS2)
0 = Active-low (PMCS2)
Note 1: These bits have no effect when their corresponding pins are used as address lines.
2: PMCS1 applies to Master mode and PMCS applies to Slave mode.

dsPIC33EPXXX(GP/MC/MU)806/810/814 and PIC24EPXXX(GP/GU)810/814
DS70616G-page 470 2009-2012 Microchip Technology Inc.
bit 3 CS1P: Chip Select 0 Polarity bit(1)
1 = Active-high (PMCS1/PMCS)(2)
0 = Active-low (PMCS1/PMCS)
bit 2 BEP: Byte Enable Polarity bit
1 = Byte enable active-high (PMBE)
0 = Byte enable active-low (PMBE)
bit 1 WRSP: Write Strobe Polarity bit
For Slave Modes and Master Mode 2 (PMMODE<9:8> = 00, 01, 10):
1 = Write strobe is active-high (PMWR)
0 = Write strobe is active-low (PMWR)
For Master Mode 1 (PMMODE<9:8> = 11):
1 = Enables strobe active-high (PMENB)
0 = Enables strobe active-low (PMENB)
bit 0 RDSP: Read Strobe Polarity bit
For Slave Modes and Master Mode 2 (PMMODE<9:8> = 00, 01, 10):
1 = Read strobe is active-high (PMRD)
0 = Read strobe is active-low (PMRD)
For Master Mode 1 (PMMODE<9:8> = 11):
1 = Enables strobe active-high (PMRD/PMWR)
0 = Enables strobe active-low (PMRD/PMWR)
REGISTER 28-1: PMCON: PARALLEL MASTER PORT CONTROL REGISTER (CONTINUED)
Note 1: These bits have no effect when their corresponding pins are used as address lines.
2: PMCS1 applies to Master mode and PMCS applies to Slave mode.

2009-2012 Microchip Technology Inc. DS70616G-page 471
dsPIC33EPXXX(GP/MC/MU)806/810/814 and PIC24EPXXX(GP/GU)810/814
REGISTER 28-2: PMMODE: PARALLEL MASTER PORT MODE REGISTER
R-0 R/W-0 R/W-0 R/W-0 R/W-0 R/W-0 R/W-0 R/W-0
BUSY IRQM<1:0> INCM<1:0> MODE16 MODE<1:0>
bit 15 bit 8
R/W-0 R/W-0 R/W-0 R/W-0 R/W-0 R/W-0 R/W-0 R/W-0
WAITB<1:0>(1,2,3)WAITM<3:0> WAITE<1:0>(1,2,3)
bit 7 bit 0
Legend:
R = Readable bit W = Writable bit U = Unimplemented bit, read as ‘0’
-n = Value at Reset ‘1’ = Bit is set ‘0’ = Bit is cleared x = Bit is unknown
bit 15 BUSY: Busy bit (Master mode only)
1 = Port is busy
0 = Port is not busy
bit 14-13 IRQM<1:0>: Interrupt Request Mode bits
11 = Interrupt is generated when Read Buffer 3 is read or Write Buffer 3 is written (Buffered PSP
mode), or on a read/write operation when PMA<1:0> = 11 (Addressable PSP mode only)
10 = Reserved
01 = Interrupt is generated at the end of the read/write cycle
00 = No Interrupt is generated
bit 12-11 INCM<1:0>: Increment Mode bits
11 = PSP read and write buffers auto-increment (Legacy PSP mode only)
10 = Decrements ADDR by 1 every read/write cycle
01 = Increments ADDR by 1 every read/write cycle
00 = No increment or decrement of address
bit 10 MODE16: Parallel Master Port Mode 8/16-Bit Mode bit
1 = 16-bit mode: data register is 16 bits, a read/write to the data register invokes two 8-bit transfers
0 = 8-bit mode: data register is 8 bits, a read/write to the data register invokes one 8-bit transfer
bit 9-8 MODE<1:0>: Parallel Master Port Mode Select bits
11 = Master Mode 1 (PMCSx, PMRD/PMWR, PMENB, PMBE, PMA<x:0> and PMD<7:0>)
10 = Master Mode 2 (PMCSx, PMRD, PMWR, PMBE, PMA<x:0> and PMD<7:0>)
01 = Enhanced PSP, controls signals (PMRD, PMWR, PMCSx, PMD<7:0> and PMA<1:0>)
00 = Legacy Parallel Slave Port, controls signals (PMRD, PMWR, PMCSx and PMD<7:0>)
bit 7-6 WAITB<1:0>: Data Setup to Read/Write/Address Phase Wait State Configuration bits(1,2,3)
11 = Data wait of 4 TP (demultiplexed/multiplexed); address phase of 4 TP (multiplexed)
10 = Data wait of 3 TP (demultiplexed/multiplexed); address phase of 3 TP (multiplexed)
01 = Data wait of 2 TP (demultiplexed/multiplexed); address phase of 2 TP (multiplexed)
00 = Data wait of 1 TP (demultiplexed/multiplexed); address phase of 1 TP (multiplexed)
bit 5-2 WAITM<3:0>: Read to Byte Enable Strobe Wait State Configuration bits
1111 = Wait of additional 15 TP
•
•
•
0001 = Wait of additional 1 TP
0000 = No additional Wait cycles (operation forced into one TP)
Note 1: The applied Wait state depends on whether data and address are multiplexed or demultiplexed. See
Section 28.4.1.8. “Wait States” in Section 28. “Parallel Master Port (PMP)” (DS70576) in the
“dsPIC33E/PIC24E Family Reference Manual” for more information.
2: WAITB<1:0> and WAITE<1:0> bits are ignored whenever WAITM<3:0> = 0000.
3: TP = 1/FP.

dsPIC33EPXXX(GP/MC/MU)806/810/814 and PIC24EPXXX(GP/GU)810/814
DS70616G-page 472 2009-2012 Microchip Technology Inc.
bit 1-0 WAITE<1:0>: Data Hold After Strobe Wait State Configuration bits(1,2,3)
11 = Wait of 4 TP
10 = Wait of 3 TP
01 = Wait of 2 TP
00 = Wait of 1 TP
REGISTER 28-2: PMMODE: PARALLEL MASTER PORT MODE REGISTER (CONTINUED)
Note 1: The applied Wait state depends on whether data and address are multiplexed or demultiplexed. See
Section 28.4.1.8. “Wait States” in Section 28. “Parallel Master Port (PMP)” (DS70576) in the
“dsPIC33E/PIC24E Family Reference Manual” for more information.
2: WAITB<1:0> and WAITE<1:0> bits are ignored whenever WAITM<3:0> = 0000.
3: TP = 1/FP.

2009-2012 Microchip Technology Inc. DS70616G-page 473
dsPIC33EPXXX(GP/MC/MU)806/810/814 and PIC24EPXXX(GP/GU)810/814
REGISTER 28-3: PMADDR: PARALLEL MASTER PORT ADDRESS REGISTER
(MASTER MODES ONLY)(1)
R/W-0 R/W-0 R/W-0 R/W-0 R/W-0 R/W-0 R/W-0 R/W-0
CS2 CS1 ADDR<13:8>
bit 15 bit 8
R/W-0 R/W-0 R/W-0 R/W-0 R/W-0 R/W-0 R/W-0 R/W-0
ADDR<7:0>
bit 7 bit 0
Legend:
R = Readable bit W = Writable bit U = Unimplemented bit, read as ‘0’
-n = Value at Reset ‘1’ = Bit is set ‘0’ = Bit is cleared x = Bit is unknown
bit 15 CS2: Chip Select 2 bit
If PMCON<7:6> = 10 or 01:
1 = Chip Select 2 is active
0 = Chip Select 2 is inactive
If PMCON<7:6> = 11 or 00:
Bit functions as ADDR<15>.
bit 14 CS1: Chip Select 1 bit
If PMCON<7:6> = 10:
1 = Chip Select 1 is active
0 = Chip Select 1 is inactive
If PMCON<7:6> = 11 or 0x:
Bit functions as ADDR<14>.
bit 13-0 ADDR<13:0>: Destination Address bits
Note 1: In Enhanced Slave mode, PMADDR functions as PMDOUT1, one of the two Data Buffer registers.

dsPIC33EPXXX(GP/MC/MU)806/810/814 and PIC24EPXXX(GP/GU)810/814
DS70616G-page 474 2009-2012 Microchip Technology Inc.
REGISTER 28-4: PMAEN: PARALLEL MASTER PORT ADDRESS ENABLE REGISTER
R/W-0 R/W-0 R/W-0 R/W-0 R/W-0 R/W-0 R/W-0 R/W-0
PTEN15 PTEN14 PTEN13 PTEN12 PTEN11 PTEN10 PTEN9 PTEN8
bit 15 bit 8
R/W-0 R/W-0 R/W-0 R/W-0 R/W-0 R/W-0 R/W-0 R/W-0
PTEN7 PTEN6 PTEN5 PTEN4 PTEN3 PTEN2 PTEN1 PTEN0
bit 7 bit 0
Legend:
R = Readable bit W = Writable bit U = Unimplemented bit, read as ‘0’
-n = Value at Reset ‘1’ = Bit is set ‘0’ = Bit is cleared x = Bit is unknown
bit 15 PTEN15: PMCS2 Strobe Enable bit
1 = PMA15 functions as either PMA<15> or PMCS2
0 = PMA15 functions as port I/O
bit 14 PTEN14: PMCS1 Strobe Enable bit
1 = PMA14 functions as either PMA<14> or PMCS1
0 = PMA14 functions as port I/O
bit 13-2 PTEN<13:2>: PMP Address Port Enable bits
1 = PMA<13:2> function as PMP address lines
0 = PMA<13:2> function as port I/O
bit 1-0 PTEN<1:0>: PMALH/PMALL Strobe Enable bits
1 = PMA1 and PMA0 function as either PMA<1:0> or PMALH and PMALL
0 = PMA1 and PMA0 function as port I/O

2009-2012 Microchip Technology Inc. DS70616G-page 475
dsPIC33EPXXX(GP/MC/MU)806/810/814 and PIC24EPXXX(GP/GU)810/814
REGISTER 28-5: PMSTAT: PARALLEL MASTER PORT STATUS REGISTER (SLAVE MODE ONLY)
R-0 R/W-0, HS U-0 U-0 R-0 R-0 R-0 R-0
IBF IBOV —— IB3F IB2F IB1F IB0F
bit 15 bit 8
R-1 R/W-0, HS U-0 U-0 R-1 R-1 R-1 R-1
OBE OBUF —— OB3EOB2EOB1EOB0E
bit 7 bit 0
Legend: HS = Hardware Settable bit
R = Readable bit W = Writable bit U = Unimplemented bit, read as ‘0’
-n = Value at Reset ‘1’ = Bit is set ‘0’ = Bit is cleared x = Bit is unknown
bit 15 IBF: Input Buffer Full Status bit
1 = All writable Input Buffer registers are full
0 = Some or all of the Writable Input Buffer registers are empty
bit 14 IBOV: Input Buffer Overflow Status bit
1 = A write attempt to a full Input Byte register occurred (must be cleared in software)
0 = No overflow occurred
bit 13-12 Unimplemented: Read as ‘0’
bit 11-8 IB3F:IB0F: Input Buffer x Status Full bits
1 = Input buffer contains data that has not been read (reading the buffer will clear this bit)
0 = Input buffer does not contain any unread data
bit 7 OBE: Output Buffer Empty Status bit
1 = All readable Output Buffer registers are empty
0 = Some or all of the readable Output Buffer registers are full
bit 6 OBUF: Output Buffer Underflow Status bit
1 = A read occurred from an empty output byte register (must be cleared in software)
0 = No underflow occurred
bit 5-4 Unimplemented: Read as ‘0’
bit 3-0 OB3E:OB0E: Output Buffer x Status Empty bits
1 = Output buffer is empty (writing data to the buffer will clear this bit)
0 = Output buffer contains data that has not been transmitted

dsPIC33EPXXX(GP/MC/MU)806/810/814 and PIC24EPXXX(GP/GU)810/814
DS70616G-page 476 2009-2012 Microchip Technology Inc.
REGISTER 28-6: PADCFG1: PAD CONFIGURATION CONTROL REGISTER
U-0 U-0 U-0 U-0 U-0 U-0 U-0 U-0
— — — — — — — —
bit 15 bit 8
U-0 U-0 U-0 U-0 U-0 U-0 R/W-0 R/W-0
— — — — — — RTSECSEL PMPTTL
bit 7 bit 0
Legend:
R = Readable bit W = Writable bit U = Unimplemented bit, read as ‘0’
-n = Value at POR ‘1’ = Bit is set ‘0’ = Bit is cleared x = Bit is unknown
bit 15-2 Unimplemented: Read as ‘0’
bit 1 Not used by the PMP module.
bit 0 PMPTTL: PMP Module TTL Input Buffer Select bit
1 = PMP module uses TTL input buffers
0 = PMP module uses Schmitt Trigger input buffers

2009-2012 Microchip Technology Inc. DS70616G-page 477
dsPIC33EPXXX(GP/MC/MU)806/810/814 and PIC24EPXXX(GP/GU)810/814
29.0 SPECIAL FEATURES
dsPIC33EPXXX(GP/MC/MU)806/810/814 and
PIC24EPXXX(GP/GU)810/814 devices include
several features intended to maximize application
flexibility and reliability, and minimize cost through
elimination of external components. These are:
• Flexible Configuration
• Watchdog Timer (WDT)
• Code Protection and CodeGuard™ Security
• JTAG Boundary Scan Interface
• In-Circuit Serial Programming™ (ICSP™)
• In-Circuit Emulation
29.1 Configuration Bits
The dsPIC33EPXXX(GP/MC/MU)806/810/814 and
PIC24EPXXX(GP/GU)810/814 devices provide
nonvolatile memory implementation for device Configu-
ration bits. Refer to Section 30. “Device Configuration”
(DS70618) of the “dsPIC33E/PIC24E Family Reference
Manual” for more information on this implementation.
The Configuration bits can be programmed (read as
‘0’), or left unprogrammed (read as ‘1’), to select
various device configurations. These bits are mapped,
starting at program memory location, 0xF80000.
The individual Configuration bit descriptions for the
Configuration registers are shown in Table 29-2.
Note that address, 0xF80000, is beyond the user
program memory space. It belongs to the configuration
memory space (0x800000-0xFFFFFF), which can only
be accessed using table reads and table writes.
To prevent inadvertent configuration changes during
code execution, some programmable Configuration
bits are write-once. For such bits, changing a device
configuration requires that the device be reset. For
other Configuration bits, the device configuration
changes immediately after an RTSP operation. The
RTSP effect column in Table 29-2 indicates when the
device configuration changes after a bit is modified
using RTSP.
The device Configuration register map is shown in
Table 29-1.
Note: This data sheet summarizes the features of
the dsPIC33EPXXX(GP/MC/MU)806/810/
814 and PIC24EPXXX(GP/GU)810/814
families of devices. It is not intended to be a
comprehensive reference source. To
complement the information in this data
sheet, refer to the related section of the
“dsPIC33E/PIC24E Family Reference
Manual”, which is available from the
Microchip web site (www.microchip.com).
TABLE 29-1: DEVICE CONFIGURATION REGISTER MAP
Address Name Bit 7 Bit 6 Bit 5 Bit 4 Bit 3 Bit 2 Bit 1 Bit 0
0xF80000 Reserved — — — — — — — —
0xF80002 Reserved — — — — — — — —
0xF80004 FGS —— GSSK<1:0> ——GSSGWRP
0xF80006 FOSCSEL IESO — — — —FNOSC<2:0>
0xF80008 FOSC FCKSM<1:0> IOL1WAY —— OSCIOFNC POSCMD<1:0>
0xF8000A FWDT FWDTEN WINDIS PLLKEN WDTPRE WDTPOST<3:0>
0xF8000C FPOR — — ALTI2C2 ALTI2C1 BOREN(2)FPWRT<2:0>
0xF8000E FICD Reserved(1)JTAGEN Reserved(1)— RSTPRI ICS<1:0>
0xF80010 FAS —— APLK<1:0> —— APL AWRP
0xF80012 FUID0 User Unit ID Byte 0
Legend: — = unimplemented bit, read as ‘0’
Note 1: These bits are reserved for use by development tools and must be programmed as ‘1’.
2: BOR should always be enabled for proper operation (BOREN = 1).

dsPIC33EPXXX(GP/MC/MU)806/810/814 and PIC24EPXXX(GP/GU)810/814
DS70616G-page 478 2009-2012 Microchip Technology Inc.
TABLE 29-2: CONFIGURATION BITS DESCRIPTION
Bit Field Register RTSP Effect Description
GSSK<1:0> FGS Immediate General Segment Key bits
These bits must be set to ‘00’ if GWRP = 1 and GSS = 1. These bits must
be set to ‘11’ for any other value of the GWRP and GSS bits.
Any mismatch between either the GWRP or GSS bits, and the GSSK bits
(as described above), will result in code protection becoming enabled for
the General Segment. A Flash bulk erase will be required to unlock the
device.
GSS FGS Immediate General Segment Code-Protect bit
1 = User program memory is not code-protected
0 = User program memory is code-protected
GWRP FGS Immediate General Segment Write-Protect bit
1 = User program memory is not write-protected
0 = User program memory is write-protected
IESO FOSCSEL Immediate Two-Speed Oscillator Start-up Enable bit
1 = Start-up device with FRC, then automatically switch to the
user-selected oscillator source when ready
0 = Start-up device with user-selected oscillator source
FNOSC<2:0> FOSCSEL If clock switch
is enabled, the
RTSP effect is
on any device
Reset;
otherwise,
immediate
Initial Oscillator Source Selection bits
111 = Internal Fast RC (FRC) Oscillator with Postscaler
110 = Internal Fast RC (FRC) Oscillator with Divide-by-16
101 = LPRC Oscillator
100 = Secondary (LP) Oscillator
011 = Primary (XT, HS, EC) Oscillator with PLL
010 = Primary (XT, HS, EC) Oscillator
001 = Internal Fast RC (FRC) Oscillator with PLL
000 = FRC Oscillator
FCKSM<1:0> FOSC Immediate Clock Switching Mode bits
1x = Clock switching is disabled, Fail-Safe Clock Monitor is disabled
01 = Clock switching is enabled, Fail-Safe Clock Monitor is disabled
00 = Clock switching is enabled, Fail-Safe Clock Monitor is enabled
IOL1WAY FOSC Immediate Peripheral Pin Select Configuration bit
1 = Allows only one reconfiguration
0 = Allows multiple reconfigurations
OSCIOFNC FOSC Immediate OSC2 Pin Function bit (except in XT and HS modes)
1 = OSC2 is the clock output
0 = OSC2 is the general purpose digital I/O pin
POSCMD<1:0> FOSC Immediate Primary Oscillator Mode Select bits
11 = Primary Oscillator is disabled
10 = HS Crystal Oscillator mode
01 = XT Crystal Oscillator mode
00 = EC (External Clock) mode
FWDTEN FWDT Immediate Watchdog Timer Enable bit
1 = Watchdog Timer is always enabled (LPRC Oscillator cannot be disabled.
Clearing the SWDTEN bit in the RCON register has no effect.)
0 = Watchdog Timer is enabled/disabled by user software (LPRC can be
disabled by clearing the SWDTEN bit in the RCON register.)
Note 1: BOR should always be enabled for proper operation (BOREN = 1).
2: This register can only be modified when code protection and write protection are disabled for both the
General and Auxiliary Segments (APL = 1, AWRP = 1, APLK = 0, GSS = 1, GWRP = 1 and GSSK = 0).

2009-2012 Microchip Technology Inc. DS70616G-page 479
dsPIC33EPXXX(GP/MC/MU)806/810/814 and PIC24EPXXX(GP/GU)810/814
WINDIS FWDT Immediate Watchdog Timer Window Enable bit
1 = Watchdog Timer is in Non-Window mode
0 = Watchdog Timer is in Window mode
PLLKEN FWDT Immediate PLL Lock Wait Enable bit
1 = Clock switches to the PLL source will wait until the PLL lock signal is valid
0 = Clock switch will not wait for PLL lock
WDTPRE FWDT Immediate Watchdog Timer Prescaler bit
1 = 1:128
0 = 1:32
APLK<1:0> FAS(2)Immediate Auxiliary Segment Key bits
These bits must be set to ‘00’ if AWRP = 1 and APL = 1. These bits must
be set to ‘11’ for any other value of the AWRP and APL bits.
Any mismatch between either the AWRP or APL bits and the APLK bits
(as described above), will result in code protection becoming enabled for
the Auxiliary Segment. A Flash bulk erase will be required to unlock the
device.
APL FAS(2)Immediate Auxiliary Segment Code-Protect bit
1 = Auxiliary program memory is not code-protected
0 = Auxiliary program memory is code-protected
AWRP FAS(2)Immediate Auxiliary Segment Write-Protect bit
1 = Auxiliary program memory is not write-protected
0 = Auxiliary program memory is write-protected
WDTPOST<3:0> FWDT Immediate Watchdog Timer Postscaler bits
1111 = 1:32,768
1110 = 1:16,384
•
•
•
0001 = 1:2
0000 = 1:1
FPWRT<2:0> FPOR Immediate Power-on Reset Timer Value Select bits
111 = PWRT = 128 ms
110 = PWRT = 64 ms
101 = PWRT = 32 ms
100 = PWRT = 16 ms
011 = PWRT = 8 ms
010 = PWRT = 4 ms
001 = PWRT = 2 ms
000 = PWRT = Disabled
BOREN(1)FPOR Immediate Brown-out Reset (BOR) Detection Enable bit
1 = BOR is enabled
0 = BOR is disabled
ALTI2C2 FPOR Immediate Alternate I2C™ pins for I2C2 bit
1 = I2C2 is mapped to the SDA2/SCL2 pins
0 = I2C2 is mapped to the ASDA2/ASCL2 pins
ALTI2C1 FPOR Immediate Alternate I2C pins for I2C1 bit
1 = I2C1 is mapped to the SDA1/SCL1 pins
0 = I2C1 is mapped to the ASDA1/ASCL1 pins
TABLE 29-2: CONFIGURATION BITS DESCRIPTION (CONTINUED)
Bit Field Register RTSP Effect Description
Note 1: BOR should always be enabled for proper operation (BOREN = 1).
2: This register can only be modified when code protection and write protection are disabled for both the
General and Auxiliary Segments (APL = 1, AWRP = 1, APLK = 0, GSS = 1, GWRP = 1 and GSSK = 0).

dsPIC33EPXXX(GP/MC/MU)806/810/814 and PIC24EPXXX(GP/GU)810/814
DS70616G-page 480 2009-2012 Microchip Technology Inc.
JTAGEN FICD ImmediateJTAG Enable bit
1 = JTAG is enabled
0 = JTAG is disabled
RSTPRI FICD On any
device Reset
Reset Target Vector Select bit
1 = Device will reset to Primary Flash Reset location
0 = Device will reset to Auxiliary Flash Reset location
ICS<1:0> FICD Immediate ICD Communication Channel Select bits
11 = Communicate on PGEC1 and PGED1
10 = Communicate on PGEC2 and PGED2
01 = Communicate on PGEC3 and PGED3
00 = Reserved, do not use
TABLE 29-2: CONFIGURATION BITS DESCRIPTION (CONTINUED)
Bit Field Register RTSP Effect Description
Note 1: BOR should always be enabled for proper operation (BOREN = 1).
2: This register can only be modified when code protection and write protection are disabled for both the
General and Auxiliary Segments (APL = 1, AWRP = 1, APLK = 0, GSS = 1, GWRP = 1 and GSSK = 0).

2009-2012 Microchip Technology Inc. DS70616G-page 481
dsPIC33EPXXX(GP/MC/MU)806/810/814 and PIC24EPXXX(GP/GU)810/814
29.2 On-Chip Voltage Regulator
All of the dsPIC33EPXXX(GP/MC/MU)806/810/814
and PIC24EPXXX(GP/GU)810/814 devices power
their core digital logic at a nominal 1.8V. This can create
a conflict for designs that are required to operate at a
higher typical voltage, such as 3.3V. To simplify system
design, all devices in the dsPIC33EPXXX(GP/MC/
MU)806/810/814 and PIC24EPXXX(GP/GU)810/814
family incorporate an on-chip regulator that allows the
device to run its core logic from VDD.
The regulator provides power to the core from the other
VDD pins. A low-ESR (less than 1 Ohms) capacitor
(such as tantalum or ceramic) must be connected to the
VCAP pin (Figure 29-1). This helps to maintain the
stability of the regulator. The recommended value for
the filter capacitor is provided in Table 32-13 located in
Section 32.0 “Electrical Characteristics”.
FIGURE 29-1: CONNECTIONS FOR THE
ON-CHIP VOLTAGE
REGULATOR(1,2,3)
29.3 Brown-out Reset (BOR)
The Brown-out Reset module is based on an internal
voltage reference circuit that monitors the regulated
supply voltage, VCAP. The main purpose of the BOR
module is to generate a device Reset when a brown-
out condition occurs. Brown-out conditions are
generally caused by glitches on the AC mains (for
example, missing portions of the AC cycle waveform
due to bad power transmission lines, or voltage sags
due to excessive current draw when a large inductive
load is turned on).
A BOR generates a Reset pulse, which resets the
device. The BOR selects the clock source based on the
device Configuration bit values (FNOSC<2:0> and
POSCMD<1:0>).
If an oscillator mode is selected, the BOR activates the
Oscillator Start-up Timer (OST). The system clock is
held until OST expires. If the PLL is used, the clock is
held until the LOCK bit (OSCCON<5>) is ‘1’.
Concurrently, the Power-up Timer (PWRT) Time-out
(TPWRT) is applied before the internal Reset is
released. If TPWRT = 0 and a crystal oscillator is
being used, then a nominal delay of TFSCM is
applied. The total delay in this case is TFSCM. Refer
to Parameter SY35 in Table 32-22 of Section 32.0
“Electrical Characteristics” for specific TFSCM
values.
The BOR Status bit (RCON<1>) is set to indicate that a
BOR has occurred. The BOR circuit, continues to oper-
ate while in Sleep or Idle modes and resets the device
should VDD fall below the BOR threshold voltage.
Note: It is important for the low-ESR capacitor to
be placed as close as possible to the VCAP
pin.
Note 1: These are typical operating voltages. Refer
to Table 32-13 located in Section 32.1
“DC Characteristics” for the full operating
ranges of VDD and VCAP.
2: It is important for the low-ESR capacitor to
be placed as close as possible to the VCAP
pin.
3: Typical VCAP pin voltage is 1.8V when
VDD VDDMIN.
VDD
VCAP
VSS
dsPIC33E/PIC24E
CEFC
3.3V

dsPIC33EPXXX(GP/MC/MU)806/810/814 and PIC24EPXXX(GP/GU)810/814
DS70616G-page 482 2009-2012 Microchip Technology Inc.
29.4 Watchdog Timer (WDT)
For dsPIC33EPXXX(GP/MC/MU)806/810/814 and
PIC24EPXXX(GP/GU)810/814 devices, the WDT is
driven by the LPRC Oscillator. When the WDT is
enabled, the clock source is also enabled.
29.4.1 PRESCALER/POSTSCALER
The nominal WDT clock source from LPRC is 32 kHz.
This feeds a prescaler that can be configured for either
5-bit (divide-by-32) or 7-bit (divide-by-128) operation.
The prescaler is set by the WDTPRE Configuration bit.
With a 32 kHz input, the prescaler yields a nominal
WDT Time-out (TWDT) period of 1 ms in 5-bit mode or
4 ms in 7-bit mode.
A variable postscaler divides down the WDT prescaler
output and allows for a wide range of time-out periods.
The postscaler is controlled by the WDTPOST<3:0>
Configuration bits (FWDT<3:0>), which allow the selec-
tion of 16 settings, from 1:1 to 1:32,768. Using the
prescaler and postscaler, time-out periods ranging from
1 ms to 131 seconds can be achieved.
The WDT, prescaler and postscaler are reset:
• On any device Reset
• On the completion of a clock switch, whether
invoked by software (i.e., setting the OSWEN bit
after changing the NOSC bits) or by hardware
(i.e., Fail-Safe Clock Monitor)
• When a PWRSAV instruction is executed
(i.e., Sleep or Idle mode is entered)
• When the device exits Sleep or Idle mode to
resume normal operation
•By a CLRWDT instruction during normal execution
29.4.2 SLEEP AND IDLE MODES
If the WDT is enabled, it continues to run during Sleep or
Idle modes. When the WDT time-out occurs, the device
wakes the device and code execution continues from
where the PWRSAV instruction was executed. The corre-
sponding SLEEP or IDLE bits (RCON<3,2>) need to be
cleared in software after the device wakes up.
29.4.3 ENABLING WDT
The WDT is enabled or disabled by the FWDTEN
Configuration bit in the FWDT Configuration register.
When the FWDTEN Configuration bit is set, the WDT is
always enabled.
The WDT can be optionally controlled in software
when the FWDTEN Configuration bit has been
programmed to ‘0’. The WDT is enabled in software
by setting the SWDTEN control bit (RCON<5>). The
SWDTEN control bit is cleared on any device Reset.
The software WDT option allows the user application
to enable the WDT for critical code segments and
disable the WDT during non-critical segments for
maximum power savings.
The WDT flag bit, WDTO (RCON<4>), is not automatically
cleared following a WDT time-out. To detect subsequent
WDT events, the flag must be cleared in software.
FIGURE 29-2: WDT BLOCK DIAGRAM
Note: The CLRWDT and PWRSAV instructions
clear the prescaler and postscaler counts
when executed.
Note: If the WINDIS bit (FWDT<6>) is cleared,
the CLRWDT instruction should be executed
by the application software only during the
last 1/4 of the WDT period. This CLRWDT
instruction window can be determined by
using a timer. If a CLRWDT instruction is
executed before this window, a WDT Reset
occurs.
0
1
WDTPRE WDTPOST<3:0>
Watchdog Timer
Prescaler
(divide-by-N1)
Postscaler
(divide-by-N2)
Sleep/Idle
WDT
WDT Window Select
WINDIS
WDT
CLRWDT Instruction
SWDTEN
FWDTEN
LPRC Clock
RS RS
Wake-up
Reset
All Device Resets
Transition to New Clock Source
Exit Sleep or Idle Mode
PWRSAV
Instruction
CLRWDT
Instruction

2009-2012 Microchip Technology Inc. DS70616G-page 483
dsPIC33EPXXX(GP/MC/MU)806/810/814 and PIC24EPXXX(GP/GU)810/814
29.5 JTAG Interface
dsPIC33EPXXX(GP/MC/MU)806/810/814 and
PIC24EPXXX(GP/GU)810/814 devices implement a
JTAG interface, which supports boundary scan device
testing. Detailed information on this interface is
provided in future revisions of the document.
29.6 In-Circuit Serial Programming
The dsPIC33EPXXX(GP/MC/MU)806/810/814 and
PIC24EPXXX(GP/GU)810/814 devices can be serially
programmed while in the end application circuit. This is
done with two lines for clock and data, and three other
lines for power, ground and the programming
sequence. Serial programming allows customers to
manufacture boards with unprogrammed devices and
then program the digital signal controller just before
shipping the product. Serial programming also allows
the most recent firmware or a custom firmware to be
programmed. Refer to the “dsPIC33E/PIC24E Flash
Programming Specification” (DS70619) for details
about In-Circuit Serial Programming (ICSP).
Any of the three pairs of programming clock/data pins
can be used:
• PGEC1 and PGED1
• PGEC2 and PGED2
• PGEC3 and PGED3
29.7 In-Circuit Debugger
When MPLAB® ICD 3 or REAL ICE™ is selected as a
debugger, the in-circuit debugging functionality is
enabled. This function allows simple debugging
functions when used with MPLAB IDE. Debugging
functionality is controlled through the PGECx (Emula-
tion/Debug Clock) and PGEDx (Emulation/Debug
Data) pin functions.
Any of the three pairs of debugging clock/data pins can
be used:
• PGEC1 and PGED1
• PGEC2 and PGED2
• PGEC3 and PGED3
To use the in-circuit debugger function of the device,
the design must implement ICSP connections to
MCLR, VDD, VSS and the PGECx/PGEDx pin pair. In
addition, when the feature is enabled, some of the
resources are not available for general use. These
resources include the first 80 bytes of data RAM and
two I/O pins.
29.8 Code Protection and
CodeGuard™ Security
The dsPIC33EPXXX(GP/MC/MU)806/810/814 and
PIC24EPXXX(GP/GU)810/814 devices offer basic
implementation of CodeGuard Security that supports
only General Segment (GS) security. This feature helps
protect individual Intellectual Property in collaborative
system designs.
When coupled with software encryption libraries,
CodeGuard Security can be used to securely update
Flash even when multiple IPs reside on the single chip.
The code protection features vary depending on the
actual dsPIC33E implemented. The following sections
provide an overview of these features.
The dsPIC33EPXXX(GP/MC/MU)806/810/814 and
PIC24EPXXX(GP/GU)810/814 devices do not support
Boot Segment (BS), Secure Segment (SS) and RAM
protection.
Note: Refer to Section 24. “Programming
and Diagnostics” (DS70608) of the
“dsPIC33E/PIC24E Family Reference
Manual” for further information on usage,
configuration and operation of the JTAG
interface.
Note: Refer to Section 23. “CodeGuard™
Security” (DS70634) of the “dsPIC33E/
PIC24E Family Reference Manual” for
further information on usage, configuration
and operation of CodeGuard Security.

dsPIC33EPXXX(GP/MC/MU)806/810/814 and PIC24EPXXX(GP/GU)810/814
DS70616G-page 484 2009-2012 Microchip Technology Inc.
NOTES:

2009-2012 Microchip Technology Inc. DS70616G-page 485
dsPIC33EPXXX(GP/MC/MU)806/810/814 and PIC24EPXXX(GP/GU)810/814
30.0 INSTRUCTION SET SUMMARY
The dsPIC33EP instruction set is almost identical to
that of the dsPIC30F and dsPIC33F. The PIC24EP
instruction set is almost identical to that of the PIC24F
and PIC24H.
Most instructions are a single program memory word
(24 bits). Only three instructions require two program
memory locations.
Each single-word instruction is a 24-bit word, divided
into an 8-bit opcode, which specifies the instruction
type and one or more operands, which further specify
the operation of the instruction.
The instruction set is highly orthogonal and is grouped
into five basic categories:
• Word or byte-oriented operations
• Bit-oriented operations
• Literal operations
• DSP operations
• Control operations
Table 30-1 lists the general symbols used in describing
the instructions.
The dsPIC33E instruction set summary in Ta b l e 3 0 - 2
lists all the instructions, along with the status flags
affected by each instruction.
Most word or byte-oriented W register instructions
(including barrel shift instructions) have three
operands:
• The first source operand, which is typically a
register ‘Wb’ without any address modifier
• The second source operand, which is typically a
register ‘Ws’ with or without an address modifier
• The destination of the result, which is typically a
register ‘Wd’ with or without an address modifier
However, word or byte-oriented file register instructions
have two operands:
• The file register specified by the value ‘f’
• The destination, which could be either the file
register ‘f’ or the W0 register, which is denoted as
‘WREG’
Most bit-oriented instructions (including simple rotate/
shift instructions) have two operands:
• The W register (with or without an address
modifier) or file register (specified by the value of
‘Ws’ or ‘f’)
• The bit in the W register or file register (specified
by a literal value or indirectly by the contents of
register ‘Wb’)
The literal instructions that involve data movement can
use some of the following operands:
• A literal value to be loaded into a W register or file
register (specified by ‘k’)
• The W register or file register where the literal
value is to be loaded (specified by ‘Wb’ or ‘f’)
However, literal instructions that involve arithmetic or
logical operations use some of the following operands:
• The first source operand, which is a register ‘Wb’
without any address modifier
• The second source operand, which is a literal
value
• The destination of the result (only if not the same
as the first source operand), which is typically a
register ‘Wd’ with or without an address modifier
The MAC class of DSP instructions can use some of the
following operands:
• The accumulator (A or B) to be used (required
operand)
• The W registers to be used as the two operands
• The X and Y address space prefetch operations
• The X and Y address space prefetch destinations
• The accumulator write-back destination
The other DSP instructions do not involve any
multiplication and can include:
• The accumulator to be used (required)
• The source or destination operand (designated as
Wso or Wdo, respectively) with or without an
address modifier
• The amount of shift specified by a W register ‘Wn’
or a literal value
The control instructions can use some of the following
operands:
• A program memory address
• The mode of the table read and table write
instructions
Note: This data sheet summarizes the features of
the dsPIC33EPXXX(GP/MC/MU)806/810/
814 and PIC24EPXXX(GP/GU)810/814
families of devices. It is not intended to be a
comprehensive reference source. To
complement the information in this data
sheet, refer to the related section of the
“dsPIC33E/PIC24E Family Reference
Manual”, which is available from the
Microchip web site (www.microchip.com).

dsPIC33EPXXX(GP/MC/MU)806/810/814 and PIC24EPXXX(GP/GU)810/814
DS70616G-page 486 2009-2012 Microchip Technology Inc.
Most instructions are a single word. Certain double-word
instructions are designed to provide all the required
information in these 48 bits. In the second word, the
8 MSbs are ‘0’s. If this second word is executed as an
instruction (by itself), it executes as a NOP.
The double-word instructions execute in two instruction
cycles.
Most single-word instructions are executed in a single
instruction cycle, unless a conditional test is true, or the
Program Counter is changed as a result of the
instruction, or a PSV or table read is performed. In these
cases, the execution takes multiple instruction cycles
with the additional instruction cycle(s) executed as a
NOP. Certain instructions that involve skipping over the
subsequent instruction require either two or three cycles
if the skip is performed, depending on whether the
instruction being skipped is a single-word or two-word
instruction. Moreover, double-word moves require two
cycles.
Note: For more details on the instruction set,
refer to the “16-bit MCU and DSC
Programmer’s Reference Manual”
(DS70157).
TABLE 30-1: SYMBOLS USED IN OPCODE DESCRIPTIONS
Field Description
#text Means literal defined by “text”
(text) Means “content of text”
[text] Means “the location addressed by text”
{ } Optional field or operation
a {b, c, d} a is selected from the set of values b, c, d
<n:m> Register bit field
.b Byte mode selection
.d Double-Word mode selection
.S Shadow register select
.w Word mode selection (default)
Acc One of two accumulators {A, B}
AWB Accumulator Write-Back Destination Address register {W13, [W13]+ = 2}
bit4 4-bit bit selection field (used in word addressed instructions) {0...15}
C, DC, N, OV, Z MCU Status bits: Carry, Digit Carry, Negative, Overflow, Sticky Zero
Expr Absolute address, label or expression (resolved by the linker)
f File register address {0x0000...0x1FFF}
lit1 1-bit unsigned literal {0,1}
lit4 4-bit unsigned literal {0...15}
lit5 5-bit unsigned literal {0...31}
lit8 8-bit unsigned literal {0...255}
lit10 10-bit unsigned literal {0...255} for Byte mode, {0:1023} for Word mode
lit14 14-bit unsigned literal {0...16384}
lit16 16-bit unsigned literal {0...65535}
lit23 23-bit unsigned literal {0...8388608}; LSb must be ‘0’
None Field does not require an entry, can be blank
OA, OB, SA, SB DSP Status bits: ACCA Overflow, ACCB Overflow, ACCA Saturate, ACCB Saturate
PC Program Counter
Slit10 10-bit signed literal {-512...511}
Slit16 16-bit signed literal {-32768...32767}
Slit6 6-bit signed literal {-16...16}
Wb Base W register {W0...W15}
Wd Destination W register { Wd, [Wd], [Wd++], [Wd--], [++Wd], [--Wd] }
Wdo Destination W register
{ Wnd, [Wnd], [Wnd++], [Wnd--], [++Wnd], [--Wnd], [Wnd+Wb] }
Wm,Wn Dividend, Divisor Working register pair (Direct Addressing)

2009-2012 Microchip Technology Inc. DS70616G-page 487
dsPIC33EPXXX(GP/MC/MU)806/810/814 and PIC24EPXXX(GP/GU)810/814
Wm*Wm Multiplicand and Multiplier working register pair for Square instructions
{W4 * W4,W5 * W5,W6 * W6,W7 * W7}
Wm*Wn Multiplicand and Multiplier working register pair for DSP instructions
{W4 * W5,W4 * W6,W4 * W7,W5 * W6,W5 * W7,W6 * W7}
Wn One of 16 working registers {W0...W15}
Wnd One of 16 destination working registers {W0...W15}
Wns One of 16 source working registers {W0...W15}
WREG W0 (working register used in file register instructions)
Ws Source W register { Ws, [Ws], [Ws++], [Ws--], [++Ws], [--Ws] }
Wso Source W register
{ Wns, [Wns], [Wns++], [Wns--], [++Wns], [--Wns], [Wns+Wb] }
Wx X Data Space Prefetch Address register for DSP instructions
{[W8] + = 6, [W8] + = 4, [W8] + = 2, [W8], [W8] - = 6, [W8] - = 4, [W8] - = 2,
[W9] + = 6, [W9] + = 4, [W9] + = 2, [W9], [W9] - = 6, [W9] - = 4, [W9] - = 2,
[W9 + W12], none}
Wxd X Data Space Prefetch Destination register for DSP instructions {W4...W7}
Wy Y Data Space Prefetch Address register for DSP instructions
{[W10] + = 6, [W10] + = 4, [W10] + = 2, [W10], [W10] - = 6, [W10] - = 4, [W10] - = 2,
[W11] + = 6, [W11] + = 4, [W11] + = 2, [W11], [W11] - = 6, [W11] - = 4, [W11] - = 2,
[W11 + W12], none}
Wyd Y Data Space Prefetch Destination register for DSP instructions {W4...W7}
TABLE 30-1: SYMBOLS USED IN OPCODE DESCRIPTIONS (CONTINUED)
Field Description

dsPIC33EPXXX(GP/MC/MU)806/810/814 and PIC24EPXXX(GP/GU)810/814
DS70616G-page 488 2009-2012 Microchip Technology Inc.
TABLE 30-2: INSTRUCTION SET OVERVIEW
Base
Instr
#
Assembly
Mnemonic Assembly Syntax Description # of
Words
# of
Cycles(2)Status Flags
Affected
1ADD ADD Acc(1)Add Accumulators 1 1 OA,OB,SA,SB
ADD f f = f + WREG 1 1 C,DC,N,OV,Z
ADD f,WREG WREG = f + WREG 1 1 C,DC,N,OV,Z
ADD #lit10,Wn Wd = lit10 + Wd 1 1 C,DC,N,OV,Z
ADD Wb,Ws,Wd Wd = Wb + Ws 1 1 C,DC,N,OV,Z
ADD Wb,#lit5,Wd Wd = Wb + lit5 1 1 C,DC,N,OV,Z
ADD Wso,#Slit4,Acc 16-bit Signed Add to Accumulator 1 1 OA,OB,SA,SB
2ADDC ADDC f f = f + WREG + (C) 1 1 C,DC,N,OV,Z
ADDC f,WREG WREG = f + WREG + (C) 1 1 C,DC,N,OV,Z
ADDC #lit10,Wn Wd = lit10 + Wd + (C) 1 1 C,DC,N,OV,Z
ADDC Wb,Ws,Wd Wd = Wb + Ws + (C) 1 1 C,DC,N,OV,Z
ADDC Wb,#lit5,Wd Wd = Wb + lit5 + (C) 1 1 C,DC,N,OV,Z
3AND AND f f = f .AND. WREG 1 1 N,Z
AND f,WREG WREG = f .AND. WREG 1 1 N,Z
AND #lit10,Wn Wd = lit10 .AND. Wd 1 1 N,Z
AND Wb,Ws,Wd Wd = Wb .AND. Ws 1 1 N,Z
AND Wb,#lit5,Wd Wd = Wb .AND. lit5 1 1 N,Z
4ASR ASR f f = Arithmetic Right Shift f 1 1 C,N,OV,Z
ASR f,WREG WREG = Arithmetic Right Shift f 1 1 C,N,OV,Z
ASR Ws,Wd Wd = Arithmetic Right Shift Ws 1 1 C,N,OV,Z
ASR Wb,Wns,Wnd Wnd = Arithmetic Right Shift Wb by Wns 1 1 N,Z
ASR Wb,#lit5,Wnd Wnd = Arithmetic Right Shift Wb by lit5 1 1 N,Z
5BCLR BCLR f,#bit4 Bit Clear f 1 1 None
BCLR Ws,#bit4 Bit Clear Ws 1 1 None
6BRA BRA C,Expr Branch if Carry 1 1 (4) None
BRA GE,Expr Branch if greater than or equal 1 1 (4) None
BRA GEU,Expr Branch if unsigned greater than or equal 1 1 (4) None
BRA GT,Expr Branch if greater than 1 1 (4) None
BRA GTU,Expr Branch if unsigned greater than 1 1 (4) None
BRA LE,Expr Branch if less than or equal 1 1 (4) None
BRA LEU,Expr Branch if unsigned less than or equal 1 1 (4) None
BRA LT,Expr Branch if less than 1 1 (4) None
BRA LTU,Expr Branch if unsigned less than 1 1 (4) None
BRA N,Expr Branch if Negative 1 1 (4) None
BRA NC,Expr Branch if Not Carry 1 1 (4) None
BRA NN,Expr Branch if Not Negative 1 1 (4) None
BRA NOV,Expr Branch if Not Overflow 1 1 (4) None
BRA NZ,Expr Branch if Not Zero 1 1 (4) None
BRA OA,Expr(1)Branch if Accumulator A overflow 1 1 (4) None
BRA OB,Expr(1)Branch if Accumulator B overflow 1 1 (4) None
BRA OV,Expr(1)Branch if Overflow 1 1 (4) None
BRA SA,Expr(1)Branch if Accumulator A saturated 1 1 (4) None
BRA SB,Expr(1)Branch if Accumulator B saturated 1 1 (4) None
BRA Expr Branch Unconditionally 1 4 None
BRA Z,Expr Branch if Zero 1 1 (4) None
BRA Wn Computed Branch 1 4 None
7BSET BSET f,#bit4 Bit Set f 1 1 None
BSET Ws,#bit4 Bit Set Ws 1 1 None
Note 1: This instruction is available in dsPIC33EPXXX(GP/MC/MU)806/810/814 devices only.
2: Read and Read-Modify-Write (e.g., bit operations and logical operations) on non-CPU SFRs incur an additional instruction cycle.

2009-2012 Microchip Technology Inc. DS70616G-page 489
dsPIC33EPXXX(GP/MC/MU)806/810/814 and PIC24EPXXX(GP/GU)810/814
8BSW BSW.C Ws,Wb Write C bit to Ws<Wb> 1 1 None
BSW.Z Ws,Wb Write Z bit to Ws<Wb> 1 1 None
9BTG BTG f,#bit4 Bit Toggle f 1 1 None
BTG Ws,#bit4 Bit Toggle Ws 1 1 None
10 BTSC BTSC f,#bit4 Bit Test f, Skip if Clear 1 1
(2 or 3)
None
BTSC Ws,#bit4 Bit Test Ws, Skip if Clear 1 1
(2 or 3)
None
11 BTSS BTSS f,#bit4 Bit Test f, Skip if Set 1 1
(2 or 3)
None
BTSS Ws,#bit4 Bit Test Ws, Skip if Set 1 1
(2 or 3)
None
12 BTST BTST f,#bit4 Bit Test f 1 1 Z
BTST.C Ws,#bit4 Bit Test Ws to C 1 1 C
BTST.Z Ws,#bit4 Bit Test Ws to Z 1 1 Z
BTST.C Ws,Wb Bit Test Ws<Wb> to C 1 1 C
BTST.Z Ws,Wb Bit Test Ws<Wb> to Z 1 1 Z
13 BTSTS BTSTS f,#bit4 Bit Test then Set f 1 1 Z
BTSTS.C Ws,#bit4 Bit Test Ws to C, then Set 1 1 C
BTSTS.Z Ws,#bit4 Bit Test Ws to Z, then Set 1 1 Z
14 CALL CALL lit23 Call subroutine 2 4 SFA
CALL Wn Call indirect subroutine 1 4 SFA
CALL.L Wn Call indirect subroutine (long address) 1 4 SFA
15 CLR CLR f f = 0x0000 1 1 None
CLR WREG WREG = 0x0000 1 1 None
CLR Ws Ws = 0x0000 1 1 None
CLR Acc,Wx,Wxd,Wy,Wyd,AWB(1)Clear Accumulator 1 1 OA,OB,SA,SB
16 CLRWDT CLRWDT Clear Watchdog Timer 1 1 WDTO,Sleep
17 COM COM f f = f 11 N,Z
COM f,WREG WREG = f 11 N,Z
COM Ws,Wd Wd = Ws 11 N,Z
18 CP CP f Compare f with WREG 1 1 C,DC,N,OV,Z
CP Wb,#lit8 Compare Wb with lit8 1 1 C,DC,N,OV,Z
CP Wb,Ws Compare Wb with Ws (Wb – Ws) 1 1 C,DC,N,OV,Z
19 CP0 CP0 f Compare f with 0x0000 1 1 C,DC,N,OV,Z
CP0 Ws Compare Ws with 0x0000 1 1 C,DC,N,OV,Z
20 CPB CPB f Compare f with WREG, with Borrow 1 1 C,DC,N,OV,Z
CPB Wb,#lit8 Compare Wb with lit8, with Borrow 1 1 C,DC,N,OV,Z
CPB Wb,Ws Compare Wb with Ws, with Borrow
(Wb – Ws – C)
1 1 C,DC,N,OV,Z
21 CPSEQ CPSEQ Wb,Wn Compare Wb with Wn, skip if = 1 1
(2 or 3)
None
CPBEQ CPBEQ Wb,Wn,Expr Compare Wb with Wn, branch if = 1 1 (5) None
22 CPSGT CPSGT Wb,Wn Compare Wb with Wn, skip if > 1 1
(2 or 3)
None
CPBGT CPBGT Wb,Wn,Expr Compare Wb with Wn, branch if > 1 1 (5) None
23 CPSLT CPSLT Wb,Wn Compare Wb with Wn, skip if < 1 1
(2 or 3)
None
CPBLT CPBLT Wb,Wn,Expr Compare Wb with Wn, branch if < 1 1 (5) None
24 CPSNE CPSNE Wb,Wn Compare Wb with Wn, skip if 11
(2 or 3)
None
CPBNE CPBNE Wb,Wn,Expr Compare Wb with Wn, branch if 11 (5) None
TABLE 30-2: INSTRUCTION SET OVERVIEW (CONTINUED)
Base
Instr
#
Assembly
Mnemonic Assembly Syntax Description # of
Words
# of
Cycles(2)Status Flags
Affected
Note 1: This instruction is available in dsPIC33EPXXX(GP/MC/MU)806/810/814 devices only.
2: Read and Read-Modify-Write (e.g., bit operations and logical operations) on non-CPU SFRs incur an additional instruction cycle.

dsPIC33EPXXX(GP/MC/MU)806/810/814 and PIC24EPXXX(GP/GU)810/814
DS70616G-page 490 2009-2012 Microchip Technology Inc.
25 DAW DAW Wn Wn = decimal adjust Wn 1 1 C
26 DEC DEC f f = f – 1 1 1 C,DC,N,OV,Z
DEC f,WREG WREG = f – 1 1 1 C,DC,N,OV,Z
DEC Ws,Wd Wd = Ws – 1 1 1 C,DC,N,OV,Z
27 DEC2 DEC2 f f = f – 2 1 1 C,DC,N,OV,Z
DEC2 f,WREG WREG = f – 2 1 1 C,DC,N,OV,Z
DEC2 Ws,Wd Wd = Ws – 2 1 1 C,DC,N,OV,Z
28 DISI DISI #lit14 Disable Interrupts for k instruction cycles 1 1 None
29 DIV DIV.S Wm,Wn Signed 16/16-bit Integer Divide 1 18 N,Z,C,OV
DIV.SD Wm,Wn Signed 32/16-bit Integer Divide 1 18 N,Z,C,OV
DIV.U Wm,Wn Unsigned 16/16-bit Integer Divide 1 18 N,Z,C,OV
DIV.UD Wm,Wn Unsigned 32/16-bit Integer Divide 1 18 N,Z,C,OV
30 DIVF DIVF Wm,Wn(1)Signed 16/16-bit Fractional Divide 1 18 N,Z,C,OV
31 DO DO #lit15,Expr(1)Do code to PC + Expr, lit15 + 1 times 2 2 None
DO Wn,Expr(1)Do code to PC + Expr, (Wn) + 1 times 2 2 None
32 ED ED Wm*Wm,Acc,Wx,Wy,Wxd(1)Euclidean Distance (no accumulate) 1 1 OA,OB,OAB,
SA,SB,SAB
33 EDAC EDAC Wm*Wm,Acc,Wx,Wy,Wxd(1)Euclidean Distance 1 1 OA,OB,OAB,
SA,SB,SAB
34 EXCH EXCH Wns,Wnd Swap Wns with Wnd 1 1 None
35 FBCL FBCL Ws,Wnd Find Bit Change from Left (MSb) Side 1 1 C
36 FF1L FF1L Ws,Wnd Find First One from Left (MSb) Side 1 1 C
37 FF1R FF1R Ws,Wnd Find First One from Right (LSb) Side 1 1 C
38 GOTO GOTO Expr Go to address 2 4 None
GOTO Wn Go to indirect 1 4 None
GOTO.L Wn Go to indirect (long address) 1 4 None
39 INC INC f f = f + 1 1 1 C,DC,N,OV,Z
INC f,WREG WREG = f + 1 1 1 C,DC,N,OV,Z
INC Ws,Wd Wd = Ws + 1 1 1 C,DC,N,OV,Z
40 INC2 INC2 f f = f + 2 1 1 C,DC,N,OV,Z
INC2 f,WREG WREG = f + 2 1 1 C,DC,N,OV,Z
INC2 Ws,Wd Wd = Ws + 2 1 1 C,DC,N,OV,Z
41 IOR IOR f f = f .IOR. WREG 1 1 N,Z
IOR f,WREG WREG = f .IOR. WREG 1 1 N,Z
IOR #lit10,Wn Wd = lit10 .IOR. Wd 1 1 N,Z
IOR Wb,Ws,Wd Wd = Wb .IOR. Ws 1 1 N,Z
IOR Wb,#lit5,Wd Wd = Wb .IOR. lit5 1 1 N,Z
42 LAC LAC Wso,#Slit4,Acc Load Accumulator 1 1 OA,OB,OAB,
SA,SB,SAB
43 LNK LNK #lit14 Link Frame Pointer 1 1 SFA
44 LSR LSR f f = Logical Right Shift f 1 1 C,N,OV,Z
LSR f,WREG WREG = Logical Right Shift f 1 1 C,N,OV,Z
LSR Ws,Wd Wd = Logical Right Shift Ws 1 1 C,N,OV,Z
LSR Wb,Wns,Wnd Wnd = Logical Right Shift Wb by Wns 1 1 N,Z
LSR Wb,#lit5,Wnd Wnd = Logical Right Shift Wb by lit5 1 1 N,Z
45 MAC MAC Wm*Wn,Acc,Wx,Wxd,Wy,Wyd,AWB(1)Multiply and Accumulate 1 1 OA,OB,OAB,
SA,SB,SAB
MAC Wm*Wm,Acc,Wx,Wxd,Wy,Wyd(1)Square and Accumulate 1 1 OA,OB,OAB,
SA,SB,SAB
TABLE 30-2: INSTRUCTION SET OVERVIEW (CONTINUED)
Base
Instr
#
Assembly
Mnemonic Assembly Syntax Description # of
Words
# of
Cycles(2)Status Flags
Affected
Note 1: This instruction is available in dsPIC33EPXXX(GP/MC/MU)806/810/814 devices only.
2: Read and Read-Modify-Write (e.g., bit operations and logical operations) on non-CPU SFRs incur an additional instruction cycle.

2009-2012 Microchip Technology Inc. DS70616G-page 491
dsPIC33EPXXX(GP/MC/MU)806/810/814 and PIC24EPXXX(GP/GU)810/814
46 MOV MOV f,Wn Move f to Wn 1 1 None
MOV f Move f to f 1 1 None
MOV f,WREG Move f to WREG 1 1 None
MOV #lit16,Wn Move 16-bit literal to Wn 1 1 None
MOV.b #lit8,Wn Move 8-bit literal to Wn 1 1 None
MOV Wn,f Move Wn to f 1 1 None
MOV Wso,Wdo Move Ws to Wd 1 1 None
MOV WREG,f Move WREG to f 1 1 None
MOV.D Wns,Wd Move Double from W(ns):W(ns + 1) to Wd 1 2 None
MOV.D Ws,Wnd Move Double from Ws to W(nd + 1):W(nd) 1 2 None
47 MOVPAG MOVPAG #lit10,DSRPAG Move 10-bit literal to DSRPAG 1 1 None
MOVPAG #lit9,DSWPAG Move 9-bit literal to DSWPAG 1 1 None
MOVPAG #lit8,TBLPAG Move 8-bit literal to TBLPAG 1 1 None
MOVPAGW Ws, DSRPAG Move Ws<9:0> to DSRPAG 1 1 None
MOVPAGW Ws, DSWPAG Move Ws<8:0> to DSWPAG 1 1 None
MOVPAGW Ws, TBLPAG Move Ws<7:0> to TBLPAG 1 1 None
48 MOVSAC MOVSAC Acc,Wx,Wxd,Wy,Wyd,AWB(1)Prefetch and store accumulator 1 1 None
49 MPY MPY Wm*Wn,Acc,Wx,Wxd,Wy,Wyd(1)Multiply Wm by Wn to Accumulator 1 1 OA,OB,OAB,
SA,SB,SAB
MPY Wm*Wm,Acc,Wx,Wxd,Wy,Wyd(1)Square Wm to Accumulator 1 1 OA,OB,OAB,
SA,SB,SAB
50 MPY.N MPY.N Wm*Wn,Acc,Wx,Wxd,Wy,Wyd(1)-(Multiply Wm by Wn) to Accumulator 1 1 None
51 MSC MSC Wm*Wm,Acc,Wx,Wxd,Wy,Wyd,AWB(1)Multiply and Subtract from Accumulator 1 1 OA,OB,OAB,
SA,SB,SAB
52 MUL MUL.SS Wb,Ws,Wnd {Wnd + 1, Wnd} = signed(Wb) *
signed(Ws)
11 None
MUL.SS Wb,Ws,Acc(1)Accumulator = signed(Wb) * signed(Ws) 1 1 None
MUL.SU Wb,Ws,Wnd {Wnd + 1, Wnd} = signed(Wb) *
unsigned(Ws)
11 None
MUL.SU Wb,Ws,Acc(1)Accumulator = signed(Wb) *
unsigned(Ws)
11 None
MUL.SU Wb,#lit5,Acc(1)Accumulator = signed(Wb) *
unsigned(lit5)
11 None
MUL.US Wb,Ws,Wnd {Wnd + 1, Wnd} = unsigned(Wb) *
signed(Ws)
11 None
MUL.US Wb,Ws,Acc(1)Accumulator = unsigned(Wb) *
signed(Ws)
11 None
MUL.UU Wb,Ws,Wnd {Wnd + 1, Wnd} = unsigned(Wb) *
unsigned(Ws)
11 None
MUL.UU Wb,#lit5,Acc(1)Accumulator = unsigned(Wb) *
unsigned(lit5)
11 None
MUL.UU Wb,Ws,Acc(1)Accumulator = unsigned(Wb) *
unsigned(Ws)
11 None
MULW.SS Wb,Ws,Wnd Wnd = signed(Wb) * signed(Ws) 1 1 None
MULW.SU Wb,Ws,Wnd Wnd = signed(Wb) * unsigned(Ws) 1 1 None
MULW.US Wb,Ws,Wnd Wnd = unsigned(Wb) * signed(Ws) 1 1 None
MULW.UU Wb,Ws,Wnd Wnd = unsigned(Wb) * unsigned(Ws) 1 1 None
MUL.SU Wb,#lit5,Wnd {Wnd + 1, Wnd} = signed(Wb) *
unsigned(lit5)
11 None
MUL.SU Wb,#lit5,Wnd Wnd = signed(Wb) * unsigned(lit5) 1 1 None
MUL.UU Wb,#lit5,Wnd {Wnd + 1, Wnd} = unsigned(Wb) *
unsigned(lit5)
11 None
MUL.UU Wb,#lit5,Wnd Wnd = unsigned(Wb) * unsigned(lit5) 1 1 None
MUL f W3:W2 = f * WREG 1 1 None
TABLE 30-2: INSTRUCTION SET OVERVIEW (CONTINUED)
Base
Instr
#
Assembly
Mnemonic Assembly Syntax Description # of
Words
# of
Cycles(2)Status Flags
Affected
Note 1: This instruction is available in dsPIC33EPXXX(GP/MC/MU)806/810/814 devices only.
2: Read and Read-Modify-Write (e.g., bit operations and logical operations) on non-CPU SFRs incur an additional instruction cycle.

dsPIC33EPXXX(GP/MC/MU)806/810/814 and PIC24EPXXX(GP/GU)810/814
DS70616G-page 492 2009-2012 Microchip Technology Inc.
53 NEG NEG Acc(1)Negate Accumulator 1 1 OA,OB,OAB,
SA,SB,SAB
NEG f f = f + 1 1 1 C,DC,N,OV,Z
NEG f,WREG WREG = f + 1 1 1 C,DC,N,OV,Z
NEG Ws,Wd Wd = Ws + 1 1 1 C,DC,N,OV,Z
54 NOP NOP No Operation 1 1 None
NOPR No Operation 1 1 None
55 POP POP f Pop f from Top-of-Stack (TOS) 1 1 None
POP Wdo Pop from Top-of-Stack (TOS) to Wdo 1 1 None
POP.D Wnd Pop from Top-of-Stack (TOS) to
W(nd):W(nd + 1)
12 None
POP.S Pop Shadow Registers 1 1 All
56 PUSH PUSH f Push f to Top-of-Stack (TOS) 1 1 None
PUSH Wso Push Wso to Top-of-Stack (TOS) 1 1 None
PUSH.D Wns Push W(ns):W(ns + 1) to Top-of-Stack
(TOS)
12 None
PUSH.S Push Shadow Registers 1 1 None
57 PWRSAV PWRSAV #lit1 Go into Sleep or Idle mode 1 1 WDTO,Sleep
58 RCALL RCALL Expr Relative Call 1 4 SFA
RCALL Wn Computed Call 1 4 SFA
59 REPEAT REPEAT #lit15 Repeat Next Instruction lit15 + 1 times 1 1 None
REPEAT Wn Repeat Next Instruction (Wn) + 1 times 1 1 None
60 RESET RESET Software device Reset 1 1 None
61 RETFIE RETFIE Return from interrupt 1 6 (5) SFA
62 RETLW RETLW #lit10,Wn Return with literal in Wn 1 6 (5) SFA
63 RETURN RETURN Return from Subroutine 1 6 (5) SFA
64 RLC RLC f f = Rotate Left through Carry f 1 1 C,N,Z
RLC f,WREG WREG = Rotate Left through Carry f 1 1 C,N,Z
RLC Ws,Wd Wd = Rotate Left through Carry Ws 1 1 C,N,Z
65 RLNC RLNC f f = Rotate Left (No Carry) f 1 1 N,Z
RLNC f,WREG WREG = Rotate Left (No Carry) f 1 1 N,Z
RLNC Ws,Wd Wd = Rotate Left (No Carry) Ws 1 1 N,Z
66 RRC RRC f f = Rotate Right through Carry f 1 1 C,N,Z
RRC f,WREG WREG = Rotate Right through Carry f 1 1 C,N,Z
RRC Ws,Wd Wd = Rotate Right through Carry Ws 1 1 C,N,Z
67 RRNC RRNC f f = Rotate Right (No Carry) f 1 1 N,Z
RRNC f,WREG WREG = Rotate Right (No Carry) f 1 1 N,Z
RRNC Ws,Wd Wd = Rotate Right (No Carry) Ws 1 1 N,Z
68 SAC SAC Acc,#Slit4,Wdo(1)Store Accumulator 1 1 None
SAC.R Acc,#Slit4,Wdo(1)Store Rounded Accumulator 1 1 None
69 SE SE Ws,Wnd Wnd = sign-extended Ws 1 1 C,N,Z
70 SETM SETM f f = 0xFFFF 1 1 None
SETM WREG WREG = 0xFFFF 1 1 None
SETM Ws Ws = 0xFFFF 1 1 None
71 SFTAC SFTAC Acc,Wn(1)Arithmetic Shift Accumulator by (Wn) 1 1 OA,OB,OAB,
SA,SB,SAB
SFTAC Acc,#Slit6(1)Arithmetic Shift Accumulator by Slit6 1 1 OA,OB,OAB,
SA,SB,SAB
TABLE 30-2: INSTRUCTION SET OVERVIEW (CONTINUED)
Base
Instr
#
Assembly
Mnemonic Assembly Syntax Description # of
Words
# of
Cycles(2)Status Flags
Affected
Note 1: This instruction is available in dsPIC33EPXXX(GP/MC/MU)806/810/814 devices only.
2: Read and Read-Modify-Write (e.g., bit operations and logical operations) on non-CPU SFRs incur an additional instruction cycle.

2009-2012 Microchip Technology Inc. DS70616G-page 493
dsPIC33EPXXX(GP/MC/MU)806/810/814 and PIC24EPXXX(GP/GU)810/814
72 SL SL f f = Left Shift f 1 1 C,N,OV,Z
SL f,WREG WREG = Left Shift f 1 1 C,N,OV,Z
SL Ws,Wd Wd = Left Shift Ws 1 1 C,N,OV,Z
SL Wb,Wns,Wnd Wnd = Left Shift Wb by Wns 1 1 N,Z
SL Wb,#lit5,Wnd Wnd = Left Shift Wb by lit5 1 1 N,Z
73 SUB SUB Acc(1)Subtract Accumulators 1 1 OA,OB,OAB,
SA,SB,SAB
SUB f f = f – WREG 1 1 C,DC,N,OV,Z
SUB f,WREG WREG = f – WREG 1 1 C,DC,N,OV,Z
SUB #lit10,Wn Wn = Wn – lit10 1 1 C,DC,N,OV,Z
SUB Wb,Ws,Wd Wd = Wb – Ws 1 1 C,DC,N,OV,Z
SUB Wb,#lit5,Wd Wd = Wb – lit5 1 1 C,DC,N,OV,Z
74 SUBB SUBB f f = f – WREG – (C) 1 1 C,DC,N,OV,Z
SUBB f,WREG WREG = f – WREG – (C) 1 1 C,DC,N,OV,Z
SUBB #lit10,Wn Wn = Wn – lit10 – (C) 1 1 C,DC,N,OV,Z
SUBB Wb,Ws,Wd Wd = Wb – Ws – (C) 1 1 C,DC,N,OV,Z
SUBB Wb,#lit5,Wd Wd = Wb – lit5 – (C) 1 1 C,DC,N,OV,Z
75 SUBR SUBR f f = WREG – f 1 1 C,DC,N,OV,Z
SUBR f,WREG WREG = WREG – f 1 1 C,DC,N,OV,Z
SUBR Wb,Ws,Wd Wd = Ws – Wb 1 1 C,DC,N,OV,Z
SUBR Wb,#lit5,Wd Wd = lit5 – Wb 1 1 C,DC,N,OV,Z
76 SUBBR SUBBR f f = WREG – f – (C) 1 1 C,DC,N,OV,Z
SUBBR f,WREG WREG = WREG – f – (C) 1 1 C,DC,N,OV,Z
SUBBR Wb,Ws,Wd Wd = Ws – Wb – (C) 1 1 C,DC,N,OV,Z
SUBBR Wb,#lit5,Wd Wd = lit5 – Wb – (C) 1 1 C,DC,N,OV,Z
77 SWAP SWAP.b Wn Wn = nibble swap Wn 1 1 None
SWAP Wn Wn = byte swap Wn 1 1 None
78 TBLRDH TBLRDH Ws,Wd Read Prog<23:16> to Wd<7:0> 1 5 None
79 TBLRDL TBLRDL Ws,Wd Read Prog<15:0> to Wd 1 5 None
80 TBLWTH TBLWTH Ws,Wd Write Ws<7:0> to Prog<23:16> 1 2 None
81 TBLWTL TBLWTL Ws,Wd Write Ws to Prog<15:0> 1 2 None
82 ULNK ULNK Unlink Frame Pointer 1 1 SFA
83 XOR XOR f f = f .XOR. WREG 1 1 N,Z
XOR f,WREG WREG = f .XOR. WREG 1 1 N,Z
XOR #lit10,Wn Wd = lit10 .XOR. Wd 1 1 N,Z
XOR Wb,Ws,Wd Wd = Wb .XOR. Ws 1 1 N,Z
XOR Wb,#lit5,Wd Wd = Wb .XOR. lit5 1 1 N,Z
84 ZE ZE Ws,Wnd Wnd = Zero-Extend Ws 1 1 C,Z,N
TABLE 30-2: INSTRUCTION SET OVERVIEW (CONTINUED)
Base
Instr
#
Assembly
Mnemonic Assembly Syntax Description # of
Words
# of
Cycles(2)Status Flags
Affected
Note 1: This instruction is available in dsPIC33EPXXX(GP/MC/MU)806/810/814 devices only.
2: Read and Read-Modify-Write (e.g., bit operations and logical operations) on non-CPU SFRs incur an additional instruction cycle.

dsPIC33EPXXX(GP/MC/MU)806/810/814 and PIC24EPXXX(GP/GU)810/814
DS70616G-page 494 2009-2012 Microchip Technology Inc.
NOTES:

2009-2012 Microchip Technology Inc. DS70616G-page 495
dsPIC33EPXXX(GP/MC/MU)806/810/814 and PIC24EPXXX(GP/GU)810/814
31.0 DEVELOPMENT SUPPORT
The PIC® microcontrollers and dsPIC® digital signal
controllers are supported with a full range of software
and hardware development tools:
• Integrated Development Environment
- MPLAB® IDE Software
• Compilers/Assemblers/Linkers
- MPLAB C Compiler for Various Device
Families
- HI-TECH C® for Various Device Families
- MPASMTM Assembler
-MPLINK
TM Object Linker/
MPLIBTM Object Librarian
- MPLAB Assembler/Linker/Librarian for
Various Device Families
• Simulators
- MPLAB SIM Software Simulator
• Emulators
- MPLAB REAL ICE™ In-Circuit Emulator
• In-Circuit Debuggers
- MPLAB ICD 3
- PICkit™ 3 Debug Express
• Device Programmers
- PICkit™ 2 Programmer
- MPLAB PM3 Device Programmer
• Low-Cost Demonstration/Development Boards,
Evaluation Kits and Starter Kits
31.1 MPLAB Integrated Development
Environment Software
The MPLAB IDE software brings an ease of software
development previously unseen in the 8/16/32-bit
microcontroller market. The MPLAB IDE is a Windows®
operating system-based application that contains:
• A single graphical interface to all debugging tools
- Simulator
- Programmer (sold separately)
- In-Circuit Emulator (sold separately)
- In-Circuit Debugger (sold separately)
• A full-featured editor with color-coded context
• A multiple project manager
• Customizable data windows with direct edit of
contents
• High-level source code debugging
• Mouse over variable inspection
• Drag and drop variables from source to watch
windows
• Extensive on-line help
• Integration of select third party tools, such as
IAR C Compilers
The MPLAB IDE allows you to:
• Edit your source files (either C or assembly)
• One-touch compile or assemble, and download to
emulator and simulator tools (automatically
updates all project information)
• Debug using:
- Source files (C or assembly)
- Mixed C and assembly
- Machine code
MPLAB IDE supports multiple debugging tools in a
single development paradigm, from the cost-effective
simulators, through low-cost in-circuit debuggers, to
full-featured emulators. This eliminates the learning
curve when upgrading to tools with increased flexibility
and power.

dsPIC33EPXXX(GP/MC/MU)806/810/814 and PIC24EPXXX(GP/GU)810/814
DS70616G-page 496 2009-2012 Microchip Technology Inc.
31.2 MPLAB C Compilers for Various
Device Families
The MPLAB C Compiler code development systems
are complete ANSI C compilers for Microchip’s PIC18,
PIC24 and PIC32 families of microcontrollers and the
dsPIC30 and dsPIC33 families of digital signal control-
lers. These compilers provide powerful integration
capabilities, superior code optimization and ease of
use.
For easy source level debugging, the compilers provide
symbol information that is optimized to the MPLAB IDE
debugger.
31.3 HI-TECH C for Various Device
Families
The HI-TECH C Compiler code development systems
are complete ANSI C compilers for Microchip’s PIC
family of microcontrollers and the dsPIC family of digital
signal controllers. These compilers provide powerful
integration capabilities, omniscient code generation
and ease of use.
For easy source level debugging, the compilers provide
symbol information that is optimized to the MPLAB IDE
debugger.
The compilers include a macro assembler, linker, pre-
processor, and one-step driver, and can run on multiple
platforms.
31.4 MPASM Assembler
The MPASM Assembler is a full-featured, universal
macro assembler for PIC10/12/16/18 MCUs.
The MPASM Assembler generates relocatable object
files for the MPLINK Object Linker, Intel® standard HEX
files, MAP files to detail memory usage and symbol
reference, absolute LST files that contain source lines
and generated machine code and COFF files for
debugging.
The MPASM Assembler features include:
• Integration into MPLAB IDE projects
• User-defined macros to streamline
assembly code
• Conditional assembly for multi-purpose
source files
• Directives that allow complete control over the
assembly process
31.5 MPLINK Object Linker/
MPLIB Object Librarian
The MPLINK Object Linker combines relocatable
objects created by the MPASM Assembler and the
MPLAB C18 C Compiler. It can link relocatable objects
from precompiled libraries, using directives from a
linker script.
The MPLIB Object Librarian manages the creation and
modification of library files of precompiled code. When
a routine from a library is called from a source file, only
the modules that contain that routine will be linked in
with the application. This allows large libraries to be
used efficiently in many different applications.
The object linker/library features include:
• Efficient linking of single libraries instead of many
smaller files
• Enhanced code maintainability by grouping
related modules together
• Flexible creation of libraries with easy module
listing, replacement, deletion and extraction
31.6 MPLAB Assembler, Linker and
Librarian for Various Device
Families
MPLAB Assembler produces relocatable machine
code from symbolic assembly language for PIC24,
PIC32 and dsPIC devices. MPLAB C Compiler uses
the assembler to produce its object file. The assembler
generates relocatable object files that can then be
archived or linked with other relocatable object files and
archives to create an executable file. Notable features
of the assembler include:
• Support for the entire device instruction set
• Support for fixed-point and floating-point data
• Command line interface
• Rich directive set
• Flexible macro language
• MPLAB IDE compatibility

2009-2012 Microchip Technology Inc. DS70616G-page 497
dsPIC33EPXXX(GP/MC/MU)806/810/814 and PIC24EPXXX(GP/GU)810/814
31.7 MPLAB SIM Software Simulator
The MPLAB SIM Software Simulator allows code
development in a PC-hosted environment by simulat-
ing the PIC MCUs and dsPIC® DSCs on an instruction
level. On any given instruction, the data areas can be
examined or modified and stimuli can be applied from
a comprehensive stimulus controller. Registers can be
logged to files for further run-time analysis. The trace
buffer and logic analyzer display extend the power of
the simulator to record and track program execution,
actions on I/O, most peripherals and internal registers.
The MPLAB SIM Software Simulator fully supports
symbolic debugging using the MPLAB C Compilers,
and the MPASM and MPLAB Assemblers. The soft-
ware simulator offers the flexibility to develop and
debug code outside of the hardware laboratory envi-
ronment, making it an excellent, economical software
development tool.
31.8 MPLAB REAL ICE In-Circuit
Emulator System
MPLAB REAL ICE In-Circuit Emulator System is
Microchip’s next generation high-speed emulator for
Microchip Flash DSC and MCU devices. It debugs and
programs PIC® Flash MCUs and dsPIC® Flash DSCs
with the easy-to-use, powerful graphical user interface of
the MPLAB Integrated Development Environment (IDE),
included with each kit.
The emulator is connected to the design engineer’s PC
using a high-speed USB 2.0 interface and is connected
to the target with either a connector compatible with in-
circuit debugger systems (RJ11) or with the new high-
speed, noise tolerant, Low-Voltage Differential Signal
(LVDS) interconnection (CAT5).
The emulator is field upgradable through future firmware
downloads in MPLAB IDE. In upcoming releases of
MPLAB IDE, new devices will be supported, and new
features will be added. MPLAB REAL ICE offers
significant advantages over competitive emulators
including low-cost, full-speed emulation, run-time
variable watches, trace analysis, complex breakpoints, a
ruggedized probe interface and long (up to three meters)
interconnection cables.
31.9 MPLAB ICD 3 In-Circuit Debugger
System
MPLAB ICD 3 In-Circuit Debugger System is Micro-
chip's most cost effective high-speed hardware
debugger/programmer for Microchip Flash Digital Sig-
nal Controller (DSC) and microcontroller (MCU)
devices. It debugs and programs PIC® Flash microcon-
trollers and dsPIC® DSCs with the powerful, yet easy-
to-use graphical user interface of MPLAB Integrated
Development Environment (IDE).
The MPLAB ICD 3 In-Circuit Debugger probe is con-
nected to the design engineer's PC using a high-speed
USB 2.0 interface and is connected to the target with a
connector compatible with the MPLAB ICD 2 or MPLAB
REAL ICE systems (RJ-11). MPLAB ICD 3 supports all
MPLAB ICD 2 headers.
31.10 PICkit 3 In-Circuit Debugger/
Programmer and
PICkit 3 Debug Express
The MPLAB PICkit 3 allows debugging and program-
ming of PIC® and dsPIC® Flash microcontrollers at a
most affordable price point using the powerful graphical
user interface of the MPLAB Integrated Development
Environment (IDE). The MPLAB PICkit 3 is connected
to the design engineer's PC using a full speed USB
interface and can be connected to the target via an
Microchip debug (RJ-11) connector (compatible with
MPLAB ICD 3 and MPLAB REAL ICE). The connector
uses two device I/O pins and the reset line to imple-
ment in-circuit debugging and In-Circuit Serial Pro-
gramming™.
The PICkit 3 Debug Express include the PICkit 3, demo
board and microcontroller, hookup cables and CDROM
with user’s guide, lessons, tutorial, compiler and
MPLAB IDE software.

dsPIC33EPXXX(GP/MC/MU)806/810/814 and PIC24EPXXX(GP/GU)810/814
DS70616G-page 498 2009-2012 Microchip Technology Inc.
31.11 PICkit 2 Development
Programmer/Debugger and
PICkit 2 Debug Express
The PICkit™ 2 Development Programmer/Debugger is
a low-cost development tool with an easy to use inter-
face for programming and debugging Microchip’s Flash
families of microcontrollers. The full featured
Windows® programming interface supports baseline
(PIC10F, PIC12F5xx, PIC16F5xx), midrange
(PIC12F6xx, PIC16F), PIC18F, PIC24, dsPIC30,
dsPIC33, and PIC32 families of 8-bit, 16-bit, and 32-bit
microcontrollers, and many Microchip Serial EEPROM
products. With Microchip’s powerful MPLAB Integrated
Development Environment (IDE) the PICkit™ 2
enables in-circuit debugging on most PIC® microcon-
trollers. In-Circuit-Debugging runs, halts and single
steps the program while the PIC microcontroller is
embedded in the application. When halted at a
breakpoint, the file registers can be examined and
modified.
The PICkit 2 Debug Express include the PICkit 2, demo
board and microcontroller, hookup cables and CDROM
with user’s guide, lessons, tutorial, compiler and
MPLAB IDE software.
31.12 MPLAB PM3 Device Programmer
The MPLAB PM3 Device Programmer is a universal,
CE compliant device programmer with programmable
voltage verification at VDDMIN and VDDMAX for
maximum reliability. It features a large LCD display
(128 x 64) for menus and error messages and a modu-
lar, detachable socket assembly to support various
package types. The ICSP™ cable assembly is included
as a standard item. In Stand-Alone mode, the MPLAB
PM3 Device Programmer can read, verify and program
PIC devices without a PC connection. It can also set
code protection in this mode. The MPLAB PM3
connects to the host PC via an RS-232 or USB cable.
The MPLAB PM3 has high-speed communications and
optimized algorithms for quick programming of large
memory devices and incorporates an MMC card for file
storage and data applications.
31.13 Demonstration/Development
Boards, Evaluation Kits, and
Starter Kits
A wide variety of demonstration, development and
evaluation boards for various PIC MCUs and dsPIC
DSCs allows quick application development on fully func-
tional systems. Most boards include prototyping areas for
adding custom circuitry and provide application firmware
and source code for examination and modification.
The boards support a variety of features, including LEDs,
temperature sensors, switches, speakers, RS-232
interfaces, LCD displays, potentiometers and additional
EEPROM memory.
The demonstration and development boards can be
used in teaching environments, for prototyping custom
circuits and for learning about various microcontroller
applications.
In addition to the PICDEM™ and dsPICDEM™ demon-
stration/development board series of circuits, Microchip
has a line of evaluation kits and demonstration software
for analog filter design, KEELOQ® security ICs, CAN,
IrDA®, PowerSmart battery management, SEEVAL®
evaluation system, Sigma-Delta ADC, flow rate
sensing, plus many more.
Also available are starter kits that contain everything
needed to experience the specified device. This usually
includes a single application and debug capability, all
on one board.
Check the Microchip web page (www.microchip.com)
for the complete list of demonstration, development
and evaluation kits.

2009-2012 Microchip Technology Inc. DS70616G-page 499
dsPIC33EPXXX(GP/MC/MU)806/810/814 and PIC24EPXXX(GP/GU)810/814
32.0 ELECTRICAL CHARACTERISTICS
This section provides an overview of dsPIC33EPXXX(GP/MC/MU)806/810/814 and PIC24EPXXX(GP/GU)810/814
electrical characteristics. Additional information will be provided in future revisions of this document as it becomes
available.
Absolute maximum ratings for the dsPIC33EPXXX(GP/MC/MU)806/810/814 and PIC24EPXXX(GP/GU)810/814 family
are listed below. Exposure to these maximum rating conditions for extended periods may affect device reliability.
Functional operation of the device at these or any other conditions above the parameters indicated in the operation
listings of this specification is not implied.
Absolute Maximum Ratings
(See Note 1)
Ambient temperature under bias.............................................................................................................-40°C to +125°C
Storage temperature .............................................................................................................................. -65°C to +150°C
Voltage on VDD with respect to VSS .......................................................................................................... -0.3V to +4.0V
Voltage on any pin that is not 5V tolerant, with respect to VSS(3).................................................... -0.3V to (VDD + 0.3V)
Voltage on any 5V tolerant pin with respect to VSS when VDD 3.0V(3)................................................... -0.3V to +5.5V
Voltage on any 5V tolerant pin with respect to Vss when VDD < 3.0V(3)..................................................... -0.3V to 3.6V
Voltage on D+ OR D- pin with respect to VUSB3V3 ................................................................... -0.3V to (VUSB3V3 +0.3V)
Voltage on VBUS with respect to VSS ........................................................................................................ -0.3V to +5.5V
Maximum current out of VSS pin ...........................................................................................................................320 mA
Maximum current into VDD pin(2)...........................................................................................................................320 mA
Maximum current sourced/sunk by any 4x I/O pin(4)..............................................................................................15 mA
Maximum current sourced/sunk by any 8x I/O pin(4)..............................................................................................25 mA
Maximum current sunk by all ports .......................................................................................................................200 mA
Maximum current sourced by all ports(2)...............................................................................................................200 mA
Note 1: Stresses above those listed under “Absolute Maximum Ratings” may cause permanent damage to the
device. This is a stress rating only and functional operation of the device at those or any other conditions
above those indicated in the operation listings of this specification is not implied. Exposure to maximum
rating conditions for extended periods may affect device reliability.
2: Maximum allowable current is a function of device maximum power dissipation (see Table 32-2).
3: See the “Pin Diagrams” section for the 5V tolerant pins.
4: Characterized but not tested.

dsPIC33EPXXX(GP/MC/MU)806/810/814 and PIC24EPXXX(GP/GU)810/814
DS70616G-page 500 2009-2012 Microchip Technology Inc.
32.1 DC Characteristics
TABLE 32-1: OPERATING MIPS VS. VOLTAGE
Characteristic VDD Range
(in Volts)
Temp Range
(in °C)
Maximum MIPS
dsPIC33EPXXX(GP/MC/MU)806/810/
814 and PIC24EPXXX(GP/GU)810/814
— 2.95V-3.6V(1)-40°C to +85°C 70
— 2.95V-3.6V(1)-40°C to +125°C 60
Note 1: Device is functional at VBORMIN < VDD < VDDMIN. Analog modules: ADC, Comparator and DAC will have
degraded performance. Device functionality is tested but not characterized. Refer to Parameter BO10 in
Table 32-11 for the minimum and maximum BOR values.
TABLE 32-2: THERMAL OPERATING CONDITIONS
Rating Symbol Min. Typ. Max. Unit
Industrial Temperature Devices
Operating Junction Temperature Range TJ-40 — +125 °C
Operating Ambient Temperature Range TA-40 — +85 °C
Extended Temperature Devices
Operating Junction Temperature Range TJ-40 — +140 °C
Operating Ambient Temperature Range TA-40 — +125 °C
Power Dissipation:
Internal chip power dissipation:
PINT = VDD x (IDD – IOH) PDPINT + PI/OW
I/O Pin Power Dissipation:
I/O = ({VDD – VOH} x IOH) + (VOL x IOL)
Maximum Allowed Power Dissipation PDMAX (TJ – TA)/JA W
TABLE 32-3: THERMAL PACKAGING CHARACTERISTICS
Characteristic Symbol Typ. Max. Unit Notes
Package Thermal Resistance, 64-pin QFN (9x9 mm) JA 28 — °C/W 1
Package Thermal Resistance, 64-pin TQFP (10x10 mm) JA 47 — °C/W 1
Package Thermal Resistance, 100-pin TQFP (12x12 mm) JA 43 — °C/W 1
Package Thermal Resistance, 100-pin TQFP (14x14 mm) JA 43 — °C/W 1
Package Thermal Resistance, 121-pin TFBGA (10x10 mm) JA 40 — °C/W 1
Package Thermal Resistance, 144-pin LQFP (20x20 mm) JA 33 — °C/W 1
Package Thermal Resistance, 144-pin TQFP (16x16 mm) JA 33 — °C/W 1
Note 1: Junction to ambient thermal resistance, Theta-JA (JA) numbers are achieved by package simulations.

2009-2012 Microchip Technology Inc. DS70616G-page 501
dsPIC33EPXXX(GP/MC/MU)806/810/814 and PIC24EPXXX(GP/GU)810/814
TABLE 32-4: DC TEMPERATURE AND VOLTAGE SPECIFICATIONS
DC CHARACTERISTICS
Standard Operating Conditions: 3.0V to 3.6V
(unless otherwise stated)
Operating temperature -40°C TA +85°C for Industrial
-40°C TA +125°C for Extended
Param. Symbol Characteristic Min. Typ.(1)Max. Units Conditions
Operating Voltage
DC10 VDD Supply Voltage(3)3.0 — 3.6 V
DC12 VDR RAM Data Retention Voltage(2)1.8 — — V
DC16 VPOR VDD Start Voltage
to Ensure Internal
Power-on Reset Signal
——VSS V
DC17 SVDD VDD Rise Rate
to Ensure Internal
Power-on Reset Signal
1.0 — — V/ms 0-3.0V in 3 ms
Note 1: Data in “Typ” column is at 3.3V, +25°C unless otherwise stated.
2: This is the limit to which VDD may be lowered without losing RAM data.
3: Device is functional at VBORMIN < VDD < VDDMIN. Analog modules: ADC, Comparator and DAC will have
degraded performance. Device functionality is tested but not characterized. Refer to Parameter BO10 in
Table 32-11 for the minimum and maximum BOR values.

dsPIC33EPXXX(GP/MC/MU)806/810/814 and PIC24EPXXX(GP/GU)810/814
DS70616G-page 502 2009-2012 Microchip Technology Inc.
TABLE 32-5: DC CHARACTERISTICS: OPERATING CURRENT (IDD)
DC CHARACTERISTICS
Standard Operating Conditions: 3.0V to 3.6V
(unless otherwise stated)
Operating temperature -40°C TA +85°C for Industrial
-40°C TA +125°C for Extended
Param.(2)Typ.(3)Max. Units Conditions
Operating Current (IDD)(1)
DC20d 12 18 mA -40°C
3.3V 10 MIPS
DC20a 12 18 mA +25°C
DC20b 13 20 mA +85°C
DC20c 14 21 mA +125°C
DC22d 23 35 mA -40°C
3.3V 20 MIPS
DC22a 24 36 mA +25°C
DC22b 24 36 mA +85°C
DC22c 25 38 mA +125°C
DC24d 42 63 mA -40°C
3.3V 40 MIPS
DC24a 43 65 mA +25°C
DC24b 44 66 mA +85°C
DC24c 45 68 mA +125°C
DC25d 61 92 mA -40°C
3.3V 60 MIPS
DC25a 62 93 mA +25°C
DC25b 62 93 mA +85°C
DC25c 63 95 mA +125°C
DC26d 69 104 mA -40°C
3.3V 70 MIPSDC26a 70 105 mA +25°C
DC26b 70 105 mA +85°C
Note 1: IDD is primarily a function of the operating voltage and frequency. Other factors, such as I/O pin loading
and switching rate, oscillator type, internal code execution pattern and temperature, also have an impact
on the current consumption. The test conditions for all IDD measurements are as follows:
• Oscillator is configured in EC mode and external clock is active, OSC1 is driven with external square
wave from rail-to-rail (EC Clock Overshoot/Undershoot < 250 mV required)
• CLKO is configured as an I/O input pin in the Configuration Word
• All I/O pins are configured as inputs and pulled to VSS
•MCLR = VDD, WDT and FSCM are disabled
• CPU, SRAM, program memory and data memory are operational
• No peripheral modules are operating; however, every peripheral is being clocked (defined PMDx bits
are set to zero and unimplemented PMDx bits are set to one)
• CPU is executing while(1) statement
• JTAG is disabled
2: These parameters are characterized but not tested in manufacturing.
3: Data in “Typ” column is at 3.3V, +25ºC unless otherwise stated.

2009-2012 Microchip Technology Inc. DS70616G-page 503
dsPIC33EPXXX(GP/MC/MU)806/810/814 and PIC24EPXXX(GP/GU)810/814
TABLE 32-6: DC CHARACTERISTICS: IDLE CURRENT (IIDLE)
DC CHARACTERISTICS
Standard Operating Conditions: 3.0V to 3.6V
(unless otherwise stated)
Operating temperature -40°C TA +85°C for Industrial
-40°C TA +125°C for Extended
Param.(2)Typ.(3)Max. Units Conditions
Idle Current (IIDLE)(1)
DC40d 6 10 mA -40°C
3.3V 10 MIPS
DC40a 7 12 mA +25°C
DC40b 8 13 mA +85°C
DC40c 9 15 mA +125°C
DC42d 11 18 mA -40°C
3.3V 20 MIPS
DC42a 12 20 mA +25°C
DC42b 13 21 mA +85°C
DC42c 15 24 mA +125°C
DC44d 23 37 mA -40°C
3.3V 40 MIPS
DC44a 24 39 mA +25°C
DC44b 25 40 mA +85°C
DC44c 27 44 mA +125°C
DC45d 34 55 mA -40°C
3.3V 60 MIPS
DC45a 35 56 mA +25°C
DC45b 36 58 mA +85°C
DC45c 38 61 mA +125°C
DC46d 39 63 mA -40°C
3.3V 70 MIPSDC46a 41 66 mA +25°C
DC46b 42 68 mA +85°C
Note 1: Base IIDLE current is measured as follows:
• CPU core is off, oscillator is configured in EC mode and external clock is active, OSC1 is driven with
external square wave from rail-to-rail (EC Clock Overshoot/Undershoot < 250 mV required)
• CLKO is configured as an I/O input pin in the Configuration Word
• External Secondary Oscillator (SOSC) is disabled (i.e., SOSCO and SOSCI pins are configured as
digital I/O inputs)
• All I/O pins are configured as inputs and pulled to VSS
•MCLR = VDD, WDT and FSCM are disabled
• No peripheral modules are operating; however, every peripheral is being clocked (defined PMDx bits
are set to zero and unimplemented PMDx bits are set to one)
• The NVMSIDL bit (NVMCON<12>) = 1 (i.e., Flash regulator is set to stand-by while the device is in
Idle mode)
• JTAG is disabled
2: These parameters are characterized but not tested in manufacturing.
3: Data in “Typ” column is at 3.3V, +25ºC unless otherwise stated.

dsPIC33EPXXX(GP/MC/MU)806/810/814 and PIC24EPXXX(GP/GU)810/814
DS70616G-page 504 2009-2012 Microchip Technology Inc.
TABLE 32-7: DC CHARACTERISTICS: POWER-DOWN CURRENT (IPD)
DC CHARACTERISTICS
Standard Operating Conditions: 3.0V to 3.6V
(unless otherwise stated)
Operating temperature -40°C TA +85°C for Industrial
-40°C TA +125°C for Extended
Param. Typ.(2)Max. Units Conditions
Power-Down Current (IPD)(1)
DC60d 50 100 A -40°C
3.3V Base Power-Down Current(1,4)
DC60a 60 200 A +25°C
DC60b 250 500 A +85°C
DC60c 1600 3000 A +125°C
DC61d 8 10 A -40°C
3.3V Watchdog Timer Current: IWDT(3)
DC61a 10 15 A +25°C
DC61b 12 20 A +85°C
DC61c 13 25 A +125°C
Note 1: IPD (Sleep) current is measured as follows:
• CPU core is off, oscillator is configured in EC mode and external clock is active, OSC1 is driven with
external square wave from rail-to-rail (EC Clock Overshoot/Undershoot < 250 mV required)
• CLKO is configured as an I/O input pin in the Configuration Word
• External Secondary Oscillator (SOSC) is disabled (i.e., SOSCO and SOSCI pins are configured as
digital I/O inputs)
• All I/O pins are configured as inputs and pulled to VSS
•MCLR = VDD, WDT and FSCM are disabled, all peripheral modules are disabled (PMDx bits are
all ones)
• The VREGS bit (RCON<8>) = 0 (i.e., core regulator is set to stand-by while the device is in Sleep
mode)
• RTCC is disabled
• The VREGSF bit (RCON<11>) = 0 (i.e., Flash regulator is set to stand-by while the device is in
Sleep mode)
• JTAG is disabled
2: Data in the “Typ” column is at 3.3V, +25ºC unless otherwise stated.
3: The Watchdog Timer current is the additional current consumed when the WDT module is enabled. This
current should be added to the base IPD current.
4: These currents are measured on the device containing the most memory in this family.

2009-2012 Microchip Technology Inc. DS70616G-page 505
dsPIC33EPXXX(GP/MC/MU)806/810/814 and PIC24EPXXX(GP/GU)810/814
TABLE 32-8: DC CHARACTERISTICS: DOZE CURRENT (IDOZE)(1)
DC CHARACTERISTICS
Standard Operating Conditions: 3.0V to 3.6V
(unless otherwise stated)
Operating temperature -40°C T
A +85°C for Industrial
-40°C TA +125°C for Extended
Parameter Typ.(2)Max. Doze
Ratio Units Conditions
DC73a 57 86 1:2 mA -40°C 3.3V 70 MIPS
DC73g 40 60 1:128 mA
DC70a 58 87 1:2 mA +25°C 3.3V 70 MIPS
DC70g 41 62 1:128 mA
DC71a 58 87 1:2 mA +85°C 3.3V 70 MIPS
DC71g 42 63 1:128 mA
DC72a 53 80 1:2 mA +125°C 3.3V 60 MIPS
DC72g 38 57 1:128 mA
Note 1: IDOZE is primarily a function of the operating voltage and frequency. Other factors, such as I/O pin loading
and switching rate, oscillator type, internal code execution pattern and temperature, also have an impact
on the current consumption. The test conditions for all IDOZE measurements are as follows:
• Oscillator is configured in EC mode and external clock is active, OSC1 is driven with external square
wave from rail-to-rail with Overshoot/Undershoot < 250 mV
• CLKO is configured as an I/O input pin in the Configuration Word
• All I/O pins are configured as inputs and pulled to VSS
•MCLR = VDD, WDT and FSCM are disabled
• CPU, SRAM, program memory and data memory are operational
• No peripheral modules are operating; however, every peripheral is being clocked (defined PMDx bits
are set to zero and unimplemented PMDx bits are set to one)
• CPU executing while(1) statement
• JTAG is disabled
2: Data in the “Typ” column is at 3.3V, +25ºC unless otherwise stated.

dsPIC33EPXXX(GP/MC/MU)806/810/814 and PIC24EPXXX(GP/GU)810/814
DS70616G-page 506 2009-2012 Microchip Technology Inc.
TABLE 32-9: DC CHARACTERISTICS: I/O PIN INPUT SPECIFICATIONS
DC CHARACTERISTICS
Standard Operating Conditions: 3.0V to 3.6V
(unless otherwise stated)
Operating temperature -40°C TA +85°C for Industrial
-40°C TA +125°C for Extended
Param. Symbol Characteristic Min. Typ(1)Max. Units Conditions
VIL Input Low Voltage
DI10 I/O Pins VSS —0.2VDD V
DI11 PMP Pins VSS —0.15VDD VPMPTTL = 1
DI15 MCLR VSS —0.2VDD V
DI16 I/O Pins with OSC1 or SOSCI VSS —0.2VDD V
DI18 I/O Pins with SDAx, SCLx VSS — 0.3 VDD V SMBus disabled
DI19 I/O Pins with SDAx, SCLx VSS — 0.8 V SMBus enabled
VIH Input High Voltage
DI20 I/O Pins Not 5V Tolerant(4)
I/O Pins 5V Tolerant(4)
PMP Pins
I/O Pins with SDAx, SCLx
I/O Pins with SDAx, SCLx
0.7 VDD
0.7 VDD
0.25 VDD + 0.8
0.7 VDD
2.1
—
—
—
—
—
VDD
5.3
—
5.3
5.3
V
V
V
V
V
PMPTTL = 1
SMBus disabled
SMBus enabled
ICNPU Change Notification Pull-up
Current
DI30 50 250 400 AVDD = 3.3V, VPIN = VSS
ICNPD Change Notification
Pull-down Current(10)
DI31 — 50 — AVDD = 3.3V, VPIN = VDD
Note 1: Data in “Typ” column is at 3.3V, +25°C unless otherwise stated.
2: The leakage current on the MCLR pin is strongly dependent on the applied voltage level. The specified
levels represent normal operating conditions. Higher leakage current can be measured at different input
voltages.
3: Negative current is defined as current sourced by the pin.
4: See “Pin Diagrams” for the 5V tolerant I/O pins.
5: VIL source < (VSS – 0.3). Characterized but not tested.
6: Non-5V tolerant pins VIH source > (VDD + 0.3), 5V tolerant pins VIH source > 5.5V. Characterized but not
tested.
7: Digital 5V tolerant pins cannot tolerate any “positive” input injection current from input sources > 5.5V.
8: Injection currents > | 0 | can affect the ADC results by approximately 4-6 counts.
9: Any number and/or combination of I/O pins not excluded under IICL or IICH conditions are permitted, pro-
vided the mathematical “absolute instantaneous” sum of the input injection currents from all pins do not
exceed the specified limit. Characterized but not tested.
10: These parameters are characterized, but not tested.

2009-2012 Microchip Technology Inc. DS70616G-page 507
dsPIC33EPXXX(GP/MC/MU)806/810/814 and PIC24EPXXX(GP/GU)810/814
IIL Input Leakage Current(2,3)
DI50 I/O Pins 5V Tolerant(4)——±1AVSS VPIN VDD,
Pin at high-impedance
DI51 I/O Pins Not 5V Tolerant(4)——±1AVSS VPIN VDD,
Pin at high-impedance,
-40°C T
A +85°C
DI51a I/O Pins Not 5V Tolerant(4)——±1A Analog pins shared
with external reference
pins,
-40°C T
A +85°C
DI51b I/O Pins Not 5V Tolerant(4)——±1AVSS VPIN VDD, Pin
at high-impedance,
-40°C TA +125°C
DI51c I/O Pins Not 5V Tolerant(4)——±1A Analog pins shared
with external reference
pins,
-40°C TA +125°C
DI55 MCLR ——±1AVSS VPIN VDD
DI56 OSC1 — — ±1 AVSS VPIN VDD,
XT and HS modes
TABLE 32-9: DC CHARACTERISTICS: I/O PIN INPUT SPECIFICATIONS (CONTINUED)
DC CHARACTERISTICS
Standard Operating Conditions: 3.0V to 3.6V
(unless otherwise stated)
Operating temperature -40°C TA +85°C for Industrial
-40°C TA +125°C for Extended
Param. Symbol Characteristic Min. Typ(1)Max. Units Conditions
Note 1: Data in “Typ” column is at 3.3V, +25°C unless otherwise stated.
2: The leakage current on the MCLR pin is strongly dependent on the applied voltage level. The specified
levels represent normal operating conditions. Higher leakage current can be measured at different input
voltages.
3: Negative current is defined as current sourced by the pin.
4: See “Pin Diagrams” for the 5V tolerant I/O pins.
5: VIL source < (VSS – 0.3). Characterized but not tested.
6: Non-5V tolerant pins VIH source > (VDD + 0.3), 5V tolerant pins VIH source > 5.5V. Characterized but not
tested.
7: Digital 5V tolerant pins cannot tolerate any “positive” input injection current from input sources > 5.5V.
8: Injection currents > | 0 | can affect the ADC results by approximately 4-6 counts.
9: Any number and/or combination of I/O pins not excluded under IICL or IICH conditions are permitted, pro-
vided the mathematical “absolute instantaneous” sum of the input injection currents from all pins do not
exceed the specified limit. Characterized but not tested.
10: These parameters are characterized, but not tested.

dsPIC33EPXXX(GP/MC/MU)806/810/814 and PIC24EPXXX(GP/GU)810/814
DS70616G-page 508 2009-2012 Microchip Technology Inc.
IICL Input Low Injection Current
DI60a
0—-5
(5,8)mA
All pins except VDD,
VSS, AVDD, AVSS,
MCLR, VCAP, RB11,
SOSCI, SOSCO, D+,
D-, VUSB3V3 and VBUS
IICH Input High Injection Current
DI60b
0—+5
(6,7,4)mA
All pins except VDD,
VSS, AVDD, AVSS,
MCLR, VCAP, RB11,
SOSCI, SOSCO, D+,
D-, VUSB3V3 and VBUS,
and all 5V tolerant
pins(7)
IICT Total Input Injection Current
(sum of all I/O and control
pins)
DI60c -20(9)—+20
(9)mA Absolute instantaneous
sum of all ± input
injection currents from
all I/O pins
(| I
ICL + | IICH |) IICT
TABLE 32-9: DC CHARACTERISTICS: I/O PIN INPUT SPECIFICATIONS (CONTINUED)
DC CHARACTERISTICS
Standard Operating Conditions: 3.0V to 3.6V
(unless otherwise stated)
Operating temperature -40°C TA +85°C for Industrial
-40°C TA +125°C for Extended
Param. Symbol Characteristic Min. Typ(1)Max. Units Conditions
Note 1: Data in “Typ” column is at 3.3V, +25°C unless otherwise stated.
2: The leakage current on the MCLR pin is strongly dependent on the applied voltage level. The specified
levels represent normal operating conditions. Higher leakage current can be measured at different input
voltages.
3: Negative current is defined as current sourced by the pin.
4: See “Pin Diagrams” for the 5V tolerant I/O pins.
5: VIL source < (VSS – 0.3). Characterized but not tested.
6: Non-5V tolerant pins VIH source > (VDD + 0.3), 5V tolerant pins VIH source > 5.5V. Characterized but not
tested.
7: Digital 5V tolerant pins cannot tolerate any “positive” input injection current from input sources > 5.5V.
8: Injection currents > | 0 | can affect the ADC results by approximately 4-6 counts.
9: Any number and/or combination of I/O pins not excluded under IICL or IICH conditions are permitted, pro-
vided the mathematical “absolute instantaneous” sum of the input injection currents from all pins do not
exceed the specified limit. Characterized but not tested.
10: These parameters are characterized, but not tested.

2009-2012 Microchip Technology Inc. DS70616G-page 509
dsPIC33EPXXX(GP/MC/MU)806/810/814 and PIC24EPXXX(GP/GU)810/814
TABLE 32-10: DC CHARACTERISTICS: I/O PIN OUTPUT SPECIFICATIONS
DC CHARACTERISTICS
Standard Operating Conditions: 3.0V to 3.6V
(unless otherwise stated)
Operating temperature -40°C TA +85°C for Industrial
-40°C TA +125°C for Extended
Param. Symbol Characteristic Min. Typ. Max. Units Conditions
DO10 VOL
Output Low Voltage
I/O Pins:
4x Sink Driver Pins – All I/O Pins
except OSC2 and SOSCO
——0.4VI
OL 10 mA, VDD = 3.3V
Output Low Voltage
I/O Pins:
8x Sink Driver Pins – OSC2 and
SOSCO
——0.4VI
OL 15 mA, VDD = 3.3V
DO20 VOH
Output High Voltage
I/O Pins:
4x Sink Driver Pins – All I/O Pins
except OSC2 and SOSCO
2.4 — — V IOH -10 mA, VDD = 3.3V
Output High Voltage
I/O Pins:
8x Sink Driver Pins – OSC2 and
SOSCO
2.4 — — V IOH -15 mA, VDD = 3.3V
DO20A VOH1
Output High Voltage
I/O Pins:
4x Sink Driver Pins – All I/O Pins
except OSC2 and SOSCO
1.5(1)——
V
IOH -14 mA, VDD = 3.3V
2.0(1)—— IOH -12 mA, VDD = 3.3V
3.0(1)—— IOH -7 mA, VDD = 3.3V
Output High Voltage
I/O Pins:
8x Sink Driver Pins – OSC2 and
SOSCO
1.5(1)——
V
IOH -22 mA, VDD = 3.3V
2.0(1)—— IOH -18 mA, VDD = 3.3V
3.0(1)—— IOH -10 mA, VDD = 3.3V
Note 1: Parameters are characterized, but not tested.
TABLE 32-11: ELECTRICAL CHARACTERISTICS: BOR
DC CHARACTERISTICS
Standard Operating Conditions: 3.0V to 3.6V(2)
(unless otherwise stated)
Operating temperature -40°C TA +85°C for Industrial
-40°C TA +125°C for Extended
Param. Symbol Characteristic Min.(1)Typ. Max. Units Conditions
BO10 VBOR BOR Event on VDD Transition
High-to-Low
2.7 — 2.9 V VDD
Note 1: Parameters are for design guidance only and are not tested in manufacturing.
2: Device is functional at VBORMIN < VDD < VDDMIN. Analog modules: ADC, Comparator and DAC will have
degraded performance. Device functionality is tested but not characterized.

dsPIC33EPXXX(GP/MC/MU)806/810/814 and PIC24EPXXX(GP/GU)810/814
DS70616G-page 510 2009-2012 Microchip Technology Inc.
TABLE 32-13: INTERNAL VOLTAGE REGULATOR SPECIFICATIONS
TABLE 32-12: DC CHARACTERISTICS: PROGRAM MEMORY
DC CHARACTERISTICS
Standard Operating Conditions: 3.0V to 3.6V
(unless otherwise stated)
Operating temperature -40°C TA +85°C for Industrial
-40°C TA +125°C for Extended
Param. Symbol Characteristic Min. Typ(1)Max. Units Conditions
Program Flash Memory
D130 EPCell Endurance 10,000 — — E/W -40C to +125C
D131 VPR VDD for Read 3.0 — 3.6 V
D132b VPEW VDD for Self-Timed Write 3.0 — 3.6 V
D134 TRETD Characteristic Retention 20 — — Year Provided no other specifications
are violated, -40C to +125C
D135 IDDP Supply Current during
Programming
—10 —mA
D136a TRW Row Write Time 1.32 — 1.74 ms TRW = 11064 FRC cycles,
TA = +85°C, See Note 2
D136b TRW Row Write Time 1.28 — 1.79 ms TRW = 11064 FRC cycles,
TA = +125°C, See Note 2
D137a TPE Page Erase Time 20.1 — 26.5 ms TPE = 168517 FRC cycles,
TA = +85°C, See Note 2
D137b TPE Page Erase Time 19.5 — 27.3 ms TPE = 168517 FRC cycles,
TA = +125°C, See Note 2
D138a TWW Word Write Cycle Time 42.3 — 55.9 µs TWW = 355 FRC cycles,
TA = +85°C, See Note 2
D138b TWW Word Write Cycle Time 41.1 — 57.6 µs TWW = 355 FRC cycles,
TA = +125°C, See Note 2
Note 1: Data in “Typ” column is at 3.3V, +25°C unless otherwise stated.
2: Other conditions: FRC = 7.37 MHz, TUN<5:0> = 'b011111 (for Minimum), TUN<5:0> = 'b100000 (for
Maximum). This parameter depends on the FRC accuracy (see Table 32-20) and the value of the FRC
Oscillator Tuning register (see Register 9-4). For complete details on calculating the Minimum and
Maximum time, see Section 5.3 “Programming Operations”.
Standard Operating Conditions (unless otherwise stated):
Operating temperature -40°C T
A +85°C for Industrial
-40°C T
A +125°C for Extended
Param. Symbol Characteristics Min. Typ Max. Units Comments
—C
EFC(1)External Filter Capacitor
Value
4.7 10 — F Capacitor must have a low
series resistance (< 1 Ohm)
Note 1: Typical VCAP (CEFC) voltage = 1.8V when VDD VDDMIN.

2009-2012 Microchip Technology Inc. DS70616G-page 511
dsPIC33EPXXX(GP/MC/MU)806/810/814 and PIC24EPXXX(GP/GU)810/814
32.2 AC Characteristics and Timing
Parameters
This section defines the dsPIC33EPXXX(GP/MC/
MU)806/810/814 and PIC24EPXXX(GP/GU)810/814
AC characteristics and timing parameters.
TABLE 32-14: TEMPERATURE AND VOLTAGE SPECIFICATIONS – AC
FIGURE 32-1: LOAD CONDITIONS FOR DEVICE TIMING SPECIFICATIONS
TABLE 32-15: CAPACITIVE LOADING REQUIREMENTS ON OUTPUT PINS
AC CHARACTERISTICS
Standard Operating Conditions: 3.0V to 3.6V
(unless otherwise stated)
Operating temperature -40°C TA +85°C for Industrial
-40°C TA +125°C for Extended
Operating voltage VDD range as described in Section 32.1 “DC
Characteristics”.
Param. Symbol Characteristic Min. Typ. Max. Units Conditions
DO50 COSCO OSC2 Pin — — 15 pF In XT and HS modes when
external clock is used to drive
OSC1
DO56 CIO All I/O Pins and OSC2 — — 50 pF EC mode
DO58 CBSCLx, SDAx — — 400 pF In I2C™ mode
VDD/2
CL
RL
Pin
Pin
VSS
VSS
CL
RL=464
CL= 50 pF for All Pins Except OSC2
15 pF for OSC2 Output
Load Condition 1 – for all pins except OSC2 Load Condition 2 – for OSC2

dsPIC33EPXXX(GP/MC/MU)806/810/814 and PIC24EPXXX(GP/GU)810/814
DS70616G-page 512 2009-2012 Microchip Technology Inc.
FIGURE 32-2: EXTERNAL CLOCK TIMING
Q1 Q2 Q3 Q4
OSC1
CLKO
Q1 Q2 Q3 Q4
OS20
OS25
OS30 OS30
OS40
OS41
OS31 OS31
TABLE 32-16: EXTERNAL CLOCK TIMING REQUIREMENTS
AC CHARACTERISTICS
Standard Operating Conditions: 3.0V to 3.6V
(unless otherwise stated)
Operating temperature -40°C TA +85°C for Industrial
-40°C TA +125°C for Extended
Param. Symbol Characteristic Min. Typ.(1)Max. Units Conditions
OS10 FIN External CLKI Frequency
(External clocks allowed only
in EC and ECPLL modes)
DC — 60 MHz EC
Oscillator Crystal Frequency 3.5
10
32.4
—
—
32.768
10
40
33.1
MHz
MHz
kHz
XT
HS
SOSC
OS20 TOSC TOSC = 1/FOSC 8.33
7.14
—
—
DC
DC
ns
ns
+125ºC
+85ºC
OS25 TCY Instruction Cycle Time(2)16.67
14.28
—
—
DC
DC
ns
ns
+125ºC
+85ºC
OS30 TosL,
Tos H
External Clock In (OSC1)
High or Low Time
0.375 x TOSC — 0.625 x TOSC ns EC
OS31 TosR,
Tos F
External Clock In (OSC1)
Rise or Fall Time
— — 20 ns EC
OS40 TckR CLKO Rise Time(3) —5.2— ns
OS41 TckF CLKO Fall Time(3)—5.2—ns
OS42 GMExternal Oscillator
Transconductance(4)
— 12 — mA/V HS, VDD = 3.3V,
TA = +25ºC
—6—mA/VXT, V
DD = 3.3V,
TA = +25ºC
Note 1: Data in “Typ” column is at 3.3V, +25°C unless otherwise stated.
2: Instruction cycle period (TCY) equals two times the input oscillator time base period. All specified values
are based on characterization data for that particular oscillator type under standard operating conditions
with the device executing code. Exceeding these specified limits may result in an unstable oscillator
operation and/or higher than expected current consumption. All devices are tested to operate at
“Minimum” values with an external clock applied to the OSC1 pin. When an external clock input is used,
the “Maximum” cycle time limit is “DC” (no clock) for all devices.
3: Measurements are taken in EC mode. The CLKO signal is measured on the OSC2 pin.
4: This parameter is characterized, but not tested in manufacturing.

2009-2012 Microchip Technology Inc. DS70616G-page 513
dsPIC33EPXXX(GP/MC/MU)806/810/814 and PIC24EPXXX(GP/GU)810/814
TABLE 32-17: PLL CLOCK TIMING SPECIFICATIONS
AC CHARACTERISTICS
Standard Operating Conditions: 3.0V to 3.6V (unless otherwise stated)
Operating temperature -40°C TA +85°C for Industrial
-40°C TA +125°C for Extended
Param. Symbol Characteristic Min. Typ.(1)Max. Units Conditions
OS50 FPLLI PLL Voltage Controlled
Oscillator (VCO) Input
Frequency Range
0.8 — 8.0 MHz ECPLL, XTPLL modes
OS51 FSYS On-Chip VCO System
Frequency
120 — 340 MHz
OS52 TLOCK PLL Start-up Time (Lock Time) 0.9 1.5 3.1 mS
OS53 DCLK CLKO Stability (Jitter)(2)-5 0.5 5 %
Note 1: Data in “Typ” column is at 3.3V, +25°C unless otherwise stated. Parameters are for design guidance only
and are not tested.
2: This jitter specification is based on clock cycle-by-clock cycle measurements. To get the effective jitter for
individual time bases or communication clocks used by the application, use the following formula:
For example, if FOSC = 120 MHz and the SPI bit rate = 10 MHz, the effective jitter is as follows:
Effective Jitter DCLK
FOSC
Time Base or Communication Clock
---------------------------------------------------------------------------------------
-------------------------------------------------------------------------------------------=
Effective Jitter DCLK
120
10
---------
--------------DCLK
12
--------------DCLK
3.464
--------------===
TABLE 32-18: AUXILIARY PLL CLOCK TIMING SPECIFICATIONS
(dsPIC33EPXXXMU8XX AND PIC24EPXXXGU8XX DEVICES ONLY)
AC CHARACTERISTICS
Standard Operating Conditions: 3.0V to 3.6V (unless otherwise
stated)
Operating temperature -40°C TA +85°C for Industrial
-40°C TA +125°C for Extended
Param. Symbol Characteristic Min. Typ.(1)Max. Units Conditions
OS54 AFPLLI PLL Voltage Controlled
Oscillator (VCO) Input
Frequency Range
3 — 5.5 MHz ECPLL, XTPLL modes
OS55 AFSYS On-Chip VCO System
Frequency
60 — 120 MHz
OS56 ATLOCK PLL Start-up Time (Lock Time) 0.9 1.5 3.1 mS
OS57 ADCLK CLKO Stability (Jitter) -2 0.25 2 %
Note 1: Data in “Typ” column is at 3.3V, +25°C unless otherwise stated. Parameters are for design guidance only
and are not tested.

dsPIC33EPXXX(GP/MC/MU)806/810/814 and PIC24EPXXX(GP/GU)810/814
DS70616G-page 514 2009-2012 Microchip Technology Inc.
TABLE 32-19: INTERNAL FRC ACCURACY
AC CHARACTERISTICS
Standard Operating Conditions: 3.0V to 3.6V (unless otherwise stated)
Operating temperature -40°C TA +85°C for Industrial
-40°C T
A +125°C for Extended
Param. Characteristic Min. Typ. Max. Units Conditions
Internal FRC Accuracy @ FRC Frequency = 7.37 MHz(1)
F20a FRC -2 — +2 % -40°C TA +85°C VDD = 3.0-3.6V
F20b FRC -5 — +5 % -40°C TA +125°C VDD = 3.0-3.6V
Note 1: Frequency calibrated at +25°C and 3.3V. TUNx bits can be used to compensate for temperature drift.
TABLE 32-20: INTERNAL LPRC ACCURACY
AC CHARACTERISTICS
Standard Operating Conditions: 3.0V to 3.6V (unless otherwise stated)
Operating temperature -40°C TA +85°C for Industrial
-40°C TA +125°C for Extended
Param. Characteristic Min. Typ. Max. Units Conditions
LPRC @ 32.768 kHz(1)
F21a LPRC -20 ±6 +20 % -40°C TA +85°C VDD = 3.0-3.6V
F21b LPRC -50 — +50 % -40°C T
A +125°C VDD = 3.0-3.6V
Note 1: Change of LPRC frequency as VDD changes.

2009-2012 Microchip Technology Inc. DS70616G-page 515
dsPIC33EPXXX(GP/MC/MU)806/810/814 and PIC24EPXXX(GP/GU)810/814
FIGURE 32-3: I/O TIMING CHARACTERISTICS
Note: Refer to Figure 32-1 for load conditions.
I/O Pin
(Input)
I/O Pin
(Output)
DI35
Old Value New Value
DI40
DO31
DO32
TABLE 32-21: I/O TIMING REQUIREMENTS
AC CHARACTERISTICS
Standard Operating Conditions: 3.0V to 3.6V
(unless otherwise stated)
Operating temperature -40°C TA +85°C for Industrial
-40°C TA +125°C for Extended
Param. Symbol Characteristic Min. Typ.(1)Max. Units Conditions
DO31 TIOR Port Output Rise Time — 5 10 ns
DO32 TIOF Port Output Fall Time — 5 10 ns
DI35 TINP INTx Pin High or Low Time (input) 20 — — ns
DI40 TRBP CNx High or Low Time (input) 2 — — TCY
Note 1: Data in “Typ” column is at 3.3V, +25°C unless otherwise stated.

dsPIC33EPXXX(GP/MC/MU)806/810/814 and PIC24EPXXX(GP/GU)810/814
DS70616G-page 516 2009-2012 Microchip Technology Inc.
FIGURE 32-4: POWER-ON RESET TIMING CHARACTERISTICS
VDD
VPOR
Note 1: The power-up period will be extended if the power-up sequence completes before the device exits from BOR
(VDD < VBOR).
2: The power-up period includes internal voltage regulator stabilization delay.
SY00
Power-up Sequence
VDD
VPOR
Power-up Timer Enabled – Clock Sources = (FRC, FRCDIVN, FRCDIV16, FRCPLL, EC, ECPLL and LPRC)
Power-up Timer Disabled – Clock Sources = (HS, HSPLL, XT, XTPLL and SOSC)
(T
PU
)
SY10
SY11
Power-up Sequence
(Note 1,2)
CPU Starts Fetching Code
CPU Starts Fetching Code
(T
PWRT
)
VDD
VPOR
SY00
Power-up Sequence
Power-up Timer Disabled – Clock Sources = (FRC, FRCDIVN, FRCDIV16, FRCPLL, EC, ECPLL and LPRC)
(T
PU
)
CPU Starts Fetching Code
(Note 1,2)
(Note 1,2)
(T
OST
)
SY00
(T
PU
)
VDD
VPOR
Power-up Timer Enabled – Clock Sources = (HS, HSPLL, XT, XTPLL and SOSC)
Greater of
Power-up Sequence
(Note 1,2)
CPU Starts Fetching Code
SY00
(T
PU
)
SY11 (T
PWRT
)
SY10 (T
OST
)
or

2009-2012 Microchip Technology Inc. DS70616G-page 517
dsPIC33EPXXX(GP/MC/MU)806/810/814 and PIC24EPXXX(GP/GU)810/814
FIGURE 32-5: BOR AND MASTER CLEAR RESET TIMING CHARACTERISTICS
MCLR
(SY20)
BOR
(SY30)
TMCLR
TBOR
Reset Sequence
CPU Starts Fetching Code
Various Delays (depending on configuration)
TABLE 32-22: RESET, WATCHDOG TIMER, OSCILLATOR START-UP TIMER, POWER-UP TIMER
TIMING REQUIREMENTS
AC CHARACTERISTICS
Standard Operating Conditions: 3.0V to 3.6V
(unless otherwise stated)
Operating temperature -40°C TA +85°C for Industrial
-40°C TA +125°C for Extended
Param. Symbol Characteristic(1)Min. Typ.(2)Max. Units Conditions
SY00 TPU Power-up Period — 400 600 s
SY10 TOST Oscillator Start-up Time — 1024 TOSC ——TOSC = OSC1 period
SY11 TPWRT Power-up Timer Period — — — — See Section 29.1 “Configuration
Bits” and LPRC Parameters F21a
and F21b (Ta b l e 3 2 - 2 0 )
SY12 TWDT Watchdog Timer
Time-out Period
— — — — See Section 29.4 “Watchdog
Timer (WDT)” and LPRC
Parameters F21a and F21b
(Table 32-20)
SY13 TIOZ I/O High-Impedance
from MCLR Low or
Watchdog Timer Reset
0.68 0.72 1.2 s
SY20 TMCLR MCLR Pulse Width (low) 2 — — s
SY30 TBOR BOR Pulse Width (low) 1 — — s
SY35 TFSCM Fail-Safe Clock Monitor
Delay
— 500 900 s -40°C to +85°C
SY36 TVREG Voltage Regulator
Standby-to-Active Mode
Transition Time
——30µs
SY37 TOSCDFRC FRC Oscillator Start-up
Delay
——29µs
SY38 TOSCDLPRC LPRC Oscillator Start-up
Delay
——70µs
Note 1: These parameters are characterized but not tested in manufacturing.
2: Data in “Typ” column is at 3.3V, +25°C unless otherwise stated.

dsPIC33EPXXX(GP/MC/MU)806/810/814 and PIC24EPXXX(GP/GU)810/814
DS70616G-page 518 2009-2012 Microchip Technology Inc.
FIGURE 32-6: TIMER1-TIMER9 EXTERNAL CLOCK TIMING CHARACTERISTICS
Note: Refer to Figure 32-1 for load conditions.
Tx11
Tx15
Tx10
Tx20
TMRx
OS60
TxCK
TABLE 32-23: TIMER1 EXTERNAL CLOCK TIMING REQUIREMENTS(1)
AC CHARACTERISTICS
Standard Operating Conditions: 3.0V to 3.6V
(unless otherwise stated)
Operating temperature -40°C TA +85°C for Industrial
-40°C TA +125°C for Extended
Param. Symbol Characteristic(2)Min. Typ. Max. Units Conditions
TA10 TTXH TxCK High
Time
Synchronous
mode
Greater of:
20 or
(TCY + 20)/N
— — ns Must also meet
Parameter TA15,
N = prescaler value
(1, 8, 64, 256)
Asynchronous 35 — — ns
TA11 TTXLTxCK Low
Time
Synchronous
mode
Greater of:
20 or
(TCY + 20)/N
— — ns Must also meet
Parameter TA15,
N = prescaler value
(1, 8, 64, 256)
Asynchronous 10 — — ns
TA15 TTXP TxCK Input
Period
Synchronous
mode
Greater of:
40 or
(2 TCY + 40)/N
— — ns N = prescale value
(1, 8, 64, 256)
OS60 Ft1 SOSC1/T1CK Oscillator
Input Frequency Range
(oscillator enabled by setting
bit, TCS (T1CON<1>))
DC — 50 kHz
TA20 TCKEXTMRL Delay from External TxCK
Clock Edge to Timer
Increment
0.75 TCY + 40 — 1.75 TCY + 40 ns
Note 1: Timer1 is a Type A.
2: These parameters are characterized, but are not tested in manufacturing.

2009-2012 Microchip Technology Inc. DS70616G-page 519
dsPIC33EPXXX(GP/MC/MU)806/810/814 and PIC24EPXXX(GP/GU)810/814
TABLE 32-24: TIMER2, TIMER4, TIMER6, TIMER8 (TYPE B TIMER) EXTERNAL CLOCK TIMING
REQUIREMENTS
AC CHARACTERISTICS
Standard Operating Conditions: 3.0V to 3.6V
(unless otherwise stated)
Operating temperature -40°C TA +85°C for Industrial
-40°C TA +125°C for Extended
Param. Symbol Characteristic(1)Min. Typ. Max. Units Conditions
TB10 TtxH TxCK High
Time
Synchronous
mode
Greater of:
20 or
(TCY + 20)/N
— — ns Must also meet
Parameter TB15,
N = prescale
value (1, 8, 64, 256)
TB11 TtxL TxCK Low
Time
Synchronous
mode
Greater of:
20 or
(TCY + 20)/N
— — ns Must also meet
Parameter TB15,
N = prescale
value (1, 8, 64, 256)
TB15 TtxP TxCK
Input
Period
Synchronous
mode
Greater of:
40 or
(2 TCY + 40)/N
— — ns N = prescale
value (1, 8, 64, 256)
TB20 TCKEXTMRL Delay from External TxCK
Clock Edge to Timer
Increment
0.75 TCY + 40 — 1.75 TCY + 40 ns
Note 1: These parameters are characterized, but are not tested in manufacturing.
TABLE 32-25: TIMER3, TIMER5, TIMER7, TIMER9 (TYPE C TIMER) EXTERNAL CLOCK TIMING
REQUIREMENTS
AC CHARACTERISTICS
Standard Operating Conditions: 3.0V to 3.6V
(unless otherwise stated)
Operating temperature -40°C TA +85°C for Industrial
-40°C TA +125°C for Extended
Param. Symbol Characteristic(1)Min. Typ. Max. Units Conditions
TC10 TtxH TxCK High
Time
Synchronous TCY + 20 — — ns Must also meet
Parameter TC15
TC11 TtxL TxCK Low
Time
Synchronous TCY + 20 — — ns Must also meet
Parameter TC15
TC15 TtxP TxCK Input
Period
Synchronous,
with Prescaler
2 TCY + 40 — — ns N = prescale value
(1, 8, 64, 256)
TC20 TCKEXTMRL Delay from External TxCK
Clock Edge to Timer
Increment
0.75 TCY + 40 — 1.75 TCY + 40 ns
Note 1: These parameters are characterized, but are not tested in manufacturing.

dsPIC33EPXXX(GP/MC/MU)806/810/814 and PIC24EPXXX(GP/GU)810/814
DS70616G-page 520 2009-2012 Microchip Technology Inc.
FIGURE 32-7: TIMERQ (QEI MODULE) EXTERNAL CLOCK TIMING CHARACTERISTICS
TABLE 32-26: QEI MODULE EXTERNAL CLOCK TIMING REQUIREMENTS
AC CHARACTERISTICS
Standard Operating Conditions: 3.0V to 3.6V
(unless otherwise stated)
Operating temperature -40°C TA +85°C for Industrial
-40°C TA +125°C for Extended
Param. Symbol Characteristic(1)Min. Typ. Max. Units Conditions
TQ10 TtQH TQCK High
Time
Synchronous,
with Prescaler
[Greater of
(12.5or 0.5T
CY)/N] + 25
— — ns Must also meet
Parameter TQ15
TQ11 TtQL TQCK Low
Time
Synchronous,
with Prescaler
[Greater of
(12.5or 0.5TCY)/N] + 25
— — ns Must also meet
Parameter TQ15
TQ15 TtQP TQCP Input
Period
Synchronous,
with Prescaler
[Greater of (
25 or TCY)/N] + 50
—— ns
TQ20 TCKEXTMRL Delay from External TxCK
Clock Edge to Timer Increment
—1TCY —
Note 1: These parameters are characterized but not tested in manufacturing.
TQ11
TQ15
TQ10
TQ20
QEB
POSCNT

2009-2012 Microchip Technology Inc. DS70616G-page 521
dsPIC33EPXXX(GP/MC/MU)806/810/814 and PIC24EPXXX(GP/GU)810/814
FIGURE 32-8: INPUT CAPTURE (ICx) TIMING CHARACTERISTICS
ICx
IC10 IC11
IC15
Note: Refer to Figure 32-1 for load conditions.
TABLE 32-27: INPUT CAPTURE MODULE (ICx) TIMING REQUIREMENTS
AC CHARACTERISTICS
Standard Operating Conditions: 3.0V to 3.6V
(unless otherwise stated)
Operating temperature -40°C TA +85°C for Industrial
-40°C TA +125°C for Extended
Param. Symbol Characteristics(1)Min. Max. Units Conditions
IC10 TCCL ICx Input Low Time [Greater of
(12.5or 0.5TCY)/N] + 25
— ns Must also meet
Parameter IC15
N = prescale
value (1, 4, 16)
IC11 TCCH ICx Input High Time [Greater of
(12.5or 0.5T
CY)/N] + 25
— ns Must also meet
Parameter IC15
IC15 TCCP ICx Input Period [Greater of
(25or 1TCY)/N] + 50
—ns
Note 1: These parameters are characterized, but not tested in manufacturing.

dsPIC33EPXXX(GP/MC/MU)806/810/814 and PIC24EPXXX(GP/GU)810/814
DS70616G-page 522 2009-2012 Microchip Technology Inc.
FIGURE 32-9: OUTPUT COMPARE MODULE (OCx) TIMING CHARACTERISTICS
FIGURE 32-10: OCx/PWMx MODULE TIMING CHARACTERISTICS
OCx
OC11 OC10
(Output Compare
Note: Refer to Figure 32-1 for load conditions.
or PWM Mode)
TABLE 32-28: OUTPUT COMPARE MODULE (OCx) TIMING REQUIREMENTS
AC CHARACTERISTICS
Standard Operating Conditions: 3.0V to 3.6V
(unless otherwise stated)
Operating temperature -40°C TA +85°C for Industrial
-40°C T
A +125°C for Extended
Param. Symbol Characteristic(1)Min. Typ. Max. Units Conditions
OC10 TccF OCx Output Fall Time — — — ns See Parameter DO32
OC11 TccR OCx Output Rise Time — — — ns See Parameter DO31
Note 1: These parameters are characterized but not tested in manufacturing.
OCFA
OCx
OC20
OC15
Active User-Specified Fault State
TABLE 32-29: OCx/PWMx MODE TIMING REQUIREMENTS
AC CHARACTERISTICS
Standard Operating Conditions: 3.0V to 3.6V
(unless otherwise stated)
Operating temperature -40°C TA +85°C for Industrial
-40°C TA +125°C for Extended
Param. Symbol Characteristic(1)Min. Typ. Max. Units Conditions
OC15 TFD Fault Input to PWM I/O
Change
——TCY + 20 ns
OC20 TFLT Fault Input Pulse Width TCY + 20 — — ns
Note 1: These parameters are characterized but not tested in manufacturing.

2009-2012 Microchip Technology Inc. DS70616G-page 523
dsPIC33EPXXX(GP/MC/MU)806/810/814 and PIC24EPXXX(GP/GU)810/814
FIGURE 32-11: HIGH-SPEED PWMx MODULE FAULT TIMING CHARACTERISTICS
(dsPIC33EPXXX(MC/MU)806/810/814 DEVICES ONLY)
FIGURE 32-12: HIGH-SPEED PWMx MODULE TIMING CHARACTERISTICS
(dsPIC33EPXXX(MC/MU)806/810/814 DEVICES ONLY)
TABLE 32-30: HIGH-SPEED PWMx MODULE TIMING REQUIREMENTS
(dsPIC33EPXXX(MC/MU)806/810/814 DEVICES ONLY)
AC CHARACTERISTICS
Standard Operating Conditions: 3.0V to 3.6V
(unless otherwise stated)
Operating temperature -40°C TA +85°C for Industrial
-40°C TA +125°C for Extended
Param. Symbol Characteristic(1)Min. Typ. Max. Units Conditions
MP10 TFPWM PWM Output Fall Time — — — ns See Parameter DO32
MP11 TRPWM PWM Output Rise Time — — — ns See Parameter DO31
MP20 TFD Fault Input to PWM
I/O Change
——15ns
MP30 TFH Fault Input Pulse Width 15 — — ns
Note 1: These parameters are characterized but not tested in manufacturing.
Fault Input
PWMx
MP30
MP20
(active-low)
PWMx
MP11 MP10
Note: Refer to Figure 32-1 for load conditions.

dsPIC33EPXXX(GP/MC/MU)806/810/814 and PIC24EPXXX(GP/GU)810/814
DS70616G-page 524 2009-2012 Microchip Technology Inc.
FIGURE 32-13: QEA/QEB INPUT CHARACTERISTICS
(dsPIC33EPXXX(MC/MU)806/810/814 DEVICES ONLY)
TQ30
TQ35
QEA
(input)
TQ35
QEB
(input)
TQ36
QEB
Internal
TQ40TQ41
TQ31
TQ31 TQ30
TABLE 32-31: QUADRATURE DECODER TIMING REQUIREMENTS
(dsPIC33EPXXX(MC/MU)806/810/814 DEVICES ONLY)
AC CHARACTERISTICS
Standard Operating Conditions: 3.0V to 3.6V
(unless otherwise stated)
Operating temperature -40°C TA +85°C for Industrial
-40°C TA +125°C for Extended
Param. Symbol Characteristic(1)Typ.(2)Max. Units Conditions
TQ30 TQUL Quadrature Input Low Time 6 TCY —ns
TQ31 TQUH Quadrature Input High Time 6 TCY —ns
TQ35 TQUIN Quadrature Input Period 12 TCY —ns
TQ36 TQUP Quadrature Phase Period 3 TCY —ns
TQ40 TQUFL Filter Time to Recognize Low
with Digital Filter
3 * N * TCY — ns N = 1, 2, 4, 16, 32, 64,
128 and 256 (Note 3)
TQ41 TQUFH Filter Time to Recognize High
with Digital Filter
3 * N * TCY — ns N = 1, 2, 4, 16, 32, 64,
128 and 256 (Note 3)
Note 1: These parameters are characterized but not tested in manufacturing.
2: Data in “Typ” column is at 3.3V, +25°C unless otherwise stated. Parameters are for design guidance only
and are not tested.
3: N = Index Channel Digital Filter Clock Divide Select bits. Refer to Section 15. “Quadrature Encoder
Interface (QEI)” (DS70601) in the “dsPIC33E/PIC24E Family Reference Manual”. Please see the
Microchip web site for the latest family reference manual sections.

2009-2012 Microchip Technology Inc. DS70616G-page 525
dsPIC33EPXXX(GP/MC/MU)806/810/814 and PIC24EPXXX(GP/GU)810/814
FIGURE 32-14: QEI MODULE INDEX PULSE TIMING CHARACTERISTICS
(dsPIC33EPXXX(MC/MU)806/810/814 DEVICES ONLY)
QEA
(input)
Ungated
Index
QEB
(input)
TQ55
Index Internal
Position Counter
Reset
TQ50
TQ51
TABLE 32-32: QEI INDEX PULSE TIMING REQUIREMENTS
(dsPIC33EPXXX(MC/MU)MU806/810/814 DEVICES ONLY)
AC CHARACTERISTICS
Standard Operating Conditions: 3.0V to 3.6V
(unless otherwise stated)
Operating temperature -40°C T
A +85°C for Industrial
-40°C TA +125°C for Extended
Param. Symbol Characteristic(1)Min. Max. Units Conditions
TQ50 TqIL Filter Time to Recognize Low
with Digital Filter
3 * N * TCY — ns N = 1, 2, 4, 16, 32, 64,
128 and 256 (Note 2)
TQ51 TqiH Filter Time to Recognize High
with Digital Filter
3 * N * TCY — ns N = 1, 2, 4, 16, 32, 64,
128 and 256 (Note 2)
TQ55 Tqidxr Index Pulse Recognized to Position
Counter Reset (ungated index)
3 TCY —ns
Note 1: These parameters are characterized but not tested in manufacturing.
2: Alignment of index pulses to QEA and QEB is shown for position counter Reset timing only. Shown for
forward direction only (QEA leads QEB). Same timing applies for reverse direction (QEA lags QEB) but
index pulse recognition occurs on the falling edge.

dsPIC33EPXXX(GP/MC/MU)806/810/814 and PIC24EPXXX(GP/GU)810/814
DS70616G-page 526 2009-2012 Microchip Technology Inc.
TABLE 32-33: SPI1, SPI3 AND SPI4 MAXIMUM DATA/CLOCK RATE SUMMARY
FIGURE 32-15: SPI1, SPI3 AND SPI4 MASTER MODE (HALF-DUPLEX, TRANSMIT ONLY,
CKE = 0) TIMING CHARACTERISTICS
AC CHARACTERISTICS
Standard Operating Conditions: 3.0V to 3.6V
(unless otherwise stated)
Operating temperature -40°C TA +85°C for Industrial
-40°C TA +125°C for Extended
Maximum
Data Rate
Master
Transmit Only
(Half-Duplex)
Master
Transmit/Receive
(Full-Duplex)
Slave
Transmit/Receive
(Full-Duplex)
CKE CKP SMP
15 MHz Table 32-33 ——0,10,10,1
9 MHz — Table 32-34 —10,11
9 MHz — Table 32-35 —00,11
15 MHz — — Table 32-36 100
11 MHz — — Table 32-37 110
15 MHz — — Table 32-38 010
11 MHz — — Table 32-39 000
SCKx
(CKP = 0)
SCKx
(CKP = 1)
SDOx
SP10
SP21SP20
SP35
SP20SP21
MSb LSbBit 14 - - - - - -1
SP30, SP31
SP30, SP31
Note: Refer to Figure 32-1 for load conditions.

2009-2012 Microchip Technology Inc. DS70616G-page 527
dsPIC33EPXXX(GP/MC/MU)806/810/814 and PIC24EPXXX(GP/GU)810/814
FIGURE 32-16: SPI1, SPI3 AND SPI4 MASTER MODE (HALF-DUPLEX, TRANSMIT ONLY,
CKE = 1) TIMING CHARACTERISTICS
TABLE 32-34: SPI1, SPI3 AND SPI4 MASTER MODE (HALF-DUPLEX, TRANSMIT ONLY) TIMING
REQUIREMENTS
AC CHARACTERISTICS
Standard Operating Conditions: 3.0V to 3.6V
(unless otherwise stated)
Operating temperature -40°C TA +85°C for Industrial
-40°C TA +125°C for Extended
Param. Symbol Characteristic(1)Min. Typ.(2)Max. Units Conditions
SP10 TscP Maximum SCKx Frequency — — 15 MHz See Note 3
SP20 TscF SCKx Output Fall Time — — — ns See Parameter DO32
and Note 4
SP21 TscR SCKx Output Rise Time — — — ns See Parameter DO31
and Note 4
SP30 TdoF SDOx Data Output Fall Time — — — ns See Parameter DO32
and Note 4
SP31 TdoR SDOx Data Output Rise Time — — — ns See Parameter DO31
and Note 4
SP35 TscH2doV,
TscL2doV
SDOx Data Output Valid after
SCKx Edge
—620ns
SP36 TdiV2scH,
TdiV2scL
SDOx Data Output Setup to
First SCKx Edge
30 — — ns
Note 1: These parameters are characterized, but are not tested in manufacturing.
2: Data in “Typ” column is at 3.3V, +25°C unless otherwise stated.
3: The minimum clock period for SCKx is 66.7 ns. Therefore, the clock generated in Master mode must not
violate this specification.
4: Assumes 50 pF load on all SPIx pins.
SCKx
(CKP = 0)
SCKx
(CKP = 1)
SDOx
SP21
SP20
SP35
SP20
SP21
MSb LSb
Bit 14 - - - - - -1
SP30, SP31
Note: Refer to Figure 32-1 for load conditions.
SP36
SP10

dsPIC33EPXXX(GP/MC/MU)806/810/814 and PIC24EPXXX(GP/GU)810/814
DS70616G-page 528 2009-2012 Microchip Technology Inc.
FIGURE 32-17: SPI1, SPI3 AND SPI4 MASTER MODE (FULL-DUPLEX, CKE = 1, CKP = x,
SMP = 1) TIMING CHARACTERISTICS
TABLE 32-35: SPI1, SPI3 AND SPI4 MASTER MODE (FULL-DUPLEX, CKE = 1, CKP = x, SMP = 1)
TIMING REQUIREMENTS
AC CHARACTERISTICS
Standard Operating Conditions: 3.0V to 3.6V
(unless otherwise stated)
Operating temperature -40°C TA +85°C for Industrial
-40°C TA +125°C for Extended
Param. Symbol Characteristic(1)Min. Typ.(2)Max. Units Conditions
SP10 TscP Maximum SCKx Frequency — — 9 MHz See Note 3
SP20 TscF SCKx Output Fall Time — — — ns See Parameter DO32
and Note 4
SP21 TscR SCKx Output Rise Time — — — ns See Parameter DO31
and Note 4
SP30 TdoF SDOx Data Output Fall Time — — — ns See Parameter DO32
and Note 4
SP31 TdoR SDOx Data Output Rise Time — — — ns See Parameter DO31
and Note 4
SP35 TscH2doV,
TscL2doV
SDOx Data Output Valid After
SCKx Edge
— 6 20 ns
SP36 TdoV2sc,
TdoV2scL
SDOx Data Output Setup to
First SCKx Edge
30 — — ns
SP40 TdiV2scH,
TdiV2scL
Setup Time of SDIx Data
Input to SCKx Edge
30 — — ns
SP41 TscH2diL,
TscL2diL
Hold Time of SDIx Data Input
to SCKx Edge
30 — — ns
Note 1: These parameters are characterized, but are not tested in manufacturing.
2: Data in “Typ” column is at 3.3V, +25°C unless otherwise stated.
3: The minimum clock period for SCKx is 111 ns. The clock generated in Master mode must not violate this
specification.
4: Assumes 50 pF load on all SPIx pins.
SCKx
(CKP = 0)
SCKx
(CKP = 1)
SDOx
SP21SP20
SP35
SP20SP21
MSb LSb
Bit 14 - - - - - -1
SP30, SP31
Note: Refer to Figure 32-1 for load conditions.
SP36
SP41
LSb In
Bit 14 - - - -1
SDIx
SP40
SP10
MSb In

2009-2012 Microchip Technology Inc. DS70616G-page 529
dsPIC33EPXXX(GP/MC/MU)806/810/814 and PIC24EPXXX(GP/GU)810/814
FIGURE 32-18: SPI1, SPI3 AND SPI4 MASTER MODE (FULL-DUPLEX, CKE = 0, CKP = x,
SMP = 1) TIMING CHARACTERISTICS
TABLE 32-36: SPI1, SPI3 AND SPI4 MASTER MODE (FULL-DUPLEX, CKE = 0, CKP = x, SMP = 1)
TIMING REQUIREMENTS
AC CHARACTERISTICS
Standard Operating Conditions: 3.0V to 3.6V
(unless otherwise stated)
Operating temperature -40°C TA +85°C for Industrial
-40°C TA +125°C for Extended
Param. Symbol Characteristic(1)Min. Typ.(2)Max. Units Conditions
SP10 TscP Maximum SCKx Frequency — — 9 MHz -40ºC to +125ºC and
see Note 3
SP20 TscF SCKx Output Fall Time — — — ns See Parameter DO32
and Note 4
SP21 TscR SCKx Output Rise Time — — — ns See Parameter DO31
and Note 4
SP30 TdoF SDOx Data Output Fall Time — — — ns See Parameter DO32
and Note 4
SP31 TdoR SDOx Data Output Rise Time — — — ns See Parameter DO31
and Note 4
SP35 TscH2doV,
TscL2doV
SDOx Data Output Valid After
SCKx Edge
— 6 20 ns
SP36 TdoV2scH,
TdoV2scL
SDOx Data Output Setup to
First SCKx Edge
30 — — ns
SP40 TdiV2scH,
TdiV2scL
Setup Time of SDIx Data
Input to SCKx Edge
30 — — ns
SP41 TscH2diL,
TscL2diL
Hold Time of SDIx Data Input
to SCKx Edge
30 — — ns
Note 1: These parameters are characterized, but are not tested in manufacturing.
2: Data in “Typ” column is at 3.3V, +25°C unless otherwise stated.
3: The minimum clock period for SCKx is 111 ns. The clock generated in Master mode must not violate this
specification.
4: Assumes 50 pF load on all SPIx pins.
SCKx
(CKP = 0)
SCKx
(CKP = 1)
SDOx
SDIx
SP40 SP41
SP21
SP20
SP35
SP20
SP21
MSb LSb
Bit 14 - - - - - -1
LSb In
Bit 14 - - - -1
SP30, SP31
SP30, SP31
Note: Refer to Figure 32-1 for load conditions.
SP36
SP10
MSb In

dsPIC33EPXXX(GP/MC/MU)806/810/814 and PIC24EPXXX(GP/GU)810/814
DS70616G-page 530 2009-2012 Microchip Technology Inc.
FIGURE 32-19: SPI1, SPI3 AND SPI4 SLAVE MODE (FULL-DUPLEX, CKE = 1, CKP = 0, SMP = 0)
TIMING CHARACTERISTICS
SSx
SCKx
(CKP = 0)
SCKx
(CKP = 1)
SDOx
SDIx
SP60
SP30,SP31
MSb Bit 14 - - - - - -1 LSb
SP51
Bit 14 - - - -1 LSb In
SP52
SP73SP72
SP72SP73
SP40
SP41
Note: Refer to Figure 32-1 for load conditions.
SP36
SP50
SP70
MSb In
SP35

2009-2012 Microchip Technology Inc. DS70616G-page 531
dsPIC33EPXXX(GP/MC/MU)806/810/814 and PIC24EPXXX(GP/GU)810/814
TABLE 32-37: SPI1, SPI3 AND SPI4 SLAVE MODE (FULL-DUPLEX, CKE = 1, CKP = 0, SMP = 0)
TIMING REQUIREMENTS
AC CHARACTERISTICS
Standard Operating Conditions: 3.0V to 3.6V
(unless otherwise stated)
Operating temperature -40°C TA +85°C for Industrial
-40°C TA +125°C for Extended
Param. Symbol Characteristic(1)Min. Typ.(2)Max. Units Conditions
SP70 TscP Maximum SCKx Input Frequency — — 15 MHz See Note 3
SP72 TscF SCKx Input Fall Time — — — ns See Parameter DO32
and Note 4
SP73 TscR SCKx Input Rise Time — — — ns See Parameter DO31
and Note 4
SP30 TdoF SDOx Data Output Fall Time — — — ns See Parameter DO32
and Note 4
SP31 TdoR SDOx Data Output Rise Time — — — ns See Parameter DO31
and Note 4
SP35 TscH2doV,
TscL2doV
SDOx Data Output Valid after
SCKx Edge
— 6 20 ns
SP36 TdoV2scH,
TdoV2scL
SDOx Data Output Setup to
First SCKx Edge
30 — — ns
SP40 TdiV2scH,
TdiV2scL
Setup Time of SDIx Data Input
to SCKx Edge
30 — — ns
SP41 TscH2diL,
TscL2diL
Hold Time of SDIx Data Input
to SCKx Edge
30 — — ns
SP50 TssL2scH,
TssL2scL
SSx to SCKx or SCKx
Input
120 — — ns
SP51 TssH2doZ SSx to SDOx Output,
High-Impedance
10 — 50 ns See Note 4
SP52 TscH2ssH
TscL2ssH
SSx after SCKx Edge 1.5 TCY + 40 — — ns See Note 4
SP60 TssL2doV SDOx Data Output Valid after
SSx Edge
— — 50 ns
Note 1: These parameters are characterized, but are not tested in manufacturing.
2: Data in “Typ” column is at 3.3V, +25°C unless otherwise stated.
3: The minimum clock period for SCKx is 66.7 ns. Therefore, the SCKx clock generated by the master must
not violate this specification.
4: Assumes 50 pF load on all SPIx pins.

dsPIC33EPXXX(GP/MC/MU)806/810/814 and PIC24EPXXX(GP/GU)810/814
DS70616G-page 532 2009-2012 Microchip Technology Inc.
FIGURE 32-20: SPI1, SPI3 AND SPI4 SLAVE MODE (FULL-DUPLEX, CKE = 1, CKP = 1, SMP = 0)
TIMING CHARACTERISTICS
SSx
SCKx
(CKP = 0)
SCKx
(CKP = 1)
SDOx
SDIx
SP60
SP30,SP31
MSb Bit 14 - - - - - -1 LSb
SP51
MSb In Bit 14 - - - -1 LSb In
SP52
SP73SP72
SP72SP73
SP70
SP40
SP41
Note: Refer to Figure 32-1 for load conditions.
SP36
SP50
SP35

2009-2012 Microchip Technology Inc. DS70616G-page 533
dsPIC33EPXXX(GP/MC/MU)806/810/814 and PIC24EPXXX(GP/GU)810/814
TABLE 32-38: SPI1, SPI3 AND SPI4 SLAVE MODE (FULL-DUPLEX, CKE = 1, CKP = 1, SMP = 0)
TIMING REQUIREMENTS
AC CHARACTERISTICS
Standard Operating Conditions: 3.0V to 3.6V
(unless otherwise stated)
Operating temperature -40°C TA +85°C for Industrial
-40°C TA +125°C for Extended
Param. Symbol Characteristic(1)Min. Typ.(2)Max. Units Conditions
SP70 TscP Maximum SCKx Input Frequency — — 11 MHz See Note 3
SP72 TscF SCKx Input Fall Time — — — ns See Parameter DO32
and Note 4
SP73 TscR SCKx Input Rise Time — — — ns See Parameter DO31
and Note 4
SP30 TdoF SDOx Data Output Fall Time — — — ns See Parameter DO32
and Note 4
SP31 TdoR SDOx Data Output Rise Time — — — ns See Parameter DO31
and Note 4
SP35 TscH2doV,
TscL2doV
SDOx Data Output Valid after
SCKx Edge
— 6 20 ns
SP36 TdoV2scH,
TdoV2scL
SDOx Data Output Setup to
First SCKx Edge
30 — — ns
SP40 TdiV2scH,
TdiV2scL
Setup Time of SDIx Data Input
to SCKx Edge
30 — — ns
SP41 TscH2diL,
TscL2diL
Hold Time of SDIx Data Input
to SCKx Edge
30 — — ns
SP50 TssL2scH,
TssL2scL
SSx to SCKx or SCKx
Input
120 — — ns
SP51 TssH2doZ SSx to SDOx Output,
High-Impedance
10 — 50 ns See Note 4
SP52 TscH2ssH
TscL2ssH
SSx after SCKx Edge 1.5 TCY + 40 — — ns See Note 4
SP60 TssL2doV SDOx Data Output Valid after
SSx Edge
— — 50 ns
Note 1: These parameters are characterized, but are not tested in manufacturing.
2: Data in “Typ” column is at 3.3V, +25°C unless otherwise stated.
3: The minimum clock period for SCKx is 91 ns. Therefore, the SCKx clock generated by the master must not
violate this specification.
4: Assumes 50 pF load on all SPIx pins.

dsPIC33EPXXX(GP/MC/MU)806/810/814 and PIC24EPXXX(GP/GU)810/814
DS70616G-page 534 2009-2012 Microchip Technology Inc.
FIGURE 32-21: SPI1, SPI3 AND SPI4 SLAVE MODE (FULL-DUPLEX, CKE = 0, CKP = 1, SMP = 0)
TIMING CHARACTERISTICS
SSX
SCKX
(CKP = 0)
SCKX
(CKP = 1)
SDOX
SP50
SP40
SP41
SP30,SP31 SP51
SP35
MSb LSb
Bit 14 - - - - - -1
Bit 14 - - - -1 LSb In
SP52
SP73SP72
SP72SP73
SP70
Note: Refer to Figure 32-1 for load conditions.
SDIXMSb In
SP36

2009-2012 Microchip Technology Inc. DS70616G-page 535
dsPIC33EPXXX(GP/MC/MU)806/810/814 and PIC24EPXXX(GP/GU)810/814
TABLE 32-39: SPI1, SPI3 AND SPI4 SLAVE MODE (FULL-DUPLEX, CKE = 0, CKP = 1, SMP = 0)
TIMING REQUIREMENTS
AC CHARACTERISTICS
Standard Operating Conditions: 3.0V to 3.6V
(unless otherwise stated)
Operating temperature -40°C TA +85°C for Industrial
-40°C TA +125°C for Extended
Param. Symbol Characteristic(1)Min. Typ.(2)Max. Units Conditions
SP70 TscP Maximum SCKx Input Frequency — — 15 MHz See Note 3
SP72 TscF SCKx Input Fall Time — — — ns See Parameter DO32
and Note 4
SP73 TscR SCKx Input Rise Time — — — ns See Parameter DO31
and Note 4
SP30 TdoF SDOx Data Output Fall Time — — — ns See Parameter DO32
and Note 4
SP31 TdoR SDOx Data Output Rise Time — — — ns See Parameter DO31
and Note 4
SP35 TscH2doV,
TscL2doV
SDOx Data Output Valid after
SCKx Edge
— 6 20 ns
SP36 TdoV2scH,
TdoV2scL
SDOx Data Output Setup to
First SCKx Edge
30 — — ns
SP40 TdiV2scH,
TdiV2scL
Setup Time of SDIx Data Input
to SCKx Edge
30 — — ns
SP41 TscH2diL,
TscL2diL
Hold Time of SDIx Data Input
to SCKx Edge
30 — — ns
SP50 TssL2scH,
TssL2scL
SSx to SCKx or SCKx
Input
120 — — ns
SP51 TssH2doZ SSx to SDOx Output
High-Impedance
10 — 50 ns See Note 4
SP52 TscH2ssH
TscL2ssH
SSx after SCKx Edge 1.5 TCY + 40 — — ns See Note 4
Note 1: These parameters are characterized, but are not tested in manufacturing.
2: Data in “Typ” column is at 3.3V, +25°C unless otherwise stated.
3: The minimum clock period for SCKx is 66.7 ns. Therefore, the SCKx clock generated by the master must
not violate this specification.
4: Assumes 50 pF load on all SPIx pins.

dsPIC33EPXXX(GP/MC/MU)806/810/814 and PIC24EPXXX(GP/GU)810/814
DS70616G-page 536 2009-2012 Microchip Technology Inc.
FIGURE 32-22: SPI1, SPI3 AND SPI4 SLAVE MODE (FULL-DUPLEX, CKE = 0, CKP = 0, SMP = 0)
TIMING CHARACTERISTICS
SSX
SCKX
(CKP = 0)
SCKX
(CKP = 1)
SDOX
SP50
SP40
SP41
SP30,SP31 SP51
SP35
MSb LSb
Bit 14 - - - - - -1
Bit 14 - - - -1 LSb In
SP52
SP73SP72
SP72SP73
SP70
Note: Refer to Figure 32-1 for load conditions.
SDIX
SP36
MSb In

2009-2012 Microchip Technology Inc. DS70616G-page 537
dsPIC33EPXXX(GP/MC/MU)806/810/814 and PIC24EPXXX(GP/GU)810/814
TABLE 32-40: SPI1, SPI3 AND SPI4 SLAVE MODE (FULL-DUPLEX, CKE = 0, CKP = 0, SMP = 0)
TIMING REQUIREMENTS
AC CHARACTERISTICS
Standard Operating Conditions: 3.0V to 3.6V
(unless otherwise stated)
Operating temperature -40°C TA +85°C for Industrial
-40°C TA +125°C for Extended
Param. Symbol Characteristic(1) Min. Typ.(2)Max. Units Conditions
SP70 TscP Maximum SCKx Input Frequency — — 11 MHz See Note 3
SP72 TscF SCKx Input Fall Time — — — ns See Parameter DO32
and Note 4
SP73 TscR SCKx Input Rise Time — — — ns See Parameter DO31
and Note 4
SP30 TdoF SDOx Data Output Fall Time — — — ns See Parameter DO32
and Note 4
SP31 TdoR SDOx Data Output Rise Time — — — ns See Parameter DO31
and Note 4
SP35 TscH2doV,
TscL2doV
SDOx Data Output Valid after
SCKx Edge
— 6 20 ns
SP36 TdoV2scH,
TdoV2scL
SDOx Data Output Setup to
First SCKx Edge
30 — — ns
SP40 TdiV2scH,
TdiV2scL
Setup Time of SDIx Data Input
to SCKx Edge
30 — — ns
SP41 TscH2diL,
TscL2diL
Hold Time of SDIx Data Input
to SCKx Edge
30 — — ns
SP50 TssL2scH,
TssL2scL
SSx to SCKx or SCKx
Input
120 — — ns
SP51 TssH2doZ SSx to SDOx Output
High-Impedance
10 — 50 ns See Note 4
SP52 TscH2ssH
TscL2ssH
SSx after SCKx Edge 1.5 TCY + 40 — — ns See Note 4
Note 1: These parameters are characterized, but are not tested in manufacturing.
2: Data in “Typ” column is at 3.3V, +25°C unless otherwise stated.
3: The minimum clock period for SCKx is 91 ns. Therefore, the SCKx clock generated by the master must not
violate this specification.
4: Assumes 50 pF load on all SPIx pins.

dsPIC33EPXXX(GP/MC/MU)806/810/814 and PIC24EPXXX(GP/GU)810/814
DS70616G-page 538 2009-2012 Microchip Technology Inc.
TABLE 32-41: SPI2 MAXIMUM DATA/CLOCK RATE SUMMARY
FIGURE 32-23: SPI2 MASTER MODE (HALF-DUPLEX, TRANSMIT ONLY, CKE = 0) TIMING
CHARACTERISTICS
AC CHARACTERISTICS
Standard Operating Conditions: 3.0V to 3.6V
(unless otherwise stated)
Operating temperature -40°C TA +85°C for Industrial
-40°C TA +125°C for Extended
Maximum
Data Rate
Master
Transmit Only
(Half-Duplex)
Master
Transmit/Receive
(Full-Duplex)
Slave
Transmit/Receive
(Full-Duplex)
CKE CKP SMP
15 MHz Table 32-42 ——0,10,10,1
10 MHz — Table 32-43 —10,11
10 MHz — Table 32-44 —00,11
15 MHz — — Table 32-45 100
11 MHz — — Table 32-46 110
15 MHz — — Table 32-47 010
11 MHz — — Table 32-48 000
SCKx
(CKP = 0)
SCKx
(CKP = 1)
SDOx
SP10
SP21SP20
SP35
SP20SP21
MSb LSb
Bit 14 - - - - - -1
SP30, SP31
SP30, SP31
Note: Refer to Figure 32-1 for load conditions.

2009-2012 Microchip Technology Inc. DS70616G-page 539
dsPIC33EPXXX(GP/MC/MU)806/810/814 and PIC24EPXXX(GP/GU)810/814
FIGURE 32-24: SPI2 MASTER MODE (HALF-DUPLEX, TRANSMIT ONLY, CKE = 1) TIMING
CHARACTERISTICS
TABLE 32-42: SPI2 MASTER MODE (HALF-DUPLEX, TRANSMIT ONLY) TIMING REQUIREMENTS
AC CHARACTERISTICS
Standard Operating Conditions: 3.0V to 3.6V
(unless otherwise stated)
Operating temperature -40°C TA +85°C for Industrial
-40°C TA +125°C for Extended
Param. Symbol Characteristic(1)Min. Typ.(2)Max. Units Conditions
SP10 TscP Maximum SCKx Frequency — — 15 MHz See Note 3
SP20 TscF SCKx Output Fall Time — — — ns See Parameter DO32
and Note 4
SP21 TscR SCKx Output Rise Time — — — ns See Parameter DO31
and Note 4
SP30 TdoF SDOx Data Output Fall Time — — — ns See Parameter DO32
and Note 4
SP31 TdoR SDOx Data Output Rise Time — — — ns See Parameter DO31
and Note 4
SP35 TscH2doV,
TscL2doV
SDOx Data Output Valid after
SCKx Edge
—620ns
SP36 TdiV2scH,
TdiV2scL
SDOx Data Output Setup to
First SCKx Edge
30 — — ns
Note 1: These parameters are characterized, but are not tested in manufacturing.
2: Data in “Typ” column is at 3.3V, +25°C unless otherwise stated.
3: The minimum clock period for SCKx is 66.7 ns. Therefore, the clock generated in Master mode must not
violate this specification.
4: Assumes 50 pF load on all SPIx pins.
SCKx
(CKP = 0)
SCKx
(CKP = 1)
SDOx
SP21SP20
SP35
SP20SP21
MSb LSb
Bit 14 - - - - - -1
SP30, SP31
Note: Refer to Figure 32-1 for load conditions.
SP36
SP10

dsPIC33EPXXX(GP/MC/MU)806/810/814 and PIC24EPXXX(GP/GU)810/814
DS70616G-page 540 2009-2012 Microchip Technology Inc.
FIGURE 32-25: SPI2 MASTER MODE (FULL-DUPLEX, CKE = 1, CKP = x, SMP = 1) TIMING
CHARACTERISTICS
TABLE 32-43: SPI2 MASTER MODE (FULL-DUPLEX, CKE = 1, CKP = x, SMP = 1) TIMING
REQUIREMENTS
AC CHARACTERISTICS
Standard Operating Conditions: 3.0V to 3.6V
(unless otherwise stated)
Operating temperature -40°C TA +85°C for Industrial
-40°C TA +125°C for Extended
Param. Symbol Characteristic(1)Min. Typ.(2)Max. Units Conditions
SP10 TscP Maximum SCKx Frequency — — 10 MHz See Note 3
SP20 TscF SCKx Output Fall Time — — — ns See Parameter DO32
and Note 4
SP21 TscR SCKx Output Rise Time — — — ns See Parameter DO31
and Note 4
SP30 TdoF SDOx Data Output Fall Time — — — ns See Parameter DO32
and Note 4
SP31 TdoR SDOx Data Output Rise Time — — — ns See Parameter DO31
and Note 4
SP35 TscH2doV,
TscL2doV
SDOx Data Output Valid after
SCKx Edge
— 6 20 ns
SP36 TdoV2sc,
TdoV2scL
SDOx Data Output Setup to
First SCKx Edge
30 — — ns
SP40 TdiV2scH,
TdiV2scL
Setup Time of SDIx Data
Input to SCKx Edge
30 — — ns
SP41 TscH2diL,
TscL2diL
Hold Time of SDIx Data Input
to SCKx Edge
30 — — ns
Note 1: These parameters are characterized, but are not tested in manufacturing.
2: Data in “Typ” column is at 3.3V, +25°C unless otherwise stated.
3: The minimum clock period for SCKx is 100 ns. The clock generated in Master mode must not violate this
specification.
4: Assumes 50 pF load on all SPIx pins.
SCKx
(CKP = 0)
SCKx
(CKP = 1)
SDOx
SP21SP20
SP20SP21
MSb LSb
Bit 14 - - - - - -1
SP30, SP31
Note: Refer to Figure 32-1 for load conditions.
SP36
SP41
LSb In
Bit 14 - - - -1
SDIx
SP40
SP10
SP35
MSb In

2009-2012 Microchip Technology Inc. DS70616G-page 541
dsPIC33EPXXX(GP/MC/MU)806/810/814 and PIC24EPXXX(GP/GU)810/814
FIGURE 32-26: SPI2 MASTER MODE (FULL-DUPLEX, CKE = 0, CKP = X, SMP = 1) TIMING
CHARACTERISTICS
TABLE 32-44: SPI2 MASTER MODE (FULL-DUPLEX, CKE = 0, CKP = x, SMP = 1) TIMING
REQUIREMENTS
AC CHARACTERISTICS
Standard Operating Conditions: 3.0V to 3.6V
(unless otherwise stated)
Operating temperature -40°C TA +85°C for Industrial
-40°C TA +125°C for Extended
Param. Symbol Characteristic(1)Min. Typ.(2)Max. Units Conditions
SP10 TscP Maximum SCKx Frequency — — 10 MHz -40ºC to +125ºC and
see Note 3
SP20 TscF SCKx Output Fall Time — — — ns See Parameter DO32
and Note 4
SP21 TscR SCKx Output Rise Time — — — ns See Parameter DO31
and Note 4
SP30 TdoF SDOx Data Output Fall Time — — — ns See Parameter DO32
and Note 4
SP31 TdoR SDOx Data Output Rise Time — — — ns See Parameter DO31
and Note 4
SP35 TscH2doV,
TscL2doV
SDOx Data Output Valid after
SCKx Edge
— 6 20 ns
SP36 TdoV2scH,
TdoV2scL
SDOx Data Output Setup to
First SCKx Edge
30 — — ns
SP40 TdiV2scH,
TdiV2scL
Setup Time of SDIx Data
Input to SCKx Edge
30 — — ns
SP41 TscH2diL,
TscL2diL
Hold Time of SDIx Data Input
to SCKx Edge
30 — — ns
Note 1: These parameters are characterized, but are not tested in manufacturing.
2: Data in “Typ.” column is at 3.3V, +25°C unless otherwise stated.
3: The minimum clock period for SCKx is 100 ns. The clock generated in Master mode must not violate this
specification.
4: Assumes 50 pF load on all SPIx pins.
SCKx
(CKP = 0)
SCKx
(CKP = 1)
SDOx
SDIx
SP40 SP41
SP21
SP20
SP35
SP20SP21
MSb LSb
Bit 14 - - - - - -1
LSb In
Bit 14 - - - -1
SP30, SP31
SP30, SP31
Note: Refer to Figure 32-1 for load conditions.
SP36
SP10
MSb In

dsPIC33EPXXX(GP/MC/MU)806/810/814 and PIC24EPXXX(GP/GU)810/814
DS70616G-page 542 2009-2012 Microchip Technology Inc.
FIGURE 32-27: SPI2 SLAVE MODE (FULL-DUPLEX, CKE = 1, CKP = 0, SMP = 0) TIMING
CHARACTERISTICS
SSx
SCKx
(CKP = 0)
SCKx
(CKP = 1)
SDOx
SDIx
SP60
SP30,SP31
MSb Bit 14 - - - - - -1 LSb
SP51
Bit 14 - - - -1 LSb In
SP52
SP73SP72
SP72SP73
SP70
SP40
SP41
Note: Refer to Figure 32-1 for load conditions.
SP36
SP50
SP35
MSb In

2009-2012 Microchip Technology Inc. DS70616G-page 543
dsPIC33EPXXX(GP/MC/MU)806/810/814 and PIC24EPXXX(GP/GU)810/814
TABLE 32-45: SPI2 SLAVE MODE (FULL-DUPLEX, CKE = 1, CKP = 0, SMP = 0) TIMING
REQUIREMENTS
AC CHARACTERISTICS
Standard Operating Conditions: 3.0V to 3.6V
(unless otherwise stated)
Operating temperature -40°C TA +85°C for Industrial
-40°C TA +125°C for Extended
Param. Symbol Characteristic(1)Min. Typ.(2)Max. Units Conditions
SP70 TscP Maximum SCKx Input Frequency — — 15 MHz See Note 3
SP72 TscF SCKx Input Fall Time — — — ns See Parameter DO32
and Note 4
SP73 TscR SCKx Input Rise Time — — — ns See Parameter DO31
and Note 4
SP30 TdoF SDOx Data Output Fall Time — — — ns See Parameter DO32
and Note 4
SP31 TdoR SDOx Data Output Rise Time — — — ns See Parameter DO31
and Note 4
SP35 TscH2doV,
TscL2doV
SDOx Data Output Valid after
SCKx Edge
— 6 20 ns
SP36 TdoV2scH,
TdoV2scL
SDOx Data Output Setup to
First SCKx Edge
30 — — ns
SP40 TdiV2scH,
TdiV2scL
Setup Time of SDIx Data Input
to SCKx Edge
30 — — ns
SP41 TscH2diL,
TscL2diL
Hold Time of SDIx Data Input
to SCKx Edge
30 — — ns
SP50 TssL2scH,
TssL2scL
SSx to SCKx or SCKx
Input
120 — — ns
SP51 TssH2doZ SSx to SDOx Output,
High-Impedance
10 — 50 ns See Note 4
SP52 TscH2ssH
TscL2ssH
SSx after SCKx Edge 1.5 TCY + 40 — — ns See Note 4
SP60 TssL2doV SDOx Data Output Valid after
SSx Edge
— — 50 ns
Note 1: These parameters are characterized, but are not tested in manufacturing.
2: Data in “Typ” column is at 3.3V, +25°C unless otherwise stated.
3: The minimum clock period for SCKx is 66.7 ns. Therefore, the SCKx clock generated by the master must
not violate this specification.
4: Assumes 50 pF load on all SPIx pins.

dsPIC33EPXXX(GP/MC/MU)806/810/814 and PIC24EPXXX(GP/GU)810/814
DS70616G-page 544 2009-2012 Microchip Technology Inc.
FIGURE 32-28: SPI2 SLAVE MODE (FULL-DUPLEX, CKE = 1, CKP = 1, SMP = 0) TIMING
CHARACTERISTICS
SSx
SCKx
(CKP = 0)
SCKx
(CKP = 1)
SDOx
SDIx
SP50
SP60
SP30,SP31
MSb Bit 14 - - - - - -1 LSb
SP51
Bit 14 - - - -1 LSb In
SP52
SP73SP72
SP72SP73SP70
SP40
SP41
Note: Refer to Figure 32-1 for load conditions.
SP36
SP35
MSb In

2009-2012 Microchip Technology Inc. DS70616G-page 545
dsPIC33EPXXX(GP/MC/MU)806/810/814 and PIC24EPXXX(GP/GU)810/814
TABLE 32-46: SPI2 SLAVE MODE (FULL-DUPLEX, CKE = 1, CKP = 1, SMP = 0) TIMING
REQUIREMENTS
AC CHARACTERISTICS
Standard Operating Conditions: 3.0V to 3.6V
(unless otherwise stated)
Operating temperature -40°C TA +85°C for Industrial
-40°C TA +125°C for Extended
Param. Symbol Characteristic(1)Min. Typ.(2)Max. Units Conditions
SP70 TscP Maximum SCKx Input Frequency — — 11 MHz See Note 3
SP72 TscF SCKx Input Fall Time — — — ns See Parameter DO32
and Note 4
SP73 TscR SCKx Input Rise Time — — — ns See Parameter DO31
and Note 4
SP30 TdoF SDOx Data Output Fall Time — — — ns See Parameter DO32
and Note 4
SP31 TdoR SDOx Data Output Rise Time — — — ns See Parameter DO31
and Note 4
SP35 TscH2doV,
TscL2doV
SDOx Data Output Valid after
SCKx Edge
— 6 20 ns
SP36 TdoV2scH,
TdoV2scL
SDOx Data Output Setup to
First SCKx Edge
30 — — ns
SP40 TdiV2scH,
TdiV2scL
Setup Time of SDIx Data Input
to SCKx Edge
30 — — ns
SP41 TscH2diL,
TscL2diL
Hold Time of SDIx Data Input
to SCKx Edge
30 — — ns
SP50 TssL2scH,
TssL2scL
SSx to SCKx or SCKx
Input
120 — — ns
SP51 TssH2doZ SSx to SDOx Output,
High-Impedance
10 — 50 ns See Note 4
SP52 TscH2ssH,
TscL2ssH
SSx after SCKx Edge 1.5 TCY + 40 — — ns See Note 4
SP60 TssL2doV SDOx Data Output Valid after
SSx Edge
— — 50 ns
Note 1: These parameters are characterized, but are not tested in manufacturing.
2: Data in “Typ” column is at 3.3V, +25°C unless otherwise stated.
3: The minimum clock period for SCKx is 91 ns. Therefore, the SCKx clock generated by the master must not
violate this specification.
4: Assumes 50 pF load on all SPIx pins.

dsPIC33EPXXX(GP/MC/MU)806/810/814 and PIC24EPXXX(GP/GU)810/814
DS70616G-page 546 2009-2012 Microchip Technology Inc.
FIGURE 32-29: SPI2 SLAVE MODE (FULL-DUPLEX, CKE = 0, CKP = 1, SMP = 0) TIMING
CHARACTERISTICS
SSX
SCKX
(CKP = 0)
SCKX
(CKP = 1)
SDOX
SP50
SP40
SP41
SP30,SP31 SP51
SP35
MSb LSb
Bit 14 - - - - - -1
Bit 14 - - - -1 LSb In
SP52
SP73SP72
SP72SP73
SP70
Note: Refer to Figure 32-1 for load conditions.
SDIXMSb In
SP36

2009-2012 Microchip Technology Inc. DS70616G-page 547
dsPIC33EPXXX(GP/MC/MU)806/810/814 and PIC24EPXXX(GP/GU)810/814
TABLE 32-47: SPI2 SLAVE MODE (FULL-DUPLEX, CKE = 0, CKP = 1, SMP = 0) TIMING
REQUIREMENTS
AC CHARACTERISTICS
Standard Operating Conditions: 3.0V to 3.6V
(unless otherwise stated)
Operating temperature -40°C TA +85°C for Industrial
-40°C TA +125°C for Extended
Param. Symbol Characteristic(1)Min. Typ.(2)Max. Units Conditions
SP70 TscP Maximum SCKx Input Frequency — — 15 MHz See Note 3
SP72 TscF SCKx Input Fall Time — — — ns See Parameter DO32
and Note 4
SP73 TscR SCKx Input Rise Time — — — ns See Note 4
SP30 TdoF SDOx Data Output Fall Time — — — ns See Note 4
SP31 TdoR SDOx Data Output Rise Time — — — ns See Note 4
SP35 TscH2doV,
TscL2doV
SDOx Data Output Valid after
SCKx Edge
— 6 20 ns
SP36 TdoV2scH,
TdoV2scL
SDOx Data Output Setup to
First SCKx Edge
30 — — ns
SP40 TdiV2scH,
TdiV2scL
Setup Time of SDIx Data Input
to SCKx Edge
30 — — ns
SP41 TscH2diL,
TscL2diL
Hold Time of SDIx Data Input
to SCKx Edge
30 — — ns
SP50 TssL2scH,
TssL2scL
SSx to SCKx or SCKx
Input
120 — — ns
SP51 TssH2doZ SSx to SDOx Output,
High-Impedance
10 — 50 ns See Note 4
SP52 TscH2ssH,
TscL2ssH
SSx after SCKx Edge 1.5 TCY + 40 — — ns See Note 4
Note 1: These parameters are characterized, but are not tested in manufacturing.
2: Data in “Typ” column is at 3.3V, +25°C unless otherwise stated.
3: The minimum clock period for SCKx is 66.7 ns. Therefore, the SCKx clock generated by the master must
not violate this specification.
4: Assumes 50 pF load on all SPIx pins.

dsPIC33EPXXX(GP/MC/MU)806/810/814 and PIC24EPXXX(GP/GU)810/814
DS70616G-page 548 2009-2012 Microchip Technology Inc.
FIGURE 32-30: SPI2 SLAVE MODE (FULL-DUPLEX, CKE = 0, CKP = 0, SMP = 0) TIMING
CHARACTERISTICS
SSX
SCKX
(CKP = 0)
SCKX
(CKP = 1)
SDOX
SP50
SP40
SP41
SP30,SP31 SP51
SP35
MSb LSb
Bit 14 - - - - - -1
Bit 14 - - - -1 LSb In
SP52
SP73SP72
SP72SP73
SP70
Note: Refer to Figure 32-1 for load conditions.
SDIX
SP36
MSb In

2009-2012 Microchip Technology Inc. DS70616G-page 549
dsPIC33EPXXX(GP/MC/MU)806/810/814 and PIC24EPXXX(GP/GU)810/814
TABLE 32-48: SPI2 SLAVE MODE (FULL-DUPLEX, CKE = 0, CKP = 0, SMP = 0) TIMING
REQUIREMENTS
AC CHARACTERISTICS
Standard Operating Conditions: 3.0V to 3.6V
(unless otherwise stated)
Operating temperature -40°C TA +85°C for Industrial
-40°C TA +125°C for Extended
Param. Symbol Characteristic(1)Min. Typ.(2)Max. Units Conditions
SP70 TscP Maximum SCKx Input Frequency — — 11 MHz See Note 3
SP72 TscF SCKx Input Fall Time — — — ns See Parameter DO32
and Note 4
SP73 TscR SCKx Input Rise Time — — — ns See Parameter DO31
and Note 4
SP30 TdoF SDOx Data Output Fall Time — — — ns See Parameter DO32
and Note 4
SP31 TdoR SDOx Data Output Rise Time — — — ns See Parameter DO31
and Note 4
SP35 TscH2doV,
TscL2doV
SDOx Data Output Valid after
SCKx Edge
— 6 20 ns
SP36 TdoV2scH,
TdoV2scL
SDOx Data Output Setup to
First SCKx Edge
30 — — ns
SP40 TdiV2scH,
TdiV2scL
Setup Time of SDIx Data Input
to SCKx Edge
30 — — ns
SP41 TscH2diL,
TscL2diL
Hold Time of SDIx Data Input
to SCKx Edge
30 — — ns
SP50 TssL2scH,
TssL2scL
SSx to SCKx or SCKx
Input
120 — — ns
SP51 TssH2doZ SSx to SDOx Output,
High-Impedance
10 — 50 ns See Note 4
SP52 TscH2ssH,
TscL2ssH
SSx after SCKx Edge 1.5 TCY + 40 — — ns See Note 4
Note 1: These parameters are characterized, but are not tested in manufacturing.
2: Data in “Typ” column is at 3.3V, +25°C unless otherwise stated.
3: The minimum clock period for SCKx is 91 ns. Therefore, the SCKx clock generated by the master must not
violate this specification.
4: Assumes 50 pF load on all SPIx pins.

dsPIC33EPXXX(GP/MC/MU)806/810/814 and PIC24EPXXX(GP/GU)810/814
DS70616G-page 550 2009-2012 Microchip Technology Inc.
FIGURE 32-31: I2Cx BUS START/STOP BITS TIMING CHARACTERISTICS (MASTER MODE)
FIGURE 32-32: I2Cx BUS DATA TIMING CHARACTERISTICS (MASTER MODE)
SCLx
SDAx
Start
Condition
Stop
Condition
Note: Refer to Figure 32-1 for load conditions.
IM30
IM31 IM34
IM33
IM30 IM31 IM33
IM11
IM10
IM20
IM26
IM25
IM40 IM40 IM45
IM21
SCLx
SDAx
In
SDAx
Out
Note: Refer to Figure 32-1 for load conditions.

2009-2012 Microchip Technology Inc. DS70616G-page 551
dsPIC33EPXXX(GP/MC/MU)806/810/814 and PIC24EPXXX(GP/GU)810/814
TABLE 32-49: I2Cx BUS DATA TIMING REQUIREMENTS (MASTER MODE)
AC CHARACTERISTICS
Standard Operating Conditions: 3.0V to 3.6V
(unless otherwise stated)
Operating temperature -40°C TA +85°C for Industrial
-40°C TA +125°C for Extended
Param. Symbol Characteristic(4)Min.(1)Max. Units Conditions
IM10 TLO:SCL Clock Low Time 100 kHz mode TCY/2 (BRG + 2) — s
400 kHz mode TCY/2 (BRG + 2) — s
1 MHz mode(2)TCY/2 (BRG + 2) — s
IM11 THI:SCL Clock High Time 100 kHz mode TCY/2 (BRG + 2) — s
400 kHz mode TCY/2 (BRG + 2) — s
1 MHz mode(2)TCY/2 (BRG + 2) — s
IM20 TF:SCL SDAx and SCLx
Fall Time
100 kHz mode — 300 ns CB is specified to be
from 10 to 400 pF
400 kHz mode 20 + 0.1 CB300 ns
1 MHz mode(2)— 100 ns
IM21 TR:SCL SDAx and SCLx
Rise Time
100 kHz mode — 1000 ns CB is specified to be
from 10 to 400 pF
400 kHz mode 20 + 0.1 CB300 ns
1 MHz mode(2)— 300 ns
IM25 TSU:DAT Data Input
Setup Time
100 kHz mode 250 — ns
400 kHz mode 100 — ns
1 MHz mode(2)40 — ns
IM26 THD:DAT Data Input
Hold Time
100 kHz mode 0 — s
400 kHz mode 0 0.9 s
1 MHz mode(2)0.2 — s
IM30 TSU:STA Start Condition
Setup Time
100 kHz mode TCY/2 (BRG + 2) — s Only relevant for
Repeated Start
condition
400 kHz mode TCY/2 (BRG + 2) — s
1 MHz mode(2)TCY/2 (BRG + 2) — s
IM31 THD:STA Start Condition
Hold Time
100 kHz mode TCY/2 (BRG + 2) — s After this period, the
first clock pulse is
generated
400 kHz mode TCY/2 (BRG +2) — s
1 MHz mode(2)TCY/2 (BRG + 2) — s
IM33 TSU:STO Stop Condition
Setup Time
100 kHz mode TCY/2 (BRG + 2) — s
400 kHz mode TCY/2 (BRG + 2) — s
1 MHz mode(2)TCY/2 (BRG + 2) — s
IM34 THD:STO Stop Condition 100 kHz mode TCY/2 (BRG + 2) — s
Hold Time 400 kHz mode TCY/2 (BRG + 2) — s
1 MHz mode(2)TCY/2 (BRG + 2) — s
IM40 TAA:SCL Output Valid
From Clock
100 kHz mode — 3500 ns
400 kHz mode — 1000 ns
1 MHz mode(2)— 400 ns
IM45 TBF:SDA Bus Free Time 100 kHz mode 4.7 — s Time the bus must be
free before a new
transmission can start
400 kHz mode 1.3 — s
1 MHz mode(2)0.5 — s
IM50 CBBus Capacitive Loading — 400 pF
IM51 TPGD Pulse Gobbler Delay 65 390 ns See Note 3
Note 1: BRG is the value of the I2C Baud Rate Generator. Refer to Section 19. “Inter-Integrated Circuit (I2C™)”
(DS70330) in the “dsPIC33E/PIC24E Family Reference Manual”. Please see the Microchip web site for
the latest family reference manual sections.
2: Maximum pin capacitance = 10 pF for all I2Cx pins (for 1 MHz mode only).
3: Typical value for this parameter is 130 ns.
4: These parameters are characterized, but not tested in manufacturing.

dsPIC33EPXXX(GP/MC/MU)806/810/814 and PIC24EPXXX(GP/GU)810/814
DS70616G-page 552 2009-2012 Microchip Technology Inc.
FIGURE 32-33: I2Cx BUS START/STOP BITS TIMING CHARACTERISTICS (SLAVE MODE)
FIGURE 32-34: I2Cx BUS DATA TIMING CHARACTERISTICS (SLAVE MODE)
SCLx
SDAx
Start
Condition
Stop
Condition
IS34
IS33
IS30
IS31
IS30 IS31 IS33
IS11
IS10
IS20
IS25
IS40 IS40 IS45
IS21
SCLx
SDAx
In
SDAx
Out
IS26

2009-2012 Microchip Technology Inc. DS70616G-page 553
dsPIC33EPXXX(GP/MC/MU)806/810/814 and PIC24EPXXX(GP/GU)810/814
TABLE 32-50: I2Cx BUS DATA TIMING REQUIREMENTS (SLAVE MODE)
AC CHARACTERISTICS
Standard Operating Conditions: 3.0V to 3.6V
(unless otherwise stated)
Operating temperature -40°C T
A +85°C for Industrial
-40°C TA +125°C for Extended
Param. Symbol Characteristic(3)Min. Max. Units Conditions
IS10 TLO:SCL Clock Low Time 100 kHz mode 4.7 — s
400 kHz mode 1.3 — s
1 MHz mode(1)0.5 — s
IS11 THI:SCL Clock High Time 100 kHz mode 4.0 — s Device must operate at a
minimum of 1.5 MHz
400 kHz mode 0.6 — s Device must operate at a
minimum of 10 MHz
1 MHz mode(1)0.5 — s
IS20 TF:SCL SDAx and SCLx
Fall Time
100 kHz mode — 300 ns CB is specified to be from
10 to 400 pF
400 kHz mode 20 + 0.1 CB300 ns
1 MHz mode(1)—100ns
IS21 TR:SCL SDAx and SCLx
Rise Time
100 kHz mode — 1000 ns CB is specified to be from
10 to 400 pF
400 kHz mode 20 + 0.1 CB300 ns
1 MHz mode(1)—300ns
IS25 TSU:DAT Data Input
Setup Time
100 kHz mode 250 — ns
400 kHz mode 100 — ns
1 MHz mode(1)100 — ns
IS26 THD:DAT Data Input
Hold Time
100 kHz mode 0 — s
400 kHz mode 0 0.9 s
1 MHz mode(1)00.3s
IS30 TSU:STA Start Condition
Setup Time
100 kHz mode 4.7 — s Only relevant for Repeated
Start condition
400 kHz mode 0.6 — s
1 MHz mode(1)0.25 — s
IS31 THD:STA Start Condition
Hold Time
100 kHz mode 4.0 — s After this period, the first
clock pulse is generated
400 kHz mode 0.6 — s
1 MHz mode(1)0.25 — s
IS33 TSU:STO Stop Condition
Setup Time
100 kHz mode 4.7 — s
400 kHz mode 0.6 — s
1 MHz mode(1)0.6 — s
IS34 THD:STO Stop Condition
Hold Time
100 kHz mode 4 — s
400 kHz mode 0.6 — s
1 MHz mode(1)0.25 s
IS40 TAA:SCL Output Valid
From Clock
100 kHz mode 0 3500 ns
400 kHz mode 0 1000 ns
1 MHz mode(1)0350ns
IS45 TBF:SDA Bus Free Time 100 kHz mode 4.7 — s Time the bus must be free
before a new transmission
can start
400 kHz mode 1.3 — s
1 MHz mode(1)0.5 — s
IS50 CBBus Capacitive Loading — 400 pF
IS51 TPGD Pulse Gobbler Delay 65 390 ns See Note 2
Note 1: Maximum pin capacitance = 10 pF for all I2Cx pins (for 1 MHz mode only).
2: The typical value for this parameter is 130 ns.
3: These parameters are characterized, but not tested in manufacturing.

dsPIC33EPXXX(GP/MC/MU)806/810/814 and PIC24EPXXX(GP/GU)810/814
DS70616G-page 554 2009-2012 Microchip Technology Inc.
FIGURE 32-35: ECAN™ MODULE I/O TIMING CHARACTERISTICS
TABLE 32-51: ECAN™ MODULE I/O TIMING REQUIREMENTS
FIGURE 32-36: UARTx MODULE I/O TIMING CHARACTERISTICS
TABLE 32-52: UARTx MODULE I/O TIMING REQUIREMENTS
AC CHARACTERISTICS
Standard Operating Conditions: 3.0V to 3.6V
(unless otherwise stated)
Operating temperature -40°C TA +85°C for Industrial
-40°C TA +125°C for Extended
Param. Symbol Characteristic(1)Min. Typ.(2)Max. Units Conditions
CA10 TioF Port Output Fall Time — — — ns See Parameter DO32
CA11 TioR Port Output Rise Time — — — ns See Parameter DO31
CA20 TCWF Pulse Width to Trigger
CAN Wake-up Filter
120 — — ns
Note 1: These parameters are characterized but not tested in manufacturing.
2: Data in “Typ” column is at 3.3V, +25°C unless otherwise stated. Parameters are for design guidance only
and are not tested.
AC CHARACTERISTICS
Standard Operating Conditions: 3.0V to 3.6V
(unless otherwise stated)
Operating temperature -40°C TA +125°C
Param. Symbol Characteristic(1)Min. Typ.(2)Max. Units Conditions
UA10 TUABAUD UARTx Baud Time 66.67 — — ns
UA11 FBAUD UARTx Baud Frequency — — 15 mbps
UA20 TCWF Start Bit Pulse Width to Trigger
UARTx Wake-up
500 — — ns
Note 1: These parameters are characterized but not tested in manufacturing.
2: Data in “Typ” column is at 3.3V, +25°C unless otherwise stated. Parameters are for design guidance only
and are not tested.
CxTx Pin
(output)
CA10 CA11
Old Value New Value
CA20
CxRx Pin
(input)
UA20
UxRX MSb In LSb In
Bit 6-1
UA10
UXTX

2009-2012 Microchip Technology Inc. DS70616G-page 555
dsPIC33EPXXX(GP/MC/MU)806/810/814 and PIC24EPXXX(GP/GU)810/814
TABLE 32-53: USB OTG MODULE SPECIFICATIONS
(dsPIC33EPXXXMU8XX AND PIC24EPXXXGU8XX DEVICES ONLY)
AC CHARACTERISTICS
Standard Operating Conditions: 3.0V to 3.6V
(unless otherwise stated)
Operating temperature -40°C T
A +85°C for Industrial
-40°C T
A +125°C for Extended
Param. Symbol Characteristics(1)Min. Typ. Max. Units Conditions
USB313 VUSB3V3(2)USB Voltage 3.0 — 3.6 V Voltage on bus must be in this
range for proper USB operation
USB315 VILUSB Input Low Voltage for USB
Buffer
——0.8V
USB316 VIHUSB Input High Voltage for USB
Buffer
2.0 — — V
USB318 VDIFS Differential Input Sensitivity — — 0.2 V
USB319 VCM Differential Common-Mode
Range
0.8 — 2.5 V The difference between D+ and
D- must be within this range
while VCM is met
USB320 ZOUT Driver Output Impedance 28.0 — 44.0
USB321 VOL Voltage Output Low 0.0 — 0.3 V 14.25 k load connected to
3.6V
USB322 VOH Voltage Output High 2.8 — 3.6 V 14.25 k load connected to
ground
Note 1: These parameters are characterized but not tested in manufacturing.
2: If the USB module is not being used, this pin must be connected to VDD.

dsPIC33EPXXX(GP/MC/MU)806/810/814 and PIC24EPXXX(GP/GU)810/814
DS70616G-page 556 2009-2012 Microchip Technology Inc.
TABLE 32-54: ADC MODULE SPECIFICATIONS
AC CHARACTERISTICS
Standard Operating Conditions: 3.0V to 3.6V (see Note 3)
(unless otherwise stated)
Operating temperature -40°C TA +85°C for Industrial
-40°C TA +125°C for Extended
Param. Symbol Characteristic Min. Typ. Max. Units Conditions
Device Supply
AD01 AVDD(2)Module VDD Supply Greater of
VDD – 0.3
or 3.0
— Lesser of
VDD + 0.3
or 3.6
V
AD02 AVSS Module VSS Supply VSS – 0.3 — VSS + 0.3 V
Reference Inputs
AD05 VREFH Reference Voltage High AVSS + 2.5 — AVDD VSee Note 1,
VREFH = VREF+,
VREFL = VREF-
AD05a 3.0 — 3.6 V VREFH = AVDD,
VREFL = AVSS = 0
AD06 VREFL Reference Voltage Low AVSS —AVDD – 2.5 V See Note 1
AD06a 0 — 0 V VREFH = AVDD,
VREFL = AVSS = 0
AD07 VREF Absolute Reference
Voltage
2.5 — 3.6 V VREF = VREFH – VREFL
AD08 IREF Current Drain —
—
—
—
10
600
A
A
ADC off
ADC on
AD09 IAD Operating Current —
—
9.0
3.2
—
—
mA
mA
ADC operating in 10-bit
mode, see Note 1
ADC operating in 12-bit
mode, see Note 1
Analog Input
AD12 VINH Input Voltage Range, VINH VINL —VREFH V This voltage reflects Sample
& Hold Channels 0, 1, 2 and 3
(CH0-CH3), positive input
AD13 VINL Input Voltage Range, VINL VREFL —AVSS + 1V V This voltage reflects Sample
& Hold Channels 0, 1, 2 and 3
(CH0-CH3), negative input
AD17 RIN Recommended Impedance
of Analog Voltage Source
——200
Note 1: These parameters are not characterized or tested in manufacturing.
2: The voltage difference between AVDD and VDD cannot exceed 300 mV at any time during operation or start-up.
3: Device is functional at VBORMIN < VDD < VDDMIN. Analog modules: ADC, Comparator and DAC will have
degraded performance. Device functionality is tested but not characterized. Refer to Parameter BO10 in
Table 32-11 for the minimum and maximum BOR values.

2009-2012 Microchip Technology Inc. DS70616G-page 557
dsPIC33EPXXX(GP/MC/MU)806/810/814 and PIC24EPXXX(GP/GU)810/814
TABLE 32-55: ADC MODULE SPECIFICATIONS (12-BIT MODE)
AC CHARACTERISTICS
Standard Operating Conditions: 3.0V to 3.6V (see Note 1)
(unless otherwise stated)
Operating temperature -40°C TA +85°C for Industrial
-40°C T
A +125°C for Extended
Param. Symbol Characteristic Min. Typ. Max. Units Conditions
ADC Accuracy (12-Bit Mode) – Measurements with External VREF+/VREF-
AD20a Nr Resolution 12 Data Bits bits
AD21a INL Integral Nonlinearity -2 — +2 LSb VINL = AVSS = VREFL = 0V,
AVDD = VREFH = 3.6V
AD22a DNL Differential Nonlinearity >-1 — <1 LSb VINL = AVSS = VREFL = 0V,
AVDD = VREFH = 3.6V
AD23a GERR Gain Error 1.25 1.5 3 LSb VINL = AVSS = VREFL = 0V,
AVDD = VREFH = 3.6V
AD24a EOFF Offset Error 1.25 1.52 2 LSb VINL = AVSS = VREFL = 0V,
AVDD = VREFH = 3.6V
AD25a — Monotonicity — — — — Guaranteed(2)
ADC Accuracy (12-Bit Mode) – Measurements with Internal VREF+/VREF-
AD20a Nr Resolution 12 data bits bits
AD21a INL Integral Nonlinearity -2 — +2 LSb VINL = AVSS = 0V, AVDD = 3.6V
AD22a DNL Differential Nonlinearity >-1 — <1 LSb VINL = AVSS = 0V, AVDD = 3.6V
AD23a GERR Gain Error 2 3 7 LSb VINL = AVSS = 0V, AVDD = 3.6V
AD24a EOFF Offset Error 2 3 5 LSb VINL = AVSS = 0V, AVDD = 3.6V
AD25a — Monotonicity — — — — Guaranteed(2)
Dynamic Performance (12-Bit Mode)
AD30a THD Total Harmonic Distortion — — -75 dB
AD31a SINAD Signal to Noise and
Distortion
68.5 69.5 — dB
AD32a SFDR Spurious Free Dynamic
Range
80 — — dB
AD33a FNYQ Input Signal Bandwidth — — 250 kHz
AD34a ENOB Effective Number of Bits 11.09 11.3 — bits
Note 1: Device is functional at VBORMIN < VDD < VDDMIN. Analog modules: ADC, Comparator and DAC will have
degraded performance. Device functionality is tested but not characterized. Refer to Parameter BO10 in
Table 32-11 for the minimum and maximum BOR values.
2: The Analog-to-Digital conversion result never decreases with an increase in input voltage and has no
missing codes.

dsPIC33EPXXX(GP/MC/MU)806/810/814 and PIC24EPXXX(GP/GU)810/814
DS70616G-page 558 2009-2012 Microchip Technology Inc.
TABLE 32-56: ADC MODULE SPECIFICATIONS (10-BIT MODE)
AC CHARACTERISTICS
Standard Operating Conditions: 3.0V to 3.6V (see Note 1)
(unless otherwise stated)
Operating temperature -40°C TA +85°C for Industrial
-40°C T
A +125°C for Extended
Param. Symbol Characteristic Min. Typ. Max. Units Conditions
ADC Accuracy (10-Bit Mode) – Measurements with External VREF+/VREF-
AD20b Nr Resolution 10 data bits bits
AD21b INL Integral Nonlinearity -1 — +1 LSb VINL = AVSS = VREFL = 0V,
AVDD = VREFH = 3.6V
AD22b DNL Differential Nonlinearity >-1 — <1 LSb VINL = AVSS = VREFL = 0V,
AVDD = VREFH = 3.6V
AD23b GERR Gain Error 1 3 6 LSb VINL = AVSS = VREFL = 0V,
AVDD = VREFH = 3.6V
AD24b EOFF Offset Error 1 2 3 LSb VINL = AVSS = VREFL = 0V,
AVDD = VREFH = 3.6V
AD25b — Monotonicity — — — — Guaranteed(2)
ADC Accuracy (10-Bit Mode) – Measurements with Internal VREF+/VREF-
AD20b Nr Resolution 10 data bits bits
AD21b INL Integral Nonlinearity -1.5 — +1.5 LSb VINL = AVSS = 0V, AVDD = 3.6V
AD22b DNL Differential Nonlinearity >-1 — <1 LSb VINL = AVSS = 0V, AVDD = 3.6V
AD23b GERR Gain Error 1 5 6 LSb VINL = AVSS = 0V, AVDD = 3.6V
AD24b EOFF Offset Error 1 2 5 LSb VINL = AVSS = 0V, AVDD = 3.6V
AD25b — Monotonicity — — — — Guaranteed(2)
Dynamic Performance (10-Bit Mode)
AD30b THD Total Harmonic Distortion — — -64 dB
AD31b SINAD Signal to Noise and
Distortion
57 58.5 — dB
AD32b SFDR Spurious Free Dynamic
Range
72 — — dB
AD33b FNYQ Input Signal Bandwidth — — 550 kHz
AD34b ENOB Effective Number of Bits 9.16 9.4 — bits
Note 1: Device is functional at VBORMIN < VDD < VDDMIN. Analog modules: ADC, Comparator and DAC will have
degraded performance. Device functionality is tested but not characterized. Refer to Parameter BO10 in
Table 32-11 for the minimum and maximum BOR values.
2: The Analog-to-Digital conversion result never decreases with an increase in input voltage and has no
missing codes.

2009-2012 Microchip Technology Inc. DS70616G-page 559
dsPIC33EPXXX(GP/MC/MU)806/810/814 and PIC24EPXXX(GP/GU)810/814
FIGURE 32-37: ADC CONVERSION (12-BIT MODE) TIMING CHARACTERISTICS
(ASAM = 0, SSRC<2:0> = 000, SSRCG = 0)
AD55
TSAMP
Set SAMP
AD61
ADCLK
Instruction
SAMP
AD60
DONE
AD1IF
1 2 3 4 5 6 87
1– Software sets AD1CON1. SAMP to start sampling.
2– Sampling starts after discharge period. TSAMP is described in
3– Software clears AD1CON1. SAMP to start conversion.
4– Sampling ends, conversion sequence starts.
5– Convert bit 11.
9– One TAD for end of conversion.
AD50
9
6– Convert bit 10.
7– Convert bit 1.
8– Convert bit 0.
Execution
“dsPIC33E/PIC24E Family Reference Manual”.
Section 16. “Analog-to-Digital Converter (ADC)” (DS70621) of the
Clear SAMP

dsPIC33EPXXX(GP/MC/MU)806/810/814 and PIC24EPXXX(GP/GU)810/814
DS70616G-page 560 2009-2012 Microchip Technology Inc.
TABLE 32-57: ADC CONVERSION (12-BIT MODE) TIMING REQUIREMENTS
AC CHARACTERISTICS
Standard Operating Conditions: 3.0V to 3.6V (see Note 4)
(unless otherwise stated)
Operating temperature -40°C TA +85°C for Industrial
-40°C TA +125°C for Extended
Param. Symbol Characteristic Min. Typ.(2)Max. Units Conditions
Clock Parameters
AD50 TAD ADC Clock Period 117.6 — — ns
AD51 tRC ADC Internal RC Oscillator
Period
— 250 — ns
Conversion Rate
AD55 tCONV Conversion Time — 14 TAD ns
AD56 FCNV Throughput Rate — — 500 Ksps
AD57 TSAMP Sample Time 3 TAD —— —
Timing Parameters
AD60 tPCS Conversion Start from Sample
Trigger(1)
2 TAD —3 TAD — Auto-Convert Trigger
not selected
AD61 tPSS Sample Start from Setting
Sample (SAMP) bit(1)
2 TAD —3 TAD —
AD62 tCSS Conversion Completion to
Sample Start (ASAM = 1)(1)
— 0.5 TAD ——
AD63 tDPU Time to Stabilize Analog Stage
from ADC Off to ADC On(1)
——20sSee Note 3
Note 1: Because the sample caps will eventually lose charge, clock rates below 10 kHz may affect linearity
performance, especially at elevated temperatures.
2: These parameters are characterized but not tested in manufacturing.
3: The tDPU parameter is the time required for the ADC module to stabilize at the appropriate level when the
module is turned on (ADON (ADxCON1<15>) = 1). During this time, the ADC result is indeterminate.
4: Device is functional at VBORMIN < VDD < VDDMIN. Analog modules: ADC, Comparator and DAC will have
degraded performance. Device functionality is tested but not characterized. Refer to Parameter BO10 in
Table 32-11 for the minimum and maximum BOR values.

2009-2012 Microchip Technology Inc. DS70616G-page 561
dsPIC33EPXXX(GP/MC/MU)806/810/814 and PIC24EPXXX(GP/GU)810/814
FIGURE 32-38: ADC CONVERSION (10-BIT MODE) TIMING CHARACTERISTICS
(CHPS<1:0> = 01, SIMSAM = 0, ASAM = 0, SSRC<2:0> = 000, SSRCG = 0)
FIGURE 32-39: ADC CONVERSION (10-BIT MODE) TIMING CHARACTERISTICS (CHPS<1:0> = 01,
SIMSAM = 0, ASAM = 1, SSRC<2:0> = 111, SSRCG = 0, SAMC<4:0> = 00010)
TSAMP
Set SAMP
AD61
ADCLK
Instruction
SAMP
AD60
DONE
ADxIF
1 2 3 4 5 6 8 5 6 7
1– Software sets ADx1CON1. SAMP to start sampling.
2– Sampling starts after discharge period. TSAMP is described in
3– Software clears ADxCON1. SAMP to start conversion.
4– Sampling ends, conversion sequence starts.
5– Convert bit 9.
8– One TAD for end of conversion.
AD50
7 8
6– Convert bit 8.
7– Convert bit 0.
Execution
“dsPIC33E/PIC24E Family Reference Manual”.
Section 16. “Analog-to-Digital Converter (ADC)” (DS70621) of the
AD55
AD55
Clear SAMP
1 2 3 4 5 6 4 5 6 8
1– Software sets ADxCON1. ADON to start AD operation.
2– Sampling starts after discharge period. TSAMP is described in
3– Convert bit 9.
4– Convert bit 8.
5– Convert bit 0.
7 3
6– One TAD for end of conversion.
7– Begin conversion of next channel.
8– Sample for time specified by SAMC<4:0>.
ADCLK
Instruction Set ADON
Execution
SAMP
TSAMP
ADxIF
DONE
AD55 AD55 TSAMP AD55
AD50
Section 16. “Analog-to-Digital Converter (ADC)” (DS70621)
of the “dsPIC33E/PIC24E Family Reference Manual”.
AD62

dsPIC33EPXXX(GP/MC/MU)806/810/814 and PIC24EPXXX(GP/GU)810/814
DS70616G-page 562 2009-2012 Microchip Technology Inc.
TABLE 32-58: ADC CONVERSION (10-BIT MODE) TIMING REQUIREMENTS
AC CHARACTERISTICS
Standard Operating Conditions: 3.0V to 3.6V (see Note 4)
(unless otherwise stated)
Operating temperature -40°C TA +85°C for Industrial
-40°C TA +125°C for Extended
Param. Symbol Characteristic Min. Typ.(1)Max. Units Conditions
Clock Parameters
AD50 TAD ADC Clock Period 76 — — ns
AD51 tRC ADC Internal RC Oscillator Period — 250 — ns
Conversion Rate
AD55 tCONV Conversion Time — 12 TAD ——
AD56 FCNV Throughput Rate — — 1.1 Msps Using sequential
sampling
AD57 TSAMP Sample Time 2 TAD ———
Timing Parameters
AD60 tPCS Conversion Start from Sample
Trigger(2)
2 TAD —3 TAD — Auto-Convert Trigger
not selected
AD61 tPSS Sample Start from Setting
Sample (SAMP) bit(2)
2 TAD —3 TAD —
AD62 tCSS Conversion Completion to
Sample Start (ASAM = 1)(2)
— 0.5 TAD ——
AD63 tDPU Time to Stabilize Analog Stage
from ADC Off to ADC On(2)
——20s See Note 3
Note 1: These parameters are characterized but not tested in manufacturing.
2: Because the sample caps will eventually lose charge, clock rates below 10 kHz may affect linearity
performance, especially at elevated temperatures.
3: The tDPU parameter is the time required for the ADC module to stabilize at the appropriate level when the
module is turned on (ADON (ADxCON1<15>) = 1). During this time, the ADC result is indeterminate.
4: Device is functional at VBORMIN < VDD < VDDMIN. Analog modules: ADC, Comparator and DAC will have
degraded performance. Device functionality is tested but not characterized. Refer to Parameter BO10 in
Table 32-11 for the minimum and maximum BOR values.

2009-2012 Microchip Technology Inc. DS70616G-page 563
dsPIC33EPXXX(GP/MC/MU)806/810/814 and PIC24EPXXX(GP/GU)810/814
FIGURE 32-40: DCI MODULE (MULTI-CHANNEL, I2S MODES) TIMING CHARACTERISTICS
COFS
CSCK
(SCKE = 0)
CSCK
(SCKE = 1)
CSDO
CSDI
CS11 CS10
CS40 CS41
CS21CS20
CS35
CS21
MSb LSb
LSb In
CS31
High-Z High-Z
70
CS30
CS51 CS50
Note: Refer to Figure 32-1 for load conditions.
CS20
CS56
CS55
MSb In

dsPIC33EPXXX(GP/MC/MU)806/810/814 and PIC24EPXXX(GP/GU)810/814
DS70616G-page 564 2009-2012 Microchip Technology Inc.
TABLE 32-59: DCI MODULE (MULTI-CHANNEL, I2S MODES) TIMING REQUIREMENTS
AC CHARACTERISTICS
Standard Operating Conditions: 3.0V to 3.6V
(unless otherwise stated)
Operating temperature -40°C TA +85°C for Industrial
-40°C TA +125°C for Extended
Param. Symbol Characteristic(1)Min. Typ.(2)Max. Units Conditions
CS10 TCSCKL CSCK Input Low Time
(CSCK pin is an input)
TCY/2 + 20 — — ns
CSCK Output Low Time(3)
(CSCK pin is an output)
30 — — ns
CS11 TCSCKH CSCK Input High Time
(CSCK pin is an input)
TCY/2 + 20 — — ns
CSCK Output High Time(3)
(CSCK pin is an output)
30 — — ns
CS20 TCSCKF CSCK Output Fall Time
(CSCK pin is an output)
— — — ns See Parameter DO32
CS21 TCSCKR CSCK Output Rise Time
(CSCK pin is an output)
— — — ns See Parameter DO31
CS30 TCSDOF CSDO Data Output Fall Time — — — ns See Parameter DO32
CS31 TCSDOR CSDO Data Output Rise Time — — — ns See Parameter DO31
CS35 TDV Clock Edge to CSDO Data Valid — — 10 ns
CS36 TDIV Clock Edge to CSDO Tri-Stated 10 — 20 ns
CS40 TCSDI Setup Time of CSDI Data Input
to CSCK Edge (CSCK pin is
input or output)
20 — — ns
CS41 THCSDI Hold Time of CSDI Data Input to
CSCK Edge (CSCK pin is input
or output)
20 — — ns
CS50 TCOFSF COFS Fall Time
(COFS pin is output)
— — — ns See Parameter DO32
CS51 TCOFSR COFS Rise Time
(COFS pin is output)
— — — ns See Parameter DO31
CS55 TSCOFS Setup Time of COFS Data Input
to CSCK Edge (COFS pin is
input)
20 — — ns
CS56 THCOFS Hold Time of COFS Data Input to
CSCK Edge (COFS pin is input)
20 — — ns
Note 1: These parameters are characterized but not tested in manufacturing.
2: Data in “Typ” column is at 3.3V, +25°C unless otherwise stated. Parameters are for design guidance only
and are not tested.
3: The minimum clock period for CSCK is 100 ns. Therefore, the clock generated in Master mode must not
violate this specification.

2009-2012 Microchip Technology Inc. DS70616G-page 565
dsPIC33EPXXX(GP/MC/MU)806/810/814 and PIC24EPXXX(GP/GU)810/814
FIGURE 32-41: DCI MODULE (AC-LINK MODE) TIMING CHARACTERISTICS
SYNC
BIT_CLK
SDOx
SDIx
CS61 CS60
CS65 CS66
CS80
CS21
MSb In
CS75
LSb
CS76
(COFS)
(CSCK)
LSb
MSb
CS72
CS71 CS70
CS76 CS75
(CSDO)
(CSDI)
CS62 CS20

dsPIC33EPXXX(GP/MC/MU)806/810/814 and PIC24EPXXX(GP/GU)810/814
DS70616G-page 566 2009-2012 Microchip Technology Inc.
TABLE 32-60: DCI MODULE (AC-LINK MODE) TIMING REQUIREMENTS
AC CHARACTERISTICS
Standard Operating Conditions: 3.0V to 3.6V
(unless otherwise stated)
Operating temperature -40°C TA +85°C for Industrial
-40°C TA +125°C for Extended
Param. Symbol Characteristic(1,2)Min. Typ.(3)Max. Units Conditions
CS60 TBCLKL BIT_CLK Low Time 36 40.7 45 ns
CS61 TBCLKH BIT_CLK High Time 36 40.7 45 ns
CS62 TBCLK BIT_CLK Period — 81.4 — ns Bit clock is input
CS65 TSACL Input Setup Time to
Falling Edge of BIT_CLK
— — 10 ns
CS66 THACL Input Hold Time from
Falling Edge of BIT_CLK
— — 10 ns
CS70 TSYNCLO Sync Data Output Low Time — 19.5 — s
CS71 TSYNCHI Sync Data Output High Time — 1.3 — s
CS72 TSYNC Sync Data Output Period — 20.8 — s
CS77 TRACL Rise Time, Sync, SDATA_OUT — — — ns See Parameter DO32
CS78 TFACL Fall Time, Sync, SDATA_OUT — — — ns See Parameter DO31
CS80 TOVDACL Output Valid Delay from Rising
Edge of BIT_CLK
— — 15 ns
Note 1: These parameters are characterized but not tested in manufacturing.
2: These values assume the BIT_CLK frequency is 12.288 MHz.
3: Data in “Typ” column is at 3.3V, +25°C unless otherwise stated. Parameters are for design guidance only
and are not tested.

2009-2012 Microchip Technology Inc. DS70616G-page 567
dsPIC33EPXXX(GP/MC/MU)806/810/814 and PIC24EPXXX(GP/GU)810/814
TABLE 32-61: COMPARATOR TIMING SPECIFICATIONS
AC CHARACTERISTICS
Standard Operating Conditions: 3.0V to 3.6V (see Note 3)
(unless otherwise stated)
Operating temperature -40°C TA +85°C for Industrial
-40°C T
A +125°C for Extended
Param. Symbol Characteristic(1)Min. Typ. Max. Units Conditions
300 TRESP Response Time(2)— 150 400 ns
301 TMC2OV Comparator Mode Change
to Output Valid
——10s
Note 1: Parameters are characterized but not tested.
2: Response time is measured with one comparator input at (VDD – 1.5)/2, while the other input transitions
from VSS to VDD.
3: Device is functional at VBORMIN < VDD < VDDMIN. Analog modules: ADC, Comparator and DAC will have
degraded performance. Device functionality is tested but not characterized. Refer to Parameter BO10 in
Table 32-11 for the minimum and maximum BOR values.
TABLE 32-62: COMPARATOR MODULE SPECIFICATIONS
DC CHARACTERISTICS
Standard Operating Conditions: 3.0V to 3.6V (see Note 2)
(unless otherwise stated)
Operating temperature -40°C TA +85°C for Industrial
-40°C TA +125°C for Extended
Param. Symbol Characteristic(1)Min. Typ. Max. Units Conditions
D300 VIOFF Input Offset Voltage — ±10 — mV
D301 VICM Input Common-Mode Voltage AVSS —AVDD V
D302 CMRR Common-Mode Rejection Ratio -54 — — dB
D305 IVREF Internal Voltage Reference 0.19 0.20 0.21 V BGSEL<1:0> = 10
0.57 0.60 0.63 V BGSEL<1:0> = 01
1.14 1.20 1.26 V BGSEL<1:0> = 00
Note 1: Parameters are characterized but not tested.
2: Device is functional at VBORMIN < VDD < VDDMIN. Analog modules: ADC, Comparator and DAC will have
degraded performance. Device functionality is tested but not characterized. Refer to Parameter BO10 in
Table 32-11 for the minimum and maximum BOR values.

dsPIC33EPXXX(GP/MC/MU)806/810/814 and PIC24EPXXX(GP/GU)810/814
DS70616G-page 568 2009-2012 Microchip Technology Inc.
TABLE 32-63: COMPARATOR REFERENCE VOLTAGE SETTLING TIME SPECIFICATIONS
AC CHARACTERISTICS
Standard Operating Conditions: 3.0V to 3.6V (see Note 3)
(unless otherwise stated)
Operating temperature -40°C TA +85°C for Industrial
-40°C TA +125°C for Extended
Param. Symbol Characteristic(2)Min. Typ. Max. Units Conditions
VR310 TSET Settling Time(1)——10s
Note 1: Setting time measured while CVRR = 1 and CVR<3:0> bits transition from ‘0000’ to ‘1111’.
2: These parameters are characterized, but not tested in manufacturing.
3: Device is functional at VBORMIN < VDD < VDDMIN. Analog modules: ADC, Comparator and DAC will have
degraded performance. Device functionality is tested but not characterized. Refer to Parameter BO10 in
Table 32-11 for the minimum and maximum BOR values.
TABLE 32-64: COMPARATOR REFERENCE VOLTAGE SPECIFICATIONS
DC CHARACTERISTICS
Standard Operating Conditions: 3.0V to 3.6V (see Note 2)
(unless otherwise stated)
Operating temperature -40°C TA +85°C for Industrial
-40°C TA +125°C for Extended
Param. Symbol Characteristic(1)Min. Typ. Max. Units Conditions
VRD310 CVRES Resolution CVRSRC/24 — CVRSRC/32 LSb
VRD311 CVRAA Absolute Accuracy — — 0.5 LSb
VRD312 CVRLMaximum Load on CVREF
Output Pin
——0.75AAVDD = 3.6V,
CVRSS = 0,
CVRR = 0,
CVR<3:0> = 1111
Note 1: These parameters are characterized, but not tested in manufacturing.
2: Device is functional at VBORMIN < VDD < VDDMIN. Analog modules: ADC, Comparator and DAC will have
degraded performance. Device functionality is tested but not characterized. Refer to Parameter BO10 in
Table 32-11 for the minimum and maximum BOR values.

2009-2012 Microchip Technology Inc. DS70616G-page 569
dsPIC33EPXXX(GP/MC/MU)806/810/814 and PIC24EPXXX(GP/GU)810/814
FIGURE 32-42: PARALLEL SLAVE PORT TIMING
CS
RD
WR
PMD<7:0>
PS1
PS2
PS3
PS4
PS5
PS6
PS7
TABLE 32-65: PARALLEL SLAVE PORT TIMING SPECIFICATIONS
AC CHARACTERISTICS
Standard Operating Conditions: 3.0V to 3.6V
(unless otherwise stated)
Operating temperature -40°C TA +85°C for Industrial
-40°C TA +125°C for Extended
Param. Symbol Characteristic(1)Min. Typ. Max. Units Conditions
PS1 TdtV2wrH Data In Valid Before WR or CS
Inactive (setup time)
20 — — ns
PS2 TwrH2dtI WR or CS Inactive to Data In
Invalid (hold time)
20 — — ns
PS3 TrdL2dtV RD and CS to Active Data Out
Valid
— — 80 ns
PS4 TrdH2dtI RD or CS Inactive to Data Out
Invalid
10 — 30 ns
PS5 Tcs CS Active Time 33.33 — — ns
PS6 Twr RD Active Time 33.33 — — ns
PS7 Trd WR Active Time 33.33 — — ns
Note 1: These parameters are characterized, but not tested in manufacturing.

dsPIC33EPXXX(GP/MC/MU)806/810/814 and PIC24EPXXX(GP/GU)810/814
DS70616G-page 570 2009-2012 Microchip Technology Inc.
FIGURE 32-43: PARALLEL MASTER PORT READ TIMING DIAGRAM
P1 P2 P3 P4 P1 P2 P3 P4 P1 P2
System
PMA<13:8>
PMD<7:0>
Clock
PMRD
PMALL/PMALH
PMCS1
Address
Address <7:0> Data
PM2 PM6 PM7
PMWR
PM3
PM1
PM5
TABLE 32-66: PARALLEL MASTER PORT READ TIMING REQUIREMENTS
AC CHARACTERISTICS
Standard Operating Conditions: 3.0V to 3.6V
(unless otherwise stated)
Operating temperature -40°C TA +85°C for Industrial
-40°C TA +125°C for Extended
Param. Characteristic(1)Min. Typ. Max. Units Conditions
PM1 PMALL/PMALH Pulse Width — 0.5 TCY —ns
PM2 Address Out Valid to PMALL/PMALH Invalid
(address setup time)
—1 T
CY —ns
PM3 PMALL/PMALH Invalid to Address Out Invalid
(address hold time)
— 0.5 TCY —ns
PM5 PMRD Pulse Width — 0.5 TCY —ns
PM6 PMRD or PMENB Active to Data In Valid (data
setup time)
150 — — ns
PM7 PMRD or PMENB Inactive to Data In Invalid
(data hold time)
——5ns
Note 1: These parameters are characterized, but not tested in manufacturing.

2009-2012 Microchip Technology Inc. DS70616G-page 571
dsPIC33EPXXX(GP/MC/MU)806/810/814 and PIC24EPXXX(GP/GU)810/814
FIGURE 32-44: PARALLEL MASTER PORT WRITE TIMING DIAGRAM
P1 P2 P3 P4 P1 P2 P3 P4 P1 P2
System
PMA<13:8>
PMD<7:0>
Clock
PMWR
PMALL/PMALH
PMCS1
Address
Address <7:0> Data
PM12
PM13
PM16
Data
PMRD
PM11
TABLE 32-67: PARALLEL MASTER PORT WRITE TIMING REQUIREMENTS
AC CHARACTERISTICS
Standard Operating Conditions: 3.0V to 3.6V
(unless otherwise stated)
Operating temperature -40°C TA +85°C for Industrial
-40°C TA +125°C for Extended
Param. Characteristic(1)Min. Typ. Max. Units Conditions
PM11 PMWR Pulse Width — 0.5 TCY —ns
PM12 Data Out Valid Before PMWR or PMENB
goes Inactive (data setup time)
—1 T
CY —ns
PM13 PMWR or PMEMB Invalid to Data Out Invalid
(data hold time)
— 0.5 TCY —ns
PM16 PMCSx Pulse Width TCY - 5 — — ns ADRMUX<1:0> = 00
(demultiplexed
address)
Note 1: These parameters are characterized, but not tested in manufacturing.
TABLE 32-68: DMA MODULE TIMING REQUIREMENTS
AC CHARACTERISTICS
Standard Operating Conditions: 3.0V to 3.6V
(unless otherwise stated)
Operating temperature -40°C TA +85°C for Industrial
-40°C TA +125°C for Extended
Param. Characteristic(1)Min. Typ. Max. Units Conditions
DM1 DMA Byte/Word Transfer Latency 1 TCY ——ns
Note 1: These parameters are characterized, but not tested in manufacturing.

dsPIC33EPXXX(GP/MC/MU)806/810/814 and PIC24EPXXX(GP/GU)810/814
DS70616G-page 572 2009-2012 Microchip Technology Inc.
NOTES:

2009-2012 Microchip Technology Inc. DS70616G-page 573
dsPIC33EPXXX(GP/MC/MU)806/810/814 and PIC24EPXXX(GP/GU)810/814
33.0 DC AND AC DEVICE CHARACTERISTICS GRAPHS
FIGURE 33-1: VOH – 4x DRIVER PINS @ +85ºC
FIGURE 33-2: VOH – 8x DRIVER PINS @ +85ºC
FIGURE 33-3: VOL – 4x DRIVER PINS @ +85ºC
FIGURE 33-4: VOL – 8x DRIVER PINS @ +85ºC
Note: The graphs provided following this note are a statistical summary based on a limited number of samples and are provided for design guidance purposes
only. The performance characteristics listed herein are not tested or guaranteed. In some graphs, the data presented may be outside the specified operating
range (e.g., outside specified power supply range) and therefore, outside the warranted range.
-0.050
-0.045
-0.040
-0.035
-0.030
-0.025
-0.020
IOH(A)
VOH (V)
-0.050
-0.045
-0.040
-0.035
-0.030
-0.025
-0.020
-0.015
-0.010
-0.005
0.000
0.00 0.50 1.00 1.50 2.00 2.50 3.00 3.50 4.00
IOH(A)
VOH (V)
3V
3.3V
3.6V
Absolute Maximum
-0.080
-0.070
-0.060
-0.050
-0.040
0 030
IOH(A)
VOH(V)
-0.080
-0.070
-0.060
-0.050
-0.040
-0.030
-0.020
-0.010
0.000
0.00 0.50 1.00 1.50 2.00 2.50 3.00 3.50 4.00
IOH(A)
VOH(V)
3V
3.3V
3.6V
Absolute Maximum
0.015
0.020
0.025
0.030
0.035
0.040
0.045
0.050
IOH(A)
VOL(V)
0.000
0.005
0.010
0.015
0.020
0.025
0.030
0.035
0.040
0.045
0.050
0.00 0.50 1.00 1.50 2.00 2.50 3.00 3.50 4.00
IOH(A)
VOL(V)
3V
3.3V
3.6V
Absolute Maximum
0020
0.030
0.040
0.050
0.060
0.070
0.080
IOH(A)
VOL(V) 8X
0.000
0.010
0.020
0.030
0.040
0.050
0.060
0.070
0.080
0.00 0.50 1.00 1.50 2.00 2.50 3.00 3.50 4.00
IOH(A)
VOL(V) 8X
3V
3.3V
3.6V
Absolute Maximum

dsPIC33EPXXX(GP/MC/MU)806/810/814 and PIC24EPXXX(GP/GU)810/814
DS70616G-page 574 2009-2012 Microchip Technology Inc.
FIGURE 33-5: TYPICAL IPD CURRENT @ VDD = 3.3V
FIGURE 33-6: TYPICAL IDD CURRENT – VDD = 3.3V @ +85ºC
FIGURE 33-7: TYPICAL IDOZE CURRENT @ VDD = 3.3V
FIGURE 33-8: TYPICAL IIDLE CURRENT – VDD = 3.3V @ +85ºC
400
600
800
1,000
1,200
1,400
1,600
1,800
IPD (µA)
0
200
400
600
800
1,000
1,200
1,400
1,600
1,800
-40-30-20-10 0 102030405060708090100110120
IPD (µA)
Temperature (Celsius)
30.00
40.00
50.00
60.00
70.00
80.00
D
DCurrent (mA)
0.00
10.00
20.00
0 10203040506070
I
D
MIPS
0
10
20
30
40
50
60
70
80
1:1 1:2 1:64 1:128
IDOZE (mA)
Doze Ratio
15 00
20.00
25.00
30.00
35.00
40.00
45.00
L
ECurrent (mA)
0.00
5.00
10.00
15
.
00
0 10203040506070
IID
L
MIPS

2009-2012 Microchip Technology Inc. DS70616G-page 575
dsPIC33EPXXX(GP/MC/MU)806/810/814 and PIC24EPXXX(GP/GU)810/814
FIGURE 33-9: TYPICAL FRC FREQUENCY @ VDD = 3.3V FIGURE 33-10: TYPICAL LPRC FREQUENCY @ VDD = 3.3V
7320
7340
7360
7380
7400
FRC Frequency (kHz)
7280
7300
7320
7340
7360
7380
7400
-40-30-20-100 102030405060708090100110120
FRC Frequency (kHz)
Temperature (Celsius)
32.2
32.4
32.6
32.8
33.0
33.2
LPRC Frequency (kHz)
31.8
32.0
32.2
32.4
32.6
32.8
33.0
33.2
-40-30-20-100 102030405060708090100110120
LPRC Frequency (kHz)
Temperature (Celsius)

dsPIC33EPXXX(GP/MC/MU)806/810/814 and PIC24EPXXX(GP/GU)810/814
DS70616G-page 576 2009-2012 Microchip Technology Inc.
NOTES:

2009-2012 Microchip Technology Inc. DS70616G-page 577
dsPIC33EPXXX(GP/MC/MU)806/810/814 and PIC24EPXXX(GP/GU)810/814
34.0 PACKAGING INFORMATION
34.1 Package Marking Information
64-Lead TQFP (10x10x1 mm)
XXXXXXXXXX
XXXXXXXXXX
XXXXXXXXXX
YYWWNNN
Example
dsPIC33EP
256MU806
0510017
Legend: XX...X Customer-specific information
Y Year code (last digit of calendar year)
YY Year code (last 2 digits of calendar year)
WW Week code (week of January 1 is week ‘01’)
NNN Alphanumeric traceability code
Pb-free JEDEC designator for Matte Tin (Sn)
*This package is Pb-free. The Pb-free JEDEC designator ( )
can be found on the outer packaging for this package.
Note: In the event the full Microchip part number cannot be marked on one line, it will
be carried over to the next line, thus limiting the number of available
characters for customer-specific information.
3
e
3
e
-I/PT
3
e
64-Lead QFN (9x9x0.9 mm) Example
XXXXXXXXXX
XXXXXXXXXX
YYWWNNN
33EP256MU
806-I/MR
0610017
3
e
100-Lead TQFP (12x12x1 mm)
XXXXXXXXXXXX
XXXXXXXXXXXX
YYWWNNN
Example
dsPIC33EP256
MU810-I/PT
0510017
3
e
100-Lead TQFP (14x14x1 mm)
XXXXXXXXXXXX
XXXXXXXXXXXX
YYWWNNN
Example
dsPIC33EP256
MU810-I/PF
0510017
3
e

dsPIC33EPXXX(GP/MC/MU)806/810/814 and PIC24EPXXX(GP/GU)810/814
DS70616G-page 578 2009-2012 Microchip Technology Inc.
34.1 Package Marking Information (Continued)
144-Lead TQFP (16x16x1 mm)
XXXXXXXXXXXX
XXXXXXXXXXXX
YYWWNNN
Example
dsPIC33EP256
MU814-I/PH
0510017
3
e
121-Lead TFBGA (10x10x1.2 mm) Example
144-Lead LQFP (20x20x1.4 mm)
XXXXXXXXXXXX
XXXXXXXXXXXX
YYWWNNN
Example
dsPIC33EP256
MU814-I/PL
0510017
3
e
XXXXXXXXXX
XXXXXXXXXX
YYWWNNN
33EP256MU
810-I/BG
0610017
3
e

2009-2012 Microchip Technology Inc. DS70616G-page 579
dsPIC33EPXXX(GP/MC/MU)806/810/814 and PIC24EPXXX(GP/GU)810/814
34.2 Package Details
Note: For the most current package drawings, please see the Microchip Packaging Specification located at
http://www.microchip.com/packaging

dsPIC33EPXXX(GP/MC/MU)806/810/814 and PIC24EPXXX(GP/GU)810/814
DS70616G-page 580 2009-2012 Microchip Technology Inc.
Note: For the most current package drawings, please see the Microchip Packaging Specification located at
http://www.microchip.com/packaging

2009-2012 Microchip Technology Inc. DS70616G-page 581
dsPIC33EPXXX(GP/MC/MU)806/810/814 and PIC24EPXXX(GP/GU)810/814
Note: For the most current package drawings, please see the Microchip Packaging Specification located at
http://www.microchip.com/packaging

dsPIC33EPXXX(GP/MC/MU)806/810/814 and PIC24EPXXX(GP/GU)810/814
DS70616G-page 582 2009-2012 Microchip Technology Inc.
64-Lead Plastic Thin Quad Flatpack (PT) – 10x10x1 mm Body, 2.00 mm Footprint [TQFP]
Notes:
1. Pin 1 visual index feature may vary, but must be located within the hatched area.
2. Chamfers at corners are optional; size may vary.
3. Dimensions D1 and E1 do not include mold flash or protrusions. Mold flash or protrusions shall not exceed 0.25 mm per side.
4. Dimensioning and tolerancing per ASME Y14.5M.
BSC: Basic Dimension. Theoretically exact value shown without tolerances.
REF: Reference Dimension, usually without tolerance, for information purposes only.
Note: For the most current package drawings, please see the Microchip Packaging Specification located at
http://www.microchip.com/packaging
Units MILLIMETERS
Dimension Limits MIN NOM MAX
Number of Leads N 64
Lead Pitch e 0.50 BSC
Overall Height A – – 1.20
Molded Package Thickness A2 0.95 1.00 1.05
Standoff A1 0.05 – 0.15
Foot Length L 0.45 0.60 0.75
Footprint L1 1.00 REF
Foot Angle φ0° 3.5° 7°
Overall Width E 12.00 BSC
Overall Length D 12.00 BSC
Molded Package Width E1 10.00 BSC
Molded Package Length D1 10.00 BSC
Lead Thickness c 0.09 – 0.20
Lead Width b 0.17 0.22 0.27
Mold Draft Angle Top α11° 12° 13°
Mold Draft Angle Bottom β11° 12° 13°
D
D1
E
E1
e
b
N
NOTE 1123 NOTE 2
c
L
A1
L1
A2
A
φ
β
α
Microchip Technology Drawing C04-085B

2009-2012 Microchip Technology Inc. DS70616G-page 583
dsPIC33EPXXX(GP/MC/MU)806/810/814 and PIC24EPXXX(GP/GU)810/814
Note: For the most current package drawings, please see the Microchip Packaging Specification located at
http://www.microchip.com/packaging

dsPIC33EPXXX(GP/MC/MU)806/810/814 and PIC24EPXXX(GP/GU)810/814
DS70616G-page 584 2009-2012 Microchip Technology Inc.
100-Lead Plastic Thin Quad Flatpack (PT) – 12x12x1 mm Body, 2.00 mm Footprint [TQFP]
Notes:
1. Pin 1 visual index feature may vary, but must be located within the hatched area.
2. Chamfers at corners are optional; size may vary.
3. Dimensions D1 and E1 do not include mold flash or protrusions. Mold flash or protrusions shall not exceed 0.25 mm per side.
4. Dimensioning and tolerancing per ASME Y14.5M.
BSC: Basic Dimension. Theoretically exact value shown without tolerances.
REF: Reference Dimension, usually without tolerance, for information purposes only.
Note: For the most current package drawings, please see the Microchip Packaging Specification located at
http://www.microchip.com/packaging
Units MILLIMETERS
Dimension Limits MIN NOM MAX
Number of Leads N 100
Lead Pitch e 0.40 BSC
Overall Height A – – 1.20
Molded Package Thickness A2 0.95 1.00 1.05
Standoff A1 0.05 – 0.15
Foot Length L 0.45 0.60 0.75
Footprint L1 1.00 REF
Foot Angle φ0° 3.5° 7°
Overall Width E 14.00 BSC
Overall Length D 14.00 BSC
Molded Package Width E1 12.00 BSC
Molded Package Length D1 12.00 BSC
Lead Thickness c 0.09 – 0.20
Lead Width b 0.13 0.18 0.23
Mold Draft Angle Top α11° 12° 13°
Mold Draft Angle Bottom β11° 12° 13°
D
D1
E
E1
e
b
N
123
NOTE 1NOTE 2
c
L
A1 L1
A
A2
α
β
φ
Microchip Technology Drawing C04-100B

2009-2012 Microchip Technology Inc. DS70616G-page 585
dsPIC33EPXXX(GP/MC/MU)806/810/814 and PIC24EPXXX(GP/GU)810/814
Note: For the most current package drawings, please see the Microchip Packaging Specification located at
http://www.microchip.com/packaging

dsPIC33EPXXX(GP/MC/MU)806/810/814 and PIC24EPXXX(GP/GU)810/814
DS70616G-page 586 2009-2012 Microchip Technology Inc.
100-Lead Plastic Thin Quad Flatpack (PF) – 14x14x1 mm Body, 2.00 mm Footprint [TQFP]
Notes:
1. Pin 1 visual index feature may vary, but must be located within the hatched area.
2. Chamfers at corners are optional; size may vary.
3. Dimensions D1 and E1 do not include mold flash or protrusions. Mold flash or protrusions shall not exceed 0.25 mm per side.
4. Dimensioning and tolerancing per ASME Y14.5M.
BSC: Basic Dimension. Theoretically exact value shown without tolerances.
REF: Reference Dimension, usually without tolerance, for information purposes only.
Note: For the most current package drawings, please see the Microchip Packaging Specification located at
http://www.microchip.com/packaging
Units MILLIMETERS
Dimension Limits MIN NOM MAX
Number of Leads N 100
Lead Pitch e 0.50 BSC
Overall Height A – – 1.20
Molded Package Thickness A2 0.95 1.00 1.05
Standoff A1 0.05 – 0.15
Foot Length L 0.45 0.60 0.75
Footprint L1 1.00 REF
Foot Angle φ0° 3.5° 7°
Overall Width E 16.00 BSC
Overall Length D 16.00 BSC
Molded Package Width E1 14.00 BSC
Molded Package Length D1 14.00 BSC
Lead Thickness c 0.09 – 0.20
Lead Width b 0.17 0.22 0.27
Mold Draft Angle Top α11° 12° 13°
Mold Draft Angle Bottom β11° 12° 13°
D
D1
e
b
E1
E
N
NOTE 1NOTE 2
123
c
LA1 L1
A2
A
φ
β
α
Microchip Technology Drawing C04-110B

2009-2012 Microchip Technology Inc. DS70616G-page 587
dsPIC33EPXXX(GP/MC/MU)806/810/814 and PIC24EPXXX(GP/GU)810/814
Note: For the most current package drawings, please see the Microchip Packaging Specification located at
http://www.microchip.com/packaging

dsPIC33EPXXX(GP/MC/MU)806/810/814 and PIC24EPXXX(GP/GU)810/814
DS70616G-page 588 2009-2012 Microchip Technology Inc.

2009-2012 Microchip Technology Inc. DS70616G-page 589
dsPIC33EPXXX(GP/MC/MU)806/810/814 and PIC24EPXXX(GP/GU)810/814

dsPIC33EPXXX(GP/MC/MU)806/810/814 and PIC24EPXXX(GP/GU)810/814
DS70616G-page 590 2009-2012 Microchip Technology Inc.

2009-2012 Microchip Technology Inc. DS70616G-page 591
dsPIC33EPXXX(GP/MC/MU)806/810/814 and PIC24EPXXX(GP/GU)810/814
144-Lead Plastic Low Profile Quad Flatpack (PL) 20x20x1.40 mm Body, with 2.00 mm
Footprint [LQFP]
Note: For the most current package drawings, please see the Microchip Packaging Specification located at
http://www.microchip.com/packaging

dsPIC33EPXXX(GP/MC/MU)806/810/814 and PIC24EPXXX(GP/GU)810/814
DS70616G-page 592 2009-2012 Microchip Technology Inc.
144-Lead Plastic Low Profile Quad Flatpack (PL) 20x20x1.40 mm Body, with 2.00 mm
Footprint [LQFP]
Note: For the most current package drawings, please see the Microchip Packaging Specification located at
http://www.microchip.com/packaging

2009-2012 Microchip Technology Inc. DS70616G-page 593
dsPIC33EPXXX(GP/MC/MU)806/810/814 and PIC24EPXXX(GP/GU)810/814

dsPIC33EPXXX(GP/MC/MU)806/810/814 and PIC24EPXXX(GP/GU)810/814
DS70616G-page 594 2009-2012 Microchip Technology Inc.
Note: For the most current package drawings, please see the Microchip Packaging Specification located at
http://www.microchip.com/packaging

2009-2012 Microchip Technology Inc. DS70616G-page 595
dsPIC33EPXXX(GP/MC/MU)806/810/814 and PIC24EPXXX(GP/GU)810/814
Note: For the most current package drawings, please see the Microchip Packaging Specification located at
http://www.microchip.com/packaging

dsPIC33EPXXX(GP/MC/MU)806/810/814 and PIC24EPXXX(GP/GU)810/814
DS70616G-page 596 2009-2012 Microchip Technology Inc.
Note: For the most current package drawings, please see the Microchip Packaging Specification located at
http://www.microchip.com/packaging

2009-2012 Microchip Technology Inc. DS70616G-page 597
dsPIC33EPXXX(GP/MC/MU)806/810/814 and PIC24EPXXX(GP/GU)810/814
APPENDIX A: REVISION HISTORY
Revision A (December 2009)
This is the initial released version of this document.
Revision B (July 2010)
This revision includes minor typographical and
formatting changes throughout the data sheet text.
The major changes are referenced by their respective
section in Table A-1.
TABLE A-1: MAJOR SECTION UPDATES
Section Name Update Description
“High-Performance, 16-bit Digital
Signal Controllers and
Microcontrollers”
Removed reference to dual triggers for Motor Control Peripherals.
Relocated the VBUSST pin in all pin diagrams (see “Pin Diagrams”, Table 2
and Table 3).
Added SCK2, SDI2, SDO2 pins in pin location 4,5 and 6 respectively in 64-pin
QFN.
Added SCK2, SDI2, SDO2 pins in pin location 4,5 and 6 respectively in 64-pin
TQFP.
Added SCK2, SDI2, SDO2 pins in pin location 10,11 and 12 respectively in
100-pin TQFP.
Added SCK2, SDI2, SDO2 pins in Table 2 and Table 3.
Moved the RP30 pin to pin location 95, and the RP31 pin to pin location 96 in
the 144-pin TQFP and 144-pin LQFP pin diagrams.
Section 1.0 “Device Overview” Removed the SCL1 and SDA1 pins from the Pinout I/O Descriptions (see
Table 1-1).
Section 2.0 “Guidelines for
Getting Started with 16-bit Digital
Signal Controllers and
Microcontrollers”
Removed Section 2.8 “Configuration of Analog and Digital Pins During ICSP
Operations”
Section 3.0 “CPU” Added Note 4 to the CPU Status Register (SR) in Register 3-1.
Added the VAR bit (CORCON<15>) to Register 3-2.

dsPIC33EPXXX(GP/MC/MU)806/810/814 and PIC24EPXXX(GP/GU)810/814
DS70616G-page 598 2009-2012 Microchip Technology Inc.
Section 4.0 “Memory
Organization”
Added the Write Latch and Auxiliary Interrupt Vector to the Program Memory
Map (see Figure 4-1).
Updated the All Resets value for the DSRPAG and DSWPAG registers in the
CPU Core Register Maps (see Table 4-1 and Table 4-2).
Updated the All Resets value for the INTCON2 register in the Interrupt
Controller Register Maps (see Table 4-3 through Table 4-6).
Updated the All Resets values for all registers in the Output Compare 1 -
Output Compare 16 Register Map, with the exception of the OCxTMR and
OCxCON1 registers (see Table 4-9).
Removed the DTM bit (TRGCON1<7> from all PWM Generator # Register
Maps (see Table 4-11 through Table 4-17).
Updated the All Resets value for the QEI1IOC register in the QEI1 Register
Map (see Table 4-18).
Updated the All Resets value for the QEI2IOC register in the QEI1 Register
Map (see Table 4-19).
Added Note 4 to the USB OTG Register Map (see Table 4-25)
Updated all addresses in the Real-Time Clock and Calendar Register Map (see
Table 4-34).
Removed RPINR22 from Table 4-37 through Table 4-40.
Updated the All Resets values for all registers in the Peripheral Pin Select Input
Register Maps and modified the RPIN37-RPINR43 registers (see Table 4-37
through Table 4-40).
Added the VREGSF bit (RCON<11>) to the System Control Register Map (see
Table 4-43).
Added the REFOMD bit (PMD4<3>) to the PMD Register Maps (see Table 4-44
through Table 4-47).
Changed the bit range for CNT from <15:0> to <13:0> for all DMAxCNT
registers in the DMAC Register Map (see Table 4-49).
Updated the All Resets value and removed the ANSC15 and ANSC12 bits in
the ANSLEC registers in the PORTC Register Maps (see Table 4-52 and
Table 4-53).
Updated DSxPAG and Page Description of O, Read and U, Read in Table 4-66.
Added Note to the Table 4-67.
Updated Arbiter Architecture in Figure 4-8.
Updated the Unimplemented value and removed the LATG3 and LATG2 bits in
the LATG registers and the CNPUG3 and CNPUG2 bits from the CNPUG
registers in the PORTG Register Maps (see Table 4-60 and Table 4-61)
Updated the All Resets value and removed the TRISG3 and TRISG2 bits in the
TRISG registers and the ODCG3 and ODCG2 bits from the ODCG registers in
the PORTG Register Maps (see Table 4-60 and Table 4-61).
Section 5.0 “Flash Program
Memory”
Updated the NVMOP<3:0> = 1110 definition to Reserved and added Note 6 to
the Nonvolatile Memory (NVM) Control Register (see Register 5-1).
Section 6.0 “Resets” Added the VREGSF bit (RCON<11>) to the Reset Control Register (see
Register 6-1).
TABLE A-1: MAJOR SECTION UPDATES (CONTINUED)
Section Name Update Description

2009-2012 Microchip Technology Inc. DS70616G-page 599
dsPIC33EPXXX(GP/MC/MU)806/810/814 and PIC24EPXXX(GP/GU)810/814
Section 7.0 “Interrupt Controller” Added the VAR bit (CORCON<15>) to the Core Control Register (see
Register 7-2)
Changed the default POR value for the GIE bit (INTCON2<15) to R/W-1 (see
Register 7-4).
Changed the VECNUM<7:0> = 11111111 pending interrupt vector number to
263 in the Interrupt Control and Status Register (see Register 7-7).
Section 8.0 “Direct Memory
Access (DMA)”
Updated Section 8.1 “DMAC Registers”.
Updated DMA Controller in Figure 8-1.
Added Note 1 to the DMA Channel x Peripheral Address Register (see
Register 8-7).
Added Note 1 and Note 2 to the DMA Channel x Transfer Count Register (see
Register 8-8).
Updated all RQCOLx bit definitions, changing Peripheral Write to Transfer
Request in the DMA Request Collision Status Register (see Register 8-12).
Section 9.0 “Oscillator
Configuration”
Added the Reference Oscillator Control Register (see Register 9-7).
Added Note 3 and 4 to the CLKDIV Register (see Register 9-2)
Section 10.0 “Power-Saving
Features”
Added the DCIMD and C2MD bits to the Peripheral Module Disable Control
Register 1 (see Register 10-1)
Added the IC6MD, IC5MD, IC4MD, IC3MD, OC8MD, OC7MD, OC6MD, and
OC5MD bits to the Peripheral Module Disable Control Register 2 (see
Register 10-2)
Added the T9MD, T8MD, T7MD, and T6MD bits and removed the DSC1MD bit
in the Peripheral Module Disable Control Register 3 (see Register 10-3).
Added the REFOMD bit (PMD4<3>) to the Peripheral Module Disable Control
Register 4 (see Register 10-4).
Section 11.0 “I/O Ports” Updated the first paragraph of Section 11.2 “Configuring Analog and Digital
Port Pins”.
Updated the PWM Fault, Dead-Time Compensation, and Synch Input register
numbers of the Selectable Input Sources (see Table 11-2).
Removed RPINR22 register.
Bit names and definitions were modified in the following registers:
• Peripheral Pin Select Input Register 37 (see Register 11-37)
• Peripheral Pin Select Input Register 38 (see Register 11-38)
• Peripheral Pin Select Input Register 39 (see Register 11-39)
• Peripheral Pin Select Input Register 40 (see Register 11-40)
• Peripheral Pin Select Input Register 41 (see Register 11-41)
• Peripheral Pin Select Input Register 42 (see Register 11-42)
• Peripheral Pin Select Input Register 43 (see Register 11-43)
Section 12.0 “Timer1” Added Note in Register 12-1.
Section 14.0 “Input Capture” Added Note 1 to the Input Capture Block Diagram (see Figure 14-1).
Section 15.0 “Output Compare” Added Note 1 to the Output Compare Module Block Diagram (see Figure 15-1).
Added Note 2 to the Output Compare x Control Register 2 (see Register 15-2).
Section 16.0 “High-Speed PWM
Module (dsPIC33EPXXXMU806/
810/814 Devices Only)”
Added Comparator bit values for the CLSRC<4:0> and FLTSRC<4:0> bits in
the PWM Fault Current-Limit Control Register (see Register 16-21).
TABLE A-1: MAJOR SECTION UPDATES (CONTINUED)
Section Name Update Description

dsPIC33EPXXX(GP/MC/MU)806/810/814 and PIC24EPXXX(GP/GU)810/814
DS70616G-page 600 2009-2012 Microchip Technology Inc.
Section 17.0 “Quadrature
Encoder Interface (QEI) Module
(dsPIC33EPXXXMU806/810/814
Devices Only)”
Reordered the bit values for the OUTFNC<1:0> bits and updated the default
POR bit value to ‘x’ for the HOME, INDEX, QEB, and QEA bits in the QEI I/O
Control Register (see Register 17-2).
Section 23.0 “10-bit/12-bit
Analog-to-Digital Converter
(ADC)”
Updated VREFL in the ADC1 and ADC2 Module Block Diagram (see
Figure 23-1).
Section 25.0 “Comparator
Module”
Added Note 1 to the Comparator I/O Operating Modes (see Figure 25-1).
Removed the CLPWR bit (CMxCON<12>) (see Register 25-2).
Section 29.0 “Special Features” Added a new first paragraph to Section 29.1 “Configuration Bits”
Section 30.0 “Instruction Set
Summary”
The following instructions have been updated (see Table 30-2):
•BRA
•CALL
• CPBEQ
• CPBGT
• CPBLT
• CPBNE
•GOTO
• MOVPAG
•MUL
• RCALL
• RETFIE
• RETLW
• RETURN
• TBLRDH
• TBLRDL
Section 32.0 “Electrical
Characteristics”
Updated the Typical and Maximum values for DC Characteristics: Operating
Current (IDD) (see Table 32-5).
Updated the Typical and Maximum values for DC Characteristics: Idle Current
(IIDLE) (see Table 32-6).
Updated the Maximum values for DC Characteristics: Power-down Current
(IPD) (see Table 32-7).
Updated the Maximum values for DC Characteristics: Doze Current (IDOZE)
(see Table 32-8).
Updated the parameter numbers for Internal FRC Accuracy (see Table 32-19).
Updated the parameter numbers and the Typical value for parameter F21b for
Internal RC Accuracy (see Table 32-20).
Updated the Minimum value for PM6 and the Typical and Maximum values for
PM7 in Parallel Master Port Read Requirements (see Table 32-52).
Added DMA Module Timing Requirements (see Table 32-54).
TABLE A-1: MAJOR SECTION UPDATES (CONTINUED)
Section Name Update Description

2009-2012 Microchip Technology Inc. DS70616G-page 601
dsPIC33EPXXX(GP/MC/MU)806/810/814 and PIC24EPXXX(GP/GU)810/814
Revision C (May 2011)
This revision includes minor typographical and
formatting changes throughout the data sheet text.
These global changes were implemented:
• All instances of VDDCORE have been removed.
• References to remappable pins have been
updated to clarify output-only pins (RPn) versus
input/output pins (RPIn).
• The minimum VDD value was changed from 2.7V to
3.0V to adhere to the current BOR specification.
The major changes are referenced by their respective
section in Table A-2.
TABLE A-2: MAJOR SECTION UPDATES
Section Name Update Description
High-Performance, 16-bit Digital
Signal Controllers and
Microcontrollers
Removed the shading for D+/RG2 and D-/RG3 pin designations in all pin
diagrams, as these pins are not 5V tolerant.
References to remappable pins have been updated to clarify input/output pins
(RPn) and input-only pins (RPIn).
Section 2.0 “Guidelines for
Getting Started with 16-bit Digital
Signal Controllers and
Microcontrollers”
Add information on the VUSB pin in Section 2.1 “Basic Connection
Requirements”.
Updated the title of Section 2.3 to Section 2.3 “CPU Logic Filter Capacitor
Connection (VCAP)” and modified the first paragraph.
Section 3.0 “CPU” Added Note 2 to the Programmer’s Model Register Descriptions
(see Table 3-1).
Section 4.0 “Memory
Organization”
Added the CANCKS bit (CxCTRL1<11>) to the ECAN1 and ECAN 2 Register
Maps (see Table 4-26 and Table 4-29).
Added the SBOREN bit (RCON<13>) to the System Control Register Map (see
Table 4-43).
Added Note 1 to the PORTG Register maps (see Table 4-60 and Table 4-61).
Updated the Page Description for DSRPAG = 0x1FF and DSRPAG = 0x200 in
Table 4-66.
Updated the second paragraph of Section 4.2.9 “EDS Arbitration and Bus
Master Priority”.
Updated the last note box in Section 4.2.10 “Software Stack”.
Section 5.0 “Flash Program
Memory”
Updated the equation formatting in Section 5.3 “Programming Operations”.
Added the Non-Volatile Memory Upper Address (NVMADRU) and Non-Volatile
Memory Address (NVMADR) registers (see Register 5-2 and Register 5-3).
Section 6.0 “Resets” Added Security Reset to the Reset System Block Diagram (see Figure 6-1).
Added the SBOREN bit (RCON<13>) and Notes 3 and 4 to the Reset Control
register (see Register 6-1).
Section 11.0 “I/O Ports” References to remappable pins have been updated to clarify input/output pins
(RPn) and input-only pins (RPIn).
Added the new column, Input/Output, to Input Pin Selection for Selectable Input
Sources (see Table 11-2).
Section 17.0 “Quadrature
Encoder Interface (QEI) Module
(dsPIC33EPXXXMU806/810/814
Devices Only)”
Updated the definition for the INTHLD<31:0> bits (see Register 17-19 and
Register 17-20).

dsPIC33EPXXX(GP/MC/MU)806/810/814 and PIC24EPXXX(GP/GU)810/814
DS70616G-page 602 2009-2012 Microchip Technology Inc.
Section 21.0 “Enhanced CAN
(ECAN™) Module”
Added the CANCKS bit to the ECAN Control Register 1 (CiCTRL1)
(see Register 21-1).
Section 22.0 “USB On-The-Go
(OTG) Module”
Removed the USB 3.3V Regulator logic from the USB Interface Diagram
(see Figure 22-1).
Section 23.0 “10-bit/12-bit
Analog-to-Digital Converter
(ADC)”
Updated the ADC Conversion Clock Period Block Diagram (see Figure 23-2).
Section 29.0 “Special Features” Updated the last paragraph of Section 29.1 “Configuration Bits”
Added a note box after the last paragraph of Section 29.3 “BOR: Brown-out
Reset (BOR)”.
Added the RTSP Effect column to the Configuration Bits Description
(see Table 29-2).
Section 30.0 “Instruction Set
Summary”
Updated all Status Flags Affected to None for the MOV instruction and added
Note 2 (see Table 30-2).
Section 32.0 “Electrical
Characteristics”
Updated the Absolute Maximum Ratings (see page 457).
Added Note 1 to the Operating MIPS vs. Voltage (see Table 32-1).
Added parameter DI31 (ICNPD) to the I/O Pin Input Specifications (see
Table 32-9).
Updated the Minimum value for parameter DO26 in the I/O Pin Output
Specifications (see Table 32-10).
Updated the Minimum value for parameter D132b and the Minimum and
Maximum values for parameters D136a, D136b, D137a, D137b, D138a, and
D138b in the Program Memory specification (see Table 32-12).
Updated the Minimum, Typical, and Maximum values for parameter OS10
(Oscillator Crystal Frequency: SOSC) in the External Clock Timing
Requirements (see Table 32-16).
Added Note 2 to the PLL Clock Timing Specifications (see Table 32-17).
Updated all Timer1 External Clock Timing Requirements (see Table 32-23).
Replaced Table 32-34 with Timer2, Timer4, Timer6, Timer8 External Clock
Timing Requirements and Timer3, Timer5, Timer7, Timer9 External Clock
Timing Requirements (see Table 32-24 and Table 32-25, respectively).
Updated the Maximum value for parameter OC15 and the Minimum value for
parameter OC20 in the OC/PWM Mode Timing Requirements
(see Table 32-29).
Updated the Operating Temperature in the ECAN Module I/O Timing
Requirements and USB OTG Timing Requirements (see Table 32-51 and
Table 32-53, respectively).
Updated all SPI specifications (see Figure 32-15 through Figure 32-30 and
Table 32-33 through Table 32-48).
Removed Note 4 from the DCI Module Timing Requirements
(see Table 32-59).
Updated the Standard Operating Conditions voltage for the Comparator
Specifications (see Table 32-61 through Table 32-64).
TABLE A-2: MAJOR SECTION UPDATES (CONTINUED)
Section Name Update Description

2009-2012 Microchip Technology Inc. DS70616G-page 603
dsPIC33EPXXX(GP/MC/MU)806/810/814 and PIC24EPXXX(GP/GU)810/814
Revision D (August 2011)
This revision includes minor typographical and
formatting changes throughout the data sheet text.
The Data Converter Interface (DCI) module is available
on all dsPIC33EPXXX(GP/MC/MU)806/810/814 and
PIC24EPXXX(GP/GU)810/814 devices. References
throughout the document have been updated
accordingly.
The following pin name changes were implemented
throughout the document:
• C1INA renamed to C1IN1+
• C1INB renamed to C1IN2-
• C1INC renamed to C1IN1-
• C1IND renamed to C1IN3-
• C2INA renamed to C2IN1+
• C2INB renamed to C2IN2-
• C2INC renamed to C2IN1-
• C2IND renamed to C2IN3-
• C3INA renamed to C3IN1+
• C3INB renamed to C3IN2-
• C3INC renamed to C3IN1-
• C3IND renamed to C3IN3-
The other major changes are referenced by their
respective section in Table A-3.
TABLE A-3: MAJOR SECTION UPDATES
Section Name Update Description
Section 1.0 “Device Overview” Added Section 1.1 “Referenced Sources”.
Section 2.0 “Guidelines for Getting
Started with 16-bit Digital Signal
Controllers and Microcontrollers”
Updated the Note in Section 2.1 “Basic Connection Requirements”.
Section 3.0 “CPU” Updated Section 3.1 “Registers”.
Section 4.0 “Memory Organization” Updated FIGURE 4-3: “Data Memory Map for dsPIC33EP512MU810/814
Devices with 52 KB RAM” and FIGURE 4-5: “Data Memory Map for
dsPIC33EP256MU806/810/814 Devices with 28 KB RAM”.
Updated the IFS3, IEC3, IPC14, and IPC15 SFRs in the Interrupt Controller
Register Map (see Table 4-6).
Updated the SMPI bits for the AD1CON2 and AD2CON2 SFRs in the ADC1
and ADC2 Register Map (see Table 4-23).
Updated the All Resets values for the CLKDIV and PLLFBD SFRs and
removed the SBOREN bit in the System Control Register Map
(see Table 4-43).
Section 6.0 “Resets” Removed the SBOREN bit and Notes 3 and 4 from the Reset Control
Register (see Register 6-1).
Section 8.0 “Direct Memory Access
(DMA)”
Removed Note 2 from the DMA Channel x IRQ Select Register (see
Register 8-2).
Section 9.0 “Oscillator
Configuration”
Updated the PLL Block Diagram (see Figure 9-2).
Updated the value at PORT and the default designations for the
DOZE<2:0>, FRCDIV<2:0>, and PLLPOST<1:0> bits in the Clock Divisor
Register and the PLLDIV<8:0> bits in the PLLFBD register (see Register 9-2
and Register 9-3).
Section 23.0 “10-bit/12-bit Analog-
to-Digital Converter (ADC)”
Added Note 4 and updated the ADC Buffer names in the ADCx Module
Block Diagram (see Figure 23-1).
Added Note 3 to the ADCx Control Register 1 (see Register 23-1).
Added the new ADC2 Control Register 2 (see Register 23-3).
Updated the SMPI<4:0> bit value definitions in the ADC1 Control Register 2
(see Register 23-2).

dsPIC33EPXXX(GP/MC/MU)806/810/814 and PIC24EPXXX(GP/GU)810/814
DS70616G-page 604 2009-2012 Microchip Technology Inc.
Section 25.0 “Comparator Module” Updated the Comparator I/O Operating Modes diagram (see Figure 25-1).
Added Note 2 to the Comparator Voltage Reference Control Register (see
Register 25-6).
Section 29.0 “Special Features” Added Note 3 to the Connections for the On-chip Voltage Regulator (see
Figure 29-1).
Section 32.0 “Electrical
Characteristics”
Removed the Voltage on VCAP with respect to VSS from the Absolute
Maximum Ratings(1).
Removed Note 3 and parameter DC18 from the DC Temperature and
Voltage Specifications (see Table 32-4).
Updated the notes in the DC Characteristics: Operating Current (IDD)
(see Table 32-5).
Updated the notes in the DC Characteristics: Idle Current (IIDLE)
(see Table 32-6).
Updated the Typical and Maximum values for parameter DC60c and the
notes in the DC Characteristics: Power-down Current (IPD) (see Table 32-7).
Updated the notes in the DC Characteristics: Doze Current (IDOZE)
(see Table 32-8).
Updated the conditions for parameters DI60a and DI60b (see Table 32-9).
Updated the conditions for parameter BO10 in the BOR Electrical
Characteristics (see Table 32-10).
Added Note 1 to the Internal Voltage Regulator Specifications
(see Table 32-13).
Updated the Minimum and Maximum values for parameter OS53 in the PLL
Clock Timing Specifications (see Table 32-17).
Updated the Minimum and Maximum values for parameter F21b in the
Internal LPRC Accuracy specifications (see Table 32-20).
Added Note 2 to the ADC Module Specifications (see Table 32-54).
TABLE A-3: MAJOR SECTION UPDATES (CONTINUED)
Section Name Update Description

2009-2012 Microchip Technology Inc. DS70616G-page 605
dsPIC33EPXXX(GP/MC/MU)806/810/814 and PIC24EPXXX(GP/GU)810/814
Revision E (August 2011)
This revision includes the following updates to
Section 32.0 “Electrical Characteristics”:
• The maximum HS value for parameter OS10 was
updated (see Table 32-16)
• The OC/PWM Module Timing Characteristics for
OCx were updated (see Figure 32-10)
• The Maximum Data Rate values were updated for
the SPI1, SPI3, and SPI4 Maximum Data/Clock
Rate Summary (see Table 32-33)
• These SPI1, SPI3, and SPI4 Timing Requirements
were updated:
- Maximum value for parameter SP10 and the
minimum clock period value for SCKx in Note 3
(see Table 32-34, Table 32-35, and Table 32-36)
- Maximum value for parameter SP70 and the
minimum clock period value for SCKx in Note 3
(see Table 32-38 and Table 32-40)
• The Maximum Data Rate values were updated for
the SPI2 Maximum Data/Clock Rate Summary
(see Table 32-41)
• These SPI2 Timing Requirements were updated:
- Maximum value for parameter SP10 and the
minimum clock period value for SCKx in Note 3
(see Table 32-42, Table 32-43, and Table 32-44)
- Maximum value for parameter SP70 and the
minimum clock period value for SCKx in Note 3
(see Table 32-45 through Table 32-48)
- Minimum value for parameters SP40 and SP41
see Table 32-43 through Table 32-48)
• These ADC Module Specifications were updated
(see Table 32-54):
- Minimum value for parameter AD05
- Maximum value for parameter AD06
- Minimum value for parameter AD07

dsPIC33EPXXX(GP/MC/MU)806/810/814 and PIC24EPXXX(GP/GU)810/814
DS70616G-page 606 2009-2012 Microchip Technology Inc.
Revision F (February 2012)
This revision includes typographical and formatting
changes throughout the data sheet text.
Throughout the document, references to the package
formerly known as XBGA where changed to TFBGA.
In addition, where applicable, new sections were added
to each peripheral chapter that provide information and
links to related resources, as well as helpful tips. For
examples, see Section 18.1 “SPI Helpful Tips” and
Section 18.2 “SPI Resources”. The major changes
are referenced by their respective section in Table A-4.
TABLE A-4: MAJOR SECTION UPDATES
Section Name Update Description
“16-Bit Microcontrollers and
Digital Signal Controllers with
High-Speed PWM, USB and
Advanced Analog”
The content on the first page of this section was extensively reworked to
provide the reader with the key features and functionality of this device family in
an “at-a-glance” format.
The following devices were added to the Controller Families table (see Table 1
and the “Pin Diagrams” section):
• dsPIC33EP512MC806
• dsPIC33EP512GP806
• PIC24EP512GP806
Section 2.0 “Guidelines for
Getting Started with 16-Bit Digital
Signal Controllers and
Microcontrollers”
Added Section 2.9 “Application Examples”
Section 3.0 “CPU” Updated the Status Register information in the Programmer’s Model (see
Figure 3-2).
Section 4.0 “Memory
Organization”
Added Interrupt Controller Register Maps (see Table 4-6 and Ta b le 4- 7 ).
Added Peripheral Pin Select Output Register Map (see Ta b le 4- 3 9 ).
Added PMD Register Maps (see Table 4-50 and Ta b l e 4 - 5 1 ).
Added PORTF Register Map (see Ta b l e 4- 6 4 ).
Added PORTG Register Map (see Ta b l e 4- 6 7 ).
Updated the second note in Section 4.7 “Bit-Reversed Addressing
(dsPIC33EPXXXMU806/810/814 Devices Only)”.
Section 11.0 “I/O Ports” Added RPOR10: Peripheral Pin Select Output Register 10
(see Register 11-54).
Section 14.0 “Input Capture” Updated the Input Capture Module Block Diagram (see Figure 14-1).
Section 15.0 “Output Compare” Updated the Output Compare Module Block Diagram (see Figure 15-1).
Section 25.0 “Comparator
Module”
Updated the User-programmable Blanking Function Block Diagram (see
Figure 25-3).
Updated the bit definitions in the Comparator Mask Gating Control Register
(see Register 25-4).
Section 29.0 “Special Features” Added Note 3 to the Configuration Bits Description (see Ta b le 29 - 2 ).
Section 32.0 “Electrical
Characteristics”
Updated the I/O pin Absolute Maximum Ratings.
Updated Note 1 in the DC Characteristics: Operating Current (see Table 32-5).
Updated Note 1 in the DC Characteristics: Idle Current (see Ta b le 32 - 6 ).
Updated Note 1 in the DC Characteristics: Power-down Current
(see Table 32-7).
Updated Note 1 in the DC Characteristics: Doze Current (see Table 32-8).
Removed parameters DO16 and DO26, added parameter DO26a, updated
parameters DO10 and DO20, and added Note 1 in the DC Characteristics: I/O
Pin Output Specifications (see Table 32-10).

2009-2012 Microchip Technology Inc. DS70616G-page 607
dsPIC33EPXXX(GP/MC/MU)806/810/814 and PIC24EPXXX(GP/GU)810/814
Revision G (October 2012)
This revision includes updates to the packaging
diagrams in Section 34.0 “Packaging Information”.
Preliminary has been removed and there are minor text
edits throughout the document.

dsPIC33EPXXX(GP/MC/MU)806/810/814 and PIC24EPXXX(GP/GU)810/814
DS70616G-page 608 2009-2012 Microchip Technology Inc.
NOTES:

2009-2012 Microchip Technology Inc. DS70616G-page 609
dsPIC33EPXXX(GP/MC/MU)806/810/814 and PIC24EPXXX(GP/GU)810/814
INDEX
A
AC Characteristics ............................................................ 511
Capacitive Loading Requirements on
Output Pins ....................................................... 511
Comparator ............................................................... 567
Comparator Reference Voltage Settling Time .......... 568
I/O Timing Requirements .......................................... 515
Internal FRC Accuracy.............................................. 514
Internal LPRC Accuracy............................................ 514
Load Conditions ........................................................ 511
Temperature and Voltage Specifications .................. 511
ADC
Control Registers ...................................................... 417
Helpful Tips ............................................................... 416
Key Features............................................................. 413
Resources................................................................. 416
Analog-to-Digital Converter (ADC).................................... 413
Arithmetic Logic Unit (ALU)................................................. 46
Assembler
MPASM Assembler................................................... 496
B
Bit-Reversed Addressing .................................................. 131
Example .................................................................... 132
Implementation ......................................................... 131
Sequence Table (16-Entry)....................................... 132
Block Diagrams
16-Bit Timer1 Module................................................ 271
ADCx Conversion Clock Period ................................ 415
ADCx Module............................................................ 414
APLL Module ............................................................ 180
Comparator I/O Operating Modes............................. 437
Comparator Voltage Reference ................................ 438
Connections for On-Chip Voltage Regulator............. 481
CPU Core.................................................................... 38
CRC Shift Engine...................................................... 461
DCI Module ............................................................... 429
Digital Filter Interconnect .......................................... 439
DMA Controller ......................................................... 159
DMA Controller to Peripheral Associations............... 161
dsPIC33EPXXX(GP/MC/MU)806/810/814 and
PIC24EPXXX(GP/GU)810/814........................... 24
ECAN Module ........................................................... 360
EDS Arbiter Architecture........................................... 127
EDS Read Address Generation ................................ 122
EDS Write Address Generation ................................ 123
High-Speed PWM Architectural Overview ................ 294
High-Speed PWM Register Interconnection ............. 295
I2C Module................................................................ 346
Input Capture Module ............................................... 281
Multiplexing of Remappable Output for RPn............. 215
Oscillator System ...................................................... 178
Output Compare Module........................................... 287
PLL Module............................................................... 179
PMP Module Pinout, Connections to
External Devices............................................... 467
Programmable CRC Module..................................... 461
Quadrature Encoder Interface Module...................... 322
Reset System............................................................ 141
RTCC Module ........................................................... 450
Shared Port Structure ............................................... 208
SPIx module.............................................................. 337
Type B Timerx (Timer2, Timer4, Timer6, Timer8) .... 276
Type B, Type C Timer Pair (32-Bit Timer) ................ 277
Type C Timerx (Timer3, Timer5, Timer7, Timer9).... 276
U1RX Remappable Input.......................................... 210
UARTx Module ......................................................... 353
USB Interface ........................................................... 386
User-Programmable Blanking Function.................... 438
Watchdog Timer (WDT)............................................ 482
Brown-out Reset (BOR).................................................... 481
C
C Compilers
MPLAB C18.............................................................. 496
Code Examples
Connecting IC1 to HOME1 Digital Filter Input
on Pin 3 ............................................................ 217
Port Write/Read ........................................................ 209
PWRSAV Instruction Syntax .................................... 191
Code Protection................................................................ 483
CodeGuard Security ......................................................... 483
Comparator
Control Registers...................................................... 440
Resources ................................................................ 439
Configuration Bits ............................................................. 477
Description................................................................ 478
Configuration Register Map .............................................. 477
CPU
Addressing Modes...................................................... 37
Control Registers........................................................ 42
Data Space Addressing.............................................. 37
Instruction Set............................................................. 37
Resources .................................................................. 41
CRC
Overview................................................................... 462
Registers .................................................................. 463
Resources ................................................................ 462
Customer Change Notification Service............................. 616
Customer Notification Service .......................................... 616
Customer Support............................................................. 616
D
Data Address Space........................................................... 49
Memory Map for dsPIC33EP256MU806/810/814
Devices with 28-Kbyte RAM.................................... 52
Memory Map for dsPIC33EP512(GP/MC/MU)806/810/814
Devices with 52-Kbyte RAM.................................... 50
Memory Map for PIC24EP256GU810/814 Devices
with 28-Kbyte RAM.................................................. 53
Memory Map for PIC24EP512(GP/GU)806/810/814
Devices with 52-Kbyte RAM................................. 51
Near Data Space ........................................................ 49
Organization and Alignment ....................................... 49
SFR ............................................................................ 49
Width .......................................................................... 49
Data Converter Interface (DCI) Module ............................ 429
Data Memory
Paged Space ............................................................ 124
Data Space
Extended X ............................................................... 126
DC and AC Characteristics
Graphs and Tables ................................................... 573

dsPIC33EPXXX(GP/MC/MU)806/810/814 and PIC24EPXXX(GP/GU)810/814
DS70616G-page 610 2009-2012 Microchip Technology Inc.
DC Characteristics
Brown-out Reset (BOR) ............................................ 509
Comparator ............................................................... 567
Comparator Reference Voltage ................................ 568
Doze Current (IDOZE) ................................................ 505
I/O Pin Input Specifications....................................... 506
I/O Pin Output Specifications .................................... 509
Idle Current (IIDLE) .................................................... 503
Internal Voltage Regulator Specifications ................. 510
Operating Current (IDD)............................................. 502
Operating MIPS vs. Voltage...................................... 500
Power-Down Current (IPD) ........................................ 504
Program Memory ...................................................... 510
Temperature and Voltage Specifications .................. 501
Thermal Operating Conditions .................................. 500
DCI
Control Registers ...................................................... 431
Introduction ............................................................... 429
Resources................................................................. 430
Development Support ....................................................... 495
DMA Controller
Control Registers ...................................................... 162
Registers
DMA Channel IRQ Select ................................. 162
DMA Peripheral Address .................................. 162
DMA RAM Primary Start Address..................... 162
DMA RAM Secondary Start Address ................ 162
DMA Transfer Count ......................................... 162
DMAxCON ........................................................ 162
Resources................................................................. 162
Supported Peripherals .............................................. 159
DSP Engine......................................................................... 46
E
ECAN Module
Control Registers ...................................................... 362
Message Buffers ....................................................... 381
Modes of Operation .................................................. 361
Overview ................................................................... 359
Resources................................................................. 361
Electrical Characteristics................................................... 499
Absolute Maximum Ratings ...................................... 499
AC ............................................................................. 511
Enhanced CAN Module..................................................... 359
Equations
Device Operating Frequency .................................... 179
FAVCO Calculation ..................................................... 180
Maximum Row Write Time ........................................ 136
Minimum Row Write Time ......................................... 136
Programming Time ................................................... 136
Errata .................................................................................. 20
F
Flash Program Memory..................................................... 135
Control Registers ...................................................... 137
Operations ................................................................ 136
RTSP Operation........................................................ 136
Table Instructions...................................................... 135
H
High-Speed PWM ............................................................. 293
Resources................................................................. 296
I
I/O Ports............................................................................ 207
Configuring Analog Port Pins.................................... 209
Helpful Tips............................................................... 218
Input Change Notification ......................................... 209
Input Pin Selection.................................................... 213
Open-Drain Configuration......................................... 209
Output Selection for Remappable Pins (RPn) .......... 215
Parallel I/O (PIO) ...................................................... 207
Peripheral Pin Select (PPS)...................................... 210
Resources ................................................................ 219
Selectable Input Sources.......................................... 211
Write/Read Timing .................................................... 209
I2C
Control Registers...................................................... 348
Resources ................................................................ 347
In-Circuit Debugger........................................................... 483
In-Circuit Serial Programming (ICSP)............................... 483
Input Capture .................................................................... 281
Control Registers...................................................... 283
Resources ................................................................ 282
Instruction Addressing Modes .......................................... 128
File Register Instructions .......................................... 128
Fundamental Modes Supported ............................... 129
MAC Instructions ...................................................... 129
MCU Instructions ...................................................... 128
Move and Accumulator Instructions.......................... 129
Other Instructions ..................................................... 129
Instruction Set
Overview................................................................... 488
Summary .................................................................. 485
Inter-Integrated Circuit (I2C) ............................................. 345
Internal RC Oscillator
Use with WDT........................................................... 482
Internet Address ............................................................... 616
Interrupt Control and Status Registers ............................. 150
IECx.......................................................................... 150
IFSx .......................................................................... 150
INTCON1-INTCON4 ................................................. 150
INTTREG .................................................................. 150
IPCx.......................................................................... 150
Interrupt Controller
Auxiliary Interrupt Vector .......................................... 145
Interrupt Vector Table (IVT) ...................................... 145
Reset Sequence ....................................................... 145
Resources ................................................................ 150
J
JTAG Interface.................................................................. 483
M
Memory Maps
EDS .......................................................................... 126
Memory Organization ......................................................... 47
Message Buffers
ECAN Word 0 ........................................................... 381
ECAN Word 1 ........................................................... 381
ECAN Word 2 ........................................................... 382
ECAN Word 7 ........................................................... 384
Microchip Internet Web Site.............................................. 616

2009-2012 Microchip Technology Inc. DS70616G-page 611
dsPIC33EPXXX(GP/MC/MU)806/810/814 and PIC24EPXXX(GP/GU)810/814
Modulo Addressing ........................................................... 130
Applicability ............................................................... 131
Operation Example ................................................... 130
Start and End Address.............................................. 130
W Address Register Selection .................................. 130
MPLAB ASM30 Assembler, Linker, Librarian ................... 496
MPLAB Integrated Development Environment
Software.................................................................... 495
MPLAB PM3 Device Programmer .................................... 498
MPLAB REAL ICE In-Circuit Emulator System................. 497
MPLINK Object Linker/MPLIB Object Librarian ................ 496
O
Oscillator
Control Registers ...................................................... 182
Oscillator Configuration..................................................... 177
Bit Values for Clock Selection................................... 181
CPU Clocking System............................................... 179
Resources................................................................. 181
Output Compare ............................................................... 287
Resources................................................................. 288
P
Packaging ......................................................................... 577
Details ....................................................................... 582
Marking ............................................................. 577, 578
Parallel Master Port (PMP) ............................................... 467
Peripheral Module Disable (PMD) .................................... 192
Peripheral Pin Select
Control Registers ...................................................... 220
Peripherals Supported by DMA ........................................ 159
Pinout I/O Descriptions (table) ............................................ 25
PMP
Control Registers ...................................................... 469
Resources................................................................. 468
Power-Saving Features .................................................... 191
Clock Frequency, Clock Switching............................ 191
Doze Mode................................................................ 192
Instruction-Based Modes .......................................... 191
Idle .................................................................... 192
Sleep................................................................. 191
Interrupts Coincident with Power
Save Instructions .............................................. 192
Resources................................................................. 193
Special Function Registers ....................................... 193
Program Address Space..................................................... 47
Construction.............................................................. 133
Data Access from Address Generation..................... 133
Data Access from Program Memory Using
Table Instructions ............................................. 134
Memory Map ............................................................... 47
Table Read Instructions
TBLRDH ........................................................... 134
TBLRDL ............................................................ 134
Program Memory
Interrupt and Trap Vectors .......................................... 48
Organization................................................................ 48
Reset Vector ............................................................... 48
Resources................................................................... 54
Programmable Cyclic Redundancy Check (CRC)
Generator.................................................................. 461
Programmer’s Model........................................................... 39
Register Description.................................................... 39
PWM
Control Registers...................................................... 297
Q
QEI
Control Registers...................................................... 324
Quadrature Encoder Interface (QEI)................................. 321
Resources ................................................................ 323
R
RCON
Control Register........................................................ 142
Reader Response............................................................. 617
Real-Time Clock and Calender (RTCC) ........................... 449
Register Maps
ADC1 and ADC2 ........................................................ 85
Comparator............................................................... 110
CPU Core (dsPIC33EPXXX(GP/MC/MU)806/810/814
Devices Only)........................................................... 55
CPU Core (PIC24EPXXX(GP/GU)810/814
Devices Only) ...................................................... 57
CRC............................................................................ 96
DCI ............................................................................. 87
DMAC ....................................................................... 111
ECAN1 (WIN (C1CTRL) = 0 or 1)............................... 90
ECAN1 (WIN (C1CTRL) = 0)...................................... 90
ECAN1 (WIN (C1CTRL) = 1)...................................... 91
ECAN2 (WIN (C2CTRL) = 0 or 1)............................... 93
ECAN2 (WIN (C2CTRL) = 0)...................................... 93
I2C1 and I2C2 ............................................................ 82
Input Capture 1 through Input Capture 16 .................. 71
Interrupt Controller (dsPIC33EPXXXGP806 and
PIC24EPXXXGP806 Devices Only) ....................... 66
Interrupt Controller (dsPIC33EPXXXMC806
Devices Only)........................................................... 64
Interrupt Controller (dsPIC33EPXXXMU806
Devices Only)........................................................... 62
Interrupt Controller (dsPIC33EPXXXMU810
Devices Only)........................................................... 60
Interrupt Controller (dsPIC33EPXXXMU814
Devices Only)........................................................... 58
Interrupt Controller (PIC24EPXXXGU810/814
Devices Only)........................................................... 68
NVM.......................................................................... 106
Output Compare 1 through Output Compare 16 ........ 73
Pad Configuration..................................................... 121
Parallel Master/Slave Port .......................................... 96
Peripheral Pin Select Input (dsPIC33EPXXX(MC/MU)806
Devices Only)......................................................... 103
Peripheral Pin Select Input (dsPIC33EPXXXMU810
Devices Only)......................................................... 101
Peripheral Pin Select Input (dsPIC33EPXXXMU814
Devices Only)........................................................... 99
Peripheral Pin Select Input (PIC24EPXXXGU810/814
Devices Only)......................................................... 105
Peripheral Pin Select Output (dsPIC33EPXXX(GP/MC/
MU)806 and PIC24EPXXXGP806
Devices Only)........................................................... 98
Peripheral Pin Select Output (dsPIC33EPXXXMU806
Devices Only)........................................................... 98
Peripheral Pin Select Output (dsPIC33EPXXXMU810/814
and PIC24EPXXXGU810/814 Devices Only) ........ 97

dsPIC33EPXXX(GP/MC/MU)806/810/814 and PIC24EPXXX(GP/GU)810/814
DS70616G-page 612 2009-2012 Microchip Technology Inc.
PMD (dsPIC33EPXXXGP8XX and
PIC24EPXXXGP8XX Devices Only)................. 109
PMD (dsPIC33EPXXXMC806 Devices Only) ........... 108
PMD (dsPIC33EPXXXMU806 Devices Only) ........... 108
PMD (dsPIC33EPXXXMU810 Devices Only) ........... 107
PMD (dsPIC33EPXXXMU814 Devices Only) ........... 107
PMD (PIC24EPXXXGU810/814 Devices Only) ........ 109
PORTA (dsPIC33EPXXXMU810/814 and
PIC24EPXXXGU810/814 Devices Only) .......... 115
PORTB...................................................................... 115
PORTC (dsPIC33EPXXX(GP/MC/MU)806 and
PIC24EPXXXGP806 Devices Only) ................. 116
PORTC (dsPIC33EPXXXMU810/814 and
PIC24EPXXXGU810/814 Devices Only) .......... 115
PORTD (dsPIC33EPXXX(GP/MC/MU)806 and
PIC24EPXXXGP806 Devices Only) ................. 116
PORTD (dsPIC33EPXXXMU810/814 and
PIC24EPXXXGU810/814 Devices Only) .......... 116
PORTE (dsPIC33EPXXX(GP/MC/MU)806 and
PIC24EPXXXGP806 Devices Only) ................. 117
PORTE (dsPIC33EPXXXMU810/814 and
PIC24EPXXXGU810/814 Devices Only) .......... 117
PORTF (dsPIC33EPXXX(GP/MC)806 and
PIC24EPXXXGP806 Devices Only) ................. 118
PORTF (dsPIC33EPXXXMU806 Devices Only)....... 118
PORTF (dsPIC33EPXXXMU810/814 and
PIC24EPXXXGU810/814 Devices Only) .......... 117
PORTG (dsPIC33EPXXX(GP/MC)806 and
PIC24EPXXXGP806 Devices Only) ................. 119
PORTG (dsPIC33EPXXXMU806 Devices Only) ...... 119
PORTG (dsPIC33EPXXXMU810/814 and
PIC24EPXXXGU810/814 Devices Only) .......... 118
PORTH (dsPIC33EPXXXMU814 and
PIC24EPXXXGU814 Devices Only) ................. 120
PORTJ (dsPIC33EPXXXMU814 and
PIC24EPXXXGU814 Devices Only) ................. 120
PORTK (dsPIC33EPXXXMU814 and
PIC24EPXXXGU814 Devices Only) ................. 121
PWM (dsPIC33EPXXX(MC/MU)806/810/814
Devices Only) ...........................................................76
PWM Generator 1 (dsPIC33EPXXX(MC/MU)806/810/814
Devices Only) ...........................................................76
PWM Generator 2 (dsPIC33EPXXX(MC/MU)806/810/814
Devices Only) ...........................................................77
PWM Generator 3 (dsPIC33EPXXX(MC/MU)806/810/814
Devices Only) ...........................................................77
PWM Generator 4 (dsPIC33EPXXX(MC/MU)806/810/814
Devices Only) ...........................................................78
PWM Generator 5 (dsPIC33EPXXX(MC/MU)810/814
Devices Only) ...........................................................78
PWM Generator 6 (dsPIC33EPXXX(MC/MU)810/814
Devices Only) ...........................................................79
PWM Generator 7 (dsPIC33EPXXX(MC/MU)814
Devices Only) ...........................................................79
QEI1 (dsPIC33EPXXX(MC/MU)806/810/814
Devices Only) ...........................................................80
QEI2 (dsPIC33EPXXX(MC/MU)806/810/814
Devices Only) ...........................................................81
Real-Time Clock and Calendar (RTCC)...................... 96
Reference Clock ....................................................... 106
SPI1, SPI2, SPI3 and SPI4......................................... 84
System Control ......................................................... 106
Timer1 through Timer9 ............................................... 70
UART1, UART2, UART3 and UART4......................... 83
USB OTG (dsPIC33EPMU806/810/814 and
PIC24EPGU806/810/814 Devices Only) ............ 88
Registers
ACLKCON3 (Auxiliary Clock Control 3).................... 188
ACLKDIV3 (Auxiliary Clock Divisor 3) ...................... 189
AD1CON2 (ADC1 Control 2) .................................... 419
AD1CSSH (ADC1 Input Scan Select High) .............. 427
AD2CON2 (ADC2 Control 2) .................................... 421
ADxCHS0 (ADCx Input Channel 0 Select) ............... 426
ADxCHS123 (ADCx Input Channel 1, 2, 3
Select) .............................................................. 425
ADxCON1 (ADCx Control 1)..................................... 417
ADxCON3 (ADCx Control 3)..................................... 423
ADxCON4 (ADCx Control 4)..................................... 424
ADxCSSL (ADCx Input Scan Select Low) ................ 427
ALCFGRPT (Alarm Configuration) ........................... 455
ALRMVAL (Alarm Minutes and Seconds,
ALRMPTR = 00) ............................................... 460
ALRMVAL (Alarm Month and Day Value,
ALRMPTR = 10) ............................................... 458
ALRMVAL (Alarm Weekday and Hours,
ALRMPTR = 01) ............................................... 459
ALTDTRx (PWMx Alternate Dead-Time).................. 310
AUXCONx (PWM Auxiliary Control x) ...................... 319
CHOP (PWM Chop Clock Generator) ...................... 303
CLKDIV (Clock Divisor) ............................................ 184
CMSTAT (Comparator Status) ................................. 440
CMxCON (Comparator x Control)............................. 441
CMxFLTR (Comparator x Filter Control)................... 447
CMxMSKCON (Comparator x Mask Gating
Control)............................................................. 445
CMxMSKSRC (Comparator x Mask Source
Select Control).................................................. 443
CORCON (Core Control) .................................... 44, 152
CRCCON1 (CRC Control 1) ..................................... 463
CRCCON2 (CRC Control 2) ..................................... 464
CRCXORH (CRC XOR Polynomial High)................. 465
CRCXORL (CRC XOR Polynomial Low) .................. 465
CVRCON (Comparator Voltage
Reference Control) ........................................... 448
CxBUFPNT1 (ECANx Filter 0-3 Buffer Pointer)........ 371
CxBUFPNT2 (ECANx Filter 4-7 Buffer Pointer)........ 372
CxBUFPNT3 (ECANx Filter 8-11 Buffer Pointer)...... 372
CxBUFPNT4 (ECANx Filter 12-15
Buffer Pointer) .................................................. 373
CxCFG1 (ECANx Baud Rate Configuration 1) ......... 369
CxCFG2 (ECANx Baud Rate Configuration 2) ......... 370
CxCTRL1 (ECANx Control 1) ................................... 362
CxCTRL2 (ECANx Control 2) ................................... 363
CxEC (ECANx Transmit/Receive Error Count)......... 369
CxFCTRL (ECANx FIFO Control)............................. 365
CxFEN1 (ECANx Acceptance Filter Enable)............ 371
CxFIFO (ECANx FIFO Status).................................. 366
CxFMSKSEL1 (ECANx Filter 7-0
Mask Selection) ................................................ 375
CxFMSKSEL2 (ECANx Filter 15-8
Mask Selection) ................................................ 376
CxINTE (ECANx Interrupt Enable) ........................... 368
CxINTF (ECANx Interrupt Flag)................................ 367
CxRXFnEID (ECANx Acceptance Filter n
Extended Identifier) .......................................... 375

2009-2012 Microchip Technology Inc. DS70616G-page 613
dsPIC33EPXXX(GP/MC/MU)806/810/814 and PIC24EPXXX(GP/GU)810/814
CxRXFnSID (ECANx Acceptance Filter n
Standard Identifier) ........................................... 374
CxRXFUL1 (ECANx Receive Buffer Full 1) .............. 378
CxRXFUL2 (ECANx Receive Buffer Full 2) .............. 378
CxRXMnEID (ECANx Acceptance Filter Mask n
Extended Identifier)........................................... 377
CxRXMnSID (ECANx Acceptance Filter Mask n
Standard Identifier) ........................................... 377
CxRXOVF1 (ECANx Receive Buffer Overflow 1) ..... 379
CxRXOVF2 (ECANx Receive Buffer Overflow 2) ..... 379
CxTRmnCON (ECANx TX/RX Buffer m Control)...... 380
CxVEC (ECANx Interrupt Code) ............................... 364
DCICON1 (DCI Control 1)......................................... 431
DCICON2 (DCI Control 2)......................................... 432
DCICON3 (DCI Control 3)......................................... 433
DCISTAT (DCI Status).............................................. 434
DMAPPS (DMA Ping-Pong Status) .......................... 174
DMAPWC (DMA Peripheral Write
Collision Status)................................................ 169
DMARQC (DMA Request Collision Status) .............. 171
DMAxCNT (DMA Channel x Transfer Count) ........... 167
DMAxCON (DMA Channel x Control) ....................... 163
DMAxPAD (DMA Channel x Peripheral Address)..... 167
DMAxREQ (DMA Channel x IRQ Select) ................. 164
DMAxSTAH (DMA Channel x Start
Address A, High)............................................... 165
DMAxSTAL (DMA Channel x Start
Address A, Low) ............................................... 165
DMAxSTBH (DMA Channel x Start
Address B, High)............................................... 166
DMAxSTBL (DMA Channel x Start
Address B, Low) ............................................... 166
DSADRH (Most Recent DMA Data Space
High Address) ................................................... 168
DSADRL (Most Recent DMA Data Space
Low Address).................................................... 168
DTRx (PWMx Dead-Time) ........................................ 310
FCLCONx (PWMx Fault Current-Limit Control) ........ 315
I2CxCON (I2Cx Control) ........................................... 348
I2CxMSK (I2Cx Slave Mode Address Mask) ............ 352
I2CxSTAT (I2Cx Status) ........................................... 350
ICxCON1 (Input Capture x Control 1) ....................... 283
ICxCON2 (Input Capture x Control 2) ....................... 284
INDXxCNTH (Index Counter x High Word)............... 331
INDXxCNTL (Index Counter x Low Word) ................ 331
INDXxHLD (Index Counter x Hold) ........................... 332
INTCON1 (Interrupt Control 1).................................. 153
INTCON2 (Interrupt Control 2).................................. 155
INTCON3 (Interrupt Control 3).................................. 156
INTCON4 (Interrupt Control 4).................................. 156
INTTREG (Interrupt Control and Status)................... 157
INTxHLDH (Interval Timer x Hold High Word) .......... 335
INTxHLDL (Interval Timer x Hold Low Word) ........... 335
INTxTMRH (Interval Timer x High Word).................. 334
INTxTMRL (Interval Timer x Low Word) ................... 335
IOCONx (PWMx I/O Control) .................................... 312
LEBCONx (Leading-Edge Blanking Control) ............ 317
LEBDLYx (Leading-Edge Blanking Delay x)............. 318
MDC (PWM Master Duty Cycle) ............................... 304
NVMADR (Nonvolatile Memory Address) ................. 139
NVMADRU (Nonvolatile Memory
Upper Address)................................................. 139
NVMCON (Nonvolatile Memory (NVM) Control)....... 138
NVMKEY (Nonvolatile Memory Key) ........................ 139
OCxCON1 (Output Compare x Control 1) ................ 289
OCxCON2 (Output Compare x Control 2) ................ 291
OSCCON (Oscillator Control)................................... 182
OSCTUN (FRC Oscillator Tuning)............................ 187
PADCFG1 (Pad Configuration Control)............ 454, 476
PDCx (PWMx Generator Duty Cycle)....................... 307
PHASEx (PWMx Primary Phase Shift)..................... 308
PLLFBD (PLL Feedback Divisor) ............................. 186
PMADDR (Parallel Master Port Address)................. 473
PMAEN (Parallel Master Port Address Enable) ....... 474
PMCON (Parallel Master Port Control)..................... 469
PMD1 (Peripheral Module Disable Control 1) .......... 194
PMD2 (Peripheral Module Disable Control 2) .......... 196
PMD3 (Peripheral Module Disable Control 3) .......... 198
PMD4 (Peripheral Module Disable Control 4) .......... 200
PMD5 (Peripheral Module Disable Control 5) .......... 201
PMD6 (Peripheral Module Disable Control 6) .......... 203
PMD7 (Peripheral Module Disable Control 7) .......... 204
PMMODE (Parallel Master Port Mode) .................... 471
PMSTAT (Parallel Master Port Status)..................... 475
POSxCNTH (Position Counter x High Word) ........... 330
POSxCNTL (Position Counter x Low Word)............. 330
POSxHLD (Position Counter x Hold)........................ 330
PTCON (PWM Time Base Control) .......................... 297
PTCON2 (Primary Master Clock
Divider Select 2) ............................................... 299
PTPER (Primary Master Time Base Period) ............ 299
PWMCAPx (Primary PWMx Time Base Capture) .... 320
PWMCONx (PWMx Control) .................................... 305
QEIxCON (QEIx Control).......................................... 324
QEIxGECH (QEIx Greater Than or Equal Compare
High Word)............................................................. 334
QEIxGECL (QEIx Greater Than or Equal Compare
Low Word).............................................................. 334
QEIxICH (QEIx Initialization/Capture High Word) .... 332
QEIxICL (QEIx Initialization/Capture Low Word) ...... 332
QEIxIOC (QEIx I/O Control) ..................................... 326
QEIxLECH (QEIx Less Than or Equal Compare
High Word)............................................................. 333
QEIxLECL (QEIx Less Than or Equal Compare
Low Word).............................................................. 333
QEIxSTAT (QEIx Status).......................................... 328
RCFGCAL (RTCC Calibration and
Configuration) ................................................... 452
RCON (Reset Control).............................................. 143
REFOCON (Reference Oscillator Control) ............... 190
RPINR0 (Peripheral Pin Select Input 0) ................... 220
RPINR1 (Peripheral Pin Select Input 1) ................... 221
RPINR10 (Peripheral Pin Select Input 10) ............... 230
RPINR11 (Peripheral Pin Select Input 11) ............... 231
RPINR12 (Peripheral Pin Select Input 12) ............... 232
RPINR13 (Peripheral Pin Select Input 13) ............... 233
RPINR14 (Peripheral Pin Select Input 14) ............... 234
RPINR15 (Peripheral Pin Select Input 15) ............... 235
RPINR16 (Peripheral Pin Select Input 16) ............... 236
RPINR17 (Peripheral Pin Select Input 17) ............... 237
RPINR18 (Peripheral Pin Select Input 18) ............... 238
RPINR19 (Peripheral Pin Select Input 19) ............... 239
RPINR2 (Peripheral Pin Select Input 2) ................... 222
RPINR20 (Peripheral Pin Select Input 20) ............... 240
RPINR21 (Peripheral Pin Select Input 21) ............... 241
RPINR23 (Peripheral Pin Select Input 23) ............... 241
RPINR24 (Peripheral Pin Select Input 24) ............... 242
RPINR25 (Peripheral Pin Select Input 25) ............... 243
RPINR26 (Peripheral Pin Select Input 26) ............... 244
RPINR27 (Peripheral Pin Select Input 27) ............... 245

dsPIC33EPXXX(GP/MC/MU)806/810/814 and PIC24EPXXX(GP/GU)810/814
DS70616G-page 614 2009-2012 Microchip Technology Inc.
RPINR28 (Peripheral Pin Select Input 28) ................ 246
RPINR29 (Peripheral Pin Select Input 29) ................ 247
RPINR3 (Peripheral Pin Select Input 3) .................... 223
RPINR30 (Peripheral Pin Select Input 30) ................ 248
RPINR31 (Peripheral Pin Select Input 31) ................ 249
RPINR32 (Peripheral Pin Select Input 32) ................ 250
RPINR33 (Peripheral Pin Select Input 33) ................ 251
RPINR34 (Peripheral Pin Select Input 34) ................ 252
RPINR35 (Peripheral Pin Select Input 35) ................ 253
RPINR36 (Peripheral Pin Select Input 36) ................ 254
RPINR37 (Peripheral Pin Select Input 37) ................ 255
RPINR38 (Peripheral Pin Select Input 38) ................ 256
RPINR39 (Peripheral Pin Select Input 39) ................ 257
RPINR4 (Peripheral Pin Select Input 4) .................... 224
RPINR40 (Peripheral Pin Select Input 40) ................ 258
RPINR41 (Peripheral Pin Select Input 41) ................ 259
RPINR42 (Peripheral Pin Select Input 42) ................ 260
RPINR43 (Peripheral Pin Select Input 43) ................ 261
RPINR5 (Peripheral Pin Select Input 5) .................... 225
RPINR6 (Peripheral Pin Select Input 6) .................... 226
RPINR7 (Peripheral Pin Select Input 7) .................... 227
RPINR8 (Peripheral Pin Select Input 8) .................... 228
RPINR9 (Peripheral Pin Select Input 9) .................... 229
RPOR0 (Peripheral Pin Select Output 0) .................. 261
RPOR1 (Peripheral Pin Select Output 1) .................. 262
RPOR10 (Peripheral Pin Select Output 10) .............. 266
RPOR11 (Peripheral Pin Select Output 11) .............. 267
RPOR12 (Peripheral Pin Select Output 12) .............. 267
RPOR13 (Peripheral Pin Select Output 13) .............. 268
RPOR14 (Peripheral Pin Select Output 14) .............. 268
RPOR15 (Peripheral Pin Select Output 15) .............. 269
RPOR2 (Peripheral Pin Select Output 2) .................. 262
RPOR3 (Peripheral Pin Select Output 3) .................. 263
RPOR4 (Peripheral Pin Select Output 4) .................. 263
RPOR5 (Peripheral Pin Select Output 5) .................. 264
RPOR6 (Peripheral Pin Select Output 6) .................. 264
RPOR7 (Peripheral Pin Select Output 7) .................. 265
RPOR8 (Peripheral Pin Select Output 8) .................. 265
RPOR9 (Peripheral Pin Select Output 9) .................. 266
RSCON (DCI Receive Slot Control).......................... 435
RTCVAL (Minutes and Seconds Value,
RTCPTR = 00) .................................................. 457
RTCVAL (Month and Day Value,
RTCPTR = 10) .................................................. 456
RTCVAL (Weekday and Hours Value,
RTCPTR = 01) .................................................. 457
RTCVAL (Year Value Register, RTCPTR = 11)........ 456
SDCx (PWMx Secondary Duty Cycle) ...................... 307
SEVTCMP (PWM Primary Special
Event Compare)................................................ 300
SPHASEx (PWMx Secondary Phase Shift) .............. 309
SPIxCON1 (SPIx Control 1) ...................................... 341
SPIxCON2 (SPIx Control 2) ...................................... 343
SPIxSTAT (SPIx Status and Control) ....................... 339
SR (CPU Status)................................................. 42, 151
SSEVTCMP (PWM Secondary Special
Event Compare)................................................ 303
STCON (PWM Secondary Master Time Base
Control) ............................................................. 301
STCON2 (PWM Secondary Clock
Divider Select 2)................................................ 302
T1CON (Timer1 Control)........................................... 273
TRGCONx (PWMx Trigger Control).......................... 311
TRIGx (PWM Primary Trigger Compare Value)........ 314
TSCON (DCI Transmit Slot Control) ......................... 435
TxCON (T2CON, T4CON, T6CON or T8CON)
Control)............................................................. 278
TyCON (T3CON, T5CON, T7CON or T9CON)
Control)............................................................. 279
UxADDR (USB Address) .......................................... 394
UxBDTP1 (USB Buffer Description Table 1) ............ 408
UxBDTP2 (USB Buffer Description Table 2) ............ 408
UxBDTP3 (USB Buffer Description Table 3) ............ 409
UxCNFG1 (USB Configuration 1)............................. 395
UxCNFG2 (USB Configuration 2)............................. 396
UxCON (USB Control, Device Mode) ....................... 392
UxCON (USB Control, Host Mode)........................... 393
UxEIE (USB Error Interrupt Enable,
Device Mode) ................................................... 405
UxEIE (USB Error Interrupt Enable, Host Mode)...... 406
UxEIR (USB Error Interrupt Status,
Device Mode) ................................................... 403
UxEIR (USB Error Interrupt Status, Host Mode)....... 404
UxEPn (USB Endpoint n Control)............................. 407
UxFRMH (USB Frame Number High)....................... 410
UxFRML (USB Frame Number Low) ........................ 411
UxIE (USB Interrupt Enable, Device Mode).............. 401
UxIE (USB Interrupt Enable, Host Mode) ................. 402
UxIR (USB Interrupt Status, Device Mode Only) ...... 399
UxIR (USB Interrupt Status, Host Mode Only).......... 400
UxMODE (UARTx Mode).......................................... 355
UxOTGCON (USB OTG Control) ............................. 389
UxOTGIE (USB OTG Interrupt Enable,
Host Mode Only)............................................... 398
UxOTGIR (USB OTG Interrupt Status,
Host Mode Only)............................................... 397
UxOTGSTAT (USB OTG Status).............................. 388
UxPWMCON (USB VBUS PWM
Generator Control)............................................ 409
UxPWMRRS (Duty Cycle and PWM Period) ............ 410
UxPWRC (USB Power Control)................................ 390
UxSOF (USB OTG Start-of-Token Threshold,
Host Mode Only)............................................... 395
UxSTA (UARTx Status and Control)......................... 357
UxSTAT (USB Status) .............................................. 391
UxTOK (USB Token, Host Mode Only) .................... 394
VELxCNT (Velocity Counter x) ................................. 331
Resets............................................................................... 141
Brown-out Reset (BOR)............................................ 141
Configuration Mismatch Reset (CM)......................... 141
Illegal Condition Device Reset (IOPUWR)................ 141
Illegal Opcode........................................................... 141
Master Clear Pin Reset (MCLR ................................ 141
Power-on Reset (POR)............................................. 141
RESET Instruction (SWR) ........................................ 141
Security Reset .......................................................... 141
Trap Conflict Reset (TRAPR) ................................... 141
Uninitialized W Register............................................ 141
Watchdog Timer Reset (WDTO)............................... 141
Resources Required for Digital PFC............................. 34, 36
Revision History................................................................ 597
RTCC
Resources ................................................................ 451
Writing to the Timer .................................................. 451

2009-2012 Microchip Technology Inc. DS70616G-page 615
dsPIC33EPXXX(GP/MC/MU)806/810/814 and PIC24EPXXX(GP/GU)810/814
S
Serial Peripheral Interface (SPI) ....................................... 337
Software Simulator (MPLAB SIM)..................................... 497
Software Stack Pointer, Frame Pointer
CALL Stack Frame.................................................... 128
Special Features
Code Protection ........................................................ 477
CodeGuard Security ................................................. 477
Flexible Configuration ............................................... 477
In-Circuit Emulation................................................... 477
In-Circuit Serial Programming (ICSP) ....................... 477
JTAG Boundary Scan Interface ................................ 477
Watchdog Timer (WDT) ............................................ 477
Special Features of the CPU ............................................ 477
SPI
Control Registers ...................................................... 339
Helpful Tips ............................................................... 338
Resources................................................................. 338
Symbols Used in Opcode Descriptions............................. 486
T
Timer1............................................................................... 271
Control Register ........................................................ 273
Timer2/3, Timer4/5, Timer6/7 and Timer8/9 ..................... 275
Timerx/y
Control Registers ...................................................... 278
Timing Diagrams
10-Bit ADC Conversion (CHPS<1:0> = 01, SIMSAM = 0,
ASAM = 0, SSRC<2:0> = 000, SSRCG = 0)....... 561
10-Bit ADC Conversion (CHPS<1:0> = 01, SIMSAM = 0,
ASAM = 1, SSRC<2:0> = 111, SSRCG = 0,
SAMC<4:0> = 00010)............................................ 561
12-Bit ADC Conversion (12-Bit Mode, ASAM = 0,
SSRC<2:0> = 000, SSRCG = 0)........................... 559
BOR and Master Clear Reset ................................... 517
DCI AC-Link Mode .................................................... 565
DCI Multi -Channel, I2S Modes................................. 563
ECAN I/O .................................................................. 554
External Clock........................................................... 512
High-Speed PWMx (dsPIC33EPXXX(MC/MU)806/
810/814 Devices) ................................................... 523
High-Speed PWMx Fault (dsPIC33EPXXX(MC/MU)
806/810/814 Devices)............................................ 523
I/O Pins ..................................................................... 515
I2Cx Bus Data (Master Mode) .................................. 550
I2Cx Bus Data (Slave Mode) .................................... 552
I2Cx Bus Start/Stop Bits (Master Mode) ................... 550
I2Cx Bus Start/Stop Bits (Slave Mode) ..................... 552
Input Capture (ICx) ................................................... 521
OCx/PWMx ............................................................... 522
Output Compare (OCx)............................................. 522
Parallel Master Port Read......................................... 570
Parallel Master Port Write ......................................... 571
Parallel Slave Port .................................................... 569
Power-on Reset ........................................................ 516
QEA/QEB Input......................................................... 524
QEI Module Index Pulse ........................................... 525
SPI1, SPI3 and SPI4 Master Mode (Full-Duplex,
CKE = 0, CKP = x, SMP = 1) ............................ 529
SPI1, SPI3 and SPI4 Master Mode (Full-Duplex,
CKE = 1, CKP = x, SMP = 1) ............................ 528
SPI1, SPI3 and SPI4 Master Mode (Half-Duplex,
Transmit Only, CKE = 0)................................... 526
SPI1, SPI3 and SPI4 Master Mode (Half-Duplex,
Transmit Only, CKE = 1)................................... 527
SPI1, SPI3 and SPI4 Slave Mode (Full-Duplex,
CKE = 0, CKP = 0, SMP = 0) ................................ 536
SPI1, SPI3 and SPI4 Slave Mode (Full-Duplex,
CKE = 0, CKP = 1, SMP = 0) ................................ 534
SPI1, SPI3 and SPI4 Slave Mode (Full-Duplex,
CKE = 1, CKP = 0, SMP = 0) ................................ 530
SPI1, SPI3 and SPI4 Slave Mode (Full-Duplex,
CKE = 1, CKP = 1, SMP = 0) ................................ 532
SPI2 Master Mode (Full-Duplex, CKE = 0,
CKP = x, SMP = 1) ................................................ 541
SPI2 Master Mode (Full-Duplex, CKE = 1,
CKP = x, SMP = 1) ................................................ 540
SPI2 Master Mode (Half-Duplex, Transmit Only,
CKE = 0) ................................................................ 538
SPI2 Master Mode (Half-Duplex, Transmit Only,
CKE = 1) ................................................................ 539
SPI2 Slave Mode (Full-Duplex, CKE = 0,
CKP = 0, SMP = 0) ................................................ 548
SPI2 Slave Mode (Full-Duplex, CKE = 0,
CKP = 1, SMP = 0) ................................................ 546
SPI2 Slave Mode (Full-Duplex, CKE = 1,
CKP = 0, SMP = 0) ................................................ 542
SPI2 Slave Mode (Full-Duplex, CKE = 1,
CKP = 1, SMP = 0) ................................................ 544
Timer1-Timer9 External Clock.................................. 518
TimerQ (QEI Module) External Clock ....................... 520
UARTx I/O ................................................................ 554
Timing Specifications
10-Bit ADC Conversion Requirements ..................... 562
12-Bit Mode ADC Conversion Requirements ........... 560
ADC .......................................................................... 556
ADC (10-Bit Mode) ................................................... 558
ADC (12-Bit Mode) ................................................... 557
Auxiliary PLL Clock................................................... 513
DCI AC-Link Mode.................................................... 566
DCI Multi-Channel, I2S Modes ................................. 564
DMA Module............................................................. 571
ECAN I/O.................................................................. 554
External Clock Requirements ................................... 512
High-Speed PWMx Requirements (dsPIC33EPXXX
(MC/MU)806/810/814 Devices)........................ 523
I2Cx Bus Data Requirements (Master Mode)........... 551
I2Cx Bus Data Requirements (Slave Mode)............. 553
Input Capture (ICx) Requirements............................ 521
OCx/PWMx Mode Requirements ............................. 522
Output Compare (OCx) Requirements ..................... 522
Parallel Master Port Read ........................................ 570
Parallel Master Port Write......................................... 571
Parallel Slave Port .................................................... 569
PLL Clock ................................................................. 513
QEI External Clock Requirements............................ 520
QEI Index Pulse Requirements ................................ 525
Quadrature Decoder Requirements ......................... 524
Reset, Watchdog Timer, Oscillator Start-up Timer,
Power-up Timer Requirements ............................. 517
SPI1, SPI3 and SPI4 Master Mode (Full-Duplex,
CKE = 0, CKP = x, SMP = 1) ................................ 529
SPI1, SPI3 and SPI4 Master Mode (Full-Duplex,
CKE = 1, CKP = x, SMP = 1) ................................ 528
SPI1, SPI3 and SPI4 Master Mode (Half-Duplex,
Transmit Only) ....................................................... 527
SPI1, SPI3 and SPI4 Maximum Data/Clock
Rate Summary....................................................... 526
SPI1, SPI3 and SPI4 Slave Mode (Full-Duplex,
CKE = 0, CKP = 0, SMP = 0) ................................ 537

dsPIC33EPXXX(GP/MC/MU)806/810/814 and PIC24EPXXX(GP/GU)810/814
DS70616G-page 616 2009-2012 Microchip Technology Inc.
SPI1, SPI3 and SPI4 Slave Mode (Full-Duplex,
CKE = 0, CKP = 1, SMP = 0) .................................535
SPI1, SPI3 and SPI4 Slave Mode (Full-Duplex,
CKE = 1, CKP = 0, SMP = 0) .................................531
SPI1, SPI3 and SPI4 Slave Mode (Full-Duplex,
CKE = 1, CKP = 1, SMP = 0) .................................533
SPI2 Master Mode (Full-Duplex, CKE = 0,
CKP = x, SMP = 1) .................................................541
SPI2 Master Mode (Full-Duplex, CKE = 1,
CKP = x, SMP = 1) .................................................540
SPI2 Master Mode (Half-Duplex, Transmit Only)...........539
SPI2 Slave Mode (Full-Duplex, CKE = 0,
CKP = 0, SMP = 0).................................................549
SPI2 Slave Mode (Full-Duplex, CKE = 0,
CKP = 1, SMP = 0).................................................547
SPI2 Slave Mode (Full-Duplex, CKE = 1,
CKP = 0, SMP = 0).................................................543
SPI2 Slave Mode (Full-Duplex, CKE = 1,
CKP = 1, SMP = 0).................................................545
Timer1 External Clock Requirements.............................518
Timer2, Timer4, Timer6, Timer8 External
Clock Requirements ...............................................519
Timer3, Timer5, Timer7, Timer9 External
Clock Requirements ...............................................519
UARTx I/O .......................................................................554
USB OTG (dsPIC33EPXXXMU8XX,
PIC24EPXXXGU8XX Devices) .............................555
U
UARTx
Control Registers...................................................... 355
Helpful Tips............................................................... 354
Resources ................................................................ 354
Universal Asynchronous Receiver
Transmitter (UART) .................................................. 353
USB On-The-Go (OTG) .................................................... 385
Clearing Interrupts .................................................... 385
Control Registers...................................................... 388
Overview................................................................... 385
Resources ................................................................ 387
V
Voltage Regulator (On-Chip) ............................................ 481
W
Watchdog Timer (WDT).................................................... 482
Programming Considerations ................................... 482
WWW Address ................................................................. 616
WWW, On-Line Support ..................................................... 20

2009-2012 Microchip Technology Inc. DS70616G-page 617
dsPIC33EPXXX(GP/MC/MU)806/810/814 and PIC24EPXXX(GP/GU)810/814
THE MICROCHIP WEB SITE
Microchip provides online support via our WWW site at
www.microchip.com. This web site is used as a means
to make files and information easily available to
customers. Accessible by using your favorite Internet
browser, the web site contains the following
information:
•Product Support – Data sheets and errata,
application notes and sample programs, design
resources, user’s guides and hardware support
documents, latest software releases and archived
software
•General Technical Support – Frequently Asked
Questions (FAQs), technical support requests,
online discussion groups, Microchip consultant
program member listing
•Business of Microchip – Product selector and
ordering guides, latest Microchip press releases,
listing of seminars and events, listings of
Microchip sales offices, distributors and factory
representatives
CUSTOMER CHANGE NOTIFICATION
SERVICE
Microchip’s customer notification service helps keep
customers current on Microchip products. Subscribers
will receive e-mail notification whenever there are
changes, updates, revisions or errata related to a
specified product family or development tool of interest.
To register, access the Microchip web site at
www.microchip.com. Under “Support”, click on
“Customer Change Notification” and follow the
registration instructions.
CUSTOMER SUPPORT
Users of Microchip products can receive assistance
through several channels:
• Distributor or Representative
• Local Sales Office
• Field Application Engineer (FAE)
• Technical Support
• Development Systems Information Line
Customers should contact their distributor,
representative or field application engineer (FAE) for
support. Local sales offices are also available to help
customers. A listing of sales offices and locations is
included in the back of this document.
Technical support is available through the web site
at: http://microchip.com/support

dsPIC33EPXXX(GP/MC/MU)806/810/814 and PIC24EPXXX(GP/GU)810/814
DS70616G-page 618 2009-2012 Microchip Technology Inc.
READER RESPONSE
It is our intention to provide you with the best documentation possible to ensure successful use of your Microchip
product. If you wish to provide your comments on organization, clarity, subject matter, and ways in which our
documentation can better serve you, please FAX your comments to the Technical Publications Manager at
(480) 792-4150.
Please list the following information, and use this outline to provide us with your comments about this document.
TO: Technical Publications Manager
RE: Reader Response
Total Pages Sent ________
From: Name
Company
Address
City / State / ZIP / Country
Telephone: (_______) _________ - _________
Application (optional):
Would you like a reply? Y N
Device: Literature Number:
Questions:
FAX: (______) _________ - _________
DS70616GdsPIC33EPXXX(GP/MC/MU)806/810/814 and
PIC24EPXXX(GP/GU)810/814
1. What are the best features of this document?
2. How does this document meet your hardware and software development needs?
3. Do you find the organization of this document easy to follow? If not, why?
4. What additions to the document do you think would enhance the structure and subject?
5. What deletions from the document could be made without affecting the overall usefulness?
6. Is there any incorrect or misleading information (what and where)?
7. How would you improve this document?

2009-2012 Microchip Technology Inc. DS70616G-page 619
dsPIC33EPXXX(GP/MC/MU)806/810/814 and PIC24EPXXX(GP/GU)810/814
PRODUCT IDENTIFICATION SYSTEM
To order or obtain information, e.g., on pricing or delivery, refer to the factory or the listed sales office.
Architecture: 33 = 16-bit Digital Signal Controller
24 = 16-bit Microcontroller
Flash Memory Family: EP = Enhanced Performance
Product Group: MU8 = Motor Control family with USB
GU8 = General Purpose family with USB
Pin Count: 06 = 64-pin
10 = 100-pin, 121-pin
14 = 144-pin
Temperature Range: I=-40C to+85C (Industrial)
E=-40C to+125C (Extended)
Package: PT = 10x10 or 12x12 mm TQFP (Thin Quad Flatpack)
PF = 14x14 mm TQFP (Thin Quad Flatpack)
MR = 9x9 mm QFN (Plastic Quad Flatpack)
BG = 10x10 mm TFBGA (Plastic Thin Profile Ball Grid
Array )
PH = 16x16 mm TQFP (Thin Quad Flatpack)
PL = 20x20 mm LQFP (Low-Profile Quad Flatpack)
Examples:
a) dsPIC33EP512MU814T-E/PH:
Motor Control with USB dsPIC33,
512 KB program memory, 144-pin,
Extended temperature, TQFP package.
Microchip Trademark
Architecture
Flash Memory Family
Program Memory Size (KB)
Product Group
Pin Count
Temperature Range
Package
Pattern
dsPIC 33 EP 512 MU8 14 T -E / PH - XXX
Tape and Reel Flag (if applicable)

dsPIC33EPXXX(GP/MC/MU)806/810/814 and PIC24EPXXX(GP/GU)810/814
DS70616G-page 620 2009-2012 Microchip Technology Inc.
NOTES:

2009-2012 Microchip Technology Inc. DS70616G-page 621
Information contained in this publication regarding device
applications and the like is provided only for your convenience
and may be superseded by updates. It is your responsibility to
ensure that your application meets with your specifications.
MICROCHIP MAKES NO REPRESENTATIONS OR
WARRANTIES OF ANY KIND WHETHER EXPRESS OR
IMPLIED, WRITTEN OR ORAL, STATUTORY OR
OTHERWISE, RELATED TO THE INFORMATION,
INCLUDING BUT NOT LIMITED TO ITS CONDITION,
QUALITY, PERFORMANCE, MERCHANTABILITY OR
FITNESS FOR PURPOSE. Microchip disclaims all liability
arising from this information and its use. Use of Microchip
devices in life support and/or safety applications is entirely at
the buyer’s risk, and the buyer agrees to defend, indemnify and
hold harmless Microchip from any and all damages, claims,
suits, or expenses resulting from such use. No licenses are
conveyed, implicitly or otherwise, under any Microchip
intellectual property rights.
Trademarks
The Microchip name and logo, the Microchip logo, dsPIC,
FlashFlex, KEELOQ, KEELOQ logo, MPLAB, PIC, PICmicro,
PICSTART, PIC32 logo, rfPIC, SST, SST Logo, SuperFlash
and UNI/O are registered trademarks of Microchip Technology
Incorporated in the U.S.A. and other countries.
FilterLab, Hampshire, HI-TECH C, Linear Active Thermistor,
MTP, SEEVAL and The Embedded Control Solutions
Company are registered trademarks of Microchip Technology
Incorporated in the U.S.A.
Silicon Storage Technology is a registered trademark of
Microchip Technology Inc. in other countries.
Analog-for-the-Digital Age, Application Maestro, BodyCom,
chipKIT, chipKIT logo, CodeGuard, dsPICDEM,
dsPICDEM.net, dsPICworks, dsSPEAK, ECAN,
ECONOMONITOR, FanSense, HI-TIDE, In-Circuit Serial
Programming, ICSP, Mindi, MiWi, MPASM, MPF, MPLAB
Certified logo, MPLIB, MPLINK, mTouch, Omniscient Code
Generation, PICC, PICC-18, PICDEM, PICDEM.net, PICkit,
PICtail, REAL ICE, rfLAB, Select Mode, SQI, Serial Quad I/O,
Total Endurance, TSHARC, UniWinDriver, WiperLock, ZENA
and Z-Scale are trademarks of Microchip Technology
Incorporated in the U.S.A. and other countries.
SQTP is a service mark of Microchip Technology Incorporated
in the U.S.A.
GestIC and ULPP are registered trademarks of Microchip
Technology Germany II GmbH & Co. & KG, a subsidiary of
Microchip Technology Inc., in other countries.
All other trademarks mentioned herein are property of their
respective companies.
© 2009-2012, Microchip Technology Incorporated, Printed in
the U.S.A., All Rights Reserved.
Printed on recycled paper.
ISBN: 978-1-62076-624-8
Note the following details of the code protection feature on Microchip devices:
• Microchip products meet the specification contained in their particular Microchip Data Sheet.
• Microchip believes that its family of products is one of the most secure families of its kind on the market today, when used in the
intended manner and under normal conditions.
• There are dishonest and possibly illegal methods used to breach the code protection feature. All of these methods, to our
knowledge, require using the Microchip products in a manner outside the operating specifications contained in Microchip’s Data
Sheets. Most likely, the person doing so is engaged in theft of intellectual property.
• Microchip is willing to work with the customer who is concerned about the integrity of their code.
• Neither Microchip nor any other semiconductor manufacturer can guarantee the security of their code. Code protection does not
mean that we are guaranteeing the product as “unbreakable.”
Code protection is constantly evolving. We at Microchip are committed to continuously improving the code protection features of our
products. Attempts to break Microchip’s code protection feature may be a violation of the Digital Millennium Copyright Act. If such acts
allow unauthorized access to your software or other copyrighted work, you may have a right to sue for relief under that Act.
Microchip received ISO/TS-16949:2009 certification for its worldwide
headquarters, design and wafer fabrication facilities in Chandler and
Tempe, Arizona; Gresham, Oregon and design centers in California
and India. The Company’s quality system processes and procedures
are for its PIC® MCUs and dsPIC® DSCs, KEELOQ® code hopping
devices, Serial EEPROMs, microperipherals, nonvolatile memory and
analog products. In addition, Microchip’s quality system for the design
and manufacture of development systems is ISO 9001:2000 certified.
QUALITY MANAGEMENT S
YSTEM
CERTIFIED BY DNV
== ISO/TS 16949 ==

DS70616G-page 622 2009-2012 Microchip Technology Inc.
AMERICAS
Corporate Office
2355 West Chandler Blvd.
Chandler, AZ 85224-6199
Tel: 480-792-7200
Fax: 480-792-7277
Technical Support:
http://www.microchip.com/
support
Web Address:
www.microchip.com
Atlanta
Duluth, GA
Tel: 678-957-9614
Fax: 678-957-1455
Boston
Westborough, MA
Tel: 774-760-0087
Fax: 774-760-0088
Chicago
Itasca, IL
Tel: 630-285-0071
Fax: 630-285-0075
Cleveland
Independence, OH
Tel: 216-447-0464
Fax: 216-447-0643
Dallas
Addison, TX
Tel: 972-818-7423
Fax: 972-818-2924
Detroit
Farmington Hills, MI
Tel: 248-538-2250
Fax: 248-538-2260
Indianapolis
Noblesville, IN
Tel: 317-773-8323
Fax: 317-773-5453
Los Angeles
Mission Viejo, CA
Tel: 949-462-9523
Fax: 949-462-9608
Santa Clara
Santa Clara, CA
Tel: 408-961-6444
Fax: 408-961-6445
Toronto
Mississauga, Ontario,
Canada
Tel: 905-673-0699
Fax: 905-673-6509
ASIA/PACIFIC
Asia Pacific Office
Suites 3707-14, 37th Floor
Tower 6, The Gateway
Harbour City, Kowloon
Hong Kong
Tel: 852-2401-1200
Fax: 852-2401-3431
Australia - Sydney
Tel: 61-2-9868-6733
Fax: 61-2-9868-6755
China - Beijing
Tel: 86-10-8569-7000
Fax: 86-10-8528-2104
China - Chengdu
Tel: 86-28-8665-5511
Fax: 86-28-8665-7889
China - Chongqing
Tel: 86-23-8980-9588
Fax: 86-23-8980-9500
China - Hangzhou
Tel: 86-571-2819-3187
Fax: 86-571-2819-3189
China - Hong Kong SAR
Tel: 852-2401-1200
Fax: 852-2401-3431
China - Nanjing
Tel: 86-25-8473-2460
Fax: 86-25-8473-2470
China - Qingdao
Tel: 86-532-8502-7355
Fax: 86-532-8502-7205
China - Shanghai
Tel: 86-21-5407-5533
Fax: 86-21-5407-5066
China - Shenyang
Tel: 86-24-2334-2829
Fax: 86-24-2334-2393
China - Shenzhen
Tel: 86-755-8203-2660
Fax: 86-755-8203-1760
China - Wuhan
Tel: 86-27-5980-5300
Fax: 86-27-5980-5118
China - Xian
Tel: 86-29-8833-7252
Fax: 86-29-8833-7256
China - Xiamen
Tel: 86-592-2388138
Fax: 86-592-2388130
China - Zhuhai
Tel: 86-756-3210040
Fax: 86-756-3210049
ASIA/PACIFIC
India - Bangalore
Tel: 91-80-3090-4444
Fax: 91-80-3090-4123
India - New Delhi
Tel: 91-11-4160-8631
Fax: 91-11-4160-8632
India - Pune
Tel: 91-20-2566-1512
Fax: 91-20-2566-1513
Japan - Osaka
Tel: 81-66-152-7160
Fax: 81-66-152-9310
Japan - Yokohama
Tel: 81-45-471- 6166
Fax: 81-45-471-6122
Korea - Daegu
Tel: 82-53-744-4301
Fax: 82-53-744-4302
Korea - Seoul
Tel: 82-2-554-7200
Fax: 82-2-558-5932 or
82-2-558-5934
Malaysia - Kuala Lumpur
Tel: 60-3-6201-9857
Fax: 60-3-6201-9859
Malaysia - Penang
Tel: 60-4-227-8870
Fax: 60-4-227-4068
Philippines - Manila
Tel: 63-2-634-9065
Fax: 63-2-634-9069
Singapore
Tel: 65-6334-8870
Fax: 65-6334-8850
Taiwan - Hsin Chu
Tel: 886-3-5778-366
Fax: 886-3-5770-955
Taiwan - Kaohsiung
Tel: 886-7-536-4818
Fax: 886-7-330-9305
Taiwan - Taipei
Tel: 886-2-2500-6610
Fax: 886-2-2508-0102
Thailand - Bangkok
Tel: 66-2-694-1351
Fax: 66-2-694-1350
EUROPE
Austria - Wels
Tel: 43-7242-2244-39
Fax: 43-7242-2244-393
Denmark - Copenhagen
Tel: 45-4450-2828
Fax: 45-4485-2829
France - Paris
Tel: 33-1-69-53-63-20
Fax: 33-1-69-30-90-79
Germany - Munich
Tel: 49-89-627-144-0
Fax: 49-89-627-144-44
Italy - Milan
Tel: 39-0331-742611
Fax: 39-0331-466781
Netherlands - Drunen
Tel: 31-416-690399
Fax: 31-416-690340
Spain - Madrid
Tel: 34-91-708-08-90
Fax: 34-91-708-08-91
UK - Wokingham
Tel: 44-118-921-5869
Fax: 44-118-921-5820
Worldwide Sales and Service
11/29/11