2006 Yamaha WR250F Service Manual

2006 Yamaha WR250F Service Manual 2006 Yamaha WR250F Service Manual

User Manual: 2006 Yamaha WR250F Service Manual

Open the PDF directly: View PDF PDF.
Page Count: 912 [warning: Documents this large are best viewed by clicking the View PDF Link!]

5UM-28199-54
WR250F(W)
OWNER’S SERVICE MANUAL
MANUEL D’ATELIER DU
PROPRIETAIRE
FAHRER- UND
WARTUNGSHANDBUCH
MANUALE DI SERVIZIO DEL
PROPRIETARIO
MANUAL DE SERVICIO
DEL PROPIETARIO
PRINTED IN JAPAN
2006.08-1.9×1 CR
(E,F,G,H,S)
WR250F(W)
PRINTED ON RECYCLED PAPER YAMAHA MOTOR CO., LTD.
2500 SHINGAI IWATA SHIZUOKA JAPAN
EC010010
WR250F(W)
OWNER’S SERVICE MANUAL
©2006 by Yamaha Motor Co., Ltd.
1st Edition, August 2006
All rights reserved.
Any reprinting or unauthorized
use without the written
permission of
Yamaha Motor Co., Ltd.
is expressly prohibited.
Printed in Japan
WR250F(W)
MANUEL D’ATELIER
DU PROPRIETAIRE
©2006 Yamaha Motor Co., Ltd.
1ère édition, août 2006
Tous droits réservés
Toute reimpression
ou utillisation sans la
permission écrite de
la Yamaha Motor Co., Ltd.
est formellement interdite.
Imprimé au Japon
WR250F(W)
FAHRER-UND WARTUNGS
HANDBUCH
©2006 Yamaha Motor Co., Ltd.
1. Auflage, August 2006
Alle Rechte vorbehalten.
Nachdruck, Vervielfältigung und
Verbreitung, auch
auszugsweise, ist ohne
schriftliche Genehmigung der
Yamaha Motor Co., Ltd.
nicht gestattet.
Gedruckt in Japan
WR250F(W)
MANUALE DI SERVIZIO DEL
PROPRIETARIO
©2006 by Yamaha Motor Co., Ltd.
1a edizione, agosto 2006
Tutti i diritti sono riservati.
La ristampa o luso non autorizzato
senza previo permesso scritto di
Yamaha Motor Co., Ltd.
sono espressamente vietati.
Stampato in Giappone
WR250F(W)
MANUAL DE SERVCIO DEL
PROPIETARIO
©2006 por Yamaha Motor Co., Ltd.
1ª Edición, agosto 2006
Reservados todos los derechos.
Queda expresamente prohibida
cualquier reimpresión o uso no
autorizado sin el permiso por
escrito de por
Yamaha Motor Co., Ltd.
Impreso en Japón
EC020000
INTRODUCTION
Congratulations on your purchase of
a Yamaha WR series. This model is
the culmination of Yamaha’s vast
experience in the production of pace-
setting racing machines. It repre-
sents the highest grade of
craftsmanship and reliability that
have made Yamaha a leader.
This manual explains operation,
inspection, basic maintenance and
tuning of your machine. If you have
any questions about this manual or
your machine, please contact your
Yamaha dealer.
NOTE:
Yamaha continually seeks advance-
ments in product design and quality.
Therefore, while this manual con-
tains the most current product infor-
mation available at the time of
printing, there may be minor discrep-
ancies between your machine and
this manual. If you have any ques-
tions concerning this manual, please
consult your Yamaha dealer.
WARNING
PLEASE READ THIS MANUAL
CAREFULLY AND COMPLETELY
BEFORE OPERATING THIS
MACHINE. DO NOT ATTEMPT TO
OPERATE THIS MACHINE UNTIL
YOU HAVE ATTAINED A SATIS-
FACTORY KNOWLEDGE OF ITS
CONTROLS AND OPERATING
FEATURES AND UNTIL YOU
HAVE BEEN TRAINED IN SAFE
AND PROPER RIDING TECH-
NIQUES. REGULAR INSPECTIONS
AND CAREFUL MAINTENANCE,
ALONG WITH GOOD RIDING
SKILLS, WILL ENSURE THAT YOU
SAFETY ENJOY THE CAPABILI-
TIES AND THE RELIABILITY OF
THIS MACHINE.
INTRODUCTION
Félicitations pour votre achat d’une
Yamaha séries WR. Ce modèle est
l’aboutissement de la vaste expérience
de Yamaha dans la production de machi-
nes de course. Il représente l’échelon le
plus élevé de la dextérité manuelle et de
la fiabilité qui ont fait de Yamaha un lea-
der.
Ce manuel explique le fonctionnement,
l’inspection, l’entretien de base et la
mise au point de votre machine. Si vous
avez des questions à poser à propos de ce
manuel ou de votre machine, prière de
prendre contact avec votre concession-
naire Yamaha.
N.B.:
Yamaha s’efforce en permanence d’amé-
liorer la conception ainsi que la qualité
de ses produits. Par conséquent, même si
ce manuel contient les toutes dernières
informations sur les produits disponi-
bles lors de l’impression, de légères dif-
férences sont possibles entre votre
machine et ce manuel. Pour toute ques-
tion relative au présent manuel, consulter
un concessionnaire Yamaha.
AVERTISSEMENT
PRIERE DE LIRE ATTENTIVE-
MENT ET COMPLETEMENT CE
MANUEL AVANT DUTILISER
CETTE MACHINE. NE PAS
ESSAYER DUTILISER CETTE
MACHINE AVANT DE POSSEDER
DES CONNAISSANCES SATISFAI-
SANTES SUR SES COMMANDES
ET FONCTIONS ET DAVOIR ETE
FORME POUR DES TECHNIQUES
DE CONDUITE CORRECTES ET
SURES. DES INSPECTION REGU-
LIERES ET UN ENTRETIEN SOI-
GNEUX, AVEC UNE BONNE
APTITUDE DE CONDUITE, VOUS
ASSURERONT LA POSSIBILITE
DAPPRECIER LES POSSIBILITES
ET LA FIABILITE DE CETTE
MACHINE.
VORWORT
Herzlich willkommen im Kreis der
Yamaha-Fahrer. Sie besitzen nun
eine WR, die mit jahrzehntelanger
Erfahrung sowie neuester Yamaha-
Technologie entwickelt und gebaut
wurde. Daraus resultiert ein hohes
Maß an Qualität und die sprichwörtli-
che Yamaha-Zuverlässigkeit.
In dieser Anleitung erfahren Sie, wie
Sie Ihr Motorrad am besten bedie-
nen, inspizieren, warten und abstim-
men. Sollten Sie darüber hinaus
noch weitere Fragen haben, wenden
Sie sich an den nächsten Yamaha-
Händler Ihres Vertrauens.
HINWEIS:
Die Angaben dieser Anleitung befin-
den sich zum Zeitpunkt der Druckle-
gung auf dem neuesten Stand.
Aufgrund der kontinuierlichen Bemü-
hungen von Yamaha um technischen
Fortschritt und Qualitätssteigerung
können einige Angaben jedoch für
Ihr Modell nicht mehr zutreffen. Rich-
ten Sie Fragen zu dieser Anleitung
bitte an Ihren Yamaha-Händler.
WARNUNG
Vor der Inbetriebnahme sollte man
sich mit den Eigenschaften und
der Bedienung seines Fahrzeugs
gut vertraut machen. Nur vor-
schriftsmäßige Wartung, regelmä-
ßige Schmierung und korrekte
Einstellung können optimale Leis-
tung und Sicherheit gewährleis-
ten. Damit Sie alle Vorzüge dieses
Motorrades nutzen können, lesen
Sie bitte diese Anleitung vor der
Inbetriebnahme sorgfältig durch.
Der Yamaha-Händler gibt bei Fra-
gen gerne Auskunft.
INTRODUZIONE
Congratulazioni per aver acquistato una
Yamaha serie WR. Questo modello
costituisce lapice della vasta esperienza
Yamaha nella realizzazione di veicoli da
corsa di primo piano. Rappresenta il
massimo grado di quella eccezionalità
qualitativa e affidabilità che hanno reso
Yamaha unazienda leader mondiale.
Questo manuale fornisce spiegazioni
relative al funzionamento, allispezione,
alla manutenzione base e alla messa a
punto del veicolo. In caso di domande
relative a questo manuale o al veicolo
stesso, contattare il proprio rivenditore
Yamaha.
NOTA:
Yamaha ricerca continuamente il miglio-
ramento del design e della qualità dei
propri prodotti. Pertanto, benché il pre-
sente manuale contenga le informazioni
sui prodotti più aggiornate al momento
della stampa, potrebbero esservi lievi
discrepanze tra la macchina e il manuale.
In caso di domande relative al manuale,
contattare il proprio concessionario
Yamaha.
AVVERTENZA
LEGGERE ATTENTAMENTE E
COMPLETAMENTE QUESTO
MANUALE PRIMA DI METTERE
IN FUNZIONE IL VEICOLO. NON
TENTARE DI METTERE IN FUN-
ZIONE IL VEICOLO SE NON SI È
ACQUISITA UNA CONOSCENZA
SODDISFACENTE DELLE RELA-
TIVE CARATTERISTICHE DI
COMANDO E FUNZIONAMENTO
E SE NON SI È RICEVUTO UN
ADDESTRAMENTO SPECIFICO IN
RELAZIONE ALLE TECNICHE DI
GUIDA SICURA E CORRETTA.
CONTROLLI REGOLARI E
UNATTENTA MANUTENZIONE,
NONCHÉ BUONE CAPACITÀ DI
GUIDA, CONSENTIRANNO DI
APPREZZARE NEL RISPETTO
DELLA SICUREZZA LE POTEN-
ZIALITÀ E LAFFIDABILITÀ DI
QUESTO VEICOLO.
INTRODUCCIÓN
Enhorabuena por haber adquirido un
vehículo de la serie WR de Yamaha.
Este modelo representa la culmina-
ción de la amplia experiencia de
Yamaha en la fabricación de exce-
lentes máquinas de carreras en las
que se puede apreciar el alto grado
de manufacturación y fiabilidad, que
ha hecho de Yamaha un líder en
este campo.
Este manual explica el funciona-
miento, las inspecciones, el manteni-
miento básico y la puesta a punto de
su vehículo. Para resolver cualquier
duda relacionada con este manual o
con su vehículo, consulte con su
concesionario Yamaha.
NOTA:
Yamaha mejora constantemente el
diseño y la calidad de sus productos.
Por lo tanto, aunque este manual
contiene la información más actual
disponible en el momento de impri-
mirse, pueden existir pequeñas dis-
crepancias entre su máquina y este
manual. Si necesita cualquier aclara-
ción relativa a este manual, consulte
a su concesionario Yamaha.
ADVERTENCIA
LEA DETENIDAMENTE ESTE
MANUAL ANTES DE MANEJAR EL
VEHÍCULO. NO INTENTE MANE-
JAR EL VEHÍCULO HASTA
HABER OBTENIDO UN CONOCI-
MIENTO SATISFACTORIO DE
TODOS LOS CONTROLES Y SUS
CARACTERÍSTICAS DE FUNCIO-
NAMIENTO Y HASTA HABER
SIDO INSTRUÍDO EN LAS TÉCNI-
CAS DE CONDUCCIÓN ADECUA-
DAS. LAS INSPECCIONES
REGULARES Y UN MANTENI-
MIENTO CUIDADOSO, ADEMÁS
DE UNA CONDUCCIÓN
CORRECTA, LE PROPORCIO-
NARÁ MAYOR SATISFACCIÓN
GRACIAS A LAS CARACTERÍSTI-
CAS Y FIABILIDAD DEL VEHÍ-
CULO.
IMPORTANT NOTICE
THIS MACHINE IS DESIGNED
STRICTLY FOR COMPETITION
USE, ONLY ON A CLOSED
COURSE. It is illegal for this machine
to be operated on any public street,
road, or highway. Off-road use on
public lands may also be illegal.
Please check local regulations
before riding.
1. THIS MACHINE IS TO BE
OPERATED BY AN EXPERI-
ENCED RIDER ONLY.
Do not attempt to operate
this machine at maximum
power until you are totally
familiar with its characteris-
tics.
2. THIS MACHINE IS
DESIGNED TO BE RIDDEN
BY THE OPERATOR ONLY.
Do not carry passengers on
this machine.
3. ALWAYS WEAR PROTEC-
TIVE APPAREL.
When operating this
machine, always wear an
approved helmet with gog-
gles or a face shield. Also
wear heavy boots, gloves,
and protective clothing.
Always wear proper fitting
clothing that will not be
caught in any of the moving
parts or controls of the
machine.
4. ALWAYS MAINTAIN YOUR
MACHINE IN PROPER
WORKING ORDER.
For safety and reliability,
the machine must be prop-
erly maintained. Always
perform the pre-operation
checks indicated in this
manual. Correcting a
mechanical problem before
you ride may prevent an
accident.
5. GASOLINE IS HIGHLY
FLAMMABLE.
Always turn off the engine
while refueling. Take care
to not spill any gasoline on
the engine or exhaust sys-
tem. Never refuel in the
vicinity of an open flame, or
while smoking.
SAFETY INFORMATION
NOTICE
IMPORTANTE
CETTE MACHINE EST STRICTE-
MENT DESTINEE A LA COMPETI-
TION, UNIQUEMENT SUR CIRCUIT
FERME. Il est illégal dutiliser cette
machine sur une rue, route ou artère
publique. Lutilisation de tous-terrains
sur les domaines publics peut également
être illégale. Prière de vérifier les lois
locales avant de conduire.
1. CETTE MACHINE NE DOIT
ETRE UTILISEE QUE PAR
UN CONDUCTEUR EXPERI-
MENTE.
Ne pas essayer dutiliser cette
machine à sa puissance maxi-
mum tant que vous n’êtes pas
familier avec ses caractéristi-
ques.
2. CETTE MACHINE NEST
CONCUE POUR ETRE UTI-
LISEE QUE PAR LE CON-
DUCTEUR.
Ne pas prendre de passagers
sur cette machine.
3. TOUJOURS PORTER UN
EQUIPEMENT DE PROTEC-
TION.
Lors de lutilisation de cette
machine, toujours porter un
casque homologué avec des
lunettes ou un protège-visage.
Porter également de grosses
bottes, des gants et des vête-
ments de protection. Toujours
porter des vêtements de taille
correcte qui ne seront pas pris
dans une des pièces ou com-
mandes mobiles de la machine.
4. TOUJOURS GARDER
VOTRE MACHINE EN BON
ETAT DE MARCHE.
La machine doit être correcte-
ment entretenue pour des
questions de sécurité et de fia-
bilité. Toujours effectuer les
opérations précédant lutilisa-
tion indiquées dans ce manuel.
La correction dun problème
mécanique avant la conduite
peut empêcher un éventuel
accident.
5. LESSENCE EST HAUTE-
MENT INFLAMMABLE.
Toujours arrêter le moteur en
faisant le plein. Faire attention
à ne pas verser dessence sur le
moteur ou le pot d’échappe-
ment. Ne jamais faire le plein
au voisinage dune flamme une
ou en fumant.
INFORMATION DE SECURITE
ZUR BEACHTUNG
Dieses Motorrad ist ausschließlich für
den Einsatz im Gelände-Rennsport
auf geschlossenen Kursen bestimmt.
Die Benutzung dieses Fahrzeugs auf
öffentlichen Straßen verstößt gegen
die Straßenverkehrsordnung. Aber
auch Fahrten auf öffentlichem
Gelände können waltende Verkehrs-
bestimmungen verletzen. Erkundi-
gen Sie sich deshalb vor der Fahrt bei
der zuständigen Verkehrsbehörde.
1. Die Benutzung dieses
Motorrads setzt eine
gewisse Erfahrung voraus.
Fahren Sie diese Maschine
nicht voll aus, bevor Sie
sich mit allen ihren Eigen-
schaften gründlich vertraut
gemacht haben.
2. Dieses Motorrad ist aus-
schließlich für Solofahrten
bestimmt.
Führen Sie niemals einen
Sozius auf dieser Maschine
mit.
3. Geeignete Schutzkleidung
ist obligatorisch.
Fahren Sie stets mit ange-
messener Schutzkleidung,
robusten Stiefeln, speziellen
Motorrad-Handschuhen,
einem geprüften, perfekt sit-
zenden Helm und ausrei-
chendem Augenschutz.
Achten Sie darauf, daß die
Kleidung eng anliegt und
nicht mit beweglichen Tei-
len oder Bedienungsele-
menten der Maschine in
Berührung kommt.
4. Regelmäßige Pflege und
Wartung sind unerläßlich.
Nur vorschriftsmäßige War-
tung, regelmäßige Schmie-
rung und korrekte Einstel-
lung können optimale Leis-
tung und Sicherheit
gewährleisten.
Um Unfälle zu vermeiden,
stets die in dieser Anlei-
tung aufgeführte Routine-
kontrolle vor Fahrtbeginn
durchführen.
5. Benzin ist äußerst entzünd-
bar und u. U. explosiv.
Stellen Sie vor dem Tanken
immer den Motor ab und
achten Sie darauf, daß kein
Benzin auf den Motor oder
die Auspuffanlage ver-
schüttet wird. Während des
Tankens offene Flammen
und Funken fernhalten und
keinesfalls rauchen.
SICHERHEITSTINFORMATION
COMUNICAZIONE
IMPORTANTE
QUESTO VEICOLO È STATO PRO-
GETTATO ESCLUSIVAMENTE PER
LE COMPETIZIONI SU CIRCUITI
CHIUSI. Limpiego di questo veicolo su
strade pubbliche o autostrade è illegale.
Limpiego fuoristrada su terreni pubblici
potrebbe essere egualmente illegale.
Verificare la normativa locale prima di
mettersi alla guida.
1. LIMPIEGO DI QUESTO
VEICOLO È LIMITATO
ESCLUSIVAMENTE A
PILOTI ESPERTI.
Non tentare di far funzionare
questo veicolo al massimo
numero di giri finché non si è
acquisita una familiarità totale
con le sue caratteristiche.
2. QUESTO VEICOLO È
STATO PROGETTATO PER
ESSERE GUIDATO ESCLU-
SIVAMENTE DA UN UNICO
PILOTA.
Non è consentito il trasporto di
passeggeri su questo veicolo.
3. INDOSSARE SEMPRE GLI
INDUMENTI DI PROTE-
ZIONE.
Durante limpiego di questo vei-
colo, indossare sempre un casco
omologato con relativi occhiali
protettivi o visiera. Indossare
inoltre stivali e guanti resistenti
nonché indumenti di prote-
zione. Indossare sempre indu-
menti aderenti in modo tale che
non possano restare intrappo-
lati nelle parti in movimento o
nei comandi del veicolo.
4. MANTENERE SEMPRE IL
VEICOLO IN BUONE CON-
DIZIONI OPERATIVE.
Per la sicurezza e laffidabilità,
il veicolo va manutenuto cor-
rettamente. Eseguire sempre i
controlli preliminari indicati
in questo manuale. Correggere
ogni eventuale problema mec-
canico prima di mettersi alla
guida onde evitare incidenti.
5. LA BENZINA È ALTA-
MENTE INFIAMMABILE.
Spegnere sempre il motore
durante il rifornimento. Fare
attenzione a non far cadere ben-
zina sul motore o sul sistema di
scarico. Non effettuare il rifor-
nimento in prossimità di
fiamme vive o mentre si fuma.
INFORMAZIONI DI
SICUREZZA
NOTA IMPORTANTE
ESTE VEHÍCULO HA SIDO ESPE-
CIALMENTE DISEÑADO PARA SU
UTILIZACIÓN EN COMPETICIO-
NES Y EN UN CIRCUITO
CERRADO ÚNICAMENTE. Es ilegal
manejar el vehículo en vías, carrete-
ras o autopistas públicas. Asimismo,
la utilización del vehículo fuera de las
carreteras puede quebrantar la ley.
Consulte la normativa local antes de
utilizar el vehículo.
1. ESTE VEHÍCULO DEBE
SER MANEJADO ÚNICA-
MENTE POR UN CONDUC-
TOR EXPERIMENTADO.
No intente conducir este
vehículo a su máxima
potencia hasta estar com-
pletamente familiarizado
con sus funciones.
2. ESTE VEHÍCULO ESTÁ
DISEÑADO PARA SER
CONDUCIDO POR EL CON-
DUCTOR ÚNICAMENTE.
No lleve pasajeros en el
vehículo.
3. LLEVE SIEMPRE LA INDU-
MENTARIA APROPIADA.
Cuando maneje este vehí-
culo, lleve siempre el casco
y las gafas adecuadas o un
protector. Asimismo, lleve
guantes y botas pesadas y
ropa de protección. Lleve
siempre la vestimenta apro-
piada para que no pueda
engancharse en ninguna de
las piezas móviles o los
controles del vehículo.
4. MANTENGA SIEMPRE EL
VEHÍCULO EN UN ESTADO
DE FUNCIONAMIENTO
APROPIADO.
Para mayor seguridad y fia-
bilidad, el vehículo debe
mantenerse correcta-
mente. Antes de hacer fun-
cionar su vehículo, realice
siempre las comprobacio-
nes necesarias indicadas
en este manual. Corrija un
problema mecánico antes
de manejar el vehículo para
evitar accidentes.
5. LA GASOLINA ES ALTA-
MENTE INFLAMABLE.
Apague siempre el motor a
la hora de repostar. Intente
no derramar gasolina en el
motor ni en el sistema de
escape. Nunca reposte
cerca de una llama encen-
dida o mientras fuma.
INFORMACIÓN DE
SEGURIDAD
6. GASOLINE CAN CAUSE
INJURY.
If you should swallow some
gasoline, inhale excess
gasoline vapors, or allow
any gasoline to get into
your eyes, contact a doctor
immediately. If any gaso-
line spills onto your skin or
clothing, immediately wash
skin areas with soap and
water, and change your
clothes.
7. ONLY OPERATE THE
MACHINE IN AN AREA
WITH ADEQUATE VENTI-
LATION.
Never start the engine or let
it run for any length of time
in an enclosed area.
Exhaust fumes are poison-
ous. These fumes contain
carbon monoxide, which by
itself is odorless and color-
less. Carbon monoxide is a
dangerous gas which can
cause unconsciousness or
can be lethal.
8. PARK THE MACHINE
CAREFULLY; TURN OFF
THE ENGINE.
Always turn off the engine
if you are going to leave the
machine. Do not park the
machine on a slope or soft
ground as it may fall over.
9. THE ENGINE, EXHAUST
PIPE, MUFFLER, AND OIL
TANK WILL BE VERY HOT
AFTER THE ENGINE HAS
BEEN RUN.
Be careful not to touch
them or to allow any cloth-
ing item to contact them
during inspection or repair.
10. PROPERLY SECURE THE
MACHINE BEFORE TRANS-
PORTING IT.
When transporting the
machine in another vehicle,
always be sure it is prop-
erly secured and in an
upright position and that
the fuel cock is in the
OFF position. Otherwise,
fuel may leak out of the car-
buretor or fuel tank.
6. LESSENCE PEUT CAUSER
DES BLESSURES.
Si vous avalez de lessence, res-
pirez des vapeurs dessence en
excès ou laissez de lessence
pénétrer dans vos yeux, pren-
dre immédiatement contact
avec un médecin. Si de
lessence est renversée sur
votre peau ou vos vêtements,
laver immédiatement la peau
avec du savon et de leau et
changer de vêtements.
7. NUTILISER LA MACHINE
QUE DANS UN ENDROIT
AVEC AERATION ADE-
QUATE.
Ne jamais mettre le moteur en
marche ni le laisser tourner
pendant un quelconque laps de
temps dans un endroit clos.
Les fumées d’échappement
sont toxiques. Ces fumées con-
tiennent du monoxyde de car-
bone incolore et inodore. Le
monoxyde de carbone est un
gaz toxique dangereux qui
peut entraîner la perte de con-
naissance ou être mortel.
8. STATIONNER AVEC SOIN
LA MACHINE ET ARRE-
TER LE MOTEUR.
Toujours arrêter le moteur si
vous devez abandonner la
machine. Ne pas stationner en
pente ou sur un sol mou ou elle
pourrait se renverser.
9. LE MOTEUR, LE SYSTÈME
D’ÉCHAPPEMENT ET LE
RÉSERVOIR DHUILE
SONT TRÈS CHAUDS
LORSQUE LE MOTEUR A
TOURNÉ.
Bien veiller à ne pas toucher
ces organes et éviter tout con-
tact avec les vêtements pen-
dant linspection ou la
réparation du véhicule.
10. FIXER SOLIDEMENT LA
MACHINE AVANT DE LA
TRANSPORTER.
En cas de transport de la
machine sur un autre véhicule,
toujours sassurer quelle est
correctement fixée et posée sur
ses roues et que le robinet de
carburant est dans la position
OFF (fermé). Sans quoi il peut
y avoir des fuites du carbura-
teur et du réservoir.
6. Benzin ist giftig.
Sollten Sie versehentlich
Benzin verschluckt, Benzin-
dämpfe eingeatmet oder
Benzin in die Augen bekom-
men haben, sofort einen
Arzt aufsuchen. Falls Ben-
zin auf die Haut oder Klei-
dung gelangt, die betroffene
Stelle unverzüglich mit Sei-
fenwasser abwaschen und
ggf. die Kleidung wechseln.
7. Den Motor nur an gut belüf-
tetem Ort laufen lassen.
Den Motor keinesfalls in
geschlossenen Räumen
anlassen und betreiben.
Abgase enthalten Kohlen-
monoxid, ein farb- und
geruchloses Gas, das aber
äußerst giftig ist und in kur-
zer Zeit bereits zu Bewußtlo-
sigkeit und sogar zum Tod
führen kann.
8. Vorsicht beim Parken.
Zum Parken stets den Motor
abstellen. Das Fahrzeug
nicht auf abschüssigem
oder weichem Untergrund
abstellen, damit es nicht
umfallen kann.
9. Motor, Öltank, Schalldämp-
fer und Abgaskanäle wer-
den sehr heiß.
Bei Arbeiten am Motorrad
darauf achten, die heißen
Teile nicht versehentlich zu
berühren.
10. Das Motorrad vor jedem
Transport fest verankern.
Die Maschine stets aufrecht
im Transportwagen aufstel-
len und den Kraftstoffhahn
schließen (auf OFF stel-
len). Anderenfalls kann Ben-
zin aus dem Vergaser oder
dem Kraftstofftank austre-
ten.
6. LA BENZINA PUÒ PROVO-
CARE DANNI PERSONALI.
In caso di ingestione involonta-
ria di benzina, inalazione
eccessiva di vapori di benzina
o contatto della benzina con gli
occhi, rivolgersi immediata-
mente ad un medico. In caso di
contatto della benzina con la
cute o con gli abiti, lavare
immediatamente la zona col-
pita con acqua saponata e
cambiarsi dabito.
7. METTERE IN FUNZIONE IL
VEICOLO ESCLUSIVA-
MENTE IN UNA ZONA ADE-
GUATAMENTE AERATA.
Non avviare il motore né
lasciarlo in funzione a lungo in
unarea chiusa.
I gas di scarico sono velenosi.
Contengono monossido di car-
bonio che è inodore e incolore.
Il monossido di carbonio è un
gas pericoloso che può provo-
care la perdita di coscienza e
può essere letale.
8. PARCHEGGIARE LA MO-
TOCICLETTA CON CAUTE-
LA; SPEGNERE SEMPRE IL
MOTORE.
Spegnere sempre il motore se
si intende abbandonare il vei-
colo. Non parcheggiare su un
pendio o su un terreno morbi-
do in quanto il veicolo potreb-
be cadere o ribaltarsi.
9. IL TUBO DI SCARICO, IL
SILENZIATORE ED IL SER-
BATOIO DELLOLIO SA-
RANNO BOLLENTI DOPO
CHE IL MOTORE È STATO
MESSO IN FUNZIONE.
Far attenzione a non toccarli e
a non far entrare in contatto
con essi alcun capo di vestiario
durante lispezione o la ripara-
zione.
10. FISSARE BENE IL VEI-
COLO PRIMA DI TRA-
SPORTARLO.
Quando si trasporta il veicolo
in unaltra vettura, accertarsi
sempre che sia fissato in posi-
zione verticale e che il rubi-
netto del carburante sia in
posizione OFF. In caso con-
trario il carburante potrebbe
fuoriuscire dal carburatore o
dal serbatoio.
6. LA GASOLINA PUEDE
PROVOCAR DAÑOS.
Si ingiere gasolina, inhala
en exceso los vapores de la
gasolina o ésta entra en
contacto con sus ojos, pón-
gase en contacto con un
médico inmediatamente. Si
la gasolina entrara en con-
tacto con la piel o con la
ropa, lave las zonas afecta-
das con agua y jabón y
cámbiese de ropa.
7. MANEJE ÚNICAMENTE EL
VEHÍCULO EN ZONAS CON
VENTILACIÓN ADECUADA.
Nunca arranque el motor ni
permita que permanezca
encendido durante un
periodo de tiempo prolon-
gado en una zona cerrada.
Los gases del sistema de
escape son muy nocivos.
Estos gases contienen
monóxido de carbono, que
es una sustancia inodora e
incolora. El monóxido de
carbono es un gas peli-
groso que puede provocar
una estado de inconscien-
cia e incluso puede ser letal.
8. APARQUE EL VEHÍCULO
CON CUIDADO Y APAGUE
EL MOTOR.
Apague siempre el motor si
va a dejar el vehículo apar-
cado. No aparque el vehí-
culo en una rampa o en el
barro ya que podría caerse.
9. EL TUBO DE ESCAPE DEL
MOTOR, EL SILENCIADOR
Y EL DEPÓSITO DE ACEITE
SE CALIENTAN EN EXCE-
SO DESPUÉS DE ARRAN-
CAR EL MOTOR.
Tenga especial cuidado en
no tocar estas piezas o per-
mitir que una prenda entre
en contacto con las mismas
durante la inspección o la
reparación del vehículo.
10. ASEGURE ADECUADA-
MENTE EL VEHÍCULO AN-
TES DE TRANSPORTARLO.
Cuando transporte la moto-
cicleta en otro vehículo,
asegúrese siempre de colo-
carla firmemente y en posi-
ción vertical y que el grifo
del combustible esté en la
posición OFF. En caso
contrario, el combustible
podría derramarse del car-
burador o del depósito de
combustible.
EC050000
TO THE NEW OWNER
This manual will provide you with a
good basic understanding of fea-
tures, operation, and basic mainte-
nance and inspection items of this
machine. Please read this manual
carefully and completely before oper-
ating your new machine. If you have
any questions regarding the opera-
tion or maintenance of your machine,
please consult your Yamaha dealer.
NOTE:
This manual should be considered a
permanent part of this machine and
should remain with it even if the
machine is subsequently sold.
EC060000 NOTICE
Some data in this manual may
become outdated due to improve-
ments made to this model in the
future. If there is any question you
have regarding this manual or
your machine, please consult your
Yamaha dealer.
EC070001
F.I.M. MACHINE WEIGHTS:
Weights of machines without
fuel
The minimum weights for
motocross machines are:
for the class 125 cc ..... minimum
88 kg (194 lb)
for the class 250 cc ..... minimum
98 kg (216 lb)
for the class 500 cc ..... minimum
102 kg (225 lb)
In modifying your machine (e.g.,
for weight reduction), take note of
the above limits of weight.
AU NOUVEAU
PROPRIETAIRE
Ce manuel vous apportera une connais-
sance de base des caractéristiques, du
fonctionnement, et des entretiens de base
et des délais dinspection de cette
machine.
Veuillez lire soigneusement et entière-
ment ce manuel avant dutiliser votre
nouvelle machine. Si vous avez des
questions concernant le fonctionnement
ou lentretien de votre machine, veuillez
consulter votre concessionnaire Yamaha.
N.B.:
Ce manuel doit être considéré comme
partie permanente de la machine et doit
rester avec celle-ci si elle est revendue à
une tierce personne.
AVERTISSEMENT
Certaines données contenues dans ce
manuel risquent de devenir périmées
du fait daméliorations apportées à ce
modèle dans le futur. Pour toute ques-
tion concernant ce manuel ou la
machine, consulter un concessionnaire
Yamaha.
POIDS DES MACHINES,
SPECIFICATION F.I.M.:
Poids des machines sans carburant
Poids minimum admis pour les moto-
cross:
pour la catégorie 125 cc ...minimum
88 kg (194 lb)
pour la catégorie 250 cc ...minimum
98 kg (216 lb)
pour la catégorie 500 cc ...minimum
102 kg (225 lb)
En cas de modification de la machine
(par exemple pour réduction de
poids), tenir compte des limites de
poids spécifiées ci-dessus.
WICHTIGER HINWEIS
AN DEN
EIGENTÜMER
Damit Sie alle Vorzüge dieses Motor-
rades nutzen können, lesen Sie bitte
diese Anleitung sorgfältig durch,
auch wenn dies Ihre wertvolle Zeit in
Anspruch nimmt. Denn Sie erfahren
nicht nur, wie Sie Ihre Maschine am
besten bedienen, inspizieren und
warten, sondern auch wie Sie sich
vor Unfällen schützen.
Wenn Sie die vielen Tips der Bedie-
nungsanleitung nutzen, garantieren
wir den bestmöglichen Werterhalt
dieses Motorrades. Sollten Sie darü-
ber hinaus noch weitere Fragen
haben, wenden Sie sich an den
nächsten Yamaha-Händler Ihres
Vertrauens.
HINWEIS:
Die Anleitung ist ein wichtiger
Bestandteil des Fahrzeugs und sollte
daher beim eventuellen Weiterver-
kauf an den neuen Eigentümer über-
geben werden.
ANMERKUNG
Die Angaben dieser Anleitung
befinden sich zum Zeitpunkt der
Drucklegung auf dem neuesten
Stand. Aufgrund der kontinuierli-
chen Bemühungen von Yamaha
um technischen Fortschritt und
Qualitätssteigerung können einige
Angaben jedoch für Ihr Modell
nicht mehr zutreffen. Richten Sie
Fragen zu dieser Anleitung bitte
an Ihren Yamaha-Händler.
GEWICHT DER
F.I.M.-MASCHINE:
Gewicht der Maschine ohne
Kraftstoff
Das Mindestgewicht für eine
Motocross- Maschine ist:
für 125 cc Klasse........... Mindest
88 kg (194 lb)
für 250 cc Klasse........... Mindest
98 kg (216 lb)
für 500 cc Klasse........... Mindest
102 kg (225 lb)
Falls Sie Modifikationen an lhrer
Maschine vornehmen (z.B. zur
Gewichtsverringerung), unbe-
dingt das oben angeführte Min-
destgewicht lhre Klasse einhalten.
PER IL NUOVO
PROPRIETARIO
Questo manuale consente di acquisire
una buona conoscenza delle caratteristi-
che, del funzionamento e degli interventi
di manutenzione ed ispezione fondamen-
tali di questo veicolo. Leggere attenta-
mente e completamente questo manuale
prima di mettere in funzione il nuovo
veicolo. In caso di domande in relazione
al funzionamento o alla manutenzione
del veicolo, consultare il proprio rivendi-
tore Yamaha.
NOTA:
Questo manuale va considerato parte
integrante del veicolo e deve accompa-
gnare il veicolo anche se in seguito que-
sta venisse rivenduta.
AVVERTENZA
Alcuni dati di questo manuale potreb-
bero risultare obsoleti a causa di
aggiornamenti apportati a questo
modello in futuro. In caso di domande
in relazione a questo manuale o al vei-
colo, rivolgersi al proprio rivenditore
Yamaha.
PESO MOTOCICLETTA:
Peso del veicolo senza carburante
I pesi minimi per le motociclette da
motocross sono:
per la classe 125 cc ............. minimo
88 kg (194 lb)
per la classe 250 cc ............. minimo
98 kg (216 lb)
per la classe 500 cc ............. minimo
102 kg (225 lb)
Se si apportano modifiche al veicolo,
(ad es.: per ridurne il peso), tenere
presenti i limiti di peso di cui sopra.
NUEVO
PROPIETARIO
Este manual le proporcionará una
comprensión elemental óptima sobre
las funciones, funcionamiento, man-
tenimiento e inspecciones básicas
de los ítems de este vehículo. Lea
detenidamente este manual antes de
manejar su nuevo vehículo. Para
cualquier aclaración referente al fun-
cionamiento o mantenimiento del
vehículo, consulte con su concesio-
nario Yamaha.
Este manual debe considerarse
como una pieza permanente del
vehículo y debe permanecer en el
mismo incluso en el caso de que el
vehículo sea vendido posterior-
mente.
NOTA:
Este manual debe ser considerado
como un elemento importante de
este vehículo y permanecer en el
mismo aún en caso de ser vendido
posteriormente.
AVISO
Algunos datos de este manual
pueden quedar obsoletos debido
a las mejoras realizadas a este
modelo en el futuro. Si tiene cual-
quier duda con relación a este
manual o a su vehículo, consulte
con su concesionario Yamaha.
PESOS DEL VEHÍCULO
F.I.M.:
Pesos del vehículo sin combus-
tible
Los pesos mínimos de los vehícu-
los de motocross son:
para 125 cc.....................mínimo
88 kg (194 lb)
para 250 cc.....................mínimo
98 kg (216 lb)
para 500 cc.....................mínimo
102 kg (225 lb)
Si va a modificar su vehículo (por
ejemplo, reducir el peso), tenga
en cuenta los límites de peso des-
critos anteriormente.
EC080000
HOW TO USE THIS
MANUAL
EC081000
PARTICULARLY
IMPORTANT
INFORMATION
The Safety Alert Symbol means
ATTENTION! BECOME ALERT!
YOUR SAFETY IS INVOLVED!
Failure to follow WARNING instruc-
tions could result in severe injury or
death to the machine operator, a
bystander, or a person inspecting or
repairing the machine.
A CAUTION indicates special pre-
cautions that must be taken to avoid
damage to the machine.
NOTE:
A NOTE provides key information to
make procedures easier or clearer.
WARNING
CAUTION:
EC082000
FINDING THE REQUIRED
PAGE
1. This manual consists of seven
chapters; General information,
Specifications, Regular
inspection and adjustments,
Tuning, Engine, Chassis
and Electrical.
2. The table of contents is at the
beginning of the manual. Look
over the general layout of the
book before finding then
required chapter and item.
Bend the book at its edge, as
shown, to find the required fore
edge symbol mark and go to a
page for required item and
description.
COMMENT UTILISER
CE MANUEL
INFORMATIONS
PARTICULIEREMENT
IMPORTANTES
Le symbole dalerte de sécurité signifie
ATTENTION! SOYEZ VIGILANT!
VOTRE SECURITE EST EN JEU!
Le non-respect des instructions AVER-
TISSEMENT peut entraîner de sérieuses
blessures ou la mort au pilote de la
machine, à un passant ou à une personne
inspectant ou réparant la machine.
Un ATTENTION indique les procédures
spéciales qui doivent être suivies pour
éviter dendommager la machine.
N.B.:
Un N.B. fournit les renseignements
nécessaires pour rendre les procédures
plus faciles ou plus claires.
AVERTISSEMENT
ATTENTION:
TROUVER LA PAGE
RECHERCHEE
1. Ce manuel comprend 7 chapitres;
Renseignements généraux,
Caractéristiques, Controles et
réglages periodiques, Mise au
point, Moteur, Châssis et Par-
tie électrique.
2. La table des matières se trouve au
début du manuel.
Regarder la disposition générale du
manuel avant de recherche le chapi-
tre et larticle désirés.
Arquer le manuel à son bord, de la
manière indiquée, pour trouver le
symbole de devant désiré et passer à
une page de la description et larti-
cle désirés.
BENUTZERHINWEISE
KENNZEICHNUNG
WICHTIGER HINWEISE
Das Ausrufezeichen bedeutet:
GEFAHR! Achten Sie auf Ihre
Sicherheit!
Ein Mißachten dieser Warnhinweise
bringt Fahrer, Mechaniker und
andere Personen in Verletzungs-
oder Lebensgefahr.
Hierunter sind Vorsichtsmaßnah-
men zum Schutz des Fahrzeugs vor
Schäden aufgeführt.
HINWEISE:
Ein HINWEIS gibt Zusatzinformatio-
nen und Tips, um bestimmte Vor-
gänge oder Arbeiten zu
vereinfachen.
WARNUNG
ACHTUNG:
INFORMATION AUFFINDEN
1. Diese Anleitung umfaßt sieben
Kapitel; 1. Allgemeine Angaben
2. Technische Daten 3.
Regelmässige Wartungs- und
Einstellarbeiten 4. Abstim-
mung 5. Motor 6. Fahrwerk
7. Elektrische Anlage
2. Dem ersten Kapitel geht ein
Inhaltverzeichnis voran. Machen
Sie sich mit dem Inhalt und Auf-
bau der Anleitung vertraut, bevor
Sie nach bestimmten Angaben
suchen.
Halten Sie das Buch wie in der
Abbildung gezeigt, um das Auf-
finden der einzelnen Kapitel zu
erleichtern.
COME UTILIZZARE
QUESTO MANUALE
INFORMAZIONI
PARTICOLARMENTE
IMPORTANTI
Questo simbolo segnala un pericolo che
richiede la MASSIMA ATTENZIONE!
PERICOLO! LA SICUREZZA DELLE
PERSONE È COINVOLTA!
Il mancato rispetto del richiamo di
AVVERTENZA può comportare gravi
lesioni personali o il decesso del pilota,
di persone presenti nelle vicinanze o di
coloro che controllano o riparano il vei-
colo.
Un richiamo di ATTENZIONE indica la
necessità di speciali precauzioni da pren-
dere per evitare danni materiali al vei-
colo.
NOTA:
Una NOTA fornisce informazioni utili
per rendere meglio comprensibili le pro-
cedure e per facilitarne lesecuzione.
AVVERTENZA
ATTENZIONE:
COME TROVARE LA PAGINA
RICHIESTA
1. Questo manuale consta di sette
capitoli; Informazioni generali,
Dati tecnici, Controlli e regola-
zioni periodiche, Messa a punto,
Motore, Parte ciclistica e
Impianto elettrico.
2. Lindice si trova allinizio del
manuale. Dare uno sguardo alla
struttura del manuale prima di cer-
care il capitolo e largomento
richiesti.
Piegare il libro sul bordo, come illu-
strato, per trovare il riferimento
simbolico del bordo anteriore e
andare alla pagina per largomento
e la descrizione richiesti.
CÓMO UTILIZAR
ESTE MANUAL
INFORMACIÓN
ESPECIALMENTE
IMPORTANTE
El símbolo de alerta significa: ¡DEBE
PRESTAR ATENCIÓN YA QUE
ESTÁ EN JUEGO SU PROPIA
SEGURIDAD!
El incumplimiento de este tipo de ins-
trucciones de ADVERTENCIA puede
resultar en lesiones graves o morta-
les del usuario de la motocicleta, de
los transeúntes próximos a ésta o de
las personas encargadas de la ins-
pección o reparación del vehículo.
Una nota de ATENCIÓN indica que
se deben adoptar precauciones
especiales para evitar daños a la
motocicleta.
NOTA:
La NOTA proporciona información
clave que facilita o clarifica determi-
nados procedimientos.
ADVERTENCIA
ATENCION:
CÓMO ENCONTRAR LA PÁGINA
ADECUADA
1. Este manual consta de siete
capítulos; Información general,
Especificaciones, Revisiones y
ajustes periódicos, Reglaje,
Motor, Chasis y Sistema
eléctrico.
2. El índice del contenido se
encuentra al inicio del manual.
Consulte el formato general del
manual para encontrar el capí-
tulo y el ítem requerido.
Doble el libro por el borde, tal y
como se indica, para encontrar
la marca del símbolo del canal
que se requiere y dirigirse a una
página correspondiente al ítem y
descripción pertinentes.
EC083000
MANUAL FORMAT
All of the procedures in this manual are organized in a
sequential, step-by-step format. The information has
been complied to provide the mechanic with an easy to
read, handy reference that contains comprehensive
explanations of all disassembly, repair, assembly, and
inspection operations.
In this revised format, the condition of a faulty component
will precede an arrow symbol and the course of action
required will follow the symbol, e.g.,
Bearings
Pitting/damage Replace.
EC084002
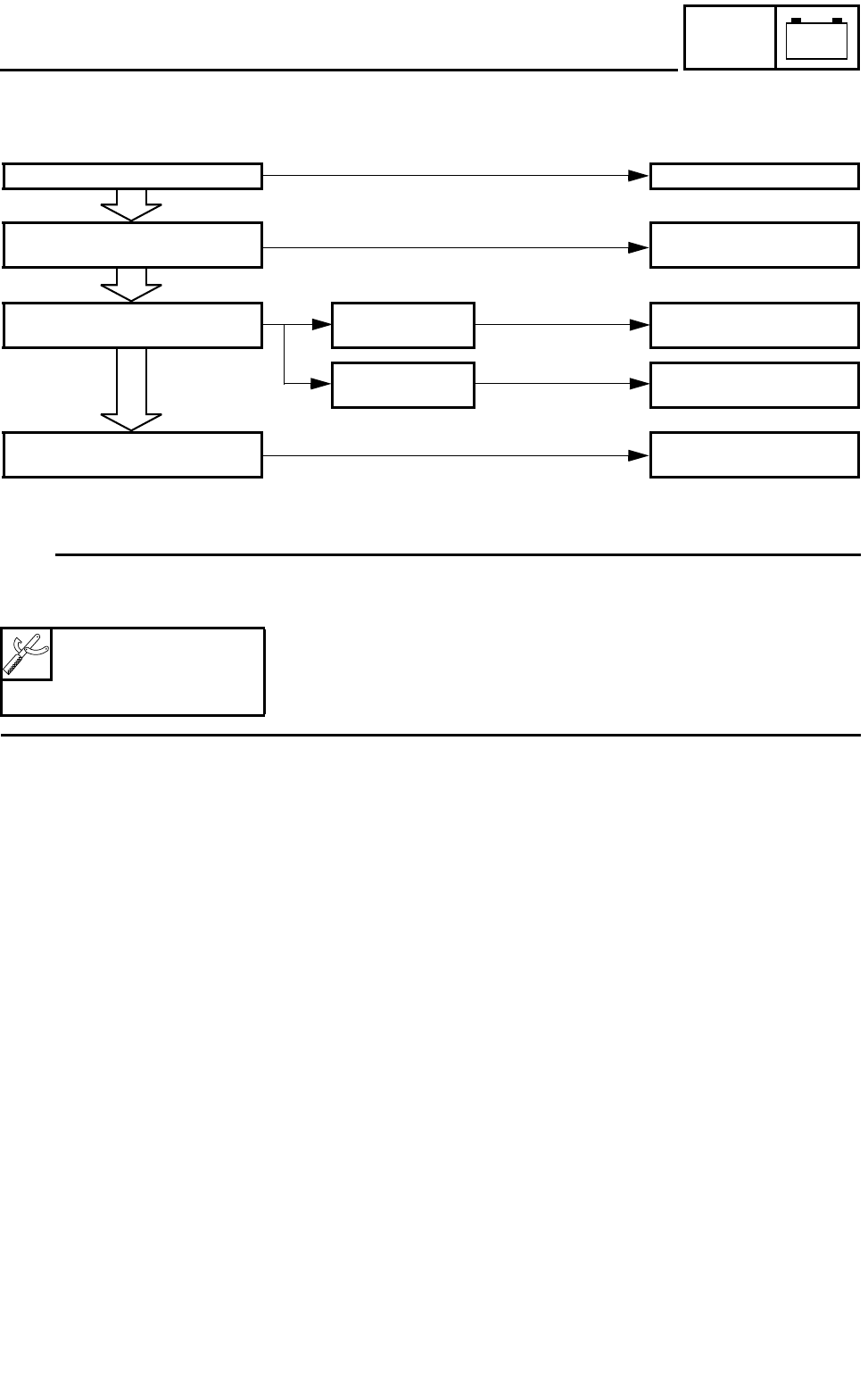
HOW TO READ DESCRIPTIONS
To help identify parts and clarify procedure steps, there
are exploded diagrams at the start of each removal and
disassembly section.
1. An easy-to-see exploded diagram 1 is provided for
removal and disassembly jobs.
2. Numbers 2 are given in the order of the jobs in the
exploded diagram. A number that is enclosed by a
circle indicates a disassembly step.
3. An explanation of jobs and notes is presented in an
easy-to-read way by the use of symbol marks 3.
The meanings of the symbol marks are given on the
next page.
4. A job instruction chart 4 accompanies the exploded
diagram, providing the order of jobs, names of parts,
notes in jobs, etc.
5. Extent of removal 5 is provided in the job instruction
chart to save the trouble of an unnecessary removal
job.
6. For jobs requiring more information, the step-by-step
format supplements 6 are given in addition to the
exploded diagram and job instruction chart.
FORMAT DU MANUEL
Dans ce manuel, toutes les procédures sont décrites pas à pas.
Les informations ont été condensées pour fournir au mécani-
cien un guide pratique et facile à lire, contenant des explica-
tions claires pour toutes les procédures de démontage,
réparation, remontage et vérification.
Dans ce nouveau format, l’état dun composant défectueux est
suivi dune flèche qui indique les mesures à prendre. Exemple:
Roulements
Piqûres/endommagement Remplacer.
COMMENT LIRE LES DESCRIPTIONS
Chaque section détaillant des étapes de démontage ou de
remontage est précédée de vues en éclaté qui permettent de cla-
rifier ces opérations.
1. Exemple de vue en éclaté 1 clarifiant les opérations de
démontage et de remontage.
2. Sur les vues en éclaté, les pièces sont numérotées 2 dans
lordre des opérations à effectuer. Un chiffre entouré dun
cercle correspond à une étape de démontage.
3. Les vues en éclaté portent également des symboles 3 qui
rappellent des points importants à ne pas oublier. La signi-
fication de ces symboles est expliquée à la page suivante.
4. Les vues en éclaté sont suivies dun tableau 4 fournissant
lordre des opérations, le nom des pièces, des remarques,
etc.
5. Pour éviter la dépose superflue de pièces, l’étendue de la
dépose 5 est indiquée dans le tableau de description du
travail.
6. Pour les travaux qui demandent des explications supplé-
mentaires, la vue en éclaté et le tableau sont suivis dune
description détaillée 6 des opérations.
AUFBAU
Diese Anleitung wurde zusammen-
gestellt, um dem Benutzer ein leicht
verständliches Nachschlagewerk in
die Hand zu geben, in dem alle dar-
gestellten Arbeitsvorgänge (Ein- und
Ausbau, Zerlegung und Zusammen-
bau, Prüfung und Reparatur) detail-
liert und in der entsprechenden
Reihenfolge beschrieben sind.
Je nach Zustand eines fehlerhaften
Bauteils weist ein Pfeilsymbol auf die
erforderliche Maßnahme hin. Bei-
spiel:
Lager
Pitting/Beschädigung Erneuern.
LESEN DER
BESCHREIBUNGEN
Um bei der Identifikation der Teile zu
helfen und die Arbeitsschritte zu ver-
deutlichen, sind Explosionsdia-
gramme am Beginn jedes Ausbau-
und Demontageabschnittes darge-
stellt.
1. Für die Ausbau- und Demonta-
gearbeiten ist meistens ein über-
sichtliches Explosionsdiagramm
1 dargestellt.
2. Die Nummern 2 in dem Explosi-
onsdiagramm sind in der Rei-
henfolge der Arbeiten aufge-
führt. Eine in einen Kreis einge-
schriebene Nummer bezeichnet
einen Demontageschritt.
3. Eine Erläuterung der Arbeiten
und Hinweise ist durch ablese-
freundliche Symbolmarkierun-
gen 3 gegeben. Die
Bedeutungen der Symbolmar-
kierungen sind auf der nächsten
Seite aufgeführt.
4. Eine Arbeitsanweisungstabelle
4 begleitet das Explosionsdia-
gramm und gibt die Arbeitsrei-
henfolge, Bezeichnung der
Teile, Hinweise zu den Arbeiten
usw. an.
5. Der Umfang des Ausbaus 5 ist
in der Arbeitsanweisungstabelle
aufgeführt, um nicht erforderli-
che Ausbauarbeiten zu vermei-
den.
6. Für Arbeiten, für die weitere
Informationen benötigt werden,
sind schrittweise Ergänzungen
6 zusätzlich zu dem Explosi-
onsdiagramm und der Arbeitsan-
weisungstabelle aufgeführt.
STRUTTURA DEL
MANUALE
Tutte le procedure di questo manuale
sono organizzate in sequenze passo a
passo. Le informazioni sono state redatte
in modo tale da fornire al meccanico un
riferimento comodo e di agevole lettura
che comprenda, al contempo, spiega-
zioni complete relative alle operazioni di
smontaggio, riparazione, montaggio ed
ispezione.
In questo nuovo formato, la condizione
di un componente non funzionante pre-
cede una freccia e lazione richiesta
segue il simbolo., ad es.:
Cuscinetti
Puntinatura/danno Sostituire.
COME LEGGERE LE
DESCRIZIONI
Allo scopo di agevolare lidentificazione
dei pezzi e di chiarire le fasi delle varie
procedure, sono state inserite rappresen-
tazioni esplose allinizio di ciascun para-
grafo dedicato alla rimozione e allo
smontaggio.
1. Una rappresentazione esplosa di
immediata comprensione 1 viene
fornita per agevolare le operazioni
di rimozione e smontaggio.
2. I numeri 2 sono indicati nella rap-
presentazione esplosa secondo la
sequenza di lavoro. Un numero rac-
chiuso in un cerchietto indica una
fase di unoperazione di smontag-
gio.
3. Una spiegazione delle operazioni e
delle note viene illustrata in maniera
chiara dallimpiego di riferimenti
simbolici 3. Il significato dei riferi-
menti simbolici viene fornito alla
pagina seguente.
4. Uno schema di istruzioni di lavoro
4 unitamente alla rappresenta-
zione esplosa, fornisce la sequenza
dei lavori, i nomi dei pezzi, le note
relative ai lavori, ecc.
5. Lindicazione relativa alla portata
dellintervento di rimozione 5
viene fornita nello schema di istru-
zioni per evitare operazioni di rimo-
zione non necessaire.
6. Per quegli interventi che richiedono
maggiori informazioni, vengono
forniti supplementi in formato passo
a passo 6 oltre alla rappresenta-
zione esplosa e allo schema di istru-
zioni.
FORMATO DEL MANUAL
Todos los procedimientos de este
manual están organizados secuen-
cialmente, paso por paso. La infor-
mación ha sido recopilada para
proporcionar al mecánico una lectura
fácil y material útil de referencia que
contiene amplias explicaciones de
todos los desmontajes, reparacio-
nes e inspecciones.
En este formato revisado, el estado
de un componente defectuoso estará
precedido de una flecha y, a conti-
nuación, se indica el procedimiento
necesario, por ejemplo,
Cojinetes
Picaduras/daños Reemplazar.
CÓMO LEER LAS
DESCRIPCIONES
Para ayudar a identificar las piezas o
clarificar los pasos de los procedi-
mientos, se facilitan diagramas de
despiece al comienzo de cada apar-
tado de extracción y desmontaje.
1. El diagrama de despiece 1 per-
mite identificar fácilmente los
componentes de las tareas de
extracción y desmontaje.
2. Los números 2 indican el orden
de las tareas del diagrama de
despiece. Los números repre-
sentados dentro de un círculo
indican un paso de la tarea de
desmontaje.
3. La explicación de las tareas y
notas está representada de
forma sencilla mediante símbo-
los 3. En la siguiente página
aparece el significado de dichos
símbolos.
4. El diagrama de despiece incluye
una tabla 4 que explica los
pasos de la tarea, los nombres
de las piezas, las notas para las
tareas, etc.
5. La tabla de instrucciones incluye
una extensión de la extracción
5 para evitar que se extraigan
piezas innecesariamente.
6. Cuando los contenidos requie-
ran más información, los suple-
mentos de formato paso a paso
6 proporcionan notas informati-
vas de los diagramas de des-
piece y el contenido de la tabla
de instrucción.
ILLUSTRATED SYMBOLS
(Refer to the illustration)
Illustrated symbols 1 to 7 are
designed as thumb tabs to indicate
the chapters number and content.
1General information
2Specifications
3Regular inspection and adjustments
4Tuning
5Engine
6Chassis
7Electrical
Illustrated symbols 8 to D are used
to identify the specifications appear-
ing in the text.
8With engine mounted
9Special tool
0Filling fluid
ALubricant
BTightening
CSpecified value, Service limit
DResistance (), Voltage (V), Electric
current (A)
Illustrated symbols E to H in the
exploded diagrams indicate grade of
lubricant and location of lubrication
point.
EApply engine oil
FApply molybdenum disulfide oil
GApply lightweight lithium-soap base
grease
HApply molybdenum disulfide grease
Illustrated symbols I to J in the
exploded diagrams indicate where to
apply a locking agent and where to
install new parts.
IApply locking agent (LOCTITE®)
JUse new one
SYMBOLES
GRAPHIQUES
(Voir lillustration)
Les symboles graphiques 1 à 7 servent
à repérer les différents chapitres et à
indiquer leur contenu.
1Renseignements généraux
2Caractéristiques
3Controles et réglages periodiques
4Mise au point
5Moteur
6Châssis
7Partie électrique
Les symboles graphiques 8 à D per-
mettent didentifier les spécifications
encadrées dans le texte.
8Avec de montage du moteur
9Outil spécial
0Liquide de remplissage
ALubrifiant
BSerrage
CValeur spécifiée, limite de service
DRésistance (), tension (V), intensité (A)
Les symboles graphiques E à H utilisés
dans les vues en éclaté indiquent les
endroit à lubrifier et le type de lubrifiant.
EAppliquer de lhuile moteur
FAppliquer de lhuile au bisulfure de
molybdène
GAppliquer de la graisse fluide à base de
savon au lithium
HAppliquer de la graisse au bisulfure de
molybdène
Les symboles graphiques I à J dans
les vues en éclaté indiquent le produit de
blocage à appliquer et les pièces qui
nécessitent un remplacement.
IAppliquer un agent de blocage
(LOCTITE®)
JUtiliser une pièce neuve.
12
34
56
78
90
AB
CD
EF
GH
IJ
GEN
INFO SPEC
INSP
ADJ
TUN
ENG
CHAS
–+
ELEC
T
R
.
.
EM
BM
New
ABGEBILDETEN SYMBOL
(Siehe Abbildung)
Die unter 1 bis 7 abgebildeten
Symbole weisen auf die Themen der
einzelnen Kapitel hin.
1Allgemeine Angaben
2Technische Daten
3Regelmässige Wartungs- und
Einstellarbeiten
4Abstimmung
5Motor
6Fahrwerk
7Elektrische Anlage
Die Symbole 8 bis D weisen auf
wichtige Angaben im Text hin.
8Wartung mit montiertem Motor
möglich
9Spezialwerkzeug
0Art und Menge einzufüllender
Flüssigkeiten
ASchmiermittel
BAnzugsmoment
CVerschleißgrenzen, Toleranzen
DElektrische Sollwerte
Die Symbole E bis H werden in den
Explosionszeichnungen verwendet
und weisen auf Schmier- und Klebe-
mittel sowie die entsprechenden
Stellen hin.
EMotoröl
FMolybdändisulfidöl
GLeichtes Lithiumfett
HMolybdändisulfidfett
Die Symbole I und J werden eben-
falls in den Explosionszeichnungen
verwendet.
IKlebemittel (LOCTITE®)
JNeues Bauteil verwenden
SIMBOLI ILLUSTRATI
(Fare riferimento
allillustrazione)
I simboli illustrati da 1 a 7 vengono
realizzati come linguette per indicare il
numero del capitolo ed il suo contenuto.
1Informazioni generali
2Dati tecnici
3Controllie regolazioni periodiche
4Messa a punto
5Motore
6Parte ciclistica
7Impianto elettrico
I simboli illustrati da 8 a D vengono
impiegati per identificare le specifiche
che compaiono nel testo.
8A motore montato
9Utensile speciale
0Fluido
ALubrificante
BSerraggio
CValore specificato, limite
DResistenza (), Tensione (V), Corrente
elettrica (A)
I simboli illustrati da E a H nella rap-
presentazione esplosa indicano il tipo di
lubrificante e lubicazione dei punti di
lubrificazione.
EImpiegare olio motore
FImpiegare olio di bisolfuro molibdeno
GImpiegare grasso a base di sapone di litio
leggero
HImpiegare grasso di bisolfuro di
molibdeno
I simboli illustrati da I a J nella rap-
presentazione esplosa indicano dove
applicare un agente bloccante e dove
installare i nuovi pezzi.
IApplicare un agente bloccante
(LOCTITE®)
JUsare un pezzo nuovo
SÍMBOLOS ILUSTRADOS
(Consulte la ilustración)
Los símbolos ilustrados 1 a 7 están
diseñados como lengüetas a seguir
con el dedo para indicar el número
del capítulo y el contenido.
1Información general
2Especificaciones
3Revisiones y ajustes periódicos
4Reglaje
5Motor
6Chasis
7Sistema eléctrico
Los símbolos ilustrados 8 a D se
utilizan para identificar las especifi-
caciones que aparezcan en el texto.
8Con el motor montado
9Herramienta especial
0Líquido a añadir
ALubricante
BApriete
CValor especificado, límite de servicio
DResistencia (), Voltaje (V), Sistema
eléctrico actual (A)
Los símbolos ilustrados E a H del
diagrama de despiece indican el
grado del lubricante y la ubicación
del punto a lubricar.
EAplicar aceite de motor
FAplicar aceite de disulfuro de
molibdeno
GAplicar grasa ligera de litio
HAplicar grasa de disulfuro de
molibdeno
Los símbolos ilustrados I a J del
diagrama de despiece indican dónde
aplicar un producto de bloqueo y
dónde instalar las nuevas piezas.
IAplicar un producto de bloqueo
(LOCTITE®)
JUtilizar una pieza nueva
EC090010
INDEX
GENERAL
INFORMATION
SPECIFICATIONS
REGULAR
INSPECTION AND
ADJUSTMENTS
TUNING
ENGINE
CHASSIS
ELECTRICAL
INDEX
RENSEIGNEMENTS
GENERAUX
CARACTERISTI-
QUES
CONTROLES ET
REGLAGES
PERIODIQUES
MISE AU POINT
MOTEUR
CHÂSSIS
PARTIE
ELECTRIQUE
INDEX
ALLGEMEINE
ANGABEN
TECHNISCHE
DATEN
REGELMÄSSIGE
WARTUNGS- UND
EINSTELLARBEITEN
ABSTIMMUNG
MOTOR
FAHRWERK
ELEKTRISCHE
ANLAGE
INDICE
INFORMAZIONI
GENERALI
DATI TECNICI
CONTROLLI E
REGOLAZIONI
PERIODICHE
MESSA A PUNTO
MOTORE
PARTE CICLISTICA
IMPIANTO
ELETTRICO
INDEX
INFORMACIÓN
GENERAL GEN
INFO 1
ESPECIFICACIONES
SPEC
2
REVISIONES Y
AJUSTES
PERIÓDICOS INSP
ADJ 3
REGLAJE
TUN 4
MOTOR
ENG 5
CHASIS
CHAS
6
SISTEMA
ELÉCTRICO ELEC 7
+
E0A0000 CONTENTS
CHAPTER 1
GENERAL
INFORMATION
DESCRIPTION ........................... 1-1
MACHINE IDENTIFICATION ..... 1-3
IMPORTANT INFORMATION .... 1-5
CHECKING OF
CONNECTION............................ 1-9
SPECIAL TOOLS..................... 1-11
CONTROL FUNCTIONS .......... 1-27
MULTI-FUNCTION DISPLAY... 1-35
FUEL ........................................ 1-49
STARTING AND BREAK-IN .... 1-51
TORQUE-CHECK POINTS ...... 1-59
CLEANING AND STORAGE.... 1-65
CHAPTER 2
SPECIFICATIONS
GENERAL SPECIFICATIONS ... 2-1
MAINTENANCE
SPECIFICATIONS...................... 2-4
GENERAL TORQUE
SPECIFICATIONS.................... 2-19
DEFINITION OF UNITS............ 2-19
LUBRICATION DIAGRAMS..... 2-97
CABLE ROUTING
DIAGRAM............................... 2-101
CHAPTER 3
REGULAR
INSPECTION AND
ADJUSTMENTS
MAINTENANCE INTERVALS.... 3-1
PRE-OPERATION
INSPECTION AND
MAINTENANCE ....................... 3-16
ENGINE .................................... 3-21
CHASSIS.................................. 3-77
ELECTRICAL ......................... 3-121
TABLES DES
MATIERES
CHAPITRE 1
RENSEIGNEMENTS
GENERAUX
DESCRIPTION................................1-1
IDENTIFICATION DE
LA MOTO ........................................1-3
INFORMATIONS
IMPORTANTES..............................1-5
VERIFICATION DES
CONNEXIONS ................................1-9
OUTILS SPECIAUX.....................1-14
FONCTIONS DES
COMMANDES ..............................1-27
ECRAN MULTIFONCTION .......1-35
CARBURANT................................1-49
MISE EN MARCHE ET
RODAGE........................................1-51
POINTS DE VERIFICATION
DES COUPLES DE
SERRAGE......................................1-60
NETTOYAGE ET REMISAGE...1-65
CHAPITRE 2
CARACTERISTIQUES
CARACTERISTIQUES
GENERALES.................................2-20
CARACTERISTIQUES
DENTRETIEN..............................2-23
CARACTERISTIQUES
GENERALES DE COUPLE.........2-38
DEFINITION DES UNITES.........2-38
DIAGRAMMES DE
LUBRIFICATION.........................2-98
DIAGRAMME DE
CHEMINEMENT DES
CABLES .......................................2-102
CHAPITRE 3
CONTROLES ET
REGLAGES
PERIODIQUES
PROGRAMME DENTRETIEN ...3-4
CONTROLE ET ENTRETIEN
AVANT UTILISATION................3-17
MOTEUR .......................................3-22
CHÂSSIS ........................................3-77
PARTIE ELECTRIQUE.............3-121
INHALT
KAPITEL 1
ALLGEMEINE
ANGABEN
FAHRZEUGBESCHREIBUNG.... 1-2
FAHRZEUG-
IDENTIFIZIERUNG...................... 1-4
WICHTIGE INFORMATIONEN ...1-6
KABELANSCHLÜSSE
KONTROLLIEREN....................1-10
SPEZIALWERKZEUGE ............ 1-17
BEDIENUNGSELEMENTE
UND DEREN FUNKTION..........1-28
MULTIFUNKTIONSANZEIGE... 1-36
KRAFTSTOFF........................... 1-50
STARTEN UND EINFAHREN ... 1-52
ANZUGSDREHMOMENTE
KONTROLLIEREN....................1-61
PFLEGE UND LAGERUNG ...... 1-66
KAPITEL 2
TECHNISCHE DATEN
ALLGEMEINE TECHNISCHE
DATEN ...................................... 2-39
WARTUNGSDATEN ................. 2-42
ALLGEMEINE
ANZUGSMOMENTE ................. 2-57
MASSEINHEITEN .....................2-57
SCHMIERSYSTEM-
SCHAUBILDER.........................2-98
KABELFÜHRUNGS-
SCHAUBILD............................2-102
KAPITEL 3
REGELMÄSSIGE
WARTUNGS- UND
EINSTELLARBEITEN
WARTUNGSINTERVALLE .........3-7
ROUTINEKONTROLLE VOR
FAHRTBEGINN.........................3-18
MOTOR .....................................3-22
FAHRWERK..............................3-78
ELEKTRISCHE ANLAGE .......3-122
INDICE
CAPITOLO 1
INFORMAZIONI
GENERALI
DESCRIZIONE............................... 1-2
NUMERO DI SERIE DEL
MEZZO............................................ 1-4
INFORMAZIONI
IMPORTANTI ................................ 1-6
CONTROLLO DEL
COLLEGAMENTO...................... 1-10
ATTREZZI SPECIALI ................ 1-20
FUNZIONI DI CONTROLLO .... 1-28
DISPLAY MULTIFUNZIONE.... 1-36
CARBURANTE............................. 1-50
AVVIAMENTO E
-RODAGGIO................................. 1-52
PUNTI DI CONTROLLO
SERRAGGIO ................................ 1-62
PULIZIA E CUSTODIA .............. 1-66
CAPITOLO 2
DATI TECNICI
DATI TECNICI GENERALI ...... 2-58
SPECIFICHE DI
MANUTENZIONE ....................... 2-61
SPECIFICHE GENERALI.......... 2-76
DEFINIZIONE UNITÀ DI
MISURA......................................... 2-76
SCHEMI DI
LUBRIFICAZIONE ..................... 2-98
SCHEMA PERCORSO
DEI CAVI..................................... 2-102
CAPITOLO 3
CONTROLLI E
REGOLAZIONI
PERIODICHE
INTERVALLI DI
MANUTENZIONE ....................... 3-10
CONTROLLI E
MANUTENZIONE DA
COMPIERE PRIMA DELLA
MESSA IN FUNZIONE ............... 3-19
MOTORE....................................... 3-23
PARTE CICLISTICA .................. 3-78
IMPIANTO ELETTRICO ......... 3-122
ÍNDICE
CAPÍTULO 1
INFORMACIÓN
GENERAL
DESCRIPCIÓN............................1-2
IDENTIFICACIÓN DE LA
MÁQUINA....................................1-4
INFORMACIÓN
IMPORTANTE .............................1-6
COMPROBACIÓN DE
LAS CONEXIONES...................1-10
HERRAMIENTAS
ESPECIALES ............................1-23
FUNCIONES DE
LOS MANDOS...........................1-28
VISOR MULTIFUNCIÓN...........1-36
COMBUSTIBLE.........................1-50
PUESTA EN MARCHA Y
RODAJE....................................1-52
PUNTOS DE
COMPROBACIÓN DE
APRIETE ...................................1-63
LIMPIEZA Y
ALMACENAMIENTO ................1-66
CAPÍTULO 2
ESPECIFICACIONES
ESPECIFICACIONES
GENERALES.............................2-77
ESPECIFICACIONES DE
MANTENIMIENTO.....................2-80
ESPECIFICACIONES
GENERALES DE APRIETE......2-95
DEFINICIÓN DE UNIDADES ....2-95
DIAGRAMAS DE ENGRASE....2-98
DIAGRAMA DE
CABLEADO.............................2-102
CAPÍTULO 3
REVISIONES Y
AJUSTES
PERIÓDICOS
INTERVALOS DE
MANTENIMIENTO.....................3-13
REVISIÓN PREVIA Y
MANTENIMIENTO.....................3-20
MOTOR......................................3-24
CHASIS .....................................3-78
SISTEMA ELÉCTRICO ...........3-122
CHAPTER 4
TUNING
ENGINE ...................................... 4-1
CHASSIS.................................. 4-21
CHAPTER 5
ENGINE
RADIATOR................................. 5-1
CARBURETOR .......................... 5-9
AIR INDUCTION SYSTEM....... 5-39
CAMSHAFTS ........................... 5-45
CYLINDER HEAD .................... 5-67
VALVES AND VALVE
SPRINGS.................................. 5-75
CYLINDER AND PISTON ........ 5-95
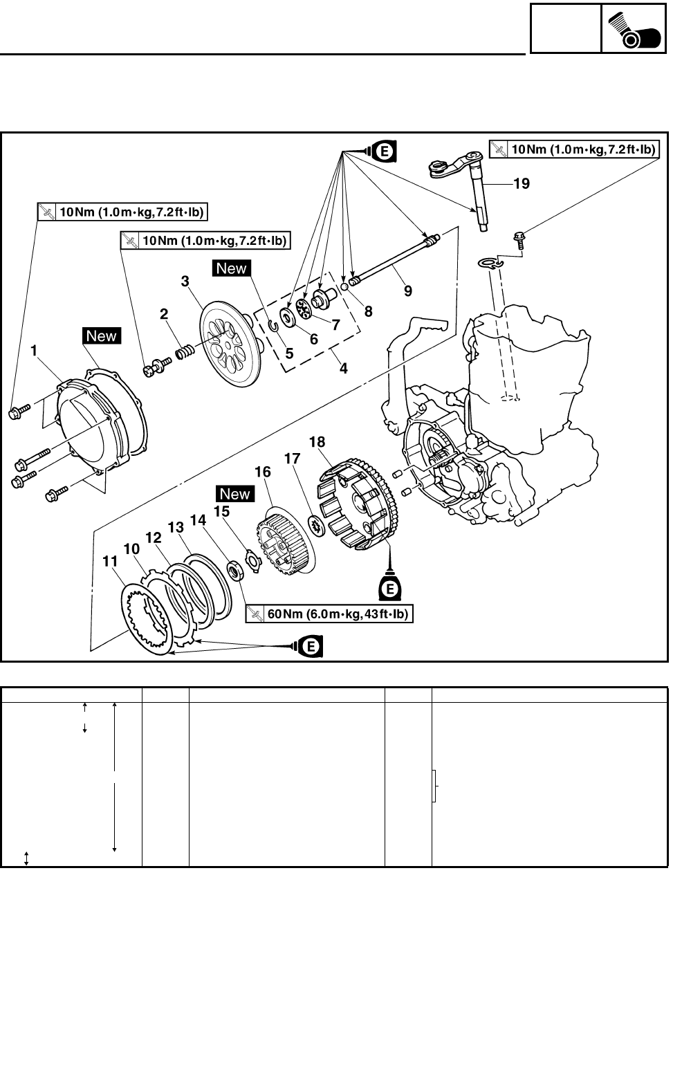
CLUTCH ................................. 5-111
OIL FILTER ELEMENT,
WATER PUMP AND RIGHT
CRANKCASE COVER ........... 5-129
BALANCER............................ 5-145
OIL PUMP .............................. 5-153
OIL TANK............................... 5-157
KICK SHAFT AND SHIFT
SHAFT.................................... 5-167
AC MAGNETO AND
STARTER CLUTCH ............... 5-185
ENGINE REMOVAL ............... 5-207
CRANKCASE AND
CRANKSHAFT....................... 5-221
TRANSMISSION, SHIFT CAM
AND SHIFT FORK ................. 5-245
CHAPTER 6
CHASSIS
FRONT WHEEL
AND REAR WHEEL................... 6-1
FRONT BRAKE AND
REAR BRAKE.......................... 6-23
FRONT FORK .......................... 6-61
HANDLEBAR ........................... 6-91
STEERING ............................. 6-105
SWINGARM ........................... 6-121
REAR SHOCK
ABSORBER ........................... 6-141
CHAPITRE 4
MISE AU POINT
MOTEUR .........................................4-1
CHÂSSIS ........................................4-21
CHAPITRE 5
MOTEUR
RADIATEUR ...................................5-2
CARBURATEUR ..........................5-10
SYSTEME DINDUCTION
DAIR..............................................5-40
ARBRES A CAMES......................5-46
CULASSE.......................................5-68
SOUPAPES ET RESSORTS
DE SOUPAPES..............................5-76
CYLINDRE ET PISTON..............5-96
EMBRAYAGE.............................5-112
ELEMENT DE FILTRE
A HUILE, POMPE A EAU
ET DEMI-CARTER DROIT......5-130
BALANCIER ...............................5-146
POMPE A HUILE .......................5-154
RÉSERVOIR DHUILE..............5-158
ARBRE DE KICK ET AXE
DE SELECTEUR.........................5-168
ALTERNATEUR AVEC
ROTOR A ALIMENTATION
PERMANENTE ET
EMBRAYAGE DU
DEMARREUR.............................5-186
DEPOSE DU MOTEUR..............5-208
CARTER MOTEUR ET
VILEBREQUIN...........................5-222
BOITE DE VITESSES, TAMBOUR
ET FOURCHETTES DE
SELECTION................................5-246
CHAPITRE 6
CHÂSSIS
ROUE AVANT ET
ROUE ARRIERE ............................6-2
FREIN AVANT ET FREIN
ARRIERE.......................................6-24
FOURCHE .....................................6-62
GUIDON.........................................6-92
DIRECTION ................................6-106
BRAS OSCILLANT ....................6-122
AMORTISSEUR ARRIERE ......6-142
KAPITEL 4
ABSTIMMUNG
MOTOR .......................................4-2
FAHRWERK..............................4-22
KAPITEL 5
MOTOR
KÜHLER......................................5-2
VERGASER...............................5-10
SEKUNDÄRLUFTSYSTEM ......5-40
NOCKENWELLEN ....................5-46
ZYLINDERKOPF.......................5-68
VENTILE UND
VENTILFEDERN .......................5-76
ZYLINDER UND KOLBEN........5-96
KUPPLUNG.............................5-112
ÖLFILTER, WASSERPUMPE UND
KURBELGEHÄUSEDECKEL
RECHTS ..................................5-130
AUSGLEICHSWELLE.............5-146
ÖLPUMPE ............................... 5-154
ÖLTANK..................................5-158
KICKHEBELWELLE UND
SCHALTWELLE...................... 5-168
LICHTMASCHINE UND
STARTERKUPPLUNG............5-186
MOTOR DEMONTIEREN........5-208
KURBELGEHÄUSE UND
KURBELWELLE ..................... 5-222
GETRIEBE, SCHALTWALZE
UND SCHALTGABELN ..........5-246
KAPITEL 6
FAHRWERK
VORDER- UND
HINTERRAD................................6-2
VORDER- UND
HINTERRADBREMSEN............6-24
TELESKOPGABEL...................6-62
LENKER ....................................6-92
LENKUNG ...............................6-106
SCHWINGE .............................6-122
FEDERBEIN............................6-142
CAPITOLO 4
MESSA A PUNTO
MOTORE......................................... 4-2
PARTE CICLISTICA .................. 4-22
CAPITOLO 5
MOTORE
RADIATORE .................................. 5-3
CARBURATORE.......................... 5-11
SISTEMA DI INIEZIONE
ARIA............................................... 5-41
ALBERI A CAMME..................... 5-47
TESTATA ...................................... 5-69
VALVOLE E MOLLE
VALVOLE..................................... 5-77
CILINDRO E PISTONE .............. 5-97
FRIZIONE................................... 5-113
ELEMENTO FILTRO OLIO,
POMPA DELLACQUA
E COPERCHIO CARTER
DESTRO ...................................... 5-131
EQUILIBRATORE..................... 5-147
POMPA DELLOLIO ................ 5-155
SERBATOIO DELLOLIO ....... 5-159
ALBERO PEDALE E
ALBERO DEL CAMBIO........... 5-169
MAGNETE AC E GIUNTO
STARTER.................................... 5-187
RIMOZIONE DEL
MOTORE..................................... 5-209
CARTER E ALBERO
MOTORE..................................... 5-223
TRASMISSIONE, CAMMA
DEL CAMBIO E FORCELLA
DEL CAMBIO............................. 5-247
CAPITOLO 6
PARTE CICLISTICA
RUOTA ANTERIORE
E POSTERIORE............................. 6-3
FRENO ANTERIORE E
POSTERIORE............................... 6-25
FORCELLA ANTERIORE ......... 6-63
MANUBRIO .................................. 6-93
STERZO....................................... 6-107
FORCELLONE
OSCILLANTE............................. 6-123
AMMORTIZZATORE
POSTERIORE............................. 6-143
CAPÍTULO 4
REGLAJE
MOTOR........................................4-2
CHASIS .....................................4-22
CAPÍTULO 5
MOTOR
RADIADOR..................................5-4
CARBURADOR.........................5-12
SISTEMA DE INDUCCIÓN
DE AIRE ....................................5-42
EJES DE LEVAS.......................5-48
CULATA ....................................5-70
VÁLVULAS Y MUELLES
DE VÁLVULAS..........................5-78
CILINDRO Y PISTÓN................5-98
EMBRAGUE ............................5-114
ELEMENTO DEL FILTRO
DE ACEITE, BOMBA DE
AGUA Y TAPA DEL
CÁRTER DERECHA ...............5-132
COMPENSADOR ....................5-148
BOMBA DE ACEITE ...............5-156
DEPÓSITO DE ACEITE ..........5-160
EJE DEL PEDAL DE
ARRANQUE Y EJE DEL
CAMBIO ..................................5-170
MAGNETO CA Y
EMBRAGUE DE
ARRANQUE ............................5-188
DESMONTAJE DEL
MOTOR....................................5-210
CÁRTER Y CIGÜEÑAL...........5-224
CAJA DE CAMBIOS,
LEVA DE CAMBIO Y
HORQUILLA DE CAMBIO ......5-248
CAPÍTULO 6
CHASIS
RUEDA DELANTERA Y
RUEDA TRASERA......................6-4
FRENO DELANTERO Y
FRENO TRASERO....................6-26
HORQUILLA DELANTERA ......6-64
MANILLAR ................................6-94
DIRECCIÓN.............................6-108
BASCULANTE ........................6-124
AMORTIGUADOR
TRASERO ...............................6-144
CHAPTER 7
ELECTRICAL
ELECTRICAL COMPONENTS
AND WIRING DIAGRAM............ 7-1
IGNITION SYSTEM.................... 7-5
ELECTRIC STARTING
SYSTEM ................................... 7-19
CHARGING SYSTEM .............. 7-43
THROTTLE POSITION
SENSOR SYSTEM................... 7-51
LIGHTING SYSTEM................. 7-67
SIGNALING SYSTEM .............. 7-77
CHAPITRE 7
PARTIE
ELECTRIQUE
COMPOSANTS
ELECTRIQUES ET SCHEMA
DE CABLAGE .................................7-2
SYSTEME DALLUMAGE............7-6
DEMARRAGE ELECTRIQUE ...7-19
SYSTEME DE CHARGE .............7-44
SYSTEME DU CAPTEUR
DE POSITION DE PAPILLON
DES GAZ........................................7-52
ECLAIRAGE .................................7-68
SYSTEME DE
SIGNALISATION .........................7-78
KAPITEL 7
ELEKTRISCHE
ANLAGE
ELEKTRISCHE BAUTEILE
UND SCHALTPLAN.................... 7-2
ZÜNDSYSTEM ............................ 7-7
E-STARTER ..............................7-20
LADESYSTEM ..........................7-45
DROSSELKLAPPEN-
SENSOR....................................7-53
BELEUCHTUNGSANLAGE...... 7-69
SIGNALANLAGE ......................7-79
CAPITOLO 7
IMPIANTO
ELETTRICO
COMPONENTI ELETTRICI E
SCHEMA ELETTRICO ................ 7-2
IMPIANTO DI ACCENSIONE..... 7-8
IMPIANTO DI AVVIAMENTO
ELETTRICO................................. 7-20
IMPIANTO DI CARICA.............. 7-46
SISTEMA SENSORE
POSIZIONE FARFALLA............ 7-54
IMPIANTO DI
ILLUMINAZIONE....................... 7-70
SISTEMA DI
SEGNALAZIONE......................... 7-80
CAPÍTULO 7
SISTEMA ELÉCTRICO
COMPONENTES Y ESQUEMA
ELÉCTRICO ................................7-2
SISTEMA DE ENCENDIDO ........7-9
SISTEMA DE ARRANQUE
ELÉCTRICO ..............................7-20
SISTEMA DE CARGA...............7-47
SISTEMA SENSOR DE
POSICIÓN DEL
ACELERADOR..........................7-55
SISTEMA DE ILUMINACIÓN....7-71
SISTEMA DE
SEÑALIZACIÓN........................7-81
1 - 1
GEN
INFO
DESCRIPTION
EC100000
GENERAL INFORMATION
EC110000
DESCRIPTION
1Clutch lever
2Hot starter lever
3Engine stop switch
4Multi-function display
5Main switch
6Start switch
7Front brake lever
8Throttle grip
9Radiator cap
0Fuel tank cap
ATaillight
BKickstarter crank
CFuel tank
DHeadlight
ERadiator
FCoolant drain bolt
GRear brake pedal
HValve joint
IFuel cock
JCold starter knob
KAir cleaner
LCatch tank
MDrive chain
NOil level check window
OShift pedal
PFront fork
NOTE:
The machine you have purchased may differ slightly
from those shown in the following.
Designs and specifications are subject to change with-
out notice.
RENSEIGNEMENTS GENERAUX
DESCRIPTION
1Levier dembrayage
2Levier de démarrage à chaud
3Coupe-circuit du moteur
4Ecran multifonction
5Contacteur à clé
6Contacteur du démarreur
7Levier de frein avant
8Poignée des gaz
9Bouchon du radiateur
0Bouchon de réservoir de carburant
AFeu arrière
BPédale de kick
CRéservoir de carburant
DPhare
ERadiateur
FBoulon de vidange du liquide de refroidissement
GPédale de frein arrière
HClapet de reniflard
IRobinet de carburant
JCommande de départ à froid
KFiltre à air
LRéservoir de récupération
MChaîne de transmission
NHublot de contrôle du niveau dhuile
OSélecteur
PFourche
N.B.:
Votre moto diffère peut-être partiellement de celle montrée
sur ces photos.
La conception et les caractéristiques peuvent être modifiées
sans préavis.
DESCRIPTION
1 - 2
GEN
INFO
ALLGEMEINE
ANGABEN
FAHRZEUGBESCHREI-
BUNG
1Kupplungshebel
2Warmstarthebel
3Motorstoppschalter
4Multifunktionsanzeige
5Zündschalter
6Starterschalter
7Handbremshebel
8Gasdrehgriff
9Kühlerverschlussdeckel
0Tankverschluss
ARücklicht
BKickstarterhebel
CKraftstofftank
DScheinwerfer
EKühler
FKühlflüssigkeits-Ablassschraube
GFußbremshebel
HVentilverbindung
IKraftstoffhahn
JChokehebel
KLuftfilter
LAuffangtank
MAntriebskette
NÖlstand-Schauglas
OFußschalthebel
PTeleskopgabel
HINWEIS:
Die Abbildungen in vorliegender
Anleitung können leicht vom
eigentlichen Modell abweichen.
•Änderungen an Design und techni-
schen Daten jederzeit vorbehalten.
INFORMAZIONI
GENERALI
DESCRIZIONE
1Leva della frizione
2Leva starter per partenze a caldo
3Interruttore di arresto motore
4Display multifunzione
5Interruttore di accensione
6Interruttore di avviamento
7Leva del freno anteriore
8Manopola acceleratore
9Coperchio del radiatore
0Tappo serbatoio carburante
ALuce posteriore
BLeva di avviamento a pedale
CSerbatoio del carburante
DFaro
ERadiatore
FBullone di scarico refrigerante
GPedale del freno posteriore
HGiunto della valvola
IRubinetto del carburante
JManopola starter per partenze a freddo
KFiltro aria
LSerbatoio di raccolta
MCatena di trasmissione
NFinestra di controllo livello olio
OPedale del cambio
PForcella anteriore
NOTA:
•È possibile che alcune delle caratteri-
stiche del mezzo acquistato non corri-
spondano a quanto mostrato in
seguito.
Il design e i dati tecnici sono soggetti a
variazioni senza preavviso.
INFORMACIÓN
GENERAL
DESCRIPCIÓN
1Maneta de embrague
2Mando de arranque en caliente
3Interruptor de paro del motor
4Visor multifunción
5Interruptor principal
6Interruptor de arranque
7Maneta de freno delantero
8Puño del acelerador
9Tapón del radiador
0Tapón del depósito de combustible
APiloto trasero
BPedal de arranque
CDepósito de combustible
DFaro
ERadiador
FTornillo de vaciado del refrigerante
GPedal de freno trasero
HUnión con válvula
ILlave de paso del combustible
JMando de arranque en frío
KDepurador de aire
LDepósito de recuperación
MCadena de transmisión
NVentana de comprobación del nivel
de aceite
OPedal de cambio
PHorquilla delantera
NOTA:
Puede haber ligeras diferencias
entre la máquina que ha comprado
y las que se muestran a continua-
ción.
Los diseños y especificaciones
están sujetos a cambios sin previo
aviso.
FAHRZEUGBESCHREIBUNG
DESCRIZIONE
DESCRIPCIÓN
1
2
3
4
5
6
7
1 - 3
GEN
INFO
MACHINE IDENTIFICATION
EC120001
MACHINE
IDENTIFICATION
There are two significant reasons for
knowing the serial number of your
machine:
1. When ordering parts, you can
give the number to your Yamaha
dealer for positive identification
of the model you own.
2. If your machine is stolen, the
authorities will need the number
to search for and identify your
machine.
EC121001
VEHICLE IDENTIFICATION
NUMBER
The vehicle identification number 1
is stamped on the right of the steer-
ing head pipe.
EC123001
ENGINE SERIAL NUMBER
The engine serial number 1 is
stamped into the elevated part of the
right-side of the engine.
1
EC124000
MODEL LABEL
The model label 1 is affixed to the
frame under the riders seat. This
information will be needed to order
spare parts.
IDENTIFICATION DE LA
MOTO
Il y a deux bonnes raisons de connaître le
numéro de série de sa moto:
1. A la commande de pièces de
rechange, ces numéros permettent
au concessionnaire Yamaha diden-
tifier clairement la moto.
2. En cas de vol de la moto, la police
réclamera ce numéro afin de facili-
ter son identification.
NUMERO DIDENTIFICATION DE
LA MOTO
Le numéro didentification de la moto 1
est estampé sur le côté droit du tube de
direction.
NUMERO DE SERIE DU MOTEUR
Le numéro de série du moteur 1 est
estampé sur un bossage situé sur le côté
droit du moteur.
ETIQUETTE DE MODELE
L’étiquette de modèle 1 est apposée sur
le cadre, sous la selle du pilote. Les
informations reprises sur cette étiquette
sont requises lors de la commande de
pièces de rechange.
IDENTIFICATION DE LA MOTO
1 - 4
GEN
INFO
FAHRZEUG-
IDENTIFIZIERUNG
Die Fahrzeug-Identifizierungsnum-
mer ist in folgenden Fällen erforder-
lich:
1. Bei der Bestellung von Ersatztei-
len benötigt der YAMAHA-Händ-
ler diese Nummer zur exakten
Identifizierung des Modells.
2. Bei Diebstahl benötigt die Polizei
diese Nummer zur exakten Iden-
tifizierung des Modells.
FAHRZEUG-
IDENTIFIZIERUNGSNUMMER
Die Fahrzeug-Identifizierungsnum-
mer 1 ist auf der rechten Seite des
Lenkkopfrohres eingeschlagen.
MOTOR-
IDENTIFIZIERUNGSNUMMER
Die Motor-Identifizierungsnummer 1
ist an der gezeigten Stelle im Kurbel-
gehäuse eingeschlagen.
MODELLCODE-INFORMATION
Das Modellcode-Klebeschild 1 ist
an der gezeigten Stelle auf dem Rah-
men unter dem Fahrersitz ange-
bracht. Die Codenummer und das
Info-Kürzel werden zur Ersatzteilbe-
stellung benötigt.
NUMERO DI SERIE DEL
MEZZO
È importante conoscere il numero di
serie del mezzo per due ragioni:
1. In caso di ordine di pezzi di ricam-
bio, si può riferire il numero di serie
al rivenditore Yamaha per una iden-
tificazione certa del modello.
2. In caso di furto, le autorità utiliz-
zano il numero di serie per effet-
tuare le ricerche e identificare il
mezzo.
NUMERO DI SERIE DEL VEICOLO
Il numero di serie del veicolo 1 è
impresso sulla destra del tubo cannotto
dello sterzo.
NUMERO DI SERIE DEL MOTORE
Il numero di serie del motore 1 è
impresso sulla parte superiore sulla
destra del motore.
ETICHETTA DEL MODELLO
Letichetta del modello 1 è applicata
sul telaio sotto la sella. Questa informa-
zione è necessaria per ordinare pezzi di
ricambio.
IDENTIFICACIÓN DE LA
MÁQUINA
Existen dos razones importantes por
las que debe conocer el número de
serie de la máquina:
1. Cuando encargue repuestos,
puede indicar el número a su
concesionario Yamaha a fin de
facilitar la identificación del
modelo que posee.
2. En caso de robo, la policía nece-
sitará el número para buscar e
identificar la máquina.
NÚMERO DE IDENTIFICACIÓN
DEL VEHÍCULO
El número de identificación del vehí-
culo 1 está grabado en el lado dere-
cho del tubo de la columna de
dirección.
NÚMERO DE SERIE DEL MOTOR
El número de serie del motor 1 está
grabado en la parte elevada del lado
derecho del motor.
ETIQUETA DE MODELO
La etiqueta de modelo 1 está fijada
al bastidor debajo del sillín del con-
ductor. Esta información será nece-
saria para pedir repuestos.
FAHRZEUG-IDENTIFIZIERUNG
NUMERO DI SERIE DEL MEZZO
IDENTIFICACIÓN DE LA MÁQUINA
1 - 5
GEN
INFO
IMPORTANT INFORMATION
EC130000
IMPORTANT
INFORMATION
EC131010
PREPARATION FOR REMOVAL
AND DISASSEMBLY
1. Remove all dirt, mud, dust, and
foreign material before removal
and disassembly.
When washing the machine with
high pressured water, cover the
parts follows.
Silencer exhaust port
Side cover air intake port
Water pump housing hole at
the bottom
Drain hole on the cylinder
head
(right side)
All electrical components
2. Use proper tools and cleaning
equipment. Refer to SPECIAL
TOOLS section.
3. When disassembling the
machine, keep mated parts
together. They include gears,
cylinders, pistons, and other
mated parts that have been
mated through normal wear.
Mated parts must be reused as
an assembly or replaced.
4. During the machine disassem-
bly, clean all parts and place
them in trays in the order of dis-
assembly. This will speed up
assembly time and help assure
that all parts are correctly rein-
stalled.
5. Keep away from fire.
EC132000
ALL REPLACEMENT PARTS
1. We recommend to use Yamaha
genuine parts for all replace-
ments. Use oil and/or grease
recommended by Yamaha for
assembly and adjustment.
INFORMATIONS
IMPORTANTES
PREPARATION A LA DEPOSE ET
AU DEMONTAGE
1. Eliminer soigneusement saletés,
boue, poussière et corps étrangers
avant la dépose et le démontage.
Avant de laver la moto à leau sous
pression, recouvrir les parties sui-
vantes.
Orifice d’échappement du silen-
cieux
Prise dadmission dair du cache
latéral
Orifice situé dans le fond du car-
ter de la pompe à eau
Orifice de vidange de la culasse
(côté droit)
Tous les composants électriques
2. Utiliser les outils et le matériel de
nettoyage appropriés. Se reporter à
la section OUTILS SPECIAUX.
3. Lors du démontage de la moto, gar-
der ensemble les pièces appariées. Il
sagit des engrenages, des cylindres,
pistons et autres pièces qui ont été
façonnées lune à lautre par
lusure normale. Ces pièces doivent
être réutilisées ensemble ou rempla-
cées.
4. Lors du démontage de la moto, net-
toyer toutes les pièces et les dispo-
ser dans des plateaux dans lordre
du démontage. Ceci diminuera le
temps de remontage et permettra de
sassurer que toutes les pièces ont
été correctement remontées.
5. Travailler à l’écart de toute flamme.
PIECES DE RECHANGE
1. Nous recommandons dutiliser des
pièces Yamaha dorigine pour tous
les remplacements. Utiliser les
graisses et/ou huiles recommandées
par Yamaha lors des remontages et
réglages.
INFORMATIONS IMPORTANTES
1 - 6
GEN
INFO
WICHTIGE
INFORMATIONEN
VORBEREITUNG FÜR AUSBAU
UND ZERLEGUNG
1. Vor dem Ausbau oder Zerlegen
der Bauteile und -gruppen sämt-
lichen Schmutz, Schlamm,
Staub und andere Fremdkörper
entfernen.
Vor dem Abspritzen des Fahr-
zeugs mit Wasser folgende Bau-
teile entsprechend abdecken.
Auspuffrohrmündung
Ansaugluftöffnung in der Sei-
tenabdeckung
•Öffnung an der Unterseite des
Wasserpumpengehäuses
Ablassbohrung an der rech-
ten Seite des Zylinderkopfes
Sämtliche elektrischen Bau-
teile
2. Nur geeignete Werkzeuge und
Reinigungsmittel verwenden.
Siehe unter SPEZIALWERK-
ZEUGE.
3. Beim Zerlegen zusammengehö-
rige Teile immer gemeinsam
ablegen. Dies gilt besonders für
Zahnräder, Zylinder, Kolben und
alle beweglichen Teile, die mit-
einander arbeiten. Solche Bau-
gruppen dürfen nur komplett
wieder verwendet oder ausge-
tauscht werden.
4. Alle ausgebauten Teile reinigen
und in der Reihenfolge des Aus-
baus auf einer sauberen Unter-
lage ablegen. Dies gewährleistet
einen zügigen und korrekten
Zusammenbau.
5. Feuer fern halten.
ALLE ERSATZTEILE
1. Es wird empfohlen, nur Original-
Ersatzteile von YAMAHA zu ver-
wenden. Nur von YAMAHA emp-
fohlene Schmiermittel
verwenden.
INFORMAZIONI
IMPORTANTI
PREPARATIVI PER LA
RIMOZIONE E IL
DISASSEMBLAGGIO
1. Prima della rimozione e del disas-
semblaggio, togliere tutto lo sporco,
il fango, la polvere e i corpi estra-
nei.
Durante il lavaggio del mezzo con
acqua sotto pressione, coprire i
seguenti componenti.
Silenziatore luce di scarico
Fianchetto luce di aspirazione
dellaria
Foro di alloggiamento della
pompa dellacqua sul fondo
Foro di scarico sulla testata (lato
destro)
Tutti i componenti elettrici
2. Utilizzare strumenti e attrezzature
idonei per la pulizia. Fare riferi-
mento al paragrafo ATTREZZI
SPECIALI.
3. Durante il disassemblaggio del
mezzo, non separare i componenti
accoppiati. Tra questi vi sono gli
ingranaggi, i cilindri, i pistoni e altri
pezzi accoppiati che si sono adattati
luno allaltro attraverso la normale
usura. I componenti accoppiati
devono essere riutilizzati o sostituiti
in blocco.
4. Durante il disassemblaggio del
mezzo, pulire tutti i componenti e
posarli su bacinelle nellordine di
disassemblaggio. Ciò consente un
assemblaggio più veloce e favorisce
la reinstallazione corretta di tutti i
componenti.
5. Tenere lontano dal fuoco.
TUTTI I PEZZI DI RICAMBIO
1. Si consiglia di utilizzare compo-
nenti originali Yamaha per tutte le
sostituzioni. Per assemblaggio e
regolazione, utilizzare olio e/o
grasso raccomandato da Yamaha.
INFORMACIÓN
IMPORTANTE
PREPARACIÓN PARA LA
EXTRACCIÓN Y DESMONTAJE
1. Antes de extraer y desmontar,
elimine toda la suciedad, barro,
polvo y materiales extraños.
Cuando vaya a lavar la máquina
con agua a presión cubra los
elementos siguientes.
Salida del silenciador
Toma de aire de la cubierta
lateral
Orificio de la parte inferior de
la carcasa de la bomba de
agua
Orificio de vaciado de la culata
(lado derecho)
Todos los componentes eléc-
tricos
2. Utilice las herramientas y equipo
de limpieza apropiados. Con-
sulte el apartado HERRAMIEN-
TAS ESPECIALES.
3. Cuando desmonte la máquina,
mantenga juntas las piezas
emparejadas. Esto incluye
engranajes, cilindros, pistones y
otras piezas que se han ido
acoplando durante el desgaste
normal. Las piezas emparejadas
se deben reutilizar o cambiar en
conjunto.
WICHTIGE INFORMATIONEN
INFORMAZIONI IMPORTANTI
INFORMACIÓN IMPORTANTE
4. Durante el desmontaje de la
máquina, limpie todas las piezas
y colóquelas en bandejas en el
mismo orden en el que las ha
desmontado. Con ello reducirá
el tiempo de montaje y asegu-
rará la correcta instalación de
todas las piezas.
5. Manténgalo todo alejado del
fuego.
TODOS LOS REPUESTOS
1. Se recomienda utilizar repuestos
originales Yamaha para todas
las sustituciones. Utilice el aceite
o grasa recomendados por
Yamaha para el montaje y el
ajuste.
1 - 7
GEN
INFO
IMPORTANT INFORMATION
EC133000
GASKETS, OIL SEALS AND O-
RINGS
1. All gaskets, oil seals, and O-
rings should be replaced when
an engine is overhauled. All gas-
ket surfaces, oil seal lips, and O-
rings must be cleaned.
2. Properly oil all mating parts and
bearings during reassembly.
Apply grease to the oil seal lips.
EC134000
LOCK WASHERS/PLATES AND
COTTER PINS
1. All lock washers/plates 1 and
cotter pins must be replaced
when they are removed. Lock
tab(s) should be bent along the
bolt or nut flat(s) after the bolt or
nut has been properly tightened.
EC135001
BEARINGS AND OIL SEALS
1. Install the bearing(s) 1 and oil
seal(s) 2 with their manufac-
turers marks or numbers facing
outward. (In other words, the
stamped letters must be on the
side exposed to view.) When
installing oil seal(s), apply a light
coating of lightweight lithium
base grease to the seal lip(s). Oil
the bearings liberally when
installing.
CAUTION:
Do not use compressed air to spin
the bearings dry. This causes
damage to the bearing surfaces.
EC136000
CIRCLIPS
1. All circlips should be inspected
carefully before reassembly.
Always replace piston pin clips
after one use. Replace distorted
circlips. When installing a circlip
1, make sure that the sharp-
edged corner 2 is positioned
opposite to the thrust 3 it
receives. See the sectional view.
4Shaft
JOINTS, BAGUES DETANCHEITE
ET JOINTS TORIQUES
1. Lors de la révision du moteur, tous
les joints, bagues d’étanchéité et
joints toriques doivent être rempla-
cés. Toutes les surfaces des joints,
toutes les lèvres de bagues d’étan-
chéité et tous les joints toriques doi-
vent être nettoyés.
2. Lors du remontage, huiler correcte-
ment toutes les pièces en contact et
tous les roulements. Graisser les
lèvres des bagues d’étanchéité.
RONDELLES-FREINS, FREINS
DECROU ET GOUPILLES
FENDUES
1. Les rondelles-freins, freins d’écrou
1 et goupilles fendues ne peuvent
jamais être réutilisés. Replier les
onglets de blocage contre la ou les
faces du boulon ou de l’écrou après
avoir correctement serré ces der-
niers.
ROULEMENTS ET BAGUES
DETANCHEITE
1. Monter les roulements 1 et les
bagues d’étanchéité 2 en orientant
vers lextérieur leurs marques ou
numéros de fabricant. (En dautres
mots, les lettres poinçonnées doi-
vent se trouver sur la face visible.)
Lors de la mise en place des bagues
d’étanchéité, appliquer une légère
couche de graisse fluide à base de
lithium sur leurs lèvres. Huiler
généreusement les roulements avant
de les mettre en place.
ATTENTION:
Ne pas sécher les roulements à lair
comprimé. Cela endommagerait les
surfaces de roulement.
CIRCLIPS
1. Vérifier soigneusement tous les cir-
clips avant le remontage. Toujours
remplacer les circlips daxe de pis-
ton après chaque utilisation. Rem-
placer tout circlip déformé. Lors du
montage dun circlip 1, veiller à ce
que le côté non chanfreiné 2 soit
positionné du côté opposé à la pous-
sée 3 quil reçoit. Voir la vue en
coupe.
4Arbre
INFORMATIONS IMPORTANTES
1 - 8
GEN
INFO
DICHTUNGEN, DICHTRINGE UND
O-RINGE
1. Beim Überholen des Motors sind
sämtliche Dichtungen, Dich-
tringe und O-Ringe zu erneuern.
Alle Dichtflächen, Dichtlippen
und O-Ringe vor dem Zusam-
menbau säubern.
2. Beim Zusammenbau alle
beweglichen Teile sowie Lager
ölen. Alle Dichtlippen einfetten.
SICHERUNGSSCHEIBEN,
-BLECHE UND SPLINTE
1. Sicherungsscheiben und -bleche
1 sowie Splinte müssen nach
dem Ausbau erneuert werden.
Sicherungslaschen und Splin-
tenden werden nach dem vor-
schriftsmäßigen Festziehen der
Schraube bzw. Mutter gegen die
Schlüsselfläche der Schraube
bzw. Mutter hochgebogen.
LAGER UND DICHTRINGE
1. Lager 1 und Dichtringe 2 so
einbauen, dass die Herstellerbe-
schriftung oder Teilenummer
sichtbar bleibt. (Die Beschrif-
tung muss also nach Außen wei-
sen.) Beim Einbau von
Dichtringen die Dichtlippen mit
einer dünnen Schicht Lithiumsei-
fenfett bestreichen. Lager beim
Einbau großzügig ölen.
ACHTUNG:
Lager nie mit Druckluft behandeln.
Dies könnte die Lagerlaufflächen
beschädigen.
SICHERUNGSRINGE
1. Sicherungsringe vor dem Wie-
dereinbau sorgfältig kontrollie-
ren. Kolbenbolzen-
Sicherungsringe müssen nach
jedem Ausbau erneuert werden.
Bei Verformung oder Beschädi-
gung erneuern. Beim Einbau
eines Sicherungsringes 1 stets
darauf achten, dass die scharf-
kantige Seite 2 den Ring gegen
die Druckrichtung 3 abstützt.
Siehe entsprechende Abbildung.
4Welle
GUARNIZIONI, PARAOLIO E
GUARNIZIONI CIRCOLARI
1. Quando si revisiona il motore,
devono essere sostituite tutte le
guarnizioni, i paraolio e le guarni-
zioni circolari. Pulire tutte le super-
fici delle guarnizioni, i labbri dei
paraolio e le guarnizioni circolari.
2. Lubrificare correttamente tutti i
cuscinetti e i componenti accop-
piati durante il riassemblaggio.
Applicare grasso ai labbri dei parao-
lio.
RONDELLE/PIASTRINE DI
BLOCCAGGIO E COPIGLIE
1. Tutte le rondelle/piastrine di bloc-
caggio 1 e le copiglie devono
essere sostituite in caso di rimo-
zione. Piegare le linguette di bloc-
caggio lungo i bulloni o i dadi dopo
averli correttamente serrati.
CUSCINETTI E PARAOLIO
1. Installare i cuscinetti 1 e i paraolio
2 con i contrassegni o i numeri
identificativi del produttore rivolti
verso lesterno. (In altre parole, le
lettere impresse devono trovarsi sul
lato visibile.) Quando sinstalla un
paraolio, applicare un sottile strato
di grasso leggero a base di litio ai
labbri del paraolio. Durante linstal-
lazione, lubrificare abbondante-
mente i cuscinetti.
ATTENZIONE:
Non utilizzare aria compressa per
asciugare i cuscinetti. La superficie dei
cuscinetti potrebbe danneggiarsi.
ANELLI ELASTICI DI SICUREZZA
1. Controllare accuratamente tutti gli
anelli elastici di sicurezza prima
dellassemblaggio. Sostituire sem-
pre i fermi dello spinotto del pistone
dopo averli utilizzati una volta.
Sostituire gli anelli elastici di sicu-
rezza deformati. Quando si installa
un anello elastico di sicurezza 1,
assicurarsi che lo spigolo vivo 2
sia posizionato sul lato opposto alla
spinta 3 che riceve. Vedere la
sezione.
4Albero
JUNTAS, JUNTAS DE ACEITE Y
JUNTAS TÓRICAS
1. Cuando se desmonta el motor
se deben cambiar todas las jun-
tas, juntas de aceite y juntas tóri-
cas. Se deben limpiar todas las
superficies de las juntas, los
labios de las juntas de aceite y
las juntas tóricas.
2. Lubrique adecuadamente todas
las superficies de contacto y
cojinetes durante el montaje.
Aplique grasa a los labios de las
juntas de aceite.
ARANDELAS/DISCOS DE
SEGURIDAD Y PASADORES
HENDIDOS
1. Todas las arandelas/discos de
seguridad 1 y pasadores hendi-
dos se deben cambiar cuando
se hayan extraído. Las pestañas
de seguridad se deben doblar a
lo largo de la cara de los tornillos
o tuercas después de apretar
estos adecuadamente.
COJINETES Y JUNTAS DE ACEITE
1. Instale los cojinetes 1 y las jun-
tas de aceite 2 con la marca o
número del fabricante hacia
fuera. (Es decir, las letras graba-
das deben quedar en el lado
expuesto a la vista). Cuando ins-
tale juntas de aceite aplique una
capa fina de grasa de litio ligera
al labio de la junta. Lubrique
abundantemente los cojinetes
cuando los instale.
ATENCION:
No utilice aire comprimido para
secar los cojinetes. Ello daña las
superficies de los cojinetes.
ANILLOS ELÁSTICOS
1. Todos los anillos elásticos se
deben revisar con cuidado antes
de instalarlos. Cambie siempre
los clips de los pasadores de los
pistones después de una utiliza-
ción. Cambie los anillos elásti-
cos deformados. Cuando instale
un anillo elástico 1, verifique
que la esquina con el borde afi-
lado 2 quede en la posición
opuesta al empuje 3 que recibe
el anillo. Vea el corte transver-
sal.
4Eje
WICHTIGE INFORMATIONEN
INFORMAZIONI IMPORTANTI
INFORMACIÓN IMPORTANTE
1 - 9
GEN
INFO
CHECKING OF CONNECTION
EC1C0001
CHECKING OF
CONNECTION
Dealing with stains, rust, moisture,
etc. on the connector.
1. Disconnect:
Connector
2. Dry each terminal with an air
blower.
3. Connect and disconnect the con-
nector two or three times.
4. Pull the lead to check that it will
not come off.
5. If the terminal comes off, bend
up the pin 1 and reinsert the ter-
minal into the connector.
6. Connect:
Connector
NOTE:
The two connectors click together.
7. Check for continuity with a
tester.
NOTE:
If there in no continuity, clean the
terminals.
Be sure to perform the steps 1 to 7
listed above when checking the
wire harness.
For a field remedy, use a contact
revitalizer available on the market.
Use the tester on the connector as
shown.
VERIFICATION DES
CONNEXIONS
Traitement des taches, de la rouille, de
lhumidité, etc., sur le connecteur.
1. Déconnecter:
Connecteur
2. Sécher chaque borne à lair com-
primé.
3. Connecter et déconnecter le connec-
teur deux ou trois fois.
4. Tirer sur le fil pour vérifier sil ne se
détache pas.
5. Si la borne se détache, redresser la
lame 1 de la broche et insérer à
nouveau la borne dans le connec-
teur.
6. Connecter:
Connecteur
N.B.:
Les deux connecteurs sencliquètent.
7. Vérifier la continuité à laide dun
multimètre.
N.B.:
Sil ny a pas de continuité, nettoyer
les bornes.
Ne pas oublier deffectuer les étapes 1
à 7 ci-dessus lors du contrôle du fais-
ceau de fils.
En cas de dépannage sur place, utiliser
un produit de contact disponible dans
le commerce.
Tester le connecteur comme illustré.
VERIFICATION DES CONNEXIONS
1 - 10
GEN
INFO
KABELANSCHLÜSSE
KONTROLLIEREN
Flecken, Rost, Feuchtigkeit, usw. am
Steckverbinder behandeln.
1. Lösen:
Steckverbinder
2. Sämtliche Kontakte mit Druckluft
trockenblasen.
3. Steckverbinder zwei- oder drei-
mal verbinden und trennen.
4. Kabel durch Ziehen auf festen
Sitz prüfen.
5. Falls eine Anschlussklemme
sich löst, deren Stift 1 leicht
hochbiegen und die Anschluss-
klemme wieder einsetzen.
6. Anschließen:
Steckverbinder
HINWEIS:
Die Steckverbinder rasten hörbar
ein.
7. Mit dem Taschen-Multimeter auf
freien Durchgang prüfen.
HINWEIS:
Ist ein Widerstand messbar, müs-
sen die Anschlussklemmen gerei-
nigt werden.
Bei der Prüfung des Kabelbaums
müssen die Schritte 1 bis 7 befolgt
werden.
Handelsübliches Kontaktspray
sollte nur als Notlösung verwendet
werden.
Das Taschen-Multimeter, wie in
der Abbildung gezeigt, anschlie-
ßen.
CONTROLLO DEL
COLLEGAMENTO
In caso di macchie, ruggine, umidità ecc.
sul connettore.
1. Scollegare:
Connettore
2. Asciugare ogni terminale con un
ventilatore.
3. Collegare e scollegare il connettore
due o tre volte.
4. Tirare il cavo per controllare che
non si stacchi.
5. Se il terminale si stacca, piegare lo
spinotto 1 e reinserire il terminale
nel connettore.
6. Collegare:
Connettore
NOTA:
I due connettori scattano insieme.
7. Controllare la continuità con un
tester.
NOTA:
Se non c’è continuità, pulire i termi-
nali.
Durante il controllo del cablaggio elet-
trico, assicurarsi di eseguire le opera-
zioni da 1 a 7 elencate sopra.
Come soluzione sul campo, utilizzare
un dispositivo di ripristino del contatto
disponibile sul mercato.
Utilizzare il tester sul connettore come
segue.
COMPROBACIÓN DE
LAS CONEXIONES
Tratamiento de manchas, óxido,
humedad, etc. de los conectores.
1. Desconectar:
Conector
2. Seque todos los terminales con
un secador de aire.
3. Conecte y desconecte el conec-
tor dos o tres veces.
4. Tire del cable para comprobar
que no se sale.
5. Si el terminal se sale, doble la
clavija 1 y vuelva a introducirlo
en el conector.
6. Conectar:
Conector
NOTA:
Los dos conectores se acoplan con
un chasquido.
7. Compruebe la continuidad con
un comprobador.
NOTA:
Si no hay continuidad limpie los
terminales.
Siga los pasos 1 a 7 descritos
anteriormente para comprobar el
mazo de cables.
Para resolver problemas sobre el
terreno, utilice un revitalizador de
contactos de los que se encuen-
tran en el comercio.
Utilice el comprobador en el
conector como se muestra.
KABELANSCHLÜSSE KONTROLLIEREN
CONTROLLO DEL COLLEGAMENTO
COMPROBACIÓN DE LAS CONEXIONES
1 - 11
GEN
INFO
SPECIAL TOOLS
SPECIAL TOOLS
The proper special tools are necessary for complete and accurate tune-up and assembly. Using the correct special tool
will help prevent damage caused by the use of improper tools or improvised techniques. The shape and part number used
for the special tool differ by country, so two types are provided. Refer to the list provided to avoid errors when placing an
order.
NOTE:
For U.S.A. and Canada, use part number starting with YM-, YU- or ACC-.
For others, use part number starting with 90890-.
Part number Tool name/How to use Illustration
YU-1135-A, 90890-01135 Crankcase separating tool
These tool is used to remove the crankshaft from
either case.
YU-3097, 90890-01252
YU-1256
Dial gauge and stand
Stand
These tools are used to check each part for runout or
bent.
YU-90050, 90890-01274
YU-90050, 90890-01275
YM-91044, 90890-04081
YU-90063, 90890-01278
Crankshaft installing tool
Crankshaft installing pot
Crankshaft installing bolt
Spacer (crankshaft installer)
Adapter (M12)
These tools are used to install the crankshaft.
YU-1304, 90890-01304 Piston pin puller set
This tool is used to remove the piston pin.
YU-24460-01, 90890-01325
YU-33984, 90890-01352
Radiator cap tester
Radiator cap tester adapter
These tools are used for checking the cooling
system.
YU-33975, 90890-01403 Steering nut wrench
This tool is used when tighten the steering ring nut to
specification.
YM-01494, 90890-01494 Damper rod holder
Use this tool to remove and install the damper rod.
YM-A0948, 90890-01502 Fork seal driver
This tool is used when install the fork oil seal.
90890-01135
90890-01304
90890-01325
90890-01352
YM-01494
90890-01494
YM-A0948
90890-01502
1 - 12
GEN
INFO
SPECIAL TOOLS
YS-1880-A, 90890-01701 Sheave holder
This tool is used for when loosening or tightening the
flywheel magneto securing nut.
YU-3112-C, 90890-03112 Pocket tester
Use this tool to inspect the coil resistance, output
voltage and amperage.
YM-33277-A, 90890-03141 Timing light
This tool is necessary for checking ignition timing.
YM-4019, 90890-04019 Valve spring compressor
This tool is needed to remove and install the valve
assemblies.
YM-91042, 90890-04086 Clutch holding tool
This tool is used to hold the clutch when removing or
installing the clutch boss securing nut.
YM-4111, 90890-04111
YM-4116, 90890-04116
Valve guide remover
Intake 4.0 mm (0.16 in)
Exhaust 4.5 mm (0.18 in)
This tool is needed to remove and install the valve
guide.
YM-4112, 90890-04112
YM-4117, 90890-04117
Valve guide installer
Intake 4.0 mm (0.16 in)
Exhaust 4.5 mm (0.18 in)
This tool is needed to install the valve guide.
YM-4113, 90890-04113
YM-4118, 90890-04118
Valve guide reamer
Intake 4.0 mm (0.16 in)
Exhaust 4.5 mm (0.18 in)
This tool is needed to rebore the new valve guide.
YM-04141, 90890-04141 Rotor puller
This tool is used to remove the flywheel magneto.
Part number Tool name/How to use Illustration
90890-03112
90890-04111
90890-04116
90890-04141
1 - 13
GEN
INFO
SPECIAL TOOLS
YM-34487
90890-06754
Dynamic spark tester
Ignition checker
This instrument is necessary for checking the ignition
system components.
YB-35956-A, 90890-06756 Vacuum/pressure pump gauge set
This tool is used to check the air induction system.
90890-85505 YAMAHA Bond No. 1215
(ThreeBond® No. 1215)
This sealant (Bond) is used for crankcase mating
surface, etc.
Part number Tool name/How to use Illustration
90890-06754
YB-35956-A
90890-06756
1 - 14
GEN
INFO
OUTILS SPECIAUX
Il est indispensable dutiliser les outils spéciaux appropriés pour pouvoir effectuer un assemblage et une mise au point complets et pré-
cis. Lutilisation des outils spéciaux corrects permettra d’éviter les endommagements dus à lemploi doutils impropres ou de techni-
ques improvisées. La forme et le numéro de pièce des outils spéciaux pouvant différer selon les pays, il existe parfois deux versions
dun outil. Se reporter à la liste suivante pour éviter toute erreur de commande.
N.B.:
Pour les U.S.A. et le Canada, utiliser les numéros de référence commençant par YM-, YU- ou ACC-.
Pour les autres pays, utiliser les numéros de référence commençant par 90890-.
Numéro de pièce Nom et usage de loutil Illustration
YU-1135-A, 90890-01135 Outil de séparation de carter moteur
Cet outil sert à déposer le vilebrequin de chaque moitié du
carter moteur.
YU-3097, 90890-01252
YU-1256
Comparateur à cadran et support
Support
Ces outils permettent de contrôler la déformation ou le plié
des pièces.
YU-90050, 90890-01274
YU-90050, 90890-01275
YM-91044, 90890-04081
YU-90063, 90890-01278
Outil de montage du vilebrequin
Pot de montage du vilebrequin
Boulon de montage du vilebrequin
Entretoise (outil de montage du vilebrequin)
Adaptateur (M12)
Ces outils servent à poser le vilebrequin.
YU-1304, 90890-01304 Kit dextraction daxe de piston
Cet outil sert à extraire laxe de piston.
YU-24460-01, 90890-01325
YU-33984, 90890-01352
Testeur de bouchon de radiateur
Adaptateur du testeur de bouchon de radiateur
Ces outils sont utilisés pour le contrôle du système de
refroidissement.
YU-33975, 90890-01403 Clé pour écrou de direction
Cet outil sert à serrer l’écrou de blocage de la direction aux
spécifications.
YM-01494, 90890-01494 Outil de maintien de tige damortissement
Cet outil sutilise pour la dépose et le montage de tige
damortissement.
YM-A0948, 90890-01502 Outil de montage de joint de fourche
Cet outil sutilise pour le montage des joints d’étanchéité
de fourche.
90890-01135
90890-01252
90890-01274
90890-01275
90890-01278
90890-04081
90890-01304
90890-01403
YM-01494
90890-01494
YM-A0948
90890-01502
OUTILS SPECIAUX
1 - 15
GEN
INFO
YS-1880-A, 90890-01701 Clé à sangle
Cet outil permet de desserrer ou de serrer l’écrou de
fixation du volant magnétique.
YU-3112-C, 90890-03112 Multimètre
Cet instrument permet de mesurer la résistance, la tension
de sortie et lintensité des bobines.
YM-33277-A, 90890-03141 Lampe stroboscopique
Cet outil permet de contrôler lavance à lallumage.
YM-4019, 90890-04019 Compresseur de ressort de soupape
Cet outil permet de déposer et de poser les ensembles de
soupapes.
YM-91042, 90890-04086 Outil de maintien de lembrayage
Cet outil sert à maintenir lembrayage lors de la dépose ou
du remontage de l’écrou de fixation de la noix
dembrayage.
YM-4111, 90890-04111
YM-4116, 90890-04116
Outil de dépose de guide de soupape
Admission 4,0 mm (0,16 in)
Echappement 4,5 mm (0,18 in)
Cet outil permet de déposer et de poser les guides de
soupapes.
YM-4112, 90890-04112
YM-4117, 90890-04117
Outil de pose de guide de soupape
Admission 4,0 mm (0,16 in)
Echappement 4,5 mm (0,18 in)
Cet outil permet de poser les guides de soupapes.
YM-4113, 90890-04113
YM-4118, 90890-04118
Alésoir de guide de soupape
Admission 4,0 mm (0,16 in)
Echappement 4,5 mm (0,18 in)
Cet outil permet de réaléser les guides de soupape neufs.
YM-04141, 90890-04141 Extracteur de rotor
Cet outil sert à extraire le volant magnétique.
Numéro de pièce Nom et usage de loutil Illustration
90890-04086
OUTILS SPECIAUX
1 - 16
GEN
INFO
YM-34487
90890-06754
Testeur d’étincelle dynamique
Contrôleur dallumage
Cet instrument sert à contrôler les composants du système
dallumage.
YB-35956-A, 90890-06756 Ensemble dépressiomètre/manomètre
Cet outil est utilisé pour contrôler le système dinduction
dair.
90890-85505 YAMAHA Bond N°1215
(ThreeBond® N°1215)
Cet agent d’étanchéité (pâte) sutilise sur les surfaces de
contact du carter moteur, etc.
Numéro de pièce Nom et usage de loutil Illustration
90890-06754
YB-35956-A
90890-06756
OUTILS SPECIAUX
1 - 17
GEN
INFO
SPEZIALWERKZEUGE
Die folgenden Spezialwerkzeuge sind für korrekte und vollständige Einstell- und Montagearbeiten unerlässlich. Durch die
Verwendung dieser Werkzeuge werden Beschädigungen vermieden, die beim Gebrauch ungeeigneter Hilfsmittel oder
improvisierter Techniken entstehen können. Die Ausführung und Teilenummer der Spezialwerkzeuge weicht je nach
Bestimmungsland ab. Bei der Bestellung von Spezialwerkzeugen sollten die im folgenden aufgeführten Bezeichnungen
und Teilenummern angegeben werden.
HINWEIS:
Teilenummern für U.S.A. und Kanada beginnen mit YM-, YU- bzw. ACC-.
Teilenummern für alle anderen Länder beginnen mit 90890-.
Teilenummer Werkzeug/Anwendung Abbildung
YU-1135-A, 90890-01135 Kurbelgehäuse-Trennwerkzeug
Zum Ausbau der Kurbelwelle.
YU-3097, 90890-01252
YU-1256
Messuhr und Ständer
Ständer
Zum Kontrollieren von Bauteilen auf Schlag und
Verbiegung.
YU-90050, 90890-01274
YU-90050, 90890-01275
YM-91044, 90890-04081
YU-90063, 90890-01278
Kurbelwellen-Einbauwerkzeug
Kurbelwellen-Einbaufassung
Kurbelwellen-Einbauschraube
Kurbelwellen-Einbauhülse
Adapter (M12)
Zum Einbau der Kurbelwelle.
YU-1304, 90890-01304 Kolbenbolzen-Abzieher
Zum Ausbau des Kolbenbolzens.
YU-24460-01, 90890-01325
YU-33984, 90890-01352
Kühlerverschlussdeckel-Prüfgerät
Kühlerverschlussdeckel-Adapter
Zur Prüfung des Kühlsystems.
YU-33975, 90890-01403 Hakenschlüssel
Zum vorschriftsmäßigen Festziehen der Ringmutter.
YM-01494, 90890-01494 Dämpferrohr-Halter
Zum Aus- und Einbau des Dämpferrohrs.
YM-A0948, 90890-01502 Gabeldichtring-Treiber
Zum Einbau des Gabeldichtrings.
90890-01135
90890-01304
90890-01325
90890-01352
YM-01494
90890-01494
YM-A0948
90890-01502
SPEZIALWERKZEUGE
1 - 18
GEN
INFO
YS-1880-A, 90890-01701 Rotorhalter
Zum Lösen und Festziehen der Schwungrad-
Magnetzünder-Mutter.
YU-3112-C, 90890-03112 Taschen-Multimeter
Zur Prüfung von Wicklungs-Widerständen,
Ausgangsspannungen und Stromstärken.
YM-33277-A, 90890-03141 Stroboskoplampe
Zur Prüfung des Zündzeitpunktes.
YM-4019, 90890-04019 Ventilfederspanner
Zum Aus- und Einbau der Ventile.
YM-91042, 90890-04086 Kupplungshalter
Zum Festhalten der Kupplung beim Lösen und
Festziehen der Kupplungsnaben-Mutter.
YM-4111, 90890-04111
YM-4116, 90890-04116
Ventilführungs-Austreiber
Einlass 4,0 mm (0,16 in)
Auslass 4,5 mm (0,18 in)
Zum Aus- und Einbau der Ventilführungen.
YM-4112, 90890-04112
YM-4117, 90890-04117
Ventilführungs-Einbauhülse
Einlass 4,0 mm (0,16 in)
Auslass 4,5 mm (0,18 in)
Zum Einbau der Ventilführungen.
YM-4113, 90890-04113
YM-4118, 90890-04118
Ventilführungs-Reibahle
Einlass 4,0 mm (0,16 in)
Auslass 4,5 mm (0,18 in)
Zum Ausbohren neuer Ventilführungen.
YM-04141, 90890-04141 Rotorabzieher
Zum Ausbau des Schwungrad-Magnetzünders.
Teilenummer Werkzeug/Anwendung Abbildung
90890-03112
90890-04111
90890-04116
90890-04141
SPEZIALWERKZEUGE
1 - 19
GEN
INFO
YM-34487
90890-06754
Zündfunkenstrecken-Tester
Zündungstester
Zur Prüfung der Bauteile des Zündsystems.
YB-35956-A, 90890-06756 Manometersatz
Zur Prüfung des Sekundärluftsystems
90890-85505 YAMAHA-Dichtmasse Nr.1215
(ThreeBond® Nr.1215)
Zum Abdichten von Kurbelgehäuse-Passflächen und
dergleichen.
Teilenummer Werkzeug/Anwendung Abbildung
90890-06754
YB-35956-A
90890-06756
SPEZIALWERKZEUGE
1 - 20
GEN
INFO
ATTREZZI SPECIALI
Sono necessari attrezzi speciali idonei per una messa a punto e un assemblaggio completi e accurati. Lutilizzo di attrezzi speciali cor-
retti previene i danni causati dallimpiego di attrezzi impropri o di tecniche improvvisate. La forma e i numeri parte utilizzati per gli
attrezzi speciali differiscono da Stato a Stato, per cui se ne indicano due tipi. Fare riferimento allelenco indicato per evitare ordini
errati.
NOTA:
Per USA e Canada, utilizzare numeri parte che iniziano con le sigle YM-, YU-, o ACC-.
Per gli altri Stati, utilizzare numeri parte che iniziano con la serie di numeri 90890-.
Numero parte Nome dellattrezzo/Impiego Figura
YU-1135-A, 90890-01135 Separatore per il carter
Questo attrezzo è utilizzato per togliere lalbero motore dal
carter.
YU-3097, 90890-01252
YU-1256
Comparatore e cavalletto
Cavalletto
Questi attrezzi sono utilizzati per controllare che ogni
componente non sia scentrato o piegato.
YU-90050, 90890-01274
YU-90050, 90890-01275
YM-91044, 90890-04081
YU-90063, 90890-01278
Attrezzo installatore dellalbero motore
Installatore per albero motore
Bullone installatore per albero motore
Distanziatore (installatore per albero motore)
Adattatore (M12)
Questi attrezzi sono utilizzati per installare lalbero motore.
YU-1304, 90890-01304 Kit estrattore dello spinotto
Questo attrezzo è utilizzato per togliere gli spinotti.
YU-24460-01, 90890-01325
YU-33984, 90890-01352
Tester del coperchio radiatore
Adattatore del tester del coperchio radiatore
Questi attrezzi sono utilizzati per controllare il sistema di
raffreddamento.
YU-33975, 90890-01403 Chiave per ghiere
Questo attrezzo è utilizzato per serrare la ghiera sterzo fino
a quanto indicato nella specifica.
YM-01494, 90890-01494 Supporto dellasta pompante
Questo attrezzo è utilizzato per togliere o installare lasta
pompante.
YM-A0948, 90890-01502 Installatore della guarnizione forcella
Questo attrezzo è utilizzato per installare il paraolio della
forcella.
90890-01135
90890-01252
90890-01274
90890-01275
90890-01278
90890-04081
90890-01304
90890-01403
YM-01494
90890-01494
YM-A0948
90890-01502
ATTREZZI SPECIALI
1 - 21
GEN
INFO
YS-1880-A, 90890-01701 Attrezzo di bloccaggio puleggia
Questo attrezzo è utilizzato per allentare o serrare il dado
di sicurezza del magnete volano.
YU-3112-C, 90890-03112 Tester tascabile
Questo attrezzo è utilizzato per controllare la resistenza
della bobina, la tensione in uscita e lamperaggio.
YM-33277-A, 90890-03141 Stroboscopio
Questo strumento è utilizzato per controllare lanticipo
minimo.
YM-4019, 90890-04019 Compressore molle valvole
Questo attrezzo è utilizzato per togliere o installare i
gruppi di valvole.
YM-91042, 90890-04086 Attrezzo di bloccaggio frizione
Questo attrezzo è utilizzato per bloccare la frizione in fase
di rimozione o installazione del dado di sicurezza del
mozzo frizione.
YM-4111, 90890-04111
YM-4116, 90890-04116
Estrattore per guidavalvole
Aspirazione 4,0 mm (0,16 in)
Scarico 4,5 mm (0,18 in)
Questo attrezzo è utilizzato per togliere o installare i
guidavalvole.
YM-4112, 90890-04112
YM-4117, 90890-04117
Installatore per guidavalvole
Aspirazione 4,0 mm (0,16 in)
Scarico 4,5 mm (0,18 in)
Questo attrezzo è utilizzato per installare i guidavalvole.
YM-4113, 90890-04113
YM-4118, 90890-04118
Alesatore per guidavalvole
Aspirazione 4,0 mm (0,16 in)
Scarico 4,5 mm (0,18 in)
Questo attrezzo è utilizzato per alesare il nuovo
guidavalvola.
YM-04141, 90890-04141 Estrattore del rotore
Questo attrezzo è utilizzato per togliere il magnete volano.
Numero parte Nome dellattrezzo/Impiego Figura
90890-04086
ATTREZZI SPECIALI
1 - 22
GEN
INFO
YM-34487
90890-06754
Tester dinamico della scintilla
Tester dellaccensione
Questo strumento è utilizzato per controllare i componenti
dellimpianto di accensione.
YB-35956-A, 90890-06756 Misuratore pompa a depressione/di mandata
Questo strumento si utilizza per controllare il sistema di
iniezione aria
90890-85505 Sigillante YAMAHA N.1215
(ThreeBond® N.1215)
Questo sigillante è utilizzato per chiudere a tenuta le
superfici di contatto del carter, ecc.
Numero parte Nome dellattrezzo/Impiego Figura
90890-06754
YB-35956-A
90890-06756
ATTREZZI SPECIALI
1 - 23
GEN
INFO
HERRAMIENTAS ESPECIALES
Para realizar un reglaje y un montaje completos y precisos es necesario utilizar las herramientas especiales adecuadas.
Con el uso de las herramientas especiales correctas evitará los daños provocados por herramientas inadecuadas o técni-
cas improvisadas. La forma y el número de referencia de las herramientas especiales varía según los países, por lo que
se suministran dos tipos. Cuando efectúe un pedido, consulte el listado que se adjunta para evitar errores.
NOTA:
Para USA y Canadá utilice las referencias que empiezan por YM-, YU- o ACC-.
Para el resto del mundo utilice las referencias que empiezan por 90890-.
Referencia Nombre de la herramienta/Cómo se utiliza Ilustración
YU-1135-A, 90890-01135 Herramienta de separación del cárter
Esta herramienta se utiliza para extraer el cigüeñal
del cárter.
YU-3097, 90890-01252
YU-1256
Galga de cuadrante y soporte
Soporte
Estas herramientas se utilizan para comprobar el
descentramiento o la deformación de todas las
piezas.
YU-90050, 90890-01274
YU-90050, 90890-01275
YM-91044, 90890-04081
YU-90063, 90890-01278
Instalador del cigüeñal
Guía de montaje del cigüeñal
Tornillo de montaje del cigüeñal
Espaciador (instalador de cigüeñal)
Adaptador (M12)
Estas herramientas se utilizan para instalar el cigüeñal.
YU-1304, 90890-01304 Conjunto extractor de pasador de pistón
Esta herramienta se utiliza para extraer el pasador
de pistón.
YU-24460-01, 90890-01325
YU-33984, 90890-01352
Comprobador del tapón del radiador
Adaptador del comprobador del tapón del radiador
Estas herramientas se utilizan para comprobar el
sistema de refrigeración.
YU-33975, 90890-01403 Llave para tuercas de dirección
Esta herramienta se utiliza para apretar la tuerca
anular de la dirección con el par especificado.
YM-01494, 90890-01494 Soporte de varilla de amortiguador
Utilice esta herramienta para extraer e instalar la
varilla del amortiguador.
YM-A0948, 90890-01502 Montador de juntas de horquilla
Esta herramienta se utiliza para instalar la junta de
aceite de la horquilla.
90890-01135
90890-01304
90890-01325
90890-01352
YM-01494
90890-01494
YM-A0948
90890-01502
HERRAMIENTAS ESPECIALES
1 - 24
GEN
INFO
YS-1880-A, 90890-01701 Soporte de disco
Esta herramienta se utiliza para aflojar o apretar la
tuerca de sujeción de la magneto del volante.
YU-3112-C, 90890-03112 Comprobador de bolsillo
Utilice esta herramienta para comprobar la
resistencia, la tensión de salida y el amperaje de la
bobina.
YM-33277-A, 90890-03141 Lámpara estroboscópica
Esta herramienta es necesaria para comprobar el
reglaje del encendido.
YM-4019, 90890-04019 Compresor de muelle de válvula
Esta herramienta es necesaria para extraer e instalar
los conjuntos de válvulas.
YM-91042, 90890-04086 Herramienta de sujeción del embrague
Esta herramienta se utiliza para sujetar el embrague
mientras se extrae o se instala la tuerca de sujeción
del resalte de embrague.
YM-4111, 90890-04111
YM-4116, 90890-04116
Extractor de guías de válvulas
Admisión 4,0 mm (0,16 in)
Escape 4,5 mm (0,18 in)
Esta herramienta es necesaria para extraer e instalar
las guías de válvulas.
YM-4112, 90890-04112
YM-4117, 90890-04117
Montador de guías de válvulas
Admisión 4,0 mm (0,16 in)
Escape 4,5 mm (0,18 in)
Esta herramienta es necesaria para instalar las guías
de válvulas.
YM-4113, 90890-04113
YM-4118, 90890-04118
Rectificador de guías de válvulas
Admisión 4,0 mm (0,16 in)
Escape 4,5 mm (0,18 in)
Esta herramienta es necesaria para rectificar las
guías de válvula nuevas.
YM-04141, 90890-04141 Extractor de rotor
Esta herramienta se utiliza para extraer la magneto
del volante.
Referencia Nombre de la herramienta/Cómo se utiliza Ilustración
90890-03112
90890-04111
90890-04116
90890-04141
HERRAMIENTAS ESPECIALES
1 - 25
GEN
INFO
YM-34487
90890-06754
Comprobador de bujías dinámico
Comprobador de encendido
Este instrumento es necesario para comprobar los
componentes del sistema de encendido.
YB-35956-A, 90890-06756 Juego de comprobación de vacío/presión en la
bomba
Esta herramienta se usa para comprobar el sistema
de inducción de aire.
90890-85505 YAMAHA Bond Nº1215
(ThreeBond® Nº1215)
Este sellador (Bond) se utiliza para las superficies de
contacto del cárter, etc.
Referencia Nombre de la herramienta/Cómo se utiliza Ilustración
90890-06754
YB-35956-A
90890-06756
HERRAMIENTAS ESPECIALES
1 - 26
GEN
INFO
MEMO
1 - 27
GEN
INFO
EC150000
CONTROL FUNCTIONS
MAIN SWITCH
Functions of the respective switch
positions are as follows:
ON:
The engine can be started only at
this position.
OFF:
All electrical circuits are switched off.
Main switch indicator light
The main switch 1 is equipped with
an indicator light 2 to avoid forget-
ting to turn it off. This light functions
as follows.
It lights up with the main switch
ON.
It goes out when the engine
increases its speed after being
started.
It lights up again when the engine
is stopped.
NOTE:
If the indicator light will not light up
with the main switch ON, it shows a
lack of the battery voltage. Recharge
the battery.
ENGINE STOP SWITCH
The engine stop switch 1 is located
on the left handlebar. Continue push-
ing the engine stop switch till the
engine comes to a stop.
START SWITCH
The start switch 1 is located on the
right handlebar. Push this switch to
crank the engine with the starter.
EC152000
CLUTCH LEVER
The clutch lever 1 is located on the
left handlebar; it disengages or
engages the clutch. Pull the clutch
lever to the handlebar to disengage
the clutch, and release the lever to
engage the clutch. The lever should
be pulled rapidly and released slowly
for smooth starts.
FONCTIONS DES
COMMANDES
CONTACTEUR A CLE
Les fonctions correspondant aux diffé-
rentes positions du contacteur sont les
suivantes:
ON:
Seule position permettant le démarrage
du moteur.
OFF:
Tous les circuits électriques sont coupés.
Témoin de linterrupteur à clé
Linterrupteur à clé 1 est équipé dun
témoin 2 afin de ne pas oublier de le
couper. Ce témoin fonctionne de la
manière suivante.
Il sallume lorsque linterrupteur à clé
est en position ON.
Il s’éteint lorsque le moteur monte en
régime après le démarrage.
Il se rallume lorsque le moteur est
coupé.
N.B.:
Si le témoin ne sallume pas lorsque
linterrupteur à clé est sur ON, cest
que la tension de la batterie est trop fai-
ble. Recharger la batterie.
COUPE-CIRCUIT DU MOTEUR
Le coupe-circuit du moteur 1 est situé
sur la partie gauche du guidon. Appuyer
de façon continue sur le coupe-circuit du
moteur jusqu’à ce que le moteur sarrête.
CONTACTEUR DU DEMARREUR
Le contacteur du démarreur 1 est situé
sur la partie droite du guidon. Appuyer
sur ce contacteur pour lancer le moteur à
laide du démarreur.
LEVIER DEMBRAYAGE
Le levier dembrayage 1 est situé sur la
partie gauche du guidon et permet
dembrayer ou de débrayer. Tirer le
levier dembrayage vers le guidon pour
débrayer et le relâcher pour embrayer.
Pour un démarrage en douceur, le levier
doit être tiré rapidement et relâché lente-
ment.
CONTROL FUNCTIONS
FONCTIONS DES COMMANDES
1 - 28
GEN
INFO
BEDIENUNGSELEMENTE
UND DEREN FUNKTION
ZÜNDSCHALTER
Die einzelnen Zündschalterstellun-
gen sind nachfolgend beschrieben:
ON:
Nur in dieser Stellung kann der Motor
gestartet werden.
OFF:
Alle elektrischen Stromkreise sind
ausgeschaltet.
Zündschalter-Kontrollleuchte
Der Zündschalter 1 ist mit einer
Kontrollleuchte 2 versehen, die den
Fahrer daran erinnern soll, die Zün-
dung auszuschalten. Die Funktions-
weise ist nachfolgend beschrieben.
Leuchtet in der ON-Stellung des
Zündschalters.
Erlischt, wenn der Motor nach dem
Anlassen eine gewisse Drehzahl
erreicht.
Leuchtet erneut auf, wenn der
Motor abgestellt wird.
HINWEIS:
Falls die Kontrollleuchte beim Stellen
des Zündschalters auf ON nicht
aufleuchtet, ist die Batteriespannung
zu niedrig. In diesem Fall die Batterie
laden.
MOTORSTOPPSCHALTER
Der Motorstoppschalter 1 befindet
sich links am Lenker. Den Motor-
stoppschalter gedrückt halten, bis
der Motor stoppt.
STARTERSCHALTER
Der Starterschalter 1 befindet sich
rechts am Lenker. Diesen Schalter
drücken, um den Motor anzulassen.
KUPPLUNGSHEBEL
Der Kupplungshebel 1 befindet sich
links am Lenker. Er dient zum Aus-/
Einkuppeln. Zum Auskuppeln den
Kupplungshebel ziehen, beim Ein-
kuppeln loslassen. Der Hebel soll
zügig gezogen und gefühlvoll losge-
lassen werden für ein weiches Aus-
und Einrücken der Kupplung.
FUNZIONI DI
CONTROLLO
INTERRUTTORE DI ACCENSIONE
Le funzioni delle rispettive posizioni
dellinterruttore sono le seguenti:
ON:
Il motore può essere avviato solo se
linterruttore è in questa posizione.
OFF:
Tutti i circuiti elettrici sono spenti.
Spia interruttore di accensione
Linterruttore principale 1 è dotato di
una spia 2 per evitare che ci si dimenti-
chi di spegnerlo. La spia funziona nel
modo seguente.
Si accende quando linterruttore di
accensione è in posizione ON.
Si spegne dopo lavviamento, quando
la velocità del motore aumenta.
Si accende nuovamente quando il
motore è fermo.
NOTA:
Se la spia non si accende quando linter-
ruttore principale è in posizione ON, la
batteria è scarica. Ricaricare la batteria.
INTERRUTTORE DI ARRESTO
MOTORE
Linterruttore di arresto motore 1 si
trova sul manubrio sinistro. Premere
linterruttore di arresto motore fino
allarresto del motore.
INTERRUTTORE DI
AVVIAMENTO
Linterruttore di avviamento 1 si trova
sul manubrio destro. Premere questo
interruttore per avviare il motore con il
motorino di avviamento.
LEVA DELLA FRIZIONE
La leva della frizione 1 si trova sul
manubrio sinistro; innesta o disinnesta la
frizione. Tirare la leva della frizione
verso il manubrio per disinnestare la fri-
zione. Rilasciare la leva per innestare la
frizione. Tirare velocemente la leva e
rilasciarla lentamente per partenze senza
scossoni.
FUNCIONES DE LOS
MANDOS
INTERRUPTOR PRINCIPAL
Las funciones de las diferentes posi-
ciones del interruptor son las
siguientes:
ON:
El motor solo se puede poner en
marcha en esta posición.
OFF:
Todos los circuitos eléctricos desco-
nectados.
Luz indicadora del interruptor
principal
El interruptor principal 1 está pro-
visto de una luz indicadora 2 para
no olvidar desconectarlo. Dicha luz
funciona del modo siguiente.
Se ilumina cuando se sitúa el inte-
rruptor principal en ON.
Se apaga cuando el régimen del
motor aumenta después del arran-
que.
Se vuelve a encender cuando se
para el motor.
NOTA:
Si la luz indicadora no se ilumina
cuando se sitúa el interruptor princi-
pal en ON significa que la tensión
de la batería está baja. Recargue la
batería.
INTERRUPTOR DE PARO DEL
MOTOR
El interruptor de paro del motor 1 se
encuentra en el lado izquierdo del
manillar. Siga pulsando el interrup-
tor de paro del motor hasta que este
se pare.
INTERRUPTOR DE ARRANQUE
El interruptor de arranque 1 se
encuentra en el lado derecho del
manillar. Pulse este interruptor para
poner en marcha el motor con el
motor de arranque.
MANETA DE EMBRAGUE
La maneta de embrague 1 se
encuentra en el lado izquierdo del
manillar; desacopla o acopla el
embrague. Tire de la maneta de
embrague hasta el manillar para
desacoplar el embrague y suéltela
para acoplarlo. Se debe tirar de la
maneta de forma rápida y soltarla
lentamente para iniciar la marcha
con suavidad.
BEDIENUNGSELEMENTE UND DEREN FUNKTION
FUNZIONI DI CONTROLLO
FUNCIONES DE LOS MANDOS
1 - 29
GEN
INFO
EC153000
SHIFT PEDAL
The gear ratios of the constant-mesh
5 speed transmission are ideally
spaced. The gears can be shifted by
using the shift pedal 1 on the left
side of the engine.
KICKSTARTER CRANK
Rotate the kickstarter crank 1 away
from the engine. Push the starter
down lightly with your foot until the
gears engage, then kick smoothly
and forcefully to start the engine.
This model has a primary kickstarter
crank so the engine can be started in
any gear if the clutch is disengaged.
In normal practices, however, shift to
neutral before starting.
1
EC155001
THROTTLE GRIP
The throttle grip 1 is located on the
right handlebar; it accelerates or
decelerates the engine. For acceler-
ation, turn the grip toward you; for
deceleration, turn it away from you.
EC156000
FRONT BRAKE LEVER
The front brake lever 1 is located on
the right handlebar. Pull it toward the
handlebar to activate the front brake.
EC157000
REAR BRAKE PEDAL
The rear brake pedal 1 is located on
the right side of the machine. Press
down on the brake pedal to activate
the rear brake.
SELECTEUR
Les 5 rapports de la boîte de vitesses à
prise constante sont idéalement échelon-
nés. Le changement de vitesse est com-
mandé par le sélecteur 1 situé sur le
côté gauche du moteur.
PEDALE DE KICK
Déployer la pédale de kick 1. Appuyer
légèrement sur la pédale pour mettre les
pignons en prise, puis lactionner vigou-
reusement mais en souplesse pour mettre
le moteur en marche. Ce modèle est
équipé dun démarreur au pied primaire,
de sorte quil est possible de démarrer
dans nimporte quel rapport à condition
de débrayer. Normalement, toutefois, on
repassera au point mort avant de démar-
rer.
POIGNEE DES GAZ
La poignée des gaz 1 est située sur la
partie droite du guidon et permet daccé-
lérer ou de décélérer. Pour accélérer,
tourner la poignée vers soi; pour décélé-
rer, la tourner dans lautre sens.
LEVIER DE FREIN AVANT
Le levier de frein avant 1 est situé sur la
partie droite du guidon. Le tirer vers la
poignée pour actionner le frein avant.
PEDALE DE FREIN ARRIERE
La pédale de frein arrière 1 est située du
côté droit de la moto. Appuyer sur la
pédale de frein pour actionner le frein
arrière.
CONTROL FUNCTIONS
FONCTIONS DES COMMANDES
1 - 30
GEN
INFO
FUSSCHALTHEBEL
Das klauengeschaltete 5-Gang-
Getriebe dieses Motorrads ist ideal
abgestuft. Die Gänge werden über
den Fußschalthebel 1 links am
Motor geschaltet.
KICKSTARTERHEBEL
Den Kickstarterhebel 1 ausklappen.
Zum Anlassen des Motors den Kick-
starterhebel langsam niedertreten,
bis deutlicher Widerstand spürbar
wird; anschließend den Kickstarter
kräftig durchtreten. Da dieses Modell
mit einem Primärkickstarter ausge-
rüstet ist, kann der Motor bei einge-
legtem Gang und gezogener
Kupplung gestartet werden. Es ist
jedoch ratsam, den Motor in der
Leerlaufstellung des Getriebes anzu-
lassen.
GASDREHGRIFF
Der Gasdrehgriff 1 befindet sich
rechts am Lenker. Er gibt Gas und
nimmt es weg. Zum Gasgeben den
Drehgriff öffnen; zum Gaswegneh-
men den Drehgriff schließen.
HANDBREMSHEBEL
Der Handbremshebel 1 befindet
sich rechts am Lenker. Mit diesem
Hebel wird die Vorderradbremse
betätigt.
FUSSBREMSHEBEL
Der Fußbremshebel 1 befindet sich
an der rechten Fahrzeugseite. Mit
diesem Hebel wird die Hinterrad-
bremse betätigt.
PEDALE DEL CAMBIO
Il rapporto di trasmissione dellingranag-
gio sempre in presa a 5 marce è perfetta-
mente distanziato. Le marce si cambiano
utilizzando il pedale del cambio 1 sul
lato sinistro del motore.
LEVA DI AVVIAMENTO A
PEDALE
Ruotare la leva di avviamento a pedale
1 lontano dal motore. Con il piede, pre-
mere delicatamente la leva verso il basso
finché le marce si innestano, quindi pre-
mere in modo netto e con forza per
avviare il motore. Questo modello è
dotato di una leva di avviamento a
pedale primaria in modo da poter avviare
il motore con qualsiasi marcia, se la fri-
zione non è innestata. Tuttavia, è bene
mettere in folle prima di avviare.
MANOPOLA ACCELERATORE
La manopola acceleratore 1 si trova sul
manubrio destro; accelera o decelera il
motore. Per accelerare, girare la mano-
pola verso di sé; per decelerare, girarla in
senso opposto.
LEVA DEL FRENO ANTERIORE
La leva del freno anteriore 1 si trova sul
manubrio destro. Tirare la leva verso il
manubrio per attivare il freno anteriore.
PEDALE DEL FRENO
POSTERIORE
Il pedale del freno posteriore 1 si trova
sul lato destro del mezzo. Premere il
pedale del freno verso il basso per atti-
vare il freno posteriore.
PEDAL DE CAMBIO
Las relaciones del cambio de engra-
naje constante de 5 velocidades
están escalonadas de forma óptima.
Se puede cambiar de velocidad con
el pedal 1 situado en el lado
izquierdo del motor.
PEDAL DE ARRANQUE
Gire el pedal de arranque 1 para
separarlo del motor. Baje ligera-
mente el pedal con el pie hasta que
los engranajes se acoplen y luego
píselo suavemente y con fuerza para
arrancar el motor. Este modelo está
provisto de un pedal de arranque pri-
mario para que el motor se pueda
arrancar con cualquier marcha
puesta si el embrague está desaco-
plado. No obstante, en el uso normal
ponga punto muerto antes de accio-
nar el arranque.
PUÑO DEL ACELERADOR
El puño del acelerador 1 se encuen-
tra en el lado derecho del manillar;
acelera o desacelera el motor. Para
acelerar gire el puño hacia usted;
para desacelerar gírelo en sentido
contrario.
MANETA DE FRENO DELANTERO
La maneta de freno delantero 1 se
encuentra en el lado derecho del
manillar. Tire de ella hacia el manillar
para accionar el freno delantero.
PEDAL DE FRENO TRASERO
El pedal de freno trasero 1 se
encuentra en el lado derecho de la
máquina. Pise el pedal para accionar
el freno trasero.
BEDIENUNGSELEMENTE UND DEREN FUNKTION
FUNZIONI DI CONTROLLO
FUNCIONES DE LOS MANDOS
1 - 31
GEN
INFO
FUEL COCK
The fuel cock supplies fuel from the
tank to carburetor and also filters the
fuel. The fuel cock has three posi-
tions:
OFF: With the lever in this position,
fuel will not flow. Always
return the lever to this posi-
tion when the engine is not
running.
ON: With the lever in this position
fuel flows to the carburetor.
Normal riding is done with the
lever in this position.
RES: With the lever in this position
fuel flows to the carburetor
from the reserve section of
the fuel tank after the main
supply of the fuel has been
depleted. Normal riding is
possible with the lever is in
this position, but it is recom-
mended to add fuel as soon
as possible.
COLD STARTER KNOB
When cold, the engine requires a
richer air-fuel mixture for starting. A
separate starter circuit, which is con-
trolled by the cold starter knob 1,
supplies this mixture. Pull the cold
starter knob out to open the circuit for
starting. When the engine has
warmed up, push it in to close the cir-
cuit.
1
HOT STARTER LEVER
The hot starter lever 1 is used when
starting a warm engine.
Use the hot starter lever when start-
ing the engine again immediately
after it was stopped (the engine is
still warm). Pulling the hot starter
lever injects secondary air to thin the
air-fuel mixture temporarily, allowing
the engine to be started more easily.
ROBINET DE CARBURANT
Le robinet de carburant amène le carbu-
rant du réservoir au carburateur tout en
le filtrant. Il a trois positions:
OFF: Lorsque le robinet est dans cette
position, larrivée de carburant
est coupée. Toujours replacer le
robinet dans cette position après
avoir coupé le moteur.
ON: Lorsque le robinet est dans cette
position, le carburant parvient au
carburateur. Pour rouler, le robi-
net doit se trouver dans cette
position.
RES: Lorsque le robinet est dans cette
position, le carburant provient de
la réserve du réservoir de carbu-
rant, après épuisement de lali-
mentation principale. Il est
possible de rouler normalement
avec le robinet dans cette posi-
tion, mais il est recommandé de
faire le plein le plus rapidement
possible.
COMMANDE DE DEPART A
FROID
Quand il est froid, le moteur a besoin
dun mélange air - carburant plus riche
pour démarrer. Un circuit de démarrage
séparé, contrôlé par la commande de
départ à froid 1, fournit ce mélange.
Tirer la commande de départ à froid afin
douvrir le circuit pour le démarrage.
Une fois le moteur chaud, la repousser
afin de refermer le circuit.
LEVIER DE DEMARRAGE A
CHAUD
Le levier de démarrage à chaud 1 suti-
lise pour démarrer un moteur chaud.
Ce levier sutilise pour redémarrer le
moteur immédiatement après lavoir
arrêté (le moteur est encore chaud).
Lorsquil est tiré, ce levier injecte une
quantité supplémentaire dair dans le
mélange air-carburant, afin de le diluer
temporairement pour permettre un
démarrage plus aisé du moteur.
CONTROL FUNCTIONS
FONCTIONS DES COMMANDES
1 - 32
GEN
INFO
KRAFTSTOFFHAHN
Der Kraftstoffhahn leitet den Kraft-
stoff vom Tank zum Vergaser und fil-
tert ihn gleichzeitig. Die 3
Kraftstoffhahnstellungen sind nach-
folgend beschrieben:
OFF: In dieser Stellung ist der
Kraftstoffhahn geschlossen
und die Kraftstoffzufuhr unter-
brochen. Der Kraftstoffhahn
sollte nach Abstellen des
Motors in diese Stellung
gebracht werden.
ON: In dieser Stellung wird der
laufende Motor mit Kraftstoff
versorgt. Diese Stellung ist für
den Normalbetrieb.
RES: Geht während der Fahrt der
Kraftstoff aus, kann in dieser
Stellung der Motor mit dem
Reservekraftstoff versorgt
werden. Zwar kann das
Motorrad in dieser Kraftstoff-
hahnstellung normal betrie-
ben werden, es sollte aber so
bald wie möglich aufgetankt
werden.
CHOKEHEBEL
Ein kalter Motor benötigt zum Starten
ein fetteres Luft-Kraftstoff-Gemisch.
Dies wird von einer speziellen Kalt-
starteinrichtung geliefert, die der
Chokehebel 1 betätigt. Zum Betäti-
gen des Chokes den Chokehebel
herausziehen. Den Chokehebel erst
zurückschieben, wenn der Motor
gründlich warmgelaufen ist.
WARMSTARTHEBEL
Der Warmstarthebel 1 wird beim
Anlassen des warmen Motors betä-
tigt.
Den Warmstarthebel betätigen,
wenn der Motor sofort nach dem
Abstellen wieder angelassen wird
(und noch warm ist). Durch Betätigen
des Warmstarthebels wird das
Gemisch zeitweise mit Sekundärluft
abgemagert, um das Anlassen des
betriebswarmen Motors zu erleich-
tern.
RUBINETTO DEL CARBURANTE
Il rubinetto del carburante filtra il carbu-
rante e lo eroga dal serbatoio al carbura-
tore. Il rubinetto del carburante ha tre
posizioni:
OFF: Se la leva è in questa posizione,
il carburante non è erogato. Por-
tare sempre la leva in questa
posizione quando il motore è
spento.
ON: Se la leva è in questa posizione,
il carburante è erogato al carbu-
ratore. Durante la marcia nor-
male, la leva è in questa
posizione.
RES: Se la leva è in questa posizione,
al carburatore è erogato il carbu-
rante proveniente dalla riserva
del serbatoio dopo aver esaurito
il rifornimento normale di carbu-
rante. Se la leva è in questa posi-
zione, la marcia normale è
possibile, ma si consiglia di
aggiungere carburante il prima
possibile.
MANOPOLA STARTER PER
PARTENZE A FREDDO
Per avviare il motore quando è freddo,
occorre una miscela di aria e carburante
più ricca. Questa miscela è fornita da un
circuito di avviamento separato, control-
lato dalla manopola starter per partenze a
freddo 1. Tirare la manopola starter per
partenze a freddo per aprire il circuito
per lavviamento. Una volta riscaldato il
motore, premerla per chiudere il circuito.
LEVA STARTER PER PARTENZE
A CALDO
La leva starter per partenze a caldo 1 è
utilizzata per avviare un motore caldo.
Utilizzare la leva starter per partenze a
caldo per riavviare il motore subito dopo
averlo arrestato (il motore è ancora
caldo). Tirando la leva starter per par-
tenze a caldo, si immette un getto secon-
dario di aria per alleggerire
temporaneamente la miscela di aria e
carburante, in modo da avviare più facil-
mente il motore.
LLAVE DE PASO DEL
COMBUSTIBLE
La llave de paso suministra combus-
tible del depósito al carburador y
además filtra el combustible. La llave
de paso del combustible tiene tres
posiciones:
OFF: Con la llave de paso en esta
posición el combustible no
pasa. Sitúe siempre la llave
de paso en esta posición
cuando el motor esté parado.
ON: Con la llave de paso en esta
posición el combustible pasa
al carburador. La conducción
normal se realiza con la llave
de paso en esta posición.
RES: Con la llave de paso en esta
posición el combustible pasa
al carburador desde la zona
de reserva del depósito
cuando se ha agotado el
suministro principal. Se
puede conducir con toda nor-
malidad con la llave de paso
en esta posición, pero se
recomienda repostar lo antes
posible.
MANDO DE ARRANQUE EN FRÍO
Cuando está frío, el motor necesita
una mezcla de aire y combustible
más rica para arrancar. Un circuito
de arranque aparte y controlado por
el mando de arranque en frío 1 es el
que suministra esta mezcla. Tire del
mando de arranque en frío para abrir
el circuito. Cuando el motor se haya
calentado empuje el mando para
cerrar el circuito.
MANDO DE ARRANQUE EN
CALIENTE
El mando de arranque en caliente 1
se utiliza para arrancar cuando el
motor está caliente.
Utilice el mando de arranque en
caliente cuando arranque de nuevo
el motor inmediatamente después de
haberlo parado (el motor todavía
está caliente). Tirando del mando de
arranque en caliente se inyecta aire
secundario para empobrecer tempo-
ralmente la mezcla de aire y com-
bustible, con lo que el motor
arrancará más fácilmente.
BEDIENUNGSELEMENTE UND DEREN FUNKTION
FUNZIONI DI CONTROLLO
FUNCIONES DE LOS MANDOS
1 - 33
GEN
INFO
SIDESTAND
This sidestand 1 is used to support
only the machine when standing or
transporting it.
WARNING
Never apply additional force to
the sidestand.
Hold up the sidestand before
starting out.
1
EC15F000
VALVE JOINT
This valve joint 1 prevents fuel from
flowing out and is installed to the fuel
tank breather hose.
CAUTION:
In this installation, make sure the
arrow faces the fuel tank and also
downward.
SPARK PLUG WRENCH
This spark plug wrench 1 is used to
remove and install the spark plug.
1
1
NIPPLE WRENCH
This nipple wrench 1 is used to
tighten the spoke.
JET NEEDLE PULL-UP TOOL
The jet needle pull-up tool 1 is used
to pull the jet needle out of the carbu-
retor.
1
1
BEQUILLE LATERALE
La béquille latérale 1 ne sert qu’à sup-
porter la moto à larrêt ou durant le
transport.
AVERTISSEMENT
Ne jamais soumettre la béquille
latérale à des forces supplémentai-
res.
Remonter la béquille latérale avant
de démarrer.
CLAPET DE RENIFLARD
Ce clapet 1 empêche le carburant de
s’échapper et est monté sur le tuyau du
reniflard du réservoir de carburant.
ATTENTION:
Lors du montage, veiller à orienter la
flèche vers le réservoir de carburant et
vers le bas.
CLE A BOUGIE
La clé à bougie 1 permet de déposer et
de reposer la bougie.
CLE A ECROUS DE RAYONS
La clé à écrous de rayons 1 permet de
serrer les rayons.
OUTIL DEXTRACTION
DAIGUILLE
Loutil dextraction daiguille 1 permet
dextraire laiguille du carburateur.
FONCTIONS DES COMMANDES
CONTROL FUNCTIONS
1 - 34
GEN
INFO
SEITENSTÄNDER
Der Seitenständer 1 dient lediglich
zum Abstützen der Maschine im
Stand oder beim Transport.
WARNUNG
Den Seitenständer niemals
zusätzlich belasten.
Vor dem Losfahren den Seiten-
ständer hochklappen.
VENTILVERBINDUNG
Die Ventilverbindung 1 ist im Kraft-
stofftank-Belüftungsschlauch ange-
bracht und verhindert ein Auslaufen
von Benzin.
ACHTUNG:
Beim Einbau sicherstellen, dass
die Pfeilmarkierung nach unten
zum Kraftstofftank gerichtet ist.
ZÜNDKERZENSCHLÜSSEL
Der Zündkerzenschlüssel 1 dient
zum Aus- und Einbau der Zünd-
kerze.
SPEICHENSCHLÜSSEL
Der Speichenschlüssel 1 dient zum
Festziehen der Speichen.
DÜSENNADEL-
ZIEHERWERKZEUG
Das Düsennadel-Zieherwerkzeug 1
wird benutzt, um die Düsennadel aus
dem Vergaser herauszuziehen.
CAVALLETTO LATERALE
Questo cavalletto 1 è utilizzato per
sostenere il mezzo quando è fermo o
durante il trasporto.
AVVERTENZA
Non applicare mai ulteriori carichi
al cavalletto laterale.
Sollevare il cavalletto laterale prima
della partenza.
GIUNTO DELLA VALVOLA
Questo giunto della valvola 1 evita la
fuoriuscita del carburante ed è installato
sul flessibile di sfiato del serbatoio car-
burante.
ATTENZIONE:
In questa installazione, assicurarsi che
la freccia sia rivolta in basso verso il
serbatoio.
CHIAVE PER CANDELE
Questa chiave per candele 1 è utilizzata
per togliere o installare le candele.
CHIAVE TENDIRAGGI
Questa chiave tendiraggi 1 è utilizzata
per serrare i raggi.
STRUMENTO DI ESTRAZIONE
DELLO SPILLO DEL GETTO
Lo strumento di estrazione dello spillo
del getto 1 viene utilizzato per estrarre
lo spillo del getto dal carburatore.
CABALLETE LATERAL
Este caballete lateral 1 se utiliza
para apoyar la máquina, y solo ella,
cuando está estacionada o durante
su transporte.
ADVERTENCIA
No aplique nunca una fuerza
adicional al caballete lateral.
Suba el caballete lateral antes
de iniciar la marcha.
UNIÓN CON VÁLVULA
Esta unión con válvula 1 está insta-
lada en el tubo respiradero del depó-
sito de combustible e impide que el
combustible se salga.
ATENCION:
En su instalación, verifique que la
flecha quede orientada hacia el
depósito de combustible y hacia
abajo.
LLAVE DE BUJÍAS
Esta llave de bujías 1 se utiliza para
extraer e instalar bujías.
LLAVE PARA TUERCAS DE
RADIOS
Esta llave 1 se utiliza para apretar
las tuercas de los radios de las rue-
das.
HERRAMIENTA DE RECOGIDA DE
LA AGUJA
La herramienta de recogida de la
aguja 1 se utiliza para recoger la
aguja del carburador.
BEDIENUNGSELEMENTE UND DEREN FUNKTION
FUNZIONI DI CONTROLLO
FUNCIONES DE LOS MANDOS
1 - 35
GEN
INFO
MULTI-FUNCTION DISPLAY
MULTI-FUNCTION
DISPLAY
WARNING
Be sure to stop the machine
before making any setting
changes to the multi-function dis-
play.
The multi-function display is
equipped with the following:
BASIC MODE:
Speedometer
Clock
Two tripmeters (which shows the
distance that has been traveled
since it was last set to zero)
RACE MODE:
Timer (which shows the time that
has been accumulated since the
start of timer measurement)
Tripmeter (which shows the accu-
mulated travel distance in timer
measurement)
Change tripmeter digits (capable of
change to any given ones)
DESCRIPTION
Operation buttons:
1Select button SLCT 1
2Select button SLCT 2
3Reset button RST
Screen display:
4Tripmeter indicator
5Tripmeter indicator
6Timer indicator
7Clock/Timer
8Speedometer
9Odometer/Tripmeter
NOTE:
The operation buttons can be
pushed in the following two manners:
Short push: Push the button. ( )
Long push: Push the button for 2
seconds or more. ( )
BASIC MODE
Changing speedometer display
(for U.K.)
1. Push the SLCT2 button for 2
seconds or more to change the
speedometer units.
The speedometer display will
change in the following order:
MPH km/h MPH.
ECRAN MULTIFONC-
TION
AVERTISSEMENT
Veiller à arrêter le véhicule avant
dapporter des modifications au
réglage de l’écran multifonction.
L’écran dispose des éléments suivants:
MODE DE BASE:
Compteur de vitesse
Montre
Deux totalisateurs journaliers (indi-
quent la distance parcourue depuis la
dernière remise à zéro)
MODE COURSE:
Chronomètre (affiche le temps accu-
mulé depuis le début de la mesure)
Totalisateur journalier (affiche la dis-
tance parcourue accumulée depuis le
début de la mesure du chronomètre)
Changement des chiffres de totalisa-
teur journalier (possibilité de définir
nimporte quel chiffre)
DESCRIPTION
Boutons de fonctionnement:
1Bouton de sélection SLCT 1
2Bouton de sélection SLCT 2
3Bouton de remise à zéro RST
Affichage de l’écran:
4Témoin de totalisateur journalier
5Témoin de totalisateur journalier
6Témoin du chronomètre
7Montre/chronomètre
8Compteur de vitesse
9Compteur kilométrique/totalisateur
journalier
N.B.:
Il est possible dappuyer sur les boutons
de fonctionnement des deux manières
suivantes:
Pression brève: Appuyer sur le bouton.
()
Pression longue: Appuyer sur le bouton
pendant 2 secondes minimum. ( )
MODE DE BASE
Modification de laffichage du comp-
teur de vitesse (pour le Royaume-Uni)
1. Appuyer sur le bouton SLCT2
pendant 2 secondes minimum pour
changer les unités du compteur de
vitesse.
Laffichage du compteur change
dans lordre suivant:
MPH km/h MPH.
ECRAN MULTIFONCTION
1 - 36
GEN
INFO
MULTIFUNKTIONSAN-
ZEIGE
WARNUNG
Einstellungen der Multifunktions-
anzeige nur bei angehaltenem
Fahrzeug vornehmen.
Die Multifunktionsanzeige umfasst
folgendes:
NORMAL-BETRIEBSART:
Geschwindigkeitsmesser
Zeituhr
Zwei Tageskilometerzähler (mes-
sen die abgelegte Strecke seit der
letzten Rückstellung auf Null)
RENNSPORT-BETRIEBSART:
Timer (Stoppuhr)
Tageskilometerzähler (misst die
abgelegte Strecke im Timer-
Betrieb)
Tageskilometerzähler-Zahlen
ändern (alle Zahlenänderungen
sind möglich)
BESCHREIBUNG
Betriebstasten:
1Wähltaste SLCT 1
2Wähltaste SLCT 2
3Rückstelltaste RST
Display:
4Tageskilometerzähler-
Anzeigesymbol
5Tageskilometerzähler-
Anzeigesymbol
6Timer-Anzeigesymbol
7Zeituhr/Timer
8Geschwindigkeitsmesser
9Kilometer-/Tageskilometerzähler
HINWEIS:
Für die Betriebstasten muss zwi-
schen zwei Betätigungsweisen
unterschieden werden:
Kurzer Druck: Die Taste drücken.
()
Langer Druck: Die Taste mindestens
zwei Sekunden lang gedrückt halten.
()
NORMAL-BETRIEBSART
Geschwindigkeitsmesseranzeige
wechseln (für U.K.)
1. Die Taste SLCT2 mindestens 2
Sekunden lang drücken, um die
Tachometereinheiten zu wech-
seln.
Die Geschwindigkeitsmesseran-
zeige verändert sich in folgender
Reihenfolge:
MPH km/h MPH.
DISPLAY
MULTIFUNZIONE
AVVERTENZA
Accertarsi di arrestare la macchina
prima di apportare modifiche alle
impostazioni del display multifun-
zione.
Il display multifunzione è dotato dei
seguenti elementi:
MODALITÀ BASE:
Tachimetro
Orologio
Due contachilometri parziali (che
mostrano la distanza percorsa
dallultimo azzeramento)
MODALITÀ CORSA:
Timer (che mostra il tempo accumu-
lato dallinizio del conteggio del
timer)
Contachilometri parziale (che mostra
la distanza accumulata durante il
tempo conteggiato dal timer)
Cambio cifre del contachilometri par-
ziale (possibilità di modifica in qualsi-
asi cifra data)
DESCRIZIONE
Pulsanti di funzionamento:
1Pulsante di selezione SLCT 1
2Pulsante di selezione SLCT 2
3Pulsante di azzeramento RST
Display schermo:
4Indicatore contachilometri parziale
5Indicatore contachilometri parziale
6Indicatore timer
7Orologio/Timer
8Tachimetro
9Contachilometri/Contachilometri
parziale
NOTA:
I pulsanti di funzionamento possono
essere premuti nei due modi seguenti:
Pressione breve: Premere il pulsante.
()
Pressione lunga: Premere il pulsante per
2 secondi o più. ( )
MODALITÀ BASE
Modifica del display del tachimetro
(per il Regno Unito)
1. Premere il pulsante SLCT2 per 2
secondi o più per modificare le
unità del tachimetro.
Il display del tachimetro cambia
nellordine seguente:
MPH km/h MPH.
VISOR MULTIFUNCIÓN
ADVERTENCIA
No olvide parar la máquina antes
de cambiar cualquier parámetro
en el visor multifunción.
El visor multifunción está provisto de
los elementos siguientes:
FUNCIÓN BÁSICA:
Velocímetro
Reloj
Dos cuentakilómetros parciales
(indican la distancia que se ha
recorrido desde que se pusieron a
cero por última vez)
FUNCIÓN COMPETICIÓN:
Cronómetro (indica el tiempo acu-
mulado desde la puesta en mar-
cha del cronómetro)
Cuentakilómetros parcial (indica la
distancia recorrida acumulada
durante el funcionamiento del cro-
nómetro)
Cambio de cifras del cuentakiló-
metros parcial (posibilidad de cam-
biar a cualquier cifra)
DESCRIPCIÓN
Botones de control:
1Botón de selección SLCT 1
2Botón de selección SLCT 2
3Botón de reposición RST
Indicación en pantalla:
4Indicador de cuentakilómetros
parcial
5Indicador de cuentakilómetros
parcial
6Indicador de cronómetro
7Reloj/Cronómetro
8Velocímetro
9Cuentakilómetros/cuentakilómetros
parcial
NOTA:
Los botones de control se pueden
pulsar de las dos maneras siguien-
tes:
Pulsar brevemente: Pulse el botón.
()
Mantener pulsado: Pulsación larga
del botón durante 2 segundos o más.
()
FUNCIÓN BÁSICA
Cambio de la indicación del
velocímetro (Reino Unido)
1. Pulse el botón SLCT2 durante
2 segundos o más para cambiar
las unidades del velocímetro.
La indicación del velocímetro
cambia en el orden siguiente:
MPH km/h MPH.
MULTIFUNKTIONSANZEIGE
DISPLAY MULTIFUNZIONE
VISOR MULTIFUNCIÓN
1 - 37
GEN
INFO
MULTI-FUNCTION DISPLAY
Setting the time
1. Push the SLCT1 button for 2
seconds or more to enter the
time setting mode.
2. Push the RST button to change
the display for time indication.
The display will change in the
following order:
Hour Minute Second
Hour.
NOTE:
The digits capable of setting go on
flashing.
3. Push the SLCT1 button (plus)
or SLCT2 button (minus) and
change the time. A long push on
the button will fast-forward the
time.
4. To end the setting, push the
RST button for 2 seconds or
more.
NOTE:
In a 30-second absence of button
operation, the setting will come to
an end with the indicated time.
To reset the seconds, push the
SLCT1 button or SLCT2 button.
Changing odometer and tripmeter
A/B (TRIP A/B)
1. Push the SLCT2 button to
change the tripmeter display.
The display will change in the
following order:
Odometer TRIP A TRIP B
TRIP A Odometer.
NOTE:
To reset the digits, select the tripme-
ter involved and push the RST but-
ton for 2 seconds or more.
Réglage de lheure
1. Appuyer sur le bouton SLCT1
pendant 2 secondes minimum pour
entrer dans le mode de réglage de
lheure.
2. Appuyer sur le bouton RST pour
passer en affichage dindication de
lheure. Laffichage change dans
lordre suivant:
Heures Minutes Secondes
Heures.
N.B.:
Les chiffres pouvant être réglés cligno-
tent.
3. Appuyer sur le bouton SLCT1
(plus) ou SLCT2 (moins) pour
changer lheure. Appuyer longue-
ment sur le bouton avance lheure.
4. Pour terminer le réglage, appuyer
sur le bouton RST pendant 2
secondes minimum.
N.B.:
Si aucune pression nest exercée sur
un bouton pendant 30 secondes, le
réglage est interrompu et affiche
lheure indiquée.
Pour remettre les secondes à zéro,
appuyer sur le bouton SLCT1 ou
SLCT2.
Modification de laffichage du comp-
teur kilométrique et totalisateur jour-
nalier A/B (TRIP A/B)
1. Appuyer sur le bouton SLCT2
pour changer laffichage du totalisa-
teur journalier. Laffichage change
dans lordre suivant:
Compteur kilométrique TRIP A
TRIP B TRIP A Compteur
kilométrique.
N.B.:
Pour remettre les chiffres à zéro, sélec-
tionner le totalisateur journalier souhaité
et appuyer sur le bouton RST pendant
2 secondes minimum.
ECRAN MULTIFONCTION
1 - 38
GEN
INFO
Uhr stellen
1. Die Taste SLCT1 mindestens 2
Sekunden lang gedrückt halten,
um den Zeiteinstellungsmodus
auszuwählen.
2. Die Taste RST drücken, um
auf Zeitanzeige umzuschalten.
Die Anzeige verändert sich in
folgender Reihenfolge:
Stunde Minute Sekunde
Stunde.
HINWEIS:
Es kann jeweils nur die blinkende
Anzeige eingestellt werden.
3. Die Taste SLCT1 (Plus) oder
die Taste SLCT2 (Minus) drü-
cken, um die Zeiteinstellung zu
verändern. Wird die Taste länger
gedrückt, laufen die Ziffern
schneller ab.
4. Um die Einstellung zu beenden,
die Taste RST mindestens 2
Sekunden lang gedrückt halten.
HINWEIS:
Falls 30 Sekunden lang keine
Taste betätigt wurde, wird die Uhr
auf der angezeigten Zeit bleiben.
Um die Sekunden neu einzustel-
len, die Taste SLCT1 oder die
Taste SLCT2 drücken.
Kilometerzähler und Tageskilome-
terzähler A/B (TRIP A/B) verändern
1. Die Taste SLCT2 drücken, um
die Tageskilometerzähler-
Anzeige zu verändern. Die
Anzeige verändert sich in folgen-
der Reihenfolge:
Kilometerzähler TRIP A
TRIP B TRIP A Kilometer-
zähler.
HINWEIS:
Um die Ziffern neu einzustellen, den
entsprechenden Tageskilometerzäh-
ler auswählen und die Taste RST
mindestens 2 Sekunden lang
gedrückt halten.
Impostazione dellora
1. Premere il pulsante SLCT1 per 2
secondi o più per entrare nella
modalità di impostazione dellora.
2. Premere il pulsante RST per cam-
biare lindicazione dellora sul
display. Il display cambierà
nellordine seguente:
Ore Minuti Secondi Ore.
NOTA:
Le cifre da modificare continuano a lam-
peggiare.
3. Premere il pulsante SLCT1 (più)
o il pulsante SLCT2 (meno) e
modificare lora. Una pressione pro-
lungata del pulsante farà aumentare
velocemente il tempo.
4. Per terminare limpostazione, pre-
mere il pulsante RST per 2
secondi o più.
NOTA:
Se non si premono pulsanti per 30
secondi, limpostazione sarà terminata
con lora indicata.
Per azzerare i secondi, premere il pul-
sante SLCT1 o il pulsante
SLCT2.
Modifica del contachilometri e del
contachilometri parziale A/B (TRIP
A/B)
1. Premere il pulsante SLCT2 per
modificare il display del contachilo-
metri parziale. Il display cambierà
nellordine seguente:
Contachilometri TRIP A
TRIP B TRIP A Contachilo-
metri.
NOTA:
Per azzerare le cifre, selezionare il conta-
chilometri parziale interessato e premere
il pulsante RST per 2 secondi o più.
Ajuste de la hora
1. Pulse el botón SLCT1 durante
2 segundos o más para activar
la función de ajuste de la hora.
2. Pulse el botón RST para cam-
biar la indicación de la hora. La
indicación cambia en el orden
siguiente:
Horas Minutos Segundos
Horas.
NOTA:
Las cifras que se pueden ajustar par-
padean.
3. Pulse el botón SLCT1 (más) o
el botón SLCT2 (menos) y
cambie la hora. Si mantiene pul-
sado el botón la hora avanza
rápidamente.
4. Para terminar el ajuste, pulse el
botón RST durante 2 segundos
o más.
NOTA:
Si no pulsa ningún botón durante
30 segundos, la operación de
ajuste termina con la hora indi-
cada.
Para poner a cero los segundos,
pulse el botón SLCT1 o el botón
SLCT2.
Cambio de cuentakilómetros y
cuentakilómetros parcial A/B
(TRIP A/B)
1. Pulse el botón SLCT2 para
cambiar la indicación del cuenta-
kilómetros parcial. La indicación
cambia en el orden siguiente:
Cuentakilómetros TRIP A
TRIP B TRIP A Cuentakiló-
metros.
NOTA:
Para poner a cero las cifras, selec-
cione el cuentakilómetros parcial
correspondiente y pulse el botón
RST durante 2 segundos o más.
MULTIFUNKTIONSANZEIGE
DISPLAY MULTIFUNZIONE
VISOR MULTIFUNCIÓN
1 - 39
GEN
INFO
MULTI-FUNCTION DISPLAY
CHANGEOVER TO BASIC MODE/
RACE MODE
NOTE:
Measurement using the timer func-
tion can be made in RACE MODE.
Indicator will light up as an iden-
tifier that shows RACE MODE has
been selected.
RACE MODE cannot display the
functions as in BASIC MODE.
Changeover to RACE MODE
forces the digits for tripmeter A
(TRIP A) in BASIC MODE to be
reset.
Changeover from BASIC MODE to
RACE MODE
1. Push the SLCT1 button and
SLCT2 button for 2 seconds or
more at the same time to change
over to RACE MODE.
NOTE:
Changeover to RACE MODE will put
manual start measurement on
standby causing and to flash.
(For manual start, refer to Putting
measurement on standby in RACE
MODE.)
Returning to BASIC MODE from
RACE MODE
NOTE:
It is possible to return to BASIC
MODE with timer measurement at a
stop.
1. Check that the timer is not in
operation. If the timer is in opera-
tion, stop the timer by pushing
the SLCT1 button and SLCT2
button at the same time.
2. Push the SLCT1 button and
SLCT2 button for 2 seconds or
more at the same time to change
over to BASIC MODE.
PASSAGE DU MODE DE BASE AU
MODE COURSE
N.B.:
La fonction de chronomètre est dispo-
nible en MODE COURSE.
Le témoin sallume pour indiquer
que le MODE COURSE a été sélec-
tionné.
Le MODE COURSE ne peut pas affi-
cher les fonctions comme dans le
MODE DE BASE.
Le passage en MODE COURSE force
la remise à zéro des chiffres du totali-
sateur journalier A (TRIP A) en
MODE DE BASE.
Passage du MODE DE BASE en
MODE COURSE
1. Appuyer sur les boutons SLCT1
et SLCT2 pendant 2 secondes
minimum en même temps pour pas-
ser en MODE COURSE.
N.B.:
Le passage en MODE COURSE désac-
tive la mesure de démarrage
manuel, et se mettent alors à cli-
gnoter. Pour le démarrage manuel, se
reporter au titre Désactivation de la
mesure de la section MODE
COURSE).
Retour au MODE DE BASE depuis le
MODE COURSE
N.B.:
Il est possible de revenir en MODE DE
BASE avec la mesure du chronomètre
arrêtée.
1. Vérifier que le chronomètre nest
pas en fonctionnement. Sil lest,
arrêter le chronomètre en appuyant
sur les boutons SLCT1 et
SLCT2 en même temps.
2. Appuyer sur les boutons SLCT1
et SLCT2 pendant 2 secondes
minimum en même temps pour pas-
ser en MODE DE BASE.
ECRAN MULTIFONCTION
1 - 40
GEN
INFO
WECHSELN ZWISCHEN NORMAL-
UND RENNSPORT-BETRIEBSART
HINWEIS:
Der Timer steht in der RENN-
SPORT-BETRIEBSART zur Verfü-
gung.
In der RENNSPORT-BETRIEBS-
ART erscheint das Anzeigesymbol
im Display.
Die Funktionen der NORMAL-
BETRIEBSART stehen in der
RENNSPORT-BETRIEBSART nicht
zur Verfügung.
Ein Umschalten auf die RENN-
SPORT-BETRIEBSART bewirkt,
dass die Anzeige des Tageskilome-
terzählers A (TRIP A) der NORMAL-
BETRIEBSART zurückgestellt wird.
Von NORMAL- auf RENNSPORT-
BETRIEBSART wechseln
1. Die Tasten SLCT1 und SLCT2
mindestens 2 Sekunden lang
gleichzeitig gedrückt halten, um
auf die RENNSPORT-BE-
TRIEBSART überzuwechseln.
HINWEIS:
Umschalten auf die RENNSPORT-
BETRIEBSART stellt den Timer auf
manuellem Start bereit, angedeutet
durch das Blinken von und . (Für
Einzelheiten zum manuellen Start,
siehe Timer bereitstellen unter
RENNSPORT-BETRIEBSART.)
Von RENNSPORT- auf NORMAL-
BETRIEBSART wechseln
HINWEIS:
Wenn der Timer stillsteht, kann auf
die NORMAL-BETRIEBSART zurück
gewechselt werden.
1. Sicherstellen, dass der Timer
nicht in Betrieb ist. Ist der Timer
in Betrieb, kann dieser durch
gleichzeitiges Drücken der Tas-
ten SLCT1 und SLCT2
gestoppt werden.
2. Die Tasten SLCT1 und
SLCT2 mindestens 2 Sekun-
den lang gleichzeitig drücken,
um auf NORMAL-BETRIEBS-
ART über zu wechseln.
PASSAGGIO DALLA MODALITÀ
DI BASE ALLA MODALITÀ
CORSA
NOTA:
•È possibile eseguire il conteggio con
la funzione timer nella MODALITÀ
CORSA
Lindicatore si accenderà dopo aver
selezionato un identificatore che
mostra la MODALITÀ CORSA.
La MODALITÀ CORSA non può
visualizzare le funzioni come nella
MODALITÀ BASE.
Il passaggio alla MODALITÀ
CORSA comporta lazzeramento delle
cifre del contachilometri parziale A
(TRIP A) nella MODALITÀ BASE.
Passaggio dalla MODALITÀ DI
BASE alla MODALITÀ CORSA
1. Premere contemporaneamente il
pulsante SLCT1 e il pulsante
SLCT2 per 2 secondi o più per
passare alla MODALITÀ CORSA.
NOTA:
Il passaggio alla MODALITÀ CORSA
metterà in standby la misura dellavvio
manuale, facendo lampeggiare e .
(Per lavvio manuale, fare riferimento a
Messa in standby dei conteggi in
MODALITÀ CORSA.)
Ritorno alla MODALITÀ BASE dalla
MODALITÀ CORSA
NOTA:
È possibile tornare alla MODALITÀ
BASE interrompendo il conteggio del
timer.
1. Controllare che il timer non sia in
funzione. Se il timer è in funzione,
arrestarlo premendo contemporane-
amente il pulsante SLCT1 e il
pulsante SLCT2.
2. Premere contemporaneamente il
pulsante SLCT1 e il pulsante
SLCT2 per 2 secondi o più per
passare alla MODALITÀ BASE.
CAMBIO ENTRE FUNCIÓN BÁSICA
Y FUNCIÓN COMPETICIÓN
NOTA:
La medición con el cronómetro se
puede efectuar en FUNCIÓN
COMPETICIÓN.
El indicador se ilumina para
identificar que se ha seleccionado
la FUNCIÓN COMPETICIÓN.
En la FUNCIÓN COMPETICIÓN
las funciones no se pueden visuali-
zar como en la FUNCIÓN BÁSICA.
El cambio a FUNCIÓN COMPETI-
CIÓN fuerza la puesta a cero de
las cifras del cuentakilómetros par-
cial A (TRIP A) de la FUNCIÓN
BÁSICA.
Cambio de FUNCIÓN BÁSICA a
FUNCIÓN COMPETICIÓN
1. Pulse el botón SLCT1 y el botón
SLCT2 al mismo tiempo durante
2 segundos o más para cambiar a
FUNCIÓN COMPETICIÓN.
NOTA:
Al cambiar a FUNCIÓN COMPETI-
CIÓN el cronómetro queda en
espera de que se le ponga en mar-
cha de forma manual y y co-
mienzan a parpadear. (Consulte las
instrucciones de puesta en marcha
manual del cronómetro en Puesta
en espera del cronómetrodel apar-
tado FUNCIÓN COMPETICIÓN.)
Vuelta a FUNCIÓN BÁSICA desde
FUNCIÓN COMPETICIÓN
NOTA:
Se puede volver a la FUNCIÓN
BÁSICA cuando el cronómetro está
parado.
1. Compruebe que el cronómetro
no esté funcionando. Si el cronó-
metro está funcionando, párelo
pulsando el botón SLCT1 y el
botón SLCT2 al mismo tiempo.
2. Pulse el botón SLCT1 y el
botón SLCT2 al mismo tiempo
durante 2 segundos o más para
cambiar a FUNCIÓN BÁSICA.
MULTIFUNKTIONSANZEIGE
DISPLAY MULTIFUNZIONE
VISOR MULTIFUNCIÓN
1 - 41
GEN
INFO
MULTI-FUNCTION DISPLAY
RACE MODE
Putting measurement on standby
NOTE:
Starting measurement consists of the
following two starts, either of which
can be selected.
Manual start
Starting measurement by the rider
himself operating the button. (A long
push on SLCT2 button will put mea-
surement on standby.)
Auto start
Starting timer measurement auto-
matically on detection of the move-
ment of the machine. (A long push
on SLCT1 button will put measure-
ment on standby.)
Manual start
NOTE:
Initial setting at changeover to RACE
MODE will remain for manual start.
1. Check that changeover to RACE
MODE has been made. (Refer to
Changeover from BASIC
MODE to RACE MODE.)
NOTE:
When the machine is made ready for
a run by manual start, and will
start flashing.
2. Start timer measurement by
pushing the RST button.
3. When stopping timer measure-
ment, pushing the SLCT1 but-
ton and SLCT2 button at the
same time.
NOTE:
If the machine is run while timer
measurement is not made, no
change will occur to the digit in trip-
meter A (TRIP A).
4. To resume the measurement,
again push the SLCT1 button
and SLCT2 button at the same
time.
MODE COURSE
Désactivation de la mesure
N.B.:
Le démarrage de la mesure se compose
des deux démarrages suivants pouvant
être sélectionnés.
Démarrage manuel
Démarrage de la mesure par le pilote lui-
même en appuyant sur le bouton. Une
longue pression sur SLCT2 désactive
la mesure.
Démarrage automatique
Démarrage automatique de la mesure du
chronomètre à la détection du mouve-
ment du véhicule. Une longue pression
sur SLCT1 désactive la mesure.
Démarrage manuel
N.B.:
Le réglage initial lors du passage en
MODE COURSE est conservé pour le
démarrage manuel.
1. Vérifier que le passage en MODE
COURSE a bien été effectué. Se
reporter à la section Passage du
MODE DE BASE en MODE
COURSE.
N.B.:
Lorsque le véhicule est prêt pour la
course avec démarrage manuel,
et commencent à clignoter.
2. Lancer la mesure du chronomètre
en appuyant sur le bouton RST.
3. Pour arrêter la mesure du chrono-
mètre, appuyer sur les boutons
SLCT1 et SLCT2 en même
temps.
N.B.:
Si le véhicule continue à rouler lorsque
la mesure est désactivée, le chiffre du
totalisateur journalier A (TRIP A) nest
pas modifié.
4. Pour reprendre la mesure, appuyer
de nouveau sur les boutons
SLCT1 et SLCT2 en même
temps.
ECRAN MULTIFONCTION
1 - 42
GEN
INFO
RENNSPORT-BETRIEBSART
Timer bereitstellen
HINWEIS:
Der Timer kann auf beide folgende
Weisen gestartet werden.
Manueller Start
Der Fahrer selbst startet den Timer
durch Tastendruck. (Ein langer
Druck auf die Taste SLCT2 stellt
den Timer bereit.)
Automatischer Start
Der Timer startet automatisch, wenn
das Fahrzeug sich in Bewegung
setzt. (Ein langer Druck auf die Taste
SLCT1 stellt den Timer bereit.)
Manueller Start
HINWEIS:
Nach dem Umschalten auf die
RENNSPORT-BETRIEBSART ist
der Timer auf manuellen Start vor-
eingestellt.
1. Sicherstellen, dass das Display
sich in der RENNSPORT-
BETRIEBSART befindet. (Siehe
dazu Von NORMAL- auf RENN-
SPORT-BETRIEBSART wech-
seln.)
HINWEIS:
Wenn der Timer für eine Fahrt mit
manuellem Start bereit steht, blinken
und .
2. Den Timer durch Drücken der
Taste RST starten.
3. Beim Stoppen des Timers müs-
sen die Tasten SLCT1 und
SLCT2 gleichzeitig gedrückt
werden.
HINWEIS:
Eine bei gestopptem Timer zurück-
gelegte Strecke wird nicht vom
Tageskilometerzähler A (TRIP A)
registriert.
4. Um die Messung wieder aufzu-
nehmen, die Tasten SLCT1
und SLCT2 gleichzeitig drü-
cken.
MODALITÀ CORSA
Messa in standby dei conteggi
NOTA:
È possibile avviare i conteggi in uno dei
due modi seguenti.
Avvio manuale
Il conducente preme personalmente il
pulsante di funzionamento per avviare il
conteggio. (Una pressione prolungata del
pulsante SLCT2 metterà il conteggio
in standby.)
Avvio automatico
Il conteggio del timer inizia automatica-
mente quando si rileva il movimento
della macchina. (Una pressione prolun-
gata del pulsante SLCT1 metterà il
conteggio in standby.)
Avvio manuale
NOTA:
Limpostazione iniziale al momento del
passaggio alla MODALITÀ CORSA
rimarrà lavvio manuale.
1. Controllare che sia stato eseguito il
passaggio alla MODALITÀ
CORSA. (Fare riferimento a Pas-
saggio dalla MODALITÀ DI BASE
alla MODALITÀ CORSA.)
NOTA:
Quando la macchina è pronta per funzio-
nare con lavvio manuale, e inizie-
ranno a lampeggiare.
2. Avviare il conteggio del timer pre-
mendo il pulsante RST.
3. Per interrompere il conteggio del
timer, premere contemporanea-
mente il pulsante SLCT1 e il pul-
sante SLCT2.
NOTA:
Se si avvia la macchina senza aver ese-
guito il conteggio del timer, le cifre del
contachilometri parziale A (TRIP A) non
cambieranno.
4. Per riprendere il conteggio, premere
nuovamente il pulsanteSLCT1 e
il pulsante SLCT2 contemporane-
amente.
FUNCIÓN COMPETICIÓN
Puesta en espera del cronómetro
NOTA:
Se pueden seleccionar las dos
maneras siguientes de poner en
marcha el cronómetro.
Puesta en marcha manual
El conductor pone en marcha el cro-
nómetro accionando el botón. (Man-
teniendo pulsado el botón SLCT2
el cronómetro queda en espera.)
Puesta en marcha automática
El cronómetro se pone en marcha
automáticamente cuando detecta
movimiento de la máquina. (Mante-
niendo pulsado el botón SLCT1 el
cronómetro queda en espera.)
Puesta en marcha manual
NOTA:
La indicación inicial al cambiar a
FUNCIÓN COMPETICIÓN se man-
tiene en la puesta en marcha manual.
1. Compruebe que haya cambiado
a FUNCIÓN COMPETICIÓN.
(Consulte el apartado Cambio
de FUNCIÓN BÁSICA a FUN-
CIÓN COMPETICIÓN.)
NOTA:
Cuando la máquina está preparada
para un recorrido con puesta en mar-
cha manual del cronómetro, y
comienzan a parpadear.
2. Ponga en marcha el cronómetro
pulsando el botón RST.
3. Para parar el cronómetro, pulse
el botón SLCT1 y el botón
SLCT2 al mismo tiempo.
NOTA:
Si la máquina avanza con el cronó-
metro parado, las cifras del cuentaki-
lómetros parcial A (TRIP A) no
cambian.
4. Para volver a poner en marcha
el cronómetro, pulse el botón
SLCT1 y el botón SLCT2 al
mismo tiempo.
MULTIFUNKTIONSANZEIGE
DISPLAY MULTIFUNZIONE
VISOR MULTIFUNCIÓN
1 - 43
GEN
INFO
MULTI-FUNCTION DISPLAY
Auto start
1. Check that changeover has
been made to RACE MODE.
(Refer to Changeover from
BASIC MODE to RACE
MODE.)
2. Make the machine ready for a
run by pushing the SLCT1 but-
ton for 2 seconds or more.
NOTE:
When measurement is made ready
for a run by auto start, and will
start flashing. Timer display will turn
on scrolling from left to right.
3. Run the machine and start timer
measurement.
4. To stop timer measurement,
pushing the SLCT1 button and
the SLCT2 button at the same
time.
NOTE:
If the machine is run while timer
measurement is not made, no
change will occur to the digit in trip-
meter A (TRIP A).
5. To resume the measurement,
again pushing the SLCT1 but-
ton and SLCT2 button at the
same time.
Resetting measurement data
NOTE:
Resetting can be made in the follow-
ing two manners.
Resetting is possible while timer
measurement is made:
Reset tripmeter A.
Resetting is possible while timer
measurement is not made:
Reset tripmeter A and timer.
Resetting tripmeter A (TRIP A)
1. Check that the timer is in opera-
tion. If the timer is not in opera-
tion, start the timer by pushing
the SLCT1 button and SLCT2
button at the same time.
2. Reset tripmeter A (TRIP A) dis-
play by pushing the RST button
for 2 seconds or more.
NOTE:
If reset, and travel distance dis-
play will go on flashing for four sec-
onds.
Démarrage automatique
1. Vérifier que le passage en MODE
COURSE a bien été effectué. Se
reporter à la section Passage du
MODE DE BASE en MODE
COURSE.
2. Préparer le véhicule pour la course
en appuyant sur le bouton SLCT1
pendant 2 secondes minimum.
N.B.:
Lorsque le dispositif de mesure est prêt
pour la course avec démarrage automati-
que, et commencent à clignoter.
L’écran du chronomètre sactive et défile
de gauche à droite.
3. Démarrer le véhicule pour commen-
cer la mesure.
4. Pour arrêter la mesure du chrono-
mètre, appuyer sur les boutons
SLCT1 et SLCT2 en même
temps.
N.B.:
Si le véhicule continue à rouler lorsque
la mesure est désactivée, le chiffre du
totalisateur journalier A (TRIP A) nest
pas modifié.
5. Pour reprendre la mesure, appuyer
de nouveau sur les boutons
SLCT1 et SLCT2 en même
temps.
Remise à zéro des données de mesure
N.B.:
La remise à zéro peut être effectuée des
deux manières suivantes.
La remise à zéro est possible pendant la
mesure:
Remettre à zéro le totalisateur journa-
lier A.
La remise à zéro est possible lorsque la
mesure est désactivée:
Remettre à zéro le totalisateur journa-
lier A et le chronomètre.
Remise à zéro du totalisateur journalier
A (TRIP A)
1. Vérifier que le chronomètre est en
fonctionnement. Sil ne lest pas,
lancer le chronomètre en appuyant
sur les boutons SLCT1 et
SLCT2 en même temps.
2. Réinitialiser le totalisateur journa-
lier A (TRIP A) en appuyant sur le
bouton RST pendant 2 secondes
minimum.
N.B.:
Une fois la remise à zéro effectuée,
laffichage et celui de la distance par-
courue clignotent pendant quatre secon-
des.
ECRAN MULTIFONCTION
1 - 44
GEN
INFO
Automatischer Start
1. Sicherstellen, dass das Display
sich in der RENNSPORT-
BETRIEBSART befindet. (Siehe
dazu Von NORMAL- auf RENN-
SPORT-BETRIEBSART wech-
seln.)
2. Die Maschine für ein Rennen
vorbereiten, indem die Taste
SLCT1 mindestens 2 Sekun-
den lang gedrückt wird.
HINWEIS:
Wenn der Timer zu automatischem
Start bereit steht, blinken und .
Die Timer-Anzeige läuft von links
nach rechts ab.
3. Anfahren und den Timer starten.
4. Um den Timer zu stoppen, die
Tasten SLCT1 und SLCT2
gleichzeitig drücken.
HINWEIS:
Eine bei gestopptem Timer zurück-
gelegte Strecke wird nicht vom
Tageskilometerzähler A (TRIP A)
registriert.
5. Um die Messung wieder aufzu-
nehmen, die Tasten SLCT1
und SLCT2 gleichzeitig drü-
cken.
Rückstellung
HINWEIS:
Rückstellung kann auf beide folgen-
den Weisen erfolgen.
Rückstellung ist möglich, während
der Timer in Betrieb ist:
Tageskilometerzähler A.
Rückstellung ist möglich während
der Timer nicht in Betrieb ist:
Tageskilometerzählers A und
Timer zurückstellen.
Tageskilometerzähler A (TRIP A)
zurückstellen
1. Sicherstellen, dass der Timer in
Betrieb ist. Ist der Timer nicht in
Betrieb, kann dieser durch
gleichzeitiges Drücken der Tas-
ten SLCT1 und SLCT2
gestartet werden.
2. Die Anzeige des Tageskilometer-
zählers A (TRIP A) durch mindes-
tens 2 Sekunden langes Drücken
der Taste RST zurückstellen.
HINWEIS:
Nach der Rückstellung blinken
und die Tageskilometerzähleran-
zeige vier Sekunden lang.
Avvio automatico
1. Controllare che sia stato eseguito il
passaggio alla MODALITÀ
CORSA. (Fare riferimento a Pas-
saggio dalla MODALITÀ DI BASE
alla MODALITÀ CORSA.)
2. Preparare la macchina al funziona-
mento premendo il pul-
santeSLCT1 per 2 secondi o più.
NOTA:
Quando il conteggio è pronto per lavvio
automatico, e inizieranno a lam-
peggiare. Il display del timer si accen-
derà scorrendo da sinistra a destra.
3. Azionare la macchina e avviare il
conteggio del timer.
4. Per interrompere il conteggio del
timer, premere contemporanea-
mente il pulsante SLCT1 e il pul-
sante SLCT2.
NOTA:
Se si avvia la macchina senza aver ese-
guito il conteggio del timer, le cifre del
contachilometri parziale A (TRIP A) non
cambieranno.
5. Per riprendere il conteggio, premere
nuovamente il pulsanteSLCT1 e
il pulsante SLCT2 contemporane-
amente.
Azzeramento dei dati del conteggio
NOTA:
È possibile azzerare i dati nei due modi
seguenti:
È possibile azzerare i dati durante il con-
teggio del timer.
Azzerare il contachilometri parziale
A.
È possibile azzerare i dati quando il con-
teggio del timer non è in corso.
Azzerare il contachilometri parziale A
e il timer.
Azzeramento del contachilometri par-
ziale A (TRIP A)
1. Controllare che il timer sia in fun-
zione. Se il timer non è in funzione,
avviarlo premendo contemporanea-
mente il pulsante SLCT1 e il pul-
sante SLCT2.
2. Azzerare il display del contachilo-
metri parziale A (TRIP A) pre-
mendo il pulsante RST per 2
secondi o più.
NOTA:
Se azzerato, e il display della distanza
percorsa lampeggeranno per quattro
secondi.
Puesta en marcha automática
1. Compruebe que haya cambiado
a FUNCIÓN COMPETICIÓN.
(Consulte el apartado Cambio
de FUNCIÓN BÁSICA a FUN-
CIÓN COMPETICIÓN.)
2. Prepare el cronómetro para un
recorrido pulsando el botón
SLCT1 durante 2 segundos o
más.
NOTA:
Cuando el cronómetro está prepa-
rado para un recorrido con puesta en
marcha automática, y comien-
zan a parpadear. La indicación del
cronómetro se activa y se desplaza
de izquierda a derecha.
3. El cronómetro se pone en mar-
cha cuando la máquina
comienza a moverse.
4. Para parar el cronómetro, pulse
el botón SLCT1 y el botón
SLCT2 al mismo tiempo.
NOTA:
Si la máquina avanza con el cronó-
metro parado, las cifras del cuentaki-
lómetros parcial A (TRIP A) no
cambian.
5. Para volver a poner en marcha
el cronómetro, pulse el botón
SLCT1 y el botón SLCT2 al
mismo tiempo.
Puesta a cero del cronómetro
NOTA:
El cronómetro se puede poner a cero
de las dos maneras siguientes.
El cronómetro se puede poner a cero
mientras está funcionando:
Ponga a cero el cuentakilómetros
parcial A.
El cronómetro se puede poner a cero
mientras no está funcionando:
Ponga a cero el cuentakilómetros
parcial A y el cronómetro.
Puesta a cero del cuentakilómetros
parcial A (TRIP A)
1. Compruebe que el cronómetro
esté funcionando. Si el cronóme-
tro no está funcionando, póngalo
en marcha pulsando el botón
SLCT1 y el botón SLCT2 al
mismo tiempo.
2. Ponga a cero el cuentakilóme-
tros parcial A (TRIP A) pulsando
el botón RST durante 2 segun-
dos o más.
NOTA:
Cuando se pone a cero, y la indi-
cación de distancia recorrida parpa-
dean durante cuatro segundos.
MULTIFUNKTIONSANZEIGE
DISPLAY MULTIFUNZIONE
VISOR MULTIFUNCIÓN
1 - 45
GEN
INFO
MULTI-FUNCTION DISPLAY
Resetting tripmeter A (TRIP A) and
timer
1. Check that the timer is not in
operation. If the timer is in opera-
tion, stop it by pushing the
SLCT1 button and SLCT2
button at the same time.
2. Reset all measured data by
pushing the RST button for 2
seconds or more.
NOTE:
Resetting will reset the timer dis-
play and travel distance display
and put measurement on standby.
Auto start attempt will put mea-
surement on standby as such.
Likewise, manual start attempt will
put measurement on standby as
such.
Correcting tripmeter A (TRIP A)
1. Change the travel distance dis-
play by pushing the SLCT1
button (plus) or SLCT2 button
(minus). A long push on the but-
ton will fast-forward the change.
NOTE:
Change can be made any time while
timer measurement is or is not being
made.
Remise à zéro du totalisateur journalier
A (TRIP A) et du chronomètre
1. Vérifier que le chronomètre nest
pas en fonctionnement. Sil lest,
arrêter le chronomètre en appuyant
sur les boutons SLCT1 et
SLCT2 en même temps.
2. Remettre à zéro toutes les données
mesurées en appuyant sur le bouton
RST pendant 2 secondes mini-
mum.
N.B.:
La remise à zéro réinitialise laffi-
chage du chronomètre et de la distance
parcourue et désactive les mesures.
Les tentatives de démarrage automati-
que désactivent également la mesure,
de même que celles de démarrage
manuel.
Correction du totalisateur journalier
A (TRIP A)
1. Changer la distance parcourue en
appuyant sur le bouton SLCT1
(plus) ou SLCT2 (moins).
Appuyer longuement sur le bouton
accélère la modification.
N.B.:
Des modifications peuvent être apportées
à nimporte quel moment lorsque la
mesure du chronomètre est activée ou non.
ECRAN MULTIFONCTION
1 - 46
GEN
INFO
Tageskilometerzähler A (TRIP A)
und Timer zurückstellen
1. Sicherstellen, dass der Timer
nicht in Betrieb ist. Ist der Timer
in Betrieb, kann dieser durch
gleichzeitiges Drücken der Tas-
ten SLCT1 und SLCT2
gestoppt werden.
2. Den Timer zurückstellen, indem
die Taste RST mindestens 2
Sekunden lang gedrückt wird.
HINWEIS:
Nach der Rückstellung stehen
Timer und Tageskilometerzähler
bereit.
Ein automatischer Start stellt den
Timer in gleicher Weise bereit. Ein
manueller Startversuch stellt den
Timer ebenfalls in gleicher Weise
bereit.
Tageskilometerzähleranzeige A
(TRIP A) ändern
1. Die Kilometeranzeige durch Drü-
cken der Taste SLCT1 (Plus)
oder der Taste SLCT2 (Minus)
verändern. Wird die Taste länger
gedrückt, laufen die Ziffern
schneller ab.
HINWEIS:
Eine Änderung kann vorgenommen
werden, ob der Timer in Betrieb ist
oder nicht.
Azzeramento del contachilometri par-
ziale A (TRIP A) e del timer
1. Controllare che il timer non sia in
funzione. Se il timer è in funzione,
arrestarlo premendo contemporane-
amente il pulsante SLCT1 e il
pulsante SLCT2.
2. Azzerare tutti i dati misurati pre-
mendo il pulsante RST per 2
secondi o più.
NOTA:
Lazzeramento ripristinerà il display
del timer e della distanza percorsa,
mettendo in standby il conteggio.
Anche il tentativo di avvio automatico
metterà in standby il conteggio, così
come il tentativo di avvio manuale.
Correzione del contachilometri
parziale A (TRIP A)
1. Modificare il display della distanza
percorsa premendo il pulsante
SLCT1 (più) o il pulsante
SLCT2 (meno). Una pressione
prolungata del pulsante farà aumen-
tare velocemente i valori modificati.
NOTA:
È possibile apportare le modifiche in
qualsiasi momento quando il conteggio
del timer è o non è in funzione.
Puesta a cero del cuentakilómetros
parcial A (TRIP A) y el cronómetro
1. Compruebe que el cronómetro
no esté funcionando. Si el cronó-
metro está funcionando, párelo
pulsando el botón SLCT1 y el
botón SLCT2 al mismo tiempo.
2. Ponga a cero todos los datos
medidos pulsando el botón
RST durante 2 segundos o
más.
NOTA:
Con esta operación se pone a cero
la indicación del cronómetro, la
indicación de distancia recorrida, y
el cronómetro queda en espera.
Si se selecciona la puesta en mar-
cha automática, el cronómetro
queda en espera. Igualmente, si
se selecciona la puesta en marcha
manual, el cronómetro queda en
espera.
Corrección del cuentakilómetros
parcial A (TRIP A)
1. Cambie la indicación de distan-
cia recorrida pulsando el botón
SLCT1 (más) o el botón
SLCT2 (menos). Si mantiene
pulsado el botón la indicación
cambia rápidamente.
NOTA:
El cambio se puede efectuar en cual-
quier momento tanto si el cronóme-
tro está funcionando como si no lo
está.
MULTIFUNKTIONSANZEIGE
DISPLAY MULTIFUNZIONE
VISOR MULTIFUNCIÓN
1 - 47
GEN
INFO
MULTI-FUNCTION DISPLAY
FUNCTION DIAGRAM
NOTE:
The following diagram illustrates the multi-function display regarding the direction and operation condition involved in each
of its functions.
A short push on the button changes the opera-
tion in the arrowed direction.
A short push on the button changes the opera-
tion in both arrowed directions.
A long push on the button changes the opera-
tion in the arrowed direction.
A long push on the button changes the opera-
tion in both arrowed directions.
Meter function
Function that can be performed whether the
time is or is not in operation.
Extent to which the meter can operate
2Clock
3Tripmeter 4Speedometer
(for U.K.)
ODO TRIP A TRIP B
ODO MPH km/h MPH
6Putting measurement on
standby
7Manual start 8Auto start
9Measurement starts as the
machine moves
0Timer in operation
AReset
TRIP A
BCorrect
TRIP A
CTimer not in
operation
BCorrect
TRIP A
DReset
TRIP A &
timer
1BASIC MODE
5RACE MODE
1 - 48
GEN
INFO
DIAGRAMME DE FONCTIONNEMENT
N.B.:
Le diagramme suivant illustre le sens et les conditions dutilisa-
tion de chacune des fonctions de l’écran multifonction.
ÈUne pression brève sur le bouton modifie le fonctionnement dans le
sens de la flèche.
ÉUne pression brève sur le bouton modifie le fonctionnement dans les
deux sens de la flèche.
ÊUne pression longue sur le bouton modifie le fonctionnement dans le
sens de la flèche.
ËUne pression longue sur le bouton modifie le fonctionnement dans
les deux sens de la flèche.
ÌFonction de compteur
ÍFonction pouvant être exécutée que lheure soit activée ou non.
ÎEtendue de fonctionnement du compteur
1MODE DE BASE
2Montre
3Totalisateur journalier
ODO TRIP A TRIP B ODO
4Compteur de vitesse (pour le Royaume-Uni)
MPH km/h MPH
5MODE COURSE
6Désactivation de la mesure
7Démarrage manuel
8Démarrage automatique
9La mesure commence lorsque le véhicule se déplace
0Chronomètre en fonctionnement
ARemise à zéro TRIP A
BCorrection TRIP A
CChronomètre pas en fonctionnement
DRemise à zéro TRIP A et chronomètre
FUNKTIONSDIAGRAMM
HINWEIS:
Nachfolgendes Diagramm gibt Aufschluss über den
Betrieb der Multifunktionsanzeige.
ÈNach kurzem Tastendruck fließt das Diagramm in Pfeilrichtung
weiter.
ÉNach kurzem Tastendruck fließt das Diagramm in beiden Pfeil-
richtungen weiter.
ÊNach langem Tastendruck fließt das Diagramm in Pfeilrichtung
weiter.
ËNach langem Tastendruck fließt das Diagramm in beiden Pfeil-
richtungen weiter.
ÌFunktion
ÍFunktion möglich, ob der Timer in betrieb ist oder nicht.
ÎBetriebsfähigkeit des Zählers
1NORMAL-BETRIEBSART
2Zeituhr
3Tageskilometerzähler
ODO TRIP A TRIP B ODO
4Tageskilometerzähler (nur U.K.)
MPH km/h MPH
5RENNSPORT-BETRIEBSART
6Timer wird bereitgestellt.
7Manueller Start
8Automatischer Start
9Zähler startet beim Anfahren
0Timer in Betrieb
ATRIP A rückstellen
BTRIP A ändern
CTimer nicht in Betrieb
DTRIP A und Timer rückstellen
SCHEMA FUNZIONI
NOTA:
Lo schema seguente illustra il display multifunzione eviden-
ziando le direzioni e le condizioni di funzionamento relative a
ogni funzione.
ÈUna pressione breve del pulsante cambia il funzionamento nella dire-
zione della freccia.
ÉUna pressione breve del pulsante cambia il funzionamento in
entrambe le direzioni della freccia.
ÊUna pressione prolungata del pulsante cambia il funzionamento nella
direzione della freccia.
ËUna pressione prolungata del pulsante cambia il funzionamento in
entrambe le direzioni della freccia.
ÌFunzione contatore
ÍFunzione che può essere eseguita quando il conteggio del timer è o
non è in funzione.
ÎMisura entro cui il contatore può funzionare
1MODALITÀ BASE
2Orologio
3Contachilometri parziale
ODO TRIP A TRIP B ODO
4Tachimetro (per il Regno Unito)
MPH km/h MPH
5MODALITÀ CORSA
6Messa in standby dei conteggi
7Avvio manuale
8Avvio automatico
9Il conteggio inizia quando la macchina si muove
0Timer attivo
AAzzera TRIP A
BCorreggi TRIP A
CTimer disattivo
DAzzera TRIP A e timer
DIAGRAMA DE FUNCIONAMIENTO
NOTA:
En el diagrama siguiente se ilustra el funcionamiento del
visor multifunción con la dirección y condiciones de utiliza-
ción de cada una de sus funciones.
ÈCon una pulsación corta del botón el funcionamiento cambia
en la dirección señalada por la flecha.
ÉCon una pulsación corta del botón el funcionamiento cambia
en las dos direcciones señaladas por la flecha.
ÊCon una pulsación larga del botón el funcionamiento cambia
en la dirección señalada por la flecha.
ËCon una pulsación larga del botón el funcionamiento cambia
en las dos direcciones señaladas por la flecha.
ÌFunción del indicador
ÍFunción que puede realizarse tanto si el cronómetro está
funcionando como si no lo está.
ÎLímite hasta el cual el indicador puede funcionar
1FUNCIÓN BÁSICA
2Reloj
3Cuentakilómetros parcial
ODO TRIP A TRIP B ODO
4Velocímetro (Reino Unido)
MPH km/h MPH
5FUNCIÓN COMPETICIÓN
6Puesta en espera del cronómetro
7Puesta en marcha manual
8Puesta en marcha automática
9El cronómetro se pone en marcha cuando la máquina
comienza a moverse
0Cronómetro en marcha
APonga a cero TRIP A
BCorrija TRIP A
CCronómetro parado
DPonga a cero TRIP A y cronómetro
ECRAN MULTIFONCTION
MULTIFUNKTIONSANZEIGE
DISPLAY MULTIFUNZIONE
VISOR MULTIFUNCIÓN
1 - 49
GEN
INFO
FUEL
Always use the recommended fuel
as stated below. Also, be sure to use
new gasoline.
CAUTION:
Use only unleaded gasoline. The
use of leaded gasoline will cause
severe damage to the engine inter-
nal parts such as valves, piston
rings, and exhaust system, etc.
NOTE:
If knocking or pinging occurs, use a
different brand of gasoline or higher
octane grade.
WARNING
For refueling, be sure to stop the
engine and use enough care not
to spill any fuel. Also be sure to
avoid refueling close to a fire.
Refuel after the engine, exhaust
pipe, etc. have cooled off.
Gasohol (For Canada)
There are two types of gasohol: gas-
ohol containing ethanol and that con-
taining methanol. Gasohol containing
ethanol can be used if the ethanol
content does not exceed 10%. Gaso-
hol containing methanol is not rec-
ommended by Yamaha because it
can cause damage to the fuel system
or vehicle performance problems.
Recommended fuel:
Premium unleaded
gasoline only with a
research octane
number of 95 or
higher.
CARBURANT
Toujours utiliser le carburant recom-
mandé, comme indiqué ci-après. Tou-
jours utiliser de la nouvelle essence.
ATTENTION:
Utiliser exclusivement de lessence
sans plomb. Lutilisation dessence
avec plomb endommagera gravement
les pièces internes du moteur telles
que soupapes, segments de piston, sys-
tème d’échappement, etc.
N.B.:
En cas de cognement ou de cliquetis, uti-
liser une autre marque dessence ou une
essence dun indice doctane supérieur.
AVERTISSEMENT
Au moment de faire le plein, ne pas
oublier de couper le moteur. Procé-
der avec soin pour ne pas renverser
dessence. Eviter de faire le plein à
proximité dun feu.
Faire le plein lorsque le moteur, le
tube d’échappement, etc. sont
refroidis.
Carburol (pour le Canada)
Il existe deux types de carburol: le car-
burol contenant de l’éthanol et celui con-
tenant du méthanol. Le carburol
contenant de l’éthanol peut être utilisé si
la teneur en éthanol ne dépasse pas les
10%. Yamaha ne recommande pas le
carburol contenant du méthanol car il
peut endommager le circuit dalimenta-
tion ou affecter les performances du
véhicule.
Carburant recommandé:
Essence super sans
plomb avec indice
doctane de recherche
égal ou supérieur à 95.
FUEL
CARBURANT
1 - 50
GEN
INFO
KRAFTSTOFF
Nur den empfohlenen Kraftstoff tan-
ken. Achten Sie auch darauf, fri-
sches Benzin zu verwenden.
ACHTUNG:
Ausschließlich bleifreies Benzin
tanken. Der Gebrauch verbleiten
Kraftstoffs verursacht unreparier-
bare Schäden am Motor (z. B. den
Ventilen), am Auspuffsystem usw.
HINWEIS:
Tritt bei hoher Last (Vollgas) Motor-
klingeln (oder -klopfen) auf, Marken-
kraftstoff eines renommierten
Anbieters oder Benzin mit höherer
Oktanzahl verwenden.
WARNUNG
Zum Tanken den Motor abstel-
len und darauf achten, dass kein
Benzin verschüttet wird. Feuer
fern halten.
Vor dem Tanken Motor, Auspuff
usw. abkühlen lassen.
Gasohol (Alkohol-Kraftstoff) (Für
Kanada)
Es gibt zwei Gasoholtypen: Gasohol
mit Äthanol und Gasohol mit Metha-
nol. Gasohol mit Äthanol kann ver-
wendet werden, wenn der
Äthanolgehalt 10% nicht überschrei-
tet. Gasohol mit Methanol wird nicht
von Yamaha empfohlen, weil es das
Kraftstoffsystem beschädigen oder
die Fahrzeugleistung beeinträchtigen
kann.
Empfohlener Kraftstoff:
Bleifreies Superbenzin
mit einer
Mindestoktanzahl von
95 (ROZ).
CARBURANTE
Utilizzare sempre il carburante racco-
mandato di seguito. Accertarsi inoltre di
utilizzare benzina nuova.
ATTENZIONE:
Utilizzare solo benzina senza piombo.
Lutilizzo di benzina con piombo pro-
voca gravi danni ai componenti
interni del motore, quali valvole, fasce
elastiche di pistoni, impianto di sca-
rico ecc.
NOTA:
In caso di rumori simili a battiti, utiliz-
zare una marca diversa di benzina o un
numero di ottani superiore.
AVVERTENZA
Per effettuare il rifornimento di
benzina, assicurarsi di arrestare il
motore e prestare attenzione a non
versare in alcun modo il carburante.
Inoltre, evitare i rifornimenti in
prossimità di una fiamma.
Effettuare il rifornimento dopo che
il motore, il tubo di scarico ecc. si
sono raffreddati.
Gasohol (Per il Canada)
Esistono due tipi di gasohol: quello con-
tenente etanolo e quello contenente
metanolo. Il gasohol contenente etanolo
può essere utilizzato se il contenuto di
etanolo non supera il 10%. Il gasohol
contenente metanolo è sconsigliato da
Yamaha poiché può danneggiare
limpianto del carburante o creare pro-
blemi a carico delle prestazioni del vei-
colo.
Carburante raccomandato:
Benzina super senza
piombo, solo con numero
di ottani uguale o
superiore a 95.
COMBUSTIBLE
Utilice siempre el combustible reco-
mendado que se indica más abajo.
Asegúrese también de utilizar gaso-
lina nueva.
ATENCION:
Utilice únicamente gasolina sin
plomo. El uso de gasolina con
plomo dañará gravemente compo-
nentes internos del motor como
válvulas, aros de pistón, sistema
de escape, etc.
NOTA:
Si se produce autoencendido o
picado, utilice una gasolina de otra
marca o de mayor octanaje.
ADVERTENCIA
Para repostar pare el motor y
evite derramar combustible. Asi-
mismo, evite repostar cerca de
un fuego.
Ponga gasolina cuando el
motor, el tubo de escape, etc. se
hayan enfriado.
Gasohol (para Canadá)
Existen dos tipos de gasohol: el
gasohol que contiene etanol y el que
contiene metanol. El gasohol que
contiene etanol puede utilizarse si el
contenido en etanol no supera el
10%. Yamaha no recomienda el
gasohol que contiene metanol, ya
que puede dañar el sistema de com-
bustible o causar problemas en el
rendimiento del vehículo.
Combustible
recomendado:
Únicamente gasolina
súper sin plomo de 95
octanos como mínimo.
KRAFTSTOFF
CARBURANTE
COMBUSTIBLE
1 - 51
GEN
INFO
STARTING AND
BREAK-IN
WARNING
Never start or run the engine in a
closed area. The exhaust fumes
are poisonous; they can cause
loss of consciousness and death
in a very short time. Always oper-
ate the machine in a well-venti-
lated area.
CAUTION:
The carburetor on this machine
has a built-in accelerator pump.
Therefore, when starting the
engine, do not operate the throt-
tle or the spark plug will foul.
Unlike a two-stroke engine, this
engine cannot be kick started
when the throttle is open
because the kickstarter may
kick back. Also, if the throttle is
open the air/fuel mixture may be
too lean for the engine to start.
Before starting the machine,
perform the checks in the pre-
operation check list.
AIR FILTER MAINTENANCE
According to AIR FILTER CLEAN-
ING section in the CHAPTER 3,
apply the foam-air-filter oil or its
equivalent to the element. (Excess
oil in the element may adversely
affect engine starting.)
STARTING A COLD ENGINE
NOTE:
This model is equipped with an igni-
tion circuit cut-off system. The
engine can be started under the fol-
lowing conditions.
When the transmission is in neu-
tral.
When the clutch is disengaged
with the transmission in any posi-
tion. However, it is recommended
to shift into neutral before starting
the engine.
MISE EN MARCHE ET
RODAGE
AVERTISSEMENT
Ne jamais démarrer ou faire tourner
le moteur dans un endroit clos. Les
gaz d’échappement sont nocifs et peu-
vent entraîner très rapidement un éva-
nouissement, voire la mort. Toujours
faire tourner le moteur dans un
endroit bien ventilé.
ATTENTION:
Le carburateur de cette moto est
équipé dune pompe de reprise inté-
grée. Par conséquent, on ne donnera
pas de gaz en démarrant le moteur
sous peine de noyer la bougie.
A la différence dun moteur deux
temps, ce moteur ne peut pas être
démarré au kick lorsque le papillon
est ouvert parce que le kick risque
de revenir brutalement. De même, si
le papillon est ouvert, le mélange
air/carburant risque d’être trop
pauvre pour permettre le démar-
rage du moteur.
Avant de mettre le moteur en mar-
che, effectuer les contrôles repris
dans la liste Contrôles et entretiens
avant utilisation.
MAINTENANCE DU FILTRE A AIR
Comme indiqué à la section NET-
TOYAGE DU FILTRE A AIR du
CHAPITRE 3, appliquer lhuile pour fil-
tre à air mousse ou une huile équivalente
sur la cartouche de filtre. (Un excès
dhuile dans la cartouche peut rendre le
démarrage du moteur plus difficile.)
MISE EN MARCHE A FROID
N.B.:
Ce modèle est équipé dun coupe-circuit
dallumage. Il est possible de démarrer le
moteur dans les conditions suivantes.
Lorsque la boîte de vitesses est au
point mort.
En débrayant, dans nimporte quelle
position de la boîte de vitesses. Il est
toutefois recommandé de revenir au
point mort avant de démarrer le
moteur.
STARTING AND BREAK-IN
MISE EN MARCHE ET RODAGE
1 - 52
GEN
INFO
STARTEN UND
EINFAHREN
WARNUNG
Den Motor unter keinen Umstän-
den in geschlossenen Räumen
anlassen und betreiben. Motorab-
gase sind äußerst giftig und füh-
ren in kurzer Zeit zu
Bewusstlosigkeit und Tod. Stets
für eine gute Belüftung sorgen.
ACHTUNG:
Der Vergaser dieses Modells ist
mit einer Beschleunigungs-
pumpe ausgerüstet. Deshalb
beim Anlassen des Motors den
Gasdrehgriff nicht öffnen; ande-
renfalls verölt die Zündkerze.
Ungleich einem 2-Takt-Motor,
kann dieser Motor nicht mit
geöffnetem Gasdrehgriff ange-
lassen werden; anderenfalls
könnte der Kickstarterhebel
rückschlagen. Außerdem könnte
das Gemisch bei geöffnetem
Gasdrehgriff zu mager sein.
Vor dem Starten die Routine-
kontrolle vor Fahrtbeginn aus-
führen.
LUFTFILTER WARTEN
Entsprechend dem Abschnitt LUFT-
FILTER REINIGEN in KAPITEL 3,
Schaumfilteröl auf den Filtereinsatz
auftragen. (Ein Überschuss an Öl
kann Startprobleme verursachen.)
KALTEN MOTOR ANLASSEN
HINWEIS:
Das Motorrad ist mit einem Zündun-
terbrechungs- und Anlasssperrschal-
ter-System ausgerüstet. Daher kann
der Motor nur gestartet werden,
wenn die folgenden Bedingungen
erfüllt sind.
Das Getriebe ist in der Leerlauf-
stellung.
Der Kupplungshebel ist bei einge-
legtem Gang gezogen. Es ist rat-
sam, den Motor in der
Leerlaufstellung des Getriebes
anzulassen.
AVVIAMENTO E
-RODAGGIO
AVVERTENZA
Non avviare o far funzionare il motore
in un ambiente chiuso. I gas di scarico
sono tossici; causano la perdita di
conoscenza e la morte in pochissimo
tempo. Utilizzare sempre il mezzo in
ambienti ben ventilati.
ATTENZIONE:
Il carburatore di questo mezzo è
dotato di una pompa acceleratore
interna. Quindi, non azionare la
manopola dellacceleratore avviando
il motore, altrimenti la candela
daccensione si sporca.
A differenza dei motori a due tempi,
con questo motore non si può utiliz-
zare la leva di avviamento a pedale
con lacceleratore in funzione per-
ché la leva potrebbe scattare indie-
tro. Inoltre, se lacceleratore è in
funzione, la miscela aria/carburante
potrebbe risultare troppo povera
per avviare il motore.
Prima di avviare il mezzo, eseguire i
controlli segnalati nellelenco delle
operazioni da compiere prima della
messa in funzione.
MANUTENZIONE DEL FILTRO
ARIA
In base a quanto riportato nella sezione
PULIZIA DEL FILTRO ARIA nel
CAPITOLO 3, applicare allelemento
lolio schiuma filtro aria o un prodotto
equivalente. (Lolio in eccesso nellele-
mento compromette lavviamento del
motore.)
AVVIAMENTO DEL MOTORE A
FREDDO
NOTA:
Questo modello è dotato di un sistema di
interruzione del circuito di accensione. Il
motore può essere avviato solo se si veri-
ficano le seguenti condizioni.
Il cambio è in folle.
La frizione non è innestata e il cambio
è in una posizione qualsiasi. Tuttavia,
si consiglia di mettere in folle prima di
avviare il motore.
PUESTA EN MARCHA Y
RODAJE
ADVERTENCIA
No arranque ni tenga nunca el
motor en marcha en un espacio
cerrado. Los humos del escape
son tóxicos y pueden provocar la
pérdida del conocimiento y la
muerte de forma muy rápida. Haga
funcionar siempre la máquina en
un lugar bien ventilado.
ATENCION:
El carburador de esta máquina
incorpora una bomba de acele-
ración. Por tanto, al arrancar el
motor no accione el acelerador,
ya que de lo contrario la bujía se
engrasará.
A diferencia de un motor de dos
tiempos, este motor no se
puede poner en marcha con el
pedal cuando el acelerador está
abierto, ya que el pedal puede
rebotar. Asimismo, si el acelera-
dor está abierto, la mezcla de
aire y combustible puede ser
demasiado pobre para arrancar.
Antes de poner en marcha la
máquina realice las comproba-
ciones previas que se enumeran
en la lista.
MANTENIMIENTO DEL FILTRO DE
AIRE
Según se explica en la sección LIM-
PIEZA DEL FILTRO DE AIRE del
CAPÍTULO 3, aplique el aceite para
filtros de espuma, o su equivalente,
al elemento del filtro de aire. (Un
exceso de aceite en el elemento
puede dificultar el arranque.)
ARRANQUE DEL MOTOR EN FRÍO
NOTA:
Este modelo está equipado con un
sistema de corte del circuito de
encendido. El motor se puede poner
en marcha en las condiciones
siguientes.
Cuando el cambio se encuentra en
punto muerto.
Cuando el embrague está desaco-
plado con la caja de cambios en
cualquier posición. No obstante, se
recomienda poner punto muerto
antes de arrancar el motor.
STARTEN UND EINFAHREN
AVVIAMENTO E -RODAGGIO
PUESTA EN MARCHA Y RODAJE
1 - 53
GEN
INFO
1. Inspect the coolant level.
2. Turn the fuel cock to ON.
3. Push on the main switch to ON.
4. Shift the transmission into neu-
tral.
5. Fully open the cold starter knob
1.
6. Start the engine by pushing the
start switch or by kicking the
kickstarter crank.
NOTE:
If the engine fails to start by pushing
the start switch, release the switch,
wait a few seconds, and then try
again. Each starting attempt should
be as short as possible to preserve
the battery. Do not crank the engine
more than 10 seconds on any one
attempt. If the engine does not start
with the starter motor, try using the
kickstarter crank.
WARNING
If the starter motor will not turn
when pushing the start switch,
stop pushing it immediately and
kick start the engine in order to
avoid the load on the motor.
Do not open the throttle while
kicking the kickstarter crank.
Otherwise, the kickstarter crank
may kick back.
1
7. Return the cold starter knob to
its original position and run the
engine at 3,000 ~ 5,000 r/min for
1 or 2 minutes.
NOTE:
Since this model is equipped with an
accelerator pump, if the engine is
raced (the throttle opened and
closed), the air/fuel mixture will be
too rich and the engine may stall.
Also unlike a two-stroke engine, this
model can idle.
CAUTION:
Do not warm up the engine for
extended periods of time.
1. Contrôler le niveau de liquide de
refroidissement.
2. Placer le robinet de carburant en
position ON.
3. Tourner le contacteur à clé sur
ON.
4. Mettre la boîte au point mort.
5. Tirer complètement la commande
de départ à froid 1.
6. Démarrer le moteur en appuyant sur
le contacteur du démarreur ou en
actionnant le kick.
N.B.:
Si le moteur ne répond pas au contacteur
du démarreur, relâcher ce dernier, atten-
dre quelques secondes et essayer à nou-
veau. Chaque tentative de démarrage
doit être aussi brève que possible pour
économiser la batterie. Ne pas lancer le
moteur pendant plus de 10 secondes à
chaque tentative. Sil est impossible de
démarrer le moteur à laide du démar-
reur, essayer le démarrage au kick.
AVERTISSEMENT
Si le démarreur ne répond pas au
contacteur du démarreur, arrêter
immédiatement dappuyer sur ce
dernier et démarrer au kick pour
éviter de trop solliciter le moteur.
Ne pas ouvrir le papillon tout en
démarrant au kick car ce dernier
risque de revenir brutalement.
7. Repousser la commande de départ à
froid dans sa position dorigine et
faire tourner le moteur à 3.000 à
5.000 tr/min pendant 1 ou 2 minu-
tes.
N.B.:
Ce modèle étant équipé dune pompe de
reprise, si le moteur est emballé (ouver-
ture et fermeture du papillon), le
mélange air/carburant sera trop riche et
le moteur risque de caler. A la différence
dun moteur deux temps, par ailleurs, ce
modèle peut tourner au ralenti.
ATTENTION:
Ne pas faire chauffer le moteur plus
longtemps que nécessaire.
STARTING AND BREAK-IN
MISE EN MARCHE ET RODAGE
1 - 54
GEN
INFO
1. Den Kühlflüssigkeitsstand kon-
trollieren.
2. Den Kraftstoffhahn auf ON stel-
len.
3. Den Zündschalter auf ON stel-
len.
4. Das Getriebe in die Leerlaufstel-
lung schalten.
5. Den Chokehebel 1 bis zum
Anschlag betätigen.
6. Den Starterschalter drücken
oder den Kickstarterhebel durch-
treten, um den Motor anzulas-
sen.
HINWEIS:
Falls der Motor bei Verwendung des
Elektrostarters nicht sofort anspringt,
den Starterschalter freigeben und
einige Sekunden bis zum nächsten
Startversuch warten. Um die Batterie
zu schonen, darf der Starterschalter
jeweils nur kurzzeitig (nie länger als
10 Sekunden) betätigt werden. Falls
der Motor nicht mit dem Elektrostar-
ter angelassen werden kann, den
Kickstarter benutzen.
WARNUNG
Falls der Motor nicht mit dem
Elektrostarter gedreht werden
kann, den Starterschalter nicht
länger betätigen; sondern den
Kickstarter verwenden.
Beim Anlassen des Motors mit
dem Kickstarter den Gasdreh-
griff nicht öffnen. Anderenfalls
könnte der Kickstarterhebel
rückschlagen.
7. Den Chokehebel zurückschie-
ben und den Motor 1 oder 2
Minuten lang mit 3.0005.000
U/min betreiben.
HINWEIS:
Wird der Motor hochgedreht, bewirkt
die von der Beschleunigungspumpe
verursachten Anreicherung des
Gemischs ein Absterben des Motors.
Ungleich einem 2-Takt-Motor, darf
dieser Motor im Leerlauf betrieben
werden.
ACHTUNG:
Den Motor nicht übermäßig lange
im Leerlauf betreiben.
1. Controllare il livello del refrige-
rante.
2. Portare il rubinetto del carburante in
posizione ON.
3. Portare linterruttore di accensione
su ON
4. Mettere in folle.
5. Aprire completamente la manopola
starter per partenze a freddo 1.
6. Avviare il motore premendo linter-
ruttore di avviamento o azionando
la leva di avviamento a pedale.
NOTA:
Se il motore non si avvia premendo
linterruttore di avviamento, rilasciarlo,
attendere pochi secondi e ritentare. Ese-
guire ogni tentativo di avviamento nel
più breve tempo possibile per non scari-
care la batteria. Non avviare il motore
più a lungo di 10 secondi per ogni tenta-
tivo. Se il motore non si avvia con il
motorino di avviamento, tentare con
lavviamento a pedale.
AVVERTENZA
Se, premendo linterruttore di
avviamento, il motorino di avvia-
mento non gira, interrompere la
pressione e avviare il motore con
lavviamento a pedale per evitare il
carico del motorino.
Non azionare lacceleratore durante
lavviamento a pedale. Altrimenti la
leva di avviamento a pedale
potrebbe scattare indietro.
7. Riportare la manopola starter per
partenze a freddo alla posizione ori-
ginaria e far girare il motore a 3.000
~ 5.000 giri/min per 1 o 2 minuti.
NOTA:
Dal momento che questo modello è
dotato di una pompa acceleratore, se il
motore è su di giri (con acceleratore in
funzione o non in funzione), la miscela
aria/carburante potrebbe risultare troppo
ricca e arrestare il motore. Inoltre, a dif-
ferenza dei motori a due tempi, questo
modello può girare in folle.
ATTENZIONE:
Non riscaldare il motore per periodi di
tempo prolungati.
1. Compruebe el nivel de refrige-
rante.
2. Gire la llave de paso del com-
bustible a la posición ON.
3. Pulse el interruptor principal a la
posición ON.
4. Ponga punto muerto.
5. Abra completamente el mando
de arranque en frío 1.
6. Arranque el motor pulsando el
interruptor de arranque o accio-
nando el pedal.
NOTA:
Si el motor no arranca pulsando el
interruptor de arranque, suelte el
interruptor, espere unos segundos e
inténtelo de nuevo. Cada intento de
arranque debe ser lo más breve
posible a fin de preservar la batería.
No accione el arranque durante más
de 10 segundos seguidos. Si el
motor no se pone en marcha con el
motor de arranque, inténtelo con el
pedal.
ADVERTENCIA
Si el motor de arranque no gira
cuando pulsa el interruptor de
arranque, deje inmediatamente
de pulsarlo y arranque con el
pedal a fin de no cargar el motor
de arranque.
No abra el acelerador mientras
acciona el pedal de arranque. Si
lo hace, el pedal puede rebotar.
7. Vuelva a situar el mando de
arranque en frío en su posición
original y mantenga el motor a
3.000 ~ 5.000 r/min durante 1 o
2 minutos.
NOTA:
Dado que este modelo está provisto
de una bomba de aceleración, si da
acelerones (abriendo y cerrando el
acelerador) la mezcla de aire y com-
bustible será demasiado rica y el
motor se puede calar. Asimismo, a
diferencia de un motor de dos tiem-
pos, este modelo puede permane-
cer al ralentí.
ATENCION:
No caliente el motor durante
periodos largos.
STARTEN UND EINFAHREN
AVVIAMENTO E -RODAGGIO
PUESTA EN MARCHA Y RODAJE
1 - 55
GEN
INFO
STARTING A WARM ENGINE
Do not operate the cold starter knob
and throttle. Pull the hot starter lever
1 and start the engine by pushing
the start switch or by kicking the kick-
starter crank forcefully with a firm
stroke.
As soon as the engine starts,
Release the hot starter lever to close
the air passage.
Restarting an engine after a fall
Pull the hot starter lever and start the
engine. As soon as the engine starts,
Release the hot starter lever to close
the air passage.
The engine fails to start
Pull the hot starter lever all the way
out and while holding the lever, kick
the kickstarter crank 10 to 20 times
to clear the engine.
Then, restart the engine.
Refer to Restarting an engine after a
fall.
* Operate the throttle grip before kick
starting.
CAUTION:
Observe the following break-in
procedures during initial opera-
tion to ensure optimum perfor-
mance and avoid engine damage.
Throttle
grip
opera-
tion*
Cold
starter
knob
Hot
starter
lever
Starting a cold engine
Air temperature =
less than 5 °C
(41 °F)
Open 3
or
4 times
ON OFF
Air temperature =
more than 5 °C
(41 °F)
None ON OFF
Air temperature
(normal tempera-
ture) = between
5°C (41 °F) and
25 °C (77 °F)
None ON/
OFF OFF
Air temperature =
more than 25 °C
(77 °F)
None OFF OFF
Starting an engine
after a long period of
time
None ON OFF
Restarting a warm
engine None OFF ON
Restarting an engine
after a fall None OFF ON
MISE EN MARCHE A CHAUD
Ne pas utiliser la commande de départ à
froid ni les gaz. Tirer le levier de démar-
rage à chaud 1 et démarrer le moteur en
appuyant sur le contacteur du démarreur
ou à laide dune poussée ferme sur le
kick.
Dès que le moteur démarre, relâcher le
levier de démarrage à chaud pour fermer
le passage dair.
Redémarrage du moteur après une
chute
Tirer le levier de démarrage à chaud et
lancer le moteur. Dès que le moteur
démarre, relâcher le levier de démarrage
à chaud pour fermer le passage dair.
Le moteur ne démarre pas
Tirer à fond le levier de démarrage à
chaud et, tout en maintenant ce dernier,
appuyer 10 à 20 fois sur le kick pour pur-
ger le moteur.
Redémarrer ensuite le moteur.
Se reporter à Redémarrage du moteur
après une chute.
* Actionner la poignée des gaz avant dutili-
ser le kick.
ATTENTION:
Afin d’éviter dendommager le
moteur et assurer le meilleur rende-
ment possible, il convient de roder la
moto de la manière expliquée ci-après.
Utilisa-
tion de la
poignée
des gaz*
Com-
mande
de
départ à
froid
Levier
de
démar-
rage à
chaud
Démarrage dun moteur froid
Température de lair
= inférieure à 5 °C
(41 °F)
Ouvrir 3
ou 4 fois ON OFF
Température de lair
= supérieure à 5 °C
(41 °F)
Aucune ON OFF
Température de lair
(température nor-
male) = entre 5 °C
(41 °F) et 25 °C
(77 °F)
Aucune ON/OFF OFF
Température de lair
= supérieure à 25 °C
(77 °F)
Aucune OFF OFF
Démarrage du moteur
après une longue période Aucune ON OFF
Redémarrage dun
moteur chaud Aucune OFF ON
Redémarrage du moteur
après une chute Aucune OFF ON
STARTING AND BREAK-IN
MISE EN MARCHE ET RODAGE
1 - 56
GEN
INFO
WARMEN MOTOR ANLASSEN
Weder den Chokehebel noch den
Gasdrehgriff betätigen. Den Warm-
starthebel 1 betätigen und den
Motor entweder mit dem Elektrostar-
ter oder einem festen Tritt auf dem
Kickstarter anlassen.
Nach dem Anlassen des Motors den
Warmstarthebel loslassen, um die
Luftzufuhr zu stoppen.
Starten nach einem Sturz
Den Warmstarthebel betätigen und
den Motor anlassen. Nach dem
Anlassen des Motors den Warmstart-
hebel loslassen, um die Luftzufuhr zu
stoppen.
Wenn der Motor nicht anspringt
Den Warmstarthebel bis zum
Anschlag betätigen und den Kick-
starterhebel 1020 Mal durchtreten,
um den überschüssigen Kraftstoff
aus dem Motor abzulassen.
Den Motor erneut anlassen.
Siehe unter Starten nach einem
Sturz.
* Beim Kickstarten den Gasdrehgriff
zuvor betätigen.
ACHTUNG:
Während der Einfahrzeit müssen
folgende Vorschriften strikt
beachtet werden, um die Motor-
leistung zu optimieren und Schä-
den zu vermeiden.
Gas-
dreh-
griffbetä-
tigung*
Choke-
hebel
Warmstart-
hebel
Kalten Motor anlassen
Lufttemperatur liegt
unter 5 °C (41 °F)
34 Mal
öffnen ON OFF
Lufttemperatur liegt
über 5 °C (41 °F) keine ON OFF
Lufttemperatur ist
normal, zwischen
5°C (41 °F) und
25 °C (77 °F)
keine ON/
OFF OFF
Lufttemperatur liegt
über 25 °C (77 °F) keine OFF OFF
Starten nach langer
Einsatzpause keine ON OFF
Warmen Motor
starten keine OFF ON
Starten nach einem
Sturz keine OFF ON
AVVIAMENTO DEL MOTORE A
CALDO
Non utilizzare la manopola starter per
partenze a freddo e lacceleratore. Tirare
la leva starter per partenze a caldo 1 e
avviare il motore premendo linterruttore
di avviamento o azionando con forza la
leva di avviamento a pedale con un
colpo netto.
Non appena il motore si avvia, rilasciare
la leva starter per partenze a caldo per
chiudere il passaggio dellaria.
Avviamento del motore dopo una
caduta.
Tirare la leva starter per partenze a caldo
e avviare il motore. Non appena il
motore si avvia, rilasciare la leva starter
per partenze a caldo per chiudere il pas-
saggio dellaria.
Il motore non si avvia.
Tirare completamente la leva starter per
partenze a caldo e, tenendola premuta,
azionare 10 o 20 volte la leva di avvia-
mento a pedale per liberare il motore.
Quindi, riavviare il motore.
Fare riferimento a Avviamento del
motore dopo una caduta.
* Azionare la manopola dellacceleratore
prima dellavviamento a pedale.
ATTENZIONE:
Osservare le seguenti procedure di
rodaggio quando si utilizza il mezzo
per le prime volte per assicurare
ottime prestazioni ed evitare danni al
motore.
Aziona-
mento
mano-
pola
accelera-
tore*
Mano-
pola
starter
per par-
tenze a
freddo
Leva
starter
per par-
tenze a
caldo
Avviamento del motore a freddo
Temperatura dellaria
= meno di 5 °C
(41 °F)
Azio-
nare 3 o
4 volte
ON OFF
Temperatura dellaria
= più di 5 °C (41 °F) Nessuno ON OFF
Temperatura dellaria
(temperatura nor-
male) = compresa tra
5°C (41 °F) e 25 °C
(77 °F)
Nessuno ON/OFF OFF
Temperatura dellaria
= più di 25 °C (77 °F) Nessuno OFF OFF
Avviamento del motore
dopo un lungo periodo di
tempo
Nessuno ON OFF
Avviamento del motore
ancora caldo Nessuno OFF ON
Avviamento del motore
dopo una caduta. Nessuno OFF ON
ARRANQUE DEL MOTOR EN
CALIENTE
No utilice el mando de arranque en
frío ni el acelerador. Tire del mando
de arranque en frío 1 y arranque el
motor pulsando el interruptor de
arranque o accionando el pedal con
firmeza.
En cuanto el motor arranque, suelte
el mando de arranque en frío para
cerrar el paso de aire.
Arranque del motor después de
una caída
Tire del mando de arranque en
caliente y arranque el motor. En
cuanto el motor arranque, suelte el
mando de arranque en frío para
cerrar el paso de aire.
El motor no arranca
Tire del mando de arranque en
caliente completamente afuera y,
mientras lo mantiene en esa posi-
ción, accione el pedal de arranque
entre 10 y 20 veces para desahogar
el motor.
A continuación vuelva a arrancar el
motor.
Consulte el apartado Arranque del
motor después de una caída.
* Accionar el acelerador antes de
arrancar con el pedal.
ATENCION:
Observe las instrucciones de
rodaje siguientes durante el fun-
cionamiento inicial a fin de asegu-
rar unas prestaciones óptimas y
evitar daños del motor.
Acciona-
miento
del ace-
lerador*
Mando
de
arran-
que en
frío
Mando
de
arran-
que en
caliente
Arranque del motor en frío
Temperatura del
aire = inferior a 5 °C
(41 °F)
Abrir 3
o 4
veces
ON OFF
Temperatura del
aire = superior a
5 °C (41 °F)
Nin-
guno ON OFF
Temperatura del
aire (temperatura
normal) = entre
5°C (41 °F) y
25 °C (77 °F)
Nin-
guno
ON/
OFF OFF
Temperatura del
aire = superior a
25 °C (77 °F)
Nin-
guno OFF OFF
Arranque del motor
después de un periodo
prolongado de
inactividad
Nin-
guno ON OFF
Arranque del motor en
caliente
Nin-
guno OFF ON
Arranque del motor
después de una caída
Nin-
guno OFF ON
STARTEN UND EINFAHREN
AVVIAMENTO E -RODAGGIO
PUESTA EN MARCHA Y RODAJE
1 - 57
GEN
INFO
BREAK-IN PROCEDURES
1. Before starting the engine, fill the
fuel tank with the fuel.
2. Perform the pre-operation
checks on the machine.
3. Start and warm up the engine.
Check the idle speed, and check
the operation of the controls and
the engine stop switch. Then,
restart the engine and check its
operation within no more than 5
minutes after it is restarted.
4. Operate the machine in the
lower gears at moderate throttle
openings for five to eight min-
utes.
5. Check how the engine runs
when the machine is ridden with
the throttle 1/4 to 1/2 open (low
to medium speed) for about one
hour.
6. Restart the engine and check
the operation of the machine
throughout its entire operating
range. Restart the machine and
operate it for about 10 to 15
more minutes.
CAUTION:
After the break-in or before each
ride, you must check the entire
machine for loose fittings and fas-
teners as per TORQUE-CHECK
POINTS.
Tighten all such fasteners as
required.
PROCEDURE DE RODAGE
1. Avant de démarrer le moteur, faire
le plein du réservoir de carburant.
2. Effectuer les contrôles avant utilisa-
tion.
3. Mettre le moteur en marche et le
laisser chauffer. Contrôler le régime
de ralenti et le bon fonctionnement
des commandes et du coupe-circuit
du moteur. Redémarrer ensuite le
moteur et contrôler son fonctionne-
ment dans les 5 minutes maximum
qui suivent son redémarrage.
4. Rouler pendant cinq à huit minutes
sur les rapports inférieurs et à
régime modéré.
5. Contrôler le fonctionnement du
moteur lorsque la moto est utilisée
pendant une heure environ aux régi-
mes bas à moyens (ouverture des
gaz 1/4 à 1/2).
6. Remettre le moteur en marche et
vérifier le fonctionnement de la
moto à toutes les vitesses. Redémar-
rer la moto et rouler pendant 10 à 15
minutes environ.
ATTENTION:
Après le rodage ou avant chaque utili-
sation, il est indispensable de contrôler
le bon serrage des raccords et des fixa-
tions conformément aux instructions
de la section POINTS DE VERIFI-
CATION DES COUPLES DE SER-
RAGE.
Resserrer toutes les fixations au
besoin.
STARTING AND BREAK-IN
MISE EN MARCHE ET RODAGE
1 - 58
GEN
INFO
EINFAHRVORSCHRIFTEN
1. Vor dem Starten voll tanken.
2. Die Routinekontrolle vor Fahrt-
beginn ausführen.
3. Den Motor anlassen und einige
Minuten lang betreiben. Die Leer-
laufdrehzahl und die Funktion der
Bedienelemente einschließlich
des Motorstoppschalters kontrol-
lieren. Den Motor erneut anlas-
sen und innerhalb 5 Minuten
dessen Funktion kontrollieren.
4. Das Motorrad 58 Minuten lang
mit mäßigem Gas im unteren
Gangbereich betreiben.
5. Den Motorbetrieb bei 1/4 bis 1/2
geöffnetem Gasdrehgriff (niedri-
ger bis mäßiger Geschwindig-
keit) etwa eine Stunde lang
überwachen.
6. Den Motor erneut starten und
den gesamten Betriebsbereich
kontrollieren. Den Motor erneut
starten und weiter 1015 Minu-
ten lang betreiben.
ACHTUNG:
Nach dem Einfahren sowie vor
jedem Rennen sämtliche Befesti-
gungselemente entsprechend
dem Abschnitt ANZUGSDREH-
MOMENTE KONTROLLIEREN
überprüfen.
Diese Befestigungselemente nach
Bedarf anziehen.
PROCEDURE DI RODAGGIO
1. Prima di avviare il motore, riempire
il serbatoio di carburante.
2. Eseguire sul mezzo i controlli da
compiere prima della messa in fun-
zione.
3. Avviare e riscaldare il motore. Con-
trollare il regime del minimo e il
funzionamento dei comandi e
dellinterruttore di arresto motore.
Quindi, avviare nuovamente il
motore e controllarne il funziona-
mento per non più di 5 minuti dopo
il riavvio.
4. Inserire la marcia più bassa e acce-
lerare moderatamente da cinque a
otto minuti.
5. Controllare il funzionamento del
motore quando il mezzo procede
con la manopola dellacceleratore
ruotata di 1/4 o 1/2 giro (velocità
media o bassa) per circa unora.
6. Avviare nuovamente il motore e
controllare il mezzo in tutte le con-
dizioni di funzionamento. Riavviare
il mezzo e azionarlo per altri 10 ~
15 minuti.
ATTENZIONE:
Dopo il rodaggio o prima di ogni uti-
lizzo, controllare che non vi siano
dispositivi di montaggio e di serraggio
allentati, come indicato in PUNTI DI
CONTROLLO SERRAGGIO.
Serrare i suddetti dispositivi di serrag-
gio come richiesto.
PROCEDIMIENTO DE RODAJE
1. Antes de poner en marcha el
motor llene el depósito de com-
bustible.
2. Realice las comprobaciones pre-
vias de la máquina.
3. Arranque y caliente el motor.
Compruebe el ralentí, así como
el funcionamiento de los mandos
y el interruptor de paro del
motor. A continuación vuelva a
arrancar el motor y compruebe
su funcionamiento durante no
más de 5 minutos después de
arrancar.
4. Utilice la máquina en marchas
bajas y a regímenes moderados
durante cinco a ocho minutos.
5. Observe cómo funciona el motor
con el gas entre 1/4 y 1/2 (régi-
men entre bajo y medio) durante
aproximadamente una hora.
6. Vuelva a arrancar el motor y
compruebe el funcionamiento de
la máquina en todos los regíme-
nes. Vuelva a arrancar la
máquina y utilícela durante 10 o
15 minutos más.
ATENCION:
Después del rodaje o antes de
cada carrera debe comprobar toda
la máquina para detectar piezas o
sujeciones flojas, conforme a
PUNTOS DE COMPROBACIÓN
DE APRIETE.
Apriete todas las sujeciones
según convenga.
STARTEN UND EINFAHREN
AVVIAMENTO E -RODAGGIO
PUESTA EN MARCHA Y RODAJE
1 - 59
GEN
INFO
TORQUE-CHECK POINTS
Frame construction Frame to rear frame
Combined seat and fuel tank Fuel tank to frame
Exhaust system Silencer to rear frame
Engine mounting Frame to engine
Engine bracket to engine
Engine bracket to frame
Steering Steering stem to handlebar Steering stem to frame
Steering stem to upper bracket
Upper bracket to handlebar
Suspension Front Steering stem to front fork Front fork to upper bracket
Front fork to lower bracket
Rear For link type Assembly of links
Link to frame
Link to rear shock absorber
Link to swingarm
Rear Installation of rear
shock absorber
Rear shock absorber to frame
Rear Installation of swingarm Tightening of pivot shaft
Wheel Installation of wheel Front Tightening of wheel axle
Tightening of axle holder
Rear Tightening of wheel axle
Wheel to rear wheel sprocket
Brake Front Brake caliper to front fork
Brake disc to wheel
Tightening of union bolt
Brake master cylinder to handlebar
Tightening of bleed screw
Tightening of brake hose holder
Rear Brake pedal to frame
Brake disc to wheel
Tightening of union bolt
Brake master cylinder to frame
Tightening of bleed screw
Tightening of brake hose holder
Fuel system Fuel tank to fuel cock
Lubrication system Tightening of oil hose clamp
NOTE:
Concerning the tightening torque, refer to
MAINTENANCE SPECIFICATIONS sec-
tion in the CHAPTER 2.
TORQUE-CHECK POINTS
1 - 60
GEN
INFO
POINTS DE VERIFICATION DES COUPLES DE SERRAGE
Cadre Cadre au cadre arrière
Selle et réservoir de carburant Réservoir de carburant au cadre
Système d’échappement Silencieux au cadre arrière
Bâti moteur Cadre au moteur
Support de moteur au moteur
Support de moteur au cadre
Direction Colonne de direction au guidon Colonne de direction au cadre
Colonne de direction au té supérieur
Té supérieur au guidon
Suspension Avant Colonne de direction
à la fourche
Fourche au té supérieur
Fourche au té inférieur
Arrière Pour le modèle à
timonerie
Ensemble de timonerie
Timonerie au cadre
Timonerie à lamortisseur arrière
Timonerie au bras oscillant
Arrière Installation de
lamortisseur arrière
Amortisseur arrière au cadre
Arrière Installation du bras oscillant Serrage du boulon-pivot
Roue Montage de la roue Avant Serrage de laxe de roue
Serrage du support daxe
Arrière Serrage de laxe de roue
Roue au pignon de roue arrière
Freins Avant Etrier à la fourche
Disque à la roue
Serrage du boulon de raccord
Maître-cylindre au guidon
Serrage de la vis de purge
Serrage du support de durit de frein
Arrière Pédale de frein au cadre
Disque à la roue
Serrage du boulon de raccord
Maître-cylindre de frein au cadre
Serrage de la vis de purge
Serrage du support de durit de frein
Circuit de carburant Réservoir de carburant au robinet de carburant
Système de lubrification Serrage du collier de durit dhuile
N.B.:
Pour les couples de serrage, se reporter à la
section CARACTERISTIQUES DENTRE-
TIEN au CHAPITRE 2.
POINTS DE VERIFICATION DES COUPLES DE SERRAGE
1 - 61
GEN
INFO
ANZUGSDREHMOMENTE KONTROLLIEREN
Fahrgestell Rahmen und Rahmenhinterteil
Sitzbank-Krafstofftank-
Baugruppe
Kraftstofftank und Rahmen
Auspuffsystem Schalldämpfer und Rahmenhinterteil
Motorlager Rahmen und Motor
Motorhalterung und Motor
Motorhalterung und Rahmen
Lenkung Lenkschaft und Lenker Lenkrohr und Rahmen
Lenkschaft und obere Gabelbrücke
Obere Gabelbrücke und Lenker
Radaufhängung Vorn Lenkrohr und Teleskopgabel Teleskopgabel und obere Gabelbrücke
Teleskopgabel und untere Gabelbrücke
Hinten Bei Umlenksystem Umlenkhebel
Hebel und Rahmen
Hebel und Federbein
Hebel und Schwinge
Hinten Federbeinbefestigung Federbein und Rahmen
Hinten Schwingenbefestigung Anzugsdrehmoment der Schwingenachse
Rad Radbefestigung Vorn Anzugsdrehmoment der Radachse
Anzugsdrehmoment der Achshalterung
Hinten Anzugsdrehmoment der Radachse
Rad und Kettenrad
Bremse Vorn Bremssattel und Teleskopgabel
Bremsscheibe und Rad
Anzugsdrehmoment der Hohlschraube
Hauptbremszylinder und Lenker
Anzugsdrehmoment der
Entlüftungsschraube
Anzugsdrehmoment der Bremsschlauch-
Halterung
Hinten Fußbremshebel und Rahmen
Bremsscheibe und Rad
Anzugsdrehmoment der Hohlschraube
Hauptbremszylinder und Rahmen
Anzugsdrehmoment der
Entlüftungsschraube
Anzugsdrehmoment der Bremsschlauch-
Halterung
Kraftstoffsystem Kraftstofftank und Kraftstoffhahn
Schmiersystem Anzugsdrehmoment der Ölschlauchschelle
HINWEIS:
Die entsprechenden Anzugsdrehmo-
mente sind dem Abschnitt WARTUNGS-
DATEN in KAPITEL 2 zu entnehmen.
ANZUGSDREHMOMENTE KONTROLLIEREN
1 - 62
GEN
INFO
PUNTI DI CONTROLLO SERRAGGIO
Struttura del telaio Telaio a telaio posteriore
Sella combinata e serbatoio del
carburante
Serbatoio del carburante a telaio
Impianto di scarico Silenziatore a telaio posteriore
Supporto motore Telaio a motore
Staffa motore a motore
Staffa motore a telaio
Sterzo Fusto dello sterzo a manubrio Fusto dello sterzo a telaio
Fusto dello sterzo a staffa superiore
Staffa superiore a manubrio
Sospensione Anteriore Fusto dello sterzo a forcella
anteriore
Forcella anteriore a staffa superiore
Forcella anteriore a staffa inferiore
Posteriore Per tipo articolato Gruppo di articolazioni
Articolazione a telaio
Articolazione ad ammortizzatore posteriore
Articolazione a forcellone oscillante
Posteriore Montaggio
dellammortizzatore
posteriore
Ammortizzatore posteriore a telaio
Posteriore Montaggio del forcellone oscillante Serraggio dellalbero di articolazione
Ruota Montaggio della ruota Anteriore Serraggio dellasse delle ruote
Serraggio del supporto dellasse
Posteriore Serraggio dellasse delle ruote
Ruota a corona della ruota posteriore
Freno Anteriore Pinza del freno a forcella anteriore
Disco freno a ruota
Serraggio del bullone di giunzione
Pompa del freno a manubrio
Serraggio della vite di spurgo
Serraggio del supporto tubo flessibile del freno
Posteriore Pedale del freno a telaio
Disco freno a ruota
Serraggio del bullone di giunzione
Pompa del freno a telaio
Serraggio della vite di spurgo
Serraggio del supporto tubo flessibile del freno
Sistema di alimentazione Serbatoio del carburante a rubinetto del
carburante
Sistema di lubrificazione Serraggio dei morsetti del giunto flessibile olio
NOTA:
Per quanto riguarda le coppie di serraggio, fare
riferimento al paragrafo SPECIFICHE DI
MANUTENZIONE nel CAPITOLO 2.
PUNTI DI CONTROLLO SERRAGGIO
1 - 63
GEN
INFO
PUNTOS DE COMPROBACIÓN DE APRIETE
Construcción del bastidor Bastidor a bastidor trasero
Combinación de sillín y
depósito de combustible
Depósito de combustible a bastidor
Sistema de escape Silenciador a bastidor trasero
Sujeción del motor Bastidor a motor
Soporte del motor a motor
Soporte del motor a bastidor
DirecciónVástago de la dirección a
manillar
Vástago de la dirección a bastidor
Vástago de la dirección a soporte superior
Soporte superior a manillar
SuspensiónDelanteraVástago de la dirección a
horquilla delantera
Horquilla delantera a soporte superior
Horquilla delantera a soporte inferior
Trasera Para suspensión
articulada
Conjunto de articulaciones
Articulación a bastidor
Articulación a amortiguador trasero
Articulación a basculante
Trasera Instalación del
amortiguador trasero
Amortiguador trasero a bastidor
Trasera Instalación del basculante Apriete del eje pivote
Rueda Instalación de la rueda Delantera Apriete del eje de la rueda
Apriete del soporte del eje
Trasera Apriete del eje de la rueda
Rueda a piñón de la rueda trasera
Freno Delantero Pinza de freno a horquilla delantera
Disco de freno a rueda
Apriete del perno de unión
Bomba de freno a manillar
Apriete del tornillo de purga
Apriete del soporte del tubo de freno
Trasero Pedal de freno a bastidor
Disco de freno a rueda
Apriete del perno de unión
Bomba de freno a bastidor
Apriete del tornillo de purga
Apriete del soporte del tubo de freno
Sistema de combustible Depósito de combustible a llave de paso
del combustible
Sistema de engrase Apriete de la abrazadera del tubo de aceite
NOTA:
En relación con el par de apriete, consulte
el apartado ESPECIFICACIONES DE
MANTENIMIENTO en el CAPÍTULO 2.
PUNTOS DE COMPROBACIÓN DE APRIETE
1 - 64
GEN
INFO
MEMO
1 - 65
GEN
INFO
EC1B0000
CLEANING AND
STORAGE
EC1B1000
CLEANING
Frequent cleaning of your machine
will enhance its appearance, main-
tain good overall performance, and
extend the life of many components.
1. Before washing the machine,
block off the end of the exhaust
pipe to prevent water from enter-
ing. A plastic bag secured with a
rubber band may be used for this
purpose.
2. If the engine is excessively
greasy, apply some degreaser to
it with a paint brush. Do not
apply degreaser to the chain,
sprockets, or wheel axles.
3. Rinse the dirt and degreaser off
with a garden hose; use only
enough pressure to do the job.
CAUTION:
Excessive hose pressure may
cause water seepage and contami-
nation of wheel bearings, front
forks, brakes and transmission
seals. Many expensive repair bills
have resulted from improper high
pressure detergent applications
such as those available in coin-
operated car washers.
4. After the majority of the dirt has
been hosed off, wash all sur-
faces with warm water and a
mild detergent. Use an old tooth-
brush to clean hard-to-reach
places.
5. Rinse the machine off immedi-
ately with clean water, and dry
all surfaces with a soft towel or
cloth.
6. Immediately after washing,
remove excess water from the
chain with a paper towel and
lubricate the chain to prevent
rust.
7. Clean the seat with a vinyl uphol-
stery cleaner to keep the cover
pliable and glossy.
8. Automotive wax may be applied
to all painted or chromed sur-
faces. Avoid combination
cleaner-waxes, as they may con-
tain abrasives.
9. After completing the above, start
the engine and allow it to idle for
several minutes.
NETTOYAGE ET
REMISAGE
NETTOYAGE
Un nettoyage fréquent de la moto préser-
vera son apparence, maintiendra ses bon-
nes performances et augmentera la durée
de vie de nombre de ses composants.
1. Avant de nettoyer la moto, couvrir
la sortie du tuyau d’échappement
pour éviter toute pénétration deau.
Un sachet en plastique retenu par un
élastique fera laffaire.
2. Si le moteur est fortement encrassé,
appliquer un peu de dégraissant à
laide dun pinceau. Eviter tout con-
tact avec la chaîne, les pignons ou
les axes de roue.
3. Rincer la saleté et le dégraissant au
tuyau darrosage, en utilisant juste
la pression nécessaire.
ATTENTION:
Une pression excessive risque de cau-
ser des infiltrations deau dans les
roulements des roues, la fourche
avant, les freins et les joints de la
transmission. Lemploi abusif de
détergents sous forte pression, tels que
ceux utilisés dans les portiques de
lavage automatique, est nuisible à la
moto et peut entraîner des réparations
onéreuses.
4. Après avoir éliminé le plus gros de
la saleté au tuyau darrosage, laver
toutes les surfaces à leau chaude
savonneuse (employer un détergent
doux). Une vieille brosse à dents
convient parfaitement pour nettoyer
les parties difficiles daccès.
5. Rincer immédiatement la moto à
leau claire et sécher toutes les sur-
faces à laide dune peau de cha-
mois, dune serviette ou dun
chiffon doux absorbant.
6. Sécher immédiatement la chaîne à
laide dune serviette en papier et la
graisser afin de la protéger contre la
rouille.
7. Nettoyer la selle à laide dun pro-
duit de nettoyage pour similicuir
afin de conserver intacts la sou-
plesse et le lustre de la housse.
8. Une cire pour carrosserie peut être
utilisée pour toutes les surfaces
peintes et chromées. Ne pas
employer de cires détergentes car
elles contiennent souvent des abra-
sifs.
9. Lorsque le nettoyage est terminé,
mettre le moteur en marche et le
laisser tourner au ralenti pendant
plusieurs minutes.
CLEANING AND STORAGE
NETTOYAGE ET REMISAGE
1 - 66
GEN
INFO
PFLEGE UND
LAGERUNG
FAHRZEUGWÄSCHE
Regelmäßige Wäsche optimiert das
Aussehen, die Leistung und die
Lebensdauer des Motorrads und sei-
ner Bestandteile.
1. Vor der Fahrzeugwäsche den
Schalldämpfer zudecken, damit
kein Wasser eindringen kann.
Hierzu einen Plastikbeutel über-
stülpen und mit Gummiband
befestigen.
2. Falls der Motor stark verölt ist,
einen Kaltreiniger mit dem Pinsel
auftragen. Kaltreiniger von
Kette, Kettenrädern und Rad-
achsen fern halten.
3. Schmutz und Kaltreiniger mit
einem schwachen Wasserstrahl
abspülen.
ACHTUNG:
Ein Hochdruck-Wasserstrahl
könnte Feuchtigkeit in Radlager,
Teleskopgabel, Bremsen und
Getriebe eindrücken. Dampfstrah-
ler an Tankstellen und Münzwa-
schanlagen sind die Ursache
vieler teuren Reparaturen.
4. Nach dem Abspülen sämtliche
Oberflächen mit warmem Was-
ser und einem milden Reini-
gungsmittel waschen. Schwer
zugängliche Stellen mit einer
alten Zahnbürste reinigen.
5. Das Motorrad umgehend mit
sauberem Wasser abspülen und
mit einem weichen Tuch gründ-
lich abtrocknen.
6. Die Antriebskette anschließend
mit einem Papierhandtuch trok-
kenreiben und sofort schmieren,
damit sie nicht rostet.
7. Die Sitzbank mit einem Kunst-
stoffpflegemittel behandeln.
8. Alle lackierten und verchromten
Oberflächen mit Pflegewachs
behandeln. Keine Pflegemittel
mit Scheurmitteln verwende, um
Kratzer zu vermeiden.
9. Anschließend den Motor anlas-
sen und einige Minuten lang
betreiben.
PULIZIA E CUSTODIA
PULIZIA DEL MEZZO
Una pulizia frequente del mezzo ne
migliorerà laspetto, manterrà buone le
sue prestazioni totali e aumenterà la
durata di molti componenti.
1. Prima di lavare il mezzo, bloccare
lestremità del tubo di scarico per
evitare che lacqua entri allinterno.
A questo scopo può essere utile una
borsa di plastica fissata con un ela-
stico.
2. Se il motore è eccessivamente
grasso, applicare un prodotto sgras-
sante con un pennello. Non appli-
care lo sgrassante a catena, ruote
dentate o assi delle ruote.
3. Eliminare lo sporco e lo sgrassante
con la pompa da giardino; utilizzare
acqua a pressione sufficiente per
svolgere loperazione ma non ecce-
dere con la pressione.
ATTENZIONE:
Una pressione eccessiva può causare
infiltrazioni nei cuscinetti, nelle for-
celle anteriori, nei freni e nelle guarni-
zioni della trasmissione.
Lapplicazione di detergenti inadatti
ad elevate pressioni, quali quelli dispo-
nibili presso gli impianti per il lavag-
gio auto a gettone, provoca danni
costosi.
4. Dopo aver eliminato con la pompa
la maggior parte dello sporco,
lavare tutte le superfici con acqua
calda e un detergente delicato.
Pulire le zone difficili da raggiun-
gere con un vecchio spazzolino.
5. Sciacquare immediatamente con
acqua pulita e asciugare con un
asciugamano o un panno morbido.
6. Subito dopo il lavaggio, eliminare
con un asciugamano di carta lacqua
in eccesso dalla catena e lubrificarla
per prevenire la ruggine.
7. Pulire la sella con un detergente
vinilico da tappezzeria per mante-
nere il rivestimento flessibile e
lucido.
8. È possibile applicare cera per auto a
tutte le superfici verniciate o cro-
mate. Non utilizzare cere detergenti,
poiché potrebbero contenere abra-
sivi.
9. Dopo aver eseguito tutte le opera-
zioni elencate sopra, avviare il
motore e lasciarlo girare al minimo
per alcuni minuti.
LIMPIEZA Y
ALMACENAMIENTO
LIMPIEZA
Una limpieza frecuente de la
máquina mejora su aspecto, man-
tiene un buen nivel general de pres-
taciones y prolonga la vida útil de
muchos componentes.
1. Antes de lavar la máquina tape
el extremo del tubo de escape
para impedir que entre agua.
Para ello puede utilizar una
bolsa de plástico sujeta con un
elástico.
2. Si el motor tiene mucha grasa,
aplique un desengrasador con
una brocha. No aplique desen-
grasador a la cadena, los piño-
nes o los ejes de las ruedas.
3. Elimine la suciedad y el desen-
grasador con una manguera de
jardinería; utilice únicamente la
presión suficiente.
ATENCION:
Un exceso de presión puede pro-
vocar la infiltración de agua y la
contaminación de los cojinetes de
las ruedas, la horquilla delantera,
los frenos y las juntas de la caja de
cambios. La aplicación de deter-
gentes a una presión demasiado
elevada, por ejemplo en las esta-
ciones de lavado que funcionan
con monedas, ha sido causa de
numerosas y costosas facturas.
4. Una vez eliminado el grueso de
la suciedad, lave todas las
superficies con agua tibia y un
detergente suave. Utilice un
cepillo de dientes viejo para lim-
piar los lugares de difícil acceso.
5. Aclare la máquina inmediata-
mente con agua limpia y seque
todas las superficies con una
toalla o paño suave.
6. Inmediatamente después del
lavado, elimine el exceso de
agua de la cadena con una toa-
lla de papel y lubríquela para
prevenir la oxidación.
7. Limpie el sillín con un limpiador
de tapicería de vinilo para que la
funda se mantenga flexible y bri-
llante.
8. Puede aplicar cera de automóvi-
les a todas las superficies pinta-
das o cromadas. Evite la
combinación de limpiadores y
ceras, ya que pueden contener
abrasivos.
9. Una vez terminada la operación
de limpieza, arranque el motor y
déjelo al ralentí unos minutos.
PFLEGE UND LAGERUNG
PULIZIA E CUSTODIA
LIMPIEZA Y ALMACENAMIENTO
1 - 67
GEN
INFO
EC1B2001
STORAGE
If your machine is to be stored for 60
days or more, some preventive mea-
sures must be taken to avoid deterio-
ration. After cleaning the machine
thoroughly, prepare it for storage as
follows:
1. Drain the fuel tank, fuel lines,
and the carburetor float bowl.
2. Remove the spark plug, pour a
tablespoon of SAE 10W-30
motor oil in the spark plug hole,
and reinstall the plug. With the
engine stop switch pushed in,
kick the engine over several
times to coat the cylinder walls
with oil.
3. Remove the drive chain, clean it
thoroughly with solvent, and
lubricate it. Reinstall the chain or
store it in a plastic bag tied to the
frame.
4. Lubricate all control cables.
5. Block the frame up to raise the
wheels off the ground.
6. Tie a plastic bag over the
exhaust pipe outlet to prevent
moisture from entering.
7. If the machine is to be stored in a
humid or salt-air environment,
coat all exposed metal surfaces
with a film of light oil. Do not
apply oil to rubber parts or the
seat cover.
NOTE:
Make any necessary repairs before
the machine is stored.
REMISAGE
Si la moto doit être remisée pour 60
jours ou plus, il convient de prendre cer-
taines précautions pour éviter tout
endommagement. Après un nettoyage
complet de la moto, la préparer comme
suit pour le remisage:
1. Vidanger le réservoir de carburant,
le circuit de carburant et la cuve à
niveau constant du carburateur.
2. Déposer la bougie, verser une
cuillère à soupe dhuile moteur SAE
10W-30 dans le trou de bougie et
replacer la bougie. Enfoncer le
coupe-circuit du moteur et lancer
quelques fois le moteur à laide de
la pédale de kick afin de répartir
lhuile sur les parois du cylindre.
3. Déposer la chaîne de transmission,
la nettoyer soigneusement à laide
dun solvant puis la graisser.
Remettre en place la chaîne ou la
conserver dans un sachet en plasti-
que (attaché au cadre pour éviter de
l’égarer).
4. Lubrifier tous les câbles de com-
mande.
5. Placer un support sous le cadre afin
de surélever les deux roues.
6. Couvrir la sortie du tuyau d’échap-
pement dun sachet en plastique
pour empêcher la pénétration
dhumidité.
7. Si la moto doit être remisée dans un
lieu très humide ou exposé à lair
marin, enduire toutes les surfaces
métalliques extérieures dune fine
couche dhuile. Ne pas enduire
dhuile les parties en caoutchouc et
la housse de selle.
N.B.:
Effectuer toutes les réparations nécessai-
res avant de remiser la moto.
CLEANING AND STORAGE
NETTOYAGE ET REMISAGE
1 - 68
GEN
INFO
LAGERUNG
Soll das Motorrad länger als 60 Tage
gelagert werden, sind gewisse
Schutzmaßnahmen notwendig. Das
Motorrad nach der Wäsche, wie
nachfolgend beschrieben, auf die
Lagerung vorbereiten:
1. Das Benzin aus dem Kraftstoff-
tank ablassen und den Verga-
ser entleeren.
2. Die Zündkerze herausdrehen,
einen Esslöffel SAE 10W-30-
Motoröl in die Zündkerzenboh-
rung gießen und die Zündkerze
wieder eindrehen. Bei betätig-
tem Motorstoppschalter mehr-
mals den Kickstarterhebel
durchtreten, um die Zylinder-
wandungen mit Öl zu bedecken.
3. Die Antriebskette abnehmen,
gründlich reinigen und anschlie-
ßend schmieren. Die Kette mon-
tieren oder in einem am Rahmen
angebundenen Plastikbeutel
aufbewahren.
4. Sämtliche Seilzüge ölen.
5. Das Motorrad so abstützen,
dass die Räder sich frei drehen
lassen.
6. Einen Plastikbeutel über die
Schalldämpferöffnung binden,
damit keine Feuchtigkeit ein-
dringt.
7. Ist der Lagerort feucht oder salz-
haltig, sämtliche Metallflächen
mit Sprühöl behandeln. Öl von
Gummiteilen und der Sitzbank
fern halten.
HINWEIS:
Anfallende Reparaturen oder Inspek-
tion vor der Stilllegung ausführen.
CUSTODIA DEL MEZZO
Se il mezzo rimane inutilizzato per ses-
santa o più giorni, occorre adottare
alcune misure precauzionali per evitarne
il deterioramento. Dopo averlo accurata-
mente pulito, eseguire le seguenti opera-
zioni prima di riporlo:
1. Scaricare il serbatoio, i condotti del
carburante e la vaschetta galleg-
giante del carburatore.
2. Rimuovere la candela daccensione,
versare un cucchiaio di olio per
motori SAE 10W-30 nel foro della
candela e reinstallarla. Dopo aver
premuto linterruttore di arresto
motore, rovesciare il motore diverse
volte per distribuire lolio sulle
pareti del cilindro.
3. Rimuovere la catena di trasmis-
sione, pulirla accuratamente con un
solvente e lubrificarla. Installare
nuovamente la catena o riporla in
una borsa di plastica legata al telaio.
4. Lubrificare tutti i cavi dei comandi.
5. Bloccare il telaio per sollevare le
ruote da terra.
6. Fissare una borsa di plastica
allestremità del tubo di scarico per
evitare linfiltrazione di umidità.
7. Se si ripone il mezzo in un ambiente
umido o ricco di sale, coprire tutte
le superfici metalliche esposte con
un sottile strato di olio leggero. Non
applicare olio alle parti in gomma o
al rivestimento della sella.
NOTA:
Eseguire tutte le riparazioni necessarie
prima di riporre il mezzo.
ALMACENAMIENTO
Si va a dejar la máquina guardada
durante 60 días o más, debe adoptar
algunas medidas preventivas a fin de
evitar su deterioro. Después de lim-
piar a fondo la máquina, prepárela
para su almacenamiento del modo
siguiente:
1. Vacíe el depósito de combusti-
ble, los tubos de combustible y
la cubeta del flotador del carbu-
rador.
2. Extraiga la bujía, vierta una
cucharada sopera de aceite de
motor SAE 10W-30 en el cilindro
por el orificio de la bujía y vuelva
a colocar esta. Con el interruptor
de paro del motor pulsado,
accione el pedal de arranque
varias veces para que aceite se
reparta por las paredes del cilin-
dro.
3. Desmonte la cadena de transmi-
sión, límpiela a fondo con disol-
vente y lubríquela. Vuelva a
montar la cadena o guárdela en
una bolsa de plástico sujeta al
bastidor.
4. Lubrique todos los cables de
control.
5. Eleve el bastidor y sujételo para
que las ruedas queden levanta-
das del suelo.
6. Cubra la salida del tubo de
escape con una bolsa de plás-
tico para impedir que entre
humedad.
7. Si la máquina debe permanecer
almacenada en un ambiente
húmedo o salado, aplique una
capa fina de aceite ligero a todas
las superficies de metal expues-
tas. No aplique aceite a las pie-
zas de goma o a la funda del
sillín.
NOTA:
Efectúe todas las reparaciones nece-
sarias antes de guardar la máquina.
PFLEGE UND LAGERUNG
PULIZIA E CUSTODIA
LIMPIEZA Y ALMACENAMIENTO
GENERAL SPECIFICATIONS
2 - 1
SPEC
EC200000
SPECIFICATIONS
EC211000
GENERAL SPECIFICATIONS
Model name: WR250FW (USA, CDN, AUS, NZ)
WR250F (EUROPE, ZA)
Model code number: 5UME (USA)
5UMF (EUROPE)
5UMG (CDN, AUS, NZ, ZA)
Dimensions: USA, ZA, CDN EUROPE, AUS, NZ
Overall length 2,165 mm (85.24 in) 2,180 mm (85.83 in)
Overall width 825 mm (32.48 in)
Overall height 1,300 mm (51.18 in) 1,305 mm (51.38 in)
Seat height 980 mm (38.58 in) 990 mm (38.98 in)
Wheelbase 1,480 mm (58.27 in)
Minimum ground clearance 365 mm (14.37 in) 370 mm (14.57 in)
Dry weight:
Without oil and fuel 106.0 kg (233.7 lb)
Engine:
Engine type Liquid cooled 4-stroke, DOHC
Cylinder arrangement Single cylinder, forward inclined
Displacement 249 cm3 (8.76 Imp oz, 8.42 US oz)
Bore × stroke 77.0 × 53.6 mm (3.03 × 2.11 in)
Compression ratio 12.5 : 1
Kick and electric starter
Starting system
Lubrication system: Dry sump
Oil type or grade:
Engine oil (For USA and CDN)
Yamalube 4, SAE10W30 or SAE20W40
Yamalube 4-R, SAE10W50
API service SG type or higher,
JASO standard MA
(Except for USA and CDN)
SAE10W30, SAE10W40, SAE15W40,
SAE20W40 or SAE20W50
API service SG type or higher,
JASO standard MA
-20 -10 0 10 20 30 40 50 ˚C
0 10 30 50 70 90 110 130 ˚F
YAMALUBE 4(10W-30) or SAE 10W-30
YAMALUBE 4(20W-40) or SAE 20W-40
YAMALUBE 4-R(10W-50) or SAE 10W-50
-20 -10 0 10 20 30 40 50 ˚C
SAE 10W-30
SAE 10W-40
SAE 15W-40
SAE 20W-40
SAE 20W-50
2
GENERAL SPECIFICATIONS
2 - 2
SPEC
Oil capacity:
Engine oil
Periodic oil change 1.1 L (0.97 Imp qt, 1.16 US qt)
With oil filter replacement 1.2 L (1.06 Imp qt, 1.27 US qt)
Total amount 1.4 L (1.23 Imp qt, 1.48 US qt)
Coolant capacity (including all routes): 0.99 L (0.87 Imp qt, 1.05 US qt)
Air filter: Wet type element
Fuel:
Type Premium unleaded gasoline only with a
research octane number of 95 or higher.
Tank capacity 8.0 L (1.76 Imp gal, 2.11 US gal)
Reserve 1.1 L (0.24 Imp gal, 0.29 US gal)
Carburetor:
Type FCR-MX37
Manufacturer KEIHIN
Spark plug:
Type/manufacturer CR9E/NGK (resistance type)
Gap 0.7 ~ 0.8 mm (0.028 ~ 0.031 in)
Clutch type: Wet, multiple-disc
Transmission:
Primary reduction system Gear
Primary reduction ratio 57/17 (3.353)
Secondary reduction system Chain drive
Secondary reduction ratio 50/13 (3.846)
Transmission type Constant mesh, 5-speed
Operation Left foot operation
Gear ratio: 1st 31/13 (2.385)
2nd 28/16 (1.750)
3rd 23/17 (1.353)
4th 23/21 (1.095)
5th 17/19 (0.895)
Chassis: USA, ZA, CDN EUROPE, AUS, NZ
Frame type Semi double cradle
Caster angle 27.0°26.6°
Trail 115 mm (4.53 in) 114 mm (4.49 in)
Tire:
Type With tube
Size (front) 80/100-21 51M (For USA, CDN and ZA)
90/90-21 54R (For EUROPE, AUS and NZ)
Size (rear) 100/100-18 59M (For USA, CDN and ZA)
130/90-18 69R (For EUROPE, AUS and NZ)
Tire pressure (front and rear) 100 kPa (1.0 kgf/cm2, 15 psi)
1
2
3
4
5
6
7
GENERAL SPECIFICATIONS
2 - 3
SPEC
Brake:
Front brake type Single disc brake
Operation Right hand operation
Rear brake type Single disc brake
Operation Right foot operation
Suspension:
Front suspension Telescopic fork
Rear suspension Swingarm (link type monocross suspension)
Shock absorber:
Front shock absorber Coil spring/oil damper
Rear shock absorber Coil spring/gas, oil damper
Wheel travel:
Front wheel travel 300 mm (11.8 in)
Rear wheel travel 310 mm (12.2 in)
Electrical:
Ignition system CDI
Generator system AC magneto
Battery type YTX5L-BS
Battery voltage/capacity 12 V/4 AH
Specific gravity 1.320
Headlight type: Quartz bulb (halogen)
Bulb wattage × quantity:
Headlight 12 V 35/36.5 W × 1
Taillight 12 V 1.6/0.3 W × 1
MAINTENANCE SPECIFICATIONS
2 - 4
SPEC
MAINTENANCE SPECIFICATIONS
ENGINE
Item Standard Limit
Cylinder head:
Warp limit ---- 0.05 mm
(0.002 in)
Cylinder:
Bore size 77.00 ~ 77.01 mm
(3.0315 ~ 3.0319 in)
----
Out of round limit ---- 0.05 mm
(0.002 in)
Camshaft:
Drive method Chain drive (Left) ----
Camshaft cap inside diameter 22.000 ~ 22.021 mm
(0.8661 ~ 0.8670 in)
----
Camshaft outside diameter 21.959 ~ 21.972 mm
(0.8645 ~ 0.8650 in)
----
Shaft-to-cap clearance 0.028 ~ 0.062 mm
(0.0011 ~ 0.0024 in)
0.08 mm
(0.003 in)
Cam dimensions
Intake A29.65 ~ 29.75 mm
(1.1673 ~ 1.1713 in)
29.55 mm
(1.1634 in)
B22.45 ~ 22.55 mm
(0.8839 ~ 0.8878 in)
22.35 mm
(0.8799 in)
Exhaust A30.399 ~ 30.499 mm
(1.1968 ~ 1.2007 in)
30.299 mm
(1.1929 in)
B22.45 ~ 22.55 mm
(0.8839 ~ 0.8878 in)
22.35 mm
(0.8799 in)
Camshaft runout limit ---- 0.03 mm
(0.0012 in)
A
B
MAINTENANCE SPECIFICATIONS
2 - 5
SPEC
Timing chain:
Timing chain type/No. of links 92RH2010-114M/114 ----
Timing chain adjustment method Automatic ----
Valve, valve seat, valve guide:
Valve clearance (cold) IN 0.10 ~ 0.15 mm
(0.0039 ~ 0.0059 in)
----
EX 0.17 ~ 0.22 mm
(0.0067 ~ 0.0087 in)
----
Valve dimensions:
A head diameter IN 22.9 ~ 23.1 mm
(0.9016 ~ 0.9094 in)
----
EX 24.4 ~ 24.6 mm
(0.9606 ~ 0.9685 in)
----
B face width IN 2.26 mm (0.089 in) ----
EX 2.26 mm (0.089 in) ----
C seat width IN 0.9 ~ 1.1 mm
(0.0354 ~ 0.0433 in)
1.6 mm
(0.0630 in)
EX 0.9 ~ 1.1 mm
(0.0354 ~ 0.0433 in)
1.6 mm
(0.0630 in)
D margin thickness IN 0.8 mm (0.0315 in) ----
EX 0.7 mm (0.0276 in) ----
Stem outside diameter IN 3.975 ~ 3.990 mm
(0.1565 ~ 0.1571 in)
3.945 mm
(0.1553 in)
EX 4.460 ~ 4.475 mm
(0.1756 ~ 0.1762 in)
4.430 mm
(0.1744 in)
Guide inside diameter IN 4.000 ~ 4.012 mm
(0.1575 ~ 0.1580 in)
4.050 mm
(0.1594 in)
EX 4.500 ~ 4.512 mm
(0.1772 ~ 0.1776 in)
4.550 mm
(0.1791 in)
Stem-to-guide clearance IN 0.010 ~ 0.037 mm
(0.0004 ~ 0.0015 in)
0.08 mm
(0.003 in)
EX 0.025 ~ 0.052 mm
(0.0010 ~ 0.0020 in)
0.10 mm
(0.004 in)
Item Standard Limit
BC
D
A
Head diameter Face width Seat width Margin thickness
MAINTENANCE SPECIFICATIONS
2 - 6
SPEC
Stem runout limit ---- 0.01 mm
(0.0004 in)
Valve seat width IN 0.9 ~ 1.1 mm
(0.0354 ~ 0.0433 in)
1.6 mm
(0.0630 in)
EX 0.9 ~ 1.1 mm
(0.0354 ~ 0.0433 in)
1.6 mm
(0.0630 in)
Valve spring:
Free length IN 36.58 mm (1.44 in) 35.58 mm
(1.40 in)
EX 37.54 mm (1.48 in) 36.54 mm
(1.44 in)
Set length (valve closed) IN 29.13 mm (1.15 in) ----
EX 29.30 mm (1.15 in) ----
Compressed force (installed) IN 103 ~ 118 N at 29.13 mm
(10.50 ~ 12.09 kg at 29.13 mm,
23.15 ~ 26.66 lb at 1.15 in)
----
EX 126 ~ 144 N at 29.30 mm
(12.85 ~ 14.68 kg at 29.30 mm,
28.32 ~ 32.37 lb at 1.15 in)
----
Tilt limit IN ---- 2.5°/1.6 mm
(2.5°/0.063 in)
EX ---- 2.5°/1.6 mm
(2.5°/0.063 in)
Direction of winding (top view) IN Clockwise ----
EX Clockwise ----
Piston:
Piston to cylinder clearance 0.030 ~ 0.055 mm
(0.0012 ~ 0.0022 in)
0.1 mm
(0.004 in)
Piston size D76.955 ~ 76.970 mm
(3.0297 ~ 3.0303 in)
----
Measuring point H8 mm (0.31 in) ----
Piston off-set 0.5 mm (0.020 in)/IN-side ----
Item Standard Limit
*
H
D
MAINTENANCE SPECIFICATIONS
2 - 7
SPEC
Piston pin bore inside diameter 16.002 ~ 16.013 mm
(0.6300 ~ 0.6304 in)
16.043 mm
(0.6316 in)
Piston pin outside diameter 15.991 ~ 16.000 mm
(0.6296 ~ 0.6299 in)
15.971 mm
(0.6288 in)
Piston rings:
Top ring:
Type Barrel ----
Dimensions (B × T) 0.90 × 2.75 mm (0.04 × 0.11 in) ----
End gap (installed) 0.15 ~ 0.25 mm
(0.006 ~ 0.010 in)
0.50 mm
(0.020 in)
Side clearance (installed) 0.030 ~ 0.065 mm
(0.0012 ~ 0.0026 in)
0.12 mm
(0.005 in)
2nd ring:
Type Taper ----
Dimensions (B × T) 0.80 × 2.75 mm (0.03 × 0.11 in) ----
End gap (installed) 0.30 ~ 0.45 mm
(0.012 ~ 0.018 in)
0.80 mm
(0.031 in)
Side clearance 0.020 ~ 0.055 mm
(0.0008 ~ 0.0022 in)
0.12 mm
(0.005 in)
Oil ring:
Dimensions (B × T) 1.50 × 2.25 mm (0.06 × 0.09 in) ----
End gap (installed) 0.10 ~ 0.40 mm
(0.004 ~ 0.016 in)
----
Crankshaft:
Crank width A55.95 ~ 56.00 mm
(2.203 ~ 2.205 in)
----
Runout limit C0.03 mm (0.0012 in) 0.05 mm
(0.002 in)
Big end side clearance D0.15 ~ 0.45 mm
(0.0059 ~ 0.0177 in)
0.50 mm
(0.02 in)
Small end free play F0.4 ~ 1.0 mm (0.02 ~ 0.04 in) 2.0 mm
(0.08 in)
Item Standard Limit
T
B
B
T
B
T
MAINTENANCE SPECIFICATIONS
2 - 8
SPEC
Clutch:
Friction plate thickness 2.9 ~ 3.1 mm (0.114 ~ 0.122 in) 2.7 mm
(0.106 in)
Quantity 9 ----
Clutch plate thickness 1.1 ~ 1.3 mm (0.043 ~ 0.051 in) ----
Quantity 8 ----
Warp limit ---- 0.1 mm
(0.004 in)
Clutch spring free length 37.0 mm (1.46 in) 36.0 mm
(1.42 in)
Quantity 5 ----
Clutch housing thrust clearance 0.10 ~ 0.35 mm
(0.0039 ~ 0.0138 in)
----
Clutch housing radial clearance 0.010 ~ 0.044 mm
(0.0004 ~ 0.0017 in)
----
Clutch release method Inner push, cam push ----
Shifter:
Shifter type Cam drum and guide bar ----
Guide bar bending limit ---- 0.05 mm
(0.002 in)
Kickstarter:
Type Kick and ratchet type ----
Carburetor:
Type/manufacturer FCR-MX37/KEIHIN
I. D. mark 5UME E0
Main jet (M.J) #170
Main air jet (M.A.J) #115
Jet needle (J.N) NJRU
Cutaway (C.A) 1.5
Pilot jet (P.J) #42
Pilot air jet (P.A.J) #70
Pilot outlet (P.O) ø0.9
Bypass (B.P) ø1.0
Valve seat size (V.S) ø3.8
Starter jet (G.S) #68
Leak jet (Acc.P) #70
Float height (F.H) 8 mm (0.31 in)
Engine idle speed 1,750 ~ 1,950 r/min
Intake vacuum 31.3 ~ 36.7 kPa
(235 ~ 275 mmHg,
9.25 ~ 10.83 inHg)
Hot starter lever free play 3 ~ 6 mm
(0.12 ~ 0.24 in)
Item Standard Limit
MAINTENANCE SPECIFICATIONS
2 - 9
SPEC
Lubrication system:
Oil filter type Paper type ----
Oil pump type Trochoid type ----
Tip clearance 0.12 mm or less
(0.0047 in or less)
0.20 mm
(0.008 in)
Side clearance 0.09 ~ 0.17 mm
(0.0035 ~ 0.0067 in)
0.24 mm
(0.009 in)
Housing and rotor clearance 0.03 ~ 0.10 mm
(0.0012 ~ 0.0039 in)
0.17 mm
(0.0067 in)
Cooling:
Radiator core size
Width 120.2 mm (4.73 in) ----
Height 240 mm (9.45 in) ----
Thickness 22 mm (0.87 in) ----
Radiator cap opening pressure 110 kPa (1.1 kg/cm2, 15.6 psi) ----
Radiator capacity (total) 0.54 L (0.48 Imp qt, 0.57 US qt) ----
Water pump
Type Single-suction centrifugal pump ----
Item Standard Limit
MAINTENANCE SPECIFICATIONS
2 - 10
SPEC
Part to be tightened Thread size Qty Tightening torque
Nm m·kg ft·lb
Spark plug M10S × 1.0 1 13 1.3 9.4
Camshaft cap M6 × 1.0 10 10 1.0 7.2
Cylinder head blind plug screw M12 × 1.0 1 28 2.8 20
Cylinder head (stud bolt) M6 × 1.0 2 7 0.7 5.1
(stud bolt) M8 × 1.25 1 15 1.5 11
(bolt) M9 × 1.25 4 38 3.8 27
(nut) M6 × 1.0 2 10 1.0 7.2
Cylinder head cover M6 × 1.0 2 10 1.0 7.2
Cylinder M6 × 1.0 1 10 1.0 7.2
Balancer weight M6 × 1.0 2 10 1.0 7.2
Balancer shaft driven gear M14 × 1.0 1 50 5.0 36
Timing chain guide (intake side) M6 × 1.0 2 10 1.0 7.2
Timing chain tensioner M6 × 1.0 2 10 1.0 7.2
Timing chain tensioner cap bolt M6 × 1.0 1 7 0.7 5.1
Impeller M8 × 1.25 1 14 1.4 10
Radiator hose clamp M6 × 1.0 10 2 0.2 1.4
Coolant drain bolt M6 × 1.0 1 10 1.0 7.2
Water pump housing M6 × 1.0 4 10 1.0 7.2
Radiator stay M6 × 1.0 6 10 1.0 7.2
Radiator M6 × 1.0 4 10 1.0 7.2
Radiator pipe M6 × 1.0 1 10 1.0 7.2
Oil pump cover M4 × 0.7 1 2 0.2 1.4
Oil pump M6 × 1.0 3 10 1.0 7.2
Oil filter element drain bolt M6 × 1.0 1 10 1.0 7.2
Oil filter element cover M6 × 1.0 2 10 1.0 7.2
Oil strainer (crankcase) M6 × 1.0 2 10 1.0 7.2
Oil delivery pipe 1(M10) M10 × 1.25 1 20 2.0 14
(M8) M8 × 1.25 2 18 1.8 13
Oil hose M6 × 1.0 2 8 0.8 5.8
Oil hose clamp 220.21.4
Oil strainer (oil tank) M6 × 1.0 1 9 0.9 6.5
Oil tank drain bolt M8 × 1.25 1 18 1.8 13
Oil tank (upper) M6 × 1.0 1 7 0.7 5.1
Oil tank and frame M6 × 1.0 3 9 0.9 6.5
Oil pressure check bolt M6 × 1.0 1 10 1.0 7.2
Carburetor joint M6 × 1.0 2 10 1.0 7.2
Carburetor joint clamp M4 × 0.7 1 3 0.3 2.2
Air filter joint clamp M6 × 1.0 1 3 0.3 2.2
Throttle cable adjust bolt and locknut M6 × 0.75 1 4 0.4 2.9
Throttle cable (pull) M6 × 1.0 1 4 0.4 2.9
Throttle cable (return) M12 × 1.0 1 11 1.1 8.0
Throttle cable cover M5 × 0.8 2 4 0.4 2.9
Hot starter plunger M12 × 1.0 1 2 0.2 1.4
MAINTENANCE SPECIFICATIONS
2 - 11
SPEC
N
OTE:
- marked portion shall be checked for torque tightening after break-in.
Hot starter cable adjust bolt and locknut M6 × 0.75 1 4 0.4 2.9
Air filter case M6 × 1.0 2 8 0.8 5.8
Air filter joint and air filter case M5 × 0.8 1 4 0.4 2.9
Exhaust pipe M8 × 1.25 2 20 2.0 14
Exhaust pipe protector M6 × 1.0 3 10 1.0 7.2
Silencer M8 × 1.25 2 30 3.0 22
Silencer clamp M8 × 1.25 1 16 1.6 11
Spark arrester M5 × 0.8 4 7 0.7 5.1
Silencer cap M5 × 0.8 6 5 0.5 3.6
Air induction pipe M6 × 1.0 1 10 1.0 7.2
Air induction pipe clamp M6 × 1.0 1 4 0.4 2.9
Air cut-off valve assembly and bracket M6 × 1.0 2 10 1.0 7.2
Bracket (air cut-off valve) and frame M6 × 1.0 2 7 0.7 5.1
Crankcase M6 × 1.0 11 12 1.2 8.7
Crankcase bearing stopper M6 × 1.0 11 10 1.0 7.2
Crankcase bearing stopper (crankshaft) M6 × 1.0 4 10 1.0 7.2
Left crankcase cover M6 × 1.0 8 10 1.0 7.2
Idle gear cover (starter motor) M6 × 1.0 3 10 1.0 7.2
Idle gear plate M6 × 1.0 2 10 1.0 7.2
Right crankcase cover M6 × 1.0 6 10 1.0 7.2
Clutch cover M6 × 1.0 7 10 1.0 7.2
Crankcase oil drain bolt M10 × 1.25 1 20 2.0 14
Drive chain sprocket cover M6 × 1.0 2 8 0.8 5.8
Kick shaft ratchet wheel guide M6 × 1.0 2 12 1.2 8.7
Kickstarter crank M8 × 1.25 1 33 3.3 24
Primary drive gear M18 × 1.0 1 75 7.5 54
Clutch spring M6 × 1.0 5 10 1.0 7.2
Clutch boss M16 × 1.0 1 60 6.0 43
Clutch cable locknut M8 × 1.25 2 7 0.7 5.1
Push lever shaft M6 × 1.0 1 10 1.0 7.2
Drive sprocket M18 × 1.0 1 75 7.5 54
Drive axle oil seal stopper M6 × 1.0 2 10 1.0 7.2
Segment M8 × 1.25 1 30 3.0 22
Shift guide M6 × 1.0 2 10 1.0 7.2
Stopper lever M6 × 1.0 1 10 1.0 7.2
Shift pedal M6 × 1.0 1 12 1.2 8.7
Part to be tightened Thread size Qty Tightening torque
Nm m·kg ft·lb
MAINTENANCE SPECIFICATIONS
2 - 12
SPEC
CHASSIS
Item Standard Limit
Steering system:
Steering bearing type Taper roller bearing ----
Front suspension: USA, CDN EUROPE AUS, NZ, ZA
Front fork travel 300 mm (11.8 in) ←←
Fork spring free length 460 mm (18.1 in) ←←
Spring rate, STD K = 4.4 N/mm
(0.449 kg/mm,
25.1 lb/in)
←←
Optional spring/spacer Yes ←←
Oil capacity 648 cm3
(22.8 Imp oz,
21.9 US oz)
←←
Oil level 132 mm (5.20 in) ←←
<Min. ~ Max.>
(From top of outer tube with inner
tube and damper rod fully com-
pressed without spring.)
95 ~ 150 mm
(3.74 ~ 5.91 in)
←←
Oil grade Suspension oil
S1
←←
Inner tube outer diameter 48 mm (1.89 in) ←←
Front fork top end 5 mm (0.20 in) ←←
Rear suspension: USA, CDN EUROPE AUS, NZ, ZA
Shock absorber travel 130 mm (5.12 in)
Spring free length 260 mm (10.24 in)
Fitting length 249 mm (9.80 in) 248.5 mm (9.78 in) 245.0 mm (9.65 in)
<Min. ~ Max.> 238.5 ~ 258.5 mm
(9.39 ~ 10.18 in)
Spring rate, STD K = 52.0 N/mm
(5.30 kg/mm,
296.8 lb/in)
Optional spring Yes
Enclosed gas pressure 1,000 kPa
(10 kg/cm2,
142 psi)
Swingarm:
Swingarm free play limit
End ---- 1.0 mm
(0.04 in)
MAINTENANCE SPECIFICATIONS
2 - 13
SPEC
Wheel: USA, CDN, ZA EUROPE, AUS, NZ
Front wheel type Spoke wheel ----
Rear wheel type Spoke wheel ----
Front rim size/material 21 × 1.60/Aluminum ----
Rear rim size/material 18 × 1.85/Aluminum 18 × 2.15/Aluminum ----
Rim runout limit:
Radial ---- ---- 2.0 mm
(0.08 in)
Lateral ---- ---- 2.0 mm
(0.08 in)
Drive chain:
Type/manufacturer DID520VM/DAIDO ----
Number of links 113 links + joint ----
Chain slack 48 ~ 58 mm (1.9 ~ 2.3 in) ----
Chain length (15 links) ---- 239.3 mm
(9.42 in)
Front disc brake:
Disc outside dia. × Thickness 250 × 3.0 mm (9.84 × 0.12 in)
250
×
2.5 mm
(9.84
×
0.10 in)
Pad thickness 4.4 mm (0.17 in) 1.0 mm
(0.04 in)
Master cylinder inside dia. 11.0 mm (0.433 in) ----
Caliper cylinder inside dia. 27.0 mm (1.063 in) × 2 ----
Brake fluid type DOT #4 ----
Rear disc brake:
Disc outside dia. × Thickness 245 × 4.0 mm (9.65 × 0.16 in)
245
×
3.5 mm
(9.65
×
0.14 in)
Deflection limit ---- 0.15 mm
(0.006 in)
Pad thickness 6.4 mm (0.25 in) 1.0 mm
(0.04 in)
Master cylinder inside dia. 11.0 mm (0.433 in) ----
Caliper cylinder inside dia. 25.4 mm (1.000 in) × 1 ----
Brake fluid type DOT #4 ----
Brake lever and brake pedal:
Brake lever position 95 mm (3.74 in) ----
Brake pedal height
(vertical height above footrest top)
10 mm (0.39 in) ----
Clutch lever free play (lever end) 8 ~ 13 mm (0.31 ~ 0.51 in) ----
Throttle grip free play 3 ~ 5 mm (0.12 ~ 0.20 in) ----
Item Standard Limit
MAINTENANCE SPECIFICATIONS
2 - 14
SPEC
N
OTE:
1. First, tighten the steering ring nut approximately 38 Nm (3.8 m kg, 27 ft lb) by using the steer-
ing nut wrench, then loosen the steering ring nut one turn.
2. Retighten the steering ring nut 7 Nm (0.7 m kg, 5.1 ft lb).
Part to be tightened Thread size Qty Tightening torque
Nm m·kg ft·lb
Upper bracket and outer tube M8 × 1.25 4 21 2.1 15
Lower bracket and outer tube M8 × 1.25 4 21 2.1 15
Upper bracket and steering stem M24 × 1.0 1 145 14.5 105
Handlebar upper holder and handlebar lower
holder M8 × 1.25 4 28 2.8 20
Handlebar lower holder and upper bracket M10 × 1.25 2 34 3.4 24
Steering stem and steering ring nut M28 × 1.0 1 Refer to NOTE.
Front fork and front fork cap bolt M51 × 1.5 2 30 3.0 22
Front fork and base valve M30 × 1.0 2 55 5.5 40
Front fork cap bolt and damper rod M12 × 1.25 2 29 2.9 21
Front fork bleed screw and front fork cap bolt M5 × 0.8 2 1 0.1 0.7
Front fork and front fork protector M6 × 1.0 6 7 0.7 5.1
Front fork protector and brake hose holder M6 × 1.0 2 7 0.7 5.1
Throttle grip cap M5 × 0.8 2 4 0.4 2.9
Front brake master cylinder M6 × 1.0 2 9 0.9 6.5
Brake lever mounting bolt M6 × 1.0 1 6 0.6 4.3
Brake lever mounting nut M6 × 1.0 1 6 0.6 4.3
Brake lever position locknut M6 × 1.0 1 5 0.5 3.6
Front brake hose guide and front brake hose
guide bracket M5 × 0.8 1 4 0.4 2.9
Front brake hose guide and lower bracket M6 × 1.0 1 4 0.4 2.9
Clutch lever holder M5 × 0.8 2 4 0.4 2.9
Clutch lever mounting nut M6 × 1.0 1 4 0.4 2.9
Hot starter lever holder M5 × 0.8 2 4 0.4 2.9
Hot starter lever mounting nut M5 × 0.8 1 2 0.2 1.4
Front brake master cylinder cap M4 × 0.7 2 2 0.2 1.4
Front brake hose union bolt M10 × 1.25 2 30 3.0 22
Front brake caliper M8 × 1.25 2 23 2.3 17
Front brake caliper and brake hose holder M6 × 1.0 1 10 1.0 7.2
Pad pin plug M10 × 1.0 2 3 0.3 2.2
Front brake caliper and pad pin M10 × 1.0 1 18 1.8 13
Rear brake caliper and pad pin M10 × 1.0 1 18 1.8 13
Brake caliper and bleed screw M8 × 1.25 2 6 0.6 4.3
Front wheel axle and axle nut M16 × 1.5 1 90 9.0 65
Front wheel axle holder M8 × 1.25 4 21 2.1 15
Front brake disc M6 × 1.0 6 12 1.2 8.7
Rear brake disc M6 × 1.0 6 14 1.4 10
Brake pedal M8 × 1.25 1 26 2.6 19
Rear brake master cylinder M6 × 1.0 2 10 1.0 7.2
Rear brake master cylinder cap M4 × 0.7 2 2 0.2 1.4
Rear brake hose union bolt M10 × 1.25 2 30 3.0 22
Rear wheel axle and axle nut M20 × 1.5 1 125 12.5 90
MAINTENANCE SPECIFICATIONS
2 - 15
SPEC
Part to be tightened Thread size Qty Tightening torque
Nm m·kg ft·lb
Nipple (spoke) 72 3 0.3 2.2
Rear wheel sprocket M8 × 1.25 6 50 5.0 36
Rear brake disc cover M6 × 1.0 2 10 1.0 7.2
Rear brake caliper protector M6 × 1.0 2 7 0.7 5.1
Drive chain puller adjust bolt and locknut M8 × 1.25 2 19 1.9 13
Engine mounting:
Engine and engine bracket (front) M10 × 1.25 1 53 5.3 38
Engine and frame (lower) M10 × 1.25 1 53 5.3 38
Upper engine bracket and frame M8 × 1.25 4 34 3.4 24
Lower engine bracket and frame M8 × 1.25 4 34 3.4 24
Engine and engine bracket (upper) M10 × 1.25 1 55 5.5 40
Engine guard M6 × 1.0 3 7 0.7 5.1
Regulator M6 × 1.0 2 7 0.7 5.1
Pivot shaft and nut M16 × 1.5 1 85 8.5 61
Relay arm and swingarm M14 × 1.5 1 70 7.0 50
Relay arm and connecting rod M14 × 1.5 1 80 8.0 58
Connecting rod and frame M14 × 1.5 1 80 8.0 58
Rear shock absorber and frame M10 × 1.25 1 56 5.6 40
Rear shock absorber and relay arm M10 × 1.25 1 53 5.3 38
Rear frame (upper) M8 × 1.25 1 38 3.8 27
Rear frame (lower) M8 × 1.25 2 32 3.2 23
Swingarm and brake hose holder M5 × 0.8 4 2 0.2 1.4
Swingarm and patch M4 × 0.7 4 2 0.2 1.4
Upper drive chain tensioner M8 × 1.25 1 16 1.6 11
Lower drive chain tensioner M8 × 1.25 1 16 1.6 11
Drive chain support M6 × 1.0 3 7 0.7 5.1
Seal guard and swingarm M5 × 0.8 4 6 0.6 4.3
Fuel tank M6 × 1.0 2 9 0.9 6.5
Fuel cock M6 × 1.0 2 4 0.4 2.9
Seat set bracket and fuel tank M6 × 1.0 1 7 0.7 5.1
Fuel tank bracket and fuel tank M6 × 1.0 4 7 0.7 5.1
Air scoop and fuel tank M6 × 1.0 6 7 0.7 5.1
Air scoop and radiator guard (lower) M6 × 1.0 2 6 0.6 4.3
Front fender M6 × 1.0 4 7 0.7 5.1
Rear fender (front) M6 × 1.0 2 7 0.7 5.1
Rear fender (rear) M6 × 1.0 2 11 1.1 8.0
Side cover M6 × 1.0 2 7 0.7 5.1
Seat M8 × 1.25 2 23 2.3 17
Multi-function display bracket and upper
bracket M6 × 1.0 2 7 0.7 5.1
Multi-function display M5 × 0.8 2 4 0.4 2.9
Plate 1 and front fork protector M5 × 0.8 2 4 0.4 2.9
Plate 2 and front fork protector 2 0.5 0.05 0.36
MAINTENANCE SPECIFICATIONS
2 - 16
SPEC
N
OTE:
- marked portion shall be checked for torque tightening after break-in.
Speed sensor lead holder and lower bracket M6 × 1.0 1 13 1.3 9.4
Headlight body and headlight unit 210.10.7
Headlight (left and right) M6 × 1.0 2 7 0.7 5.1
Taillight 310.10.7
Taillight lead clamp and rear fender 3 0.5 0.05 0.36
Catch tank (upper) M6 × 1.0 1 16 1.6 11
Catch tank (lower) M6 × 1.0 1 7 0.7 5.1
Footrest bracket and frame M10 × 1.25 4 55 5.5 40
Sidestand M10 × 1.25 1 25 2.5 18
Part to be tightened Thread size Qty Tightening torque
Nm m·kg ft·lb
MAINTENANCE SPECIFICATIONS
2 - 17
SPEC
EC212300
ELECTRICAL
Item Standard Limit
Ignition system:
Advancer type Electrical ----
CDI:
Pickup coil resistance (color) 248 ~ 372 at 20 °C (68 °F)
(White Red)
----
CDI unit-model/manufacturer 5UM-E0/YAMAHA (For USA) ----
5UM-F0/YAMAHA (Except for USA) ----
Ignition coil:
Model/manufacturer 5UL-10/DENSO ----
Minimum spark gap 6 mm (0.24 in) ----
Primary coil resistance 0.08 ~ 0.10 at 20 °C (68 °F) ----
Secondary coil resistance 4.6 ~ 6.8 k at 20 °C (68 °F) ----
Charging system:
System type AC magneto ----
Model (stator)/manufacturer 5UM 20/YAMAHA ----
Normal output 14 V/120 W at 5,000 r/min ----
Charging coil resistance (color) 0.288 ~ 0.432 at 20 °C (68 °F)
(White Ground)
----
Lighting coil resistance (color) 0.224 ~ 0.336 at 20 °C (68 °F)
(Yellow Ground)
----
Rectifier/regulator:
Regulator type Semiconductor short circuit ----
Model/manufacture SH770AA/SHINDENGEN ----
Regulated voltage (AC) 12.5 ~ 13.5 V ----
Regulated voltage (DC) 14.0 ~ 15.0 V ----
Rectifier capacity (AC) 12 A ----
Rectifier capacity (DC) 8 A ----
Electric starting system:
Type Constant mesh ----
Starter motor:
Model/manufacturer 5UM01/YAMAHA ----
Operation voltage 12 V ----
Output 0.35 kW ----
Armature coil resistance 0.0189 ~ 0.0231 at 20 °C (68 °F) ----
Brush overall length 7 mm (0.28 in) 3.5 mm (0.14 in)
Brush quantity 2 pcs. ----
Spring force 3.92 ~ 5.88 N
(400 ~ 600 g, 14.1 ~ 21.2 oz)
----
Commutator diameter 17.6 mm (0.69 in) 16.6 mm (0.65 in)
Mica undercut (depth) 1.5 mm (0.06 in) ----
MAINTENANCE SPECIFICATIONS
2 - 18
SPEC
N
OTE:
Tighten the rotor nut to 65 Nm (6.5 m kg, 47 ft lb), loosen and retighten the rotor nut to 65 Nm
(6.5 m kg, 47 ft lb).
Starter relay:
Model/manufacturer 2768090-A/JIDECO ----
Amperage rating 180 A ----
Coil winding resistance 4.2 ~ 4.6 at 20 °C (68 °F) ----
Starting circuit cut-off relay:
Model/manufacturer ACM33221 M06/MATSUSHITA ----
Coil winding resistance 75.69 ~ 92.51 at 20 °C (68 °F) ----
Fuse (amperage × quantity):
Main fuse 10 A × 1 ----
Reserve fuse 10 A × 1 ----
Part to be tightened Thread size Qty Tightening torque
Nm m·kg ft·lb
Stator M5 × 0.8 2 7 0.7 5.1
Holder (AC magneto lead) M5 × 0.8 2 7 0.7 5.1
Rotor M12 × 1.25 1 Refer to NOTE.
Neutral switch M5 × 0.8 2 4 0.4 2.9
Starter motor M6 × 1.0 2 10 1.0 7.2
Starter relay terminal M6 × 1.0 2 4 0.4 2.9
Negative lead and cylinder head M6 × 1.0 1 10 1.0 7.2
Pickup coil M6 × 1.0 2 10 1.0 7.2
Item Standard Limit
2 - 19
GENERAL TORQUE SPECIFICATIONS/
DEFINITION OF UNITS SPEC
EC220001
GENERAL TORQUE SPECIFICATIONS
This chart specifies torque for standard fasten-
ers with standard I.S.O. pitch threads. Torque
specifications for special components or
assemblies are included in the applicable sec-
tions of this book. To avoid warpage, tighten
multi-fastener assemblies in a crisscross fash-
ion, in progressive stages, until full torque is
reached. Unless otherwise specified, torque
specifications call for clean, dry threads. Com-
ponents should be at room temperature. A: Distance between flats
B: Outside thread diameter
EC230000
DEFINITION OF UNITS
A
(Nut) B
(Bolt)
TORQUE
SPECIFICATION
Nm mkg ftlb
10 mm
12 mm
14 mm
17 mm
19 mm
22 mm
6 mm
8 mm
10 mm
12 mm
14 mm
16 mm
6
15
30
55
85
130
0.6
1.5
3.0
5.5
8.5
13
4.3
11
22
40
61
94
Unit Read Definition Measure
mm
cm millimeter
centimeter 10-3 meter
10-2 meter Length
Length
kg kilogram 103 gram Weight
N Newton 1 kg × m/sec2 Force
Nm
m kg Newton meter
Meter kilogram N × m
m × kg Torque
Torque
Pa Pascal N/m2Pressure
N/mm Newton per millimeter N/mm Spring rate
L
cm3 Liter
Cubic centimeter
Volume or capacity
Volume or capacity
r/min Revolution per minute Engine speed
CARACTERISTIQUES GENERALES
2 - 20
SPEC
CARACTERISTIQUES
CARACTERISTIQUES GENERALES
Nom du modèle: WR250FW (USA, CDN, AUS, NZ)
WR250F (EUROPE, ZA)
Numéro de code de modèle: 5UME (USA)
5UMF (EUROPE)
5UMG (CDN, AUS, NZ, ZA)
Dimensions: USA, ZA, CDN EUROPE, AUS, NZ
Longueur hors tout 2.165 mm (85,24 in) 2.180 mm (85,83 in)
Largeur hors tout 825 mm (32,48 in)
Hauteur hors tout 1.300 mm (51,18 in) 1.305 mm (51,38 in)
Hauteur de la selle 980 mm (38,58 in) 990 mm (38,98 in)
Empattement 1.480 mm (58,27 in)
Garde au sol minimale 365 mm (14,37 in) 370 mm (14,57 in)
Poids à sec:
Sans huile ni carburant 106,0 kg (233,7 lb)
Moteur:
Type de moteur Moteur 4 temps refroidi par liquide, double arbre à
cames en tête
Disposition des cylindres Monocylindre, incliné vers lavant
Cylindrée249 cm
3 (8,76 Imp oz, 8,42 US oz)
Alésage × course 77,0 × 53,6 mm (3,03 × 2,11 in)
Taux de compression 12,5 : 1
Système de démarrage Kick et démarreur électrique
Système de graissage: Carter sec
Type ou qualité dhuile:
Huile moteur (USA et CDN)
Yamalube 4, SAE10W30 ou SAE20W40
Yamalube 4-R, SAE10W50
API Service de type SG et au-delà/JASO MA
(sauf USA et CDN)
SAE10W30, SAE10W40, SAE15W40, SAE20W40
ou SAE20W50
API Service de type SG et au-delà/JASO MA
-20 -10 0 10 20 30 40 50 ˚C
0 10 30 50 70 90 110 130 ˚F
YAMALUBE 4(10W-30) ou SAE 10W-30
YAMALUBE 4(20W-40) ou SAE 20W-40
YAMALUBE 4-R(10W-50) ou SAE 10W-50
-20 -10 0 10 20 30 40 50 ˚C
SAE 10W-30
SAE 10W-40
SAE 15W-40
SAE 20W-40
SAE 20W-50
2
CARACTERISTIQUES GENERALES
2 - 21
SPEC
Capacité dhuile:
Huile moteur
Vidange périodique 1,1 L (0,97 Imp qt, 1,16 US qt)
Avec remplacement du filtre à huile 1,2 L (1,06 Imp qt, 1,27 US qt)
Quantité totale 1,4 L (1,23 Imp qt, 1,48 US qt)
Quantité de liquide de refroidissement (tout circuit
compris):
0,99 L (0,87 Imp qt, 1,05 US qt)
Filtre à air: Elément de type humide
Carburant:
Type Essence super sans plomb avec indice doctane de
recherche égal ou supérieur à 95.
Capacité du réservoir 8,0 L (1,76 Imp gal, 2,11 US gal)
Réserve 1,1 L (0,24 Imp gal, 0,29 US gal)
Carburateur:
Type FCR-MX37
Fabricant KEIHIN
Bougie:
Type/fabricant CR9E/NGK (type à résistance)
Ecartement 0,7 à 0,8 mm (0,028 à 0,031 in)
Type dembrayage: Humide, multidisque
Boîte de vitesse:
Système de réduction primaire Pignon
Taux de réduction primaire 57/17 (3,353)
Système de réduction secondaire Transmission par chaîne
Taux de réduction secondaire 50/13 (3,846)
Type de boîte de vitesse Prise constante, 5-rapports
Commande Pied gauche
Rapport de démultiplication: 1ère 31/13 (2,385)
2ème 28/16 (1,750)
3ème 23/17 (1,353)
4ème 23/21 (1,095)
5ème 17/19 (0,895)
Châssis: USA, ZA, CDN EUROPE, AUS, NZ
Type de cadre Simple berceau dédou-
blé
Angle de chasse 27,0°26,6°
Chasse 115 mm (4,53 in) 114 mm (4,49 in)
Pneus:
Type A chambre à air
Taille (avant) 80/100-21 51M (USA, CDN et ZA)
90/90-21 54R (EUROPE, AUS et NZ)
Taille (arrière) 100/100-18 59M (USA, CDN et ZA)
130/90-18 69R (EUROPE, AUS et NZ)
Pression de gonflage (avant et arrière) 100 kPa (1,0 kgf/cm2, 15 psi)
CARACTERISTIQUES GENERALES
2 - 22
SPEC
Freins:
Type de frein avant Frein monodisque
Commande Main droite
Type de frein arrière Frein monodisque
Commande Pied droit
Suspension:
Suspension avant Fourche télescopique
Suspension arrière Bras oscillant (suspension monocross à bras)
Amortisseur:
Amortisseur avant Ressort hélicoïdal/amortisseur hydraulique
Amortisseur arrière Ressort hélicoïdal/pneumatique, amortisseur
hydraulique
Débattement des roues:
Roue avant 300 mm (11,8 in)
Roue arrière 310 mm (12,2 in)
Système électrique:
Système dallumage CDI
Système de génération Alternateur avec rotor à aimantation permanente
Type de batterie YTX5L-BS
Tension/capacité de la batterie 12 V/4 Ah
Densité1,320
Type de phare: Ampoule au quartz (halogène)
Puissance × quantité:
Phare 12 V 35/36,5 W × 1
Feu arrière 12 V 1,6/0,3 W × 1
CARACTERISTIQUES DENTRETIEN
2 - 23
SPEC
CARACTERISTIQUES DENTRETIEN
MOTEUR
Elément Standard Limite
Culasse:
Limite de déformation ---- 0,05 mm
(0,002 in)
Cylindre:
Alésage 77,00 à 77,01 mm
(3,0315 à 3,0319 in)
----
Limite dovalisation ---- 0,05 mm
(0,002 in)
Arbre à cames:
Méthode de transmission Transmission par chaîne (gauche) ----
Diamètre intérieur du chapeau darbre à cames 22,000 à 22,021 mm
(0,8661 à 0,8670 in)
----
Diamètre extérieur de larbre à cames 21,959 à 21,972 mm
(0,8645 à 0,8650 in)
----
Jeu arbre-chapeau 0,028 à 0,062 mm
(0,0011 à 0,0024 in)
0,08 mm
(0,003 in)
Dimensions de la came
Admission A29,65 à 29,75 mm
(1,1673 à 1,1713 in)
29,55 mm
(1,1634 in)
B22,45 à 22,55 mm
(0,8839 à 0,8878 in)
22,35 mm
(0,8799 in)
Echappement A30,399 à 30,499 mm
(1,1968 à 1,2007 in)
30,299 mm
(1,1929 in)
B22,45 à 22,55 mm
(0,8839 à 0,8878 in)
22,35 mm
(0,8799 in)
Limite de faux-rond darbre à cames ---- 0,03 mm
(0,0012 in)
A
B
CARACTERISTIQUES DENTRETIEN
2 - 24
SPEC
Chaîne de distribution:
Type de chaîne de distribution/nbre de maillons 92RH2010-114M/114 ----
Méthode de réglage de la chaîne de distribution Automatique ----
Soupape, siège de soupape, guide de soupape:
Jeu aux soupapes (à froid) IN 0,10 à 0,15 mm
(0,0039 à 0,0059 in)
----
EX 0,17 à 0,22 mm
(0,0067 à 0,0087 in)
----
Dimensions des soupapes:
Diamètre de la tête AIN 22,9 à 23,1 mm
(0,9016 à 0,9094 in)
----
EX 24,4 à 24,6 mm
(0,9606 à 0,9685 in)
----
Largeur de portée BIN 2,26 mm (0,089 in) ----
EX 2,26 mm (0,089 in) ----
Largeur de siège CIN 0,9 à 1,1 mm
(0,0354 à 0,0433 in)
1,6 mm
(0,0630 in)
EX 0,9 à 1,1 mm
(0,0354 à 0,0433 in)
1,6 mm
(0,0630 in)
Epaisseur de rebord DIN 0,8 mm (0,0315 in) ----
EX 0,7 mm (0,0276 in) ----
Diamètre extérieur de la queue IN 3,975 à 3,990 mm
(0,1565 à 0,1571 in)
3,945 mm
(0,1553 in)
EX 4,460 à 4,475 mm
(0,1756 à 0,1762 in)
4,430 mm
(0,1744 in)
Diamètre intérieur du guide IN 4,000 à 4,012 mm
(0,1575 à 0,1580 in)
4,050 mm
(0,1594 in)
EX 4,500 à 4,512 mm
(0,1772 à 0,1776 in)
4,550 mm
(0,1791 in)
Jeu queue-guide IN 0,010 à 0,037 mm
(0,0004 à 0,0015 in)
0,08 mm
(0,003 in)
EX 0,025 à 0,052 mm
(0,0010 à 0,0020 in)
0,10 mm
(0,004 in)
Elément Standard Limite
BC
D
A
Diamètre de la tête Largeur de portée Largeur du siège Epaisseur de rebord
CARACTERISTIQUES DENTRETIEN
2 - 25
SPEC
Limite de faux-rond de tige de soupape ---- 0,01 mm
(0,0004 in)
Largeur de siège de soupape IN 0,9 à 1,1 mm
(0,0354 à 0,0433 in)
1,6 mm
(0,0630 in)
EX 0,9 à 1,1 mm
(0,0354 à 0,0433 in)
1,6 mm
(0,0630 in)
Ressort de soupape:
Longueur libre IN 36,58 mm (1,44 in) 35,58 mm
(1,40 in)
EX 37,54 mm (1,48 in) 36,54 mm
(1,44 in)
Longueur du ressort posé
(soupape fermée) IN 29,13 mm (1,15 in) ----
EX 29,30 mm (1,15 in) ----
Force du ressort comprimé (posé)IN 103 à 118 N à 29,13 mm
(10,50 à 12,09 kg à 29,13 mm,
23,15 à 26,66 lb à 1,15 in)
----
EX 126 à 144 N à 29,30 mm
(12,85 à 14,68 kg à 29,30 mm,
28,32 à 32,37 lb à 1,15 in)
----
Limite dinclinaison IN ---- 2,5°/1,6 mm
(2,5°/0,063 in)
EX ---- 2,5°/1,6 mm
(2,5°/0,063 in)
Sens denroulement (vu den haut) IN Sens des aiguilles dune montre ----
EX Sens des aiguilles dune montre ----
Piston:
Jeu du piston dans le cylindre 0,030 à 0,055 mm
(0,0012 à 0,0022 in)
0,1 mm
(0,004 in)
Taille du piston D76,955 à 76,970 mm
(3,0297 à 3,0303 in)
----
Point de mesure H8 mm (0,31 in) ----
Excentrement du piston 0,5 mm (0,020 in)/côté IN ----
Elément Standard Limite
*
H
D
CARACTERISTIQUES DENTRETIEN
2 - 26
SPEC
Diamètre intérieur de lalésage de laxe de piston 16,002 à 16,013 mm
(0,6300 à 0,6304 in)
16,043 mm
(0,6316 in)
Diamètre extérieur de laxe de piston 15,991 à 16,000 mm
(0,6296 à 0,6299 in)
15,971 mm
(0,6288 in)
Segments de piston:
Segment de feu:
Type Cylindrique ----
Dimensions (B × T) 0.90 × 2,75 mm (0,04 × 0,11 in) ----
Ecartement des becs (segment monté)0,15 à 0,25 mm
(0,006 à 0,010 in)
0,50 mm
(0,020 in)
Jeu latéral (monté) 0,030 à 0,065 mm
(0,0012 à 0,0026 in)
0,12 mm
(0,005 in)
Segment d’étanchéité:
Type Conique ----
Dimensions (B × T) 0,80 × 2,75 mm (0,03 × 0,11 in) ----
Ecartement des becs (segment monté)0,30 à 0,45 mm
(0,012 à 0,018 in)
0,80 mm
(0,031 in)
Jeu latéral 0,020 à 0,055 mm
(0,0008 à 0,0022 in)
0,12 mm
(0,005 in)
Segment racleur dhuile:
Dimensions (B × T) 1,50 × 2,25 mm (0,06 × 0,09 in) ----
Ecartement des becs (segment monté)0,10 à 0,40 mm
(0,004 à 0,016)
----
Vilebrequin:
Largeur du vilebrequin A55,95 à 56,00 mm
(2,203 à 2,205 in)
----
Limite de déformation C0,03 mm (0,0012 in) 0,05 mm
(0,002 in)
Jeu latéral de tête de bielle D0,15 à 0,45 mm
(0,0059 à 0,0177 in)
0,50 mm
(0,02 in)
Jeu de pied de bielle F0,4 à 1,0 mm (0,02 à 0,04 in) 2,0 mm
(0,08 in)
Elément Standard Limite
T
B
B
T
B
T
CARACTERISTIQUES DENTRETIEN
2 - 27
SPEC
Embrayage:
Epaisseur du disque garni 2,9 à 3,1 mm (0,114 à 0,122 in) 2,7 mm
(0,106 in)
Quantité9 ----
Epaisseur du disque dembrayage 1,1 à 1,3 mm (0,043 à 0,051 in) ----
Quantité8 ----
Limite de déformation ---- 0,1 mm
(0,004 in)
Longueur libre de ressort dembrayage 37,0 mm (1,46 in) 36,0 mm
(1,42 in)
Quantité5 ----
Jeu de butée de cloche dembrayage 0,10 à 0,35 mm
(0,0039 à 0,0138 in)
----
Jeu radial de cloche dembrayage 0,010 à 0,044 mm
(0,0004 à 0,0017 in)
----
Méthode de débrayage Poussée interne, poussée par came ----
Sélecteur:
Type de sélecteur Tambour de came et barre de gui-
dage
----
Limite de flexion de barre de guidage ---- 0,05 mm
(0,002 in)
Kick:
Type Kick et type à rochet ----
Carburateur:
Type/fabricant FCR-MX37/KEIHIN
Marque didentification 5UME E0
Gicleur principal (MJ) N°170
Gicleur principal (M.A.J.) N°115
Aiguille (J.N.) NJRU
Echancrure (C.A) 1,5
Gicleur de ralenti (P.J) N°42
Gicleur dair de ralenti (P.A.J) N°70
Orifice de déversement du circuit
de ralenti (P.O)
ø0,9
Dérivation (B.P) ø1,0
Taille du siège de soupape (V.S) ø3,8
Gicleur de starter (G.S) N°68
Gicleur de fuite (Acc.P) N°70
Hauteur du flotteur (F.H) 8 mm (0,31 in)
Régime de ralenti 1.750 à 1.950 tr/min
Dépression à ladmission 31,3 à 36,7 kPa
(235 à 275 mmHg,
9,25 à 10,83 inHg)
Jeu du levier de démarrage à chaud 3 à 6 mm
(0,12 à 0,24 in)
Elément Standard Limite
CARACTERISTIQUES DENTRETIEN
2 - 28
SPEC
Système de graissage:
Type de filtre à huile Papier ----
Type de pompe à huile Type trochoïde ----
Jeu entre rotors 0,12 mm ou moins
(0,0047 in ou moins)
0,20 mm
(0,008 in)
Jeu latéral 0,09 à 0,17 mm
(0,0035 à 0,0067 in)
0,24 mm
(0,009 in)
Jeu corps et rotor 0,03 à 0,10 mm
(0,0012 à 0,0039 in)
0,17 mm
(0,0067 in)
Refroidissement:
Taille du faisceau du radiateur
Largeur 120,2 mm (4,73 in) ----
Hauteur 240 mm (9,45 in) ----
Epaisseur 22 mm (0,87 in) ----
Pression douverture du bouchon de radiateur 110 kPa (1,1 kg/cm2, 15,6 psi) ----
Capacité du radiateur (totale) 0,54 L (0,48 Imp qt, 0,57 US qt) ----
Pompe à eau
Type Pompe centrifuge à aspiration uni-
que
----
Elément Standard Limite
CARACTERISTIQUES DENTRETIEN
2 - 29
SPEC
Pièce à serrer Diamètre du
filet QtéCouple de serrage
Nm m·kg ft·lb
Bougie M10S × 1,0 1 13 1,3 9,4
Chapeau darbre à cames M6 × 1,0 10 10 1,0 7,2
Vis de plot borgne de culasse M12 × 1,0 1 28 2,8 20
Culasse (goujon) M6 × 1,0 2 7 0,7 5,1
(goujon) M8 × 1,25 1 15 1,5 11
(boulon) M9 × 1,25 4 38 3,8 27
(écrou) M6 × 1,0 2 10 1,0 7,2
Couvre-culasse M6 × 1,0 2 10 1,0 7,2
Cylindre M6 × 1,0 1 10 1,0 7,2
Poids d’équilibrage M6 × 1,0 2 10 1,0 7,2
Pignon mené de larbre de balancier M14 × 1,0 1 50 5,0 36
Patin de chaîne de distribution (côté admission) M6 × 1,0 2 10 1,0 7,2
Tendeur de chaîne de distribution M6 × 1,0 2 10 1,0 7,2
Boulon capuchon du tendeur de chaîne de distribu-
tion M6 × 1,0 1 7 0,7 5,1
Rotor M8 × 1,25 1 14 1,4 10
Bride de durit de radiateur M6 × 1,0 10 2 0,2 1,4
Boulon de vidange du liquide de refroidissement M6 × 1,0 1 10 1,0 7,2
Carter de pompe à eau M6 × 1,0 4 10 1,0 7,2
Support de radiateur M6 × 1,0 6 10 1,0 7,2
Radiateur M6 × 1,0 4 10 1,0 7,2
Tuyau de radiateur M6 × 1,0 1 10 1,0 7,2
Couvercle de pompe à huile M4 × 0,7 1 2 0,2 1,4
Pompe à huile M6 × 1,0 3 10 1,0 7,2
Boulon de vidange de l’élément de filtre à huile M6 × 1,0 1 10 1,0 7,2
Couvercle d’élément de filtre à huile M6 × 1,0 2 10 1,0 7,2
Crépine à huile (carter) M6 × 1,0 2 10 1,0 7,2
Tuyau dalimentation en huile 1(M10) M10 × 1,25 1 20 2,0 14
(M8) M8 × 1,25 2 18 1,8 13
Durit dhuile M6 × 1,0 2 8 0,8 5,8
Collier de durit dhuile 220,21,4
Crépine à huile (réservoir dhuile) M6 × 1,0 1 9 0,9 6,5
Boulon de vidange du réservoir dhuile M8 × 1,25 1 18 1,8 13
Réservoir dhuile (supérieur) M6 × 1,0 1 7 0,7 5,1
Réservoir dhuile et cadre M6 × 1,0 3 9 0,9 6,5
Boulon de contrôle de la pression dhuile M6 × 1,0 1 10 1,0 7,2
Raccord de carburateur M6 × 1,0 2 10 1,0 7,2
Bride de raccord du carburateur M4 × 0,7 1 3 0,3 2,2
Collier du conduit dadmission dair M6 × 1,0 1 3 0,3 2,2
Boulon de réglage du câble des gaz et contre-écrou M6 × 0,75 1 4 0,4 2,9
Câble des gaz (tiré)M6 × 1,0 1 4 0,4 2,9
Câble des gaz (retour) M12 × 1,0 1 11 1,1 8,0
Couvercle du logement du câble des gaz M5 × 0,8 2 4 0,4 2,9
CARACTERISTIQUES DENTRETIEN
2 - 30
SPEC
N.B.:
Contrôler le serrage au couple des éléments maqués dun après le rodage.
Plongeur de démarrage à chaud M12 × 1,0 1 2 0,2 1,4
Boulon de réglage du câble de starter à chaud et
contre-écrou M6 × 0,75 1 4 0,4 2,9
Boîtier de filtre à air M6 × 1,0 2 8 0,8 5,8
Conduit dadmission dair et boîtier de filtre à air M5 × 0,8 1 4 0,4 2,9
Tube d’échappement M8 × 1,25 2 20 2,0 14
Protection du tuyau d’échappement M6 × 1,0 3 10 1,0 7,2
Silencieux M8 × 1,25 2 30 3,0 22
Collier du silencieux M8 × 1,25 1 16 1,6 11
Pare-étincelles M5 × 0,8 4 7 0,7 5,1
Capuchon de silencieux M5 × 0,8 6 5 0,5 3,6
Tuyau dinduction dair M6 × 1,0 1 10 1,0 7,2
Collier du tuyau dinduction dair M6 × 1,0 1 4 0,4 2,9
Support et clapet de coupure dair M6 × 1,0 2 10 1,0 7,2
Support (clapet de coupure dair) et cadre M6 × 1,0 2 7 0,7 5,1
Carter M6 × 1,0 11 12 1,2 8,7
Butoir de roulement de demi-carter M6 × 1,0 11 10 1,0 7,2
Butoir de roulement de demi-carter (vilebrequin) M6 × 1,0 4 10 1,0 7,2
Demi-carter gauche M6 × 1,0 8 10 1,0 7,2
Couvercle de pignon fou (démarreur) M6 × 1,0 3 10 1,0 7,2
Plaque de pignon fou M6 × 1,0 2 10 1,0 7,2
Demi-carter droit M6 × 1,0 6 10 1,0 7,2
Couvercle dembrayage M6 × 1,0 7 10 1,0 7,2
Boulon de vidange dhuile du carter moteur M10 × 1,25 1 20 2,0 14
Couvercle de pignon de chaîne de transmission M6 × 1,0 2 8 0,8 5,8
Guide-rochet de larbre de kick M6 × 1,0 2 12 1,2 8,7
Pédale de kick M8 × 1,25 1 33 3,3 24
Pignon de transmission primaire M18 × 1,0 1 75 7,5 54
Ressort dembrayage M6 × 1,0 5 10 1,0 7,2
Noix dembrayage M16 × 1,0 1 60 6,0 43
Contre-écrou du câble dembrayage M8 × 1,25 2 7 0,7 5,1
Arbre de tige de pousséeM6 × 1,0 1 10 1,0 7,2
Couronne arrière M18 × 1,0 1 75 7,5 54
Retenue de joint d’étanchéité de larbre secondaire M6 × 1,0 2 10 1,0 7,2
Segment M8 × 1,25 1 30 3,0 22
Guide de sélection M6 × 1,0 2 10 1,0 7,2
Levier de butéeM6 × 1,0 1 10 1,0 7,2
Sélecteur M6 × 1,0 1 12 1,2 8,7
Pièce à serrer Diamètre du
filet QtéCouple de serrage
Nm m·kg ft·lb
CARACTERISTIQUES DENTRETIEN
2 - 31
SPEC
CHÂSSIS
Elément Standard Limite
Système de direction:
Type de roulement de direction Roulement à rouleaux coniques ----
Suspension avant: USA, CDN EUROPE AUS, NZ, ZA
Débattement de fourche 300 mm (11,8 in) ←←
Longueur libre de ressort de fourche 460 mm (18,1 in) ←←
Raideur de ressort, standard K = 4,4 N/mm
(0,449 kg/mm,
25,1 lb/in)
←←
Ressort/entretoise en option Oui ←←
Capacité dhuile 648 cm3
(22,8 Imp oz,
21,9 US oz)
←←
Niveau dhuile 132 mm (5,20 in) ←←
<Min. à Max.>
(Du sommet du fourreau, tube plongeur
et tige damortisseur entièrement com-
primés sans ressort.)
95 à 150 mm
(3,74 à 5,91 in)
←←
Type dhuile Huile de suspen-
sion S1
←←
Diamètre extérieur du tube plongeur 48 mm (1,89 in) ←←
Extrémité supérieure de la fourche 5 mm (0,20 in) ←←
Suspension arrière: USA, CDN EUROPE AUS, NZ, ZA
Débattement damortisseur 130 mm (5,12 in)
Longueur de ressort libre 260 mm (10,24 in)
Longueur de raccord 249 mm (9,80 in) 248,5 mm (9,78 in) 245,0 mm (9,65 in)
<Min. à Max.> 238,5 à 258,5 mm
(9,39 à 10,18 in)
Raideur de ressort, standard K = 52,0 N/mm
(5,30 kg/mm,
296,8 lb/in)
←←
Ressort en option Oui
Pression du gaz enfermé1.000 kPa
(10 kg/cm2, 142 psi)
Bras oscillant:
Limite de jeu du bras oscillant
Extrémité---- 1,0 mm
(0,04 in)
CARACTERISTIQUES DENTRETIEN
2 - 32
SPEC
Roue: USA, CDN, ZA EUROPE, AUS, NZ
Type de roue avant Roue à rayons ----
Type de roue arrière Roue à rayons ----
Taille/matériau de la jante avant 21 × 1,60/Aluminium ----
Taille/matériau de la jante arrière 18 × 1,85/Aluminium 18 × 2,15/Aluminium ----
Limite de voilage de la jante:
Radial ---- ---- 2,0 mm
(0,08 in)
Latéral ---- ---- 2,0 mm
(0,08 in)
Chaîne de transmission:
Type/fabricant DID520VM/DAIDO ----
Nombre de maillons 113 maillons + attache ----
Jeu de la chaîne 48 à 58 mm (1,9 à 2,3 in) ----
Longueur de la chaîne (15 maillons) ---- 239,3 mm
(9,42 in)
Frein à disque avant:
Diamètre extérieur du disque × Epais-
seur
250 × 3,0 mm (9,84 × 0,12 in) 250 × 2,5 mm
(9,84
×
0,10 in)
Epaisseur de plaquette 4,4 mm (0,17 in) 1,0 mm
(0,04 in)
Diamètre intérieur du maître cylindre 11,0 mm (0,433 in) ----
Diamètre intérieur du cylindre d’étrier 27,0 mm (1,063 in) × 2 ----
Type de liquide de frein DOT n°4 ----
Frein à disque arrière:
Diamètre extérieur du disque × Epais-
seur
245 × 4,0 mm (9,65 × 0,16 in) 245 × 3,5 mm
(9,65
×
0,14 in)
Limite de déflexion ---- 0,15 mm
(0,006 in)
Epaisseur de plaquette 6,4 mm (0,25 in) 1,0 mm
(0,04 in)
Diamètre intérieur du maître cylindre 11,0 mm (0,433 in) ----
Diamètre intérieur du cylindre d’étrier 25,4 mm (1,000 in) × 1 ----
Type de liquide de frein DOT n°4 ----
Levier et pédale de frein:
Position du levier de frein 95 mm (3,74 in) ----
Hauteur de la pédale de frein
(distance verticale au-dessus du som-
met du repose-pied)
10 mm (0,39 in) ----
Garde du levier dembrayage (à lextré-
mité du levier)
8 à 13 mm (0,31 à 0,51 in) ----
Jeu de la poignée des gaz 3 à 5 mm (0,12 à 0,20 in) ----
Elément Standard Limite
CARACTERISTIQUES DENTRETIEN
2 - 33
SPEC
N.B.:
1. Serrer dabord l’écrou crénelé de direction à 38 Nm (3,8 m kg, 27 ft lb) à laide dune clé à ergots, puis
le desserrer dun tour.
2. Resserrer l’écrou crénelé de direction à 7 Nm (0,7 m kg, 5,1 ft lb).
Pièce à serrer Diamètre du
filet QtéCouple de serrage
Nm m·kg ft·lb
Té supérieur et fourreau M8 × 1,25 4 21 2,1 15
Té inférieur et fourreau M8 × 1,25 4 21 2,1 15
Té supérieur et arbre de direction M24 × 1,0 1 145 14,5 105
Support de guidon supérieur et inférieur M8 × 1,25 4 28 2,8 20
Support de guidon inférieur et té supérieur M10 × 1,25 2 34 3,4 24
Colonne de direction et écrou de direction M28 × 1,0 1 Se reporter à N.B..
Fourche et bouchon de tube de fourche M51 × 1,5 2 30 3,0 22
Fourche et valve de réglage M30 × 1,0 2 55 5,5 40
Bouchon de tube de fourche et tige damortissement M12 × 1,25 2 29 2,9 21
Vis de purge de fourche et bouchon de tube de fourche M5 × 0,8 2 1 0,1 0,7
Fourche et protection de fourche M6 × 1,0 6 7 0,7 5,1
Protection de fourche et support de durit de frein M6 × 1,0 2 7 0,7 5,1
Capuchon de la poignée des gaz M5 × 0,8 2 4 0,4 2,9
Maître-cylindre de frein avant M6 × 1,0 2 9 0,9 6,5
Boulon de montage du levier de frein M6 × 1,0 1 6 0,6 4,3
Ecrou de montage du levier de frein M6 × 1,0 1 6 0,6 4,3
Contre-écrou de réglage de position du levier de frein M6 × 1,0 1 5 0,5 3,6
Guide de durit de frein avant et support de guide de
durit de frein avant M5 × 0,8 1 4 0,4 2,9
Guide de durit de frein avant et support inférieur M6 × 1,0 1 4 0,4 2,9
Support de levier dembrayage M5 × 0,8 2 4 0,4 2,9
Ecrou de montage du levier dembrayage M6 × 1,0 1 4 0,4 2,9
Support du levier de démarrage à chaud M5 × 0,8 2 4 0,4 2,9
Ecrou de montage du levier de démarrage à chaud M5 × 0,8 1 2 0,2 1,4
Couvercle de maître-cylindre de frein avant M4 × 0,7 2 2 0,2 1,4
Boulon de raccord de durit de frein avant M10 × 1,25 2 30 3,0 22
Etrier de frein avant M8 × 1,25 2 23 2,3 17
Etrier de frein avant et support de durit de frein M6 × 1,0 1 10 1,0 7,2
Bouchon de goupille de plaquette M10 × 1,0 2 3 0,3 2,2
Etrier de frein avant et goupille de plaquette M10 × 1,0 1 18 1,8 13
Etrier de frein arrière et goupille de plaquette M10 × 1,0 1 18 1,8 13
Etrier de frein et vis de purge M8 × 1,25 2 6 0,6 4,3
Axe de roue avant et écrou daxe M16 × 1,5 1 90 9,0 65
Support daxe de roue avant M8 × 1,25 4 21 2,1 15
Disque de frein avant M6 × 1,0 6 12 1,2 8,7
Disque de frein arrière M6 × 1,0 6 14 1,4 10
Pédale de frein M8 × 1,25 1 26 2,6 19
Maître-cylindre de frein arrière M6 × 1,0 2 10 1,0 7,2
Couvercle de maître-cylindre de frein arrière M4 × 0,7 2 2 0,2 1,4
Boulon de raccord de durit de frein arrière M10 × 1,25 2 30 3,0 22
Axe de roue arrière et écrou daxe M20 × 1,5 1 125 12,5 90
CARACTERISTIQUES DENTRETIEN
2 - 34
SPEC
Pièce à serrer Diamètre du
filet QtéCouple de serrage
Nm m·kg ft·lb
Ecrou (rayon) 72 3 0,3 2,2
Pignon de roue arrière M8 × 1,25 6 50 5,0 36
Couvre-disque de frein arrière M6 × 1,0 2 10 1,0 7,2
Protection d’étrier de frein arrière M6 × 1,0 2 7 0,7 5,1
Boulon de réglage et contre-écrou de la chaîne de
transmission M8 × 1,25 2 19 1,9 13
Support du moteur:
Moteur et support de moteur (avant) M10 × 1,25 1 53 5,3 38
Moteur et cadre (inférieur) M10 × 1,25 1 53 5,3 38
Support de moteur supérieur et cadre M8 × 1,25 4 34 3,4 24
Support de moteur inférieur et cadre M8 × 1,25 4 34 3,4 24
Moteur et support de moteur (supérieur) M10 × 1,25 1 55 5,5 40
Protège-carter M6 × 1,0 3 7 0,7 5,1
Régulateur M6 × 1,0 2 7 0,7 5,1
Boulon-pivot et écrou M16 × 1,5 1 85 8,5 61
Bras relais et bras oscillant M14 × 1,5 1 70 7,0 50
Bras relais et bielle M14 × 1,5 1 80 8,0 58
Bielle et cadre M14 × 1,5 1 80 8,0 58
Amortisseur arrière et cadre M10 × 1,25 1 56 5,6 40
Amortisseur arrière et bras relais M10 × 1,25 1 53 5,3 38
Cadre arrière (supérieur) M8 × 1,25 1 38 3,8 27
Cadre arrière (inférieur) M8 × 1,25 2 32 3,2 23
Bras oscillant et support de durit de frein M5 × 0,8 4 2 0,2 1,4
Bras oscillant et renfort M4 × 0,7 4 2 0,2 1,4
Tendeur de chaîne de transmission supérieur M8 × 1,25 1 16 1,6 11
Tendeur de chaîne de transmission inférieur M8 × 1,25 1 16 1,6 11
Support de chaîne de transmission M6 × 1,0 3 7 0,7 5,1
Fixation et bras oscillant M5 × 0,8 4 6 0,6 4,3
Réservoir de carburant M6 × 1,0 2 9 0,9 6,5
Robinet de carburant M6 × 1,0 2 4 0,4 2,9
Support de positionnement de la selle et réservoir
de carburant M6 × 1,0 1 7 0,7 5,1
Support de réservoir de carburant et réservoir de
carburant M6 × 1,0 4 7 0,7 5,1
Prise dair et réservoir de carburant M6 × 1,0 6 7 0,7 5,1
Prise dair et plaque de protection de radiateur
(inférieure) M6 × 1,0 2 6 0,6 4,3
Garde-boue avant M6 × 1,0 4 7 0,7 5,1
Garde-boue arrière (avant) M6 × 1,0 2 7 0,7 5,1
Garde-boue arrière (arrière) M6 × 1,0 2 11 1,1 8,0
Cache latéral M6 × 1,0 2 7 0,7 5,1
Selle M8 × 1,25 2 23 2,3 17
Support de l’écran multifonction et té supérieur M6 × 1,0 2 7 0,7 5,1
Ecran multifonction M5 × 0,8 2 4 0,4 2,9
CARACTERISTIQUES DENTRETIEN
2 - 35
SPEC
N.B.:
Contrôler le serrage au couple des éléments maqués dun après le rodage.
Plaque 1 et dispositif de protection de fourche M5 × 0,8 2 4 0,4 2,9
Plaque 2 et dispositif de protection de fourche 2 0,5 0,05 0,36
Té inférieur et support du fil du capteur de vitesse M6 × 1,0 1 13 1,3 9,4
Corps du phare et bloc de phare 210,10,7
Phare (gauche et droit) M6 × 1,0 2 7 0,7 5,1
Feu arrière 310,10,7
Collier du fil de feu arrière et garde-boue arrière 3 0,5 0,05 0,36
Réservoir de récupération (supérieur) M6 × 1,0 1 16 1,6 11
Réservoir de récupération (inférieur) M6 × 1,0 1 7 0,7 5,1
Repose-pied et cadre M10 × 1,25 4 55 5,5 40
Béquille latérale M10 × 1,25 1 25 2,5 18
Pièce à serrer Diamètre du
filet QtéCouple de serrage
Nm m·kg ft·lb
CARACTERISTIQUES DENTRETIEN
2 - 36
SPEC
CIRCUIT ELECTRIQUE
Elément Standard Limite
Système dallumage:
Type de système davance Electrique ----
CDI:
Résistance de la bobine dexcitation
(couleur)
248 à 372 à 20 °C (68 °F)
(blanc rouge)
----
Modèle/fabricant du boîtier CDI 5UM-E0/YAMAHA (USA) ----
5UM-F0/YAMAHA (sauf USA) ----
Bobine dallumage:
Modèle/fabricant 5UL-10/DENSO ----
Longueur d’étincelle minimum 6 mm (0,24 in) ----
Résistance de lenroulement primaire 0,08 à 0,10 à 20 °C (68 °F) ----
Résistance de lenroulement secondaire 4,6 à 6,8 k à 20 °C (68 °F) ----
Système de charge:
Type de système Alternateur avec rotor à aimantation
permanente
----
Modèle (stator)/fabricant 5UM 20/YAMAHA ----
Puissance nominale 14 V/120 W à 5.000 tr/min ----
Résistance de la bobine de charge (cou-
leur)
0,288 à 0,432 à 20 °C (68 °F)
(blanc terre)
----
Résistance de la bobine d’éclairage
(couleur)
0,224 à 0,336 à 20 °C (68 °F)
(jaune terre)
----
Redresseur/régulateur:
Type de régulateur Semi-conducteur, à court-circuit ----
Modèle/fabricant SH770AA/SHINDENGEN ----
Tension régulée (CA) 12,5 à 13,5 V ----
Tension régulée (CC) 14,0 à 15,0 V ----
Capacité du redresseur (CA) 12 A ----
Capacité du redresseur (CC) 8 A ----
Système de démarrage électrique:
Type A prise constante ----
Démarreur:
Modèle/fabricant 5UM01/YAMAHA ----
Tension de fonctionnement 12 V ----
Puissance 0,35 kW ----
Résistance de lenroulement dinduit 0,0189 à 0,0231 à 20 °C (68 °F) ----
Longueur totale des balais 7 mm (0,28 in) 3,5 mm (0,14 in)
Nombre de balais 2 pcs. ----
Force de ressort 3,92 à 5,88 N
(400 à 600 g, 14,1 à 21,2 oz)
----
Diamètre du collecteur 17,6 mm (0,69 in) 16,6 mm (0,65 in)
Profondeur du mica 1,5 mm (0,06 in) ----
CARACTERISTIQUES DENTRETIEN
2 - 37
SPEC
N.B.:
Serrer l’écrou du rotor à 65 Nm (6,5 m kg, 47 ft lb), desserrer puis resserrer l’écrou du rotor à 65 Nm
(6,5 m kg, 47 ft lb).
Relais de démarreur:
Modèle/fabricant 2768090-A/JIDECO ----
Ampérage 180 A ----
Résistance de lenroulement 4,2 à 4,6 à 20 °C (68 °F) ----
Relais de coupe-circuit de démarrage:
Modèle/fabricant ACM33221 M06/MATSUSHITA ----
Résistance de lenroulement 75,69 à 92,51 à 20 °C (68 °F) ----
Fusibles (ampérage × nombre):
Fusible principal 10 A × 1 ----
Fusible de réserve 10 A × 1 ----
Pièce à serrer Diamètre du
filet QtéCouple de serrage
Nm m·kg ft·lb
Stator M5 × 0,8 2 7 0,7 5,1
Support (fil de lalternateur avec rotor à aimanta-
tion permanente) M5 × 0,8 2 7 0,7 5,1
Rotor M12 × 1,25 1 Se reporter à N.B..
Contacteur de point mort M5 × 0,8 2 4 0,4 2,9
Démarreur M6 × 1,0 2 10 1,0 7,2
Borne de relais de démarreur M6 × 1,0 2 4 0,4 2,9
Câble négatif et culasse M6 × 1,0 1 10 1,0 7,2
Bobine dexcitation M6 × 1,0 2 10 1,0 7,2
Elément Standard Limite
2 - 38
CARACTERISTIQUES GENERALES DE COUPLE/
DEFINITION DES UNITES SPEC
CARACTERISTIQUES GENERA-
LES DE COUPLE
Ce tableau spécifie les couples de serrage des atta-
ches standard avec filet à pas I.S.O. standard. Les
spécifications de couple pour les composants ou
ensembles spéciaux sont indiquées dans les sec-
tions appropriées de ce manuel. Pour éviter toute
déformation, serrer les ensembles à plusieurs atta-
ches en procédant en croix, par étapes progressives,
jusqu’à ce que le couple final soit atteint. Sauf indi-
cation contraire, les spécifications de couple
sentendent pour des filets propres et secs. Les élé-
ments doivent être à température ambiante.
A: Distance entre les plats
B: Diamètre extérieur du filet
DEFINITION DES UNITES
A
(Ecrou)
B
(Bou-
lon)
SPECIFICATION DE
COUPLE
Nm mkg ftlb
10 mm
12 mm
14 mm
17 mm
19 mm
22 mm
6 mm
8 mm
10 mm
12 mm
14 mm
16 mm
6
15
30
55
85
130
0,6
1,5
3,0
5,5
8,5
13
4,3
11
22
40
61
94
UnitéSignification Définition Mesure
mm
cm millimètre
centimètre 10-3 mètre
10-2 mètre Longueur
Longueur
kg kilogramme 103 gramme Poids
N Newton 1 kg × m/sec2Force
Nm
m kg Newton-mètre
Mètre kilogramme N × m
m × kg Couple
Couple
Pa Pascal N/m2Pression
N/mm Newton par millimètre N/mm Raideur de ressort
l
cm3 Litre
Centimètre cube
Volume ou contenance
Volume ou contenance
tr/min Tours par minute Régime du moteur
ALLGEMEINE TECHNISCHE DATEN
2 - 39
SPEC
TECHNISCHE DATEN
ALLGEMEINE TECHNISCHE DATEN
Modellbezeichnung: WR250FW (USA, CDN, AUS, NZ)
WR250F (EUROPE, ZA)
Modellcode: 5UME (USA)
5UMF (EUROPE)
5UMG (CDN, AUS, NZ, ZA)
Abmessungen: USA, ZA, CDN EUROPE, AUS, NZ
Gesamtlänge 2.165 mm (85,24 in) 2.180 mm (85,83 in)
Gesamtbreite 825 mm (32,48 in)
Gesamthöhe 1.300 mm (51,18 in) 1.305 mm (51,38 in)
Sitzhöhe 980 mm (38,58 in) 990 mm (38,98 in)
Radstand 1.480 mm (58,27 in)
Bodenfreiheit 365 mm (14,37 in) 370 mm (14,57 in)
Trockengewicht:
Ohne Öl und Kraftstoff 106,0 kg (233,7 lb)
Motor:
Bauart Flüssigkeitsgekühlter 4-Takt-Ottomotor, zwei
obenliegende Nockenwellen (DOHC)
Zylinderanordnung 1-Zylinder, quer nach vorn geneigt
Hubraum 249 cm3 (8,76 Imp oz, 8,42 US oz)
Bohrung × Hub 77,0 × 53,6 mm (3,03 × 2,11 in)
Verdichtungsverhältnis 12,5 : 1
Startsystem Kick- und E-Starter
Schmiersystem: Trockensumpf
Ölsorte und -viskosität:
Motoröl (USA und CDN)
Yamalube 4, SAE10W30 oder SAE20W40
Yamalube 4-R, SAE10W50
API Service, Sorte SG oder höher/JASO MA
(Nicht USA und CDN)
SAE10W30, SAE10W40, SAE15W40,
SAE20W40 oder SAE20W50
API Service, Sorte SG oder höher/JASO MA
-20 -10 0 10 20 30 40 50 ˚C
SAE 10W-30
SAE 10W-40
SAE 15W-40
SAE 20W-40
SAE 20W-50
-20 -10 0 10 20 30 40 50 ˚C
0 10 30 50 70 90 110 130 ˚F
YAMALUBE 4(10W-30) oder SAE 10W-30
YAMALUBE 4(20W-40) oder SAE 20W-40
YAMALUBE 4-R(10W-50) oder SAE 10W-50
2
ALLGEMEINE TECHNISCHE DATEN
2 - 40
SPEC
Füllmenge:
Motoröl
Ölwechsel ohne Filterwechsel 1,1 L (0,97 Imp qt, 1,16 US qt)
Ölwechsel mit Filterwechsel 1,2 L (1,06 Imp qt, 1,27 US qt)
Gesamtmenge 1,4 L (1,23 Imp qt, 1,48 US qt)
Kühlsystem-Fassungsvermögen: 0,99 L (0,87 Imp qt, 1,05 US qt)
Luftfilter: Naßfiltereinsatz
Kraftstoff:
Sorte Bleifreies Superbenzin mit einer Mindestoktan-
zahl von 95 (ROZ).
Tankinhalt 8,0 L (1,76 Imp gal, 2,11 US gal)
Reserve 1,1 L (0,24 Imp gal, 0,29 US gal)
Vergaser:
Typ FCR-MX37
Hersteller KEIHIN
Zündkerze:
Typ/Hersteller CR9E/NGK (entstört)
Elektrodenabstand 0,70,8 mm (0,0280,031 in)
Kupplungsbauart: Mehrscheiben-Ölbadkupplung
Getriebe:
Primärantrieb Zahnrad
Primärübersetzung 57/17 (3,353)
Sekundärantrieb Kettentrieb
Sekundärübersetzung 50/13 (3,846)
Ausführung Sequenzielles 5-Gang-Klauengetriebe
Betätigung Fußschalthebel (links)
Getriebeabstufung: 1. Gang 31/13 (2,385)
2. Gang 28/16 (1,750)
3. Gang 23/17 (1,353)
4. Gang 23/21 (1,095)
5. Gang 17/19 (0,895)
Fahrwerk: USA, ZA, CDN EUROPE, AUS, NZ
Rahmenbauart Schleifenrohrrahmen
mit geteiltem Unter-
zug
Lenkkopfwinkel 27,0°26,6°
Nachlauf 115 mm (4,53 in) 114 mm (4,49 in)
Reifen:
Ausführung Schlauch-Reifen
Dimension vorn 80/100-21 51M (USA, CDN und ZA)
90/90-21 54R (EUROPE, AUS und NZ)
Dimension hinten 100/100-18 59M (USA, CDN und ZA)
130/90-18 69R (EUROPE, AUS und NZ)
Reifenluftdruck (vorn und hinten) 100 kPa (1,0 kgf/cm2, 15 psi)
ALLGEMEINE TECHNISCHE DATEN
2 - 41
SPEC
Bremsen:
Vorderradbremse Einscheibenbremse
Betätigung Handbremshebel (rechts)
Hinterradbremse Einscheibenbremse
Betätigung Fußbremshebel (rechts)
Radaufhängung:
Vorn Teleskopgabel
Hinten Monocross-Schwinge (mit Umlenkhebelabstüt-
zung)
Federung/Dämpfung:
Federung/Dämpfung vorn Spiralfeder, hydraulisch gedämpft
Federung/Dämpfung hinten Federbein mit gasdruckunterstütztem Stoß-
dämpfer und Spiralfeder
Radfederweg:
Radfederweg vorn 300 mm (11,8 in)
Radfederweg hinten 310 mm (12,2 in)
Elektrische Anlage:
Zündsystem Schwungradmagnetzünder
Lichtmaschine Drehstromgenerator mit Dauermagnet
Batterietyp YTX5L-BS
Batterie-Bezeichnung (Spannung/Kapazität) 12 V/4 Ah
Säuredichte 1,320
Scheinwerferlampe: Halogenlampe
Lampen: Bezeichnung × Anzahl:
Scheinwerfer 12 V 35/36,5 W × 1
Rücklicht 12 V 1,6/0,3 W × 1
WARTUNGSDATEN
2 - 42
SPEC
WARTUNGSDATEN
MOTOR
Bezeichnung Standard Grenzwert
Zylinderkopf:
Max. Verzug ---- 0,05 mm
(0,002 in)
Zylinder:
Bohrungsdurchmesser 77,0077,01 mm
(3,03153,0319 in)
----
Max. Ovalität ---- 0,05 mm
(0,002 in)
Nockenwelle:
Antriebsart Kettenantrieb (links) ----
Nockenwellenlager-Durchmesser 22,00022,021 mm
(0,86610,8670 in)
----
Nockenwellen-Lagerzapfen-Durchmesser 21,95921,972 mm
(0,86450,8650 in)
----
Nockenwellen-Lagerspiel 0,0280,062 mm
(0,00110,0024 in)
0,08 mm
(0,003 in)
Nocken-Abmessungen
Einlass A29,6529,75 mm
(1,16731,1713 in)
29,55 mm
(1,1634 in)
B22,4522,55 mm
(0,88390,8878 in)
22,35 mm
(0,8799 in)
Auslass A30,39930,499 mm
(1,19681,2007 in)
30,299 mm
(1,1929 in)
B22,4522,55 mm
(0,88390,8878 in)
22,35 mm
(0,8799 in)
Max. Nockenwellen-Schlag ---- 0,03 mm
(0,0012 in)
A
B
WARTUNGSDATEN
2 - 43
SPEC
Steuerkette:
Typ/Anzahl Kettenglieder 92RH2010-114M/114 ----
Einstellmethode der Kettenspannung Automatisch ----
Ventile, Ventilsitze, Ventilführungen:
Ventilspiel (kalt) Einlass 0,100,15 mm
(0,00390,0059 in)
----
Auslass 0,170,22 mm
(0,00670,0087 in)
----
Ventilabmessungen
Ventilteller-Durchmesser AEinlass 22,923,1 mm
(0,90160,9094 in)
----
Auslass 24,424,6 mm
(0,96060,9685 in)
----
Ventilkegel-Breite BEinlass 2,26 mm (0,089 in) ----
Auslass 2,26 mm (0,089 in) ----
Ventilsitz-Breite CEinlass 0,91,1 mm
(0,03540,0433 in)
1,6 mm
(0,0630 in)
Auslass 0,91,1 mm
(0,03540,0433 in)
1,6 mm
(0,0630 in)
Ventilteller-Stärke DEinlass 0,8 mm (0,0315 in) ----
Auslass 0,7 mm (0,0276 in) ----
Ventilschaft-Durchmesser Einlass 3,9753,990 mm
(0,15650,1571 in)
3,945 mm
(0,1553 in)
Auslass 4,4604,475 mm
(0,17560,1762 in)
4,430 mm
(0,1744 in)
Ventilführungs-Innendurchmesser
Einlass 4,0004,012 mm
(0,15750,1580 in)
4,050 mm
(0,1594 in)
Auslass 4,5004,512 mm
(0,17720,1776 in)
4,550 mm
(0,1791 in)
Ventilschaft-Spiel Einlass 0,0100,037 mm
(0,00040,0015 in)
0,08 mm
(0,003 in)
Auslass 0,0250,052 mm
(0,00100,0020 in)
0,10 mm
(0,004 in)
Bezeichnung Standard Grenzwert
BC
D
A
Ventilteller-Durchmesser Ventilkegel-Breite Ventilsitz-Breite Ventilteller-Stärke
WARTUNGSDATEN
2 - 44
SPEC
Max. Ventilschaft-Schlag ---- 0,01 mm
(0,0004 in)
Ventilsitz-Breite Einlass 0,91,1 mm
(0,03540,0433 in)
1,6 mm
(0,0630 in)
Auslass 0,91,1 mm
(0,03540,0433 in)
1,6 mm
(0,0630 in)
Ventilfeder:
Ungespannte Länge Einlass 36,58 mm (1,44 in) 35,58 mm
(1,40 in)
Auslass 37,54 mm (1,48 in) 36,54 mm
(1,44 in)
Einbaulänge (Ventil geschlossen)
Einlass 29,13 mm (1,15 in) ----
Auslass 29,30 mm (1,15 in) ----
Federdruck bei Einbaulänge Einlass 103118 N bei 29,13 mm
(10,5012,09 kg bei 29,13 mm,
23,1526,66 lb bei 1,15 in)
----
Auslass 126144 N bei 29,30 mm
(12,8514,68 kg bei 29,30 mm,
28,3232,37 lb bei 1,15 in)
----
Max. Neigung Einlass ----
2,5°/1,6 mm
(2,5°/0,063 in)
Auslass ----
2,5°/1,6 mm
(2,5°/0,063 in)
Windungsrichtung (Draufsicht) Einlass Uhrzeigersinn ----
Auslass Uhrzeigersinn ----
Kolben:
Kolben-Laufspiel 0,0300,055 mm
(0,00120,0022 in)
0,1 mm
(0,004 in)
Kolbengröße D76,95576,970 mm
(3,02973,0303 in)
----
Messpunkt H8 mm (0,31 in) ----
Kolbenbolzenversatz 0,5 mm (0,020 in)/Einlass ----
Bezeichnung Standard Grenzwert
*
H
D
WARTUNGSDATEN
2 - 45
SPEC
Kolbenbolzenaugen-Durchmesser 16,00216,013 mm
(0,63000,6304 in)
16,043 mm
(0,6316 in)
Kolbenbolzen-Durchmesser 15,99116,000 mm
(0,62960,6299 in)
15,971 mm
(0,6288 in)
Kolbenringe:
1. Kompressionsring (Topring):
Ausführung Abgerundet ----
Abmessungen (B × T) 0,90 × 2,75 mm (0,04 × 0,11 in) ----
Ringstoß (in Einbaulage) 0,150,25 mm
(0,0060,010 in)
0,50 mm
(0,020 in)
Ringnutspiel (in Einbaulage) 0,0300,065 mm
(0,00120,0026 in)
0,12 mm
(0,005 in)
2. Kompressionsring:
Ausführung Konisch ----
Abmessungen (B × T) 0,80 × 2,75 mm (0,03 × 0,11 in) ----
Ringstoß (in Einbaulage) 0,300,45 mm
(0,0120,018 in)
0,80 mm
(0,031 in)
Ringnutspiel 0,0200,055 mm
(0,00080,0022 in)
0,12 mm
(0,005 in)
Ölabstreifring:
Abmessungen (B × T) 1,50 × 2,25 mm (0,06 × 0,09 in) ----
Ringstoß (in Einbaulage) 0,100,40 mm
(0,0040,016 in)
----
Kurbelwelle:
Kurbelbreite A55,9556,00 mm
(2,2032,205 in)
----
Max. Schlag C0,03 mm (0,0012 in) 0,05 mm
(0,002 in)
Pleuel-Axialspiel D0,150,45 mm
(0,00590,0177 in)
0,50 mm
(0,02 in)
Pleuel-Radialspiel F0,41,0 mm (0,020,04 in) 2,0 mm
(0,08 in)
Bezeichnung Standard Grenzwert
T
B
B
T
B
T
WARTUNGSDATEN
2 - 46
SPEC
Kupplung:
Reibscheiben-Stärke 2,93,1 mm (0,1140,122 in) 2,7 mm
(0,106 in)
Anzahl 9 ----
Stahlscheiben-Stärke 1,11,3 mm (0,0430,051 in) ----
Anzahl 8 ----
Max. Verzug ---- 0,1 mm
(0,004 in)
Länge der ungespannten Kupplungsfeder 37,0 mm (1,46 in) 36,0 mm
(1,42 in)
Anzahl 5 ----
Kupplungskorb-Axialspiel 0,100,35 mm
(0,00390,0138 in)
----
Kupplungskorb-Radialspiel 0,0100,044 mm
(0,00040,0017 in)
----
Ausrückmechanismus Innen-Nockendruck ----
Schaltung:
Schaltmechanismus Schaltwalze und Führungsstange ----
Max. Führungsstangen-Verzug ---- 0,05 mm
(0,002 in)
Kickstarter:
Ausführung Sperrklinke ----
Vergaser:
Typ/Hersteller FCR-MX37/KEIHIN
Kennzeichnung 5UME E0
Hauptdüse (M.J) Nr.170
Hauptluftdüse (M.A.J) Nr.115
Düsennadel (J.N) NJRU
Gasschieberausschnitt (C.A) 1,5
Leerlaufdüse (P.J) Nr.42
Leerlaufluftdüse (P.A.J) Nr.70
Leerlaufbohrung (P.O) ø0,9
Teillastbohrung (B.P) ø1,0
Ventilsitz-Größe (V.S) ø3,8
Chokedüse (G.S) Nr.68
Ausströmdüse (Acc.P) Nr.70
Schwimmerstand (F.H) 8 mm (0,31 in)
Leerlaufdrehzahl 1.7501.950 U/min
Ansaugunterdruck 31,336,7 kPa
(235275 mmHg,
9,2510,83 inHg)
Warmstarthebel-Spiel 36 mm
(0,120,24 in)
Bezeichnung Standard Grenzwert
WARTUNGSDATEN
2 - 47
SPEC
Schmiersystem:
Ölfilter-Ausführung Papiereinsatz ----
Ölpumpen-Bauart Trochoidenpumpe ----
Innenrotor-Radialspiel max. 0,12 mm
(max. 0,0047 in)
0,20 mm
(0,008 in)
Außenrotor-Radialspiel 0,090,17 mm
(0,00350,0067 in)
0,24 mm
(0,009 in)
Innen- und Außenrotor-Axialspiel 0,030,10 mm
(0,00120,0039 in)
0,17 mm
(0,0067 in)
Kühlsystem:
Kühlerabmessungen
Breite 120,2 mm (4,73 in) ----
Höhe 240 mm (9,45 in) ----
Tiefe 22 mm (0,87 in) ----
Öffnungsdruck des Kühlerverschlussdeckels 110 kPa (1,1 kg/cm2, 15,6 psi) ----
Kühler-Fassungsvermögen (Gesamtmenge) 0,54 L (0,48 Imp qt, 0,57 US qt) ----
Wasserpumpe
Ausführung Kreiselpumpe mit Einzelzulauf ----
Bezeichnung Standard Grenzwert
WARTUNGSDATEN
2 - 48
SPEC
Festzuziehendes Teil Gewinde-
größeAnz. Anzugsmoment
Nm m·kg ft·lb
Zündkerze M10S × 1,0 1 13 1,3 9,4
Nockenwellen-Lagerdeckel M6 × 1,0 10 10 1,0 7,2
Zylinderkopf-Abdeckschraube M12 × 1,0 1 28 2,8 20
Zylinderkopf (Stiftschraube) M6 × 1,0 2 7 0,7 5,1
(Stiftschraube) M8 × 1,25 1 15 1,5 11
(Schraube) M9 × 1,25 4 38 3,8 27
(Mutter) M6 × 1,0 2 10 1,0 7,2
Zylinderkopfdeckel M6 × 1,0 2 10 1,0 7,2
Zylinder M6 × 1,0 1 10 1,0 7,2
Ausgleichsgewicht M6 × 1,0 2 10 1,0 7,2
Ausgleichswellen-Antriebsrad M14 × 1,0 1 50 5,0 36
Steuerkettenschiene (Einlassseite) M6 × 1,0 2 10 1,0 7,2
Steuerkettenspanner M6 × 1,0 2 10 1,0 7,2
Steuerkettenspanner-Abdeckschraube M6 × 1,0 1 7 0,7 5,1
Laufrad M8 × 1,25 1 14 1,4 10
Kühler-Schlauchschelle M6 × 1,0 10 2 0,2 1,4
Kühlflüssigkeits-Ablassschraube M6 × 1,0 1 10 1,0 7,2
Wasserpumpengehäuse M6 × 1,0 4 10 1,0 7,2
Kühlerbefestigung M6 × 1,0 6 10 1,0 7,2
Kühler M6 × 1,0 4 10 1,0 7,2
Kühlerrohr M6 × 1,0 1 10 1,0 7,2
Ölpumpendeckel M4 × 0,7 1 2 0,2 1,4
Ölpumpe M6 × 1,0 3 10 1,0 7,2
Ölfilter-Ablassschraube M6 × 1,0 1 10 1,0 7,2
Ölfilter-Gehäusedeckel-Schraube M6 × 1,0 2 10 1,0 7,2
Ölsieb (Kurbelgehäuse) M6 × 1,0 2 10 1,0 7,2
Ölzufuhrleitung 1 (M10) M10 × 1,25 1 20 2,0 14
(M8) M8 × 1,25 2 18 1,8 13
Ölschlauch M6 × 1,0 2 8 0,8 5,8
Ölschlauchschelle 220,21,4
Ölsieb (Öltank) M6 × 1,0 1 9 0,9 6,5
Öltank-Ablassschraube M8 × 1,25 1 18 1,8 13
Öltank (oben) M6 × 1,0 1 7 0,7 5,1
Öltank und Rahmen M6 × 1,0 3 9 0,9 6,5
Öldruck-Kontrollschraube M6 × 1,0 1 10 1,0 7,2
Vergaserauslass-Anschluss M6 × 1,0 2 10 1,0 7,2
Vergaser-Auslassanschluss M4 × 0,7 1 3 0,3 2,2
Vergasereinlass-Anschluss M6 × 1,0 1 3 0,3 2,2
Einstellschraube und Sicherungsmutter des
Gaszugs M6 × 0,75 1 4 0,4 2,9
Gasgeberzug M6 × 1,0 1 4 0,4 2,9
Gasnehmerzug M12 × 1,0 1 11 1,1 8,0
Gaszug-Abdeckung M5 × 0,8 2 4 0,4 2,9
WARTUNGSDATEN
2 - 49
SPEC
H
INWEIS:
- Anzugsmoment nach dem Einfahren kontrollieren.
Warmstartkolben M12 × 1,0 1 2 0,2 1,4
Einstellschraube und Sicherungsmutter des
Warmstartzugs M6 × 0,75 1 4 0,4 2,9
Luftfiltergehäuse M6 × 1,0 2 8 0,8 5,8
Vergasereinlass-Anschluss und Luftfilterge-
häuse M5 × 0,8 1 4 0,4 2,9
Auspuffkrümmer M8 × 1,25 2 20 2,0 14
Auspuffkrümmerschutz M6 × 1,0 3 10 1,0 7,2
Schalldämpfer M8 × 1,25 2 30 3,0 22
Schalldämpfer-Schlauchschelle M8 × 1,25 1 16 1,6 11
Funkenfänger M5 × 0,8 4 7 0,7 5,1
Schalldämpfer-Abdeckung M5 × 0,8 6 5 0,5 3,6
Sekundärluftsystem-Rohr M6 × 1,0 1 10 1,0 7,2
Sekundärluftsystem-Rohrschelle M6 × 1,0 1 4 0,4 2,9
Sekundärluft-Abschaltventil und Halterung M6 × 1,0 2 10 1,0 7,2
Halterung (Sekundärluft-Abschaltventil) und
Rahmen M6 × 1,0 2 7 0,7 5,1
Kurbelgehäuse M6 × 1,0 11 12 1,2 8,7
Kurbelgehäuse-Lagerdeckel M6 × 1,0 11 10 1,0 7,2
Kurbelgehäuse-Lagerdeckel (Kurbelwelle) M6 × 1,0 4 10 1,0 7,2
Kurbelgehäusedeckel links M6 × 1,0 8 10 1,0 7,2
Starterzwischenrad (Startermotor) M6 × 1,0 3 10 1,0 7,2
Zwischenradscheibe M6 × 1,0 2 10 1,0 7,2
Kurbelgehäusedeckel rechts M6 × 1,0 6 10 1,0 7,2
Kupplungsdeckel M6 × 1,0 7 10 1,0 7,2
Motoröl-Ablassschraube M10 × 1,25 1 20 2,0 14
Antriebsritzel-Abdeckung M6 × 1,0 2 8 0,8 5,8
Kickstarter-Klinkenradführung M6 × 1,0 2 12 1,2 8,7
Kickstarterhebel M8 × 1,25 1 33 3,3 24
Primärantriebsritzel M18 × 1,0 1 75 7,5 54
Kupplungsfeder M6 × 1,0 5 10 1,0 7,2
Kupplungsnabe M16 × 1,0 1 60 6,0 43
Kupplungszugspiel-Sicherungsmutter M8 × 1,25 2 7 0,7 5,1
Kupplungsausrückwelle M6 × 1,0 1 10 1,0 7,2
Antriebsritzel M18 × 1,0 1 75 7,5 54
Ausgangswellen-Dichtringanschlag M6 × 1,0 2 10 1,0 7,2
Stiftplatte M8 × 1,25 1 30 3,0 22
Führungsstange M6 × 1,0 2 10 1,0 7,2
Rastenhebel M6 × 1,0 1 10 1,0 7,2
Fußschalthebel M6 × 1,0 1 12 1,2 8,7
Festzuziehendes Teil Gewinde-
größeAnz. Anzugsmoment
Nm m·kg ft·lb
WARTUNGSDATEN
2 - 50
SPEC
FAHRWERK
Bezeichnung Standard Grenzwert
Lenkung:
Lenkkopflager Schrägkugellager ----
Vorderradaufhängung: USA, CDN EUROPE AUS, NZ, ZA
Telskopgabel-Federweg 300 mm (11,8 in)
Länge der ungespannten Gabelfeder 460 mm (18,1 in)
Standard-Federrate K = 4,4 N/mm
(0,449 kg/mm,
25,1 lb/in)
Umrüstmöglichkeiten Ja
Ölfüllmenge 648 cm3
(22,8 Imp oz,
21,9 US oz)
Ölstand 132 mm (5,20 in)
<Min.Max.>
(gemessen von der Oberkante des
Dämpferrohres, Gabel vollständig
zusammengedrückt, ohne Gabelfe-
der)
95150 mm
(3,745,91 in)
Ölsorte Gabelöl S1
Standrohr-Außendurchmesser 48 mm (1,89 in)
Gabelrohr-Überstand 5 mm (0,20 in)
Hinterradaufhängung: USA, CDN EUROPE AUS, NZ, ZA
Federweg 130 mm (5,12 in)
Länge der ungespannten Feder 260 mm (10,24 in)
Einbaulänge 249 mm (9,80 in) 248,5 mm (9,78 in) 245,0 mm (9,65 in)
<Min.Max.> 238,5258,5 mm
(9,3910,18 in)
Standard-Federrate K = 52,0 N/mm
(5,30 kg/mm,
296,8 lb/in)
Umrüstmöglichkeiten Ja
Dämpfergasdruck 1.000 kPa
(10 kg/cm2,
142 psi)
Schwinge:
Max. Schwingenspiel
Seitenspiel ---- 1,0 mm
(0,04 in)
WARTUNGSDATEN
2 - 51
SPEC
Räder: USA, CDN, ZA EUROPE, AUS,
NZ
Vorderrad Speichenrad ----
Hinterrad Speichenrad ----
Vorderrad-Felgendimension/-material 21 × 1,60/Aluminium ----
Hinterrad-Felgendimension/-material 18 × 1,85/Aluminium 18 × 2,15/Aluminium ----
Max. Felgenschlag
Höhenschlag ---- ---- 2,0 mm
(0,08 in)
Seitenschlag ---- ---- 2,0 mm
(0,08 in)
Antriebskette:
Typ/Hersteller DID520VM/DAIDO ----
Anzahl Glieder 113 Glieder + Schloss ----
Kettendurchhang 4858 mm (1,92,3 in) ----
Länge der Kette über 15 Glieder ---- 239,3 mm
(9,42 in)
Scheibenbremse vorn:
Scheibendurchmesser × Stärke 250 × 3,0 mm (9,84 × 0,12 in)
250
×
2,5 mm
(9,84
×
0,10 in)
Belagstärke 4,4 mm (0,17 in) 1,0 mm
(0,04 in)
Hauptbremszylinder-Bohrung 11,0 mm (0,433 in) ----
Bremssattel-Zylinderbohrung 27,0 mm (1,063 in) × 2 ----
Bremsflüssigkeit DOT Nr.4 ----
Scheibenbremse hinten:
Scheibendurchmesser × Stärke 245 × 4,0 mm (9,65 × 0,16 in)
245
×
3,5 mm
(9,65
×
0,14 in)
Max. Verzug ---- 0,15 mm
(0,006 in)
Belagstärke 6,4 mm (0,25 in) 1,0 mm
(0,04 in)
Hauptbremszylinder-Bohrung 11,0 mm (0,433 in) ----
Bremssattel-Zylinderbohrung 25,4 mm (1,000 in) × 1 ----
Bremsflüssigkeit DOT Nr.4 ----
Bremshebel:
Handbremshebel-Position 95 mm (3,74 in) ----
Fußbremshebel-Position
(oberhalb der Fußrastenauflage)
10 mm (0,39 in) ----
Kupplungshebel-Spiel am
Hebelende
813 mm (0,310,51 in) ----
Gaszugspiel am Gasdrehgriff 35 mm (0,120,20 in) ----
Bezeichnung Standard Grenzwert
WARTUNGSDATEN
2 - 52
SPEC
H
INWEIS:
1. Die Ringmutter mit dem Hakenschlüssel zunächst auf ca. 38 Nm (3,8 m kg, 27 ft lb) festzie-
hen, dann um eine Umdrehung lockern.
2. Die Ringmutter anschließend mit 7 Nm (0,7 m kg, 5,1 ft lb) festziehen.
Festzuziehendes Teil Gewinde-
größeAnz. Anzugsmoment
Nm m·kg ft·lb
Obere Gabelbrücke und Standrohr M8 × 1,25 4 21 2,1 15
Untere Gabelbrücke und Standrohr M8 × 1,25 4 21 2,1 15
Obere Gabelbrücke und Lenkkopf M24 × 1,0 1 145 14,5 105
Obere und untere Lenker-Halterungen M8 × 1,25 4 28 2,8 20
Untere Lenkerhalterung und obere Gabelbrücke M10 × 1,25 2 34 3,4 24
Lenkkopf und Lenkkopfmutter M28 × 1,0 1 Siehe HINWEIS.
Gabelrohr und Abdeckschraube M51 × 1,5 2 30 3,0 22
Gabelrohr und Gabelventil M30 × 1,0 2 55 5,5 40
Gabel-Abdeckschraube und Dämpferrohr M12 × 1,25 2 29 2,9 21
Gabel-Entlüftungsschraube und -Abdeckschraube M5 × 0,8 2 1 0,1 0,7
Gabelrohr und Gabelschutz M6 × 1,0 6 7 0,7 5,1
Gabelschutz und Bremsschlauch-Halterung M6 × 1,0 2 7 0,7 5,1
Gaszuggehäuse-Abdeckung M5 × 0,8 2 4 0,4 2,9
Hauptbremszylinder vorn M6 × 1,0 2 9 0,9 6,5
Handbremshebel-Schraube M6 × 1,0 1 6 0,6 4,3
Handbremshebel-Mutter M6 × 1,0 1 6 0,6 4,3
Sicherungsmutter der Handbremshebel-Ein-
stellschraube M6 × 1,0 1 5 0,5 3,6
Vorderrad-Bremsschlauchführung und Füh-
rungshalterung M5 × 0,8 1 4 0,4 2,9
Vorderrad-Bremsschlauchführung und untere
Gabelbrücke M6 × 1,0 1 4 0,4 2,9
Kupplungshebel-Halterung M5 × 0,8 2 4 0,4 2,9
Kupplungshebel-Mutter M6 × 1,0 1 4 0,4 2,9
Warmstarthebel-Halterung M5 × 0,8 2 4 0,4 2,9
Warmstarthebel-Mutter M5 × 0,8 1 2 0,2 1,4
Bremsflüssigkeits-Vorratsbehälterdeckel vorn M4 × 0,7 2 2 0,2 1,4
Bremsschlauch-Hohlschraube vorn M10 × 1,25 2 30 3,0 22
Vorderrad-Bremssattel M8 × 1,25 2 23 2,3 17
Vorderrad-Bremssattel und Bremsschlauch-
Halterung M6 × 1,0 1 10 1,0 7,2
Bremsbelag-Haltestift-Abdeckung M10 × 1,0 2 3 0,3 2,2
Vorderrad-Bremssattel und Bremsbelag-Haltestift
M10 × 1,0 1 18 1,8 13
Hinterrad-Bremssattel und Bremsbelag-Haltestift M10 × 1,0 1 18 1,8 13
Bremssattel und Entlüftungsschraube M8 × 1,25 2 6 0,6 4,3
Vorderachse und Achsmutter M16 × 1,5 1 90 9,0 65
Vorderachs-Halterung M8 × 1,25 4 21 2,1 15
Scheibenbremse vorn M6 × 1,0 6 12 1,2 8,7
Scheibenbremse hinten M6 × 1,0 6 14 1,4 10
Fußbremshebel M8 × 1,25 1 26 2,6 19
Hinterrad-Hauptbremszylinder M6 × 1,0 2 10 1,0 7,2
Bremsflüssigkeits-Vorratsbehälter hinten M4 × 0,7 2 2 0,2 1,4
Bremsschlauch-Hohlschraube hinten M10 × 1,25 2 30 3,0 22
Hinterachse und Achsmutter M20 × 1,5 1 125 12,5 90
WARTUNGSDATEN
2 - 53
SPEC
Festzuziehendes Teil Gewinde-
größeAnz. Anzugsmoment
Nm m·kg ft·lb
Speichennippel 72 3 0,3 2,2
Kettenrad M8 × 1,25 6 50 5,0 36
Bremsscheiben-Abdeckung hinten M6 × 1,0 2 10 1,0 7,2
Hinterrad-Bremssattel-Schutz M6 × 1,0 2 7 0,7 5,1
Kettenspanner-Einstellschraube und Siche-
rungsmutter M8 × 1,25 2 19 1,9 13
Motorlager:
Motor und Motorhalterung vorn M10 × 1,25 1 53 5,3 38
Motor und Rahmen (unten) M10 × 1,25 1 53 5,3 38
Obere Motorhalterung und Rahmen M8 × 1,25 4 34 3,4 24
Untere Motorhalterung und Rahmen M8 × 1,25 4 34 3,4 24
Motor und Motorhalterung (oben) M10 × 1,25 1 55 5,5 40
Motorschutz M6 × 1,0 3 7 0,7 5,1
Regler M6 × 1,0 2 7 0,7 5,1
Schwingenachse und -Mutter M16 × 1,5 1 85 8,5 61
Umlenkhebel und Schwinge M14 × 1,5 1 70 7,0 50
Umlenkhebel und Übertragungshebel M14 × 1,5 1 80 8,0 58
Übertragungshebel und Rahmen M14 × 1,5 1 80 8,0 58
Federbein und Rahmen M10 × 1,25 1 56 5,6 40
Federbein und Umlenkhebel M10 × 1,25 1 53 5,3 38
Rahmenheck (oben) M8 × 1,25 1 38 3,8 27
Rahmenheck (unten) M8 × 1,25 2 32 3,2 23
Schwinge und Bremsschlauch-Halterung M5 × 0,8 4 2 0,2 1,4
Schwinge und Abdeckung M4 × 0,7 4 2 0,2 1,4
Antriebskettenspanner oben M8 × 1,25 1 16 1,6 11
Antriebskettenspanner unten M8 × 1,25 1 16 1,6 11
Antriebskettenschiene M6 × 1,0 3 7 0,7 5,1
Kettenschiene und Schwinge M5 × 0,8 4 6 0,6 4,3
Kraftstofftank M6 × 1,0 2 9 0,9 6,5
Kraftstoffhahn M6 × 1,0 2 4 0,4 2,9
Sitzbank-Halterung und Kraftstofftank M6 × 1,0 1 7 0,7 5,1
Kraftstofftank und Halterung M6 × 1,0 4 7 0,7 5,1
Lufthutze und Kraftstofftank M6 × 1,0 6 7 0,7 5,1
Lufthutze und Kühlerschutz (unten) M6 × 1,0 2 6 0,6 4,3
Vorderradabdeckung M6 × 1,0 4 7 0,7 5,1
Hinterradabdeckung (vorn) M6 × 1,0 2 7 0,7 5,1
Hinterradabdeckung (hinten) M6 × 1,0 2 11 1,1 8,0
Seitenabdeckung M6 × 1,0 2 7 0,7 5,1
Sitzbank M8 × 1,25 2 23 2,3 17
Multifunktionsanzeigen-Halterung und obere
Gabelbrücke M6 × 1,0 2 7 0,7 5,1
Multifunktionsanzeige M5 × 0,8 2 4 0,4 2,9
Platte 1 und Gabelschutz M5 × 0,8 2 4 0,4 2,9
Platte 2 und Gabelschutz 2 0,5 0,05 0,36
WARTUNGSDATEN
2 - 54
SPEC
H
INWEIS:
- Anzugsmoment nach dem Einfahren kontrollieren.
Geschwindigkeitssensor-Kabelhalter und
untere Halterung M6 × 1,0 1 13 1,3 9,4
Scheinwerfertopf und -einsatz 210,10,7
Scheinwerfer (link und rechts) M6 × 1,0 2 7 0,7 5,1
Rücklicht 310,10,7
Rücklicht-Kabelhalterung und Hinterradabdek-
kung 3 0,5 0,05 0,36
Auffangtank (oben) M6 × 1,0 1 16 1,6 11
Auffangtank (unten) M6 × 1,0 1 7 0,7 5,1
Fußrastenhalterung und Rahmen M10 × 1,25 4 55 5,5 40
Seitenständer M10 × 1,25 1 25 2,5 18
Festzuziehendes Teil Gewinde-
größeAnz. Anzugsmoment
Nm m·kg ft·lb
WARTUNGSDATEN
2 - 55
SPEC
ELEKTRISCHE ANLAGE
Bezeichnung Standard Grenzwert
Zündsystem:
Zündverstellung Elektrisch ----
Schwungradmagnetzünder:
Impulsgeber-Widerstand (Kabelfarbe)
248372 bei 20 °C (68 °F)
(Weiß Rot)
----
Zündbox-Typ/-Hersteller 5UM-E0/YAMAHA (USA) ----
5UM-F0/YAMAHA (nicht USA) ----
Zündspule:
Typ/Hersteller 5UL-10/DENSO ----
Min. Zündfunkenstrecke 6 mm (0,24 in) ----
Primärwicklungs-Widerstand 0,080,10 bei 20 °C (68 °F) ----
Sekundärwicklungs-Widerstand 4,66,8 k bei 20 °C (68 °F) ----
Ladesystem:
Bauart Drehstromgenerator mit Dauermag-
net
----
Stator-Typ/-Hersteller 5UM 20/YAMAHA ----
Nennleistung 14 V/120 W bei 5.000 U/min ----
Ladespulen-Widerstand (Kabelfarbe) 0,2880,432 bei 20 °C (68 °F)
(Weiß Masse)
----
Lichtspulen-Widerstand (Kabelfarbe) 0,2240,336 bei 20 °C (68 °F)
(Gelb Masse)
----
Gleichrichter/Regler:
Bauart Halbleiter Kurzschluss ----
Typ/Hersteller SH770AA/SHINDENGEN ----
Regelspannung (WS) 12,513,5 V ----
Regelspannung (GS) 14,015,0 V ----
Nennstromstärke (WS) 12 A ----
Nennstromstärke (GS) 8 A ----
Elektrostarter:
Bauart Permanenteingriff ----
Startermotor:
Typ/Hersteller 5UM01/YAMAHA ----
Betriebsspannung 12 V ----
Leistung 0,35 kW ----
Ankerwicklungs-Widerstand 0,01890,0231 bei 20 °C (68 °F) ----
Kohlebürsten-Gesamtlänge 7 mm (0,28 in) 3,5 mm (0,14 in)
Anzahl Kohlebürsten 2 Stück ----
Federkraft 3,925,88 N
(400600 g, 14,121,2 oz)
----
Kollektor-Durchmesser 17,6 mm (0,69 in) 16,6 mm (0,65 in)
Unterschneidung der Kollektori-
solierung
1,5 mm (0,06 in) ----
WARTUNGSDATEN
2 - 56
SPEC
H
INWEIS:
Die Rotormutter zunächst mit 65 Nm (6,5 m kg, 47 ft lb) festziehen, dann wieder lockern und
anschließend wieder mit 65 Nm (6,5 m kg, 47 ft lb) anziehen.
Starter-Relais:
Typ/Hersteller 2768090-A/JIDECO ----
Nennstromstärke 180 A ----
Wicklungs-Widerstand 4,24,6 bei 20 °C (68 °F) ----
Anlasssperrelais:
Typ/Hersteller ACM33221 M06/MATSUSHITA ----
Wicklungs-Widerstand 75,6992,51 bei 20 °C (68 °F) ----
Sicherungs-Stärke × Anzahl:
Hauptsicherung 10 A × 1 ----
Reservesicherung 10 A × 1 ----
Festzuziehendes Teil Gewinde-
größeAnz. Anzugsmoment
Nm m·kg ft·lb
Stator M5 × 0,8 2 7 0,7 5,1
Lichtmaschinen-Kabelhalterung M5 × 0,8 2 7 0,7 5,1
Rotor M12 × 1,25 1 Siehe HINWEIS.
Leerlaufschalter M5 × 0,8 2 4 0,4 2,9
Startermotor M6 × 1,0 2 10 1,0 7,2
Starter-Relaisklemme M6 × 1,0 2 4 0,4 2,9
Massekabel und Zylinderkopf M6 × 1,0 1 10 1,0 7,2
Impulsgeber M6 × 1,0 2 10 1,0 7,2
Bezeichnung Standard Grenzwert
2 - 57
ALLGEMEINE ANZUGSMOMENTE/
MASSEINHEITEN SPEC
ALLGEMEINE ANZUGSMOMENTE
Aus der folgenden Tabelle sind die Anzugsmo-
mente für normale Schraubverbindungen mit
ISO-Normgewinde ersichtlich. Anzugsmo-
mente für spezielle Verschraubungen und
Bauteile werden in jedem Abschnitt dieser
Anleitung gesondert aufgeführt. Um ein Ver-
ziehen der Bauteile zu vermeiden, sollten die
Schraubverbindungen über Kreuz angezogen
werden, bis die vorgeschriebenen Anzugsmo-
mente erreicht sind. Falls nicht anders ange-
geben, gelten die genannten Anzugsmomente
für saubere und trockene Schraubverbindun-
gen bei Raumtemperatur.
A: Schlüsselweite
B: Gewindedurchmesser
MASSEINHEITEN
A
(Mut-
ter)
B
(Schra
ube)
ANZUGSMOMENTE
Nm mkg ftlb
10 mm
12 mm
14 mm
17 mm
19 mm
22 mm
6 mm
8 mm
10 mm
12 mm
14 mm
16 mm
6
15
30
55
85
130
0,6
1,5
3,0
5,5
8,5
13
4,3
11
22
40
61
94
Einheit Lesen Definition Messung
mm
cm Millimeter
Zentimeter 10-3 Meter
10-2 Meter Abstand
Abstand
kg Kilogramm 103 Gramm Gewicht
N Newton 1 kg × m/sec2 Kraft
Nm
m kg Newtonmeter
Meterkilogramm N × m
m × kg Anzugsmoment
Anzugsmoment
Pa Pascal N/m2Druck
N/mm Newton pro Millimeter N/mm Federrate
L
cm3 Liter
Kubikzentimeter
Volumen
Volumen
U/min Umdrehungen pro
Minute Motordrehzahl
DATI TECNICI GENERALI
2 - 58
SPEC
DATI TECNICI
DATI TECNICI GENERALI
Modello: WR250FW (USA, CDN, AUS, NZ)
WR250F (EUROPE, ZA)
Codice modello: 5UME (USA)
5UMF (EUROPE)
5UMG (CDN, AUS, NZ, ZA)
Dimensioni: USA, ZA, CDN EUROPE, AUS, NZ
Lunghezza totale 2.165 mm (85,24 in) 2.180 mm (85,83 in)
Larghezza totale 825 mm (32,48 in)
Altezza totale 1.300 mm (51,18 in) 1.305 mm (51,38 in)
Altezza della sella 980 mm (38,58 in) 990 mm (38,98 in)
Interasse 1.480 mm (58,27 in)
Altezza minima dal suolo 365 mm (14,37 in) 370 mm (14,57 in)
Peso senza:
Olio e carburante 106,0 kg (233,7 lb)
Motore:
Tipo di motore A 4 tempi, raffreddato a liquido, DOHC
Disposizione dei cilindri Cilindro singolo inclinato in avanti
Cilindrata 249 cm3 (8,76 Imp oz, 8,42 US oz)
Alesaggio × corsa 77,0 × 53,6 mm (3,03 × 2,11 in)
Rapporto di compressione 12,5 : 1
Sistema di avviamento Avviamento elettrico e a pedale
Sistema di lubrificazione: Carter secco
Tipo o gradazione dellolio:
Olio motore (USA e CDN)
Yamalube 4, SAE10W30 o SAE 20W40
Yamalube 4-R, SAE10W50
API service tipo SG o superiore/JASO MA
(Eccetto USA e CDN)
SAE10W30, SAE10W40, SAE15W40, SAE20W40
o SAE20W50
API service tipo SG o superiore/JASO MA
-20 -10 0 10 20 30 40 50 ˚C
0 10 30 50 70 90 110 130 ˚F
YAMALUBE 4(10W-30) o SAE 10W-30
YAMALUBE 4(20W-40) o SAE 20W-40
YAMALUBE 4-R(10W-50) o SAE 10W-50
-20 -10 0 10 20 30 40 50 ˚C
SAE 10W-30
SAE 10W-40
SAE 15W-40
SAE 20W-40
SAE 20W-50
2
DATI TECNICI GENERALI
2 - 59
SPEC
Capacità olio:
Olio motore
Sostituzioni periodiche dellolio 1,1 L (0,97 Imp qt, 1,16 US qt)
Con sostituzione del filtro dellolio 1,2 L (1,06 Imp qt, 1,27 US qt)
Quantità totale 1,4 L (1,23 Imp qt, 1,48 US qt)
Capacità refrigerante (tutto il circuito compreso): 0,99 L (0,87 Imp qt, 1,05 US qt)
Filtro aria: Elemento tipo a umido
Carburante:
Tipo Benzina super senza piombo, solo con una ricerca
del numero di ottani uguale o superiore a 95.
Capacità serbatoio 8,0 L (1,76 Imp gal, 2,11 US gal)
Riserva 1,1 L (0,24 Imp gal, 0,29 US gal)
Carburatore:
Tipo FCR-MX37
Produttore KEIHIN
Candela daccensione:
Tipo/produttore CR9E/NGK (tipo a resistenza)
Luce 0,7 ~ 0,8 mm (0,028 ~ 0,031 in)
Tipo di frizione: Umida, a dischi multipli
Trasmissione:
Sistema di riduzione primario Marcia
Rapporto di riduzione primario 57/17 (3,353)
Sistema di riduzione secondario Catena di trasmissione
Rapporto di riduzione secondario 50/13 (3,846)
Tipo di trasmissione Ingranaggio sempre in presa, a 5- marce
Comando Con il piede sinistro
Rapporto di trasmissione: 1ª31/13 (2,385)
2ª28/16 (1,750)
3ª23/17 (1,353)
4ª23/21 (1,095)
5ª17/19 (0,895)
Parte ciclistica: USA, ZA, CDN EUROPE, AUS, NZ
Tipo di telaio Doppia semiculla
Angolo di incidenza 27,0°26,6°
Avancorsa 115 mm (4,53 in) 114 mm (4,49 in)
Pneumatico:
Tipo Tube type
Dimensioni (fronte) 80/100-21 51M (USA, CDN e ZA)
90/90-21 54R (EUROPE, AUS e NZ)
Dimensioni (retro) 100/100-18 59M (USA, CDN e ZA)
130/90-18 69R (EUROPE, AUS e NZ)
Pressione dei pneumatici (anteriore e posteriore) 100 kPa (1,0 kgf/cm2, 15 psi)
DATI TECNICI GENERALI
2 - 60
SPEC
Freno:
Tipo di freno anteriore Freno a disco singolo
Comando Con la mano destra
Tipo di freno posteriore Freno a disco singolo
Comando Con il piede destro
Sospensione:
Sospensione anteriore Forcella telescopica
Sospensione posteriore Forcellone oscillante (sospensione monocross arti-
colata)
Ammortizzatore:
Ammortizzatore anteriore Molla elicoidale/ammortizzatore idraulico
Ammortizzatore posteriore Molla elicoidale/ammortizzatore gas-olio
Corsa della ruota:
Corsa della ruota anteriore 300 mm (11,8 in)
Corsa della ruota posteriore 310 mm (12,2 in)
Elettrico:
Impianto di accensione CDI
Sistema generatore Magnete AC
Tipo di batteria YTX5L-BS
Tensione/capacità batteria 12 V/4 AH
Densità relativa 1,320
Tipo di faro: Lampadina al quarzo (alogena)
Potenza della lampadina × quantità:
Faro 12 V 35/36,5 W × 1
Luce posteriore 12 V 1,6/0,3 W × 1
SPECIFICHE DI MANUTENZIONE
2 - 61
SPEC
SPECIFICHE DI MANUTENZIONE
MOTORE
Elemento Standard Limite
Testata:
Limite di distorsione ---- 0,05 mm
(0,002 in)
Cilindro:
Alesaggio 77,00 ~ 77,01 mm
(3,0315 ~ 3,0319 in)
----
Limite eccentricità ---- 0,05 mm
(0,002 in)
Albero a camme:
Metodo di trasmissione Comando a catena (lato sinistro) ----
Diametro interno cappello dellalbero a camme 22,000 ~ 22,021 mm
(0,8661 ~ 0,8670 in)
----
Diametro esterno dellalbero a camme 21,959 ~ 21,972 mm
(0,8645 ~ 0,8650 in)
----
Gioco tra albero e cappello 0,028 ~ 0,062 mm
(0,0011 ~ 0,0024 in)
0,08 mm
(0,003 in)
Dimensioni delle camme
Aspirazione A29,65 ~ 29,75 mm
(1,1673 ~ 1,1713 in)
29,55 mm
(1,1634 in)
B22,45 ~ 22,55 mm
(0,8839 ~ 0,8878 in)
22,35 mm
(0,8799 in)
Scarico A30,399 ~ 30,499 mm
(1,1968 ~ 1,2007 in)
30,299 mm
(1,1929 in)
B22,45 ~ 22,55 mm
(0,8839 ~ 0,8878 in)
22,35 mm
(0,8799 in)
Limite di disassamento dellalbero a camme ---- 0,03 mm
(0,0012 in)
A
B
SPECIFICHE DI MANUTENZIONE
2 - 62
SPEC
Catena di distribuzione:
Tipo di catena di distribuzione/n. di articolazioni 92RH2010-114M/114 ----
Metodo di regolazione della catena di distribu-
zione
Automatico ----
Valvola, sede valvola, guidavalvole:
Gioco valvole (a freddo) INT 0,10 ~ 0,15 mm
(0,0039 ~ 0,0059 in)
----
EST 0,17 ~ 0,22 mm
(0,0067 ~ 0,0087 in)
----
Dimensioni valvola:
Diametro testata A INT 22,9 ~ 23,1 mm
(0,9016 ~ 0,9094 in)
----
EST 24,4 ~ 24,6 mm
(0,9606 ~ 0,9685 in)
----
Larghezza faccia B INT 2,26 mm (0,089 in) ----
EST 2,26 mm (0,089 in) ----
Larghezza sella CINT 0,9 ~ 1,1 mm
(0,0354 ~ 0,0433 in)
1,6 mm
(0,0630 in)
EST 0,9 ~ 1,1 mm
(0,0354 ~ 0,0433 in)
1,6 mm
(0,0630 in)
Spessore margine DINT 0,8 mm (0,0315 in) ----
EST 0,7 mm (0,0276 in) ----
Diametro esterno dello stelo INT 3,975 ~ 3,990 mm
(0,1565 ~ 0,1571 in)
3,945 mm
(0,1553 in)
EST 4,460 ~ 4,475 mm
(0,1756 ~ 0,1762 in)
4,430 mm
(0,1744 in)
Diametro esterno della guida INT 4,000 ~ 4,012 mm
(0,1575 ~ 0,1580 in)
4,050 mm
(0,1594 in)
EST 4,500 ~ 4,512 mm
(0,1772 ~ 0,1776 in)
4,550 mm
(0,1791 in)
Gioco tra stelo e guida INT 0,010 ~ 0,037 mm
(0,0004 ~ 0,0015 in)
0,08 mm
(0,003 in)
EST 0,025 ~ 0,052 mm
(0,0010 ~ 0,0020 in)
0,10 mm
(0,004 in)
Elemento Standard Limite
BC
D
A
Diametro testata Larghezza faccia Larghezza sella Spessore margine
SPECIFICHE DI MANUTENZIONE
2 - 63
SPEC
Limite di disassamento dello stelo ---- 0,01 mm
(0,0004 in)
Larghezza della sede valvola INT 0,9 ~ 1,1 mm
(0,0354 ~ 0,0433 in)
1,6 mm
(0,0630 in)
EST 0,9 ~ 1,1 mm
(0,0354 ~ 0,0433 in)
1,6 mm
(0,0630 in)
Molla valvola:
Lunghezza libera INT 36,58 mm (1,44 in) 35,58 mm
(1,40 in)
EST 37,54 mm (1,48 in) 36,54 mm
(1,44 in)
Lunghezza serie (valvola chiusa) INT 29,13 mm (1,15 in) ----
EST 29,30 mm (1,15 in) ----
Forza compressa (installata) INT 103 ~ 118 N a 29,13 mm
(10,50 ~ 12,09 kg a 29,13 mm,
23,15 ~ 26,66 lb a 1,15 in)
----
EST 126 ~ 144 N a 29,30 mm
(12,85 ~ 14,68 kg a 29,30 mm,
28,32 ~ 32,37 lb a 1,15 in)
----
Limite di inclinazione INT ----
2,5°/ 1,6 mm
(2,5°/0,063 in)
EST ----
2,5°/1,6 mm
(2,5°/0,063 in)
Senso di avvolgimento
(vista dallalto) INT In senso orario ----
EST In senso orario ----
Pistone:
Gioco tra cilindro e pistone 0,030 ~ 0,055 mm
(0,0012 ~ 0,0022 in)
0,1 mm
(0,004 in)
Dimensioni del pistone D76,955 ~ 76,970 mm
(3,0297 ~ 3,0303 in)
----
Punto di misurazione H8 mm (0,31 in) ----
Disallineamento pistone 0,5 mm (0,020 in)/INT-lato ----
Elemento Standard Limite
*
H
D
SPECIFICHE DI MANUTENZIONE
2 - 64
SPEC
Diametro interno foro spinotto 16,002 ~ 16,013 mm
(0,6300 ~ 0,6304 in)
16,043 mm
(0,6316 in)
Diametro esterno spinotto 15,991 ~ 16,000 mm
(0,6296 ~ 0,6299 in)
15,971 mm
(0,6288 in)
Fasce elastiche del pistone:
Fascia superiore:
Tipo Tubolare ----
Dimensioni (B × T) 0,90 × 2,75 mm (0,04 × 0,11 in) ----
Luce fra le estremità (fascia montata) 0,15 ~ 0,25 mm
(0,006 ~ 0,010 in)
0,50 mm
(0,020 in)
Gioco laterale (installato) 0,030 ~ 0,065 mm
(0,0012 ~ 0,0026 in)
0,12 mm
(0,005 in)
Seconda fascia:
Tipo Conica ----
Dimensioni (B × T) 0,80 × 2,75 mm (0,03 × 0,11 in) ----
Luce fra le estremità (fascia montata) 0,30 ~ 0,45 mm
(0,012 ~ 0,018 in)
0,80 mm
(0,031 in)
Gioco laterale 0,020 ~ 0,055 mm
(0,0008 ~ 0,0022 in)
0,12 mm
(0,005 in)
Fascia raschiaolio:
Dimensioni (B × T) 1,50 × 2,25 mm (0,06 × 0,09 in) ----
Luce fra le estremità (fascia montata) 0,10 ~ 0,40 mm
(0,004 ~ 0,016 in)
----
Albero motore:
Lunghezza albero A55,95 ~ 56,00 mm
(2,203 ~ 2,205 in)
----
Limite di disassamento C0,03 mm (0,0012 in) 0,05 mm
(0,002 in)
Gioco laterale D della testa
di biella
0,15 ~ 0,45 mm
(0,0059 ~ 0,0177 in)
0,50 mm
(0,02 in)
Gioco del piede di biella F0,4 ~ 1,0 mm (0,02 ~ 0,04 in) 2,0 mm
(0,08 in)
Elemento Standard Limite
T
B
B
T
B
T
SPECIFICHE DI MANUTENZIONE
2 - 65
SPEC
Frizione:
Spessore del disco conduttore 2,9 ~ 3,1 mm (0,114 ~ 0,122 in) 2,7 mm
(0,106 in)
Quantità9 ----
Spessore disco condotto 1,1 ~ 1,3 mm (0,043 ~ 0,051 in) ----
Quantità8 ----
Limite di distorsione ---- 0,1 mm
(0,004 in)
Lunghezza libera della molla frizione 37,0 mm (1,46 in) 36,0 mm
(1,42 in)
Quantità5 ----
Gioco di spinta della campana della frizione 0,10 ~ 0,35 mm
(0,0039 ~ 0,0138 in)
----
Gioco radiale della campana della frizione 0,010 ~ 0,044 mm
(0,0004 ~ 0,0017 in)
----
Metodo di disinnesto della frizione Comando interno, comando della
camma
----
Cambio:
Tipo di cambio Tamburo della camma e barra di
guida
----
Limite di piegatura della barra di guida ---- 0,05 mm
(0,002 in)
Avviamento a pedale:
Tipo Tipo a pedale e con cricchetto ----
Carburatore:
Tipo/produttore FCR-MX37/KEIHIN
Contrassegno I. D. 5UME E0
Getto del massimo (M.J) N.170
Getto dellaria del massimo (M.A.J) N.115
Spillo del getto (J.N) NJRU
Ritaglio (C.A) 1,5
Getto del minimo (P.J) N.42
Getto dellaria del minimo (P.A.J) N.70
Uscita del minimo (P.O) ø0,9
Bypass (B.P) ø1,0
Grandezza sede della valvola (V.S) ø3,8
Getto starter (G.S) N.68
Getto di perdita (Acc.P) N.70
Altezza galleggiante (F.H) 8 mm (0,31 in)
Regime del minimo 1.750 ~ 1.950 giri/min
Aspirazione a depressione 31,3 ~ 36,7 kPa
(235 ~ 275 mmHg,
9,25 ~ 10,83 inHg)
Gioco della leva starter per partenze a caldo 3 ~ 6 mm
(0,12 ~ 0,24 in)
Elemento Standard Limite
SPECIFICHE DI MANUTENZIONE
2 - 66
SPEC
Sistema di lubrificazione:
Tipo di filtro olio Tipo di carta ----
Tipo di pompa dellolio Tipo trocoidale ----
Gioco sullestremità0,12 mm o inferiore
(0,0047 in o inferiore)
0,20 mm
(0,008 in)
Gioco laterale 0,09 ~ 0,17 mm
(0,0035 ~ 0,0067 in)
0,24 mm
(0,009 in)
Gioco tra alloggiamento e rotore 0,03 ~ 0,10 mm
(0,0012 ~ 0,0039 in)
0,17 mm
(0,0067 in)
Raffreddamento:
Dimensioni del nucleo del radiatore
Larghezza 120,2 mm (4,73 in) ----
Altezza 240 mm (9,45 in) ----
Spessore 22 mm (0,87 in) ----
Pressione di apertura coperchio del radiatore 110 kPa (1,1 kg/cm2, 15,6 psi) ----
Capacità radiatore (totale) 0,54 L (0,48 Imp qt, 0,57 US qt) ----
Pompa dellacqua
Tipo Pompa centrifuga ad aspirazione
singola
----
Elemento Standard Limite
SPECIFICHE DI MANUTENZIONE
2 - 67
SPEC
Elemento da serrare Filettatura QuantitàCoppia di serraggio
Nm m·kg ft·lb
Candela daccensione M10S × 1,0 1 13 1,3 9,4
Cappello dellalbero a camme M6 × 1,0 10 10 1,0 7,2
Vite del tappo cieco coperchio testata M12 × 1,0 1 28 2,8 20
Testata (prigioniero) M6 × 1,0 2 7 0,7 5,1
(prigioniero) M8 × 1,25 1 15 1,5 11
(bullone) M9 × 1,25 4 38 3,8 27
(dado) M6 × 1,0 2 10 1,0 7,2
Coperchio testata M6 × 1,0 2 10 1,0 7,2
Cilindro M6 × 1,0 1 10 1,0 7,2
Contrappeso equilibratore M6 × 1,0 2 10 1,0 7,2
Ingranaggio condotto dellalbero equilibratore M14 × 1,0 1 50 5,0 36
Guida catena di distribuzione (lato aspirazione) M6 × 1,0 2 10 1,0 7,2
Tenditore catena di distribuzione M6 × 1,0 2 10 1,0 7,2
Tappo filettato del tenditore catena di distribuzione M6 × 1,0 1 7 0,7 5,1
Rotore M8 × 1,25 1 14 1,4 10
Morsetto del tubo flessibile radiatore M6 × 1,0 10 2 0,2 1,4
Bullone di scarico refrigerante M6 × 1,0 1 10 1,0 7,2
Alloggiamento della pompa dellacqua M6 × 1,0 4 10 1,0 7,2
Supporto radiatore M6 × 1,0 6 10 1,0 7,2
Radiatore M6 × 1,0 4 10 1,0 7,2
Tubo del radiatore M6 × 1,0 1 10 1,0 7,2
Coperchio pompa dellolio M4 × 0,7 1 2 0,2 1,4
Pompa dellolio M6 × 1,0 3 10 1,0 7,2
Tappo di scarico dellelemento filtro olio M6 × 1,0 1 10 1,0 7,2
Coperchio elemento filtro olio M6 × 1,0 2 10 1,0 7,2
Filtro olio (carter) M6 × 1,0 2 10 1,0 7,2
Tubo di mandata olio 1 (M10) M10 × 1,25 1 20 2,0 14
(M8) M8 × 1,25 2 18 1,8 13
Flessibile olio M6 × 1,0 2 8 0,8 5,8
Morsetto flessibile olio 220,21,4
Filtro olio (serbatoio olio) M6 × 1,0 1 9 0,9 6,5
Tappo di scarico serbatoio olio M8 × 1,25 1 18 1,8 13
Serbatoio olio (superiore) M6 × 1,0 1 7 0,7 5,1
Serbatoio olio e telaio M6 × 1,0 3 9 0,9 6,5
Bullone di controllo pressione olio M6 × 1,0 1 10 1,0 7,2
Giunto del carburatore M6 × 1,0 2 10 1,0 7,2
Morsetto giunto carburatore M4 × 0,7 1 3 0,3 2,2
Morsetto giunto del filtro dellaria M6 × 1,0 1 3 0,3 2,2
Bullone di regolazione e controdado cavo accelera-
tore M6 × 0,75 1 4 0,4 2,9
Cavo acceleratore (tirare) M6 × 1,0 1 4 0,4 2,9
Cavo acceleratore (ritornare) M12 × 1,0 1 11 1,1 8,0
Copertura cavo acceleratore M5 × 0,8 2 4 0,4 2,9
SPECIFICHE DI MANUTENZIONE
2 - 68
SPEC
N
OTA:
- controllare le coppie di serraggio delle parti contrassegnate dopo il rodaggio.
Pistoncino starter M12 × 1,0 1 2 0,2 1,4
Bullone di regolazione e controdado cavo starter
per partenze a caldo M6 × 0,75 1 4 0,4 2,9
Scatola filtro aria M6 × 1,0 2 8 0,8 5,8
Giunto e scatola del filtro dellaria M5 × 0,8 1 4 0,4 2,9
Tubo di scarico M8 × 1,25 2 20 2,0 14
Protezione tubo di scarico M6 × 1,0 3 10 1,0 7,2
Silenziatore M8 × 1,25 2 30 3,0 22
Morsetto silenziatore M8 × 1,25 1 16 1,6 11
Scaricatore scintilla M5 × 0,8 4 7 0,7 5,1
Coperchio silenziatore M5 × 0,8 6 5 0,5 3,6
Tubo di iniezione aria M6 × 1,0 1 10 1,0 7,2
Morsetto tubo di iniezione aria M6 × 1,0 1 4 0,4 2,9
Staffa e gruppo valvola di interruzione aria M6 × 1,0 2 10 1,0 7,2
Staffa (valvola di interruzione aria) e telaio M6 × 1,0 2 7 0,7 5,1
Carter M6 × 1,0 11 12 1,2 8,7
Elemento di arresto cuscinetto carter M6 × 1,0 11 10 1,0 7,2
Elemento di arresto cuscinetto carter
(albero motore) M6 × 1,0 4 10 1,0 7,2
Coperchio carter sinistro M6 × 1,0 8 10 1,0 7,2
Coperchio ingranaggio folle
(motorino di avviamento) M6 × 1,0 3 10 1,0 7,2
Disco ingranaggio folle M6 × 1,0 2 10 1,0 7,2
Coperchio carter destro M6 × 1,0 6 10 1,0 7,2
Carter frizione M6 × 1,0 7 10 1,0 7,2
Tappo di scarico olio carter M10 × 1,25 1 20 2,0 14
Coperchio ruota dentata della catena di trasmis-
sione M6 × 1,0 2 8 0,8 5,8
Guida ruote cricchetto dellalbero di avviamento M6 × 1,0 2 12 1,2 8,7
Leva di avviamento a pedale M8 × 1,25 1 33 3,3 24
Ingranaggio conduttore della trasmissione primaria M18 × 1,0 1 75 7,5 54
Molla della frizione M6 × 1,0 5 10 1,0 7,2
Mozzo frizione M16 × 1,0 1 60 6,0 43
Controdado cavo frizione M8 × 1,25 2 7 0,7 5,1
Albero leva di aggancio M6 × 1,0 1 10 1,0 7,2
Ruota dentata di trasmissione M18 × 1,0 1 75 7,5 54
Elemento di arresto paraolio dellasse conduttore M6 × 1,0 2 10 1,0 7,2
Segmento M8 × 1,25 1 30 3,0 22
Guida del cambio M6 × 1,0 2 10 1,0 7,2
Leva di arresto M6 × 1,0 1 10 1,0 7,2
Pedale del cambio M6 × 1,0 1 12 1,2 8,7
Elemento da serrare Filettatura QuantitàCoppia di serraggio
Nm m·kg ft·lb
SPECIFICHE DI MANUTENZIONE
2 - 69
SPEC
PARTE CICLISTICA
Elemento Standard Limite
Sistema sterzante:
Tipo di cuscinetti sterzo Cuscinetto conico a rulli ----
Sospensione anteriore: USA, CDN EUROPE AUS, NZ, ZA
Corsa forcella anteriore 300 mm (11,8 in) ←←
Lunghezza libera molla della forcella 460 mm (18,1 in) ←←
Costante molla, STD K = 4,4 N/mm
(0,449 kg/mm,
25,1 lb/in)
←←
Molla o distanziatore opzionali Sì←←
Capacità olio 648 cm3
(22,8 Imp oz,
21,9 US oz)
←←
Livello olio 132 mm (5,20 in) ←←
<Min. ~ Max.>
(Dallestremità superiore del gambale
con il tubo di forza e lasta pompante
completamente compressi senza molla.)
95 ~ 150 mm
(3,74 ~ 5,91 in)
←←
Gradazione dellolio Olio sospensione
S1
←←
Diametro esterno del tubo di forza 48 mm (1,89 in) ←←
Estremità superiore della forcella ante-
riore
5 mm (0,20 in) ←←
Sospensione posteriore: USA, CDN EUROPE AUS, NZ, ZA
Corsa ammortizzatore 130 mm (5,12 in) ←←
Lunghezza libera della molla 260 mm (10,24 in) ←←
Lunghezza montaggio 249 mm (9,80 in) 248,5 mm (9,78 in) 245,0 mm (9,65 in)
<Min. ~ Max.> 238,5 ~ 258,5 mm
(9,39 ~ 10,18 in)
←←
Costante molla, STD K = 52,0 N/mm
(5,30 kg/mm,
296,8 lb/in)
←←
Molla opzionale Sì←←
Pressione gas incorporato 1.000 kPa
(10 kg/cm2, 142 psi)
←←
Forcellone oscillante:
Limite gioco forcellone oscillante
Estremità---- 1,0 mm
(0,04 in)
SPECIFICHE DI MANUTENZIONE
2 - 70
SPEC
Ruota: USA, CDN, ZA EUROPE, AUS, NZ
Tipo ruota anteriore Ruota a raggi ----
Tipo ruota posteriore Ruota a raggi ----
Dimensioni/materiale cerchio anteriore 21 × 1,60/Alluminio ----
Dimensioni/materiale cerchio posteriore 18 × 1,85/Alluminio 18 × 2,15/Alluminio ----
Limite di disassamento del cerchio:
Radiale ---- ---- 2,0 mm
(0,08 in)
Laterale ---- ---- 2,0 mm
(0,08 in)
Catena di trasmissione:
Tipo/produttore DID520VM/DAIDO ----
Numero di articolazioni 113 articolazioni + giunto ----
Parte lenta della catena 48 ~ 58 mm (1,9 ~ 2,3 in) ----
Allentamento della catena
(15 articolazioni)
---- 239,3 mm
(9,42 in)
Freno a disco anteriore:
Diametro esterno disco × Spessore 250 × 3,0 mm (9,84 × 0,12 in)
250
×
2,5 mm
(9,84
×
0,10 in)
Spessore pastiglia 4,4 mm (0,17 in) 1,0 mm
(0,04 in)
Diametro interno pompa 11,0 mm (0,433 in) ----
Diametro interno cilindro della pinza 27,0 mm (1,063 in) × 2 ----
Tipo di liquido dei freni DOT n.4 ----
Freno a disco posteriore:
Diametro esterno disco × Spessore 245 × 4,0 mm (9,65 × 0,16 in)
245
×
3,5 mm
(9,65
×
0,14 in)
Limite di flessione ---- 0,15 mm
(0,006 in)
Spessore pastiglia 6,4 mm (0,25 in) 1,0 mm
(0,04 in)
Diametro interno pompa 11,0 mm (0,433 in) ----
Diametro interno cilindro della pinza 25,4 mm (1,000 in) × 1 ----
Tipo di liquido dei freni DOT n.4 ----
Leva e pedale del freno:
Posizione leva del freno 95 mm (3,74 in) ----
Altezza pedale del freno
(altezza verticale sopra il poggiapiede)
10 mm (0,39 in) ----
Gioco leva del freno (estremità leva) 8 ~ 13 mm (0,31 ~ 0,51 in) ----
Gioco manopola acceleratore 3 ~ 5 mm (0,12 ~ 0,20 in) ----
Elemento Standard Limite
SPECIFICHE DI MANUTENZIONE
2 - 71
SPEC
N
OTA:
1. Serrare prima la ghiera sterzo a circa 38 Nm (3,8 m kg, 27 ft lb) utilizzando la chiave per ghiere, quindi
allentare la ghiera di un giro.
2. Serrare nuovamente la ghiera sterzo a 7 Nm (0,7 m kg, 5,1 ft lb).
Elemento da serrare Filettatura QuantitàCoppia di serraggio
Nm m·kg ft·lb
Staffa superiore e gambale M8 × 1,25 4 21 2,1 15
Staffa inferiore e gambale M8 × 1,25 4 21 2,1 15
Staffa superiore e fusto dello sterzo M24 × 1,0 1 145 14,5 105
Supporto superiore e inferiore manubrio M8 × 1,25 4 28 2,8 20
Supporto inferiore e staffa superiore manubrio M10 × 1,25 2 34 3,4 24
Fusto e ghiera dello sterzo M28 × 1,0 1 Fare riferimento a NOTA.
Forcella anteriore e bullone cappello forcella anteriore
M51 × 1,5 2 30 3,0 22
Forcella anteriore e valvola base M30 × 1,0 2 55 5,5 40
Bullone cappello forcella anteriore e asta pompante M12 × 1,25 2 29 2,9 21
Forcella anteriore e bullone cappello forcella anteriore M5 × 0,8 2 1 0,1 0,7
Forcella anteriore e relativa protezione M6 × 1,0 6 7 0,7 5,1
Protezione forcella anteriore e supporto tubo flessi-
bile del freno M6 × 1,0 2 7 0,7 5,1
Copertura manopola acceleratore M5 × 0,8 2 4 0,4 2,9
Pompa del freno anteriore M6 × 1,0 2 9 0,9 6,5
Bullone di fissaggio leva del freno M6 × 1,0 1 6 0,6 4,3
Dado di fissaggio leva del freno M6 × 1,0 1 6 0,6 4,3
Controdado posizione leva del freno M6 × 1,0 1 5 0,5 3,6
Guida del tubo flessibile del freno anteriore e sup-
porto della guida del tubo flessibile del freno anteriore M5 × 0,8 1 4 0,4 2,9
Guida del tubo flessibile del freno anteriore e staffa
inferiore M6 × 1,0 1 4 0,4 2,9
Supporto della leva della frizione M5 × 0,8 2 4 0,4 2,9
Dado di fissaggio leva della frizione M6 × 1,0 1 4 0,4 2,9
Supporto leva starter per partenze a caldo M5 × 0,8 2 4 0,4 2,9
Dado di fissaggio leva starter per partenze a caldo M5 × 0,8 1 2 0,2 1,4
Coperchio pompa del freno anteriore M4 × 0,7 2 2 0,2 1,4
Bullone di giunzione del tubo del freno anteriore M10 × 1,25 2 30 3,0 22
Pinza freno anteriore M8 × 1,25 2 23 2,3 17
Pinza del freno anteriore e supporto del tubo flessi-
bile del freno M6 × 1,0 1 10 1,0 7,2
Tappo del perno pastiglia M10 × 1,0 2 3 0,3 2,2
Pinza e perno pastiglia del freno anteriore M10 × 1,0 1 18 1,8 13
Pinza e perno pastiglia del freno posteriore M10 × 1,0 1 18 1,8 13
Pinza e vite di spurgo del freno M8 × 1,25 2 6 0,6 4,3
Asse della ruota anteriore e relativo dado M16 × 1,5 1 90 9,0 65
Supporto asse della ruota anteriore M8 × 1,25 4 21 2,1 15
Disco freno anteriore M6 × 1,0 6 12 1,2 8,7
Disco freno posteriore M6 × 1,0 6 14 1,4 10
Pedale del freno M8 × 1,25 1 26 2,6 19
Pompa del freno posteriore M6 × 1,0 2 10 1,0 7,2
Coperchio pompa del freno posteriore M4 × 0,7 2 2 0,2 1,4
Bullone di giunzione del tubo del freno posteriore M10 × 1,25 2 30 3,0 22
Asse della ruota posteriore e relativo dado M20 × 1,5 1 125 12,5 90
SPECIFICHE DI MANUTENZIONE
2 - 72
SPEC
Elemento da serrare Filettatura QuantitàCoppia di serraggio
Nm m·kg ft·lb
Chiave tendiraggi 72 3 0,3 2,2
Corona della ruota posteriore M8 × 1,25 6 50 5,0 36
Riparo disco freno posteriore M6 × 1,0 2 10 1,0 7,2
Protezione pinza freno posteriore M6 × 1,0 2 7 0,7 5,1
Bullone e controdado di regolazione dellestrattore
catena di trasmissione M8 × 1,25 2 19 1,9 13
Supporto motore:
Motore e relativa staffa (anteriore) M10 × 1,25 1 53 5,3 38
Motore e telaio (inferiore) M10 × 1,25 1 53 5,3 38
Staffa e telaio motore superiori M8 × 1,25 4 34 3,4 24
Staffa e telaio motore inferiori M8 × 1,25 4 34 3,4 24
Motore e relativa staffa (superiore) M10 × 1,25 1 55 5,5 40
Riparo motore M6 × 1,0 3 7 0,7 5,1
Regolatore M6 × 1,0 2 7 0,7 5,1
Dado e albero di articolazione M16 × 1,5 1 85 8,5 61
Braccio di rinvio e forcellone oscillante M14 × 1,5 1 70 7,0 50
Braccio di rinvio e biella M14 × 1,5 1 80 8,0 58
Biella e telaio M14 × 1,5 1 80 8,0 58
Ammortizzatore posteriore e telaio M10 × 1,25 1 56 5,6 40
Ammortizzatore posteriore e braccio di rinvio M10 × 1,25 1 53 5,3 38
Telaio posteriore (superiore) M8 × 1,25 1 38 3,8 27
Telaio posteriore (inferiore) M8 × 1,25 2 32 3,2 23
Forcellone oscillante e supporto tubo flessibile del freno
M5 × 0,8 4 2 0,2 1,4
Forcellone oscillante e patch M4 × 0,7 4 2 0,2 1,4
Tenditore superiore catena di trasmissione M8 × 1,25 1 16 1,6 11
Tenditore inferiore catena di trasmissione M8 × 1,25 1 16 1,6 11
Supporto catena di trasmissione M6 × 1,0 3 7 0,7 5,1
Riparo guarnizione e forcellone oscillante M5 × 0,8 4 6 0,6 4,3
Serbatoio del carburante M6 × 1,0 2 9 0,9 6,5
Rubinetto del carburante M6 × 1,0 2 4 0,4 2,9
Staffa del blocco sella e serbatoio del carburante M6 × 1,0 1 7 0,7 5,1
Serbatoio carburante e relativa staffa M6 × 1,0 4 7 0,7 5,1
Presa daria e serbatoio del carburante M6 × 1,0 6 7 0,7 5,1
Presa daria e riparo radiatore (inferiore) M6 × 1,0 2 6 0,6 4,3
Parafango anteriore M6 × 1,0 4 7 0,7 5,1
Parafango posteriore (anteriore) M6 × 1,0 2 7 0,7 5,1
Parafango posteriore (posteriore) M6 × 1,0 2 11 1,1 8,0
Fianchetto M6 × 1,0 2 7 0,7 5,1
Sella M8 × 1,25 2 23 2,3 17
Staffa e staffa superiore display multifunzione M6 × 1,0 2 7 0,7 5,1
Display multifunzione M5 × 0,8 2 4 0,4 2,9
Piastra 1 e protezione forcella anteriore M5 × 0,8 2 4 0,4 2,9
Piastra 2 e protezione forcella anteriore 2 0,5 0,05 0,36
Staffa inferiore e supporto cavo sensore di velocitàM6 × 1,0 1 13 1,3 9,4
SPECIFICHE DI MANUTENZIONE
2 - 73
SPEC
N
OTA:
- controllare le coppie di serraggio delle parti contrassegnate dopo il rodaggio.
Corpo del faro e unità di illuminazione 210,10,7
Faro (sinistro e destro) M6 × 1,0 2 7 0,7 5,1
Luce posteriore 310,10,7
Morsetto cavo luce posteriore e parafango poste-
riore 3 0,5 0,05 0,36
Serbatoio di raccolta (superiore) M6 × 1,0 1 16 1,6 11
Serbatoio di raccolta (inferiore) M6 × 1,0 1 7 0,7 5,1
Staffa poggiapiede e telaio M10 × 1,25 4 55 5,5 40
Cavalletto laterale M10 × 1,25 1 25 2,5 18
Elemento da serrare Filettatura QuantitàCoppia di serraggio
Nm m·kg ft·lb
SPECIFICHE DI MANUTENZIONE
2 - 74
SPEC
IMPIANTO ELETTRICO
Elemento Standard Limite
Impianto di accensione:
Tipo di regolatore anticipo Elettrico ----
CDI:
Resistenza bobina pickup (colore) 248 ~ 372 a 20 °C (68 °F)
(Bianco - Rosso)
----
Modello/produttore unità CDI 5UM-E0/YAMAHA (Per USA) ----
5UM-F0/YAMAHA (Eccetto USA) ----
Bobina di accensione:
Modello/produttore 5UL-10/DENSO ----
Lunghezza minima della scintilla 6 mm (0,24 in) ----
Resistenza bobina primaria 0,08 ~ 0,10 a 20 °C (68 °F) ----
Resistenza bobina secondaria 4,6 ~ 6,8 k a 20 °C (68 °F) ----
Impianto di carica:
Tipo di impianto Magnete AC ----
Modello (statore)/produttore 5UM 20/YAMAHA ----
Tensione normale in uscita 14 V/120 W a 5.000 giri/min ----
Resistenza bobina di carica (colore) 0,288 ~ 0,432 a 20 °C (68 °F)
(Bianco Terra)
----
Resistenza avvolgimento di illumina-
zione (colore)
0,224 ~ 0,336 a 20 °C (68 °F)
(Giallo Terra)
----
Raddrizzatore/regolatore:
Tipo di regolatore Cortocircuito semiconduttore ----
Modello/produttore SH770AA/SHINDENGEN ----
Tensione regolata (CA) 12,5 ~ 13,5 V ----
Tensione regolata (CC) 14,0 ~ 15,0 V ----
Capacità del raddrizzatore (CA) 12 A ----
Capacità del raddrizzatore (CC) 8 A ----
Impianto di avviamento elettrico:
Tipo Sempre in presa ----
Motorino davviamento:
Modello/produttore 5UM01/YAMAHA ----
Tensione di funzionamento 12 V ----
Circuito 0,35 kW ----
Resistenza avvolgimento indotto 0,0189 ~ 0,0231 a 20 °C (68 °F) ----
Lunghezza totale della spazzola 7 mm (0,28 in) 3,5 mm (0,14 in)
Numero di spazzole 2 pz. ----
Forza della molla 3,92 ~ 5,88 N
(400 ~ 600 g, 14,1 ~ 21,2 oz)
----
Diametro del commutatore 17,6 mm (0,69 in) 16,6 mm (0,65 in)
Rivestimento in mica (spessore) 1,5 mm (0,06 in) ----
SPECIFICHE DI MANUTENZIONE
2 - 75
SPEC
N
OTA:
Serrare il dado rotore a 65 Nm (6,5 m kg, 47 ft lb), allentarlo e serrarlo nuovamente a 65 Nm (6,5 m kg,
47 ft lb).
Relè del motorino di avviamento:
Modello/produttore 2768090-A/JIDECO ----
Amperaggio 180 A ----
Resistenza avvolgimento bobina 4,2 ~ 4,6 a 20 °C (68 °F) ----
Relè di interruzione del circuito di avvia-
mento:
Modello/produttore ACM33221 M06/MATSUSHITA ----
Resistenza avvolgimento bobina 75,69 ~ 92,51 a 20 °C (68 °F) ----
Fusibile (amperaggio × quantità):
Fusibile principale 10 A × 1 ----
Fusibile di riserva 10 A × 1 ----
Elemento da serrare Filettatura QuantitàCoppia di serraggio
Nm m·kg ft·lb
Statore M5 × 0,8 2 7 0,7 5,1
Supporto (cavo magnete AC) M5 × 0,8 2 7 0,7 5,1
Rotore M12 × 1,25 1 Fare riferimento a NOTA.
Interruttore folle M5 × 0,8 2 4 0,4 2,9
Motorino davviamento M6 × 1,0 2 10 1,0 7,2
Terminale relè del motorino di avviamento M6 × 1,0 2 4 0,4 2,9
Cavo negativo e testata M6 × 1,0 1 10 1,0 7,2
Bobina pickup M6 × 1,0 2 10 1,0 7,2
Elemento Standard Limite
2 - 76
SPECIFICHE GENERALI/
DEFINIZIONE UNITÀ DI MISURA SPEC
SPECIFICHE GENERALI
La tabella specifica la coppia per i dispositivi di
serraggio con filettature con passo standard I.S.O.
Le specifiche generali di serraggio per componenti
o gruppi speciali sono comprese nelle relative
sezioni del presente manuale. Per evitare deforma-
zioni, serrare in modo graduale e incrociato i gruppi
di bulloni o dadi, fino al raggiungimento della cop-
pia completa. Salvo diversa indicazione, le specifi-
che generali indicate si intendono con filettature
pulite ed asciutte. I componenti devono essere a
temperatura ambiente. A: Apertura di chiave
B: Diametro esterno filettatura
DEFINIZIONE UNITÀ DI MISURA
A
(Dado)
B
(Bul-
lone)
SPECIFICHE
GENERALI
Nm mkg ftlb
10 mm
12 mm
14 mm
17 mm
19 mm
22 mm
6 mm
8 mm
10 mm
12 mm
14 mm
16 mm
6
15
30
55
85
130
0,6
1,5
3,0
5,5
8,5
13
4,3
11
22
40
61
94
UnitàLettura Definizione Misura
mm
cm millimetri
centimetri 10-3 metri
10-2 metri Lunghezza
Lunghezza
kg chilogrammo 103 grammi Peso
N Newton 1 kg × m/sec2 Forza
Nm
m kg Metro Newton
Metro chilogrammo N × m
m × kg Coppia
Coppia
Pa Pascal N/m2Pressione
N/mm Newton - millimetro N/mm Costante molla
L
cm3 Litro
Centimetro cubo
Volume o capacità
Volume o capacità
giri/min Giri al minuto Velocità del motore
ESPECIFICACIONES GENERALES
2 - 77
SPEC
ESPECIFICACIONES
ESPECIFICACIONES GENERALES
Nombre del modelo: WR250FW (USA, CDN, AUS, NZ)
WR250F (EUROPE, ZA)
Código de modelo: 5UME (USA)
5UMF (EUROPE)
5UMG (CDN, AUS, NZ, ZA)
Dimensiones: USA, ZA, CDN EUROPE, AUS, NZ
Longitud total 2.165 mm (85,24 in) 2.180 mm (85,83 in)
Anchura total 825 mm (32,48 in)
Altura total 1.300 mm (51,18 in) 1.305 mm (51,38 in)
Altura del sillín 980 mm (38,58 in) 990 mm (38,98 in)
Distancia entre ejes 1.480 mm (58,27 in)
Altura mínima al suelo 365 mm (14,37 in) 370 mm (14,57 in)
Peso en seco:
Sin aceite ni combustible 106,0 kg (233,7 lb)
Motor:
Tipo de motor 4 tiempos, refrigerado por líquido, DOHC
Disposición de los cilindros Un cilindro, inclinado hacia delante
Cilindrada 249 cm3 (8,76 Imp oz, 8,42 US oz)
Diámetro × carrera 77,0 × 53,6 mm (3,03 × 2,11 in)
Relación de compresión 12,5 : 1
Sistema de arranque Pedal y arranque eléctrico
Sistema de engrase: Colector de lubricante fuera del cárter
Tipo o grado de aceite:
Aceite del motor (USA y CDN)
Yamalube 4, SAE10W30 o SAE 20W40
Yamalube 4-R, SAE10W50
Servicio API tipo SG o superior/JASO MA
(excepto USA y CDN)
SAE10W30, SAE10W40, SAE15W40,
SAE20W40 o SAE20W50
Servicio API tipo SG o superior/JASO MA
-20 -10 0 10 20 30 40 50 ˚C
SAE 10W-30
SAE 10W-40
SAE 15W-40
SAE 20W-40
SAE 20W-50
-20 -10 0 10 20 30 40 50 ˚C
0 10 30 50 70 90 110 130 ˚F
YAMALUBE 4(10W-30) o SAE 10W-30
YAMALUBE 4(20W-40) o SAE 20W-40
YAMALUBE 4-R(10W-50) o SAE 10W-50
2
ESPECIFICACIONES GENERALES
2 - 78
SPEC
Capacidad de aceite:
Aceite del motor
Cambio periódico de aceite 1,1 L (0,97 Imp qt, 1,16 US qt)
Con sustitución del filtro de aceite 1,2 L (1,06 Imp qt, 1,27 US qt)
Cantidad total 1,4 L (1,23 Imp qt, 1,48 US qt)
Capacidad de refrigerante (incluidos todos los
pasos):
0,99 L (0,87 Imp qt, 1,05 US qt)
Filtro de aire: Elemento húmedo
Combustible:
Tipo Únicamente gasolina súper sin plomo de 95
octanos como mínimo.
Capacidad del depósito 8,0 L (1,76 Imp gal, 2,11 US gal)
Reserva 1,1 L (0,24 Imp gal, 0,29 US gal)
Carburador:
Tipo FCR-MX37
Fabricante KEIHIN
Bujía:
Tipo/fabricante CR9E/NGK (tipo resistencia)
Huelgo 0,7 ~ 0,8 mm (0,028 ~ 0,031 in)
Tipo de embrague: Húmedo, discos múltiples
Caja de cambios:
Sistema de reducción primaria Engranaje
Relación de reducción primaria 57/17 (3,353)
Sistema de reducción secundaria Transmisión por cadena
Relación de reducción secundaria 50/13 (3,846)
Tipo de caja de cambios Engranaje constante, 5-velocidades
Accionamiento Pie izquierdo
Relación del cambio:1ª31/13 (2,385)
2ª28/16 (1,750)
3ª23/17 (1,353)
4ª23/21 (1,095)
5ª17/19 (0,895)
Bastidor: USA, ZA, CDN EUROPE, AUS, NZ
Tipo de bastidor Tubo semidoble
Ángulo de arrastre 27,0°26,6°
Distancia entre perpendiculares 115 mm (4,53 in) 114 mm (4,49 in)
Neumático:
Tipo Con cámara
Tamaño (delantero) 80/100-21 51M (USA, CDN y ZA)
90/90-21 54R (EUROPE, AUS y NZ)
Tamaño (trasero) 100/100-18 59M (USA, CDN y ZA)
130/90-18 69R (EUROPE, AUS y NZ)
Presión del neumático (delantero y trasero) 100 kPa (1,0 kgf/cm2, 15 psi)
ESPECIFICACIONES GENERALES
2 - 79
SPEC
Freno:
Tipo de freno delantero Freno de un disco
Accionamiento Accionamiento con la mano izquierda
Tipo de freno trasero Freno de un disco
Accionamiento Pie derecho
Suspensión:
Suspensión delantera Horquilla telescópica
Suspensión trasera Basculante (suspensión monocruz articulada)
Amortiguador:
Amortiguador delantero Muelle helicoidal/amortiguador de aceite
Amortiguador trasero Muelle helicoidal/gas, amortiguador de aceite
Recorrido de la rueda:
Recorrido de la rueda delantera 300 mm (11,8 in)
Recorrido de la rueda trasera 310 mm (12,2 in)
Sistema eléctrico:
Sistema de encendido CDI (encendido por descarga de capacitor)
Sistema generador Magneto CA
Tipo de bateríaYTX5L-BS
Voltaje/capacidad de la batería 12 V/4 AH
Densidad 1,320
Tipo de faro: Bombilla de cuarzo (halógena)
Potencia de la bombilla × cantidad:
Faro 12 V 35/36,5 W × 1
Piloto trasero 12 V 1,6/0,3 W × 1
ESPECIFICACIONES DE MANTENIMIENTO
2 - 80
SPEC
ESPECIFICACIONES DE MANTENIMIENTO
MOTOR
Elemento Estándar Límite
Culata:
Límite de deformación ---- 0,05 mm
(0,002 in)
Cilindro:
Diámetro 77,00 ~ 77,01 mm
(3,0315 ~ 3,0319 in)
----
Límite de deformación circunferencial ---- 0,05 mm
(0,002 in)
Eje de levas:
Sistema de accionamiento Transmisión por cadena
(izquierda)
----
Diámetro interior de la tapa del eje de levas 22,000 ~ 22,021 mm
(0,8661 ~ 0,8670 in)
----
Diámetro exterior del eje de levas 21,959 ~ 21,972 mm
(0,8645 ~ 0,8650 in)
----
Holgura entre eje y tapa 0,028 ~ 0,062 mm
(0,0011 ~ 0,0024 in)
0,08 mm
(0,003 in)
Dimensiones de las levas
AdmisiónA29,65 ~ 29,75 mm
(1,1673 ~ 1,1713 in)
29,55 mm
(1,1634 in)
B22,45 ~ 22,55 mm
(0,8839 ~ 0,8878 in)
22,35 mm
(0,8799 in)
Escape A30,399 ~ 30,499 mm
(1,1968 ~ 1,2007 in)
30,299 mm
(1,1929 in)
B22,45 ~ 22,55 mm
(0,8839 ~ 0,8878 in)
22,35 mm
(0,8799 in)
Límite de descentramiento del eje de levas ---- 0,03 mm
(0,0012 in)
A
B
ESPECIFICACIONES DE MANTENIMIENTO
2 - 81
SPEC
Cadena de distribución:
Tipo de cadena de distribución/nº de eslabo-
nes
92RH2010-114M/114 ----
Sistema de ajuste de la cadena de distribu-
ción
Automático ----
Válvula, asiento de válvula, guía de válvula:
Holgura de la válvula (en frío) Admisión 0,10 ~ 0,15 mm
(0,0039 ~ 0,0059 in)
----
Escape 0,17 ~ 0,22 mm
(0,0067 ~ 0,0087 in)
----
Dimensiones de la válvula:
Diámetro de la cabeza AAdmisión 22,9 ~ 23,1 mm
(0,9016 ~ 0,9094 in)
----
Escape 24,4 ~ 24,6 mm
(0,9606 ~ 0,9685 in)
----
Anchura frontal BAdmisión 2,26 mm (0,089 in) ----
Escape 2,26 mm (0,089 in) ----
Anchura frontal CAdmisión 0,9 ~ 1,1 mm
(0,0354 ~ 0,0433 in)
1,6 mm
(0,0630 in)
Escape 0,9 ~ 1,1 mm
(0,0354 ~ 0,0433 in)
1,6 mm
(0,0630 in)
Espesor del margen DAdmisión 0,8 mm (0,0315 in) ----
Escape 0,7 mm (0,0276 in) ----
Diámetro exterior del vástago Admisión 3,975 ~ 3,990 mm
(0,1565 ~ 0,1571 in)
3,945 mm
(0,1553 in)
Escape 4,460 ~ 4,475 mm
(0,1756 ~ 0,1762 in)
4,430 mm
(0,1744 in)
Diámetro interior de la guíaAdmisión 4,000 ~ 4,012 mm
(0,1575 ~ 0,1580 in)
4,050 mm
(0,1594 in)
Escape 4,500 ~ 4,512 mm
(0,1772 ~ 0,1776 in)
4,550 mm
(0,1791 in)
Holgura de vástago a guíaAdmisión 0,010 ~ 0,037 mm
(0,0004 ~ 0,0015 in)
0,08 mm
(0,003 in)
Escape 0,025 ~ 0,052 mm
(0,0010 ~ 0,0020 in)
0,10 mm
(0,004 in)
Elemento Estándar Límite
BC
D
A
Diámetro de la cabeza Anchura frontal Anchura del asiento Espesor del margen
ESPECIFICACIONES DE MANTENIMIENTO
2 - 82
SPEC
Límite de descentramiento del vástago ---- 0,01 mm
(0,0004 in)
Anchura del asiento de la válvula Admisión 0,9 ~ 1,1 mm
(0,0354 ~ 0,0433 in)
1,6 mm
(0,0630 in)
Escape 0,9 ~ 1,1 mm
(0,0354 ~ 0,0433 in)
1,6 mm
(0,0630 in)
Muelle de la válvula:
Longitud libre Admisión 36,58 mm (1,44 in) 35,58 mm
(1,40 in)
Escape 37,54 mm (1,48 in) 36,54 mm
(1,44 in)
Longitud accionado (válvula cerrada)
Admisión 29,13 mm (1,15 in) ----
Escape 29,30 mm (1,15 in) ----
Fuerza comprimido (instalado) Admisión 103 ~ 118 N a 29,13 mm
(10,50 ~ 12,09 kg a 29,13 mm,
23,15 ~ 26,66 lb a 1,15 in)
----
Escape 126 ~ 144 N a 29,30 mm
(12,85 ~ 14,68 kg a 29,30 mm,
28,32 ~ 32,37 lb a 1,15 in)
----
Límite de inclinaciónAdmisión ----
2,5°/1,6 mm
(2,5°/0,063 in)
Escape ----
2,5°/1,6 mm
(2,5°/0,063 in)
Sentido de la espiral (vista superior)
Admisión Sentido de las agujas del reloj ----
Escape Sentido de las agujas del reloj ----
Pistón:
Holgura entre pistón y cilindro 0,030 ~ 0,055 mm
(0,0012 ~ 0,0022 in)
0,1 mm
(0,004 in)
Tamaño del pistón D76,955 ~ 76,970 mm
(3,0297 ~ 3,0303 in)
----
Punto de medición H8 mm (0,31 in) ----
Reborde del pistón 0,5 mm (0,020 in)/lado de admisión ----
Elemento Estándar Límite
*
H
D
ESPECIFICACIONES DE MANTENIMIENTO
2 - 83
SPEC
Diámetro interior del orificio del pasador de
pistón
16,002 ~ 16,013 mm
(0,6300 ~ 0,6304 in)
16,043 mm
(0,6316 in)
Diámetro exterior del pasador de pistón 15,991 ~ 16,000 mm
(0,6296 ~ 0,6299 in)
15,971 mm
(0,6288 in)
Aros de pistón:
Aro superior:
Tipo Barril ----
Dimensiones (B × T) 0,90 × 2,75 mm (0,04 × 0,11 in) ----
Distancia entre extremos (montado) 0,15 ~ 0,25 mm
(0,006 ~ 0,010 in)
0,50 mm
(0,020 in)
Holgura lateral (montado) 0,030 ~ 0,065 mm
(0,0012 ~ 0,0026 in)
0,12 mm
(0,005 in)
Segundo aro:
Tipo Cónico ----
Dimensiones (B × T) 0,80 × 2,75 mm (0,03 × 0,11 in) ----
Distancia entre extremos (montado) 0,30 ~ 0,45 mm
(0,012 ~ 0,018 in)
0,80 mm
(0,031 in)
Holgura lateral 0,020 ~ 0,055 mm
(0,0008 ~ 0,0022 in)
0,12 mm
(0,005 in)
Aro de engrase:
Dimensiones (B × T) 1,50 × 2,25 mm (0,06 × 0,09 in) ----
Distancia entre extremos (montado) 0,10 ~ 0,40 mm
(0,004 ~ 0,016 in)
----
Cigüeñal:
Anchura del cigüeñal A55,95 ~ 56,00 mm
(2,203 ~ 2,205 in)
----
Límite de descentramiento
C
0,03 mm (0,0012 in) 0,05 mm
(0,002 in)
Holgura lateral de la cabeza
de biela D
0,15 ~ 0,45 mm
(0,0059 ~ 0,0177 in)
0,50 mm
(0,02 in)
Holgura del pie de biela F0,4 ~ 1,0 mm (0,02 ~ 0,04 in) 2,0 mm
(0,08 in)
Elemento Estándar Límite
T
B
B
T
B
T
ESPECIFICACIONES DE MANTENIMIENTO
2 - 84
SPEC
Embrague:
Espesor de las placas de fricción 2,9 ~ 3,1 mm (0,114 ~ 0,122 in) 2,7 mm
(0,106 in)
Cantidad 9 ----
Espesor de los discos de embrague 1,1 ~ 1,3 mm (0,043 ~ 0,051 in) ----
Cantidad 8 ----
Límite de deformación ---- 0,1 mm
(0,004 in)
Longitud libre del muelle del embrague 37,0 mm (1,46 in) 36,0 mm
(1,42 in)
Cantidad 5 ----
Holgura de empuje de la caja del embrague 0,10 ~ 0,35 mm
(0,0039 ~ 0,0138 in)
----
Holgura radial de la caja del embrague 0,010 ~ 0,044 mm
(0,0004 ~ 0,0017 in)
----
Sistema de desembrague Empuje interior, empuje de leva ----
Cambio:
Tipo de cambio Tambor de leva y barra de guía ----
Límite de flexión de la barra de guía ---- 0,05 mm
(0,002 in)
Pedal de arranque:
Tipo Tipo pisada y trinquete ----
Carburador:
Tipo/fabricante FCR-MX37/KEIHIN
Marca de identificación 5UME E0
Surtidor principal (M.J) N°170
Surtidor de aire principal (M.A.J) N°115
Aguja del surtidor (J.N) NJRU
Corte (C.A) 1,5
Surtidor piloto (P.J) N°42
Surtidor de aire piloto (P.A.J) N°70
Salida piloto (P.O) ø0,9
Derivación (B.P) ø1,0
Tamaño del asiento de la válvula (V.S) ø3,8
Surtidor de arranque (G.S) N°68
Surtidor de pérdida (Acc.P) N°70
Altura del flotador (F.H) 8 mm (0,31 in)
Ralentí1.750 ~ 1.950 r/min
Vacío de admisión 31,3 ~ 36,7 kPa
(235 ~ 275 mmHg,
9,25 ~ 10,83 inHg)
Holgura del mando de arranque en caliente 3 ~ 6 mm
(0,12 ~ 0,24 in)
Elemento Estándar Límite
ESPECIFICACIONES DE MANTENIMIENTO
2 - 85
SPEC
Sistema de engrase:
Tipo del filtro de aceite Papel ----
Tipo de bomba de aceite Tipo trocoidal ----
Holgura entre rotores interior y exterior 0,12 mm máximo
(0,0047 in máximo)
0,20 mm
(0,008 in)
Holgura lateral 0,09 ~ 0,17 mm
(0,0035 ~ 0,0067 in)
0,24 mm
(0,009 in)
Holgura de la caja y el rotor 0,03 ~ 0,10 mm
(0,0012 ~ 0,0039 in)
0,17 mm
(0,0067 in)
Refrigeración:
Tamaño del núcleo del radiador
Anchura 120,2 mm (4,73 in) ----
Altura 240 mm (9,45 in) ----
Espesor 22 mm (0,87 in) ----
Presión de apertura del tapón del radiador 110 kPa (1,1 kg/cm2, 15,6 psi) ----
Capacidad del radiador (total) 0,54 L (0,48 Imp qt, 0,57 US qt) ----
Bomba de agua
Tipo Bomba centrífuga de aspiración
única
----
Elemento Estándar Límite
ESPECIFICACIONES DE MANTENIMIENTO
2 - 86
SPEC
Pieza que se debe apretar Tamaño de
la rosca Ctd. Par de apriete
Nm m·kg ft·lb
Bujía M10S × 1,0 1 13 1,3 9,4
Tapa del eje de levas M6 × 1,0 10 10 1,0 7,2
Tornillo del tapón ciego de la culata M12 × 1,0 1 28 2,8 20
Culata (perno prisionero) M6 × 1,0 2 7 0,7 5,1
(perno prisionero) M8 × 1,25 1 15 1,5 11
(tornillo) M9 × 1,25 4 38 3,8 27
(tuerca) M6 × 1,0 2 10 1,0 7,2
Tapa de culata M6 × 1,0 2 10 1,0 7,2
Cilindro M6 × 1,0 1 10 1,0 7,2
Peso del eje compensador M6 × 1,0 2 10 1,0 7,2
Engranaje conducido del eje compensador M14 × 1,0 1 50 5,0 36
Guía de la cadena de distribución
(lado de admisión) M6 × 1,0 2 10 1,0 7,2
Tensor de cadena de distribuciónM6 × 1,0 2 10 1,0 7,2
Perno capuchino del tensor de la cadena de
distribuciónM6 × 1,0 1 7 0,7 5,1
Rotor M8 × 1,25 1 14 1,4 10
Abrazadera del tubo del radiador M6 × 1,0 10 2 0,2 1,4
Tornillo de vaciado del refrigerante M6 × 1,0 1 10 1,0 7,2
Carcasa de la bomba de agua M6 × 1,0 4 10 1,0 7,2
Apoyo del radiador M6 × 1,0 6 10 1,0 7,2
Radiador M6 × 1,0 4 10 1,0 7,2
Tubería del radiador M6 × 1,0 1 10 1,0 7,2
Tapa de la bomba de aceite M4 × 0,7 1 2 0,2 1,4
Bomba de aceite M6 × 1,0 3 10 1,0 7,2
Tornillo de vaciado del elemento del filtro de
aceite M6 × 1,0 1 10 1,0 7,2
Tapa del elemento del filtro de aceite M6 × 1,0 2 10 1,0 7,2
Depurador de aceite (cárter) M6 × 1,0 2 10 1,0 7,2
Tubería de suministro de aceite 1(M10) M10 × 1,25 1 20 2,0 14
(M8) M8 × 1,25 2 18 1,8 13
Tubo de aceite M6 × 1,0 2 8 0,8 5,8
Abrazadera del tubo de aceite 220,21,4
Depurador de aceite (depósito de aceite) M6 × 1,0 1 9 0,9 6,5
Tornillo de vaciado del depósito de aceite M8 × 1,25 1 18 1,8 13
Depósito de aceite (superior) M6 × 1,0 1 7 0,7 5,1
Depósito de aceite y bastidor M6 × 1,0 3 9 0,9 6,5
Tornillo de comprobación de la presión de
aceite M6 × 1,0 1 10 1,0 7,2
Junta del carburador M6 × 1,0 2 10 1,0 7,2
Brida de la junta del carburador M4 × 0,7 1 3 0,3 2,2
Brida de la junta del filtro de aire M6 × 1,0 1 3 0,3 2,2
Tornillo de ajuste del cable del acelerador y
contratuerca M6 × 0,75 1 4 0,4 2,9
Cable del acelerador (tracción) M6 × 1,0 1 4 0,4 2,9
ESPECIFICACIONES DE MANTENIMIENTO
2 - 87
SPEC
N
OTA:
- se debe comprobar el par de apriete de la parte marcada después del rodaje.
Cable del acelerador (retorno) M12 × 1,0 1 11 1,1 8,0
Funda del cable del acelerador M5 × 0,8 2 4 0,4 2,9
Palpador de arranque en caliente M12 × 1,0 1 2 0,2 1,4
Tornillo de ajuste del cable de arranque en
caliente y contratuerca M6 × 0,75 1 4 0,4 2,9
Carcasa del filtro de aire M6 × 1,0 2 8 0,8 5,8
Junta del filtro de aire y carcasa del filtro de aire M5 × 0,8 1 4 0,4 2,9
Tubo de escape M8 × 1,25 2 20 2,0 14
Protector del tubo de escape M6 × 1,0 3 10 1,0 7,2
Silenciador M8 × 1,25 2 30 3,0 22
Brida del silenciador M8 × 1,25 1 16 1,6 11
Parachispas M5 × 0,8 4 7 0,7 5,1
Tapón del silenciador M5 × 0,8 6 5 0,5 3,6
Tubería de inducción de aire M6 × 1,0 1 10 1,0 7,2
Abrazadera de la tubería de inducción de aire M6 × 1,0 1 4 0,4 2,9
Conjunto de la válvula de corte de aire y
soporte M6 × 1,0 2 10 1,0 7,2
Soporte (válvula de corte de aire) y bastidor M6 × 1,0 2 7 0,7 5,1
Cárter M6 × 1,0 11 12 1,2 8,7
Tope del cojinete del cárter M6 × 1,0 11 10 1,0 7,2
Tope del cojinete del cárter (cigüeñal) M6 × 1,0 4 10 1,0 7,2
Tapa izquierda del cárter M6 × 1,0 8 10 1,0 7,2
Tapa del engranaje intermedio (motor de
arranque) M6 × 1,0 3 10 1,0 7,2
Placa del engranaje intermedio M6 × 1,0 2 10 1,0 7,2
Tapa derecha del cárter M6 × 1,0 6 10 1,0 7,2
Tapa del embrague M6 × 1,0 7 10 1,0 7,2
Tornillo de vaciado del aceite del cárter M10 × 1,25 1 20 2,0 14
Tapa del piñón de la cadena de transmisiónM6 × 1,0 2 8 0,8 5,8
Guía de la rueda del trinquete del eje del
pedal de arranque M6 × 1,0 2 12 1,2 8,7
Pedal de arranque M8 × 1,25 1 33 3,3 24
Engranaje impulsor primario M18 × 1,0 1 75 7,5 54
Muelle del embrague M6 × 1,0 5 10 1,0 7,2
Resalte de embrague M16 × 1,0 1 60 6,0 43
Tuerca de freno del cable del embrague M8 × 1,25 2 7 0,7 5,1
Eje de la palanca de empuje M6 × 1,0 1 10 1,0 7,2
Piñón motor M18 × 1,0 1 75 7,5 54
Tope de la junta de aceite del eje posterior M6 × 1,0 2 10 1,0 7,2
Segmento M8 × 1,25 1 30 3,0 22
Guía de cambio M6 × 1,0 2 10 1,0 7,2
Palanca de tope M6 × 1,0 1 10 1,0 7,2
Pedal de cambio M6 × 1,0 1 12 1,2 8,7
Pieza que se debe apretar Tamaño de
la rosca Ctd. Par de apriete
Nm m·kg ft·lb
ESPECIFICACIONES DE MANTENIMIENTO
2 - 88
SPEC
CHASIS
Elemento Estándar Límite
Sistema de dirección:
Tipo de cojinetes de la dirección Cojinetes de rodillos cónicos ----
Suspensión delantera: USA, CDN EUROPE AUS, NZ, ZA
Recorrido de la horquilla delantera 300 mm (11,8 in) ←←
Longitud libre del muelle de la hor-
quilla
460 mm (18,1 in) ←←
Tensión del muelle, estándar K = 4,4 N/mm
(0,449 kg/mm,
25,1 lb/in)
←←
Muelle/espaciador opcional Sí←←
Capacidad de aceite 648 cm3
(22,8 Imp oz,
21,9 US oz)
←←
Nivel de aceite 132 mm (5,20 in) ←←
<Min. ~ Max.>
(Desde la parte superior del tubo
exterior con el tubo interior y la vari-
lla del amortiguador totalmente com-
primida sin muelle.)
95 ~ 150 mm
(3,74 ~ 5,91 in)
←←
Grado del aceite Aceite para sus-
pensión S1
←←
Diámetro exterior del tubo interior 48 mm (1,89 in) ←←
Extremo superior de la horquilla
delantera
5 mm (0,20 in) ←←
Suspensión trasera: USA, CDN EUROPE AUS, NZ, ZA
Recorrido del amortiguador 130 mm (5,12 in) ←←
Longitud libre del muelle 260 mm (10,24 in) ←←
Longitud de encastre 249 mm (9,80 in) 248,5 mm (9,78 in) 245,0 mm (9,65 in)
<Min. ~ Max.> 238,5 ~ 258,5 mm
(9,39 ~ 10,18 in)
←←
Tensión del muelle, estándar K = 52,0 N/mm
(5,30 kg/mm,
296,8 lb/in)
←←
Muelle opcional Sí←←
Presión del gas de la suspensión 1.000 kPa
(10 kg/cm2,
142 psi)
←←
Basculante:
Límite de holgura del basculante
Extremo ---- 1,0 mm
(0,04 in)
ESPECIFICACIONES DE MANTENIMIENTO
2 - 89
SPEC
Rueda: USA, CDN, ZA EUROPE, AUS, NZ
Tipo de rueda delantera Rueda de radios ----
Tipo de rueda trasera Rueda de radios ----
Tamaño/material de la llanta delantera 21 × 1,60/Aluminio ----
Tamaño/material de la llanta trasera 18 × 1,85/Aluminio 18 × 2,15/Aluminio ----
Límite de descentramiento de la llanta:
Radial ---- ---- 2,0 mm
(0,08 in)
Lateral ---- ---- 2,0 mm
(0,08 in)
Cadena de transmisión:
Tipo/fabricante DID520VM/DAIDO ----
Número de eslabones 113 eslabones + unión ----
Holgura de la cadena 48 ~ 58 mm (1,9 ~ 2,3 in) ----
Longitud de la cadena (15 eslabones) ---- 239,3 mm
(9,42 in)
Freno de disco delantero:
Diámetro exterior del disco × espesor 250 × 3,0 mm (9,84 × 0,12 in)
250
×
2,5 mm
(9,84
×
0,10 in)
Espesor de la pastilla 4,4 mm (0,17 in) 1,0 mm
(0,04 in)
Diámetro interior de la bomba de freno 11,0 mm (0,433 in) ----
Diámetro interior de la pinza de freno 27,0 mm (1,063 in) × 2 ----
Tipo de líquido de frenos DOT n°4 ----
Freno de disco trasero:
Diámetro exterior del disco × espesor 245 × 4,0 mm (9,65 × 0,16 in)
245
×
3,5 mm
(9,65
×
0,14 in)
Límite de deflexión ---- 0,15 mm
(0,006 in)
Espesor de la pastilla 6,4 mm (0,25 in) 1,0 mm
(0,04 in)
Diámetro interior de la bomba de freno 11,0 mm (0,433 in) ----
Diámetro interior de la pinza de freno 25,4 mm (1,000 in) × 1 ----
Tipo de líquido de frenos DOT n°4 ----
Maneta de freno y pedal de freno:
Posición de la maneta de freno 95 mm (3,74 in) ----
Altura del pedal de freno
(altura vertical por encima de la
parte superior de la estribera)
10 mm (0,39 in) ----
Holgura de la maneta de embrague
(extremo de la maneta)
8 ~ 13 mm (0,31 ~ 0,51 in) ----
Holgura del puño del acelerador 3 ~ 5 mm (0,12 ~ 0,20 in) ----
Elemento Estándar Límite
ESPECIFICACIONES DE MANTENIMIENTO
2 - 90
SPEC
N
OTA:
1. Primero apriete la tuerca anular de la dirección aproximadamente 38 Nm (3,8 kg, 27 ft lb) con la llave
de tuercas de la dirección y luego aflójela una vuelta.
2. Vuelva a apretar la tuerca anular de la dirección 7 Nm (0,7 m kg, 5,1 ft lb).
Pieza que se debe apretar Tamaño de
la rosca Ctd. Par de apriete
Nm m·kg ft·lb
Soporte superior y tubo exterior M8 × 1,25 4 21 2,1 15
Soporte inferior y tubo exterior M8 × 1,25 4 21 2,1 15
Soporte superior y vástago de la direcciónM24
× 1,0 1 145 14,5 105
Soporte superior del manillar y soporte inferior del
manillar M8 × 1,25 4 28 2,8 20
Soporte inferior del manillar y soporte superior M10 × 1,25 2 34 3,4 24
Vástago de la dirección y tuerca anular de la direc-
ciónM28 × 1,0 1 Consulte la NOTA.
Horquilla delantera y tornillo de la tapa de la hor-
quilla delantera M51 × 1,5 2 30 3,0 22
Horquilla delantera y válvula de la base M30 × 1,0 2 55 5,5 40
Tornillo de la tapa de la horquilla delantera y varilla
del amortiguador M12 × 1,25 2 29 2,9 21
Tornillo de purga de la horquilla delantera y tornillo
de la tapa de la horquilla delantera M5 × 0,8 2 1 0,1 0,7
Horquilla delantera y protector de la horquilla
delantera M6 × 1,0 6 7 0,7 5,1
Horquilla delantera y soporte del tubo de freno M6 × 1,0 2 7 0,7 5,1
Tapa del puño del acelerador M5 × 0,8 2 4 0,4 2,9
Bomba de freno delantero M6 × 1,0 2 9 0,9 6,5
Tornillo de sujeción de la maneta de freno M6 × 1,0 1 6 0,6 4,3
Tuerca de sujeción de la maneta de freno M6 × 1,0 1 6 0,6 4,3
Contratuerca de la posición de la maneta de freno M6 × 1,0 1 5 0,5 3,6
Guía del tubo de freno delantero y abrazadera de
la guía del tubo de freno delantero M5 × 0,8 1 4 0,4 2,9
Guía del tubo de freno y abrazadera inferior M6 × 1,0 1 4 0,4 2,9
Soporte de la maneta de embrague M5 × 0,8 2 4 0,4 2,9
Tuerca de sujeción de la maneta de embrague M6 × 1,0 1 4 0,4 2,9
Soporte del mando de arranque en caliente M5 × 0,8 2 4 0,4 2,9
Tuerca de sujeción del mando de arranque en
caliente M5 × 0,8 1 2 0,2 1,4
Tapa de la bomba de freno delantero M4 × 0,7 2 2 0,2 1,4
Perno de unión del tubo de freno delantero M10 × 1,25 2 30 3,0 22
Pinza del freno delantero M8 × 1,25 2 23 2,3 17
Pinza del freno delantero y soporte del tubo de
freno M6 × 1,0 1 10 1,0 7,2
Tapón del pasador de la pastilla M10 × 1,0 2 3 0,3 2,2
Pinza de freno delantero y pasador de la pastilla M10 × 1,0 1 18 1,8 13
Pinza de freno trasero y pasador de la pastilla M10 × 1,0 1 18 1,8 13
Pinza de freno y tornillo de purga M8 × 1,25 2 6 0,6 4,3
Eje de la rueda delantera y tuerca del eje M16 × 1,5 1 90 9,5 65
Soporte del eje de la rueda delantera M8 × 1,25 4 21 2,1 15
Disco de freno delantero M6 × 1,0 6 12 1,2 8,7
Disco de freno trasero M6 × 1,0 6 14 1,4 10
Pedal de freno M8 × 1,25 1 26 2,6 19
Bomba de freno trasero M6 × 1,0 2 10 1,0 7,2
Tapa de la bomba de freno trasero M4 × 0,7 2 2 0,2 1,4
Perno de unión del tubo de freno trasero M10 × 1,25 2 30 3,0 22
Eje de la rueda trasera y tuerca del eje M20 × 1,5 1 125 12,5 90
ESPECIFICACIONES DE MANTENIMIENTO
2 - 91
SPEC
Pieza que se debe apretar Tamaño de
la rosca Ctd. Par de apriete
Nm m·kg ft·lb
Tuerca (radio) 72 3 0,3 2,2
Piñón de la rueda trasera M8 × 1,25 6 50 5,0 36
Tapa del disco de freno trasero M6 × 1,0 2 10 1,0 7,2
Protector de la pinza de freno trasero M6 × 1,0 2 7 0,7 5,1
Tornillo de ajuste del tensor de la cadena de
transmisión y contratuerca M8 × 1,25 2 19 1,9 13
Montura del motor:
Motor y soporte del motor (delantero) M10 × 1,25 1 53 5,3 38
Motor y bastidor (inferior) M10 × 1,25 1 53 5,3 38
Soporte superior del motor y bastidor M8 × 1,25 4 34 3,4 24
Soporte del motor inferior y bastidor M8 × 1,25 4 34 3,4 24
Motor y soporte del motor (superior) M10 × 1,25 1 55 5,5 40
Protección del motor M6 × 1,0 3 7 0,7 5,1
Regulador M6 × 1,0 2 7 0,7 5,1
Eje pivote y tuerca M16 × 1,5 1 85 8,5 61
Barra de unión y basculante M14 × 1,5 1 70 7,0 50
Barra de unión y biela M14 × 1,5 1 80 8,0 58
Biela y bastidor M14 × 1,5 1 80 8,0 58
Amortiguador trasero y bastidor M10 × 1,25 1 56 5,6 40
Amortiguador trasero y barra de unión M10 × 1,25 1 53 5,3 38
Bastidor trasero (superior) M8 × 1,25 1 38 3,8 27
Bastidor trasero (inferior) M8 × 1,25 2 32 3,2 23
Basculante y soporte del tubo de freno M5 × 0,8 4 2 0,2 1,4
Basculante y refuerzo M4 × 0,7 4 2 0,2 1,4
Tensor superior de la cadena de transmisiónM8 × 1,25 1 16 1,6 11
Tensor inferior de la cadena de transmisiónM8 × 1,25 1 16 1,6 11
Soporte de la cadena de transmisiónM6 × 1,0 3 7 0,7 5,1
Protección de la junta y basculante M5 × 0,8 4 6 0,6 4,3
Depósito de combustible M6 × 1,0 2 9 0,9 6,5
Llave de paso del combustible M6 × 1,0 2 4 0,4 2,9
Soporte del conjunto de sillín y depósito de
combustible M6 × 1,0 1 7 0,7 5,1
Soporte del depósito de combustible y depó-
sito de combustible M6 × 1,0 4 7 0,7 5,1
Toma de aire dinámica y depósito de combustible
M6 × 1,0 6 7 0,7 5,1
Toma de aire dinámica y protector del radia-
dor (inferior) M6 × 1,0 2 6 0,6 4,3
Guardabarros delantero M6 × 1,0 4 7 0,7 5,1
Guardabarros trasero (parte delantera) M6 × 1,0 2 7 0,7 5,1
Guardabarros trasero (parte trasera) M6 × 1,0 2 11 1,1 8,0
Cubierta lateral M6 × 1,0 2 7 0,7 5,1
SillínM8 × 1,25 2 23 2,3 17
Soporte del visor multifunción y soporte supe-
rior M6 × 1,0 2 7 0,7 5,1
Visor multifunciónM5 × 0,8 2 4 0,4 2,9
Placa 1 y protector de la horquilla delantera M5 × 0,8 2 4 0,4 2,9
Placa 2 y protector de la horquilla delantera 2 0,5 0,05 0,36
Sujeción del cable del sensor de velocidad y
soporte inferior M6 × 1,0 1 13 1,3 9,4
ESPECIFICACIONES DE MANTENIMIENTO
2 - 92
SPEC
N
OTA:
- se debe comprobar el par de apriete de la parte marcada después del rodaje.
Carcasa del faro y conjunto del faro 210,10,7
Faro (izquierda y derecha) M6 × 1,0 2 7 0,7 5,1
Piloto trasero 310,10,7
Abrazadera del cable del piloto trasero y guar-
dabarros trasero 3 0,5 0,05 0,36
Depósito de recuperación (superior) M6 × 1,0 1 16 1,6 11
Depósito de recuperación (inferior) M6 × 1,0 1 7 0,7 5,1
Soporte de la estribera y bastidor M10 × 1,25 4 55 5,5 40
Caballete lateral M10 × 1,25 1 25 2,5 18
Pieza que se debe apretar Tamaño de
la rosca Ctd. Par de apriete
Nm m·kg ft·lb
ESPECIFICACIONES DE MANTENIMIENTO
2 - 93
SPEC
SISTEMA ELÉCTRICO
Elemento Estándar Límite
Sistema de encendido:
Tipo de optimizador de distribución Sistema eléctrico ----
CDI:
Resistencia de la bobina captadora
(color)
248 ~ 372 a 20 °C (68 °F)
(Blanco Rojo)
----
Unidad CDI, modelo/fabricante 5UM-E0/YAMAHA (USA) ----
5UM-F0/YAMAHA (excepto USA) ----
Bobina de encendido:
Modelo/fabricante 5UL-10/DENSO ----
Distancia entre electrodos mínima 6 mm (0,24 in) ----
Resistencia de la bobina primaria 0,08 ~ 0,10 a 20 °C (68 °F) ----
Resistencia de la bobina secundaria 4,6 ~ 6,8 k a 20 °C (68 °F) ----
Sistema de carga:
Tipo de sistema Magneto CA ----
Modelo (estátor)/fabricante 5UM 20/YAMAHA ----
Producción normal 14 V/120 W a 5.000 r/min ----
Resistencia de la bobina de carga
(color)
0,288 ~ 0,432 a 20 °C (68 °F)
(Blanco Masa)
----
Resistencia de la bobina de ilumina-
ción (color)
0,224 ~ 0,336 a 20 °C (68 °F)
(Amarillo Masa)
----
Rectificador/regulador:
Tipo de regulador Cortocircuito de semiconductor ----
Modelo/fabricante SH770AA/SHINDENGEN ----
Voltaje regulado (CA) 12,5 ~ 13,5 V ----
Voltaje regulado (CC) 14,0 ~ 15,0 V ----
Capacidad del rectificador (CA) 12 A ----
Capacidad del rectificador (CC) 8 A ----
Sistema de arranque eléctrico:
Tipo De engranaje constante ----
Motor de arranque:
Modelo/fabricante 5UM01/YAMAHA ----
Voltaje de trabajo 12 V ----
Potencia 0,35 kW ----
Resistencia de la bobina del indu-
cido
0,0189 ~ 0,0231 a 20 °C (68 °F) ----
Longitud total de la escobilla 7 mm (0,28 in) 3,5 mm (0,14 in)
Número de escobillas 2 unidades ----
Tensión del muelle 3,92 ~ 5,88 N
(400 ~ 600 g, 14,1 ~ 21,2 oz)
----
Diámetro del colector 17,6 mm (0,69 in) 16,6 mm (0,65 in)
Rebaje de mica (profundidad) 1,5 mm (0,06 in) ----
ESPECIFICACIONES DE MANTENIMIENTO
2 - 94
SPEC
N
OTA:
Apriete la tuerca del rotor a 65 Nm (6,5 m kg, 47 ft lb), aflójela y vuelva a apretarla a 65 Nm
(6,5 m kg, 47 ft lb).
Relé de arranque:
Modelo/fabricante 2768090-A/JIDECO ----
Amperaje 180 A ----
Resistencia del devanado de la
bobina
4,2 ~ 4,6 a 20 °C (68 °F) ----
Relé de corte del circuito de arranque:
Modelo/fabricante ACM33221 M06/MATSUSHITA ----
Resistencia del devanado de la
bobina
75,69 ~ 92,51 a 20 °C (68 °F) ----
Fusibles (amperaje × cantidad):
Fusible principal 10 A × 1 ----
Fusible de reserva 10 A × 1 ----
Pieza que se debe apretar Tamaño de
la rosca Ctd. Par de apriete
Nm m·kg ft·lb
Estátor M5 × 0,8 2 7 0,7 5,1
Soporte (cable de la magneto CA) M5 × 0,8 2 7 0,7 5,1
Rotor M12 × 1,25 1 Consulte la NOTA.
Interruptor de luz de punto muerto M5 × 0,8 2 4 0,4 2,9
Motor de arranque M6 × 1,0 2 10 1,0 7,2
Terminal del relé de arranque M6 × 1,0 2 4 0,4 2,9
Cable negativo y culata M6 × 1,0 1 10 1,0 7,2
Bobina captadora M6 × 1,0 2 10 1,0 7,2
Elemento Estándar Límite
2 - 95
ESPECIFICACIONES GENERALES DE APRIETE/
DEFINICIÓN DE UNIDADES SPEC
ESPECIFICACIONES GENERA-
LES DE APRIETE
En este cuadro se especifican los pares de
apriete para las fijaciones estándar con pasos
de rosca ISO. Los pares de apriete para los
componentes o conjuntos especiales se inclu-
yen en las secciones correspondientes de este
manual. Para evitar la deformación de las pie-
zas, los conjuntos de varias fijaciones se
deben apretar en cruz y en etapas progresivas
hasta obtener el par especificado. Salvo que
se especifique otra cosa, las especificaciones
de par de apriete requieren roscas limpias y
secas. Los componentes deben estar a tem-
peratura ambiente.
A: Distancia entre caras
B: Diámetro exterior de la rosca
DEFINICIÓN DE UNIDADES
A
(Tuerca)
B
(Torni-
llo)
ESPECIFICACIONES
DE LOS PARES DE
APRIETE
Nm mkg ftlb
10 mm
12 mm
14 mm
17 mm
19 mm
22 mm
6 mm
8 mm
10 mm
12 mm
14 mm
16 mm
6
15
30
55
85
130
0,6
1,5
3,0
5,5
8,5
13
4,3
11
22
40
61
94
Unidad Lectura DefiniciónMedida
mm
cm milímetros
centímetros 10-3 metros
10-2 metros Longitud
Longitud
kg kilogramos 103 gramos Peso
N Newton 1 kg × m/s2 Fuerza
Nm
m kg Newton por metro
Kilográmetros N × m
m × kg Par de apriete
Par de apriete
Pa Pascal N/m2Presión
N/mm Newton por milímetro N/mm Tensión del muelle
L
cm3 Litros
Centímetros cúbicos
Volumen o capacidad
Volumen o capacidad
r/min Revoluciones por
minuto Régimen del motor
2 - 96
SPEC
MEMO
SPEC
2 - 97
LUBRICATION DIAGRAMS
LUBRICATION DIAGRAMS
1Oil filter element
2Oil pump
3Drive axle
4Main axle
5Intake camshaft
6Exhaust camshaft
7Oil tank
8Oil delivery pipe
ÈTo oil tank
2 - 98
SPEC
DIAGRAMMES DE LUBRIFICATION
1Elément de filtre à huile
2Pompe à huile
3Arbre secondaire
4Arbre principal
5Arbre à cames dadmission
6Arbre à cames d’échappement
7Réservoir dhuile
8Tuyau damenée dhuile
ÈVers le réservoir dhuile
SCHMIERSYSTEM-SCHAUBILDER
1Ölfiltereinsatz
2Ölpumpe
3Ausgangswelle
4Eingangswelle
5Einlass-Nockenwelle
6Auslass-Nockenwelle
7Öltank
8Ölzufuhrleitung
ÈZum Öltank
SCHEMI DI LUBRIFICAZIONE
1Elemento filtro olio
2Pompa dellolio
3Asse conduttore
4Asse principale
5Albero a camme di aspirazione
6Albero a camme di scarico
7Serbatoio dellolio
8Tubo di mandata olio
ÈAl serbatoio dellolio
DIAGRAMAS DE ENGRASE
1Elemento del filtro de aceite
2Bomba de aceite
3Eje posterior
4Eje principal
5Eje de levas de admisión
6Eje de levas de escape
7Depósito de aceite
8Tubería de suministro de aceite
ÈAl depósito de aceite
DIAGRAMMES DE LUBRIFICATION
SCHMIERSYSTEM-SCHAUBILDER
SCHEMI DI LUBRIFICAZIONE
DIAGRAMAS DE ENGRASE
SPEC
2 - 99
LUBRICATION DIAGRAMS
1Crankshaft
2Oil filter element
3Oil tank
4Oil hose
ÈFrom oil pump
2 - 100
SPEC
1Vilebrequin
2Elément de filtre à huile
3Réservoir dhuile
4Durit dhuile
ÈDe la pompe à huile
1Kurbelwelle
2Ölfiltereinsatz
3Öltank
4Ölschlauch
ÈVon der Ölpumpe
1Albero motore
2Elemento filtro olio
3Serbatoio dellolio
4Flessibile olio
ÈDalla pompa dellolio
1Cigüeñal
2Elemento del filtro de aceite
3Depósito de aceite
4Tubo de aceite
ÈDesde la bomba de aceite
DIAGRAMMES DE LUBRIFICATION
SCHMIERSYSTEM-SCHAUBILDER
SCHEMI DI LUBRIFICAZIONE
DIAGRAMAS DE ENGRASE
2 - 101
SPEC
CABLE ROUTING DIAGRAM
EC240000
CABLE ROUTING DIAGRAM
1Fuel tank breather hose
2Clamp
3Diode
4Hot starter cable
5Wire harness
6Hump (frame)
7Cylinder head breather hose
8Throttle position sensor lead
9Neutral switch lead
0Oil hose
AClutch cable
BStarter motor lead
CCable guide
DNegative battery lead
EAC magneto lead
FBrake hose
GRectifier/regulator lead
HCarburetor breather hose
ICarburetor overflow hose
JCatch tank breather hose
2 - 102
SPEC
DIAGRAMME DE CHEMINEMENT DES CABLES
1Durit de mise à lair du réservoir de carburant
2Collier à pince
3Diode
4Câble de starter à chaud
5Faisceau de fils
6Bosse (cadre)
7Durit de mise à lair de la culasse
8Fil du capteur de position de papillon des gaz
9Fil du contacteur de point mort
0Durit dhuile
ACâble dembrayage
BFil du démarreur
CGuide-câble
DCâble négatif de batterie
EFil de lalternateur avec rotor à aimantation permanente
FDurit de frein
GFil du redresseur/régulateur
HDurit de mise à lair du carburateur
IDurit de trop-plein du carburateur
JDurit de mise à lair du réservoir de récupération
KABELFÜHRUNGS-SCHAUBILD
1Kraftstofftank-Belüftungsschlauch
2Klemme
3Diode
4Warmstartzug
5Kabelbaum
6Buckel (Rahmen)
7Zylinderkopf-Entlüftungsschlauch
8Drosselklappensensor-Kabel
9Leerlaufschalter-Kabel
0Ölschlauch
AKupplungszug
BStarter-Kabel
CKabelführung
DBatterie-Minuskabel
ELichtmaschinen-Kabel
FBremsschlauch
GGleichrichter/Regler-Kabel
HVergaser-Entlüftungsschlauch
IVergaser-Überlaufschlauch
JAuffangtank-Belüftungsschlauch
SCHEMA PERCORSO DEI CAVI
1Flessibile di sfiato del serbatoio carburante
2Morsetto
3Diodo
4Cavo starter per partenze a caldo
5Cablaggio elettrico
6Gobba (telaio)
7Flessibile di sfiato testata
8Cavo sensore posizione farfalla
9Cavo interruttore folle
0Flessibile olio
ACavo frizione
BCavo motorino di avviamento
CGuida cavo
DCavo negativo batteria
ECavo magnete AC
FTubo del freno
GCavo raddrizzatore/regolatore
HFlessibile di sfiato carburatore
IFlessibile di troppopieno carburatore
JFlessibile di sfiato del serbatoio di raccolta
DIAGRAMA DE CABLEADO
1Tubo respiradero del depósito de combustible
2Brida
3Diodo
4Cable de arranque en caliente
5Mazo de cables
6Montículo (bastidor)
7Tubo respiradero de la culata
8Cable del sensor de posición del acelerador
9Cable del interruptor de luz de punto muerto
0Tubo de aceite
ACable de embrague
BCable del motor de arranque
CGuía de cable
DCable negativo de la batería
ECable de la magneto CA
FTubo de freno
GCable del rectificador/regulador
HTubo respiradero del carburador
ITubo de desbordamiento del carburador
JTubo respiradero del depósito de recuperación
DIAGRAMME DE CHEMINEMENT DES CABLES
KABELFÜHRUNGS-SCHAUBILD
SCHEMA PERCORSO DEI CAVI
DIAGRAMA DE CABLEADO
2 - 103
SPEC
CABLE ROUTING DIAGRAM
ÈInsert the end of the fuel tank breather hose into the hole in the
steering stem.
ÉFasten the throttle cable, hot starter cable and rectifier/regula-
tor lead onto the frame. Locate the clamp end facing the lower
side of the hot starter cable and cut off the tie end.
ÊFasten the diode (at the marking), throttle cable and hot starter
cable onto the frame. Locate the clamp end facing toward the
lower right of the frame and with the tie end facing downward.
ËFasten the wire harness, throttle position sensor lead, starter
motor lead and negative battery lead onto the frame. Pass the
clamp through the hole in the stay (air cut-off valve). Locate the
clamp end facing toward the lower side of the frame and cut off
the tie end.
ÌFasten the throttle position sensor lead onto the frame. Locate
the clamp end facing toward the lower side of the frame and
cut off the tie end.
ÍPass the carburetor breather hoses, carburetor overflow hose
and catch tank breather hose between the connecting rod and
cross tube (frame).
ÎFasten the neutral switch lead and oil hose together with the
plastic locking ties and cut off the tie ends.
ÏFasten the neutral switch lead and AC magneto lead onto the
frame. Locate the clamp end facing toward the outside of the
frame and tie end facing toward the rear of the frame.
2 - 104
SPEC
ÈInsérer lextrémité de la durit de mise à lair du réservoir de carbu-
rant dans lorifice de la colonne de direction.
ÉFixer le câble des gaz, le câble de starter à chaud et le fil du redres-
seur/régulateur au cadre. Rechercher lextrémité du collier à pince
orienté vers le côté inférieur du câble de starter à chaud et couper
lextrémité du collier.
ÊFixer la diode (au repère), le câble des gaz et le câble de starter à
chaud au cadre. Rechercher lextrémité du collier à pince orienté
vers le côté inférieur droit du cadre en plaçant lextrémité du collier
vers le bas.
ËFixer le faisceau de fils, le fil du capteur de position de papillon des
gaz, le fil du démarreur et le câble négatif de batterie au cadre. Ache-
miner le collier à pince dans lorifice du support (clapet de coupure
dair). Rechercher lextrémité du collier à pince orienté vers le côté
inférieur du cadre et couper lextrémité du collier.
ÌFixer le fil du capteur de position de papillon des gaz au cadre.
Rechercher lextrémité du collier à pince orienté vers le côté infé-
rieur du cadre et couper lextrémité du collier.
ÍAcheminer les durits de mise à lair du carburateur, la durit de trop-
plein du carburateur et la durit de mise à lair du réservoir de récupé-
ration entre la bielle et la traverse tubulaire (cadre).
ÎFixer le fil du contacteur de point mort et la durit dhuile à laide des
colliers en plastique et couper les extrémités des colliers.
ÏFixer le fil du contacteur de point mort et le fil de lalternateur avec
rotor à aimantation permanente au cadre. Rechercher lextrémité du
collier à pince orienté vers lextérieur du cadre et lextrémité du col-
lier orienté vers larrière du cadre.
ÈDas Ende des Kraftstofftank-Belüftungsschlauchs durch die
Bohrung in der Lenkachse stecken.
ÉGaszug, Warmstartzug und Gleichrichter/Regler-Kabel am
Rahmen befestigen. Klemmenende so positionieren, dass es
in Richtung der unteren Seite des Warmstartzuges zeigt und
Kabelbinder abschneiden.
ÊDiode (an der Markierung), Gaszug und Warmstartzug am
Rahmen befestigen. Klemmenende so positionieren, dass es
in Richtung unterer Rahmen zeigt und das Kabelbinderende
nach unten zeigt.
ËKabelbaum, Drosselklappensensor-Kabel, Starter-Kabel und
Batterie-Minuskabel am Rahmen befestigen. Die Klemme
durch das Loch in der Halterung (Sekundärluft-Abschaltventil)
führen. Klemmenende so positionieren, dass es in Richtung
unterer Rahmen zeigt und Kabelbinderende abschneiden.
ÌDrosselklappensensor-Kabel am Rahmen befestigen. Klem-
menende so positionieren, dass es in Richtung unterer Rah-
men zeigt und Kabelbinderende abschneiden.
ÍDie Vergaser-Entlüftungs- und Überlauf- sowie Auffangtank-
Belüftungsschlauch zwischen Übertragungshebel und Rah-
menquerrohr führen.
ÎDas Leerlaufschalter-Kabel und den Ölschlauch mit Kabelbin-
dern zusammenbinden und die Enden abschneiden.
ÏLeerlaufschalter- und Lichtmaschinen-Kabel am Rahmen
befestigen. Klemmenende so positionieren, dass es in Rich-
tung Außenseite des Rahmens zeigt und das Kabelbinde-
rende in Richtung hinterer Rahmen.
ÈInserire lestremità del flessibile di sfiato del serbatoio carburante
nel foro del rivestimento del fusto dello sterzo.
ÉFissare il cavo acceleratore, il cavo starter per partenze a caldo e il
cavo raddrizzatore/regolatore al telaio. Posizionare lestremità del
morsetto rivolgendola verso la parte inferiore del cavo starter per
partenze a caldo e tagliare lestremità dei serrafili.
ÊFissare il diodo (al riferimento), il cavo acceleratore e il cavo starter
per partenze a caldo al telaio. Posizionare lestremità del morsetto
rivolgendola verso la parte inferiore destra del telaio e con lestre-
mità dei serrafili rivolta verso il basso.
ËFissare il cablaggio elettrico, il cavo sensore posizione farfalla, il
cavo motorino di avviamento e il cavo negativo batteria al telaio. Far
passare il morsetto nel foro del supporto (valvola interdizione aria).
Posizionare lestremità del morsetto rivolgendola verso la parte infe-
riore del telaio e tagliare lestremità dei serrafili.
ÌFissare il cavo sensore posizione farfalla al telaio. Posizionare
lestremità del morsetto rivolgendola verso la parte inferiore del
telaio e tagliare lestremità dei serrafili.
ÍFar passare i flessibili di sfiato e di troppopieno del carburatore e il
flessibile di sfiato del serbatoio di raccolta tra la biella e il tubo a
croce (telaio).
ÎFissare il cavo interruttore folle e il flessibile olio insieme ai serrafili
in plastica e tagliare le estremità dei serrafili.
ÏFissare il cavo interruttore folle e il cavo magnete CA al telaio. Posi-
zionare il morsetto rivolgendolo verso la parte esterna del telaio e
lestremità dei serrafili rivolgendola verso la parte posteriore del
telaio.
ÈIntroduzca el extremo del tubo respiradero del depósito de
combustible por el orificio del vástago de la dirección.
ÉSujete el cable del acelerador, el cable de arranque en
caliente y el cable del rectificador/regulador en el bastidor.
Localice el extremo de la brida encarada hacia la parte inferior
del cable de arranque en caliente y corte el extremo.
ÊSujete el diodo (por la marca), el cable del acelerador y el
cable de arranque en caliente en el bastidor. Localice el
extremo de la brida encarada hacia la parte inferior derecha
del bastidor y con el extremo encarado hacia abajo.
ËSujete el mazo de cables, el cable del sensor de posición del
acelerador, el cable del motor de arranque y el cable negativo
de la batería en el bastidor. Pase la brida por el orificio del
apoyo (válvula de corte de aire). Localice el extremo de la
brida encarada hacia la parte inferior del bastidor y corte el
extremo.
ÌSujete el cable del sensor de posición del acelerador en el
bastidor. Localice el extremo de la brida encarada hacia la
parte inferior del bastidor y corte el extremo.
ÍPase los tubos respiraderos del carburador, el tubo de
rebosamiento del carburador y el tubo respiradero del
depósito de recuperación entre la biela y el tubo transversal
(bastidor).
ÎJunte el cable del interruptor de luz de punto muerto y el tubo
de aceite con las abrazaderas de plástico y corte los extremos
de éstas.
ÏSujete el cable del interruptor de luz de punto muerto y el
cable de la magneto CA en el bastidor. Localice el extremo de
la brida encarada hacia el exterior del bastidor y con el
extremo encarado hacia la parte posterior de éste.
DIAGRAMME DE CHEMINEMENT DES CABLES
KABELFÜHRUNGS-SCHAUBILD
SCHEMA PERCORSO DEI CAVI
DIAGRAMA DE CABLEADO
2 - 105
SPEC
CABLE ROUTING DIAGRAM
ÐPass the clutch cable through the cable guide.
ÑFasten the starter motor lead, AC magneto lead and neutral
switch lead onto the frame. Locate the clamp end facing
toward the rear of the frame and cut off the tie end.
ÒFasten the clutch cable, starter motor lead, negative battery
lead, AC magneto lead and neutral switch lead onto the frame.
Locate the clamp end facing toward the rear of the frame and
cut off the tie end.
ÓPass the neutral switch lead and AC magneto lead on the
inside of the wire harness.
ÔFasten the clutch cable, AC magneto lead and neutral switch
lead onto the frame. Locate the clamp end near the clutch
cable and cut off the tie end.
ÕPass the clutch cable and wire harness through the cable
guide.
ÖLocate the couplers in the frame recess.
×Pass the carburetor breather hoses, carburetor overflow hose
and catch tank breather hose so that the hoses do not contact
the rear shock absorber.
ØSecure the coupler by pushing it into the hole in the headlight
unit.
2 - 106
SPEC
ÐAcheminer le câble dembrayage dans le guide-câble.
ÑFixer le fil du démarreur, le fil de lalternateur avec rotor à aimanta-
tion permanente et le fil du contacteur de point mort au cadre.
Rechercher lextrémité du collier à pince orienté vers larrière du
cadre et couper lextrémité du collier.
ÒFixer le câble dembrayage, le fil du démarreur, le câble négatif de
batterie, le fil de lalternateur avec rotor à aimantation permanente et
le fil du contacteur de point mort au cadre. Rechercher lextrémité du
collier à pince orienté vers larrière du cadre et couper lextrémité du
collier.
ÓAcheminer le fil du contacteur de point mort et le fil de lalternateur
avec rotor à aimantation permanente à lintérieur du faisceau de fils.
ÔFixer le câble dembrayage, le fil de lalternateur avec rotor à aiman-
tation permanente et le fil du contacteur de point mort au cadre.
Rechercher lextrémité du collier à pince à proximité du câble
dembrayage et couper lextrémité du collier.
ÕAcheminer le câble dembrayage et le faisceau de fils dans le guide-
câble.
ÖRechercher les fiches rapides dans le renfoncement du cadre.
×Acheminer les durits de mise à lair du carburateur, la durit de trop-
plein du carburateur et la durit de mise à lair du réservoir de récupé-
ration afin que les durits nentrent pas en contact avec lamortisseur
arrière.
ØFixer la fiche rapide en lenfonçant dans lorifice de lunité de phare.
ÐDen Kupplungszug durch die Kabelführung leiten.
ÑStarter-, Leerlaufschalter- und Lichtmaschinen-Kabel am Rah-
men befestigen. Klemmenende so positionieren, dass es in
Richtung hinterer Rahmen zeigt und Kabelbinderende
abschneiden.
ÒKupplungszug, Starter-Kabel, Batterie-Minuskabel, Lichtma-
schinenkabel und Leerlaufschalter-Kabel am Rahmen befesti-
gen. Klemmenende so positionieren, dass es in Richtung
hinterer Rahmen zeigt und Kabelbinderende abschneiden.
ÓLeerlaufschalter- und Lichtmaschinen-Kabel an der Innenseite
des Kabelbaums entlang führen.
ÔKupplungszug, Leerlaufschalter- und Lichtmaschinen-Kabel
am Rahmen befestigen. Klemmenende in der Nähe des Kupp-
lungszugs positionieren und Kabelbinderende abschneiden.
ÕDen Kabelbaum und Kupplungszug durch die Kabelführungen
leiten.
ÖSteckverbinder in der Rahmenvertiefung positionieren.
×Die Vergaser-Belüftungs- und Überlauf- sowie Auffangtank-
Belüftungsschläuche so führen, dass sie das Federbein nicht
berühren.
ØSteckverbinder sichern, indem er in das Loch im Scheinwerfe-
reinsatz gedrückt wird.
ÐFar passare il cavo frizione nella guida cavo.
ÑFissare il cavo motorino di avviamento, il cavo magnete CA e il cavo
interruttore folle al telaio. Posizionare lestremità del morsetto rivol-
gendola verso la parte posteriore del telaio e tagliare lestremità dei
serrafili.
ÒFissare il cavo frizione, il cavo motorino di avviamento, il cavo
negativo batteria, il cavo magnete CA e il cavo interruttore folle al
telaio. Posizionare lestremità del morsetto rivolgendola verso la
parte posteriore del telaio e tagliare lestremità dei serrafili.
ÓFar passare il cavo interruttore folle e il cavo magnete CA allinterno
del cablaggio elettrico.
ÔFissare il cavo frizione, il cavo magnete CA e il cavo interruttore
folle al telaio. Posizionare lestremità del morsetto vicino al cavo fri-
zione e tagliare lestremità dei serrafili.
ÕFar passare il cavo frizione e il cablaggio elettrico nella guida cavo.
ÖPosizionare gli accoppiatori nella cavità del telaio.
×Far passare i flessibili di sfiato e di troppopieno del carburatore e il
flessibile di sfiato del serbatoio di raccolta in modo che i flessibili
non entrino in contatto con lammortizzatore posteriore.
ØFissare laccoppiatore premendolo nel foro del gruppo faro.
ÐPase el cable de embrague por la guía de cable.
ÑSujete el cable del motor de arranque, el cable de la magneto
CA y el cable del interruptor de luz de punto muerto en el
bastidor. Localice el extremo de la brida encarada hacia la
parte posterior del bastidor y corte el extremo.
ÒSujete el cable de embrague, el cable del motor de arranque,
el cable negativo de la batería, el cable de la magneto CA y el
cable del interruptor de luz de punto muerto en el bastidor.
Localice el extremo de la brida encarada hacia la parte
posterior del bastidor y corte el extremo.
ÓPase el cable del interruptor de luz de punto muerto y el cable
de la magneto CA por el interior del mazo de cables.
ÔSujete el cable de embrague, el cable de la magneto CA y el
cable del interruptor de luz de punto muerto en el bastidor.
Localice el extremo de la brida cerca del cable de embrague y
corte el extremo.
ÕPase el cable de embrague y el mazo de cables por la guía de
cable.
ÖLocalice los acopladores en la hendidura del bastidor.
×Pase los tubos respiraderos del carburador, el tubo de
rebosamiento del carburador y el tubo respiradero del
depósito de recuperación de forma que no toquen el
amortiguador trasero.
ØSujete el acoplador empujándolo al interior del orificio de la
unidad del faro.
DIAGRAMME DE CHEMINEMENT DES CABLES
KABELFÜHRUNGS-SCHAUBILD
SCHEMA PERCORSO DEI CAVI
DIAGRAMA DE CABLEADO
2 - 107
SPEC
CABLE ROUTING DIAGRAM
1Throttle cable (pull)
2Throttle cable (return)
3Catch tank hose
4Ignition coil
5Clamp
6Air induction hose (air cut-off valve - rear of cylinder head)
7Catch tank breather hose
ÈCross the pull and push throttle cables.
ÉFasten the catch tank hose and air induction hose (air cut-off
valve - rear of cylinder head) onto the frame. Locate the clamp
end facing toward the lower side of the frame and cut off the tie
end.
ÊFasten the catch tank breather hose and carburetor breather
hoses together.
ËPass the carburetor breather hose (of the throttle cable cover)
through the hose holder.
2 - 108
SPEC
1Câble des gaz (tiré)
2Câble des gaz (retour)
3Durit du réservoir de récupération
4Bobine dallumage
5Collier à pince
6Durit dinduction dair (clapet de coupure dair arrière de la
culasse)
7Durit de mise à lair du réservoir de récupération
ÈCroiser les câble des gaz (tiré et retour).
ÉFixer la durit de réservoir de récupération et la durit dinduction dair
(clapet de coupure dair arrière de la culasse) au cadre. Rechercher
lextrémité du collier à pince orienté vers le côté inférieur du cadre et
couper lextrémité du collier.
ÊFixer ensemble la durit de mise à lair du réservoir de récupération et
les durits de mise à lair du carburateur.
ËAcheminer la durit de mise à lair du carburateur (du couvercle du
logement du câble des gaz) dans le support de durit.
1Gasgeberzug
2Gasnehmerzug
3Auffangtank-Schlauch
4Zündspule
5Klemme
6Sekundärluftsytem-Schlauch (Abschaltventil/
Zylinderkopfrücken)
7Auffangtank-Belüftungsschlauch
ÈGasgeber- und Gasnehmerzug kreuzen.
ÉAuffangtank-Schlauch und Sekundärluftsystem-Schlauch
(Abschaltventil/Zylinderkopfrücken) am Rahmen befestigen.
Klemmenende so positionieren, dass es in Richtung unterer
Rahmen zeigt und Kabelbinderende abschneiden.
ÊAuffangtank-Belüftungsschlauch und Vergaser-Belüftungs-
schläuche zusammenbinden.
ËDen Vergaser-Belüftungsschlauch (von der Gaszug-Abde-
ckung kommend) durch die Schlauchhalterung führen.
1Cavo acceleratore (tirato)
2Cavo acceleratore (posizione iniziale)
3Flessibile del serbatoio di raccolta
4Bobina di accensione
5Morsetto
6Flessibile di iniezione aria (valvola interdizione aria parte
posteriore della testata)
7Flessibile di sfiato del serbatoio di raccolta
ÈIncrociare i cavi acceleratore di spinta e di trazione.
ÉFissare il flessibile del serbatoio di raccolta e il flessibile induzione
aria (valvola interdizione aria - parte posteriore testata) al telaio.
Posizionare lestremità del morsetto rivolgendola verso la parte infe-
riore del telaio e tagliare lestremità dei serrafili.
ÊFissare insieme il flessibile di sfiato del serbatoio di raccolta e il fles-
sibile di sfiato del carburatore.
ËFar passare il flessibile di sfiato del carburatore (della copertura cavo
acceleratore) attraverso il supporto del flessibile.
1Cable del acelerador (tracción)
2Cable del acelerador (retorno)
3Tubo respiradero del depósito de recuperación
4Bobina de encendido
5Brida
6Tubo de inducción de aire (válvula de corte de aire - parte
trasera de la culata)
7Tubo respiradero del depósito de recuperación
ÈCruce los cables del acelerador de tracción y empuje.
ÉSujete el tubo del depósito de recuperación y el tubo de
inducción de aire (válvula de corte de aire - parte trasera de la
culata) en el bastidor. Localice el extremo de la brida
encarada hacia la parte inferior del bastidor y corte el extremo.
ÊJunte el tubo respiradero del depósito de recuperación y los
tubos respiraderos del carburador.
ËPase el tubo respiradero del carburador (de la cubierta del
cable del acelerador) por el soporte de tubo.
DIAGRAMME DE CHEMINEMENT DES CABLES
KABELFÜHRUNGS-SCHAUBILD
SCHEMA PERCORSO DEI CAVI
DIAGRAMA DE CABLEADO
SPEC
2 - 109
CABLE ROUTING DIAGRAM
1Brake master cylinder
2Brake hose holder
3Brake hose
ÈInstall the brake hose so that its pipe portion directs as shown
and lightly touches the projection on the brake caliper.
ÉPass the brake hose into the brake hose holders.
ÊIf the brake hose contacts the spring (rear shock absorber),
correct its twist.
ËInstall the brake hose so that its pipe portion directs as shown
and lightly touches the projection on the brake master cylinder.
2 - 110
SPEC
1Maître-cylindre de frein
2Support de durit de frein
3Durit de frein
ÈMonter la durit de frein de manière que sa partie tubulaire soit orien-
tée comme sur lillustration et touche légèrement la saillie de l’étrier
de frein.
ÉAcheminer la durit de frein dans les supports de durit de frein.
ÊSi la durit de frein entre en contact avec le ressort (amortisseur
arrière), en corriger la torsion.
ËMonter la durit de frein de manière que sa partie tubulaire soit orien-
tée comme sur lillustration et touche légèrement la saillie du maître-
cylindre de frein.
1Hauptbremszylinder
2Bremsschlauch-Halterung
3Bremsschlauch
ÈDen Bremsschlauch so montieren, dass der Metallstutzen am
Schlauchende, wie abgebildet, an der Nase des Bremssattels
anliegt.
ÉDen Bremsschlauch durch die entsprechenden Schlauchhal-
terungen führen.
ÊFalls der Bremsschlauch das Federbein berührt, den
Schlauch entsprechend umbiegen.
ËDen Bremsschlauch so montieren, dass der Metallstutzen am
Schlauchende, wie abgebildet, an der Nase des Bremssattels
anliegt.
1Pompa del freno
2Supporto tubo flessibile del freno
3Tubo del freno
ÈInstallare il tubo del freno in modo che la porzione di tubo sia rivolta
nella direzione mostrata dalla figura e tocchi leggermente la spor-
genza sulla pinza del freno.
ÉFar passare il tubo del freno nei relativi supporti.
ÊSe il tubo del freno entra in contatto con la molla (ammortizzatore
posteriore), correggerne la rotazione.
ËInstallare il tubo del freno in modo che la porzione di tubo sia rivolta
nella direzione mostrata dalla figura e tocchi leggermente la spor-
genza sulla pompa del freno.
1Bomba de freno
2Soporte del tubo de freno
3Tubo de freno
ÈInstale el tubo de freno de forma que su parte de tubería se
sitúe como se muestra y toque ligeramente la prolongación de
la pinza de freno.
ÉPase el tubo de freno por los soportes del tubo de freno.
ÊSi el tubo de freno toca el muelle (amortiguador trasero),
corrija su desviación.
ËInstale el tubo de freno de forma que su parte de tubería se
sitúe como se muestra y toque ligeramente la prolongación de
la bomba de freno.
DIAGRAMME DE CHEMINEMENT DES CABLES
KABELFÜHRUNGS-SCHAUBILD
SCHEMA PERCORSO DEI CAVI
DIAGRAMA DE CABLEADO
SPEC
2 - 111
CABLE ROUTING DIAGRAM
1Clamp
2Positive battery lead
3Battery
4Negative battery lead
5Taillight coupler
6CDI unit coupler (6-pin)
7CDI unit coupler (3-pin)
8CDI unit coupler (6-pin)
ÈFasten the wire harness, negative battery lead and starter
motor lead to the upper engine bracket (left side). Locate the
clamp end facing toward the upper side of the frame with the
tie end cut off on the inside of the frame.
ÉFasten the wire harness, negative battery lead and starter
motor lead to the upper engine bracket (left side). Locate the
clamp end facing toward the upper side of the frame with the
tie end cut off on the inside of the frame. Clamp the wire har-
ness and negative lead at the marking.
ÊPass the starter motor lead through the hole in the relay
holder.
ËFit the cover securely.
ÌConnect the wire harness to the starter relay.
2 - 112
SPEC
1Collier à pince
2Câble positif de batterie
3Batterie
4Câble négatif de batterie
5Fiche rapide du feu arrière
6Fiche rapide du boîtier CDI (6 broches)
7Fiche rapide du boîtier CDI (3 broches)
8Fiche rapide du boîtier CDI (6 broches)
ÈFixer le faisceau de fils, le câble négatif de batterie et le fil du démar-
reur au support de moteur supérieur (côté gauche). Rechercher
lextrémité du collier à pince orienté vers le côté supérieur du cadre
en coupant lextrémité du collier à lintérieur du cadre.
ÉFixer le faisceau de fils, le câble négatif de batterie et le fil du démar-
reur au support de moteur supérieur (côté gauche). Rechercher
lextrémité du collier à pince orienté vers le côté supérieur en cou-
pant lextrémité du collier à lintérieur du cadre. Brider le faisceau
de fils et le câble négatif au repère.
ÊAcheminer le fil du démarreur dans lorifice du support de relais.
ËFixer solidement le couvercle.
ÌBrancher le faisceau de fils au relais de démarreur.
1Klemme
2Batterie-Pluskabel
3Batterie
4Batterie-Minuskabel
5Rücklicht-Steckverbinder
6CDI-Zündbox-Steckverbinder (6-polig)
7CDI-Zündbox-Steckverbinder (3-polig)
8CDI-Zündbox-Steckverbinder (6-polig)
ÈKabelbaum, Batterie-Minuskabel und Starter-Kabel an der lin-
ken Seite der oberen Motorhalterung befestigen. Klemme-
nende so positionieren, dass es in Richtung der Oberseite des
Rahmens zeigt und das Kabelbinderende auf der Rahmenin-
nenseite abgeschnitten ist.
ÉKabelbaum, Batterie-Minuskabel und Starter-Kabel an der lin-
ken Seite der oberen Motorhalterung befestigen. Klemme-
nende so positionieren, dass es in Richtung der Oberseite des
Rahmens zeigt und das Kabelbinderende auf der Rahmenin-
nenseite abgeschnitten ist. Kabelbaum und Minuskabel an der
Markierung klemmen.
ÊStarter-Kabel durch das Loch im Relais-Halter führen.
ËAbdeckung so anbringen, dass sie fest sitzt.
ÌKabelbaum an Starter-Relais anschließen.
1Morsetto
2Cavo positivo batteria
3Batteria
4Cavo negativo batteria
5Accoppiatore luce posteriore
6Accoppiatore unità CDI (centralina) (6 poli)
7Accoppiatore unità CDI (centralina) (3 poli)
8Accoppiatore unità CDI (centralina) (6 poli)
ÈFissare il cablaggio elettrico, il cavo negativo batteria e il cavo moto-
rino di avviamento alla staffa motore superiore (lato sinistro). Posi-
zionare lestremità del morsetto rivolgendola verso la parte superiore
del telaio con lestremità dei serrafili tagliata allinterno del telaio.
ÉFissare il cablaggio elettrico, il cavo negativo batteria e il cavo moto-
rino di avviamento alla staffa motore superiore (lato sinistro). Posi-
zionare lestremità del morsetto rivolgendola verso la parte superiore
del telaio con lestremità dei serrafili tagliata allinterno del telaio.
Fissare il cablaggio elettrico e il cavo negativo al riferimento.
ÊFar passare il cavo motorino di avviamento nel foro del supporto
relè.
ËMontare saldamente il coperchio.
ÌCollegare il cablaggio elettrico al relè motorino avviamento.
1Brida
2Cable positivo de la batería
3Batería
4Cable negativo de la batería
5Acoplador del piloto trasero
6Acoplador de la unidad CDI (6 patillas)
7Acoplador de la unidad CDI (3 patillas)
8Acoplador de la unidad CDI (6 patillas)
ÈSujete el mazo de cables, el cable negativo de la batería y el
cable del motor de arranque en el soporte superior del motor
(lado izquierdo). Localice el extremo de la brida encarada
hacia la parte superior del bastidor con el extremo cortado en
el interior del mismo.
ÉSujete el mazo de cables, el cable negativo de la batería y el
cable del motor de arranque en el soporte superior del motor
(lado izquierdo). Localice el extremo de la brida encarada
hacia la parte superior del bastidor con el extremo cortado en
el interior del mismo. Sujete el mazo de cables y el cable
negativo por la marca.
ÊPase el cable del motor de arranque por el orificio del soporte
del relé.
ËEncaje la cubierta correctamente.
ÌConecte el mazo de cables al relé de arranque.
DIAGRAMME DE CHEMINEMENT DES CABLES
KABELFÜHRUNGS-SCHAUBILD
SCHEMA PERCORSO DEI CAVI
DIAGRAMA DE CABLEADO
SPEC
2 - 113
CABLE ROUTING DIAGRAM
ÍFasten the catch tank breather hose
and catch tank hose to the rear frame.
Clamp them close to where they are
joined to the frame. Fasten the pipe
tightly enough not to crush it. Locate the
clamp end facing toward the rear of the
frame with the tie end facing downward.
ÎFasten the (three) CDI unit leads and
taillight lead to the rear frame. Locate
the clamp end facing toward the upper
side of the frame and cut off the tie end.
ÏConnect the negative battery lead to
the battery negative terminal.
ÐConnect the negative battery lead to
the wire harness.
ÑFasten the wire harness to the rear
frame. Locate the clamp end facing
toward the upper side of the frame and
the tie end toward the inside of the
frame. Clamp the wire harness at the
marking.
ÒPass the wire harness, starter relay
lead, starting circuit cut-off relay lead
and negative battery lead through the
hole in the relay holder.
ÓFasten the (three) CDI unit leads and
taillight lead to the rear frame. Locate
the clamp end facing toward the lower
side of the frame and cut off the tie end.
ÔFasten the taillight lead to the rear
frame. Locate the clamp end facing
toward the upper side of the frame and
cut off the time end.
ÕDo not allow the taillight lead to
slacken.
ÖLocate the CDI unit lead between the
CDI unit and rear fender.
×Locate the CDI unit coupler in the clear-
ance between the upper side of the CDI
unit and lower side of the catch tank
stay.
ØLocate the CDI unit lead between the
CDI unit and rear frame.
2 - 114
SPEC
ÍFixer la durit de mise à lair du réservoir de
récupération et la durit du réservoir de
récupération au cadre arrière. Les brider à
proximité de leur point de jonction sur le
cadre. Fixer fermement le tuyau pour éviter
quil ne soit écrasé. Rechercher lextrémité
du collier à pince orienté vers larrière du
cadre en plaçant lextrémité du collier vers
le bas.
ÎFixer les (trois) câbles du boîtier CDI et le
fil du feu arrière au cadre arrière. Recher-
cher lextrémité du collier à pince orienté
vers le côté supérieur du cadre et couper
lextrémité du collier.
ÏBrancher le câble négatif de batterie à la
borne négative de la batterie.
ÐBrancher le câble négatif de batterie au
faisceau de fils.
ÑFixer le faisceau de fils au cadre arrière.
Rechercher lextrémité du collier à pince
orienté vers le côté supérieur du cadre et
lextrémité du collier à lintérieur du cadre.
Brider le faisceau de fils au repère.
ÒAcheminer le faisceau de fils, le fil du
relais de démarreur, le fil de relais de
coupe-circuit de démarrage et le câble
négatif de batterie dans lorifice du support
de relais.
ÓFixer les (trois) câbles du boîtier CDI et le
fil du feu arrière au cadre arrière. Recher-
cher lextrémité du collier à pince orienté
vers le côté inférieur du cadre et couper
lextrémité du collier.
ÔFixer le fil du feu arrière au cadre arrière.
Rechercher lextrémité du collier à pince
orienté vers le côté supérieur du cadre et
couper lextrémité du collier.
ÕNe pas laisser de mou au fil du feu arrière.
ÖRechercher le fil du boîtier CDI entre le
boîtier CDI et le garde-boue arrière.
×Rechercher la fiche rapide du boîtier CDI
dans lespace entre le côté supérieur du
boîtier CDI et le côté inférieur du support
de réservoir de récupération.
ØRechercher le fil du boîtier CDI entre le
boîtier CDI et le cadre arrière.
ÍAuffangtank-Belüftungsschlauch und
Auffangtank-Schlauch am hinteren Teil
des Rahmens anbringen. Mit einer
Klemme nahe der Stelle befestigen, wo
sie in den Rahmen eintreten. Die Lei-
tung so fest anbringen, dass sie nicht
gequetscht wird. Klemmenende so
positionieren, dass es in Richtung hin-
terer Rahmen zeigt und das Kabelbin-
derende nach unten zeigt.
ÎDie (drei) Kabel der CDI-Zündbox und
das Rücklicht-Kabel am hinteren Rah-
men befestigen. Klemmenende so
positionieren, dass es in Richtung der
Oberseite des Rahmens zeigt und
Kabelbinderende abschneiden.
ÏBatterie-Minuskabel an Batterie-Minus-
pol anschließen.
ÐBatterie-Minuskabel an Kabelbaum
anschließen.
ÑKabelbaum am hinteren Teil des Rah-
mens befestigen. Klemmenende so
positionieren, dass es in Richtung der
Oberseite des Rahmens zeigt und das
Kabelbinderende in Richtung Rahme-
ninnenseite zeigt. Den Kabelbaum an
der Markierung mit einer Klemme
befestigen.
ÒKabelbaum, Starter-Relais-Kabel, Anlass-
sperrelais-Kabel und Batterie-Minuskabel
durch das Loch im Relais-Halter führen.
ÓDie (drei) Kabel der CDI-Zündbox und
das Rücklicht-Kabel am hinteren Rahmen
befestigen. Klemmenende so positionie-
ren, dass es in Richtung unterer Rahmen
zeigt und Kabelbinderende abschneiden.
ÔRücklicht-Kabel am hinteren Teil des
Rahmens befestigen. Klemmenende
so positionieren, dass es in Richtung
der Oberseite des Rahmens zeigt und
Kabelbinderende abschneiden.
ÕDas Rücklicht-Kabel muss straff sein.
ÖCDI-Zündbox-Kabel zwischen CDI-
Zündbox und Hinterradabdeckung füh-
ren.
×CDI-Zündbox-Steckverbinder in das
Spiel zwischen der Oberseite der CDI-
Zündbox und der Unterseite der Auf-
fangtank-Halterung positionieren.
ØCDI-Zündbox-Kabel zwischen CDI-
Zündbox und hinterem Rahmen führen.
ÍFissare il flessibile di sfiato del serbatoio di
raccolta e il flessibile del serbatoio di rac-
colta al telaio posteriore. Fissarli vicino al
punto in cui sono collegati al telaio. Fissare
saldamente il tubo prestando attenzione a
non romperlo. Posizionare lestremità del
morsetto rivolgendola verso la parte poste-
riore del telaio e con lestremità dei serra-
fili rivolta verso il basso.
ÎFissare i (tre) cavi dellunità CDI (centra-
lina) e il cavo della luce posteriore al telaio
posteriore. Posizionare lestremità del mor-
setto rivolgendola verso la parte superiore
del telaio e tagliare lestremità dei serrafili.
ÏCollegare il cavo negativo batteria al termi-
nale negativo della batteria.
ÐCollegare il cavo negativo batteria al
cablaggio elettrico.
ÑFissare il cablaggio elettrico al telaio poste-
riore. Posizionare lestremità del morsetto
rivolgendola verso la parte superiore del
telaio e lestremità dei serrafili verso la
parte interna del telaio. Fissare il cablaggio
elettrico al riferimento.
ÒFar passare il cablaggio elettrico, il cavo
relè di avviamento, il cavo relè di interru-
zione circuito di avviamento e il cavo nega-
tivo batteria nel foro del supporto relè.
ÓFissare i (tre) cavi dellunità CDI (centra-
lina) e il cavo della luce posteriore al telaio
posteriore. Posizionare lestremità del mor-
setto rivolgendola verso la parte inferiore
del telaio e tagliare lestremità dei serrafili.
ÔFissare il cablaggio della luce posteriore al
telaio posteriore. Posizionare lestremità
del morsetto rivolgendola verso la parte
superiore del telaio e tagliare lestremità
dei serrafili.
ÕTendere bene il cavo della luce posteriore.
ÖPosizionare il cavo dellunità CDI (centra-
lina) tra lunità CDI (centralina) e il para-
fango posteriore.
×Posizionare laccoppiatore dellunità CDI
(centralina) nel gioco tra la parte superiore
dellunità CDI (centralina) e la parte infe-
riore del supporto del serbatoio di raccolta.
ØPosizionare il cavo dellunità CDI (centra-
lina) tra lunità CDI (centralina) e il telaio
posteriore.
ÍSujete el tubo respiradero del depósito
de recuperación y el tubo del depósito
de recuperación al bastidor posterior.
Sujételos cerca de su punto de unión al
bastidor. Sujete la tubería con la
suficiente firmeza para no aplastarla.
Localice el extremo de la brida
encarada hacia la parte posterior del
bastidor con el extremo encarado hacia
abajo.
ÎSujete los (tres) cables de la unidad
CDI y el cable del piloto trasero al
bastidor posterior. Localice el extremo
de la brida encarada hacia la parte
superior del bastidor y corte el
extremo.
ÏConecte el cable negativo de la batería
al terminal negativo de la batería.
ÐConecte el cable negativo de la batería
al mazo de cables.
ÑSujete el mazo de cables al bastidor
posterior. Localice el extremo de la
brida encarada hacia la parte superior
del bastidor y el extremo hacia el
interior del mismo. Sujete el mazo de
cables por la marca.
ÒPase el mazo de cables, el cable del
relé de arranque, el cable del relé de
corte del circuito de arranque y el cable
negativo de la batería por el orificio del
soporte del relé.
ÓSujete los (tres) cables de la unidad
CDI y el cable del piloto trasero al
bastidor posterior. Localice el extremo
de la brida encarada hacia la parte
inferior del bastidor y corte el extremo.
ÔSujete el cable del piloto trasero al
bastidor posterior. Localice el extremo
de la brida encarada hacia la parte
superior del bastidor y corte el
extremo.
ÕNo deje que se afloje el cable del piloto
trasero.
ÖLocalice el cable de la unidad CDI
situado entre la unidad CDI y el
guardabarros posterior.
×Localice el acoplador de la unidad CDI
en la holgura situada entre la parte
superior de la unidad CDI y la parte
inferior del apoyo del depósito de
recuperación.
ØLocalice el cable de la unidad CDI
situado entre la unidad CDI y el
bastidor posterior.
DIAGRAMME DE CHEMINEMENT DES CABLES
KABELFÜHRUNGS-SCHAUBILD
SCHEMA PERCORSO DEI CAVI
DIAGRAMA DE CABLEADO
2 - 115
SPEC
CABLE ROUTING DIAGRAM
1Throttle cable
2Clamp
3Brake hose
4Clutch cable
5Hose guide
6Main switch coupler
7Wire harness
8Headlight coupler
9Hot starter cable
0Multi-function display bracket
AMain switch
BUpper bracket
CClutch switch coupler
DEngine stop switch coupler
EMulti-function display coupler
FStart switch coupler
GSpeed sensor coupler
HSpeed sensor lead
40˚±10˚
2 - 116
SPEC
1Câble des gaz
2Collier à pince
3Durit de frein
4Câble dembrayage
5Guide de durit
6Fiche rapide du contacteur à clé
7Faisceau de fils
8Fiche rapide du phare
9Câble de starter à chaud
0Support de l’écran multifonction
AContacteur à clé
BTé supérieur
CFiche rapide du contacteur dembrayage
DFiche rapide du coupe-circuit du moteur
EFiche rapide de l’écran multifonction
FFiche rapide du contacteur de démarrage
GFiche rapide du capteur de vitesse
HFil du capteur de vitesse
1Gaszug
2Klemme
3Bremsschlauch
4Kupplungszug
5Schlauchführung
6Zündschloss-Steckverbinder
7Kabelbaum
8Scheinwerfer-Steckverbinder
9Warmstartzug
0Multifunktionsanzeigen-Halterung
AZündschloss
BObere Gabelbrücke
CKupplungsschalter-Steckverbinder
DMotorstoppschalter-Steckverbinder
EMultifunktionsanzeigen-Steckverbinder
FStarterschalter-Steckverbinder
GGeschwindigkeitssensor-Steckverbinder
HGeschwindigkeitssensor-Kabel
1Cavo acceleratore
2Morsetto
3Tubo del freno
4Cavo frizione
5Guida flessibile
6Accoppiatore interruttore di accensione
7Cablaggio elettrico
8Accoppiatore del faro
9Cavo starter per partenze a caldo
0Staffa display multifunzione
AInterruttore di accensione
BStaffa superiore
CAccoppiatore interruttore della frizione
DAccoppiatore interruttore di arresto motore
EAccoppiatore display multifunzione
FAccoppiatore interruttore dellavviamento
GAccoppiatore sensore velocità
HCavo sensore velocità
1Cable del acelerador
2Brida
3Tubo de freno
4Cable de embrague
5Guía de tubo
6Acoplador del interruptor principal
7Mazo de cables
8Acoplador del faro
9Cable de arranque en caliente
0Soporte del visor multifunción
AInterruptor principal
BSoporte superior
CAcoplador del interruptor del embrague
DAcoplador del interruptor de paro del motor
EAcoplador del visor multifunción
FAcoplador del interruptor de arranque
GAcoplador del sensor de velocidad
HCable del sensor de velocidad
DIAGRAMME DE CHEMINEMENT DES CABLES
KABELFÜHRUNGS-SCHAUBILD
SCHEMA PERCORSO DEI CAVI
DIAGRAMA DE CABLEADO
2 - 117
SPEC
CABLE ROUTING DIAGRAM
ÈFasten the start switch lead to the handlebar with the plastic
bands.
ÉFasten the engine stop switch lead and clutch switch lead to
the handlebar with the plastic bands.
ÊPass the brake hose through the hose guides.
ËSecure the coupler by inserting it into the multi-function display
bracket.
ÌPass the throttle cables, clutch cable and hot starter cable
between the upper bracket and multi-function display bracket.
ÍFasten the multi-function display leads to the bracket. Cut off
the tie end.
ÎSecure the coupler by pushing it into the hole in the multi-func-
tion display bracket.
ÏSecure the wire harness clip by pushing it into the hole in the
multi-function display bracket on the inside.
ÐFasten the wire harness to the multi-function display bracket.
Cut off the tie end.
ÑFasten the main switch lead (wire harness side) to the multi-
function display bracket. Locate the clamp end facing toward
the lower side of the frame and cut off the tie end.
ÒPass the speed sensor lead through the guide on the outside
of the front fork.
40˚±10˚
2 - 118
SPEC
ÈFixer le fil du contacteur du démarreur au guidon à laide des bandes
en plastique.
ÉFixer le fil du coupe-circuit du moteur et le fil du contacteur
dembrayage au guidon à laide des bandes en plastique.
ÊAcheminer la durit de frein dans les guides de durit.
ËFixer la fiche rapide en linsérant dans le support de l’écran multi-
fonction.
ÌAcheminer les câbles des gaz, le câble dembrayage et le câble de
starter à chaud entre le té supérieur et le support de l’écran multi-
fonction.
ÍFixer les fils de l’écran multifonction au support. Couper lextrémité
du collier.
ÎFixer la fiche rapide en lenfonçant dans lorifice du support de
l’écran multifonction.
ÏFixer le clip du faisceau de fils en lenfonçant dans lorifice du sup-
port de l’écran multifonction à lintérieur.
ÐFixer le faisceau de fils au support de l’écran multifonction. Couper
lextrémité du collier.
ÑFixer le fil du contacteur à clé (côté faisceau de fils) au support de
l’écran multifonction. Rechercher lextrémité du collier à pince
orienté vers le côté inférieur du cadre et couper lextrémité du col-
lier.
ÒAcheminer le fil du capteur de vitesse par le guide à lextérieur de la
fourche.
ÈDas Starter-Kabel mit Kunststoffbindern am Lenker befesti-
gen.
ÉDie Motorstoppschalter- und Kupplungsschalter-Kabel mit
Kunststoffbindern am Lenker befestigen.
ÊDen Bremsschlauch durch die Schlauchführungen leiten.
ËDen Steckverbinder in die Multifunktionsanzeigen-Halterung
einsetzen.
ÌDie Gas-, Kupplungs- und Warmstartzüge zwischen der obe-
ren Gabelbrücke und der Multifunktionsanzeigen-Halterung
verlegen.
ÍDie Multifunktionsanzeigen-Kabel an der Halterung befesti-
gen. Kabelbinderende abschneiden.
ÎDen Steckverbinder in die Öffnung in der Multifunktionsanzei-
gen-Halterung einsetzen.
ÏDen Kabelbaum-Clip von innen in die entsprechende Öffnung
in der Multifunktionsanzeigen-Halterung einsetzen.
ÐKabelbaum an der Multifunktionsanzeigen-Halterung befesti-
gen. Kabelbinderende abschneiden.
ÑZündschloss-Kabel (kabelbaumseitig) an der Multifunktions-
anzeigen-Halterung befestigen. Klemmenende so positionie-
ren, dass es in Richtung unterer Rahmen zeigt und
überstehendes Kabelbinderende abschneiden.
ÒDas Geschwindigkeitssensor-Kabel durch die Führung an der
Außenseite des Gabelrohrs verlegen.
ÈFissare il cavo dellinterruttore di avviamento al manubrio con le
fascette in plastica.
ÉFissare il cavo interruttore di arresto motore e il cavo interruttore
della frizione al manubrio con le fascette in plastica.
ÊFar passare il tubo del freno attraverso le relative guide.
ËFissare laccoppiatore inserendolo nel supporto del display multifun-
zione.
ÌFar passare il cavo acceleratore, il cavo della frizione e il cavo starter
per partenze a caldo tra la staffa superiore e il supporto del display
multifunzione.
ÍFissare i cavi del display multifunzione al supporto. Tagliare lestre-
mità dei serrafili.
ÎFissare laccoppiatore spingendolo nel foro del supporto del display
multifunzione.
ÏFissare il fermo del cablaggio elettrico spingendolo nel foro del sup-
porto del display multifunzione sulla parte interna.
ÐFissare il cablaggio elettrico al supporto del display multifunzione.
Tagliare lestremità dei serrafili.
ÑFissare il cavo dellinterruttore di accensione (lato cablaggio elet-
trico) al supporto del display multifunzione. Posizionare lestremità
del morsetto rivolgendola verso la parte inferiore del telaio e tagliare
lestremità dei serrafili.
ÒFar passare il cavo sensore velocità attraverso la guida sulla parte
esterna della forcella anteriore.
ÈSujete el cable del interruptor de arranque al manillar con las
bandas de plástico.
ÉSujete el cable del interruptor de paro del motor y el cable del
interruptor del embrague al manillar con las bandas de
plástico.
ÊPase el tubo de freno por las guías de tubo.
ËSujete el acoplador introduciéndolo en el soporte del visor
multifunción.
ÌPase los cables del acelerador, el cable de embrague y el
cable de arranque en caliente entre el soporte superior y el
soporte del visor multifunción.
ÍSujete los cables del visor multifunción al soporte. Corte el
extremo.
ÎSujete el acoplador empujándolo al interior del orificio del
soporte del visor multifunción.
ÏSujete el clip del mazo de cables empujándolo al interior del
orificio del soporte del visor multifunción por el lado interior.
ÐSujete el mazo de cables al soporte del visor multifunción.
Corte el extremo.
ÑSujete el cable del interruptor principal (por el lado del mazo
de cables) al soporte del visor multifunción. Localice el
extremo de la brida encarada hacia la parte inferior del
bastidor y corte el extremo.
ÒPase el cable del sensor de velocidad por la guía en el lado
exterior de la horquilla delantera.
DIAGRAMME DE CHEMINEMENT DES CABLES
KABELFÜHRUNGS-SCHAUBILD
SCHEMA PERCORSO DEI CAVI
DIAGRAMA DE CABLEADO
3 - 1
INSP
ADJ
MAINTENANCE INTERVALS
EC300000
REGULAR INSPECTION AND ADJUSTMENTS
MAINTENANCE INTERVALS
NOTE:
The following schedule is intended as a general guide to maintenance and lubrication. Bear in mind that such factors as
weather, terrain, geographical location, and individual usage will alter the required maintenance and lubrication intervals. If
you are a doubt as to what intervals to follow in maintaining and lubricating your machine, consult your Yamaha dealer.
Item After
break-in
Every
race
Every third
(or
500 km)
Every fifth
(or
1,000 km)
As
required Remarks
ENGINE OIL
Replace
VALVES
Check the valve clearances The engine must be cold.
Check the valve seats and
valve stems for wear.
Inspect
Replace
VALVE SPRINGS
Inspect Check the free length and
the tilt.
Replace
VALVE LIFTERS
Inspect Check for scratches and
wear.
Replace
CAMSHAFTS Inspect the camshaft
surface.
Inspect the decompression
system.
Inspect
Replace
CAMSHAFT SPROCKETS
Inspect Check for wear on the teeth
and for damage.
Replace
PISTON
Inspect Inspect crack
Inspect carbon deposits and
eliminate them.
Clean
Replace
PISTON RING
Inspect Check ring end gap
Replace
PISTON PIN
Inspect
Replace
CYLINDER HEAD Inspect carbon deposits and
eliminate them.
Change gasket
Inspect and clean
CYLINDER
Inspect and clean Inspect score marks
Inspect wear
Replace
CLUTCH
Inspect and adjust Inspect housing, friction
plate, clutch plate and spring
Replace
TRANSMISSION
Inspect
Replace bearing
SHIFT FORK, SHIFT CAM, GUIDE BAR
Inspect Inspect wear
3 - 2
INSP
ADJ
MAINTENANCE INTERVALS
ROTOR NUT
Retighten
MUFFLER
Inspect and retighten
Clean
Replace
CRANK
Inspect and clean
CARBURETOR
Inspect, adjust and clean
AIR INDUCTION SYSTEM
Inspect and clean
SPARK PLUG
Inspect and clean
Replace
DRIVE CHAIN Use chain lube
Chain slack:
48 ~ 58 mm (1.9 ~ 2.3 in)
Lubricate, slack, alignment
Replace
COOLING SYSTEM
Check coolant level and leakage
Check radiator cap operation
Replace coolant Every two years
Inspect hoses
OUTSIDE NUTS AND BOLTS Refer to STARTING AND
BREAK-IN section in the
CHAPTER 1.
Retighten
AIR FILTER
Clean and lubricate Use foam air-filter oil or
equivalent oil
Replace
OIL FILTER
Replace
OIL STRAINER
Clean
FRAME
Clean and inspect
FUEL TANK, COCK
Clean and inspect
BRAKES
Adjust lever position and pedal height
Lubricate pivot point
Check brake disc surface
Check fluid level and leakage
Retighten brake disc bolts, caliper bolts,
master cylinder bolts and union bolts
Replace pads
Replace brake fluid Every one year
Item After
break-in
Every
race
Every third
(or
500 km)
Every fifth
(or
1,000 km)
As
required Remarks
1
2
3
4
5
6
7
3 - 3
INSP
ADJ
MAINTENANCE INTERVALS
FRONT FORKS
Inspect and adjust
Replace oil Suspension oil S1
Replace oil seal
FRONT FORK OIL SEAL AND DUST SEAL
Clean and lube Lithium base grease
PROTECTOR GUIDE
Replace
REAR SHOCK ABSORBER
Inspect and adjust
Lube (After
rain
ride)
Molybdenum disulfide
grease
Retighten
DRIVE CHAIN GUIDE AND ROLLERS
Inspect
SWINGARM Molybdenum disulfide
grease
Inspect, lube and retighten
RELAY ARM, CONNECTING ROD Molybdenum disulfide
grease
Inspect, lube and retighten
SIDESTAND
Lubricate Lithium base grease
STEERING HEAD
Inspect free play and retighten
Clean and lube Lithium base grease
Replace bearing
TIRE, WHEELS
Inspect air pressure, wheel run-out, tire
wear and spoke looseness
Retighten sprocket bolt
Inspect bearings
Replace bearings
Lubricate Lithium base grease
THROTTLE, CONTROL CABLE Yamaha cable lube or SAE
10W-30 motor oil
Check routing and connection
Lubricate
HOT STARTER, CLUTCH LEVER
Inspect free play
BATTERY
Check terminal for looseness and
corrosion
Item After
break-in
Every
race
Every third
(or
500 km)
Every fifth
(or
1,000 km)
As
required Remarks
3 - 4
INSP
ADJ
CONTROLES ET REGLAGES PERIODIQUES
PROGRAMME DENTRETIEN
N.B.:
Le programme suivant est destiné à servir de guide général pour lentretien et le graissage. Garder à lesprit que les intervalles dentre-
tien et de graissage varient en fonction des conditions atmosphériques, du terrain, de la situation géographique et de lutilisation du
véhicule. Si une question se pose quant aux fréquences de lentretien ou de la lubrification du véhicule, demander conseil à son con-
cessionnaire Yamaha.
Elément Après
rodage
A chaque
course
Toutes les
trois
courses
(ou
500 km)
Toutes les
cinq
courses
(ou
1.000 km)
Selon les
besoins Remarques
HUILE MOTEUR
Remplacer
SOUPAPES Le moteur doit être froid.
Rechercher toute trace dusure
des sièges et des queues de
soupapes.
Contrôler le jeu aux soupapes
Contrôler
Remplacer
RESSORTS DE SOUPAPES
Contrôler Contrôler la longueur libre et
linclinaison.
Remplacer
POUSSOIRS DE SOUPAPES
Contrôler Rechercher toute trace de
rayures et dusure.
Remplacer
ARBRES A CAMES Contrôler la surface des arbres à
cames.
Contrôler le décompresseur.
Contrôler
Remplacer
PIGNON DARBRE À CAMES
Rechercher toute trace dusure
et dendommagement des
dents.
Contrôler
Remplacer
PISTON
Contrôler Contrôler sil nest pas fendu
Rechercher et éliminer les
éventuels dépôts de calamine.
Nettoyer
Remplacer
SEGMENT DE PISTON
Contrôler Contrôler l’écartement des becs
Remplacer
AXE DE PISTON
Contrôler
Remplacer
CULASSE Rechercher et éliminer les
éventuels dépôts de calamine.
Remplacer le joint
Contrôler et nettoyer
CYLINDRE Rechercher les marques de
Contrôler et nettoyer rayures
Contrôler lusure
Remplacer
EMBRAYAGE Contrôler la cloche, le disque
garni, le disque et le ressort
dembrayage.
Contrôler et régler
Remplacer
BOITE DE VITESSES
Contrôler
Remplacer le roulement
FOURCHETTE, TAMBOUR, BARRE DE
GUIDAGE
Contrôler Contrôler lusure
PROGRAMME DENTRETIEN
3 - 5
INSP
ADJ
ECROU DU ROTOR
Resserrer
POT DECHAPPEMENT
Contrôler et resserrer
Nettoyer
Remplacer
VILEBREQUIN
Contrôler et nettoyer
CARBURATEUR
Contrôler, régler et nettoyer
SYSTEME DINDUCTION DAIR
Contrôler et nettoyer
BOUGIE
Contrôler et nettoyer
Remplacer
CHAINE DE TRANSMISSION Utiliser de la graisse pour chaîne
Jeu de la chaîne:
48 à 58 mm (1,9 à 2,3 in)
Lubrification, jeu, alignement
Remplacer
CIRCUIT DE REFROIDISSEMENT
Contrôler le niveau de liquide de
refroidissement et labsence de fuites
Contrôler le fonctionnement du bouchon du
radiateur
Remplacer le liquide de refroidissement Tous les deux ans
Contrôler les durits
ECROUS ET BOULONS EXTERIEURS Se reporter à la section MISE
EN MARCHE ET RODAGE
au CHAPITRE 1.
Resserrer
FILTRE A AIR Utiliser de lhuile pour filtre à
air mousse ou une huile
équivalente
Nettoyer et lubrifier
Remplacer
FILTRE A HUILE
Remplacer
CREPINE A HUILE
Nettoyer
CADRE
Nettoyer et contrôler
RESERVOIR, ROBINET DE CARBURANT
Nettoyer et contrôler
FREINS
Régler la position du levier et la hauteur de
la pédale
Graisser les pivots
Contrôler la surface du disque de frein
Contrôler le niveau de liquide et labsence
de fuites
Resserrer les boulons du disque de frein, de
l’étrier, du maître-cylindre et les boulons-
raccords
Remplacer les plaquettes
Changer le liquide de frein Une fois par an
Elément Après
rodage
A chaque
course
Toutes les
trois
courses
(ou
500 km)
Toutes les
cinq
courses
(ou
1.000 km)
Selon les
besoins Remarques
PROGRAMME DENTRETIEN
3 - 6
INSP
ADJ
FOURCHES
Contrôler et régler
Remplacer lhuile Huile de fourche S1
Remplacer la bague d’étanchéité
BAGUE DETANCHEITE ET JOINT
ANTIPOUSSIERE DE FOURCHE
Nettoyer et lubrifier Graisse à base de lithium
GUIDE DE PROTECTION
Remplacer
AMORTISSEUR ARRIERE
Contrôler et régler
Lubrifier (Après
utilisa-
tion par
temps de
pluie)
Graisse au bisulfure de
molybdène
Resserrer
PATIN ET ROULEAUX DE CHAINE DE
TRANSMISSION
Contrôler
BRAS OSCILLANT Graisse au bisulfure de
molybdène
Contrôler, lubrifier et resserrer
BRAS RELAIS, BIELLE Graisse au bisulfure de
molybdène
Contrôler, lubrifier et resserrer
BEQUILLE LATERALE
Lubrifier Graisse à base de lithium
TETE DE FOURCHE
Contrôler le jeu et resserrer
Nettoyer et lubrifier Graisse à base de lithium
Remplacer le roulement
PNEUS, ROUES
Contrôler la pression de gonflage, le voile
de roue, lusure des pneus et la tension des
rayons
Resserrer le boulon du pignon
Contrôler les roulements
Remplacer les roulements
Lubrifier Graisse à base de lithium
ACCELERATEUR, CABLE DE
COMMANDE
Lubrifiant pour câbles Yamaha
ou huile moteur SAE 10W-30
Contrôler le cheminement et le
raccordement
Lubrifier
LEVIER DE DEMARRAGE A CHAUD,
LEVIER DEMBRAYAGE
Contrôler le jeu
BATTERIE
Contrôler la fixation de la borne et labsence
de corrosion
Elément Après
rodage
A chaque
course
Toutes les
trois
courses
(ou
500 km)
Toutes les
cinq
courses
(ou
1.000 km)
Selon les
besoins Remarques
PROGRAMME DENTRETIEN
3 - 7
INSP
ADJ
REGELMÄSSIGE WARTUNGS- UND EINSTELLARBEITEN
WARTUNGSINTERVALLE
HINWEIS:
Die hier empfohlenen Zeitabstände für Wartung und Schmierung sollten lediglich als Richtwerte für den Normalbetrieb
angesehen werden. Je nach Wetterbedingungen, Belastung und Einsatzgebiet können in Abweichung des regelmäßigen
Wartungsplans kürzere Intervalle notwendig werden. Wenden Sie sich im Zweifelsfalle an Ihren YAMAHA-Händler.
Bezeichnung
Nach
dem
Einfahren
Nach
jedem
Rennen
Nach
jedem 3.
Rennen
(bzw. alle
500 km)
Nach
jedem 5.
Rennen
(bzw. alle
1.000 km)
Nach
Bedarf Bemerkungen
MOTORÖL
Erneuern
VENTILE Der Motor muss abgekühlt
sein.
Ventilsitze und -schafte auf
Verschleiß kontrollieren.
Ventilspiel kontrollieren
Kontrollieren
Erneuern
VENTILFEDERN
Kontrollieren Ungespannte Länge und
Neigung kontrollieren.
Erneuern
TASSENSTÖSSEL
Kontrollieren Auf Kratzer und Verschleiß
kontrollieren.
Erneuern
NOCKENWELLEN Die Nockenwellen-
Oberfläche kontrollieren.
Das Dekompressionssystem
kontrollieren.
Kontrollieren
Erneuern
NOCKENWELLENRÄDER Auf Beschädigung und
Zähne auf Verschleiß
kontrollieren.
Kontrollieren
Erneuern
KOLBEN
Kontrollieren Auf Rissbildung
untersuchen.
Ölkohleablagerungen ggf.
entfernen.
Reinigen
Erneuern
KOLBENRINGE
Kontrollieren Kolbenring-Stoß
kontrollieren.
Erneuern
KOLBENBOLZEN
Kontrollieren
Erneuern
ZYLINDERKOPF Ölkohleablagerungen ggf.
entfernen.
Dichtung erneuern.
Kontrollieren und reinigen
ZYLINDER
Kontrollieren und reinigen Auf Riefen kontrollieren.
Auf Verschleiß kontrollieren.
Erneuern
KUPPLUNG Kupplungskorb, Reib- und
Stahlscheiben sowie Federn
kontrollieren.
Kontrollieren und einstellen
Erneuern
GETRIEBE
Kontrollieren
Lager erneuern
SCHALTGABELN, SCHALTWALZE UND
FÜHRUNGSSTANGE
Kontrollieren Auf Verschleiß kontrollieren.
WARTUNGSINTERVALLE
3 - 8
INSP
ADJ
ROTORMUTTER
Festziehen
SCHALLDÄMPFER
Kontrollieren und festziehen
Reinigen
Erneuern
KURBEL
Kontrollieren und reinigen
VERGASER
Kontrollieren, einstellen und reinigen
SEKUNDÄRLUFTSYSTEM
Kontrollieren und reinigen.
ZÜNDKERZE
Kontrollieren und reinigen
Erneuern
ANTRIEBSKETTE
Schmieren, Durchhang und Ausrichtung
einstellen
Kettenöl verwenden.
Kettendurchhang:
4858 mm (1,92,3 in)
Erneuern
KÜHLSYSTEM
Kühlflüssigkeitsstand kontrollieren und
Anlage auf Undichtigkeit prüfen
Kühlerverschlussdeckel kontrollieren
Kühlflüssigkeit wechseln Alle zwei Jahre
Schläuche kontrollieren
EXTERNE SCHRAUBVERBINDUNGEN Siehe unter STARTEN UND
EINFAHREN in KAPITEL 1.
Festziehen
LUFTFILTER
Reinigen und schmieren Schaumfilteröl o. Ä.
verwenden.
Erneuern
ÖLFILTER
Erneuern
ÖLSIEB
Reinigen
RAHMEN
Reinigen und kontrollieren
KRAFTSTOFFTANK UND -HAHN
Reinigen und kontrollieren
BREMSEN
Hand- und Fußbremshebel-Position
einstellen
Drehpunkte schmieren
Bremsscheiben-Oberfläche
kontrollieren
Flüssigkeitsstand kontrollieren und
Anlage auf Undichtigkeit prüfen
Bremsscheiben-, Bremssattel-,
Hauptbremszylinder-Schrauben und
Hohlschrauben festziehen
Scheibenbremsbeläge erneuern
Bremsflüssigkeit erneuern Alle Jahre
Bezeichnung
Nach
dem
Einfahren
Nach
jedem
Rennen
Nach
jedem 3.
Rennen
(bzw. alle
500 km)
Nach
jedem 5.
Rennen
(bzw. alle
1.000 km)
Nach
Bedarf Bemerkungen
WARTUNGSINTERVALLE
3 - 9
INSP
ADJ
TELESKOPGABEL
Kontrollieren und einstellen
Öl erneuern Gabelöl S1
Dichtring erneuern
GABEL-DICHT- UND -STAUBSCHUTZ-
RINGE
Reinigen und schmieren Lithiumseifenfett
PROTEKTOR-FÜHRUNG
Erneuen
FEDERBEIN HINTEN
Kontrollieren und einstellen
Schmieren (nach
einer
Fahrt im
Regen)
Molybdändisulfidfett
Festziehen
ANTRIEBSKETTENSCHIENE UND -
ROLLEN
Kontrollieren
SCHWINGE
Kontrollieren, schmieren und festziehen Molybdändisulfidfett
UMLENKHEBEL UND ÜBERTRA-
GUNGSHEBEL
Kontrollieren, schmieren und festziehen Molybdändisulfidfett
SEITENSTÄNDER
Schmieren Lithiumseifenfett
LENKKOPF
Spiel kontrollieren und festziehen
Reinigen und schmieren Lithiumseifenfett
Lager erneuern
RÄDER UND REIFEN
Luftdruck kontrollieren und auf Verzug,
Verschleiß sowie lose Speichen prüfen
Kettenrad-Schraube festziehen
Lager kontrollieren
Lager erneuern
Schmieren Lithiumseifenfett
SEILZÜGE YAMAHA-Seilzugschmier-
mittel oder SAE 10W-30
Motoröl
Verlauf und Anschluss kontrollieren
Schmieren
WARMSTART- UND KUPPLUNGSHE-
BEL
Spiel kontrollieren
BATTERIE
Anschlüsse auf Lockerheit und
Korrosion kontrollieren
Bezeichnung
Nach
dem
Einfahren
Nach
jedem
Rennen
Nach
jedem 3.
Rennen
(bzw. alle
500 km)
Nach
jedem 5.
Rennen
(bzw. alle
1.000 km)
Nach
Bedarf Bemerkungen
WARTUNGSINTERVALLE
3 - 10
INSP
ADJ
CONTROLLI E REGOLAZIONI PERIODICHE
INTERVALLI DI MANUTENZIONE
NOTA:
Il seguente programma è da intendersi come una guida generale di manutenzione e lubrificazione. È bene ricordare che fattori quali le
condizioni atmosferiche, il terreno, la collocazione geografica e lutilizzo individuale alterano i necessari intervalli di manutenzione e
lubrificazione. In caso di dubbio su quale intervallo seguire per la manutenzione e la lubrificazione del mezzo, consultare il rivenditore
Yamaha.
Elemento Dopo il
rodaggio
Ad ogni
competi-
zione
Ogni tre
competi-
zioni
(o ogni
500 km)
Ogni cin-
que com-
petizioni
(o ogni
1.000 km)
Se
necessario Osservazioni
OLIO MOTORE
Sostituire
VALVOLE
Controllare il gioco delle valvole Il motore deve essere freddo.
Controllare lusura delle sedi e
degli steli delle valvole.
Controllare
Sostituire
MOLLE DELLE VALVOLE
Controllare Controllare la lunghezza libera
e linclinazione.
Sostituire
ALZAVALVOLE
Controllare Controllare graffi e usura.
Sostituire
ALBERI A CAMME Controllare la superficie
dellalbero a camme.
Controllare il sistema di
decompressione.
Controllare
Sostituire
RUOTA DENTATA ALBERO A CAMME Controllare lusura e eventuali
danni sui denti dellingranag-
gio.
Controllare
Sostituire
PISTONE
Controllare Controllare le incrinature
Controllare la presenza di depo-
siti carboniosi ed eliminarli.
Pulire
Sostituire
FASCIA ELASTICA DEL PISTONE
Controllare Controllare la luce fra le
estremità della fascia elastica
Sostituire
SPINOTTO
Controllare
Sostituire
TESTATA Controllare la presenza di depo-
siti carboniosi ed eliminarli.
Sostituire la guarnizione
Controllare e pulire
CILINDRO Controllare la presenza di
tacche
Controllare lusura
Controllare e pulire
Sostituire
FRIZIONE Controllare la campana, il disco
conduttore, il disco condotto e
la molla della frizione
Controllare e regolare
Sostituire
TRASMISSIONE
Controllare
Sostituire il cuscinetto
FORCELLA DEL CAMBIO, CAMMA DEL
CAMBIO, BARRA DI GUIDA
Controllare Controllare lusura
INTERVALLI DI MANUTENZIONE
3 - 11
INSP
ADJ
DADO ROTORE
Serrare
MARMITTA
Controllare e serrare
Pulire
Sostituire
CARTER
Controllare e pulire
CARBURATORE
Controllare, regolare e pulire
SISTEMA DI INIEZIONE ARIA
Controllare e pulire
CANDELA DACCENSIONE
Controllare e pulire
Sostituire
CATENA DI TRASMISSIONE Utilizzare un lubrificante per
catene
Parte lenta della catena:
48 ~ 58 mm (1,9 ~ 2,3 in)
Lubrificare, allentare, allineamento
Sostituire
SISTEMA DI RAFFREDDAMENTO
Controllare il livello del refrigerante e la
presenza di eventuali perdite
Controllare il funzionamento del coperchio
del radiatore
Sostituire il refrigerante Ogni due anni
Controllare i flessibili
DADI E BULLONI ESTERNI Fare riferimento al paragrafo
AVVIAMENTO E RODAG-
GIO nel CAPITOLO 1.
Serrare
FILTRO ARIA
Pulire e lubrificare Applicare lolio schiuma filtro
aria o un prodotto equivalente
Sostituire
FILTRO OLIO
Sostituire
FILTRO OLIO
Pulire
TELAIO
Pulire e controllare
SERBATOIO E RUBINETTO DEL
CARBURANTE
Pulire e controllare
FRENI
Controllare la posizione della leva e
laltezza del pedale
Lubrificare il punto di articolazione
Controllare la superficie del disco del freno
Controllare il livello del liquido freni e la
presenza di eventuali perdite
Serrare i bulloni del disco del freno, della
pinza, della pompa e di giunzione
Sostituire le pastiglie
Sostituire il liquido freni Ogni anno
Elemento Dopo il
rodaggio
Ad ogni
competi-
zione
Ogni tre
competi-
zioni
(o ogni
500 km)
Ogni cin-
que com-
petizioni
(o ogni
1.000 km)
Se
necessario Osservazioni
INTERVALLI DI MANUTENZIONE
3 - 12
INSP
ADJ
FORCELLE ANTERIORI
Controllare e regolare
Sostituire lolio Olio sospensione S1
Sostituire il paraolio
PARAOLIO E GUARNIZIONE
PARAPOLVERE FORCELLA ANTERIORE
Pulire e lubrificare Grasso a base di litio
GUIDA DISPOSITIVO DI PROTEZIONE
Sostituire
AMMORTIZZATORE POSTERIORE
Controllare e regolare
Lubrificare (Dopo la
marcia in
caso di
pioggia)
Grasso al disolfuro di
molibdeno
Serrare
GUIDA E RULLI CATENA DI
TRASMISSIONE
Controllare
FORCELLONE OSCILLANTE Grasso al disolfuro di
molibdeno
Controllare, lubrificare e serrare
BRACCIO DI RINVIO, BIELLA Grasso al disolfuro di
molibdeno
Controllare, lubrificare e serrare
CAVALLETTO LATERALE
Lubrificare Grasso a base di litio
TESTA DELLO STERZO
Controllare il gioco e serrare
Pulire e lubrificare Grasso a base di litio
Sostituire il cuscinetto
PNEUMATICO, RUOTE
Controllare la pressione dellaria, la
scentratura delle ruote, lusura dei
pneumatici e la lentezza dei raggi
Serrare il bullone della ruota dentata
Controllare i cuscinetti
Sostituire i cuscinetti
Lubrificare Grasso a base di litio
ACCELERATORE, CAVO DI
CONTROLLO
Lubrificante cavi Yamaha o
olio per motori SAE 10W-30
Controllare il percorso e il collegamento.
Lubrificare
STARTER PER PARTENZE A CALDO,
LEVA DELLA FRIZIONE
Controllare il gioco
BATTERIA
Controllare lentezza e corrosione del
terminale
Elemento Dopo il
rodaggio
Ad ogni
competi-
zione
Ogni tre
competi-
zioni
(o ogni
500 km)
Ogni cin-
que com-
petizioni
(o ogni
1.000 km)
Se
necessario Osservazioni
INTERVALLI DI MANUTENZIONE
3 - 13
INSP
ADJ
REVISIONES Y AJUSTES PERIÓDICOS
INTERVALOS DE MANTENIMIENTO
NOTA:
El programa siguiente constituye una guía general de mantenimiento y engrase. Tenga en cuenta que factores como el
clima, el terreno, el lugar geográfico y el uso individual alterarán los intervalos de mantenimiento y engrase necesarios.
En caso de duda sobre los intervalos que debe observar para el mantenimiento y el engrase de la máquina, consulte a su
concesionario Yamaha.
Elemento
Después
del
rodaje
Cada
carrera
Cada tres
carreras
(o
500 km)
Cada cinco
carreras
(o
1.000 km)
Según
sea
necesario
Observaciones
ACEITE DEL MOTOR
Cambiar
VÁLVULAS El motor debe estar frío.
Compruebe el desgaste de
los asientos y los vástagos
de las válvulas.
Comprobar las holguras de las válvulas
Comprobar
Cambiar
MUELLES DE LAS VÁLVULAS
Comprobar Compruebe la longitud libre
y la inclinación.
Cambiar
LEVANTAVÁLVULAS
Comprobar Compruebe si presentan
grietas y desgaste.
Cambiar
EJES DE LEVAS Revise la superficie del eje
de levas.
Revise el sistema de
descompresión.
Comprobar
Cambiar
PIÑON DEL EJE DE LEVAS Compruebe si los dientes
están desgastados o
dañados.
Comprobar
Cambiar
PISTÓN
Comprobar Comprobar si está roto
Compruebe si hay depósitos
de carbón y elimínelos.
Limpiar
Cambiar
ARO DEL PISTÓNCompruebe la distancia
entre extremos del aro de
pistón
Comprobar
Cambiar
PASADOR DEL PISTÓN
Comprobar
Cambiar
CULATA Compruebe si hay depósitos
de carbón y elimínelos.
Cambie la junta
Cambiar y limpiar
CILINDRO Comprobar si presenta
rayaduras
Compruebe el desgaste
Cambiar y limpiar
Cambiar
EMBRAGUE Revise la caja, la placa de
fricción, el disco de
embrague y el muelle
Cambiar y ajustar
Cambiar
CAJA DE CAMBIOS
Comprobar
Cambie el cojinete
HORQUILLA DE CAMBIO, LEVA DE
CAMBIO, BARRA DE GUÍA
Comprobar Compruebe el desgaste
INTERVALOS DE MANTENIMIENTO
3 - 14
INSP
ADJ
TUERCA DEL ROTOR
Reapretar
SILENCIADOR
Comprobar y reapretar
Limpiar
Cambiar
CIGÜEÑAL
Comprobar y limpiar
CARBURADOR
Comprobar, ajustar y limpiar
SISTEMA DE INDUCCIÓN DE AIRE
Revisar y limpiar
BUJÍA
Comprobar y limpiar
Cambiar
CADENA DE TRANSMISIÓNUtilice lubricante para cadenas
Holgura de la cadena:
48 ~ 58 mm (1,9 ~ 2,3 in)
Lubricar, ajustar holgura, alinear
Cambiar
SISTEMA DE REFRIGERACIÓN
Comprobar nivel de refrigerante y fugas
Comprobar el funcionamiento del tapón
del radiador
Cambiar el refrigerante Cada dos años
Comprobar los tubos
TUERCAS Y TORNILLOS EXTERIORES Consulte el apartado
PUESTA EN MARCHA Y
RODAJE del CAPÍTULO 1.
Reapretar
FILTRO DE AIRE Utilice aceite para filtros de
aire de espuma o un aceite
equivalente
Limpiar y lubricar
Cambiar
FILTRO DE ACEITE
Cambiar
DEPURADOR DE ACEITE
Limpiar
BASTIDOR
Limpiar y comprobar
DEPÓSITO DE COMBUSTIBLE, LLAVE
DE PASO DE COMBUSTIBLE
Limpiar y comprobar
FRENOS
Ajuste la posición de la maneta y la
altura del pedal
Lubrique el punto de pivote
Compruebe la superficie del disco de
freno
Compruebe el nivel de líquido y fugas
Reapriete los tornillos del disco de
freno, los tornillos de la pinza, los
tornillos de la bomba de freno y los
pernos de unión
Cambie las pastillas
Cambie el líquido de frenos Cada año
Elemento
Después
del
rodaje
Cada
carrera
Cada tres
carreras
(o
500 km)
Cada cinco
carreras
(o
1.000 km)
Según
sea
necesario
Observaciones
INTERVALOS DE MANTENIMIENTO
3 - 15
INSP
ADJ
HORQUILLA DELANTERA
Comprobar y ajustar
Cambie el aceite Aceite para suspensión S1
Cambie la junta de aceite
JUNTA DE ACEITE Y JUNTA ANTI-
POLVO DE LA HORQUILLA DELAN-
TERA
Limpiar y lubricar Grasa de litio
GUÍA DEL PROTECTOR
Cambiar
AMORTIGUADOR TRASERO
Comprobar y ajustar
Lubricar (des-
pués de
conducir
con llu-
via)
Grasa de disulfuro de
molibdeno
Reapretar
GUÍA Y RODILLOS DE LA CADENA DE
TRANSMISIÓN
Comprobar
BASCULANTE Grasa de disulfuro de
molibdeno
Comprobar, lubricar y reapretar
BARRA DE UNIÓN, BIELA Grasa de disulfuro de
molibdeno
Comprobar, lubricar y reapretar
CABALLETE LATERAL
Lubricar Grasa de litio
COLUMNA DE LA DIRECCIÓN
Comprobar la holgura y reapretar
Limpiar y lubricar Grasa de litio
Cambie el cojinete
NEUMÁTICOS, RUEDAS
Comprobar la presión, el descentra-
miento de las ruedas, el desgaste de
los neumáticos y el apriete de los radios
Reapretar el tornillo del piñón
Comprobar los cojinetes
Cambiar los cojinetes
Lubricar Grasa de litio
ACELERADOR, CABLE DE CONTROL Lubricante Yamaha para
cables o aceite de motor
SAE 10W-30
Compruebe la colocación del cable y la
conexión
Lubricar
ARRANQUE EN CALIENTE, MANETA
DE EMBRAGUE
Comprobar la holgura
BATERÍA
Comprobar si los terminales está flojos
o corroídos
Elemento
Después
del
rodaje
Cada
carrera
Cada tres
carreras
(o
500 km)
Cada cinco
carreras
(o
1.000 km)
Según
sea
necesario
Observaciones
INTERVALOS DE MANTENIMIENTO
3 - 16
INSP
ADJ
PRE-OPERATION INSPECTION AND MAINTENANCE
EC320000
PRE-OPERATION INSPECTION AND MAINTENANCE
Before riding for break-in operation, practice, make sure the machine is in good operating condition.
Before using this machine, check the following points.
GENERAL INSPECTION AND MAINTENANCE
Item Routine Page
Coolant Check that coolant is filled up to the radiator cap.
Check the cooling system for leakage. P.3-35 ~ 41
Fuel Check that a fresh gasoline is filled in the fuel tank. Check the
fuel line for leakage. P.1-49
Engine oil Check that the oil level is correct. Check the crankcase and
frame oil line for leakage. P.3-51 ~ 59
Gear shifter and clutch Check that gears can be shifted correctly in order and that the
clutch operates smoothly. P.3-41 ~ 43
Throttle grip/Housing Check that the throttle grip operation and free play are correctly
adjusted. Lubricate the throttle grip and housing, if necessary. P.3-43 ~ 45
Brakes Check the play of front brake and effect of front and rear brake. P.3-77 ~ 89
Drive chain Check drive chain slack and alignment. Check that the drive
chain is lubricated properly. P.3-91 ~ 95
Wheels Check for excessive wear and tire pressure. Check for loose
spokes and have no excessive play. P.3-111 ~ 113
Steering Check that the handlebar can be turned smoothly and have no
excessive play. P.3-113 ~ 117
Front forks and rear shock
absorber Check that they operate smoothly and there is no oil leakage. P.3-97 ~ 109
Cables (wires)
Check that the clutch and throttle cables move smoothly. Check
that they are not caught when the handlebars are turned or when
the front forks travel up and down.
Exhaust pipe Check that the exhaust pipe is tightly mounted and has no
cracks. P.3-27 ~ 31
Rear wheel sprocket Check that the rear wheel sprocket tightening bolt is not loose. P.3-89
Lubrication Check for smooth operation. Lubricate if necessary. P.3-119
Bolts and nuts Check the chassis and engine for loose bolts and nuts. P.1-59
Lead connectors Check that the AC magneto, CDI unit, and ignition coil are
connected tightly. P.1-9
Settings
Is the machine set suitably for the condition of the course and
weather or by taking into account the results of test runs before
riding? Are inspection and maintenance completely done?
P.4-1 ~ 40
3 - 17
INSP
ADJ
CONTROLE ET ENTRETIEN AVANT UTILISATION
Avant dentamer le rodage de la moto ou un entraînement, sassurer que la moto est en bon état de marche.
Avant dutiliser cette moto, contrôler les points suivants.
CONTROLE GENERAL ET ENTRETIEN
Elément Travail Page
Liquide de refroidissement
Contrôler que le niveau du liquide de refroidissement atteint le
bouchon du radiateur.
Contrôler que le circuit de refroidissement ne présente aucune fuite.
P. 3-35 à 41
Carburant Faire le plein du réservoir de carburant à laide dessence fraîche.
Contrôler que la canalisation de carburant ne présente aucune fuite. P. 1-49
Huile moteur Contrôler que le niveau dhuile est correct. Contrôler que le carter
moteur et la canalisation dhuile du cadre ne présentent pas de fuites. P. 3-51 à 59
Sélecteur et embrayage Contrôler que les vitesses passent correctement et dans lordre et que
lembrayage fonctionne en douceur. P. 3-41 à 43
Poignée de gaz/logement Contrôler que la poignée des gaz fonctionne bien et que son jeu est
correct. Si nécessaire, lubrifier la poignée des gaz et son logement. P. 3-43 à 45
Freins Contrôler le jeu du frein avant et lefficacité des freins avant et arrière. P. 3-77 à 89
Chaîne de transmission Contrôler la tension et lalignement de la chaîne. Contrôler que la
chaîne est correctement lubrifiée. P. 3-91 à 95
Roues Contrôler lusure et la pression de gonflage des pneus. Contrôler que
les rayons sont bien tendus et ne présentent pas de jeu excessif. P. 3-111 à 113
Direction Contrôler que le mouvement du guidon seffectue en douceur et ne
présente pas de jeu excessif. P. 3-113 à 117
Fourche avant et amortisseur
arrière
Contrôler quils fonctionnent en douceur et ne présentent pas de fuite
dhuile. P. 3-97 à 109
Câbles et fils
Contrôler que les câbles dembrayage et des gaz coulissent librement.
Contrôler quils ne sont pas coincés par la rotation du guidon ou les
déplacements verticaux de la fourche.
Tube d’échappement Contrôler que le tube d’échappement est bien fixé et ne présente pas de
fissures. P.3-28 à 31
Couronne arrière Contrôler que le boulon de fixation de la couronne arrière nest pas
desserré.P. 3-119
Lubrification Contrôler le bon fonctionnement. Lubrifier si nécessaire. P. 3-105
Boulons et écrous Contrôler le serrage des boulons et écrous du châssis et du moteur. P. 1-60
Connecteurs Contrôler que lalternateur à rotor à aimantation permanente, le boîtier
CDI et la bobine dallumage sont bien connectés. P. 1-9
Réglages
La moto est-elle correctement réglée pour la course et les conditions
atmosphériques, ou en fonction des résultats des épreuves de test
précédant la conduite ? Le contrôle et lentretien ont-ils été entièrement
effectués ?
P. 4-1 à 42
CONTROLE ET ENTRETIEN AVANT UTILISATION
3 - 18
INSP
ADJ
ROUTINEKONTROLLE VOR FAHRTBEGINN
Ob zum Einfahren oder zur Übung, es muss immer sichergestellt werden, dass die Maschine in gutem Fahrzustand ist.
Vor dem ersten Einsatz folgende Punkte kontrollieren.
ALLGEMEINE KONTROLL- UND WARTUNGSARBEITEN
Bezeichnung Ausführung Seite
Kühlflüssigkeit
Sicherstellen, dass die Kühlflüssigkeit bis zum Kühlerdeckel
reicht.
Das Kühlsystem auf Undichtigkeit prüfen.
S.3-3642
Kraftstoff Sicherstellen, dass der Tank mit frischem Kraftstoff befüllt ist Die
Kraftstoffleitung auf Undichtigkeit prüfen. S.1-50
MotorölDen Ölstand kontrollieren. Kurbelgehäuse und Rahmen auf
Öllecks kontrollieren. S.3-5260
Schaltung und Kupplung Kontrollieren, ob die Gänge sich einwandfrei einlegen lassen
und die Kupplung rucklos funktioniert. S.3-4244
Gasdrehgriff und -gehäuse Die Funktion des Gasdrehgriffs und das Gaszugspiel
kontrollieren. Gasdrehgriff und -gehäuse ggf. schmieren. S.3-4446
Bremsen Handbremshebel-Spiel sowie Funktion der Vorder- und
Hinterrad-Bremsen kontrollieren. S.3-7890
Antriebskette Antriebsketten-Durchhang und -Ausrichtung kontrollieren.
Sicherstellen, dass die Antriebskette gründlich geschmiert ist. S.3-9296
Räder Reifenluftdruck und auf starken Verschleiß kontrollieren. Auf
lose Speichen und übermäßiges Spiel kontrollieren. S.3-112114
Lenkung Sicherstellen, dass der Lenker sich stockungsfrei bewegen lässt,
jedoch kein Spiel aufweist. S.3-114118
Teleskopgabel und
Federbein Auf Funktionsstörungen und Ölaustritt kontrollieren. S.3-98110
Seilzüge
Sicherstellen, dass die Gas- und Kupplungszüge stockungsfrei
arbeiten. Sicherstellen, dass die Seilzüge durch Schwenken des
Lenkers und Einfedern der Gabel nicht behindert werden.
Auspuffkrümmer Sicherstellen, dass der Auspuffkrümmer fest montiert ist und
keine Risse aufweist. S.3-2832
Kettenrad Sicherstellen, dass die Kettenrad-Schraube festgezogen ist. S.3-90
Schmierung Einwandfreie Funktion sicherstellen. Gegebenenfalls schmieren. S.3-120
Schraubverbindungen Fahrgestell und Motor auf lockere Schraubverbindungen
kontrollieren. S.1-61
Kabelanschlüsse Sicherstellen, dass Lichtmaschine, Zündbox, und Zündspule fest
angeschlossen sind. S.1-10
Einstellungen
Entsprechen die Einstellungen den Fahrbahn- und
Wetterbedingungen sowie den Ergebnissen der Testfahrten?
Sind sämtliche Kontroll- und Wartungsarbeiten abgeschlossen?
S.4-244
ROUTINEKONTROLLE VOR FAHRTBEGINN
3 - 19
INSP
ADJ
CONTROLLI E MANUTENZIONE DA COMPIERE PRIMA DELLA MESSA IN
FUNZIONE
Prima di procedere al rodaggio o alla marcia normale, accertarsi che il mezzo sia in buone condizioni di funzionamento.
Prima dellutilizzo, controllare i seguenti punti.
CONTROLLI E MANUTENZIONE GENERALI
Elemento Regolarmente Pagina
Refrigerante
Controllare che il livello del refrigerante raggiunga il coperchio del
radiatore.
Controllare la presenza di eventuali perdite nel sistema di
raffreddamento.
P. 3-36 ~ 42
Carburante
Controllare che il serbatoio del carburante sia riempito di benzina
nuova. Controllare leventuale presenza di perdite nel circuito del
carburante.
P. 1-50
Olio motore Controllare che il livello dellolio sia corretto. Controllare leventuale
presenza di perdite nel circuito dellolio sul carter e sul telaio. P. 3-52 ~ 60
Cambio delle marce e frizione Controllare che le marce si cambino nellordine corretto e che la
frizione si muova in modo uniforme. P. 3-42 ~ 44
Manopola acceleratore/
Alloggiamento
Controllare che il funzionamento della manopola dellacceleratore e
che il gioco siano regolati correttamente. Lubrificare la manopola
dellacceleratore e il relativo alloggiamento, se necessario.
P. 3-44 ~ 46
Freni Controllare il gioco del freno anteriore e leffetto frenante di entrambi i
freni. P. 3-78 ~ 90
Catena di trasmissione Controllare la parte lenta e lallineamento della catena di trasmissione.
Controllare che al catena di trasmissione sia correttamente lubrificata. P. 3-92 ~ 96
Ruote
Controllare leventuale presenza di usura e pressione dei pneumatici
eccessive. Controllare leventuale presenza di raggi allentati e regolare
il gioco eccessivo.
P. 3-112 ~ 114
Sterzo Controllare che il manubrio ruoti uniformemente senza gioco
eccessivo. P. 3-114 ~ 118
Forcelle anteriori e
ammortizzatori posteriori
Controllare che funzionino uniformemente e che non si verifichino
perdite di olio. P. 3-98 ~ 110
Cavi (cablaggio)
Controllare che i cavi della frizione e dellacceleratore si muovano in
modo uniforme. Controllare che non rimangano incastrati quando si
ruota il manubrio e quando le forcelle anteriori oscillano verticalmente.
Tubo di scarico Controllare che il tubo di scarico sia ben fissato e che non presenti
incrinature. P. 3-29 ~ 32
Corona della ruota posteriore Controllare che la corona della ruota posteriore sia ben serrata. P. 3-90
Lubrificazione Controllare il funzionamento uniforme. Lubrificare se necessario. P. 3-120
Bulloni e dadi Controllare leventuale presenza di bulloni e dadi allentati sulla parte
ciclistica e sul motore. P. 1-62
Connettori dei cavi Controllare che il magnete AC, lunità CDI e la bobina di accensione
siano fermamente collegati. P. 1-10
Impostazioni
Il mezzo è correttamente impostato in base alle condizioni
atmosferiche e del tracciato o in base ai risultati delle prove prima
dellutilizzo? Si sono effettuati tutti i controlli e la manutenzione
completa?
P. 4-2 ~ 46
CONTROLLI E MANUTENZIONE DA COMPIERE PRIMA DELLA MESSA IN
FUNZIONE
3 - 20
INSP
ADJ
REVISIÓN PREVIA Y MANTENIMIENTO
Antes de proceder al rodaje o a prácticas, verifique que la máquina se encuentre en buen estado de funcionamiento.
Antes de utilizar esta máquina compruebe los puntos siguientes.
REVISIÓN Y MANTENIMIENTO GENERALES
Elemento Rutina Página
Refrigerante
Compruebe que el radiador esté lleno de refrigerante hasta el
tapón.
Verifique si existen fugas en el sistema de refrigeración.
P.3-36 ~ 42
Combustible
Compruebe que el depósito de combustible se llene con
gasolina nueva. Compruebe si existen fugas en la línea de
combustible.
P.1-50
Aceite del motor Compruebe que el nivel de aceite sea correcto. Compruebe si
existen fugas en los conductos de aceite del cárter y el bastidor. P.3-52 ~ 60
Cambio de marchas y
embrague
Compruebe que las marchas se puedan cambiar correctamente
por orden y que el embrague funcione con suavidad. P.3-42 ~ 44
Puño del acelerador/
cubierta
Compruebe el funcionamiento del puño del acelerador y que la
holgura sea correcta. Lubrique el puño del acelerador y la
cubierta si es preciso.
P.3-44 ~ 46
Frenos Compruebe la holgura del freno delantero y la eficacia de los
frenos delantero y trasero. P.3-78 ~ 90
Cadena de transmisión
Compruebe la holgura y la alineación de la cadena de
transmisión. Compruebe que la cadena de transmisión esté
correctamente lubricada.
P.3-92 ~ 96
Ruedas
Compruebe el desgaste excesivo y la presión de los
neumáticos. Compruebe si hay radios flojos y que la holgura no
sea excesiva.
P.3-112 ~ 114
DirecciónCompruebe que el manillar se pueda girar con suavidad y no
tenga un juego excesivo. P.3-114 ~ 118
Horquilla delantera y
amortiguador trasero
Compruebe que funcionen con suavidad y que no pierdan
aceite. P.3-98 ~ 110
Cables
Compruebe que los cables del embrague y del acelerador se
muevan con suavidad. Compruebe que no queden pellizcados
al girar el manillar o al desplazarse la horquilla delantera arriba y
abajo.
Tubo de escape Compruebe que el tubo de escape esté firmemente montado y
no presente grietas. P.3-30 ~ 32
Piñón de la rueda trasera Compruebe que el tornillo de sujeción del piñón de la rueda
trasera no esté flojo. P.3-90
Engrase Compruebe la suavidad de funcionamiento. Lubrique si es
preciso. P.3-120
Tornillos y tuercas Compruebe si hay tornillos y tuercas flojos en el chasis y el
motor. P.1-63
Conectores de cables Compruebe que la magneto CA, la unidad CDI y la bobina de
encendido estén bien conectadas. P.1-10
Puesta a punto
¿Está la máquina puesta a punto adecuadamente para las
condiciones de la carrera y meteorológicas o teniendo en cuenta
los resultados de las pruebas previas a la carrera? ¿Se han
realizado la revisión y el mantenimiento completos?
P.4-2 ~ 48
REVISIÓN PREVIA Y MANTENIMIENTO
INSP
ADJ
3 - 21
EC350000
ENGINE
SEAT, FUEL TANK AND SIDE COVERS
Extent of removal: 1 Seat removal 2 Fuel tank removal
3 Side covers removal 4 Headlight removal
Extent of removal Order Part name Qty Remarks
SEAT, FUEL TANK AND SIDE COVERS
REMOVAL
Preparation for removal Turn the fuel cock to OFF.
Disconnect the fuel hose.
1Seat 1
2 Air scoop (left and right) 2
3 Bolt (fuel tank) 2
4 Fuel tank 1
5 Left side cover 1 Open the air filter case cover.
6 Right side cover 1 Refer to REMOVAL POINTS.
7 Headlight coupler 1
8 Headlight 1
2
1 3
4
3
ENGINE
INSP
ADJ
3 - 22
MOTEUR
SELLE, RESERVOIR DE CARBURANT ET CACHES LATERAUX
Organisation de la dépose: 1 Dépose de la selle 2 Dépose du réservoir de carburant
3 Dépose des caches latéraux 4 Dépose du phare
Organisation de la dépose Ordre Nom de la pièce QtéRemarques
DEPOSE DE LA SELLE, DU RESERVOIR
DU CARBURANT ET DES CACHES
LATERAUX
Préparation à la dépose Placer le robinet de carburant en position
OFF.
Déconnecter la durit de carburant.
1 Selle 1
2Prise dair (gauche et droite) 2
3 Boulon (réservoir de carburant) 2
4Réservoir de carburant 1
5Cache latéral gauche 1 Ouvrir le couvercle du boîtier de filtre à air.
6Cache latéral droit 1 Se reporter à POINTS DE DEPOSE.
7 Fiche rapide du phare 1
8 Phare 1
2
1 3
4
3
MOTOR
SITZBANK, KRAFTSTOFFTANK UND SEITENABDECKUNGEN
Arbeitsumfang: 1 Sitzbank demontieren 2 Kraftstofftank demontieren
3 Seitenabdeckungen demontieren 4 Scheinwerfer demontieren
Arbeitsumfang
Reihenfolge
Bauteil Anz. Bemerkungen
SITZBANK, KRAFTSTOFFTANK UND
SEITENABDECKUNGEN DEMONTIE-
REN
Vorbereitungsarbeiten Den Kraftstoffhahn auf OFF stellen.
Den Kraftstoffschlauch lösen.
1 Sitzbank 1
2 Lufthutze (links und rechts) 2
3 Kraftstofftank-Schraube 2
4 Kraftstofftank 1
5 Seitenverkleidung links 1 Luftfiltergehäusedeckel öffnen.
6 Seitenverkleidung rechts 1 Siehe unter DEMONTAGE-EINZELHEITEN.
7 Scheinwerfer-Steckverbinder 1
8 Scheinwerfer 1
2
1 3
4
3
MOTEUR
MOTOR
3 - 23
INSP
ADJ
MOTORE
SELLA, SERBATOIO CARBURANTE E FIANCHETTI
Estensione della rimozione: 1 Rimozione della sella 2 Rimozione del serbatoio carburante
3 Rimozione dei fianchetti 4 Rimozione del faro
Estensione della rimozione Ordine Denominazione QuantitàOsservazioni
RIMOZIONE DI SELLA, SERBATOIO
CARBURANTE E FIANCHETTI
Preparazione per la rimozione Portare il rubinetto del carburante in posizione
OFF.
Scollegare il flessibile del carburante.
1 Sella 1
2Presa daria (sinistra e destra) 2
3 Bullone (serbatoio carburante) 2
4 Serbatoio del carburante 1
5 Fianchetto sinistro 1 Aprire il coperchio della scatola filtro aria.
6 Fianchetto destro 1 Fare riferimento a PUNTI DI RIMOZIONE.
7 Accoppiatore del faro 1
8 Faro 1
2
1 3
4
3
MOTORE
3 - 24
INSP
ADJ
MOTOR
SILLÍN, DEPÓSITO DE COMBUSTIBLE Y CUBIERTAS LATERALES
Extensión del desmontaje: 1 Desmontaje del sillín2 Desmontaje del depósito de combustible
3 Desmontaje de las cubiertas laterales 4 Desmontaje del faro
Extensión del desmontaje Orden Nombre de la pieza Ctd. Observaciones
DESMONTAJE DEL SILLÍN, EL
DEPÓSITO DE COMBUSTIBLE Y LAS
CUBIERTAS LATERALES
Preparación para el
desmontaje
Gire la llave de paso del combustible a la
posición OFF.
Desconecte el tubo de combustible.
1 Sillín1
2 Toma de aire dinámica
(izquierda y derecha)
2
3 Tornillo (depósito de combustible) 2
4Depósito de combustible 1
5 Cubierta lateral izquierda 1 Abra la tapa de la carcasa del filtro de aire.
6 Cubierta lateral derecha 1 Consulte el apartado PUNTOS DE
DESMONTAJE.
7 Acoplador del faro 1
8Faro 1
2
1 3
4
3
MOTOR
3 - 25
INSP
ADJ
REMOVAL POINTS
Side cover
1. Remove:
Bolt (side cover)
Right side cover 1
NOTE:
Draw the side cover backward to
remove it because its claw a is
inserted in the air filter case.
POINTS DE DEPOSE
Cache latéral
1. Déposer:
Boulon (cache latéral)
Cache latéral droit 1
N.B.:
Glisser le couvercle latéral en arrière
pour le déposer car ses pattes a sont
insérées dans le boîtier de filtre à air.
ENGINE
MOTEUR
INSP
ADJ
3 - 26
DEMONTAGE-EINZELHEITEN
Seitenabdeckung
1. Demontieren:
Seitenabdeckungs-Schraube
Seitenverkleidung rechts 1
HINWEIS:
Die Seitenabdeckung nach hinten
schieben, um deren Haltenase a
aus dem Luftfiltergehäuse zu lösen.
PUNTI DI RIMOZIONE
Fianchetto
1. Togliere:
Bullone (fianchetto)
Fianchetto destro 1
NOTA:
Spostare indietro il fianchetto per rimuo-
verlo, poiché la sua graffa a è inserita
nella scatola filtro aria.
PUNTOS DE DESMONTAJE
Cubierta lateral
1. Extraer:
Tornillo (cubierta lateral)
Cubierta lateral derecha 1
NOTA:
Desplace la cubierta lateral hacia
atrás para extraerla, pues su pinza
a está introducida en la carcasa del
filtro de aire.
MOTOR
MOTORE
MOTOR
INSP
ADJ
3 - 27
EC4S0000
EXHAUST PIPE AND SILENCER
Extent of removal: 1 Silencer removal 2 Exhaust pipe removal
Extent of removal Order Part name Qty Remarks
EXHAUST PIPE AND SILENCER
REMOVAL
Preparation for removal Right side cover Refer to SEAT, FUEL TANK AND SIDE COVERS
section.
1 Bolt (silencer clamp) 1 Only loosening.
2 Bolt [silencer (front)] 1
3 Bolt [silencer (rear)] 1
4 Collar 1
5 Silencer 1
6 Silencer clamp 1
7 Nut (exhaust pipe) 2
8 Exhaust pipe 1
9 Gasket 2
1
2
2
ENGINE
INSP
ADJ
3 - 28
TUBE DECHAPPEMENT ET SILENCIEUX
Organisation de la dépose: 1 Dépose du silencieux 2 Dépose du tube d’échappement
Organisation de la dépose Ordre Nom de la pièce QtéRemarques
DEPOSE DU TUBE DECHAPPEMENT
ET DU SILENCIEUX
Préparation à la dépose Cache latéral droit Se reporter à la section SELLE, RESERVOIR DE
CARBURANT ET CACHES LATERAUX.
1 Boulon (collier du silencieux) 1 Desserrer uniquement.
2 Boulon [silencieux (avant)] 1
3 Boulon [silencieux (arrière)] 1
4Entretoise épaulée1
5 Silencieux 1
6 Collier du silencieux 1
7 Ecrou (tube d’échappement) 2
8Tube d’échappement 1
9 Joint 2
1
2
2
AUSPUFFKRÜMMER UND SCHALLDÄMPFER
Arbeitsumfang: 1 Schalldämpfer demontieren 2 Auspuffkrümmer demontieren
Arbeitsumfang
Reihenfolge
Bauteil Anz. Bemerkungen
AUSPUFFKRÜMMER UND
SCHALLDÄMPFER DEMONTIEREN
Vorbereitungsarbeiten Seitenverkleidung rechts Siehe unter SITZBANK, KRAFTSTOFFTANK UND
SEITENABDECKUNGEN.
1 Schraube
(Schalldämpfer-Schlauchschelle)
1 Lediglich lockern.
2 Schalldämpfer-Schraube (vorn) 1
3 Schalldämpfer-Schraube (hinten) 1
4 Distanzhülse 1
5 Schalldämpfer 1
6 Schalldämpfer-Schlauchschelle 1
7 Auspuffkrümmer-Mutter 2
8 Auspuffkrümmer 1
9 Dichtung 2
1
2
2
MOTEUR
MOTOR
3 - 29
INSP
ADJ
TUBO DI SCARICO E SILENZIATORE
Estensione della rimozione: 1 Rimozione del silenziatore 2 Rimozione del tubo di scarico
Estensione della rimozione Ordine Denominazione QuantitàOsservazioni
RIMOZIONE DI TUBO DI SCARICO E
SILENZIATORE
Preparazione per la rimozione Fianchetto destro Fare riferimento al paragrafo SELLA, SERBATOIO
CARBURANTE E FIANCHETTI.
1 Bullone (morsetto silenziatore) 1 Allentare soltanto.
2 Bullone [silenziatore (anteriore)] 1
3 Bullone [silenziatore (posteriore)] 1
4 Collarino 1
5 Silenziatore 1
6 Morsetto silenziatore 1
7 Dado (tubo di scarico) 2
8 Tubo di scarico 1
9 Guarnizione 2
1
2
2
MOTORE
3 - 30
INSP
ADJ
TUBO DE ESCAPE Y SILENCIADOR
Extensión del desmontaje: 1 Desmontaje del silenciador 2 Desmontaje del tubo de escape
Extensión del desmontaje Orden Nombre de la pieza Ctd. Observaciones
DESMONTAJE DEL TUBO DE ESCAPE
Y EL SILENCIADOR
Preparación para el
desmontaje
Cubierta lateral derecha Consulte el apartado SILLÍN, DEPÓSITO DE
COMBUSTIBLE Y CUBIERTAS LATERALES.
1 Tornillo (brida del silenciador) 1 Sólo aflojar.
2 Tornillo [silenciador (delantero)] 1
3 Tornillo [silenciador (trasero)] 1
4 Casquillo 1
5 Silenciador 1
6 Brida del silenciador 1
7 Tuerca (tubo de escape) 2
8 Tubo de escape 1
9 Junta 2
1
2
2
MOTOR
3 - 31
INSP
ADJ
INSPECTION
Silencer and exhaust pipe
1. Inspect:
Gasket 1
Damage Replace.
1
ASSEMBLY AND INSTALLATION
Silencer and exhaust pipe
1. Install:
Gasket
Exhaust pipe 1
Nut (exhaust pipe) 2
NOTE:
First, temporarily install both nuts,
then tighten either of these nuts to
13 Nm (1.3 m kg, 9.4 ft lb) and the
other to 20 Nm (2.0 m kg, 14 ft lb)
and then come back to the first one
and retighten it to 20 Nm (2.0 m kg,
14 ft lb).
T
R
.
.
20 Nm (2.0 m · kg, 14 ft · lb)
New
2. Install:
Silencer clamp 1
Gasket 2
Silencer
Washer 4
Bolt (silencer) 5
T
R
.
.
16 Nm (1.6 m · kg, 11 ft · lb)
T
R
.
.
30 Nm (3.0 m · kg, 22 ft · lb)
New
CONTROLE
Silencieux et tube d’échappement
1. Contrôler:
Joint 1
Endommagement Remplacer.
ASSEMBLAGE ET MONTAGE
Silencieux et tube d’échappement
1. Poser:
Joint
Tube d’échappement 1
Ecrou (tube d’échappement) 2
N.B.:
Installer temporairement les deux
écrous, puis serrer lun de ces écrous à
13 Nm (1,3 m kg, 9,4 ft lb) et lautre
à 20 Nm (2,0 m kg, 14 ft lb), revenir
ensuite au premier et le resserrer à
20 Nm (2,0 m kg, 14 ft lb).
T
R
.
.
20 Nm (2,0 m · kg, 14 ft · lb)
New
2. Monter:
Collier du silencieux 1
Joint 2
Silencieux
Rondelle 4
Boulon (silencieux) 5
T
R
.
.
16 Nm (1,6 m · kg, 11 ft · lb)
T
R
.
.
30 Nm (3,0 m · kg, 22 ft · lb)
New
ENGINE
MOTEUR
INSP
ADJ
3 - 32
KONTROLLE
Schalldämpfer und
Auspuffkrümmer
1. Kontrollieren:
Dichtung 1
Beschädigt Erneuern.
ZUSAMMENBAU UND MONTAGE
Schalldämpfer und
Auspuffkrümmer
1. Montieren:
Dichtung
Auspuffkrümmer 1
Auspuffkrümmer-Mutter 2
HINWEIS:
Zuerst beide Muttern anbringen und
eine dieser Muttern mit 13 Nm
(1,3 m kg, 9,4 ft lb) anziehen,
dann die andere mit 20 Nm
(2,0 m kg, 14 ft lb) anziehen und
abschließend wieder die erste Mutter
mit 20 Nm (2,0 m kg, 14 ft lb)
nachziehen.
2. Montieren:
Schalldämpfer-Schlauch-
schelle 1
Dichtung 2
Schalldämpfer
Beilagscheibe 4
Schalldämpfer-Schraube 5
T
R
.
.
20 Nm (2,0 m · kg, 14 ft · lb)
T
R
.
.
16 Nm (1,6 m · kg, 11 ft · lb)
T
R
.
.
30 Nm (3,0 m · kg, 22 ft · lb)
New
New
CONTROLLO
Silenziatore e tubo di scarico
1. Controllare:
Guarnizione 1
Danno Sostituire.
MONTAGGIO E INSTALLAZIONE
Silenziatore e tubo di scarico
1. Installare:
Guarnizione
Tubo di scarico 1
Dado (tubo di scarico) 2
NOTA:
Innanzitutto, installare provvisoria-
mente entrambi i dadi, quindi serrare uno
dei dadi a 13 Nm (1,3 m kg, 9,4 ft lb)
e laltro a 20 Nm (2,0 m kg, 14 ft lb),
infine tornare al primo dado e serrarlo
nuovamente a 20 Nm (2,0 m kg,
14 ft lb).
T
R
.
.
20 Nm (2,0 m · kg, 14 ft · lb)
New
2. Installare:
Morsetto silenziatore 1
Guarnizione 2
Silenziatore
Rondella 4
Bullone (silenziatore) 5
T
R
.
.
16 Nm (1,6 m · kg, 11 ft · lb)
T
R
.
.
30 Nm (3,0 m · kg, 22 ft · lb)
New
COMPROBACIÓN
Silenciador y tubo de escape
1. Comprobar:
Junta 1
Dañada Cambiar.
MONTAJE E INSTALACIÓN
Silenciador y tubo de escape
1. Instalar:
Junta
Tubo de escape 1
Tuerca (tubo de escape) 2
NOTA:
En primer lugar, instale provisional-
mente ambas tuercas y luego apriete
cualquiera de ellas a 13 Nm
(1,3 m kg, 9,4 ft lb), apriete otra a
20 Nm (2,0 m kg, 14 ft lb) y luego
vuelva a la primera y apriétela de
nuevo a 20 Nm (2,0 m kg,
14 ft lb).
T
R
.
.
20 Nm (2,0 m · kg, 14 ft · lb)
New
2. Instalar:
Brida del silenciador 1
Junta 2
Silenciador
Arandela 4
Tornillo (silenciador) 5
T
R
.
.
16 Nm (1,6 m · kg, 11 ft · lb)
T
R
.
.
30 Nm (3,0 m · kg, 22 ft · lb)
New
MOTOR
MOTORE
MOTOR
3 - 33
INSP
ADJ
COOLANT LEVEL INSPECTION
WARNING
Do not remove the radiator cap 1,
drain bolt and hoses when the
engine and radiator are hot. Scald-
ing hot fluid and steam may be
blown out under pressure, which
could cause serious injury.
When the engine has cooled,
place a thick towel over the radia-
tor cap, slowly rotate the cap
counterclockwise to the detent.
This procedure allows any resid-
ual pressure to escape. When the
hissing sound has stopped, press
down on the cap while turning
counterclockwise and remove it.
CAUTION:
Hard water or salt water is harmful
to the engine parts. You may use
distilled water, if you cant get soft
water.
1. Place the machine on a level
place, and hold it in an upright
position.
2. Remove:
Radiator cap
3. Check:
Coolant level a
Coolant level low Add cool-
ant.
1Radiator
CONTROLE DU NIVEAU DU
LIQUIDE DE REFROIDISSEMENT
AVERTISSEMENT
Ne pas déposer le bouchon de radia-
teur 1, le boulon de vidange et les
durits quand le moteur et le radiateur
sont chauds. Du liquide chaud et de la
vapeur risquent de jaillir sous forte
pression et de provoquer des brûlures
graves.
Quand le moteur sest refroidi, placer
un chiffon épais sur le bouchon du
radiateur et tourner lentement ce der-
nier dans le sens inverse des aiguilles
dune montre jusquau point de
détente. Ceci permet à la pression rési-
duelle de s’échapper. Quand le siffle-
ment sarrête, appuyer sur le bouchon
tout en le faisant tourner dans le sens
inverse des aiguilles dune montre
puis lenlever.
ATTENTION:
Leau calcaire ou salée est nuisible
pour les pièces du moteur. En
labsence deau non calcaire, il est pos-
sible dutiliser de leau distillée.
1. Placer la moto sur un sol plan et la
maintenir à la verticale.
2. Déposer:
Bouchon de radiateur
3. Contrôler:
Niveau du liquide de refroidisse-
ment a
Niveau du liquide de refroidisse-
ment bas Ajouter du liquide de
refroidissement.
1Radiateur
ENGINE
MOTEUR
INSP
ADJ
3 - 34
KÜHLFLÜSSIGKEITSSTAND
KONTROLLIEREN
WARNUNG
Der Kühlerverschlussdeckel 1,
die Ablassschraube und die
Schläuche dürfen niemals bei hei-
ßem Motor abgenommen werden.
Austretender Dampf und heiße
Kühlflüssigkeit können ernsthafte
Verbrühungen verursachen.
Den Kühlerverschlussdeckel erst
nach Abkühlen des Motors öffnen.
Dazu einen dicken Lappen über
den Kühlerverschlussdeckel legen
und dann den Deckel langsam im
Gegenuhrzeigersinn bis zum
Anschlag drehen Dadurch kann
der restliche Druck entweichen.
Erst wenn kein Zischen mehr zu
vernehmen ist, den Verschluss-
dekkel eindrücken und im Gegen-
uhrzeigersinn abschrauben.
ACHTUNG:
Hartes Wasser oder Salzwasser
sind für den Motor schädlich. Ver-
wenden Sie destilliertes Wasser
wenn kein weiches Wasser vor-
handen ist.
1. Das Motorrad auf einem ebenen
Untergrund abstellen und in
gerader Stellung halten.
2. Demontieren:
Kühlerverschlussdeckel
3. Kontrollieren:
Kühlflüssigkeitsstand a
Niedrig Korrigieren.
1Kühler
CONTROLLO DEL LIVELLO DEL
REFRIGERANTE
AVVERTENZA
Non rimuovere il coperchio del radia-
tore 1, tappo di scarico e i flessibili
quando il motore e il radiatore sono
caldi. Si potrebbe verificare la fuoriu-
scita di liquido bollente e vapore sotto
pressione, con conseguenti gravi infor-
tuni.
Quando il motore si è raffreddato, col-
locare un asciugamano spesso sul
coperchio del radiatore e ruotare len-
tamente il coperchio in senso antiora-
rio fino al fermo. Questa procedura
consente la fuoriuscita della pressione
residua. Quando non si sente più il
sibilo caratteristico, rimuovere il
coperchio e premendo e svitando in
senso antiorario.
ATTENZIONE:
Lacqua dura o salata danneggia i
componenti del motore. Utilizzare
acqua distillata, in caso di impossibi-
lità di reperimento di acqua dolce.
1. Collocare il mezzo su una superficie
piana in posizione verticale.
2. Togliere:
Coperchio del radiatore
3. Controllare:
Livello refrigerante a
Livello refrigerante basso
Aggiungere refrigerante.
1Radiatore
COMPROBACIÓN DEL NIVEL DE
REFRIGERANTE
ADVERTENCIA
No quite el tapón del radiador 1,
el tornillo de vaciado y los tubos
cuando el motor y el radiador
estén calientes. Puede salir un
chorro a presión de líquido y
vapor calientes y provocar graves
lesiones.
Cuando el motor se haya enfriado,
coloque una toalla fina sobre el
tapón del radiador y gire lenta-
mente el tapón en el sentido con-
trario al de las agujas del reloj
hasta el tope. Con esta operación
se libera la presión residual.
Cuando deje de oírse el silbido,
presione el tapón hacia abajo
mientras lo gira en el sentido con-
trario al de las agujas del reloj y
luego extráigalo.
ATENCION:
El agua dura o el agua salada
resultan perjudiciales para los
componentes del motor. Puede
utilizar agua destilada si no dis-
pone de agua blanda.
1. Sitúe la máquina sobre una
superficie horizontal y mantén-
gala en posición vertical.
2. Extraer:
Tapón del radiador
3. Comprobar:
Nivel de refrigerante a
Nivel de refrigerante bajo
Añadir refrigerante.
1Radiador
MOTOR
MOTORE
MOTOR
3 - 35
INSP
ADJ
COOLANT REPLACEMENT
WARNING
Do not remove the radiator cap
when the engine is hot.
CAUTION:
Take care so that coolant does not
splash on painted surfaces. If it
splashes, wash it away with water.
1. Place a container under the
engine.
2. Remove:
Seat
Left side cover
3. Remove the catch tank hose
from the catch tank and drain the
tank of its coolant.
4. Remove:
Coolant drain bolt 1
5. Remove:
Radiator cap
Drain the coolant completely.
6. Clean:
Cooling system
Thoroughly flush the cooling
system with clean tap water.
7. Install:
Copper washer
Coolant drain bolt
T
R
.
.
10 Nm (1.0 m · kg, 7.2 ft · lb)
New
CHANGEMENT DU LIQUIDE DE
REFROIDISSEMENT
AVERTISSEMENT
Ne jamais enlever le bouchon de
radiateur quand le moteur est chaud.
ATTENTION:
Veiller à ne pas laisser échapper de
liquide de refroidissement sur les sur-
faces peintes. Si cela devait se pro-
duire, rincer à leau.
1. Placer un récipient sous le moteur.
2. Déposer:
Selle
Cache latéral gauche
3. Déposer la durit du réservoir de
récupération et vidanger le liquide
de refroidissement.
4. Déposer:
Boulon de vidange du liquide de
refroidissement 1
5. Déposer:
Bouchon du radiateur
Vidanger entièrement le liquide
de refroidissement.
6. Nettoyer:
Circuit de refroidissement
Rincer soigneusement le circuit
de refroidissement à leau claire.
7. Monter:
Rondelle en cuivre
Boulon de vidange du liquide de
refroidissement
T
R
.
.
10 Nm (1,0 m · kg, 7,2 ft · lb)
New
ENGINE
MOTEUR
INSP
ADJ
3 - 36
KÜHLFLÜSSIGKEIT WECHSELN
WARNUNG
Der Kühlerverschlussdeckel darf
niemals bei heißem Motor abge-
nommen werden.
ACHTUNG:
Keine Kühlflüssigkeit an lackierte
Flächen lassen. Spritzer sofort mit
Wasser abwaschen.
1. Ein Auffanggefäß unter den
Motor stellen.
2. Entfernen:
Sitzbank
Seitenverkleidung links
3. Den Auffangtank-Schlauch vom
Auffangtank trennen und die
Kühlflüssigkeit aus dem Tank
ablassen.
4. Demontieren:
Kühlflüssigkeits-Ablass-
schraube 1
5. Demontieren:
Kühlerverschlussdeckel
Die Kühlflüssigkeit vollständig
ablaufen lassen.
6. Reinigen:
Kühlsystem
Das Kühlsystem gründlich mit
sauberem Leitungswasser
spülen.
7. Montieren:
Kupferscheibe
Kühlflüssigkeits-Ablass-
schraube
T
R
.
.
10 Nm (1,0 m · kg, 7,2 ft · lb)
New
SOSTITUZIONE DEL
REFRIGERANTE
AVVERTENZA
Non togliere il coperchio del radiatore
a motore caldo.
ATTENZIONE:
Prestare attenzione a non rovesciare il
refrigerante su superfici verniciate. Se
si rovescia, lavarlo con acqua.
1. Collocare un recipiente sotto il
motore.
2. Togliere:
Sella
Fianchetto sinistro
3. Togliere il flessibile del serbatoio di
raccolta dal serbatoio di raccolta e
scaricare il refrigerante dal serba-
toio.
4. Togliere:
Bullone di scarico refrigerante 1
5. Togliere:
Coperchio del radiatore
Scaricare completamente il refri-
gerante.
6. Pulire:
Sistema di raffreddamento
Sciacquare accuratamente il
sistema di raffreddamento con
acqua del rubinetto pulita.
7. Installare:
Rondella di rame
Bullone di scarico refrigerante
T
R
.
.
10 Nm (1,0 m · kg, 7,2 ft · lb)
New
CAMBIO DEL REFRIGERANTE
ADVERTENCIA
No quite el tapón del radiador
cuando el motor esté caliente.
ATENCION:
Evite que se vierta refrigerante
sobre las superficies pintadas. Si
se vierte, lávelo con agua.
1. Coloque un recipiente debajo del
motor.
2. Extraer:
Sillín
Cubierta lateral izquierda
3. Retire el tubo del depósito de
recuperación y vacíe el refrige-
rante del depósito.
4. Extraer:
Tornillo de vaciado del refrige-
rante 1
5. Extraer:
Tapón del radiador
Vacíe completamente el refri-
gerante.
6. Limpiar:
Sistema de refrigeración
Lave a fondo el sistema de
refrigeración con agua del
grifo limpia.
7. Instalar:
Arandela de cobre
Tornillo de vaciado del refrige-
rante
T
R
.
.
10 Nm (1,0 m · kg, 7,2 ft · lb)
New
MOTOR
MOTORE
MOTOR
3 - 37
INSP
ADJ
8. Fill:
Radiator
Engine
To specified level.
CAUTION:
Do not mix more than one type
of ethylene glycol antifreeze
containing corrosion inhibitors
for aluminum engine.
Do not use water containing
impurities or oil.
9. Install:
Radiator cap
Start the engine and warm it
up for a several minutes.
10. Check:
Coolant level
Coolant level low Add cool-
ant.
Recommended coolant:
High quality ethylene
glycol anti-freeze con-
taining anti-corrosion
for aluminum engine
Coolant 1 and water
(soft water) 2 mixing
ratio:
50%/50%
Coolant capacity:
0.99 L
(0.87 Imp qt,
1.05 US qt)
Handling notes of coolant:
The coolant is harmful so it should
be handled with special care.
WARNING
When coolant splashes to
your eye.
Thoroughly wash your eye
with water and see your doc-
tor.
When coolant splashes to
your clothes.
Quickly wash it away with
water and then with soap.
When coolant is swallowed.
Quickly make him vomit and
take him to a doctor.
8. Remplir:
Radiateur
Moteur
Au niveau spécifié.
ATTENTION:
Ne pas mélanger différents types
dantigel à l’éthylène glycol conte-
nant un agent anticorrosion pour
moteurs en aluminium.
Ne pas utiliser de leau contenant
des impuretés ou de lhuile.
9. Monter:
Bouchon du radiateur
Mettre le moteur en marche et le
laisser chauffer pendant quelques
minutes.
10. Contrôler:
Niveau du liquide de refroidisse-
ment
Niveau du liquide de refroidisse-
ment bas Ajouter du liquide de
refroidissement.
Liquide de refroidissement
recommandé:
Antigel à l’éthylène gly-
col de haute qualité con-
tenant un agent anticor-
rosion pour moteurs en
aluminium
Rapport de mélange liquide
de refroidissement 1 et
eau (eau douce) 2:
50%/50%
Quantité de liquide de
refroidissement:
0,99 L
(0,87 Imp qt, 1,05 US qt)
Notes concernant la manipulation
du liquide de refroidissement:
Le liquide de refroidissement étant
dangereux, il doit être manipulé avec
une attention particulière.
AVERTISSEMENT
En cas de projection de liquide
de refroidissement dans les yeux:
rincer soigneusement les yeux à
leau et consulter un médecin.
En cas de projection de liquide
de refroidissement sur les vête-
ments:
rincer rapidement à leau claire
puis laver à leau savonneuse.
En cas dingestion de liquide de
refroidissement:
faire immédiatement vomir et
consulter un médecin dans les
plus brefs délais.
ENGINE
MOTEUR
INSP
ADJ
3 - 38
8. Befüllen:
Kühler
Motor
(bis zum vorgeschriebenen
Stand)
ACHTUNG:
Niemals verschiedene Sorten
Frostschutzmittel miteinander
vermischen.
Kein verunreinigtes oder ölhälti-
ges Wasser verwenden.
9. Montieren:
Kühlerverschlussdeckel
Den Motor anlassen und
einige Minuten lang betreiben.
10. Kontrollieren:
Kühlflüssigkeitsstand
Niedrig Korrigieren.
Empfohlene
Kühlflüssigkeit:
Hochwertiges Frost-
schutzmittel auf Äthy-
lenglykolbasis mit
Korrosionsschutz-
Additiv für Aluminium-
motoren
Mischverhältnis Wasser
2 und Frostschutzmittel
1:
50%/50%
Kühlmittel-Füllmenge:
0,99 L
(0,87 Imp qt,
1,05 US qt)
Hinweise zum Umgang mit
Kühlflüssigkeit:
Kühlflüssigkeit ist schädlich und
sollte deshalb mit besonderer
Vorsicht behandelt werden.
WARNUNG
Wenn Kühlflüssigkeit in die
Augen gelangt:
diese gründlich mit Wasser
ausspülen und einen Arzt
aufsuchen.
Wenn Kühlflüssigkeit auf die
Kleidung gelangt:
diese sofort mit Wasser, dann
mit Seife waschen.
Wenn Kühlflüssigkeit
geschluckt wurde:
die Person schnell zum
Erbrechen bringen und sofort
einen Arzt aufsuchen.
8. Riempire:
Radiatore
Motore
Fino al livello indicato.
ATTENZIONE:
Non mischiare tipi diversi di anti-
gelo glicole etilenico con inibitori di
corrosione per motori in alluminio.
Non utilizzare acqua contenente
impurità o olio.
9. Installare:
Coperchio del radiatore
Avviare il motore e farlo riscal-
dare per alcuni minuti.
10. Controllare:
Livello refrigerante
Livello refrigerante basso
Aggiungere refrigerante.
Refrigerante
raccomandato:
Antigelo glicole etilenico
di alta qualità con
anti-corrosivo per motori
in alluminio.
Rapporto refrigerante 1 e
acqua (acqua dolce) 2:
50%/50%
Capacità refrigerante:
0,99 L
(0,87 Imp qt, 1,05 US qt)
Osservazioni per il trattamento del
refrigerante:
Il refrigerante è nocivo quindi deve
essere maneggiato con particolare
cura.
AVVERTENZA
In caso di contatto con gli occhi.
Lavare accuratamente con acqua
e consultare il proprio medico.
In caso di contatto con gli abiti.
Lavare immediatamente con
acqua e quindi con detersivo.
In caso di ingestione.
Provocare immediatamente il
vomito e recarsi da un medico.
8. Llenar:
Radiador
Motor
Hasta el nivel especificado.
ATENCION:
No mezcle más de un tipo de
anticongelante al etileno glicol
con inhibidores de corrosión
para motores de aluminio.
No utilice agua que contenga
impurezas o aceite.
9. Instalar:
Tapón del radiador
Arranque el motor y déjelo
calentar unos minutos.
10. Comprobar:
Nivel de refrigerante
Nivel de refrigerante bajo
Añadir refrigerante.
Refrigerante
recomendado:
Anticongelante de alta
calidad al etileno glicol
con inhibidores de
corrosión para moto-
res de aluminio
Proporción de mezcla de
refrigerante 1 y agua
(agua blanda) 2:
50%/50%
Capacidad de refrige-
rante:
0,99 L
(0,87 Imp qt,
1,05 US qt)
Notas relativas a la
manipulación de refrigerante:
El refrigerante es tóxico, por lo
que debe manipularse con un cui-
dado especial.
ADVERTENCIA
En caso de salpicadura de
refrigerante a los ojos.
Lávese bien los ojos con
agua y acuda al médico.
En caso de salpicadura de
refrigerante en la ropa.
Lávela rápidamente con agua
y luego con jabón.
En caso de ingestión de refri-
gerante.
Provoque el vómito rápida-
mente y acuda al médico.
MOTOR
MOTORE
MOTOR
3 - 39
INSP
ADJ
EC355000
RADIATOR CAP INSPECTION
1. Inspect:
Seal (radiator cap) 1
Valve and valve seat 2
Crack/damage Replace.
Exist fur deposits 3 Clean
or replace.
RADIATOR CAP OPENING
PRESSURE INSPECTION
1. Attach:
Radiator cap tester 1 and
adapter 2
NOTE:
Apply water on the radiator cap seal.
3Radiator cap
2. Apply the specified pressure.
Radiator cap tester:
YU-24460-01/
90890-01325
Radiator cap tester
adapter:
YU-33984/90890-01352
Radiator cap opening
pressure:
110 kPa
(1.1 kg/cm2, 15.6 psi)
3. Inspect:
Pressure
Impossible to maintain the
specified pressure for 10 sec-
onds Replace.
CONTROLE DU BOUCHON DE
RADIATEUR
1. Contrôler:
Joint (bouchon de radiateur) 1
Soupape et siège de soupape 2
Craquelures/endommagement
Remplacer.
Dépôts de tartre 3 Nettoyer
ou remplacer.
CONTROLE DE LA PRESSION
DOUVERTURE DU BOUCHON DE
RADIATEUR
1. Fixer:
Testeur de bouchon de radiateur
1 et adaptateur 2
N.B.:
Mouiller le joint du bouchon de radiateur
à laide deau.
3Bouchon de radiateur
2. Appliquer la pression spécifiée.
Testeur de bouchon de
radiateur:
YU-24460-01/
90890-01325
Adaptateur du testeur de
bouchon de radiateur:
YU-33984/90890-01352
Pression douverture du
bouchon de radiateur:
110 kPa
(1,1 kg/cm2, 15,6 psi)
3. Contrôler:
Pression
Impossible de maintenir la pres-
sion spécifiée pendant 10 secon-
des Remplacer.
ENGINE
MOTEUR
INSP
ADJ
3 - 40
KÜHLERVERSCHLUSSDECKEL
KONTROLLIEREN
1. Kontrollieren:
Kühlerverschlussdeckel-Dich-
tung 1
Ventil und Ventilsitz 2
Rissig/beschädigt Erneu-
ern.
Kesselstein 3 Reinigen,
ggf. erneuern.
ÖFFNUNGSDRUCK DES
KÜHLERVERSCHLUSSDECKELS
KONTROLLIEREN
1. Anschließen:
Kühlerverschlussdeckel-Prüf-
gerät 1 und Adapter 2
HINWEIS:
Wasser auf die Dichtung des Kühler-
verschlussdeckels auftragen.
3Kühlerverschlussdeckel
2. Mit dem vorgeschriebenen
Druck beaufschlagen.
Kühlerverschlussdeckel
-Prüfgerät:
YU-24460-01/
90890-01325
Kühlerverschlussdeckel
-Adapter:
YU-33984/90890-01352
Öffnungsdruck des
Kühlerverschlussdeckels:
110 kPa
(1,1 kg/cm2, 15,6 psi)
3. Kontrollieren:
Druck
Druck hält nicht mindestens 10
Sekunden lang an Erneu-
ern.
CONTROLLO COPERCHIO DEL
RADIATORE
1. Controllare:
Guarnizione (coperchio del radia-
tore) 1
Valvola e relativa sede 2
Incrinatura/danni Sostituire.
Presenza di depositi 3 Pulire
o sostituire.
CONTROLLO PRESSIONE DI
APERTURA COPERCHIO
RADIATORE
1. Fissare:
Tester del coperchio radiatore 1
e adattatore 2
NOTA:
Inumidire la guarnizione del coperchio
radiatore.
3Coperchio radiatore
2. Applicare la pressione indicata.
Tester del coperchio
radiatore:
YU-24460-01/
90890-01325
Adattatore del tester del
coperchio radiatore:
YU-33984/90890-01352
Pressione di apertura
coperchio del radiatore:
110 kPa
(1,1 kg/cm2, 15,6 psi)
3. Controllare:
Pressione
Impossibile mantenere la pres-
sione indicata per 10 secondi
Sostituire.
COMPROBACIÓN DEL TAPÓN
DEL RADIADOR
1. Comprobar:
Junta (tapón del radiador) 1
Válvula y asiento de la válvula
2
Grietas/daños Cambiar.
Presencia de posos 3 Lim-
piar o cambiar.
COMPROBACIÓN DE LA
PRESIÓN DE APERTURA DEL
TAPÓN DEL RADIADOR
1. Acoplar:
Comprobador de tapón del
radiador 1 y adaptador 2
NOTA:
Aplique agua a la junta del tapón del
radiador.
3Tapón del radiador
2. Aplique la presión especificada.
Comprobador del tapón
del radiador:
YU-24460-01/
90890-01325
Adaptador del
comprobador del tapón
del radiador:
YU-33984/90890-01352
Presión de apertura del
tapón del radiador:
110 kPa
(1,1 kg/cm2, 15,6 psi)
3. Comprobar:
Presión
Imposible mantener la presión
especificada durante 10
segundos Cambiar.
MOTOR
MOTORE
MOTOR
3 - 41
INSP
ADJ
COOLING SYSTEM INSPECTION
1. Inspect:
Coolant level
2. Attach:
Radiator cap tester 1 and
adapter 2
3. Apply the specified pressure.
NOTE:
Do not apply pressure more than
specified pressure.
Radiator should be filled fully.
Radiator cap tester:
YU-24460-01/
90890-01325
Radiator cap tester
adapter:
YU-33984/90890-01352
Standard pressure:
180 kPa
(1.8 kg/cm2, 25.6 psi)
4. Inspect:
Pressure
Impossible to maintain the
specified pressure for 10 sec-
onds Repair.
Radiator 1
Radiator hose joint 2
Coolant leakage Repair or
replace.
Radiator hose 3
Swelling Replace.
CLUTCH ADJUSTMENT
1. Check:
Clutch lever free play a
Out of specification Adjust.
Clutch lever free play a:
8 ~ 13 mm
(0.31 ~ 0.51 in)
CONTROLE DU CIRCUIT DE
REFROIDISSEMENT
1. Contrôler:
Niveau du liquide de refroidisse-
ment
2. Fixer:
Testeur de bouchon de radiateur
1 et adaptateur 2
3. Appliquer la pression spécifiée.
N.B.:
Ne pas appliquer de pression supé-
rieure à la pression spécifiée.
Le radiateur doit être entièrement rem-
pli.
Testeur de bouchon de
radiateur:
YU-24460-01/
90890-01325
Adaptateur du testeur de
bouchon de radiateur:
YU-33984/90890-01352
Pression standard:
180 kPa
(1,8 kg/cm2, 25,6 psi)
4. Contrôler:
Pression
Impossible de maintenir la pres-
sion spécifiée pendant 10 secon-
des Réparer.
Radiateur 1
Raccords du tuyau de radiateur
2
Fuite de liquide de refroidisse-
ment Réparer ou remplacer.
Tuyau du radiateur 3
Gonflement Remplacer.
REGLAGE DE LEMBRAYAGE
1. Contrôler:
Jeu du levier dembrayage a
Hors spécifications Ajuster.
Jeu du levier dembrayage
a:
8 à 13 mm (0,31 à 0,51 in)
ENGINE
MOTEUR
INSP
ADJ
3 - 42
KÜHLSYSTEM KONTROLLIEREN
1. Kontrollieren:
Kühlflüssigkeitsstand
2. Anschließen:
Kühlerverschlussdeckel-Prüf-
gerät 1 und Adapter 2
3. Mit dem vorgeschriebenen
Druck beaufschlagen.
HINWEIS:
Den vorgeschriebenen Druck nicht
überschreiten.
Den Kühler bis zum Rand befüllen.
Kühlerverschlussdeckel
-Prüfgerät:
YU-24460-01/
90890-01325
Kühlerverschlussdeckel
-Adapter:
YU-33984/90890-01352
Standard-Druck:
180 kPa
(1,8 kg/cm2, 25,6 psi)
4. Kontrollieren:
Druck
Druck hält nicht mindestens 10
Sekunden lang an Instand
setzen.
Kühler 1
Kühler-Schlauchkupplung 2
Undicht Instand setzen, ggf.
erneuern.
Kühler-Schlauch 3
Aufgequollen Erneuern.
KUPPLUNG EINSTELLEN
1. Kontrollieren:
Kupplungshebel-Spiel a
Nicht nach Vorgabe Einstel-
len.
Kupplungshebel-Spiel
a
:
813 mm (0,310,51 in)
CONTROLLO SISTEMA DI
RAFFREDDAMENTO
1. Controllare:
Livello refrigerante
2. Fissare:
Tester del coperchio radiatore 1
e adattatore 2
3. Applicare la pressione indicata.
NOTA:
Non applicare una pressione superiore
a quella indicata.
Il radiatore deve essere completa-
mente pieno.
Tester del coperchio
radiatore:
YU-24460-01/
90890-01325
Adattatore del tester del
coperchio radiatore:
YU-33984/90890-01352
Pressione standard:
180 kPa
(1,8 kg/cm2, 25,6 psi)
4. Controllare:
Pressione
Impossibile mantenere la pres-
sione indicata per 10 secondi
Riparare.
Radiatore 1
Giunto flessibile radiatore 2
Perdita di refrigerante Ripa-
rare o sostituire.
Flessibile radiatore 3
Rigonfiamento Sostituire.
REGOLAZIONE FRIZIONE
1. Controllare:
Gioco leva della frizione a
Fuori specifica Regolare.
Gioco leva della frizione a:
8 ~ 13 mm (0,31 ~ 0,51 in)
REVISIÓN DEL SISTEMA DE
REFRIGERACIÓN
1. Comprobar:
Nivel de refrigerante
2. Acoplar:
Comprobador de tapón del
radiador 1 y adaptador 2
3. Aplique la presión especificada.
NOTA:
No aplique una presión mayor que
la especificada.
El radiador debe llenarse comple-
tamente.
Comprobador del tapón
del radiador:
YU-24460-01/
90890-01325
Adaptador del compro-
bador del tapón del
radiador:
YU-33984/90890-01352
Presión estándar:
180 kPa
(1,8 kg/cm2, 25,6 psi)
4. Comprobar:
Presión
Imposible mantener la presión
especificada durante 10
segundos Reparar.
Radiador 1
Unión del tubo del radiador 2
Fuga de refrigerante Repa-
rar o cambiar.
Tubo del radiador 3
Hinchado Cambiar.
AJUSTE DEL EMBRAGUE
1. Comprobar:
Holgura de la maneta de
embrague a
Fuera del valor especificado
Ajustar.
Holgura de la maneta de
embrague a:
8 ~ 13 mm
(0,31 ~ 0,51 in)
MOTOR
MOTORE
MOTOR
3 - 43
INSP
ADJ
2. Adjust:
Clutch lever free play
NOTE:
Make minute adjustment on the
lever side using the adjuster 2.
After adjustment, check proper
operation of clutch lever.
Clutch lever free play adjust-
ment steps:
Loosen the locknuts 1.
Adjust the free play by changing
their tightening position.
Tighten the locknuts.
T
R
.
.
Locknut:
7 Nm
(0.7 m kg, 5.1 ft lb)
THROTTLE CABLE ADJUSTMENT
1. Check:
Throttle grip free play a
Out of specification Adjust.
Throttle grip free play a:
3 ~ 5 mm
(0.12 ~ 0.20 in)
2. Adjust:
Throttle grip free play
Throttle grip free play adjust-
ment steps:
Slide the adjuster cover.
Loosen the locknut 1.
Turn the adjuster 2 until the
specified free play is obtained.
Tighten the locknut.
T
R
.
.
Locknut:
4 Nm
(0.4 m kg, 2.9 ft lb)
NOTE:
Before adjusting the throttle cable
free play, the engine idle speed
should be adjusted.
WARNING
After adjusting the throttle
cable free play, start the engine
and turn the handlebar to right
and left and make sure that the
engine idling does not run
faster.
1
2
2. Régler:
Jeu du levier dembrayage
N.B.:
Pour un réglage ponctuel, utiliser le
dispositif de réglage 2 du côté du
levier.
Après le réglage, contrôler le fonction-
nement du levier dembrayage.
Etapes du réglage du jeu du levier
dembrayage:
Desserrer les contre-écrous 1.
Régler le jeu en changeant leur
position de serrage.
Serrer les contre-écrous.
T
R
.
.
Contre-écrou:
7 Nm
(0,7 m kg, 5,1 ft lb)
REGLAGE DU CABLE DES GAZ
1. Contrôler:
Jeu de la poignée des gaz a
Hors spécifications Ajuster.
Jeu de la poignée des gaz a:
3 à 5 mm (0,12 à 0,20 in)
2. Régler:
Jeu de la poignée des gaz
Etapes du réglage du jeu de la poi-
gnée des gaz:
Glisser le cache du dispositif de
réglage.
Desserrer le contre-écrou 1.
Faire tourner le dispositif de réglage
2 jusqu’à obtention du jeu spécifié.
Serrer le contre-écrou.
T
R
.
.
Contre-écrou:
4 Nm
(0,4 m kg, 2,9 ft lb)
N.B.:
Avant de régler le jeu du câble des
gaz, régler le régime de ralenti du
moteur.
AVERTISSEMENT
Après avoir réglé le jeu du câble
des gaz, démarrer le moteur et
faire tourner le guidon vers la
droite et la gauche pour contrôler
que le régime de ralenti naug-
mente pas.
ENGINE
MOTEUR
INSP
ADJ
3 - 44
2. Einstellen:
Kupplungshebel-Spiel
HINWEIS:
Die Feineinstellung hebelseitig 2
vornehmen.
Nach der Einstellung sollte die
Funktion des Kupplungshebels
überprüft werden.
Arbeitsvorgang für das Kupp-
lungshebel-Spiel:
Die Muttern 1 lockern.
Das Spiel durch Verstellen der
Muttern einstellen.
Die Muttern festziehen.
T
R
.
.
Muttern:
7 Nm
(0,7 m kg, 5,1 ft lb)
GASZUG EINSTELLEN
1. Kontrollieren:
Gaszugspiel a am Gasdrehgriff
Nicht nach Vorgabe Einstellen.
2. Einstellen:
Gaszugspiel am Gasdrehgriff
Gaszugspiel a am
Gasdrehgriff:
35 mm (0,120,20 in)
Arbeitsvorgang für das Gas-
zugspiel am Gasdrehgriff:
Die Einsteller-Abdeckung ver-
schieben.
Die Sicherungsmutter 1 lokkern.
Die Einstellmutter 2 verdrehen,
bis das vorgeschriebene Spiel
erreicht ist.
Die Sicherungsmutter festziehen.
T
R
.
.
Muttern:
4 Nm
(0,4 m kg, 2,9 ft lb)
HINWEIS:
Vor dem Einstellen des Gaszug-
spiels sollte sichergestellt werden,
dass die Leerlaufdrehzahl richtig
eingestellt ist.
WARNUNG
Nach der Einstellung des Gas-
zugspiels sollte der Lenker bei
laufendem Motor beidseitig bis
zum Anschlag gedreht und
dabei sichergestellt werden,
dass die Leerlaufdrehzahl sich
nicht verändert.
2. Regolare:
Gioco della leva della frizione
NOTA:
Eseguire una regolazione minuziosa
sul lato della leva con il dispositivo di
regolazione 2.
Dopo la regolazione, controllare il
corretto funzionamento della leva del
cambio.
Operazioni per la regolazione del
gioco leva della frizione:
Allentare i controdadi 1.
Regolare il gioco modificando la
posizione di serraggio.
Serrare i controdadi.
T
R
.
.
Controdado:
7 Nm
(0,7 m kg, 5,1 ft lb)
REGOLAZIONE CAVO
ACCELERATORE
1. Controllare:
Gioco manopola acceleratore a
Fuori specifica Regolare.
2. Regolare:
Gioco manopola acceleratore
Gioco manopola
acceleratore a:
3 ~ 5 mm (0,12 ~ 0,20 in)
Operazioni per la regolazione del
gioco manopola acceleratore:
Far scorrere il coperchio del dispo-
sitivo di regolazione.
Allentare il controdado 1.
Ruotare il dispositivo di regolazione
2 fino ad ottenere il gioco indicato.
Serrare il controdado.
T
R
.
.
Controdado:
4 Nm
(0,4 m kg, 2,9 ft lb)
NOTA:
Prima di regolare il gioco del cavo
dellacceleratore, si deve regolare il
regime del minimo.
AVVERTENZA
Dopo aver regolato il gioco del cavo
dellacceleratore, avviare il motore
e ruotare la manopola in entrambe
le direzioni assicurandosi che il
motore mantenga il regime del
minimo senza accelerare.
2. Ajustar:
Holgura de la maneta de
embrague
NOTA:
Efectúe un ajuste fino del lado de
la maneta con el regulador 2.
Después de efectuar el ajuste,
compruebe que la maneta de
embrague funcione correctamente.
Procedimiento de ajuste de la
holgura de la maneta de
embrague:
Afloje las contratuercas 1.
Ajuste la holgura cambiando
sus posiciones de apriete.
Apriete las contratuercas.
T
R
.
.
Contratuerca:
7 Nm
(0,7 m kg, 5,1 ft lb)
AJUSTE DEL CABLE DEL
ACELERADOR
1. Comprobar:
Holgura del puño del acelera-
dor a
Fuera del valor especificado
Ajustar.
2. Ajustar:
Holgura del puño del acelerador
Holgura del puño del
acelerador a:
3 ~ 5 mm (0,12 ~ 0,20 in)
Procedimiento de ajuste de la
holgura del puño del acelerador:
Corra la tapa del regulador.
Afloje la contratuerca 1.
Gire el regulador 2 hasta obte-
ner la holgura especificada.
Apriete la contratuerca.
T
R
.
.
Contratuerca:
4 Nm
(0,4 m kg, 2,9 ft lb)
NOTA:
Antes de ajustar la holgura del
cable del acelerador se debe
ajustar el ralentí del motor.
ADVERTENCIA
Después de ajustar la holgura
del cable del acelerador, arran-
que el motor y gire el manillar a
la derecha y a la izquierda para
verificar que el ralentí no
aumenta.
MOTOR
MOTORE
MOTOR
3 - 45
INSP
ADJ
THROTTLE LUBRICATION
1. Remove:
Cover (throttle cable cap) 1
Cover (grip cap) 2
Throttle grip cap 3
2. Apply:
Lithium soap base grease
On the throttle cable end a.
3. Install:
Throttle grip cap
Screw (throttle grip cap)
Cover (grip cap)
Cover (throttle cable cap)
T
R
.
.
4 Nm (0.4 m · kg, 2.9 ft · lb)
HOT STARTER LEVER
ADJUSTMENT
1. Check:
Hot starter lever free play a
Out of specification Adjust.
2. Adjust:
Hot starter lever free play
NOTE:
After adjustment, check proper oper-
ation of hot starter.
Hot starter lever free
play a:
3 ~ 6 mm
(0.12 ~ 0.24 in)
Hot starter lever free play
adjustment steps:
Loosen the locknut 1.
Turn the adjuster 2 until free
play a is within the specified
limits.
Tighten the locknut.
T
R
.
.
Locknut:
4 Nm
(0.4 m kg, 2.9 ft lb)
GRAISSAGE DE
LACCELERATEUR
1. Déposer:
Couvercle (du logement de câble
des gaz) 1
Cache (capuchon de la poignée)
2
Capuchon de la poignée des gaz
3
2. Appliquer:
Graisse à savon de lithium
A lextrémité du câble des gaz a.
3. Monter:
Capuchon de la poignée des gaz
Vis
(capuchon de la poignée des gaz)
Cache (capuchon de la poignée)
Couvercle
(du logement de câble des gaz)
T
R
.
.
4 Nm (0,4 m · kg, 2,9 ft · lb)
REGLAGE DU LEVIER DE
DEMARRAGE A CHAUD
1. Contrôler:
Jeu du levier de démarrage à
chaud a
Hors spécifications Ajuster.
2. Régler:
Jeu du levier de démarrage à
chaud
N.B.:
Après le réglage, contrôler le fonctionne-
ment du levier de démarrage à chaud.
Jeu du levier de démarrage
à chaud a:
3 à 6 mm (0,12 à 0,24 in)
Etapes du réglage du jeu du levier
de démarrage à chaud:
Desserrer le contre-écrou 1.
Faire tourner le dispositif de
réglage 2 jusqu’à ce que le jeu a
se situe dans les limites spécifiées.
Serrer le contre-écrou.
T
R
.
.
Contre-écrou:
4 Nm
(0,4 m kg, 2,9 ft lb)
ENGINE
MOTEUR
INSP
ADJ
3 - 46
GASDREHGRIFF UND -ZUG
SCHMIEREN
1. Demontieren:
Schutzabdeckung
(Gaszug-Abdeckung) 1
Gaszuggehäuse-Abdeckung
2
Gaszuggehäuse 3
2. Auftragen:
Lithiumseifenfett
(auf das Gaszug-Ende a)
3. Montieren:
Gaszuggehäuse
Gaszuggehäuse-Schraube
Gaszuggehäuse-Abdeckung
Schutzabdeckung
(Gaszug-Abdeckung)
T
R
.
.
4 Nm (0,4 m · kg, 2,9 ft · lb)
WARMSTARTHEBEL
EINSTELLEN
1. Kontrollieren:
Warmstarthebel-Spiel a
Nicht nach Vorgabe Einstel-
len.
2. Einstellen:
Warmstarthebel-Spiel
HINWEIS:
Nach der Einstellung die Warmstart-
funktion kontrollieren.
Warmstarthebel-Spiel a:
36 mm (0,120,24 in)
Arbeitsvorgang für das Warm-
starthebel-Spiel:
Die Sicherungsmutter 1 lok-
kern.
Die Einstellmutter 2 verdrehen,
bis das vorgeschriebene Spiel
a erreicht ist.
Die Sicherungsmutter festzie-
hen.
T
R
.
.
Muttern:
4 Nm
(0,4 m kg, 2,9 ft lb)
LUBRIFICAZIONE
ACCELERATORE
1. Togliere:
Rivestimento (copertura cavo
acceleratore) 1
Rivestimento (copertura mano-
pola) 2
Copertura manopola acceleratore
3
2. Applicare:
Grasso a base di sapone di litio
Allestremità del cavo accelera-
tore a.
3. Installare:
Copertura manopola acceleratore
Vite (copertura manopola accele-
ratore)
Rivestimento
(copertura manopola)
Rivestimento
(copertura cavo acceleratore)
T
R
.
.
4 Nm (0,4 m · kg, 2,9 ft · lb)
REGOLAZIONE LEVA STARTER
PER PARTENZE A CALDO
1. Controllare:
Gioco leva starter per partenze a
caldo a
Non conforme alle specifiche
Regolare.
2. Regolare:
Gioco della leva starter per par-
tenze a caldo
NOTA:
Dopo la regolazione, controllare il cor-
retto funzionamento dello starter per par-
tenze a caldo.
Gioco leva starter per
partenze a caldo a:
3 ~ 6 mm (0,12 ~ 0,24 in)
Operazioni per la regolazione del
gioco della leva starter per par-
tenze a caldo:
Allentare il controdado 1.
Ruotare il dispositivo di regola-
zione 2 finché il gioco a rientri
nei limiti indicati.
Serrare il controdado.
T
R
.
.
Controdado:
4 Nm
(0,4 m kg, 2,9 ft lb)
ENGRASE DEL ACELERADOR
1. Extraer:
Cubierta (tapa del cable del
acelerador) 1
Cubierta (tapa del puño del
acelerador) 2
Tapa del puño del acelerador
3
2. Aplicar:
Grasa con jabón de litio
En el extremo del cable del
acelerador a.
3. Instalar:
Tapa del puño del acelerador
Tornillo (tapa del puño del
acelerador)
Cubierta
(tapa del puño del acelerador)
Cubierta
(tapa del cable del acelerador)
T
R
.
.
4 Nm (0,4 m · kg, 2,9 ft · lb)
AJUSTE DEL MANDO DE
ARRANQUE EN CALIENTE
1. Comprobar:
Holgura del mando de arran-
que en caliente a
Fuera del valor especificado
Ajustar.
2. Ajustar:
Holgura del mando de arran-
que en caliente
NOTA:
Después de efectuar el ajuste, com-
pruebe que el mando de arranque en
caliente funcione correctamente.
Holgura del mando de
arranque en caliente a:
3 ~ 6 mm
(0,12 ~ 0,24 in)
Procedimiento de ajuste de la
holgura del mando de arranque
en caliente:
Afloje la contratuerca 1.
Gire el regulador 2 hasta que
la holgura a se sitúe dentro de
los límites especificados.
Apriete la contratuerca.
T
R
.
.
Contratuerca:
4 Nm
(0,4 m kg, 2,9 ft lb)
MOTOR
MOTORE
MOTOR
3 - 47
INSP
ADJ
AIR FILTER CLEANING
NOTE:
Proper air filter maintenance is the
biggest key to preventing premature
engine wear and damage.
CAUTION:
Never run the engine without the
air filter element in place; this
would allow dirt and dust to enter
the engine and cause rapid wear
and possible engine damage.
1. Open the air filter case cover 1
NOTE:
Loosen the quick screw 2 and pull
on it to open the air filter case cover.
2. Unhook:
Binder 1
3. Remove:
Air filter element 1
Filter guide 2
4. Clean:
Air filter element
Clean them with solvent.
NOTE:
After cleaning, remove the remaining
solvent by squeezing the element.
CAUTION:
Do not twist the element when
squeezing the element.
Leaving too much of solvent in
the element may result in poor
starting.
NETTOYAGE DU FILTRE A AIR
N.B.:
Un bon entretien du filtre à air est la
meilleure façon d’éviter lusure et
lendommagement prématurés du
moteur.
ATTENTION:
Ne jamais faire tourner un moteur
lorsque l’élément du filtre à air nest
pas en place. Des crasses et des pous-
sières pourraient pénétrer dans le
moteur et provoquer son usure pré-
maturée et d’éventuels dommages.
1. Ouvrir le couvercle du boîtier de fil-
tre à air 1
N.B.:
Desserrer la vis rapide 2 et tirer dessus
pour ouvrir le couvercle du boîtier de fil-
tre à air.
2. Décrocher:
Fixation 1
3. Déposer:
Elément de filtre à air 1
Guide de filtre 2
4. Nettoyer:
Elément de filtre à air
Nettoyer à laide dun solvant.
N.B.:
Après nettoyage, éliminer lexcès de sol-
vant en pressant l’élément.
ATTENTION:
Ne pas tordre l’élément.
Un excès de solvant risque de provo-
quer des problèmes de démarrage.
ENGINE
MOTEUR
INSP
ADJ
3 - 48
LUFTFILTER REINIGEN
HINWEIS:
Sachgemäße Luftfilter-Wartung ist
ausschlaggebend im Schutz vor früh-
zeitigen Motorschäden und -ver-
schleiß.
ACHTUNG:
Der Motor darf unter keinen
Umständen mit ausgebautem Luft-
filter betrieben werden, da ungefil-
terte Ansaugluft zu erhöhtem
Verschleiß und Motorschäden füh-
ren kann.
1. Luftfiltergehäusedeckel öffnen
1
HINWEIS:
Die Schnellverschlussschraube 2
lockern und daran ziehen, um den
Luftfilter-Gehäusedeckel zu öffnen.
2. Aushaken:
Halterung 1
3. Demontieren:
Luftfiltereinsatz 1
Filterrahmen 2
4. Reinigen:
Luftfiltereinsatz
(in Lösungsmittel)
HINWEIS:
Anschließend überschüssiges
Lösungsmittel vorsichtig aus dem Fil-
tereinsatz ausdrücken.
ACHTUNG:
Darauf achten, dass der Filter-
einsatz beim Ausdrücken nicht
verdreht wird.
Ein Überschuss an Lösungsmit-
tel-Rückständen kann Startprob-
leme verursachen.
PULIZIA DEL FILTRO ARIA
NOTA:
Una corretta manutenzione del filtro aria
costituisce la migliore prevenzione con-
tro usura e danneggiamento precoci del
motore.
ATTENZIONE:
Non avviare mai il motore senza la
cartuccia del filtro aria, altrimenti la
sporcizia e la polvere che entrano nel
motore causerebbero una rapida
usura e possibili danneggiamenti.
1. Aprire il coperchio della scatola fil-
tro aria 1
NOTA:
Allentare la vite rapida 2 e tirarla per
aprire il coperchio della scatola filtro
aria.
2. Sganciare:
Laccio 1
3. Togliere:
Cartuccia del filtro dellaria 1
Guida del filtro 2
4. Pulire:
Cartuccia del filtro dellaria
Pulire la cartuccia con un sol-
vente.
NOTA:
Dopo la pulizia, togliere il solvente in
eccesso premendo la cartuccia.
ATTENZIONE:
Non strizzare la cartuccia.
Troppo solvente nella cartuccia può
rallentare lavviamento.
LIMPIEZA DEL FILTRO DE AIRE
NOTA:
El mantenimiento adecuado del filtro
de aire es un factor clave para preve-
nir el desgaste prematuro y el dete-
rioro del motor.
ATENCION:
No ponga nunca en marcha el
motor sin el elemento del filtro de
aire; de lo contrario penetrarán
suciedad y polvo en el motor que
provocarán un desgaste rápido y
posibles averías del mismo.
1. Abra la tapa de la carcasa del fil-
tro de aire 1
NOTA:
Afloje el tornillo 2 y extráigalo para
abrir la tapa de la carcasa del filtro
de aire.
2. Desenganchar:
Sujeción 1
3. Extraer:
Elemento del filtro de aire 1
Guía del filtro 2
4. Limpiar:
Elemento del filtro de aire
Límpielo con disolvente.
NOTA:
Después de limpiarlo, elimine los
restos de disolvente estrujando el
elemento.
ATENCION:
No tuerza el elemento al estru-
jarlo.
Un exceso de disolvente en el
elemento puede dificultar el
arranque.
MOTOR
MOTORE
MOTOR
3 - 49
INSP
ADJ
5. Inspect:
Air filter element
Damage Replace.
6. Apply:
Foam-air-filter oil or equivalent
oil to the element
NOTE:
Squeeze out the excess oil. Ele-
ment should be wet but not drip-
ping.
Wipe off the oil left on the element
surface using a clean dry cloth.
(Excess oil in the element may
adversely affect engine starting.)
7. Install:
Filter guide 1
NOTE:
Align the projection a on filter
guide with the hole b in air filter
element.
Apply the lithium soap base grease
on the matching surface c on air
filter element.
8. Install:
Air filter element 1
NOTE:
Align the projection a on filter guide
with the hole b in air filter case.
9. Hook:
Binder 1
NOTE:
Hook the binder 1 so that it contacts
the filter guide projections a.
5. Contrôler:
Elément de filtre à air
Endommagement Remplacer.
6. Appliquer:
Huile pour filtre à air mousse ou
huile équivalente sur l’élément
N.B.:
Comprimer pour éliminer lexcès
dhuile. L’élément doit être humide
mais sans excès.
A laide dun chiffon doux et sec,
essuyer lhuile résiduelle sur la surface
de l’élément. (Un excès dhuile dans
l’élément peut rendre le démarrage du
moteur plus difficile.)
7. Monter:
Guide du filtre 1
N.B.:
Aligner la saillie a du guide du filtre
et le trou b de l’élément de filtre à air.
Appliquer de la graisse à savon de
lithium sur la surface de contact c de
l’élément de filtre à air.
8. Monter:
Elément de filtre à air 1
N.B.:
Aligner la saillie a du guide du filtre et
le trou b du boîtier de filtre à air.
9. Accrocher:
Fixation 1
N.B.:
Accrocher la fixation 1 de manière
quelle soit en contact avec les saillies du
guide du filtre a.
ENGINE
MOTEUR
INSP
ADJ
3 - 50
5. Kontrollieren:
Luftfiltereinsatz
Beschädigt Erneuern.
6. Auftragen:
Hochwertiges Schaumfilteröl
o. Ä. (auf den Filtereinsatz)
HINWEIS:
•Überschüssiges Öl ausdrücken.
Der Filtereinsatz sollte lediglich
feucht, nicht triefend nass sein.
•Überschüssiges Öl mit einem sau-
beren trockenen Lappen vom Filte-
reinsatz abwischen. (Ein
Überschuss an Öl kann Startprob-
leme verursachen.)
7. Montieren:
Filterrahmen 1
HINWEIS:
Die Haltenase a am Filterrahmen
in die entsprechende Bohrung b
im Luftfiltereinsatz einsetzen.
Die Luftfilter-Passflächen c mit
Lithiumseifenfett bestreichen.
8. Montieren:
Luftfiltereinsatz 1
HINWEIS:
Die Haltenase a am Filterrahmen in
die entsprechende Bohrung b im
Luftfiltergehäuse einsetzen.
9. Einhaken:
Halterung 1
HINWEIS:
Die Halterung 1 so einhaken, dass
sie die Haltenasen a. am Filterrah-
men berühren.
5. Controllare:
Cartuccia del filtro dellaria
Danneggiamento Sostituire.
6. Applicare:
Olio schiuma filtro aria o un pro-
dotto equivalente
NOTA:
Premere la cartuccia per togliere lolio
in eccesso. La cartuccia deve essere
umida ma non troppo bagnata.
Eliminare lolio rimasto sulla superfi-
cie della cartuccia con un panno pulito
e asciutto. (Lolio in eccesso nellele-
mento compromette lavviamento del
motore.)
7. Installare:
Guida del filtro 1
NOTA:
Allineare la sporgenza a della guida
del filtro con il foro b della cartuccia
del filtro dellaria.
Applicare il grasso a base di sapone di
litio alla superficie di contatto c sulla
cartuccia del filtro dellaria.
8. Installare:
Cartuccia del filtro dellaria 1
NOTA:
Allineare la sporgenza a della guida del
filtro con il foro b della scatola filtro
aria.
9. Gancio:
Laccio 1
NOTA:
Agganciare il laccio 1 in modo che sia a
contatto con le sporgenze della guida del
filtro a.
5. Comprobar:
Elemento del filtro de aire
Dañado Cambiar.
6. Aplicar:
Aceite para filtros de aire de
espuma o un aceite equiva-
lente, al elemento
NOTA:
Estruje el elemento para eliminar
el exceso de aceite. El elemento
debe estar húmedo, pero sin
gotear.
Elimine el aceite que quede en la
superficie del elemento con un
paño limpio y seco. (Un exceso de
aceite en el elemento puede difi-
cultar el arranque).
7. Instalar:
Guía del filtro 1
NOTA:
Alinee la prolongación a de la
guía del filtro con el orificio b del
elemento.
Aplique grasa de jabón de litio a la
superficie de contacto c del ele-
mento del filtro de aire.
8. Instalar:
Elemento del filtro de aire 1
NOTA:
Alinee la prolongación a de la guía
del filtro con el orificio b de la car-
casa del filtro de aire.
9. Enganchar:
Sujeción 1
NOTA:
Enganche la sujeción 1 de forma
que toque las prolongaciones de la
guía del filtro a.
MOTOR
MOTORE
MOTOR
3 - 51
INSP
ADJ
ENGINE OIL LEVEL INSPECTION
1. Start the engine, warm it up for
several minutes, and then turn
off the engine and wait for five
minutes.
2. Place the machine on a level
place and hold it up on upright
position by placing the suitable
stand under the engine.
3. Inspect:
Oil level
Oil should be up to the full
level in the check window 1.
Level check window is not full.
Add 0.2 L (0.18 Imp qt, 0.21
US qt) of oil.
1
1
(For USA and CDN)
CAUTION:
Do not add any chemical addi-
tives. Engine oil also lubricates
the clutch and additives could
cause clutch slippage.
Do not allow foreign material to
enter the crankcase.
Recommended oil:
Yamalube 4,
SAE10W30 or
SAE 20W40
Yamalube 4-R,
SAE10W50
API service SG type or
higher, JASO standard
MA
-20 -10 0 10 20 30 40 50 ˚C
0 10 30 50 70 90 110 130 ˚F
YAMALUBE 4(10W-30) or SAE 10W-30
YAMALUBE 4(20W-40) or SAE 20W-40
YAMALUBE 4-R(10W-50) or SAE 10W-50
CONTROLE DU NIVEAU DHUILE
MOTEUR
1. Mettre le moteur en marche, le faire
chauffer pendant quelques minutes
puis le couper et attendre cinq
minutes.
2. Placer la moto sur un sol plan et la
maintenir à la verticale en plaçant
un support adéquat sous le moteur.
3. Contrôler:
Niveau dhuile
Le niveau dhuile doit correspon-
dre au niveau maximal du hublot
de contrôle 1.
Le niveau dhuile du hublot de
contrôle nest pas au maximum.
Ajouter 0,2 L (0,18 Imp qt,
0,21 US qt) dhuile.
(USA et CDN)
ATTENTION:
Ne pas ajouter dadditifs chimiques.
Lhuile moteur lubrifie également
lembrayage et les additifs pour-
raient provoquer un patinage de
lembrayage.
Veiller à empêcher toute pénétra-
tion de corps étrangers dans le car-
ter moteur.
Huile recommandée:
Yamalube 4, SAE10W30
ou SAE20W40
Yamalube 4-R,
SAE10W50
API Service de type SG
et au-delà/JASO MA
ENGINE
MOTEUR
INSP
ADJ
3 - 52
MOTORÖLSTAND
KONTROLLIEREN
1. Den Motor anlassen, einige
Minuten lang betreiben und
dann abstellen, anschließend
fünf Minuten lang warten.
2. Das Motorrad auf einem ebenen
Untergrund abstellen, am Motor
aufbocken und in gerader Stel-
lung halten.
3. Kontrollieren:
•Ölstand
Das Öl sollte bis zur Vollmar-
kierung im Schauglas 1 rei-
chen.
Ölstand im Schauglas ist nicht
voll. 0,2 L (0,18 Imp qt,
0,21 US qt) Öl hinzufügen.
(USA und CDN)
ACHTUNG:
Keine Additive beimischen! Da
das Motoröl auch zur Schmie-
rung der Kupplung dient, kön-
nen Zusätze zu Kupplungsrut-
schen führen.
Darauf achten, dass keine
Fremdkörper in das Kurbelge-
häuse gelangen.
Empfohlene Ölsorte:
Yamalube 4,
SAE10W30 oder
SAE20W40
Yamalube 4-R,
SAE10W50
API Service, Sorte SG
oder höher/JASO MA
CONTROLLO DEL LIVELLO
OLIO MOTORE
1. Avviare il motore, farlo riscaldare
per alcuni minuti, quindi spegnerlo
e attendere cinque minuti.
2. Collocare il mezzo su una superficie
piana in posizione verticale
ponendo un cavalletto adatto sotto il
motore.
3. Controllare:
Livello olio
Lolio deve risultare al massimo
livello dalla finestra di controllo
1.
La finestra di controllo livello
non è piena. Aggiungere 0,2 L
(0,18 Imp qt, 0,21 US qt) di olio.
(USA e CDN)
ATTENZIONE:
Non aggiungere alcun additivo chi-
mico. Lolio per motori è adatto
anche alla lubrificazione della fri-
zione. Gli additivi possono causare
una diminuzione dello scorrimento
della frizione.
Non fare entrare materiale estraneo
nel carter.
Olio raccomandato:
Yamalube 4, SAE10W30
o SAE 20W40
Yamalube 4-R,
SAE10W50
API service tipo SG o
superiore/JASO MA
COMPROBACIÓN DEL NIVEL DE
ACEITE DEL MOTOR
1. Arranque el motor, caliéntelo
durante algunos minutos y luego
párelo y espere cinco minutos.
2. Sitúe la máquina en una superfi-
cie horizontal y manténgala en
posición vertical colocando un
soporte adecuado debajo del
motor.
3. Comprobar:
Nivel de aceite
El aceite debería estar al
máximo nivel en la ventana de
comprobación 1.
La ventana de comprobación
del nivel no está llena.
Añada 0,2 L (0,18 Imp qt,
0,21 US qt) de aceite.
(USA y CDN)
ATENCION:
No añada aditivos químicos. El
aceite del motor lubrica tam-
bién el embrague y el uso de
aditivos puede provocar que el
embrague patine.
Evite que penetren materias
extrañas en el cárter.
Aceite recomendado:
Yamalube 4,
SAE10W30 o
SAE 20W40
Yamalube 4-R,
SAE10W50
Servicio API tipo SG o
superior/JASO MA
MOTOR
MOTORE
MOTOR
3 - 53
INSP
ADJ
(Except for USA and CDN)
CAUTION:
Do not add any chemical addi-
tives or use oils with a grade of
CD a or higher.
Do not use oils labeled
ENERGY CONSERVING II b
or higher. Engine oil also lubri-
cates the clutch and additives
could cause clutch slippage.
Do not allow foreign materials to
enter the crankcase.
4. Install:
Oil tank cap
5. Start the engine and let it warm
up for several minutes.
6. Turn off the engine and inspect
the oil level once again.
NOTE:
Wait a few minutes until the oil set-
tles before inspecting the oil level.
Recommended oil:
SAE10W30,
SAE10W40,
SAE15W40,
SAE20W40 or
SAE20W50
API service SG type or
higher, JASO standard
MA
-20 -10 0 10 20 30 40 50 ˚C
SAE 10W-30
SAE 10W-40
SAE 15W-40
SAE 20W-40
SAE 20W-50
a
b
ENGINE OIL REPLACEMENT
1. Start the engine and warm it up
for several minutes, and then
turn off the engine and wait for
five minute.
2. Place the machine on a level
place and hold it on upright posi-
tion by placing the suitable stand
under the engine.
3. Place a suitable container under
the engine.
(sauf USA et CDN)
ATTENTION:
Ne pas ajouter dadditifs chimiques
ni utiliser dhuiles de qualité CD a
ou supérieure.
Ne pas utiliser dhuiles portant lin-
dication ENERGY CONSERVING
II b ou supérieure. Lhuile mo-
teur lubrifie également lembraya-
ge et les additifs pourraient
provoquer un patinage de lem-
brayage.
Veiller à empêcher toute pénétra-
tion de corps étrangers dans le car-
ter moteur.
4. Monter:
Bouchon du réservoir dhuile
5. Mettre le moteur en marche et le
laisser chauffer pendant quelques
minutes.
6. Couper le moteur et vérifier à nou-
veau le niveau dhuile.
N.B.:
Attendre quelques minutes que lhuile se
stabilise avant den contrôler le niveau.
Huile recommandée:
SAE10W30, SAE10W40,
SAE15W40, SAE20W40
ou SAE20W50
API Service de type SG
et au-delà/JASO MA
CHANGEMENT DE LHUILE
MOTEUR
1. Mettre le moteur en marche, le faire
chauffer pendant quelques minutes
puis le couper et attendre cinq
minutes.
2. Placer la moto sur un sol plan et la
maintenir à la verticale en plaçant
un support adéquat sous le moteur.
3. Déposer un récipient adéquat sous
le moteur.
ENGINE
MOTEUR
INSP
ADJ
3 - 54
(Nicht USA und CDN)
ACHTUNG:
Keine Additive beimischen oder
Öle mit einer Dieselspezifika-
tion “…/CD a oder höherwertig
verwenden.
Keine Öle der Klasse ENERGY
CONSERVING II b oder höher-
wertig verwenden. Da das
Motoröl auch zur Schmierung
der Kupplung dient, können
Zusätze zu Kupplungsrutschen
führen.
Darauf achten, dass keine
Fremdkörper in das Kurbelge-
häuse gelangen.
4. Montieren:
•Öltankverschluss
5. Den Motor anlassen und einige
Minuten lang betreiben.
6. Den Motor abstellen und den
Ölstand erneut kontrollieren.
HINWEIS:
Vor der Ölstandkontrolle einige Minu-
ten warten, damit sich das Öl setzen
kann.
Empfohlene Ölsorte:
SAE10W30,
SAE10W40,
SAE15W40,
SAE20W40 oder
SAE20W50
API Service, Sorte SG
oder höher/JASO MA
MOTORÖL WECHSELN
1. Den Motor anlassen, einige
Minuten lang betreiben und
dann abstellen; anschließend
fünf Minuten lang warten.
2. Das Motorrad auf einem ebenen
Untergrund abstellen, am Motor
aufbocken und in gerader Stel-
lung halten.
3. Ein Auffanggefäß unter den
Motor stellen.
(Eccetto USA e CDN)
ATTENZIONE:
Non aggiungere additivi chimici o
utilizzare tipi di olio con un CD a o
superiore.
Non utilizzare tipi di olio con leti-
chetta ENERGY CONSERVING
II b o superiore. Lolio per motori
è adatto anche alla lubrificazione
della frizione. Gli additivi possono
causare una diminuzione dello scor-
rimento della frizione.
Non fare entrare materiale estraneo
nel carter.
4. Installare:
Tappo serbatoio olio
5. Avviare il motore e farlo riscaldare
per alcuni minuti.
6. Spegnere il motore e controllare
nuovamente il livello dellolio.
NOTA:
Attendere pochi minuti finché lolio non
si deposita prima di controllarne il
livello.
Olio raccomandato:
SAE10W30, SAE10W40,
SAE15W40, SAE20W40
o SAE20W50
API service tipo SG o
superiore/JASO MA
SOSTITUZIONE DELLOLIO
MOTORE
1. Avviare il motore, farlo riscaldare
per alcuni minuti, quindi spegnerlo
e attendere cinque minuti.
2. Collocare il mezzo su una superficie
piana in posizione verticale
ponendo un cavalletto adatto sotto il
motore.
3. Collocare un recipiente adatto sotto
il motore.
(excepto USA y CDN)
ATENCION:
No añada ningún aditivo quí-
mico ni utilice aceites con un
grado CD a o superior.
No utilice aceites con la etiqueta
ENERGY CONSERVING II b o
superior. El aceite del motor
lubrica también el embrague y el
uso de aditivos puede provocar
que el embrague patine.
Evite que penetren materias
extrañas en el cárter.
4. Instalar:
Tapón del depósito de aceite
5. Arranque el motor y déjelo
calentar unos minutos.
6. Pare el motor y vuelva a com-
probar el nivel de aceite.
NOTA:
Espere unos minutos hasta que el
aceite se asiente antes de compro-
bar el nivel.
Aceite recomendado:
SAE10W30,
SAE10W40,
SAE15W40,
SAE20W40 o
SAE20W50
Servicio API tipo SG o
superior/JASO MA
CAMBIO DE ACEITE DEL MOTOR
1. Arranque el motor, caliéntelo
durante algunos minutos y luego
párelo y espere cinco minutos.
2. Sitúe la máquina en una superfi-
cie horizontal y manténgala en
posición vertical colocando un
soporte adecuado debajo del
motor.
3. Coloque un recipiente apropiado
debajo del motor.
MOTOR
MOTORE
MOTOR
3 - 55
INSP
ADJ
4. Remove:
Engine guard 1
Bolt (oil tank) 2
Washer 3
Oil filler cap 4
Oil tank drain bolt 5
Crankcase oil drain bolt 6
Oil filter element drain bolt 7
Drain the crankcase and oil
tank of its oil.
6
5
5. Remove:
Oil hose clamp 1
Bolt (oil hose)
Oil hose 2
Oil strainer 3
6. Inspect:
Oil strainer
Clogged Blow.
7. If the oil filter is to be replaced
during this oil change, remove
the following parts and reinstall
them.
Replacement steps:
Remove the oil filter element
cover 1 and oil filter element
2.
Check the O-rings 3, if cracked
or damaged, replace them with
a new one.
Install the oil filter element and
oil filter element cover.
T
R
.
.
Oil filter element cover:
10 Nm
(1.0 m kg, 7.2 ft lb)
3
1
2
4. Déposer:
Protège-carter 1
Boulon (réservoir dhuile) 2
Rondelle 3
Capuchon de lorifice de remplis-
sage dhuile 4
Boulon de vidange du réservoir
dhuile 5
Boulon de vidange dhuile du
carter moteur 6
Boulon de vidange de l’élément
de filtre à huile 7
Vidanger le carter moteur et le
réservoir dhuile.
5. Déposer:
Collier de durit dhuile 1
Boulon (durit dhuile)
Durit dhuile 2
Crépine à huile 3
6. Contrôler:
Crépine à huile
Obstruée Souffler.
7. Si le filtre à huile doit être remplacé
à loccasion du changement dhuile,
déposer et remonter les pièces sui-
vantes.
Etapes de remplacement:
Déposer le couvercle d’élément de
filtre à huile 1 et l’élément de fil-
tre à huile 2.
Contrôler les joints toriques 3,
sils sont fissurés ou endommagés,
les remplacer par des neufs.
Monter l’élément de filtre à huile
et son couvercle.
T
R
.
.
Couvercle d’élément de
filtre à huile:
10 Nm
(1,0 m kg, 7,2 ft lb)
ENGINE
MOTEUR
INSP
ADJ
3 - 56
4. Demontieren:
Motorschutz 1
Schraube (Öltank) 2
Beilagscheibe 3
•Öleinfüllverschluss 4
•Öltank-Ablassschraube 5
•Ölablassschraube 6 am Kur-
belgehäuse
•Ölfilter-Ablassschraube 7
Das Öl aus dem Kurbelge-
häuse und Öltank ablassen.
5. Demontieren:
•Ölschlauchschelle 1
•Ölschlauch-Schraube
•Ölschlauch 2
•Ölsieb 3
6. Kontrollieren:
•Ölsieb
Verstopft Ausblasen.
7. Falls der Ölfilter beim Ölwechsel
zu erneuern ist, folgende Bau-
teile demontieren und anschlie-
ßend wieder montieren.
Ersatzvorgang:
Den Ölfilter-Gehäusedeckel 1
demontieren und den Ölfilter-
einsatz 2 herausnehmen.
Die O-Ringe 3 kontrollieren
und, falls rissig oder beschä-
digt, erneuern.
Den Ölfiltereinsatz und Ölfilter-
Gehäusedeckel montieren.
T
R
.
.
Ölfilter-Gehäusedeckel:
10 Nm
(1,0 m kg, 7,2 ft lb)
4. Togliere:
Riparo motore 1
Bullone (serbatoio olio) 2
Rondella 3
Tappo di rifornimento olio 4
Tappo di scarico serbatoio olio 5
Tappo di scarico olio carter 6
Tappo di scarico dellelemento
filtro olio 7
Scaricare lolio dal carter e dal
serbatoio olio.
5. Togliere:
Giunto flessibile olio 1
Bullone (flessibile olio)
Flessibile olio 2
Filtro olio 3
6. Controllare:
Filtro olio
Intasato Pulire.
7. Se il filtro dellolio va sostituito
durante il cambio dellolio, togliere
e reinstallare i seguenti componenti.
Operazioni per la sostituzione:
Rimuovere il coperchio dellele-
mento filtro olio 1 e lelemento
stesso 2.
Controllare le guarnizioni circolari
3 e sostituirle se presentano fes-
sure o danni.
Installare lelemento filtro olio e il
relativo coperchio.
T
R
.
.
Coperchio elemento filtro
olio:
10 Nm
(1,0 m kg, 7,2 ft lb)
4. Extraer:
Protección del motor 1
Tornillo (depósito de aceite) 2
Arandela 3
Tapón de llenado 4
Tornillo de vaciado del depó-
sito de aceite 5
Tornillo de vaciado de aceite
del cárter 6
Tornillo de vaciado del ele-
mento del filtro de aceite 7
Vacíe de aceite el cárter y el
depósito de aceite.
5. Extraer:
Abrazadera del tubo de aceite
1
Tornillo (tubo de aceite)
Tubo de aceite 2
Depurador de aceite 3
6. Comprobar:
Depurador de aceite
Obstruido Aplicar aire com-
primido.
7. Si debe cambiar el filtro de
aceite cuando cambie el aceite,
extraiga las piezas siguientes y
vuelva a instalarlas.
Procedimiento de cambio:
Retire la tapa del elemento del
filtro de aceite 1 y el propio
elemento 2.
Compruebe las juntas tóricas
3, si están agrietadas o daña-
das, cámbielas por unas nue-
vas.
Instale el elemento del filtro de
aceite y su tapa.
T
R
.
.
Tapa del elemento del
filtro de aceite:
10 Nm
(1,0 m kg, 7,2 ft lb)
MOTOR
MOTORE
MOTOR
3 - 57
INSP
ADJ
8. Install:
O-ring 1
Oil strainer 2
Oil hose
Bolt (oil hose)
Oil hose clamp
9. Install:
Copper washer
Oil filter element drain bolt
Crankcase oil drain bolt
Oil tank drain bolt
Engine guard
10. Fill:
Engine oil
11. Check:
Oil leakage
12. Install:
Oil filler cap
Washer (oil tank)
Bolt (oil tank)
13. Check:
Engine oil level
T
R
.
.
9 Nm (0.9 m · kg, 6.5 ft · lb)
T
R
.
.
8 Nm (0.8 m · kg, 5.8 ft · lb)
T
R
.
.
2 Nm (0.2 m · kg, 1.4 ft · lb)
T
R
.
.
10 Nm (1.0 m · kg, 7.2 ft · lb)
T
R
.
.
20 Nm (2.0 m · kg, 14 ft · lb)
T
R
.
.
18 Nm (1.8 m · kg, 13 ft · lb)
T
R
.
.
7 Nm (0.7 m · kg, 5.1 ft · lb)
Oil quantity:
Periodic oil change:
1.1 L
(0.97 Imp qt,
1.16 US qt)
With oil filter
replacement:
1.2 L
(1.06 Imp qt,
1.27 US qt)
Total amount:
1.4 L
(1.23 Imp qt,
1.48 US qt)
T
R
.
.
7 Nm (0.7 m · kg, 5.1 ft · lb)
1
2
New
New
8. Monter:
Joint torique 1
Crépine à huile 2
Durit dhuile
Boulon (durit dhuile)
Collier de durit dhuile
9. Monter:
Rondelle en cuivre
Boulon de vidange de l’élément
de filtre à huile
Boulon de vidange dhuile du
carter moteur
Boulon de vidange du réservoir
dhuile
Protège-carter
10. Remplir:
Huile moteur
11. Contrôler:
Fuites dhuile
12. Monter:
Capuchon de lorifice de remplis-
sage dhuile
Rondelle (réservoir dhuile)
Boulon (réservoir dhuile)
13. Contrôler:
Niveau dhuile moteur
T
R
.
.
9 Nm (0,9 m · kg, 6,5 ft · lb)
T
R
.
.
8 Nm (0,8 m · kg, 5,8 ft · lb)
T
R
.
.
2 Nm (0,2 m · kg, 1,4 ft · lb)
T
R
.
.
10 Nm (1,0 m · kg, 7,2 ft · lb)
T
R
.
.
20 Nm (2,0 m · kg, 14 ft · lb)
T
R
.
.
18 Nm (1,8 m · kg, 13 ft · lb)
T
R
.
.
7 Nm (0,7 m · kg, 5,1 ft · lb)
Quantité dhuile:
Vidange périodique:
1,1 L
(0,97 Imp qt,
1,16 US qt)
Avec remplacement du
filtre à huile:
1,2 L
(1,06 Imp qt,
1,27 US qt)
Quantité totale:
1,4 L
(1,23 Imp qt,
1,48 US qt)
T
R
.
.
7 Nm (0,7 m · kg, 5,1 ft · lb)
New
New
ENGINE
MOTEUR
INSP
ADJ
3 - 58
8. Montieren:
O-Ring 1
•Ölsieb 2
•Ölschlauch
•Ölschlauch-Schraube
•Ölschlauchschelle
9. Montieren:
Kupferscheibe
•Ölfilter-Ablassschraube
•Ölablassschraube am Kurbel-
gehäuse
•Öltank-Ablassschraube
Motorschutz
10. Einfüllen:
Motoröl
11. Kontrollieren:
Undichtigkeiten
12. Montieren:
•Öl-Einfüllverschluss
Beilagscheibe (Öltank)
Schraube (Öltank)
13. Kontrollieren:
Motorölstand
T
R
.
.
9 Nm (0,9 m · kg, 6,5 ft · lb)
T
R
.
.
8 Nm (0,8 m · kg, 5,8 ft · lb)
T
R
.
.
2 Nm (0,2 m · kg, 1,4 ft · lb)
T
R
.
.
10 Nm (1,0 m · kg, 7,2 ft · lb)
T
R
.
.
20 Nm (2,0 m · kg, 14 ft · lb)
T
R
.
.
18 Nm (1,8 m · kg, 13 ft · lb)
T
R
.
.
7 Nm (0,7 m · kg, 5,1 ft · lb)
Ölleinfüllmenge:
Ölwechsel ohne
Filterwechsel:
1,1 L
(0,97 Imp qt,
1,16 US qt)
Ölwechsel mit
Filterwechsel:
1,2 L
(1,06 Imp qt,
1,27 US qt)
Gesamtmenge:
1,4 L
(1,23 Imp qt,
1,48 US qt)
T
R
.
.
7 Nm (0,7 m · kg, 5,1 ft · lb)
New
New
8. Installare:
Guarnizione circolare 1
Filtro olio 2
Flessibile olio
Bullone (flessibile olio)
Giunto flessibile olio
9. Installare:
Rondella di rame
Tappo di scarico dellelemento
filtro olio
Tappo di scarico olio carter
Tappo di scarico serbatoio olio
Riparo motore
10. Riempire:
Olio motore
11. Controllare:
Perdita olio
12. Installare:
Tappo di rifornimento olio
Rondella (serbatoio olio)
Bullone (serbatoio olio)
13. Controllare:
Livello olio motore
T
R
.
.
9 Nm (0,9 m · kg, 6,5 ft · lb)
T
R
.
.
8 Nm (0,8 m · kg, 5,8 ft · lb)
T
R
.
.
2 Nm (0,2 m · kg, 1,4 ft · lb)
T
R
.
.
10 Nm (1,0 m · kg, 7,2 ft · lb)
T
R
.
.
20 Nm (2,0 m · kg, 14 ft · lb)
T
R
.
.
18 Nm (1,8 m · kg, 13 ft · lb)
T
R
.
.
7 Nm (0,7 m · kg, 5,1 ft · lb)
Quantità olio:
Sostituzioni periodiche
dellolio:
1,1 L
(0,97 Imp qt,
1,16 US qt)
Con sostituzione del
filtro dellolio:
1,2 L
(1,06 Imp qt,
1,27 US qt)
Quantità totale:
1,4 L
(1,23 Imp qt,
1,48 US qt)
T
R
.
.
7 Nm (0,7 m · kg, 5,1 ft · lb)
New
New
8. Instalar:
Junta tórica 1
Depurador de aceite 2
Tubo de aceite
Tornillo (tubo de aceite)
Abrazadera del tubo de aceite
9. Instalar:
Arandela de cobre
Tornillo de vaciado del ele-
mento del filtro de aceite
Tornillo de vaciado del aceite
del cárter
Tornillo de vaciado del depó-
sito de aceite
Protector del motor
10. Llenar:
Aceite del motor
11. Comprobar:
Fugas de aceite
12. Instalar:
Tapón de llenado
Arandela (depósito de aceite)
Tornillo (depósito de aceite)
13. Comprobar:
Nivel de aceite del motor
T
R
.
.
9 Nm (0,9 m · kg, 6,5 ft · lb)
T
R
.
.
8 Nm (0,8 m · kg, 5,8 ft · lb)
T
R
.
.
2 Nm (0,2 m · kg, 1,4 ft · lb)
T
R
.
.
10 Nm (1,0 m · kg, 7,2 ft · lb)
T
R
.
.
20 Nm (2,0 m · kg, 14 ft · lb)
T
R
.
.
18 Nm (1,8 m · kg, 13 ft · lb)
T
R
.
.
7 Nm (0,7 m · kg, 5,1 ft · lb)
Cantidad de aceite:
Cambio periódico de
aceite:
1,1 L
(0,97 Imp qt,
1,16 US qt)
Con sustitución del
filtro de aceite:
1,2 L
(1,06 Imp qt,
1,27 US qt)
Cantidad total:
1,4 L
(1,23 Imp qt,
1,48 US qt)
T
R
.
.
7 Nm (0,7 m · kg, 5,1 ft · lb)
New
New
MOTOR
MOTORE
MOTOR
3 - 59
INSP
ADJ
OIL PRESSURE INSPECTION
1. Check:
Oil pressure
Checking steps:
Slightly loosen the oil pressure
check bolt 1.
Start the engine and keep it
idling until oil starts to seep from
the oil pressure check bolt. If no
oil comes out after one minute,
turn the engine off so it will not
seize.
Check oil passages and oil
pump for damage or leakage.
Start the engine after solving
the problem(s) and recheck the
oil pressure.
Tighten the oil pressure check
bolt.
T
R
.
.
Oil pressure check bolt:
10 Nm
(1.0 m kg, 7.2 ft lb)
ENGINE IDLING SPEED
ADJUSTMENT
1. Start the engine and thoroughly
warm it up.
2. Adjust:
Engine idling speed
Adjustment steps:
Turn the throttle stop screw 1
until the specified engine idling
speed.
NOTE:
Using a digital engine tachometer
for idle speed adjustment, detect
the engine idling speed by bring-
ing the sensing element c of the
engine tachometer close to the
ignition coil 2.
To increase idle speed
Turn the throttle stop screw
1 in a.
To decrease idle speed
Turn the throttle stop screw
1 out b.
Engine idling speed:
1,750 ~ 1,950 r/min
c
2
CONTROLE DE LA PRESSION
DHUILE
1. Contrôler:
Pression dhuile
REGLAGE DU REGIME DE
RALENTI DU MOTEUR
1. Mettre le moteur en marche et bien
le laisser chauffer.
2. Régler:
Régime de ralenti
Etapes du contrôle:
Desserrer légèrement le boulon de
contrôle de la pression dhuile 1.
Lancer le moteur et le laisser tour-
ner au ralenti jusqu’à ce que lhuile
commence à suinter par le boulon
de contrôle de la pression dhuile.
Si lhuile ne s’écoule toujours pas
après une minute, couper immédia-
tement le moteur afin quil ne se
grippe pas.
Vérifier que les passages dhuile et
la pompe à huile ne sont pas
endommagés ou ne présentent pas
de fuites.
Après avoir résolu le(s) pro-
blème(s), démarrer le moteur et
contrôler à nouveau la pression
dhuile.
Serrer le boulon de contrôle de la
pression dhuile.
T
R
.
.
Boulon de contrôle de la
pression dhuile:
10 Nm
(1,0 m kg, 7,2 ft lb)
Étapes du réglage:
Tourner la vis de butée de papillon
des gaz 1 jusqu’à obtention de la
vitesse de ralenti spécifiée.
N.B.:
A laide dun compte-tours moteur
numérique pour réglage du ralenti,
déterminer le régime de ralenti en
approchant le capteur c du compte-
tours de la bobine dallumage 2.
Pour augmenter le régime de
ralenti Serrer la vis de butée
de papillon des gaz 1 dans le
sens a.
Pour diminuer le régime de ralenti
Tourner la vis de butée de
papillon des gaz 1 dans le sens
b.
Régime de ralenti:
1.750 à 1.950 tr/min
ENGINE
MOTEUR
INSP
ADJ
3 - 60
ÖLDRUCK KONTROLLIEREN
1. Kontrollieren:
•Öldruck
Arbeitsvorgang:
Die Öldruck-Kontrollschraube
1 ein wenig lockern.
Den Motor starten und im Leer-
lauf betreiben, bis Öl an der
Öldruck-Kontrollschraube aus-
tritt. Tritt nach einer Minute kein
Öl aus, den Motor sofort abstel-
len, um Schäden zu vermeiden.
•Ölkanäle und Ölpumpe auf
Beschädigung oder Undichtig-
keit prüfen.
Nach der Fehlerbeseitigung
den Motor starten und den
Öldruck erneut kontrollieren.
Die Öldruck-Kontrollschraube
festziehen.
T
R
.
.
Öldruck-Kontroll-
schraube:
10 Nm
(1,0 m kg, 7,2 ft lb)
LEERLAUFDREHZAHL
EINSTELLEN
1. Den Motor anlassen und gründ-
lich warmlaufen lassen.
2. Einstellen:
Leerlaufdrehzahl
Arbeitsvorgang:
Die Leerlaufeinstellschraube 1
verdrehen, bis die vorgeschrie-
bene Leerlaufdrehzahl erreicht
ist.
HINWEIS:
Mit dem digitalen Drehzahlmesser
die Drehzahl ermitteln, indem der
Sensor c des Drehzahlmessers
in der Nähe die Zündspule 2
gebracht wird.
Leerlaufdrehzahl höher
Leerlaufeinstellschraube 1
nach a drehen.
Leerlaufdrehzahl niedriger
Leerlaufeinstellschraube 1
nach b drehen.
Leerlaufdrehzahl:
1.7501.950 U/min
CONTROLLO PRESSIONE OLIO
1. Controllare:
Pressione olio
Operazioni per il controllo:
Allentare leggermente il bullone di
controllo pressione olio 1.
Avviare il motore e lasciarlo girare
al minimo fino a quando lolio non
comincia a filtrare dal bullone di
controllo pressione olio. Se dopo
un minuto non si ha alcuna fuoriu-
scita di olio, spegnere il motore per
evitarne il grippaggio.
Controllare leventuale presenza di
danneggiamenti o perdite nei pas-
saggi e nella pompa dellolio.
Avviare il motore dopo aver risolto
il/i problema/i e ricontrollato la
pressione olio.
Serrare il bullone di controllo pres-
sione olio.
T
R
.
.
Bullone di controllo
pressione olio:
10 Nm
(1,0 m kg, 7,2 ft lb)
REGOLAZIONE REGIME DEL
MINIMO
1. Avviare il motore e farlo riscaldare
bene.
2. Regolare:
Regime del minimo
Operazioni per la regolazione:
Avvitare la vite di arresto valvola a
farfalla 1 fino a raggiungere il
regime del minimo indicato.
NOTA:
Utilizzare un contagiri digitale per la
regolazione del regime del minimo,
rilevare il regime del minimo avvici-
nando lelemento sensore c del con-
tagiri alla bobina di accensione 2.
Per aumentare il regime del
minimo avvitare la vite di
arresto valvola a farfalla 1 a.
Per diminuire il regime del minimo
svitare la vite di arresto
valvola a farfalla 1 b.
Regime del minimo:
1.750 ~ 1.950 giri/min
COMPROBACIÓN DE LA
PRESIÓN DE ACEITE
1. Comprobar:
Presión de aceite
AJUSTE DEL RALENTÍ DEL
MOTOR
1. Arranque el motor y caliéntelo
bien.
2. Ajustar:
Ralentí del motor
Procedimiento de
comprobación:
Afloje ligeramente el tornillo de
comprobación de la presión de
aceite 1.
Arranque el motor y mantén-
galo al ralentí hasta que
empiece a salir aceite por el tor-
nillo de comprobación. Si no
sale aceite después de un
minuto, pare el motor para que
no se agarrote.
Compruebe si los conductos y
la bomba de aceite están daña-
dos o pierden aceite.
Después de resolver el pro-
blema, arranque el motor y
compruebe de nuevo la pre-
sión de aceite.
Apriete el tornillo de comproba-
ción de la presión de aceite.
T
R
.
.
Tornillo de comproba-
ción de la presión de
aceite:
10 Nm
(1,0 m kg, 7,2 ft lb)
Procedimiento de ajuste:
Gire el tornillo de tope del ace-
lerador 1 hasta obtener el
ralentí especificado.
NOTA:
Utilizando un tacómetro digital
para ajustar el ralentí, detecte el
régimen del motor aproximando el
elemento sensor c del tacómetro
a la bobina de encendido 2.
Para aumentar el ralentí Gire
el tornillo de tope del acelera-
dor 1 en la dirección a.
Para reducir el ralentí Gire el
tornillo de tope del acelera-
dor 1 en la dirección b.
Ralentí del motor:
1.750 ~ 1.950 r/min
MOTOR
MOTORE
MOTOR
3 - 61
INSP
ADJ
VALVE CLEARANCE INSPECTION
AND ADJUSTMENT
NOTE:
This section is intended for those
who have basic knowledge and skill
concerning the servicing of Yamaha
motorcycles (e.g., Yamaha dealers,
service engineers, etc.) Those who
have little knowledge and skill con-
cerning servicing are requested not
to undertake inspection, adjustment,
disassembly, or reassembly only by
reference to this manual. It may lead
to servicing trouble and mechanical
damage.
NOTE:
The valve clearance should be
adjusted when the engine is cool to
the touch.
The piston must be at Top Dead
Center (T.D.C.) on compression
stroke to check or adjust the valve
clearance.
1. Remove:
Seat
Fuel tank
Refer to SEAT, FUEL TANK
AND SIDE COVERS section.
2. Drain:
Coolant
Refer to COOLANT
REPLACEMENT section.
3. Remove:
Right radiator
Refer to RADIATOR section
in the CHAPTER 5.
Carburetor
Refer to CARBURETOR
section in the CHAPTER 5.
Spark plug
Upper engine bracket
Cylinder head cover
Refer to CAMSHAFTS sec-
tion in the CHAPTER 5.
4. Remove:
Timing mark accessing screw
1
Crankshaft end accessing
screw 2
O-ring
INSPECTION ET REGLAGE DU
JEU AUX SOUPAPES
N.B.:
Cette section est destinée aux personnes
possédant des connaissances et des com-
pétences de base pour lentretien des
motos Yamaha (par ex.: concessionnai-
res Yamaha, techniciens dentretien,
etc.). Les personnes non qualifiées ne
doivent entreprendre les opérations
dinspection, de réglage, de démontage
ou de remontage que sils se réfèrent à ce
manuel. Sinon, ils pourraient engendrer
des problèmes dentretien et des domma-
ges mécaniques.
N.B.:
Le jeu aux soupapes doit être réglé
quand le moteur est froid au toucher.
Le piston doit être au point mort haut
(PMH) de la course de compression
pour permettre le contrôle ou le
réglage du jeux aux soupapes.
1. Déposer:
Selle
Réservoir de carburant
Se reporter à la section SELLE,
RESERVOIR DE CARBURANT
ET CACHES LATERAUX.
2. Vidanger:
Liquide de refroidissement
Se reporter à la section CHAN-
GEMENT DU LIQUIDE DE
REFROIDISSEMENT.
3. Déposer:
Radiateur droit
Se reporter à la section RADIA-
TEUR au CHAPITRE 5.
Carburateur
Se reporter à la section CARBU-
RATEUR au CHAPITRE 5.
Bougie
Support de moteur supérieur
Couvre-culasse
Se reporter à la section
ARBRES A CAMES au CHA-
PITRE 5.
4. Déposer:
Vis daccès de repère dallumage
1
Vis daccès axiale du vilebrequin
2
Joint torique
ENGINE
MOTEUR
INSP
ADJ
3 - 62
VENTILSPIEL KONTROLLIEREN
UND EINSTELLEN
HINWEIS:
Dieser Abschnitt ist für Personen, die
über grundlegende Kenntnisse und
Fähigkeiten in der Wartung von
Yamaha-Motorrädern verfügen (z.B.:
Yamaha-Händler, Wartungsperso-
nal etc.). Personen mit geringen
Kenntnissen und Fähigkeiten über
Wartungsarbeiten wird empfohlen,
keine Inspektionen, Einstellungen,
Demontagen durchzuführen und
Montagen nur mit Hilfe dieses Hand-
buchs vorzunehmen. Es könnten
sonst Wartungsprobleme und
mechanische Schäden auftreten.
HINWEIS:
Das Ventilspiel sollte bei abgekühl-
tem Motor eingestellt werden.
Bei der Messung oder Einstellung
des Ventilspiels muss der Kolben
im oberen Totpunkt (OT) des Ver-
dichtungstaktes stehen.
1. Demontieren:
Sitzbank
Kraftstofftank
Siehe unter SITZBANK,
KRAFTSTOFFTANK UND
SEITENABDEKKUNGEN.
2. Ablassen:
Kühlflüssigkeit
Siehe unter KÜHLFLÜSSIG-
KEIT WECHSELN.
3. Demontieren:
Kühler rechts
Siehe unter KÜHLER in
KAPITEL 5.
Vergaser
Siehe unter VERGASER in
KAPITEL 5.
Zündkerze
Obere Motorhalterung
Zylinderkopfdeckel
Siehe unter NOCKENWEL-
LEN in KAPITEL 5.
4. Demontieren:
Rotor-Abdeckschraube 1
Kurbelwellen-Abdeck-
schraube 2
O-Ring
CONTROLLO E REGOLAZIONE
GIOCO VALVOLE
NOTA:
Questo paragrafo è rivolto a coloro che
possiedono già conoscenze e compe-
tenze di base relative alla manutenzione
di motocicli Yamaha (p.es. concessionari
Yamaha, tecnici della manutenzione,
ecc.). Alle persone con scarse cono-
scenze e competenze in materia di manu-
tenzione si consiglia di non eseguire
alcun intervento di ispezione, regola-
zione, smontaggio o rimontaggio
facendo esclusivamente riferimento al
presente manuale. Ciò potrebbe compor-
tare problemi di manutenzione e danni
meccanici.
NOTA:
Regolare il gioco valvole quando il
motore è freddo al tatto.
Il pistone deve trovarsi allestremità
superiore del punto morto superiore
(PMS) sulla corsa di compressione per
controllare o regolare il gioco valvole.
1. Togliere:
Sella
Serbatoio del carburante
Fare riferimento al paragrafo
SELLA, SERBATOIO CAR-
BURANTE E FIANCHETTI.
2. Scaricare:
Refrigerante
Fare riferimento al paragrafo
SOSTITUZIONE DEL REFRI-
GERANTE.
3. Togliere:
Radiatore destro
Fare riferimento al paragrafo
RADIATORE nel CAPITOLO
5.
Carburatore
Fare riferimento al paragrafo
CARBURATORE nel CAPI-
TOLO 5.
Candela daccensione
Staffa superiore motore
Coperchio testata
Fare riferimento al paragrafo
ALBERI A CAMME nel
CAPITOLO 5.
4. Togliere:
Vite di accesso al riferimento per
fasatura 1
Vite di accesso allestremità
dellalbero motore 2
Guarnizione circolare
COMPROBACIÓN Y AJUSTE DE
LA HOLGURA DE VÁLVULAS
NOTA:
Esta sección está dirigida a los usua-
rios que tienen conocimientos y habi-
lidades básicos referentes al
mantenimiento de motocicletas
Yamaha (p.ej., distribuidores
Yamaha, ingenieros de manteni-
miento, etc.) Recomendamos que
los usuarios con pocos conocimien-
tos y habilidades referentes al man-
tenimiento no inspeccionen, ajusten,
desmonten ni vuelvan a montar sólo
tomando este manual como referen-
cia. Puede provocar problemas de
mantenimiento y daños mecánicos.
NOTA:
La holgura de las válvulas se debe
ajustar cuando el motor esté frío al
tacto.
Para comprobar o ajustar la hol-
gura de las válvulas el pistón se
debe encontrar en el punto muerto
superior (PMS) de la carrera de
compresión.
1. Extraer:
Sillín
Depósito de combustible
Consulte el apartado SILLÍN,
DEPÓSITO DE COMBUSTI-
BLE Y CUBIERTAS LATERA-
LES.
2. Vaciar:
Refrigerante
Consulte el apartado CAM-
BIO DEL REFRIGERANTE.
3. Extraer:
Radiador derecho
Consulte el apartado RADIA-
DOR del CAPÍTULO 5.
Carburador
Consulte el apartado CAR-
BURADOR del CAPÍTULO 5.
Bujía
Soporte superior del motor
Tapa de culata
Consulte el apartado EJES
DE LEVAS del CAPÍTULO 5.
4. Extraer:
Tornillo de acceso a la marca
de reglaje 1
Tornillo de acceso al extremo
del cigüeñal 2
Junta tórica
MOTOR
MOTORE
MOTOR
3 - 63
INSP
ADJ
5. Check:
Valve clearance
Out of specification Adjust.
Valve clearance (cold):
Intake valve:
0.10 ~ 0.15 mm
(0.0039 ~ 0.0059 in)
Exhaust valve:
0.17 ~ 0.22 mm
(0.0067 ~ 0.0087 in)
Checking steps:
Turn the crankshaft counter-
clockwise with a wrench.
Align the T.D.C. mark a on the
rotor with the align mark b on
the crankcase cover when pis-
ton is at T.D.C. on compression
stroke.
NOTE:
In order to be sure that the piston
is at Top Dead Center, the punch
mark c on the exhaust camshaft
and the punch mark d on the
intake camshaft must align with
the cylinder head surface, as
shown in the illustration.
Measure the valve clearance e
using a feeler gauge 1.
NOTE:
Record the measured reading if
the clearance is incorrect.
5. Contrôler:
Jeu aux soupapes
Hors spécifications Ajuster.
Jeu aux soupapes (à froid):
Soupape dadmission:
0,10 à 0,15 mm
(0,0039 à 0,0059 in)
Soupape d’échappement:
0,17 à 0,22 mm
(0,0067 à 0,0087 in)
Etapes du contrôle:
Tourner le vilebrequin dans le sens
inverse des aiguilles dune montre
à laide dune clé.
Aligner le repère PMH a du rotor
avec le repère dalignement b du
couvercle de carter lorsque le pis-
ton est au PMH de la course de
compression.
N.B.:
Le piston est au point mort haut lors-
que le repère poinçonné c de larbre
à cames d’échappement et le repère
poinçonné d de larbre à cames
dadmission sont alignés avec la sur-
face de la culasse comme le montre
lillustration.
Mesurer le jeu aux soupapes e à
laide dune jauge d’épaisseur à
lames 1.
N.B.:
Enregistrer la valeur mesurée si le jeu
est incorrect.
ENGINE
MOTEUR
INSP
ADJ
3 - 64
5. Kontrollieren:
Ventilspiel
Nicht nach Vorgabe Einstel-
len.
Ventilspiel (kalt):
Einlassventil:
0,100,15 mm
(0,00390,0059 in)
Auslassventil:
0,170,22 mm
(0,00670,0087 in)
Arbeitsvorgang:
Die Kurbelwelle mit einem
Schraubenschlüssel im Gegen-
uhrzeigersinn drehen.
Wenn sich der Kolben des
Zylinders im oberen Totpunkt
des Verdichtungstaktes befin-
det, die OT-Markierung a am
Rotor auf die entsprechende
Gegenmarkierung b am Kur-
belgehäusedeckel ausrichten.
HINWEIS:
Der Kolben befindet sich im obe-
ren Totpunkt, wenn die Körner-
markierung c am Auslass-
Nockenwellenrad und die Körner-
markierung d am Einlass-
Nockenwellenrad, wie in der
Abbildung gezeigt, mit der Zylin-
derkopf-Passfläche fluchten.
Das Ventilspiel e mit einer
Fühlerlehre 1 messen.
HINWEIS:
Entspricht das gemessene Ventil-
spiel nicht der Vorgabe, muss das
Messergebnis für spätere Zwecke
notiert werden.
5. Controllare:
Gioco valvole
Non conforme alle specifiche
Regolare.
Gioco valvole (a freddo):
Valvola di aspirazione:
0,10 ~ 0,15 mm
(0,0039 ~ 0,0059 in)
Valvola di scarico:
0,17 ~ 0,22 mm
(0,0067 ~ 0,0087 in)
Operazioni per il controllo:
Girare lalbero motore in senso
antiorario con una chiave.
Allineare il riferimento PMS a sul
rotore con il segno di allineamento
b sul coperchio carter quando il
pistone si trova sul PMS sulla
corsa di compressione.
NOTA:
Per essere certi che il pistone si trovi
al Punto Morto Superiore, il riferi-
mento punzonato c sullalbero a
camme di scarico e quello d
sullalbero a camme di aspirazione
devono essere allineati con la superfi-
cie della testata, come indicato in
figura.
Misurare il gioco valvole e con
uno spessimetro 1.
NOTA:
Annotare la lettura controllando se il
gioco è errato.
5. Comprobar:
Holgura de las válvulas
Fuera del valor especificado
Ajustar.
Holgura de las válvulas
(en frío):
Válvula de admisión:
0,10 ~ 0,15 mm
(0,0039 ~ 0,0059 in)
Válvula de escape:
0,17 ~ 0,22 mm
(0,0067 ~ 0,0087 in)
Procedimiento de
comprobación:
Gire el cigüeñal en el sentido
contrario al de las agujas del
reloj con una llave.
Alinee la parca de PMS a del
rotor con la marca b de la tapa
del cárter cuando el pistón se
encuentra en el PMS de la
carrera de compresión.
NOTA:
Para estar seguro de que el pis-
tón se encuentra en el punto
muerto superior, la marca perfo-
rada c en el eje de levas de
escape y la marca perforada d
en el eje de levas de admisión
deben alinearse con la superficie
de la culata, como se muestra en
la ilustración.
Mida la holgura de las válvulas
e con una galga 1.
NOTA:
Anote la medición si la holgura es
incorrecta.
MOTOR
MOTORE
MOTOR
3 - 65
INSP
ADJ
6. Adjust:
Valve clearance
Adjustment steps:
Remove the camshaft (intake
and exhaust).
Refer to CAMSHAFTS section
in the CHAPTER 5.
Remove the valve lifters 1 and
the pads 2.
NOTE:
Place a rag in the timing chain
space to prevent pads from fall-
ing into the crankcase.
Identity each valve lifter and pad
position very carefully so that
they can be reinstalled in their
original place.
Select the proper pad using the
pad selecting table.
Pad range
Pad
Availability:
25 increments
No. 120
~
No. 240
1.20 mm
~
2.40 mm
Pads are
available in
0.05 mm
increments
NOTE:
The thickness a of each pad is
indicated in hundredths of millime-
ters on the pad upper surface.
Round off the last digit of the
installed pad number to the near-
est increment.
Last digit of pad
number Rounded value
0, 1 or 2 0
4, 5 or 6 5
8 or 9 10
6. Régler:
Jeu aux soupapes
Étapes du réglage:
Déposer les arbres à cames
(dadmission et d’échappement).
Se reporter à la section ARBRES
A CAMES au CHAPITRE 5.
Déposer les poussoirs de soupapes
1 et les plaquettes 2.
N.B.:
Placer un chiffon à lemplacement
de la chaîne de distribution pour
empêcher les plaquettes de tomber
dans le carter.
Identifier soigneusement chaque
poussoir de soupape et la position
de chaque plaquette de manière à
pouvoir les remonter à leur empla-
cement dorigine.
Sélectionner la plaquette adéquate à
laide du tableau de sélection des
plaquettes.
Plage des plaquettes
Disponibilité
des plaquettes:
25 gradations
N°120
à
N°240
1,20 mm
à
2,40 mm
Les plaquettes
sont disponibles
par incréments
de 0,05 mm.
N.B.:
L’épaisseur a de chaque plaquette est
indiquée en centièmes de millimètres
sur la surface supérieure de la pla-
quette.
Arrondir le dernier chiffre du
numéro de la rondelle montée à la
gradation la plus proche.
Dernier chiffre du
numéro de
plaquette
Valeur darrondi
0, 1 ou 2 0
4, 5 ou 6 5
8 ou 9 10
ENGINE
MOTEUR
INSP
ADJ
3 - 66
6. Einstellen:
Ventilspiel
Arbeitsvorgang:
Die Einlass- und Auslass-
Nockenwellen demontieren.
Siehe unter NOKKENWEL-
LEN in KAPITEL 5.
Die Tassenstößel 1 und Ventil-
plättchen 2 demontieren.
HINWEIS:
Das Kurbelgehäuse am besten
mit einem sauberen Tuch abdek-
ken, damit keine Ventilplättchen
hineinfallen können.
Die entsprechende Einbaulage
sämtlicher Tassenstößel und
Ventilplättchen festhalten, damit
sie wieder in ihre ursprüngliche
Lage montiert werden können.
Das passende Ventilplättchen
laut der entsprechenden Tabelle
auswählen.
Stärkenbereich
Verfügbare
Stärken:
25
Abstufungen
Nr.120
Nr.240
1,20 mm
2,40 mm
in
Abstufungen
von 0,05 mm
HINWEIS:
Die Stärke a des Ventilplättchens
ist in Hundertsteln von Millimetern
auf dessen Oberseite angegeben.
Die letzte Ziffer auf dem Ventil-
plättchen wie folgt runden.
Letzte Ziffer auf
dem
Ventilplättchen
Gerundeter
Wert
0, 1 oder 2 0
4, 5 oder 6 5
8 oder 9 10
6. Regolare:
Gioco valvole
Operazioni per la regolazione:
Togliere lalbero a camme (di aspi-
razione e di scarico).
Fare riferimento al paragrafo
ALBERI A CAMME nel CAPI-
TOLO 5.
Togliere gli alzavalvole 1 e gli
spessori 2.
NOTA:
Inserire un panno nello spazio della
catena di distribuzione per evitare
che gli spessori cadano nel carter.
Identificare molto attentamente gli
alzavalvole e le posizioni degli
spessori per poterli reinstallare nella
posizione originale.
Individuare lo spessore corretto con-
sultando la tabella di selezione degli
spessori.
Gamma degli
spessori
Disponibilità
degli spessori:
25 incrementi
n.120
~
n.240
1,20 mm
~
2,40 mm
Gli spessori
sono disponibili
con incrementi
di 0,05 mm.
NOTA:
Le dimensioni a di ogni spessore
sono indicate in centesimi di millime-
tro sulla superficie superiore dello
spessore.
Arrotondare lultima cifra del
numero dello spessore installato
allincremento più vicino.
Ultima cifra del
numero dello
spessore
Valore
arrotondato
0, 1 o 2 0
4, 5 o 6 5
8 o 9 10
6. Ajustar:
Holgura de las válvulas
Procedimiento de ajuste:
Desmonte los ejes de levas
(admisión y escape).
Consulte el apartado EJES DE
LEVAS del CAPÍTULO 5.
Extraiga los levantaválvulas 1 y
los taqués 2.
NOTA:
Coloque un trapo en el espacio
de la cadena de distribución
para impedir que los taqués cai-
gan al cárter.
Identifique la posición de cada
levantaválvula y taqué con
mucho cuidado de forma que
posteriormente los pueda volver
a montar en su posición original.
Seleccione el taqué apropiado
con la tabla de selección de
taqués.
Gama de taqués
Disponibilida
d de taqués:
25
incrementos
Nº120
~
Nº240
1,20 mm
~
2,40 mm
Los taqués
están disponi-
bles en incre-
mentos de
0,05 mm
NOTA:
El espesor a de cada taqué se
indica en centésimas de milímetro
en la superficie superior del propio
taqué.
Redondee al incremento más
próximo la última cifra del
número del taqué instalado.
Última cifra del
número del
taqué
Valor
redondeado
0, 1 o 2 0
4, 5 o 6 5
8 o 9 10
MOTOR
MOTORE
MOTOR
3 - 67
INSP
ADJ
EXAMPLE:
Installed pad number = 148
Rounded off value = 150
NOTE:
Pads can only be selected in
0.05 mm increments.
Locate the rounded-off value
and the measured valve clear-
ance in the chart PAD SELEC-
TION TABLE. The field where
these two coordinates intersect
shows the new pad number to
use.
NOTE:
Use the new pad number only as a
guide when verifying the valve
clearance adjustment.
Install the new pads 3 and the
valve lifters 4.
NOTE:
Apply the engine oil on the valve
lifters.
Apply the molybdenum disulfide
oil on the valve stem ends.
Valve lifter must turn smoothly
when rotated with a finger.
Be careful to reinstall valve lifters
and pads in their original place.
Install the camshafts (exhaust
and intake). Refer to CAM-
SHAFTS section in the CHAP-
TER 5.
EXEMPLE:
Numéro de la plaquette montée = 148
Valeur arrondie = 150
N.B.:
Les plaquettes ne peuvent être sélec-
tionnées que par pas de 0,05 mm.
Rechercher la valeur arrondie et le
jeu aux soupapes mesuré dans le
tableau TABLEAU DE SELEC-
TION DES PLAQUETTES. La
case où ces deux coordonnées se
coupent indique le nouveau numéro
de plaquette à utiliser.
N.B.:
Nutiliser ce nouveau numéro de pla-
quette qu’à titre de guide pour le con-
trôle du réglage du jeu aux soupapes.
Monter les nouvelles plaquettes 3
et les poussoirs de soupapes 4.
N.B.:
Appliquer de lhuile moteur sur les
poussoirs de soupapes.
Appliquer lhuile au bisulfure de
molybdène sur les embouts de
queues de soupapes.
Le poussoir de soupape doit tourner
librement sous la poussée du doigt.
Veiller à remonter les poussoirs de
soupapes et les plaquettes à leur
emplacement dorigine.
Monter les arbres à cames (dadmis-
sion et d’échappement). Se reporter
à la section ARBRES A CAMES
au CHAPITRE 5.
ENGINE
MOTEUR
INSP
ADJ
3 - 68
Beispiel:
Nummer des ausgebauten Ventil-
plättchens = 148
Gerundeter Wert = 150
HINWEIS:
Ventilplättchen sind nur in Abstu-
fungen von 0,05 mm erhältlich.
Die gerundete Ventilplättchen-
Nummer sowie das gemessene
Ventilspiel in der Tabelle für die
Auswahl der Ventilplättchen aus-
findig machen Aus dem Schnitt-
punkt der beiden Koordinaten
ergibt sich die neue Ventilplätt-
chen-Nummer bzw. -Stärke.
HINWEIS:
Die neue Ventilplättchen-Stärke
dient zunächst nur als Bezugs-
größe, denn das Ventilspiel muss
erneut kontrolliert und gegebenen-
falls korrigiert werden.
Die neuen Ventilplättchen 3 und
Tassenstößel 4 einsetzen.
HINWEIS:
Motoröl auf die Tassenstößel
auftragen.
Molybdändisulfidöl auf die Ventil-
schaft-Enden auftragen.
Der Tassenstößel muss sich mit
dem Finger mühelos drehen las-
sen.
Die Tassenstößel und Ventil-
plättchen müssen in der
ursprünglichen Lage montiert
werden.
Die Einlass- und Auslass-
Nockenwellen montieren. Siehe
unter NOCKENWELLEN in
KAPITEL 5.
ESEMPIO:
Numero spessore installato = 148
Valore arrotondato = 150
NOTA:
È possibile selezionare gli spessori
esclusivamente con incrementi di
0,05 mm.
Individuare il valore arrotondato e il
gioco valvole misurato nella tabella
TABELLA DI SELEZIONE
SPESSORI. Il campo di interse-
zione di queste due coordinate
indica il nuovo numero di spessore
da utilizzare.
NOTA:
Questo nuovo numero di spessore è da
considerarsi solo una guida per la veri-
fica della regolazione del gioco val-
vole.
Installare i nuovi spessori 3 e gli
alzavalvole 4.
NOTA:
Applicare lolio motore sugli alza-
valvole.
Applicare lolio al disolfuro di
molibdeno alle estremità dello stelo
delle valvole.
Lalzavalvola deve muoversi age-
volmente quando viene fatto ruotare
con un dito.
Prestare attenzione a reinstallare gli
alzavalvole e gli spessori nella loro
posizione originale.
Installare lalbero a camme (di aspi-
razione e di scarico). Fare riferi-
mento al paragrafo ALBERI A
CAMME nel CAPITOLO 5.
EJEMPLO:
Número del taqué instalado = 148
Valor redondeado = 150
NOTA:
Los taqués solo se pueden selec-
cionar en incrementos de
0,05 mm.
Busque en la TABLA DE
SELECCIÓN DE TAQUÉS el
valor redondeado y la holgura de
válvula medida. La celda en que
estas dos coordenadas se cru-
zan indica el número de taqué
nuevo que se debe utilizar.
NOTA:
Utilice el número del nuevo taqué
únicamente a título orientativo
cuando verifique el ajuste de la
holgura de la válvula.
Instale los taqués nuevos 3 y
los levantaválvulas 4.
NOTA:
Aplique aceite de motor a los
levantaválvulas.
Aplique aceite de disulfuro de
molibdeno al extremo del vás-
tago de las válvulas.
Los levantaválvulas deben girar
con suavidad al impulsarlos con
un dedo.
Reinstale con cuidado los levan-
taválvulas y taqués en sus posi-
ciones originales.
Monte los ejes de levas (admi-
sión y escape). Consulte el apar-
tado EJES DE LEVAS del
CAPÍTULO 5.
MOTOR
MOTORE
MOTOR
3 - 69
INSP
ADJ
ENGINE
INTAKE
EXHAUST
MEASURED
CLEARANCE
INSTALLED PAD NUMBER
120 125 130 135 140 145 150 155 160 165 170 175 180 185 190 195 200 205 210 215 220 225 230 235 240
0.00 ~ 0.04 120 125 130 135 140 145 150 155 160 165 170 175 180 185 190 195 200 205 210 215 220 225 230
0.05 ~ 0.09 120 125 130 135 140 145 150 155 160 165 170 175 180 185 190 195 200 205 210 215 220 225 230 235
0.10 ~ 0.15 STANDARD CLEARANCE
0.16 ~ 0.20 125 130 135 140 145 150 155 160 165 170 175 180 185 190 195 200 205 210 215 220 225 230 235 240
0.21 ~ 0.25 130 135 140 145 150 155 160 165 170 175 180 185 190 195 200 205 210 215 220 225 230 235 240
0.26 ~ 0.30 135 140 145 150 155 160 165 170 175 180 185 190 195 200 205 210 215 220 225 230 235 240
0.31 ~ 0.35 140 145 150 155 160 165 170 175 180 185 190 195 200 205 210 215 220 225 230 235 240
0.36 ~ 0.40 145 150 155 160 165 170 175 180 185 190 195 200 205 210 215 220 225 230 235 240
0.41 ~ 0.45 150 155 160 165 170 175 180 185 190 195 200 205 210 215 220 225 230 235 240
0.46 ~ 0.50 155 160 165 170 175 180 185 190 195 200 205 210 215 220 225 230 235 240
0.51 ~ 0.55 160 165 170 175 180 185 190 195 200 205 210 215 220 225 230 235 240
0.56 ~ 0.60 165 170 175 180 185 190 195 200 205 210 215 220 225 230 235 240
0.61 ~ 0.65 170 175 180 185 190 195 200 205 210 215 220 225 230 235 240
0.66 ~ 0.70 175 180 185 190 195 200 205 210 215 220 225 230 235 240
0.71 ~ 0.75 180 185 190 195 200 205 210 215 220 225 230 235 240
0.76 ~ 0.80 185 190 195 200 205 210 215 220 225 230 235 240 VALVE CLEARANCE (cold):
0.10 ~ 0.15 mm
Example: Installed is 175
Measured clearance is 0.22 mm
Replace 175 pad with 185 pad
Pad number: (example)
Pad No. 175 = 1.75 mm
Pad No. 185 = 1.85 mm
0.81 ~ 0.85 190 195 200 205 210 215 220 225 230 235 240
0.86 ~ 0.90 195 200 205 210 215 220 225 230 235 240
0.91 ~ 0.95 200 205 210 215 220 225 230 235 240
0.96 ~ 1.00 205 210 215 220 225 230 235 240
1.01 ~ 1.05 210 215 220 225 230 235 240
1.06 ~ 1.10 215 220 225 230 235 240
1.11 ~ 1.15 220 225 230 235 240
1.16 ~ 1.20 225 230 235 240
1.21 ~ 1.25 230 235 240
1.26 ~ 1.30 235 240
1.31 ~ 1.35 240
MEASURED
CLEARANCE
INSTALLED PAD NUMBER
120 125 130 135 140 145 150 155 160 165 170 175 180 185 190 195 200 205 210 215 220 225 230 235 240
0.00 ~ 0.04 120 125 130 135 140 145 150 155 160 165 170 175 180 185 190 195 200 205 210 215 220 225
0.05 ~ 0.09 120 125 130 135 140 145 150 155 160 165 170 175 180 185 190 195 200 205 210 215 220 225 230
0.10 ~ 0.16 120 125 130 135 140 145 150 155 160 165 170 175 180 185 190 195 200 205 210 215 220 225 230 235
0.17 ~ 0.22 STANDARD CLEARANCE
0.23 ~ 0.25 125 130 135 140 145 150 155 160 165 170 175 180 185 190 195 200 205 210 215 220 225 230 235 240
0.26 ~ 0.30 130 135 140 145 150 155 160 165 170 175 180 185 190 195 200 205 210 215 220 225 230 235 240
0.31 ~ 0.35 135 140 145 150 155 160 165 170 175 180 185 190 195 200 205 210 215 220 225 230 235 240
0.36 ~ 0.40 140 145 150 155 160 165 170 175 180 185 190 195 200 205 210 215 220 225 230 235 240
0.41 ~ 0.45 145 150 155 160 165 170 175 180 185 190 195 200 205 210 215 220 225 230 235 240
0.46 ~ 0.50 150 155 160 165 170 175 180 185 190 195 200 205 210 215 220 225 230 235 240
0.51 ~ 0.55 155 160 165 170 175 180 185 190 195 200 205 210 215 220 225 230 235 240
0.56 ~ 0.60 160 165 170 175 180 185 190 195 200 205 210 215 220 225 230 235 240
0.61 ~ 0.65 165 170 175 180 185 190 195 200 205 210 215 220 225 230 235 240
0.66 ~ 0.70 170 175 180 185 190 195 200 205 210 215 220 225 230 235 240
0.71 ~ 0.75 175 180 185 190 195 200 205 210 215 220 225 230 235 240
0.76 ~ 0.80 180 185 190 195 200 205 210 215 220 225 230 235 240
0.81 ~ 0.85 185 190 195 200 205 210 215 220 225 230 235 240 VALVE CLEARANCE (cold):
0.17 ~ 0.22 mm
Example: Installed is 175
Measured clearance is 0.27 mm
Replace 175 pad with 185 pad
Pad number: (example)
Pad No. 175 = 1.75 mm
Pad No. 185 = 1.85 mm
0.86 ~ 0.90 190 195 200 205 210 215 220 225 230 235 240
0.91 ~ 0.95 195 200 205 210 215 220 225 230 235 240
0.96 ~ 1.00 200 205 210 215 220 225 230 235 240
1.01 ~ 1.05 205 210 215 220 225 230 235 240
1.06 ~ 1.10 210 215 220 225 230 235 240
1.11 ~ 1.15 215 220 225 230 235 240
1.16 ~ 1.20 220 225 230 235 240
1.21 ~ 1.25 225 230 235 240
1.26 ~ 1.30 230 235 240
1.31 ~ 1.35 235 240
1.36 ~ 1.40 240
3 - 70
INSP
ADJ
ADMISSION
ECHAPPEMENT
JEU MESURE NUMERO DE PLAQUETTE MONTEE
120 125 130 135 140 145 150 155 160 165 170 175 180 185 190 195 200 205 210 215 220 225 230 235 240
0,00 à 0,04 120 125 130 135 140 145 150 155 160 165 170 175 180 185 190 195 200 205 210 215 220 225 230
0,05 à 0,09 120 125 130 135 140 145 150 155 160 165 170 175 180 185 190 195 200 205 210 215 220 225 230 235
0,10 à 0,15 JEU STANDARD
0,16 à 0,20 125 130 135 140 145 150 155 160 165 170 175 180 185 190 195 200 205 210 215 220 225 230 235 240
0,21 à 0,25 130 135 140 145 150 155 160 165 170 175 180 185 190 195 200 205 210 215 220 225 230 235 240
0,26 à 0,30 135 140 145 150 155 160 165 170 175 180 185 190 195 200 205 210 215 220 225 230 235 240
0,31 à 0,35 140 145 150 155 160 165 170 175 180 185 190 195 200 205 210 215 220 225 230 235 240
0,36 à 0,40 145 150 155 160 165 170 175 180 185 190 195 200 205 210 215 220 225 230 235 240
0,41 à 0,45 150 155 160 165 170 175 180 185 190 195 200 205 210 215 220 225 230 235 240
0,46 à 0,50 155 160 165 170 175 180 185 190 195 200 205 210 215 220 225 230 235 240
0,51 à 0,55 160 165 170 175 180 185 190 195 200 205 210 215 220 225 230 235 240
0,56 à 0,60 165 170 175 180 185 190 195 200 205 210 215 220 225 230 235 240
0,61 à 0,65 170 175 180 185 190 195 200 205 210 215 220 225 230 235 240
0,66 à 0,70 175 180 185 190 195 200 205 210 215 220 225 230 235 240
0,71 à 0,75 180 185 190 195 200 205 210 215 220 225 230 235 240
0,76 à 0,80 185 190 195 200 205 210 215 220 225 230 235 240 JEU AUX SOUPAPES (à froid):
0,10 à 0,15 mm
Exemple: la plaquette montée porte le numéro175
Le jeu mesuré est de 0,22 mm
Remplacer la plaquette 175 par une plaquette 185
Numéro de plaquette: (exemple)
N° plaquette 175 = 1,75 mm
N° plaquette 185 = 1,85 mm
0,81 à 0,85 190 195 200 205 210 215 220 225 230 235 240
0,86 à 0,90 195 200 205 210 215 220 225 230 235 240
0,91 à 0,95 200 205 210 215 220 225 230 235 240
0,96 à 1,00 205 210 215 220 225 230 235 240
1,01 à 1,05 210 215 220 225 230 235 240
1,06 à 1,10 215 220 225 230 235 240
1,11 à 1,15 220 225 230 235 240
1,16 à 1,20 225 230 235 240
1,21 à 1,25 230 235 240
1,26 à 1,30 235 240
1,31 à 1,35 240
JEU MESURE NUMERO DE PLAQUETTE MONTEE
120 125 130 135 140 145 150 155 160 165 170 175 180 185 190 195 200 205 210 215 220 225 230 235 240
0,00 à 0,04 120 125 130 135 140 145 150 155 160 165 170 175 180 185 190 195 200 205 210 215 220 225
0,05 à 0,09 120 125 130 135 140 145 150 155 160 165 170 175 180 185 190 195 200 205 210 215 220 225 230
0,10 à 0,16 120 125 130 135 140 145 150 155 160 165 170 175 180 185 190 195 200 205 210 215 220 225 230 235
0,17 à 0,22 JEU STANDARD
0,23 à 0,25 125 130 135 140 145 150 155 160 165 170 175 180 185 190 195 200 205 210 215 220 225 230 235 240
0,26 à 0,30 130 135 140 145 150 155 160 165 170 175 180 185 190 195 200 205 210 215 220 225 230 235 240
0,31 à 0,35 135 140 145 150 155 160 165 170 175 180 185 190 195 200 205 210 215 220 225 230 235 240
0,36 à 0,40 140 145 150 155 160 165 170 175 180 185 190 195 200 205 210 215 220 225 230 235 240
0,41 à 0,45 145 150 155 160 165 170 175 180 185 190 195 200 205 210 215 220 225 230 235 240
0,46 à 0,50 150 155 160 165 170 175 180 185 190 195 200 205 210 215 220 225 230 235 240
0,51 à 0,55 155 160 165 170 175 180 185 190 195 200 205 210 215 220 225 230 235 240
0,56 à 0,60 160 165 170 175 180 185 190 195 200 205 210 215 220 225 230 235 240
0,61 à 0,65 165 170 175 180 185 190 195 200 205 210 215 220 225 230 235 240
0,66 à 0,70 170 175 180 185 190 195 200 205 210 215 220 225 230 235 240
0,71 à 0,75 175 180 185 190 195 200 205 210 215 220 225 230 235 240
0,76 à 0,80 180 185 190 195 200 205 210 215 220 225 230 235 240
0,81 à 0,85 185 190 195 200 205 210 215 220 225 230 235 240 JEU AUX SOUPAPES (à froid):
0,17 à 0,22 mm
Exemple: la plaquette montée porte le numéro 175
Le jeu mesuré est de 0,27 mm
Remplacer la plaquette 175 par une plaquette 185
Numéro de plaquette: (exemple)
N° plaquette 175 = 1,75 mm
N° plaquette 185 = 1,85 mm
0,86 à 0,90 190 195 200 205 210 215 220 225 230 235 240
0,91 à 0,95 195 200 205 210 215 220 225 230 235 240
0,96 à 1,00 200 205 210 215 220 225 230 235 240
1,01 à 1,05 205 210 215 220 225 230 235 240
1,06 à 1,10 210 215 220 225 230 235 240
1,11 à 1,15 215 220 225 230 235 240
1,16 à 1,20 220 225 230 235 240
1,21 à 1,25 225 230 235 240
1,26 à 1,30 230 235 240
1,31 à 1,35 235 240
1,36 à 1,40 240
MOTEUR
3 - 71
INSP
ADJ
EINLASS
AUSLASS
GEMESSE-
NES SPIEL
NUMMER DES EINGEBAUTEN VENTILPLÄTTCHENS
120 125 130 135 140 145 150 155 160 165 170 175 180 185 190 195 200 205 210 215 220 225 230 235 240
0,000,04 120 125 130 135 140 145 150 155 160 165 170 175 180 185 190 195 200 205 210 215 220 225 230
0,050,09 120 125 130 135 140 145 150 155 160 165 170 175 180 185 190 195 200 205 210 215 220 225 230 235
0,100,15 SOLLSPIEL
0,160,20 125 130 135 140 145 150 155 160 165 170 175 180 185 190 195 200 205 210 215 220 225 230 235 240
0,210,25 130 135 140 145 150 155 160 165 170 175 180 185 190 195 200 205 210 215 220 225 230 235 240
0,260,30 135 140 145 150 155 160 165 170 175 180 185 190 195 200 205 210 215 220 225 230 235 240
0,310,35 140 145 150 155 160 165 170 175 180 185 190 195 200 205 210 215 220 225 230 235 240
0,360,40 145 150 155 160 165 170 175 180 185 190 195 200 205 210 215 220 225 230 235 240
0,410,45 150 155 160 165 170 175 180 185 190 195 200 205 210 215 220 225 230 235 240
0,460,50 155 160 165 170 175 180 185 190 195 200 205 210 215 220 225 230 235 240
0,510,55 160 165 170 175 180 185 190 195 200 205 210 215 220 225 230 235 240
0,560,60 165 170 175 180 185 190 195 200 205 210 215 220 225 230 235 240
0,610,65 170 175 180 185 190 195 200 205 210 215 220 225 230 235 240
0,660,70 175 180 185 190 195 200 205 210 215 220 225 230 235 240
0,710,75 180 185 190 195 200 205 210 215 220 225 230 235 240
0,760,80 185 190 195 200 205 210 215 220 225 230 235 240 VENTILSPIEL (KALT):
0,100,15 mm
Beispiel: Eingebaut ist Nr. 175
Gemessenes Spiel ist 0,22 mm
175er durch 185er Plättchen ersetzen
Ventilplättchen-Nummer (Beispiel)
Nr. 175 = 1,75 mm
Nr. 185 = 1,85 mm
0,810,85 190 195 200 205 210 215 220 225 230 235 240
0,860,90 195 200 205 210 215 220 225 230 235 240
0,910,95 200 205 210 215 220 225 230 235 240
0,961,00 205 210 215 220 225 230 235 240
1,011,05 210 215 220 225 230 235 240
1,061,10 215 220 225 230 235 240
1,111,15 220 225 230 235 240
1,161,20 225 230 235 240
1,211,25 230 235 240
1,261,30 235 240
1,311,35 240
GEMESSE-
NES SPIEL NUMMER DES EINGEBAUTEN VENTILPLÄTTCHENS
120 125 130 135 140 145 150 155 160 165 170 175 180 185 190 195 200 205 210 215 220 225 230 235 240
0,000,04 120 125 130 135 140 145 150 155 160 165 170 175 180 185 190 195 200 205 210 215 220 225
0,050,09 120 125 130 135 140 145 150 155 160 165 170 175 180 185 190 195 200 205 210 215 220 225 230
0,100,16 120 125 130 135 140 145 150 155 160 165 170 175 180 185 190 195 200 205 210 215 220 225 230 235
0,170,22 SOLLSPIEL
0,230,25 125 130 135 140 145 150 155 160 165 170 175 180 185 190 195 200 205 210 215 220 225 230 235 240
0,260,30 130 135 140 145 150 155 160 165 170 175 180 185 190 195 200 205 210 215 220 225 230 235 240
0,310,35 135 140 145 150 155 160 165 170 175 180 185 190 195 200 205 210 215 220 225 230 235 240
0,360,40 140 145 150 155 160 165 170 175 180 185 190 195 200 205 210 215 220 225 230 235 240
0,410,45 145 150 155 160 165 170 175 180 185 190 195 200 205 210 215 220 225 230 235 240
0,460,50 150 155 160 165 170 175 180 185 190 195 200 205 210 215 220 225 230 235 240
0,510,55 155 160 165 170 175 180 185 190 195 200 205 210 215 220 225 230 235 240
0,560,60 160 165 170 175 180 185 190 195 200 205 210 215 220 225 230 235 240
0,610,65 165 170 175 180 185 190 195 200 205 210 215 220 225 230 235 240
0,660,70 170 175 180 185 190 195 200 205 210 215 220 225 230 235 240
0,710,75 175 180 185 190 195 200 205 210 215 220 225 230 235 240
0,760,80 180 185 190 195 200 205 210 215 220 225 230 235 240
0,810,85 185 190 195 200 205 210 215 220 225 230 235 240 VENTILSPIEL (KALT):
0,170,22 mm
Beispiel: Eingebaut ist Nr. 175
Gemessenes Spiel ist 0,27 mm
175er durch 185er Plättchen ersetzen
Ventilplättchen-Nummer (Beispiel)
Nr. 175 = 1,75 mm
Nr. 185 = 1,85 mm
0,860,90 190 195 200 205 210 215 220 225 230 235 240
0,910,95 195 200 205 210 215 220 225 230 235 240
0,961,00 200 205 210 215 220 225 230 235 240
1,011,05 205 210 215 220 225 230 235 240
1,061,10 210 215 220 225 230 235 240
1,111,15 215 220 225 230 235 240
1,161,20 220 225 230 235 240
1,211,25 225 230 235 240
1,261,30 230 235 240
1,311,35 235 240
1,361,40 240
MOTOR
3 - 72
INSP
ADJ
ASPIRAZIONE
SCARICO
GIOCO MISU-
RATO
NUMERO SPESSORE INSTALLATO
120 125 130 135 140 145 150 155 160 165 170 175 180 185 190 195 200 205 210 215 220 225 230 235 240
0,00 ~ 0,04 120 125 130 135 140 145 150 155 160 165 170 175 180 185 190 195 200 205 210 215 220 225 230
0,05 ~ 0,09 120 125 130 135 140 145 150 155 160 165 170 175 180 185 190 195 200 205 210 215 220 225 230 235
0,10 ~ 0,15 GIOCO STANDARD
0,16 ~ 0,20 125 130 135 140 145 150 155 160 165 170 175 180 185 190 195 200 205 210 215 220 225 230 235 240
0,21 ~ 0,25 130 135 140 145 150 155 160 165 170 175 180 185 190 195 200 205 210 215 220 225 230 235 240
0,26 ~ 0,30 135 140 145 150 155 160 165 170 175 180 185 190 195 200 205 210 215 220 225 230 235 240
0,31 ~ 0,35 140 145 150 155 160 165 170 175 180 185 190 195 200 205 210 215 220 225 230 235 240
0,36 ~ 0,40 145 150 155 160 165 170 175 180 185 190 195 200 205 210 215 220 225 230 235 240
0,41 ~ 0,45 150 155 160 165 170 175 180 185 190 195 200 205 210 215 220 225 230 235 240
0,46 ~ 0,50 155 160 165 170 175 180 185 190 195 200 205 210 215 220 225 230 235 240
0,51 ~ 0,55 160 165 170 175 180 185 190 195 200 205 210 215 220 225 230 235 240
0,56 ~ 0,60 165 170 175 180 185 190 195 200 205 210 215 220 225 230 235 240
0,61 ~ 0,65 170 175 180 185 190 195 200 205 210 215 220 225 230 235 240
0,66 ~ 0,70 175 180 185 190 195 200 205 210 215 220 225 230 235 240
0,71 ~ 0,75 180 185 190 195 200 205 210 215 220 225 230 235 240
0,76 ~ 0,80 185 190 195 200 205 210 215 220 225 230 235 240 GIOCO VALVOLE (a freddo):
0,10 ~ 0,15 mm
Esempio: Installato: 175
Il gioco misurato della valvola è di 0,22 mm
Sostituire lo spessore 175 con lo spessore 185
Numero spessore: (esempio)
N. spessore 175 = 1,75 mm
N. spessore 185 = 1,85 mm
0,81 ~ 0,85 190 195 200 205 210 215 220 225 230 235 240
0,86 ~ 0,90 195 200 205 210 215 220 225 230 235 240
0,91 ~ 0,95 200 205 210 215 220 225 230 235 240
0,96 ~ 1,00 205 210 215 220 225 230 235 240
1,01 ~ 1,05 210 215 220 225 230 235 240
1,06 ~ 1,10 215 220 225 230 235 240
1,11 ~ 1,15 220 225 230 235 240
1,16 ~ 1,20 225 230 235 240
1,21 ~ 1,25 230 235 240
1,26 ~ 1,30 235 240
1,31 ~ 1,35 240
GIOCO MISU-
RATO
NUMERO SPESSORE INSTALLATO
120 125 130 135 140 145 150 155 160 165 170 175 180 185 190 195 200 205 210 215 220 225 230 235 240
0,00 ~ 0,04 120 125 130 135 140 145 150 155 160 165 170 175 180 185 190 195 200 205 210 215 220 225
0,05 ~ 0,09 120 125 130 135 140 145 150 155 160 165 170 175 180 185 190 195 200 205 210 215 220 225 230
0,10 ~ 0,16 120 125 130 135 140 145 150 155 160 165 170 175 180 185 190 195 200 205 210 215 220 225 230 235
0,17 ~ 0,22 GIOCO STANDARD
0,23 ~ 0,25 125 130 135 140 145 150 155 160 165 170 175 180 185 190 195 200 205 210 215 220 225 230 235 240
0,26 ~ 0,30 130 135 140 145 150 155 160 165 170 175 180 185 190 195 200 205 210 215 220 225 230 235 240
0,31 ~ 0,35 135 140 145 150 155 160 165 170 175 180 185 190 195 200 205 210 215 220 225 230 235 240
0,36 ~ 0,40 140 145 150 155 160 165 170 175 180 185 190 195 200 205 210 215 220 225 230 235 240
0,41 ~ 0,45 145 150 155 160 165 170 175 180 185 190 195 200 205 210 215 220 225 230 235 240
0,46 ~ 0,50 150 155 160 165 170 175 180 185 190 195 200 205 210 215 220 225 230 235 240
0,51 ~ 0,55 155 160 165 170 175 180 185 190 195 200 205 210 215 220 225 230 235 240
0,56 ~ 0,60 160 165 170 175 180 185 190 195 200 205 210 215 220 225 230 235 240
0,61 ~ 0,65 165 170 175 180 185 190 195 200 205 210 215 220 225 230 235 240
0,66 ~ 0,70 170 175 180 185 190 195 200 205 210 215 220 225 230 235 240
0,71 ~ 0,75 175 180 185 190 195 200 205 210 215 220 225 230 235 240
0,76 ~ 0,80 180 185 190 195 200 205 210 215 220 225 230 235 240
0,81 ~ 0,85 185 190 195 200 205 210 215 220 225 230 235 240 GIOCO VALVOLE (a freddo):
0,17 ~ 0,22 mm
Esempio: Installato: 175
Il gioco misurato della valvola è di 0,27 mm
Sostituire lo spessore 175 con lo spessore 185
Numero spessore: (esempio)
N. spessore 175 = 1,75 mm
N. spessore 185 = 1,85 mm
0,86 ~ 0,90 190 195 200 205 210 215 220 225 230 235 240
0,91 ~ 0,95 195 200 205 210 215 220 225 230 235 240
0,96 ~ 1,00 200 205 210 215 220 225 230 235 240
1,01 ~ 1,05 205 210 215 220 225 230 235 240
1,06 ~ 1,10 210 215 220 225 230 235 240
1,11 ~ 1,15 215 220 225 230 235 240
1,16 ~ 1,20 220 225 230 235 240
1,21 ~ 1,25 225 230 235 240
1,26 ~ 1,30 230 235 240
1,31 ~ 1,35 235 240
1,36 ~ 1,40 240
MOTORE
3 - 73
INSP
ADJ
ADMISIÓN
ESCAPE
HOLGURA
MEDIDA NÚMERO DEL TAQUÉ INSTALADO
120 125 130 135 140 145 150 155 160 165 170 175 180 185 190 195 200 205 210 215 220 225 230 235 240
0,00 ~ 0,04 120 125 130 135 140 145 150 155 160 165 170 175 180 185 190 195 200 205 210 215 220 225 230
0,05 ~ 0,09 120 125 130 135 140 145 150 155 160 165 170 175 180 185 190 195 200 205 210 215 220 225 230 235
0,10 ~ 0,15 HOLGURA ESTÁNDAR
0,16 ~ 0,20 125 130 135 140 145 150 155 160 165 170 175 180 185 190 195 200 205 210 215 220 225 230 235 240
0,21 ~ 0,25 130 135 140 145 150 155 160 165 170 175 180 185 190 195 200 205 210 215 220 225 230 235 240
0,26 ~ 0,30 135 140 145 150 155 160 165 170 175 180 185 190 195 200 205 210 215 220 225 230 235 240
0,31 ~ 0,35 140 145 150 155 160 165 170 175 180 185 190 195 200 205 210 215 220 225 230 235 240
0,36 ~ 0,40 145 150 155 160 165 170 175 180 185 190 195 200 205 210 215 220 225 230 235 240
0,41 ~ 0,45 150 155 160 165 170 175 180 185 190 195 200 205 210 215 220 225 230 235 240
0,46 ~ 0,50 155 160 165 170 175 180 185 190 195 200 205 210 215 220 225 230 235 240
0,51 ~ 0,55 160 165 170 175 180 185 190 195 200 205 210 215 220 225 230 235 240
0,56 ~ 0,60 165 170 175 180 185 190 195 200 205 210 215 220 225 230 235 240
0,61 ~ 0,65 170 175 180 185 190 195 200 205 210 215 220 225 230 235 240
0,66 ~ 0,70 175 180 185 190 195 200 205 210 215 220 225 230 235 240
0,71 ~ 0,75 180 185 190 195 200 205 210 215 220 225 230 235 240
0,76 ~ 0,80 185 190 195 200 205 210 215 220 225 230 235 240 HOLGURA DE VÁLVULAS (en frío):
0,10 ~ 0,15 mm
Ejemplo: Instalado 175
La holgura medida es 0,22 mm
Cambie el taqué 175 por el taqué 185
Número de taqué: (ejemplo)
Taqué nº175 = 1,75 mm
Taqué nº185 = 1,85 mm
0,81 ~ 0,85 190 195 200 205 210 215 220 225 230 235 240
0,86 ~ 0,90 195 200 205 210 215 220 225 230 235 240
0,91 ~ 0,95 200 205 210 215 220 225 230 235 240
0,96 ~ 1,00 205 210 215 220 225 230 235 240
1,01 ~ 1,05 210 215 220 225 230 235 240
1,06 ~ 1,10 215 220 225 230 235 240
1,11 ~ 1,15 220 225 230 235 240
1,16 ~ 1,20 225 230 235 240
1,21 ~ 1,25 230 235 240
1,26 ~ 1,30 235 240
1,31 ~ 1,35 240
HOLGURA
MEDIDA NÚMERO DEL TAQUÉ INSTALADO
120 125 130 135 140 145 150 155 160 165 170 175 180 185 190 195 200 205 210 215 220 225 230 235 240
0,00 ~ 0,04 120 125 130 135 140 145 150 155 160 165 170 175 180 185 190 195 200 205 210 215 220 225
0,05 ~ 0,09 120 125 130 135 140 145 150 155 160 165 170 175 180 185 190 195 200 205 210 215 220 225 230
0,10 ~ 0,16 120 125 130 135 140 145 150 155 160 165 170 175 180 185 190 195 200 205 210 215 220 225 230 235
0,17 ~ 0,22 HOLGURA ESTÁNDAR
0,23 ~ 0,25 125 130 135 140 145 150 155 160 165 170 175 180 185 190 195 200 205 210 215 220 225 230 235 240
0,26 ~ 0,30 130 135 140 145 150 155 160 165 170 175 180 185 190 195 200 205 210 215 220 225 230 235 240
0,31 ~ 0,35 135 140 145 150 155 160 165 170 175 180 185 190 195 200 205 210 215 220 225 230 235 240
0,36 ~ 0,40 140 145 150 155 160 165 170 175 180 185 190 195 200 205 210 215 220 225 230 235 240
0,41 ~ 0,45 145 150 155 160 165 170 175 180 185 190 195 200 205 210 215 220 225 230 235 240
0,46 ~ 0,50 150 155 160 165 170 175 180 185 190 195 200 205 210 215 220 225 230 235 240
0,51 ~ 0,55 155 160 165 170 175 180 185 190 195 200 205 210 215 220 225 230 235 240
0,56 ~ 0,60 160 165 170 175 180 185 190 195 200 205 210 215 220 225 230 235 240
0,61 ~ 0,65 165 170 175 180 185 190 195 200 205 210 215 220 225 230 235 240
0,66 ~ 0,70 170 175 180 185 190 195 200 205 210 215 220 225 230 235 240
0,71 ~ 0,75 175 180 185 190 195 200 205 210 215 220 225 230 235 240
0,76 ~ 0,80 180 185 190 195 200 205 210 215 220 225 230 235 240
0,81 ~ 0,85 185 190 195 200 205 210 215 220 225 230 235 240 HOLGURA DE VÁLVULAS (en frío):
0,17 ~ 0,22 mm
Ejemplo: Instalado 175
La holgura medida es 0,27 mm
Cambie el taqué 175 por el taqué 185
Número de taqué: (ejemplo)
Taqué nº175 = 1,75 mm
Taqué nº185 = 1,85 mm
0,86 ~ 0,90 190 195 200 205 210 215 220 225 230 235 240
0,91 ~ 0,95 195 200 205 210 215 220 225 230 235 240
0,96 ~ 1,00 200 205 210 215 220 225 230 235 240
1,01 ~ 1,05 205 210 215 220 225 230 235 240
1,06 ~ 1,10 210 215 220 225 230 235 240
1,11 ~ 1,15 215 220 225 230 235 240
1,16 ~ 1,20 220 225 230 235 240
1,21 ~ 1,25 225 230 235 240
1,26 ~ 1,30 230 235 240
1,31 ~ 1,35 235 240
1,36 ~ 1,40 240
MOTOR
3 - 74
INSP
ADJ
MEMO
3 - 75
INSP
ADJ
SPARK ARRESTER CLEANING
(For USA)
WARNING
Be sure the exhaust pipe and
silencer are cool before cleaning
the spark arrester.
Do not start the engine when
cleaning the exhaust system.
1. Remove:
Screw (silencer cap) 1
2. Remove:
Bolt (spark arrester) 1
1
1
3. Remove:
Tail pipe 1
Gasket (tail pipe) 2
Spark arrester 3
Pull the spark arrester out of
the silencer.
Gasket (spark arrester) 4
1234
4. Clean:
Spark arrester
Tap the spark arrester lightly,
then use a wire brush to
remove any carbon deposits.
5. Install:
Gasket (spark arrester)
Spark arrester
Insert the spark arrester into
the silencer and align the bolt
holes.
Gasket (tail pipe)
Bolt (spark arrester)
T
R
.
.
7 Nm (0.7 m · kg, 5.1 ft · lb)
6. Install:
Silencer cap
NOTE:
First tighten the two screws a
located horizontally apart, and then
tighten the others.
T
R
.
.
5 Nm (0.5 m · kg, 3.6 ft · lb)
aa
NETTOYAGE DU PARE-
ETINCELLES (USA)
WARNING
Attendre que le tuyau d’échappe-
ment et le silencieux soient froids
avant de nettoyer le pare-étincelles.
Ne pas démarrer le moteur pendant
le nettoyage du système d’échappe-
ment.
1. Déposer:
Vis (capuchon de silencieux) 1
2. Déposer:
Boulon (pare-étincelles) 1
3. Déposer:
Tuyau d’échappement arrière 1
Joint (tuyau d’échappement
arrière) 2
Pare-étincelles 3
Retirer le pare-étincelles du silen-
cieux.
Joint (pare-étincelles) 4
4. Nettoyer:
Pare -étincelles
Tapoter légèrement le pare-étin-
celles puis utiliser une brosse
métallique pour éliminer les
éventuels dépôts de calamine.
5. Monter:
Joint (pare-étincelles)
Pare -étincelles
Insérer le pare-étincelles dans le
silencieux et aligner les trous des
boulons.
Joint (tuyau d’échappement
arrière)
Boulon (pare-étincelles)
T
R
.
.
7 Nm (0,7 m · kg, 5,1 ft · lb)
6. Monter:
Capuchon de silencieux
N.B.:
Serrer dabord les deux vis a opposées
horizontalement, puis les autres.
T
R
.
.
5 Nm (0,5 m · kg, 3,6 ft · lb)
ENGINE
MOTEUR
INSP
ADJ
3 - 76
FUNKENFÄNGER REINIGEN
(USA)
WARNUNG
Die Reinigung des Funkenfän-
gers erst nach Abkühlen des
Auspuffsystems durchführen.
Während der Reinigung des
Auspuffsystems darf der Motor
nicht gestartet werden.
1. Demontieren:
Schraube (schalldämpfer-
Abdeckung) 1
2. Demontieren:
Schraube (funkenfänger) 1
3. Demontieren:
Endrohr 1
Dichtung (endrohr) 2
Funkenfänger 3
Den Funkenfänger aus dem
Schalldämpfer herausziehen.
Dichtung (funkenfänger) 4
4. Reinigen:
Funkenfänger
Den Funkenfänger leicht klop-
fen und dann mit einer Draht-
bürste etwaige Kohleablage-
rungen entfernen.
5. Montieren:
Dichtung (funkenfänger)
Funkenfänger
Den Funkenfänger in den
Schalldämpfer stecken und
die Bohrungen aufeinander
ausrichten.
Dichtung (endrohr)
Funkenfänger-Schraube
T
R
.
.
7 Nm (0,7 m · kg, 5,1 ft · lb)
6. Montieren:
Schalldämpfer-Abdeckung
HINWEIS:
Zunächst die beiden horizontal
gegenüberliegenden Schrauben a
festziehen, anschließend auch die
andern.
T
R
.
.
5 Nm (0,5 m · kg, 3,6 ft · lb)
PULIZIA SCARICATORE
SCINTILLA (USA)
AVVERTENZA
Accertarsi che il tubo di scarico e il
silenziatore siano freddi prima di
pulire lo scaricatore scintilla.
Non avviare il motore durante la
pulizia dellimpianto di scarico.
1. Togliere:
Vite (coperchio silenziatore) 1
2. Togliere:
Bullone (scaricatore scintilla) 1
3. Togliere:
Tubo di coda 1
Guarnizione (tubo di coda) 2
Scaricatore scintilla 3
Estrarre lo scaricatore scintilla
dal silenziatore.
Guarnizione (scaricatore scintilla)
4
4. Pulire:
Scaricatore scintilla
Battere leggermente sullo scarica-
tore scintilla quindi rimuovere i
depositi carboniosi con una spaz-
zola metallica.
5. Installare:
Guarnizione (scaricatore scintilla)
Scaricatore scintilla
Inserire lo scaricatore scintilla nel
silenziatore e allineare i fori per i
bulloni.
Guarnizione (tubo di coda)
Bullone (scaricatore scintilla)
T
R
.
.
7 Nm (0,7 m · kg, 5,1 ft · lb)
6. Installare:
Coperchio silenziatore
NOTA:
Serrare innanzitutto le due viti a ubi-
cate orizzontalmente a parte, quindi ser-
rare le altre.
T
R
.
.
5 Nm (0,5 m · kg, 3,6 ft · lb)
LIMPIEZA DEL PARACHISPAS
(USA)
ADVERTENCIA
Compruebe que el tubo de
escape y el silenciador estén
fríos antes de limpiar el para-
chispas.
No arranque el motor cuando
esté limpiando el sistema de
escape.
1. Extraer:
Tornillo (tapón del silenciador)
1
2. Extraer:
Perno (parachispas) 1
3. Extraer:
Tubo de escape 1
Junta (tubo de escape) 2
Parachispas 3
Extraiga el parachispas del
silenciador.
Junta (parachispas) 4
4. Limpiar:
Parachispas
Golpee ligeramente el para-
chispas y luego utilice un cepi-
llo metálico para eliminar los
restos de carbonilla.
5. Instalar:
Junta (parachispas)
Parachispas
Introduzca el parachispas en
el silenciador y alinee los orifi-
cios de los tornillos.
Junta (tubo de escape)
Tornillo (parachispas)
T
R
.
.
7 Nm (0,7 m · kg, 5,1 ft · lb)
6. Instalar:
Tapón del silenciador
NOTA:
Empiece por apretar los dos tornillos
a separados horizontalmente, y
seguidamente apriete los demás.
T
R
.
.
5 Nm (0,5 m · kg, 3,6 ft · lb)
MOTOR
MOTORE
MOTOR
3 - 77
INSP
ADJ
EC360000
CHASSIS
EC361012
BRAKE SYSTEM AIR BLEEDING
WARNING
Bleed the brake system if:
The system has been disassem-
bled.
A brake hose has been loosened
or removed.
The brake fluid is very low.
The brake operation is faulty.
A dangerous loss of braking per-
formance may occur if the brake
system is not properly bled.
1. Remove:
Brake master cylinder cap
Diaphragm
Reservoir float (front brake)
Protector (rear brake)
2. Bleed:
Brake fluid
ÈFront
ÉRear
Air bleeding steps:
a. Add proper brake fluid to the
reservoir.
b. Install the diaphragm. Be care-
ful not to spill any fluid or allow
the reservoir to overflow.
c. Connect the clear plastic tube
2 tightly to the caliper bleed
screw 1.
d. Place the other end of the tube
into a container.
e. Slowly apply the brake lever or
pedal several times.
f. Pull the lever in or push down
on the pedal. Hold the lever or
pedal in position.
g. Loosen the bleed screw and
allow the lever or pedal to
travel towards its limit.
h. Tighten the bleed screw when
the lever or pedal limit has
been reached; then release the
lever or pedal.
T
R
.
.
Bleed screw:
6 Nm
(0.6 m kg, 4.3 ft lb)
i. Repeat steps (e) to (h) until of
the air bubbles have been
removed from the system.
È
É
CHÂSSIS
PURGE DAIR DU CIRCUIT DE
FREINAGE
AVERTISSEMENT
Purger lair du circuit de freinage si:
Le circuit a été démonté.
Une durit de frein a été desserrée ou
déposée.
Le niveau du liquide de frein est très
bas.
Le frein fonctionne mal.
Si le circuit de freinage nest pas cor-
rectement purgé, il peut sensuivre
une dangereuse perte defficacité du
freinage.
1. Déposer:
Couvercle de maître-cylindre de
frein
Diaphragme
Flotteur du réservoir (frein avant)
Protection (frein arrière)
2. Purger:
Liquide de frein
ÈAvant
ÉArrière
Étapes de la purge de lair:
a. Ajouter le liquide de frein adéquat
dans le réservoir.
b. Poser le diaphragme. Veiller à ne
pas renverser de liquide et à ne pas
faire déborder le réservoir.
c. Connecter hermétiquement le
tuyau en plastique transparent 2 à
la vis de purge 1 de l’étrier.
d. Placer lautre extrémité du tuyau
dans un récipient.
e. Actionner lentement et plusieurs
fois le levier ou la pédale de frein.
f. Tirer le levier ou enfoncer la
pédale. Maintenir le levier ou la
pédale dans leur position respec-
tive.
g. Desserrer la vis de purge et laisser
le levier ou la pédale parvenir en
fin de course.
h. Serrer la vis de purge quand le
levier ou la pédale sont arrivés en
fin de course, puis relâcher le
levier ou la pédale.
T
R
.
.
Vis de purge:
6 Nm
(0,6 m kg, 4,3 ft lb)
i. Répéter les opérations (e) à (h)
jusqu’à l’élimination totale des
bulles dair du circuit.
CHASSIS
CHÂSSIS
INSP
ADJ
3 - 78
FAHRWERK
HYDRAULISCHE BREMSANLAGE
ENTLÜFTEN
WARNUNG
Die Bremshydraulik in folgenden
Fällen entlüften:
Die Anlage wurde zerlegt.
Ein Bremsschlauch wurde
gelöst oder erneuert.
Der Flüssigkeitsstand ist sehr
niedrig.
Die Bremse funktioniert nicht
einwandfrei.
Eine nicht korrekt durchgeführte
Entlüftung kann die Bremsleis-
tung beeinträchtigen.
1. Demontieren:
Vorratsbehälter-Deckel
Membran
Schwimmer (Vorderradbremse)
Protektor (Hinterradbremse)
2. Ablassen:
Bremsflüssigkeit
ÈVorn
ÉHinten
Arbeitsvorgang für die Entlüf-
tung:
a. Den Vorratsbehälter mit der
empfohlenen Bremsflüssigkeit
auffüllen.
b. Die Membran einsetzen. Dar-
auf achten, dass keine Flüssig-
keit verschüttet wird und dass
der Vorratsbehälter nicht über-
läuft.
c. Einen durchsichtigen Kunst-
stoffschlauch 2 fest an der
Bremssattel-Entlüftungs-
schraube 1 anschließen.
d. Das freie Schlauchende in
einen Auffangbehälter führen.
e. Den Bremshebel mehrmals
langsam betätigen.
f. Den entsprechenden Brems-
hebel betätigen. Den Bremshe-
bel kräftig betätigen und in
dieser Stellung halten.
g. Die Entlüftungsschraube lok-
kern, woraufhin der Hebel sich
bis auf den Anschlag zubewegt.
h. Sobald der Hebel den
Anschlag erreicht hat, die Ent-
lüftungsschraube festziehen
und dann den Hebel loslassen.
T
R
.
.
Entlüftungsschraube:
6 Nm
(0,6 m kg, 4,3 ft lb)
i. Die Schritte (e) bis (h) so lange
wiederholen, bis keine Luft-
bläschen mehr im Kunststoff-
schlauch zu sehen sind.
PARTE CICLISTICA
SPURGO ARIA SISTEMA
FRENANTE
AVVERTENZA
Spurgare il circuito dei freni se:
Il sistema è stato disassemblato.
Uno dei tubi del freno è stato allen-
tato o rimosso.
Il livello del liquido freni è molto
basso.
Il funzionamento del freno è difet-
toso.
Se non si spurga correttamente il
sistema frenante, può verificarsi una
pericolosa perdita di efficienza della
frenata.
1. Togliere:
Coperchio pompa del freno
Diaframma
Galleggiante serbatoio
(freno anteriore)
Protezione (freno posteriore)
2. Spurgare:
Liquido dei freni
ÈAnteriore
ÉPosteriore
Operazioni per lo spurgo dellaria:
a. Aggiungere al serbatoio il liquido
freni corretto.
b. Installare il diaframma. Atten-
zione a non versare in alcun modo
il liquido o a non far traboccare il
liquido dal serbatoio.
c. Collegare strettamente il tubo di
plastica chiaro 2 alla vite di
spurgo della pinza 1.
d. Posizionare laltra estremità del
tubo in un recipiente.
e. Azionare lentamente la leva o il
pedale del freno diverse volte.
f. Tirare la leva o premere il pedale.
Mantenere la leva o il pedale in
posizione.
g. Allentare la vite di spurgo e por-
tare la corsa della leva o del
pedale verso il limite.
h. Avvitare la vite di spurgo quando
si raggiunge il limite della leva o
del pedale, quindi rilasciare la
leva o il pedale.
T
R
.
.
Vite di spurgo:
6 Nm
(0,6 m kg, 4,3 ft lb)
i. Ripetere le operazioni dalla (e)
alla (h) fino alleliminazione delle
bolle daria dal sistema.
CHASIS
PURGA DE AIRE DEL SISTEMA
DE FRENOS
ADVERTENCIA
Debe purgar el sistema de frenos
si:
El sistema ha sido desmontado.
Se ha soltado o extraído un tubo
de freno.
El nivel de líquido de frenos está
muy bajo.
El freno funciona mal.
Si el sistema de frenos no se
purga de forma adecuada se
puede producir una peligrosa pér-
dida de rendimiento de los frenos.
1. Extraer:
Tapa de la bomba de freno
Diafragma
Flotador del depósito
(freno delantero)
Protector (freno trasero)
2. Purgar:
Líquido de frenos
ÈDelantero
ÉTrasero
Procedimiento de purga:
a. Añada líquido de frenos del
tipo adecuado al depósito.
b. Instale el diafragma. Evite
derramar líquido de frenos o
que rebose el depósito.
c. Acople firmemente el tubo de
plástico transparente 2 al tor-
nillo de purga de la pinza 1.
d. Coloque el otro extremo del
tubo en un recipiente.
e. Accione lentamente la maneta
o el pedal de freno varias
veces.
f. Apriete la maneta de freno o
pise el pedal. Mantenga la
maneta o el pedal en esa posi-
ción.
g. Afloje el tornillo de purga y deje
que la maneta o el pedal se
desplacen hasta su límite.
h. Apriete el tornillo de purga
cuando la maneta o el pedal
hayan llegado a su límite; en
ese momento suelte la maneta
o el pedal.
T
R
.
.
Tornillo de purga:
6 Nm
(0,6 m kg, 4,3 ft lb)
i. Repita los pasos (e) a (h) hasta
eliminar las burbujas de aire
del sistema.
FAHRWERK
PARTE CICLISTICA
CHASIS
3 - 79
INSP
ADJ
3. Install:
Protector (rear brake)
Reservoir float (front brake)
Diaphragm
Brake master cylinder cap
EC362040
FRONT BRAKE ADJUSTMENT
1. Check:
Brake lever position a
2. Remove:
Brake lever cover
3. Adjust:
Brake lever position
4. Install:
Brake lever cover
NOTE:
If bleeding is difficult, it may be
necessary to let the brake fluid sys-
tem stabilize for a few hours.
Repeat the bleeding procedure
when the tiny bubbles in the sys-
tem have disappeared.
j. Add brake fluid to the level line
on the reservoir.
WARNING
Check the operation of the brake
after bleeding the brake system.
Brake lever position a:
Standard
position
Extent of
adjustment
95 mm (3.74 in) 76 ~ 97 mm
(2.99 ~ 3.82 in)
Brake lever position adjust-
ment steps:
Loosen the locknut 1.
Turn the adjusting bolt 2 until
the lever position a is within
specified position.
Tighten the locknut.
T
R
.
.
Locknut:
5 Nm
(0.5 m kg, 3.6 ft lb)
CAUTION:
Be sure to tighten the locknut,
as it will cause poor brake per-
formance.
3. Monter:
Protection (frein arrière)
Flotteur du réservoir (frein avant)
Diaphragme
Couvercle de maître-cylindre de
frein
REGLAGE DU FREIN AVANT
1. Contrôler:
Position du levier de frein a
2. Déposer:
Couvercle du levier de frein
3. Régler:
Position du levier de frein
4. Monter:
Couvercle du levier de frein
N.B.:
Si la purge est difficile, il peut être
nécessaire de laisser le circuit du
liquide de frein se stabiliser pendant
quelques heures. Répéter la procédure
de purge quand les petites bulles dair
ont disparu du circuit.
j. Ajouter du liquide de frein jusqu’à
la ligne de niveau du réservoir.
AVERTISSEMENT
Vérifier le fonctionnement du frein
après avoir purgé le circuit de frei-
nage.
Position du levier de frein
a:
Position standard Plage de réglage
95 mm (3,74 in) 76 à 97 mm
(2,99 à 3,82 in)
Etapes du réglage de la position du
levier de frein:
Desserrer le contre-écrou 1.
Faire tourner le boulon de réglage
2 jusqu’à ce que la position du
levier a soit conforme aux spéci-
fications.
Serrer le contre-écrou.
T
R
.
.
Contre-écrou:
5 Nm
(0,5 m kg, 3,6 ft lb)
ATTENTION:
Veiller à bien serrer le contre-
écrou pour éviter toute baisse
defficacité du freinage.
CHASSIS
CHÂSSIS
INSP
ADJ
3 - 80
3. Montieren:
Protektor (Hinterradbremse)
Schwimmer (Vorderradbremse)
Membran
Vorratsbehälter-Deckel
VORDERRADBREMSE
EINSTELLEN
1. Kontrollieren:
Handbremshebel-Position a
2. Demontieren:
Handbremshebel-Abdeckung
3. Einstellen:
Handbremshebel-Position
4. Montieren:
Handbremshebel-Abdeckung
HINWEIS:
Kann die Bremsanlage nicht zufrie-
den stellend entlüftet werden,
sollte die Flüssigkeit einige Stun-
den ruhen. Den Entlüftungsvor-
gang erst dann wieder aufnehmen,
wenn keine Luftbläschen mehr in
der Flüssigkeit erkennbar sind.
j. Den Vorratsbehälter bis zum
vorgeschriebenen Stand mit der
empfohlenen Bremsflüssigkeit
auffüllen.
WARNUNG
Nach dem Entlüften der hydrau-
lischen Anlage muss die Bremse
auf einwandfreie Funktion über-
prüft werden.
Handbremshebel-
Position a:
Normal-
einstellung Einstellbereich
95 mm (3,74 in) 7697 mm
(2,993,82 in)
Arbeitsvorgang für die Hand-
bremshebel-Position:
Die Sicherungsmutter 1 lokkern.
Die Einstellschraube 2 verdre-
hen, bis die Hebelposition a im
Sollbereich ist.
Die Sicherungsmutter festziehen.
T
R
.
.
Sicherungsmutter:
5 Nm
(0,5 m kg, 3,6 ft lb)
ACHTUNG:
Die Sicherungsmutter muss
vorschriftsmäßig festgezogen
werden, um eine Beeinträchti-
gung der Bremsfunktion zu ver-
meiden.
3. Installare:
Protezione (freno posteriore)
Galleggiante serbatoio
(freno anteriore)
Diaframma
Coperchio pompa del freno
REGOLAZIONE DEL FRENO
ANTERIORE
1. Controllare:
Posizione leva del freno a
2. Togliere:
Rivestimento leva del freno
3. Regolare:
Posizione leva del freno
4. Installare:
Rivestimento leva del freno
NOTA:
Se lo spurgo risulta difficoltoso,
potrebbe essere necessario lasciar
depositare il liquido dei freni per
alcune ore. Ripetere la procedura di
spurgo quando le bollicine nel sistema
sono scomparse.
j. Aggiungere liquido dei freni nel
serbatoio fino alla linea di livello.
AVVERTENZA
Controllare il funzionamento del
freno dopo lo spurgo del sistema fre-
nante.
Posizione leva del freno a:
Posizione
standard
Punto di
regolazione
95 mm (3,74 in) 76 ~ 97 mm
(2,99 ~ 3,82 in)
Operazioni per la regolazione della
posizione leva del freno:
Allentare il controdado 1.
Ruotare il bullone di regolazione
2 finché la posizione della leva a
rientri nella posizione indicata.
Serrare il controdado.
T
R
.
.
Controdado:
5 Nm
(0,5 m kg, 3,6 ft lb)
ATTENZIONE:
Assicurarsi di serrare il contro-
dado, poiché un controdado allen-
tato riduce lefficienza della
frenata.
3. Instalar:
Protector (freno trasero)
Flotador del depósito
(freno delantero)
Diafragma
Tapa de la bomba de freno
AJUSTE DEL FRENO
DELANTERO
1. Comprobar:
Posición de la maneta de
freno a
2. Extraer:
Tapa de la maneta de freno
3. Ajustar:
Posición de la maneta de freno
4. Instalar:
Tapa de la maneta de freno
NOTA:
Si la purga resulta difícil, puede ser
necesario dejar que el líquido de
frenos se estabilice durante unas
horas. Repita la operación de
purga cuando hayan desapare-
cido las pequeñas burbujas del sis-
tema.
j. Añada líquido de frenos hasta la
línea de nivel del depósito.
ADVERTENCIA
Después de purgar el sistema de
frenos, compruebe el funciona-
miento de estos.
Posición de la maneta
de freno a:
Posición
estándar
Amplitud del
ajuste
95 mm (3,74 in) 76 ~ 97 mm
(2,99 ~ 3,82 in)
Procedimiento de ajuste de la
posición de la maneta de freno:
Afloje la contratuerca 1.
Gire el tornillo de ajuste 2
hasta que la maneta a se sitúe
en la posición especificada.
Apriete la contratuerca.
T
R
.
.
Contratuerca:
5 Nm
(0,5 m kg, 3,6 ft lb)
ATENCION:
No olvide apretar la contra-
tuerca, ya que de lo contrario
disminuirá el rendimiento del
freno.
FAHRWERK
PARTE CICLISTICA
CHASIS
3 - 81
INSP
ADJ
EC364002
REAR BRAKE ADJUSTMENT
1. Check:
Brake pedal height a
Out of specification Adjust.
2. Adjust:
Brake pedal height
Brake pedal height a:
10 mm (0.39 in)
Pedal height adjustment steps:
Loosen the locknut 1.
Turn the adjusting nut 2 until
the pedal height a is within
specified height.
Tighten the locknut.
WARNING
Adjust the pedal height
between the maximum È and
the minimum É as shown. (In
this adjustment, the bolt 3
end b should protrude out of
the threaded portion 4 but
not be less than 2 mm
(0.08 in) c away from the
brake pedal 5).
After the pedal height adjust-
ment, make sure that the rear
brake does not drag.
ÈÉ
FRONT BRAKE PAD INSPECTION
AND REPLACEMENT
1. Inspect:
Brake pad thickness a
Out of specification
Replace as a set.
Brake pad thickness:
4.4 mm (0.17 in)
<Limit>:
1.0 mm (0.04 in)
2. Replace:
Brake pad
Brake pad replacement steps:
Remove the pad pin plug 1.
REGLAGE DU FREIN ARRIERE
1. Contrôler:
Hauteur de la pédale de frein a
Hors spécifications Ajuster.
2. Régler:
Hauteur de la pédale de frein
Hauteur de la pédale de
frein a:
10 mm (0,39 in)
Étapes du réglage de la hauteur de
la pédale de frein:
Desserrer le contre-écrou 1.
Faire tourner l’écrou de réglage 2
jusqu’à ce que la hauteur de la
pédale a soit conforme aux spéci-
fications.
Serrer le contre-écrou.
AVERTISSEMENT
Régler la hauteur de la pédale
entre le maximum È et le mini-
mum É comme illustré. (Dans ce
réglage, lextrémité b du boulon
3 doit dépasser de la partie file-
tée 4 mais ne doit pas être dis-
tante de moins de 2 mm (0,08 in)
c de la pédale de frein 5).
Après le réglage de la hauteur de
la pédale de frein, contrôler que
le frein arrière ne frotte pas.
CONTROLE ET REMPLACEMENT
DES PLAQUETTES DE FREIN
AVANT
1. Contrôler:
Epaisseur de la plaquette de frein
a
Hors spécifications Remplacer
lensemble.
Epaisseur de la plaquette
de frein:
4,4 mm (0,17 in)
<Limite>:
1,0 mm (0,04 in)
2. Remplacer:
Plaquette de frein
Etapes du remplacement des pla-
quettes de frein:
Déposer le bouchon de goupille de
plaquette 1.
CHASSIS
CHÂSSIS
INSP
ADJ
3 - 82
HINTERRADBREMSE
EINSTELLEN
1. Kontrollieren:
Fußbremshebel-Position a
Nicht nach Vorgabe Einstel-
len.
2. Einstellen:
Fußbremshebel-Position
VORDERRAD-SCHEIBENBREMS-
BELÄGE KONTROLLIEREN UND
ERNEUERN
1. Kontrollieren:
Scheibenbremsbelag-Stärke
a
Nicht nach Vorgabe Satz-
weise erneuern.
Fußbremshebel-Position
a:
10 mm (0,39 in)
Arbeitsvorgang für die Fuß-
bremshebel-Position:
Die Sicherungsmutter 1 lokkern.
Die Einstellmutter 2 verdrehen,
bis die Hebelposition a im Soll-
bereich ist.
Die Sicherungsmutter festziehen.
WARNUNG
Die Fußbremshebel-Position,
wie abgebildet, zwischen dem
Maximum È und dem Mini-
mum É einstellen. (Bei die-
ser Einstellung darauf achten,
dass das Ende b der
Schraube 3 am Gewinde 4
herausragt, wobei der
Abstand c zum Bremshebel
5) 2 mm (0,08 in) nicht unter-
schreiten sollte.)
Nach dem Einstellen der Fuß-
bremshebel-Position muss
überprüft werden, ob die
Bremse nicht schleift.
Scheibenbremsbelag-
Stärke:
4,4 mm (0,17 in)
<Grenzwert>:
1,0 mm (0,04 in)
2. Erneuern:
Scheibenbremsbelag
Ersatzvorgang für den Schei-
benbremsbelag:
Die Bremsbelag-Haltestift-
Abdeckung 1 demontieren.
REGOLAZIONE DEL FRENO
POSTERIORE
1. Controllare:
Altezza pedale del freno a
Non conforme alle specifiche
Regolare.
2. Regolare:
Altezza pedale del freno
Altezza pedale del freno a:
10 mm (0,39 in)
Operazioni per la regolazione
dellaltezza pedale del freno:
Allentare il controdado 1.
Ruotare il dado di regolazione 2
finché laltezza del pedale a rien-
tri nellaltezza indicata.
Serrare il controdado.
AVVERTENZA
Regolare laltezza del pedale ad
un livello compreso tra il mas-
simo È e il minimo É come
indicato. (Per questa regola-
zione, lestremità 3 del bullone
b deve sporgere oltre dalla
porzione avvitata 4 non meno
di 2 mm (0,08 in) c dal pedale
del freno 5).
Dopo la regolazione dellaltezza
del pedale, assicurarsi che il
freno posteriore non sia rigido.
CONTROLLO E SOSTITUZIONE
DELLA PASTIGLIA DEL FRENO
ANTERIORE
1. Controllare:
Spessore pastiglia del freno a
Non conforme alle specifiche
Sostituire in blocco.
Spessore pastiglia del
freno:
4,4 mm (0,17 in)
<Limite>:
1,0 mm (0,04 in)
2. Sostituire:
Pastiglia del freno
Operazione per la sostituzione
delle pastiglie del freno:
Togliere il tappo del perno pasti-
glia 1.
AJUSTE DEL FRENO TRASERO
1. Comprobar:
Altura del pedal de freno a
Fuera del valor especificado
Ajustar.
2. Ajustar:
Altura del pedal de freno
Altura del pedal de freno
a:
10 mm (0,39 in)
Procedimiento de ajuste de la
altura del pedal:
Afloje la contratuerca 1.
Gire la tuerca de ajuste 2
hasta que el pedal a tenga la
altura especificada.
Apriete la contratuerca.
ADVERTENCIA
Ajuste la altura del pedal
entre el máximo È y el
mínimo É como se muestra.
(En este ajuste, el extremo b
del tornillo 3 debe sobresalir
de la parte fileteada 4 pero
no debe separarse menos de
2mm (0,08in) c del pedal de
freno 5).
Después de ajustar la altura
del pedal, verifique que el
freno trasero no arrastre.
COMPROBACIÓN Y CAMBIO DE
LAS PASTILLAS DEL FRENO
DELANTERO
1. Comprobar:
Espesor de las pastillas de
freno a
Fuera del valor especificado
Cambiar el conjunto de
pastillas.
Espesor de las pastillas
de freno:
4,4 mm (0,17 in)
<Límite>:
1,0 mm (0,04 in)
2. Cambiar:
Pastillas de freno
Procedimiento de cambio de
las pastillas de freno:
Extraiga el tapón del pasador
de la pastilla 1.
FAHRWERK
PARTE CICLISTICA
CHASIS
3 - 83
INSP
ADJ
Loosen the pad pin 2.
Remove the brake caliper 3
from the front fork.
Remove the pad pin and brake
pads 4.
Connect the transparent hose
5 to the bleed screw 6 and
place the suitable container
under its end.
Loosen the bleed screw and
push the brake caliper piston in.
CAUTION:
Do not reuse the drained brake
fluid.
Tighten the bleed screw.
T
R
.
.
Bleed screw:
6 Nm
(0.6 m kg, 4.3 ft lb)
Install the brake pads 7 and
pad pin.
NOTE:
Install the brake pads with their
projections a into the brake
caliper recesses b.
Temporarily tighten the pad pin
at this point.
Install the brake caliper 8 and
tighten the pad pin 9.
T
R
.
.
Bolt (brake caliper):
23 Nm
(2.3 m kg, 17 ft lb)
Pad pin:
18 Nm
(1.8 m kg, 13 ft lb)
Install the pad pin plug 0.
T
R
.
.
Pad pin plug:
3 Nm
(0.3 m kg, 2.2 ft lb)
3. Inspect:
Brake fluid level
Refer to BRAKE FLUID
LEVEL INSPECTION section.
Desserrer la goupille de plaquette
2.
Déposer l’étrier de frein 3 de la
fourche.
Déposer la goupille de plaquette et
les plaquettes de frein 4.
Raccorder le tuyau transparent 5 à
la vis de purge 6 et placer un réci-
pient adéquat sous son extrémité.
Desserrer la vis de purge et enfon-
cer le piston de l’étrier de frein.
ATTENTION:
Ne pas réutiliser le liquide de frein
purgé.
Resserrer la vis de purge.
T
R
.
.
Vis de purge:
6 Nm
(0,6 m kg, 4,3 ft lb)
Monter les plaquettes de frein 7 et
la goupille de plaquette.
N.B.:
Monter les plaquettes de frein en
insérant leurs ergots a dans les
gorges des étriers de freins b.
A ce stade, serrer provisoirement la
goupille de plaquette.
Monter l’étrier de frein 8 et serrer
la goupille de plaquette 9.
T
R
.
.
Boulon (étrier de frein):
23 Nm
(2,3 m kg, 17 ft lb)
Goupille de plaquette:
18 Nm
(1,8 m kg, 13 ft lb)
Monter le bouchon de goupille de
plaquette 0.
T
R
.
.
Bouchon de goupille de
plaquette:
3 Nm
(0,3 m kg, 2,2 ft lb)
3. Contrôler:
Niveau du liquide de frein
Se reporter à la section CON-
TROLE DU NIVEAU DU
LIQUIDE DE FREIN.
CHASSIS
CHÂSSIS
INSP
ADJ
3 - 84
Den Bremsbelag-Haltestift 2
lockern.
Den Bremssattel 3 vom Gabel-
holm demontieren.
Den Bremsbelag-Haltestift und
die Scheibenbremsbeläge 4
demontieren.
Einen durchsichtigen Kunst-
stoffschlauch 5 an der Entlüf-
tungsschraube 6 befestigen
und dessen Ende in einen Auf-
fangbehälter führen.
Die Entlüftungsschraube lok-
kern und dann den Bremskol-
ben mit den Fingern in den
Bremssattel zurückdrücken.
ACHTUNG:
Die abgelassene Bremsflüssig-
keit nicht wieder verwenden.
Die Entlüftungsschraube fest-
ziehen.
T
R
.
.
Entlüftungsschraube:
6 Nm
(0,6 m kg, 4,3 ft lb)
Die Scheibenbremsbeläge 7
und den Bremsbelag-Haltestift
montieren.
HINWEIS:
Die Scheibenbremsbeläge so
montieren, dass deren Haltena-
sen a in den entsprechenden
Aufnahmen b des Bremssat-
tels sitzen.
Den Bremsbelag-Haltestift vor-
läufig anziehen.
Den Bremssattel 8 montieren
und den Scheibenbremsbelag-
Haltestift 9 festziehen.
T
R
.
.
Bremssattel-Schraube:
23 Nm
(2,3 m kg, 17 ft lb)
Bremsbelag-Haltestift:
18 Nm
(1,8 m kg, 13 ft lb)
Die Bremsbelag-Haltestift-Ab-
deckung 0 montieren.
T
R
.
.
Bremsbelag-Haltestift-
Abdeckung:
3 Nm
(0,3 m kg, 2,2 ft lb)
3. Kontrollieren:
Bremsflüssigkeitsstand
Siehe unter BREMSFLÜS-
SIGKEITSSTAND KONTROL-
LIEREN.
Allentare il perno pastiglia 2.
Rimuovere la pinza del freno 3
dalla forcella anteriore.
Togliere il perno e le pastiglie del
freno 4.
Collegare il flessibile trasparente
5 alla vite di spurgo 6 e collo-
care un recipiente adatto alla sua
estremità.
Allentare la vite di spurgo e inse-
rire il pistoncino della pinza freno.
ATTENZIONE:
Non riutilizzare il liquido dei freni
eliminato con lo spurgo.
Serrare la vite di spurgo.
T
R
.
.
Vite di spurgo:
6 Nm
(0,6 m kg, 4,3 ft lb)
Installare le pastiglie del freno 7 e
il perno.
NOTA:
Installare le pastiglie del freno con
le relative sporgenze a negli
incavi della pinza del freno b.
A questo punto, serrare temporane-
amente il perno pastiglia.
Installare la pinza del freno 8 e
serrare il perno pastiglia 9.
T
R
.
.
Bullone (pinza freno):
23 Nm
(2,3 m kg, 17 ft lb)
Perno pastiglia:
18 Nm
(1,8 m kg, 13 ft lb)
Installare il tappo del perno pasti-
glia 0.
T
R
.
.
Tappo del perno pastiglia:
3 Nm
(0,3 m kg, 2,2 ft lb)
3. Controllare:
Livello liquido freni
Fare riferimento al paragrafo
CONTROLLO LIVELLO DEL
LIQUIDO DEI FRENI.
Afloje el pasador de la pastilla
2.
Extraiga la pinza del freno 3 de
la horquilla delantera.
Extraiga el pasador de las pas-
tillas y las pastillas de freno 4.
Acople el tubo transparente 5
al tornillo de purga 6 y coloque
un recipiente apropiado debajo
del extremo.
Afloje el tornillo de purga y
empuje hacia dentro el pistón
de la pinza de freno.
ATENCION:
No reutilice el líquido de frenos.
Apriete el tornillo de purga.
T
R
.
.
Tornillo de purga:
6 Nm
(0,6 m kg, 4,3 ft lb)
Instale las pastillas de freno 7
y el pasador.
NOTA:
Instale las pastillas de freno de
forma que los salientes a se
introduzcan en los rebajes de la
pinza de freno b.
Apriete provisionalmente el
pasador de la pastilla.
Instale la pinza del freno 8 y
apriete el pasador de la pastilla
9.
T
R
.
.
Tornillo (pinza de freno):
23 Nm
(2,3 m kg, 17 ft lb)
Pasador de la pastilla:
18 Nm
(1,8 m kg, 13 ft lb)
Instale el tapón del pasador de
la pastilla 0.
T
R
.
.
Tapón del pasador de la
pastilla:
3 Nm
(0,3 m kg, 2,2 ft lb)
3. Comprobar:
Nivel de líquido de frenos
Consulte el apartado COM-
PROBACIÓN DEL NIVEL DE
LÍQUIDO DE FRENOS.
FAHRWERK
PARTE CICLISTICA
CHASIS
3 - 85
INSP
ADJ
4. Check:
Brake lever operation
A softy or spongy feeling
Bleed brake system.
Refer to BRAKE SYSTEM
AIR BLEEDING section.
REAR BRAKE PAD INSPECTION
AND REPLACEMENT
1. Inspect:
Brake pad thickness a
Out of specification
Replace as a set.
Brake pad thickness:
6.4 mm (0.25 in)
<Limit>:
1.0 mm (0.04 in)
2. Replace:
Brake pad
Brake pad replacement steps:
Remove the protector 1 and
pad pin plug 2.
Loosen the pad pin 3.
Remove the rear wheel 4 and
brake caliper 5.
Refer to FRONT WHEEL AND
REAR WHEEL section in the
CHAPTER 6.
Remove the pad pin 6 and
brake pads 7.
Connect the transparent hose
8 to the bleed screw 9 and
place the suitable container
under its end.
Loosen the bleed screw and
push the brake caliper piston in.
CAUTION:
Do not reuse the drained brake
fluid.
Tighten the bleed screw.
T
R
.
.
Bleed screw:
6 Nm
(0.6 m kg, 4.3 ft lb)
4. Contrôler:
Fonctionnement du levier de frein
Sensation de mollesse Purger
le circuit de freinage.
Se reporter à la section PURGE
DAIR DU CIRCUIT DE FREI-
NAGE.
CONTROLE ET REMPLACEMENT
DES PLAQUETTES DE FREIN
ARRIERE
1. Contrôler:
Epaisseur des plaquettes de freins
a
Hors spécifications Remplacer
lensemble.
Epaisseur de la plaquette
de frein:
6,4 mm (0,25 in)
<Limite>:
1,0 mm (0,04 in)
2. Remplacer:
Plaquette de frein
Etapes du remplacement des pla-
quettes de frein:
Déposer la protection 1 et le bou-
chon de goupille de plaquette 2.
Desserrer la goupille de plaquette
3.
Déposer la roue arrière 4 et
l’étrier de frein 5.
Se reporter à la section ROUE
AVANT ET ROUE ARRIERE au
CHAPITRE 6.
Déposer la goupille de plaquette 6
et les plaquettes de frein 7.
Raccorder le tuyau transparent 8 à
la vis de purge 9 et placer un réci-
pient adéquat sous son extrémité.
Desserrer la vis de purge et enfon-
cer le piston de l’étrier de frein.
ATTENTION:
Ne pas réutiliser le liquide de frein
purgé.
Resserrer la vis de purge.
T
R
.
.
Vis de purge:
6 Nm
(0,6 m kg, 4,3 ft lb)
CHASSIS
CHÂSSIS
INSP
ADJ
3 - 86
4. Kontrollieren:
Funktion des Handbremshe-
bels
Weich, schwammig Brems-
hydraulik entlüften.
Siehe unter HYDRAULISCHE
BREMSANLAGE ENTLÜF-
TEN.
HINTERRAD-SCHEIBENBREMS-
BELÄGE KONTROLLIEREN UND
ERNEUERN
1. Kontrollieren:
Scheibenbremsbelag-Stärke
a
Nicht nach Vorgabe Satz-
weise erneuern.
Scheibenbremsbelag-
Stärke:
6,4 mm (0,25 in)
<Grenzwert>:
1,0 mm (0,04 in)
2. Erneuern:
Scheibenbremsbelag
Ersatzvorgang für den Schei-
benbremsbelag:
Den Protektor 1 und die
Bremsbelag-Haltestift-Abdek-
kung 2 demontieren.
Den Bremsbelag-Haltestift 3
lockern.
Das Hinterrad 4 und den
Bremssattel 5 demontieren.
Siehe unter VORDER- UND
HINTERRAD in KAPITEL 6.
Den Bremsbelag-Haltestift 6
und die Scheibenbremsbeläge
7 demontieren.
Einen durchsichtigen Kunst-
stoffschlauch 8 an der Entlüf-
tungsschraube 9 befestigen
und dessen Ende in einen Auf-
fangbehälter führen.
Die Entlüftungsschraube lok-
kern und dann den Bremskol-
ben mit den Fingern in den
Bremssattel zurückdrücken.
ACHTUNG:
Die abgelassene Bremsflüssig-
keit nicht wieder verwenden.
Die Entlüftungsschraube fest-
ziehen.
T
R
.
.
Entlüftungsschraube:
6 Nm
(0,6 m kg, 4,3 ft lb)
4. Controllare:
Funzionamento della leva del
freno
Leva morbida o spugnosa
Spurgare il sistema frenante.
Fare riferimento al paragrafo
SPURGO ARIA SISTEMA
FRENANTE.
CONTROLLO E SOSTITUZIONE
DELLA PASTIGLIA DEL FRENO
POSTERIORE
1. Controllare:
Spessore pastiglia del freno a
Non conforme alle specifiche
Sostituire in blocco.
Spessore pastiglia del
freno:
6,4 mm (0,25 in)
<Limite>:
1,0 mm (0,04 in)
2. Sostituire:
Pastiglia del freno
Operazione per la sostituzione
delle pastiglie del freno:
Togliere la protezione 1 e il tappo
del perno pastiglia 2.
Allentare il perno pastiglia 3.
Togliere la ruota posteriore 4 e la
pinza del freno 5.
Fare riferimento al paragrafo
RUOTA ANTERIORE E
POSTERIORE nel CAPITOLO 6.
Togliere il perno pastiglia 6 e le
pastiglie del freno 7.
Collegare il flessibile trasparente
8 alla vite di spurgo 9 e collo-
care alla sua estremità un reci-
piente adatto.
Allentare la vite di spurgo e inse-
rire il pistoncino della pinza freno.
ATTENZIONE:
Non riutilizzare il liquido dei freni
eliminato con lo spurgo.
Serrare la vite di spurgo.
T
R
.
.
Vite di spurgo:
6 Nm
(0,6 m kg, 4,3 ft lb)
4. Comprobar:
Funcionamiento de la maneta
de freno
Tacto blando o esponjoso
Purgar el sistema de freno.
Consulte el apartado PURGA
DE AIRE DEL SISTEMA DE
FRENOS.
COMPROBACIÓN Y CAMBIO DE
LAS PASTILLAS DEL FRENO
TRASERO
1. Comprobar:
Espesor de las pastillas de
freno a
Fuera del valor especificado
Cambiar el conjunto de
pastillas.
Espesor de las pastillas
de freno:
6,4 mm (0,25 in)
<Límite>:
1,0 mm (0,04 in)
2. Cambiar:
Pastillas de freno
Procedimiento de cambio de
las pastillas de freno:
Extraiga el protector 1 y el
tapón del pasador de la pastilla
2.
Afloje el pasador de la pastilla
3.
Extraiga la rueda trasera 4 y la
pinza de freno 5.
Consulte el apartado RUEDA
DELANTERA Y RUEDA TRA-
SERA del CAPÍTULO 6.
Extraiga el pasador de las pas-
tillas 6 y las pastillas de freno
7.
Acople el tubo transparente 8
al tornillo de purga 9 y coloque
un recipiente apropiado debajo
del extremo.
Afloje el tornillo de purga y
empuje hacia dentro el pistón
de la pinza de freno.
ATENCION:
No reutilice el líquido de frenos.
Apriete el tornillo de purga.
T
R
.
.
Tornillo de purga:
6 Nm
(0,6 m kg, 4,3 ft lb)
FAHRWERK
PARTE CICLISTICA
CHASIS
3 - 87
INSP
ADJ
3. Inspect:
Brake fluid level
Refer to BRAKE FLUID
LEVEL INSPECTION section.
4. Check:
Brake pedal operation
A softy or spongy feeling
Bleed brake system.
Refer to BRAKE SYSTEM
AIR BLEEDING section.
Install the brake pad 0 and pad
pin A.
NOTE:
Install the brake pads with their
projections a into the brake
caliper recesses b.
Temporarily tighten the pad pin
at this point.
Install the brake caliper B and
rear wheel C.
Refer to FRONT WHEEL AND
REAR WHEEL section in the
CHAPTER 6.
Tighten the pad pin D.
T
R
.
.
Pad pin:
18 Nm
(1.8 m kg, 13 ft lb)
Install the pad pin plug E and
protector F.
T
R
.
.
Pad pin plug:
3 Nm
(0.3 m kg, 2.2 ft lb)
Bolt (protector):
7 Nm
(0.7 m kg, 5.1 ft lb)
EC36b000
REAR BRAKE PAD INSULATOR
INSPECTION
1. Remove:
Brake pad
Refer to REAR BRAKE PAD
INSPECTION AND RE-
PLACEMENT section.
2. Inspect:
Rear brake pad insulator 1
Damage Replace.
3. Contrôler:
Niveau du liquide de frein
Se reporter à la section CON-
TROLE DU NIVEAU DU
LIQUIDE DE FREIN.
4. Contrôler:
Fonctionnement de la pédale de
frein
Sensation de mollesse Purger
le circuit de freinage.
Se reporter à la section PURGE
DAIR DU CIRCUIT DE FREI-
NAGE.
Monter les plaquettes de frein 0 et
la goupille de plaquette A.
N.B.:
Monter les plaquettes de frein en
insérant leurs ergots a dans les
gorges des étriers de freins b.
A ce stade, serrer provisoirement la
goupille de plaquette.
Monter l’étrier de frein B et la
roue arrière C.
Se reporter à la section ROUE
AVANT ET ROUE ARRIERE au
CHAPITRE 6.
Serrer la goupille de plaquette D.
T
R
.
.
Goupille de plaquette:
18 Nm
(1,8 m kg, 13 ft lb)
Monter le bouchon de plaquette de
frein E et la protection F.
T
R
.
.
Bouchon de goupille de
plaquette:
3 Nm
(0,3 m kg, 2,2 ft lb)
Boulon (protection):
7 Nm
(0,7 m kg, 5,1 ft lb)
CONTROLE DE LISOLANT DE
PLAQUETTE DE FREIN ARRIERE
1. Déposer:
Plaquette de frein
Se reporter à la section CON-
TROLE ET REMPLACEMENT
DES PLAQUETTES DE FREIN
ARRIERE.
2. Contrôler:
Isolation de plaquette de frein
arrière 1
Endommagement Remplacer.
CHASSIS
CHÂSSIS
INSP
ADJ
3 - 88
3. Kontrollieren:
Bremsflüssigkeitsstand
Siehe unter BREMSFLÜS-
SIGKEITSSTAND KONTROL-
LIEREN.
4. Kontrollieren:
Funktion des Fußbremshebels
Weich, schwammig Brems-
hydraulik entlüften.
Siehe unter HYDRAULISCHE
BREMSANLAGE ENTLÜF-
TEN.
Die Scheibenbremsbeläge 0
und den Bremsbelag-Haltestift
A montieren.
HINWEIS:
Die Scheibenbremsbeläge so
montieren, dass deren Haltena-
sen a in den entsprechenden
Aufnahmen b des Bremssat-
tels sitzen.
Den Bremsbelag-Haltestift vor-
läufig anziehen.
Den Bremssattel B und das
Hinterrad C montieren.
Siehe unter VORDER- UND
HINTERRAD in KAPITEL 6.
Den Bremsbelag-Haltestift D
festziehen.
T
R
.
.
Bremsbelag-Haltestift:
18 Nm
(1,8 m kg, 13 ft lb)
Die Bremsbelag-Haltestift-
Abdeckung E und den Protek-
tor F montieren.
T
R
.
.
Bremsbelag-Haltestift-
Abdeckung:
3 Nm
(0,3 m kg, 2,2 ft lb)
Protektor-Schraube:
7 Nm
(0,7 m kg, 5,1 ft lb)
HINTERRAD-SCHEIBENBREMS-
BELAG-ISOLIERUNG KONTROL-
LIEREN
1. Demontieren:
Scheibenbremsbelag
Siehe unter HINTERRAD-
SCHEIBENBREMSBELÄGE
KONTROLLIEREN UND ER-
NEUERN.
2. Kontrollieren:
Hinterrad-Scheibenbremsbe-
lag-Isolierung 1
Beschädigt Erneuern.
3. Controllare:
Livello liquido freni
Fare riferimento al paragrafo
CONTROLLO LIVELLO DEL
LIQUIDO DEI FRENI.
4. Controllare:
Funzionamento del pedale del
freno
Leva morbida o spugnosa
Spurgare il sistema frenante.
Fare riferimento al paragrafo
SPURGO ARIA SISTEMA
FRENANTE.
Installare la pastiglia del freno 0 e
il perno pastiglia A.
NOTA:
Installare le pastiglie del freno con
le relative protezioni a negli
incavi della pinza del freno b.
A questo punto, serrare momenta-
neamente il perno pastiglia.
Installare la pinza del freno B e la
ruota posteriore C.
Fare riferimento al paragrafo
RUOTA ANTERIORE E
POSTERIORE nel CAPITOLO 6.
Serrare il tappo del perno pastiglia
D.
T
R
.
.
Perno pastiglia:
18 Nm
(1,8 m kg, 13 ft lb)
Installare il tappo del perno pasti-
glia E e la protezione F.
T
R
.
.
Tappo del perno pastiglia:
3 Nm
(0,3 m kg, 2,2 ft lb)
Bullone (protezione):
7 Nm
(0,7 m kg, 5,1 ft lb)
CONTROLLO DISPOSITIVO
ISOLATORE PASTIGLIA DEL
FRENO
1. Togliere:
Pastiglia del freno
Fare riferimento al paragrafo
CONTROLLO E SOSTITU-
ZIONE DELLA PASTIGLIA
DEL FRENO POSTERIORE.
2. Controllare:
Dispositivo isolatore della pasti-
glia del freno 1
Danno Sostituire.
3. Comprobar:
Nivel de líquido de frenos
Consulte el apartado COM-
PROBACIÓN DEL NIVEL DE
LÍQUIDO DE FRENOS.
4. Comprobar:
Funcionamiento del pedal de
freno
Tacto blando o esponjoso
Purgar el sistema de freno.
Consulte el apartado PURGA
DE AIRE DEL SISTEMA DE
FRENOS.
Instale la pastilla de freno 0 y
el pasador A.
NOTA:
Instale las pastillas de freno de
forma que los salientes a se
introduzcan en los rebajes de la
pinza de freno b.
Apriete provisionalmente el
pasador de la pastilla.
Instale la pinza de freno B y la
rueda trasera C.
Consulte el apartado RUEDA
DELANTERA Y RUEDA TRA-
SERA del CAPÍTULO 6.
Apriete el pasador de la pastilla
D.
T
R
.
.
Pasador de la pastilla:
18 Nm
(1,8 m kg, 13 ft lb)
Instale el tapón del pasador de
la pastilla E y el protector F.
T
R
.
.
Tapón del pasador de la
pastilla:
3 Nm
(0,3 m kg, 2,2 ft lb)
Tornillo (protector):
7 Nm
(0,7 m kg, 5,1 ft lb)
COMPROBACIÓN DEL AISLA-
MIENTO DE LAS PASTILLAS DEL
FRENO TRASERO
1. Extraer:
Pastilla de freno
Consulte el apartado COM-
PROBACIÓN Y CAMBIO DE
LAS PASTILLAS DEL FRENO
TRASERO.
2. Comprobar:
Aislamiento de la pastilla de
freno trasero 1
Dañado Cambiar.
FAHRWERK
PARTE CICLISTICA
CHASIS
3 - 89
INSP
ADJ
BRAKE FLUID LEVEL
INSPECTION
1. Place the brake master cylinder
so that its top is in a horizontal
position.
2. Inspect:
Brake fluid level
Fluid at lower level Fill up.
aLower level
ÈFront
ÉRear
WARNING
Use only designated quality
brake fluid to avoid poor brake
performance.
Refill with same type and brand
of brake fluid; mixing fluids
could result in poor brake per-
formance.
Be sure that water or other con-
taminants do not enter master
cylinder when refilling.
Clean up spilled fluid immedi-
ately to avoid erosion of painted
surfaces or plastic parts.
Recommended brake
fluid:
DOT #4
ÈÉ
SPROCKETS INSPECTION
1. Inspect:
Sprocket teeth a
Excessive wear Replace.
NOTE:
Replace the drive sprocket, rear
wheel sprocket and drive chain as a
set.
CONTROLE DU NIVEAU DU
LIQUIDE DE FREIN
1. Placer le maître-cylindre de frein de
manière que son extrémité soit hori-
zontale.
2. Contrôler:
Niveau du liquide de frein
Niveau du liquide bas Remet-
tre à niveau.
aNiveau inférieur
ÈAvant
ÉArrière
AVERTISSEMENT
Nutiliser que le liquide de frein
recommandé pour éviter une perte
defficacité du freinage.
Toujours utiliser la même marque
et le même type de liquide de frein;
le mélange de liquides de frein diffé-
rents peut provoquer une perte
defficacité du freinage.
Veiller à ne pas laisser deau ou
dautres impuretés pénétrer dans le
maître-cylindre lors du remplissage.
Essuyer immédiatement tout liquide
renversé pour éviter dendommager
les surfaces peintes ou les pièces en
plastique.
Liquide de frein
recommandé:
DOT n°4
CONTROLE DES PIGNONS
1. Contrôler:
Dents de pignon a
Usure excessive Remplacer.
N.B.:
Remplacer ensemble le pignon dentraî-
nement, la couronne arrière et la chaîne
de transmission.
CHASSIS
CHÂSSIS
INSP
ADJ
3 - 90
BREMSFLÜSSIGKEITSSTAND
KONTROLLIEREN
1. Sicherstellen, dass der Brems-
flüssigkeits-Vorratsbehälter waa-
gerecht steht.
2. Kontrollieren:
Bremsflüssigkeitsstand
Flüssigkeitsstand niedrig
Anfüllen.
aMindeststand-Markierung
ÈVorn
ÉHinten
WARNUNG
Nur die empfohlene Bremsflüs-
sigkeit verwenden. Andere
Bremsflüssigkeiten können die
Bremsfunktion beeinträchtigen.
Ausschließlich Bremsflüssig-
keit gleicher Marke und gleichen
Typs nachfüllen. Das Mischen
verschiedener Bremsflüssigkei-
ten kann die Bremsfunktion
beeinträchtigen.
Beim Nachfüllen darauf achten,
dass kein Wasser in den Vor-
ratsbehälter gelangt.
Bremsflüssigkeit greift Lack und
Kunststoff an. Deshalb vorsich-
tig handhaben und verschüttete
Flüssigkeit sofort abwischen.
Empfohlene
Bremsflüssigkeit:
DOT Nr.4
KETTENRÄDER
KONTROLLIEREN
1. Kontrollieren:
Kettenradzähne a
Stark verschlissen Erneu-
ern.
HINWEIS:
Kettenräder und Antriebskette satz-
weise erneuern.
CONTROLLO LIVELLO DEL
LIQUIDO DEI FRENI
1. Collocare la pompa del freno in
modo che la sua parte superiore sia
in posizione orizzontale.
2. Controllare:
Livello liquido freni
Livello del liquido basso
Riempire.
aLivello basso
ÈAnteriore
ÉPosteriore
AVVERTENZA
Utilizzare solo liquido dei freni di
qualità certificata per evitare una
diminuzione dellefficienza della
frenata.
Riempire con liquido dei freni dello
stesso tipo e marca. Mischiare
liquidi diversi riduce lefficienza
della frenata.
Assicurarsi che durante il riempi-
mento non entrino acqua o altri
contaminanti nella pompa.
Pulire immediatamente il liquido
versato per evitare corrosione delle
superfici verniciate o dei compo-
nenti di plastica.
Liquido freni
raccomandato:
DOT n.4
CONTROLLO DELLE RUOTE
DENTATE
1. Controllare:
Denti della ruota dentata a
Usura eccessiva Sostituire.
NOTA:
Sostituire la ruota dentata di trasmis-
sione, la corona della ruota posteriore e
la catena di trasmissione in blocco.
COMPROBACIÓN DEL NIVEL DE
LÍQUIDO DE FRENOS
1. Coloque la bomba de freno de
forma que su parte superior
quede en posición horizontal.
2. Comprobar:
Nivel de líquido de frenos
Nivel bajo Llenar.
aNivel inferior
ÈDelantero
ÉTrasero
ADVERTENCIA
Para prevenir la pérdida de ren-
dimiento de los frenos, utilice
únicamente líquido de la calidad
indicada.
Reponga el nivel con un líquido
de frenos del mismo tipo y
marca; la mezcla de líquidos
diferentes puede provocar una
pérdida de rendimiento de los
frenos.
Evite que penetre agua u otros
contaminantes en la bomba de
freno cuando añada líquido.
Si se derrama líquido límpielo
inmediatamente para evitar la
erosión de las superficies pinta-
das o las piezas de plástico.
Líquido de freno
recomendado:
DOT n°4
COMPROBACIÓN DE LOS
PIÑONES
1. Comprobar:
Dientes de los piñones a
Desgaste excesivo Cam-
biar.
NOTA:
Cambie el conjunto del piñón motor,
el piñón de la rueda trasera y el
cadena de transmisión.
FAHRWERK
PARTE CICLISTICA
CHASIS
3 - 91
INSP
ADJ
DRIVE CHAIN INSPECTION
1. Measure:
Drive chain length (15 links) a
Out of specification
Replace.
NOTE:
While measuring the drive chain
length, push down on the drive
chain to increase its tension.
Measure the length between drive
chain roller 1 and F as shown.
Perform this measurement at two
or three different places.
2. Remove:
Drive chain 1
NOTE:
Remove the drive chain using a drive
chain cutter 2.
Drive chain length
(15 links):
<Limit>:
239.3 mm (9.42 in)
3. Clean:
Drive chain
Brush off as much dirt as pos-
sible. Then clean the drive
chain using the chain cleaner.
CAUTION:
This machine has a drive chain
with small rubber O-rings 1
between the side plates. Steam
cleaning, high-pressure washes,
certain solvent and kerosene can
damage these O-rings.
1
4. Inspect:
O-ring 1 (drive chain)
Damage Replace the drive
chain.
Roller 2
Side plate 3
Damage/wear Replace the
drive chain.
5. Check:
Drive chain stiffness a
Clean and oil the drive chain
and hold as illustrated.
Stiff Replace the drive
chain.
CONTROLE DE LA CHAINE DE
TRANSMISSION
1. Mesurer:
Longueur de la chaîne de trans-
mission (15 maillons) a
Hors spécifications Remplacer.
N.B.:
Pendant la mesure de la longueur de la
chaîne de transmission, appuyer sur la
chaîne pour en augmenter la tension.
Mesurer la longueur entre le galet de
chaîne de transmission 1 et F
comme illustré.
Prendre cette mesure à deux ou trois
endroits différents.
2. Déposer:
Chaîne de transmission 1
N.B.:
Déposer la chaîne de transmission à laide
dun coupe-chaîne de transmission 2.
Longueur de la chaîne de
transmission (15 maillons):
<Limite>:
239,3 mm (9,42 in)
3. Nettoyer:
Chaîne de transmission
A laide dune brosse, éliminer un
maximum de saleté. Nettoyer
ensuite la chaîne de transmission
à laide du produit de nettoyage
pour chaîne.
ATTENTION:
Cette moto est équipée dune chaîne
de transmission dont les plaques laté-
rales sont séparées par de petits joints
toriques en caoutchouc 1. Le net-
toyage à la vapeur, le lavage sous
haute pression, certains solvants et le
pétrole peuvent endommager ces
joints toriques.
4. Contrôler:
Joint torique 1 (chaîne de trans-
mission)
Endommagement Remplacer
la chaîne de transmission.
Galet 2
Plaque latérale 3
Endommagement/usure Rem-
placer la chaîne de transmission.
5. Contrôler:
Raideur de la chaîne de transmis-
sion a
Nettoyer et lubrifier la chaîne de
transmission et la tenir comme
illustré.
Raideur Remplacer.
CHASSIS
CHÂSSIS
INSP
ADJ
3 - 92
ANTRIEBSKETTE
KONTROLLIEREN
1. Messen:
Länge a der Antriebskette
über 15 Glieder
Nicht nach Vorgabe Erneuern.
HINWEIS:
Beim Messen der Kettenglieder die
Antriebskette mit den Fingern
straffen.
Die Messung, wie in der Abbildung
gezeigt, zwischen den Rollen 1
und F vornehmen.
Die Kette an mehreren Stellen
messen.
2. Demontieren:
Antriebskette 1
HINWEIS:
Die Antriebskette mit einem Ketten-
Trennwerkzeug 2 auftrennen.
Länge der Antriebskette
über 15 Glieder
<Grenzwert>:
239,3 mm (9,42 in)
3. Reinigen:
Antriebskette
Den Schmutz so gut wie mög-
lich abbürsten. Die Kette
anschließend mit einem spezi-
ellem Kettenreinigungsmittel
reinigen.
ACHTUNG:
Die Antriebskette ist mit O-Ringen
1 zwischen den Kettenlaschen
abgedichtet. Reinigung mit
Dampfstrahler, einem ungeeigne-
ten Lösungsmittel oder Kerosin
kann die O-Ringe beschädigen.
4. Kontrollieren:
O-Ringe 1 der Antriebskette
Beschädigt Antriebskette
erneuern.
Rollen 2
Kettenlaschen 3
Beschädigt/verschlissen
Antriebskette erneuern.
5. Kontrollieren:
Beweglichkeit a der Antriebs-
kette
Die Antriebskette beim Reini-
gen und Schmieren, wie in der
Abbildung gezeigt, fest halten.
Steif Antriebskette erneu-
ern.
CONTROLLO CATENA DI
TRASMISSIONE
1. Misurare:
Lunghezza catena di trasmis-
sione (15 articolazioni) a
Non conforme alle specifiche
Sostituire.
NOTA:
Durante la misurazione della lun-
ghezza della catena di trasmissione,
premere la catena di trasmissione
stessa per aumentarne la tensione.
Misurare la lunghezza tra il rullo della
catena di trasmissione 1 e F come
illustrato.
Eseguire la misurazione in corrispon-
denza di due o tre punti diversi.
2. Togliere:
Catena di trasmissione 1
NOTA:
Togliere la catena di trasmissione con
una cesoia per catene 2.
Lunghezza catena di
trasmissione
(15 articolazioni):
<Limite>:
239,3 mm (9,42 in)
3. Pulire:
Catena di trasmissione
Eliminare la sporcizia con una
spazzola quanto più possibile.
Quindi pulire la catena di trasmis-
sione con un detergente per
catene.
ATTENZIONE:
Questa macchina è equipaggiata con
una catena di trasmissione dotata di
piccole guarnizioni circolari in gomma
1 inseriti tra una piastra laterale e
laltra. La pulizia a vapore, lavaggi
con acqua a pressione elevata, alcuni
solventi e il cherosene possono dan-
neggiare queste guarnizioni.
4. Controllare:
Guarnizioni circolari 1 (catena
di trasmissione)
Danni Sostituire la catena di
trasmissione.
Rullo 2
Piastra laterale 3
Danni/usura Sostituire la
catena di trasmissione.
5. Controllare:
Rigidità catena di trasmissione a
Pulire e lubrificare la catena di
trasmissione e tenerla come illu-
strato in figura.
Rigida Sostituire la catena di
trasmissione.
COMPROBACIÓN DE LA CADENA
DE TRANSMISIÓN
1. Medir:
Longitud de la cadena de
transmisión (15 eslabones) a
Fuera del valor especificado
Cambiar.
NOTA:
Mientras mide la longitud de la cadena
de transmisión, empújela hacia abajo
para que quede más tensa.
Mida la longitud que hay entre el
rodillo de la cadena de transmisión
1 y F como se indica.
Realice esta medición en dos o
tres sitios diferentes.
2. Extraer:
Cadena de transmisión 1
NOTA:
Extraiga la cadena con un cortador
de cadenas de transmisión 2.
Longitud de la cadena
de transmisión
(15 eslabones):
<Límite>:
239,3 mm (9,42 in)
3. Limpiar:
Cadena de transmisión
Elimine con un cepillo toda la
suciedad que pueda. A conti-
nuación limpie la cadena de
transmisión con el limpiador
de cadenas.
ATENCION:
La cadena de transmisión de esta
máquina tiene pequeñas juntas
tóricas de goma 1 entre las pla-
cas laterales. La limpieza con
vapor, los lavados a alta presión,
algunos disolventes y el quero-
seno pueden dañar estas juntas
tóricas.
4. Comprobar:
Junta tórica 1 (cadena de
transmisión)
Dañada Cambiar la cadena
de transmisión.
Rodillo 2
Placa lateral 3
Daños/desgaste Cambiar la
cadena de transmisión.
5. Comprobar:
Rigidez de la cadena de trans-
misión a
Limpie y lubrique la cadena de
transmisión sujetándola como
se muestra.
Rígida Cambiar la cadena
de transmisión.
FAHRWERK
PARTE CICLISTICA
CHASIS
3 - 93
INSP
ADJ
6. Install:
Chain joint 1
O-ring 2
Drive chain 3
NOTE:
When installing the drive chain, apply
the lithium soap base grease on the
chain joint and O-rings.
7. Install:
Link plate 4
NOTE:
Press the link plate onto the chain
joint using a drive chain riveter 5.
Rivet the end of the chain joint
using a drive chain riveter.
After riveting the chain joint, make
sure its movement is smooth.
8. Lubricate:
Drive chain
Drive chain lubricant:
SAE 10W-30 motor oil
or suitable chain
lubricants
New
New
DRIVE CHAIN SLACK
ADJUSTMENT
1. Elevate the rear wheel by plac-
ing the suitable stand under the
engine.
2. Check:
Drive chain slack a
Above the seal guard installa-
tion bolt.
Out of specification Adjust.
NOTE:
Before checking and/or adjusting,
rotate the rear wheel through several
revolutions and check the slack sev-
eral times to find the tightest point.
Check and/or adjust the drive chain
slack with the rear wheel in this tight
chain position.
Drive chain slack:
48 ~ 58 mm
(1.9 ~ 2.3 in)
6. Monter:
Joint de chaîne 1
Joint torique 2
Chaîne de transmission 3
N.B.:
En installant la chaîne de transmission,
appliquer de la graisse à savon de
lithium sur le joint de chaîne et les joints
toriques.
7. Monter:
Plaque de liaison 4
N.B.:
Presser la plaque de liaison sur le joint
de chaîne à laide dune riveteuse pour
chaîne de transmission 5.
Riveter lextrémité du joint de chaîne
à laide dune riveteuse pour chaîne de
transmission.
Après avoir riveté le joint de chaîne,
vérifier que son mouvement est libre.
8. Lubrifier:
Chaîne de transmission
Lubrifiant pour chaîne de
transmission:
huile moteur SAE 10W-
30 ou un lubrifiant pour
chaîne adéquat
New
New
REGLAGE DE LA TENSION DE LA
CHAINE DE TRANSMISSION
1. Surélever la roue arrière en plaçant
un support adéquat sous le moteur.
2. Contrôler:
Tension de la chaîne de transmis-
sion a
Au-dessus du boulon de montage
de la fixation.
Hors spécifications Ajuster.
N.B.:
Avant dentamer le contrôle et/ou le
réglage, faire tourner plusieurs fois la
roue arrière pour déterminer le point de
tension maximale. Contrôler et/ou régler
la tension de la chaîne lorsque la roue
arrière se trouve dans cette position
chaîne tendue.
Tension de la chaîne de
transmission:
48 à 58 mm (1,9 à 2,3 in)
CHASSIS
CHÂSSIS
INSP
ADJ
3 - 94
6. Montieren:
Kettenschloss 1
O-Ringe 2
Antriebskette 3
HINWEIS:
Vor der Montage der Antriebskette
müssen die O-Ringe und das Ketten-
schloss mit einer dünnen Schicht
Lithiumseifenfett bestrichen werden.
7. Montieren:
Kettenschlosslasche 4
HINWEIS:
Die Kettenschlosslasche mit einer
Antriebsketten-Nietzange 5. am
Kettenschloss anpressen.
Das Ende des Kettenschlosses mit
einer Antriebsketten-Nietzange
vernieten.
Nach dem Vernieten sicherstellen,
dass das Kettenschloss beweglich
ist.
8. Schmieren:
Antriebskette
Antriebsketten-
Schmiermittel:
SAE 10W-30 Motoröl
oder für O-Ring-
Kettenspray
New
New
ANTRIEBSKETTEN-DURCHHANG
EINSTELLEN
1. Das Motorrad aufbocken, um
das Hinterrad vom Boden abzu-
heben.
2. Kontrollieren:
Antriebsketten-Durchhang a
(oberhalb der Kettenschienen-
Schraube)
Nicht nach Vorgabe Einstel-
len.
HINWEIS:
Mehrmals das Hinterrad drehen und
den Kettendurchhang kontrollieren,
um die straffste Stelle der Antriebs-
kette ausfindig zu machen. Den Ket-
tendurchhang an dieser Stelle
messen bzw. einstellen.
Antriebsketten-
Durchhang:
4858 mm (1,92,3 in)
6. Installare:
Giunto della catena 1
Guarnizione circolare 2
Catena di trasmissione 3
NOTA:
Installando la catena di trasmissione,
applicare grasso a base di sapone di litio
sul giunto della catena e sulle guarni-
zioni circolari.
7. Installare:
Piastra sinistra 4
NOTA:
Premere la piastra sinistra sul giunto
della catena con una chiodatrice per
catene 5.
Fissare lestremità del giunto della
catena con la chiodatrice per catene.
Una volta fissato il giunto della
catena, assicurarsi che il suo movi-
mento sia uniforme.
8. Lubrificare:
Catena di trasmissione
Lubrificante della catena di
trasmissione:
Olio per motori SAE
10W-30 o lubrificante
per catene adatto.
New
New
REGOLAZIONE PARTE LENTA
DELLA CATENA DI
TRASMISSIONE
1. Sollevare la ruota posteriore
ponendo un apposito cavalletto
sotto il motore.
2. Controllare:
Parte lenta della catena di tra-
smissione a
Sopra il bullone di installazione
del riparo guarnizione.
Non conforme alle specifiche
Regolare.
NOTA:
Prima di controllare e/o regolare la
catena, far girare la ruota posteriore e
controllare diverse volte lallentamento
per individuare il punto in cui la catena è
più tesa. Controllare e/o regolare la parte
lenta della catena mantenendo la ruota
posteriore nella posizione di maggior
tensione della catena.
Parte lenta della catena di
trasmissione:
48 ~ 58 mm (1,9 ~ 2,3 in)
6. Instalar:
Unión de la cadena 1
Junta tórica 2
Cadena de transmisión 3
NOTA:
Cuando instale la cadena de trans-
misión, aplique grasa de jabón de
litio a la unión y a las juntas tóricas.
7. Instalar:
Placa de eslabón 4
NOTA:
Presione la placa de eslabón
sobre la unión de la cadena con un
remachador de cadenas de trans-
misión 5.
Remache el extremo de la unión
de la cadena con un remachador
de cadenas de transmisión.
Después de remachar la unión de
la cadena, verifique que esta se
mueva con suavidad.
8. Lubricar:
Cadena de transmisión
Lubricante de la cadena
de transmisión:
Aceite de motor SAE
10W-30 o un lubricante
de cadenas adecuado
New
New
AJUSTE DE LA HOLGURA DE LA
CADENA DE TRANSMISIÓN
1. Eleve la rueda trasera colocando
un soporte adecuado debajo del
motor.
2. Comprobar:
Holgura de la cadena de
transmisión a
Por encima del tornillo de
sujeción del protector de la
junta.
Fuera del valor especificado
Ajustar.
NOTA:
Antes de proceder a la comproba-
ción o el ajuste, gire la rueda trasera
varias vueltas y compruebe varias
veces la holgura para buscar el
punto más tenso. Compruebe o
ajuste la holgura de la cadena de
transmisión con la rueda trasera en
esta posición de cadena tensa.
Holgura de la cadena de
transmisión:
48 ~ 58 mm
(1,9 ~ 2,3 in)
FAHRWERK
PARTE CICLISTICA
CHASIS
3 - 95
INSP
ADJ
3. Adjust:
Drive chain slack
Drive chain slack adjustment
steps:
Loosen the axle nut 1 and
locknuts 2.
Adjust the drive chain slack by
turning the adjusters 3.
To tighten Turn the adjuster
3 counterclockwise.
To loosen Turn the adjuster
3 clockwise and push wheel
forward.
Turn each adjuster exactly the
same amount to maintain cor-
rect axle alignment. (There are
marks a on each side of the
drive chain puller alignment.)
NOTE:
Turn the adjuster so that the drive
chain is in line with the sprocket,
as viewed from the rear.
CAUTION:
Too small drive chain slack will
overload the engine and other
vital parts; keep the slack
within the specified limits.
Tighten the axle nut while push-
ing down the drive chain.
T
R
.
.
Axle nut:
125 Nm
(12.5 m kg, 90 ft lb)
Tighten the locknuts.
T
R
.
.
Locknut:
19 Nm
(1.9 m kg, 13 ft lb)
3. Régler:
Tension de la chaîne de transmis-
sion
Étapes du réglage de la tension de
la chaîne de transmission:
Desserrer l’écrou de laxe 1 et les
contre-écrous 2.
Régler la tension de la chaîne en
tournant les dispositifs de réglage
3.
Pour tendre Tourner le
dispositif de réglage 3 dans le
sens inverse des aiguilles dune
montre.
Pour détendre Tourner le
dispositif de réglage 3 dans le
sens des aiguilles dune montre
et pousser la roue vers lavant.
Tourner chaque dispositif de
réglage du même nombre de tours
pour maintenir lalignement cor-
rect de laxe. (Des repères a figu-
rent de chaque côté du tendeur de
chaîne.)
N.B.:
Tourner le dispositif de réglage de
manière que la chaîne soit alignée
avec le pignon, vue de larrière.
ATTENTION:
Une chaîne trop tendue impose un
effort excessif au moteur et à
dautres organes vitaux. Maintenir
la tension dans les limites spéci-
fiées.
Serrer l’écrou daxe tout en
appuyant sur la chaîne de transmis-
sion afin de la tendre.
T
R
.
.
Ecrou daxe:
125 Nm
(12,5 m kg, 90 ft lb)
Serrer les contre-écrous.
T
R
.
.
Contre-écrou:
19 Nm
(1,9 m kg, 13 ft lb)
CHASSIS
CHÂSSIS
INSP
ADJ
3 - 96
3. Einstellen:
Antriebsketten-Durchhang
Arbeitsvorgang Antriebsketten-
Durchhang:
Die Achsmutter 1 und Siche-
rungsmuttern 2 lockern.
Den Antriebsketten-Durchhang
durch Verdrehen der Einstell-
schraube 3 einstellen.
Kette straffen
Einstellschraube 3 entgegen
dem Uhrzeigersinn drehen.
Kette lockern
Einstellschraube 3 im
Uhrzeigersinn drehen und
das Rad nach vorn drücken.
Beide Seiten um dieselbe
Anzahl Umdrehungen verstel-
len, um die Radausrichtung
nicht zu verstellen. (Beide Ket-
tenspanner sind mit Ausrich-
tungsmarkierungen a verse-
hen.)
HINWEIS:
Bei der Einstellung sicherstellen,
dass die Antriebskette, von hinten
betrachtet, mit dem Kettenrad
fluchtet.
ACHTUNG:
Eine falsch gespannte An-
triebskette verursacht erhöh-
ten Verschleiß von Kette, Mo-
tor, Lagern und anderen wichti-
gen Teilen. Daher darauf ach-
ten, dass der Kettendurchhang
sich im Sollbereich befindet.
Beim Festziehen der Achsmut-
ter die Antriebskette niederdrü-
cken.
T
R
.
.
Achsmutter:
125 Nm
(12,5 m kg, 90 ft lb)
Die Sicherungsmuttern festzie-
hen.
T
R
.
.
Sicherungsmutter:
19 Nm
(1,9 m kg, 13 ft lb)
3. Regolare:
Parte lenta della catena di tra-
smissione
Operazioni per la regolazione della
parte lenta della catena di trasmis-
sione:
Allentare il dado asse della ruota
1 e i controdadi 2.
Regolare la parte lenta della catena
di trasmissione ruotando i disposi-
tivi di regolazione 3.
Per serrare ruotare il dispositivo
di regolazione 3 in senso
antiorario.
Per allentare ruotare il disposi-
tivo di regolazione 3 in senso ora-
rio e spingere la ruota in avanti.
Ruotare in modo esattamente iden-
tico ogni dispositivo di regolazione
per mantenere un corretto allinea-
mento degli assi. (Vi sono contras-
segni a su ogni lato dellallinea-
mento dellestrattore della catena
di trasmissione)
NOTA:
Ruotare il dispositivo di regolazione
in modo che la catena di trasmissione
sia in linea con la ruota dentata, come
mostrato nella vista posteriore.
ATTENZIONE:
Se la parte lenta della catena di tra-
smissione è troppo ridotta, il
motore e altri componenti vitali si
sovraccaricano; mantenere la parte
lenta allinterno dei limiti indicati.
Serrare il dado asse della ruota e
contemporaneamente spingere verso
il basso la catena di trasmissione.
T
R
.
.
Dado asse della ruota:
125 Nm
(12,5 m kg, 90 ft lb)
Serrare i controdadi.
T
R
.
.
Controdado:
19 Nm
(1,9 m kg, 13 ft lb)
3. Ajustar:
Holgura de la cadena de
transmisión
Procedimiento de ajuste de la
holgura de la cadena de
transmisión:
Afloje la tuerca del eje 1 y las
contratuercas 2.
Ajuste la holgura de la cadena
de transmisión girando los
reguladores 3.
Para tensar Gire el regulador
3 en el sentido contrario al
de las agujas del reloj.
Para destensar Gire el
regulador 3 en el sentido de
las agujas del reloj y empuje
la rueda hacia delante.
Gire ambos reguladores exac-
tamente lo mismo a fin de man-
tener la alineación correcta del
eje. (Hay marcas a a cada lado
de la alineación del tensor de la
cadena de transmisión).
NOTA:
Gire el regulador de forma que la
cadena de transmisión quede ali-
neada con el piñón según se mira
desde atrás.
ATENCION:
Una holgura demasiado escasa
de la cadena de transmisión
provocará la sobrecarga del
motor y de otras piezas vitales;
mantenga la holgura dentro de
los límites especificados.
Apriete la tuerca del eje mien-
tras presiona hacia abajo la
cadena de transmisión.
T
R
.
.
Tuerca del eje:
125 Nm
(12,5 m kg, 90 ft lb)
Apriete las contratuercas.
T
R
.
.
Contratuerca:
19 Nm
(1,9 m kg, 13 ft lb)
FAHRWERK
PARTE CICLISTICA
CHASIS
3 - 97
INSP
ADJ
EC36C000
FRONT FORK INSPECTION
1. Inspect:
Front fork smooth action
Operate the front brake and
stroke the front fork.
Unsmooth action/oil leakage
Repair or replace.
EC36D001
FRONT FORK OIL SEAL AND
DUST SEAL CLEANING
1. Remove:
Protector
Dust seal 1
NOTE:
Use a thin screw driver, and be care-
ful not to damage the inner fork tube
and dust seal.
2. Clean:
Dust seal a
Oil seal b
NOTE:
Clean the dust seal and oil seal
after every run.
Apply the lithium soap base grease
on the inner tube.
FRONT FORK INTERNAL
PRESSURE RELIEVING
NOTE:
If the front fork initial movement feels
stiff during a run, relieve the front fork
internal pressure.
1. Elevate the front wheel by plac-
ing a suitable stand under the
engine.
2. Remove the air bleed screw 1
and release the internal pressure
from the front fork.
3. Install:
Air bleed screw
T
R
.
.
1 Nm (0.1 m · kg, 0.7 ft · lb)
CONTROLE DE LA FOURCHE
1. Contrôler:
Fonctionnement régulier de la
fourche avant
Actionner le frein avant et enfon-
cer la fourche.
Fonctionnement irrégulier/fuite
dhuile Réparer ou remplacer.
NETTOYAGE DE LA BAGUE
DETANCHEITE ET DU JOINT
ANTIPOUSSIERE DE FOURCHE
1. Déposer:
Protection
Joint antipoussière 1
N.B.:
Utiliser un petit tournevis et veiller à ne
pas endommager le tube intérieur de la
fourche et le joint antipoussière.
2. Nettoyer:
Joint antipoussière a
Bague d’étanchéité b
N.B.:
Nettoyer le joint antipoussière et la
bague d’étanchéité après chaque
course.
Appliquer de la graisse à savon de
lithium sur le tube plongeur.
REDUCTION DE LA PRESSION
INTERNE DE LA FOURCHE
N.B.:
Si le mouvement initial de la fourche
paraît dur, réduire la pression interne de
la fourche.
1. Surélever la roue avant en plaçant
un support adéquat sous le moteur.
2. Déposer la vis de purge dair 1 et
évacuer la pression interne de la
fourche.
3. Monter:
Vis de purge dair
T
R
.
.
1 Nm (0,1 m · kg, 0,7 ft · lb)
CHASSIS
CHÂSSIS
CHASSIS
INSP
ADJ
3 - 98
TELESKOPGABEL
KONTROLLIEREN
1. Kontrollieren:
Funktion der Teleskopgabel
Die Teleskopgabel bei gezo-
genem Handbremshebel
mehrmals ein- und ausfedern.
Stockend/undicht Instand
setzen, ggf. erneuern.
GABEL-DICHT- UND -STAUB-
SCHUTZRINGE REINIGEN
1. Demontieren:
Protektor
Staubschutzring 1
HINWEIS:
Einen schmalen Schlitz-Schrauben-
dreher verwenden und darauf ach-
ten, dass das Gleitrohr und der
Staubschutzring nicht beschädigt
werden.
2. Reinigen:
Staubschutzring a
Dichtring b
HINWEIS:
Die Staubschutz- und Dichtringe
nach jeder Fahrt reinigen.
Das Gleitrohr mit einer dünnen
Schicht Lithiumseifenfett bestrei-
chen.
GABEL-LUFTDRUCK
AUSGLEICHEN
HINWEIS:
Wenn die Gabel am Anfang des
Federwegs steif ist, muss der Gabel-
Luftdruck ausgeglichen werden.
1. Das Motorrad aufbocken, um
das Vorderrad vom Boden abzu-
heben.
2. Die Entlüftungsschraube 1 her-
ausdrehen, um den Gabel-Luft-
druck auszugleichen.
3. Montieren:
Entlüftungsschraube
T
R
.
.
1 Nm (0,1 m · kg, 0,7 ft · lb)
CONTROLLO FORCELLA
ANTERIORE
1. Controllare:
Funzionamento uniforme della
forcella anteriore
Azionare il freno anteriore e dare
un colpo alla forcella anteriore.
Funzionamento non uniforme/
perdita di olio Riparare o sosti-
tuire.
PULIZIA PARAOLIO E
GUARNIZIONE PARAPOLVERE
FORCELLA ANTERIORE
1. Togliere:
Protezione
Guarnizione parapolvere 1
NOTA:
Utilizzare un cacciavite di piccole
dimensioni e prestare attenzione a non
danneggiare il tubo interno della forcella
e la guarnizione parapolvere.
2. Pulire:
Guarnizione parapolvere a
Paraolio b
NOTA:
Pulire al guarnizione parapolvere e il
paraolio dopo ogni marcia.
Applicare il grasso a base di sapone di
litio sul tubo interno.
RILEVAZIONE PRESSIONE
INTERNA FORCELLA
ANTERIORE
NOTA:
Se durante la marcia il movimento ini-
ziale della forcella anteriore appare
rigido, rilevare la pressione interna della
forcella anteriore.
1. Sollevare la ruota anteriore ponendo
un apposito cavalletto sotto il
motore.
2. Togliere la vite di spurgo aria 1 e
rilasciare la pressione interna dalla
forcella anteriore.
3. Installare:
Vite di spurgo aria
T
R
.
.
1 Nm (0,1 m · kg, 0,7 ft · lb)
REVISIÓN DE LA HORQUILLA
DELANTERA
1. Comprobar:
Suavidad de movimiento de la
horquilla delantera
Accione el freno delantero y
empuje la horquilla delantera.
Movimiento irregular/fuga de
aceite Reparar o cambiar.
LIMPIEZA DE LA JUNTA DE
ACEITE Y LA JUNTA ANTIPOLVO
DE LA HORQUILLA DELANTERA
1. Extraer:
Protector
Junta antipolvo 1
NOTA:
Utilice un destornillador fino y evite
dañar el tubo interior de la horquilla y
la junta antipolvo.
2. Limpiar:
Junta antipolvo a
Junta de aceite b
NOTA:
Limpie la junta antipolvo y la junta
de aceite después de cada
carrera.
Aplique grasa de jabón de litio al
tubo interior.
REDUCCIÓN DE LA PRESIÓN
INTERNA DE LA HORQUILLA
DELANTERA
NOTA:
Si el movimiento inicial de la horqui-
lla delantera se nota rígido durante
una carrera, reduzca la presión
interna.
1. Eleve la rueda delantera colo-
cando un soporte adecuado
debajo del motor.
2. Extraiga el tornillo de purga de
aire 1 y descargue la presión
interna de la horquilla delantera.
3. Instalar:
Tornillo de purga de aire
T
R
.
.
1 Nm (0,1 m · kg, 0,7 ft · lb)
FAHRWERK
PARTE CICLISTICA
CHASIS
3 - 99
INSP
ADJ
EC36H002
FRONT FORK REBOUND
DAMPING FORCE ADJUSTMENT
1. Adjust:
Rebound damping force
By turning the adjuster 1.
STANDARD POSITION:
This is the position which is back
by the specific number of clicks
from the fully turned-in position.
CAUTION:
Do not force the adjuster past the
minimum or maximum extent of
adjustment. The adjuster may be
damaged.
WARNING
Always adjust each front fork to
the same setting. Uneven adjust-
ment can cause poor handling and
loss of stability.
Stiffer a Increase the
rebound damping force.
(Turn the adjuster 1 in.)
Softer b Decrease the
rebound damping force.
(Turn the adjuster 1 out.)
Extent of adjustment:
Maximum Minimum
Fully turned in
position
20 clicks out
(from maximum
position)
Standard position:
9 clicks out
REGLAGE DE LA FORCE
DAMORTISSEMENT A LA
DETENTE DE LA FOURCHE
1. Régler:
Force damortissement à la
détente
En tournant le dispositif de
réglage 1.
POSITION STANDARD:
Position à laquelle le dispositif de
réglage est dévissé du nombre de tours
spécifié par rapport à la position com-
plètement vissée.
ATTENTION:
Ne pas forcer le dispositif de réglage
au-delà des positions minimum ou
maximum. Cela pourrait lendomma-
ger.
AVERTISSEMENT
Toujours régler de la même manière
chaque bras de la fourche. Un niveau
inégal risque de diminuer la maniabi-
lité et la stabilité.
Plus dur a Augmenter la force
damortissement à la détente.
(Visser le dispositif de réglage 1.)
Plus mou b Diminuer la force
damortissement à la détente.
(Dévisser le dispositif de réglage
1.)
Plage de réglage:
Maximum Minimum
Position
complètement
vissée
Desserrer de
20 déclics (par
rapport à la posi-
tion maximum)
Position standard:
dévissé de 9 déclics
CHASSIS
CHÂSSIS
INSP
ADJ
3 - 100
ZUGSTUFEN-DÄMPFUNGSKRAFT
DER TELESKOPGABEL
EINSTELLEN
1. Einstellen:
Zugstufen-Dämpfungskraft
(durch Verdrehen der Einstell-
schraube 1)
STANDARD-EINSTELLUNG:
Die Einstellschraube völlig hinein-
drehen und dann um die vorge-
schriebene Anzahl Raststellungen
herausdrehen.
ACHTUNG:
Den Einstellmechanismus nie
über die Minimal- oder Maxi-
maleinstellung hinausdrehen, um
diesen nicht zu beschädigen.
WARNUNG
Sicherstellen, dass beide Gabel-
beine gleichmäßig eingestellt
sind. Eine ungleichmäßige Ein-
stellung beeinträchtigt das Fahr-
verhalten.
Härter a Zugstufen-
Dämpfungskraft erhöhen.
(Einstellschraube 1
hineindrehen.)
Weicher b Zugstufen-
Dämpfungskraft reduzieren.
(Einstellschraube 1
herausdrehen.)
Einstellbereich:
Maximal Minimal
Vollständig
hineingedreht
20. Raststellung
(aus der Maxi-
malstellung)
Normaleinstellung:
9. Raststellung
REGOLAZIONE DELLA FORZA DI
SMORZAMENTO IN ESTENSIONE
DELLA FORCELLA ANTERIORE
1. Regolare:
Forza di smorzamento in esten-
sione
Ruotando il dispositivo di regola-
zione 1.
POSIZIONE STANDARD:
Posizione ritratta rispetto alla posi-
zione di avvitamento completo del
numero indicato di scatti verso
lesterno.
ATTENZIONE:
Non forzare il dispositivo di regola-
zione oltre il valore minimo o massimo
del punto di regolazione. Il dispositivo
potrebbe danneggiarsi.
AVVERTENZA
Regolare sempre allo stesso modo ogni
forcella anteriore. Una regolazione
disuguale può determinare difficoltà
di manovrabilità e perdita di stabilità.
Rigido a Aumentare la forza di
smorzamento in estensione.
(Avvitare il dispositivo di
regolazione 1.)
Morbido b Diminuire la forza
di smorzamento in estensione.
(Svitare il dispositivo di
regolazione 1.)
Punto di regolazione:
Massimo Minimo
Avvitamento
completo
20 scatti verso
lesterno (a par-
tire dalla posi-
zione di avvita-
mento massimo)
Posizione standard:
9 scatti verso lesterno
AJUSTE DE LA AMORTIGUACIÓN
EN EXTENSIÓN DE LA
HORQUILLA DELANTERA
1. Ajustar:
Amortiguación en extensión
Girando el regulador 1.
POSICIÓN ESTÁNDAR:
Esta es la posición que se obtiene
retrocediendo el número especí-
fico de chasquidos desde la posi-
ción completamente girada hacia
dentro.
ATENCION:
No fuerce el regulador más allá de
la amplitud de ajuste mínima o
máxima. El regulador podría resul-
tar dañado.
ADVERTENCIA
Ajuste siempre las dos barras de
la horquilla a la misma posición.
Un ajuste desequilibrado puede
reducir la maniobrabilidad y la
estabilidad.
Más rígida a Se incrementa
la amortiguación en
extensión.
(Girar el regulador 1 hacia
dentro.)
Más blanda b Se reduce la
amortiguación en extensión.
(Girar el regulador 1 hacia
fuera.)
Amplitud del ajuste:
Máxima Mínima
Posición
completamente
girado hacia
dentro
20 chasquidos
hacia fuera
(desde la posi-
ción máxima)
Posición estándar:
9 chasquidos hacia
fuera
FAHRWERK
PARTE CICLISTICA
CHASIS
3 - 101
INSP
ADJ
EC36J001
FRONT FORK COMPRESSION
DAMPING FORCE ADJUSTMENT
1. Remove:
Rubber cap
2. Adjust:
Compression damping force
By turning the adjuster 1.
STANDARD POSITION:
This is the position which is back
by the specific number of clicks
from the fully turned-in position.
* Except for USA and CDN
CAUTION:
Do not force the adjuster past the
minimum or maximum extent of
adjustment. The adjuster may be
damaged.
WARNING
Always adjust each front fork to
the same setting. Uneven adjust-
ment can cause poor handling and
loss of stability.
3. Install:
Rubber cap
Stiffer a Increase the
compression damping force.
(Turn the adjuster 1 in.)
Softer b Decrease the
compression damping force.
(Turn the adjuster 1 out.)
Extent of adjustment:
Maximum Minimum
Fully turned in
position
20 clicks out
(from maximum
position)
Standard position:
10 clicks out
* 11 clicks out
REGLAGE DE LA FORCE
DAMORTISSEMENT A LA
COMPRESSION DE LA FOURCHE
1. Déposer:
Capuchon en caoutchouc
2. Régler:
Force damortissement à la com-
pression
En tournant le dispositif de
réglage 1.
POSITION STANDARD:
Position à laquelle le dispositif de
réglage est dévissé du nombre de tours
spécifié par rapport à la position com-
plètement vissée.
* Sauf pour USA et CDN
ATTENTION:
Ne pas forcer le dispositif de réglage
au-delà des positions minimum ou
maximum. Cela pourrait lendomma-
ger.
AVERTISSEMENT
Toujours régler de la même manière
chaque bras de la fourche. Un niveau
inégal risque de diminuer la maniabi-
lité et la stabilité.
3. Monter:
Capuchon en caoutchouc
Plus dur a Augmenter la force
damortissement à la compres-
sion. (Visser le dispositif de
réglage 1.)
Plus mou b Diminuer la force
damortissement. (Dévisser le
dispositif de réglage 1.)
Plage de réglage:
Maximum Minimum
Position
complètement
vissée
dévissé de
20 déclics (par
rapport à la posi-
tion maximum)
Position standard:
dévissé de 10 déclics
*dévissé de 11 déclics
CHASSIS
CHÂSSIS
INSP
ADJ
3 - 102
DRUCKSTUFEN-DÄMPFUNGS-
KRAFT DER TELESKOPGABEL
EINSTELLEN
1. Demontieren:
Gummikappe
2. Einstellen:
Druckstufen-Dämpfungskraft
(durch Verdrehen der Einstell-
schraube 1)
STANDARD-EINSTELLUNG:
Die Einstellschraube völlig hinein-
drehen und dann um die vorge-
schriebene Anzahl Raststellungen
herausdrehen.
* Nicht für USA und Kanada
ACHTUNG:
Den Einstellmechanismus nie
über die Minimal- oder Maxi-
maleinstellung hinausdrehen, um
diesen nicht zu beschädigen.
WARNUNG
Sicherstellen, dass beide Gabel-
beine gleichmäßig eingestellt
sind. Eine ungleichmäßige Ein-
stellung beeinträchtigt das Fahr-
verhalten.
3. Montieren:
Gummikappe
Härter a Druckstufen-Dämp-
fungskraft erhöhen. (Einstell-
schraube 1 hineindrehen.)
Weicher b Druckstufen-
Dämpfungskraft reduzieren.
(Einstellschraube 1 heraus-
drehen.)
Einstellbereich:
Maximal Minimal
Vollständig
hineingedreht
20. Raststellung
(aus der Maxi-
malstellung)
Normaleinstellung:
10. Raststellung
* 11. Raststellung
REGOLAZIONE DELLA FORZA DI
SMORZAMENTO IN COMPRES-
SIONE DELLA FORCELLA ANTE-
RIORE
1. Togliere:
Coperchio in gomma
2. Regolare:
Forza di smorzamento in com-
pressione
Ruotando il dispositivo di regola-
zione 1.
POSIZIONE STANDARD:
Posizione ritratta rispetto alla posi-
zione di avvitamento completo del
numero indicato di scatti verso
lesterno.
* Eccetto USA e CDN
ATTENZIONE:
Non forzare il dispositivo di regola-
zione oltre il valore minimo o massimo
del punto di regolazione. Il dispositivo
potrebbe danneggiarsi.
AVVERTENZA
Regolare sempre allo stesso modo ogni
forcella anteriore. Una regolazione
disuguale può determinare difficoltà
di manovrabilità e perdita di stabilità.
3. Installare:
Coperchio in gomma
Rigido a Aumentare la forza di
smorzamento in compressione.
(Avvitare il dispositivo di
regolazione 1.)
Morbido b Diminuire la forza
di smorzamento in compres-
sione. (Svitare il dispositivo di
regolazione 1.)
Punto di regolazione:
Massimo Minimo
Avvitamento
completo
20 scatti verso
lesterno (a par-
tire dalla posi-
zione di avvita-
mento massimo)
Posizione standard:
10 scatti verso lesterno
* 11 scatti verso lesterno
AJUSTE DE LA AMORTIGUACIÓN
EN COMPRESIÓN DE LA
HORQUILLA DELANTERA
1. Extraer:
Tapa de goma
2. Ajustar:
Amortiguación en compresión
Girando el regulador 1.
POSICIÓN ESTÁNDAR:
Esta es la posición que se obtiene
retrocediendo el número especí-
fico de chasquidos desde la posi-
ción completamente girada hacia
dentro.
* Excepto para USA y Canadá
ATENCION:
No fuerce el regulador más allá de
la amplitud de ajuste mínima o
máxima. El regulador podría resul-
tar dañado.
ADVERTENCIA
Ajuste siempre las dos barras de
la horquilla a la misma posición.
Un ajuste desequilibrado puede
reducir la maniobrabilidad y la
estabilidad.
3. Instalar:
Tapa de goma
Más rígida a Se incrementa
la amortiguación en compre-
sión. (Girar el regulador 1
hacia dentro.)
Más blanda b Se reduce la
amortiguación en compre-
sión. Girar el regulador 1
hacia fuera.)
Amplitud del ajuste:
Máxima Mínima
Posición
completamente
girado hacia
dentro
20 chasquidos
hacia fuera
(desde la posi-
ción máxima)
Posición estándar:
10 chasquidos hacia
fuera
* 11 chasquidos hacia
fuera
FAHRWERK
PARTE CICLISTICA
CHASIS
3 - 103
INSP
ADJ
EC36K000
REAR SHOCK ABSORBER
INSPECTION
1. Inspect:
Swingarm smooth action
Abnormal noise/unsmooth
action Grease the pivoting
points or repair the pivoting
points.
Damage/oil leakage
Replace.
REAR SHOCK ABSORBER
SPRING PRELOAD ADJUSTMENT
1. Elevate the rear wheel by plac-
ing the suitable stand under the
engine.
2. Remove:
Rear frame
3. Loosen:
Locknut 1
4. Adjust:
Spring preload
By turning the adjuster 2.
* For EUROPE
** For AUS, NZ and ZA
NOTE:
Be sure to remove all dirt and mud
from around the locknut and
adjuster before adjustment.
The length of the spring (installed)
changes 1.5 mm (0.06 in) per turn
of the adjuster.
CAUTION:
Never attempt to turn the adjuster
beyond the maximum or mini-
mum setting.
5. Tighten:
Locknut
6. Install:
Rear frame (upper)
Rear frame (lower)
Stiffer Increase the spring
preload. (Turn the adjuster 2
in.)
Softer Decrease the spring
preload. (Turn the adjuster 2
out.)
Spring length (installed)
a:
Standard length Extent of
adjustment
249 mm (9.80 in)
* 248.5 mm
(9.78 in)
** 245.0 mm
(9.65 in)
238.5 ~
258.5 mm
(9.39 ~ 10.18 in)
T
R
.
.
32 Nm (3.2 m · kg, 23 ft · lb)
T
R
.
.
29 Nm (2.9 m · kg, 21 ft · lb)
CONTROLE DE LAMORTISSEUR
ARRIÈRE
1. Contrôler:
Fonctionnement régulier du bras
oscillant
Bruit anormal/fonctionnement
irrégulier Graisser ou réparer
les points de pivot.
Endommagement/fuite dhuile
Remplacer.
REGLAGE DE LA PRECON-
TRAINTE DU RESSORT DE
LAMORTISSEUR ARRIERE
1. Surélever la roue arrière en plaçant
un support adéquat sous le moteur.
2. Déposer:
Cadre arrière
3. Desserrer:
Contre-écrou 1
4. Régler:
Précontrainte de ressort
En vissant le dispositif de réglage
2.
* EUROPE
** AUS, NZ et ZA
N.B.:
Avant deffectuer le réglage, bien
enlever toute la boue et toutes les sale-
tés autour du contre-écrou et du dispo-
sitif de réglage.
La longueur du ressort (monté) change
de 1,5 mm (0,06 in) par tour du dispo-
sitif de réglage.
ATTENTION:
Ne jamais forcer le dispositif de
réglage au-delà des limites maximum
ou minimum.
5. Serrer:
Contre-écrou
6. Monter:
Cadre arrière (supérieur)
Cadre arrière (inférieur)
Plus dur Augmenter la
précontrainte du ressort. (Visser
le dispositif de réglage 2.)
Plus mou Diminuer la précon-
trainte du ressort. (Dévisser le
dispositif de réglage 2.)
Longueur du ressort
(monté) a:
Longueur
standard Plage de réglage
249 mm (9,80 in)
* 248,5 mm
(9,78 in)
** 245,0 mm
(9,65 in)
238,5 à 258,5 mm
(9,39 à 10,18 in)
T
R
.
.
32 Nm (3,2 m · kg, 23 ft · lb)
T
R
.
.
29 Nm (2,9 m · kg, 21 ft · lb)
CHASSIS
CHÂSSIS
INSP
ADJ
3 - 104
FEDERBEIN KONTROLLIEREN
1. Kontrollieren:
Leichtgängigkeit der Schwinge
Geräuschvoll/stockend
Drehpunkte schmieren, ggf.
instand setzen.
Beschädigt/undicht Erneu-
ern.
FEDERVORSPANNUNG DES
FEDERBEINS EINSTELLEN
1. Das Motorrad aufbocken, um
das Hinterrad vom Boden abzu-
heben.
2. Demontieren:
Rahmenheck
3. Lockern:
Sicherungsmutter 1
4. Einstellen:
Federvorspannung
(durch Verdrehen des Feder-
vorspannrings 2)
* EUROPE
** AUS, NZ und ZA
HINWEIS:
Vor der Einstellung die Ringe von
jeglichem Schmutz und Schlamm
befreien.
Die Einbaulänge der Feder ändert
sich um 1,5 mm (0,06 in) pro
Umdrehung des Federvorspann-
rings.
ACHTUNG:
Den Einstellmechanismus nie
über die Maximal- oder Mini-
maleinstellung hinausdrehen.
5. Festziehen:
Sicherungsmutter
6. Montieren:
Rahmenheck (oben)
Rahmenheck (unten)
Härter Federvorspannung
erhöhen. (Federvorspannring
2 hineindrehen.)
Weicher Federvorspannung
reduzieren. (Federvorspann-
ring 2 herausdrehen.)
Einbaulänge a der
Feder:
Standardlänge Einstellbereich
249 mm (9,80 in)
* 248,5 mm
(9,78 in)
** 245,0 mm
(9,65 in)
238,5258,5 mm
(9,3910,18 in)
T
R
.
.
32 Nm (3,2 m · kg, 23 ft · lb)
T
R
.
.
29 Nm (2,9 m · kg, 21 ft · lb)
CONTROLLO AMMORTIZZA-
TORE POSTERIORE
1. Controllare:
Funzionamento uniforme del for-
cellone oscillante
Rumorosità inusuale/funziona-
mento non uniforme Lubrificare
o riparare i punti di articolazione.
Danno/perdita di olio Sostituire.
REGOLAZIONE PRECARICO
DELLA MOLLA DELLAMMOR-
TIZZATORE POSTERIORE
1. Sollevare la ruota posteriore ponendo
un apposito cavalletto sotto il motore.
2. Togliere:
Telaio posteriore
3. Allentare:
Controdado 1
4. Regolare:
Precarico della molla
Ruotando il dispositivo di regola-
zione 2.
* EUROPE
** AUS, NZ e ZA
NOTA:
Prima di procedere alla regolazione,
assicurarsi di eliminare tutta la sporci-
zia e il fango intorno al controdado e
al dispositivo di regolazione.
La lunghezza della molla (installata)
varia di 1,5 mm (0,06 in) per ogni rota-
zione del dispositivo di regolazione.
ATTENZIONE:
Non tentare mai di ruotare il disposi-
tivo oltre il livello di regolazione
minimo e massimo.
5. Serrare:
Controdado
6. Installare:
Telaio posteriore (superiore)
Telaio posteriore (inferiore)
Rigido Aumentare il precarico
della molla. (Avvitare il
dispositivo di regolazione 2.)
Morbido Diminuire il precarico
della molla. (Svitare il dispositivo
di regolazione 2.)
Lunghezza della molla
(installata) a:
Lunghezza
standard
Punto di
regolazione
249 mm (9,80 in)
* 248,5 mm
(9,78 in)
** 245,0 mm
(9,65 in)
238,5 ~ 258,5 mm
(9,39 ~ 10,18 in)
T
R
.
.
32 Nm (3,2 m · kg, 23 ft · lb)
T
R
.
.
29 Nm (2,9 m · kg, 21 ft · lb)
COMPROBACIÓN DEL
AMORTIGUADOR TRASERO
1. Comprobar:
Suavidad de movimiento del
basculante
Ruido anómalo/movimiento
irregular Engrase los pun-
tos de pivote o repárelos.
Dañado/fugas Cambiar.
AJUSTE DE LA PRECARGA DEL
MUELLE DEL AMORTIGUADOR
TRASERO
1. Eleve la rueda trasera colocando
un soporte adecuado debajo del
motor.
2. Extraer:
Bastidor trasero
3. Aflojar:
Contratuerca 1
4. Ajustar:
Precarga del muelle
Girando el regulador 2.
* EUROPE
** AUS, NZ y ZA
NOTA:
Antes de proceder al ajuste eli-
mine toda la suciedad y el barro en
torno a la contratuerca y el regula-
dor.
La longitud del muelle (montada)
varía 1,5 mm (0,06 in) por cada
vuelta del regulador.
ATENCION:
No gire nunca el regulador más
allá del límite máximo o mínimo.
5. Apretar:
Contratuerca
6. Instalar:
Bastidor trasero (superior)
Bastidor trasero (inferior)
Más rígido Se incrementa la
precarga del muelle. (Girar el
regulador 2 hacia dentro.)
Más blando Se reduce la
precarga del muelle. (Girar el
regulador 2 hacia fuera.)
Longitud del muelle
(montada) a:
Longitud
estándar
Amplitud del
ajuste
249 mm (9,80 in)
* 248,5 mm
(9,78 in)
** 245,0 mm
(9,65 in)
238,5 ~
258,5 mm
(9,39 ~ 10,18 in)
T
R
.
.
32 Nm (3,2 m · kg, 23 ft · lb)
T
R
.
.
29 Nm (2,9 m · kg, 21 ft · lb)
FAHRWERK
PARTE CICLISTICA
CHASIS
3 - 105
INSP
ADJ
EC36N014
REAR SHOCK ABSORBER
REBOUND DAMPING FORCE
ADJUSTMENT
1. Adjust:
Rebound damping force
By turning the adjuster 1.
Stiffer a Increase the
rebound damping force.
(Turn the adjuster 1 in.)
Softer b Decrease the
rebound damping force.
(Turn the adjuster 1 out.)
Extent of adjustment:
Maximum Minimum
Fully turned in
position
20 clicks out
(from maximum
position)
STANDARD POSITION:
This is the position which is back
by the specific number of clicks
from the fully turned-in position.
(Which align the punch mark a on
the adjuster with the punch mark
b on the bracket.)
CAUTION:
Do not force the adjuster past the
minimum or maximum extent of
adjustment. The adjuster may be
damaged.
Standard position:
About 11 clicks out
REGLAGE DE LA FORCE
DAMORTISSEMENT A LA
DETENTE DE LAMORTISSEUR
ARRIERE
1. Régler:
Force damortissement à la
détente
En tournant le dispositif de
réglage 1.
Plus dur a Augmenter la force
damortissement à la détente.
(Visser le dispositif de réglage 1.)
Plus mou b Diminuer la force
damortissement à la détente.
(Dévisser le dispositif de réglage
1.)
Plage de réglage:
Maximum Minimum
Position
complètement
vissée
dévissé de
20 déclics (par
rapport à la posi-
tion maximum)
POSITION STANDARD:
Position à laquelle le dispositif de
réglage est dévissé du nombre de tours
spécifié par rapport à la position com-
plètement vissée. (Ce qui aligne le
repère a du dispositif de réglage avec
le repère b du support.)
ATTENTION:
Ne pas forcer le dispositif de réglage
au-delà des positions minimum ou
maximum. Cela pourrait lendomma-
ger.
Position standard:
Dévissé denviron 11
déclics
CHASSIS
CHÂSSIS
INSP
ADJ
3 - 106
ZUGSTUFEN-DÄMPFUNGSKRAFT
DES FEDERBEINS EINSTELLEN
1. Einstellen:
Zugstufen-Dämpfungskraft
(durch Verdrehen der Einstell-
schraube 1.)
Härter a Zugstufen-Dämp-
fungskraft erhöhen. (Einstell-
schraube 1 hineindrehen.)
Weicher b Zugstufen-
Dämpfungskraft reduzieren.
(Einstellschraube 1
herausdrehen.)
Einstellbereich:
Maximal Minimal
Vollständig
hineingedreht
20. Raststellung
(aus der Maxi-
malstellung)
STANDARD-EINSTELLUNG:
Die Einstellschraube völlig hinein-
drehen und dann um die vorge-
schriebene Anzahl Raststellungen
herausdrehen. (Die Körnermarkie-
rung a auf der Einstellschraube
muss mit der entsprechenden
Gegenmarkierung b fluchten.)
ACHTUNG:
Den Einstellmechanismus nie
über die Minimal- oder Maxi-
maleinstellung hinausdrehen, um
diesen nicht zu beschädigen.
Normaleinstellung:
Ca. 11. Raststellung
REGOLAZIONE DELLA FORZA DI
SMORZAMENTO IN ESTENSIONE
DELLAMMORTIZZATORE
POSTERIORE
1. Regolare:
Forza di smorzamento in esten-
sione
Ruotando il dispositivo di regola-
zione 1.
POSIZIONE STANDARD:
Posizione ritratta rispetto alla posi-
zione di avvitamento completo del
numero indicato di scatti verso
lesterno. (Allinea il riferimento pun-
zonato a sul dispositivo di regola-
zione con il riferimento punzonato b
sulla staffa.)
ATTENZIONE:
Non forzare il dispositivo di regola-
zione oltre il valore minimo o massimo
del punto di regolazione. Il dispositivo
potrebbe danneggiarsi.
Rigido a Aumentare la forza di
smorzamento in estensione.
(Avvitare il dispositivo di regola-
zione 1.)
Morbido b Diminuire la forza
di smorzamento in estensione.
(Svitare il dispositivo di regola-
zione 1.)
Punto di regolazione:
Massimo Minimo
Avvitamento
completo
20 scatti verso
lesterno (a par-
tire dalla posi-
zione di avvita-
mento massimo)
Posizione standard:
Circa 11 scatti verso
lesterno
AJUSTE DE LA AMORTIGUACIÓN
EN EXTENSIÓN DEL
AMORTIGUADOR TRASERO
1. Ajustar:
Amortiguación en extensión
Girando el regulador 1.
Más rígida a Se incrementa
la amortiguación en exten-
sión. (Girar el regulador 1
hacia dentro.)
Más blanda b Se reduce la
amortiguación en extensión.
(Girar el regulador 1 hacia
fuera).
Amplitud del ajuste:
Máxima Mínima
Posición
completamente
girado hacia
dentro
20 chasquidos
hacia fuera
(desde la posi-
ción máxima)
POSICIÓN ESTÁNDAR:
Esta es la posición que se obtiene
retrocediendo el número especí-
fico de chasquidos desde la posi-
ción completamente girada hacia
dentro. (La marca perforada a del
regulador se alinea con la marca
perforada b del soporte).
ATENCION:
No fuerce el regulador más allá de
la amplitud de ajuste mínima o
máxima. El regulador podría resul-
tar dañado.
Posición estándar:
Unos 11 chasquidos
hacia fuera
FAHRWERK
PARTE CICLISTICA
CHASIS
3 - 107
INSP
ADJ
EC36c000
REAR SHOCK ABSORBER LOW
COMPRESSION DAMPING FORCE
ADJUSTMENT
1. Adjust:
Low compression damping
force
By turning the adjuster 1.
Stiffer a Increase the low
compression damping force.
(Turn the adjuster 1 in.)
Softer b Decrease the low
compression damping force.
(Turn the adjuster 1 out.)
Extent of adjustment:
Maximum Minimum
Fully turned in
position
20 clicks out
(from maximum
position)
1
b
a
STANDARD POSITION:
This is the position which is back
by the specific number of clicks
from the fully turned-in position.
(Which align the punch mark a on
the adjuster with the punch mark
b on the high compression damp-
ing adjuster.)
* For AUS, NZ and ZA
CAUTION:
Do not force the adjuster past the
minimum or maximum extent of
adjustment. The adjuster may be
damaged.
Standard position:
About 12 clicks out
* About 13 clicks out
a
b
REGLAGE DE LA FORCE
DAMORTISSEMENT A LA
COMPRESSION BASSE DE
LAMORTISSEUR ARRIERE
1. Régler:
Force damortissement à la com-
pression basse
En tournant le dispositif de
réglage 1.
Plus dur a Augmenter la force
damortissement à la
compression basse. (Visser le
dispositif de réglage 1.)
Plus mou b Diminuer la force
damortissement. (Dévisser le
dispositif de réglage 1.)
Plage de réglage:
Maximum Minimum
Position
complètement
vissée
dévissé de
20 déclics (par
rapport à la posi-
tion maximum)
POSITION STANDARD:
Position à laquelle le dispositif de
réglage est dévissé du nombre de tours
spécifié par rapport à la position com-
plètement vissée. (Ce qui aligne le
repère a du dispositif de réglage avec
le repère b du dispositif de réglage de
lamortissement à la compression
haute.)
* AUS, NZ et ZA
ATTENTION:
Ne pas forcer le dispositif de réglage
au-delà des positions minimum ou
maximum. Cela pourrait lendomma-
ger.
Position standard:
Dévissé denviron 12
déclics
*Dévissé denviron 13
déclics
CHASSIS
CHÂSSIS
INSP
ADJ
3 - 108
UNTERE DRUCKSTUFEN-
DÄMPFUNGSKRAFT DES
FEDERBEINS EINSTELLEN
1. Einstellen:
Untere Druckstufen-Dämp-
fungskraft
(durch Verdrehen der Einstell-
schraube 1.)
Härter a Untere Druckstu-
fen-Dämpfungskraft erhö-
hen. (Einstellschraube 1
hineindrehen.)
Weicher b Untere Druckstu-
fen-Dämpfungskraft reduzie-
ren. (Einstellschraube 1
herausdrehen.)
Einstellbereich:
Maximal Minimal
Vollständig
hineingedreht
20. Raststellung
(aus der Maxi-
malstellung)
STANDARD-EINSTELLUNG:
Die Einstellschraube völlig hinein-
drehen und dann um die vorge-
schriebene Anzahl Raststellungen
herausdrehen. (Die Körnermarkie-
rung a auf der Einstellschraube
muss mit der entsprechenden
Gegenmarkierung b fluchten.)
* AUS, NZ und ZA
ACHTUNG:
Den Einstellmechanismus nie
über die Minimal- oder Maxi-
maleinstellung hinausdrehen, um
diesen nicht zu beschädigen.
Normaleinstellung:
Ca. 12. Raststellung
* Ca. 13. Raststellung
REGOLAZIONE DELLA FORZA DI
SMORZAMENTO IN BASSA COM-
PRESSIONE DELLAMMORTIZ-
ZATORE POSTERIORE
1. Regolare:
Forza di smorzamento in bassa
compressione
Ruotando il dispositivo di regola-
zione 1.
POSIZIONE STANDARD:
Posizione ritratta rispetto alla posi-
zione di avvitamento completo del
numero indicato di scatti verso
lesterno. (Allinea il riferimento pun-
zonato a sul dispositivo di regola-
zione con il riferimento punzonato b
sul dispositivo di regolazione di smor-
zamento in alta compressione.)
* AUS, NZ e ZA
ATTENZIONE:
Non forzare il dispositivo di regola-
zione oltre il valore minimo o massimo
del punto di regolazione. Il dispositivo
potrebbe danneggiarsi.
Rigido a Aumentare la forza di
smorzamento in bassa
compressione. (Avvitare il
dispositivo di regolazione 1.)
Morbido b Diminuire la forza
di smorzamento in bassa
compressione. (Svitare il
dispositivo di regolazione 1.)
Punto di regolazione:
Massimo Minimo
Avvitamento
completo
20 scatti verso
lesterno (a par-
tire dalla posi-
zione di avvita-
mento massimo)
Posizione standard:
Circa 12 scatti verso
lesterno
* Circa 13 scatti verso
lesterno
AJUSTE DE LA AMORTIGUACIÓN
EN COMPRESIÓN BAJA DEL
AMORTIGUADOR TRASERO
1. Ajustar:
Amortiguación en compresión
baja
Girando el regulador 1.
Más rígida a Se incrementa
la amortiguación en
compresión baja. (Girar el
regulador 1 hacia dentro.)
Más blanda b Se reduce la
amortiguación en compre-
sión baja. (Girar el regulador
1 hacia fuera.)
Amplitud del ajuste:
Máxima Mínima
Posición
completamente
girado hacia
dentro
20 chasquidos
hacia fuera
(desde la posi-
ción máxima)
POSICIÓN ESTÁNDAR:
Esta es la posición que se obtiene
retrocediendo el número especí-
fico de chasquidos desde la posi-
ción completamente girada hacia
dentro. (La marca perforada a del
regulador se alinea con la marca
perforada b del regulador de
amortiguación en compresión
alta).
* AUS, NZ y ZA
ATENCION:
No fuerce el regulador más allá de
la amplitud de ajuste mínima o
máxima. El regulador podría resul-
tar dañado.
Posición estándar:
Unos 12 chasquidos
hacia fuera
* Unos 13 chasquidos
hacia fuera
FAHRWERK
PARTE CICLISTICA
CHASIS
3 - 109
INSP
ADJ
EC36d000
REAR SHOCK ABSORBER HIGH
COMPRESSION DAMPING FORCE
ADJUSTMENT
1. Adjust:
High compression damping
force
By turning the adjuster 1.
Stiffer a Increase the high
compression damping force.
(Turn the adjuster 1 in.)
Softer b Decrease the high
compression damping force.
(Turn the adjuster 1 out.)
Extent of adjustment:
Maximum Minimum
Fully turned in
position
2 turns out
(from maximum
position)
1
b
a
STANDARD POSITION:
This is the position which is back
by the specific number of turns
from the fully turned-in position.
(Which align the punch mark a on
the adjuster with the punch mark
b on the adjuster body.)
* For EUROPE
CAUTION:
Do not force the adjuster past the
minimum or maximum extent of
adjustment. The adjuster may be
damaged.
Standard position:
About 1-1/8 turns out
* About 1-1/4 turns out
a
b
REGLAGE DE LA FORCE
DAMORTISSEMENT A LA
COMPRESSION HAUTE DE
LAMORTISSEUR ARRIERE
1. Régler:
Force damortissement à la com-
pression haute
En tournant le dispositif de
réglage 1.
Plus dur a Augmenter la force
damortissement à la compres-
sion haute. (Visser le dispositif de
réglage 1.)
Plus mou b Diminuer la force
damortissement haute. (Dévis-
ser le dispositif de réglage 1.)
Plage de réglage:
Maximum Minimum
Position
complètement
vissée
Desserrer de 2
tours (par rap-
port à la position
maximum)
POSITION STANDARD:
Position à laquelle le dispositif de
réglage est dévissé du nombre de tours
spécifié par rapport à la position com-
plètement vissée. (Ce qui aligne le
repère a du dispositif de réglage avec
le repère b du corps du dispositif de
réglage.)
* EUROPE
ATTENTION:
Ne pas forcer le dispositif de réglage
au-delà des positions minimum ou
maximum. Cela pourrait lendomma-
ger.
Position standard:
Dévissé denviron 1-1/8
tour
* Dévissé denviron
1-1/4 tour
CHASSIS
CHÂSSIS
INSP
ADJ
3 - 110
OBERE DRUCKSTUFEN-
DÄMPFUNGSKRAFT DES
FEDERBEINS EINSTELLEN
1. Einstellen:
Obere Druckstufen-Dämp-
fungskraft
(durch Verdrehen der Einstell-
schraube 1.)
Härter a Obere Druckstufen-
Dämpfungskraft erhöhen.
(Einstellschraube 1 hinein-
drehen.)
Weicher b Obere Druckstu-
fen-Dämpfungskraft reduzie-
ren. (Einstellschraube 1
herausdrehen.)
Einstellbereich:
Maximal Minimal
Vollständig
hineingedreht
2 Umdrehun-
gen heraus
(aus der Maxi-
malstellung)
STANDARD-EINSTELLUNG:
Die Einstellschraube völlig hinein-
drehen und dann um die vorge-
schriebene Anzahl Umdrehungen
herausdrehen. (Die Körnermarkie-
rung a auf der Einstellschraube
muss mit der entsprechenden
Gegenmarkierung b fluchten.)
* EUROPE
ACHTUNG:
Den Einstellmechanismus nie
über die Minimal- oder Maxi-
maleinstellung hinausdrehen, um
diesen nicht zu beschädigen.
Normaleinstellung:
Ca. 1 1/8
Umdrehungen heraus
* Ca. 1 1/4 Umdrehun-
gen heraus
REGOLAZIONE DELLA FORZA DI
SMORZAMENTO IN ALTA COM-
PRESSIONE DELLAMMORTIZ-
ZATORE POSTERIORE
1. Regolare:
Forza di smorzamento in alta
compressione
Ruotando il dispositivo di regola-
zione 1.
POSIZIONE STANDARD:
Posizione ritratta rispetto alla posi-
zione di avvitamento completo del
numero indicato di rotazioni verso
lesterno. (Allinea il riferimento pun-
zonato a sul dispositivo di regola-
zione con il riferimento punzonato b
sul corpo del dispositivo di regola-
zione)
* EUROPE
ATTENZIONE:
Non forzare il dispositivo di regola-
zione oltre il valore minimo o massimo
del punto di regolazione. Il dispositivo
potrebbe danneggiarsi.
Rigido a Aumentare la forza di
smorzamento in alta compres-
sione. (Avvitare il dispositivo di
regolazione 1.)
Morbido b Diminuire la forza
di smorzamento in alta compres-
sione. (Svitare il dispositivo di
regolazione 1.)
Punto di regolazione:
Massimo Minimo
Avvitamento
completo
2 rotazioni verso
lesterno (a par-
tire dalla posi-
zione di avvita-
mento massimo)
Posizione standard:
Circa 1-1/8 rotazioni
verso lesterno
* Circa 1-1/4 rotazioni
verso lesterno
AJUSTE DE LA AMORTIGUACIÓN
EN COMPRESIÓN ALTA DEL
AMORTIGUADOR TRASERO
1. Ajustar:
Amortiguación en compresión
alta
Girando el regulador 1.
Más rígida a Se incrementa
la amortiguación en compre-
sión alta. (Girar el regulador
1 hacia dentro.)
Más blanda b Se reduce la
amortiguación en compre-
sión alta. (Girar el regulador
1 hacia fuera.)
Amplitud del ajuste:
Máxima Mínima
Posición
completamente
girado hacia
dentro
2 vueltas hacia
fuera (desde la
posición
máxima)
POSICIÓN ESTÁNDAR:
Esta es la posición que se obtiene
retrocediendo el número especí-
fico de vueltas desde la posición
completamente girada hacia den-
tro. (La marca perforada a del
regulador se alinea con la marca
perforada b del cuerpo del regula-
dor).
* EUROPE
ATENCION:
No fuerce el regulador más allá de
la amplitud de ajuste mínima o
máxima. El regulador podría resul-
tar dañado.
Posición estándar:
Aproximadamente 1-1/8
de vuelta hacia fuera
* Aproximadamente
1-1/4 de vuelta hacia
fuera
FAHRWERK
PARTE CICLISTICA
CHASIS
3 - 111
INSP
ADJ
EC36Q000
TIRE PRESSURE CHECK
1. Measure:
Tire pressure
Out of specification Adjust.
NOTE:
Check the tire while it is cold.
Loose bead stoppers allow the tire
to slip off its position on the rim
when the tire pressure is low.
A tilted tire valve stem indicates
that the tire slips off its position on
the rim.
If the tire valve stem is found tilted,
the tire is considered to be slipping
off its position. Correct the tire
position.
Standard tire pressure:
100 kPa
(1.0 kgf/cm2, 15 psi)
EC36S002
SPOKES INSPECTION AND
TIGHTENING
1. Inspect:
Spokes 1
Bend/damage Replace.
Loose spoke Retighten.
2. Tighten:
Spokes
NOTE:
Be sure to retighten these spokes
before and after break-in. After a
practice check spokes for looseness.
T
R
.
.
3 Nm (0.3 m · kg, 2.2 ft · lb)
EC36T000
WHEEL INSPECTION
1. Inspect:
Wheel runout
Elevate the wheel and turn it.
Abnormal runout Replace.
CONTROLE DE LA PRESSION DES
PNEUS
1. Mesurer:
Pression des pneus
Hors spécifications Ajuster.
N.B.:
Contrôler les pneus à froid.
Le pneu risque de se déjanter si le
gonflage est insuffisant.
Une tige de valve de pneu inclinée
indique que le pneu est mal assis.
Une tige de valve de pneu inclinée
indique que le pneu est mal assis. Cor-
riger la position du pneu.
Pression des pneus
standard:
100 kPa
(1,0 kgf/cm2, 15 psi)
CONTROLE ET SERRAGE DES
RAYONS
1. Contrôler:
Rayons 1
Déformation/endommagement
Remplacer.
Rayon desserré Resserrer.
2. Serrer:
Rayons
N.B.:
Veiller à retendre ces rayons avant et
après le rodage. Après un entraînement,
contrôler le serrage des rayons.
T
R
.
.
3 Nm (0,3 m · kg, 2,2 ft · lb)
CONTROLE DES ROUES
1. Contrôler:
Voile de roue
Surélever la roue et la faire tour-
ner.
Voile excessif Remplacer.
CHASSIS
CHÂSSIS
INSP
ADJ
3 - 112
REIFENLUFTDRUCK
KONTROLLIEREN
1. Messen:
Reifenluftdruck
Nicht nach Vorgabe Einstel-
len.
HINWEIS:
Den Reifenluftdruck bei kaltem
Reifen kontrollieren.
Bei zu niedrigem Reifenluftdruck
besteht die Gefahr, dass der Rei-
fen auf der Felge rutscht.
Ein schräg stehender Ventilschaft
deutet darauf hin, dass der Reifen
sich verschoben hat.
Falls der Ventilschaft schräg steht,
sitzt der Reifen falsch auf. In die-
sem Fall die Reifenlage korrigie-
ren.
Standard-
Reifenluftdruck:
100 kPa
(1,0 kgf/cm2, 15 psi)
SPEICHEN KONTROLLIEREN UND
SPANNEN
1. Kontrollieren:
Speichen 1
Verbogen, beschädigt
Erneuern.
Lose Speiche Spannen.
2. Festziehen:
Speichen
HINWEIS:
Die Speichen müssen vor und nach
dem Einfahren gespannt und nach
jeder Fahrt kontrolliert werden.
T
R
.
.
3 Nm (0,3 m · kg, 2,2 ft · lb)
RÄDER KONTROLLIEREN
1. Kontrollieren:
Felgenschlag
Das Rad anheben und dre-
hen.
Anormaler Schlag Erneu-
ern.
CONTROLLO PRESSIONE DEI
PNEUMATICI
1. Misurare:
Pressione dei pneumatici
Non conforme alle specifiche
Regolare.
NOTA:
Controllare il pneumatico quando è
freddo.
Se gli elementi di arresto del tallone
sono lenti, il pneumatico scivola via
dalla sua posizione sul cerchio quando
la pressione del pneumatico è bassa.
La valvola del pneumatico inclinata
indica che il pneumatico scivola via
dalla sua posizione sul cerchio.
Se si nota che la valvola del pneuma-
tico è inclinata, il pneumatico è fuori
posizione. Correggere la posizione del
pneumatico.
Pressione standard dei
pneumatici:
100 kPa
(1,0 kgf/cm2, 15 psi)
CONTROLLO E SERRAGGIO DEI
RAGGI
1. Controllare:
Raggi 1
Deformazioni/danni Sostitu-
ire.
Raggio lento Serrare.
2. Serrare:
Raggi
NOTA:
Assicurarsi di serrare i raggi prima e
dopo il rodaggio. Dopo lutilizzo, con-
trollare che i raggi non siano allentati.
T
R
.
.
3 Nm (0,3 m · kg, 2,2 ft · lb)
CONTROLLO DELLE RUOTE
1. Controllare:
Scentratura ruota
Sollevare la ruota e farla ruotare.
Scentratura anomala Sostitu-
ire.
COMPROBACIÓN DE LA
PRESIÓN DE LOS NEUMÁTICOS
1. Medir:
Presión de los neumáticos
Fuera del valor especificado
Ajustar.
NOTA:
Compruebe la presión con los neu-
máticos fríos.
Si los topes del talón están flojos,
cuando la presión está baja el neu-
mático se puede salir de su posi-
ción en la llanta.
Si la válvula del neumático está
inclinada significa que el neumá-
tico se ha desplazado de su posi-
ción en la llanta.
Si observa que la válvula está incli-
nada, debe considerar que el neu-
mático se está saliendo de su
posición. Corrija la posición del
neumático.
Presión estándar:
100 kPa
(1,0 kgf/cm2, 15 psi)
COMPROBACIÓN Y APRIETE DE
LOS RADIOS
1. Comprobar:
Radios 1
Dobladura/daños Cambiar.
Radio flojo Apretar.
2. Apretar:
Radios
NOTA:
No olvide volver a apretar los radios
antes y después del rodaje. Después
de una práctica, compruebe si se
han aflojado los radios.
T
R
.
.
3 Nm (0,3 m · kg, 2,2 ft · lb)
REVISIÓN DE LAS RUEDAS
1. Comprobar:
Descentramiento de las rue-
das
Levante la rueda y gírela.
Descentramiento anómalo
Cambiar.
FAHRWERK
PARTE CICLISTICA
CHASIS
3 - 113
INSP
ADJ
2. Inspect:
Bearing free play
Exist play Replace.
EC36U013
STEERING HEAD INSPECTION
AND ADJUSTMENT
1. Elevate the front wheel by plac-
ing a suitable stand under the
engine.
2. Check:
Steering stem
Grasp the bottom of the forks
and gently rock the fork
assembly back and forth.
Free play Adjust steering
head.
3. Check:
Steering smooth action
Turn the handlebar lock to
lock.
Unsmooth action Adjust
steering ring nut.
4. Adjust:
Steering ring nut
Steering ring nut adjustment
steps:
Remove the headlight.
Remove the handlebar and
upper bracket.
Loosen the steering ring nut 1
using the steering nut wrench
2.
Steering nut wrench:
YU-33975/90890-01403
Tighten the steering ring nut 3
using steering nut wrench 4.
NOTE:
Apply the lithium soap base
grease on the thread of the
steering stem.
Set the torque wrench to the
steering nut wrench so that they
form a right angle.
Steering nut wrench:
YU-33975/90890-01403
T
R
.
.
Steering ring nut
(initial tightening):
38 Nm
(3.8 m kg, 27 ft lb)
2. Contrôler:
Jeu des roulements
Il y a du jeu Remplacer.
CONTROLE ET REGLAGE DE LA
TETE DE FOURCHE
1. Surélever la roue avant en plaçant
un support adéquat sous le moteur.
2. Contrôler:
Colonne de direction
Saisir les bras de fourche par le
bas et secouer doucement la four-
che davant en arrière.
Jeu Régler la tête de fourche.
3. Contrôler:
Fonctionnement régulier de la
direction
Tourner le guidon de butée à
butée.
Fonctionnement irrégulier
Régler l’écrou de blocage de la
direction.
4. Régler:
Ecrou de blocage de la direction
Etapes de réglage de l’écrou de blo-
cage de la direction:
Déposer le phare.
Déposer le guidon et le té supé-
rieur.
Desserrer l’écrou de blocage de la
direction 1 à laide de la clé pour
écrou de direction 2.
Clé pour écrou de
direction:
YU-33975/90890-01403
Serrer l’écrou de blocage de la
direction 3 à laide de la clé pour
écrou de direction 4.
N.B.:
Appliquer de la graisse à savon de
lithium sur le filet de la colonne de
direction.
Adapter la clé dynamométrique à
la clé pour écrou de direction de
manière à ce quelles forment un
angle droit.
Clé pour écrou de
direction:
YU-33975/90890-01403
T
R
.
.
Ecrou de blocage de la
direction (serrage initial):
38 Nm
(3,8 m kg, 27 ft lb)
CHASSIS
CHÂSSIS
INSP
ADJ
3 - 114
2. Kontrollieren:
Lagerspiel
Vorhanden Erneuern.
LENKKOPFLAGER KONTROLLIE-
REN UND EINSTELLEN
1. Das Motorrad aufbocken, um
das Vorderrad vom Boden abzu-
heben.
2. Kontrollieren:
Lenkkopf
Die Gabelholme am unteren
Ende umfassen und die Teles-
kopgabel hin und her bewe-
gen.
Spiel vorhanden Lenkkopf-
lager einstellen.
3. Kontrollieren:
Leichtgängigkeit der Lenkung
Lenker von Anschlag zu
Anschlag schwenken.
Stockend Ringmutter ein-
stellen.
4. Einstellen:
Ringmutter
Arbeitsvorgang für die Ring-
mutter:
Den Scheinwerfer demontieren.
Den Lenker und die obere
Gabelbrücke demontieren.
Die Ringmutter 1 mit dem
Hakenschlüssel 2 lockern.
Hakenschlüssel:
YU-33975/90890-01403
Die Ringmutter 3 mit dem
Hakenschlüssel 4 festziehen.
HINWEIS:
Das Gewinde der Lenkachse
mit Lithiumseifenfett bestrei-
chen.
Den Drehmomentschlüssel im
rechten Winkel zum Haken-
schlüssel ansetzen.
Hakenschlüssel:
YU-33975/90890-01403
T
R
.
.
Ringmutter
(provisorisches
Anzugsmoment):
38 Nm
(3,8 m kg, 27 ft lb)
2. Controllare:
Gioco cuscinetti
Presenza di gioco Sostituire.
CONTROLLO E REGOLAZIONE
TESTA DELLO STERZO
1. Sollevare la ruota anteriore ponendo
un apposito cavalletto sotto il
motore.
2. Controllare:
Fusto dello sterzo
Afferrare il fondo delle forcelle e
spingere delicatamente il gruppo
della forcella avanti e indietro.
Gioco Regolare la testa dello
sterzo.
3. Controllare:
Funzionamento uniforme dello
sterzo
Ruotare completamente il manu-
brio.
Funzionamento non uniforme
Regolare la ghiera sterzo.
4. Regolare:
Ghiera sterzo
Operazioni per la regolazione della
ghiera sterzo:
Togliere il faro.
Togliere il manubrio e la staffa
superiore.
Allentare la ghiera sterzo 1 con la
chiave per ghiere 2.
Chiave per ghiere:
YU-33975/90890-01403
Serrare la ghiera sterzo 3 con la
chiave per ghiere 4.
NOTA:
Applicare il grasso a base di
sapone di litio sulla filettatura del
fusto dello sterzo.
Posizionare la chiave dinamome-
trica e la chiave per ghiere ad
angolo retto.
Chiave per ghiere:
YU-33975/90890-01403
T
R
.
.
Ghiera sterzo
(serraggio iniziale):
38 Nm
(3,8 m kg, 27 ft lb)
2. Comprobar:
Holgura de los cojinetes
Hay holgura Cambiar.
REVISIÓN Y AJUSTE DE LA
COLUMNA DE LA DIRECCIÓN
1. Eleve la rueda delantera colo-
cando un soporte adecuado
debajo del motor.
2. Comprobar:
Vástago de la dirección
Agarre la parte inferior de la
horquilla y balancee suave-
mente el conjunto adelante y
atrás.
Holgura Ajustar la columna
de la dirección.
3. Comprobar:
Suavidad de movimiento de la
dirección
Gire el manillar al máximo de
lado a lado.
Movimiento irregular Ajustar
la tuerca anular de la dirección.
4. Ajustar:
Tuerca anular de la dirección
Procedimiento de ajuste de la
tuerca anular de la dirección:
Desmonte el faro.
Desmonte el manillar y el
soporte superior.
Afloje la tuerca anular de la
dirección 1 con la llave para
tuercas de la dirección 2.
Llave para tuercas de
dirección:
YU-33975/90890-01403
Apriete la tuerca anular de la
dirección 3 con la llave para
tuercas de la dirección 4.
NOTA:
Aplique grasa de jabón de litio a
la rosca del vástago de la direc-
ción.
Acople la llave dinamométrica a
la llave para tuercas de direc-
ción de modo que formen un
ángulo recto.
Llave para tuercas de
dirección:
YU-33975/90890-01403
T
R
.
.
Tuerca anular de la
dirección (apriete inicial):
38 Nm
(3,8 m kg, 27 ft lb)
FAHRWERK
PARTE CICLISTICA
CHASIS
3 - 115
INSP
ADJ
Loosen the steering ring nut
one turn.
Retighten the steering ring nut
using the steering nut wrench.
WARNING
Avoid over-tightening.
T
R
.
.
Steering ring nut
(final tightening):
7 Nm
(0.7 m kg, 5.1 ft lb)
Check the steering stem by
turning it lock to lock. If there is
any binding, remove the steer-
ing stem assembly and inspect
the steering bearings.
Install the washer 5, collar 6,
upper bracket 7, washer 8,
steering stem nut 9, handlebar
0, handlebar upper holder A
and headlight B.
NOTE:
Install the collar 6 with the
larger inside diameter facing
downwards.
The handlebar upper holder
should be installed with the
punched mark a forward.
Install the handlebar so that the
marks b are in place on both
sides.
Install the handlebar so that the
projection c of the handlebar
upper holder is positioned at the
mark on the handlebar as shown.
Insert the end of the fuel
breather hose C into the hole in
the steering stem.
CAUTION:
First tighten the bolts on the
front side of the handlebar
upper holder, and then tighten
the bolts on the rear side.
Dévisser dun tour l’écrou de blo-
cage de la direction.
Resserrer l’écrou de blocage de la
direction à laide de la clé pour
écrou de direction.
AVERTISSEMENT
Eviter de serrer à lexcès.
T
R
.
.
Ecrou de blocage de la
direction (serrage final):
7 Nm
(0,7 m kg, 5,1 ft lb)
Contrôler la colonne de direction
en la tournant dune butée à lautre.
Sil y a la moindre gêne, démonter
la colonne de direction et contrôler
les paliers de la direction.
Monter la rondelle 5, entretoise
épaulée 6, le té supérieur 7, la
rondelle 8, l’écrou de blocage de
la direction 9, le guidon 0, le
demi-palier de guidon supérieur A
et le phare B.
N.B.:
Monter lentretoise épaulée 6, le
diamètre intérieur plus large vers le
bas.
Le demi-palier supérieur du guidon
doit être monté avec son poinçon
a vers lavant.
Monter le guidon de façon à ce que
les repères b soient en place des
deux côtés.
Monter le guidon de manière à ce
que lergot c du support du gui-
don supérieur soit positionné selon
le repère dalignement situé sur le
guidon, comme indiqué.
Introduire lextrémité de la durit de
mise à lair du réservoir de carbu-
rant C dans le trou de la colonne
de direction.
ATTENTION:
Serrer dabord les boulons situés à
lavant du demi-palier supérieur
du guidon, puis les boulons situés à
larrière.
CHASSIS
CHÂSSIS
INSP
ADJ
3 - 116
Die Ringmutter um eine Umdre-
hung lockern.
Die Ringmutter mit dem Haken-
schlüssel festziehen.
WARNUNG
Überziehen vermeiden.
T
R
.
.
Ringmutter (endgültiges
Anzugsmoment):
7 Nm
(0,7 m kg, 5,1 ft lb)
Zur Kontrolle die Lenkachse
von Anschlag zu Anschlag
bewegen. Bei der geringsten
Schwergängigkeit müssen der
Lenkkopf zerlegt und die Lager
geprüft werden.
Beilagscheibe 5, Distanzhülse
6, obere Gabelbrücke 7, Bei-
lagscheibe 8, Lenkkopfmutter
9, Lenker 0, obere Lenker-
Halterung A und Scheinwerfer
B montieren.
HINWEIS:
Die Distanzhülse 6 mit dem
größeren Innendurchmesser
nach unten montieren.
Die obere Lenker-Halterung
muss so montiert werden, dass
die Körnermarkierung a nach
vorn gerichtet ist.
Den Lenker so montieren, dass
die Markierungen b an beiden
Seiten fluchten.
Den Lenker so montieren, dass
der Vorsprung c der oberen
Lenker-Halterung auf die Lenker-
Markierung ausgerichtet ist, wie
dargestellt.
Das Ende des Kraftstofftank-
Belüftungsschlauchs C in die
Bohrung in der Lenkachse ste-
cken.
ACHTUNG:
Zuerst die Schrauben an der
Vorderseite der obere Lenker-
Halterungfestziehen, danach
die Schrauben an der Hinter-
seite vorschriftsmäßig festzie-
hen.
Allentare la ghiera sterzo di un
giro.
Serrare la ghiera sterzo con la
chiave per ghiere.
AVVERTENZA
Evitare di serrare troppo.
T
R
.
.
Ghiera sterzo
(serraggio finale):
7 Nm
(0,7 m kg, 5,1 ft lb)
Controllare il fusto dello sterzo
ruotandolo completamente. Se non
ruota liberamente, togliere il
gruppo del fusto dello sterzo e con-
trollare i cuscinetti dello sterzo.
Installare la rondella 5, collarino
6, la staffa superiore 7, la ron-
della 8, il dado fusto dello sterzo
9, il manubrio 0, il supporto
superiore manubrio A e il faro B.
NOTA:
Installare il collarino 6 con il dia-
metro interno più largo rivolto
verso il basso.
Il supporto superiore del manubrio
deve essere installato con il riferi-
mento punzonato a rivolto in
avanti.
Installare il manubrio in modo che
i contrassegni b siano in posi-
zione su entrambi i lati.
Installare il manubrio in modo che
la sporgenza c del supporto supe-
riore manubrio sia posizionata sul
contrassegno del manubrio, come
illustrato.
Inserire lestremità del flessibile di
sfiato carburante C nel foro del
fusto dello sterzo.
ATTENZIONE:
Serrare prima i bulloni sul lato
anteriore del supporto superiore
manubrio, quindi quelli sul lato
posteriore.
Afloje una vuelta la tuerca anu-
lar de la dirección.
Vuelva a apretar la tuerca anu-
lar de la dirección con la llave
para tuercas de la dirección.
ADVERTENCIA
Evite apretarla en exceso.
T
R
.
.
Tuerca anular de la
dirección (apriete final):
7 Nm
(0,7 m kg, 5,1 ft lb)
Compruebe el vástago de la
dirección girándolo completa-
mente de lado a lado. Si se
atasca, desmonte el conjunto
del vástago de la dirección y
revise los cojinetes.
Instale la arandela 5, casquillo
6, el soporte superior 7, la
arandela 8, la tuerca del vás-
tago de la dirección 9, el mani-
llar 0, el soporte superior del
manillar A y el faro B.
NOTA:
Instale el casquillo 6 con el
diámetro interno de mayor
tamaño cara abajo.
El soporte superior del manillar
se debe instalar con la marca
perforada a hacia delante.
Instale el manillar de forma que
las marcas b queden bien
colocadas a ambos lados.
Instale el manillar de forma que
la proyección c de su sujeción
superior quede colocada en la
marca del manillar, como se
muestra.
Introduzca el extremo del tubo
respiradero del depósito de
combustible C por el orificio del
vástago de la dirección.
ATENCION:
Apriete primero los tornillos de
la parte delantera del soporte
superior del manillar y luego
los de la parte trasera.
FAHRWERK
PARTE CICLISTICA
CHASIS
3 - 117
INSP
ADJ
T
R
.
.
Steering stem nut:
145 Nm
(14.5 m kg, 105 ft lb)
Handlebar upper holder:
28 Nm
(2.8 m kg, 20 ft lb)
Pinch bolt (upper
bracket):
21 Nm
(2.1 m kg, 15 ft lb)
Headlight (left and right):
7 Nm
(0.7 m kg, 5.1 ft lb)
Headlight (lower):
7 Nm
(0.7 m kg, 5.1 ft lb)
T
R
.
.
Ecrou de direction:
145 Nm
(14,5 m kg, 105 ft lb)
Demi-palier supérieur de
guidon:
28 Nm
(2,8 m kg, 20 ft lb)
Boulon de pincement (té
supérieur):
21 Nm
(2,1 m kg, 15 ft lb)
Phare (gauche et droit):
7 Nm
(0,7 m kg, 5,1 ft lb)
Phare (inférieur):
7 Nm
(0,7 m kg, 5,1 ft lb)
CHASSIS
CHÂSSIS
INSP
ADJ
3 - 118
T
R
.
.
Lenkkopfmutter:
145 Nm
(14,5 m kg, 105 ft lb)
Obere Lenker-Halterung:
28 Nm
(2,8 m kg, 20 ft lb)
Klemmschraube (obere
Gabelbrücke):
21 Nm
(2,1 m kg, 15 ft lb)
Scheinwerfer (links und
rechts):
7 Nm
(0,7 m kg, 5,1 ft lb)
Scheinwerfer (unten):
7 Nm
(0,7 m kg, 5,1 ft lb)
T
R
.
.
Dado fusto dello sterzo:
145 Nm
(14,5 m kg, 105 ft lb)
Supporto superiore
manubrio:
28 Nm
(2,8 m kg, 20 ft lb)
Bullone di serraggio (staffa
superiore):
21 Nm
(2,1 m kg, 15 ft lb)
Faro (sinistro e destro):
7 Nm
(0,7 m kg, 5,1 ft lb)
Faro (inferiore):
7 Nm
(0,7 m kg, 5,1 ft lb)
T
R
.
.
Tuerca del vástago de la
dirección:
145 Nm
(14,5 m kg, 105 ft lb)
Soporte superior del
manillar:
28 Nm
(2,8 m kg, 20 ft lb)
Remache extraíble
(soporte superior):
21 Nm
(2,1 m kg, 15 ft lb)
Faro (izquierda y
derecha):
7 Nm
(0,7 m kg, 5,1 ft lb)
Faro (inferior):
7 Nm
(0,7 m kg, 5,1 ft lb)
FAHRWERK
PARTE CICLISTICA
CHASIS
3 - 119
INSP
ADJ
LUBRIFICATION
Pour assurer le bon fonctionnement de
tous les organes, lubrifier la moto avant
la première utilisation, après le rodage,
ainsi quaprès chaque utilisation.
1Tous les câbles de commande
2Pivot de levier dembrayage
3Pivot de sélecteur
4Pivot de repose-pied
5Contact entre la poignée des gaz et le
guidon
6Chaîne de transmission
7Portion denroulement du câble
8Extrémité du câble des gaz
9Extrémité du câble dembrayage
0Extrémité du câble de démarrage à
chaud
ÈUtiliser pour ces zones du lubrifiant
Yamaha pour câbles ou un lubrifiant équi-
valent.
ÉUtiliser de lhuile moteur SAE 10W-30
ou un lubrifiant pour chaînes adéquat.
ÊLubrifier les zones suivantes à laide de
graisse à savon de lithium de haute qua-
lité, légère.
ATTENTION:
Eliminer tout excédent de graisse et
éviter denduire de graisse les disques
des freins.
CHASSIS
CHÂSSIS
LUBRICATION
To ensure smooth operation of all
components, lubricate your machine
during setup, after break-in, and after
every ride.
1All control cable
2Clutch lever pivot
3Shift pedal pivot
4Footrest pivot
5Throttle-to-handlebar contact
6Drive chain
7Tube guide cable winding portion
8Throttle cable end
9Clutch cable end
0Hot starter cable end
ÈUse Yamaha cable lube or equivalent
on these areas.
ÉUse SAE 10W-30 motor oil or suitable
chain lubricants.
ÊLubricate the following areas with high
quality, lightweight lithium-soap base
grease.
CAUTION:
Wipe off any excess grease, and
avoid getting grease on the brake
discs.
È
É
Ê
3 - 120
INSP
ADJ
SCHMIERUNG
Um einen reibungslosen Betrieb zu
gewährleisten, sollte das Motorrad
bei der Instandsetzung, nach dem
Einfahren sowie nach jeder Fahrt
sachgemäß geschmiert werden.
1Sämtliche Seilzüge
2Kupplungshebel-Drehpunkt
3Fußschalthebel-Drehpunkt
4Fußrasten-Drehpunkt
5Gasdrehgriff-Kontaktfläche zum
Lenker
6Antriebskette
7Seilzug-Führung
8Gaszug-Ende
9Kupplungszug-Ende
0Warmstartzug-Ende
ÈYAMAHA-Seilzugschmiermittel o. Ä
verwenden.
ÉSAE 10W-30 Motoröl oder O-Ring-
Kettenspray verwenden.
ÊHochqualitatives leichtes Lithiumsei-
fenfett verwenden für die nachstehen-
den Bereichen.
ACHTUNG:
Überschüssiges Fett abwischen
und von den Bremsscheiben fern
halten.
LUBRIFICAZIONE
Per assicurare il funzionamento uni-
forme di tutti i componenti, lubrificare il
mezzo durante la predisposizione, dopo
il rodaggio e dopo ogni utilizzo.
1Tutto il cavo di controllo
2Articolazione leva della frizione
3Articolazione pedale del cambio
4Articolazione poggiapiede
5Contatto tra acceleratore e manubrio
6Catena di trasmissione
7Porzione di avvolgimento del cavo guida
tubo
8Estremità cavo acceleratore
9Estremità cavo frizione
0Estremità cavo starter per partenze a
caldo
ÈPer questi componenti, utilizzare un lubri-
ficante cavi Yamaha o un prodotto equi-
valente.
ÉUtilizzare lolio per motori SAE 10W-30
o un lubrificante per catene adatto.
ÊLubrificare i seguenti componenti con
grasso leggero a base di sapone di litio di
buona qualità.
ATTENZIONE:
Eliminare leccesso di grasso ed evi-
tare di applicare grasso sui dischi dei
freni.
ENGRASE
A fin de asegurar un funcionamiento
suave de todos los componentes,
engrase la máquina durante la
puesta a punto, después del rodaje y
después de cada utilización.
1Todos los cables de control
2Pivote de la maneta de embrague
3Pivote del pedal de cambio
4Pivote de la estribera
5Contacto entre acelerador y manillar
6Cadena de transmisión
7Parte enrollada del cable de la guía
del tubo
8Extremo del cable del acelerador
9Extremo del cable de embrague
0Extremo del cable de arranque en
caliente
ÈUtilice lubricante de cables Yamaha o
un producto equivalente.
ÉUtilice aceite de motor SAE 10W-30 o
un lubricante de cadenas adecuado.
ÊLubrique las partes siguientes con
una grasa de jabón de litio de buena
calidad y ligera.
ATENCION:
Elimine todo exceso de grasa y
evite que llegue grasa a los discos
de freno.
FAHRWERK
PARTE CICLISTICA
CHASIS
3 - 121
INSP
ADJ
EC370000
ELECTRICAL
EC371001
SPARK PLUG INSPECTION
1. Remove:
Spark plug
2. Inspect:
Electrode 1
Wear/damage Replace.
Insulator color 2
Normal condition is a medium
to light tan color.
Distinctly different color
Check the engine condition.
NOTE:
When the engine runs for many
hours at low speeds, the spark plug
insulator will become sooty, even if
the engine and carburetor are in
good operating condition.
3. Measure:
Plug gap a
Use a wire gauge or thickness
gauge.
Out of specification Regap.
4. Clean the plug with a spark plug
cleaner if necessary.
Spark plug gap:
0.7 ~ 0.8 mm
(0.028 ~ 0.031 in)
5. Tighten:
Spark plug
NOTE:
Before installing a spark plug,
clean the gasket surface and plug
surface.
Finger-tighten a the spark plug
before torquing to specification b.
T
R
.
.
13 Nm (1.3 m · kg, 9.4 ft · lb)
IGNITION TIMING CHECK
1. Remove:
Timing mark accessing screw
1
PARTIE ELECTRIQUE
CONTROLE DE LA BOUGIE
1. Déposer:
Bougie
2. Contrôler:
Electrode 1
Usure/endommagement Rem-
placer.
Couleur de lisolant 2
La couleur normale est une cou-
leur bronze clair ou légèrement
foncé.
Couleur franchement différente
Contrôler l’état du moteur.
N.B.:
Lorsque le moteur tourne pendant des
heures à bas régime, lisolant de la bou-
gie sencrasse, même si le moteur et le
carburateur sont en bon état de fonction-
nement.
3. Mesurer:
Ecartement a
Utiliser un calibre pour fils ou un
calibre d’épaisseur.
Hors spécifications Régler.
4. Si nécessaire, nettoyer la bougie à
laide dun nettoie-bougies.
Ecartement des électrodes:
0,7 à 0,8 mm
(0,028 à 0,031 in)
5. Serrer:
Bougie
N.B.:
Avant de monter une bougie, nettoyer
la surface du joint et la surface de la
bougie.
Serrer la bougie à la main a avant de
la serrer au couple correct b.
T
R
.
.
13 Nm (1,3 m · kg, 9,4 ft · lb)
CONTROLE DE LAVANCE A
LALLUMAGE
1. Déposer:
Vis daccès de repère dallumage
1
ELECTRICAL
PARTIE ELECTRIQUE
INSP
ADJ
3 - 122
ELEKTRISCHE ANLAGE
ZÜNDKERZE KONTROLLIEREN
1. Demontieren:
Zündkerze
2. Kontrollieren:
Elektrode 1
Verschlissen/beschädigt
Erneuern.
Isolator-Färbung 2
Die normale Färbung ist Reh-
braun.
Färbung anormal Zustand
des Motors kontrollieren.
HINWEIS:
Nach zahlreichen Betriebsstunden
im unteren Lastbereich verrußt der
Porzellanisolator, auch wenn Motor
und Vergaser in gutem Zustand sind.
3. Messen:
Elektrodenabstand a
Eine Fühlerlehre verwenden.
Nicht nach Vorgabe Korri-
gieren.
4. Die Zündkerze ggf. mit einem
Zündkerzenreiniger reinigen.
Elektrodenabstand:
0,70,8 mm
(0,0280,031 in)
5. Festziehen:
Zündkerze
HINWEIS:
Vor dem Einschrauben der Zünd-
kerze müssen Kerzenkörper und
Dichtfläche gesäubert werden.
Die Zündkerze zuerst handfest a
und dann mit dem vorgeschriebe-
nen Anzugsmoment b festziehen.
T
R
.
.
13 Nm (1,3 m · kg, 9,4 ft · lb)
ZÜNDZEITPUNKT KONTROLLIE-
REN
1. Demontieren:
Rotor-Abdeckschraube 1
IMPIANTO ELETTRICO
CONTROLLO CANDELE
1. Togliere:
Candela daccensione
2. Controllare:
Elettrodo 1
Usura/danni Sostituire.
Colore isolatore 2
In condizioni normali il colore è
marrone chiaro o medio.
Colore evidentemente diverso
Controllare lo stato del motore.
NOTA:
Se il motore è in funzione per molte ore
a velocità ridotta, lisolatore candela si
sporca anche se il motore e il carburatore
sono in buone condizioni di funziona-
mento.
3. Misurare:
Distanza elettrodi candela di
accensione a
Utilizzare un calibro per fili
metallici o uno spessimetro.
Non conforme alle specifiche
Regolare la distanza.
4. Se necessario, pulire la candela con
un detergente per candele.
Distanza elettrodi candela
di accensione:
0,7 ~ 0,8 mm
(0,028 ~ 0,031 in)
5. Serrare:
Candela daccensione
NOTA:
Prima di installare una candela, pulire
la superficie della guarnizione e quella
della candela.
Avvitare a la candela prima di proce-
dere al serraggio indicato nelle specifi-
che b.
T
R
.
.
13 Nm (1,3 m · kg, 9,4 ft · lb)
CONTROLLO ANTICIPO MINIMO
1. Togliere:
Vite di accesso al riferimento per
fasatura 1
SISTEMA ELÉCTRICO
COMPROBACIÓN DE LA BUJÍA
1. Extraer:
Bujía
2. Comprobar:
Electrodo 1
Desgaste/daños Cambiar.
Color del aislamiento 2
En condiciones normales pre-
senta un color canela entre
medio y claro.
Color claramente distinto
Comprobar el estado del
motor.
NOTA:
Cuando el motor funciona durante
muchas horas a regímenes bajos, el
aislamiento de la bujía se oscurece
aunque el motor y el carburador fun-
cionen correctamente.
3. Medir:
Distancia entre electrodos a
Utilice una galga de alambres
o una galga de espesores.
Fuera del valor especificado
Rectificar.
4. Limpie la bujía con un limpiador
de bujías si es preciso.
Distancia entre
electrodos de la bujía:
0,7 ~ 0,8 mm
(0,028 ~ 0,031 in)
5. Apretar:
Bujía
NOTA:
Antes de instalar la bujía limpie la
superficie de la junta y la de la pro-
pia bujía.
Apriete a mano a la bujía antes
de aplicarle el par especificado b.
T
R
.
.
13 Nm (1,3 m · kg, 9,4 ft · lb)
COMPROBACIÓN DEL REGLAJE
DEL ENCENDIDO
1. Extraer:
Tornillo de acceso a la marca
de reglaje 1
ELEKTRISCHE ANLAGE
IMPIANTO ELETTRICO
SISTEMA ELÉCTRICO
3 - 123
INSP
ADJ
2. Attach:
Timing light
Inductive tachometer
To the ignition coil lead
(orange lead 1).
Timing light:
YM-33277-A/
90890-03141
1
3. Adjust:
Engine idling speed
Refer to ENGINE IDLING
SPEED ADJUSTMENT sec-
tion.
4. Check:
Ignition timing
Visually check the stationary
pointer a is within the firing
range b on the rotor.
Incorrect firing range Check
rotor and pickup assembly.
5. Install:
Timing mark accessing screw
2. Fixer:
Lampe stroboscopique
Compte-tours inductif
Au fil de la bobine dallumage
(fil orange 1).
Lampe stroboscopique:
YM-33277-A/
90890-03141
3. Régler:
Régime de ralenti du moteur
Se reporter à la section
REGLAGE DU REGIME DE
RALENTI DU MOTEUR.
4. Contrôler:
Avance à lallumage
Contrôler visuellement que
lindex fixe a se trouve dans la
plage dallumage b indiquée sur
le rotor.
Plage dallumage incorrecte
Contrôler le rotor et le capteur
dallumage.
5. Monter:
Vis daccès de repère dallumage
ELECTRICAL
PARTIE ELECTRIQUE
INSP
ADJ
3 - 124
2. Anschließen:
Stroboskoplampe
Induktions-Drehzahlmesser
Am Zündspulen-Kabel
(Orange 1).
Stroboskoplampe:
YM-33277-A/
90890-03141
3. Einstellen:
Leerlaufdrehzahl
Siehe unter LEERLAUF-
DREHZAHL EINSTELLEN.
4. Kontrollieren:
Zündzeitpunkt
Kontrollieren, ob sich die
Zündmarkierung a im Bereich
b am Rotor befindet.
Falscher Zündbereich
Rotor und Impulsgeber kon-
trollieren.
5. Montieren:
Rotor-Abdeckschraube
2. Fissare:
Stroboscopio
Contagiri a induzione
Al cavo della bobina di accen-
sione (cavo arancione 1).
Stroboscopio:
YM-33277-A/
90890-03141
3. Regolare:
Regime del minimo
Fare riferimento al paragrafo
REGOLAZIONE REGIME
DEL MINIMO.
4. Controllare:
Anticipo minimo
Controllare che il riferimento sta-
zionario a si trovi entro la
gamma di accensione b sul
rotore.
Gamma di accensione errata
Controllare il gruppo rotore e
pickup.
5. Installare:
Vite di accesso al riferimento per
fasatura
2. Acoplar:
Lámpara estroboscópica
Tacómetro inductivo
Al cable de la bobina de
encendido (cable naranja 1).
Lámpara estroboscó-
pica:
YM-33277-A/
90890-03141
3. Ajustar:
Ralentí del motor
Consulte el apartado
AJUSTE DEL RALENTÍ DEL
MOTOR.
4. Comprobar:
Reglaje del encendido
Compruebe visualmente que
la marca estacionaria a se
encuentre dentro del intervalo
de encendido b del rotor.
Intervalo de encendido inco-
rrecto Comprobar el rotor y
el conjunto captador.
5. Instalar:
Tornillo de acceso a la marca
de reglaje
ELEKTRISCHE ANLAGE
IMPIANTO ELETTRICO
SISTEMA ELÉCTRICO
3 - 125
INSP
ADJ
BATTERY INSPECTION AND
CHARGING
WARNING
Batteries generate explosive
hydrogen gas and contain electro-
lyte which is made of poisonous
and highly caustic sulfuric acid.
Therefore, always follow these
preventive measures:
Wear protective eye gear when
handling or working near batter-
ies.
Charge batteries in a well-venti-
lated area.
Keep batteries away from fire,
sparks or open flames (e.g.,
welding equipment, lighted ciga-
rettes).
DO NOT SMOKE when charging
or handling batteries.
KEEP BATTERIES AND ELEC-
TROLYTE OUT OF REACH OF
CHILDREN.
Avoid bodily contact with elec-
trolyte as it can cause severe
burns or permanent eye injury.
FIRST AID IN CASE OF BODILY
CONTACT:
EXTERNAL
Skin Wash with water.
Eyes Flush with water for 15
minutes and get immediate med-
ical attention.
INTERNAL
Drink large quantities of water
or milk followed with milk of
magnesia, beaten egg or vegeta-
ble oil. Get immediate medical
attention.
CAUTION:
Charging time, charging amper-
age and charging voltage for an
MF battery are different from
those of conventional batteries.
The MF battery should be charged
as explained in the charging
method illustrations. If the battery
is overcharged, the electrolyte
level will drop considerably.
Therefore, take special care when
charging the battery.
NOTE:
Since MF batteries are sealed, it is
not possible to check the charge
state of the battery by measuring the
specific gravity of the electrolyte.
Therefore, the charge of the battery
has to be checked by measuring the
voltage at the battery terminals.
CONTROLE ET CHARGE DE LA
BATTERIE
AVERTISSEMENT
Les batteries produisent de lhydro-
gène, un gaz explosif et contiennent de
l’électrolyte, composé dacide sulfuri-
que, toxique et corrosif.
Il faut dès lors veiller à toujours pren-
dre les précautions suivantes:
Toujours porter des lunettes de pro-
tection lorsque lon travaille à
proximité de batteries.
Charger les batteries dans un
endroit bien aéré.
Tenir les batteries à l’écart de tout
feu, étincelles ou flamme nue (équi-
pement de soudure, cigarette, etc.).
NE PAS FUMER en chargeant ou
manipulant des batteries.
TENIR BATTERIES ET ELEC-
TROLYTE HORS DE LA POR-
TEE DES ENFANTS.
Eviter tout contact avec l’électro-
lyte, car il peut gravement brûler la
peau et les yeux.
PREMIERS SOINS EN CAS DE
CONTACT DIRECT:
EXTERNE
Peau Laver à leau.
Yeux Rincer à leau pendant 15
minutes et consulter immédiatement
un médecin.
INTERNE
Boire une grande quantité deau ou
de lait, continuer avec du lait de
magnésie, un oeuf battu ou de
lhuile végétale. Consulter immédia-
tement un médecin.
ATTENTION:
La durée, lintensité et la tension de
charge dune batterie sans entretien
MF et dune batterie classique sont
différentes. La batterie MF doit être
rechargée conformément à la méthode
de charge illustrée dans ce manuel. Si
lon surcharge la batterie, son niveau
d’électrolyte diminuera considérable-
ment. Il convient donc de charger la
batterie avec beaucoup de prudence.
N.B.:
Les batteries sans entretien (MF) sont
scellées; il est donc impossible de véri-
fier leur état de charge en mesurant la
densité de l’électrolyte. Par conséquent,
vérifier la charge de la batterie en mesu-
rant la tension aux bornes de la batterie.
ELECTRICAL
PARTIE ELECTRIQUE
INSP
ADJ
3 - 126
BATTERIE KONTROLLIEREN UND
LADEN
WARNUNG
Die in der Batterie enthaltene
Schwefelsäure ist giftig und stark
ätzend. Außerdem entsteht beim
Laden der Batterie explosives
Wasserstoffgas.
Daher immer folgende Sicher-
heitsratschläge beachten:
Beim Umgang mit der Batterie
eine Schutzbrille tragen.
Die Batterie nur in einem gut
durchlüfteten Raum aufladen.
Die Batterie von Funken, Flam-
men, angezündeten Zigaretten
und andere Feuerquellen fern
halten.
Beim Umgang mit der Batterie
NICHT RAUCHEN.
BATTERIEN UND BATTERIE-
SÄURE VON KINDERN FERN-
HALTEN.
Körperlichen Kontakt mit Batte-
riesäure vermeiden. (Batterie-
säure kann schwere Verätzun-
gen und bleibende Augenschä-
den hervorrufen.)
ERSTE HILFE BEI KÖRPERKON-
TAKT:
ÄUSSERLICH
Haut mit Wasser spülen.
Augen 15 Minuten lang gründ-
lich mit Wasser spülen, danach
sofort einen Arzt aufsuchen.
INNERLICH
Große Mengen Wasser oder
Milch, anschließend Speiseöl
trinken. Sofort einen Arzt aufsu-
chen.
ACHTUNG:
Ladespannung, -strom und -dauer
einer wartungsfreien Batterie wei-
chen von denen einer herkömmli-
chen Batterie ab. Die wartungs-
freie Batterie sollte entsprechend
den weiter unten beschriebenen
Lademethoden geladen werden.
Bei Überladung sinkt der Säure-
stand der Batterie beträchtlich. Es
ist daher wichtig, dass die Batterie
vorschriftsmäßig geladen wird.
HINWEIS:
Da die wartungsfreie Batterie dicht
verschlossen ist, kann deren Lade-
zustand nicht durch Messung der
Säuredichte kontrolliert werden. Der
Ladezustand wird stattdessen durch
Messen der Spannung an den Pol-
klemmen ermittelt.
CONTROLLO E CARICA DELLA
BATTERIA
AVVERTENZA
Le batterie generano un gas idrogeno
esplosivo e contengono come elettro-
lito lacido solforico, velenoso e corro-
sivo.
Si devono perciò osservare sempre le
precauzioni che seguono:
Indossare occhiali protettivi quando
si maneggiano le batterie o si lavora
in prossimità di esse.
Caricare le batterie in ambienti ben
ventilati.
Tenere le batterie lontane da fuoco,
scintille o fiamme aperte (ad es. sal-
datrici, sigarette accese).
NON FUMARE caricando o maneg-
giando batterie.
TENERE LE BATTERIE E
LELETTROLITO FUORI
DALLA PORTATA DEI BAM-
BINI.
Evitare che lelettrolito venga a con-
tatto con la pelle, poiché può provo-
care gravi ustioni e danni
permanenti agli occhi.
PRONTO SOCCORSO IN CASO DI
CONTATTO CON PARTI DEL
CORPO:
CONTATTO ESTERNO
Pelle Sciacquare con acqua.
Occhi Sciacquare con acqua per
15 minuti e rivolgersi immediata-
mente a un medico.
INGESTIONE
Bere grandi quantità dacqua o di
latte, quindi latte di magnesia, uovo
sbattuto od olio vegetale. Rivolgersi
immediatamente a un medico.
ATTENZIONE:
Tempi, amperaggio e tensione di
carica per una batteria MF sono
diversi da quelli delle batterie conven-
zionali. Caricare la batteria MF come
indicato nelle figure esplicative. Se la
batteria viene sovraccaricata, il livello
dellelettrolito scende notevolmente.
Pertanto in fase di carica della batte-
ria è necessario prestare la massima
attenzione.
NOTA:
Poiché le batterie MF sono sigillate, non
è possibile verificare lo stato di carica
della batteria misurando la gravità speci-
fica dellelettrolito. Pertanto la carica
della batteria deve essere controllata
misurando la tensione ai terminali.
COMPROBACIÓN Y CARGA DE
LA BATERÍA
ADVERTENCIA
Las baterías generan gas hidró-
geno explosivo y contienen un
electrólito de ácido sulfúrico alta-
mente tóxico y cáustico.
Por tanto, observe siempre las
medidas preventivas siguientes:
Utilice gafas protectoras cuando
manipule o trabaje cerca de
baterías.
Cargue las baterías en un lugar
bien ventilado.
Mantenga las baterías alejadas
de fuego, chispas o llamas
(equipos de soldadura, cigarri-
llos encendidos).
NO FUME cuando cargue o
manipule baterías.
MANTENGA LAS BATERÍAS Y
EL ELECTRÓLITO FUERA DEL
ALCANCE DE LOS NIÑOS.
Evite todo contacto con el elec-
trólito, ya que puede provocar
quemaduras graves o lesiones
oculares permanentes.
PRIMEROS AUXILIOS EN CASO
DE CONTACTO:
EXTERNO
Piel Lavar con agua.
Ojos Lavar con agua durante
15 minutos y obtener inmediata-
mente asistencia médica.
INTERNO
Beba grandes cantidades de
agua o leche, seguidas de leche
de magnesia, huevos batidos o
aceite vegetal. Acuda inmediata-
mente a un médico.
ATENCION:
El tiempo, el amperaje y el voltaje
de carga de una batería sin mante-
nimiento son diferentes de los de
las baterías convencionales. La
batería sin mantenimiento debe
cargarse según se explica en las
ilustraciones del método de carga.
Si se sobrecarga la batería, el
nivel de electrólito caerá conside-
rablemente. Por tanto, tenga un
cuidado especial cuando cargue
la batería.
NOTA:
Puesto que las baterías sin manteni-
miento están selladas, no se puede
comprobar su estado de carga
midiendo la densidad del electrólito.
Por tanto, se debe comprobar la
carga de la batería midiendo el vol-
taje en los terminales de la misma.
ELEKTRISCHE ANLAGE
IMPIANTO ELETTRICO
SISTEMA ELÉCTRICO
3 - 127
INSP
ADJ
1. Remove:
Seat
2. Disconnect:
Battery leads
(from the battery terminals)
CAUTION:
First, disconnect the negative bat-
tery lead 1, and then the positive
battery lead 2.
3. Remove:
Battery band
Battery
4. Measure:
Battery charge
ÈRelationship between the open-circuit
voltage and the charging time at 20 °C
(68 °F) (These values vary with the
temperature, the condition of the
battery plates, and the electrolyte
level.)
ÉOpen-circuit voltage
ÊCharging time (hours)
ËTime (minutes)
ÌCharging condition of the battery
ÍAmbient temperature 20 °C (68 °F)
aCharging
bCheck the open-circuit voltage
Measurement steps:
Connect a pocket tester 1 to
the battery terminals.
Tester positive probe
battery positive terminal
Tester negative probe
battery negative terminal
NOTE:
The charge state of an MF bat-
tery can be checked by measur-
ing its open-circuit voltage (i.e.,
the voltage when the positive
terminal is disconnected).
No charging is necessary when
the open-circuit voltage equals
or exceeds 12.8 V.
Check the charge of the battery,
as shown in the charts and the
following example.
Example
Open-circuit voltage = 12.0 V
Charging time = 6.5 hours
Charge of the battery = 20 ~ 30%
È
1. Déposer:
Selle
2. Déconnecter:
Câbles de la batterie
(des bornes de la batterie)
ATTENTION:
Déconnecter dabord le câble négatif
de batterie 1, puis le câble positif 2.
3. Déposer:
Sangle de la batterie
Batterie
4. Mesurer:
Charge de la batterie
ÈRelation entre la tension en circuit ouvert
et le temps de charge à 20 °C (68 °F)
(Ces valeurs varient en fonction de la
température, de l’état des plaques de la
batterie et du niveau d’électrolyte.)
ÉTension en circuit ouvert
ÊDurée de charge (heures)
ËDurée (minutes)
ÌEtat de charge de la batterie
ÍTempérature ambiante 20 °C (68 °F)
aCharge
bVérifier la tension en circuit ouvert
Etapes de la mesure:
Raccorder un multimètre 1 aux
bornes de la batterie.
Sonde positive du multimètre
borne positive de la batterie
Sonde négative de la batterie
borne négative de la batterie
N.B.:
On peut contrôler l’état de charge
dune batterie sans entretien (MF)
en mesurant la tension entre ses
bornes en circuit ouvert (après
avoir déconnecté la borne posi-
tive).
Inutile de recharger tant que la ten-
sion en circuit ouvert est supé-
rieure ou égale à 12,8 V.
Contrôler la charge de la batterie,
conformément aux diagrammes et
à lexemple suivant.
Exemple
Tension en circuit ouvert = 12,0 V
Temps de charge = 6,5 heures
Charge de la batterie = 20 à 30 %
ELECTRICAL
PARTIE ELECTRIQUE
INSP
ADJ
3 - 128
1. Demontieren:
Sitzbank
2. Lösen:
Batteriekabel
(von den Batteriepolen)
ACHTUNG:
Zuerst das Batterie-Minuskabel 1
und dann das Batterie-Pluskabel
2 abklemmen.
3. Demontieren:
Batterie-Haltegummi
Batterie
4. Messen:
Batteriespannung
ÈRuhespannung und Ladezeit bei
20 °C (68 °F) (Diese Werte sind
anhängig von Temperaturschwankun-
gen, Batterieplattenzustand und Säu-
restand.)
ÉRuhespannung
ÊLadezeit (Stunden)
ËZeit (Minuten)
ÌLadezustand der Batterie
ÍUmgebungstemperatur: 20 °C (68 °F)
aLaden
bRuhespannung kontrollieren
Messvorgang:
Das Taschen-Multimeter 1 an
den Batteriepolen anschließen.
Messgerät-Pluskabel
Batterie-Pluspol
Messgerät-Minuskabel
Batterie-Minuspol
HINWEIS:
Der Ladezustand der wartungs-
freien Batterie kann durch Mes-
sung der so genannten Ruhe-
spannung (d. h. die Spannung
bei abgeklemmtem Pluskabel)
kontrolliert werden.
Kein Laden ist erforderlich,
wenn die Ruhespannung min-
destens 12,8 V beträgt.
Den Ladezustand der Batterie
anhand der nebenstehenden
Diagramme und des nachfol-
genden Beispiels prüfen.
Beispiel:
Ruhespannung = 12,0 V
Ladedauer = 6,5 Stunden
Ladezustand der Batterie = 20
30%
1. Togliere:
Sella
2. Scollegare:
Cavi batteria
(dai terminali della batteria)
ATTENZIONE:
Per prima cosa staccare il cavo nega-
tivo 1, quindi il cavo positivo 2.
3. Togliere:
Nastro batteria
Batteria
4. Misurare:
Carica batteria
ÈRelazione tra tensione a circuito aperto e
tempo di carica 20 °C (68 °F)
(Questi valori variano con la temperatura,
la condizione delle piastre della batteria e
il livello dellelettrolito).
ÉTensione a circuito aperto
ÊTempo di carica (ore)
ËTempo (minuti)
ÌCondizione di carica della batteria
ÍTemperatura ambiente 20 °C (68 °F)
aCarica
bControllare la tensione a circuito aperto
Operazioni per la misurazione:
Collegare un tester tascabile 1 ai
terminali batteria.
Puntuale positivo del tester
terminale positivo batteria
Puntuale negativo tester
terminale negativo batteria
NOTA:
Lo stato di carica di una batteria
MF può essere verificato misu-
rando la sua tensione a circuito
aperto (cioè la tensione quando il
terminale positivo è scollegato).
Non è necessaria alcuna carica
quando la tensione a circuito aperto
è uguale o superiore a 12,8 V.
Controllare la carica della batteria,
come mostrato nelle tabelle e nel
seguente esempio.
Esempio
Tensione a circuito aperto = 12,0 V
Tempo di carica = 6,5 ore
Carica della batteria = 20 ~ 30%
1. Extraer:
Sillín
2. Desconectar:
Cables de la batería
(de los terminales de la bate-
ría)
ATENCION:
Desconecte primero el cable nega-
tivo 1 y seguidamente el positivo
2.
3. Extraer:
Correa de la batería
Batería
4. Medir:
Carga de la batería
ÈRelación entre voltaje en circuito
abierto y tiempo de carga a 20 °C
(68 °F) (Estos valores varían en
función de la temperatura, el estado
de las placas de la batería y el nivel
de electrólito).
ÉVoltaje en circuito abierto
ÊTiempo de carga (horas)
ËTiempo (minutos)
ÌEstado de carga de la batería
ÍTemperatura ambiente 20 °C (68 °F)
aCarga
bCompruebe el voltaje en circuito
abierto
Procedimiento de medición:
Conecte un comprobador de
bolsillo 1 a los terminales de la
batería.
Sonda positiva del
comprobador
terminal positivo de la batería
Sonda negativa del
comprobador terminal
negativo de la batería
NOTA:
El estado de carga de una bate-
ría sin mantenimiento puede
comprobarse midiendo su vol-
taje en circuito abierto (es decir,
cuando está desconectado el
terminal positivo de la batería).
No es necesario cargar cuando
el voltaje en circuito abierto es
igual o superior a 12,8 V.
Compruebe la carga de la bate-
ría como se muestra en los cua-
dros y en el ejemplo siguiente.
Ejemplo
Voltaje en circuito abierto =
12,0 V
Tiempo de carga = 6,5 horas
Carga de la batería = 20 ~ 30%
ELEKTRISCHE ANLAGE
IMPIANTO ELETTRICO
SISTEMA ELÉCTRICO
3 - 129
INSP
ADJ
5. Charge:
Battery
(refer to the appropriate charg-
ing method illustration)
WARNING
Do not quick charge a battery.
CAUTION:
Never remove the MF battery
sealing caps.
Do not use a high-rate battery
charger since it forces a high-
amperage current into the bat-
tery quickly and can cause bat-
tery overheating and battery
plate damage.
If it is impossible to regulate the
charging current on the battery
charger, be careful not to over-
charge the battery.
When charging a battery, be
sure to remove it from the
machine. (If charging has to be
done with the battery mounted
on the machine, disconnect the
negative battery lead from the
battery terminal.)
To reduce the chance of sparks,
do not plug in the battery
charger until the battery charger
leads are connected to the bat-
tery.
Before removing the battery
charger lead clips from the bat-
tery terminals, be sure to turn
off the battery charger.
Make sure the battery charger
lead clips are in full contact with
the battery terminal and that
they are not shorted. A corroded
battery charger lead clip may
generate heat in the contact
area and a weak clip spring may
cause sparks.
If the battery becomes hot to the
touch at any time during the
charging process, disconnect
the battery charger and let the
battery cool before reconnect-
ing it. Hot batteries can explode!
As shown in the following illus-
tration, the open-circuit voltage
of an MF battery stabilizes about
30 minutes after charging has
been completed. Therefore, wait
30 minutes after charging is
completed before measuring the
open-circuit voltage.
5. Charger:
batterie
(se reporter à lillustration de la
méthode de charge appropriée)
AVERTISSEMENT
Ne pas utiliser la méthode de charge
rapide pour recharger cette batterie.
ATTENTION:
Ne jamais ôter les bouchons dune
batterie sans entretien (MF).
Ne pas utiliser un chargeur de bat-
terie à intensité élevée. En effet, un
ampérage trop élevé risque de pro-
voquer la surchauffe de la batterie
et lendommagement des plaques de
la batterie.
Sil nest pas possible de régler le
courant de charge de la batterie,
bien veiller à ne pas surcharger la
batterie.
Toujours déposer la batterie avant
de procéder à sa charge. (Si la batte-
rie doit être chargée sur la moto,
déconnecter le câble négatif de la
borne de la batterie.)
Afin de réduire le risque de produc-
tion d’étincelles, ne pas brancher le
chargeur de batterie avant davoir
connecté les câbles du chargeur à la
batterie.
Ne pas oublier de couper lalimenta-
tion du chargeur avant de retirer les
pinces du chargeur des bornes de la
batterie.
Veiller à assurer un contact électri-
que parfait entre les pinces du char-
geur et les bornes de la batterie. Ne
jamais laisser les pinces entrer en
contact lune avec lautre. Une pince
de chargeur corrodée risque de pro-
voquer un échauffement de la batte-
rie sur la zone de contact et des
pinces lâches peuvent provoquer
des étincelles.
Si la batterie devient chaude au tou-
cher pendant la charge, débrancher
le chargeur de batterie et laisser
refroidir la batterie avant de la
rebrancher. Une batterie chaude
risque dexploser !
Comme montré dans le schéma sui-
vant, la tension en circuit ouvert
dune batterie MF se stabilise envi-
ron 30 minutes après la fin du char-
gement. Par conséquent, attendre
30 minutes avant de mesurer la ten-
sion en circuit ouvert.
ELECTRICAL
PARTIE ELECTRIQUE
INSP
ADJ
3 - 130
5. Laden:
Batterie
(entsprechend der auf den fol-
genden Seiten ausgewählten
Methode)
WARNUNG
Keine Schnelllaufladung vorneh-
men.
ACHTUNG:
Die Dichtkappen der wartungs-
freien Batterie dürfen nicht ent-
fernt werden.
Kein Stoßladegerät verwenden.
Die von solchen Geräten erzeug-
ten Stromstöße können die Bat-
terie überhitzen und die Batte-
rieplatten beschädigen.
Falls der Ladestrom am Ladege-
rät nicht einstellbar ist, darauf
achten, dass die Batterie nicht
überladen wird.
Zum Laden sollte die Batterie
ausgebaut werden. (Wird die Bat-
terie dennoch im eingebauten
Zustand geladen, muss zuvor das
Minuskabel abgeklemmt werden.)
Um Funkenbildung zu vermei-
den, das Ladegerät erst ein-
schalten, nachdem die An-
schlussklemmen des
Ladegeräts an den Batteriepolen
angeschlossen worden sind.
Ebenso die Anschlussklemmen
des Ladegeräts erst von den
Batteriepolen abnehmen, nach-
dem das Ladegerät ausgeschal-
tet worden ist.
Darauf achten, dass die Klemmen
des Ladegeräts guten Kontakt zu
den Batteriepolen haben und
nicht kurzgeschlossen werden.
Bei korrodierten Anschlussklem-
men kann es zu einer Erhitzung
der Kontaktstellen kommen, bei
ausgeleierten Klemmfedern zu
Abrissfunkenbildung.
Falls die Batterie heiß wird, den
Ladevorgang umgehend unter-
brechen und die Batterie
zunächst abkühlen lassen. Eine
erhitzte Batterie stellt eine
Explosionsgefahr dar!
Aus nebenstehendem Dia-
gramm wird ersichtlich, dass
sich die Ruhespannung einer
wartungsfreien Batterie erst ca.
30 Minuten nach Beendigung
des Ladevorganges stabilisiert.
Deshalb vor der Messung der
Ruhespannung die frisch gela-
dene Batterie zunächst eine
halbe Stunde ruhen lassen.
5. Caricare:
Batteria
(fare riferimento alla relativa
figura del metodo di carica)
AVVERTENZA
Non eseguire la carica rapida della
batteria.
ATTENZIONE:
Non smontare mai i tappi sigillanti
della batteria MF.
Non utilizzare caricabatteria rapidi,
che introducono rapidamente una
corrente ad alto amperaggio, provo-
cando il surriscaldamento della bat-
teria e danneggiandone le piastre.
Se non è possibile regolare la cor-
rente di carica del caricabatteria,
fare attenzione a non sovraccaricare
la batteria.
Quando si effettua la carica, la bat-
teria deve essere rimossa dal mezzo.
(se si deve effettuare la carica con la
batteria montata sul mezzo, stac-
care il cavo negativo dal terminale
della batteria).
Per ridurre il rischio di scintille, non
collegare il caricabatteria allali-
mentazione prima di aver collegato i
cavi del caricabatteria alla batteria.
Prima di scollegare i morsetti dei
cavi del caricabatteria dai terminali
della batteria, spegnere il caricabat-
teria.
Accertare che i morsetti dei cavi del
caricabatteria siano a contatto com-
pleto con il terminale della batteria
e che non siano in cortocircuito. Un
morsetto corroso può generare
calore nella zona di contatto e una
molla debole del morsetto può pro-
vocare scintille.
Se in qualsiasi momento del pro-
cesso di carica la batteria risulta
molto calda al tatto, scollegare il
caricabatteria e lasciar raffreddare
la batteria prima di ricollegarlo. Le
batterie surriscaldate possono esplo-
dere!
Come mostrato nella figura
seguente, la tensione a circuito
aperto di una batteria MF si stabi-
lizza circa 30 minuti dopo il comple-
tamento della carica. Pertanto, una
volta completata la ricarica, atten-
dere 30 minuti prima di misurare la
tensione a circuito aperto.
5. Carga:
Batería
(consulte la correspondiente
ilustración del método de
carga)
ADVERTENCIA
No efectúe una carga rápida de la
batería.
ATENCION:
No mueva nunca las tapas de
sellado de la batería sin mante-
nimiento.
No utilice un cargador de bate-
rías de alta velocidad. Este tipo
de cargador introduce rápida-
mente una corriente de gran
amperaje en la batería y puede
causar su recalentamiento y
daños en las placas.
Si no es posible regular la
corriente de carga de un carga-
dor, tenga cuidado de no sobre-
cargar la batería.
Cuando vaya a cargar una bate-
ría desmóntela de la máquina.
(Si debe cargar la batería mon-
tada en la máquina, desconecte
el cable negativo de la batería
del terminal de esta).
Para reducir el riesgo de chispas,
no enchufe el cargador hasta que
los cables del cargador estén
conectados a la batería.
Antes de quitar de los termina-
les de la batería las pinzas de
los cables del cargador, asegú-
rese de desconectar el cargador.
Compruebe que las pinzas de
los cables del cargador hagan
buen contacto con el terminal
de la batería y que no se corto-
circuiten. Una pinza de cable de
cargador corroída puede gene-
rar calor en la zona de contacto
y un muelle de pinza flojo puede
provocar chispas.
Si la batería se calienta al tacto
en algún momento durante el
proceso de carga, desconecte el
cargador y deje que la batería se
enfríe antes de conectarlo de
nuevo. ¡Una batería caliente
puede explotar!
Como se muestra en la ilustra-
ción siguiente, el voltaje en cir-
cuito abierto de una batería sin
mantenimiento se estabiliza
unos 30 minutos después de
que se haya completado la
carga. Por tanto, cuando la
carga haya finalizado espere
30 minutos antes de medir el
voltaje en circuito abierto.
ELEKTRISCHE ANLAGE
IMPIANTO ELETTRICO
SISTEMA ELÉCTRICO
3 - 131
INSP
ADJ
ELECTRICAL
Charging method using a variable voltage charger
Connect a charger and
ammeter to the battery
and start charging.
Is the amperage higher
than the standard charg-
ing amperage written on
the battery?
NO
YES
Charger Ammeter
Adjust the voltage to obtain
the standard charging amper-
age.
Set the timer to the charging
time determined by the open-
circuit voltage.
Refer to BATTERY
INSPECTION AND CHARG-
ING section.
Adjust the charging voltage to
20 ~ 25 V.
Monitor the amperage for
3 ~ 5 minutes. Is the standard
charging amperage exceeded?
NO
YES
If the amperage does not
exceed the standard charg-
ing amperage after 5 minutes,
replace the battery.
If the required charging time exceeds 5 hours, it is advisable to check
the charging amperage after 5 hours. If there is any change in the
amperage, readjust the voltage to obtain the standard charging amper-
age.
Leave the battery unused for more than 30 minutes before measuring
its open-circuit voltage.
12.8 V Charging is complete.
12.0 ~ 12.7 V Recharging is required.
Under 12.0 V Replace the battery.
Leave the battery unused for
more than 30 minutes before
measuring its open-circuit voltage.
Set the charging voltage to 16-
17 V. (If the charging voltage is
lower, charging will be insuffi-
cient, if it is higher, the battery will
be over-charged.)
NOTE:
NOTE:
Measure the open-circuit
voltage prior to charging.
3 - 132
INSP
ADJ
ELECTRICAL
Charging method using a constant voltage charger
Measure the open-circuit
voltage prior to charging.
Connect a charger and
ammeter to the battery
and start charging.
NO
YES
Is the amperage higher
than the standard charg-
ing amperage written on
the battery?
Charge the battery until the charging
voltage reaches 15 V.
Leave the battery unused for more than 30
minutes before measuring its open-circuit
voltage.
12.8 V Charging is complete.
12.0 ~ 12.7 V Recharging is required.
Under 12.0 V Replace the battery.
This type of battery charger cannot
charge an MF battery. A variable
voltage charger is recommended.
Leave the battery unused for
more than 30 minutes before
measuring its open-circuit voltage.
NOTE:
Set the charging time to a maxi-
mum of 20 hours.
NOTE:
Constant amperage chargers
are not suitable for charging
MF batteries.
CAUTION:
Charger
Ammeter
Voltmeter
3 - 133
INSP
ADJ
Méthode de charge à laide dun chargeur à tension variable
Connecter un chargeur et un
ampèremètre à la batterie et
commencer la charge.
Lampérage est-il supérieur
à lampérage de charge
standard inscrit sur la batte-
rie ?
NON
OUI
Chargeur Ampèremètre
Régler la tension pour obtenir
lampérage de charge standard.
Régler la minuterie sur le temps
de charge déterminé par la ten-
sion de circuit ouvert.
Se reporter à la section VERI-
FICATION ET RECHARGE
DE LA BATTERIE.
Régler la tension de charge entre
20 à 25 V.
Contrôler lampérage pendant 3 à
5 minutes. Est-il supérieur à
lampérage de charge standard ?
NON
OUI
Si lampérage ne dépasse pas
lampérage de charge standard
après 5 minutes, remplacer la
batterie.
Si le temps de charge requis est supérieur à 5 heures, il est recommandé de
vérifier lampérage de charge après 5 heures. En cas de modification de
lampérage, régler de nouveau la tension pour obtenir lampérage de charge
standard.
Ne pas utiliser la batterie pendant plus de 30 minutes avant den mesurer la
tension de circuit ouvert.
12,8 V La charge est terminée.
De 12,0 à 12,7 V Une recharge est nécessaire.
Moins de 12,0 V Remplacer la batterie.
Ne pas utiliser la batterie pendant plus
de 30 minutes avant den mesurer la
tension de circuit ouvert.
Régler la tension de charge entre 16 à
17 V (si la tension de charge est infé-
rieure, la charge sera insuffisante, si
elle est supérieure, la batterie sera sur-
chargée).
N
.B.:
N
.B.:
Mesurer la tension de circuit
ouvert avant de charger.
PARTIE ELECTRIQUE
3 - 134
INSP
ADJ
Méthode de charge à laide dun chargeur à tension constante
Mesurer la tension de circuit
ouvert avant de charger.
Connecter un chargeur et un
ampèremètre à la batterie et
commencer la charge.
NON
OUI Lampérage est-il supérieur
à lampérage de charge stan-
dard inscrit sur la batterie ?
Charger la batterie jusqu’à ce que la ten-
sion de charge atteigne 15 V.
Ne pas utiliser la batterie pendant plus de
30 minutes avant den mesurer la tension de cir-
cuit ouvert.
12,8 V La charge est terminée.
De 12,0 à 12,7 V Une recharge est néces-
saire.
Moins de 12,0 V Remplacer la batterie.
Ce type de chargeur de batterie ne permet pas
la recharge dune batterie MF. Un chargeur à
tension variable est recommandé.
Ne pas utiliser la batterie pendant plus
de 30 minutes avant den mesurer la
tension de circuit ouvert.
N
.B.:
Régler le temps de recharge sur un
maximum de 20 heures.
N
.B.:
Les chargeurs à ampérage cons-
tant ne conviennent pas à la
recharge de batteries MF.
ATTENTION:
Chargeur
Ampèremètre
Voltmètre
PARTIE ELECTRIQUE
3 - 135
INSP
ADJ
Lademethode für ein Ladegerät mit variabler Stromstärke/Spannung
Ladegerät und Ampere-
meter an die Batterie
anschließen und mit dem
Laden beginnen.
Ist die Amperezahl höher,
als die auf der Batterie
angegeben normalen
Ladestromstärke?
NEIN
JA
LadegerätAmperemeter
Die Spannung so einstellen,
dass eine normale Lade-
stromstärke erfolgt.
Die Schaltuhr auf die durch
die Ruhespannung bestimmte
Dauer einstellen.
Siehe unter BATTERIE
KONTROLLIEREN UND
LADEN.
Die Ladespannung auf 2025 V
einstellen.
Die Stromstärke 35 Minuten
lang überwachen. Wird die nor-
male Ladestromstärke über-
schritten?
NEIN
JA
Übersteigt die Amperezahl
nach fünf Minuten nicht die
normale Ladestromstärke,
muss die Batterie ersetzt wer-
den.
Übersteigt die benötigte Ladezeit fünf Stunden, ist es ratsam, die Lade-
stromstärke nach fünf Stunden zu kontrollieren. Sind Veränderungen in
der Stromstärke eingetreten, die Spannung erneut so einstellen, dass
die normale Ladestromstärke erfolgt.
Vor dem Messen der Ruhespannung die Batterie mindestens
30 Minuten lang nicht benutzen.
12,8 V Der Ladevorgang ist abgeschlossen.
12,012,7 V Weiteres Laden ist erforderlich.
Unter 12,0 V Die Batterie erneuern.
Vor dem Messen der Ruhespan-
nung die Batterie mindestens
30 Minuten lang nicht benutzen.
Die Ladespannung auf 1617 V
einstellen. (Die Batterie wird bei
einer niedrigeren Spannung unzu-
reichend geladen, bei einer höhe-
ren Spannung überladen.)
HINWEIS:
HINWEIS:
Vor dem Aufladen die
Ruhespannung messen.
ELEKTRISCHE ANLAGE
3 - 136
INSP
ADJ
Lademethode für ein Ladegerät mit konstanter Spannung
Vor dem Aufladen die
Ruhespannung messen.
Ladegerät und Ampere-
meter an die Batterie
anschließen und mit dem
Laden beginnen.
NEIN
JA
Ist die Amperezahl höher,
als die auf der Batterie
angegeben normalen
Ladestromstärke?
Die Batterie laden, bis die Ladespan-
nung 15 V beträgt.
Vor dem Messen der Ruhespannung die
Batterie mindestens 30 Minuten lang nicht
benutzen.
12,8 V Der Ladevorgang ist abgeschlos-
sen.
12,012,7 V Weiteres Laden ist erforder-
lich.
Unter 12,0 V Die Batterie erneuern.
Diese Art Ladegerät ist nicht für
wartungsfreie Batterien geeignet.
Ein Ladegerät mit variabler Strom-
stärke verwenden.
Vor dem Messen der Ruhespan-
nung die Batterie mindestens
30 Minuten lang nicht benutzen.
HINWEIS:
Die Ladezeit auf maximal
20 Stunden einstellen.
HINWEIS:
Ladegeräte mit konstanter
Spannung eignen sich nicht
für wartungsfreie Batterien.
ACHTUNG:
Ladegerät
Amperemeter
Voltmeter
ELEKTRISCHE ANLAGE
3 - 137
INSP
ADJ
Metodo di carica con caricatore a tensione variabile
Collegare un caricatore e un
amperometro alla batteria e
iniziare loperazione di
carica.
Lamperaggio è superiore
allamperaggio di carica
standard indicato sulla bat-
teria?
NO
SÌ
Caricatore Amperometro
Regolare la tensione per rag-
giungere lamperaggio di carica
standard.
Impostare il timer sul tempo di
carica stabilito tramite la ten-
sione a vuoto.
Fare riferimento al paragrafo
CONTROLLO E CARICA
DELLA BATTERIA.
Regolare la tensione di carica a 20
~ 25 V.
Controllare lamperaggio per 3 ~
5 minuti. Si è superato lamperag-
gio di carica standard?
NO
SÌ
Se lamperaggio non supera
lamperaggio di carica standard
dopo 5 minuti, sostituire la batte-
ria.
Se il tempo di carica necessario supera le 5 ore, si consiglia di controllare
lamperaggio di carica dopo 5 ore. Se si verifica uneventuale modifica
dellamperaggio, regolare nuovamente la tensione per raggiungere lamperag-
gio di carica standard.
Non utilizzare la batteria per più di 30 minuti prima di misurare la rispettiva
tensione a vuoto.
12,8 V La carica è completa.
12,0 ~ 12,7 V È necessario eseguire la ricarica.
Sotto 12,0 V Sostituire la batteria.
Non utilizzare la batteria per più di
30 minuti prima di misurare la rispet-
tiva tensione a vuoto.
Impostare la tensione di carica a 16 ~
17 V. (Se la tensione di carica è infe-
riore la carica sarà insufficiente, se
invece è superiore la batteria subirà
un sovraccarico.)
N
OTA:
N
OTA:
Misurare la tensione a vuoto
prima di eseguire lopera-
zione di carica.
IMPIANTO ELETTRICO
3 - 138
INSP
ADJ
Metodo di carica con caricatore a tensione costante
Misurare la tensione a vuoto
prima di eseguire lopera-
zione di carica.
Collegare un caricatore e un
amperometro alla batteria e
iniziare loperazione di
carica.
NO
SÌ
Lamperaggio è superiore
allamperaggio di carica
standard indicato sulla batte-
ria?
Caricare la batteria finché la tensione di
carica non raggiunge i 15 V.
Non utilizzare la batteria per più di 30 minuti
prima di misurare la rispettiva tensione a vuoto.
12,8 V La carica è completa.
12,0 ~ 12,7 V È necessario eseguire la rica-
rica.
Sotto 12,0 V Sostituire la batteria.
Questo tipo di caricatore per batterie
non può caricare una batteria MF. Si
consiglia di utilizzare un caricatore a
tensione variabile.
Non utilizzare la batteria per più di
30 minuti prima di misurare la rispet-
tiva tensione a vuoto.
N
OTA:
Impostare il tempo di carica al mas-
simo a 20 ore.
N
OTA:
I caricatori ad amperaggio
costante non sono adatti a cari-
care batterie MF.
ATTENZIONE:
Caricatore
Amperometro
Voltmetro
IMPIANTO ELETTRICO
3 - 139
INSP
ADJ
Método de carga con un cargador de voltaje variable
Conecte un cargador y
un amperímetro a la bate-
ría y comience la carga.
¿El amperaje es superior
al que aparece escrito en
la batería como amperaje
estándar?
NO
SÍ
Cargador Amperímetro
Ajuste el voltaje para alcan-
zar el amperaje de carga
estándar.
Ajuste el cronómetro al tiempo
de carga que determine el vol-
taje de circuito abierto.
Consulte la sección INS-
PECCIÓN Y CARGA DE LA
BATERÍA.
Ajuste el amperaje de carga a
20 ~ 25 V.
Supervise el amperaje durante
3 ~ 5 minutos. ¿Se supera el
amperaje de carga estándar?
NO
SÍ
Si el amperaje no supera el
estándar después de 5 minu-
tos, sustituya la batería.
Si el tiempo de carga necesario supera las 5 horas, es recomendable
comprobar el amperaje de carga transcurridas 5 horas. Si se observa
algún cambio en el amperaje, reajuste el voltaje para alcanzar el ampe-
raje de carga estándar.
Mantenga la batería inactiva durante más de 30 minutos antes de
medir el voltaje de circuito abierto.
12,8 V La carga ha finalizado.
12,0 ~ 12,7 V Es necesaria una recarga.
Por debajo de 12,0 V Sustituya la batería.
Mantenga la batería inactiva
durante más de 30 minutos antes
de medir el voltaje de circuito
abierto.
Ajuste el voltaje de carga a 16 ~
17 V. (Si este voltaje es inferior, la
carga resultará insuficiente; y si es
superior, la batería estará sobre-
cargada.)
NOTA:
NOTA:
Mida el voltaje de cir-
cuito abierto antes de
realizar la carga.
SISTEMA ELÉCTRICO
3 - 140
INSP
ADJ
Método de carga con un cargador de voltaje constante
Mida el voltaje de circuito
abierto antes de realizar
la carga.
Conecte un cargador y un
amperímetro a la batería
y comience la carga.
NO
SÍ
¿El amperaje es superior
al que aparece escrito en
la batería como amperaje
estándar?
Cargue la batería hasta que el voltaje
de carga llegue a 15 V.
Mantenga la batería inactiva durante más
de 30 minutos antes de medir el voltaje de
circuito abierto.
12,8 V La carga ha finalizado.
12,0 ~ 12,7 V Es necesaria una recarga.
Por debajo de 12,0 V Sustituya la bate-
ría.
Este tipo de carga de la batería no
puede hacerse con una batería MF.
Se recomienda utilizar un cargador
de voltaje variable.
Mantenga la batería inactiva
durante más de 30 minutos antes
de medir el voltaje de circuito
abierto.
NOTA:
Establezca el tiempo de carga en
un máximo de 20 horas.
NOTA:
Los cargadores de amperaje
constante no son apropiados
para cargar baterías MF.
PRECAUCIÓN:
Cargador
Amperímetro
Voltímetro
SISTEMA ELÉCTRICO
3 - 141
INSP
ADJ
6. Install:
Battery
Battery band
7. Connect:
Battery leads
(to the battery terminals)
CAUTION:
First, connect the positive lead 1,
then the negative lead 2.
8. Check:
Battery terminals
Dirt Clean with a wire
brush.
Loose connection Connect
properly.
9. Lubricate:
Battery terminal
10. Install:
Seat
Recommended
lubricant:
Lithium soap base
grease
BATTERY REPLACEMENT
1. Replace:
Battery
CAUTION:
This battery is for YAMAHA
WR250F.
After filling the battery with elec-
trolyte, either charge it for at least
3 hours at the amperage specified
on the battery or let it sit for at
least 15 hours before using it.
EAS00181
FUSE INSPECTION
CAUTION:
To avoid a short circuit, always set
the main switch to OFF when
checking or replacing a fuse.
1. Remove:
Seat
Fuse cover
6. Monter:
Batterie
Sangle de la batterie
7. Connecter:
Câbles de la batterie
(aux bornes de la batterie)
ATTENTION:
Connecter dabord le câble positif 1,
puis le câble négatif 2.
8. Contrôler:
Bornes de la batterie
Saleté Nettoyer avec une
brosse métallique.
Connexion lâche Brancher
correctement.
9. Lubrifier:
Bornes de la batterie
10. Monter:
Selle
Lubrifiant recommandé:
graisse à savon de
lithium
REMPLACEMENT DE LA
BATTERIE
1. Remplacer:
Batterie
ATTENTION:
Cette batterie est destinée à la
YAMAHA WR250F.
Après avoir rempli la batterie d’élec-
trolyte, la charger pendant au moins 3
heures à lampérage spécifié sur la
batterie ou la laisser reposer pendant
au moins 15 heures avant de lutiliser.
CONTROLE DES FUSIBLES
ATTENTION:
Pour éviter un court-circuit, toujours
placer le contacteur à clé sur OFF
avant de contrôler ou de remplacer un
fusible.
1. Déposer:
Selle
Couvercle de la boîte à fusibles
ELECTRICAL
PARTIE ELECTRIQUE
INSP
ADJ
3 - 142
6. Montieren:
Batterie
Batterie-Haltegummi
7. Anschließen:
Batteriekabel
(an den Batteriepolen)
ACHTUNG:
Zuerst das Batterie-Pluskabel 1
und dann das Batterie-Minuska-
bel 2 anklemmen.
8. Kontrollieren:
Batteriepole
Verschmutzt Mit einer
Drahtbürste säubern.
Lose Verbindung Fest ver-
binden.
9. Schmieren:
Batteriepole
10. Montieren:
Sitzbank
Empfohlenes
Schmiermittel:
Lithiumseifenfett
BATTERIE ERNEUERN
1. Erneuern:
Batterie
ACHTUNG:
Vorliegende Batterie ist auf die
YAMAHA WR250F abgestimmt.
Nach dem Befüllen mit Batterie-
säure die Batterie vor dem
Gebrauch entweder mindestens 3
Stunden lang mit der vom Herstel-
ler vorgeschriebenen Ladestrom-
stärke laden oder 15 Stunden
ruhen lassen.
SICHERUNG KONTROLLIEREN
ACHTUNG:
Um einen Kurzschluss zu vermei-
den, vor der Kontrolle oder dem
Ausbau einer Sicherung den
Zündschalter auf OFF stellen.
1. Demontieren:
Sitzbank
Sicherungs-Abdeckung
6. Installare:
Batteria
Nastro batteria
7. Collegare:
Cavi batteria
(ai terminali della batteria)
ATTENZIONE:
Per prima cosa collegare il cavo posi-
tivo 1, quindi il cavo negativo 2.
8. Controllare:
Terminali della batteria
Sporco Pulire con una spaz-
zola metallica.
Collegamento allentato Colle-
gare in maniera corretta.
9. Lubrificare:
Terminale della batteria
10. Installare:
Sella
Lubrificante
raccomandato:
Grasso a base di sapone
di litio
SOSTITUZIONE BATTERIA
1. Sostituire:
Batteria
ATTENZIONE:
Questa batteria è per YAMAHA
WR250F.
Dopo aver riempito la batteria con
lelettrolito, caricare la batteria per
almeno 3 ore allamperaggio indicato
sulla batteria o lasciarla riposare per
almeno 15 ore prima di utilizzarla.
CONTROLLO DEI FUSIBILI
ATTENZIONE:
Posizionare sempre linterruttore
principale su OFF quando si con-
trolla o si sostituisce un fusibile, altri-
menti può verificarsi un cortocircuito.
1. Togliere:
Sella
Coperchio fusibile
6. Instalar:
Batería
Correa de la batería
7. Conectar:
Cables de la batería
(a los terminales de la batería)
ATENCION:
Conecte primero el cable positivo
1 y seguidamente el negativo 2.
8. Comprobar:
Terminales de la batería
Suciedad Limpiar con un
cepillo metálico.
Conexión floja Conectar
correctamente.
9. Lubricar:
Terminales de la batería
10. Instalar:
Sillín
Lubricante
recomendado:
Grasa lubricante con
jabón de litio
CAMBIO DE LA BATERÍA
1. Cambiar:
Batería
ATENCION:
Esta batería es para la YAMAHA
WR250F.
Después de llenar la batería con
electrólito, cárguela durante un
mínimo de 3 horas al amperaje
especificado en la batería o bien
deje que se estabilice durante un
mínimo de 15 horas antes de utili-
zarla.
COMPROBACIÓN DE LOS
FUSIBLES
ATENCION:
Para evitar cortocircuitos, sitúe
siempre el interruptor principal en
OFF cuando compruebe o cam-
bie un fusible.
1. Extraer:
Sillín
Tapa de fusibles
ELEKTRISCHE ANLAGE
IMPIANTO ELETTRICO
SISTEMA ELÉCTRICO
3 - 143
INSP
ADJ
2. Check:
Continuity
2Reserve fuse
Checking steps:
Remove the fuse 1.
Connect the pocket tester to the
fuse and check the continuity.
NOTE:
Set the pocket tester selector to
× 1.
Pocket tester:
YU-3112-C/
90890-03112
If the pocket tester indicates
, replace the fuse.
21
3. Replace:
Blown fuse
WARNING
Never use a fuse with an amper-
age rating other than that speci-
fied. Improvising or using a fuse
with the wrong amperage rating
may cause extensive damage to
the electrical system, cause the
starting and ignition systems to
malfunction and could possibly
cause a fire.
4. Install:
Fuse cover
Seat
Replacement steps:
Set the main switch to OFF.
Install a new fuse of the correct
amperage.
Set on the switches to verify if
the electrical circuit is opera-
tional.
If the fuse immediately blows
again, check the electrical cir-
cuit.
Items Amperage
rating Qty
Main fuse 10 A 1
2. Contrôler:
Continuité
2Fusible de réserve
Etapes du contrôle:
Déposer le fusible 1.
Connecter le multimètre au fusible
et contrôler la continuité du circuit.
N.B.:
Régler le sélecteur du multimètre sur
× 1.
Multimètre:
YU-3112-C/90890-03112
Si le multimètre indique , rem-
placer le fusible.
3. Remplacer:
Fusible grillé
AVERTISSEMENT
Ne jamais utiliser un fusible dampé-
rage différent de celui spécifié. Toute
improvisation ou la mise en place dun
fusible dun ampérage incorrect ris-
que de gravement endommager le cir-
cuit électrique, de provoquer un
mauvais fonctionnement des systèmes
de démarrage et dallumage, voire de
provoquer un incendie.
4. Monter:
Couvercle de la boîte à fusibles
Selle
Etapes de remplacement:
Placer le contacteur à clé sur
OFF.
Monter un nouveau fusible
dampérage correct.
Mettre les contacteurs en circuit
pour sassurer que le circuit électri-
que fonctionne.
Si le fusible grille de nouveau, con-
trôler le circuit électrique.
Eléments Ampérage Qté
Fusible
principal 10 A 1
ELECTRICAL
PARTIE ELECTRIQUE
INSP
ADJ
3 - 144
2. Kontrollieren:
Durchgang
2Reservesicherung
Arbeitsvorgang:
Die Sicherung 1 herausneh-
men.
Das Taschen-Multimeter an die
Sicherung anschließen und
diese auf Durchgang prüfen.
HINWEIS:
Den Wahlschalter des Multime-
ters auf × 1 stellen.
Taschen-Multimeter:
YU-3112-C/
90890-03112
Falls das Multimeter
anzeigt, die Sicherung erneu-
ern.
3. Erneuern:
Durchgebrannte Sicherung
WARNUNG
Eine Sicherung niemals überbrük-
ken oder durch eine Sicherung mit
einer höheren als der empfohle-
nen Amperezahl ersetzen. Falsche
Sicherungen und Behelfsbrücken
können schwere Schäden und
nicht selten Brände in der elektri-
schen Anlage verursachen sowie
die Beleuchtung und Zündung
beeinträchtigen.
4. Montieren:
Sicherungs-Abdeckung
Sitzbank
Ersatzvorgang:
Den Zündschalter auf OFF
stellen.
Eine neue Sicherung mit vorge-
schriebener Amperezahl einset-
zen.
Den entsprechenden Strom-
kreis einschalten, um dessen
Funktion zu kontrollieren.
Brennt die Sicherung sofort wie-
der durch, den entsprechenden
Stromkreis kontrollieren.
Bezeich-
nung Amperezahl Anz.
Hauptsi-
cherung 10 A 1
2. Controllare:
Continuità
2Fusibile di riserva
Operazioni per il controllo:
Togliere il fusibile 1.
Collegare il tester tascabile al fusi-
bile e controllare la continuità.
NOTA:
Impostare il selettore del tester tasca-
bile a × 1.
Tester tascabile:
YU-3112-C/90890-03112
Se il tester tascabile indica ,
sostituire il fusibile.
3. Sostituire:
Fusibile saltato
AVVERTENZA
Non utilizzare mai fusibili di ampe-
raggio diverso da quello prescritto.
Limprovvisazione o lutilizzo di un
fusibile di amperaggio inadatto può
causare notevoli danni allimpianto
elettrico, il malfunzionamento dei
sistemi di avviamento e di accensione e
un eventuale incendio.
4. Installare:
Coperchio fusibile
Sella
Operazioni per la sostituzione:
Portare linterruttore di accensione
su OFF.
Installare un nuovo fusibile di
amperaggio corretto.
Attivare gli interruttori per verifi-
care il funzionamento del circuito
elettrico.
Se il fusibile brucia di nuovo
immediatamente, controllare il cir-
cuito elettrico.
Elementi Amperaggio Quan-
tità
Fusibile
principale 10 A 1
2. Comprobar:
Continuidad
2Fusible de reserva
Procedimiento de
comprobación:
Extraiga el fusible 1.
Conecte el comprobador de
bolsillo al fusible y compruebe
la continuidad.
NOTA:
Sitúe el selector del comprobador
en × 1.
Comprobador de
bolsillo:
YU-3112-C/
90890-03112
Si el comprobador indica ,
cambie el fusible.
3. Cambiar:
Fusible fundido
ADVERTENCIA
No utilice nunca un fusible de
amperaje distinto del especifi-
cado. La improvisación o el uso
de un fusible de amperaje inco-
rrecto puede provocar averías gra-
ves en el sistema eléctrico, fallos
en los sistemas de arranque y
encendido y posiblemente un
incendio.
4. Instalar:
Tapa de fusibles
Sillín
Procedimiento de cambio:
Sitúe el interruptor principal en
OFF.
Instale un fusible nuevo del
amperaje correcto.
Accione los interruptores para
verificar si el circuito eléctrico
funciona.
Si el fusible se funde de nuevo
inmediatamente, revise el cir-
cuito eléctrico.
Elementos Amperaje Ctd.
Fusible
principal 10 A 1
ELEKTRISCHE ANLAGE
IMPIANTO ELETTRICO
SISTEMA ELÉCTRICO
3 - 145
INSP
ADJ
REPLACING THE HEADLIGHT
BULBS
1. Remove:
Headlight
Refer to SEAT, FUEL TANK
AND SIDE COVERS.
2. Remove:
Headlight bulb holder cover 1
3. Remove:
Headlight bulb holder 1
NOTE:
Remove the headlight bulb holder by
pushing it in and turning it counter-
clockwise.
4. Remove:
Headlight bulb
WARNING
Since the headlight bulb gets
extremely hot, keep flammable
products and your hands away
from the bulb unit it has cooled
down.
5. Install:
Headlight bulb
CAUTION:
Avoid touching the glass part of
the headlight bulb to keep it free
form oil, otherwise the transpar-
ency of the glass, the life of the
bulb and the luminous flux will be
adversely affected. If the headlight
bulb gets soiled, thoroughly clean
it with a cloth moistened with alco-
hol or lacquer thinner.
6. Install:
Headlight bulb holder
7. Install:
Headlight bulb holder cover
8. Install:
Headlight
Refer to SEAT, FUEL TANK
AND SIDE COVERS.
T
R
.
.
7 Nm (0.7 m · kg, 5.1 ft · lb)
New
REMPLACEMENT DES
AMPOULES DE PHARE
1. Déposer:
Phare
Se reporter à la section SELLE,
RESERVOIR DE CARBURANT
ET CACHES LATERAUX.
2. Déposer:
Protection du porte-ampoule de
phare 1
3. Déposer:
Porte-ampoule de phare 1
N.B.:
Déposer le porte-ampoule de phare en
appuyant dessus et en le tournant dans le
sens inverse des aiguilles dune montre.
4. Déposer:
Ampoule de phare
AVERTISSEMENT
Une ampoule de phare allumée deve-
nant très chaude, éviter de la toucher
et tenir tout produit inflammable à
l’écart tant quelle na pas refroidi.
5. Monter:
Ampoule de phare
ATTENTION:
Eviter de toucher le verre de
lampoule afin de ne pas y déposer de
dépôts huileux susceptibles daltérer
la transparence du verre, la durée de
vie de lampoule et le flux lumineux. Si
lampoule de phare est sale, la net-
toyer soigneusement à laide dun
chiffon imbibé dalcool ou de diluant
pour peinture.
6. Monter:
Porte-ampoule de phare
7. Monter:
Protection du porte-ampoule de
phare
8. Monter:
Phare
Se reporter à la section SELLE,
RESERVOIR DE CARBURANT
ET CACHES LATERAUX.
T
R
.
.
7 Nm (0,7 m · kg, 5,1 ft · lb)
New
ELECTRICAL
PARTIE ELECTRIQUE
INSP
ADJ
3 - 146
SCHEINWERFERLAMPE
ERNEUERN
1. Demontieren:
Scheinwerfer
Siehe unter SITZBANK,
KRAFTSTOFFTANK UND
SEITENABDEKKUNGEN.
2. Demontieren:
Scheinwerfer-Lampenschutz-
kappe 1
3. Demontieren:
Scheinwerfer-Lampenhalter 1
HINWEIS:
Die Abdeckung des Scheinwerfer-
Lampenhalters durch Hineindrücken
und Herausdrehen gegen den Uhr-
zeigersinn entfernen.
4. Demontieren:
Scheinwerferlampe
WARNUNG
Scheinwerferlampen werden sehr
schnell heiß; deshalb entflammba-
res Material fern halten und die
Lampe niemals berühren, bevor
sie ausreichend abgekühlt ist.
5. Montieren:
Scheinwerferlampe
ACHTUNG:
Da Schweiß- und Fettspuren auf
dem Lampenglas die Leuchtkraft
und Lebensdauer der Scheinwer-
ferlampe beeinträchtigen, sollte
der Glaskolben der Lampe nicht
mit den Fingern berührt werden.
Verunreinigungen der Lampe mit
einem mit Alkohol oder Verdünner
angefeuchteten Tuch entfernen.
6. Montieren:
Scheinwerfer-Lampenhalter
7. Montieren:
Scheinwerfer-Lampenhalter
8. Montieren:
Scheinwerfer
Siehe unter SITZBANK,
KRAFTSTOFFTANK UND
SEITENABDEKKUNGEN.
T
R
.
.
7 Nm (0,7 m · kg, 5,1 ft · lb)
New
SOSTITUZIONE DELLE
LAMPADINE DEL FARO
1. Togliere:
Faro
Fare riferimento al paragrafo
SELLA, SERBATOIO CAR-
BURANTE E FIANCHETTI.
2. Togliere:
Coperchio supporto lampadina
del faro 1
3. Togliere:
Supporto lampadina del faro 1
NOTA:
Rimuovere il supporto lampadina del
faro premendolo e ruotandolo in senso
antiorario.
4. Togliere:
Lampadina del faro
AVVERTENZA
Poiché la lampadina del faro è estre-
mamente calda, tenere i prodotti
infiammabili e le mani lontani dalla
lampadina finché questa non si è raf-
freddata.
5. Installare:
Lampadina del faro
ATTENZIONE:
Evitare di toccare la parte in vetro
della lampadina del faro sporcandola
di unto, per non compromettere la tra-
sparenza del vetro, la durata della
lampadina e il flusso luminoso. Se la
lampadina si sporca, pulirla accurata-
mente con un panno inumidito con
alcool o diluente per smalto per
unghie.
6. Installare:
Supporto lampadina del faro
7. Installare:
Coperchio supporto lampadina
del faro
8. Installare:
Faro
Fare riferimento al paragrafo
SELLA, SERBATOIO CAR-
BURANTE E FIANCHETTI.
T
R
.
.
7 Nm (0,7 m · kg, 5,1 ft · lb)
New
CAMBIO DE LAS BOMBILLAS DEL
FARO
1. Extraer:
Faro
Consulte el apartado SILLÍN,
DEPÓSITO DE COMBUSTI-
BLE Y CUBIERTAS LATERA-
LES.
2. Extraer:
Tapa del portalámparas del
faro 1
3. Extraer:
Portalámparas del faro 1
NOTA:
Desmonte el portabombillas del faro
presionándolo y girándolo en sentido
antihorario.
4. Extraer:
Bombilla del faro
ADVERTENCIA
La bombilla del faro se calienta
mucho; por tanto, mantenga los
productos inflamables y las
manos alejados de ella hasta que
se haya enfriado.
5. Instalar:
Bombilla del faro
ATENCION:
Evite tocar la parte acristalada de
la bombilla del faro para no man-
charla de grasa; de lo contrario la
transparencia del cristal, la vida
útil de la bombilla y el flujo lumi-
noso se verían afectados negati-
vamente. Si se ensucia la bombilla
del faro, límpiela bien con un paño
humedecido con alcohol o qui-
taesmaltes.
6. Instalar:
Portalámparas del faro
7. Instalar:
Tapa del portabombillas del
faro
8. Instalar:
Faro
Consulte el apartado SILLÍN,
DEPÓSITO DE COMBUSTI-
BLE Y CUBIERTAS LATERA-
LES.
T
R
.
.
7 Nm (0,7 m · kg, 5,1 ft · lb)
New
ELEKTRISCHE ANLAGE
IMPIANTO ELETTRICO
SISTEMA ELÉCTRICO
3 - 147
INSP
ADJ
ELECTRICAL
ADJUSTING THE HEADLIGHT
BEAMS
1. Adjust:
Headlight beam (vertically)
Adjusting steps:
Turn the adjusting screw 1 in
direction a or b.
Direction a Headlight beam is
raised.
Direction b Headlight beam is
lowered.
REGLAGE DES FAISCEAUX DE
PHARE
1. Régler:
Faisceau de phare
(réglage vertical)
Étapes du réglage:
Tourner la vis de réglage 1 dans le
sens a ou b.
Sens a Le faisceau de phare
monte.
Sens b Le faisceau de phare
descend.
PARTIE ELECTRIQUE
INSP
ADJ
3 - 148
SCHEINWERFER EINSTELLEN
1. Einstellen:
Lichtkegel (vertikal)
Arbeitsvorgang:
Die Einstellschraube 1 nach a
oder nach b drehen.
Nach a Lichtkegel wird
nach oben verstellt.
Nach b
Lichtkegel wird
nach unten
verstellt.
REGOLAZIONE FASCIO
LUMINOSO FARO
1. Regolare:
Fascio luminoso (in verticale)
Operazioni per la regolazione:
Ruotare la vite di regolazione 1
nella direzione a o b.
Direzione a Il fascio si alza.
Direzione b Il fascio si abbassa.
AJUSTE DEL HAZ DEL FARO
1. Ajustar:
Haz del faro (verticalmente)
Procedimiento de ajuste:
Gire el tornillo de ajuste 1 en la
dirección a o b.
Dirección a El haz del faro se
eleva.
Dirección b El haz del faro
desciende.
ELEKTRISCHE ANLAGE
IMPIANTO ELETTRICO
SISTEMA ELÉCTRICO
4 - 1
TUN
SETTING
EC700000
TUNING
EC710000
ENGINE
Carburetor setting
The air/fuel mixture will vary
depending on atmospheric condi-
tions. Therefore, it is necessary to
take into consideration the air
pressure, ambient temperature,
humidity, etc., when adjusting the
carburetor.
Perform a test run to check for
proper engine performance (e.g.,
throttle response) and spark plug(-
s) discoloration or fouling. Use
these readings to determine the
best possible carburetor setting.
NOTE:
It is recommended to keep a record
of all carburetor settings and external
conditions (e.g., atmospheric condi-
tions, track/surface conditions, lap
times) to make future carburetor set-
ting easier.
WARNING
The carburetor is a part of the
fuel line. Therefore, be sure to
install it in a well-ventilated area,
away from flammable objects
and any sources of fire.
Never look into the carburetor
intake. Flames may shoot out
from the pipe if the engine back-
fires while it is being started.
Gasoline may be discharged
from the accelerator pump noz-
zle when the carburetor has
been removed.
MISE AU POINT
MOTEUR
Réglage du carburateur
Le mélange air/carburant varie en
fonction des conditions atmosphéri-
ques. Il est donc nécessaire de tenir
compte de la pression de lair, de la
température ambiante, de lhumidité,
etc., pour le réglage du carburateur.
Effectuer un essai de conduite pour
contrôler les performances du moteur
(par ex. la réponse du moteur) et l’état
des bougies (décoloration ou encrasse-
ment). Utiliser les valeurs obtenues
pour effectuer le meilleur réglage pos-
sible du carburateur.
N.B.:
Il est recommandé de conserver un enre-
gistrement de tous les réglages du carbu-
rateur et des conditions extérieures
(conditions atmosphériques, conditions
de la piste/de la surface, temps intermé-
diaire) pour faciliter les réglages ulté-
rieurs du carburateur.
AVERTISSEMENT
Le carburateur fait partie du circuit
dalimentation en carburant. Par
conséquent, veiller à effectuer le
montage dans un endroit bien aéré,
à l’écart de tout objet inflammable
ou de toute source dincendie.
Ne jamais regarder dans ladmis-
sion du carburateur. Des flammes
peuvent surgir du tuyau en cas de
retour de flamme du moteur au
démarrage. De lessence peut
s’écouler de linjecteur de la pompe
de reprise lorsque le carburateur a
été déposé.
REGLAGE
4 - 2
TUN
ABSTIMMUNG
MOTOR
Vergaser-Abstimmung
Das Gemisch hängt u. a. von den
atmosphärischen Bedingungen ab.
Luftdruck, -temperatur und -feuch-
tigkeit sind Faktoren, die bei der
Vergaser-Abstimmung mit in
Betracht gezogen werden müssen.
Die Leistung und das Ansprech-
verhalten des Motors sowie der
Zustand der Kerze lassen sich am
besten im einem Testlauf prüfen.
Anhand dieser Ergebnisse kann
der Vergaser optimal eingestellt
werden.
HINWEIS:
Es empfiehlt sich, die jeweiligen
Umstände (atmosphärische Bedin-
gungen, Fahrbahnzustand, Anzahl
Runden usw.) und die entsprechen-
den Vergaser-Einstellungen zwecks
späterer Bezugnahme aufzuzeich-
nen.
WARNUNG
Der Vergaser ist ein Bestandteil
des Kraftstoffsystems. Bei
Arbeiten daher stets auf eine
gute Belüftung sorgen und Feu-
erquellen sowie entzündliche
Stoffe fern halten.
Niemals in den Vergasereinlass
hineinblicken. Beim Starten des
Motors könnten Flammen rück-
schlagen. Auch bei ausgebau-
tem Vergaser könnte Benzin aus
der Beschleunigungspumpe
entweichen.
MESSA A PUNTO
MOTORE
Impostazione carburatore
La miscela aria/carburante varia in
base alle condizioni atmosferiche. Di
conseguenza, durante la regolazione
del carburatore è necessario tenere in
considerazione la pressione dellaria,
la temperatura dellambiente, lumi-
dità ecc.
Eseguire un giro di prova per control-
lare lefficienza del motore (ed es., la
reattività dellacceleratore) e la pre-
senza di macchie o incrostazioni sulla/
e candela/e. Utilizzare queste letture
per determinare la migliore imposta-
zione possibile del carburatore.
NOTA:
Si consiglia di prendere nota di tutte le
impostazioni del carburatore e delle con-
dizioni esterne (ad es., condizioni atmo-
sferiche, condizioni del percorso e della
superficie, tempi per ogni giro) per sem-
plificare le successive impostazioni del
carburatore.
AVVERTENZA
Il carburatore fa parte del circuito
del carburante. Di conseguenza,
assicurarsi di installarlo in un
ambiente ben ventilato, lontano da
sostanze infiammabili e da ogni
fonte di fuoco.
Non guardare mai allinterno
dellaspirazione del carburatore. Se
durante lavvio il motore ha un
ritorno di fiamma, potrebbero svi-
lupparsi fiamme dal tubo. Quando
si toglie il carburatore, lugello della
pompa acceleratore può scaricare
benzina.
REGLAJE
MOTOR
Ajuste del carburador
La mezcla de aire y combustible
varía según las condiciones
atmosféricas. Por tanto, es nece-
sario tener en cuenta la presión del
aire, la temperatura ambiente, la
humedad, etc., cuando se vaya a
ajustar el carburador.
Efectúa una prueba de marcha
para comprobar las prestaciones
del motor (respuesta al acelerador)
y observar si la bujía está decolo-
rada o engrasada. Utilice estos
datos par determinar el ajuste
óptimo del carburador.
NOTA:
Se recomienda mantener un registro
de todos los ajustes del carburador y
las condiciones externas (condicio-
nes atmosféricas, condiciones de la
calzada/superficie) para facilitar pos-
teriormente el ajuste del carburador.
ADVERTENCIA
El carburador forma parte del
sistema de combustible. Por
tanto, se debe instalar en un
lugar bien ventilado, apartado
de objetos inflamables y de
cualquier fuente de combustión.
No obture nunca la toma de
admisión del carburador. Pue-
den salir llamas de la tubería si
el motor efectúa un autoencen-
dido mientras se está poniendo
en marcha. Cuando está des-
montado el carburador puede
salir gasolina por la tobera de la
bomba de aceleración.
EINSTELLUNG
IMPOSTAZIONE
PUESTA A PUNTO
1
2
3
4
5
6
7
4 - 3
TUN
SETTING
CAUTION:
The carburetor is extremely sen-
sitive to foreign matter (dirt,
sand, water, etc.). During instal-
lation, do not allow foreign mat-
ter to get into the carburetor.
Always handle the carburetor
and its components carefully.
Even slight scratches, bends or
damage to carburetor parts may
prevent the carburetor from
functioning correctly. Carefully
perform all servicing with the
appropriate tools and without
applying excessive force.
When the engine is stopped or
when riding at no load, do not
open and close the throttle
unnecessarily. Otherwise, too
much fuel may be discharged,
starting may become difficult or
the engine may not run well.
After installing the carburetor,
check that the throttle operates
correctly and opens and closes
smoothly.
Atmospheric conditions and
carburetor settings
The air density (i.e., concentration
of oxygen in the air) determines
the richness or leanness of the air/
fuel mixture. Therefore, refer to the
above table for mixture settings.
That is:
Higher temperature expands the
air with its resultant reduced den-
sity.
Higher humidity reduces the
amount of oxygen in the air by so
much of the water vapor in the
same air.
Lower atmospheric pressure (at a
high altitude) reduces the density
of the air.
Air temp. Humidity Air
pressure
(altitude)
Mixture Setting
High High Low (high) Richer Leaner
Low Low High (low) Leaner Richer
ATTENTION:
Le carburateur est extrêmement
sensible aux corps étrangers (pous-
sière, sable, eau, etc.). Pendant le
montage, veiller à ce quaucun
corps étranger ne puisse pénétrer
dans le carburateur.
Toujours manipuler le carburateur
et ses composants avec prudence.
Tout endommagement (rayures
même légères, courbures, etc.) peut
empêcher le carburateur de fonc-
tionner correctement. Effectuer soi-
gneusement tout entretien à laide
des outils adéquats et sans forcer.
Lorsque le moteur est arrêté, ou
tourne sans charge, ne pas ouvrir et
fermer inutilement les gaz. Cela ris-
querait damener trop de carburant
et de rendre le démarrage difficile
ou daltérer le fonctionnement du
moteur.
Après avoir monté le carburateur,
contrôler que le papillon fonctionne
correctement et souvre et se ferme
sans problème.
Conditions atmosphériques et réglages
du carburateur
La densité de lair (c.-à-d. la concen-
tration doxygène dans lair) déter-
mine la richesse ou la pauvreté du
mélange air/carburant. Il convient dès
lors de se conformer au tableau ci-des-
sus pour la composition du mélange.
Tenir compte des trois facteurs suivants:
La température de lair: la densité de
lair diminue au fur et à mesure que
lair se dilate sous leffet des tempéra-
tures élevées.
Le taux dhumidité de lair: le taux
doxygène diminue au fur et à mesure
que le taux dhumidité augmente.
Pression atmosphérique (altitude): la
densité diminue au fur et à mesure que
la pression atmosphérique descend
(altitude élevée).
Temp.
de lair Humidité
Pression
dair
(altitude)
Mélange Régla-
ges
Haute Haute Basse
(élevée)
Plus
riche
Plus
pauvre
Basse Basse Haute
(basse)
Plus
pauvre
Plus
riche
REGLAGE
4 - 4
TUN
ACHTUNG:
Der Vergaser reagiert besonders
empfindlich auf Fremdkörper
(Staub, Sand, Wasser usw.). Bei
Arbeiten am Vergaser ein Ein-
dringen von Fremdkörpern ver-
meiden.
Den Vergaser und seine
Bestandteile stets behutsam
handhaben. Auch die kleinsten
Kratzer, Verbiegungen oder
Schäden an Bauteilen des Ver-
gasers können dessen Funktion
bereits beeinträchtigen. Für
Wartungsarbeiten stets das ent-
sprechende Werkzeug verwen-
den und Bauteile niemals
forcieren.
Bei abgestelltem Motor oder
während des Schubbetriebs
nicht unnötig Gas geben und
nehmen. Anderenfalls könnte
der Vergaser überfluten, was
Start- und Betriebsprobleme
verursachen könnte.
Nach der Montage des Verga-
sers sicherstellen, dass der
Gasdrehgriff einwandfrei funkti-
oniert.
Atmosphärische Bedingungen
und Vergasereinstellungen
Die Luftdichte (Sauerstoff-Konzen-
tration) bestimmt, ob das Gemisch
fett oder mager ist. Deshalb bei der
Gemischeinstellung die obige
Tabelle beachten.
Hierbei gilt:
Mit steigender Temperatur dehnt
die Luft sich aus und nimmt die
Luftdichte ab.
Mit steigender Feuchtigkeit nimmt
der Sauerstoffgehalt der Luft (d. h.
die Luftdichte) ab.
Mit sinkendem Luftdruck (bzw.
steigender Höhe) nimmt die Luft-
dichte ab.
Lufttem-
peratur Luftfeuch-
tigkeit Luftdruck
(Höhe) Gemisch Einstel-
lung
Hoch Hoch Niedrig
(hoch) Reicher Ärmer
Niedrig Niedrig Hoch
(niedrig) Ärmer Rei-
cher
ATTENZIONE:
Il carburatore è estremamente sen-
sibile ai materiali estranei (sporci-
zia, sabbia, acqua ecc.). Non far
entrare materiali estranei nel carbu-
ratore durante linstallazione.
Maneggiare sempre con cura il car-
buratore e i suoi componenti.
Graffi, deformazioni o danni anche
leggeri ai componenti del carbura-
tore possono causare malfunziona-
menti. Eseguire la manutenzione
con attenzione utilizzando gli
attrezzi appropriati senza esercitare
una forza eccessiva.
Quando si arresta il motore o si
viaggia senza carichi, non aprire e
chiudere lacceleratore se non è
necessario. Altrimenti, può accedere
che si scarichi troppa benzina, che
lavvio risulti difficoltoso o che il
motore funzioni male.
Dopo linstallazione del carbura-
tore, controllare che lacceleratore
funzioni correttamente e che si apra
e si chiuda in modo uniforme.
Condizioni atmosferiche e
impostazioni del carburatore
La densità dellaria (vale a dire, la
concentrazione dellossigeno nellaria)
determina la ricchezza o la povertà
della miscela di aria e carburante. Per-
tanto, fare riferimento alla precedente
tabella per le impostazioni della
miscela.
Cioè:
In presenza di temperature elevate,
laria si espande, riducendo di conse-
guenza la densità.
In presenza di umidità elevata, lossi-
geno nellaria si riduce della stessa
quantità di vapore acqueo che si svi-
luppa nella medesima aria.
In presenza di pressione atmosferica
bassa (ad altitudini elevate), la densità
dellaria si riduce.
Tempera-
tura
dellaria
Umidità
Pressione
dellaria
(altitudine)
Miscela Imposta-
zione
Alta Alta Bassa (alta) Ricca Povera
Bassa Bassa Alta
(bassa) Povera Ricca
ATENCION:
El carburador es muy sensible a
los materiales extraños (sucie-
dad, arena, agua, etc.). Durante
la instalación evite la penetra-
ción de toda materia extraña al
carburador.
Manipule siempre el carburador
y sus componentes con cui-
dado. Las pequeñas rayaduras,
deformaciones o daños del car-
burador pueden impedir que
este funcione correctamente.
Realice con cuidado todas las
operaciones de mantenimiento
con las herramientas apropia-
das y sin ejercer una fuerza
excesiva.
Cuando el motor esté parado o
cuando circule sin marcha
puesta, no ara ni cierre el acele-
rador innecesariamente. De lo
contrario puede descargarse
demasiado combustible; puede
que cueste arrancar o que el
motor no funcione bien.
Después de montar el carbura-
dor, compruebe que el acelera-
dor funcione correctamente y se
abra y se cierre con suavidad.
Condiciones atmosféricas y ajuste
del carburador
La densidad del aire (es decir, la
concentración de oxígeno en el
aire) determina el mayor o menor
grado de riqueza de la mezcla de
aire y combustible. Por tanto, con-
sulte las proporciones de mezcla
en la tabla anterior.
Esto es:
Una temperatura más elevada
expande aire y se reduce la densi-
dad de este.
Una mayor humedad reduce la
cantidad de oxígeno en el aire en
proporción al vapor de agua del
mismo aire.
Una menor presión atmosférica
(una altitud mayor) reduce la den-
sidad del aire.
Tempe-
ratura
del aire
Hume-
dad
Presión
atmosférica
(altitud) Mezcla Ajuste
Alto Alto Bajo (alto) Más
rica Menos
rica
Baja Baja Alta (baja) Menos
rica Más
rica
EINSTELLUNG
IMPOSTAZIONE
PUESTA A PUNTO
4 - 5
TUN
SETTING
Effects of the setting parts on the
throttle valve opening
ÈClosed
ÉFully open
1Pilot jet
2Throttle valve cutaway
3Jet needle
4Main jet
1/2 3/4
1/41/8
1
2
3
4
ÈÉ
Main system
The FLATCR carburetor has a pri-
mary main jet. This type of main jet is
perfect for racing machines since it
supplies an even flow of fuel, even at
full load. Use the main jet and the jet
needle to set the carburetor.
1Jet needle
2Pilot air jet
3Needle jet
4Main jet
5Pilot jet
Main jet adjustment
The richness of the air-fuel mixture at
full throttle can be set by changing
the main jet 1.
If the air-fuel mixture is too rich or too
lean, the engine power will drop,
resulting in poor acceleration.
Effects of changing the main jet
(reference)
ÈIdle
ÉFully open
1#180
2#160
3#170
Standard main jet #170
1/4 1/2 3/4
+10%
3
10%
1
2
ÈÉ
Effet des réglages sur louverture du
papillon des gaz
ÈFermé
ÉComplètement ouvert
1Gicleur de ralenti
2Echancrure du papillon des gaz
3Aiguille
4Gicleur principal
Système principal
Le carburateur FLATCR est équipé dun
gicleur principal primaire. Ce type de
gicleur principal convient parfaitement
aux motos de course car il garantit un
débit de carburant régulier, même à
pleine charge. Le gicleur principal et
laiguille permettent de régler le carbura-
teur.
1Aiguille
2Gicleur dair de ralenti
3Gicleur daiguille
4Gicleur principal
5Gicleur de ralenti
Réglage du gicleur principal
Le gicleur principal 1 permet de modi-
fier la richesse du mélange air-carburant
à pleine ouverture des gaz.
Si le mélange air-carburant est trop riche
ou trop pauvre, la puissance du moteur
diminue et les accélérations sont moins
efficaces.
Effets de la modification du gicleur
principal (référence)
ÈRalenti
ÉComplètement ouvert
1N°180
2N°160
3N°170
Gicleur principal
standard N°170
REGLAGE
4 - 6
TUN
Einflussbereich der einstellbaren
Bauteile in Bezug auf die
Drosselklappenöffnung
ÈGeschlossen
ÉVöllig geöffnet
1Leerlaufdüse
2Drosselklappen-Ausschnitt
3Düsennadel
4Hauptdüse
Hauptsystem
Der FLATCR-Vergaser ist mit einer
Primär-Hauptdüse bestückt. Diese
Art Hauptdüse eignet sich hervorra-
gend für Rennmaschinen, da sie
(auch im Volllastbereich) einen steti-
gen Kraftstofffluss liefert. Die Einstel-
lung erfolgt über die Hauptdüse und
die Düsennadel.
1Düsennadel
2Leerlauf-Luftdüse
3Nadeldüse
4Hauptdüse
5Leerlaufdüse
Hauptdüse einstellen
Im Volllastbereich lässt das Gemisch
sich durch Auswechseln der Haupt-
düse 1 einstellen.
Ist das Gemisch zu fett bzw. zu
mager, nimmt die Motorleistung ab,
was die Beschleunigung beeinträch-
tigt.
Effekt verschiedener Hauptdüsen
ÈLeerlauf
ÉVöllig geöffnet
1Nr.180
2Nr.160
3Nr.170
Standard-
Hauptdüse Nr.170
Effetti dei componenti di impostazione
sullapertura della valvola a farfalla
ÈChiuso
ÉCompletamente aperto
1Getto del minimo
2Ritaglio valvola a farfalla
3Spillo del getto
4Getto del massimo
Sistema principale
Il carburatore FLATCR è dotato di un
getto del massimo primario. Questo tipo
di getto del massimo è perfetto per le
motociclette da corsa, perché eroga un
flusso regolare di carburante anche a
pieno carico. Utilizzare il getto del mas-
simo e lo spillo del getto per impostare il
carburatore.
1Spillo del getto
2Getto aria del minimo
3Getto a spillo
4Getto del massimo
5Getto del minimo
Regolazione getto del massimo
Si può impostare la ricchezza della
miscela di aria e carburante con laccele-
ratore in posizione completamente aperta
modificando il getto del massimo 1.
Se la miscela di aria e carburante è
troppo ricca o troppo povera, la potenza
del motore si riduce causando una scarsa
accelerazione.
Effetti della modifica del getto del
massimo (riferimento)
ÈMinimo
ÉCompletamente aperto
1N.180
2N.160
3N.170
Getto del massimo
standard N.170
Efectos de las piezas de ajuste de
la apertura de la válvula de
mariposa
ÈCerrada
ÉCompletamente abierta
1Surtidor piloto
2Corte de la válvula de mariposa
3Aguja del surtidor
4Surtidor principal
Sistema principal
El carburador FLATCR está provisto
de un surtidor principal primario.
Este tipo de surtidor principal resulta
perfecto para motocicletas de com-
petición porque suministra un cau-
dal uniforme de combustible, incluso
en condiciones de carga máxima.
Utilice el surtidor principal y la aguja
del surtidor para ajustar el carbura-
dor.
1Aguja del surtidor
2Surtidor de aire piloto
3Surtidor de aguja
4Surtidor principal
5Surtidor piloto
Ajuste del surtidor principal
La riqueza de la mezcla de aire y
combustible a pleno gas se puede
ajustar cambiando el surtidor princi-
pal 1.
Si la mezcla es demasiado rica o
demasiado pobre la potencia del
motor disminuye y en consecuencia
se reduce la aceleración.
Efecto de cambiar el surtidor
principal (referencia)
ÈRalentí
ÉCompletamente abierta
1N°180
2N°160
3N°170
Surtidor principal
estándar N°170
EINSTELLUNG
IMPOSTAZIONE
PUESTA A PUNTO
4 - 7
TUN
SETTING
Pilot jet adjustment
The richness of the air-fuel mixture
with the throttle open 1/4 or less can
be set by adjusting the pilot jet 1.
Standard pilot jet #42
Effects of adjusting the pilot jet
(reference)
ÈIdle
ÉFully open
1#45
2#40
3#42
1/4 1/2 3/4
+5%
5%
1
2
3
ÈÉ
Jet needle groove position
adjustment
NOTE:
For setting adjustment, replace the
standard jet needle with the one
designed for setting.
Adjusting the jet needle 1 position
affects the acceleration when the
throttle is 1/8 to 3/4 open.
1. Too rich at intermediate speeds
Rough engine operation is felt
and the engine will not pick up
speed smoothly. In this case,
step up the jet needle clip by one
groove and move down the nee-
dle to lean out the mixture.
2. Too lean at intermediate speeds
The engine breathes hard and
will not pick up speed quickly.
Step down the jet needle clip by
one groove and move up the
needle to enrich the mixture.
Effects of changing the jet needle
groove position (reference)
ÈIdle
ÉFully open
1No.6 groove
2No.4 groove
3No.5 groove
1/4 1/2 3/4
+10%
10%
1
2
3
ÉÈ
Réglage du gicleur de ralenti
La richesse du mélange air/carburant à
une ouverture des gaz de 1/4 ou moins
peut se régler à laide du gicleur de
ralenti 1.
Gicleur de ralenti
standard N°42
Effets du réglage du gicleur de ralenti
(référence)
ÈRalenti
ÉComplètement ouvert
1N°45
2N°40
3N°42
Réglage de la position de laiguille
N.B.:
Pour ajuster le réglage, remplacer
laiguille standard par laiguille spécifi-
que à ce réglage.
Le réglage de la position de laiguille 1
affecte laccélération lorsque le papillon
est ouvert de 1/8 à 3/4.
1. Mélange trop riche aux régimes
intermédiaires
Le moteur manque de souplesse et
laccélération est irrégulière. Il con-
vient alors, afin dappauvrir le
mélange, de rehausser dun cran le
clip daccrochage de laiguille pour
abaisser cette dernière.
2. Mélange trop pauvre aux régimes
intermédiaires
Le moteur crachote et accélère trop
lentement.
Il faut enrichir le mélange en abais-
sant dun cran le clip daccrochage
de laiguille afin de relever celle-ci.
Effets de la modification de la position
de laiguille (référence)
ÈRalenti
ÉComplètement ouvert
1Rainure n°6
2Rainure n°4
3Rainure n°5
REGLAGE
4 - 8
TUN
Leerlaufdüse einstellen
Im Bereich zwischen geschlossener
und 1/4 geöffneter Drosselklappe
lässt das Gemisch sich mit der Leer-
laufdüse 1 einstellen.
Standard-
Leerlaufdüse Nr.42
Effekt der Leerlaufdüsen-
Einstellung
ÈLeerlauf
ÉVöllig geöffnet
1Nr.45
2Nr.40
3Nr.42
Düsennadel-Position einstellen
HINWEIS:
Die Einstellung erfolgt durch Austau-
schen der Standard-Düsennadel
gegen eine entsprechende neue.
Im Bereich zwischen 1/8 und 3/4
geöffneter Drosselklappe lässt das
Gemisch sich mit der Position der
Düsennadel 1 einstellen.
1. Gemisch zu fett im Mittellastbe-
reich
Der Motor läuft unrund und
spricht schlecht auf Gasgeben
an. In diesem Fall den Düsenna-
del-Clip um eine Nut nach oben
versetzen, um die Nadelposition
zu senken und das Gemisch
abzumagern.
2. Gemisch zu arm im Mittellastbe-
reich
Der Motor saugt stark und
beschleunigt zögernd.
In diesem Fall den Düsennadel-
Clip um eine Nut nach unten ver-
setzen, um die Nadelposition zu
erhöhen und das Gemisch anzu-
reichern.
Effekt verschiedener Düsennadel-
Clippositionen
ÈLeerlauf
ÉVöllig geöffnet
16. Nut
24. Nut
35. Nut
Regolazione getto del minimo
Si può impostare la ricchezza della
miscela di aria e carburante regolando il
getto del minimo con lacceleratore ruo-
tato di 1/4 di giro o di meno 1.
Getto del minimo
standard N.42
Effetti della regolazione del getto del
minimo (riferimento)
ÈMinimo
ÉCompletamente aperto
1N.45
2N.40
3N.42
Regolazione posizione della
scanalatura spillo del getto
NOTA:
Per la regolazione dellimpostazione,
sostituire lo spillo del getto standard con
uno adatto allimpostazione.
La regolazione della posizione dello
spillo del getto 1 compromette laccele-
razione quando la manopola dellaccele-
ratore è ruotata da 1/8 a 3/4 di giro.
1. Troppo ricca a velocità intermedie.
Si percepiscono un funzionamento e
una ripresa del motore non uni-
formi. In questo caso, avanzare il
fermo dello spillo del getto di una
scanalatura e muovere lo spillo
verso il basso per impoverire la
miscela.
2. Troppo povera a velocità interme-
die.
Il motore non sfiata bene e non ha
ripresa.
Ritirare il fermo dello spillo del
getto di una scanalatura e muovere
lo spillo verso lalto per arricchire la
miscela.
Effetti della modifica della posizione
della scanalatura spillo del getto
(riferimento)
ÈMinimo
ÉCompletamente aperto
1Scanalatura n.6
2Scanalatura n.4
3Scanalatura n.5
Ajuste del surtidor piloto
La riqueza de la mezcla de aire y
combustible con el acelerador
abierto a 1/4 de gas se puede ajustar
con el tornillo piloto 1.
Surtidor piloto
estándar N°42
Efecto de ajustar el tornillo piloto
(referencia)
ÈRalentí
ÉCompletamente abierta
1N°45
2N°40
3N°42
Ajuste de la posición de la ranura
de la aguja
NOTA:
Para el ajuste, cambie la aguja
estándar del surtidor por una dise-
ñada a tal efecto.
El ajuste de la aguja del surtidor 1
afecta a la aceleración cuando ace-
lerador está abierto entre 1/8 y 3/4
de gas.
1. Una mezcla demasiado rica a
regímenes intermedios
Se nota un funcionamiento
brusco del motor y este no ace-
lera con suavidad. En ese caso,
suba el clip de la aguja del surti-
dor una ranura y baje la aguja
para empobrecer la mezcla.
2. Una mezcla demasiado pobre a
regímenes intermedios
Al motor le cuesta respirar y las
aceleraciones son lentas.
Baje el clip de la aguja del surti-
dor una ranura y suba la aguja
para enriquecer la mezcla.
Efecto de cambiar la posición de
la ranura de la aguja del surtidor
(referencia)
ÈRalentí
ÉCompletamente abierta
1Ranura nº6
2Ranura nº4
3Ranura nº5
EINSTELLUNG
IMPOSTAZIONE
PUESTA A PUNTO
4 - 9
TUN
SETTING
Jet needle adjustment
The jet needle is adjusted by chang-
ing it.
* For AUS, NZ, CDN and ZA
The tapered sections of all jet nee-
dles have the same starting posi-
tions, but the needles are available
with different straight-portion diame-
ters.
Supplied jet
needle
GDEPS
* GDEPR
<Example>
GDEPS - 5
Clip position
Diameter a of straight
portion
Effects of changing the jet needle
(reference)
(Diameter of the straight portion)
Changing the diameter of the straight
portion adjusts the air-fuel mixture
when the throttle is 1/8 to 1/4 open.
ÈIdle
ÉFully open
+10 %
S
10 %
R
T
1/4 1/2 3/4 ÉÈ
Leak jet adjustment (accelerator
pump adjustment)
The leak jet 1 is a setting part that
adjusts the flow of fuel discharged by
the accelerator pump. Since the
accelerator pump operates only
when throttle is open, the leak jet is
used to adjust a fuel mixture ratio for
quick throttle opening and is there-
fore different from other setting parts
that adjust a fuel mixture for each
throttle opening (each engine
speed).
1
Réglage de laiguille
Si laiguille demande un réglage, la rem-
placer.
* AUS, NZ, CDN et ZA
Les sections coniques de toutes les
aiguilles ont les mêmes positions de
départ, mais les diamètres des parties
droites peuvent être différents.
Aiguille fournie GDEPS
* GDEPR
<Exemple>
GDEPS - 5
Position du clip
Diamètre a de la partie
droite
Effets du remplacement de laiguille
(référence)
(Diamètre de la partie droite)
La modification du diamètre de la partie
droite permet de régler le mélange air-
carburant lorsque louverture du papillon
est de 1/8 à 1/4.
ÈRalenti
ÉComplètement ouvert
Réglage du gicleur de fuite (réglage de
la pompe de reprise)
Le gicleur de fuite 1 est l’élément qui
permet de régler le débit de carburant
fourni par la pompe de reprise. Comme
la pompe de reprise ne fonctionne que
lorsque le papillon est ouvert, le gicleur
de fuite est destiné à régler le rapport air-
carburant du mélange pour une ouverture
rapide du papillon, à la différence des
autres éléments qui règlent le rapport air-
carburant du mélange pour chaque
ouverture du papillon (à tous les régimes
du moteur).
REGLAGE
4 - 10
TUN
Düsennadel einstellen
Die Düsennadel wird durch Aus-
wechseln eingestellt.
* AUS, NZ, CDN und ZA
Alle Düsennadeln weisen einen
zylindrischen und einen kegelförmi-
gen Teil auf; dabei ist der zylindri-
sche Teil (Schaft) in verschiedenen
Durchmessern erhältlich.
Eingebaute
Düsennadel
GDEPS
* GDEPR
<Beispiel>
GDEPS - 5
Clip-Position
Durchmesser a des
Düsennadelschafts
Effekt verschiedener Düsennadeln
(Düsennadelschaft-Durchmesser)
Im Bereich zwischen 1/8 und 1/4
geöffneter Drosselklappe lässt das
Gemisch sich durch Ändern des
Düsennadelschaft-Durchmessers
einstellen.
ÈLeerlauf
ÉVöllig geöffnet
Ausströmdüse
(Beschleunigungspumpe)
einstellen
Die Ausströmdüse 1 bestimmt den
Kraftstofffluss der Beschleunigungs-
pumpe. Die Beschleunigungspumpe
unterscheidet sich von den anderen
einstellbaren Vergaserbauteilen,
deren Wirkung sich über den gesam-
ten Öffnungsbereich der Drossel-
klappe erstrecken, dadurch, dass sie
nur bei geöffneter Drosselklappe,
und zwar bei raschem Beschleuni-
gen, tätig wird.
Regolazione spillo del getto
Lo spillo del getto si regola sostituen-
dolo.
* AUS, NZ, CDN e ZA
Le parti svasate di tutti gli spilli del getto
hanno le stesse posizioni iniziali, ma
sono disponibili spilli con diametri della
parte dritta di diverse dimensioni.
Spillo del getto in
dotazione
GDEPS
* GDEPR
<Esempio>
GDEPS - 5
Posizione del fermo
Diametro a della parte
dritta
Effetti della sostituzione dello spillo
del getto (riferimento)
(Diametro della parte dritta)
La modifica del diametro della parte
dritta regola la miscela di aria e carbu-
rante quando la manopola dellaccelera-
tore è ruotata da 1/8 a 1/4 di giro.
ÈMinimo
ÉCompletamente aperto
Regolazione getto di perdita
(regolazione pompa acceleratore)
Il getto di perdita 1 è un componente di
impostazione che regola il flusso di car-
burante scaricato dalla pompa accelera-
tore. Poiché la pompa acceleratore
funziona solo quando la manopola
dellacceleratore è in posizione di aper-
tura, il getto di perdita si utilizza per
regolare il rapporto della miscela del car-
burante quando si accelera velocemente.
Il getto di perdita è quindi diverso dagli
altri componenti di impostazione che
regolano la miscela del carburante per
tutte le posizioni dellacceleratore (tutte
le velocità del motore).
Ajuste de la aguja del surtidor
La aguja del surtidor se ajusta cam-
biándola.
* AUS, NZ, CDN y ZA
Las partes cónicas de todas las agu-
jas de surtidor tienen las mismas
posiciones de inicio, pero las agujas
se encuentran disponibles con dife-
rentes diámetros de las partes rec-
tas.
Aguja del surtidor
suministrada
GDEPS
* GDEPR
<Ejemplo>
GDEPS - 5
Posición del clip
Diámetro a de la
parte recta
Efecto de cambiar la aguja del
surtidor (referencia)
(Diámetro de la parte recta)
Si se cambia el diámetro de la parte
recta se ajusta la mezcla de aire y
combustible con el acelerador
abierto entre 1/8 y 1/4 de gas.
ÈRalentí
ÉCompletamente abierta
Ajuste del surtidor de pérdida
(ajuste de la bomba de
aceleración)
El surtidor de pérdida 1 ajusta el
caudal de combustible descargado
por la bomba de aceleración. Dado
que la bomba de aceleración fun-
ciona solo cuando el acelerador está
abierto, el surtidor de pérdida se usa
para ajustar la proporción de mezcla
de combustible para la aceleración
rápida y, por tanto, es diferente de
otros dispositivos de ajuste con los
que se ajusta la mezcla para cada
abertura del gas (todos los regíme-
nes).
EINSTELLUNG
IMPOSTAZIONE
PUESTA A PUNTO
4 - 11
TUN
SETTING
1. The engine breathes hard in
quick throttle opening.
Select a leak jet having lower
calibrating No. than standard to
enrich the mixture.
<Example> #70 #65
2. Rough engine operation is felt in
quick throttle opening.
Select a leak jet having higher
calibrating No. than standard to
lean out the mixture.
<Example> #70 #85
Standard leak jet #70
Relationship with throttle opening
The flow of the fuel through the car-
buretor main system is controlled by
the main jet and then, it is further reg-
ulated by the area between the main
nozzle and the jet needle.
The fuel flow relates to the diameter
of the straight portion of the jet nee-
dle with the throttle 1/8 to 1/4 open
and relates to the clip position with
the throttle 1/8 to 3/4 open.
Therefore, the fuel flow is balanced
at each stage of throttle opening by
the combination of the jet needle
straight portion diameter and clip
position.
1. Le moteur crachote lors de louver-
ture rapide des gaz.
Sélectionner un gicleur de fuite de
calibre inférieur au calibre standard
afin denrichir le mélange.
<Exemple> N°70 N°65
2. Le moteur manque de souplesse lors
de louverture rapide des gaz.
Sélectionner un gicleur de fuite de
calibre supérieur au calibre standard
afin dappauvrir le mélange.
<Exemple> N°70 N°85
Gicleur de fuite
standard N°70
Relation avec louverture du papillon
Le débit du carburant dans le système de
carburateur principal est contrôlé par le
gicleur principal, puis une nouvelle régu-
lation seffectue dans la zone entre le
gicleur principal et laiguille.
Le débit du carburant est fonction du
diamètre de la partie droite de laiguille
lorsque louverture du papillon est de 1/8
à 1/4, et de la position du clip lorsque
louverture du papillon est de 1/8 à 3/4.
Par conséquent, le débit de carburant est
équilibré à chaque degré douverture du
papillon par la combinaison du diamètre
de la partie droite de laiguille et de la
position du clip.
REGLAGE
4 - 12
TUN
1. Der Motor saugt stark bei
raschem Beschleunigen.
Eine Ausströmdüse mit einer
niedrigeren Nummer auswäh-
len, um das Gemisch anzurei-
chern.
<Beispiel> Nr.70 Nr.65
2. Der Motor läuft unrund bei
raschem Beschleunigen.
Eine Ausströmdüse mit einer
höheren Nummer auswählen,
um das Gemisch abzumagern.
<Beispiel> Nr.70 Nr.85
Standard-
Auströmdüse Nr.70
Wirkung der
Drosselklappenöffnung
Der Kraftstofffluss im Hauptsystem
des Vergasers wird zunächst von der
Hauptdüse und dann im Bereich zwi-
schen der Hauptdüse und der
Düsennadel geregelt.
Bei 1/8 bis 1/4 geöffneter Drossel-
klappe bestimmt der Durchmesser
des Düsennadelschafts den Kraft-
stofffluss, bei 1/8 bis 3/4 geöffneter
Drosselklappe ist es die Clipposition.
Gemeinsam wirken Düsennadel-
schaft-Durchmesser und Clipposi-
tion sich also auf den gesamten
Öffnungsbereich der Drosselklappe
aus.
1. Il motore non sfiata bene quando si
accelera velocemente.
Selezionare un getto di perdita con
un calibro inferiore allo standard
per arricchire la miscela.
<Esempio> n.70 n.65
2. Si percepisce un funzionamento del
motore non uniforme quando si
accelera velocemente.
Selezionare un getto di perdita con
un calibro inferiore allo standard
per impoverire la miscela.
<Esempio> n.70 n.85
Getto di perdita
standard N.70
Relazione con laccelerazione
Il flusso di carburante attraverso il
sistema principale del carburatore è con-
trollato dal getto del massimo e quindi è
ulteriormente regolato dallarea com-
presa tra lugello principale e lo spillo
del getto.
Il flusso di carburante dipende dal dia-
metro della parte dritta dello spillo del
getto quando la manopola dellaccelera-
tore è ruotata da 1/8 a 1/4 di giro e dalla
posizione del fermo quando la rotazione
della manopola è compresa tra 1/8 e 3/4
di giro.
Pertanto, ad ogni fase di accelerazione il
flusso di carburante è equilibrato dalla
combinazione del diametro della parte
dritta dello spillo del getto e dalla posi-
zione dello spillo del getto.
1. Al motor le cuesta respirar con
aceleraciones rápidas.
Seleccione un surtidor de pér-
dida con un número de calibrado
menor que el estándar para enri-
quecer la mezcla.
<Ejemplo> nº70 nº65
2. Se nota un funcionamiento
brusco del motor en las acelera-
ciones rápidas.
Seleccione un surtidor de pér-
dida con un número de calibrado
mayor que el estándar para
empobrecer la mezcla.
<Ejemplo> nº70 nº85
Surtidor de
pérdida estándar N°70
Relación con la abertura del
acelerador
El caudal de combustible a través del
sistema principal del carburador se
controla mediante el surtidor princi-
pal, se regula luego en el área com-
prendida entre la tobera principal y la
aguja del surtidor.
El caudal de combustible varía en
función del diámetro de la parte recta
de la aguja del surtidor con el acele-
rador abierto entre 1/8 y 1/4 de gas y
en función de la posición del clip con
el acelerador abierto entre 1/8 y 3/4
de gas.
Por tanto, el caudal de combustible
se equilibra en cada fase de apertura
del acelerador por efecto de la com-
binación del diámetro de la parte
recta de la aguja del surtidor y la
posición del clip.
EINSTELLUNG
IMPOSTAZIONE
PUESTA A PUNTO
4 - 13
TUN
SETTING
EC71Q000
Carburetor setting parts
Part name Size Part number
Main jet
Rich
(STD)
Lean
#182
#180
#178
#175
#172
#170
#168
#165
#162
#160
#158
4MX-14943-94
4MX-14943-43
4MX-14943-93
4MX-14943-42
4MX-14943-92
4MX-14943-41
4MX-14943-91
4MX-14943-40
4MX-14943-90
4MX-14943-39
4MX-14943-89
Pilot jet
Rich
(STD)
Lean
#50
#48
#45
#42
#40
4MX-14948-07
4MX-14948-06
4MX-14948-05
4MX-14948-04
4MX-14948-03
Jet needle
Rich
Lean
#EPN
#EPP
#EPQ
#EPR
#EPS
#EPT
#EPU
#EPV
5UM-14916-BN
5UM-14916-BP
5UM-14916-B1
5UM-14916-BR
5UM-14916-BS
5UM-14916-BT
5UM-14916-BU
5UM-14916-BV
Leak jet
Rich
(STD)
Lean
#60
#70
#80
#90
#100
#110
#120
4JT-1494F-11
4JT-1494F-15
4JT-1494F-19
4JT-1494F-23
4JT-1494F-27
4JT-1494F-29
4JT-1494F-31
Pièces de réglage du carburateur
Nom de la pièce Taille Numéro de
pièce
Gicleur
principal
Riche
(STD)
Pauvre
N°182
N°180
N°178
N°175
N°172
N°170
N°168
N°165
N°162
N°160
N°158
4MX-14943-94
4MX-14943-43
4MX-14943-93
4MX-14943-42
4MX-14943-92
4MX-14943-41
4MX-14943-91
4MX-14943-40
4MX-14943-90
4MX-14943-39
4MX-14943-89
Gicleur de
ralenti
Riche
(STD)
Pauvre
N°50
N°48
N°45
N°42
N°40
4MX-14948-07
4MX-14948-06
4MX-14948-05
4MX-14948-04
4MX-14948-03
Aiguille
Riche
Pauvre
N°EPN
N°EPP
N°EPQ
N°EPR
N°EPS
N°EPT
N°EPU
N°EPV
5UM-14916-BN
5UM-14916-BP
5UM-14916-B1
5UM-14916-BR
5UM-14916-BS
5UM-14916-BT
5UM-14916-BU
5UM-14916-BV
Gicleur de
fuite
Riche
(STD)
Pauvre
N°60
N°70
N°80
N°90
N°100
N°110
N°120
4JT-1494F-11
4JT-1494F-15
4JT-1494F-19
4JT-1494F-23
4JT-1494F-27
4JT-1494F-29
4JT-1494F-31
REGLAGE
4 - 14
TUN
Einstellbare Vergaserbauteile
Bauteil Größe Teilenummer
Hauptdüse
Fett
(STD)
Mager
Nr.182
Nr.180
Nr.178
Nr.175
Nr.172
Nr.170
Nr.168
Nr.165
Nr.162
Nr.160
Nr.158
4MX-14943-94
4MX-14943-43
4MX-14943-93
4MX-14943-42
4MX-14943-92
4MX-14943-41
4MX-14943-91
4MX-14943-40
4MX-14943-90
4MX-14943-39
4MX-14943-89
Leerlaufdüse
Fett
(STD)
Mager
Nr.50
Nr.48
Nr.45
Nr.42
Nr.40
4MX-14948-07
4MX-14948-06
4MX-14948-05
4MX-14948-04
4MX-14948-03
Düsennadel
Fett
Mager
Nr.EPN
Nr.EPP
Nr.EPQ
Nr.EPR
Nr.EPS
Nr.EPT
Nr.EPU
Nr.EPV
5UM-14916-BN
5UM-14916-BP
5UM-14916-B1
5UM-14916-BR
5UM-14916-BS
5UM-14916-BT
5UM-14916-BU
5UM-14916-BV
Ausströmdüse
Fett
(STD)
Mager
Nr.60
Nr.70
Nr.80
Nr.90
Nr.100
Nr.110
Nr.120
4JT-1494F-11
4JT-1494F-15
4JT-1494F-19
4JT-1494F-23
4JT-1494F-27
4JT-1494F-29
4JT-1494F-31
Componenti di impostazione del
carburatore
Denominazione Misura Numero parte
Getto del
massimo
Ricco
(STD)
Povero
N.182
N.180
N.178
N.175
N.172
N.170
N.168
N.165
N.162
N.160
N.158
4MX-14943-94
4MX-14943-43
4MX-14943-93
4MX-14943-42
4MX-14943-92
4MX-14943-41
4MX-14943-91
4MX-14943-40
4MX-14943-90
4MX-14943-39
4MX-14943-89
Getto del
minimo
Ricco
(STD)
Povero
N.50
N.48
N.45
N.42
N.40
4MX-14948-07
4MX-14948-06
4MX-14948-05
4MX-14948-04
4MX-14948-03
Spillo del
getto
Ricco
Povero
N.EPN
N.EPP
N.EPQ
N.EPR
N.EPS
N.EPT
N.EPU
N.EPV
5UM-14916-BN
5UM-14916-BP
5UM-14916-B1
5UM-14916-BR
5UM-14916-BS
5UM-14916-BT
5UM-14916-BU
5UM-14916-BV
Getto di
perdita
Ricco
(STD)
Povero
N.60
N.70
N.80
N.90
N.100
N.110
N.120
4JT-1494F-11
4JT-1494F-15
4JT-1494F-19
4JT-1494F-23
4JT-1494F-27
4JT-1494F-29
4JT-1494F-31
Piezas de ajuste del carburador
Nombre de la
pieza Tamaño Referencia
Surtidor
principal
Rica
(STD)
Pobre
N.182
N.180
N°178
N°175
N°172
N°170
N°168
N°165
N°162
N°160
N°158
4MX-14943-94
4MX-14943-43
4MX-14943-93
4MX-14943-42
4MX-14943-92
4MX-14943-41
4MX-14943-91
4MX-14943-40
4MX-14943-90
4MX-14943-39
4MX-14943-89
Surtidor
piloto
Rica
(STD)
Pobre
N.50
N.48
N°45
N°42
N°40
4MX-14948-07
4MX-14948-06
4MX-14948-05
4MX-14948-04
4MX-14948-03
Aguja del
surtidor
Rica
Pobre
N°EPN
N°EPP
N°EPQ
N°EPR
N°EPS
N°EPT
N°EPU
N°EPV
5UM-14916-BN
5UM-14916-BP
5UM-14916-B1
5UM-14916-BR
5UM-14916-BS
5UM-14916-BT
5UM-14916-BU
5UM-14916-BV
Surtidor
de pérdida
Rica
(STD)
Pobre
N.60
N.70
N.80
N.90
N.100
N.110
N.120
4JT-1494F-11
4JT-1494F-15
4JT-1494F-19
4JT-1494F-23
4JT-1494F-27
4JT-1494F-29
4JT-1494F-31
EINSTELLUNG
IMPOSTAZIONE
PUESTA A PUNTO
4 - 15
TUN
SETTING
Examples of carburetor setting depending on symptom
This should be taken simply for an example. It is necessary to set the carburetor while checking the operating condi-
tions of the engine.
Symptom Setting Checking
At full throttle
Hard breathing
Shearing noise
Whitish spark plug
Lean mixture
Increase main jet calibration no.
(Gradually)
Discoloration of spark plug
If tan color, it is in good condition.
If cannot be corrected:
Clogged float valve seat
Clogged fuel hose
Clogged fuel cock
Check that the accelerator pump operates
smoothly.
At full throttle
Speed pick-up stops
Slow speed pick-up
Slow response
Sooty spark plug
Rich mixture
Decrease main jet calibration no.
(Gradually)
Discoloration of spark plug
If tan color, it is in good condition.
If cannot be corrected:
Clogged air filter
Fuel overflow from carburetor
Lean mixture Lower jet needle clip position.
(1 groove down)
The clip position is the jet needle groove
on which the clip is installed. The positions
are numbered from the top.
Check that the accelerator pump operates
smoothly. (except for rich mixture
symptom).
Rich mixture Raise jet needle clip position.
(1 groove up)
1/4 ~ 3/4 throttle
Hard breathing
Lack of speed
Lower jet needle clip position.
(1 groove down)
1/4 ~ 1/2 throttle
Slow speed pick-up
Poor acceleration
Raise jet needle clip position.
(1 groove up)
Closed to 1/4 throttle
Hard breathing
Speed down
Use jet needle with a smaller diameter. Slow-speed-circuit passage
Clogged Clean.
Overflow from carburetor
Closed to 1/4 throttle
Poor acceleration
Use jet needle with a larger diameter.
Raise jet needle clip position.
(1 groove up)
Poor response in the low to
intermediate speeds
Raise jet needle clip position.
If this has no effect, lower the jet needle
clip position.
Poor response when throttle is
opened quickly
Check overall settings.
Use main jet with a lower calibration no.
Raise jet needle clip position.
(1 groove up)
If these have no effect, use a main jet with
a higher calibration no. and lower the jet
needle clip position.
Check air filter for fouling.
Check that the accelerator pump operates
smoothly.
Leaner
(Standard)
Richer
Jet needle
Clip
Groove 7
Groove 6
Groove 5
Groove 4
Groove 3
Groove 2
Groove 1
*
4 - 16
TUN
Exemples de réglages du carburateur en fonction des symptômes
Ce qui précède ne sert qu’à titre dexemple. Le réglage du carburateur doit se faire en fonction des conditions de fonctionnement
du moteur.
Symptômes Réglages Contrôles
A pleine ouverture des gaz
Crachotements
Bruit de frottement de pièces
métalliques
Bougie blanchâtre
Mélange pauvre
Augmenter (progressivement) le calibre du
gicleur principal
Décoloration de la bougie
Brun clair = bon état.
Si correction impossible:
Siège de pointeau bouché
Durit de carburant bouchée
Robinet de carburant bouché
Vérifier que la pompe de reprise fonctionne
correctement.
A pleine ouverture des gaz
Aucune reprise
Reprise lente
Réponse lente
Bougie calaminée
Mélange riche
Diminuer (progressivement) le calibre du
gicleur principal.
Décoloration de la bougie
Brun clair = bon état.
Si correction impossible:
Filtre à air bouché
Débordement de carburant du carburateur
Mélange pauvre Abaisser la position du clip daiguille.
(1 cran plus bas)
La position du clip est la rainure de laiguille
sur laquelle le clip est fixé. Les positions sont
numérotées à partir du haut.
Vérifier que la pompe de reprise fonctionne
correctement. (sauf si le symptôme indique un
mélange riche).
Mélange riche Remonter la position du clip daiguille.
(1 cran plus haut)
Ouverture 1/4 à 3/4
Crachotements
Vitesse réduite
Abaisser la position du clip daiguille.
(1 cran plus bas)
Ouverture 1/4 à 1/2
Reprise lente
Mauvaise accélération
Remonter la position du clip daiguille.
(1 cran plus haut)
Ouverture de 0 à 1/4
Crachotements
Vitesse réduite
Utiliser une aiguille de plus petit diamètre. Passage du circuit bas régime
Bouché Nettoyer.
Débordement du carburateur
Ouverture de 0 à 1/4
Mauvaise accélération
Utiliser une aiguille de diamètre supérieur.
Remonter la position du clip daiguille.
(1 cran plus haut)
Mauvaise réponse aux vitesses
intermédiaires à lentes
Remonter la position du clip daiguille.
Si cela na aucun effet, abaisser la position du
clip daiguille.
Mauvaise réponse à louverture
rapide des gaz
Vérifier les réglages généraux.
Monter un gicleur principal de plus petit
calibre.
Remonter la position du clip daiguille.
(1 cran plus haut)
Si cela na aucun effet, monter un gicleur
principal de calibre plus grand et abaisser la
position du clip daiguille.
Contrôler si le filtre à air est encrassé.
Vérifier que la pompe de reprise fonctionne
correctement.
Plus pauvre
(Standard)
Plus riche
Aiguille
Clip
Rainure 7
Rainure 6
Rainure 5
Rainure 4
Rainure 3
Rainure 2
Rainure 1
*
REGLAGE
4 - 17
TUN
Beispiele von Symptomen mit entsprechenden Vergasereinstellungen
Dies gilt lediglich als Beispiel. Die Vergasereinstellung muss gemeinsam mit einer Betriebsüberwachung des Motors
einhergehen.
Symptom Einstellung Kontrolle
Bei völlig geöffneter
Drosselklappe
Schweres Saugen
Schergeräusch
Weißliches Zündkerzenbild
Mageres Gemisch
Hauptdüsen-Nr. erhöhen (schrittweise) Verfärbung der Zündkerze
Falls rehbraun, in Ordnung.
Falls nicht korrigierbar:
Schwimmer-Ventilsitz verstopft
Kraftstoffschlauch verstopft
Kraftstoffhahn verstopft
Sicherstellen, dass die
Beschleunigungspumpe einwandfrei
funktioniert.
Bei völlig geöffneter
Drosselklappe
Beschleunigung
unterbrochen
Beschleunigung zögernd
Motor spricht zögernd an
Zündkerze verrußt
Fettes Gemisch
Hauptdüsen-Nr. reduzieren (schrittweise) Verfärbung der Zündkerze
Falls rehbraun, in Ordnung.
Falls nicht korrigierbar:
Luftfilter verstopft
Kraftstoffüberlauf vom Vergaser
Mageres Gemisch Düsennadel-Clipposition senken.
(1 Nut nach unten)
Die Düsennadel-Clipposition entspricht
der Nut, in der der Clip sitzt. Die
Nummerierung beginnt von oben.
Sicherstellen, dass die
Beschleunigungspumpe einwandfrei
funktioniert. (Ausnahme: fettes Gemisch)
Fettes Gemisch Düsennadel-Clipposition anheben.
(1 Nut nach oben)
Bei 1/43/4 geöffneter
Drosselklappe
Schweres Saugen
Drehzahl niedrig
Düsennadel-Clipposition senken.
(1 Nut nach unten)
Bei 1/41/2 geöffneter
Drosselklappe
Beschleunigung zögernd
Beschleunigung
unzureichend
Düsennadel-Clipposition anheben.
(1 Nut nach oben)
Bei geschlossener bis 1/4
geöffneter Drosselklappe
Schweres Saugen
Drehzahl fällt
Düsennadel mit schmalerem
Schaftdurchmesser verwenden.
Niedrigdrehzahl-Vergaserkanäle
Verstopft Reinigen.
Kraftstoffüberlauf vom Vergaser
Bei geschlossener bis 1/4
geöffneter Drosselklappe
Beschleunigung
unzureichend
Düsennadel mit größerem
Schaftdurchmesser verwenden.
Düsennadel-Clipposition anheben.
(1 Nut nach oben)
Motor spricht im unteren und
mittleren Drehzahlbereich
schlecht an
Düsennadel-Clipposition anheben.
Falls wirkungslos, Düsennadel-
Clipposition senken.
Motor spricht schlecht auf
rasches Gasgeben an
Gesamte Einstellung kontrollieren.
Hauptdüsen-Nr. reduzieren.
Düsennadel-Clipposition anheben.
(1 Nut nach oben)
Falls wirkungslos, Hauptdüsen-Nr.
erhöhen und Düsennadel-Clipposition
senken.
Luftfilter-Zustand kontrollieren.
Sicherstellen, dass die
Beschleunigungspumpe einwandfrei
funktioniert.
Ärmer
(Standard)
Reicher
Düsennadel
Clip
Nut 7
Nut 6
Nut 5
Nut 4
Nut 3
Nut 2
Nut 1
*
EINSTELLUNG
4 - 18
TUN
Esempi di impostazione del carburatore in base al sintomo
Ciò è da considerarsi solo un esempio. Occorre impostare il carburatore controllando le condizioni di funzionamento del motore.
Sintomo Impostazione Controllo
A velocità massima
Problemi di sfiato
Rumore simile a quello
prodotto da cesoie
Candela daccensione
biancastra
Miscela povera
Aumentare il calibro del getto del massimo
(gradatamente)
Macchie sulla candela di accensione
Se il colore è marrone, è in buone
condizioni.
Se non si può correggere:
Sede della valvola galleggiante ostruita
Flessibile del carburante ostruito
Rubinetto del carburante ostruito
Controllare che la pompa acceleratore
funzioni in modo uniforme.
A velocità massima
Interruzioni nella ripresa di
velocità
Ripresa di velocità lenta
Reattività lenta
Candela daccensione sporca
Miscela ricca
Diminuire il calibro del getto del massimo
(gradatamente)
Macchie sulla candela di accensione
Se il colore è marrone, è in buone
condizioni.
Se non si può correggere:
Filtro aria ostruito
Traboccamento di carburante dal
carburatore
Miscela povera Posizione bassa del fermo spillo del getto.
(1 scanalatura in basso)
La posizione del fermo è la scanalatura dello
spillo del getto su cui il fermo è installato. Le
posizioni sono numerate a partire dalla cima.
Controllare che la pompa acceleratore funzioni
in modo uniforme. (eccetto per il sintomo della
miscela ricca).
Miscela ricca Spostare verso lalto la posizione del fermo
spillo del getto.
(1 scanalatura in alto)
Manopola dellacceleratore
ruotata di 1/4 ~ 3/4 di giro
Problemi di sfiato
Perdita di velocità
Posizione bassa del fermo spillo del getto.
(1 scanalatura in basso)
Manopola dellacceleratore
ruotata di 1/4 ~ 1/2 di giro
Ripresa di velocità lenta
Scarsa accelerazione
Spostare verso lalto la posizione del fermo
spillo del getto.
(1 scanalatura in alto)
Chiusura della manopola
dellacceleratore a 1/4 di giro
Problemi di sfiato
Riduzione della velocità
Utilizzare uno spillo del getto dal diametro
inferiore.
Passaggio del circuito bassa velocità
Ostruito Pulire.
Traboccamento del carburatore
Chiusura della manopola
dellacceleratore a 1/4 di giro
Scarsa accelerazione
Utilizzare uno spillo del getto dal diametro
superiore.
Spostare verso lalto la posizione del fermo
spillo del getto.
(1 scanalatura in alto)
Scarsa reattività a velocità ridotta
o intermedia.
Spostare verso lalto la posizione del fermo
spillo del getto.
Se questa operazione non ha effetto, spostare
verso il basso la posizione del fermo spillo del
getto.
Scarsa reattività quando si
accelera velocemente
Controllare tutte le impostazioni.
Utilizzare un getto del massimo con un calibro
inferiore.
Spostare verso lalto la posizione del fermo
spillo del getto.
(1 scanalatura in alto)
Se queste operazioni non hanno effetto,
utilizzare un getto del massimo con un calibro
superiore e spostare verso il basso la posizione
del fermo spillo del getto.
Controllare se il filtro aria presenta
incrostazioni.
Controllare che la pompa acceleratore
funzioni in modo uniforme.
Povera
(Standard)
Ricca
Ago del getto
Clip
Scanalatura 7
Scanalatura 6
Scanalatura 5
Scanalatura 4
Scanalatura 3
Scanalatura 2
Scanalatura 1
*
IMPOSTAZIONE
4 - 19
TUN
Ejemplos de ajuste del carburador dependiendo del síntoma
Esto es simplemente un ejemplo. Es necesario ajustar el carburador mientras se comprueban las condiciones de fun-
cionamiento del motor.
Síntoma Ajuste Comprobación
A pleno gas
Al motor le cuesta respirar
Ruido cortante
Bujía blanquecina
Mezcla pobre
Aumente el calibrado del surtidor principal
nº. (progresivamente)
Decoloración de la bujía
Un color canela significa que está en
buen estado.
Si no se corrige:
Asiento de la válvula del flotador
obstruido
Tubo de combustible obstruido
Llave de paso del combustible obstruida
Compruebe que la bomba de aceleración
funcione con suavidad.
A pleno gas
Se interrumpe la aceleración
Aceleración lenta
Respuesta lenta
Bujía sucia
Mezcla rica
Reduzca el calibrado del surtidor principal
nº. (progresivamente)
Decoloración de la bujía
Un color canela significa que está en
buen estado.
Si no se corrige:
Filtro de aire obstruido
Rebosamiento de combustible por el
carburador
Mezcla pobre Posición del clip de la aguja del surtidor.
(1 ranura abajo)
La posición del clip es la ranura de la
aguja del surtidor en la que se sitúa el clip.
Las posiciones van numeradas desde
arriba.
Compruebe que la bomba de aceleración
funcione con suavidad. (salvo en caso de
síntoma de mezcla rica).
Mezcla rica Suba la posición del clip de la aguja del
surtidor.
(1 ranura arriba)
1/4 ~ 3/4 de gas
Al motor le cuesta respirar
Falta de velocidad
Baje la posición del clip de la aguja del
surtidor.
(1 ranura abajo)
1/4 ~ 1/2 de gas
Aceleración lenta
Aceleración deficiente
Suba la posición del clip de la aguja del
surtidor.
(1 ranura arriba)
Cerrado a 1/4 de gas
Al motor le cuesta respirar
La velocidad se reduce
Utilice una aguja de surtidor de menor
diámetro.
Paso del circuito de régimen bajo
Obstruido Limpiar.
Rebosamiento por el carburador
Cerrado a 1/4 de gas
Aceleración deficiente
Utilice una aguja de surtidor de mayor
diámetro.
Suba la posición del clip de la aguja del
surtidor.
(1 ranura arriba)
Respuesta deficiente a
regímenes bajos/medios
Suba la posición del clip de la aguja del
surtidor.
Si ello no surte efecto, baje la posición del
clip de la aguja del surtidor.
Respuesta deficiente cuando
se abre el acelerador
rápidamente
Comprobar los ajustes generales.
Utilice un surtidor principal con un nº de
calibrado menor.
Suba la posición del clip de la aguja del
surtidor.
(1 ranura arriba)
Si ello no surte efecto, utilice un surtidor
principal con un nº de calibrado mayor y
baje la posición del clip de la aguja del
surtidor.
Compruebe si el filtro de aire está sucio.
Compruebe que la bomba de aceleración
funcione con suavidad.
Más pobre
(Estándar)
Más rica
Aguja del surtidor
Clip
Ranura 7
Ranura 6
Ranura 5
Ranura 4
Ranura 3
Ranura 2
Ranura 1
*
PUESTA A PUNTO
4 - 20
TUN
MEMO
4 - 21
TUN
SETTING
EC720000
CHASSIS
Selection of the secondary
reduction ratio (Sprocket)
<Requirement for selection of sec-
ondary gear reduction ratio>
It is generally said that the second-
ary gear ratio should be reduced
for a longer straight portion of a
speed course and should be
increased for a course with many
corners. Actually, however, as the
speed depends on the ground con-
dition of the day of the ride, be sure
to run through the circuit to set the
machine suitable for the entire
course.
In actuality, it is very difficult to
achieve settings suitable for the
entire course and some settings
may be sacrificed. Thus, the set-
tings should be matched to the
portion of the course that has the
greatest effect on the ride result. In
such a case, run through the entire
course while making notes of lap
times to find the best balance;
then, determine the secondary
reduction ratio.
If a course has a long straight por-
tion where a machine can run at
maximum speed, the machine is
generally set such that it can
develop its maximum revolutions
toward the end of the straight line,
with care taken to avoid the engine
over-revving.
NOTE:
Riding technique varies from rider to
rider and the performance of a
machine also vary from machine to
machine. Therefore, do not imitate
other riders settings from the begin-
ning but choose your own setting
according to the level of your riding
technique.
Secondary
reduction
ratio
=
Number of rear
wheel sprocket teeth
Number of drive
sprocket teeth
Standard secondary
reduction ratio
50/13
(3.846)
CHÂSSIS
Sélection du taux de réduction
secondaire (pignons)
<Sélection du taux de réduction du rap-
port secondaire>
Il est généralement admis que le rap-
port de démultiplication de la trans-
mission secondaire doit être réduit
pour une course de vitesse comprenant
de longues portions en ligne droite et
quil convient de laugmenter en cas
de course sur circuit comprenant de
nombreux virages. Dans la pratique
toutefois, la vitesse dépendant des
conditions du terrain le jour de lutili-
sation, il convient deffectuer des
tours de circuit afin de régler la
machine du mieux possible pour la
course.
En pratique, il est très difficile deffec-
tuer des réglages convenant parfaite-
ment à un terrain donné et il faudra en
sacrifier quelques-uns. Il convient de
régler la machine en fonction de la
partie du circuit la plus importante
pour le résultat final de la course.
Dans ce cas, on effectuera des essais
sur la totalité du circuit, en notant les
temps intermédiaires pour les différen-
tes parties du circuit afin de calculer la
moyenne et déterminer le taux de
réduction secondaire.
Si le parcours comprend de longues
lignes droites, régler la machine de
manière quelle fournisse des perfor-
mances maximales vers la fin des
lignes droites, tout en évitant un surré-
gime du moteur.
N.B.:
Chaque motocycliste a sa propre techni-
que de conduite et les performances
varient elles aussi dune moto à lautre.
On évitera donc de copier les réglages
dune autre moto et chacun effectuera
ses propres réglages en fonction de sa
technique personnelle.
Taux de
réduction
secondaire
=
Nombre de dents de la
couronne arrière
Nombre de dents du
pignon dentraînement
Taux standard de
réduction secondaire
50/13
(3,846)
REGLAGE
4 - 22
TUN
FAHRWERK
Sekundärübersetzung (Kettenrad)
auswählen
<Bedingungen für die Auswahl der
Sekundärübersetzung>
Im allgemeinen wird für einen
schnellen Kurs mit langen Gera-
den eine kleinere Sekundärüber-
setzung gewählt und für einen
kurvenreichen Kurs eine größere
Sekundärübersetzung gewählt.
Vor der Fahrt sollte die Strecke
stets testgefahren werden, um die
Maschine auf die gegebenen
Bedingungen abzustimmen, da die
Geschwindigkeit von den Boden-
bedingungen des jeweiligen Tages
abhängt.
Es ist selten möglich, eine Einstel-
lung zu erzielen, die optimal auf
den gesamten Kurs ausgelegt ist.
Die Einstellungen sollten in
Abstimmung auf den für das End-
ergebnis ausschlaggebendsten
Bereich der Strecke vorgenommen
werden. Bei der Einstellung der
Sekundärübersetzung sollte
jeweils die gesamte Strecke abge-
fahren und die Rundenzeiten
notiert werden.
Enthält der Kurs eine lange
Gerade, auf der die Höchstge-
schwindigkeit erreichbar ist, sollte
die Übersetzung so gewählt wer-
den, dass die Maschine gegen
Ende der Geraden die Höchstge-
schwindigkeit ohne Überdrehen
des Motors erreicht.
HINWEIS:
Die Leistung einer Maschine hängt
sowohl von der Maschine als auch
vom Fahrer ab. Es ist daher wesent-
lich sinnvoller, seine eigenen Einstel-
lungen zu erarbeiten als diejenigen
anderer Fahrer zu übernehmen.
Sekundärüb
ersetzung =
Anzahl Kettenrad-
Zähne
Anzahl Antriebsrit-
zel-Zähne
Standard-Sekundär-
übersetzung
50/13
(3,846)
PARTE CICLISTICA
Selezione del rapporto di riduzione
secondario (ruota dentata)
<Requisiti per la selezione del rapporto
di riduzione del rapporto di trasmissione
secondario>
Solitamente si ritiene di dover ridurre
il rapporto di riduzione secondario in
caso di un lungo percorso rettilineo in
velocità e di doverlo aumentare in per-
corsi con molte curve. Tuttavia, sic-
come la velocità dipende dalle
condizioni del terreno nel giorno di
utilizzo, è necessario eseguire prima
un giro di prova sul circuito per impo-
stare il mezzo in modo idoneo
allintero percorso.
In realtà, è molto difficile individuare
impostazioni adatte per lintero per-
corso, per cui alcune impostazioni
devono essere sacrificate. Di conse-
guenza, occorre impostare il mezzo in
base alla sezione di percorso in grado
di influenzare maggiormente il risul-
tato della corsa. In questo caso, per-
correre lintero circuito annotando i
tempi per ogni giro per individuare
lequilibrio migliore; quindi, determi-
nare il rapporto di riduzione seconda-
rio.
Se un circuito presenta un lungo per-
corso rettilineo in cui la macchina può
marciare a velocità massima, la mac-
china normalmente è impostata in
modo da poter sviluppare il massimo
numero di giro verso la fine del rettili-
neo, prestando attenzione a evitare che
il motore vada su di giri.
NOTA:
Lo stile di guida varia in base al condu-
cente, così come le prestazioni della
macchina variano in base alla macchina.
Quindi, non copiare le impostazioni di
altri conducenti, ma scegliere le proprie
impostazioni adattandole al proprio stile
di guida.
Rapporto di
riduzione
secondario
=
Numero dei denti della
corona della ruota
posteriore
Numero dei denti
della ruota dentata di
trasmissione
Rapporto di riduzione
secondario standard
50/13
(3,846)
CHASIS
Selección de la relación de
reducción secundaria (piñón)
<Necesidad de seleccionar una rela-
ción de reducción secundaria>
En general se dice que la relación
del cambio secundaria se debe
reducir en las partes rectas y lar-
gas de una carrera de velocidad e
incrementarse en una carrera con
muchas curvas. En realidad, sin
embargo, dado que la velocidad
depende del estado del piso el día
de la utilización, asegúrese de
recorrer todo el circuito a fin de
adecuar la máquina a la totalidad
del recorrido.
En realidad, resulta muy difícil con-
seguir ajustes adecuados para la
totalidad de la carrera y se debe-
rán sacrificar algunos. Por tanto,
los ajustes se deben aplicar a la
parte de la carrera que produzca
mayor efecto sobre el resultado de
la competición. En tal caso, reco-
rra todo el circuito y tome notas de
los tiempos de las vueltas para
encontrar el mejor equilibrio; luego
determine la relación de reducción
secundaria.
Si un circuito tiene una parte recta
en la que la máquina puede avan-
zar a la velocidad máxima, por lo
general la máquina se ajuste para
poder desarrollar su régimen
máximo hacia el final de la línea
recta, teniendo cuidado de evitar
que el motor se pase de revolucio-
nes.
NOTA:
La técnica de conducción varía de un
piloto a otro y las prestaciones varían
también de una máquina a otra. Por
tanto, no imite los ajustes de otros
pilotos desde el principio; en lugar de
ello escoja su propio ajuste de
acuerdo con el nivel de su técnica de
conducción.
Relación de
reducción
secundaria
=
Número de dientes del
piñón de la rueda trasera
Número de dientes
del piñón motor
Relación de reduc-
ción secundaria
estándar
50/13
(3,846)
EINSTELLUNG
IMPOSTAZIONE
PUESTA A PUNTO
4 - 23
TUN
SETTING
EC72N000
Drive and rear wheel sprockets
setting parts
* For AUS and NZ
Part name Size Part number
Drive sprocket 1
(STD) 13T
* 14T
9383B-13218
9383B-14222
Rear wheel
sprocket 2
(STD)
* (STD)
48T
* 48T
* 49T
50T
* 50T
* 51T
52T
* 52T
5GS-25448-50
1C3-25448-00
1C3-25449-00
5TJ-25450-80
1C3-25450-00
1C3-25451-00
5TJ-25452-80
1C3-25452-00
EC721002
Tire pressure
Tire pressure should be adjust to suit
the road surface condition of the cir-
cuit.
Under a rainy, muddy, sandy, or
slippery condition, the tire pressure
should be lower for a larger area of
contact with the road surface.
Under a stony or hard road condi-
tion, the tire pressure should be
higher to prevent a flat tire.
Standard tire pressure:
100 kPa
(1.0 kgf/cm2, 15 psi)
Extent of adjustment:
60 ~ 80 kPa
(0.6 ~ 0.8 kgf/cm2,
9.0 ~ 12 psi)
Extent of adjustment:
100 ~ 120 kPa
(1.0 ~ 1.2 kgf /cm2,
15 ~ 18 psi)
Pièces de réglage du pignon
dentraînement et de la couronne
arrière
* AUS et NZ
Nom de la pièce Taille Numéro de pièce
Pignon
dentraînement
1
(STD) 13T
* 14T
9383B-13218
9383B-14222
Couronne arrière
2
(STD)
*(STD)
48T
* 48T
* 49T
50T
* 50T
* 51T
52T
* 52T
5GS-25448-50
1C3-25448-00
1C3-25449-00
5TJ-25450-80
1C3-25450-00
1C3-25451-00
5TJ-25452-80
1C3-25452-00
Pression des pneus
Régler la pression des pneus en fonction
des conditions du terrain.
En cas de conduite sous la pluie, sur
terrain boueux, sablonneux ou glis-
sant, réduire la pression des pneus
pour une meilleure adhérence.
Sur route pavée ou sur surface dure,
augmenter la pression des pneus afin
d’éviter les crevaisons.
Pression des pneus
standard:
100 kPa
(1,0 kgf/cm2, 15 psi)
Plage de réglage:
60 à 80 kPa
(0,6 à 0,8 kgf/cm2,
9,0 à 12 psi)
Plage de réglage:
100 à 120 kPa
(1,0 à 1,2 kgf/cm2,
15 à 18 psi)
REGLAGE
4 - 24
TUN
Verfügbare Antriebsritzel und
Kettenräder
* AUS und NZ
Bauteil Größe Teilenummer
Antriebsritzel 1
(STD) 13T
*14T 9383B-13218
9383B-14222
Kettenrad 2
(STD)
*(STD)
48T
*48T
*49T
50T
*50T
*51T
52T
*52T
5GS-25448-50
1C3-25448-00
1C3-25449-00
5TJ-25450-80
1C3-25450-00
1C3-25451-00
5TJ-25452-80
1C3-25452-00
Reifenluftdruck
Der Reifenluftdruck ist der Fahrbahn-
beschaffenheit des Kurses anzupas-
sen.
Auf nasser, schlammiger, sandiger
oder rutschiger Bahn den Reifen-
luftdruck vermindern, um die Rei-
fenlauffläche zu vergrößern.
Auf steiniger oder harter Fahrbahn
den Reifenluftdruck erhöhen, um
Reifenpannen zu vermeiden.
Standard-
Reifenluftdruck:
100 kPa
(1,0 kgf/cm2, 15 psi)
Einstellbereich:
6080 kPa
(0,60,8 kgf/cm2,
9,012 psi)
Einstellbereich:
100120 kPa
(1,01,2 kgf /cm2,
1518 psi)
Piezas de ajuste del piñón motor y
de los piñones de la rueda trasera
* AUS y NZ
Nombre de la
pieza Tamaño Referencia
Piñón motor 1
(STD) 13T
* 14T 9383B-13218
9383B-14222
Piñón de la
rueda trasera 2
(STD)
* (STD)
48T
* 48T
* 49T
50T
* 50T
* 51T
52T
* 52T
5GS-25448-50
1C3-25448-00
1C3-25449-00
5TJ-25450-80
1C3-25450-00
1C3-25451-00
5TJ-25452-80
1C3-25452-00
Presión de los neumáticos
La presión de los neumáticos se
debe adecuar a las condiciones de
superficie del piso del circuito.
Con lluvia, barro, arena o superfi-
cie resbaladiza, la presión de los
neumáticos se debe reducir para
obtener una mayor superficie de
contacto con el piso.
Con rocas o superficie dura la pre-
sión de los neumáticos se debe
incrementar para prevenir un pin-
chazo.
Presión estándar:
100 kPa
(1,0 kgf/cm2, 15 psi)
Amplitud del ajuste:
60 ~ 80 kPa
(0,6 ~ 0,8 kgf/cm2,
9,0 ~ 12 psi)
Amplitud del ajuste:
100 ~ 120 kPa
(1,0 ~ 1,2 kgf /cm2,
15 ~ 18 psi)
EINSTELLUNG
IMPOSTAZIONE
PUESTA A PUNTO
Pressione dei pneumatici
Regolare la pressione dei pneumatici in
base alle condizioni della superficie stra-
dale del circuito.
In condizioni di pioggia, fango, sabbia
o su fondo stradale scivoloso, diminu-
ire la pressione dei pneumatici in
modo da ottenere unarea di contatto
maggiore con la superficie stradale.
In caso di pietre o fondo stradale duro,
aumentare la pressione dei pneuma-
tici per evitare di forare il pneumatico.
Pressione standard dei
pneumatici:
100 kPa
(1,0 kgf/cm2, 15 psi)
Punto di regolazione:
60 ~ 80 kPa
(0,6 ~ 0,8 kgf/cm2,
9,0 ~ 12 psi)
Punto di regolazione:
100 ~ 120 kPa
(1,0 ~ 1,2 kgf /cm2,
15 ~ 18 psi)
Componenti di impostazione corona
della ruota posteriore e ruota dentata
di trasmissione
* AUS e NZ
Denominazione Misura Numero parte
Ruota dentata di
trasmissione 1
(STD) 13T
* 14T
9383B-13218
9383B-14222
Corona della ruota
posteriore 2
(STD)
* (STD)
48T
* 48T
* 49T
50T
* 50T
* 51T
52T
* 52T
5GS-25448-50
1C3-25448-00
1C3-25449-00
5TJ-25450-80
1C3-25450-00
1C3-25451-00
5TJ-25452-80
1C3-25452-00
4 - 25
TUN
SETTING
EC722011
Front fork setting
The front fork setting should be made
depending on the riders feeling of an
actual run and the circuit conditions.
The front fork setting includes the fol-
lowing three factors:
1. Setting of air spring characteris-
tics
Change the fork oil level.
2. Setting of spring preload
Change the spring.
Install the adjustment washer.
3. Setting of damping force
Change the compression
damping.
Change the rebound damping.
The spring acts on the load
and the damping force acts on
the cushion travel speed.
EC723001
Change in level and
characteristics of fork oil
Damping characteristic near the final
stroke can be changed by changing
the fork oil amount.
CAUTION:
Adjust the oil level in 5 mm (0.2 in)
increments or decrements. Too
low oil level causes the front fork
to produce a noise at full rebound
or the rider to feel some pressure
on his hands or body. Alterna-
tively, too high oil level will
develop unexpectedly early oil
lock with the consequent shorter
front fork travel and deteriorated
performance and characteristics.
Therefore, adjust the front fork
within the specified range.
Standard oil level:
132 mm (5.20 in)
Extent of adjustment:
95 ~ 150 mm
(3.74 ~ 5.91 in)
From top of outer tube
with inner tube and
damper rod fully
compressed without
spring.
Réglage de la fourche
Régler la fourche en fonction de lexpé-
rience de conduite du pilote sur le terrain
ainsi que des conditions du terrain.
Les trois réglages de la fourche sont les
suivants:
1. Réglage de lamortissement pneu-
matique
Ajuster le niveau de lhuile de
fourche.
2. Réglage de la précontrainte du res-
sort
Changer de ressort.
Monter la rondelle de réglage.
3. Réglage de la force damortisse-
ment
Régler la force de compression.
Régler lamortissement à la
détente.
Le ressort a une action sur la
charge tandis que la force
damortissement agit sur la
vitesse de la course damortisse-
ment.
Ajustement du niveau et des
caractéristiques de lhuile de fourche
Les caractéristiques damortissement en
fin de course peuvent être modifiées en
changeant la quantité dhuile de fourche.
ATTENTION:
Ajuster le niveau dhuile par incré-
ments ou décréments de 5 mm (0,2 in).
Quand le niveau dhuile est trop bas, il
se produit un bruit lorsque la fourche
est entièrement comprimée ou le pilote
ressent une certaine pression dans ses
mains ou son corps. De même, un
niveau dhuile trop élevé produira
rapidement un bouchon dhuile,
entraînant une réduction de la course
de la fourche et une détérioration des
performances et caractéristiques. Il
est donc important de régler le niveau
dhuile dans la fourche conformé-
ment aux spécifications données.
Niveau dhuile standard:
132 mm (5,20 in)
Plage de réglage:
95 à 150 mm
(3,74 à 5,91 in)
Depuis le haut du
fourreau, tube plongeur
et tige damortissement
entièrement comprimés
sans ressort.
REGLAGE
4 - 26
TUN
Teleskopgabel einstellen
Die Teleskopgabel-Einstellung ist
eine Sache des persönlichen
Gefühls und der Kursbedingungen.
Die Teleskopgabel-Einstellung
umfasst die folgenden drei Faktoren:
1. Luftfederung
Den Gabelölstand ändern.
2. Federvorspannung
Die Feder austauschen.
Eine Einstellscheibe montie-
ren.
3. Dämpfungskraft
Die Druckstufen-Dämpfungs-
kraft ändern.
Die Zugstufen-Dämpfungs-
kraft ändern.
Die Federung nimmt Einfluss
auf die Belastung, die Dämp-
fung auf die Bewegung.
Gabelöl wechseln und
Gabelölstand ändern
Die Dämpfungs-Charakteristik am
Ende des Federwegs lässt sich
durch Ändern des Ölstands beein-
flussen.
ACHTUNG:
Den Ölstand in 5 mm (0,2 in)-
Schritten ändern. Falls der
Ölstand zu niedrig ist, erzeugt die
Gabel in der Zugstufe ein
Geräusch bzw. übt Druck auf die
Hände oder den Körper des Fah-
rers aus. Falls der Ölstand zu
hoch ist, wird der Ölfluss plötzlich
gestemmt und der Federweg ver-
kürzt, was die Leistung und Cha-
rakteristik beeinträchtigt. Daher
darauf achten, dass der Gabelöl-
stand sich im Sollbereich befindet.
Standard-Ölstand:
132 mm (5,20 in)
Einstellbereich:
95150 mm
(3,745,91 in)
(gemessen von der
Oberkante des Stand-
rohrs, Gabel [samt
Dämpferrohr] vollstän-
dig zusammengedrückt,
ohne Gabelfeder)
Impostazione forcella anteriore
Impostare la forcella anteriore in base
alla sensazione che il conducente ha
della marcia e delle condizioni del cir-
cuito.
Limpostazione della forcella anteriore
comprende i tre fattori seguenti:
1. Impostazione delle caratteristiche
della sospensione pneumatica
Modificare il livello dellolio for-
cella.
2. Impostazione del precarico della
molla
Sostituire la molla.
Installare la rondella di regola-
zione.
3. Impostazione della forza di smorza-
mento
Modificare lo smorzamento in
compressione.
Modificare lo smorzamento in
estensione.
La molla agisce sul carico e la
forza di smorzamento sulla velo-
cità della corsa di smorzamento.
Modifiche nel livello e nelle
caratteristiche dellolio forcella
La caratteristica di smorzamento vicino
alla corsa finale può essere modificata
cambiando la quantità di olio forcella.
ATTENZIONE:
Regolare il livello dellolio forcella con
incrementi o diminuzioni di 5 mm (0,2
in). Se il livello dellolio è troppo
basso, la forcella anteriore diventa
rumorosa quando si trova in esten-
sione completa o il conducente perce-
pisce una certa pressione sulle mani o
sul corpo. Al contrario, un livello
dellolio troppo elevato provoca
uninterdizione precoce dellolio, cau-
sando di conseguenza una corsa della
forcella anteriore troppo ridotta e una
diminuzione delle caratteristiche di
prestazioni. Quindi, regolare la for-
cella anteriore entro la gamma indi-
cata.
Livello olio standard:
132 mm (5,20 in)
Punto di regolazione:
95 ~ 150 mm
(3,74 ~ 5,91 in)
Dallestremità superiore
del gambale con il tubo di
forza e lasta pompante
completamente
compressa senza molla.
Ajuste de la horquilla delantera
La horquilla delantera se debe ajus-
tar según las sensaciones del piloto
en un recorrido real y en las condi-
ciones del circuito.
El ajuste de la horquilla delantera
incluye los tres factores siguientes:
1. Ajuste de las características del
amortiguador neumático
Cambiar el nivel de aceite de
la horquilla.
2. Ajuste de la precarga del muelle
Cambiar el muelle.
Instalar la arandela de ajuste.
3. Ajuste de la amortiguación
Cambiar la amortiguación en
compresión.
Cambiar la amortiguación en
extensión.
El muelle actúa sobre la carga
y la amortiguación actúa sobre
la velocidad de desplaza-
miento del amortiguador.
Cambio de nivel y características
del aceite de la horquilla
La característica amortiguante cerca
de la carrera final se puede modificar
cambiando la cantidad de aceite.
ATENCION:
Ajuste el nivel de aceite en incre-
mentos o decrementos de 5 mm
(0,2 in). Con un nivel de aceite
demasiado bajo la horquilla pro-
duce ruido en la extensión
máxima o el piloto nota alguna
presión en las manos o el cuerpo.
Alternativamente, un nivel dema-
siado elevado provoca el desarro-
llo de un bloqueo de aceite
inesperadamente pronto, con la
consecuencia de que se reduce el
recorrido de la horquilla delantera
y disminuyen sus prestaciones y
características. Por tanto, ajuste la
horquilla delantera dentro del mar-
gen especificado.
Nivel de aceite estándar:
132 mm (5,20 in)
Amplitud del ajuste:
95 ~ 150 mm
(3,74 ~ 5,91 in)
Desde la parte supe-
rior del tubo exterior
con el tubo interior y la
varilla del amortigua-
dor totalmente compri-
mida sin muelle.
EINSTELLUNG
IMPOSTAZIONE
PUESTA A PUNTO
4 - 27
TUN
SETTING
ÈAir spring characteristics in relation to
oil level change
ÉLoad
ÊStroke
1Max. oil level
2Standard oil level
3Min. oil level
EC727020
Spring preload adjustment
The spring preload is adjusted by
installing the adjustment washer 1
between the fork spring 2 and
damper rod 3.
CAUTION:
Do not install three or more
adjustment washers for each front
fork.
WARNING
Always adjust each front fork to
the same setting. Uneven adjust-
ment can cause poor handling and
loss of stability.
ÈLoad
ÉFork stroke
1Without adjustment washer
(standard)
21 adjustment washer
32 adjustment washers
Standard washer
quantity:
Zero adjustment
washers
Extent of adjustment:
Zero ~ 2 adjustment
washers
ÈCaractéristiques de lamortissement
pneumatique en fonction du niveau
dhuile
ÉCharge
ÊCourse
1Niveau dhuile maximum
2Niveau dhuile standard
3Niveau dhuile minimum
Réglage de la précontrainte du ressort
Le réglage de la précontrainte du ressort
se fait en montant la rondelle de réglage
1 entre le ressort de fourche 2 et la tige
damortissement 3.
ATTENTION:
Ne pas monter trois rondelles dajus-
tement ou plus pour chaque bras de
fourche.
AVERTISSEMENT
Toujours régler de la même manière
chaque bras de la fourche. Un niveau
inégal risque de diminuer la maniabi-
lité et la stabilité.
ÈCharge
ÉCourse de la fourche
1Sans rondelle de réglage (standard)
21 rondelle de réglage
32 rondelles de réglage
Nombre standard de
rondelles:
Zéro rondelle de réglage
Plage de réglage:
Zéro à 2 rondelles de
réglage
REGLAGE
4 - 28
TUN
ÈLuftfederungs-Charakteristik in
Abhängigkeit des Ölstands
ÉBelastung
ÊFederweg
1Max. Ölstand
2Standard-Ölstand
3Min. Ölstand
Federvorspannung einstellen
Zum Einstellen der Federvorspan-
nung eine Einstellscheibe 1 zwi-
schen Gabelfeder 2 und
Dämpferrohr 3 einsetzen.
ACHTUNG:
Maximal drei Einstellscheiben je
Gabelbein montieren.
WARNUNG
Sicherstellen, dass beide Gabel-
beine gleichmäßig eingestellt
sind. Eine ungleichmäßige Ein-
stellung beeinträchtigt das Fahr-
verhalten.
ÈBelastung
ÉFederweg
1Ohne Einstellscheibe (Standard)
21 Einstellscheibe
32 Einstellscheiben
Standard-Anzahl
Einstellscheiben:
Null Einstellscheiben
Einstellbereich:
Null2
Einstellscheiben
ÈCaratteristiche della sospensione pneu-
matica in relazione alla modifica del
livello dellolio
ÉCarico
ÊCorsa
1Livello olio massimo
2Livello olio standard
3Livello olio minimo
Regolazione precarico della molla
Il precarico della molla si regola instal-
lando la rondella di regolazione 1 tra la
molla della forcella 2 e lasta pompante
3.
ATTENZIONE:
Non installare tre o più rondelle di
regolazione per ogni forcella ante-
riore.
AVVERTENZA
Regolare sempre allo stesso modo ogni
forcella anteriore. Una regolazione
disuguale può determinare difficoltà
di manovrabilità e perdita di stabilità.
ÈCarico
ÉCorsa della forcella
1Senza rondella di regolazione (standard)
21 rondella di regolazione
32 rondelle di regolazione
Quantità standard di
rondelle:
Zero rondelle di
regolazione
Punto di regolazione:
Zero ~ 2 rondelle di
regolazione
ÈCaracterísticas del amortiguador
neumático en relación con el cambio
de nivel de aceite
ÉCarga
ÊCarrera
1Nivel de aceite máximo
2Nivel de aceite estándar
3Nivel de aceite mínimo
Ajuste de la precarga del muelle
La precarga del muelle se ajusta ins-
talando la arandela de ajuste 1
entre el muelle de la horquilla 2 y la
varilla del amortiguador 3.
ATENCION:
No instale tres o más arandelas de
ajuste para cada barra de horqui-
lla.
ADVERTENCIA
Ajuste siempre las dos barras de
la horquilla a la misma posición.
Un ajuste desequilibrado puede
reducir la maniobrabilidad y la
estabilidad.
ÈCarga
ÉCarrera de la horquilla
1Sin arandela de ajuste (estándar)
21 arandela de ajuste
32 arandelas de ajuste
Cantidad estándar de
arandelas:
Cero arandelas de
ajuste
Amplitud del ajuste:
Cero ~ 2 arandelas de
ajuste
EINSTELLUNG
IMPOSTAZIONE
PUESTA A PUNTO
4 - 29
TUN
SETTING
EC72A001
Setting of spring after
replacement
As the front fork setting can be easily
affected by rear suspension, take
care so that the machine front and
rear are balanced (in position, etc.)
when setting the front fork.
1. Use of soft spring
Generally a soft spring gives a
soft riding feeling. Rebound
damping tends to become stron-
ger and the front fork may sink
deeply over a series of gaps.
To set a soft spring:
Change the rebound damping.
Turn out one or two clicks.
Change the compression
damping.
Turn in one or two clicks.
2. Use of stiff spring
Generally a stiff spring gives a
stiff riding feeling. Rebound
damping tends to become
weaker, resulting in lack of a
sense of contact with the road
surface or in a vibrating handle-
bar.
To set a stiff spring:
Change the rebound damping.
Turn in one or two clicks.
Change the compression
damping.
Turn out one or two clicks.
Réglage du ressort après
remplacement
La suspension arrière pouvant influencer
le réglage de la fourche, il convient donc
d’équilibrer larrière et lavant de la
machine (la position, etc.) avant deffec-
tuer le réglage de la fourche.
1. Ressort mou
En général, un ressort mou offre une
sensation de conduite douce. La
force de rebond tend à être plus
forte et la fourche peut senfoncer
plus profondément lors de la con-
duite sur des routes cahoteuses.
Réglage dun ressort mou:
Régler la force damortissement à
la détente.
Dévisser dun ou deux déclics.
Régler la force de compression.
Visser dun ou deux déclics.
2. Ressort dur
En principe, un ressort dur offre une
sensation de conduite dure. Lamor-
tissement à la détente a tendance à
saffaiblir, entraînant une perte de la
sensation de contact avec la surface
de la route ou des vibrations du gui-
don.
Réglage dun ressort dur:
Régler la force damortissement à
la détente.
Visser dun ou deux déclics.
Régler la force de compression.
Dévisser dun ou deux déclics.
REGLAGE
4 - 30
TUN
Feder nach Austausch einstellen
Da die Einstellung der Hinterradfede-
rung sich auch auf die Vorderradfe-
derung auswirkt, muss beim
Einstellen der Teleskopgabel darauf
geachtet werden, dass beide aufein-
ander abgestimmt sind.
1. Weiche Feder
Eine weiche Feder ergibt norma-
lerweise ein weiches Fahrgefühl.
Die Zugstufen-Dämpfungskraft
ist höher, und die Gabel taucht
mehrmals tief ein.
Zum Einstellen einer weichen
Feder:
Die Zugstufen-Dämpfungs-
kraft ändern.
Um 1 oder 2 Raststellungen
herausdrehen.
Die Druckstufen-Dämpfungs-
kraft ändern.
Um 1 oder 2 Raststellungen
hineindrehen.
2. Harte Feder
Eine harte Feder ergibt norma-
lerweise ein hartes Fahrgefühl.
Die Zugstufen-Dämpfungskraft
ist geringer, der Bodenkontakt
scheint zu schwinden und der
Lenker vibriert.
Zum Einstellen einer harten
Feder:
Die Zugstufen-Dämpfungs-
kraft ändern.
Um 1 oder 2 Raststellungen
hineindrehen.
Die Druckstufen-Dämpfungs-
kraft ändern.
Um 1 oder 2 Raststellungen
herausdrehen.
Impostazione della molla dopo la
sostituzione
Dal momento che limpostazione della
forcella anteriore può essere facilmente
influenzata dalla sospensione posteriore,
assicurarsi che il fronte e il retro della
macchina siano equilibrati (in posizione,
ecc.) durante limpostazione della for-
cella anteriore.
1. Utilizzo di una molla morbida
Solitamente una molla morbida
offre una sensazione di guida più
morbida. Lo smorzamento in esten-
sione tende a rafforzarsi e la forcella
anteriore può molleggiare più pro-
fondamente su una serie di buche.
Per impostare una molla morbida:
Modificare lo smorzamento in
estensione.
Svitare di uno o due scatti.
Modificare lo smorzamento in
compressione.
Avvitare di uno o due scatti.
2. Utilizzo di una molla rigida
Solitamente, una molla rigida offre
una sensazione di guida più rigida.
Lo smorzamento in estensione
tende a indebolirsi, provocando una
mancanza del senso di contatto con
la superficie stradale o una vibra-
zione del manubrio.
Per impostare una molla rigida:
Modificare lo smorzamento in
estensione.
Avvitare di uno o due scatti.
Modificare lo smorzamento in
compressione.
Svitare di uno o due scatti.
Ajuste del muelle después de
cambiarlo
Dado que el ajuste de la horquilla
delantera puede verse fácilmente
afectado por la suspensión trasera,
tenga cuidado de mantener la
máquina equilibrado en el sentido
longitudinal (posición retraída, etc.)
cuando ajuste la horquilla delantera.
1. Uso de un muelle blando
En general, un muelle blando da
una sensación de conducción
suave. La amortiguación en
extensión tiende a endurecerse
y la horquilla delantera puede
hundirse profundamente des-
pués de una serie de vacíos.
Para ajustar un muelle blando:
Cambiar la amortiguación en
extensión.
Gire uno o dos chasquidos
hacia fuera.
Cambiar la amortiguación en
compresión.
Gire uno o dos chasquidos
hacia dentro.
2. Uso de un muelle rígido
En general, un muelle rígido da
una sensación de conducción
dura. La amortiguación en
extensión tiene a debilitarse y,
como consecuencia, se pierde
sensación de contacto con el
piso o el manillar vibra.
Para ajustar un muelle rígido:
Cambiar la amortiguación en
extensión.
Gire uno o dos chasquidos
hacia dentro.
Cambiar la amortiguación en
compresión.
Gire uno o dos chasquidos
hacia fuera.
EINSTELLUNG
IMPOSTAZIONE
PUESTA A PUNTO
4 - 31
TUN
SETTING
EC72P000
Front fork setting parts
Adjustment washer 1
Front fork spring 2
NOTE:
The I.D. mark (slits) a is proved on
the end of the spring.
CAUTION:
When using a spring with a spring
rate of 0.469 kg/mm, do not install
two or more adjustment washers
for each front fork.
TYPE
(thickness) PART NUMBER
T = 2.3 mm
(0.09 in) 5XE-23364-00
TYPE SPRING
RATE
SPRING
PART NUMBER
I.D. MARK
(slits)
SOFT
0.408
0.418
0.428
0.438
5TJ-23141-00
5TJ-23141-10
5TJ-23141-20
5TJ-23141-30
I
II
III
IIII
STD 0.449 5TJ-23141-A0
STIFF 0.459
0.469
5TJ-23141-50
5TJ-23141-60
I-I
I-II
Pièces de réglage de la fourche
Rondelle de réglage 1
Ressort de fourche 2
N.B.:
Le repère (fentes) a se trouve à lextré-
mité du ressort.
ATTENTION:
En cas dutilisation dun ressort dune
raideur de 0,469 kg/mm, ne pas instal-
ler plusieurs rondelles de réglage pour
chaque fourche.
TYPE
(épaisseur) REFERENCE
T = 2,3 mm
(0,09 in) 5XE-23364-00
TYPE
RAIDEUR
DU
RESSORT
RESSORT
REFERENCE
REPERE
(fentes)
MOU
0,408
0,418
0,428
0,438
5TJ-23141-00
5TJ-23141-10
5TJ-23141-20
5TJ-23141-30
I
II
III
IIII
STD 0,449 5TJ-23141-A0
DUR 0,459
0,469
5TJ-23141-50
5TJ-23141-60
I-I
I-II
REGLAGE
4 - 32
TUN
Einstellbare Teleskopgabel-
Bauteile
Einstellscheibe 1
Gabelfeder 2
HINWEIS:
Die Kennzeichnung a ist am
Federende eingekerbt.
ACHTUNG:
Falls eine Feder mit einer Rate von
0,469 kg/mm verwendet wird, darf
nicht mehr als eine Einstell-
scheibe je Gabelholm montiert
werden.
AUSFÜHRUNG
(Stärke) TEILENUMMER
T = 2,3 mm
(0,09 in) 5XE-23364-00
AUS-
FÜH-
RUNG
FEDER-
RATE
FEDER
TEILENUMMER
KENN-
ZEICH-
NUNG
(Kerben)
WEICH
0,408
0,418
0,428
0,438
5TJ-23141-00
5TJ-23141-10
5TJ-23141-20
5TJ-23141-30
I
II
III
IIII
STD 0,449 5TJ-23141-A0
HART 0,459
0,469
5TJ-23141-50
5TJ-23141-60
I-I
I-II
Componenti di impostazione forcella
anteriore
Rondella di regolazione 1
Molla forcella anteriore 2
NOTA:
Il contrassegno I.D. (fessure) a si trova
sullestremità della molla.
ATTENZIONE:
Quando si utilizza una molla con una
flessibilità di 0,469 kg/mm, non instal-
lare due o più rondelle di regolazione
per ogni forcella anteriore.
TIPO (spessore) NUMERO
PARTE
T = 2,3 mm
(0,09 in) 5XE-23364-00
TIPO COSTANTE
MOLLA
MOLLA
NUMERO
PARTE
CON-
TRASSE-
GNO I.D.
(fessure)
MOR-
BIDO
0,408
0,418
0,428
0,438
5TJ-23141-00
5TJ-23141-10
5TJ-23141-20
5TJ-23141-30
I
II
III
IIII
STD 0,449 5TJ-23141-A0
RIGIDO 0,459
0,469
5TJ-23141-50
5TJ-23141-60
I-I
I-II
Piezas de ajuste de la horquilla
delantera
Arandela de ajuste 1
Muelle de la horquilla delantera 2
NOTA:
La marca de identificación (hendidu-
ras) a se encuentran en el extremo
del muelle.
ATENCION:
Cuando utilice un muelle con una
tensión de 0,469 kg/mm, no instale
dos o más arandelas de ajuste
para cada horquilla delantera.
TIPO (espesor) REFERENCIA
T = 2,3 mm
(0,09 in) 5XE-23364-00
TIPO
TENSIÓN
DEL
MUELLE
MUELLE
REFERENCIA
MARCA
DE IDEN-
TIFICA-
CIÓN
(hendidu-
ras)
BLANDO
0,408
0,418
0,428
0,438
5TJ-23141-00
5TJ-23141-10
5TJ-23141-20
5TJ-23141-30
I
II
III
IIII
STD 0,449 5TJ-23141-A0
RÍGIDO 0,459
0,469
5TJ-23141-50
5TJ-23141-60
I-I
I-II
EINSTELLUNG
IMPOSTAZIONE
PUESTA A PUNTO
4 - 33
TUN
SETTING
EC72B000
Rear suspension setting
The rear suspension setting should
be made depending on the riders
feeling of an actual run and the cir-
cuit conditions.
The rear suspension setting includes
the following two factors:
1. Setting of spring preload
Change the set length of the
spring.
Change the spring.
2. Setting of damping force
Change the rebound damping.
Change the compression
damping.
EC72C001
Choosing set length
1. Place a stand or block under the
engine to put the rear wheel
above the floor, and measure
the length a between the rear
wheel axle center and the rear
fender holding bolt.
2. Remove the stand or block from
the engine and with a rider
astride the seat, measure the
sunken length b between the
rear wheel axle center and the
rear fender holding bolt.
3. Loosen the locknut 1 and make
adjustment by turning the spring
adjuster 2 to achieve the stan-
dard figure from the subtraction
of the length b from the length
a.
NOTE:
If the machine is new and after it is
broken in, the same set length of
the spring may change because of
the initial fatigue, etc. of the spring.
Therefore, be sure to make re-
evaluation.
If the standard figure cannot be
achieved by adjusting the spring
adjuster and changing the spring
set length, replace the spring with
an optional one and make re-
adjustment.
Standard figure:
90 ~ 100 mm
(3.5 ~ 3.9 in)
Réglage de la suspension arrière
Effectuer le réglage de la suspension
arrière en fonction de lexpérience du
pilote lors de la conduite ainsi que des
conditions du terrain.
Les deux réglages de la suspension
arrière sont les suivants:
1. Réglage de la précontrainte du res-
sort
Régler la longueur du ressort.
Changer de ressort.
2. Réglage de la force damortisse-
ment
Régler la force damortissement à
la détente.
Régler la force de compression.
Choix de la longueur de ressort
1. Placer un support ou un bloc sous le
moteur pour surélever la roue
arrière et mesurer la longueur a
entre le centre de laxe de roue
arrière et le boulon de fixation du
garde-boue arrière.
2. Retirer le support ou le bloc et
mesurer, avec une personne assise
correctement sur la selle, la lon-
gueur b entre le centre de laxe de
roue arrière et le boulon de fixation
du garde-boue arrière.
3. Desserrer le contre-écrou 1 et
effectuer le réglage en tournant le
dispositif de réglage 2 de manière
à atteindre la valeur standard, obte-
nue en soustrayant la longueur b
de la longueur a.
N.B.:
Si la moto est nouvelle et après quelle
a été rodée, la longueur du ressort peut
changer en raison de la fatigue initiale,
etc., du ressort. Il est donc important
de corriger les réglages régulièrement.
Sil est impossible datteindre la
valeur standard à laide du dispositif
de réglage et en ajustant la longueur
du ressort, remplacer le ressort avec
un ressort en option et effectuer un
nouveau réglage.
Valeur standard:
90 à 100 mm
(3,5 à 3,9 in)
REGLAGE
4 - 34
TUN
Hinterradaufhängung einstellen
Die Einstellung der Hinterradaufhän-
gung ist eine Sache des persönli-
chen Gefühls und der
Kursbedingungen.
Die Einstellung der Hinterradaufhän-
gung umfasst die folgenden zwei
Faktoren:
1. Federvorspannung
Die Einbaulänge der Feder
ändern.
Die Feder austauschen.
2. Dämpfungskraft
Die Zugstufen-Dämpfungs-
kraft ändern.
Die Druckstufen-Dämpfungs-
kraft ändern.
Einbaulänge wählen
1. Das Motorrad so am Motor auf-
bocken, dass das Hinterrad frei
in der Luft schwebt und dann
den Abstand a zwischen der
Mitte der Hinterachse und der
Hinterradabdeckungs-Schraube
messen.
2. Den Montageständer entfernen
und mit aufsitzendem Fahrer
erneut den Abstand b zwi-
schen der Mitte der Hinterachse
und der Hinterradabdeckungs-
Schraube messen.
3. Kontrollieren, ob die Differenz
zwischen den gemessenen
Abständen a und b dem Stan-
dardwert entspricht und ggf. ein-
stellen; dazu den Sicherungsring
1 lockern und den Federvor-
spannring 2 entsprechend ver-
stellen.
HINWEIS:
Bei neuen sowie eingefahrenen
Maschinen kann die Einbaulänge
sich verändern, wenn die Feder
allmählich ermüdet. Daher regel-
mäßig nachprüfen.
Wenn der Standardwert für die
Einbaulänge der Feder nicht mehr
durch Einstellung erreichbar ist,
muss die Feder erneuert werden.
Standardwert:
90100 mm
(3,53,9 in)
Impostazione sospensione posteriore
Impostare la sospensione posteriore in
base alla sensazione che il conducente ha
della marcia e delle condizioni del cir-
cuito.
Limpostazione della sospensione poste-
riore comprende i due fattori seguenti:
1. Impostazione del precarico della
molla
Modificare la lunghezza della
molla impostata.
Sostituire la molla.
2. Impostazione della forza di smorza-
mento
Modificare lo smorzamento in
estensione.
Modificare lo smorzamento in
compressione.
2. Togliere il cavalletto o il freno dal
motore e, con il conducente a bordo,
misurare laffondamento b tra il
centro dellasse della ruota poste-
riore e il bullone di bloccaggio del
parafango posteriore.
3. Allentare il controdado 1 e rego-
lare ruotando il dispositivo di rego-
lazione della molla 2 fino a
raggiungere un valore standard dalla
sottrazione dellaffondamento b
dalla distanza a.
NOTA:
Se la macchina è nuova o dopo il
rodaggio, la stessa lunghezza impo-
stata della molla può cambiare a causa
della fatica iniziale, ecc., della molla.
Pertanto, assicurarsi di eseguire una
nuova valutazione.
Se regolando il dispositivo di regola-
zione della molla o modificando la
lunghezza impostata della molla non
si raggiunge il valore standard, sostitu-
ire la molla e regolare di nuovo.
Valore standard:
90 ~ 100 mm
(3,5 ~ 3,9 in)
Ajuste de la suspensión trasera
La suspensión trasera se debe ajus-
tar según las sensaciones del piloto
en un recorrido real y en las condi-
ciones del circuito.
El ajuste de la suspensión trasera
incluye los dos factores siguientes:
1. Ajuste de la precarga del muelle
Cambiar la longitud máxima
del muelle.
Cambiar el muelle.
2. Ajuste de la amortiguación
Cambiar la amortiguación en
extensión.
Cambiar la amortiguación en
compresión.
Selección de la longitud máxima
1. Coloque un soporte o un bloque
debajo del motor para levantar
del suelo la rueda trasera y
medir la longitud a entre el cen-
tro del eje de la rueda trasera y
el tornillo de sujeción del guar-
dabarros trasero.
2. Retire el soporte o el bloque de
debajo del motor y, con una per-
sona sentada en el sillín, mida la
longitud retraída b entre el cen-
tro del eje de la rueda trasera y
el tornillo de sujeción del guar-
dabarros trasero.
3. Afloje la contratuerca 1 y ajuste
girando el regulador del muelle
2 hasta obtener la cifra están-
dar restando la longitud b de la
longitud a.
NOTA:
Si la máquina es nueva y después
del rodaje, la misma longitud
extendida del muelle puede variar
debido a la fatiga inicial, etc., del
muelle. Por tanto, no olvide reeva-
luarla.
Si no obtiene la cifra estándar
ajustando el regulador del muelle y
modificando la longitud extendida
del muelle, cambie el muelle por
uno opcional y reajústelo.
Cifra estándar:
90 ~ 100 mm
(3,5 ~ 3,9 in)
EINSTELLUNG
IMPOSTAZIONE
PUESTA A PUNTO
Scelta della lunghezza impostata.
1. Collocare un cavalletto o un fermo
sotto il motore per sollevare la ruota
posteriore dal pavimento e misu-
rare la distanza a tra il centro
dellasse della ruota posteriore e il
bullone di bloccaggio del para-
fango posteriore.
4 - 35
TUN
SETTING
Setting of spring after
replacement
After replacement, be sure to adjust
the spring to the set length [sunken
length 90 ~ 100 mm (3.5 ~ 3.9 in)]
and set it.
1. Use of soft spring
Set the soft spring for less
rebound damping to compen-
sate for its less spring load.
Run with the rebound damping
adjuster one or two clicks on
the softer side and readjust it
to suit your preference.
2. Use of stiff spring
Set the soft spring for more
rebound damping to compen-
sate for its greater spring load.
Run with the rebound damping
adjuster one or two clicks on
the stiffer side and readjust it
to suit your preference.
*Adjusting the rebound damp-
ing will be followed more or
less by a change in the com-
pression damping. For correc-
tion, turn the low compression
damping adjuster on the softer
side.
CAUTION:
When using a rear shock absorber
other than currently installed, use
the one whose overall length a
does not exceed the standard as it
may result in faulty performance.
Never use one whose overall
length is greater than standard.
Length a of standard
shock:
488.5 mm (19.23 in)
Réglage du ressort après
remplacement
Après avoir remplacé le ressort, veiller à
lajuster à la longueur recommandée
[profondeur 90 à 100 mm (3,5 à 3,9 in)]
et à le régler.
1. Ressort mou
Régler le ressort mou de manière
que la force damortissement à la
détente soit moindre afin de com-
penser son manque de raideur.
Après avoir, à laide du dispositif
de réglage, diminué la force
damortissement à la détente dun
ou deux déclics, rouler avec la
moto puis effectuer un nouveau
réglage en fonction des préféren-
ces personnelles.
2. Ressort dur
Régler le ressort de manière à
augmenter la force damortisse-
ment à la détente afin de compen-
ser la plus grande raideur du
ressort. Après avoir, à laide du
dispositif de réglage, augmenté la
force damortissement à la
détente dun ou deux déclics, rou-
ler avec la moto puis effectuer un
nouveau réglage en fonction des
préférences personnelles.
*Un réglage de la force damortis-
sement à la détente entraîne un
changement de la force de com-
pression. Pour corriger, dévisser
le dispositif de réglage de la force
de compression.
ATTENTION:
Lors du remplacement de lamortis-
seur arrière, veiller à monter un
amortisseur dont la longueur totale a
ne dépasse pas la longueur standard
sous peine daltérer les performances.
Ne jamais monter un amortisseur
dont la longueur totale est supérieure
à la longueur standard.
Longueur a de
lamortisseur standard:
488,5 mm (19,23 in)
REGLAGE
4 - 36
TUN
Feder nach Austausch einstellen
Nach dem Austauschen der Feder
kontrollieren, ob die Einbaulänge 90
100 mm (3,53,9 in) beträgt und ggf.
einstellen.
1. Weiche Feder
Zum Kompensieren der gerin-
geren Federvorspannung
einer weichen Feder kann die
Zugstufen-Dämpfungskraft
verringert werden. Die Zugstu-
fen-Dämpfungskraft um ein
oder zwei Raststellungen wei-
cher einstellen und nach einer
Probefahrt ggf. nachstellen.
2. Harte Feder
Zum Kompensieren der grö-
ßeren Federvorspannung
einer harten Feder kann die
Zugstufen-Dämpfungskraft
vergrößert werden. Die Zug-
stufen-Dämpfungskraft um ein
oder zwei Raststellungen här-
ter einstellen und nach einer
Probefahrt ggf. nachstellen.
*Nach einer Veränderung der
Zugstufen-Dämpfungskraft
muss gewöhnlich auch die
Druckstufen-Dämpfungskraft
entsprechend eingestellt wer-
den. Dazu die untere Druck-
stufen-Dämpfungskraft
weicher einstellen.
ACHTUNG:
Beim Austauschen des Feder-
beins darauf achten, dass dessen
Gesamtlänge a das Standardmaß
nicht überschreitet, um Leistungs-
einbußen zu vermeiden. Die Stan-
dardlänge unter keinen
Umständen überschreiten.
Länge a des Standard-
Federbeins:
488,5 mm (19,23 in)
Impostazione della molla dopo la
sostituzione
Dopo la sostituzione, assicurarsi di rego-
lare la molla alla lunghezza impostata
[affondamento 90 ~ 100 mm (3,5 ~
3,9 in)] e impostare.
1. Utilizzo di una molla morbida
Impostare la molla morbida con
uno smorzamento in estensione
inferiore per compensare il suo
carico inferiore. Far scattare il
dispositivo di regolazione dello
smorzamento in estensione uno o
due volte sul lato morbido e rego-
lare nuovamente come si preferi-
sce.
2. Utilizzo di una molla rigida
Impostare la molla rigida con uno
smorzamento in estensione supe-
riore per compensare il suo carico
superiore. Far scattare il disposi-
tivo di regolazione dello smorza-
mento in estensione uno o due
volte sul lato rigido e regolare
nuovamente come si preferisce.
*La regolazione dello smorza-
mento in estensione provocherà
un cambiamento più o meno evi-
dente dello smorzamento in com-
pressione. Per correggere, ruotare
il dispositivo di regolazione dello
smorzamento in bassa compres-
sione sul lato morbido.
ATTENZIONE:
Se si utilizza un ammortizzatore poste-
riore diverso da quello installato, sce-
gliere quello la cui lunghezza totale a
non superi la misura standard, altri-
menti potrebbero verificarsi malfun-
zionamenti. Non utilizzare mai un
ammortizzatore la cui lunghezza
totale superi la misura standard.
Lunghezza a
ammortizzatore standard:
488,5 mm (19,23 in)
Ajuste del muelle después de
cambiarlo
Después del cambio no olvide ajus-
tar el muelle con la longitud exten-
dida [longitud retraída 90 ~ 100 mm
(3,5 ~ 3,9 in)] y fíjela.
1. Uso de un muelle blando
Ajuste el muelle blando redu-
ciendo la amortiguación en
extensión para compensar la
menor tensión del muelle.
Mueva el regulador de amorti-
guación en extensión uno o
dos chasquidos por el lado
más blando y reajústelo según
sus preferencias.
2. Uso de un muelle rígido
Ajuste el muelle blando
aumentando la amortiguación
en extensión para compensar
la mayor tensión del muelle.
Mueva el regulador de amorti-
guación en extensión uno o
dos chasquidos por el lado
más rígido y reajústelo según
sus preferencias.
*El ajuste de la amortiguación
en extensión irá más o menos
seguido de una modificación
de la amortiguación en com-
presión. Para corregirla, gire el
regulador de amortiguación en
compresión baja en el lado
más blando.
ATENCION:
Cuando vaya a utilizar un amorti-
guador que no sea el instalado
actualmente, utilice uno cuya lon-
gitud total a no sobrepase el
valor estándar, ya que funcionar
incorrectamente. No utilice nunca
uno cuya longitud sea superior a
la estándar.
Longitud a del
amortiguador estándar:
488,5 mm (19,23 in)
EINSTELLUNG
IMPOSTAZIONE
PUESTA A PUNTO
4 - 37
TUN
SETTING
EC72Q000
Rear shock absorber setting parts
Rear shock spring 1
NOTE:
The I.D. color a is marked at the end
of the spring.
Extent of adjustment
(spring length)
TYPE SPRING
RATE
SPRING
PART
NUMBER
I.D.
COLOR/
POINT
SPRING
FREE
LENGTH
SOFT
4.3
4.5
4.7
4.9
5.1
5UN-22212-00
5UN-22212-10
5UN-22212-20
5UN-22212-30
5UN-22212-40
Brown/1
Green/1
Red/1
Black/1
Blue/1
260
260
260
260
260
STD 5.3 5UN-22212-50 Yellow/1 260
STIFF 5.5
5.7
5UN-22212-60
5UN-22212-70
Pink/1
White/1
260
260
SPRING FREE
LENGTH
EXTENT OF
ADJUSTMENT
b
260 mm
(10.24 in)
238.5 ~ 258.5 mm
(9.39 ~ 10.18 in)
Pièces de réglage de lamortisseur
arrière
Ressort damortisseur arrière 1
N.B.:
Le repère de couleur a se trouve à
lextrémité du ressort.
Plage de réglage
(longueur du ressort)
TYPE
RAI-
DEUR
DU
RES-
SORT
REFERENCE
DU RESSORT
REPERE
COU-
LEUR/
POINT
LON-
GUEUR
LIBRE
DU RES-
SORT
MOU
4,3
4,5
4,7
4,9
5,1
5UN-22212-00
5UN-22212-10
5UN-22212-20
5UN-22212-30
5UN-22212-40
Brun/1
Vert/1
Rouge/1
Noir/1
Bleu/1
260
260
260
260
260
STD 5,3 5UN-22212-50 Jaune/1 260
DUR 5,5
5,7
5UN-22212-60
5UN-22212-70
Rose/1
Blanc/1
260
260
LONGUEUR
LIBRE DU
RESSORT
PLAGE DE
REGLAGE b
260 mm
(10,24 in)
238,5 à 258,5 mm
(9,39 à 10,18 in)
REGLAGE
4 - 38
TUN
Einstellbare Federbein-Bauteile
Feder 1
HINWEIS:
Die Kennzeichnung a ist am
Federende angebracht.
Einstellbereich
(Einbaulänge)
AUS-
FÜH-
RUNG
FEDER-
RATE
TEILENUM-
MER
KENN-
ZEICH-
NUNG
(FARBE/
ANZAHL
PUNKTE)
UNGE-
SPANNTE
LÄNGE
WEICH
4,3
4,5
4,7
4,9
5,1
5UN-22212-00
5UN-22212-10
5UN-22212-20
5UN-22212-30
5UN-22212-40
Braun/1
Grün/1
Rot/1
Schwarz/1
Blau/1
260
260
260
260
260
STD 5,3 5UN-22212-50 Gelb/1 260
HART 5,5
5,7
5UN-22212-60
5UN-22212-70
Rosa/1
Weiß/1
260
260
UNGESPANNTE
LÄNGE
EINSTELLBE-
REICH b
260 mm
(10,24 in)
238,5258,5 mm
(9,3910,18 in)
Componenti di impostazione
ammortizzatore posteriore
Molla ammortizzatore posteriore 1
NOTA:
Il colore I.D. a è indicato sullestremità
della molla.
Punto di regolazione
(lunghezza della molla)
TIPO
COSTANTE
MOLLA
NUMERO
PARTE
MOLLA
COLORE
I.D./
PUNTO
LUN-
GHEZZA
LIBERA
DELLA
MOLLA
MOR-
BIDO
4,3
4,5
4,7
4,9
5,1
5UN-22212-00
5UN-22212-10
5UN-22212-20
5UN-22212-30
5UN-22212-40
Marrone/1
Verde/1
Rosso/1
Nero/1
Blu/1
260
260
260
260
260
STD 5,3 5UN-22212-50 Giallo/1 260
RIGIDO
5,5
5,7
5UN-22212-60
5UN-22212-70
Rosa/1
Bianco/1
260
260
LUNGHEZZA
LIBERA DELLA
MOLLA
PUNTO DI
REGOLAZIONE
b
260 mm
(10,24 in)
238,5 ~ 258,5 mm
(9,39 ~ 10,18 in)
Piezas de ajuste del amortiguador
trasero
Muelle del amortiguador trasero 1
NOTA:
El color de identificación a está mar-
cado en el extremo del muelle.
Amplitud del ajuste
(longitud del muelle)
TIPO
TEN-
SIÓN
DEL
MUE-
LLE
REFERENCIA
DEL MUELLE
COLOR
DE IDEN-
TIFICA-
CIÓN/
PUNTO
LONGI-
TUD
LIBRE
DEL
MUELLE
BLANDO
4,3
4,5
4,7
4,9
5,1
5UN-22212-00
5UN-22212-10
5UN-22212-20
5UN-22212-30
5UN-22212-40
Marrón/1
Verde/1
Rojo/1
Negro/1
Azul/1
260
260
260
260
260
STD 5,3 5UN-22212-50
Amarillo/1
260
RÍGIDO
5,5
5,7
5UN-22212-60
5UN-22212-70
Rosa/1
Blanco/1
260
260
LONGITUD
LIBRE DEL
MUELLE
EXTENSIÓN
DEL AJUSTE b
260 mm
(10,24 in)
238,5 ~ 258,5 mm
(9,39 ~ 10,18 in)
EINSTELLUNG
IMPOSTAZIONE
PUESTA A PUNTO
4 - 39
TUN
SETTING
EC72H002
Suspension setting
Front fork
NOTE:
If any of the following symptoms is experienced with the standard position as the base, make resetting by reference to
the adjustment procedure given in the same chart.
Before any change, set the rear shock absorber sunken length to the standard figure 90 ~ 100 mm (3.5 ~ 3.9 in).
Symptom
Section
Check Adjust
Jump Large
gap
Medium
gap
Small
gap
Stiff over entire range
Compression damping
Oil level (oil amount)
Spring
Turn adjuster counterclockwise (about 2 clicks) to
decrease damping.
Decrease oil level by about 5 ~ 10 mm (0.2 ~ 0.4 in).
Replace with soft spring.
Unsmooth movement
over entire range
Outer tube
Inner tube
Under bracket tightening
torque
Check for any bends, dents, and other noticeable
scars, etc. If any, replace affected parts.
Retighten to specified torque.
Poor initial
movement
Rebound damping
Oil seal
Turn adjuster counterclockwise (about 2 clicks) to
decrease damping.
Apply grease in oil seal wall.
Soft over entire
range, bottoming out
Compression damping
Oil level (oil amount)
Spring
Turn adjuster clockwise (about 2 clicks) to increase
damping.
Increase oil level by about 5 ~ 10 mm (0.2 ~ 0.4 in).
Replace with stiff spring.
Stiff toward stroke
end Oil level (oil amount) Decrease oil level by about 5 mm (0.2 in).
Soft toward stroke
end, bottoming out Oil level (oil amount) Increase oil level by about 5 mm (0.2 in).
Stiff initial movement Compression damping Turn adjuster counterclockwise (about 2 clicks) to
decrease damping.
Low front, tending to
lower front posture
Compression damping
Rebound damping
Balance with rear end
Oil level (oil amount)
Turn adjuster clockwise (about 2 clicks) to increase
damping.
Turn adjuster counterclockwise (about 2 clicks) to
decrease damping.
Set sunken length for 95 ~ 100 mm (3.7 ~ 3.9 in)
when one passenger is astride seat (lower rear
posture).
Increase oil level by about 5 mm (0.2 in).
Obtrusive front,
tending to upper front
posture
Compression damping
Balance with rear end
Spring
Oil lever (oil amount)
Turn adjuster counterclockwise (about 2 clicks) to
decrease damping.
Set sunken length for 90 ~ 95 mm (3.5 ~ 3.7 in)
when one passenger is astride seat (upper rear
posture).
Replace with soft spring.
Decrease oil level by about 5 ~ 10 mm (0.2 ~ 0.4 in).
4 - 40
TUN
SETTING
Rear shock absorber
NOTE:
If any of the following symptoms is experienced with the standard position as the base, make resetting by reference to
the adjustment procedure given in the same chart.
Adjust the rebound damping in 2-click increments or decrements.
Adjust the low compression damping in 1-click increments or decrements.
Adjust the high compression damping in 1/6 turn increments or decrements.
Symptom
Section
Check Adjust
Jump Large
gap
Medium
gap
Small
gap
Stiff, tending to sink
Rebound damping
Spring set length
Turn adjuster counterclockwise (about 2 clicks) to
decrease damping.
Set sunken length for 90 ~ 100 mm (3.5 ~ 3.9 in)
when one passenger is astride seat.
Spongy and unstable
Rebound damping
Low compression
damping
Spring
Turn adjuster clockwise (about 2 clicks) to increase
damping.
Turn adjuster clockwise (about 1 click) to increase
damping.
Replace with stiff spring.
Heavy and dragging
Rebound damping
Spring
Turn adjuster counterclockwise (about 2 clicks) to
decrease damping.
Replace with soft spring.
Poor road gripping
Rebound damping
Low compression
damping
High compression
damping
Spring set length
Spring
Turn adjuster counterclockwise (about 2 clicks) to
decrease damping.
Turn adjuster clockwise (about 1 clicks) to increase
damping.
Turn adjuster clockwise (about 1/6 clicks) to
increase damping.
Set sunken length for 90 ~ 100 mm (3.5 ~ 3.9 in)
when one passenger is astride seat.
Replace with soft spring.
Bottoming out
High compression
damping
Spring set length
Spring
Turn adjuster clockwise (about 1/6 turn) to increase
damping.
Set sunken length for 90 ~ 100 mm (3.5 ~ 3.9 in)
when one passenger in astride seat.
Replace with stiff spring.
Bouncing
Rebound damping
Spring
Turn adjuster clockwise (about 2 clicks) to increase
damping.
Replace with soft spring.
Stiff travel
High compression
damping
Spring set length
Spring
Turn adjuster counterclockwise (about 1/6 turn) to
decrease damping.
Set sunken length for 90 ~ 100 mm (3.5 ~ 3.9 in)
when one passenger is astride seat.
Replace with soft spring.
4 - 41
TUN
Réglage de la suspension
Fourche
N.B.:
Si un des symptômes décrits ci-dessous apparaît alors que le réglage de la suspension est standard, effectuer un nouveau réglage en
se référant aux procédures reprises dans le tableau.
Avant toute modification, régler la longueur de lamortisseur arrière comprimé à la valeur standard de 90 à 100 mm (3,5 à 3,9 in).
Symptômes
Section
Contrôler Régler
Saut Grand
trou
Trou
moyen
Petit
trou
Toujours dur
Amortissement à la
compression
Niveau dhuile (quantité
dhuile)
Ressort
Tourner le dispositif de réglage dans le sens inverse des
aiguilles dune montre (de 2 déclics) pour réduire
lamortissement.
Réduire le niveau dhuile denviron 5 à 10 mm (0,2 à
0,4 in).
Monter un ressort mou.
Mouvement toujours
irrégulier
Fourreau
Tube plongeur
Couple de serrage du té
inférieur
Vérifier sil y des coudes, coups ou tout autre
endommagement visible. Si tel est le cas, remplacer les
parties endommagées.
Resserrer au couple spécifié.
Mauvais mouvement
initial
Amortissement à la détente
Bague d’étanchéité
Tourner le dispositif de réglage dans le sens inverse des
aiguilles dune montre (de 2 déclics) pour réduire
lamortissement.
Enduire la bague d’étanchéité dhuile.
Toujours doux,
débattement
Amortissement à la
compression
Niveau dhuile (quantité
dhuile)
Ressort
Tourner le dispositif de réglage dans le sens des aiguilles
dune montre (de 2 déclics) pour augmenter
lamortissement.
Augmenter le niveau dhuile denviron 5 à 10 mm (0,2 à
0,4 in).
Monter un ressort dur.
Dur en fin de course Niveau dhuile (quantité
dhuile) Réduire le niveau dhuile denviron 5 mm (0,2 in).
Dur en fin de course,
débattement
Niveau dhuile (quantité
dhuile) Augmenter le niveau dhuile denviron 5 mm (0,2 in).
Mouvement initial dur Amortissement à la
compression
Tourner le dispositif de réglage dans le sens inverse des
aiguilles dune montre (de 2 déclics) pour réduire
lamortissement.
Avant bas, position
avant basse
Amortissement à la
compression
Amortissement à la détente
Equilibre avec larrière
Niveau dhuile (quantité
dhuile)
Tourner le dispositif de réglage dans le sens des aiguilles
dune montre (de 2 déclics) pour augmenter
lamortissement.
Tourner le dispositif de réglage dans le sens inverse des
aiguilles dune montre (de 2 déclics) pour réduire
lamortissement.
Régler la longueur sur 95 à 100 mm (3,7 à 3,9 in) avec
une personne assise correctement sur la selle (position
arrière basse).
Augmenter le niveau dhuile denviron 5 mm (0,2 in).
Avant qui accroche,
position avant haute
Amortissement à la
compression
Equilibre avec larrière
Ressort
Niveau dhuile (quantité
dhuile)
Tourner le dispositif de réglage dans le sens inverse des
aiguilles dune montre (de 2 déclics) pour réduire
lamortissement.
Régler la longueur sur 90 à 95 mm (3,5 à 3,7 in) avec une
personne assise correctement sur la selle (position arrière
haute).
Monter un ressort mou.
Réduire le niveau dhuile denviron 5 à 10 mm (0,2 à
0,4 in).
REGLAGE
4 - 42
TUN
Amortisseur arrière
N.B.:
Si un des symptômes décrits ci-dessous apparaît alors que le réglage de la suspension est standard, effectuer un nouveau réglage en
se référant aux procédures reprises dans le tableau.
Régler lamortissement à la détente de 2 clics, dans un sens ou dans lautre.
Régler la force damortissement à la détente basse de 1 clic, dans un sens ou dans lautre.
Régler la force damortissement à la détente hausse par 1/6 de tour, dans un sens ou dans lautre.
Symptômes
Section
Contrôler Régler
Saut Grand
trou
Trou
moyen
Petit
trou
Dur, tendance à
saffaisser
Amortissement à la détente
Longueur de ressort installé
Tourner le dispositif de réglage dans le sens inverse des
aiguilles dune montre (de 2 déclics) pour réduire
lamortissement.
Régler la longueur sur 90 à 100 mm (3,5 à 3,9 in) avec
une personne assise correctement sur la selle.
Spongieux et instable
Amortissement à la détente
Amortissement à la
compression bas
Ressort
Tourner le dispositif de réglage dans le sens des aiguilles
dune montre (de 2 déclics) pour augmenter
lamortissement.
Tourner le dispositif de réglage dans le sens des aiguilles
dune montre (env. 1 déclic) pour augmenter
lamortissement.
Monter un ressort dur.
Lourd et traînant
Amortissement à la détente
Ressort
Tourner le dispositif de réglage dans le sens inverse des
aiguilles dune montre (de 2 déclics) pour réduire
lamortissement.
Monter un ressort mou.
Mauvaise tenue de route
Amortissement à la détente
Amortissement à la
compression bas
Amortissement à la
compression haut
Longueur de ressort installé
Ressort
Tourner le dispositif de réglage dans le sens inverse des
aiguilles dune montre (de 2 déclics) pour réduire
lamortissement.
Tourner le dispositif de réglage dans le sens des aiguilles
dune montre (de 1 déclic) pour augmenter
lamortissement.
Tourner le dispositif de réglage dans le sens des aiguilles
dune montre (de 1/6 de déclic) pour augmenter
lamortissement.
Régler la longueur sur 90 à 100 mm (3,5 à 3,9 in) avec
une personne assise correctement sur la selle.
Monter un ressort mou.
Débattement
Amortissement à la
compression haut
Longueur de ressort installé
Ressort
Tourner le dispositif de réglage dans le sens des aiguilles
dune montre (de 1/6 de tour) pour augmenter
lamortissement.
Régler la longueur sur 90 à 100 mm (3,5 à 3,9 in) avec
une personne assise correctement sur la selle.
Monter un ressort dur.
Rebondissement
Amortissement à la détente
Ressort
Tourner le dispositif de réglage dans le sens des aiguilles
dune montre (de 2 déclics) pour augmenter
lamortissement.
Monter un ressort mou.
Course dure
Amortissement à la
compression haut
Longueur de ressort installé
Ressort
Tourner le dispositif de réglage dans le sens inverse des
aiguilles dune montre (de 1/6 de tour) pour diminuer
lamortissement.
Régler la longueur sur 90 à 100 mm (3,5 à 3,9 in) avec
une personne assise correctement sur la selle.
Monter un ressort mou.
REGLAGE
4 - 43
TUN
Radaufhängung einstellen
Teleskopgabel
HINWEIS:
Treten bei der Standardeinstellung die in folgender Tabelle aufgeführten Symptome auf, die entsprechenden Einstellun-
gen ausführen.
Vor der Einstellung sicherstellen, dass die Einbaulänge der Federbein-Feder 90100 mm (3,53,9 in) beträgt.
Symptom
Abschnitt
Kontrolle Einstellung
Sprung Großer
Abstand
Mittlerer
Abstand
Kleiner
Abstand
Hart im Gesamten
Bereich
Druckstufen-
Dämpfungskraft
Ölstand (Ölmenge)
Feder
Den Einsteller (ca. 2 Raststellungen) im
Gegenuhrzeigersinn drehen, um die Dämpfungskraft
zu verringern.
Den Ölstand um ca. 510 mm (0,20,4 in) senken.
Weichere Feder einbauen.
Raue Bewegung im
gesamten Bereich
Standrohr
Gleitrohr
Anzugsmoment, untere
Gabelbrücke
Auf Verbiegung, Dellen und andere sichtbare
Schäden kontrollieren. Betroffene Teile ggf.
erneuern.
Vorschriftsmäßig festziehen.
Bewegung
am Anfang schwierig.
Zugstufen-
Dämpfungskraft
Dichtring
Den Einsteller (ca. 2 Raststellungen) im
Gegenuhrzeigersinn drehen, um die Dämpfungskraft
zu verringern.
Dichtringwandung mit Schmierfett bestreichen.
Weich im gesamten
Bereich; schlägt
durch
Druckstufen-
Dämpfungskraft
Ölstand (Ölmenge)
Feder
Den Einsteller (ca. 2 Raststellungen) im
Uhrzeigersinn drehen, um die Dämpfungskraft zu
erhöhen.
Den Ölstand um ca. 510 mm (0,20,4 in) anheben.
Härtere Feder einbauen.
Hart am Ende Ölstand (Ölmenge) Den Ölstand um ca. 5 mm (0,2 in) senken.
Weich am Ende,
schlägt durch Ölstand (Ölmenge) Den Ölstand um ca. 5 mm (0,2 in) anheben.
Steif am Anfang Druckstufen-
Dämpfungskraft
Den Einsteller (ca. 2 Raststellungen) im
Gegenuhrzeigersinn drehen, um die Dämpfungskraft
zu verringern.
Front niedrig, neigt
nach vorn
Druckstufen-
Dämpfungskraft
Zugstufen-
Dämpfungskraft
Ausgleich mit Heck
Ölstand (Ölmenge)
Den Einsteller (ca. 2 Raststellungen) im
Uhrzeigersinn drehen, um die Dämpfungskraft zu
erhöhen.
Den Einsteller (ca. 2 Raststellungen) im
Gegenuhrzeigersinn drehen, um die Dämpfungskraft
zu verringern.
Die Einbaulänge auf 95100 mm (3,73,9 in)
einstellen, um das Motorrad nach hinten zu neigen.
Den Ölstand um ca. 5 mm (0,2 in) anheben.
Front hoch, neigt
nach hinten
Druckstufen-
Dämpfungskraft
Ausgleich mit Heck
Feder
Ölstand (Ölmenge)
Den Einsteller (ca. 2 Raststellungen) im
Gegenuhrzeigersinn drehen, um die Dämpfungskraft
zu verringern.
Die Einbaulänge auf 9095 mm (3,53,7 in)
einstellen, um das Motorrad nach vorn zu neigen.
Weichere Feder einbauen.
Den Ölstand um ca. 510 mm (0,20,4 in) senken.
EINSTELLUNG
4 - 44
TUN
Federbein
HINWEIS:
Treten bei der Standardeinstellung die in folgender Tabelle aufgeführten Symptome auf, die entsprechenden Einstellun-
gen ausführen.
Die Zugstufen-Dämpfungskraft um je 2 Raststellungen verstellen.
Die untere Druckstufen-Dämpfungskraft um je eine Raststellung verstellen.
Die obere Druckstufen-Dämpfungskraft um je 1/6 Umdrehung verstellen.
Symptom
Abschnitt
Kontrolle Einstellung
Sprung Großer
Abstand Mittlerer
Abstand Kleiner
Abstand
Steif, sinkt leicht ein
Zugstufen-
Dämpfungskraft
Feder-Einbaulänge
Den Einsteller (ca. 2 Raststellungen) im
Gegenuhrzeigersinn drehen, um die Dämpfungskraft
zu verringern.
Die Einbaulänge auf 90100 mm (3,53,9 in)
einstellen.
Schwammig, unstabil
Zugstufen-
Dämpfungskraft
Untere Druckstufen-
Dämpfungskraft
Feder
Den Einsteller (ca. zwei Raststellungen) im
Uhrzeigersinn drehen, um die Dämpfungskraft zu
erhöhen.
Den Einsteller (ca. eine Raststellungen) im
Uhrzeigersinn drehen, um die Dämpfungskraft zu
erhöhen.
Härtere Feder einbauen.
Schwer und zögernd
Zugstufen-
Dämpfungskraft
Feder
Den Einsteller (ca. zwei Raststellungen) im
Gegenuhrzeigersinn drehen, um die Dämpfungskraft
zu verringern.
Weichere Feder einbauen.
Schlechte
Bodenhaftung
Zugstufen-
Dämpfungskraft
Untere Druckstufen-
Dämpfungskraft
Obere Druckstufen-
Dämpfungskraft
Feder-Einbaulänge
Feder
Den Einsteller (ca. zwei Raststellungen) im
Gegenuhrzeigersinn drehen, um die Dämpfungskraft
zu verringern.
Den Einsteller (ca. eine Raststellungen) im
Uhrzeigersinn drehen, um die Dämpfungskraft zu
erhöhen.
Den Einsteller (ca. 1/6 Umdrehung) im
Uhrzeigersinn drehen, um die Dämpfungskraft zu
erhöhen.
Die Einbaulänge auf 90100 mm (3,53,9 in)
einstellen.
Weichere Feder einbauen.
Schlägt durch
Obere Druckstufen-
Dämpfungskraft
Feder-Einbaulänge
Feder
Den Einsteller (ca. 1/6 Umdrehung) im
Uhrzeigersinn drehen, um die Dämpfungskraft zu
erhöhen.
Die Einbaulänge auf 90100 mm (3,53,9 in)
einstellen.
Härtere Feder einbauen.
Wippt
Zugstufen-
Dämpfungskraft
Feder
Den Einsteller (ca. zwei Raststellungen) im
Uhrzeigersinn drehen, um die Dämpfungskraft zu
erhöhen.
Weichere Feder einbauen.
Steif
Obere Druckstufen-
Dämpfungskraft
Feder-Einbaulänge
Feder
Den Einsteller (ca. 1/6 Umdrehung) im
Gegenuhrzeigersinn drehen, um die Dämpfungskraft
zu senken.
Die Einbaulänge auf 90100 mm (3,53,9 in)
einstellen.
Weichere Feder einbauen.
EINSTELLUNG
4 - 45
TUN
Impostazione sospensione
Forcella anteriore
NOTA:
Se, trovandosi in posizione standard, si verifica uno dei seguenti sintomi, impostare nuovamente utilizzando come riferimento la
procedura di regolazione indicata nella stessa tabella.
Prima di apportare qualsiasi modifica, impostare laffondamento dellammortizzatore posteriore al valore standard 90 ~ 100 mm
(3,5 ~ 3,9 in).
Sintomo
Sezione
Controllare Regolare
Salto Buca
grande
Buca
media
Buca
piccola
Rigido in tutte le
condizioni
Smorzamento in
compressione
Livello dellolio (quantità di
olio)
Molla
Ruotare il dispositivo di regolazione in senso antiorario
(circa 2 scatti) per diminuire lo smorzamento.
Diminuire il livello dellolio di circa 5 ~ 10 mm (0,2 ~
0,4 in).
Sostituire con una molla morbida.
Movimento non
uniforme in tutte le
condizioni
Gambale
Tubo di forza
Coppia di serraggio staffa
superiore
Controllare deformazioni, tacche e altri segni visibili.
Sostituire i componenti danneggiati.
Serrare nuovamente alla coppia specificata.
Scarso movimento
iniziale
Smorzamento in espansione
Paraolio
Ruotare il dispositivo di regolazione in senso antiorario
(circa 2 scatti) per diminuire lo smorzamento.
Applicare grasso alle pareti del paraolio.
Morbido in tutte le
condizioni,
compressione completa
Smorzamento in
compressione
Livello dellolio (quantità di
olio)
Molla
Ruotare il dispositivo di regolazione in senso orario (circa
2 scatti) per aumentare lo smorzamento.
Aumentare il livello dellolio di circa 5 ~ 10 mm (0,2 ~
0,4 in).
Sostituire con una molla rigida.
Rigido verso la fine
della corsa
Livello dellolio (quantità di
olio) Diminuire il livello dellolio di circa 5 mm (0,2 in).
Morbido verso la fine
della corsa,
compressione completa
Livello dellolio (quantità di
olio) Aumentare il livello dellolio di circa 5 mm (0,2 in).
Movimento iniziale
rigido
Smorzamento in
compressione
Ruotare il dispositivo di regolazione in senso antiorario
(circa 2 scatti) per diminuire lo smorzamento.
Fronte basso, tendenza
ad abbassare la
posizione frontale
Smorzamento in
compressione
Smorzamento in espansione
Equilibrio con lestremità
posteriore
Livello dellolio (quantità di
olio)
Ruotare il dispositivo di regolazione in senso orario (circa
2 scatti) per aumentare lo smorzamento.
Ruotare il dispositivo di regolazione in senso antiorario
(circa 2 scatti) per diminuire lo smorzamento.
Impostare laffondamento di 95 ~ 100 mm (3,7 ~ 3,9 in)
se vi è un passeggero a bordo (posizione posteriore bassa).
Aumentare il livello dellolio di circa 5 mm (0,2 in).
Fronte invadente,
tendenza ad innalzare la
posizione frontale
Smorzamento in
compressione
Equilibrio con lestremità
posteriore
Molla
Livella dellolio (quantità di
olio)
Ruotare il dispositivo di regolazione in senso antiorario
(circa 2 scatti) per diminuire lo smorzamento.
Impostare laffondamento di 90 ~ 95 mm (3,5 ~ 3,7 in) se
vi è un passeggero a bordo (posizione posteriore alta).
Sostituire con una molla morbida.
Diminuire il livello dellolio di circa 5 ~ 10 mm (0,2 ~
0,4 in).
IMPOSTAZIONE
4 - 46
TUN
Ammortizzatore posteriore
NOTA:
Se, trovandosi in posizione standard, si verifica uno dei seguenti sintomi, impostare nuovamente utilizzando come riferimento la
procedura di regolazione indicata nella stessa tabella.
Regolare lo smorzamento in estensione con incrementi o diminuzioni di 2 scatti.
Regolare lo smorzamento in bassa compressione con incrementi o diminuzioni di 1 scatto.
Regolare lo smorzamento in alta compressione con incrementi o diminuzioni di 1/6 di scatto.
Sintomo
Sezione
Controllare Regolare
Salto Buca
grande
Buca
media
Buca
piccola
Rigido, tendenza
allaffondamento
Smorzamento in espansione
Lunghezza impostata della
molla
Ruotare il dispositivo di regolazione in senso antiorario
(circa 2 scatti) per diminuire lo smorzamento.
Impostare laffondamento di 90 ~ 100 mm (3,5 ~ 3,9 in)
se vi è un passeggero a bordo.
Spugnoso e instabile
Smorzamento in espansione
Smorzamento in bassa
compressione
Molla
Ruotare il dispositivo di regolazione in senso orario (circa
2 scatti) per aumentare lo smorzamento.
Ruotare il dispositivo di regolazione in senso orario (circa
1 scatto) per aumentare lo smorzamento.
Sostituire con una molla rigida.
Pesante e non
scorrevole
Smorzamento in espansione
Molla
Ruotare il dispositivo di regolazione in senso antiorario
(circa 2 scatti) per diminuire lo smorzamento.
Sostituire con una molla morbida.
Scarsa tenuta di strada
Smorzamento in espansione
Smorzamento in bassa
compressione
Smorzamento in alta
compressione
Lunghezza impostata della
molla
Molla
Ruotare il dispositivo di regolazione in senso antiorario
(circa 2 scatti) per diminuire lo smorzamento.
Ruotare il dispositivo di regolazione in senso orario (circa
1 scatto) per aumentare lo smorzamento.
Ruotare il dispositivo di regolazione in senso orario (circa
1/6 di scatto) per aumentare lo smorzamento.
Impostare laffondamento di 90 ~ 100 mm (3,5 ~ 3,9 in)
se vi è un passeggero a bordo.
Sostituire con una molla morbida.
Compressione completa
Smorzamento in alta
compressione
Lunghezza impostata della
molla
Molla
Ruotare il dispositivo di regolazione in senso orario (circa
1/6 di giro) per aumentare lo smorzamento.
Impostare laffondamento di 90 ~ 100 mm (3,5 ~ 3,9 in)
se vi è un passeggero a bordo.
Sostituire con una molla rigida.
Rimbalzo
Smorzamento in espansione
Molla
Ruotare il dispositivo di regolazione in senso orario (circa
2 scatti) per aumentare lo smorzamento.
Sostituire con una molla morbida.
Corsa rigida
Smorzamento in alta
compressione
Lunghezza impostata della
molla
Molla
Ruotare il dispositivo di regolazione in senso antiorario
(circa 1/6 di giro) per diminuire lo smorzamento.
Impostare laffondamento di 90 ~ 100 mm (3,5 ~ 3,9 in)
se vi è un passeggero a bordo.
Sostituire con una molla morbida.
IMPOSTAZIONE
4 - 47
TUN
Ajuste de la suspensión
Horquilla delantera
NOTA:
Si observa cualquiera de los siguientes síntomas con la posición estándar como base, reajuste según el procedimiento
de ajuste que se facilita en el mismo cuadro.
Antes de efectuar cualquier cambio, ajuste la longitud retraída del amortiguador al valor estándar de 90 ~ 100 mm (3,5
~ 3,9 in).
Síntoma
Sección
Comprobar Ajustar
Salto Hueco
grande
Hueco
medio
Hueco
pequeño
Rígido en toda la
gama
Amortiguación en
compresión
Nivel de aceite (cantidad
de aceite)
Muelle
Gire el regulador en el sentido contrario al de las
agujas del reloj (unos dos chasquidos) para reducir
la amortiguación.
Reduzca el nivel de aceite en unos 5 ~ 10 mm (0,2 ~
0,4 in).
Cámbielo por un muelle blando.
Movimiento no suave
en toda la gama
Tubo exterior
Tubo interior
Par de apriete del soporte
inferior
Comprobar si hay deformaciones, grietas y otros
daños visibles, etc. Si los hay, cambiar las piezas
afectadas.
Reapretar con el par especificado.
Movimiento inicial
deficiente
Amortiguación en
extensión
Junta de aceite
Gire el regulador en el sentido contrario al de las
agujas del reloj (unos dos chasquidos) para reducir
la amortiguación.
Aplique grasa a la pared de la junta de aceite.
Blando en toda la
gama, recuperando
Amortiguación en
compresión
Nivel de aceite (cantidad
de aceite)
Muelle
Gire el regulador en el sentido de las agujas del reloj
(unos dos chasquidos) para aumentar la
amortiguación.
Aumente el nivel de aceite en unos 5 ~ 10 mm (0,2 ~
0,4 in).
Cámbielo por un muelle rígido.
Rígido hacia el final
de la carrera
Nivel de aceite (cantidad
de aceite) Reduzca el nivel de aceite en unos 5 mm (0,2 in).
Blando hacia el final
de la carrera,
recuperando
Nivel de aceite (cantidad
de aceite) Aumente el nivel de aceite en unos 5 mm (0,2 in).
Movimiento inicial
rígido
Amortiguación en
compresión
Gire el regulador en el sentido contrario al de las
agujas del reloj (unos dos chasquidos) para reducir
la amortiguación.
Parte delantera baja,
con tendencia a bajar
Amortiguación en
compresión
Amortiguación en
extensión
Equilibrio con el extremo
trasero
Nivel de aceite (cantidad
de aceite)
Gire el regulador en el sentido de las agujas del reloj
(unos dos chasquidos) para aumentar la
amortiguación.
Gire el regulador en el sentido contrario al de las
agujas del reloj (unos dos chasquidos) para reducir
la amortiguación.
Ajuste la longitud retraída a 95 ~ 100 mm (3,7 ~
3,9 in) con el pasajero en el sillín (parte trasera más
baja).
Aumente el nivel de aceite en unos 5 mm (0,2 in).
Parte delantera
«obstrusiva», con
tendencia a subir
Amortiguación en
compresión
Equilibrio con el extremo
trasero
Muelle
Nivel de aceite (cantidad
de aceite)
Gire el regulador en el sentido contrario al de las
agujas del reloj (unos dos chasquidos) para reducir
la amortiguación.
Ajuste la longitud retraída a 90 ~ 95 mm (3,5 ~
3,7 in) con el pasajero en el sillín (parte trasera más
alta).
Cámbielo por un muelle blando.
Reduzca el nivel de aceite en unos 5 ~ 10 mm (0,2 ~
0,4 in).
PUESTA A PUNTO
4 - 48
TUN
Amortiguador trasero
NOTA:
Si observa cualquiera de los siguientes síntomas con la posición estándar como base, reajuste según el procedimiento
de ajuste que se facilita en el mismo cuadro.
Ajuste la amortiguación en extensión en incrementos o decrementos de dos chasquidos.
Ajuste la amortiguación en compresión baja en incrementos o decrementos de un chasquido.
Ajuste la amortiguación en compresión alta en incrementos o decrementos de 1/6 de vuelta.
Síntoma
Sección
Comprobar Ajustar
Salto Hueco
grande
Hueco
medio
Hueco
pequeño
Rígido con tendencia
a hundirse
Amortiguación en
extensión
Longitud extendida del
muelle
Gire el regulador en el sentido contrario al de las
agujas del reloj (unos dos chasquidos) para reducir
la amortiguación.
Ajuste la longitud retraída a 90 ~ 100 mm (3,5 ~
3,9 in) con el pasajero en el sillín.
Esponjoso e inestable
Amortiguación en
extensión
Amortiguación en
compresión baja
Muelle
Gire el regulador en el sentido de las agujas del reloj
(unos dos chasquidos) para aumentar la
amortiguación.
Gire el regulador en el sentido de las agujas del reloj
(aproximadamente un chasquido) para aumentar la
amortiguación.
Cámbielo por un muelle rígido.
Pesado y arrastra
Amortiguación en
extensión
Muelle
Gire el regulador en el sentido contrario al de las
agujas del reloj (unos dos chasquidos) para reducir
la amortiguación.
Cámbielo por un muelle blando.
Agarre deficiente
Amortiguación en
extensión
Amortiguación en
compresión baja
Amortiguación en
compresión alta
Longitud extendida del
muelle
Muelle
Gire el regulador en el sentido contrario al de las
agujas del reloj (unos dos chasquidos) para reducir
la amortiguación.
Gire el regulador en el sentido de las agujas del reloj
(aproximadamente un chasquido) para aumentar la
amortiguación.
Gire el regulador en el sentido de las agujas del reloj
(aproximadamente 1/6 chasquido) para aumentar la
amortiguación.
Ajuste la longitud retraída a 90 ~ 100 mm (3,5 ~
3,9 in) con el pasajero en el sillín.
Cámbielo por un muelle blando.
Recuperación
Amortiguación en
compresión alta
Longitud extendida del
muelle
Muelle
Gire el regulador en el sentido de las agujas del reloj
(aproximadamente 1/6 de vuelta) para aumentar la
amortiguación.
Ajuste la longitud retraída a 90 ~ 100 mm (3,5 ~
3,9 in) con el pasajero en el sillín.
Cámbielo por un muelle rígido.
Rebote
Amortiguación en
extensión
Muelle
Gire el regulador en el sentido de las agujas del reloj
(unos dos chasquidos) para aumentar la
amortiguación.
Cámbielo por un muelle blando.
Recorrido rígido
Amortiguación en
compresión alta
Longitud extendida del
muelle
Muelle
Gire el regulador en el sentido contrario al de las
agujas del reloj (aproximadamente 1/6 de vuelta)
reducir la amortiguación.
Ajuste la longitud retraída a 90 ~ 100 mm (3,5 ~
3,9 in) con el pasajero en el sillín.
Cámbielo por un muelle blando.
PUESTA A PUNTO
5 - 1
ENG
RADIATOR
ENGINE
EC450001
RADIATOR
NOTE:
This section is intended for those who have basic knowledge and skill concerning the
servicing of Yamaha motorcycles (e.g., Yamaha dealers, service engineers, etc.)
Those who have little knowledge and skill concerning servicing are requested not to
undertake inspection, adjustment, disassembly, or reassembly only by reference to
this manual. It may lead to servicing trouble and mechanical damage.
Extent of removal: 1 Radiator removal
Extent of removal Order Part name Qty Remarks
RADIATOR REMOVAL
Preparation for removal Drain the coolant. Refer to COOLANT REPLACEMENT section in the
CHAPTER 3.
Seat, fuel tank and left side cover Refer to SEAT, FUEL TANK AND SIDE COVERS
section in the CHAPTER 3.
1 Radiator guard 2
2 Radiator hose clamp 10 Only loosening.
3 Radiator hose 1 1
4 Left radiator 1
5 Radiator hose 3 1
6 Radiator pipe 2 1
7 Radiator hose 5 1
8 Catch tank hose 1
9 Right radiator 1
10 Radiator hose 2 1
11 Radiator hose 4 1
12 Radiator pipe 1 1
13 Catch tank breather hose 1
14 Catch tank 1
1
5 - 2
ENG
MOTEUR
RADIATEUR
Organisation de la dépose: 1 Dépose du radiateur
Organisation de la dépose Ordre Nom de la pièce QtéRemarques
DEPOSE DU RADIATEUR
Préparation à la dépose Vidanger le liquide de refroidissement. Se reporter à la section CHANGEMENT DU LIQUIDE
DE REFROIDISSEMENT au CHAPITRE 3.
Selle, réservoir de carburant et cache latéral
gauche
Se reporter à la section SELLE, RESERVOIR DE
CARBURANT ET CACHES LATERAUX au
CHAPITRE 3.
1 Plaque de protection du radiateur 2
2 Bride de durit de radiateur 10 Desserrer uniquement.
3 Durit de radiateur 1 1
4 Radiateur gauche 1
5 Durit de radiateur 3 1
6 Tuyau de radiateur 2 1
7 Durit de radiateur 5 1
8 Durit du réservoir de récupération 1
9 Radiateur droit 1
10 Durit de radiateur 2 1
11 Durit de radiateur 4 1
12 Tuyau de radiateur 1 1
13 Durit de mise à lair du réservoir de
récupération
1
14 Réservoir de récupération 1
N.B.:
Cette section est destinée aux personnes possédant des connaissances et des compétences de
base pour lentretien des motos Yamaha (par ex.: concessionnaires Yamaha, techniciens
dentretien, etc.). Les personnes non qualifiées ne doivent entreprendre les opérations dins-
pection, de réglage, de démontage ou de remontage que sils se réfèrent à ce manuel. Sinon,
ils pourraient engendrer des problèmes dentretien et des dommages mécaniques.
1
MOTOR
KÜHLER
Arbeitsumfang: 1 Kühler demontieren
Arbeitsumfang
Reihenfolge
Bauteil Anz. Bemerkungen
KÜHLER DEMONTIEREN
Vorbereitungsarbeiten Die Kühlflüssigkeit ablassen. Siehe unter KÜHLFLÜSSIGKEIT WECHSELN in
KAPITEL 3.
Sitzbank, Kraftstofftank und
Seitenabdeckungen
Siehe unter SITZBANK, KRAFTSTOFFTANK UND
SEITENABDECKUNGEN in KAPITEL 3.
1Kühlerschutz 2
2Kühler-Schlauchschelle 10 Lediglich lockern.
3Kühler-Schlauch 1 1
4Kühler links 1
5Kühler-Schlauch 3 1
6Kühlerrohr 2 1
7Kühler-schlauch 5 1
8 Auffangtank-Schlauch 1
9Kühler rechts 1
10 Kühler-Schlauch 2 1
11 Kühler-Schlauch 4 1
12 Kühlerrohr 1 1
13 Auffangtank-Belüftungsschlauch 1
14 Auffangtank 1
HINWEIS:
Dieser Abschnitt ist für Personen, die über grundlegende Kenntnisse und Fähigkei-
ten in der Wartung von Yamaha-Motorrädern verfügen (z.B.: Yamaha-Händler, War-
tungspersonal etc.). Personen mit geringen Kenntnissen und Fähigkeiten über
Wartungsarbeiten wird empfohlen, keine Inspektionen, Einstellungen, Demontagen
durchzuführen und Montagen nur mit Hilfe dieses Handbuchs vorzunehmen. Es
könnten sonst Wartungsprobleme und mechanische Schäden auftreten.
1
RADIATEUR
KÜHLER
1
2
3
4
5
6
7
5 - 3
ENG
MOTORE
RADIATORE
NOTA:
Questo paragrafo è rivolto a coloro che possiedono già conoscenze e competenze di base rela-
tive alla manutenzione di motocicli Yamaha (p.es. concessionari Yamaha, tecnici della manu-
tenzione, ecc.). Alle persone con scarse conoscenze e competenze in materia di manutenzione
si consiglia di non eseguire alcun intervento di ispezione, regolazione, smontaggio o rimon-
taggio facendo esclusivamente riferimento al presente manuale. Ciò potrebbe comportare pro-
blemi di manutenzione e danni meccanici.
Estensione della rimozione: 1 Rimozione del radiatore
Estensione della rimozione Ordine Denominazione QuantitàOsservazioni
RIMOZIONE DEL RADIATORE
Preparazione per la rimozione Scaricare il refrigerante. Fare riferimento al paragrafo SOSTITUZIONE DEL
REFRIGERANTE nel CAPITOLO 3.
Sella, serbatoio carburante e fianchetto sinistro Fare riferimento al paragrafo SELLA, SERBATOIO
CARBURANTE E FIANCHETTI nel CAPITOLO 3.
1 Riparo radiatore 2
2 Giunto flessibile del radiatore 10 Allentare soltanto.
3 Flessibile radiatore 1 1
4 Radiatore sinistro 1
5 Flessibile radiatore 3 1
6 Tubo del radiatore 2 1
7 Fessibile radiatore 5 1
8 Flessibile del serbatoio di raccolta 1
9 Radiatore destro 1
10 Flessibile radiatore 2 1
11 Flessibile radiatore 4 1
12 Tubo del radiatore 1 1
13 Flessibile di sfiato del serbatoio di raccolta 1
14 Serbatoio di raccolta 1
1
RADIATORE
5 - 4
ENG
MOTOR
RADIADOR
Extensión del desmontaje: 1 Desmontaje del radiador
Extensión del desmontaje Orden Nombre de la pieza Ctd. Observaciones
DESMONTAJE DEL RADIADOR
Preparación para el
desmontaje
Vacíe el refrigerante. Consulte el apartado CAMBIO DEL
REFRIGERANTE del CAPÍTULO 3.
Sillín, depósito de combustible y cubierta
lateral izquierda
Consulte el apartado SILLÍN, DEPÓSITO DE
COMBUSTIBLE Y CUBIERTAS LATERALES del
CAPÍTULO 3.
1 Protector del radiador 2
2 Abrazadera del tubo del radiador 10 Sólo aflojar.
3 Tubo del radiador 1 1
4 Radiador izquierdo 1
5 Tubo del radiador 3 1
6 Tubería del radiador 2 1
7 Tubo del radiador 5 1
8 Tubo del depósito de recuperación1
9 Radiador derecho 1
10 Tubo del radiador 2 1
11 Tubo del radiador 4 1
12 Tubería del radiador 1 1
13 Tubo respiradero del depósito de
recuperación
1
14 Depósito de recuperación1
NOTA:
Esta sección está dirigida a los usuarios que tienen conocimientos y habilidades
básicos referentes al mantenimiento de motocicletas Yamaha (p.ej., distribuidores
Yamaha, ingenieros de mantenimiento, etc.) Recomendamos que los usuarios con
pocos conocimientos y habilidades referentes al mantenimiento no inspeccionen,
ajusten, desmonten ni vuelvan a montar sólo tomando este manual como referencia.
Puede provocar problemas de mantenimiento y daños mecánicos.
1
RADIADOR
5 - 5
ENG
RADIATOR
EC456000
HANDLING NOTE
WARNING
Do not remove the radiator cap
when the engine and radiator are
hot. Scalding hot fluid and steam
may be blown out under pressure,
which could cause serious injury.
When the engine has cooled, open
the radiator cap by the following
procedure:
Place a thick rag, like a towel, over
the radiator cap, slowly rotate the
cap counterclockwise to the
detent. This procedure allows any
residual pressure to escape. When
the hissing sound has stopped,
press down on the cap while turn-
ing counterclockwise and remove
it.
EC454000
INSPECTION
EC444100
Radiator
1. Inspect:
Radiator core 1
Obstruction Blow out with
compressed air through rear of
the radiator.
Bent fin Repair/replace.
EC455000
ASSEMBLY AND INSTALLATION
Radiator
1. Install:
O-ring 1
Radiator pipe 1 2
Bolt (radiator pipe) 3
NOTE:
Apply the lithium soap base grease
on the O-ring.
T
R
.
.
10 Nm (1.0 m · kg, 7.2 ft · lb)
New
REMARQUES CONCERNANT LA
MANIPULATION
AVERTISSEMENT
Ne pas enlever le bouchon du radia-
teur quand le moteur et le radiateur
sont chauds. Du liquide chaud et de la
vapeur risquent de jaillir sous forte
pression et de provoquer des brûlures
graves.
Une fois le moteur refroidi, ouvrir le
bouchon du radiateur en procédant
comme suit:
Placer un chiffon épais, une serviette
par exemple, sur le bouchon et tour-
ner lentement ce dernier dans le sens
inverse des aiguilles dune montre
jusquau point de détente. Ceci per-
met à la pression résiduelle de
s’échapper. Quand le sifflement
sarrête, appuyer sur le bouchon tout
en le faisant tourner dans le sens
inverse des aiguilles dune montre
puis lenlever.
CONTROLE
Radiateur
1. Contrôler:
Faisceau de radiateur 1
Obstruction Nettoyer à lair
comprimé par larrière du radia-
teur.
Ailette tordue Réparer/rempla-
cer.
ASSEMBLAGE ET MONTAGE
Radiateur
1. Monter:
Joint torique 1
Tuyau de radiateur 1 2
Boulon (tuyau de radiateur) 3
N.B.:
Appliquer de la graisse à savon de
lithium sur le joint torique.
T
R
.
.
10 Nm (1,0 m · kg, 7,2 ft · lb)
New
RADIATEUR
5 - 6
ENG
HANDHABUNGSHINWEISE
WARNUNG
Der Kühlerverschlussdeckel darf
niemals bei heißem Motor abge-
nommen werden. Austretender
Dampf und heiße Kühlflüssigkeit
können ernsthafte Verbrühungen
verursachen.
Den Kühlerverschlussdeckel
immer erst nach Abkühlen des
Motors, wie nachfolgend beschrie-
ben, öffnen:
Einen dicken Lappen über den
Kühlerverschlussdeckel legen
und dann den Deckel langsam im
Gegenuhrzeigersinn bis zum
Anschlag drehen. Dadurch kann
der restliche Druck entweichen.
Erst wenn kein Zischen mehr zu
vernehmen ist, den Verschluss-
dekkel eindrücken und im Gegen-
uhrzeigersinn abschrauben.
KONTROLLE
Kühler
1. Kontrollieren:
Kühlerblock 1
Verstopfung Von der Rück-
seite mit Druckluft ausblasen.
Kühlerlamellen verbogen
Instand setzen/erneuern.
ZUSAMMENBAU UND MONTAGE
Kühler
1. Montieren:
O-Ring 1
Kühlerrohr 1 2
Kühlerrohr-Schraube 3
HINWEIS:
Den O-Ring mit Lithiumseifenfett
bestreichen.
T
R
.
.
10 Nm (1,0 m · kg, 7,2 ft · lb)
New
NOTA PER LA MANIPOLAZIONE
AVVERTENZA
Non rimuovere il coperchio del radia-
tore quando il motore e il radiatore
sono caldi. Si potrebbe verificare la
fuoriuscita di liquido bollente e vapore
sotto pressione, con conseguenti gravi
infortuni.
Quando il motore si è raffreddato,
aprire il coperchio del radiatore
facendo riferimento alla procedura
seguente:
Collocare un panno spesso. come un
asciugamano, sul coperchio del radia-
tore e ruotare lentamente il coperchio
in senso antiorario fino al fermo. Que-
sta procedura consente la fuoriuscita
della pressione residua. Quando non si
sente più il sibilo caratteristico, rimuo-
vere il coperchio premendo e svitando
in senso antiorario.
CONTROLLO
Radiatore
1. Controllare:
Nucleo del radiatore 1
Ostruzione Pulire soffiando
aria compressa dalla parte poste-
riore del radiatore.
Aletta piegata Riparare/sosti-
tuire.
MONTAGGIO E INSTALLAZIONE
Radiatore
1. Installare:
Guarnizione circolare 1
Tubo del radiatore 1 2
Bullone (tubo del radiatore) 3
NOTA:
Applicare il grasso a base di sapone di
litio sulla guarnizione circolare.
T
R
.
.
10 Nm (1,0 m · kg, 7,2 ft · lb)
New
NOTA RELATIVA A LA
MANIPULACIÓN
ADVERTENCIA
No quite el tapón del radiador
cuando el motor y el radiador
estén calientes. Puede salir un
chorro a presión de líquido y
vapor calientes y provocar graves
lesiones.
Cuando el motor se haya enfriado,
abra el tapón del radiador del
modo siguiente:
Coloque un trapo grueso, como
una toalla, sobre el tapón del
radiador y gire lentamente el
tapón en el sentido contrario al de
las agujas del reloj hasta el tope.
Con esta operación se libera la
presión residual. Cuando deje de
oírse el silbido, presione el tapón
hacia abajo mientras lo gira en el
sentido contrario al de las agujas
del reloj y luego extráigalo.
COMPROBACIÓN
Radiador
1. Comprobar:
Núcleo del radiador 1
Obstrucción Aplicar aire
comprimido por la parte poste-
rior del radiador.
Aleta doblada Reparar/
cambiar.
MONTAJE E INSTALACIÓN
Radiador
1. Instalar:
Junta tórica 1
Tubería del radiador 1 2
Tornillo (tubo del radiador) 3
NOTA:
Aplique grasa de jabón de litio a la
junta tórica.
T
R
.
.
10 Nm (1,0 m · kg, 7,2 ft · lb)
New
KÜHLER
RADIATORE
RADIADOR
5 - 7
ENG
RADIATOR
2. Install:
Catch tank hose 1
Radiator hose 2 2
Radiator hose 3 3
Radiator pipe 2 4
Radiator hose 5 5
Radiator hose 4 6
To right radiator 7.
2
1
6
7
3
4
5
3. Install:
Right radiator 1
Bolt (right radiator) 2
Radiator hose 5 3
Refer to CABLE ROUTING
DIAGRAM section in the
CHAPTER 2.
T
R
.
.
10 Nm (1.0 m · kg, 7.2 ft · lb)
4. Install:
Left radiator 1
Bolt (left radiator) 2
Radiator hose 1 3
Refer to CABLE ROUTING
DIAGRAM section in the
CHAPTER 2.
5. Tighten:
Radiator hose clamp 4
T
R
.
.
10 Nm (1.0 m · kg, 7.2 ft · lb)
T
R
.
.
2 Nm (0.2 m · kg, 1.4 ft · lb)
T
R
.
.
2 Nm (0.2 m · kg, 1.4 ft · lb)
6. Install:
Radiator guard 1
NOTE:
First fit the inner hook portion a and
then the outer one b onto the radia-
tor.
7. Install:
Catch tank 1
Bolt (catch tank) 2
Bolt (catch tank) 3
Catch tank hose 4
Catcher tank breather hose 5
Refer to CABLE ROUTING
DIAGRAM section in the
CHAPTER 2.
T
R
.
.
7 Nm (0.7 m · kg, 5.1 ft · lb)
T
R
.
.
16 Nm (1.6 m · kg, 11 ft · lb)
2. Monter:
Durit du réservoir de récupération
1
Durit de radiateur 2 2
Durit de radiateur 3 3
Tuyau de radiateur 2 4
Durit de radiateur 5 5
Durit de radiateur 4 6
Sur le radiateur droit 7.
3. Monter:
Radiateur droit 1
Boulon (radiateur droit) 2
Durit de radiateur 5 3
Se reporter à la section CHEMI-
NEMENT DES CABLES au
CHAPITRE 2.
T
R
.
.
10 Nm (1,0 m · kg, 7,2 ft · lb)
4. Monter:
Radiateur gauche 1
Boulon (radiateur gauche) 2
Durit de radiateur 1 3
Se reporter à la section CHEMI-
NEMENT DES CABLES au
CHAPITRE 2.
5. Serrer:
Collier de durit du radiateur 4
T
R
.
.
10 Nm (1,0 m · kg, 7,2 ft · lb)
T
R
.
.
2 Nm (0,2 m · kg, 1,4 ft · lb)
T
R
.
.
2 Nm (0,2 m · kg, 1,4 ft · lb)
6. Monter:
Plaque de protection du radiateur
1
N.B.:
Placer dabord la partie du crochet
interne a, puis lexterne b sur le radia-
teur.
7. Monter:
Réservoir de récupération 1
Boulon (réservoir de récupéra-
tion) 2
Boulon (réservoir de récupéra-
tion) 3
Durit du réservoir de récupération
4
Durit de mise à lair du réservoir
de récupération 5
Se reporter à la section CHEMI-
NEMENT DES CABLES au
CHAPITRE 2.
T
R
.
.
7 Nm (0,7 m · kg, 5,1 ft · lb)
T
R
.
.
16 Nm (1,6 m · kg, 11 ft · lb)
RADIATEUR
5 - 8
ENG
2. Montieren:
Auffangtank-Schlauch 1
Kühler-Schlauch 2 2
Kühler-Schlauch 3 3
Kühlerrohr 2 4
Kühler-Schlauch 5 5
Kühler-Schlauch 4 6
(an Kühler rechts 7)
3. Montieren:
Kühler rechts 1
Schraube (Kühler rechts) 2
Kühler-Schlauch 5 3
Siehe unter KABELFÜH-
RUNGSDIAGRAMME in
KAPITEL 2.
T
R
.
.
10 Nm (1,0 m · kg, 7,2 ft · lb)
4. Montieren:
Kühler links 1
Schraube (Kühler links ) 2
Kühler-Schlauch 1 3
Siehe unter KABELFÜH-
RUNGSDIAGRAMME in
KAPITEL 2.
5. Festziehen:
Kühler-Schlauchschelle 4
T
R
.
.
10 Nm (1,0 m · kg, 7,2 ft · lb)
T
R
.
.
2 Nm (0,2 m · kg, 1,4 ft · lb)
T
R
.
.
2 Nm (0,2 m · kg, 1,4 ft · lb)
6. Montieren:
Kühlerschutz 1
HINWEIS:
Zuerst das innere Hakenteil a und
danach das äußere b am Kühler
einhängen.
7. Montieren:
Auffangtank 1
Schraube (Auffangtank) 2
Schraube (Auffangtank) 3
Auffangtank-Schlauch 4
Auffangtank-Belüftungs-
schlauch 5
Siehe unter KABELFÜH-
RUNGSDIAGRAMME in
KAPITEL 2.
T
R
.
.
7 Nm (0,7 m · kg, 5,1 ft · lb)
T
R
.
.
16 Nm (1,6 m · kg, 11 ft · lb)
2. Installare:
Flessibile del serbatoio di rac-
colta 1
Flessibile radiatore 2 2
Flessibile radiatore 3 3
Tubo del radiatore 2 4
Flessibile radiatore 5 5
Flessibile radiatore 4 6
Al radiatore destro 7.
3. Installare:
Radiatore destro 1
Bullone (radiatore destro) 2
Flessibile radiatore 5 3
Fare riferimento al paragrafo
SCHEMA PERCORSO DEI
CAVI nel CAPITOLO 2.
T
R
.
.
10 Nm (1,0 m · kg, 7,2 ft · lb)
4. Installare:
Radiatore sinistro 1
Bullone (radiatore sinistro) 2
Flessibile radiatore 1 3
Fare riferimento al paragrafo
SCHEMA PERCORSO DEI
CAVI nel CAPITOLO 2.
5. Serrare:
Giunto flessibile radiatore 4
T
R
.
.
10 Nm (1,0 m · kg, 7,2 ft · lb)
T
R
.
.
2 Nm (0,2 m · kg, 1,4 ft · lb)
T
R
.
.
2 Nm (0,2 m · kg, 1,4 ft · lb)
6. Installare:
Riparo radiatore 1
NOTA:
Infilare prima la parte interna del gancio
a quindi la parte esterna b sul radia-
tore.
7. Installare:
Serbatoio di raccolta 1
Bullone (serbatoio di raccolta) 2
Bullone (serbatoio di raccolta) 3
Flessibile del serbatoio di rac-
colta 4
Flessibile di sfiato del serbatoio
di raccolta 5
Fare riferimento al paragrafo
SCHEMA PERCORSO DEI
CAVI nel CAPITOLO 2.
T
R
.
.
7 Nm (0,7 m · kg, 5,1 ft · lb)
T
R
.
.
16 Nm (1,6 m · kg, 11 ft · lb)
2. Instalar:
Tubo del depósito de recupe-
ración 1
Tubo del radiador 2 2
Tubo del radiador 3 3
Tubería del radiador 2 4
Tubo del radiador 5 5
Tubo del radiador 4 6
Al radiador derecho 7.
3. Instalar:
Radiador derecho 1
Tornillo (radiador derecho) 2
Tubo del radiador 5 3
Consulte el apartado
DIAGRAMA DE CABLEADO
del CAPÍTULO 2.
T
R
.
.
10 Nm (1,0 m · kg, 7,2 ft · lb)
4. Instalar:
Radiador izquierdo 1
Tornillo (radiador izquierdo) 2
Tubo del radiador 1 3
Consulte el apartado
DIAGRAMA DE CABLEADO
del CAPÍTULO 2.
5. Apretar:
Brida del tubo del radiador 4
T
R
.
.
10 Nm (1,0 m · kg, 7,2 ft · lb)
T
R
.
.
2 Nm (0,2 m · kg, 1,4 ft · lb)
T
R
.
.
2 Nm (0,2 m · kg, 1,4 ft · lb)
6. Instalar:
Protector del radiador 1
NOTA:
En primer lugar, encaje la parte inte-
rior del gancho a y luego la exterior
b en el radiador.
7. Instalar:
Depósito de recuperación 1
Tornillo (depósito de recupera-
ción) 2
Tornillo (depósito de recupera-
ción) 3
Tubo del depósito de recupe-
ración 4
Tubo respiradero del depósito
de recuperación 5
Consulte el apartado
DIAGRAMA DE CABLEADO
del CAPÍTULO 2.
T
R
.
.
7 Nm (0,7 m · kg, 5,1 ft · lb)
T
R
.
.
16 Nm (1,6 m · kg, 11 ft · lb)
KÜHLER
RADIATORE
RADIADOR
5 - 9
ENG
CARBURETOR
CARBURETOR
Extent of removal: 1 Carburetor removal
Extent of removal Order Part name Qty Remarks
CARBURETOR REMOVAL
Preparation for removal Seat and fuel tank Refer to SEAT, FUEL TANK AND SIDE COVERS
section in the CHAPTER 3.
Rear shock absorber Refer to REAR SHOCK ABSORBER section in the
CHAPTER 6.
1 Clamp 2
2 Throttle position sensor lead coupler 1
3 Throttle cable cover 1
4 Throttle cable 2
5 Clamp (air filter joint) 1 Loosen the screw (air filter joint).
6 Clamp (carburetor joint) 1 Loosen the screws (carburetor joint).
7 Hot starter plunger 1
8 Carburetor assembly 1
9 Carburetor joint 1
1
5 - 10
ENG
CARBURATEUR
Organisation de la dépose: 1 Dépose du carburateur
Organisation de la dépose Ordre Nom de la pièce QtéRemarques
DEPOSE DU CARBURATEUR
Préparation à la dépose Selle et réservoir de carburant Se reporter à la section SELLE, RESERVOIR DE
CARBURANT ET CACHES LATERAUX au
CHAPITRE 3.
Amortisseur arrière Se reporter à la section AMORTISSEUR ARRIERE au
CHAPITRE 6.
1 Collier 2
2 Fiche rapide du fil du capteur de position de
papillon des gaz
1
3 Couvercle du logement du câble des gaz 1
4Câble des gaz 2
5 Bride (raccord du filtre à air) 1 Desserrer la vis (raccord du filtre à air).
6 Bride (raccord du carburateur) 1 Desserrer les vis (raccord du carburateur).
7 Plongeur de démarrage à chaud 1
8 Carburateur complet 1
9 Raccord de carburateur 1
1
VERGASER
Arbeitsumfang: 1 Vergaser demontieren
Arbeitsumfang
Reihenfolge
Bauteil Anz. Bemerkungen
VERGASER DEMONTIEREN
Vorbereitungsarbeiten Sitzbank und Kraftstofftank Siehe unter SITZBANK, KRAFTSTOFFTANK UND
SEITENABDECKUNGEN in KAPITEL 3.
Federbein Siehe unter FEDERBEIN in KAPITEL 6.
1Klemme 2
2 Drosselklappensensor-Steckverbinder 1
3 Gaszug-Abdeckung 1
4 Gaszug 2
5 Schlauchschelle
(Vergasereinlass-Anschluss)
1 Die Schraube (Vergasereinlass-Anschluss) lockern.
6 Schlauchschelle
(Vergaserauslass-Anschluss)
1 Die Schrauben (Vergaserauslass-Anschluss)
lockern.
7 Warmstartkolben 1
8 Vergaser 1
9 Vergaserauslass-Anschluss 1
1
CARBURATEUR
VERGASER
5 - 11
ENG
CARBURATORE
Estensione della rimozione: 1 Rimozione del carburatore
Estensione della rimozione Ordine Denominazione QuantitàOsservazioni
RIMOZIONE DEL CARBURATORE
Preparazione per la rimozione Sella e serbatoio del carburante Fare riferimento al paragrafo SELLA, SERBATOIO
CARBURANTE E FIANCHETTI nel CAPITOLO 3.
Ammortizzatore posteriore Fare riferimento al paragrafo AMMORTIZZATORE
POSTERIORE nel CAPITOLO 6.
1Morsetto 2
2 Accoppiatore cavo sensore posizione farfalla 1
3 Coperchio cavo acceleratore 1
4 Cavo acceleratore 2
5 Morsetto (giunto del filtro dellaria) 1 Allentare la vite (giunto del filtro dellaria).
6 Morsetto (giunto del carburatore) 1 Allentare le viti (giunto del carburatore).
7 Pistoncino starter a caldo 1
8 Gruppo carburatore 1
9 Giunto del carburatore 1
1
CARBURATORE
5 - 12
ENG
CARBURADOR
Extensión del desmontaje: 1 Desmontaje del carburador
Extensión del desmontaje Orden Nombre de la pieza Ctd. Observaciones
DESMONTAJE DEL CARBURADOR
Preparación para el
desmontaje
Sillín y depósito de combustible Consulte el apartado SILLÍN, DEPÓSITO DE
COMBUSTIBLE Y CUBIERTAS LATERALES del
CAPÍTULO 3.
Amortiguador trasero Consulte el apartado AMORTIGUADOR
TRASERO del CAPÍTULO 6.
1Brida 2
2 Acoplador del cable del sensor de posición
del acelerador
1
3 Funda del cable del acelerador 1
4 Cable del acelerador 2
5 Brida (junta del filtro de aire) 1 Afloje el tornillo (junta del filtro de aire).
6 Brida (junta del carburador) 1 Afloje los tornillos (junta del carburador).
7 Palpador de arranque en caliente 1
8 Conjunto del carburador 1
9 Junta del carburador 1
1
CARBURADOR
5 - 13
ENG
CARBURETOR
EC468000
CARBURETOR DISASSEMBLY
Extent of removal: 1 Carburetor disassembly
Extent of removal Order Part name Qty Remarks
CARBURETOR DISASSEMBLY
1 Carburetor breather hose 4
2 Valve lever housing cover 1
3 Screw (throttle shaft) 1
4 Throttle valve 1
5 Needle holder 1
6 Jet needle 1
7 Accelerator pump cover 1
8 Spring 1
9 Diaphragm (accelerator pump) 1
0 Air cut valve cover 1
A Spring (air cut valve) 1
B Diaphragm (air cut valve) 1
C Float chamber 1
D Leak jet 1
1
5 - 14
ENG
DEMONTAGE DU CARBURATEUR
Organisation de la dépose: 1 Démontage du carburateur
Organisation de la dépose Ordre Nom de la pièce QtéRemarques
DEMONTAGE DU CARBURATEUR
1 Durit de mise à lair du carburateur 4
2 Couvercle du boîtier du levier de soupape 1
3 Vis (axe du papillon) 1
4 Papillon des gaz 1
5 Support daiguille 1
6 Aiguille 1
7 Couvercle de la pompe de reprise 1
8 Ressort 1
9 Diaphragme (pompe de reprise) 1
0 Couvercle du clapet de coupure dair 1
A Ressort (clapet de coupure dair) 1
B Diaphragme (clapet de coupure dair) 1
C Cuve 1
D Gicleur de fuite 1
1
VERGASER ZERLEGEN
Arbeitsumfang: 1 Vergaser zerlegen
Arbeitsumfang
Reihenfolge
Bauteil Anz. Bemerkungen
VERGASER ZERLEGEN
1 Vergaser-Entlüftungsschlauch 4
2 Drosselklappen-Gehäusedeckel 1
3 Schraube (Drosselklappenwelle) 1
4 Drosselklappe 1
5 Nadelsitz 1
6 Düsennadel 1
7 Beschleunigungspumpen-Abdeckung 1
8 Feder 1
9 Membran (Beschleunigungspumpe) 1
0 Abschaltventil-Abdeckung 1
A Feder (Abschaltventil) 1
B Membran (Abschaltventil) 1
C Schwimmerkammer 1
D Ausströmdüse 1
1
CARBURATEUR
VERGASER
5 - 15
ENG
DISASSEMBLAGGIO DEL CARBURATORE
Estensione della rimozione: 1 Disassemblaggio del carburatore
Estensione della rimozione Ordine Denominazione QuantitàOsservazioni
DISASSEMBLAGGIO DEL
CARBURATORE
1 Flessibile di sfiato carburatore 4
2 Coperchio alloggiamento leva della valvola 1
3 Vite (albero farfalla) 1
4 Valvola a farfalla 1
5 Portaspillo 1
6 Spillo del getto 1
7 Coperchio pompa acceleratore 1
8 Molla 1
9 Diaframma (pompa acceleratore) 1
0 Coperchio valvola di interdizione aria 1
A Molla (valvola di interdizione aria) 1
B Diaframma (valvola di interdizione aria) 1
C Vaschetta 1
D Getto di perdita 1
1
CARBURATORE
5 - 16
ENG
DESMONTAJE DEL CARBURADOR
Extensión del desmontaje: 1 Desmontaje del carburador
Extensión del desmontaje Orden Nombre de la pieza Ctd. Observaciones
DESMONTAJE DEL CARBURADOR
1 Tubo respiradero del carburador 4
2 Cubierta del alojamiento de la palanca de
la válvula
1
3 Tornillo (eje del acelerador) 1
4 Válvula de mariposa 1
5 Soporte de la aguja 1
6 Aguja del surtidor 1
7 Tapa de la bomba de aceleración1
8 Muelle 1
9 Diafragma (bomba de aceleración) 1
0 Tapa de la válvula de corte de aire 1
A Muelle (válvula de corte de aire) 1
B Diafragma (válvula de corte de aire) 1
C Cámara del flotador 1
D Surtidor de pérdida 1
1
CARBURADOR
5 - 17
ENG
CARBURETOR
Extent of removal Order Part name Qty Remarks
E Float pin 1
F Float 1
G Needle valve 1
H Main jet 1
I Needle jet 1
J Spacer 1
K Pilot jet 1
L Starter jet 1
M Push rod 1 Pull the push rod.
N Throttle shaft assembly 1
O Push rod link lever assembly 1
P Main air jet 1
Q Pilot air jet 1
R Cold starter plunger 1
1
5 - 18
ENG
Organisation de la dépose Ordre Nom de la pièce QtéRemarques
E Axe de flotteur 1
F Flotteur 1
G Pointeau 1
H Gicleur principal 1
I Gicleur daiguille 1
J Entretoise 1
K Gicleur de ralenti 1
L Gicleur de starter 1
M Tige de débrayage 1 Tirer la tige de débrayage.
N Axe du papillon complet 1
O Ensemble levier articulé de la tige de débrayage 1
P Gicleur dair principal 1
Q Gicleur dair de ralenti 1
R Plongeur de démarrage à froid 1
1
Arbeitsumfang
Reihenfolge
Bauteil Anz. Bemerkungen
E Schwimmerachse 1
F Schwimmer 1
G Nadelventil 1
H Hauptdüse 1
I Nadeldüse 1
J Distanzstück 1
K Leerlaufdüse 1
L Chokedüse 1
M Druckstange 1 An der Druckstange ziehen.
N Drosselklappenwelle 1
O Druckstangen-Verbindungshebel 1
P Hauptluftdüse 1
Q Leerlauf-Luftdüse 1
R Chokeschieber 1
1
CARBURATEUR
VERGASER
5 - 19
ENG
Estensione della rimozione Ordine Denominazione QuantitàOsservazioni
E Perno del galleggiante 1
F Galleggiante 1
G Valvola a spillo 1
H Getto del massimo 1
I Getto a spillo 1
J Distanziatore 1
K Getto del minimo 1
L Getto starter 1
M Asta di blocco 1 Tiare lasta di blocco.
N Gruppo albero farfalla 1
O Gruppo leva di articolazione asta di blocco 1
P Getto dellaria del massimo 1
Q Getto aria del minimo 1
R Pistoncino starter a freddo 1
1
CARBURATORE
5 - 20
ENG
Extensión del desmontaje Orden Nombre de la pieza Ctd. Observaciones
E Pasador del flotador 1
F Flotador 1
G Válvula de aguja 1
H Surtidor principal 1
I Surtidor de aguja 1
J Espaciador 1
K Surtidor piloto 1
L Surtidor de arranque 1
M Barra de empuje 1 Tire de la barra de empuje.
N Conjunto del eje del acelerador 1
O Conjunto de la palanca de unión de la
barra de empuje
1
P Surtidor de aire principal 1
Q Surtidor de aire piloto 1
R Palpador de arranque en frío1
1
CARBURADOR
5 - 21
ENG
CARBURETOR
HANDLING NOTE
CAUTION:
Do not loosen the screws (throttle
position sensor) 1 except when
changing the throttle position sen-
sor due to failure because it will
cause a drop in engine perfor-
mance.
1
INSPECTION
Carburetor
1. Inspect:
Carburetor body
Contamination Clean.
NOTE:
Use a petroleum based solvent for
cleaning. Blow out all passages
and jets with compressed air.
Never use a wire.
2. Inspect:
Main jet 1
Pilot jet 2
Needle jet 3
Starter jet 4
Pilot air jet 5
Leak jet 6
Main air jet 7
Damage Replace.
Contamination Clean.
NOTE:
Use a petroleum based solvent for
cleaning. Blow out all passages
and jets with compressed air.
Never use a wire.
Needle valve
1. Inspect:
Needle valve 1
Valve seat 2
Grooved wear a Replace.
Dust b Clean.
Filter c
Clogged Clean.
REMARQUES CONCERNANT LA
MANIPULATION
ATTENTION:
Ne pas desserrer les vis (capteur de
position de papillon des gaz) 1 sauf
en cas de remplacement du capteur de
position de papillon des gaz en raison
dune panne, car cela provoquerait
une baisse des performances du
moteur.
CONTROLE
Carburateur
1. Contrôler:
Corps du carburateur
Encrassé Nettoyer.
N.B.:
Nettoyer avec un solvant à base de
pétrole. Nettoyer tous les conduits et
gicleurs à lair comprimé.
Ne jamais utiliser de fil métallique.
2. Contrôler:
Gicleur principal 1
Gicleur de ralenti 2
Gicleur daiguille 3
Gicleur de starter 4
Gicleur dair de ralenti 5
Gicleur de fuite 6
Gicleur dair principal 7
Endommagement Remplacer.
Encrassé Nettoyer.
N.B.:
Nettoyer avec un solvant à base de
pétrole. Nettoyer tous les conduits et
gicleurs à lair comprimé.
Ne jamais utiliser de fil métallique.
Pointeau
1. Contrôler:
Pointeau 1
Siège de pointeau 2
Usure en creux a Remplacer.
Poussière b Nettoyer.
Filtre c
Bouché Nettoyer.
CARBURATEUR
5 - 22
ENG
HANDHABUNGSHINWEISE
ACHTUNG:
Die Drosselklappensensor-Schrau-
ben 1 dürfen nicht gelokkert wer-
den, außer wenn der Drosselklap-
pensensor wegen Fehlfunktion zu
erneuern ist, weil das einen Leis-
tungsabfall zur Folge hat.
KONTROLLE
Vergaser
1. Kontrollieren:
Vergasergehäuse
Verunreinigt Reinigen.
HINWEIS:
Zum Reinigen ein Lösungsmittel
auf Petroleumbasis verwenden.
Sämtliche Kanäle und Düsen mit
Druckluft ausblasen.
Niemals einen Draht verwenden.
2. Kontrollieren:
Hauptdüse 1
Leerlaufdüse 2
Nadeldüse 3
Chokedüse 4
Leerlauf-Luftdüse 5
Ausströmdüse 6
Hauptluftdüse 7
Beschädigt Erneuern.
Verunreinigt Reinigen.
HINWEIS:
Zum Reinigen ein Lösungsmittel
auf Petroleumbasis verwenden.
Sämtliche Kanäle und Düsen mit
Druckluft ausblasen.
Niemals einen Draht verwenden.
Nadelventil
1. Kontrollieren:
Nadelventil 1
Ventilsitz 2
Riefig a Erneuern.
Verstaubt b Reinigen.
Filter c
Verstopft Reinigen.
NOTA PER LA MANIPOLAZIONE
ATTENZIONE:
Non allentare le viti (sensore posizione
farfalla) 1 eccetto quando occorre
cambiare il sensore posizione farfalla
a causa di un guasto; lallentamento
causerà un calo delle prestazioni del
motore.
CONTROLLO
Carburatore
1. Controllare:
Corpo del carburatore
Contaminazione Pulire.
NOTA:
Per la pulizia, utilizzare un solvente a
base di petrolio. Pulire tutti i passaggi
e i getti con aria compressa.
Non utilizzare in alcun caso una spaz-
zola metallica.
2. Controllare:
Getto del massimo 1
Getto del minimo 2
Getto a spillo 3
Getto starter 4
Getto aria del minimo 5
Getto di perdita 6
Getto dellaria del massimo 7
Danno Sostituire.
Contaminazione Pulire.
NOTA:
Per la pulizia, utilizzare un solvente a
base di petrolio. Pulire tutti i passaggi
e i getti con aria compressa.
Non utilizzare in alcun caso una spaz-
zola metallica.
Valvola a spillo
1. Controllare:
Valvola a spillo 1
Sede della valvola 2
Usura della scanalatura a
Sostituire.
Polvere b Pulire.
Filtro c
Ostruito Pulire.
NOTA RELATIVA A LA
MANIPULACIÓN
ATENCION:
No afloje los tornillos (sensor de
posición del acelerador) 1 salvo
para cambiar el sensor de posi-
ción del acelerador debido a un
fallo, ya que provocará una dismi-
nución de las prestaciones del
motor.
COMPROBACIÓN
Carburador
1. Comprobar:
Cuerpo del carburador
Contaminación Limpiar.
NOTA:
Utilice un disolvente al petróleo
para limpiarlo. Aplique aire compri-
mido a todos los conductos y surti-
dores.
No utilice nunca un alambre.
2. Comprobar:
Surtidor principal 1
Surtidor piloto 2
Surtidor de aguja 3
Surtidor de arranque 4
Surtidor de aire piloto 5
Surtidor de pérdida 6
Surtidor de aire principal 7
Dañado Cambiar.
Contaminación Limpiar.
NOTA:
Utilice un disolvente al petróleo
para limpiarlo. Aplique aire compri-
mido a todos los conductos y surti-
dores.
No utilice nunca un alambre.
Válvula de aguja
1. Comprobar:
Válvula de aguja 1
Asiento de la válvula 2
Desgaste en estrías a
Cambiar.
Polvo b Limpiar.
Filtro c
Obstruido Limpiar.
VERGASER
CARBURATORE
CARBURADOR
5 - 23
ENG
CARBURETOR
EC464301
Throttle valve
1. Check:
Free movement
Stick Repair or replace.
NOTE:
Insert the throttle valve 1 into the
carburetor body, and check for free
movement.
EC464401
Jet needle
1. Inspect:
Jet needle 1
Bends/wear Replace.
Clip groove
Free play exists/wear
Replace.
Float height
1. Measure:
Float height a
Out of specification Adjust.
Float height:
8.0 mm (0.31 in)
Measurement and adjustment
steps:
Hold the carburetor in an upside
down position.
NOTE:
Slowly tilt the carburetor in the
opposite direction, then take the
measurement when the needle
valve aligns with the float arm.
If the carburetor is level, the
weight of the float will push in
the needle valve, resulting in an
incorrect measurement.
Papillon des gaz
1. Contrôler:
Mouvement
Coincement Réparer ou rem-
placer.
N.B.:
Insérer le papillon des gaz 1 dans le
corps du carburateur et contrôler quil
coulisse librement.
Aiguille
1. Contrôler:
Aiguille 1
Déformation/usure Rempla-
cer.
Rainure du clip
Présence dun jeu/usure Rem-
placer.
Hauteur du flotteur
1. Mesurer:
Hauteur du flotteur a
Hors spécifications Régler.
Hauteur du flotteur:
8,0 mm (0,31 in)
Etapes de la mesure et du réglage:
Tenir le carburateur à lenvers.
N.B.:
Incliner lentement le carburateur
dans le sens opposé puis prendre la
mesure lorsque le pointeau saligne
avec le bras du flotteur.
Si le carburateur est horizontal, le
poids du flotteur repoussera le
pointeau vers lintérieur et la
mesure sera erronée.
CARBURATEUR
5 - 24
ENG
Drosselklappe
1. Kontrollieren:
Leichtgängigkeit
Fest Instand setzen, ggf.
erneuern.
HINWEIS:
Die Drosselklappe 1 in das Verga-
sergehäuse einsetzen und deren
Leichtgängigkeit kontrollieren.
Düsennadel
1. Kontrollieren:
Düsennadel 1
Verbogen/verschlissen
Erneuern.
Clip-Nut
Freies Spiel vorhanden/Ver-
schleiß Erneuern.
Schwimmerstand
1. Messen:
Schwimmerstand a
Nicht nach Vorgabe Einstel-
len.
Schwimmerstand:
8,0 mm (0,31 in)
Messvorgang:
Den Vergaser auf den Kopf
stellen.
HINWEIS:
Den Vergaser langsam
umschwenken und die Mes-
sung vornehmen, wenn das
Nadelventil und der Schimmer-
hebel fluchten.
Bei waagerechtem Vergaser
drückt der Schwimmer das
Nadelventil ein, was zu einem
falschen Messergebnis führt.
Valvola a farfalla
1. Controllare:
Movimento libero
Bloccata Riparare o sostituire.
NOTA:
Inserire la valvola a farfalla 1 nel corpo
del carburatore e controllare il movi-
mento libero.
Spillo del getto
1. Controllare:
Spillo del getto 1
Deformazioni/usura Sostituire.
Scanalatura fermo
Presenza di gioco/usura Sosti-
tuire.
Altezza galleggiante
1. Misurare:
Altezza galleggiante a
Non conforme alle specifiche
Regolare.
Altezza galleggiante:
8,0 mm (0,31 in)
Operazioni per la misurazione e la
regolazione:
Tenere il carburatore in posizione
rovesciata.
NOTA:
Inclinare lentamente il carburatore
nella direzione opposta, quindi ese-
guire la misurazione quando la val-
vola a spillo si allinea con il
braccio del galleggiante.
Se il carburatore è a livello, il peso
del galleggiante spingerà nella val-
vola a spillo, creando una misura-
zione non corretta.
Válvula de mariposa
1. Comprobar:
Movimiento libre
Varilla Reparar o cambiar.
NOTA:
Introduzca la válvula de mariposa 1
en el cuerpo del carburador y com-
pruebe que se mueva libremente.
Aguja del surtidor
1. Comprobar:
Aguja del surtidor 1
Dobladuras/desgaste Cam-
biar.
Surco del clip
Hay holgura/desgaste
Cambiar.
Altura del flotador
1. Medir:
Altura del flotador a
Fuera del valor especificado
Ajustar.
Altura del flotador:
8,0 mm (0,31 in)
Procedimiento de medición y
ajuste:
sostenga el carburador en posi-
ción invertida.
NOTA:
Incline lentamente el carbura-
dor en sentido opuesto y luego
efectúe la medición cuando la
válvula de aguja se alinee con
el brazo del flotador.
Si el carburador está nivelado,
el peso del flotador empujará la
válvula de aguja y, en conse-
cuencia, la medición será inco-
rrecta.
VERGASER
CARBURATORE
CARBURADOR
5 - 25
ENG
CARBURETOR
Measure the distance between
the mating surface of the float
chamber and top of the float
using a vernier calipers.
NOTE:
The float arm should be resting on
the needle valve, but not com-
pressing the needle valve.
If the float height is not within
specification, inspect the valve
seat and needle valve.
If either is worn, replace them
both.
If both are fine, adjust the float
height by bending the float tab
b on the float.
Recheck the float height.
EC464600
Float
1. Inspect:
Float 1
Damage Replace.
Starter plunger
1. Inspect:
Cold starter plunger 1
Hot starter plunger 2
Wear/damage Replace.
Accelerator pump
1. Inspect:
Diaphragm
(accelerator pump) 1
Spring (accelerator pump) 2
Accelerator pump cover 3
O-ring 4
Push rod 5
Tears (diaphragm)/damage
Replace.
Dirt Clean.
A laide dun pied à coulisse,
mesurer la distance entre la surface
de contact de la cuve à niveau
constant et le haut du flotteur.
N.B.:
Le bras du flotteur doit reposer sur le
pointeau mais sans le comprimer.
Si la hauteur du flotteur est hors
spécifications, contrôler le siège de
pointeau et le pointeau.
Si lune ou lautre de ces pièces est
usée, les remplacer toutes les deux.
Si ces deux pièces sont en bon état,
régler la hauteur du flotteur en
courbant la languette du flotteur
b.
Contrôler à nouveau la hauteur du
flotteur.
Flotteur
1. Contrôler:
Flotteur 1
Endommagement Remplacer.
Plongeur de starter
1. Contrôler:
Plongeur de démarrage à froid 1
Plongeur de démarrage à chaud
2
Usure/endommagement Rem-
placer.
Pompe de reprise
1. Contrôler:
Diaphragme
(pompe de reprise) 1
Ressort (pompe de reprise) 2
Couvercle de la pompe de reprise
3
Joint torique 4
Tige de débrayage 5
Craquelures (diaphragme)/
endommagement Remplacer.
Saleté Nettoyer.
CARBURATEUR
5 - 26
ENG
Den Abstand zwischen der
Passfläche der Schwimmer-
kammer und der Oberkante des
Schwimmers mit einem Mess-
schieber messen.
HINWEIS:
Der Schwimmerhebel sollte auf
dem Nadelventil aufliegen, die-
ses aber nicht niederdrücken.
Falls der Schwimmerstand nicht
der Vorgabe entspricht, den
Nadelventilsitz und die Ventil-
nadel kontrollieren.
Bei Verschleiß (auch nur eines
der beiden Teile) beide Bauteile
erneuern.
Falls Nadelventilsitz und Ventil-
nadel in Ordnung sind, den
Schwimmerstand durch leichtes
Biegen der Lasche b einstel-
len.
Den Schwimmerstand erneut
kontrollieren.
Schwimmer
1. Kontrollieren:
Schwimmer 1
Beschädigt Erneuern.
Chokeschieber
1. Kontrollieren:
Chokeschieber 1
Warmstartkolben 2
Verschlissen/beschädigt
Erneuern.
Beschleunigungspumpe
1. Kontrollieren:
Membran
(Beschleunigungspumpe) 1
Feder
(Beschleunigungspumpe) 2
Beschleunigungspumpen-
Abdeckung 3
O-Ring 4
Druckstange 5
Rissig (Membran)/beschädigt
Erneuern.
Verunreinigt Reinigen.
Misurare le distanza tra la superfi-
cie di contatto della vaschetta e la
parte superiore del galleggiante,
utilizzando un calibro a corsoio.
NOTA:
Il braccio del galleggiante deve
appoggiarsi sulla valvola a spillo
senza comprimerla.
Se laltezza galleggiante non rien-
tra nelle specifiche, controllare la
sede valvola e la valvola a spillo.
Se una delle due è usurata, sosti-
tuirle entrambe.
Se entrambe sono a posto, regolare
laltezza galleggiante piegando la
linguetta b sul galleggiante.
Controllare nuovamente laltezza
galleggiante.
Galleggiante
1. Controllare:
Galleggiante 1
Danno Sostituire.
Pistoncino starter
1. Controllare:
Pistoncino starter a freddo 1
Pistoncino starter a caldo 2
Usura/danni Sostituire.
Pompa acceleratore
1. Controllare:
Diaframma
(pompa acceleratore) 1
Molla (pompa acceleratore) 2
Coperchio pompa acceleratore 3
Guarnizione circolare 4
Asta di blocco 5
Lacerazioni (diaframma)/danni
Sostituire.
Sporco Pulire.
Mida la distancia entre la super-
ficie de contacto de la cámara
del flotador y la parte superior
del flotador con un pie de rey.
NOTA:
El brazo del flotador debe estar
apoyado en la válvula de aguja,
pero sin comprimirla.
Si la altura del flotador no se
encuentra dentro del valor
especificado, revise el asiento
de la válvula y la válvula de
aguja.
Si cualquiera de ellos está des-
gastado, cambie los dos.
Si ambos están en buen
estado, ajuste la altura del flota-
dor doblando la pestaña de
este b en el propio flotador.
Vuelva a comprobar la altura
del flotador.
Flotador
1. Comprobar:
Flotador 1
Dañado Cambiar.
Palpador de arranque
1. Comprobar:
Palpador de arranque en frío
1
Palpador de arranque en
caliente 2
Desgaste/daños Cambiar.
Bomba de aceleración
1. Comprobar:
Diafragma
(bomba de aceleración) 1
Muelle (bomba de acelera-
ción) 2
Tapa de la bomba de acelera-
ción 3
Junta tórica 4
Barra de empuje 5
Rotura (diafragma)/daños
Cambiar.
Suciedad Limpiar.
VERGASER
CARBURATORE
CARBURADOR
5 - 27
ENG
CARBURETOR
2. Inspect:
Throttle shaft 1
Spring 2
Lever 1 3
Spring 1 4
Lever 2 5
Spring 2 6
Dirt Clean.
12
34
56
Air cut valve
1. Inspect:
Diaphragm (air cut valve) 1
Spring (air cut valve) 2
Air cut valve cover 3
O-ring 4
Tears (diaphragm)/damage
Replace.
123
4
ASSEMBLY AND INSTALLATION
Carburetor
1. Install:
Cold starter plunger 1
2. Install:
Pilot air jet 1
Main air jet 2
12
3. Install:
Spring 1 1
Lever 1 2
To lever 2 3.
NOTE:
Make sure the spring 1 fits on the
stopper a of the lever 2.
a
3
1
2
4. Install:
Spring 2 1
To lever 2 2.
1
2
5. Install:
Push rod link lever assembly
1
NOTE:
Make sure the stopper a of the
spring 2 fits into the recess b in the
carburetor.
1
a
b
2. Contrôler:
Axe du papillon 1
Ressort 2
Levier 1 3
Ressort 1 4
Levier 2 5
Ressort 2 6
Saleté Nettoyer.
Clapet de coupure dair
1. Contrôler:
Diaphragme
(clapet de coupure dair) 1
Ressort (clapet de coupure dair) 2
Couvercle du clapet de coupure
dair 3
Joint torique 4
Craquelures (diaphragme)/
endommagement Remplacer.
ASSEMBLAGE ET MONTAGE
Carburateur
1. Monter:
Plongeur de démarrage à froid 1
2. Monter:
Gicleur dair de ralenti 1
Gicleur dair principal 2
3. Monter:
Ressort 1 1
Levier 1 2
Sur le levier 2 3.
N.B.:
Veiller à engager le ressort 1 sur la butée
a du levier 2.
4. Monter:
Ressort 2 1
Sur le levier 2 2.
5. Monter:
Ensemble levier articulé de la tige
de débrayage 1
N.B.:
Veiller à engager la butée a du ressort 2
dans la gorge b du carburateur.
CARBURATEUR
5 - 28
ENG
2. Kontrollieren:
Drosselklappenwelle 1
Feder 2
Hebel 1 3
Feder 1 4
Hebel 2 5
Feder 2 6
Verunreinigt Reinigen.
Abschaltventil
1. Kontrollieren:
Membran (Abschaltventil) 1
Feder (Abschaltventil) 2
Abschaltventil-Abdeckung 3
O-Ring 4
Rissig (Membran)/beschädigt
Erneuern.
ZUSAMMENBAU UND MONTAGE
Vergaser
1. Montieren:
Chokeschieber 1
2. Montieren:
Leerlauf-Luftdüse 1
Hauptluftdüse 2
3. Montieren:
Feder 1 1
Hebel 1 2
(an Hebel 2 3)
HINWEIS:
Die Feder 1 muss sich am Anschlag
a von Hebel 2 befinden.
4. Montieren:
Feder 2 1
(an Hebel 2 2)
5. Montieren:
Druckstangen-Verbindungshe-
bel 1
HINWEIS:
Das Ende a von Feder 2 muss in
der entsprechenden Aufnahme b im
Vergasergehäuse sitzen.
2. Controllare:
Albero farfalla 1
Molla 2
Leva 1 3
Molla 1 4
Leva 2 5
Molla 2 6
Sporco Pulire.
Valvola di interdizione aria
1. Controllare:
Diaframma
(valvola di interdizione aria) 1
Molla
(valvola di interdizione aria) 2
Coperchio valvola di interdi-
zione aria 3
Guarnizione circolare 4
Lacerazioni (diaframma)/danni
Sostituire.
MONTAGGIO E INSTALLAZIONE
Carburatore
1. Installare:
Pistoncino starter a freddo 1
2. Installare:
Getto aria del minimo 1
Getto dellaria del massimo 2
3. Installare:
Molla 1 1
Leva 1 2
Sulla leva 2 3.
NOTA:
Accertarsi che la molla 1 sia montata
sullelemento di arresto a della leva 2.
4. Installare:
Molla 2 1
Sulla leva 2 2.
5. Installare:
Gruppo leva di articolazione asta
di blocco 1
NOTA:
Accertarsi che lelemento di arresto a
della molla 2 sia inserito nellincavo b
del carburatore.
2. Comprobar:
Eje del acelerador 1
Muelle 2
Palanca 1 3
Muelle 1 4
Palanca 2 5
Muelle 2 6
Suciedad Limpiar.
Válvula de corte de aire
1. Comprobar:
Diafragma
(válvula de corte de aire) 1
Muelle
(válvula de corte de aire) 2
Tapa de la válvula de corte de
aire 3
Junta tórica 4
Rotura (diafragma)/daños
Cambiar.
MONTAJE E INSTALACIÓN
Carburador
1. Instalar:
Palpador de arranque en frío
1
2. Instalar:
Surtidor de aire piloto 1
Surtidor de aire principal 2
3. Instalar:
Muelle 1 1
Palanca 1 2
A la palanca 2 3.
NOTA:
Verifique que el muelle 1 se ajuste al
tope a de la palanca 2.
4. Instalar:
Muelle 2 1
A la palanca 2 2.
5. Instalar:
Conjunto de la palanca de
unión de la barra de empuje 1
NOTA:
Verifique que el tope a del muelle 2
se ajuste en el rebaje b del carbura-
dor.
VERGASER
CARBURATORE
CARBURADOR
5 - 29
ENG
CARBURETOR
6. Install:
Washer 1
Circlip 2
21
7. Install:
Spring 1
To throttle shaft 2.
NOTE:
Install the bigger hook a of the
spring fits on the stopper b of the
throttle shaft pulley.
8. Install:
Throttle shaft assembly 1
Washer (metal) 2
Washer (resin) 3
Valve lever 4
NOTE:
Apply the fluorochemical grease
on the bearings.
Fit the projection a on the throttle
shaft assembly into the slot b in
the throttle position sensor.
Make sure the stopper c of the
spring fits into the recess in the
carburetor.
Turn the throttle shaft assembly
left while holding down the lever 1
5 and fit the throttle stop screw tip
d to the stopper e of the throttle
shaft assembly pulley.
1234
b
a
c
e
d
5
9. Install:
Push rod 1
NOTE:
While holding down the lever 1 2,
insert the push rod farthest into the
carburetor.
1
2
10. Install:
Starter jet 1
Pilot jet 2
Spacer 3
Needle jet 4
Main jet 5
6. Monter:
Rondelle 1
Circlip 2
7. Monter:
Ressort 1
Sur laxe du papillon 2.
N.B.:
Monter le plus grand crochet a du res-
sort sur la butée b de la poulie de laxe
de papillon.
8. Monter:
Axe du papillon complet 1
Rondelle (métallique) 2
Rondelle (résine) 3
Levier de soupape 4
N.B.:
Appliquer de la graisse à base de com-
posé fluoré sur les paliers.
Engager lergot a de lensemble axe
de papillon dans la fente b du capteur
de position de papillon des gaz.
Veiller à engager la butée c du res-
sort dans la gorge du carburateur.
Tourner lensemble axe de papillon
vers la gauche tout en maintenant le
levier 1 5 abaissé et engager la pointe
de la vis de butée de papillon des gaz
d sur la butée e de la poulie de
lensemble axe de papillon.
9. Monter:
Tige de débrayage 1
N.B.:
Tout en maintenant abaissé le levier 1
2, insérer la tige de débrayage plus
avant dans le carburateur.
10. Monter:
Gicleur de starter 1
Gicleur de ralenti 2
Entretoise 3
Gicleur daiguille 4
Gicleur principal 5
CARBURATEUR
5 - 30
ENG
6. Montieren:
Beilagscheibe 1
Sicherungsring 2
7. Montieren:
Feder 1
(an der Drosselklappenwelle
2)
HINWEIS:
Das längere Ende a der Feder muss
sich am Anschlag b der Drossel-
klappenwellen-Scheibe befinden.
8. Montieren:
Drosselklappenwelle 1
Metall-Beilagscheibe 2
Kunstharz-Beilagscheibe 3
Drosselklappe 4
HINWEIS:
Die Lager mit fluoriertem Schmier-
fett bestreichen.
Die Haltenase a an der Drossel-
klappenwelle in den entsprechen-
den Schlitz b im Drosselklappen-
sensor einsetzen.
Das Ende c der Feder muss in
der entsprechenden Aufnahme im
Vergasergehäuse sitzen.
Die Drosselklappenwelle bei nie-
dergehaltenem Hebel 1 5 drehen
und das Ende d der Leerlaufein-
stellschraube am entsprechenden
Anschlag e der Drosselklappen-
wellen-Scheibe ansetzen.
9. Montieren:
Druckstange 1
HINWEIS:
Bei niedergehaltenem Hebel 1 2 die
Druckstange möglichst weit in das
Vergasergehäuse einschieben.
10. Montieren:
Chokedüse 1
Leerlaufdüse 2
Distanzstück 3
Nadeldüse 4
Hauptdüse 5
6. Installare:
Rondella 1
Anello elastico di sicurezza 2
7. Installare:
Molla 1
Sullalbero farfalla 2.
NOTA:
Installare il gancio più grande a della
molla sullelemento di arresto b della
puleggia dellalbero farfalla.
8. Installare:
Gruppo albero farfalla 1
Rondella (metallica) 2
Rondella (di resina) 3
Leva della valvola 4
NOTA:
Applicare il grasso fluorochimico sui
cuscinetti.
Inserire la sporgenza a sul gruppo
albero farfalla nella fessura b del sen-
sore posizione farfalla.
Accertarsi che lelemento di arresto c
della molla sia montato nellincavo
del carburatore.
Ruotare il gruppo albero farfalla verso
sinistra tenendo abbassata la leva 1 5
e montare lestremità della vite di
arresto valvola farfalla d sullele-
mento di arresto e della puleggia
gruppo albero farfalla.
9. Installare:
Asta di blocco 1
NOTA:
Tenendo abbassata la leva 1 2, inserire
lasta di bollo più a fondo nel carbura-
tore.
10. Installare:
Getto starter 1
Getto del minimo 2
Distanziatore 3
Getto a spillo 4
Getto del massimo 5
6. Instalar:
Arandela 1
Anillo elástico 2
7. Instalar:
Muelle 1
Al eje del acelerador 2.
NOTA:
Instale el gancho grande a del mue-
lle ajustándolo al tope b del disco
del eje del acelerador.
8. Instalar:
Conjunto del eje del acelera-
dor 1
Arandela (metal) 2
Arandela (resina) 3
Palanca de la válvula 4
NOTA:
Aplique grasa fluoroquímica a los
cojinetes.
Ajuste el saliente a del conjunto
del eje del acelerador a la ranura
b del sensor de posición del ace-
lerador.
Verifique que el tope c del muelle
se ajuste en el rebaje del carbura-
dor.
Gire el conjunto del eje del acele-
rador a la izquierda mientras sos-
tiene la palanca 1 en posición baja
5 y coloca la punta del tornillo de
tope del acelerador d en el tope
e del disco del conjunto del eje
del acelerador.
9. Instalar:
Barra de empuje 1
NOTA:
Mientras sostiene la palanca 1 en
posición baja 2, introduzca la barra
de empuje todo lo que pueda en el
carburador.
10. Instalar:
Surtidor de arranque 1
Surtidor piloto 2
Espaciador 3
Surtidor de aguja 4
Surtidor principal 5
VERGASER
CARBURATORE
CARBURADOR
5 - 31
ENG
CARBURETOR
11. Install:
Needle valve 1
Float 2
Float pin 3
NOTE:
After installing the needle valve to
the float, install them to the carbu-
retor.
Check the float for smooth move-
ment.
12. Install:
O-ring
Leak jet 1
Float chamber 2
Bolt (float chamber) 3
Cable holder
(throttle stop screw cable) 4
Hose holder
(carburetor breather hose) 5
13. Install:
Diaphragm (air cut valve) 1
Spring (air cut valve) 2
O-ring 3
Air cut valve cover 4
Holder (cylinder head breather
hose) 5
Screw (air cut valve cover) 6
6
5
3
4
1
2
14. Install:
Diaphragm
(accelerator pump) 1
Spring 2
O-ring 3
Accelerator pump cover 4
Hose holder (drain hose) 5
Screw
(accelerator pump cover) 6
NOTE:
Install the diaphragm (accelerator
pump) with its mark a facing the
spring.
11. Monter:
Pointeau 1
Flotteur 2
Axe de flotteur 3
N.B.:
Après avoir monté le pointeau sur le
flotteur, les monter sur le carburateur.
Contrôler que le flotteur se déplace
librement.
12. Monter:
Joint torique
Gicleur de fuite 1
Cuve 2
Boulon (cuve) 3
Etrier de câble
(câble de la vis de butée de
papillon des gaz) 4
Support de durit
(durit de mise à lair du carbura-
teur) 5
13. Monter:
Diaphragme
(clapet de coupure dair) 1
Ressort (clapet de coupure dair)
2
Joint torique 3
Couvercle du clapet de coupure
dair 4
Support (durit de mise à lair du
cylindre) 5
Vis (couvercle du clapet de cou-
pure dair) 6
14. Monter:
Diaphragme
(pompe de reprise) 1
Ressort 2
Joint torique 3
Couvercle de la pompe de reprise
4
Support de durit
(durit de vidange) 5
Vis (couvercle de la pompe de
reprise) 6
N.B.:
Monter le diaphragme (pompe de
reprise) en orientant son repère a vers
le ressort.
CARBURATEUR
5 - 32
ENG
11. Montieren:
Nadelventil 1
Schwimmer 2
Schwimmerachse 3
HINWEIS:
Zunächst das Nadelventil am
Schwimmer montieren und dann
beide Teile am Vergaser montie-
ren.
Die Leichtgängigkeit des Schwim-
mers kontrollieren.
12. Montieren:
O-Ring
Ausströmdüse 1
Schwimmerkammer 2
Schwimmerkammer-Schraube
3
Zughalterung
(Leerlaufeinstellschraube) 4
Schlauchhalterung
(Vergaser-Entlüftungs-
schlauch) 5
13. Montieren:
Membran (Abschaltventil) 1
Feder (Abschaltventil) 2
O-Ring 3
Abschaltventil-Abdeckung 4
Zylinderkopf-Entlüftungs-
schlauch-Halterung 5
Schraube (Abschaltventil-
Abdeckung) 6
14. Montieren:
Membran
(Beschleunigungspumpe) 1
Feder 2
O-Ring 3
Beschleunigungspumpen-
Abdeckung 4
Ablassschlauch-Halterung 5
Schraube (Beschleunigungs-
pumpen-Abdeckung) 6
HINWEIS:
Die Beschleunigungspumpen-Mem-
bran so montieren, dass deren Mar-
kierung a zur Feder gerichtet ist.
11. Installare:
Valvola a spillo 1
Galleggiante 2
Perno galleggiante 3
NOTA:
Dopo aver installato la valvola a spillo
sul galleggiante, montarli sul carbura-
tore.
Controllare che il movimento del gal-
leggiante sia uniforme.
12. Installare:
Guarnizione circolare
Getto di perdita 1
Vaschetta 2
Bullone (vaschetta) 3
Supporto del cavo
(cavo della vite di arresto valvola
a farfalla) 4
Supporto flessibile
(flessibile di sfiato carburatore)
5
13. Installare:
Diaframma
(valvola di interdizione aria) 1
Molla
(valvola di interdizione aria) 2
Guarnizione circolare 3
Coperchio valvola di interdi-
zione aria 4
Supporto (flessibile di sfiato
testata) 5
Vite (coperchio valvola di inter-
dizione aria) 6
14. Installare:
Diaframma
(pompa acceleratore) 1
Molla 2
Guarnizione circolare 3
Coperchio pompa acceleratore 4
Supporto flessibile (flessibile di
scarico) 5
Vite (coperchio pompa accelera-
tore) 6
NOTA:
Installare il diaframma (pompa accelera-
tore) con il segno a rivolto verso la
molla.
11. Instalar:
Válvula de aguja 1
Flotador 2
Pasador del flotador 3
NOTA:
Después de acoplar la válvula de
aguja al flotador, móntelos en el
carburador.
Compruebe si el flotador se mueve
con suavidad.
12. Instalar:
Junta tórica
Surtidor de pérdida 1
Cámara del flotador 2
Tornillo
(cámara del flotador) 3
Soporte de cable
(tornillo de tope del acelera-
dor) 4
Soporte de tubo
(tubo respiradero del carbura-
dor) 5
13. Instalar:
Diafragma
(válvula de corte de aire) 1
Muelle
(válvula de corte de aire) 2
Junta tórica 3
Tapa de la válvula de corte de
aire 4
Sujeción (tubo respiradero de
la culata) 5
Tornillo (tapa de la válvula de
corte de aire) 6
14. Instalar:
Diafragma
(bomba de aceleración) 1
Muelle 2
Junta tórica 3
Tapa de la bomba de acelera-
ción 4
Soporte del tubo
(tubo de vaciado) 5
Tornillo (tapa de la bomba de
aceleración) 6
NOTA:
Instale el diafragma (bomba de ace-
leración) con la marca a hacia el
muelle.
VERGASER
CARBURATORE
CARBURADOR
5 - 33
ENG
CARBURETOR
15. Install:
Jet needle 1
Collar 2
Spring 3
Needle holder 4
Throttle valve plate 5
To throttle valve 6.
5
6
1
23
4
16. Install:
Throttle valve assembly 1
Screw (throttle shaft) 2
NOTE:
Install the valve lever rollers 3 into
the slits a of the throttle valve.
17. Install:
O-ring 1
Valve lever housing cover 2
Bolt
(valve lever housing cover) 3
18. Install:
Carburetor breather hose 1
NOTE:
Install the carburetor breather hoses
to the carburetor so that the hoses
do not bend near where they are
installed.
Accelerator pump timing
adjustment
Adjustment steps:
NOTE:
In order for the throttle valve
height a to achieve the specified
value, tuck under the throttle
valve plate 1 the rod 2 etc. with
the same outer diameter as the
specified value.
Throttle valve height:
0.8 mm (0.03 in)
Fully turn in the accelerator
pump adjusting screw 3.
Check that the link lever 4 has
free play b by pushing lightly
on it.
Gradually turn out the adjusting
screw while moving the link
lever until it has no more free
play.
15. Monter:
Aiguille 1
Entretoise épaulée 2
Ressort 3
Support daiguille 4
Papillon dadmission 5
Sur le papillon des gaz 6.
16. Monter:
Papillon complet 1
Vis (axe du papillon) 2
N.B.:
Monter les rouleaux du levier de sou-
pape 3 dans les fentes a du papillon.
17. Monter:
Joint torique 1
Couvercle du boîtier du levier de
soupape 2
Boulon
(couvercle du boîtier du levier de
soupape) 3
18. Monter:
Durit de mise à lair du carbura-
teur 1
N.B.:
Monter les durits de mise à lair du car-
burateur sur le carburateur de manière
que les durits ne fassent pas de coude à
proximité de leur point de montage.
Réglage du calage de la pompe de
reprise
Étapes du réglage:
N.B.:
Afin de donner au papillon la hauteur
a spécifiée, glisser sous le papillon
dadmission 1 la tige 2 etc. dont le
diamètre extérieur correspond à la
valeur spécifiée.
Hauteur du papillon:
0,8 mm (0,03 in)
Visser à fond la vis de réglage de la
pompe de reprise 3.
Contrôler que le levier articulé 4 a
du jeu b en appuyant légèrement
dessus.
Dévisser progressivement la vis de
réglage tout en déplaçant le levier
articulé jusqu’à ce quil nait plus
de jeu.
CARBURATEUR
5 - 34
ENG
15. Montieren:
Düsennadel 1
Distanzhülse 2
Feder 3
Nadelsitz 4
Drosselklappen-Platte 5
(an der Drosselklappe 6)
16. Montieren:
Drosselklappe 1
Drosselklappenwellen-
Schraube 2
HINWEIS:
Die Drosselklappenhebel-Rollen 3
in die entsprechenden Schlitze a
der Drosselklappe einsetzen.
17. Montieren:
O-Ring 1
Drosselklappen-Gehäusedek-
kel 2
Schraube (Drosselklappen-
Gehäusedekkel) 3
18. Montieren:
Vergaser-Entlüftungs-
schlauch 1
HINWEIS:
Die Belüftungsschläuche so am Ver-
gaser anschließen, dass sie an der
Anschlussstelle nicht gebogen sind.
Beschleunigungspumpen-
Steuerung einstellen
Arbeitsvorgang:
HINWEIS:
Um die vorgeschriebene Drossel-
klappen-Position a zu gewäh-
ren, ist unter die Drosselklappen-
Platte 1 ein Stäbchen 2 o. Ä. mit
entsprechendem Durchmesser zu
schieben.
Drosselklappen-
Position:
0,8 mm (0,03 in)
Die Beschleunigungspumpen-
Einstellschraube 3 bis zum
Anschlag hineindrehen.
Durch leichten Druck auf den
Verbindungshebel 4 sicherstel-
len, dass dieser Spiel b auf-
weist.
Die Einstellschraube allmählich
herausdrehen und dabei den
Verbindungshebel bewegen, bis
kein Spiel mehr vorhanden ist.
15. Installare:
Spillo del getto 1
Collarino 2
Molla 3
Portaspillo 4
Piastra valvola a farfalla 5
Sulla valvola a farfalla 6.
16. Installare:
Gruppo valvola a farfalla 1
Vite (albero farfalla) 2
NOTA:
Installare i rulli della leva della valvola
3 nelle fessure a della valvola a far-
falla.
17. Installare:
Guarnizione circolare 1
Coperchio alloggiamento leva
della valvola 2
Bullone (coperchio alloggia-
mento leva della valvola) 3
18. Installare:
Flessibile di sfiato carburatore 1
NOTA:
Installare i flessibili di sfiato del carbura-
tore sul carburatore stesso in modo che
non si pieghino in prossimità del luogo
di installazione.
Regolazione della fasatura della
pompa dellacceleratore
Operazioni per la regolazione:
NOTA:
Affinché laltezza della valvola a far-
falla a raggiunga il valore specifi-
cato, introdurre sotto la piastra della
valvola a farfalla 1 lasta 2 ecc. con
il diametro esterno pari al valore spe-
cificato.
Altezza valvola a farfalla:
0,8 mm (0,03 in)
Avvitare completamente la vite di
regolazione della pompa dellacce-
leratore 3.
Controllare che la leva dellartico-
lazione 4 abbia gioco b pre-
mendo leggermente su di essa.
Ruotare gradatamente la vite di
regolazione mentre si sposta la
leva di articolazione, fino a elimi-
nare il gioco.
15. Instalar:
Aguja del surtidor 1
Casquillo 2
Muelle 3
Soporte de la aguja 4
Placa de la válvula de mari-
posa 5
A la válvula de mariposa 6.
16. Instalar:
Conjunto de la válvula de
mariposa 1
Tornillo (eje del acelerador) 2
NOTA:
Instale los rodillos de la palanca de
la válvula 3 en las hendiduras a de
la válvula de mariposa.
17. Instalar:
Junta tórica 1
Cubierta del alojamiento de la
palanca de la válvula 2
Tornillo
(cubierta del alojamiento de la
palanca de la válvula) 3
18. Instalar:
Tubo respiradero del carbura-
dor 1
NOTA:
Acople los tubos respiraderos del
carburador a este de forma que no
se doblen y se aproximen al instalar-
los.
Reglaje de la bomba de
aceleración
Procedimiento de ajuste:
NOTA:
Para que la válvula de mariposa
a se sitúe a la altura especifi-
cada, sujete debajo de la placa de
la válvula 1 la varilla 2 etc. con
el mismo diámetro exterior que el
valor especificado.
Altura de la válvula de
mariposa:
0,8 mm (0,03 in)
Gire completamente hacia den-
tro el tornillo de ajuste de la
bomba de aceleración 3.
Compruebe que la palanca de
unión 4 tenga holgura b
empujándola ligeramente.
Gire gradualmente hacia fuera
el tornillo de ajuste mientras
desplaza la palanca de unión
hasta que ya no tenga holgura.
VERGASER
CARBURATORE
CARBURADOR
5 - 35
ENG
CARBURETOR
Carburetor installation
1. Install:
Carburetor joint 1
T
R
.
.
10 Nm (1.0 m · kg, 7.2 ft · lb)
2. Install:
Carburetor 1
NOTE:
Install the projection a between the
carburetor joint slots.
3. Install:
Hot starter plunger 1
T
R
.
.
2 Nm (0.2 m · kg, 1.4 ft · lb)
1
4. Tighten:
Bolt (carburetor joint) 1
Bolt (air filter joint) 2
T
R
.
.
3 Nm (0.3 m · kg, 2.2 ft · lb)
T
R
.
.
3 Nm (0.3 m · kg, 2.2 ft · lb)
2
1
5. Install:
Throttle cable (pull) 1
Throttle cable (return) 2
T
R
.
.
4 Nm (0.4 m · kg, 2.9 ft · lb)
T
R
.
.
11 Nm (1.1 m · kg, 8.0 ft · lb)
2
1
6. Adjust:
Throttle grip free play
Refer to THROTTLE CABLE
ADJUSTMENT section in the
CHAPTER 3.
7. Install:
Throttle cable cover 1
Bolt (throttle cable cover) 2
T
R
.
.
4 Nm (0.4 m · kg, 2.9 ft · lb)
2
1
Montage du carburateur
1. Monter:
Raccord de carburateur 1
T
R
.
.
10 Nm (1,0 m · kg, 7,2 ft · lb)
2. Monter:
Carburateur 1
N.B.:
Monter lergot a entre les fentes du rac-
cord du carburateur.
3. Monter:
Plongeur de démarrage à chaud
1
T
R
.
.
2 Nm (0,2 m · kg, 1,4 ft · lb)
4. Serrer:
Boulon (raccord du carburateur)
1
Boulon (raccord du filtre à air) 2
T
R
.
.
3 Nm (0,3 m · kg, 2,2 ft · lb)
T
R
.
.
3 Nm (0,3 m · kg, 2,2 ft · lb)
5. Monter:
Câble des gaz (tiré) 1
Câble des gaz (retour) 2
T
R
.
.
4 Nm (0,4 m · kg, 2,9 ft · lb)
T
R
.
.
11 Nm (1,1 m · kg, 8,0 ft · lb)
6. Régler:
Jeu de la poignée des gaz
Se reporter à la section
REGLAGE DU CABLE DES
GAZ au CHAPITRE 3.
7. Monter:
Couvercle du logement du câble
des gaz 1
Boulon (couvercle du logement
du câble des gaz) 2
T
R
.
.
4 Nm (0,4 m · kg, 2,9 ft · lb)
CARBURATEUR
5 - 36
ENG
Vergaser montieren
1. Montieren:
Vergaserauslass-Anschluss 1
T
R
.
.
10 Nm (1,0 m · kg, 7,2 ft · lb)
2. Montieren:
Vergaser 1
HINWEIS:
Die Haltenase a muss im entspre-
chendem Spalt im Vergaser-Auslas-
sanschluss sitzen.
3. Montieren:
Warmstartkolben 1
T
R
.
.
2 Nm (0,2 m · kg, 1,4 ft · lb)
4. Festziehen:
Schraube
(Vergasereinlass-Anschluss) 1
Schraube
(Vergasereinlass-Anschluss) 2
T
R
.
.
3 Nm (0,3 m · kg, 2,2 ft · lb)
T
R
.
.
3 Nm (0,3 m · kg, 2,2 ft · lb)
5. Montieren:
Gasgeberzug 1
Gasnehmerzug 2
T
R
.
.
4 Nm (0,4 m · kg, 2,9 ft · lb)
T
R
.
.
11 Nm (1,1 m · kg, 8,0 ft · lb)
6. Einstellen:
Gaszugspiel am Gasdrehgriff
Siehe unter GASZUG EIN-
STELLEN in KAPITEL 3.
7. Montieren:
Gaszug-Abdeckung 1
Schraube
(Gaszug-Abdekkung) 2
T
R
.
.
4 Nm (0,4 m · kg, 2,9 ft · lb)
Installazione del carburatore
1. Installare:
Giunto del carburatore 1
T
R
.
.
10 Nm (1,0 m · kg, 7,2 ft · lb)
2. Installare:
Carburatore 1
NOTA:
Installare la sporgenza a tra le fessure
del giunto del carburatore.
3. Installare:
Pistoncino starter a caldo 1
T
R
.
.
2 Nm (0,2 m · kg, 1,4 ft · lb)
4. Serrare:
Bullone
(giunto del carburatore) 1
Bullone
(giunto del filtro dellaria) 2
T
R
.
.
3 Nm (0,3 m · kg, 2,2 ft · lb)
T
R
.
.
3 Nm (0,3 m · kg, 2,2 ft · lb)
5. Installare:
Cavo acceleratore (tirare) 1
Cavo acceleratore (ritornare) 2
T
R
.
.
4 Nm (0,4 m · kg, 2,9 ft · lb)
T
R
.
.
11 Nm (1,1 m · kg, 8,0 ft · lb)
6. Regolare:
Gioco manopola acceleratore
Fare riferimento al paragrafo
REGOLAZIONE CAVO
ACCELERATORE nel CAPI-
TOLO 3.
7. Installare:
Coperchio cavo acceleratore 1
Bullone (coperchio rivestimento
cavo acceleratore) 2
T
R
.
.
4 Nm (0,4 m · kg, 2,9 ft · lb)
Instalación del carburador
1. Instalar:
Junta del carburador 1
T
R
.
.
10 Nm (1,0 m · kg, 7,2 ft · lb)
2. Instalar:
Carburador 1
NOTA:
Instale el saliente a entre las ranu-
ras de la junta del carburador.
3. Instalar:
Palpador de arranque en
caliente 1
T
R
.
.
2 Nm (0,2 m · kg, 1,4 ft · lb)
4. Apretar:
Tornillo
(junta del carburador) 1
Tornillo
(junta del filtro de aire) 2
T
R
.
.
3 Nm (0,3 m · kg, 2,2 ft · lb)
T
R
.
.
3 Nm (0,3 m · kg, 2,2 ft · lb)
5. Instalar:
Cable del acelerador
(tracción) 1
Cable del acelerador (retorno)
2
T
R
.
.
4 Nm (0,4 m · kg, 2,9 ft · lb)
T
R
.
.
11 Nm (1,1 m · kg, 8,0 ft · lb)
6. Ajustar:
Holgura del puño del acelera-
dor
Consulte el apartado
AJUSTE DEL CABLE DEL
ACELERADOR del CAPÍ-
TULO 3.
7. Instalar:
Funda del cable del acelera-
dor 1
Tornillo (funda del cable del
acelerador) 2
T
R
.
.
4 Nm (0,4 m · kg, 2,9 ft · lb)
VERGASER
CARBURATORE
CARBURADOR
5 - 37
ENG
CARBURETOR
8. Install:
Throttle position sensor lead
coupler 1
Clamp 2
Refer to CABLE ROUTING
DIAGRAM section in the
CHAPTER 2.
9. Install:
Clamp 1
Refer to CABLE ROUTING
DIAGRAM section in the
CHAPTER 2.
8. Monter:
Fiche rapide du fil du capteur de
position de papillon des gaz 1
Collier 2
Se reporter à la section CHEMI-
NEMENT DES CABLES au
CHAPITRE 2.
9. Monter:
Collier 1
Se reporter à la section CHEMI-
NEMENT DES CABLES au
CHAPITRE 2.
CARBURATEUR
5 - 38
ENG
8. Montieren:
Drosselklappensensor-Steck-
verbinder 1
Klemme 2
Siehe unter KABELFÜH-
RUNGSDIAGRAMME in
KAPITEL 2.
9. Montieren:
Klemme 1
Siehe unter KABELFÜH-
RUNGSDIAGRAMME in
KAPITEL 2.
8. Installare:
Accoppiatore cavo sensore posi-
zione farfalla 1
Morsetto 2
Fare riferimento al paragrafo
SCHEMA PERCORSO DEI
CAVI nel CAPITOLO 2.
9. Installare:
Morsetto 1
Fare riferimento al paragrafo
SCHEMA PERCORSO DEI
CAVI nel CAPITOLO 2.
8. Instalar:
Acoplador del cable del sensor
de posición del acelerador 1
Brida 2
Consulte el apartado
DIAGRAMA DE CABLEADO
del CAPÍTULO 2.
9. Instalar:
Brida 1
Consulte el apartado
DIAGRAMA DE CABLEADO
del CAPÍTULO 2.
VERGASER
CARBURATORE
CARBURADOR
5 - 39
ENG
AIR INDUCTION SYSTEM
AIR INDUCTION SYSTEM
Extent of removal: 1 Air induction system removal
Extent of removal Order Part name Qty Remarks
AIR INDUCTION SYSTEM REMOVAL
1Bracket 1
2 Air cut-off valve assembly 1
3 Air induction hose (air cut-off valve - front of
cylinder head)
1
4 Air induction pipe 1
5 Gasket 1
6 Air induction hose (air cut-off valve - rear of
cylinder head)
1
7 Air induction hose (air cut-off valve - air
filter case)
1
1
5 - 40
ENG
SYSTEME DINDUCTION DAIR
Organisation de la dépose: 1 Dépose du système dinduction dair
Organisation de la dépose Ordre Nom de la pièce QtéRemarques
DEPOSE DU SYSTEME DINDUCTION
DAIR
1 Support 1
2 Clapet de coupure dair 1
3 Durit dinduction dair (clapet de coupure dair
avant de la culasse)
1
4Tuyau dinduction dair 1
5 Joint 1
6 Durit dinduction dair (clapet de coupure dair
arrière de la culasse)
1
7 Durit dinduction dair (clapet de coupure dair
boîtier de filtre à air)
1
1
SEKUNDÄRLUFTSYSTEM
Arbeitsumfang: 1 Sekundärluftsystem demontieren
Arbeitsumfang
Reihenfolge
Bauteil Anz. Bemerkungen
SEKUNDÄRLUFTSYSTEM
DEMONTIEREN
1Halterung 1
2 Sekundärluft-Abschaltventil 1
3 Sekundärluftsystem-Schlauch
(Abschaltventil/Zylinderkopffront)
1
4 Sekundärluftsystem-Rohr 1
5 Dichtung 1
6 Sekundärluftsytem-Schlauch
(Abschaltventil/Zylinderkopfrücken)
1
7 Sekundärluftsystem-Schlauch
(Abschaltventil/Luftfiltergehäuse)
1
1
SYSTEME DINDUCTION DAIR
SEKUNDÄRLUFTSYSTEM
5 - 41
ENG
SISTEMA DI INIEZIONE ARIA
Entità della rimozione: 1 Rimozione del sistema di iniezione aria
Entità della rimozione Ordine Denominazione QuantitàOsservazioni
RIMOZIONE SISTEMA DI INIEZIONE
ARIA
1 Staffa 1
2 Gruppo valvola di interruzione aria 1
3 Flessibile di iniezione aria (valvola di
interruzione aria parte anteriore della testata)
1
4 Tubo di iniezione aria 1
5 Guarnizione 1
6 Flessibile di iniezione aria (valvola di
interruzione aria parte posteriore della testata)
1
7 Flessibile di iniezione aria (valvola di
interruzione aria scatola filtro aria)
1
1
SISTEMA DI INIEZIONE ARIA
5 - 42
ENG
SISTEMA DE INDUCCIÓN DE AIRE
Extensión del desmontaje: 1 Desmontaje del sistema de inducción de aire
Extensión del desmontaje Orden Nombre de la pieza Ctd. Observaciones
DESMONTAJE DEL SISTEMA DE
INDUCCIÓN DE AIRE
1 Soporte 1
2 Conjunto de la válvula de corte de aire 1
3 Tubo de inducción de aire (válvula de corte
de aire - parte delantera de la culata)
1
4 Tubería de inducción de aire 1
5 Junta 1
6 Tubo de inducción de aire (válvula de corte
de aire - parte trasera de la culata)
1
7 Tubo de inducción de aire (válvula de corte
de aire-carcasa del filtro de aire)
1
1
SISTEMA DE INDUCCIÓN DE AIRE
5 - 43
ENG
AIR INDUCTION SYSTEM
INSPECTION
Air induction system
1. Inspect:
Air induction hose
Crack/damage Replace.
Air induction pipe
Crack/damage Replace.
2. Check:
Operation of air cut valve
Pass air through the pipe and
check the air cut valve for
operation.
Does not meet the following
condition Replace the air
cut valve assembly.
NOTE:
Blow in air to check for operation.
When using vacuum, check by the
use of the vacuum/pressure pump
gauge set 1.
CAUTION:
When using vacuum on the pipe
c, take care not to exceed the
specified value.
aFrom air filter
bTo cylinder head (exhaust port)
cFrom cylinder head (intake port)
ÈCheck for induction from air filter.
ÉCheck for prevention of backflow into
air filter.
ÊCheck for prevention of afterburn.
(When throttle is closed at sudden
deceleration)
a to b Air passes.
b to a Air does not pass.
a to b Air does not pass
when specified
pressure is on c.
Vacuum/pressure pump
gauge set:
YB-35956-A/
90890-06756
Vacuum specifying
pressure:
46.7 ~ 86.7 kPa
(350 ~ 650 mmHg,
13.8 ~ 25.6 inHg)
a
b
È
Ê
a
b
É
CONTROLE
Système dinduction dair
1. Contrôler:
Durit dinduction dair
Craquelures/endommagement
Remplacer.
Tuyau dinduction dair
Craquelures/endommagement
Remplacer.
2. Contrôler:
Fonctionnement du clapet de cou-
pure dair
Injecter de lair dans le tuyau et
contrôler le fonctionnement du
clapet de coupure dair.
Ne satisfait pas à la condition sui-
vante Remplacer le clapet de
coupure dair complet.
N.B.:
Insuffler de lair pour contrôler le
fonctionnement.
En cas dutilisation dune dépression,
contrôler à laide de lensemble
dépressiomètre/manomètre 1.
ATTENTION:
En cas dapplication dune dépression
au tuyau c, veiller à ne pas dépasser
la valeur spécifiée.
aDepuis le filtre à air
bA la culasse (sortie d’échappement)
cDe la culasse (sortie dadmission)
ÈContrôler linduction du filtre à air.
ÉContrôler labsence de reflux dans le
filtre à air.
ÊContrôler labsence de postcombustion.
(Lorsque les gaz sont coupés lors dune
décélération soudaine)
a vers bLair passe.
b vers aLair ne passe pas.
a vers bLair ne passe pas
lorsque la pression
spécifiée est appliquée
sur c.
Ensemble dépressiomètre/
manomètre:
YB-35956-A/
90890-06756
Dépression spécifiée:
46,7 à 86,7 kPa
(350 à 650 mmHg,
13,8 à 25,6 inHg)
SYSTEME DINDUCTION DAIR
5 - 44
ENG
KONTROLLE
Sekundärluftsystem
1. Kontrollieren:
Sekundärluftsystem-Schlauch
Rissig/beschädigt Erneu-
ern.
Sekundärluftsystem-Rohr
Rissig/beschädigt Erneu-
ern.
2. Kontrollieren:
Funktion des Abschaltventils
Das Rohr mit Luftdruck beauf-
schlagen und die Funktion des
Abschaltventils kontrollieren.
Entspricht nicht den folgen-
den Angaben Abschaltven-
til erneuern.
HINWEIS:
Mit Luftdruck beaufschlagen, um
die Funktion zu kontrollieren.
Zur Unterdruck-Kontrolle den
Manometersatz 1 verwenden.
ACHTUNG:
Beim Anlegen von Unterdruck an
das Rohr c, sicherstellen, dass
der vorgeschriebene Wert nicht
überschritten wird.
aVom Luftfilter kommend
bZum Zylinderkopf (auslassseitig)
cVom Zylinderkopf (einlassseitig)
ÈAnsaugdruck vom Luftfilter
kontrollieren.
ÉKontrollieren, dass keine Luft in den
Luftfilter zurückkehrt.
ÊKontrollieren, dass kein Abgas
nachverbrennt. (Kommt vor, wenn
das Gas plötzlich weggenommen
wird.)
a an bLuft geht durch.
b an aLuft geht nicht
durch.
a an bLuft geht nicht
durch, wenn der
vorgeschriebene
Druck an c anliegt.
Manometersatz:
YB-35956-A/
90890-06756
Vorgeschriebener
Unterdruck:
46,786,7 kPa
(350650 mmHg,
13,825,6 inHg)
CONTROLLO
Sistema di iniezione aria
1. Controllare:
Flessibile di iniezione aria
Incrinatura/danni Sostituire.
Tubo di iniezione aria
Incrinatura/danni Sostituire.
2. Controllare:
Funzionamento della valvola di
interruzione aria
Far passare laria attraverso il
tubo e controllare il funziona-
mento della valvola di interru-
zione aria.
Non conforme alle condizioni
seguenti Sostituire il gruppo
valvola di interruzione aria
NOTA:
Soffiare aria per controllare il funzio-
namento.
Quando si utilizza la depressione, ese-
guire il controllo con il misuratore
pompa a depressione/di mandata 1.
ATTENZIONE:
Quando si utilizza la depressione sul
tubo c, prestare attenzione a non
superare il valore specificato.
aDal filtro dellaria
bAlla testata (luce di scarico)
cDalla testata (luce di aspirazione)
ÈControllare liniezione dal filtro dellaria.
ÉControllare per evitare il riflusso nel
filtro dellaria.
ÊControllare per evitare la combustione
ritardata. (Quando la valvola a farfalla si
chiude in occasione di una decelerazione
improvvisa)
Da a a b Laria passa.
Da b a a Laria non passa.
Da a a b Laria non passa
quando la pressione
specificata è su c.
Misuratore pompa a
depressione/di mandata:
YB-35956-A/
90890-06756
Pressione specifica
depressione:
46,7 ~ 86,7 kPa
(350 ~ 650 mmHg,
13,8 ~ 25,6 inHg)
REVISIÓN
Sistema de inducción de aire
1. Comprobar:
Tubo de inducción de aire
Grietas/daños Cambiar.
Tubería de inducción de aire
Grietas/daños Cambiar.
2. Comprobar:
Funcionamiento de la válvula
de corte de aire
Pase aire a través de la tube-
ría y compruebe si funciona la
válvula de corte de aire.
Si no se cumple la condición
siguiente Sustituya el con-
junto de válvula de corte de
aire.
NOTA:
Sople aire para comprobar el fun-
cionamiento.
Si utiliza vacío, compruebe el uso
del medidor de vacío/presión de la
bomba 1.
ATENCION:
Si aplica vacío a la tubería c,
tenga cuidado para no sobrepasar
el valor especificado.
aDel filtro de aire
bA la culata (a la lumbrera de escape)
cDe la culata (lumbrera de admisión)
ÈCompruebe la inducción del filtro de
aire.
ÉCompruebe para evitar el flujo de
retorno al filtro de aire.
ÊCompruebe para evitar la
postcombustión. (Cuando se cierra el
acelerador durante una deceleración
súbita)
a a bEl aire pasa.
b a aEl aire no pasa.
a a bEl aire no pasa
cuando la presión
especificada está en
c.
Juego de comprobación
de vacío/presión en la
bomba:
YB-35956-A/
90890-06756
Presión de
especificación de vacío:
46,7 ~ 86,7 kPa
(350 ~ 650 mmHg,
13,8 ~ 25,6 inHg)
SEKUNDÄRLUFTSYSTEM
SISTEMA DI INIEZIONE ARIA
SISTEMA DE INDUCCIÓN DE AIRE
5 - 45
ENG
CAMSHAFTS
CAMSHAFTS
CYLINDER HEAD COVER
Extent of removal: 1 Cylinder head cover removal
Extent of removal Order Part name Qty Remarks
CYLINDER HEAD COVER REMOVAL
Preparation for removal Seat and fuel tank Refer to SEAT, FUEL TANK AND SIDE COVERS
section in the CHAPTER 3.
Air cut-off valve assembly Refer to AIR INDUCTION SYSTEM section.
1 Spark plug 1
2 Cylinder head breather hose 1
3 Bolt (cylinder head cover) 2
4 Cylinder head cover 1
5 Cylinder head cover gasket 1
6 Timing chain guide (top side) 1
1
5 - 46
ENG
ARBRES A CAMES
COUVRE-CULASSE
Organisation de la dépose: 1 Dépose du couvre-culasse
Organisation de la dépose Ordre Nom de la pièce QtéRemarques
DEPOSE DU COUVRE-CULASSE
Préparation à la dépose Selle et réservoir de carburant Se reporter à la section SELLE, RESERVOIR DE
CARBURANT ET CACHES LATERAUX au
CHAPITRE 3.
Clapet de coupure dair Se reporter à la section SYSTEME DINDUCTION
DAIR.
1 Bougie 1
2 Durit de mise à lair de la culasse 1
3 Boulon (couvre-culasse) 2
4 Couvre-culasse 1
5 Joint de couvre-culasse 1
6 Patin de chaîne de distribution (côté supérieur) 1
1
NOCKENWELLEN
ZYLINDERKOPFDECKEL
Arbeitsumfang: 1 Zylinderkopfdeckel demontieren
Arbeitsumfang
Reihenfolge
Bauteil Anz. Bemerkungen
ZYLINDERKOPFDECKEL
DEMONTIEREN
Vorbereitungsarbeiten Sitzbank und Kraftstofftank Siehe unter SITZBANK, KRAFTSTOFFTANK UND
SEITENABDECKUNGEN in KAPITEL 3.
Sekundärluft-Abschaltventil Siehe unter SEKUNDÄRLUFTSYSTEM.
1Zündkerze 1
2 Zylinderkopf-Entlüftungsschlauch 1
3 Schraube (Zylinderkopfdeckel) 2
4 Zylinderkopfdeckel 1
5 Zylinderkopfdeckel-Dichtung 1
6 Steuerkettenschiene (oben) 1
1
ARBRES A CAMES
NOCKENWELLEN
5 - 47
ENG
ALBERI A CAMME
COPERCHIO TESTATA
Estensione della rimozione: 1 Rimozione del coperchio testata
Estensione della rimozione Ordine Denominazione QuantitàOsservazioni
RIMOZIONE COPERCHIO TESTATA
Preparazione per la rimozione Sella e serbatoio del carburante Fare riferimento al paragrafo SELLA, SERBATOIO
CARBURANTE E FIANCHETTI nel CAPITOLO 3.
Gruppo valvola di interruzione aria Fare riferimento al paragrafo SISTEMA DI INIEZIONE
ARIA.
1 Candela daccensione 1
2 Flessibile di sfiato testata 1
3 Bullone (coperchio testata) 2
4 Coperchio testata 1
5 Guarnizione del coperchio testata 1
6 Guida della catena di distribuzione (lato
superiore)
1
1
ALBERI A CAMME
5 - 48
ENG
EJES DE LEVAS
TAPA DE CULATA
Extensión del desmontaje: 1 Desmontaje de la tapa de culata
Extensión del desmontaje Orden Nombre de la pieza Ctd. Observaciones
DESMONTAJE DE LA TAPA DE
CULATA
Preparación para el
desmontaje
Sillín y depósito de combustible Consulte el apartado SILLÍN, DEPÓSITO DE
COMBUSTIBLE Y CUBIERTAS LATERALES del
CAPÍTULO 3.
Conjunto de la válvula de corte de aire Consulte el apartado SISTEMA DE INDUCCIÓN
DE AIRE.
1Bujía1
2 Tubo respiradero de la culata 1
3 Tornillo (tapa de culata) 2
4 Tapa de culata 1
5 Junta de la tapa de culata 1
6Guía de la cadena de distribución
(parte superior)
1
1
EJES DE LEVAS
5 - 49
ENG
CAMSHAFTS
CAMSHAFTS
Extent of removal: 1 Camshaft removal
Extent of removal Order Part name Qty Remarks
CAMSHAFTS REMOVAL
1 Timing mark accessing screw 1
Refer to REMOVAL POINTS.
2 Crankshaft end accessing screw 1
3 Timing chain tensioner cap bolt 1
4 Timing chain tensioner 1
5 Camshaft cap 2
6 Clip 2
7 Exhaust camshaft 1
8 Intake camshaft 1
1
5 - 50
ENG
ARBRES A CAMES
Organisation de la dépose: 1 Dépose de larbre à cames
Organisation de la dépose Ordre Nom de la pièce QtéRemarques
DEPOSE DES ARBRES A CAMES
1Vis daccès de repère dallumage 1
Se reporter à POINTS DE DEPOSE.
2Vis daccès axiale du vilebrequin 1
3 Boulon capuchon du tendeur de chaîne de
distribution
1
4 Tendeur de chaîne de distribution 1
5 Chapeau darbre à cames 2
6Clip 2
7 Arbre à cames d’échappement 1
8 Arbre à cames dadmission 1
1
NOCKENWELLEN
Arbeitsumfang: 1 Nockenwellen demontieren
Arbeitsumfang
Reihenfolge
Bauteil Anz. Bemerkungen
NOCKENWELLEN DEMONTIEREN
1 Rotor-Abdeckschraube 1
Siehe unter DEMONTAGE-EINZELHEITEN.
2 Kurbelwellen-Abdeckschraube 1
3 Steuerkettenspanner-Verschlussschraube 1
4 Steuerkettenspanner 1
5 Nockenwellen-Lagerdeckel 2
6 Clip 2
7 Auslass-Nockenwelle 1
8 Einlass-Nockenwelle 1
1
ARBRES A CAMES
NOCKENWELLEN
5 - 51
ENG
ALBERI A CAMME
Estensione della rimozione: 1 Rimozione dellalbero a camme
Estensione della rimozione Ordine Denominazione QuantitàOsservazioni
RIMOZIONE DEGLI ALBERI A CAMME
1 Vite di accesso al riferimento per fasatura 1
Fare riferimento a PUNTI DI RIMOZIONE.
2 Vite di accesso allestremità dellalbero motore 1
3 Tappo filettato del tenditore catena di
distribuzione
1
4 Tenditore catena di distribuzione 1
5 Cappello dellalbero a camme 2
6 Fermo 2
7 Albero a camme di scarico 1
8 Albero a camme di aspirazione 1
1
ALBERI A CAMME
5 - 52
ENG
EJES DE LEVAS
Extensión del desmontaje: 1 Desmontaje del eje de levas
Extensión del desmontaje Orden Nombre de la pieza Ctd. Observaciones
DESMONTAJE DE LOS EJES DE LEVAS
1 Tornillo de acceso a la marca de reglaje 1
Consulte el apartado PUNTOS DE
DESMONTAJE.
2 Tornillo de acceso al extremo del cigüeñal 1
3 Perno capuchino del tensor de la cadena
de distribución
1
4 Tensor de cadena de distribución1
5 Tapa del eje de levas 2
6 Clip 2
7 Eje de levas de escape 1
8 Eje de levas de admisión1
1
EJES DE LEVAS
5 - 53
ENG
CAMSHAFTS
REMOVAL POINTS
Camshaft
1. Remove:
Timing mark accessing screw
1
Crankshaft end accessing
screw 2
2. Align:
T.D.C. mark
With align mark.
Checking steps:
Turn the crankshaft counter-
clockwise with a wrench.
Align the T.D.C. mark a on the
rotor with the align mark b on
the crankcase cover when pis-
ton is at T.D.C. on compression
stroke.
NOTE:
In order to be sure that the piston
is at Top Dead Center, the punch
mark c on the exhaust camshaft
and the punch mark d on the
intake camshaft must align with
the cylinder head surface, as
shown in the illustration.
3. Remove:
Timing chain tensioner cap
bolt 1
Timing chain tensioner 2
Gasket
1
2
4. Remove:
Bolt (camshaft cap) 1
Camshaft cap 2
Clip
NOTE:
Remove the bolts (camshaft cap) in a
crisscross pattern, working from the
outside in.
CAUTION:
The bolts (camshaft cap) must be
removed evenly to prevent dam-
age to the cylinder head, cam-
shafts or camshaft caps.
POINTS DE DEPOSE
Arbre à cames
1. Déposer:
Vis daccès de repère dallumage
1
Vis daccès axiale du vilebrequin
2
2. Aligner:
Repère du PMH
Avec le repère dalignement.
Etapes du contrôle:
Tourner le vilebrequin dans le sens
inverse des aiguilles dune montre
à laide dune clé.
Aligner le repère du PMH a du
rotor avec le repère dalignement
b du couvercle de carter lorsque
le piston est au PMH de la course
de compression.
N.B.:
Le piston est au point mort haut lors-
que le repère poinçonné c de larbre
à cames d’échappement et le repère
poinçonné d de larbre à cames
dadmission sont alignés avec la sur-
face de la culasse comme le montre
lillustration.
3. Déposer:
Boulon capuchon du tendeur de
chaîne de distribution 1
Tendeur de chaîne de distribu-
tion 2
Joint
4. Déposer:
Boulon
(chapeau darbre à cames) 1
Chapeau darbre à cames 2
Clip
N.B.:
Déposer les boulons (chapeau darbre à
cames) en croix, en procédant de lexté-
rieur vers lintérieur.
ATTENTION:
Les boulons (chapeau darbre à
cames) doivent être déposés uniformé-
ment pour prévenir tout endommage-
ment de la culasse, des arbres à cames
ou des chapeaux darbres à cames.
ARBRES A CAMES
5 - 54
ENG
DEMONTAGE-EINZELHEITEN
Nockenwelle
1. Demontieren:
Rotor-Abdeckschraube 1
Kurbelwellen-Abdeck-
schraube 2
2. Ausrichten:
OT-Markierung
(auf die Gegenmarkierung)
Arbeitsvorgang:
Die Kurbelwelle mit einem
Schraubenschlüssel im Gegen-
uhrzeigersinn drehen.
Wenn sich der Kolben des
Zylinders im oberen Totpunkt
des Verdichtungstaktes befin-
det, die OT-Markierung a am
Rotor auf die entsprechende
Gegenmarkierung b am Kur-
belgehäusedeckel ausrichten.
HINWEIS:
Der Kolben befindet sich im obe-
ren Totpunkt, wenn die Körner-
markierung c am Auslass-
Nockenwellenrad und die Körner-
markierung d am Einlass-
Nockenwellenrad, wie in der
Abbildung gezeigt, mit der Zylin-
derkopf-Passfläche fluchten.
3. Demontieren:
Steuerkettenspanner-Ver-
schlussschraube 1
Steuerkettenspanner 2
Dichtung
4. Demontieren:
Schraube (Nockenwellen-
Lagerdeckel) 1
Nockenwellen-Lagerdeckel 2
Clip
HINWEIS:
Die Schrauben des Nockenwellen-
Lagerdeckels müssen von außen
nach innen schrittweise über Kreuz
gelockert werden.
ACHTUNG:
Um Schäden an Zylinderkopf,
Nockenwellen und Nockenwellen-
Lagerdeckeln zu vermeiden, müs-
sen die Lagerdeckel-Schrauben
gleichmäßig gelöst werden.
PUNTI DI RIMOZIONE
Albero a camme
1. Togliere:
Vite di accesso al riferimento per
fasatura 1
Vite di accesso allestremità
dellalbero motore 2
2. Allineare:
Riferimento PMS
Con il segno di allineamento.
Operazioni per il controllo:
Girare lalbero motore in senso
antiorario con una chiave.
Allineare il riferimento PMS a sul
rotore con il segno di allineamento
b sul coperchio carter quando il
pistone si trova sul PMS in fase di
compressione.
NOTA:
Per essere certi che il pistone si trovi
al PMS, il riferimento punzonato c
sullalbero a camme di scarico e
quello d sullalbero a camme di
aspirazione devono essere allineati
con la superficie della testata, come
indicato in figura.
3. Togliere:
Tappo filettato del tenditore
catena di distribuzione 1
Tenditore catena di distribuzione
2
Guarnizione
4. Togliere:
Bullone (cappello dellalbero a
camme) 1
Cappello dellalbero a camme 2
Fermo
NOTA:
Rimuovere i bulloni (cappello dellalbe-
ro a camme) in modo incrociato, inizian-
do dallesterno verso linterno.
ATTENZIONE:
I bulloni (cappello dellalbero a
camme) devono essere rimossi in
modo uniforme per evitare danni alla
testata, agli alberi a camme o ai cap-
pelli degli alberi a camme.
PUNTOS DE DESMONTAJE
Eje de levas
1. Extraer:
Tornillo de acceso a la marca
de reglaje 1
Tornillo de acceso al extremo
del cigüeñal 2
2. Alinear:
Marca de PMS
Con la marca de alineación.
Procedimiento de
comprobación:
Gire el cigüeñal en el sentido
contrario al de las agujas del
reloj con una llave.
Alinee la marca de PMS a del
rotor con la marca b de la tapa
del cárter cuando el pistón se
encuentre en el PMS de la
carrera de compresión.
NOTA:
Para estar seguro de que el pis-
tón se encuentra en el punto
muerto superior, la marca perfo-
rada c en el eje de levas de
escape y la marca perforada d
en el eje de levas de admisión
deben alinearse con la superficie
de la culata, como se muestra en
la ilustración.
3. Extraer:
Perno capuchino del tensor de
la cadena de distribución 1
Tensor de cadena de distribu-
ción 2
Junta
4. Extraer:
Tornillo (tapa del eje de levas)
1
Tapa del eje de levas 2
Clip
NOTA:
Extraiga los tornillos (tapa del eje de
levas) en cruz, de fuera adentro.
ATENCION:
Los tornillos (tapa del eje de
levas) se deben extraer uniforme-
mente para no dañar la culata, los
ejes de levas o las tapas de estos.
NOCKENWELLEN
ALBERI A CAMME
EJES DE LEVAS
5 - 55
ENG
CAMSHAFTS
5. Remove:
Exhaust camshaft 1
Intake camshaft 2
NOTE:
Attach a wire 3 to the timing chain to
prevent it from falling into the crank-
case.
12
3
INSPECTION
Camshaft
1. Inspect:
Cam lobe
Pitting/scratches/blue discolor-
ation Replace.
2. Measure:
Cam lobe length a and b
Out of specification
Replace.
Cam lobes length:
Intake:
a
29.65 ~ 29.75 mm
(1.1673 ~ 1.1713 in)
<Limit>:
29.55 mm (1.1634 in)
b
22.45 ~ 22.55 mm
(0.8839 ~ 0.8878 in)
<Limit>:
22.35 mm (0.8799 in)
Exhaust:
a
30.399 ~ 30.499 mm
(1.1968 ~ 1.2007 in)
<Limit>:
30.299 mm (1.1929 in)
b
22.45 ~ 22.55 mm
(0.8839 ~ 0.8878 in)
<Limit>:
22.35 mm (0.8799 in)
3. Measure:
Runout (camshaft)
Out of specification
Replace.
Runout (camshaft):
Less than 0.03 mm
(0.0012 in)
5. Déposer:
Arbre à cames d’échappement 1
Arbre à cames dadmission 2
N.B.:
Attacher un fil 3 à la chaîne de distribu-
tion pour lempêcher de tomber dans le
carter moteur.
CONTROLE
Arbre à cames
1. Contrôler:
Bossage de came
Piqûres/rayures/décoloration
bleue Remplacer.
2. Mesurer:
Longueur de bossage de came a
et b
Hors spécifications Rempla-
cer.
Longueur des bossages de
came:
Admission:
a
29,65
à
29,75 mm
(1,1673 à 1,1713 in)
<Limite>:
29,55 mm (1,1634 in)
b
22,45 à 22,55 mm
(0,8839 à 0,8878 in)
<Limite>:
22,35 mm (0,8799 in)
Echappement:
a
30,399
à
30,499 mm
(1,1968 à 1,2007 in)
<Limite>:
30,299 mm (1,1929 in)
b
22,45 à 22,55 mm
(0,8839 à 0,8878 in)
<Limite>:
22,35 mm (0,8799 in)
3. Mesurer:
Faux-rond (arbre à cames)
Hors spécifications Rempla-
cer.
Faux-rond (arbre à cames):
Inférieur à 0,03 mm
(0,0012 in)
ARBRES A CAMES
5 - 56
ENG
5. Demontieren:
Auslass-Nockenwelle 1
Einlass-Nockenwelle 2
HINWEIS:
Die Steuerkette mit einem Draht 3
sichern, damit sie nicht in das Kur-
belgehäuse hinabfällt.
KONTROLLE
Nockenwelle
1. Kontrollieren:
Nocken
blau gefärbt/angefressen/ver-
kratzt Erneuern.
2. Messen:
Nocken-Abmessungen a und
b
Nicht nach Vorgabe Erneu-
ern.
Nocken-Abmessungen:
Einlass:
a
29,6529,75 mm
(1,16731,1713 in)
<Grenzwert>:
29,55 mm (1,1634 in)
b
22,4522,55 mm
(0,88390,8878 in)
<Grenzwert>:
22,35 mm (0,8799 in)
Auslass:
a
30,39930,499 mm
(1,19681,2007 in)
<Grenzwert>:
30,299 mm (1,1929 in)
b
22,4522,55 mm
(0,88390,8878 in)
<Grenzwert>:
22,35 mm (0,8799 in)
3. Messen:
Nockenwellen-Schlag
Nicht nach Vorgabe Erneu-
ern.
Nockenwellen-Schlag:
Max. 0,03 mm
(0,0012 in)
5. Togliere:
Albero a camme di scarico 1
Albero a camme di aspirazione
2
NOTA:
Applicare un filo metallico 3 alla
catena di distribuzione per evitare che
cada nel carter.
CONTROLLO
Albero a camme
1. Controllare:
Lobo della camma
Vaiolature/graffi/macchia blu
Sostituire.
2. Misurare:
Lunghezza lobo della camma a
e b
Non conforme alle specifiche
Sostituire.
Lunghezza lobi della
camma:
Aspirazione:
a
29,65 ~ 29,75 mm
(1,1673 ~ 1,1713 in)
<Limite>:
29,55 mm (1,1634 in)
b
22,45 ~ 22,55 mm
(0,8839 ~ 0,8878 in)
<Limite>:
22,35 mm (0,8799 in)
Scarico:
a
30,399 ~ 30,499 mm
(1,1968 ~ 1,2007 in)
<Limite>:
30,299 mm (1,1929 in)
b
22,45 ~ 22,55 mm
(0,8839 ~ 0,8878 in)
<Limite>:
22,35 mm (0,8799 in)
3. Misurare:
Disassamento (albero a camme)
Non conforme alle specifiche
Sostituire.
Disassamento (albero a
camme):
Meno di 0,03 mm
(0,0012 in)
5. Extraer:
Eje de levas de escape 1
Eje de levas de admisión 2
NOTA:
Ate un alambre 3 a la cadena de
distribución para impedir que caiga
al cárter.
COMPROBACIÓN
Eje de levas
1. Comprobar:
Lóbulo del eje de levas
Picadura/grietas/decoloración
azul Cambiar.
2. Medir:
Longitud del lóbulo del eje de
levas a y b
Fuera del valor especificado
Cambiar.
Longitud de los lóbulos
del eje de levas:
Admisión:
a
29,65 ~ 29,75 mm
(1,1673 ~ 1,1713 in)
<Límite>:
29,55 mm (1,1634 in)
b
22,45 ~ 22,55 mm
(0,8839 ~ 0,8878 in)
<Límite>:
22,35 mm (0,8799 in)
Escape:
a
30,399 ~ 30,499 mm
(1,1968 ~ 1,2007 in)
<Límite>:
30,299 mm (1,1929 in)
b
22,45 ~ 22,55 mm
(0,8839 ~ 0,8878 in)
<Límite>:
22,35 mm (0,8799 in)
3. Medir:
Descentramiento
(eje de levas)
Fuera del valor especificado
Cambiar.
Descentramiento (eje de
levas):
Menos de 0,03 mm
(0,0012 in)
NOCKENWELLEN
ALBERI A CAMME
EJES DE LEVAS
5 - 57
ENG
CAMSHAFTS
4. Measure:
Camshaft-to-cap clearance
Out of specification Mea-
sure camshaft outside diame-
ter.
5. Measure:
Camshaft outside diameter a
Out of specification
Replace the camshaft.
Within specification
Replace camshaft case and
camshaft caps as a set.
Camshaft-to-cap
clearance:
0.028 ~ 0.062 mm
(0.0011 ~ 0.0024 in)
<Limit>:
0.08 mm (0.003 in)
Measurement steps:
Install the camshaft onto the
cylinder head.
Position a strip of Plastigauge®
1 onto the camshaft.
Install the clip, dowel pins and
camshaft caps.
T
R
.
.
Bolt (camshaft cap):
10 Nm
(1.0 m kg, 7.2 ft lb)
NOTE:
Tighten the bolts (camshaft
cap) in a crisscross pattern from
innermost to outer caps.
Do not turn the camshaft when
measuring clearance with the
Plastigauge®.
Remove the camshaft caps and
measure the width of the Plasti-
gauge® 1.
Camshaft outside
diameter:
21.959 ~ 21.972 mm
(0.8645 ~ 0.8650 in)
Camshaft sprocket
1. Inspect:
Camshaft sprocket 1
Wear/damage Replace the
camshaft assembly and tim-
ing chain as a set.
4. Mesurer:
Jeu arbre à cames-chapeau
Hors spécifications Mesurer le
diamètre extérieur de larbre à
cames.
5. Mesurer:
Diamètre extérieur de larbre à
cames a
Hors spécifications Remplacer
larbre à cames.
Conforme aux spécifications
Remplacer ensemble le logement
et les chapeaux darbre à cames.
Jeu arbre à cames-
chapeau:
0,028 à 0,062 mm
(0,0011 à 0,0024 in)
<Limite>:
0,08 mm (0,003 in)
Etapes de la mesure:
Monter larbre à cames sur la
culasse.
Placer une bande de Plastigauge®
1 sur larbre à cames.
Monter le clip, les goujons et les
chapeaux darbres à cames.
T
R
.
.
Boulon (chapeau darbre à
cames):
10 Nm
(1,0 m kg, 7,2 ft lb)
N.B.:
Serrer les boulons (chapeau darbre
à cames) en croix, en procédant des
chapeaux les plus internes vers les
chapeaux extérieurs.
Ne pas tourner larbre à cames
pendant la mesure du jeu avec le
Plastigauge®.
Déposer les chapeaux darbres à
cames et mesurer la largeur du
Plastigauge® 1.
Diamètre extérieur de
larbre à cames:
21,959 à 21,972 mm
(0,8645 à 0,8650 in)
Pignon darbre à cames
1. Contrôler:
Pignon darbre à cames 1
Usure/endommagement Rem-
placer ensemble larbre à cames
complet et la chaîne de distribu-
tion.
ARBRES A CAMES
5 - 58
ENG
4. Messen:
Nockenwellen-Lagerspiel
Nicht nach Vorgabe Nok-
kenwellen-Durchmesser mes-
sen.
5. Messen:
Nockenwellen-Lagerzapfen-
Durchmesser a
Nicht nach Vorgabe Nok-
kenwelle erneuern.
Im Sollbereich Zylinderkopf
und Nockenwellen-Lagerdek-
kel gemeinsam erneuern.
Nockenwellenräder
1. Kontrollieren:
Nockenwellenräder 1
Beschädigt/verschlissen
Nockenwellenräder und Steu-
erkette gemeinsam erneuern.
Nockenwellen-
Lagerspiel:
0,0280,062 mm
(0,00110,0024 in)
<Grenzwert>:
0,08 mm (0,003 in)
Arbeitsvorgang:
Die Nockenwelle in den Zylin-
derkopf einsetzen.
Einen Streifen Kunststoffaden
(Plastigauge® 1) auf die Nok-
kenwellen ablegen.
Den Clip, die Passhülsen und
die Lagerdeckel montieren.
T
R
.
.
Schraube (Nockenwel-
len-Lagerdeckel):
10 Nm
(1,0 m kg, 7,2 ft lb)
HINWEIS:
Die Schrauben des Nockenwel-
len-Lagerdeckels müssen von
innen nach außen schrittweise
über Kreuz festgezogen wer-
den.
Die Nockenwelle darf nicht
bewegt werden, bis die Mes-
sung des Lagerspiels mit dem
Kunststoffaden (Plastigauge®)
beendet ist.
Die Nockenwellen-Lagerdeckel
demontieren und dann die
Breite des gepressten Kunst-
stoffadens (Plastigauge® 1)
messen.
Nockenwellen-Lagerzap-
fen-Durchmesser:
21,95921,972 mm
(0,86450,8650 in)
4. Misurare:
Gioco tra albero a camme e cap-
pello
Non conforme alle specifiche
Misurare il diametro esterno
dellalbero a camme.
5. Misurare:
Diametro esterno dellalbero a
camme a
Non conforme alle specifiche
Sostituire lalbero a camme.
Conformi alle specifiche
Sostituire la scatola e i cappelli
dellalbero a camme in blocco.
Gioco tra albero a camme e
cappello:
0,028 ~ 0,062 mm
(0,0011 ~ 0,0024 in)
<Limite>:
0,08 mm (0,003 in)
Operazioni per la misurazione:
Installare lalbero a camme sulla
testata.
Collocare una striscia di Plasti-
gauge® 1 sullalbero a camme.
Installare il fermo, i grani di cen-
traggio e i cappelli dellalbero a
camme.
T
R
.
.
Bullone (cappello
dellalbero a camme):
10 Nm
(1,0 m kg, 7,2 ft lb)
NOTA:
Serrare i bulloni (cappello
dellalbero a camme) in modo
incrociato, iniziando dai cappelli
più interni verso lesterno.
Non ruotare lalbero a camme
quando si misura il gioco con la
striscia di Plastigauge®.
Togliere i cappelli dellalbero a
camme e misurare la larghezza
della striscia di Plastigauge® 1.
Diametro esterno
dellalbero a camme:
21,959 ~ 21,972 mm
(0,8645 ~ 0,8650 in)
Ruota dentata albero a camme
1. Controllare:
Ruota dentata albero a camme 1
Usura/danni Sostituire in
blocco il gruppo albero a camme
e la catena di distribuzione.
4. Medir:
Holgura entre eje de levas y
tapa
Fuera del valor especificado
Medir el diámetro exterior
del eje de levas.
5. Medir:
Diámetro exterior del eje de
levas a
Fuera del valor especificado
Cambiar el eje de levas.
Dentro del valor especificado
Cambiar el conjunto de caja
del eje de levas y tapas.
Holgura entre eje de
levas y tapa:
0,028 ~ 0,062 mm
(0,0011 ~ 0,0024 in)
<Límite>:
0,08 mm (0,003 in)
Procedimiento de medición:
Monte el eje de levas en la
culata.
Sitúe una tira de Plastigauge®
1 en el eje de levas.
Instale el clip, las clavija de cen-
trado y las tapas del eje de
levas.
T
R
.
.
Tornillo (tapa del eje de
levas):
10 Nm
(1,0 m kg, 7,2 ft lb)
NOTA:
Apriete los tornillos (tapa del eje
de levas) en cruz, de las tapas
de dentro a las de fuera.
No gire el eje de levas cuando
esté midiendo la holgura con
Plastigauge®.
Extraiga las tapas del eje de
levas y mida la anchura del
Plastigauge® 1.
Diámetro exterior del eje
de levas:
21,959 ~ 21,972 mm
(0,8645 ~ 0,8650 in)
Piñón del eje de levas
1. Comprobar:
Piñón del eje de levas 1
Desgaste/Daños Cambiar
el conjunto del eje de levas y
la cadena de distribución.
NOCKENWELLEN
ALBERI A CAMME
EJES DE LEVAS
5 - 59
ENG
CAMSHAFTS
Decompression system
1. Check:
Decompression system
Checking steps:
Check that the decompression
mechanism cam 1 moves
smoothly.
Check that the decompression
mechanism cam lever pin 2
projects from the camshaft.
Timing chain tensioner
1. Check:
While pressing the tensioner
rod lightly with fingers, use a
thin screwdriver 1 and wind
the tensioner rod up fully
clockwise.
When releasing the screw-
driver by pressing lightly with
fingers, make sure that the
tensioner rod will come out
smoothly.
If not, replace the tensioner
assembly.
ASSEMBLY AND INSTALLATION
Camshaft
1. Install:
Exhaust camshaft 1
Intake camshaft 2
Installation steps:
Turn the crankshaft counter-
clockwise with a wrench.
NOTE:
Apply the molybdenum disulfide
oil on the camshafts.
Apply the engine oil on the
decompression system.
Squeezing the decompression
lever allows the crankshaft to
be turned easily.
Align the T.D.C. mark a on the
rotor with the align mark b on
the crankcase cover when pis-
ton is at T.D.C. on compression
stroke.
Décompresseur
1. Contrôler:
Décompresseur
Etapes du contrôle:
Contrôler que la came du décom-
presseur 1 se déplace correcte-
ment.
Contrôler que la goupille du levier
du décompresseur 2 dépasse de
larbre à cames.
Tendeur de chaîne de distribution
1. Contrôler:
Tout en appuyant légèrement sur
la tige du tendeur avec le doigt,
enrouler complètement la tige du
tendeur dans le sens des aiguilles
dune montre à laide dun fin
tournevis 1.
Contrôler, en appuyant légère-
ment avec le doigt, que la tige du
tendeur ressort librement lorsque
le tournevis est retiré.
Si ce nest pas le cas, remplacer le
tendeur complet.
ASSEMBLAGE ET MONTAGE
Arbre à cames
1. Monter:
Arbre à cames d’échappement 1
Arbre à cames dadmission 2
Etapes du montage:
Tourner le vilebrequin dans le sens
inverse des aiguilles dune montre
à laide dune clé.
N.B.:
Appliquer de lhuile au bisulfure
de molybdène sur les arbres à
cames.
Appliquer de lhuile moteur sur le
décompresseur.
Appuyer sur le levier du décom-
presseur pour permettre au vilebre-
quin de tourner facilement.
Aligner le repère du PMH a du
rotor avec le repère dalignement
b du couvercle de carter lorsque
le piston est au PMH de la course
de compression.
ARBRES A CAMES
5 - 60
ENG
Dekompressionssystem
1. Kontrollieren:
Dekompressionssystem
Arbeitsvorgang:
Sicherstellen, dass die Nocke
1 des Dekompressionssys-
tems sich leichtgängig bewegt.
Sicherstellen, dass der Nocken-
Hebelstift 2 des Dekompressi-
onssystems aus der Nocken-
welle herausragt.
Steuerkettenspanner
1. Kontrollieren:
Den Steuerkettenspanner-Stö-
ßel mit einem schmalen
Schraubendreher 1 bis zum
Anschlag im Uhrzeigersinn
drehen und dabei leicht nie-
derdrücken.
Den Schraubendreher loslas-
sen und sicherstellen, dass
der Steuerkettenspanner-Stö-
ßel freigegeben wird.
Anderenfalls den Steuerket-
tenspanner erneuern.
ZUSAMMENBAU UND MONTAGE
Nockenwelle
1. Montieren:
Auslass-Nockenwelle 1
Einlass-Nockenwelle 2
Arbeitsfolge:
Die Kurbelwelle mit einem
Schraubenschlüssel im Gegen-
uhrzeigersinn drehen.
HINWEIS:
Molybdändisulfidöl auf die Nok-
kenwellen auftragen.
Motoröl auf das Dekompressi-
onssystem auftragen.
Bei betätigtem Dekompressi-
onshebel lässt sich die Kurbel-
welle leichter drehen.
Wenn sich der Kolben des
Zylinders im oberen Totpunkt
des Verdichtungstaktes befin-
det, die OT-Markierung a am
Rotor auf die entsprechende
Gegenmarkierung b am Kur-
belgehäusedeckel ausrichten.
Sistema di decompressione
1. Controllare:
Sistema di decompressione
Operazioni per il controllo:
Controllare che la camma del mec-
canismo di decompressione 1 si
muova in modo uniforme.
Controllare che il perno della leva
della camma del meccanismo di
decompressione 2 sporga dallal-
bero a camme.
Tenditore catena di distribuzione
1. Controllare:
Premendo leggermente lasta del
tenditore con le dita, utilizzare un
cacciavite sottile 1 e ruotare
completamente lasta del tendi-
tore in senso orario.
Quando si toglie il cacciavite pre-
mendo leggermente con le dita,
accertarsi che lasta del tenditore
fuoriesca in modo uniforme.
In caso contrario, sostituire il
gruppo del tenditore.
MONTAGGIO E INSTALLAZIONE
Albero a camme
1. Installare:
Albero a camme di scarico 1
Albero a camme di aspirazione
2
Operazioni per linstallazione:
Girare lalbero motore in senso
antiorario con una chiave.
NOTA:
Applicare lolio al disolfuro di
molibdeno sugli alberi a camme.
Applicare lolio motore sul sistema
di decompressione.
Premendo la leva di decompres-
sione si consente allalbero motore
di ruotare agevolmente.
Allineare il riferimento PMS a sul
rotore con il segno di allineamento
b sul coperchio carter quando il
pistone si trova sul PMS in fase di
compressione.
Sistema de descompresión
1. Comprobar:
Sistema de descompresión
Procedimiento de
comprobación:
Verifique que la leva del meca-
nismo de descompresión 1 se
mueva con suavidad.
Compruebe que el pasador de
la palanca de la leva del meca-
nismo de descompresión 2
sobresalga del eje de levas.
Tensor de la cadena de
distribución
1. Comprobar:
Mientras presiona la varilla del
tensor ligeramente con los
dedos, utilice un destornillador
fino 1 y gire la varilla del ten-
sor totalmente en el sentido de
las agujas del reloj.
Cuando suelte el destornilla-
dor presionando ligeramente
con los dedos, la varilla del
tensor debe salir con suavi-
dad.
Si no es así, cambie el con-
junto del tensor.
MONTAJE E INSTALACIÓN
Eje de levas
1. Instalar:
Eje de levas de escape 1
Eje de levas de admisión 2
Procedimiento de instalación:
Gire el cigüeñal en el sentido
contrario al de las agujas del
reloj con una llave.
NOTA:
Aplique aceite de disulfuro de
molibdeno a los ejes de levas.
Aplique aceite de motor al sis-
tema de descompresión.
Apretando la palanca de des-
compresión se puede girar fácil-
mente el cigüeñal.
Alinee la marca de PMS a del
rotor con la marca b de la tapa
del cárter cuando el pistón se
encuentre en el PMS de la
carrera de compression.
NOCKENWELLEN
ALBERI A CAMME
EJES DE LEVAS
5 - 61
ENG
CAMSHAFTS
Fit the timing chain 3 onto both
camshaft sprockets and install
the camshafts on the cylinder
head.
NOTE:
The camshafts should be installed
onto the cylinder head so that the
punch mark c on the exhaust
camshaft and the punch mark d
on the intake camshaft must align
with the cylinder head surface, as
shown in the illustration.
CAUTION:
Do not turn the crankshaft dur-
ing the camshaft installation.
Damage or improper valve tim-
ing will result.
Install the clips, camshaft caps
4 and bolts (camshaft cap) 5.
T
R
.
.
Bolt (camshaft cap):
10 Nm
(1.0 m kg, 7.2 ft lb)
NOTE:
Before removing the clips, cover
the cylinder head with a clean
rag to prevent the clips from into
the cylinder head cavity.
Apply the molybdenum disulfide
oil on the thread of the bolts
(camshaft cap).
Tighten the bolts to the specified
torque in two or three steps in
the proper tightening sequence
as shown.
CAUTION:
The bolts (camshaft cap) must
be tightened evenly, or damage
to the cylinder head, camshaft
caps, and camshaft will result.
2. Install:
Timing chain tensioner
Installation steps:
While pressing the tensioner
rod lightly with fingers, use a
thin screwdriver and wind the
tensioner rod up fully clockwise.
2. Monter:
Tendeur de chaîne de distribution
Monter la chaîne de distribution 3
sur les deux pignons darbre à
cames et monter les arbres à cames
sur la culasse.
N.B.:
Les arbres à cames doivent être mon-
tées sur la culasse de manière que le
repère poinçonné c de larbre à
cames d’échappement et le repère
poinçonné d de larbre à cames
dadmission soient alignés avec la
surface de la culasse comme le mon-
tre lillustration.
ATTENTION:
Ne pas faire tourner le vilebrequin
pendant linstallation de larbre à
cames. Cela provoquerait des dom-
mages ou un mauvais réglage du
calage de distribution.
Monter les clips, les chapeaux
darbres à cames 4 et les boulons
(chapeau darbre à cames) 5.
T
R
.
.
Boulon (chapeau darbre à
cames):
10 Nm
(1,0 m kg, 7,2 ft lb)
N.B.:
Avant de déposer les clips, couvrir
la culasse avec un chiffon propre
pour empêcher les clips de tomber
dans la cavité de la culasse.
Appliquer de lhuile au bisulfure de
molybdène sur les filets des boulons
(chapeau darbre à cames).
Serrer les boulons au couple spéci-
fié en deux ou trois étapes, dans
lordre indiqué.
ATTENTION:
Les boulons (chapeau darbre à
cames) doivent être serrés uniformé-
ment sous peine dendommager la
culasse, les chapeaux darbre à
cames et larbre à cames.
Etapes du montage:
Tout en appuyant légèrement sur la
tige du tendeur avec le doigt,
enrouler complètement la tige du
tendeur dans le sens des aiguilles
dune montre à laide dun fin tour-
nevis.
ARBRES A CAMES
5 - 62
ENG
2. Montieren:
Steuerkettenspanner
Die Steuerkette 3 an den Nok-
kenwellenrädern anbringen und
dann die Nockenwellen im
Zylinderkopf montieren.
HINWEIS:
Die Nockenwellen müssen so am
Zylinderkopf montiert werden,
dass die Körnermarkierung c am
Auslass-Nockenwellenrad und die
Körnermarkierung d am Einlass-
Nockenwellenrad, wie in der
Abbildung gezeigt, mit der Zylin-
derkopf-Passfläche fluchten.
ACHTUNG:
Die Kurbelwelle darf während
der Nockenwellen-Montage
nicht gedreht werden. Dies
führt zu Schäden oder falschen
Ventilsteuerzeiten.
Die Clips montieren und die
Nockenwellen-Lagerdeckel 4
festschrauben 5.
T
R
.
.
Schraube (Nockenwel-
len-Lagerdeckel):
10 Nm
(1,0 m kg, 7,2 ft lb)
HINWEIS:
Vor dem Ausbau der Clips das
Kurbelgehäuse mit einem sau-
beren Tuch abdecken, damit die
Clips nicht hineinfallen können.
Die Gewinde der Nockenwellen-
Lagerdeckel-Schrauben mit
Molybdändisulfidöl bestreichen.
Die Schrauben in der abgebilde-
ten Reihenfolge in zwei bis drei
Schritten vorschriftsmäßig fest-
ziehen.
ACHTUNG:
Um Schäden an Zylinderkopf,
Nockenwellen und Nockenwel-
len-Lagerdeckeln zu vermeiden,
müssen die Lagerdeckel-
Schrauben gleichmäßig festge-
zogen werden.
Arbeitsfolge:
Den Steuerkettenspanner-Stö-
ßel mit einem schmalen
Schraubendreher bis zum
Anschlag im Uhrzeigersinn dre-
hen und dabei leicht niederdrü-
cken.
2. Installare:
Tenditore catena di distribuzione
Montare la catena di distribuzione
3 su entrambe le ruote dentate
dellalbero a camme e installare gli
alberi a camme sulla testata.
NOTA:
Gli alberi a camme devono essere
installati sulla testata in modo che il
riferimento punzonato c dellalbero
a camme di scarico e il riferimento
punzonato d dellalbero a camme di
aspirazione siano allineati con la
superficie della testata, come indicato
in figura.
ATTENZIONE:
Durante linstallazione, non ruo-
tare lalbero motore. Potrebbero
verificarsi danni o una fasatura
scorretta della valvola.
Installare i fermi, i cappelli
dellalbero a camme 4 e i bulloni
(cappello dellalbero a camme) 5.
T
R
.
.
Bullone (cappello
dellalbero a camme):
10 Nm
(1,0 m kg, 7,2 ft lb)
NOTA:
Prima di rimuovere i fermi, coprire
la testata con un panno pulito per
evitare che i fermi cadano nella
cavità della testata.
Applicare lolio al disolfuro di
molibdeno sulla filettatura dei bul-
loni (cappello dellalbero a camme)
Serrare i bulloni alla coppia specifi-
cata in due o tre passaggi seguendo
la sequenza di serraggio corretta
come mostrato.
ATTENZIONE:
I bulloni (cappello dellalbero a
camme) devono essere serrati in
maniera uniforme per evitare danni
alla testata, ai cappelli degli alberi a
camme e allalbero a camme.
Operazioni per linstallazione:
Premendo leggermente lasta del
tenditore con le dita, utilizzare un
cacciavite sottile e ruotare comple-
tamente lasta del tenditore in
senso orario.
2. Instalar:
Tensor de la cadena de distri-
bución
Monte la cadena de distribución
3 en los piñones de los ejes de
levas y monte estos en la
culata.
NOTA:
Los ejes de levas se deben mon-
tar en la culata de forma que la
marca perforada c en el eje de
levas de escape y la marca perfo-
rada d en el eje de levas de
admisión se alineen con la super-
ficie de la culata, como se mues-
tra en la ilustración.
ATENCION:
No gire el cigüeñal durante el
montaje de los ejes de levas.
Pueden producirse daños o un
reglaje incorrecto de las válvu-
las.
Instale los clips, las tapas de los
ejes de levas 4 y los tornillos
(tapa de eje de levas) 5.
T
R
.
.
Tornillo (tapa del eje de
levas):
10 Nm
(1,0 m kg, 7,2 ft lb)
NOTA:
Antes de extraer los clips, cubra
la culata con un trapo limpio para
evitar que los clips caigan en el
interior de la cavidad de la
culata.
Aplique aceite de disulfuro de
molibdeno a la rosca de los torni-
llos (tapa del eje de levas).
Apriete los tornillos con el par
especificado, en dos o tres eta-
pas y en la secuencia correcta,
como se muestra.
ATENCION:
Los tornillos (tapa del eje de
levas) se deben apretar unifor-
memente para no dañar la
culata, los ejes de levas o las
tapas de estos.
Procedimiento de instalación:
Mientras presiona la varilla del
tensor ligeramente con los
dedos, utilice un destornillador
fino y gire la varilla del tensor
totalmente en el sentido de las
agujas del reloj.
NOCKENWELLEN
ALBERI A CAMME
EJES DE LEVAS
5 - 63
ENG
CAMSHAFTS
3. Turn:
Crankshaft
Counterclockwise several
turns.
4. Check:
Rotor T.D.C. mark
Align with the crankcase align
mark.
Camshaft match marks
Align with the cylinder head
surface.
Out of alignment Adjust.
With the rod fully wound and the
chain tensioner UP mark a fac-
ing upward, install the gasket 1
and the timing chain tensioner
2, and tighten the bolt 3 to the
specified torque.
T
R
.
.
Bolt (timing chain
tensioner):
10 Nm
(1.0 m kg, 7.2 ft lb)
Release the screwdriver, check
the tensioner rod to come out
and tighten the gasket 4 and
the cap bolt 5 to the specified
torque.
T
R
.
.
Tensioner cap bolt:
7 Nm
(0.7 m kg, 5.1 ft lb)
5
4New
5. Install:
Timing mark accessing screw
1
Crankshaft end accessing
screw 2
6. Install:
Timing chain guide (top side)
1
Cylinder head cover gasket 2
Cylinder head cover 3
Bolt (cylinder head cover) 4
NOTE:
Apply the sealant on the cylinder
head cover gasket.
T
R
.
.
10 Nm (1.0 m · kg, 7.2 ft · lb)
YAMAHA Bond No. 1215
(ThreeBond® No. 1215):
90890-85505
3. Tourner:
Vilebrequin
Plusieurs tours dans le sens
inverse des aiguilles dune mon-
tre.
4. Contrôler:
Repère du PMH du rotor
Aligner avec le repère daligne-
ment du carter moteur.
Repères dalignement de larbre à
cames
Aligner avec la surface de la
culasse.
Hors alignement Régler.
La tige étant complètement enrou-
lée et le repère UP a du tendeur
étant orienté vers le haut, monter le
joint 1 et le tendeur de chaîne de
distribution 2 puis serrer le bou-
lon 3 au couple spécifié.
T
R
.
.
Boulon (tendeur de chaîne
de distribution):
10 Nm
(1,0 m kg, 7,2 ft lb)
Retirer le tournevis, contrôler que
la tige du tendeur ressort et serrer
le joint 4 et le boulon-capuchon
5 au couple spécifié.
T
R
.
.
Boulon-capuchon du
tendeur:
7 Nm
(0,7 m kg, 5,1 ft lb)
5. Monter:
Vis daccès de repère dallumage
1
Vis daccès axiale du vilebrequin
2
6. Monter:
Patin de chaîne de distribution
(côté supérieur) 1
Joint de couvre-culasse 2
Couvre-culasse 3
Boulon (couvre-culasse) 4
N.B.:
Appliquer le produit d’étanchéité sur le
joint de couvre-culasse.
T
R
.
.
10 Nm (1,0 m · kg, 7,2 ft · lb)
YAMAHA Bond N°1215
(ThreeBond® N°1215):
90890-85505
ARBRES A CAMES
5 - 64
ENG
3. Drehen:
Kurbelwelle
(mehrere Umdrehungen im
Gegenuhrzeigersinn)
4. Kontrollieren:
OT-Markierung am Rotor
Auf die entsprechende Gegen-
markierung am Kurbelgehäu-
sedeckel ausrichten.
Nockenwellen-Markierungen
Auf die Zylinderkopf-Passflä-
che ausrichten.
Nicht nach Vorgabe Einstel-
len.
5. Montieren:
Rotor-Abdeckschraube 1
Kurbelwellen-Abdeck-
schraube 2
Den Steuerkettenspanner 2
(samt Dichtung 1) mit vollstän-
dig im Gehäuse hineingedreh-
ten Stößel und nach oben
gerichteter UP-Markierung a
montieren und die Schraube 3
vorschriftsmäßig festziehen.
T
R
.
.
Steuerkettenspanner-
Schraube:
10 Nm
(1,0 m kg, 7,2 ft lb)
Den Schraubendreher loslas-
sen und sicherstellen, dass der
Steuerkettenspanner-Stößel
freigegeben wird; anschließend
die Verschlussschraube 5
samt Dichtung 4 mit dem vor-
geschriebenen Anzugsmoment
festziehen.
T
R
.
.
Steuerkettenspanner-
Verschlussschraube:
7 Nm
(0,7 m kg, 5,1 ft lb)
6. Montieren:
Steuerkettenschiene (oben) 1
Zylinderkopfdeckel-Dichtung
2
Zylinderkopfdeckel 3
Schraube (Zylinderkopfdeckel)
4
HINWEIS:
Dichtmasse auf die Zylinderkopfdek-
kel-Dichtung auftragen.
T
R
.
.
10 Nm (1,0 m · kg, 7,2 ft · lb)
YAMAHA-Dichtmasse
Nr.1215
(ThreeBond® Nr.1215):
90890-85505
3. Ruotare:
Albero motore
In senso antiorario per diversi
giri.
4. Controllare:
Riferimento PMS del rotore
Allinearlo con il segno di allinea-
mento del carter.
Riferimenti dellalbero a camme
Allinearli con la superficie della
testata.
Non allineati Regolare.
Con lasta completamente ruotata e
il riferimento UP del tenditore
della catena a rivolto verso lalto,
installare la guarnizione 1 e il ten-
ditore della catena di distribuzione
2, quindi serrare il bullone 3 alla
coppia specificata.
T
R
.
.
Bullone (tenditore catena di
distribuzione):
10 Nm
(1,0 m kg, 7,2 ft lb)
Rilasciare il cacciavite, controllare
che lasta del tenditore fuoriesca,
quindi avvitare la guarnizione 4 e
il tappo filettato 5 alla coppia spe-
cificata.
T
R
.
.
Tappo filettato del
tenditore:
7 Nm
(0,7 m kg, 5,1 ft lb)
5. Installare:
Vite di accesso al riferimento per
fasatura 1
Vite di accesso allestremità
dellalbero motore 2
6. Installare:
Guida della catena di distribu-
zione (lato superiore) 1
Guarnizione del coperchio testata
2
Coperchio testata 3
Bullone (coperchio testata) 4
NOTA:
Applicare il sigillante sulla guarnizione
del coperchio testata.
T
R
.
.
10 Nm (1,0 m · kg, 7,2 ft · lb)
Sigillante YAMAHA
n.1215
(ThreeBond® n.1215):
90890-85505
3. Girar:
Cigüeñal
Varias vueltas en el sentido
contrario al de las agujas del
reloj.
4. Comprobar:
Marca PMS del rotor
Alinear con la marca del cár-
ter.
Marcas de coincidencia del eje
de levas
Alinear con la superficie de la
culata.
No alineado Ajustar.
Con la varilla completamente
girada hacia dentro y la marca
UP del tensor a hacia arriba,
monte la junta 1 y el tensor de
cadena de distribución 2 y
apriete el tornillo 3 con el par
especificado.
T
R
.
.
Tornillo (tensor de
cadena de distribución):
10 Nm
(1,0 m kg, 7,2 ft lb)
Suelte el destornillador, com-
pruebe que la varilla del tensor
salga y apriete la junta 4 y el
perno capuchino 5 con el par
especificado.
T
R
.
.
Perno capuchino del
tensor:
7 Nm
(0,7 m kg, 5,1 ft lb)
5. Instalar:
Tornillo de acceso a la marca
de reglaje 1
Tornillo de acceso al extremo
del cigüeñal 2
6. Instalar:
Guía de la cadena de distribu-
ción (parte superior) 1
Junta de la tapa de culata 2
Tapa de culata 3
Tornillo (tapa de culata) 4
NOTA:
Aplique sellador a la junta de tapa de
culata.
T
R
.
.
10 Nm (1,0 m · kg, 7,2 ft · lb)
YAMAHA Bond N°1215
(ThreeBond® N°1215):
90890-85505
NOCKENWELLEN
ALBERI A CAMME
EJES DE LEVAS
5 - 65
ENG
CAMSHAFTS
7. Install:
Cylinder head breather hose
Spark plug
T
R
.
.
13 Nm (1.3 m · kg, 9.4 ft · lb)
7. Monter:
Durit de mise à lair de la culasse
Bougie
T
R
.
.
13 Nm (1,3 m · kg, 9,4 ft · lb)
ARBRES A CAMES
5 - 66
ENG
7. Montieren:
Zylinderkopf-Entlüftungs-
schlauch
Zündkerze
T
R
.
.
13 Nm (1,3 m · kg, 9,4 ft · lb)
7. Installare:
Flessibile di sfiato testata
Candela daccensione
T
R
.
.
13 Nm (1,3 m · kg, 9,4 ft · lb)
7. Instalar:
Tubo respiradero de la culata
Bujía
T
R
.
.
13 Nm (1,3 m · kg, 9,4 ft · lb)
NOCKENWELLEN
ALBERI A CAMME
EJES DE LEVAS
5 - 67
ENG
CYLINDER HEAD
CYLINDER HEAD
Extent of removal: 1 Cylinder head removal
Extent of removal Order Part name Qty Remarks
CYLINDER HEAD REMOVAL
Preparation for removal Seat and fuel tank Refer to SEAT, FUEL TANK AND SIDE COVERS
section in the CHAPTER 3.
Exhaust pipe and silencer Refer to EXHAUST PIPE AND SILENCER section
in the CHAPTER 3.
Radiator hose 1 Disconnect at cylinder head side.
Carburetor Refer to CARBURETOR section.
Air cut-off valve assembly Refer to AIR INDUCTION SYSTEM section.
Camshaft Refer to CAMSHAFTS section.
Upper engine bracket Refer to ENGINE REMOVAL section.
1 Radiator pipe 1
2 Oil delivery pipe 1
3Nut 2
4 Bolt [L=135 mm (5.31 in)] 2
5 Bolt [L=145 mm (5.71 in)] 2
6 Cylinder head 1
7 Timing chain guide (exhaust side) 1
1
5 - 68
ENG
CULASSE
Organisation de la dépose: 1 Dépose de la culasse
Organisation de la dépose Ordre Nom de la pièce QtéRemarques
DEPOSE DE LA CULASSE
Préparation à la dépose Selle et réservoir de carburant Se reporter à la section SELLE, RESERVOIR DE
CARBURANT ET CACHES LATERAUX au
CHAPITRE 3.
Tuyau d’échappement et silencieux Se reporter à la section TUBE DECHAPPEMENT ET
SILENCIEUX au CHAPITRE 3.
Durit de radiateur 1 Déconnecter du côté de la culasse.
Carburateur Se reporter à la section CARBURATEUR.
Clapet de coupure dair Se reporter à la section SYSTEME DINDUCTION
DAIR.
Arbre à cames Se reporter à la section ARBRES A CAMES.
Support de moteur supérieur Se reporter à la section DEPOSE DU MOTEUR.
1 Tuyau de radiateur 1
2Tuyau dhuile 1
3 Ecrou 2
4 Boulon [L=135 mm (5,31 in)] 2
5 Boulon [L=145 mm (5,71 in)] 2
6 Culasse 1
7 Patin de chaîne de distribution
(côté échappement)
1
1
ZYLINDERKOPF
Arbeitsumfang: 1 Zylinderkopf demontieren
Arbeitsumfang
Reihenfolge
Bauteil Anz. Bemerkungen
ZYLINDERKOPF DEMONTIEREN
Vorbereitungsarbeiten Sitzbank und Kraftstofftank Siehe unter SITZBANK, KRAFTSTOFFTANK UND
SEITENABDECKUNGEN in KAPITEL 3.
Auspuffkrümmer und Schalldämpfer Siehe unter AUSPUFFKRÜMMER UND
SCHALLDÄMPFER in KAPITEL 3.
Kühler-Schlauch 1 Zylinderkopfseitig lösen.
Vergaser Siehe unter VERGASER.
Sekundärluft-Abschaltventil Siehe unter SEKUNDÄRLUFTSYSTEM.
Nockenwelle Siehe unter NOCKENWELLEN.
obere Motorhalterung Siehe unter MOTOR DEMONTIEREN.
1Kühlerrohr 1
2Ölzufuhrleitung 1
3Mutter 2
4 Schraube [L=135 mm (5,31 in)] 2
5 Schraube [L=145 mm (5,71 in)] 2
6 Zylinderkopf 1
7 Steuerkettenschiene (Auslassseite) 1
1
CULASSE
ZYLINDERKOPF
5 - 69
ENG
TESTATA
Estensione della rimozione: 1 Rimozione della testata
Estensione della rimozione Ordine Denominazione QuantitàOsservazioni
RIMOZIONE TESTATA
Preparazione per la rimozione Sella e serbatoio del carburante Fare riferimento al paragrafo SELLA, SERBATOIO
CARBURANTE E FIANCHETTI nel CAPITOLO 3.
Tubo di scarico e silenziatore Fare riferimento al paragrafo TUBO DI SCARICO E
SILENZIATORE nel CAPITOLO 3.
Flessibile radiatore 1 Scollegarlo sul lato della testata.
Carburatore Fare riferimento al paragrafo CARBURATORE.
Gruppo valvola di interruzione aria Fare riferimento al paragrafo SISTEMA DI INIEZIONE
ARIA.
Albero a camme Fare riferimento al paragrafo ALBERI A CAMME.
Staffa superiore motore Fare riferimento al paragrafo RIMOZIONE DEL
MOTORE.
1 Tubo del radiatore 1
2 Tubo di mandata olio 1
3Dado 2
4 Bullone [L=135 mm (5,31 in)] 2
5 Bullone [L=145 mm (5,71 in)] 2
6 Testata 1
7 Guida catena di distribuzione (lato scarico) 1
1
TESTATA
5 - 70
ENG
CULATA
Extensión del desmontaje: 1 Desmontaje de la culata
Extensión del desmontaje Orden Nombre de la pieza Ctd. Observaciones
DESMONTAJE DE LA CULATA
Preparación para el
desmontaje
Sillín y depósito de combustible Consulte el apartado SILLÍN, DEPÓSITO DE
COMBUSTIBLE Y CUBIERTAS LATERALES del
CAPÍTULO 3.
Tubo de escape y silenciador Consulte el apartado TUBO DE ESCAPE Y
SILENCIADOR del CAPÍTULO 3.
Tubo del radiador 1 Desconéctelo del lado de la culata.
Carburador Consulte el apartado CARBURADOR.
Conjunto de la válvula de corte de aire Consulte el apartado SISTEMA DE INDUCCIÓN
DE AIRE.
Eje de levas Consulte el apartado EJES DE LEVAS.
Soporte superior del motor Consulte el apartado DESMONTAJE DEL
MOTOR.
1 Tubería del radiador 1
2 Tubería de suministro de aceite 1
3 Tuerca 2
4 Tornillo [L=135 mm (5,31 in)] 2
5 Tornillo [L=145 mm (5,71 in)] 2
6 Culata 1
7Guía de la cadena de distribución
(lado del escape)
1
1
CULATA
5 - 71
ENG
CYLINDER HEAD
INSPECTION
Cylinder head
1. Eliminate:
Carbon deposits
(from the combustion cham-
bers)
Use a rounded scraper.
NOTE:
Do not use a sharp instrument to
avoid damaging or scratching:
Spark plug threads
Valve seats
2. Inspect:
Cylinder head
Scratches/damage
Replace.
3. Measure:
Cylinder head warpage
Out of specification Resur-
face.
Cylinder head warpage:
Less than 0.05 mm
(0.002 in)
Warpage measurement and
resurfacing steps:
Place a straightedge and a
feeler gauge across the cylinder
head.
Use a feeler gauge to measure
the warpage.
If the warpage is out of specifi-
cation, resurface the cylinder
head.
Place a 400 ~ 600 grit wet
sandpaper on the surface plate,
and resurface the head using a
figure-eight sanding pattern.
NOTE:
To ensure an even surface rotate
the cylinder head several times.
ASSEMBLY AND INSTALLATION
Cylinder head
1. Install:
Dowel pin 1
Cylinder head gasket 2
Timing chain guide
(exhaust side) 3
Cylinder head 4
NOTE:
While pulling up the timing chain,
install the timing chain guide
(exhaust side) and cylinder head.
New
CONTROLE
Culasse
1. Eliminer:
Dépôts de calamine
(des chambres de combustion)
Utiliser un grattoir arrondi.
N.B.:
Ne pas utiliser dinstrument pointu pour
éviter dendommager ou de griffer:
Filets de bougie
Sièges de soupapes
2. Contrôler:
Culasse
Rayures/endommagement
Remplacer.
3. Mesurer:
Déformation de la culasse
Hors spécifications Rectifier.
Déformation de la culasse:
Inférieure à 0,05 mm
(0,002 in)
Etapes de la mesure de la limite de
déformation et de la rectification:
Placer un réglet et une jauge
d’épaisseur à lames sur la culasse.
Utiliser une jauge d’épaisseur à
lames pour mesurer la déforma-
tion.
Si la déformation est hors spécifi-
cations, rectifier la culasse.
Placer un morceau de papier émeri
humide 400 à 600 sur le marbre et
rectifier la culasse en décrivant des
huit.
N.B.:
Pour obtenir une surface régulière,
tourner la culasse à plusieurs reprises.
ASSEMBLAGE ET MONTAGE
Culasse
1. Monter:
Goujon 1
Joint de culasse 2
Patin de chaîne de distribution
(côté échappement) 3
Culasse 4
N.B.:
Tout en soulevant la chaîne de distribu-
tion, monter le patin de chaîne de distri-
bution (côté échappement) et la culasse.
New
CULASSE
5 - 72
ENG
KONTROLLE
Zylinderkopf
1. Entfernen:
•Ölkohleablagerungen
(von der Verbrennungskam-
mer)
Einen abgerundeten Schaber
verwenden.
HINWEIS:
Keine scharfkantigen Gegenstände
benutzen, um Beschädigungen oder
Kratzer an folgenden Stellen zu ver-
meiden:
Zündkerzenbohrungs-Gewinde
Ventilsitze
2. Kontrollieren:
Zylinderkopf
Verkratzt/beschädigt
Erneuern.
3. Messen:
Zylinderkopf-Verzug
Nicht nach Vorgabe Plan-
schleifen.
ZUSAMMENBAU UND MONTAGE
Zylinderkopf
1. Montieren:
Passhülse 1
Zylinderkopfdeckel-Dichtung
2
Steuerkettenschiene
(auslassseitig) 3
Zylinderkopf 4
HINWEIS:
Die auslassseitige Steuerketten-
schiene und den Zylinderkopf bei
hochgezogener Steuerkette montie-
ren.
Zylinderkopf-Verzug:
Max. 0,05 mm
(0,002 in)
Arbeitsvorgang:
Ein Haarlineal und eine Fühler-
lehre auf den Zylinderkopf
legen.
Den Verzug mit einer Fühler-
lehre messen.
Falls der Verzug nicht im Soll-
bereich ist, muss der Zylinder-
kopf plangeschliffen werden.
Den Zylinderkopf mit Nass-
schleifpapier der Körnung 400
600 auf einer planen Unterlage
in einer Achterbewegung
abschleifen.
HINWEIS:
Den Zylinderkopf mehrmals dre-
hen, um einen gleichmäßigen
Abschliff zu gewährleisten.
New
CONTROLLO
Testata
1. Eliminare:
Depositi carboniosi
(dalle camere di combustione)
Utilizzare un raschietto arroton-
dato.
NOTA:
Non utilizzare uno strumento affilato per
evitare di danneggiare o di graffiare:
Filettature candela daccensione
Sedi valvole
2. Controllare:
Testata
Graffi/danni Sostituire.
3. Misurare:
Deformazione della testata
Non conforme alle specifiche
Spianare.
Deformazione della testata:
Meno di 0,05 mm
(0,002 in)
Misurazione della deformazione e
operazioni di spianamento:
Posizionare una riga e uno spessi-
metro intorno alla testata.
Misurare la deformazione con
lausilio dello spessimetro.
Se la deformazione non è con-
forme alle specifiche, spianare la
testata.
Posizionare carta vetrata umida di
grana 400 ~ 600 su un piano di
riscontro e spianare la testata con
un movimento a otto.
NOTA:
Per ottenere una superficie uniforme,
ruotare la testata diverse volte.
MONTAGGIO E INSTALLAZIONE
Testata
1. Installare:
Grano di centraggio 1
Guarnizione testata 2
Guida catena di distribuzione
(lato scarico) 3
Testata 4
NOTA:
Mentre si solleva la catena di distribu-
zione, installare la guida relativa (lato
scarico) e la testata.
New
COMPROBACIÓN
Culata
1. Eliminar:
Depósitos de carbón
(de las cámaras de combus-
tión)
Utilice una rasqueta redon-
deada.
NOTA:
No utilice un instrumento afilado para
evitar daños y rayaduras:
Roscas de la bujía
Asientos de las válvulas
2. Comprobar:
Culata
Rayaduras/daños Cambiar.
3. Medir:
Alabeo de la culata
Fuera del valor especificado
Rectificar.
Alabeo de la culata:
Menos de 0,05 mm
(0,002 in)
Procedimiento de medición del
alabeo y rectificación:
Coloque una regla y una galga
a lo largo de la culata.
Utilice una galga palpadora
para medir el alabeo.
Si el alabeo está fuera del valor
especificado, rectifique la
culata.
Coloque un papel de lija
húmedo del 400 ~ 600 sobre la
superficie y rectifique la culata
lijando con movimientos en
ocho.
NOTA:
Para asegurar una superficie uni-
forme gire varias veces la culata.
MONTAJE E INSTALACIÓN
Culata
1. Instalar:
Clavija de centrado 1
Junta de la culata 2
Guía de la cadena de distribu-
ción (lado del escape) 3
Culata 4
NOTA:
Mientras tira de la cadena de distri-
bución hacia arriba, instale la guía
(lado del escape) y la culata.
New
ZYLINDERKOPF
TESTATA
CULATA
5 - 73
ENG
CYLINDER HEAD
2. Install:
Washer 1
Cable guide 2
Bolts [L=145 mm (5.71 in)] 3
Bolts [L=135 mm (5.31 in)] 4
Nuts 5
NOTE:
Apply the molybdenum disulfide
grease on the thread and contact
surface of the bolts.
Follow the numerical order shown
in the illustration. Tighten the bolts
and nuts in two stages.
T
R
.
.
38 Nm (3.8 m · kg, 27 ft · lb)
T
R
.
.
38 Nm (3.8 m · kg, 27 ft · lb)
T
R
.
.
10 Nm (1.0 m · kg, 7.2 ft · lb)
3. Install:
Copper washer 1
Oil delivery pipe 2
Union bolt (M8) 3
Union bolt (M10) 4
T
R
.
.
18 Nm (1.8 m · kg, 13 ft · lb)
T
R
.
.
20 Nm (2.0 m · kg, 14 ft · lb)
New
4. Install:
Radiator pipe 1
Bolt (radiator pipe) 2
T
R
.
.
10 Nm (1.0 m · kg, 7.2 ft · lb)
2
1
2. Monter:
Rondelle 1
Guide de câble 2
Boulons [L=145 mm (5,71 in)] 3
Boulons [L=135 mm (5,31 in)] 4
Ecrous 5
N.B.:
Appliquer de la graisse au bisulfure de
molybdène sur les filets et les surfaces
de contact des boulons.
Suivre lordre numérique indiqué dans
lillustration. Serrer les boulons et les
écrous en deux étapes.
T
R
.
.
38 Nm (3,8 m · kg, 27 ft · lb)
T
R
.
.
38 Nm (3,8 m · kg, 27 ft · lb)
T
R
.
.
10 Nm (1,0 m · kg, 7,2 ft · lb)
3. Monter:
Rondelle en cuivre 1
Tuyau dhuile 2
Boulon de raccord (M8) 3
Boulon de raccord (M10) 4
T
R
.
.
18 Nm (1,8 m · kg, 13 ft · lb)
T
R
.
.
20 Nm (2,0 m · kg, 14 ft · lb)
New
4. Monter:
Tuyau de radiateur 1
Boulon (tuyau de radiateur) 2
T
R
.
.
10 Nm (1,0 m · kg, 7,2 ft · lb)
CULASSE
5 - 74
ENG
2. Montieren:
Beilagscheibe 1
Seilzug-Führung 2
Schrauben
[L=145 mm (5,71 in)] 3
Schrauben
[L=135 mm (5,31 in)] 4
Muttern 5
HINWEIS:
Die Gewinde und Kontaktflächen
der Schrauben mit Molybdändisul-
fidfett bestreichen.
Die abgebildete Reihenfolge
beachten. Die Schrauben und Mut-
tern in zwei Schritten festziehen.
T
R
.
.
38 Nm (3,8 m · kg, 27 ft · lb)
T
R
.
.
38 Nm (3,8 m · kg, 27 ft · lb)
T
R
.
.
10 Nm (1,0 m · kg, 7,2 ft · lb)
3. Montieren:
Kupferscheibe 1
•Ölzufuhrleitung 2
Hohlschraube (M8) 3
Hohlschraube (M10) 4
T
R
.
.
18 Nm (1,8 m · kg, 13 ft · lb)
T
R
.
.
20 Nm (2,0 m · kg, 14 ft · lb)
New
4. Montieren:
Kühlerrohr 1
Kühlerrohr-Schraube 2
T
R
.
.
10 Nm (1,0 m · kg, 7,2 ft · lb)
2. Installare:
Rondella 1
Guida del cavo 2
Bulloni [L=145 mm (5,71 in)] 3
Bulloni [L=135 mm (5,31 in)] 4
Dadi 5
NOTA:
Applicare il grasso a disolfuro di
molibdeno sulla filettatura e sulla
superficie di contatto dei bulloni.
Seguire lordine numerico indicato
nella figura. Serrare i bulloni e i dadi
in due fasi.
T
R
.
.
38 Nm (3,8 m · kg, 27 ft · lb)
T
R
.
.
38 Nm (3,8 m · kg, 27 ft · lb)
T
R
.
.
10 Nm (1,0 m · kg, 7,2 ft · lb)
3. Installare:
Rondella di rame 1
Tubo di mandata olio 2
Bullone di giunzione (M8) 3
Bullone di giunzione (M10) 4
T
R
.
.
18 Nm (1,8 m · kg, 13 ft · lb)
T
R
.
.
20 Nm (2,0 m · kg, 14 ft · lb)
New
4. Installare:
Tubo del radiatore 1
Bullone (tubo del radiatore) 2
T
R
.
.
10 Nm (1,0 m · kg, 7,2 ft · lb)
2. Instalar:
Arandela 1
Guía del cable 2
Tornillos [L=145 mm (5,71 in)]
3
Tornillos [L=135 mm (5,31 in)]
4
Tuercas 5
NOTA:
Aplique grasa de disulfuro de
molibdeno a la rosca y a la superfi-
cie de contacto de los tornillos.
Observe el orden numérico que se
muestra en la ilustración. Apriete
los tornillos y las tuercas en dos
etapas.
T
R
.
.
38 Nm (3,8 m · kg, 27 ft · lb)
T
R
.
.
38 Nm (3,8 m · kg, 27 ft · lb)
T
R
.
.
10 Nm (1,0 m · kg, 7,2 ft · lb)
3. Instalar:
Arandela de cobre 1
Tubería de suministro de
aceite 2
Perno de unión (M8) 3
Perno de unión (M10) 4
T
R
.
.
18 Nm (1,8 m · kg, 13 ft · lb)
T
R
.
.
20 Nm (2,0 m · kg, 14 ft · lb)
New
4. Instalar:
Tubería del radiador 1
Tornillo (tubo del radiador) 2
T
R
.
.
10 Nm (1,0 m · kg, 7,2 ft · lb)
ZYLINDERKOPF
TESTATA
CULATA
5 - 75
ENG
VALVES AND VALVE SPRINGS
VALVES AND VALVE SPRINGS
Extent of removal: 1 Valve removal
Extent of removal Order Part name Qty Remarks
VALVES AND VALVE SPRINGS
REMOVAL
Preparation for removal Cylinder head Refer to CYLINDER HEAD section.
1 Valve lifter 5 Use special tool.
Refer to REMOVAL POINTS.
2 Adjusting pad 5
3 Valve cotter 10
4 Valve spring retainer 5
5 Valve spring 5
6 Valve stem seal 5
7 Valve spring seat 5
8 Exhaust valve 2
9 Intake valve 3
1
5 - 76
ENG
SOUPAPES ET RESSORTS DE SOUPAPES
Organisation de la dépose: 1 Dépose de la soupape
Organisation de la dépose Ordre Nom de la pièce QtéRemarques
DEPOSE DES SOUPAPES ET RESSORTS
DE SOUPAPES
Préparation à la dépose Culasse Se reporter à la section CULASSE.
1 Poussoir de soupape 5 Utiliser loutil spécial.
Se reporter à POINTS DE DEPOSE.
2 Cale de réglage 5
3 Clavette de soupape 10
4 Coupelle de ressort de soupape 5
5 Ressort de soupape 5
6 Joint de queue de soupape 5
7Siège de ressort de soupape 5
8 Soupape d’échappement 2
9 Soupape dadmission 3
1
VENTILE UND VENTILFEDERN
Arbeitsumfang: 1 Ventile demontieren
Arbeitsumfang
Reihenfolge
Bauteil Anz. Bemerkungen
VENTILE UND VENTILFEDERN
DEMONTIEREN
Vorbereitungsarbeiten Zylinderkopf Siehe unter ZYLINDERKOPF.
1 Tassenstößel 5 Spezialwerkzeug verwenden.
Siehe unter DEMONTAGE-EINZELHEITEN.
2Ventilplättchen 5
3Ventilkeil 10
4 Federteller 5
5 Ventilfeder 5
6 Ventilschaft-Dichtring 5
7 Federsitz 5
8 Auslassventil 2
9 Einlassventil 3
1
SOUPAPES ET RESSORTS DE SOUPAPES
VENTILE UND VENTILFEDERN
5 - 77
ENG
VALVOLE E MOLLE VALVOLE
Estensione della rimozione: 1 Rimozione delle valvole
Estensione della rimozione Ordine Denominazione QuantitàOsservazioni
RIMOZIONE DI VALVOLE E MOLLE
VALVOLE
Preparazione per la rimozione Testata Fare riferimento al paragrafo TESTATA.
1 Alzavalvola 5 Utilizzare lattrezzo speciale.
Fare riferimento a PUNTI DI RIMOZIONE.
2 Spessore di regolazione 5
3 Semicono valvola 10
4 Anello di fermo della molla valvola 5
5 Molla valvola 5
6 Paraolio stelo valvola 5
7 Sede molla valvola 5
8 Valvola di scarico 2
9 Valvola di aspirazione 3
1
VALVOLE E MOLLE VALVOLE
5 - 78
ENG
VÁLVULAS Y MUELLES DE VÁLVULAS
Extensión del desmontaje: 1 Desmontaje de las válvulas
Extensión del desmontaje Orden Nombre de la pieza Ctd. Observaciones
DESMONTAJE DE VÁLVULAS Y
MUELLES DE VÁLVULAS
Preparación para el
desmontaje
Culata Consulte el apartado CULATA.
1 Levantaválvulas 5 Utilice la herramienta especial.
Consulte el apartado PUNTOS DE
DESMONTAJE.
2 Taqué de ajuste 5
3 Chaveta de válvula 10
4 Sujeción del muelle de la válvula 5
5 Muelle de la válvula 5
6 Junta del vástago de la válvula 5
7 Asiento del muelle de la válvula 5
8Válvula de escape 2
9Válvula de admisión3
1
VÁLVULAS Y MUELLES DE VÁLVULAS
5 - 79
ENG
VALVES AND VALVE SPRINGS
REMOVAL POINTS
Valve lifter and valve cotter
1. Remove:
Valve lifter 1
Pad 2
NOTE:
Identify each lifter 1 and pad 2
position very carefully so that they
can be reinstalled in their original
place.
2. Check:
Valve sealing
Leakage at the valve seat
Inspect the valve face, valve
seat and valve seat width.
Checking steps:
Pour a clean solvent 1 into the
intake and exhaust ports.
Check that the valve seals
properly.
There should be no leakage at
the valve seat 2.
3. Remove:
Valve cotter
NOTE:
Attach a valve spring compressor 1
between the valve spring retainer
and the cylinder head to remove the
valve cotters.
Valve spring
compressor:
YM-4019/90890-04019
POINTS DE DEPOSE
Poussoir de soupape et clavette de
soupape
1. Déposer:
Poussoir de soupape 1
Cale 2
N.B.:
Identifier soigneusement chaque pous-
soir de soupape 1 et la position de cha-
que cale 2 de manière à pouvoir les
remonter à leur emplacement dorigine.
2. Contrôler:
Etanchéité des soupapes
Fuites au siège de soupape
Vérifier la portée de soupape, le
siège de soupape et la largeur du
siège de soupape.
Etapes du contrôle:
Verser du solvant de nettoyage 1
dans les lumières dadmission et
d’échappement.
Contrôler soigneusement les joints
de soupapes.
Il ne peut y avoir aucune fuite au
siège de soupape 2.
3. Déposer:
Clavette de soupape
N.B.:
Fixer un compresseur de ressort de sou-
pape 1 entre la coupelle de ressort de
soupape et la culasse pour déposer les
clavettes de soupape.
Compresseur de ressort de
soupape:
YM-4019/90890-04019
SOUPAPES ET RESSORTS DE SOUPAPES
5 - 80
ENG
DEMONTAGE-EINZELHEITEN
Tassenstößel und Ventilplättchen
1. Demontieren:
Tassenstößel 1
Ventilplättchen 2
HINWEIS:
Die entsprechende Einbaulage sämt-
licher Tassenstößel 1 und Ventil-
plättchen 2 fest halten, damit sie
wieder in ihre ursprüngliche Lage
montiert werden können.
2. Kontrollieren:
Ventil-Dichtigkeit
Ventilsitz undicht Ventilke-
gel, Ventilsitz und Ventilsitz-
Breite kontrollieren.
Arbeitsvorgang:
Ein sauberes Lösungsmittel 1
in den Ein- oder Auslasskanal
gießen.
Den Ventilsitz auf Undichtigkeit
prüfen.
Es darf keine Undichtigkeit am
Ventilsitz 2 auftreten.
3. Demontieren:
Ventilkeil
HINWEIS:
Zum Ausbau des Ventilkeils den
Ventilfederspanner 1 zwischen dem
Federteller und dem Zylinderkopf
anbringen.
Ventilfederspanner:
YM-4019/90890-04019
PUNTI DI RIMOZIONE
Alzavalvola e semicono della valvola
1. Togliere:
Alzavalvola 1
Spessore 2
NOTA:
Identificare molto attentamente la posi-
zione degli alzavalvole 1 e degli spes-
sori 2 per poterli reinstallare nella
posizione originale.
2. Controllare:
Tenuta valvole
Perdita dalla sede della valvola
Controllare la faccia e la sede
della valvola e la larghezza della
sede.
Operazioni per il controllo:
Versare un solvente pulito 1 nelle
luci di aspirazione e di scarico.
Controllare attentamente ogni
paraolio della valvola.
Non devono esserci perdite dalla
sede della valvola 2.
3. Togliere:
Semicono valvola
NOTA:
Applicare un compressore molle valvole
1 tra lanello di fermo della molla e la
testata per rimuovere i semiconi valvola.
Compressore molle valvole:
YM-4019/90890-04019
PUNTOS DE DESMONTAJE
Levantaválvulas y chaveta de
válvula
1. Extraer:
Levantaválvula 1
Taqué 2
NOTA:
Identifique la posición de cada levan-
taválvula 1 y taqué 2 con mucho
cuidado de forma que posterior-
mente los pueda volver a montar en
su posición original.
2. Comprobar:
Sellado de la válvula
Fuga en el asiento de la vál-
vula Comprobar el frontal
de la válvula, el asiento y la
anchura de este.
Procedimiento de
comprobación:
Vierta un disolvente limpio 1
por las lumbreras de admisión y
escape.
Compruebe que las válvulas
cierren correctamente.
No debe haber ninguna fuga en
el asiento de la válvula 2.
3. Extraer:
Chaveta de válvula
NOTA:
Acople un compresor de muelles de
válvula 1 entre la sujeción del mue-
lle y la culata para extraer las chave-
tas de válvula.
Compresor de muelle de
válvula:
YM-4019/90890-04019
VENTILE UND VENTILFEDERN
VALVOLE E MOLLE VALVOLE
VÁLVULAS Y MUELLES DE VÁLVULAS
5 - 81
ENG
VALVES AND VALVE SPRINGS
INSPECTION
Valve
1. Measure:
Stem-to-guide clearance
Out of specification
Replace the valve guide.
Stem-to-guide clearance =
valve guide inside diameter
a valve stem diameter b
Clearance
(stem to guide):
Intake:
0.010 ~ 0.037 mm
(0.0004 ~ 0.0015 in)
<Limit>:
0.08 mm (0.003 in)
Exhaust:
0.025 ~ 0.052 mm
(0.0010 ~ 0.0020 in)
<Limit>:
0.10 mm (0.004 in)
2. Replace:
Valve guide
Replacement steps:
NOTE:
To ease guide removal, installa-
tion and to maintain correct fit
heat the cylinder head in an over
to 100 °C (212 °F).
Remove the valve guide using a
valve guide remover 1.
Install the new valve guide
using a valve guide remover 1
and valve guide installer 2.
After installing the valve guide,
bore the valve guide using a
valve guide reamer 3 to obtain
proper stem-to-guide clearance.
CONTROLE
Soupape
1. Mesurer:
Jeu queue-guide
Hors caractéristiques Rempla-
cer le guide de soupape.
Jeu queue-guide = diamètre inté-
rieur du guide de soupape a
diamètre de queue de soupape b
Jeu (queue-guide):
Admission:
0,010 à 0,037 mm
(0,0004 à 0,0015 in)
<Limite>:
0,08 mm (0,003 in)
Echappement:
0,025 à 0,052 mm
(0,0010 à 0,0020 in)
<Limite>:
0,10 mm (0,004 in)
2. Remplacer:
Guide de soupape
Etapes de remplacement:
N.B.:
Afin de faciliter la dépose et le mon-
tage du guide, et afin de maintenir
lajustement correct, chauffer la
culasse dans un four à une tempéra-
ture de 100 °C (212 °F).
Déposer le guide de soupape à
laide dun outil de dépose de
guide de soupape 1.
Monter un guide de soupape neuf à
laide dun outil de dépose de
guide de soupape 1 et dun outil
de pose de guide de soupape 2.
Une fois le guide de soupape
monté, laléser à laide dun alésoir
de guide de soupape 3 afin obte-
nir le jeu correct entre la queue et
le guide.
SOUPAPES ET RESSORTS DE SOUPAPES
5 - 82
ENG
KONTROLLE
Ventil
1. Messen:
Ventilschaft-Spiel
Nicht nach Vorgabe Ventil-
führung erneuern.
Ventilschaft-Spiel = Ventilfüh-
rungs-Innendurchmesser a
Ventilschaft-Durchmesser b
Ventilschaft-Spiel:
Einlass:
0,0100,037 mm
(0,00040,0015 in)
<Grenzwert>:
0,08 mm (0,003 in)
Auslass:
0,0250,052 mm
(0,00100,0020 in)
<Grenzwert>:
0,10 mm (0,004 in)
2. Erneuern:
Ventilführung
Arbeitsvorgang:
HINWEIS:
Um den Aus- und Einbau der
Ventilführung zu erleichtern und
eine exakte Passung zu gewähr-
leisten, den Zylinderkopf in einem
Ofen auf 100 °C (212 °F) erhitzen.
Die Ventilführung mit einem
Ventilführungs-Austreiber 1
ausbauen.
Die neue Ventilführung mit dem
Ventilführungs-Austreiber 1
und der Ventilführungs-Einbau-
hülse 2 montieren.
Nach dem Einbau muss die
Ventilführung mit der Ventilfüh-
rungs-Reibahle 3 bearbeitet
werden, bis das korrekte Ventil-
schaft-Spiel erreicht ist.
CONTROLLO
Valvola
1. Misurare:
Gioco tra stelo e guida
Non conforme alle specifiche
Sostituire il guidavalvola.
Gioco tra stelo e guida = Diametro
interno guidavalvola a
diametro stelo della valvola b
Gioco (tra stelo e guida):
Aspirazione:
0,010 ~ 0,037 mm
(0,0004 ~ 0,0015 in)
<Limite>:
0,08 mm (0,003 in)
Scarico:
0,025 ~ 0,052 mm
(0,0010 ~ 0,0020 in)
<Limite>:
0,10 mm (0,004 in)
2. Sostituire:
Guidavalvola
Operazioni per la sostituzione:
NOTA:
Per agevolare la rimozione della
guida, linstallazione e per garantire
il montaggio corretto, riscaldare la
testata in un forno a 100 °C (212 °F).
Rimuovere il guidavalvola con
lausilio di un apposito estrattore
1.
Installare il guidavalvola con
lausilio di un estrattore 1 e un
installatore appositi 2.
Dopo linstallazione, alesare il gui-
davalvola con lapposito alesatore
3 per ottenere il corretto gioco tra
stelo e guida.
COMPROBACIÓN
Válvula
1. Medir:
Holgura de vástago a guía
Fuera del valor especificado
Cambiar la guía de válvula.
Holgura de vástago a guía =
diámetro interior de la guía
de válvula a diámetro del
vástago de la válvula b
Holgura
(de vástago a guía):
Admisión:
0,010 ~ 0,037 mm
(0,0004 ~ 0,0015 in)
<Límite>:
0,08 mm (0,003 in)
Escape:
0,025 ~ 0,052 mm
(0,0010 ~ 0,0020 in)
<Límite>:
0,10 mm (0,004 in)
2. Cambiar:
Guía de válvula
Procedimiento de cambio:
NOTA:
Para facilitar el desmontaje, la
instalación y para mantener un
ajuste correcto, caliente la culata
a más de 100 °C (212 °F).
Extraiga la guía de válvula con
un extractor 1.
Instale la nueva guía de válvula
con un extractor 1 y un monta-
dor de guías 2.
Después de instalar la guía de
la válvula, practique un taladro
en la misma con un rectificador
de guías de válvula 3 para
obtener la holgura de vástago a
guía correcta.
VENTILE UND VENTILFEDERN
VALVOLE E MOLLE VALVOLE
VÁLVULAS Y MUELLES DE VÁLVULAS
5 - 83
ENG
VALVES AND VALVE SPRINGS
Valve guide remover:
Intake:
4.0 mm (0.16 in)
YM-4111/
90890-04111
Exhaust:
4.5 mm (0.18 in)
YM-4116/
90890-04116
Valve guide installer:
Intake:
4.0 mm (0.16 in)
YM-4112/
90890-04112
Exhaust:
4.5 mm (0.18 in)
YM-4117/
90890-04117
Valve guide reamer:
Intake:
4.0 mm (0.16 in)
YM-4113/
90890-04113
Exhaust:
4.5 mm (0.18 in)
YM-4118/
90890-04118
NOTE:
After replacing the valve guide
reface the valve seat.
3. Inspect:
Valve face
Pitting/wear Grind the face.
Valve stem end
Mushroom shape or diameter
larger than the body of the
stem Replace.
4. Measure:
Margin thickness a
Out of specification
Replace.
Margin thickness:
Intake:
0.8 mm (0.0315 in)
Exhaust:
0.7 mm (0.0276 in)
Outil de dépose de guide de
soupape:
Admission:
4,0 mm (0,16 in)
YM-4111/90890-04111
Echappement:
4,5 mm (0,18 in)
YM-4116/90890-04116
Outil de pose de guide de
soupape:
Admission:
4,0 mm (0,16 in)
YM-4112/90890-04112
Echappement:
4,5 mm (0,18 in)
YM-4117/90890-04117
Alésoir de guide de
soupape:
Admission:
4,0 mm (0,16 in)
YM-4113/90890-04113
Echappement:
4,5 mm (0,18 in)
YM-4118/90890-04118
N.B.:
Après avoir remplacé le guide de
soupape, rectifier le siège de soupape.
3. Contrôler:
Portée de soupape
Piqûres/usure Rectifier la por-
tée de soupape.
Embout de queue de soupape
Extrémité en forme de champi-
gnon ou diamètre supérieur au
corps de la queue de soupape
Remplacer.
4. Mesurer:
Epaisseur de rebord a
Hors spécifications Rempla-
cer.
Epaisseur de rebord:
Admission:
0,8 mm (0,0315 in)
Echappement:
0,7 mm (0,0276 in)
SOUPAPES ET RESSORTS DE SOUPAPES
5 - 84
ENG
Ventilführungs-
Austreiber:
Einlass:
4,0 mm (0,16 in)
YM-4111/
90890-04111
Auslass:
4,5 mm (0,18 in)
YM-4116/
90890-04116
Ventilführungs-
Einbauhülse:
Einlass:
4,0 mm (0,16 in)
YM-4112/
90890-04112
Auslass:
4,5 mm (0,18 in)
YM-4117/
90890-04117
Ventilführungs-Reibahle:
Einlass:
4,0 mm (0,16 in)
YM-4113/
90890-04113
Auslass:
4,5 mm (0,18 in)
YM-4118/
90890-04118
HINWEIS:
Nach dem Einbau der neuen Ven-
tilführung muss auch der Ventil-
sitz nachgearbeitet werden.
3. Kontrollieren:
Ventilkegel
Angefressen/verschlissen
Ventilkegel nachschleifen.
Ventilschaftende
Pilzartig verformt, Durchmes-
ser größer als am Schaftkör-
per Erneuern.
4. Messen:
Ventilteller-Stärke a
Nicht nach Vorgabe Erneu-
ern.
Ventilteller-Stärke:
Einlass:
0,8 mm (0,0315 in)
Auslass:
0,7 mm (0,0276 in)
Estrattore per
guidavalvole:
Aspirazione:
4,0 mm (0,16 in)
YM-4111/90890-04111
Scarico:
4,5 mm (0,18 in)
YM-4116/90890-04116
Installatore per
guidavalvole:
Aspirazione:
4,0 mm (0,16 in)
YM-4112/90890-04112
Scarico:
4,5 mm (0,18 in)
YM-4117/90890-04117
Alesatore per guidavalvole:
Aspirazione:
4,0 mm (0,16 in)
YM-4113/90890-04113
Scarico:
4,5 mm (0,18 in)
YM-4118/90890-04118
NOTA:
Dopo avere sostituito il guidavalvola,
rettificare la sede della valvola.
3. Controllare:
Faccia della valvola
Vaiolature/usura Alesare la
faccia.
Estremità dello stelo della valvola
Forma a fungo oppure diametro
maggiore del corpo dello stelo
Sostituire.
4. Misurare:
Spessore del margine a
Non conforme alle specifiche
Sostituire.
Spessore del margine:
Aspirazione:
0,8 mm (0,0315 in)
Scarico:
0,7 mm (0,0276 in)
Extractor de guía de
válvulas:
Admisión:
4,0 mm (0,16 in)
YM-4111/
90890-04111
Escape:
4,5 mm (0,18 in)
YM-4116/
90890-04116
Montador de guías de
válvulas:
Admisión:
4,0 mm (0,16 in)
YM-4112/
90890-04112
Escape:
4,5 mm (0,18 in)
YM-4117/
90890-04117
Rectificador de guías de
válvulas:
Admisión:
4,0 mm (0,16 in)
YM-4113/
90890-04113
Escape:
4,5 mm (0,18 in)
YM-4118/
90890-04118
NOTA:
Después de cambiar la guía de
válvula rectifique el asiento.
3. Comprobar:
Frontal de la válvula
Picadura/desgaste Pulir el
frontal.
Extremo del vástago de la vál-
vula
Forma de seta o diámetro
mayor que el cuerpo del vás-
tago Cambiar.
4. Medir:
Espesor del margen a
Fuera del valor especificado
Cambiar.
Espesor del margen:
Admisión:
0,8 mm (0,0315 in)
Escape:
0,7 mm (0,0276 in)
VENTILE UND VENTILFEDERN
VALVOLE E MOLLE VALVOLE
VÁLVULAS Y MUELLES DE VÁLVULAS
5 - 85
ENG
VALVES AND VALVE SPRINGS
5. Measure:
Runout (valve stem)
Out of specification
Replace.
NOTE:
When installing a new valve
always replace the guide.
If the valve is removed or replaced
always replace the oil seal.
6. Eliminate:
Carbon deposits
(from the valve face and valve
seat)
7. Inspect:
Valve seat
Pitting/wear Reface the
valve seat.
Runout limit:
0.01 mm (0.0004 in)
8. Measure:
Valve seat width a
Out of specification Reface
the valve seat.
Valve seat width:
Intake:
0.9 ~ 1.1 mm
(0.0354 ~ 0.0433 in)
<Limit>:
1.6 mm (0.0630 in)
Exhaust:
0.9 ~ 1.1 mm
(0.0354 ~ 0.0433 in)
<Limit>:
1.6 mm (0.0630 in)
Measurement steps:
Apply Mechanics blueing dye
(Dykem) b to the valve face.
Install the valve into the cylinder
head.
Press the valve through the
valve guide and onto the valve
seat to make a clear pattern.
Measure the valve seat width.
Where the valve seat and valve
face made contact, blueing will
have been removed.
If the valve seat is too wide, too
narrow, or the seat is not cen-
tered, the valve seat must be
refaced.
5. Mesurer:
Faux-rond (queue de soupape)
Hors spécifications Rempla-
cer.
N.B.:
En cas de pose dune soupape neuve,
toujours remplacer le guide de sou-
pape.
Si la soupape est déposée ou rempla-
cée, toujours remplacer la bague
d’étanchéité.
6. Eliminer:
Dépôts de calamine
(de la portée de soupape et du
siège de soupape)
7. Contrôler:
Siège de soupape
Piqûres/usure Rectifier le
siège de soupape.
Limite de faux-rond:
0,01 mm (0,0004 in)
8. Mesurer:
Largeur de siège de soupape a
Hors spécifications Remplacer
le siège de soupape.
Largeur de siège de
soupape:
Admission:
0,9 à 1,1 mm
(0,0354 à 0,0433 in)
<Limite>:
1,6 mm (0,0630 in)
Echappement:
0,9 à 1,1 mm
(0,0354 à 0,0433 in)
<Limite>:
1,6 mm (0,0630 in)
Etapes de la mesure:
Appliquer du bleu de mécanicien
(Dykem) b sur la portée de la sou-
pape.
Reposer la soupape dans la culasse.
Enfoncer la soupape dans le guide
et lappuyer contre le siège de sou-
pape pour laisser une empreinte
nette.
Mesurer la largeur du siège de sou-
pape. Le bleu disparaîtra au point
de contact entre le siège et la por-
tée de soupape.
Si le siège de soupape est trop
large, trop étroit, ou nest pas cen-
tré, il doit être rectifié.
SOUPAPES ET RESSORTS DE SOUPAPES
5 - 86
ENG
5. Messen:
Ventilschaft-Schlag
Nicht nach Vorgabe Erneu-
ern.
HINWEIS:
Das Ventil und die Ventilführung
stets gemeinsam erneuern.
Nach dem Ausbau eines Ventils
muss immer der Ventilschaft-Dich-
tring erneuert werden.
6. Entfernen:
•Ölkohleablagerungen
(vom Ventilteller und Ventil-
sitz)
7. Kontrollieren:
Ventilsitz
Angefressen/verschlissen
Ventilkegel nachschleifen.
Max. Schlag:
0,01 mm (0,0004 in)
8. Messen:
Ventilsitz-Breite a
Nicht nach Vorgabe Ventil-
führung nachschleifen.
Ventilsitz-Breite:
Einlass:
0,91,1 mm
(0,03540,0433 in)
<Grenzwert>:
1,6 mm (0,0630 in)
Auslass:
0,91,1 mm
(0,03540,0433 in)
<Grenzwert>:
1,6 mm (0,0630 in)
Arbeitsvorgang:
Tuschierfarbe b auf den Ventil-
kegel auftragen.
Das Ventil in den Zylinderkopf
einsetzen.
Das Ventil fest gegen den Ven-
tilsitz pressen, um einen deutli-
chen Abdruck der Ventilsitz-
Breite zu erhalten.
Das Ventil herausnehmen und
dann die Ventilsitz-Breite mes-
sen. Die Kontaktfläche von
Ventilsitz und Ventilkegel ist
aufgrund der Farbverteilung
sichtbar.
Ist der Sitz zu breit, zu schmal
oder außermittig, muss der
Ventilsitz nachbearbeitet wer-
den.
5. Misurare:
Disassamento (stelo della val-
vola)
Non conforme alle specifiche
Sostituire.
NOTA:
Quando sinstalla una valvola nuova,
sostituire sempre la guida.
Se la valvola viene rimossa o sostitu-
ita, sostituire sempre anche il paraolio.
6. Eliminare:
Depositi carboniosi
(dalla faccia e dalla sede della
valvola)
7. Controllare:
Sede della valvola
Vaiolature/usura Alesare la
sede della valvola.
Limite di disassamento:
0,01 mm (0,0004 in)
8. Misurare:
Larghezza della sede valvola a
Non conforme alle specifiche
Rettificare la sede della valvola.
Larghezza della sede
valvola:
Aspirazione:
0,9 ~ 1,1 mm
(0,0354 ~ 0,0433 in)
<Limite>:
1,6 mm (0,0630 in)
Scarico:
0,9 ~ 1,1 mm
(0,0354 ~ 0,0433 in)
<Limite>:
1,6 mm (0,0630 in)
Operazioni per la misurazione:
Applicare del blu di Prussia
(Dykem) b sulla faccia della val-
vola.
Installare la valvola nella testata.
Premere la valvola attraverso il
guidavalvola e sulla sua sede in
modo da lasciare unimpronta
chiara.
Misurare la larghezza della sede
valvola. Nei punti in cui la sede e
la faccia della valvola sono entrate
in contatto, il blu di Prussia risulta
asportato.
Se la sede della valvola è troppo
larga, troppo stretta oppure se non
è centrata, occorre rettificarla.
5. Medir:
Descentramiento (vástago de
la válvula)
Fuera del valor especificado
Cambiar.
NOTA:
Cuando monte una válvula nueva,
cambie siempre la guía.
Si extrae o cambia la válvula, cam-
bie siempre la junta aceite.
6. Eliminar:
Depósitos de carbón
(del frontal y el asiento de la
válvula)
7. Comprobar:
Asiento de la válvula
Picadura/desgaste Rectifi-
car el frontal.
Límite de
descentramiento:
0,01 mm (0,0004 in)
8. Medir:
Anchura del asiento de la vál-
vula a
Fuera del valor especificado
Rectificar el asiento de la
válvula.
Anchura del asiento de
la válvula:
Admisión:
0,9 ~ 1,1 mm
(0,0354 ~ 0,0433 in)
<Límite>:
1,6 mm (0,0630 in)
Escape:
0,9 ~ 1,1 mm
(0,0354 ~ 0,0433 in)
<Límite>:
1,6 mm (0,0630 in)
Procedimiento de medición:
Aplique tinte azul de mecánica
(Dykem) b al frontal de la vál-
vula.
Monte la válvula en la culata.
Presione la válvula por la guía y
en el asiento para efectuar un
trazado claro.
Mida la anchura del asiento de
válvula. Donde el asiento y el
frontal de la válvula se tocan se
debe haber eliminado el tinte.
Si el asiento de la válvula es
demasiado ancho, demasiado
estrecho o no está centrado, se
debe rectificar.
VENTILE UND VENTILFEDERN
VALVOLE E MOLLE VALVOLE
VÁLVULAS Y MUELLES DE VÁLVULAS
5 - 87
ENG
VALVES AND VALVE SPRINGS
9. Lap:
Valve face
Valve seat
NOTE:
After refacing the valve seat or
replacing the valve and valve guide,
the valve seat and valve face should
be lapped.
Lapping steps:
Apply a coarse lapping com-
pound to the valve face.
CAUTION:
Do not let the compound enter
the gap between the valve stem
and the guide.
Apply molybdenum disulfide oil
to the valve stem.
Install the valve into the cylinder
head.
Turn the valve until the valve
face and valve seat are evenly
polished, then clean off all of
the compound.
NOTE:
For best lapping results, lightly tap
the valve seat while rotating the
valve back and forth between
your hands.
Apply a fine lapping compound
to the valve face and repeat the
above steps.
NOTE:
After every lapping operation be
sure to clean off all of the com-
pound from the valve face and
valve seat.
Apply Mechanics blueing dye
(Dykem) to the valve face.
Install the valve into the cylinder
head.
Press the valve through the
valve guide and onto the valve
seat to make a clear pattern.
Measure the valve seat width
again. If the valve seat width is
out of specification, reface and
relap the valve seat.
9. Roder:
Portée de soupape
Siège de soupape
N.B.:
Après rectification du siège de soupape
ou remplacement de la soupape et du
guide de soupape, le siège et la portée de
soupape doivent être rodés.
Etapes du rodage:
Appliquer une pâte à roder gros-
sière sur la portée de soupape.
ATTENTION:
Ne pas laisser la pâte pénétrer
entre la queue et le guide de sou-
pape.
Appliquer de lhuile au bisulfure
de molybdène sur la queue de sou-
pape.
Reposer la soupape dans la culasse.
Tourner la soupape jusqu’à ce que
la portée de soupape et le siège de
soupape soient uniformément
polis, puis éliminer toute trace de
pâte.
N.B.:
Pour obtenir de meilleurs résultats de
rodage, tapoter légèrement sur le
siège de soupape tout en faisant tour-
ner la soupape entre les mains avec
un mouvement de va-et-vient.
Appliquer une pâte à roder fine sur
la portée de soupape et répéter les
opérations ci-dessus.
N.B.:
Veiller à éliminer toute trace de pâte
de la portée et du siège de soupape
après chaque opération de rodage.
Appliquer du bleu de mécanicien
(Dykem) sur la portée de soupape.
Reposer la soupape dans la culasse.
Enfoncer la soupape dans le guide
et lappuyer contre le siège de sou-
pape pour laisser une empreinte
nette.
Mesurer à nouveau la largeur du
siège de soupape. Si la largeur du
siège de soupape nest pas con-
forme aux spécifications, rectifier
et roder à nouveau le siège de sou-
pape.
SOUPAPES ET RESSORTS DE SOUPAPES
5 - 88
ENG
9. Einschleifen:
Ventilkegel
Ventilsitz
HINWEIS:
Nach dem Einschleifen des Ventilsit-
zes sowie nach der Erneuerung des
Ventils und der Ventilführung sollten
Ventilsitz und Ventilkegel eingeschlif-
fen werden.
Arbeitsfolge:
Grobkörnige Schleifpaste auf
den Ventilkegel auftragen.
ACHTUNG:
Darauf achten, dass die Schleif-
paste nicht zwischen Ventil-
schaft und Ventilführung
gelangt.
Molybdändisulfidöl auf den
Ventilschaft auftragen.
Das Ventil in den Zylinderkopf
einsetzen.
Das Ventil hin- und herdrehen,
bis Ventilkegel und Ventilsitz
gleichmäßig angeschliffen sind;
danach die Schleifpaste voll-
ständig entfernen.
HINWEIS:
Die beste Wirkung wird erzielt,
wenn das Ventil zwischen den
Handflächen hin- und hergedreht
und dabei leicht gegen den Ventil-
sitz gedrückt wird.
Feinkörnige Schleifpaste auf
den Ventilkegel auftragen und
die obigen Arbeitsschritte wie-
derholen.
HINWEIS:
Die Schleifpaste nach jedem
Arbeitsgang vollständig vom Ven-
tilkegel und Ventilsitz abwischen.
Tuschierfarbe auf den Ventilke-
gel auftragen.
Das Ventil in den Zylinderkopf
einsetzen.
Das Ventil fest gegen den Ven-
tilsitz pressen, um einen deutli-
chen Abdruck der Ventilsitz-
Breite zu erhalten.
Das Ventil herausnehmen und
dann die Ventilsitz-Breite mes-
sen. Falls die Ventilsitz-Breite
nicht der Vorgabe entspricht,
Ventilkegel und -sitz erneut ein-
schleifen.
9. Lappare:
Faccia della valvola
Sede della valvola
NOTA:
Dopo aver rettificato la sede della val-
vola o sostituito la valvola e il guidaval-
vola, occorre lappare la sede e la faccia
della valvola.
Operazioni per la lappatura:
Applicare un composto per lappa-
tura a grana grossa alla faccia della
valvola.
ATTENZIONE:
Non permettere la penetrazione del
composto nella luce tra stelo e la
guida.
Applicare olio al disolfuro di
molibdeno sullo stelo valvola.
Installare la valvola nella testata.
Ruotare la valvola finché la faccia
e la sede non siano levigate unifor-
memente, quindi asportare bene
ogni traccia di composto.
NOTA:
Per ottenere risultati ottimali nella
lappatura, picchiettare leggermente
sulla sede della valvola mentre la si
ruota avanti e indietro fra le mani.
Applicare un composto per lappa-
tura a grana fine alla faccia della
valvola e ripetere le operazioni
precedenti.
NOTA:
Dopo ogni operazione di lappatura,
asportare ogni traccia di composto
dalla faccia e dalla sede della valvola.
Applicare del blu di Prussia
(Dykem) sulla faccia della valvola.
Installare la valvola nella testata.
Premere la valvola attraverso il
guidavalvola e sulla sua sede in
modo da lasciare unimpronta
chiara.
Misurare nuovamente la larghezza
della sede valvola. Se la larghezza
della sede valvola non è conforme
alle specifiche, rettificare e lappare
nuovamente la sede valvola.
9. Lapidar:
Frontal de la válvula
Asiento de la válvula
NOTA:
Después de rectificar el asiento de la
válvula o cambiar esta y la guía, se
deben lapidar el asiento y el frontal.
Procedimiento de lapidado:
Aplique una capa gruesa de
compuesto lapidador al frontal
de la válvula.
ATENCION:
Evite que el compuesto entre
en el espacio entre el vástago y
la guía.
Aplique aceite de disulfuro de
molibdeno al vástago de la vál-
vula.
Monte la válvula en la culata.
Gire la válvula hasta que el
frontal y el asiento estén puli-
dos uniformemente y luego eli-
mine todo el compuesto.
NOTA:
Para obtener un lapidado óptimo,
golpee ligeramente el asiento de
la válvula mientras hace girar esta
adelante y atrás entre las manos.
Aplique un compuesto lapida-
dor fino al frontal de la válvula y
repita las operaciones anterio-
res.
NOTA:
Después de cada operación de
lapidado no olvide eliminar todo el
compuesto del frontal y el asiento
de la válvula.
Aplique tinte azul de mecánica
(Dykem) al frontal de la válvula.
Monte la válvula en la culata.
Presione la válvula por la guía y
en el asiento para efectuar un
trazado claro.
Vuelva a medir la anchura del
asiento de válvula. Si la
anchura del asiento de la vál-
vula está fuera del valor especi-
ficado, vuelva a rectificar y a
lapidar el asiento.
VENTILE UND VENTILFEDERN
VALVOLE E MOLLE VALVOLE
VÁLVULAS Y MUELLES DE VÁLVULAS
5 - 89
ENG
VALVES AND VALVE SPRINGS
Valve spring
1. Measure:
Valve spring free length a
Out of specification
Replace.
Free length
(valve spring):
Intake:
36.58 mm (1.44 in)
<Limit>:
35.58 mm (1.40 in)
Exhaust:
37.54 mm (1.48 in)
<Limit>:
36.54 mm (1.44 in)
2. Measure:
Compressed spring force a
Out of specification
Replace.
bInstalled length
3. Measure:
Spring tilt a
Out of specification
Replace.
Compressed spring
force:
Intake:
103 ~ 118 N at
29.13 mm
(10.50 ~ 12.09 kg at
29.13 mm,
23.15 ~ 26.66 lb at
1.15 in)
Exhaust:
126 ~ 144 N at
29.30 mm
(12.85 ~ 14.68 kg at
29.30 mm,
28.32 ~ 32.37 lb at
1.15 in)
Spring tilt limit:
Intake:
2.5°/1.6 mm (0.063 in)
Exhaust:
2.5°/1.6 mm (0.063 in)
Valve lifter
1. Inspect:
Valve lifter
Scratches/damage Replace
both lifters and cylinder head.
Ressort de soupape
1. Mesurer:
Longueur libre du ressort de sou-
pape a
Hors spécifications Rempla-
cer.
Longueur libre
(ressort de soupape):
Admission:
36,58 mm (1,44 in)
<Limite>:
35,58 mm (1,40 in)
Echappement:
37,54 mm (1,48 in)
<Limite>:
36,54 mm (1,44 in)
2. Mesurer:
Force du ressort comprimé a
Hors spécifications Rempla-
cer.
bLongueur monté
3. Mesurer:
Inclinaison du ressort a
Hors spécifications Rempla-
cer.
Force du ressort
comprimé:
Admission:
103 à 118 N à
29,13 mm
(10,50 à 12,09 kg à
29,13 mm,
23,15 à 26,66 lb à
1,15 in)
Echappement:
126 à 144 N à 29,30 mm
(12,85 à 14,68 kg à
29,30 mm,
28,32 à 32,37 lb à
1,15 in)
Limite dinclinaison du
ressort:
Admission:
2,5°/1,6 mm (0,063 in)
Echappement:
2,5°/1,6 mm (0,063 in)
Poussoir de soupape
1. Contrôler:
Poussoir de soupape
Rayures/endommagement
Remplacer les poussoirs et la
culasse.
SOUPAPES ET RESSORTS DE SOUPAPES
5 - 90
ENG
Ventilfeder
1. Messen:
Länge a der ungespannten
Ventilfeder
Nicht nach Vorgabe Erneu-
ern.
Länge der
ungespannten
Ventilfeder:
Einlass:
36,58 mm (1,44 in)
<Grenzwert>:
35,58 mm (1,40 in)
Auslass:
37,54 mm (1,48 in)
<Grenzwert>:
36,54 mm (1,44 in)
2. Messen:
Federkraft a der gespannten
Ventilfeder
Nicht nach Vorgabe Erneu-
ern.
bEinbaulänge
3. Messen:
Federneigung a
Nicht nach Vorgabe Erneu-
ern.
Federkraft der
gespannten Ventilfeder:
Einlass:
103118 N bei
29,13 mm
(10,5012,09 kg bei
29,13 mm,
23,1526,66 lb bei
1,15 in)
Auslass:
126144 N bei
29,30 mm
(12,8514,68 kg bei
29,30 mm,
28,3232,37 lb bei
1,15 in)
Max. Federneigung:
Einlass:
2,5°/1,6 mm (0,063 in)
Auslass:
2,5°/1,6 mm (0,063 in)
Tassenstößel
1. Kontrollieren:
Tassenstößel
Verkratzt/beschädigt Tas-
senstößel und Zylinderkopf
erneuern.
Molla valvola
1. Misurare:
Lunghezza libera molla della val-
vola a
Non conforme alle specifiche
Sostituire.
Lunghezza libera
(molla valvola):
Aspirazione:
36,58 mm (1,44 in)
<Limite>:
35,58 mm (1,40 in)
Scarico:
37,54 mm (1,48 in)
<Limite>:
36,54 mm (1,44 in)
2. Misurare:
Forza molla compressa a
Non conforme alle specifiche
Sostituire.
bLunghezza installata
3. Misurare:
Inclinazione della molla a
Non conforme alle specifiche
Sostituire.
Forza molla compressa:
Aspirazione:
103 ~ 118 N a
29,13 mm
(10,50 ~ 12,09 kg a
29,13 mm,
23,15 ~ 26,66 lb a
1,15 in)
Scarico:
126 ~ 144 N a 29,30 mm
(12,85 ~ 14,68 kg a
29,30 mm,
28,32 ~ 32,37 lb a
1,15 in)
Limite di inclinazione della
molla:
Aspirazione:
2,5°/1,6 mm (0,063 in)
Scarico:
2,5°/1,6 mm (0,063 in)
Alzavalvola
1. Controllare:
Alzavalvola
Graffi/danni Sostituire gli
alzavalvole e la testata.
Muelle de la válvula
1. Medir:
Longitud libre del muelle de la
válvula a
Fuera del valor especificado
Cambiar.
Longitud libre
(muelle de la válvula):
Admisión:
36,58 mm (1,44 in)
<Límite>:
35,58 mm (1,40 in)
Escape:
37,54 mm (1,48 in)
<Límite>:
36,54 mm (1,44 in)
2. Medir:
Tensión del muelle compri-
mido a
Fuera del valor especificado
Cambiar.
bLongitud montada
3. Medir:
Inclinación del muelle a
Fuera del valor especificado
Cambiar.
Tensión del muelle
comprimido:
Admisión:
103 ~ 118 N a
29,13 mm
(10,50 ~ 12,09 kg a
29,13 mm,
23,15 ~ 26,66 lb a
1,15 in)
Escape:
126 ~ 144 N a
29,30 mm
(12,85 ~ 14,68 kg a
29,30 mm,
28,32 ~ 32,37 lb a
1,15 in)
Límite de inclinación del
muelle:
Admisión:
2,5°/1,6 mm (0,063 in)
Escape:
2,5°/1,6 mm (0,063 in)
Levantaválvulas
1. Comprobar:
Levantaválvulas
Rayaduras/daños Cambiar
los levantaválvulas y la culata.
VENTILE UND VENTILFEDERN
VALVOLE E MOLLE VALVOLE
VÁLVULAS Y MUELLES DE VÁLVULAS
5 - 91
ENG
VALVES AND VALVE SPRINGS
ASSEMBLY AND INSTALLATION
Valve and valve spring
1. Apply:
Molybdenum disulfide oil
Onto the valve stem and valve
stem seal.
2. Install:
Valve 1
Valve spring seat 2
Valve stem seal 3
Valve spring 4
Valve spring retainer 5
To cylinder head.
NOTE:
Make sure that each valve is
installed in its original place, also
referring to the painted color as fol-
lows.
Intake (middle) a: Orange
Intake (right/left) b: Green
Exhaust: no paint
Install the valve springs with the
larger pitch c facing upward.
dSmaller pitch
New
3. Install:
Valve cotter
NOTE:
While compressing the valve spring
with a valve spring compressor 1
install the valve cotters.
Valve spring
compressor:
YM-4019/90890-04019
ASSEMBLAGE ET MONTAGE
Soupape et ressort de soupape
1. Appliquer:
Huile au bisulfure de molybdène
Sur la queue de soupape et le
joint de queue de soupape.
2. Monter:
Soupape 1
Siège de ressort de soupape 2
Joint de queue de soupape 3
Ressort de soupape 4
Coupelle de ressort de soupape
5
Sur la culasse.
N.B.:
Veiller à monter chaque soupape à son
emplacement dorigine, en se référant
également aux marques de couleur
comme indiqué ci-dessous.
Admission (milieu) a: Orange
Admission (droite/gauche) b: Vert
Echappement: pas de marque de
couleur
Poser les ressorts de soupape en pla-
çant les spires les plus grandes c vers
le haut.
dPetites spires
New
3. Monter:
Clavette de soupape
N.B.:
Monter les clavettes de soupape tout en
comprimant le ressort de soupape à
laide dun compresseur de ressort de
soupape 1.
Compresseur de ressort de
soupape:
YM-4019/90890-04019
SOUPAPES ET RESSORTS DE SOUPAPES
5 - 92
ENG
ZUSAMMENBAU UND MONTAGE
Ventil und Ventilfeder
1. Auftragen:
Molybdändisulfidöl
(auf Ventilschaft und Dich-
tring)
2. Montieren:
Ventil 1
Federsitz 2
Ventilschaft-Dichtring 3
Ventilfeder 4
Federteller 5
(am Zylinderkopf)
HINWEIS:
Darauf achten, dass die Ventile in
ihre ursprüngliche Lage eingebaut
werden; dabei folgende Farbcodie-
rung beachten.
Einlass (Mitte) a: Orange
Einlass (rechts/links) b: Grün
Auslass: farblos
Beim Einbau der Ventilfedern
muss die größere Steigung c
nach oben gerichtet sein.
dKleinere Steigung
New
3. Montieren:
Ventilkeil
HINWEIS:
Zum Einbau des Ventilkeils die Ven-
tilfeder mit dem Ventilfederspanner
1 zusammendrücken.
Ventilfederspanner:
YM-4019/90890-04019
MONTAGGIO E INSTALLAZIONE
Valvola e molla della valvola
1. Applicare:
Olio al disolfuro di molibdeno
Sullo stelo della valvola e sul
paraolio dello stelo.
2. Installare:
Valvola 1
Sede molla valvola 2
Paraolio stelo valvola 3
Molla valvola 4
Anello di fermo della molla val-
vola 5
Sulla testata.
NOTA:
Accertarsi che ogni valvola sia instal-
lata nella posizione originale, facendo
riferimento anche ai colori, come
segue.
Aspirazione (centrale) a: Aran-
cione
Aspirazione (sinistra/destra) b:
Verde
Scarico: nessun colore
Installare le molle della valvola con il
passo più grande c rivolte verso
lalto.
dPasso più piccolo
New
3. Installare:
Semicono valvola
NOTA:
Mentre si comprime la molla della val-
vola con un apposito compressore 1
installare i semiconi della valvola.
Compressore molle valvole:
YM-4019/90890-04019
MONTAJE E INSTALACIÓN
Válvula y muelle
1. Aplicar:
Aceite de disulfuro de molib-
deno
En el vástago y la junta del
mismo.
2. Instalar:
Válvula 1
Asiento del muelle de la vál-
vula 2
Junta del vástago de la válvula
3
Muelle de la válvula 4
Sujeción del muelle de la vál-
vula 5
A la culata.
NOTA:
Verifique que cada válvula quede
instalada en su posición original;
observe también el color pintado
del modo siguiente.
Admisión (medio) a: Naranja
Admisión (derecha/izquierda) b:
Verde
Escape: sin pintura
Instale los muelles con el extremo
mayor c hacia arriba.
dExtremo menor
New
3. Instalar:
Chaveta de válvula
NOTA:
Mientras comprime el muelle con un
compresor de muelles de válvula 1
instale las chavetas de válvula.
Compresor de muelle de
válvula:
YM-4019/90890-04019
VENTILE UND VENTILFEDERN
VALVOLE E MOLLE VALVOLE
VÁLVULAS Y MUELLES DE VÁLVULAS
5 - 93
ENG
VALVES AND VALVE SPRINGS
4. To secure the valve cotters onto
the valve stem, lightly tap the
valve tip with a piece of wood.
CAUTION:
Hitting the valve tip with excessive
force could damage the valve.
5. Install:
Adjusting pad 1
Valve lifter 2
NOTE:
Apply the molybdenum disulfide oil
on the valve stem end.
Apply the engine oil on the valve
lifters.
Valve lifter must turn smoothly
when rotated with a finger.
Be careful to reinstall valve lifters
and pads in their original place.
4. Bloquer les clavettes sur la queue de
soupape en frappant légèrement sur
son embout à laide dun morceau
de bois.
ATTENTION:
Ne pas taper au point dendommager
la soupape.
5. Monter:
Cale de réglage 1
Poussoir de soupape 2
N.B.:
Appliquer de lhuile au bisulfure de
molybdène sur les embouts de queues
de soupapes.
Appliquer de lhuile moteur sur les
poussoirs de soupapes.
Le poussoir de soupape doit tourner
librement sous la poussée du doigt.
Veiller à remonter les poussoirs de
soupapes et les cales à leur emplace-
ment dorigine.
SOUPAPES ET RESSORTS DE SOUPAPES
5 - 94
ENG
4. Mit einem Holzstück leicht auf
das Ventilende klopfen, um
einen guten Sitz des Ventilkeils
zu gewährleisten.
ACHTUNG:
Darauf achten, nicht zu hart zu
klopfen, um das Ventil nicht zu
beschädigen.
5. Montieren:
Ventilplättchen 1
Tassenstößel 2
HINWEIS:
Molybdändisulfidöl auf das Ventil-
schaftende auftragen.
Motoröl auf die Tassenstößel auf-
tragen.
Der Tassenstößel muss sich mit
dem Finger mühelos drehen las-
sen.
Die Tassenstößel und Ventilplätt-
chen müssen in der ursprünglichen
Lage montiert werden.
4. Per fissare i semiconi sullo stelo
della valvola, picchiettare lieve-
mente la punta della valvola con un
pezzo di legno.
ATTENZIONE:
Se si percuote con troppa forza la
punta della valvola si rischia di dan-
neggiare la valvola.
5. Installare:
Spessore di regolazione 1
Alzavalvola 2
NOTA:
Applicare lolio al disolfuro di molib-
deno allestremità dello stelo della
valvola.
Applicare lolio motore sugli alzaval-
vole.
Lalzavalvola deve muoversi agevol-
mente quando viene fatto ruotare con
un dito.
Prestare attenzione a reinstallare gli
alzavalvole e gli spessori nella loro
posizione originale.
4. Para sujetar las chavetas de vál-
vula al vástago, golpee ligera-
mente la punta de la válvula con
un taco de madera.
ATENCION:
Si la golpea demasiado fuerte
puede dañar la válvula.
5. Instalar:
Taqué de ajuste 1
Levantaválvula 2
NOTA:
Aplique aceite de disulfuro de
molibdeno al extremo del vástago
de la válvula.
Aplique aceite de motor a los
levantaválvulas.
Los levantaválvulas deben girar
con suavidad al impulsarlos con un
dedo.
Reinstale con cuidado los levanta-
válvulas y taqués en sus posicio-
nes originales.
VENTILE UND VENTILFEDERN
VALVOLE E MOLLE VALVOLE
VÁLVULAS Y MUELLES DE VÁLVULAS
5 - 95
ENG
CYLINDER AND PISTON
CYLINDER AND PISTON
Extent of removal: 1 Cylinder removal 2 Piston removal
Extent of removal Order Part name Qty Remarks
CYLINDER AND PISTON REMOVAL
Preparation for removal Cylinder head Refer to CYLINDER HEAD section.
1 Bolt (cylinder) 1
2 Cylinder 1
3 Piston pin clip 2
Use special tool.
Refer to REMOVAL POINTS.
4 Piston pin 1
5Piston 1
6 Piston ring set 1
1
2
5 - 96
ENG
CYLINDRE ET PISTON
Organisation de la dépose: 1 Dépose du cylindre 2 Dépose du piston
Organisation de la dépose Ordre Nom de la pièce QtéRemarques
DEPOSE DES CYLINDRES ET DES
PISTONS
Préparation à la dépose Culasse Se reporter à la section CULASSE.
1 Boulon (cylindre) 1
2 Cylindre 1
3 Agrafe daxe de piston 2
Utiliser loutil spécial.
Se reporter à POINTS DE DEPOSE.
4 Axe de piston 1
5 Piston 1
6 Segments de piston 1
1
2
ZYLINDER UND KOLBEN
Arbeitsumfang: 1 Zylinder demontieren 2 Kolben demontieren
Arbeitsumfang
Reihenfolge
Bauteil Anz. Bemerkungen
ZYLINDER UND KOLBEN
DEMONTIEREN
Vorbereitungsarbeiten Zylinderkopf Siehe unter ZYLINDERKOPF.
1 Zylinder-Schraube 1
2 Zylinder 1
3 Kolbenbolzen-Sicherungsring 2
Spezialwerkzeug verwenden.
Siehe unter DEMONTAGE-EINZELHEITEN.
4 Kolbenbolzen 1
5 Kolben 1
6 Kolbenringsatz 1
1
2
CYLINDRE ET PISTON
ZYLINDER UND KOLBEN
5 - 97
ENG
CILINDRO E PISTONE
Estensione della rimozione: 1 Rimozione del cilindro 2 Rimozione del pistone
Estensione della rimozione Ordine Denominazione QuantitàOsservazioni
RIMOZIONE DI CILINDRO E PISTONE
Preparazione per la rimozione Testata Fare riferimento al paragrafo TESTATA.
1 Bullone (cilindro) 1
2 Cilindro 1
3 Fermo spinotto 2
Utilizzare lattrezzo speciale.
Fare riferimento a PUNTI DI RIMOZIONE.
4 Spinotto 1
5 Pistone 1
6 Serie fasce elastiche 1
1
2
CILINDRO E PISTONE
5 - 98
ENG
CILINDRO Y PISTÓN
Extensión del desmontaje: 1 Desmontaje del cilindro 2 Desmontaje del pistón
Extensión del desmontaje Orden Nombre de la pieza Ctd. Observaciones
DESMONTAJE DEL CILINDRO Y EL
PISTÓN
Preparación para el
desmontaje
Culata Consulte el apartado CULATA.
1 Tornillo (cilindro) 1
2 Cilindro 1
3 Clip del pasador de pistón2
Utilice la herramienta especial.
Consulte el apartado PUNTOS DE
DESMONTAJE.
4 Pasador del pistón1
5Pistón1
6 Conjunto de aros de pistón1
1
2
CILINDRO Y PISTÓN
5 - 99
ENG
CYLINDER AND PISTON
REMOVAL POINTS
Piston and piston ring
1. Remove:
Piston pin clip 1
Piston pin 2
Piston 3
NOTE:
Put identification marks on each
piston head for reference during
reinstallation.
Before removing each piston pin,
deburr the clip groove and pin hole
area. If the piston pin groove is
deburred and the piston pin is still
difficult to remove, use the piston
pin puller set 4.
CAUTION:
Do not use a hammer to drive the
piston pin out.
Piston pin puller set:
YU-1304/90890-01304
2. Remove:
Piston ring 1
NOTE:
Spread the end gaps apart while at
the same time lifting the piston ring
over the top of the piston crown, as
shown in the illustration.
INSPECTION
Cylinder and piston
1. Inspect:
Cylinder and piston walls
Vertical scratches Replace
cylinder and piston.
2. Measure:
Piston-to-cylinder clearance
Measurement steps:
1st step:
Measure the cylinder bore C
with a cylinder bore gauge.
NOTE:
Measure the cylinder bore C in
parallel to and at right angles to
the crankshaft. Then, find the
average of the measurements.
POINTS DE DEPOSE
Piston et segment
1. Déposer:
Agrafe daxe de piston 1
Axe de piston 2
Piston 3
N.B.:
Placer des repères didentification sur
chaque tête de piston comme référence
pour la repose.
Avant de retirer chaque axe de piston,
ébavurer la gorge de lagrafe et le
pourtour du trou de laxe. Si la gorge
de laxe de piston est ébavurée et que
laxe du piston reste difficile à déga-
ger, utiliser lextracteur daxe de pis-
ton 4.
ATTENTION:
Ne pas employer de marteau pour
chasser laxe de piston.
Kit dextracteur daxe de
piston:
YU-1304/90890-01304
2. Déposer:
Segment de piston 1
N.B.:
Ecarter les coupes du segment tout en
soulevant le segment de piston par des-
sus la calotte du piston, comme illustré.
CONTROLE
Cylindre et piston
1. Contrôler:
Parois du cylindre et du piston
Rayures verticales Remplacer
le cylindre et le piston.
2. Mesurer:
Jeu entre piston et cylindre
Etapes de la mesure:
1ère étape:
Mesurer lalésage de cylindre C
à laide dun comparateur à cadran
pour cylindre.
N.B.:
Mesurer lalésage du cylindre C
parallèlement et perpendiculairement
à larbre à cames. Calculer ensuite la
moyenne de ces mesures.
CYLINDRE ET PISTON
5 - 100
ENG
DEMONTAGE-EINZELHEITEN
Kolben und Kolbenringe
1. Demontieren:
Kolbenbolzen-Sicherungsring
1
Kolbenbolzen 2
Kolben 3
HINWEIS:
Die Kolbenböden für den späteren
Wiedereinbau markieren.
Vor dem Ausbau des Kolbenbol-
zens den Bereich der Sicherungs-
ring-Nut und des Kolbenbolzenau-
ges entgraten. Lässt sich der
Kolbenbolzen auch danach nur
schwer lösen, den Kolbenbolzen-
Abzieher 4 verwenden.
ACHTUNG:
Den Kolbenbolzen unter keinen
Umständen mit einem Hammer
austreiben.
Kolbenbolzen-Abzieher:
YU-1304/90890-01304
2. Demontieren:
Kolbenring 1
HINWEIS:
Wie in der Abbildung gezeigt, die
Ringenden spreizen und dabei den
Kolbenring hochschieben.
KONTROLLE
Zylinder und Kolben
1. Kontrollieren:
Zylinder und Kolbenhemd
In Laufrichtung riefig Zylin-
der und Kolben erneuern.
2. Messen:
Kolben-Laufspiel
Arbeitsvorgang:
1. Schritt:
Die Zylinderbohrung C mit
einer Innenmessschraube mes-
sen.
HINWEIS:
Die Zylinderbohrung C sowohl
parallel als auch im rechten Win-
kel zur Kurbelwelle messen.
Anschließend den Durchschnitt
der gemessenen Werte ermitteln.
PUNTI DI RIMOZIONE
Pistone e fascia elastica del pistone
1. Togliere:
Fermo spinotto 1
Spinotto 2
Pistone 3
NOTA:
Posizionare i segni di identificazione
su ogni testata come riferimento
durante la reinstallazione.
Prima di rimuovere ogni spinotto, sba-
vare larea della scanalatura del fermo
e del foro dello spinotto. Se risulta
ancora difficile rimuovere lo spinotto
dopo aver sbavato la scanalatura, uti-
lizzare il kit estrattore dello spinotto
4.
ATTENZIONE:
Non utilizzare un martello per far
uscire lo spinotto.
Kit estrattore dello
spinotto:
YU-1304/90890-01304
2. Togliere:
Fascia elastica del pistone 1
NOTA:
Divaricare le luci fra le estremità e solle-
vare contemporaneamente la fascia ela-
stica del pistone sulla parte superiore
della corona del pistone, come indicato
in figura.
CONTROLLO
Cilindro e pistone
1. Controllare:
Pareti del cilindro e del pistone
Graffi verticali Sostituire il
cilindro e il pistone.
2. Misurare:
Gioco tra cilindro e pistone
Operazioni per la misurazione:
Prima fase:
Misurare il foro cilindro C con
lapposito calibro.
NOTA:
Misurare il foro cilindro C paralle-
lamente e sugli angoli destri
dellalbero motore. Quindi, calcolare
la media delle misure.
PUNTOS DE DESMONTAJE
Pistón y aro
1. Extraer:
Clip del pasador de pistón 1
Pasador del pistón 2
Pistón 3
NOTA:
Haga marcas de identificación en
cada cabeza de pistón como refe-
rencia para el posterior montaje.
Antes de extraer el pasador de pis-
tón, desbarbe el surco del clip y la
zona del orificio del pasador. Si el
surco del pasador del pistón está
desbarbado pero sigue siendo difí-
cil extraer el pasador, utilice el
conjunto extractor del pasador de
pistón 4.
ATENCION:
No utilice un martillo para extraer
el pasador del pistón.
2. Extraer:
Aro de pistón 1
NOTA:
Separe los extremos levantando al
mismo tiempo el aro por encima de
la corona del pistón como se mues-
tra en la ilustración.
Conjunto extractor de
pasador de pistón:
YU-1304/90890-01304
COMPROBACIÓN
Cilindro y pistón
1. Comprobar:
Cilindro y paredes del pistón
Rayaduras verticales Cam-
biar el cilindro y el pistón.
2. Medir:
Holgura entre pistón y cilindro
Procedimiento de medición:
1er paso:
Mida el diámetro del cilindro C
con un medidor de diámetro de
cilindros.
NOTA:
Mida el diámetro del cilindro C
paralelo y perpendicular al cigüe-
ñal. Seguidamente calcule el pro-
medio de las mediciones.
ZYLINDER UND KOLBEN
CILINDRO E PISTONE
CILINDRO Y PISTÓN
5 - 101
ENG
CYLINDER AND PISTON
Cylinder
bore C
77.00 ~ 77.01 mm
(3.0315 ~ 3.0319 in)
Taper limit
T0.05 mm (0.002 in)
Out of
round R0.05 mm (0.002 in)
C = Maximum D
T = (Maximum D1 or D2)
(Maximum D5 or D6)
R = (Maximum D1, D3 or D5)
(Minimum D2, D4 or D6)
If out of specification, replace
the cylinder, and replace the
piston and piston rings as set.
2nd step:
Measure the piston skirt diame-
ter P with a micrometer.
a8 mm (0.31 in) from the piston
bottom edge
Piston size P
Standard 76.955 ~ 76.970 mm
(3.0297 ~ 3.0303 in)
If out of specification, replace
the piston and piston rings as a
set.
3rd step:
Calculate the piston-to-cylinder
clearance with following for-
mula:
Piston-to-cylinder clearance =
Cylinder bore C Piston
skirt diameter P
Piston-to-cylinder
clearance:
0.030 ~ 0.055 mm
(0.0012 ~ 0.0022 in)
<Limit>:
0.1 mm (0.004 in)
If out of specification, replace
the cylinder, and replace the
piston and piston rings as set.
Alésage de
cylindre C
77,00 à 77,01 mm
(3,0315 à 3,0319 in)
Limite de
conicité T0,05 mm (0,002 in)
Ovalisation
R0,05 mm (0,002 in)
C = Maximum D
T = (Maximum D1 ou D2)
(Maximum D5 ou D6)
R = (Maximum D1, D3 ou D5)
(Minimum D2, D4 ou D6)
Si le résultat est hors spécifica-
tions, remplacer le cylindre et rem-
placer ensemble le piston et les
segments de piston.
2ème étape:
Mesurer le diamètre P de la jupe
de piston à laide du palmer.
a8 mm (0,31 in) depuis le bord
inférieur du piston
Taille du piston P
Standard 76,955 à 76,970 mm
(3,0297 à 3,0303 in)
Si hors spécifications, remplacer
ensemble le piston et les segments
de piston.
3ème étape:
Calculer le jeu entre piston et
cylindre au moyen de la formule
suivante:
Jeu piston-cylindre = Alésage du
cylindre C diamètre de la
jupe de piston P
Jeu entre piston et
cylindre:
0,030 à 0,055 mm
(0,0012 à 0,0022 in)
<Limite>:
0,1 mm (0,004 in)
Si le résultat est hors spécifica-
tions, remplacer le cylindre et rem-
placer ensemble le piston et les
segments de piston.
CYLINDRE ET PISTON
5 - 102
ENG
Zylinderboh
rung C
77,0077,01 mm
(3,03153,0319 in)
Max.
Konizität T0,05 mm (0,002 in)
Max.
Ovalität R0,05 mm (0,002 in)
C = größtes Maß unter D
T =(größtes Maß unter D1
und D2) (größtes Maß
unter D5 und D6)
R =(größtes Maß unter D1, D3
und D5) (größtes Maß
unter D2, D4 und D6)
Falls nicht nach Vorgabe, Zylin-
der sowie Kolben und Kolben-
ringe erneuern.
2. Schritt:
Den Kolbenschaft-Durchmes-
ser P mit einer Bügelmess-
schraube messen.
a8 mm (0,31 in) oberhalb der
Unterkante
Kolbengröße P
Standard 76,95576,970 mm
(3,02973,0303 in)
Falls nicht nach Vorgabe, Kol-
ben samt Kolbenringen erneu-
ern.
3. Schritt:
Das Kolben-Laufspiel nach fol-
gender Formel ermitteln:
Kolben-Laufspiel = Zylinder-
bohrung C Kolbenschaft-
Durchmesser P
Kolben-Laufspiel:
0,0300,055 mm
(0,00120,0022 in)
<Grenzwert>:
0,1 mm (0,004 in)
Falls nicht nach Vorgabe, Zylin-
der sowie Kolben und Kolben-
ringe erneuern.
Foro del
cilindro C
77,00 ~ 77,01 mm
(3,0315 ~ 3,0319 in)
Limite di
conicità T0,05 mm (0,002 in)
Eccentricità
R0,05 mm (0,002 in)
C = massimo di D
T = (Massimo di D1 o D2)
(Massimo di D5 o D6)
R = (Massimo di D1, D3 o D5)
(Minimo di D2, D4 o D6)
Se fuori specifica, sostituire il
cilindro, il pistone e le fasce elasti-
che in blocco.
Seconda fase:
Misurare il diametro del mantello
P del pistone con un micrometro.
a8 mm (0,31 in) dal bordo inferiore del
pistone
Dimensioni P del
pistone
Standard 76,955 ~ 76,970 mm
(3,0297 ~ 3,0303 in)
Se non conforme a specifiche,
sostituire in blocco il pistone e le
fasce elastiche.
Terza fase:
Calcolare il gioco fra pistone e
cilindro con la seguente formula:
Gioco tra cilindro e pistone = Foro
del cilindro C Diametro del
mantello del pistone P
Gioco tra cilindro e
pistone:
0,030 ~ 0,055 mm
(0,0012 ~ 0,0022 in)
<Limite>:
0,1 mm (0,004 in)
Se fuori specifica, sostituire il
cilindro, il pistone e le fasce elasti-
che in blocco.
Diámetro del
cilindro C
77,00 ~ 77,01 mm
(3,0315 ~ 3,0319 in)
Límite de
conicidad
T
0,05 mm (0,002 in)
Ovalización
R0,05 mm (0,002 in)
C = Máximo D
T =(Máximo D1 o D2)
(Máximo D5 o D6)
R =(Máximo D1, D3 o D5)
(Mínimo D2, D4 o D6)
Si está fuera del valor especifi-
cado, cambie el conjunto de
cilindro, pistón y aros.
2º paso:
Mida el diámetro de la superfi-
cie lateral del pistón P con un
micrómetro.
a8 mm (0,31 in) desde el borde
inferior del pistón
Tamaño del pistón
P
Estándar 76,955 ~ 76,970 mm
(3,0297 ~ 3,0303 in)
Si está fuera del valor especifi-
cado cambie el conjunto de pis-
tón y aros.
3er paso:
Calcule la holgura de pistón a
cilindro con la fórmula
siguiente:
Holgura de pistón a cilindro =
diámetro del cilindro C
diámetro de la superficie
lateral del pistón P
Holgura entre pistón y
cilindro:
0,030 ~ 0,055 mm
(0,0012 ~ 0,0022 in)
<Límite>:
0,1 mm (0,004 in)
Si está fuera del valor especifi-
cado, cambie el conjunto de
cilindro, pistón y aros.
ZYLINDER UND KOLBEN
CILINDRO E PISTONE
CILINDRO Y PISTÓN
5 - 103
ENG
CYLINDER AND PISTON
Piston ring
1. Measure:
Ring side clearance
Use a feeler gauge 1.
Out of specification
Replace the piston and rings
as a set.
NOTE:
Clean carbon from the piston ring
grooves and rings before measuring
the side clearance.
Side clearance:
Standard <Limit>
Top ring
0.030 ~
0.065 mm
(0.0012 ~
0.0026 in)
0.12 mm
(0.005 in)
2nd ring
0.020 ~
0.055 mm
(0.0008 ~
0.0022 in)
0.12 mm
(0.005 in)
2. Position:
Piston ring
(in cylinder)
NOTE:
Insert a ring into the cylinder and
push it approximately 10 mm
(0.39 in) into the cylinder. Push the
ring with the piston crown so that the
ring will be at a right angle to the cyl-
inder bore.
a10 mm (0.39 in)
3. Measure:
Ring end gap
Out of specification
Replace.
NOTE:
You cannot measure the end gap on
the expander spacer of the oil control
ring. If the oil control ring rails show
excessive gap, replace all three
rings.
Segment
1. Mesurer:
Jeu latéral du segment
Utiliser une jauge d’épaisseur à
lames 1.
Hors spécifications Remplacer
ensemble le piston et les seg-
ments de piston.
N.B.:
Eliminer les dépôts de calamine des gor-
ges des segments de piston et des seg-
ments avant de mesurer le jeu latéral.
Jeu latéral:
Standard <Limite>
Segment
de feu
0,030 à
0,065 mm
(0,0012 à
0,0026 in)
0,12 mm
(0,005 in)
Segment
d’étan-
chéité
0,020 à
0,055 mm
(0,0008 à
0,0022 in)
0,12 mm
(0,005 in)
2. Position:
Segment
(dans le cylindre)
N.B.:
Insérer un segment dans le cylindre et
lenfoncer denviron 10 mm (0,39 in).
Enfoncer le segment à laide de la calotte
de piston de manière que le segment
fasse un angle droit avec lalésage du
cylindre.
a10 mm (0,39 in)
3. Mesurer:
Coupe de segment
Hors spécifications Rempla-
cer.
N.B.:
Il nest pas possible de mesurer la coupe
de la bague extensible du segment
racleur dhuile. Si les rails du segment
racleur dhuile présentent un jeu exces-
sif, remplacer les trois segments.
CYLINDRE ET PISTON
5 - 104
ENG
Kolbenringe
1. Messen:
Ringnutspiel
Eine Fühlerlehre 1 verwen-
den.
Nicht nach Vorgabe Kol-
ben samt Kolbenringen erneu-
ern.
HINWEIS:
Vor der Messung des Ringnutspiels
müssen die Ölkohleablagerungen
von den Kolbenringen und Ringnuten
entfernt werden.
Ringnutspiel:
Standard
<Grenzwert>
1. Kom-
pressi-
onsring
(Topring)
0,030
0,065 mm
(0,0012
0,0026 in)
0,12 mm
(0,005 in)
2. Kom-
pressi-
onsring
0,020
0,055 mm
(0,0008
0,0022 in)
0,12 mm
(0,005 in)
2. Anordnen:
Kolbenringe
(im Zylinder)
HINWEIS:
Den Kolbenring ca.10 mm (0,39 in) in
den Zylinder einschieben. Den Kol-
benring mit dem Kolbenboden in die
Zylinderbohrung schieben, so dass
der Ring rechtwinklig im Zylinder
sitzt.
a10 mm (0,39 in)
3. Messen:
Kolbenring-Stoß
Nicht nach Vorgabe Erneu-
ern.
HINWEIS:
Der Stoß der Ölabstreifring-Expan-
derfeder kann nicht gemessen wer-
den. Wenn der Stoß der
Ölabstreifschneiden nicht im Sollbe-
reich liegt, müssen alle Kolbenringe
erneuert werden.
Fascia elastica del pistone
1. Misurare:
Gioco laterale della fascia
Utilizzare uno spessimetro 1.
Non conforme a specifiche
Sostituire in blocco il pistone e le
fasce elastiche.
NOTA:
Pulire il carbone dalle fasce elastiche del
pistone e dalle relative scanalature prima
di misurare il gioco laterale.
Gioco laterale:
Standard <Limite>
Fascia
superiore
0,030 ~
0,065 mm
(0,0012 ~
0,0026 in)
0,12 mm
(0,005 in)
seconda
fascia
0,020 ~
0,055 mm
(0,0008 ~
0,0022 in)
0,12 mm
(0,005 in)
2. Posizione:
Fascia elastica del pistone
(nel cilindro)
NOTA:
Inserire una fascia nel cilindro e spin-
gerla allinterno di circa 10 mm
(0,39 in). Premere la fascia con la corona
del pistone in modo che la fascia si trovi
a una giusta angolazione rispetto al foro
del cilindro.
a10 mm (0,39 in)
3. Misurare:
Luce fra le estremità della fascia
elastica
Non conforme alle specifiche
Sostituire.
NOTA:
È impossibile misurare la luce fra le
estremità sul distanziatore dellestensore
della fascia di controllo dellolio. Se gli
elementi della fascia di controllo
dellolio presentano una luce eccessiva,
sostituire tutte e tre le fasce elastiche.
Aro de pistón
1. Medir:
Holgura lateral del aro
Utilice una galga palpadora 1.
Fuera del valor especificado
Cambiar el conjunto de pis-
tón y aros.
NOTA:
Limpie el carbón de los surcos de los
aros antes de medir la holgura late-
ral.
Holgura lateral:
Estándar <Límite>
Aro
superior
0,030 ~
0,065 mm
(0,0012 ~
0,0026 in)
0,12 mm
(0,005 in)
2º aro
0,020 ~
0,055 mm
(0,0008 ~
0,0022 in)
0,12 mm
(0,005 in)
2. Situar:
Aro de pistón
(en cilindro)
NOTA:
Introduzca un aro en el cilindro y
empújelo aproximadamente 10 mm
(0,39 in) en el interior. Empuje el aro
con la corona del pistón de forma
que el aro se sitúe perpendicular al
diámetro del cilindro.
a10 mm (0,39 in)
3. Medir:
Distancia entre extremos de
aro de pistón
Fuera del valor especificado
Cambiar.
NOTA:
No se puede medir la distancia entre
extremos de aro de pistón en el
espaciador expansor del aro de
engrase. Si los surcos del aro de
engrase tienen una holgura exce-
siva, cambie los tres aros.
ZYLINDER UND KOLBEN
CILINDRO E PISTONE
CILINDRO Y PISTÓN
5 - 105
ENG
CYLINDER AND PISTON
End gap:
Standard <Limit>
Top ring
0.15 ~ 0.25 mm
(0.006 ~
0.010 in)
0.50 mm
(0.020 in)
2nd ring
0.30 ~ 0.45 mm
(0.012 ~
0.018 in)
0.80 mm
(0.031 in)
Oil ring
0.10 ~ 0.40 mm
(0.004 ~
0.016 in)
Piston pin
1. Inspect:
Piston pin
Blue discoloration/grooves
Replace, then inspect the
lubrication system.
2. Measure:
Piston pin-to-piston clearance
Measurement steps:
Measure the outside diameter
(piston pin) a.
If out of specification, replace
the piston pin.
Outside diameter (piston
pin):
15.991 ~ 16.000 mm
(0.6296 ~ 0.6299 in)
Measure the inside diameter
(piston) b.
Inside diameter (piston):
16.002 ~ 16.013 mm
(0.6300 ~ 0.6304 in)
Calculate the piston pin-to-pis-
ton clearance with the following
formula.
Piston pin-to-piston clearance
= Inside diameter (piston) b
Outside diameter (piston pin)
a
If out of specification, replace
the piston.
Piston pin-to-piston
clearance:
0.002 ~ 0.022 mm
(0.0001 ~ 0.0009 in)
<Limit>:
0.07 mm (0.003 in)
Coupe:
Standard <Limite>
Segment
de feu
0,15 à 0,25 mm
(0,006 à
0,010 in)
0,50 mm
(0,020 in)
Segment
d’étan-
chéité
0,30 à 0,45 mm
(0,012 à
0,018 in)
0,80 mm
(0,031 in)
Segment
racleur
dhuile
0,10 à 0,40 mm
(0,004 à
0,016 in)
Axe de piston
1. Contrôler:
Axe de piston
Décoloration bleue/rainures
Remplacer, puis contrôler le sys-
tème de lubrification.
2. Mesurer:
Jeu entre axe de piston et piston
Etapes de la mesure:
Mesurer le diamètre extérieur (axe
de piston) a.
Si hors spécifications, remplacer
laxe de piston.
Diamètre extérieur (axe de
piston):
15,991 à 16,000 mm
(0,6296 à 0,6299 in)
Mesurer le diamètre intérieur (pis-
ton) b.
Diamètre intérieur
(piston):
16,002 à 16,013 mm
(0,6300 à 0,6304 in)
Calculer le jeu entre axe de piston
et piston au moyen de la formule
suivante.
Jeu entre axe de piston et piston =
Diamètre intérieur (piston) b
Diamètre extérieur (axe de
piston) a
Si hors spécifications, remplacer le
piston.
Jeu entre axe de piston et
piston:
0,002 à 0,022 mm
(0,0001 à 0,0009 in)
<Limite>:
0,07 mm (0,003 in)
CYLINDRE ET PISTON
5 - 106
ENG
Ringstoß:
Standard
<Grenzwert>
1. Kom-
pressi-
onsrig
(Topring)
0,15
0,25 mm
(0,006
0,010 in)
0,50 mm
(0,020 in)
2. Kom-
pressi-
onsring
0,30
0,45 mm
(0,012
0,018 in)
0,80 mm
(0,031 in)
Ölabst-
reifring
0,10
0,40 mm
(0,004
0,016 in)
Kolbenbolzen
1. Kontrollieren:
Kolbenbolzen
Blaubrüchig/riefig Kolben-
bolzen erneuern und Schmier-
system kontrollieren.
2. Messen:
Kolbenbolzen-Spiel
Arbeitsvorgang:
Den Kolbenbolzen-Durchmes-
ser a messen.
Falls nicht nach Vorgabe, den
Kolbenbolzen erneuern.
Kolbenbolzen-
Durchmesser:
15,99116,000 mm
(0,62960,6299 in)
Den Kolbenbolzenaugen-
Durchmesser b messen.
Kolbenbolzenaugen-
Durchmesser:
16,00216,013 mm
(0,63000,6304 in)
Das Kolben-Laufspiel nach fol-
gender Formel ermitteln.
Kolbenbolzen-Spiel = Kolben-
bolzenaugen-Durchmesser b
Kolbenbolzen-Durchmesser
a
Falls nicht nach Vorgabe, den
Kolben erneuern.
Kolbenbolzen-Spiel:
0,0020,022 mm
(0,00010,0009 in)
<Grenzwert>:
0,07 mm (0,003 in)
Luce fra le estremità:
Standard <Limite>
Fascia
superiore
0,15 ~ 0,25 mm
(0,006 ~
0,010 in)
0,50 mm
(0,020 in)
seconda
fascia
0,30 ~ 0,45 mm
(0,012 ~
0,018 in)
0,80 mm
(0,031 in)
Fascia
raschiao-
lio
0,10 ~ 0,40 mm
(0,004 ~
0,016 in)
Spinotto
1. Controllare:
Spinotto
Macchia blu/scanalature Sosti-
tuire, quindi controllare il sistema
di lubrificazione.
2. Misurare:
Gioco fra spinotto e pistone
Operazioni per la misurazione:
Misurare il diametro esterno (spi-
notto) a.
Se non conforme alle specifiche,
sostituire lo spinotto.
Diametro esterno
(spinotto):
15,991 ~ 16,000 mm
(0,6296 ~ 0,6299 in)
Misurare il diametro interno (spi-
notto) b.
Diametro interno
(spinotto):
16,002 ~ 16,013 mm
(0,6300 ~ 0,6304 in)
Calcolare il gioco fra spinotto e
pistone con la seguente formula.
Gioco tra spinotto e pistone =
Diametro interno (pistone) b
Diametro esterno (spinotto) a
Se non conforme alle specifiche,
sostituire il pistone.
Gioco fra spinotto e
pistone:
0,002 ~ 0,022 mm
(0,0001 ~ 0,0009 in)
<Limite>:
0,07 mm (0,003 in)
Distancia entre extre-
mos de aro de pistón:
Estándar <Límite>
Aro
superior
0,15 ~
0,25 mm
(0,006 ~
0,010 in)
0,50 mm
(0,020 in)
2º aro
0,30 ~
0,45 mm
(0,012 ~
0,018 in)
0,80 mm
(0,031 in)
Aro de
engrase
0,10 ~
0,40 mm
(0,004 ~
0,016 in)
Pasador del pistón
1. Comprobar:
Pasador del pistón
Decoloración azul/estrías
Cambiar y luego comprobar el
sistema de engrase.
2. Medir:
Holgura entre pasador y pistón
Procedimiento de medición:
Mida el diámetro exterior (pasa-
dor del pistón) a.
Si está fuera del valor especifi-
cado cambie el pasador de pis-
tón.
Diámetro exterior
(pasador de pistón):
15,991 ~ 16,000 mm
(0,6296 ~ 0,6299 in)
Mida el diámetro interior (pis-
tón) b.
Diámetro interior
(pistón):
16,002 ~ 16,013 mm
(0,6300 ~ 0,6304 in)
Calcule la holgura de pasador a
pistón con la fórmula siguiente.
Holgura entre pasador y pistón
= diámetro interior (pistón) b
diámetro exterior (pasador
de pistón) a
Si está fuera del valor especifi-
cado cambie el pistón.
Holgura entre pasador y
pistón:
0,002 ~ 0,022 mm
(0,0001 ~ 0,0009 in)
<Límite>:
0,07 mm (0,003 in)
ZYLINDER UND KOLBEN
CILINDRO E PISTONE
CILINDRO Y PISTÓN
5 - 107
ENG
CYLINDER AND PISTON
ASSEMBLY AND INSTALLATION
Piston ring and piston
1. Install:
Piston ring
Onto the piston.
NOTE:
Be sure to install the piston rings
so that the manufacturers marks
or numbers are located on the
upper side of the rings.
Lubricate the piston and piston
rings liberally with engine oil.
2. Position:
Top ring
2nd ring
Oil ring
Offset the piston ring end gaps
as shown.
aTop ring end
b2nd ring end
cOil ring end (upper)
dOil ring
eOil ring end (lower)
45˚
135˚135˚
a
bce
d
3. Install:
Piston 1
Piston pin 2
Piston pin clip 3
NOTE:
Apply engine oil onto the piston pin
and piston.
Be sure that the arrow mark a on
the piston points to the exhaust
side of the engine.
Before installing the piston pin clip,
cover the crankcase with a clean
rag to prevent the piston pin clip
from falling into the crankcase.
Install the piston pin clips with their
ends facing downward.
3New
New
ASSEMBLAGE ET MONTAGE
Piston et segment de piston
1. Monter:
Segment de piston
Sur le piston.
N.B.:
Veiller à monter les segments de pis-
ton en plaçant les repères ou numéros
du fabricant du côté supérieur des seg-
ments.
Lubrifier généreusement le piston et
les segments à laide dhuile moteur.
2. Position:
Segment de feu
Segment d’étanchéité
Segment racleur dhuile
Excentrer les coupes des seg-
ments comme illustré.
aExtrémité du segment de feu
bExtrémité du segment d’étanchéité
cExtrémité du segment racleur dhuile
(supérieur)
dSegment racleur dhuile
eExtrémité du segment racleur dhuile
(inférieur)
3. Monter:
Piston 1
Axe de piston 2
Agrafe daxe de piston 3
N.B.:
Appliquer de lhuile moteur sur laxe
de piston et le piston.
Contrôler que la flèche a située sur le
piston pointe vers le côté échappement
du moteur.
Avant de monter lagrafe daxe de pis-
ton, couvrir le carter dun chiffon pro-
pre pour éviter que lagrafe ne tombe
dans la cavité du carter.
Monter les agrafes daxes de piston
extrémités vers le bas.
New
CYLINDRE ET PISTON
5 - 108
ENG
ZUSAMMENBAU UND MONTAGE
Kolbenringe und Kolben
1. Montieren:
Kolbenringe
(auf den Kolben)
HINWEIS:
Die Kolbenringe so einbauen, dass
die Herstellerangaben nach oben
gerichtet sind.
Den Kolben und die Kolbenringe
großzügig mit Motoröl bestreichen.
2. Anordnen:
1. Kompressionsring (Topring)
2. Kompressionsring
•Ölabstreifring
Die Ringspalte, wie in der
Abbildung gezeigt, versetzen.
aSpalt des 1. Kompressionsrings
bSpalt des 2. Kompressionsrings
cSpalt der oberen Ölabstreifschneide
dÖlabstreifring
eSpalt der unteren Ölabstreifschneide
3. Montieren:
Kolben 1
Kolbenbolzen 2
Kolbenbolzen-Sicherungsring
3
HINWEIS:
Motoröl auf den Kolbenbolzen und
Kolben auftragen.
Die Pfeilmarkierung a auf dem
Kolben muss zur Auslassseite des
Zylinders gerichtet sein.
Vor dem Einbau des Kolbenbol-
zen-Sicherungsringes das Kurbel-
gehäuse mit einem sauberen Tuch
abdecken, damit der Sicherungs-
ring nicht hineinfallen kann.
Die Kolbenbolzen-Sicherungs-
ringe so einbauen, dass deren
Enden nach unten gerichtet sind.
New
MONTAGGIO E INSTALLAZIONE
Pistone e fascia elastica
1. Installare:
Fascia elastica del pistone
Sul pistone.
NOTA:
Assicurarsi di installare le fasce elasti-
che in modo che i contrassegni o i
numeri del produttore siano rivolti
verso lalto.
Lubrificare a piacere il pistone e le
fasce elastiche con olio motore.
2. Posizione:
Fascia superiore
Seconda fascia
Fascia raschiaolio
Sfalsare le luci fra le estremità
delle fasce elastiche come indi-
cato in figura.
aEstremità della fascia superiore
bEstremità seconda fascia
cEstremità fascia raschiaolio (superiore)
dFascia raschiaolio
eEstremità fascia raschiaolio (inferiore)
3. Installare:
Pistone 1
Spinotto 2
Fermo spinotto 3
NOTA:
Applicare olio motore sullo spinotto e
sul pistone.
Accertare che la freccia a sul pistone
sia rivolta verso il lato di scarico del
motore.
Prima di installare la graffa dello spi-
notto, coprire il carter con un panno
pulito per evitare che la graffa cada
nel carter.
Installare i fermi spinotto con le estre-
mità rivolte verso il basso.
New
MONTAJE E INSTALACIÓN
Aros de pistón y pistón
1. Instalar:
Aro de pistón
En el pistón.
NOTA:
Verifique que los aros de pistón
queden colocados con las marcas
o números del fabricante en la
parte superior de los aros.
Engrase el pistón y los aros con
aceite de motor abundante.
2. Situar:
Aro superior
2º aro
Aro de engrase
Descentre las holguras del
extremo de los aros de pistón
como se muestra.
aExtremo del aro superior
bExtremo del segundo aro
cExtremo del aro de engrase
(superior)
dAro de engrase
eExtremo del aro de engrase (inferior)
3. Instalar:
Pistón 1
Pasador del pistón 2
Clip del pasador de pistón 3
NOTA:
Aplique aceite de motor al pasador
y al pistón.
Verifique que la flecha a del pis-
tón quede orientada hacia el lado
de escape del motor.
Antes de instalar el clip del pasa-
dor del pistón, cubra la abertura
del cárter con un paño limpio para
evitar que el clip se caiga al cárter.
Instale los clips del pasador de pis-
tón con los extremos hacia abajo.
New
ZYLINDER UND KOLBEN
CILINDRO E PISTONE
CILINDRO Y PISTÓN
5 - 109
ENG
CYLINDER AND PISTON
Cylinder
1. Lubricate:
Piston
Piston ring
Cylinder
NOTE:
Apply a liberal coating of engine oil.
2. Install:
Dowel pin 1
O-ring 2
NOTE:
Apply the lithium soap base grease
on the O-ring.
New
3. Install:
Cylinder gasket 1
Cylinder 2
NOTE:
Install the cylinder with one hand
while compressing the piston rings
with the other hand.
CAUTION:
Pass the timing chain 3
through the timing chain cavity.
Be careful not to damage the
timing chain guide 4 during
installation.
4. Install:
Bolt (cylinder) 5
T
R
.
.
10 Nm (1.0 m · kg, 7.2 ft · lb)
New
Cylindre
1. Lubrifier:
Piston
Segment
Cylindre
N.B.:
Appliquer une généreuse couche dhuile
moteur.
2. Monter:
Goujon 1
Joint torique 2
N.B.:
Appliquer de la graisse à savon de
lithium sur le joint torique.
New
3. Monter:
Joint de cylindre 1
Cylindre 2
N.B.:
Monter le cylindre à laide dune main,
tout en compressant les segments de
lautre.
ATTENTION:
Faire passer la chaîne de distribu-
tion 3 dans la cavité de la chaîne de
distribution.
Veiller à ne pas endommager le
patin de chaîne de distribution 4
pendant linstallation.
4. Monter:
Boulon (cylindre) 5
T
R
.
.
10 Nm (1,0 m · kg, 7,2 ft · lb)
New
CYLINDRE ET PISTON
5 - 110
ENG
Zylinder
1. Schmieren:
Kolben
Kolbenringe
Zylinder
HINWEIS:
Bauteile großzügig mit Motoröl
bestreichen.
2. Montieren:
Passhülsen 1
O-Ringe 2
HINWEIS:
Den O-Ring mit Lithiumseifenfett
bestreichen.
New
3. Montieren:
Zylinder-Dichtung 1
Zylinder 2
HINWEIS:
Den Zylinder mit einer Hand ein-
bauen, mit der anderen Hand die
Kolbenringe zusammendrücken.
ACHTUNG:
Die Steuerkette 3 durch den
Steuerkettenschacht führen.
Darauf achten, dass die Steuer-
kettenschiene 4 nicht beschä-
digt wird.
4. Montieren:
Zylinder-Schraube 5
T
R
.
.
10 Nm (1,0 m · kg, 7,2 ft · lb)
New
Cilindro
1. Lubrificare:
Pistone
Fascia elastica del pistone
Cilindro
NOTA:
Applicare uno strato abbondante di olio
motore.
2. Installare:
Grano di centraggio 1
Guarnizione circolare 2
NOTA:
Applicare il grasso a base di sapone di
litio sulla guarnizione circolare.
New
3. Installare:
Guarnizione cilindro 1
Cilindro 2
NOTA:
Installare il cilindro con una mano com-
primendo le fasce elastiche del pistone
con laltra.
ATTENZIONE:
Far passare la catena di distribu-
zione 3 attraverso la relativa
cavità.
Fare attenzione a non danneggiare
la guida della catena di distribu-
zione 4 durante linstallazione.
4. Installare:
Bullone (cilindro) 5
T
R
.
.
10 Nm (1,0 m · kg, 7,2 ft · lb)
New
Cilindro
1. Lubricar:
Pistón
Aro de pistón
Cilindro
NOTA:
Aplique una capa generosa de aceite
de motor.
2. Instalar:
Clavija de centrado 1
Junta tórica 2
NOTA:
Aplique grasa de jabón de litio a la
junta tórica.
New
3. Instalar:
Junta del cilindro 1
Cilindro 2
NOTA:
Instale el cilindro con una mano
mientras comprime los aros con la
otra.
ATENCION:
Pase la cadena de distribución
3 por la cavidad correspon-
diente.
Tenga cuidado de no dañar la
guía de la cadena de distribu-
ción 4 durante la instalación.
4. Instalar:
Tornillo (cilindro) 5
T
R
.
.
10 Nm (1,0 m · kg, 7,2 ft · lb)
New
ZYLINDER UND KOLBEN
CILINDRO E PISTONE
CILINDRO Y PISTÓN
5 - 111
ENG
CLUTCH
EC4A0000
CLUTCH
Extent of removal: 1 Push rod 1, 2 and push lever shaft removal 2 Push rod 1 disassembly
3 Friction plate and clutch plate removal 4 Primary driven gear removal
Extent of removal Order Part name Qty Remarks
CLUTCH REMOVAL
Preparation for removal Drain the engine oil. Refer to ENGINE OIL REPLACEMENT section in
the CHAPTER 3.
Brake pedal Refer to ENGINE REMOVAL section.
Clutch cable Disconnect at engine side.
1 Clutch cover 1
2 Clutch spring 5
3 Pressure plate 1
4 Push rod 1 1
5 Circlip 1
6 Washer 1
7 Bearing 1
8Ball 1
9 Push rod 2 1
1
1
2
34
5 - 112
ENG
EMBRAYAGE
Organisation de la dépose: 1 Dépose de la tige de débrayage 1, 2 et de larbre de tige de poussée
2 Démontage de la tige de débrayage 1
3 Dépose du disque garni et du plateau de pression
4 Dépose du pignon mené de transmission primaire
Organisation de la dépose Ordre Nom de la pièce QtéRemarques
DEPOSE DE LEMBRAYAGE
Préparation à la dépose Vidanger lhuile moteur. Se reporter à la section CHANGEMENT DE LHUILE
MOTEUR du CHAPITRE 3.
Pédale de frein Se reporter à la section DEPOSE DU MOTEUR.
Câble dembrayage Déconnecter du côté du moteur.
1 Couvercle dembrayage 1
2 Ressort dembrayage 5
3 Plateau de pression 1
4 Tige de débrayage 1 1
5 Circlip 1
6 Rondelle 1
7 Roulement 1
8 Bille 1
9 Tige de débrayage 2 1
1
1
2
34
KUPPLUNG
Arbeitsumfang: 1 Druckstangen 1 und 2, Kupplungsausrückwelle demontieren
2 Druckstange 1 zerlegen
3 Reib- und Stahlscheiben demontieren
4 Primärantriebsrad demontieren
Arbeitsumfang
Reihenfolge
Bauteil Anz. Bemerkungen
KUPPLUNG DEMONTIEREN
Vorbereitungsarbeiten Das Motoröl ablassen. Siehe unter MOTORÖL WECHSELN in KAPITEL
3.
Fußbremshebel Siehe unter MOTOR DEMONTIEREN.
Kupplungszug Motorseitig lösen.
1 Kupplungsdeckel 1
2 Kupplungsfeder 5
3 Druckplatte 1
4 Druckstange 1 1
5 Sicherungsring 1
6 Beilagscheibe 1
7 Lager 1
8 Kugel 1
9 Druckstange 2 1
1
1
2
34
EMBRAYAGE
KUPPLUNG
5 - 113
ENG
FRIZIONE
Estensione della rimozione: 1 Rimozione di asta di blocco 1, 2 e del supporto della leva di aggancio
2 Disassemblaggio dellasta di blocco 1
3 Rimozione di disco conduttore e disco condotto
4 Rimozione dellingranaggio condotto della trasmissione primaria
Estensione della rimozione Ordine Denominazione QuantitàOsservazioni
RIMOZIONE DELLA FRIZIONE
Preparazione per la rimozione Scaricare lolio motore. Fare riferimento al paragrafo SOSTITUZIONE
DELLOLIO MOTORE nel CAPITOLO 3.
Pedale del freno Fare riferimento al paragrafo RIMOZIONE DEL
MOTORE.
Cavo della frizione Scollegarlo sul lato del motore.
1 Carter frizione 1
2 Molla della frizione 5
3 Piatto spingidisco 1
4 Asta di blocco 1 1
5 Anello elastico di sicurezza 1
6 Rondella 1
7Cuscinetto 1
8 Sfera 1
9 Asta di blocco 2 1
1
1
2
34
FRIZIONE
5 - 114
ENG
EMBRAGUE
Extensión del desmontaje: 1 Desmontaje de la barra de empuje 1, 2 y del eje de la palanca de empuje
2 Desarmado de la barra de empuje 1
3 Desmontaje de la disco de fricción y el disco de embrague
4 Desmontaje del engranaje conducido primario
Extensión del desmontaje Orden Nombre de la pieza Ctd. Observaciones
DESMONTAJE DEL EMBRAGUE
Preparación para el
desmontaje
Vacíe el aceite del motor. Consulte el apartado CAMBIO DE ACEITE DEL
MOTOR en el CAPÍTULO 3.
Pedal de freno Consulte el apartado DESMONTAJE DEL
MOTOR.
Cable de embrague Desconéctelo del lado del motor.
1 Tapa del embrague 1
2 Muelle del embrague 5
3 Placa de presión1
4 Barra de empuje 1 1
5 Anillo elástico 1
6 Arandela 1
7 Cojinete 1
8Bola 1
9 Barra de empuje 2 1
1
1
2
34
EMBRAGUE
5 - 115
ENG
CLUTCH
Extent of removal Order Part name Qty Remarks
10 Friction plate 9
11 Clutch plate 8
12 Cushion spring 1
13 Seat plate 1
14 Nut (clutch boss) 1 Use special tool.
Refer to REMOVAL POINTS.
15 Lock washer 1
16 Clutch boss 1
17 Thrust washer 1
18 Primary driven gear 1
19 Push lever shaft 1
3
4
1
5 - 116
ENG
Organisation de la dépose Ordre Nom de la pièce QtéRemarques
10 Disque garni 9
11 Plateau dembrayage 8
12 Plaquette de progressivité1
13 Plaque de siège 1
14 Ecrou (noix dembrayage) 1 Utiliser loutil spécial.
Se reporter à POINTS DE DEPOSE.
15 Rondelle darrêt1
16 Noix dembrayage 1
17 Rondelle de butée1
18 Pignon mené de transmission primaire 1
19 Arbre de tige de poussée1
3
4
1
Arbeitsumfang
Reihenfolge
Bauteil Anz. Bemerkungen
10 Reibscheibe 9
11 Stahlscheibe 8
12 Wellenfeder 1
13 Federsitz 1
14 Kupplungsnaben-Mutter 1 Spezialwerkzeug verwenden.
Siehe unter DEMONTAGE-EINZELHEITEN.
15 Sicherungsscheibe 1
16 Kupplungsnabe 1
17 Anlaufscheibe 1
18 Primärantriebsrad 1
19 Kupplungsausrückwelle 1
3
4
1
EMBRAYAGE
KUPPLUNG
5 - 117
ENG
Estensione della rimozione Ordine Denominazione QuantitàOsservazioni
10 Disco conduttore 9
11 Disco condotto 8
12 Molla di smorzamento 1
13 Piastra della sella 1
14 Dado (mozzo frizione) 1 Utilizzare lattrezzo speciale.
Fare riferimento a PUNTI DI RIMOZIONE.
15 Rondella di bloccaggio 1
16 Mozzo frizione 1
17 Rondella reggispinta 1
18 Ingranaggio condotto della trasmissione
primaria
1
19 Albero leva di aggancio 1
3
4
1
FRIZIONE
5 - 118
ENG
Extensión del desmontaje Orden Nombre de la pieza Ctd. Observaciones
10 Placa de fricción9
11 Disco de embrague 8
12 Muelle amortiguador 1
13 Placa de asiento 1
14 Tuerca (resalte de embrague) 1 Utilice la herramienta especial.
Consulte el apartado PUNTOS DE
DESMONTAJE.
15 Arandela de seguridad 1
16 Resalte de embrague 1
17 Arandela de presión1
18 Engranaje conducido primario 1
19 Eje de la palanca de empuje 1
3
4
1
EMBRAGUE
5 - 119
ENG
CLUTCH
EC4A3000
REMOVAL POINTS
Clutch boss
1. Remove:
Nut 1
Lock washer 2
Clutch boss 3
NOTE:
Straighten the lock washer tab and
use the clutch holding tool 4 to hold
the clutch boss.
ÈFor USA and CDN
ÉExcept for USA and CDN
Clutch holding tool:
YM-91042/90890-04086
ÈÉ
EC4A4000
INSPECTION
EC484100
Clutch housing and boss
1. Inspect:
Clutch housing 1
Cracks/wear/damage
Replace.
Clutch boss 2
Scoring/wear/damage
Replace.
EC484201
Primary driven gear
1. Check:
Circumferential play
Free play exists Replace.
Gear teeth a
Wear/damage Replace.
Clutch spring
1. Measure:
Clutch spring free length a
Out of specification
Replace springs as a set.
Clutch spring free
length:
37.0 mm (1.46 in)
<Limit>:
36.0 mm (1.42 in)
POINTS DE DEPOSE
Noix dembrayage
1. Déposer:
Ecrou 1
Rondelle darrêt 2
Noix dembrayage 3
N.B.:
Redresser la languette de la rondelle-
frein et utiliser loutil de maintien de
lembrayage 4 pour maintenir la noix
dembrayage.
ÈUSA et CDN
ÉSauf USA et CDN
Outil de maintien de
lembrayage:
YM-91042/90890-04086
CONTROLE
Cloche et noix dembrayage
1. Contrôler:
Cloche dembrayage 1
Craquelures/usure/endommage-
ment Remplacer.
Noix dembrayage 2
Formation de rayures/usure/
endommagement Remplacer.
Pignon mené de transmission primaire
1. Contrôler:
Jeu périphérique
Présence de jeu Remplacer.
Dents de pignon a
Usure/endommagement Rem-
placer.
Ressort dembrayage
1. Mesurer:
Longueur libre de ressort
dembrayage a
Hors spécifications Remplacer
lensemble des ressorts.
Longueur libre de ressort
dembrayage:
37,0 mm (1,46 in)
<Limite>:
36,0 mm (1,42 in)
EMBRAYAGE
5 - 120
ENG
DEMONTAGE-EINZELHEITEN
Kupplungsnabe
1. Demontieren:
Mutter 1
Sicherungsscheibe 2
Kupplungsnabe 3
HINWEIS:
Die Lasche der Sicherungsscheibe
umbiegen und die Kupplungsnabe
mit dem Kupplungshalter 4 fest hal-
ten.
ÈUSA und CDN
ÉNicht USA und CDN
Kupplungshalter:
YM-91042/90890-04086
KONTROLLE
Kupplungskorb und -nabe
1. Kontrollieren:
Kupplungskorb 1
Rissig/verschlissen/beschä-
digt Erneuern.
Kupplungsnabe 2
Riefig/verschlissen/beschä-
digt Erneuern.
Primärantriebsrad
1. Kontrollieren:
Axialspiel
Spiel vorhanden Erneuern.
Verzahnung a
Verschlissen/beschädigt
Erneuern.
Kupplungsfeder
1. Messen:
Länge a der ungespannten
Kupplungsfeder
Nicht nach Vorgabe Federn
satzweise erneuern.
Länge der
ungespannten
Kupplungsfeder:
37,0 mm (1,46 in)
<Grenzwert>:
36,0 mm (1,42 in)
PUNTI DI RIMOZIONE
Mozzo frizione
1. Togliere:
Dado 1
Rondella di bloccaggio 2
Mozzo frizione 3
NOTA:
Spianare la linguetta della rondella di
bloccaggio e 4 bloccare il mozzo fri-
zione con lattrezzo di bloccaggio fri-
zione.
ÈUSA e CDN
ÉEccetto USA e CDN
Attrezzo di bloccaggio
frizione:
YM-91042/90890-04086
CONTROLLO
Campana e mozzo della frizione
1. Controllare:
Campana della frizione 1
Incrinature/usura/danni Sosti-
tuire.
Mozzo frizione 2
Segnature/usura/danni Sostitu-
ire.
Ingranaggio condotto della
trasmissione primaria
1. Controllare:
Gioco circonferenziale
Presenza di gioco Sostituire.
Denti dellingranaggio a
Usura/danni Sostituire.
Molla della frizione
1. Misurare:
Lunghezza libera della molla fri-
zione a
Non conforme alle specifiche
Sostituire le molle in blocco.
Lunghezza libera della
molla frizione:
37,0 mm (1,46 in)
<Limite>:
36,0 mm (1,42 in)
PUNTOS DE DESMONTAJE
Resalte de embrague
1. Extraer:
Tuerca 1
Arandela de seguridad 2
Resalte de embrague 3
NOTA:
Enderece la solapa de la arandela de
seguridad y el sujetador de embra-
gue 4 para sostener el resalte de
embrague.
ÈUSA y CDN
ÉExcepto USA y CDN
Herramienta de sujeción
del embrague:
YM-91042/90890-04086
COMPROBACIÓN
Caja y resalte de embrague
1. Comprobar:
Caja de embrague 1
Grietas/desgaste/daños
Cambiar.
Resalte de embrague 2
Rayadura/desgaste/daños
Cambiar.
Engranaje conducido primario
1. Comprobar:
Holgura circunferencial
Hay holgura Cambiar.
Dientes de los engranajes a
Desgaste/daños Cambiar.
Muelle del embrague
1. Medir:
Longitud libre del muelle de
embrague a
Fuera del valor especificado
Cambiar el conjunto de
muelles.
Longitud libre del muelle
del embrague:
37,0 mm (1,46 in)
<Límite>:
36,0 mm (1,42 in)
KUPPLUNG
FRIZIONE
EMBRAGUE
5 - 121
ENG
CLUTCH
Friction plate
1. Measure:
Friction plate thickness
Out of specification
Replace friction plate as a set.
Measure at all four points.
Friction plate thickness:
2.9 ~ 3.1 mm
(0.114 ~ 0.122 in)
<Limit>:
2.7 mm (0.106 in)
EC484600
Clutch plate
1. Measure:
Clutch plate warpage
Out of specification
Replace clutch plate as a set.
Use a surface plate 1 and
thickness gauge 2.
Warp limit:
0.1 mm (0.004 in)
Push lever shaft
1. Inspect:
Push lever shaft 1
Wear/damage Replace.
Push rod
1. Inspect:
Push rod 1 1
Bearing 2
Washer 3
Push rod 2 4
Ball 5
Wear/damage/bend
Replace.
Disque garni
1. Mesurer:
Epaisseur du disque garni
Hors spécifications Remplacer
le disque garni complet.
Mesurer aux quatre endroits indi-
qués.
Epaisseur du disque garni:
2,9 à 3,1 mm
(0,114 à 0,122 in)
<Limite>:
2,7 mm (0,106 in)
Plateau dembrayage
1. Mesurer:
Déformation du plateau
dembrayage
Hors spécifications Remplacer
le plateau dembrayage complet.
Utiliser un marbre 1 et une jauge
d’épaisseur 2.
Limite de déformation:
0,1 mm (0,004 in)
Arbre de tige de poussée
1. Contrôler:
Arbre de tige de poussée 1
Usure/endommagement Rem-
placer.
Tige de débrayage
1. Contrôler:
Tige de débrayage 1 1
Roulement 2
Rondelle 3
Tige de débrayage 2 4
Bille 5
Usure/endommagement/cour-
bure Remplacer.
EMBRAYAGE
5 - 122
ENG
Reibscheibe
1. Messen:
Reibscheiben-Stärke
Nicht nach Vorgabe Reib-
scheiben satzweise erneuern.
Jeweils an vier Punkten mes-
sen.
Reibscheiben-Stärke:
2,93,1 mm
(0,1140,122 in)
<Grenzwert>:
2,7 mm (0,106 in)
Stahlscheibe
1. Messen:
Stahlscheiben-Verzug
Nicht nach Vorgabe Stahl-
scheiben satzweise erneuern.
Eine plane Unterlage 1 und
eine Fühlerlehre 2 verwen-
den.
Max. Verzug:
0,1 mm (0,004 in)
Kupplungsausrückwelle
1. Kontrollieren:
Kupplungsausrückwelle 1
Verschlissen/beschädigt
Erneuern.
Druckstange
1. Kontrollieren:
Druckstange1 1
Lager 2
Beilagscheibe 3
Druckstange 2 4
Kugel 5
Verschlissen/beschädigt/ver-
bogen Erneuern.
Disco conduttore
1. Misurare:
Spessore del disco conduttore
Non conforme alle specifiche
Sostituire il disco conduttore in
blocco.
Misurare in tutti e quattro i punti.
Spessore del disco
conduttore:
2,9 ~ 3,1 mm
(0,114 ~ 0,122 in)
<Limite>:
2,7 mm (0,106 in)
Disco condotto
1. Misurare:
Deformazione del disco condotto
Non conforme alle specifiche
Sostituire il disco condotto in
blocco.
Utilizzare un piano di riscontro
1 e un indicatore spessore 2.
Limite di distorsione:
0,1 mm (0,004 in)
Albero leva di aggancio
1. Controllare:
Albero leva di aggancio 1
Usura/danni Sostituire.
Asta di blocco
1. Controllare:
Asta di blocco 1 1
Cuscinetto 2
Rondella 3
Asta di blocco 2 4
Sfera 5
Usura/danni/deformazioni
Sostituire.
Placa de fricción
1. Medir:
Espesor de las placas de fric-
ción
Fuera del valor especificado
Cambiar el conjunto de pla-
cas.
Medir en los cuatro puntos.
Espesor de la placa de
fricción:
2,9 ~ 3,1 mm
(0,114 ~ 0,122 in)
<Límite>:
2,7 mm (0,106 in)
Disco de embrague
1. Medir:
Deformación del disco de
embrague
Fuera del valor especificado
Cambiar el conjunto de dis-
cos de embrague.
Utilice una placa de superficie
1 y una galga de espesores
2.
Límite de deformación:
0,1 mm (0,004 in)
Eje de la palanca de empuje
1. Comprobar:
Eje de la palanca de empuje
1
Desgaste/daños Cambiar.
Barra de empuje
1. Comprobar:
Barra de empuje 1 1
Cojinete 2
Arandela 3
Barra de empuje 2 4
Bola 5
Desgaste/daños/alabeo
Cambiar.
KUPPLUNG
FRIZIONE
EMBRAGUE
5 - 123
ENG
CLUTCH
EC4A5000
ASSEMBLY AND INSTALLATION
Push lever shaft
1. Install:
Push lever shaft 1
Bolt (push lever shaft) 2
NOTE:
Apply the lithium soap base grease
on the oil seal lip.
Apply the engine oil on the push
lever shaft.
Fit the seat plate 3 in the groove
a of the push lever shaft and
tighten the bolt (seat plate).
T
R
.
.
10 Nm (1.0 m · kg, 7.2 ft · lb)
Clutch
1. Install:
Primary driven gear 1
Thrust washer 2
Clutch boss 3
NOTE:
Apply the engine oil on the primary
driven gear inner circumference.
2. Install:
Lock washer 1
Nut (clutch boss) 2
NOTE:
Use the clutch holding tool 3 to hold
the clutch boss.
ÈFor USA and CDN
ÉExcept for USA and CDN
T
R
.
.
60 Nm (6.0 m · kg, 43 ft · lb)
Clutch holding tool:
YM-91042/90890-04086
New
ÈÉ
3. Bend the lock washer 1 tab.
ASSEMBLAGE ET MONTAGE
Arbre de tige de poussée
1. Monter:
Arbre de tige de poussée 1
Boulon (arbre de tige de poussée)
2
N.B.:
Appliquer de la graisse à savon de
lithium sur la lèvre de la bague d’étan-
chéité.
Appliquer de lhuile moteur sur
larbre de tige de poussée.
Insérer la plaque de siège 3 dans la
gorge a de larbre de tige de poussée
et serrer le boulon (plaque de siège).
T
R
.
.
10 Nm (1,0 m · kg, 7,2 ft · lb)
Embrayage
1. Monter:
Pignon mené de transmission pri-
maire 1
Rondelle de butée 2
Noix dembrayage 3
N.B.:
Appliquer de lhuile moteur sur la cir-
conférence intérieure du pignon mené de
transmission primaire.
2. Monter:
Rondelle darrêt 1
Ecrou (noix dembrayage) 2
N.B.:
Utiliser loutil de maintien de
lembrayage 3 pour maintenir la noix
dembrayage.
ÈUSA et CDN
ÉSauf USA et CDN
T
R
.
.
60 Nm (6,0 m · kg, 43 ft · lb)
Outil de maintien de
lembrayage:
YM-91042/90890-04086
New
3. Replier longlet de la rondelle-frein
1.
EMBRAYAGE
5 - 124
ENG
ZUSAMMENBAU UND MONTAGE
Kupplungsausrückwelle
1. Montieren:
Kupplungsausrückwelle 1
Kupplungsausrückwellen-
Schraube 2
HINWEIS:
Die Dichtringlippen mit Lithiumsei-
fenfett bestreichen.
Die Kupplungsausrückwelle mit
Motoröl bestreichen.
Den Federsitz 3 in die entspre-
chende Nut a der Kupplungsaus-
rückwelle einsetzen und die
Federsitz-Schraube festziehen.
T
R
.
.
10 Nm (1,0 m · kg, 7,2 ft · lb)
Kupplung
1. Montieren:
Primärantriebsrad 1
Anlaufscheibe 2
Kupplungsnabe 3
HINWEIS:
Motoröl auf die Innenfläche des Pri-
märantriebsrads auftragen.
2. Montieren:
Sicherungsscheibe 1
Kupplungsnaben-Mutter 2
HINWEIS:
Die Kupplungsnabe mit dem Kupp-
lungshalter 3 fest halten.
ÈUSA und CDN
ÉNicht USA und CDN
T
R
.
.
60 Nm (6,0 m · kg, 43 ft · lb)
Kupplungshalter:
YM-91042/90890-04086
New
3. Die Lasche 1 der Sicherungs-
scheibe umbiegen.
MONTAGGIO E INSTALLAZIONE
Albero leva di aggancio
1. Installare:
Albero leva di aggancio 1
Bullone (albero leva di aggancio)
2
NOTA:
Applicare il grasso a base di sapone di
litio sul labbro del paraolio.
Applicare lolio motore sullalbero
della leva di aggancio.
Montare la piastra della sella 3 nella
scanalatura a dellalbero della molla
di aggancio e serrare il bullone (pia-
stra della sella).
T
R
.
.
10 Nm (1,0 m · kg, 7,2 ft · lb)
Frizione
1. Installare:
Ingranaggio condotto della tra-
smissione primaria 1
Rondella reggispinta 2
Mozzo frizione 3
NOTA:
Applicare lolio motore sulla circonfe-
renza interna dellingranaggio condotto
della trasmissione primaria.
2. Installare:
Rondella di bloccaggio 1
Dado (mozzo frizione) 2
NOTA:
Utilizzare lattrezzo di bloccaggio fri-
zione 3 per bloccare il mozzo frizione.
ÈUSA e CDN
ÉEccetto USA e CDN
T
R
.
.
60 Nm (6,0 m · kg, 43 ft · lb)
Attrezzo di bloccaggio
frizione:
YM-91042/90890-04086
New
3. Piegare la linguetta della rondella di
bloccaggio 1.
MONTAJE E INSTALACIÓN
Eje de la palanca de empuje
1. Instalar:
Eje de la palanca de empuje
1
Tornillo (eje de la palanca de
empuje) 2
NOTA:
Aplique grasa de jabón de litio al
labio de la junta de aceite.
Aplique aceite de motor al eje de la
palanca de empuje.
Coloque la placa de asiento 3 en
el surco a del eje y apriete el tor-
nillo (placa de asiento).
T
R
.
.
10 Nm (1,0 m · kg, 7,2 ft · lb)
Embrague
1. Instalar:
Engranaje conducido primario
1
Arandela de presión 2
Resalte de embrague 3
NOTA:
Aplique aceite de motor a la circunfe-
rencia interior del engranaje condu-
cido primario.
2. Instalar:
Arandela de seguridad 1
Tuerca (resalte de embrague)
2
NOTA:
Utilice el sujetador de embrague 3
para sostener el resalte.
ÈUSA y CDN
ÉExcepto USA y CDN
T
R
.
.
60 Nm (6,0 m · kg, 43 ft · lb)
Herramienta de sujeción
del embrague:
YM-91042/90890-04086
New
3. Doble la solapa de la arandela
de seguridad 1.
KUPPLUNG
FRIZIONE
EMBRAGUE
5 - 125
ENG
CLUTCH
4. Install:
Seat plate 1
Cushion spring 2
NOTE:
Install the seat plate with its cham-
fered portion a facing the clutch
boss 3.
Install the seat plate so that it is not
caught on the step b.
Install the cushion spring with the
paint c facing out.
1
2
c
3
ab
5. Install:
Friction plate 1 1
Clutch plate 1 2
Friction plate 2 3
Clutch plate 2 4
NOTE:
Install the clutch plates and friction
plates alternately on the clutch
boss, starting with a friction plate
and ending with a friction plate.
Use the friction plates 1 for the first
and final while paying attention to
the difference in surface pattern.
Apply the engine oil on the friction
plates and clutch plates.
Unlike the clutch plate 2, the clutch
plate 1 has no surface gloss. Use
the clutch plate 1 for the first while
paying attention to the difference in
surface gloss.
6. Install:
Bearing 1
Washer 2
Circlip 3
To push rod 1 4.
NOTE:
Apply the engine oil on the bearing
and washer.
New
7. Install:
Push rod 2 1
Ball 2
Push rod 1 3
NOTE:
Apply the engine oil on the push rod
1, 2 and ball.
4. Monter:
Plaque de siège 1
Plaquette de progressivité 2
N.B.:
Monter la plaque de siège en orientant
sa partie chanfreinée a vers la noix
dembrayage 3.
Monter la plaque de siège de manière
à ce quelle ne soit pas coincée au
point b.
Monter la plaquette de progressivité
en plaçant la marque de peinture c à
lextérieur.
5. Monter:
Disque garni 1 1
Plateau dembrayage 1 2
Disque garni 2 3
Plateau dembrayage 2 4
N.B.:
Monter les plateaux dembrayage et
les disques garnis dans la noix
dembrayage en les alternant, en com-
mençant par un disque garni et en ter-
minant par un disque garni.
Utiliser les disques garnis 1 comme
premier et dernier disques, en tenant
compte de la différence de motifs de la
surface.
Appliquer de lhuile moteur sur les
disques garnis et les plateaux
dembrayage.
Contrairement au plateau dembraya-
ge 2, le plateau dembrayage 1 na pas
de surface polie. Utiliser le plateau
dembrayage 1 comme premier pla-
teau, en tenant compte de la différence
de polissage de la surface.
6. Monter:
Roulement 1
Rondelle 2
Circlip 3
Sur la tige de débrayage 1 4.
N.B.:
Appliquer de lhuile moteur sur le roule-
ment et la rondelle.
New
7. Monter:
Tige de débrayage 2 1
Bille 2
Tige de débrayage 1 3
N.B.:
Appliquer de lhuile moteur sur les tiges
de débrayage 1 et 2 ainsi que sur la bille.
EMBRAYAGE
5 - 126
ENG
4. Montieren:
Federsitz 1
Wellenfeder 2
HINWEIS:
Den Federsitz so einbauen, dass
dessen abgeschrägte Seite a zur
Kupplungsnabe 3 gerichtet ist.
Den Federsitz so einbauen, dass
er nicht auf dem Absatz b ruht.
Den Wellenring so einbauen, dass
die Farbmarkierung c nach außen
gerichtet ist.
5. Montieren:
Reibscheibe 1 1
Stahlscheibe 1 2
Reibscheibe 2 3
Stahlscheibe 2 4
HINWEIS:
Die Reib- und Stahlscheiben
abwechselnd einbauen; darauf
achten, dass mit einer Reibscheibe
begonnen und abgeschlossen
wird.
Mit einer Reibscheibe 1 beginnen
und enden; auf die unterschiedli-
che Oberfläche der Scheiben ach-
ten.
Die Reib- und Stahlscheiben mit
Motoröl bestreichen.
Im Gegensatz zur Stahlscheibe 2
ist die Oberfläche von Stahl-
scheibe 1 nicht glänzend. Mit einer
Reibscheibe 1 beginnen; auf die
unterschiedliche Oberfläche der
Scheiben achten.
6. Montieren:
Lager 1
Beilagscheibe 2
Sicherungsring 3
Druckstange 1 4.
HINWEIS:
Motoröl auf das Lager und die Bei-
lagscheibe auftragen.
New
7. Montieren:
Druckstange 2 1
Kugel 2
Druckstange 1 3
HINWEIS:
Motoröl auf die Druckstangen 1 und
2 sowie auf die Kugel auftragen.
4. Installare:
Piastra della sella 1
Molla di smorzamento 2
NOTA:
Installare la piastra della sella con la
parte smussata a rivolta verso il
mozzo frizione 3.
Installare la piastra della sella in modo
che non rimanga incastrata durante la
fase b.
Installare le molle di smorzamento
con la vernice c rivolta verso
lesterno.
5. Installare:
Disco conduttore 1 1
Disco condotto 1 2
Disco conduttore 2 3
Disco condotto 2 4
NOTA:
Installare alternativamente i dischi
condotti e i dischi conduttori sul
mozzo della frizione, iniziando e ter-
minando con un disco conduttore.
Utilizzare i dischi conduttori 1 come
disco iniziale e finale, prestando atten-
zione alla differenza di movimento
della superficie.
Applicare lolio motore sui dischi con-
duttori e sui dischi condotti.
Il disco condotto 1 non presenta una
superficie lucida, a differenza del
disco condotto 2. Utilizzare il disco
condotto 1 come disco iniziale, pre-
stando attenzione alla differenza di
lucentezza della superficie.
6. Installare:
Cuscinetto 1
Rondella 2
Anello elastico di sicurezza 3
Sullasta di blocco 1 4.
NOTA:
Applicare lolio motore sul cuscinetto e
sulla rondella.
7. Installare:
Asta di blocco 2 1
Sfera 2
Asta di blocco 1 3
NOTA:
Applicare lolio motore sullasta di
blocco 1, 2 e sulla sfera.
New
4. Instalar:
Placa de asiento 1
Muelle amortiguador 2
NOTA:
Instale la placa de asiento con la
parte biselada a hacia el resalte
de embrague 3.
Instale la placa de asiento de
forma que no quede atrapada el
paso b.
Instale el muelles amortiguador
con la pintura c hacia arriba.
5. Instalar:
Placa de fricción 1 1
Disco de embrague 1 2
Placa de fricción 2 3
Disco de embrague 2 4
NOTA:
Instale los discos de embrague y
las placas de fricción alternativa-
mente en el resalte de embrague,
empezando por una placa de fric-
ción y terminando por una placa de
fricción.
Utilice las placas de fricción 1 para
el principio y el final mientras
observa la diferencia del trazado
de superficie.
Aplique aceite de motor a las pla-
cas de fricción y a los discos de
embrague.
A diferencia del disco de embra-
gue 2, la superficie del disco de
embrague 1 no es brillante. Utilice
el disco de embrague 1 para el
principio mientras observa la dife-
rencia del brillo de superficie.
6. Instalar:
Cojinete 1
Arandela 2
Anillo elástico 3
A la barra de empuje 1 4.
NOTA:
Aplique aceite de motor al cojinete y
a la arandela.
7. Instalar:
Barra de empuje 2 1
Bola 2
Barra de empuje 1 3
NOTA:
Aplique aceite de motor a las barras
de empuje 1 y 2 y a la bola.
New
KUPPLUNG
FRIZIONE
EMBRAGUE
5 - 127
ENG
CLUTCH
8. Install:
Pressure plate 1
9. Install:
Clutch spring 1
Bolt (clutch spring) 2
NOTE:
Tighten the bolts in stage, using a
crisscross pattern.
T
R
.
.
10 Nm (1.0 m · kg, 7.2 ft · lb)
10. Install:
Dowel pin 1
Gasket (clutch cover) 2
New
11. Install:
Clutch cover 1
Bolt (clutch cover)
NOTE:
Tighten the bolts in stage, using a
crisscross pattern.
T
R
.
.
10 Nm (1.0 m · kg, 7.2 ft · lb)
8. Monter:
Plateau de pression 1
9. Monter:
Ressort dembrayage 1
Boulon (ressort dembrayage) 2
N.B.:
Serrer les boulons par étapes et en procé-
dant en croix.
T
R
.
.
10 Nm (1,0 m · kg, 7,2 ft · lb)
10. Monter:
Goujon 1
Joint (cloche dembrayage) 2
New
11. Monter:
Couvercle dembrayage 1
Boulon (couvercle dembrayage)
N.B.:
Serrer les boulons par étapes et en procé-
dant en croix.
T
R
.
.
10 Nm (1,0 m · kg, 7,2 ft · lb)
EMBRAYAGE
5 - 128
ENG
8. Montieren:
Druckplatte 1
9. Montieren:
Kupplungsfeder 1
Kupplungsfeder-Schraube 2
HINWEIS:
Die Schrauben schrittweise über
Kreuz festziehen.
T
R
.
.
10 Nm (1,0 m · kg, 7,2 ft · lb)
10. Montieren:
Passhülsen 1
Kupplungsdeckel-Dichtung 2
New
11. Montieren:
Kupplungsdeckel 1
Kupplungsdeckel-Schraube
HINWEIS:
Die Schrauben schrittweise über
Kreuz festziehen.
T
R
.
.
10 Nm (1,0 m · kg, 7,2 ft · lb)
8. Installare:
Piatto spingidisco 1
9. Installare:
Molla della frizione 1
Bullone (molla della frizione) 2
NOTA:
Serrare i bulloni in sequenza in modo
incrociato.
T
R
.
.
10 Nm (1,0 m · kg, 7,2 ft · lb)
10. Installare:
Grano di centraggio 1
Guarnizione (carter frizione) 2
New
11. Installare:
Carter frizione 1
Bullone (carter frizione)
NOTA:
Serrare i bulloni in sequenza in modo
incrociato.
T
R
.
.
10 Nm (1,0 m · kg, 7,2 ft · lb)
8. Instalar:
Placa de presión 1
9. Instalar:
Muelle del embrague 1
Tornillo (muelle del embrague)
2
NOTA:
Apriete los tornillos por etapas y en
zigzag.
T
R
.
.
10 Nm (1,0 m · kg, 7,2 ft · lb)
10. Instalar:
Clavija de centrado 1
Junta (tapa de embrague) 2
New
11. Instalar:
Tapa de embrague 1
Tornillo (tapa de embrague)
NOTA:
Apriete los tornillos por etapas y en
zigzag.
T
R
.
.
10 Nm (1,0 m · kg, 7,2 ft · lb)
KUPPLUNG
FRIZIONE
EMBRAGUE
5 - 129
ENG
OIL FILTER ELEMENT, WATER PUMP AND RIGHT CRANKCASE COVER
OIL FILTER ELEMENT, WATER PUMP AND RIGHT CRANKCASE COVER
Extent of removal: 1 Oil filter element removal 2 Water pump removal
3 Right crankcase cover removal
Extent of removal Order Part name Qty Remarks
OIL FILTER ELEMENT, WATER PUMP
AND RIGHT CRANKCASE COVER
REMOVAL
Preparation for removal Drain the engine oil. Refer to ENGINE OIL REPLACEMENT section in
the CHAPTER 3.
Drain the coolant. Refer to COOLANT REPLACEMENT section in the
CHAPTER 3.
Radiator hose 3 Disconnect at water pump side.
Exhaust pipe Refer to EXHAUST PIPE AND SILENCER section
in the CHAPTER 3.
Brake pedal Refer to ENGINE REMOVAL section.
Engine guard
1 Oil filter element cover 1
2 Oil filter element 1
1 3
5 - 130
ENG
ELEMENT DE FILTRE A HUILE, POMPE A EAU ET DEMI-CARTER DROIT
Organisation de la dépose: 1 Dépose de l’élément de filtre à huile 2 Dépose de la pompe à eau
3 Dépose du demi-carter droit
Organisation de la dépose Ordre Nom de la pièce QtéRemarques
DEPOSE DE LELEMENT DE FILTRE A
HUILE, DE LA POMPE A EAU ET DU
DEMI-CARTER DROIT
Préparation à la dépose Vidanger lhuile moteur. Se reporter à la section CHANGEMENT DE LHUILE
MOTEUR au CHAPITRE 3.
Vidanger le liquide de refroidissement. Se reporter à la section CHANGEMENT DU LIQUIDE
DE REFROIDISSEMENT au CHAPITRE 3.
Durit de radiateur 3 Déconnecter du côté de la pompe à eau.
Tube d’échappement Se reporter à la section TUBE DECHAPPEMENT ET
SILENCIEUX au CHAPITRE 3.
Pédale de frein Se reporter à la section DEPOSE DU MOTEUR.
Protège-carter
1 Couvercle d’élément de filtre à huile 1
2Elément de filtre à huile 1
1 3
ÖLFILTER, WASSERPUMPE UND KURBELGEHÄUSEDECKEL RECHTS
Arbeitsumfang: 1 Ölfiltereinsatz demontieren 2 Wasserpumpe demontieren
3 Kurbelgehäusedeckel rechts demontieren
Arbeitsumfang
Reihenfolge
Bauteil Anz. Bemerkungen
ÖLFILTEREINSATZ, WASSERPUMPE
UND KURBELGEHÄUSEDECKEL
RECHTS DEMONTIEREN
Vorbereitungsarbeiten Das Motoröl ablassen. Siehe unter MOTORÖL WECHSELN in KAPITEL 3.
Die Kühlflüssigkeit ablassen. Siehe unter KÜHLFLÜSSIGKEIT WECHSELN in
KAPITEL 3.
Kühler-Schlauch 3 Wasserpumpenseitig lösen.
Auspuffkrümmer Siehe unter AUSPUFFKRÜMMER UND
SCHALLDÄMPFER in KAPITEL 3.
Fußbremshebel Siehe unter MOTOR DEMONTIEREN.
Motorschutz
1Ölfilter-Gehäusedeckel-Schraube 1
2Ölfiltereinsatz 1
1 3
ELEMENT DE FILTRE A HUILE, POMPE A EAU ET DEMI-CARTER DROIT
ÖLFILTER, WASSERPUMPE UND KURBELGEHÄUSEDECKEL RECHTS
5 - 131
ENG
ELEMENTO FILTRO OLIO, POMPA DELLACQUA E
COPERCHIO CARTER DESTRO
Estensione della rimozione: 1 Rimozione dellelemento filtro olio 2 Rimozione della pompa dellacqua
3 Rimozione del coperchio carter destro
Estensione della rimozione Ordine Denominazione QuantitàOsservazioni
RIMOZIONE DI ELEMENTO FILTRO
OLIO, POMPA DELLACQUA E
COPERCHIO CARTER DESTRO
Preparazione per la rimozione Scaricare lolio motore. Fare riferimento al paragrafo SOSTITUZIONE
DELLOLIO MOTORE nel CAPITOLO 3.
Scaricare il refrigerante. Fare riferimento al paragrafo SOSTITUZIONE DEL
REFRIGERANTE nel CAPITOLO 3.
Flessibile radiatore 3 Scollegarlo sul lato della pompa dellacqua.
Tubo di scarico Fare riferimento al paragrafo TUBO DI SCARICO E
SILENZIATORE nel CAPITOLO 3.
Pedale del freno Fare riferimento al paragrafo RIMOZIONE DEL
MOTORE.
Riparo motore
1 Coperchio elemento filtro olio 1
2 Elemento filtro olio 1
1 3
ELEMENTO FILTRO OLIO, POMPA DELLACQUA E COPERCHIO CARTER DESTRO
5 - 132
ENG
ELEMENTO DEL FILTRO DE ACEITE, BOMBA DE AGUA Y
TAPA DEL CÁRTER DERECHA
Extensión del desmontaje: 1 Desmontaje del elemento del filtro de aceite 2 Desmontaje de la bomba de agua
3 Desmontaje de la tapa derecha del cárter
Extensión del desmontaje Orden Nombre de la pieza Ctd. Observaciones
DESMONTAJE DEL ELEMENTO DEL
FILTRO DE ACEITE, LA BOMBA DE
AGUA Y LA TAPA DEL CÁRTER
DERECHA
Preparación para el
desmontaje
Vacíe el aceite del motor. Consulte el apartado CAMBIO DE ACEITE DEL
MOTOR del CAPÍTULO 3.
Vacíe el refrigerante. Consulte el apartado CAMBIO DEL
REFRIGERANTE del CAPÍTULO 3.
Tubo del radiador 3 Desconéctelo del lado de la bomba de agua.
Tubo de escape Consulte el apartado TUBO DE ESCAPE Y
SILENCIADOR del CAPÍTULO 3.
Pedal de freno Consulte el apartado DESMONTAJE DEL
MOTOR.
Protección del motor
1 Tapa del elemento del filtro de aceite 1
2 Elemento del filtro de aceite 1
1 3
ELEMENTO DEL FILTRO DE ACEITE, BOMBA DE AGUA Y TAPA DEL CÁRTER DERECHA
5 - 133
ENG
OIL FILTER ELEMENT, WATER PUMP AND RIGHT CRANKCASE COVER
Extent of removal Order Part name Qty Remarks
3 Water pump housing 1
4 Oil delivery pipe 1
5 Bolt (oil hose) 1
6 Kickstarter crank 1
7 Right crankcase cover 1
8 Impeller 1
Refer to REMOVAL POINTS.
9 Washer 1
10 Impeller shaft 1
11 Oil seal 2
12 Bearing 1
2
3
5 - 134
ENG
Organisation de la dépose Ordre Nom de la pièce QtéRemarques
3 Carter de pompe à eau 1
4Tuyau dhuile 1
5 Boulon (durit dhuile) 1
6Pédale de kick 1
7 Demi-carter droit 1
8 Rotor 1
Se reporter à POINTS DE DEPOSE.
9 Rondelle 1
10 Arbre dentraînement 1
11 Bague d’étanchéité2
12 Roulement 1
2
3
Arbeitsumfang
Reihenfolge
Bauteil Anz. Bemerkungen
3 Wasserpumpengehäuse 1
4Ölzufuhrleitung 1
5Ölschlauch-Schraube 1
6 Kickstarterhebel 1
7 Kurbelgehäusedeckel rechts 1
8 Laufrad 1
Siehe unter DEMONTAGE-EINZELHEITEN.
9 Beilagscheibe 1
10 Laufradwelle 1
11 Dichtring 2
12 Lager 1
2
3
ELEMENT DE FILTRE A HUILE, POMPE A EAU ET DEMI-CARTER DROIT
ÖLFILTER, WASSERPUMPE UND KURBELGEHÄUSEDECKEL RECHTS
5 - 135
ENG
Estensione della rimozione Ordine Denominazione QuantitàOsservazioni
3 Alloggiamento della pompa dellacqua 1
4 Tubo di mandata olio 1
5 Bullone (flessibile olio) 1
6 Leva avviamento a pedale 1
7 Coperchio carter destro 1
8Rotore 1
Fare riferimento a PUNTI DI RIMOZIONE.
9 Rondella 1
10 Albero rotore 1
11 Paraolio 2
12 Cuscinetto 1
2
3
ELEMENTO FILTRO OLIO, POMPA DELLACQUA E COPERCHIO CARTER DESTRO
5 - 136
ENG
Extensión del desmontaje Orden Nombre de la pieza Ctd. Observaciones
3 Carcasa de la bomba de agua 1
4 Tubería de suministro de aceite 1
5 Tornillo (tubo de aceite) 1
6 Pedal de arranque 1
7 Tapa derecha del cárter 1
8 Rotor 1
Consulte el apartado PUNTOS DE
DESMONTAJE.
9 Arandela 1
10 Eje del rotor 1
11 Junta de aceite 2
12 Cojinete 1
2
3
ELEMENTO DEL FILTRO DE ACEITE, BOMBA DE AGUA Y TAPA DEL CÁRTER DERECHA
5 - 137
ENG
OIL FILTER ELEMENT, WATER PUMP AND RIGHT CRANKCASE COVER
REMOVAL POINTS
Impeller shaft
1. Remove:
Impeller 1
Washer 2
Impeller shaft 3
NOTE:
Hold the impeller shaft on its width
across the flats a with spanners,
etc. and remove the impeller.
EC4G3210
Oil seal
NOTE:
It is not necessary to disassemble
the water pump, unless there is an
abnormality such as excessive
change in coolant level, discoloration
of coolant, or milky transmission oil.
1. Remove:
Bearing 1
2. Remove:
Oil seal 1
INSPECTION
Oil delivery pipe
1. Inspect:
Oil delivery pipe 1
Bend/damage Replace.
Clogged Blow.
EC444200
Impeller shaft
1. Inspect:
Impeller shaft 1
Bend/wear/damage
Replace.
Fur deposits Clean.
POINTS DE DEPOSE
Arbre dentraînement
1. Déposer:
Rotor 1
Rondelle 2
Arbre dentraînement 3
N.B.:
Maintenir larbre dentraînement en le
saisissant par les côtés plats a à laide
dune clé, etc., et déposer le rotor.
Bague d’étanchéité
N.B.:
Il nest pas nécessaire de démonter la
pompe à eau sauf en cas danomalies tel-
les quune modification importante du
niveau de liquide de refroidissement, une
décoloration du liquide de refroidisse-
ment ou un aspect laiteux de lhuile de
boîte de vitesses.
1. Déposer:
Roulement 1
2. Déposer:
Bague d’étanchéité 1
CONTROLE
Tuyau dhuile
1. Contrôler:
Tuyau dhuile 1
Déformation/endommagement
Remplacer.
Obstrué Souffler.
Arbre dentraînement
1. Contrôler:
Arbre dentraînement 1
Déformation/usure/endommage-
ment Remplacer.
Dépôts de tartre Nettoyer.
ELEMENT DE FILTRE A HUILE, POMPE A EAU ET DEMI-CARTER DROIT
5 - 138
ENG
DEMONTAGE-EINZELHEITEN
Laufradwelle
1. Demontieren:
Laufrad 1
Beilagscheibe 2
Laufradwelle 3
HINWEIS:
Zum Demontieren des Laufrads die
Laufradwelle mit einem Schrauben-
schlüssel o. Ä. an deren Flachstelle
a greifen.
Dichtring
HINWEIS:
Die Wasserpumpe braucht nicht zer-
legt zu werden, außer wenn Kühlflüs-
sigkeitsschwund- oder -verfärbung
bzw. milchiges Getriebeöl vorliegen.
1. Demontieren:
Lager 1
2. Demontieren:
Dichtring 1
KONTROLLE
Ölzufuhrleitung
1. Kontrollieren:
•Ölzufuhrleitung 1
Verbogen/beschädigt
Erneuern.
Verstopft Ausblasen.
Laufradwelle
1. Kontrollieren:
Laufradwelle 1
Verschlissen/beschädigt/ver-
bogen Erneuern.
Kesselstein Reinigen.
PUNTI DI RIMOZIONE
Albero rotore
1. Togliere:
Rotore 1
Rondella 2
Albero rotore 3
NOTA:
Tenere lalbero rotore per la larghezza
intorno alle aperture a con chiavi, ecc. e
rimuovere il rotore.
Paraolio
NOTA:
Non è necessario smontare la pompa
dellacqua, eccetto in caso di anomalie,
quali modifica eccessiva del livello del
refrigerante, presenza di macchie nel
refrigerante o olio del cambio denso.
1. Togliere:
Cuscinetto 1
2. Togliere:
Paraolio 1
CONTROLLO
Tubo di mandata olio
1. Controllare:
Tubo di mandata olio 1
Deformazioni/danni Sostitu-
ire.
Intasato Pulire.
Albero rotore
1. Controllare:
Albero rotore 1
Deformazioni/usura/danni
Sostituire.
Depositi Pulire.
PUNTOS DE DESMONTAJE
Eje del rotor
1. Extraer:
Rotor 1
Arandela 2
Eje del rotor 3
NOTA:
Sostenga el eje del rotor sobre su
anchura por las partes planas a con
unos alicates, etc. y extraiga el rotor.
Junta de aceite
NOTA:
No es necesario desarmar la bomba
de agua, salvo que exista alguna
anomalía, por ejemplo un nivel exce-
sivo de refrigerante, decoloración de
este o un color lechoso del aceite de
la caja de cambios.
1. Extraer:
Cojinete 1
2. Extraer:
Junta de aceite 1
COMPROBACIÓN
Tubería de suministro de aceite
1. Comprobar:
Tubería de suministro de
aceite 1
Dobladura/daños Cambiar.
Obstruido Aplicar aire com-
primido.
Eje del rotor
1. Comprobar:
Eje del rotor 1
Alabeo/desgaste/daños
Cambiar.
Presencia de posos Lim-
piar.
ÖLFILTER, WASSERPUMPE UND KURBELGEHÄUSEDECKEL RECHTS
ELEMENTO FILTRO OLIO, POMPA DELLACQUA E COPERCHIO CARTER DESTRO
ELEMENTO DEL FILTRO DE ACEITE, BOMBA DE AGUA Y TAPA DEL CÁRTER DERECHA
5 - 139
ENG
OIL FILTER ELEMENT, WATER PUMP AND RIGHT CRANKCASE COVER
EC444300
Impeller shaft gear
1. Inspect:
Gear teeth a
Wear/damage Replace.
EC4H4600
Bearing
1. Inspect:
Bearing
Rotate inner race with a finger.
Rough spot/seizure
Replace.
EC444400
Oil seal
1. Inspect:
Oil seal 1
Wear/damage Replace.
ASSEMBLY AND INSTALLATION
Oil seal
1. Install:
Oil seal 1
NOTE:
Apply the lithium soap base grease
on the oil seal lip.
Install the oil seal with its manufac-
tures marks or numbers facing the
right crankcase cover 2.
New
2. Install:
Bearing 1
NOTE:
Install the bearing by pressing its
outer race parallel.
Pignon darbre dentraînement
1. Contrôler:
Dents de pignon a
Usure/endommagement Rem-
placer.
Roulement
1. Contrôler:
Roulement
Faire tourner la bague intérieure
avec le doigt.
Rugosité/grippage Remplacer.
Bague d’étanchéité
1. Contrôler:
Bague d’étanchéité 1
Usure/endommagement Rem-
placer.
ASSEMBLAGE ET MONTAGE
Bague d’étanchéité
1. Monter:
Bague d’étanchéité 1
N.B.:
Appliquer de la graisse à savon de
lithium sur la lèvre de la bague d’étan-
chéité.
Monter la bague d’étanchéité en orien-
tant vers le demi-carter droit la mar-
que ou le numéro du fabricant 2.
New
2. Monter:
Roulement 1
N.B.:
Monter le roulement en appuyant paral-
lèlement sur sa cage externe.
ELEMENT DE FILTRE A HUILE, POMPE A EAU ET DEMI-CARTER DROIT
5 - 140
ENG
Laufrad-Antriebsrad
1. Kontrollieren:
Verzahnung a
Verschlissen/beschädigt
Erneuern.
Lager
1. Kontrollieren:
Lager
Den Innenlaufring mit den Fin-
gern drehen.
Stockend/fest Erneuern.
Dichtring
1. Kontrollieren:
Dichtring 1
Verschlissen/beschädigt
Erneuern.
ZUSAMMENBAU UND MONTAGE
Dichtring
1. Montieren:
Dichtring 1
HINWEIS:
Die Dichtringlippen mit Lithiumsei-
fenfett bestreichen.
Den Dichtring so einbauen, dass
die Herstellerbeschriftung oder
Teilenummer zum rechten Kurbel-
gehäusedeckel 2 gerichtet ist.
New
2. Montieren:
Lager 1
HINWEIS:
Zum Einbau des Lagers parallel auf
den Außenlaufring drücken.
Ingranaggio albero rotore
1. Controllare:
Denti dellingranaggio a
Usura/danni Sostituire.
Cuscinetto
1. Controllare:
Cuscinetto
Ruotare la pista interna con un
dito.
Punto ruvido/blocco Sostitu-
ire.
Paraolio
1. Controllare:
Paraolio 1
Usura/danni Sostituire.
MONTAGGIO E INSTALLAZIONE
Paraolio
1. Installare:
Paraolio 1
NOTA:
Applicare il grasso a base di sapone di
litio sul labbro del paraolio.
Installare il paraolio con i contrassegni
o i numeri identificativi del produttore
rivolti verso il coperchio del carter 2.
New
2. Installare:
Cuscinetto 1
NOTA:
Installare il cuscinetto premendo sulla
pista esterna in parallelo.
Engranaje del eje del rotor
1. Comprobar:
Dientes de los engranajes a
Desgaste/daños Cambiar.
Cojinete
1. Comprobar:
Cojinete
Gire la guía interior con un
dedo.
Punto duro/agarrotamiento
Cambiar.
Junta de aceite
1. Comprobar:
Junta de aceite 1
Desgaste/daños Cambiar.
MONTAJE E INSTALACIÓN
Junta de aceite
1. Instalar:
Junta de aceite 1
NOTA:
Aplique grasa de jabón de litio al
labio de la junta de aceite.
Instale la junta de aceite con las
marcas o números del fabricante
hacia la cubierta del cárter dere-
cha 2.
New
2. Instalar:
Cojinete 1
NOTA:
Monte el cojinete presionando la
guía exterior en paralelo.
ÖLFILTER, WASSERPUMPE UND KURBELGEHÄUSEDECKEL RECHTS
ELEMENTO FILTRO OLIO, POMPA DELLACQUA E COPERCHIO CARTER DESTRO
ELEMENTO DEL FILTRO DE ACEITE, BOMBA DE AGUA Y TAPA DEL CÁRTER DERECHA
5 - 141
ENG
OIL FILTER ELEMENT, WATER PUMP AND RIGHT CRANKCASE COVER
Impeller shaft
1. Install:
Impeller shaft 1
Washer 2
Impeller 3
NOTE:
Take care so that the oil seal lip is
not damaged or the spring does
not slip off its position.
When installing the impeller shaft,
apply the lithium soap base grease
on the oil seal lip and impeller
shaft. And install the shaft while
turning it.
Hold the impeller shaft on its width
across the flats a with spanners,
etc. and install the impeller.
T
R
.
.
14 Nm (1.4 m · kg, 10 ft · lb)
Right crankcase cover
1. Install:
Dowel pin 1
O-ring 2
Collar 3
Gasket 4
NOTE:
Apply the lithium soap base grease
on the O-ring.
New
New
2. Install:
Right crankcase cover 1
Bolt (right crankcase cover) 2
NOTE:
Apply the engine oil on the impeller
shaft end.
Mesh the impeller shaft gear 3
with primary drive gear 4.
Tighten the bolts in stage, using a
crisscross pattern.
T
R
.
.
10 Nm (1.0 m · kg, 7.2 ft · lb)
Arbre dentraînement
1. Monter:
Arbre dentraînement 1
Rondelle 2
Rotor 3
N.B.:
Veiller à ce que la lèvre de la bague
d’étanchéité ne soit pas endommagée
ou à ce que le ressort ne glisse pas
hors de son emplacement.
Lors de linstallation de larbre
dentraînement, appliquer de la graisse
à savon de lithium sur la lèvre de la
bague d’étanchéité et larbre dentraî-
nement. Monter larbre tout en le fai-
sant tourner.
Maintenir larbre dentraînement en le
saisissant par les côtés plats a à laide
dune clé, etc., et monter le rotor.
T
R
.
.
14 Nm (1,4 m · kg, 10 ft · lb)
Demi-carter droit
1. Monter:
Goujon 1
Joint torique 2
Entretoise épaulée 3
Joint 4
N.B.:
Appliquer de la graisse à savon de
lithium sur le joint torique.
New
New
2. Monter:
Demi-carter droit 1
Boulon (demi-carter droit) 2
N.B.:
Appliquer de lhuile moteur sur
lextrémité de larbre dentraînement.
Engrener le pignon de larbre dentraî-
nement 3 avec le pignon menant de
transmission primaire 4.
Serrer les boulons par étapes et en pro-
cédant en croix.
T
R
.
.
10 Nm (1,0 m · kg, 7,2 ft · lb)
ELEMENT DE FILTRE A HUILE, POMPE A EAU ET DEMI-CARTER DROIT
5 - 142
ENG
Laufradwelle
1. Montieren:
Laufradwelle 1
Beilagscheibe 2
Laufrad 3
HINWEIS:
Darauf achten, dass die Dichtring-
lippe nicht beschädigt wird und
dass die Feder nicht verrutscht.
Beim Einbau der Laufradwelle die
Dichtringlippe und Laufradwelle
mit Lithiumseifenfett bestreichen.
Die Welle beim Einbau drehen.
Zum Montieren des Laufrads die
Laufradwelle mit einem Schrau-
benschlüssel o. Ä. an deren Flach-
stelle a greifen.
T
R
.
.
14 Nm (1,4 m · kg, 10 ft · lb)
Kurbelgehäusedeckel rechts
1. Montieren:
Passhülsen 1
O-Ring 2
Distanzhülse 3
Dichtung 4
HINWEIS:
Den O-Ring mit Lithiumseifenfett
bestreichen.
New
New
2. Montieren:
Kurbelgehäusedeckel rechts
1
Schraube (Kurbelgehäusedek-
kel rechts) 2
HINWEIS:
Das Ende der Laufradwelle mit
Motoröl bestreichen.
Das Laufrad-Antriebsrad 3 mit
dem Primärantriebsritzel 4 im Ein-
griff bringen.
Die Schrauben schrittweise über
Kreuz festziehen.
T
R
.
.
10 Nm (1,0 m · kg, 7,2 ft · lb)
Albero rotore
1. Installare:
Albero rotore 1
Rondella 2
Rotore 3
NOTA:
Controllare attentamente che il labbro
del paraolio non sia danneggiato o che
la molla non si sposti dalla sua posi-
zione.
Quando si installa lalbero rotore,
applicare il grasso a base di sapone di
litio sul labbro del paraolio e
sullalbero rotore. Quindi installare
lalbero ruotandolo.
Tenere lalbero rotore per la larghezza
intorno alle aperture a con chiavi,
ecc. e installare il rotore.
T
R
.
.
14 Nm (1,4 m · kg, 10 ft · lb)
Coperchio carter destro
1. Installare:
Grano di centraggio 1
Guarnizione circolare 2
Collarino 3
Guarnizione 4
NOTA:
Applicare il grasso a base di sapone di
litio sulla guarnizione circolare.
New
New
2. Installare:
Coperchio carter destro 1
Bullone (coperchio carter destro)
2
NOTA:
Applicare lolio motore sullestremità
dellalbero rotore.
Ingranare lingranaggio albero rotore
3 con lingranaggio conduttore della
trasmissione primaria 4.
Serrare i bulloni in sequenza in modo
incrociato.
T
R
.
.
10 Nm (1,0 m · kg, 7,2 ft · lb)
Eje del rotor
1. Instalar:
Eje del rotor 1
Arandela 2
Rotor 3
NOTA:
Tenga cuidado de no dañar el
labio de la junta de aceite; vigile
asimismo que el muelle no se
salga de su posición.
Cuando instale el eje del rotor,
aplique grasa de jabón de litio al
labio de la junta de aceite y al pro-
pio eje. Asimismo, instale el eje
mientras lo hace girar.
Sostenga el eje del rotor sobre su
anchura por las partes planas a
con unos alicates, etc. e instale el
rotor.
T
R
.
.
14 Nm (1,4 m · kg, 10 ft · lb)
Tapa derecha del cárter
1. Instalar:
Clavija de centrado 1
Junta tórica 2
Casquillo 3
Junta 4
NOTA:
Aplique grasa de jabón de litio a la
junta tórica.
New
New
2. Instalar:
Tapa derecha del cárter 1
Tornillo (tapa derecha del cár-
ter) 2
NOTA:
Aplique aceite de motor al extremo
del eje del rotor.
Acople el engranaje del eje del
rotor 3 al engranaje impulsor pri-
mario 4.
Apriete los tornillos por etapas y en
zigzag.
T
R
.
.
10 Nm (1,0 m · kg, 7,2 ft · lb)
ÖLFILTER, WASSERPUMPE UND KURBELGEHÄUSEDECKEL RECHTS
ELEMENTO FILTRO OLIO, POMPA DELLACQUA E COPERCHIO CARTER DESTRO
ELEMENTO DEL FILTRO DE ACEITE, BOMBA DE AGUA Y TAPA DEL CÁRTER DERECHA
5 - 143
ENG
OIL FILTER ELEMENT, WATER PUMP AND RIGHT CRANKCASE COVER
Kickstarter crank
1. Install:
Kickstarter crank 1
Washer
Bolt (kickstarter crank)
NOTE:
Install so that there is a clearance a
of 13 mm (0.51 in) or more between
the kick starter and frame and that
the kick starter does not contact the
crankcase cover when it is pulled.
T
R
.
.
33 Nm (3.3 m · kg, 24 ft · lb)
2. Install:
Oil hose 1
Bolt (oil hose) 2
T
R
.
.
8 Nm (0.8 m · kg, 5.8 ft · lb)
3. Install:
Copper washer 1
Oil delivery pipe 2
Union bolt (M8) 3
Union bolt (M10) 4
T
R
.
.
18 Nm (1.8 m · kg, 13 ft · lb)
T
R
.
.
20 Nm (2.0 m · kg, 14 ft · lb)
New
Water pump housing
1. Install:
Dowel pin 1
O-ring 2
NOTE:
Apply the lithium soap base grease
on the O-ring.
New
2. Install:
Water pump housing 1
Bolt (water pump housing) 2
Oil filter element
1. Install:
Oil filter element 1
O-ring 2
Oil filter element cover 3
Bolt (oil filter element cover)
NOTE:
Apply the lithium soap base grease
on the O-ring.
T
R
.
.
10 Nm (1.0 m · kg, 7.2 ft · lb)
T
R
.
.
10 Nm (1.0 m · kg, 7.2 ft · lb)
New
Pédale de kick
1. Monter:
Pédale de kick 1
Rondelle
Boulon (pédale de kick)
N.B.:
A monter de sorte à avoir un jeu a de
13 mm (0,51 in) ou plus entre la pédale
de kick et le cadre, et de manière à ce
que la pédale de kick ne soit pas en con-
tact avec le couvercle de carter
lorsquelle est tirée.
T
R
.
.
33 Nm (3,3 m · kg, 24 ft · lb)
2. Monter:
Durit dhuile 1
Boulon (durit dhuile) 2
T
R
.
.
8 Nm (0,8 m · kg, 5,8 ft · lb)
3. Monter:
Rondelle en cuivre 1
Tuyau dhuile 2
Boulon de raccord (M8) 3
Boulon de raccord (M10) 4
T
R
.
.
18 Nm (1,8 m · kg, 13 ft · lb)
T
R
.
.
20 Nm (2,0 m · kg, 14 ft · lb)
New
Carter de pompe à eau
1. Monter:
Goujon 1
Joint torique 2
N.B.:
Appliquer de la graisse à savon de
lithium sur le joint torique.
New
2. Monter:
Corps de la pompe à eau 1
Boulon (carter de pompe à eau)
2
Elément de filtre à huile
1. Monter:
Elément de filtre à huile 1
Joint torique 2
Couvercle d’élément de filtre à
huile 3
Boulon (couvercle d’élément de
filtre à huile)
N.B.:
Appliquer de la graisse à savon de
lithium sur le joint torique.
T
R
.
.
10 Nm (1,0 m · kg, 7,2 ft · lb)
T
R
.
.
10 Nm (1,0 m · kg, 7,2 ft · lb)
New
ELEMENT DE FILTRE A HUILE, POMPE A EAU ET DEMI-CARTER DROIT
5 - 144
ENG
Kickstarterhebel
1. Montieren:
Kickstarterhebel 1
Beilagscheibe
Kickstarterhebel-Schraube
HINWEIS:
Beim Einbau darauf achten, dass ein
Abstand a von 13 mm (0,51 in) oder
mehr zwischen Kickstarterhebel und
Rahmen besteht und dass der Kick-
starterhebel nicht den Kurbelgehäu-
sedeckel berührt, wenn er gezogen
ist.
T
R
.
.
33 Nm (3,3 m · kg, 24 ft · lb)
2. Montieren:
•Ölschlauch 1
•Ölschlauch-Schraube 2
T
R
.
.
8 Nm (0,8 m · kg, 5,8 ft · lb)
3. Montieren:
Kupferscheibe 1
•Ölzufuhrleitung 2
Hohlschraube (M8) 3
Hohlschraube (M10) 4
T
R
.
.
18 Nm (1,8 m · kg, 13 ft · lb)
T
R
.
.
20 Nm (2,0 m · kg, 14 ft · lb)
New
Wasserpumpengehäuse
1. Montieren:
Passhülsen 1
O-Ring 2
HINWEIS:
Den O-Ring mit Lithiumseifenfett
bestreichen.
2. Montieren:
Wasserpumpengehäuse 1
Wasserpumpengehäuse-
Schraube 2
Ölfiltereinsatz
1. Montieren:
•Ölfiltereinsatz 1
O-Ring 2
•Ölfilter-Gehäusedeckel-
Schraube 3
•Ölfilter-Gehäusedeckel-
Schraube
HINWEIS:
Den O-Ring mit Lithiumseifenfett
bestreichen.
T
R
.
.
10 Nm (1,0 m · kg, 7,2 ft · lb)
T
R
.
.
10 Nm (1,0 m · kg, 7,2 ft · lb)
New
New
Leva avviamento a pedale
1. Installare:
Leva avviamento a pedale 1
Rondella
Bullone
(leva avviamento a pedale)
NOTA:
Installare in modo tale che vi sia un
gioco a di 13 mm (0,51 in) o superiore
tra lavviamento a pedale e il telaio e che
lavviamento a pedale non tocchi il
coperchio carter quando viene tirato.
T
R
.
.
33 Nm (3,3 m · kg, 24 ft · lb)
2. Installare:
Flessibile dellolio 1
Bullone (flessibile olio) 2
T
R
.
.
8 Nm (0,8 m · kg, 5,8 ft · lb)
3. Installare:
Rondella di rame 1
Tubo di mandata olio 2
Bullone di giunzione (M8) 3
Bullone di giunzione (M10) 4
T
R
.
.
18 Nm (1,8 m · kg, 13 ft · lb)
T
R
.
.
20 Nm (2,0 m · kg, 14 ft · lb)
New
Alloggiamento della pompa dellacqua
1. Installare:
Grano di centraggio 1
Guarnizione circolare 2
NOTA:
Applicare il grasso a base di sapone di
litio sulla guarnizione circolare.
2. Installare:
Alloggiamento della pompa
dellacqua 1
Bullone (alloggiamento della
pompa dellacqua) 2
Elemento filtro olio
1. Installare:
Elemento filtro olio 1
Guarnizione circolare 2
Coperchio elemento filtro olio 3
Bullone (coperchio elemento fil-
tro olio)
NOTA:
Applicare il grasso a base di sapone di
litio sulla guarnizione circolare.
T
R
.
.
10 Nm (1,0 m · kg, 7,2 ft · lb)
T
R
.
.
10 Nm (1,0 m · kg, 7,2 ft · lb)
New
New
Pedal de arranque
1. Instalar:
Pedal de arranque 1
Arandela
Tornillo (pedal de arranque)
NOTA:
Instálelos de forma que haya una
holgura mínima a de 13 mm (0,51
in) entre el arranque a pedal y el bas-
tidor, y de forma que el arranque a
pedal no entre en contacto con la
tapa del cárter cuando se accione.
T
R
.
.
33 Nm (3,3 m · kg, 24 ft · lb)
2. Instalar:
Tubo de aceite 1
Tornillo (tubo de aceite) 2
T
R
.
.
8 Nm (0,8 m · kg, 5,8 ft · lb)
3. Instalar:
Arandela de cobre 1
Tubería de suministro de
aceite 2
Perno de unión (M8) 3
Perno de unión (M10) 4
T
R
.
.
18 Nm (1,8 m · kg, 13 ft · lb)
T
R
.
.
20 Nm (2,0 m · kg, 14 ft · lb)
New
Carcasa de la bomba de agua
1. Instalar:
Clavija de centrado 1
Junta tórica 2
NOTA:
Aplique grasa de jabón de litio a la
junta tórica.
2. Instalar:
Carcasa de la bomba de agua
1
Tornillo (carcasa de la bomba
de agua) 2
Elemento del filtro de aceite
1. Instalar:
Elemento del filtro de aceite 1
Junta tórica 2
Tapa del elemento del filtro de
aceite 3
Tornillo (tapa del elemento del
filtro de aceite)
NOTA:
Aplique grasa de jabón de litio a la
junta tórica.
T
R
.
.
10 Nm (1,0 m · kg, 7,2 ft · lb)
T
R
.
.
10 Nm (1,0 m · kg, 7,2 ft · lb)
New
New
ÖLFILTER, WASSERPUMPE UND KURBELGEHÄUSEDECKEL RECHTS
ELEMENTO FILTRO OLIO, POMPA DELLACQUA E COPERCHIO CARTER DESTRO
ELEMENTO DEL FILTRO DE ACEITE, BOMBA DE AGUA Y TAPA DEL CÁRTER DERECHA
5 - 145
ENG
BALANCER
BALANCER
Extent of removal: 1 Balancer shaft drive gear 2 Balancer shaft
Extent of removal Order Part name Qty Remarks
BALANCER REMOVAL
Preparation for removal Primary driven gear Refer to CLUTCH section.
Right crankcase cover Refer to OIL FILTER ELEMENT, WATER PUMP
AND RIGHT CRANKCASE COVER section.
Stator Refer to AC MAGNETO AND STARTER CLUTCH
section.
1 Nut (primary drive gear) 1 Refer to REMOVAL POINTS.
2 Nut (balancer shaft driven gear) 1
3 Lock washer 1
4 Primary drive gear 1
5 Balancer shaft drive gear 1
6 Lock washer 1
7 Balancer shaft driven gear 1
8 Balancer shaft 1 Refer to REMOVAL POINTS.
1
2
2
5 - 146
ENG
BALANCIER
Organisation de la dépose: 1 Pignon menant darbre de balancier 2 Arbre de balancier
Organisation de la dépose Ordre Nom de la pièce QtéRemarques
DEPOSE DU BALANCIER
Préparation à la dépose Pignon mené de transmission primaire Se reporter à la section EMBRAYAGE.
Demi-carter droit Se reporter à la section ELEMENT DE FILTRE A
HUILE, POMPE A EAU ET DEMI-CARTER DROIT.
Stator Se reporter à la section ALTERNATEUR AVEC
ROTOR A ALIMENTATION PERMANENTE ET
EMBRAYAGE DU DEMARREUR.
1 Ecrou (pignon de transmission primaire) 1 Se reporter à POINTS DE DEPOSE.
2 Ecrou (pignon mené de larbre de balancier) 1
3 Rondelle-frein 1
4 Pignon menant de transmission primaire 1
5 Pignon menant de larbre de balancier 1
6 Rondelle-frein 1
7 Pignon mené de larbre de balancier 1
8 Arbre de balancier 1 Se reporter à POINTS DE DEPOSE.
1
2
2
AUSGLEICHSWELLE
Arbeitsumfang: 1 Ausgleichswellen-Antriebsritzel 2 Ausgleichswelle
Arbeitsumfang
Reihenfolge
Bauteil Anz. Bemerkungen
AUSGLEICHSWELLE DEMONTIEREN
Vorbereitungsarbeiten Primärantriebsrad Siehe unter KUPPLUNG.
Kurbelgehäusedeckel rechts Siehe unter “ÖLFILTER, WASSERPUMPE UND
KURBELGEHÄUSEDECKEL RECHTS.
Stator Siehe unter LICHTMASCHINE UND
STARTERKUPPLUNG.
1 Mutter (Primärantriebsritzel) 1 Siehe unter DEMONTAGE-EINZELHEITEN.
2 Mutter (Ausgleichswellen-Antriebsrad) 1
3 Sicherungsscheibe 1
4Primärantriebsritzel 1
5 Ausgleichswellen-Antriebsritzel 1
6 Sicherungsscheibe 1
7 Ausgleichswellen-Antriebsrad 1
8 Ausgleichswelle 1 Siehe unter DEMONTAGE-EINZELHEITEN.
1
2
2
BALANCIER
AUSGLEICHSWELLE
5 - 147
ENG
EQUILIBRATORE
Estensione della rimozione: 1 Ingranaggio conduttore dellalbero equilibratore 2 Albero equilibratore
Estensione della rimozione Ordine Denominazione QuantitàOsservazioni
RIMOZIONE DELLEQUILIBRATORE
Preparazione per la rimozione Ingranaggio condotto della trasmissione
primaria
Fare riferimento al paragrafo FRIZIONE.
Coperchio carter destro Fare riferimento al paragrafo ELEMENTO FILTRO
OLIO, POMPA DELLACQUA E COPERCHIO
CARTER DESTRO.
Statore Fare riferimento al paragrafo MAGNETE AC E
GIUNTO STARTER.
1 Dado (ingranaggio conduttore della
trasmissione primaria)
1
Fare riferimento a PUNTI DI RIMOZIONE.
2 Dado (ingranaggio condotto dellalbero
equilibratore)
1
3 Rondella di bloccaggio 1
4 Ingranaggio conduttore della trasmissione
primaria
1
5 Ingranaggio conduttore dellalbero
equilibratore
1
6 Rondella di bloccaggio 1
7 Ingranaggio condotto dellalbero equilibratore 1
8 Albero equilibratore 1 Fare riferimento a PUNTI DI RIMOZIONE.
1
2
2
EQUILIBRATORE
5 - 148
ENG
COMPENSADOR
Extensión del desmontaje: 1 Desmontaje del engranaje impulsor del eje compensador 2 Eje compensador
Extensión del desmontaje Orden Nombre de la pieza Ctd. Observaciones
DESMONTAJE DEL COMPENSADOR
Preparación para el
desmontaje
Engranaje conducido primario Consulte el apartado EMBRAGUE.
Tapa derecha del cárter Consulte el apartado ELEMENTO DEL FILTRO DE
ACEITE, BOMBA DE AGUA Y TAPA DEL CÁRTER
DERECHA.
Estátor Consulte el apartado MAGNETO CA Y
EMBRAGUE DE ARRANQUE.
1 Tuerca (engranaje impulsor primario) 1 Consulte el apartado PUNTOS DE
DESMONTAJE.
2 Tuerca (engranaje conducido del eje
compensador)
1
3 Arandela de seguridad 1
4 Engranaje impulsor primario 1
5 Engranaje impulsor del eje compensador 1
6 Arandela de seguridad 1
7 Engranaje conducido del eje compensador 1
8 Eje compensador 1 Consulte el apartado PUNTOS DE
DESMONTAJE.
12
2
COMPENSADOR
5 - 149
ENG
BALANCER
REMOVAL POINTS
Balancer shaft drive gear and
balancer shaft driven gear
1. Straighten the lock washer tab.
2. Loosen:
Nut (primary drive gear) 1
Nut
(balancer shaft driven gear) 2
NOTE:
Place an aluminum plate a between
the teeth of the balancer shaft drive
gear 3 and driven gear 4.
Balancer shaft
1. Remove:
Balancer shaft 1
NOTE:
When removing the balancer shaft,
align the center a of the balancer
shaft weight along the line connect-
ing the centers of the crankshaft and
balancer shaft.
INSPECTION
Primary drive gear, balancer shaft
drive gear and balancer shaft
driven gear
1. Inspect:
Primary drive gear 1
Balancer shaft drive gear 2
Balancer shaft driven gear 3
Wear/damage Replace.
Balancer shaft
1. Inspect:
Balancer shaft
Cracks/damage Replace.
POINTS DE DEPOSE
Pignon menant et pignon mené de
larbre de balancier
1. Redresser longlet de la rondelle-
frein.
2. Desserrer:
Ecrou (pignon menant de trans-
mission primaire) 1
Ecrou
(pignon mené de larbre de balan-
cier) 2
N.B.:
Placer une plaque daluminium a entre
les dents du pignon menant de larbre de
balancier 3 et le pignon mené 4.
Arbre de balancier
1. Déposer:
Arbre de balancier 1
N.B.:
Pour déposer larbre de balancier, ali-
gner le centre a du contrepoids darbre
de balancier sur la ligne raccordant les
centres du vilebrequin et de larbre de
balancier.
CONTROLE
Pignon menant de transmission
primaire, pignon menant et pignon
mené de larbre de balancier
1. Contrôler:
Pignon menant de transmission
primaire 1
Pignon menant de larbre de
balancier 2
Pignon mené de larbre de balan-
cier 3
Usure/endommagement Rem-
placer.
Arbre de balancier
1. Contrôler:
Arbre de balancier
Craquelures/endommagement
Remplacer.
BALANCIER
5 - 150
ENG
DEMONTAGE-EINZELHEITEN
Ausgleichswellen-Antriebsritzel
und -rad
1. Die Lasche der Sicherungs-
scheibe umbiegen.
2. Lockern:
Mutter
(Primärantriebsritzel) 1
Mutter
(Ausgleichswellen-Antriebs-
rad) 2
HINWEIS:
Ein Alu-Blechstück a zwischen das
Antriebsritzel 3 und das Antriebs-
rad 4 klemmen.
Ausgleichswelle
1. Demontieren:
Ausgleichswelle 1
HINWEIS:
Zur Demontage der Ausgleichswelle
die Mitte a des Ausgleichsgewichts
auf die Mitte der Ausgleichs- und
Kurbelwellen ausrichten.
KONTROLLE
Primärantriebsritzel, Ausgleichs-
wellen-Antriebsritzel und -rad
1. Kontrollieren:
Primärantriebsritzel 1
Ausgleichswellen-Antriebsrit-
zel 2
Ausgleichswellen-Antriebsrad
3
Verschlissen/beschädigt
Erneuern.
Ausgleichswelle
1. Kontrollieren:
Ausgleichswelle
Rissig/beschädigt Erneu-
ern.
PUNTI DI RIMOZIONE
Ingranaggio conduttore e condotto
dellalbero equilibratore
1. Spianare la linguetta della rondella
di bloccaggio.
2. Allentare:
Dado (ingranaggio conduttore
della trasmissione primaria) 1
Dado (ingranaggio condotto
dellalbero equilibratore) 2
NOTA:
Posizionare una piastra di alluminio a
tra i denti dellingranaggio conduttore
dellalbero equilibratore 3 e lingranag-
gio condotto 4.
Albero equilibratore
1. Togliere:
Albero equilibratore 1
NOTA:
Quando si rimuove lalbero equilibra-
tore, allineare il centro a del peso
dellalbero equilibratore lungo la linea
che collega i centri dellalbero motore e
dellalbero equilibratore.
CONTROLLO
Ingranaggio conduttore della
trasmissione primaria, ingranaggio
conduttore dellalbero equilibratore e
ingranaggio condotto dellalbero
equilibratore
1. Controllare:
Ingranaggio conduttore della tra-
smissione primaria 1
Ingranaggio conduttore dellalbero
equilibratore 2
Ingranaggio condotto dellalbero
equilibratore 3
Usura/danni Sostituire.
Albero equilibratore
1. Controllare:
Albero equilibratore
Incrinature/danni Sostituire.
PUNTOS DE DESMONTAJE
Engranaje impulsor y engranaje
conducido del eje accionador del
eje compensador
1. Enderece la lengüeta de la aran-
dela de seguridad.
2. Aflojar:
Tuerca (engranaje impulsor
primario) 1
Tuerca
(engranaje conducido del eje
compensador) 2
NOTA:
Coloque una placa de aluminio a
entre los dientes del engranaje
impulsor del eje compensador 3 y el
engranaje conducido 4.
Eje compensador
1. Extraer:
Eje compensador 1
NOTA:
Cuando extraiga el eje compensa-
dor, alinee el centro a del contra-
peso del mismo con la línea que une
los centros del cigüeñal y el propio
eje compensador.
COMPROBACIÓN
Engranaje impulsor primario,
engranaje impulsor y engranaje
conducido del eje compensador
1. Comprobar:
Engranaje impulsor primario
1
Engranaje impulsor del eje
compensador 2
Engranaje conducido del eje
compensador 3
Desgaste/daños Cambiar.
Eje compensador
1. Comprobar:
Eje compensador
Grietas/daños Cambiar.
AUSGLEICHSWELLE
EQUILIBRATORE
COMPENSADOR
5 - 151
ENG
BALANCER
ASSEMBLY AND INSTALLATION
Balancer shaft, balancer shaft
drive gear and balancer shaft
driven gear
1. Install:
Balancer shaft 1
NOTE:
Apply the engine oil on the bear-
ing.
When installing the balancer shaft,
align the center a of the balancer
shaft weight along the line con-
necting the centers of the crank-
shaft and balancer shaft.
2. Install:
Balancer shaft driven gear 1
NOTE:
Install the balancer shaft driven gear
onto the balancer shaft while aligning
the punch mark a on the balancer
shaft driven gear with the lower
spline b on the balancer shaft end.
3. Install:
Balancer shaft drive gear 1
NOTE:
Align the punched mark a on the
balancer shaft drive gear with the
punched mark b on the balancer
shaft driven gear 2.
Align the punched mark c on the
balancer shaft drive gear with the
lower spline d on the crankshaft
end.
4. Install:
Lock washer 1
Nut
(balancer shaft driven gear) 2
Primary drive gear 3
Nut (primary drive gear) 4
NOTE:
Install the primary drive gear with
its stepped side a facing the
engine.
Place an aluminum plate b
between the teeth of the balancer
shaft drive gear 5 and driven gear
6.
5. Bend the lock washer tab.
T
R
.
.
50 Nm (5.0 m · kg, 36 ft · lb)
T
R
.
.
75 Nm (7.5 m · kg, 54 ft · lb)
ASSEMBLAGE ET MONTAGE
Arbre de balancier, pignon menant et
pignon mené de larbre de balancier
1. Monter:
Arbre de balancier 1
N.B.:
Appliquer de lhuile moteur sur le rou-
lement.
Pour monter larbre de balancier, ali-
gner le centre a du contrepoids
darbre de balancier sur la ligne rac-
cordant les centres du vilebrequin et
de larbre de balancier.
2. Monter:
Pignon mené de larbre de balan-
cier 1
N.B.:
Monter le pignon mené de larbre de
balancier sur larbre de balancier en ali-
gnant le repère poinçonné a du pignon
mené de larbre de balancier avec la can-
nelure inférieure b de lextrémité de
larbre de balancier.
3. Monter:
Pignon menant de larbre de
balancier 1
N.B.:
Aligner le repère poinçonné a du
pignon menant de larbre de balancier
et le repère poinçonné b du pignon
mené de larbre de balancier 2.
Aligner le repère poinçonné c du
pignon menant de larbre du balancier
avec la cannelure inférieure d de
lextrémité du vilebrequin.
4. Monter:
Rondelle-frein 1
Ecrou (pignon mené de larbre de
balancier) 2
Pignon menant de transmission
primaire 3
Ecrou (pignon menant de trans-
mission primaire) 4
N.B.:
Monter le pignon menant de transmis-
sion primaire en orientant son côté
étagé a vers le moteur.
Placer une plaque daluminium b
entre les dents du pignon menant 5 et
le pignon mené 6 de larbre de balan-
cier.
5. Replier longlet de la rondelle-frein.
T
R
.
.
50 Nm (5,0 m · kg, 36 ft · lb)
T
R
.
.
75 Nm (7,5 m · kg, 54 ft · lb)
BALANCIER
5 - 152
ENG
ZUSAMMENBAU UND MONTAGE
Ausgleichswelle, Ausgleichswel-
len-Antriebsritzel und -rad
1. Montieren:
Ausgleichswelle 1
HINWEIS:
Motoröl auf das Lager auftragen.
Zur Montage der Ausgleichswelle
die Mitte a des Ausgleichsge-
wichts auf die Mitte der Aus-
gleichs- und Kurbelwellen ausrich-
ten.
2. Montieren:
Ausgleichswellen-Antriebsrad
1
HINWEIS:
Bei der Montage des Ausgleichswel-
len-Antriebsrads darauf achten, dass
die Körnermarkierung a des
Antriebsrads auf den kurzen Grat b
der Ausgleichswellen-Verzahnung
ausgerichtet wird.
3. Montieren:
Ausgleichswellen-Antriebsrit-
zel 1
HINWEIS:
Die Körnermarkierung a des
Antriebsritzels und die Körnermar-
kierung b des Antriebsrads 2.
müssen fluchten.
Die Körnermarkierung c des Aus-
gleichswellen-Antriebsritzels muss
auf den kurzen Grat d der Verzah-
nung am Ende der Kurbelwelle
ausgerichtet werden.
4. Montieren:
Sicherungsscheibe 1
Mutter
(Ausgleichswellen-Antriebs-
rad) 2
Primärantriebsritzel 3
Mutter (Primärantriebsritzel) 4
HINWEIS:
Das Primärantriebsritzel so mon-
tieren, dass dessen Abstufung a
zum Motor gerichtet ist.
Ein Alu-Blechstück b zwischen
das Antriebsritzel 5 und das
Antriebsrad 6 klemmen.
5. Die Lasche der Sicherungs-
scheibe umbiegen.
T
R
.
.
50 Nm (5,0 m · kg, 36 ft · lb)
T
R
.
.
75 Nm (7,5 m · kg, 54 ft · lb)
MONTAGGIO E INSTALLAZIONE
Albero equilibratore, ingranaggio
conduttore e condotto dellalbero
equilibratore
1. Installare:
Albero equilibratore 1
NOTA:
Applicare lolio motore sul cuscinetto.
Quando si installa lalbero equilibra-
tore, allineare il centro a del peso
dellalbero equilibratore lungo la linea
che collega i centri dellalbero motore
e dellalbero equilibratore.
2. Installare:
Ingranaggio condotto dellalbero
equilibratore 1
NOTA:
Installare lingranaggio condotto dellal-
bero equilibratore sullalbero equilibra-
tore allineando il riferimento punzonato
a sullingranaggio condotto con la sca-
nalatura inferiore b sullestremità
dellalbero equilibratore.
3. Installare:
Ingranaggio conduttore dellalbe-
ro equilibratore 1
NOTA:
Allineare il riferimento punzonato a
sullingranaggio conduttore dellalbe-
ro equilibratore con il riferimento pun-
zonato b sullingranaggio condotto
2.
Allineare il riferimento punzonato c
sullingranaggio conduttore dellalbe-
ro equilibratore con la scanalatura in-
feriore d sullestremità dellalbero
motore.
4. Installare:
Rondella di bloccaggio 1
Dado (ingranaggio condotto
dellalbero equilibratore) 2
Ingranaggio conduttore della tra-
smissione primaria 3
Dado (ingranaggio conduttore
della trasmissione primaria) 4
NOTA:
Installare lingranaggio conduttore
della trasmissione primaria con il lato
scanalato a rivolto verso il motore.
Posizionare una piastra di alluminio
b tra i denti dellingranaggio condut-
tore dellalbero equilibratore 5 e
lingranaggio condotto 6.
5. Piegare la linguetta della rondella di
bloccaggio.
T
R
.
.
50 Nm (5,0 m · kg, 36 ft · lb)
T
R
.
.
75 Nm (7,5 m · kg, 54 ft · lb)
MONTAJE E INSTALACIÓN
Eje compensador, engranaje
impulsor y engranaje conducido
del eje compensador
1. Instalar:
Eje compensador 1
NOTA:
Aplique aceite de motor al cojinete.
Cuando instale el eje compensa-
dor, alinee el centro a del contra-
peso del mismo con la línea que
une los centros del cigüeñal y el
propio eje compensador.
2. Instalar:
Engranaje conducido del eje
compensador 1
NOTA:
Acople el engranaje conducido al eje
compensador mientras alinea la
marca perforada a del engranaje
con la estría inferior b del extremo
del eje.
3. Instalar:
Engranaje impulsor del eje
compensador 1
NOTA:
Alinee la marca perforada a del
engranaje accionador del eje com-
pensador con la marca perforada
b del engranaje conducido 2.
Alinee la marca perforada c del
engranaje accionador del eje com-
pensador con la marca perforada
d del extremo del cigüeñal.
4. Instalar:
Arandela de seguridad 1
Tuerca (engranaje conducido
del eje compensador) 2
Engranaje impulsor primario
3
Tuerca (engranaje impulsor
primario) 4
NOTA:
Instale el engranaje impulsor pri-
mario con la parte escalonada a
hacia el motor.
Coloque una placa de aluminio b
entre los dientes del engranaje
impulsor del eje compensador 5 y
el engranaje conducido 6.
5. Doble la lengüeta de la arandela
de seguridad.
T
R
.
.
50 Nm (5,0 m · kg, 36 ft · lb)
T
R
.
.
75 Nm (7,5 m · kg, 54 ft · lb)
AUSGLEICHSWELLE
EQUILIBRATORE
COMPENSADOR
5 - 153
ENG
OIL PUMP
OIL PUMP
Extent of removal: 1 Oil pump removal 2 Oil pump disassembly
Extent of removal Order Part name Qty Remarks
OIL PUMP REMOVAL AND
DISASSEMBLY
Preparation for removal Primary driven gear Refer to CLUTCH section.
Right crankcase cover Refer to OIL FILTER ELEMENT, WATER PUMP
AND RIGHT CRANKCASE COVER section.
1 Circlip 1
2 Washer 1
3 Oil pump drive gear 1
4 Oil pump assembly 1
5 Outer rotor 2 1
6 Circlip 1
7 Inner rotor 2 1
8 Dowel pin 1
9 Oil pump cover 1
10 Outer rotor 1 1
11 Inner rotor 1 1
12 Dowel pin 1
13 Washer 1
14 Oil pump drive shaft 1
15 Rotor housing 1
2
1
5 - 154
ENG
POMPE A HUILE
Organisation de la dépose: 1 Dépose de la pompe à huile 2 Démontage de la pompe à huile.
Organisation de la dépose Ordre Nom de la pièce QtéRemarques
DEPOSE ET DEMONTAGE DE LA
POMPE A HUILE
Préparation à la dépose Pignon mené de transmission primaire Se reporter à la section EMBRAYAGE.
Demi-carter droit Se reporter à la section ELEMENT DE FILTRE A
HUILE, POMPE A EAU ET DEMI-CARTER DROIT.
1 Circlip 1
2 Rondelle 1
3 Pignon menant de pompe à huile 1
4 Pompe à huile complète 1
5 Rotor externe 2 1
6 Circlip 1
7 Rotor interne 2 1
8Goujon 1
9 Couvercle de pompe à huile 1
10 Rotor externe 1 1
11 Rotor interne 1 1
12 Goujon 1
13 Rondelle 1
14 Arbre dentraînement de pompe à huile 1
15 Boîtier du rotor 1
2
1
ÖLPUMPE
Arbeitsumfang: 1 Ölpumpe demontieren 2 Ölpumpe zerlegen
Arbeitsumfang
Reihenfolge
Bauteil Anz. Bemerkungen
ÖLPUMPE DEMONTIEREN UND
ZERLEGEN
Vorbereitungsarbeiten Primärantriebsrad Siehe unter KUPPLUNG.
Kurbelgehäusedeckel rechts Siehe unter “ÖLFILTER, WASSERPUMPE UND
KURBELGEHÄUSEDECKEL RECHTS.
1 Sicherungsring 1
2 Beilagscheibe 1
3Ölpumpen-Antriebsritzel 1
4Ölpumpe 1
5Außenrotor 2 1
6 Sicherungsring 1
7 Innenrotor 2 1
8 Passhülse 1
9Ölpumpendeckel 1
10 Außenrotor 1 1
11 Innenrotor 1 1
12 Passhülse 1
13 Beilagscheibe 1
14 Ölpumpen-Antriebswelle 1
15 Rotorgehäuse 1
2
1
POMPE A HUILE
ÖLPUMPE
5 - 155
ENG
POMPA DELLOLIO
Estensione della rimozione: 1 Rimozione della pompa dellolio 2 Disassemblaggio della pompa dellolio
Estensione della rimozione Ordine Denominazione QuantitàOsservazioni
DISASSEMBLAGGIO DELLA POMPA
DELLOLIO
Preparazione per la rimozione Ingranaggio condotto della trasmissione
primaria
Fare riferimento al paragrafo FRIZIONE.
Coperchio carter destro Fare riferimento al paragrafo ELEMENTO FILTRO
OLIO, POMPA DELLACQUA E COPERCHIO
CARTER DESTRO.
1 Anello elastico di sicurezza 1
2 Rondella 1
3 Ingranaggio conduttore della pompa olio 1
4 Gruppo pompa dellolio 1
5 Rotore exterior 2 1
6 Anello elastico di sicurezza 1
7 Rotore interior 2 1
8 Grano di centraggio 1
9 Coperchio pompa dellolio 1
10 Rotore exterior 1 1
11 Rotore interior 1 1
12 Grano di centraggio 1
13 Rondella 1
14 Albero di comando della pompa olio 1
15 Alloggiamento del rotore 1
2
1
POMPA DELLOLIO
5 - 156
ENG
BOMBA DE ACEITE
Extensión del desmontaje: 1 Desmontaje de la bomba de aceite 2 Desarmado de la bomba de aceite
Extensión del desmontaje Orden Nombre de la pieza Ctd. Observaciones
DESMONTAJE Y DESARMADO DE LA
BOMBA DE ACEITE
Preparación para el
desmontaje
Engranaje conducido primario Consulte el apartado EMBRAGUE.
Tapa derecha del cárter Consulte el apartado ELEMENTO DEL FILTRO DE
ACEITE, BOMBA DE AGUA Y TAPA DEL CÁRTER
DERECHA.
1 Anillo elástico 1
2 Arandela 1
3 Engranaje impulsor de la bomba de aceite 1
4 Conjunto de la bomba de aceite 1
5 Rotor externo 2 1
6 Anillo elástico 1
7 Rotor interno 2 1
8 Clavija de centrado 1
9 Tapa de la bomba de aceite 1
10 Rotor externo 1 1
11 Rotor interno 1 1
12 Clavija de centrado 1
13 Arandela 1
14 Eje impulsor de la bomba de aceite 1
15 Caja del rotor 1
2
1
BOMBA DE ACEITE
5 - 157
ENG
OIL TANK
OIL TANK
Extent of removal: 1 Oil tank removal
Extent of removal Order Part name Qty Remarks
OIL TANK REMOVAL
Preparation for removal Drain the engine oil. Refer to ENGINE OIL REPLACEMENT section in
the CHAPTER 3.
1Oil hose 2 1
2Oil hose 1 1
3 Dowel pin 2
4 Oil tank breather hose 1
5 Oil tank 1
6 Oil strainer 1
1
5 - 158
ENG
RÉSERVOIR DHUILE
Organisation de la dépose: 1 Dépose du réservoir dhuile
Organisation de la dépose Ordre Nom de la pièce QtéRemarques
DÉPOSE DU RÉSERVOIR DHUILE
Préparation à la dépose Vidanger lhuile moteur. Se reporter à la section CHANGEMENT DE LHUILE
MOTEUR au CHAPITRE 3.
1 Durit dhuile 2 1
2 Durit dhuile 1 1
3Goujon 2
4 Durit de mise à lair du réservoir dhuile 1
5Réservoir dhuile 1
6Crépine à huile 1
1
ÖLTANK
Arbeitsumfang: 1 Ausbau des Öltanks
Arbeitsumfang
Reihenfolge
Bauteil Anz. Bemerkungen
DEMONTAGE DES ÖLTANKS
Vorbereitungsarbeiten Das Motoröl ablassen. Siehe unter CHANGEMENT DE LHUILE
MOTEUR in KAPITEL 3.
1Ölschlauch 2 1
2Ölschlauch 1 1
3 Passhülse 2
4Öltank-Belüftungsschlauch 1
5Öltank 1
6Ölsieb 1
1
RÉSERVOIR DHUILE
ÖLTANK
5 - 159
ENG
SERBATOIO DELLOLIO
Entità della rimozione: 1 Rimozione serbatoio olio
Entità della rimozione Ordine Denominazione QuantitàOsservazioni
RIMOZIONE DEL SERBATOIO
DELLOLIO
Preparazione per la rimozione Scaricare lolio motore. Fare riferimento al paragrafo CHANGEMENT DE
LHUILE MOTEUR nel CAPITOLO 3.
1 Flessibile olio 2 1
2 Flessibile dellolio 1 1
3 Grano di centraggio 2
4 Flessibile di sfiato del serbatoio olio 1
5 Serbatoio dellolio 1
6 Filtro olio 1
1
SERBATOIO DELLOLIO
5 - 160
ENG
DEPÓSITO DE ACEITE
Extensión del desmontaje: 1 Desmontaje del depósito de aceite
Extensión del desmontaje Orden Nombre de la pieza Ctd. Observaciones
DESMONTAJE DEL DEPÓSITO DE
ACEITE
Preparación para el
desmontaje
Vacíe el aceite del motor. Consulte la sección CAMBIO DE ACEITE DEL
MOTOR en el CAPÍTULO 3.
1 Tubo de aceite 2 1
2 Tubo de aceite 1 1
3 Clavija de centrado 2
4 Tubo respiradero del depósito de aceite 1
5Depósito de aceite 1
6 Depurador de aceite 1
1
DEPÓSITO DE ACEITE
5 - 161
ENG
OIL TANK
INSPECTION
Oil pump
1. Inspect:
Oil pump drive gear 1
Oil pump drive shaft 2
Rotor housing 3
Oil pump cover 4
Cracks/wear/damage
Replace.
1
3
2
4
2. Measure:
Tip clearance a
(between the inner rotor 1
and outer rotor 2)
Side clearance b
(between the outer rotor 2
and rotor housing 3)
Housing and rotor clearance
c
(between the rotor housing 3
and rotors 1 2)
Out of specification
Replace the oil pump assem-
bly.
Tip clearance a:
0.12 mm or less
(0.0047 in or less)
<Limit>:
0.20 mm (0.008 in)
Side clearance b:
0.09 ~ 0.17 mm
(0.0035 ~ 0.0067 in)
<Limit>:
0.24 mm (0.009 in)
Housing and rotor
clearance c:
0.03 ~ 0.10 mm
(0.0012 ~ 0.0039 in)
<Limit>:
0.17 mm (0.0067 in)
3. Check:
Unsmooth Repeat steps #1
and #2 or replace the defec-
tive parts.
CONTROLE
Pompe à huile
1. Contrôler:
Pignon menant de pompe à huile
1
Arbre dentraînement de pompe à
huile 2
Boîtier du rotor 3
Couvercle de pompe à huile 4
Craquelures/usure/endommage-
ment Remplacer.
2. Mesurer:
Jeu entre rotors a
(entre le rotor interne 1 et le
rotor externe 2)
Jeu latéral b
(entre le rotor externe 2 et le
corps du rotor 3)
Jeu entre corps et rotor c
(entre le corps du rotor 3 et les
rotors 1 2)
Hors spécifications Remplacer
la pompe à huile complète.
Jeu entre rotors a:
0,12 mm ou moins
(0,0047 in ou moins)
<Limite>:
0,20 mm (0,008 in)
Jeu latéral b:
0,09 à 0,17 mm
(0,0035 à 0,0067 in)
<Limite>:
0,24 mm (0,009 in)
Jeu entre corps et rotor c:
0,03 à 0,10 mm
(0,0012 à 0,0039 in)
<Limite>:
0,17 mm (0,0067 in)
3. Contrôler:
Mouvement irrégulier Répéter
les points 1 et 2 ou remplacer les
pièces défectueuses.
RÉSERVOIR DHUILE
5 - 162
ENG
KONTROLLE
Ölpumpe
1. Kontrollieren:
•Ölpumpen-Antriebsritzel 1
•Ölpumpen-Antriebswelle 2
Rotorgehäuse 3
•Ölpumpendeckel 4
Rissig/verschlissen/beschä-
digt Erneuern.
2. Messen:
Innenrotor-Radialspiel a
(zwischen Innenrotor 1 und
Außenrotor 2)
Außenrotor-Radialspiel b
(zwischen Außenrotor 2 und
Rotorgehäuse 3)
Innen- und Außenrotor-Axial-
spiel c
(zwischen Rotorgehäuse 3
und Rotoren 1 u. 2)
Nicht nach Vorgabe
Ölpumpe erneuern.
Innenrotor-Radialspiel
a:
Max. 0,12 mm
(0,0047 in)
<Grenzwert>:
0,20 mm (0,008 in)
Außenrotor-Radialspiel
b:
0,090,17 mm
(0,00350,0067 in)
<Grenzwert>:
0,24 mm (0,009 in)
Innen- und Außenrotor-
Axialspiel c:
0,030,10 mm
(0,00120,0039 in)
<Grenzwert>:
0,17 mm (0,0067 in)
3. Kontrollieren:
Stockend Schritte 1 u. 2
wiederholen, ggf. defekte Bau-
teile erneuern.
CONTROLLO
Pompa dellolio
1. Controllare:
Ingranaggio conduttore della
pompa olio 1
Albero di comando della pompa
olio 2
Alloggiamento del rotore 3
Coperchio pompa dellolio 4
Incrinature/usura/danni Sosti-
tuire.
2. Misurare:
Gioco sullestremità a
(tra il rotore interno 1 e il rotore
esterno 2)
Gioco laterale b
(tra il rotore esterno 2 e lallog-
giamento del rotore 3)
Gioco tra alloggiamento e rotore
c
(tra lalloggiamento del rotore 3
e i rotori 1 2)
Non conforme alle specifiche
Sostituire la pompa dellolio.
Gioco sullestremità a:
0,12 mm o inferiore
(0,0047 in o inferiore)
<Limite>:
0,20 mm (0,008 in)
Gioco laterale b:
0,09 ~ 0,17 mm
(0,0035 ~ 0,0067 in)
<Limite>:
0,24 mm (0,009 in)
Gioco tra alloggiamento e
rotore c:
0,03 ~ 0,10 mm
(0,0012 ~ 0,0039 in)
<Limite>:
0,17 mm (0,0067 in)
3. Controllare:
Non uniforme Ripetere le ope-
razioni n.1 e n.2 o sostituire i
componenti difettosi.
COMPROBACIÓN
Bomba de aceite
1. Comprobar:
Engranaje impulsor de la
bomba de aceite 1
Engranaje impulsor de la
bomba de aceite 2
Caja del rotor 3
Tapa de la bomba de aceite 4
Grietas/daños Cambiar.
2. Medir:
Holgura entre rotores interior y
exterior a
(entre el rotor interior 1 y el
rotor exterior 2)
Holgura lateral b
(entre el rotor exterior 2 y la
caja del rotor 3)
Holgura entre la caja y el rotor
c
(entre la caja 3 y los rotores
1 2)
Fuera del valor especificado
Cambiar el conjunto de la
bomba de aceite.
Holgura entre rotores
interior y exterior a:
0,12 mm máximo
(0,0047 in máximo)
<Límite>:
0,20 mm (0,008 in)
Holgura lateral b:
0,09 ~ 0,17 mm
(0,0035 ~ 0,0067 in)
<Límite>:
0,24 mm (0,009 in)
Holgura entre la caja y el
rotor c:
0,03 ~ 0,10 mm
(0,0012 ~ 0,0039 in)
<Límite>:
0,17 mm (0,0067 in)
3. Comprobar:
No suave Repetir los pasos
1 y 2 o cambiar las piezas
defectuosas.
ÖLTANK
SERBATOIO DELLOLIO
DEPÓSITO DE ACEITE
5 - 163
ENG
OIL TANK
ASSEMBLY AND INSTALLATION
Oil pump
1. Install:
Oil pump drive shaft 1
Washer 2
Dowel pin 3
Inner rotor 1 4
NOTE:
Apply the engine oil on the oil
pump drive shaft and inner rotor 1.
Fit the dowel pin into the groove in
the inner rotor 1.
2. Install:
Outer rotor 1 1
NOTE:
Apply the engine oil on the outer
rotor 1.
3. Install:
Oil pump cover 1
Screw (oil pump cover) 2
Dowel pin 3
Inner rotor 2 4
Circlip 5
NOTE:
Apply the engine oil on the inner
rotor 2.
Fit the dowel pin into the groove in
the inner rotor 2.
T
R
.
.
2 Nm (0.2 m · kg, 1.4 ft · lb)
New
4. Install:
Outer rotor 2 1
Dowel pin 2
Oil pump assembly 3
Bolt (oil pump assembly)
[L = 25 mm (0.94 in)] 4
Bolt (oil pump assembly)
[L = 30 mm (1.18 in)] 5
NOTE:
Apply the engine oil on the outer
rotor 2.
T
R
.
.
10 Nm (1.0 m · kg, 7.2 ft · lb)
T
R
.
.
10 Nm (1.0 m · kg, 7.2 ft · lb)
ASSEMBLAGE ET MONTAGE
Pompe à huile
1. Monter:
Arbre dentraînement de pompe à
huile 1
Rondelle 2
Goujon 3
Rotor interne 1 4
N.B.:
Appliquer de lhuile moteur sur
larbre dentraînement de la pompe à
huile et le rotor interne 1.
Insérer le goujon dans la gorge du
rotor interne 1.
2. Monter:
Rotor externe 1 1
N.B.:
Appliquer de lhuile moteur sur le rotor
externe 1.
3. Monter:
Couvercle de pompe à huile 1
Vis (couvercle de pompe à huile)
2
Goujon 3
Rotor interne 2 4
Circlip 5
N.B.:
Appliquer de lhuile moteur sur le
rotor interne 2.
Insérer le goujon dans la gorge du
rotor interne 2.
T
R
.
.
2 Nm (0,2 m · kg, 1,4 ft · lb)
New
4. Monter:
Rotor externe 2 1
Goujon 2
Pompe à huile complète 3
Boulon (pompe à huile complète)
[L = 25 mm (0,94 in)] 4
Boulon (pompe à huile complète)
[L = 30 mm (1,18 in)] 5
N.B.:
Appliquer de lhuile moteur sur le rotor
externe 2.
T
R
.
.
10 Nm (1,0 m · kg, 7,2 ft · lb)
T
R
.
.
10 Nm (1,0 m · kg, 7,2 ft · lb)
RÉSERVOIR DHUILE
5 - 164
ENG
ZUSAMMENBAU UND MONTAGE
Ölpumpe
1. Montieren:
•Ölpumpen-Antriebswelle 1
Beilagscheibe 2
Passhülse 3
Innenrotor 1 4
HINWEIS:
Motoröl auf die Ölpumpen-
Antriebswelle und den Innenrotor 1
auftragen.
Die Passhülse muss in der Nut im
Innenrotor 1 sitzen.
2. Montieren:
Außenrotor 1 1
HINWEIS:
Motoröl auf den Außenrotor 1 auftra-
gen.
3. Montieren:
•Ölpumpendeckel 1
•Ölpumpendeckel-Schraube 2
Passhülse 3
Innenrotor 2 4
Sicherungsring 5
HINWEIS:
Motoröl auf den Innenrotor 2 auf-
tragen.
Die Passhülse muss in der Nut im
Innenrotor 2 sitzen.
T
R
.
.
2 Nm (0,2 m · kg, 1,4 ft · lb)
New
4. Montieren:
Außenrotor 2 1
Passhülse 2
•Ölpumpe 3
•Ölpumpen-Schraube
[L = 25 mm (0,94 in)] 4
•Ölpumpen-Schraube
[L = 30 mm (1,18 in)] 5
HINWEIS:
Motoröl auf den Außenrotor 2 auftra-
gen.
T
R
.
.
10 Nm (1,0 m · kg, 7,2 ft · lb)
T
R
.
.
10 Nm (1,0 m · kg, 7,2 ft · lb)
MONTAGGIO E INSTALLAZIONE
Pompa dellolio
1. Installare:
Albero di comando della pompa
olio 1
Rondella 2
Grano di centraggio 3
Rotore interno 1 4
NOTA:
Applicare lolio motore sullalbero di
comando della pompa olio e sul rotore
interno 1.
Inserire il grano di centraggio
allinterno della scanalatura nel rotore
interno 1.
2. Installare:
Rotore esterno 1 1
NOTA:
Applicare lolio motore sul rotore
esterno 1.
3. Installare:
Coperchio pompa dellolio 1
Vite (coperchio pompa dellolio)
2
Grano di centraggio 3
Rotore interno 2 4
Anello elastico di sicurezza 5
NOTA:
Applicare lolio motore sul rotore
interno 2.
Inserire il grano di centraggio
allinterno della scanalatura nel rotore
interno 2.
T
R
.
.
2 Nm (0,2 m · kg, 1,4 ft · lb)
New
4. Installare:
Rotore esterno 2 1
Grano di centraggio 2
Gruppo pompa dellolio 3
Bullone (gruppo pompa dellolio)
[L = 25 mm (0,94 in)] 4
Bullone (gruppo pompa dellolio)
[L = 30 mm (1,18 in)] 5
NOTA:
Applicare lolio motore sul rotore
esterno 2.
T
R
.
.
10 Nm (1,0 m · kg, 7,2 ft · lb)
T
R
.
.
10 Nm (1,0 m · kg, 7,2 ft · lb)
MONTAJE E INSTALACIÓN
Bomba de aceite
1. Instalar:
Eje impulsor de la bomba de
aceite 1
Arandela 2
Clavija de centrado 3
Rotor interior 1 4
NOTA:
Aplique aceite de motor al eje
impulsor de la bomba de aceite y
al rotor interior 1.
Ajuste la clavija de centrado en la
ranura del rotor interior 1.
2. Instalar:
Rotor exterior 1 1
NOTA:
Aplique aceite de motor al rotor exte-
rior 1.
3. Instalar:
Tapa de la bomba de aceite 1
Tornillo (tapa de la bomba de
aceite) 2
Clavija de centrado 3
Rotor interior 2 4
Anillo elástico 5
NOTA:
Aplique aceite de motor al rotor
interior 2.
Ajuste la clavija de centrado en la
ranura del rotor interior 2.
T
R
.
.
2 Nm (0,2 m · kg, 1,4 ft · lb)
New
4. Instalar:
Rotor exterior 2 1
Clavija de centrado 2
Conjunto de la bomba de
aceite 3
Tornillo (conjunto de la bomba
de aceite)
[L = 25 mm (0,94 in)] 4
Tornillo (conjunto de la bomba
de aceite)
[L = 30 mm (1,18 in)] 5
NOTA:
Aplique aceite de motor al rotor exte-
rior 2.
T
R
.
.
10 Nm (1,0 m · kg, 7,2 ft · lb)
T
R
.
.
10 Nm (1,0 m · kg, 7,2 ft · lb)
ÖLTANK
SERBATOIO DELLOLIO
DEPÓSITO DE ACEITE
5 - 165
ENG
OIL TANK
5. Install:
Oil pump drive gear 1
Washer 2
Circlip 3
NOTE:
Apply the engine oil on the oil pump
drive gear inner circumference.
New
5. Monter:
Pignon menant de pompe à huile
1
Rondelle 2
Circlip 3
N.B.:
Appliquer de lhuile moteur sur la cir-
conférence intérieure du pignon menant
de pompe à huile.
New
RÉSERVOIR DHUILE
5 - 166
ENG
5. Montieren:
•Ölpumpen-Antriebsritzel 1
Beilagscheibe 2
Sicherungsring 3
HINWEIS:
Motoröl auf die Innenfläche des
Ölpumpen-Antriebsritzels auftragen.
New
5. Installare:
Ingranaggio conduttore della
pompa olio 1
Rondella 2
Anello elastico di sicurezza 3
NOTA:
Applicare lolio motore sulla circonfe-
renza interna dellingranaggio condut-
tore della pompa dellolio.
New
5. Instalar:
Engranaje impulsor de la
bomba de aceite 1
Arandela 2
Anillo elástico 3
NOTA:
Aplique aceite de motor a la circunfe-
rencia interior del engranaje impulsor
de la bomba de aceite.
New
ÖLTANK
SERBATOIO DELLOLIO
DEPÓSITO DE ACEITE
5 - 167
ENG
KICK SHAFT AND SHIFT SHAFT
KICK SHAFT AND SHIFT SHAFT
Extent of removal: 1 Kick shaft removal 2 Kick shaft disassembly
3 Shift shaft removal 4 Segment removal
Extent of removal Order Part name Qty Remarks
KICK SHAFT AND SHIFT SHAFT
REMOVAL
Preparation for removal Oil pump Refer to OIL PUMP section.
1 Kick idle gear 1
2 Kick shaft assembly 1 Refer to REMOVAL POINTS.
3 Spring guide 1
4 Torsion spring 1
5 Ratchet wheel 1
6 Kick gear 1
7 Kick shaft 1
8 Washer 1
9 Shift pedal 1
10 Shift shaft 1
11 Collar 1
1
1
2
34
5 - 168
ENG
ARBRE DE KICK ET AXE DE SELECTEUR
Organisation de la dépose: 1 Dépose de larbre de kick 2 Démontage de larbre de kick.
3 Dépose de laxe de sélecteur 4 Dépose du segment
Organisation de la dépose Ordre Nom de la pièce QtéRemarques
DEPOSE DE LARBRE DE KICK ET DE
LAXE DE SELECTEUR
Préparation à la dépose Pompe à huile Se reporter à la section POMPE A HUILE.
1 Pignon fou de kick 1
2 Arbre de kick complet 1 Se reporter à POINTS DE DEPOSE.
3 Guide de ressort 1
4 Ressort de torsion 1
5 Roue à rochet 1
6 Pignon de kick 1
7 Arbre de kick 1
8 Rondelle 1
9Sélecteur 1
10 Axe de sélecteur 1
11 Entretoise épaulée1
1
1
2
34
KICKHEBELWELLE UND SCHALTWELLE
Arbeitsumfang: 1 Kickhebelwelle demontieren 2 Kickhebelwelle zerlegen
3 Kickhebelwelle demontieren 4 Zahnsegment demontieren
Arbeitsumfang
Reihenfolge
Bauteil Anz. Bemerkungen
KICKHEBELWELLE UND
SCHALTWELLE DEMONTIEREN
Vorbereitungsarbeiten Ölpumpe Siehe unter “ÖLPUMPE.
1 Kickstarter-Zwischenrad 1
2 Kickhebelwelle 1 Siehe unter DEMONTAGE-EINZELHEITEN.
3 Federführung 1
4 Torsionsfeder 1
5 Klinkenrad 1
6 Kickstarter-Ritzel 1
7 Kickhebelwelle 1
8 Beilagscheibe 1
9Fußschalthebel 1
10 Schaltwelle 1
11 Distanzhülse 1
1
1
2
34
ARBRE DE KICK ET AXE DE SELECTEUR
KICKHEBELWELLE UND SCHALTWELLE
5 - 169
ENG
ALBERO PEDALE E ALBERO DEL CAMBIO
Estensione della rimozione: 1 Rimozione dellalbero pedale 2 Disassemblaggio dellalbero pedale
3 Rimozione dellalbero del cambio 4 Rimozione del segmento
Estensione della rimozione Ordine Denominazione QuantitàOsservazioni
RIMOZIONE DI ALBERO PEDALE E
ALBERO DEL CAMBIO
Preparazione per la rimozione Pompa dellolio Fare riferimento al paragrafo POMPA DELLOLIO.
1 Ingranaggio folle pedale 1
2 Gruppo albero pedale 1 Fare riferimento a PUNTI DI RIMOZIONE.
3 Guida molla 1
4 Molla di torsione 1
5 Ruota con cricchetto 1
6 Ingranaggio pedale 1
7 Albero pedale 1
8 Rondella 1
9 Pedale del cambio 1
10 Albero del cambio 1
11 Collarino 1
1
1
2
34
ALBERO PEDALE E ALBERO DEL CAMBIO
5 - 170
ENG
EJE DEL PEDAL DE ARRANQUE Y EJE DEL CAMBIO
Extensión del desmontaje: 1 Desmontaje del eje del pedal de arranque 2 Desarmado del eje del pedal de arranque
3 Desmontaje del eje del cambio 4 Desmontaje de los segmentos
Extensión del desmontaje Orden Nombre de la pieza Ctd. Observaciones
DESMONTAJE DEL EJE DEL PEDAL DE
ARRANQUE Y EL EJE DEL CAMBIO
Preparación para el
desmontaje
Bomba de aceite Consulte el apartado BOMBA DE ACEITE.
1 Engranaje intermedio del pedal de
arranque
1
2 Conjunto del eje del pedal de arranque 1 Consulte el apartado PUNTOS DE
DESMONTAJE.
3Guía de muelle 1
4 Muelle de torsión1
5 Rueda de trinquete 1
6 Engranaje del pedal de arranque 1
7 Eje del pedal de arranque 1
8 Arandela 1
9 Pedal de cambio 1
10 Eje del cambio 1
11 Casquillo 1
1
1
2
34
EJE DEL PEDAL DE ARRANQUE Y EJE DEL CAMBIO
5 - 171
ENG
KICK SHAFT AND SHIFT SHAFT
Extent of removal Order Part name Qty Remarks
12 Torsion spring 1
13 Roller 1
14 Shift guide 1 Refer to REMOVAL POINTS.
15 Shift lever assembly 1
16 Shift lever 1
17 Pawl 2
18 Pawl pin 2
19 Spring 2
20 Bolt (stopper lever) 1
21 Stopper lever 1
22 Torsion spring 1
23 Segment 1 Refer to REMOVAL POINTS.
3
4
5 - 172
ENG
Organisation de la dépose Ordre Nom de la pièce QtéRemarques
12 Ressort de torsion 1
13 Rouleau 1
14 Guide de sélecteur 1 Se reporter à POINTS DE DEPOSE.
15 Levier de sélecteur complet 1
16 Levier de sélecteur 1
17 Cliquet 2
18 Goupille de cliquet 2
19 Ressort 2
20 Boulon (doigt de verrouillage) 1
21 Doigt de verrouillage 1
22 Ressort de torsion 1
23 Segment 1 Se reporter à POINTS DE DEPOSE.
3
4
Arbeitsumfang
Reihenfolge
Bauteil Anz. Bemerkungen
12 Torsionsfeder 1
13 Rolle 1
14 Schaltführung 1 Siehe unter DEMONTAGE-EINZELHEITEN.
15 Schaltklinke komplett 1
16 Schaltklinke 1
17 Finger 2
18 Stift 2
19 Feder 2
20 Rastenhebel-Schraube 1
21 Rastenhebel 1
22 Torsionsfeder 1
23 Stiftplatte 1 Siehe unter DEMONTAGE-EINZELHEITEN.
3
4
ARBRE DE KICK ET AXE DE SELECTEUR
KICKHEBELWELLE UND SCHALTWELLE
5 - 173
ENG
Estensione della rimozione Ordine Denominazione QuantitàOsservazioni
12 Molla di torsione 1
13 Rullo 1
14 Guida del cambio 1 Fare riferimento a PUNTI DI RIMOZIONE.
15 Gruppo leva del cambio 1
16 Leva del cambio 1
17 Nottolino 2
18 Perno del nottolino 2
19 Molla 2
20 Bullone (leva di arresto) 1
21 Leva di arresto 1
22 Molla di torsione 1
23 Segmento 1 Fare riferimento a PUNTI DI RIMOZIONE.
3
4
ALBERO PEDALE E ALBERO DEL CAMBIO
5 - 174
ENG
Extensión del desmontaje Orden Nombre de la pieza Ctd. Observaciones
12 Muelle de torsión1
13 Rodillo 1
14 Guía de cambio 1 Consulte el apartado PUNTOS DE
DESMONTAJE.
15 Conjunto de la palanca de cambio 1
16 Palanca de cambio 1
17 Trinquete 2
18 Pasador del trinquete 2
19 Muelle 2
20 Tornillo (palanca de tope) 1
21 Palanca de tope 1
22 Muelle de torsión1
23 Segmento 1 Consulte el apartado PUNTOS DE
DESMONTAJE.
3
4
EJE DEL PEDAL DE ARRANQUE Y EJE DEL CAMBIO
5 - 175
ENG
KICK SHAFT AND SHIFT SHAFT
REMOVAL POINTS
Kick shaft assembly
1. Remove:
Kick shaft assembly 1
NOTE:
Unhook the torsion spring 2 from
the hole a in the crankcase.
EC4C3101
Shift guide and shift lever
assembly
1. Remove:
Bolt (shift guide)
Shift guide 1
Shift lever assembly 2
NOTE:
The shift lever assembly is disas-
sembled at the same time as the shift
guide.
EC4N3100
Segment
1. Remove:
Bolt (segment) 1
Segment 2
NOTE:
Turn the segment counterclockwise
until it stops and loosen the bolt.
CAUTION:
If the segment gets an impact, it
may be damaged. Take care not to
give an impact to the segment
when removing the bolt.
INSPECTION
Kick shaft and ratchet wheel
1. Check:
Ratchet wheel 1 smooth
movement
Unsmooth movement
Replace.
Kick shaft 2
Wear/damage Replace.
Spring 3
Broken Replace.
POINTS DE DEPOSE
Arbre de kick complet
1. Déposer:
Arbre de kick complet 1
N.B.:
Décrocher le ressort de torsion 2 de
lorifice a du carter.
Guide de sélecteur et levier de
sélecteur complet
1. Déposer:
Boulon (guide de sélecteur)
Guide de sélecteur 1
Levier de sélecteur complet 2
N.B.:
Le levier de sélecteur se démonte en
même temps que le guide de sélecteur.
Segment
1. Déposer:
Boulon (segment) 1
Segment 2
N.B.:
Tourner le segment dans le sens inverse
des aiguilles dune montre jusqu’à la
butée et desserrer le boulon.
ATTENTION:
Si le segment reçoit un impact, il ris-
que d’être endommagé. Veiller à ne
pas heurter le segment lors de la
dépose du boulon.
CONTROLE
Arbre de kick et roue à rochet
1. Contrôler:
Mouvement libre de la roue à
rochet 1
Mouvement irrégulier Rem-
placer.
Arbre de kick 2
Usure/endommagement Rem-
placer.
Ressort 3
Cassé Remplacer.
ARBRE DE KICK ET AXE DE SELECTEUR
5 - 176
ENG
DEMONTAGE-EINZELHEITEN
Kickhebelwelle
1. Demontieren:
Kickhebelwelle 1
HINWEIS:
Die Torsionsfeder 2 aus der Boh-
rung a im Kurbelgehäuse lösen.
Schaltführung und Schaltklinke
1. Demontieren:
Schaltführungs-Schraube
Schaltführung 1
Schaltklinke komplett 2
HINWEIS:
Schaltklinke und Schaltführung wer-
den gemeinsam zerlegt.
Stiftplatte
1. Demontieren:
Stiftplatten-Schraube 1
Stiftplatte 2
HINWEIS:
Die Stiftplatte bis zum Anschlag im
Gegenuhrzeigersinn drehen und die
Schraube lockern.
ACHTUNG:
Das Zahnsegment kann durch
einen Stoß beschädigt werden.
Beim Demontieren der Schraube
darauf achten, das Zahnsegment
vor Stößen zu schützen.
KONTROLLE
Kickhebelwelle und Klinkenrad
1. Kontrollieren:
Leichtgängigkeit des Klinken-
rads 1
Stockend Erneuern.
Kickhebelwelle 2
Verschlissen/beschädigt
Erneuern.
Feder 3
Gebrochen Erneuern.
PUNTI DI RIMOZIONE
Gruppo albero pedale
1. Togliere:
Gruppo albero pedale 1
NOTA:
Sganciare la molla di torsione 2 dal
foro a nel carter.
Guida del cambio e gruppo leva del
cambio
1. Togliere:
Bullone (guida del cambio)
Guida del cambio 1
Gruppo leva del cambio 2
NOTA:
Il gruppo leva del cambio viene disas-
semblato contemporaneamente alla
guida del cambio.
Segmento
1. Togliere:
Bullone (segmento) 1
Segmento 2
NOTA:
Ruotare il segmento in senso antiorario
finché non si blocca, quindi allentare il
bullone.
ATTENZIONE:
Se il segmento subisce un urto,
potrebbe danneggiarsi. Prestare atten-
zione a non urtare il segmento quando
si rimuove il bullone.
CONTROLLO
Albero pedale e ruota con cricchetto
1. Controllare:
Ruota con cricchetto 1 movi-
mento uniforme
Movimento non uniforme
Sostituire.
Albero pedale 2
Usura/danni Sostituire.
Molla 3
Rotto Sostituire.
PUNTOS DE DESMONTAJE
Conjunto del eje del pedal de
arranque
1. Extraer:
Conjunto del eje del pedal de
arranque 1
NOTA:
Desenganche el muelle de torsión 2
del orificio a del cárter.
Conjunto de guía y palanca de
cambio
1. Extraer:
Tornillo (guía de cambio)
Guía de cambio 1
Conjunto de la palanca de
cambio 2
NOTA:
La palanca de cambio se desarma al
mismo tiempo que la guía.
Segmento
1. Extraer:
Tornillo (segmento) 1
Segmento 2
NOTA:
Gire el segmento en el sentido con-
trario al de las agujas del reloj hasta
que se detenga y afloje el tornillo.
ATENCION:
Si el segmento recibe un golpe,
puede resultar dañado. Evite gol-
pear el segmento cuando extraiga
el tornillo.
COMPROBACIÓN
Eje del pedal de cambio y rueda
de trinquete
1. Comprobar:
Rueda de trinquete 1 suavi-
dad de movimiento
Movimiento no suave Cam-
biar.
Eje del pedal de arranque 2
Desgaste/daños Cambiar.
Muelle 3
Roto Cambiar.
KICKHEBELWELLE UND SCHALTWELLE
ALBERO PEDALE E ALBERO DEL CAMBIO
EJE DEL PEDAL DE ARRANQUE Y EJE DEL CAMBIO
5 - 177
ENG
KICK SHAFT AND SHIFT SHAFT
EC4C4300
Kick gear, kick idle gear and
ratchet wheel
1. Inspect:
Kick gear 1
Kick idle gear 2
Ratchet wheel 3
Gear teeth a
Ratchet teeth b
Wear/damage Replace.
EC4B4400
Shift shaft
1. Inspect:
Shift shaft 1
Bend/damage Replace.
Spring 2
Broken Replace.
EC4C4100
Shift guide and shift lever
assembly
1. Inspect:
Shift guide 1
Shift lever 2
Pawl 3
Pawl pin 4
Spring 5
Wear/damage Replace.
EC4B4500
Stopper lever
1. Inspect:
Stopper lever 1
Wear/damage Replace.
Torsion spring 2
Broken Replace.
ASSEMBLY AND INSTALLATION
Segment
1. Install:
Segment 1
Bolt (segment)
NOTE:
Align the notch a on the segment
with the pin b on the shift cam.
CAUTION:
If the segment gets an impact, it
may be damaged. Take care not to
give an impact to the segment
when tightening the bolt.
T
R
.
.
30 Nm (3.0 m · kg, 22 ft · lb)
Pignon de kick, pignon fou de kick et
roue à rochet
1. Contrôler:
Pignon de kick 1
Pignon fou de kick 2
Roue à rochet 3
Dents du pignon a
Dents du rochet b
Usure/endommagement Rem-
placer.
Axe de sélecteur
1. Contrôler:
Axe de sélecteur 1
Déformation/endommagement
Remplacer.
Ressort 2
Cassé Remplacer.
Guide de sélecteur et levier de
sélecteur complet
1. Contrôler:
Guide de sélecteur 1
Levier de sélecteur 2
Cliquet 3
Goupille de cliquet 4
Ressort 5
Usure/endommagement Rem-
placer.
Doigt de verrouillage
1. Contrôler:
Doigt de verrouillage 1
Usure/endommagement Rem-
placer.
Ressort de torsion 2
Cassé Remplacer.
ASSEMBLAGE ET MONTAGE
Segment
1. Monter:
Segment 1
Boulon (segment)
N.B.:
Aligner lencoche a du segment avec la
goupille b du tambour.
ATTENTION:
Si le segment reçoit un impact, il ris-
que d’être endommagé. Veiller à ne
pas heurter le segment lors du serrage
du boulon.
T
R
.
.
30 Nm (3,0 m · kg, 22 ft · lb)
ARBRE DE KICK ET AXE DE SELECTEUR
5 - 178
ENG
Kickstarter-Ritzel, -Zwischenrad
und -Klinkenrad
1. Kontrollieren:
Kickstarter-Ritzel 1
Kickstarter-Zwischenrad 2
Klinkenrad 3
Verzahnung a
Klinkenverzahnung b
Verschlissen/beschädigt
Erneuern.
Schaltwelle
1. Kontrollieren:
Schaltwelle 1
Verbogen/beschädigt
Erneuern.
Feder 2
Gebrochen Erneuern.
Schaltführung und Schaltklinke
1. Kontrollieren:
Schaltführung 1
Schaltklinke 2
Finger 3
Stift 4
Feder 5
Verschlissen/beschädigt
Erneuern.
Rastenhebel
1. Kontrollieren:
Rastenhebel 1
Verschlissen/beschädigt
Erneuern.
Torsionsfeder 2
Gebrochen Erneuern.
ZUSAMMENBAU UND MONTAGE
Stiftplatte
1. Montieren:
Stiftplatte 1
Stiftplatten-Schraube
HINWEIS:
Der Stift b an der Schaltwalze muss
in der Kerbe a in der Stiftplatte sit-
zen.
ACHTUNG:
Das Zahnsegment kann durch
einen Stoß beschädigt werden.
Beim Festziehen der Schraube
darauf achten, das Zahnsegment
vor Stößen zu schützen.
T
R
.
.
30 Nm (3,0 m · kg, 22 ft · lb)
Ingranaggio pedale, ingranaggio folle
pedale e ruota con cricchetto
1. Controllare:
Ingranaggio pedale 1
Ingranaggio folle pedale 2
Ruota con cricchetto 3
Denti dellingranaggio a
Denti del cricchetto b
Usura/danni Sostituire.
Albero del cambio
1. Controllare:
Albero del cambio 1
Deformazioni/danni Sostitu-
ire.
Molla 2
Rotto Sostituire.
Gruppo guida del cambio e leva del
cambio
1. Controllare:
Guida del cambio 1
Leva del cambio 2
Nottolino 3
Perno del nottolino 4
Molla 5
Usura/danni Sostituire.
Leva di arresto
1. Controllare:
Leva di arresto 1
Usura/danni Sostituire.
Molla di torsione 2
Rotto Sostituire.
MONTAGGIO E INSTALLAZIONE
Segmento
1. Installare:
Segmento 1
Bullone (segmento)
NOTA:
Allineare la scanalatura a sul segmento
con il perno b sulla camma del cambio.
ATTENZIONE:
Se il segmento subisce un urto,
potrebbe danneggiarsi. Prestare atten-
zione a non urtare il segmento quando
si serra il bullone.
T
R
.
.
30 Nm (3,0 m · kg, 22 ft · lb)
Engranaje del pedal de arranque,
engranaje intermedio y rueda de
trinquete
1. Comprobar:
Engranaje del pedal de arran-
que 1
Engranaje intermedio del
pedal de arranque 2
Rueda de trinquete 3
Dientes de los engranajes a
Dientes del trinquete b
Desgaste/daños Cambiar.
Eje del cambio
1. Comprobar:
Eje del cambio 1
Dobladura/daños Cambiar.
Muelle 2
Roto Cambiar.
Conjunto de guía y palanca de
cambio
1. Comprobar:
Guía de cambio 1
Palanca de cambio 2
Trinquete 3
Pasador del trinquete 4
Muelle 5
Desgaste/daños Cambiar.
Palanca de tope
1. Comprobar:
Palanca de tope 1
Desgaste/daños Cambiar.
Muelle de torsión 2
Roto Cambiar.
MONTAJE E INSTALACIÓN
Segmento
1. Instalar:
Segmento 1
Tornillo (segmento)
NOTA:
Alinee la muesca a del segmento
con el pasador b de la leva de cam-
bio.
ATENCION:
Si el segmento recibe un golpe,
puede resultar dañado. Evite gol-
pear el segmento cuando apriete
el tornillo.
T
R
.
.
30 Nm (3,0 m · kg, 22 ft · lb)
KICKHEBELWELLE UND SCHALTWELLE
ALBERO PEDALE E ALBERO DEL CAMBIO
EJE DEL PEDAL DE ARRANQUE Y EJE DEL CAMBIO
5 - 179
ENG
KICK SHAFT AND SHIFT SHAFT
EC4B5111
Stopper lever
1. Install:
Torsion spring 1
Stopper lever 2
Bolt (stopper lever) 3
NOTE:
Align the stopper lever roller with the
slot on segment.
Shift guide and shift lever
assembly
1. Install:
Spring 1
Pawl pin 2
Pawl 3
To shift lever 4.
NOTE:
Apply the engine oil on the spring,
pawl pin and pawl.
T
R
.
.
10 Nm (1.0 m · kg, 7.2 ft · lb)
2. Install:
Shift lever assembly 1
To shift guide 2.
3. Install:
Shift lever assembly 1
Shift guide 2
NOTE:
The shift lever assembly is
installed at the same time as the
shift guide.
Apply the engine oil on the bolt
(segment) shaft.
4. Install:
Bolt (shift guide) 1
T
R
.
.
10 Nm (1.0 m · kg, 7.2 ft · lb)
Doigt de verrouillage
1. Monter:
Ressort de torsion 1
Doigt de verrouillage 2
Boulon (doigt de verrouillage) 3
N.B.:
Aligner le rouleau de doigt de ver-
rouillage avec la fente du segment.
Guide de sélecteur et levier de
sélecteur complet
1. Monter:
Ressort 1
Goupille de cliquet 2
Cliquet 3
Sur le levier de sélecteur 4
N.B.:
Appliquer de lhuile moteur sur le res-
sort, la goupille de cliquet et le cliquet.
T
R
.
.
10 Nm (1,0 m · kg, 7,2 ft · lb)
2. Monter:
Levier de sélecteur complet 1
Sur le guide de sélecteur 2
3. Monter:
Levier de sélecteur complet 1
Guide de sélecteur 2
N.B.:
Le levier de sélecteur se monte en
même temps que le guide de sélecteur.
Appliquer de lhuile moteur sur le
boulon (segment).
4. Monter:
Boulon (guide de sélecteur) 1
T
R
.
.
10 Nm (1,0 m · kg, 7,2 ft · lb)
ARBRE DE KICK ET AXE DE SELECTEUR
5 - 180
ENG
Rastenhebel
1. Montieren:
Torsionsfeder 1
Rastenhebel 2
Rastenhebel-Schraube 3
HINWEIS:
Die Rastenhebel-Rolle muss auf den
Schlitz in der Stiftplatte ausgerichtet
werden.
Schaltführung und Schaltklinke
1. Montieren:
Feder 1
Stift 2
Finger 3
(an der Schaltklinke 4)
HINWEIS:
Motoröl auf die Feder, den Stift und
den Finger auftragen.
T
R
.
.
10 Nm (1,0 m · kg, 7,2 ft · lb)
2. Montieren:
Schaltklinke komplett 1
(an der Schaltführung 2)
3. Montieren:
Schaltklinke komplett 1
Schaltführung 2
HINWEIS:
Schaltklinke und Schaltführung
werden gemeinsam montiert.
Den Schaft der Stiftplatten-
Schraube mit Motoröl bestreichen.
4. Montieren:
Schaltführungs-Schraube 1
T
R
.
.
10 Nm (1,0 m · kg, 7,2 ft · lb)
Leva di arresto
1. Installare:
Molla di torsione 1
Leva di arresto 2
Bullone (leva di arresto) 3
NOTA:
Allineare il rullo leva di arresto con la
scanalatura sul segmento.
Gruppo guida del cambio e leva del
cambio
1. Installare:
Molla 1
Perno nottolino 2
Nottolino 3
Sulla leva del cambio 4.
NOTA:
Applicare lolio motore sulla molla, sul
perno del nottolino e sul nottolino.
T
R
.
.
10 Nm (1,0 m · kg, 7,2 ft · lb)
2. Installare:
Gruppo leva del cambio 1
Sulla guida del cambio 2.
3. Installare:
Gruppo leva del cambio 1
Guida del cambio 2
NOTA:
Il gruppo leva del cambio viene instal-
lato contemporaneamente alla guida
del cambio.
Applicare lolio motore sullalbero del
bullone (segmento).
4. Installare:
Bullone (guida del cambio) 1
T
R
.
.
10 Nm (1,0 m · kg, 7,2 ft · lb)
Palanca de tope
1. Instalar:
Muelle de torsión 1
Palanca de tope 2
Tornillo (palanca de tope) 3
NOTA:
Alinee el rodillo de la palanca de
tope con la ranura del segmento.
Conjunto de guía y palanca de
cambio
1. Instalar:
Muelle 1
Pasador del trinquete 2
Trinquete 3
A la palanca de cambio 4
NOTA:
Aplique aceite de motor al muelle, al
pasador del trinquete y al trinquete.
T
R
.
.
10 Nm (1,0 m · kg, 7,2 ft · lb)
2. Instalar:
Conjunto de la palanca de
cambio 1
A la guía de cambio 2
3. Instalar:
Conjunto de la palanca de
cambio 1
Guía de cambio 2
NOTA:
La palanca de cambio se monta al
mismo tiempo que la guía.
Aplique aceite de motor al tornillo
eje (segmento).
4. Instalar:
Tornillo (guía de cambio) 1
T
R
.
.
10 Nm (1,0 m · kg, 7,2 ft · lb)
KICKHEBELWELLE UND SCHALTWELLE
ALBERO PEDALE E ALBERO DEL CAMBIO
EJE DEL PEDAL DE ARRANQUE Y EJE DEL CAMBIO
5 - 181
ENG
KICK SHAFT AND SHIFT SHAFT
Shift shaft
1. Install:
Roller 1
Collar 2
Torsion spring 3
Shift shaft 4
NOTE:
Apply the engine oil on the roller and
shift shaft.
2. Install:
Shift pedal
Refer to AC MAGNETO AND
STARTER CLUTCH section.
Kick shaft assembly
1. Install:
Kick gear 1
Washer 2
Circlip 3
Ratchet wheel 4
Spring 5
Washer 6
Circlip 7
To kick shaft 8.
NOTE:
Apply the molybdenum disulfide oil
on the inner circumferences of the
kick gear and ratchet wheel.
Align the punch mark a on the
ratchet wheel with the punch mark
b on the kick shaft.
New
New
2. Install:
Torsion spring 1
To kick shaft 2.
NOTE:
Make sure the stopper a of the tor-
sion spring fits into the hole b on the
kick shaft.
3. Install:
Spring guide 1
NOTE:
Slide the spring guide into the kick
shaft, make sure the groove a in the
spring guide fits on the stopper of the
torsion spring.
Axe de sélecteur
1. Monter:
Rouleau 1
Entretoise épaulée 2
Ressort de torsion 3
Axe de sélecteur 4
N.B.:
Appliquer de lhuile moteur sur le rou-
leau et laxe de sélecteur.
2. Monter:
Sélecteur
Se reporter à la section ALTER-
NATEUR AVEC ROTOR A
ALIMENTATION PERMA-
NENTE ET EMBRAYAGE DU
DEMARREUR.
Arbre de kick complet
1. Monter:
Pignon de kick 1
Rondelle 2
Circlip 3
Roue à rochet 4
Ressort 5
Rondelle 6
Circlip 7
Sur larbre de kick 8
N.B.:
Appliquer de lhuile au bisulfure de
molybdène sur la circonférence
interne du pignon de kick et de la roue
à rochet.
Aligner le repère a de la roue à
rochet avec le repère b de larbre de
kick.
2. Monter:
Ressort de torsion 1
Sur larbre de kick 2
N.B.:
Veiller à ce que la butée a du ressort de
torsion sengage dans lorifice b de
larbre de kick.
New
New
3. Monter:
Guide de ressort 1
N.B.:
Glisser le guide de ressort dans larbre
de kick en veillant à ce que la gorge a
du guide de ressort sengage sur la butée
du ressort de torsion.
ARBRE DE KICK ET AXE DE SELECTEUR
5 - 182
ENG
Schaltwelle
1. Montieren:
Rolle 1
Distanzhülse 2
Torsionsfeder 3
Schaltwelle 4
HINWEIS:
Die Rolle und die Schaltwelle mit
Motoröl bestreichen.
2. Montieren:
Fußschalthebel
Siehe unter LICHTMA-
SCHINE UND STARTER-
KUPPLUNG.
Kickhebelwelle
1. Montieren:
Kickstarter-Ritzel 1
Beilagscheibe 2
Sicherungsring 3
Klinkenrad 4
Feder 5
Beilagscheibe 6
Sicherungsring 7
(an der Kickhebelwelle 8)
HINWEIS:
Die Innenseite des Kickstarter-Rit-
zels und -Klinkenrads mit Molybd-
ändisulfidöl bestreichen.
Die Körnermarkierung a auf dem
Kickstarter-Ritzel muss mit der
Körnermarkierung b auf der Kick-
hebelwelle fluchten.
2. Montieren:
Torsionsfeder 1
(an der Kickhebelwelle 2)
HINWEIS:
Das Ende a der Torsionsfeder muss
in der Bohrung b der Kickhebelwelle
sitzen.
New
New
3. Montieren:
Federführung 1
HINWEIS:
Beim Montieren der Federführung an
der Kickhebelwelle sicherstellen,
dass das Ende der Torsionsfeder in
der Nut a der Federführung sitzt.
Albero del cambio
1. Installare:
Rullo 1
Collarino 2
Molla di torsione 3
Albero del cambio 4
NOTA:
Applicare lolio motore sul rullo e
sullalbero del cambio.
2. Installare:
Pedale del cambio
Fare riferimento al paragrafo
MAGNETE AC E GIUNTO
STARTER.
Gruppo albero pedale
1. Installare:
Ingranaggio pedale 1
Rondella 2
Anello elastico di sicurezza 3
Ruota con cricchetto 4
Molla 5
Rondella 6
Anello elastico di sicurezza 7
Sullalbero pedale 8.
NOTA:
Applicare lolio al disolfuro di molib-
deno sulla circonferenza interna
dellingranaggio pedale e sulla ruota
con cricchetto.
Allineare il riferimento punzonato a
sulla ruota con cricchetto con il riferi-
mento punzonato b sullalbero
pedale.
2. Installare:
Molla di torsione 1
Sullalbero pedale 2.
NOTA:
Accertarsi che lelemento di arresto a
della molla di torsione sia montato nel
foro b nellalbero pedale.
3. Installare:
Guida molla 1
NOTA:
Far scorrere la guida della molla
nellalbero pedale, accertarsi che la sca-
nalatura a nella guida della molla sia
inserita nellelemento di arresto della
molla di torsione.
New
New
Eje del cambio
1. Instalar:
Rodillo 1
Casquillo 2
Muelle de torsión 3
Eje del cambio 4
NOTA:
Aplique aceite de motor al rodillo y al
eje del cambio.
2. Instalar:
Pedal de cambio
Consulte el apartado MAG-
NETO CA Y EMBRAGUE DE
ARRANQUE.
Conjunto del eje del pedal de
arranque
1. Instalar:
Engranaje del pedal de arran-
que 1
Arandela 2
Anillo elástico 3
Rueda de trinquete 4
Muelle 5
Arandela 6
Anillo elástico 7
Al eje del pedal de arranque 8
NOTA:
Aplique aceite de disulfuro de
molibdeno a las circunferencias
interiores del pedal de arranque y
a la rueda de trinquete.
Alinee la marca perforada a de la
rueda de trinquete con la marca
perforada b del eje del pedal de
arranque.
2. Instalar:
Muelle de torsión 1
Al eje del pedal de arranque 2
NOTA:
Verifique que el tope a del muelle
de torsión se ajuste en el orificio b
del eje del pedal de arranque.
3. Instalar:
Guía del muelle 1
NOTA:
Deslice la guía del muelle en el eje
del pedal de arranque, verifique que
el surco a de la guía se ajuste en el
tope del muelle.
New
New
KICKHEBELWELLE UND SCHALTWELLE
ALBERO PEDALE E ALBERO DEL CAMBIO
EJE DEL PEDAL DE ARRANQUE Y EJE DEL CAMBIO
5 - 183
ENG
4. Install:
Kick shaft assembly 1
Washer 2
NOTE:
Apply the molybdenum disulfide
grease on the contacting surfaces
of the kick shaft stopper a and
kick shaft ratchet wheel guide 3.
Apply the engine oil on the kick
shaft.
Slide the kick shaft assembly into
the crankcase and make sure the
kick shaft stopper a fits into the
kick shaft ratchet wheel guide.
5. Hook:
Torsion spring 1
NOTE:
Turn the torsion spring clockwise and
hook into the proper hole a in the
crankcase.
Kick idle gear
1. Install:
Kick idle gear 1
Washer 2
Circlip 3
NOTE:
Apply the engine oil on the kick idle
gear inner circumference.
Install the kick idle gear with its
depressed side a toward you.
New
4. Monter:
Arbre de kick complet 1
Rondelle 2
N.B.:
Appliquer la graisse au bisulfure de
molybdène sur les surfaces de contact
de la butée darbre de kick a et du
guide de roue à rochet de larbre de
kick 3.
Appliquer de lhuile moteur sur
larbre de kick.
Faire glisser larbre de kick complet
dans le carter moteur et vérifier que la
butée darbre de kick a sinsère dans
le guide de roue à rochet de larbre de
kick.
5. Accrocher:
Ressort de torsion 1
N.B.:
Faire tourner le ressort de torsion dans le
sens des aiguilles dune montre et
laccrocher dans lorifice correspondant
a du carter.
Pignon fou de kick
1. Monter:
Pignon fou de kick 1
Rondelle 2
Circlip 3
N.B.:
Appliquer de lhuile moteur sur la cir-
conférence intérieure du pignon fou de
kick.
Monter le pignon fou de kick en orien-
tant son côté chanfreiné a vers vous.
New
KICK SHAFT AND SHIFT SHAFT
ARBRE DE KICK ET AXE DE SELECTEUR
5 - 184
ENG
4. Montieren:
Kickhebelwelle 1
Beilagscheibe 2
HINWEIS:
Die Kontaktflächen des Kickhebelwel-
len-Anschlags a und der Klinkenrad-
Führung 3 mit Molybdändisulfidfett
bestreichen.
Motoröl auf die Kickhebelwelle auf-
tragen.
Beim Einsetzen der Kickhebel-
welle im Kurbelgehäuse sicherstel-
len, dass der Kickhebelwellen-
Anschlag a in der Kickstarter-Klin-
kenradführung sitzt.
5. Einhaken:
Torsionsfeder 1
HINWEIS:
Die Torsionsfeder im Gegenuhrzei-
gersinn drehen und in der entspre-
chenden Bohrung a im
Kurbelgehäuse einsetzen.
Kickstarter-Zwischenrad
1. Montieren:
Kickstarter-Zwischenrad 1
Beilagscheibe 2
Sicherungsring 3
HINWEIS:
Motoröl auf die Innenfläche des
Kickstarter-Zwischenrads auftra-
gen.
Bei der Montage des Kickstarter-
Zwischenrads darauf achten, dass
dessen Vertiefung a nach außen
gerichtet ist.
New
4. Installare:
Gruppo albero pedale 1
Rondella 2
NOTA:
Applicare il grasso al disolfuro di
molibdeno sulle superfici a contatto
dellelemento di arresto dellalbero
pedale a e della guida ruote cric-
chetto dellalbero di avviamento 3.
Applicare lolio motore sullalbero
pedale.
Far scorrere il gruppo albero pedale
nel carter e accertarsi che lelemento
di arresto dellalbero pedale a sia
inserito nella guida ruote cricchetto
dellalbero di avviamento.
5. Gancio:
Molla di torsione 1
NOTA:
Ruotare la molla di torsione in senso ora-
rio e agganciarla nel foro corretto a nel
carter.
Ingranaggio folle pedale
1. Installare:
Ingranaggio folle pedale 1
Rondella 2
Anello elastico di sicurezza 3
NOTA:
Applicare lolio motore sulla circonfe-
renza interna dellingranaggio folle
pedale.
Installare lingranaggio folle pedale
con il lato convesso a rivolto verso di
sé.
New
4. Instalar:
Conjunto del eje del pedal de
arranque 1
Arandela 2
NOTA:
Aplique grasa de disulfuro de molib-
deno a las superficies de contacto del
tope del eje del pedal de arranque a
y guía de la rueda de trinquete del eje
del pedal de arranque 3.
Aplique aceite de motor al eje del
pedal de arranque.
Deslice el conjunto del eje del pedal
de arranque dentro del cárter y veri-
fique que el tope del eje a encaja
en la guía de la rueda de trinquete
del eje del pedal de arranque.
5. Enganchar:
Muelle de torsión 1
NOTA:
Gire el muelle de torsión en el sen-
tido de las agujas del reloj y engán-
chelo en el orificio apropiado a del
cárter.
Engranaje intermedio del pedal de
arranque
1. Instalar:
Engranaje intermedio del
pedal de arranque 1
Arandela 2
Anillo elástico 3
NOTA:
Aplique aceite de motor a la cir-
cunferencia interior del engranaje
intermedio del pedal de arranque.
Instale el engranaje intermedio del
pedal de arranque con el lado
rebajado a hacia usted.
New
KICKHEBELWELLE UND SCHALTWELLE
ALBERO PEDALE E ALBERO DEL CAMBIO
EJE DEL PEDAL DE ARRANQUE Y EJE DEL CAMBIO
5 - 185
ENG
AC MAGNETO AND STARTER CLUTCH
AC MAGNETO AND STARTER CLUTCH
Extent of removal: 1 Starter clutch/wheel gear removal 2 Rotor removal
3 Pickup coil/stator removal
Extent of removal Order Part name Qty Remarks
AC MAGNETO AND STATOR REMOVAL
Preparation for removal Drain the engine oil. Refer to ENGINE OIL REPLACEMENT section in
the CHAPTER 3.
Seat and fuel tank Refer to SEAT, FUEL TANK AND SIDE COVERS
section in the CHAPTER 3.
Disconnect the AC magneto lead.
1 Shift pedal 1
2 Cover (torque limiter) 1
3 Torque limiter 1 Do not disassemble.
4 Crankcase cover (left) 1
5 Gasket 1
6 Dowel pin 2
31
5 - 186
ENG
ALTERNATEUR AVEC ROTOR A ALIMENTATION PERMANENTE ET
EMBRAYAGE DU DEMARREUR
Organisation de la dépose: 1 Dépose de lembrayage/du pignon du démarreur 2 Dépose du rotor
3 Dépose de la bobine dexcitation/du stator
Organisation de la dépose Ordre Nom de la pièce QtéRemarques
DEPOSE DE LALTERNATEUR AVEC
ROTOR A ALIMENTATION
PERMANENTE ET DU STATOR
Préparation à la dépose Vidanger lhuile moteur. Se reporter à la section CHANGEMENT DE LHUILE
MOTEUR au CHAPITRE 3.
Selle et réservoir de carburant Se reporter à la section SELLE, RESERVOIR DE
CARBURANT ET CACHES LATERAUX au
CHAPITRE 3.
Déconnecter le fil de lalternateur avec rotor à
alimentation permanente.
1Sélecteur 1
2 Couvercle (limiteur de couple) 1
3 Limiteur de couple 1 Ne jamais démonter.
4 Couvercle de carter (gauche) 1
5 Joint 1
6Goujon 2
31
LICHTMASCHINE UND STARTERKUPPLUNG
Arbeitsumfang: 1 Starterkupplung/Antriebsrad demontieren 2 Rotor demontieren
3 Impulsgeber/Stator demontieren
Arbeitsumfang
Reihenfolge
Bauteil Anz. Bemerkungen
LICHTMASCHINE UND STATOR
DEMONTIEREN
Vorbereitungsarbeiten Das Motoröl ablassen. Siehe unter MOTORÖL WECHSELN in KAPITEL
3.
Sitzbank und Kraftstofftank Siehe unter SITZBANK, KRAFTSTOFFTANK UND
SEITENABDECKUNGEN in KAPITEL 3.
Das Lichtmaschinen-Kabel lösen.
1Fußschalthebel 1
2 Drehmomentbegrenzer-Abdeckung 1
3 Drehmomentbegrenzer 1 Nicht zerlegen.
4 Kurbelgehäusedeckel links 1
5 Dichtung 1
6 Passhülse 2
3
1
ALTERNATEUR AVEC ROTOR A ALIMENTATION PERMANENTE ET EMBRAYAGE DU DEMARREUR
LICHTMASCHINE UND STARTERKUPPLUNG
5 - 187
ENG
MAGNETE AC E GIUNTO STARTER
Estensione della rimozione: 1 Rimozione giunto starter/ingranaggio ruota 2 Rimozione del rotore
3 Rimozione di bobina pickup/statore
Estensione della rimozione Ordine Denominazione QuantitàOsservazioni
RIMOZIONE DI MAGNETE AC E
STATORE
Preparazione per la rimozione Scaricare lolio motore. Fare riferimento al paragrafo SOSTITUZIONE
DELLOLIO MOTORE nel CAPITOLO 3.
Sella e serbatoio del carburante Fare riferimento al paragrafo SELLA, SERBATOIO
CARBURANTE E FIANCHETTI nel CAPITOLO 3.
Scollegare il cavo del magnete AC.
1 Pedale del cambio 1
2 Coperchio (limitatore di coppia) 1
3 Limitatore di coppia 1 Non disassemblare.
4 Coperchio carter (sinistro) 1
5 Guarnizione 1
6 Grano di centraggio 2
31
MAGNETE AC E GIUNTO STARTER
5 - 188
ENG
MAGNETO CA Y EMBRAGUE DE ARRANQUE
Extensión del desmontaje: 1 Desmontaje del embrague del motor de arranque 2 Desmontaje del rotor
3 Desmontaje de la bobina captadora y la bobina del estátor
Extensión del desmontaje Orden Nombre de la pieza Ctd. Observaciones
DESMONTAJE DE LA MAGNETO CA Y
EL ESTÁTOR
Preparación para el
desmontaje
Vacíe el aceite del motor. Consulte el apartado CAMBIO DE ACEITE DEL
MOTOR del CAPÍTULO 3.
Sillín y depósito de combustible Consulte el apartado SILLÍN, DEPÓSITO DE
COMBUSTIBLE Y CUBIERTAS LATERALES del
CAPÍTULO 3.
Desconecte el cable de la magneto CA.
1 Pedal de cambio 1
2 Tapa (limitador de par) 1
3 Limitador de par 1 No desarmar.
4 Tapa del cárter (izquierda) 1
5 Junta 1
6 Clavija de centrado 2
31
MAGNETO CA Y EMBRAGUE DE ARRANQUE
5 - 189
ENG
AC MAGNETO AND STARTER CLUTCH
NOTE:
Tighten the rotor nut to 65 Nm (6.5 m kg, 47 ft lb), loosen and retighten the rotor nut to 65 Nm (6.5 m kg, 47 ft lb).
Extent of removal Order Part name Qty Remarks
7* Nut (rotor) 1 Refer to NOTE.
8 Rotor 1 Use special tool.
Refer to REMOVAL POINTS.
9 Woodruff key 1
10 Starter clutch drive gear 1
11 Starter clutch assembly cover 1
12 Starter clutch 1 Refer to REMOVAL POINTS.
13 Bearing 1
14 Washer 1
15 Idle gear plate 1
16 Idle gear 1
17 Holder 1
18 Pickup coil 1
19 Stator 1
2
1
3
5 - 190
ENG
N.B.:
Serrer l’écrou du rotor à 65 Nm (6,5 m kg, 47 ft lb), desserrer puis resserrer l’écrou du rotor à 65 Nm (6,5 m kg, 47 ft lb).
Organisation de la dépose Ordre Nom de la pièce QtéRemarques
7* Ecrou (rotor) 1 Se reporter à N.B..
8 Rotor 1 Utiliser loutil spécial.
Se reporter à POINTS DE DEPOSE.
9 Clavette demi-lune 1
10 Pignon menant de lembrayage de démarreur 1
11 Couvercle de lembrayage du démarreur
complet
1
12 Embrayage du démarreur 1 Se reporter à POINTS DE DEPOSE.
13 Roulement 1
14 Rondelle 1
15 Plaque de pignon fou 1
16 Pignon fou 1
17 Support 1
18 Bobine dexcitation 1
19 Stator 1
2
1
3
HINWEIS:
Die Rotormutter zunächst mit 65 Nm (6,5 m kg, 47 ft lb) festziehen, dann wieder lockern und anschließend wieder mit
65 Nm (6,5 m kg, 47 ft lb) anziehen.
Arbeitsumfang
Reihenfolge
Bauteil Anz. Bemerkungen
7* Rotor-Mutter 1 Siehe unter HINWEIS.
8 Rotor 1 Spezialwerkzeug verwenden.
Siehe unter DEMONTAGE-EINZELHEITEN.
9 Scheibenfeder 1
10 Starterkupplungs-Antriebsrad 1
11 Starterkupplungs-Abdeckung 1
12 Starterkupplung 1 Siehe unter DEMONTAGE-EINZELHEITEN.
13 Lager 1
14 Beilagscheibe 1
15 Zwischenrad-Scheibe 1
16 Zwischenrad 1
17 Halterung 1
18 Impulsgeber 1
19 Stator 1
2
1
3
ALTERNATEUR AVEC ROTOR A ALIMENTATION PERMANENTE ET EMBRAYAGE DU DEMARREUR
LICHTMASCHINE UND STARTERKUPPLUNG
5 - 191
ENG
NOTA:
Serrare il dado rotore a 65 Nm (6,5 m kg, 47 ft lb), allentarlo e serrarlo nuovamente a 65 Nm (6,5 m kg, 47 ft lb).
Estensione della rimozione Ordine Denominazione QuantitàOsservazioni
7* Dado (rotore) 1 Fare riferimento a NOTA.
8 Rotore 1 Utilizzare lattrezzo speciale.
Fare riferimento a PUNTI DI RIMOZIONE.
9 Linguetta Woodruff 1
10 Ingranaggio conduttore del giunto starter 1
11 Coperchio gruppo giunto starter 1
12 Giunto starter 1 Fare riferimento a PUNTI DI RIMOZIONE.
13 Cuscinetto 1
14 Rondella 1
15 Disco ingranaggio folle 1
16 Ingranaggio folle 1
17 Supporto 1
18 Bobina pickup 1
19 Statore 1
2
1
3
MAGNETE AC E GIUNTO STARTER
5 - 192
ENG
NOTA:
Apriete la tuerca del rotor a 65 Nm (6,5 m kg, 47 ft lb), aflójela y vuelva a apretarla a 65 Nm (6,5 m kg, 47 ft lb).
Extensión del desmontaje Orden Nombre de la pieza Ctd. Observaciones
7* Tuerca (rotor) 1 Consulte el apartado NOTA.
8 Rotor 1 Utilice la herramienta especial.
Consulte el apartado PUNTOS DE
DESMONTAJE.
9 Chaveta de media luna 1
10 Engranaje impulsor del embrague del
arranque
1
11 Tapa del conjunto del embrague del motor
de arranque
1
12 Embrague del motor de arranque 1 Consulte el apartado PUNTOS DE
DESMONTAJE.
13 Cojinete 1
14 Arandela 1
15 Placa del engranaje intermedio 1
16 Engranaje intermedio 1
17 Soporte 1
18 Bobina captadora 1
19 Estátor 1
2
1
3
MAGNETO CA Y EMBRAGUE DE ARRANQUE
5 - 193
ENG
AC MAGNETO AND STARTER CLUTCH
EC4L3000
REMOVAL POINTS
Rotor
1. Remove:
Nut (rotor) 1
Washer
Use the sheave holder 2.
Sheave holder:
YS-1880-A/
90890-01701
2
1
2. Remove:
Rotor 1
Use the rotor puller 2.
Rotor puller:
YM-04141/90890-04141
Starter clutch
1. Remove:
Starter clutch assembly cover
1
NOTE:
Insert a thin screwdriver or the like
under the convexity a and remove
the starter clutch assembly cover by
prying it gently to void damage to the
cover.
1
a
2. Remove:
Starter clutch 1
NOTE:
Using a thin screwdriver or the like,
remove the plate a while prying it
upward little by little.
1a
POINTS DE DEPOSE
Rotor
1. Déposer:
Ecrou (rotor) 1
Rondelle
Utiliser la clé à sangle 2.
Clé à sangle:
YS-1880-A/90890-01701
2. Déposer:
Rotor 1
Utiliser lextracteur de rotor 2.
Extracteur de rotor:
YM-04141/90890-04141
Embrayage du démarreur
1. Déposer:
Couvercle de lembrayage du
démarreur complet 1
N.B.:
Insérer un fin tournevis ou un outil ana-
logue sous la convexité a et déposer le
couvercle de lembrayage du démarreur
complet en faisant légèrement levier
pour ne pas endommager le couvercle.
2. Déposer:
Embrayage du démarreur 1
N.B.:
A laide dun fin tournevis ou dun outil
analogue, déposer la plaque a en faisant
progressivement levier pour la soulever.
ALTERNATEUR AVEC ROTOR A ALIMENTATION PERMANENTE ET EMBRAYAGE DU DEMARREUR
5 - 194
ENG
DEMONTAGE-EINZELHEITEN
Rotor
1. Demontieren:
Rotor-Mutter 1
Beilagscheibe
Den Rotorhalter 2 verwen-
den.
Rotorhalter:
YS-1880-A/
90890-01701
2. Demontieren:
Rotor 1
Den Rotorabzieher 2 verwen-
den.
Rotorabzieher:
YM-04141/90890-04141
Starterkupplung
1. Demontieren:
Starterkupplungs-Abdeckung
1
HINWEIS:
Die Starterkupplungs-Abdeckung mit
einen schmalen Schlitz-Schrauben-
dreher o. Ä. unter der Wölbung a
vorsichtig heraushebeln, ohne die
Abdeckung zu beschädigen.
2. Demontieren:
Starterkupplung 1
HINWEIS:
Die Scheibe a mit einen schmalen
Schlitz-Schraubendreher o. Ä. all-
mählich heraushebeln.
PUNTI DI RIMOZIONE
Rotore
1. Togliere:
Dado (rotore) 1
Rondella
Utilizzare lattrezzo di bloccaggio
puleggia 2.
Attrezzo di bloccaggio
puleggia a gole:
YS-1880-A/90890-01701
2. Togliere:
Rotore 1
Utilizzare lestrattore del rotore
2.
Estrattore del rotore:
YM-04141/90890-04141
Giunto starter
1. Togliere:
Coperchio gruppo giunto starter
1
NOTA:
Inserire un cacciavite sottile o un
attrezzo simile sotto la parte convessa a
e rimuovere il coperchio gruppo giunto
starter forzandolo leggermente per evi-
tare danni al coperchio.
2. Togliere:
Giunto starter 1
NOTA:
Rimuovere il disco a con un cacciavite
sottile o un attrezzo simile forzandolo
pian piano verso lalto.
PUNTOS DE DESMONTAJE
Rotor
1. Extraer:
Tuerca (rotor) 1
Arandela
Utilice el soporte de la roldana
2.
Soporte de roldana:
YS-1880-A/
90890-01701
2. Extraer:
Rotor 1
Utilice el extractor del rotor 2.
Extractor de rotor:
YM-04141/90890-04141
Embrague del motor de arranque
1. Extraer:
Tapa del conjunto del embra-
gue del motor de arranque 1
NOTA:
Introduzca un destornillador fino o un
objeto similar por debajo de la con-
vexidad a y extraiga la tapa del con-
junto del embrague del motor de
arranque tirando suavemente para
no dañarla.
2. Extraer:
Embrague del motor de arran-
que 1
NOTA:
Con un destornillador fino u objeto
similar, extraiga la placa a levantán-
dola poco a poco.
LICHTMASCHINE UND STARTERKUPPLUNG
MAGNETE AC E GIUNTO STARTER
MAGNETO CA Y EMBRAGUE DE ARRANQUE
5 - 195
ENG
AC MAGNETO AND STARTER CLUTCH
EC4L4000
INSPECTION
AC magneto
1. Inspect:
Rotor inner surface a
Stator outer surface b
Damage Inspect the crank-
shaft runout and crankshaft
bearing.
If necessary, replace AC mag-
neto and/or stator.
EC4L4200
Woodruff key
1. Inspect:
Woodruff key 1
Damage Replace.
Starter clutch
1. Check:
Starter clutch
Damage/wear Replace.
2. Check:
Idle gear
Starter clutch drive gear
Pitting/burrs/chips/roughness/
wear Replace the defective
parts.
CONTROLE
Alternateur avec rotor à aimantation
permanente
1. Contrôler:
Surface intérieure du rotor a
Surface extérieure du stator b
Endommagement Contrôler le
faux-rond et le roulement du vile-
brequin.
Si nécessaire, remplacer lalterna-
teur et/ou le stator.
Clavette demi-lune
1. Contrôler:
Clavette demi-lune 1
Endommagement Remplacer.
Embrayage du démarreur
1. Contrôler:
Embrayage du démarreur
Endommagement/usure Rem-
placer.
2. Contrôler:
Pignon fou
Pignon menant de lembrayage
de démarreur
Piqûres/barbes/copeaux/irrégula-
rités/usure Remplacer les piè-
ces défectueuses.
ALTERNATEUR AVEC ROTOR A ALIMENTATION PERMANENTE ET EMBRAYAGE DU DEMARREUR
5 - 196
ENG
KONTROLLE
Lichtmaschine
1. Kontrollieren:
Rotor-Innenfläche a
Stator-Oberfläche b
Beschädigt Kurbelwellen-
Schlag und -Lager kontrollie-
ren.
Gegebenenfalls Rotor und/
oder Stator erneuern.
Scheibenfeder
1. Kontrollieren:
Scheibenfeder 1
Beschädigt Erneuern.
Starterkupplung
1. Kontrollieren:
Starterkupplung
Verbogen/verschlissen
Erneuern.
2. Kontrollieren:
Zwischenrad
Starterkupplungs-Antriebsrad
Angefressen/Gratbildung/
Materialausbruch/rau/ver-
schlissen Defekte Bauteile
erneuern.
CONTROLLO
Magnete AC
1. Controllare:
Superficie interna del rotore a
Superficie esterna statore b
Danni Verificare la centratura
e il cuscinetto dellalbero motore.
Sostituire il magnete AC e/o lo
statore, se necessario.
Linguetta Woodruff
1. Controllare:
Linguetta Woodruff 1
Danno Sostituire.
Giunto starter
1. Controllare:
Giunto starter
Danni/usura Sostituire.
2. Controllare:
Ingranaggio folle
Ingranaggio conduttore del giunto
starter
Butteratura/trucioli/schegge/ruvi-
dezza/usura Sostituire i com-
ponenti difettosi.
COMPROBACIÓN
Magneto CA
1. Comprobar:
Superficie interna del rotor a
Superficie externa del estátor
b
Daños Comprobar el des-
centramiento del cigüeñal y el
cojinete del cigüeñal.
Si es preciso, cambie la mag-
neto CA o el estátor.
Chaveta de media luna
1. Comprobar:
Chaveta de media luna 1
Dañada Cambiar.
Embrague del motor de arranque
1. Comprobar:
Embrague del motor de arran-
que
Daños/desgaste Cambiar.
2. Comprobar:
Engranaje intermedio
Engranaje impulsor del
embrague del arranque
Picadura/rebabas/desconcha-
miento/rugosidad/desgaste
Cambiar las piezas defectuo-
sas.
LICHTMASCHINE UND STARTERKUPPLUNG
MAGNETE AC E GIUNTO STARTER
MAGNETO CA Y EMBRAGUE DE ARRANQUE
5 - 197
ENG
AC MAGNETO AND STARTER CLUTCH
3. Check:
Starter clutch operation
Install the starter clutch drive
gear 1 onto the starter clutch
2 and hold the starter clutch.
When turning the starter clutch
drive gear counterclockwise É,
the starter clutch and the starter
clutch drive gear should
engage. If the starter clutch
drive gear and starter clutch do
not engage, the starter clutch is
faulty and must be replaced.
When turning the starter clutch
drive gear clockwise È, it
should turn freely.
If the starter clutch drive gear
does not turn freely, the starter
clutch is faulty and must be
replaced.
Torque limiter
1. Check:
Torque limiter
Damage/wear Replace.
EC4L5000
ASSEMBLY AND INSTALLATION
AC magneto and starter clutch
1. Install:
Stator 1
Bolt (stator) 2
Pickup coil 3
Bolt (pickup coil) 4
T
R
.
.
7 Nm (0.7 m · kg, 5.1 ft · lb)
T
R
.
.
10 Nm (1.0 m · kg, 7.2 ft · lb)
3. Contrôler:
Fonctionnement de lembrayage
du démarreur
Installer le pignon menant de
lembrayage du démarreur 1 sur
lembrayage du démarreur 2 et
maintenir lembrayage du démar-
reur.
Tourner le pignon menant de
lembrayage du démarreur dans le
sens inverse des aiguilles dune
montre É, lembrayage du démar-
reur et son pignon menant doivent
sengrener. Si ce nest pas le cas,
lembrayage du démarreur est
défectueux et doit être remplacé.
Tourner le pignon menant de
lembrayage du démarreur dans le
sens des aiguilles dune montre È,
il doit tourner librement.
Si ce nest pas le cas, lembrayage
du démarreur est défectueux et doit
être remplacé.
Limiteur de couple
1. Contrôler:
Limiteur de couple
Endommagement/usure Rem-
placer.
ASSEMBLAGE ET MONTAGE
Alternateur avec rotor à alimentation
permanente et embrayage du
démarreur
1. Monter:
Stator 1
Boulon (stator) 2
Bobine dexcitation 3
Boulon (bobine dexcitation) 4
T
R
.
.
7 Nm (0,7 m · kg, 5,1 ft · lb)
T
R
.
.
10 Nm (1,0 m · kg, 7,2 ft · lb)
ALTERNATEUR AVEC ROTOR A ALIMENTATION PERMANENTE ET EMBRAYAGE DU DEMARREUR
5 - 198
ENG
3. Kontrollieren:
Funktion der Starterkupplung
Das Starterkupplungs-Antriebs-
rad 1 an der Starterkupplung
2 montieren und dann die Star-
terkupplung fest halten.
Das Starterkupplungs-Antriebs-
rad im Gegenuhrzeigersinn É
drehen. Zwischen Starterkupp-
lung und Starterkupplungs-
Antriebsrad muss nun Kraft-
schluss bestehen. Anderenfalls
ist die Starterkupplung defekt
und muss erneuert werden.
Das Starterkupplungs-Antriebs-
rad im Uhrzeigersinn È drehen.
Das Starterkupplungs-Zahnrad
muss sich nun frei drehen las-
sen.
Anderenfalls ist die Starter-
kupplung defekt und muss
erneuert werden.
Drehmomentbegrenzer
1. Kontrollieren:
Drehmomentbegrenzer
Verbogen/verschlissen
Erneuern.
ZUSAMMENBAU UND MONTAGE
Lichtmaschine und
starterkupplung
1. Montieren:
Stator 1
Stator-Schraube 2
Impulsgeber 3
Impulsgeber-Schraube 4
T
R
.
.
7 Nm (0,7 m · kg, 5,1 ft · lb)
T
R
.
.
10 Nm (1,0 m · kg, 7,2 ft · lb)
3. Controllare:
Funzionamento del giunto starter
Installare lingranaggio conduttore
1 sul giunto starter, 2 tenendo
bloccato questultimo.
Ruotando lingranaggio condut-
tore del giunto starter in senso
antiorario É, questo e il giunto
starter dovrebbero innestarsi. Qua-
lora non accedesse, il giunto starter
è difettoso e occorre sostituirlo.
Ruotando lingranaggio condut-
tore del giunto starter in senso ora-
rio È, esso dovrebbe girare
liberamente.
Qualora non accadesse, il giunto
starter è difettoso e occorre sosti-
tuirlo.
Limitatore di coppia
1. Controllare:
Limitatore di coppia
Danni/usura Sostituire.
MONTAGGIO E INSTALLAZIONE
Magnete AC e giunto starter
1. Installare:
Statore 1
Bullone (statore) 2
Bobina pickup 3
Bullone (bobina pickup) 4
T
R
.
.
7 Nm (0,7 m · kg, 5,1 ft · lb)
T
R
.
.
10 Nm (1,0 m · kg, 7,2 ft · lb)
3. Comprobar:
Funcionamiento del embra-
gue del motor de arranque
Monte el engranaje impulsor 1
en el embrague del motor
arranque 2 y sujete este.
Al girar el engranaje impulsor
del embrague del motor de
arranque en el sentido contrario
al de las agujas del reloj É, el
embrague y el engranaje se
deben acoplar. Si el engranaje
y el embrague no se acoplan, el
embrague del motor de arran-
que está averiado y se debe
cambiar.
Al girarlo, el engranaje impulsor
del embrague del motor de
arranque È debe girar libre-
mente.
Si el engranaje del embrague
del motor de arranque no gira
libremente, el embrague está
averiado y se debe cambiar.
Limitador de par
1. Comprobar:
Limitador de par
Daños/desgaste Cambiar.
MONTAJE E INSTALACIÓN
Magneto CA y embrague del
motor de arranque
1. Instalar:
Estátor 1
Tornillo (estátor) 2
Bobina captadora 3
Tornillo (bobina captadora) 4
T
R
.
.
7 Nm (0,7 m · kg, 5,1 ft · lb)
T
R
.
.
10 Nm (1,0 m · kg, 7,2 ft · lb)
LICHTMASCHINE UND STARTERKUPPLUNG
MAGNETE AC E GIUNTO STARTER
MAGNETO CA Y EMBRAGUE DE ARRANQUE
5 - 199
ENG
AC MAGNETO AND STARTER CLUTCH
2. Install:
Holder 1
Bolt 2
CAUTION:
Pass the pickup coil lead and
charging coil lead under the
holder while taking care not to
allow these leads to get caught
with each other. Also take care to
pass the leads so that they do not
become loose at the bend of the
holder a in order to avoid their
contacting the starter clutch drive
gear.
NOTE:
Apply the sealant to the grommet of
the AC magneto lead.
T
R
.
.
7 Nm (0.7 m · kg, 5.1 ft · lb)
YAMAHA Bond No. 1215
(ThreeBond® No. 1215):
90890-85505
1
2
a
3. Install:
Idle gear 2 1
Dowel pin 2
NOTE:
Apply the engine oil on the idle gear
2.
2
1
2
E
4. Install:
Idle gear plate 1
Bolt (idle gear plate) 2
T
R
.
.
10 Nm (1.0 m · kg, 7.2 ft · lb)
2
1
5. Install:
Washer 1
Bearing 2
Starter clutch drive gear 3
Washer 4
NOTE:
Apply the engine oil on the washer,
bearing and starter clutch drive gear
inner circumference.
E
1
2
3
4
2. Monter:
Support 1
Boulon 2
ATTENTION:
Passer le fil de la bobine dexcitation
et de la bobine de charge sous le sup-
port tout en veillant à ce que ces deux
fils ne puissent semmêler. Veiller éga-
lement à acheminer les fils de manière
quils ne puissent se détendre au
niveau du coude du support a afin
quils ne puissent pas entrer en con-
tact avec le pignon menant de
lembrayage du démarreur.
N.B.:
Appliquer le produit d’étanchéité sur
loeillet caoutchouc du fil de lalterna-
teur.
T
R
.
.
7 Nm (0,7 m · kg, 5,1 ft · lb)
YAMAHA Bond N°1215
(ThreeBond® N°1215):
90890-85505
3. Monter:
Pignon fou 2 1
Goujon 2
N.B.:
Appliquer de lhuile moteur sur le
pignon fou 2.
4. Monter:
Plaque de pignon fou 1
Boulon (plaque de pignon fou) 2
T
R
.
.
10 Nm (1,0 m · kg, 7,2 ft · lb)
5. Monter:
Rondelle 1
Roulement 2
Pignon menant de lembrayage
de démarreur 3
Rondelle 4
N.B.:
Appliquer de lhuile moteur sur la ron-
delle, le roulement et la circonférence
intérieure du pignon menant de
lembrayage du démarreur.
ALTERNATEUR AVEC ROTOR A ALIMENTATION PERMANENTE ET EMBRAYAGE DU DEMARREUR
5 - 200
ENG
2. Montieren:
Halterung 1
Schraube 2
ACHTUNG:
Die Impulsgeber- und Ladespulen-
Kabel unter die Halterung führen,
ohne dass die Kabel sich über-
kreuzen. Ebenfalls darauf achten,
dass die Kabel im Bereich der Bie-
gung des Halters a straff sind,
damit sie nicht in Berührung mit
dem Starterkupplungs-Antriebs-
rad kommen.
HINWEIS:
Dichtmittel auf die Gummitülle des
Lichtmaschinen-Kabels auftragen.
T
R
.
.
7 Nm (0,7 m · kg, 5,1 ft · lb)
YAMAHA-Dichtmasse
Nr.1215
(ThreeBond® Nr.1215):
90890-85505
3. Montieren:
Zwischenrad 2 1
Passhülsen 2
HINWEIS:
Motoröl auf das Zwischenrad 2 auf-
tragen.
4. Montieren:
Zwischenrad-Scheibe 1
Schraube
(Zwischenrad-Scheibe) 2
T
R
.
.
10 Nm (1,0 m · kg, 7,2 ft · lb)
5. Montieren:
Beilagscheibe 1
Lager 2
Starterkupplungs-Antriebsrad
3
Beilagscheibe 4
HINWEIS:
Die Beilagscheibe, das Lager und
die Innenseite des Starterkupplungs-
Antriebsrads mit Motoröl bestrei-
chen.
2. Installare:
Supporto 1
Bullone 2
ATTENZIONE:
Far passare il cavo della bobina
pickup e della bobina di carico sotto il
supporto, prestando attenzione a non
far incastrare questi cavi tra loro. Pre-
stare attenzione inoltre a far passare i
cavi in modo che non si allentino nella
piegatura del supporto a, al fine di
evitare che entrino in contatto con
lingranaggio conduttore del giunto
starter.
NOTA:
Applicare il sigillante sulla boccola iso-
lante del cavo del magnete AC.
T
R
.
.
7 Nm (0,7 m · kg, 5,1 ft · lb)
Sigillante YAMAHA
n.1215
(ThreeBond® n.1215):
90890-85505
3. Installare:
Ingranaggio folle 2 1
Grano di centraggio 2
NOTA:
Applicare lolio motore sullingranaggio
folle 2.
4. Installare:
Disco ingranaggio folle 1
Bullone (disco ingranaggio folle)
2
T
R
.
.
10 Nm (1,0 m · kg, 7,2 ft · lb)
5. Installare:
Rondella 1
Cuscinetto 2
Ingranaggio conduttore del giunto
starter 3
Rondella 4
NOTA:
Applicare lolio motore sulla rondella,
sul cuscinetto e sulla circonferenza
esterna dellingranaggio conduttore del
giunto starter.
2. Instalar:
Soporte 1
Tornillo 2
ATENCION:
Pase el cable de la bobina capta-
dora y el cable de la bobina de
carga por debajo del soporte, con
cuidado de que dichos cables no
queden atrapados entre sí. Asi-
mismo, evite que los cables se
aflojen en el ángulo del soporte a
y toquen el engranaje impulsor del
embrague del motor de arranque.
NOTA:
Aplique sellador al aislante del cable
de la magneto CA.
T
R
.
.
7 Nm (0,7 m · kg, 5,1 ft · lb)
YAMAHA Bond N°1215
(ThreeBond® N°1215):
90890-85505
3. Instalar:
Engranaje intermedio 2 1
Clavija de centrado 2
NOTA:
Aplique aceite de motor al engranaje
intermedio 2.
4. Instalar:
Placa del engranaje interme-
dio 1
Tornillo (placa del engranaje
intermedio) 2
T
R
.
.
10 Nm (1,0 m · kg, 7,2 ft · lb)
5. Instalar:
Arandela 1
Cojinete 2
Engranaje impulsor del
embrague del arranque 3
Arandela 4
NOTA:
Aplique aceite de motor a la aran-
dela, el cojinete y la circunferencia
interior del engranaje impulsor del
embrague del motor de arranque.
LICHTMASCHINE UND STARTERKUPPLUNG
MAGNETE AC E GIUNTO STARTER
MAGNETO CA Y EMBRAGUE DE ARRANQUE
5 - 201
ENG
AC MAGNETO AND STARTER CLUTCH
6. Install:
Starter clutch 1
To rotor 2.
NOTE:
Install the starter clutch with its
plate side upward.
While installing the starter clutch,
push in the projections a one by
one on the clutch circumference.
Push in the starter clutch until it
hits the rotor.
1
2
a
7. Install:
Starter clutch assembly cover
1
To rotor 2.
NOTE:
Install the starter clutch assembly
cover by fitting its pawls a into the
groove b in the rotor.
1
2
a
b
8. Install:
Woodruff key 1
Rotor 2
NOTE:
Degrease the contact surfaces of
the tapered portions of the crank-
shaft and rotor.
When installing the woodruff key,
make sure that its flat surface a is
in parallel with the crankshaft cen-
ter line b.
When installing the rotor, align the
keyway c of the rotor with the
woodruff key.
1
2
1
ab
c
6. Monter:
Embrayage du démarreur 1
Sur le rotor 2.
N.B.:
Monter lembrayage du démarreur en
orientant sa plaque vers le haut.
Pour monter lembrayage du démar-
reur, enfoncer les ergots a un par un
sur la circonférence de lembrayage.
Enfoncer lembrayage du démarreur
jusqu’à ce quil touche le rotor.
7. Monter:
Couvercle de lembrayage du
démarreur complet 1
Sur le rotor 2.
N.B.:
Monter lembrayage du démarreur com-
plet en engageant ses cliquets a dans la
gorge b du rotor.
8. Monter:
Clavette demi-lune 1
Rotor 2
N.B.:
Dégraisser les surfaces de contact des
parties coniques du vilebrequin et du
rotor.
En montant la clavette demi-lune,
veiller à ce que sa surface plane a
soit parallèle à la ligne de centrage du
vilebrequin b.
En montant le rotor, aligner la rainure
c du rotor avec la clavette demi-lune.
ALTERNATEUR AVEC ROTOR A ALIMENTATION PERMANENTE ET EMBRAYAGE DU DEMARREUR
5 - 202
ENG
6. Montieren:
Starterkupplung 1
(am Rotor 2)
HINWEIS:
Die Starterkupplung so einbauen,
dass deren Scheibe nach oben
gerichtet ist.
Beim Einbau der Starterkupplung
die Haltenasen a einzeln am
Kupplungsumfang eindrücken.
Die Starterkupplung eindrücken,
bis sie den Rotor berührt.
7. Montieren:
Starterkupplungs-Abdeckung
1
(am Rotor 2)
HINWEIS:
Beim Einbau der Starterkupplungs-
Abdeckung die Haltenasen a in die
entsprechenden Nuten b im Rotor
einsetzen.
8. Montieren:
Scheibenfeder 1
Rotor 2
HINWEIS:
Kontaktflächen der konischen
Bereiche von Kurbelwelle und
Rotor entfetten.
Beim Einbau der Scheibenfeder
sicherstellen, dass deren flache
Seite a parallel zur Kurbelwellen-
Mittellinie b ist.
Beim Einbau des Rotors muss die
Keilnut c im Rotor mit der Schei-
benfeder fluchten.
6. Installare:
Giunto starter 1
Sul rotore 2.
NOTA:
Installare il giunto frizione con il lato
del disco rivolto verso lalto.
Mentre si installa il giunto starter, pre-
mere le sporgenze a una alla volta
nella circonferenza del giunto.
Premere il giunto starter finché non
tocca il rotore.
7. Installare:
Coperchio gruppo giunto starter
1
Sul rotore 2.
NOTA:
Installare il coperchio del gruppo giunto
starter montando i nottolini a
allinterno della scanalatura b nel
rotore.
8. Installare:
Linguetta Woodruff 1
Rotore 2
NOTA:
Sgrassare le superfici di contatto delle
parti assottigliate dellalbero motore e
del rotore.
Quando si installa la linguetta Woo-
druff, accertarsi che la superficie
piatta a sia parallela alla linea cen-
trale dellalbero motore b.
Quando si installa il rotore, allineare la
cava per chiavetta c del rotore con la
linguetta Woodruff.
6. Instalar:
Embrague del motor de arran-
que 1
Al rotor 2.
NOTA:
Instale el embrague del motor de
arranque con el lado de la placa
hacia arriba.
Cuando instale el embrague del
motor de arranque, empuje los
salientes a uno a uno en la cir-
cunferencia del embrague.
Empuje el embrague del motor de
arranque hasta que toque el rotor.
7. Instalar:
Tapa del conjunto del embra-
gue del motor de arranque 1
Al rotor 2.
NOTA:
Instale la tapa del conjunto del
embrague del motor de arranque
ajustando los trinquetes a en la
ranura b del rotor.
8. Instalar:
Chaveta de media luna 1
Rotor 2
NOTA:
Desengrase las superficies de
contacto de las partes cónicas del
cigüeñal y del rotor.
Cuando instale la chaveta de
media luna, verifique que la super-
ficie plana de la misma a quede
paralela a la línea central del
cigüeñal b.
Cuando instale el rotor, alinee la
ranura c del mismo con la cha-
veta de media luna.
LICHTMASCHINE UND STARTERKUPPLUNG
MAGNETE AC E GIUNTO STARTER
MAGNETO CA Y EMBRAGUE DE ARRANQUE
5 - 203
ENG
AC MAGNETO AND STARTER CLUTCH
9. Install:
Washer (rotor)
Nut (rotor) 1
Use the sheave holder 2.
NOTE:
Tighten the rotor nut to 65 Nm
(6.5 m kg, 47 ft lb), loosen and
retighten the rotor nut to 65 Nm
(6.5 m kg, 47 ft lb).
T
R
.
.
65 Nm (6.5 m · kg, 47 ft · lb)
Sheave holder:
YS-1880-A/
90890-01701
2
1
10. Install:
Dowel pin
Gasket [crankcase cover (left)]
Crankcase cover (left) 1
Bolt [crankcase cover (left)] 2
Bolt [crankcase cover (left)] 3
NOTE:
Tighten the bolts in stage, using a
crisscross pattern.
T
R
.
.
10 Nm (1.0 m · kg, 7.2 ft · lb)
T
R
.
.
12 Nm (1.2 m · kg, 8.7 ft · lb)
3
2
3
2
1New
11. Install:
Washer 1
Torque limiter 2
Washer 3
NOTE:
Apply the engine oil to the shaft and
washers.
E
1
2
3
12. Install:
O-ring
Cover (idle gear 1) 1
Bolt 2
NOTE:
Apply the lithium soap base grease
on the O-ring.
Install the cover (idle gear 1) with
its mark a facing upward.
T
R
.
.
10 Nm (1.0 m · kg, 7.2 ft · lb)
a
2
12
New
9. Monter:
Rondelle (rotor)
Ecrou (rotor) 1
Utiliser la clé à sangle 2.
N.B.:
Serrer l’écrou du rotor à 65 Nm
(6,5 m kg, 47 ft lb), desserrer puis
resserrer l’écrou du rotor à 65 Nm
(6,5 m kg, 47 ft lb).
T
R
.
.
65 Nm (6,5 m · kg, 47 ft · lb)
Clé à sangle:
YS-1880-A/90890-01701
10. Monter:
Goujon
Joint [couvercle de carter (gauche)]
Couvercle de carter (gauche) 1
Boulon
[couvercle de carter (gauche)] 2
Boulon
[couvercle de carter (gauche)] 3
N.B.:
Serrer les boulons par étapes et en procé-
dant en croix.
T
R
.
.
10 Nm (1,0 m · kg, 7,2 ft · lb)
T
R
.
.
12 Nm (1,2 m · kg, 8,7 ft · lb)
New
11. Monter:
Rondelle 1
Limiteur de couple 2
Rondelle 3
N.B.:
Appliquer de lhuile moteur sur larbre
et les rondelles.
12. Monter:
Joint torique
Couvercle (pignon fou 1) 1
Boulon 2
N.B.:
Appliquer de la graisse à savon de
lithium sur le joint torique.
Monter le couvercle (pignon fou 1) en
orientant son repère a vers le haut.
T
R
.
.
10 Nm (1,0 m · kg, 7,2 ft · lb)
New
ALTERNATEUR AVEC ROTOR A ALIMENTATION PERMANENTE ET EMBRAYAGE DU DEMARREUR
5 - 204
ENG
9. Montieren:
Beilagscheibe (Rotor)
Rotor-Mutter 1
Den Rotorhalter 2 verwen-
den.
HINWEIS:
Die Rotor-Mutter zunächst mit 65 Nm
(6,5 m kg, 47 ft lb), festziehen,
dann wieder lockern und anschlie-
ßend wieder mit 65 Nm (6,5 m kg,
47 ft lb) anziehen.
T
R
.
.
65 Nm (6,5 m · kg, 47 ft · lb)
Rotorhalter:
YS-1880-A/
90890-01701
10. Montieren:
Passhülse
Dichtung
(Kurbelgehäusedekkel links)
Kurbelgehäusedeckel links 1
Schraube (Kurbelgehäusedek-
kel links) 2
Schraube (Kurbelgehäusedek-
kel links) 3
HINWEIS:
Die Schrauben schrittweise über
Kreuz festziehen.
T
R
.
.
10 Nm (1,0 m · kg, 7,2 ft · lb)
T
R
.
.
12 Nm (1,2 m · kg, 8,7 ft · lb)
New
11. Montieren:
Beilagscheibe 1
Drehmomentbegrenzer 2
Beilagscheibe 3
HINWEIS:
Motoröl auf die Welle und die Beilag-
scheiben auftragen.
12. Montieren:
O-Ring
Abdeckung (Zwischenrad 1) 1
Schraube 2
HINWEIS:
Den O-Ring mit Lithiumseifenfett
bestreichen.
Die Abdeckung (Zwischenrad 1) so
einbauen, dass deren Markierung
a nach oben gerichtet ist.
T
R
.
.
10 Nm (1,0 m · kg, 7,2 ft · lb)
New
9. Installare:
Rondella (rotore)
Dado (rotore) 1
Utilizzare lattrezzo di bloccaggio
puleggia 2.
NOTA:
Serrare il dado rotore a 65 Nm
(6,5 m kg, 47 ft lb), allentarlo e ser-
rarlo nuovamente a 65 Nm (6,5 m kg,
47 ft lb).
T
R
.
.
65 Nm (6,5 m · kg, 47 ft · lb)
Attrezzo di bloccaggio
puleggia:
YS-1880-A/90890-01701
10. Installare:
Grano di centraggio
Guarnizione
[coperchio carter (sinistro)]
Coperchio carter (sinistro) 1
Bullone
[coperchio carter (sinistro)] 2
Bullone
[coperchio carter (sinistro)] 3
NOTA:
Serrare i bulloni in sequenza in modo
incrociato.
T
R
.
.
10 Nm (1,0 m · kg, 7,2 ft · lb)
T
R
.
.
12 Nm (1,2 m · kg, 8,7 ft · lb)
New
11. Installare:
Rondella 1
Limitatore di coppia 2
Rondella 3
NOTA:
Applicare lolio motore sullalbero e
sulle rondelle.
12. Installare:
Guarnizione circolare
Coperchio (ingranaggio folle 1) 1
Bullone 2
NOTA:
Applicare il grasso a base di sapone di
litio sulla guarnizione circolare.
Installare il coperchio (ingranaggio
folle 1) con il riferimento a rivolto
verso lalto.
T
R
.
.
10 Nm (1,0 m · kg, 7,2 ft · lb)
New
9. Instalar:
Arandela (rotor)
Tuerca (rotor) 1
Utilice el soporte disco 2.
NOTA:
Apriete la tuerca del rotor a 65 Nm
(6,5 m kg, 47 ft lb), aflójela y
vuelva a apretarla a 65 Nm
(6,5 m kg, 47 ft lb).
T
R
.
.
65 Nm (6,5 m · kg, 47 ft · lb)
Soporte de disco:
YS-1880-A/
90890-01701
10. Instalar:
Clavija de centrado
Junta
[tapa del cárter (izquierda)]
Tapa del cárter (izquierda) 1
Tornillo
[tapa del cárter (izquierda)] 2
Tornillo
[tapa del cárter (izquierda)] 3
NOTA:
Apriete los tornillos por etapas y en
zigzag.
T
R
.
.
10 Nm (1,0 m · kg, 7,2 ft · lb)
T
R
.
.
12 Nm (1,2 m · kg, 8,7 ft · lb)
New
11. Instalar:
Arandela 1
Limitador de par 2
Arandela 3
NOTA:
Aplique aceite de motor al eje y a las
arandelas.
12. Instalar:
Junta tórica
Tapa (engranaje intermedio 1)
1
Tornillo 2
NOTA:
Aplique grasa de jabón de litio a la
junta tórica.
Instale la tapa (engranaje interme-
dio 1) con la marca a hacia arriba.
T
R
.
.
10 Nm (1,0 m · kg, 7,2 ft · lb)
New
LICHTMASCHINE UND STARTERKUPPLUNG
MAGNETE AC E GIUNTO STARTER
MAGNETO CA Y EMBRAGUE DE ARRANQUE
5 - 205
ENG
AC MAGNETO AND STARTER CLUTCH
13. Connect:
AC magneto lead
Refer to CABLE ROUTING
DIAGRAM section in the
CHAPTER 2.
14. Install:
Shift pedal 1
Bolt (shift pedal)
NOTE:
When installing the shift pedal onto
the shift shaft, be sure that the center
of the shift pedal is about 1.4 mm
(0.06 in) a above the top of the foot-
rest.
T
R
.
.
12 Nm (1.2 m · kg, 8.7 ft · lb)
13. Connecter:
Fil de lalternateur avec rotor à
aimantation permanente
Se reporter à la section CHEMI-
NEMENT DES CABLES au
CHAPITRE 2.
14. Monter:
Sélecteur 1
Boulon (sélecteur)
N.B.:
En montant le sélecteur sur laxe de
sélecteur, veiller à ce que centre du
sélecteur soit placé à environ 1,4 mm
(0,06 in) a au-dessus du haut du repose-
pied.
T
R
.
.
12 Nm (1,2 m · kg, 8,7 ft · lb)
ALTERNATEUR AVEC ROTOR A ALIMENTATION PERMANENTE ET EMBRAYAGE DU DEMARREUR
5 - 206
ENG
13. Anschließen:
Lichtmaschinen-Kabel
Siehe unter KABELFÜH-
RUNGSDIAGRAMME in
KAPITEL 2.
14. Montieren:
Fußschalthebel 1
Fußschalthebel-Schraube
HINWEIS:
Bei der Montage des Fußschalthe-
bels an der Schaltwelle sicherstellen,
dass die Mitte des Fußschalthebels
ca. 1,4 mm (0,06 in) a oberhalb der
Fußrastenauflage ist.
T
R
.
.
12 Nm (1,2 m · kg, 8,7 ft · lb)
13. Collegare:
Cavo magnete AC
Fare riferimento al paragrafo
SCHEMA PERCORSO DEI
CAVI nel CAPITOLO 2.
14. Installare:
Pedale del cambio 1
Bullone (pedale del cambio)
NOTA:
Quando si installa il pedale del cambio
sullalbero del cambio, accertarsi che il
centro del pedale si trovi circa a 1,4 mm
(0,06 in) a sulla parte superiore del
poggiapiede.
T
R
.
.
12 Nm (1,2 m · kg, 8,7 ft · lb)
13. Conectar:
Cable de la magneto CA
Consulte el apartado
DIAGRAMA DE CABLEADO
del CAPÍTULO 2.
14. Instalar:
Pedal de cambio 1
Tornillo (pedal de cambio )
NOTA:
Cuando monte el pedal de cambio
en el eje del cambio, verifique que el
centro del pedal quede a aproxima-
damente 1,4 mm (0,06 in) a por
encima de la parte superior de la
estribera.
T
R
.
.
12 Nm (1,2 m · kg, 8,7 ft · lb)
LICHTMASCHINE UND STARTERKUPPLUNG
MAGNETE AC E GIUNTO STARTER
MAGNETO CA Y EMBRAGUE DE ARRANQUE
5 - 207
ENG
ENGINE REMOVAL
EC4M0000
ENGINE REMOVAL
Extent of removal Order Part name Qty Remarks
ENGINE REMOVAL
Preparation for removal Hold the machine by placing the suitable
stand under the frame. WARNING
Support the machine securely so there is no
danger of it falling over.
Drain the engine oil Refer to ENGINE OIL REPLACEMENT section in
the CHAPTER 3.
Seat and fuel tank Refer to SEAT, FUEL TANK AND SIDE COVERS
section in the CHAPTER 3.
Carburetor Refer to CARBURETOR section.
Exhaust pipe and silencer Refer to EXHAUST PIPE AND SILENCER section
in the CHAPTER 3.
Air cut-off valve assembly Refer to AIR INDUCTION SYSTEM section.
Clutch cable Disconnect at the engine side.
Radiator Refer to RADIATOR section.
Shift pedal Refer to AC MAGNETO AND STARTER CLUTCH
section.
Cylinder head breather hose Refer to CAMSHAFTS section.
Oil hose and oil tank breather hose Refer to OIL PUMP section.
5 - 208
ENG
DEPOSE DU MOTEUR
Organisation de la dépose Ordre Nom de la pièce QtéRemarques
DEPOSE DU MOTEUR
Préparation à la dépose Caler la moto en plaçant un support adéquat
sous le cadre. AVERTISSEMENT
Bien caler la moto afin quelle ne risque pas de bascu-
ler.
Vidanger lhuile moteur. Se reporter à la section CHANGEMENT DE LHUILE
MOTEUR au CHAPITRE 3.
Selle et réservoir de carburant Se reporter à la section SELLE, RESERVOIR DE
CARBURANT ET CACHES LATERAUX au
CHAPITRE 3.
Carburateur Se reporter à la section CARBURATEUR.
Tube d’échappement et silencieux Se reporter à la section TUBE DECHAPPEMENT ET
SILENCIEUX au CHAPITRE 3.
Clapet de coupure dair
Câble dembrayage Déconnecter du côté du moteur.
Radiateur Se reporter à la section RADIATEUR.
Sélecteur Se reporter à la section ALTERNATEUR AVEC
ROTOR A ALIMENTATION PERMANENTE ET
EMBRAYAGE DU DEMARREUR.
Durit de mise à lair de la culasse Se reporter à la section ARBRES A CAMES.
Durit dhuile et durit de mise à lair du réservoir
dhuile
Se reporter à la section POMPE A HUILE.
MOTOR DEMONTIEREN
Arbeitsumfang
Reihenfolge
Bauteil Anz. Bemerkungen
MOTOR DEMONTIEREN
Vorbereitungsarbeiten Das Motorrad aufbocken und in gerader
Stellung halten. WARNUNG
Das Fahrzeug sicher abstützen, damit es nicht
umfallen kann.
Das Motoröl ablassen. Siehe unter MOTORÖL WECHSELN in KAPITEL 3.
Sitzbank und Kraftstofftank Siehe unter SITZBANK, KRAFTSTOFFTANK UND
SEITENABDECKUNGEN in KAPITEL 3.
Vergaser Siehe unter VERGASER.
Auspuffkrümmer und Schalldämpfer Siehe unter AUSPUFFKRÜMMER UND
SCHALLDÄMPFER in KAPITEL 3.
Sekundärluft-Abschaltventil
Kupplungszug Motorseitig lösen.
Kühler Siehe unter KÜHLER.
Fußschalthebel Siehe unter LICHTMASCHINE UND
STARTERKUPPLUNG.
Zylinderkopf-Entlüftungsschlauch Siehe unter NOCKENWELLEN.
Ölschlauch und Öltank-Belüftungsschlauch Siehe dazu den Abschnitt “ÖLPUMPE.
DEPOSE DU MOTEUR
MOTOR DEMONTIEREN
5 - 209
ENG
RIMOZIONE DEL MOTORE
Estensione della rimozione Ordine Denominazione QuantitàOsservazioni
RIMOZIONE DEL MOTORE
Preparazione per la rimozione Sostenere il mezzo ponendo un apposito
cavalletto sotto il telaio. AVVERTENZA
Sostenere saldamente il mezzo in modo che non ci sia il
rischio che si rovesci.
Scaricare lolio motore. Fare riferimento al paragrafo SOSTITUZIONE
DELLOLIO MOTORE nel CAPITOLO 3.
Sella e serbatoio del carburante Fare riferimento al paragrafo SELLA, SERBATOIO
CARBURANTE E FIANCHETTI nel CAPITOLO 3.
Carburatore Fare riferimento al paragrafo CARBURATORE.
Tubo di scarico e silenziatore Fare riferimento al paragrafo TUBO DI SCARICO E
SILENZIATORE nel CAPITOLO 3.
Gruppo valvola di interruzione aria
Cavo della frizione Scollegare dal lato del motore.
Radiatore Fare riferimento al paragrafo RADIATORE.
Pedale del cambio Fare riferimento al paragrafo MAGNETE AC E
GIUNTO STARTER.
Flessibile di sfiato testata Fare riferimento al paragrafo ALBERI A CAMME.
Flessibile olio e flessibile di sfiato serbatoio
olio
Fare riferimento al paragrafo POMPA DELLOLIO.
RIMOZIONE DEL MOTORE
5 - 210
ENG
DESMONTAJE DEL MOTOR
Extensión del desmontaje Orden Nombre de la pieza Ctd. Observaciones
DESMONTAJE DEL MOTOR
Preparación para el
desmontaje
Sujete la máquina colocando un soporte
adecuado debajo del bastidor. ADVERTENCIA
Sujete firmemente la máquina de forma que no
exista riesgo de que se caiga.
Vacíe el aceite del motor. Consulte el apartado CAMBIO DE ACEITE DEL
MOTOR del CAPÍTULO 3.
Sillín y depósito de combustible Consulte el apartado SILLÍN, DEPÓSITO DE
COMBUSTIBLE Y CUBIERTAS LATERALES del
CAPÍTULO 3.
Carburador Consulte el apartado CARBURADOR.
Tubo de escape y silenciador Consulte el apartado TUBO DE ESCAPE Y
SILENCIADOR del CAPÍTULO 3.
Conjunto de la válvula de corte de aire
Cable de embrague Desconéctelo del lado del motor.
Radiador Consulte el apartado RADIADOR.
Pedal de cambio Consulte el apartado MAGNETO CA Y
EMBRAGUE DE ARRANQUE.
Tubo respiradero de la culata Consulte el apartado EJES DE LEVAS.
Tubo de aceite y tubo respiradero del
depósito de aceite
Consulte la sección BOMBA DE ACEITE.
DESMONTAJE DEL MOTOR
5 - 211
ENG
ENGINE REMOVAL
Extent of removal: 1 Engine removal
Extent of removal Order Part name Qty Remarks
Ignition coil
Disconnect the AC magneto lead.
Starter motor lead Disconnect at the starter motor side.
Negative battery lead Disconnect at the engine side.
1 Engine guard 1
2 Neutral switch 1
3 Drive chain sprocket cover 1
4 Nut (drive sprocket) 1
Refer to REMOVAL POINTS.5 Lock washer 1
6 Drive sprocket 1
7 Clip 1
8 Bolt (brake pedal) 1
9 Brake pedal 1
10 Upper engine bracket 2
11 Lower engine bracket 2
12 Engine mounting bolt 3
13 Pivot shaft 1 Refer to REMOVAL POINTS.
14 Engine 1
1
5 - 212
ENG
Organisation de la dépose: 1 Dépose du moteur
Organisation de la dépose Ordre Nom de la pièce QtéRemarques
Bobine dallumage
Déconnecter le fil de lalternateur avec rotor à
alimentation permanente.
Fil du démarreur Déconnecter du côté du démarreur.
Câble négatif de batterie Déconnecter du côté du moteur.
1Protège-carter 1
2 Contacteur de point mort 1
3 Couvercle de pignon de chaîne de transmission 1
4 Ecrou (pignon dentraînement) 1
Se reporter à POINTS DE DEPOSE.5 Rondelle-frein 1
6 Couronne arrière 1
7Clip 1
8 Boulon (pédale de frein) 1
9Pédale de frein 1
10 Support de moteur supérieur 2
11 Support de moteur inférieur 2
12 Boulon de montage du moteur 3
13 Boulon-pivot 1 Se reporter à POINTS DE DEPOSE.
14 Moteur 1
1
Arbeitsumfang: 1 Motor demontieren
Arbeitsumfang
Reihenfolge
Bauteil Anz. Bemerkungen
Zündspule
Das Lichtmaschinen-Kabel lösen.
Starter-Kabel Startermotorseitig lösen.
Batterie-Minuskabel Motorseitig lösen.
1 Motorschutz rechts 1
2 Leerlaufschalter 1
3 Antriebsritzel-Abdeckung 1
4 Antriebsritzel-Mutter 1
Siehe unter DEMONTAGE-EINZELHEITEN.5 Sicherungsscheibe 1
6Antriebsritzel 1
7 Clip 1
8Fußbremshebel-Schraube 1
9Fußbremshebel 1
10 Obere Motorhalterung 2
11 Untere Motorhalterung 2
12 Motor-Lagerbolzen 3
13 Schwingenachse 1 Siehe unter DEMONTAGE-EINZELHEITEN.
14 Motor 1
1
DEPOSE DU MOTEUR
MOTOR DEMONTIEREN
5 - 213
ENG
Estensione della rimozione: 1 Rimozione del motore
Estensione della rimozione Ordine Denominazione QuantitàOsservazioni
Bobina di accensione
Scollegare il cavo del magnete AC.
Cavo motorino di avviamento Scollegare dal lato del motorino di avviamento.
Cavo negativo batteria Scollegarlo sul lato del motore.
1 Riparo motore 1
2 Interruttore folle 1
3 Coperchio ruota dentata della catena di
trasmissione
1
4 Dado (ruota dentata di trasmissione) 1
Fare riferimento a PUNTI DI RIMOZIONE.5 Rondella di bloccaggio 1
6 Ruota dentata di trasmissione 1
7 Fermo 1
8 Bullone (pedale del freno) 1
9 Pedale del freno 1
10 Staffa superiore motore 2
11 Staffa inferiore motore 2
12 Bullone di fissaggio motore 3
13 Albero di articolazione 1 Fare riferimento a PUNTI DI RIMOZIONE.
14 Motore 1
1
RIMOZIONE DEL MOTORE
5 - 214
ENG
Extensión del desmontaje: 1 Desmontaje del motor
Extensión del desmontaje Orden Nombre de la pieza Ctd. Observaciones
Bobina de encendido
Desconecte el cable de la magneto CA.
Cable del motor de arranque Desconéctelo del lado del motor de arranque.
Cable negativo de la batería Desconéctelo del lado del motor.
1 Protección del motor 1
2 Interruptor de luz de punto muerto 1
3 Tapa del piñón de la cadena de
transmisión
1
4 Tuerca (piñón motor) 1 Consulte el apartado PUNTOS DE
DESMONTAJE.
5 Arandela de seguridad 1
6Piñón motor 1
7 Clip 1
8 Tornillo (pedal de freno) 1
9 Pedal de freno 1
10 Soporte superior del motor 2
11 Soporte inferior del motor 2
12 Tornillo de montaje del motor 3
13 Eje pivote 1 Consulte el apartado PUNTOS DE
DESMONTAJE.
14 Motor 1
1
DESMONTAJE DEL MOTOR
5 - 215
ENG
ENGINE REMOVAL
EC4M3000
REMOVAL POINTS
EC4F3100
Drive sprocket
1. Remove:
Nut (drive sprocket) 1
Lock washer 2
NOTE:
Straighten the lock washer tab.
Loosen the nut while applying the
rear brake.
2. Remove:
Drive sprocket 1
Drive chain 2
NOTE:
Remove the drive sprocket together
with the drive chain.
EC4M3301
Engine removal
1. Remove:
Pivot shaft 1
NOTE:
If the pivot shaft is pulled all the way
out, the swingarm will come loose. If
possible, insert a shaft of similar
diameter into the other side of the
swingarm to support it.
2. Remove:
Engine 1
From right side.
NOTE:
Make sure that the couplers, hoses
and cables are disconnected.
1
POINTS DE DEPOSE
Couronne arrière
1. Déposer:
Ecrou (couronne arrière) 1
Rondelle-frein 2
N.B.:
Redresser longlet de la rondelle-frein.
Desserrer l’écrou tout en actionnant le
frein arrière.
2. Déposer:
Couronne arrière 1
Chaîne de transmission 2
N.B.:
Déposer la couronne arrière et la chaîne
de transmission.
Dépose du moteur
1. Déposer:
Boulon-pivot 1
N.B.:
Si lon extrait entièrement le boulon-
pivot, le bras oscillant nest plus sup-
porté. Si possible, insérer un axe de dia-
mètre équivalent dans lautre extrémité
du bras oscillant pour le supporter.
2. Déposer:
Moteur 1
Du côté droit.
N.B.:
Sassurer que les fiches rapides, les
tuyaux et les câbles sont déconnectés.
DEPOSE DU MOTEUR
5 - 216
ENG
DEMONTAGE-EINZELHEITEN
Antriebsritzel
1. Demontieren:
Antriebsritzel-Mutter 1
Sicherungsscheibe 2
HINWEIS:
Die Lasche der Sicherungsscheibe
umbiegen.
Beim Lockern der Antriebsritzel-
Mutter die Hinterradbremse betäti-
gen.
2. Demontieren:
Antriebsritzel 1
Antriebskette 2
HINWEIS:
Antriebsritzel und -kette gemeinsam
demontieren.
Motor demontieren
1. Demontieren:
Schwingenachse 1
HINWEIS:
Durch Entfernen der Schwingen-
achse wird die Schwinge gelöst.
Möglichst einen Stift gleichen Durch-
messers von der anderen Schwin-
genseite durchstecken, um die
Schwinge abzustützen.
2. Demontieren:
Motor 1
(von der rechten Seite)
HINWEIS:
Sicherstellen, dass alle Kabel,
Schläuche und Seilzüge gelöst sind.
PUNTI DI RIMOZIONE
Ruota dentata di trasmissione
1. Togliere:
Dado (ruota dentata di trasmis-
sione) 1
Rondella di bloccaggio 2
NOTA:
Spianare la linguetta della rondella di
bloccaggio.
Allentare il dado quando si applica il
freno posteriore.
2. Togliere:
Ruota dentata di trasmissione 1
Catena di trasmissione 2
NOTA:
Rimuovere la ruota dentata di trasmis-
sione con la catena di trasmissione.
Rimozione del motore
1. Togliere:
Albero di articolazione 1
NOTA:
Se si estrae completamente lalbero di
articolazione, il forcellone oscillante
diventerà lento. Se possibile, inserire un
albero di diametro simile sullaltro lato
del forcellone oscillante per sostenerlo.
2. Togliere:
Motore 1
Dal lato destro.
NOTA:
Accertarsi che gli accoppiatori, i flessi-
bili e i cavi siano scollegati.
PUNTOS DE DESMONTAJE
Piñón motor
1. Extraer:
Tuerca (piñón motor) 1
Arandela de seguridad 2
NOTA:
Enderece la lengüeta de la aran-
dela de seguridad.
Afloje la tuerca mientras acciona el
freno trasero.
2. Extraer:
Piñón motor 1
Cadena de transmisión 2
NOTA:
Extraiga el piñón motor junto con la
cadena de transmisión.
Desmontaje del motor
1. Extraer:
Eje pivote 1
NOTA:
Si extrae completamente el eje
pivote se soltará el basculante. Si es
posible, introduzca un eje de diáme-
tro similar por el otro lado del bascu-
lante para sostenerlo.
2. Extraer:
Motor 1
Por el lado derecho.
NOTA:
Compruebe que estén desconecta-
dos los acopladores, tubos y cables.
MOTOR DEMONTIEREN
RIMOZIONE DEL MOTORE
DESMONTAJE DEL MOTOR
5 - 217
ENG
ENGINE REMOVAL
EC4M5000
ASSEMBLY AND INSTALLATION
Engine installation
1. Install:
Engine 1
Install the engine from right
side.
Pivot shaft 2
Engine mounting bolt (lower)
3
Lower engine bracket 4
Bolt (lower engine bracket) 5
Patch 6
Engine mounting bolt (front) 7
Upper engine bracket 8
Bolt (upper engine bracket) 9
Engine mounting bolt (upper)
0
Lower engine guard A
Bolt (lower engine guard) B
NOTE:
Apply the molybdenum disulfide
grease on the pivot shaft.
Install the patch with the claw a
facing outside the chassis.
T
R
.
.
85 Nm (8.5 m · kg, 61 ft · lb)
T
R
.
.
53 Nm (5.3 m · kg, 38 ft · lb)
T
R
.
.
34 Nm (3.4 m · kg, 24 ft · lb)
T
R
.
.
53 Nm (5.3 m · kg, 38 ft · lb)
T
R
.
.
34 Nm (3.4 m · kg, 24 ft · lb)
T
R
.
.
55 Nm (5.5 m · kg, 40 ft · lb)
T
R
.
.
7 Nm (0.7 m · kg, 5.1 ft · lb)
Brake pedal
1. Install:
Spring 1
Brake pedal 2
O-ring 3
Bolt (brake pedal) 4
Clip 5
NOTE:
Apply the lithium soap base grease
on the bolt, O-rings and brake pedal
bracket.
T
R
.
.
26 Nm (2.6 m · kg, 19 ft · lb)
New
Drive sprocket
1. Install:
Drive sprocket 1
Drive chain 2
NOTE:
Install the drive sprocket together
with the drive chain.
ASSEMBLAGE ET MONTAGE
Montage du moteur
1. Monter:
Moteur 1
Monter le moteur par le côté
droit.
Boulon-pivot 2
Boulon dancrage du moteur
(inférieur) 3
Support de moteur inférieur 4
Boulon (support de moteur infé-
rieur) 5
Rondelle 6
Boulon dancrage du moteur
(avant) 7
Support de moteur supérieur 8
Boulon (support de moteur supé-
rieur) 9
Boulon dancrage du moteur
(supérieur) 0
Protège-carter inférieur A
Boulon (protège-carter inférieur)
B
N.B.:
Appliquer de la graisse au bisulfure de
molybdène sur le boulon-pivot.
Monter la rondelle en orientant la
griffe a vers lextérieur du châssis.
Pédale de frein
1. Monter:
Ressort 1
Pédale de frein 2
Joint torique 3
Boulon (pédale de frein) 4
Clip 5
N.B.:
Appliquer de la graisse à savon de
lithium sur le boulon, les joints toriques
et le support de pédale de frein.
T
R
.
.
85 Nm (8,5 m · kg, 61 ft · lb)
T
R
.
.
53 Nm (5,3 m · kg, 38 ft · lb)
T
R
.
.
34 Nm (3,4 m · kg, 24 ft · lb)
T
R
.
.
53 Nm (5,3 m · kg, 38 ft · lb)
T
R
.
.
34 Nm (3,4 m · kg, 24 ft · lb)
T
R
.
.
55 Nm (5,5 m · kg, 40 ft · lb)
T
R
.
.
7 Nm (0,7 m · kg, 5,1 ft · lb)
T
R
.
.
26 Nm (2,6 m · kg, 19 ft · lb)
New
Couronne arrière
1. Monter:
Couronne arrière 1
Chaîne de transmission 2
N.B.:
Monter en même temps la couronne
arrière et la chaîne de transmission.
DEPOSE DU MOTEUR
5 - 218
ENG
ZUSAMMENBAU UND MONTAGE
Motor montieren
1. Montieren:
Motor 1
Den Motor von der rechten
Seite montieren.
Schwingenachse 2
Motor-Lagerbolzen (unten) 3
Untere Motorhalterung 4
Schraube (untere Motorhalte-
rung) 5
Sicherungsring 6
Motor-Lagerbolzen (vorn) 7
Obere Motorhalterung 8
Schraube (obere Motorhalte-
rung) 9
Motor-Lagerbolzen (oben) 0
Motorschutz unten A
Schraube (Motorschutz unten)
B
HINWEIS:
Molybdändisulfidöl auf die Schwin-
genachse auftragen.
Den Sicherungsring mit den
Klauen a zur Außenseite des
Rahmens weisend montieren.
T
R
.
.
85 Nm (8,5 m · kg, 61 ft · lb)
T
R
.
.
53 Nm (5,3 m · kg, 38 ft · lb)
T
R
.
.
34 Nm (3,4 m · kg, 24 ft · lb)
T
R
.
.
53 Nm (5,3 m · kg, 38 ft · lb)
T
R
.
.
34 Nm (3,4 m · kg, 24 ft · lb)
T
R
.
.
55 Nm (5,5 m · kg, 40 ft · lb)
T
R
.
.
7 Nm (0,7 m · kg, 5,1 ft · lb)
Fußbremshebel
1. Montieren:
Feder 1
Fußbremshebel 2
O-Ring 3
Fußbremshebel-Schraube 4
Clip 5
HINWEIS:
Die Schraube, O-Ringe und Fuß-
bremshebel-Halterung mit Lithium-
seifenfett bestreichen.
T
R
.
.
26 Nm (2,6 m · kg, 19 ft · lb)
New
Antriebsritzel
1. Montieren:
Antriebsritzel 1
Antriebskette 2
HINWEIS:
Antriebsritzel und -kette gemeinsam
montieren.
MONTAGGIO E INSTALLAZIONE
Installazione del motore
1. Installare:
Motore 1
Installare il motore dal lato
destro.
Albero di articolazione 2
Bullone di fissaggio motore (infe-
riore) 3
Staffa inferiore motore 4
Bullone (staffa inferiore motore)
5
Vite di rappezzo 6
Bullone di fissaggio motore
(anteriore) 7
Staffa superiore motore 8
Bullone (staffa superiore motore)
9
Bullone di fissaggio motore
(superiore) 0
Riparo inferiore motore A
Bullone (riparo inferiore motore)
B
NOTA:
Applicare il grasso al disolfuro di
molibdeno sullalbero di articolazione.
Installare la vite di rappezzo con la
griffa a rivolta verso lesterno sulla
parte ciclistica.
Pedale del freno
1. Installare:
Molla 1
Pedale del freno 2
Guarnizione circolare 3
Bullone (pedale del freno) 4
Fermo 5
NOTA:
Applicare il grasso a base di sapone di
litio sul bullone, sulle guarnizioni circo-
lari e sulla staffa del pedale del freno.
T
R
.
.
85 Nm (8,5 m · kg, 61 ft · lb)
T
R
.
.
53 Nm (5,3 m · kg, 38 ft · lb)
T
R
.
.
34 Nm (3,4 m · kg, 24 ft · lb)
T
R
.
.
53 Nm (5,3 m · kg, 38 ft · lb)
T
R
.
.
34 Nm (3,4 m · kg, 24 ft · lb)
T
R
.
.
55 Nm (5,5 m · kg, 40 ft · lb)
T
R
.
.
7 Nm (0,7 m · kg, 5,1 ft · lb)
T
R
.
.
26 Nm (2,6 m · kg, 19 ft · lb)
New
Ruota dentata di trasmissione
1. Installare:
Ruota dentata di trasmissione 1
Catena di trasmissione 2
NOTA:
Installare la ruota dentata di trasmissione
con la catena di trasmissione.
MONTAJE E INSTALACIÓN
Montaje del motor
1. Instalar:
Motor 1
Instale el motor por el lado
derecho.
Eje pivote 2
Tornillo de montaje del motor
(inferior) 3
Soporte inferior del motor 4
Tornillo (soporte inferior del
motor) 5
Espaciador 6
Tornillo de montaje del motor
(delante) 7
Soporte superior del motor 8
Tornillo (soporte superior del
motor) 9
Tornillo de montaje del motor
(superior) 0
Protección inferior del motor
A
Tornillo (protección inferior del
motor) B
NOTA:
Aplique aceite de disulfuro de
molibdeno al eje pivote.
Instale el espaciador con la pinza
a encarada hacia el exterior del
chasis.
Pedal de freno
1. Instalar:
Muelle 1
Pedal de freno 2
Junta tórica 3
Tornillo (pedal de freno) 4
Clip 5
NOTA:
Aplique grasa de jabón de litio al tor-
nillo, las juntas tóricas y el soporte
del pedal de freno.
T
R
.
.
85 Nm (8,5 m · kg, 61 ft · lb)
T
R
.
.
53 Nm (5,3 m · kg, 38 ft · lb)
T
R
.
.
34 Nm (3,4 m · kg, 24 ft · lb)
T
R
.
.
53 Nm (5,3 m · kg, 38 ft · lb)
T
R
.
.
34 Nm (3,4 m · kg, 24 ft · lb)
T
R
.
.
55 Nm (5,5 m · kg, 40 ft · lb)
T
R
.
.
7 Nm (0,7 m · kg, 5,1 ft · lb)
T
R
.
.
26 Nm (2,6 m · kg, 19 ft · lb)
New
Piñón motor
1. Instalar:
Piñón motor 1
Cadena de transmisión 2
NOTA:
Monte el piñón motor junto con la
cadena de transmisión.
MOTOR DEMONTIEREN
RIMOZIONE DEL MOTORE
DESMONTAJE DEL MOTOR
5 - 219
ENG
ENGINE REMOVAL
2. Install:
Lock washer 1
Nut (drive sprocket) 2
NOTE:
Tighten the nut while applying the
rear brake.
T
R
.
.
75 Nm (7.5 m · kg, 54 ft · lb)
New
3. Bend the lock washer tab to lock
the nut.
4. Install:
Drive chain sprocket guide 1
Drive chain sprocket cover 2
Screw
(drive chain sprocket cover) 3
T
R
.
.
8 Nm (0.8 m · kg, 5.8 ft · lb)
Neutral switch
1. Install:
Spring 1
Pin 2
O-ring 3
Neutral switch 4
Screw (neutral switch) 5
NOTE:
Apply the lithium soap base grease
on the O-ring.
T
R
.
.
4 Nm (0.4 m · kg, 2.9 ft · lb)
New
2. Monter:
Rondelle-frein 1
Ecrou (couronne arrière) 2
N.B.:
Serrer l’écrou tout en actionnant le frein
arrière.
T
R
.
.
75 Nm (7,5 m · kg, 54 ft · lb)
New
3. Plier longlet de la rondelle-frein
pour bloquer l’écrou.
4. Monter:
Patin de chaîne de transmission
1
Couvercle de pignon de chaîne de
transmission 2
Vis (couvercle de pignon de
chaîne de transmission) 3
T
R
.
.
8 Nm (0,8 m · kg, 5,8 ft · lb)
Contacteur de point mort
1. Monter:
Ressort 1
Goupille 2
Joint torique 3
Contacteur de point mort 4
Vis (contacteur de point mort) 5
N.B.:
Appliquer de la graisse à savon de
lithium sur le joint torique.
T
R
.
.
4 Nm (0,4 m · kg, 2,9 ft · lb)
New
DEPOSE DU MOTEUR
5 - 220
ENG
2. Montieren:
Sicherungsscheibe 1
Antriebsritzel-Mutter 2
HINWEIS:
Beim Festziehen der Mutter die Hin-
terradbremse betätigen.
T
R
.
.
75 Nm (7,5 m · kg, 54 ft · lb)
New
3. Die Lasche der Sicherungs-
scheibe gegen die Mutter umbie-
gen.
4. Montieren:
Antriebsritzel 1
Antriebsritzel-Abdeckung 2
Schraube
(Antriebsritzel-Abdeckung) 3
T
R
.
.
8 Nm (0,8 m · kg, 5,8 ft · lb)
Leerlaufschalter
1. Montieren:
Feder 1
Stift 2
O-Ring 3
Leerlaufschalter 4
Leerlaufschalter-Schraube 5
HINWEIS:
Den O-Ring mit Lithiumseifenfett
bestreichen.
T
R
.
.
4 Nm (0,4 m · kg, 2,9 ft · lb)
New
2. Installare:
Rondella di bloccaggio 1
Dado (ruota dentata di trasmis-
sione) 2
NOTA:
Serrare il dado quando si applica il freno
posteriore.
3. Piegare la linguetta della rondella di
bloccaggio per bloccare il dado.
4. Installare:
Guida ruota dentata della catena
di trasmissione 1
Coperchio ruota dentata della
catena di trasmissione 2
Vite
(coperchio ruota dentata della
catena di trasmissione) 3
T
R
.
.
75 Nm (7,5 m · kg, 54 ft · lb)
T
R
.
.
8 Nm (0,8 m · kg, 5,8 ft · lb)
New
Interruttore folle
1. Installare:
Molla 1
Perno 2
Guarnizione circolare 3
Interruttore folle 4
Vite (interruttore folle) 5
NOTA:
Applicare il grasso a base di sapone di
litio sulla guarnizione circolare.
T
R
.
.
4 Nm (0,4 m · kg, 2,9 ft · lb)
New
2. Instalar:
Arandela de seguridad 1
Tuerca (piñón motor) 2
NOTA:
Apriete la tuerca mientras acciona el
freno trasero.
3. Doble la lengüeta de la arandela
de seguridad para bloquear la
tuerca.
4. Instalar:
Guía del piñón de la cadena
de transmisión 1
Tapa del piñón de la cadena
de transmisión 2
Tornillo (tapa del piñón de la
cadena de transmisión) 3
T
R
.
.
75 Nm (7,5 m · kg, 54 ft · lb)
T
R
.
.
8 Nm (0,8 m · kg, 5,8 ft · lb)
New
Interruptor de luz de punto muerto
1. Instalar:
Muelle 1
Pasador 2
Junta tórica 3
Interruptor de luz de punto
muerto 4
Tornillo (interruptor de luz de
punto muerto) 5
NOTA:
Aplique grasa de jabón de litio a la
junta tórica.
T
R
.
.
4 Nm (0,4 m · kg, 2,9 ft · lb)
New
MOTOR DEMONTIEREN
RIMOZIONE DEL MOTORE
DESMONTAJE DEL MOTOR
5 - 221
ENG
CRANKCASE AND CRANKSHAFT
CRANKCASE AND CRANKSHAFT
Extent of removal: 1 Crankcase separation 2 Crankshaft removal
Extent of removal Order Part name Qty Remarks
CRANKCASE AND CRANKSHAFT
REMOVAL
Preparation for removal Engine Refer to ENGINE REMOVAL section.
Piston Refer to CYLINDER AND PISTON section.
Kick shaft assembly Refer to KICK SHAFT AND SHIFT SHAFT
section.
Segment
Stator Refer to AC MAGNETO AND STARTER CLUTCH
section.
Balancer shaft Refer to BALANCER section.
1 Timing chain guide (intake side) 1
2 Timing chain 1
3 Oil delivery pipe 2 1
21
5 - 222
ENG
CARTER MOTEUR ET VILEBREQUIN
Organisation de la dépose: 1 Séparation du carter moteur 2 Dépose du vilebrequin
Organisation de la dépose Ordre Nom de la pièce QtéRemarques
DEPOSE DU CARTER MOTEUR ET DU
VILEBREQUIN
Préparation à la dépose Moteur Se reporter à la section DEPOSE DU MOTEUR.
Piston Se reporter à la section CYLINDRE ET PISTON.
Arbre de kick complet Se reporter à la section ARBRE DE KICK ET AXE DE
SELECTEUR.
Segment
Stator Se reporter à la section ALTERNATEUR AVEC
ROTOR A ALIMENTATION PERMANENTE ET
EMBRAYAGE DU DEMARREUR.
Arbre de balancier Se reporter à la section BALANCIER.
1 Patin de chaîne de distribution (côté admission) 1
2Chaîne de distribution 1
3Tuyau dhuile 2 1
21
KURBELGEHÄUSE UND KURBELWELLE
Arbeitsumfang: 1 Kurbelgehäuse trennen 2 Kurbelwelle demontieren
Arbeitsumfang
Reihenfolge
Bauteil Anz. Bemerkungen
KURBELGEHÄUSE UND
KURBELWELLE DEMONTIEREN
Vorbereitungsarbeiten Motor Siehe unter MOTOR DEMONTIEREN.
Kolben Siehe unter ZYLINDER UND KOLBEN.
Kickhebelwelle Siehe unter KICKHEBELWELLE UND
SCHALTWELLE.
Stiftplatte
Stator Siehe unter LICHTMASCHINE UND
STARTERKUPPLUNG.
Ausgleichswelle Siehe unter AUSGLEICHSWELLE.
1 Steuerkettenschiene (Einlassseite) 1
2 Steuerkette 1
3Ölzufuhrleitung 2 1
21
CARTER MOTEUR ET VILEBREQUIN
KURBELGEHÄUSE UND KURBELWELLE
5 - 223
ENG
CARTER E ALBERO MOTORE
Estensione della rimozione: 1 Separazione del carter 2 Rimozione dellalbero motore
Estensione della rimozione Ordine Denominazione QuantitàOsservazioni
RIMOZIONE DI CARTER E ALBERO
MOTORE
Preparazione per la rimozione Motore Fare riferimento al paragrafo RIMOZIONE DEL
MOTORE.
Pistone Fare riferimento al paragrafo CILINDRO E PISTONE.
Gruppo albero pedale Fare riferimento al paragrafo ALBERO PEDALE E
ALBERO DEL CAMBIO.
Segmento
Statore Fare riferimento al paragrafo MAGNETE AC E
GIUNTO STARTER.
Albero equilibratore Fare riferimento al paragrafo EQUILIBRATORE.
1 Guida catena di distribuzione (lato aspirazione) 1
2 Catena di distribuzione 1
3 Tubo di mandata olio 2 1
21
CARTER E ALBERO MOTORE
5 - 224
ENG
CÁRTER Y CIGÜEÑAL
Extensión del desmontaje: 1 Desmontaje del cárter 2 Desmontaje del cigüeñal
Extensión del desmontaje Orden Nombre de la pieza Ctd. Observaciones
DESMONTAJE DEL CÁRTER Y EL
CIGÜEÑAL
Preparación para el
desmontaje
Motor Consulte el apartado DESMONTAJE DEL
MOTOR.
Pistón Consulte el apartado CILINDRO Y PISTÓN.
Conjunto del eje del pedal de arranque Consulte el apartado EJE DEL PEDAL DE
ARRANQUE Y EJE DEL CAMBIO.
Segmento
Estátor Consulte el apartado MAGNETO CA Y
EMBRAGUE DE ARRANQUE.
Eje compensador Consulte el apartado COMPENSADOR.
1Guía de la cadena de distribución
(lado de admisión)
1
2 Cadena de distribución1
3 Tubería de suministro de aceite 2 1
21
CÁRTER Y CIGÜEÑAL
5 - 225
ENG
CRANKCASE AND CRANKSHAFT
Extent of removal Order Part name Qty Remarks
4 Bolt [L = 45 mm (1.77 in)] 5
Refer to REMOVAL POINTS.
5 Bolt [L = 55 mm (2.17 in)] 1
6 Bolt [L = 70 mm (2.76 in)] 3
7 Hose guide 1
8 Clutch cable holder 1
9 Right crankcase 1
10 Left crankcase 1
11 Oil strainer 1
12 Crankshaft 1 Use special tool.
Refer to REMOVAL POINTS.
2
1
5 - 226
ENG
Organisation de la dépose Ordre Nom de la pièce QtéRemarques
4 Boulon [L = 45 mm (1,77 in)] 5
Se reporter à POINTS DE DEPOSE.
5 Boulon [L = 55 mm (2,17 in)] 1
6 Boulon [L = 70 mm (2,76 in)] 3
7 Guide de durit 1
8 Support du câble dembrayage 1
9 Carter moteur droit 1
10 Carter moteur gauche 1
11 Crépine à huile 1
12 Vilebrequin 1 Utiliser loutil spécial.
Se reporter à POINTS DE DEPOSE.
2
1
Arbeitsumfang
Reihenfolge
Bauteil Anz. Bemerkungen
4 Schraube [L = 45 mm (1,77 in)] 5
Siehe unter DEMONTAGE-EINZELHEITEN.
5 Schraube [L = 55 mm (2,17 in)] 1
6 Schraube [L = 70 mm (2,76 in)] 3
7 Schlauchführung 1
8 Kupplungszug-Halterung 1
9 Kurbelgehäuseteil rechts 1
10 Kurbelgehäuseteil links 1
11 Ölsieb 1
12 Kurbelwelle 1 Spezialwerkzeug verwenden.
Siehe unter DEMONTAGE-EINZELHEITEN.
2
1
CARTER MOTEUR ET VILEBREQUIN
KURBELGEHÄUSE UND KURBELWELLE
5 - 227
ENG
Estensione della rimozione Ordine Denominazione QuantitàOsservazioni
4 Bullone [L = 45 mm (1,77 in)] 5
Fare riferimento a PUNTI DI RIMOZIONE.
5 Bullone [L = 55 mm (2,17 in)] 1
6 Bullone [L = 70 mm (2,76 in)] 3
7 Guida flessibile 1
8 Supporto cavo frizione 1
9 Carter destro 1
10 Carter sinistro 1
11 Filtro olio 1
12 Albero motore 1 Utilizzare lattrezzo speciale.
Fare riferimento a PUNTI DI RIMOZIONE.
2
1
CARTER E ALBERO MOTORE
5 - 228
ENG
Extensión del desmontaje Orden Nombre de la pieza Ctd. Observaciones
4 Tornillo [L = 45 mm (1,77 in)] 5
Consulte el apartado PUNTOS DE
DESMONTAJE.
5 Tornillo [L = 55 mm (2,17 in)] 1
6 Tornillo [L = 70 mm (2,76 in)] 3
7Guía de tubo 1
8 Sujeción del cable de embrague 1
9Cárter derecho 1
10 Cárter izquierdo 1
11 Depurador de aceite 1
12 Cigüeñal 1 Utilice la herramienta especial.
Consulte el apartado PUNTOS DE
DESMONTAJE.
2
1
CÁRTER Y CIGÜEÑAL
5 - 229
ENG
CRANKCASE AND CRANKSHAFT
CRANKCASE BEARING
Extent of removal: 1 Crankcase bearing removal
Extent of removal Order Part name Qty Remarks
CRANKCASE BEARING REMOVAL
Preparation for removal Transmission Refer to TRANSMISSION, SHIFT CAM AND
SHIFT FORK section.
Shift cam and shift fork
1 Oil seal 2
2 Bearing 10 Refer to REMOVAL POINTS.
1
5 - 230
ENG
ROULEMENT DE CARTER MOTEUR
Organisation de la dépose: 1 Dépose du roulement de carter
Organisation de la dépose Ordre Nom de la pièce QtéRemarques
DEPOSE DU ROULEMENT DE CARTER
MOTEUR
Préparation à la dépose Boîte de vitesses Se reporter à la section BOITE DE VITESSES,
TAMBOUR ET FOURCHETTES DE SELECTION.
Tambour et fourchette de sélection
1 Bague d’étanchéité2
2 Roulement 10 Se reporter à POINTS DE DEPOSE.
1
KURBELGEHÄUSE-LAGER
Arbeitsumfang: 1 Kurbelgehäuse-Lager demontieren
Arbeitsumfang
Reihenfolge
Bauteil Anz. Bemerkungen
KURBELGEHÄUSE-LAGER
DEMONTIEREN
Vorbereitungsarbeiten Getriebe Siehe unter GETRIEBE, SCHALTWALZE UND
SCHALTGABELN.
Schaltwalze und Schaltgabeln
1 Dichtring 2
2 Lager 10 Siehe unter DEMONTAGE-EINZELHEITEN.
1
CARTER MOTEUR ET VILEBREQUIN
KURBELGEHÄUSE UND KURBELWELLE
5 - 231
ENG
CUSCINETTO DEL CARTER
Estensione della rimozione: 1 Rimozione del cuscinetto del carter
Estensione della rimozione Ordine Denominazione QuantitàOsservazioni
RIMOZIONE DEL CUSCINETTO DEL
CARTER
Preparazione per la rimozione Trasmissione Fare riferimento al paragrafo TRASMISSIONE,
CAMMA DEL CAMBIO E FORCELLA DEL
CAMBIO.
Camma e forcella del cambio
1 Paraolio 2
2 Cuscinetto 10 Fare riferimento a PUNTI DI RIMOZIONE.
1
CARTER E ALBERO MOTORE
5 - 232
ENG
COJINETE DEL CÁRTER
Extensión del desmontaje: 1 Extracción del cojinete del cárter
Extensión del desmontaje Orden Nombre de la pieza Ctd. Observaciones
EXTRACCIÓN DEL COJINETE DEL
CÁRTER
Preparación para el
desmontaje
Caja de cambios Consulte el apartado CAJA DE CAMBIOS, LEVA
DE CAMBIO Y HORQUILLA DE CAMBIO.
Leva de cambio y horquilla de cambio
1 Junta de aceite 2
2 Cojinete 10 Consulte el apartado PUNTOS DE
DESMONTAJE.
1
CÁRTER Y CIGÜEÑAL
5 - 233
ENG
CRANKCASE AND CRANKSHAFT
REMOVAL POINTS
Crankcase
1. Separate:
Right crankcase
Left crankcase
Separation steps:
Remove the crankcase bolts 1,
hose guide 2 and clutch cable
holder 3.
NOTE:
Loosen each bolt 1/4 of a turn at a
time and after all the bolts are
loosened, remove them.
Remove the right crankcase 4.
NOTE:
Place the crankcase with its left
side downward and split it by
inserting a screwdriver tip into
the splitting slit a in the crank-
case.
Lift the right crankcase horizon-
tally while lightly patting the
case splitting slit and engine
mounting boss using a soft
hammer, and leave the crank-
shaft and transmission with the
left crankcase.
CAUTION:
Use soft hammer to tap on the
case half. Tap only on rein-
forced portions of case. Do not
tap on gasket mating surface.
Work slowly and carefully.
Make sure the case halves sep-
arate evenly. If the cases do not
separate, check for a remaining
case bolt or fitting. Do not
force.
Remove the dowel pins and O-
ring.
a
4
POINTS DE DEPOSE
Carter moteur
1. Séparer:
Carter moteur droit
Carter moteur gauche
Etapes de la séparation:
Déposer les boulons du carter
moteur 1, le guide de durit 2 et le
support de câble dembrayage 3.
N.B.:
Desserrer chaque boulon d1/4 de
tour à la fois puis, lorsque tous les
boulons sont desserrés, les déposer.
Déposez le carter moteur droit 4.
N.B.:
Placer le côté gauche du carter
moteur vers le bas et séparez-le en
insérant une lame de tournevis
dans la fente de séparation a du
carter moteur.
Soulevez le carter moteur droit
horizontalement tout en tapotant
légèrement la fente de séparation
du carter et la noix de montage du
moteur à laide dun maillet en
caoutchouc; laisser le vilebrequin
et la boîte de vitesses dans le carter
moteur gauche.
ATTENTION:
Taper sur le demi-carter à laide
dun maillet en plastique. Ne taper
que sur des portions renforcées du
carter. Ne pas taper sur la surface
de contact du joint. Travailler len-
tement et avec précaution. Veiller à
séparer les deux demi-carters
symétriquement. Si les deux demi-
carters ne se séparent pas, vérifier
quune vis ou une fixation na pas
été oubliée. Ne jamais forcer.
Déposer les goujons et le joint tori-
que.
CARTER MOTEUR ET VILEBREQUIN
5 - 234
ENG
DEMONTAGE-EINZELHEITEN
Kurbelgehäuse
1. Trennen:
Kurbelgehäuseteil rechts
Kurbelgehäuseteil links
Arbeitsfolge:
Die Kurbelgehäuse-Schrauben
1, Schlauchführung 2 und
Kupplungszug-Halterung 3 de-
montieren.
HINWEIS:
Die Schrauben um 1/4 Umdre-
hung lockern und erst herausdre-
hen, nachdem sie alle gelockert
wurden.
Das Kurbelgehäuseteil rechts
4 demontieren.
HINWEIS:
Das Kurbelgehäuse auf seine
linke Seite ablegen und zum
Auftrennen der beiden Gehäu-
seteile einen Schlitz-Schrau-
bendreher in die Gehäusenaht
a einführen.
Das Kurbelgehäuseteil rechts
waagerecht herausheben und
dabei leicht mit einem Gummih-
ammer auf die Gehäusenaht
und Motorbefestigung klopfen;
Kurbelwelle und Getriebe im
Kurbelgehäuseteil links hinter-
lassen.
ACHTUNG:
Nur mit einem weichen Hammer
auf das Gehäuse einwirken. Nur
auf verstärkte Bereiche des
Gehäuses klopfen. Nicht auf
Dichtungs-Passflächen schla-
gen. Ruhig und sorgfältig arbei-
ten. Die Gehäuseteile müssen
gleichmäßig getrennt werden.
Falls die Gehäuseteile sich
nicht trennen lassen, das
Gehäuse auf verbliebene
Schraubverbindungen u. Ä.
überprüfen. Nicht forcieren.
Die Passhülsen und O-Ringe
erneuern.
PUNTI DI RIMOZIONE
Carter
1. Separare:
Carter destro
Carter sinistro
Operazioni per la separazione:
Rimuovere i bulloni del carter 1,
la guida flessibile 2 e il supporto
cavo frizione 3.
NOTA:
Allentare ogni bullone di 1/4 di giro
alla volta e dopo averli allentati tutti,
rimuoverli.
Togliere il carter destro 4.
NOTA:
Posizionare il carter con il lato
sinistro verso il basso e dividerlo
inserendo la punta di un cacciavite
nella fessura di divisione a nel
carter.
Sollevare il carter destro orizzon-
talmente picchiettando lievemente
la fessura di divisione e la spor-
genza di fissaggio del motore con
un martello morbido; lasciare
lalbero motore e la trasmissione
con il carter.
ATTENZIONE:
Picchiettare sulla metà del carter
con un martello morbido. Picchiet-
tare solo sulle parti rinforzate del
carter. Non picchiettare sulla
superficie di contatto della guarni-
zione. Lavorare lentamente e con
attenzione. Accertarsi che le metà
del carter si separino uniforme-
mente. Se le parti del carter non si
separano, controllare che non vi
siano viti o dispositivi di fissaggio
ancora da togliere. Non forzare.
Rimuovere i grani di centraggio e
le guarnizioni circolari.
PUNTOS DE DESMONTAJE
Cárter
1. Separar:
Cárter derecho
Cárter izquierdo
Procedimiento de separación:
Extraiga los tornillos del cárter
1, la guía de tubo 2 y la suje-
ción del cable del embrague 3.
NOTA:
Afloje cada tornillo 1/4 de vuelta
cada vez y, cuando todos estén
aflojados, extráigalos.
Extraiga el cárter derecho 4.
NOTA:
Sitúe el cárter con el lado
izquierdo hacia abajo y sepá-
relo introduciendo la punta de
un destornillador a.
Levante horizontalmente el cár-
ter derecho mientras golpea
ligeramente la separación del
cárter y el resalte de montaje
del motor con un mazo blando;
deje el cigüeñal y la caja de
cambios con el cárter izquierdo.
ATENCION:
Utilice un mazo blando para
golpear la mitad de la carcasa.
Golpee sólo en las partes refor-
zadas de la carcasa. No golpee
las superficies de contacto de
la junta. Proceda lentamente y
con cuidado. Asegúrese de que
las mitades de la carcasa se
separen uniformemente. En
caso de que no se separen,
compruebe que no quede algún
tornillo o herraje sujetos. No lo
fuerce.
Extraiga las clavijas de cen-
trado y la junta tórica.
KURBELGEHÄUSE UND KURBELWELLE
CARTER E ALBERO MOTORE
CÁRTER Y CIGÜEÑAL
5 - 235
ENG
CRANKCASE AND CRANKSHAFT
Crankshaft
1. Remove:
Crankshaft 1
Use the crankcase separating
tool 2.
CAUTION:
Do not use a hammer to drive out
the crankshaft.
Crankcase separating
tool:
YU-1135-A/
90890-01135
Crankcase bearing
1. Remove:
Bearing 1
NOTE:
Remove the bearing from the
crankcase by pressing its inner
race.
Do not use the removed bearing.
INSPECTION
Timing chain and timing chain
guide
1. Inspect:
Timing chain
Cracks/stiff Replace the
timing chain and camshaft
sprocket as a set.
2. Inspect:
Timing chain guide
Wear/damage Replace.
Crankcase
1. Inspect:
Contacting surface a
Scratches Replace.
Engine mounting boss b,
crankcase
Cracks/damage Replace.
2. Inspect:
Bearing
Rotate inner race with a finger.
Rough spot/seizure
Replace.
3. Inspect:
Oil seal
Damage Replace.
Vilebrequin
1. Déposer:
Vilebrequin 1
Utiliser loutil de séparation de
carter moteur 2.
ATTENTION:
Ne pas chasser le vilebrequin au mar-
teau.
Outil de séparation de
carter moteur:
YU-1135-A/90890-01135
Roulement de carter
1. Déposer:
Roulement 1
N.B.:
Déposer le roulement en appuyant sur
sa cage externe.
Ne pas réutiliser le roulement déposé.
CONTROLE
Chaîne de distribution et patin de
chaîne de distribution
1. Contrôler:
Chaîne de distribution
Fissures/rigidité Remplacer
ensemble la chaîne de distribu-
tion et le pignon darbre à cames.
2. Contrôler:
Patin de chaîne de distribution
Usure/endommagement Rem-
placer.
Carter
1. Contrôler:
Surface de contact a
Rayures Remplacer.
Noix de montage du moteur b,
carter
Craquelures/endommagement
Remplacer.
2. Contrôler:
Roulement
Faire tourner la cage interne avec
le doigt.
Rugosité/grippage Remplacer.
3. Contrôler:
Bague d’étanchéité
Endommagement Remplacer.
CARTER MOTEUR ET VILEBREQUIN
5 - 236
ENG
Kurbelwelle
1. Demontieren:
Kurbelwelle 1
Das Kurbelgehäuse-Trenn-
werkzeug 2 verwenden.
ACHTUNG:
Die Kurbelwelle unter keinen
Umständen mit einem Hammer
austreiben.
Kurbelgehäuse-
Trennwerkzeug:
YU-1135-A/
90890-01135
Kurbelgehäuse-Lager
1. Demontieren:
Lager 1
HINWEIS:
Zum Ausbau des Lagers den
Innenlaufring hineindrücken.
Das ausgebaute Lager nicht wie-
der verwenden.
KONTROLLE
Steuerkette und
Steuerkettenschiene
1. Kontrollieren:
Steuerkette
Rissig/steif Steuerkette und
Nockenwellenräder gemein-
sam erneuern.
2. Kontrollieren:
Steuerkettenschiene
Verschlissen/beschädigt
Erneuern.
Kurbelgehäuse
1. Kontrollieren:
Passflächen a
Verkratzt Erneuern.
Motorbefestigung b, Kurbel-
gehäuse
Rissig/beschädigt Erneu-
ern.
2. Kontrollieren:
Lager
Den Innenlaufring mit den Fin-
gern drehen.
Stockend/fest Erneuern.
3. Kontrollieren:
Dichtring
Beschädigt Erneuern.
Albero motore
1. Togliere:
Albero motore 1
Utilizzare il separatore per il car-
ter 2.
ATTENZIONE:
Non utilizzare un martello per far
uscire lalbero motore.
Separatore per il carter:
YU-1135-A/90890-01135
Cuscinetto del carter
1. Togliere:
Cuscinetto 1
NOTA:
Togliere il cuscinetto dal carter pre-
mendo sulla pista interna.
Non utilizzare il cuscinetto rimosso.
CONTROLLO
Catena di distribuzione e guida catena
di distribuzione
1. Controllare:
Catena di distribuzione
Fessure/rigidità Sostituire la
catena di distribuzione e la ruota
dentata albero a camme in blocco.
2. Controllare:
Guida catena di distribuzione
Usura/danni Sostituire.
Carter
1. Controllare:
Superficie di contatto a
Graffi Sostituire.
Sporgenza di montaggio del
motore b, carter
Incrinature/danni Sostituire.
2. Controllare:
Cuscinetto
Ruotare la pista interna con un
dito.
Punto ruvido/blocco Sostitu-
ire.
3. Controllare:
Paraolio
Danno Sostituire.
Cigüeñal
1. Extraer:
Cigüeñal 1
Utilice el separador de cárter
2.
ATENCION:
No utilice un martillo para extraer
el cigüeñal.
Herramienta de
separación del cárter:
YU-1135-A/
90890-01135
Cojinete del cárter
1. Extraer:
Cojinete 1
NOTA:
Extraiga el cojinete del cárter pre-
sionando la guía interior.
No utilice el cojinete que ha
extraído.
COMPROBACIÓN
Cadena de distribución y guía
1. Comprobar:
Cadena de distribución
Grietas/rigidez Cambiar el
conjunto de cadena de distri-
bución y piñón del eje de
levas.
2. Comprobar:
Guía de la cadena de distribu-
ción
Desgaste/daños Cambiar.
Cárter
1. Comprobar:
Superficie de contacto a
Rayaduras Cambiar.
Resalte de montaje del motor
b, cárter
Grietas/daños Cambiar.
2. Comprobar:
Cojinete
Gire la guía interior con un
dedo.
Punto duro/agarrotamiento
Cambiar.
3. Comprobar:
Junta de aceite
Dañada Cambiar.
KURBELGEHÄUSE UND KURBELWELLE
CARTER E ALBERO MOTORE
CÁRTER Y CIGÜEÑAL
5 - 237
ENG
CRANKCASE AND CRANKSHAFT
EC4N4201
Crankshaft
1. Measure:
Runout limit a
Small end free play limit b
Connecting rod big end side
clearance c
Crank width d
Out of specification
Replace.
Use the dial gauge and a
thickness gauge.
Dial gauge and stand:
YU-3097/90890-01252
Standard <Limit>
Runout
limit:
0.03 mm
(0.0012 in)
0.05 mm
(0.002 in)
Small end
free play:
0.4 ~
1.0 mm
(0.016 ~
0.039 in)
2.0 mm
(0.08 in)
Side
clearance:
0.15 ~
0.45 mm
(0.0059 ~
0.0177 in)
0.50 mm
(0.02 in)
Crack
width:
55.95 ~
56.00 mm
(2.203 ~
2.205 in)
Oil strainer
1. Inspect:
Oil strainer
Damage Replace.
Oil delivery pipe 2
1. Inspect:
Oil delivery pipe 2 1
O-ring 2
Damage Replace.
Oil orifice a
Clogged Blow.
Vilebrequin
1. Mesurer:
Limite de faux-rond a
Limite de jeu de pied de bielle b
Jeu latéral de tête de bielle c
Largeur de volant d
Hors spécifications Rempla-
cer.
Utiliser un comparateur à cadran
et un calibre d’épaisseur.
Comparateur à cadran et
support:
YU-3097/90890-01252
Standard <Limite>
Limite de
faux-rond:
0,03 mm
(0,0012 in)
0,05 mm
(0,002 in)
Jeu de pied
de bielle:
0,4 à 1,0 mm
(0,016 à
0,039 in)
2,0 mm
(0,08 in)
Jeu latéral:
0,15 à
0,45 mm
(0,0059 à
0,0177 in)
0,50 mm
(0,02 in)
Largeur de
volant:
55,95 à
56,00 mm
(2,203 à
2,205 in)
Crépine à huile
1. Contrôler:
Crépine à huile
Endommagement Remplacer.
Tuyau dhuile 2
1. Contrôler:
Tuyau dhuile 2 1
Joint torique 2
Endommagement Remplacer.
Trou dhuile a
Obstrué Souffler.
CARTER MOTEUR ET VILEBREQUIN
5 - 238
ENG
Kurbelwelle
1. Messen:
Max. Schlag a
Max Pleuel-Radialspiel b
Pleuel-Axialspiel c
Kurbelbreite d
Nicht nach Vorgabe Erneu-
ern.
Eine Messuhr und eine Fühler-
lehre verwenden.
Messuhr und Ständer:
YU-3097/90890-01252
Standard
<Grenzwert>
Max.
Schlag:
0,03 mm
(0,0012 in)
0,05 mm
(0,002 in)
Pleuel-
Radial-
spiel:
0,41,0 mm
(0,016
0,039 in)
2,0 mm
(0,08 in)
Pleuel-
Axial-
spiel:
0,15
0,45 mm
(0,0059
0,0177 in)
0,50 mm
(0,02 in)
Kurbel-
breite:
55,95
56,00 mm
(2,203
2,205 in)
Ölsieb
1. Kontrollieren:
•Ölsieb
Beschädigt Erneuern.
Ölzufuhrleitung 2
1. Kontrollieren:
•Ölzufuhrleitung 2 1
O-Ring 2
Beschädigt Erneuern.
•Ölbohrungen a
Verstopft Ausblasen.
Albero motore
1. Misurare:
Limite di disassamento a
Limite gioco del piede di biella
b
Gioco lato testa di biella c
Larghezza albero d
Non conforme alle specifiche
Sostituire.
Utilizzare il comparatore e un
indicatore di spessore.
Comparatore e cavalletto:
YU-3097/90890-01252
Standard <Limite>
Limite di
disassa-
mento:
0,03 mm
(0,0012 in)
0,05 mm
(0,002 in)
Gioco del
piede di
biella:
0,4 ~ 1,0 mm
(0,016 ~
0,039 in)
2,0 mm
(0,08 in)
Gioco late-
rale:
0,15 ~
0,45 mm
(0,0059 ~
0,0177 in)
0,50 mm
(0,02 in)
Larghezza
dellincri-
natura:
55,95 ~
56,00 mm
(2,203 ~
2,205 in)
Filtro olio
1. Controllare:
Filtro olio
Danno Sostituire.
Tubo di mandata olio 2
1. Controllare:
Tubo di mandata olio 2 1
Guarnizione circolare 2
Danno Sostituire.
Foro dellolio a
Intasato Pulire.
Cigüeñal
1. Medir:
Límite de descentramiento a
Límite del holgura del pie de
biela b
Holgura lateral de la cabeza
de biela c
Anchura del cigüeñal d
Fuera del valor especificado
Cambiar.
Utilice la galga de cuadrante y
un galga de espesores.
Galga de cuadrante y
soporte:
YU-3097/90890-01252
Estándar <Límite>
Límite de
descen-
tramiento:
0,03 mm
(0,0012 in)
0,05 mm
(0,002 in)
Holgura
del pie de
biela:
0,4 ~ 1,0 mm
(0,016 ~
0,039 in)
2,0 mm
(0,08 in)
Holgura
lateral:
0,15 ~
0,45 mm
(0,0059 ~
0,0177 in)
0,50 mm
(0,02 in)
Anchura
del cigüe-
ñal:
55,95 ~
56,00 mm
(2,203 ~
2,205 in)
Depurador de aceite
1. Comprobar:
Depurador de aceite
Dañada Cambiar.
Tubería de suministro de aceite 2
1. Comprobar:
Tubería de suministro de
aceite 2 1
Junta tórica 2
Dañada Cambiar.
Orificio de aceite a
Obstruido Aplicar aire com-
primido.
KURBELGEHÄUSE UND KURBELWELLE
CARTER E ALBERO MOTORE
CÁRTER Y CIGÜEÑAL
5 - 239
ENG
CRANKCASE AND CRANKSHAFT
EC4N5000
ASSEMBLY AND INSTALLATION
Crankcase bearing
1. Install:
Bearing
Bearing stopper
Bolt (bearing stopper)
Screw (bearing stopper)
Screw [bearing stopper
(crankshaft)] 1
To left and right crankcase.
NOTE:
Install the bearing by pressing its
outer race parallel.
To prevent the screw [bearing
stopper (crankshaft)] from becom-
ing loose, crush the screw head
periphery a into the concave b
using a punch etc. In so doing,
take care not to damage the
screwdriver receiving hole in the
screw head.
T
R
.
.
10 Nm (1.0 m · kg, 7.2 ft · lb)
T
R
.
.
10 Nm (1.0 m · kg, 7.2 ft · lb)
T
R
.
.
10 Nm (1.0 m · kg, 7.2 ft · lb)
New
Crankshaft
1. Install:
Crankshaft 1
Use the crankshaft installing
tool 2, 3, 4 and 5.
ÈFor USA and CDN
ÉExcept for USA and CDN
NOTE:
Hold the connecting rod at top
dead center with one hand while
turning the nut of the installing tool
with the other. Operate the install-
ing tool until the crankshaft bot-
toms against the bearing.
Before installing the crankshaft,
clean the contacting surface of
crankcase.
CAUTION:
Do not use a hammer to drive in
the crankshaft.
Crankshaft installing pot
2:
YU-90050/90890-01274
Crankshaft installing
bolt 3:
YU-90050/90890-01275
Adapter (M12) 4:
YU-90063/90890-01278
Spacer
(crankshaft installer) 5:
YM-91044/90890-04081
ÈÉ
ASSEMBLAGE ET MONTAGE
Roulement de carter
1. Monter:
Roulement
Butoir de roulement
Boulon (butoir de roulement)
Vis (butoir de roulement)
Vis [butoir de roulement (vilebre-
quin)] 1
Sur les carters gauche et droit.
N.B.:
Monter le roulement en appuyant
parallèlement sur sa cage externe.
Pour empêcher la vis [butoir de roule-
ment (vilebrequin)] de se desserrer,
écraser la périphérie de la tête de la vis
a dans la partie concave b à laide
dun poinçon par exemple. Ce faisant,
veiller à ne pas endommager la canne-
lure de la tête de la vis.
T
R
.
.
10 Nm (1,0 m · kg, 7,2 ft · lb)
T
R
.
.
10 Nm (1,0 m · kg, 7,2 ft · lb)
T
R
.
.
10 Nm (1,0 m · kg, 7,2 ft · lb)
New
Vilebrequin
1. Monter:
Vilebrequin 1
Utiliser loutil de montage du
vilebrequin 2, 3, 4 et 5.
ÈUSA et CDN
ÉSauf USA et CDN
N.B.:
Maintenir la bielle au point mort haut
dune main tout en tournant l’écrou de
loutil de montage de lautre main.
Actionner loutil de montage jusqu’à
ce que le vilebrequin bute contre le
roulement.
Avant de monter le vilebrequin, net-
toyer la surface de contact du carter.
ATTENTION:
Ne pas utiliser de marteau pour insé-
rer le vilebrequin.
Pot de montage du
vilebrequin 2:
YU-90050/90890-01274
Boulon de montage du
vilebrequin 3:
YU-90050/90890-01275
Adaptateur (M12) 4:
YU-90063/90890-01278
Entretoise
(outil de montage du
vilebrequin) 5:
YM-91044/90890-04081
CARTER MOTEUR ET VILEBREQUIN
5 - 240
ENG
ZUSAMMENBAU UND MONTAGE
Kurbelgehäuse-Lager
1. Montieren:
Lager
Lagerdeckel
Lagerdeckel-Schraube
Lagerdeckel-Schraube
Lagerdeckel-Schraube
(Kurbelwelle) 1
(an beide Kurbelgehäuseteile)
HINWEIS:
Zum Einbau des Lagers parallel
auf den Außenlaufring drücken.
Um zu verhindern, dass die Lager-
deckel-Schraube (Kurbelwelle)
sich löst, den Rand a des Schrau-
benkopfes mit einem Treibdorn in
der Vertiefung b verstemmen.
Dabei darauf achten, dass der
Schraubenkopf nicht völlig zerstört
wird.
Kurbelwelle
1. Montieren:
Kurbelwelle 1
Das Kurbelwellen-Einbau-
werkzeug 2, 3, 4 und 5
verwenden.
ÈUSA und CDN
ÉNicht USA und CDN
HINWEIS:
Wenn der Kolben im oberen Tot-
punkt (OT) des Verdichtungstaktes
steht, den Pleuel mit einer Hand
fest halten und dabei die Mutter
des Einbauwerkzeugs montieren.
Das Einbauwerkzeug betätigen,
bis das Kurbelgehäuse am Lager
anstößt.
Vor der Montage der Kurbelwelle
die Passfläche zum Kurbelge-
häuse reinigen.
ACHTUNG:
Die Kurbelwelle unter keinen
Umständen mit einem Hammer
eintreiben.
T
R
.
.
10 Nm (1,0 m · kg, 7,2 ft · lb)
T
R
.
.
10 Nm (1,0 m · kg, 7,2 ft · lb)
T
R
.
.
10 Nm (1,0 m · kg, 7,2 ft · lb)
Kurbelwellen-
Einbaufassung 2:
YU-90050/90890-01274
Kurbelwellen-
Einbauschraube 3:
YU-90050/90890-01275
Adapter (M12) 4:
YU-90063/90890-01278
Kurbelwellen-
Einbauhülse 5:
YM-91044/90890-04081
New
MONTAGGIO E INSTALLAZIONE
Cuscinetto del carter
1. Installare:
Cuscinetto
Elemento di arresto cuscinetto
Bullone (elemento di arresto
cuscinetto)
Vite (elemento di arresto cusci-
netto)
Vite [elemento di arresto cusci-
netto (albero motore)] 1
Sul carte sinistro e destro.
NOTA:
Installare il cuscinetto premendo sulla
pista esterna in parallelo.
Per evitare che la vite [elemento di
arresto cuscinetto (albero motore)] si
allenti, schiacciare la circonferenza
della testa della vite a nella superfi-
cie concava b utilizzando un pun-
zone, ecc. Eseguendo questa
operazione, prestare attenzione a non
danneggiare il foro di inserimento del
cacciavite nella testa della vite.
T
R
.
.
10 Nm (1,0 m · kg, 7,2 ft · lb)
T
R
.
.
10 Nm (1,0 m · kg, 7,2 ft · lb)
T
R
.
.
10 Nm (1,0 m · kg, 7,2 ft · lb)
New
Albero motore
1. Installare:
Albero motore 1
Utilizzare lattrezzo installatore
dellalbero motore 2, 3, 4 e
5.
ÈUSA e CDN
ÉEccetto USA e CDN
NOTA:
Bloccare la biella al punto morto supe-
riore con una mano e contemporanea-
mente ruotare il dado dellattrezzo
installatore con laltra. Azionare
linstallatore finché lalbero motore
non entri in contatto con il cuscinetto.
Prima di installare lalbero motore,
pulire la superficie di contatto del car-
ter.
ATTENZIONE:
Non utilizzare un martello per far
entrare lalbero motore.
Installatore per albero
motore 2:
YU-90050/90890-01274
Bullone installazione per
albero motore 3:
YU-90050/90890-01275
Adattatore (M12) 4:
YU-90063/90890-01278
Distanziatore (installatore
per albero motore) 5:
YM-91044/90890-04081
MONTAJE E INSTALACIÓN
Cojinete del cárter
1. Instalar:
Cojinete
Tope de cojinete
Tornillo (tope de cojinete)
Tornillo (tope de cojinete)
Tornillo [tope del cojinete
(cigüeñal)] 1
A cárter izquierdo y derecho.
NOTA:
Monte el cojinete presionando la
guía exterior en paralelo.
Para evitar que el tornillo [tope de
cojinete (cigüeñal)] se afloje, intro-
duzca la periferia de la cabeza del
tornillo a en la parte cóncava b
con un punzón, etc. Al hacerlo
tenga cuidado de no dañar la
ranura de la cabeza del tornillo.
T
R
.
.
10 Nm (1,0 m · kg, 7,2 ft · lb)
T
R
.
.
10 Nm (1,0 m · kg, 7,2 ft · lb)
T
R
.
.
10 Nm (1,0 m · kg, 7,2 ft · lb)
New
Cigüeñal
1. Instalar:
Cigüeñal 1
Utilice el instalador de cigüe-
ñal 2, 3, 4 y 5.
ÈUSA y CDN
ÉExcepto USA y CDN
NOTA:
Sujete con una mano la biela en el
punto muerto superior mientras
gira la tuerca de la herramienta de
montaje con la otra mano. Accione
la herramienta de montaje hasta
que el cigüeñal llegue al fondo del
cojinete.
Antes de montar el cigüeñal limpie
la superficie de contacto del cárter.
ATENCION:
No utilice un martillo para introdu-
cir el cigüeñal.
Guía de montaje del
cigüeñal 2:
YU-90050/90890-01274
Tornillo de montaje del
cigüeñal 3:
YU-90050/90890-01275
Adaptador (M12) 4:
YU-90063/90890-01278
Espaciador (instalador
de cigüeñal) 5:
YM-91044/90890-04081
KURBELGEHÄUSE UND KURBELWELLE
CARTER E ALBERO MOTORE
CÁRTER Y CIGÜEÑAL
5 - 241
ENG
CRANKCASE AND CRANKSHAFT
2. Check:
Shifter operation
Transmission operation
Unsmooth operation
Repair.
3. Install:
Oil strainer 1
Bolt (oil strainer) 2
T
R
.
.
10 Nm (1.0 m · kg, 7.2 ft · lb)
4. Apply:
Sealant
On the right crankcase 1.
NOTE:
Clean the contacting surface of left
and right crankcase before applying
the sealant.
YAMAHA Bond No. 1215
(ThreeBond® No. 1215):
90890-85505
5. Install:
Dowel pin 1
O-ring 2
Right crankcase
To left crankcase.
NOTE:
Apply the lithium soap base grease
on the O-ring.
Fit the right crankcase onto the left
crankcase. Tap lightly on the case
with soft hammer.
When installing the crankcase, the
connecting rod should be posi-
tioned at TDC (top dead center).
New
2. Contrôler:
Fonctionnement du sélecteur
Fonctionnement de la boîte de
vitesses
Fonctionnement irrégulier
Remplacer.
3. Monter:
Crépine à huile 1
Boulon (crépine à huile) 2
T
R
.
.
10 Nm (1,0 m · kg, 7,2 ft · lb)
4. Appliquer:
Pâte d’étanchéité
Sur le carter droit 1.
N.B.:
Nettoyer la surface de contact des carters
droit et gauche avant dappliquer la pâte
d’étanchéité.
YAMAHA Bond N°1215
(ThreeBond® N°1215):
90890-85505
5. Monter:
Goujon 1
Joint torique 2
Carter droit
Sur le carter gauche.
N.B.:
Appliquer de la graisse à savon de
lithium sur le joint torique.
Adapter le carter droit sur le carter
gauche. Taper légèrement sur le carter
à laide dun marteau en plastique.
Monter le carter en veillant à placer la
bielle au PMH (point mort haut).
New
CARTER MOTEUR ET VILEBREQUIN
5 - 242
ENG
2. Kontrollieren:
Funktion der Schaltung
Funktion des Getriebes
Stockend Erneuern.
3. Montieren:
•Ölsieb 1
•Ölsieb-Schraube 2
T
R
.
.
10 Nm (1,0 m · kg, 7,2 ft · lb)
4. Auftragen:
Dichtmasse
(auf Kurbelgehäuseteil rechts
1)
HINWEIS:
Vor dem Auftragen des Dichtmittels
müssen die Passflächen der beiden
Kurbelgehäuseteile gereinigt wer-
den.
YAMAHA-Dichtmasse
Nr.1215
(ThreeBond® Nr.1215):
90890-85505
5. Montieren:
Passhülse 1
O-Ring 2
Kurbelgehäuseteil rechts
(am Kurbelgehäuseteil links)
HINWEIS:
Den O-Ring mit Lithiumseifenfett
bestreichen.
Das Kurbelgehäuseteil rechts auf
das Kurbelgehäuseteil links mon-
tieren. Mit einem Gummihammer
leicht auf das Gehäuse klopfen
Bei der Montage des Kurbelgehäu-
ses muss der Pleuel im oberen
Totpunkt (OT) des Verdichtungs-
taktes stehen.
New
2. Controllare:
Funzionamento del cambio
Funzionamento della trasmis-
sione
Funzionamento non uniforme
Riparare.
3. Installare:
Filtro olio 1
Bullone (filtro olio) 2
T
R
.
.
10 Nm (1,0 m · kg, 7,2 ft · lb)
4. Applicare:
Sigillante
Sul carter destro 1.
NOTA:
Pulire la superficie di contatto del carter
sinistro e destro prima di applicare il
sigillante.
Sigillante YAMAHA
n.1215
(ThreeBond® n.1215):
90890-85505
5. Installare:
Grano di centraggio 1
Guarnizione circolare 2
Carter destro
Sul carter sinistro.
NOTA:
Applicare il grasso a base di sapone di
litio sulla guarnizione circolare.
Montare il carter destro sul carter sini-
stro. Picchiettare delicatamente sul
carter con un martello morbido.
Quando si installa il carter, la biella
deve essere posizionata nel PMS
(punto morto superiore).
New
2. Comprobar:
Funcionamiento del cambio
Funcionamiento de la caja de
cambios
Funcionamiento no suave
Reparar.
3. Instalar:
Depurador de aceite 1
Tornillo (depurador de aceite)
2
T
R
.
.
10 Nm (1,0 m · kg, 7,2 ft · lb)
4. Aplicar:
Sellador
En el cárter derecho 1.
NOTA:
Limpie la superficie de contacto del
cárter izquierdo y derecho antes de
aplicar el sellador.
YAMAHA Bond N°1215
(ThreeBond® N°1215):
90890-85505
5. Instalar:
Clavija de centrado 1
Junta tórica 2
Cárter derecho
Al cárter izquierdo.
NOTA:
Aplique grasa de jabón de litio a la
junta tórica.
Acople el cárter derecho al cárter
izquierdo. Golpee ligeramente el
cárter con un mazo blando.
Cuando monte el cárter, la biela
debe estar situada en PMS (punto
muerto superior).
New
KURBELGEHÄUSE UND KURBELWELLE
CARTER E ALBERO MOTORE
CÁRTER Y CIGÜEÑAL
5 - 243
ENG
CRANKCASE AND CRANKSHAFT
6. Tighten:
Hose guide 1
Clutch cable holder 2
Bolt (crankcase) 3
NOTE:
Tighten the crankcase tightening
bolts in stage, using a crisscross pat-
tern.
T
R
.
.
12 Nm (1.2 m · kg, 8.7 ft · lb)
7. Install:
Oil delivery pipe 2 1
O-ring 2
Bolt (oil delivery pipe 2) 3
NOTE:
Apply the lithium soap base grease
on the O-rings.
T
R
.
.
10 Nm (1.0 m · kg, 7.2 ft · lb)
New
8. Install:
Timing chain 1
Timing chain guide
(intake side) 2
Bolt (timing chain guide) 3
9. Remove:
Sealant
Forced out on the cylinder
mating surface.
10. Apply:
Engine oil
To the crank pin, bearing and
oil delivery hole.
11. Check:
Crankshaft and transmission
operation.
Unsmooth operation
Repair.
T
R
.
.
10 Nm (1.0 m · kg, 7.2 ft · lb)
6. Serrer:
Guide de durit 1
Support du câble dembrayage 2
Boulon (carter) 3
N.B.:
Serrer les boulons de serrage du carter
par étapes et en procédant en croix.
T
R
.
.
12 Nm (1,2 m · kg, 8,7 ft · lb)
7. Monter:
Tuyau dhuile 2 1
Joint torique 2
Boulon (tuyau dhuile 2 ) 3
N.B.:
Appliquer de la graisse à savon de
lithium sur les joints toriques.
T
R
.
.
10 Nm (1,0 m · kg, 7,2 ft · lb)
New
8. Monter:
Chaîne de distribution 1
Patin de chaîne de distribution
(côté admission) 2
Boulon (patin de chaîne de distri-
bution) 3
9. Déposer:
Pâte d’étanchéité
Répandue sur la surface de con-
tact du cylindre.
10. Appliquer:
Huile moteur
Sur le maneton de bielle, le roule-
ment et le trou dhuile.
11. Contrôler:
Fonctionnement du vilebrequin et
de la boîte de vitesses.
Fonctionnement irrégulier
Réparer.
T
R
.
.
10 Nm (1,0 m · kg, 7,2 ft · lb)
CARTER MOTEUR ET VILEBREQUIN
5 - 244
ENG
6. Festziehen:
Schlauchführung 1
Kupplungszug-Halterung 2
Kurbelgehäuse-Schraube 3
HINWEIS:
Die Kurbelgehäuse-Schrauben
schrittweise über Kreuz festziehen.
T
R
.
.
12 Nm (1,2 m · kg, 8,7 ft · lb)
7. Montieren:
•Ölzufuhrleitung 2 1
O-Ring 2
Schraube (Ölzufuhrleitung 2)
3
HINWEIS:
Die O-Ringe mit Lithiumseifenfett
bestreichen.
T
R
.
.
10 Nm (1,0 m · kg, 7,2 ft · lb)
New
8. Montieren:
Steuerkette 1
Steuerkettenschiene
(einlassseitig) 2
Steuerkettenschienen-
Schraube 3
9. Demontieren:
Dichtmasse
(Überschuss auf der Zylinder-
Passfläche)
10. Auftragen:
Motoröl
(auf Kurbelzapfen, Lager und
Ölbohrung)
11. Kontrollieren:
Funktion von Kurbelwelle und
Getriebe
Stockend Instand setzen.
T
R
.
.
10 Nm (1,0 m · kg, 7,2 ft · lb)
6. Serrare:
Guida flessibile 1
Supporto cavo frizione 2
Bullone (carter) 3
NOTA:
Serrare il carter, serrando i bulloni in
sequenza in modo incrociato.
T
R
.
.
12 Nm (1,2 m · kg, 8,7 ft · lb)
7. Installare:
Tubo di mandata olio 2 1
Guarnizione circolare 2
Bullone (tubo di mandata olio 2)
3
NOTA:
Applicare il grasso a base di sapone di
litio sulle guarnizioni circolari.
T
R
.
.
10 Nm (1,0 m · kg, 7,2 ft · lb)
New
8. Installare:
Catena di distribuzione 1
Guida catena di distribuzione
(lato aspirazione) 2
Bullone (guida catena di distribu-
zione) 3
9. Togliere:
Sigillante
Fatto fuoriuscire forzatamente
dalla superficie di contatto del
cilindro.
10. Applicare:
Olio motore
Sul perno di biella, cuscinetto e
foro di mandata dellolio.
11. Controllare:
Funzionamento albero motore e
trasmissione.
Funzionamento non uniforme
Riparare.
T
R
.
.
10 Nm (1,0 m · kg, 7,2 ft · lb)
6. Apretar:
Guía de tubo 1
Sujeción del cable de embra-
gue 2
Tornillo (cárter) 3
NOTA:
Apriete los tornillos del cárter por
etapas y en zigzag.
T
R
.
.
12 Nm (1,2 m · kg, 8,7 ft · lb)
7. Instalar:
Tubería de suministro de
aceite 2 1
Junta tórica 2
Tornillo (tubería de suministro
de aceite 2) 3
NOTA:
Aplique grasa de jabón de litio a las
juntas tóricas.
T
R
.
.
10 Nm (1,0 m · kg, 7,2 ft · lb)
New
8. Instalar:
Cadena de distribución 1
Guía de la cadena de distribu-
ción (lado de admisión) 2
Tornillo (guía de la cadena de
distribución)3
9. Extraer:
Sellador
Forzado en la superficie de
contacto del cilindro.
10. Aplicar:
Aceite del motor
Al pasador del cigüeñal, el
cojinete y el orificio de sumi-
nistro de aceite.
11. Comprobar:
Funcionamiento del cigüeñal y
la caja de cambios.
Funcionamiento no suave
Reparar.
T
R
.
.
10 Nm (1,0 m · kg, 7,2 ft · lb)
KURBELGEHÄUSE UND KURBELWELLE
CARTER E ALBERO MOTORE
CÁRTER Y CIGÜEÑAL
5 - 245
ENG
TRANSMISSION, SHIFT CAM AND SHIFT FORK
EC4H0000
TRANSMISSION, SHIFT CAM AND SHIFT FORK
Extent of removal: 1 Shift fork, shift cam, main axle and drive axle removal
Extent of removal Order Part name Qty Remarks
TRANSMISSION, SHIFT CAM AND
SHIFT FORK REMOVAL
Preparation for removal Engine Refer to ENGINE REMOVAL section.
Separate the crankcase. Refer to CRANKCASE AND CRANKSHAFT
section.
1 Main axle 1
Refer to REMOVAL POINTS.
2 Drive axle 1
3 Shift cam 1
4 Shift fork 3 1
5 Shift fork 2 1
6 Shift fork 1 1
7 Collar 1
1
5 - 246
ENG
BOITE DE VITESSES, TAMBOUR ET FOURCHETTES DE SELECTION
Organisation de la dépose: 1 Dépose des fourchettes de sélection, du tambour, de larbre primaire et de larbre secondaire
Organisation de la dépose Ordre Nom de la pièce QtéRemarques
DEPOSE DE LA BOITE DE VITESSES,
DU TAMBOUR ET DES FOURCHETTES
DE SELECTION
Préparation à la dépose Moteur Se reporter à la section DEPOSE DU MOTEUR.
Séparer le carter. Se reporter à la section CARTER MOTEUR ET
VILEBREQUIN.
1 Arbre primaire 1
Se reporter à POINTS DE DEPOSE.
2 Arbre secondaire 1
3 Tambour 1
4 Fourchette de sélection 3 1
5 Fourchette de sélection 2 1
6 Fourchette de sélection 1 1
7Entretoise épaulée1
1
GETRIEBE, SCHALTWALZE UND SCHALTGABELN
Arbeitsumfang: 1 Schaltgabeln, Schaltwalze, Getriebe-Eingangs- und -Ausgangswellen demontieren
Arbeitsumfang
Reihenfolge
Bauteil Anz. Bemerkungen
GETRIEBE, SCHALTWALZE UND
SCHALTGABELN DEMONTIEREN
Vorbereitungsarbeiten Motor Siehe unter MOTOR DEMONTIEREN.
Das Kurbelgehäuse auftrennen. Siehe unter KURBELGEHÄUSE UND
KURBELWELLE.
1 Eingangswelle 1
Siehe unter DEMONTAGE-EINZELHEITEN.
2 Ausgangswelle 1
3 Schaltwalze 1
4 Schaltgabel 3 1
5 Schaltgabel 2 1
6 Schaltgabel 1 1
7 Distanzhülse 1
1
BOITE DE VITESSES, TAMBOUR ET FOURCHETTES DE SELECTION
GETRIEBE, SCHALTWALZE UND SCHALTGABELN
5 - 247
ENG
TRASMISSIONE, CAMMA DEL CAMBIO E FORCELLA DEL CAMBIO
Estensione della rimozione: 1 Rimozione di forcella del cambio, camma del cambio, asse principale e asse conduttore
Estensione della rimozione Ordine Denominazione QuantitàOsservazioni
RIMOZIONE DI TRASMISSIONE,
CAMMA DEL CAMBIO E FORCELLA
DEL CAMBIO
Preparazione per la rimozione Motore Fare riferimento al paragrafo RIMOZIONE DEL
MOTORE.
Separare il carter. Fare riferimento al paragrafo CARTER E ALBERO
MOTORE.
1 Asse principale 1
Fare riferimento a PUNTI DI RIMOZIONE.
2 Asse conduttore 1
3 Camma del cambio 1
4 Forcella del cambio 3 1
5 Forcella del cambio 2 1
6 Forcella del cambio 1 1
7 Collarino 1
1
TRASMISSIONE, CAMMA DEL CAMBIO E FORCELLA DEL CAMBIO
5 - 248
ENG
CAJA DE CAMBIOS, LEVA DE CAMBIO Y HORQUILLA DE CAMBIO
Extensión del desmontaje: 1 Desmontaje de la horquilla de cambio, la leva de cambio, el eje principal y el eje posterior
Extensión del desmontaje Orden Nombre de la pieza Ctd. Observaciones
DESMONTAJE DE LA CAJA DE
CAMBIOS, LA LEVA DE CAMBIO Y LA
HORQUILLA DE CAMBIO
Preparación para el
desmontaje
Motor Consulte el apartado DESMONTAJE DEL
MOTOR.
Separe el cárter. Consulte el apartado CÁRTER Y CIGÜEÑAL.
1 Eje principal 1
Consulte el apartado PUNTOS DE
DESMONTAJE.
2 Eje posterior 1
3 Leva de cambio 1
4 Horquilla de cambio 3 1
5 Horquilla de cambio 2 1
6 Horquilla de cambio 1 1
7 Casquillo 1
1
CAJA DE CAMBIOS, LEVA DE CAMBIO Y HORQUILLA DE CAMBIO
5 - 249
ENG
TRANSMISSION, SHIFT CAM AND SHIFT FORK
EC4H3000
REMOVAL POINTS
EC4H3230
Transmission
1. Remove:
Main axle 1
Drive axle 2
Shift cam
Shift fork 3
Shift fork 2
Shift fork 1
NOTE:
Remove assembly with the collar
3 installed to the crankcase.
Remove assembly carefully. Note
the position of each part. Pay par-
ticular attention to the location and
direction of shift forks.
Remove the main axle, drive axle,
shift cam and shift fork all together
by tapping lightly on the transmis-
sion drive axle with a soft hammer.
EC4H4000
INSPECTION
EC4H4200
Gears
1. Inspect:
Matching dog a
Gear teeth b
Shift fork groove c
Wear/damage Replace.
2. Inspect:
O-ring 1
Damage Replace.
3. Check:
Gears movement
Unsmooth movement
Repair or replace.
EC4H4600
Bearing
1. Inspect:
Bearing 1
Rotate inner race with a finger.
Rough spot/seizure
Replace.
EC4H4810
Shift fork, shift cam and segment
1. Inspect:
Shift fork 1
Wear/damage/scratches
Replace.
POINTS DE DEPOSE
Boîte de vitesses
1. Déposer:
Arbre primaire 1
Arbre secondaire 2
Tambour
Fourchette de sélection 3
Fourchette de sélection 2
Fourchette de sélection 1
N.B.:
Déposer lensemble avec lentretoise
épaulée 3 monté sur le carter.
Déposer avec précaution. Prendre note
de la position de chaque pièce. Bien
noter la position et lorientation des
fourchettes de sélection.
Déposer ensemble larbre primaire,
larbre secondaire, le tambour et la
fourchette de sélection en tapant légè-
rement sur larbre secondaire de la
transmission à laide dun marteau en
plastique.
CONTROLE
Pignons
1. Contrôler:
Crabot daccouplement a
Dents du pignon b
Gorge de fourchette c
Usure/endommagement Rem-
placer.
2. Contrôler:
Joint torique 1
Endommagement Remplacer.
3. Contrôler:
Rotation des pignons
Mouvement irrégulier Répa-
rer ou remplacer.
Roulement
1. Contrôler:
Roulement 1
Faire tourner la cage interne avec
le doigt.
Rugosité/grippage Remplacer.
Fourchette de sélection, tambour et
segment
1. Contrôler:
Fourchette de sélection 1
Usure/endommagement/rayures
Remplacer.
BOITE DE VITESSES, TAMBOUR ET FOURCHETTES DE SELECTION
5 - 250
ENG
DEMONTAGE-EINZELHEITEN
Getriebe
1. Demontieren:
Eingangswelle 1
Ausgangswelle 2
Schaltwalze
Schaltgabel 3
Schaltgabel 2
Schaltgabel 1
HINWEIS:
Die Baugruppe mit der am Kurbel-
gehäuse montierten Distanzhülse
3 demontieren.
Die Baugruppe vorsichtig demon-
tieren. Die entsprechende Einbau-
lage sämtlicher Teile fest halten.
Der Lage und Ausrichtung der
Schaltgabeln besondere Achtung
schenken.
Eingangswelle, Ausgangswelle,
Schaltwalze und Schaltgabeln
gemeinsam ausbauen durch leich-
tes Klopfen auf die Ausgangswelle
mit einem Gummihammer.
KONTROLLE
Zahnräder
1. Kontrollieren:
Schaltklauen a
Verzahnung b
Schaltgabel-Führungsnut c
Verschlissen/beschädigt
Erneuern.
2. Kontrollieren:
O-Ring 1
Beschädigt Erneuern.
3. Kontrollieren:
Beweglichkeit der Zahnräder
Fest Instand setzen, ggf.
erneuern.
Lager
1. Kontrollieren:
Lager 1
Den Innenlaufring mit den Fin-
gern drehen.
Stockend/fest Erneuern.
Schaltgabeln, Schaltwalze und
Stiftplatte
1. Kontrollieren:
Schaltgabel 1
Verschlissen/beschädigt/ver-
kratzt Erneuern.
PUNTI DI RIMOZIONE
Trasmissione
1. Togliere:
Asse principale 1
Asse conduttore 2
Camma del cambio
Forcella del cambio 3
Forcella del cambio 2
Forcella del cambio 1
NOTA:
Rimuovere il gruppo con il collarino
3 installato sul carter.
Rimuovere il gruppo con cautela.
Annotare la posizione di ogni compo-
nente. Prestare particolare attenzione
alla posizione e alla direzione delle
forcelle del cambio.
Rimuovere insieme lasse principale,
lasse conduttore, la camma del cam-
bio e la forcella del cambio, picchiet-
tando leggermente sullasse condut-
tore della trasmissione con un martello
morbido.
CONTROLLO
Ingranaggi
1. Controllare:
Dente darresto di contatto a
Denti dellingranaggio b
Scanalatura forcella del cambio
c
Usura/danni Sostituire.
2. Controllare:
Guarnizione circolare 1
Danno Sostituire.
3. Controllare:
Movimento degli ingranaggi
Movimento non uniforme
Riparare o sostituire.
Cuscinetto
1. Controllare:
Cuscinetto 1
Ruotare la pista interna con un
dito.
Punto ruvido/blocco Sostitu-
ire.
Focella del cambio, camma del cambio
e segmento
1. Controllare:
Forcella del cambio 1
Usura/danni/graffi Sostituire.
PUNTOS DE DESMONTAJE
Caja de cambios
1. Extraer:
Eje principal 1
Eje posterior 2
Leva de cambio
Horquilla de cambio 3
Horquilla de cambio 2
Horquilla de cambio 1
NOTA:
Extraiga el conjunto con el casqui-
llo 3 montado en el cárter.
Extraiga el conjunto con cuidado.
Anote la posición de cada pieza.
Preste mucha atención a la situa-
ción y dirección de las horquillas
de cambio.
Extraiga el eje principal, el eje pos-
terior, la leva de cambio y la hor-
quilla de cambio, todo junto,
golpeando ligeramente el eje pos-
terior de la caja de cambios con un
mazo blando.
COMPROBACIÓN
Engranajes
1. Comprobar:
Desplazable correspondiente
a
Dientes de engranaje b
Ranura de la horquilla de cam-
bio c
Desgaste/daños Cambiar.
2. Comprobar:
Junta tórica 1
Dañada Cambiar.
3. Comprobar:
Movimiento de los engranajes
Movimiento no suave
Reparar o cambiar.
Cojinete
1. Comprobar:
Cojinete 1
Gire la guía interior con un
dedo.
Punto duro/agarrotamiento
Cambiar.
Horquilla de cambio, leva de
cambio y segmento
1. Comprobar:
Horquilla de cambio 1
Desgaste/daños/rayaduras
Cambiar.
GETRIEBE, SCHALTWALZE UND SCHALTGABELN
TRASMISSIONE, CAMMA DEL CAMBIO E FORCELLA DEL CAMBIO
CAJA DE CAMBIOS, LEVA DE CAMBIO Y HORQUILLA DE CAMBIO
5 - 251
ENG
TRANSMISSION, SHIFT CAM AND SHIFT FORK
2. Inspect:
Shift cam 1
Segment 2
Wear/damage Replace.
3. Check:
Shift fork movement
Unsmooth operation
Replace shift fork.
NOTE:
For a malfunctioning shift fork,
replace not only the shift fork itself
but the two gears each adjacent to
the shift fork.
EC4H5000
ASSEMBLY AND INSTALLATION
Transmission
1. Install:
5th pinion gear (19T) 1
3rd pinion gear (17T) 2
Collar 3
4th pinion gear (21T) 4
2nd pinion gear (16T) 5
To main axle 6.
NOTE:
Apply the molybdenum disulfide oil
on the inner and end surface of the
idler gear and on the inner surface of
the sliding gear, then install.
2. Contrôler:
Tambour 1
Segment 2
Usure/endommagement Rem-
placer.
3. Contrôler:
Mouvement de la fourchette
Mouvement irrégulier Rem-
placer.
N.B.:
En cas de mauvais fonctionnement dune
fourchette de sélection, remplacer non
seulement la fourchette mais aussi les
deux pignons adjacents.
ASSEMBLAGE ET MONTAGE
Boîte de vitesses
1. Monter:
Pignon de 5ème (19T) 1
Pignon de 3ème (17T) 2
Entretoise épaulée 3
Pignon de 4ème (21T) 4
Pignon de 2ème (16T) 5
Sur larbre primaire 6.
N.B.:
Appliquer de lhuile au bisulfure de
molybdène sur la surface interne et
lextrémité du pignon fou et sur la sur-
face interne du pignon baladeur, puis
procéder au montage.
BOITE DE VITESSES, TAMBOUR ET FOURCHETTES DE SELECTION
5 - 252
ENG
2. Kontrollieren:
Schaltwalze 1
Stiftplatte 2
Verschlissen/beschädigt
Erneuern.
3. Kontrollieren:
Beweglichkeit der Schaltga-
beln
Stockend Schaltgabel
erneuern.
HINWEIS:
Beim Austausch einer defekten
Schaltgabel ebenfalls die links und
rechts anliegenden Zahnräder
erneuern.
ZUSAMMENBAU UND MONTAGE
Getriebe
1. Montieren:
Ritzel 5. Gang (19T) 1
Ritzel 3. Gang (17T) 2
Distanzhülse 3
Ritzel 4. Gang (21T) 4
Ritzel 2. Gang (16T) 5
(an der Getriebe-Eingangs-
welle 6)
HINWEIS:
Vor dem Einbau die Innen- und End-
flächen des Zwischenrads sowie die
Innenfläche des Losrads mit Molybd-
ändisulfidöl bestreichen.
2. Controllare:
Camma del cambio 1
Segmento 2
Usura/danni Sostituire.
3. Controllare:
Movimento della forcella del
cambio
Funzionamento non uniforme
Sostituire la forcella del cambio.
NOTA:
Se la forcella del cambio è difettosa,
sostituire no solo la forcella stessa ma
anche i due ingranaggi adiacenti alla for-
cella.
MONTAGGIO E INSTALLAZIONE
Trasmissione
1. Installare:
5° pignone (19T) 1
3° pignone (17T) 2
Collarino 3
4° pignone (21T) 4
2° pignone (16T) 5
Sullasse principale 6.
NOTA:
Applicare lolio al disolfuro di molib-
deno sulla superficie interna e finale
dellingranaggio folle e sulla superficie
interna dellingranaggio scorrevole,
quindi installare.
2. Comprobar:
Leva de cambio 1
Segmento 2
Desgaste/daños Cambiar.
3. Comprobar:
Movimiento de la horquilla de
cambio
Movimiento no suave Cam-
biar la horquilla de cambio.
NOTA:
Si una horquilla de cambio funciona
mal, no solo cambie la propia horqui-
lla sino también los dos engranajes
adyacentes a ella.
MONTAJE E INSTALACIÓN
Caja de cambios
1. Instalar:
Engranaje de piñón de 5ª
(19T) 1
Engranaje de piñón de 3ª
(17T) 2
Casquillo 3
Engranaje de piñón de 4ª
(21T) 4
Engranaje de piñón de 2ª
(16T) 5
Al eje principal 6.
NOTA:
Aplique grasa de disulfuro de molib-
deno a las superficies del interior y
del extremo del engranaje intermedio
y en la superficie interior del engra-
naje desplazable, a continuación,
proceda a la instalación.
GETRIEBE, SCHALTWALZE UND SCHALTGABELN
TRASMISSIONE, CAMMA DEL CAMBIO E FORCELLA DEL CAMBIO
CAJA DE CAMBIOS, LEVA DE CAMBIO Y HORQUILLA DE CAMBIO
5 - 253
ENG
TRANSMISSION, SHIFT CAM AND SHIFT FORK
2. Install:
2nd wheel gear (28T) 1
4th wheel gear (23T) 2
3rd wheel gear (23T) 3
5th wheel gear (17T) 4
1st wheel gear (31T) 5
O-ring 6
To drive axle 7.
NOTE:
Apply the molybdenum disulfide oil
on the inner and end surface of the
idler gear and on the inner surface
of the sliding gear, then install.
Apply the lithium soap base grease
on the O-ring.
New
3. Install:
Washer 1
Circlip 2
NOTE:
Be sure the circlip sharp-edged
corner a is positioned opposite
side to the washer and gear b.
Install the circlip with its ends c
settled evenly on the spline crests.
cc
New
4. Install:
Collar 1
NOTE:
Apply the lithium soap base grease
on the oil seal lip.
When installing the collar into the
crankcase, pay careful attention to
the crankcase oil seal lip.
2. Monter:
Pignon de 2ème (28T) 1
Pignon de 4ème (23T) 2
Pignon de 3ème (23T) 3
Pignon de 5ème (17T) 4
Pignon de 1ère (31T) 5
Joint torique 6
Sur larbre secondaire 7.
N.B.:
Appliquer de lhuile au bisulfure de
molybdène sur la surface interne et
lextrémité du pignon fou et sur la sur-
face interne du pignon baladeur, puis
procéder au montage.
Appliquer de la graisse à savon de
lithium sur le joint torique.
New
3. Monter:
Rondelle 1
Circlip 2
N.B.:
Veiller à ce que le côté à bord vif du
circlip a soit positionné à lopposé de
la rondelle et du pignon b.
Monter le circlip en assoyant unifor-
mément ses extrémités c sur les crê-
tes des cannelures.
New
4. Monter:
Entretoise épaulée 1
N.B.:
Appliquer de la graisse à savon de
lithium sur la lèvre de la bague d’étan-
chéité.
En montant lentretoise épaulée dans
le carter, faire très attention à la lèvre
de la bague d’étanchéité du carter.
BOITE DE VITESSES, TAMBOUR ET FOURCHETTES DE SELECTION
5 - 254
ENG
2. Montieren:
Zahnrad 2. Gang (28T) 1
Zahnrad 4. Gang (23T) 2
Zahnrad 3. Gang (23T) 3
Zahnrad 5. Gang (17T) 4
Zahnrad 1. Gang (31T) 5
O-Ring 6
(an der Getriebe-Ausgangs-
welle 7)
HINWEIS:
Vor dem Einbau die Innen- und
Endflächen des Zwischenrads
sowie die Innenfläche des Los-
rads mit Molybdändisulfidöl
bestreichen.
Den O-Ring mit Lithiumseifenfett
bestreichen.
New
3. Montieren:
Beilagscheibe 1
Sicherungsring 2
HINWEIS:
Die scharfe Kante a des Siche-
rungsrings muss sich auf der
gegenüberliegenden Seite von
Beilagscheibe und Zahnrad b
befinden.
Den Sicherungsring so einsetzen,
dass dessen Enden c gleichmä-
ßig auf den Erhöhungen der Keil-
verzahnung ruhen.
New
4. Montieren:
Distanzhülse 1
HINWEIS:
Die Dichtringlippen mit Lithiumsei-
fenfett bestreichen.
Beim Montieren der Distanzhülse
vorsichtig vorgehen, um die Dich-
tringlippe nicht zu beschädigen.
2. Installare:
2° ingranaggio della ruota (28T) 1
4° ingranaggio della ruotar (23T) 2
3° ingranaggio della ruota (23T) 3
5° ingranaggio della ruota (17T) 4
1° ingranaggio della ruota (31T) 5
Guarnizione circolare 6
Sullasse conduttore 7.
NOTA:
Applicare lolio al disolfuro di molib-
deno sulla superficie interna e finale
dellingranaggio folle e sulla superfi-
cie interna dellingranaggio scorre-
vole, quindi installare.
Applicare il grasso a base di sapone di
litio sulla guarnizione circolare.
New
3. Installare:
Rondella 1
Anello elastico di sicurezza 2
NOTA:
Accertarsi che lo spigolo vivo
dellanello elastico di sicurezza a sia
posizionato sul lato opposto alla ron-
della e allingranaggio b.
Installare lanello elastico di sicurezza
con le estremità c inserite uniforme-
mente sulle sommità della scanalatura.
New
4. Installare:
Collarino 1
NOTA:
Applicare il grasso a base di sapone di
litio sul labbro del paraolio.
Quando si installa il collarino nel car-
ter, prestare particolare attenzione al
labbro del paraolio del carter.
2. Instalar:
Piñón de rueda de 2ª (28T) 1
Piñón de rueda de 4ª (23T) 2
Piñón de rueda de 3ª (23T) 3
Piñón de rueda de 5ª (17T) 4
Piñón de rueda de 1ª (31T) 5
Junta tórica 6
Al eje posterior 7.
NOTA:
Aplique grasa de disulfuro de
molibdeno a las superficies del
interior y del extremo del engra-
naje intermedio y en la superficie
interior del engranaje desplazable,
a continuación, proceda a la insta-
lación.
Aplique grasa de jabón de litio a la
junta tórica.
New
3. Instalar:
Arandela 1
Anillo elástico 2
NOTA:
Verifique que el ángulo con el
borde afilado del anillo elástico a
esté situado en el lado opuesto al
de la arandela y el engranaje b.
Instale el anillo elástico con los
extremos c uniformemente asen-
tados en los surcos.
New
4. Instalar:
Casquillo 1
NOTA:
Aplique grasa de jabón de litio al
labio de la junta de aceite.
Cuando monte el casquillo en el
cárter tenga mucho cuidado con el
labio de la junta de aceite.
GETRIEBE, SCHALTWALZE UND SCHALTGABELN
TRASMISSIONE, CAMMA DEL CAMBIO E FORCELLA DEL CAMBIO
CAJA DE CAMBIOS, LEVA DE CAMBIO Y HORQUILLA DE CAMBIO
5 - 255
ENG
TRANSMISSION, SHIFT CAM AND SHIFT FORK
5. Install:
Shift fork 1 (L) 1
Shift fork 2 (C) 2
Shift fork 3 (R) 3
Shift cam 4
To main axle and drive axle.
NOTE:
Apply the molybdenum disulfide oil
on the shift fork grooves.
Mesh the shift fork #1 (L) with the
4th wheel gear 5 and #3 (R) with
the 5th wheel gear 7 on the drive
axle.
Mesh the shift fork #2 (C) with the
3rd pinion gear 6 on the main
axle.
6. Install:
Transmission assembly 1
To left crankcase 2.
NOTE:
Apply the engine oil on the bearings
and guide bars.
7. Check:
Shifter operation
Transmission operation
Unsmooth operation
Repair.
5. Monter:
Fourchette de sélection 1 (G) 1
Fourchette 2 (C) 2
Fourchette 3 (D) 3
Tambour 4
Sur larbre primaire et larbre
secondaire.
N.B.:
Appliquer de lhuile au bisulfure de
molybdène sur les gorges des four-
chettes de sélection.
Engrener la fourchette de sélection
n°1 (G) avec le pignon de 4ème 5 et
la fourchette n°3 (D) avec le pignon de
5ème 7 de larbre secondaire.
Engrener la fourchette n°2 (C) avec le
pignon de 3ème 6 de larbre princi-
pal.
6. Monter:
Boîte de vitesses complète 1
Sur le carter gauche 2.
N.B.:
Appliquer de lhuile moteur sur les rou-
lements et les barres de guidage.
7. Contrôler:
Fonctionnement du sélecteur
Fonctionnement de la boîte de
vitesses
Fonctionnement irrégulier
Réparer.
BOITE DE VITESSES, TAMBOUR ET FOURCHETTES DE SELECTION
5 - 256
ENG
5. Montieren:
Schaltgabel 1 (L) 1
Schaltgabel 2 (M) 2
Schaltgabel 3 (R) 3
Schaltwalze 4
(an Eingangs- und Ausgangs-
wellen)
HINWEIS:
Molybdändisulfidöl auf die Schalt-
gabel-Führungsnuten auftragen.
Die Schaltgabel 1 (L) muss sich
mit der Führungsnut des Zahn-
rads 5 für den 4. Gang und die
Schaltgabel 3 (R) mit der Füh-
rungsnut des Zahnrads 7 für den
5. Gang auf der Getriebe-Aus-
gangswelle im Eingriff befinden.
Die Schaltgabel 2 (M) muss sich
mit der Führungsnut des Ritzels 6
für den 3. Gang auf der Getriebe-
Eingangswelle im Eingriff befin-
den.
6. Montieren:
Getriebe komplett 1
(am Kurbelgehäuseteil links
2)
HINWEIS:
Motoröl auf die Lager und Führungs-
stangen auftragen.
7. Kontrollieren:
Funktion der Schaltung
Funktion des Getriebes
Stockend Instand setzen.
5. Installare:
Forcella del cambio 1 (S) 1
Forcella del cambio 2 (C) 2
Forcella del cambio 3 (D) 3
Camma del cambio 4
Sullasse principale e asse con-
duttore.
NOTA:
Applicare lolio al disolfuro di molib-
deno sulle scanalature della forcella
del cambio.
Ingranare la forcella del cambio n.1
(S) con lingranaggio della 4°ruota 5
e n.3 (D) con lingranaggio della 5°
ruota 7 sullasse conduttore.
Ingranare la forcella del cambio n.2
(C) con lingranaggio del 3° pignone
6 sullasse principale.
6. Installare:
Gruppo trasmissione 1
Sul carter sinistro 2.
NOTA:
Applicare lolio motore sui cuscinetti e
sulle barre della guida.
7. Controllare:
Funzionamento del cambio
Funzionamento della trasmis-
sione
Funzionamento non uniforme
Riparare.
5. Instalar:
Horquilla de cambio 1 (I) 1
Horquilla de cambio 2 (C) 2
Horquilla de cambio 3 (D) 3
Leva de cambio 4
A eje principal y eje posterior.
NOTA:
Aplique aceite de disulfuro de
molibdeno a las ranuras de las
horquillas de cambio.
Acople la horquilla de cambio nº1
(I) al piñón de rueda de 4ª 5 y la
nº3 (D) al piñón de rueda de 5ª 7
en el eje posterior.
Acople la horquilla de cambio nº2
(C) al engranaje de piñón de 3ª 6
en el eje principal.
6. Instalar:
Conjunto de la caja de cam-
bios 1
Al cárter izquierdo 2.
NOTA:
Aplique aceite de motor a los cojine-
tes y barras de guía.
7. Comprobar:
Funcionamiento del cambio
Funcionamiento de la caja de
cambios
Funcionamiento no suave
Reparar.
GETRIEBE, SCHALTWALZE UND SCHALTGABELN
TRASMISSIONE, CAMMA DEL CAMBIO E FORCELLA DEL CAMBIO
CAJA DE CAMBIOS, LEVA DE CAMBIO Y HORQUILLA DE CAMBIO
6 - 1
CHAS
FRONT WHEEL AND REAR WHEEL
EC500000
CHASSIS
EC590000
FRONT WHEEL
AND REAR WHEEL
EC598000
FRONT WHEEL
NOTE:
This section is intended for those who have basic knowledge and skill concerning the
servicing of Yamaha motorcycles (e.g., Yamaha dealers, service engineers, etc.)
Those who have little knowledge and skill concerning servicing are requested not to
undertake inspection, adjustment, disassembly, or reassembly only by reference to
this manual. It may lead to servicing trouble and mechanical damage.
Extent of removal: 1 Front wheel removal 2 Wheel bearing removal
3 Brake disc removal
Extent of removal Order Part name Qty Remarks
FRONT WHEEL REMOVAL WARNING
Support the machine securely so there is no
danger of it falling over.
Preparation for removal Hold the machine by placing the suitable
stand under the engine.
1 Bolt (axle holder) 4 Only loosening.
2 Nut (front wheel axle) 1
3 Front wheel axle 1
4 Front wheel 1
5 Speed sensor 1
6 Collar 1
7 Oil seal 1
8 Bearing 2 Refer to REMOVAL POINTS.
9 Brake disc 1
1
2
3
3
6 - 2
CHAS
CHÂSSIS
ROUE AVANT ET
ROUE ARRIERE
ROUE AVANT
Organisation de la dépose: 1 Dépose de la roue avant 2 Dépose du roulement de roue
3 Dépose du disque de frein
Organisation de la dépose Ordre Nom de la pièce QtéRemarques
DEPOSE DE LA ROUE AVANT AVERTISSEMENT
Bien caler la moto afin quelle ne risque pas de bascu-
ler.
Préparation à la dépose Caler la moto en plaçant un support adéquat
sous le moteur.
1 Boulon (support daxe) 4 Desserrer uniquement.
2 Ecrou (axe de roue avant) 1
3 Axe de roue avant 1
4 Roue avant 1
5 Capteur de vitesse 1
6Entretoise épaulée1
7 Bague d’étanchéité1
8 Roulement 2 Se reporter à POINTS DE DEPOSE.
9 Disque de frein 1
N.B.:
Cette section est destinée aux personnes possédant des connaissances et des compétences de
base pour lentretien des motos Yamaha (par ex.: concessionnaires Yamaha, techniciens
dentretien, etc.). Les personnes non qualifiées ne doivent entreprendre les opérations dins-
pection, de réglage, de démontage ou de remontage que sils se réfèrent à ce manuel. Sinon,
ils pourraient engendrer des problèmes dentretien et des dommages mécaniques.
1
2
3
3
FAHRWERK
VORDER- UND
HINTERRAD
VORDERRAD
Arbeitsumfang: 1 Vorderrad demontieren 2 Radlager demontieren
3 Bremsscheibe demontieren
Arbeitsumfang
Reihenfolge
Bauteil Anz. Bemerkungen
VORDERRAD DEMONTIEREN WARNUNG
Das Fahrzeug sicher abstützen, damit es nicht
umfallen kann.
Vorbereitungsarbeiten Das Motorrad am Motor aufbocken und in
gerader Stellung halten.
1 Achshalterungs-Schraube 4 Lediglich lockern.
2 Vorderachs-Mutter 1
3 Vorderachse 1
4 Vorderrad 1
5 Geschwindigkeitssensor 1
6 Distanzhülse 1
7 Dichtring 1
8 Lager 2 Siehe unter DEMONTAGE-EINZELHEITEN.
9 Bremsscheibe 1
HINWEIS:
Dieser Abschnitt ist für Personen, die über grundlegende Kenntnisse und Fähigkei-
ten in der Wartung von Yamaha-Motorrädern verfügen (z.B.: Yamaha-Händler, War-
tungspersonal etc.). Personen mit geringen Kenntnissen und Fähigkeiten über
Wartungsarbeiten wird empfohlen, keine Inspektionen, Einstellungen, Demontagen
durchzuführen und Montagen nur mit Hilfe dieses Handbuchs vorzunehmen. Es
könnten sonst Wartungsprobleme und mechanische Schäden auftreten.
1
2
3
3
ROUE AVANT ET ROUE ARRIERE
VORDER- UND HINTERRAD
1
2
3
4
5
6
7
6 - 3
CHAS
PARTE CICLISTICA
RUOTA ANTERIORE
E POSTERIORE
RUOTA ANTERIORE
NOTA:
Questo paragrafo è rivolto a coloro che possiedono già conoscenze e competenze di base rela-
tive alla manutenzione di motocicli Yamaha (p.es. concessionari Yamaha, tecnici della manu-
tenzione, ecc.). Alle persone con scarse conoscenze e competenze in materia di manutenzione
si consiglia di non eseguire alcun intervento di ispezione, regolazione, smontaggio o rimontag-
gio facendo esclusivamente riferimento al presente manuale. Ciò potrebbe comportare pro-
blemi di manutenzione e danni meccanici.
Estensione della rimozione: 1 Rimozione ruota anteriore 2 Rimozione cuscinetto della ruota
3 Rimozione disco del freno
Estensione della rimozione Ordine Denominazione QuantitàOsservazioni
RIMOZIONE RUOTA ANTERIORE AVVERTENZA
Sostenere saldamente la macchina in modo che non ci
sia il rischio che si rovesci.
Preparazione per la rimozione Sostenere la macchina ponendo un apposito
cavalletto sotto il motore.
1 Bullone (supporto asse) 4 Allentare soltanto.
2 Dado (asse della ruota anteriore) 1
3 Asse della ruota anteriore 1
4 Ruota anteriore 1
5 Speed sensor 1
6 Collarino 1
7 Paraolio 1
8 Cuscinetto 2 Fare riferimento a PUNTI DI RIMOZIONE.
9 Disco freno 1
1
2
3
3
RUOTA ANTERIORE E POSTERIORE
6 - 4
CHAS
CHASIS
RUEDA DELANTERA
Y RUEDA TRASERA
RUEDA DELANTERA
Extensión del desmontaje: 1 Desmontaje de la rueda delantera 2 Extracción del cojinete de la rueda
3 Desmontaje del disco de freno
Extensión del desmontaje Orden Nombre de la pieza Ctd. Observaciones
DESMONTAJE DE LA RUEDA
DELANTERA ADVERTENCIA
Sujete firmemente la máquina de forma que no
exista riesgo de que se caiga.
Preparación para el
desmontaje
Sujete la máquina colocando un soporte
adecuado debajo del motor.
1 Tornillo (soporte del eje) 4 Sólo aflojar.
2 Tuerca (eje de la rueda delantera) 1
3 Eje de la rueda delantera 1
4 Rueda delantera 1
5 Sensor de velocidad 1
6 Casquillo 1
7 Junta de aceite 1
8 Cojinete 2 Consulte el apartado PUNTOS DE
DESMONTAJE.
9 Disco de freno 1
NOTA:
Esta sección está dirigida a los usuarios que tienen conocimientos y habilidades
básicos referentes al mantenimiento de motocicletas Yamaha (p.ej., distribuidores
Yamaha, ingenieros de mantenimiento, etc.) Recomendamos que los usuarios con
pocos conocimientos y habilidades referentes al mantenimiento no inspeccionen,
ajusten, desmonten ni vuelvan a montar sólo tomando este manual como referencia.
Puede provocar problemas de mantenimiento y daños mecánicos.
1
2
3
3
RUEDA DELANTERA Y RUEDA TRASERA
6 - 5
CHAS
FRONT WHEEL AND REAR WHEEL
EC598100
REAR WHEEL
Extent of removal: 1 Rear wheel removal 2 Wheel bearing removal
3 Brake disc removal
Extent of removal Order Part name Qty Remarks
REAR WHEEL REMOVAL WARNING
Support the machine securely so there is no
danger of it falling over.
Preparation for removal Hold the machine by placing the suitable
stand under the engine.
1 Nut (rear wheel axle) 1
2 Rear wheel axle 1
3 Drive chain puller 2
4 Rear wheel 1 Refer to REMOVAL POINTS.
5 Collar 2
6 Rear wheel sprocket 1
7 Oil seal 2
8 Circlip 1
9 Bearing 2 Refer to REMOVAL POINTS.
10 Brake disc 1
1
2
3
3
6 - 6
CHAS
ROUE ARRIERE
Organisation de la dépose: 1 Dépose de la roue arrière 2 Dépose du roulement de roue
3 Dépose du disque de frein
Organisation de la dépose Ordre Nom de la pièce QtéRemarques
DEPOSE DE LA ROUE ARRIERE AVERTISSEMENT
Bien caler la moto afin quelle ne risque pas de bascu-
ler.
Préparation à la dépose Caler la moto en plaçant un support adéquat
sous le moteur.
1 Ecrou (axe de roue arrière) 1
2 Axe de roue arrière 1
3 Tendeur de chaîne de transmission 2
4 Roue arrière 1 Se reporter à POINTS DE DEPOSE.
5Entretoise épaulée2
6 Couronne arrière 1
7 Bague d’étanchéité2
8 Circlip 1
9 Roulement 2 Se reporter à POINTS DE DEPOSE.
10 Disque de frein 1
1
2
3
3
HINTERRAD
Arbeitsumfang: 1 Hinterrad demontieren 2 Radlager demontieren
3 Bremsscheibe demontieren
Arbeitsumfang
Reihenfolge
Bauteil Anz. Bemerkungen
HINTERRAD DEMONTIEREN WARNUNG
Das Fahrzeug sicher abstützen, damit es nicht
umfallen kann.
Vorbereitungsarbeiten Das Motorrad am Motor aufbocken und in
gerader Stellung halten.
1 Hinterachs-Mutter 1
2 Hinterachse 1
3 Kettenspanner 2
4 Hinterrad 1 Siehe unter DEMONTAGE-EINZELHEITEN.
5 Distanzhülse 2
6 Kettenrad 1
7 Dichtring 2
8 Sicherungsring 1
9 Lager 2 Siehe unter DEMONTAGE-EINZELHEITEN.
10 Bremsscheibe 1
1
2
3
3
ROUE AVANT ET ROUE ARRIERE
VORDER- UND HINTERRAD
6 - 7
CHAS
RUOTA POSTERIORE
Estensione della rimozione: 1 Rimozione ruota posteriore 2 Rimozione cuscinetto della ruota.
3 Rimozione disco del freno
Estensione della rimozione Ordine Denominazione QuantitàOsservazioni
RIMOZIONE RUOTA POSTERIORE AVVERTENZA
Sostenere saldamente la macchina in modo che non ci
sia il rischio che si rovesci.
Preparazione per la rimozione Sostenere la macchina ponendo un apposito
cavalletto sotto il motore.
1 Dado (asse della ruota posteriore) 1
2 Asse della ruota posteriore 1
3 Estrattore catena di trasmissione 2
4 Ruota posteriore 1 Fare riferimento a PUNTI DI RIMOZIONE.
5 Collarino 2
6 Corona della ruota posteriore 1
7 Paraolio 2
8 Anello elastico di sicurezza 1
9 Cuscinetto 2 Fare riferimento a PUNTI DI RIMOZIONE.
10 Disco freno 1
1
2
3
3
RUOTA ANTERIORE E POSTERIORE
6 - 8
CHAS
RUEDA TRASERA
Extensión del desmontaje: 1 Desmontaje de la rueda trasera 2 Extracción del cojinete de la rueda
3 Desmontaje del disco de freno
Extensión del desmontaje Orden Nombre de la pieza Ctd. Observaciones
DESMONTAJE DE LA RUEDA TRASERA ADVERTENCIA
Sujete firmemente la máquina de forma que no
exista riesgo de que se caiga.
Preparación para el
desmontaje
Sujete la máquina colocando un soporte
adecuado debajo del motor.
1 Tuerca (eje de la rueda trasera) 1
2 Eje de la rueda trasera 1
3 Tensor de la cadena de transmisión2
4 Rueda trasera 1 Consulte el apartado PUNTOS DE
DESMONTAJE.
5 Casquillo 2
6Piñón de la rueda trasera 1
7 Junta de aceite 2
8 Anillo elástico 1
9 Cojinete 2 Consulte el apartado PUNTOS DE
DESMONTAJE.
10 Disco de freno 1
1
2
3
3
RUEDA DELANTERA Y RUEDA TRASERA
6 - 9
CHAS
FRONT WHEEL AND REAR WHEEL
EC593000
REMOVAL POINTS
EC523101
Rear wheel
1. Remove:
Wheel 1
NOTE:
Push the wheel forward and remove
the drive chain 2.
EC513201
Wheel bearing (if necessary)
1. Remove:
Bearing 1
NOTE:
Remove the bearing using a general
bearing puller 2.
EC594000
INSPECTION
EC514100
Wheel
1. Measure:
Wheel runout
Out of limit Repair/replace.
Wheel runout limit:
Radial 1:
2.0 mm (0.08 in)
Lateral 2:
2.0 mm (0.08 in)
2. Inspect:
Bearing
Rotate inner race with a finger.
Rough spot/seizure
Replace.
NOTE:
Replace the bearings, oil seal and
wheel collar as a set.
POINTS DE DEPOSE
Roue arrière
1. Déposer:
Roue 1
N.B.:
Pousser la roue vers lavant et déposer la
chaîne de transmission 2.
Roulement de roue (si nécessaire)
1. Déposer:
Roulement 1
N.B.:
Déposer le roulement à laide dun arra-
che-roulement courant 2.
CONTROLE
Roue
1. Mesurer:
Voile de roue
Hors spécifications Réparer/
remplacer.
Limite de voile de roue:
Radial 1:
2,0 mm (0,08 in)
Latéral 2:
2,0 mm (0,08 in)
2. Contrôler:
Roulement
Faire tourner la cage interne avec
le doigt.
Rugosité/grippage Remplacer.
N.B.:
Remplacer ensemble les roulements, la
bague d’étanchéité et lentretoise épau-
lée de roue.
ROUE AVANT ET ROUE ARRIERE
6 - 10
CHAS
DEMONTAGE-EINZELHEITEN
Hinterrad
1. Demontieren:
Rad 1
HINWEIS:
Das Hinterrad nach vorn drücken
und die Antriebskette 2 abnehmen.
Radlager (nach Bedarf)
1. Demontieren:
Lager 1
HINWEIS:
Das Lager mit einem Lageraustreiber
2 ausbauen.
KONTROLLE
Rad
1. Messen:
Felgenschlag
Nicht nach Vorgabe Instand
setzen, ggf. erneuern.
Max. Felgenschlag:
Höhenschlag 1:
2,0 mm (0,08 in)
Seitenschlag 2:
2,0 mm (0,08 in)
2. Kontrollieren:
Lager
Den Innenlaufring mit den Fin-
gern drehen.
Stockend, fest Erneuern.
HINWEIS:
Lager, Dichtring und Distanzhülse
satzweise erneuern.
PUNTI DI RIMOZIONE
Ruota posteriore
1. Togliere:
Ruota 1
NOTA:
Spingere la ruota in avanti e togliere la
catena di trasmissione 2.
Cuscinetto della ruota (se necessario)
1. Togliere:
Cuscinetto 1
NOTA:
Togliere il cuscinetto con un normale
estrattore di cuscinetti 2.
CONTROLLO
Ruota
1. Misurare:
Scentratura ruota
Fuori limite Riparare/sostitu-
ire.
Limite di disassamento
della ruota:
Radiale 1:
2,0 mm (0,08 in)
Laterale 2:
2,0 mm (0,08 in)
2. Controllare:
Cuscinetto
Ruotare la pista interna con un
dito.
Punto ruvido/blocco Sostitu-
ire.
NOTA:
Sostituire i cuscinetti, il paraolio e il col-
larino della ruota in blocco.
PUNTOS DE DESMONTAJE
Rueda trasera
1. Extraer:
Rueda 1
NOTA:
Empuje la rueda hacia delante y des-
monte la cadena de transmisión 2.
Cojinete de rueda (si es necesario)
1. Extraer:
Cojinete 1
NOTA:
Extraiga el cojinete con un extractor
general de cojinetes 2.
COMPROBACIÓN
Rueda
1. Medir:
Descentramiento de la rueda
Fuera de límite Reparar/
cambiar.
Límite de
descentramiento de la
rueda:
Radial 1:
2,0 mm (0,08 in)
Lateral 2:
2,0 mm (0,08 in)
2. Comprobar:
Cojinete
Gire la guía interior con un
dedo.
Punto duro/agarrotamiento
Cambiar.
NOTA:
Cambie el conjunto de cojinetes,
junta de aceite y manguito de la
rueda.
VORDER- UND HINTERRAD
RUOTA ANTERIORE E POSTERIORE
RUEDA DELANTERA Y RUEDA TRASERA
6 - 11
CHAS
FRONT WHEEL AND REAR WHEEL
EC514200
Wheel axle
1. Measure:
Wheel axle bends
Out of specification
Replace.
Use the dial gauge 1.
NOTE:
The bending value is shown by one
half of the dial gauge reading.
WARNING
Do not attempt to straighten a
bent axle.
Wheel axle bending
limit:
0.5 mm (0.020 in)
EC594200
Brake disc
1. Measure:
Brake disc deflection
(only rear brake disc)
Use the dial gauge 1.
Out of specification Inspect
wheel runout.
If wheel runout is in good con-
dition, replace the brake disc.
2. Measure:
Brake disc thickness a
Out of limit Replace.
Brake disc deflection
limit:
Rear:
<Limit>:
0.15 mm (0.006 in)
Brake disc thickness:
Front:
3.0 mm (0.12 in)
<Limit>:
2.5 mm (0.10 in)
Rear:
4.0 mm (0.16 in)
<Limit>:
3.5 mm (0.14 in)
Axe de roue
1. Mesurer:
Déformations de laxe de roue
Hors spécifications Rempla-
cer.
Utiliser le comparateur à cadran
1.
N.B.:
La valeur de flexion est égale à la moitié
de la valeur affichée sur le comparateur à
cadran.
AVERTISSEMENT
Ne pas tenter de redresser un axe
déformé.
Limite de flexion daxe de
roue:
0,5 mm (0,020 in)
Disque de frein
1. Mesurer:
Déflexion du disque de frein
(disque de frein arrière unique-
ment)
Utiliser le comparateur à cadran
1.
Hors spécifications Contrôler
le voile de roue.
Si le voile de roue est normal,
remplacer le disque de frein.
2. Mesurer:
Epaisseur du disque de frein a
Hors spécifications Rempla-
cer.
Limite de déflexion du
disque de frein:
Arrière:
<Limite>:
0,15 mm (0,006 in)
Epaisseur du disque de
frein:
Avant:
3,0 mm (0,12 in)
<Limite>:
2,5 mm (0,10 in)
Arrière:
4,0 mm (0,16 in)
<Limite>:
3,5 mm (0,14 in)
ROUE AVANT ET ROUE ARRIERE
6 - 12
CHAS
Radachse
1. Messen:
Radachs-Verbiegung
Nicht nach Vorgabe Erneu-
ern.
Eine Messuhr 1 verwenden.
HINWEIS:
Der von der Messuhr angezeigte
Wert ist zu halbieren, um den Wert
der Verbiegung zu erhalten.
WARNUNG
Eine verbogene Radachse darf
unter keinen Umständen gerichtet
werden.
Max. Radachs-
Verbiegung:
0,5 mm (0,020 in)
Bremsscheibe
1. Messen:
Bremsscheiben-Verzug
(nur Hinterrad-Bremsscheibe)
Eine Messuhr 1 verwenden.
Nicht nach Vorgabe Fel-
genschlag kontrollieren.
Falls Felgenschlag in Ordnung
ist, die Bremsscheibe erneu-
ern.
2. Messen:
Bremsscheiben-Stärke a
Nicht nach Vorgabe Erneu-
ern.
Max. Bremsscheiben-
Verzug:
Hinten:
<Grenzwert>:
0,15 mm (0,006 in)
Bremsscheiben-Stärke
Vorn:
3,0 mm (0,12 in)
<Grenzwert>:
2,5 mm (0,10 in)
Hinten:
4,0 mm (0,16 in)
<Grenzwert>:
3,5 mm (0,14 in)
Asse della ruota
1. Misurare:
Deformazioni dellasse della
ruota
Non conforme alle specifiche
Sostituire.
Utilizzare un comparatore 1.
NOTA:
Il valore di piegatura corrisponde a metà
della lettura del comparatore.
AVVERTENZA
Non cercare di raddrizzare un asse
deformato.
Limite di piegatura
dellasse della ruota:
0,5 mm (0,020 in)
Disco freno
1. Misurare:
Deflessione del disco freno
(solo disco freno posteriore)
Utilizzare un comparatore 1.
Non conforme alle specifiche
Controllare la scentratura ruota.
Se la scentratura è in buone con-
dizioni, sostituire il disco del
freno.
2. Misurare:
Spessore disco del freno a
Non conforme ai limiti Sosti-
tuire.
Limite di deflessione del
disco del freno:
Posteriore:
<Limite>:
0,15 mm (0,006 in)
Spessore del disco freno:
Anteriore:
3,0 mm (0,12 in)
<Limite>:
2,5 mm (0,10 in)
Posteriore:
4,0 mm (0,16 in)
<Limite>:
3,5 mm (0,14 in)
Eje de la rueda
1. Medir:
Flexión del eje de la rueda
Fuera del valor especificado
Cambiar.
Utilice la galga de cuadrante
1.
NOTA:
El valor de flexión se muestra en una
mitad de la lectura de la galga de
cuadrante.
ADVERTENCIA
No trate de enderezar un eje
doblado.
Límite de flexión del eje
de la rueda:
0,5 mm (0,020 in)
Disco de freno
1. Medir:
Deflexión del disco de freno
(solo el disco de freno trasero)
Utilice la galga de cuadrante
1.
Fuera del valor especificado
Comprobar el descentra-
miento de la rueda.
Si el descentramiento es
correcto, cambie el disco de
freno.
2. Medir:
Espesor del disco de freno a
Fuera de límite Cambiar.
Límite de deflexión del
disco de freno:
Trasero:
<Límite>:
0,15 mm (0,006 in)
Espesor del disco de
freno:
Delantero:
3,0 mm (0,12 in)
<Límite>:
2,5 mm (0,10 in)
Trasero:
4,0 mm (0,16 in)
<Límite>:
3,5 mm (0,14 in)
VORDER- UND HINTERRAD
RUOTA ANTERIORE E POSTERIORE
RUEDA DELANTERA Y RUEDA TRASERA
6 - 13
CHAS
FRONT WHEEL AND REAR WHEEL
EC595000
ASSEMBLY AND INSTALLATION
Front wheel
1. Install:
Bearing (left) 1
Spacer 2
Bearing (right) 3
Oil seal 4
NOTE:
Apply the lithium soap base grease
on the bearing and oil seal lip
when installing.
Use a socket that matches the out-
side diameter of the race of the
bearing.
Left side of bearing shall be
installed first.
Install the oil seal with its manufac-
tures marks or numbers facing
outward.
CAUTION:
Do not strike the inner race of the
bearing. Contact should be made
only with the outer race.
New
2. Install:
Brake disc 1
Bolt (brake disc) 2
NOTE:
Tighten the bolts in stage, using a
crisscross pattern.
T
R
.
.
12 Nm (1.2 m · kg, 8.7 ft · lb)
3. Install:
Collar 1
NOTE:
Apply the lithium soap base grease
on the oil seal lip.
4. Install:
Speed sensor 1
NOTE:
Apply the lithium soap base grease
on the oil seal lip of the speed sen-
sor.
Make sure the two projections a in
the wheel hub are meshed with the
two slots b in the speed sensor.
b
a
1
B
ASSEMBLAGE ET MONTAGE
Roue avant
1. Monter:
Roulement (gauche) 1
Entretoise 2
Roulement (droit) 3
Bague d’étanchéité 4
N.B.:
Appliquer de la graisse à savon de
lithium sur le roulement et la lèvre de
la bague d’étanchéité lors du montage.
Utiliser une douille de même diamètre
que le diamètre extérieur de la cage du
roulement.
Monter dabord le roulement de gau-
che.
Monter la bague d’étanchéité en posi-
tionnant vers lextérieur la marque ou
le numéro du fabricant.
ATTENTION:
Ne pas frapper sur la cage interne du
roulement. Le contact ne peut avoir
lieu quavec la cage externe.
New
2. Monter:
Disque de frein 1
Boulon (disque de frein) 2
N.B.:
Serrer les boulons par étapes et en procé-
dant en croix.
T
R
.
.
12 Nm (1,2 m · kg, 8,7 ft · lb)
3. Monter:
Entretoise épaulée 1
N.B.:
Appliquer de la graisse à savon de
lithium sur la lèvre de la bague d’étan-
chéité.
4. Monter:
Capteur de vitesse 1
N.B.:
Appliquer de la graisse à base de
savon au lithium sur la lèvre de bague
d’étanchéité du capteur de vitesse.
Veiller à ce que les deux ergots a du
moyeu de roue sengrènent dans les
deux fentes b du capteur de vitesse.
ROUE AVANT ET ROUE ARRIERE
6 - 14
CHAS
ZUSAMMENBAU UND MONTAGE
Vorderrad
1. Montieren:
Lager (links) 1
Distanzstück 2
Lager (rechts) 3
Dichtring 4
HINWEIS:
Lager und Dichtringlippe bei der
Montage mit Lithiumseifenfett
bestreichen.
Eine Steckschlüssel-Nuss mit
demselben Durchmesser wie dem
Lager-Laufring verwenden.
Das Lager auf der linken Seite ist
zuerst einzubauen.
Den Dichtring so einbauen, dass
die Herstellerbeschriftung oder
Teilenummer nach außen gerichtet
ist.
ACHTUNG:
Nicht auf den Innenlaufring des
Lagers einwirken. Das Werkzeug
lediglich am Außenlaufring anset-
zen.
New
2. Montieren:
Bremsscheibe 1
Bremsscheiben-Schraube 2
HINWEIS:
Die Schrauben schrittweise über
Kreuz festziehen.
T
R
.
.
12 Nm (1,2 m · kg, 8,7 ft · lb)
3. Montieren:
Distanzhülse 1
HINWEIS:
Die Dichtringlippen mit Lithiumsei-
fenfett bestreichen.
4. Montieren:
Geschwindigkeitssensor 1
HINWEIS:
Die Geschwindigkeitssensor-Dich-
tringlippe mit Lithiumseifenfett
bestreichen.
Beim Einsetzen des Geschwindig-
keitssensors in die Radnabe dar-
auf achten, dass die beiden
Mitnehmerklauen a in die entspre-
chenden Nuten b eingreifen.
MONTAGGIO E INSTALLAZIONE
Ruota anteriore
1. Installare:
Cuscinetto (sinistro) 1
Distanziatore 2
Cuscinetto (destro) 3
Paraolio 4
NOTA:
Applicare grasso a base di sapone di
litio al cuscinetto e al labbro del para-
olio quando li si installa.
Utilizzare un alloggiamento che corri-
sponda al diametro esterno della pista
del cuscinetto.
Per prima cosa installare il lato sini-
stro del cuscinetto.
Installare il paraolio con i contrassegni
o i numeri identificativi del produttore
rivolti verso lesterno.
ATTENZIONE:
Non colpire la pista interna del cusci-
netto. Il contatto è ammissibile solo
con la pista esterna.
New
2. Installare:
Disco freno 1
Bullone (disco freno) 2
NOTA:
Serrare i bulloni in sequenza in modo
incrociato.
T
R
.
.
12 Nm (1,2 m · kg, 8,7 ft · lb)
3. Installare:
Collarino 1
NOTA:
Applicare il grasso a base di sapone di
litio sul labbro del paraolio.
4. Installare:
Sensore velocità 1
NOTA:
Applicare il grasso a base di sapone di
litio sul labbro del paraolio del sensore
velocità.
Assicurarsi che le due sporgenze a
del mozzo ruota siano ingranate con le
due fessure b nel sensore velocità.
MONTAJE E INSTALACIÓN
Rueda delantera
1. Instalar:
Cojinete (izquierda) 1
Espaciador 2
Cojinete (derecha) 3
Junta de aceite 4
NOTA:
Aplique grasa de jabón de litio al
cojinete y al labio de la junta de
aceite.
Utilice un casquillo que coincida
con el diámetro exterior de la guía
del cojinete.
Se debe montar primero el lado
izquierdo del cojinete.
Instale la junta de aceite con las
marcas o números del fabricante
hacia fuera.
ATENCION:
No golpee la guía interior del coji-
nete. Solo debe haber contacto
con la guía exterior.
New
2. Instalar:
Disco de freno 1
Tornillo (disco de freno) 2
NOTA:
Apriete los tornillos por etapas y en
zigzag.
T
R
.
.
12 Nm (1,2 m · kg, 8,7 ft · lb)
3. Instalar:
Casquillo 1
NOTA:
Aplique grasa de jabón de litio al
labio de la junta de aceite.
4. Instalar:
Sensor de velocidad 1
NOTA:
Aplique grasa de jabón de litio al
labio de la junta de aceite del sen-
sor de velocidad.
Verifique que los dos salientes a
del cubo de rueda estén acoplados
con las dos ranuras b del sensor
de velocidad.
VORDER- UND HINTERRAD
RUOTA ANTERIORE E POSTERIORE
RUEDA DELANTERA Y RUEDA TRASERA
6 - 15
CHAS
FRONT WHEEL AND REAR WHEEL
5. Install:
Wheel
NOTE:
Install the brake disc 1 between
the brake pads 2 correctly.
Make sure that the projections a
in the speed sensor fits over the
stopper b on the front fork inner
tube.
6. Install:
Wheel axle 1
NOTE:
Apply the lithium soap base grease
on the wheel axle.
7. Install:
Nut (wheel axle) 1
T
R
.
.
90 Nm (9.0 m · kg, 65 ft · lb)
8. Tighten:
Bolt (axle holder) 1
NOTE:
Before tightening the bolt, fit the
wheel axle to the axle holder by
stroking the front fork several times
with the front brake applied.
T
R
.
.
21 Nm (2.1 m · kg, 15 ft · lb)
5. Monter:
Roue
N.B.:
Monter correctement le disque de frein
1 entre les plaquettes de frein 2.
Veiller à ce que les ergots a du cap-
teur de vitesse se positionnent au-des-
sus de la butée b du tube plongeur de
la fourche.
6. Monter:
Axe de roue 1
N.B.:
Appliquer de la graisse à savon de
lithium sur laxe de roue.
7. Monter:
Ecrou (axe de roue) 1
T
R
.
.
90 Nm (9,5 m · kg, 65 ft · lb)
8. Serrer:
Boulon (support daxe) 1
N.B.:
Avant de serrer le boulon, engager laxe
de roue dans le support daxe en pous-
sant plusieurs fois sur la fourche en ser-
rant le frein avant.
T
R
.
.
21 Nm (2,1 m · kg, 15 ft · lb)
ROUE AVANT ET ROUE ARRIERE
6 - 16
CHAS
5. Montieren:
Rad
HINWEIS:
Die Bremsscheibe 1 korrekt zwi-
schen die Bremsbeläge 2 einset-
zen.
Sicherstellen, dass die Geschwin-
digkeitssensor-Vorsprünge a über
dem Anschlag b am Standrohr sit-
zen.
6. Montieren:
Radachse 1
HINWEIS:
Die Radachse mit Lithiumseifenfett
bestreichen.
7. Montieren:
Achsmutter 1
T
R
.
.
90 Nm (9,0 m · kg, 65 ft · lb)
8. Festziehen:
Achshalterungs-Schraube 1
HINWEIS:
Vor dem Festziehen der Schraube
die Teleskopgabel mit gezogenem
Handbremshebel mehrmals ein- und
ausfedern lassen, damit die Rad-
achse sich richtig in die Achshalte-
rung einpasst.
T
R
.
.
21 Nm (2,1 m · kg, 15 ft · lb)
5. Installare:
Ruota
NOTA:
Installare correttamente il disco freno
1 tra le pastiglie del freno 2.
Assicurarsi che le sporgenze a del
sensore velocità si inseriscano
nellelemento di bloccaggio b del
tubo di forza della forcella anteriore.
6. Installare:
Asse della ruota 1
NOTA:
Applicare il grasso a base di sapone di
litio sullasse della ruota.
7. Installare:
Dado (asse della ruota) 1
T
R
.
.
90 Nm (9,0 m · kg, 65 ft · lb)
8. Serrare:
Bullone (supporto asse) 1
NOTA:
Prima di serrare il bullone, inserire lasse
della ruota nel supporto asse colpendo la
forcella anteriore diverse volte azio-
nando il freno anteriore.
T
R
.
.
21 Nm (2,1 m · kg, 15 ft · lb)
5. Instalar:
Rueda
NOTA:
Instale el disco de freno 1 entre
las pastillas 2 correctamente.
Verifique que los salientes a del
sensor de velocidad se ajusten
sobre el tope b del tubo interior de
la horquilla delantera.
6. Instalar:
Eje de la rueda 1
NOTA:
Aplique grasa de jabón de litio al eje
de la rueda.
7. Instalar:
Tuerca (eje de la rueda) 1
T
R
.
.
90 Nm (9,0 m · kg, 65 ft · lb)
8. Apretar:
Tornillo (soporte del eje) 1
NOTA:
Antes de apretar el tornillo ajuste el
eje de la rueda en el soporte del eje
accionando varias veces la horquilla
delantera mientras aplica el freno
delantero.
T
R
.
.
21 Nm (2,1 m · kg, 15 ft · lb)
VORDER- UND HINTERRAD
RUOTA ANTERIORE E POSTERIORE
RUEDA DELANTERA Y RUEDA TRASERA
6 - 17
CHAS
FRONT WHEEL AND REAR WHEEL
Rear wheel
1. Install:
Bearing (right) 1
Circlip 2
Spacer 3
Bearing (left) 4
Oil seal 5
NOTE:
Apply the lithium soap base grease
on the bearing and oil seal lip
when installing.
Install the bearing with seal facing
outward.
Use a socket that matches the out-
side diameter of the race of the
bearing.
Right side of bearing shall be
installed first.
Install the oil seal with its manufac-
tures marks or numbers facing
outward.
CAUTION:
Do not strike the inner race of the
bearing. Contact should be made
only with the outer race.
New
New
2. Install:
Brake disc 1
Bolt (brake disc) 2
NOTE:
Tighten the bolts in stage, using a
crisscross pattern.
T
R
.
.
14 Nm (1.4 m · kg, 10 ft · lb)
3. Install:
Rear wheel sprocket 1
Bolt (rear wheel sprocket) 2
Washer
(rear wheel sprocket) 3
Nut (rear wheel sprocket) 4
NOTE:
Tighten the nuts in stage, using a
crisscross pattern.
T
R
.
.
50 Nm (5.0 m · kg, 36 ft · lb)
4. Install:
Collar 1
NOTE:
Apply the lithium soap base grease
on the oil seal lip.
Roue arrière
1. Monter:
Roulement (droit) 1
Circlip 2
Entretoise 3
Roulement (gauche) 4
Bague d’étanchéité 5
N.B.:
Appliquer de la graisse à savon de
lithium sur le roulement et la lèvre de
la bague d’étanchéité lors du montage.
Monter le roulement avec son joint
dirigé vers lextérieur.
Utiliser une douille de même diamètre
que le diamètre extérieur de la cage du
roulement.
Monter dabord le côté droit du roule-
ment.
Monter la bague d’étanchéité en posi-
tionnant vers lextérieur la marque ou
le numéro du fabricant.
ATTENTION:
Ne pas frapper sur la cage interne du
roulement. Le contact ne peut avoir
lieu quavec la cage externe.
New
New
2. Monter:
Disque de frein 1
Boulon (disque de frein) 2
N.B.:
Serrer les boulons par étapes et en procé-
dant en croix.
T
R
.
.
14 Nm (1,4 m · kg, 10 ft · lb)
3. Monter:
Couronne arrière 1
Boulon (couronne arrière) 2
Rondelle
(couronne arrière) 3
Ecrou (couronne arrière) 4
N.B.:
Serrer les écrous par étapes et en procé-
dant en croix.
T
R
.
.
50 Nm (5,0 m · kg, 36 ft · lb)
4. Monter:
Entretoise épaulée 1
N.B.:
Appliquer de la graisse à savon de
lithium sur la lèvre de la bague d’étan-
chéité.
ROUE AVANT ET ROUE ARRIERE
6 - 18
CHAS
Hinterrad
1. Montieren:
Lager (rechts) 1
Sicherungsring 2
Distanzstück 3
Lager (links) 4
Dichtring 5
HINWEIS:
Lager und Dichtringlippe bei der
Montage mit Lithiumseifenfett
bestreichen.
Das Lager mit nach außen gerich-
tetem Dichtring einbauen.
Eine Steckschlüssel-Nuss mit
demselben Durchmesser wie dem
Lager-Laufring verwenden.
Das Lager auf der rechten Seite ist
zuerst einzubauen.
Den Dichtring so einbauen, dass
die Herstellerbeschriftung oder Tei-
lenummer nach außen gerichtet ist.
ACHTUNG:
Nicht auf den Innenlaufring des
Lagers einwirken. Das Werkzeug
lediglich am Außenlaufring anset-
zen.
2. Montieren:
Bremsscheibe 1
Bremsscheiben-Schraube 2
HINWEIS:
Die Schrauben schrittweise über
Kreuz festziehen.
T
R
.
.
14 Nm (1,4 m · kg, 10 ft · lb)
New
New
3. Montieren:
Kettenrad 1
Kettenrad-Schraube 2
Beilagscheibe
(Kettenrad) 3
Kettenrad-Mutter 4
HINWEIS:
Die Muttern schrittweise über Kreuz
festziehen.
T
R
.
.
50 Nm (5,0 m · kg, 36 ft · lb)
4. Montieren:
Distanzhülse 1
HINWEIS:
Die Dichtringlippen mit Lithiumsei-
fenfett bestreichen.
Ruota posteriore
1. Installare:
Cuscinetto (destro) 1
Anello elastico di sicurezza 2
Distanziatore 3
Cuscinetto (sinistro) 4
Paraolio 5
NOTA:
Applicare grasso a base di sapone di
litio al cuscinetto e al labbro del para-
olio quando li si installa.
Installare il cuscinetto con la guarni-
zione rivolta verso lesterno.
Utilizzare un alloggiamento che corri-
sponda al diametro esterno della pista
del cuscinetto.
Per prima cosa installare il lato destro
del cuscinetto.
Installare il paraolio con i contrassegni
o i numeri identificativi del produttore
rivolti verso lesterno.
ATTENZIONE:
Non colpire la pista interna del cusci-
netto. Il contatto è ammissibile solo
con la pista esterna.
2. Installare:
Disco freno 1
Bullone (disco freno) 2
NOTA:
Serrare i bulloni in sequenza in modo
incrociato.
T
R
.
.
14 Nm (1,4 m · kg, 10 ft · lb)
New
New
3. Installare:
Corona della ruota posteriore 1
Bullone (corona della ruota
posteriore) 2
Rondella
(corona della ruota posteriore) 3
Dado (corona della ruota poste-
riore) 4
NOTA:
Serrare i dadi in sequenza in modo incro-
ciato.
T
R
.
.
50 Nm (5,0 m · kg, 36 ft · lb)
4. Installare:
Collarino 1
NOTA:
Applicare il grasso a base di sapone di
litio sul labbro del paraolio.
Rueda trasera
1. Instalar:
Cojinete (derecha) 1
Anillo elástico 2
Espaciador 3
Cojinete (izquierda) 4
Junta de aceite 5
NOTA:
Aplique grasa de jabón de litio al
cojinete y al labio de la junta de
aceite.
Instale el cojinete con la junta
hacia fuera.
Utilice un casquillo que coincida
con el diámetro exterior de la guía
del cojinete.
Se debe montar primero el lado
derecho del cojinete.
Instale la junta de aceite con las
marcas o números del fabricante
hacia fuera.
ATENCION:
No golpee la guía interior del coji-
nete. Solo debe haber contacto
con la guía exterior.
New
New
2. Instalar:
Disco de freno 1
Tornillo (disco de freno) 2
NOTA:
Apriete los tornillos por etapas y en
zigzag.
T
R
.
.
14 Nm (1,4 m · kg, 10 ft · lb)
3. Instalar:
Piñón de la rueda trasera 1
Tornillo (piñón de la rueda tra-
sera) 2
Arandela
(piñón de la rueda trasera) 3
Tuerca (piñón de la rueda tra-
sera) 4
NOTA:
Apriete las tuercas por etapas y en
zigzag.
T
R
.
.
50 Nm (5,0 m · kg, 36 ft · lb)
4. Instalar:
Casquillo 1
NOTA:
Aplique grasa de jabón de litio al
labio de la junta de aceite.
VORDER- UND HINTERRAD
RUOTA ANTERIORE E POSTERIORE
RUEDA DELANTERA Y RUEDA TRASERA
6 - 19
CHAS
FRONT WHEEL AND REAR WHEEL
5. Install:
Wheel
NOTE:
Install the brake disc 1 between the
brake pads 2 correctly.
6. Install:
Drive chain 1
NOTE:
Push the wheel 2 forward and install
the drive chain.
7. Install:
Left drive chain puller 1
Wheel axle 2
NOTE:
Install the left drive chain puller,
and insert the wheel axle from left
side.
Apply the lithium soap base grease
on the wheel axle.
8. Install:
Right drive chain puller 1
Washer 2
Nut (wheel axle) 3
NOTE:
Temporarily tighten the nut (wheel
axle) at this point.
9. Adjust:
Drive chain slack a
Refer to DRIVE CHAIN
SLACK ADJUSTMENT sec-
tion in the CHAPTER 3.
Drive chain slack:
48 ~ 58 mm
(1.9 ~ 2.3 in)
5. Monter:
Roue
N.B.:
Monter correctement le disque de frein
1 entre les plaquettes de frein 2.
6. Monter:
Chaîne de transmission 1
N.B.:
Pousser la roue 2 vers lavant et monter
la chaîne de transmission.
7. Monter:
Tendeur gauche de la chaîne de
transmission 1
Axe de roue 2
N.B.:
Monter le tendeur gauche de la chaîne
de transmission et insérer laxe de
roue du côté gauche.
Appliquer de la graisse à savon de
lithium sur laxe de roue.
8. Monter:
Tendeur droit de la chaîne de
transmission 1
Rondelle 2
Ecrou (axe de roue) 3
N.B.:
A ce stade, resserrer provisoirement
l’écrou (axe de roue).
9. Régler:
Tension de la chaîne de transmis-
sion a
Se reporter à la section
REGLAGE DE LA TENSION
DE LA CHAINE DE TRANS-
MISSION au CHAPITRE 3.
Tension de la chaîne de
transmission:
48 à 58 mm
(1,9 à 2,3 in)
ROUE AVANT ET ROUE ARRIERE
6 - 20
CHAS
5. Montieren:
Rad
HINWEIS:
Die Bremsscheibe 1 korrekt zwi-
schen die Scheibenbremsbeläge 2
einsetzen.
6. Montieren:
Antriebskette 1
HINWEIS:
Das Rad 2 nach vorn drücken und
die Antriebskette aufspannen.
7. Montieren:
Kettenspanner links 1
Radachse 2
HINWEIS:
Den Kettenspanner links montie-
ren und dann die Radachse von
der linken Seite her durchstecken.
Die Radachse mit Lithiumseifenfett
bestreichen.
8. Montieren:
Kettenspanner rechts 1
Beilagscheibe 2
Achsmutter 3
HINWEIS:
Die Achsmutter provisorisch anzie-
hen.
9. Einstellen:
Antriebsketten-Durchhang a
Siehe unter ANTRIEBSKET-
TEN-DURCHHANG EIN-
STELLEN in KAPITEL 3.
Antriebsketten-
Durchhang:
4858 mm
(1,92,3 in)
5. Installare:
Ruota
NOTA:
Installare correttamente il disco freno 1
tra le pastiglie del freno 2.
6. Installare:
Catena di trasmissione 1
NOTA:
Spingere la ruota 2 in avanti e installare
la catena di trasmissione.
7. Installare:
Estrattore sinistro catena di tra-
smissione 1
Asse della ruota 2
NOTA:
Installare lestrattore sinistro della
catena di trasmissione e inserire lasse
della ruota dal lato sinistro.
Applicare il grasso a base di sapone di
litio sullasse della ruota.
8. Installare:
Estrattore destro catena di tra-
smissione 1
Rondella 2
Dado (asse della ruota) 3
NOTA:
A questo punto, serrare temporanea-
mente il dado (asse della ruota).
9. Regolare:
Parte lenta della catena di tra-
smissione a
Fare riferimento al paragrafo
REGOLAZIONE PARTE
LENTA DELLA CATENA DI
TRASMISSIONE nel CAPI-
TOLO 3.
Parte lenta della catena di
trasmissione:
48 ~ 58 mm
(1,9 ~ 2,3 in)
5. Instalar:
Rueda
NOTA:
Instale el disco de freno 1 entre las
pastillas 2 correctamente.
6. Instalar:
Cadena de transmisión 1
NOTA:
Empuje la rueda 2 hacia delante y
monte la cadena de transmisión.
7. Instalar:
Tensor de la cadena de trans-
misión izquierdo 1
Eje de la rueda 2
NOTA:
Instale el tensor de la cadena de
transmisión izquierdo e introduzca
el eje de la rueda por el lado
izquierdo.
Aplique grasa de jabón de litio al
eje de la rueda.
8. Instalar:
Tensor de la cadena de trans-
misión derecho 1
Arandela 2
Tuerca (eje de la rueda) 3
NOTA:
Apriete provisionalmente la tuerca
(eje de la rueda) en este punto.
9. Ajustar:
Holgura de la cadena de
transmisión a
Consulte el apartado
AJUSTE DE LA HOLGURA
DE LA CADENA DE TRANS-
MISIÓN del CAPÍTULO 3.
Holgura de la cadena de
transmisión:
48 ~ 58 mm
(1,9 ~ 2,3 in)
VORDER- UND HINTERRAD
RUOTA ANTERIORE E POSTERIORE
RUEDA DELANTERA Y RUEDA TRASERA
6 - 21
CHAS
FRONT WHEEL AND REAR WHEEL
10. Tighten:
Nut (wheel axle) 1
Locknut 2
T
R
.
.
125 Nm (12.5 m · kg, 90 ft · lb)
T
R
.
.
19 Nm (1.9 m · kg, 13 ft · lb)
10. Serrer:
Ecrou (axe de roue) 1
Contre-écrou 2
T
R
.
.
125 Nm (12,5 m · kg, 90 ft · lb)
T
R
.
.
19 Nm (1,9 m · kg, 13 ft · lb)
ROUE AVANT ET ROUE ARRIERE
6 - 22
CHAS
10. Festziehen:
Achsmutter 1
Sicherungsmutter 2
T
R
.
.
125 Nm (12,5 m · kg, 90 ft · lb)
T
R
.
.
19 Nm (1,9 m · kg, 13 ft · lb)
10. Serrare:
Dado (asse della ruota) 1
Controdado 2
T
R
.
.
125 Nm (12,5 m · kg, 90 ft · lb)
T
R
.
.
19 Nm (1,9 m · kg, 13 ft · lb)
10. Apretar:
Tuerca (eje de la rueda) 1
Contratuerca 2
T
R
.
.
125 Nm (12,5 m · kg, 90 ft · lb)
T
R
.
.
19 Nm (1,9 m · kg, 13 ft · lb)
VORDER- UND HINTERRAD
RUOTA ANTERIORE E POSTERIORE
RUEDA DELANTERA Y RUEDA TRASERA
6 - 23
CHAS
FRONT BRAKE AND REAR BRAKE
EC5A0000
FRONT BRAKE AND REAR BRAKE
EC5A8000
FRONT BRAKE
Extent of removal: 1 Brake hose removal 2 Brake caliper removal
3 Brake master cylinder removal
Extent of removal Order Part name Qty Remarks
FRONT BRAKE REMOVAL WARNING
Support the machine securely so there is no
danger of it falling over.
Preparation for removal Hold the machine by placing the suitable
stand under the engine.
Drain the brake fluid. Refer to REMOVAL POINTS.
1 Brake hose holder (protector) 2
2 Brake hose holder (brake caliper) 1
3 Union bolt 2
4 Brake hose 1
5 Pad pin plug 1 Remove when loosening the pad pin.
6 Pad pin 1 Loosen when disassembling the brake caliper.
7 Brake caliper 1
8 Brake lever 1
9 Brake master cylinder bracket 1
10 Brake master cylinder 1
12
2
3
3
6 - 24
CHAS
FREIN AVANT ET FREIN ARRIERE
FREIN AVANT
Organisation de la dépose: 1 Dépose de la durit de frein 2 Dépose de l’étrier de frein
3 Dépose du maître-cylindre de frein
Organisation de la dépose Ordre Nom de la pièce QtéRemarques
DEPOSE DU FREIN AVANT AVERTISSEMENT
Bien caler la moto afin quelle ne risque pas de bascu-
ler.
Préparation à la dépose Caler la moto en plaçant un support adéquat
sous le moteur.
Vidanger le liquide de frein. Se reporter à POINTS DE DEPOSE.
1 Support de durit de frein (protection) 2
2 Support de durit de frein (etrier de frein) 1
3 Boulon de raccord 2
4 Durit de frein 1
5 Bouchon de goupille de plaquette 1 Déposer en desserrant la goupille de plaquette.
6 Goupille de plaquette 1 Desserrer pour démonter l’étrier de frein.
7 Etrier de frein 1
8 Levier de frein 1
9 Support de maître-cylindre de frein 1
10 Maître-cylindre de frein 1
12
2
3
3
VORDER- UND HINTERRADBREMSEN
VORDERRADBREMSE
Arbeitsumfang: 1 Bremsschlauch demontieren 2 Bremssattel demontieren
3 Hauptbremszylinder demontieren
Arbeitsumfang
Reihenfolge
Bauteil Anz. Bemerkungen
VORDERRADBREMSE DEMONTIEREN WARNUNG
Das Fahrzeug sicher abstützen, damit es nicht
umfallen kann.
Vorbereitungsarbeiten Das Motorrad am Motor aufbocken und in
gerader Stellung halten.
Die Bremsflüssigkeit ablassen. Siehe unter DEMONTAGE-EINZELHEITEN.
1 Bremsschlauch-Halterung (Protektor) 2
2 Bremsschlauch-Halterung (Bremssattel) 1
3 Hohlschraube 2
4 Bremsschlauch 1
5 Bremsbelag-Haltestift-Abdeckung 1 Zum Lockern des Bremsbelag-Haltestifts
demontieren.
6 Bremsbelag-Haltestift 1 Zum Zerlegen des Bremssattels lockern.
7 Bremssattel 1
8 Handbremshebel 1
9 Hauptbremszylinder-Halterung 1
10 Hauptbremszylinder 1
12
2
3
3
FREIN AVANT ET FREIN ARRIERE
VORDER- UND HINTERRADBREMSEN
6 - 25
CHAS
FRENO ANTERIORE E POSTERIORE
FRENO ANTERIORE
Estensione della rimozione: 1 Rimozione tubo del freno 2 Rimozione pinza del freno
3 Rimozione pompa del freno
Estensione della rimozione Ordine Denominazione QuantitàOsservazioni
RIMOZIONE FRENO ANTERIORE AVVERTENZA
Sostenere saldamente la macchina in modo che non ci
sia il rischio che si rovesci.
Preparazione per la rimozione Sostenere la macchina ponendo un apposito
cavalletto sotto il motore.
Scaricare il liquido dei freni. Fare riferimento a PUNTI DI RIMOZIONE.
1 Supporto tubo flessibile del freno (dispositivo
di protezione)
2
2 Supporto tubo flessibile del freno (pinza del
freno)
1
3 Bullone di giunzione 2
4 Tubo del freno 1
5 Tappo del perno pastiglia 1 Rimuovere allentando il perno pastiglia.
6 Perno pastiglia 1 Allentare disassemblando la pinza del freno.
7 Pinza del freno 1
8 Leva del freno 1
9 Staffa pompa del freno 1
10 Pompa del freno 1
12
2
3
3
FRENO ANTERIORE E POSTERIORE
6 - 26
CHAS
FRENO DELANTERO Y FRENO TRASERO
FRENO DELANTERO
Extensión del desmontaje: 1 Desmontaje del tubo de freno 2 Desmontaje de la pinza de freno
3 Desmontaje de la bomba de freno
Extensión del desmontaje Orden Nombre de la pieza Ctd. Observaciones
DESMONTAJE DEL FRENO
DELANTERO ADVERTENCIA
Sujete firmemente la máquina de forma que no
exista riesgo de que se caiga.
Preparación para el
desmontaje
Sujete la máquina colocando un soporte
adecuado debajo del motor.
Vacíe el líquido de frenos. Consulte el apartado PUNTOS DE
DESMONTAJE.
1 Soporte del tubo de freno (protector) 2
2 Soporte del tubo de freno (pinza de freno) 1
3 Perno de unión2
4 Tubo de freno 1
5Tapón del pasador de la pastilla 1 Extraerlo al soltar el pasador de la pastilla.
6 Pasador de la pastilla 1 Soltarlo al desmontar la pinza de freno.
7 Pinza de freno 1
8 Maneta de freno 1
9 Soporte de la bomba de freno 1
10 Bomba de freno 1
12
2
3
3
FRENO DELANTERO Y FRENO TRASERO
6 - 27
CHAS
FRONT BRAKE AND REAR BRAKE
EC5A8100
REAR BRAKE
Extent of removal: 1 Brake master cylinder removal 2 Brake hose removal
3 Brake caliper removal
Extent of removal Order Part name Qty Remarks
REAR BRAKE REMOVAL WARNING
Support the machine securely so there is no
danger of it falling over.
Preparation for removal Hold the machine by placing the suitable
stand under the engine.
Rear wheel Refer to FRONT WHEEL AND REAR WHEEL
section.
Drain the brake fluid. Refer to REMOVAL POINTS.
1 Brake pedal 1
2 Brake master cylinder 1
3 Brake hose holder 2
4 Union bolt 2
5 Brake hose 1
6 Pad pin plug 1 Remove when loosening the pad pin.
7 Pad pin 1 Loosen when disassembling the brake caliper.
8 Brake caliper 1
1
1 3
3
2
6 - 28
CHAS
FREIN ARRIERE
Organisation de la dépose: 1 Dépose du maître-cylindre de frein 2 Dépose de la durit de frein
3 Dépose de l’étrier de frein
Organisation de la dépose Ordre Nom de la pièce QtéRemarques
DEPOSE DU FREIN ARRIERE AVERTISSEMENT
Bien caler la moto afin quelle ne risque pas de bascu-
ler.
Préparation à la dépose Caler la moto en plaçant un support adéquat
sous le moteur.
Roue arrière Se reporter à la section ROUE AVANT ET ROUE
ARRIERE.
Vidanger le liquide de frein. Se reporter à POINTS DE DEPOSE.
1Pédale de frein 1
2Maître-cylindre de frein 1
3 Support de durit de frein 2
4 Boulon de raccord 2
5 Durit de frein 1
6 Bouchon de goupille de plaquette 1 Déposer en desserrant la goupille de plaquette.
7 Goupille de plaquette 1 Desserrer pour démonter l’étrier.
8 Etrier de frein 1
1
1 3
3
2
HINTERRADBREMSE
Arbeitsumfang: 1 Hauptbremszylinder demontieren 2 Bremsschlauch demontieren
3 Bremssattel demontieren
Arbeitsumfang
Reihenfolge
Bauteil Anz. Bemerkungen
HINTERRADBREMSE DEMONTIEREN WARNUNG
Das Fahrzeug sicher abstützen, damit es nicht
umfallen kann.
Vorbereitungsarbeiten Das Motorrad am Motor aufbocken und in
gerader Stellung halten.
Hinterrad Siehe unter VORDER- UND HINTERRAD.
Die Bremsflüssigkeit ablassen. Siehe unter DEMONTAGE-EINZELHEITEN.
1Fußbremshebel 1
2 Hauptbremszylinder 1
3 Bremsschlauch-Halterung 2
4 Hohlschraube 2
5 Bremsschlauch 1
6 Bremsbelag-Haltestift-Abdeckung 1 Zum Lockern des Bremsbelag-Haltestifts
demontieren.
7 Bremsbelag-Haltestift 1 Zum Zerlegen des Bremssattels lockern.
8 Bremssattel 1
1
1 3
3
2
FREIN AVANT ET FREIN ARRIERE
VORDER- UND HINTERRADBREMSEN
6 - 29
CHAS
FRENO POSTERIORE
Estensione della rimozione: 1 Rimozione pompa del freno 2 Rimozione tubo del freno
3 Rimozione pinza del freno
Estensione della rimozione Ordine Denominazione QuantitàOsservazioni
RIMOZIONE FRENO POSTERIORE AVVERTENZA
Sostenere saldamente la macchina in modo che non ci
sia il rischio che si rovesci.
Preparazione per la rimozione Sostenere la macchina ponendo un apposito
cavalletto sotto il motore.
Ruota posteriore Fare riferimento al paragrafo RUOTA ANTERIORE E
POSTERIORE.
Scaricare il liquido dei freni. Fare riferimento a PUNTI DI RIMOZIONE.
1 Pedale del freno 1
2 Pompa del freno 1
3 Supporto tubo flessibile del freno 2
4 Bullone di giunzione 2
5 Tubo del freno 1
6 Tappo del perno pastiglia 1 Rimuovere allentando il perno pastiglia.
7 Perno pastiglia 1 Allentare disassemblando la pinza del freno.
8 Pinza del freno 1
1
1 3
3
2
FRENO ANTERIORE E POSTERIORE
6 - 30
CHAS
FRENO TRASERO
Extensión del desmontaje: 1 Desmontaje de la bomba de freno 2 Desmontaje del tubo de freno
3 Desmontaje de la pinza de freno
Extensión del desmontaje Orden Nombre de la pieza Ctd. Observaciones
DESMONTAJE DEL FRENO TRASERO ADVERTENCIA
Sujete firmemente la máquina de forma que no
exista riesgo de que se caiga.
Preparación para el
desmontaje
Sujete la máquina colocando un soporte
adecuado debajo del motor.
Rueda trasera Consulte el apartado RUEDA DELANTERA Y
RUEDA TRASERA.
Vacíe el líquido de frenos. Consulte el apartado PUNTOS DE
DESMONTAJE.
1 Pedal de freno 1
2 Bomba de freno 1
3 Soporte del tubo de freno 2
4 Perno de unión2
5 Tubo de freno 1
6Tapón del pasador de la pastilla 1 Extraerlo al soltar el pasador de la pastilla.
7 Pasador de la pastilla 1 Soltarlo al desmontar la pinza de freno.
8 Pinza de freno 1
1
1 3
3
2
FRENO DELANTERO Y FRENO TRASERO
6 - 31
CHAS
FRONT BRAKE AND REAR BRAKE
BRAKE CALIPER DISASSEMBLY
ÈFront
ÉRear
Extent of removal: 1 Front brake caliper disassembly 2 Rear brake caliper disassembly
Extent of removal Order Part name Qty Remarks
BRAKE CALIPER DISASSEMBLY AB
1 Pad pin 1 1
2 Brake pad 2 2
3 Pad support 1 1
4 Brake caliper piston 2 1
Refer to REMOVAL POINTS.
5 Dust seal 2 1
6 Piston seal 2 1
1 2
6 - 32
CHAS
DEMONTAGE DE LETRIER DE FREIN
ÈAvant
ÉArrière
Organisation de la dépose: 1 Démontage de l’étrier de frein avant 2 Démontage de l’étrier de frein arrière
Organisation de la dépose Ordre Nom de la pièce QtéRemarques
DEMONTAGE DE LETRIER DE FREIN AB
1 Goupille de plaquette 1 1
2 Plaquette de frein 2 2
3 Support de plaquette 1 1
4 Piston d’étrier de frein 2 1
Se reporter à POINTS DE DEPOSE.
5 Joint antipoussière 2 1
6 Joint de piston 2 1
1 2
BREMSSATTEL ZERLEGEN
ÈVorn
ÉHinten
Arbeitsumfang: 1 Vorderrad-Bremssattel zerlegen 2 Hinterrad-Bremssattel zerlegen
Arbeitsumfang
Reihenfolge
Bauteil Anz. Bemerkungen
BREMSSATTEL ZERLEGEN AB
1 Bremsbelag-Haltestift 1 1
2 Scheibenbremsbelag 2 2
3 Bremsbelag-Träger 1 1
4 Bremskolben 2 1
Siehe unter DEMONTAGE-EINZELHEITEN.
5 Staubschutzring 2 1
6 Bremskolben-Dichtring 2 1
1 2
FREIN AVANT ET FREIN ARRIERE
VORDER- UND HINTERRADBREMSEN
6 - 33
CHAS
DISASSEMBLAGGIO PINZA DEL FRENO
ÈAnteriore
ÉPosteriore
Estensione della rimozione: 1 Disassemblaggio pinza del freno anteriore 2 Disassemblaggio pinza del freno posteriore
Estensione della rimozione Ordine Denominazione QuantitàOsservazioni
DISASSEMBLAGGIO PINZA DEL
FRENO
AB
1 Perno pastiglia 1 1
2 Pastiglia del freno 2 2
3 Supporto pastiglia 1 1
4 Pistoncino della pinza freno 2 1
Fare riferimento a PUNTI DI RIMOZIONE.
5 Guarnizione parapolvere 2 1
6 Guarnizione del pistoncino 2 1
1 2
FRENO ANTERIORE E POSTERIORE
6 - 34
CHAS
DESMONTAJE DE LA PINZA DE FRENO
ÈDelantero
ÉTrasero
Extensión del desmontaje: 1 Desmontaje de la pinza de freno delantero 2 Desmontaje de la pinza de freno trasero
Extensión del desmontaje Orden Nombre de la pieza Ctd. Observaciones
DESMONTAJE DE LA PINZA DE FRENO AB
1 Pasador de pastilla 1 1
2 Pastilla de freno 2 2
3 Soporte de pastilla 1 1
4 Pistón de la pinza de freno 2 1 Consulte el apartado PUNTOS DE
DESMONTAJE.
5 Junta antipolvo 2 1
6 Junta del pistón21
1 2
FRENO DELANTERO Y FRENO TRASERO
6 - 35
CHAS
FRONT BRAKE AND REAR BRAKE
BRAKE MASTER CYLINDER DISASSEMBLY
ÈFront
ÉRear
Extent of removal: 1 Front brake master cylinder disassembly 2 Rear brake master cylinder disassembly
Extent of removal Order Part name Qty Remarks
BRAKE MASTER CYLINDER
DISASSEMBLY
1 Brake master cylinder cap 1
2 Diaphragm 1
3 Reservoir float 1
4 Brake master cylinder boot 1
5 Circlip 1 Use a long nose circlip pliers.
6 Washer 1
7 Push rod 1
8 Brake master cylinder kit 1
1
2
1
2
2
6 - 36
CHAS
DEMONTAGE DU MAITRE-CYLINDRE DE FREIN
ÈAvant
ÉArrière
Organisation de la dépose: 1 Démontage du maître-cylindre de frein avant 2 Démontage du maître-cylindre de frein arrière
Organisation de la dépose Ordre Nom de la pièce QtéRemarques
DEMONTAGE DU MAITRE-CYLINDRE
DE FREIN
1 Couvercle de maître-cylindre de frein 1
2 Diaphragme 1
3 Flotteur du réservoir 1
4 Soufflet de maître-cylindre de frein 1
5 Circlip 1 Utiliser une pince à circlip à bec long.
6 Rondelle 1
7 Tige de débrayage 1
8 Kit de maître-cylindre de frein 1
1
2
1
2
2
HAUPTBREMSZYLINDER ZERLEGEN
ÈVorn
ÉHinten
Arbeitsumfang: 1 Vorderrad-Hauptbremszylinder zerlegen 2 Hinterrad-Hauptbremszylinder zerlegen
Arbeitsumfang
Reihenfolge
Bauteil Anz. Bemerkungen
HAUPTBREMSZYLINDER ZERLEGEN
1 Vorratsbehälter-Deckel 1
2 Membran 1
3 Schwimmer 1
4 Staubschutzkappe 1
5 Sicherungsring 1 Eine Sicherungsringzange verwenden.
6 Beilagscheibe 1
7 Druckstange 1
8 Hauptbremszylinder-Bauteile 1
1
2
1
2
2
FREIN AVANT ET FREIN ARRIERE
VORDER- UND HINTERRADBREMSEN
6 - 37
CHAS
DISASSEMBLAGGIO POMPA DEL FRENO
ÈAnteriore
ÉPosteriore
Estensione della rimozione: 1 Disassemblaggio pompa del freno anteriore 2 Disassemblaggio pompa del freno posteriore
Estensione della rimozione Ordine Denominazione QuantitàOsservazioni
DISASSEMBLAGGIO POMPA DEL
FRENO
1 Coperchio pompa del freno 1
2 Diaframma 1
3 Galleggiante serbatoio 1
4 Parapolvere pompa del freno 1
5 Anello elastico di sicurezza 1 Utilizzare pinze lunghe per anelli elastici di sicurezza.
6 Rondella 1
7 Asta di blocco 1
8 Componenti pompa del freno 1
1
2
1
2
2
FRENO ANTERIORE E POSTERIORE
6 - 38
CHAS
DESMONTAJE DE LA BOMBA DE FRENO
ÈDelantero
ÉTrasero
Extensión del desmontaje: 1 Desmontaje de la bomba de freno delantero 2 Desmontaje de la bomba de freno trasero
Extensión del desmontaje Orden Nombre de la pieza Ctd. Observaciones
DESMONTAJE DE LA BOMBA DE
FRENO
1 Tapa de la bomba de freno 1
2 Diafragma 1
3 Flotador del depósito 1
4 Funda de la bomba de freno 1
5 Anillo elástico 1 Utilice unos alicates largos para anillos elásticos.
6 Arandela 1
7 Barra de empuje 1
8 Conjunto de la bomba de freno 1
1
2
1
2
2
FRENO DELANTERO Y FRENO TRASERO
6 - 39
CHAS
FRONT BRAKE AND REAR BRAKE
EC5A3000
REMOVAL POINTS
Brake fluid
1. Remove:
[Front]
Brake master cylinder cap 1
[Rear]
Brake master cylinder cap 1
Protector
NOTE:
Do not remove the diaphragm.
ÈFront
ÉRear
È
É
2. Connect the transparent hose 2
to the bleed screw 1 and place a
suitable container under its end.
ÈFront
ÉRear
3. Loosen the bleed screw and
drain the brake fluid while pulling
the lever in or pushing down on
the pedal.
CAUTION:
Do not reuse the drained brake
fluid.
Brake fluid may erode painted
surfaces or plastic parts. Always
clean up spilled fluid immedi-
ately.
ÉÈ
Brake caliper piston
1. Remove:
Brake caliper piston
Use compressed air and pro-
ceed carefully.
WARNING
Cover piston with rag and use
extreme caution when expelling
piston from cylinder.
Never attempt to pry out piston.
ÈFront
ÉRear
Caliper piston removal steps:
Insert a piece of rag into the
brake caliper to lock one brake
caliper.
Carefully force the piston out of
the brake caliper cylinder with
compressed air.
È
É
POINTS DE DEPOSE
Liquide de frein
1. Déposer:
[Avant]
Couvercle de maître-cylindre de
frein 1
[Arrière]
Couvercle de maître-cylindre de
frein 1
Protection
N.B.:
Ne pas déposer le diaphragme.
ÈAvant
ÉArrière
2. Raccorder le tuyau transparent 2 à
la vis de purge 1 et placer un réci-
pient adéquat sous son extrémité.
ÈAvant
ÉArrière
3. Desserrer la vis de purge et purger
le liquide de frein tout en pressant le
levier ou en appuyant sur la pédale.
ATTENTION:
Ne pas réutiliser le liquide de frein
purgé.
Le liquide de frein peut attaquer les
surfaces peintes et les pièces en plas-
tique. Toujours essuyer immédiate-
ment toute trace de liquide renversé.
Piston d’étrier de frein
1. Déposer:
Piston d’étrier de frein
Utiliser de lair comprimé et pro-
céder prudemment.
AVERTISSEMENT
Recouvrir le piston dun chiffon et
faire très attention au moment où le
piston est éjecté du cylindre.
Ne jamais chasser le cylindre du pis-
ton en faisant levier.
ÈAvant
ÉArrière
Etapes de la dépose du piston
d’étrier:
Insérer un morceau de tissu dans
l’étrier de frein pour bloquer le pis-
ton.
Libérer prudemment le piston du
cylindre d’étrier de frein en insuf-
flant de lair comprimé.
FREIN AVANT ET FREIN ARRIERE
6 - 40
CHAS
DEMONTAGE-EINZELHEITEN
Bremsflüssigkeit
1. Demontieren:
[Vorn]
Vorratsbehälter-Deckel 1
[Hinten]
Vorratsbehälter-Deckel 1
Protektor
HINWEIS:
Die Membran nicht entfernen.
ÈVorn
ÉHinten
2. Einen durchsichtigen Kunststoff-
schlauch 2 an der Entlüftungs-
schraube 1 befestigen und
dessen Ende in einen Auffang-
behälter führen.
ÈVorn
ÉHinten
3. Die Entlüftungsschraube lok-
kern und den entsprechenden
Bremshebel betätigen.
ACHTUNG:
Die abgelassene Bremsflüssig-
keit nicht wieder verwenden.
Bremsflüssigkeit greift Lack und
Kunststoffe an. Verschüttete
Flüssigkeit sofort abwischen.
Bremskolben
1. Demontieren:
Bremskolben
Druckluft verwenden und vor-
sichtig vorgehen.
WARNUNG
Den Druckkolben zum Austrei-
ben mit einem Lappen abdecken
und vorsichtig vorgehen.
Die Bremskolben dürfen unter
keinen Umständen herausgehe-
belt werden.
ÈVorn
ÉHinten
Arbeitsvorgang:
Eine der Bremszylinder-Boh-
rungen mit einem Lappen
zustopfen.
Den Bremskolben vorsichtig mit
Druckluft aus dem Bremssattel
heraustreiben.
PUNTI DI RIMOZIONE
Liquido dei freni
1. Togliere:
[Anteriore]
Coperchio pompa del freno 1
[Posteriore]
Coperchio pompa del freno 1
Protezione
NOTA:
Non togliere il diaframma.
ÈAnteriore
ÉPosteriore
2. Collegare il flessibile trasparente 2
alla vite di spurgo 1 e collocare alla
sua estremità un recipiente adatto.
ÈAnteriore
ÉPosteriore
3. Allentare la vite di spurgo e scari-
care il liquido dei freni tirando la
leva o premendo il pedale.
ATTENZIONE:
Non riutilizzare il liquido dei freni
eliminato con lo spurgo.
Il liquido dei freni può danneggiare
le superfici verniciate o gli elementi
in plastica. Pulire sempre immedia-
tamente il liquido versato.
Pistoncino della pinza freno
1. Togliere:
Pistoncino della pinza freno
Utilizzare aria compressa e proce-
dere con cautela.
AVVERTENZA
Coprire il pistoncino con un panno e
prestare estrema attenzione estra-
endo il pistone dal cilindro.
Non tentare mai di forzare il piston-
cino.
ÈAnteriore
ÉPosteriore
Operazioni di rimozione pistoncino
della pinza:
Inserire un panno nella pinza del
freno per chiudere una pinza.
Spingere con attenzione il piston-
cino fuori dal cilindro della pinza
del freno con aria compressa.
PUNTOS DE DESMONTAJE
Líquido de frenos
1. Extraer:
[Delantero]
Tapa de la bomba de freno 1
[Trasero]
Tapa de la bomba de freno 1
Protector
NOTA:
No extraiga el diafragma.
ÈDelantero
ÉTrasero
2. Acople el tubo transparente 2 al
tornillo de purga 1 y coloque un
recipiente apropiado debajo del
extremo.
ÈDelantero
ÉTrasero
3. Afloje el tornillo de purga y vacíe
el líquido de frenos mientras
aprieta la maneta o pisa el
pedal.
ATENCION:
No reutilice el líquido de frenos.
El líquido de frenos puede ero-
sionar las superficies pintadas o
las piezas de plástico. Elimine
siempre inmediatamente el
líquido que se haya derramado.
Pistón de la pinza del freno
1. Extraer:
Pistón de la pinza del freno
Utilice aire comprimido y pro-
ceda con cuidado.
ADVERTENCIA
Cubra el pistón con un trapo y
tenga el máximo cuidado
cuando el pistón salga expul-
sado del cilindro.
No intente nunca sacar el pistón
a mano.
ÈDelantero
ÉTrasero
Procedimiento de desmontaje
del pistón de la pinza:
Introduzca un trozo de trapo en
la pinza de freno para blo-
quearla.
Con cuidado, expulse el pistón
del cilindro de la pinza de freno
con aire comprimido.
VORDER- UND HINTERRADBREMSEN
FRENO ANTERIORE E POSTERIORE
FRENO DELANTERO Y FRENO TRASERO
6 - 41
CHAS
FRONT BRAKE AND REAR BRAKE
Brake caliper piston seal kit
1. Remove:
Dust seal 1
Piston seal 2
NOTE:
Remove the piston seals and dust
seals by pushing them with a finger.
CAUTION:
Never attempt to pry out piston
seals and dust seals.
WARNING
Replace the piston seals and dust
seals whenever a caliper is disas-
sembled.
ÈFront
ÉRear
È
É
EC5A4000
INSPECTION
Brake master cylinder
1. Inspect:
Brake master cylinder inner
surface a
Wear/scratches Replace
master cylinder assembly.
Stains Clean.
WARNING
Use only new brake fluid.
ÈFront
ÉRear
ÉÈ
2. Inspect:
Diaphragm 1
Crack/damage Replace.
ÈFront
ÉRear
ÉÈ
3. Inspect: (front brake only)
Reservoir float 1
Damage Replace.
Kit de joint de piston d’étrier de frein
1. Déposer:
Joint antipoussière 1
Joint de piston 2
N.B.:
Déposer les joints de piston et antipous-
sière en les poussant avec le doigt.
ATTENTION:
Ne jamais chasser les joints de piston
et antipoussière hors du cylindre.
AVERTISSEMENT
En cas de démontage dun étrier, tou-
jours remplacer les joints de piston et
antipoussière.
ÈAvant
ÉArrière
CONTROLE
Maître-cylindre de frein
1. Contrôler:
Surface interne du maître-cylin-
dre de frein a
Usure/rayures Remplacer
lensemble maître-cylindre.
Taches Nettoyer.
AVERTISSEMENT
Utiliser uniquement du liquide de
frein neuf.
ÈAvant
ÉArrière
2. Contrôler:
Diaphragme 1
Craquelures/endommagement
Remplacer.
ÈAvant
ÉArrière
3. Contrôler: (frein avant seulement)
Flotteur du réservoir 1
Endommagement Remplacer.
FREIN AVANT ET FREIN ARRIERE
6 - 42
CHAS
Bremskolben-Dichtringe
1. Demontieren:
Staubschutzring 1
Bremskolben-Dichtring 2
HINWEIS:
Die Staubschutzringe und Bremskol-
ben-Dichtringe durch Fingerdruck
austreiben.
ACHTUNG:
Die Staubschutzringe und Brems-
kolben-Dichtringe dürfen unter
keinen Umständen herausgehe-
belt werden.
WARNUNG
Nach jeder Zerlegung des Brems-
sattels müssen die Staubschutz-
ringe und Bremskolben-Dichtringe
erneuert werden.
ÈVorn
ÉHinten
KONTROLLE
Hauptbremszylinder
1. Kontrollieren:
Hauptbremszylinder-Bohrung
a
Beschädigt/verkratzt Haupt-
bremszylinder erneuern.
Verunreinigt Reinigen.
WARNUNG
Nur frische Bremsflüssigkeit ver-
wenden.
ÈVorn
ÉHinten
2. Kontrollieren:
Membran 1
Rissig/beschädigt Erneu-
ern.
ÈVorn
ÉHinten
3. Kontrollieren: (nur Vorderrad-
bremse)
Schwimmer 1
Beschädigt Erneuern.
Componenti guarnizione pistoncino
della pinza freno
1. Togliere:
Guarnizione parapolvere 1
Guarnizione del pistoncino 2
NOTA:
Togliere le guarnizioni del pistoncino e
le guarnizioni parapolvere spingendole
con le dita.
ATTENZIONE:
Non tentare mai di forzare le guarni-
zioni del pistoncino e le guarnizioni
parapolvere.
AVVERTENZA
Sostituire le guarnizioni del pistoncino
e le guarnizioni parapolvere ogni
qualvolta si disassembla una pinza.
ÈAnteriore
ÉPosteriore
CONTROLLO
Pompa del freno
1. Controllare:
Superficie interna pompa del
freno a
Usura/graffi Sostituire il
gruppo della pompa.
Macchie Pulire.
AVVERTENZA
Utilizzare esclusivamente liquido dei
freni nuovo.
ÈAnteriore
ÉPosteriore
2. Controllare:
Diaframma 1
Incrinatura/danni Sostituire.
ÈAnteriore
ÉPosteriore
3. Controllare: (solo freno anteriore)
Galleggiante serbatoio 1
Danno Sostituire.
Juego de juntas del pistón de la
pinza de freno
1. Extraer:
Junta antipolvo 1
Junta del pistón 2
NOTA:
Extraiga las juntas del pistón y las
juntas antipolvo empujándolas con el
dedo.
ATENCION:
No intente nunca sacar las juntas
del pistón y las juntas antipolvo a
mano.
ADVERTENCIA
Cambie las juntas del pistón y las
juntas antipolvo siempre que des-
monte una pinza.
ÈDelantero
ÉTrasero
COMPROBACIÓN
Bomba de freno
1. Comprobar:
Superficie interior de la bomba
de freno a
Desgaste/rayaduras Cam-
biar el conjunto de la bomba
de freno.
Manchas Limpiar.
ADVERTENCIA
Utilice únicamente líquido de fre-
nos nuevo.
ÈDelantero
ÉTrasero
2. Comprobar:
Diafragma 1
Grietas/daños Cambiar.
ÈDelantero
ÉTrasero
3. Comprobar: (solo freno delan-
tero)
Flotador del depósito 1
Daños Cambiar.
VORDER- UND HINTERRADBREMSEN
FRENO ANTERIORE E POSTERIORE
FRENO DELANTERO Y FRENO TRASERO
6 - 43
CHAS
FRONT BRAKE AND REAR BRAKE
4. Inspect:
Brake master cylinder piston
1
Brake master cylinder cup 2
Wear/damage/score marks
Replace brake master cylinder
kit.
ÈFront
ÉRear
ÈÉ
Brake caliper
1. Inspect:
Brake caliper cylinder inner
surface a
Wear/score marks Replace
brake caliper assembly.
ÈFront
ÉRear
É
È
2. Inspect:
Brake caliper piston 1
Wear/score marks Replace
brake caliper piston assembly.
WARNING
Replace the piston seals and dust
seals 2 whenever a caliper is dis-
assembled.
EC534301
Brake hose
1. Inspect:
Brake hose 1
Crack/damage Replace.
EC5A5000
ASSEMBLY AND INSTALLATION
WARNING
All internal parts should be
cleaned in new brake fluid only.
Internal parts should be lubri-
cated with brake fluid when
installed.
Replace the piston seals and
dust seals whenever a caliper is
disassembled.
Brake caliper piston
1. Clean:
Brake caliper
Piston seal
Dust seal
Brake caliper piston
Clean them with brake fluid.
4. Contrôler:
Piston du maître-cylindre de frein
1
Coupelle du maître-cylindre de
frein 2
Usure/endommagement/rayures
Remplacer le kit de maître-
cylindre de frein.
ÈAvant
ÉArrière
Etrier de frein
1. Contrôler:
Surface interne du cylindre
d’étrier de frein a
Usure/rayures Remplacer
l’étrier de frein complet.
ÈAvant
ÉArrière
2. Contrôler:
Piston d’étrier de frein 1
Usure/rayures Remplacer le
piston d’étrier de frein complet.
AVERTISSEMENT
Toujours remplacer les joints de pis-
ton et antipoussière 2 lors du démon-
tage dun étrier.
Durit de frein
1. Contrôler:
Durit de frein 1
Craquelures/endommagement
Remplacer.
ASSEMBLAGE ET MONTAGE
AVERTISSEMENT
Toutes les pièces internes doivent
être nettoyées à laide de liquide de
frein propre, exclusivement.
Avant de les remonter, lubrifier les piè-
ces internes avec du liquide de frein.
En cas de démontage dun étrier,
toujours remplacer les joints de pis-
ton et antipoussière.
Piston d’étrier de frein
1. Nettoyer:
Etrier de frein
Joint de piston
Joint antipoussière
Piston d’étrier de frein
Les nettoyer avec du liquide de
frein.
FREIN AVANT ET FREIN ARRIERE
6 - 44
CHAS
4. Kontrollieren:
Bremskolben 1
Hauptbremszylinder-Man-
schette 2
Beschädigt/verschlissen/riefig
Hauptbremszylinder-Bau-
teile erneuern.
ÈVorn
ÉHinten
Bremssattel
1. Kontrollieren:
Bremszylinder-Bohrung a
Verschlissen/riefig Brems-
sattel erneuern.
ÈVorn
ÉHinten
2. Kontrollieren:
Bremskolben 1
Verschlissen/riefig Brems-
kolben erneuern.
WARNUNG
Nach jeder Zerlegung des Brems-
sattels müssen die Staubschutz-
ringe und Bremskolben-Dichtringe
2 erneuert werden.
Bremsschlauch
1. Kontrollieren:
Bremsschlauch 1
Rissig/beschädigt Erneu-
ern.
ZUSAMMENBAU UND MONTAGE
WARNUNG
Vor dem Zusammenbau alle inne-
ren Bauteile ausschließlich mit fri-
scher Bremsflüssigkeit reinigen.
Die Innenbauteile beim Einbau
mit Bremsflüssigkeit schmieren.
Nach jeder Zerlegung des
Bremssattels müssen die Staub-
schutzringe und Bremskolben-
Dichtringe erneuert werden.
Bremskolben
1. Reinigen:
Bremssattel
Bremskolben-Dichtring
Staubschutzring
Bremskolben
(mit Bremsflüssigkeit)
4. Controllare:
Pistone pompa del freno 1
Anello esterno pompa del freno
2
Usura/danni/tacche Sostituire i
componenti pompa del freno.
ÈAnteriore
ÉPosteriore
Pinza del freno
1. Controllare:
Superficie interna cilindro della
pinza freno a
Usura/tacche Sostituire il
gruppo della pinza freno.
ÈAnteriore
ÉPosteriore
2. Controllare:
Pistoncino della pinza freno 1
Usura/tacche Sostituire il
gruppo pistoncino della pinza
freno.
AVVERTENZA
Sostituire le guarnizioni del pistoncino
e le guarnizioni parapolvere 2 ogni
qualvolta si disassembla una pinza.
Tubo del freno
1. Controllare:
Tubo del freno 1
Incrinatura/danni Sostituire.
MONTAGGIO E INSTALLAZIONE
AVVERTENZA
Tutti i componenti interni devono
essere puliti esclusivamente con
liquido dei freni nuovo.
Lubrificare i componenti interni
con il liquido dei freni quando li si
installa.
Sostituire le guarnizioni del piston-
cino e le guarnizioni parapolvere ogni
qualvolta si disassembla una pinza.
Pistoncino della pinza freno
1. Pulire:
Pinza del freno
Guarnizione del pistoncino
Guarnizione parapolvere
Pistoncino della pinza freno
Pulire con il liquido dei freni.
4. Comprobar:
Pistón de la bomba de freno 1
Cubeta de la bomba de freno
2
Desgaste/daños/rayaduras
Cambiar el conjunto de la
bomba de freno.
ÈDelantero
ÉTrasero
Pinza de freno
1. Comprobar:
Superficie interior del cilindro
de la pinza de freno a
Desgaste/rayaduras Cam-
biar el conjunto de la pinza de
freno.
ÈDelantero
ÉTrasero
2. Comprobar:
Pistón de la pinza del freno 1
Desgaste/rayaduras Cam-
biar el conjunto del pistón de
la pinza de freno.
ADVERTENCIA
Cambie las juntas del pistón y las
juntas antipolvo 2 siempre que
desmonte una pinza.
Tubo de freno
1. Comprobar:
Tubo de freno 1
Grietas/daños Cambiar.
MONTAJE E INSTALACIÓN
ADVERTENCIA
Se deben limpiar todas las pie-
zas internas únicamente con
líquido de frenos nuevo.
Cuando estén montadas, las
piezas internas se deben lubri-
car con líquido de frenos.
Cambie las juntas del pistón y
las juntas antipolvo siempre que
desmonte una pinza.
Pistón de la pinza del freno
1. Limpiar:
Pinza de freno
Junta del pistón
Junta antipolvo
Pistón de la pinza del freno
Limpiar con líquido de frenos.
VORDER- UND HINTERRADBREMSEN
FRENO ANTERIORE E POSTERIORE
FRENO DELANTERO Y FRENO TRASERO
6 - 45
CHAS
FRONT BRAKE AND REAR BRAKE
2. Install:
Piston seal 1
Dust seal 2
WARNING
Always use new piston seals and
dust seals.
NOTE:
Fit the piston seals and dust seals
onto the slot on brake caliper cor-
rectly.
ÈFront
ÉRear
È
New
New
É
3. Install:
Brake caliper piston 1
NOTE:
Apply the brake fluid on the piston
wall.
CAUTION:
Install the piston with its shal-
low depressed side a facing the
brake caliper.
Never force to insert.
ÈFront
ÉRear
È
É
Front brake caliper
1. Install:
Pad support 1
Brake pad 2
Pad pin 3
NOTE:
Install the brake pads with their
projections a into the brake cali-
per recesses b.
Temporarily tighten the pad pin at
this point.
2. Monter:
Joint de piston 1
Joint antipoussière 2
AVERTISSEMENT
Toujours utiliser des joints de piston
et des joints antipoussière neufs.
N.B.:
Insérer correctement les joints de piston
et les joints antipoussière dans la rainure
de l’étrier.
ÈAvant
ÉArrière
New
New
3. Monter:
Piston d’étrier de frein 1
N.B.:
Appliquer du liquide de frein sur la paroi
du piston.
ATTENTION:
Monter le piston en orientant sa
face légèrement surbaissée a vers
l’étrier de frein.
Ne jamais forcer pour insérer.
ÈAvant
ÉArrière
Etrier de frein avant
1. Monter:
Support de plaquette 1
Plaquette de frein 2
Goupille de plaquette 3
N.B.:
Monter les plaquettes de frein en insé-
rant leurs ergots a dans les gorges
des étriers de freins b.
A ce stade, serrer provisoirement la
goupille de plaquette.
FREIN AVANT ET FREIN ARRIERE
6 - 46
CHAS
2. Montieren:
Bremskolben-Dichtring 1
Staubschutzring 2
WARNUNG
Immer neue Staubschutzringe und
Bremskolben-Dichtringe verwen-
den.
HINWEIS:
Die Staubschutzringe und Bremskol-
ben-Dichtringe korrekt in die entspre-
chenden Nuten des Bremssattels
einsetzen.
ÈVorn
ÉHinten
New
New
3. Montieren:
Bremskolben 1
HINWEIS:
Die Kolben-Außenseite mit Brems-
flüssigkeit bestreichen.
ACHTUNG:
Der Bremskolben muss so ein-
gebaut werden, dass dessen
Vertiefung a zum Bremssattel
gerichtet ist.
Niemals forcieren!
ÈVorn
ÉHinten
Vorderrad-Bremssattel
1. Montieren:
Bremsbelag-Träger 1
Scheibenbremsbelag 2
Bremsbelag-Haltestift 3
HINWEIS:
Die Scheibenbremsbeläge so
montieren, dass deren Haltenasen
a in den entsprechenden Aufnah-
men b des Bremssattels sitzen.
Den Bremsbelag-Haltestift proviso-
risch anziehen.
2. Installare:
Guarnizione del pistoncino 1
Guarnizione parapolvere 2
AVVERTENZA
Utilizzare sempre guarnizioni del
pistoncino e guarnizioni parapolvere
nuove.
NOTA:
Inserire correttamente le guarnizioni del
pistoncino e le guarnizioni parapolvere
nella fessura sulla pinza del freno.
ÈAnteriore
ÉPosteriore
New
New
3. Installare:
Pistoncino della pinza freno 1
NOTA:
Applicare il liquido dei freni allesterno
del pistoncino.
ATTENZIONE:
Installare il pistoncino con lato con-
vesso a rivolto verso la pinza del
freno.
Non forzare mai per inserire.
ÈAnteriore
ÉPosteriore
Pinza freno anteriore
1. Installare:
Supporto pastiglia 1
Pastiglia del freno 2
Perno pastiglia 3
NOTA:
Installare le pastiglie del freno con le
relative sporgenze a negli incavi
della pinza del freno b.
A questo punto, serrare temporanea-
mente il perno pastiglia.
2. Instalar:
Junta del pistón 1
Junta antipolvo 2
ADVERTENCIA
Utilice siempre justas de pistón y
juntas antipolvo nuevas.
NOTA:
Ajuste correctamente las juntas del
pistón y las juntas antipolvo en la
ranura de de pinza de freno.
ÈDelantero
ÉTrasero
New
New
3. Instalar:
Pistón de la pinza del freno 1
NOTA:
Aplique líquido de frenos a la pared
del pistón.
ATENCION:
Instale el pistón con el lado hen-
dido a hacia la pinza de freno.
No lo fuerce nunca para introdu-
cirlo.
ÈDelantero
ÉTrasero
Pinza del freno delantero
1. Instalar:
Soporte de pastilla 1
Pastilla de freno 2
Pasador de pastilla 3
NOTA:
Instale las pastillas de freno de
forma que los salientes a se intro-
duzcan en los rebajes de la pinza
de freno b.
Apriete provisionalmente el pasa-
dor de la pastilla.
VORDER- UND HINTERRADBREMSEN
FRENO ANTERIORE E POSTERIORE
FRENO DELANTERO Y FRENO TRASERO
6 - 47
CHAS
FRONT BRAKE AND REAR BRAKE
2. Install:
Brake caliper 1
Bolt (brake caliper) 2
3. Tighten:
Pad pin 3
4. Install:
Pad pin plug 4
T
R
.
.
23 Nm (2.3 m · kg, 17 ft · lb)
T
R
.
.
18 Nm (1.8 m · kg, 13 ft · lb)
T
R
.
.
3 Nm (0.3 m · kg, 2.2 ft · lb)
Rear brake caliper
1. Install:
Pad support 1
Brake pad 2
Pad pin 3
NOTE:
Install the brake pads with their
projections a into the brake cali-
per recesses b.
Temporarily tighten the pad pin at
this point.
2. Install:
Brake disc cover 1
Bolt (brake disc cover) 2
T
R
.
.
10 Nm (1.0 m · kg, 7.2 ft · lb)
3. Install:
Brake caliper 1
Rear wheel 2
Refer to FRONT WHEEL
AND REAR WHEEL section.
4. Tighten:
Pad pin 3
5. Install:
Pad pin plug 4
T
R
.
.
18 Nm (1.8 m · kg, 13 ft · lb)
T
R
.
.
3 Nm (0.3 m · kg, 2.2 ft · lb)
2. Monter:
Etrier de frein 1
Boulon (étrier de frein) 2
3. Serrer:
Goupille de plaquette 3
4. Monter:
Bouchon de goupille de pla-
quette 4
T
R
.
.
23 Nm (2,3 m · kg, 17 ft · lb)
T
R
.
.
18 Nm (1,8 m · kg, 13 ft · lb)
T
R
.
.
3 Nm (0,3 m · kg, 2,2 ft · lb)
Etrier de frein arrière
1. Monter:
Support de plaquette 1
Plaquette de frein 2
Goupille de plaquette 3
N.B.:
Monter les plaquettes de frein en insé-
rant leurs ergots a dans les gorges
des étriers de freins b.
A ce stade, serrer provisoirement la
goupille de plaquette.
2. Monter:
Couvre-disque de frein 1
Boulon (couvre-disque de frein)
2
T
R
.
.
10 Nm (1,0 m · kg, 7,2 ft · lb)
3. Monter:
Etrier de frein 1
Roue arrière 2
Se reporter à la section ROUE
AVANT ET ROUE ARRIERE.
4. Serrer:
Goupille de plaquette 3
5. Monter:
Bouchon de goupille de pla-
quette 4
T
R
.
.
18 Nm (1,8 m · kg, 13 ft · lb)
T
R
.
.
3 Nm (0,3 m · kg, 2,2 ft · lb)
FREIN AVANT ET FREIN ARRIERE
6 - 48
CHAS
2. Montieren:
Bremssattel 1
Bremssattel-Schraube 2
3. Festziehen:
Bremsbelag-Haltestift 3
4. Montieren:
Bremsbelag-Haltestift-Abdek-
kung 4
T
R
.
.
23 Nm (2,3 m · kg, 17 ft · lb)
T
R
.
.
18 Nm (1,8 m · kg, 13 ft · lb)
T
R
.
.
3 Nm (0,3 m · kg, 2,2 ft · lb)
Hinterrad-Bremssattel
1. Montieren:
Bremsbelag-Träger 1
Scheibenbremsbelag 2
Bremsbelag-Haltestift 3
HINWEIS:
Die Scheibenbremsbeläge so
montieren, dass deren Haltenasen
a in den entsprechenden Aufnah-
men b des Bremssattels sitzen.
Den Bremsbelag-Haltestift proviso-
risch anziehen.
2. Montieren:
Bremsscheiben-Abdeckung 1
Schraube (Bremsscheiben-
Abdeckung) 2
T
R
.
.
10 Nm (1,0 m · kg, 7,2 ft · lb)
3. Montieren:
Bremssattel 1
Hinterrad 2
Siehe unter VORDER- UND
HINTERRAD.
4. Festziehen:
Bremsbelag-Haltestift 3
5. Montieren:
Bremsbelag-Haltestift-Abdek-
kung 4
T
R
.
.
18 Nm (1,8 m · kg, 13 ft · lb)
T
R
.
.
3 Nm (0,3 m · kg, 2,2 ft · lb)
2. Installare:
Pinza del freno 1
Bullone (pinza del freno) 2
3. Serrare:
Perno pastiglia 3
4. Installare:
Tappo del perno pastiglia 4
T
R
.
.
23 Nm (2,3 m · kg, 17 ft · lb)
T
R
.
.
18 Nm (1,8 m · kg, 13 ft · lb)
T
R
.
.
3 Nm (0,3 m · kg, 2,2 ft · lb)
Pinza freno posteriore
1. Installare:
Supporto pastiglia 1
Pastiglia del freno 2
Perno pastiglia 3
NOTA:
Installare le pastiglie del freno con le
relative sporgenze a negli incavi
della pinza del freno b.
A questo punto, serrare temporanea-
mente il perno pastiglia.
2. Installare:
Riparo disco freno 1
Bullone (riparo disco freno) 2
T
R
.
.
10 Nm (1,0 m · kg, 7,2 ft · lb)
3. Installare:
Pinza del freno 1
Ruota posteriore 2
Fare riferimento al paragrafo
RUOTA ANTERIORE E
POSTERIORE.
4. Serrare:
Perno pastiglia 3
5. Installare:
Tappo del perno pastiglia 4
T
R
.
.
18 Nm (1,8 m · kg, 13 ft · lb)
T
R
.
.
3 Nm (0,3 m · kg, 2,2 ft · lb)
2. Instalar:
Pinza de freno 1
Tornillo (pinza de freno) 2
3. Apretar:
Pasador de pastilla 3
4. Instalar:
Tapón de pasador de pastilla
4
T
R
.
.
23 Nm (2,3 m · kg, 17 ft · lb)
T
R
.
.
18 Nm (1,8 m · kg, 13 ft · lb)
T
R
.
.
3 Nm (0,3 m · kg, 2,2 ft · lb)
Pinza de freno trasero
1. Instalar:
Soporte de pastilla 1
Pastilla de freno 2
Pasador de pastilla 3
NOTA:
Instale las pastillas de freno de
forma que los salientes a se intro-
duzcan en los rebajes de la pinza
de freno b.
Apriete provisionalmente el pasa-
dor de la pastilla.
2. Instalar:
Tapa del disco de freno 1
Tornillo (tapa del disco de
freno) 2
T
R
.
.
10 Nm (1,0 m · kg, 7,2 ft · lb)
3. Instalar:
Pinza de freno 1
Rueda trasera 2
Consulte el apartado RUEDA
DELANTERA Y RUEDA TRA-
SERA.
4. Apretar:
Pasador de pastilla 3
5. Instalar:
Tapón de pasador de pastilla
4
T
R
.
.
18 Nm (1,8 m · kg, 13 ft · lb)
T
R
.
.
3 Nm (0,3 m · kg, 2,2 ft · lb)
VORDER- UND HINTERRADBREMSEN
FRENO ANTERIORE E POSTERIORE
FRENO DELANTERO Y FRENO TRASERO
6 - 49
CHAS
FRONT BRAKE AND REAR BRAKE
Brake master cylinder kit
1. Clean:
Brake master cylinder
Brake master cylinder kit
Clean them with brake fluid.
2. Install:
Brake master cylinder cup
(primary) 1
Brake master cylinder cup
(secondary) 2
To brake master cylinder pis-
ton 3.
NOTE:
Apply the brake fluid on the brake
master cylinder cup.
WARNING
After installing, cylinder cup
should be installed as shown
direction. Wrong installation
cause improper brake perfor-
mance.
ÈFront
ÉRear
3. Install:
Spring 1
To brake master cylinder pis-
ton 2.
NOTE:
Install the spring at the smaller dia.
side.
ÈFront
ÉRear
ÈÉ
ÈÉ
ÈÉ
4. Install:
[Front]
Brake master cylinder kit 1
Washer 2
Circlip 3
Brake master cylinder boot 4
To brake master cylinder 5.
[Rear]
Brake master cylinder kit 1
Push rod 2
Circlip 3
Brake master cylinder boot 4
To brake master cylinder 5.
NOTE:
Apply the brake fluid on the brake
master cylinder kit.
Apply the lithium soap base grease
on the tip of the push rod.
When installing the circlip, use a
long nose circlip pliers.
ÈFront
ÉRear
È
É
Kit de maître-cylindre de frein
1. Nettoyer:
Maître-cylindre de frein
Kit de maître-cylindre de frein
Les nettoyer avec du liquide de
frein.
2. Monter:
Coupelle de maître-cylindre de
frein (primaire) 1
Coupelle de maître-cylindre de
frein (secondaire) 2
Sur le piston du maître-cylindre
de frein 3.
N.B.:
Appliquer le liquide de frein sur la cou-
pelle du maître-cylindre de frein.
AVERTISSEMENT
Après la repose, la coupelle du cylin-
dre doit être montée comme indiqué.
Une mauvaise installation provo-
quera un mauvais fonctionnement du
frein.
ÈAvant
ÉArrière
3. Monter:
Ressort 1
Sur le piston du maître-cylindre
de frein 2.
N.B.:
Reposer le ressort du côté du diamètre
inférieur.
ÈAvant
ÉArrière
4. Monter:
[Avant]
Kit de maître-cylindre de frein 1
Rondelle 2
Circlip 3
Soufflet de maître-cylindre de
frein 4
Sur le maître-cylindre de frein 5.
[Arrière]
Kit de maître-cylindre de frein 1
Tige de débrayage 2
Circlip 3
Soufflet de maître-cylindre de
frein 4
Sur le maître-cylindre de frein 5.
N.B.:
Appliquer le liquide de frein sur le kit
de maître-cylindre de frein.
Appliquer de la graisse à savon de
lithium sur lextrémité de la tige de
commande.
Monter le circlip à laide dune pince à
circlip.
ÈAvant
ÉArrière
FREIN AVANT ET FREIN ARRIERE
6 - 50
CHAS
Hauptbremszylinder-Bauteile
1. Reinigen:
Hauptbremszylinder
Hauptbremszylinder-Bauteile
(mit Bremsflüssigkeit)
2. Montieren:
primäre Hauptbremszylinder-
Manschette 1
sekundäre Hauptbremszylin-
der-Manschette 2
(am Bremskolben 3)
HINWEIS:
Die Hauptbremszylinder-Manschette
mit Bremsflüssigkeit bestreichen.
WARNUNG
Die Hauptbremszylinder-Man-
schette muss, wie in der Abbil-
dung gezeigt, eingebaut werden.
Eine unsachgemäße Montage
beeinträchtigt die Bremsfunktion.
ÈVorn
ÉHinten
3. Montieren:
Feder 1
(am Bremskolben 2)
HINWEIS:
Die Feder von der Seite mit der klei-
neren Steigung einbauen.
ÈVorn
ÉHinten
4. Montieren:
[Vorn]
Hauptbremszylinder-Bauteile
1
Beilagscheibe 2
Sicherungsring 3
Staubschutzkappe 4
(am Hauptbremszylinder 5)
[Hinten]
Hauptbremszylinder-Bauteile
1
Druckstange 2
Sicherungsring 3
Staubschutzkappe 4
(am Hauptbremszylinder 5)
HINWEIS:
Die Hauptbremszylinder-Bauteile
mit Bremsflüssigkeit bestreichen.
Das Ende der Druckstange mit
Lithiumseifenfett bestreichen.
Für den Einbau des Sicherungs-
rings eine Sicherungsringzange
verwenden.
ÈVorn
ÉHinten
Componenti pompa del freno
1. Pulire:
Pompa del freno
Componenti pompa del freno
Pulire con il liquido dei freni.
2. Installare:
Anello esterno pompa del freno
(primario) 1
Anello esterno pompa del freno
(secondario) 2
Al pistone pompa del freno 3.
NOTA:
Applicare liquido dei freni sullanello
esterno della pompa del freno.
AVVERTENZA
Dopo linstallazione, lanello esterno
del cilindro dovrebbe risultare nella
direzione indicata. Uninstallazione
errata diminuisce lefficienza della
frenata.
ÈAnteriore
ÉPosteriore
3. Installare:
Molla 1
Al pistone pompa del freno 2.
NOTA:
Installare la molla sul lato dal diametro
inferiore.
ÈAnteriore
ÉPosteriore
4. Installare:
[Anteriore]
Componenti pompa del freno 1
Rondella 2
Anello elastico di sicurezza 3
Parapolvere pompa del freno 4
Alla pompa del freno 5.
[Posteriore]
Componenti pompa del freno 1
Asta di blocco 2
Anello elastico di sicurezza 3
Parapolvere pompa del freno 4
Alla pompa del freno 5.
NOTA:
Applicare liquido dei freni sui compo-
nenti della pompa del freno.
Applicare il grasso a base di sapone di
litio sullestremità dellasta di blocco.
Installare lanello elastico di sicurezza
con apposite pinze lunghe.
ÈAnteriore
ÉPosteriore
Conjunto de la bomba de freno
1. Limpiar:
Bomba de freno
Conjunto de la bomba de
freno
Limpiar con líquido de frenos.
2. Instalar:
Cubeta de la bomba de freno
(primaria) 1
Cubeta de la bomba de freno
(secundaria) 2
Al pistón de la bomba de freno
3.
NOTA:
Aplique líquido de frenos a la cubeta
de la bomba de freno.
ADVERTENCIA
Después de instalarla, la cubeta
debe quedar en la dirección que
se muestra. Una colocación inco-
rrecta puede alterar el funciona-
miento del freno.
ÈDelantero
ÉTrasero
3. Instalar:
Muelle 1
Al pistón de la bomba de freno
2.
NOTA:
Instale el muelle en el lado de menor
diámetro.
ÈDelantero
ÉTrasero
4. Instalar:
[Delantero]
Conjunto de la bomba de
freno 1
Arandela 2
Anillo elástico 3
Funda de la bomba de freno
4
A la bomba de freno 5.
[Trasero]
Conjunto de la bomba de
freno 1
Barra de empuje 2
Anillo elástico 3
Funda de la bomba de freno
4
A la bomba de freno 5.
NOTA:
Aplique líquido de frenos al con-
junto de la bomba de freno.
Aplique grasa de jabón de litio al
extremo de la barra de empuje.
Para instalar el anillo elástico uti-
lice unos alicates largos para ani-
llos elásticos.
ÈDelantero
ÉTrasero
VORDER- UND HINTERRADBREMSEN
FRENO ANTERIORE E POSTERIORE
FRENO DELANTERO Y FRENO TRASERO
6 - 51
CHAS
FRONT BRAKE AND REAR BRAKE
Front brake master cylinder
1. Install:
Brake master cylinder 1
Brake master cylinder bracket
2
Bolt (brake master cylinder
bracket) 3
NOTE:
Install the bracket so that the arrow
mark a face upward.
First tighten the bolts on the upper
side of the brake master cylinder
bracket, and then tighten the bolts
on the lower side.
T
R
.
.
9 Nm (0.9 m · kg, 6.5 ft · lb)
2. Install:
Brake lever 1
Bolt (brake lever) 2
Nut (brake lever) 3
NOTE:
Apply the lithium soap base grease
on the brake lever sliding surface,
bolt and contacting surface of the
brake master cylinder piston.
T
R
.
.
6 Nm (0.6 m · kg, 4.3 ft · lb)
T
R
.
.
6 Nm (0.6 m · kg, 4.3 ft · lb)
Rear brake master cylinder
1. Install:
Copper washer 1
Brake hose 2
Union bolt 3
WARNING
Always use new copper washers.
CAUTION:
Install the brake hose so that its
pipe portion a directs as shown
and lightly touches the projection
b on the brake master cylinder.
T
R
.
.
30 Nm (3.0 m · kg, 22 ft · lb)
New
2. Install:
Brake master cylinder 1
Bolt (brake master cylinder) 2
T
R
.
.
10 Nm (1.0 m · kg, 7.2 ft · lb)
Maître-cylindre de frein avant
1. Monter:
Maître-cylindre de frein 1
Support de maître-cylindre de
frein 2
Boulon (support de maître-cylin-
dre de frein) 3
N.B.:
Reposer le demi-palier de manière que
la flèche a soit dirigée vers le haut.
Serrer dabord les boulons supérieurs
du support de maître-cylindre de frein
puis serrer les boulons inférieurs.
T
R
.
.
9 Nm (0,9 m · kg, 6,5 ft · lb)
2. Monter:
Levier de frein 1
Boulon (levier de frein) 2
Ecrou (levier de frein) 3
N.B.:
Enduire de graisse à savon de lithium la
surface coulissante du levier de frein, le
boulon et la surface de contact du piston
du maître-cylindre de frein.
T
R
.
.
6 Nm (0,6 m · kg, 4,3 ft · lb)
T
R
.
.
6 Nm (0,6 m · kg, 4,3 ft · lb)
Maître-cylindre de frein arrière
1. Monter:
Rondelle en cuivre 1
Durit de frein 2
Boulon de raccord 3
AVERTISSEMENT
Toujours utiliser des rondelles en cui-
vre neuves.
ATTENTION:
Monter la durit de frein de manière
que sa partie tubulaire a soit orientée
comme dans lillustration et touche
légèrement la saillie b du maître-
cylindre de frein.
2. Monter:
Maître-cylindre de frein 1
Boulon (maître-cylindre de frein)
2
T
R
.
.
30 Nm (3,0 m · kg, 22 ft · lb)
T
R
.
.
10 Nm (1,0 m · kg, 7,2 ft · lb)
New
FREIN AVANT ET FREIN ARRIERE
6 - 52
CHAS
Vorderrad-Hauptbremszylinder
1. Montieren:
Hauptbremszylinder 1
Hauptbremszylinder-Halte-
rung 2
Schraube (Hauptbremszylin-
der-Halterung) 3
HINWEIS:
Die Halterung so einbauen, dass
die Pfeilmarkierung a nach oben
gerichtet ist.
Zunächst die oberen und dann die
unteren Schrauben der Haupt-
bremszylinder-Halterung vor-
schriftsmäßig festziehen.
T
R
.
.
9 Nm (0,9 m · kg, 6,5 ft · lb)
2. Montieren:
Handbremshebel 1
Handbremshebel-Schraube 2
Handbremshebel-Mutter 3
HINWEIS:
Die Kontaktfläche und Schraube des
Bremshebel-Drehpunkts sowie die
Bremskolben-Kontaktfläche mit Lithi-
umseifenfett bestreichen.
T
R
.
.
6 Nm (0,6 m · kg, 4,3 ft · lb)
T
R
.
.
6 Nm (0,6 m · kg, 4,3 ft · lb)
Hinterrad-Hauptbremszylinder
1. Montieren:
Kupferscheibe 1
Bremsschlauch 2
Hohlschraube 3
WARNUNG
Immer neue Kupferscheiben ver-
wenden.
ACHTUNG:
Den Bremsschlauch so montieren,
dass der Metallstutzen a am
Schlauchende, wie abgebildet, an
der Nase b des Hauptbremszylin-
ders anliegt.
T
R
.
.
30 Nm (3,0 m · kg, 22 ft · lb)
New
2. Montieren:
Hauptbremszylinder 1
Schraube (Hauptbremszylin-
der) 2
T
R
.
.
10 Nm (1,0 m · kg, 7,2 ft · lb)
Pompa del freno anteriore
1. Installare:
Pompa del freno 1
Staffa pompa del freno 2
Bullone (staffa pompa del freno)
3
NOTA:
Installare la staffa in modo che la frec-
cia a sia rivolta verso lalto.
Serrare prima i bulloni sul lato supe-
riore della staffa della pompa del
freno, quindi quelli sul lato inferiore.
T
R
.
.
9 Nm (0,9 m · kg, 6,5 ft · lb)
2. Installare:
Leva del freno 1
Bullone (leva del freno) 2
Dado (leva del freno) 3
NOTA:
Applicare il grasso a base di sapone di
litio sulla superficie scorrevole della leva
del freno, sul bullone e sulla superficie di
contatto del pistone della pompa del
freno.
T
R
.
.
6 Nm (0,6 m · kg, 4,3 ft · lb)
T
R
.
.
6 Nm (0,6 m · kg, 4,3 ft · lb)
Pompa del freno posteriore
1. Installare:
Rondella di rame 1
Tubo del freno 2
Bullone di giunzione 3
AVVERTENZA
Usare sempre rondelle di rame nuove.
ATTENZIONE:
Installare il tubo del freno in modo
che la porzione di tubo a sia rivolta
nella direzione mostrata dalla figura e
tocchi leggermente la sporgenza b
sulla pompa del freno.
T
R
.
.
30 Nm (3,0 m · kg, 22 ft · lb)
New
2. Installare:
Pompa del freno 1
Bullone (pompa del freno) 2
T
R
.
.
10 Nm (1,0 m · kg, 7,2 ft · lb)
Bomba de freno delantero
1. Instalar:
Bomba de freno 1
Soporte de la bomba de freno
2
Tornillo (soporte de la bomba
de freno) 3
NOTA:
Instale el soporte de forma que la
flecha a esté orientada hacia
arriba.
Apriete primero los tornillos de la
parte superior del soporte de la
bomba de freno y luego los de la
parte inferior.
T
R
.
.
9 Nm (0,9 m · kg, 6,5 ft · lb)
2. Instalar:
Maneta de freno 1
Tornillo (maneta de freno) 2
Tuerca (maneta de freno) 3
NOTA:
Aplique grasa de jabón de litio a la
superficie deslizante de la maneta de
freno, al tornillo y a la superficie de
contacto del pistón de la bomba de
freno.
T
R
.
.
6 Nm (0,6 m · kg, 4,3 ft · lb)
T
R
.
.
6 Nm (0,6 m · kg, 4,3 ft · lb)
Bomba de freno trasero
1. Instalar:
Arandela de cobre 1
Tubo de freno 2
Perno de unión 3
ADVERTENCIA
Utilice siempre arandelas de cobre
nuevas.
ATENCION:
Instale el tubo de freno de forma
que la parte de tubería a se sitúe
como se muestra y toque ligera-
mente la prolongación b de la
bomba de freno.
2. Instalar:
Bomba de freno 1
Tornillo (bomba de freno) 2
T
R
.
.
30 Nm (3,0 m · kg, 22 ft · lb)
T
R
.
.
10 Nm (1,0 m · kg, 7,2 ft · lb)
New
VORDER- UND HINTERRADBREMSEN
FRENO ANTERIORE E POSTERIORE
FRENO DELANTERO Y FRENO TRASERO
6 - 53
CHAS
FRONT BRAKE AND REAR BRAKE
3. Install:
Spring 1
Brake pedal 2
O-ring 3
Bolt (brake pedal) 4
Clip 5
NOTE:
Apply the lithium soap base grease
on the bolt, O-ring and brake pedal
bracket.
T
R
.
.
26 Nm (2.6 m · kg, 19 ft · lb)
New
4. Install:
Pin 1
Washer 2
Cotter pin 3
NOTE:
After installing, check the brake
pedal height. Refer to REAR
BRAKE ADJUSTMENT section in
the CHAPTER 3.
New
Front brake hose
1. Install:
Copper washer 1
Brake hose 2
Union bolt 3
WARNING
Always use new copper washers.
CAUTION:
Install the brake hose so that its
pipe portion a directs as shown
and lightly touches the projection
b on the brake caliper.
T
R
.
.
30 Nm (3.0 m · kg, 22 ft · lb)
New
2. Install:
Brake hose holder 1
Bolt (brake hose holder) 2
T
R
.
.
10 Nm (1.0 m · kg, 7.2 ft · lb)
3. Monter:
Ressort 1
Pédale de frein 2
Joint torique 3
Boulon (pédale de frein) 4
Clip 5
N.B.:
Appliquer de la graisse à savon de
lithium sur le boulon, le joint torique et
le support de pédale de frein.
T
R
.
.
26 Nm (2,6 m · kg, 19 ft · lb)
New
4. Monter:
Goupille 1
Rondelle 2
Goupille fendue 3
N.B.:
Après le montage, contrôler la hauteur
de pédale de frein. Se reporter à la sec-
tion REGLAGE DU FREIN
ARRIERE au CHAPITRE 3.
New
Durit de frein avant
1. Monter:
Rondelle en cuivre 1
Durit de frein 2
Boulon de raccord 3
AVERTISSEMENT
Toujours utiliser des rondelles en cui-
vre neuves.
ATTENTION:
Monter la durit de frein de manière
que sa partie tubulaire a soit orientée
comme sur lillustration et touche légè-
rement la saillie b de l’étrier de frein.
T
R
.
.
30 Nm (3,0 m · kg, 22 ft · lb)
New
2. Monter:
Support de durit de frein 1
Boulon (support de durit de frein)
2
T
R
.
.
10 Nm (1,0 m · kg, 7,2 ft · lb)
FREIN AVANT ET FREIN ARRIERE
6 - 54
CHAS
3. Montieren:
Feder 1
Fußbremshebel 2
O-Ring 3
Fußbremshebel-Schraube 4
Clip 5
HINWEIS:
Die Schraube, O-Ringe und Fuß-
bremshebel-Halterung mit Lithium-
seifenfett bestreichen.
T
R
.
.
26 Nm (2,6 m · kg, 19 ft · lb)
New
4. Montieren:
Stift 1
Beilagscheibe 2
Splint 3
HINWEIS:
Nach der Montage die Fußbremshe-
bel-Position kontrollieren. Siehe
unter HINTERRADBREMSE EIN-
STELLEN in KAPITEL 3.
New
Vorderrad-Bremsschlauch
1. Montieren:
Kupferscheibe 1
Bremsschlauch 2
Hohlschraube 3
WARNUNG
Immer neue Kupferscheiben ver-
wenden.
ACHTUNG:
Den Bremsschlauch so montieren,
dass der Metallstutzen a am
Schlauchende, wie abgebildet, an
der Nase b des Bremssattels
anliegt.
T
R
.
.
30 Nm (3,0 m · kg, 22 ft · lb)
New
2. Montieren:
Bremsschlauch-Halterung 1
Schraube (Bremsschlauch-
Halterung) 2
T
R
.
.
10 Nm (1,0 m · kg, 7,2 ft · lb)
3. Installare:
Molla 1
Pedale del freno 2
Guarnizione circolare 3
Bullone (pedale del freno) 4
Fermo 5
NOTA:
Applicare il grasso a base di sapone di
litio sul bullone, sulla guarnizione circo-
lare e sulla staffa del pedale del freno.
T
R
.
.
26 Nm (2,6 m · kg, 19 ft · lb)
New
4. Installare:
Perno 1
Rondella 2
Copiglia 3
NOTA:
Dopo linstallazione, controllare
laltezza del pedale del freno. Fare riferi-
mento al paragrafo REGOLAZIONE
DEL FRENO POSTERIORE nel
CAPITOLO 3.
New
Tubo del freno anteriore
1. Installare:
Rondella di rame 1
Tubo del freno 2
Bullone di giunzione 3
AVVERTENZA
Usare sempre rondelle di rame nuove.
ATTENZIONE:
Installare il tubo del freno in modo
che la porzione di tubo a sia rivolta
nella direzione mostrata dalla figura e
tocchi leggermente la sporgenza b
sulla pinza del freno.
T
R
.
.
30 Nm (3,0 m · kg, 22 ft · lb)
New
2. Installare:
Supporto tubo flessibile del freno
1
Bullone (supporto tubo flessibile
del freno) 2
T
R
.
.
10 Nm (1,0 m · kg, 7,2 ft · lb)
3. Instalar:
Muelle 1
Pedal de freno 2
Junta tórica 3
Tornillo (pedal de freno) 4
Clip 5
NOTA:
Aplique grasa de jabón de litio al tor-
nillo, la junta tórica y el soporte del
pedal de freno.
T
R
.
.
26 Nm (2,6 m · kg, 19 ft · lb)
New
4. Instalar:
Pasador 1
Arandela 2
Pasador hendido 3
NOTA:
Después de instalarlo, compruebe la
altura del pedal de freno. Consulte el
apartado AJUSTE DEL FRENO
TRASERO del CAPÍTULO 3.
New
Tubo de freno delantero
1. Instalar:
Arandela de cobre 1
Tubo de freno 2
Perno de unión 3
ADVERTENCIA
Utilice siempre arandelas de cobre
nuevas.
ATENCION:
Instale el tubo de freno de forma
que la parte de tubería a se sitúe
como se muestra y toque ligera-
mente la prolongación b de la
pinza de freno.
T
R
.
.
30 Nm (3,0 m · kg, 22 ft · lb)
New
2. Instalar:
Soporte del tubo de freno 1
Tornillo (soporte del tubo de
freno) 2
T
R
.
.
10 Nm (1,0 m · kg, 7,2 ft · lb)
VORDER- UND HINTERRADBREMSEN
FRENO ANTERIORE E POSTERIORE
FRENO DELANTERO Y FRENO TRASERO
6 - 55
CHAS
FRONT BRAKE AND REAR BRAKE
3. Install:
Brake hose holder 1
Nut (brake hose holder) 2
NOTE:
Align the top a of the brake hose
holder with the paint b of the brake
hose.
T
R
.
.
7 Nm (0.7 m · kg, 5.1 ft · lb)
4. Pass the brake hose through the
front brake hose guides 1.
5. Install:
Copper washer 1
Brake hose 2
Union bolt 3
WARNING
Always use new copper washers.
CAUTION:
Install the brake hose so that it
contacts the brake master cylinder
projection a and that its bent por-
tion b faces downward.
T
R
.
.
30 Nm (3.0 m · kg, 22 ft · lb)
New
Rear brake hose
1. Install:
Copper washer 1
Brake hose 2
Union bolt 3
WARNING
Always use new copper washers.
CAUTION:
Install the brake hose so that its
pipe portion a directs as shown
and lightly touches the projection
b on the brake caliper.
T
R
.
.
30 Nm (3.0 m · kg, 22 ft · lb)
New
3. Monter:
Support de durit de frein 1
Ecrou (support de durit de frein) 2
N.B.:
Aligner le haut a du support de durit de
frein sur la peinture b de la durit de
frein.
T
R
.
.
7 Nm (0,7 m · kg, 5,1 ft · lb)
4. Passer la durit de frein dans les gui-
des de durit de frein avant 1.
5. Monter:
Rondelle en cuivre 1
Durit de frein 2
Boulon de raccord 3
AVERTISSEMENT
Toujours utiliser des rondelles en cui-
vre neuves.
ATTENTION:
Monter la durit de frein de manière
quelle soit en contact avec la saillie du
maître-cylindre a et que sa partie
courbe b soit orientée vers le bas.
T
R
.
.
30 Nm (3,0 m · kg, 22 ft · lb)
New
Durit de frein arrière
1. Monter:
Rondelle en cuivre 1
Durit de frein 2
Boulon de raccord3
AVERTISSEMENT
Toujours utiliser des rondelles en cui-
vre neuves.
ATTENTION:
Monter la durit de frein de manière
que sa partie tubulaire a soit orientée
comme sur lillustration et touche légè-
rement la saillie b de l’étrier de frein.
T
R
.
.
30 Nm (3,0 m · kg, 22 ft · lb)
New
FREIN AVANT ET FREIN ARRIERE
6 - 56
CHAS
3. Montieren:
Bremsschlauch-Halterung 1
Mutter (Bremsschlauch-Halte-
rung) 2
HINWEIS:
Die Oberkante a der Bremsschlauch-
Halterung muss mit der Farbmarkie-
rung b am Bremsschlauch fluchten.
T
R
.
.
7 Nm (0,7 m · kg, 5,1 ft · lb)
4. Den Bremsschlauch durch die
Schlauchführungen 1 leiten.
5. Montieren:
Kupferscheibe 1
Bremsschlauch 2
Hohlschraube 3
WARNUNG
Immer neue Kupferscheiben ver-
wenden.
ACHTUNG:
Den Bremsschlauch so montieren,
dass er den Vorsprung a am
Hauptbremszylinder berührt und
dass die Biegung b nach vorn
gerichtet ist.
T
R
.
.
30 Nm (3,0 m · kg, 22 ft · lb)
New
Hinterrad-Bremsschlauch
1. Montieren:
Kupferscheibe 1
Bremsschlauch 2
Hohlschraube 3
WARNUNG
Immer neue Kupferscheiben ver-
wenden.
ACHTUNG:
Den Bremsschlauch so montieren,
dass der Metallstutzen a am
Schlauchende, wie abgebildet, an
der Nase b des Bremssattels
anliegt.
T
R
.
.
30 Nm (3,0 m · kg, 22 ft · lb)
New
3. Installare:
Supporto tubo flessibile del freno 1
Dado (supporto tubo flessibile del
freno) 2
NOTA:
Allineare la cima a del supporto del tubo
flessibile del freno con il contrassegno in
vernice b del tubo flessibile del freno.
T
R
.
.
7 Nm (0,7 m · kg, 5,1 ft · lb)
4. Far passare il tubo flessibile del
freno attraverso le guide del tubo
flessibile del freno anteriore 1.
5. Installare:
Rondella di rame 1
Tubo del freno 2
Bullone di giunzione 3
AVVERTENZA
Usare sempre rondelle di rame nuove.
ATTENZIONE:
Installare il tubo del freno in modo
che sia a contatto con la sporgenza
della pompa del freno a e che la sua
parte piegata b sia rivolta verso il
basso.
T
R
.
.
30 Nm (3,0 m · kg, 22 ft · lb)
New
Tubo del freno posteriore
1. Installare:
Rondella di rame 1
Tubo del freno 2
Bullone di giunzione 3
AVVERTENZA
Usare sempre rondelle di rame nuove.
ATTENZIONE:
Installare il tubo del freno in modo
che la porzione di tubo a sia rivolta
nella direzione mostrata dalla figura e
tocchi leggermente la sporgenza b
sulla pinza del freno.
T
R
.
.
30 Nm (3,0 m · kg, 22 ft · lb)
New
3. Instalar:
Soporte del tubo de freno 1
Tuerca (soporte del tubo de
freno) 2
NOTA:
Alinee la parte superior a del
soporte del tubo de freno con la pin-
tura b del tubo de freno.
T
R
.
.
7 Nm (0,7 m · kg, 5,1 ft · lb)
4. Pase el tubo de freno a través
de las guías delanteras del tubo
de freno 1.
5. Instalar:
Arandela de cobre 1
Tubo de freno 2
Perno de unión 3
ADVERTENCIA
Utilice siempre arandelas de cobre
nuevas.
ATENCION:
Instale el tubo de freno de forma
que toque el saliente de la bomba
de freno a y su parte doblada b
quede hacia abajo.
T
R
.
.
30 Nm (3,0 m · kg, 22 ft · lb)
New
Tubo de freno trasero
1. Instalar:
Arandela de cobre 1
Tubo de freno 2
Perno de unión 3
ADVERTENCIA
Utilice siempre arandelas de cobre
nuevas.
ATENCION:
Instale el tubo de freno de forma
que la parte de tubería a se sitúe
como se muestra y toque ligera-
mente la prolongación b de la
pinza de freno.
T
R
.
.
30 Nm (3,0 m · kg, 22 ft · lb)
New
VORDER- UND HINTERRADBREMSEN
FRENO ANTERIORE E POSTERIORE
FRENO DELANTERO Y FRENO TRASERO
6 - 57
CHAS
FRONT BRAKE AND REAR BRAKE
2. Install:
Brake hose holder 1
Screw (brake hose holder) 2
CAUTION:
After installing the brake hose
holders, make sure the brake hose
does not contact the spring (rear
shock absorber). If it does, correct
its twist.
T
R
.
.
2 Nm (0.2 m · kg, 1.4 ft · lb)
Brake fluid
1. Fill:
Brake fluid
Until the fluid level reaches
LOWER level line a.
WARNING
Use only the designated quality
brake fluid:
otherwise, the rubber seals may
deteriorate, causing leakage and
poor brake performance.
Refill with the same type of
brake fluid;
mixing fluids may result in a
harmful chemical reaction and
lead to poor performance.
Be careful that water does not
enter the master cylinder when
refilling. Water will significantly
lower the boiling point of the
fluid and may result in vapor
lock.
CAUTION:
Brake fluid may erode painted sur-
faces or plastic parts. Always
clean up spilled fluid immediately.
ÈFront
ÉRear
Recommended brake
fluid:
DOT #4
È
É
2. Monter:
Support de durit de frein 1
Vis (support de durit de frein) 2
ATTENTION:
Après avoir monté les supports de
durits de frein, vérifier que la durit de
frein ne soit pas en contact avec le res-
sort (amortisseur arrière). Si cest le
cas, en corriger la torsion.
T
R
.
.
2 Nm (0,2 m · kg, 1,4 ft · lb)
Liquide de frein
1. Remplir:
Liquide de frein
Jusqu’à ce que le liquide atteigne
le repère de niveau LOWER
a.
AVERTISSEMENT
Utiliser exclusivement le type de
liquide de frein recommandé:
sinon les joints en caoutchouc ris-
quent de se détériorer, entraînant
des fuites et un mauvais fonctionne-
ment du frein.
Toujours utiliser la même marque
de liquide de frein;
le mélange de liquides de marques
différentes risque de provoquer une
réaction chimique nuisible au fonc-
tionnement du frein.
Veiller à ce que, lors du remplis-
sage, de leau ne pénètre pas dans le
maître-cylindre. En effet, leau
abaissera nettement le point d’ébul-
lition du liquide, ce qui risque de
provoquer un bouchon de vapeur.
ATTENTION:
Le liquide de frein peut attaquer les
surfaces peintes et les pièces en plasti-
que. Toujours essuyer immédiatement
toute trace de liquide renversé.
ÈAvant
ÉArrière
Liquide de frein
recommandé:
DOT n°4
FREIN AVANT ET FREIN ARRIERE
6 - 58
CHAS
2. Montieren:
Bremsschlauch-Halterung 1
Schraube (Bremsschlauch-
Halterung) 2
ACHTUNG:
Nach der Montage der Brems-
schlauch-Halterungen sicherstel-
len, dass der Bremsschlauch das
Federbein nicht berührt. Gegebe-
nenfalls den Schlauch entspre-
chend umbiegen.
T
R
.
.
2 Nm (0,2 m · kg, 1,4 ft · lb)
Bremsflüssigkeit
1. Einfüllen:
Bremsflüssigkeit
(bis die Flüssigkeit die Min-
deststand-Markierung
LOWER a. erreicht)
WARNUNG
Nur die vorgeschriebene Brems-
flüssigkeit verwenden:
Andere Flüssigkeiten können
die Gummidichtungen zerset-
zen, Undichtigkeit verursachen
und dadurch die Bremsfunktion
beeinträchtigen.
Ausschließlich Bremsflüssig-
keit gleicher Marke und gleichen
Typs nachfüllen;
Das Mischen verschiedener
Bremsflüssigkeiten kann
Bremsfunktion beeinträchtigen.
Beim Einfüllen darauf achten,
dass kein Wasser in den Flüs-
sigkeitsbehälter gelangt. Was-
ser kann den Siedepunkt der
Flüssigkeit herabsetzen und
durch Dampfblasenbildung zum
Blokkieren der Bremse führen.
ACHTUNG:
Bremsflüssigkeit greift Lack und
Kunststoffe an. Verschüttete Flüs-
sigkeit sofort abwischen.
ÈVorn
ÉHinten
Empfohlene
Bremsflüssigkeit:
DOT Nr.4
2. Installare:
Supporto tubo flessibile del freno
1
Vite (supporto tubo flessibile del
freno) 2
ATTENZIONE:
Dopo aver installato i supporti del
tubo flessibile del freno, assicurarsi
che il tubo del freno non entri in con-
tatto con la molla (ammortizzatore
posteriore). Se entra in contatto, cor-
reggerne la rotazione.
T
R
.
.
2 Nm (0,2 m · kg, 1,4 ft · lb)
Liquido dei freni
1. Riempire:
Liquido dei freni
Finché il livello del liquido rag-
giunge la linea di livello
LOWER a.
AVVERTENZA
Utilizzare esclusivamente il liquido
freni indicato:
altrimenti le guarnizioni in gomma
potrebbero danneggiarsi provo-
cando perdite e una diminuzione
dellefficienza della frenata.
Riempire con liquido dei freni dello
stesso tipo;
la miscelazione di liquidi dei freni
diversi può causare una reazione
chimica pericolosa e la diminuzione
dellefficienza della frenata.
Evitare accuratamente lentrata di
acqua nella pompa del freno
durante il riempimento. Lacqua
abbasserebbe in maniera significa-
tiva il punto di ebollizione del
liquido e potrebbe provocare bolle
di vapore.
ATTENZIONE:
Il liquido dei freni può danneggiare le
superfici verniciate o gli elementi in
plastica. Pulire sempre immediata-
mente il liquido versato.
ÈAnteriore
ÉPosteriore
Liquido freni
raccomandato:
DOT n.4
2. Instalar:
Soporte del tubo de freno 1
Tornillo (soporte del tubo de
freno) 2
ATENCION:
Después de instalar los soportes
del tubo de freno verifique que
este no toque el muelle (amorti-
guador trasero). Si lo hace, corrija
la curvatura.
T
R
.
.
2 Nm (0,2 m · kg, 1,4 ft · lb)
Líquido de frenos
1. Llenar:
Líquido de frenos
Hasta que el líquido llegue a la
línea de nivel LOWER a.
ADVERTENCIA
Utilice únicamente el líquido de
frenos de la calidad indicada:
De lo contrario las juntas de
goma se pueden deteriorar, pro-
vocar fugas y reducir la eficacia
de los frenos.
Añada el mismo tipo de líquido
de frenos;
la mezcla de líquidos diferentes
puede provocar una reacción
química perjudicial y reducir la
eficacia de los frenos.
Evite que penetre agua en la
bomba de freno cuando añada
líquido. El agua reducirá signifi-
cativamente el punto de ebulli-
ción del líquido y puede
provocar una obstrucción por
vapor.
ATENCION:
El líquido de frenos puede erosio-
nar las superficies pintadas o las
piezas de plástico. Elimine siem-
pre inmediatamente el líquido que
se haya derramado.
ÈDelantero
ÉTrasero
Líquido de frenos
recomendado:
DOT n°4
VORDER- UND HINTERRADBREMSEN
FRENO ANTERIORE E POSTERIORE
FRENO DELANTERO Y FRENO TRASERO
6 - 59
CHAS
FRONT BRAKE AND REAR BRAKE
2. Air bleed:
Brake system
Refer to BRAKE SYSTEM
AIR BLEEDING section in the
CHAPTER 3.
3. Inspect:
Brake fluid level
Fluid at lower level Fill up.
Refer to BRAKE FLUID
LEVEL INSPECTION section
in the CHAPTER 3.
4. Install:
[Front]
Reservoir float
Diaphragm
Brake master cylinder cap 1
Screw
(brake master cylinder cap) 2
[Rear]
Diaphragm
Brake master cylinder cap 1
Bolt
(brake master cylinder cap) 2
CAUTION:
After installation, while pulling the
brake lever in or pushing down on
the brake pedal, check whether
there is any brake fluid leaking
where the union bolts are installed
respectively at the brake master
cylinder and brake caliper.
ÈFront
ÉRear
T
R
.
.
2 Nm (0.2 m · kg, 1.4 ft · lb)
T
R
.
.
2 Nm (0.2 m · kg, 1.4 ft · lb)
È
É
5. Install: (rear brake only)
Protector 1
Bolt (protector) 2
T
R
.
.
7 Nm (0.7 m · kg, 5.1 ft · lb)
2. Purger lair:
Circuit de freinage
Se reporter à la section PURGE
DAIR DU CIRCUIT DE FREI-
NAGE au CHAPITRE 3.
3. Contrôler:
Niveau du liquide de frein
Niveau du liquide bas Remet-
tre à niveau.
Se reporter à la section CON-
TROLE DU NIVEAU DU
LIQUIDE DE FREIN au CHA-
PITRE 3.
4. Monter:
[Avant]
Flotteur du réservoir
Diaphragme
Couvercle de maître-cylindre de
frein 1
Vis
(couvercle de maître-cylindre de
frein) 2
[Arrière]
Diaphragme
Couvercle de maître-cylindre de
frein 1
Boulon
(couvercle de maître-cylindre de
frein) 2
ATTENTION:
Après le montage, rechercher en
actionnant le levier ou la pédale de
frein les fuites éventuelles de liquide
de frein au niveau des boulons de rac-
cord sur le maître-cylindre de frein et
l’étrier de frein.
ÈAvant
ÉArrière
T
R
.
.
2 Nm (0,2 m · kg, 1,4 ft · lb)
T
R
.
.
2 Nm (0,2 m · kg, 1,4 ft · lb)
5. Monter: (frein arrière seulement)
Protection 1
Boulon (protection) 2
T
R
.
.
7 Nm (0,7 m · kg, 5,1 ft · lb)
FREIN AVANT ET FREIN ARRIERE
6 - 60
CHAS
2. Entlüften:
Bremshydraulik
Siehe unter HYDRAULISCHE
BREMSANLAGE ENTLÜF-
TEN in KAPITEL 3.
3. Kontrollieren:
Bremsflüssigkeitsstand
Flüssigkeitsstand niedrig
Korrigieren.
Siehe unter BREMSFLÜS-
SIGKEITSSTAND KONTROL-
LIEREN in KAPITEL 3.
4. Montieren:
[Vorn]
Schwimmer
Membran
Vorratsbehälter-Deckel 1
Schraube
(Vorratsbehälter-Deckel) 2
[Hinten]
Membran
Vorratsbehälter-Deckel 1
Schraube
(Vorratsbehälter-Deckel) 2
ACHTUNG:
Nach der Montage bei betätigtem
Bremshebel kontrollieren, ob
keine Flüssigkeit an der Verbin-
dung zwischen Hohlschraube und
Hauptbremszylinder bzw. Brems-
sattel austritt.
ÈVorn
ÉHinten
T
R
.
.
2 Nm (0,2 m · kg, 1,4 ft · lb)
T
R
.
.
2 Nm (0,2 m · kg, 1,4 ft · lb)
5. Montieren: (nur Hinterrad-
bremse)
Protektor 1
Protektor-Schraube 2
T
R
.
.
7 Nm (0,7 m · kg, 5,1 ft · lb)
2. Spurgo aria:
Sistema frenante
Fare riferimento al paragrafo
SPURGO ARIA SISTEMA
FRENANTE nel CAPITOLO 3.
3. Controllare:
Livello liquido freni
Livello del liquido basso
Riempire.
Fare riferimento al paragrafo
CONTROLLO LIVELLO DEL
LIQUIDO DEI FRENI nel
CAPITOLO 3.
4. Installare:
[Anteriore]
Galleggiante serbatoio
Diaframma
Coperchio pompa del freno 1
Vite
(coperchio pompa del freno) 2
[Posteriore]
Diaframma
Coperchio pompa del freno 1
Bullone
(coperchio pompa del freno) 2
ATTENZIONE:
Dopo linstallazione, tirare la leva del
freno o premere il pedale del freno e
controllare si verifica una perdita di
liquido dei freni in corrispondenza dei
bulloni di giunzione montati, rispetti-
vamente, sulla pompa e sulla pinza del
freno.
ÈAnteriore
ÉPosteriore
T
R
.
.
2 Nm (0,2 m · kg, 1,4 ft · lb)
T
R
.
.
2 Nm (0,2 m · kg, 1,4 ft · lb)
5. Installare: (solo freno posteriore)
Protezione 1
Bullone (protezione) 2
T
R
.
.
7 Nm (0,7 m · kg, 5,1 ft · lb)
2. Purga de aire:
Sistema de frenos
Consulte el apartado PURGA
DE AIRE DEL SISTEMA DE
FRENOS del CAPÍTULO 3.
3. Comprobar:
Nivel de líquido de frenos
Nivel inferior Llenar.
Consulte el apartado COM-
PROBACIÓN DEL NIVEL DE
LÍQUIDO DE FRENOS del
CAPÍTULO 3.
4. Instalar:
[Delantero]
Flotador del depósito
Diafragma
Tapa de la bomba de freno 1
Tornillo
(tapa de la bomba de freno) 2
[Trasero]
Diafragma
Tapa de la bomba de freno 1
Tornillo
(tapa de la bomba de freno) 2
ATENCION:
Después de instalarlo, mientras
aprieta la maneta de freno o pisa
el pedal, compruebe si hay fuga
de líquido de frenos por el punto
donde los pernos de unió están
montados respectivamente en la
bomba de freno y en la pinza.
ÈDelantero
ÉTrasero
T
R
.
.
2 Nm (0,2 m · kg, 1,4 ft · lb)
T
R
.
.
2 Nm (0,2 m · kg, 1,4 ft · lb)
5. Instalar: (sólo el freno trasero)
Protector 1
Tornillo (protector) 2
T
R
.
.
7 Nm (0,7 m · kg, 5,1 ft · lb)
VORDER- UND HINTERRADBREMSEN
FRENO ANTERIORE E POSTERIORE
FRENO DELANTERO Y FRENO TRASERO
6 - 61
CHAS
FRONT FORK
EC550000
FRONT FORK
Extent of removal: 1 Front fork removal
Extent of removal Order Part name Qty Remarks
FRONT FORK REMOVAL WARNING
Support the machine securely so there is no
danger of it falling over.
Preparation for removal Hold the machine by placing the suitable
stand under the engine.
Front wheel Refer to FRONT WHEEL AND REAR WHEEL
section.
Front brake caliper Refer to FRONT BRAKE AND REAR BRAKE
section.
Headlight
Handlebar Refer to HANDLEBAR section.
1 Protector 1
2 Pinch bolt (upper bracket) 2 Only loosening.
3 Cap bolt 1 Loosen when disassembling the front fork.
4 Pinch bolt (lower bracket) 2 Only loosening.
5 Front fork 1
1
6 - 62
CHAS
FOURCHE
Organisation de la dépose: 1 Dépose de la fourche
Organisation de la dépose Ordre Nom de la pièce QtéRemarques
DEPOSE DE LA FOURCHE AVERTISSEMENT
Bien caler la moto afin quelle ne risque pas de bascu-
ler.
Préparation à la dépose Caler la moto en plaçant un support adéquat
sous le moteur.
Roue avant Se reporter à la section ROUE AVANT ET ROUE
ARRIERE.
Etrier de frein avant Se reporter à la section FREIN AVANT ET FREIN
ARRIERE.
Phare
Guidon Se reporter à la section GUIDON.
1 Protection 1
2 Boulon de pincement (té supérieur) 2 Desserrer uniquement.
3 Boulon capuchon 1 Desserrer lors du démontage de la fourche.
4 Boulon de pincement (té inférieur) 2 Desserrer uniquement.
5 Fourche 1
1
TELESKOPGABEL
Arbeitsumfang: 1 Teleskopgabel demontieren
Arbeitsumfang
Reihenfolge
Bauteil Anz. Bemerkungen
TELESKOPGABEL DEMONTIEREN WARNUNG
Das Fahrzeug sicher abstützen, damit es nicht
umfallen kann.
Vorbereitungsarbeiten Das Motorrad am Motor aufbocken und in
gerader Stellung halten.
Vorderrad Siehe unter VORDER- UND HINTERRAD.
Vorderrad-Bremssattel Siehe unter VORDER- UND
HINTERRADBREMSEN.
Scheinwerfer
Lenker Siehe unter LENKER.
1 Protektor 1
2 Klemmschraube (obere Gabelbrücke) 2 Lediglich lockern.
3 Gabel-Abdeckschraube 1 Zum Zerlegen der Teleskopgabel lockern.
4 Klemmschraube (untere Gabelbrücke) 2 Lediglich lockern.
5 Gabelbein 1
1
FOURCHE
TELESKOPGABEL
6 - 63
CHAS
FORCELLA ANTERIORE
Estensione della rimozione: 1 Rimozione forcella anteriore
Estensione della rimozione Ordine Denominazione QuantitàOsservazioni
RIMOZIONE FORCELLA ANTERIORE AVVERTENZA
Sostenere saldamente la macchina in modo che non ci
sia il rischio che si rovesci.
Preparazione per la rimozione Sostenere la macchina ponendo un apposito
cavalletto sotto il motore.
Ruota anteriore Fare riferimento al paragrafo RUOTA ANTERIORE E
POSTERIORE.
Pinza freno anteriore Fare riferimento al paragrafo FRENO ANTERIORE E
POSTERIORE.
Faro
Manubrio Fare riferimento al paragrafo MANUBRIO.
1 Protezione 1
2 Bullone di serraggio (staffa superiore) 2 Allentare soltanto.
3 Tappo filettato 1 Allentare durante il disassemblaggio della forcella
anteriore.
4 Bullone di serraggio (staffa inferiore) 2 Allentare soltanto.
5 Forcella anteriore 1
1
FORCELLA ANTERIORE
6 - 64
CHAS
HORQUILLA DELANTERA
Extensión del desmontaje: 1 Desmontaje de la horquilla delantera
Extensión del desmontaje Orden Nombre de la pieza Ctd. Observaciones
DESMONTAJE DE LA HORQUILLA
DELANTERA ADVERTENCIA
Sujete firmemente la máquina de forma que no
exista riesgo de que se caiga.
Preparación para el
desmontaje
Sujete la máquina colocando un soporte
adecuado debajo del motor.
Rueda delantera Consulte el apartado RUEDA DELANTERA Y
RUEDA TRASERA.
Pinza del freno delantero Consulte el apartado FRENO DELANTERO Y
FRENO TRASERO.
Faro
Manillar Consulte el apartado MANILLAR.
1 Protector 1
2 Remache extraíble (soporte superior) 2 Sólo aflojar.
3 Perno capuchino 1 Soltarlo al desmontar la horquilla delantera.
4 Remache extraíble (soporte inferior) 2 Sólo aflojar.
5 Horquilla delantera 1
1
HORQUILLA DELANTERA
6 - 65
CHAS
FRONT FORK
EC558000
FRONT FORK DISASSEMBLY
Extent of removal: 1 Oil seal removal 2 Damper rod removal
Extent of removal Order Part name Qty Remarks
FRONT FORK DISASSEMBLY
1 Front fork cap bolt 1 Refer to REMOVAL POINTS.
2 Fork spring 1 Drain the fork oil.
3 Dust seal 1
Refer to REMOVAL POINTS.
4 Stopper ring 1
5 Inner tube 1
6 Outer tube 1
7 Piston metal 1
8 Slide metal 1
9 Oil seal washer 1
0 Oil seal 1
A Spring guide 1
B Base valve 1 Use special tool.
C Damper rod 1 Refer to REMOVAL POINTS.
1
2
6 - 66
CHAS
DEMONTAGE DE LA FOURCHE
Organisation de la dépose: 1 Dépose de la bague d’étanchéité2 Dépose de la tige damortissement
Organisation de la dépose Ordre Nom de la pièce QtéRemarques
DEMONTAGE DE LA FOURCHE
1 Bouchon de tube de fourche 1 Se reporter à POINTS DE DEPOSE.
2 Ressort de fourche 1 Vidanger lhuile de fourche.
3 Joint antipoussière 1
Se reporter à POINTS DE DEPOSE.4 Bague darrêt1
5 Tube plongeur 1
6 Fourreau 1
7 Bague coulissante de piston 1
8 Bague antifriction 1
9 Rondelle de bague d’étanchéité1
0 Bague d’étanchéité1
A Guide de ressort 1
B Soupape de base 1 Utiliser loutil spécial.
C Tige damortissement 1 Se reporter à POINTS DE DEPOSE.
1
2
TELESKOPGABEL ZERLEGEN
Arbeitsumfang: 1 Dichtring demontieren 2 Dämpferrohr demontieren
Arbeitsumfang
Reihenfolge
Bauteil Anz. Bemerkungen
TELESKOPGABEL ZERLEGEN
1 Gabel-Abdeckschraube 1 Siehe unter DEMONTAGE-EINZELHEITEN.
2 Gabelfeder 1 Das Gabelöl ablassen.
3 Staubschutzring 1
Siehe unter DEMONTAGE-EINZELHEITEN.
4 Sicherungsring 1
5 Gleitrohr 1
6 Standrohr 1
7 Kolbenbuchse 1
8 Gleitbuchse 1
9 Dichtring-Beilagscheibe 1
0 Dichtring 1
A Federführung 1
B Gabelventil 1 Spezialwerkzeug verwenden.
C Dämpferrohr 1 Siehe unter DEMONTAGE-EINZELHEITEN.
1
2
FOURCHE
TELESKOPGABEL
6 - 67
CHAS
DISASSEMBLAGGIO FORCELLA ANTERIORE
Estensione della rimozione: 1 Rimozione paraolio 2 Rimozione asta pompante
Estensione della rimozione Ordine Denominazione QuantitàOsservazioni
DISASSEMBLAGGIO FORCELLA
ANTERIORE
1 Bullone cappello forcella anteriore 1 Fare riferimento a PUNTI DI RIMOZIONE.
2 Molla forcella 1 Scaricare lolio forcella.
3 Guarnizione parapolvere 1
Fare riferimento a PUNTI DI RIMOZIONE.4 Anello di arresto 1
5 Tubo di forza 1
6 Gambale 1
7 Guarnizione metallica del pistone 1
8 Guarnizione metallica di scorrimento 1
9 Rondella paraolio 1
0 Paraolio 1
A Guida molla 1
B Valvola base 1 Utilizzare lattrezzo speciale.
C Asta pompante 1 Fare riferimento a PUNTI DI RIMOZIONE.
1
2
FORCELLA ANTERIORE
6 - 68
CHAS
DESMONTAJE DE LA HORQUILLA DELANTERA
Extensión del desmontaje: 1 Extracción de la junta de aceite 2 Desmontaje de la varilla del amortiguador
Extensión del desmontaje Orden Nombre de la pieza Ctd. Observaciones
DESMONTAJE DE LA HORQUILLA
DELANTERA
1 Tornillo de la tapa de la horquilla delantera 1 Consulte el apartado PUNTOS DE
DESMONTAJE.
2 Muelle de la horquilla 1 Vacíe el aceite de la horquilla.
3 Junta antipolvo 1 Consulte el apartado PUNTOS DE
DESMONTAJE.
4 Anillo de tope 1
5 Tubo interior 1
6 Tubo exterior 1
7 Metal del pistón1
8 Metal deslizante 1
9 Arandela de la junta de aceite 1
0 Junta de aceite 1
A Guía del muelle 1
B Válvula base 1 Utilice la herramienta especial.
C Varilla del amortiguador 1 Consulte el apartado PUNTOS DE
DESMONTAJE.
1
2
HORQUILLA DELANTERA
6 - 69
CHAS
FRONT FORK
EC556000
HANDLING NOTE
NOTE:
The front fork requires careful atten-
tion. So it is recommended that the
front fork be maintained at the deal-
ers.
CAUTION:
To prevent an accidental explo-
sion of air, the following instruc-
tions should be observed:
The front fork with a built-in pis-
ton rod has a very sophisticated
internal construction and is par-
ticularly sensitive to foreign
material.
Use enough care not to allow
any foreign material to come in
when the oil is replaced or when
the front fork is disassembled
and reassembled.
Before removing the cap bolts
or front forks, be sure to extract
the air from the air chamber
completely.
EC553000
REMOVAL POINTS
Front fork cap bolt
1. Remove:
Front fork cap bolt 1
From the outer tube.
NOTE:
Before removing the front fork from
the machine, loosen the front fork
cap bolt.
2. Remove:
Front fork cap bolt 1
NOTE:
Hold the locknut 2 and remove the
front fork cap bolt.
REMARQUES CONCERNANT LA
MANIPULATION
N.B.:
Les interventions sur la fourche sont très
délicates. Il est donc préférable de con-
fier tout travail sur la fourche aux con-
cessionnaires.
ATTENTION:
Afin d’éviter toute explosion acciden-
telle due à la pression dair, suivre les
instructions ci-dessous:
La construction interne dune four-
che à tige de piston incorporée est
très sophistiquée et est particulière-
ment sensible à la présence de corps
étrangers.
Veiller à ne pas laisser pénétrer de
corps étrangers lors du changement
de lhuile ou du démontage et
remontage de la fourche.
Avant de retirer les boulons capu-
chons ou les bras de fourche, veiller
à laisser s’échapper tout lair du
réservoir dair.
POINTS DE DEPOSE
Bouchon de tube de fourche
1. Déposer:
Bouchon de tube de fourche 1
Du fourreau.
N.B.:
Avant de démonter la fourche de la
moto, desserrer le bouchon de tube de
fourche.
2. Déposer:
Bouchon de tube de fourche 1
N.B.:
Maintenir le contre-écrou 2 et retirer le
bouchon de tube de fourche.
FOURCHE
6 - 70
CHAS
HANDHABUNGSHINWEISE
HINWEIS:
Die Teleskopgabel muss mit großer
Vorsicht gehandhabt werden. Es
wird empfohlen, Arbeiten an der
Gabel dem Händler zu überlassen.
ACHTUNG:
Folgende Maßnahmen beachten,
um einen durch entweichende
Druckluft verursachten Unfall zu
vermeiden:
Die Gabeldämpfer sowie der
gesamte interne Teleskopgabel-
Mechanismus sind sehr emp-
findlich gegen Fremdkörper.
Beim Gabelölwechsel sowie Zer-
legen und Zusammenbau der
Teleskopgabel darauf achten,
dass keinerlei Fremdkörper ein-
dringen.
Vor dem Ausbau der Gabel-
Abdeckschrauben und der
Gabelbeine muss der Gabelluft-
druck ausgeglichen werden.
DEMONTAGE-EINZELHEITEN
Gabel-Abdeckschraube
1. Demontieren:
Gabel-Abdeckschraube 1
(vom Standrohr)
HINWEIS:
Vor dem Ausbau des Gabelbeins
muss die Gabel-Abdeckschraube
demontiert werden.
2. Demontieren:
Gabel-Abdeckschraube 1
HINWEIS:
Die Sicherungsmutter 2 fest halten
und die Gabel-Abdeckschraube
demontieren.
NOTA PER LA MANIPOLAZIONE
NOTA:
La forcella anteriore deve essere maneg-
giata con cura. Si consiglia di rivolgersi
ai rivenditori per la manutenzione della
forcella anteriore.
ATTENZIONE:
Per evitare esplosioni accidentali di
aria, seguire le seguenti istruzioni:
La forcella anteriore con lo stelo del
pistone incorporato presenta una
struttura interna assai sofisticata e
particolarmente sensibile ai mate-
riali estranei.
Prestare sufficiente cura per evitare
la penetrazione di qualsiasi mate-
riale estraneo durante la sostitu-
zione dellolio o durante
lassemblaggio e il disassemblaggio
della forcella anteriore.
Prima di togliere i tappi filettati o le
forcelle anteriori, assicurarsi di
sgonfiare completamente la camera
daria.
PUNTI DI RIMOZIONE
Bullone cappello forcella anteriore
1. Togliere:
Bullone cappello forcella ante-
riore 1
Dal gambale.
NOTA:
Prima di togliere la forcella anteriore
dalla macchina, allentare il bullone cap-
pello forcella anteriore.
2. Togliere:
Bullone cappello forcella ante-
riore 1
NOTA:
Tenere fermo il controdado 2 e togliere
il bullone cappello forcella anteriore.
NOTA RELATIVA A LA
MANIPULACIÓN
NOTA:
La horquilla delantera requiere
mucha atención. Por tanto, se reco-
mienda confiar su mantenimiento a
los concesionarios.
ATENCION:
Para prevenir una explosión acci-
dental del aire deben observarse
las instrucciones siguientes:
La horquilla delantera con barra
de pistón incorporada tiene una
construcción interna muy sofis-
ticada y resulta particularmente
sensible a los materiales extra-
ños.
Evite la penetración de materia-
les extraños al cambiar el aceite
o al desarmar y armar la horqui-
lla delantera.
Antes de extraer los tornillos de
la tapa o la horquilla delantera,
extraiga todo el aire de la
cámara.
PUNTOS DE DESMONTAJE
Tornillo de la tapa de la horquilla
delantera
1. Extraer:
Tornillo de la tapa de la hor-
quilla delantera 1
Del tubo exterior.
NOTA:
Antes de desmontar la horquilla
delantera de la máquina afloje el tor-
nillo de la tapa de la horquilla delan-
tera.
2. Extraer:
Tornillo de la tapa de la hor-
quilla delantera 1
NOTA:
Sostenga la contratuerca 2 y
extraiga el tornillo de la tapa de la
horquilla delantera.
TELESKOPGABEL
FORCELLA ANTERIORE
HORQUILLA DELANTERA
6 - 71
CHAS
FRONT FORK
EC553201
Inner tube
1. Remove:
Dust seal 1
Stopper ring 2
Using slotted-head screw-
driver.
CAUTION:
Take care not to scratch the inner
tube.
2. Remove:
Inner tube 1
Oil seal removal steps:
Push in slowly a the inner tube
just before it bottoms out and
then pull it back quickly b.
Repeat this step until the inner
tube can be pulled out from the
outer tube.
EC553311
Damper rod
1. Remove:
Base valve 1
Damper rod 2
NOTE:
Use a damper rod holder 3 to lock
the damper rod.
Damper rod holder:
YM-01494/90890-01494
EC554000
INSPECTION
EC554100
Damper rod
1. Inspect:
Damper rod 1
Bend/damage Replace
damper rod.
CAUTION:
The front fork with a built-in piston
rod has a very sophisticated inter-
nal construction and is particu-
larly sensitive to foreign material.
Use enough care not to allow any
foreign material to come in when
the oil is replaced or when the
front fork is disassembled and
reassembled.
Tube plongeur
1. Déposer:
Joint antipoussière 1
Bague darrêt 2
Se servir dun tournevis à lame
droite.
ATTENTION:
Veiller à ne pas rayer le tube plon-
geur.
2. Déposer:
Tube plongeur 1
Etapes de la dépose de la bague
d’étanchéité:
Enfoncer lentement a le tube
plongeur jusqu’à ce quil soit pres-
que en fin de course puis le retirer
rapidement b.
Répéter cette opération jusqu’à ce
que le tube plongeur puisse être
retiré du fourreau.
Tige damortissement
1. Déposer:
Soupape de base 1
Tige damortissement 2
N.B.:
Utiliser un outil de maintien de tige
damortissement 3 pour bloquer la tige
damortissement.
Outil de maintien de tige
damortissement:
YM-01494/90890-01494
CONTROLE
Tige damortissement
1. Contrôler:
Tige damortissement 1
Courbure/endommagement
Remplacer la tige damortisse-
ment.
ATTENTION:
La construction interne dune four-
che à tige de piston incorporée est très
sophistiquée et est particulièrement
sensible à la présence de corps étran-
gers.
Veiller à ne pas laisser pénétrer de
corps étrangers lors du changement
de lhuile ou du démontage et remon-
tage de la fourche.
FOURCHE
6 - 72
CHAS
Gleitrohr
1. Demontieren:
Staubschutzring 1
Sicherungsring 2
(mit einem Schlitz-Schrauben-
dreher)
ACHTUNG:
Vorsichtig vorgehen, um das
Gleitrohr nicht zu beschädigen.
2. Demontieren:
Gleitrohr 1
Arbeitsvorgang:
Das Gleitrohr langsam hinein-
schieben a und kurz vor dem
Anschlag schnell herausziehen
b.
Diesen Schritt wiederholen, bis
das Gleitrohr sich aus dem
Standrohr herausziehen lässt.
Dämpferrohr
1. Demontieren:
Gabelventil 1
Dämpferrohr 2
HINWEIS:
Das Dämpferrohr mit dem Dämpfer-
rohr-Halter 3 fest halten.
Dämpferrohr-Halter:
YM-01494/90890-01494
KONTROLLE
Dämpferrohr
1. Kontrollieren:
Dämpferrohr 1
Verbogen/beschädigt
Dämpferrohr erneuern.
ACHTUNG:
Die Gabeldämpfer sowie der
gesamte interne Teleskopgabel-
Mechanismus sind sehr empfind-
lich gegen Fremdkörper.
Beim Gabelölwechsel sowie Zerle-
gen und Zusammenbau der Teles-
kopgabel darauf achten, dass
keinerlei Fremdkörper eindringen.
Tubo di forza
1. Togliere:
Guarnizione parapolvere 1
Anello di arresto 2
Con un cacciavite con testa a
taglio.
ATTENZIONE:
Fare attenzione a non graffiare il tubo
di forza.
2. Togliere:
Tubo di forza 1
Operazioni di rimozione paraolio:
Spingere lentamente allinterno a
il tubo di forza quasi fino al fondo,
quindi tirarlo fuori velocemente
b.
Ripetere questa operazione finché
non si riesce a tirare fuori il tubo di
forza dal gambale.
Asta pompante
1. Togliere:
Valvola base 1
Asta pompante 2
NOTA:
Bloccare lasta pompante con lapposito
supporto 3.
Supporto dellasta
pompante:
YM-01494/90890-01494
CONTROLLO
Asta pompante
1. Controllare:
Asta pompante 1
Deformazioni/danni Sostituire
lasta pompante.
ATTENZIONE:
La forcella anteriore con lo stelo del
pistone incorporato presenta una strut-
tura interna assai sofisticata e partico-
larmente sensibile ai materiali estranei.
Prestare sufficiente cura per evitare la
penetrazione di qualsiasi materiale
estraneo durante la sostituzione
dellolio o durante lassemblaggio e il
disassemblaggio della forcella ante-
riore.
Tubo interior
1. Extraer:
Junta antipolvo 1
Anillo de tope 2
Con un destornillador de
cabeza ranurada.
ATENCION:
Tenga cuidado de no rayar el tubo
interior.
2. Extraer:
Tubo interior 1
Procedimiento de extracción de
la junta de aceite:
Empuje lentamente hacia den-
tro a el tubo interior justo antes
de que toque el fondo y luego
tire rápidamente para extraerlo
b.
Repita la operación hasta que
se puede extraer el tubo interior
del tubo exterior.
Varilla del amortiguador
1. Extraer:
Válvula base 1
Varilla del amortiguador 2
NOTA:
Utilice un soporte de varilla de amor-
tiguador 3 para bloquearla.
Soporte de varilla de
amortiguador:
YM-01494/90890-01494
COMPROBACIÓN
Varilla del amortiguador
1. Comprobar:
Varilla del amortiguador 1
Dobladura/daños Cambiar
la varilla del amortiguador.
ATENCION:
La horquilla delantera con barra
de pistón incorporada tiene una
construcción interna muy sofisti-
cada y resulta particularmente
sensible a los materiales extraños.
Evite la penetración de materiales
extraños al cambiar el aceite o al
desarmar y armar la horquilla
delantera.
TELESKOPGABEL
FORCELLA ANTERIORE
HORQUILLA DELANTERA
6 - 73
CHAS
FRONT FORK
EC554200
Base valve
1. Inspect:
Valve assembly 1
Wear/damage Replace.
O-ring 2
Damage Replace.
2
1
EC554400
Fork spring
1. Measure:
Fork spring free length a
Out of specification
Replace.
Fork spring free length:
460 mm (18.1 in)
<Limit>:
455 mm (17.9 in)
EC554502
Inner tube
1. Inspect:
Inner tube surface a
Score marks Repair or
replace.
Use #1,000 grit wet sandpa-
per.
Damaged oil lock piece
Replace.
Inner tube bends
Out of specification
Replace.
Use the dial gauge 1.
NOTE:
The bending value is shown by one
half of the dial gauge reading.
WARNING
Do not attempt to straighten a
bent inner tube as this may dan-
gerously weaken the tube.
Inner tube bending limit:
0.2 mm (0.008 in)
EC554600
Outer tube
1. Inspect:
Outer tube 1
Score marks/wear/damage
Replace.
Soupape de base
1. Contrôler:
Soupape complète 1
Usure/endommagement Rem-
placer.
Joint torique 2
Endommagement Remplacer.
Ressort de fourche
1. Mesurer:
Longueur libre de ressort de four-
che a
Hors spécifications Rempla-
cer.
Longueur libre de ressort
de fourche:
460 mm (18,1 in)
<Limite>:
455 mm (17,9 in)
Tube plongeur
1. Contrôler:
Surface intérieure du tube plon-
geur a
Marques de rayures Réparer
ou remplacer.
Utiliser du papier de verre
humide n°1.000.
Butée hydraulique endommagée
Remplacer.
Déformations du tube plongeur
Hors spécifications Remplacer.
Utiliser le comparateur à cadran 1.
N.B.:
La valeur de flexion est égale à la moitié
de la valeur affichée sur le comparateur à
cadran.
AVERTISSEMENT
Ne pas tenter de redresser un tube
plongeur tordu, car cela pourrait
laffaiblir dangereusement.
Fourreau
1. Contrôler:
Fourreau 1
Rayures/usure/endommagement
Remplacer.
Limite de déformation du
tube plongeur:
0,2 mm (0,008 in)
FOURCHE
6 - 74
CHAS
Gabelventil
1. Kontrollieren:
Ventil 1
Verschlissen/beschädigt
Erneuern.
O-Ring 2
Beschädigt Erneuern.
Gabelfeder
1. Messen:
Länge a der ungespannten
Gabelfeder
Nicht nach Vorgabe Erneu-
ern.
Länge der
ungespannten
Gabelfeder:
460 mm (18,1 in)
<Grenzwert>:
455 mm (17,9 in)
Gleitrohr
1. Kontrollieren:
Gleitrohr-Oberfläche a
Riefig Instand setzen, ggf.
erneuern.
Schleifpapier der Körnung
1.000 verwenden.
Dämpferrohrbuchse beschä-
digt Erneuern.
Gleitrohr-Verbiegung
Nicht nach Vorgabe Erneuern.
Eine Messuhr 1 verwenden.
HINWEIS:
Der von der Messuhr angezeigte
Wert ist zu halbieren, um den Wert
der Verbiegung zu erhalten.
WARNUNG
Ein verzogenes Gleitrohr darf
unter keinen Umständen gerichtet
werden, weil dadurch seine Stabi-
lität verloren geht.
Standrohr
1. Kontrollieren:
Standrohr 1
Riefig/verschlissen/beschä-
digt Erneuern.
Max. Gleitrohr-
Verbiegung:
0,2 mm (0,008 in)
Valvola base
1. Controllare:
Gruppo valvole 1
Usura/danni Sostituire.
Guarnizione circolare 2
Danno Sostituire.
Molla forcella
1. Misurare:
Lunghezza libera molla della for-
cella a
Non conforme alle specifiche
Sostituire.
Lunghezza libera molla
della forcella:
460 mm (18,1 in)
<Limite>:
455 mm (17,9 in)
Tubo di forza
1. Controllare:
Superficie tubo di forza a
Tacche Riparare o sostituire.
Utilizzare carta vetrata umida di
grana 1.000.
Componente per il bloccaggio
dellolio danneggiato Sostituire.
Deformazioni tubo di forza
Non conforme alle specifiche
Sostituire.
Utilizzare un comparatore 1.
NOTA:
Il valore di piegatura corrisponde a metà
della lettura del comparatore.
AVVERTENZA
Non cercare di raddrizzare un tubo di
forza piegato, poiché esso ne risulte-
rebbe pericolosamente indebolito.
Limite piegatura tubo di
forza:
0,2 mm (0,008 in)
Gambale
1. Controllare:
Gambale 1
Tacche/usura/danni Sostituire.
Válvula base
1. Comprobar:
Conjunto de la válvula 1
Desgaste/daños Cambiar.
Junta tórica 2
Daños Cambiar.
Muelle de la horquilla
1. Medir:
Longitud libre del muelle de la
horquilla a
Fuera del valor especificado
Cambiar.
Longitud libre del muelle
de la horquilla:
460 mm (18,1 in)
<Límite>:
455 mm (17,9 in)
Tubo interior
1. Comprobar:
Superficie interna del tubo a
Rayaduras Reparar o cam-
biar.
Utilice papel de lija húmedo
del nº1.000.
Obturador de aceite dañado
Cambiar.
Dobladura del tubo interior
Fuera del valor especificado
Cambiar.
Utilice la galga de cuadrante 1.
NOTA:
El valor de flexión se muestra en una
mitad de la lectura de la galga de
cuadrante.
ADVERTENCIA
No intente enderezar el tubo inte-
rior si está doblado, ya que el tubo
se puede debilitar peligrosamente.
Tubo exterior
1. Comprobar:
Tubo exterior 1
Rayaduras/desgaste/daños
Cambiar.
Límite de dobladura del
tubo interior:
0,2 mm (0,008 in)
TELESKOPGABEL
FORCELLA ANTERIORE
HORQUILLA DELANTERA
6 - 75
CHAS
FRONT FORK
Front fork cap bolt
1. Inspect:
Front fork cap bolt 1
O-ring 2
Air bleed screw 3
Wear/damage Replace.
EC555000
ASSEMBLY AND INSTALLATION
Front fork assembly
1. Wash the all parts in a clean sol-
vent.
2. Install:
Damper rod 1
To inner tube 2.
CAUTION:
To install the damper rod into the
inner tube, hold the inner tube
aslant. If the inner tube is held ver-
tically, the damper rod may fall
into it, damaging the valve inside.
3. Install:
Copper washer 1
O-ring 2
Base valve 3
To inner tube 4.
New
4. Tighten:
Base valve 1
NOTE:
Use a damper rod holder 2 to lock
the damper rod 3.
Apply the LOCTITE® on the base
valve thread.
T
R
.
.
55 Nm (5.5 m · kg, 40 ft · lb)
Damper rod holder:
YM-01494/90890-01494
Bouchon de tube de fourche
1. Contrôler:
Bouchon de tube de fourche 1
Joint torique 2
Vis de purge dair 3
Usure/endommagement Rem-
placer.
ASSEMBLAGE ET MONTAGE
Fourche complète
1. Laver tous les éléments à laide de
solvant propre.
2. Monter:
Tige damortissement 1
Sur le tube plongeur 2.
ATTENTION:
Incliner le tube plongeur avant dy
introduire la tige damortissement. Si
le tube plongeur est tenu verticale-
ment, la tige damortissement risque
de glisser jusquau fond et dendom-
mager la soupape.
3. Monter:
Rondelle en cuivre 1
Joint torique 2
Soupape de base 3
Sur le tube plongeur 4.
New
4. Serrer:
Soupape de base 1
N.B.:
Utiliser un outil de maintien de tige
damortissement 2 pour bloquer la
tige damortissement 3.
Appliquer du LOCTITE® sur les filets
de la soupape de base.
T
R
.
.
55 Nm (5,5 m · kg, 40 ft · lb)
Outil de maintien de tige
damortissement:
YM-01494/90890-01494
FOURCHE
6 - 76
CHAS
Gabel-Abdeckschraube
1. Kontrollieren:
Gabel-Abdeckschraube 1
O-Ring 2
Entlüftungsschraube 3
Verschlissen/beschädigt
Erneuern.
ZUSAMMENBAU UND MONTAGE
Teleskopgabel
1. Sämtliche Bauteile mit frischem
Lösungsmittel reinigen.
2. Montieren:
Dämpferrohr 1
(am Gleitrohr 2)
ACHTUNG:
Zum Einschieben des Dämpfer-
rohrs in das Gleitrohr das Gleit-
rohr schräg halten. Wird das
Gleitrohr senkrecht gehalten,
könnte das Dämpferrohr hinabfal-
len und dabei das Gabelventil
beschädigen.
3. Montieren:
Kupferscheibe 1
O-Ring 2
Gabelventil 3
(am Gleitrohr 4)
New
4. Festziehen:
Gabelventil 1
HINWEIS:
Das Dämpferrohr 3 mit dem
Dämpferrohr-Halter 2 fest halten.
LOCTITE® auf das Gewinde des
Gabelventils auftragen.
T
R
.
.
55 Nm (5,5 m · kg, 40 ft · lb)
Dämpferrohr-Halter:
YM-01494/90890-01494
Bullone cappello forcella anteriore
1. Controllare:
Bullone cappello forcella ante-
riore 1
Guarnizione circolare 2
Vite di spurgo aria 3
Usura/danni Sostituire.
MONTAGGIO E INSTALLAZIONE
Gruppo forcella anteriore
1. Lavare tutti i componenti con sol-
vente pulito.
2. Installare:
Asta pompante 1
Al tubo di forza 2.
ATTENZIONE:
Installare lasta pompante nel tubo di
forza tenendo il tubo obliquamente. Se
si regge il tubo di forza in verticale,
lasta pompante può cadervi dentro
danneggiando la valvola interna.
3. Installare:
Rondella di rame 1
Guarnizione circolare 2
Valvola base 3
Al tubo di forza 4.
New
4. Serrare:
Valvola base 1
NOTA:
Con lapposito supporto 2, bloccare
lasta pompante 3.
Applicare LOCTITE® sulla filettatura
della valvola base.
T
R
.
.
55 Nm (5,5 m · kg, 40 ft · lb)
Supporto dellasta
pompante:
YM-01494/90890-01494
Tornillo de la tapa de la horquilla
delantera
1. Comprobar:
Tornillo de la tapa de la hor-
quilla delantera 1
Junta tórica 2
Tornillo de purga de aire 3
Desgaste/daños Cambiar.
MONTAJE E INSTALACIÓN
Conjunto de la horquilla delantera
1. Lave todas las piezas con un
disolvente limpio.
2. Instalar:
Varilla del amortiguador 1
Al tubo interior 2.
ATENCION:
Para instalar la varilla del amorti-
guador sujete oblicuamente el
tubo interior. Si sujeta el tubo inte-
rior verticalmente la varilla del
amortiguador puede caer dentro y
dañar la válvula en su interior.
3. Instalar:
Arandela de cobre 1
Junta tórica 2
Válvula base 3
Al tubo interior 4.
New
4. Apretar:
Válvula base 1
NOTA:
Utilice un soporte de varilla de
amortiguador 2 para bloquear
esta 3.
Aplique LOCTITE® a la rosca de la
válvula de base.
T
R
.
.
55 Nm (5,5 m · kg, 40 ft · lb)
Soporte de varilla de
amortiguador:
YM-01494/90890-01494
TELESKOPGABEL
FORCELLA ANTERIORE
HORQUILLA DELANTERA
6 - 77
CHAS
FRONT FORK
5. Install:
Spring guide 1
Locknut 2
To damper rod 3.
NOTE:
Install the spring guide with its
smaller dia. end a facing down-
ward.
With its thread b facing upward,
fully finger tighten the locknut onto
the damper rod.
6. Install:
Dust seal 1
Stopper ring 2
Oil seal 3
Oil seal washer 4
Slide metal 5
To inner tube 6.
NOTE:
Apply the fork oil on the inner tube.
When installing the oil seal, use
vinyl seat a with fork oil applied to
protect the oil seal lip.
Install the oil seal with its manufac-
tures marks or number facing the
axle holder side.
Install the oil seal washer with its
projections b facing upward.
New
New
7. Install:
Piston metal 1
NOTE:
Install the piston metal onto the slot
on inner tube.
New
8. Install:
Outer tube 1
To inner tube 2.
5. Monter:
Guide de ressort 1
Contre-écrou 2
Sur la tige damortissement 3.
N.B.:
Monter le guide de ressort en orientant
son extrémité de plus petit diamètre a
vers le bas.
Orienter les filets b vers le haut et
serrer complètement à la main le con-
tre-écrou sur la tige damortissement.
6. Monter:
Joint antipoussière 1
Bague darrêt 2
Bague d’étanchéité 3
Rondelle de bague d’étanchéité
4
Bague antifriction 5
Sur le tube plongeur 6.
N.B.:
Appliquer de lhuile de fourche sur le
tube plongeur.
Lors de linstallation de la bague
d’étanchéité, utiliser une feuille plasti-
que a enduite dhuile de fourche pour
protéger la lèvre de la bague d’étan-
chéité.
Monter la bague d’étanchéité en
veillant à placer les marques dusine
ou les numéros du côté du support
daxe.
Monter la rondelle de bague d’étan-
chéité en orientant ses ergots b vers
le haut.
New
New
7. Monter:
Bague coulissante de piston 1
N.B.:
Installer la bague coulissante de piston
sur la fente du tube plongeur.
New
8. Monter:
Fourreau 1
Sur le tube plongeur 2.
FOURCHE
6 - 78
CHAS
5. Montieren:
Federführung 1
Sicherungsmutter 2
(am Dämpferrohr 3)
HINWEIS:
Die Federführung so einbauen,
dass die kleinere Steigung a nach
unten gerichtet ist.
Die Sicherungsmutter mit nach
oben gerichtetem Gewinde b
handfest am Dämpferrohr andre-
hen.
6. Montieren:
Staubschutzring 1
Sicherungsring 2
Dichtring 3
Dichtring-Beilagscheibe 4
Gleitbuchse 5
(am Gleitrohr 6)
HINWEIS:
Das Gleitrohr mit Gabelöl bestrei-
chen.
Zum Einbau des Dichtrings ein mit
Gabelöl bestrichenes Stück Vinyl
a verwenden, um die Dichtring-
lippe nicht zu beschädigen.
Den Dichtring so einbauen, dass
die Herstellerbeschriftung oder
Teilenummer zur Achshalterung
gerichtet ist.
Die Dichtring-Beilagscheibe so
einbauen, dass deren Haltenasen
b nach oben gerichtet sind.
New
New
7. Montieren:
Kolbenring 1
HINWEIS:
Der Kolbenring muss in der entspre-
chenden Nut am Gleitrohr sitzen.
New
8. Montieren:
Standrohr 1
(am Gleitrohr 2)
5. Installare:
Guida molla 1
Controdado 2
Allasta pompante 3.
NOTA:
Installare la guida molla con lestre-
mità di diametro inferiore a rivolta
verso il basso.
Con la filettatura b rivolta verso
lalto, serrare completamente il con-
trodado sullalta pompante.
6. Installare:
Guarnizione parapolvere 1
Anello di arresto 2
Paraolio 3
Rondella paraolio 4
Guarnizione metallica di scorri-
mento 5
Al tubo di forza 6.
NOTA:
Applicare lolio forcella sul tubo di
forza.
Quando sinstalla un paraolio, utiliz-
zare una guarnizione vinilica a e
applicare olio forcella per proteggere
il labbro del paraolio.
Installare il paraolio con i contrassegni
o i numeri identificativi del produttore
rivolti verso il supporto asse.
Installare la rondella paraolio con le
sporgenze b rivolte verso lalto.
New
New
7. Installare:
Guarnizione metallica del pistone
1
NOTA:
Installare la guarnizione metallica del
pistone nella fessura sul tubo di forza.
New
8. Installare:
Gambale 1
Al tubo di forza 2.
5. Instalar:
Guía del muelle 1
Contratuerca 2
A la varilla del amortiguador
3.
NOTA:
Instale la guía del muelle con el
extremo de menor diámetro a
hacia abajo.
Con la rosca b orientada hacia
arriba, apriete completamente la
contratuerca a mano en la varilla
del amortiguador.
6. Instalar:
Junta antipolvo 1
Anillo de tope 2
Junta de aceite 3
Arandela de la junta de aceite
4
Metal deslizante 5
Al tubo interior 6.
NOTA:
Aplique aceite de horquilla al tubo
interior.
Cuando instale la junta de aceite
utilice asiento de vinilo a y aplique
aceite de horquilla para proteger el
labio de la junta.
Instale la junta de aceite con las
marcas o números del fabricante
hacia el lado del soporte del eje.
Instale la arandela del sello de
aceite de forma que los salientes
b queden hacia arriba.
New
New
7. Instalar:
Metal del pistón 1
NOTA:
Instale el metal del pistón en la
ranura del tubo interior.
New
8. Instalar:
Tubo exterior 1
Al tubo interior 2.
TELESKOPGABEL
FORCELLA ANTERIORE
HORQUILLA DELANTERA
6 - 79
CHAS
FRONT FORK
9. Install:
Slide metal 1
Oil seal washer 2
To outer tube slot.
NOTE:
Press the slide metal into the outer
tube with fork seal driver 3.
Fork seal driver:
YM-A0948/
90890-01502
10. Install:
Oil seal 1
NOTE:
Press the oil seal into the outer tube
with fork seal driver 2.
Fork seal driver:
YM-A0948/
90890-01502
11. Install:
Stopper ring 1
NOTE:
Fit the stopper ring correctly in the
groove in the outer tube.
12. Install:
Dust seal 1
NOTE:
Apply the lithium soap base grease
on the inner tube.
13. Check:
Inner tube smooth movement
Tightness/binding/rough spots
Repeat the steps 2 to 12.
14. Compress the front fork fully.
9. Monter:
Bague antifriction 1
Rondelle de bague d’étanchéité
2
Dans louverture du fourreau.
N.B.:
Enfoncer la bague antifriction dans le
fourreau à laide de loutil de montage
de joint de fourche 3.
Outil de montage de joint
de fourche:
YM-A0948/90890-01502
10. Monter:
Bague d’étanchéité 1
N.B.:
Enfoncer la bague d’étanchéité dans le
fourreau à laide de loutil de montage
de joint de fourche 2.
Outil de montage de joint
de fourche:
YM-A0948/90890-01502
11. Monter:
Bague darrêt 1
N.B.:
Loger correctement la bague darrêt dans
la rainure du fourreau.
12. Monter:
Joint antipoussière 1
N.B.:
Appliquer de la graisse à savon de
lithium sur le tube plongeur.
13. Contrôler:
Mouvement régulier du tube
plongeur
Raideur/coincement/rugosités
Répéter les étapes de 2 à 12.
14. Comprimer à fond la fourche.
FOURCHE
6 - 80
CHAS
9. Montieren:
Gleitbuchse 1
Dichtring-Beilagscheibe 2
(an der Standrohr-Nut)
HINWEIS:
Die Gleitbuchse mit dem Gabeldich-
tring-Treiber 3 in das Standrohr ein-
schieben.
Gabeldichtring-Treiber:
YM-A0948/
90890-01502
10. Montieren:
Dichtring 1
HINWEIS:
Den Dichtring mit dem Gabeldich-
tring-Treiber 2 in das Standrohr ein-
schieben.
Gabeldichtring-Treiber:
YM-A0948/
90890-01502
11. Montieren:
Sicherungsring 1
HINWEIS:
Der Sicherungsring muss richtig in
der entsprechenden Nut am Stand-
rohr sitzen.
12. Montieren:
Staubschutzring 1
HINWEIS:
Das Gleitrohr mit Lithiumseifenfett
bestreichen.
13. Kontrollieren:
Leichtgängigkeit des Gleit-
rohrs
Schwergängig/fest/stockend
Schritte 212 wiederholen.
14. Den Gabelholm ganz zusam-
mendrücken.
9. Installare:
Guarnizione metallica di scorri-
mento 1
Rondella paraolio 2
Alla fessura del gambale.
NOTA:
Inserire la guarnizione metallica di scor-
rimento nel gambale con linstallatore
della guarnizione forcella 3.
Installatore della
guarnizione forcella:
YM-A0948/90890-01502
10. Installare:
Paraolio 1
NOTA:
Inserire il paraolio nel gambale con
linstallatore della guarnizione forcella
2.
Installatore della
guarnizione forcella:
YM-A0948/90890-01502
11. Installare:
Anello di arresto 1
NOTA:
Inserire correttamente lanello di arresto
nella scanalatura del gambale.
12. Installare:
Guarnizione parapolvere 1
NOTA:
Applicare il grasso a base di sapone di
litio sul tubo interno.
13. Controllare:
Movimento uniforme tubo di
forza
Rigidità/blocchi/punti ruvidi
Ripetere le operazioni da 2 a 12.
14. Premere fino in fondo la forcella
anteriore.
9. Instalar:
Metal deslizante 1
Arandela de la junta de aceite
2
A la ranura del tubo exterior.
NOTA:
Presione el metal deslizante en el
tubo exterior con el montador de
junta de horquilla 3.
Montador de juntas de
horquilla:
YM-A0948/90890-
01502
10. Instalar:
Junta de aceite 1
NOTA:
Presione la junta de aceite en el tubo
exterior con el montador de junta de
horquilla 2.
Montador de juntas de
horquilla:
YM-A0948/
90890-01502
11. Instalar:
Anillo de tope 1
NOTA:
Ajuste correctamente el anillo de
tope en la ranura del tubo exterior.
12. Instalar:
Junta antipolvo 1
NOTA:
Aplique grasa de jabón de litio al
tubo interior.
13. Comprobar:
Suavidad de movimiento del
tubo interior
Apretado/atascado/puntos
duros Repita los pasos 2 a
12.
14. Comprima completamente la
horquilla delantera.
TELESKOPGABEL
FORCELLA ANTERIORE
HORQUILLA DELANTERA
6 - 81
CHAS
FRONT FORK
15. Fill:
Front fork oil
Until outer tube top surface
with recommended fork oil 1.
CAUTION:
Be sure to use recommended
fork oil. If other oils are used,
they may have an excessively
adverse effect on the front fork
performance.
Never allow foreign materials to
enter the front fork.
Recommended oil:
Suspension oil S1
16. After filling, pump the damper
rod 1 slowly up and down more
than 10 times to distribute the
fork oil.
17. Fill:
Front fork oil
Until outer tube top surface
with recommended fork oil
once more.
18. After filling, pump the outer tube
1 slowly up and down (about
200 mm (7.9 in) stroke) to dis-
tribute the fork oil once more.
NOTE:
Be careful not to excessive full
stroke. A stroke of 200 mm (7.9 in) or
more will cause air to enter. In this
case, repeat the steps 15 to 18.
19. Wait ten minutes until the air
bubbles have been removed
from the front fork, and the oil
has dispense evenly in system
before setting recommended oil
level.
NOTE:
Fill with the fork oil up to the top end
of the outer tube, or the fork oil will
not spread over to every part of the
front forks, thus making it impossible
to obtain the correct level.
Be sure to fill with the fork oil up to
the top of the outer tube and bleed
the front forks.
15. Remplir:
Huile de fourche
Jusquau sommet du fourreau
avec lhuile de fourche recom-
mandée 1.
ATTENTION:
Toujours utiliser lhuile de fourche
recommandée. Lutilisation dautres
huiles peut compromettre le bon
fonctionnement de la fourche.
Ne laisser en aucun cas pénétrer de
corps étrangers dans la fourche.
Huile recommandée:
Huile de fourche S1
16. Après le remplissage, effectuer plus
de 10 pompages lents de la tige
damortissement 1, vers le haut et
vers le bas, pour distribuer lhuile
de fourche.
17. Remplir:
Huile de fourche
Une nouvelle fois jusquau som-
met du fourreau avec lhuile de
fourche recommandée.
18. Après le remplissage, pomper lente-
ment le fourreau 1 de haut en bas
(course denviron 200 mm ou
7,9 in) pour assurer une nouvelle
fois la bonne répartition de lhuile
de fourche.
N.B.:
Veiller à ne pas dépasser la pleine
course. Une course de 200 mm (7,9 in)
ou plus fera entrer de lair. Dans ce cas,
répéter les étapes de 15 à 18.
19. Attendre dix minutes jusqu’à ce que
les bulles dair aient disparu de la
fourche et que lhuile se soit répar-
tie uniformément dans le circuit
avant dajuster le niveau dhuile
comme préconisé.
N.B.:
Verser de lhuile de fourche jusquau
sommet du fourreau, sinon lhuile ne se
répandra pas correctement dans les bras
de fourche et le niveau dhuile correct ne
pourra être atteint.
Toujours verser lhuile de fourche
jusquau sommet du fourreau et purger
les bras de fourche.
FOURCHE
6 - 82
CHAS
15. Einfüllen:
Gabelöl
(bis zum oberen Rand des
Standrohrs mit Öl 1 der emp-
fohlenen Sorte)
ACHTUNG:
Ausschließlich Öl der empfohle-
nen Sorte verwenden. Die Ver-
wendung anderer Ölsorten kann
die Funktion der Teleskopgabel
erheblich beeinträchtigen.
Unter keinen Umständen Fremd-
körper in das Gabelrohr eindrin-
gen lassen.
Empfohlene Ölsorte:
Gabelöl S1
16. Nach dem Befüllen des Gabel-
rohrs das Dämpferrohr 1 min-
destens 10 Mal langsam ein-
und austauchen, damit das
Gabelöl sich verteilt.
17. Einfüllen:
Gabelöl
(bis zum oberen Rand des
Standrohrs mit Öl der empfoh-
lenen Sorte)
18. Nach dem Befüllen des Gleit-
rohrs das Standrohr 1 mehr-
mals langsam ca. 200 mm
(7,9 in) ein- und austauchen,
damit das Gabelöl sich verteilt.
HINWEIS:
Darauf achten, dass der vorgeschrie-
bene Abstand nicht überschritten
wird. Eine Bewegung von über
200 mm (7,9 in) verursacht Eindrin-
gen von Luft. In diesem Fall müssen
die Schritte 1518 wiederholt wer-
den.
19. Vor dem Messen des Gabelöl-
standes 10 Minuten warten,
damit sich das Öl setzten und
alle Luftbläschen sich auflösen
können.
HINWEIS:
Falls das Standrohr nicht bis zum
Rand mit Gabelöl befüllt wird,
erreicht das Öl nicht alle Bauteile,
was zu einem falschen Ölstand-Mes-
sergebnis führt.
Das Standrohr muss bis zum Rand
mit Gabelöl befüllt und der Gabel-
holm entlüftet werden.
15. Riempire:
Olio forcella anteriore
Fino alla superficie superiore del
gambale con olio raccomandato
per forcelle 1.
ATTENZIONE:
Assicurarsi di utilizzare olio racco-
mandato per forcelle. Limpiego di oli
diversi può diminuire eccessivamente
lefficienza della forcella anteriore.
Evitare accuratamente lentrata di
materiali estranei nella forcella
anteriore.
16. Dopo il riempimento, spingere len-
tamente lasta pompante 1 verso
lalto e verso il basso per più di
dieci volte per distribuire lolio for-
cella.
17. Riempire:
Olio forcella anteriore
Fino alla superficie superiore del
gambale con olio raccomandato
per forcelle, ancora una volta.
18. Dopo il riempimento, spingere len-
tamente il gambale 1 verso lalto e
verso il basso (corsa di circa
200 mm (7,9 in)) per distribuire
ancora una volta lolio forcella.
NOTA:
Prestare attenzione a non premere ecces-
sivamente. Una corsa di 200 mm (7,9 in)
o superiore provoca lentrata dellaria. In
questo caso, ripetere le operazioni da 15
a 18.
19. Attendere dieci minuti fino alleli-
minazione delle bolle daria dalla
forcella anteriore e alla distribu-
zione uniforme dellolio nel
sistema, prima di inserire lolio fino
al livello raccomandato.
NOTA:
Riempire con lolio forcella fino
allestremità superiore del gambale. In
caso contrario lolio forcella non si
distribuirà su tutte le parti della forcella
anteriore, rendendo impossibile raggiun-
gere il livello corretto.
Assicurarsi di riempire con lolio for-
cella fino allestremità del gambale e
spurgare le forcelle anteriori.
Olio raccomandato:
Olio sospensione S1
15. Llenar:
Aceite de la horquilla delantera
Hasta la superficie superior del
tubo exterior con aceite de hor-
quilla del tipo recomendado 1.
ATENCION:
Asegúrese de utilizar el aceite de
horquilla recomendado. El uso de
otros aceites puede tener un efecto
negativo excesivo sobre las presta-
ciones de la horquilla delantera.
No permita nunca que penetren
materiales extraños en la hor-
quilla delantera.
16. Después de llenarla, bombee la
varilla del amortiguador 1 lenta-
mente arriba y abajo más de 10
veces para que se distribuya el
aceite.
17. Llenar:
Aceite de la horquilla delantera
Hasta la superficie superior
del tubo exterior con aceite de
horquilla del tipo recomen-
dado una vez más.
18. Después de llenar, bombee el
tubo exterior 1 lentamente
arriba y abajo (unos 200 mm
(7,9 in)) para que se distribuya el
aceite una vez más.
NOTA:
Tenga cuidado de no excederse en
el bombeo. Un movimiento de
200 mm (7,9 in) o más provocará la
entrada de aire. En ese caso, repita
los pasos 15 a 18.
19. Espere diez minutos hasta que
se hayan eliminado las burbujas
de aire de la horquilla delantera
y el aceite se haya distribuido
uniformemente antes de ajustar
el aceite al nivel recomendado.
NOTA:
Llene de aceite de horquilla hasta el
extremo superior del tubo exterior,
pues de lo contrario el aceite no se
distribuirá a todas las zonas de la
horquilla y será imposible obtener el
nivel correcto.
Asegúrese de llenar con aceite de
horquilla hasta la parte superior del
tubo exterior y de purgar la horquilla
delantera.
Aceite recomendado:
Aceite para
suspensión S1
TELESKOPGABEL
FORCELLA ANTERIORE
HORQUILLA DELANTERA
6 - 83
CHAS
FRONT FORK
20. Measure:
Oil level (left and right) a
Out of specification Adjust.
NOTE:
Be sure to install the spring guide 2
when checking the oil level.
WARNING
Never fail to make the oil level
adjustment between the maximum
and minimum level and always
adjust each front fork to the same
setting. Uneven adjustment can
cause poor handling and loss of
stability.
Standard oil level:
130 mm (5.12 in)
Extent of adjustment:
95 ~ 150 mm
(3.74 ~ 5.91 in)
From top of outer tube
with inner tube and
damper rod 1 fully
compressed without
spring.
21. Measure:
Distance a
Out of specification Turn
into the locknut.
22. Loosen:
Rebound damping adjuster 1
NOTE:
Loosen the rebound damping
adjuster finger tight.
Record the set position of the
adjuster (the amount of turning out
the fully turned in position).
Distance a:
18 mm (0.71 in) or
more
Between damper rod
1 top and locknut 2
top.
20. Mesurer:
Niveau dhuile (gauche et droit)
a
Hors spécifications Régler.
N.B.:
Toujours monter le guide de ressort 2
lors de la vérification du niveau dhuile.
AVERTISSEMENT
Toujours veiller à ce que le niveau
dhuile se situe entre les repères de
niveau maximum et minimum et à ce
que le niveau dhuile dans chaque
bras de fourche soit identique. Un
niveau inégal risque de diminuer la
maniabilité et la stabilité.
Niveau dhuile standard:
130 mm (5,12 in)
Plage de réglage:
95 à 150 mm
(3,74 à 5,91 in)
Depuis le haut du
fourreau, tube plongeur
et tige damortissement
1 entièrement
comprimés sans ressort.
21. Mesurer:
Distance a
Hors spécifications Serrer le
contre-écrou.
22. Desserrer:
Dispositif de réglage de lamor-
tissement à la détente 1
N.B.:
Desserrer à la main le dispositif de
réglage de lamortissement à la
détente.
Noter le réglage du dispositif de
réglage de lamortissement à la
détente (le nombre de tours à partir de
la position vissée à fond).
Distance a:
18 mm (0,71 in) ou plus
Entre le haut de la tige
damortissement 1 et le
haut du contre-écrou 2.
FOURCHE
6 - 84
CHAS
20. Messen:
•Ölstand (links und rechts) a
Nicht nach Vorgabe Einstel-
len.
HINWEIS:
Die Federführung 2 muss beim
Messen des Ölstands eingebaut
sein.
WARNUNG
Das Gabelöl muss sich stets zwi-
schen dem Minimal- und Maximal-
stand befinden und der Ölstand in
beiden Holmen identisch sein.
Eine ungleichmäßige Einstellung
beeinträchtigt das Fahrverhalten.
Standard-Ölstand:
130 mm (5,12 in)
Einstellbereich:
95150 mm
(3,745,91 in)
(gemessen von der
Oberkante des
Standrohrs, Gabel
(samt Dämpferrohr 1)
vollständig
zusammengedrückt,
ohne Gabelfeder)
21. Messen:
Abstand a
Nicht nach Vorgabe In die
Sicherungsmutter hineindre-
hen.
22. Lockern:
Einstellschraube (Zugstufen-
Dämpfungskraft) 1
HINWEIS:
Die Einstellschraube für die Zug-
stufen-Dämpfungskraft leicht lok-
kern.
Die Einstellposition notieren (d. h.
die Anzahl Umdrehungen aus der
völlig hineingedrehten Stellung).
Abstand a:
Min. 18 mm (0,71 in)
(zwischen der
Oberkante des
Dämpferrohrs 1 und
der Oberkante der
Sicherungsmutter 2)
20. Misurare:
Livello olio (sinistro e destro) a
Non conforme alle specifiche
Regolare.
NOTA:
Assicurarsi di installare la guida molla
2 quando si controlla il livello dellolio.
AVVERTENZA
Regolare sempre il livello dellolio in
modo che sia compreso tra il minimo e
il massimo e regolare sempre allo
stesso modo ogni forcella anteriore.
Una regolazione disuguale può deter-
minare difficoltà di manovrabilità e
perdita di stabilità.
Livello olio standard:
130 mm (5,12 in)
Estensione della
regolazione:
95 ~ 150 mm
(3,74 ~ 5,91 in)
Dallestremità superiore
del gambale con il tubo di
forza e lasta pompante
1 completamente
compressa senza molla.
21. Misurare:
Apertura a
Non conforme alle specifiche
Avvitare il controdado.
22. Allentare:
Dispositivo di regolazione smor-
zamento in estensione 1
NOTA:
Allentare il dispositivo di regolazione
smorzamento in estensione.
Annotare la posizione impostata del
dispositivo di regolazione (il numero
di rotazioni verso lesterno rispetto
alla posizione di avvitamento com-
pleto).
Apertura a:
18 mm (0,71 in) o
superiore
Tra lestremità dellasta
pompante 1 e
lestremità del
controdado 2.
20. Medir:
Nivel de aceite (izquierda y
derecha) a
Fuera del valor especificado
Ajustar.
NOTA:
No olvide instalar la guía del muelle
2 cuando compruebe el nivel de
aceite.
ADVERTENCIA
Ajuste siempre el nivel de aceite
entre los niveles máximo y
mínimo y ajuste siempre cada
barra de la horquilla al mismo
nivel. Un ajuste desequilibrado
puede reducir la maniobrabilidad
y la estabilidad.
Nivel de aceite estándar:
130 mm (5,12 in)
Amplitud del ajuste:
95 ~ 150 mm
(3,74 ~ 5,91 in)
Desde la parte
superior del tubo
exterior con el tubo
interior y la varilla del
amortiguador 1
totalmente
comprimida sin
muelle.
21. Medir:
Distancia a
Fuera del valor especificado
Girar la contratuerca.
22. Aflojar:
Regulador de la amortiguación
en extensión 1
NOTA:
Afloje el regulador de amortigua-
ción en extensión a mano.
Anote la posición del regulador (la
cantidad de vueltas a partir de la
posición completamente apre-
tado).
Distancia a:
18 mm (0,71 in) o más
Entre la parte superior
de la varilla del
amortiguador 1 y la
parte superior de la
contratuerca 2.
TELESKOPGABEL
FORCELLA ANTERIORE
HORQUILLA DELANTERA
6 - 85
CHAS
FRONT FORK
23. Install:
Push rod 1
Fork spring 2
NOTE:
Install the fork spring with the
damper rod 3 pulled up.
After installing the fork spring, hold
the damper rod end so that it will
not go down.
24. Install:
Spring seat 1
Front fork cap bolt 2
NOTE:
Fully finger tighten the front fork cap
bolt onto the damper rod.
25. Tighten:
Front fork cap bolt (locknut) 1
NOTE:
Hold the locknut 2 and tighten the
front fork cap bolt with specified
torque.
T
R
.
.
29 Nm (2.9 m · kg, 21 ft · lb)
26. Install:
Front fork cap bolt 1
To outer tube.
NOTE:
Temporarily tighten the cap bolt.
27. Install:
Protector guide 1
NOTE:
Install the protector guide with its
wider side a facing downward.
23. Monter:
Tige de débrayage 1
Ressort de fourche 2
N.B.:
Poser le ressort de fourche avec la tige
damortissement 3 sortie.
Après avoir monté le ressort de four-
che, maintenir lextrémité de la tige
damortissement de manière quelle ne
descende pas.
24. Monter:
Siège de ressort 1
Bouchon de tube de fourche 2
N.B.:
Serrer à fond, manuellement, le bouchon
de tube de fourche sur la tige damortis-
sement.
25. Serrer:
Bouchon de tube de fourche (con-
tre-écrou) 1
N.B.:
Maintenir le contre-écrou 2 et serrer le
bouchon de tube de fourche au couple
spécifié.
T
R
.
.
29 Nm (2,9 m · kg, 21 ft · lb)
26. Monter:
Bouchon de tube de fourche 1
Sur le fourreau.
N.B.:
Serrer provisoirement le boulon capu-
chon.
27. Monter:
Guide de protection 1
N.B.:
Monter le guide du dispositif de protec-
tion en orientant son côté le plus large a
vers le bas.
FOURCHE
6 - 86
CHAS
23. Montieren:
Druckstange 1
Gabelfeder 2
HINWEIS:
Die Gabelfeder muss bei hochge-
haltenem Dämpferrohr 3 einge-
baut werden.
Nach dem Einbau der Gabelfeder
das Dämpferrohr weiterhin hoch-
halten.
24. Montieren:
Federsitz 1
Gabel-Abdeckschraube 2
HINWEIS:
Die Gabel-Abdeckschraube hand-
fest am Dämpferrohr anschrauben.
25. Festziehen:
Gabel-Abdeckschraube
(Sicherungsmutter) 1
HINWEIS:
Die Sicherungsmutter 2 fest halten
und die Gabel-Abdeckschraube vor-
schriftsmäßig festziehen.
26. Montieren:
Gabel-Abdeckschraube 1
(am Standrohr)
HINWEIS:
Die Gabel-Abdeckschraube proviso-
risch festziehen.
T
R
.
.
29 Nm (2,9 m · kg, 21 ft · lb)
27. Montieren:
Protektor-Führung 1
HINWEIS:
Die Schutzführung mit der breiteren
Seite a nach unten montieren.
23. Installare:
Asta di blocco 1
Molla della forcella 2
NOTA:
Installare la molla della forcella
tenendo sollevata lasta pompante 3.
Dopo aver installato la molla della for-
cella, tenere sollevata lestremità
dellasta pompante in modo che non si
abbassi.
24. Installare:
Sede delle molla 1
Bullone cappello forcella ante-
riore 2
NOTA:
Serrare completamente con le dita il bul-
lone cappello forcella anteriore sullasta
pompante.
25. Serrare:
Bullone cappello forcella ante-
riore (controdado) 1
NOTA:
Tenere fermo il controdado 2 e serrare
il bullone cappello forcella anteriore alla
coppia indicata.
26. Installare:
Bullone cappello forcella ante-
riore 1
Al gambale.
NOTA:
Serrare temporaneamente il tappo filet-
tato.
T
R
.
.
29 Nm (2,9 m · kg, 21 ft · lb)
27. Installare:
Guida protezione 1
NOTA:
Installare la guida delle protezioni con
lato più largo a rivolto verso il basso.
23. Instalar:
Barra de empuje 1
Muelle de la horquilla 2
NOTA:
Instale el muelle de la horquilla con
la varilla del amortiguador 3
levantada.
Después de instalar el muelle de la
horquilla, sostenga el extremo de
la varilla del amortiguador de
forma que no baje.
24. Instalar:
Asiento del muelle 1
Tornillo de la tapa de la hor-
quilla delantera 2
NOTA:
Apriete a mano, completamente, el
tornillo de la tapa de la horquilla delan-
tera en la varilla del amortiguador.
25. Apretar:
Tornillo de la tapa de la hor-
quilla delantera (contratuerca)
1
NOTA:
Sostenga la contratuerca 2 y apriete
el tornillo de la tapa de la horquilla
delantera con el par especificado.
26. Instalar:
Tornillo de la tapa de la hor-
quilla delantera 1
Al tubo exterior.
NOTA:
Apriete provisionalmente el tornillo
de la tapa.
T
R
.
.
29 Nm (2,9 m · kg, 21 ft · lb)
27. Instalar:
Guía protectora 1
NOTA:
Instale la guía del protector con su
lado más ancho a hacia abajo.
TELESKOPGABEL
FORCELLA ANTERIORE
HORQUILLA DELANTERA
6 - 87
CHAS
FRONT FORK
Installation
1. Install:
Front fork 1
NOTE:
Temporarily tighten the pinch bolts
(lower bracket).
Do not tighten the pinch bolts
(upper bracket) yet.
2. Tighten:
Front fork cap bolt 1
3. Adjust:
Front fork top end a
T
R
.
.
30 Nm (3.0 m · kg, 22 ft · lb)
Front fork top end
(standard) a:
5 mm (0.20 in)
4. Tighten:
Pinch bolt (upper bracket) 1
Pinch bolt (lower bracket) 2
CAUTION:
Tighten the lower bracket to speci-
fied torque. If torqued too much, it
may cause the front fork to mal-
function.
T
R
.
.
21 Nm (2.1 m · kg, 15 ft · lb)
T
R
.
.
21 Nm (2.1 m · kg, 15 ft · lb)
5. Install:
Speed sensor lead 1
Plate 1 2
Bolt (plate 1) 3
To right protector 4.
NOTE:
Install the speed sensor lead so that
its paint a directs as shown and
align the bottom b of the plate 1 with
the same paint.
T
R
.
.
4 Nm (0.4 m · kg, 2.9 ft · lb)
a
b
4
3
1
2
Montage
1. Monter:
Fourche 1
N.B.:
Serrer provisoirement les boulons de
pincement (té inférieur).
Ne pas encore serrer les boulons de
pincement (té supérieur).
2. Serrer:
Bouchon de tube de fourche 1
3. Régler:
Extrémité supérieure de la four-
che avant a
T
R
.
.
30 Nm (3,0 m · kg, 22 ft · lb)
Sommet de bras de fourche
(standard) a:
5 mm (0,20 in)
4. Serrer:
Boulon de pincement (té supé-
rieur) 1
Boulon de pincement (té infé-
rieur) 2
ATTENTION:
Serrer le té inférieur au couple spéci-
fié. Un serrage excessif peut compro-
mettre le bon fonctionnement de la
fourche avant.
T
R
.
.
21 Nm (2,1 m · kg, 15 ft · lb)
T
R
.
.
21 Nm (2,1 m · kg, 15 ft · lb)
5. Monter:
Fil du capteur de vitesse 1
Plaque 1 2
Boulon (plaque 1) 3
Vers le dispositif de protection
(droite) 4.
N.B.:
Monter le fil du capteur de vitesse de
sorte que le repère a soit orienté comme
illustré et aligner le bas b de la plaque 1
sur cette même marque.
T
R
.
.
4 Nm (0,4 m · kg, 2,9 ft · lb)
FOURCHE
6 - 88
CHAS
Montage
1. Montieren:
Gabelbein 1
HINWEIS:
Die Klemmschrauben der unteren
Gabelbrücke provisorisch anzie-
hen.
Die Klemmschrauben der oberen
Gabelbrücke noch nicht festzie-
hen.
2. Festziehen:
Gabel-Abdeckschraube 1
3. Einstellen:
Gabelrohr-Überstand a
T
R
.
.
30 Nm (3,0 m · kg, 22 ft · lb)
Standard-Gabelrohr-
Überstand a:
5 mm (0,20 in)
4. Festziehen:
Klemmschraube (obere
Gabelbrücke) 1
Klemmschraube (untere
Gabelbrücke) 2
ACHTUNG:
Die untere Gabelbrücke vor-
schriftsmäßig festziehen. Ein
Überziehen kann die Funktion der
Teleskopgabel beeinträchtigen.
T
R
.
.
21 Nm (2,1 m · kg, 15 ft · lb)
T
R
.
.
21 Nm (2,1 m · kg, 15 ft · lb)
5. Montieren:
Geschwindigkeitssensor-
Kabel 1
Scheibe 1 2
Schraube (Scheibe 1) 3
Zum Schutz (rechts) 4.
HINWEIS:
Das Geschwindigkeitssensor-Kabel
so montieren, dass der Punkt a wie
dargestellt ausgerichtet ist, und das
untere Ende b der Scheibe 1 auf
den gleichen Punkt ausrichten.
T
R
.
.
4 Nm (0,4 m · kg, 2,9 ft · lb)
Installazione
1. Installare:
Forcella anteriore 1
NOTA:
Serrare temporaneamente i bulloni di
serraggio (staffa inferiore).
Non serrare ancora i bulloni di serrag-
gio (staffa superiore).
2. Serrare:
Bullone cappello forcella ante-
riore 1
3. Regolare:
Estremità superiore della forcella
anteriore a
T
R
.
.
30 Nm (3,0 m · kg, 22 ft · lb)
Estremità superiore della
forcella anteriore
(standard) a:
5 mm (0,20 in)
4. Serrare:
Bullone di serraggio (staffa supe-
riore) 1
Bullone di serraggio (staffa infe-
riore) 2
ATTENZIONE:
Serrare la staffa inferiore alla coppia
specificata. Se la si serra troppo, può
verificarsi un malfunzionamento della
forcella anteriore.
T
R
.
.
21 Nm (2,1 m · kg, 15 ft · lb)
T
R
.
.
21 Nm (2,1 m · kg, 15 ft · lb)
5. Installare:
Cavo sensore velocità 1
Piastra 1 2
Bullone (piastra 1) 3
Sulla protezione destra 4.
NOTA:
Installare il cavo sensore velocità in
modo che il riferimento a sia orientato
come illustrato e allineare il fondo b
della piastra 1 con lo stesso riferimento.
T
R
.
.
4 Nm (0,4 m · kg, 2,9 ft · lb)
Instalación
1. Instalar:
Horquilla delantera 1
NOTA:
Apriete provisionalmente los rema-
ches extraíbles (soporte inferior).
No apriete todavía los remaches
extraíbles (soporte superior).
2. Apretar:
Tornillo de la tapa de la hor-
quilla delantera 1
3. Ajustar:
Extremo superior de la horqui-
lla delantera a
T
R
.
.
30 Nm (3,0 m · kg, 22 ft · lb)
Extremo superior de la
horquilla delantera
(estándar) a:
5 mm (0,20 in)
4. Apretar:
Remache extraíble (soporte
superior) 1
Remache extraíble (soporte
inferior) 2
ATENCION:
Apriete el soporte inferior con el
par especificado. Si lo aprieta
demasiado puede provocar un
funcionamiento incorrecto de la
horquilla delantera.
T
R
.
.
21 Nm (2,1 m · kg, 15 ft · lb)
T
R
.
.
21 Nm (2,1 m · kg, 15 ft · lb)
5. Instalar:
Cable del sensor de velocidad
1
Placa 1 2
Tornillo (placa 1) 3
Al protector (derecha) 4.
NOTA:
Instale el cable del sensor de veloci-
dad de forma que la marca de pin-
tura a quede orientada como se
muestra y alinee la parte inferior b
de la placa 1 con la misma marca de
pintura.
T
R
.
.
4 Nm (0,4 m · kg, 2,9 ft · lb)
TELESKOPGABEL
FORCELLA ANTERIORE
HORQUILLA DELANTERA
6 - 89
CHAS
FRONT FORK
6. Install:
Speed sensor lead 1
Plate 2 2
Screw (plate 2) 3
To right protector 4.
NOTE:
Install the plate 2 in the direction as
shown.
T
R
.
.
0.5 Nm (0.05 m · kg, 0.36 ft · lb)
1
2
2
1
3
4
7. Install:
Protector 1
Bolt (protector) 2
T
R
.
.
7 Nm (0.7 m · kg, 5.1 ft · lb)
8. Adjust:
Rebound damping force
NOTE:
Turn in the damping adjuster 1 fin-
ger-tight and then turn out to the orig-
inally set position.
6. Monter:
Fil du capteur de vitesse 1
Plaque 2 2
Vis (plaque 2) 3
Vers le dispositif de protection
(droite) 4.
N.B.:
Monter la plaque 2 dans le sens indiqué.
T
R
.
.
0,5 Nm (0,05 m · kg, 0,36 ft · lb)
7. Monter:
Protection 1
Boulon (protection) 2
T
R
.
.
7 Nm (0,7 m · kg, 5,1 ft · lb)
8. Régler:
Force damortissement à la
détente
N.B.:
Serrer à la main le dispositif de réglage
de lamortissement à la détente 1, puis
desserrer graduellement jusqu’à la posi-
tion de réglage dorigine.
FOURCHE
6 - 90
CHAS
6. Montieren:
Geschwindigkeitssensor-
Kabel 1
Scheibe 2 2
Schraube (Scheibe 2) 3
Zum Schutz (rechts) 4.
HINWEIS:
Die Scheibe 2 in der dargestellten
Richtung montieren.
T
R
.
.
0,5 Nm (0,05 m · kg, 0,36 ft · lb)
7. Montieren:
Protektor 1
Protektor-Schraube 2
T
R
.
.
7 Nm (0,7 m · kg, 5,1 ft · lb)
8. Einstellen:
Zugstufen-Dämpfungskraft
HINWEIS:
Die Dämpfungs-Einstellschraube 1
handfest anziehen und dann in die
ursprüngliche Stellung bringen.
6. Installare:
Cavo sensore velocità 1
Piastra 2 2
Vite (piastra 2) 3
Sulla protezione destra 4.
NOTA:
Installare la piastra 2 nella direzione illu-
strata.
T
R
.
.
0,5 Nm (0,05 m · kg, 0,36 ft · lb)
7. Installare:
Protezione 1
Bullone (protezione) 2
T
R
.
.
7 Nm (0,7 m · kg, 5,1 ft · lb)
8. Regolare:
Forza di smorzamento in esten-
sione
NOTA:
Avvitare il dispositivo di regolazione
dello smorzamento 1 e quindi svitarlo
per ritornare alla posizione impostata
originariamente.
6. Instalar:
Cable del sensor de velocidad
1
Placa 2 2
Tornillo (placa 2) 3
Al protector (derecha) 4.
NOTA:
Instale la placa 2 en la dirección que
se muestra.
T
R
.
.
0,5 Nm (0,05 m · kg, 0,36 ft · lb)
7. Instalar:
Protector 1
Tornillo (protector) 2
T
R
.
.
7 Nm (0,7 m · kg, 5,1 ft · lb)
8. Ajustar:
Amortiguación en extensión
NOTA:
Gire hacia dentro el regulador de
amortiguación 1 a mano y luego
gírelo hacia fuera en la posición ori-
ginal de ajuste.
TELESKOPGABEL
FORCELLA ANTERIORE
HORQUILLA DELANTERA
6 - 91
CHAS
HANDLEBAR
EC5B0000
HANDLEBAR
Extent of removal: 1 Handlebar removal
Extent of removal Order Part name Qty Remarks
Preparation for removal
HANDLEBAR REMOVAL
Headlight
1 Hot starter cable 1 Disconnect at the lever side.
2 Hot starter lever holder 1
3 Clutch cable 1 Disconnect at the lever side.
4 Clutch lever holder 1 Disconnect the clutch switch lead.
5 Engine stop switch 1 Disconnect the engine stop switch lead.
6 Brake master cylinder 1 Refer to REMOVAL POINTS.
7 Start switch 1 Disconnect the start switch lead.
8 Throttle cable cap 1
9 Throttle cable #1 (pulled) 1 Disconnect at the throttle side.
10 Throttle cable #2 (pushed) 1 Disconnect at the throttle side.
11 Right grip 1 Refer to REMOVAL POINTS.
12 Tube guide 1
13 Left grip 1 Refer to REMOVAL POINTS.
14 Handlebar upper holder 2
15 Handlebar 1
16 Handlebar lower holder 2
1
6 - 92
CHAS
GUIDON
Organisation de la dépose: 1 Dépose du guidon
Organisation de la dépose Ordre Nom de la pièce QtéRemarques
Préparation à la dépose
DEPOSE DU GUIDON
Phare
1Câble de démarrage à chaud 1 Déconnecter du côté levier.
2 Support du levier de démarrage à chaud 1
3Câble dembrayage 1 Déconnecter du côté levier.
4 Support de levier dembrayage 1 Déconnecter le fil du contacteur dembrayage.
5 Coupe-circuit du moteur 1 Déconnecter le fil du coupe-circuit du moteur.
6Maître-cylindre de frein 1 Se reporter à POINTS DE DEPOSE.
7 Contacteur du démarreur 1 Déconnecter le fil du contacteur du démarreur.
8 Couvercle du logement de câble des gaz 1
9Câble des gaz n°1 (tiré)1Déconnecter du côté accélérateur.
10 Câble des gaz n°2 (enfoncé)1Déconnecter du côté accélérateur.
11 Poignée droite 1 Se reporter à POINTS DE DEPOSE.
12 Guide de tube 1
13 Poignée gauche 1 Se reporter à POINTS DE DEPOSE.
14 Support supérieur du guidon 2
15 Guidon 1
16 Support de guidon inférieur 2
1
LENKER
Arbeitsumfang: 1 Lenker demontieren
Arbeitsumfang
Reihenfolge
Bauteil Anz. Bemerkungen
Vorbereitungsarbeiten
Lenker demontieren
Scheinwerfer
1 Warmstartzug 1 Hebelseitig lösen.
2 Warmstarthebel-Halterung 1
3 Kupplungszug 1 Hebelseitig lösen.
4 Kupplungshebel-Halterung 1 Das Kupplungsschalter-Kabel lösen.
5 Motorstoppschalter 1 Das Motorstoppschalter-Kabel lösen.
6 Hauptbremszylinder 1 Siehe unter DEMONTAGE-EINZELHEITEN.
7 Starterschalter 1 Das Starterschalter-Kabel lösen.
8 Gaszug-Abdeckung 1
9 Gasgeberzug Nr.1 1 Gasdrehgriffseitig lösen.
10 Gasnehmerzug Nr.2 1 Gasdrehgriffseitig lösen.
11 Lenkergriff rechts 1 Siehe unter DEMONTAGE-EINZELHEITEN.
12 Führung 1
13 Lenkergriff links 1 Siehe unter DEMONTAGE-EINZELHEITEN.
14 Obere Lenker-Halterung 2
15 Lenker 1
16 Untere Lenker-Halterung 2
1
GUIDON
LENKER
6 - 93
CHAS
MANUBRIO
Estensione della rimozione: 1 Rimozione manubrio
Estensione della rimozione Ordine Denominazione QuantitàOsservazioni
Preparazione per la rimozione
RIMOZIONE MANUBRIO
Faro
1 Cavo starter per partenze a caldo 1 Scollegare sul lato della leva.
2 Supporto leva starter per partenze a caldo 1
3 Cavo della frizione 1 Scollegare sul lato della leva.
4 Supporto della leva della frizione 1 Scollegare il cavo interruttore della frizione.
5 Interruttore di arresto motore 1 Scollegare il cavo interruttore di arresto motore.
6 Pompa del freno 1 Fare riferimento a PUNTI DI RIMOZIONE.
7 Interruttore dellavviamento 1 Scollegare il cavo interruttore dellavviamento.
8 Copertura cavo acceleratore 1
9 Cavo acceleratore n.1 (tirato) 1 Scollegare sul lato dellacceleratore.
10 Cavo acceleratore n.2 (premuto) 1 Scollegare sul lato dellacceleratore.
11 Manopola destra 1 Fare riferimento a PUNTI DI RIMOZIONE.
12 Guida tubo 1
13 Manopola sinistra 1 Fare riferimento a PUNTI DI RIMOZIONE.
14 Supporto superiore manubrio 2
15 Manubrio 1
16 Supporto inferiore manubrio 2
1
MANUBRIO
6 - 94
CHAS
MANILLAR
Extensión del desmontaje: 1 Desmontaje del manillar
Extensión del desmontaje Orden Nombre de la pieza Ctd. Observaciones
Preparación para el
desmontaje
DESMONTAJE DEL MANILLAR
Faro
1 Cable de arranque en caliente 1 Desconéctelo del lado del mando.
2 Soporte del mando de arranque en caliente 1
3 Cable de embrague 1 Desconéctelo del lado de la maneta.
4 Soporte de la maneta de embrague 1 Desconecte el cable del interruptor del embrague.
5 Interruptor de paro del motor 1 Desconecte el cable del interruptor de paro del
motor.
6 Bomba de freno 1 Consulte el apartado PUNTOS DE
DESMONTAJE.
7 Interruptor de arranque 1 Desconecte el cable del interruptor de arranque.
8 Tapa del cable del acelerador 1
9 Cable del acelerador nº1 (en tracción) 1 Desconéctelo del lado del acelerador.
10 Cable del acelerador nº2 (empujado) 1 Desconéctelo del lado del acelerador.
11 Puño derecho 1 Consulte el apartado PUNTOS DE
DESMONTAJE.
12 Guía de tubo 1
13 Puño izquierdo 1 Consulte el apartado PUNTOS DE
DESMONTAJE.
14 Sujeción superior del manillar 2
15 Manillar 1
16 Soporte inferior del manillar 2
1
MANILLAR
6 - 95
CHAS
HANDLEBAR
EC5B3000
REMOVAL POINTS
Brake master cylinder
1. Remove:
Brake master cylinder bracket
1
Brake master cylinder 2
CAUTION:
Do not let the brake master cyl-
inder hang on the brake hose.
Keep the brake master cylinder
cap side horizontal to prevent
air from coming in.
EC5B3200
Grip
1. Remove:
Grip 1
NOTE:
Blow in air between the handlebar or
tube guide and the grip. Then remove
the grip which has become loose.
EC5B4000
INSPECTION
EC5B4100
Handlebar
1. Inspect:
Handlebar 1
Bends/cracks/damage
Replace.
WARNING
Do not attempt to straighten a
bent handlebar as this may dan-
gerously weaken the handlebar.
POINTS DE DEPOSE
Maître-cylindre de frein
1. Déposer:
Support de maître-cylindre de
frein 1
Maître-cylindre de frein 2
ATTENTION:
Veiller à ce que le maître-cylindre
de frein ne repose pas sur la durit de
frein.
Maintenir le couvercle du maître-
cylindre de frein à lhorizontale afin
d’éviter toute pénétration dair.
Poignée
1. Déposer:
Poignée 1
N.B.:
Souffler de lair entre le guidon ou le
guide de tube et la poignée. Retirer
ensuite la poignée ainsi libérée.
CONTROLE
Guidon
1. Contrôler:
Guidon 1
Déformation/craquelures/endom-
magement Remplacer.
AVERTISSEMENT
Ne pas tenter de redresser un guidon
déformé, car cela laffaiblirait dange-
reusement.
GUIDON
6 - 96
CHAS
DEMONTAGE-EINZELHEITEN
Hauptbremszylinder
1. Demontieren:
Hauptbremszylinder-Halte-
rung 1
Hauptbremszylinder 2
ACHTUNG:
Den Hauptbremszylinder nicht
am Bremsschlauch hängen las-
sen.
Den Bremsflüssigkeits-Vorrats-
behälter waagerecht halten,
damit keine Luft in das System
eindringt.
Lenkergriff
1. Demontieren:
Lenkergriff 1
HINWEIS:
Druckluft zwischen dem Lenker bzw.
der Führung und dem Lenkergriff bla-
sen. Anschließend den gelösten Griff
abnehmen.
KONTROLLE
Lenker
1. Kontrollieren:
Lenker 1
Verbogen/rissig/beschädigt
Erneuern.
WARNUNG
Ein verbogener Lenker darf unter
keinen Umständen gerichtet wer-
den, weil dadurch seine Stabilität
verloren geht.
PUNTI DI RIMOZIONE
Pompa del freno
1. Togliere:
Staffa pompa del freno 1
Pompa del freno 2
ATTENZIONE:
Non lasciare che la pompa del freno
rimanga appesa sul tubo del freno.
Tenere la pompa del freno in posi-
zione orizzontale per evitare che
entri laria.
Manopola
1. Togliere:
Manopola 1
NOTA:
Immettere aria tra il manubrio o la guida
tubo e la manopola. Quindi, togliere la
manopola allentata.
CONTROLLO
Manubrio
1. Controllare:
Manubrio 1
Deformazioni/incrinature/danni
Sostituire.
AVVERTENZA
Non cercare di raddrizzare un manu-
brio piegato, poiché esso ne risulte-
rebbe pericolosamente indebolito.
PUNTOS DE DESMONTAJE
Bomba de freno
1. Extraer:
Soporte de la bomba de freno
1
Bomba de freno 2
ATENCION:
No deje la bomba de freno col-
gando del tubo de freno.
Mantenga el lado de la tapa de la
bomba de freno horizontal para
que no penetre aire.
Puño
1. Extraer:
Puño 1
NOTA:
Aplique aire entre el manillar o la
guía del tubo y el puño. Luego des-
monte el puño que se ha aflojado.
COMPROBACIÓN
Manillar
1. Comprobar:
Manillar 1
Dobladuras/grietas/daños
Cambiar.
ADVERTENCIA
No intente enderezar el manillar si
está doblado, ya que este se
puede debilitar peligrosamente.
LENKER
MANUBRIO
MANILLAR
6 - 97
CHAS
HANDLEBAR
EC5B5000
ASSEMBLY AND INSTALLATION
Handlebar
1. Install:
Handlebar lower holder 1
Washer 2
Nut (handlebar lower holder)
3
NOTE:
Install the handlebar lower holder
with its side having the greater dis-
tance a from the mounting bolt
center facing forward.
Apply the lithium soap base grease
on the thread of the handlebar
lower holder.
Installing the handlebar lower
holder in the reverse direction
allows the front-to-rear offset
amount of the handlebar position
to be changed.
Do not tighten the nut yet.
2. Install:
Handlebar 1
Handlebar upper holder 2
Bolt
(handlebar upper holder) 3
NOTE:
The handlebar upper holder should
be installed with the punched mark
a forward.
Install the handlebar so that the
marks b are in place on both
sides.
Install the handlebar so that the
projection c of the handlebar
upper holder is positioned at the
mark on the handlebar as shown.
First tighten the bolts on the front
side of the handlebar upper holder,
and then tighten the bolts on the
rear side.
T
R
.
.
28 Nm (2.8 m · kg, 20 ft · lb)
ASSEMBLAGE ET MONTAGE
Guidon
1. Monter:
Support (inférieur) du guidon 1
Rondelle plate 2
•Écrou [support (inférieur) du gui-
don] 3
N.B.:
Monter le support (inférieur) du gui-
don, le côté dont la distance par rap-
port au centre du boulon de montage
est la plus grande a, orienté vers
lavant.
Appliquer de la graisse à base de
savon au lithium sur le filet du support
(inférieur) du guidon.
Monter le support (inférieur) du gui-
don dans le sens inverse permet de
modifier lampleur de la déviation
avant-arrière de la position du guidon.
Ne pas encore serrer l’écrou.
2. Monter:
Guidon 1
Support supérieur de guidon 2
Boulon
(support supérieur du guidon) 3
N.B.:
Le support supérieur du guidon doit
être monté avec son poinçon a vers
lavant.
Monter le guidon de façon à ce que les
repères b soient en place des deux
côtés.
Monter le guidon de manière à ce que
lergot c du support du guidon supé-
rieur soit positionné selon le repère
dalignement situé sur le guidon,
comme indiqué.
Serrer dabord les boulons situés à
lavant du support supérieur du gui-
don, puis serrer les boulons situés à
larrière.
T
R
.
.
28 Nm (2,8 m · kg, 20 ft · lb)
GUIDON
6 - 98
CHAS
ZUSAMMENBAU UND MONTAGE
Lenker
1. Montieren:
untere Lenker-Halterung 1
Beilagscheibe 2
Mutter (untere Lenker-Halte-
rung) 3
HINWEIS:
Die untere Lenker-Halterung so
montieren, dass der größere
Abstand a zur Achse der Lenker-
halterungs-Schraube nach vorn
gerichtet ist.
Das Gewinde der Lenkerhalte-
rungs-Schraube mit Lithiumseifen-
fett bestreichen.
Durch umgekehrten Einbau der
Lenker-Halterung kann die Einbau-
lage des Lenkers in umgekehrter
Fahrtrichtung versetzt werden.
Die Mutter noch nicht festziehen.
2. Montieren:
Lenker 1
obere Lenker-Halterung 2
Schraube
(obere Lenker-Halterung) 3
HINWEIS:
Die obere Lenker-Halterung muss
so montiert werden, dass die Kör-
nermarkierung a nach vorn
gerichtet ist.
Den Lenker so montieren, dass die
Markierungen b an beiden Seiten
fluchten.
Den Lenker so montieren, dass
der Vorsprung c der oberen Len-
ker-Halterung auf die Lenker-Mar-
kierung ausgerichtet ist, wie
dargestellt.
Zuerst die Schrauben an der Vor-
derseite festziehen, danach die
Schrauben an der Hinterseite vor-
schriftsmäßig festziehen.
T
R
.
.
28 Nm (2,8 m · kg, 20 ft · lb)
MONTAGGIO E INSTALLAZIONE
Manubrio
1. Installare:
Supporto inferiore manubrio 1
Rondella 2
Dado (supporto inferiore manu-
brio) 3
NOTA:
Installare il supporto inferiore manu-
brio con il lato con la distanza mag-
giore a dal centro del bullone di
montaggio rivolto in avanti.
Applicare il grasso a base di sapone di
litio sulla filettatura del supporto infe-
riore manubrio
Installando il supporto inferiore manu-
brio nella direzione opposta, è possi-
bile modificare lentità delloffset
anteriore-posteriore della posizione
del manubrio.
Non serrare ancora il dado.
2. Installare:
Manubrio 1
Supporto superiore manubrio 2
Bullone
(supporto superiore manubrio) 3
NOTA:
Il supporto superiore del manubrio
deve essere installato con il riferi-
mento punzonato a rivolto in avanti.
Installare il manubrio in modo che i
contrassegni b siano in posizione su
entrambi i lati.
Installare il manubrio in modo che la
sporgenza c del supporto superiore
del manubrio sia posizionata sul con-
trassegno sul manubrio, come illu-
strato.
Serrare prima i bulloni sul lato ante-
riore del supporto superiore manubrio,
quindi quelli sul lato posteriore.
T
R
.
.
28 Nm (2,8 m · kg, 20 ft · lb)
MONTAJE E INSTALACIÓN
Manillar
1. Instalar:
Soporte del manillar (inferior)
1
Arandela plana 2
Tuerca [soporte del manillar
(inferior)] 3
NOTA:
Instale el soporte del manillar (infe-
rior) con el lado que presenta la
mayor distancia a desde el centro
del tornillo de montaje hacia
delante.
Aplique grasa de jabón de litio a la
rosca del soporte del manillar
(inferior).
La instalación del soporte del
manillar (inferior) en dirección
inversa permite variar el descen-
tramiento longitudinal de la posi-
ción del manillar.
No apriete todavía la tuerca.
2. Instalar:
Manillar 1
Sujeción superior del manillar 2
Tornillo
(sujeción superior del manillar)
3
NOTA:
El soporte superior del manillar se
debe instalar con la marca perfo-
rada a hacia delante.
Instale el manillar de forma que las
marcas b queden bien colocadas
a ambos lados.
Instale el manillar de forma que la
proyección c de su sujeción supe-
rior quede colocada en la marca del
manillar, como se muestra.
Apriete primero los tornillos de la
parte delantera del soporte supe-
rior del manillar y luego los de la
parte trasera.
T
R
.
.
28 Nm (2,8 m · kg, 20 ft · lb)
LENKER
MANUBRIO
MANILLAR
6 - 99
CHAS
HANDLEBAR
3. Tighten:
Nut (handlebar lower holder)
1
T
R
.
.
34 Nm (3.4 m · kg, 24 ft · lb)
4. Install:
Left grip 1
Apply the adhesive to the han-
dlebar 2.
NOTE:
Before applying the adhesive, wipe
off grease or oil on the handlebar
surface a with a lacquer thinner.
Install the left grip to the handlebar
so that the line b between the two
arrow marks faces straight upward.
5. Install:
Right grip 1
Collar 2
Apply the adhesive on the
tube guide 3.
NOTE:
Before applying the adhesive, wipe
off grease or oil on the tube guide
surface a with a lacquer thinner.
Install the grip to the tube guide so
that the grip match mark b and
tube guide slot c form the angle
as shown.
R
L
64˚
3
1
b
c
6. Install:
Grip cap cover 1
Throttle grip 2
NOTE:
Apply the lithium soap base grease
on the throttle grip sliding surface.
7. Install:
Throttle cables 1
To tube guide 2.
NOTE:
Apply the lithium soap base grease
on the throttle cable end and tube
guide cable winding portion.
3. Serrer:
Ecrou [support (inférieur) du gui-
don] 1
T
R
.
.
34 Nm (3,4 m · kg, 24 ft · lb)
4. Monter:
Poignée gauche 1
Appliquer un agent adhésif sur le
guidon 2.
N.B.:
Avant dappliquer ladhésif, essuyer
toute trace de graisse ou dhuile de la
surface du guidon a avec un diluant à
peinture-laque.
Monter la poignée gauche sur le gui-
don de manière que la ligne b située
entre les deux flèches pointe verticale-
ment vers le haut.
5. Monter:
Poignée droite 1
Entretoise épaulée 2
Appliquer un agent adhésif sur le
guide de tube 3.
N.B.:
Avant dappliquer ladhésif, essuyer
toute trace de graisse ou dhuile de la
surface du guide de tube a avec du
diluant à peinture-laque.
Monter la poignée sur le guide de tube
de manière que le repère de la poignée
b et la fente du guide de tube c for-
ment langle indiqué.
6. Monter:
Cache du capuchon de la poignée
1
Poignée des gaz 2
N.B.:
Appliquer de la graisse à savon de
lithium sur la surface coulissante de la
poignée des gaz.
7. Monter:
Câbles des gaz 1
Sur le guide de tube 2.
N.B.:
Appliquer de la graisse à savon de
lithium sur lextrémité du câble des gaz
et sur la partie denroulement du câble
dans le guide de tube.
GUIDON
6 - 100
CHAS
3. Festziehen:
Mutter (untere Lenker-Halte-
rung) 1
T
R
.
.
34 Nm (3,4 m · kg, 24 ft · lb)
4. Montieren:
Lenkergriff links 1
Den Lenker 2 mit Klebstoff
bestreichen.
HINWEIS:
Vor dem Auftragen von Klebstoff
muss die Lenker-Oberfläche a mit
Verdünner von Öl- und Fettspuren
befreit werden.
Den Lenkergriff links so einbauen,
dass der Strich b zwischen den
beiden Pfeilmarkierungen gerade-
aus nach oben gerichtet ist.
5. Montieren:
Lenkergriff rechts 1
Distanzhülse 2
Klebstoff auf die Führung 3
auftragen.
HINWEIS:
Vor dem Auftragen von Klebstoff
muss die Führungs-Oberfläche a
mit Verdünner von Öl- und Fett-
spuren befreit werden.
Den Griff so an die Führung mon-
tieren, dass die Markierung b am
Griff und die Nut c in der Führung
im abgebildeten Winkel zueinan-
der stehen.
6. Montieren:
Gaszuggehäuse-Abdeckung
1
Gasdrehgriff 2
HINWEIS:
Die Gleitfläche des Gasdrehgriffs mit
Lithiumseifenfett bestreichen.
7. Montieren:
Gaszüge 1
(an der Führung 2)
HINWEIS:
Die Gaszug-Enden und Seilzug-Füh-
rung mit Lithiumseifenfett bestrei-
chen.
3. Serrare:
Dado (supporto inferiore manu-
brio) 1
T
R
.
.
34 Nm (3,4 m · kg, 24 ft · lb)
4. Installare:
Manopola sinistra 1
Applicare ladesivo sul manubrio
2.
NOTA:
Prima di applicare ladesivo, eliminare
il grasso o lolio dalla superficie del
manubrio a con un diluente per ver-
nici.
Installare la manopola sinistra sul
manubrio in modo che la linea b tra
le due frecce sia rivolta verso lalto.
5. Installare:
Manopola destra 1
Collarino 2
Applicare ladesivo sulla guida
tubo 3.
NOTA:
Prima di applicare ladesivo, eliminare
il grasso o lolio dalla superficie della
guida tubo a con un diluente per ver-
nici.
Installare la manopola sulla guida tubo
in modo che lincastro della manopola
b e la fessura della guida tubo c for-
mino un angolo come quello indicato
nella figura.
6. Installare:
Rivestimento copertura manopola
1
Manopola acceleratore 2
NOTA:
Applicare il grasso a base di sapone di
litio sulla superficie scorrevole della
manopola dellacceleratore.
7. Installare:
Cavi acceleratore 1
Alla guida tubo 2.
NOTA:
Applicare il grasso a base di sapone di
litio sullestremità del cavo acceleratore
e sulla porzione di avvolgimento del
cavo della guida tubo
3. Apretar:
Tuerca [soporte del manillar
(inferior)] 1
T
R
.
.
34 Nm (3,4 m · kg, 24 ft · lb)
4. Instalar:
Puño izquierdo 1
Aplique el adhesivo al manillar
2.
NOTA:
Antes de aplicar el adhesivo, eli-
mine la grasa o el aceite de la
superficie del manillar a con un
quitaesmaltes.
Monte el puño izquierdo en el
manillar de forma que la línea b
entre las dos flechas se oriente
recto hacia arriba.
5. Instalar:
Puño derecho 1
Casquillo 2
Aplique adhesivo a la guía de
tubo 3.
NOTA:
Antes de aplicar el adhesivo, eli-
mine la grasa o el aceite de la
superficie de la guía de tubo a
con un quitaesmaltes.
Monte el puño en la guía de tubo
de forma que la marca de coinci-
dencia del puño b y la ranura de
la guía de tubo c formen el ángulo
que se muestra.
6. Instalar:
Cubierta de la tapa del puño
1
Puño del acelerador 2
NOTA:
Aplique grasa de jabón de litio a la
superficie de deslizamiento del puño
del acelerador.
7. Instalar:
Cables del acelerador 1
A la guía de tubo 2.
NOTA:
Aplique grasa de jabón de litio al
extremo del cable del acelerador y a
la parte enrollada del cable de la
guía de tubo.
LENKER
MANUBRIO
MANILLAR
6 - 101
CHAS
HANDLEBAR
8. Install:
Throttle cable cap 1
Screw (throttle cable cap) 2
WARNING
After tightening the screws, check
that the throttle grip 3 moves
smoothly. If it does not, retighten
the bolts for adjustment.
T
R
.
.
4 Nm (0.4 m · kg, 2.9 ft · lb)
9. Install:
Grip cap cover 1
Cover (throttle cable cap) 2
10. Install:
Start switch 1
Brake master cylinder 2
Brake master cylinder bracket
3
Bolt (brake master cylinder
bracket) 4
Clamp 5
NOTE:
The start switch and brake master
cylinder bracket should be installed
according to the dimensions
shown.
Install the bracket so that the arrow
mark a faces upward.
First tighten the bolt on the upper
side of the brake master cylinder
bracket, and then tighten the bolt
on the lower side.
T
R
.
.
9 Nm (0.9 m · kg, 6.5 ft · lb)
Zero mm
(Zero in)
Zero mm
(Zero in)
8. Monter:
Couvercle du logement de câble
des gaz 1
Vis (couvercle du logement de
câble des gaz) 2
AVERTISSEMENT
Après avoir serré les vis, vérifier que
la poignée des gaz 3 tourne sans pro-
blème. Sinon, resserrer les boulons
pour la régler.
T
R
.
.
4 Nm (0,4 m · kg, 2,9 ft · lb)
9. Monter:
Cache du capuchon de la poignée
1
Couvercle (couvercle du loge-
ment de câble des gaz) 2
10. Monter:
Contacteur du démarreur 1
Maître-cylindre de frein 2
Support de maître-cylindre de
frein 3
Boulon (support de maître-cylin-
dre de frein) 4
Collier 5
N.B.:
Monter le contacteur du démarreur et
le support du maître-cylindre de frein
en respectant les dimensions indi-
quées.
Monter le support de manière que la
flèche a soit dirigée vers le haut.
Serrer dabord le boulon du côté supé-
rieur du support de maître-cylindre de
frein puis serrer le boulon du côté
inférieur.
T
R
.
.
9 Nm (0,9 m · kg, 6,5 ft · lb)
GUIDON
6 - 102
CHAS
8. Montieren:
Gaszug-Abdeckung 1
Schraube (Gaszug-Abdek-
kung) 2
WARNUNG
Nach dem Festziehen der Schrau-
ben sicherstellen, dass der Gas-
drehgriff 3 sich leichtgängig
bewegt. Anderenfalls die Schrau-
ben nachziehen bzw. lockern.
T
R
.
.
4 Nm (0,4 m · kg, 2,9 ft · lb)
9. Montieren:
Gaszuggehäuse-Abdeckung
1
Schutzabdeckung (Gaszug-
Abdeckung) 2
10. Montieren:
Starterschalter 1
Hauptbremszylinder 2
Hauptbremszylinder-Halte-
rung 3
Schraube (Hauptbremszylin-
der-Halterung) 4
Klemme 5
HINWEIS:
Der Starterschalter und die Haupt-
bremszylinder-Halterung sind ent-
sprechend den abgebildeten
Maßen zu montieren.
Die Halterung so einbauen, dass
die Pfeilmarkierung a nach oben
gerichtet ist.
Zunächst die obere und dann die
untere Schraube der Hauptbrems-
zylinder-Halterung vorschriftsmä-
ßig festziehen.
T
R
.
.
9 Nm (0,9 m · kg, 6,5 ft · lb)
8. Installare:
Copertura cavo acceleratore 1
Vite (copertura cavo acceleratore)
2
AVVERTENZA
Dopo aver serrato le viti, controllare
che la manopola acceleratore 3 si
muova in modo uniforme. Se si muove
con difficoltà, serrare nuovamente i
bulloni per la regolazione.
T
R
.
.
4 Nm (0,4 m · kg, 2,9 ft · lb)
9. Installare:
Rivestimento copertura manopola
1
Rivestimento (copertura cavo
acceleratore) 2
10. Installare:
Interruttore dellavviamento 1
Pompa del freno 2
Staffa pompa del freno 3
Bullone (staffa pompa del freno)
4
Morsetto 5
NOTA:
Installare linterruttore dellavvia-
mento e la staffa della pompa del
freno in base alle dimensioni indicate.
Installare la staffa in modo che la frec-
cia a sia rivolta verso lalto.
Serrare prima il bullone sul lato supe-
riore della staffa della pompa del
freno, quindi quello sul lato inferiore.
T
R
.
.
9 Nm (0,9 m · kg, 6,5 ft · lb)
8. Instalar:
Cubierta del cable del acelera-
dor 1
Tornillo (cubierta del cable del
acelerador) 2
ADVERTENCIA
Después de apretar los tornillos
compruebe que el puño del acele-
rador 3 se mueva con suavidad.
Si no es así, vuelva a apretar los
tornillos para ajustarlo.
T
R
.
.
4 Nm (0,4 m · kg, 2,9 ft · lb)
9. Instalar:
Cubierta de la tapa del puño
1
Cubierta (tapa del cable del
acelerador) 2
10. Instalar:
Interruptor de arranque 1
Bomba de freno 2
Soporte de la bomba de freno
3
Tornillo (soporte de la bomba
de freno) 4
Brida 5
NOTA:
El interruptor de arranque y el
soporte de la bomba de freno se
deben montar de acuerdo con las
dimensiones que se muestran.
Instale el soporte de forma que la
flecha a esté orientada hacia
arriba.
Apriete primero el tornillo de la
parte superior del soporte de la
bomba de freno y luego el de la
parte inferior.
T
R
.
.
9 Nm (0,9 m · kg, 6,5 ft · lb)
LENKER
MANUBRIO
MANILLAR
6 - 103
CHAS
11. Install:
Engine stop switch 1
Clutch lever holder 2
Bolt (clutch lever holder) 3
Hot starter lever holder 4
Bolt
(hot starter lever holder) 5
Clamp 6
NOTE:
The engine stop switch, clutch
lever holder and clamp should be
installed according to the dimen-
sions shown.
Pass the engine stop switch lead in
the middle of the clutch lever
holder.
T
R
.
.
4 Nm (0.4 m · kg, 2.9 ft · lb)
T
R
.
.
4 Nm (0.4 m · kg, 2.9 ft · lb)
12. Install:
Clutch cable 1
Hot starter cable 2
NOTE:
Apply the lithium soap base grease
on the clutch cable end and hot
starter cable end.
13. Adjust:
Clutch lever free play
Refer to CLUTCH ADJUST-
MENT section in the CHAP-
TER 3.
Hot starter lever free play
Refer to HOT STARTER
LEVER ADJUSTMENT sec-
tion in the CHAPTER 3.
11. Monter:
Coupe-circuit du moteur 1
Support du levier dembrayage
2
Boulon (support du levier
dembrayage) 3
Support du levier de démarrage à
chaud 4
Boulon
(support du levier de démarrage à
chaud) 5
Collier 6
N.B.:
Monter le coupe-circuit du moteur, le
support du levier dembrayage et le
collier en respectant les dimensions
indiquées.
Faire passer le fil du coupe-circuit du
moteur au milieu du support du levier
dembrayage.
T
R
.
.
4 Nm (0,4 m · kg, 2,9 ft · lb)
T
R
.
.
4 Nm (0,4 m · kg, 2,9 ft · lb)
12. Monter:
Câble dembrayage 1
Câble de démarrage à chaud 2
N.B.:
Appliquer de la graisse à savon de lithium
sur les extrémités du câble dembrayage
et du câble de démarrage à chaud.
13. Régler:
Jeu du levier dembrayage
Se reporter à la section REGLAGE
DE LEMBRAYAGE au CHAPI-
TRE 3.
Jeu du levier de démarrage à
chaud
Se reporter à la section
REGLAGE DU LEVIER DE
DEMARRAGE A CHAUD au
CHAPITRE 3.
HANDLEBAR
GUIDON
6 - 104
CHAS
11. Montieren:
Motorstoppschalter 1
Kupplungshebel-Halterung 2
Schraube (Kupplungshebel-
Halterung) 3
Warmstarthebel-Halterung 4
Schraube
(Warmstarthebel-Halterung)
5
Klemme 6
HINWEIS:
Der Motorstoppschalter, die Kupp-
lungshebel-Halterung und die
Klemme sind entsprechend den
abgebildeten Maßen zu montieren.
Das Motorstoppschalter-Kabel
durch die Mitte der Kupplungshe-
bel-Halterung führen.
T
R
.
.
4 Nm (0,4 m · kg, 2,9 ft · lb)
T
R
.
.
4 Nm (0,4 m · kg, 2,9 ft · lb)
12. Montieren:
Kupplungszug 1
Warmstartzug 2
HINWEIS:
Die Kupplungszug- und Warmstart-
zug-Enden mit Lithiumseifenfett
bestreichen.
13. Einstellen:
Kupplungshebel-Spiel
Siehe unter KUPPLUNG EIN-
STELLEN in KAPITEL 3.
Warmstarthebel-Spiel
Siehe unter WARMSTART-
HEBEL EINSTELLEN in
KAPITEL 3.
11. Installare:
Interruttore di arresto motore 1
Supporto della leva della frizione
2
Bullone (supporto della leva della
frizione) 3
Supporto leva starter per partenze
a caldo 4
Bullone
(supporto leva starter per partenze
a caldo) 5
Morsetto 6
NOTA:
Installare linterruttore di arresto
motore, il supporto della leva della fri-
zione e il morsetto in base alle dimen-
sioni indicate.
Far passare il cavo dellinterruttore di
arresto motore al centro del supporto
della leva della frizione.
T
R
.
.
4 Nm (0,4 m · kg, 2,9 ft · lb)
T
R
.
.
4 Nm (0,4 m · kg, 2,9 ft · lb)
12. Installare:
Cavo della frizione 1
Cavo starter per partenze a caldo
2
NOTA:
Applicare il grasso a base di sapone di
litio sullestremità del cavo della frizione
e del cavo starter per partenze a caldo.
13. Regolare:
Gioco della leva della frizione
Fare riferimento al paragrafo
REGOLAZIONE FRIZIONE
nel CAPITOLO 3.
Gioco della leva starter per par-
tenze a caldo
Fare riferimento al paragrafo
REGOLAZIONE LEVA STAR-
TER PER PARTENZE A
CALDO nel CAPITOLO 3.
11. Instalar:
Interruptor de paro del motor
1
Soporte de la maneta de
embrague 2
Tornillo (soporte de la maneta
de embrague) 3
Soporte del mando de arran-
que en caliente 4
Tornillo
(soporte del mando de arran-
que en caliente) 5
Brida 6
NOTA:
El interruptor de paro del motor, el
soporte de la maneta de embrague
y la brida se deben montar de
acuerdo con las dimensiones que
se muestran.
Pase el cable del interruptor de
paro del motor en medio del
soporte de la maneta de embra-
gue.
T
R
.
.
4 Nm (0,4 m · kg, 2,9 ft · lb)
T
R
.
.
4 Nm (0,4 m · kg, 2,9 ft · lb)
12. Instalar:
Cable de embrague 1
Cable del arranque en caliente
2
NOTA:
Aplique grasa de jabón de litio al
extremo del cable de embrague y al
extremo del cable del arranque en
caliente.
13. Ajustar:
Holgura de la maneta de
embrague
Consulte el apartado
AJUSTE DEL EMBRAGUE
del CAPÍTULO 3.
Holgura del mando de arran-
que en caliente
Consulte el apartado
AJUSTE DEL MANDO DE
ARRANQUE EN CALIENTE
del CAPÍTULO 3.
LENKER
MANUBRIO
MANILLAR
6 - 105
CHAS
STEERING
EC560000
STEERING
Extent of removal: 1 Lower bracket removal 2 Bearing removal
Extent of removal Order Part name Qty Remarks
STEERING REMOVAL WARNING
Support the machine securely so there is no
danger of it falling over.
Preparation for removal Hold the machine by placing the suitable
stand under the engine.
Headlight
Handlebar Refer to HANDLEBAR section.
Front brake hose guide
Front fender
1 Multi-function display 1
2 Multi-function display bracket 1
3 Main switch 1 Disconnect the main switch lead.
4 Steering stem nut 1
5 Front fork 2 Refer to FRONT FORK section.
6 Upper bracket 1
7 Steering ring nut 1 Use special tool.
Refer to REMOVAL POINTS.
8 Lower bracket 1
1 2
6 - 106
CHAS
DIRECTION
Organisation de la dépose: 1 Dépose du té inférieur 2 Dépose du roulement
ETAPES DU SERRAGE:
Serrer l’écrou de direction. 38 Nm (3,8 m · kg, 27 ft · lb)
Le desserrer dun tour.
Le resserrer. 7 Nm (0,7 m · kg, 5,1 ft · lb)
Organisation de la dépose Ordre Nom de la pièce QtéRemarques
DEPOSE DE LA DIRECTION AVERTISSEMENT
Bien caler la moto afin quelle ne risque pas de bascu-
ler.
Préparation à la dépose Caler la moto en plaçant un support adéquat
sous le moteur.
Phare
Guidon Se reporter à la section GUIDON.
Guide de durit de frein avant
Garde-boue avant
1 Ecran multifonction 1
2 Support de l’écran multifonction 1
3 Contacteur à clé1Déconnecter le fil du contacteur à clé.
4 Ecrou de la colonne de direction 1
5 Fourche 2 Se reporter à la section FOURCHE.
6Té supérieur 1
7 Ecrou de la colonne de direction 1 Utiliser loutil spécial.
Se reporter à POINTS DE DEPOSE.
8Té inférieur 1
1 2
LENKUNG
Arbeitsumfang: 1 Untere Gabelbrücke demontieren 2 Lager demontieren
ANZUGSSCHRITTFOLGE:
Ringmutter festziehen. 38 Nm (3,8 m · kg, 27 ft · lb)
Um eine Umdrehung lockern.
Erneut festziehen. 7 Nm (0,7 m · kg, 5,1 ft · lb)
Arbeitsumfang
Reihenfolge
Bauteil Anz. Bemerkungen
LENKKOPF DEMONTIEREN WARNUNG
Das Fahrzeug sicher abstützen, damit es nicht
umfallen kann.
Vorbereitungsarbeiten Das Motorrad am Motor aufbocken und in
gerader Stellung halten.
Scheinwerfer
Lenker Siehe unter LENKER.
Vorderrad-Bremsschlauchführung
Vorderradabdeckung
1 Multifunktionsanzeige 1
2 Multifunktionsanzeigen-Halterung 1
3Zündschalter 1 Das Starterschalter-Kabel lösen.
4 Lenkkopfmutter 1
5 Teleskopgabel 2 Siehe unter TELESKOPGABEL.
6Obere Gabelbrücke 1
7 Ringmutter 1 Spezialwerkzeug verwenden.
Siehe unter DEMONTAGE-EINZELHEITEN.
8 Untere Gabelbrücke 1
12
DIRECTION
LENKUNG
6 - 107
CHAS
STERZO
Estensione della rimozione: 1 Rimozione staffa inferiore 2 Rimozione cuscinetto
OPERAZIONI DI SERRAGGIO:
Serrare la ghiera. 38 Nm (3,8 m · kg, 27 ft · lb)
Allentarla di un giro.
Riserrarla. 7 Nm (0,7 m · kg, 5,1 ft · lb)
Estensione della rimozione Ordine Denominazione QuantitàOsservazioni
RIMOZIONE STERZO AVVERTENZA
Sostenere saldamente la macchina in modo che non ci
sia il rischio che si rovesci.
Preparazione per la rimozione Sostenere la macchina ponendo un apposito
cavalletto sotto il motore.
Faro
Manubrio Fare riferimento al paragrafo MANUBRIO.
Guida tubo freno anteriore
Parafango anteriore
1 Display multifunzione 1
2 Staffa display multifunzione 1
3 Interruttore di accensione 1 Scollegare il cavo interruttore di accensione.
4 Dado fusto dello sterzo 1
5 Forcella anteriore 2 Fare riferimento al paragrafo FORCELLA
ANTERIORE.
6 Staffa superiore 1
7 Ghiera sterzo 1 Utilizzare lattrezzo speciale.
Fare riferimento a PUNTI DI RIMOZIONE.
8 Staffa inferiore 1
1 2
STERZO
6 - 108
CHAS
DIRECCIÓN
Extensión del desmontaje: 1 Desmontaje del soporte inferior 2 Extracción del cojinete
PASOS DE APRIETE:
Apriete la tuerca de anilla. 38 Nm (3,8 m · kg, 27 ft · lb)
Aflójela con un giro.
Apriétela nuevamente. 7 Nm (0,7 m · kg, 5,1 ft · lb)
Extensión del desmontaje Orden Nombre de la pieza Ctd. Observaciones
DESMONTAJE DE LA DIRECCIÓNADVERTENCIA
Sujete firmemente la máquina de forma que no
exista riesgo de que se caiga.
Preparación para el
desmontaje
Sujete la máquina colocando un soporte
adecuado debajo del motor.
Faro
Manillar Consulte el apartado MANILLAR.
Guía del tubo del freno delantero
Guardabarros delantero
1 Visor multifunción1
2 Soporte del visor multifunción1
3 Interruptor principal 1 Desconecte el cable del interruptor principal.
4 Tuerca del vástago de la dirección1
5 Horquilla delantera 2 Consulte el apartado HORQUILLA DELANTERA.
6 Soporte superior 1
7 Tuerca anular de la dirección 1 Utilice la herramienta especial.
Consulte el apartado PUNTOS DE
DESMONTAJE.
8 Soporte inferior 1
12
DIRECCIÓN
6 - 109
CHAS
STEERING
Extent of removal Order Part name Qty Remarks
9 Bearing race cover 1
10 Upper bearing 1
11 Lower bearing 1 Refer to REMOVAL POINTS.
12 Bearing race 2
2
6 - 110
CHAS
Organisation de la dépose Ordre Nom de la pièce QtéRemarques
9 Couvercle de cage de roulement 1
10 Roulement supérieur 1
11 Roulement inférieur 1 Se reporter à POINTS DE DEPOSE.
12 Cage de roulement 2
2
Arbeitsumfang
Reihenfolge
Bauteil Anz. Bemerkungen
9 Laufring-Abdeckung 1
10 Oberes Lager 1
11 Unteres Lager 1 Siehe unter DEMONTAGE-EINZELHEITEN.
12 Lagerlaufring 2
2
DIRECTION
LENKUNG
6 - 111
CHAS
Estensione della rimozione Ordine Denominazione QuantitàOsservazioni
9 Coperchio pista cuscinetto 1
10 Cuscinetto superiore 1
11 Cuscinetto inferiore 1 Fare riferimento a PUNTI DI RIMOZIONE.
12 Pista cuscinetto 2
2
STERZO
6 - 112
CHAS
Extensión del desmontaje Orden Nombre de la pieza Ctd. Observaciones
9 Cubierta del anillo guía del cojinete 1
10 Cojinete superior 1
11 Cojinete inferior 1 Consulte el apartado PUNTOS DE
DESMONTAJE.
12 Anillo guía del cojinete 2
2
DIRECCIÓN
6 - 113
CHAS
STEERING
EC563000
REMOVAL POINTS
Steering ring nut
1. Remove:
Steering ring nut 1
Use the steering nut wrench
2.
WARNING
Support the steering stem so that
it may not fall down.
Steering nut wrench:
YU-33975/90890-01403
Lower bearing
1. Remove:
Lower bearing 1
Use the floor chisel 2.
CAUTION:
Take care not to damage the steer-
ing shaft thread.
Bearing race
1. Remove:
Bearing race 1
Remove the bearing race
using long rod 2 and the ham-
mer.
EC564000
INSPECTION
Steering stem
1. Inspect:
Steering stem 1
Bend/damage Replace.
Bearing and bearing race
1. Wash the bearings and bearing
races with a solvent.
2. Inspect:
Bearing 1
Bearing race
Pitting/damage Replace
bearings and bearing races as
a set.
Install the bearing in the bear-
ing races. Spin the bearings
by hand. If the bearings hang
up or are not smooth in their
operation in the bearing races,
replace bearings and bearing
races as a set.
POINTS DE DEPOSE
Ecrou de la colonne de direction
1. Déposer:
Ecrou de la colonne de direction
1
Utiliser la clé pour écrou de
direction 2.
AVERTISSEMENT
Soutenir la colonne de direction afin
quelle ne tombe pas.
Clé pour écrou de
direction:
YU-33975/90890-01403
Roulement inférieur
1. Déposer:
Roulement inférieur 1
Utiliser le burin 2.
ATTENTION:
Veiller à ne pas endommager les filets
de larbre de direction.
Cage de roulement
1. Déposer:
Cage de roulement 1
Déposer la cage de roulement à
laide dune longue tige 2 et du
marteau.
CONTROLE
Colonne de direction
1. Contrôler:
Colonne de direction 1
Déformation/endommagement
Remplacer.
Roulement et cage de roulement
1. Nettoyer les roulements et les cages
de roulements avec du solvant.
2. Contrôler:
Roulement 1
Cage de roulement
Piqûres/endommagement
Remplacer le jeu complet de rou-
lements et de cages de roule-
ments.
Monter les roulements dans les
cages de roulements. Faire tour-
ner les roulements à la main. Si
les roulements accrochent ou ne
tournent pas librement dans les
cages de roulements, remplacer le
jeu complet de roulements et de
cages de roulements.
DIRECTION
6 - 114
CHAS
DEMONTAGE-EINZELHEITEN
Ringmutter
1. Demontieren:
Ringmutter 1
Den Hakenschlüssel 2 veren-
den.
WARNUNG
Die untere Gabelbrücke abstützen,
damit sie nicht hinabfällt.
Hakenschlüssel:
YU-33975/90890-01403
Unteres Lager
1. Demontieren:
Unteres Lager 1
Einen Meißel 2 verwenden.
ACHTUNG:
Darauf achten, dass das Lenkachs-
Gewinde nicht beschädigt wird.
Lagerlaufring
1. Demontieren:
Lagerlaufring 1
Den Laufring mit einem Stab
2 und einem Hammer austrei-
ben.
KONTROLLE
Lenkachse
1. Kontrollieren:
Lenkachse 1
Verbogen/beschädigt
Erneuern.
Lager und Laufring
1. Die Lager und Laufringe mit
einem Lösungsmittel reinigen.
2. Kontrollieren:
Lager 1
Lagerlaufring
Angefressen, beschädigt
Lager und Laufringe satzweise
erneuern.
Das Lager in die entsprechen-
den Laufringe einsetzen. Das
Lager mit der Hand drehen.
Falls ein Lager sich nur stok-
kend oder schwergängig dre-
hen lässt, sind Lager und
Laufringe satzweise zu erneu-
ern.
PUNTI DI RIMOZIONE
Ghiera sterzo
1. Togliere:
Ghiera sterzo 1
Utilizzare lapposita chiave per
ghiere 2.
AVVERTENZA
Sostenere il fusto dello sterzo in modo
che non ci sia il rischio che si rovesci.
Chiave per ghiere:
YU-33975/90890-01403
Cuscinetto inferiore
1. Togliere:
Cuscinetto inferiore 1
Utilizzare uno scalpello piatto 2.
ATTENZIONE:
Prestare attenzione a non danneggiare
la filettatura dellalbero dello sterzo.
Pista cuscinetto
1. Togliere:
Pista cuscinetto 1
Rimuovere la pista cuscinetto uti-
lizzando unasta lunga 2 e un
martello.
CONTROLLO
Fusto dello sterzo
1. Controllare:
Fusto dello sterzo 1
Deformazioni/danni Sostitu-
ire.
Cuscinetto e pista cuscinetto
1. Lavare i cuscinetti e le relative piste
con un solvente.
2. Controllare:
Cuscinetto 1
Pista cuscinetto
Vaiolature/danni Sostituire i
cuscinetti e le piste in blocco.
Installare il cuscinetto nelle rela-
tive piste. Ruotare a mano i cusci-
netti. Se i cuscinetti si incastrano
o non si muovono in modo uni-
forme nelle piste, sostituire i
cuscinetti e le piste in blocco.
PUNTOS DE DESMONTAJE
Tuerca anular de la dirección
1. Extraer:
Tuerca anular de la dirección
1
Utilice la llave para tuercas de
dirección 2.
ADVERTENCIA
Apoye el vástago de la dirección
de forma que no se pueda caer.
Llave para tuercas de
dirección:
YU-33975/90890-01403
Cojinete inferior
1. Extraer:
Cojinete inferior 1
Utilice el cincel arrancador 2.
ATENCION:
Evite dañar la rosca del eje de la
dirección.
Anillo guía del cojinete
1. Extraer:
Anillo guía del cojinete 1
Extraiga el anillo guía del coji-
nete con una barra larga 2 y
un martillo.
COMPROBACIÓN
Vástago de la dirección
1. Comprobar:
Vástago de la dirección 1
Dobladura/daños Cambiar.
Cojinete y anillo guía del cojinete
1. Lave los cojinetes y los anillos
guía con disolvente.
2. Compruebe:
El cojinete 1
El anillo guía del cojinete
Picaduras/daños Cambiar
el conjunto de cojinetes y
guías de bolas.
Monte el cojinete en los anillos
guía. Gire los cojinetes a
mano. Si los cojinetes se atas-
can o no se mueven con sua-
vidad en los anillos guía,
cambie el conjunto de cojine-
tes y de anillos guía.
LENKUNG
STERZO
DIRECCIÓN
6 - 115
CHAS
STEERING
EC565000
ASSEMBLY AND INSTALLATION
Lower bracket
1. Install:
Lower bearing 1
NOTE:
Apply the lithium soap base grease
on the dust seal lip and bearing inner
circumference.
2. Install:
Bearing race
Upper bearing 1
Bearing race cover 2
NOTE:
Apply the lithium soap base grease
on the bearing and bearing race
cover lip.
3. Install:
Lower bracket 1
NOTE:
Apply the lithium soap base grease
on the bearing, the portion a and
thread of the steering stem.
4. Install:
Steering ring nut 1
Tighten the steering ring nut
using the steering nut wrench
2.
Refer to STEERING HEAD
INSPECTION AND ADJUST-
MENT section in the CHAP-
TER 3.
T
R
.
.
7 Nm (0.7 m · kg, 5.1 ft · lb)
5. Check the steering stem by turn-
ing it lock to lock. If there is any
binding, remove the steering
stem assembly and inspect the
steering bearings.
6. Install:
Washer 1
Collar 2
NOTE:
Install the collar 2 with the larger
inside diameter facing downward.
ASSEMBLAGE ET MONTAGE
Té inférieur
1. Monter:
Roulement inférieur 1
N.B.:
Appliquer de la graisse à savon de
lithium sur la lèvre de la bague d’étan-
chéité et la circonférence interne du rou-
lement.
2. Monter:
Cage de roulement
Roulement supérieur 1
Couvercle de cage de roulement 2
N.B.:
Appliquer la graisse à savon de lithium
sur le roulement et la lèvre du couvercle
de cage de roulement.
3. Monter:
Té inférieur 1
N.B.:
Appliquer de la graisse à savon de
lithium sur le roulement, la partie a et
les filets de la colonne de direction.
4. Monter:
Ecrou de direction 1
Serrer l’écrou de direction à
laide de la clé pour écrou de
direction 2.
Se reporter à la section CON-
TROLE ET REGLAGE DE LA
TETE DE FOURCHE au CHA-
PITRE 3.
T
R
.
.
7 Nm (0,7 m · kg, 5,1 ft · lb)
5. Contrôler la colonne de direction en
la tournant dune butée à lautre.
Sil y a la moindre gêne, démonter
la colonne de direction et contrôler
les paliers de la direction.
6. Monter:
Rondelle 1
Entretoise épaulée 2
N.B.:
Monter lentretoise épaulée 2, le diamè-
tre intérieur plus large vers le bas.
DIRECTION
6 - 116
CHAS
ZUSAMMENBAU UND MONTAGE
Untere Gabelbrücke
1. Montieren:
Unteres Lager 1
HINWEIS:
Die Staubschutzringlippe und Innen-
seite des Lagers mit Lithiumseifenfett
bestreichen.
2. Montieren:
Lagerlaufring
Oberes Lager 1
Laufring-Abdeckung 2
HINWEIS:
Lager und Laufring-Abdeckungs-
lippe mit Lithiumseifenfett bestrei-
chen.
3. Montieren:
untere Gabelbrücke 1
HINWEIS:
Das Lager und den Bereich a sowie
das Gewinde der Lenkachse mit
Lithiumseifenfett bestreichen.
4. Montieren:
Ringmutter 1
Die Ringmutter mit dem
Hakenschlüssel 2 festziehen.
Siehe unter LENKKOPFLA-
GER KONTROLLIEREN UND
EINSTELLEN in KAPITEL 3.
T
R
.
.
7 Nm (0,7 m · kg, 5,1 ft · lb)
5. Zur Kontrolle die Lenkachse von
Anschlag zu Anschlag bewegen.
Bei der geringsten Schwergän-
gigkeit müssen der Lenkkopf
zerlegt und die Lager geprüft
werden.
6. Montieren:
Beilagscheibe 1
Distanzhülse 2
HINWEIS:
Die Distanzhülse 2 mit dem größe-
ren Innendurchmesser nach unten
montieren.
MONTAGGIO E INSTALLAZIONE
Staffa inferiore
1. Installare:
Cuscinetto inferiore 1
NOTA:
Applicare grasso a base di sapone di litio
al labbro della guarnizione parapolvere e
alla circonferenza interna del cuscinetto.
2. Installare:
Pista cuscinetto
Cuscinetto superiore 1
Coperchio pista cuscinetto 2
NOTA:
Applicare grasso a base di sapone di litio
al cuscinetto e al labbro del coperchio
della relativa pista.
3. Installare:
Staffa inferiore 1
NOTA:
Applicare il grasso a base di sapone di
litio al cuscinetto, alla parte a e alla
filettatura del fusto dello sterzo.
4. Installare:
Ghiera sterzo 1
Serrare la ghiera sterzo con la
chiave per ghiere 2.
Fare riferimento al paragrafo
CONTROLLO E REGOLA-
ZIONE TESTA DELLO
STERZO nel CAPITOLO 3.
T
R
.
.
7 Nm (0,7 m · kg, 5,1 ft · lb)
5. Controllare il fusto dello sterzo ruo-
tandolo completamente. Se non
ruota liberamente, togliere il gruppo
del fusto dello sterzo e controllare i
cuscinetti dello sterzo.
6. Installare:
Rondella 1
Collarino 2
NOTA:
Installare il collarino 2 con il diametro
interno più largo rivolto verso il basso.
MONTAJE E INSTALACIÓN
Soporte inferior
1. Instalar:
Cojinete inferior 1
NOTA:
Aplique grasa de jabón de litio al
labio de la junta antipolvo y a la cir-
cunferencia interior del cojinete.
2. Instalar:
Anillo guía del cojinete
Cojinete superior 1
Cubierta del anillo guía del
cojinete 2
NOTA:
Aplique grasa de jabón de litio al coji-
nete y al labio de la cubierta del ani-
llo guía.
3. Instalar:
Soporte inferior 1
NOTA:
Aplique grasa de jabón de litio al coji-
nete, a la parte a y a la rosca del
vástago de la dirección.
4. Instalar:
Tuerca anular de la dirección
1
Apriete la tuerca anular de la
dirección con la llave para
tuercas de la dirección 2.
Consulte el apartado REVI-
SIÓN Y AJUSTE DE LA
COLUMNA DE LA DIREC-
CIÓN del CAPÍTULO 3.
T
R
.
.
7 Nm (0,7 m · kg, 5,1 ft · lb)
5. Compruebe el vástago de la
dirección girándolo completa-
mente de lado a lado. Si se
atasca, desmonte el conjunto del
vástago de la dirección y revise
los cojinetes.
6. Instalar:
Arandela 1
Casquillo 2
NOTA:
Instale el casquillo 2 con el diámetro
interno de mayor tamaño cara abajo.
LENKUNG
STERZO
DIRECCIÓN
6 - 117
CHAS
STEERING
7. Install:
Front fork 1
Upper bracket 2
Main switch 3
Front brake hose guide
bracket 4
NOTE:
Temporarily tighten the pinch bolts
(lower bracket).
Do not tighten the pinch bolts
(upper bracket) yet.
8. Install:
Guide (speed sensor lead) 1
NOTE:
After installing the guide as shown,
pass the speed sensor lead through
the guide.
1
9. Install:
Washer 1
Steering stem nut 2
T
R
.
.
145 Nm (14.5 m · kg, 105 ft · lb)
10. After tightening the nut, check
the steering for smooth move-
ment. If not, adjust the steering
by loosening the steering ring
nut little by little.
11. Adjust:
Front fork top end a
Front fork top end
(standard) a:
5 mm (0.20 in)
7. Monter:
Fourche 1
Té supérieur 2
Contacteur à clé 3
Support du guide de durit de frein
avant 4
N.B.:
Serrer provisoirement les boulons de
pincement (té inférieur).
Ne pas encore serrer les boulons de
pincement (té supérieur).
8. Monter:
Guide (fil du capteur de vitesse)
1
N.B.:
Une fois le guide monté comme illustré,
passer le fil du capteur de vitesse par le
guide.
9. Monter:
Rondelle 1
Ecrou de la colonne de direction
2
T
R
.
.
145 Nm (14,5 m · kg, 105 ft · lb)
10. Après avoir serré l’écrou, vérifier si
le mouvement de la direction est
régulier. Sinon, régler la direction
en desserrant petit à petit l’écrou.
11. Régler:
Extrémité supérieure de la four-
che a
Sommet de bras de fourche
(standard) a:
5 mm (0,20 in)
DIRECTION
6 - 118
CHAS
7. Montieren:
Teleskopgabel 1
Obere Gabelbrücke 2
Zündschalter 3
Halterung (Vorderrad-Brems-
schlauchführung) 4
HINWEIS:
Die Klemmschrauben der unteren
Gabelbrücke provisorisch anzie-
hen.
Die Klemmschrauben der oberen
Gabelbrücke noch nicht festzie-
hen.
8. Montieren:
Geschwindigkeitssensor-
Kabelführung 1
HINWEIS:
Nachdem die Führung wie darge-
stellt montiert wurde, das Geschwin-
digkeitssensor-Kabel durch die
Führung leiten.
9. Montieren:
Beilagscheibe 1
Lenkkopfmutter 2
T
R
.
.
145 Nm (14,5 m · kg, 105 ft · lb)
10. Nach dem festziehen der Mutter
die Lenkung auf Schwergängig-
keit kontrollieren. Bei Schwer-
gängigkeit die Lenkkopfmutter
allmählich lockern.
11. Einstellen:
Gabelrohr-Überstand a
Standard-Gabelrohr-
Überstand a:
5 mm (0,20 in)
7. Installare:
Forcella anteriore 1
Staffa superiore 2
Interruttore di accensione 3
Staffa della guida tubo del freno
anteriore 4
NOTA:
Serrare temporaneamente i bulloni di
serraggio (staffa inferiore).
Non serrare ancora i bulloni di serrag-
gio (staffa superiore).
8. Installare:
Guida (cavo sensore velocità) 1
NOTA:
Dopo aver installato la guida come illu-
strato, far passare il cavo del sensore
velocità attraverso la guida.
9. Installare:
Rondella 1
Dado fusto dello sterzo 2
T
R
.
.
145 Nm (14,5 m · kg, 105 ft · lb)
10. Dopo aver serrato il dado, control-
lare che lo sterzo si muova in modo
uniforme. Se si muove con diffi-
coltà, regolare lo sterzo allentando
poco per volta la ghiera sterzo.
11. Regolare:
Estremità superiore della forcella
anteriore a
Estremità superiore della
forcella anteriore
(standard) a:
5 mm (0,20 in)
7. Instalar:
Horquilla delantera 1
Soporte superior 2
Interruptor principal 3
Soporte de la guía del tubo del
freno delantero 4
NOTA:
Apriete provisionalmente los rema-
ches extraíbles (soporte inferior).
No apriete todavía los remaches
extraíbles (soporte superior).
8. Instalar:
Guía (cable del sensor de
velocidad) 1
NOTA:
Después de instalar la guía como se
muestra, pase el cable del sensor de
velocidad por la guía.
9. Instalar:
Arandela 1
Tuerca del vástago de la
dirección 2
T
R
.
.
145 Nm (14,5 m · kg, 105 ft · lb)
10. Después de apretar la tuerca
compruebe si la dirección se
mueve con suavidad. Si no es
así, ajuste la dirección aflojando
la tuerca anular poco a poco.
11. Ajustar:
Extremo superior de la horqui-
lla delantera a
Extremo superior de la
horquilla delantera
(estándar) a:
5 mm (0,20 in)
LENKUNG
STERZO
DIRECCIÓN
6 - 119
CHAS
STEERING
12. Tighten:
Pinch bolt (upper bracket) 1
Pinch bolt (lower bracket) 2
CAUTION:
Tighten the lower bracket to speci-
fied torque. If torqued too much, it
may cause the front fork to mal-
function.
T
R
.
.
21 Nm (2.1 m · kg, 15 ft · lb)
T
R
.
.
21 Nm (2.1 m · kg, 15 ft · lb)
13. Install:
Multi-function display bracket
1
Multi-function display 2
NOTE:
Pass the throttle cables 3, clutch
cable 4 and hot starter cable 5
between the multi-function display
bracket and upper bracket.
T
R
.
.
7 Nm (0.7 m · kg, 5.1 ft · lb)
T
R
.
.
4 Nm (0.4 m · kg, 2.9 ft · lb)
14. Install:
Holder 1
Clamp 2
NOTE:
Install so that the marking a on
the speed sensor lead aligns with
the holder edge.
Fasten the speed sensor lead to
the holder with the clamp.
T
R
.
.
13 Nm (1.3 m · kg, 9.4 ft · lb)
T
R
.
.
7 Nm (0.7 m · kg, 5.1 ft · lb)
12. Serrer:
Boulon de pincement (té supé-
rieur) 1
Boulon de pincement (té infé-
rieur) 2
ATTENTION:
Serrer le té inférieur au couple spéci-
fié. Un serrage excessif peut compro-
mettre le bon fonctionnement de la
fourche.
T
R
.
.
21 Nm (2,1 m · kg, 15 ft · lb)
T
R
.
.
21 Nm (2,1 m · kg, 15 ft · lb)
13. Monter:
Support de l’écran multifonction
1
Ecran multifonction 2
N.B.:
Passer les câbles des gaz 3, le câble
dembrayage 4 et le câble du démarreur
à chaud 5 entre le support de l’écran
multifonction et le té supérieur.
T
R
.
.
7 Nm (0,7 m · kg, 5,1 ft · lb)
T
R
.
.
4 Nm (0,4 m · kg, 2,9 ft · lb)
14. Monter:
Support 1
Collier 2
N.B.:
Le monter de sorte que la marque a
sur le fil du capteur de vitesse soit ali-
gnée sur le bord du support.
Fixer le fil du capteur de vitesse sur le
support à laide du collier.
T
R
.
.
13 Nm (1,3 m · kg, 9,4 ft · lb)
T
R
.
.
7 Nm (0,7 m · kg, 5,1 ft · lb)
DIRECTION
6 - 120
CHAS
12. Festziehen:
Klemmschraube
(obere Gabelbrücke) 1
Klemmschraube
(untere Gabelbrücke) 2
ACHTUNG:
Die untere Gabelbrücke vor-
schriftsmäßig festziehen. Ein
Überziehen kann die Funktion der
Teleskopgabel beeinträchtigen.
T
R
.
.
21 Nm (2,1 m · kg, 15 ft · lb)
T
R
.
.
21 Nm (2,1 m · kg, 15 ft · lb)
13. Montieren:
Multifunktionsanzeigen-Halte-
rung 1
Multifunktionsanzeige 2
HINWEIS:
Die Gaszüge 3, den Kupplungszug
4 und den Warmstartzug 5 zwi-
schen der Multifunktionsanzeigen-
Halterung und der oberen Gabelbrü-
cke leiten.
T
R
.
.
7 Nm (0,7 m · kg; 5,1 ft · lb)
T
R
.
.
4 Nm (0,4 m · kg; 2,9 ft · lb)
14. Montieren:
Halterung 1
Klemme 2
HINWEIS:
So montieren, dass die Markierung
a auf dem Geschwindigkeitssen-
sor-Kabel auf die Kante der Halte-
rung ausgerichtet ist.
Das Geschwindigkeitssensor-
Kabel mit der Klemme an der Hal-
terung befestigen.
T
R
.
.
13 Nm (1,3 m · kg; 9,4 ft · lb)
T
R
.
.
7 Nm (0,7 m · kg; 5,1 ft · lb)
12. Serrare:
Bullone di serraggio (staffa supe-
riore) 1
Bullone di serraggio (staffa infe-
riore) 2
ATTENZIONE:
Serrare la staffa inferiore alla coppia
specificata. Se la si serra troppo, può
verificarsi un malfunzionamento della
forcella anteriore.
T
R
.
.
21 Nm (2,1 m · kg, 15 ft · lb)
T
R
.
.
21 Nm (2,1 m · kg, 15 ft · lb)
13. Installare:
Staffa display multifunzione 1
Display multifunzione 2
NOTA:
Far passare i cavi acceleratore 3, il cavo
frizione 4 e il cavo avviamento a caldo
5 tra la staffa del display multifunzione
e la staffa superiore.
T
R
.
.
7 Nm (0,7 m · kg, 5,1 ft · lb)
T
R
.
.
4 Nm (0,4 m · kg, 2,9 ft · lb)
14. Installare:
Supporto 1
Morsetto 2
NOTA:
Installare in modo che il contrassegno
a sul cavo sensore velocità sia alline-
ato al bordo del supporto.
Fissare il cavo del sensore velocità sul
supporto con il morsetto.
T
R
.
.
13 Nm (1,3 m · kg, 9,4 ft · lb)
T
R
.
.
7 Nm (0,7 m · kg, 5,1 ft · lb)
12. Apretar:
Remache extraíble (soporte
superior) 1
Remache extraíble (soporte
inferior) 2
ATENCION:
Apriete el soporte inferior con el
par especificado. Si lo aprieta
demasiado puede provocar un
funcionamiento incorrecto de la
horquilla delantera.
T
R
.
.
21 Nm (2,1 m · kg, 15 ft · lb)
T
R
.
.
21 Nm (2,1 m · kg, 15 ft · lb)
13. Instalar:
Soporte del visor multifunción
1
Visor multifunción 2
NOTA:
Pase los cables del acelerador 3, el
cable de embrague 4 y el cable de
arranque en caliente 5 entre el
soporte del visor multifunción y el
soporte superior.
T
R
.
.
7 Nm (0,7 m · kg, 5,1 ft · lb)
T
R
.
.
4 Nm (0,4 m · kg, 2,9 ft · lb)
14. Instalar:
Soporte 1
Brida 2
NOTA:
Instálelo de forma que la marca a
del cable del sensor de velocidad
se alinee con el borde de la suje-
ción.
Fije el cable del sensor de veloci-
dad a la sujeción con la brida.
T
R
.
.
13 Nm (1,3 m · kg, 9,4 ft · lb)
T
R
.
.
7 Nm (0,7 m · kg, 5,1 ft · lb)
LENKUNG
STERZO
DIRECCIÓN
6 - 121
CHAS
SWINGARM
EC570000
SWINGARM
Extent of removal: 1 Swingarm removal
Extent of removal Order Part name Qty Remarks
SWINGARM REMOVAL WARNING
Support the machine securely so there is no
danger of it falling over.
Preparation for removal Hold the machine by placing the suitable
stand under the engine.
Brake hose holder Refer to FRONT BRAKE AND REAR BRAKE
section.
Rear brake caliper
Bolt (brake pedal) Shift the brake pedal backward.
Drive chain
1 Drive chain support 1
2 Lower chain tensioner 1
3 Bolt (rear shock absorber-relay arm) 1 Hold the swingarm.
4 Bolt (connecting rod) 1
5 Pivot shaft 1
6 Swingarm 1
1
6 - 122
CHAS
BRAS OSCILLANT
Organisation de la dépose: 1 Dépose du bras oscillant
Organisation de la dépose Ordre Nom de la pièce QtéRemarques
DEPOSE DU BRAS OSCILLANT AVERTISSEMENT
Bien caler la moto afin quelle ne risque pas de bascu-
ler.
Préparation à la dépose Caler la moto en plaçant un support adéquat
sous le moteur.
Support de durit de frein Se reporter à la section FREIN AVANT ET FREIN
ARRIERE.
Etrier de frein arrière
Boulon (pédale de frein) Glisser la pédale de frein vers larrière.
Chaîne de transmission
1 Support de chaîne de transmission 1
2 Tendeur de chaîne inférieur 1
3 Boulon (amortisseur arrière - bras relais) 1 Maintenir le bras oscillant.
4 Boulon (bielle) 1
5 Boulon-pivot 1
6 Bras oscillant 1
1
SCHWINGE
Arbeitsumfang: 1 Schwinge demontieren
Arbeitsumfang
Reihenfolge
Bauteil Anz. Bemerkungen
SCHWINGE DEMONTIEREN WARNUNG
Das Fahrzeug sicher abstützen, damit es nicht
umfallen kann.
Vorbereitungsarbeiten Das Motorrad am Motor aufbocken und in
gerader Stellung halten.
Bremsschlauch-Halterung Siehe unter VORDER- UND
HINTERRADBREMSEN.
Hinterrad-Bremssattel
Fußbremshebel-Schraube Den Fußbremshebel nach hinten ziehen.
Antriebskette
1 Antriebskettenschiene 1
2 Unterer Kettenspanner 1
3 Schraube (Federbein und Umlenkhebel) 1 Die Schwinge fest halten.
4Übertragungshebel-Schraube 1
5 Schwingenachse 1
6 Schwinge 1
1
BRAS OSCILLANT
SCHWINGE
6 - 123
CHAS
FORCELLONE OSCILLANTE
Estensione della rimozione: 1 Rimozione forcellone oscillante
Estensione della rimozione Ordine Denominazione QuantitàOsservazioni
RIMOZIONE FORCELLONE
OSCILLANTE AVVERTENZA
Sostenere saldamente la macchina in modo che non ci
sia il rischio che si rovesci.
Preparazione per la rimozione Sostenere la macchina ponendo un apposito
cavalletto sotto il motore.
Supporto tubo flessibile del freno Fare riferimento al paragrafo FRENO ANTERIORE E
POSTERIORE.
Pinza freno posteriore
Bullone (pedale del freno) Spostare indietro il pedale del freno.
Catena di trasmissione
1 Supporto catena di trasmissione 1
2 Tenditore inferiore catena 1
3 Bullone (ammortizzatore posteriore - braccio di
rinvio)
1 Sollevare il forcellone oscillante.
4 Bullone (biella) 1
5 Albero di articolazione 1
6 Forcellone oscillante 1
1
FORCELLONE OSCILLANTE
6 - 124
CHAS
BASCULANTE
Extensión del desmontaje: 1 Desmontaje del basculante
Extensión del desmontaje Orden Nombre de la pieza Ctd. Observaciones
DESMONTAJE DEL BASCULANTE ADVERTENCIA
Sujete firmemente la máquina de forma que no
exista riesgo de que se caiga.
Preparación para el
desmontaje
Sujete la máquina colocando un soporte
adecuado debajo del motor.
Soporte del tubo de freno Consulte el apartado FRENO DELANTERO Y
FRENO TRASERO.
Pinza de freno trasero
Tornillo (pedal de freno) Mueva el pedal de freno hacia atrás.
Cadena de transmisión
1 Soporte de la cadena de transmisión1
2 Tensor inferior de la cadena 1
3 Tornillo (amortiguador trasero y barra de
unión)
1 Sujete el basculante.
4 Tornillo (biela) 1
5 Eje pivote 1
6 Basculante 1
1
BASCULANTE
6 - 125
CHAS
SWINGARM
EC578000
SWINGARM DISASSEMBLY
Extent of removal: 1 Swingarm disassembly 2 Connecting rod removal and disassembly
3 Relay arm removal and disassembly
Extent of removal Order Part name Qty Remarks
SWINGARM DISASSEMBLY
1 Cap 2 Refer to REMOVAL POINTS.
2 Relay arm 1
3 Connecting rod 1
4 Collar 2
5 Oil seal 2
6 Thrust bearing 2
7 Bushing 2
8 Oil seal 8
9 Bearing 10 Refer to REMOVAL POINTS.
1
2
3
2 3
6 - 126
CHAS
DEMONTAGE DU BRAS OSCILLANT
Organisation de la dépose: 1 Démontage du bras oscillant 2 Dépose et démontage de la bielle
3 Dépose et démontage du bras relais
Organisation de la dépose Ordre Nom de la pièce QtéRemarques
DEMONTAGE DU BRAS OSCILLANT
1 Capuchon 2 Se reporter à POINTS DE DEPOSE.
2 Bras relais 1
3 Bielle 1
4 Entretoise épaulée2
5 Bague d’étanchéité2
6 Roulement de butée2
7 Bague 2
8 Bague d’étanchéité8
9 Roulement 10 Se reporter à POINTS DE DEPOSE.
1
2
3
2 3
SCHWINGE ZERLEGEN
Arbeitsumfang: 1 Schwinge zerlegen 2 Übertragungshebel demontieren und zerlegen
3 Umlenkhebel demontieren und zerlegen
Arbeitsumfang
Reihenfolge
Bauteil Anz. Bemerkungen
SCHWINGE ZERLEGEN
1 Abdeckung 2 Siehe unter DEMONTAGE-EINZELHEITEN.
2 Umlenkhebel 1
3 Übertragungshebel 1
4 Distanzhülse 2
5 Dichtring 2
6 Drucklager 2
7 Buchse 2
8 Dichtring 8
9 Lager 10 Siehe unter DEMONTAGE-EINZELHEITEN.
1
2
3
2 3
BRAS OSCILLANT
SCHWINGE
6 - 127
CHAS
DISASSEMBLAGGIO FORCELLONE OSCILLANTE
Estensione della rimozione: 1 Disassemblaggio forcellone oscillante 2 Rimozione biella e disassemblaggio
3 Rimozione braccio di rinvio e disassemblaggio
Estensione della rimozione Ordine Denominazione QuantitàOsservazioni
DISASSEMBLAGGIO FORCELLONE
OSCILLANTE
1 Coperchio 2 Fare riferimento a PUNTI DI RIMOZIONE.
2 Braccio di rinvio 1
3 Biella 1
4 Collarino 2
5 Paraolio 2
6 Supporto reggispinta 2
7 Bussola 2
8 Paraolio 8
9 Cuscinetto 10 Fare riferimento a PUNTI DI RIMOZIONE.
1
2
3
2 3
FORCELLONE OSCILLANTE
6 - 128
CHAS
DESMONTAJE DEL BASCULANTE
Extensión del desmontaje: 1 Desmontaje del basculante 2 Desmontaje y desarmado de la biela
3 Desmontaje y desarmado de la barra de unión
Extensión del desmontaje Orden Nombre de la pieza Ctd. Observaciones
DESMONTAJE DEL BASCULANTE
1 Tapa 2 Consulte el apartado PUNTOS DE
DESMONTAJE.
2 Barra de unión1
3 Biela 1
4 Casquillo 2
5 Junta de aceite 2
6 Cojinete de empuje 2
7 Casquillo 2
8 Junta de aceite 8
9 Cojinete 10 Consulte el apartado PUNTOS DE
DESMONTAJE.
1
2
3
23
BASCULANTE
6 - 129
CHAS
SWINGARM
EC573000
REMOVAL POINTS
Cap
1. Remove:
Left cap 1
NOTE:
Remove with a slotted-head screw-
driver inserted under the mark a on
the left cap.
EC573200
Bearing
1. Remove:
Bearing 1
NOTE:
Remove the bearing by pressing its
outer race.
INSPECTION
Wash the bearings, bushings and
collars in a solvent.
Swingarm
1. Inspect:
Bearing 1
Bushing 2
Free play exists/unsmooth
revolution/rust Replace
bearing and bushing as a set.
2. Inspect:
Oil seal 3
Damage Replace.
Relay arm
1. Inspect:
Bearing 1
Collar 2
Free play exists/unsmooth
revolution/rust Replace
bearing and collar as a set.
2. Inspect:
Oil seal 3
Damage Replace.
POINTS DE DEPOSE
Capuchon
1. Déposer:
Capuchon gauche 1
N.B.:
Déposer en insérant un tournevis à lame
droite sous le repère a du capuchon
gauche.
Roulement
1. Déposer:
Roulement 1
N.B.:
Enlever le roulement en appuyant sur la
cage externe.
CONTROLE
Nettoyer les roulements, les bagues, les
entretoises épaulées dans du solvant.
Bras oscillant
1. Contrôler:
Roulement 1
Bague 2
Jeu/rotation irrégulière/rouille
Remplacer ensemble le roulement
et la bague.
2. Contrôler:
Bague d’étanchéité 3
Endommagement Remplacer.
Bras relais
1. Contrôler:
Roulement 1
Entretoise épaulée 2
Jeu/rotation irrégulière/rouille
Remplacer ensemble le roulement
et lentretoise épaulée.
2. Contrôler:
Bague d’étanchéité 3
Endommagement Remplacer.
BRAS OSCILLANT
6 - 130
CHAS
DEMONTAGE-EINZELHEITEN
Abdeckung
1. Entfernen:
Abdeckung links 1
HINWEIS:
Einen Schlitz-Schraubendreher unter
der Markierung a der Abdeckung
(links) ansetzen.
Lager
1. Demontieren:
Lager 1
HINWEIS:
Zum Ausbau des Lagers auf den
Außenlaufring drücken.
KONTROLLE
Die Lager, Buchse und Distanzhül-
sen mit einem Lösungsmittel reini-
gen.
Schwinge
1. Kontrollieren:
Lager 1
Buchse 2
Spiel vorhanden/stockend/ros-
tig Lager und Buchse satz-
weise erneuern.
2. Kontrollieren:
Dichtring 3
Beschädigt Erneuern.
Umlenkhebel
1. Kontrollieren:
Lager 1
Distanzhülse 2
Spiel vorhanden/stockend/ros-
tig Lager und Distanzhülse
satzweise erneuern.
2. Kontrollieren:
Dichtring 3
Beschädigt Erneuern.
PUNTI DI RIMOZIONE
Coperchio
1. Rimuovere:
Coperchio sinistro 1
NOTA:
Rimuovere utilizzando un cacciavite per
viti con testa -a taglio inserito sotto il
contrassegno a sul coperchio sinistro.
Cuscinetto
1. Togliere:
Cuscinetto 1
NOTA:
Togliere il cuscinetto premendo sulla
pista esterna.
CONTROLLO
Lavare i cuscinetti, le bussole e i colla-
rini con un solvente.
Forcellone oscillante
1. Controllare:
Cuscinetto 1
Bussola 2
Presenza di gioco/rotazione non
uniforme/ruggine Sostituire il
cuscinetto e la bussola in blocco.
2. Controllare:
Paraolio 3
Danno Sostituire.
Braccio di rinvio
1. Controllare:
Cuscinetto 1
Collarino 2
Presenza di gioco/rotazione non
uniforme/ruggine Sostituire il
cuscinetto e il collarino in blocco.
2. Controllare:
Paraolio 3
Danno Sostituire.
PUNTOS DE DESMONTAJE
Tapa
1. Extraiga:
Tapa izquierda 1
NOTA:
Extráigalo con un destornillador de
cabeza ranurada introducido por
debajo de la marca a en la tapa
izquierda.
Cojinete
1. Extraer:
Cojinete 1
NOTA:
Extraiga el cojinete presionando la
guía exterior.
COMPROBACIÓN
Lave los cojinetes, el manguito y los
casquillos con disolvente.
Basculante
1. Comprobar:
Cojinete 1
Casquillo 2
Holgura/giro no suave/óxido
Cambiar el conjunto de coji-
nete y manguito.
2. Comprobar:
Junta de aceite 3
Daños Cambiar.
Barra de unión
1. Comprobar:
Cojinete 1
Casquillo 2
Holgura/giro no suave/óxido
Cambiar el conjunto de coji-
nete y casquillo.
2. Comprobar:
Junta de aceite 3
Daños Cambiar.
SCHWINGE
FORCELLONE OSCILLANTE
BASCULANTE
6 - 131
CHAS
SWINGARM
Connecting rod
1. Inspect:
Bearing 1
Collar 2
Free play exists/unsmooth
revolution/rust Replace
bearing and collar as a set.
2. Inspect:
Oil seal 3
Damage Replace.
EC575000
ASSEMBLY AND INSTALLATION
Bearing and oil seal
1. Install:
Bearing 1
Oil seal 2
To swingarm.
NOTE:
Apply the molybdenum disulfide
grease on the bearing when install-
ing.
Install the bearing by pressing it on
the side having the manufactures
marks or numbers.
First install the outer and then the
inner bearings to a specified depth
from inside.
Installed depth of
bearings:
Outer a:
Zero mm (Zero in)
Inner b:
6.5 mm (0.26 in)
Bielle
1. Contrôler:
Roulement 1
Entretoise épaulée 2
Jeu/rotation irrégulière/rouille
Remplacer ensemble le roulement
et lentretoise épaulée.
2. Contrôler:
Bague d’étanchéité 3
Endommagement Remplacer.
ASSEMBLAGE ET MONTAGE
Roulement et bague d’étanchéité
1. Monter:
Roulement 1
Bague d’étanchéité 2
Sur le bras oscillant.
N.B.:
Lors de linstallation, enduire le roule-
ment de graisse au bisulfure de molyb-
dène.
Monter le roulement en pressant sur le
côté où sont imprimés la marque ou le
numéro du fabricant.
Monter dabord le roulement extérieur
puis le roulement intérieur à la profon-
deur spécifiée à partir de lintérieur.
Profondeur dinstallation
des roulements:
Extérieur a:
Zéro mm (zero in)
Intérieur b:
6,5 mm (0,26 in)
BRAS OSCILLANT
6 - 132
CHAS
Übertragungshebel
1. Kontrollieren:
Lager 1
Distanzhülse 2
Spiel vorhanden/stockend/ros-
tig Lager und Distanzhülse
satzweise erneuern.
2. Kontrollieren:
Dichtring 3
Beschädigt Erneuern.
ZUSAMMENBAU UND MONTAGE
Lager und Dichtringe
1. Montieren:
Lager 1
Dichtring 2
(an der Schwinge)
HINWEIS:
Bei der Montage Molybdändisul-
fidöl auf das Lager auftragen.
Zum Einbau des Lagers auf der
Seite mit der Herstellerbeschrif-
tung oder Teilenummer drücken.
Zuerst die Außen- dann die Innen-
lager montieren; dabei die vorge-
schriebene Einbautiefe beachten.
Lager-Einbautiefe:
Außen a:
Null mm (null in)
Innen b:
6,5 mm (0,26 in)
Biella
1. Controllare:
Cuscinetto 1
Collarino 2
Presenza di gioco/rotazione non
uniforme/ruggine Sostituire il
cuscinetto e il collarino in blocco.
2. Controllare:
Paraolio 3
Danno Sostituire.
MONTAGGIO E INSTALLAZIONE
Cuscinetto e paraolio
1. Installare:
Cuscinetto 1
Paraolio 2
Al forcellone oscillante.
NOTA:
Applicare il grasso al disolfuro di
molibdeno al cuscinetto durante
linstallazione.
Installare il cuscinetto premendolo sul
lato che presenta i contrassegni o i
numeri identificativi del produttore.
Per prima cosa, installare i cuscinetti
esterni, quindi quelli interni alla pro-
fondità interna indicata.
Profondità di installazione
dei cuscinetti:
Esterna a:
Zero mm (zero in)
Interna b:
6,5 mm (0,26 in)
Biela
1. Comprobar:
Cojinete 1
Casquillo 2
Holgura/giro no suave/óxido
Cambiar el conjunto de coji-
nete y casquillo.
2. Comprobar:
Junta de aceite 3
Daños Cambiar.
MONTAJE E INSTALACIÓN
Cojinete y junta de aceite
1. Instalar:
Cojinete 1
Junta de aceite 2
Al basculante.
NOTA:
Aplique grasa de disulfuro de
molibdeno al cojinete cuando lo
monte.
Monte el cojinete presionando
sobre el lado que lleva las marcas
o números del fabricante.
Monte primero el cojinete exterior
y luego el interior a la profundidad
especificada desde el interior.
Profundidad montada de
los cojinetes:
Exterior a:
Cero mm (cero in)
Interior b:
6,5 mm (0,26 in)
SCHWINGE
FORCELLONE OSCILLANTE
BASCULANTE
6 - 133
CHAS
SWINGARM
2. Install:
Bearing 1
Washer 2
Oil seal 3
To relay arm.
NOTE:
Apply the molybdenum disulfide
grease on the bearing when install-
ing.
Install the bearing by pressing it on
the side having the manufactures
marks or numbers.
Apply the molybdenum disulfide
grease on the washer.
Installed depth of
bearings a:
Zero mm (Zero in)
3. Install:
Bearing 1
Oil seal 2
To connecting rod.
NOTE:
Apply the molybdenum disulfide
grease on the bearing when install-
ing.
Install the bearing by pressing it on
the side having the manufactures
marks or numbers.
Installed depth of
bearings a:
Zero mm (Zero in)
Swingarm
1. Install:
Bushing 1
Thrust bearing 2
Oil seal 3
Collar 4
To swingarm 5.
NOTE:
Apply the molybdenum disulfide
grease on the bushings, thrust bear-
ings, oil seal lips and contact sur-
faces of the collar and thrust bearing.
2. Monter:
Roulement 1
Rondelle 2
Bague d’étanchéité 3
Sur le bras relais.
N.B.:
Lors de linstallation, enduire le roule-
ment de graisse au bisulfure de molyb-
dène.
Monter le roulement en pressant sur le
côté où sont imprimés la marque ou le
numéro du fabricant
Appliquer la graisse au bisulfure de
molybdène sur la rondelle.
Profondeur dinstallation
des roulements a:
Zéro mm (zéro in)
3. Monter:
Roulement 1
Bague d’étanchéité 2
Sur la bielle.
N.B.:
Lors de linstallation, enduire le roule-
ment de graisse au bisulfure de molyb-
dène.
Monter le roulement en pressant sur le
côté où sont imprimés la marque ou le
numéro du fabricant.
Profondeur dinstallation
des roulements a:
Zéro mm (zéro in)
Bras oscillant
1. Monter:
Bague 1
Roulement de butée 2
Bague d’étanchéité 3
Entretoise épaulée 4
Sur le bras oscillant 5.
N.B.:
Appliquer la graisse au bisulfure de
molybdène sur les bagues, les roule-
ments de butée, les lèvres des bagues
d’étanchéité et les surfaces de contact de
lentretoise épaulée et du roulement de
butée.
BRAS OSCILLANT
6 - 134
CHAS
2. Montieren:
Lager 1
Beilagscheibe 2
Dichtring 3
(am Umlenkhebel)
HINWEIS:
Bei der Montage Molybdändisul-
fidöl auf das Lager auftragen.
Zum Einbau des Lagers auf der
Seite mit der Herstellerbeschrif-
tung oder Teilenummer drücken.
Molybdändisulfidfett auf die Beilag-
scheibe auftragen.
Lager-Einbautiefe a:
Null mm (null in)
3. Montieren:
Lager 1
Dichtring 2
(am Übertragungshebel)
HINWEIS:
Bei der Montage Molybdändisul-
fidöl auf das Lager auftragen.
Zum Einbau des Lagers auf der
Seite mit der Herstellerbeschrif-
tung oder Teilenummer drücken.
Lager-Einbautiefe a:
Null mm (null in)
Schwinge
1. Montieren:
Buchse 1
Drucklager 2
Dichtring 3
Distanzhülse 4
(an der Schwinge 5)
HINWEIS:
Molybdändisulfidfett auf die Buch-
sen, Drucklager, Dichtringlippen
sowie Distanzhülsen- und Druckla-
ger-Kontaktflächen auftragen.
2. Installare:
Cuscinetto 1
Rondella 2
Paraolio 3
Al braccio di rinvio.
NOTA:
Applicare il grasso al disolfuro di
molibdeno al cuscinetto durante
linstallazione.
Installare il cuscinetto premendolo sul
lato che presenta i contrassegni o i
numeri identificativi del produttore.
Applicare il grasso al disolfuro di
molibdeno sulla rondella.
Profondità di installazione
dei cuscinetti a:
Zero mm (zero in)
3. Installare:
Cuscinetto 1
Paraolio 2
Alla biella.
NOTA:
Applicare il grasso al disolfuro di
molibdeno al cuscinetto durante
linstallazione.
Installare il cuscinetto premendolo sul
lato che presenta i contrassegni o i
numeri identificativi del produttore.
Profondità di installazione
dei cuscinetti a:
Zero mm (zero in)
Forcellone oscillante
1. Installare:
Bussola 1
Supporto reggispinta 2
Paraolio 3
Collarino 4
Al forcellone oscillante 5.
NOTA:
Applicare il grasso al disolfuro di molib-
deno alle bussole, ai supporti reggi-
spinta, ai labbri del paraolio e alle
superfici di contatto del collarino e dei
supporti reggispinta.
2. Instalar:
Cojinete 1
Arandela 2
Junta de aceite 3
A la barra de unión.
NOTA:
Aplique grasa de disulfuro de
molibdeno al cojinete cuando lo
monte.
Monte el cojinete presionando
sobre el lado que lleva las marcas
o números del fabricante.
Aplique grasa de disulfuro de
molibdeno a la arandela.
Profundidad montada de
los cojinetes a:
Cero mm (cero in)
3. Instalar:
Cojinete 1
Junta de aceite 2
A la biela.
NOTA:
Aplique grasa de disulfuro de
molibdeno al cojinete cuando lo
monte.
Monte el cojinete presionando
sobre el lado que lleva las marcas
o números del fabricante.
Profundidad montada de
los cojinetes a:
Cero mm (cero in)
Basculante
1. Instalar:
Manguito 1
Cojinete de empuje 2
Junta de aceite 3
Casquillo 4
Al basculante 5.
NOTA:
Aplique grasa de disulfuro de molib-
deno a los casquillos, los cojinetes
de empuje, los labios del sello de
aceite y las superficies de contacto
del collar y del cojinete de empuje.
SCHWINGE
FORCELLONE OSCILLANTE
BASCULANTE
6 - 135
CHAS
SWINGARM
2. Install:
Collar 1
Washer 2
To relay arm 3.
NOTE:
Apply the molybdenum disulfide
grease on the collars and oil seal
lips.
3. Install:
Collar 1
To connecting rod 2.
NOTE:
Apply the molybdenum disulfide
grease on the collar and oil seal lips.
4. Install:
Connecting rod 1
Bolt (connecting rod) 2
Washer 3
Nut (connecting rod) 4
To relay arm 5.
NOTE:
Apply the molybdenum disulfide
grease on the bolt.
T
R
.
.
80 Nm (8.0 m · kg, 58 ft · lb)
5. Install:
Relay arm 1
Bolt (relay arm) 2
Washer 3
Nut (relay arm) 4
To swingarm.
NOTE:
Apply the molybdenum disulfide
grease on the bolt circumference
and threaded portion.
Do not tighten the nut yet.
6. Install:
Swingarm 1
Pivot shaft 2
NOTE:
Apply the molybdenum disulfide
grease on the pivot shaft.
Insert the pivot shaft from right
side.
T
R
.
.
85 Nm (8.5 m · kg, 61 ft · lb)
2. Monter:
Entretoise épaulée 1
Rondelle 2
Sur le bras relais 3.
N.B.:
Appliquer de la graisse au bisulfure de
molybdène sur les entretoises épaulées et
les lèvres des bagues d’étanchéité.
3. Monter:
Entretoise épaulée 1
Sur la bielle 2.
N.B.:
Appliquer de la graisse au bisulfure de
molybdène sur lentretoise épaulée et les
lèvres des bagues d’étanchéité.
4. Monter:
Bielle 1
Boulon (bielle) 2
Rondelle 3
Ecrou (bielle) 4
Sur le bras relais 5.
N.B.:
Appliquer de la graisse au bisulfure de
molybdène sur le boulon.
T
R
.
.
80 Nm (8,0 m · kg, 58 ft · lb)
5. Monter:
Bras relais 1
Boulon (bras relais) 2
Rondelle 3
Ecrou (bras relais) 4
Sur le bras oscillant.
N.B.:
Appliquer de la graisse au bisulfure de
molybdène sur la circonférence du
boulon et la partie filetée.
Ne pas encore serrer l’écrou.
6. Monter:
Bras oscillant 1
Boulon-pivot 2
N.B.:
Appliquer de la graisse au bisulfure de
molybdène sur le boulon-pivot.
Insérer le boulon-pivot du côté droit.
T
R
.
.
85 Nm (8,5 m · kg, 61 ft · lb)
BRAS OSCILLANT
6 - 136
CHAS
2. Montieren:
Distanzhülse 1
Beilagscheibe 2
(am Umlenkhebel 3)
HINWEIS:
Molybdändisulfidfett auf die Distanz-
hülsen und Dichtringlippen auftra-
gen.
3. Montieren:
Distanzhülse 1
(am Übertragungshebel 2)
HINWEIS:
Molybdändisulfidfett auf die Distanz-
hülse und Dichtringlippen auftragen.
4. Montieren:
•Übertragungshebel 1
•Übertragungshebel-Schraube
2
Beilagscheibe 3
•Übertragungshebel-Mutter 4
(am Umlenkhebel 5)
HINWEIS:
Molybdändisulfidfett auf die
Schraube auftragen.
T
R
.
.
80 Nm (8,0 m · kg, 58 ft · lb)
5. Montieren:
Umlenkhebel 1
Umlenkhebel-Schraube 2
Beilagscheibe 3
Umlenkhebel-Mutter 4
(an der Schwinge)
HINWEIS:
Molybdändisulfidfett auf Schrau-
benschaft und -gewinde auftragen.
Die Mutter noch nicht festziehen.
6. Montieren:
Schwinge 1
Schwingenachse 2
HINWEIS:
Molybdändisulfidöl auf die Schwin-
genachse auftragen.
Die Schwingenachse von der rech-
ten Seite durchstecken.
T
R
.
.
85 Nm (8,5 m · kg, 61 ft · lb)
2. Installare:
Collarino 1
Rondella 2
Al braccio di rinvio 3.
NOTA:
Applicare il grasso al disolfuro di molib-
deno ai collarini e ai labbri del paraolio.
3. Installare:
Collarino 1
Alla biella 2.
NOTA:
Applicare il grasso al disolfuro di molib-
deno al collarino e ai labbri del paraolio.
4. Installare:
Biella 1
Bullone (biella) 2
Rondella 3
Dado (biella) 4
Al braccio di rinvio 5.
NOTA:
Applicare il grasso al disolfuro di molib-
deno sul bullone.
T
R
.
.
80 Nm (8,0 m · kg, 58 ft · lb)
5. Installare:
Braccio di rinvio 1
Bullone (braccio di rinvio) 2
Rondella 3
Dado (braccio di rinvio) 4
Al forcellone oscillante.
NOTA:
Applicare il grasso al disolfuro di
molibdeno sulla circonferenza e sulla
parte filettata del bullone.
Non serrare ancora il dado.
6. Installare:
Forcellone oscillante 1
Albero di articolazione 2
NOTA:
Applicare il grasso al disolfuro di
molibdeno sullalbero di articolazione.
Inserire lalbero di articolazione dal
lato destro.
T
R
.
.
85 Nm (8,5 m · kg, 61 ft · lb)
2. Instalar:
Casquillo 1
Arandela 2
A la barra de unión 3.
NOTA:
Aplique grasa de disulfuro de molib-
deno a los casquillos y los labios de
la junta de aceite.
3. Instalar:
Casquillo 1
A la biela 2.
NOTA:
Aplique grasa de disulfuro de molib-
deno al casquillo y los labios de la
junta de aceite.
4. Instalar:
Biela 1
Tornillo (biela) 2
Arandela 3
Tuerca (biela) 4
A la barra de unión 5.
NOTA:
Aplique grasa de disulfuro de molib-
deno al tornillo.
T
R
.
.
80 Nm (8,0 m · kg, 58 ft · lb)
5. Instalar:
Barra de unión 1
Tornillo (barra de unión) 2
Arandela 3
Tuerca (barra de unión) 4
Al basculante.
NOTA:
Aplique grasa de disulfuro de
molibdeno a la circunferencia y a
la rosca del tornillo.
No apriete todavía la tuerca.
6. Instalar:
Basculante 1
Eje pivote 2
NOTA:
Aplique aceite de disulfuro de
molibdeno al eje pivote.
Introduzca el eje pivote por el lado
derecho.
T
R
.
.
85 Nm (8,5 m · kg, 61 ft · lb)
SCHWINGE
FORCELLONE OSCILLANTE
BASCULANTE
6 - 137
CHAS
SWINGARM
7. Check:
Swingarm side play a
Free play exists Replace
thrust bearing.
Swingarm up and down move-
ment b
Unsmooth movement/binding/
rough spots Grease or
replace bearings, bushings
and collars.
8. Install:
Bolt (connecting rod) 1
Washer 2
Nut (connecting rod) 3
NOTE:
Apply the molybdenum disulfide
grease on the bolt.
Do not tighten the nut yet.
9. Install:
Bolt (rear shock absorber-
relay arm) 1
Nut (rear shock absorber-relay
arm) 2
NOTE:
Apply the molybdenum disulfide
grease on the bolt.
T
R
.
.
53 Nm (5.3 m · kg, 38 ft · lb)
10. Tighten:
Nut (connecting rod) 1
T
R
.
.
80 Nm (8.0 m · kg, 58 ft · lb)
11. Tighten:
Nut (relay arm) 1
T
R
.
.
70 Nm (7.0 m · kg, 50 ft · lb)
7. Contrôler:
Jeu latéral du bras oscillant a
Jeu Remplacer le roulement de
butée.
Mouvement de bas en haut du
bras oscillant b
Mouvement irrégulier/coince-
ment/rugosités Graisser ou
remplacer les roulements, les
bagues et les entretoises épaulées.
8. Monter:
Boulon (bielle) 1
Rondelle 2
Ecrou (bielle) 3
N.B.:
Appliquer de la graisse au bisulfure de
molybdène sur le boulon.
Ne pas encore serrer l’écrou.
9. Monter:
Boulon (amortisseur arrière
bras relais) 1
Ecrou (amortisseur arrière bras
relais) 2
N.B.:
Appliquer de la graisse au bisulfure de
molybdène sur le boulon.
T
R
.
.
53 Nm (5,3 m · kg, 38 ft · lb)
10. Serrer:
Ecrou (bielle) 1
T
R
.
.
80 Nm (8,0 m · kg, 58 ft · lb)
11. Serrer:
Ecrou (bras relais) 1
T
R
.
.
70 Nm (7,0 m · kg, 50 ft · lb)
BRAS OSCILLANT
6 - 138
CHAS
7. Kontrollieren:
Schwingen-Seitenspiel a
Spiel vorhanden Drucklager
erneuern.
Funktion b der Schwinge
Schwergängig/stockend/fest
Lager, Buchsen und Dis-
tanzhülsen schmieren, ggf.
erneuern.
8. Montieren:
•Übertragungshebel-Schraube
1
Beilagscheibe 2
•Übertragungshebel-Mutter 3
HINWEIS:
Molybdändisulfidfett auf die
Schraube auftragen.
Die Mutter noch nicht festziehen.
9. Montieren:
Schraube (Federbein und
Umlenkhebel) 1
Mutter (Federbein und
Umlenkhebel) 2
HINWEIS:
Molybdändisulfidfett auf die
Schraube auftragen.
T
R
.
.
53 Nm (5,3 m · kg, 38 ft · lb)
10. Festziehen:
•Übertragungshebel-Mutter 1
T
R
.
.
80 Nm (8,0 m · kg, 58 ft · lb)
11. Festziehen:
Umlenkhebel-Mutter 1
T
R
.
.
70 Nm (7,0 m · kg, 50 ft · lb)
7. Controllare:
Gioco laterale del forcellone
oscillante a
Presenza di gioco Sostituire
supporto reggispinta.
Movimento verso lalto e verso il
basso del forcellone oscillante b
Movimento non uniforme/bloc-
chi/punti ruvidi Lubrificare o
sostituire i cuscinetti, le bussole e
i collarini.
8. Installare:
Bullone (biella) 1
Rondella 2
Dado (biella) 3
NOTA:
Applicare il grasso al disolfuro di
molibdeno sul bullone.
Non serrare ancora il dado.
9. Installare:
Bullone (ammortizzatore poste-
riore - braccio di rinvio) 1
Dado (ammortizzatore posteriore
- braccio di rinvio) 2
NOTA:
Applicare il grasso al disolfuro di molib-
deno sul bullone.
T
R
.
.
53 Nm (5,3 m · kg, 38 ft · lb)
10. Serrare:
Dado (biella) 1
T
R
.
.
80 Nm (8,0 m · kg, 58 ft · lb)
11. Serrare:
Dado (braccio di rinvio) 1
T
R
.
.
70 Nm (7,0 m · kg, 50 ft · lb)
7. Comprobar:
Holgura lateral del basculante
a
Hay holgura Cambiar el
cojinete de empuje
Movimiento ascendente y des-
cendente del basculante b
Movimiento no suave/atasco/
puntos duros Engrasar o
cambiar cojinetes, manguitos
y casquillos.
8. Instalar:
Tornillo (biela) 1
Arandela 2
Tuerca (biela) 3
NOTA:
Aplique grasa de disulfuro de
molibdeno al tornillo.
No apriete todavía la tuerca.
9. Instalar:
Tornillo (amortiguador trasero
y barra de unión) 1
Tuerca (amortiguador trasero
y barra de unión) 2
NOTA:
Aplique grasa de disulfuro de molib-
deno al tornillo.
T
R
.
.
53 Nm (5,3 m · kg, 38 ft · lb)
10. Apretar:
Tuerca (biela) 1
T
R
.
.
80 Nm (8,0 m · kg, 58 ft · lb)
11. Apretar:
Tuerca (barra de unión) 1
T
R
.
.
70 Nm (7,0 m · kg, 50 ft · lb)
SCHWINGE
FORCELLONE OSCILLANTE
BASCULANTE
6 - 139
CHAS
SWINGARM
12. Install:
Cap 1
NOTE:
Install the right cap with its mark a
facing forward.
13. Install:
Bolt (lower chain tensioner) 1
Washer 2
Collar 3
Lower chain tensioner 4
Nut (lower chain tensioner) 5
T
R
.
.
16 Nm (1.6 m · kg, 11 ft · lb)
14. Install:
Drive chain support 1
Drive chain support cover 2
Bolt {drive chain support
[ = 50 mm (1.97 in)]} 3
Nut (drive chain support) 4
Bolt {drive chain support cover
[ = 10 mm (0.39 in)]} 5
T
R
.
.
7 Nm (0.7 m · kg, 5.1 ft · lb)
T
R
.
.
7 Nm (0.7 m · kg, 5.1 ft · lb)
12. Monter:
Capuchon 1
N.B.:
Installer le capuchon droit avec son
repère a vers lavant.
13. Monter:
Boulon (tendeur de chaîne infé-
rieur) 1
Rondelle 2
Entretoise épaulée 3
Tendeur de chaîne inférieur 4
Ecrou (tendeur de chaîne infé-
rieur) 5
T
R
.
.
16 Nm (1,6 m · kg, 11 ft · lb)
14. Monter:
Support de chaîne de transmis-
sion 1
Couvercle du support de chaîne
de transmission 2
Boulon {support de chaîne de
transmission
[ = 50 mm (1,97 in)]} 3
Ecrou (support de chaîne de trans-
mission) 4
Boulon {couvercle du support de
chaîne de transmission
[ = 10 mm (0,39 in)]} 5
T
R
.
.
7 Nm (0,7 m · kg, 5,1 ft · lb)
T
R
.
.
7 Nm (0,7 m · kg, 5,1 ft · lb)
BRAS OSCILLANT
6 - 140
CHAS
12. Montieren:
Abdeckung 1
HINWEIS:
Die Abdeckung rechts so einbauen,
dass die Markierung a nach vorn
gerichtet ist.
13. Montieren:
Schraube (unterer Ketten-
spanner) 1
Beilagscheibe 2
Distanzhülse 3
unterer Kettenspanner 4
Mutter (unterer Kettenspan-
ner) 5
14. Montieren:
Antriebskettenschiene 1
Abdeckung (Antriebsketten-
schiene) 2
Antriebskettenschienen-
Schraube
[ = 50 mm (1,97 in)] 3
Antriebskettenschienen-Mutter
4
Abdeckungs-Schraube
(Antriebskettenschiene)
[ = 10 mm (0,39 in)] 5
T
R
.
.
16 Nm (1,6 m · kg, 11 ft · lb)
T
R
.
.
7 Nm (0,7 m · kg, 5,1 ft · lb)
T
R
.
.
7 Nm (0,7 m · kg, 5,1 ft · lb)
12. Installare:
Coperchio 1
NOTA:
Installare il coperchio con il contrasse-
gno a rivolto in avanti.
13. Installare:
Bullone (tenditore inferiore
catena) 1
Rondella 2
Collarino 3
Tenditore inferiore catena 4
Dado (tenditore inferiore catena)
5
14. Installare:
Supporto catena di trasmissione
1
Coperchio supporto catena di tra-
smissione 2
Bullone {supporto catena di tra-
smissione
[ = 50 mm (1,97 in)]} 3
Dado (supporto catena di trasmis-
sione) 4
Bullone {coperchio supporto
catena di trasmissione
[ = 10 mm (0,39 in)]} 5
T
R
.
.
16 Nm (1,6 m · kg, 11 ft · lb)
T
R
.
.
7 Nm (0,7 m · kg, 5,1 ft · lb)
T
R
.
.
7 Nm (0,7 m · kg, 5,1 ft · lb)
12. Instalar:
Tapa 1
NOTA:
Instale la tapa derecha con la marca
a hacia delante.
13. Instalar:
Tornillo (tensor inferior de la
cadena) 1
Arandela 2
Casquillo 3
Tensor inferior de la cadena
4
Tuerca (tensor inferior de la
cadena) 5
14. Instalar:
Soporte de la cadena de
transmisión 1
Tapa del soporte de la cadena
de transmisión 2
Tornillo {soporte de la cadena
de transmisión
[ = 50 mm (1,97 in)]} 3
Tuerca (soporte de la cadena
de transmisión) 4
Tornillo {tapa del soporte de la
cadena de transmisión
[ = 10 mm (0.39 in)]} 5
T
R
.
.
16 Nm (1,6 m · kg, 11 ft · lb)
T
R
.
.
7 Nm (0,7 m · kg, 5,1 ft · lb)
T
R
.
.
7 Nm (0,7 m · kg, 5,1 ft · lb)
SCHWINGE
FORCELLONE OSCILLANTE
BASCULANTE
6 - 141
CHAS
REAR SHOCK ABSORBER
EC580000
REAR SHOCK ABSORBER
Extent of removal: 1 Rear shock absorber removal 2 Rear shock absorber disassembly
Extent of removal Order Part name Qty Remarks
REAR SHOCK ABSORBER REMOVAL WARNING
Support the machine securely so there is no
danger of it falling over.
Preparation for removal Hold the machine by placing the suitable
stand under the engine.
Seat and side covers Refer to SEAT, FUEL TANK AND SIDE COVERS
section in the CHAPTER 3.
Silencer Refer to EXHAUST PIPE AND SILENCER section
in the CHAPTER 3.
Drain the coolant. Refer to COOLANT REPLACEMENT section in the
CHAPTER 3.
Catch tank breather hose Disconnect at the catch tank side.
Catch tank hose Disconnect at the catch tank side.
Air induction hose (air cut-off valve-air filter
case)
Disconnect at the air filter case side.
Cylinder head breather hose Disconnect at the air filter case side.
Battery Refer to BATTERY INSPECTION AND
CHARGING section in the CHAPTER 3.
Disconnect the starter relay coupler.
Starter motor lead Disconnect at the starter relay side.
6 - 142
CHAS
AMORTISSEUR ARRIERE
Organisation de la dépose: 1 Dépose de lamortisseur arrière 2 Démontage de lamortisseur arrière
Organisation de la dépose Ordre Nom de la pièce QtéRemarques
DEPOSE DE LAMORTISSEUR ARRIERE AVERTISSEMENT
Bien caler la moto afin quelle ne risque pas de bascu-
ler.
Préparation à la dépose Caler la moto en plaçant un support adéquat
sous le moteur.
Selle et caches latéraux Se reporter à la section SELLE, RESERVOIR DE
CARBURANT ET CACHES LATERAUX au
CHAPITRE 3.
Silencieux Se reporter à la section TUBE DECHAPPEMENT ET
SILENCIEUX au CHAPITRE 3.
Vidanger le liquide de refroidissement. Se reporter à la section CHANGEMENT DU LIQUIDE
DE REFROIDISSEMENT au CHAPITRE 3.
Durit de mise à lair du réservoir de
récupération
Débrancher du côté du réservoir de récupération.
Durit du réservoir de récupération Débrancher du côté du réservoir de récupération.
Durit dinduction dair (clapet de coupure dair
- boîtier de filtre à air)
La débrancher sur le côté du boîtier du filtre à air.
Durit de mise à lair de la culasse La débrancher sur le côté du boîtier du filtre à air.
Batterie Se reporter à la section CONTROLE ET CHARGE DE
LA BATTERIE au CHAPITRE 3.
Remplacer la fiche rapide du relais de
démarreur.
Fil du démarreur Déconnecter du côté du relais de démarreur.
FEDERBEIN
Arbeitsumfang: 1 Federbein demontieren 2 Federbein zerlegen
Arbeitsumfang
Reihenfolge
Bauteil Anz. Bemerkungen
FEDERBEIN DEMONTIEREN WARNUNG
Das Fahrzeug sicher abstützen, damit es nicht
umfallen kann.
Vorbereitungsarbeiten Das Motorrad am Motor aufbocken und in
gerader Stellung halten.
Sitzbank und Seitenabdeckungen Siehe unter SITZBANK, KRAFTSTOFFTANK UND
SEITENABDECKUNGEN in KAPITEL 3.
Schalldämpfer Siehe unter AUSPUFFKRÜMMER UND
SCHALLDÄMPFER in KAPITEL 3.
Die Kühlflüssigkeit ablassen. Siehe unter KÜHLFLÜSSIGKEIT WECHSELN in
KAPITEL 3.
Auffangtank-Belüftungsschlauch Auffangtankseitig lösen.
Auffangtank-Schlauch Auffangtankseitig lösen.
Sekundärluftsystem-Schlauch
(Abschaltventil/Luftfiltergehäuse)
Luftfiltergehäuseseitig lösen.
Zylinderkopf-Entlüftungsschlauch Luftfiltergehäuseseitig lösen.
Batterie Siehe unter BATTERIE KONTROLLIEREN UND
LADEN in KAPITEL 3.
Den Starter-Relais-Steckverbinder lösen.
Starter-Kabel Relaisseitig lösen.
AMORTISSEUR ARRIERE
FEDERBEIN
6 - 143
CHAS
AMMORTIZZATORE POSTERIORE
Estensione della rimozione: 1 Rimozione ammortizzatore posteriore 2 Disassemblaggio ammortizzatore posteriore
Estensione della rimozione Ordine Denominazione QuantitàOsservazioni
RIMOZIONE AMMORTIZZATORE
POSTERIORE AVVERTENZA
Sostenere saldamente la macchina in modo che non ci
sia il rischio che si rovesci.
Preparazione per la rimozione Sostenere la macchina ponendo un apposito
cavalletto sotto il motore.
Sella e fianchetti Fare riferimento al paragrafo SELLA, SERBATOIO
CARBURANTE E FIANCHETTI nel CAPITOLO 3.
Silenziatore Fare riferimento al paragrafo TUBO DI SCARICO E
SILENZIATORE nel CAPITOLO 3.
Scaricare il refrigerante. Fare riferimento al paragrafo SOSTITUZIONE DEL
REFRIGERANTE nel CAPITOLO 3.
Flessibile di sfiato del serbatoio di raccolta Scollegare dal lato del serbatoio di raccolta.
Flessibile del serbatoio di raccolta Scollegare dal lato del serbatoio di raccolta.
Flessibile di iniezione aria (valvola di
interruzione aria scatola filtro aria)
Scollegare in corrispondenza del lato scatola filtro aria.
Flessibile di sfiato testata Scollegare in corrispondenza del lato scatola filtro aria.
Batteria Fare riferimento al paragrafo CONTROLLO E CARICA
DELLA BATTERIA nel CAPITOLO 3.
Scollegare laccoppiatore del relè del motorino
di avviamento.
Cavo motorino di avviamento Scollegare dal lato del relè del motorino di avviamento.
AMMORTIZZATORE POSTERIORE
6 - 144
CHAS
AMORTIGUADOR TRASERO
Extensión del desmontaje: 1 Desmontaje del amortiguador trasero 2 Desarmado del amortiguador trasero
Extensión del desmontaje Orden Nombre de la pieza Ctd. Observaciones
DESMONTAJE DEL AMORTIGUADOR
TRASERO ADVERTENCIA
Sujete firmemente la máquina de forma que no
exista riesgo de que se caiga.
Preparación para el
desmontaje
Sujete la máquina colocando un soporte
adecuado debajo del motor.
Asiento y cubiertas laterales Consulte el apartado SILLÍN, DEPÓSITO DE
COMBUSTIBLE Y CUBIERTAS LATERALES del
CAPÍTULO 3.
Silenciador Consulte el apartado TUBO DE ESCAPE Y
SILENCIADOR del CAPÍTULO 3.
Vacíe el refrigerante. Consulte el apartado CAMBIO DEL
REFRIGERANTE del CAPÍTULO 3.
Tubo respiradero del depósito de
recuperación
Desconéctelo en el lado del depósito de
recuperación.
Tubo del depósito de recuperación Desconéctelo en el lado del depósito de
recuperación.
Tubo de inducción de aire (válvula de corte
de aire-carcasa del filtro de aire)
Desconectar en el lado de la carcasa del filtro de
aire.
Tubo respiradero de la culata Desconectar en el lado de la carcasa del filtro de
aire.
Batería Consulte el apartado COMPROBACIÓN Y CARGA
DE LA BATERÍA del CAPÍTULO 3.
Desconecte el acoplador del relé de
arranque.
Cable del motor de arranque Desconéctelo del lado del relé de arranque.
AMORTIGUADOR TRASERO
6 - 145
CHAS
REAR SHOCK ABSORBER
Extent of removal Order Part name Qty Remarks
1 Locking tie 4
2 Taillight coupler 1
3 CDI unit coupler 3
4 Plastic band 1
5 Clamp (air filter joint) 1 Only loosening.
6 Rear frame 1
7 Bolt (rear shock absorber-relay arm) 1 Hold the swingarm.
8 Bolt (rear shock absorber-frame) 1
9 Rear shock absorber 1
10 Locknut 1 Only loosening.
11 Adjuster 1
12 Lower spring guide 1
13 Upper spring guide 1
14 Spring (rear shock absorber) 1
15 Bearing 2 Refer to REMOVAL POINTS.
1
2
6 - 146
CHAS
Organisation de la dépose Ordre Nom de la pièce QtéRemarques
1 Collier 4
2 Fiche rapide du feu arrière 1
3 Fiche rapide du boîtier C.D.I. 3
4 Collier réutilisable 1
5 Collier (raccord du filtre à air) 1 Desserrer uniquement.
6 Cadre arrière 1
7 Boulon (amortisseur arrière - bras relais) 1 Maintenir le bras oscillant.
8 Boulon (amortisseur arrière - cadre) 1
9 Amortisseur arrière 1
10 Contre-écrou 1 Desserrer uniquement.
11 Dispositif de réglage 1
12 Guide de ressort inférieur 1
13 Guide de ressort supérieur 1
14 Ressort (amortisseur arrière) 1
15 Roulement 2 Se reporter à POINTS DE DEPOSE.
1
2
Arbeitsumfang
Reihenfolge
Bauteil Anz. Bemerkungen
1 Kabelbinder 4
2Rücklicht-Steckverbinder 1
3Zündbox-Steckverbinder 3
4 Kunststoffbinder 1
5 Schlauchschelle (Vergasereinlass-
Anschluss)
1 Lediglich lockern.
6 Rahmenheck 1
7 Schraube (Federbein und Umlenkhebel) 1 Die Schwinge fest halten.
8 Schraube (Federbein und Rahmen) 1
9 Federbein 1
10 Sicherungsmutter 1 Lediglich lockern.
11 Federvorspannring 1
12 Federführung unten 1
13 Federführung oben 1
14 Feder (Federbein) 1
15 Lager 2 Siehe unter DEMONTAGE-EINZELHEITEN.
1
2
AMORTISSEUR ARRIERE
FEDERBEIN
6 - 147
CHAS
Estensione della rimozione Ordine Denominazione QuantitàOsservazioni
1 Serrafili 4
2 Accoppiatore luce posteriore 1
3 Accoppiatore unità CDI 3
4 Nastro di plastica 1
5 Morsetto (giunto del filtro dellaria) 1 Allentare soltanto.
6 Telaio posteriore 1
7 Bullone (ammortizzatore posteriore - braccio di
rinvio)
1 Sollevare il forcellone oscillante.
8 Bullone (ammortizzatore posteriore - telaio) 1
9 Ammortizzatore posteriore 1
10 Controdado 1 Allentare soltanto.
11 Dispositivo di regolazione 1
12 Guida molla inferiore 1
13 Guida molla superiore 1
14 Molla (ammortizzatore posteriore) 1
15 Cuscinetto 2 Fare riferimento a PUNTI DI RIMOZIONE.
1
2
AMMORTIZZATORE POSTERIORE
6 - 148
CHAS
Extensión del desmontaje Orden Nombre de la pieza Ctd. Observaciones
1 Abrazadera 4
2 Acoplador del piloto trasero 1
3 Acoplador de la unidad CDI 3
4 Banda de plástico 1
5 Brida (junta del filtro de aire) 1 Sólo aflojar.
6 Bastidor trasero 1
7 Tornillo (amortiguador trasero y barra de
unión)
1 Sujete el basculante.
8 Tornillo (amortiguador trasero a bastidor) 1
9 Amortiguador trasero 1
10 Contratuerca 1 Sólo aflojar.
11 Regulador 1
12 Guía de muelle inferior 1
13 Guía de muelle superior 1
14 Muelle (amortiguador trasero) 1
15 Cojinete 2 Consulte el paragrafo PUNTOS DE
DESMONTAJE.
1
2
AMORTIGUADOR TRASERO
6 - 149
CHAS
REAR SHOCK ABSORBER
HANDLING NOTE
WARNING
This rear shock absorber is pro-
vided with a separate type tank
filled with high-pressure nitrogen
gas. To prevent the danger of
explosion, read and understand
the following information before
handling the shock absorber.
The manufacturer can not be held
responsible for property damage
or personal injury that may result
from improper handling.
1. Never tamper or attempt to
disassemble the cylinder or
the tank.
2. Never throw the rear shock
absorber into an open flame
or other high heat. The rear
shock absorber may explode
as a result of nitrogen gas
expansion and/or damage to
the hose.
3. Be careful not to damage any
part of the gas tank. A dam-
aged gas tank will impair the
damping performance or
cause a malfunction.
4. Take care not to scratch the
contact surface of the piston
rod with the cylinder; or oil
could leak out.
5. Never attempt to remove the
plug at the bottom of the nitro-
gen gas tank. It is very danger-
ous to remove the plug.
6. When scrapping the rear
shock absorber, follow the
instructions on disposal.
NOTES ON DISPOSAL
(YAMAHA DEALERS ONLY)
Before disposing the rear shock
absorber, be sure to extract the nitro-
gen gas from valve 1. Wear eye
protection to prevent eye damage
from escaping gas and/or metal
chips.
WARNING
To dispose of a damaged or worn-
out rear shock absorber, take the
unit to your Yamaha dealer for this
disposal procedure.
REMARQUES CONCERNANT LA
MANIPULATION
AVERTISSEMENT
Cet amortisseur arrière est équipé
dun réservoir indépendant contenant
de lazote sous haute pression. Afin
d’éviter tout danger dexplosion, lire
attentivement les informations ci-des-
sous avant de manipuler lamortisseur
arrière.
Le fabricant décline toute responsabi-
lité pour les dommages matériels ou
corporels résultant dune mauvaise
manipulation.
1. Ne jamais essayer de démonter le
cylindre ou le réservoir.
2. Ne jamais jeter un amortisseur
usagé au feu ou lexposer à une
chaleur intense. Lamortisseur
arrière risque dexploser en rai-
son de la dilatation de lazote et/
ou de lendommagement de la
durit.
3. Veiller à nendommager aucune
partie du réservoir de gaz. Un
réservoir endommagé affectera la
capacité damortissement ou
entraînera un mauvais fonction-
nement.
4. Veiller à ne pas rayer la surface
de contact de la tige de piston
avec le cylindre afin d’éviter tout
risque de fuite dhuile.
5. Ne jamais essayer denlever le
bouchon du fond du réservoir
dazote. Il est très dangereux
denlever ce bouchon.
6. Pour la mise au rebut de lamor-
tisseur, suivre les instructions spé-
cifiques.
REMARQUES CONCERNANT LA
MISE AU REBUT
(CONCESSIONNAIRES YAMAHA
UNIQUEMENT)
Avant de mettre lamortisseur arrière au
rebut, ne pas oublier d’évacuer lazote
par la soupape 1. Mettre des lunettes
pour se protéger du gaz et/ou des parti-
cules de métal susceptibles de s’échap-
per.
AVERTISSEMENT
Confier la mise au rebut dun amortis-
seur endommagé ou usé à un conces-
sionnaire Yamaha.
AMORTISSEUR ARRIERE
6 - 150
CHAS
HANDHABUNGSHINWEISE
WARNUNG
Der Stoßdämpfer und Ausgleichs-
behälter enthalten Stickstoff unter
hohem Druck. Deshalb vor Arbei-
ten am Federbein die folgenden
Hinweise sorgfältig lesen und die
Sicherheitsratschläge befolgen.
Der Hersteller übernimmt keinerlei
Haftung für Unfälle, Verletzungen
oder Schäden, die auf unsachge-
mäße Behandlung des Stoßdämp-
fers zurückzuführen sind.
1. Den Stoßdämpfer unter keinen
Umständen öffnen oder mani-
pulieren.
2. Den Stoßdämpfer und Gaszy-
linder von Hitze und offenen
Flammen fern halten Der Stoß-
dämpfer kann aufgrund eines
Stickstoff-Druckanstiegs und/
oder einer Beschädigung des
Schlauchs explodieren.
3. Darauf achten, dass der Aus-
gleichsbehälter nicht beschä-
digt wird. Ein beschädigter
Ausgleichsbehälter beein-
trächtigt die Funktion des
Federbeins.
4. Darauf achten, dass die Gleit-
fläche des Dämpferrohrs nicht
verkratzt wird, um Ölaustritt
zu vermeiden.
5. Der Verschluss an der Unter-
seite des Ausgleichsbehälter
darf unter keinen Umständen
abgenommen werden. Dies ist
außerordentlich gefährlich.
6. Den Stoßdämpfer sachgerecht
(den Hersteller-Anweisungen
entsprechend) entsorgen.
HINWEISE ZUR ENTSORGUNG
(NUR YAMAHA-HÄNDLER)
Vor der Entsorgung muss das Stick-
stoffgas durch das Ventil 1 entfernt
werden. Unbedingt eine Schutzbrille
tragen, um Augenverletzungen durch
ausströmendes Gas oder umherflie-
gende Metallspäne zu vermeiden.
WARNUNG
Die Entsorgung des Stoßdämpfers
sollte am besten dem YAMAHA-
Händler überlassen werden.
NOTA PER LA MANIPOLAZIONE
AVVERTENZA
Lammortizzatore posteriore è dotato
di un serbatoio di tipo separato riem-
pito con azoto ad alta pressione. Per
prevenire il pericolo di esplosioni, leg-
gere attentamente le informazioni
seguenti prima di maneggiare
lammortizzatore.
Il produttore non può essere ritenuto
responsabile di danni alla proprietà o
infortuni causati da una inadeguata
manipolazione.
1. Non manomettere o non tentare
di disassemblare mai il cilindro o
il serbatoio.
2. Non gettare mai lammortizzatore
posteriore tra le fiamme o presso
altre fonti di forte calore.
Lammortizzatore potrebbe
esplodere a causa dellespansione
dellazoto e/o di danni al flessibile.
3. Prestare attenzione a non danneg-
giare il serbatoio del gas in alcuna
sua parte. Un serbatoio danneg-
giato compromette lefficienza
dello smorzamento e provoca
malfunzionamenti.
4. Prestare attenzione a non graf-
fiare la superficie di contatto dello
stelo del pistone con il cilindro; in
caso contrario potrebbero verifi-
carsi perdite di olio.
5. Non tentare mai di togliere il
tappo sul fondo del serbatoio
dellazoto. Togliere il tappo è
molto pericoloso.
6. Per smaltire lammortizzatore
posteriore, seguire le istruzioni di
smaltimento.
NOTE DI SMALTIMENTO
(SOLO PER RIVENDITORI
YAMAHA)
Prima dello smaltimento dellammortiz-
zatore posteriore, assicurarsi di far fuo-
riuscire lazoto dalla valvola 1.
Indossare occhiali protettivi per evitare
ferite agli occhi dovute al gas liberato o a
schegge metalliche.
AVVERTENZA
Per smaltire un ammortizzatore poste-
riore usurato, consegnare lunità al
rivenditore Yamaha per le procedure
di smaltimento.
NOTA RELATIVA A LA
MANIPULACIÓN
ADVERTENCIA
Este amortiguador trasero está
provisto de un depósito aparte
que se llena de nitrógeno a alta
presión. Para prevenir el peligro
de explosión, lea atentamente la
información siguiente antes de
manipular el amortiguador.
El fabricante no se hace responsa-
ble de los daños materiales o per-
sonales que se puedan producir a
causa de una manipulación inade-
cuada.
1. No intente nunca desarmar el
cilindro o el depósito.
2. No lance el amortiguador tra-
sero a una llama u otras fuen-
tes de calor. El amortiguador
trasero puede explotar como
consecuencia de la expan-
sión del nitrógeno o la rotura
del tubo.
3. Evite dañar parte alguna del
depósito de gas. Si el depó-
sito de gas está dañado las
prestaciones del amortigua-
dor disminuirán o este funcio-
nará de forma incorrecta.
4. Evite rayar la superficie de
contacto del émbolo del pis-
tón con el cilindro; podría per-
der aceite.
5. No intente nunca extraer el
tapón de la parte inferior del
depósito de nitrógeno. Es muy
peligroso quitar el tapón.
6. Para desechar el amortigua-
dor trasero siga las instruccio-
nes de eliminación locales.
NOTAS RELATIVAS A LA
ELIMINACIÓN
(SOLO CONCESIONARIOS
YAMAHA)
Antes de desechar el amortiguador
trasero extraiga el nitrógeno por la
válvula 1. Protéjase los ojos del gas
y de las partículas de metal.
ADVERTENCIA
Para desechar un amortiguador
trasero averiado o desgastado,
lleve la unidad a su concesionario
Yamaha.
FEDERBEIN
AMMORTIZZATORE POSTERIORE
AMORTIGUADOR TRASERO
6 - 151
CHAS
REAR SHOCK ABSORBER
EC583000
REMOVAL POINTS
EC583320
Bearing
1. Remove:
Stopper ring
(upper bearing) 1
NOTE:
Press in the bearing while pressing
its outer race and remove the stop-
per ring.
2. Remove:
Upper bearing 1
NOTE:
Remove the bearing by pressing its
outer race.
3. Remove:
Lower bearing 1
NOTE:
Remove the bearing by pressing its
outer race.
EC584000
INSPECTION
Rear shock absorber
1. Inspect:
Damper rod 1
Bends/damage Replace
rear shock absorber assem-
bly.
Shock absorber 2
Oil leaks Replace rear
shock absorber assembly.
Gas leaks Replace rear
shock absorber assembly.
Spring 3
Damage Replace spring.
Fatigue Replace spring.
Move spring up and down.
Spring guide 4
Wear/damage Replace
spring guide.
Bearing 5
Free play exists/unsmooth
revolution/rust Replace.
POINTS DE DEPOSE
Roulement
1. Déposer:
Bague darrêt
(roulement supérieur) 1
N.B.:
Appuyer sur le roulement tout en pous-
sant sur sa cage externe et déposer la
bague darrêt.
2. Déposer:
Roulement supérieur 1
N.B.:
Déposer le roulement en appuyant sur sa
cage externe.
3. Déposer:
Roulement inférieur 1
N.B.:
Déposer le roulement en appuyant sur sa
cage externe.
CONTROLE
Amortisseur arrière
1. Contrôler:
Tige damortissement 1
Déformation/endommagement
Remplacer lamortisseur arrière
complet.
Amortisseur 2
Fuite dhuile Remplacer
lamortisseur arrière complet.
Fuite de gaz Remplacer
lamortisseur arrière complet.
Ressort 3
Endommagement Remplacer
le ressort.
Fatigue Remplacer le ressort.
Déplacer le ressort de haut en bas.
Guide de ressort 4
Usure/endommagement Rem-
placer le guide de ressort.
Roulement 5
Jeu/mouvement irrégulier/rouille
Remplacer.
AMORTISSEUR ARRIERE
6 - 152
CHAS
DEMONTAGE-EINZELHEITEN
Lager
1. Demontieren:
Sicherungsring
(oberes Lager) 1
HINWEIS:
Das Lager durch Druck auf den
Außenlaufring eindrücken und den
Sicherungsring entfernen.
2. Demontieren:
oberes Lager 1
HINWEIS:
Zum Ausbau des Lagers auf den
Außenlaufring drücken.
3. Demontieren:
unteres Lager 1
HINWEIS:
Zum Ausbau des Lagers auf den
Außenlaufring drücken.
KONTROLLE
Federbein
1. Kontrollieren:
Dämpferrohr 1
Verbogen/beschädigt
Federbein erneuern.
Stoßdämpfer 2
Undicht (Ölaustritt) Feder-
bein erneuern.
Undicht (Gasaustritt)
Federbein erneuern.
Feder 3
Beschädigt Erneuern.
Ermüdet Feder erneuern.
Feder auf- und abbewegen.
Federführung 4
Verschlissen/beschädigt
Federführung erneuern.
Lager 5
Spiel vorhanden, stockend,
rostig Erneuern.
PUNTI DI RIMOZIONE
Cuscinetto
1. Togliere:
Anello di arresto
(cuscinetto superiore) 1
NOTA:
Spingere il cuscinetto premendo contem-
poraneamente la pista esterna e togliere
lanello di arresto.
2. Togliere:
Cuscinetto superiore 1
NOTA:
Togliere il cuscinetto premendo sulla
pista esterna.
3. Togliere:
Cuscinetto inferiore 1
NOTA:
Togliere il cuscinetto premendo sulla
pista esterna.
CONTROLLO
Ammortizzatore posteriore
1. Controllare:
Asta pompante 1
Deformazioni/danni Sostituire
il gruppo ammortizzatore poste-
riore.
Ammortizzatore 2
Perdite di olio Sostituire il
gruppo ammortizzatore poste-
riore.
Perdite di gas Sostituire il
gruppo ammortizzatore poste-
riore.
Molla 3
Danno Sostituire la molla.
Fatica Sostituire la molla.
Muovere la molla verso lalto e
verso il basso.
Guida molla 4
Usura/danni Sostituire la guida
molla.
Cuscinetto 5
Presenza di gioco/rotazione non
uniforme/ruggine Sostituire.
PUNTOS DE DESMONTAJE
Cojinete
1. Extraer:
Anillo de tope
(cojinete superior) 1
NOTA:
Presione el cojinete mientras pre-
siona la guía exterior y extrae el ani-
llo de tope.
2. Extraer:
Cojinete superior 1
NOTA:
Extraiga el cojinete presionando la
guía exterior.
3. Extraer:
Cojinete inferior 1
NOTA:
Extraiga el cojinete presionando la
guía exterior.
COMPROBACIÓN
Amortiguador trasero
1. Comprobar:
Varilla del amortiguador 1
Dobladura/daños Cambiar
el conjunto del amortiguador
trasero.
Amortiguador 2
Fugas de aceite Cambiar el
conjunto del amortiguador tra-
sero.
Fugas de gas Cambiar el
conjunto del amortiguador tra-
sero.
Muelle 3
Daños Cambiar el muelle.
Fatiga Cambiar el muelle.
Mueva el muelle arriba y
abajo.
Guía del muelle 4
Desgaste/daños Cambiar la
guía del muelle.
Cojinete 5
Hay holgura/movimiento no
suave/óxido Cambiar.
FEDERBEIN
AMMORTIZZATORE POSTERIORE
AMORTIGUADOR TRASERO
6 - 153
CHAS
REAR SHOCK ABSORBER
EC585000
ASSEMBLY AND INSTALLATION
EC585300
Bearing
1. Install:
Upper bearing 1
NOTE:
Install the bearing parallel until the
stopper ring groove appears by
pressing its outer race.
CAUTION:
Do not apply the grease on the
bearing outer race because it will
wear the rear shock absorber sur-
face on which the bearing is press
fitted.
2. Install:
Stopper ring
(upper bearing) 1
NOTE:
After installing the stopper ring, push
back the bearing until it contacts the
stopper ring.
New
3. Install:
Lower bearing 1
NOTE:
Install the bearing by pressing it on
the side having the manufactures
marks or numbers.
Installed depth of the
bearing a:
4 mm (0.16 in)
Spring (rear shock absorber)
1. Install:
Spring 1
Upper spring guide 2
Lower spring guide 3
2. Tighten:
Adjuster 1
ASSEMBLAGE ET MONTAGE
Roulement
1. Monter:
Roulement supérieur 1
N.B.:
Monter le roulement parallèlement
jusqu’à ce que la cannelure de la bague
darrêt apparaisse lorsque lon appuie sur
sa cage externe.
ATTENTION:
Ne pas appliquer de graisse sur la cage
externe du roulement car cela provo-
querait lusure de la surface de
lamortisseur arrière sur laquelle le
roulement sappuie.
2. Monter:
Bague darrêt
(roulement supérieur) 1
N.B.:
Après avoir installé la bague darrêt,
repousser le roulement jusqu’à ce quil
touche la bague darrêt.
New
3. Monter:
Roulement inférieur 1
N.B.:
Monter le roulement en pressant sur le
côté où sont imprimés la marque ou le
numéro du fabricant.
Profondeur dinstallation
du roulement a:
4 mm (0,16 in)
Ressort (amortisseur arrière)
1. Monter:
Ressort 1
Guide de ressort supérieur 2
Guide de ressort inférieur 3
2. Serrer:
Dispositif de réglage 1
AMORTISSEUR ARRIERE
6 - 154
CHAS
ZUSAMMENBAU UND MONTAGE
Lager
1. Montieren:
oberes Lager 1
HINWEIS:
Zum Einbau des Lagers parallel auf
den Außenlaufring drücken, bis die
Sicherungsring-Nut sichtbar ist.
ACHTUNG:
Kein Fett auf den Außenlaufring
des Lagers auftragen, da dies den
Verschleiß des eingepressten
Dämpferteils verursacht.
2. Montieren:
Sicherungsring
(oberes Lager) 1
HINWEIS:
Nach dem Einbau des Sicherungs-
rings das Lager zurückdrücken, bis
es den Sicherungsrings berührt.
New
3. Montieren:
unteres Lager 1
HINWEIS:
Zum Einbau des Lagers auf der Seite
mit der Herstellerbeschriftung oder
Teilenummer drücken.
Lager-Einbautiefe a:
4 mm (0,16 in)
Feder (Federbein)
1. Montieren:
Feder 1
Federführung oben 2
Federführung unten 3
2. Festziehen:
Federvorspannring 1
MONTAGGIO E INSTALLAZIONE
Cuscinetto
1. Installare:
Cuscinetto superiore 1
NOTA:
Installare il cuscinetto parallelamente
finché, premendo sulla pista esterna, non
appare la scanalatura dellanello di arre-
sto.
ATTENZIONE:
Non applicare grasso sulla pista
esterna del cuscinetto perché consu-
merebbe la superficie dellammortiz-
zatore posteriore su cui è inserito il
cuscinetto.
2. Installare:
Anello di arresto
(cuscinetto superiore) 1
NOTA:
Dopo aver installato lanello di arresto,
spingere il cuscinetto allindietro finché
tocca lanello di arresto.
New
3. Installare:
Cuscinetto inferiore 1
NOTA:
Installare il cuscinetto premendolo sul
lato che presenta i contrassegni o i
numeri identificativi del produttore.
Profondità di installazione
del cuscinetto a:
4 mm (0,16 in)
Molla (ammortizzatore posteriore)
1. Installare:
Molla 1
Guida molla superiore 2
Guida molla inferiore 3
2. Serrare:
Dispositivo di regolazione 1
MONTAJE E INSTALACIÓN
Cojinete
1. Instalar:
Cojinete superior 1
NOTA:
Instale el cojinete paralelo hasta que
aparezca la ranura del anillo de tope
presionando la guía exterior.
ATENCION:
No aplique grasa a la guía exterior
del cojinete, ya que desgastará la
superficie del amortiguador tra-
sero sobre la que se ajusta a pre-
sión el cojinete.
2. Instalar:
Anillo de tope
(cojinete superior) 1
NOTA:
Después de instalar el anillo de tope,
empuje hacia atrás el cojinete hasta
que toque el anillo.
New
3. Instalar:
Cojinete inferior 1
NOTA:
Monte el cojinete presionando sobre
el lado que lleva las marcas o núme-
ros del fabricante.
Profundidad montada
del cojinete a:
4 mm (0,16 in)
Muelle (amortiguador trasero)
1. Instalar:
Muelle 1
Guía de muelle superior 2
Guía de muelle inferior 3
2. Apretar:
Regulador 1
FEDERBEIN
AMMORTIZZATORE POSTERIORE
AMORTIGUADOR TRASERO
6 - 155
CHAS
REAR SHOCK ABSORBER
3. Adjust:
Spring length (installed)
Refer to REAR SHOCK
ABSORBER SPRING PRE-
LOAD ADJUSTMENT sec-
tion in the CHAPTER 3.
4. Tighten:
Locknut 1
Rear shock absorber
1. Install:
Dust seal 1
O-ring 2
Collar 3
NOTE:
Apply the molybdenum disulfide
grease on the dust seal lips and
collars.
Apply the lithium soap base grease
on the O-rings.
New
2. Install:
Bushing 1
Collar 2
Dust seal 3
NOTE:
Apply the molybdenum disulfide
grease on the bearing and dust
seal lips.
Install the dust seals with their lips
facing outward.
3. Régler:
Longueur du ressort (monté)
Se reporter à la section
REGLAGE DE LA PRECON-
TRAINTE DU RESSORT DE
LAMORTISSEUR ARRIERE
au CHAPITRE 3.
4. Serrer:
Contre-écrou 1
Amortisseur arrière
1. Monter:
Joint antipoussière 1
Joint torique 2
Entretoise épaulée 3
N.B.:
Appliquer de la graisse au bisulfure de
molybdène sur les lèvres de joint anti-
poussière et les entretoises épaulées.
Appliquer de la graisse à base de
savon au lithium sur les joints tori-
ques.
New
2. Monter:
Bague 1
Entretoise épaulée 2
Joint antipoussière 3
N.B.:
Appliquer de la graisse au bisulfure de
molybdène sur le roulement et les
lèvres de joint antipoussière.
Monter les joints antipoussière avec
les lèvres dirigées vers lextérieur.
AMORTISSEUR ARRIERE
6 - 156
CHAS
3. Einstellen:
Einbaulänge der Feder
Siehe unter FEDERVOR-
SPANNUNG DES FEDER-
BEINS EINSTELLEN in
KAPITEL 3.
4. Festziehen:
Sicherungsmutter 1
Federbein
1. Montieren:
Staubschutzring 1
O-Ring 2
Distanzhülse 3
HINWEIS:
Molybdändisulfidfett auf die Staub-
schutzringlippen und Distanzhül-
sen auftragen.
Die O-Ringe mit Lithiumseifenfett
bestreichen.
New
2. Montieren:
Buchse 1
Distanzhülse 2
Staubschutzring 3
HINWEIS:
Molybdändisulfidfett auf das Lager
und die Staubschutzringlippen auf-
tragen.
Den Staubschutzring so einbauen,
dass die Dichtlippen nach außen
gerichtet sind.
3. Regolare:
Lunghezza della molla (installata)
Fare riferimento al paragrafo
REGOLAZIONE PRECARICO
DELLA MOLLA DELLAM-
MORTIZZATORE POSTERIO-
RE nel CAPITOLO 3.
4. Serrare:
Controdado 1
Ammortizzatore posteriore
1. Installare:
Guarnizione parapolvere 1
Guarnizione circolare 2
Collarino 3
NOTA:
Applicare il grasso al disolfuro di
molibdeno sui labbri della guarnizione
parapolvere e sui collarini.
Applicare il grasso a base di sapone di
litio sulle guarnizioni circolari.
New
2. Installare:
Bussola 1
Collarino 2
Guarnizione parapolvere 3
NOTA:
Applicare il grasso al disolfuro di
molibdeno sul cuscinetto e sui labbri
della guarnizione parapolvere.
Installare le guarnizioni parapolvere
con i labbri rivolti verso lesterno.
3. Ajustar:
Longitud del muelle (montada)
Consulte el apartado
AJUSTE DE LA PRECARGA
DEL MUELLE DEL AMORTI-
GUADOR TRASERO del
CAPÍTULO 3.
4. Apretar:
Contratuerca 1
Amortiguador trasero
1. Instalar:
Junta antipolvo 1
Junta tórica 2
Casquillo 3
NOTA:
Aplique grasa de disulfuro de
molibdeno a los labios de la junta
de aceite y a los casquillos.
Aplique grasa de jabón de litio a
las juntas tóricas.
New
2. Instalar:
Manguito 1
Casquillo 2
Junta antipolvo 3
NOTA:
Aplique grasa de disulfuro de
molibdeno al cojinete y a los labios
de la junta de aceite.
Instale las juntas antipolvo con los
labios hacia fuera.
FEDERBEIN
AMMORTIZZATORE POSTERIORE
AMORTIGUADOR TRASERO
6 - 157
CHAS
REAR SHOCK ABSORBER
3. Install:
Rear shock absorber
4. Install:
Bolt (rear shock absorber-
frame) 1
Washer 2
Nut (rear shock absorber-
frame) 3
NOTE:
Apply the molybdenum disulfide
grease on the bolt.
T
R
.
.
56 Nm (5.6 m · kg, 40 ft · lb)
1
2
3
M
5. Install:
Bolt (rear shock absorber-
relay arm) 1
Nut (rear shock absorber-relay
arm) 2
NOTE:
Apply the molybdenum disulfide
grease on the bolt.
6. Install:
Rear frame 1
Bolt [rear frame (upper)] 2
Bolt [rear frame (lower)] 3
T
R
.
.
53 Nm (5.3 m · kg, 38 ft · lb)
T
R
.
.
38 Nm (3.8 m · kg, 27 ft · lb)
T
R
.
.
32 Nm (3.2 m · kg, 23 ft · lb)
7. Tighten:
Screw (air filter joint) 1
T
R
.
.
3 Nm (0.3 m · kg, 2.2 ft · lb)
8. Install:
Plastic band
Taillight coupler
Locking tie
3. Monter:
Amortisseur arrière
4. Monter:
Boulon (amortisseur arrière -
cadre) 1
Rondelle 2
Ecrou (amortisseur arrière -
cadre) 3
N.B.:
Appliquer de la graisse au bisulfure de
molybdène sur le boulon.
T
R
.
.
56 Nm (5,6 m · kg, 40 ft · lb)
5. Monter:
Boulon (amortisseur arrière - bras
relais) 1
Ecrou (amortisseur arrière - bras
relais) 2
N.B.:
Appliquer de la graisse au bisulfure de
molybdène sur le boulon.
6. Monter:
Cadre arrière 1
Boulon [cadre arrière (supérieur)]
2
Boulon [cadre arrière (inférieur)]
3
T
R
.
.
53 Nm (5,3 m · kg, 38 ft · lb)
T
R
.
.
38 Nm (3,8 m · kg, 27 ft · lb)
T
R
.
.
32 Nm (3,2 m · kg, 23 ft · lb)
7. Serrer:
Vis (raccord du filtre à air) 1
T
R
.
.
3 Nm (0,3 m · kg, 2,2 ft · lb)
8. Monter:
Collier réutilisable
Fiche rapide du feu arrière
Collier
AMORTISSEUR ARRIERE
6 - 158
CHAS
3. Montieren:
Federbein
4. Montieren:
Schraube (Federbein und
Rahmen) 1
Beilagscheibe 2
Mutter (Federbein und Rah-
men) 3
HINWEIS:
Molybdändisulfidfett auf die
Schraube auftragen.
T
R
.
.
56 Nm (5,6 m · kg, 40 ft · lb)
5. Montieren:
Schraube (Federbein und
Umlenkhebel) 1
Mutter (Federbein und
Umlenkhebel) 2
HINWEIS:
Molybdändisulfidfett auf die
Schraube auftragen.
6. Montieren:
Rahmenheck 1
Rahmenheck-Schraube
(oben) 2
Rahmenheck-Schraube
(unten) 3
T
R
.
.
53 Nm (5,3 m · kg, 38 ft · lb)
T
R
.
.
38 Nm (3,8 m · kg, 27 ft · lb)
T
R
.
.
32 Nm (3,2 m · kg, 23 ft · lb)
7. Festziehen:
Schraube (Vergasereinlass-
Anschluss) 1
T
R
.
.
3 Nm (0,3 m · kg, 2,2 ft · lb)
8. Montieren:
Kunststoffbinder
Rücklicht-Steckverbinder
Kabelbinder
3. Installare:
Ammortizzatore posteriore
4. Installare:
Bullone (ammortizzatore poste-
riore - telaio) 1
Rondella 2
Dado (ammortizzatore posteriore
- telaio) 3
NOTA:
Applicare il grasso al disolfuro di molib-
deno sul bullone.
T
R
.
.
56 Nm (5,6 m · kg, 40 ft · lb)
5. Installare:
Bullone (ammortizzatore poste-
riore - braccio di rinvio) 1
Dado (ammortizzatore posteriore
- braccio di rinvio) 2
NOTA:
Applicare il grasso al disolfuro di molib-
deno sul bullone.
6. Installare:
Telaio posteriore 1
Bullone [telaio posteriore (supe-
riore)] 2
Bullone [telaio posteriore (infe-
riore)] 3
T
R
.
.
53 Nm (5,3 m · kg, 38 ft · lb)
T
R
.
.
38 Nm (3,8 m · kg, 27 ft · lb)
T
R
.
.
32 Nm (3,2 m · kg, 23 ft · lb)
7. Serrare:
Vite (giunto del filtro dellaria)
1
T
R
.
.
3 Nm (0,3 m · kg, 2,2 ft · lb)
8. Installare:
Nastro di plastica
Accoppiatore luce posteriore
Serrafili
3. Instalar:
Amortiguador trasero
4. Instalar:
Tornillo (amortiguador trasero
a bastidor) 1
Arandela 2
Tuerca (amortiguador trasero
a bastidor) 3
NOTA:
Aplique grasa de disulfuro de molib-
deno al tornillo.
T
R
.
.
56 Nm (5,6 m · kg, 40 ft · lb)
5. Instalar:
Tornillo (amortiguador trasero
y barra de unión) 1
Tuerca (amortiguador trasero
y barra de unión) 2
NOTA:
Aplique grasa de disulfuro de molib-
deno al tornillo.
6. Instalar:
Bastidor trasero 1
Tornillo [bastidor trasero
(superior)] 2
Tornillo [bastidor trasero (infe-
rior)] 3
T
R
.
.
53 Nm (5,3 m · kg, 38 ft · lb)
T
R
.
.
38 Nm (3,8 m · kg, 27 ft · lb)
T
R
.
.
32 Nm (3,2 m · kg, 23 ft · lb)
7. Apretar:
Tornillo (junta del filtro de aire)
1
T
R
.
.
3 Nm (0,3 m · kg, 2,2 ft · lb)
8. Instalar:
Banda de plástico
Acoplador del piloto trasero
Abrazadera
FEDERBEIN
AMMORTIZZATORE POSTERIORE
AMORTIGUADOR TRASERO
7 - 1
+
ELEC
ELECTRICAL COMPONENTS AND WIRING DIAGRAM
EC600000
ELECTRICAL
NOTE:
This section is intended for those who have basic knowledge and skill concerning the servicing of Yamaha motorcycles
(e.g., Yamaha dealers, service engineers, etc.) Those who have little knowledge and skill concerning servicing are
requested not to undertake inspection, adjustment, disassembly, or reassembly only by reference to this manual. It may
lead to servicing trouble and mechanical damage.
EC610000
ELECTRICAL COMPONENTS AND WIRING DIAGRAM
EC611000
ELECTRICAL COMPONENTS
1Headlight
2Multi-function display
3Engine stop switch
4Clutch switch
5Diode
6Starter relay diode
7Throttle position sensor
8Starter relay
9Fuse
0Starting circuit cut-off relay
ACDI unit
BTaillight
CNeutral switch
DStarter motor
EAC magneto
FRectifier/regulator
GIgnition coil
HSpark plug
IStart switch
JMain switch
KSpeed sensor
LBattery
7 - 2
+
ELEC
PARTIE ELECTRIQUE
N.B.:
Cette section est destinée aux personnes possédant des connaissances et des compétences de base pour lentretien des motos Yamaha
(par ex.: concessionnaires Yamaha, techniciens dentretien, etc.). Les personnes non qualifiées ne doivent entreprendre les opérations
dinspection, de réglage, de démontage ou de remontage que sils se réfèrent à ce manuel. Sinon, ils pourraient engendrer des problè-
mes dentretien et des dommages mécaniques.
COMPOSANTS ELECTRIQUES ET SCHEMA DE CABLAGE
COMPOSANTS ELECTRIQUES
1Phare
2Ecran multifonction
3Coupe-circuit du moteur
4Contacteur dembrayage
5Diode
6Diode du relais de démarreur
7Capteur de position de
papillon des gaz
8Relais de démarreur
9Fusible
0Relais de coupe-circuit de
démarrage
ABoîtier CDI
BFeu arrière
CContacteur de point mort
DDémarreur
EAlternateur avec rotor à
aimantation permanente
FRedresseur/régulateur
GBobine dallumage
HBougie
IContacteur du démarreur
JContacteur à clé
KCapteur de vitesse
LBatterie
ELEKTRISCHE ANLAGE
HINWEIS:
Dieser Abschnitt ist für Personen, die über grundlegende Kenntnisse und Fähigkeiten in der Wartung von Yamaha-Motor-
rädern verfügen (z.B.: Yamaha-Händler, Wartungspersonal etc.). Personen mit geringen Kenntnissen und Fähigkeiten
über Wartungsarbeiten wird empfohlen, keine Inspektionen, Einstellungen, Demontagen durchzuführen und Montagen
nur mit Hilfe dieses Handbuchs vorzunehmen. Es könnten sonst Wartungsprobleme und mechanische Schäden auftreten.
ELEKTRISCHE BAUTEILE UND SCHALTPLAN
ELEKTRISCHE BAUTEILE
1Scheinwerfer
2Multifunktionsanzeige
3Motorstoppschalter
4Kupplungsschalter
5Diode
6Starter-Relais-Diode
7Drosselklappensensor
8Starter-Relais
9Sicherung
0Anlasssperrelais
AZündbox
BRücklicht
CLeerlaufschalter
DStartermotor
ELichtmaschine
FGleichrichter/Regler
GZündspule
HZündkerze
IStarterschalter
JZündschalter
KGeschwindigkeitssensor
LBatterie
IMPIANTO ELETTRICO
NOTA:
Questo paragrafo è rivolto a coloro che possiedono già conoscenze e competenze di base relative alla manutenzione di motocicli
Yamaha (p.es. concessionari Yamaha, tecnici della manutenzione, ecc.). Alle persone con scarse conoscenze e competenze in materia
di manutenzione si consiglia di non eseguire alcun intervento di ispezione, regolazione, smontaggio o rimontaggio facendo esclusiva-
mente riferimento al presente manuale. Ciò potrebbe comportare problemi di manutenzione e danni meccanici.
COMPONENTI ELETTRICI E SCHEMA ELETTRICO
COMPONENTI ELETTRICI
1Faro
2Display multifunzione
3Interruttore di arresto motore
4Interruttore della frizione
5Diodo
6Diodo del relè del motorino
di avviamento
7Sensore posizione farfalla
8Relè del motorino di
avviamento
9Fusibile
0Relè di interruzione del
circuito di avviamento
AUnità CDI
BLuce posteriore
CInterruttore folle
DMotorino davviamento
EMagnete AC
FRaddrizzatore/regolatore
GBobina di accensione
HCandela daccensione
IInterruttore dellavviamento
JInterruttore di accensione
KSensore velocità
LBatteria
SISTEMA ELÉCTRICO
NOTA:
Esta sección está dirigida a los usuarios que tienen conocimientos y habilidades básicos referentes al mantenimiento de
motocicletas Yamaha (p.ej., distribuidores Yamaha, ingenieros de mantenimiento, etc.) Recomendamos que los usuarios
con pocos conocimientos y habilidades referentes al mantenimiento no inspeccionen, ajusten, desmonten ni vuelvan a
montar sólo tomando este manual como referencia. Puede provocar problemas de mantenimiento y daños mecánicos.
COMPONENTES Y ESQUEMA ELÉCTRICO
COMPONENTES ELÉCTRICOS
1Faro
2Visor multifunción
3Interruptor de paro del
motor
4Interruptor del embrague
5Diodo
6Diodo del relé de arranque
7Sensor de posición del
acelerador
8Relé de arranque
9Fusible
0Relé de corte del circuito
de arranque
AUnidad CDI
BPiloto trasero
CInterruptor de luz de punto
muerto
DMotor de arranque
EMagneto CA
FRectificador/regulador
GBobina de encendido
HBujía
IInterruptor de arranque
JInterruptor principal
KSensor de velocidad
LBatería
COMPOSANTS ELECTRIQUES ET SCHEMA DE CABLAGE
ELEKTRISCHE BAUTEILE UND SCHALTPLAN
COMPONENTI ELETTRICI E SCHEMA ELETTRICO
COMPONENTES Y ESQUEMA ELÉCTRICO
1
2
3
4
5
6
7
7 - 3
+
ELEC
ELECTRICAL COMPONENTS AND WIRING DIAGRAM
EC612000
WIRING DIAGRAM
1Headlight
2Multi-function display
3Engine stop switch
4Clutch switch
5Diode
6Starter relay diode
7Throttle position sensor
8Starter relay
9Fuse
0Starting circuit cut-off relay
ACDI unit
BTaillight
CNeutral switch
DStarter motor
EAC magneto
FRectifier/regulator
GIgnition coil
HSpark plug
IStart switch
JMain switch
KSpeed sensor
LBattery
COLOR CODE
B ...................... Black
Br..................... Brown
Ch.................... Chocolate
Dg.................... Dark green
G...................... Green
Gy.................... Gray
L ...................... Blue
O...................... Orange
R...................... Red
Sb ....................Sky blue
W .....................White
Y ......................Yellow
B/L ...................Black/Blue
B/W..................Black/White
L/B ...................Blue/Black
L/R ...................Blue/Red
L/Y ...................Blue/Yellow
L/W ..................Blue/White
R/B...................Red/Black
R/W..................Red/White
7 - 4
+
ELEC
SCHEMA DE CABLAGE
1Phare
2Ecran multifonction
3Coupe-circuit du moteur
4Contacteur dembrayage
5Diode
6Diode du relais de démarreur
7Capteur de position de
papillon des gaz
8Relais de démarreur
9Fusible
0Relais de coupe-circuit de
démarrage
ABoîtier CDI
BFeu arrière
CContacteur de point mort
DDémarreur
EAlternateur avec rotor à
aimantation permanente
FRedresseur/régulateur
GBobine dallumage
HBougie
IContacteur du démarreur
JContacteur à clé
KCapteur de vitesse
LBatterie
CODES DE COULEUR
B ........................ Noir
Br ....................... Brun
Ch ...................... Chocolat
Dg ...................... Vert foncé
G ........................ Vert
Gy ...................... Gris
L......................... Bleu
O ........................ Orange
R ........................ Rouge
Sb....................... Bleu ciel
W ....................... Blanc
Y ........................ Jaune
B/L..................... Noir/bleu
B/W ................... Noir/blanc
L/B..................... Bleu/noir
L/R..................... Bleu/rouge
L/Y..................... Bleu/jaune
L/W.................... Bleu/blanc
R/B..................... Rouge/noir
R/W ................... Rouge/blanc
SCHALTPLAN
1Scheinwerfer
2Multifunktionsanzeige
3Motorstoppschalter
4Kupplungsschalter
5Diode
6Starter-Relais-Diode
7Drosselklappensensor
8Starter-Relais
9Sicherung
0Anlasssperrelais
AZündbox
BRücklicht
CLeerlaufschalter
DStartermotor
ELichtmaschine
FGleichrichter/Regler
GZündspule
HZündkerze
IStarterschalter
JZündschalter
KGeschwindigkeitssensor
LBatterie
FARB-CODIERUNG
B ...................... Schwarz
Br..................... Braun
Ch.................... Schokofarben
Dg.................... Dunkelgrün
G...................... Grün
Gy.................... Grau
L ...................... Blau
O...................... Orange
R...................... Rot
Sb .................... Himmelblau
W ..................... Weiß
Y ...................... Gelb
B/L ...................Schwarz/Blau
B/W..................Schwarz/Weiß
L/B ...................Blau/Schwarz
L/R ...................Blau/Rot
L/Y ...................Blau/Gelb
L/W ..................Blau/Weiß
R/B...................Rot/Schwarz
R/W..................Rot/Weiß
SCHEMA ELETTRICO
1Faro
2Display multifunzione
3Interruttore di arresto motore
4Interruttore della frizione
5Diodo
6Diodo del relè del motorino
di avviamento
7Sensore posizione farfalla
8Relè del motorino di
avviamento
9Fusibile
0Relè di interruzione del
circuito di avviamento
AUnità CDI
BLuce posteriore
CInterruttore folle
DMotorino davviamento
EMagnete AC
FRaddrizzatore/regolatore
GBobina di accensione
HCandela daccensione
IInterruttore dellavviamento
JInterruttore di accensione
KSensore velocità
LBatteria
CODICE COLORE
B ........................ Nero
Br ....................... Marrone
Ch ...................... Cioccolato
Dg ...................... Verde scuro
G ........................ Verde
Gy ...................... Grigio
L......................... Blu
O ........................ Arancione
R ........................ Rosso
Sb....................... Azzurro
W ....................... Bianco
Y ........................ Giallo
B/L..................... Nero/Blu
B/W ................... Blu/Bianco
L/B..................... Blu/Nero
L/R..................... Blu/Rosso
L/Y..................... Blu/Giallo
L/W.................... Blu/Bianco
R/B..................... Rosso/Nero
R/W ................... Rosso/Bianco
ESQUEMA ELÉCTRICO
1Faro
2Visor multifunción
3Interruptor de paro del
motor
4Interruptor del embrague
5Diodo
6Diodo del relé de arranque
7Sensor de posición del
acelerador
8Relé de arranque
9Fusible
0Relé de corte del circuito
de arranque
AUnidad CDI
BPiloto trasero
CInterruptor de luz de punto
muerto
DMotor de arranque
EMagneto CA
FRectificador/regulador
GBobina de encendido
HBujía
IInterruptor de arranque
JInterruptor principal
KSensor de velocidad
LBatería
COLORES
B ...................... Negro
Br..................... Marrón
Ch.................... Chocolatet
Dg.................... Verde oscure
G...................... Verde
Gy.................... Gris
L ...................... Azul
O...................... Naranja
R...................... Rojo
Sb.................... Azul celeste
W ..................... Blanco
Y ...................... Amarillo
B/L ...................Negro/Azul
B/W..................Negro/Blanco
L/B ...................Azul/Negro
L/R ...................Azul/Rojo
L/Y ...................Azul/Amarillo
L/W ..................Azul/Blanco
R/B...................Rojo/Negro
R/W..................Rojo/Blanco
COMPONENTI ELETTRICI E SCHEMA ELETTRICO
COMPONENTES Y ESQUEMA ELÉCTRICO
COMPOSANTS ELECTRIQUES ET SCHEMA DE CABLAGE
ELEKTRISCHE BAUTEILE UND SCHALTPLAN
7 - 5
+
ELEC
IGNITION SYSTEM
EC620000
IGNITION SYSTEM
INSPECTION STEPS
Use the following steps for checking the possibility of the malfunctioning engine being attributable to ignition system failure
and for checking the spark plug which will not spark.
*1 marked: Refer to FUSE INSPECTION section in the CHAPTER 3.
*2 marked: Refer to BATTERY INSPECTION AND CHARGING section in the CHAPTER 3.
*3 marked: Only when the ignition checker is used.
NOTE:
Remove the following parts before inspection.
1) Seat
2) Fuel tank
Use the following special tools in this inspection.
*1 Check fuse. Replace fuse and check
wire harness.
*2 Check battery. Recharge or replace.
Spark gap test *3 Clean or replace spark
plug.
Check entire ignition system for
connection.
(couplers, leads and ignition coil)
Repair or replace.
Check engine stop switch. Replace.
Check main switch. Replace.
Check ignition coil. Primary coil Replace.
Secondary coil Replace.
Check AC magneto. Pickup coil Replace.
Check neutral switch. Repair or replace.
Replace CDI unit.
Dynamic spark tester:
YM-34487
Ignition checker:
90890-06754
Pocket tester:
YU-3112-C/
90890-03112
No good
OK
No good
OK
Spark
No spark
No good
OK
No good
OK
No good
OK
No good
OK
No good
No good
OK
No good
OK
7 - 6
+
ELEC
SYSTEME DALLUMAGE
ETAPES DU CONTROLE
Suivre la procédure ci-dessous pour déterminer si le mauvais fonctionnement du moteur est dû à une panne dans le circuit dallumage
et pour vérifier une bougie qui ne produit pas d’étincelle.
*1: Se reporter à la section CONTROLE DES FUSIBLES au CHAPITRE 3.
*2: Se reporter à la section CONTROLE ET CHARGE DE LA BATTERIE au CHAPITRE 3.
*3: Seulement quant le contrôleur dallumage est utilisé.
N.B.:
Déposer les pièces suivantes avant le contrôle.
1) Selle
2) Réservoir de carburant
Utiliser les outils spéciaux suivants pendant le contrôle.
*1 Contrôler le fusible. Remplacer le fusible et
contrôler le faisceau de fils.
*2 Contrôler la batterie. Recharger ou remplacer.
Test de la longueur d’étincelle *3 Nettoyer ou remplacer la
bougie.
Contrôler les connexions de
lensemble du système dallumage.
(fiches rapides, fils et bobine
dallumage)
Réparer ou remplacer.
Contrôler le coupe-circuit du moteur. Remplacer.
Contrôler le contacteur à clé. Remplacer.
Contrôler la bobine dallumage. Enroulement
primaire Remplacer.
Enroulement
secondaire Remplacer.
Contrôler lalternateur avec rotor à
aimantation permanente. Bobine dexcitation Remplacer.
Contrôler le contacteur de point mort. Réparer ou remplacer.
Remplacer le boîtier CDI
Testeur d’étincelle
dynamique:
YM-34487
Testeur dallumage:
90890-06754
Multimètre:
YU-3112-C/
90890-03112
Problème
OK
Problème
OK
Etincelle
Pas d’étincelle
Problème
OK
Problème
OK
Problème
OK
Problème
OK
Problème
Problème
OK
Problème
OK
SYSTEME DALLUMAGE
7 - 7
+
ELEC
ZÜNDSYSTEM
KONTROLLE
Folgende Prüfschritte dienen zur Diagnose von zündungsbedingten Motorstörungen und von Zündkerzenausfall.
*1: Siehe unter SICHERUNG KONTROLLIEREN in KAPITEL 3.
*2: Siehe unter BATTERIE KONTROLLIEREN UND LADEN in KAPITEL 3.
*3: Nur mit dem Zündungstester kontrollieren.
HINWEIS:
Vor der Kontrolle folgende Bauteile demontieren.
1) Sitzbank
2) Kraftstofftank
Folgendes Spezialwerkzeug für die Kontrolle verwenden.
*1 Sicherung kontrollieren. Sicherung erneuern und
Kabelbaum kontrollieren.
*2 Batterie kontrollieren. Laden, ggf. erneuern.
Zündfunkenstrecke kontrollieren. *3 Zündkerze reinigen,
ggf. erneuern.
Kabelanschlüsse des gesamten
Zündsystems kontrollieren.
(Steckverbinder, Kabel,
Zündspule)
Instand setzen, ggf.
erneuern.
Motorstoppschalter kontrollieren. Erneuern.
Zündschalter kontrollieren. Erneuern.
Zündspule kontrollieren. Primärwicklung Erneuern.
Sekundärwicklung Erneuern.
Lichtmaschine kontrollieren. Impulsgeber Erneuern.
Leerlaufschalter kontrollieren. Instand setzen, ggf.
erneuern.
Zündbox erneuern.
Zündfunkenstrecken-
Tester:
YM-34487
Zündungstester:
90890-06754
Taschen-Multimeter:
YU-3112-C/
90890-03112
Nicht in Ordnung
In Ordnung
Nicht in Ordnung
In Ordnung
Funke vorhanden
Kein Funke
Nicht in Ordnung
In Ordnung
Nicht in Ordnung
In Ordnung
Nicht in Ordnung
In Ordnung
Nicht in Ordnung
In Ordnung
Nicht in Ordnung
Nicht in Ordnung
In Ordnung
Nicht in Ordnung
In Ordnung
ZÜNDSYSTEM
7 - 8
+
ELEC
IMPIANTO DI ACCENSIONE
OPERAZIONI PER IL CONTROLLO
Eseguire le seguenti operazioni per controllare se si verificano malfunzionamenti del motore attribuibili a guasti dellimpianto di
accensione e se la candela di accensione non emette scintille.
*1: Fare riferimento al paragrafo CONTROLLO DEL FUSIBILI nel CAPITOLO 3.
*2: Fare riferimento al paragrafo CONTROLLO E CARICA DELLA BATTERIA nel CAPITOLO 3.
*3: Solo in caso di utilizzo del tester dellaccensione.
NOTA:
Togliere i seguenti componenti prima del controllo.
1) Sella
2) Serbatoio del carburante
Per questo controllo, utilizzare i seguenti attrezzi speciali.
*1 Controllare il fusibile.
Sostituire il fusibile e
controllare il cablaggio
elettrico.
*2 Controllare la batteria. Ricaricare o sostituire.
Test lunghezza della scintilla *3 Pulire o sostituire la
candela daccensione.
Controllare completamente i
collegamenti dellimpianto di
accensione.
(accoppiatori, cavi e bobina di
accensione)
Riparare o sostituire.
Controllare linterruttore di arresto
motore. Sostituire.
Controllare linterruttore di
accensione. Sostituire.
Controllare la bobina di accensione. Bobina primaria Sostituire.
Bobina secondaria Sostituire.
Controllare il magnete AC. Bobina pickup Sostituire.
Controllare linterruttore folle. Riparare o sostituire.
Sostituire lunità CDI.
Tester dinamico della
scintilla:
YM-34487
Tester dellaccensione:
90890-06754
Tester tascabile:
YU-3112-C/
90890-03112
In cattivo stato
OK
In cattivo stato
OK
Scintilla
Nessuna scintilla
In cattivo stato
OK
In cattivo stato
OK
In cattivo stato
OK
In cattivo stato
OK
In cattivo stato
In cattivo stato
OK
In cattivo stato
OK
IMPIANTO DI ACCENSIONE
7 - 9
+
ELEC
SISTEMA DE ENCENDIDO
PROCEDIMIENTO DE REVISIÓN
Utilice el procedimiento siguiente para verificar la posibilidad de que se esté produciendo n fallo del motor atribuible a un
fallo del sistema de encendido, así como comprobar la bujía.
*1 marcado: Consulte el apartado COMPROBACIÓN DE LOS FUSIBLES del CAPÍTULO 3.
*2 marcado: Consulte el apartado COMPROBACIÓN Y CARGA DE LA BATERÍA del CAPÍTULO 3.
*3 marcado: Solo cuando se utiliza el comprobador de encendido.
NOTA:
Desmontar las piezas siguientes antes de proceder a la revisión.
1) Sillín
2) Depósito de combustible
Utilice las herramientas especiales siguientes en esta revisión.
*1 Comprobar fusible. Cambiar el fusible y com-
probar el mazo de cables.
*2 Comprobar batería. Recargar o cambiar.
Comprobar bujía*3 Limpiar o cambiar la
bujía.
Comprobar las conexiones de todo
el sistema de encendido.
(acopladores, cables y bobina de
encendido)
Reparar o cambiar.
Comprobar el interruptor de paro
del motor. Cambiar.
Comprobar el interruptor principal. Cambiar.
Comprobar la bobina de encendido. Bobina primaria Cambiar.
Bobina secundaria Cambiar.
Comprobar la magneto CA. Bobina captadora Cambiar.
Comprobar el interruptor de luz de
punto muerto. Reparar o cambiar.
Cambiar la unidad CDI.
Comprobador de bujías
dinámico:
YM-34487
Comprobador de
encendido:
90890-06754
Comprobador de
bolsillo:
YU-3112-C/
90890-03112
Incorrecto
Correcto
Incorrecto
Correcto
Chispa
No hay chispa
Incorrecto
Correcto
Incorrecto
Correcto
Incorrecto
Correcto
Incorrecto
Correcto
Incorrecto
Incorrecto
Correcto
Incorrecto
Correcto
SISTEMA DE ENCENDIDO
7 - 10
+
ELEC
MEMO
7 - 11
+
ELEC
IGNITION SYSTEM
SPARK GAP TEST
1. Disconnect the ignition coil from
spark plug.
2. Remove the ignition coil cap.
3. Connect the dynamic spark
tester 1 (ignition checker 2) as
shown.
Ignition coil 3
Spark plug 4
ÈFor USA and CDN
ÉExcept for USA and CDN
4. Kick the kickstarter crank.
5. Check the ignition spark gap.
6. Start engine, and increase spark
gap until misfire occurs. (for USA
and CDN only)
Minimum spark gap:
6.0 mm (0.24 in)
È
É
COUPLERS, LEADS AND
IGNITION COIL CONNECTION
INSPECTION
1. Check:
Couplers and leads connec-
tion
Rust/dust/looseness/short-cir-
cuit Repair or replace.
Ignition coil and spark plug as
they are fitted
Push in the ignition coil until it
closely contacts the spark plug
hole in the cylinder head
cover.
ENGINE STOP SWITCH
INSPECTION
1. Inspect:
Engine stop switch conduct
No continuity while being pushed
Replace.
Continuity while being freed
Replace.
Tester (+) lead Black lead 1
Tester () lead Black lead 2
B
1
B
2
Tester
selector
position
PUSH IN × 1
FREE
TEST DE LA LONGUEUR
DETINCELLE
1. Déconnecter la bobine dallumage
de la bougie.
2. Déposer le capuchon de la bobine
dallumage.
3. Connecter le testeur dynamique
d’étincelle 1 (contrôleur dallu-
mage 2) comme indiqué.
Bobine dallumage 3
Bougie 4
ÈUSA et CDN
ÉSauf USA et CDN
4. Actionner le kick.
5. Contrôler la longueur d’étincelle
dallumage.
6. Démarrer le moteur et augmenter la
longueur d’étincelle jusqu’à ce
quun raté se produise. (uniquement
USA et CDN)
Longueur d’étincelle
minimum:
6,0 mm (0,24 in)
CONTROLE DES CONNEXIONS
DES FICHES RAPIDES, DES FILS
ET DE LA BOBINE DALLUMAGE
1. Vérifier:
Connexion des coupleurs et des
fils
Rouille/poussière/jeu/court-cir-
cuit Réparer ou remplacer.
Bobine dallumage et bougie en
place
Appuyer sur la bobine dallu-
mage jusqu’à ce quelle soit en
contact étroit avec le trou de bou-
gie du couvre-culasse.
CONTROLE DU COUPE-CIRCUIT
DU MOTEUR
1. Contrôler:
Continuité du coupe-circuit du
moteur
Pas de continuité lorsque enfoncé
Remplacer.
Continuité lorsque relâché Rempla-
cer.
Fil (+) du multimètre fil noir 1
Fil () du multimètre fil noir 2
B
1
B
2
Position du
sélecteur du
multimètre
ENFONCE × 1
RELACHE
SYSTEME DALLUMAGE
7 - 12
+
ELEC
ZÜNDFUNKENSTRECKE
KONTROLLIEREN
1. Das Zündkabel von der Zünd-
kerze abziehen.
2. Den Stecker von der Zündspule
abziehen.
3. Den Zündfunkenstrecken-Tes-
ter 1 (Zündungstester 2), wie
in der Abbildung gezeigt,
anschließen.
Zündspule 3
Zündkerze 4
ÈUSA und CDN
ÉNicht USA und CDN
4. Den Kickstarter betätigen.
5. Die Zündfunkenstrecke kontrol-
lieren.
6. Den Motor starten und dann die
Zündfunkenstrecke vergrößern,
bis es zu Fehlzündungen
kommt. (nur USA und CDN)
Min. Zündfunkenstrecke:
6,0 mm (0,24 in)
STECKVERBINDER-, KABEL- UND
ZÜNDSPULENANSCHLÜSSE
KONTROLLIEREN
1. Kontrollieren:
Steckverbinder- und Kabelan-
schlüsse
Rostig/staubig/locker/kurzge-
schlossen Instand setzen,
ggf. erneuern.
Sitz der Zündspule und Zünd-
kerze
Die Zündspule eindrücken, bis
sie die Zündkerzenbohrung im
Zylinderkopfdeckel berührt.
MOTORSTOPPSCHALTER
KONTROLLIEREN
1. Kontrollieren:
Motorstoppschalter-Durch-
gang
Kein Durchgang, wenn gedrückt.
Erneuern.
Durchgang, wenn freigegeben
Erneuern.
Messkabel (+) Schwarz 1
Messkabel () Schwarz 2
B
1
B
2
Messgerät-
Wahlschal-
ter
EINDRÜCKEN × 1
FREIGEBEN
TEST LUNGHEZZA DELLA
SCINTILLA
1. Scollegare la bobina di accensione
dalla candela.
2. Togliere il coperchio della bobina di
accensione.
3. Collegare il tester dinamico della
scintilla 1 (tester dellaccensione
2) come mostrato nella figura.
Bobina di accensione 3
Candela daccensione 4
ÈUSA e CDN
ÉEccetto USA e CDN
4. Azionare la leva di avviamento a
pedale.
5. Controllare la lunghezza della scin-
tilla.
6. Avviare il motore e aumentare la
lunghezza della scintilla fino a che
non vada a vuoto. (solo per USA e
CAN)
Lunghezza minima della
scintilla:
6,0 mm (0,24 in)
CONTROLLO COLLEGAMENTI
ACCOPPIATORI, CAVI E BOBINA
DI ACCENSIONE
1. Controllare:
Collegamenti accoppiatori e cavi
Ruggine/polvere/lentezza/corto-
circuito Riparare o sostituire.
Montaggio bobina di accensione
e candela
Spingere la bobina di accensione
finché non sia a stretto contatto
con il foro della candela nel
coperchio testata.
CONTROLLO INTERRUTTORE DI
ARRESTO MOTORE
1. Controllare:
Funzionamento interruttore di
arresto motore
Nessuna continuità durante la pressione
Sostituire.
Continuità senza pressione Sostituire.
Tester (+) cavo Cavo nero 1
Tester () cavo Cavo nero 2
B
1
B
2
Posizione
del selettore
del tester
PREMUTO × 1
LIBERO
PRUEBA DE LA BUJÍA
1. Desconecte la bobina de encen-
dido de la bujía.
2. Retire la tapa de la bobina de
encendido.
3. Conecte el comprobador diná-
mico 1 (comprobador de encen-
dido 2) como se muestra.
Bobina de encendido 3
Bujía 4
ÈUSA y CDN
ÉExcepto USA y CDN
4. Accione el pedal de arranque.
5. Compruebe la distancia entre
electrodos de la bujía.
6. Arranque el motor e incremente
la distancia entre electrodos
hasta que el encendido falle.
(solo USA y CDN)
Distancia entre
electrodos mínima:
6,0 mm (0,24 in)
COMPROBACIÓN DE LA
CONEXIÓN DE ACOPLADORES,
CABLES Y BOBINA DE
ENCENDIDO
1. Comprobar:
Conexión de acopladores y
cables
Óxido/staub/flojas/cortocir-
cuito Reparar o cambiar.
La bobina de encendido y la
bujía tal como están
Empuje la bobina de encen-
dido hacia dentro hasta que
toque el orificio de la bujía en
la tapa de la culata.
COMPROBACIÓN DEL INTERRUP-
TOR DE PARO DEL MOTOR
1. Comprobar:
Conducto del interruptor de
paro del motor
No hay continuidad cuando se pulsa
Cambiar.
Hay continuidad cuando se suelta
Cambiar.
Comprobador (+) cable
Cable negro 1
Comprobador () cable
Cable negro 2
B
1
B
2
Posición
del selector
del com-
probador
EMPUJAR × 1
SOLTAR
ZÜNDSYSTEM
IMPIANTO DI ACCENSIONE
SISTEMA DE ENCENDIDO
7 - 13
+
ELEC
IGNITION SYSTEM
2. Inspect:
Rubber part a
Tears/damage Replace.
a
MAIN SWITCH INSPECTION
1. Inspect:
Main switch conduct
Continuous while the main switch is
moved to OFF Replace.
Not continuous while the main switch
is moved to ON Replace.
Tester (+) lead Red lead 1
Tester () lead Brown lead 2
R
1
Br
2
Tester
selector
position
ON × 1
OFF
2. Inspect:
Main switch indicator light
Use 12 V battery.
Indicator light does not come on
Replace.
Battery (+) lead
Red/Black lead 1
Battery () lead Black lead 2
3. Inspect:
Rubber part a
Tears/damage Replace.
a
2. Contrôler:
Pièce en caoutchouc a
Déchirures/endommagement
Remplacer.
CONTROLE DU CONTACTEUR A
CLE
1. Contrôler:
Continuité du contacteur à clé
Continuité lorsque le contacteur à clé est
placé sur OFF Remplacer.
Pas de continuité lorsque le contacteur à
clé est placé sur ON Remplacer.
Fil (+) du multimètre
fil rouge 1
Fil () du multimètre fil brun 2
R
1
Br
2
Position du
sélecteur du
multimètre
ON × 1
OFF
2. Contrôler:
Témoin de linterrupteur à clé
Utiliser une batterie 12 V.
Le témoin ne sallume pas Rempla-
cer.
Câble (+) de la batterie
fil rouge/noir 1
Câble () de la batterie
fil noir 2
3. Contrôler:
Pièce en caoutchouc a
Déchirures/endommagement
Remplacer.
SYSTEME DALLUMAGE
7 - 14
+
ELEC
2. Kontrollieren:
Gummiteil a
Rissig/beschädigt Erneu-
ern.
ZÜNDSCHALTER
KONTROLLIEREN
1. Kontrollieren:
Zündschalter-Durchgang
Durchgang, wenn der Zündschalter
auf OFF gestellt ist Erneuern.
Kein Durchgang, wenn der Zünd-
schalter auf ON gestellt ist
Erneuern.
Messkabel (+) Rot 1
Messkabel () Braun 2
R
1
Br
2
Messgerät-
Wahlschal-
ter
ON × 1
OFF
2. Kontrollieren:
Zündschalter-Kontrollleuchte
12-V-Batterie verwenden.
Kontrollleuchte brennt nicht.
Erneuern.
Batteriekabel (+)
Rot/Schwarz 1
Batteriekabel () Schwarz 2
3. Kontrollieren:
Gummiteil a
Rissig/beschädigt Erneu-
ern.
2. Controllare:
Parte in gomma a
Lacerazioni/danni Sostituire.
CONTROLLO INTERRUTTORE DI
ACCENSIONE
1. Controllare:
Funzionamento interruttore di
accensione
Continuo quando si pone linterruttore di
accensione in posizione OFF Sosti-
tuire.
Non continuo quando si pone linterrut-
tore di accensione in posizione ON
Sostituire.
Tester (+) cavo Cavo rosso 1
Tester () cavo
Cavo marrone 2
R
1
Br
2
Posizione
del selettore
del tester
ON × 1
OFF
2. Controllare:
Spia interruttore di accensione
Utilizzare una batteria da 12 V.
La spia non si accende Sostituire.
Batteria (+) cavo
Cavo rosso/nero 1
Batteria () cavo Cavo nero 2
3. Controllare:
Parte in gomma a
Lacerazioni/danni Sostituire.
2. Comprobar:
Pieza de goma a
Rotura/daños Cambiar.
COMPROBACIÓN DEL
INTERRUPTOR PRINCIPAL
1. Comprobar:
Conducto del interruptor prin-
cipal
Continuo cuando se sitúa el interrup-
tor principal en OFF Cambiar.
No continuo cuando se sitúa el inte-
rruptor principal en ON Cambiar.
Comprobador (+) cable
Cable rojo 1
Comprobador () cable
Cable marrón 2
R
1
Br
2
Posición
del selector
del com-
probador
ON × 1
OFF
2. Comprobar:
Luz indicadora del interruptor
principal
Utilice una batería de 12 V.
La luz indicadora no se enciende
Cambiar.
Batería (+) cable
Cable rojo/negro 1
Batería () cable
Cable negro 2
3. Comprobar:
Pieza de goma a
Rotura/daños Cambiar.
ZÜNDSYSTEM
IMPIANTO DI ACCENSIONE
SISTEMA DE ENCENDIDO
7 - 15
+
ELEC
IGNITION SYSTEM
EC626002
IGNITION COIL INSPECTION
1. Remove the ignition coil cap.
2. Inspect:
Primary coil resistance
Out of specification
Replace.
Tester (+) lead Orange lead 1
Tester () lead Black lead 2
Primary coil
resistance
Tester
selector
position
0.08 ~ 0.10
at 20 °C (68 °F) × 1
3. Inspect:
Secondary coil resistance
Out of specification
Replace.
Tester (+) lead Orange lead 1
Tester () lead
Spark plug terminal 2
Secondary
coil resistance
Tester
selector
position
4.6 ~ 6.8 k at
20 °C (68 °F) k × 1
4. Inspect:
Sealed portion of ignition coil
a
Spark plug terminal pin b
Threaded portion of spark plug
c
Wear Replace.
CONTROLE DE LA BOBINE
DALLUMAGE
1. Déposer le capuchon de la bobine
dallumage.
2. Contrôler:
Résistance de lenroulement pri-
maire
Hors spécifications Rempla-
cer.
Fil (+) du multimètre
fil orange 1
Fil () du multimètre fil noir 2
Résistance de
lenroulement
primaire
Position du
sélecteur du
multimètre
0,08 à 0,10 à
20 °C (68 °F) × 1
3. Contrôler:
Résistance de lenroulement
secondaire
Hors spécifications Rempla-
cer.
Fil (+) du multimètre
fil orange 1
Fil () du multimètre
Borne de bougie 2
Résistance de
lenroulement
secondaire
Position du
sélecteur du
multimètre
4,6 à 6,8 k à
20 °C (68 °F) k × 1
4. Contrôler:
Partie scellée de la bobine dallu-
mage a
Broche de la borne de bougie b
Partie filetée de la bougie c
Usure Remplacer.
SYSTEME DALLUMAGE
7 - 16
+
ELEC
ZÜNDSPULE KONTROLLIEREN
1. Den Stecker von der Zündspule
abziehen.
2. Kontrollieren:
Primärwicklungs-Widerstand
Nicht nach Vorgabe Erneu-
ern.
Messkabel (+) Orange 1
Messkabel () Schwarz 2
Primärwick-
lungs Wider-
stand
Messgerät-
Wahlschal-
ter
0,080,10
bei 20 °C
(68 °F)
× 1
3. Kontrollieren:
Sekundärwicklungs-Wider-
stand
Nicht nach Vorgabe Erneu-
ern.
Messkabel (+) Orange 1
Messkabel ()
Zündkerzen-Kontakt 2
Sekundärwick-
lungs Wider-
stand
Messgerät-
Wahlschal-
ter
4,66,8 k bei
20 °C (68 °F) k × 1
4. Kontrollieren:
versiegelten Teil a der Zünd-
spule
Zündkerzen-Kontaktstift b
Gewindeteil c der Zündkerze
Verschlissen Erneuern.
CONTROLLO BOBINA DI
ACCENSIONE
1. Togliere il coperchio della bobina di
accensione.
2. Controllare:
Resistenza bobina primaria
Non conforme alle specifiche
Sostituire.
Tester (+) cavo
Cavo arancione 1
Tester () cavo Cavo nero 2
Resistenza
bobina primaria
Posizione
del selettore
del tester
0,08 ~ 0,10 a
20 °C (68 °F) × 1
3. Controllare:
Resistenza bobina secondaria
Non conforme alle specifiche
Sostituire.
Tester (+) cavo
Cavo arancione 1
Tester () cavo
Terminale candela di accensione 2
Resistenza
bobina
secondaria
Posizione
del selettore
del tester
4,6 ~ 6,8 k a
20 °C (68 °F) k × 1
4. Controllare:
Porzione sigillata della bobina di
accensione a
Spinotto del terminale candela di
accensione b
Porzione avvitata della candela di
accensione c
Usura Sostituire.
COMPROBACIÓN DE LA BOBINA
DE ENCENDIDO
1. Retire la tapa de la bobina de
encendido.
2. Comprobar:
Resistencia de la bobina pri-
maria
Fuera del valor especificado
Cambiar.
Comprobador (+) cable
Cable naranja 1
Comprobador () cable
Cable negro 2
Resistencia de
la bobina
primaria
Posición
del selector
del com-
probador
0,08 ~ 0,10 a
20 °C (68 °F) × 1
3. Comprobar:
Resistencia de la bobina
secundaria
Fuera del valor especificado
Cambiar.
Comprobador (+) cable
Cable naranja 1
Comprobador () cable
Terminal de la bujía 2
Resistencia de
la bobina
secundaria
Posición
del selector
del com-
probador
4,6 ~ 6,8 k a
20 °C (68 °F) k × 1
4. Comprobar:
Parte sellada da la bobina de
encendido a
Clavija del terminal de la bujía
b
Parte roscada de la bujía c
Desgaste Cambiar.
ZÜNDSYSTEM
IMPIANTO DI ACCENSIONE
SISTEMA DE ENCENDIDO
7 - 17
+
ELEC
IGNITION SYSTEM
AC MAGNETO INSPECTION
1. Inspect:
Pickup coil resistance
Out of specification
Replace.
Tester (+) lead Red lead 1
Tester () lead White lead 2
Pickup coil
resistance
Tester
selector
position
248 ~ 372 at
20 °C (68 °F) × 100
NEUTRAL SWITCH INSPECTION
1. Inspect:
Neutral switch conduct
No continuity while in neutral
Replace.
Continuity while in gear Replace.
Tester (+) lead
Sky blue lead 1
Tester () lead Ground 2
Sb
1
Ground
2
Tester
selector
position
NEUTRAL × 1
IN GEAR
EC628000
CDI UNIT INSPECTION
Check all electrical components. If
no fault is found, replace the CDI
unit. Then check the electrical com-
ponents again.
CONTROLE DE LALTERNATEUR
AVEC ROTOR A AIMENTATION
PERMANENTE
1. Contrôler:
Résistance de la bobine dexcita-
tion
Hors spécifications Remplacer.
Fil (+) du multimètre
fil rouge 1
Fil () du multimètre fil blanc 2
Résistance de la
bobine
dexcitation
Position du
sélecteur du
multimètre
248 à 372 à
20 °C (68 °F) × 100
CONTROLE DU CONTACTEUR DE
POINT MORT
1. Contrôler:
Continuité du contacteur de point
mort
Pas de continuité au point mort Rem-
placer.
Continuité en vitesse Remplacer.
Fil (+) du multimètre
fil bleu ciel 1
Fil () du multimètre terre 2
Sb
1
Terre
2
Position du
sélecteur
du multi-
mètre
POINT
MORT × 1
EN
VITESSE
CONTROLE DU BOITIER C.D.I.
Vérifier tous les composants électriques.
Si aucun défaut nest trouvé, remplacer
le boîtier CDI, puis vérifier à nouveau
les composants électriques.
SYSTEME DALLUMAGE
7 - 18
+
ELEC
LICHTMASCHINE
KONTROLLIEREN
1. Kontrollieren:
Impulsgeber-Widerstand
Nicht nach Vorgabe Erneu-
ern.
Messkabel (+) Rot 1
Messkabel () Weiß 2
Impulsgeber-
Widerstand
Messgerät-
Wahlschal-
ter
248372 bei
20 °C (68 °F) × 100
LEERLAUFSCHALTER
KONTROLLIEREN
1. Kontrollieren:
Leerlaufschalter-Durchgang
Kein Durchgang im Leerlauf
Erneuern.
Durchgang bei eingelegtem Gang
Erneuern.
Messkabel (+) Himmelblau 1
Messkabel () Masse 2
Sb
1
Masse
2
Messge-
rät Wahl-
schalter
Leerlauf × 1
Gang
ZÜNDBOX KONTROLLIEREN
Sämtliche elektrischen Bauteile kon-
trollieren. Falls in Ordnung, Zündbox
erneuern. Elektrischen Bauteile
erneut kontrollieren.
CONTROLLO MAGNETE AC
1. Controllare:
Resistenza della bobina pickup
Non conforme alle specifiche
Sostituire.
Tester (+) cavo Cavo rosso 1
Tester () cavo Cavo bianco 2
Resistenza della
bobina pickup
Posizione
del selettore
del tester
248 ~ 372 a
20 °C (68 °F) × 100
CONTROLLO INTERRUTTORE
FOLLE
1. Controllare:
Funzionamento interruttore di
folle
Nessuna continuità in folle Sostituire.
Continuità con la marcia ingranata
Sostituire.
Tester (+) cavo Cavo azzurro 1
Tester () cavo Terra 2
Sb
1
Terra
2
Posizione
del selet-
tore del
tester
FOLLE
× 1
CON LA
MARCIA
INGRA-
NATA
CONTROLLO UNITÀ CDI
Controllare tutti i componenti elettrici.
Se non si rilevano guasti, sostituire
lunità CDI. Quindi controllare nuova-
mente i componenti elettrici.
COMPROBACIÓN DE LA
MAGNETO CA
1. Comprobar:
Resistencia de la bobina cap-
tadora
Fuera del valor especificado
Cambiar.
COMPROBACIÓN DEL INTERRUP-
TOR DE LUZ DE PUNTO MUERTO
1. Comprobar:
Conducto del interruptor de luz
de punto muerto
No hay continuidad en punto muerto
Cambiar.
Hay continuidad con marcha puesta
Cambiar.
Comprobador (+) cable
Cable rojo 1
Comprobador () cable
Cable blanco 2
Resistencia de
la bobina
captadora
Posición
del selector
del com-
probador
248 ~ 372 a
20 °C (68 °F) × 100
Comprobador (+) cable
Cable azul celeste 1
Comprobador () cable
Masa 2
Sb
1
Masa
2
Posición
del selec-
tor del
compro-
bador
PUNTO
MUERTO × 1
MARCHA
PUESTA
COMPROBACIÓN DE LA UNIDAD
CDI
Compruebe todos los componentes
eléctricos. Si no encuentra ningún
fallo, cambie la unidad CDI. A conti-
nuación compruebe de nuevo los
componentes eléctricos.
ZÜNDSYSTEM
IMPIANTO DI ACCENSIONE
SISTEMA DE ENCENDIDO
7 - 19
+
ELEC
ELECTRIC STARTING SYSTEM
ELECTRIC STARTING
SYSTEM
STARTING CIRCUIT CUT-OFF
SYSTEM OPERATION
If the main switch is set to ON, the
starter motor can only operate if at
least one of the following conditions
is met:
The transmission is in neutral (the
neutral switch is closed).
The clutch lever is pulled to the
handlebar (the clutch switch is
closed).
The starting circuit cut-off relay pre-
vents the starter motor from operat-
ing when neither of these conditions
has been met. In this instance, the
starting circuit cut-off relay is open so
current cannot reach the starter
motor. When at least one of the
above conditions has been met the
starting circuit cut-off relay is closed
and the engine can be started by
pressing the start switch.
WHEN THE TRANS-
MISSION IS IN NEU-
TRAL
WHEN THE CLUTCH
LEVER IS PULLED
TO THE HANDLEBAR
1Battery
2Main fuse
3Main switch
4Starting circuit cut-off relay
5Start switch
6Diode
7Clutch switch
8Neutral switch
9Starter relay
0Starter motor
1
2
M
3
4
5
87
6
9
0
DEMARRAGE
ELECTRIQUE
FONCTIONNEMENT DU
DISPOSITIF DE COUPURE DU
CIRCUIT DE DEMARRAGE
Si le contacteur à clé est sur ON, le
démarreur ne peut fonctionner que si
lune au moins des conditions suivantes
est remplie:
la boîte de vitesses est au point mort
(le circuit du contacteur de point mort
est fermé).
le levier dembrayage est tiré vers le
guidon (le contacteur dembrayage est
fermé).
Le relais de coupe-circuit de démarrage
empêche le démarreur de fonctionner
lorsque aucune des deux conditions nest
remplie. Dans ce cas, le relais de coupe-
circuit de démarrage est ouvert, de sorte
que le courant ne peut atteindre le
démarreur. Lorsquune au moins des
conditions ci-dessus est remplie, le relais
de coupe-circuit de démarrage est fermé
et le moteur peut être démarré à laide du
contacteur du démarreur.
LORSQUE LA BOITE
DE VITESSE EST AU
POINT MORT
LORSQUE LE LEVIER
DEMBRAYAGE EST
TIRE VERS LE GUI-
DON
1Batterie
2Fusible principal
3Contacteur à clé
4Relais de coupe-circuit de démarrage
5Contacteur du démarreur
6Diode
7Contacteur dembrayage
8Contacteur de point mort
9Relais de démarreur
0Démarreur
DEMARRAGE ELECTRIQUE
7 - 20
+
ELEC
E-STARTER
FUNKTION DES
ANLASSSPERRSYSTEMS
Wenn der Zündschalter eingeschal-
tet ist, arbeitet der Starter nur, wenn
eine der folgenden Bedingungen
erfüllt ist:
Das Getriebe befindet sich in der
Leerlaufstellung (d. h. der Leerlauf-
schalter ist geschlossen).
Der Kupplungshebel ist gezogen
(d. h. der Kupplungsschalter ist
geschlossen).
Ist keine der genannten Bedingun-
gen erfüllt, verhindert das Relais der
Anlasssperre die Betätigung des
Startermotors. In diesem Fall ist das
Relais der Anlasssperre geöffnet und
unterbricht den Stromkreis zum Star-
termotor. Ist eine der obigen Bedin-
gungen erfüllt, ist das
Anlasssperrelais geschlossen und
lässt der Motor sich mit dem E-Star-
ter starten.
GETRIEBE IN LEER-
LAUFSTELLUNG
KUPPPLUNGSHE-
BEL GEZOGEN
1Batterie
2Hauptsicherung
3Zündschalter
4Anlasssperrelais
5Starterschalter
6Diode
7Kupplungsschalter
8Leerlaufschalter
9Starter-Relais
0Startermotor
IMPIANTO DI
AVVIAMENTO
ELETTRICO
FUNZIONAMENTO DEL SISTEMA
DI INTERRUZIONE DEL
CIRCUITO DI AVVIAMENTO
Se linterruttore di accensione si trova in
posizione ON, il motorino di avvia-
mento funziona solo se si verifica
almeno una delle seguenti condizioni:
Il cambio è in folle (linterruttore di
folle è chiuso).
La leva della frizione è tirata verso il
manubrio (linterruttore della frizione
è chiuso).
Il relè di interruzione del circuito di
avviamento impedisce il funzionamento
del motorino di avviamento se nessuna
di queste condizioni è soddisfatta. In
questo caso il relè di interruzione del cir-
cuito di avviamento è aperto, per cui la
corrente non può arrivare al motorino di
avviamento. Se almeno una delle condi-
zioni di cui sopra è soddisfatta, il relè di
interruzione del circuito di avviamento si
chiude ed è possibile avviare il motore
premendo linterruttore di avviamento.
QUANDO IL CAMBIO
È IN FOLLE
QUANDO LA LEVA
DELLA FRIZIONE È
TIRATA VERSO IL
MANUBRIO
1Batteria
2Fusibile principale
3Interruttore di accensione
4Relè di interruzione del circuito di
avviamento
5Interruttore dellavviamento
6Diodo
7Interruttore della frizione
8Interruttore folle
9Relè del motorino di avviamento
0Motorino davviamento
SISTEMA DE ARRANQUE
ELÉCTRICO
FUNCIONAMIENTO DEL SISTEMA
DE CORTE DEL CIRCUITO DE
ARRANQUE
Si el interruptor principal está en
ON, el motor de arranque sólo se
puede accionar si se cumple al
menos una de las condiciones
siguientes:
La caja de cambios está en punto
muerto (el interruptor de luz de
punto muerto está cerrado).
Se presiona la maneta de embra-
gue hasta el manillar (interruptor
de embrague cerrado).
El relé de corte del circuito de arran-
que evita que el motor de arranque
funcione cuando no se cumple nin-
guna de estas condiciones. En ese
caso, el relé de corte del circuito de
arranque está abierto, de modo que
la corriente no puede llegar al motor
de arranque. Cuando se cumple al
menos una de las condiciones indi-
cadas, el relé de corte del circuito de
arranque se cierra y el motor se
puede poner en marcha pulsando el
interruptor de arranque.
CUANDO LA TRANS-
MISIÓN ESTÁ EN
PUNTO MUERTO
CUANDO SE PRE-
SIONA LA MANETA
DE EMBRAGUE
HASTA EL MANILLAR
1Batería
2Fusible principal
3Interruptor principal
4Relé de corte del circuito de arranque
5Interruptor de arranque
6Diodo
7Interruptor del embrague
8Interruptor de luz de punto muerto
9Relé de arranque
0Motor de arranque
E-STARTER
IMPIANTO DI AVVIAMENTO ELETTRICO
SISTEMA DE ARRANQUE ELÉCTRICO
7 - 21
+
ELEC
ELECTRIC STARTING SYSTEM
INSPECTION STEPS
If the starter motor will not operate, use the following inspection steps.
*1 marked: Refer to FUSE INSPECTION section in the CHAPTER 3.
*2 marked: Refer to BATTERY INSPECTION AND CHARGING section in the CHAPTER 3.
*3 marked: Refer to MAIN SWITCH INSPECTION section.
*4 marked: Refer to NEUTRAL SWITCH INSPECTION section.
NOTE:
Remove the following parts before inspection.
1) Seat
2) Rear fender
Use 12 V battery in this inspection.
Use the following special tools in this inspection.
*1 Check fuse. Replace fuse and check
wire harness.
*2 Check battery. Recharge or replace.
Check each coupler and wire
connection. Repair or replace.
*3 Check main switch. Replace.
Check starter motor operation. Repair or replace.
Check starting circuit cut-off relay. Replace.
Check starter relay. Replace.
*4 Check neutral switch. Replace.
Check clutch switch. Replace.
Check diode. Replace.
Check start switch. Replace.
Pocket tester:
YU-3112-C/
90890-03112
No good
OK
No good
OK
No good
OK
No good
OK
No good
OK
No good
OK
No good
OK
No good
OK
No good
OK
No good
OK
No good
7 - 22
+
ELEC
ETAPES DU CONTROLE
Si le démarreur ne fonctionne pas, effectuer les contrôles suivants.
*1: Se reporter à la section CONTROLE DES FUSIBLES au CHAPITRE 3.
*2: Se reporter à la section CONTROLE ET CHARGE DE LA BATTERIE au CHAPITRE 3.
*3: Se reporter à la section CONTROLE DU CONTACTEUR A CLE.
*4: Se reporter à la section CONTROLE DU CONTACTEUR DE POINT MORT.
N.B.:
Déposer les pièces suivantes avant le contrôle.
1) Selle
2) Garde-boue arrière
Utiliser une batterie 12 V pour ce contrôle.
Utiliser les outils spéciaux suivants pendant le contrôle.
*1 Contrôler le fusible. Remplacer le fusible et
contrôler le faisceau de fils.
*2 Contrôler la batterie. Recharger ou remplacer.
Contrôler toutes les connexions des
fiches rapides et des fils. Réparer ou remplacer.
*3 Contrôler le contacteur à clé. Remplacer.
Contrôler le fonctionnement du
démarreur. Réparer ou remplacer.
Contrôler le relais de coupe-circuit de
démarrage. Remplacer.
Contrôler le relais de démarreur. Remplacer.
*4 Contrôler le contacteur de point
mort. Remplacer.
Contrôler le contacteur dembrayage. Remplacer.
Contrôler la diode. Remplacer.
Contrôler le contacteur du démarreur. Remplacer.
Multimètre:
YU-3112-C/
90890-03112
Problème
OK
Problème
OK
Problème
OK
Problème
OK
Problème
OK
Problème
OK
Problème
OK
Problème
OK
Problème
OK
Problème
OK
Problème
DEMARRAGE ELECTRIQUE
7 - 23
+
ELEC
KONTROLLE
Folgende Prüfschritte dienen zur Diagnose des Starters, wenn dieser nicht dreht.
*1: Siehe unter SICHERUNG KONTROLLIEREN in KAPITEL 3.
*2: Siehe unter BATTERIE KONTROLLIEREN UND LADEN in KAPITEL 3.
*3: Siehe unter ZÜNDSCHALTER KONTROLLIEREN.
*4: Siehe unter LEERLAUFSCHALTER KONTROLLIEREN.
HINWEIS:
Vor der Kontrolle folgende Bauteile demontieren.
1) Sitzbank
2) Hinterradabdeckung
12-V-Batterie verwenden.
Folgendes Spezialwerkzeug für die Kontrolle verwenden.
*1 Sicherung kontrollieren. Sicherung erneuern und
Kabelbaum kontrollieren.
*2 Batterie kontrollieren. Laden, ggf. erneuern.
Sämtliche Steckverbinder- und
Kabelanschlüsse kontrollieren.
Instand setzen, ggf.
erneuern.
*3 Zündschalter kontrollieren. Erneuern.
Starterbetrieb kontrollieren. Instand setzen, ggf.
erneuern.
Anlasssperrelais kontrollieren. Erneuern.
Starter-Relais kontrollieren. Erneuern.
*4 Leerlaufschalter kontrollieren. Erneuern.
Kupplungsschalter kontrollieren. Erneuern.
Diode kontrollieren. Erneuern.
Starterschalter kontrollieren. Erneuern.
Taschen-Multimeter:
YU-3112-C/
90890-03112
Nicht in Ordnung
In Ordnung
Nicht in Ordnung
In Ordnung
Nicht in Ordnung
In Ordnung
Nicht in Ordnung
In Ordnung
Nicht in Ordnung
In Ordnung
Nicht in Ordnung
In Ordnung
Nicht in Ordnung
In Ordnung
Nicht in Ordnung
In Ordnung
Nicht in Ordnung
In Ordnung
Nicht in Ordnung
In Ordnung
Nicht in Ordnung
E-STARTER
7 - 24
+
ELEC
OPERAZIONI PER IL CONTROLLO
Se il motorino di avviamento non funziona, eseguire le seguenti operazioni per il controllo.
*1: Fare riferimento al paragrafo CONTROLLO DEI FUSIBILI nel CAPITOLO 3.
*2: Fare riferimento al paragrafo CONTROLLO E CARICA DELLA BATTERIA nel CAPITOLO 3.
*3: Fare riferimento al paragrafo CONTROLLO INTERRUTTORE DI ACCENSIONE.
*4: Fare riferimento al paragrafo CONTROLLO INTERRUTTORE FOLLE.
NOTA:
Togliere i seguenti componenti prima del controllo.
1) Sella
2) Parafango posteriore
Per questo controllo, utilizzare una batteria da 12 V.
Per questo controllo, utilizzare i seguenti attrezzi speciali.
*1 Controllare il fusibile.
Sostituire il fusibile e
controllare il cablaggio
elettrico.
*2 Controllare la batteria. Ricaricare o sostituire.
Controllare ogni accoppiatore e i
collegamenti dei cavi elettrici. Riparare o sostituire.
*3 Controllare linterruttore di
accensione. Sostituire.
Controllare il funzionamento del
motorino di avviamento. Riparare o sostituire.
Controllare il relè di interruzione del
circuito di avviamento. Sostituire.
Controllare il relè del motorino di
avviamento. Sostituire.
*4 Controllare linterruttore folle. Sostituire.
Controllare linterruttore della
frizione. Sostituire.
Controllare il diodo. Sostituire.
Controllare linterruttore
dellavviamento. Sostituire.
Tester tascabile:
YU-3112-C/
90890-03112
In cattivo stato
OK
In cattivo stato
OK
In cattivo stato
OK
In cattivo stato
OK
In cattivo stato
OK
In cattivo stato
OK
In cattivo stato
OK
In cattivo stato
OK
In cattivo stato
OK
In cattivo stato
OK
In cattivo stato
IMPIANTO DI AVVIAMENTO ELETTRICO
7 - 25
+
ELEC
PROCEDIMIENTO DE REVISIÓN
Si el motor de arranque no funciona utilice el procedimiento de comprobación siguiente.
*1 marcado: Consulte el apartado COMPROBACIÓN DE LOS FUSIBLES del CAPÍTULO 3.
*2 marcado: Consulte el apartado COMPROBACIÓN Y CARGA DE LA BATERÍA del CAPÍTULO 3.
*3 marcado: Consulte el apartado COMPROBACIÓN DEL INTERRUPTOR PRINCIPAL.
*4 marcado: Consulte el apartado COMPROBACIÓN DEL INTERRUPTOR DE LUZ DE PUNTO MUERTO.
NOTA:
Desmontar las piezas siguientes antes de proceder a la revisión.
1) Sillín
2) Guardabarros trasero
Utilice una batería de 12 V en esta comprobación.
Utilice las herramientas especiales siguientes en esta revisión.
*1 Comprobar fusible.
Cambiar el fusible y
comprobar el mazo de
cables.
*2 Comprobar batería. Recargar o cambiar.
Comprobar las conexiones de
todos los acopladores y cables. Reparar o cambiar.
*3 Comprobar el interruptor
principal. Cambiar.
Comprobar el funcionamiento del
motor de arranque. Reparar o cambiar.
Comprobar el relé de corte del
circuito de arranque averiado Cambiar.
Comprobar el relé de arranque Cambiar.
*4 Comprobar el interruptor de luz
de punto muerto. Cambiar.
Comprobar el interruptor del
embrague. Cambiar.
Comprobar el diodo. Cambiar.
Comprobar el interruptor de
arranque. Cambiar.
Comprobador de
bolsillo:
YU-3112-C/
90890-03112
Incorrecto
Correcto
Incorrecto
Correcto
Incorrecto
Correcto
Incorrecto
Correcto
Incorrecto
Correcto
Incorrecto
Correcto
Incorrecto
Correcto
Incorrecto
Correcto
Incorrecto
Correcto
Incorrecto
Correcto
Incorrecto
SISTEMA DE ARRANQUE ELÉCTRICO
7 - 26
+
ELEC
MEMO
7 - 27
+
ELEC
ELECTRIC STARTING SYSTEM
EC624000
COUPLERS AND LEADS
CONNECTION INSPECTION
1. Check:
Couplers and leads connec-
tion
Rust/dust/looseness/short-cir-
cuit Repair or replace.
STARTER MOTOR OPERATION
1. Connect the positive battery ter-
minal 1 and starter motor lead
2 with a jumper lead 3.
Not operate Repair or replace
the starter motor.
WARNING
A wire that is used as a jumper
lead must have at least the same
capacity or more as that of the
battery lead, otherwise the
jumper lead may burn.
This check is likely to produce
sparks, therefore make sure
nothing flammable is in the
vicinity.
STARTING CIRCUIT CUT-OFF
RELAY INSPECTION
1. Remove:
Starting circuit cut-off relay
2. Inspect:
Starting circuit cut-off relay
conduct
Use 12 V battery.
Battery (+) lead
Blue/Black lead 1
Battery () lead Brown lead 2
Tester (+) lead
Blue/White lead 3
Tester () lead Black lead 4
L/W
3
B
4
Tester
selector
position
Connected
to battery
× 1
Not
connected
to battery
2
4
3
1
CONTROLE DES CONNEXIONS
DES FICHES RAPIDES ET DES
FILS
1. Contrôler:
Connexion des fiches rapides et
des fils
Rouille/poussière/jeu/court-cir-
cuit Réparer ou remplacer.
FONCTIONNEMENT DU
DEMARREUR
1. Raccorder la borne positive de la
batterie 1 et le fil du démarreur 2
à laide dun cavalier 3.
Ne fonctionne pas Réparer ou
remplacer le démarreur.
AVERTISSEMENT
Un cavalier doit avoir au moins la
même capacité quun câble de bat-
terie sinon il risque de brûler.
Ce contrôle est susceptible de pro-
duire des étincelles. Il convient donc
d’éloigner tout produit inflamma-
ble.
CONTROLE DU RELAIS DE
COUPE-CIRCUIT DE DEMARRAGE
1. Déposer:
Relais de coupe-circuit de démarrage
2. Contrôler:
Continuité du relais de coupe-cir-
cuit de démarrage
Utiliser une batterie 12 V.
Câble (+) de la batterie
fil bleu/noir 1
Câble () de la batterie
fil brun 2
Fil (+) du multimètre
fil bleu/blanc 3
Fil () du multimètre fil noir 4
L/W
3
B
4
Position du
sélecteur du
multimètre
Raccordé à
la batterie
× 1
Non
raccordé à
la batterie
DEMARRAGE ELECTRIQUE
7 - 28
+
ELEC
STECKVERBINDER- UND
KABELANSCHLÜSSE
KONTROLLIEREN
1. Kontrollieren:
Steckverbinder- und Kabelan-
schlüsse
Rostig/staubig/locker/kurzge-
schlossen Instand setzen,
ggf. erneuern.
STARTERMOTOR-BETRIEB
1. Den Batterie-Pluspol 1 und das
Starter-Kabel 2 mit einem Über-
brückungskabel 3 verbinden.
Dreht nicht. Startermotor
instand setzen, ggf. erneuern.
WARNUNG
Der Querschnitt des Überbrük-
kungskabels muss mindestens
so groß wie der des Batterieka-
bels sein; anderenfalls besteht
Brandgefahr.
Wegen möglicher Funkenbil-
dung darf diese Kontrolle nicht
in der Nähe von entzündlichen
Gasen oder Flüssigkeiten erfol-
gen.
ANLASSSPERRELAIS
KONTROLLIEREN
1. Demontieren:
Anlasssperrelais
2. Kontrollieren:
Anlasssperrelais-Durchgang
12-V-Batterie verwenden.
Batteriekabel (+)
Blau/Schwarz 1
Batteriekabel () Braun 2
Messkabel (+) Blau/Weiß 3
Messkabel () Schwarz 4
L/W
3
B
4
Messgerät-
Wahl-
schalter
An Batte-
rie ange-
schlossen
× 1
Nicht an
Batterie
ange-
schlossen
CONTROLLO COLLEGAMENTI
ACCOPPIATORI E CAVI
1. Controllare:
Collegamenti accoppiatori e cavi
Ruggine/polvere/lentezza/corto-
circuito Riparare o sostituire.
FUNZIONAMENTO MOTORINO
DI AVVIAMENTO
1. Collegare il terminale positivo della
batteria 1 e il cavo del motorino di
avviamento 2 con un cavo per
avviamento batteria 3.
Non si avvia Riparare o sostituire
il motorino di avviamento.
AVVERTENZA
Il filo elettrico utilizzato come cavo
per avviamento batteria deve avere
una capacità equivalente o supe-
riore a quella del cavo della batte-
ria, altrimenti potrebbe bruciarsi.
Questo controllo può produrre scin-
tille, quindi accertare che non ci
siano sostanze infiammabili nelle
vicinanze.
CONTROLLO DEL RELÈ DI
INTERRUZIONE DEL CIRCUITO
DI AVVIAMENTO
1. Togliere:
Relè di interruzione del circuito
di avviamento
2. Controllare:
Funzionamento relè di interru-
zione del circuito di avviamento
Utilizzare una batteria da 12 V.
Batteria (+) cavo
Cavo blu/nero 1
Batteria () cavo
Cavo marrone 2
Tester (+) cavo
Cavo blu/bianco 3
Tester () cavo Cavo nero 4
L/W
3
B
4
Posizione
del selettore
del tester
Collegato
alla batteria
× 1
Non
collegato
alla batteria
COMPROBACIÓN DE LA
CONEXIÓN DE ACOPLADORES Y
CABLES
1. Comprobar:
Conexión de acopladores y
cables
Óxido/staub/flojas/cortocir-
cuito Reparar o cambiar.
FUNCIONAMIENTO DEL MOTOR
DE ARRANQUE
1. Conecte el terminal positivo de
la batería 1 y el cable del motor
de arranque 2 con un puente
3.
No funciona Repare o cambie
el motor de arranque.
ADVERTENCIA
El cable que se utilice como
puente debe tener la misma o
superior capacidad que el cable
de la batería; de lo contrario, el
puente se puede quemar.
Durante esta prueba es probable
que se produzcan chispas; por
lo tanto, compruebe que no
haya nada inflamable en las
proximidades.
COMPROBACIÓN DEL RELÉ DE
CORTE DEL CIRCUITO DE
ARRANQUE
1. Extraer:
Relé de corte del circuito de
arranque
2. Comprobar:
Conducto del relé de corte del
circuito de arranque
Utilice una batería de 12 V.
Batería (+) cable
Cable azul/negro 1
Batería () cable
Cable marrón 2
Comprobador (+) cable
Cable azul/blanco 3
Comprobador () cable
Cable negro 4
L/W
3
B
4
Posición
del selector
del com-
probador
Conectado
a la batería
× 1
No
conectado
a la batería
E-STARTER
IMPIANTO DI AVVIAMENTO ELETTRICO
SISTEMA DE ARRANQUE ELÉCTRICO
7 - 29
+
ELEC
ELECTRIC STARTING SYSTEM
STARTER RELAY INSPECTION
1. Remove:
Starter relay
2. Inspect:
Starter relay conduct
Use 12 V battery.
Continuous while not connected to
the battery Replace.
Not continuous while connected to
the battery Replace.
Battery (+) lead
Starter relay terminal 1
Battery () lead
Starter relay terminal 2
Tester (+) lead
Starter relay terminal 3
Tester () lead
Starter relay terminal 4
Ter-
minal
3
Ter-
minal
4
Tester
selector
position
Connected
to battery
× 1
Not
connected
to battery
CLUTCH SWITCH INSPECTION
1. Inspect:
Clutch switch continuity
No continuous while being pulled
Replace.
Continuous while being freed
Replace.
Tester (+) lead Black lead 1
Tester () lead Black lead 2
B
1
B
2
Tester
selector
position
PULL × 1
FREE
CONTROLE DU RELAIS DE
DEMARREUR
1. Déposer:
Relais de démarreur
2. Contrôler:
Continuité du relais de démarreur
Utiliser une batterie 12 V.
Continuité lorsque non connecté à la bat-
terie Remplacer.
Non continuité lorsque connecté à la bat-
terie Remplacer.
Câble (+) de la batterie
Borne de relais de démarreur 1
Câble () de la batterie
Borne de relais de démarreur 2
Fil (+) du multimètre
Borne de relais de démarreur 3
Fil () du multimètre
Borne de relais de démarreur 4
Borne
3
Borne
4
Position
du sélec-
teur du
multimè-
tre
Raccordé à
la batterie
× 1
Non
raccordé à
la batterie
CONTROLE DU CONTACTEUR
DEMBRAYAGE
1. Contrôler:
Continuité du contacteur
dembrayage
Pas de continuité lorsque tiré Rempla-
cer.
Continuité lorsque relâché Rempla-
cer.
Fil (+) du multimètre fil noir 1
Fil (-) du multimètre fil noir 2
B
1
B
2
Position du
sélecteur du
multimètre
TIRE × 1
RELACHE
DEMARRAGE ELECTRIQUE
7 - 30
+
ELEC
STARTER-RELAIS
KONTROLLIEREN
1. Demontieren:
Starter-Relais
2. Kontrollieren:
Starter-Relais-Durchgang
12-V-Batterie verwenden.
Durchgang, wenn nicht an der Batte-
rie angeschlossen Erneuern.
Kein Durchgang, wenn an der Batte-
rie angeschlossen Erneuern.
Batteriekabel (+)
Starter-Relaiskontakt 1
Batteriekabel ()
Starter-Relaiskontakt 2
Messkabel (+)
Starter-Relaiskontakt 3
Messkabel ()
Starter-Relaiskontakt 4
Kon-
takt
3
Kon-
takt
4
Mess-
gerät-
Wahl-
schalter
An Batte-
rie ange-
schlossen
× 1
Nicht an
Batterie
ange-
schlossen
KUPPLUNGSSCHALTER
KONTROLLIEREN
1. Kontrollieren:
Kupplungsschalter-Durchgang
Kein Durchgang, wenn betätigt
Erneuern.
Durchgang, wenn freigegeben
Erneuern.
Messkabel (+) Schwarz 1
Messkabel () Schwarz 2
B
1
B
2
Messge-
rät-Wahl-
schalter
BETÄTIGEN × 1
FREIGEBEN
CONTROLLO RELÈ DEL
MOTORINO DI AVVIAMENTO
1. Togliere:
Relè del motorino di avviamento
2. Controllare:
Funzionamento relè del motorino
di avviamento
Utilizzare una batteria da 12 V.
Continuo durante il collegamento alla
batteria Sostituire.
Non continuo durante il collegamento
alla batteria Sostituire.
Batteria (+) cavo Terminale del
relè del motorino di avviamento 1
Batteria () cavo Terminale del
relè del motorino di avviamento 2
Tester (+) cavo Terminale del
relè del motorino di avviamento 3
Tester () cavo Terminale del
relè del motorino di avviamento 4
Ter-
minale
3
Ter-
minale
4
Posi-
zione del
selettore
del tester
Collegato
alla batteria
× 1
Non
collegato
alla batteria
CONTROLLO INTERRUTTORE
DELLA FRIZIONE
1. Controllare:
Continuità interruttore della fri-
zione
Nessuna continuità quando è tirato
Sostituire.
Continuità quando non è tirato Sosti-
tuire.
Tester (+) cavo Cavo nero 1
Tester () cavo Cavo nero 2
B
1
B
2
Posizione
del selettore
del tester
TIRATO × 1
LIBERO
COMPROBACIÓN DEL RELÉ DE
ARRANQUE
1. Extraer:
Relé de arranque
2. Comprobar:
Conducto del relé de arranque
Utilice una batería de 12 V.
Continuidad cuando no está conec-
tado a la batería Cambiar.
No hay continuidad cuando está
conectado a la batería Cambiar.
Batería (+) cable Terminal del
relé de arranque 1
Batería () cable Terminal del
relé de arranque 2
Comprobador (+) cable
Terminal del relé de arranque 3
Comprobador () cable
Terminal del relé de arranque 4
Ter-
minal
3
Ter-
minal
4
Posi-
ción del
selector
del com-
proba-
dor
Conectado
a la batería
× 1
No
conectado
a la batería
COMPROBACIÓN DEL
INTERRUPTOR DEL EMBRAGUE
1. Comprobar:
Continuidad del interruptor del
embrague
No hay continuidad cuando se tira
Cambiar.
Hay continuidad cuando se suelta
Cambiar.
Comprobador (+) cable
Cable negro 1
Comprobador () cable
Cable negro 2
B
1
B
2
Posición
del selector
del com-
probador
TIRAR × 1
SOLTAR
E-STARTER
IMPIANTO DI AVVIAMENTO ELETTRICO
SISTEMA DE ARRANQUE ELÉCTRICO
7 - 31
+
ELEC
ELECTRIC STARTING SYSTEM
DIODE INSPECTION
1. Remove the diode from wire har-
ness.
2. Inspect:
Diode continuity
Use pocket tester
(tester selection position × 1)
Incorrect continuity Replace.
Tester (+)
Blue/Red terminal 1
Tester ()
Sky blue terminal 2
Contin-
uous
Tester (+)
Blue/Red terminal 1
Tester ()
Blue/Yellow terminal 3
Contin-
uous
Tester (+)
Sky blue terminal 2
Tester ()
Blue/Red terminal 1
No con-
tinuous
Tester (+)
Blue/Yellow terminal 3
Tester ()
Blue/Red terminal 1
No con-
tinuous
START SWITCH INSPECTION
1. Inspect:
Start switch continuity
No continuous while being pushed
Replace.
Continuous while being freed
Replace.
Tester (+) lead Black lead 1
Tester () lead Black lead 2
B
1
B
2
Tester
selector
position
PUSH IN × 1
FREE
2. Inspect:
Rubber part a
Tears/damage Replace.
a
CONTROLE DE LA DIODE
1. Déposer la diode du faisceau de fils.
2. Contrôler:
Continuité de la diode
Utiliser un multimètre
(position du sélecteur du multi-
mètre × 1)
Continuité incorrecte Remplacer.
Multimètre (+)
borne bleu/rouge 1
Multimètre ()
borne bleu ciel 2
Conti-
nuité
Multimètre (+)
borne bleu/rouge 1
Multimètre ()
borne bleu/jaune 3
Conti-
nuité
Multimètre (+)
borne bleu ciel 2
Multimètre ()
borne bleu/rouge 1
Pas de
conti-
nuité
Multimètre (+)
borne bleu/jaune 3
Multimètre ()
borne bleu/rouge 1
Pas de
conti-
nuité
CONTROLE DU CONTACTEUR DU
DEMARREUR
1. Contrôler:
Continuité du contacteur du
démarreur
Pas de continuité lorsque enfoncé
Remplacer.
Continuité lorsque relâché Rempla-
cer.
Fil (+) du multimètre fil noir 1
Fil () du multimètre fil noir 2
B
1
B
2
Position du
sélecteur
du multi-
mètre
ENFONCE × 1
RELACHE
2. Contrôler:
Pièce en caoutchouc a
Déchirures/endommagement
Remplacer.
DEMARRAGE ELECTRIQUE
7 - 32
+
ELEC
DIODE KONTROLLIEREN
1. Die Diode vom Kabelbaum lösen.
2. Kontrollieren:
Dioden-Durchgang
Taschen-Multimeter verwen-
den.
(Messgerät-Wahlschalter auf
Ω×1)
Durchgang fehlerhaft Erneuern.
STARTERSCHALTER
KONTROLLIEREN
1. Kontrollieren:
Starterschalter-Durchgang
Kein Durchgang, wenn gedrückt.
Erneuern.
Durchgang, wenn freigegeben
Erneuern.
Prüfgerät (+)
Kontakt Blau/Rot 1
Prüfgerät ()
Kontakt Himmelblau
2
Durch-
gang
Prüfgerät (+)
Kontakt Blau/Rot 1
Prüfgerät ()
Kontakt Blau/Gelb 3
Durch-
gang
Prüfgerät (+)
Kontakt Himmelblau
2
Prüfgerät ()
Kontakt Blau/Rot 1
Kein
Durch-
gang
Prüfgerät (+)
Kontakt Blau/Gelb 3
Prüfgerät ()
Kontakt Blau/Rot 1
Kein
Durch-
gang
Messkabel (+) Schwarz 1
Messkabel () Schwarz 2
B
1
B
2
Messge-
rät-Wahl-
schalter
EINDRÜCKEN
× 1
FREIGEBEN
2. Kontrollieren:
Gummiteil a
Rissig/beschädigt Erneu-
ern.
CONTROLLO DIODO
1. Togliere il diodo dal cablaggio elet-
trico.
2. Controllare:
Continuità del diodo
Utilizzare un tester tascabile
(posizione della selezione del
tester × 1)
Continuità errata Sostituire.
Tester (+)
Terminale blu/rosso 1
Tester ()
Terminale azzurro 2
Continuo
Tester (+)
Terminale blu/rosso 1
Tester ()
Terminale blu/giallo 3
Continuo
Tester (+)
Terminale azzurro 2
Tester ()
Terminale blu/rosso 1
Non con-
tinuo
Tester (+)
Terminale blu/giallo 3
Tester ()
Terminale blu/rosso 1
Non con-
tinuo
CONTROLLO INTERRUTTORE
DELLAVVIAMENTO
1. Controllare:
Continuità interruttore dellavvia-
mento
Nessuna continuità durante la pressione
Sostituire.
Continuità quando non è premuto
Sostituire.
Tester (+) cavo Cavo nero 1
Tester () cavo Cavo nero 2
B
1
B
2
Posizione
del selet-
tore del
tester
PREMUTO × 1
LIBERO
2. Controllare:
Parte in gomma a
Lacerazioni/danni Sostituire.
COMPROBACIÓN DEL DIODO
1. Extraiga el diodo del mazo de
cables.
2. Comprobar:
Continuidad del diodo
Utilice un comprobador de bol-
sillo
(posición del selector del com-
probador × 1)
Continuidad incorrecta Cambiar.
COMPROBACIÓN DEL
INTERRUPTOR DE ARRANQUE
1. Comprobar:
Continuidad del interruptor de
arranque
No hay continuidad cuando se pulsa
Cambiar.
Hay continuidad cuando se suelta
Cambiar.
Comprobador (+)
Terminal azul/rojo 1
Comprobador ()
Terminal azul celeste 2
Conti-
nuidad
Comprobador (+)
Terminal azul/rojo 1
Comprobador ()
Terminal azul/amarillo 3
Conti-
nuidad
Comprobador (+)
Terminal azul celeste 2
Comprobador ()
Terminal azul/rojo 1
No hay
conti-
nuidad
Comprobador (+)
Terminal azul/amarillo 3
Comprobador ()
Terminal azul/rojo 1
No hay
conti-
nuidad
Comprobador (+) cable
Cable negro 1
Comprobador () cable
Cable negro 2
B
1
B
2
Posición
del selec-
tor del
compro-
bador
EMPUJAR × 1
SOLTAR
2. Comprobar:
Pieza de goma a
Rotura/daños Cambiar.
E-STARTER
IMPIANTO DI AVVIAMENTO ELETTRICO
SISTEMA DE ARRANQUE ELÉCTRICO
7 - 33
+
ELEC
ELECTRIC STARTING SYSTEM
STARTER MOTOR
78
7
8
4
5
3
2
1
New
B
New
New
1
3
6
Extent of removal: 1 Starter motor disassembly
Extent of removal Order Part name Qty Remarks
STARTER MOTOR REMOVAL
Preparation for removal Exhaust pipe Refer to EXHAUST PIPE AND SILENCER section
in the CHAPTER 3.
1 Starter motor 1
STARTER MOTOR DISASSEMBLY
1 Starter motor front cover 1
2 Washer (starter motor front cover) 1
3 Gasket 2
4 Starter motor yoke 1
5 Armature assembly 1
6 Starter motor rear cover 1
7 Brush 2
8 Brush spring 2
1
7 - 34
+
ELEC
DEMARREUR
Organisation de la dépose: 1 Démontage du démarreur
Organisation de la dépose Ordre Nom de la pièce QtéRemarques
DEPOSE DU DEMARREUR
Préparation à la dépose Tube d’échappement Se reporter à la section TUBE DECHAPPEMENT ET
SILENCIEUX au CHAPITRE 3.
1Démarreur 1
DEMONTAGE DU DEMARREUR
1 Couvercle avant du démarreur 1
2 Rondelle (couvercle avant du démarreur) 1
3 Joint 2
4 Carcasse du démarreur 1
5 Ensemble dinduit 1
6 Couvercle arrière du démarreur 1
7 Balai 2
8 Ressort de balai 2
1
STARTERMOTOR
Arbeitsumfang: 1 Startermotor zerlegen
Arbeitsumfang Reihenfolge Bauteil Anz. Bemerkungen
STARTERMOTOR DEMONTIEREN
Vorbereitungsarbeiten Auspuffkrümmer Siehe unter AUSPUFFKRÜMMER UND
SCHALLDÄMPFER in KAPITEL 3.
1 Startermotor 1
STARTERMOTOR ZERLEGEN
1 Antriebslagerschild 1
2 Beilagscheibe (Antriebslagerschild) 1
3 Dichtung 2
4 Polgehäuse 1
5 Anker 1
6 Kollektorlagerschild 1
7 Kohlebürste 2
8 Kohlebürsten-Feder 2
1
DEMARRAGE ELECTRIQUE
E-STARTER
7 - 35
+
ELEC
MOTORINO DI AVVIAMENTO
78
7
8
4
5
3
2
1
New
B
New
New
1
3
6
Estensione della rimozione: 1 Disassemblaggio del motorino di avviamento
Estensione della rimozione Ordine Denominazione QuantitàOsservazioni
RIMOZIONE MOTORINO DI
AVVIAMENTO
Preparazione per la rimozione Tubo di scarico Fare riferimento al paragrafo TUBO DI SCARICO E
SILENZIATORE nel CAPITOLO 3.
1 Motorino davviamento 1
DISASSEMBLEGGIO MOTORINO DI
AVVIAMENTO
1 Coperchio anteriore motorino di avviamento 1
2 Rondella (coperchio anteriore motorino di
avviamento)
1
3 Guarnizione 2
4 Forcella del giunto del motorino di avviamento 1
5 Gruppo indotto 1
6 Coperchio posteriore motorino di avviamento 1
7 Spazzola 2
8 Molla spazzola 2
1
IMPIANTO DI AVVIAMENTO ELETTRICO
7 - 36
+
ELEC
MOTOR DE ARRANQUE
Extensión del desmontaje: 1 Desmontaje de motor de arranque
Extensión del desmontaje Orden Nombre de la pieza Ctd. Observaciones
DESMONTAJE DEL MOTOR DE
ARRANQUE
Preparación para el
desmontaje
Tubo de escape Consulte el apartado TUBO DE ESCAPE Y
SILENCIADOR del CAPÍTULO 3.
1 Motor de arranque 1
DESARMADO DEL MOTOR DE
ARRANQUE
1 Tapa delantera del motor de arranque 1
2 Arandela (tapa delantera del motor de
arranque)
1
3 Junta 2
4 Horquilla de articulación del motor de
arranque
1
5 Conjunto del inducido 1
6 Tapa trasera del motor de arranque 1
7 Escobilla 2
8 Muelle de escobilla 2
1
SISTEMA DE ARRANQUE ELÉCTRICO
7 - 37
+
ELEC
ELECTRIC STARTING SYSTEM
INSPECTION AND REPAIR
1. Check:
Commutator
Dirt Clean with 600 grit
sandpaper.
2. Measure:
Commutator diameter a
Out of specification
Replace the starter motor.
Min. commutator
diameter:
16.6 mm (0.65 in)
3. Measure:
Mica undercut a
Out of specification Scrape
the mica to the proper mea-
surement with a hacksaw
blade which has been
grounded to fit the commuta-
tor.
NOTE:
The mica must be undercut to ensure
proper operation of the commutator.
Mica undercut:
1.5 mm (0.06 in)
4. Measure:
Armature assembly resis-
tances (commutator and insu-
lation)
Out of specification
Replace the starter motor.
Measure the armature assem-
bly resistances with the pocket
tester.
Pocket tester:
YU-3112-C/
90890-03112
Armature assembly:
Commutator
resistance 1:
0.0189 ~ 0.0231 at
20 °C (68 °F)
Insulation resistance
2:
Above 1 M at
20 °C (68 °F)
If any resistance is out of speci-
fication, replace the starter
motor.
CONTROLE ET REPARATION
1. Contrôler:
Collecteur
Saleté Nettoyer à laide de
papier émeri de grain n°600.
2. Mesurer:
Diamètre du collecteur a
Hors spécifications Remplacer
le démarreur.
Diamètre min. du
collecteur:
16,6 mm (0,65 in)
3. Mesurer:
Profondeur du mica a
Hors spécifications Gratter le
mica pour obtenir la profondeur
requise (limer un morceau de
lame de scie à métaux et lintro-
duire entre les lames du collec-
teur).
N.B.:
Le mica du collecteur doit être évidé
pour assurer un fonctionnement correct
du collecteur.
Profondeur du mica:
1,5 mm (0,06 in)
4. Mesurer:
Résistances de lensemble
dinduit (collecteur et isolation)
Hors spécifications Remplacer
le démarreur.
Mesurer les résistances de lensem-
ble dinduit à laide du multimètre.
Multimètre:
YU-3112-C/
90890-03112
Ensemble dinduit:
Résistance du collecteur
1:
0,0189 à 0,0231 à
20 °C (68 °F)
Résistance de lisolation
2:
Supérieure à 1 M à
20 °C (68 °F)
Si lune quelconque des résistances
est hors spécification, remplacer le
démarreur.
DEMARRAGE ELECTRIQUE
7 - 38
+
ELEC
KONTROLLE UND
INSTANDSETZUNG
1. Kontrollieren:
Kollektor
Schmutzig Mit Schleifpapier
(Körnung 600) reinigen.
2. Messen:
Kollektor-Durchmesser a
Nicht nach Vorgabe Starter-
motor erneuern.
Min. Kollektor-
Durchmesser:
16,6 mm (0,65 in)
3. Messen:
Unterschneidung der Kollekto-
risolierung a
Nicht nach Vorgabe Kollek-
torisolierung mit einem
zurechtgeschliffenen Säge-
blatt aufsägen.
HINWEIS:
Eine vorschriftsmäßige Unterschnei-
dung der Kollektorisolierung ist Vor-
aussetzung für die einwandfreie
Funktion des Kollektors.
Unterschneidung der
Kollektorisolierung:
1,5 mm (0,06 in)
4. Messen:
Kollektor-Ankerwicklungs- und
-Isolierungs-Widerstände
Nicht nach Vorgabe Starter-
motor erneuern.
Die Kollektor-Widerstände mit
dem Taschen-Multimeter mes-
sen.
Taschen-Multimeter:
YU-3112-C/
90890-03112
Kolektor-Widerstände:
Ankerwicklung 1:
0,01890,0231 bei
20 °C (68 °F)
Isolierung 2:
Über 1 M bei
20 °C (68 °F)
Entspricht einer der Wider-
stände nicht der Vorgabe, den
Startermotor erneuern.
CONTROLLO E RIPARAZIONE
1. Controllare:
Commutatore
Sporco Pulire con carta vetrata
di grana 600.
2. Misurare:
Diametro del commutatore a
Non conforme alle specifiche
Sostituire il motorino di avvia-
mento.
Diametro minimo del
commutatore:
16,6 mm (0,65 in)
3. Misurare:
Rivestimento in mica a
Non conforme alle specifiche
Raschiare il rivestimento in mica
fino al valore corretto con una
lama seghetto opportunamente
collegata a massa, per adattarla al
commutatore.
NOTA:
Occorre tagliare la parte sottostante della
mica per assicurare il funzionamento
corretto del commutatore.
Rivestimento in mica:
1,5 mm (0,06 in)
4. Misurare:
Resistenze del gruppo indotto
(commutatore e isolamento)
Non conforme alle specifiche
Sostituire il motorino di avvia-
mento.
Misurare le resistenze del gruppo
indotto con un tester tascabile.
Tester tascabile:
YU-3112-C/
90890-03112
Gruppo indotto:
Resistenza commutatore
1:
0,0189 ~ 0,0231 a
20 °C (68 °F)
Resistenza
dellisolamento 2:
Oltre 1 M a
20 °C (68 °F)
Se una qualsiasi delle resistenze
non è conforme alle specifiche,
sostituire il motorino di avvia-
mento.
REVISIÓN Y REPARACIÓN
1. Comprobar:
Colector
Suciedad Limpiar con papel
de lija del número 600.
2. Medir:
Diámetro del colector a
Fuera del valor especificado
Cambiar el motor de arran-
que.
Diámetro mínimo del
colector:
16,6 mm (0,65 in)
3. Medir:
Rebaje de mica a
Fuera del valor especificado
Rasque la mica hasta la
medida correcta con una hoja
de sierra para metales rectifi-
cada a la medida del colector.
NOTA:
La mica del colector debe estar reba-
jada para que éste funcione correc-
tamente.
Rebaje de mica:
1,5 mm (0,06 in)
4. Medir:
Resistencias del conjunto del
inducido (colector y aisla-
miento)
Fuera del valor especificado
Cambiar el motor de arranque.
Mida las resistencias del con-
junto del inducido con el com-
probador de bolsillo.
Comprobador de
bolsillo:
YU-3112-C/
90890-03112
Conjunto del inducido:
Resistencia del
colector 1:
0,0189 ~ 0,0231 a
20 °C (68 °F)
Resistencia del
aislamiento 2:
Superior a 1 M a
20 °C (68°F)
Si cualquiera de las resisten-
cias se encuentra fuera del
valor especificado, cambie el
motor de arranque.
E-STARTER
IMPIANTO DI AVVIAMENTO ELETTRICO
SISTEMA DE ARRANQUE ELÉCTRICO
7 - 39
+
ELEC
ELECTRIC STARTING SYSTEM
5. Measure:
Brush length a
Out of specification
Replace the brushes as a set.
Min. brush length:
3.5 mm (0.14 in)
6. Measure:
Brush spring force
Out of specification
Replace the brush springs as
a set.
Brush spring force:
3.92 ~ 5.88 N
(400 ~ 600 gf,
14.1 ~ 21.2 oz)
ASSEMBLY
1. Install:
Brush spring 1
Brush 2
2. Install:
Armature assembly 1
Install while holding down the
brush using a thin screw
driver.
CAUTION:
Be careful not to damage the
brush during installation.
3. Install:
Gasket 1
Starter motor yoke 2
NOTE:
Install the starter motor yoke with
its groove a facing front cover.
Align the match mark b on the
starter motor yoke with the match
mark c on the starter motor rear
cover.
New
5. Mesurer:
Longueur des balais a
Hors spécifications Remplacer
ensemble tous les balais.
Longueur min. des balais:
3,5 mm (0,14 in)
6. Mesurer:
Force de ressort de balai
Hors spécifications Remplacer
ensemble tous les balais.
Force de ressort de balai:
3,92 à 5,88 N
(400 à 600 gf,
14,1 à 21,2 oz)
MONTAGE
1. Monter:
Ressort de balai 1
Balai 2
2. Monter:
Ensemble dinduit 1
Monter tout en appuyant sur le
balai à laide dun fin tournevis.
ATTENTION:
Veiller à ne pas endommager le balai
pendant le montage.
3. Monter:
Joint 1
Carcasse du démarreur 2
N.B.:
Installer la carcasse du démarreur en
orientant sa gorge a vers le couvercle
avant.
Aligner le repère b de la carcasse du
démarreur avec le repère c du cou-
vercle arrière du démarreur.
New
DEMARRAGE ELECTRIQUE
7 - 40
+
ELEC
5. Messen:
Kohlebürsten-Länge a
Nicht nach Vorgabe Kohle-
bürsten satzweise erneuern.
Min. Kohlebürsten-
Länge:
3,5 mm (0,14 in)
6. Messen:
Federkraft der Kohlebürsten-
Federn
Nicht nach Vorgabe Kohle-
bürsten-Federn satzweise
erneuern.
Federkraft der
Kohlebürsten-Federn:
3,925,88 N
(400600 gf,
14,121,2 oz)
ZUSAMMENBAU
1. Montieren:
Kohlebürsten-Feder 1
Kohlebürste 2
2. Montieren:
Anker 1
Bei der Montage die Kohle-
bürste mit einem flachen
Schraubendreher niederhal-
ten.
ACHTUNG:
Dabei vorsichtig vorgehen, um die
Kohlebürste nicht zu beschädi-
gen.
3. Montieren:
Dichtung 1
Polgehäuse 2
HINWEIS:
Das Polgehäuse so montieren,
dass dessen Nut a zum Antriebs-
lagerschild gerichtet ist.
Die Markierung b am Polgehäuse
muss mit der Markierung c am
Kollektorlagerschild fluchten.
New
5. Misurare:
Lunghezza della spazzola a
Non conforme alle specifiche
Sostituire le spazzole in blocco.
Lunghezza minima
spazzole:
3,5 mm (0,14 in)
6. Misurare:
Pressione della molla della spaz-
zola
Non conforme alle specifiche
Sostituire le molle delle spazzole
in blocco.
Pressione molla della
spazzola:
3,92 ~ 5,88 N
(400 ~ 600 gf,
14,1 ~ 21,2 oz)
MONTAGGIO
1. Installare:
Molla della spazzola 1
Spazzola 2
2. Installare:
Gruppo indotto 1
Installare tenendo premuta la
spazzola con un cacciavite di pic-
cole dimensioni.
ATTENZIONE:
Fare attenzione a non danneggiare la
spazzola durante linstallazione.
3. Installare:
Guarnizione 1
Forcella del giunto del motorino
di avviamento 2
NOTA:
Installare la forcella del giunto del
motorino di avviamento con la scana-
latura a rivolta verso il coperchio
anteriore.
Allineare il riferimento b sulla for-
cella del giunto del motorino di avvia-
mento con il riferimento c sul
coperchio posteriore del motorino di
avviamento.
New
5. Medir:
Longitud de la escobilla a
Fuera del valor especificado
Cambiar el conjunto de las
escobillas.
6. Medir:
Tensión del muelle de escobi-
lla
Fuera del valor especificado
Cambiar el conjunto de
muelles de las escobillas.
Longitud mínima de la
escobilla:
3,5 mm (0,14 in)
Tensión del muelle de
escobilla:
3,92 ~ 5,88 N
(400 ~ 600 gf,
14,1 ~ 21,2 oz)
MONTAJE
1. Instalar:
Muelle de escobilla 1
Escobilla 2
2. Instalar:
Conjunto del inducido 1
Instálelo mientras mantiene
abajo la escobilla con la ayuda
de un destornillador fino.
ATENCION:
Tenga cuidado de no dañar la
escobilla durante la instalación.
3. Instalar:
Junta 1
Horquilla de articulación del
motor de arranque 2
NOTA:
Monte la horquilla de articulación
del motor de arranque con la
ranura a hacia la tapa delantera.
Alinee la marca b de la horquilla
de articulación del motor de arran-
que con la marca c de la tapa
posterior del motor de arranque.
New
E-STARTER
IMPIANTO DI AVVIAMENTO ELETTRICO
SISTEMA DE ARRANQUE ELÉCTRICO
7 - 41
+
ELEC
ELECTRIC STARTING SYSTEM
4. Install:
Gasket 1
Circlip
Plain washer 2
Washer (starter motor front
cover) 3
Starter motor front cover 4
NOTE:
For installation, align the projec-
tions on the washer with the slots
in the front cover.
Align the match mark a on the
starter motor yoke with the match
mark b on the starter motor front
cover.
a
b
4
1
3
2
New
New
5. Install:
Gasket
Bolt 1
O-ring 2
NOTE:
Apply the lithium soap base grease
on the O-ring.
B
1
2New
New
4. Monter:
Joint 1
Circlip
Rondelle pleine 2
Rondelle (couvercle avant du
démarreur) 3
Couvercle avant du démarreur 4
N.B.:
Pour le montage, aligner les ergots de
la rondelle avec les fentes du couver-
cle avant.
Aligner le repère a de la carcasse du
démarreur avec le repère b du cou-
vercle avant du démarreur.
New
5. Monter:
Joint
Boulon 1
Joint torique 2
N.B.:
Appliquer de la graisse à savon de
lithium sur le joint torique.
New
DEMARRAGE ELECTRIQUE
7 - 42
+
ELEC
4. Montieren:
Dichtung 1
Sicherungsring
Beilagscheibe 2
Beilagscheibe (Antriebslager-
schild) 3
Antriebslagerschild 4
HINWEIS:
Bei der Montage darauf achten,
dass die Nasen der Beilagscheibe
in den entsprechenden Nuten des
Antriebslagerschildes sitzen.
Die Markierung a am Polgehäuse
muss mit der Markierung b am
Antriebslagerschild fluchten.
New
5. Montieren:
Dichtung
Schraube 1
O-Ring 2
HINWEIS:
Den O-Ring mit Lithiumseifenfett
bestreichen.
New
4. Installare:
Guarnizione 1
Anello elastico di sicurezza
Rondella piana 2
Rondella (coperchio anteriore
motorino di avviamento) 3
Coperchio anteriore motorino di
avviamento 4
NOTA:
Per linstallazione, allineare le spor-
genze della rondella con le fessure del
coperchio anteriore.
Allineare il riferimento a sulla for-
cella del giunto del motorino di avvia-
mento b sul coperchio anteriore del
motorino di avviamento.
New
5. Installare:
Guarnizione
Bullone 1
Guarnizione circolare 2
NOTA:
Applicare il grasso a base di sapone di
litio sulla guarnizione -circolare.
New
4. Instalar:
Junta 1
Anillo elástico
Arandela plana 2
Arandela (tapa delantera del
motor de arranque) 3
Tapa delantera del motor de
arranque 4
NOTA:
Para instalarla alinee los salientes
de la arandela con las ranuras de
la tapa delantera.
Alinee la marca a de la horquilla
de articulación del motor de arran-
que con la marca b de la tapa
delantera del motor de arranque.
New
5. Instalar:
Junta
Tornillo 1
Junta tórica 2
NOTA:
Aplique grasa de jabón de litio a la
junta tórica.
New
E-STARTER
IMPIANTO DI AVVIAMENTO ELETTRICO
SISTEMA DE ARRANQUE ELÉCTRICO
7 - 43
+
ELEC
CHARGING SYSTEM
EC680000
CHARGING SYSTEM
EC681001
INSPECTION STEPS
If the battery is not charged, use the following inspection steps.
*1 marked: Refer to FUSE INSPECTION section in the CHAPTER 3.
*2 marked: Refer to BATTERY INSPECTION AND CHARGING section in the CHAPTER 3.
NOTE:
Remove the following parts before inspection.
1) Seat
2) Fuel tank
Use the following special tool in this inspection.
*1 Check fuse. Replace fuse and check
wire harness.
*2 Check battery. Recharge or replace.
Check each coupler and wire
connection. Repair or replace.
Check charging voltage. Charging system is good.
Check AC magneto. Charging coil Replace.
Replace rectifier/regulator.
Pocket tester:
YU-3112-C/
90890-03112
No good
OK
No good
OK
No good
OK
OK
No good
No good
OK
7 - 44
+
ELEC
SYSTEME DE CHARGE
ETAPES DU CONTROLE
Si la batterie nest pas chargée, effectuer les contrôles suivants.
*1: Se reporter à la section CONTROLE DES FUSIBLES au CHAPITRE 3.
*2: Se reporter à la section CONTROLE ET CHARGE DE LA BATTERIE au CHAPITRE 3.
N.B.:
Déposer les pièces suivantes avant le contrôle.
1) Selle
2) Réservoir de carburant
Utiliser loutil spécial suivant pendant le contrôle.
*1 Contrôler le fusible. Remplacer le fusible et
contrôler le faisceau de fils.
*2 Contrôler la batterie. Recharger ou remplacer.
Contrôler toutes les connexions des
fiches rapides et des fils. Réparer ou remplacer.
Contrôler la tension de charge. Le système de charge est en
bon état.
Contrôler lalternateur avec rotor à
aimantation permanente. Bobine de charge Remplacer.
Remplacer le redresseur/régulateur.
Multimètre:
YU-3112-C/
90890-03112
Problème
OK
Problème
OK
Problème
OK
OK
Problème
Problème
OK
SYSTEME DE CHARGE
7 - 45
+
ELEC
LADESYSTEM
KONTROLLE
Folgende Prüfschritte dienen zur Diagnose des Ladesystems, wenn die Batterie nicht lädt.
*1: Siehe unter SICHERUNG KONTROLLIEREN in KAPITEL 3.
*2: Siehe unter BATTERIE KONTROLLIEREN UND LADEN in KAPITEL 3.
HINWEIS:
Vor der Kontrolle folgende Bauteile demontieren.
1) Sitzbank
2) Kraftstofftank
Folgendes Spezialwerkzeug für die Kontrolle verwenden.
*1 Sicherung kontrollieren. Sicherung erneuern und
Kabelbaum kontrollieren.
*2 Batterie kontrollieren. Laden, ggf. erneuern.
Sämtliche Steckverbinder- und
Kabelanschlüsse kontrollieren.
Instand setzen, ggf.
erneuern.
Ladespannung kontrollieren. Ladesystem in Ordnung.
Lichtmaschine kontrollieren. Ladespule Erneuern.
Gleichrichter/Regler erneuern.
Taschen-Multimeter:
YU-3112-C/
90890-03112
Nicht in Ordnung
In Ordnung
Nicht in Ordnung
In Ordnung
Nicht in Ordnung
In Ordnung
In Ordnung
Nicht in Ordnung
Nicht in Ordnung
In Ordnung
LADESYSTEM
7 - 46
+
ELEC
IMPIANTO DI CARICA
OPERAZIONI PER IL CONTROLLO
Se la batteria non si carica, eseguire le seguenti operazioni per il controllo.
*1: Fare riferimento al paragrafo CONTROLLO DEL FUSIBILI nel CAPITOLO 3.
*2: Fare riferimento al paragrafo CONTROLLO E CARICA DELLA BATTERIA nel CAPITOLO 3.
NOTA:
Togliere i seguenti componenti prima del controllo.
1) Sella
2) Serbatoio del carburante
Per questo controllo, utilizzare il seguente attrezzo speciale.
*1 Controllare il fusibile.
Sostituire il fusibile e
controllare il cablaggio
elettrico.
*2 Controllare la batteria. Ricaricare o sostituire.
Controllare ogni accoppiatore e i
collegamenti dei cavi elettrici. Riparare o sostituire.
Controllare la tensione di carica. Limpianto di carica è in
buone condizioni.
Controllare il magnete AC. Bobina di carica Sostituire.
Sostituire il raddrizzatore/regolatore.
Tester tascabile:
YU-3112-C/
90890-03112
In cattivo stato
OK
In cattivo stato
OK
In cattivo stato
OK
OK
In cattivo stato
In cattivo stato
OK
IMPIANTO DI CARICA
7 - 47
+
ELEC
SISTEMA DE CARGA
PROCEDIMIENTO DE REVISIÓN
Si la batería no está cargada utilice el procedimiento de comprobación siguiente.
*1 marcado: Consulte el apartado COMPROBACIÓN DE LOS FUSIBLES del CAPÍTULO 3.
*2 marcado: Consulte el apartado COMPROBACIÓN Y CARGA DE LA BATERÍA del CAPÍTULO 3.
NOTA:
Desmontar las piezas siguientes antes de proceder a la revisión.
1) Sillín
2) Depósito de combustible
Utilice la herramienta especial siguiente en esta revisión.
*1 Comprobar fusible.
Cambiar el fusible y
comprobar el mazo de
cables.
*2 Comprobar batería. Recargar o cambiar.
Comprobar las conexiones de
todos los acopladores y cables. Reparar o cambiar.
Comprobar el voltaje de carga. Sistema de carga
correcto.
Comprobar la magneto CA. Bobina de carga Cambiar.
Cambiar el rectificador/regulador.
Comprobador de
bolsillo:
YU-3112-C/
90890-03112
Incorrecto
Correcto
Incorrecto
Correcto
Incorrecto
Correcto
Correcto
Incorrecto
Incorrecto
Correcto
SISTEMA DE CARGA
7 - 48
+
ELEC
MEMO
7 - 49
+
ELEC
CHARGING SYSTEM
EC624000
COUPLERS AND LEADS
CONNECTION INSPECTION
1. Check:
Couplers and leads connec-
tion
Rust/dust/looseness/short-cir-
cuit Repair or replace.
CHARGING VOLTAGE
INSPECTION
1. Start the engine.
2. Inspect:
Charging voltage
Out of specification If no
failure is found in checking the
source coil resistance, replace
the rectifier/regulator.
Tester (+) lead Red lead 1
Tester () lead Black lead 2
Charging
voltage
Tester
selector
position
14.0 ~ 15.0 V
at 5,000 r/min DCV-20
R
B
WY
1
2
3. Inspect:
Charging coil resistance
Out of specification
Replace.
Tester (+) lead White lead 1
Tester () lead Ground 2
Charging coil
resistance
Tester
selector
position
0.288 ~ 0.432
at 20 °C (68 °F) × 1
CONTROLE DES CONNEXIONS
DES FICHES RAPIDES ET DES
FILS
1. Contrôler:
Connexion des fiches rapides et
des fils
Rouille/poussière/jeu/court-cir-
cuit Réparer ou remplacer.
CONTROLE DE LA TENSION DE
CHARGE
1. Mettre le moteur en marche.
2. Contrôler:
Tension de charge
Hors spécifications Si le con-
trôle de la résistance de la bobine
dalimentation ne révèle aucun
problème, remplacer le redres-
seur/régulateur.
Fil (+) du multimètre
fil rouge 1
Fil () du multimètre fil noir 2
Tension de
charge
Position du
sélecteur du
multimètre
14,0 à 15,0 V à
5.000 tr/min DCV-20
3. Contrôler:
Résistance de la bobine de charge
Hors spécifications Rempla-
cer.
Fil (+) du multimètre
fil blanc 1
Fil () du multimètre terre 2
Résistance de la
bobine de
charge
Position du
sélecteur du
multimètre
0,288 à 0,432 à
20 °C (68 °F) × 1
SYSTEME DE CHARGE
7 - 50
+
ELEC
STECKVERBINDER- UND
KABELANSCHLÜSSE
KONTROLLIEREN
1. Kontrollieren:
Steckverbinder- und Kabelan-
schlüsse
Rostig/staubig/locker/kurzge-
schlossen Instand setzen,
ggf. erneuern.
LADESPANNUNG
KONTROLLIEREN
1. Den Motor starten.
2. Kontrollieren:
Ladespannung
Nicht nach Vorgabe Falls
der Erregerspulen-Wider-
stand in Ordnung ist, den
Gleichrichter/Regler erneuern.
Messkabel (+) Rot 1
Messkabel () Schwarz 2
Ladespannung
Messge-
rät-Wahl-
schalter
14,015,0 V bei
5.000 U/min DCV-20
3. Kontrollieren:
Ladespulen-Widerstand
Nicht nach Vorgabe Erneu-
ern.
Messkabel (+) Weiß 1
Messkabel () Masse 2
Ladespulen-
Widerstand
Messge-
rät-Wahl-
schalter
0,2880,432
bei 20 °C
(68 °F)
× 1
CONTROLLO COLLEGAMENTI
ACCOPPIATORI E CAVI
1. Controllare:
Collegamenti accoppiatori e cavi
Ruggine/polvere/lentezza/corto-
circuito Riparare o sostituire.
CONTROLLO TENSIONE DI
CARICA
1. Avviare il motore.
2. Controllare:
Tensione di carica
Non conforme alle specifiche
Se durante il controllo della resi-
stenza della bobina sorgente non
si rilevano danni, sostituire il rad-
drizzatore/regolatore.
Tester (+) cavo Cavo rosso 1
Tester () cavo Cavo nero 2
Tensione di
carica
Posizione
del selettore
del tester
14,0 ~ 15,0 V a
5.000 giri/min DCV-20
3. Controllare:
Resistenza bobina di carica
Non conforme alle specifiche
Sostituire.
Tester (+) cavo Cavo bianco 1
Tester () cavo Terra 2
Resistenza
bobina di carica
Posizione
del selettore
del tester
0,288 ~ 0,432 a
20 °C (68 °F) × 1
COMPROBACIÓN DE LA
CONEXIÓN DE ACOPLADORES Y
CABLES
1. Comprobar:
Conexión de acopladores y
cables
Óxido/staub/flojas/cortocir-
cuito Reparar o cambiar.
COMPROBACIÓN DEL VOLTAJE
DE CARGA
1. Arranque el motor.
2. Comprobar:
Voltaje de carga
Fuera del valor especificado
Si no se encuentra ningún
fallo al comprobar la resisten-
cia de la bobina fuente, cam-
biar el rectificador/regulador.
Comprobador (+) cable
Cable rojo 1
Comprobador () cable
Cable negro 2
Voltaje de
carga
Posición
del selector
del com-
probador
14,0 ~ 15,0 V a
5.000 r/min DCV-20
3. Comprobar:
Resistencia de las bobinas de
carga
Fuera del valor especificado
Cambiar.
Comprobador (+) cable
Cable blanco 1
Comprobador () cable
Masa 2
Resistencia de
las bobinas de
carga
Posición
del selector
del com-
probador
0,288 ~ 0,432
a 20 °C (68 °F) × 1
LADESYSTEM
IMPIANTO DI CARICA
SISTEMA DE CARGA
7 - 51
+
ELEC
THROTTLE POSITION SENSOR SYSTEM
THROTTLE POSITION SENSOR SYSTEM
INSPECTION STEPS
If the throttle position sensor will not operate, use the following inspection steps.
NOTE:
Use the following special tools in this inspection.
Check entire ignition
system for connection. Repair or replace.
Check throttle position sensor. Throttle position
sensor coil Replace.
Check CDI unit.
Throttle position
sensor input
voltage
Replace.
Pocket tester:
YU-3112-C/
90890-03112
No good
OK
No good
OK
No good
7 - 52
+
ELEC
SYSTEME DU CAPTEUR DE POSITION DE PAPILLON DES GAZ
ETAPES DU CONTROLE
Si le capteur de position de papillon des gaz ne fonctionne pas, effectuer les contrôles suivants.
N.B.:
Utiliser les outils spéciaux suivants pendant le contrôle.
Contrôler les connexions de
lensemble du système dallumage. Réparer ou remplacer.
Capteur de position de papillon des
gaz.
Bobine du capteur
de position de
papillon des gaz
Remplacer.
Contrôler le boîtier CDI
Tension dentrée
du capteur de
position de papillon
des gaz
Remplacer.
Multimètre:
YU-3112-C/
90890-03112
Problème
OK
Problème
OK
Problème
SYSTEME DU CAPTEUR DE POSITION DE PAPILLON DES GAZ
7 - 53
+
ELEC
DROSSELKLAPPENSENSOR
KONTROLLE
Folgende Prüfschritte dienen zur Diagnose des Drosselklappensensors, wenn dieser nicht funktioniert.
HINWEIS:
Folgendes Spezialwerkzeug für die Kontrolle verwenden.
Kabelanschlüsse des gesamten
Zündsystems kontrollieren.
Instand setzen, ggf.
erneuern.
Drosselklappensensor
kontrollieren.
Drosselklappens
ensor-Spule Erneuern.
Zündbox kontrollieren.
Drosselklappen-
sensor-Eingangs-
spannung
Erneuern.
Taschen-Multimeter:
YU-3112-C/
90890-03112
Nicht in Ordnung
In Ordnung
Nicht in Ordnung
In Ordnung
Nicht in Ordnung
DROSSELKLAPPENSENSOR
7 - 54
+
ELEC
SISTEMA SENSORE POSIZIONE FARFALLA
OPERAZIONI PER IL CONTROLLO
Se il sensore posizione farfalla non funziona, eseguire le seguenti operazioni per il controllo.
NOTA:
Per questo controllo, utilizzare i seguenti attrezzi speciali.
Controllare completamente i
collegamenti dellimpianto di
accensione.
Riparare o sostituire.
Controllare il sensore posizione
farfalla.
Bobina sensore
posizione farfalla Sostituire.
Controllare lunità CDI.
Tensione in entrata
sensore posizione
farfalla
Sostituire.
Tester tascabile:
YU-3112-C/
90890-03112
In cattivo stato
OK
In cattivo stato
OK
In cattivo stato
SISTEMA SENSORE POSIZIONE FARFALLA
7 - 55
+
ELEC
SISTEMA SENSOR DE POSICIÓN DEL ACELERADOR
PROCEDIMIENTO DE REVISIÓN
Si el sensor de posición del acelerador no funciona utilice el procedimiento de comprobación siguiente.
NOTA:
Utilice las herramientas especiales siguientes en esta revisión.
Comprobar las conexiones de todo
el sistema de encendido. Reparar o cambiar.
Comprobar el sensor de posición
del acelerador.
Bobina del sensor
de posición del
acelerador
Cambiar.
Comprobar la unidad CDI.
Voltaje de entrada
del sensor de
posición del
acelerador
Cambiar.
Comprobador de
bolsillo:
YU-3112-C/
90890-03112
Incorrecto
Correcto
Incorrecto
Correcto
Incorrecto
SISTEMA SENSOR DE POSICIÓN DEL ACELERADOR
7 - 56
+
ELEC
MEMO
7 - 57
+
ELEC
THROTTLE POSITION SENSOR SYSTEM
HANDLING NOTE
CAUTION:
Do not loosen the screw (throttle
position sensor) 1 except when
changing the throttle position sen-
sor due to failure because it will
cause a drop in engine perfor-
mance.
1
EC624000
COUPLERS AND LEADS
CONNECTION INSPECTION
1. Check:
Couplers and leads connec-
tion
Rust/dust/looseness/short-cir-
cuit Repair or replace.
THROTTLE POSITION SENSOR
COIL INSPECTION
1. Inspect:
Throttle position sensor coil
resistance
Out of specification
Replace.
Tester (+) lead Blue lead 1
Tester () lead Black lead 2
Throttle
position
sensor coil
resistance
Tester
selector
position
4 ~ 6 k at
20 °C (68 °F) k × 1
2. Loosen:
Throttle stop screw 1
NOTE:
Turn out the throttle stop screw until
the throttle shaft is in the full close
position.
REMARQUES CONCERNANT LA
MANIPULATION
ATTENTION:
Ne pas desserrer la vis (capteur de
position de papillon des gaz) 1 sauf
en cas de remplacement du capteur de
position de papillon des gaz en raison
dune panne, car cela provoquerait
une baisse des performances du
moteur.
CONTROLE DES CONNEXIONS
DES FICHES RAPIDES ET DES
FILS
1. Contrôler:
Connexion des fiches rapides et
des fils
Rouille/poussière/jeu/court-cir-
cuit Réparer ou remplacer.
CONTROLE DE LA BOBINE DU
CAPTEUR DE POSITION DE
PAPILLON DES GAZ
1. Contrôler:
Résistance de la bobine du cap-
teur de position de papillon des
gaz
Hors spécifications Rempla-
cer.
Fil (+) du multimètre fil bleu 1
Fil () du multimètre fil noir 2
Résistance de la
bobine du
capteur de
position de
papillon des gaz
Position du
sélecteur du
multimètre
4 à 6 k à 20 °C
(68 °F) k × 1
2. Desserrer:
Vis de butée de papillon des gaz
1
N.B.:
Dévisser la vis de butée de papillon des
gaz jusqu’à ce que laxe de papillon soit
en position complètement fermée.
SYSTEME DU CAPTEUR DE POSITION DE PAPILLON DES GAZ
7 - 58
+
ELEC
HANDHABUNGSHINWEISE
ACHTUNG:
Die Drosselklappensensor-
Schraube 1 darf nicht gelockert
werden, außer wenn der Drossel-
klappensensor aufgrund eines
Fehlers zu erneuern ist, da sonst
die Motorleistung abfällt.
STECKVERBINDER- UND
KABELANSCHLÜSSE
KONTROLLIEREN
1. Kontrollieren:
Steckverbinder- und Kabelan-
schlüsse
Rostig/staubig/locker/kurzge-
schlossen Instand setzen,
ggf. erneuern.
DROSSELKLAPPENSENSOR-
SPULE KONTROLLIEREN
1. Kontrollieren:
Drosselklappensensor-Spu-
len-Widerstand
Nicht nach Vorgabe Erneu-
ern.
Messkabel (+) Blau 1
Messkabel () Schwarz 2
Drosselklap-
pensensor-
Spulen-Wider-
stand
Messge-
rät-Wahl-
schalter
46 k bei
20 °C (68 °F) k × 1
2. Lockern:
Leerlaufeinstellschraube 1
HINWEIS:
Die Leerlaufeinstellschraube heraus-
drehen, bis die Drosselklappenwelle
sich in der völlig geschlossenen Stel-
lung befindet.
NOTA PER LA MANIPOLAZIONE
ATTENZIONE:
Non allentare la vite (sensore posi-
zione farfalla) 1 eccetto quando
occorre cambiare il sensore posizione
farfalla a causa di un guasto; se le viti
sono allentate, infatti, si ha un calo
delle prestazioni del motore.
CONTROLLO COLLEGAMENTI
ACCOPPIATORI E CAVI
1. Controllare:
Collegamenti accoppiatori e cavi
Ruggine/polvere/lentezza/corto-
circuito Riparare o sostituire.
CONTROLLO BOBINA SENSORE
POSIZIONE FARFALLA
1. Controllare:
Resistenza bobina sensore posi-
zione farfalla
Non conforme alle specifiche
Sostituire.
Tester (+) cavo Cavo blu 1
Tester () cavo Cavo nero 2
Resistenza
bobina sensore
posizione
farfalla
Posizione
del selettore
del tester
4 ~ 6 k a 20 °C
(68 °F) k × 1
2. Allentare:
Vite di arresto valvola a farfalla
1
NOTA:
Svitare la vite di arresto della valvola a
farfalla finché lalbero farfalla non rag-
giunga la posizione completamente
chiusa.
NOTA RELATIVA A LA
MANIPULACIÓN
ATENCION:
No afloje el tornillo (sensor de
posición del acelerador) 1 salvo
para cambiar el sensor de posi-
ción del acelerador debido a un
fallo, ya que provocará una dismi-
nución de las prestaciones del
motor.
COMPROBACIÓN DE LA
CONEXIÓN DE ACOPLADORES Y
CABLES
1. Comprobar:
Conexión de acopladores y
cables
Óxido/staub/flojas/cortocir-
cuito Reparar o cambiar.
COMPROBACIÓN DE LA BOBINA
DEL SENSOR DE POSICIÓN DEL
ACELERADOR
1. Comprobar:
Resistencia de la bobina del
sensor de posición del acele-
rador
Fuera del valor especificado
Cambiar.
Comprobador (+) cable
Cable azul 1
Comprobador () cable
Cable negro 2
Resistencia de
la bobina del
sensor de
posición del
acelerador
Posición
del selector
del com-
probador
4 ~ 6 k a
20 °C (68 °F) k × 1
2. Aflojar:
Tornillo de tope del acelerador
1
NOTA:
Gire el tornillo de tope del acelerador
hasta que el eje del acelerador esté
en posición completamente cerrada.
DROSSELKLAPPENSENSOR
SISTEMA SENSORE POSIZIONE FARFALLA
SISTEMA SENSOR DE POSICIÓN DEL ACELERADOR
7 - 59
+
ELEC
THROTTLE POSITION SENSOR SYSTEM
3. Inspect:
Throttle position sensor coil
variable resistance
Check that the resistance in
increased as the throttle grip is
moved from the full close posi-
tion to the full open position.
Out of specification
Replace.
Tester (+) lead Yellow lead 1
Tester () lead Black lead 2
Throttle
position sensor
coil variable
resistance
Tester
selector
position
Full
closed
Full
opened
k × 1
Zero ~
3 k at
20 °C
(68 °F)
4 ~ 6 k
at 20 °C
(68 °F)
THROTTLE POSITION SENSOR
REPLACEMENT AND
ADJUSTMENT
1. Remove:
Throttle position sensor cou-
pler
Carburetor
2. Remove:
Screw
(throttle position sensor) 1
Throttle position sensor 2
NOTE:
Loosen the screw (throttle position
sensor) using the T25 bit.
3. Replace:
Throttle position sensor
2
1
4. Install:
Throttle position sensor 1
Screw
(throttle position sensor) 2
NOTE:
Align the slot a in the throttle posi-
tion sensor with the projection b
on the carburetor.
Temporarily tighten the screw
(throttle position sensor).
ba
2
1
3. Contrôler:
Résistance variable de la bobine
du capteur de position de papillon
des gaz
Vérifier que la résistance aug-
mente lorsque lon déplace la poi-
gnée des gaz de la position
complètement fermée à la posi-
tion complètement ouverte.
Hors spécifications Remplacer.
Fil (+) du multimètre
fil jaune 1
Fil () du multimètre fil noir 2
Résistance variable
de la bobine du cap-
teur de position de
papillon des gaz
Position du
sélecteur
du multi-
mètre
Complète-
ment
fermé
Complète-
ment
ouvert
k × 1
Zéro à
3 k à
20 °C
(68 °F)
4 à 6k
à 20 °C
(68 °F)
REMPLACEMENT ET REGLAGE
DU CAPTEUR DE POSITION DE
PAPILLON DES GAZ
1. Déposer:
Fiche rapide du capteur de posi-
tion de papillon des gaz
Carburateur
2. Déposer:
Vis
(capteur de position de papillon
des gaz) 1
Capteur de position de papillon
des gaz 2
N.B.:
Desserrer la vis (capteur de position de
papillon des gaz) à laide de la mèche
T25.
3. Remplacer:
Capteur de position de papillon
des gaz
4. Monter:
Capteur de position de papillon
des gaz 1
Vis
(capteur de position de papillon
des gaz) 2
N.B.:
Aligner la fente a du capteur de posi-
tion de papillon des gaz avec la saillie
b du carburateur.
Serrer provisoirement la vis (capteur
de position de papillon des gaz).
SYSTEME DU CAPTEUR DE POSITION DE PAPILLON DES GAZ
7 - 60
+
ELEC
3. Kontrollieren:
Drosselklappensensor-Wider-
stand
Darauf achten, dass der
Widerstand allmählich
ansteigt, während der Gas-
drehgriff geöffnet wird.
Nicht nach Vorgabe Erneu-
ern.
DROSSELKLAPPENSENSOR
ERNEUERN UND EINSTELLEN
1. Demontieren:
Drosselklappensensor-Steck-
verbinder
Vergaser
2. Demontieren:
Schraube
(Drosselklappensensor) 1
Drosselklappensensor 2
HINWEIS:
Die Drosselklappensensor-Schraube
mit einem T25-Einsatz lockern.
3. Erneuern:
Drosselklappensensor
Messkabel (+) Gelb 1
Messkabel () Schwarz 2
Drosselklap-
pensensor-
Widerstand
Messge-
rät-Wahl-
schalter
Ganz
geschlos-
sen
Ganz
geöffnet
k × 1
Null
3k
bei
20 °C
(68 °F)
46k
bei
20 °C
(68 °F)
4. Montieren:
Drosselklappensensor 1
Schraube
(Drosselklappensensor) 2
HINWEIS:
Die Haltenase b am Vergaser
muss in der Nut a im Drosselklap-
pensensor sitzen.
Die Drosselklappensensor-
Schraube provisorisch festziehen.
3. Controllare:
Resistenza variabile bobina sen-
sore posizione farfalla
Controllare che la resistenza
aumenti muovendo la manopola
dellacceleratore dalla posizione
completamente chiusa a quella
completamente aperta.
Non conforme alle specifiche
Sostituire.
SOSTITUZIONE E REGOLAZIONE
SENSORE POSIZIONE FARFALLA
1. Togliere:
Accoppiatore sensore posizione
farfalla
Carburatore
2. Togliere:
Vite
(sensore posizione farfalla) 1
Sensore posizione farfalla 2
NOTA:
Allentare la vite (sensore posizione far-
falla) mediante attrezzo con punta T25.
3. Sostituire:
Sensore posizione farfalla
Tester (+) cavo Cavo giallo 1
Tester () cavo Cavo nero 2
Resistenza
variabile bobina
sensore posizione
farfalla
Posizione
del
selettore
del tester
Comple-
tamente
chiuso
Comple-
tamente
aperto
k × 1
Zero ~
3k a
20 °C
(68 °F)
4 ~ 6 k
a 20 °C
(68 °F)
4. Installare:
Sensore posizione farfalla 1
Vite
(sensore posizione farfalla) 2
NOTA:
Allineare la fessura a del sensore
posizione farfalla con la sporgenza b
sul carburatore.
Serrare temporaneamente la vite (sen-
sore posizione farfalla).
3. Comprobar:
Resistencia variable de la
bobina del sensor de posición
del acelerador
Compruebe si la resistencia
aumenta a medida que el puño
del acelerador se desplaza
desde la posición completa-
mente cerrada a la posición
completamente abierta.
Fuera del valor especificado
Cambiar.
CAMBIO Y AJUSTE DEL SENSOR
DE POSICIÓN DEL ACELERADOR
1. Extraer:
Acoplador del sensor de posi-
ción del acelerador
Carburador
2. Extraer:
Tornillo
(sensor de posición del acele-
rador) 1
Sensor de posición del acele-
rador) 2
NOTA:
Afloje el tornillo (sensor de posición
del acelerador) con la punta T25.
3. Cambiar:
Sensor de posición del acele-
rador
4. Instalar:
Sensor de posición del acele-
rador 1
Tornillo
(sensor de posición del acele-
rador) 2
NOTA:
Alinee la ranura a del sensor de
posición del acelerador con el
saliente b del carburador.
Apriete provisionalmente el tornillo
(sensor de posición del acelera-
dor).
Comprobador (+) cable
Cable amarillo 1
Comprobador () cable
Cable negro 2
Resistencia
variable de la
bobina del sen-
sor de posición
del acelerador
Posición
del selec-
tor del
compro-
bador
Comple-
tamente
cerrado
Comple-
tamente
abierto
k × 1
Cero ~
3 k a
20 °C
(68 °F)
4 ~ 6 k
a 20 °C
(68 °F)
DROSSELKLAPPENSENSOR
SISTEMA SENSORE POSIZIONE FARFALLA
SISTEMA SENSOR DE POSICIÓN DEL ACELERADOR
7 - 61
+
ELEC
THROTTLE POSITION SENSOR SYSTEM
5. Install:
Carburetor
Throttle position sensor cou-
pler
6. Adjust:
Engine idling speed
Refer to ENGINE IDLING
SPEED ADJUSTMENT sec-
tion in the CHAPTER 3.
7. Insert the thin electric conduc-
tors 2 (lead) into the throttle
position sensor coupler 1, as
shown, and connect the tester to
them.
CAUTION:
Do not insert the electric con-
ductors more than required
because it may reduce the
waterproof function of the cou-
pler.
Make sure that a short-circuit
does not develop between the
terminals because it may cause
damage to electrical compo-
nents.
Tester (+) lead Yellow lead 3
Tester () lead Black lead 4
5. Monter:
Carburateur
Fiche rapide du capteur de posi-
tion de papillo des gaz
6. Régler:
Régime de ralenti du moteur
Se reporter à la section
REGLAGE DU REGIME DE
RALENTI DU MOTEUR au
CHAPITRE 3.
7. Introduire les fins conducteurs élec-
triques 2 (fils) dans la fiche rapide
du capteur de position de papillon
des gaz 1, comme illustré, et y rac-
corder le multimètre.
ATTENTION:
Ne pas introduire les conducteurs
électriques plus que nécessaire
parce que cela risque de réduire
l’étanchéité de la fiche rapide.
Veiller à ce quaucun court-circuit
ne se produise entre les bornes car
cela risque dendommager les com-
posants électriques.
Fil (+) du multimètre
fil jaune 3
Fil () du multimètre fil noir 4
SYSTEME DU CAPTEUR DE POSITION DE PAPILLON DES GAZ
7 - 62
+
ELEC
5. Montieren:
Vergaser
Drosselklappensensor-Steck-
verbinder
6. Einstellen:
Leerlaufdrehzahl
Siehe unter LEERLAUF-
DREHZAHL EINSTELLEN in
KAPITEL 3.
7. Dünne Leiter (Kabel) 2, wie in
der Abbildung gezeigt, in den
Drosselklappensensor-Steckver-
binder 1 stecken und das Mess-
gerät daran anschließen.
ACHTUNG:
Die elektrischen Leiter nicht tie-
fer als notwendig in den Steck-
verbinder stecken, um dessen
Wasserdichtigkeit nicht zu
beeinträchtigen.
Darauf achten, dass kein Kurz-
schluss vorliegt, um eine
Beschädigung der elektrischen
Anlage zu vermeiden.
Messkabel (+) Gelb 3
Messkabel () Schwarz 4
5. Installare:
Carburatore
Accoppiatore sensore posizione
farfalla
6. Regolare:
Regime del minimo
Fare riferimento al paragrafo
REGOLAZIONE REGIME
DEL MINIMO nel CAPITOLO
3.
7. Inserire i conduttori elettrici di pic-
cole dimensioni 2 (cavo)
nellaccoppiatore del sensore posi-
zione farfalla 1 come indicato
nella figura e collegare il tester.
ATTENZIONE:
Non inserire i conduttori elettrici
più del necessario poiché ciò
potrebbe ridurre limpermeabilità
dellaccoppiatore.
Assicurarsi che non si sviluppi un
cortocircuito tra i terminali poiché
potrebbe danneggiare i componenti
elettrici.
Tester (+) cavo Cavo giallo 3
Tester () cavo Cavo nero 4
5. Instalar:
Carburador
Acoplador del sensor de posi-
ción del acelerador
6. Ajustar:
Ralentí del motor
Consulte el apartado
AJUSTE DEL RALENTÍ DEL
MOTOR del CAPÍTULO 3.
7. Introduzca los conductores eléc-
tricos finos 2 (cable) en el aco-
plador del sensor de posición del
acelerador 1, como se muestra,
y conecte el comprobador.
ATENCION:
No introduzca los conductores
eléctricos más de lo necesario,
pues se puede reducir la estan-
queidad del acoplador.
Verifique que no se desarrolle
un cortocircuito entre los termi-
nales; ello podría provocar
daños en los componentes eléc-
tricos.
Comprobador (+) cable
Cable amarillo 3
Comprobador () cable
Cable negro 4
DROSSELKLAPPENSENSOR
SISTEMA SENSORE POSIZIONE FARFALLA
SISTEMA SENSOR DE POSICIÓN DEL ACELERADOR
7 - 63
+
ELEC
THROTTLE POSITION SENSOR SYSTEM
8. Start the engine.
9. Adjust:
Throttle position sensor out-
put voltage
10. Put the aligning marks a on the
throttle position sensor and car-
buretor.
11. Stop the engine.
12. Remove the carburetor.
Adjustment steps:
Adjust the installation angle of the
throttle position sensor 1 to
obtain the specified output volt-
age.
NOTE:
Measure the output voltage accu-
rately with a digital electronic volt-
meter that gives an easy reading
of a small voltage.
Throttle
position
sensor output
voltage
Tester
selector
position
0.58 ~ 0.78 V DCV
a
13. Tighten:
Screw
(throttle position sensor) 1
NOTE:
Tighten the screw (throttle position
sensor) using the T25 bit.
14. Install the carburetor.
1
8. Mettre le moteur en marche.
9. Régler:
Tension de sortie du capteur de
position de papillon des gaz
10. Placer les repères dalignement a
sur le capteur de position du
papillon et le carburateur.
11. Arrêter le moteur.
12. Déposer le carburateur.
Étapes du réglage:
Régler langle de montage du capteur
de position de papillon des gaz 1 de
manière à obtenir la tension de sortie
spécifiée.
N.B.:
Mesurer avec précision la tension de
sortie à laide dun voltmètre électro-
nique permettant une lecture facile
des faibles tensions.
Tension de sor-
tie du capteur
de position de
papillon des gaz
Position du
sélecteur du
multimètre
0,58 à 0,78 V DCV
13. Serrer:
Vis
(capteur de position de papillon
des gaz) 1
N.B.:
Serrer la vis (capteur de position de
papillon des gaz) à laide de la mèche
T25.
14. Monter le carburateur.
SYSTEME DU CAPTEUR DE POSITION DE PAPILLON DES GAZ
7 - 64
+
ELEC
8. Den Motor starten.
9. Einstellen:
Drosselklappensensor-Aus-
gangsspannung
10. Die Ausrichtungsmarkierungen
a auf den Drosselklappensen-
sor und Vergaser ausrichten.
11. Den Motor abstellen.
12. Den Vergaser demontieren.
Arbeitsvorgang:
Den Einbauwinkel des Drossel-
klappensensors 1 so einstellen,
dass die vorgeschriebene Aus-
gangsspannung anliegt.
HINWEIS:
Die Ausgangsspannung muss mit
einem präzisen Digitalmessgerät
erfasst werden.
Drosselklap-
pensensor-
Ausgangs-
spannung
Messge-
rät-Wahl-
schalter
0,580,78 V DCV
13. Festziehen:
Schraube
(Drosselklappensensor) 1
HINWEIS:
Die Drosselklappensensor-Schrau-
ben mit einem T25-Einsatz festzie-
hen.
14. Den Vergaser montieren.
8. Avviare il motore.
9. Regolare:
Tensione in uscita sensore posi-
zione farfalla
10. Porre i segni di allineamento a sul
TPS e sul carburatore.
11. Arrestare il motore.
12. Rimuovere il carburatore.
Operazioni per la regolazione:
Regolare langolo di installazione del
sensore posizione farfalla 1 per rag-
giungere la tensione in uscita indi-
cata.
NOTA:
Misurare con precisione la tensione
in uscita con un voltmetro elettronico
digitale che consente una lettura age-
vole di tensioni ridotte.
Tensione in
uscita sensore
posizione far-
falla
Posizione
del selet-
tore del
tester
0,58 ~ 0,78 V DCV
13. Serrare:
Vite
(sensore posizione farfalla) 1
NOTA:
Serrare le viti (sensore posizione far-
falla) mediante attrezzo con punta T25.
14. Installare il carburatore.
8. Arranque el motor.
9. Ajustar:
Voltaje del sensor de posición
del acelerador
10. Coloque las marcas de alinea-
ción a en el sensor de posición
del acelerador y el carburador.
11. Pare el motor.
12. Desmonte el carburador.
Procedimiento de ajuste:
Ajuste el ángulo del sensor de
posición del acelerador 1 hasta
obtener el voltaje de salida espe-
cificado.
NOTA:
Mida con precisión el voltaje de
salida con un voltímetro electró-
nico y digital que proporcione una
lectura fácil de voltajes pequeños.
Voltaje del
sensor de
posición del
acelerador
Posición
del selector
del com-
probador
0,58 ~ 0,78 V DCV
13. Apretar:
Tornillo
(sensor de posición del acele-
rador) 1
NOTA:
Apriete el tornillo (sensor de posición
del acelerador) con la punta T25.
14. Instale el carburador.
DROSSELKLAPPENSENSOR
SISTEMA SENSORE POSIZIONE FARFALLA
SISTEMA SENSOR DE POSICIÓN DEL ACELERADOR
7 - 65
+
ELEC
THROTTLE POSITION SENSOR SYSTEM
THROTTLE POSITION SENSOR
INPUT VOLTAGE INSPECTION
1. Disconnect the throttle position
sensor coupler.
2. Start the engine.
3. Inspect:
Throttle position sensor input
voltage
Out of specification
Replace the CDI unit.
Tester (+) lead Blue lead 1
Tester () lead
Black/Blue lead 2
Throttle
position
sensor input
voltage
Tester
selector
position
4 ~ 6 V DCV-20
CONTROLE DE LA TENSION
DENTREE DU CAPTEUR DE
POSITION DE PAPILLON DES
GAZ
1. Débrancher la fiche rapide du cap-
teur de position de papillon des gaz
2. Mettre le moteur en marche.
3. Contrôler:
Tension dentrée du capteur de
position de papillon des gaz
Hors spécifications Remplacer
le boîtier CDI
Fil (+) du multimètre fil bleu 1
Fil () du multimètre
fil noir/bleu 2
Tension
dentrée du cap-
teur de position
de papillon des
gaz
Position du
sélecteur du
multimètre
4 à 6 V DCV-20
SYSTEME DU CAPTEUR DE POSITION DE PAPILLON DES GAZ
7 - 66
+
ELEC
DROSSELKLAPPENSENSOR-
EINGANGSSPANNUNG
KONTROLLIEREN
1. Den Drosselklappensensor-
Steckverbinder lösen.
2. Den Motor starten.
3. Kontrollieren:
Drosselklappensensor-Ein-
gangsspannung
Nicht nach Vorgabe Zünd-
box erneuern.
Messkabel (+) Blau 1
Messkabel ()
Schwarz/Blau 2
Drosselklap-
pensensor-
Eingangs-
spannung
Messge-
rät-Wahl-
schalter
46 V DCV-20
CONTROLLO TENSIONE IN
ENTRATA SENSORE POSIZIONE
FARFALLA
1. Scollegare laccoppiatore del sen-
sore posizione farfalla.
2. Avviare il motore.
3. Controllare:
Tensione in entrata sensore posi-
zione farfalla
Non conforme alle specifiche
Sostituire lunità CDI.
Tester (+) cavo Cavo blu 1
Tester () cavo Cavo nero/blu 2
Tensione in
entrata sensore
posizione far-
falla
Posizione
del selet-
tore del
tester
4 ~ 6 V DCV-20
COMPROBACIÓN DEL VOLTAJE
DE ENTRADA DEL SENSOR DE
POSICIÓN DEL ACELERADOR
1. Desconecte el acoplador del
sensor de posición del acelera-
dor.
2. Arranque el motor.
3. Comprobar:
Voltaje de entrada del sensor
de posición del acelerador
Fuera del valor especificado
Cambiar la unidad CDI.
Comprobador (+) cable
Cable azul 1
Comprobador () cable
Cable negro/azul 2
Voltaje de
entrada del
sensor de
posición del
acelerador
Posición
del selector
del com-
probador
4 ~ 6 V DCV-20
DROSSELKLAPPENSENSOR
SISTEMA SENSORE POSIZIONE FARFALLA
SISTEMA SENSOR DE POSICIÓN DEL ACELERADOR
7 - 67
+
ELEC
LIGHTING SYSTEM
LIGHTING SYSTEM
INSPECTION STEPS
Refer to the following flow chart when inspecting the lighting system for possible problems.
NOTE:
Replace the bulb and/or bulb socket.
1) Seat
2) Fuel tank
3) Left side cover
Use the following special tool.
Check the bulb and bulb socket. Replace the bulb and/or
bulb socket.
Check the taillight (LEDs). Replace the taillight
assembly.
Check the AC magneto. Lighting coil Replace.
Check the entire lighting system
proper for connections. Repair or replace.
Check the rectifier/regulator. Out-put voltage Replace.
Pocket tester:
YU-3112-C/
90890-03112
No good
OK
No good
OK
No good
OK
Improperly connected
OK
No good
7 - 68
+
ELEC
ECLAIRAGE
ETAPES DU CONTROLE
Se reporter au diagramme suivant pour le contrôle du système d’éclairage.
N.B.:
Remplacer lampoule et/ou la douille.
1) Selle
2) Réservoir de carburant
3) Cache latéral gauche
Utiliser loutil spécial suivant.
Contrôler lampoule et sa douille. Remplacer lampoule et/ou
la douille.
Contrôler le feu arrière (DEL). Remplacer le feu arrière
complet.
Contrôler lalternateur avec rotor à
aimantation permanente. Bobine d’éclairage Remplacer.
Contrôler toutes les connexions du
circuit d’éclairage. Réparer ou remplacer.
Contrôler le redresseur/régulateur. Tension de sortie Remplacer.
Multimètre:
YU-3112-C/
90890-03112
Problème
OK
Problème
OK
Problème
OK
Mauvaise connexion
OK
Problème
ECLAIRAGE
7 - 69
+
ELEC
BELEUCHTUNGSANLAGE
KONTROLLE
Folgende Prüfschritte dienen zur Diagnose von Problemen in der Beleuchtungsanlage.
HINWEIS:
Lampe und/oder Lampenfassung erneuern.
1) Sitzbank
2) Kraftstofftank
3) Seitenverkleidung links
Folgendes Spezialwerkzeug verwenden.
Lampen und Lampenfassungen
kontrollieren.
Lampe und/oder
Lampenfassung erneuern.
Rücklicht (LEDs) kontrollieren. Rücklicht-Baugruppe
ersetzen.
Lichtmaschine kontrollieren. Lichtspule Erneuern.
Kabelanschlüsse der gesamten
Beleuchtungsanlage kontrollieren.
Instand setzen, ggf.
erneuern.
Gleichrichter/Regler kontrollieren. Ausgangsspannung Erneuern.
Taschen-Multimeter:
YU-3112-C/
90890-03112
Nicht in Ordnung
In Ordnung
Nicht in Ordnung
In Ordnung
Nicht in Ordnung
In Ordnung
Lose Verbindung
In Ordnung
Nicht in Ordnung
BELEUCHTUNGSANLAGE
7 - 70
+
ELEC
IMPIANTO DI ILLUMINAZIONE
OPERAZIONI PER IL CONTROLLO
Fare riferimento al seguente diagramma di flusso quando si controlla che limpianto di illuminazione non presenti eventuali problemi.
NOTA:
Sostituire la lampadina e/o il portalampadina.
1) Sella
2) Serbatoio del carburante
3) Fianchetto destro
Utilizzare il seguente attrezzo speciale.
Controllare la lampadina e il
portalampadina.
Sostituire la lampadina e/o il
portalampadina.
Controllare la luce posteriore (LED). Sostituire il gruppo luce
posteriore.
Controllare il magnete AC. Avvolgimento di
illuminazione Sostituire.
Controllare i collegamenti dellintero
impianto di illuminazione. Riparare o sostituire.
Controllare il raddrizzatore/regolatore. Tensione in uscita Sostituire.
Tester tascabile:
YU-3112-C/
90890-03112
In cattivo stato
OK
In cattivo stato
OK
In cattivo stato
OK
Collegamenti errati
OK
In cattivo stato
IMPIANTO DI ILLUMINAZIONE
7 - 71
+
ELEC
SISTEMA DE ILUMINACIÓN
PROCEDIMIENTO DE REVISIÓN
Consulte el diagrama de flujo siguiente cuando compruebe posibles fallos del sistema de iluminación.
NOTA:
Cambiar la bombilla o el casquillo de la bombilla.
1) Sillín
2) Depósito de combustible
3) Cubierta lateral izquierda
Utilice la herramienta especial siguiente.
Comprobar la bombilla y el
casquillo de la bombilla.
Cambiar la bombilla o el
casquillo de la bombilla.
Comprobar el piloto trasero
(LEDs).
Cambiar el conjunto del
piloto trasero.
Comprobar la magneto CA. Bobina de
iluminaciónCambiar.
Comprobar las conexiones del
sistema de iluminación. Reparar o cambiar.
Comprobar el rectificador/
regulador. Voltaje de salida Cambiar.
Comprobador de
bolsillo:
YU-3112-C/
90890-03112
Incorrecto
Correcto
Incorrecto
Correcto
Incorrecto
Correcto
Conexión incorrecta
Correcto
Incorrecto
SISTEMA DE ILUMINACIÓN
7 - 72
+
ELEC
MEMO
7 - 73
+
ELEC
LIGHTING SYSTEM
CHECKING THE TAILLIGHT
(LEDs)
1. Disconnect the taillight coupler.
2. Connect two jumper leads 1
from the battery terminals to the
respective coupler terminal as
shown.
3. Check:
LED (for proper operation)
Does not light Replace the
taillight assembly.
WARNING
A wire that is used as a jumper
lead must have at least the same
capacity of the battery lead, oth-
erwise the jumper lead may
burn.
This check is likely to produce
sparks, therefore, make sure no
flammable gas or fluid is in the
vicinity.
Battery (+) terminal
Blue lead 2
Battery () terminal
Black lead 3
AC MAGNETO INSPECTION
1. Inspect:
Lighting coil resistance
Out of specification
Replace.
Tester (+) lead Yellow lead 1
Tester () lead Ground 2
Lighting coil
resistance
Tester
selector
position
0.224 ~ 0.336
at 20 °C (68 °F) × 1
CONTROLE DU FEU ARRIERE
(DEL)
1. Débrancher la fiche rapide du feu
arrière.
2. Brancher deux cavaliers 1 des bor-
nes de la batterie aux bornes corres-
pondantes de la fiche rapide,
comme illustré.
3. Contrôler:
LED (pour un bon fonctionne-
ment)
Ne sallume pas Remplacer le
feu arrière complet.
AVERTISSEMENT
Un cavalier doit avoir au moins la
même capacité quun câble de bat-
terie sinon il risque de brûler.
Ce contrôle est susceptible de pro-
duire des étincelles. Il convient donc
d’éloigner tout gaz ou liquide
inflammable.
Borne (+) de la batterie
Fil bleu 2
Borne () de la batterie
Fil noir 3
CONTROLE DE LALTERNATEUR
AVEC ROTOR A AIMENTATION
PERMANENTE
1. Contrôler:
Résistance de la bobine d’éclai-
rage
Hors spécifications Rempla-
cer.
Fil (+) du multimètre
fil jaune 1
Fil () du multimètre terre 2
Résistance de la
bobine
d’éclairage
Position du
sélecteur du
multimètre
0,224 à 0,336 à
20 °C (68 °F) × 1
ECLAIRAGE
7 - 74
+
ELEC
RÜCKLICHT (LEDs)
KONTROLLIEREN
1. Den Rücklicht-Steckverbinder
abziehen.
2. Batteriepole mit den entspre-
chenden Steckverbinder-
Anschlüssen durch zwei Über-
brückungskabel 1 wie gezeigt
verbinden.
3. Kontrollieren:
LED (auf einwandfreie Funk-
tion)
Leuchtet nicht Rücklicht-
Baugruppe ersetzen.
WARNUNG
Der Querschnitt des Überbrü-
ckungskabels muss mindes-
tens so groß wie der des
Batteriekabels sein; anderen-
falls besteht Brandgefahr.
Wegen möglicher Funkenbil-
dung darf diese Kontrolle nicht
in der Nähe von entzündlichen
Gasen oder Flüssigkeiten erfol-
gen.
Batterie (+) Pluspol
Blaues Kabel 2
Batterie () Minuspol
Schwarzes Kabel 3
LICHTMASCHINE
KONTROLLIEREN
1. Kontrollieren:
Lichtspulen-Widerstand
Nicht nach Vorgabe Erneu-
ern.
Messkabel (+) Gelb 1
Messkabel () Masse 2
Lichtspulen-
Widerstand
Messge-
rät-Wahl-
schalter
0,2240,336
bei 20 °C
(68 °F)
× 1
CONTROLLO DELLA LUCE
POSTERIORE (LED)
1. Scollegare laccoppiatore della luce
posteriore.
2. Collegare due cavi per avviamento
batteria 1 dai terminali della batte-
ria al rispettivo terminale
dellaccoppiatore come mostrato.
3. Controllare:
LED (funzionamento corretto)
Non si accende Sostituire il
gruppo luce posteriore.
AVVERTENZA
Il filo elettrico utilizzato come cavo
per avviamento batteria deve pre-
sentare una capacità almeno equi-
valente a quella del cavo della
batteria, altrimenti potrebbe bru-
ciarsi.
Questo controllo può produrre scin-
tille, quindi accertarsi che non vi
siano sostanze infiammabili nelle
vicinanze.
Batteria (+) terminale
Cavo blu 2
Batteria () terminale
Cavo nero 3
CONTROLLO MAGNETE AC
1. Controllare:
Resistenza avvolgimento di illu-
minazione
Non conforme alle specifiche
Sostituire.
Tester (+) cavo Cavo giallo 1
Tester () cavo Terra 2
Resistenza
avvolgimento di
illuminazione
Posizione
del selettore
del tester
0,224 ~ 0,336 a
20 °C (68 °F) × 1
COMPROBAR EL PILOTO
TRASERO (LEDs)
1. Desconecte el acoplador del
piloto trasero.
2. Conecte dos puentes 1 desde
los terminales de la batería al
terminal del acoplador respec-
tivo, como se muestra.
3. Comprobar:
LED (que funcione correcta-
mente)
No se ilumina Cambiar el
conjunto del piloto trasero.
ADVERTENCIA
El cable que se utilice como
puente debe tener como mínimo
la misma capacidad que el cable
de la batería; de lo contrario, el
puente se puede quemar.
Durante esta prueba es probable
que se produzcan chispas; por
lo tanto, compruebe que no
haya gases ni líquidos inflama-
bles en las proximidades.
Terminal (+) de la batería
Cable azul 2
Terminal () de la batería
Cable negro 3
COMPROBACIÓN DE LA
MAGNETO CA
1. Comprobar:
Resistencia de la bobina de
luz
Fuera del valor especificado
Cambiar.
Comprobador (+) cable
Cable amarillo 1
Comprobador () cable
Masa 2
Resistencia de
la bobina de
luz
Posición
del selector
del com-
probador
0,224 ~ 0,336
a 20 °C (68 °F) × 1
BELEUCHTUNGSANLAGE
IMPIANTO DI ILLUMINAZIONE
SISTEMA DE ILUMINACIÓN
7 - 75
+
ELEC
LIGHTING SYSTEM
RECTIFIER/REGULATOR
INSPECTION
1. Connect the battery leads.
2. Start the engine.
3. Turn on the headlight and tail-
light by turning on the light
switch.
4. Inspect:
Out-put voltage
Out of specification
Replace rectifier/regulator.
Tester (+) lead Yellow lead 1
Tester () lead Black lead 2
Out-put
voltage
Tester
selector
position
12.5 ~ 13.5 V
at 5,000 r/min ACV-20
R
B
W
Y
1
2
CONTROLE DU REDRESSEUR/
REGULATEUR
1. Raccorder les câbles de la batterie.
2. Mettre le moteur en marche.
3. Allumer le phare et le feu arrière à
laide du contacteur d’éclairage.
4. Contrôler:
Tension de sortie
Hors spécifications Remplacer
le redresseur/régulateur.
Fil (+) du multimètre
fil jaune 1
Fil () du multimètre fil noir 2
Tension de
sortie
Position du
sélecteur du
multimètre
12,5 à 13,5 V à
5.000 tr/min ACV-20
ECLAIRAGE
7 - 76
+
ELEC
GLEICHRICHTER/REGLER
KONTROLLIEREN
1. Die Batteriekabel anschließen.
2. Den Motor starten.
3. Mit dem Lichtschalter den
Scheinwerfer und das Rücklicht
einschalten.
4. Kontrollieren:
Ausgangsspannung
Nicht nach Vorgabe Gleich-
richter/Regler erneuern.
Messkabel (+) Gelb 1
Messkabel () Schwarz 2
Ausgangs-
spannung
Messge-
rät-Wahl-
schalter
12,513,5 V bei
5.000 U/min ACV-20
CONTROLLO RADDRIZZATORE/
REGOLATORE
1. Collegare i cavi della batteria.
2. Avviare il motore.
3. Accendere il faro e la luce poste-
riore tramite linterruttore delle luci.
4. Controllare:
Tensione in uscita
Non conforme alle specifiche
Sostituire il raddrizzatore/regola-
tore.
Tester (+) cavo Cavo giallo 1
Tester () cavo Cavo nero 2
Tensione in
uscita
Posizione
del selettore
del tester
12,5 ~ 13,5 V a
5.000 giri/min ACV-20
COMPROBACIÓN DEL
RECTIFICADOR/REGULADOR
1. Conectar los cables de la bate-
ría.
2. Arranque el motor.
3. Encienda el faro y el piloto tra-
sero girando el interruptor de
luces.
4. Comprobar:
Voltaje de salida
Fuera del valor especificado
Cambiar el rectificador/
regulador.
Comprobador (+) cable
Cable amarillo 1
Comprobador () cable
Cable negro 2
Voltaje de
salida
Posición
del selector
del com-
probador
12,5 ~ 13,5 V a
5.000 r/min ACV-20
BELEUCHTUNGSANLAGE
IMPIANTO DI ILLUMINAZIONE
SISTEMA DE ILUMINACIÓN
7 - 77
+
ELEC
SIGNALING SYSTEM
SIGNALING SYSTEM
INSPECTION STEPS
If the speedometer will not operate, use the following inspection steps.
*1 marked: Refer to BATTERY INSPECTION AND CHARGING section in the CHAPTER 3.
NOTE:
Remove the following parts before inspection.
1) Headlight
Use the following special tools in this inspection.
Pocket tester:
YU-3112-C/
90890-03112
*1 Check battery. Recharge or replace.
Check each coupler and wire
connection. Repair or replace.
Check multi-function display. Input voltage Replace wire harness.
Output voltage Replace multi-function
display.
Check speed sensor. Replace.
OK
OK
OK
No good
No good
No good
No good
No good
7 - 78
+
ELEC
SYSTEME DE SIGNALISATION
PROCEDURE DE CONTROLE
Si le compteur de vitesse ne fonctionne pas, effectuer les contrôles suivants.
*1: Se reporter à la section CONTROLE ET CHARGE DE LA BATTERIE au CHAPITRE 3.
N.B.:
Déposer les pièces suivantes avant de procéder au contrôle.
1) Phare
Utiliser les outils spéciaux suivants pendant ce contrôle.
Multimètre:
YU-3112-C/90890-03112
*1 Contrôler la batterie. Recharger ou remplacer.
Contrôler chaque fiche rapide et
connexion de fils. Réparer ou remplacer.
Contrôler l’écran multifonction. Tension dentrée Remplacer le faisceau de fils.
Tension de sortie Remplacer l’écran
multifonction.
Contrôler le capteur de vitesse. Remplacer.
OK
OK
OK
Problème
Problème
Problème
Problème
Problème
SYSTEME DE SIGNALISATION
7 - 79
+
ELEC
SIGNALANLAGE
KONTROLLE
Folgende Prüfschritte dienen zur Diagnose des Geschwindigkeitssensors, wenn dieser nicht funktioniert.
*1: Siehe unter BATTERIE KONTROLLIEREN UND LADEN in KAPITEL 3.
HINWEIS:
Vor der Kontrolle folgende Bauteile demontieren:
1) Scheinwerfer
Folgendes Spezialwerkzeug für die Kontrolle verwenden:
Taschen-Multimeter:
YU-3112-C/
90890-03112
*1 Batterie kontrollieren. Laden, ggf. erneuern.
Sämtliche Steckverbinder- und
Kabelanschlüsse kontrollieren.
Instand setzen, ggf.
erneuern.
Multifunktionsanzeige
kontrollieren
Eingangsspan-
nung Kabelbaum erneuern.
Ausgangsspan-
nung
Multifunktionsanzeige
erneuern.
Geschwindigkeitssensor
kontrollieren. Erneuern.
In Ordnung
In Ordnung
In Ordnung
Nicht in Ordnung
Nicht in Ordnung
Nicht in Ordnung
Nicht in Ordnung
Nicht in Ordnung
SIGNALANLAGE
7 - 80
+
ELEC
SISTEMA DI SEGNALAZIONE
OPERAZIONI PER IL CONTROLLO
Se il tachimetro non funziona, eseguire le seguenti operazioni per il controllo.
*1: Fare riferimento alla sezione CONTROLLO E CARICA DELLA BATTERIA nel CAPITOLO 3.
NOTA:
Togliere i seguenti componenti prima del controllo.
1) Faro
Per questo controllo, utilizzare gli appositi attrezzi seguenti.
Tester tascabile:
YU-3112-C/
90890-03112
*1 Controllare la batteria. Ricaricare o sostituire.
Controllare ogni accoppiatore e i
collegamenti dei cavi elettrici. Riparare o sostituire.
Controllare il display multifunzione. Tensione in
ingresso
Sostituire il cablaggio
elettrico.
Tensione in uscita Sostituire il display
multifunzione.
Controllare il sensore velocità. Sostituire.
OK
OK
OK
In cattivo stato
In cattivo stato
In cattivo stato
In cattivo stato
In cattivo stato
SISTEMA DI SEGNALAZIONE
7 - 81
+
ELEC
SISTEMA DE SEÑALIZACIÓN
PROCEDIMIENTO DE REVISIÓN
Si el velocímetro no funciona utilice el procedimiento de comprobación siguiente.
*1 marcado: Consulte el apartado COMPROBACIÓN Y CARGA DE LA BATERÍA del CAPÍTULO 3.
NOTA:
Desmontar las piezas siguientes antes de proceder a la revisión.
1) Faro
Utilice las herramientas especiales siguientes en esta revisión.
Comprobador de
bolsillo:
YU-3112-C/
90890-03112
*1 Comprobar batería. Recargar o cambiar.
Comprobar todos los acopladores
y conexiones de cables. Reparar o cambiar.
Comprobar el visor multifunción. Voltaje de
entrada
Cambiar el mazo de
cables.
Voltaje de salida Cambiar el visor
multifunción.
Comprobar el sensor de
velocidad. Cambiar.
Correcto
Correcto
Correcto
Incorrecto
Incorrecto
Incorrecto
Incorrecto
Incorrecto
SISTEMA DE SEÑALIZACIÓN
7 - 82
+
ELEC
MEMO
7 - 83
+
ELEC
SIGNALING SYSTEM
COUPLERS AND LEADS
CONNECTION INSPECTION
1. Check:
Couplers and leads connec-
tion
Rust/dust/looseness/short-cir-
cuit Repair or replace.
MULTI-FUNCTION DISPLAY INPUT
VOLTAGE INSPECTION
1. Disconnect the multi-function
display coupler.
2. Set the main switch to ON.
3. Measure:
Multi-function display input
voltage
Out of specification
Replace wire harness.
CAUTION:
Make sure that a short-circuit
does not develop between the ter-
minals because it may cause dam-
age to electrical components.
Tester (+) lead Brown lead 1
Tester () lead Black lead 2
Multi-function
display input
voltage
Tester
selector
position
10 V or more DCV-20
MULTI-FUNCTION DISPLAY
OUTPUT VOLTAGE INSPECTION
1. Disconnect the multi-function
display coupler.
2. Set the main switch to ON.
CONTROLE DES CONNEXIONS
DES FICHES RAPIDES ET DES
FILS
1. Contrôler:
Connexion des fiches rapides et
des fils
Rouille/poussière/jeu/court-cir-
cuit Réparer ou remplacer.
CONTROLE DE LA TENSION
DENTREE DE LECRAN
MULTIFONCTION
1. Déconnecter la fiche rapide de
l’écran multifonction.
2. Placer le contacteur à clé sur ON.
3. Mesurer:
Tension dentrée de l’écran mul-
tifonction
Hors spécifications Remplacer
le faisceau de fils.
ATTENTION:
Veiller à ce quaucun court-circuit ne
se produise entre les bornes car cela
risque dendommager les composants
électriques.
Fil (+) du multimètre fil brun 1
Fil () du multimètre fil noir 2
Tension dentrée
de l’écran multi-
fonction
Position du
sélecteur du
multimètre
Au moins
10 V 20 V c.c.
CONTROLE DE LA TENSION DE
SORTIE DE LECRAN
MULTIFONCTION
1. Déconnecter la fiche rapide de
l’écran multifonction.
2. Placer le contacteur à clé sur ON.
SYSTEME DE SIGNALISATION
7 - 84
+
ELEC
STECKVERBINDER- UND KABEL-
ANSCHLÜSSE KONTROLLIEREN
1. Kontrollieren:
Steckverbinder- und Kabelan-
schlüsse
Rostig/staubig/locker/kurzge-
schlossen Instand setzen,
ggf. erneuern.
EINGANGSSPANNUNG DER
MULTIFUNKTIONSANZEIGE
KONTROLLIEREN
1. Steckverbinder der Multifunkti-
onsanzeige lösen.
2. Den Zündschalter auf ON stel-
len.
3. Messen:
Eingangsspannung der Multi-
funktionsanzeige
Nicht nach Vorgabe Kabel-
baum erneuern.
ACHTUNG:
Darauf achten, dass kein Kurz-
schluss vorliegt, um eine Beschä-
digung der elektrischen Anlage zu
vermeiden.
Pluskabel des Messgeräts
Braun 1
Minuskabel des Messgeräts
Schwarz 2
Eingangsspan-
nung der Multi-
funktionsanzeige
Messgerät-
Wahlschalter
Mindestens
10 V DCV-20
AUSGANGSSPANNUNG DER
MULTIFUNKTIONSANZEIGE
KONTROLLIEREN
1. Steckverbinder der Multifunkti-
onsanzeige lösen.
2. Den Zündschalter auf ON stel-
len.
CONTROLLO COLLEGAMENTI
ACCOPPIATORI E CAVI
1. Controllare:
Collegamenti accoppiatori e cavi
Ruggine/polvere/allentamento/
cortocircuito Riparare o sosti-
tuire.
CONTROLLO TENSIONE IN
INGRESSO DISPLAY
MULTIFUNZIONE
1. Scollegare laccoppiatore del
display multifunzione.
2. Portare linterruttore di accensione
su ON.
3. Misurare:
Tensione in ingresso display mul-
tifunzione
Non conforme alle specifiche
Sostituire il cablaggio elettrico.
ATTENZIONE:
Assicurarsi che non si crei un cortocir-
cuito tra i terminali, perché ciò
potrebbe danneggiare i componenti
elettrici.
Cavo (+) tester Cavo marrone 1
Cavo () tester Cavo nero 2
Tensione in
ingresso display
multifunzione
Posizione
del selettore
del tester
10 V o superiore DCV-20
CONTROLLO TENSIONE IN
USCITA DISPLAY
MULTIFUNZIONE
1. Scollegare laccoppiatore del
display multifunzione.
2. Portare linterruttore di accensione
su ON.
COMPROBACIÓN DE LA
CONEXIÓN DE ACOPLADORES Y
CABLES
1. Comprobar:
Conexión de acopladores y
cables
Óxido/flojas/cortocircuito
Reparar o cambiar.
COMPROBACIÓN DEL VOLTAJE
DE ENTRADA DEL VISOR
MULTIFUNCIÓN
1. Desconecte el acoplador del
visor multifunción.
2. Sitúe el interruptor principal en
ON.
3. Medir:
Voltaje de entrada del visor
multifunción
Fuera del valor especificado
Cambiar el mazo de cables.
ATENCION:
Verifique que no se desarrolle un
cortocircuito entre los terminales;
ello podría provocar daños en los
componentes eléctricos.
Cable (+) del comprobador
Cable marrón 1
Cable () del comprobador
Cable negro 2
Voltaje de
entrada del visor
multifunción
Posición del
selector del
comprobador
10 V o supe-
rior Vcc-20
COMPROBACIÓN DEL VOLTAJE
DE SALIDA DEL VISOR
MULTIFUNCIÓN
1. Desconecte el acoplador del
visor multifunción.
2. Sitúe el interruptor principal en
ON.
SIGNALANLAGE
SISTEMA DI SEGNALAZIONE
SISTEMA DE SEÑALIZACIÓN
7 - 85
+
ELEC
SIGNALING SYSTEM
3. Measure:
Multi-function display output
voltage
Out of specification
Replace multi-function display.
CAUTION:
Make sure that a short-circuit
does not develop between the ter-
minals because it may cause dam-
age to electrical components.
Tester (+) lead Red lead 1
Tester () lead
Black/White lead 2
Multi-function
display output
voltage
Tester
selector
position
4.5 V or more DCV-20
SPEED SENSOR OUTPUT
VOLTAGE INSPECTION
1. Insert the thin electric conduc-
tors 1 (lead) into the speed sen-
sor coupler 2, as shown, and
connect the tester to them.
CAUTION:
Do not insert the electric con-
ductors more than required
because it may reduce the
waterproof function of the cou-
pler.
Make sure that a short-circuit
does not develop between the
terminals because it may cause
damage to electrical compo-
nents.
2. Set the main switch to ON.
Tester (+) lead White lead 3
Tester () lead Black lead 4
3. Mesurer:
Tension de sortie de l’écran mul-
tifonction
Hors spécifications Remplacer
l’écran multifonction.
ATTENTION:
Veiller à ce quaucun court-circuit ne
se produise entre les bornes car cela
risque dendommager les composants
électriques.
Fil (+) du multimètre fil rouge 1
Fil () du multimètre
fil noir/blanc 2
Tension de sortie
de l’écran multi-
fonction
Position du
sélecteur du
multimètre
Au moins
4,5 V 20 V c.c.
CONTROLE DE LA TENSION DE
SORTIE DU CAPTEUR DE
VITESSE
1. Introduire les fins conducteurs élec-
triques 1 (fils) dans la fiche rapide
du capteur de vitesse 2, comme
illustré, et y raccorder le multimè-
tre.
ATTENTION:
Ne pas enfoncer les conducteurs
électriques plus que nécessaire; cela
risque en effet de réduire l’étan-
chéité de la fiche rapide.
Veiller à ce quaucun court-circuit
ne se produise entre les bornes car
cela risque dendommager les com-
posants électriques.
2. Placer le contacteur à clé sur ON.
Fil (+) du multimètre fil blanc 3
Fil () du multimètre fil noir 4
SYSTEME DE SIGNALISATION
7 - 86
+
ELEC
3. Messen:
Ausgangsspannung der Multi-
funktionsanzeige
Nicht nach Vorgabe Multi-
funktionsanzeige erneuern.
ACHTUNG:
Darauf achten, dass kein Kurz-
schluss vorliegt, um eine Beschä-
digung der elektrischen Anlage zu
vermeiden.
Pluskabel des Messgeräts
Rot 1
Minuskabel des Messgeräts
Schwarz/Weiß 2
Ausgangsspan-
nung der Multi-
funktionsanzeige
Messgerät-
Wahlschalter
Mindestens
4,5 V DCV-20
AUSGANGSSPANNUNG DES
GESCHWINDIGKEITSSENSORS
KONTROLLIEREN
1. Dünne Kabel 2, wie in der
Abbildung gezeigt, in den
Geschwindigkeitssensor-Steck-
verbinder 1 stecken und dann
das Messgerät an die Kabel
anschließen.
ACHTUNG:
Die Kabel nicht tiefer als not-
wendig in den Steckverbinder
stecken, um dessen Wasser-
dichtigkeit nicht zu beeinträchti-
gen.
Darauf achten, dass kein Kurz-
schluss vorliegt, um eine
Beschädigung der elektrischen
Anlage zu vermeiden.
2. Den Zündschalter auf ON stel-
len.
Pluskabel des Messgeräts
Weiß 3
Minuskabel des Messgeräts
Schwarz 4
3. Misurare:
Tensione in uscita display multi-
funzione
Non conforme alle specifiche
Sostituire il display multifun-
zione.
ATTENZIONE:
Assicurarsi che non si crei un cortocir-
cuito tra i terminali, perché ciò
potrebbe danneggiare i componenti
elettrici.
Cavo (+) tester Cavo rosso 1
Tester () cavo
Cavo nero/bianco 2
Tensione in
uscita display
multifunzione
Posizione
del selettore
del tester
4,5 V o
superiore DCV-20
CONTROLLO TENSIONE IN
USCITA SENSORE VELOCITÀ
1. Inserire i conduttori elettrici di pic-
cole dimensioni 1 (cavo)
nellaccoppiatore del sensore velo-
cità 2 come indicato in figura e
collegare il tester.
ATTENZIONE:
Non inserire i conduttori elettrici
più del necessario, perché ciò
potrebbe ridurre limpermeabilità
dellaccoppiatore.
Assicurarsi che non si crei un corto-
circuito tra i terminali, perché ciò
potrebbe danneggiare i componenti
elettrici.
2. Portare linterruttore di accensione
su ON.
Cavo (+) tester Cavo bianco 3
Cavo () tester Cavo nero 4
3. Medir:
Voltaje de salida del visor mul-
tifunción
Fuera del valor especificado
Cambiar el visor multifun-
ción.
ATENCION:
Verifique que no se desarrolle un
cortocircuito entre los terminales;
ello podría provocar daños en los
componentes eléctricos.
Cable (+) del comprobador
Cable rojo 1
Cable () del comprobador
Cable negro/blanco 2
Voltaje de salida
del visor multi-
función
Posición del
selector del
comprobador
4,5 V o
superior Vcc-20
COMPROBACIÓN DEL VOLTAJE
DE SALIDA DEL SENSOR DE
VELOCIDAD
1. Introduzca los conductores eléc-
tricos finos 1 (cable) en el aco-
plador del sensor de velocidad
2, como se muestra, y conecte
el comprobador.
ATENCION:
No introduzca los conductores
eléctricos más de lo necesario,
pues se puede reducir la estan-
queidad del acoplador.
Verifique que no se desarrolle
un cortocircuito entre los termi-
nales; ello podría provocar
daños en los componentes eléc-
tricos.
2. Sitúe el interruptor principal en
ON.
Cable (+) del comprobador
Cable blanco 3
Cable () del comprobador
Cable negro 4
SIGNALANLAGE
SISTEMA DI SEGNALAZIONE
SISTEMA DE SEÑALIZACIÓN
7 - 87
+
ELEC
SIGNALING SYSTEM
3. Measure:
Speed sensor output voltage
Output voltage not correct
Replace the speed sensor.
Measurement steps:
Elevate the front wheel and
slowly rotate it.
Measure the voltage (DCV) of
white lead and black lead. With
each full rotation of the front
wheel, the voltage reading
should cycle from 0.6 V to 4.8 V
to 0.6 V to 4.8 V.
3. Mesurer:
Tension de sortie du capteur de
vitesse
Tension de sortie incorrecte
Remplacer le capteur de vitesse.
Procédure de mesure:
Relever la roue avant et la faire
tourner doucement.
Mesurer la tension (V c.c.) des fils
blanc et noir. A chaque rotation
complète de la roue avant, la
mesure de la tension doit effectuer
le cycle suivant: 0,6 V - 4,8 V -
0,6 V - 4,8 V.
SYSTEME DE SIGNALISATION
7 - 88
+
ELEC
3. Messen:
Geschwindigkeitssensor-Aus-
gangsspannung
Nicht nach Vorgabe
Geschwindigkeitssensor
erneuern.
Messung:
Das Vorderrad anheben und
langsam drehen.
Die Spannung (DCV) zwischen
Weiß und Schwarz messen.
Mit jeder Umdrehung des Hin-
terrads sollte das Messergeb-
nis folgendermaßen wechseln:
0,6 V 4,8 V 0,6 V 4,8 V.
3. Misurare:
Tensione in uscita sensore velo-
cità
Tensione in uscita non corretta
Sostituire il sensore velocità.
Operazioni per la misurazione:
Sollevare la ruota anteriore e ruo-
tarla lentamente.
Misurare la tensione (DCV) del
cavo bianco e del cavo nero. A
ogni rotazione completa della ruota
anteriore, la lettura della tensione
deve passare ciclicamente da 0,6 V
a 4,8 V a 0,6 V a 4,8 V.
3. Medir:
Voltaje de salida del sensor de
velocidad
Voltaje de salida incorrecto
Cambiar el sensor de veloci-
dad.
Procedimiento de medición:
Levante la rueda delantera y
gírela lentamente.
Mida el voltaje (Vcc) del cable
blanco y del cable negro. Con
cada vuelta completa de la
rueda delantera, la lectura de
voltaje debe pasar cíclica-
mente de 0,6 V a 4,8 V, a 0,6 V
y a 4,8 V.
SIGNALANLAGE
SISTEMA DI SEGNALAZIONE
SISTEMA DE SEÑALIZACIÓN
5UM-28199-54
WR250F(W)
OWNER’S SERVICE MANUAL
MANUEL D’ATELIER DU
PROPRIETAIRE
FAHRER- UND
WARTUNGSHANDBUCH
MANUALE DI SERVIZIO DEL
PROPRIETARIO
MANUAL DE SERVICIO
DEL PROPIETARIO
PRINTED IN JAPAN
2006.08-1.9×1 CR
(E,F,G,H,S)
WR250F(W)
PRINTED ON RECYCLED PAPER YAMAHA MOTOR CO., LTD.
2500 SHINGAI IWATA SHIZUOKA JAPAN

Navigation menu