Agilent 34420A User's Guide
User Manual:
Open the PDF directly: View PDF
.
Page Count: 294 [warning: Documents this large are best viewed by clicking the View PDF Link!]
- Contents
- Agilent 34420A Overview
- In This Book
- Chapter 1: Quick Start
- To Prepare the Meter For Use
- If the Meter Does Not Turn On
- To Adjust the Carrying Handle
- To Make Input Connections
- To Measure Voltage
- To Measure Resistance
- To Measure Temperature With Thermistors
- To Measure Temperature With RTDs
- To Measure Temperature With Thermocouples
- To Select a Range
- To Set the Number of Digits
- To Set the Integration Time
- Front-Panel Display Formats
- To Rack Mount the Meter
- Chapter 2: Front-Panel Operation
- Front-Panel Menu Reference
- A Front-Panel Menu Tutorial
- Messages Displayed During Menu Use
- Menu Example 1
- Menu Example 2
- Menu Example 3
- To Select an Input Channel
- To Select a Range
- To Set or Change the Number of Digits
- To Set the Integration Time
- To Make Null (Relative) Measurements
- To Store Minimum and Maximum Readings (Stats)
- To Trigger the Meter
- To Use Reading Hold
- To Make Voltage Ratio and Difference Measurements
- To Use Reading Memory
- Chapter 3: Features and Functions
- General Measurement Configuration
- Voltage Measurement Configuration
- Resistance Measurement Configuration
- Temperature Measurement Configuration
- Math Operations
- Null (Relative) Operation
- Reading Hold
- Triggering
- System-Related Operations
- Voltmeter Complete Terminal
- External Trigger Terminal
- Chart Output (Analog Output)
- Remote Interface Configuration
- Calibration
- Defaults, Power-On and Reset States
- Chapter 4: Remote Interface Reference
- Command Summary
- Voltage Measurement Configuration Commands
- Resistance Measurement Configuration Commands
- Temperature Measurement Configuration Commands
- General Measurement Configuration Commands
- Math Operation Commands
- Triggering Commands
- Chart Output Commands
- System-Related Commands
- Status Reporting Commands
- Calibration Commands
- Remote Interface Commands
- IEEE-488.2 Common Commands
- Simplified Programming Sequence
- MEASure? and CONFigure Defaults
- Using the MEASure? Command
- Using the CONFigure Command
- Using the range and resolution Parameters
- Using the READ? Command
- Using the INITiate and FETCh? Commands
- MEASure? Example
- CONFigure Example (using READ?)
- CONFigure Example (using INIT)
- CONFigure Example (using ROUTe and READ?)
- The MEASure? and CONFigure Commands
- Setting the Function, Range, and Resolution
- Selecting the Input Channel
- Special Resistance Measurement Commands
- Temperature Measurement Commands
- Null (Relative) Commands
- Input Filter Commands
- Math Operation Commands
- Triggering
- Triggering Commands
- Chart Output (Analog Out) Commands
- System-Related Commands
- The SCPI Status Model
- What is an Event Register?
- What is an Enable Register?
- What is a Condition Register?
- HP 34420A SCPI Status System
- The Status Byte
- Using Service Request (SRQ) and Serial POLL
- Using *STB? to Read the Status Byte
- To Interrupt Your Bus Controller Using SRQ
- To Determine When a Command Sequence is Completed
- How to Use the Message Available Bit (MAV)
- Using *OPC to Signal When Data is in the Output Buffer
- The Standard Event Register
- The Questionable Data Register
- The Operational Status and Condition Registers
- Status Reporting Commands
- Calibration Commands
- RS-232 Interface Configuration
- RS-232 Interface Commands
- An Introduction to the SCPI Language
- Input Message Terminators
- Output Data Formats
- Using Device Clear to Halt Measurements
- TALK ONLY for Printers
- To Set the HP-IB Address
- To Select the Remote Interface
- To Set the Baud Rate
- To Set the Parity
- To Select the Programming Language
- Alternate Programming Language Compatibility
- SCPI Compliance Information
- IEEE-488 Compliance Information
- Command Summary
- Chapter 5: Error Messages
- Chapter 6: Application Program
- Chapter 7: Measurement Tutorial
- Measurement Techniques and Sources of Error
- Voltage Measurements
- Radio Frequency Interference
- Thermal EMF Errors
- Noise Caused by Magnetic Fields
- Rejecting Power-Line Noise Voltages
- Noise Caused by Ground Loops
- Common Mode Rejection (CMR)
- Loading Errors Due to Input Resistance (dc volts)
- Loading Errors Due to Input Bias Current (Leakage Current)
- Noise Caused by Injected Current
- Resistance Measurements
- Temperature Measurements
- Voltage Measurements
- Cleaning the Connector Contacts
- Input Connector
- Obtaining Parts For the Input Connector
- Measurement Techniques and Sources of Error
- Chapter 8: Specifications
- Declaration of Conformity
- Warranty Information
- Index



The 34420A is a 71/2 digit, high performance nanovolt, micro-ohm
meter. Its combination of bench-top and system features makes this
meter a versatile solution for your testing requirements now and in the
future.
Convenient bench-top features
•Built-in math operations including thermistor, thermocouple and
RTD temperature measurements
•Two channel input allows ratio and difference functions for voltage
measurements
•Highly visible vacuum-fluorescent display
•Portable, ruggedized case with non-skid feet
Flexible system features
•HP-IB (IEEE-488) interface and RS-232 interface are standard
•SCPI (Standard Commands for Programmable Instruments) and
Keithley 181 compatibility
•Readings at up to 250 per second
HP 34420A
Nano Volt/Micro Ohm Meter
Agilent 34420A
GPIB

The Front-Panel at a Glance
1Input channel select 5Menu operation keys
2Measurement function keys 6Range/number of digits displayed keys
3Math operation keys 7Single trigger/autotrigger/auto hold key
4Filter select key 8Shift / local key
2

The Front-Panel Menu at a Glance
The menu is organized in a top-down tree structure with three levels.
A: MEASurement MENU
1: DIG FILTER 2: INTEGRATE 3: OCOMP Ω 4: LOW POWER Ω 5: LOW VOLT Ω 6: LoV LIMIT Ω
B: TEMPerature MENU
1: PROBE TYPE 2: UNITS 3: RTD TYPE 4:RTD Ro 5: T/C TYPE 6: COLD JUNCT 7: JUNCT TEMP
C: MATH MENU
1: STATS 2: NULL VALUE 3: SCALE GAIN 4: SCALE OFST
D: TRIGger MENU
1: READ HOLD 2: TRIG DELAY 3: N SAMPLES
E: SYStem MENU
1: RDGS STORE 2: SAVED RDGS 3: ERROR 4: TEST 5: CHART OUT 6: CHART SPAN
7: CHART NULL 8: DISPLAY 9: COMMA 10: PRESET 11: REVISION
F: Input/Output MENU
1: HP-IB ADDR 2: INTERFACE 3: BAUD RATE 4: PARITY 5: LANGUAGE
G: CALibration MENU
1: UNSECURED [1: SECURED] [2: CALIBRATE] [3: CHART ZERO] [4: CHART GAIN]
[5: INJECTED I] 6: CAL COUNT 7: MESSAGE
NOTE: The commands enclosed in square brackets ([ ]) in the CAL MENU are "hidden" unless the meter is UNSECURED for calibration.
To turn on menu press:
To move left/right To move up/down
To enter a command press:
3

Display Annunciators
*Turns on during a measurement.
Adrs Meter is addressed to listen or talk over the HP-IB interface.
Rmt Meter is in remote mode (using remote interface).
Man Meter is using manual ranging (autorange is disabled).
Trig Meter is waiting for a single trigger or external trigger.
OC Off Offset compensation is turned off.
Null A null value is being used.
Stats Math statistics operations are being used.
Scale Math scaling operations are being used.
ERROR Hardware or remote interface command error(s) detected.
Shift "Shift" key has been pressed.
Ch1 Meter input is on Channel 1.
Ch2 Meter input is on Channel 2.
Ch1 - Ch2 Meter is indicating the difference between inputs on channel 1 and channel 2.
Ch1 / Ch2 Meter is indicating the ratio of the inputs on channel 1 and channel 2.
ΩMeter is measuring resistance (Ohms).
LP Meter is using low power Ohms.
2W Meter is using 2-wire Ohms (annunciator off indicates a 4-wire measurement).
LoV Meter is using voltage limited Ohms.
Hold Automatic reading hold is enabled.
Filt The analog and/or the digital filter is enabled.
Mem Turns on when reading memory is enabled.
To review the display annunciators, hold down the Shift key as you
turn on the meter.
4

The Rear Panel at a Glance
1Chassis ground 5Voltmeter complete output terminal
2Power-line fuse-holder assembly 6External trigger input terminal
3Power-line voltage setting7GPIB (IEEE-488) interface connector
4Chart recorder output terminal
(Analog out) 8RS-232 interface connector
Use the front-panel Input / Output Menu to:
•Select the GPIB or RS-232 interface
•Set the GPIB bus address
•Set the RS-232 baud rate and parity
5

In This Book
Quick Start Chapter 1 prepares the meter for use and helps you get
familiar with a few of its front-panel features.
Front-Panel Operation Chapter 2 introduces you to the front-panel menu
and describes some of the meter’s menu features.
Features and Functions Chapter 3 gives a detailed description of the
meter’s capabilities and operation. You will find this chapter useful
whether you are operating the meter from the front panel or from a
remote interface.
Remote Interface Reference Chapter 4 contains reference
information to help you program the meter using a remote interface.
Error Messages Chapter 5 lists the error messages that may appear as
you are working with the meter. Each listing contains enough
information to help you diagnose and solve the problem.
Application Programs Chapter 6 contains several remote interface
application programs to help you develop programs for your
measurement application.
Measurement Tutorial Chapter 7 discusses measurement
considerations and techniques to help you obtain the best accuracy and
reduce sources of measurement error.
Specifications Chapter 8 lists the meter’s specifications and describes
how to interpret these specifications.
If you have questions relating to the operation of the meter, call
1-800-452-4844 in the United States, or contact your nearest
6
Agilent Technologies Sales Office.

Contents
Chapter 1 Quick Start
To Prepare the Meter For Use 13
If the Meter Does Not Turn On 14
To Adjust the Carrying Handle 16
To Make Input Connections 17
To Measure Voltage 19
To Measure Resistance 20
To Measure Temperature With Thermistors 21
To Measure Temperature With RTDs 21
To Measure Temperature With Thermocouples 22
To Select a Range 23
To Set the Number of Digits 24
To Set the Integration Time 25
Front-Panel Display Formats 26
To Rack Mount the Meter 27
Chapter 2 Front-Panel Operation
Front-Panel Menu Reference 31
A Front-Panel Menu Tutorial 33
To Select an Input Channel 41
To Select a Range 42
To Set or Change the Number of Digits 43
To Set the Integration Time 44
To Make Null (Relative) Measurements 45
To Store Minimum and Maximum Readings (Stats) 46
To Trigger the Meter 47
To Use Reading Hold 48
To Make Voltage Ratio and Difference Measurements 49
To Use Reading Memory 50
Chapter 3 Features and Functions
General Measurement Configuration 55
Input Filters 55
Integration Time 58
Reducing Measurement Noise 60
Number of Digits Displayed 62
Ranging 64
Overload Detection 65
Voltage Measurement Configuration 66
Input Channels 66
Resistance Measurement Configuration 68
Temperature Measurement Configuration 71
Measurement Units 71
RTD Measurements 72
Thermistor Measurements 72
Thermocouple Measurements 73
C
o
n
t
e
n
t
s
7

Chapter 3 Features and Functions (continued)
Math Operations 74
Null (Relative) Operation 77
Reading Hold 79
Triggering 80
Trigger Source Choices 82
The Wait-for-Trigger State 85
Halting a Measurement in Progress 85
Number of Samples 86
Number of Triggers 86
Trigger Delay 87
Automatic Trigger Delays 89
System-Related Operations 90
Reading Memory 90
Error Conditions 92
Self-Test 93
Display Control 94
Comma Separators 95
Firmware Revision Query 95
SCPI Language Version 96
Voltmeter Complete Terminal 97
External Trigger Terminal 97
Chart Output (Analog Output) 98
Chart Rollover 100
Remote Interface Configuration 101
Remote Interface Selection 101
HP-IB Address 102
Baud Rate Selection (RS-232) 103
Parity Selection (RS-232) 104
Programming Language Selection 105
Connection to a Terminal or Printer (RS-232) 106
Calibration 107
Calibration Security 107
Calibration Count 110
Calibration Message 111
Defaults, Power-On and Reset States 112
Chapter 4 Remote Interface Reference
Command Summary 117
Simplified Programming Sequence 126
Using the MEASure? Command 128
Using the CONFigure Command 128
Using the range and resolution Parameters 129
Using the READ? Command 130
Using the INITiate and FETCh? Commands 131
The MEASure? and CONFigure Commands 134
Setting the Function, Range, and Resolution 137
Selecting the Input Channel 140
Special Resistance Measurement Commands 141
Temperature Measurement Commands 142
Contents
8
GPIB

Chapter 4 Remote Interface Reference (continued)
Null (Relative) Commands 145
Input Filter Commands 146
Math Operation Commands 148
Statistics operation commands (AVERage) 149
Scale operation commands 150
Triggering 151
The Wait-for-Trigger State 153
Triggering Commands 154
Chart Output (Analog Out) Commands 156
System-Related Commands 157
The SCPI Status Model 159
What is an Event Register? 159
What is an Enable Register? 159
What is a Condition Register? 159
SCPI Status System 160
The Status Byte 161
Using Service Request (SRQ) and Serial POLL 162
Using *STB? to Read the Status Byte 163
To Interrupt Your Bus Controller Using SRQ 163
To Determine When a Command Sequence is Completed 163
How to Use the Message Available Bit (MAV) 164
Using *OPC to Signal When Data is in the Output Buffer 164
The Standard Event Register 165
The Questionable Data Register 167
The Operational Status and Condition Registers 169
Status Reporting Commands 171
Calibration Commands 174
RS-232 Interface Configuration 176
RS-232 Configuration Overview 176
RS-232 Data Frame Format 177
Connection to a Computer or Terminal 177
Connection to a Printer 179
DTR / DSR Handshake Protocol 179
RS-232 Troubleshooting 181
RS-232 Interface Commands 182
An Introduction to the SCPI Language 183
SCPI Data Types 185
Input Message Terminators 186
Output Data Formats 186
Using Device Clear to Halt Measurements 187
TALK ONLY for Printers 187
To Set the HP-IB Address 188
To Select the Remote Interface 189
To Set the Baud Rate 190
To Set the Parity 191
To Select the Programming Language 192
Alternate Programming Language Compatibility 193
Specific Issues 193
SCPI Compliance Information 194
IEEE-488 Compliance Information 197
C
o
n
t
e
n
t
s
Contents
9
GPIB

Chapter 5 Error Messages
Execution Errors 201
Self-Test Errors 208
Calibration Errors 210
Chapter 6 ApplicationPrograms
HP BASIC Language Programs 215
HP BASIC / HP-IB Program Example 1 215
HP BASIC / HP-IB Program Example 2 216
HP BASIC / HP-IB Program Example 3 218
HP BASIC / HP-IB Program Example 4 221
RS-232 Operations with QuickBASIC 223
Microsoft® Visual Basic Language Program 224
C Language Programs 231
Compiling and Linking a C Program 231
C / HP-IB Example 1 233
C / HP-IB Example 2 235
C / HP-IB Program Example 3 239
Microsoft® Excel Macro Example 243
Macro Comments 244
Chapter 7 Measurement Tutorial
Measurement Techniques and Sources of Error 249
Voltage Measurements 249
Resistance Measurements 258
Temperature Measurements 263
Cleaning the Connector Contacts 271
Input Connector 272
Obtaining Parts For the Input Connector 273
Chapter 8 Specifications
Accuracy Specifications
Measurement Characteristics
Operating Characteristics
Dimensions
To Calculate Total Measurement Error 281
Interpreting Meter Specifications 285
Number of Digits and Overrange 285
Sensitivity 285
Resolution 286
Accuracy 286
24-Hour Accuracy 287
90-Day and 1-Year Accuracy 287
Temperature Coefficients 287
Configuring for Highest Accuracy Measurements 287
Index 289
Declaration of Conformity 295
Contents
10
GPIB
GPIB
GPIB
GPIB
GPIB
GPIB
GPIB
GPIB

1
Quick Start

Quick Start
This chapter helps you prepare the meter for use and contains exercises
designed to get you started with the meter, its menus, and the front
panel.
The front panel has two rows of keys to select various functions and
operations. Most keys have a shifted function printed in blue above
the key. To perform a shifted function, press Shift (the Shift display
annunciator will turn on). Then, press the key that has the desired label
above it. For example, to select the temperature measurement function,
press Shift DCV .
If you accidentally press Shift , just press it again to turn off the Shift
annunciator.
The rear cover of this book is a fold-out Quick Reference Guide. On this
cover you will find a quick summary of various meter features. Inside
the rear cover is a diagram of the front panel menu options.
12

To Prepare the Meter For Use
The following steps help you verify that the meter is ready for use.
1 Check the list of supplied items.
Verify that you have received the following items with your meter. If any
item is missing, contact your nearest Hewlett-Packard Sales Office.
One low thermal input cable.
One low thermal four-wire shorting plug.
One power cord.
This User’s Guide.
One Service Guide.
One folded Quick Reference card.
Certificate of Calibration with removeable calibration label.
One bottle of DeoxIT contact cleaner.
2 Connect the power cord and turn the meter on.
The front panel display will light up while the meter performs its
power-on self-test. The HP-IB bus address is displayed. The meter is left
in 61/2 digit resolution, channel 1 input, and digital filter on.
To view the display with all annunciators turned on,
hold down Shift as you turn on the meter.
3Perform a complete self-test.
The complete self-test performs a more extensive series of tests than
those performed at power-on. Hold down Shift as you press the
power switch to turn on the meter; continue to hold Shift for more than
5 seconds. The self-test will begin when you release the key.
If the self-test is successful, "PASS" is displayed on the front panel. If the
test is not successful, "FAIL" is displayed and the ERROR annunciator
turns on. See the Service Guide for instructions on returning the meter to
Hewlett-Packard for service.
DeoxIT
is a trademark of CAIG Laboratories, Inc., San Diego, California.
1
Chapter 1 Quick Start
To Prepare the Meter For Use
13
Agilent Technologies Sales Office.
GPIB
Agilent for service.

If the Meter Does Not Turn On
Use the following steps to help solve problems you might experience
when turning on the meter. If you need more help, see the Service Guide
for instructions on returning the meter to Hewlett-Packard for service.
1 Verify there is ac power to the meter.
First verify that the meter’s power switch is in the "On" position. Make
sure the power cord is firmly plugged into the power module on the
meter’s rear panel. Verify that the power source is energized.
2 Verify the power-line voltage setting.
The line voltage is set to the proper value for your country when the
meter is shipped from the factory. Change the voltage setting if it is not
correct. The settings are: 100, 120, 220, or 240 Vac (for 230 Vac operation,
use the 220 Vac setting).
See the diagram on the next page to verify or change the setting.
To replace the 250 mAT 250 V fuse, order part number 2110-0817.
This fuse is used for all power line voltage settings.
Chapter 1 Quick Start
If the Meter Does Not Turn On
14
Agilent for service.

1 Remove the power cord. Remove
the fuse holder assembly from the rear
2 Install the fuse. Remove the
line-voltage selector from the assembly.
250 mAT fuse
(250V)
3Rotate the line-voltage selector until
the correct voltage appears in the window.
100, 120, 220 (230), or 240 Vac
4Replace the fuse-holder assembly in the
rear panel.
Install the correct fuse and verify that the correct line voltage appears in the window.
1
Chapter 1 Quick Start
If the Meter Does Not Turn On
15

To Adjust the Carrying Handle
To adjust the position, grasp the handle by the sides and pull outward.
Then, rotate the handle to the desired position.
Bench-top viewing positions Carrying Position
Chapter 1 Quick Start
To Adjust the Carrying Handle
16

To Make Input Connections
Using the Cable Provided
Align the front panel connector and cable conductors, press in.
Tighten coupling nut.
The connector and cable are an integral part of the measurement system.
For the highest accuracy, use the copper cable and connectors supplied
by Hewlett-Packard.
The conductors may require occasional cleaning to remove oxides.
Cleaning the conductors is described on page 271.
Warning
The connector body and cable shield are connected to earth ground.
RED HI
CH1 BLACK LO
HI
CH2 GREEN
WHITE LO
Torque to 20 in-lb
maximum
1
Chapter 1 Quick Start
To Make Input Connections
17
Agilent Technologies.

Using a Custom Cable
Refer to page 272 for additional information about building custom input
cables.
Channel 1
HI LO
DCV + –
4-WireΩSource + Source –
2-WireΩSource and Sense + Source and Sense –
Thermistor Source and Sense + Source and Sense –
Channel 2
HI LO
DCV + –
4-WireΩSense + Sense –
Thermocouple + –
Earth Ground (shell)
Chapter 1 Quick Start
To Make Input Connections
18

To Measure Voltage
Channel 1 Ranges: 1 mV, 10 mV, 100 mV, 1 V, 10 V, 100 V
Maximum resolution: 0.1 nV (on 1 mV range)
Channel 2 Ranges: 1 mV, 10 mV, 100 mV, 1 V, 10 V
Maximum resolution: 0.1 nV (on 1 mV range)
Independent NULL for each channel
Channel 1 LO to Channel 2 LO isolated to 150 Vpeak.
Scan mode alternates between input channels every 3 seconds or every
measurement, whichever is longer.
RED
BLACK
CH1
CH2 GREEN
WHITE
DC Voltage
DC Voltage
DIFFERENCE
RATIO
VOLTAGE
TOGGLES MEASUREMENT CHANNEL
(SCAN) ALTERNATING MEASUREMENT CHANNELS
1
Chapter 1 Quick Start
To Measure Voltage
19

To Measure Resistance
Ranges: 1 Ω , 10 Ω , 100 Ω , 1 kΩ , 10 kΩ , 100 kΩ , 1 MΩ
Maximum resolution: 0.1 µ Ω (on 1 ohm range)
See also Resistance Measurements on page 68.
Resistance measurements use offset compensation. Offset compensation
can be disabled if desired (see page 69).
RED
(SOURCE)
CH1 GREEN
CH2
(SENSE) WHITED 4-WIRE
BLACK
RED
SOURCE
BLACK
GREEN 2-WIRE
NOT CONNECTED
WHITE
OR
4-WIRE
2-WIRE
Chapter 1 Quick Start
To Measure Resistance
20

To Measure Temperature With Thermistors
Thermistor type: 5 kΩ
To Measure Temperature With RTDs
4-wire, type: α = .00385 (DIN/IEC 751) or α = .00391
R0 = 4.9 Ω to 2.1 kΩ
RED
CH1 BLACK
GREEN
OPEN
WHITE
RED
(SOURCE)
CH1 GREEN
CH2
(SENSE) WHITE
BLACK
1
Chapter 1 Quick Start
To Measure Temperature With Thermistors
21

To Measure Temperature With Thermocouples
Thermocouple types: B, E, J, K, N, R, S, T
Reference: external thermistor, external fixed value, or internal thermistor.
Channel 2 only.
When using the internal thermistor as the temperature reference, you
should make a custom cable to connect the thermocouple wire directly
to the input terminals (see page 272).
ISOTHERMAL BLOCK
RED
REFERENCE
CH1 BLACK THERMISTOR
GREEN
CH2
WHITE EXTERNAL
RED
CH1 OPEN
BLACK
GREEN
CH2
WHITE
ICE BATH
FIXED VALUE
OR
INTERNAL
CH2
OR
Chapter 1 Quick Start
To Measure Temperature With Thermocouples
22

To Select a Range
You can let the meter automatically select the range using autoranging
or you can select a fixed range using manual ranging.
•Autoranging is selected at power-on and after a remote interface reset.
•Autorange thresholds:
Down range at <10% of range
Up range at >120% of range
•If the input signal is greater than the present range can measure, the
meter will give an overload indication ("OVLD").
•When making difference or ratio measurements, an overload on either
channel will give an overload indication ("OVLD").
For voltage measurements, ranging is local to the selected channel. This
means that you can select the ranging method (auto or manual) for each
channel independently. When manually ranging, the selected range is
local to the active channel; the meter remembers the range when you
switch between channels.
Man annunciator is on when
manual range is enables
Toggles between autoranging
and manual ranging
Selects a higher range
and disables autoranging
Selects a lower range
and disables autoranging
1
Chapter 1 Quick Start
To Select a Range
23

To Set the Number of Digits
You can set the display to show 41⁄2 , 51⁄2 , 61⁄2 , or 71⁄2 digits. In this
book, the most significant digit (leftmost on the display) is referred to as
the “1⁄2” digit, since it can only be a “0” or “1”. The number of digits
displayed also depends upon the integration time set, see page 25.
•The number of digits is set to 61⁄2 digits at power-on and after a
remote interface reset.
•The number of digits shown is dependent upon integration time and
filter settings. The meter will not allow you to show more digits than
the practical measurement capability of the meter. You can, however,
reduce the number of digits shown.
Press the Shift key
Selects 51⁄2 digits
(1 PLC)
Selects 61⁄2 digits
(10 PLC)
Selects 71⁄2 digits
(100 PLC)
Fewer More
Digits Digits
Chapter 1 Quick Start
To Set the Number of Digits
24

To Set the Integration Time
Integration time is specified in Number of Power Line Cycles (NPLC).
You can set the NPLC to 0.02, 0.2, 1, 2, 10, 20, 100, or 200.
•You can set the integration time to one of three fixed values by
choosing the number of digits displayed, see page 24.
•You can set the integration time in the MEASure menu using the
INTEGRATE command.
•The Integration Time is directly related to the maximum number of
digits the meter will display.
NPLC Filter Off
Max Digits Shown Filter On
Max Digits Shown
0.02 41⁄2 5
1⁄2
0.2 51⁄2 6
1⁄2
161⁄2 7
1⁄2
261⁄2 7
1⁄2
10 61⁄2 7
1⁄2
20 71⁄2 7
1⁄2
100 71⁄2 7
1⁄2
200 71⁄2 7
1⁄2
•You can always show fewer digits than the maximum allowed
(the minimum number of digits shown is 41⁄2).
Integration Time is local to the selected function. This means that you
can select the integration time for each function independently. The
meter remembers integration time when you switch between functions.
1
Chapter 1 Quick Start
To Set the Integration Time
25

Front-Panel Display Formats
-H.DDD,DDD,D EFF
Front-panel display format.
6 digits
1.021,651 V This is the 1 V range,
61⁄2 digits are displayed.
"1/2" digit
5 digits
-045.230 mV This is the 100 mV range,
51⁄2 digits are displayed.
"1/2" digit
7 digits
0.133,256,7 ΩThis is the 1 ohm range,
71⁄2 digits are displayed.
"1/2" digit
O.VLD mV
This is an overload indication on the 1 mV range.
-Negative sign or blank (positive)
H "1/2" digit (0 or 1)
DNumeric Digits
EExponent (m,k,M)
FMeasurement units
Chapter 1 Quick Start
Front-Panel Display Formats
26

To Rack Mount the Meter
You can mount the meter in a standard 19-inch rack cabinet using one of
three optional kits available. Instructions and mounting hardware are
included with each rack-mounting kit. Any System II instrument of the
same size can be rack-mounted beside the 34420A meter.
Remove the carrying handle, and the front and rear rubber bumpers,
before rack-mounting the meter.
To remove the handle, rotate it to the vertical position and pull the ends outward.
To remove the rubber bumper, stretch a corner and then slide it off.
1
Chapter 1 Quick Start
To Rack Mount the Meter
27

To rack mount a single instrument, order adapter kit 5063-9240.
To rack mount two instruments side-by-side, order lock-link kit 5061-9694
and flange kit 5063-9212.
To install one or two instruments in a sliding support shelf,
order shelf 5063-9255, and slide kit 1494-0015 (for a single instrument,
also order filler panel 5002-3999).
Chapter 1 Quick Start
To Rack Mount the Meter
28

2
Front-Panel Operation

Front-Panel Operation
This chapter assumes you are familiar with the meter and menu
operations. You should also understand how to make connections for the
various types of measurements. If you are not familiar with this
information, please read chapter 1, "Quick Start", starting on page 11.
This chapter does not give a detailed description of every front-panel key
or menu operation. It does, however, give you a good overview of the
front-panel menu and the most common front-panel operations. See
chapter 3 “Features and Functions,” starting on page 53, for a complete
discussion of the meter’s capabilities and operation.
30

Front-Panel Menu Reference
A: MEASurement MENU
1: DIG FILTER Ø 2: INTEGRATE Ø 3: OCOMP Ω Ø 4: LOW POWER Ω Ø 5: LOW VOLT Ω Ø 6: LoV LIMIT Ω
1: DIG FILTER Selects the digital filter speed. Can be set to FAST, MEDIUM, or SLOW.
2: INTEGRATE Sets the measurement integration time.
3: OCOMP ΩEnables or disables offset compensation for resistance measurements.
4: LOW POWER ΩEnables or disables low power ohms measurements.
5: LOW VOLT ΩEnables or disables voltage limited resistance measurements.
6: LoV LIMIT Ω Sets the voltage limit for voltage limited resistance measurements.
B: TEMPerature MENU
1:PROBE TYPE Ø 2: UNITS Ø 3: RTD TYPE Ø 4:RTD Ro Ø 5:T/C TYPE Ø 6: COLD JUNCT Ø 7:JUNCT TEMP
1: PROBE TYPE Selects thermocouples, thermistors, or RTDs as the temperature probe.
2: UNITS Sets the measurement units to either °C, °F, or Kelvins.
3: RTD TYPE Sets the type of RTD in use.
4: RTD Ro Sets the nominal (0°C) value for the RTD in use.
5: T/C TYPE Selects the type of thermocouple in use.
6: COLD JUNCT Sets the source of the temperature reference junction.
7: JUNCT TEMP Allows direct entry of reference junction temperature.
C: MATH MENU
1: STATS Ø 2: NULL VALUE Ø 3: SCALE GAIN Ø 4 : SCALE OFST
1:STATS Recalls the values of minimum, maximum, standard deviation, average,
peak-to-peak, and number of readings.
2: NULL VALUE Selects independent null settings for voltage on channels 1 and 2, resistance,
and temperature functions.
3: SCALE GAIN Sets the gain for linear scaling of the data.
4: SCALE OFST Sets the offset for linear scaling of data.
D: TRIGger MENU
1: READ HOLD Ø 2: TRIG DELAY Ø 3: N SAMPLES
1: READ HOLD Selects the reading hold sensitivity band.
2: TRIG DELAY Specifies a time delay between the trigger and the start of the measurement.
3: N SAMPLES Sets the number of samples taken per trigger.
2
Chapter 2 Front-Panel Operation
Front-Panel Menu Reference
31

E: SYStem MENU
1: RDGS STOREØ2: SAVED RDGS Ø3: ERRORØ4: TESTØ5: CHART OUT Ø6: CHART SPANØ
7: CHART NULLØ8: DISPLAYØ9: COMMAØ10: PRESETØ11: REVISION
1: RDGS STORE Enables or disables reading memory.
2: SAVED RDGS Recalls readings stored in memory (up to 1024 readings).
3: ERROR Retrieves errors from the error queue (up to 20 errors).
4: TEST Performs a complete self-test or individual self-tests.
5: CHART OUT Enables or disables the chart recorder output (Analog Out).
6: CHART SPAN Sets the chart recorder output range (Analog Out).
7: CHART NULL Sets the chart recorder output offset (Analog Out).
8: DISPLAY Enables or disables the front panel display.
9: COMMA Enables or disables a comma separator between digits in the display.
10: PRESET Returns the meter to factory default settings.
11: REVISION Displays the meter’s firmware revision code.
F: Input / Output MENU
1: HPIB ADDR Ø 2: INTERFACE Ø 3: BAUD RATE Ø 4: PARITY Ø 5: LANGUAGE
1: HP-IB ADDRSets the GPIB bus address (0 to 30, default 22).
2: INTERFACESelects either the GPIB or RS-232 remote interface.
3: BAUD RATE Sets the baud rate for RS-232 operation.
4: PARITY Selects even, odd, or no parity for RS-232 operation.
5: LANGUAGE Selects interface language, either SCPI or Keithley 181.
G: CALibration MENU *
1: SECURED Ø [1: UNSECURED] Ø [2:CALIBRATE] Ø [3: CHART ZERO] Ø [4 : CHART GAIN] Ø
[5: INJECTED I] Ø6:CAL COUNT Ø 7:MESSAGE
1: SECURED The meter is secured against calibration; enter code to unsecure.
1: UNSECURED The meter is unsecured for calibration; enter code to secure.
2: CALIBRATE Performs a calibration of meter; must be UNSECURED.
3: CHART ZERO Performs a calibration of the chart recorder output zero level.
4: CHART GAIN Performs a calibration of the chart recorder output gain.
5: INJECTED I Performs a calibration to minimize the injected current.
6: CAL COUNT Reads the total number of times the meter has been calibrated.
7: MESSAGE Reads the first 11 characters of a calibration string, if any,
entered from the remote interface.
* The commands enclosed in square brackets ( [ ] ) are "hidden" unless the meter is UNSECURED for calibration.
Chapter 2 Front-Panel Operation
Front-Panel Menu Reference
32

A Front-Panel Menu Tutorial
This section is a step-by-step tutorial which shows how to use the
front-panel menu. We recommend that you spend a few minutes with this
tutorial to get comfortable with the structure and operation of the menu.
The menu is organized in a top-down tree structure with three levels
(menus, commands, and parameters). You move down ∨ or up ∧
the menu tree to get from one level to the next. Each of the three levels
has several horizontal choices which you can view by moving left < or
right > .
Menus
Commands
Parameters
•To turn on the menu, press Shift < (Menu On/Off).
•To turn off the menu, press Shift < (Menu On/Off), or press any of
the function or math keys on the top row of front-panel keys.
•To execute a menu command, press Auto/Man .
•To recall the last menu command that was executed, press Shift >
(Menu Recall).
•To turn off the menu at any time without saving changes, press any
function key
If you become confused or get lost at any point during the tutorial, simply
turn off the menu and start over again with step 1 for that example.
2
Chapter 2 Front-Panel Operation
A Front-Panel Menu Tutorial
33

Messages Displayed During Menu Use
TOP OF MENU -You pressed ∧ while on the menus level; this is
the top level of the menu and you cannot go any higher.
To turn off the menu, press
Shift <
(Menu On/Off). To move across
the choices on a level, press
<
or
>
. To move down a level, press
∨ .
MENUS - You are on the menus level. Press < or > view the choices.
COMMANDS - You are on the commands level. Press < or > to view
the command choices within the selected menu group.
PARAMETER - You are on the parameter level. Press < or > to view
and edit the parameter for the selected command.
MENU BOTTOM - You pressed ∨ while on the parameter level; this is
the bottom level of the menu and you cannot go any lower.
To turn off the menu, press
Shift <
(Menu On/Off). To move up a level,
press
∧ .
ENTERED - The change made on the parameter level is saved. This is
displayed after you press Auto/Man (Menu Enter) to execute the command.
MIN VALUE - The value you specified on the parameter level is too small for the
selected command. The minimum value allowed is displayed for you to edit.
MAX VALUE - The value you specified on the parameter level is too large for the
selected command. The maximum value allowed is displayed for you to edit.
EXITING - You will see this message if you turn off the menu by
pressing Auto/Man (Menu On/Off) or a front-panel function/math key. You
did not edit any values on the parameter level and changes were NOT saved.
NOT ENTERED - You will see this message if you turn off the menu by
pressing Shift < (Menu On/Off) or a front-panel function/math key.
You did some editing of parameters but the changes were NOT saved.
Press Auto/Man (Menu Enter) to save changes made on the parameter
level.
VOLTS ONLY - The requested function is only available for voltage
measurements.
UNAVAILABLE - The action requested is NOT allowed in the present configuration.
Chapter 2 Front-Panel Operation
A Front-Panel Menu Tutorial
34

Menu Example 1 The following steps show you how to turn on the menu, move up or down
between levels, move across the choices on each level, and turn off the
menu.
In this example, you will turn off the display comma separator.
The meter can display readings on the front panel with or without a
comma separator. The following steps show how to disable the comma.
- 0.824,153 V - 0.824153 V
With comma separator Without comma separator
(factory setting)
On/Off
Shift < 1 Turn on the menu.
You enter the menu on the menus level. The MEAS MENU is your first
choice on this level.
A: MEAS MENU
> > > > 2 Move across to the SYS MENU choice on this level.
There are six menu group choices available on the menus level. Each choice
has a letter prefix for easy identification (A: , B: , etc.).
E: SYS MENU
∨ 3 Move down to the commands level within the SYS MENU.
The RDGS STORE command is your first choice on this level.
1: RDGS STORE
2
Chapter 2 Front-Panel Operation
A Front-Panel Menu Tutorial
35

> > > > 4 Move across to the COMMA command on the commands level.
> > > > There are eleven command choices available in the SYS MENU. Each choice
on this level has a number prefix for easy identification (1: , 2: , etc.).
9: COMMA
∨ 5 Move down a level to the COMMA parameter choices.
The first parameter choice is ON for the COMMA command (the comma
setting is stored in non-volatile memory and ON is the factory setting).
ON
> 6 Move across to the OFF choice.
There are two parameter choices for COMMA.
OFF
Auto/Man
ENTER 7 Save the change and turn off the menu.
The meter beeps and displays a message to show that the change is now in
effect. You are then exited from the menu. The meter will no longer show
commas in the display.
ENTERED
Chapter 2 Front-Panel Operation
A Front-Panel Menu Tutorial
36

Menu Example 2 The following exercise demonstrates how to use the menu recall feature
as a shortcut to set the COMMA command back to its original setting.
You must perform the steps in Menu Example 1 before you start this
example.
Recall
Shift > 1 Use menu recall to return to the COMMA command.
This returns you to the COMMA command, which was the last command
used before you exited the menu in the Example 1.
9: COMMA
v 2 Move down to the COMMA parameter choices.
The first parameter choice is OFF (the current setting from Example 1).
OFF
> 3 Move across to the ON choice.
Set the parameter back to its original value.
ON
Auto/Man
ENTER 4 Save the change and turn off the menu.
The meter beeps and displays a message to show that the change is now in
effect. You are then exited from the menu.
ENTERED
2
Chapter 2 Front-Panel Operation
A Front-Panel Menu Tutorial
37

Menu Example 3 Some commands in the menu require that you enter a numeric
parameter value. The following steps show you how to enter a number in
the menu. For this example, you will set the null value for channel 1 to
–30 millivolts.
Make sure the meter has channel 1 selected, is in the dc voltage function,
and has 61⁄2 digits displayed. Connect the four-wire short to the meter
input.
On/Off
Shift < 1 Turn on the menu.
You enter the menu on the menus level. The MEAS MENU is your first
choice on this level.
A: MEAS MENU
> > 2 Move across to the MATH MENU choice on this level.
There are six menu group choices available on this level.
C: MATH MENU
v 3 Move down to the commands level within the MATH MENU.
The STATS command is your first choice on this level.
1: STATS
> 4 Move across to the NULL VALUE command.
2: NULL VALUE
Chapter 2 Front-Panel Operation
A Front-Panel Menu Tutorial
38

v 5 Move down to edit the NULL VALUE parameter.
The null value should be 0.000000 V when you come to this point in the
menu for the first time. For this example, you will first set the null value
to –0.300000 volts.
0.000,000,0 V
When you see the flashing “∧” on the left side of the display, you can abort
the edit and return to the “commands” level by pressing ∧ .
v v 6 Make the number negative.
The left most character on the display toggles between +, – , and ^.
– 0.000,000,0 V
> > 7 Move the flashing cursor over to edit the second digit.
Notice that the digit to the right of the decimal point is flashing.
– 0.000,000,0 V
^ ^ ^ 8Increment the digit until “3” is displayed.
You decrement or increment each digit independently. Neighboring digits
are not affected.
– 0.300,000,0 V
2
Chapter 2 Front-Panel Operation
A Front-Panel Menu Tutorial
39

> > > > 9 Move the flashing cursor over to the units location.
> > > Notice that the units are flashing on the right side of the display.
– 0.300,000,0 V
v 10 Decrease the displayed number by a factor of 10.
Notice that the position of the decimal point changes and the displayed
number increases by a factor of 10 and the mV annunciator is on.
– 030.000,00 mV
Auto/Man
ENTER 11 Save the change and turn off the menu.
The meter beeps and displays a message to show that the change is now
in effect. You are then exited from the menu.
ENTERED
You will be returned to the normal measurement display, and, if you
have installed the four-wire short, the display will show a positive
measurement in the approximate amount of the null value just entered.
The Null annunciator is on in the display.
Keep in mind that null is turned on and - 0.03 volts is used as the null
value for measurements. To clear the null value, press Null .
Hint You can use the menu recall feature to save steps when entering the null
value. First, press Null on the front panel and then press Shift >
(Menu Recall). The meter will jump to the 2:NULL VALUE command.
Press v . The null value in the display is the first reading taken after
you turned NULL on. You can then edit this number as described.
This is the end of the front-panel menu tutorial. The remainder of the
chapter discusses several of the most common front-panel operations.
Chapter 2 Front-Panel Operation
A Front-Panel Menu Tutorial
40

To Select an Input Channel
For voltage measurements, you have two independent input channels.
•Pressing Channel toggles the display between Channel 1 and
Channel 2.
•Pressing Shift Channel (Scan) creates an alternating Channel 1 and
Channel 2 display. Press Channel again to cancel.
Scan mode alternates between input channels every 3 seconds or every
measurement, whichever is longer. If you are using the scan mode, turn
off all the input filters (both digital and analog), see page 55.
RED
DC Voltage
BLACK
GREEN
DC Voltage
WHITE
TOGGLES MEASUREMENT CHANNEL
(SCAN) ALTERNATING MEASUREMENT CHANNELS
Channel 2
Channel 1
2
Chapter 2 Front-Panel Operation
To Select an Input Channel
41

To Select a Range
You can let the meter automatically select the range using autoranging
or you can select a fixed range using manual ranging.
•Autoranging is selected at power-on and after a remote interface reset.
•Autorange thresholds:
Down range at <10% of range
Up range at >120% of range
•If the input signal is greater than the present range can measure, the
meter will give an overload indication (“OVLD”).
•When making difference or ratio measurements, an overload on either
channel will give an overload indication (“OVLD”).
For voltage measurements, ranging is local to the selected channel. This
means that you can select the ranging method (auto or manual) for each
channel independently. When manually ranging, the selected range is
local to the active channel; the meter remembers the range when you
switch between channels.
Man annunciator is on when
manual range is enables
Toggles between autoranging
and manual ranging
Selects a higher range
and disables autoranging
Selects a lower range
and disables autoranging
Chapter 2 Front-Panel Operation
To Select a Range
42

To Set or Change the Number of Digits
You can set the display to show 41⁄2 , 51⁄2 , 61⁄2 , or 71⁄2 digits. In this
book, the most significant digit (leftmost on the display) is referred to as
the “1⁄2” digit, since it can only be a “0” or “1”. The number of digits
displayed also depends upon the integration time set, see page 25.
•The number of digits is set to 61⁄2 digits at power-on and after a
remote interface reset.
•The number of digits shown is dependent upon integration time and
filter settings. The meter will not allow you to show more digits than
the practical measurement capability of the meter. You can, however,
reduce the number of digits shown.
Fewer More
Digits Digits
Press the Shift key
Selects 51⁄2 digits
(1 PLC)
Selects 61⁄2 digits
(10 PLC)
Selects 71⁄2 digits
(100 PLC)
2
Chapter 2 Front-Panel Operation
To Set or Change the Number of Digits
43

To Set the Integration Time
Integration time is specified in Number of Power Line Cycles (NPLC).
You can set the NPLC to 0.02, 0.2, 1, 2, 10, 20, 100, or 200. Also see
"Integration Time" on page 58.
•You can set the integration time to one of three fixed values by
choosing the number of digits displayed, see page 43.
•You can set the integration time in the MEASure menu using the
INTEGRATE command.
•The Integration Time is directly related to the maximum number of
digits the meter will display.
NPLC Digital Filter Off
Max Digits Shown Digital Filter On
Max Digits Shown
0.02 41⁄2 5
1⁄2
0.2 51⁄2 6
1⁄2
161⁄2 7
1⁄2
261⁄2 7
1⁄2
10 61⁄2 7
1⁄2
20 71⁄2 7
1⁄2
100 71⁄2 7
1⁄2
200 71⁄2 7
1⁄2
•You can always select to show fewer digits than the maximum allowed
(the minimum number of digits shown is 41⁄2 ).
Integration Time is local to the selected function. This means that you
can select the integration time for each function independently. The
meter remembers integration time when you switch between functions.
Chapter 2 Front-Panel Operation
To Set the Integration Time
44

To Make Null (Relative) Measurements
Each null measurement, also called relative, is the difference between a
stored null value and the input signal. See page 77.
Reading = measurement – null value
•You can make null measurements on any function or channel. You can
set a null for each channel and function independently. The meter
remembers the null value when you switch between input channels or
functions.
•To null the test lead resistance for more accurate two-wire ohms
measurements, short the ends of the test leads together and then
press Null .
•The first reading taken after you press Null is stored as the null value
in the Null Register. Any previously stored value is replaced with the
new value.
•After enabling null, you can edit the stored null value by
pressing Shift > (Menu Recall). This takes you to the “NULL
VALUE” command in the MATH MENU (only if null is enabled). Go
down to the “parameter” level, and then edit the displayed value.
Enables null operation;
Press again to disable Null annunciator is on when
null operation is enabled
2
Chapter 2 Front-Panel Operation
To Make Null (Relative) Measurements
45

To Store Minimum and Maximum Readings (Stats)
You can store the minimum and maximum readings during a series of
measurements. The following discussion shows how to read the minimum,
maximum, average, peak-to-peak, standard deviation, and reading count.
•You can use stats with any function. When you change functions, stats
operation is disabled.
•Changing input channels or selecting Scan does not disable stats. The
stored readings, however, are not marked as to the input channel.
•After enabling stats, you can read the stored minimum, maximum,
average, standard deviation, peak-to-peak, and count by pressing
Shift > (Menu Recall). This takes you to the “STATS” command in
the MATH MENU (only if stats is enabled). Go down to the
“parameter” level ∨ , and then read the values by
pressing < or > .
•After reading the stored value, pressing Shift < (Menu On/Off)
returns to the measurement display and continues stats operations.
•The stored values are cleared when you turn stats on, turn off the
power, or perform either a remote interface reset or preset.
•The average and standard deviation are of all readings taken since
stats was enabled (not just the average of the stored minimum and
maximum). The count is the total number of readings taken since
stats was enabled.
Enables stats operation;
Press again to disable Stats annunciator is on when
stats operation is enabled
Chapter 2 Front-Panel Operation
To Store Minimum and Maximum Readings (Stats)
46

To Trigger the Meter
You can trigger the meter from the front panel using single trigger
or autotrigger.
•Autotriggering is enabled when you turn on the meter. Notice that the
* (sample) annunciator turns on during each measurement.
•Single triggering takes one reading each time you press Single and
then waits for the next trigger. Continue pressing this key to trigger
the meter.
Using an External Trigger
The external trigger mode is also enabled by pressing Single .
It is like the single trigger mode except that you apply a trigger pulse
to the rear-panel
Ext Trig
terminal. The meter is triggered on the
negative edge of a TTL pulse.
The front-panel Single key is disabled when in remote.
Enables single trigger
and triggers the meter
Toggles between autotrigger
and reading hold
* (sample) annunciator is on
during each measurement
Trig annunciator is on when the meter
is waiting for single
trigger (autotrigger disabled)
2
Chapter 2 Front-Panel Operation
To Trigger the Meter
47

To Use Reading Hold
The reading hold feature allows you to capture and hold a stable reading
on the display. When a stable reading is detected, the meter emits a beep
and holds the value on the display.
•Reading hold has an adjustable sensitivity band to allow you to select
which readings are considered stable enough to be displayed. The
band is expressed as a percent of reading on the selected range. The
meter will capture and display a new value only after three
consecutive readings are within the band.
•The default band is 0.10% of reading. After enabling reading hold,
you can choose a different band by pressing Shift > (Menu Recall).
This takes you to the “READ HOLD” command in the TRIG MENU
(only if reading hold is enabled).
Go down to the “parameter” level, and then select a value: 0.01%,
0.10%, 1.00%, or 10.00% of reading.
•The sensitivity band is stored in volatile memory; the meter sets the
band to 0.10% of reading when power has been off or after a remote
interface reset.
Toggles between autotrigger
and reading hold * (sample) annunciator is on
during each measurement
Chapter 2 Front-Panel Operation
To Use Reading Hold
48

To Make Voltage Ratio and Difference Measurements
To calculate a voltage ratio, the meter measures the voltages applied
to the Channel 1 input terminals and Channel 2 input terminals. The
calculation is as follows:
Difference = ((Ch 1 voltage − Ch 1 Null ) − (Ch 2 voltage − Ch 2 Null )) − Null *
Ratio = (Ch 1 voltage − Ch 1 Null )
(Ch 2 voltage − Ch 2 Null )
•Maximum input signal on Channel 1 is 120 Vdc, the meter will
autorange on the actual input or can be manually set.
•Maximum input signal on Channel 2 is 12 Vdc, the meter will
autorange on the actual input or can be manually set.
•Maximum voltage difference between Channel 1 LO and
Channel 2 LO is 150 Vdc.
•Null, if used, is independent for each channel. An additional null* of
the difference can also be made. If null is used on either input channel,
the ‘Null’ annunciator will flash when the difference function is
selected. If you null the difference, the ‘Null’ annunciator will be
steady.
*The difference null is only available from the front panel.
RED
DC Voltage
CH1 BLACK
CH2 GREEN
DC Voltage
WHITE
DIFFERENCE
RATIO
2
Chapter 2 Front-Panel Operation
To Make Voltage Ratio and Difference Measurements
49

To Use Reading Memory
The meter can store up to 1024 readings in internal memory. The
following steps demonstrate how to store readings and retrieve them.
1 Select the function.
Select any measurement function. You can change the function at any
time during reading memory.
Single 2 Select the single trigger mode.
Notice that the Trig annunciator turns on. When reading memory is
enabled, readings are stored when you trigger the meter.
For this example, single triggering is used to store readings. You can also
use auto triggering or reading hold.
On/Off
Shift < 3 Turn on the menu.
A: MEAS MENU
< < < 4 Move across to the SYS MENU choice on this level.
E: SYS MENU
v 5 Move down to a level to the RDGS STORE command.
1: RDGS STORE
Chapter 2 Front-Panel Operation
To Use Reading Memory
50

v > 6Move down a level and then across to the “ON” choice.
ON
Auto/Man
ENTER 7 Save the change and exit the menu.
Notice that the Mem (memory) annunciator turns on to indicate that the
meter is ready to store readings. Up to 1024 readings can be stored in
first-in-first-out (FIFO) order. When memory is full, the Mem
annunciator will turn off.
Readings are preserved until you re-enable reading memory at another
time, turn off the power, or perform a remote interface reset.
Single
Single Single 8 Trigger the meter three times.
This stores three readings in memory.
Recall
Shift > 9 Use menu recall to retrieve the stored readings.
This takes you to the “SAVED RDGS” command in the SYS MENU.
2: SAVED RDGS
2
Chapter 2 Front-Panel Operation
To Use Reading Memory
51

v 10 Move down a level to view the first stored reading.
Reading memory is automatically turned off when you go to the
“parameter” level in the menu.
The first reading displayed is the first reading that was stored (FIFO). If no
readings are stored in memory, “EMPTY” is displayed. The first five
digits of the reading and the reading number are displayed. After a brief
pause, the reading number is removed and all reading digits are shown.
The stored readings are displayed with their units ( µ, m, k, etc.) when
appropriate. For example:
Reading
number
10.31607K: 11
Units
10.316076 K
> > 11 Move across to view the two remaining stored readings.
The readings are stored horizontally on the “parameter” level.
If you press < when you first get to the “parameter” level, you will see the
last reading and you will know how many readings were stored.
On/Off
Shift < 12 Turn off the menu.
EXITING
Chapter 2 Front-Panel Operation
To Use Reading Memory
52

3
Features and Functions

Features and Functions
You will find that this chapter makes it easy to look up all the details
about a particular feature of the meter. Whether you are operating the
meter from the front panel or from the remote interface, this chapter will
be useful.
This chapter is divided into the following sections:
•General Measurement Configuration, page 55
•Voltage Measurement Configuration, page 66
•Resistance Measurement Configuration, page 68
•Temperature Measurement Configuration, page 71
•Math Operations, page 74
•Null (Relative) Operation, page 77
•Reading Hold, page 79
•Triggering, page 80
•System-Related Operations, page 90
•Voltmeter Complete Terminal, page 97
•External Trigger Terminal, page 97
•Chart Output (Analog Output) Operation, page 98
•Remote Interface Configuration, page 101
•Calibration, page 107
•Defaults, Power-On and Reset States, page 112
Some knowledge of the front-panel menu will be helpful before you read this
chapter. If you have not already read chapter 2, “Front-Panel Menu
Operation,” starting on page 29, you may want to read it now. Chapter 4,
“Remote Interface Reference,” starting on page 115, lists the syntax for the
SCPI (Standard Commands for Programmable Instruments) commands
available to program the meter.
Throughout this manual, the following conventions are used for SCPI
command syntax. Square brackets ( [] ) indicate optional keywords or
parameters. Braces ( {} ) enclose a list of parameters separated with a
vertical bar (|), use only one of the values . Triangle brackets ( <> )
indicate that you must substitute a value for the enclosed parameter.
The actual command string you send to the meter should not include
any of the conventions indicated above.
54

General Measurement Configuration
This section contains information to help you configure the meter for
making measurements. You may never have to change any of the
measurement parameters discussed here, yet they are provided to give
you the flexibility you might need.
Input Filters
Two input filters are available; a digital filter and an analog filter. You
can enable the digital filter, the analog filter, or both. The digital filter
may be used for any measurement type. The analog filter is only
available for thermocouple temperature measurements and voltage
measurements on the 1 mV, 10 mV, or 100 mV ranges.
TURN FILTERS ON OR OFF
DIGITAL Ø ANALOG Ø ANA + DIG
3
Chapter 3 Features and Functions
General Measurement Configuration
55

•Front Panel operation: Press Shift Filter and scroll to
one of DIGITAL, ANALOG, or ANA + DIG . Press Enter to enable the
filter type. Press the Filter key to turn the filter on or off.
To set the digital filter averaging, use the MEASurement menu
1: DIG FILTER command.
•Remote operation: the following commands turn the filters off, on,
set the digital filter count, :
INPut:FILTer
:STATe {OFF|ON}
:TYPE {ANAlog | DIGital | BOTH}
:DIGital:RESPonse {SLOW|MEDium|FAST}
:DIGital:PRECharge {ON | OFF}
Using the filters in remote operation is not recommended. Use:
INPut:FILTer:STATe OFF
to disable the filters. The digital filter is also disabled following a
remote reset (*RST) or preset (SYStem:PREset).
Use the math operation (AVERage) commands to obtain a single
reading that is the average of a number of readings (see page 148). An
example program is shown on page 221 in chapter 6.
If you attempt to use the digital filter in remote operations, be aware
of the following special conditions:
The digital filter requires a number of readings to settle (10, 50 or
100). The digital filter readings only occur when the meter is triggered
to take a reading. In remote operation a reading is only taken when
requested. For example, if you have set the digital filter to MEDIUM
(50 readings), you will need to request (trigger) 50 readings from the
remote interface before the filter can settle. It is also possible that
after 50 readings the digital filter will still not be settled as described
in the next paragraph.
The STATus:OPERational:CONDition register contains a bit that
indicates the settled/unsettled state of the digital filter on a per
reading basis. See page 169 in Chapter 4. You should check the state
of this bit for each reading to ensure the digital filter count has not
reset (filter reset operation is described in the next section).
Chapter 3 Features and Functions
General Measurement Configuration
56

Digital Filter
•The digital filter is a moving average (boxcar) filter. Equal weighting
is applied to all readings to calculate the displayed reading.
•Three digital filters are available:
SLOW (average last 100 readings),
MEDIUM (average last 50 readings), or
FAST (average last 10 readings)
•When the digital filter is enabled, the ‘Filt’ annunciator flashes until
the required number of readings are obtained. The measurement
displayed before the ‘Filt’ annunciator is steady is the average of the
number of readings taken so far. For example, with the filter set to
MEDIUM (average of 50 readings), the measurement displayed after
20 readings will be the average those 20 readings. The ‘Filt’
annunciator will flash until 50 readings have been taken.
•The filter count resets (and the ‘Filt’ annunciator will flash) if the
function, range, integration time, or channel is changed.
•The filter count resets if a reading is outside a set range of the
average. The amount of input reading change required to reset the
filter count is:
1mV Range All Other Ranges
FAST ± 400 ppm of range ± 100 ppm of range
MEDIUM ± 700 ppm of range ± 300 ppm of range
SLOW ± 2000 ppm of range ± 1000 ppm of range
Analog Filter
The analog filter is an 11 Hz, two-pole low pass filter. Use this filter to remove
line frequency noise from the input measurement.
•The filter requires approximately 300 milliseconds after the input is
present to settle. Using the filter, therefore, slows the measurement
rate significantly.
•Use the analog filter only when line power noise (50/60 Hz) is causing
an overload (OVLD) condition. See page 65.
•The analog filter is available for voltage and thermocouple
temperature measurements. The analog filter is not available for
resistance measurements.
•The analog filter is available for the 1 mV, 10 mV, and 100 mV ranges.
3
Chapter 3 Features and Functions
General Measurement Configuration
57

Integration Time
Integration time is the period during which the meter’s analog-to-digital
(A/D) converter samples the input signal for a measurement. Integration
time affects the measurement resolution (for better resolution, use a
longer integration time), and measurement speed (for faster
measurements, use a shorter integration time).
•Integration time is specified in number of power line cycles (NPLCs).
The choices are 0.02, 0.2, 1, 2, 10, 20, 100, or 200 power line cycles.
The default is 10 NPLCs.
•The integration time is stored in volatile memory; the meter selects 10
NPLC when power has been off or after an interface reset.
•Only the integer number of power line cycles (1, 2, 10, 20, 100 or 200
NPLC) provide normal mode (line frequency noise) rejection.
•Integration time is related to the maximum number of digits the
meter will display. You can always choose to show fewer digits than
the maximum allowed (the minimum number of digits shown is 41⁄2).
NPLC Digital Filter Off
Max Digits Shown Digital Filter On
Max Digits Shown
0.02 41⁄2 5
1⁄2
0.2 51⁄2 6
1⁄2
161⁄2 7
1⁄2
261⁄2 7
1⁄2
10 61⁄2 7
1⁄2
20 71⁄2 7
1⁄2
100 71⁄2 7
1⁄2
200 71⁄2 7
1⁄2
Chapter 3 Features and Functions
General Measurement Configuration
58

•Front Panel operation: Integration time can be set indirectly when
you select the number of digits (See page 43).
You can also set the integration time in the MEASurement menu with
the 2: INTEGRATE command.
•Remote operation: Refer to the table on page 129. Use one of the
following commands:
[SENSe:]
VOLT:DC:NPLC {0.02|0.2|1|2|10|20|100|200|MIN|MAX}
FRES|RES
:NPLC {0.02|0.2|1|2|10|20|100|200|MIN|MAX}
TEMP:NPLC {0.02|0.2|1|2|10|20|100|200|MIN|MAX}
Integration time and resolution are related. The CONFigure and
MEASure? commands can also set the integration time, see page 129.
Integration Time is local to the selected function. This means that you
can select the integration time for each function independently. The
meter remembers the integration time when you switch between
functions.
3
Chapter 3 Features and Functions
General Measurement Configuration
59

Reducing Measurement Noise
At high resolutions and low measurement levels, measurement noise can
become an important factor in the accuracy of your measurements. One
possible source of measurement noise is the wiring and cabling in the test
setup. These noise sources and their effects are discussed in Chapter 7,
"Measurement Tutorial". A smaller level of noise is also inherent in the
meter itself.
To minimize the effects of noise on your measurements, use the highest
possible integration time (NPLC) and average the readings. Faster
reading rates are more susceptible to noise. Choosing the best NPLC and
averaging method for your measurement requires a tradeoff between the
reading rate and the level of acceptable noise in the resulting
measurement.
The Integration Time (NPLC) and averaging can be multiplied to create
an equivalent NPLC. The equivalent NPLC defines the reading rate and
characterizes the expected noise level. Averaging can be performed in the
meter by using either the digital filter or by using the statistics (Stats) mode
of operation.
Measurement noise characteristics of the meter closely match theoretical
gaussian noise distributions. The graph on the next page shows typical
input noise measurements for the 1 mV range with the low thermal
shorting plug applied to the input terminals. Other functions and ranges
will exhibit similar noise reduction characteristics versus NPLC.
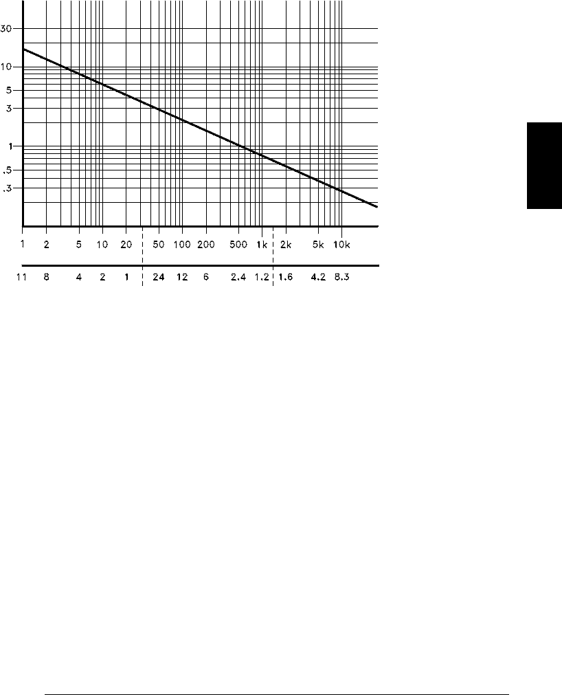
For example, if you set the NPLC to 20 and enable the digital filter
set to FAST (10 reading average), the equivalent NPLC is 200. At an
equivalent NPLC of 200, the reading rate is approximately 6 readings per
minute (digital filter fully settled) and the typical noise level expected is
1.6 nVrms.
Alternately, if you take readings every 5 minutes, you can set an
equivalent NPLC of 5000 to minimize the noise in the measurement.
An equivalent NPLC of 5000 could be obtained by setting the integration
time to 100 NPLC and enabling the digital filter set to MEDIUM (50
reading average). At this equivalent NPLC, a typical noise level
of 0.35 nVrms can be expected.
Chapter 3 Features and Functions
General Measurement Configuration
60

30 minute measurement, ±0.5° C, zero input, rms noise (typical)
•Front Panel operation: Integration time can be set indirectly when
you select the number of digits (See page 43).
You can also set the integration time in the MEASurement menu with
the 2: INTEGRATE command.
Enable the digital filter and set the filter reading average as described
on page 55.
•Remote operation: Set the integration time for the measurement
function. If possible, use NPLC 200. If you use the CONFigure or
MEASure commands, refer to the table on page 129.
Use the math operations (AVERage) to average the readings or
average the readings in your program. An example program that uses
the math operations to average readings is shown on page 221 in
Chapter 6. Do not use the digital filter to average readings, see page 56.
Equivalent NPLC
Approximate
Reading Rate
Readings per second Readings per minute Minutes per reading
nV rms Noise
3
Chapter 3 Features and Functions
General Measurement Configuration
61

Number of Digits Displayed
Front Panel operation only. See also “Integration Time,” on page 58.
•You can set the number of digits shown in the display to 4, 5, 6, or 7
full digits, plus a “1⁄2” digit which can only be a “0” or “1”.
•You can set both the number of digits displayed and the Integration
Time in a single operation by pressing digits keys (see page 43).
•You can change the number of digits displayed without disturbing
the Integration Time settings by pressing the < or > keys
(see page 43).
•The number of digits is set to 61⁄2 digits at power-on and after either a
remote interface reset or preset.
•The number of digits shown is dependent upon integration time and
filter settings. The meter will not allow you to show more digits than
the practical measurement capability of the meter. You can, however,
reduce the number of digits shown. The minimum number of digits
available is 41⁄2. (See the table on page 58).
Chapter 3 Features and Functions
General Measurement Configuration
62

7 digits
0.003,256,4 ΩThis is the 1 ohm range,
71⁄2 digits are displayed.
"1⁄2" digit
6 digits
0.216,569 mV This is the 1 mV range,
61⁄2 digits are displayed.
"1⁄2" digit
5 digits
-045.231 mV This is the 100 mV range,
51⁄2 digits are displayed.
"1⁄2"digit
3
Chapter 3 Features and Functions
General Measurement Configuration
63

Ranging
You can let the meter automatically select the range using autoranging
or you can select a fixed range using manual ranging. Autoranging is
convenient because the meter automatically selects the appropriate
range for each measurement. However, you can use manual ranging for
faster measurements since the meter does not have to determine which
range to use for each measurement.
•The selected mode (auto or manual range) is stored in volatile
memory; the meter returns to autoranging when power has been off or
after a remote interface reset.
•Autorange thresholds:
Down range at <10% of range
Up range at >120% of range
•If the input signal is greater than the present range can measure, the
meter gives an overload indication: “OVLD” from the front panel or
“9.90000000E+37” from the remote interface.
•For ratio and difference measurements, the specified range is
independent for both Channel 1 and Channel 2.
^ v Auto/ Man •Front Panel operation: Press a front-panel RANGE key to set
manual ranging and to up or down range. Press the Auto/Man key to
return to autoranging. See also “To Select a Range,” on page 42.
•Remote operation: Range is set with parameters in the MEASure
and CONFigure subsystems. For example:
CONF:VOLT:DC 10.0
Sets the 10 Volt DC range
Range can be set directly with the SENSe subsystem. For example:
SENS:VOLT:DC:RANGe 0.001
SENS:RES:RANGE:AUTO
Sets the 1 mV DC range
Sets auto ranging on
2-wire resistance
measurements
Chapter 3 Features and Functions
General Measurement Configuration
64

Overload Detection
The 34420A uses both an analog and digital method to generate an
overload condition and display the OVLD message. An understanding of
the cause of the overload can help you make more accurate
measurements.
Digital Overload Detection
The digital overload detect occurs when the magnitude of the
measurement is greater than 120% of the Range. For example,
on the 1 volt Range, signal levels of greater than 1.2 volts will cause
an OVLD in the display.
Analog Overload Detection
Another type of overload can result in measurement errors that are hard
to identify. For example if an overload signal only occurs for a portion of
the measurement period, the input amplifier could become non-linear
resulting in an inaccurate reading. The displayed result may appear to be
correct because the overload signal only occurred during a small portion
of the measurement cycle. The 34420A detects this problem by
providing comparators on the input amplifier. If signals large enough to
overload the input amplifier are detected, the display will read OVLD.
The comparators detect signals greater than 140% of the range setting.
If an overload occurs, two solutions are possible.
•Setting the meter to the next higher range will provide 10 times
improvement in the overload signal handling capability. For
example,if you are measuring on the 1 mV range and have 2 mV rms
of power line (50 or 60 Hz) pickup, the noise overload comparators
would sense the peaks of the signals and an OVLD message would be
displayed. If you set the range to 10 mV, the resolution (with 7 digits)
is still 1 nanovolt, and the reading rate is faster than if ANALOG
FILTER had been turned on. Additionally, the 10 mV range noise is
almost as low as the 1 mV range.
•Alternately, if using the 1 mV, 10 mV, or 100 mV ranges, turn on the
ANALOG FILTER. The reading rate slows down with the filter on. In
the case of a larger overloads (for example, 20 mV rms noise on the
1 mV range) using the ANALOG FILTER would give a lower noise
result than changing to the 100 mV range.
3
Chapter 3 Features and Functions
General Measurement Configuration
65

Voltage Measurement Configuration
Input Channels
The meter has two independent input channels for measuring dc Volts.
You can make measurements on either or both channels, measure the
difference between the channels, or measure the ratio between the
channels. Each channel has an independent settings for null and range.
The figure on page 19 shows connections for two input channels.
•Channel 1 is the default input channel. Both channels use the same
integration time setting.
•The maximum measurable input on Channel 1 is 120V, on
Channel 2 is 12 V.
•For two channel operation, the maximum voltage difference between
Channel 1 LO and Channel 2 LO is ±150 V.
•For either channel, the maximum non-destructive input is ±150 V.
•If you enable input filters, the filters are active for both input
channels. Switching between the channels will reset the digital filter
reading count (see page 57).
Channel •Front Panel operation: Toggle the input channel by pressing the
Channel key on the front panel. The CH1 or CH2 annunciator will
light in the display. The meter keeps range and null settings
independently for each channel.
Scan
Shift Channel Choose the scan mode to alternately show the CH1 and CH2 readings.
Disable the digital filter when using the scan mode. In scan mode, the
meter alternates between the CH1 and CH2 readings every 3 seconds
or for each measurement (whichever is longer).
Chapter 3 Features and Functions
Voltage Measurement Configuration
66

•Remote operation: The CONFigure and MEASure subsystems use
an optional parameter to specify the input channel as either 1 or 2:
CONF:VOLT:DC DEF, DEF,(@FRONTl)
CONF:VOLT:DC DEF, DEF,(@FRONT2)
Channel 1 operation
Channel 2 operation
The SENSe subsystem uses a keyword modification to indicate the
channel:
SENS1:VOLT:DC:RANG:AUTO
SENS2:VOLT:DC:RANG:AUTO
Channel 1 operation
Channel 2 operation
Two Channel Measurements
Ch1 - Ch2 •Difference measurements: First, set the range and null value for
each input channel. Then, select difference measurements.
Difference = ((Ch 1 voltage − Ch 1 Null ) − (Ch 2 voltage − Ch 2 Null )) − Null*
Shift Ch1- Ch2 •Ratio measurements: First, set the range and null value for each
input channel. Then, select ratio measurements.
Ratio = (Ch 1 voltage − Ch 1 Null )
(Ch 2 voltage − Ch 2 Null )
•Remote operation: use the following commands to measure or
configure a difference or ratio measurement. Set each channel to the
appropriate range and null conditions using:
[SENSe1: | SENSe2:]
VOLTage:DC
:RANGE <
range
>
:NULL:STATe {OFF | ON}
:NULL:VALue {<
value
> | MIN | MAX}
Then use the following commands to measure the ratio or difference:
MEASure:VOLTage:DC
:RATIO?
:DIFFerence?
CONFigure:VOLTage:DC
:RATIO
:DIFFerence
[SENSe:]FUNCtion "VOLTage:RATio"
[SENSe:]FUNCtion "VOLTage:DIFFerence"
*Difference Null is only available from the Front Panel.
3
Chapter 3 Features and Functions
Voltage Measurement Configuration
67

Resistance Measurement Configuration
The meter can make 2-wire or 4-wire ohms measurements. The meter
can compensate for voltages in the resistive circuit being measured using
offset compensation. You can also choose to either limit the power applied
or limit the open circuit voltage applied during a resistance
measurement.
The test current sourced by the meter depends upon the range and
conditions as shown below:
Range Test current
2-wire or 4-wire
measurements
4-wire measurements
Low Power Voltage Limited
1Ω10 mA 10 mA Not Available
10 Ω10 mA 10 mA 1 mA
100 Ω10 mA 1 mA 100 µA
1 kΩ1 mA 100 µANot Available
10 kΩ100 µA10 µANot Available
100 kΩ*10 µA5 µANot Available
1 MΩ*5 µA5 µANot Available
* Offset Compensation is not applied to measurements on these ranges
Chapter 3 Features and Functions
Resistance Measurement Configuration
68

Offset Compensated Measurements
Offset compensation removes the effect of any voltages in the circuit
being measured. The technique involves taking two measurements, one
with the current source turned on, and one with the current source
turned off and computing the difference. A description of this operation is
given on page 259.
•Front Panel operation: Offset compensation is on at power on.
Turn offset compensation off under the 3: OCOMP Ω command in
the MEASure menu.
•Remote operation: Offset compensation is off following a remote
reset or preset. Use the following command to change the state of
offset compensation:
SENSe:
FRESistance:OCOMpensated {OFF|ON}
RESistance:OCOMpensated {OFF|ON}
Low Power Measurements
Low Power measurements use a reduced output measurement current to
limit the power dissipation in the circuit being measured.
•Low Power measurements apply only to 4-wire ohms measurements.
•When the low power measurement mode is enabled, the ‘LP’
annunciator is on in the display.
•Setting the Voltage Limited measurement mode will cancel the
Low Power mode.
•Front Panel operation: set low power mode under the
4: LOW POWER Ω command in the MEASure menu.
•Remote operation: use the following command to set the low power
ohms mode:
SENSe:FRESistance:POWer:LIMit {OFF|ON}
3
Chapter 3 Features and Functions
Resistance Measurement Configuration
69

Voltage Limited Measurements
Voltage limited resistance measurements clamp the open circuit voltage
to predefined limits.
•Voltage limits apply only to 4-wire ohms measurements.
•Voltage limited resistance measurements are only available on
the 10 Ω and 100 Ω ranges. If a manual range is selected in either
2-wire or 4-wire ohms, and then Voltage Limited measurements are
enabled, the range will be set to the highest valid range (either 10 Ω
or 100 Ω ).
•The open circuit voltage can be limited to 20 mV, 100 mV, or 500 mV.
•Setting the Low Power measurement mode will cancel the
Voltage Limited mode.
•Front panel operation: Enable or disable the voltage limit under the
5: LOW VOLT Ω command in the MEASure menu.
Set the voltage limit under the 6: LoV LIMIT Ω command in the
MEASure menu.
•Remote operation: the following command enables or disable the
low voltage limit mode:
SENSe:FRESistance:VOLTage:LIMit {OFF|ON}
Set the limit with the following command:
SENSe:FRESistance:VOLTage:LIMit:VALue {<
value
>|MIN|MAX}
Chapter 3 Features and Functions
Resistance Measurement Configuration
70

Temperature Measurement Configuration
This section contains information to help you configure the meter for
making temperature measurements. To measure temperature, you will
need a temperature transducer. Transducer descriptions and specific
comments about their usage are given on page 263. The meter supports
three general categories of transducer:
•RTD (Resistive Temperature Device)
•THERM (Thermistor)
•T/C (Thermocouple)
The meter supports specific types of transducers in each category:
RTD’s
R0 = 4.9 Ω to 2.1 kΩThermistor Thermocouples
α = 0.00385 (DIN/IEC 751)
α = 0.00391
5k Ω B, E, J, K, N, R, S, T
Once you set the measurement units, probe type, and transducer type,
the setting is stored in non-volatile memory. This makes the last probe
type used the default probe type.
Measurement Units
•The meter can report temperature in °C (Celsius), °F (Fahrenheit),
or K (Kelvins).
•The measurement units set are stored in non-volatile memory.
•Front Panel Operation: Set the units under the 2: UNITS command
in the TEMPerature menu.
•Remote operation: Set the units using the following command:
UNIT:TEMPerature {C|F|K}
3
Chapter 3 Features and Functions
Temperature Measurement Configuration
71

RTD Measurements
•The meter supports RTDs with α = 0.00385 (DIN/IEC 751) or
α = 0.00391. The nominal value of the RTD (R0) must be in the range
of 4.9 Ω to 2.1 kΩ. RTD Connections are shown on page 21.
•The meter makes a 4-wire measurement for RTD’s. All four input
leads must be connected.
•Front Panel operation: Set RTD as the probe type under the
1: PROBE TYPE command in the TEMPerature menu.
Select the RTD type under the 3: RTD TYPE command in the
TEMPerature menu.
Enter the 0° C resistance of the RTD (R0) in the 4: RTD R0 command
in the TEMPerature menu.
•Remote operation: Use the following commands for temperature
measurements with RTD’s:
CONFigure:TEMPerature FRTD,{85|91}[,1,<
resolution
>]
MEASure:TEMPerature? FRTD, {85|91}[,1,<
resolution
>]
SENSe:FUNCtion "TEMPerature"
SENSe:TEMPerature:TRANsducer:TYPE FRTD
SENSe:TEMPerature:TRANsducer:FRTD:TYPE {85|91}
SENSe:TEMPerature:TRANsducer:FRTD:RESistance <
value
>
Thermistor Measurements
•Only the 5 kΩ thermistor type is supported. Thermistor connections
are shown on page 21.
•The thermistor must be connected to the Channel 1 inputs.
•Front Panel operation: Set THERM as the transducer type under
the 1: PROBE TYPE command in the TEMPerature menu.
•Remote operation: use the following commands for temperature
measurements with a thermistor:
CONFigure:TEMPerature THER, DEF,[,1,<
resolution
>]
MEASure:TEMPerature? THER, DEF,[,1,<
resolution
>]
SENSe:FUNCtion "TEMPerature"
SENSe:TEMPerature:TRANsducer:TYPE THER
Chapter 3 Features and Functions
Temperature Measurement Configuration
72

Thermocouple Measurements
•The thermocouple must be connected to the Channel 2 inputs. Be sure
to observe the correct polarity. Thermocouple connections are shown on
page 22.
•Thermocouple measurements require a reference junction
temperature. You can input a known fixed junction temperature, use
an external thermistor temperature, or use the internal thermistor
temperature as the reference junction temperature.
The accuracy of the measurement is very dependent upon the
thermocouple connections and the reference junction temperature.
Use a fixed temperature reference for highest accuracy measurements.
The internal thermistor reference produces the lowest accuracy
measurements. See page 265 for a discussion of the reference junction
temperature measurements.
•Front Panel operation: Set T/C as the probe type under the
1: PROBE TYPE command in the TEMPerature menu.
Select the thermocouple type under the 4: T/C TYPE command in the
Temperature menu.
Set the reference junction temperature source under the
5: COLD JUNCT command in the TEMPerature menu.
If you used a FIXed reference junction temperature, set the reference
temperature under the 6: JUNCT TEMP command in the TEMPerature
menu. The number entered must be in the range of –1° C to 55° C.
•Remote operation: use the following commands for temperature
measurements using thermocouples:
CONFigure:TEMPerature TC,{B|E|J|K|N|R|S|T}[,1,<
resolution
>]
MEASure:TEMPerature? TC,{B|E|J|K|N|R|S|T}[,1,<
resolution
>]
SENSe:
FUNCtion "TEMPerature"
TEMPerature:TRANsducer
:TYPE TC
:TCouple
:TYPE {B|E|J|K|N|R|S|T}
:RJUNction:TYPE {FIXed|INTernal|THERmistor}
:RJUNction {<
reference
>|MIN|MAX}
3
Chapter 3 Features and Functions
Temperature Measurement Configuration
73

Math Operations
There are two math operations available, only one of which can be
enabled at a time. You can choose to either scale the readings as they are
taken, or keep statistics on a group of readings. The selected math
operation remains in effect until you disable it, change functions, turn off
the power, or perform a remote interface reset.
Scaling
•The scaling is applied as:
reading = gain ∗ (measurement − offset)
Scale
Shift Stats •Front Panel operation: Set the values of gain and offset in the
MATH menu. Enable scaling by pressing the scale key. The Stats
annunciator will light in the display.
•Remote operation: the math operations and registers are controlled
using commands within the CALCulate command subsystem. First,
select the math operation you want to use
CALCulate:FUNCtion SCALe
Then, set the values for gain and offset.
CALCulate:SCALe:GAIN <
gain
>
CALCulate:SCALe:OFFSet <
offset
>
Finally, enable the selected math function by turning the math state on:
CALCulate:STATe ON
Chapter 3 Features and Functions
Math Operations
74

Statistics
•After you enable statistics, the first reading that the meter takes is
stored as both the minimum and maximum value. The minimum is
replaced with any subsequent value that is less. The maximum is
replaced with any subsequent value that is greater.
•All values are stored in volatile memory; the meter clears the values
when stats is turned on, when power has been off, or after a remote
interface reset or preset.
•When enabled, the following statistics are available:
MIN minimum reading
MAX maximum reading
AVER arithmetic average of all readings
STD DEV standard deviation of all readings
PEAK – PEAK peak to peak value of minimum and maximum
COUNT the total number of readings
•Front Panel operation: Enable the statistics by pressing
the Stats key. Read the statistics gathered in the MATH menu
under the STATS command.
After reading the stored statistics, press Shift < (Menu On/Off) to
return to the measurement and continue taking statistics.
3
Chapter 3 Features and Functions
Math Operations
75

•Remote operation: the math operations and registers are controlled
using math operation commands. First, select the math operation you
want to use
CALCulate:FUNCtion AVERage
Then, enable the selected math function by turning the math state on:
CALCulate:STATe ON
When you have finished collecting readings, obtain the desired statistics:
CALCulate:AVERage
:MINimum?
:MAXimum?
:AVERage?
:SDEViation?
:PTPeak?
:COUNt?
After reading the statistics, supply another trigger to continue taking
measurements and collecting statistics. Measurements are not taken
while reading the results.
If you are interested in the statistics on a number of readings, but not
the readings themselves, you can use the following command:
DATA:FEED RDG_STORE, ""
The null value parameter in the command tells the meter not to store
the individual readings. The meter does, however, accumulate
statistics on the readings. This method removes the 1024 reading
limitation and you can calculate statistics on any number of readings.
See page 150 for more information.
Chapter 3 Features and Functions
Math Operations
76

Null (Relative) Operation
When making null measurements, also called relative, each reading is the
difference between the input signal and a stored null value. You could,
for example, make a more accurate two-wire ohms measurement by
shorting the test leads and pressing Null to remove the test lead
resistance. See also “To Make Null (Relative) Measurements,” on page 45.
Reading = measurement – null value
•The null value is adjustable and you can set it to any value between
0 and ± 120% of the highest range, for the present function.
•The null value is stored in volatile memory; the value is cleared when
power has been off or after a remote interface reset.
•Each function and channel has an independent null value. For voltage
measurements, each input channel has an independant null.
Temperature measurement null is applied to all temperature
measurements (if you change the probe type, null is still enabled and
applied). The null for resistance measurements applies to both 2-wire
and 4-wire measurements.
•The null value is stored in the meter’s Null Register. There are two
ways you can specify the null value. First, you can enter a specific
number into the register from the front-panel menu or from the remote
interface. Any previously stored value is replaced with the new value.
If you are operating the meter from the front panel, entering a null
value also turns on the null function.
The second way to enter the null value is to let the meter store the
first reading in the register. Press the Null key to make the
displayed measurement the null value and enable the Null operation.
After you enable null, the first reading displayed will be zero. If you
entered a number into the register, as described in the paragraph
above, the first reading does not overwrite the stored value.
•Since an independent null value is stored for each input channel,
difference or ratio functions also use these null values. Additionally,
when using the difference function, an additional difference null can
be applied (the difference null is only available from the front panel).
See page 67 for a description of how null is applied to difference and
ratio functions.
3
Chapter 3 Features and Functions
Null (Relative) Operation
77

•Front-panel operation: After enabling null, you can edit the stored
null value by pressing Shift > (Menu Recall). Any previously stored
value is replaced with the new value. Turning on the menu does not
disable the null operation; the meter will resume taking
measurements when you turn off the menu.
When null is enabled, the Null annunciator lights in the display. For
ratio or difference measurement, if either input channel has a null
enabled, the Null annunciator will flash. If you apply the difference
null, the Null annunciator will light (not flash).
•Remote interface operation: You can use the following commands
to make null measurements. Null must be enabled before you can store
a value in the Null Register.
SENSe1 | SENSe2
:VOLTage:DC
:NULL {OFF|ON}
:NULL {<
value
>|MIN|MAX}
[SENSe:]
FRESistance | RESistance
:NULL { OFF | ON }
:NULL {<
value
>|MIN|MAX}
TEMPerature
:NULL { OFF | ON }
:NULL {<
value
>|MIN|MAX}
To enable null and set a null value (0.10) for the 2-wire resistance
function execute the following commands in the order shown.
SENS:RES:NULL ON
SENS:RES:NULL 0.10
You can use the first reading as a null value from the remote interface
by first setting the function, range, and resolution and then executing
the following command:
[SENSe:]NULL [{OFF | ON | ONCE}]
Chapter 3 Features and Functions
Null (Relative) Operation
78

Reading Hold
The reading hold feature allows you to capture and hold a stable reading
on the front-panel display. This is especially useful in situations where
you want to take a reading, remove the test probes, and have the reading
remain on the display. When a stable reading is detected, the meter
beeps and holds the reading on the display.
The reading hold feature is available only from the front panel. If you go
to remote when reading hold is enabled, the meter ignores it; when you
return to local (front panel), reading hold is enabled again.
•Reading hold has an adjustable sensitivity band (adjustable only from
the front panel) to allow you to select which readings are considered
stable enough to be displayed. The band is expressed as a percent of
reading, on the selected range. The meter will capture and display a
new value only after three consecutive readings are within the band.
Select one of these values: 0.01%, 0.10% (default), 1.00%, or 10.0%
of reading.
For example, assume that the 1.00% band is selected and a 5 volt
signal is applied to the meter. If three consecutive readings are
between 4.95 volts and 5.05 volts, the meter will beep and display a
new reading.
•The sensitivity band is stored in volatile memory; the meter sets the
band to 0.10% when power has been off or after an interface reset.
•If the meter is in autorange when you enable reading hold, it will
autorange to the correct range. If the meter is in the manual range
mode, the same fixed range will be used for reading hold.
•For certain applications, it may be useful to use reading hold with
reading memory. See also “Reading Memory,” on page 90.
•Front Panel operation: After enabling reading hold, you can select
a different sensitivity band by pressing Shift > (Menu Recall).
1: READ HOLD
3
Chapter 3 Features and Functions
Reading Hold
79

Triggering
The meter’s triggering system allows you to generate triggers either
manually or automatically, take multiple readings per trigger, and insert
a delay before each reading. Normally, the meter will take one reading
each time it receives a trigger, but you can specify multiple readings (up
to 50,000) per trigger.
•You can trigger the meter from the front panel, with an external
trigger, or use autotriggering. Single triggering takes one reading each
time you press the Single key. External triggering is like single
triggering, but the meter waits for a pulse on the rear-panel Ext Trig
(external trigger) terminal before taking a reading. Autotriggering
takes continuous readings at the fastest rate possible for the present
configuration. See also “To Trigger the Meter,” on page 47.
•Press Shift Auto/Hold to return the meter to auto triggering.
Triggering the meter from the remote interface is a multi-step process
that offers triggering flexibility.
•First, you must configure the meter for the measurement by selecting
the function, range, integration time, etc.
•Then, you must specify the source from which the meter will accept
the trigger. The meter will accept a software (bus) trigger from the
remote interface, a hardware trigger from the Ext Trig terminal, or an
immediate internal trigger.
•Then, you must make sure that the meter is ready to accept a trigger
from the specified trigger source (this is called the wait-for-trigger
state).
•Finally, to make the measurement, you must provide an INITiate,
READ?, or MEASure command.
The diagram on the next page shows the meter’s triggering system.
Chapter 3 Features and Functions
Triggering
80

Idle
State
Wait-for-
Trigger
State
Delay
Measurement
Sample
Sample
Count >1
Initiate Triggering
MEASure?
READ?
INITiate
Trigger Source
TRIGger:SOURce IMMediate
TRIGger:SOURce EXTernal
TRIGger:SOURce BUS
front-panel "Single" key
Trigger Delay
TRIGger:DELay
Sample (*)
Annunciator
Trigger
Count >1
Triggering the meter is a multi-step process. No
Yes Yes
No
3
Chapter 3 Features and Functions
Triggering
81

Trigger Source Choices
You must specify the source from which the meter will accept a trigger.
•The trigger source is stored in volatile memory; the source is set to
autotrigger (front panel) or immediate (remote interface) when power
has been off or after a remote interface reset.
•Front Panel operation: the meter will accept a either a front panel
single trigger or a hardware trigger from the Ext Trig terminal, or
continuously take readings using autotrigger. At power-on,
autotriggering is used.
•Remote operation: the meter will accept a software (bus) trigger, a
hardware trigger from the Ext Trig terminal, or an immediate internal
trigger. See "Triggering" on page 80 for more information.
Autotriggering In the autotrigger mode (front panel only), the meter
continuously takes readings at the fastest rate possible for the present
configuration. This is the power-on trigger source for front-panel
operation.
Single Triggering In the single trigger mode (front panel only), you
can manually trigger the meter by pressing Single . The meter takes one
reading, or the specified number of readings (sample count), each time
you press the key. The ‘Trig’ annunciator turns on when the meter is
waiting for a trigger.
Pressing the Single key also allows the meter to accept triggers on the
Ext Trig terminal.
The front-panel Single key is disabled when in remote.
Chapter 3 Features and Functions
Triggering
82

External Triggering In the external trigger mode, the meter will
accept a hardware trigger applied to the Ext Trig terminal. The meter
takes one reading, or the specified number of readings (sample count),
each time Ext Trig receives a low-true pulse.
See also “External Trigger Terminal,” on page 97.
•The meter buffers one external trigger. This means that if the meter is
taking a reading and another external trigger occurs, that trigger is
accepted (a “Trigger ignored” error is not reported). After the reading
in progress is complete, the stored trigger satisfies the trigger source
and then the trigger is issued.
•Front-panel operation: The external trigger mode is like the single
trigger mode except that you apply the trigger to the Ext Trig
terminal. Pressing Single to enable the single trigger mode also
enables the external trigger mode. The ‘Trig’ annunciator turns on
when the meter is waiting for an external trigger.
The front-panel Single key is disabled when in remote.
•Remote operation: Use the following command to enable external
trigger.
TRIGger:SOURce EXTernal
3
Chapter 3 Features and Functions
Triggering
83

Internal Triggering In the internal trigger mode (remote interface
only), the trigger signal is always present. When you place the meter in
the wait-for-trigger state, the trigger is issued immediately. This is the
power-on trigger source for remote interface operation.
To select the internal trigger source, send the following command. The
CONFigure and MEASure? commands automatically set the trigger
source to IMMediate.
TRIGger:SOURce IMMediate
After setting the source to IMMediate, an INITitate or a READ?
command will trigger the measurement.
Software (Bus) Triggering The bus trigger mode is available only
from the remote interface. This mode is similar to the single trigger mode
from the front panel, but you trigger the meter by sending a bus trigger
command.
•To select the bus trigger source, send the following command.
TRIGger:SOURce BUS
•To trigger the meter from the remote interface (HP-IB or RS-232),
send the *TRG (trigger) command. The *TRG command will not be
accepted unless the meter is in the wait-for-trigger state.
•You can also trigger the meter from the HP-IB interface by sending the
IEEE-488 Group Execute Trigger (GET) message. The meter must be
in the wait-for-trigger state. The following statement shows how to
send a GET from a Hewlett-Packard controller.
TRIGGER 722 (group execute trigger)
Chapter 3 Features and Functions
Triggering
84
GPIB
GPIB

The Wait-for-Trigger State
After you have configured the meter and selected a trigger source,
you must place the meter in the wait-for-trigger state. A trigger will not
be accepted until the meter is in this state. If a trigger signal is present,
and if meter is in the “wait-for-trigger” state, the measurement sequence
begins and readings are taken.
The “wait-for-trigger” state is a term used primarily for remote interface
operation. From the front panel, the meter is always in the “wait-for-
trigger” state and will accept triggers at any time, unless a measurement
is already in progress.
You can place the meter in the “wait-for-trigger” state by executing any of
the following commands from the remote interface.
MEASure?
READ?
INITiate
Halting a Measurement in Progress
You can send a device clear at any time to halt a measurement in
progress and place the meter in the “idle state.” The following statement
shows how to send a device clear from a Hewlett-Packard controller if you
are using the HP-IB interface. See also page 187.
CLEAR 722 (device clear)
For operation with the RS-232, you must establish a means to send a
device clear (for example, by pressing ^C (Control C)).
A device clear does not affect the configuration of the triggering system.
The trigger source, sample count, trigger delay, and number of triggers
are not changed.
If you have set the meter to infinite sampling (TRIGger:COUNt
INFinity), the device clear is the only way to halt the measurements.
3
Chapter 3 Features and Functions
Triggering
85
GPIB

Number of Samples
Normally, the meter takes one reading (or sample) each time it receives
a trigger from the selected trigger source (if the meter is in the
wait-for-trigger state). You can, however, instruct the meter to take
multiple readings for each trigger received.
•Number of samples: 1 to 50,000. The default is 1 sample per trigger.
•The sample count is stored in volatile memory; the meter sets the
sample count to 1 when power has been off or after a remote interface
reset. The CONFigure and MEASure? commands automatically set
the sample count to 1.
•Front Panel operation: set the number of samples per trigger in the
3: N SAMPLES command under the TRIGger menu.
•Remote operation: use the following command:
SAMPle:COUNt {<
value
>|MIN|MAX}
Number of Triggers
Normally, the meter will accept only one trigger before returning to the
“idle” trigger state. You can, however, instruct the meter to accept
multiple triggers.
This feature is available only from the remote interface. If you set the
trigger count and then go to local (front panel), the meter ignores the
trigger count setting; when you return to remote, the trigger count returns
to the value you selected.
•The selected number of triggers is stored in volatile memory; the
meter sets the trigger count to 1 when power has been off or after a
remote interface reset or preset. The CONFigure and MEASure?
commands automatically set the trigger count to 1.
•The number of triggers can be set to any number between 1 (MIN) and
50000 (MAX) or can be set to be INFinity. When the trigger count is
set to be infinite, use the READ? command to collect the readings.
Send a device clear to stop the measurements. See page 187 for
information about device clear.
TRIGger:COUNt {<
value
>|MIN|MAX|INFinity}
Chapter 3 Features and Functions
Triggering
86

Trigger Delay
You can insert a delay between the trigger signal and each sample that
follows. This may be useful in applications where you want to allow the
input to settle before taking a reading, or for pacing a burst of readings.
If you do not specify a trigger delay, the meter automatically selects a
delay for you.
•Delay range: 0 to 3600 seconds. The default trigger delay is
automatic; the delay is determined by function, range, and integration
time (see also “Automatic Trigger Delays,” on page 89).
•The trigger delay is stored in volatile memory; the meter selects an
automatic trigger delay when power has been off or after a remote
interface reset. The CONFigure and MEASure? commands set the
trigger delay to automatic.
•If you specify a delay other than automatic, that same delay is used for
all functions and ranges.
•If you have configured the meter to take more than one reading per
trigger (sample count > 1), the specified trigger delay is inserted
between the trigger and each reading.
•Front Panel operation: You can use an automatic trigger delay or
you can specify a delay in seconds. Set the delay time in the
2: TRIG DELAY command of the TRIGger menu.
If an automatic trigger delay is enabled, “AUTO” is displayed
momentarily before the actual number of seconds is displayed.
AUTO
3
Chapter 3 Features and Functions
Triggering
87

•Front Panel operation (continued)
To set the delay to 0 seconds, select the “parameter” level of the
TRIG DELAY command. Move the flashing cursor to the “units”
location on the right side of the display. Press ∨ until
ZERO DELAY is reached, then press Enter .
ZERO DELAY
•To select the automatic trigger delay, select the “parameter” level of
the TRIG DELAY command. Move the flashing cursor to the “units”
location on the right side of the display. Press ∨ until
AUTO DELAY is reached, then press Enter .
AUTO DELAY
•Remote operation:
You can use the following command to set the trigger delay.
TRIGger:DELay {<
seconds
>|MIN|MAX}
You can use the following command to set an automatic trigger delay.
TRIGger:DELay:AUTO {OFF|ON}
Chapter 3 Features and Functions
Triggering
88

Automatic Trigger Delays
If you do not specify a trigger delay, the meter selects an automatic delay
for you. The delay is determined by function, range, and integration time.
•DC voltage :
Range NPLC 1
Trigger Delay NPLC 1
Trigger Delay
1
m
V
10
m
V to 120 V 15 ms
1.0 ms 15 ms
1.5 ms
•Resistance (2-wire and 4-wire):
Range NPLC < 1
Trigger Delay NPLC 1
Trigger Delay
1 Ω
10 Ω
100 Ω
1 kΩ
10 kΩ
100 kΩ
1 MΩ
1.0 ms
1.0 ms
1.0 ms
1.0 ms
1.0 ms
4 ms
40 ms
1.5 ms
1.5 ms
1.5 ms
1.5 ms
1.5 ms
6 ms
60 ms
•Temperature:
NPLC < 1
Trigger Delay NPLC 1
Trigger Delay
RTD
THERmistor
ThermoCouple
1.0 ms
1.0 ms
1.0 ms
1.5 ms
1.5 ms
1.5 ms
3
Chapter 3 Features and Functions
Triggering
89

System-Related Operations
This section gives information on topics such as reading memory, errors,
self-test, and front-panel display control. This information is not directly
related to making measurements but is an important part of operating
the meter.
Reading Memory
The meter can store up to 1024 readings in internal memory. Readings
are stored in first-in-first-out (FIFO) order. The first reading returned is
the first reading stored. See also “To Use Reading Memory,” on page 50.
•You can use reading memory with all functions, math operations, and
also reading hold. After you have enabled reading memory, you can
change the function or input channel. Be aware, however, that the
function labels and channel labels (V, OHM, etc.) are not stored with the
reading.
•Readings taken while reading memory is enabled are stored in volatile
memory; the meter clears the stored readings when reading memory is
turned on again, when power has been off, after a self-test, or after a
remote interface reset.
•You can use reading memory with autotrigger, single trigger, external
trigger, and reading hold. If you configure the meter for multiple
readings per trigger, the specified number of readings are stored in
memory each time a trigger is received.
Chapter 3 Features and Functions
System-Related Operations
90

•Front-panel operation: enable readings storage under the
1: RDGS STORE command in the SYStem menu. The ‘Mem’
annunciator lights in the display.
Recall the stored readings under the 2: SAVED RDGS command in the
SYStem menu. Press Shift > (Menu Recall) after enabling reading
memory to quickly go to the Saved Readings command.
Reading memory is automatically turned off when you go to the
“parameter” level in the menu to recall the readings.
•Remote interface operation: The INITiate command uses reading
memory to store readings prior to a FETCh? command. You can query
the number of stored readings in memory by sending the
DATA:POINts? command from the remote interface. 3
Chapter 3 Features and Functions
System-Related Operations
91

Error Conditions
When the front-panel ‘ERROR’ annunciator turns on, one or more
command syntax or hardware errors have been detected. A record of up
to 20 errors is stored in the meter’s error queue. See chapter 5, “Error
Messages,” for a complete listing of the errors.
•Errors are retrieved in first-in-first-out (FIFO) order. The first error
returned is the first error that was stored. When you have read all
errors from the queue, the ERROR annunciator turns off. The meter
beeps once for each error generated.
•If more than 20 errors have occurred, the last error stored in the
queue (the most recent error) is replaced with –350 “Queue Overflow”.
No additional errors are stored until you remove errors from the
queue. If no errors have occurred and you read the error queue, the
meter responds with +0, “No error”.
•The error queue is cleared when power has been off or after a *CLS
(clear status) command has been executed.
•Front-panel operation: read the errors under the 3: ERROR
command in the SYStem menu.
If the ERROR annunciator is on, press Shift > (Menu Recall) to read
the errors stored in the queue. The errors are listed horizontally on the
“parameter” level. The error queue is cleared when you go to the
“parameter” level and then turn off the menu.
ERR 1: -113
First error in queue Error code
•Remote interface operation: use the following command to read
the errors.
SYSTem:ERRor?
Errors have the following format (the error string may contain up to
80 characters).
–113, "Undefined header"
Chapter 3 Features and Functions
System-Related Operations
92

Self-Test
A power-on self-test occurs automatically when you turn on the
multimeter. This limited test assures you that the meter is operational.
This self-test does not perform the extensive set of tests that are included
as part of the complete self-test described below.
A complete self-test runs a series of tests and takes approximately
15 seconds to execute. If all tests pass, you can have a high confidence
that the meter is operational.
•The results of the complete self-test are stored in internal reading
memory (see page 50). Memory is cleared as the self-test stores this
information. Other than clearing memory, the complete self-test
does not alter the state of the meter.
•If the complete self-test is successful, “PASS” is displayed on the front
panel. If the self-test fails, “FAIL” is displayed and the ERROR
annunciator turns on. See the 34420A Service Guide for
instructions on returning the meter to Hewlett-Packard for service.
•Front Panel operation: You can perform some of the tests
individually or you can perform all tests together at once. Scroll
through the parameters under the 4: TEST command in the SYStem
menu.
Another way to perform the complete self-test from the front panel is
as follows: Hold down Shift as you press the Power switch to turn on
the meter; hold down the key for more than 5 seconds. The self-test will
begin when you release the key.
•Remote operation: use the following command to initiate a self-test
and return the results:
*TST?
Returns “0” if the self-test is successful, or “1” if it fails.
3
Chapter 3 Features and Functions
System-Related Operations
93
Agilent for service.

Display Control
To speed up your measurement rate, or for security reasons, you may
want to turn off the front-panel display. From the remote interface, you
can also display a 11-character message on the front panel. See page 43
for information about the number of digits displayed.
•When the display is turned off, readings are not sent to the display
and all display annunciators except ‘ERROR’ and ‘Shift’ are disabled.
Front-panel operation is otherwise unaffected by turning off the
display.
•The display state is stored in volatile memory; the display is enabled
when power has been off or after a remote interface reset.
•You can display a message on the front panel by sending a command
from the remote interface. The meter can display up to 11 characters
of the message on the front panel; any additional characters are
truncated. Commas, periods, and semicolons share a display space
with the preceding character, and are not considered individual
characters. When a message is displayed, readings are not sent to the
display.
•Sending a message to the display from the remote interface overrides
the display state; this means that you can display a message even if
the display is turned off.
•Front-panel operation: set the display state under the 5: DISPLAY
command in the SYStem menu.
The display always turns on for menu operation; this means that even
when the display is turned off, you can still operate the menu.
•Remote operation: use the following commands to control the
display:
DISPlay {OFF|ON}
DISPlay:TEXT <
quoted string
>
DISPlay:TEXT:CLEar
disable/enable the display
display the string
enclosed in quotes
clear the message in the
display
The following statement shows how to display a message on the front
panel from a Hewlett-Packard controller.
OUTPUT 722; "DISP:TEXT ’HELLO’"
Chapter 3 Features and Functions
System-Related Operations
94

Comma Separators
The meter can display readings on the front panel with or without a
comma separator. This feature is available only from the front panel. See
“Menu Example 1” on page 35.
08.241,53 V 08.24153 V
With comma separator Without comma separator
(factory setting)
•The display format is stored in non-volatile memory, and does not
change when power has been off or after a remote interface reset. The
comma separator is enabled when the meter is shipped from the
factory.
•Front-panel operation: change the state of the comma display under
the 9: COMMA command in the SYStem menu.
Firmware Revision Query
The meter has three microprocessors for control of various internal
systems. You can query the meter to determine which revision of
firmware is installed for each microprocessor.
•The meter returns three numbers. The first number is the firmware
revision number for the measurement processor; the second is for the
input/output processor; and the third is for the front-panel processor.
•Front-panel operation: read the revisions under the 11: REVISION
command in the SYStem menu.
X.X-X.X-X.X
•Remote operation: use the following command to read the revision:
*IDN? returns “HEWLETT-PACKARD,34420A,0,X.X-X.X-X.X”
Be sure to dimension a string variable with at least 40 characters.
3
Chapter 3 Features and Functions
System-Related Operations
95

SCPI Language Version
The meter complies with the rules and regulations of the present version
of SCPI (Standard Commands for Programmable Instruments). You can
determine the SCPI version with which the meter is in compliance by
sending a command from the remote interface.
You cannot query the SCPI version from the front panel.
•The following command returns the SCPI version.
SYSTem:VERSion?
Returns a string in the form “YYYY.V” where the “Y’s” represent the year
of the version, and the “V” represents a version number for that year
(for example, 1994.0).
Chapter 3 Features and Functions
System-Related Operations
96

Voltmeter Complete Terminal
The rear-panel VM Comp (voltmeter complete) terminal provides a low-true
pulse after the completion of each measurement. Voltmeter complete and
external trigger (see below) implement a standard hardware handshake
sequence between measurement and switching devices.
External Trigger Terminal
You can trigger the meter by applying a low-true pulse to the rear-panel
Ext Trig (external trigger) terminal. To use this terminal from the remote
interface, you must select the external trigger source
(TRIGger:SOURce EXTernal).
You can use a simple switch to generate an external trigger using the
Ext Trig input as shown below.
Output
Approximately 2µs
Input
>1µs
3
Chapter 3 Features and Functions
Voltmeter Complete Terminal
97

Chart Output (Analog Output)
You can use the Chart Output (Analog Output) connector on the rear
panel to run a strip chart recorder or similar instrument. The connector
provides an output voltage proportional to the measured voltage.
•The output can range from –3.00 V to +3.00 V.
•When chart output is disabled (Off), the output is set to 0 V.
•The output impedance is 1 kΩ.
•The output voltage is related to the input signal as follows:
(reading − chart null)
span = chart output voltage
Note that reading includes the results of measurement unit
conversion, filtering, null, and any math operation performed on the
measurement.
•The chart output state (including the span and null values) is stored
in non-volatile memory.
•span cannot have a negative value.
•The chart output has a voltage "rollover" to prevent the loss of data,
see page 100.
Examples:
See page 38 for a menu procedure to enter a number.
1) To set the chart span so that a ±1 mV input signal produces a ±1.0
Volt chart output:
(0.001 − 0.0)
span = 1.00
span = 0.001
1.00 = 0.001
When chart null is set to 0, the value 1
span
can be considered the gain and
chart output = gain ∗ reading.
Chapter 3 Features and Functions
Chart Output (Analog Output)
98

2) To set the chart output voltage to ±3.0 V to correspond to an input
temperature range of 5° C to 45° C with a mid temperature of 25° C
(chart output is 0 V at 25° C).
(25 − chart null )
span = 0 chart null = 25
and
(45 − 25)
span = 3.0 span = 20
3.0 = 6.66
•Front Panel operation: Enable the chart output under the
5: CHART OUT command in the SYStem menu.
Set the chart span under the 6: CHART SPAN command in the
SYStem menu.
Set the chart offset under the 7: CHART NULL command in the
SYStem menu.
You can also press Shift Null (Chart Null) to null the chart output
voltage based upon the displayed reading. This action places a null
value in the Chart Offset register. Pressing Shift > (Menu Recall)
will take you to the 7: CHART NULL command where you can manually
edit the null value.
•Remote operation: use the following commands to enable and set
the chart output values.
OUTPut {OFF|ON}
OUTPut:REFerence
:OFFSet {<
number
>|MIN|MAX}
:OFFSet:NULL
:SPAN { <
number
>|MIN|MAX}
:SPAN?
:VALue {<
number
>|MIN|MAX}
:GAIN?
3
Chapter 3 Features and Functions
Chart Output (Analog Output)
99

Chart Rollover
To prevent the loss of data, the chart output will "rollover" if a
measurement would cause the chart output to exceed the limits (± 3 V).
This feature is especially useful with strip chart recorders.
Rollover can be used to increase the resolution of the chart since smaller
values of span can be specified. As smaller values of span are used, chart
rollover will occur more frequently.
Rollover occurs when a chart limit is exceeded. The chart output voltage
rolls over to the opposite limit. The result, on a strip chart, is a step from
one limit to the opposite limit, effectively shifting the chart range and
center values. By counting the steps and noting their direction, the
actual measurement values can be deduced.
Example:
The chart output voltage is set to ± 3 V to correspond to an input
temperature range of 5° C to 45° C with the 0 V output at 25° C,
span = 6.66 and chart null = 25.
If the actual measured temperatures ranged from 20° C to 100° C, a strip
chart recorder might look like the one shown. The actual measurements
recorded could be reconstructed by cutting and pasting the chart between
the rollovers.
chart range chart range chart range chart range
5° C to 45° C 45° C to 85° C 85° C to 125° C 45° C to 85° C
chart center chart center chart center chart center
25° C 65° C 105° C 65° C
Chapter 3 Features and Functions
Chart Output (Analog Output)
100

Remote Interface Configuration
This section gives information on configuring the remote interface. For
programming information, see Chapter 4, “Remote Interface Reference,”
starting on page 115.
Remote Interface Selection
The meter is shipped with both a HP-IB (IEEE-488) interface and an
RS-232 interface. Only one interface can be enabled at a time. The HP-IB
interface is selected when the meter is shipped from the factory.
The remote interface can be set only from the front-panel.
•The interface selection is stored in non-volatile memory, and does not
change when power has been off or after a remote interface reset.
•If you select the HP-IB interface, you must select a unique address for
the meter. The HP-IB address is displayed when you turn on the
meter.
•If you select the RS-232 interface, you must set the baud rate and
parity for the meter. “RS-232” is displayed when you turn on the
meter.
•If you select the RS-232 interface and then set the HP-IB address to
the talk only address (31), the meter will send readings over the
RS-232 interface when in the local mode.
•There are certain restrictions to be aware of when you are selecting
the remote interface (see also “Programming Language Selection,”
on page 105). The only programming language supported on RS-232
is SCPI.
Front Panel operation: set the interface under the 2: INTERFACE
command in the I/O menu.
See also “To Select the Remote Interface,” on page 189.
3
Chapter 3 Features and Functions
Remote Interface Configuration
101
GPIB
GPIB
GPIB
GPIB
GPIB

HP-IB Address
Each device on the HP-IB (IEEE-488) interface must have a unique
address. You can set the meter’s address to any value between 0 and 31.
The address is set to “22” when the meter is shipped from the factory.
The HP-IB address is displayed when you turn on the meter.
The HP-IB address can be set only from the front-panel.
•The address is stored in non-volatile memory, and does not change
when power has been off or after a remote interface reset.
•You can set the address to “31” which is the talk only mode. In this
mode, the meter can output readings directly to a printer without
being addressed by a bus controller. Address 31 is not a valid address
if you are operating the multimeter from the HP-IB interface with a
bus controller.
•If you select the RS-232 interface and then set the HP-IB address to the
talk only address (31), the meter will send readings over the RS-232
interface when in the local mode.
•Your HP-IB bus controller has its own address. Be sure to avoid using
the bus controller’s address for any instrument on the interface bus.
Hewlett-Packard controllers generally use address “21”.
•Front Panel operation: set the address under the 1: HP–IB ADDR
command in the I/O menu.
See also “To Set the HP-IB Address,” on page 188.
Chapter 3 Features and Functions
Remote Interface Configuration
102
GPIB
GPIB
GPIB
GPIB
GPIB
GPIB
GPIB
GPIB

Baud Rate Selection (RS-232)
You can select one of six baud rates for RS-232 operation. The rate is set
to 9600 baud when the meter is shipped from the factory.
•Select one of the following: 300, 600, 1200, 2400, 4800, or 9600 baud
(factory setting).
•The baud rate selection is stored in non-volatile memory, and does not
change when power has been off or after a remote interface reset.
•Front Panel operation: set the baud rate under the 3: BAUD RATE
command in the I/O menu.
See also “To Set the Baud Rate,” on page 190.
•Remote operation: use the following commands to set the baud rate:
SYStem:COMMunicate:SERial:BAUD <
baud
>
If you change the baud rate over the remote interface, you may lose control
of the meter.
3
Chapter 3 Features and Functions
Remote Interface Configuration
103

Parity Selection (RS-232)
You can select the parity for RS-232 operation. The meter is configured for
even parity with 7 data bits when shipped from the factory.
•Select one of the following: None (8 data bits), Even (7 data bits), or
Odd (7 data bits). When you set the parity, you are indirectly setting
the number of data bits.
•The parity selection is stored in non-volatile memory, and does not
change when power has been off or after a remote interface reset.
•Front Panel operation: set the parity under the 4: PARITY
command in the I/O menu.
See also “To Set the Parity,” on page 191.
•Remote operation: use the following commands to set the parity:
SYStem:COMMunicate:SERial:PARity {EVEN|ODD|NONE}
If you change the parity over the remote interface, you may lose control of
the meter.
Chapter 3 Features and Functions
Remote Interface Configuration
104

Programming Language Selection
You can select one of two languages to program the meter from the
selected remote interface. The programming language is SCPI when
the meter is shipped from the factory.
•Select one of the following: SCPI or 181 (Keithley).
•The language selection is stored in non-volatile memory, and does not
change when power has been off or after a remote interface reset.
•There are certain restrictions to be aware of when you are selecting
the interface language (see also “Remote Interface Selection,” on
page 101). The Keithley 181 language is not supported on the RS-232
interface.
•Front Panel operation: set the programming language under the
5: LANGUAGE command in the I/O menu.
See also “To Select The Programming Language,” on page 192.
•Remote operation: use the following command to set the language:
SYStem:LANGuage <
language
>
3
Chapter 3 Features and Functions
Remote Interface Configuration
105

Connection to a Terminal or Printer (RS-232)
The RS-232 connector on the meter’s rear panel is a 9-pin connector
(DB-9, male connector). You can connect the meter to any terminal or
printer with a properly configured DTE connector (DB-25). You can use a
standard serial interface cable and the 34399A Adapter Kit to make
connections. Additional information about the interface is given on
page 176.
Pin Number Input/Output Description
1
2
3
4
5
6
9
Input
Output
Output
-
Input
Receive Data (RxD)
Transmit Data (RxD)
Data Terminal Ready(DTR)
Signal Ground (SG)
Data Set Ready (DSR)
If you are using the RS-232 interface for connection to a printer, you may
wish to use the Talk Only mode. This mode is enabled by setting the
HP-IB address to 31. See page 187 for more information.
Chapter 3 Features and Functions
Remote Interface Configuration
106
GPIB

Calibration
This section gives a brief introduction to the calibration features of the
meter. For a more detailed discussion of the calibration procedures, see
Chapter 4 in the Service Guide.
Calibration Security
This feature allows you to enter a security code to prevent accidental or
unauthorized calibrations of the meter. When you first receive your
meter, it is secured. Before you can calibrate the meter, you must
unsecure it by entering the correct security code.
•The security code is set to “HP034420” when the meter is shipped from
the factory. The security code is stored in non-volatile memory, and
does not change when power has been off or after a remote interface
reset.
•To secure the meter from the remote interface, the security code may
contain up to 11 alphanumeric characters as shown below. The first
character must be a letter, but the remaining characters can be letters
or numbers. You do not have to use all 11 characters but the first
character must always be a letter.
A _ _ _ _ _ _ _ _ _ _ _
(11 characters)
•To secure the meter from the remote interface so that it can be
unsecured from the front panel, use the eight-character format shown
below. The first two characters must be “HP” and the remaining
characters must be numbers. Only the last six characters are
recognized from the front panel, but all eight characters are required.
(To unsecure the meter from the front panel, omit the “HP” and enter
the remaining numbers as shown on the following pages.)
H P _ _ _ _ _ _ (8 characters)
If you secure the meter from the remote interface and the secure code you
use does not have the first two characters "HP" and the next 6 characters
as digits, you cannot unsecure the meter from the front panel.
3
Chapter 3 Features and Functions
Calibration
107

To Unsecure for Calibration You can unsecure the meter for
calibration either from the front panel or remote interface. The meter is
secured when shipped from the factory, and the security code is set to
“HP034420”.
•Front-panel operation:
1: SECURED
If the meter is secured, you will see the above command when you go
into the CAL MENU. (If you move across the “commands” level in the
menu, you will notice that the “2: CALIBRATE” command is “hidden”
if the meter is secured.) To unsecure the meter, select the “parameter”
level of the SECURED command, enter the security code, then press
Enter.
∧ 000000 CODE
When you go to the “commands” level in the CAL MENU again, you
will notice that the meter is unsecured. Notice also that the
2: CALIBRATE command is no longer hidden and you can perform a
calibration.
1: UNSECURED
•Remote operation: use the following command:
CALibration:SECure:STATe {OFF|ON},<
code
>
To unsecure the meter, send the above command with the same code
used to secure. For example,
CAL:SEC:STAT OFF, HP034420
Chapter 3 Features and Functions
Calibration
108

To Secure Against Calibration You can secure the meter against
calibration either from the front panel or remote interface. The meter is
secured when shipped from the factory, and the security code is set to
“HP034420”.
Be sure to read the security code rules on page 107 before attempting to
secure the meter.
•Front-panel operation:
1: UNSECURED
If the meter is unsecured, you will see the above command when you
go into the CAL MENU. To secure the meter, select the “parameter”
level of the UNSECURED command, enter the security code, then
press Menu Enter.
∧ 000000 CODE
•When you go to the “commands” level in the CAL MENU again, you
will notice that the meter is secured. Notice also that the
2: CALIBRATE command is now hidden and you cannot perform a
calibration.
1: UNSECURED
•Remote interface operation:
CALibration:SECure:STATe {OFF|ON},<
code
>
To secure the meter, send the above command with the same code as
used to unsecure. For example,
CAL:SEC:STAT ON, HP034420
3
Chapter 3 Features and Functions
Calibration
109

To Change the Security Code To change the security code, you must
first unsecure the meter, and then enter a new code. Make sure you have
read the security code rules on page 107 before attempting to secure the
meter.
•Front-Panel operation: To change the security code, first make
sure that the meter is unsecured. Select the “parameter” level of the
UNSECURED command, enter the new security code, then press
Menu Enter. Changing the code from the front panel also changes the
code as seen from the remote interface.
•Remote interface operation:
CALibration:SECure:CODE <
new code
>
To change the security code, first unsecure the meter using the old
security code. Then, enter the new code. For example,
CAL:SEC:STAT OFF, HP034420
CAL:SEC:CODE HP010495
unsecure with old code
enter new code
Calibration Count
You can determine the number of times that your meter has been
calibrated. Since the value increments by one for each calibration point, a
complete calibration increases the value by several counts.
•The calibration count is stored in non-volatile memory, and does not
change when power has been off or after a remote interface reset. Your
meter was calibrated before it left the factory. When you receive your
meter, read the count to determine its initial value.
•The calibration count increments up to a maximum of 32,767 after
which it wraps-around to 0.
•Front-Panel operation: read the calibration count under the
3: CAL COUNT command in the CALibrate menu.
•Remote operation: use the following command:
CALibration:COUNt?
Chapter 3 Features and Functions
Calibration
110

Calibration Message
You can use the calibration message feature to record calibration
information about your meter. For example, you can store such
information as the last calibration date, the next calibration due date,
the meter’s serial number, or even the name and phone number of the
person to contact for a new calibration.
You can record information in the calibration message only from the
remote interface. You can read the message from either the front-panel
menu or the remote interface.
•The calibration message may contain up to 40 characters. The meter
can display up to 11 characters of the message on the front panel; any
additional characters are truncated.
•The calibration message is stored in non-volatile memory, and does
not change when power has been off or after a remote interface reset.
•Front Panel operation: read the calibration message (if any) under
the 4: MESSAGE command in the CALibrate menu.
•Remote operation: use the following command to store a calibration
message:
CALibration:STRing <
quoted string
>
The following statement shows how to store a calibration message from a
Hewlett-Packard controller.
OUTPUT 722; "CAL:STR ’CAL 9-1-94’"
3
Chapter 3 Features and Functions
Calibration
111

Defaults, Power-On and Reset States
The meter stores settings in either volatile or non-volatile memory.
Settings stored in volatile memory are returned to default settings at
power-on or after a remote reset. Settings stored in non-volatile memory
are not changed by power-on or a remote reset (*RST), CONFigure, or
MEASure command.
•Volatile memory settings and their defaults:
Setting Front Panel Default Remote Default 1
Function DCV DCV
Input Channel Channel 1 Channel 1
Digital Filter On (50 rdgs) Off2
Analog Filter Off Off
Offset Compensation On Off
N Samples 1 1
Display (On or Off) On On
Trigger Autotrigger Autotrigger
Math Off Off
Readings Hold Off Off
Readings Store Off Off
Trigger Delay Auto Auto
Integration Time (NPLC) 3 (10 plc) (10 plc)
Null
3 Off Off
Range
3 Autorange Autorange
1 Remote defaults are used following reset (*RST), preset (SYSTem:PRESet), CONFigure,
or MEASure commands.
2 You should ensure the digital filter is turned off when using the remote interface. See page 57.
3 Integration Time, Null, and Range are independent in each function. CONFigure or MEASure
commands will only affect the Integration Time, Null, or Range for the function used.
Chapter 3 Features and Functions
Defaults, Power-On and Reset States
112

•Non-volatile memory settings can be returned to their factory defaults.
Front Panel operation: return the settings to factory defaults under
the 11: PRESET command in the SYStem menu.
Remote operation: use the SYStem:PRESet command to return the
meter to the factory defaults.
Non-volatile memory settings and their factory defaults:
Setting Factory Default
Digital Filter1MEDium 50 rdgs
Digital Filter Precharge On
Low Power ΩOff
Low Volt ΩOff
LoV Limit Ω20 mV
Probe Type RTD
RTD Type α = .00385
RTD R0100 Ω
Temperature Units °C
Chart Out Off
Chart Span 1 mV
Chart Offset 0.00 V
Comma On
1 The digital filter is ON following a Front Panel PRESET.
The digital filter is OFF following a Remote Interface PRESET.
3
Chapter 3 Features and Functions
Defaults, Power-On and Reset States
113

•Independent vs. common settings: Some settings are independent to
the channel or function being used and some are common to multiple
channels or functions:
Voltage Resistance Temperature
Channel 1 Channel 2 2-Wire Ω4-Wire Ω
Null (On/Off) Null (On/Off) Null (On/Off) Null (On/Off)
Range Range Range 1 Range
Integration Time Integration Time Integration Time
Number of Digits Number of Digits Number of Digits
Math (Stats or Scale)
Digital Filter (On /Off)
Analog Filter (On/Off) 2
Trigger
Readings Hold
Readings Store
1 The meter may change the set resistance measurement range when voltage limited measurements
are enabled.
2 Analog filter available for voltage and thermocouple measurements on the 1 mV, 10 mV, and
100 mV ranges.
Chapter 3 Features and Functions
Defaults, Power-On and Reset States
114

4
Remote Interface Reference

Remote Interface Reference
This chapter is divided into the following sections:
•Command Summary, page 117
•Simplified Programming Sequence, page 126
•The MEASure? and CONFigure Commands, page 134
•Setting the Function, Range, and Resolution, page 137
•Selecting the Input Channel, page 140
•Special Resistance Measurement Commands, page 141
•Temperature Measurement Commands, page 142
•Null (Relative) Commands, page 145
•Input Filter Commands, page 146
•Math Operation Commands, page 148
•Triggering, page 151
•Triggering Commands, page 154
•Chart Output (Analog Output) Commands, page 156
•System-Related Commands, page 157
•The SCPI Status Model, page 159
•Status Reporting Commands, page 171
•Calibration Commands, page 174
•RS-232 Interface Configuration, page 176
•RS-232 Interface Commands, page 182
•An Introduction to the SCPI Language, page 183
•Input Message Terminators, page 186
•Output Data Formats, page 186
•Using Device Clear to Halt Measurements, page 187
•TALK ONLY for Printers, page 187
•To Set the HP-IB Address, page 188
•To Select the Remote Interface, page 189
•To Set the Baud Rate, page 190
•To Set the Parity, page 104
•To Select the Programming Language, page 192
•Alternate Programming Language Compatibility, page 193
•SCPI Compliance Information, page 194
•IEEE-488 Compliance Information, page 197
If you are a first-time user of the SCPI language, refer to these sections to
become familiar with the language before attempting to program the meter.
➡
➡
116
GPIB

Command Summary
This section summarizes the SCPI (Standard Commands for
Programmable Instruments) commands available to program the meter.
Refer to the later sections in this chapter for more complete details on
each command.
Throughout this manual, the following conventions are used for SCPI
command syntax. Square brackets ( [] ) indicate optional keywords or
parameters. Braces ( {} ) enclose a list of parameters separated with a
vertical bar ( | ), use only one of the values. Triangle brackets ( <> )
indicate that you must substitute a value for the enclosed parameter.
The actual command string you send to the meter should not include
any of the conventions indicated above.
First-time SCPI users, see page 183. 4
Chapter 4 Remote Interface Reference
Command Summary
117

Voltage Measurement Configuration Commands
MEASure
[:VOLTage][:DC]?
[{<
range
> | AUTO | MIN | MAX | DEF}][,{<
resolution
> | MIN | MAX | DEF}][,(@<
channel
>)]1
[:VOLTage][:DC]:RATio?
[{<
range
> | AUTO | MIN | MAX | DEF}][,{<
resolution
> | MIN | MAX | DEF}]
[:VOLTage][:DC]:DIFFerence?
[{<
range
> | AUTO | MIN | MAX | DEF}][,{<
resolution
> | MIN | MAX | DEF}]
CONFigure
[:VOLTage][:DC]
[{<
range
> | AUTO | MIN | MAX | DEF}][,{<
resolution
> | MIN | MAX | DEF}][,(@<
channel
>)]1
[:VOLTage][:DC]:RATio [{<
range
> | AUTO | MIN | MAX | DEF}] [,{<
resolution
> | MIN | MAX | DEF}]
[:VOLTage][:DC]:DIFFerence[{<
range
> | AUTO | MIN | MAX | DEF}] [,{<
resolution
> | MIN | MAX | DEF}]
[SENSe:] | SENSe1: | SENSe2:
FUNCtion "VOLTage[:DC]"
FUNCtion "VOLTage[:DC]:RATio"
FUNCtion "VOLTage[:DC]:DIFFerence"
FUNCtion?
[SENSe:] SENSe1: | SENSe2:
VOLTage[:DC]:RANGe {<
range
> | MIN | MAX}
VOLTage[:DC]:RANGe? [MIN | MAX]
VOLTage[:DC]:RANGe:AUTO {OFF | ON}
VOLTage[:DC]:RANGe:AUTO?
[SENSe:] | SENSe1: | SENSe2:
VOLTage[:DC]:RESolution {<
resolution
> | MIN | MAX}
VOLTage[:DC]:RESolution? [MIN | MAX]
[SENSe:] | SENSe1: | SENSe2:
VOLTage[:DC]:NPLCycles {0.02 | 0.2 | 1 | 2 | 10 | 20 | 100 | 200 | MIN | MAX}
VOLTage[:DC]:NPLCycles? [MIN | MAX]
[SENSe:] | SENSe1: | SENSe2:
VOLTage[:DC]:NULL[:STATe] {OFF | ON}
VOLTage[:DC]:NULL[:STATe]?
VOLTage[:DC]:NULL:VALue {<
value
> | MIN | MAX}
VOLTage[:DC]:NULL:VALue?
ROUTe
:TERMinals {FRONt | FRONt1 | FRONt2}
:TERMinals?
1 <channel> is one of: {FRONt | FRONt1 | FRONt2 | 1 | 2}
Chapter 4 Remote Interface Reference
Command Summary
118

Resistance Measurement Configuration Commands
MEASure
:FRESistance? [{<
range
> | AUTO | MIN | MAX | DEF}][,{<
resolution
> | MIN | MAX | DEF}]
:RESistance? [{<
range
> | AUTO | MIN | MAX | DEF}][,{<
resolution
> | MIN | MAX | DEF}]
CONFigure
:FRESistance | :RESistance
[{<
range
> | AUTO | MIN | MAX | DEF}][,{<
resolution
> | MIN | MAX | DEF}]
[SENSe:]
FUNCtion "RESistance" (2-wire ohms)
FUNCtion "FRESistance" (4-wire ohms)
FUNCtion?
[SENSe:]
FRESistance | RESistance
:RANGe {<r
ange
> | MIN | MAX}
:RANGe? [MIN | MAX]
:RANGe:AUTO {OFF | ON}
:RANGe:AUTO?
[SENSe:]
FRESistance | RESistance
:RESolution {<
resolution
> | MIN | MAX}
:RESolution? [MIN | MAX]
[SENSe:]
FRESistance | RESistance
:NPLCycles {0.02 | 0.2 | 1 | 2 | 10 | 20 | 100 | 200 | MIN | MAX}
:NPLCycles? [MIN | MAX]
[SENSe:]
FRESistance | RESistance
:NULL[:STATe] {OFF | ON}
:NULL[:STATe]?
:NULL:VALue {<
value
> | MIN | MAX}
:NULL:VALue?
[SENSe:]
FRESistance | RESistance
:OCOMpensated {OFF | ON}
:OCOMpensated?
[SENSe:]
FRESistance
:POWer:LIMit[:STATe] {OFF | ON}
:POWer:LIMit?
:VOLTage:LIMit[:STATe] {OFF | ON}
:VOLTage:LIMit?
:VOLTage:LIMit:VALue {<
value
> | MIN | MAX}
:VOLTage:LIMit:VALue? [MIN | MAX]
4
Chapter 4 Remote Interface Reference
Command Summary
119

Temperature Measurement Configuration Commands
MEASure
:TEMPerature? [{TC | THER | FRTD | DEF}][,{<
type
> | DEF}][, 1, {<
resolution
> | MAX | MIN | DEF}]
CONFigure
:TEMPerature [{TC | THER | FRTD | DEF}][,{<
type
> | DEF}][, 1, {<
resolution
> | MAX | MIN | DEF}]
[SENSe:]
FUNCtion "TEMPerature"
FUNCtion?
[SENSe:]
TEMPerature:TRANsducer:TYPE {TCouple | THERmistor | FRTD}
TEMPerature:TRANsducer:TYPE?
[SENSe:]
TEMPerature:TRANsducer:TCouple:TYPE {B | E | J | K | N | R | S | T}
TEMPerature:TRANsducer:TCouple:TYPE?
TEMPerature:TRANsducer:TCouple:RJUNction {<
reference
> | MIN | MAX}
TEMPerature:TRANsducer:TCouple:RJUNction? [{MIN | MAX}]
TEMPerature:TRANsducer:TCouple:RJUNction:TYPE {FIX | INT | THER}
TEMPerature:TRANsducer:TCouple:RJUNction:TYPE?
[SENSe:]
TEMPerature:TRANsducer:FRTD:TYPE {85 | 91}
TEMPerature:TRANsducer:FRTD:TYPE?
TEMPerature:TRANsducer:FRTD:RESistance[:REFerence] <
value
>
TEMPerature:TRANsducer:FRTD:RESistance[:REFerence]?
[SENSe:]
TEMPerature:NULL[:STATe] {OFF | ON}
TEMPerature:NULL[:STATe]?
TEMPerature:NULL:VALue {<
value
> | MIN | MAX}
TEMPerature:NULL:VALue?
[SENSe:]
TEMPerature:NPLCycles {0.02 | 0.2 | 1 | 2 | 10 | 20 | 100 | 200 | MIN | MAX}
TEMPerature:NPLCycles? {MIN | MAX}
UNIT:TEMPerature {C | CEL | F | FAR | K}
:TEMPerature?
Chapter 4 Remote Interface Reference
Command Summary
120

General Measurement Configuration Commands
CONFigure?
[SENSe:]NULL [{OFF | ON | ONCE}]
INPut:FILTer
:STATe {OFF | ON}
:STATe?
:TYPE {ANALog | DIGital | BOTH}
:TYPE?
:DIGital:RESPonse {SLOW | MEDium | FAST}
:DIGital:RESPonse?
:DIGital:PRECharge:AUTO {ON | OFF}
:DIGItal:PRECharge:AUTO?
ROUTe:TERMinals {FRONt | FRONt1 | FRONt2}
ROUTe:TERMinals?
Math Operation Commands
CALCulate
:FUNCtion {AVERage | SCALe}
:FUNCtion?
[:STATe] {OFF | ON}
[:STATe]?
CALCulate
:AVERage:MINimum?
:AVERage:MAXimum?
:AVERage:AVERage?
:AVERage:COUNt?
:AVERage:PTPeak?
:AVERage:SDEViation?
CALCulate
:SCALe:GAIN {<
gain
>}
:SCALe:GAIN?
:SCALe:OFFSet {<
offset
>}
:SCALe:OFFSet?
DATA:FEED RDG_STORE,[{"CALC" | ""}]
:FEED? RDG_STORE
:POINts?
4
Chapter 4 Remote Interface Reference
Command Summary
121

Triggering Commands
INITiate
READ?
TRIGger
:SOURce {BUS | IMMediate | EXTernal}
:SOURce?
TRIGger
:DELay {<
seconds
> | MIN | MAX}
:DELay? [MIN | MAX]
:DELay:AUTO {OFF | ON}
:DELay:AUTO?
TRIGger
:COUNt {<
value
> | MIN | MAX | INFinity}
:COUNt? [MIN | MAX]
SAMPle
:COUNt {<
value
> | MIN | MAX}
:COUNt? [MIN | MAX]
Chart Output Commands
OUTPut
[:STATe] {OFF | ON}
[:STATe]?
:REFerence:OFFSet {<
number
> | MIN | MAX}
:REFerence:OFFSet? [{MIN | MAX}]
:REFerence:OFFSet:NULL
:REFerence:SPAN [{<
number
> | MIN | MAX}]
:REFerence:SPAN? [{MIN | MAX}]
:REFerence:GAIN?
:REFerence:VALue {<
value
> | MIN | MAX}
System-Related Commands
FETCh?
READ?
DATA:FEED RDG_STORE,[{"CALC" | ""}]
:FEED? RDG_STORE
:POINts?
Chapter 4 Remote Interface Reference
Command Summary
122

System-Related Commands (continued)
DISPlay[:STATe] {OFF | ON}
DISPlay?
DISPlay
:TEXT <
quoted string
>
:TEXT?
:TEXT:CLEar
SYSTem:ERRor?
SYSTem:PRESet
SYSTem:VERSion?
*RST
*TST?
*IDN?
Status Reporting Commands
SYSTem:ERRor?
STATus
:OPERation:CONDition?
:OPERation:ENABle <
enable value
>
:OPERation:ENABle?
:OPERation[:EVENt]?
:QUEStionable:CONDition?
:QUEStionable:ENABle <
enable value
>
:QUEStionable:ENABle?
:QUEStionable[:EVENt]?
STATus:PRESet
*CLS *STB?
*ESE <
enable value
> *PSC {0 | 1}
*ESE? *PSC?
*ESR? *SRE <
enable value
>
*SRE?
*OPC
*OPC?
4
Chapter 4 Remote Interface Reference
Command Summary
123

Calibration Commands
CALibration?
CALibration:COUNt?
CALibration
:ICURrent?
CALibration
:OUTPut {ZERO | GAIN}
:OUTPut?
CALibration
:SECure:CODE <
new code
>
:SECure:STATe {OFF | ON} [,<
code
>]
:SECure:STATe?
CALibration
:STRing <
quoted string
>
:STRing?
CALibration
:VALue <
value
>
:VALue?
Remote Interface Commands
SYSTem
:INTerface {HPIB | RS232}
:INTerface?
SYSTem
:COMMunicate:SERial:BAUD <
baud
>
:COMMunicate:SERial:BAUD?
:COMMunicate:SERial:PARity {EVEN | ODD | NONE}
:COMMunicate:SERial:PARity?
SYSTem
:LANGuage {SCPI | 181}
:LOCal
:REMote
:RWLock
L1X (
SCPI language
)
L2X (
181 language
)
Chapter 4 Remote Interface Reference
Command Summary
124

IEEE-488.2 Common Commands
*CLS
*ESE <
enable value
>
*ESE?
*ESR?
*IDN?
*OPC
*OPC?
*PSC {0 | 1}
*PSC?
*RST
*SRE <
enable value
>
*SRE?
*STB?
*TRG
*TST?
*WAI
4
Chapter 4 Remote Interface Reference
Command Summary
125

Simplified Programming Sequence
You can program the meter to take measurements from the remote
interface using the following seven-step sequence.
Throughout this manual, the following conventions are used for SCPI
command syntax. Square brackets ( [] ) indicate optional keywords or
parameters. Braces ( {} ) enclose a list of parameters separated with a
vertical bar ( | ), use only one of the values . Triangle brackets ( <> )
indicate that you must substitute a value for the enclosed parameter.
1. Place the meter in a known state (often the reset state).
2. Change the meter’s settings to achieve the desired configuration.
3. Set-up the triggering conditions.
4. Initiate or arm the meter for a measurement.
5. Trigger the meter to make a measurement.
6. Retrieve the readings from the output buffer or internal memory.
7. Read the measured data into your bus controller.
The MEASure? and CONFigure commands provide the most straight-
forward method to program the meter for measurements. You can select
the measurement function, range, and resolution all in one command.
The meter uses defaults for other measurement parameters.
Integration time, range, and resolution are local to the function or
channel used in the MEASure? and CONFigure commands. For example,
if you use the MEASure command to make a resistance measurement,
the range, resolution, and integration time set for voltage measurements
are not affected.
Other measurement parameters affect all measurement functions. When
you use the MEASure? and CONFigure commands the meter uses default
parameters. The default measurement parameters, common to all
functions or channels, used by the meter are shown in the table on the
next page.
Using the digital filter is not recommended from the remote interface,
see page 57.
➡
Chapter 4 Remote Interface Reference
Simplified Programming Sequence
126

MEASure? and CONFigure Defaults
Setting SCPI Command System Defaults Used
Common
to all
Functions
Input Channel ROUTe:TERMinals Channel 1
Digital Filter INPut:FILTer Off
Digital Filter Precharge INPut:FILTer Last value set
Analog Filter INPut:FILTer Off
Trigger Source TRIGger:SOURce Immediate
Trigger Delay TRIGger:DELay Auto
Trigger Count TRIGger:COUNt 1
N Samples SAMPle:COUNt 1
Math CALCulate Off
Readings Store DATA:FEED RDG_STORE "CALC"
Display (On or Off) DISPlay On
Specific
To Each
Function
Integration Time
(NPLC) <
resolution
>(10 plc)
Range <
range
> Autorange
Null SENSe:
<function>
:NULL Off
Resistance
Specific
Offset Compensated ΩSOURce:FRESistance:OCOMPensated Off
Voltage Limited ΩSOURce:FRESistance:VOLTage:LIMit Last value set
Low Power ΩSOURce:FRESistance:POWer:LIMit Last value set
Temperature
Specific
Transducer SENSe:TEMPerature:TRANsducer Last probe set
Probe Type SENSe:TEMPerature:TRANsducer Last type set
RTD type and resistance SENSe:TEMPerature:TRANsducer Last type set
The MEASure? and CONFigure commands use default parameters for
volatile memory parameters. Non-volatile memory parameters are not
modified and the MEASure? or CONFigure commands use parameters
in memory. See page 112. For example, the temperature units last set
are stored in non-volatile memory
and are not changed by a MEASure? or CONFigure command.
4
Chapter 4 Remote Interface Reference
Simplified Programming Sequence
127

Using the MEASure? Command
The easiest way to program the meter for measurements is by using the
MEASure? command. However, this command does not offer much
flexibility. When you execute the command, the meter uses defaults for
the requested configuration and immediately performs the measurement.
You cannot change any settings (other than function, range, and
resolution) before the measurement is taken. The results are sent to the
output buffer.
Sending the MEASure? command is functionally the same as sending a
CONFigure command followed immediately by a READ? command.
Using the CONFigure Command
For a little more programming flexibility, use the CONFigure command.
When you execute the command, the meter sets the defaults for the
requested configuration (like the MEASure? command). However, the
measurement is not automatically started and you can change
measurement parameters before making measurements. This allows you
to “incrementally” change the meter’s configuration from the default
conditions. The meter offers a variety of low-level commands in the
INPut, SENSe, CALCulate, and TRIGger subsystems. (You can use the
SENSe:FUNCtion command to change the measurement function
without using MEASure? or CONFigure.)
Use the INITiate or READ? command to initiate the measurement.
Chapter 4 Remote Interface Reference
Simplified Programming Sequence
128

Using the range and resolution Parameters
With the MEASure? and CONFigure commands, you can select the
measurement function, range, and resolution all in one command. Use
the range parameter to specify a fixed range larger than the expected
value of the input signal. You can set the range parameter to AUTO to
set autoranging.
Use the resolution parameter to specify the desired resolution for the
measurement. Setting the resolution sets the integration time of the
meter. The resolution parameter can be set to any number but the
resulting integration time (NPLC) is one of the following:
<
resolution
>
Parameter Integration Time
(NPLC)
< 0.0001 x Range 0.02
< 0.00001 x Range .2
< 0.000003 x Range 1
< 0.0000022 x Range 2
< 0.000001 x Range 10
< 0.0000008 x Range 20
< 0.0000003 x Range 100
< 0.00000022 x Range 200
Specify the resolution in the same units as the measurement function,
not in number of digits. For example, for volts measurements, specify the
resolution in volts. For resistance, specify the resolution in ohms.
You must specify a range to use the resolution parameter.
4
Chapter 4 Remote Interface Reference
Simplified Programming Sequence
129

Using the READ? Command
The READ? command changes the state of the trigger system from the
“idle” state to the “wait-for-trigger” state. Measurements will begin when
the specified trigger conditions are satisfied following the receipt of the
READ? command. Readings are sent immediately to the output buffer.
You must enter the reading data into your bus controller or the meter
will stop making measurements when the output buffer fills. Readings
are not stored in the meter’s internal memory when using the READ?
command.
Sending the READ? command is like sending the INITiate command
followed immediately by the FETCh? command, except readings are not
buffered internally.
Caution If you send two query commands without reading the response from the
first, and then attempt to read the second response, you may receive some
data from the first response followed by the complete second response. To
avoid this, do not send a query command without reading the response.
When you cannot avoid this situation, send a device clear before sending
the second query command.
Chapter 4 Remote Interface Reference
Simplified Programming Sequence
130

Using the INITiate and FETCh? Commands
The INITiate and FETCh? commands provide the lowest level of control
(with the most flexibility) of measurement triggering and reading
retrieval. Use the INITiate command after you have configured the meter
for the measurement. This changes the state of the triggering system
from the “idle” state to the “wait-for-trigger” state. Measurements will
begin when the specified trigger conditions are satisfied after the
INITiate command is received. The readings are placed in the meter’s
internal memory (up to 1024 readings can be stored). Readings are stored
in memory until you are able to retrieve them.
Use the FETCh? command to transfer the readings from the meter’s internal
memory to the meter’s output buffer where you can read them into your bus
controller.
Configure the meter using the SENSe commands. For voltage
measurements on two channels, you can configure each channel
independently by specifying either SENSe1 or SENSe2. Once configured,
use the ROUTe:TERM command to switch between the input channels.
The INIT and FETCh? commands use the meter’s memory. You can
defeat the storing of readings, and still obtain the statistics on the
readings using the DATA:FEED command. See page 150.
4
Chapter 4 Remote Interface Reference
Simplified Programming Sequence
131

MEASure?
Example The following program segment shows how to use the MEASure?
command to make a measurement. This example configures the meter for
voltage measurements on channel 1 using autoranging on the input
signal, automatically places the meter in the “wait-for-trigger” state,
internally triggers the meter to take one reading, and then sends the
reading to the output buffer.
MEAS:VOLT:DC? AUTO,MIN,(@FRONt1)
bus enter statement
This is the simplest way to take a reading. However, you do not have any
flexibility with MEASure? to set the trigger count, sample count, trigger
delay, etc. All measurement parameters except function, range, and
resolution are preset for you automatically (see the table on page 127).
CONFigure
Example 1 The following program segment shows how to use the READ? command
with CONFigure to make an externally-triggered measurement. The
program configures the meter for dc voltage measurements. CONFigure
does not place the meter in the “wait-for-trigger” state. The READ?
command places the meter in the “wait-for-trigger” state, takes a reading
when the Ext Trig terminal is pulsed, and sends the reading to the
output buffer.
CONF:VOLT:DC 10, MIN, (@FRONt1)
TRIG:SOUR EXT
READ?
bus enter statement
Chapter 4 Remote Interface Reference
Simplified Programming Sequence
132

CONFigure
Example 2 The following program segment is similar to the example above but it
uses INITiate to place the meter in the “wait-for-trigger” state. The
INITiate command places the meter in the “wait-for-trigger” state, takes
a reading when the Ext Trig terminal is pulsed, and sends the reading to
the meter’s internal memory. The FETCh? command transfers the
reading from internal memory to the output buffer.
CONF:VOLT:DC 10, MIN, (@FRONt1)
TRIG:SOUR EXT
INIT
FETC?
bus enter statement
Storing readings in memory using the INITiate command is faster than
sending readings to the output buffer using the READ? command. The
meter can store up to 1024 readings in internal memory. If you configure
the meter to take more than 1024 readings (using the sample count and
trigger count), and then send INITiate, a memory error is generated.
After you execute an INITiate command, no further commands are
accepted until the measurement sequence is completed. However, if you
select TRIGger:SOURce BUS, the meter will accept the *TRG command
(bus trigger) or an IEEE-488 Group Execute Trigger message. You can
stop a measurement started with an INITiate command by sending a
device clear (see page 187)
CONFigure
Example 3 The following program segment sets the state of two input channels and
then uses the ROUTe and READ? commands to take measurements on
each. Channel 1 is set to the 10 Volt range with maximum resolution.
Channel 2 is set to the 1 volt range. Note that resolution is common to
both channels, the NPLC in effect will be the NPLC set by the last
CONFigure command the meter receives.
CONFigure:VOLT:DC 10, MAX, (@FRONt1)
CONFigure:VOLT:DC 1, MAX, (@FRONt2)
ROUTe:TERMinals FRONt1
READ?
bus enter statement
ROUTe:TERMinals FRONt2
READ?
bus enter statement
4
Chapter 4 Remote Interface Reference
Simplified Programming Sequence
133

The MEASure? and CONFigure Commands
See also “General Measurement Configuration,” starting on page 55 in
chapter 3. Both the MEASure? and CONFigure commands reset
measurement parameters to defaults. See page 127.
•For the range parameter, MIN selects the lowest range for the selected
function; MAX selects the highest range; AUTO or DEF selects
autoranging.
•For the resolution parameter, specify the resolution in the same units
as the measurement function, not in number of digits. MIN selects the
smallest value accepted, which gives the highest resolution; MAX
selects the largest value accepted, which gives the least resolution;
DEF selects the default resolution which is 0.000001 x range (10 PLC).
See the table on page 129.
•You must specify a range to use the resolution parameter.
•For voltage measurements, you can also specify the input channel.
The parameter channel can be set to FRONt1, FRONt2, 1, or 2. In the
command, the channel must be preceded by the ‘@’ symbol and
enclosed in parenthesis ().
MEASure[:VOLTage][:DC]?
[{<
range
> | AUTO | MIN | MAX | DEF}]
[,{<
resolution
> | MIN | MAX | DEF}][,(@<
channel
>)]
This command presets and makes a voltage measurement with the
specified range, resolution, and input channel. The reading is sent to the
output buffer.
MEASure[:VOLTage][:DC]:RATio?
[{<
range
> | AUTO | MIN | MAX | DEF}][,{<
resolution
> | MIN | MAX | DEF}]
This command presets and makes a voltage ratio measurement with the
specified range and resolution. The reading is sent to the output buffer.
For ratio measurements, the specified range applies to the signal
connected to the Channel 1 terminals. Autoranging is selected for
voltage measurements on the Channel 2 terminals.
Chapter 4 Remote Interface Reference
The MEASure? and CONFigure Commands
134

MEASure[:VOLTage][:DC]:DIFFerence?
[{<
range
> | AUTO | MIN | MAX | DEF}][,{<
resolution
> | MIN | MAX | DEF}]
This command presets and makes a difference measurement with the
specified range and resolution. The reading is sent to the output buffer.
For difference measurements, the specified range applies to the signal
connected to the Channel 1 terminals. Autoranging is selected for voltage
measurements on the Channel 2 terminals.
MEASure:FRESistance?
MEASure:RESistance?
[{<
range
> | AUTO | MIN | MAX | DEF}][,{<
resolution
> | MIN | MAX | DEF}]
This command presets and makes a 2-wire or 4-wire ohms measurement
with the specified range and resolution. The reading is sent to the output
buffer.
MEASure:TEMPerature?
{TC | DEF},{B | E | J | K | N | R | S | T | DEF}[,1,{<
resolution
> | MIN | MAX | DEF}]
{THER | DEF},{DEF}[,1,{<
resolution
> | MIN | MAX | DEF}]
{FRTD | DEF},{85 | 91 | DEF}[,1,{<
resolution
> | MIN | MAX | DEF}]
This command presets and configures the meter for temperature
measurements using the specified probe type and resolution. The reading
is sent to the output buffer. DEF defaults to the last probe type set.
CONFigure[:VOLTage][:DC]
[{<
range
> | AUTO | MIN | MAX | DEF}][,{<
resolution
> | MIN | MAX | DEF}][,(@<
channel
>)]
This command presets and configures the meter for dc voltage
measurements with the specified range, resolution, and input channel.
This command does not initiate the measurement.
CONFigure[:VOLTage][:DC]:RATio
[{<
range
> | AUTO | MIN | MAX | DEF}][,{<
resolution
> | MIN | MAX | DEF}]
This command presets and configures the meter for dc:dc ratio
measurements with the specified range and resolution. This command
does not initiate the measurement. For ratio measurements, the specified
range applies to the signal connected to the Channel 1 terminals.
Autoranging is selected for voltage measurements on the Channel 2
terminals.
4
Chapter 4 Remote Interface Reference
The MEASure? and CONFigure Commands
135

CONFigure[:VOLTage][:DC]:DIFFerence
[{<
range
> | AUTO | MIN | MAX | DEF}][,{<
resolution
> | MIN | MAX | DEF}]
This command presets and configures the meter for difference
measurements with the specified range and resolution. This command
does not initiate the measurement. For difference measurements, the
specified range applies to the signal connected to the Channel 1
terminals. Autoranging is selected for voltage measurements on the
Channel 2 terminals.
CONFigure:FRESistance
CONFigure:RESistance
[{<
range
> | AUTO | MIN | MAX | DEF}][,{<
resolution
> | MIN | MAX | DEF}]
This command presets and configures the meter for 2-wire or 4-wire
ohms measurements with the specified range and resolution. This
command does not initiate the measurement.
CONFigure:TEMPerature
{TC | DEF},{B | E | J | K | N | R | S | T | DEF}[,1,{<
resolution
> | MIN | MAX | DEF}]
{THER | DEF},{DEF}[,1,{<
resolution
> | MIN | MAX | DEF}]
{FRTD | DEF},{85 | 91 | DEF}[,1,{<
resolution
> | MIN | MAX | DEF}]
This command presets and configures the meter for temperature
measurements using the specified probe type and resolution. This
command does not initiate the measurement. DEF defaults to the last
probe type set.
CONFigure?
This command queries the meter’s present configuration and return a
quoted string.
Chapter 4 Remote Interface Reference
The MEASure? and CONFigure Commands
136

Setting the Function, Range, and Resolution
See also “General Measurement Configuration,” starting on page 55 in
chapter 3.
[SENSe:]FUNCtion "<
function
>"
Select a measurement function. The function must be enclosed in quotes
in the command string (for example, FUNC "VOLT:DC"). Use one of
the following strings to set the function:
VOLTage:DC RESistance (2-wire ohms)
VOLTage:DC:RATio FRESistance (4-wire ohms)
VOLTage:DC:DIFFerence TEMPerature
[SENSe:]FUNCtion?
This command queries the measurement function and return a quoted
string.
[{SENSe1: | SENSe2:}]VOLTage[:DC]:RANGe {<
range
> | MIN | MAX}
[SENSe:]
FRESistance | RESistance
:RANGe {<
range
> | MIN | MAX}
This command sets the range for the function specified. MIN selects the
lowest range.
MAX selects the highest range. [volatile memory]
[{SENSe1: | SENSe2:}]VOLTage[:DC]:RANGe? [MIN | MAX]
[SENSe:]
FRESistance | RESistance
:RANGe? {MIN | MAX}
This command queries the function range setting.
4
Chapter 4 Remote Interface Reference
Setting the Function, Range, and Resolution
137

[{SENSe1: | SENSe2:}]VOLTage[:DC]:RANGe:AUTO {OFF | ON}
[SENSe:]
FRESistance | RESistance
:RANGe:AUTO {OFF | ON}
This command disables or enables autoranging for the function.
Autorange thresholds: Down range at <10% of range; Up range at >120%
of range. [volatile memory]
[{SENSe1: | SENSe2:}]VOLTage[:DC]:RANGe:AUTO?
[SENSe:]
FRESistance | RESistance
:RANGe:AUTO?
This command queries the autorange setting for the specified function.
Returns “0” (OFF) or “1” (ON).
[SENSe1: | SENSe2:]VOLTage:[DC:]RESolution {<
resolution
> | MIN | MAX}
[SENSe:]
FRESistance | RESistance
:RESolution {<
resolution
> | MIN | MAX}
This command sets the resolution for the specified function. Specify the
resolution in the same units as the measurement function, not in number
of digits. MIN selects the smallest value accepted, which gives the most
resolution. MAX selects the largest value accepted which gives the least
resolution. [volatile memory]
[SENSe1: | SENSe2:]VOLTage:[DC:]RESolution? [{MIN | MAX}]
[SENSe:]
FRESistance | RESistance
:RESolution? [{MIN | MAX}]
This command queries the resolution for the selected function.
Chapter 4 Remote Interface Reference
Setting the Function, Range, and Resolution
138

[SENSe1: | SENSe2:]VOLTage[:DC]:NPLCycles
{0.02 | 0.2 | 1 | 2 | 10 | 20 | 100 | 200 | MIN | MAX}
[SENSe:]
FRESistance | RESistance
:NPLCycles {0.02 | 0.2 | 1 | 2 | 10 | 20 | 100 | 200 | MIN | MAX}
[SENSe:]TEMPerature:NPLCycles {0.02 | 0.2 | 1 | 2 | 10 | 20 | 100 | 200 | MIN | MAX}
This command selects the integration time in number of power line cycles
for the present function (the default is 10 PLC). MIN = 0.02. MAX = 200.
[volatile memory]
[SENSe1: | SENSe2:]VOLTage[:DC]:NPLCycles? {MIN | MAX}
[SENSe:]
FRESistance | RESistance
:NPLCycles? {MIN | MAX}
[SENSe:]TEMPerature:NPLCycles? {MIN | MAX}
This command queries the integration time for the selected function.
4
Chapter 4 Remote Interface Reference
Setting the Function, Range, and Resolution
139

Selecting the Input Channel
The correct input channel is automatically selected for resistance and
temperature measurement functions. For voltage measurements, you
must select the input channel.
The easiest, but least flexible, method to specify the input channel is by
using the channel parameter in the MEASure? or CONFigure commands.
For example,
CONFigure:VOLTage:DC MAX, MAX, (@FRONt1)
Channel 1
CONFigure:VOLTage:DC MAX, MAX, (@FRONt2)
Channel 2
In the SENSe subsystem, the keyword is modified to select the input
channel. For example,
SENSe1:VOLTage:RANGe 10
Channel 1 range setting
SENSe2:VOLTage:RANGe 10
Channel 2 range setting
For increased flexibility, and to take advantage of the independant null
and range settings for each input channel, you can set each input channel
as desired and switch between the input channels using the
ROUTe:TERMinals command. For example,
SENSe1:VOLTage:RANGe 10
Channel 1 range 10 V
SENSe2:VOLTage:RANGe .1
Channel 2 range 100 mV
ROUTe:TERMinals FRONt1
Select channel 1
READ?
Channel 1 measurement
ROUTe:TERMinals FRONt2
Select channel 2
READ?
Channel 2 measurement
You can determine which input channel is active with the query:
ROUTe:TERMinals?
The query returns either FRON1 or FRON2.
Chapter 4 Remote Interface Reference
Selecting the Input Channel
140

Special Resistance Measurement Commands
The following commands provide offset compensation and low power or
voltage limited resistance measurement capability.
[SENSe:]
FRESistance | RESistance
:OCOMpensated {OFF | ON}
:OCOMpensated?
This command enables or disables the offset compensated resistance
measurements (see page 69). Once enabled, offset compensation will
apply to both 4-wire and 2-wire resistance measurements.
[SENSe:]
FRESistance
:POWer:LIMit[:STATe] {OFF | ON}
:POWer:LIMit[:STATe]?
This command enables or disable the 4-wire low power resistance mode
(see page 69).
[SENSe:]
FRESistance
:VOLTage:LIMit[:STATe] {OFF | ON}
:VOLTage:LIMit[:STATe]?
:VOLTage:LIMit:VALue {<
value
> | MIN | MAX}
:VOLTage:LIMit:VALue? {MIN | MAX}
This command enables or disables the 4-wire voltage limited resistance
mode (see page 70). The voltage limit <value> parameter will be rounded
to one of three values:
20 mV,
100 mV, or
500 mV
MIN sets 20 mV and MAX sets 500 mV.
4
Chapter 4 Remote Interface Reference
Special Resistance Measurement Commands
141

Temperature Measurement Commands
See "Temperature Measurement Configuration" on page 71 in Chapter 3.
•The meter stores the last settings used for temperature measurements
in non-volatile memory and uses these values as the default for future
measurements. You can, therefore, make temperature measurements
without having to set the transducer type or reference each time.
•A range setting is not meaningful for temperature measurements.
The range parameter is included in the commands to allow you to set
the resolution. For temperature measurements, set the range to 1.
Other numbers can be entered and are ignored. The range is reported
as 1 in response to a query.
MEASure:TEMPerature?
{TC | DEF},{B | E | J | K | N | R | S | T | DEF}[, 1, {<
resolution
> | MIN | MAX | DEF}]
{THER | DEF},DEF[, 1, {<
resolution
> | MIN | MAX | DEF}]
{FRTD | DEF},{85 | 91 | DEF}[, 1, {<
resolution
> | MIN | MAX | DEF}]
These commands preset and configure the meter for temperature
measurements using the specified probe type and resolution. The reading
is sent to the output buffer. Set the measurement probe type in the first
parameter, either TC (thermocouple), THER (Thermistor), or FRTD
(four-wire RTD). The DEF (default) option sets the last probe type used.
Set the thermocouple or RTD type in the second parameter. Set to DEF
for thermistors. The optional parameter, 1, is a place holder to allow you
to set the resolution.
CONFigure:TEMPerature
{TC | DEF},{B | E | J | K | N | R | S | T | DEF}[, 1, {<
resolution
> | MIN | MAX | DEF}]
{THER | DEF},DEF[, 1, {<
resolution
> | MIN | MAX | DEF}]
{FRTD | DEF},{85 | 91 | DEF}[, 1, {<
resolution
> | MIN | MAX | DEF}]
These commands preset and configure the meter for temperature
measurements using the specified probe type and resolution. This
command does not initiate the measurement. Set the measurement probe
type in the first parameter, either TC (thermocouple), THER
(Thermistor), or FRTD (four-wire RTD). The DEF (default) option sets
the last probe type used. Set the thermocouple type in the second
parameter. Set to DEF for thermistors. The optional parameter, 1, is a
place holder to allow you to set the resolution.
Chapter 4 Remote Interface Reference
Temperature Measurement Commands
142

[SENSe:]TEMPerature:TRANsducer:TYPE {TC | THER | FRTD | DEF}
This command sets the type of temperature transducer to use for
temperature measurements. Choose TC (thermocouples), THER
(thermistors), or FRTD (four-wire RTD). DEF sets FRTD.
[SENSe:]TEMPerature:TRANsducer:TYPE?
This command queries for the current temperature measurement
transducer type.
[SENSe:]TEMPerature:TRANsducer:TCouple:TYPE {B | E | J | K | R | S | T | DEF}
This command sets the type of thermocouple to use for the temperature
measurement. DEF sets the last thermocouple type used.
[SENSe:]TEMPerature:TRANsducer:TCouple:TYPE?
This command queries for the thermocouple type in use.
[SENSe:]TEMPerature:TRANsducer:TCouple:RJUNction {<
reference
> | MIN | MAX}
This command sets the reference junction temperature for thermocouple
measurements when using a fixed temperature reference.
MIN sets 0° C, MAX sets 55° C.
[SENSe:]TEMPerature:TRANsducer:TCouple:RJUNction? [{MIN | MAX}]
This command queries for the reference junction temperature, if set,
when using a fixed temperature reference.
MIN returns 0° C, MAX returns 55° C.
[SENSe:]TEMPerature:TRANsducer:TCouple:RJUNction:TYPE {FIX | INT | THER}
This command sets the reference junction type for thermocouple
measurements. The type can be se to a fixed value (FIX), can be set to use
the internal thermistor (INT), or can use a thermistor connected to
channel 1 (THER). When type is set to FIX, use
SENSe:TEMPerature:TRANsducer:TCouple:RJUNction <
value
>
to set the reference temperature.
[SENSe:]TEMPerature:TRANsducer:TCouple:RJUNction:TYPE ?
This command queries for the type of reference junction being used for
thermocouple measurements.
4
Chapter 4 Remote Interface Reference
Temperature Measurement Commands
143

[SENSe:]TEMPerature:TRANsducer:FRTD:TYPE {85 | 91}
This command sets the four-wire RTD type. The alpha is entered as
either 85 (for α = .000385) or 91 (for α = .000391).
[SENSe:]TEMPerature:TRANsducer:FRTD:TYPE?
This command queries for the type of RTD being used.
Returns either +91 or +85.
[SENSe:]TEMPerature:TRANsducer:FRTD:RESistance[:REFerence] <
value
>
This command sets the four-wire RTD R0 value. The value is in the range
of 4.9 Ω to 2.1 kΩ.
[SENSe:]TEMPerature:TRANsducer:FRTD:RESistance[:REFerence]?
This command queries for the RTD R0 value being used.
UNIT:TEMPerature {C | CEL | F | FAR | K}
This command sets the measurement and reporting units for
temperature measurements.
UNIT:TEMPerature?
This command queries the temperature measurement reporting units.
Chapter 4 Remote Interface Reference
Temperature Measurement Commands
144

Null (Relative) Commands
The meter uses independant null values for channel 1 and channel 2
voltage measurements, resistance measurements, and temperature
measurements. See page 77 in Chapter 3.
[SENSe:] | SENSe1: | SENSe2
VOLTage[:DC]:NULL[:STATe] {OFF | ON}
VOLTage[:DC]:NULL[:STATe]?
VOLTage[:DC]:NULL:VALue {<
value
> | MIN | MAX}
VOLTage[:DC]:NULL:VALue?
These commands enable or disable the null state for voltage
measurements on the selected input channel. Null must be enabled
before the null value can be set. The null value set must be
within ±132 V on each input channel.
[SENSe:]
FRESistance | RESistance
:NULL[:STATe] {OFF | ON}
:NULL[:STATe]?
:NULL:VALue {<
value
> | MIN | MAX}
:NULL:VALue?
These commands enable or disable the null state for resistance
measurements. Null must be enabled before the null value can be set. The
null value set must be within ±1.2 MΩ. Null is common to both 2-wire and
4-wire resistance measurements, that is, enabling null on 4-wire ohms
measurements also enables null on 2-wire ohms measurements.
[SENSe:]
TEMPerature
:NULL[:STATe] {OFF | ON}
:NULL[:STATe]?
:NULL:VALue {<
value
> | MIN | MAX}
:NULL:VALue?
These commands enable or disable the null state for temperature
measurements. Null must be enabled before the null value can be set.
The null value set must be in the range of -300° C to 2000° C. Null is
common to all temperature measurements, that is, enabling null for one
probe type enables null for all probe types.
[SENSe:]NULL {OFF | ON | ONCE}
This command enables or disables null for the active channel or function.
OFF or ON disables or enables null using a value set in the null register.
ONCE enables null and makes the next reading the null value.
4
Chapter 4 Remote Interface Reference
Null (Relative) Commands
145

Input Filter Commands
See also page 55 in Chapter 3.
Using the input filters from the remote interface is not recommended. To
use the filters with the remote interface be aware of the following:
•The digital filter is a moving average (boxcar) filter. The filter rate sets
the number of readings that will be averaged. A reading is taken and
included in the average with each trigger. You must, therefore, supply
enough triggers to fill up the average before the filter will settle. If
your measurement requires averaging readings, use the math
operations (Stats) instead of the digital filter (see page 148).
•The digital filter average may reset, based upon the measurement
value (see page 57). You must use the STATus:OPERation:CONDition
register to determine if the filter is settled with each reading taken.
•The analog filter significantly slows the reading rate.
The input filters are disabled following a remote interface reset (*RST) or
preset (SYStem:PREset).
Chapter 4 Remote Interface Reference
Input Filter Commands
146

INPut:FILTer
:STATe {OFF | ON}
:STATe?
These commands enable or disable the filter state and query the filter
state.
INPut:FILTer
:TYPE {ANALog | DIGital | BOTH}
:TYPE?
These commands set the filter type and query the filter type.
BOTH enables the digital and analog filters.
INPut:FILTer
:DIGital:RESPonse {SLOW | MEDium | FAST}
:DIGital:RESPonse?
These commands set the averaging for the digital filter and query the
digital filter setting. SLOW sets a 100 reading average, MEDium sets a
50 reading average, and FAST sets a 10 reading average.
INPut:FILTer
:DIGital:PRECharge {OFF | ON}
:DIGital:PRECharge?
These commands enable or disable the digital filter precharge and query
the digital filter precharge setting. Disabling the digital filter precharge
prevents the filter from resetting based upon the measured value (see
page 57 in chapter 3).
4
Chapter 4 Remote Interface Reference
Input Filter Commands
147

Math Operation Commands
See also “Math Operations,” starting on page 74 in chapter 3.
There are two main math operations available; stats and scale, only one
of which can be enabled at a time. Stats performs mathematical
operations on a series of readings. Scale performs a mathematical
operation on each reading.
The selected math operation remains in effect until you disable it, change
functions, turn off the power, or perform a remote interface reset.
CALCulate:FUNCtion {AVERage | SCALe}
This command selects the main math function. Only one function can be
enabled at a time. [volatile memory]
CALCulate:FUNCtion?
This command queries the present math function. Returns SCAL or AVER.
CALCulate[:STATe] {OFF | ON}
This command disables or enables the selected math function.
[volatile memory]
CALCulate[:STATe]?
This command queries the state of the math function.
Returns “0” (OFF) or “1” (ON).
Chapter 4 Remote Interface Reference
Math Operation Commands
148

Statistics operation commands (AVERage)
•You must have set CALC:FUNC AVER and CALC ON to use these
commands.
CALCulate:AVERage:MINimum?
This command returns the minimum value found during a math average
operation. The meter clears the value when math is turned on, when
power has been off, or after a remote interface reset. [volatile memory]
CALCulate:AVERage:MAXimum?
This command returns the maximum value found during a math average
operation. The meter clears the value when math is turned on, when
power has been off, or after a remote interface reset. [volatile memory]
CALCulate:AVERage:AVERage?
This command returns the average of all readings taken since math
average was enabled. The meter clears the value when math is turned
on, when power has been off, or after a remote interface reset.
[volatile memory]
CALCulate:AVERage:COUNt?
This command returns the number of readings taken since math average
was enabled. The meter clears the value when math is turned on, when
power has been off, or after a remote interface reset. [volatile memory]
CALCulate:AVERage:PTPeak?
This command returns the peak-to-peak value of all readings taken since
math was enabled. The meter clears the value when math is turned on,
when power has been off, or after a remote interface reset.
[volatile memory]
CALulate:AVERage:SDEViation
This command returns the standard deviation of all readings taken since
math was enabled. The meter clears the value when math is turned on,
when power has been off, or after a remote interface reset.
[volatile memory]
4
Chapter 4 Remote Interface Reference
Math Operation Commands
149

DATA:FEED RDG_STORE, {"CALCulate" | " "}
This command selects whether readings taken using the INITiate
command are stored in the meter’s internal memory (default) or not
stored at all.
In the default state (DATA:FEED RDG_STORE, "CALC"), up to 1024
readings are stored in memory when INITiate is executed. The
MEASure? and CONFigure commands automatically select "CALC".
With memory disabled (DATA:FEED RDG_STORE, " "), readings taken
using INITiate are not stored. You can use this method to gather
statistics on any number of readings (no 1024 reading limit). An error
will be generated if you attempt to transfer readings to the output buffer
using the FETCh? command.
DATA:FEED?
This command queries the reading memory state. Returns "CALC" or " ".
DATA:POINts?
This comand queries the number of readings in memory.
Scale operation commands
You must have set CALC:FUNC SCAL and CALC ON to use these
commands.
CALCulate:SCALe:GAIN <
gain
>
This comand sets the slope of the readings scale according to y = mx + b.
The gain is the m value.
CALCulate:SCALe:GAIN?
This command queries the current gain.
CALCulate:SCALe:OFFSet <
offset
>
This command sets the offset of the readings scale according to
y = mx + b. The offset is the b value.
CALCulate:SCALe:OFFSet?
This command queries the current offset.
Chapter 4 Remote Interface Reference
Math Operation Commands
150

Triggering
See also “Triggering,” starting on page 80 in chapter 3.
The meter’s triggering system allows you to generate triggers either
manually or automatically, take multiple readings per trigger, and insert
a delay before each reading. Normally, the meter will take one reading
each time it receives a trigger, but you can specify multiple readings (up
to 50,000) per trigger. You can also set an infinite trigger.
Triggering the meter from the remote interface is a multi-step process
that offers triggering flexibility.
•First, you must configure the meter for the measurement by
selecting the function, range, resolution, etc.
•Then, you must specify the source from which the meter will accept
the trigger. The meter will accept a software (bus) trigger from the
remote interface, a hardware trigger from the rear-panel Ext Trig
(external trigger) terminal, or an immediate internal trigger.
•Then, you must make sure that the meter is ready to accept a trigger
from the specified trigger source (this is called the wait-for-trigger
state).
The diagram on the next page shows the meter’s triggering system.
First time SCPI users,
see page 183
4
Chapter 4 Remote Interface Reference
Triggering
151

Idle
State
Wait-for-
Trigger
State
Delay
Measurement
Sample
Sample
Count >1
Initiate Triggering
MEASure?
READ?
INITiate
Trigger Source
TRIGger:SOURce IMMediate
TRIGger:SOURce EXTernal
TRIGger:SOURce BUS
front-panel "Single" key
Trigger Delay
TRIGger:DELay
Sample (*)
Annunciator
Trigger
Count >1
Triggering the meter is a multi-step process. No
Yes Yes
No
Chapter 4 Remote Interface Reference
Triggering
152

The Wait-for-Trigger State
After you have configured the meter and selected a trigger source, you
must place the meter in the wait-for-trigger state. A trigger will not be
accepted until the meter is in this state. If a trigger signal is present, and
if the meter is in the “wait-for-trigger” state, the measurement sequence
begins and readings are taken.
The “wait-for-trigger” state is a term used primarily for remote
interface operation. From the front panel, the meter is always in the
“wait-for-trigger” state and will accept triggers at any time, unless a
measurement is already in progress.
You can place the meter in the “wait-for-trigger” state by executing any of
the following commands from the remote interface.
MEASure?
READ?
INITiate
The meter requires approximately 20 ms of set-up time after you send a
command to change to the "wait-for-trigger" state. Any external triggers
that occur during this set-up time are ignored.
4
Chapter 4 Remote Interface Reference
Triggering
153

Triggering Commands
See also “Triggering,” starting on page 80 in chapter 3.
INITiate
This command changes the state of the triggering system from the “idle”
state to the “wait-for-trigger” state. Measurements will begin when the
specified trigger conditions are satisfied after the INITiate command is
received. The readings are placed in the meter’s internal memory (up to
1024 readings can be stored). Readings are stored in memory until you
are able to retrieve them. Use the FETCh? command to retrieve reading
results.
READ?
This command changes the state of the trigger system from the “idle”
state to the “wait-for-trigger” state. Measurements will begin when the
specified trigger conditions are satisfied following the receipt of the
READ? command. Readings are sent immediately to the output buffer.
TRIGger:SOURce {BUS | IMMediate | EXTernal}
This command selects the source from which the meter will accept a
trigger. The meter will accept a software (bus) trigger, an immediate
internal trigger (this is the default source), or a hardware trigger from
the rear-panel Ext Trig (external trigger) terminal. After you set the
trigger source, you still need to send an INITiate command to move the
meter to the wait-for-trigger state. [volatile memory]
TRIGger:SOURce?
This command queries the present trigger source.
Returns “BUS”, “IMM”, or “EXT”.
Chapter 4 Remote Interface Reference
Triggering Commands
154

TRIGger:DELay {<
seconds
> | MIN | MAX}
This command inserts a trigger delay between the trigger signal and each
sample that follows. If you do not specify a trigger delay, the meter
automatically selects a delay for you (see page 89). Select from 0 to 3600
seconds. MIN = 0 seconds. MAX = 3600 seconds. [volatile memory]
TRIGger:DELay? [{MIN | MAX}]
This command queries the trigger delay.
TRIGger:DELay:AUTO {OFF | ON}
This command enables or disables an automatic trigger delay. The delay
is determined by function, range, integration time, and ac filter setting.
Selecting a specific trigger delay value automatically turns off automatic
trigger delay. [volatile memory]
TRIGger:DELay:AUTO?
This command queries the automatic trigger delay setting.
Returns “0” (OFF) or “1” (ON).
SAMPle:COUNt {<
value
> | MIN | MAX}
This command sets the number of readings (samples) the meter takes per
trigger. Select from 1 to 50,000 readings per trigger.
MIN = 1 and MAX = 50,000. [volatile memory]
SAMPle:COUNt? [{MIN | MAX}]
This command queries the sample count.
TRIGger:COUNt {<
value
> | MIN | MAX | INFinity}
This command sets the number of triggers the meter will accept before
returning to the “idle” state. Select from 1 to 50,000 triggers. The
INFinity parameter instructs the meter to continuously accept triggers
(you must send a device clear to return to the “idle” state). Trigger count
is ignored while in local operation. MIN = 1 and MAX = 50,000. [volatile
memory]
TRIGger:COUNt? [{MIN | MAX}]
This command queries the trigger count. If you specify an infinity trigger
count, the query command returns “9.90000000E+37”.
4
Chapter 4 Remote Interface Reference
Triggering Commands
155

Chart Output (Analog Out) Commands
See also "Chart Output", starting on page 98 in chapter 3.
OUTPut
[:STATe] {OFF | ON}
[:STATe]?
These commands enable or disable the chart output (analog output) and
query the output state. When disabled, the output is held at 0 V.
OUTPut
:REFerence:OFFset {<
number
> | MIN | MAX}
:REFerence:OFFset?
:REFerence:NULL
These commands set or query the offset value. The offset can be set in the
range of -1.0E9 to 1.0E9. MIN sets –1.0E9 V and MAX sets 1.0E9 V.
The :NULL form of this command makes the next measurement value the
null value.
OUTPut
:REFerence:SPAN [{<
number
> | MIN | MAX}]
:REFerence:SPAN? [{MIN | MAX}]
:REFerence:GAIN?
These commands set or query the span value. The span can be set in the
range of 5E-9 to 1.0E9. MIN sets 5E-9 and MAX sets 1.0E9. The :GAIN?
query returns the reciprocal of the span value.
OUTPut
:REFerence:VALue {<
value
> | MIN | MAX}]
This command allows you to set a fixed value output. The value can be
set in the range of ±3.00 V. MIN sets -3.00 V and MAX sets +3.00 V.
Chapter 4 Remote Interface Reference
Chart Output (Analog Out) Commands
156

System-Related Commands
See also “System-Related Operations,” starting on page 90 in chapter 3.
FETCh?
This command transfers readings stored in the meter’s internal memory
by the INITiate command to the meter’s output buffer where you can
read them into your bus controller.
READ?
This command changes the state of the trigger system from the “idle”
state to the “wait-for-trigger” state. Measurements will begin when the
specified trigger conditions are satisfied following the receipt of the
READ? command. Readings are sent immediately to the output buffer.
DISPlay {OFF | ON}
This command turns the front-panel display off or on. [volatile memory]
DISPlay?
This command queries the front-panel display setting.
Returns “0” (OFF) or “1” (ON).
DISPlay:TEXT <quoted string>
This command displays a message on the front panel. The meter will
display up to 11 characters in a message; any additional characters are
truncated. [volatile memory]
DISPlay:TEXT?
This command queries the message sent to the front panel and returns a
quoted string.
DISPlay:TEXT:CLEar
This command clears the message in the display.
4
Chapter 4 Remote Interface Reference
System-Related Commands
157

SYSTem:ERRor?
This command queries the meter’s error queue. Up to 20 errors can be
stored in the queue. Errors are retrieved in first-in-first out (FIFO) order.
Each error string may contain up to 80 characters.
SYSTem:VERSion?
This command queries the meter to determine the present SCPI version.
Returns "1994.0"
*RST
This command resets the meter to its power-on configuration.
*TST?
This command performs a complete self-test of the meter. Returns “0” if
the self-test is successful, or “1” if the test fails.
*IDN?
This command reads the meter’s identification string (be sure to
dimension a string variable with at least 40 characters).
Chapter 4 Remote Interface Reference
System-Related Commands
158

The SCPI Status Model
All SCPI instruments implement status registers in the same way. The
status system records various instrument conditions in four register
groups: the Status Byte register, the Standard Event register, The
Operational Status register, and the Questionable Data register. The
status byte register records high-level summary information reported in
the other register groups. The diagram on the next page illustrates the
SCPI status system used by the meter.
Chapter 6, “Application Programs,” contains example programs showing
the use of the status registers. You may find it useful to refer to the
programs after reading the following section in this chapter.
What is an Event Register?
The standard event and questionable data registers have event registers.
An event register is a read-only register that reports defined conditions
within the meter. Bits in the event registers are latched. Once an event
bit is set, subsequent state changes are ignored. Bits in an event register
are automatically cleared by a query of that register (such as *ESR? or
STAT:QUES:EVEN?) or by sending the *CLS (clear status) command. A
reset (*RST) or device clear will not clear bits in event registers. Querying
an event register returns a decimal value which corresponds to the
binary-weighted sum of all bits set in the register.
What is an Enable Register?
An enable register defines which bits in the corresponding event register
are logically ORed together to form a single summary bit. Enable
registers are both readable and writable. Querying an enable register
will not clear it. The *CLS (clear status) command does not clear enable
registers but it does clear the bits in the event registers. The
STATus:PRESet command will clear the questionable data enable
register. To enable bits in an enable register, you must write a decimal
value which corresponds to the binary-weighted sum of the bits you wish
to enable in the register.
What is a Condition Register?
A condition register actively indicates the current state of the instrument.
Bits in the condition register are not latched, and change as the
conditions within the instrument change. The event register latches the
changes in the condition register bits.
4
Chapter 4 Remote Interface Reference
The SCPI Status Model
159

The Status Byte
The status byte summary register reports conditions from other status
registers. Query data that is waiting in the meter’s output buffer is
immediately reported through the “message available” bit (bit 4). Bits in
the summary registers are not latched. Clearing an event register will
clear the corresponding bits in the status byte summary register. Reading
all messages in the output buffer, including any pending queries, will
clear the message available bit.
Bit Definitions — Status Byte Register
Bit Decimal
Value Definition
0 Not Used 1 Always set to 0
1 Not Used 2 Always set to 0
2 Not Used 4 Always set to 0
3 Questionable Data 8 One or more bits are set in the Questionable
Data register (bits must be "enabled" in the
enable register).
4 Message Available 16 Data is available in the meter output buffer
5 Standard Event 32 One or more bits are set in the Standard
Event register (bits must be "enabled" in the
enable register).
6 Request Service 64 The meter is requesting service (serial poll).
7 Operational Status 128 One or more bits are set in the Operational
Event register (bits must be "enabled" in the
enable register)
4
Chapter 4 Remote Interface Reference
The SCPI Status Model
161

The status byte summary register is cleared when:
•You execute a *CLS (clear status) command.
•Querying the standard event and questionable data registers will clear
only the respective bits in the summary register.
The status byte enable register (request service) is cleared when:
•You turn on the power and you have previously configured the meter
using the *PSC 1 command.
•You execute a *SRE 0 command.
The status byte enable register will not be cleared at power-on if you
have previously configured the meter using *PSC 0.
Using Service Request (SRQ) and Serial POLL
You must configure your bus controller to respond to the IEEE-488 service
request (SRQ) interrupt to use this capability. Use the status byte enable
register (SRE) to select which summary bits will set the low-level
IEEE-488 SRQ signal. When the status byte “request service” bit (bit 6) is
set, an IEEE-488 SRQ interrupt message is automatically sent to the bus
controller. The bus controller may then poll the instruments on the bus to
identify which one requested service (the one with bit 6 set in its status
byte). The request service bit is only cleared by reading the status byte
using an IEEE-488 serial poll or by reading the event register whose
summary bit is causing the service request.
To read the status byte summary register, send the IEEE-488 serial poll
message. Querying the summary register will return a decimal value
which corresponds to the binary-weighted sum of the bits set in the
register. Serial poll will automatically clear the “request service” bit in
the status byte summary register. No other bits are affected. Performing
a serial poll will not affect instrument throughput.
Caution The IEEE-488.2 standard does not ensure synchronization between your
bus controller program and the instrument. Use the *OPC? command to
guarantee that commands previously sent to the instrument have
completed. Executing a serial poll before a *RST, *CLS, or other
commands have completed can cause previous conditions to be reported.
Chapter 4 Remote Interface Reference
The SCPI Status Model
162

Using *STB? to Read the Status Byte
The *STB? (status byte query) command is similar to a serial poll except
it is processed like any other instrument command. The *STB? command
returns the same result as an IEEE-488 serial poll except that the
“request service” bit (bit 6) is not cleared if a serial poll has occurred.
The *STB? command is not handled automatically by the IEEE-488 bus
interface hardware and the command will be executed only after previous
commands have completed. Polling is not possible using the *STB?
command. Using the *STB? command does not clear the status byte
summary register.
To Interrupt Your Bus Controller Using SRQ
•Send a bus device clear message.
•Clear the event registers with the *CLS (clear status) command.
•Set the *ESE (standard event register) and *SRE (status byte register)
enable masks.
•Send the *OPC? (operation complete query) command and enter the
result to assure synchronization.
•Enable your bus controller’s IEEE-488 SRQ interrupt.
To Determine When a Command Sequence is Completed
Either:
•Send the *OPC? (operation complete query) command and enter the
result to assure synchronization.
Or, to prevent holding the interface bus for commands that take longer
to execute (such as CALibrate commands), :
•Send a device clear message to clear the meter’s output buffer.
•Clear the event registers with the *CLS (clear status) command.
•Enable “operation complete” using the *ESE 1 command (standard
event register).
•Send your programming command string, and place the *OPC
(operation complete) command as the last command.
•Use a serial poll to check to see when bit 5 (standard event) is set in the
status byte summary register. You could also configure the meter for an
SRQ interrupt by sending *SRE 32 (status byte enable register, bit 5).
4
Chapter 4 Remote Interface Reference
The SCPI Status Model
163

How to Use the Message Available Bit (MAV)
You can use the status byte “message available” bit (bit 4) to determine
when data becomes available to read into your bus controller. The meter
sets bit 4 when the first reading trigger occurs (which can be
TRIGger:SOURce:IMMediate). The meter subsequently clears bit 4
only after all messages have been read from the output buffer.
The message available (MAV) bit can only indicate when the first reading
is available following a READ? command. This can be helpful if you do not
know when a trigger event such as BUS or EXTernal will occur.
The MAV bit is set only after all specified measurements have completed
when using the INITiate command followed by FETCh?. Readings are
placed in the meter’s internal memory when using INITiate. Sending
the FETCh? command transfers readings (stored in internal memory
by the INITiate command) to the meter’s output buffer. Therefore, the
MAV bit can only be set after all measurements have been completed.
Using *OPC to Signal When Data is in the Output Buffer
Generally, it is best to use the “operation complete” bit (bit 0) in the
standard event register to signal when a command sequence is
completed. This bit is set in the register after an *OPC command has been
executed. If you send *OPC after a command which loads a message in
the meter’s output buffer (either reading data or query data), you can use
the operation complete bit to determine when the message is available.
However, if too many messages are generated before the *OPC command
executes (sequentially), the output buffer will fill and the meter will stop
taking readings.
Chapter 4 Remote Interface Reference
The SCPI Status Model
164

The Standard Event Register
The standard event register reports the following types of instrument events:
power-on detected, command syntax errors, command execution errors, self-test
or calibration errors, query errors, or when an *OPC command is executed. Any
or all of these conditions can be reported in the standard event summary bit
through the enable register. You must write a decimal value using the *ESE
(event status enable) command to set the enable register mask.
An error condition (standard event register bits 2, 3, 4, or 5) will always
record one or more errors in the meter’s error queue, with the following
exception:
A reading overload condition is always reported in both the standard
event register (bit 3) and the questionable data event register (bits 0 or
9). However, no error message is recorded in the meter’s error queue.
Read the error queue using SYSTem:ERRor?.
Bit Definitions — Standard Event Register
Bit Decimal Value Definition
0Operation
Complete 1 All commands prior to and including an *OPC
command have been executed.
1 Not Used 2 Always set to 0.
2 Query Error 4 The meter tried to read the output buffer but it
was empty. Or, a new command line was
received before a previous query had been
read. Or, both the input and output buffers
are full.
3 Device Error 8 A self-test, calibration, or reading overload
error occurred.
4 Execution
Error 16 An execution error occurred (see error
numbers -211 through -230 in Chapter 5).
5 Command
Error 32 A command syntax error occurred (see error
numbers -101 through -158 in Chapter 5).
6 Not Used 64 Always set to 0.
7 Power On 128 Power has been turned off and on since the
last time the event register was read or
cleared.
4
Chapter 4 Remote Interface Reference
The SCPI Status Model
165

The standard event register is cleared when:
•You send a *CLS (clear status) command.
•You query the event register using the *ESR? (event status register)
command.
The standard event enable register is cleared when:
•You turn on the power and you have previously configured the meter
using the *PSC 1 command.
•You execute a *ESE 0 command.
The standard event enable register will not be cleared at power-on if you
have previously configured the meter using *PSC 0.
Chapter 4 Remote Interface Reference
The SCPI Status Model
166

The Questionable Data Register
The questionable data register provides information about the quality of the
meter’s measurement results. Overload conditions can be reported in the
questionable data summary bit through the enable register. You must write a
decimal value using the STATus:QUEStionable:ENABle command to set
the enable register mask.
Note: A reading overload condition is always reported in both the
standard event register (bit 3) and the questionable data event register
(bits 0, 1, or 9). However, no error message is recorded in the meter’s error
queue.
Bit Definitions — Questionable Data Register
Bit Decimal
Value Definition
0Voltage Overload 1 Range overload on dc volts
1 Not Used 2 Always set to 0.
2 Not Used 4 Always set to 0.
3 Not Used 8 Always set to 0.
4Temperature Overload 16 Range overload on temperature
measurements.
5 Not Used 32 Always set to 0.
6 Not Used 64 Always set to 0.
7 Not Used 128 Always set to 0.
8 Not Used 256 Always set to 0.
9Ohms Overload 512 Range overload on 2-wire or 4-wire
Ohms
10 Not Used 1024 Always set to 0.
11 Not Used 2048 Always set to 0.
12 Not Used 4096 Always set to 0.
13 Not Used 8192 Always set to 0.
14 Not Used 16384 Always set to 0.
15 Not Used 32768 Always set to 0.
4
Chapter 4 Remote Interface Reference
The SCPI Status Model
167

The questionable data event register is cleared when:
•You execute a *CLS (clear status) command.
•You query the event register using STATus:QUEStionable:EVENt?.
The questionable data enable register is cleared when:
•You turn on the power (*PSC does not apply).
•You execute the STATus:PRESet command.
•You execute the STATus:QUEStionable:ENABle 0 command.
Chapter 4 Remote Interface Reference
The SCPI Status Model
168

The Operational Status and Condition Registers
The operation status register provides information about the operation of
the meter. Bits in the operational status event register are latched from
changes in the bits in the operational status condition register.
The meter only uses a single bit (bit 8) in these registers. This bit
indicates the settling state of the digital filter. If the digital filter is
enabled, bit 8 is set to 1 to indicate that the filter has settled. See page 57
for information about the operation of the digital filter.
You can read the operational status condition register to determine the
digital filter state on a per measurement basis. You can read the
operational status event register to determined if the digital filter ever
settled. The digital filter count can be reset based upon input signal
levels. See page 57.
If you need to know the digital filter state for a given measurement, use
the condition register (STATus:OPERation:CONDition?). This bit
changes with each measurement. Changes to this bit are latched in the
operational status event register and so the event register bit only
indicates if the filter ever settled.
4
Chapter 4 Remote Interface Reference
The SCPI Status Model
169

Bit Definitions — Operational Status Register
Bit Decimal Value Definition
0 Not Used Always set to 0
1↓↓
↓
7
8 Filter Settled 256 Digital filter is settled.
9 Not Used Always set to 0.
↓↓ ↓
15
The operational status event register is cleared when:
•You execute a *CLS (clear status) command.
•You query the event register using STATus:OPERation:EVENt?.
The operational status enable register is cleared when:
•You turn on the power (*PSC does not apply).
•You execute the STATus:PRESet command.
•You execute the STATus:OPERation:ENABle 0 command.
Chapter 4 Remote Interface Reference
The SCPI Status Model
170

Status Reporting Commands
SYSTem:ERRor?
This command queries the meter’s error queue. Up to 20 errors can be
stored in the queue. Errors are retrieved in first-in-first out (FIFO) order.
Each error string may contain up to 80 characters.
STATus:QUEStionable:CONDition?
This command queries the questionable status condition register. The
meter returns a decimal value which corresponds to the binary-weighted
sum of all bits set in the register.
STATus:QUEStionable:ENABle <
enable value
>
This command enables bits in the Questionable Data enable register. The
selected bits are then reported to the Status Byte.
STATus:QUEStionable:ENABle?
This command queries the Questionable Data enable register. The meter
returns a binary-weighted decimal representing the bits set in the enable
register.
STATus:QUEStionable:EVENt?
This command queries the Questionable Data event register. The meter
returns a decimal value which corresponds to the binary-weighted sum of
all bits set in the register.
STATus:OPERation:CONDition?
This command queries the operational status condition register. The
meter returns a decimal value which corresponds to the binary-weighted
sum of all bits set in the register. Only bit 8 (decimal 256) is used
(indicates the digital filter has settled).
STATus:OPERation:ENABle <
enable value
>
This command enables bits in the Questionable Data enable register. The
selected bits are then reported to the Status Byte.
STATus:OPERation:ENABle?
This command queries the Questionable Data enable register. The meter
returns a binary-weighted decimal representing the bits set in the enable
register.
4
Chapter 4 Remote Interface Reference
Status Reporting Commands
171

STATus:OPERation:EVENt?
This command queries the Questionable Data event register. The meter
returns a decimal value which corresponds to the binary-weighted sum of
all bits set in the register. Only bit 8 (decimal 256) is used and latches
the digital filter settled state of the condition register.
STATus:PRESet
This command clears all bits in the Questionable Data enable and
Operational Status enable registers.
*CLS
This command clears the Status Byte summary register and all event
registers.
*ESE <
enable value
>
This command enables bits in the Standard Event enable register. The
selected bits are then reported to the Status Byte.
*ESE?
This command queries the Standard Event enable register. The meter
returns a decimal value which corresponds to the binary-weighted sum of
all bits set in the register.
*ESR?
This command queries the Standard event register. The meter returns a
decimal value which corresponds to the binary-weighted sum of all bits
set in the register.
*OPC
This command sets the “operation complete” bit (bit 0) in the Standard
Event register after the command is executed.
*OPC?
This command returns “1” to the output buffer after the command is
executed.
Chapter 4 Remote Interface Reference
Status Reporting Commands
172

*PSC {0 | 1}
(Power-on status clear.) This command clears the Status Byte and
Standard Event register enable masks when power is turned on (*PSC
1). When *PSC 0 is in effect, the Status Byte and Standard Event
register enable masks are not cleared when power is turned on.
[non-volatile memory]
*PSC?
This command queries the power-on status clear setting.
Returns “0” (*PSC 0) or “1” (*PSC 1).
*SRE <enable value>
This command enables bits in the Status Byte enable register.
*SRE?
This command queries the Status Byte enable register. The meter
returns a decimal value which corresponds to the binary-weighted sum of
all bits set in the register. 4
Chapter 4 Remote Interface Reference
Status Reporting Commands
173

Calibration Commands
See the Service Guide for a more detailed description of the meter’s
calibration procedures.
CALibration?
This command performs a calibration using the specified calibration
value (CALibration:VALue command).
CALibration:COUNt?
This command queries the meter to determine the number of times it has
been calibrated. Since the value increments by one for each calibration
point, a complete calibration increases the value by several counts.
[non-volatile memory]
CALibration:ICURrent?
This command begins an injected current calibration. The query returns
+0 if the calibration was successful and a +1 if the calibration failed.
CALibration:OUTPut {ZERO | GAIN}
This command sets the Chart Output (Analog Output) to either 0V or 1V
output for calibration purposes. Use the CALibration:VALue and
CALibration? commands to set the values and perform the calibration.
CALibration:OUTPut?
This command query returns "ZERO" or "GAIN" .
CALibration:SECure:CODE <new code>
This command enters a new security code. To change the security code,
first unsecure the meter using the old security code. Then, enter the new
code. The calibration code may contain up to 11 characters.
[non-volatile memory]
CALibration:SECure:STATe {OFF | ON}, <code>
This command unsecures or secures the meter for calibration. The
calibration code may contain up to 11 characters. [non-volatile memory]
CALibration:SECure:STATe?
This command queries the secured state of the meter.
Returns “0” (OFF) or “1” (ON).
Chapter 4 Remote Interface Reference
Calibration Commands
174

CALibration:STRing <quoted string>
This command records calibration information about your meter. For
example, you can store such information as the last calibration date or
the next calibration due date. The calibration message may contain up to
40 characters. [non-volatile memory]
CALibration:STRing?
This command queries the calibration message and return a quoted
string.
CALibration:VALue <value>
This command specifies the value of the known calibration signal used by
the calibration procedure.
CALibration:VALue?
This command queries the present calibration value.
4
Chapter 4 Remote Interface Reference
Calibration Commands
175

RS-232 Interface Configuration
See also “Remote Interface Configuration,” on page 101 in chapter 3.
You connect the meter to the RS-232 interface using the 9-pin (DB-9)
serial connector on the rear panel. The meter is configured as a DTE
(Data Terminal Equipment) device. For all communications over the
RS-232 interface, the meter uses two handshake lines: DTR (Data
Terminal Ready) on pin 4 and DSR (Data Set Ready) on pin 6.
The following sections contain information to help you use the meter over
the RS-232 interface. The programming commands for RS-232 are listed
beginning on page 182.
RS-232 Configuration Overview
Configure the RS-232 interface using the parameters shown below. Use
the front-panel I/O MENU to select the baud rate, parity, and number of
data bits (see page 101 for more information).
•Baud Rate: 300, 600, 1200, 2400, 4800, or 9600 baud (factory setting)
•Parity and Data Bits: None / 8 data bits (factory setting)
Even / 7 data bits, or
Odd / 7 data bits
•Number of Start Bits 1 bit (fixed)
•Number of Stop Bits 2 bits (fixed)
Chapter 4 Remote Interface Reference
RS-232 Interface Configuration
176

RS-232 Data Frame Format
A character frame consists of all the transmitted bits that make up a
single character. The frame is defined as the characters from the start bit
to the last stop bit, inclusively. Within the frame, you can select the baud
rate, number of data bits, and parity type. The meter uses the following
frame formats for seven and eight data bits.
Connection to a Computer or Terminal
To connect the meter to a computer or terminal, you must have the
proper interface cable. Most computers and terminal are DTE (Data
Terminal Equipment) devices. Since the meter is also a DTE device, you
must use a DTE-to-DTE interface cable. These cables are also called
null-modem, modem-eliminator, or crossover cables.
The interface cable must also have the proper connector on each end and the
internal wiring must be correct. Connectors typically have 9 pins (DB-9
connector) or 25 pins (DB-25 connector) with a "male" or "female" pin
configuration. A male connector has pins inside the connector shell and a
female connector has holes inside the connector shell.
If you cannot find the correct cable for your configuration, you may have to
use a wiring adapter. If you are using a DTE-to-DTE cable, make sure the
adapter is a "straight-through" type. Typical adapters include gender
changers, null-modem adapters, and DB-9 to DB-25 adapters.
4
Chapter 4 Remote Interface Reference
RS-232 Interface Configuration
177

Refer to the cable and adapter diagrams below to connect the meter to most
computers or terminals. If you configuration is different than those described,
order the 34399A Adapter Kit. This kit contains adapters for connection
to other computers, terminals, and modems. Instructions and pin diagrams
are included with the adapter kit.
DB-9 Serial Connection If your computer or terminal has a 9-pin serial
port with a male connector, use the null-modem cable included with the
34398A Cable Kit. This cable has a 9-pin female connector on each end.
The cable pin diagram is shownbelow.
DB-25 Serial Connection If your computer or terminal has a 25-pin serial
port with a male connector, use the null-modem cable and 25-pin adapter
included with the 34398A Cable Kit. The cable pin diagram is shown below.
Chapter 4 Remote Interface Reference
RS-232 Interface Configuration
178

Connection to a Printer
To connect to a printer you must use a DTE to DCE (Data Communications
Equipment) cable.
Set the meter to the TALK ONLY mode by setting the HP-IB address to 31
from the front panel. Then set the RS-232 interface as the active interface.
See pages 187 and 189.
DTR / DSR Handshake Protocol
The meter is configured as a DTE (Data Terminal Equipment) device and
uses the DTR (Data Terminal Ready) and DSR (Data Set Ready) lines of
the RS-232 interface to handshake. The meter uses the DTR line to send
a hold-off signal. The DTR line must be TRUE before the meter will
accept data from the interface. When the meter sets the DTR line
FALSE, the data must cease within 10 characters.
To disable the DTR/DSR handshake, do not connect the DTR line and tie
the DSR line to logic TRUE. If you disable the DTR/DSR handshake, also
select a slower baud rate (300, 600, or 1200 baud) to ensure that the data
is transmitted correctly. 4
Chapter 4 Remote Interface Reference
RS-232 Interface Configuration
179
GPIB

The meter sets the DTR line FALSE in the following cases:
1When the meter’s input buffer is full (when approximately 100 characters
have been received), it sets the DTR line FALSE (pin 4 on the RS-232
connector). When enough characters have been removed to make space in
the input buffer, the meter sets the DTR line TRUE, unless the second
case (see below) prevents this.
2When the meter wants to "talk" over the interface (which means that it
has processed a query) and has received a <new line> message
terminator, it will set the DTR line FALSE. This implies that once a
query has been sent to the meter, the controller should read the response
before attempting to send more data. It also means that a <new line>
must terminate the command string. After the response has been output,
the meter sets the DTR line TRUE again, unless the first case (see above)
prevents this.
The meter monitors the DSR line to determine when the controller is
ready to accept data over the interface. The meter monitors the DSR line
(pin 6 on the RS-232 connector) before each character is sent. The output
is suspended if the DSR line is FALSE. When the DSR line goes TRUE,
transmission will resume.
The meter holds the DTR line FALSE while output is suspended. A form
of interface deadlock exists until the controller asserts the DSR line
TRUE to allow the meter to complete the transmission. You break the
interface deadlock by sending the <Ctrl-C> character, which clears the
operation in progress and discards pending output (this is equivalent the
the IEEE-488 device clear action).
Chapter 4 Remote Interface Reference
RS-232 Interface Configuration
180

RS-232 Troubleshooting
Here are a few things to check if you are having problems using the
RS-232 interface. If you need additional help, refer to the documentation
that came with your computer.
•Verify that the meter and your computer are configured for the same
baud rate, parity, and number of data bits. Make sure that your
computer is set up for 1 start bit and 2 stop bits (these values are fixed
on the meter).
•Make sure to execute the SYSTEM:REMOTE command to place the
meter in the REMOTE mode.
•Verify that you have connected the correct interface cable and
adapters. Even if the cable has the proper connectors for your system,
the internal wiring may not be correct. The 34398A Cable Kit can
be used to connect the meter to most computers or terminals.
•Verify that you have connected the interface cable to the correct serial
port on your computer (COM1, COM2, etc). 4
Chapter 4 Remote Interface Reference
RS-232 Interface Configuration
181

RS-232 Interface Commands
SYSTem:LOCal
This command places the meter in the local mode during RS-232
operation. All keys on the front panel are fully functional.
SYSTem:REMote
This command places the meter in the remote mode during RS-232
operation. All keys on the front panel except the LOCAL key are
disabled. You MUST send this command before any other RS-232
command can be received.
SYSTem:RWLock
This command places the meter in the remote mode during RS-232
operation. All keys on the front panel are disabled, including the LOCAL
key.
Caution Sending or receiving data over the RS-232 interface when not configured
for REMOTE operation can cause unpredictable results. Always make
sure the meter is configured for remote operation when using the RS-232
interface.
Chapter 4 Remote Interface Reference
RS-232 Interface Commands
182

An Introduction to the SCPI Language
Standard Commands for Programmable Instruments (SCPI) defines how
you communicate with an instrument from a bus controller. The SCPI
language uses a hierarchical structure similar to the file systems used by
many bus controllers. The command “tree” is organized with root-level
commands (also called “subsystems”) positioned at the top, with multiple
levels below each root-level command. You must specify the complete
path to execute the individual lower-level commands.
Using a Colon (:) When a colon is the first character of a command
keyword, it indicates that the next command mnemonic is a root-level
command. When a colon is inserted between two command mnemonics,
the colon moves the path down one level in the present path (for the
specified root-level command) of the command tree. You must separate
command mnemonics from each other using a colon. You can omit the
leading colon if the command is the first of a new program line.
Using a Semicolon (;) Use a semicolon to separate two commands
within the same command string. The semicolon does not change the
present path specified. For example, the following two statements are
equivalent.
:TRIG:DELAY 1;:TRIG:COUNT 10
:TRIG:DELAY 1;COUNT 10
Using a Comma (,) If a command requires more than one parameter,
you must separate adjacent parameters using a comma.
Using Whitespace You must use whitespace characters, [tab], or
[space] to separate a parameter from a command keyword. Whitespace
characters are generally ignored only in parameter lists.
4
Chapter 4 Remote Interface Reference
An Introduction to the SCPI Language
183

Using “ ? ” Commands The bus controller may send commands at any
time, but a SCPI instrument may only send responses when specifically
instructed to do so. Only query commands (commands that end with
a “?”) will instruct the instrument to send a response message. Queries
return either measured values or internal instrument settings.
Caution If you send two query commands without reading the response from the
first, and then attempt to read the second response, you may receive some
data from the first response followed by the complete second response. To
avoid this, do not send a query command without reading the response.
When you cannot avoid this situation, send a device clear before sending
the second query command.
Using “ * ” Commands Commands starting with a “ * ” are called
common commands. They are required to perform the identical function
for all instruments that are compliant with the IEEE-488.2 interface
standard. The “ * ” commands are used to control reset, self-test, and
status operations in the meter.
Chapter 4 Remote Interface Reference
An Introduction to the SCPI Language
184

SCPI Data Types
The SCPI language defines different data formats for use in program
messages and response messages. Instruments are flexible listeners and
can accept commands and parameters in various formats. However, SCPI
instruments are precise talkers. This means that SCPI instruments will
always respond to a particular query in a predefined, rigid format.
Numeric Parameters Commands that require numeric parameters will
accept all commonly used decimal representations of numbers including
optional signs, decimal points, and scientific notation. Special values for
numeric parameters like MAXimum, MINimum, and DEFault are also
accepted. You can also send engineering unit suffixes (M, k, or u) with
numeric parameters. If only specific numeric values are accepted, the
meter will automatically round the input numeric parameters.
Discrete Parameters Discrete parameters are used to program settings
that have a limited number of values (like BUS, IMMediate, EXTernal).
They have a short form and a long form just like command keywords. You
can mix upper-case and lower-case letters. Query responses will always
return the short form in upper-case letters.
Boolean Parameters Boolean parameters represent a single binary
condition that is either true or false. For a false condition, the meter will
accept “OFF” or “0”. For a true condition, the meter will accept “ON” or
“1”. When you query a boolean setting, the instrument will always return
“0” or “1”.
String Parameters String parameters can contain virtually any set of
ASCII characters. A string must begin and end with matching quotes;
either with a single quote or with a double quote. You can include the
quote delimiter as part of the string by typing it twice without any
characters in between.
4
Chapter 4 Remote Interface Reference
An Introduction to the SCPI Language
185

Input Message Terminators
Program messages sent to a SCPI instrument must terminate with a
<newline> character. The IEEE-488 EOI (end or identify) signal is
interpreted as a <newline> character and may also be used to terminate
a message in place of the <newline> character. A <carriage return>
followed by a <newline> is also accepted. Many programming languages
allow you to specify a message terminator character or EOI state to be
automatically sent with each bus transaction. Message termination will
always set the current path back to the root-level.
Output Data Formats
Output data will be in one of formats shown in the table below.
Type of Output Data Output Data Format
Non-reading queries <80 ASCII character string
Single reading (IEEE-488) SD.DDDDDDDDESDD<nl>
Multiple readings (IEEE-488) SD.DDDDDDDDESDD,...,... <nl>
Single reading (RS-232) SD.DDDDDDDDESDD<cr><nl>
Multiple readings (RS-232) SD.DDDDDDDDESDD,...,...<cr><nl>
S Negative sign or positive sign
D Numeric digits
E Exponent
<nl> newline character
<cr> carriage return character
Chapter 4 Remote Interface Reference
Input Message Terminators
186

Using Device Clear to Halt Measurements
Device clear is an IEEE-488 low-level bus message which can be used to
halt measurements in progress. Different programming languages and
IEEE-488 interface cards provide access to this capability through their
own unique commands. The status registers, the error queue, and all
configuration states are left unchanged when a device clear message is
received. Device clear performs the following actions.
•All measurements in progress are aborted.
•The meter returns to the trigger “idle state”.
•The meter’s input and output buffers are cleared.
•The meter is prepared to accept a new command string.
•For RS-232 operation, sending the control-C character will perform
the equivalent operations of the IEEE-488 device clear message.
The meter’s DTR (data terminal ready) handshake line will be true
following a device clear message. See “DTR / DSR Handshake
Protocol,” on page 179 for further details.
TALK ONLY for Printers
You can set the meter’s HP-IB address to “31” which is the talk only mode.
In this mode, the meter can output readings directly to a printer without
being addressed by a bus controller. Address 31 is not a valid address if
you are operating the meter from the HP-IB interface with a bus
controller.
If you select the RS-232 interface and then set the HP-IB address to the
talk only address (31), the meter will send readings over the RS-232
interface when in the local mode.
4
Chapter 4 Remote Interface Reference
Using Device Clear to Halt Measurements
187
GPIB
GPIB
GPIB

To Set the HP-IB Address
Each device on the HP-IB (IEEE-488) interface must have a unique
address. You can set the meter’s address to any value between 0 and 31.
The address is set to “22” when the meter is shipped from the factory.
The address is displayed on the front panel when you turn on the meter.
On/Off
Shift < 1 Turn on the front-panel menu.
A: MEAS MENU
< < 2 Move across to the I/O MENU choice on this level.
F: I/O MENU
∨ 3 Move down a level to the HP-IB ADDR command.
1: HP-IB ADDR
∨ 4Move down to the “parameter” level to set the address.
Use the left/right and down/up arrow keys to change the address.
∧22 ADDR
Auto/Man 5 Save the change and turn off the menu.
ENTER The address is stored in non-volatile memory, and does not change when
power has been off or after a remote interface reset.
Chapter 4 Remote Interface Reference
To Set the GPIB Address
188
GPIB
GPIB

To Select the Remote Interface
The meter is shipped with both a HP-IB (IEEE-488) interface and an
RS-232 interface. Only one interface can be enabled at a time. The HP-IB
interface is selected when the meter is shipped from the factory. See also
“Remote Interface Selection,” on page 101.
On/Off
Shift < 1 Turn on the front-panel menu.
A: MEAS MENU
< < 2 Move across to the I/O MENU choice on this level.
F: I/O MENU
v > 3 Move down a level and then across to the INTERFACE command.
2: INTERFACE
∨ 4Move down to the “parameter” level to select the interface.
Use the left/right arrow keys to see the interface choices. Choose from the
following: HP-IB / 488 or RS-232.
HP-IB / 488
Auto/Man 5 Save the change and turn off the menu.
ENTER The interface selection is stored in non-volatile memory, and does not
change when power has been off or after a remote interface reset.
Remote Interface: you can set or query the interface using the following
commands:
SYStem
:INTerface {HPIB | RS232}
:INTerface?
4
Chapter 4 Remote Interface Reference
To Select the Remote Interface
189
GPIB
GPIB

To Set the Baud Rate
You can select one of six baud rates for RS-232 operation. The rate is set
to 9600 baud when the meter is shipped from the factory. See also “Baud
Rate Selection,” on page 103.
On/Off
Shift < 1 Turn on the front-panel menu.
A: MEAS MENU
< < 2 Move across to the I/O MENU choice on this level.
F: I/O MENU
∨ > > 3 Move down a level and then across to the BAUD RATE command.
3: BAUD RATE
∨ 4Move down to the “parameter” level to select the baud rate.
Use the left/right arrow keys to see the baud rate choices. Choose from
one of the following: 300, 600, 1200, 2400, 4800, or 9600 baud.
9600 BAUD
Auto/Man 5 Save the change and exit the menu.
ENTER The baud rate selection is stored in non-volatile memory, and does not
change when power has been off or after a remote interface reset.
Remote Interface: you can set or query the baud rate using the
following commands:
SYStem:COMMunicate:SERial
:BAUD <
baud
>
:BAUD?
Chapter 4 Remote Interface Reference
To Set the Baud Rate
190

To Set the Parity
You can select the parity for RS-232 operation. The meter is configured for
even parity with 7 data bits when shipped from the factory. See also
“Parity Selection,” on page 104.
On/Off
Shift < 1 Turn on the front-panel menu.
A: MEAS MENU
< < 2 Move across to the I/O MENU choice on this level.
F: I/O MENU
∨ < < 3 Move down a level and then across to the PARITY command.
4: PARITY
∨ 4Move down to the “parameter” level to select the parity.
Use the left/right arrow keys to see the parity choices. Choose from one of
the following: None (8 data bits), Even (7 data bits), or Odd (7 data bits).
When you set parity, you are indirectly setting the number of data bits.
EVEN: 7 BITS
Auto/Man 5 Save the change and turn off the menu.
ENTER The parity selection is stored in non-volatile memory, and does not
change when power has been off or after a remote interface reset.
Remote Interface: you can set or query the parity using the following
commands:
SYStem:COMMunicate:SERial
:PARity {EVEN | ODD | NONE}
:PARity?
4
Chapter 4 Remote Interface Reference
To Set the Parity
191

To Select the Programming Language
You can select one of three language to program the meter from the
selected remote interface. The language is SCPI when the meter is
shipped from the factory. The languge setting is stored in non-volatile
memory and does not change with power off or reset. See also
“Programming Language Selection,” on page 105.
On/Off
Shift < 1 Turn on the front-panel menu.
A: MEAS MENU
< < 2 Move across to the I/O MENU choice on this level.
F: I/O MENU
∨ < 3 Move down a level and then across to the LANGUAGE command.
5: LANGUAGE
∨ 4Move down to the “parameter” level to select the language.
Choose from one of the following: SCPI or KEITHLEY:181
SCPI
Auto/Man 5 Save the change and turn off the menu.
ENTER The language selection is stored in non-volatile memory, and does not
change when power has been off or after a remote interface reset.
Remote Interface: you can set the programming language using the
following commands:
SYStem:LANGuage {SCPI | 181}
L1X
(SCPI)
L2X
(Keithley 181)
Chapter 4 Remote Interface Reference
To Select the Programming Language
192

Alternate Programming Language Compatibility
You can configure the 34420A to accept and execute the commands
of the the Keithley 181 meter. Remote operation will only allow you to
access the functionality of the meter language selected. You can take
advantage of the full functionality of the 34420A only through the
SCPI programming language. For more information on selecting the
alternate languages from the front panel menu, see “To Select the
Programming Language,” on the previous page.
All of the commands available for the Keithley 181 are implemented in
the 34420A, with the exception of the self-test and calibration
commands. You must always calibrate the 34420A using the SCPI
language setting.
You can use L2X to switch to the Keithley 181 language. L1X switches
back to the SCPI language. Note that once the Keithley 181 language has
been selected you must append the Keithley "end of message" terminator
(X) to any commands.
Be aware that measurement timing may be different in the alternate
language compatibility modes.
Specific Issues
You should be aware of the following differences when using the
Keithley 181 language:
•Unlike the Keithley 181, the status byte is not cleared when read
unless the SRQ bit was set.
•A significant software delay exists between the time a syntax error is
generated and the error is reported in the status byte.
•The meter will always use the next highest range than the one
requested in a Keithley command. For example, if you specify the
Keithley 2 mV range, the meter will use the 10 mV range.
•The digital filter, set to SLOW or MEDium, is used to emulate the
Keithley input filter.
•The meter is always set to 2 NPLC.
•The 34420A has a maximum input range of 100 V. Be sure the test
setup does not require a 1000 V range.
4
Chapter 4 Remote Interface Reference
Alternate Programming Language Compatibility
193

SCPI Compliance Information
The following commands are device-specific to the 34420A. They are
not included in the 1994.0 version of the SCPI standard. However, these
commands are designed with the SCPI format in mind and they follow all
of the syntax rules of the standard.
Many of the required SCPI commands are accepted by the meter but are
not described in this manual for simplicity or clarity. Most of these
non-documented commands duplicate the functionality of a command
already described in this chapter.
CALibration
:COUNt?
:OUTPut { ZERO | GAIN }
:OUTPut?
:SECure:CODE <code string>
:SECure:STATe { OFF | ON | 0 | 1 } [,<code>]
:SECure:STATe? returns 0 or 1
:STRing <string>
:STRing?
CALCulate
:FUNCtion { SCALe | AVERage }
:FUNCtion?
:AVERage:MINimum?
:AVERage:MAXimum?
:AVERage:AVERage?
:AVERage:SDEViation?
:AVERage:PTPeak?
:AVERage:COUNt?
:SCALe:GAIN
:SCALe:GAIN?
:SCALe:OFFSet
:SCALe:OFFSet?
Chapter 4 Remote Interface Reference
SCPI Compliance Information
194

INPut
:FILTer[:LPASS]:DIGital:PREcharge {ON | OFF}
:FILTer[:LPASS]:DIGital:PREcharge?
:FILTer[:LPASs]:DIGital:RESPonse { SLOW | MEDium | FAST }
:FILTer[:LPASs]:DIGital:RESPonse?
:FILTer[:LPASs]:TYPE { ANAlog | DIGital | BOTH }
:FILTer[:LPASs]:TYPE?
OUTPut
:REFerence:OFFSet { <offset> | MINimum | MAXimum }
:REFerence:OFFSet? [ MINimum | MAXimum ]
:REFerence:OFFSet:NULL [ONCE]
:REFerence:SPAN { <span> | MINimum | MAXimum }
:REFerence:SPAN? [ MINimum | MAXimum ]
:REFerence:GAIN?
:REFerence:VALue <value>
SAMPle
:COUNt { <count> | MINimum | MAXimum }
:COUNt? [ MINimum | MAXimum ]
[SENSe:]
CURRent:BIAS:ZERO[:IMMediate]
NULL [ONCE]
NULL[:STATe] { OFF | ON | 0 | 1 }
NULL[:STATe]?
NULL:VALue { <value> | MINimum | MAXimum }
NULL:VALue?
[SENSe:]
FRESistance | RESistance
:NULL[:STATe] { OFF | ON | 0 | 1 }
:NULL[:STATe]?
:NULL:VALue { <value> | MINimum | MAXimum }
:NULL:VALue?
:VOLTage:LIMit[:STATe] { OFF | ON | 0 | 1 }
:VOLTage:LIMit[:STATe]?
:POWer:LIMit[:STATe] { OFF | ON | 0 | 1 }
:POWer:LIMit[:STATe]?
:VOLTage:LIMit:VALue { <value> | MIN | MAX }
:VOLTage:LIMit:VALue? [ MINimum | MAXimum ]
4
Chapter 4 Remote Interface Reference
SCPI Compliance Information
195

[SENSe:]
TEMPerature
:NULL[:STATe] { OFF | ON | 0 | 1 }
:NULL[:STATe]?
:NULL:VALue { <value> | MINimum | MAXimum }
:NULL:VALue?
:NPLCycles { <value> | MINimum | MAXimum }
:NPLCycles? [ MINimum | MAXimum ]
:TRANsducer:TYPE { DEFault | TCouple | THERmistor | FRTD}
:TRANsducer:TYPE?
:TRANsducer:TCouple:TYPE { DEFault | B|E|J|K|N|R|S|T }
:TRANsducer:TCouple:TYPE?
:TRANsducer:TCouple:RJUNction[:VALue] {<value>|MIN| MAX}
:TRANsducer:TCouple:RJUNction[:VALue]? [MINimum | MAXimum]
:TRANsducer:TCouple:RJUNction:TYPE {FIXed, INTernal, THERmistor }
:TRANsducer:TCouple:RJUNction:TYPE?
:TRANsducer:FRTD:TYPE <type>
:TRANsducer:FRTD:TYPE?
[SENSe:]
VOLTage[:DC]
:NULL[:STATe] { OFF | ON | 0 | 1 }
:NULL[:STATe]?
:NULL:VALue { <value> | MINimum | MAXimum }
:NULL:VALue?
SYSTem
:INTerface[:TYPE] { HPIB | RS232 }
:INTerface[:TYPE]?
:REMote
:RWLock
:LOCal
L1X
L2X
Chapter 4 Remote Interface Reference
SCPI Compliance Information
196

IEEE-488 Compliance Information
Dedicated Hardware Lines Addressed Commands
ATN Attention DCL Device Clear
IFC Interface Clear EOI End or Identify
REN Remote Enable GET Group Execute Trigger
SRQ Service Request Interrupt GTL Go to Local
LLO Local Lock Out
SDC Selected Device Clear
SPD Derial Poll disable
SPE Serial Poll Enable
IEEE-488.2 Common Commands
*CLS
*ESE<enable value>
*ESE?
*ESR?
*IDN?
*OPC
*OPC?
*PSC {0 | 1}
*PSC?
*RST
*SRE <enable value>
*SRE?
*STB?
*TRG
*TST?
*WAI
4
Chapter 4 Remote Interface Reference
IEEE-488 Compliance Information
197

5
Error
Messages

Error Messages
When the front-panel ERROR annunciator turns on, one or more
command syntax or hardware errors have been detected. A record of up
to 20 errors is stored in the meter’s error queue. Errors are retrieved in
first-in- first-out (FIFO) order. See also “Error Conditions,” on page 92.
Front-Panel operation: Use the SYStem menu command:
3: ERROR
If the ERROR annunciator is on, press Shift > (Menu Recall) to read the
errors stored in the queue. The errors are listed horizontally on the
“parameter” level. The error queue is cleared when power has been off or
after a *CLS (clear status) command has been executed.
•To read the error queue from the remote interface:
SYSTem:ERRor?
Errors have the following format (the error string may contain up to
80 characters):
-113, "Undefined header"
200

Execution Errors
-101 Invalid character
An invalid character was found in the command string. You may have
inserted a character such as #, $, or % in the command header or within
a parameter. Example: CONF:VOLT#DC
-102 Syntax error
Invalid syntax was found in the command string. You may have inserted
a blank space before or after a colon in the command header, or before a
comma. Example: SAMP:COUN ,1
-103 Invalid separator
An invalid separator was found in the command string. You may have
used a comma instead of a colon, semicolon, or blank space – or you may
have used a blank space instead of a comma. Example: TRIG:COUN,1
or CONF:TEMP 1000 0.1
-104 Data type error
The wrong parameter type was found in the command string. You may
have specified a number where a string was expected, or vice versa.
Example: DISP:TEXT 5.0
-105 GET not allowed
A Group Execute Trigger (GET) is not allowed within a command string.
-108 Parameter not allowed
More parameters were received than expected for the command. You may
have entered an extra parameter, or you added a parameter to a
command that does not accept a parameter. Example: READ? 10
-109 Missing parameter
Fewer parameters were received than expected for the command. You
omitted one or more parameters that are required for this command.
Example: SAMP:COUN
5
Chapter 5 Error Messages
Execution Errors
201

-112 Program mnemonic too long
A command header was received which contained more than the
maximum 11 characters allowed. Example: CONFIGURATION:VOLT:DC
-113 Undefined header
A command was received that is not valid for this meter. You may have
misspelled the command or it may not be a valid command. If you are
using the short form of the command, remember that it may contain up
to four letters. Example: TRIGG:COUN 3
-121 Invalid character in number
An invalid character was found in the number specified for a parameter
value. Example: STAT:QUES:ENAB #B01010102
-123 Numeric overflow
A numeric parameter was found whose exponent was larger than 32,000.
Example: TRIG:COUN 1E34000
-124 Too many digits
A numeric parameter was found whose mantissa contained more than
255 digits, excluding leading zeros.
-128 Numeric data not allowed
A numeric parameter was found when a string or discrete parameter was
expected.
-131 Invalid suffix
A suffix was incorrectly specified for a numeric parameter. You may have
misspelled the suffix. Example: TRIG:DEL 0.5 SECS
-134 Suffix too long
A suffix for a numeric parameter contained too many characters.
-138 Suffix not allowed
A suffix was received following a numeric parameter which does not
accept a suffix. Example: SAMP:COUN 1 SEC (SEC is not a valid suffix).
Chapter 5 Error Messages
Execution Errors
202

-141 Invalid character data
-144 Character data too long
-148 Character data not allowed
A discrete parameter was received but a character string or a numeric
parameter was expected. Check the list of parameters to verify that you
have used a valid parameter type. Example: DISP:TEXT ON
-151 Invalid string data
An invalid character string was received. Check to see if you have
enclosed the character string in single or double quotes. Example:
DISP:TEXT ’ON (the ending quote is missing).
-158 String data not allowed
A character string was received but is not allowed for the command.
Check the list of parameters to verify that you have used a valid
parameter type. Example: CALC:STAT ’ON’
-160 to -168 Block data errors
The meter does not accept block data.
-170 to -178 Expression errors
An incorrect expression for the channel specifier was received. The meter
does not accept mathematical expressions.
-211 Trigger ignored
A Group Execute Trigger (GET) or *TRG was received but the trigger was
ignored. Make sure the meter is in the “wait-for-trigger” state before
issuing a trigger, and make sure the correct trigger source is selected.
-213 Init ignored
An INITiate command was received but could not be executed because a
measurement was already in progress. Send a device clear to halt a
measurement in progress and place the meter in the “idle” state.
-214 Trigger deadlock
A trigger deadlock occurs when the trigger source is BUS and a READ?
command is received.
5
Chapter 5 Error Messages
Execution Errors
203

-221 Settings conflict
This error can be generated in one of the following situations:
You sent a CONFigure or MEASure command with autorange enabled
and with a fixed resolution. Example: CONF:VOLT:DC DEF,0.1
You turned math on (CALC:STAT ON) and then changed to a math
operation that was not valid with the present measurement function.
-222 Data out of range
A numeric parameter value is outside the valid range for the command.
Example: TRIG:COUN -3
-223 Too much data
A character string was received but could not be executed because the
string length was more than 11 characters. This error can be generated
by the CALibration:STRing and DISPlay:TEXT commands.
-224 Illegal parameter value
A discrete parameter was received which was not a valid choice for the
command. You may have used an invalid parameter choice. Example:
CALC:FUNC SCALE (SCALE is not a valid choice).
-230 Data corrupt or stale
A FETCh? command was received but internal reading memory was
empty. The reading retrieved may be invalid.
-330 Self-test failed
The meter’s complete self-test failed from the remote interface (*TST?
command). In addition to this error, more specific self-test errors are also
reported. See also “Self-Test Errors,” starting on page 208.
Chapter 5 Error Messages
Execution Errors
204

-350 Queue overflow
The error queue is full because more than 20 errors have occurred.
No additional errors are stored until you remove errors from the queue.
The error queue is cleared when power has been off, or after a *CLS
(clear status) command has been executed.
-410 Query INTERRUPTED
A command was received which sends data to the output buffer, but the
output buffer contained data from a previous command (the previous
data is not overwritten). The output buffer is cleared when power has
been off, or after a *RST (reset) command has been executed.
-420 Query UNTERMINATED
The meter was addressed to talk (i.e., to send data over the interface) but
a command has not been received which sends data to the output buffer.
For example, you may have executed a CONFigure command (which does
not generate data) and then attempted an ENTER statement to read data
from the remote interface.
-430 Query DEADLOCKED
A command was received which generates too much data to fit in the
output buffer and the input buffer is also full. Command execution
continues but all data is lost.
-440 Query UNTERMINATED after indefinite response
The *IDN? command must be the last query command within a command
string. Example: *IDN?;:SYST:VERS?
501 Isolator UART framing error
502 Isolator UART overrun error
5
Chapter 5 Error Messages
Execution Errors
205

511 RS-232 framing error
512 RS-232 overrun error
513 RS-232 parity error
514 Command allowed only with RS-232
There are three commands which are only allowed with the RS-232
interface: SYSTem:LOCal, SYSTem:REMote, and SYSTem:RWLock.
521 Input buffer overflow
522 Output buffer overflow
531 Insufficient memory
There is not enough memory to store the requested number of readings in
internal memory using the INITiate command. The product of the
sample count (SAMPle:COUNt) and the trigger count (TRIGger:COUNt)
must not exceed 1024 readings.
532 Cannot achieve requested resolution
The meter cannot achieve the requested measurement resolution. You
may have specified an invalid resolution in the CONFigure or MEASure
command.
540 Cannot use overload as math reference
The meter cannot store an overload reading (9.90000000E+37) as the
math reference for null measurements. The math state is turned off as a
result of this condition.
550 Command not allowed in local
The meter received a READ? command while in the local mode for RS-232
operation. You should always execute the SYSTem:REMote command
before sending other commands over the interface.
552 Command not allowed in current function
Chapter 5 Error Messages
Execution Errors
206

750 Invalid channel name
The meter received a MEAS or CONF command with an invalid channel
specifier.
810 Invalid or unsupported transducer type
An invalid transducer type was detected as a parameter.
820 Temperature out of range for specified transducer
1000 Settings conflict; voltage limit mode has been disabled
After being set to the voltage limited resistance mode, the meter received
a command that changed the settings to an mode or range not allowed.
1001 Settings conflict; power limit mode has been disabled
After being set to the low power resistance mode, the meter received a
command that changed the settings to an mode or range not allowed. For
example, after the low power mode has been enabled, a MEAS:RES
(2-wire Ohms) command is received.
5
Chapter 5 Error Messages
Execution Errors
207

Self-Test Errors
The following errors indicate failures that may occur during a self-test.
Refer to the Service Guide for more information.
601 Front panel does not respond
602 RAM read/write failed
603 A/D sync stuck
604 A/D slope convergence failed
605 Cannot calibrate rundown gain
606 Rundown gain out of range
607 Rundown too noisy
608 Serial configuration readback failed
609 DC gain x1 failed
610 DC gain x10 failed
611 DC gain x100 failed
Chapter 5 Error Messages
Self-Test Errors
208

613 Ohms 5 uA source failed
614 Ohms 10 uA source failed
615 Ohms 100 uA source failed
616 Ohms 1 mA source failed
617 Ohms 10 mA source failed
618 Ohms 20 mV voltage clamp failed
619 Ohms 100 mV voltage clamp failed
620 Ohms 500 mV voltage clamp failed
621 Low Impedance DC gain X100 failed
622 High Impedance DC gain X100 failed
623 Cannot calibrate precharge
624 Unable to sense line frequency
625 I/O processor does not respond
626 I/O processor failed self-test
627 Hardware overload comparator failed
630 Bias current DAC test failed
5
Chapter 5 Error Messages
Self-Test Errors
209

Calibration Errors
The following errors indicate failures that may occur during a calibration.
Refer to the Service Guide for more information.
701 Cal security disabled by jumper
The calibration security feature has been disabled with a jumper inside
the meter. When applicable, this error will occur at power-on to warn you
that the meter is unsecured.
702 Cal secured
The meter is secured against calibration.
703 Invalid secure code
An invalid calibration security code was received when attempting to
unsecure or secure the meter. You must use the same security code to
unsecure the meter as was used to secure it, and vice versa. The security
code may contain up to 11 alphanumeric characters. The first character
must be a letter.
704 Secure code too long
A security code was received which contained more than 11 characters.
705 Cal aborted
A calibration in progress is aborted when you press any front-panel key,
send a device clear, or change the local/remote state of the meter.
706 Cal value out of range
The specified calibration value (CAL:VALue) is invalid for the present
function and range.
707 Cal signal measurement out of range
The specified calibration value (CAL:VALue) does not match the signal
applied to the meter.
709 No cal for this function or range
Attempt to calibrate gain on 1 mV range.
710 Full scale correction out of range
Chapter 5 Error Messages
Calibration Errors
210

720 Cal DCV offset out of range
722 Cal RES offset out of range
723 Cal FRES offset out of range
730 Precharge DAC convergence failed
731 A/D turnover correction out of range
737 Bias current selfcal failed
738 Charge compensation selfcal failed
739 Injected current selfcal failed
740 Cal checksum failed, secure state
741 Cal checksum failed, string data
742 Cal checksum failed, DCV corrections
743 Cal checksum failed, Low Power FRES corrections
744 Cal checksum failed, RES corrections
745 Cal checksum failed, FRES corrections
746 Cal checksum failed, Low Voltage FRES corrections
747 Cal checksum failed, HP-IB address
748 Cal checksum failed, internal data
5
Chapter 5 Error Messages
Calibration Errors
211

6
Application
Programs

Application Programs
This chapter contains several remote interface application programs to
help you develop programs for your measurement application. Chapter 4,
"Remote Interface Reference", starting on page 115, lists the syntax for
the SCPI (Standard Commands for Programmable Instruments)
commands available to program the the meter.
This chapter is divided into the following sections:
•HP BASIC Language Programs, page 215
•RS-232 Operations with QuickBASIC, page 222
•Microsoft® Visual Basic Programs, page 223
•C Language Programs, page 230
•Microsoft® Excel Macro Example, page 242
214

HP BASIC Language Programs
All of the HP BASIC examples in this chapter were developed and tested
on an HP 9000 Series 300 controller. Each device on the HP-IB
(IEEE-488) interface must have a unique address. You can set the
meter’s address to any value between 0 and 30. The current address is
momentarily displayed on the front panel when you turn on the meter.
The HP-IB (IEEE-488) address is set to "22" when the meter is shipped
from the factory. The examples in this chapter assume a HP-IB address
of 22. When sending a remote interface command, you append this
address to the HP-IB interface’s select code (normally 7). Therefore, with
an address of 22 and a select code of 7, the combination is "722".
HP BASIC / HP-IB Program Example 1
This example demonstrates the general sequence of programming and
the use of the MEASure? command to set and obtain a 4-wire Ohms
measurement.
10 !
20 ! This program configures the meter for a 4-wire ohms measurement on
30 ! Channel 1 using the MEAS command.
40 !
50 REAL Value,Rdg ! Dimension real variables
60 CLEAR 7 ! Clear interface - send "device clear"
70 ASSIGN @Meter TO 722 ! Assign I/O path to address 722
80 !
90 OUTPUT @Meter;"*RST" ! Reset the meter
100 OUTPUT @Meter;"*OPC?" ! Send "1" to output buffer when reset complete
110 ENTER @Meter;Value ! Enter value
120 !
130 ! Select 4-wire ohms on the 10 ohm range with the least resolution;
140 !
150 OUTPUT @Meter;"MEAS:FRES? 10,MAX"
160 ENTER @Meter;Rdg ! Enter reading
170 PRINT Rdg ! Print reading
180 END
6
Chapter 6 Application Programs
HP BASIC Language Programs
215
GPIB
GPIB
GPIB
GPIB
GPIB

HP BASIC / HP-IB Program Example 2
This program example demonstrates how two input channels can be
independently configured and used.
10 !
20 ! This program configures the meter for voltage measurements on two
30 ! input channels. The channels are set to different ranges and
40 ! resolutions to show the independence of the settings for each channel.
50 !
60 REAL Rdg_ch1,Rdg_ch2,Null_ch1,Null_ch2 ! Dimension variables
70 CLEAR 7 ! Clear interface - send "device clear"
80 ASSIGN @Meter TO 722 ! Assign I/O path to address 722
90 OUTPUT @Meter;"*RST" ! Reset the meter
100 OUTPUT @Meter;"*OPC?" ! Send "1" to output buffer when complete
110 ENTER @Meter;Value ! Enter value
120 !
130 ! Configure channel 1 for dc volts, 1 volt range with 10 mV resolution
140 ! Configure channel 2 for dc volts, 1 mV range with least resolution
150 OUTPUT @Meter;"CONF:VOLT:DC 1,0.01,(@FRON1);:CONF:VOLT:DC 0.001,MAX,(@FRON2)"
160 !
170 OUTPUT @Meter;"ROUT:TERM FRON1" ! Select channel 1
180 OUTPUT @Meter;"READ?" ! Take reading; send to output buffer
190 ENTER @Meter;Rdg_ch1 ! Enter reading
200 !
210 OUTPUT @Meter;"SENS1:VOLT:DC:NULL ON" ! Enable null on channel 1
220 OUTPUT @Meter;"SENS1:VOLT:DC:NULL:VAL ";Rdg_ch1 ! Store value in register
230 !
240 OUTPUT @Meter;"READ?" ! Take nulled reading; send to output buffer
250 ENTER @Meter;Null_ch1 ! Enter nulled reading
Chapter 6 Application Programs
HP BASIC Language Programs
216
GPIB

... continued
260 PRINT ;Null_ch1 ! Print nulled reading
270 !
280 OUTPUT @Meter;"ROUT:TERM FRON2" ! Select channel 2
290 OUTPUT @Meter;"READ?" ! Take reading; send to output buffer
300 ENTER @Meter;Rdg_ch2 ! Enter reading
310 !
320 OUTPUT @Meter;"SENS2:VOLT:DC:NULL ON" ! Enable null on channel 2
330 OUTPUT @Meter;"SENS2:VOLT:DC:NULL:VAL ";Rdg_ch2 ! Store value in register
340 !
350 OUTPUT @Meter;"READ?" ! Take nulled reading; send to output buffer
360 ENTER @Meter;Null_ch2 ! Enter nulled reading
370 PRINT Null_ch2 ! Print nulled reading
380 !
390 END
6
Chapter 6 Application Programs
HP BASIC Language Programs
217

HP BASIC / HP-IB Program Example 3
This program example demonstrates the use of an SRQ to indicate when
measurements are complete. The meter is set to use external triggering.
Math scaling is also demonstrated.
10 !
20 ! This program configures the meter to make multiple dc voltage measurements
30 ! using an external trigger. The "Operation Complete" bit in the Standard
40 ! Event Register is used to determine when the trigger is received and
50 ! generates an SRQ. This program also shows the use of math scaling.
60 !
70 INTEGER Value,Task ! Dimension variables
80 CLEAR 7 ! Clear interface - send "device clear"
90 ASSIGN @Meter TO 722 ! Assign I/O path to address 722
100 COM @Meter ! Use same address in subprogram
110 OUTPUT @Meter;"*RST" ! Reset the meter
120 OUTPUT @Meter;"*CLS" ! Clear status registers
130 OUTPUT @Meter;"*OPC?" ! Send "1" to output buffer when reset complete
140 ENTER @Meter;Value ! Enter value
150 !
160 ! Configure the Status Register system to generate an SRQ when the
170 ! "Operation Complete" bit is set in the Standard Event Register
180 !
190 OUTPUT @Meter;"*SRE 32" ! Enable "Standard Event" bit in Status Byte
200 ! to pull the IEEE-488 SRQ line
210 OUTPUT @Meter;"*ESE 1" ! Enable "Operation Complete" to set
220 ! "Standard Event" bit in Status Byte
Chapter 6 Application Programs
HP BASIC Language Programs
218
GPIB

... continued
230 !
240 ! Configure the GPIB interrupt system to generate an SRQ
250 !
260 Hpib=7 ! HP-IB select code is "7"
270 ON INTR Hpib CALL Read_data ! Call subprogram when operation complete
280 Mask=2 ! Bit 1 is SRQ
290 ENABLE INTR Hpib;Mask ! Enable SRQ to interrupt program
300 !
310 OUTPUT @Meter;"SENS:FUNC ’VOLT:DC’" ! Select dc volts on channel 1 (default)
320 OUTPUT @Meter;"SENS:VOLT:DC:RANG 10" ! Select 10 volt range
330 OUTPUT @Meter;"SENS:VOLT:DC:NPLC 10" ! Select 10 power line cycles
340 OUTPUT @Meter;"CALC:FUNC SCAL" ! Select math scaling function
350 OUTPUT @Meter;"CALC:STAT ON" ! Turn math scaling on
360 OUTPUT @Meter;"CALC:SCAL:GAIN 0.001" ! Set the gain value (1 mV)
370 OUTPUT @Meter;"CALC:SCAL:OFFS 0.5" ! Set the offset value (50 mV)
380 !
390 OUTPUT @Meter;"SAMP:COUN 5" ! Take 5 reading per trigger
400 OUTPUT @Meter;"TRIG:SOUR EXT" ! Select external trigger source
410 OUTPUT @Meter;"INIT" ! Initiate measurement, wait for trigger,
420 ! and send readings to internal memory
430 OUTPUT @Meter;"*OPC" ! Set "Operation Complete" bit in
440 ! Standard Event Register when complete 6
Chapter 6 Application Programs
HP BASIC Language Programs
219

... continued
450 !
460 ! Wait for "Operation Complete"
470 !
480 Task=1
490 WHILE Task=1
500 DISP "Reading..."
510 WAIT .5
520 DISP " "
530 WAIT .5
540 END WHILE
550 !
560 OFF INTR Hpib ! Disable interrupts
570 END
580 !
590 ! After SRQ is generated, transfer the readings to the output buffer and print
600 !
610 SUB Read_data ! Subprogram is called after INIT complete and trigger is received
620 DIM Rdgs(1:5) ! Dimension array for readings
630 COM @Meter ! Use same address as in main program
640 OUTPUT @Meter;"FETC?" ! Transfer readings to output buffer
650 ENTER @Meter;Rdgs(*) ! Enter readings
660 PRINT Rdgs(*) ! Print readings
670 STOP
680 SUBEND
Chapter 6 Application Programs
HP BASIC Language Programs
220

HP BASIC / HP-IB Program Example 4
This program example demonstrates how data can be formatted and put
in a file. The program also shows how to use math operations (stats) to
average data.
10 ! RE-SAVE "EXAMP"
20 CONFIGURE SAVE ASCII OFF
30 ! This program will generate a DOS file, in the file will be three columns each
40 ! separated by the Separator$ specified below, The columns are:
50 ! Reading Number,Time,DMM Reading
60 ! This file may be imported into a spreadsheet for analysis
70 !
80 Separator$="," !What separates the columns
90 Num_points=25 !How many measurements (rows in file)
100 Address=722 !34420A HPIB address
110 Range=1.E-3 !34420A Range
120 Nplc=1 !34420A Integration time
130 Num_samples=20 !How many samples per measurement
140 ALLOCATE Results$(1:Num_points)[80],Filename$[80]
150 Filename$="B:/EXAMP_DAT"
160 Setup_meter(Address,Range,Nplc,Num_samples)
170 FOR I=1 TO Num_points
180 DISP "Getting "&VAL$(I)&" of "&VAL$(Num_points)&" measurements"
190 OUTPUT Results$(I) USING "4D,A,8A,A,SD.12D";I,Separator$,TIME$(TIMEDATE),Separator$,
FNGetdata(Address)
200 NEXT I
210 ON ERROR GOTO Save_file
220 CREATE Filename$,1
230 Save_file: ASSIGN @File TO Filename$
240 OUTPUT @File;Results$(*)
250 ASSIGN @File TO *
260 DISP "Done"
270 END
6
Chapter 6 Application Programs
HP BASIC Language Programs
221
GPIB

... continued
280 !************************************************************************
290 Getdata: DEF FNGetdata(Address)
300 REPEAT
310 UNTIL BIT(SPOLL(Address),5) !Bit 5 is Standard Event Reg
320 OUTPUT Address;"*CLS" !Clear status
330 OUTPUT Address;"CALC:AVER:AVER?" !Get average
340 ENTER Address;Result
350 OUTPUT Address;"CALC:FUNC AVER" !Resets average to 0
360 OUTPUT Address;"*OPC"
370 OUTPUT Address;"INIT" !Start taking next readings
380 RETURN Result
390 FNEND
400 !************************************************************************
410 Setup_meter: SUB Setup_meter(Address,Range,Nplc,Num_samples)
420 OUTPUT Address;"*CLS" !Clear Status
430 OUTPUT Address;"SENSE:VOLTAGE:RANGE "&VAL$(Range) !
440 OUTPUT Address;"INPUT:FILTER:STATE OFF" !
450 OUTPUT Address;"SENSE:VOLTAGE:DC:NPLC "&VAL$(Nplc) !
460 OUTPUT Address;"CALC:FUNC AVER" !Take average of
470 OUTPUT Address;"CALC:STATE ON" !Num_samples
480 OUTPUT Address;"SAMPLE:COUNT "&VAL$(Num_samples)
490 OUTPUT Address;"TRIGGER:SOURCE IMM"
500 OUTPUT Address;"*ESE 1" !Enable register mask
510 OUTPUT Address;"*OPC" !for *OPC
520 OUTPUT Address;"INIT"
530 SUBEND
540 !************************************************************************
Chapter 6 Application Programs
HP BASIC Language Programs
222

RS-232 Operations with QuickBASIC
This program example uses QuickBASIC and the 82335B
HP-IB Interface Card and command library for IBM® PC compatibles.
CLS
LOCATE 1, 1
DIM cmd$(100), resp$(1000)
’ Set up serial port for 9600 baud, even parity, 7 bits;
’ Ignore Request to Send Carrier Detect; Send line feed;
’ enable parity check, reserve 1000 bytes for input buffer
’
OPEN "com1:9600,e,7,2,rs,cd,lf,pe" FOR RANDOM AS #1 LEN = 1000
’
’ Put the meter into remote operation mode
PRINT #1, "SYST:REM"
’
’ Query the meter’s id string
’ PRINT #1, "*IDN?"
LINE INPUT #1, resp$
PRINT "*IDN? returned: ", resp$
’
’ Get the SCPI revision number
PRINT #1, "SYST:VERS?"
LINE INPUT #1, resp$
PRINT "SYST:VERS returned: ", resp$
’
’ Send a message to the meter’s display
PRINT #1, "DISP:TEXT ’HP 34420A’ "
’
’ Configure the meter for dc voltage measurements, 10 V range,
’ 0.1 V resolution, take 4 readings
PRINT #1, "CONF:VOLT:DC 10, 0.1, ;:SAMP:COUN 4"
’ Trigger the readings and get the results
PRINT #1, "READ?"
LINE INPUT #1, resp$
PRINT "READ? returned: ", resp$
END
6
Chapter 6 Application Programs
RS-232 Operations with QuickBASIC
223
GPIB

Microsoft Visual Basic Language Program
This example was created in Microsoft® Visual Basic for Windows. The
example uses the 82335B and HP-IB control library. You must set up
the GLOBAL.BAS to provide access to the HP-IB.DLL. The
GLOBAL.BAS file is included with the Hewlett-Packard control libraries.
In addition to the global declarations, the subroutine check_srq is also
included in the GLOBAL.BAS file.
The HP-IB (IEEE-488) address is set to "22" when the meter is shipped
from the factory. The examples in this chapter assume a HP-IB address
of 22. When sending a remote interface command, you append this
address to the HP-IB interface’s select code (normally 7). Therefore, with
an address of 22 and a select code of 7, the combination is "722".
Sub Command1_Click ()
Rem Set up interface variables
isc& = 7
device& = isc& * 100 + 22
swap% = 2
max% = 4000 * swap%
act% = 0
max1% = 50
TimeVal# = 10#
Rem Clear out text boxes
Text1.Text = ""
Text2.Text = ""
Text3.Text = ""
Text4.Text = ""
Rem Set up the meter
errnum% = HpibOpen(isc&, hHpib%)
Call check_srq
errnum% = HpibReset(hHpib%, isc&)
Call check_srq
errnum% = HpibTimeout(hHpib%, isc&, TimeVal#)
Call check_srq
rst$ = "*RST; *CLS; *SRE 32; *ESE 60"
errnum% = HpibOutputS(hHpib%, device&, rst$, Len(rst$))
Call check_srq
Chapter 6 Application Programs
Microsoft Visual Basic Language Program
224
GPIB
GPIB
GPIB
GPIB
Agilent Control Libraries.

... continued
Rem Channel 1 measurement
conf1$ = "CONF:VOLT:DC 1,0.01,(@FRON1)"
errnum% = HpibOutputS(hHpib%, device&, conf1$, Len(conf1$))
Call check_srq
conf2$ = "CONF:VOLT:DC 0.001,MAX,(@FRON2); "
errnum% = HpibOutputS(hHpib%, device&, conf2$, Len(conf2$))
Call check_srq
route$ = "ROUT:TERM FRONT1"
errnum% = HpibOutputS(hHpib%, device&, route$, Len(route$))
’ Take the reading and check for errors.
reed$ = "READ?"
errnum% = HpibOutputS(hHpib%, device&, reed$, Len(reed$))
errnum% = HpibEnter(hHpib%, device&, reading1!)
Text1.Text = Str$(reading1!)
Call check_srq
Rem Channel 2 measurement
route$ = "ROUT:TERM FRONT2"
errnum% = HpibOutputS(hHpib%, device&, route$, Len(route$))
Call check_srq
’ Take the reading and check for errors.
errnum% = HpibOutputS(hHpib%, device&, reed$, Len(reed$))
errnum% = HpibEnter(hHpib%, device&, reading2!)
Text2.Text = Str$(reading2!)
Call check_srq
Rem Nulled Channel 1 Measurement
null_stmt$ = "SENS1:VOLT:DC:NULL ON"
errnum% = HpibOutputS(hHpib%, device&, null_stmt$, Len(null_stmt$))
Call check_srq
null_stmt$ = "SENS1:VOLT:DC:NULL " + Str$(reading1!)
errnum% = HpibOutputS(hHpib%, device&, null_stmt$, Len(null_stmt$))
Call check_srq
errnum% = HpibOutputS(hHpib%, device&, reed$, Len(reed$))
errnum% = HpibEnter(hHpib%, device&, reading!)
Text3.Text = Str$(reading!)
Call check_srq
6
Chapter 6 Application Programs
Microsoft Visual Basic Language Program
225

... continued
Rem Nulled Channel 2 Measurement
null_stmt$ = "SENS2:VOLT:DC:NULL ON"
errnum% = HpibOutputS(hHpib%, device&, null_stmt$, Len(null_stmt$))
Call check_srq
null_stmt$ = "SENS2:VOLT:DC:NULL " + Str$(reading2!)
errnum% = HpibOutputS(hHpib%, device&, null_stmt$, Len(null_stmt$))
Call check_srq
errnum% = HpibOutputS(hHpib%, device&, reed$, Len(reed$))
errnum% = HpibEnter(hHpib%, device&, reading!)
Text4.Text = Str$(reading!)
Call check_srq
Rem Close the instrument
errnum% = HpibClose(hHpib%)
End Sub
Sub Command2_Click ()
End
End Sub
Sub Command3_Click ()
Rem Set up interface variables
isc& = 7
device& = isc& * 100 + 22
swap% = 2
max% = 4000 * swap%
act% = 0
max1% = 50
TimeVal# = 10#
Rem Set up Measurement variables
Funct$ = "SCAL"
Trig_src$ = "EXT"
range% = 10
nplc% = 100
Gain% = .001
Offset% = .5
samp_count% = 100
ReDim Readings!(samp_count%)
Rem Clear out text boxes
Text1.Text = ""
Text2.Text = ""
Text3.Text = ""
Text4.Text = ""
Chapter 6 Application Programs
Microsoft Visual Basic Language Program
226

... continued
Rem Set up the meter
errnum% = HpibOpen(isc&, hHpib%)
Call check_srq
errnum% = HpibReset(hHpib%, isc&)
Call check_srq
errnum% = HpibTimeout(hHpib%, isc&, TimeVal#)
Call check_srq
rst$ = "*RST; *CLS; *SRE 32; *ESE 61"
errnum% = HpibOutputS(hHpib%, device&, rst$, Len(rst$))
Call check_srq
Rem Measurement Setup
quote$ = Chr$(34)
cmd$ = "SENS:FUNC " + quote$ + "VOLT:DC" + quote$
errnum% = HpibOutputS(hHpib%, device&, cmd$, Len(cmd$))
Call check_srq
cmd$ = "SENS:VOLT:DC:RANG " + Str$(range%)
errnum% = HpibOutputS(hHpib%, device&, cmd$, Len(cmd$))
Call check_srq
cmd$ = "SENS:VOLT:DC:NPLC " + Str$(nplc%)
errnum% = HpibOutputS(hHpib%, device&, cmd$, Len(cmd$))
Call check_srq
cmd$ = "CALC:FUNC " + Funct$
errnum% = HpibOutputS(hHpib%, device&, cmd$, Len(cmd$))
Call check_srq
cmd$ = "CALC:STAT ON"
errnum% = HpibOutputS(hHpib%, device&, cmd$, Len(cmd$))
Call check_srq
cmd$ = "CALC:SCAL:GAIN " + Str$(Gain%)
errnum% = HpibOutputS(hHpib%, device&, cmd$, Len(cmd$))
Call check_srq
cmd$ = "CALC:SCAL:OFFS " + Str$(Offset%)
errnum% = HpibOutputS(hHpib%, device&, cmd$, Len(cmd$))
Call check_srq
cmd$ = "SAMP:COUN " + Str$(samp_count%)
errnum% = HpibOutputS(hHpib%, device&, cmd$, Len(cmd$))
Call check_srq
cmd$ = "TRIG:SOUR " + Trig_src$
errnum% = HpibOutputS(hHpib%, device&, cmd$, Len(cmd$))
Call check_srq
6
Chapter 6 Application Programs
Microsoft Visual Basic Language Program
227

... continued
Rem Need to set timeout so that sampling and averaging can complete.
Rem This assumes triggers occur at a rate high enough to be a
Rem negligible factor.
errnum% = HpibTimeout(hHpib%, isc&, samp_count% * nplc% / 20)
Call check_srq
Rem Use "INIT" and "FETCH" to initiate measurement and read back
Rem results into an array.
cmd$ = "INIT"
errnum% = HpibOutputS(hHpib%, device&, cmd$, Len(cmd$))
Call check_srq
reed$ = "FETC?"
errnum% = HpibOutputS(hHpib%, device&, reed$, Len(reed$))
errnum% = HpibEnterA(hHpib%, device&, Readings!(0), samp_count%)
Text1.Text = Str$(Readings!(0))
Call check_srq
Rem Close the instrument
errnum% = HpibClose(hHpib%)
End Sub
Sub Command5_Click ()
form1.PrintForm
End Sub
Chapter 6 Application Programs
Microsoft Visual Basic Language Program
228

... continued
The following subroutine may be included in the GLOBAL.BAS file.
’ HPIB.DLL Access
’ Put into your GLOBAL.BAS file
•
•
•
Global isc As Long
Global device As Long
Global hHpib As Integer
Global errnum As Integer
Sub check_srq ()
condition = 1
’ Display any errors caused by the return of an HPIB command.
If errnum% <> NOERROR Then
MsgBox ("Error = " + HpibErrStr$(errnum%))
End If
’ Wait for the completion of the current command.
errnum% = HpibOutPutS(hHpib%, device&, "*OPC?", 5)
errnum% = HpibEnter(hHpib%, device&, done!)
’ If there is an error bit set, obtain the error.
errnum% = HpibSpoll(hHpib%, device&, response%)
If response% And 32 Then
syst_err$ = "SYST:ERR?"
errnum% = HpibOutPutS(hHpib%, device&, syst_err$, Len(syst_err$))
errnum% = HpibEnter(hHpib%, device&, errx!)
actual% = 80
MsgBox ("Error=" + Str$(errx!))
errnum% = HpibOutPutS(hHpib%, device&, "*CLS", 4)
End If
’ Obtain other HPIB errors.
errnum% = HpibStatus(hHpib%, isc&, condition, Status%)
If errnum% <> NOERROR Then
MsgBox ("Error = " + HpibErrStr$(errnum%))
End If
If Status% = 1 Then
errnum% = HpibSpoll(hHpib%, device&, Status%)
If errnum% <> NOERROR Then
MsgBox ("Error = " + HpibErrStr$(errnum%))
End If
End If
End Sub
6
Chapter 6 Application Programs
Microsoft Visual Basic Language Program
229

... continued
The following function is used by the check_srq subroutine.
Function HpibErrStr$ (errorcode As Integer)
Select Case errorcode
Case NOERR
Msg$ = " No error "
Case EUNKNOWN
Msg$ = " Unknown error "
Case ESEL
Msg$ = " Invalid select code or device address "
Case ERANGE
Msg$ = " Value out of range "
Case ETIME
Msg$ = " Timeout "
Case ECTRL
Msg$ = " HP-IB must be controller "
Case EPASS
Msg$ = " Pass control not permitted "
Case EFILE
Msg$ = " File I/O Error "
Case ENUMB
Msg$ = " Invalid Number "
Case EADDR
Msg$ = " Improper addressing "
Case EOPEN
Msg$ = " Cannot Open This Card "
Case ENOOPEN
Msg$ = " Card is not open "
Case ECLOSE
Msg$ = " Cannot close card "
Case EHANDLE
Msg$ = " Invalid handle for this ISC "
Case Else
Msg$ = " What? "
End Select
HpibErrStr$ = Msg$
End Function
Chapter 6 Application Programs
Microsoft Visual Basic Language Program
230

C Language Programs
All of the C language example programs in this chapter are written for
the 82335 HP-IB Interface Card using the HP-IB Command Library
for C. Unless otherwise noted, the library functions used in the example
programs are compatible with the ANSI C standard.
All of the C programs were compiled and tested used the following
compilers:
•Microsoft® QuickC® Version 2.0
•Borland® Turbo C®++ Version 1.0
Compiling and Linking a C Program
To run a program, first compile and link the program to make an
executable file. To compile and link a program:
•Make sure the necessary PATH statements have been added to your
AUTOEXEC.BAT file to enable the compiler to find the library and
header files (see your C language manual to specify the proper paths).
•Link the appropriate HP-IB C library file for your compiler (the file is
located on the HP-IB Command Library disk that came with the
HP-IB Interface Card). Use the appropriate library file:
clhpib.lib
for Microsoft® QuickC®
tchhpib.lib
for Borland® Turbo C®++
•If you are not compiling in the "large" or "huge" memory model,
include the "CFUNC.H" header file in your program (the file is located
on the HP-IB Command Library disk that came with your HP-IB
Interface Card). 6
Chapter 6 Application Programs
C Language Programs
231
GPIB
GPIB
GPIB
GPIB
GPIB
GPIB

•To compile Microsoft® QuickC® programs from the DOS command
line (using the "large" memory model), execute the following:
qcl /AL <
path...\program.C
> <
path...
\clhpib.lib>
For example,
qcl /AL b:\meter.c c:\qc2\lib\clhpib.lib
Change the "/AL" parameter to the appropriate setting when compiling
in the smaller memory models (see your C Language manual for more
information). For some programs, you may also have to change the
stack size using the "/F" parameter.
•To compile Borland® Turbo C®++ programs from the DOS command
line (using the "large" memory model), execute the following:
tcc -ml <
path...\program.C
> <
path...
\tchhpib.lib>
For example
tcc -ml b:\meter.c c:\tc\lib\tchhpib.lib
Change the "-ml" parameter to the appropriate setting when compiling
in smaller memory models (see you C Language manual for more
information).
•Once compiled and linked, and executable file (.EXE) and object file
(.OBJ) are created in the current directory. run the program by typing
the file name with the .EXE extension.
Chapter 6 Application Programs
C Language Programs
232

C / HP-IB Example 1
This example demonstrates the general sequence of programming and
the use of the MEASure? command to set and obtain a 4-wire Ohms
measurement.
/***************************************************************************
This program configures the meter for a 4-wire ohms measurement on
Channel 1 using the MEAS command.
***************************************************************************/
#include <stdio.h> /* Used for printf() */
#include <stdlib.h> /* Used for atoi() */
#include <string.h> /* Used for strlen() */
#include <cfunc.h> /* Header file from GPIB Command Library */
#define ADDR 722L /* Set GPIB address for meter */
/* Function Prototypes */
void rst_clear(void);
void meter_meas(void);
void check_error(char *func_name);
/**************************************************************************/
void main(void) /* Start of main() */
{
rst_clear(); /* Reset the instrument and clear error queue */
meter_meas(); /* Set up meter for measurement */
}
/**************************************************************************/
void rst_clear(void)
{
/* Reset the meter, clear the error queue, and wait for commands to
complete. A "1" is sent to the output buffer from the *OPC? command
when *RST and *CLS are completed. */
float value;
IOOUTPUTS(ADDR, "*RST;*CLS;*OPC?", 15);
IOENTER(ADDR, &value);
}
6
Chapter 6 Application Programs
C Language Programs
233
GPIB

... continued
/**************************************************************************/
void meter_meas(void)
{
/* Configure the meter for 4-wire ohms measurements on channel 1
(default channel). The measurement is made on the 10 ohm range with
the least resolution. */
float ohm_rdg;
IOOUTPUTS(ADDR, "MEAS:FRES? 10, MAX", 18); /* Configure channel 1 */
IOENTER(ADDR, &ohm_rdg); /* Enter reading */
printf("Reading: %f\n\n", ohm_rdg); /* Display reading */
/* Call the function to check for errors */
check_error("meter_meas");
}
/**************************************************************************/
void check_error(char *func_name)
{
/* Read error queue to determine if errors have occurred */
char message[80];
int length = 80;
IOOUTPUTS(ADDR, "SYST:ERR?", 9); /* Read the error queue */
IOENTERS(ADDR, message, &length); /* Enter error string */
while (atoi(message) != 0) /* Loop until all errors are read */
{
printf("Error %s in function %s\n\n", message, func_name);
IOOUTPUTS(ADDR, "SYST:ERR?", 9);
IOENTERS(ADDR, message, &length);
}
}
Chapter 6 Application Programs
C Language Programs
234

C / HP-IB Example 2
This program example demonstrates two input channels can be
independently configured and used.
/***************************************************************************
This program configures the meter for voltage measurements on two
input channels. The channels are set to different ranges and resolutions
to show the independence of the settings for each channel.
***************************************************************************/
#include <stdio.h> /* Used for printf() */
#include <stdlib.h> /* Used for atoi() */
#include <string.h> /* Used for strlen() */
#include <cfunc.h> /* Header file from GPIB Command Library */
#define ISC 7L /* Assign GPIB select code */
#define ADDR 722L /* Set GPIB address for meter */
/* Function Prototypes */
void rst_clear(void);
void meter_meas(void);
void command_exe(char *commands[], int length);
void check_error(char *func_name);
/**************************************************************************/
void main(void) /* Start of main() */
{
rst_clear(); /* Reset the instrument and clear error queue */
meter_meas(); /* Set up meter for measurement */
}
/**************************************************************************/
void rst_clear(void)
{
/* Reset the meter, clear the error queue, and wait for commands to
complete. A "1" is sent to the output buffer from the *OPC? command
when *RST and *CLS are completed. */
float value;
IOOUTPUTS(ADDR, "*RST;*CLS;*OPC?", 15);
IOENTER(ADDR, &value);
}
6
Chapter 6 Application Programs
C Language Programs
235
GPIB

... continued
/**************************************************************************/
void meter_meas(void)
{
/* Configure channel 1 for dc voltage measurements on the 1 volt range
with 10 mV resolution. Configure channel 2 for dc voltage
measurements on the 1 mV range with the least resolution. */
float rdg_ch1, rdg_ch2, null_ch1, null_ch2;
static char state[2] = {13,10}; /* ASCII 13 = carriage return,
ASCII 10 = line feed */
/* Configure measurements on both channels */
IOOUTPUTS(ADDR, "CONF:VOLT:DC 1,0.01,(@FRON1);:CONFVOLT:DC 0.001,MAX,(@FRON2)", 61);
/* Channel 1: initiate measurement, transfer reading to the output buffer */
IOOUTPUTS(ADDR, "ROUT:TERM FRON1", 15);
IOOUTPUTS(ADDR, "READ?", 5);
IOENTER(ADDR, &rdg_ch1);
/* Channel 1: Turn null on */
IOOUTPUTS(ADDR, "SENS1:VOLT:DC:NULL ON", 21);
/* Place the null reading into the Null Register. To do this,
suppress the carriage return (CR) and line feed (LF) before
sending the null reading. */
/* First, disable EOI (End-or-Identify) and EOL (End-of-Line) */
IOEOI(ISC, 0);IOEOL(ISC, " ", 0);
/* Send "SENS" header and suppress CR/LF */
IOOUTPUTS(ADDR, "SENS1:VOLT:DC:NULL:VAL ", 23);
/* Re-enable EOI and EOL for normal GPIB operation and send data */
IOEOI(ISC, 1);IOEOL(ISC, state, 2);
IOOUTPUT(ADDR, rdg_ch1);
/* Channel 2: Initiate measurement, transfer reading to output buffer,
and store reading in variable */
IOOUTPUTS(ADDR, "ROUT:TERM FRON2", 15);
IOOUTPUTS(ADDR, "READ?", 5);
IOENTER(ADDR, &rdg_ch2);
Chapter 6 Application Programs
C Language Programs
236

... continued
/* Channel 2: Turn null on */
IOOUTPUTS(ADDR, "SENS2:VOLT:DC:NULL ON", 21);
/* Place the null reading into the Null Register. To do this,
suppress the carriage return (CR) and line feed (LF) before
sending the null reading. */
/* First, disable EOI (End-or-Identify) and EOL (End-of-Line) */
IOEOI(ISC, 0);IOEOL(ISC, " ", 0);
/* Send "SENS" header and suppress CR/LF */
IOOUTPUTS(ADDR, "SENS2:VOLT:DC:NULL:VAL ", 23);
/* Re-enable EOI and EOL for normal GPIB operation and send data */
IOEOI(ISC,1);IOEOL(ISC, state, 2);
IOOUTPUT(ADDR, rdg_ch2);
/* Channel 1: Take nulled reading, transfer reading to output buffer,
and print nulled reading */
IOOUTPUTS(ADDR, "ROUT:TERM FRON1", 15);
IOOUTPUTS(ADDR, "READ?", 5);
IOENTER(ADDR, &null_ch1);
printf("Nulled Reading (Chan 1): %f\n", null_ch1);
/* Channel 2: Take nulled reading, transfer reading to output buffer,
and print nulled reading */
IOOUTPUTS(ADDR, "ROUT:TERM FRON2", 15);
IOOUTPUTS(ADDR, "READ?", 5);
IOENTER(ADDR, &null_ch2);
printf("Nulled Reading (Chan 2): %f\n", null_ch2);
/* Call the function to check for errors */
check_error("meter_meas");
} 6
Chapter 6 Application Programs
C Language Programs
237

... continued
/**************************************************************************/
void command_exe(char *commands[], int length)
{
/* Execute one command string at a time using a loop */
int loop;
for (loop = 0; loop length; loop++)
{
IOOUTPUTS(ADDR, commands[loop], strlen(commands[loop]));
}
}
/**************************************************************************/
void check_error(char *func_name)
{
/* Read error queue to determine if errors have occurred */
char message[80];
int length = 80;
IOOUTPUTS(ADDR, "SYST:ERR?", 9); /* Read the error queue */
IOENTERS(ADDR, message, &length); /* Enter error string */
while (atoi(message) != 0) /* Loop until all errors are read */
{
printf("Error %s in function %s\n\n", message, func_name);
IOOUTPUTS(ADDR, "SYST:ERR?", 9);
IOENTERS(ADDR, message, &length);
}
}
/**************************************************************************/
Chapter 6 Application Programs
C Language Programs
238

C / HP-IB Program Example 3
This program example demonstrates the use of an SRQ to indicate when
measurements are complete. The meter is set to use external triggering.
Math scaling is also demonstrated.
/***************************************************************************
This program configures the meter to make multiple dc voltage
measurements using an external trigger. The "Operation Complete" bit
in the Standard Event Register is used to determine when the trigger
is received and generates an SRQ. This program also shows the use of
math scaling.
***************************************************************************/
#include <stdio.h> /* Used for printf() */
#include <stdlib.h> /* Used for atoi() */
#include <string.h> /* Used for strlen() */
#include <cfunc.h> /* Header file from GPIB Command Library */
#define ISC 7L /* Assign GPIB select code */
#define ADDR 722L /* Set GPIB address for meter */
/* Function Prototypes */
void rst_clear(void);
void setup_status(void);
void meter_meas(void);
void command_exe(char *commands[], int length);
void check_error(char *func_name);
/**************************************************************************/
void main(void) /* Start of main() */
{
rst_clear(); /* Reset the instrument and clear error queue */
setup_status(); /* Set up 34420A status registers */
meter_meas(); /* Set up meter for measurement */
} 6
Chapter 6 Application Programs
C Language Programs
239
GPIB

... continued
/**************************************************************************/
void rst_clear(void)
{
/* Reset the meter, clear the error queue, and wait for commands to
complete. A "1" is sent to the output buffer from the *OPC? command
when *RST and *CLS are completed. */
float value;
IOOUTPUTS(ADDR, "*RST;*CLS;*OPC?", 15);
IOENTER(ADDR, &value);
}
/**************************************************************************/
void setup_status(void)
{
/* An interrupt is to be generated when the external trigger is received
and readings are available in internal memory. To enable the status
registers to generate an interrupt, you must enable bits in the
Status Byte and Standard Event Register. */
/* Enable bit 5 "Standard Event" in the Status Byte to recognize
activity from the Standard Event Register (2^5 = 32) */
IOOUTPUTS(ADDR, "*SRE 32", 7);
/* Enable bit 0 in the Standard Event Register to interrupt the
Status Byte (2^0 = 1) */
IOOUTPUTS(ADDR, "*ESE 1", 6);
/* Call the function to check for errors */
check_error("setup_status");
}
Chapter 6 Application Programs
C Language Programs
240

... continued
/**************************************************************************/
void meter_meas(void)
{
/* Configure the meter for dc voltage measurements on channel 1
(default channel). The measurement is set up on the 10 volt range
with an integration time of 10 PLCs. */
float readings[5];
int stat_cond, i, numvalues = 5;
static char *cmd_string[]=
{
"SENS:FUNC ’VOLT:DC’", /* Select dc volts on channel 1 */
"SENS:VOLT:DC:RANG 10", /* Select 10 volt range */
"SENS:VOLT:DC:NPLC 10", /* Select 10 power line cycles */
"CALC:FUNC SCAL", /* Select math scaling function */
"CALC:STAT ON", /* Turn math scaling on */
"CALC:SCAL:GAIN 0.001", /* Set the gain value (1 mV) */
"CALC:SCAL:OFFS 0.5", /* Set the offset value (50 mV) */
"SAMP:COUN 5", /* Take 5 readings per trigger */
"TRIG:SOUR EXT" /* Select external trigger source */
};
/* Call the function to execute the command strings shown above */
command_exe(cmd_string, sizeof(cmd_string)/sizeof(char*));
/* Initiate the measurement, wait for the trigger, and then set bit 0
"Operation Complete" in the Standard Event Register when complete. */
IOOUTPUTS(ADDR, "INIT;*OPC", 9);
/* Loop until the SRQ line is asserted when operation complete */
do
IOSTATUS(ISC, 1, &stat_cond);
while (!stat_cond);
/* Transfer readings from internal memory to the output buffer */
IOOUTPUTS(ADDR, "FETC?", 5);
/* Enter readings and print */
IOENTERA(ADDR, readings, &numvalues);
for (i = 0; i numvalues; i++)
printf("%f \n", readings[i]);
6
Chapter 6 Application Programs
C Language Programs
241

... continued
/* Use Serial Poll to read the Status Byte and clear all bits */
IOSPOLL(ADDR, &stat_cond);
/* Call the function to check for errors */
check_error("meter_meas");
}
/**************************************************************************/
void command_exe(char *commands[], int length)
{
/* Execute one command string at a time using a loop */
int loop;
for (loop = 0; loop length; loop++)
{
IOOUTPUTS(ADDR, commands[loop], strlen(commands[loop]));
}
}
/**************************************************************************/
void check_error(char *func_name)
{
/* Read error queue to determine if errors have occurred */
char message[80];
int length = 80;
IOOUTPUTS(ADDR, "SYST:ERR?", 9); /* Read the error queue */
IOENTERS(ADDR, message, &length); /* Enter error string */
while (atoi(message) != 0) /* Loop until all errors are read */
{
printf("Error %s in function %s\n\n", message, func_name);
IOOUTPUTS(ADDR, "SYST:ERR?", 9);
IOENTERS(ADDR, message, &length);
}
}
/**************************************************************************/
Chapter 6 Application Programs
C Language Programs
242

Microsoft Excel Macro Example
You can use Windows Dynamic Data Exchange (DDE) to send
commands to the meter and return measurement results directly into a
Microsoft® Excel spreadsheet.
This example uses the Hewlett-Packard "Instrument Tools for Windows"
and the 82335B HB-IB Interface. The "Instrument Tools for
Windows" contains two programs to support HP-IB operations, an
Interactive HP-IB program and a HP-IB DDE Server.
To use the "Instrument Tools for Windows" with Microsoft® Excel, follow
this general procedure:
1Install Tools for Windows (if not already installed).
2Start the Interactive HP-IB application and create and save a configuration
file (.IBC file) that describes the interface with the meter. Be sure EOI is
disabled and EOL is set to include the <lf> character. Refer to the
"Instrument Tools for Windows" User’s Manual for procedures and
descriptions of creating a configuration (.IBC) file.
You can test your interface connection in the Interactive HP-IB program
by sending an output string of *IDN? and entering the results. A typical
response is shown in the example in cell F4.
3Start the HP-IB DDE server. This application starts and minimizes to an
icon.
4Run the macro shown in the example.
In the macro, the following commands are part of the HP-IB DDE
program and are documented in the "Instrument Tools for Windows"
User’s Manual. All other commands are Microsoft® Excel commands and
are documented in the Excel function reference.
•[Abort]
•[clear(device)]
•EnterS
•EOL
•OutputS
6
Chapter 6 Application Programs
Microsoft Excel Macro Example
243
"Instrument Tools for Windows"
GPIB
GPIB
GPIB
GPIB
GPIB
GPIB
GPIB
GPIB

Macro Comments
•For simplicity, this macro is designed to output and enter data directly
onto the macro sheet. You may wish to output and enter data on a
worksheet.
•The macro sheet is divided into the following columns:
A contains the variable names used in the macro
B contains the macro commands
C contains comments about the macro commands
D place holder
E contains the SCPI commands to send
F, G, ... contains the returned data
•The macro takes temperature measurements every 15 minutes for a
12 hour duration, and enters the resulting statistics. Individual
temperature readings are not stored.
•This macro uses the DATA:FEED command to overcome the 1024
memory reading maximum.
•The macro uses the CALCulate:STATe OFF and CALCulate:STATE
ON commands to reset the stats for each 15 minute interval. Without
these commands in the while loop, the stats at each interval would be
an accumulation of readings for all measurements.
Chapter 6 Application Programs
Microsoft Excel Macro Example
244

6
Chapter 6 Application Programs
Microsoft Excel Macro Example
245

Chapter 6 Application Programs
Microsoft Excel Macro Example
246

7
Measurement Tutorial

Measurement Tutorial
The 34420A is capable of making highly accurate voltage, resistance
or temperature measurements. In order to achieve the greatest accuracy,
you must take the necessary steps to eliminate potential measurement
errors.
This chapter is divided into two sections. The first section discusses the
causes of measurement errors. The second section describes specific ways
to use the meter to minimize measurement errors.
This chapter is divided into the following sections:
•Measurement Techniques and Sources of Error, page 249.
Voltage Measurements, page 249.
Resistance Measurements, page 258.
Temperature Measurements, page263.
•Cleaning Connector Contacts, page 271.
•Input Connector, page 272.
•Obtaining Parts For the Input Connector, page 273.
248

Measurement Techniques and Sources of Error
Voltage Measurements
The following table shows voltage measurement error sources. Each of these
sources of error is described in more detail in the sections that follow.
Error Source Correction Page
Cabling and
connection
related
Radio Frequency
Interference (RFI) Special circuits and shields are used to minimize the effects of
RFI in the measurement. Low emission of RFI also allows the
use of the meter with sensitive devices such as Josephson
junctions where high frequency signals may interfere with
proper operation of the device.
250
Thermal EMF Errors The meter has 99% copper terminals with soldered
connections. The test leads are copper wire with crimped
copper terminals. These test connectors and leads are
recommended to help minimize the effects of thermal EMF
errors.
251
Magnetic Loops Use twisted-pair connections to the meter to reduce the noise
pickup loop area, or dress the test leads as close together as
possible. Loose or vibrating test leads will also induce error
voltages. Make sure your test leads are tied down securely
when operating near magnetic fields. Whenever possible, use
magnetic shielding materials or physical separation to reduce
problem magnetic field sources. Use NPLC ≥ 1 if the pickup is
power line related.
251
Power Line Rejection
(NMR) Set the integration time to 1 or more PLCs. 252
Ground Loops The best way to eliminate ground loops is to maintain the
meter’s isolation from earth; do not connect the input terminals
to ground. If the meter must be earth-referenced, be sure to
connect it, and the device-under-test, to the same common
ground point. This will reduce or eliminate any voltage
difference between the devices. Also make sure the meter and
device-under-test are connected to the same electrical outlet
whenever possible.
253
Common Mode Rejection Reduce the series resistance or common mode voltage. 254
Meter
related
Loading Errors The meter’s input resistance is > 10 GΩ for 1 mV to 10 V
ranges,
10 MΩ for 100 volt range.
255
Input Bias Current
(Leakage Current) The meter’s measuring circuitry exhibits approximately 30pA
of input bias current for ambient temperatures from 0°C to
30°C. Bias current will change at temperatures different than
those at which the meter was calibrated.
256
Injected Current A circuit may or may not be sensitive to injected current
depending on the topology of circuit being measured by the
voltmeter, the impedance level of the circuit, and the common
mode or normal mode rejection of the meter.
257
7
Chapter 7 Measurement Tutorial
Measurement Techniques and Sources of Error
249

Radio Frequency Interference
Most voltage measuring instruments can generate false readings in the
presense of large high frequency fields. Possible sources of such fields
could include radio, television, communication transmitters, and portable
telephones. The high frequency energy can couple into the meter on the
input leads or cables connected to the rear of the instrument. Keeping the
test leads and rear panel cables as far removed as possible from high
frequency sources will minimize the RFI inteference.
RFI emissions from the meter meet international standards. If your
application is extremely sensitive to RFI radiated from the meter, use a
common mode choke in the input cable as shown.
Torroid
Chapter 7 Measurement Tutorial
Measurement Techniques and Sources of Error
250

Thermal EMF Errors
Thermoelectric voltages are the most common source of error in low-level
dc voltage measurements. Thermoelectric voltages are generated when
you make circuit connections using dissimilar metals at different
temperatures. Each metal-to-metal junction forms a thermocouple, which
generates a voltage proportional to the junction temperature. You should
take the necessary precautions to minimize thermocouple voltages and
temperature variations in low-level voltage measurements. The best
connections are formed using copper-to-copper crimped connections. The
table below shows common thermoelectric voltages for connections
between dissimilar metals.
Copper-to- Approx. µV/° C
Copper <0.3
Gold 0.5
Silver 0.5
Brass 3
Beryllium Copper 5
Aluminum 5
Kovar or Alloy 42 40
Silicon 500
Copper-Oxide 1000
Cadmium-Tin Solder 0.2
Tin-Lead Solder 5
Noise Caused by Magnetic Fields
If you are making measurements near magnetic fields, you should take
the necessary precautions to avoid inducing voltages in the measurement
connections. You should be especially careful when working near
conductors carrying large currents.
7
Chapter 7 Measurement Tutorial
Measurement Techniques and Sources of Error
251

Rejecting Power-Line Noise Voltages
A desirable characteristic of integrating analog-to-digital (A/D)
converters is their ability to reject spurious signals. Integrating
techniques reject power-line related noise present with dc signals on the
input. This is called normal mode rejection or NMR. Normal mode noise
rejection is achieved when the meter measures the average of the input
by “integrating” it over a fixed period. If you set the integration time to a
whole number of power line cycles (PLCs) of the spurious input, these
errors (and their harmonics) will average out to approximately zero.
When you apply power to the meter, it measures the power-line
frequency (50 Hz or 60 Hz), and uses this measurement to determine the
integration time. The table below shows the noise rejection achieved with
various configurations. For better resolution and increased noise
rejection, select a longer integration time.
NPLC’s Integration Time
60 Hz (50 Hz) NMR
0.02 334 µs (400 µs) none
.2 3 ms (4 ms) none
116.7 ms (20 ms) 60 dB
233.4 ms (40 ms) 90 dB
10 167 ms (200 ms) 95 dB
20 334 ms (400 ms) 100 dB
100 1.67 s (2 s) 105 dB
200 3.34 s (4 s) 110 dB
Chapter 7 Measurement Tutorial
Measurement Techniques and Sources of Error
252

Noise Caused by Ground Loops
When measuring voltages in circuits where the meter and the
device-under-test are both referenced to a common earth ground, a
“ground loop” is formed. As shown below, any voltage difference between
the two ground reference points (Vground) causes a current to flow
through the LO measurement lead. This causes an error voltage, VL,
which is added to the measured voltage.
To minimize ground loop errors:
•If Vground is a dc voltage, keep RL small compared to Ri.
•If Vground is an ac voltage, keep RL small compared to Z, and set the
meter’s integration time (NPLC) to 1 or greater. See page 58.
R
L
=
Lead
Resistance
R
i
=
Multimeter
Isolation
Resistance
C
i
=
Multimeter
Isolation
Capacitance
V
ground
=
Ground
Noise
Voltage
I
=
V
ground
caused
current
flow
=
V
ground
R
L
+
Z
Z
=
R
i
∗
Z
Ci
R
i
+
Z
Ci
V
L
=
I
∗
R
L
Ideal
Meter
7
Chapter 7 Measurement Tutorial
Measurement Techniques and Sources of Error
253

Common Mode Rejection (CMR)
Ideally, a meter is completely isolated from earth-referenced circuits.
However, there is finite resistance and capacitance between the meter’s
input LO terminal and earth ground. If the input terminals are both
driven by an earth referenced signal, Vf, then a current will flow through
RS and create a voltage drop VL as shown below.
Any resulting voltage, VL, will appear as an input to the meter. As the
value of RS approaches 0, so does the error. Additionally, if Vf is at the
power line frequency (50 Hz or 60 Hz), the noise can be greatly reduced
by setting the meter’s integration time (NPLC) to 1 or greater.
See page 252.
V
f
=
Common
Mode
Float
voltage
R
S
=
LO
Lead
Resistance
R
i
=
Meter
Isolation
Resistance
C
i
=
Meter
Isolation
Capacitance
Z
i
=
Parallel
Impedance
of
R
i
+
C
i
Error
(
V
L
) =
V
f
x
R
S
R
S
+
Z
Ideal
Meter
Chapter 7 Measurement Tutorial
Measurement Techniques and Sources of Error
254

Loading Errors Due to Input Resistance (dc volts)
Measurement loading errors occur when the resistance of the device-
under-test (DUT) is an appreciable percentage of the meter’s own input
resistance. The diagram below shows this error source.
V
s
=
Ideal
DUT
voltage
R
S
=
DUT
source
resistance
R
i
=
Meter
input
resistance
(10 MΩ or > 10 GΩ )
Error
(%) = 100
x
R
S
R
S
+
R
i
Ideal
Meter
7
Chapter 7 Measurement Tutorial
Measurement Techniques and Sources of Error
255

Loading Errors Due to Input Bias Current (Leakage Current)
The semiconductor devices used in the input circuits of the meter have
slight leakage currents, called bias currents. The effect of the input bias
current is an loading error at the meter’s input terminals.
The leakage current will approximately double for every 10°C
temperature rise, making the problem much more apparent at higher
temperatures. You can adjust the input bias current to remove these
errors. The bias current is automatically minimized during the zero
calibration procedure (see chapter 4 in the 34420A Service Guide).
You should perform the zero calibration procedure if you are operating
the meter at a temperature more than 5° C from the calibration
temperature.
i
b
=
meter
bias
current
R
S
=
DUT
source
resistance
C
i
=
meter
input
capacitance
Error
(
v
) ≈
i
b
x
R
S
Ideal
Meter
Chapter 7 Measurement Tutorial
Measurement Techniques and Sources of Error
256

Noise Caused by Injected Current
Residual capacitances in the power transformer cause small currents to
flow from the LO of the meter to earth ground. The frequency of the
"injected current" is the power line frequency or possibly power line
frequency harmonics. The injected current is dependent upon the power
line configuration and frequency. You will need to recalibrate the injected
current if you operate the meter with a different power line than the
power line used to calibrate the meter. A simplified circuit is shown.
In the circuit below, with connection A the injected current flows from the
earth connection provided by the circuit, to the LO terminal of the
voltmeter, and no noise is added to the measurement. However with
connection B, the injected current flows through the resistor R adding
noise to the measurement. With connection B, larger values of R will
make the problem worse.
The noise caused by injected current can be significantly reduced by
setting the integration time of the meter (NPLC) to 1 or greater.
See page 252.
Injected
Current Injected
Current
CONNECTION A CONNECTION B
Ideal
Meter
Ideal
Meter
Ideal
Meter
Injected
Current
7
Chapter 7 Measurement Tutorial
Measurement Techniques and Sources of Error
257

Resistance Measurements
Specific resistance measurement techniques are discussed in the
following sections. You should also consider the techniques and errors
discussed earlier in this chapter.
The 4-wire ohms method provides the most accurate way to measure
small resistances. Test lead resistances and contact resistances are
automatically reduced using this method. The connections for resistance
measurements are shown below. See also “Resistance Measurement
Configuration” on page 68.
Removing 2-wire Ohm Test Lead Resistance
To eliminate offset errors associated with the test lead resistance in
2-wire ohms measurements, follow the steps below.
1. Short the ends of the test leads together. The meter displays the test
lead resistance.
2. Press Null from the front panel. The meter displays “0” ohms with the
leads shorted together.
R
=
V
meter
I
test
HI-Sense
Ideal
Meter
LO-Sense
Chapter 7 Measurement Tutorial
Measurement Techniques and Sources of Error
258

Offset Compensation
A resistance measurement involves measuring a voltage (E) induced
across the resistance by a known current source.
Thermal EMF caused by dissimilar metals can create a parasitic voltage
in the measurement circuit (VEMF). (See page 251 for a description of
thermal EMF). The thermal EMF can be caused by the input lead
connections or internally in resistor R. In general, this voltage will not
change with the current applied to the resistor.
The voltage measured, and so the resistance calculated, is in error by
VEMF. Using offset compensation can reduce the errors caused by VEMF.
To make an offset compensated measurement, the meter makes two
voltage measurements, one with the current source on and one with the
current source off, and subtracts the two measurements. The actual voltage
drop across the resistor, and the calculated resistance are obtained by:
First Reading − Second Reading = ( I ∗ R + VEMF ) − VEMF = I ∗ R
Offset compensation can be used in 2-Wire or 4-Wire ohms measurements.
Ideal
Meter Ideal
Meter
Ideal
Meter
E=IR+VEMF E=(0*R)+VEMF = VEMF
7
Chapter 7 Measurement Tutorial
Measurement Techniques and Sources of Error
259

In the power-on state of the meter, offset compensation is enabled. In
some circumstances it may be desirable to turn offset compensation off.
For example if the resistor being measured does not respond quickly to
changes in current, offset compensation will not produce an accurate
measurement. Resistors with very large inductances or resistors with
large values of parallel capacitance would fall into this category. In these
cases the DELAY parameter can be increased to allow more settling time
after the current source is switched on or off, or the offset compensation
function can be turned off.
Power Dissipation Effects
When measuring resistors designed for temperature measurements (or
other resistive devices with large temperature coefficients), be aware that
the meter will dissipate some power in the device-under-test. The effects
of this power dissipation can affect the measurement accuracy.
If power dissipation is a problem, there are two actions you can take: you
can select a higher measurement range to reduce the errors to acceptable
levels or you can set the meter to the low power mode to limit the test
current (see page 69). The following table shows several examples.
Normal Low Power
Range Test Current DUT Power
(at Full Scale) Test Current DUT Power
(at Full Scale)
1 Ω10 mA 100 W 10 mA 100 W
10 Ω10 mA 1 mW 10 mA 1 mW
100 Ω10 mA 10 mW 1 mA 100 W
1 k Ω1 mA 1 mW 100 A 10 W
10 k Ω100 A 100 W 10 A1 W
100 k Ω10 A 10 W5 A2.5 W
1 M Ω5 A 25 W5 A 25 W
Chapter 7 Measurement Tutorial
Measurement Techniques and Sources of Error
260

Output Clamping
(Dry Circuit Testing)
Resistance measurements on certain types of contacts may require a
limitation on the voltage levels used to make the measurement. Both the
open circuit and the measurement voltage should be considered. The
need for voltage limitation arises from the possibility that oxidation on
the contact surfaces may increase the resistance reading. If the voltage is
too high, the oxide layer may be punctured resulting in a lower resistance
reading.
The meter provides a programmable level of open circuit clamping, called
voltage limited measurements (see page 70). This feature is available on
the 10 and 100 ohm ranges. The open circuit voltage can be clamped at
one of three levels, 20 mV, 100 mV, or 500 mV.
The table below shows the current and voltage levels used.
Range Test Current Measurement
Voltage
(at Full Scale)
Open Circuit
Voltage (MV)
10 Ω1 mA 10 mV 20, 100, or 500 mV
100 Ω0.1 mA 10 mV 20, 100, or 500 mV
7
Chapter 7 Measurement Tutorial
Measurement Techniques and Sources of Error
261

Settling Time Effects
The meter has the ability to insert automatic measurement settling
delays. These delays are adequate for resistance measurements with less
than 200 pF of combined cable and device capacitance. This is
particularly important if you are measuring resistances above 100 kΩ.
Settling due to RC time constant effects can be quite long. Some precision
resistors and multi-function calibrators use large parallel capacitors
(1000 pF to 0.1 µF) with high resistor values to filter out noise currents
injected by their internal circuitry. Non-ideal capacitances due to
dielectric absorption (soak) effects in cables and other devices may have
much longer settling times than expected just by RC time constants.
Errors will be measured when settling after the initial connection and
after a range change. You may need to increase the delay time before a
measurement in these situations (see page 87).
Errors in High Resistance Measurements
When you are measuring large resistances, significant errors can occur
due to insulation resistance and surface cleanliness. You should take the
necessary precautions to maintain a “clean” high-resistance system. Test
leads and fixtures are susceptible to leakage due to moisture absorption
in insulating materials and “dirty” surface films. Nylon and PVC are
relatively poor insulators (109 ohms) when compared to PTFE Teflon
insulators (1013 ). Leakage from nylon or PVC insulators can easily
contribute a 0.1% error when measuring a 1 MΩ resistance in humid
conditions.
Teflon is a registered trademark of E.I. duPont deNemours and Co.
Chapter 7 Measurement Tutorial
Measurement Techniques and Sources of Error
262

Temperature Measurements
A temperature measurement is either a resistance measurement or a
voltage measurement, converted to a temperature mathematically inside
the meter. The mathematical conversions requires the knowledge of
specific properties of specific transducer types. The conversion routines
used are compatible with ITS-90. The conversion accuracy (not including
the transducer accuracy) for each transducer type is:
RTD 0.05° C
Thermistor 0.1° C
Thermocouple 0.2° C
Errors associated with temperature measurements include all those
listed for dc Voltage and Resistance Measurements. The largest source of
error in temperature measurements is the transducer itself.
Your measurement requirements determine which temperature
transducer type to use. Each transducer type has a particular
temperature range, accuracy, and cost. Each type of transducer is
described in more detail in the following subsections. The table below
summarizes some general specifications for each type of transducer.
Use the table to help select the general type of transducer to use;
transducer manufacturers can provide you with exact specifications
for a particular transducer.
RTD Thermistor Thermocouple
Temperature Range -200 to 850 C -80 to 150 C -210 to 1820 C
Measurement Type 4-wire Resistance 2-wire Resistance Voltage
Transducer
Sensitivity ≈R0 X 0.004 C ≈400 / C 6 to 60 µV/ C
Accuracy 0.01 to 0.1 C 0.1 to 1 C 0.5 to 5 C
Cost (approx) $20.00 to $100.00 ea* $10.00 to $100.00 ea* $1.00/foot*
Durability Fragile Fragile Rugged
*Estimated cost in U.S. Dollars 7
Chapter 7 Measurement Tutorial
Measurement Techniques and Sources of Error
263

RTDs
An RTD uses a metal (typically platinum) that changes resistance with a
change in temperature. Your meter can measure this resistance and by
knowing the characteristics of the RTD, calculate the temperature.
RTDs have the highest stability of the temperature transducers. Their
output is also very linear. This makes the RTD the transducer of choice
for high accuracy, long-term measurements. RTDs come in two main
types: = 0.00385 (DIN/IEC 751) and = 0.00391.
The RTD resistance at 0 C is referred to as nominal or R0. The meter
can use RTD’s with R0 values from 4.9 Ω to 2.1 kΩ.
The meter always makes a 4-wire measurement of RTDs to preserve
their accuracy.
Thermistors
Thermistors use materials that change resistance with changes in
temperature. Your meter can measure this resistance and by knowing
the characteristics of the thermistor, calculates the temperature.
Thermistors have a higher sensitivity than thermocouples or RTDs. This
makes thermistors the transducer to use when measuring very small
changes in temperature. Thermistors are, however, very non-linear,
especially at high temperatures and function best below 100 C.
Because of their high resistance, thermistors can be measured using two
wire measurement techniques. The meter supports 5000 Ω thermistors.
Chapter 7 Measurement Tutorial
Measurement Techniques and Sources of Error
264

Thermocouples
A thermocouple converts temperature to voltage. When two wires,
composed of dissimilar metals, are joined, an open circuit voltage is
generated. The voltage is a function of the the junction temperature and
the types of metals in the wire. Since the temperature characteristics of
special dissimilar metals is well known, a conversion from the voltage
generated to the temperature of the junction can be made. For example,
a voltage measurement of a type T thermocouple (made up of copper and
constantan wire) might look like this:
Notice, however, that the connections made between the thermocouple
wire and the meter make another thermocouple where the thermocouple’s
constantan (C) lead connects to the meter’s copper (Cu) input terminal.
The voltage generated by this second thermocouple affects the voltage
measurement of the type T thermocouple.
If the temperature of the thermocouple created at J2 (the LO input
terminal) is known, the temperature of the type T thermocouple can be
calculated. One way to do this is to connect two type T thermocouples
together to create only copper to copper connections at the meter’s input
terminals, and to hold the second thermocouple at a known temperature.
Meter
7
Chapter 7 Measurement Tutorial
Measurement Techniques and Sources of Error
265

An ice bath is used to create a known reference temperature (0° C).
Once the reference temperature and thermocouple type are known, the
temperature of the measurement thermocouple can be calculated.
The type T thermocouple is a unique case since one of the conductors (copper)
is the same metal as the meter’s input terminal. If another type of
thermocouple is used, two additional thermocouples are created. For
example, the connections with a type J thermocouple (iron and constantan):
Two additional thermocouples have been created where the iron lead
connects to the meter’s copper input terminals. Since these two junctions
will generate opposing voltages, their effect will be to cancel each other.
However, if the input terminals are not at the same temperature, then an
error will be created in the measurement.
Meter
Ice Bath
Meter
Ice Bath
Chapter 7 Measurement Tutorial
Measurement Techniques and Sources of Error
266

To make a more accurate measurement, the copper test leads of the
meter should be extended closer to the measurement and the connections
to the thermocouple be held at the same temperature.
This circuit will give accurate temperature measurements. However, it is
not very convenient to make two thermocouple connections and keep all
connections at a known temperature. The "Law of Intermediate Metals"
eliminates the need for the extra connection. This empirical law states
that a third metal (iron (Fe) in the example) inserted between two
dissimilar metals will have no effect upon the output voltage provided the
junctions formed are at the same temperature. Removing the reference
thermocouple makes the connections much easier.
This circuit is the best solution for accurate thermocouple connections.
MEASUREMENT
THERMOCOUPLE
Meter
Ice Bath
Meter
Ice Bath
REFERENCE THERMOCOUPLE
7
Chapter 7 Measurement Tutorial
Measurement Techniques and Sources of Error
267

In some measurement situations, however, it would be nice to remove the
need for an ice bath (or other fixed external reference). To do this, an
isothermal block is used to make the connections. An isothermal block is
an electrical insulator, but a good heat conductor. The additional
thermocouples created at J1 and J2 now held at the same temperature by
the isothermal block.
Once the temperature of the isothermal block is known, accurate
temperature measurements can be made. Typically, a thermistor is
mounted to the isothermal block and used to measure the temperature.
Thermocouples come in a variety of types. The type is specified by a
single letter. The following table shows the most commonly used
thermocouple types and some key characteristics of each
MEASUREMENT
THERMOCOUPLE
REFERENCE
THERMISTOR
ISOTHERMAL BLOCK
REFERENCE
TEMPERATURE
METER
Chapter 7 Measurement Tutorial
Measurement Techniques and Sources of Error
268

Type + lead - lead Temperature
Range Probe
Accuracy Comments
BU.S.
British
DIN
Japanese
French
Platinum – 30%
Rhodium
Gray
N/A
Red
Red
N/A
Platinum– 60%
Rhodium
Red
N/A
Gray
Gray
N/A
250 to 1820 C 0.5 C High Temperature. Beware
of contamination. Do not
insert in metal tubes.
JU.S.
British
DIN
Japanese
French
Iron
White
Yellow
Red
Red
Yellow
Constantan
Red
Blue
Blue
White
Black
-210 to 1200
C 1.1 to 2.2
CFor vacuum, inert
environments.
Least expensive.
Not recommended for low
temperature.
KU.S.
British
DIN
Japanese
French
Nickel – Chromium
Yellow
Brown
Red
Red
Yellow
Nickel – Aluminum
Red
Blue
Green
White
Purple
-200 to 1370
C 1.1 to 2.2
CFor oxidizing environments.
Good linearity above 8 C.
TU.S.
British
DIN
Japanese
French
Copper
Blue
White
Red
Red
Yellow
Constantan
Red
Blue
Brown
White
Blue
-200 to 400 C 0.5 to 1 C Withstands moisture.
Has a copper lead.
Low temperature
applications.
EU.S.
British
DIN
Japanese
French
Nickel – Chromium
Purple
Brown
Red
Red
Yellow
Constantan
Red
Blue
Black
White
Blue
-200 to 1000
C 1 to 1.7 C Highest output voltage.
Highest resolution.
N U.S.
British
DIN
Japanese
French
Nicrosil
Orange
N/A
N/A
N/A
N/A
Nisil
Red
N/A
N/A
N/A
N/A
-200 to 1300
C 1.1 to 2.2
CSuperior stability to type K
at high temperatures.
RU.S.
British
DIN
Japanese
French
Platinum – 13%
Rhodium
Black
White
Red
Red
Yellow
Rhodium
Red
Blue
White
White
Green
-50 to 1760 C 0.6 to 1.5
CHigh Temperature. Beware
of contamination. Do not
insert in metal tubes.
SU.S.
British
DIN
Japanese
French
Platinum – 10%
Rhodium
Black
White
Red
Red
Yellow
Platinum
Red
Blue
White
White
Green
-50 to 1760 C 0.6 to 1.5
CLow error, good stability.
High Temperature. Beware
of contamination. Do not
insert in metal tubes.
Constantan = Copper–Nickel, Nicrosil = Nickel–Chromium–Silicon, Nisil = Nickel–Silicone–Magnesium.
N/A = Not Available
7
Chapter 7 Measurement Tutorial
Measurement Techniques and Sources of Error
269

Thermocouple Measurement Errors
The meter allows you to use one of three types of temperature reference
for thermocouple measurements:
•Fixed Reference value (entered). The fixed reference is the most
accurate, and is the type of thermocouple measurement described
earlier using isothermal blocks and an external known reference
temperature.
•Measured Reference value (external thermistor). A thermistor
is connected to channel 1 input of the meter. The thermistor is then
mounted to the isothermal block. The meter measures the
temperature of the isothermal block and uses the measurement in the
temperature calculation.
•Internal Reference value (internal thermistor). The meter
contains an internal thermistor, mounted just behind the input
connector. The internal thermistor is the least accurate way to
measure temperature. If you use the internal thermistor, you should
connect the thermocouple wire directly to the input connector (do not
use the copper test leads or an isothermal block). See page 272.
Chapter 7 Measurement Tutorial
Measurement Techniques and Sources of Error
270

Cleaning the Connector Contacts
Because the meter uses connector contacts that are almost pure copper,
they are subject to oxidation. Oxidation can cause measurement errors.
See page 251.
To help prevent the formation of oxides on the connector contacts, keep
the connector engaged whenever possible. After extended periods of time,
it may be necessary to treat the connector contacts. The recommended
treatment uses DeoxIT and a small bottle of DeoxIT was included with
the 34420A. Use the following procedure to apply DeoxIT to the
connector terminals.
1Remove the power cord from the meter.
2Remove the input connector.
3Stand the meter on a smooth level surface so that the front panel is up.
4Apply one drop of DeoxIT to each connector pin in the input connector. A
convenient method to apply a single drop is to use a clean piece of wire to
transfer the liquid from the container provided to the connector.
5Remove any excess DeoxIT from the connector by wiping with a clean soft cloth.
6Engage and disengage the input cable several times to distribute the
DeoxIT evenly over both halves of the connector.
The input connector may cause measurement problems if the coupling
nut is not tightened properly, the connector keys are not aligned properly,
or the clamping nut is not tightened properly. See the next page.
DeoxIT is a trademark of CAIG Laboratories, Inc., San Diego, California.
7
Chapter 7 Measurement Tutorial
Cleaning the Connector Contacts
271

Input Connector
Channel 1
HI LO
DCV +–
4-WireΩSource + Source –
2-WireΩSource and Sense + Source and Sense –
Thermistor Source and Sense + Source and Sense –
Channel 2
HI LO
DCV + –
4-WireΩSense + Sense –
Thermocouple + –
Align keys
Wrap cable shield
(makes earth ground)
WIRE: 22 - 28 guage copper
Rubber Grommet
Torque 5 to 7 in-lb
NOTE: key
Chapter 7 Measurement Tutorial
Input Connector
272

Obtaining Parts For the Input Connector
Part NumberDescription
34104A Low thermal input connector (blank)
34103A Low thermal 4-wire shorting plug
34102A Low thermal input connector and 4 foot cable with spade lugs.
You can obtain additional DeoxIT , part number D100L2, from:
CAIG Laboratories, Inc.
16744 West Bernardo Drive
San Diego, CA 92172-1904
7
Chapter 7 Measurement Tutorial
Obtaining Parts For the Input Connector
273
Use the following Agilent Technologies part numbers to obtain
replacement input connectors and cables. Contact your nearest Agilent
Technologies Sales Office for replacement.

8
Specifications

ACCURACY SPECIFICATIONS ± (% of reading + % of range) [1]
Function Range [2] Test
Current 24 Hour
23°C ± 1°C90 Day
23°C ± 5°C1 Year
23°C ± 5°C
Temperature
Coefficient
0°C - 18°C
28°C - 55°C
Maximum
Per Lead
Resistance
DC Voltage 1.0000000 mV
[3]
10.000000 mV
[3]
100.00000 mV
1.0000000 V
10.000000 V
100.00000 V [4]
0.0025 + .0020
0.0025 + .0002
0.0015 + .0003
0.0010 + .0003
0.0002 + .0001
0.0010 + .0004
0.0040 + .0020
0.0040 + .0002
0.0030 + .0004
0.0025 + .0004
0.0020 + .0004
0.0025 + .0005
0.0050 + .0020
0.0050 + .0003
0.0040 + .0004
0.0035 + .0004
0.0030 + .0004
0.0035 + .0005
0.0004 + .0001
0.0004 + .00002
0.0004 + .00006
0.0004 + .00004
0.0001 + .00002
0.0004 + .00005
Resistance [5] 1.0000000 Ω
10.000000 Ω
100.00000 Ω
1.0000000 KΩ
10.000000 KΩ
100.00000 KΩ
1.0000000 MΩ
10 mA
10 mA
10 mA
1 mA
100 µA
10 µA
5 µA
0.0015 + .0002
0.0015 + .0002
0.0015 + .0002
0.0015 + .0002
0.0015 + .0002
0.0015 + .0003
0.0020 + .0003
0.0050 + .0002
0.0040 + .0002
0.0040 + .0002
0.0040 + .0002
0.0040 + .0002
0.0040 + .0004
0.0050 + .0004
0.0070 + .0002
0.0060 + .0002
0.0060 + .0002
0.0060 + .0002
0.0060 + .0002
0.0060 + .0004
0.0070 + .0004
0.0005 + .00002
0.0005 + .00001
0.0005 + .00001
0.0005 + .00001
0.0005 + .00001
0.0005 + .00002
0.0006 + .00003
1 Ω
1 Ω
10 Ω
100 Ω
1 KΩ
1 KΩ
1 KΩ
Low Power
Resistance [5] 1.0000000 Ω
10.000000 Ω
100.00000 Ω
1.0000000 KΩ
10.000000 KΩ
100.00000 KΩ
1.0000000 MΩ
10 mA
10 mA
1 mA
100 µA
10 µA
5 µA
5 µA
0.0015 + .0002
0.0015 + .0002
0.0015 + .0002
0.0015 + .0002
0.0015 + .0004
0.0015 + .0012
0.0020 + .0003
0.0050 + .0002
0.0040 + .0002
0.0040 + .0002
0.0040 + .0002
0.0040 + .0004
0.0040 + .0015
0.0050 + .0004
0.0070 + .0002
0.0060 + .0002
0.0060 + .0002
0.0060 + .0002
0.0060 + .0004
0.0060 + .0015
0.0070 + .0004
0.0005 + .00002
0.0005 + .00001
0.0005 + .00001
0.0005 + .00001
0.0005 + .00003
0.0005 + .00003
0.0006 + .00003
1 Ω
1 Ω
10 Ω
100 Ω
1 KΩ
1 KΩ
1 KΩ
Voltage
Limited
Resistance [5][6]
10.000000 Ω
100.00000 Ω 1 mA
100 µA0.0020 + .0002
0.0025 + .0002 0.0050 + .0002
0.0050 + .0002 0.0070 + .0002
0.0070 + .0002 0.0005 + .00002
0.0005 + .00002 1 Ω
5 Ω
Channel 1 / Channel 2 (DCV Ratio)
Channel 1 - Channel 2 (DCV Difference) Ratio Error % = Channel 1 accuracy in % + Channel 2 accuracy in %
Difference Error = Channel 1 (% of reading + % of range) + Channel 2 (% of reading + %
of range)
Temperature (resolution = 0.001° C)
Thermocouple [7]
Thermistor
RTD
Thermocouple probe accuracy + 0.2° C
Thermistor probe accuracy + 0.1° C
RTD probe accuracy + 0.05° C
[1]Specifications are for Channel 1 or Channel 2, after 2-hour warm-up, resolution at 7.5 digits (100 NPLC), with FILTERS off.
RESISTANCE specifications are for 4-wire ohms or 2-wire ohms using Null. Without Null, add 0.2 Ω additional error in 2-wire ohms
function. With Analog Filter ON, add 0.002% of reading to listed specifications.
[2]20% overrange on all ranges except 5% on Voltage Limited Resistance.
[3]After using Null. If Null is not used add 100 nanovolts.
[4]Channel 1 only.
[5]Channel 1 only. Resistance measurements, for NPLC <1, add 160 µΩ RMS noise.
[6]Voltage limit can be set to 20 mV (default), 100 mV, or 500 mV. Measured resistance plus Channel 1 HI and LO lead resistance is
limited to 10.5 Ω on the 10 Ω range and 105 Ω on the 100 Ω range.
[7]For fixed reference junction. Add 0.3° C for external reference junction, add 2° C for internal reference junction.
Chapter 8 Specifications
34420A Nano Volt/Micro Ohm Meter
276

DC Voltage Noise Specifications *
Observation Period
Range
2-Minute
RMS
Noise
2-Minute
Peak-Peak
Noise
24-Hour
Peak-Peak
Noise
1 mV 1.3 nVRMS 8 nVpp 12 nVpp
10 mV 1.5 nVRMS 10 nVpp 14 nVpp
100 mV 10 nVRMS 65 nVpp 80 nVpp
1 V 100 nVRMS 650 nVpp 800 nVpp
10 V 450 nVRMS 3 µVpp 3.7 µVpp
100 V 11 µVRMS 75 µVpp 90 µVpp
* After a 2-hour warm-up, ± 1°C, 6.5 digits (10 PLC) with Analog
Filter Off and Digital Filter Medium (50 reading average). 2-Minute
RMS and 24-hour noise typical. For measurements using 0.02 or
0.2 NPLC, add 800 nV RMS noise.
DC Voltage Noise vs Source Resistance *
Source
Resistance Noise Analog Filter Digital Filter
0 1.3 nVRMS Off Med
100 1.7 nVRMS Off Med
1k 4 nVRMS Off Med
10k 13 nVRMS Off Med
100k 41 nVRMS On Med
1M 90 nVRMS On Slow
* Typical noise behavior for Ch 1 or Ch 2, after 2 hour warm-up,
6.5 digits (10 PLC), 2 minute observation period on 1 mV range.
For peak-to-peak noise, multiply RMS noise by 6.
MEASUREMENT CHARACTERISTICS
DC Voltage
Measurement Method Continuously Integrating
Multi-slope III A-D Converter
A-D Linearity 0.00008% of reading + 0.00005% of range
Input Resistance
100V (Ch1 only)
1mV through 10V 10 MΩ ± 1%
>10 GΩ, in parallel with <3.6 nF
Input Bias Current <50 pA at 25°C
Injected Current* <50 nA pp at 50 or 60 Hz
Input Protection 150 V peak any input terminal to
Channel 1 LO, continuous
Channel Isolation Isolation between input channels
>1010Ω
Earth Isolation 350 V peak any input terminal to
earth. Impedence from any input
terminal to earth is
>10 GΩ and < 400 pF
Maximum Voltage Channel 1 LO to Channel 2 LO,
150V peak
Resistance
Measurement Method Selectable 4-wire or 2-wire ohms.
Current Source referenced to
Channel 1 LO input
Offset Compensation Used on all ranges except
100 kΩ and 1 MΩ.
Can be turned off if desired
Protection 150V peak
Open Circuit Voltage For Resistance and Low Power
Resistance <14 V. 20 mV, 100 mV,
500 mV selectable clamp
* Injected current is calibrated at the factory. Different line power
configurations will require recalibration.
8
Chapter 8 Specifications
34420A Nano Volt/Micro Ohm Meter
277

Temperature
Thermocouple Type B, E, J, K, N, R, S, T
Range: -210° C to 1820° C
Thermistor 5 kΩ
Range: -80° C to 150° C
RTD 4-wire, 4.9 Ω to 2.1 kΩ
types:
α = .00385 (DIN/IEC 751)
and α = .00391
Range: -200° C to 850° C
Measurement Noise Rejection 60 (50) Hz [1]
dc CMRR 140 dB
ac CMRR 70 dB
Integration Time Normal Mode Rejection [2]
200 plc/3.335 ms (4s) 110 dB [3]
100 plc/1.675 ms (2s) 105 dB [3]
20 plc/334 ms (400ms) 100 dB [3]
10 plc/167ms (200ms) 95 dB [3]
2 plc/33.3 ms (40 ms) 90 dB [3]
1plc/16.7ms (20ms) 60 dB
<1plc 0
OPERATING CHARACTERISTICS [4]
Function Digits Integration
Time Readings/s [5]
DCV, 71⁄2
200 plc .15 (.125)
Thermocouple 71⁄2
100 plc .3 (.25)
61⁄2
20 plc 1.5 (1.25)
61⁄2
10 plc 3 (2.5)
51⁄2
1 plc 25 (20.8)
51⁄2
0.2 plc 100 (100)
41⁄2
0.02 plc 250 (250)
Resistance, 71⁄2
200 plc .075 (.062)
DCV1/DCV2, 71⁄2
100 plc .15 (.125)
DCV 1-2, 61⁄2
20 plc .75 (.625)
RTD, 61⁄2
10 plc 1.5 (1.25)
Thermistor 51⁄2
1 plc 12.5 (10.4)
51⁄2
0.2 plc 50 (50)
41⁄2
0.02 plc 125 (125)
System Speeds [6]
Configuration Rates 26/s to 50/s
Autorange Rate (DC Volts) >30/s
ASCII reading to RS-232 55/s
ASCII reading to GPIB250/s
Max. Internal Trigger Rate 250/s
Max. Ext. Trig. Rate to Memory 250/s
[1] For 1 kΩ unbalanced in LO lead.
[2]For power line frequency ± 0.1%, Filters OFF.
For Digital Filter slow add 20 db, for medium or fast add
10 db for NPLC ≥1.
[3]For power line frequency ± 1%, use 80 db or ± 3% use 60 db.
[4]Speeds are for delay 0, Display OFF, Filters OFF, OCOMP OFF.
[5]Reading speeds for 60 Hz or (50 Hz), 100 mV through 100 V
ranges. 1 mV range 30/s MAX, 10 mV range 170/s MAX,
thermocouple 120/s MAX.
[6]Speeds are for NPLC 0.02, Delay 0, Display OFF, Chart Out
OFF.
Chapter 8 Specifications
34420A Nano Volt/Micro Ohm Meter
278

Triggering and Memory
Reading HOLD Sensitivity 10%, 1%, 0.1%, or 0.01% of range
Samples/Trigger 1 to 50,000
Trigger Delay 0 to 3600s; 10µs step size
External Trigger Delay <1ms
External Trigger Jitter <500µs
Memory 1024 readings
Math Functions
NULL (Channel 1 DCV, Channel 2 DCV, Difference,
MMMNResistance, Temperature)
STATS (Min, Max, Average, Peak-Peak, Standard Deviation,
MMMMIINumber of readings)
SCALE (Allows linear scaling as y=mx+b)
CHART NULL (Establishes zero for rear panel output)
Filter (Analog or Digital or Both)
Analog Low pass 2 pole @ 11Hz, available
for 1, 10, 100mV range
Digital Moving average filter, 10 (fast),
50 (medium) or, 100 (slow) reading
averages.
Chart Out (Analog Out)
Maximum output: ± 3V
Accuracy: ± 0.1% of output + 1 mV
Output Resistance: 1 kΩ ± 5%
Update rate: once per reading
Span and Offset: Adjustable
Standard Programming Languages
SCPI (IEEE 488.2), Keithley 181
Accessories Included
4 ft low thermal cable with copper spade lugs, 4-wire shorting
plug, user’s manual, service manual, contact cleaner, test
report and power cord
General Specifications
Front Panel Connection shielded, low thermal, 99% copper
contacts
Power Supply 100V/120V/220V(230V)/240V ± 10%
Power Line Frequency 45Hz to 66Hz and 360Hz to 440Hz
Automatically sensed at power-on.
Power Consumption 25VA peak (10W average)
Operating Environment Full accuracy for 0° C to 55° C
Full accuracy to 80% R.H. up to 40° C
Storage Environment -40° C to 75° C
Weight 3 kg (6.5 lbs)
Safety Designed to CSA, UL-1244,
IEC-1010
RFI and ESD CISPR 11
Vibration and Shock MIL-T-28800E, Type III, Class 5
Warranty 3 year
8
Chapter 8 Specifications
34420A Nano Volt/Micro Ohm Meter
279

Dimensions
Chapter 8 Specifications
34420A Nano Volt/Micro Ohm Meter
280

To Calculate Total Measurement Error
Each specification includes correction factors which account for errors
present due to operational limitations of the meter. This section explains
these errors and shows how to apply them to your measurements. Refer
to "Interpreting Meter Specifications," starting on page 285, to get a
better understanding of the terminology used and to help you interpret
the meter’s specifications.
The meter’s accuracy specifications are expressed in the form:
(% of reading + % of range)
In addition to the reading error and range conditions, make sure you
apply the conditions as described in the footnotes on the specification
pages.
•If you are operating the meter outside the 23° C ±5° C temperature
range specified, apply an additional temperature coefficient error.
Understanding the " % of reading" Error. The reading error
compensates for inaccuracies that result from the function and range you
select, as well as the input signal level. The reading error varies
according to the input level on the selected range. This error is expressed
in percent of reading. The following table illustrates the reading error
applied to the meter’s 24-hour dc voltage specification.
Range Input Level Reading Error
(% of reading) Reading Error
Voltage
10 V 10 V 0.0002 ≤ 20 µV
10 V 1 V 0.0002 ≤ 2 µV
10 V 0.1 V 0.0002 ≤ 200 nV
8
Chapter 8
To Calculate Total Measurement Error
281

Understanding the " % of range" Error. The range error compensates
for inaccuracies that result from the function and range you select. The
range error contributes a constant error, expressed as a percent of range,
independent of the input signal level. The following table ilustrates the
range error applied to the meter’s 24-hour dc voltage specification.
Range Input Level Range Error
(%of range) Range Error
Voltage
10 V 10 V 0.0001 ≤ 10 µV
10 V 1 V 0.0001 ≤ 10 µV
10 V 0.1 V 0.0001 ≤ 10 µV
Total Measurement Error. To compute the total measurement error,
add the reading error and range error. You can then convert the total
measurement error to a "percent of input" error or a
"ppm (part-per-million) of input" error as shown below.
% of input error = Total Measurement Error
Input Signal Level ∗ 100
ppm of input error = Total Measurement Error
Input Signal Level ∗ 1,000,000
Total Measurement
Error Example
Assume that a 5 Vdc signal is input to the meter on the 10 Vdc range.
To compute the total measurement error using the 90-day accuracy
specifications: ±(0.0020% of reading + 0.0004% of range).
Reading Error = 0.0020% ∗ 5 V = 100 µV
Range Error = 0.0004% ∗ 10 V = 40 µV
Total Error = 100 µV + 40 µV = ±140 µV
% of input error = ± 140 µV
5 V ∗ 100 = ± 0.0028% of 5 V
ppm of input error = ± 140 µV
5 V ∗ 1,000,000 = ± 28 ppm of 5 V
Chapter 8
To Calculate Total Measurement Error
282

Difference Error
Example
This example demonstrates how to compute the total measurement error
when using the Difference Function. Assume a difference measurement
is made with the following conditions:
•Channel 1, 1 V input on the 1 Volt range
•Channel 2, 1.2 V input on the 10 Volt range
To compute the total measurement error using the 90-day accuracy
specifications for the error:
Channel 1 (% of reading + % of range) + Channel 2 (% of reading + % of range).
Channel 1 Reading Error = 0.0025% ∗ 1 V = 25 µV
Channel 1 Range Error = 0.0004% ∗ 1 V = 4 µV
Channel 2 Reading Error = 0.0020% ∗ 1.2 V = 24 µV
Channel 2 Range Error = 0.0004% ∗ 10 V = 40 µV
Total Error = 25 µV + 4 µV + 24 µV + 40 µV = 93 µV
Difference = 1 V − 1.2 V = − 0.2 V ± 93 µV
For difference measurements, if both channel 1 and channel 2 are using
the same range, the % of reading error can be applied directly to to the
voltage difference. In the example, if both channels are using
the 1 V range, the total reading error can be computed as:
Reading Error = 0.0025% ∗ ( 1.2 V − 1 V ) = 5 µV
Channel 1 Range Error = 0.0004% ∗ 1 V = 4 µV
Channel 2 Range Error = 0.0004% ∗ 1 V = 4 µV
Total Error = 5 µV + 4 µV + 4 µV = 13 µV
Difference = 1 V − 1.2 V = − 0.2 V ± 13 µV
Using NULL on each input channel will reduce the % of range error in
the measurement to the noise level of the meter.
8
Chapter 8
To Calculate Total Measurement Error
283

Ratio Error
Example
This example demonstrates how to compute the total measurement error
when using the Ratio Function. Assume a ratio measurement is made
with the following conditions:
•Channel 1, 5 V input on the 10 Volt range
•Channel 2, 10 mV input on the 10 mV range
To compute the total measurement error using the 90-day accuracy
specifications:
Ratio Error % = Channel 1 accuracy in % + Channel 2 accuracy in %
Channel 1 Reading Error % = 0.0020%
Channel 1 Range Error % = 0.0004% ∗ Range
Reading
= .0004% ∗ 10
5 = .0008%
Total Channel 1 Error % = 0.0020% + 0.0008%= .0028%
Channel 2 Reading Error % = 0.0040%
Channel 2 Range Error % = 0.0002% ∗ Range
Reading = .0002% ∗ 10 mV
10 mV = .0002%
Total Channel 2 Error % = 0.0040% + 0.0002%= .0042%
Ratio Error % = 0.0028% + 0.0042% = .0070%
Ratio = 5 V
10 mV = 500 ± 0.0070% = 500 ± 0.035
For Ratio Measurements, if both input channels use the same range, use
0 for the % of reading error.
Chapter 8
To Calculate Total Measurement Error
284

Interpreting Meter Specifications
This section is provided to give you a better understanding of the
terminology used and will help you interpret the meter’s specifications.
Number of Digits and Overrange
The number of digits specification is the most fundamental, and
sometimes, the most confusing characteristic of a meter. The number of
digits is equal to the maximum number of "9’s" the meter can measure or
display. This indicates the number of full digits. Most meters have the
ability to overrange and add a partial or "1/2" digit.
For example, the 34420A can measure 9.999999 Vdc on
the 10 V range. This represents seven full digits of resolution. The
meter can also overrange on the 10 V range and measure up to a
maximum of 12.000000 V. This corresponds to a 7 1/2-digit measurement
with 20% overrange capability.
Sensitivity
Sensitivity is the minimum level that the meter can detect for a given
measurement. Sensitivity defines the ability of the meter to respond to
small changes in the input level. For example, suppose you are
monitoring a 1 mV signal and you want to adjust the level to
within ±1 µV. To be able to respond to an adjustment this small, this
measurement would require a meter with a sensitivity of at least 1 µV.
You could use a 6 1/2-digit meter if it has a 1 Vdc or smaller range. You
could also use a 4 1/2-digit meter with a 10 mV range.
8
Chapter 8
Interpreting Meter Specifications
285

Resolution
Resolution is the numeric ratio of the maximum displayed value divided by
the minimum displayed value on a selected range. Resolution is often
expressed in percent, part-per-million (ppm), counts, or bits. For example,
a 6 1/2-digit meter with 20% overrange capability can display a measurement
with up to 1,200,000 counts of resolution. This corresponds to
about 0.0001% (1 ppm) of full scale, or 21 bits including the sign bit. All four
specifications are equivalent.
Accuracy
Accuracy is a measure of the "exactness" to which the meter’s measurement
uncertainty can be determined relative to the calibration reference used.
Absolute accuracy includes the meter’s relative accuracy specification plus
the known error of the calibration reference relative to national standards
(such as the U.S. National Institute of Standards and Technology). To be
meaningful, the accuracy specifications must be accompanied with the
conditions under which they are valid. These conditions should include
temperature, humidity, and time.
There is no standard convention among meter manufacturers for the
confidence limits at which specifications are set. The table below shows the
probability of non-conformance for each specification with the given
assumptions.
Specification
Criteria Probability
of Failure
Mean ± 2 sigma 4.5%
Mean ± 3 sigma 0.3%
Mean ± 4 sigma 0.006%
Variations in performance from reading to reading, and instrument to
instrument, decrease for increasing number of sigma for a given specification.
This means that you can achieve greater actual measurement precision for a
specific accuracy specification number. The 34420A is designed and
tested to meet performance better than mean ± 3 sigma of the published
accuracy specifications.
Chapter 8
Interpreting Meter Specifications
286

24-Hour Accuracy
The 24-hour accuracy specification indicates the meter’s relative accuracy
over its full measurement range for short time intervals and within a
stable environment. Short-term accuracy is usually specified for a
24-hour period and for a ± 1° C temperature range.
90-Day and 1-Year Accuracy
These long-term accuracy specifications are valid for a 23° C ± 5° C
temperature range. These specifications include the initial calibration
errors plus the meter’s long-term drift errors.
Temperature Coefficients
Accuracy is usually specified for a 23° C ± 5° C temperature range.
This is a common temperature range for many operating environments.
You must add additional temperature coefficient errors to the accuracy
specification if you are operating the meter outside a 23° C ± 5° C
temperature range.
Configuring for Highest Accuracy Measurements
The measurement configurations shown below assume that the meter is
in its power-on or reset state. It is also assumed that manual ranging is
enabled to ensure proper full scale range selection.
•Front Panel: Configure the meter for 10 NPLC and use Digital Filter
type set to MEDIUM (50 readings). Do not use the Analog Filter type.
•Remote Operation: Configure the meter for 200 NPLC and turn the
input filters OFF. Use the statistics functions to reduce noise in the
measurements. (See page 146).
•Use 4-wire Ohms and Offset Compensation for greater resistance
measurement accuracy.
•Use NULL to remove test lead resistance for 2-wire Ω measurements.
•Use NULL to remove to remove interconnection offset voltages for
voltage and temperature measurements.
8
Chapter 8
Configuring for Highest Accuracy Measurements
287

Index
If you have questions related to the operation of this meter,
call 1-800-452-4844 in the United States, or contact your nearest
* commands, 184
*STB?, 163
1/2 digit, 24, 43, 62, 285
2-wire ohms, 68, 258
connections, 20
nulling test leads, 258
4-wire ohms, 68, 258
connections, 20
? commands, 184
A
a/d convertor, 58
accessories included, 13
accuracy, 281
configuring for, 287 - 288
accuracy specification, 286
adapter kit, RS-232, 178
address (HPIB), 102, 188
alternate languages, 105, 193
analog filter, 57, 65
analog output
See chart out
analog overload detection, 65
annunciators, 4
auto trigger, 47, 82
autodelay trigger, 89
autorange, 23, 42
threshold values, 23, 42, 64
autoranging, 64
autotrigger, 47
B
BASIC language examples, 215 - 221
baud rate, 176, 190
values, 103
baud rate
setting, 103
BNC connectors, 97
Borland
Turbo C, 230 - 241
bumpers
removing, 27
bus triggering, 84
C
cable
color code, 17
cables
provided, 17
RS-232, 106
calibration, 107
commands, 174 - 175
count, 110
errors, 210 - 211
message, 111
message string length, 111
security, 107
calibration security
changing security code, 109
securing, 109
unsecuring, 108
carrying handle
adjusting, 16
removing, 27
channel
input, 41, 66
scan, 41
selecting, 41
selecting from remote interface, 140
channel parameter, 134
chart
null, 98 - 100
offset, 98 - 100
rollover, 100
span, 98 - 100
chart out, 98 - 100
commands, 156
connector, 5, 98 - 100
rollover, 100
chassis, 5
clamping on output, 261
cleaning contacts, 271
CLEAR 722, 85
CMR
See common mode rejection
C (continued)
colors
of input connections, 17
of thermocouple wire, 269
comma separator, 95
menu example, 35
command summary, 117 - 125
commands
*OPC, 164
*STB?, 163
CALCulate, 148 - 150
CALibration, 174 - 175
CONFigure, 126, 134 - 136
data formats returned, 186
data types used, 185
DATA:FEED, 150
FETch?, 131
INITiate, 131
introduction to, 183
math operations, 148 - 150
MEASure?, 126, 134 - 136
menu, 33 - 40
READ?, 130
RS-232 interface, 182
scaling data, 148
SENSe, 137 - 139
statistics, 149
status reporting, 171 - 173
synchronizing, 163
syntax described, 183
system, 157 - 158
temperature measurement, 142 - 144
terminating, 186
TRIGger:COUNt INFinity, 85
triggering, 154 - 155
when completed, 163
common mode rejection, 254
compliance
IEEE-488, 197
SCPI language, 194 - 196
condition register, 159, 169
CONFigure command, 128, 134 - 136
I
n
d
e
x
289
Agilent Technologies Sales Office.

C (continued)
conformity, declaration, 295
connections, 17 - 18
2-wire ohms, 20
4-wire ohms, 20
cleaning, 271
computer, 177
dc volts, 19
difference, 49
input, 17 - 18
printer, 106, 179
ratio, 19, 49
resistance, 20
RTD, 21
terminal, 106, 177
thermistor, 21
thermocouple, 22
thermocouple reference, 22
to a terminal or printer, 106
voltage, 19
connector
assembly, 272 - 273
cleaning, 271
DB-25, 178
DB-9, 178
part numbers, 273
connector pinout
input, 18
RS-232, 106
connector pintout
input, 272
connectors
Analog Out, 5, 98 - 100
Chart Out, 5, 98 - 100
Ext Trig, 5, 97
front-panel, 18
HP-IB, 5
input, 272
line power, 5
VM Comp, 5, 97
D
data
output formats, 186
SCPI types of, 185
DB-25 connector, 178
DB-9 connector, 178
dc volts
connections, 19
declaration of conformity, 295
default settings, 112 - 114
CONFigure command, 127
MEASure? command, 127
D (continued)
delay
trigger, 87
delays
settling, 262
DeoxIT cleaner, 271
description, 1
device clear, 85, 187
dielectric absorption, 262
difference
connections, 19, 49
measurements, 49, 67
digital filter, 57, 169
settled, 169
digital overlaod detection, 65
digits
displayed, 24, 62
maximum in display, 58
maximum number displayed, 44
display, 4
annunciators, 4
control, 94
format, 26
displaying a message, 94
dry circuit testing, 261
DTE, 179
DTR, 179
DTR/DSR lines, 179
E
earth ground, 18, 253
enable register, 159
EOI, 186
equivalent NPLC, 60
error
% of range, 282
% of reading, 281
calculating, 281 - 284
total measurement, 282
ERROR annunciator, 13
error conditions, 92
error messages, 200
calibration errors, 210 - 211
execution errors, 201 - 207
self-test errors, 208 - 209
error queue, 92
error string length, 92
errors, 92
general measurement, 249 - 270
high resistance measurement, 262
service request generation, 165
test lead resistance, 258
event register, 159
E (continued)
examples
BASIC programming, 215 - 221
c programming, 230 - 241
chart output rollover, 100
chart output span, 98
comma seperator, 35
CONFigre comand, 133
CONFigure command, 132 - 133
entering a number, 38
Excel, 242 - 246
Excel macro, 242 - 246
FETCh? command, 133
HP-IB address setting, 188
HP-IB DDE, 242 - 246
INItiate command, 133
MEASure? command, 132
menu recall, 37
menu usage, 35
READ? command, 132
reading memory, 50 - 52
ROUTe command, 133
selecting programming language, 192
selecting remote interface, 189
setting baud rate, 190
setting null, 38
setting parity, 191
specification, 282
Visual Basic, 223 - 229
Excel, 242 - 246
Ext Trig terminal, 5, 47, 82 - 83, 97
external temperature reference, 22
external trigger, 97
External Trigger terminal, 47
external triggering, 47, 82 - 83
F
factory defaults, 113
features and functions, 54
FETCh? command, 131
filter
analog, 57, 65
count, 57
digital, 57, 169
filter settled
status bit, 169
filters, 55
firmware revision query, 95
fixed range, 64
fixed temperature reference, 22, 270
flowchart
triggering, 80
four-wire ohms, 258
Index
290

F (continued)
front panel
comma separator, 95
display format, 26
enable/disable, 94
front panel message, 94
front-panel, 2
at a glance, 2
keys , 2
menu, 3
menu tutorial, 33 - 40
front-panel menu
reference, 31 - 32
fuse, 14 - 15
G
ground, 5
ground loop noise, 253
Group Execute Trigger (GET), 84
H
half digit, 24, 43
resolution, 62
halting measurements, 85, 187
handle
adjusting, 16
removing, 27
handshake, remote interface, 179
hardware
rack mounting, 27
hardware handshake, 97
high accuracy measurements, 287 - 288
hold
reading, 48, 79
holding readings in the display, 79
HP-IB
address setting, 188
DDE, 242 - 246
HP-IB
connector, 5
HP-IB (IEEE-488) address
factory setting, 102
setting, 102, 188
TALK ONLY mode, 102
I
idle trigger state, 85, 153
IEEE-488 (HP-IB) address
factory setting, 102
setting, 102, 188
TALK ONLY mode, 102
I (continued)
IEEE-488 compliance information, 197
induced voltages, 251
infinity trigger count, 85
INITiate command, 131
injected current noise, 257
input
bias current errors, 256
cable, 273
channels, 66, 140
connections, 17 - 18
connector, 272
overload detection, 65
resistance, 255
input bias current, 249
input channels, 41
input filters, 55
input message terminators, 186
installation, 13
integration time, 25, 44, 58, 60
interface selection, 101, 189
internal memory, 50 - 52, 79
internal reading memory, 93
internal reference thermistor, 22
internal temperature reference, 270
internal triggering, 84
interrupt with SRQ, 163
isothermal block, 22, 268
K
Keithley 181
language compatility, 193
keys, 2
number of digits, 24
range, 42
L
language
alternate programming, 193
language restrictions
interface selection, 105
remote interface, 101
lead resistance
nulling, 45, 77
leakage current errors, 256
line frequency, 252
loading errors
input bias current, 256
input resistance, 255
leakage current, 256
low power measurements, 69, 260
commands, 141
M
magnetic loops
noise, 251
manual range, 23, 42, 64
math operations, 74 - 76
scaling, 74
statistics, 75
MAV bit, 164
MEASure command, 134 - 136
MEASure? command, 128
measured temperature reference, 270
measurement connections, 251
measurement tutorial, 248
measurements
halting, 85
highest accuracy, 287 - 288
low power, 260
resistance, 68 - 70, 258
stopping, 187
temperature, 263
temperature RTDs, 72
temperature thermistor, 72
temperature thermocouple, 73
temperature units, 71
units for temperature, 71
voltage, 66 - 67
voltage limited, 261
with null, 45
measuring
resistance, 20
temperature, 21
voltage, 19, 249
memory
defeating max, 150
internal reading, 50 - 52, 90
non-volatile, 112 - 113
readings, 90
volatile, 112
volatile settings, 112
menu
at a glance, 3
recall, 37
reference, 31 - 32
tutorial, 33 - 40
using, 33 - 40
menu messages, 34
message
input terminators, 186
message available bit (MAV), 164
messages displayed
calibration, 111
front-panel menu, 34
I
n
d
e
x
Index
291

M (continued)
Microsoft
Excel, 242 - 246
QuickC, 230 - 241
Visual Basic, 223 - 229
Microsoft Excel, 242 - 246
min-max measurements
front-panel, 46
N
NMR
See normal mode rejection
noise
ground loop, 253
injected current, 257
magnetic loops, 251
power-line voltage, 252
reducing by averaging, 60
vs NPLC, 60
noise rejection, 24, 43, 58, 252
non-volatile memory, 113
normal mode rejection, 58, 252
NPLC, 25, 44, 58, 60, 129, 252
equivalent, 60
null, 258
2-wire test lead resistance, 258
annunciator operation, 78
chart output, 98 - 100
commands, 145
difference, 49
difference measurement, 67
null measurements, 77
commands, 145
example, 38
front-panel, 45
null test lead resistance, 77
number of digits, 24, 43, 62, 285
number of samples, 86
number of triggers, 86
O
offset
chart output, 98 - 100
offset compensation, 69, 259
commands, 141
offset voltage, 253
open circuit voltage, 261
operational condition register, 169
operational status register, 169
output buffer, 164
output clamping, 261
output data format, 186
overload, 23, 26, 42, 64
overload detection, 65
overrange, 285
OVLD, 23, 42, 64
P
parameters
in commands, 185
menu, 33 - 40
range, 129
resolution, 129
parity, 176, 191
configurations, 104
setting, 104
PLC
See NPLC
power dissipation effects, 260
power line cycles, 58, 252
power-line
fuse holder , 5, 14
voltage setting , 5, 14
power-line frequency, 252
power-on sensing, 252
power-line noise
rejecting, 252
power-on state, 112 - 114
prepare for use, 13
preset, 113
printer connections, 106
printers, 187
programming
sequence simplified, 126 - 133
programming language
compatibility, 193
selection, 105, 192
Q
query commands, 184
questionable data register, 167
QuickC, 230 - 241
R
rack cabinet, 27
rack mounting, 27 - 28
range
front-panel keys, 23, 42
parameters, 129
selecting, 23, 42
range overload, 23, 26, 42, 64, 167
ranging, 64
ratio
connections, 49
ratio measurements, 67
front-panel, 49
READ? command, 130
reading hold, 48, 79
front-panel, 48
sensitivity band, 48
reading memory, 50 - 52, 79, 90, 93
number of readings stored, 90
reading rate, 60
rear panel, 5
reference to thermocouple, 270
register
condition, 159
enable, 159
operational status, 169
operational status condition, 169
questionable data, 167
standard event, 165
status byte summary, 161
regsister
event, 159
relative
See null
remote interface
language restrictions, 101
selecting HP-IB (IEEE-488), 101
selecting RS-232, 101
selection, 189
setting input channel, 140
triggering, 80
removing
carrying handle, 27
rubber bumper, 27
reset state, 112 - 114
resistance
test current used, 68
test currents used, 260 - 261
resistance measurements, 68 - 70, 258
connections, 20
low power, 69
offset compensated, 69
voltage lmited, 70
Index
292

R (continued)
resolution, 24, 43
1/2 digit, 24, 26, 43
front-panel keys, 24, 43
half digit, 24, 43
parameters, 129
specification described, 286
revision of frimware, 95
RFI, 250
rollover for chart output, 100
RS-232
adapter kit, 178
commands, 182
connector , 5
connector pinout, 106
interface configuration, 176 - 181
talk only, 106
troubleshooting, 181
RS-232 interface
data format, 177
RS-232 interface cables, 106
RTD, 72
connections, 21
described, 264
rubber bumpers
removing, 27
S
sample count, 86
scaling, 74, 150
scan, 19, 41
SCPI
command summary, 117 - 125
compliance information, 194 - 196
data types, 185
language introduction, 183
programming sequence, 126 - 133
status model, 159
version query, 96
security code
changing, 109
rules, 107
self-test, 93
complete, 13, 93
power-on, 93
self-test errors, 208
sensitivity, 285
S (continued)
sensitivity band
reading hold, 48, 79
serial poll, 162
service request, 162
setting
alternate languages, 192
baud rate, 103, 190
calibration security code, 107
display off, 94
function on remote interface, 137 - 139
HP-IB address, 188
input channel, 41
integration time, 25, 44
NPLC, 25, 44
null example, 38
number of digits, 24, 43
parity, 104, 191
programming language, 105
range, 23, 42
range on remote interface, 137 - 139
remote interface, 101, 189
resolution on remote interface, 137 - 139
temperature units, 71
settling delays, 262
settling time, 262
shift key, 12
shorting plug, 273
single trigger, 47
single triggering, 82
software (bus) triggering, 84
span
chart, 98 - 100
specifications, 276
interpreting, 285 - 286
temperature coefficients, 287
SRQ, 162 - 163
standard event register, 165
bit definitions, 165
start bit, 177
statistics
See stats
stats, 46, 75, 149
status byte, 161
bit definitions, 161
summary register, 161
using *STB? and, 163
S (continued)
status register
condition, 159, 169
condition register, 159
enable register, 159
event register, 159
operational, 169
status registers, 159
register diagram, 160
status reporting commands, 171 - 173
stop bit, 177
stopping measurements, 85, 187
storing
readings, 50 - 52
stats, 46
supplied items, 13
system commands, 157 - 158
T
T/C
See thermocouple
talk only, 187
RS-232, 106
TALK ONLY for printers, 187
TALK ONLY mode, 102
temperature
coefficients and accuracy, 287
measurements, 71 - 73, 142 - 144
RTD measurements, 21, 72
thermistor measurements, 21, 72
thermocouple measurements, 22, 73
units, 71
temperature coefficients, 287
terminal connections, 106
test current, 68
test current for resistance
measurements, 68
test currents, 260 - 261
test lead resistance, 258
nulling, 45
thermal EMF errors, 251
thermistor, 72
connections, 21
described, 264
external reference, 270
internal reference, 22, 270
I
n
d
e
x
Index
293

T (continued)
thermocouple, 73
color code, 269
connections, 22
described, 265
errors, 251, 270
external reference, 270
fixed reference, 270
internal reference, 270
types supported, 269
thresholds for autorange, 23
transducer
See thermistor, thermocouple, or RTD
transducer types supported, 263
trigger, 151 - 153
autodelay, 89
commands, 154 - 155
delay, 87
delays, 89
number of, 86
TRIGGER 722, 84
trigger count, 86
trigger delay
automatic, 87
trigger source, 82
triggering, 80 - 89, 151
delay, 87
flowchart, 80
front-panel , 47
idle trigger state, 85
internal, 84
multiple readings, 86
multiple triggers, 86
sources, 82, 151
wait-for-trigger state, 85
triggering
software (bus), 84
troubleshooting, 14 - 15
RS-232, 181
Turbo C, 230 - 241
tutorial
front-panel menu, 33 - 40
twisted-pair connections, 249
two-wire ohms, 258
U
unsecuring for calibration, 108
V
Visual Basic examples, 223 - 229
VM Comp terminal, 97
volatile memory, 112
voltage
connections, 19
difference measurements, 49
loading errors, 255
measurement connections, 19
measurements, 66 - 67
ratio measurements, 49
voltage limited resistance, 70, 261
commands, 141
voltmeter complete, 97
voltmeter complete terminal, 5
W
wait-for-trigger state, 85, 130, 153
Windows, 242 - 246
Index
294

DECLARATION OF CONFORMITY
According to ISO/IEC Guide 22 and CEN/CENELEC EN 45014
Revision: B.01 Issue Date: 18 July 2001 Document 34401A.DOC
Manufacturer’s Name: Agilent Technologies, Incorporated
Manufacturer’s Address: 815 – 14th St. SW
Loveland, Colorado 80537
USA
Declares, that the product
Product Name:
Nano Volt / Micro Ohm Meter
Model Number:
34420A
Product Options: This declaration covers all options of the above product(s).
Conforms with the following European Directives:
The product herewith complies with the requirements of the Low Voltage Directive 73/23/EEC and the EMC Directive 89/336/EEC
(including 93/68/EEC) and carries the CE Marking accordingly.
Conforms with the following product standards:
EMC Standard
IEC 61326-1:1997+A1:1998 / EN 61326-1:1997+A1:1998
CISPR 11:1990 / EN 55011:1991
IEC 61000-4-2:1995+A1:1998 / EN 61000-4-2:1995
IEC 61000-4-3:1995 / EN 61000-4-3:1995
IEC 61000-4-4:1995 / EN 61000-4-4:1995
IEC 61000-4-5:1995 / EN 61000-4-5:1995
IEC 61000-4-6:1996 / EN 61000-4-6:1996
IEC 61000-4-11:1994 / EN 61000-4-11:1994
Canada: ICES-001:1998
Australia/New Zealand: AS/NZS 2064.1
Limit
Group 1 Class A
4kV CD, 8kV AD
3 V/m, 80-1000 MHz
0.5kV signal lines, 1kV power lines
0.5 kV line-line, 1 kV line-ground
3V, 0.15-80 MHz
Dips: 30% 10ms; 60% 100ms
Interrupt > 95%@5000ms
The product was tested in a typical configuration with Agilent Technologies test systems.
Safety IEC 61010-1:1990+A1:1992+A2:1995 / EN 61010-1:1993+A2:1995
Canada: CSA C22.2 No. 1010.1:1992
UL 3111-1: 1994
18 July 2001
Date Ray Corson
Product Regulations Program Manager
For further information, please contact your local Agilent Technologies sales office, agent or distributor.
Authorized EU-representative: Agilent Technologies Deutschland GmbH, Herrenberger Straβe 130, D 71034 Böblingen, Germany

